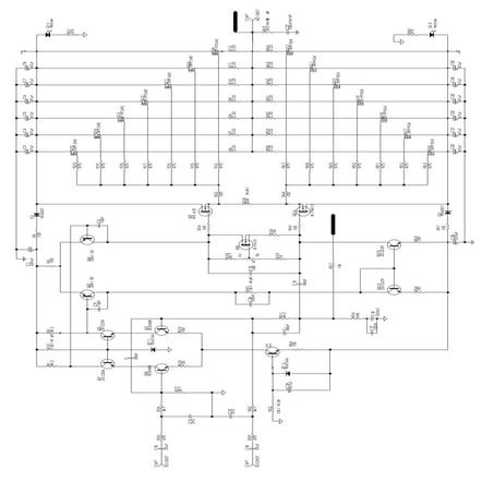
Amplificador estéreo de 200W versión 2.0
El diagrama eléctrico de una sola etapa
4700 uF
35V AC
Entrada
AC
+50 DC
+
D1 D2
D3D4
Transformador
- 50 DC
Diagrama eléctrico de la fuente simétrica
35V AC
TAP
4700 uF
Construyasuvideorockola.com
1
Un amplificador estéreo está formado por dos etapas monofónicas, alimentadas por la misma fuente
24V
100 uF
33K
4.7K
+50V DC
0.47 uF
68K
Entrada
A733
A1015
-50V DC
3K3 3K3
10 pF
10 pF
150
C2229
C2229
10K
68K
1N4007
1N4007
33
150150
1N4007
1K
100 uF
TIP42
0.001 uF
TIP41
100
100
TIP42
0.33
0.33
2SC5200
2SC5200
4 ohmios
C1
R1
R2
R3
R4 R5
R6
R7
R13
R14
D1
D2
D3
C4
C5
R10
R11
R12
104
10
10C8
R17
R18
5 uH
C6
C7
R15
0V
24V
0.7V
0.7V
0.7V
R8
R9
C2
C3
Q1 Q2
Q3
Q4
Q5
Q6
Q7
R16
0.001 uF
COMPONENTES
VALORES
SUGERIDOS PROPÓSITO
VALOR MAYOR
QUE EL PROPUESTO
VALOR MENOR
QUE EL PROPUESTO
R1
R6
R7 (*)
R4, R5
R2, R3
R15, R16
R17, R18
C1
C2
C3
C4, C5
68K
1K
68K
3.3K
4.7K
0.33 ohm
10 ohm
0.47 uF
100 uF
100 uF
10 pF
Resistencia de entrada
Aumento de la
impedancia de entrada
Disminución de la
impedancia de entrada
Ganancia de retroalimentación Aumenta la gananciaDisminuye la ganancia
Ganancia de retroalimentación Disminuye la gananciaAumenta la ganancia
Polarización del par diferencial
Limitadoras del diodo zener
de la etapa de regulación
Distorsión o pérdida
de ganancia
Recalentamiento de estas
Recalentamiento de los
transistores de salida
-
C6, C7
C8
0.001 uF
0.1 uF
R8, R9
R10
R11
R12
R13, R14
150 ohm
10K
150 ohm
33 ohm
100 ohm
Polarización del transistor
onda positiva (TIP42) Descalibración de las BIAS
Disminuye la gananciaAumenta la ganancia
Regulación de BIAS
Recalentamiento de los
transistores de salida
Menos de 10 ohms
Aumento de ruido de cruce
Disminuye la ganancia Aumenta la ganancia
Red de Zobel o
bloqueo de oscilación
Desacople de entrada DC
Posible oscilación y
desestabilización
Aumenta el pop al encender
Recorte de las frecuencias
bajas
Derivación tensión de
alimentación par diferencial
Desestabilización de la
etapa de regulación
Derivación tensión de la
ganancia
Recorte de las frecuencias
altas
-
Red de Zobel o
bloqueo de oscilación
Peligro de oscilación
Recalentamiento de los
transistores de salida
Valores recomendados
Los valores modificables, están en la siguiente tabla. Esta información le puede
ayudar a personalizar el circuito. Los componentes que no se encuentran en la tabla,
no se pueden modificar.
Construyasuvideorockola.com
Descalibración de las BIAS
Polarización de la base del
transistor (TIP42) Descalibración de las BIAS Descalibración de las BIAS
Polarización de los transistores
Pre- exitadores
Polarización de los transistores
impulsores
Recalentamiento de los
transistores de salida
Recalentamiento de los
transistores impulsores
Polarización de transistores de
salida (limitadoras de corriente)
Recalentamiento de los
transistores de salida
Recalentamiento de los
transistores de salida (-0.22)
Filtro pasa banda
(Mas de 100 pF) aumento de
distorsión de frecuencias altas
(Menos de 10pF) recorte de
frecuencias bajas
Protección de oscilación
Recorte de frecuencias menores
a 100 Hz
Menor de 470 picofaradios
Peligro de oscilación
2
Amplificador estéreo de 200W versión 2.0
Posición de los componentes
Al momento de ensamblar este amplificador es muy importante usar
la guía de posición de componentes que aquí presentamos. Este
gráfico le ayudará a colocar los componentes en sus respectivos
lugares y en su posición correcta.
Este proyecto requiere un conocimiento previo en electrónica. Por lo
tanto, si no tiene experiencia en el ensamble de proyectos
electrónicos, le recomendamos comience por un amplificador mas
sencillo, como por ejemplo el amplificador de 30W. Y recuerde leer
nuestra sección de recomendaciones.
Salida R
Entrada
0.33 0.33 0.33 0.33
100 100 100 100
68K
68K
4.7K
4.7K
24V 24V
33
33
150
150
150 150
150
150
3.3K
3.3K
3.3K
3.3K
68K
68K
10K 10K
1K1K33K 33K
Salida L
RL
100 uF 100 uF
100 uF
100 uF
102
102
102
102
10
10
10
10
GND
GND
1N4007
1N4007
1N4007
1N4007 1N4007
1N4007
TIP41 TIP41
TIP42TIP42
TIP42 TIP42
A1015
A1015
C2229
C2229
C2229
C2229
4700 uF 4700 uF
36V AC
36V AC
TAP
6 Amp
6 Amp 6 Amp
6 Amp
474
474
GND
A1015
A1015
Construyasuvideorockola.com
3
Máscara de componentes
Circuito impreso al derecho para impresión en serigrafía
Salida R
Entrada
0.33 0.33 0.33 0.33
100 100 100 100
68K
68K
4.7K
4.7K
24V 24V
33
33
150
150
150 150
150
150
3.3K
3.3K
3.3K
3.3K
68K
68K
10K 10K
1K1K33K 33K
Salida L
RL
100 uF 100 uF
100 uF
100 uF
102
102
102
102
10
10
10
10
GND
GND
1N4007
1N4007
1N4007
1N4007 1N4007
1N4007
TIP41 TIP41
TIP42TIP42
TIP42 TIP42
A1015
A1015
C2229
C2229
C2229
C2229
4700 uF
4700 uF
36V AC
36V AC
TAP
6 Amp
6 Amp 6 Amp
6 Amp
474
474
GND
A1015
A1015
Videorockola.com
16.9 cm
8.7cm
Construyasuvideorockola.com
4
Circuito impreso en modo espejo para impresión con el método de planchado
Máscara antisoldante (solder mask UV)
16.9 cm
8.7cm
Construyasuvideorockola.com
5
Salida R
Entrada
Salida L
RLGND
GND
36V AC
36V AC
TAPGND
6
Construyasuvideorockola.com
10
5uH
104
10
104
Entrada
Salida
LR
LR
10
10
Entrada
Salida
L
R
L
R
Transformador
120V /220V AC120V /220V AC
33 x 33
Fusible
3 amp
Entrada AC
FUSE
Parlantes
Conectores RCA que van al reproductor
1
2
3
1
2
3
L
Pin-1 = Tierra
Pin-2 = Salida
Pin-3 = Entrada
Potenciómetro
doble
Red de Zobel
R
Red de Zobel o bloqueo de oscilación
Máscara de componentes Máscara antisoldante (solder mask UV)
Posición de los componentes Circuito impreso (PCB)
La Red de Zobel o bloqueo de oscilación se encarga de
proteger los transistores de salida de posibles corrientes inversas
provenientes del parlante o parlantes.
El amplificador puede funcionar sin esta tarjeta, pero lo
recomendable es que proteja su amplificador mediante esta
pequeña tarjeta que no tiene gran costo y si puede mejorar y
alargar la vida útil de su amplificador.
7
Construyasuvideorockola.com
10
5 uH
104
10
104
Entrada
Salidas al parlante
L R
L R
10
10
10
5 uH
104
10
104
Entrada
Salida
L R
L R
10
10
Lista de materiales
Transistores
4 Transistores 2SC5200 originales o en reemplazo 2SC3858
2 Transistores TIP41
4 Transistores TIP42
4 Transistores 2SC2229 o en reemplazo el 2SC2230, 2SC1573 o el 2SC1921
4 Transistores A1015 o A733
Condensadores
2 Condensadores de 4700 uF a 50V
4 Condensadores de 100 uF a 50V
2 Condensadores de 0.47 uF (474) poliéster
4 Condensadores de 10 pF cerámicos
4 Condensadores de 0.001 uF (102)
Resistencias
4 Resistencias de 0.33 ohmios a 5W
4 Resistencias de 100 ohmios a 1W (café, negro café)
2 Resistencias de 33 ohmios a 1/4W (naranja, naranja, negro)
6 Resistencias de 150 ohmios a 1/4W (café, verde café)
2 Resistencias de 10K a 1/4W (café, negro, naranja)
2 Resistencias de 1K a 1/4W (café, negro, rojo)
2 Resistencias de 4.7K a 1W (amarillo, violeta, rojo)
4 Resistencias de 68K a 1/4W (azul, gris, naranja)
2 Resistencias de 33k a 1/4W (naranja, naranja, naranja)
4 Resistencias de 3.3k a 1/4W (naranja, naranja, rojo)
Diodos
4 Diodos de 6 amperios
3 Diodos 1N4007
2 Diodo Zener de 18 voltios o de hasta 24 voltios
Varios
Porta fusible y fusible de 3 amperios.
2 conectores de 3 pines pequeños (GP)
1 conector de 6 pines grande (Molex)
4 Resistencias de 10 ohmios a 1W para la Red de Zobel 2 condensadores de 0.1 uF (104) a 250V.
Las bobinas de la Red de Zobel son de 12 espiras con núcleo de aire de 3/8 de pulgada y alambre
calibre 16 AWG
El transformador para el amplificador debe ser de 35+35 voltios AC con una corriente de 5
amperios como mínimo.
NOTA: Si desea mas potencia, use los transistores 2SC3858 y podrá subir el voltaje del transformador
a una tensión máximo de 40+40 voltios AC.
poliéster
8
Construyasuvideorockola.com

Zener cuasi 200w_st

  • 1.
    Amplificador estéreo de200W versión 2.0 El diagrama eléctrico de una sola etapa 4700 uF 35V AC Entrada AC +50 DC + D1 D2 D3D4 Transformador - 50 DC Diagrama eléctrico de la fuente simétrica 35V AC TAP 4700 uF Construyasuvideorockola.com 1 Un amplificador estéreo está formado por dos etapas monofónicas, alimentadas por la misma fuente 24V 100 uF 33K 4.7K +50V DC 0.47 uF 68K Entrada A733 A1015 -50V DC 3K3 3K3 10 pF 10 pF 150 C2229 C2229 10K 68K 1N4007 1N4007 33 150150 1N4007 1K 100 uF TIP42 0.001 uF TIP41 100 100 TIP42 0.33 0.33 2SC5200 2SC5200 4 ohmios C1 R1 R2 R3 R4 R5 R6 R7 R13 R14 D1 D2 D3 C4 C5 R10 R11 R12 104 10 10C8 R17 R18 5 uH C6 C7 R15 0V 24V 0.7V 0.7V 0.7V R8 R9 C2 C3 Q1 Q2 Q3 Q4 Q5 Q6 Q7 R16 0.001 uF
  • 2.
    COMPONENTES VALORES SUGERIDOS PROPÓSITO VALOR MAYOR QUEEL PROPUESTO VALOR MENOR QUE EL PROPUESTO R1 R6 R7 (*) R4, R5 R2, R3 R15, R16 R17, R18 C1 C2 C3 C4, C5 68K 1K 68K 3.3K 4.7K 0.33 ohm 10 ohm 0.47 uF 100 uF 100 uF 10 pF Resistencia de entrada Aumento de la impedancia de entrada Disminución de la impedancia de entrada Ganancia de retroalimentación Aumenta la gananciaDisminuye la ganancia Ganancia de retroalimentación Disminuye la gananciaAumenta la ganancia Polarización del par diferencial Limitadoras del diodo zener de la etapa de regulación Distorsión o pérdida de ganancia Recalentamiento de estas Recalentamiento de los transistores de salida - C6, C7 C8 0.001 uF 0.1 uF R8, R9 R10 R11 R12 R13, R14 150 ohm 10K 150 ohm 33 ohm 100 ohm Polarización del transistor onda positiva (TIP42) Descalibración de las BIAS Disminuye la gananciaAumenta la ganancia Regulación de BIAS Recalentamiento de los transistores de salida Menos de 10 ohms Aumento de ruido de cruce Disminuye la ganancia Aumenta la ganancia Red de Zobel o bloqueo de oscilación Desacople de entrada DC Posible oscilación y desestabilización Aumenta el pop al encender Recorte de las frecuencias bajas Derivación tensión de alimentación par diferencial Desestabilización de la etapa de regulación Derivación tensión de la ganancia Recorte de las frecuencias altas - Red de Zobel o bloqueo de oscilación Peligro de oscilación Recalentamiento de los transistores de salida Valores recomendados Los valores modificables, están en la siguiente tabla. Esta información le puede ayudar a personalizar el circuito. Los componentes que no se encuentran en la tabla, no se pueden modificar. Construyasuvideorockola.com Descalibración de las BIAS Polarización de la base del transistor (TIP42) Descalibración de las BIAS Descalibración de las BIAS Polarización de los transistores Pre- exitadores Polarización de los transistores impulsores Recalentamiento de los transistores de salida Recalentamiento de los transistores impulsores Polarización de transistores de salida (limitadoras de corriente) Recalentamiento de los transistores de salida Recalentamiento de los transistores de salida (-0.22) Filtro pasa banda (Mas de 100 pF) aumento de distorsión de frecuencias altas (Menos de 10pF) recorte de frecuencias bajas Protección de oscilación Recorte de frecuencias menores a 100 Hz Menor de 470 picofaradios Peligro de oscilación 2 Amplificador estéreo de 200W versión 2.0
  • 3.
    Posición de loscomponentes Al momento de ensamblar este amplificador es muy importante usar la guía de posición de componentes que aquí presentamos. Este gráfico le ayudará a colocar los componentes en sus respectivos lugares y en su posición correcta. Este proyecto requiere un conocimiento previo en electrónica. Por lo tanto, si no tiene experiencia en el ensamble de proyectos electrónicos, le recomendamos comience por un amplificador mas sencillo, como por ejemplo el amplificador de 30W. Y recuerde leer nuestra sección de recomendaciones. Salida R Entrada 0.33 0.33 0.33 0.33 100 100 100 100 68K 68K 4.7K 4.7K 24V 24V 33 33 150 150 150 150 150 150 3.3K 3.3K 3.3K 3.3K 68K 68K 10K 10K 1K1K33K 33K Salida L RL 100 uF 100 uF 100 uF 100 uF 102 102 102 102 10 10 10 10 GND GND 1N4007 1N4007 1N4007 1N4007 1N4007 1N4007 TIP41 TIP41 TIP42TIP42 TIP42 TIP42 A1015 A1015 C2229 C2229 C2229 C2229 4700 uF 4700 uF 36V AC 36V AC TAP 6 Amp 6 Amp 6 Amp 6 Amp 474 474 GND A1015 A1015 Construyasuvideorockola.com 3
  • 4.
    Máscara de componentes Circuitoimpreso al derecho para impresión en serigrafía Salida R Entrada 0.33 0.33 0.33 0.33 100 100 100 100 68K 68K 4.7K 4.7K 24V 24V 33 33 150 150 150 150 150 150 3.3K 3.3K 3.3K 3.3K 68K 68K 10K 10K 1K1K33K 33K Salida L RL 100 uF 100 uF 100 uF 100 uF 102 102 102 102 10 10 10 10 GND GND 1N4007 1N4007 1N4007 1N4007 1N4007 1N4007 TIP41 TIP41 TIP42TIP42 TIP42 TIP42 A1015 A1015 C2229 C2229 C2229 C2229 4700 uF 4700 uF 36V AC 36V AC TAP 6 Amp 6 Amp 6 Amp 6 Amp 474 474 GND A1015 A1015 Videorockola.com 16.9 cm 8.7cm Construyasuvideorockola.com 4
  • 5.
    Circuito impreso enmodo espejo para impresión con el método de planchado Máscara antisoldante (solder mask UV) 16.9 cm 8.7cm Construyasuvideorockola.com 5
  • 6.
    Salida R Entrada Salida L RLGND GND 36VAC 36V AC TAPGND 6 Construyasuvideorockola.com 10 5uH 104 10 104 Entrada Salida LR LR 10 10 Entrada Salida L R L R Transformador 120V /220V AC120V /220V AC 33 x 33 Fusible 3 amp Entrada AC FUSE Parlantes Conectores RCA que van al reproductor 1 2 3 1 2 3 L Pin-1 = Tierra Pin-2 = Salida Pin-3 = Entrada Potenciómetro doble Red de Zobel R
  • 7.
    Red de Zobelo bloqueo de oscilación Máscara de componentes Máscara antisoldante (solder mask UV) Posición de los componentes Circuito impreso (PCB) La Red de Zobel o bloqueo de oscilación se encarga de proteger los transistores de salida de posibles corrientes inversas provenientes del parlante o parlantes. El amplificador puede funcionar sin esta tarjeta, pero lo recomendable es que proteja su amplificador mediante esta pequeña tarjeta que no tiene gran costo y si puede mejorar y alargar la vida útil de su amplificador. 7 Construyasuvideorockola.com 10 5 uH 104 10 104 Entrada Salidas al parlante L R L R 10 10 10 5 uH 104 10 104 Entrada Salida L R L R 10 10
  • 8.
    Lista de materiales Transistores 4Transistores 2SC5200 originales o en reemplazo 2SC3858 2 Transistores TIP41 4 Transistores TIP42 4 Transistores 2SC2229 o en reemplazo el 2SC2230, 2SC1573 o el 2SC1921 4 Transistores A1015 o A733 Condensadores 2 Condensadores de 4700 uF a 50V 4 Condensadores de 100 uF a 50V 2 Condensadores de 0.47 uF (474) poliéster 4 Condensadores de 10 pF cerámicos 4 Condensadores de 0.001 uF (102) Resistencias 4 Resistencias de 0.33 ohmios a 5W 4 Resistencias de 100 ohmios a 1W (café, negro café) 2 Resistencias de 33 ohmios a 1/4W (naranja, naranja, negro) 6 Resistencias de 150 ohmios a 1/4W (café, verde café) 2 Resistencias de 10K a 1/4W (café, negro, naranja) 2 Resistencias de 1K a 1/4W (café, negro, rojo) 2 Resistencias de 4.7K a 1W (amarillo, violeta, rojo) 4 Resistencias de 68K a 1/4W (azul, gris, naranja) 2 Resistencias de 33k a 1/4W (naranja, naranja, naranja) 4 Resistencias de 3.3k a 1/4W (naranja, naranja, rojo) Diodos 4 Diodos de 6 amperios 3 Diodos 1N4007 2 Diodo Zener de 18 voltios o de hasta 24 voltios Varios Porta fusible y fusible de 3 amperios. 2 conectores de 3 pines pequeños (GP) 1 conector de 6 pines grande (Molex) 4 Resistencias de 10 ohmios a 1W para la Red de Zobel 2 condensadores de 0.1 uF (104) a 250V. Las bobinas de la Red de Zobel son de 12 espiras con núcleo de aire de 3/8 de pulgada y alambre calibre 16 AWG El transformador para el amplificador debe ser de 35+35 voltios AC con una corriente de 5 amperios como mínimo. NOTA: Si desea mas potencia, use los transistores 2SC3858 y podrá subir el voltaje del transformador a una tensión máximo de 40+40 voltios AC. poliéster 8 Construyasuvideorockola.com