CIRCUITO PARA PASAR DE SISTEMA BINARIO A
DECIMAL, USANDO UN DECODIFICADOR DE 4 A
           7 Y UN DISPLAY BCD
CLIC EN FUENTES. ARRASTRAMOS
UNA VERTICAL. CAMBIAMOS LA
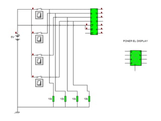
TENSIÓN A 6V
INSERTAMOS 4
INTERRUPTORES
CLIC EN
CIRCUITOS
INTEGRADOS
INSERTAR
DECODIFICADOR BCD DE
    7 SEGMENTOS
INSERTAR 4
RESISTENCIAS
   DE 10K
COLOCAR TIERRA
 Y CERRAR LAS
 LINEAS DE LOS
INTERRUPTORES
UNIR LT Y BI DEL
DECODIFICADOR
INSERTAR UN DISPLAY DE 7
      SEGMENTOS
COLOCAR UN GRUPO
DE 8 RESISTORES DE
   238 OHMIOS
UNIR LOS RESISTORES Y CERRAR EL CIRCUITO
          (SOBRA UNO, LÓGICAMENTE)
CLIC EN
  VISTA Y
ACTIVAR LA
PESTAÑA DE
 SEÑALES
 LÓGICAS
PARA ACABAR
PONER ETIQUETAS
A, B, C, D A LOS
INTERUPTORES

convertidor_binario_decimal