Incrustar presentación
Descargar para leer sin conexión



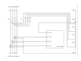
El documento describe el esquema eléctrico de un sistema de alarma para un grupo electrógeno, incluyendo cuatro opciones para avisos de alarma estándar como una sirena montada en el panel que sonará ante cortocircuitos o una situación problemática en el motor, así como contactos libres de tensión para conectar a un sistema de alarma existente que permanecen activados hasta que se resetee el sistema de control.


