contacto :
        tel : 4327-3942/4328-4433
        telefax : 4328-9421
        E-mail : et12@buenosaires.edu.ar
        pagina web : www.et12.edu.ar




                    Carpeta de Informe

                                           M.A.C.H.
   Microgranja Autónoma de Cultivos Hidropónícos

                                              Alumnos Titulares:
     Peirano Sebastian                       6° 1°                 DNI: 35.969.956




                                                Asesor Técnico:
                         Frijon Daniel – dmfescuela@gmail.com – DNI:11.896.274

                                              Asesor Científico:
                                           Greco Jorge – DNI:13.315.990



                                Escuela Técnica N°12 Libertador
                                  General José De San Martín
                                             2012
INDICE

1. Resumen
       1.1. Origen
       1.2. Objetivo
       1.3. Participantes
       1.4. Tiempos
       1.5. Recursos materiales
       1.6. Métodos
       1.7. Costos
       1.8. Producto
2. Introducción
       2.1. Antecedentes
       2.2. Situación Problematica
       2.3. Objetivos
3. Metodología y materiales
       3.1. Metodología
       3.2. Materiales
4. Etapa inicial
       4.1. Origen
       4.2. Idea rectora
       4.3. Necesidades
       4.4. Dificultad
       4.5. Proyecto
       4.6. Factibilidad Técnica
       4.7. Factibilidad Operativa
       4.8. Factibilidad Presupuestaria
5. Etapa de información
       5.1. Relevamiento de datos
       5.2. Presupuesto
       5.3. Diseño Técnico
       5.4. Diseño Operativo
6. Etapa de desarrollo
       6.1. Plan de Actividades
       6.2. Diagrama de Tiempos
       6.3. Compras
       6.4. Construcción
7. Etapa final
       7.1. Prueba de equipos
       7.2. Ensayos
       7.3. Resultados obtenidos
       7.4. Conclusiones
       7.5. Bibliografía
       7.6. Agradecimientos
1-Resumen
En este punto realizamos un pequeño acercamiento al proyecto.

1.1 Origen:
Nuestro proyecto se basó en la problemática del agua en zonas donde se realizan actividades mineras.
La idea de este trabajo nació de una charla que tuvimos con una delegación de docentes y chicos de una
escuela de la provincia de Jujuy, en oportunidad de realizarse la FERIA DE CIENCIAS del año 2009. Esta
escuela está ubicada casi en la frontera con BOLIVIA donde la napas de agua están contaminadas, producto
de la actividad minera de la zona, sumado a esto el clima y la pobreza del suelo hace que sea imposible
realizar las quintas y por lo tanto se han retirado prácticamente la verduras y hortalizas de la dieta de los
chicos.

1.2 Objetivo:
Desarrollar un producto que pueda aportar una solución a este problema puntual y que les permitiera
reinstalar las quintas en los comedores de estas escuelas.

1.3 Participantes:
 Para desarrollar M.A.C.H intervinieron alumnos de las tres especialidades que la escuela tiene
(ELÉCTRICA – ELECTRÓNICA – COMPUTACIÓN) .

Integrantes:

a- Sebastian Peirano ………… .De 6° 1° Esp. Eléctrica.
b- María Calizalla ……………… De 6° 1° Esp. Eléctrica.

1.4 Tiempo:
Para el desarrollo de esta idea y la elaboración del prototipo, el grupo demoró un año.

1.5 Recursos Materiales:
Para este trabajo los materiales fueron provistos por la Asociación Cooperadora de nuestra escuela.

1.6 Metodología:
Debido a la complejidad del trabajo y a las diferentes áreas involucradas el proyecto se desarrolló en el
marco de un proyecto tecnológico, que nos brindó orden y un sistema de trabajo.

1.7 Costo del equipo
Aproximadamete $8600 (precio de una unidad real de 12m2 aprox.)

1.8. Producto:
M.A.C.H., es nuestra propuesta de solución, es una micro granja autónoma que utiliza una energía
alternativa para alimentarse como la solar y que puede controlar el clima en su interior.
M.A.C.H. propone el uso de la hidropónia como técnica para cultivar las verduras como método alternativo
que nos libera del problema de la tierra en este ámbito.
Esta equipo propuesto tendrá en su versión original un tamaño de 3mts de largo x 2.5 mts de ancho x 3 mts
de altura es decir unos 22 mts3 con un área de cultivos de unos 12 mts2.
2-Introducción al proyecto:

2.1 Antecedentes:
Nuestro M.A.C.H. es fundamentalmente un proyecto solidario, como explicamos en el resumen anterior su
origen fue una charla que tuvimos un grupo de docentes y alumnos de una escuela de la provincia de Jujuy
que compartieron con nosotros la feria de ciencias del año 2009.
En esta oportunidad ellos nos contaron que casi todas las escuelas de la zona tienen comedor, que tenían una
quinta con la que integraban frutas y verduras en la dieta de sus chicos.

2.2 Situación Problemática:
Debido a que en toda esta zona existe una intensa explotación minera que en sus procesos usan cianuro y
arsénico para procesar los metales y luego vuelcan estos desechos en el suelo y ello toma contacto con las
napas, han ido con los años contaminándolo todo y no solamente afectando los cultivos sino también
enfermando a la población.
Sumado a esto las altísimas temperaturas en verano y la pobreza de las tierras hicieron con el tiempo que
fuese imposible que se siguiesen haciendo las quintas y por consiguiente fueron eliminando las verduras
frescas de la dieta de los chicos.

2.3 Objetivo:
Nuestra idea es construir una micro granja modular que pueda instalarse en cualquier parte, que utilice
energías alternativas, que no contaminen, que controle su clima interior que sea autónoma, que tenga bajo
mantenimiento y que se use una técnica sencilla.
M.A.C.H es todo eso: utiliza una estructura simple en cuanto a su diseño con materiales absolutamente
comunes y fácilmente reemplazables.
En el interior se instala un sistema de hidrocultivo, que es una técnica que utiliza el agua como vinculo para
llevar los nutrientes que las plantas necesitan hasta sus raíces y de esta forma se elimina el uso de tierra.
Es un sistema no muy utilizado en nuestro país por la calidad de sus tierras, pero en este caso el suelo tiene
muy pocos nutrientes.
3-Metodología y Materiales:

3.1 Metodología
La metodología utilizada, es la estructura de un proyecto tecnológico cuyo organigrama conteste todas las
etapas desarrolladas para diseñar y desarrollar nuestro proyecto.




     Etapa                                                                              Introducción
     Inicial
                                                                                        Idea Rectora


                                                                                        Necesidad

     Etapa
                                                                   Relev. Datos             Dificultad
  Informativa

                                                                     Presupuesto         PRE Proyecto


                                                                     Diseño Tec.          Factibili. Tec.
     Etapa
   desarrollo                                Plan de Activid.      Diseño Oper.           Factil. Oper.


                                             Diag. Tiempo          Diseño Form.           Factibil. Pres.


                      Prueba de equipo           Compras                                     Bocetos
   Etapa Final

                        Cierre Planos         Planos Detalles


                        Conclusiones         Desarrollo


                      Entrega de equipos         Control
3.2 Materiales:


Los materiales están referidos al prototipo pues es semifuncional y nos permitirá hacer algunos ensayos para
proyectar datos sobre el equipo real.
Estos materiales serán aportados por la cooperadora de la escuela.


                        Materiales                           P.U.      Cantidad             Total
CAÑO DE ALUMINIO EST (70X30) 1.6 Mm.                         120      media tira             $60
CORTES DE ACRÍLICO CUISTEL DE 2 Mm. DE ESP.                  49       varios                 $49
BOMBA Y ENGRANAJES DE 12Vcc.                                 34       Una                    $34
MOTOR CON REDUCTOR DE 12vcc. Y SALIDA DE 30 Rpm.             82       Dos                    $164
BATERIA 12V X 250 A                                          1600     Una                    $1600
RULEMANES AUTO-OSCILANTES n° 200.                            8        Dos                    $16
PLANCHA POLICARBONATO                                        200      Una                    $200
MANGERAS PLÁSTICAS Y ACOPLES.                                15       varias                 $15
COMPONENTES DE ELECTRONICA.                                  62       varios                 $62
PLANCHUELAS DE HIERRO DE 1” * 1/8                            12       media tira             $12
TUBO ACRÍLICO DE 400Mm. DE DÍAM.* 3Mm. DE ESP.               98       medio tubo             $49
PANELES SOLARES X 2                                          1400     Dos                    $2800
COOLER DE 12 VCC                                             18       Uno                    $18
4-Etapa Inicial:

4.1 Origen
Este proyecto tuvo como origen una charla compartida por un grupo de alumnos de nuestra escuela con otro
perteneciente a la provincia de Jujuy. Estos chicos les contaron a nuestros compañeros que en su zona no se
podían realizar las quintas que en años pasados proveían de verduras y frutas frescas a los comedores de las
escuelas debido a la contaminación de las napas y la tierra en toda la región, producto de la minería a cielo
abierto que se desarrolla en la zona.

4.2 Idea Rectora:
En este caso fue la de desarrollar un equipo autónomo que nos permitiera realizar cultivos de hortalizas y
verduras utilizando técnicas alternativas y no contaminantes alimentados por una energía alternativa de bajo
costo.

4.3 Necesidad:
Bueno aquí la necesidad esta dada por la indicación de las quintas en los comedores de estas escuelas
ubicadas en zonas que presenten contaminación de aguas, altas temperaturas y suelos pobres.

4.4 Dificultad:
Las dificultades son varias, por empezar encontrarse una unidad que fuera autónoma, que utilizaría una
técnica que nos permitiera cultivar sin contaminar los productos, que fuera de fácil manejo y mantenimiento,
en la que se pudiera controlas las altas temperaturas exteriores, además del resto del proyecto propiamente
dicho también teníamos que fijar una metodología que nos permitiera organizar grupos heterogéneos de
trabajo y obtener los mismos para construirlo.

4.5 Preproyecto:
Con todos los datos preliminares; la idea rectora conociendo la necesidad y teniendo en cuenta las
dificultades desarrollaremos un pre-proyecto que tendrá como base el diseño técnico separado en los
siguientes puntos.

Estructura: A dos aguas construida con caños estructurales de hierros, desarmable y fácil de anclar en
cualquier terreno.

Sistema: Utilizaremos el sistema de hidrocultivo o hidroponía que nos permite no depender de la tierra.

Control de Temp.: controlamos la temp. interna de la micro granja haciendo circular agua por el techo y los
laterales para recolectar el calor excesivo y luego la enfriamos y la volvemos al circuito. Este agua puede ser
directa de las napas pues no tiene contacto con el vivero.

Energía: Todo el conjunto va a utilizar energía solar por paneles para alimentarse.
4.6 Factibilidad Técnica:
De acuerdo a nuestro preproyecto y con los datos que tenemos hasta aquí consideramos que si es factible
desde lo técnico construir un prototipo funcional que nos permitirá proyectar la mayor parte de los datos
necesarios para la posterior construcción de la unidad real.


4.7 Factibilidad Operativa:
Nuestro proyecto va a incluir 3 grupos de trabajo: una del área Eléctrica, uno de Electrónica y una de
Informática y un orientador que en este caso es un M.E.P del área eléctrica y un asesor científico que es un
M.E.P del área electrónica. Por lo tanto creemos que es posible desarrollar el proyecto.


4.8 Factibilidad Presupuestaria:
Para este punto hablamos con nuestra cooperadora para ver si aquellos materiales que pudiéramos conseguir
de los desarmes que ahí en nuestra escuela de equipos donados, se podrían comprar. Elevamos un
presupuesto y fue así que podemos decir que es factible continuar.



Con todo esto aparentemente resuelto comenzamos la siguiente etapa.




.
5-Etapa de información.
5.1 Relevamiento de datos:

Para el sistema de electrónico: adoptaremos la electrónica discreta pues debido al relevamiento que
hicimos en el lugar donde va a trabajar el equipo no hay demasiados recursos técnicos, si utilizamos algo
más complicado y el equipo se rompe es muy difícil repararlo.
Para los reguladores de velocidad de los motores de vcc, vamos a diseñar un circuito con un LM555 como
regulador del ancho de pulso.
Para el control de la corriente de la placa peltier que usaremos como componente para el enfriador,
trabajamos con un generador de corriente constante el cual emplea un transistor 2N3055 como elemento
regulador, dicha corriente puede modificarse en función de la temperatura interior de la granja.
Para el sensado de la temperatura interior con la que vamos hacer encender el sistema de enfriado o
calentamiento utilizamos un sensor LM35 y dos comparadores de ventana utilizando LM324.con el cual
actuamos con dos flip-flop RS compuestos por el integrado CD4001.
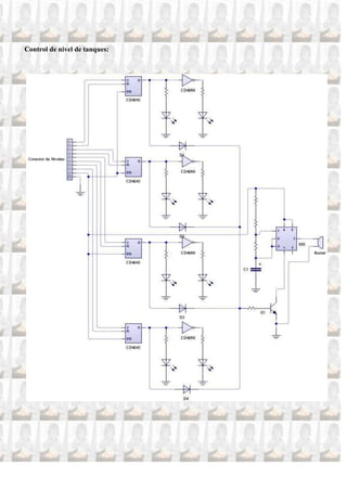
Para el panel de controles de nivel de líquidos utilizamos una placa con electrodos en los tanques y la señal
que estos detectan se procesa con un integrado 4043 y un 4069 que envían la información a un panel de
leds como dato para que el operador de la granja conozca los niveles de líquidos en los tanques y actúe en
consecuencia.

Para el hidrocultivo: consultamos al INTA en particular a la estación de San Pedro en la Prov. de Buenos
Aires quienes tienen una planta de hidrocultivo instalada allí.
Ellos nos explicaron como funciona el sistema y las alternativas de cultivos posibles con este sistema.

Para el control del clima: usamos la circulación de agua por dentro de los techos y paredes de la estructura
y un enfriador para extraer o incorporar calor de acuerdo a la necesidad del interior de la granja.

Para el sistema mecánico: aquí utilizamos una estructura tubular de caños de hierro que vamos a soldar y
luego un tratamiento anti-corrosivo para evitar el deterioro a la intemperie.
El área que pensamos tener dentro de la granja es de aprox. unos 12 mts2 de área productiva que nos van a
brindar unos 12 kg de producto por semana.
5.2 PRESUPUESTO:

Con estos costos relevados elaboramos un presupuesto para la construcción del prototipo.

                       Materiales                           P.U.      Cantidad              Total
CAÑO DE ALUMINIO EST (70X30) 1.6 Mm.                        120      media tira              $60
CORTES DE ACRÍLICO CUISTEL DE 2 Mm. DE ESP.                 49       varios                  $49
BOMBA Y ENGRANAJES DE 12Vcc.                                34       Una                     $34
MOTOR CON REDUCTOR DE 12vcc. Y SALIDA DE 30 Rpm.            82       Dos                     $164
BATERIA 12V X 250 A                                         1600     Una                     $1600
RULEMANES AUTO-OSCILANTES n° 200.                           8        Dos                     $16
PLANCHA POLICARBONATO                                       200      Una                     $200
MANGERAS PLÁSTICAS Y ACOPLES.                               15       varias                  $15
COMPONENTES DE ELECTRONICA.                                 62       varios                  $62
PLANCHUELAS DE HIERRO DE 1” * 1/8                           12       media tira              $12
TUBO ACRÍLICO DE 400Mm. DE DÍAM.* 3Mm. DE ESP.              98       medio tubo              $49
PANELES SOLARES X 2                                         1400     Dos                     $2800
COOLER DE 12 VCC                                            18       Uno                     $18


               PRESUPUESTO DE EQUIPO REAL POR PROYECCIÓN DE DATOS

Costo de materiales

                      Materiales                          P.U.      Cantidad               Total
CAÑO DE ALUMINIO EST (70X30) 1.6 Mm.                     120        dos                    $240
TANQUES DE PLASTICO DE 100 LITROS                        112        dos                    $224
BOMBA Y ENGRANAJES DE 12Vcc.                             209        una                    $209
MOTOR CON REDUCIR DE 12vcc. Y SALIDA DE 30 Rpm.          300        dos                    $600
VARILLA ROSACADA DE 1” x 1 m. DE LARGO                   48         una barra              $ 48
RULEMANES AUTO-OSCILANTES n° 200.                        46         dos                    $92
BOCHA DE VIDRIO DE 600 m.m DE DÍAMETRO.                  280        una                    $280
MANGERAS PLÁSTICAS Y ACOPLES.                            40         varias                 $40
COMPONENTES DE ELECTRONICA.                              62         varios                 $62
PLANCHUELAS DE HIERRO DE 1”x 1/4                         69         media tira             $34.5
TUBO GALVANIZADO DE 4” DE DÍAM.*2Mm. DE ESP.             98         medio tubo             $49
ANTENA PARABÓLICA DE 1800 M.M DE DIAM                    234        una                    $234
COOLER DE 12 VCC                                         35         uno                    $35
RADIADOR DE EQUIPO DE REF                                125        uno                    $125
PANEL SOLAR DE 12 VCC X 2.5 AMP (1.2 X 0.65 M )          979        dos                    $1958
BATERIA DE GEL ALTO REND 12V X 100 AMP                   560        una                    $560
REGULADOR DE CARGA ELECTRÓNICO                           212        uno                    $212
CABINA DE POLICARBON Y EST DE HIERRO                     1300       una                    $1300

       Costo de materiales.………………………………………………STOTAL                                 $8600

       Costo de instalación del equipo en el lugar……………………….STOTAL                  $2200

       Costo de insumos para un año……………………………………STOTAL                             $600

       COSTO TOTAL…………………………………………………. $ 11400
5.3. Diseño técnico:

En este punto con los datos definitivos y los bocetos comenzamos a diseñar cada parte realizando planos
acotados de detalle (carpeta de campo).

Sistema de enfriamiento/calentamiento:
Sistema de Hidrocultivo:
Sistema de Control Electrónico

Regulador de velocidad




Control Peltier




 Control corriente de placa peltier
Control de nivel de tanques:
5.4. Diseño Operativo:



Para llevar a cabo el desarrollo designamos 3 grupos de trabajo formando por los titulares del trabajo y otros
alumnos de las 3 especialidades.



Grupo eléctrico =     PEIRANO SEBASTIAN 6° 1° -
                      ARANDA AXEL 6° 13°

Grupo electrónico = RUTH MAURENTE 6° 2°


Grupo informático = ELISA BARRIONUEVO 6º 8º




Con los datos del presupuesto, la conformidad de la COOP. y el diseño técnico y operativo, abrimos una
nueva etapa
6-ETAPA DE DESARROLLO:


6.1 Plan de actividades:

                                          Grupo de Electrónica
Tiene en su cargo la construcción de la estructura de ceño tabular.
-Armado del techo con el distribuidor de presión de agua y los conectores de agua, así como el
policarbonato pero conforman los conjuntos en frente.
-Diseño y construcción del interior con 3 bateas 1 para tomate, 1 para lechuga, y 1 para
 cebolla.
-Diseño y armado del conjunto de tanques y bombas 1 para el circuito de frío y otro para
 el hidro-Cultivo.
-Armado del enfriador con una serpentina, el disipador y la celda Peltier.


                                           Grupo electrónico
  Tiene su cargo el diseño y construcción de la placa de regulación de velocidad de las
  bombas de agua.
-Instalación de iluminación interior.
-Armado de placa de control de corriente para placa Peltier con sensores de temperatura
  interior.
-Diseño y armado de placa de control de niveles de líquidos en todos los tanques y bateas con vigía sonoro.
-Armado e instalación de panel solar y batería.


                                           Grupo Informática
Tiene a su cargo el diseño e instalación del programa que va a controlar el funcionamiento de todo el
conjunto.

                              Tareas en conjunto de todos los grupos
   - Elaboración de la carpeta de campo
   - Elaboración del informe
6.2 Diagrama de tiempos:


Siempre referidos al prototipo.




Semanas


20--
19--                              E   R
18--
17--
16--
15--
14--
13--                     E    R
12--
11--
10--
9---
8---
7---
6---             E   R
5---
4---
3---
2--- E       R
1---

   Etapa         Etapa  Etapa         Etapa   Etapas
   Inicial       Info. Desarrollo     Final

* E = estimado
* R = real
6.3 COMPRAS:


Referidas a las compras de materiales para la construcción del prototipo



                      Materiales                           P.U.     Cantidad    Total
CAÑO DE ALUMINIO EST (70X30) 1.6 Mm.                      120      media tira   $60
CORTES DE ACRÍLICO CUISTEL DE 2 Mm. DE ESP.               49       varios       $49
BOMBA Y ENGRANAJES DE 12Vcc.                              34       Una          $34
MOTOR CON REDUCTOR DE 12vcc. Y SALIDA DE 30               82       Dos          $164
Rpm.
BATERIA 12V X 250 A                                       1600     Una          $1600
RULEMANES AUTO-OSCILANTES n° 200.                         8        Dos          $16
PLANCHA POLICARBONATO                                     200      Una          $200
MANGERAS PLÁSTICAS Y ACOPLES.                             15       varias       $15
COMPONENTES DE ELECTRONICA.                               62       varios       $62
PLANCHUELAS DE HIERRO DE 1” * 1/8                         12       media tira   $12
TUBO ACRÍLICO DE 400Mm. DE DÍAM.* 3Mm. DE ESP.            98       medio tubo   $49
PANELES SOLARES X 2                                       1400     Dos          $2800
COOLER DE 12 VCC                                          18       Uno          $18
6.4 Construcción:

(Descripción detallada de los modelos)

El modelo terminado tiene las siguientes características:

Estructura: Caño tubular soldado con forma a dos aguas y torre trasera también de caño tubular de
25x25x1,6 mm en hierro.

Equipos de enfriador: Corte de un techo construido en poli carbonato por dentro del cual hace circular
agua. Esta agua que se calienta con el sol, es luego enfriada en una etapa que tiene una serpentina y por
convicción con una helada, se enfría y vuelve al circuito de esta forma se mantiene la temperatura interior
que además tiene un balanceador técnico en el interior superior del techo con un extractor que se puede
invertir en manera que si hay un exceso de calor concentrado en la parte superior o exceso de humedad,
arranca extrayendo aire y en el periodo nocturno invierte la marcha, ingresa aire de afuera para compensar la
exhalación de anhídrido Carbónico de las plantas. Todo este circuito de agua es movido por una bomba
centrífuga instalada en la torre de control. En este equipo se puede utilizar agua de la napa aunque este
contenida, pues este circuito solo cumple una función técnica y no esta en contacto con el circuito
hidropónico.

Equipo de hidrocultivo: Está formado por un conjunto de bateas instaladas en el interior de la micro-
granja, (TOTAL 3) una por cada tipo de circuito que contiene las bandejas donde se colocan las platas y el
sistema de circulación de agua que toca las raíces en continuo. Parte desde un tanque de agua que en este
caso debe ser potable, es vertido por una bomba en las bateas, recorre las mismas y vuelve al tanque. Este
ciclo es continuo y el tanque desciende la cantidad de nutrientes en el agua; Si es bajo el programa de
control libera la electro válvula invierte la cantidad de nutrientes para conservar el nivel. Además el tanque
contiene un agitador para mantener la mezcla homogénea.
Por último el agua que circula por las bateas antes de regresar al tanque es filtrada para evitar que partículas
desprendidas por las platas ingresen a la bomba y puedan dañarla.

Sistema de Energía: Este módulo está formado por dos paneles solares ubicados en la parte superior de la
torre de control cada uno de los cuales para el equipo real tendrán 12vcc y 2.5 amp y se conectarán en
paralelo para aumentar la capacidad de corriente y cargan de 12vcc X 100 amp de bajo mantenimiento.

Censado de niveles: Este módulo controla el nivel de los líquidos en todos los tanques y bateas enviando
una señal a la placa que enciende un panel de leds en el interior de la granja para indicar los niveles, así
como también una señal de alarma sonora para dar aviso del faltante.

Placa de control electrónico: En nuestro caso utilizamos la electrónica discreta pues como dijimos antes el
equipo va a funcionar en una zona con pocos elementos al alcance para su posible reparación
Placa de control del sistema de enfriamiento la diseñamos y construimos con
Y controla la temperatura interior accionando el sistema de bombeo de agua aumentando o disminuyendo la
corriente de la placa para acelerar o no el proceso.
Por otra parte la misma placa invierte la tensión de la misma placa para calentar o enfriar según sea el
requerimiento.
7. Etapa Final

7.l Prueba de equipo:

Finalizada la construcción del prototipo, comprobamos y ajustamos los tiempos de maniobras, consumo y
funcionamiento general del equipo obteniendo los resultados esperados.

7.2 Ensayos:


1) La prueba del sistema de enfriamiento arrojó como resultado una regulación de la temperatura interior
en la granja en un rango que va desde los 23 a 25 C°.


2) El sistema de hidrocultivo de ciclo continuo presenta una velocidad de transporte de nutrientes que está
dentro de los rangos sugerido y presenta una regulación de la velocidad del líquido que es satisfactoria para
el sistema.


3) La propuesta con sistema de bateas según los especialistas del INTA puede resultar conveniente para este
tipo de cosecha tenemos como opción el sistema de tubos pero por el momento vamos a continuar con la
propuesta


4) Los sistemas de regulación elegidos utilizando como base un lm 555 para variar las velocidades de las
bombas, permite un rango correcto de ajuste tanto del caudal de hidrocultivo, como el circuito de
enfriamiento de la cabina.




Por los resultados obtenidos en estos ensayos podemos decir que con los procesos elegidos para nuestro
trabajo, el equipo que incluye todas estas características sería útil para el cultivo de los productos de granja
que los chicos necesitan.
7.3 Cuadro de resultados:


Este cuadro representa el resultado que tendría el equipo instalado de acuerdo a lo estimado por la
evaluación del prototipo más los datos aportados por el INTA.



                          DESCRIPCIÓN FUNCIONAL                             UNIDADES
        Costo Total aproximado del equipo original instalado              $ 11400

        Costo de insumo de nutrientes por año                             $ 600

        Recupero por producción de producto por año                       $ 2250

        Tiempo aprox de amortización                                      5 años

        Producción de cebolla por semana                                  3 kg

        Producción de tomates por semana                                  7 kg.

        Producción de lechuga por semana                                  5 kg

        Consumo de energía (durante el día)                               3.5 Amp x hora

        Consumo de energía (durante la noche)                             1 Amp x hora

        Consumo de agua potable por semana                                62 litros




En este momento estamos trabajando con el INTA para poder desarrollar los nutrientes en el lugar
7.4 Conclusiones:


Extraídas de los alumnos:

        Fue muy importante, por que se lograron integrar haberes adquiridos en los años anteriores.

        Se participo de todo el desarrollo y construcción, permitiendo tomar decisiones y discutir los
        contenidos.

        Se consiguió unir a la comunidad escolar, en una actividad comparativa, permitiendo que todos y
        cada uno se sintieran participes de la actividad.

        Sirvió como disparador de futuros proyectos

        Gracias al trabajo desarrollado, nos hemos integrado con los alumnos de la escuela de Jujuy.

        Quiero destacar lo que aprendimos en el transcurso de estos meses, tanto a nivel cultural, a nivel
        tecnológico y a nivel humano.

        La participación en este proyecto, me lleno de orgullo y esperanzas, porque creo que puede ser muy
        útil para aquellas personas que lo necesiten, y quizás el día de mañana logremos que sea utilizado
        como modelo, no solo para enseñar si no también mostrar que juntos podemos hacer muchas mas
        cantidad de cosas y entre todos ser solidarios.

        Que bien se siente saber que está ayudando a alguien.


Extraídas de los docentes:

       Resulto ser una experiencia muy positiva.

       El desafió de trabajar con distintos tipos de alumnos, especialidades e integrar un producto final,
       optimizando recursos de las distintas áreas, fue una experiencia alentadora.

       La realización de este trabajo y la metodología seguida, nos acerca a la utilizada en la industria para
       la fabricación de cualquier producto.

       La brecha Educación- Trabajo, se ve disminuida con la concreción de estos proyectos.

       Este trabajo no solo resulto interesante y positivo, si no también redujo notablemente el espacio que
       existe entre las personas en un grado de solidaridad.
7.5 Bibliografía:

° Diseño Electrónica - Savant

º Tecnología Electrónica - L. Gomez de Tejada

º Breve apunte histórico y ventajas que ofrece dicha técnica-
  http://www.consumer.es/web/es/bricolaje/jardin/2003/07/14/63287.php

º Todo sobre la Hidroponía - http://hidroponia.gcaconsultora.com.ar/
7.6 Agradecimientos:

Habiendo concluido con lo solicitado, agradecemos a:

-Asociación Cooperadora María L. Pret. De Luit de nuestra escuela.
-A los docentes de área de taller de Mecánica, Eléctrica e Informática, que brindaron permanentemente
información y nos permitieron utilizar los elementos y su colaboración.
-A los docentes de otras áreas de la escuela que aportaron idea y aclararon conceptos de trabajo.
-Al INTA a través de su estación, ubicada en la ciudad de San Pedro en la Provincia de Bs. As.
-Al INET que nos brinda asesoramiento técnico.
-A los padres de los alumnos de ambas escuelas que apoyaron a la idea y nos estimularon.
-A la escuela Nº 35 de la provincia de Jujuy que son los destinatarios del primer equipo que se pueda
construir.
-Al equipo de conducción de la escuela, que permitía desarrollar con amplia libertad la propuesta de trabajo.
-Finalmente a los docentes, asesor técnico Profesor Daniel Frijón y a nuestro orientador científico Profesor
Jorge Greco por haberse brindado mas allá de sus obligaciones y comprometidos el trabajo como nosotros.

A Todos Muchas Gracias !!!

Mach

  • 1.
    contacto : tel : 4327-3942/4328-4433 telefax : 4328-9421 E-mail : et12@buenosaires.edu.ar pagina web : www.et12.edu.ar Carpeta de Informe M.A.C.H. Microgranja Autónoma de Cultivos Hidropónícos Alumnos Titulares: Peirano Sebastian 6° 1° DNI: 35.969.956 Asesor Técnico: Frijon Daniel – dmfescuela@gmail.com – DNI:11.896.274 Asesor Científico: Greco Jorge – DNI:13.315.990 Escuela Técnica N°12 Libertador General José De San Martín 2012
  • 2.
    INDICE 1. Resumen 1.1. Origen 1.2. Objetivo 1.3. Participantes 1.4. Tiempos 1.5. Recursos materiales 1.6. Métodos 1.7. Costos 1.8. Producto 2. Introducción 2.1. Antecedentes 2.2. Situación Problematica 2.3. Objetivos 3. Metodología y materiales 3.1. Metodología 3.2. Materiales 4. Etapa inicial 4.1. Origen 4.2. Idea rectora 4.3. Necesidades 4.4. Dificultad 4.5. Proyecto 4.6. Factibilidad Técnica 4.7. Factibilidad Operativa 4.8. Factibilidad Presupuestaria 5. Etapa de información 5.1. Relevamiento de datos 5.2. Presupuesto 5.3. Diseño Técnico 5.4. Diseño Operativo 6. Etapa de desarrollo 6.1. Plan de Actividades 6.2. Diagrama de Tiempos 6.3. Compras 6.4. Construcción 7. Etapa final 7.1. Prueba de equipos 7.2. Ensayos 7.3. Resultados obtenidos 7.4. Conclusiones 7.5. Bibliografía 7.6. Agradecimientos
  • 3.
    1-Resumen En este puntorealizamos un pequeño acercamiento al proyecto. 1.1 Origen: Nuestro proyecto se basó en la problemática del agua en zonas donde se realizan actividades mineras. La idea de este trabajo nació de una charla que tuvimos con una delegación de docentes y chicos de una escuela de la provincia de Jujuy, en oportunidad de realizarse la FERIA DE CIENCIAS del año 2009. Esta escuela está ubicada casi en la frontera con BOLIVIA donde la napas de agua están contaminadas, producto de la actividad minera de la zona, sumado a esto el clima y la pobreza del suelo hace que sea imposible realizar las quintas y por lo tanto se han retirado prácticamente la verduras y hortalizas de la dieta de los chicos. 1.2 Objetivo: Desarrollar un producto que pueda aportar una solución a este problema puntual y que les permitiera reinstalar las quintas en los comedores de estas escuelas. 1.3 Participantes: Para desarrollar M.A.C.H intervinieron alumnos de las tres especialidades que la escuela tiene (ELÉCTRICA – ELECTRÓNICA – COMPUTACIÓN) . Integrantes: a- Sebastian Peirano ………… .De 6° 1° Esp. Eléctrica. b- María Calizalla ……………… De 6° 1° Esp. Eléctrica. 1.4 Tiempo: Para el desarrollo de esta idea y la elaboración del prototipo, el grupo demoró un año. 1.5 Recursos Materiales: Para este trabajo los materiales fueron provistos por la Asociación Cooperadora de nuestra escuela. 1.6 Metodología: Debido a la complejidad del trabajo y a las diferentes áreas involucradas el proyecto se desarrolló en el marco de un proyecto tecnológico, que nos brindó orden y un sistema de trabajo. 1.7 Costo del equipo Aproximadamete $8600 (precio de una unidad real de 12m2 aprox.) 1.8. Producto: M.A.C.H., es nuestra propuesta de solución, es una micro granja autónoma que utiliza una energía alternativa para alimentarse como la solar y que puede controlar el clima en su interior. M.A.C.H. propone el uso de la hidropónia como técnica para cultivar las verduras como método alternativo que nos libera del problema de la tierra en este ámbito. Esta equipo propuesto tendrá en su versión original un tamaño de 3mts de largo x 2.5 mts de ancho x 3 mts de altura es decir unos 22 mts3 con un área de cultivos de unos 12 mts2.
  • 4.
    2-Introducción al proyecto: 2.1Antecedentes: Nuestro M.A.C.H. es fundamentalmente un proyecto solidario, como explicamos en el resumen anterior su origen fue una charla que tuvimos un grupo de docentes y alumnos de una escuela de la provincia de Jujuy que compartieron con nosotros la feria de ciencias del año 2009. En esta oportunidad ellos nos contaron que casi todas las escuelas de la zona tienen comedor, que tenían una quinta con la que integraban frutas y verduras en la dieta de sus chicos. 2.2 Situación Problemática: Debido a que en toda esta zona existe una intensa explotación minera que en sus procesos usan cianuro y arsénico para procesar los metales y luego vuelcan estos desechos en el suelo y ello toma contacto con las napas, han ido con los años contaminándolo todo y no solamente afectando los cultivos sino también enfermando a la población. Sumado a esto las altísimas temperaturas en verano y la pobreza de las tierras hicieron con el tiempo que fuese imposible que se siguiesen haciendo las quintas y por consiguiente fueron eliminando las verduras frescas de la dieta de los chicos. 2.3 Objetivo: Nuestra idea es construir una micro granja modular que pueda instalarse en cualquier parte, que utilice energías alternativas, que no contaminen, que controle su clima interior que sea autónoma, que tenga bajo mantenimiento y que se use una técnica sencilla. M.A.C.H es todo eso: utiliza una estructura simple en cuanto a su diseño con materiales absolutamente comunes y fácilmente reemplazables. En el interior se instala un sistema de hidrocultivo, que es una técnica que utiliza el agua como vinculo para llevar los nutrientes que las plantas necesitan hasta sus raíces y de esta forma se elimina el uso de tierra. Es un sistema no muy utilizado en nuestro país por la calidad de sus tierras, pero en este caso el suelo tiene muy pocos nutrientes.
  • 5.
    3-Metodología y Materiales: 3.1Metodología La metodología utilizada, es la estructura de un proyecto tecnológico cuyo organigrama conteste todas las etapas desarrolladas para diseñar y desarrollar nuestro proyecto. Etapa Introducción Inicial Idea Rectora Necesidad Etapa Relev. Datos Dificultad Informativa Presupuesto PRE Proyecto Diseño Tec. Factibili. Tec. Etapa desarrollo Plan de Activid. Diseño Oper. Factil. Oper. Diag. Tiempo Diseño Form. Factibil. Pres. Prueba de equipo Compras Bocetos Etapa Final Cierre Planos Planos Detalles Conclusiones Desarrollo Entrega de equipos Control
  • 6.
    3.2 Materiales: Los materialesestán referidos al prototipo pues es semifuncional y nos permitirá hacer algunos ensayos para proyectar datos sobre el equipo real. Estos materiales serán aportados por la cooperadora de la escuela. Materiales P.U. Cantidad Total CAÑO DE ALUMINIO EST (70X30) 1.6 Mm. 120 media tira $60 CORTES DE ACRÍLICO CUISTEL DE 2 Mm. DE ESP. 49 varios $49 BOMBA Y ENGRANAJES DE 12Vcc. 34 Una $34 MOTOR CON REDUCTOR DE 12vcc. Y SALIDA DE 30 Rpm. 82 Dos $164 BATERIA 12V X 250 A 1600 Una $1600 RULEMANES AUTO-OSCILANTES n° 200. 8 Dos $16 PLANCHA POLICARBONATO 200 Una $200 MANGERAS PLÁSTICAS Y ACOPLES. 15 varias $15 COMPONENTES DE ELECTRONICA. 62 varios $62 PLANCHUELAS DE HIERRO DE 1” * 1/8 12 media tira $12 TUBO ACRÍLICO DE 400Mm. DE DÍAM.* 3Mm. DE ESP. 98 medio tubo $49 PANELES SOLARES X 2 1400 Dos $2800 COOLER DE 12 VCC 18 Uno $18
  • 7.
    4-Etapa Inicial: 4.1 Origen Esteproyecto tuvo como origen una charla compartida por un grupo de alumnos de nuestra escuela con otro perteneciente a la provincia de Jujuy. Estos chicos les contaron a nuestros compañeros que en su zona no se podían realizar las quintas que en años pasados proveían de verduras y frutas frescas a los comedores de las escuelas debido a la contaminación de las napas y la tierra en toda la región, producto de la minería a cielo abierto que se desarrolla en la zona. 4.2 Idea Rectora: En este caso fue la de desarrollar un equipo autónomo que nos permitiera realizar cultivos de hortalizas y verduras utilizando técnicas alternativas y no contaminantes alimentados por una energía alternativa de bajo costo. 4.3 Necesidad: Bueno aquí la necesidad esta dada por la indicación de las quintas en los comedores de estas escuelas ubicadas en zonas que presenten contaminación de aguas, altas temperaturas y suelos pobres. 4.4 Dificultad: Las dificultades son varias, por empezar encontrarse una unidad que fuera autónoma, que utilizaría una técnica que nos permitiera cultivar sin contaminar los productos, que fuera de fácil manejo y mantenimiento, en la que se pudiera controlas las altas temperaturas exteriores, además del resto del proyecto propiamente dicho también teníamos que fijar una metodología que nos permitiera organizar grupos heterogéneos de trabajo y obtener los mismos para construirlo. 4.5 Preproyecto: Con todos los datos preliminares; la idea rectora conociendo la necesidad y teniendo en cuenta las dificultades desarrollaremos un pre-proyecto que tendrá como base el diseño técnico separado en los siguientes puntos. Estructura: A dos aguas construida con caños estructurales de hierros, desarmable y fácil de anclar en cualquier terreno. Sistema: Utilizaremos el sistema de hidrocultivo o hidroponía que nos permite no depender de la tierra. Control de Temp.: controlamos la temp. interna de la micro granja haciendo circular agua por el techo y los laterales para recolectar el calor excesivo y luego la enfriamos y la volvemos al circuito. Este agua puede ser directa de las napas pues no tiene contacto con el vivero. Energía: Todo el conjunto va a utilizar energía solar por paneles para alimentarse.
  • 8.
    4.6 Factibilidad Técnica: Deacuerdo a nuestro preproyecto y con los datos que tenemos hasta aquí consideramos que si es factible desde lo técnico construir un prototipo funcional que nos permitirá proyectar la mayor parte de los datos necesarios para la posterior construcción de la unidad real. 4.7 Factibilidad Operativa: Nuestro proyecto va a incluir 3 grupos de trabajo: una del área Eléctrica, uno de Electrónica y una de Informática y un orientador que en este caso es un M.E.P del área eléctrica y un asesor científico que es un M.E.P del área electrónica. Por lo tanto creemos que es posible desarrollar el proyecto. 4.8 Factibilidad Presupuestaria: Para este punto hablamos con nuestra cooperadora para ver si aquellos materiales que pudiéramos conseguir de los desarmes que ahí en nuestra escuela de equipos donados, se podrían comprar. Elevamos un presupuesto y fue así que podemos decir que es factible continuar. Con todo esto aparentemente resuelto comenzamos la siguiente etapa. .
  • 9.
    5-Etapa de información. 5.1Relevamiento de datos: Para el sistema de electrónico: adoptaremos la electrónica discreta pues debido al relevamiento que hicimos en el lugar donde va a trabajar el equipo no hay demasiados recursos técnicos, si utilizamos algo más complicado y el equipo se rompe es muy difícil repararlo. Para los reguladores de velocidad de los motores de vcc, vamos a diseñar un circuito con un LM555 como regulador del ancho de pulso. Para el control de la corriente de la placa peltier que usaremos como componente para el enfriador, trabajamos con un generador de corriente constante el cual emplea un transistor 2N3055 como elemento regulador, dicha corriente puede modificarse en función de la temperatura interior de la granja. Para el sensado de la temperatura interior con la que vamos hacer encender el sistema de enfriado o calentamiento utilizamos un sensor LM35 y dos comparadores de ventana utilizando LM324.con el cual actuamos con dos flip-flop RS compuestos por el integrado CD4001. Para el panel de controles de nivel de líquidos utilizamos una placa con electrodos en los tanques y la señal que estos detectan se procesa con un integrado 4043 y un 4069 que envían la información a un panel de leds como dato para que el operador de la granja conozca los niveles de líquidos en los tanques y actúe en consecuencia. Para el hidrocultivo: consultamos al INTA en particular a la estación de San Pedro en la Prov. de Buenos Aires quienes tienen una planta de hidrocultivo instalada allí. Ellos nos explicaron como funciona el sistema y las alternativas de cultivos posibles con este sistema. Para el control del clima: usamos la circulación de agua por dentro de los techos y paredes de la estructura y un enfriador para extraer o incorporar calor de acuerdo a la necesidad del interior de la granja. Para el sistema mecánico: aquí utilizamos una estructura tubular de caños de hierro que vamos a soldar y luego un tratamiento anti-corrosivo para evitar el deterioro a la intemperie. El área que pensamos tener dentro de la granja es de aprox. unos 12 mts2 de área productiva que nos van a brindar unos 12 kg de producto por semana.
  • 10.
    5.2 PRESUPUESTO: Con estoscostos relevados elaboramos un presupuesto para la construcción del prototipo. Materiales P.U. Cantidad Total CAÑO DE ALUMINIO EST (70X30) 1.6 Mm. 120 media tira $60 CORTES DE ACRÍLICO CUISTEL DE 2 Mm. DE ESP. 49 varios $49 BOMBA Y ENGRANAJES DE 12Vcc. 34 Una $34 MOTOR CON REDUCTOR DE 12vcc. Y SALIDA DE 30 Rpm. 82 Dos $164 BATERIA 12V X 250 A 1600 Una $1600 RULEMANES AUTO-OSCILANTES n° 200. 8 Dos $16 PLANCHA POLICARBONATO 200 Una $200 MANGERAS PLÁSTICAS Y ACOPLES. 15 varias $15 COMPONENTES DE ELECTRONICA. 62 varios $62 PLANCHUELAS DE HIERRO DE 1” * 1/8 12 media tira $12 TUBO ACRÍLICO DE 400Mm. DE DÍAM.* 3Mm. DE ESP. 98 medio tubo $49 PANELES SOLARES X 2 1400 Dos $2800 COOLER DE 12 VCC 18 Uno $18 PRESUPUESTO DE EQUIPO REAL POR PROYECCIÓN DE DATOS Costo de materiales Materiales P.U. Cantidad Total CAÑO DE ALUMINIO EST (70X30) 1.6 Mm. 120 dos $240 TANQUES DE PLASTICO DE 100 LITROS 112 dos $224 BOMBA Y ENGRANAJES DE 12Vcc. 209 una $209 MOTOR CON REDUCIR DE 12vcc. Y SALIDA DE 30 Rpm. 300 dos $600 VARILLA ROSACADA DE 1” x 1 m. DE LARGO 48 una barra $ 48 RULEMANES AUTO-OSCILANTES n° 200. 46 dos $92 BOCHA DE VIDRIO DE 600 m.m DE DÍAMETRO. 280 una $280 MANGERAS PLÁSTICAS Y ACOPLES. 40 varias $40 COMPONENTES DE ELECTRONICA. 62 varios $62 PLANCHUELAS DE HIERRO DE 1”x 1/4 69 media tira $34.5 TUBO GALVANIZADO DE 4” DE DÍAM.*2Mm. DE ESP. 98 medio tubo $49 ANTENA PARABÓLICA DE 1800 M.M DE DIAM 234 una $234 COOLER DE 12 VCC 35 uno $35 RADIADOR DE EQUIPO DE REF 125 uno $125 PANEL SOLAR DE 12 VCC X 2.5 AMP (1.2 X 0.65 M ) 979 dos $1958 BATERIA DE GEL ALTO REND 12V X 100 AMP 560 una $560 REGULADOR DE CARGA ELECTRÓNICO 212 uno $212 CABINA DE POLICARBON Y EST DE HIERRO 1300 una $1300 Costo de materiales.………………………………………………STOTAL $8600 Costo de instalación del equipo en el lugar……………………….STOTAL $2200 Costo de insumos para un año……………………………………STOTAL $600 COSTO TOTAL…………………………………………………. $ 11400
  • 11.
    5.3. Diseño técnico: Eneste punto con los datos definitivos y los bocetos comenzamos a diseñar cada parte realizando planos acotados de detalle (carpeta de campo). Sistema de enfriamiento/calentamiento:
  • 12.
  • 13.
    Sistema de ControlElectrónico Regulador de velocidad Control Peltier Control corriente de placa peltier
  • 14.
    Control de nivelde tanques:
  • 15.
    5.4. Diseño Operativo: Parallevar a cabo el desarrollo designamos 3 grupos de trabajo formando por los titulares del trabajo y otros alumnos de las 3 especialidades. Grupo eléctrico = PEIRANO SEBASTIAN 6° 1° - ARANDA AXEL 6° 13° Grupo electrónico = RUTH MAURENTE 6° 2° Grupo informático = ELISA BARRIONUEVO 6º 8º Con los datos del presupuesto, la conformidad de la COOP. y el diseño técnico y operativo, abrimos una nueva etapa
  • 16.
    6-ETAPA DE DESARROLLO: 6.1Plan de actividades: Grupo de Electrónica Tiene en su cargo la construcción de la estructura de ceño tabular. -Armado del techo con el distribuidor de presión de agua y los conectores de agua, así como el policarbonato pero conforman los conjuntos en frente. -Diseño y construcción del interior con 3 bateas 1 para tomate, 1 para lechuga, y 1 para cebolla. -Diseño y armado del conjunto de tanques y bombas 1 para el circuito de frío y otro para el hidro-Cultivo. -Armado del enfriador con una serpentina, el disipador y la celda Peltier. Grupo electrónico Tiene su cargo el diseño y construcción de la placa de regulación de velocidad de las bombas de agua. -Instalación de iluminación interior. -Armado de placa de control de corriente para placa Peltier con sensores de temperatura interior. -Diseño y armado de placa de control de niveles de líquidos en todos los tanques y bateas con vigía sonoro. -Armado e instalación de panel solar y batería. Grupo Informática Tiene a su cargo el diseño e instalación del programa que va a controlar el funcionamiento de todo el conjunto. Tareas en conjunto de todos los grupos - Elaboración de la carpeta de campo - Elaboración del informe
  • 17.
    6.2 Diagrama detiempos: Siempre referidos al prototipo. Semanas 20-- 19-- E R 18-- 17-- 16-- 15-- 14-- 13-- E R 12-- 11-- 10-- 9--- 8--- 7--- 6--- E R 5--- 4--- 3--- 2--- E R 1--- Etapa Etapa Etapa Etapa Etapas Inicial Info. Desarrollo Final * E = estimado * R = real
  • 18.
    6.3 COMPRAS: Referidas alas compras de materiales para la construcción del prototipo Materiales P.U. Cantidad Total CAÑO DE ALUMINIO EST (70X30) 1.6 Mm. 120 media tira $60 CORTES DE ACRÍLICO CUISTEL DE 2 Mm. DE ESP. 49 varios $49 BOMBA Y ENGRANAJES DE 12Vcc. 34 Una $34 MOTOR CON REDUCTOR DE 12vcc. Y SALIDA DE 30 82 Dos $164 Rpm. BATERIA 12V X 250 A 1600 Una $1600 RULEMANES AUTO-OSCILANTES n° 200. 8 Dos $16 PLANCHA POLICARBONATO 200 Una $200 MANGERAS PLÁSTICAS Y ACOPLES. 15 varias $15 COMPONENTES DE ELECTRONICA. 62 varios $62 PLANCHUELAS DE HIERRO DE 1” * 1/8 12 media tira $12 TUBO ACRÍLICO DE 400Mm. DE DÍAM.* 3Mm. DE ESP. 98 medio tubo $49 PANELES SOLARES X 2 1400 Dos $2800 COOLER DE 12 VCC 18 Uno $18
  • 19.
    6.4 Construcción: (Descripción detalladade los modelos) El modelo terminado tiene las siguientes características: Estructura: Caño tubular soldado con forma a dos aguas y torre trasera también de caño tubular de 25x25x1,6 mm en hierro. Equipos de enfriador: Corte de un techo construido en poli carbonato por dentro del cual hace circular agua. Esta agua que se calienta con el sol, es luego enfriada en una etapa que tiene una serpentina y por convicción con una helada, se enfría y vuelve al circuito de esta forma se mantiene la temperatura interior que además tiene un balanceador técnico en el interior superior del techo con un extractor que se puede invertir en manera que si hay un exceso de calor concentrado en la parte superior o exceso de humedad, arranca extrayendo aire y en el periodo nocturno invierte la marcha, ingresa aire de afuera para compensar la exhalación de anhídrido Carbónico de las plantas. Todo este circuito de agua es movido por una bomba centrífuga instalada en la torre de control. En este equipo se puede utilizar agua de la napa aunque este contenida, pues este circuito solo cumple una función técnica y no esta en contacto con el circuito hidropónico. Equipo de hidrocultivo: Está formado por un conjunto de bateas instaladas en el interior de la micro- granja, (TOTAL 3) una por cada tipo de circuito que contiene las bandejas donde se colocan las platas y el sistema de circulación de agua que toca las raíces en continuo. Parte desde un tanque de agua que en este caso debe ser potable, es vertido por una bomba en las bateas, recorre las mismas y vuelve al tanque. Este ciclo es continuo y el tanque desciende la cantidad de nutrientes en el agua; Si es bajo el programa de control libera la electro válvula invierte la cantidad de nutrientes para conservar el nivel. Además el tanque contiene un agitador para mantener la mezcla homogénea. Por último el agua que circula por las bateas antes de regresar al tanque es filtrada para evitar que partículas desprendidas por las platas ingresen a la bomba y puedan dañarla. Sistema de Energía: Este módulo está formado por dos paneles solares ubicados en la parte superior de la torre de control cada uno de los cuales para el equipo real tendrán 12vcc y 2.5 amp y se conectarán en paralelo para aumentar la capacidad de corriente y cargan de 12vcc X 100 amp de bajo mantenimiento. Censado de niveles: Este módulo controla el nivel de los líquidos en todos los tanques y bateas enviando una señal a la placa que enciende un panel de leds en el interior de la granja para indicar los niveles, así como también una señal de alarma sonora para dar aviso del faltante. Placa de control electrónico: En nuestro caso utilizamos la electrónica discreta pues como dijimos antes el equipo va a funcionar en una zona con pocos elementos al alcance para su posible reparación Placa de control del sistema de enfriamiento la diseñamos y construimos con Y controla la temperatura interior accionando el sistema de bombeo de agua aumentando o disminuyendo la corriente de la placa para acelerar o no el proceso. Por otra parte la misma placa invierte la tensión de la misma placa para calentar o enfriar según sea el requerimiento.
  • 20.
    7. Etapa Final 7.lPrueba de equipo: Finalizada la construcción del prototipo, comprobamos y ajustamos los tiempos de maniobras, consumo y funcionamiento general del equipo obteniendo los resultados esperados. 7.2 Ensayos: 1) La prueba del sistema de enfriamiento arrojó como resultado una regulación de la temperatura interior en la granja en un rango que va desde los 23 a 25 C°. 2) El sistema de hidrocultivo de ciclo continuo presenta una velocidad de transporte de nutrientes que está dentro de los rangos sugerido y presenta una regulación de la velocidad del líquido que es satisfactoria para el sistema. 3) La propuesta con sistema de bateas según los especialistas del INTA puede resultar conveniente para este tipo de cosecha tenemos como opción el sistema de tubos pero por el momento vamos a continuar con la propuesta 4) Los sistemas de regulación elegidos utilizando como base un lm 555 para variar las velocidades de las bombas, permite un rango correcto de ajuste tanto del caudal de hidrocultivo, como el circuito de enfriamiento de la cabina. Por los resultados obtenidos en estos ensayos podemos decir que con los procesos elegidos para nuestro trabajo, el equipo que incluye todas estas características sería útil para el cultivo de los productos de granja que los chicos necesitan.
  • 21.
    7.3 Cuadro deresultados: Este cuadro representa el resultado que tendría el equipo instalado de acuerdo a lo estimado por la evaluación del prototipo más los datos aportados por el INTA. DESCRIPCIÓN FUNCIONAL UNIDADES Costo Total aproximado del equipo original instalado $ 11400 Costo de insumo de nutrientes por año $ 600 Recupero por producción de producto por año $ 2250 Tiempo aprox de amortización 5 años Producción de cebolla por semana 3 kg Producción de tomates por semana 7 kg. Producción de lechuga por semana 5 kg Consumo de energía (durante el día) 3.5 Amp x hora Consumo de energía (durante la noche) 1 Amp x hora Consumo de agua potable por semana 62 litros En este momento estamos trabajando con el INTA para poder desarrollar los nutrientes en el lugar
  • 22.
    7.4 Conclusiones: Extraídas delos alumnos: Fue muy importante, por que se lograron integrar haberes adquiridos en los años anteriores. Se participo de todo el desarrollo y construcción, permitiendo tomar decisiones y discutir los contenidos. Se consiguió unir a la comunidad escolar, en una actividad comparativa, permitiendo que todos y cada uno se sintieran participes de la actividad. Sirvió como disparador de futuros proyectos Gracias al trabajo desarrollado, nos hemos integrado con los alumnos de la escuela de Jujuy. Quiero destacar lo que aprendimos en el transcurso de estos meses, tanto a nivel cultural, a nivel tecnológico y a nivel humano. La participación en este proyecto, me lleno de orgullo y esperanzas, porque creo que puede ser muy útil para aquellas personas que lo necesiten, y quizás el día de mañana logremos que sea utilizado como modelo, no solo para enseñar si no también mostrar que juntos podemos hacer muchas mas cantidad de cosas y entre todos ser solidarios. Que bien se siente saber que está ayudando a alguien. Extraídas de los docentes: Resulto ser una experiencia muy positiva. El desafió de trabajar con distintos tipos de alumnos, especialidades e integrar un producto final, optimizando recursos de las distintas áreas, fue una experiencia alentadora. La realización de este trabajo y la metodología seguida, nos acerca a la utilizada en la industria para la fabricación de cualquier producto. La brecha Educación- Trabajo, se ve disminuida con la concreción de estos proyectos. Este trabajo no solo resulto interesante y positivo, si no también redujo notablemente el espacio que existe entre las personas en un grado de solidaridad.
  • 23.
    7.5 Bibliografía: ° DiseñoElectrónica - Savant º Tecnología Electrónica - L. Gomez de Tejada º Breve apunte histórico y ventajas que ofrece dicha técnica- http://www.consumer.es/web/es/bricolaje/jardin/2003/07/14/63287.php º Todo sobre la Hidroponía - http://hidroponia.gcaconsultora.com.ar/
  • 24.
    7.6 Agradecimientos: Habiendo concluidocon lo solicitado, agradecemos a: -Asociación Cooperadora María L. Pret. De Luit de nuestra escuela. -A los docentes de área de taller de Mecánica, Eléctrica e Informática, que brindaron permanentemente información y nos permitieron utilizar los elementos y su colaboración. -A los docentes de otras áreas de la escuela que aportaron idea y aclararon conceptos de trabajo. -Al INTA a través de su estación, ubicada en la ciudad de San Pedro en la Provincia de Bs. As. -Al INET que nos brinda asesoramiento técnico. -A los padres de los alumnos de ambas escuelas que apoyaron a la idea y nos estimularon. -A la escuela Nº 35 de la provincia de Jujuy que son los destinatarios del primer equipo que se pueda construir. -Al equipo de conducción de la escuela, que permitía desarrollar con amplia libertad la propuesta de trabajo. -Finalmente a los docentes, asesor técnico Profesor Daniel Frijón y a nuestro orientador científico Profesor Jorge Greco por haberse brindado mas allá de sus obligaciones y comprometidos el trabajo como nosotros. A Todos Muchas Gracias !!!