NORMA TÉCNICA NTC
COLOMBIANA 1669
2009-09-30
NORMA PARA LA INSTALACIÓN DE CONEXIONES
DE MANGUERAS CONTRA INCENDIO
E: STANDARD FOR THE INSTALLATION OF STANDPIPE AND
HOSE SYSTEMS
CORRESPONDENCIA: esta norma es una adopción idéntica
(IDT) a la NFPA 14-2007
DESCRIPTORES: conexión de bomberos; sistema para
conexión de mangueras contra
incendio
I.C.S.: 13.220.10
Editada por el Instituto Colombiano de Normas Técnicas y Certificación (ICONTEC)
Apartado 14237 Bogotá, D.C. - Tel. (571) 6078888 - Fax (571) 2221435
Prohibida su reproducción Segunda actualización
Editada 2009-10-09
PRÓLOGO
El Instituto Colombiano de Normas Técnicas y Certificación, ICONTEC, es el organismo
nacional de normalización, según el Decreto 2269 de 1993.
ICONTEC es una entidad de carácter privado, sin ánimo de lucro, cuya Misión es fundamental
para brindar soporte y desarrollo al productor y protección al consumidor. Colabora con el
sector gubernamental y apoya al sector privado del país, para lograr ventajas competitivas en
los mercados interno y externo.
La representación de todos los sectores involucrados en el proceso de Normalización Técnica
está garantizada por los Comités Técnicos y el período de Consulta Pública, este último
caracterizado por la participación del público en general.
La NTC 1669 (Segunda actualización) fue ratificada por el Consejo Directivo de 2009-09-30.
Esta norma está sujeta a ser actualizada permanentemente con el objeto de que responda en
todo momento a las necesidades y exigencias actuales.
A continuación se relacionan las empresas que colaboraron en el estudio de esta norma a
través de su participación en el Comité Técnico 161 Instalaciones hidráulicas y sanitarias.
ACODAL
ALVARO SABBAGH INGENIEROS S.A.
AQUAREDES LTDA.
ASOCIACIÓN DE PROFESIONALES EN
CONDUCCIÓN DE FLUÍDO -APROCOF-
CÁMARA DE COMERCIO DE BOGOTA
COMISION REGULADORA DEL AGUA
POTABLE (CRA)
COMPAÑÍA COLOMBIANA DE
CERÁMICOS S.A. -COLCERAMICA-
CUERPO OFICIAL BOMBEROS BOGOTA
-UAECOBB-
DICOL LTDA.
DURMAN
GENERAL FIRE CONTROL
GRICOL S.A.
LUBRIZOL CORPORATION
MINISTERIO DE AMBIENTE, VIVIENDA Y
DESARROLLO TERRITORIAL (M.A.V.D.T -
RAS)
ORGANIZACIÓN NOGUERA CAMACHO
ONC LTDA.
OSHO INGENIERÍA
PAVCO S.A.
PIROCONTROL
PIROPROTECCION
PLEXIN LTDA
PLINCO S.A.
PRODESEG S.A.
PROYECTOS Y DISEÑOS HIDRAULICOS
P.V.C GERFOR S.A.
S2R INGENIEROS
UNIVERSIDAD CATÓLICA DE COLOMBIA
UNIVERSIDAD NACIONAL DE COLOMBIA
Además de las anteriores, en Consulta Pública el Proyecto se puso a consideración de las
siguientes empresas:
ACCESORIOS Y VALVULAS S.A.
ACUAVIVA S.A. E.S.P.
ACUEDUCTOS Y ALCANTARILLADOS
SOSTENIBLES S.A.
AGUAS DE CARTAGENA
AGUAS Y OBRAS
ANDRÉS GILBERTO PÉREZ PARRA
ANGEL ROA HERNÁNDEZ
ASOCIACIÓN COLOMBIANA DE INGENIERÍA
SANITARIA Y AMBIENTAL -ACODAL-
ASOCIACIÓN COLOMBIANA DE INGENIEROS
- CAPÍTULO CUNDINAMARCA-
ASOCIACIÓN COLOMBIANA DE
PEQUEÑAS Y MEDIANAS EMPRESAS
ASOCIACIÓN COLOMBIANA POPULAR
DE INDUSTRIALES -ACOPI-
ASOCIACION DE CORPORACIONAES
AUTONOMAS REGIONALES -ASOCARS-
CÁMARA COLOMBIANA DE LA
INFRAESTRUCTURA
CAUDALES Y PRESIONES
CELTA S.A.
CENTRO AMERICANA DE P.V.C. S.A.
CONCIENCIAS
CONCONCRETO S.A.
CONSTRUCTORA MELENDEZ S.A.
DBO INGENIERÍA SANITARIA
DEPARTAMENTO NACIONAL DE
PLANEACIÓN
EMPRESA DE ACUEDUCTO Y
ALCANTARILLADO DE BOGOTÁ E.S.P.
EMPRESA MUNICIPAL DE SERVICIOS
PÚBLICOS DE ARAUCA E.S.P
EMPRESAS PUBLICAS DE LA CEJA E.S.P.
EMPRESAS PÚBLICAS DE MEDELLÍN
E.S.P.
F.F. SOLUCIONES S.A.
FLOW TITE ANDERCOL
FONADE
GIRSAT COLOMBIA GESTIÓN INTEGRAL
DE RIESGOS SOCIALES, AMBIENTALES
Y TECNOLÓGICOS
HIDRESA
HIDROGAS
HIDROYUNDA S.A.
HOYOS INGENIERÍA LTDA.
INDUSTRIA NACIONAL
ELECTROMECÁNICA S.A.
INGENIERÍA ESTRUCTURAL S.A.
INGENIERÍA SANITARIA LTDA.
INSTITUTO DE CAPACITACIÓN E
INVESTIGACIÓN DEL PLÁSTICO Y EL
CAUCHO
JACOBO ROMBALSKY
JORGE MARIO JARAMILLO MEZA
JUAN A. CARVAL M. & CIA LTDA
LA CONSTRUCTORA VIVIENDAS Y
PROYECTOS S.A.
LONDOÑO GÓMEZ S.A.
MANCESA S.A.
MINISTERIO DE COMERCIO INDUSTRIA Y
TURISMO
MINISTERIO DE LA PROTECCIÓN SOCIAL
MURCIA MURCIA S.A.
OBRAS CIVILES AMBIENTALES LTDA.
ORGANIZACIÓN IBEROAMERICANA DE
LA PROTECCIÓN CONTRA EL FUEGO -
O.P.C.I.-
POLYPRO LTDA .
PROYECTOS HIDRÁULICOS
RALCO TUBERÍAS Y ACCESORIOS
SÁNCHEZ GÓMEZ Y CÍA. LTDA.
SUPERINTENDENCIA DE INDUSTRIA Y
COMERCIO
SUPERINTENDENCIA DE SERVICIOS
PÚBLICOS
TORNILLOS Y COMPLEMENTOS S.A. TCL
UNIVERSIDAD DE ANTIOQUIA
VAR LTDA.
ICONTEC cuenta con un Centro de Información que pone a disposición de los interesados
normas internacionales, regionales y nacionales y otros documentos relacionados.
DIRECCIÓN DE NORMALIZACIÓN
NORMA TÉCNICA COLOMBIANA NTC 1669 (Segunda actualización)
CONTENIDO
Página
0. INTRODUCCIÓN ..........................................................................................................1
1. ADMINISTRACIÓN.......................................................................................................1
1.1 ALCANCE.....................................................................................................................1
1.2 OBJETO .......................................................................................................................1
1.3 RETROACTIVIDAD......................................................................................................2
1.4 EQUIVALENCIA...........................................................................................................2
1.5 UNIDADES ...................................................................................................................2
2. REFERENCIAS NORMATIVAS ...................................................................................3
2.1 GENERAL.....................................................................................................................3
2.2 PUBLICACIONES ICONTEC - INSTITUTO COLOMBIANO DE NORMAS
TÉCNICAS....................................................................................................................3
2.3 PUBLICACIONES NFPA. NATIONAL FIRE PROTECTION ASSOCIATION. ............3
2.4 OTRAS PUBLICACIONES...........................................................................................4
2.5 REFERENCIAS PARA EXTRACTOS EN SECCIONES OBLIGATORIAS .................5
3. DEFINICIONES.............................................................................................................5
3.1 GENERALIDADES ......................................................................................................5
3.2 DEFINICIONES OFICIALES DE LA NFPA..................................................................5
3.3 DEFINICIONES GENERALES .....................................................................................6
4. COMPONENTES Y ACCESORIOS DEL SISTEMA ....................................................8
4.1* GENERALIDADES.......................................................................................................8
NORMA TÉCNICA COLOMBIANA NTC 1669 (Segunda actualización)
Página
4.2 TUBERÍAS....................................................................................................................9
4.3 ACCESORIOS............................................................................................................10
4.4 UNIÓN DE TUBOS Y ACCESORIOS ........................................................................11
4.5 VÁLVULAS.................................................................................................................15
4.6 ESTACIONES DE MANGUERA.................................................................................16
4.7 CONEXIONES DE MANGUERA................................................................................17
4.8 CONEXIONES PARA EL CUERPO DE BOMBEROS...............................................17
4.9 DISPOSITIVOS DE REGULACIÓN DE PRESIÓN ....................................................17
4.10 SEÑALIZACIÓN .........................................................................................................17
5. REQUISITOS DEL SISTEMA.....................................................................................18
5.1 GENERALIDADES.....................................................................................................18
5.2 TIPOS DE SISTEMAS PARA CONEXIÓN DE MANGUERAS
CONTRA INCENDIO ..................................................................................................18
5.3 CLASES DE SISTEMAS PARA CONEXIÓN DE MANGUERAS
CONTRA INCENDIO ..................................................................................................22
5.4* TIPO DE SISTEMA REQUERIDO..............................................................................23
5.5* INDICADORES DE PRESIÓN....................................................................................24
5.6* SENSORES DE FLUJO Y ALARMAS DE SUPERVISIÓN .......................................24
6. REQUISITOS DE INSTALACIÓN ..............................................................................25
6.1* UBICACIÓN Y PROTECCIÓN DE LA TUBERÍA.......................................................25
6.2 TUBERÍAS ENTERRADAS........................................................................................26
6.3 VÁLVULAS DE COMPUERTA Y VÁLVULAS DE RETENCIÓN...............................26
6.4* CONEXIONES DE BOMBEROS................................................................................28
NORMA TÉCNICA COLOMBIANA NTC 1669 (Segunda actualización)
Página
6.5 SOPORTE DE TUBERÍA............................................................................................29
6.6 INSTALACIÓN DE SEÑALIZACIÓN..........................................................................29
6.7 SEÑALIZACIÓN PARA BOMBAS DE ABASTECIMIENTO DE AGUA ....................29
6.8* SEÑALIZACIÓN CON LA INFORMACIÓN DEL DISEÑO HIDRÁULICO .................29
7. DISEÑO ......................................................................................................................30
7.1* GENERALIDADES.....................................................................................................30
7.2* LIMITACIÓN DE PRESIÓN........................................................................................30
7.3 LOCALIZACIÓN DE CONEXIONES DE MANGUERA..............................................31
7.4 NÚMERO DE REDES PRINCIPALES........................................................................32
7.5* INTERCONEXIÓN DE REDES PRINCIPALES..........................................................33
7.6 DIÁMETROS MÍNIMOS PARA RAMALES Y REDES PRINCIPALES......................33
7.7 DISEÑO DEL SISTEMA Y DIMENSIONADO DE TUBERÍA
PARA ABASTECER LA DEMANDA DEL SISTEMA ................................................33
7.8* LÍMITES DE PRESIÓN MÍNIMA Y MÁXIMA..............................................................34
7.9 ZONAS DEL SISTEMA PARA CONEXIÓN DE MANGUERAS
CONTRA INCENDIO ..................................................................................................34
7.10 CAUDALES ................................................................................................................35
7.11* RED PRINCIPAL: DRENAJE Y PRUEBA .................................................................37
7.12* CONEXIONES DE BOMBEROS................................................................................38
8. PLANOS Y CÁLCULOS.............................................................................................39
8.1* PLANOS Y ESPECIFICACIONES .............................................................................39
8.2 CÁLCULOS HIDRÁULICOS ......................................................................................39
8.3 PROCEDIMIENTO DE CÁLCULO HIDRÁULICO......................................................41
NORMA TÉCNICA COLOMBIANA NTC 1669 (Segunda actualización)
Página
9. SUMINISTRO DE AGUA............................................................................................44
9.1* SUMINISTRO DE AGUA REQUERIDO .....................................................................44
9.2 SUMINISTRO MÍNIMO PARA SISTEMAS CLASE I Y CLASE III.............................45
9.3 SUMINISTRO MÍNIMO PARA SISTEMAS CLASE II ................................................45
10. PRUEBA DE SUMINISTRO DE AGUA......................................................................45
10.1* EVALUACIÓN DEL SUMINISTRO DE AGUA ...........................................................45
10.2* PROCEDIMIENTO......................................................................................................45
11. ACEPTACIÓN DEL SISTEMA ...................................................................................45
11.1* GENERALIDADES.....................................................................................................45
11.2 LAVADO DE TUBERÍA..............................................................................................45
11.3 ROSCAS DE MANGUERA.........................................................................................46
11.4 PRUEBAS HIDROSTÁTICAS....................................................................................46
11.5 PRUEBAS DE FLUJO................................................................................................47
11.6 PRUEBA MANUAL DE VÁLVULA ............................................................................48
11.7 PRUEBAS DE ALARMA Y SUPERVISIÓN ...............................................................48
11.8 INSTRUCCIONES ......................................................................................................48
11.9 SEÑALIZACIÓN .........................................................................................................48
12. EDIFICIOS EN CONSTRUCCIÓN..............................................................................54
12.1 GENERAL...................................................................................................................54
12.2 CONEXIONES DE BOMBEROS................................................................................54
12.3 OTRAS CARACTERÍSTICAS DEL SISTEMA ...........................................................54
12.4 SOPORTE DE TUBERÍA............................................................................................54
NORMA TÉCNICA COLOMBIANA NTC 1669 (Segunda actualización)
Página
12.5* CONEXIONES DE MANGUERA................................................................................54
12.6* EXTENSIÓN DEL SISTEMA DE TUBERÍA ...............................................................54
12.7 INSTALACIONES TEMPORALES.............................................................................54
12.8 SINCRONIZACIÓN DE LA INSTALACIÓN DE SUMINISTRO DE AGUA ................54
12.9 PROTECCIÓN DE CONEXIONES DE MANGUERA Y CONEXIONES
DE BOMBEROS.........................................................................................................55
DOCUMENTO DE REFERENCIA..........................................................................................76
ANEXOS
ANEXO A (Informativo)
MATERIAL EXPLICATORIO .................................................................................................56
ANEXO B (Informativo)
REFERENCIAS INFORMATIVAS..........................................................................................75
FIGURAS
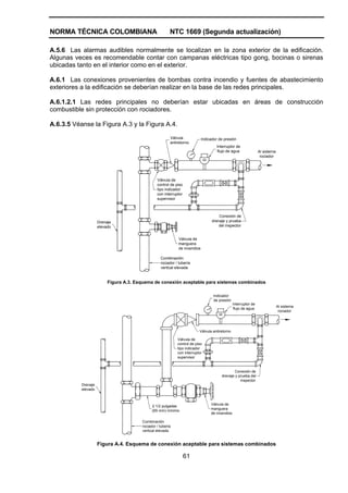
Figura 1. Conexión del drenaje en la tubería vertical........................................................38
Figura 2. Certificados de materiales y pruebas para tubería sobre terreno ...................49
Figura 3 Certificados de materiales y pruebas para tubería para tubería enterrada .....52
TABLAS
Tabla 1. Unidades Métricas de Medición..............................................................................2
Tabla 2. Materiales y dimensiones de tuberías....................................................................9
Tabla 3. Materiales y dimensiones de accesorios.............................................................10
Tabla 4. Diámetros nominales mínimos para redes principales y tubos
de suministro en pulgadas .................................................................................................34
Tabla 5. Dimensionamiento de drenajes de redes principales ........................................37
NORMA TÉCNICA COLOMBIANA NTC 1669 (Segunda actualización)
Página
Tabla 6. Carta de longitud equivalente de tubería. Para C = 120 .....................................41
Tabla 7. Ajuste de Factores para valores C .......................................................................42
Tabla 8. Valores C Hazen-Williams .....................................................................................43
NORMA TÉCNICA COLOMBIANA NTC 1669 (Segunda actualización)
1 de 76
NORMA PARA LA INSTALACIÓN DE CONEXIONES
DE MANGUERAS CONTRA INCENDIO
NOTA IMPORTANTE Este documento de la NFPA está disponible para uso supeditado a importantes
avisos y desautorizaciones legales. Estos avisos y desautorizaciones aparecen en todas las publicaciones
contenidas en este documento y se pueden encontrar bajo el encabezamiento "Avisos y Desautorizaciones
Importantes Sobre Documentos de la NFPA". También se pueden obtener solicitándolos de la NFPA o verse
en www.nfpa.org/disclaimers.
0. INTRODUCCIÓN
0.1 Esta norma es una adopción idéntica de la norma NFPA 14:2007.
0.2 Un asterisco (*) enseguida del número o letra que designa un parágrafo indica que se
puede encontrar material aclaratorio en el Anexo A.
0.3 Una referencia entre paréntesis cuadrados [ ] enseguida de una sección o parágrafo
indica material que ha sido extraído de otro documento NFPA. Como una ayuda para el
usuario, el título completo y edición de los documentos fuente para extractos en secciones
obligatorias del documento son dados en el Capítulo 2 y aquellos para extractos en secciones
informativas son dados en el Anexo B.
1. ADMINISTRACIÓN
1.1 ALCANCE
1.1.1 Esta norma contiene los requisitos mínimos para la instalación de sistemas para
conexión de mangueras contra incendio.
1.1.2* Esta norma no cubre requisitos para la inspección periódica, el ensayo y el
mantenimiento de estos sistemas.
1.2 OBJETO
1.2.1 El propósito de esta norma es proveer un razonable grado de protección contra el fuego a la
vida y a la propiedad, estableciendo los requisitos para la instalación de sistemas para conexión de
mangueras contra incendio basados en sólidos principios de ingeniería, información de ensayos y
experiencia de campo.
1.2.2 Nada en esta norma intenta restringir nuevas tecnologías o disposiciones alternas,
siempre que el nivel de seguridad prescrito por la norma no sea reducido.
NORMA TÉCNICA COLOMBIANA NTC 1669 (Segunda actualización)
2
1.3 RETROACTIVIDAD
Las disposiciones de esta norma reflejan el consenso de qué es necesario proveer un grado
aceptable de protección de los peligros tratados en esta norma en el momento en que fue
publicada.
1.3.1 A menos que sea especificado en otra parte, las disposiciones de esta norma no aplican
a servicios, equipos, estructuras o instalaciones existentes o que fueron aprobadas para
construcción o instalación antes de la fecha de vigencia efectiva de esta norma. Donde sea
especificado, las previsiones de esta norma deben ser retroactivas.
1.3.2 En aquellos casos donde la autoridad competente determine que la situación existente
presenta un grado de riesgo inaceptable, tal autoridad podrá permitir la aplicación retroactiva
de cualquier parte de esta norma que considere apropiada.
1.3.3 Se debe permitir la modificación de los requisitos retroactivos de esta norma si a juicio
de la autoridad competente, su aplicación resulta ser claramente impráctica y solo donde es
claramente evidente que se ha provisto un razonable grado de seguridad.
1.4 EQUIVALENCIA
Nada en esta norma intenta prevenir el uso de sistemas, métodos o dispositivos de calidad
equivalente o superior, resistencia mecánica, resistencia al fuego, efectividad, durabilidad y
seguridad por encima de aquellos prescritos en esta norma.
1.4.1 La documentación técnica se debe someter a la autoridad competente para demostrar
equivalencia.
1.4.2 La autoridad competente debe aprobar el sistema, método o dispositivo para el objetivo
propuesto.
1.5 UNIDADES
1.5.1 Las unidades métricas de medición en esta norma están en concordancia con el
sistema métrico modernizado conocido como el Sistema Internacional de Unidades (SI). Las
unidades litro y bar, las cuales están fuera de él pero son reconocidas por el SI, son
comúnmente usadas internacionalmente en protección de incendios. Estas unidades y sus
factores de conversión se presentan en la Tabla 1.
Tabla 1. Unidades Métricas de Medición
Nombre de la Unidad Símbolo de la Unidad Factor de Conversión
metro m 1 pie = 0,304 8 m
milímetro mm 1 pulgada = 25,4 mm
Litro L 1 galón = 3,785 L
decímetro cúbico dm
3
1 galón = 3,785 dm
3
Pascal Pa 1 psi = 6 894,757 Pa
bar bar 1 psi = 0,068 9 bar
bar bar 1 bar = 10
5
Pa
NOTA Para factores de conversión e información adicional, véase la NTC 1000.
NORMA TÉCNICA COLOMBIANA NTC 1669 (Segunda actualización)
3
1.5.2 En esta norma, si un valor de medida se presenta seguido por un valor equivalente en
otras unidades, el primer valor es el que aplica como requisito. El valor equivalente puede ser
aproximado.
1.5.3 Las dimensiones indicadas para tuberías, láminas o placas de acero y calibre de los
cables están expresadas en diámetros comerciales y no por sus conversiones exactas.
2. REFERENCIAS NORMATIVAS
2.1 GENERAL
Los siguientes documentos normativos referenciados son indispensables para la aplicación de
este documento normativo. Para referencias fechadas, se aplica únicamente la edición citada.
Para referencias no fechadas, se aplica la última edición del documento normativo referenciado
(incluida cualquier corrección).
2.2 PUBLICACIONES ICONTEC. INSTITUTO COLOMBIANO DE NORMAS TÉCNICAS
NTC 1000, Metrología. Sistema Internacional de Unidades (ISO 1000).
NTC 2346, Accesorios para tubería de agua en hierro dúctil y hierro gris, de 76 mm a 1 219 mm
- 3 pulgadas a 48 pulgadas, 2002 (AWWA C110:1998).
NTC 3470, Tubos de acero soldados y sin costura, negros y recubiertos de zinc por inmersión
en caliente, 2005 (ASTM A53:2004).
NTC 5562, Tubos de acero soldados y sin costura, negros y recubiertos de zinc por inmersión
en caliente (galvanizado), para uso en protección contra fuego, 2005 (ASTM A795:2004).
2.3 PUBLICACIONES NFPA. NATIONAL FIRE PROTECTION ASSOCIATION
NFPA 13, Standard for the Installation of Sprinkler Systems, 2007.
NFPA 13R, Standard for the Installation of Sprinkler Systems in Residential Occupancies up to
and Including Four Stories in Height, 2007.
NFPA 20, Standard for the Installation of Stationary Pumps for Fire Protection, 2007.
NFPA 22, Standard for Water Tanks for Private Fire Protection, 2003.
NFPA 24, Standard for the Installation of Private Fire Service Mains and Their Appurtenances,
2007.
NFPA 25, Standard for the Inspection, Testing, and Maintenance of Water-Based Fire
Protection Systems, 2002.
NFPA 51B, Standard for Fire Prevention During Welding, Cutting, and Other Hot Work, 2003.
NFPA 72, National Fire Alarm Code, 2007.
NFPA 101, Life Safety Code, 2006
NFPA 170, Standard for Fire Safety and Emergency Symbols, 2006.
NORMA TÉCNICA COLOMBIANA NTC 1669 (Segunda actualización)
4
NFPA 1963, Standard for Fire Hose Connections, 2003.
2.4 OTRAS PUBLICACIONES
2.4.1 Publicaciones ANSI. AMERICAN NATIONAL STANDARD INSTITUTE
ANSI B 16.1, Cast Iron Pipe Flanges and Flanged Fittings, 1998
ANSI B16.3, Malleable Iron Threaded Fittings, 1998.
ANSI B16.4, Gray Iron Threaded Fittings, 1998.
ANSI B16.5, Pipe Flanges and Flanged Fittings, 2003.
ANSI B16.9, Factory-Made Wrought Steel Buttwelding Fittings, 2003.
ANSI B16.11, Forged Fittings, Socket-Welding and Threaded, 2001.
ANSI B16.18, Cast Cooper Alloy Solder Joint Pressure Fittings, 2001.
ANSI B16.22, Wrought Copper and Cooper Alloy Solder Joint Pressure Fittings, 2001.
ANSI B16.25, Buttwelding Ends, 1997.
ANSI B36.10M, Welded and Seamless Wrought Steel Pipe, 2000.
ANSI Z97.1, Safety Glazing Materials Used in Buildings-Safety Performance Specifications and
Methods of Test, 1994.
2.4.2 Publicaciones ASME. AMERICAN SOCIETY OF MECHANICAL ENGINEERS
ASME B1.20.1, Pipe Threads, General Purpose (Inch), 2001.
2.4.3 Publicaciones ASTM. ASTM INTERNATIONAL.
ASTM A135, Standard Specification for Electric-Resistance-Welded Steel Pipe, 2001.
ASTM A234. Standard Specification for Piping Fittings of Wrought Carbon Steel and Alloy Steel
for Moderate and High Temperature Service, 2004.
ASTM B75, Standard Specification for Seamless Cooper Tube, 2002.
ASTM B88, Standard Specification for Seamless Cooper Water Tube, 2003
ASTM B251, Standard Specification for General Requirements for Wrought Seamless Cooper
and Cooper-Alloy Tube, 2002.
ASTM B828, Standard Practice for Making Capillary Joints by Soldering of Cooper and Cooper-
Alloy Tube and Fittings, 2002.
2.4.4 Publicaciones AWS. AMERICAN WELDING SOCIETY
AWS A5.8, Specification for Filler Metals for Brazing and Braze Welding, 2004.
NORMA TÉCNICA COLOMBIANA NTC 1669 (Segunda actualización)
5
AWS B2.1, Specification for Welding Procedure and Performance Qualification, 2002.
2.4.5 Publicaciones AWWA. AMERICAN WATER WORKS ASSOCIATION
AWWA C104, Cement-Mortar Lining for Ductile-Iron Pipe and Fittings for Water, 2003
AWWA C151, Ductile-Iron Pipe, Centrifugally Cast, for Water 2002.
2.5 REFERENCIAS PARA EXTRACTOS EN SECCIONES OBLIGATORIAS
NFPA 13, Standard for the Installation of Sprinkler Systems, 2007.
NFPA 101, Life Safety Code, 2006.
NFPA 5000, Building Construction and Safety Code, 2006.
3. DEFINICIONES
3.1 GENERALIDADES
Las definiciones incluidas en este capítulo aplican a los términos usados en esta norma. Los
términos que no estén definidos en el presente u otro capítulo, se definirán utilizando su
significado generalmente aceptado dentro del contexto en que estén siendo utilizados y la
fuente para dicho significado será el Diccionario de la Real Academia Española de la Lengua,
última edición.
3.2 DEFINICIONES OFICIALES DE LA NFPA
3.2.1* Aprobado. Aceptable para la autoridad competente.
3.2.2* Autoridad Competente (AC). Una organización, oficina, o individuo responsable de
hacer cumplir los requisitos de un código o norma, o por la aprobación de equipos, materiales,
una instalación o un procedimiento.
3.2.3* Listado. Equipo, materiales o servicios incluidos en una lista publicada por una
organización que es aceptable para la autoridad competente y dedicada a la evaluación de
productos o servicios, que mantiene inspección periódica de la producción de equipo o material
listado o la evaluación periódica de servicios y cuyos listados establecen que tanto el equipo,
material o servicio reúne normas de diseño apropiadas o ha sido probado y encontrado
satisfactorio para un propósito específico.
3.2.4 Debe. Indica un requisito de obligatorio cumplimiento.
3.2.5 Debería. Indica una recomendación o que es aconsejable pero no exigido.
3.2.6 Norma. Un documento, cuyo texto principal contiene solo disposiciones obligatorias
usando la palabra “debe” para indicar requisitos y los cuales son en forma general
convenientes para referencia obligatoria por otra norma o código o para adopción dentro de la
ley. Las disposiciones no obligatorias se deben ubicar en un apéndice o anexo, pie de página o
nota en letra menuda y no son consideradas parte de los requisitos de una norma.
NORMA TÉCNICA COLOMBIANA NTC 1669 (Segunda actualización)
6
3.3 DEFINICIONES GENERALES
3.3.1 Ramal. Un sistema de tubería, generalmente en un plano horizontal, conectado a solo
una conexión de manguera con una red principal.
3.3.2 Conexión
3.3.2.1 Conexión de bomberos
3.3.2.1.1 Conexión de bomberos para sistemas automáticos. Una conexión a través de la
cual los bomberos pueden bombear agua suplementaria dentro del sistema rociador, red
principal de alimentación, u otro sistema accesorio de agua para la extinción del incendio,
suplementando así las fuentes de suministro existentes.
3.3.2.1.2 Conexión de bomberos para sistemas manuales. Una conexión a través de la cual
los bomberos pueden bombear el suministro de agua primario a un sistema manual para
conexión de mangueras contra incendio a la demanda requerida por el sistema.
3.3.2.2 Conexión de manguera. Una combinación de equipo provista para conexión de una
manguera a un sistema para conexión de mangueras contra incendio que incluye una válvula
de manguera con una salida roscada.
3.3.3 Salida
3.3.3.1 Pasadizo de salida. Pasillos, corredores, pasajes o túneles usados como vías de
evacuación y separados de otras partes del edificio en concordancia con la norma NFPA 101.
3.3.3.2 Salida horizontal. Una vía de paso desde un edificio hasta un área de refugio en otro
edificio, aproximadamente al mismo nivel, o una vía de paso a través o alrededor de una
barrera de incendios hasta un área de refugio aproximadamente al mismo nivel y en el mismo
edificio que ofrece seguridad contra el fuego y humo originarios del área de incidencia y
espacios que las comunican. [NFPA 101:2006].
3.3.4 Alimentación principal. La parte de un sistema para conexión de mangueras contra
incendio que suministra agua a una o más redes principales.
3.3.5 Edificio alto. Un edificio donde el piso de una planta ocupable está a más de 75 pies
(23 m) por encima del nivel más bajo de acceso para el carro o vehículo de bomberos.
[NFPA 5000:2006]
3.3.6 Estación de manguera. Un conjunto o combinación de soporte para manguera, boquilla
para manguera, manguera y conexión de manguera, también conocido como gabinete.
3.3.7 Presión
3.3.7.1 Presión en la boquilla. Presión requerida en la entrada de una boquilla para producir
las características deseadas de la descarga de agua.
3.3.7.2 Presión residual. En sistemas para conexión de mangueras contra incendio, la presión
que actúa sobre un punto del sistema bajo condiciones de flujo.
3.3.7.3 Presión estática. En sistemas para conexión de mangueras contra incendio, la presión
que actúa sobre un punto del sistema cuando no hay flujo en el sistema.
NORMA TÉCNICA COLOMBIANA NTC 1669 (Segunda actualización)
7
3.3.8* Dispositivo regulador de presión. Un dispositivo diseñado con el propósito de reducir,
regular, controlar o limitar la presión del agua.
3.3.9 Dispositivo de restricción de presión. Una válvula o dispositivo diseñado con el
propósito de reducir la presión del agua aguas abajo del accesorio solo bajo condiciones de
flujo (residual).
3.3.10 Capacidad nominal. El caudal disponible de un dispositivo, a la presión residual
diseñada, medida o calculada.
3.3.11 Red principal. El tramo vertical del sistema de tubería que entrega verticalmente, de
piso a piso el suministro de agua para conexiones de manguera y en sistemas combinados
también a rociadores. El término “Red principal” también se puede referir a la parte horizontal
del sistema de tubería que entrega, en un solo nivel, el suministro de agua para dos o más
conexiones de manguera y rociadores, en sistemas combinados.
3.3.12* Sistema para conexión de mangueras contra incendio. Una disposición de tubería,
válvulas, conexiones de manguera y equipo relacionado, instalado en un edificio o estructura,
con las conexiones de manguera ubicadas de manera que el agua puede ser descargada en
patrón de chorros o aspersión a través de mangueras y boquillas acopladas, con el propósito
de extinguir un incendio, con lo cual es protegido un edificio o estructura y sus contenidos en
adición a la protección de los ocupantes.
3.3.12.1 Sistema automático para conexión de mangueras contra incendio. Un sistema
para conexión de mangueras contra incendio que está conectado a un suministro de agua
capaz de abastecer permanentemente la demanda del sistema y que no requiere acción
diferente que la de abrir una válvula de manguera para suministrar agua a las conexiones de
manguera.
3.3.12.2 Sistema combinado. Un sistema para conexión de mangueras contra incendio, cuya
red suministra agua tanto a las conexiones de manguera como a los rociadores automáticos.
3.3.12.3 Sistema seco para conexión de mangueras contra incendio.
3.3.12.3.1 Sistema seco automático para conexión de mangueras contra incendio. Un
sistema para conexión de mangueras contra incendio conectado permanentemente a un
suministro de agua y que está diseñado para tener agua contenida en la tubería solo cuando el
sistema está siendo utilizado.
3.3.12.3.2 Sistema seco manual para conexión de mangueras contra incendio. Un sistema
para conexión de mangueras contra incendio no conectado a una fuente permanente de agua y
que está diseñado para tener agua contenida en la tubería solo cuando el sistema está siendo
utilizado a través de la conexión de bomberos.
3.3.12.4 Sistema manual para conexión de mangueras contra incendio. Un sistema para
conexión de mangueras contra incendio que depende exclusivamente de la conexión de
bomberos para abastecer la demanda del sistema.
3.3.12.5 Sistema semiautomático para conexión de mangueras contra incendio. Un
sistema para conexión de mangueras contra incendio que está conectado a un suministro de
agua capaz de abastecer todo el tiempo la demanda del sistema y que requiere activación de
un dispositivo de control para suministrar agua a las conexiones de manguera.
NORMA TÉCNICA COLOMBIANA NTC 1669 (Segunda actualización)
8
3.3.12.6 Sistema húmedo para conexión de mangueras contra incendio. Un sistema para
conexión de mangueras contra incendio que tiene la tubería con agua todo el tiempo.
3.3.13 Zona del sistema para conexión de mangueras contra incendio. Una subdivisión
vertical de un sistema para conexión de mangueras contra incendio limitado o determinado por
las limitaciones de presión de los componentes del sistema.
3.3.14 Demanda del sistema. El caudal y la presión residual que se requiere de la fuente de
suministro de agua, medidos en el punto de conexión del suministro a un sistema para
conexión de mangueras contra incendio, para entregar el caudal total de agua y las presiones
residuales mínimas requeridas a un sistema para conexión de mangueras contra incendio en la
manguera hidráulicamente más remota y el caudal mínimo para conexiones de rociadores en
sistemas combinados.
3.3.15* Tipo de sistema
3.3.15.1 Sistema Clase I. Un sistema provisto con estaciones de manguera de 2 1/2
pulgadas (65 mm) para suministrar agua para uso de bomberos y personal entrenado en el
manejo de chorros de agua de gran caudal para incendio.
3.3.15.2 Sistema Clase II. Un sistema provisto con estaciones de manguera de 1 1/2
pulgadas (40 mm) para suministrar agua para uso prioritario por personal entrenado o por los
bomberos durante la respuesta inicial.
3.3.15.3 Sistema Clase III. Un sistema provisto con estaciones de manguera de 1 1/2
pulgada (40 mm) para suministrar agua para uso por personal entrenado y conexiones de
manguera de 2 1/2 pulgadas (65 mm) para suministrar un mayor volumen de agua para uso de
los bomberos y personal entrenado en el manejo de chorros de agua de gran caudal para
incendio.
3.3.16 Válvula
3.3.16.1 Válvula de control. Una válvula de control de flujo para sistemas de protección contra
incendios a base de agua. Las válvulas de control no incluyen válvulas de manguera, válvulas
de inspección y prueba, válvulas de drenaje, conjunto de válvulas para tubería seca, válvulas
de pre-acción e inundación, válvulas de retención o válvulas de alivio.
3.3.16.2 Válvula de manguera. La válvula para una conexión individual de manguera.
3.3.16.3 Válvula reguladora de presión. Una válvula operada por piloto, diseñada con el
propósito de controlar la presión de agua aguas abajo a un valor específico bajo condiciones
con o sin flujo (residual o estática).
3.3.16.4* Válvula reductora de presión. Una válvula diseñada con el propósito de reducir la
presión de agua aguas abajo, bajo condiciones con o sin flujo (residual o estática).
4. COMPONENTES Y ACCESORIOS DEL SISTEMA
4.1* GENERALIDADES
4.1.1 Los componentes y accesorios del sistema para conexión de mangueras contra
incendio deben estar en concordancia con este capítulo.
NORMA TÉCNICA COLOMBIANA NTC 1669 (Segunda actualización)
9
4.1.2 Todos los dispositivos y materiales usados en sistemas para conexión de mangueras
contra incendio deben ser listados, exceptuando lo permitido en el numeral 4.1.3.
4.1.3 No se requiere que sean listados los componentes que no afectan el desempeño del
sistema tales como tubería de drenaje, válvulas de drenaje y señalización.
4.2 TUBERÍAS
4.2.1 Las tuberías usadas en sistemas para conexión de mangueras contra incendio deben
cumplir o exceder una de las normas de la Tabla 2 o estar en concordancia con los
numerales 4.2.2 hasta el numeral 4.2.6.
Tabla 2. Materiales y dimensiones de tuberías
Materiales y Dimensiones (Especificaciones) Norma
Tubería de Hierro
Tubería de hierro-dúctil, vaciada centrífugamente, para agua u otros líquidos AWWA C151
Tubería de Acero Soldada por Resistencia Eléctrica
Especificación de norma para tubería de acero soldada por resistencia eléctrica ASTM A135
Acero Soldado y Sin Costuras
Especificación de norma para tubería de acero para uso en protección contra incendios,
negra y revestida con zinc por inmersión en caliente (galvanizada) con o sin costura
NTC 5562
Tubería de Acero Soldada y Sin Costuras
Especificación de norma para tubería, acero, negra y revestida con zinc por inmersión en
caliente, con o sin costura
NTC 3470
Tubería de acero forjado con y sin costura ANSI B36.10M
Tubo de Cobre (Estirado, Sin Costuras)
Especificación de norma para tubo de cobre sin costuras ASTM B75
Especificación de norma para tubo de cobre para agua sin costuras ASTM B88
Especificación de norma por requisitos generales para tubo de cobre forjado sin costuras y
tubo de aleación de cobre
ASTM B251
Metal de Aporte para Soldadura Fuerte (Clasificaciones BCuP-3 o BCuP-4)
Especificación para metales de aporte para soldadura fuerte y soldadura con bronce AWS A5.8
4.2.2 Cuando se instale tubería de hierro dúctil según la Tabla 2, debe estar revestida
conforme a la norma AWWA C104, Cement-Mortar Lining for Ductile-Iron Pipe Fittings for
Water.
4.2.3 Cuando se utilice la tubería de acero especificada en la Tabla 2 y su unión se realice
soldada o ranurada por presión como está especificado en el numeral 4.4, el espesor mínimo
nominal de pared para presiones hasta de 300 psi (20,7 bar) debe estar en concordancia con la
cedula 10 (SCH 10) para diámetros de tubería hasta de 5 pulgadas (125 mm), 0,134 pulgadas
(3,40 mm) para tubería de 6 pulgadas (150 mm) y 0,188 pulgadas (4,78 mm) para tubería
de 8 pulgadas (200 mm) y 10 pulgadas (250 mm).
4.2.3.1 Las limitaciones de presión y espesor de pared para tubería de acero listada de
conformidad con el numeral 4.2.6 se deben ajustar a los requisitos del listado.
4.2.4 Cuando la tubería de acero especificada en la Tabla 2 este acoplada por accesorios
roscados como se especifica en el numeral 4.4 o por accesorios usados con tubería que tiene
uniones ranuradas por corte y para presiones hasta de 300 psi (20,7 bar) el espesor mínimo de
pared debe ser cedula 30 (SCH 30) [para diámetros de 8 pulgadas (200 mm) y mayores] o
tubería cedula 40 (SCH 40) [para diámetros menores de 8 pulgadas (200 mm)].
NORMA TÉCNICA COLOMBIANA NTC 1669 (Segunda actualización)
10
4.2.4.1 Las limitaciones de presión y espesores de pared para tubería de acero especialmente
listada de conformidad con el numeral 4.2.6 se deben ajustar a los requisitos del listado.
4.2.5 Cuando en sistemas para conexión de mangueras contra incendio se utilice tubería de
cobre como se indica en la Tabla 2 la tubería debe tener un espesor de pared del Tipo K, L o M.
4.2.6 Se debe permitir el uso de otros tipos de tubería, que hayan sido evaluados para uso en
instalaciones de red principal, listados para este servicio, instalados de conformidad con las
limitaciones del listado y cumpliendo con las instrucciones de instalación como por ejemplo
pero no limitado a tubería de acero diferente a la prevista en la Tabla 2.
4.2.6.1 La tubería no debe estar listada parcialmente para una clasificación de ocupación.
4.2.7 Curvado de tubería
4.2.7.1 Se debe permitir el cambio de dirección de la tubería de acero cedula 40 (SCH 40) y
tubo de cobre Tipos K y L siempre y cuando las curvas estén hechas sin dobleces, ondas,
distorsiones, reducciones en diámetro o cualquier otra desviación notable de su forma
redondeada.
4.2.7.2 El radio mínimo de la curva debe ser de seis veces el diámetro para tuberías de
2 pulgadas (50 mm) y menores, y cinco veces el diámetro para tuberías de 2 1/2 pulgadas
(65 mm) y mayores.
4.3 ACCESORIOS
4.3.1 Los accesorios usados en sistemas para conexión de mangueras contra incendio
deben cumplir o exceder una de las normas de la Tabla 3 o estar en concordancia con el
numeral 4.3.2.
Tabla 3. Materiales y dimensiones de accesorios
Materiales y Dimensiones Norma
Hierro Fundido
Accesorios Roscados de Hierro Gris ANSI B16.4
Bridas y Accesorios Bridados de Tubería de Hierro Gris ANSI B16.1
Hierro Maleable
Accesorios Roscados de Hierro Maleable ANSI B16.3
Hierro Dúctil
Accesorios de Hierro Dúctil y Hierro Gris para Agua y otros líquidos NTC 2343
Acero
Accesorios Soldados al Tope en Acero Forjado Hechos en Fábrica ANSI B16.9
Terminales Soldados al Tope ANSI B16.25
Especificación de Norma para Accesorios de Tubería de Acero Forjado al Carbono y Acero
Aleado para Servicio de Temperatura Moderada y Alta
ASTM A 234
Bridas de Tubería y Accesorios Bridados ANSI B16.5
Accesorios Forjados, de Manguito Soldado y Roscados ANSI B16.11
Cobre
Accesorios para Juntas de Presión de Cobre Forjado y Soldados en Cobre Aleado ANSI B16.22
Accesorios para Juntas de Presión Soldadas en Cobre Fundido Aleado ANSI B16.18
4.3.2 Se debe permitir el uso de otros tipos de accesorios que hayan sido analizados para
uso en instalaciones de red principal, listados para este servicio, incluyendo pero no limitado a
accesorios de aceros diferentes a los previstos en la Tabla 3, instalados en concordancia con
las limitaciones del listado y que cumplan con las instrucciones de instalación.
NORMA TÉCNICA COLOMBIANA NTC 1669 (Segunda actualización)
11
4.3.3 Cuando la presión exceda de 175 psi (12,1 bar), los accesorios deben ser del tipo extra-
pesado.
4.3.3.1 Cuando la presión no exceda de 300 psi (20,7 bar) se debe permitir el uso de
accesorios de hierro fundido de tipo ordinario, para diámetros de 2 pulgadas (50 mm) y
menores.
4.3.3.2 Cuando la presión no exceda de 300 psi (20,7 bar) se debe permitir el uso de
accesorios de hierro maleable de tipo ordinario, para diámetros de 6 pulgadas (150 mm) y
menores.
4.3.3.3 Se debe permitir el uso de accesorios hasta los límites de presión especificados en sus
listados.
4.3.4 No se deben utilizar uniones roscadas en tubería de diámetro mayor de 2 pulgadas
(50 mm).
4.3.4.1 Los acoples y uniones distintos a los roscados deben ser listados específicamente para
uso en sistemas para conexión de mangueras contra incendio.
4.3.5 Para el cambio de diámetro se debe utilizar un accesorio reductor de una sola pieza.
4.3.5.1 Se debe permitir el uso de reductores como bujes hexagonales (Bushings), o bujes sin
reborde para reducir el diámetro, cuando no se disponga de accesorios reducidos.
4.4 UNIÓN DE TUBOS Y ACCESORIOS
4.4.1 Tubería y accesorios roscados
4.4.1.1 Toda la tubería y accesorios roscados deben tener roscas según ASME B1.20.1, Pipe
Threads, General Purpose. [NFPA 13:6.5.1.1].
4.4.1.2* Se debe permitir el uso de tubería de acero roscada cuando el espesor de pared sea
menor de cedula 30 (SCH 30) [en diámetros de 8 pulgadas (200 mm) y mayores], o cuando el
espesor de pared sea menor de cedula 40 (SCH 40) [en diámetros menores de 8 pulgadas
(200 mm)], solamente cuando el ensamble roscado haya sido investigado como apropiado para
uso en instalaciones de rociadores automáticos y dicho ensamble esté listado para este
servicio. [NFPA 13:6.5.1.2].
4.4.1.3 El sellante de la unión, solo se debe aplicar sobre la rosca macho. [NFPA 13:6.5.1.3].
4.4.2 Tubería y accesorios soldados.
4.4.2.1 Generalidades
4.4.2.1.1 Se debe permitir la unión soldada para acoplar tuberías y accesorios de rociadores,
de conformidad con los numerales 4.4.2.2 hasta el numeral 4.4.2.6, [NFPA 13:6.5.2.1.1].
4.4.2.2* Ensamble
4.4.2.2.1 La soldadura de tuberías y accesorios para rociadores se debe realizar en taller a
menos que se cumplan los requisitos de los numerales 4.4.2.2 ó 4.4.2.3. [NFPA 13:6.5.2.2.1].
NORMA TÉCNICA COLOMBIANA NTC 1669 (Segunda actualización)
12
4.4.2.2.2 Cuando las especificaciones de diseño requieran que alguna parte del sistema de
tubería sea soldada en el sitio, se debe permitir la soldadura de la tubería de rociadores
siempre y cuando, el proceso de soldado se realice conforme con la norma NFPA 51B y se
instalen los accesorios de unión mecánica requeridos en los numerales 8.15.21 y 8.16.3 de la
NFPA 13. [NFPA 13:6.5.2.2.2].
4.4.2.2.3 Se debe permitir la soldadura de suplementos en sitio a la tubería para la instalación
de los soportes sismo resistentes longitudinales cuando el proceso de soldadura se realice
conforme a la NFPA 51B. [NFPA 13:6.5.2.2.3].
4.4.2.2.4 No se deben realizar trabajos de soldadura de tubería cuando existan impedimentos
originados por condiciones de lluvia, nieve, aguanieve o fuertes vientos en el área de trabajo
donde se realiza la soldadura de la tubería. [NFPA 13:6.5.2.2.4].
4.4.2.2.5 Para modificar o reparar un sistema de rociadores, no se debe permitir el corte y
soldadura con soplete u otros instrumentos de llama abierta. [NFPA 13:6.5.2.2.5].
4.4.2.3 Accesorios
4.4.2.3.1* Los accesorios soldados usados para acoplar tubería deben ser listados o fabricados
de acuerdo con la Tabla 3. [NFPA 13:6.5.2.3.1].
4.4.2.3.2 Los accesorios referidos en 4.4.2.3.1 se deben unir siguiendo un procedimiento
calificado de soldadura como se establece en esta sección y deben ser un producto aceptable
bajo esta norma, siempre que los materiales y el espesor de pared cumplan con otras
secciones de esta norma. [NFPA 13:6.5.2.3.2].
4.4.2.3.3 No se requiere el uso de accesorios cuando los extremos de la tubería se suelden a
tope conforme a los requisitos de 4.4.2.4.2, [NFPA 13:6.5.2.3.3].
4.4.2.3.4 Las reducciones de diámetro en tramos rectos de tubería se deben realizar mediante
accesorios de reducción diseñados para este propósito de acuerdo con los requisitos del
numeral 4.4.2.3.1. [NFPA13:6.5.2.3.4].
4.4.2.4 Requisitos para soldadura
4.4.2.4.1* Se debe permitir el uso de soldadura de penetración total, de soldadura de
penetración parcial, y soldadura de filete para unión de tuberías y accesorios. La separación
mínima de las piezas no debe ser menor a cualquiera de los siguientes valores: al espesor de
pared de la tubería, del espesor del accesorio soldado o de 3/16 de pulgada (4,8 mm) [NFPA
13:6.5.2.4.1].
4.4.2.4.2* Las juntas circulares a tope se deben cortar, biselar, alinear y distanciar para permitir
la penetración total, aunque no se requiere que la soldadura sea de penetración total [NFPA
13:6.5.2.4.2].
4.4.2.4.3 Cuando se suelden bridas de tipo deslizante a tuberías mediante un solo cordón de
soldadura, esta debe estar en el lado de la campana de la brida y la superficie de contacto de
la soldadura debe ser mayor al menor de los siguientes valores: 1,25 veces el espesor de
pared de la tubería o del espesor de pared de la campana. [NFPA 13:6.5.2.4.3].
4.4.2.4.4 Se deben permitir soldaduras superficiales sobre la cara interna de la brida como sello
de agua adicional a la soldadura en la campana, que se requiere en el numeral 4.4.2.4.3
[NFPA 13:6.5.2.4.4].
NORMA TÉCNICA COLOMBIANA NTC 1669 (Segunda actualización)
13
4.4.2.4.5 La soldadura en los suplementos a la tubería para la instalación de los soportes sismo
resistentes longitudinales deben tener una superficie de contacto no menor de 1,25 veces el
espesor de la pared de la tubería y estar soldados en ambos lados de la dimensión mayor del
suplemento.
[NFPA 13:6.5.2.4.5]
4.4.2.4.6 Al ejecutar la soldadura, se debe tener en cuenta lo siguiente:
1) Los orificios que se hagan en la tubería para la conexión de accesorios, se deben cortar
con un diámetro igual al diámetro interno del tubo de derivación y antes de soldar el
accesorio.
2) Los discos sobrantes de la operación de corte, deben ser retirados.
3) La superficie de corte de los orificios debe quedar completamente lisa y toda rebaba y
escoria interna resultante de la soldadura se debe retirar.
4) Los accesorios no deben penetrar mas allá del diámetro interno de la tubería.
5) No se deben soldar placas de acero en los extremos de las tuberías o de los accesorios.
6) Los accesorios no deben ser modificados.
7) No se deben soldar a la tubería o accesorios tuercas, abrazaderas, varillas con ojal,
suplementos u otros elementos de fijación y soporte, excepto los permitidos en los
numerales 4.4.2.2.3 y 4.4.2.4.5.
8) Las soldaduras terminadas deben estar libres de grietas, fusión incompleta, porosidad
superficial de diámetro mayor a 1/16 de pulgada (1,6 mm) y socavado superior al menor
valor entre el 25 porciento del espesor de pared o 1/32 de pulgada (0,8 mm).
9) Los refuerzos circulares de soldadura a tope para acabado, no deben exceder 3/32 de
pulgada (2,4 mm). [NFPA 13:6.5.2.4.6].
4.4.2.5 Calificación de soldadura
4.4.2.5.1 El procedimiento de soldadura debe ser preparado y calificado por el contratista o
fabricante antes de realizar cualquier soldadura. [NFPA 13:6.5.2.5.1].
4.4.2.5.2 Se requiere que la calificación del procedimiento de soldadura a utilizar y la habilidad
de los soldadores y operarios cumpla o exceda los requisitos de la normas AWS B2.1, ASME
Boiler and Pressure Vessel Code, Sección IX, Welding and Brazing Qualifications u otra norma
de calificación aplicable que sea exigida por la autoridad competente, excepto en lo permitido
en el numeral 4.4.2.5.3. [NFPA 13:6.5.2.5.2].
4.4.2.5.3 La aceptación del procedimiento de soldadura de ranura en juntas terminadas, debe
servir igualmente para calificar soldaduras de penetración parcial (ranurado/filete) y las
soldaduras de filete de acuerdo con lo previsto en esta norma. [NFPA 13:6.5.2.5.3].
4.4.2.5.4 Se debe permitir el uso de los procedimientos de soldadura cualificados bajo normas
reconocidas en ediciones previas de esta norma. [NFPA 13:6.5.2.5.4].
NORMA TÉCNICA COLOMBIANA NTC 1669 (Segunda actualización)
14
4.4.2.5.5 Los contratistas o fabricantes deben ser responsables por toda soldadura que
ejecuten o produzcan. [NFPA 13:6.5.2.5.5].
4.4.2.5.6 Cada contratista o fabricante debe tener disponible para la autoridad competente un
procedimiento escrito de aseguramiento de la calidad, garantizando el cumplimiento de los
requisitos del numeral 4.4.2.4. [NFPA 13:6.5.2.5.6].
4.4.2.6 Registros de soldadura
4.4.2.6.1 Una vez terminada la soldadura de la tubería, los soldadores o los operarios de
soldadura deben colocar su marca de identificación o etiqueta sobre cada pieza en zona
adyacente a la soldadura. [NFPA 13:6.5.2.6.1].
4.4.2.6.2 Los contratistas o fabricantes deben mantener registros certificados, disponibles para
la autoridad competente, de los procedimientos usados y los soldadores u operarios de
soldadura empleados por ellos, junto con su identificación como soldador. [NFPA 13:6.5.2.6.2].
4.4.2.6.3 Los registros de soldadura deben incluir la fecha, los resultados del procedimiento y
calificaciones de desempeño. [NFPA 13:6.5.2.6.3].
4.4.3 Métodos para unión ranurada
4.4.3.1 La unión de tubería y accesorios ranurados, se debe realizar mediante una combinación
listada de accesorios, empaques y ranuras. [NFPA 13:6.5.3.1].
4.4.3.2 Las ranuras cortadas y las ranuras laminadas que se realicen sobre la tubería, deben
ser dimensionalmente compatibles con los accesorios. [NFPA 13:6.5.3.2].
4.4.3.3 Los accesorios ranurados y los empaques correspondientes que se utilicen en sistemas
de tubería seca, pre-acción y de inundación, deben ser listados para servicio en sistemas de
tubería seca. [NFPA 13:6.5.3.3].
4.4.4* Uniones de soldadura por capilaridad
4.4.4.1 Cuando se permita el uso de uniones soldadas por capilaridad, estas se deben fabricar
de acuerdo con los métodos y procedimientos relacionados en ASTM B828. [NFPA 13:6.5.4.1].
4.4.4.2 Todas las uniones para tubería de cobre se deben realizar mediante soldadura capilar
fuerte, a menos que se cumplan los requisitos de los numerales 4.4.4.3 ó 4.4.4.4. [NFPA
13:6.5.4.2].
4.4.4.3 Se debe permitir el uso de uniones de soldadura capilar blanda para sistemas de
tubería húmeda cuando la tubería esté expuesta y en ocupaciones de riesgo ligero donde la
clasificación de temperatura de los rociadores instalados sea ordinaria o intermedia. [NFPA
13:6.5.4.3].
4.4.4.4 Se debe permitir el uso de soldadura capilar blanda para sistemas de tubería húmeda
en ocupaciones de riesgo ligero y ordinario (Grupo 1) cuando la tubería esta oculta (protegida
del calor) independientemente de la clasificación de temperatura de los rociadores. [NFPA
13:6.5.4.4].
4.4.4.5* El fundente para soldadura capilar blanda, debe cumplir con lo requerido en la
Tabla 6.3.1.1 de la norma NFPA 13. [NFPA 13:6.5.4.5].
NORMA TÉCNICA COLOMBIANA NTC 1669 (Segunda actualización)
15
4.4.4.6 Si se usan fundentes, estos no deben ser del tipo altamente corrosivo. [NFPA
13:6.5.4.6].
4.4.5 Otros métodos de unión
4.4.5.1 Se deben permitir otros métodos de unión que hayan sido investigados como
adecuados para su instalación en sistemas de rociadores automáticos y estén listados para
este servicio, siempre y cuando se instalen conforme a sus limitaciones de listado, incluyendo
las instrucciones de instalación. [NFPA 13:6.5.5.1].
4.4.5.2 Accesorios para derivación
Los accesorios para derivación con empaquetadura de caucho que se usen en sistemas de
rociadores deben cumplir los siguientes requisitos:
1) Ser instalados en concordancia con el listado e instrucciones de instalación del
fabricante.
2) Retirar todos los discos sobrantes.
3) Los cortes que se hagan deben ser pared lisa y todos los residuos resultantes deben
ser removidos.
4) No ser modificados.
[NFPA 13:6.5.5.2]
4.4.6 Alistamiento final
4.4.6.1 Una vez cortada la tubería, se le deben limpiar los bordes del tubo para retirar las
virutas y las rebabas. [NFPA 13:6.5.6.1].
4.4.6.2 La tubería que se instale con accesorios listados y su alistamiento final deben cumplir
las instrucciones de instalación del fabricante de los accesorios y sus condiciones de listado.
[NFPA 13:6.5.6.2].
4.5 VÁLVULAS
4.5.1 Todas las válvulas que controlan conexiones a suministros de agua y redes principales
deben ser listadas indicando la válvula.
4.5.1.1 En instalaciones enterradas se debe permitir la instalación de válvulas de compuerta
listadas y provistas de indicador tipo poste listado.
4.5.1.2 Se debe permitir montar una válvula reguladora de agua listada con un indicador de
posición conectado a una estación de supervisión remota.
4.5.1.3 Se deben permitir válvulas no indicadoras, tales como válvulas de compuerta bajo
terreno que cuenten con una caja aprobada tipo tráfico completa y con llave T, que sea
aprobada por la autoridad competente.
4.5.2 Las válvulas no deben cerrarse en menos de 5 s cuando sean operadas a la velocidad
máxima posible desde la posición totalmente abierta.
NORMA TÉCNICA COLOMBIANA NTC 1669 (Segunda actualización)
16
4.6 ESTACIONES DE MANGUERA
4.6.1 Armarios y gabinetes
4.6.1.1 Los armarios y gabinetes utilizados para alojar mangueras de incendio deben ser de un
tamaño que permita la instalación del equipo necesario en la estación y diseñados de forma tal
que no interfieran con el uso rápido de la conexión de manguera, la manguera y demás equipo
en el momento del incendio.
4.6.1.1.1 Dentro del gabinete, las conexiones de manguera deben ser ubicadas de manera que
haya al menos 1 pulgada (25,4 mm) libre entre cualquier parte del gabinete y la cruceta de la
válvula en cualquier posición, desde totalmente abierta hasta totalmente cerrada.
4.6.1.1.2 El gabinete se debe usar exclusivamente para el equipo de incendio y cada gabinete
debe estar claramente identificado.
4.6.1.2 Donde se presente una cubierta protectora tipo “rompa el vidrio” para un aparato con
picaporte, el dispositivo provisto para romper el panel de vidrio debe ser fijado en el área
inmediata al panel de vidrio quebradizo y dispuesto de forma tal que no pueda ser usado para
romper otros paneles de vidrio en la puerta del gabinete.
4.6.1.2.1 Todo elemento transparente en la puerta debe ser de vidrio templado de seguridad o
de plástico transparente en concordancia con ANSI Z97.1, Safety Glazing Materials Used in
Buildings-Safety Performance Specifications and Methods of Test.
4.6.1.3 Cuando un gabinete interfiera con un montaje o partición resistente al fuego, la
resistencia al fuego del montaje se debe mantener según lo requiera el código local de
construcción.
4.6.1.4 Los gabinetes de manguera deben ser identificados para indicar su contenido.
4.6.2 Mangueras
4.6.2.1* Toda estación de manguera prevista para uso por personal entrenado (Sistemas Clase II y
Clase III) debe estar equipada con manguera de incendio, listada, de 1 1/2 pulgadas (40 mm),
revestida, aplastable o no aplastable, acoplada y lista para uso, con no más de 100 pies (30,5 m)
de longitud.
4.6.2.2 Cuando se utilicen mangueras de diámetro menor a 1 1/2 pulgadas (40 mm) en
estaciones con conexión de 1 1/2 pulgadas (40 mm) de conformidad con los numerales 5.3.2 y
5.3.3, se debe utilizar manguera listada no aplastable.
4.6.3 Soportes para manguera
4.6.3.1 Toda estación de manguera de 1 1/2 pulgadas (40 mm) equipada con manguera de
1 1/2 pulgadas (40 mm) debe contar con un soporte listado u otro sistema de almacenamiento
aprobado.
4.6.3.2 Toda estación de manguera con salida de 1 1/2 pulgadas (40 mm) y equipada con
manguera de diámetro menor a 1 1/2 pulgadas (40 mm ) de conformidad con los numerales
5.3.2 y 5.3.3 debe estar equipada con un carrete listado para flujo continuo.
NORMA TÉCNICA COLOMBIANA NTC 1669 (Segunda actualización)
17
4.6.4 Boquillas
Las boquillas provistas para servicio Clase II deben ser listadas.
4.6.5* Identificación
Todo soporte o sistema de almacenamiento para manguera de 1 1/2 pulgadas (40 mm) o
menor debe contar con un rótulo o aviso que incluya el texto “Manguera de incendio para uso
por personal entrenado” y las instrucciones de operación.
4.7 CONEXIONES DE MANGUERA
4.7.1 Las válvulas de manguera deben ser listadas.
4.7.2 Las conexiones de manguera deben tener roscas externas National Hose Standard
(NHS), para el diámetro de válvula especificado, en concordancia con NFPA 1963, Standard for
Fire Hose Connections.
4.7.3 Las conexiones de manguera deben estar equipadas con tapas para proteger las roscas
de manguera.
4.7.4 Cuando las roscas de manguera del cuerpo de bomberos local no estén conformes con
la norma NFPA 1963, Standard for Fire Hose Connections, la autoridad competente debe
designar las roscas de manguera que deben ser usadas.
4.8 CONEXIONES PARA EL CUERPO DE BOMBEROS (véase la Figura A.5)
4.8.1 Las conexiones para el cuerpo de bomberos deben ser listadas para una presión de
trabajo igual a o mayor que el requisito de presión exigida por el sistema.
4.8.2 Toda conexión para el cuerpo de bomberos debe tener al menos dos accesorios
giratorios de rosca interna hembra de 2 1/2 pulgadas (65 mm) que tengan rosca NHS, como
está especificado en NFPA 1963, Standard for Fire Hose Connections. (Véase los numerales
7.7 y 7.12 para requisitos de diseño).
4.8.2.1 Las conexiones del cuerpo de bomberos deben estar equipadas con tapas para
proteger el sistema de la entrada de objetos extraños.
4.8.2.2 Cuando el cuerpo de bomberos local use accesorios que difieren de aquellos
especificados, se deben emplear accesorios compatibles con el equipo del cuerpo de
bomberos local y su diámetro mínimo debe ser de 2 1/2 pulgadas (65 mm).
4.9 DISPOSITIVOS DE REGULACIÓN DE PRESIÓN
Los dispositivos de regulación de presión deben ser listados.
4.10 SEÑALIZACIÓN
Las señales deben ser legibles permanentemente y construidos de materiales de metal o de
plástico rígido resistente a la intemperie.
NORMA TÉCNICA COLOMBIANA NTC 1669 (Segunda actualización)
18
5. REQUISITOS DEL SISTEMA
5.1 GENERALIDADES
5.1.1 El número y disposición del equipo de red principal necesario para protección debe ser
determinado por las condiciones locales tales como la ocupación, características y construcción
del edificio y su accesibilidad.
5.1.2* Se debe consultar a la autoridad competente respecto del tipo de sistema requerido,
clase de sistema y requisitos especiales.
5.1.3 La localización y espaciamiento de las redes principales y de las conexiones de
manguera debe estar de conformidad con el Capítulo 7.
5.1.4 Los sistemas de red principal y de manguera no requeridos por la autoridad competente
y que no reúnan los requisitos de esta norma se deben marcar con una señal que diga “SOLO
PARA USO DE LA BRIGADA DE INCENDIOS”.
5.2 TIPOS DE SISTEMAS PARA CONEXIÓN DE MANGUERAS CONTRA INCENDIO
5.2.1* Automático seco
5.2.1.1 Suministro de agua
El suministro de agua para un sistema automático seco para conexión de mangueras contra
incendio debe ser capaz de abastecer la demanda del sistema.
5.2.1.2 Indicadores de presión
Se deben instalar indicadores de presión listados conforme a lo establecido en el numeral 5.5
en los siguientes sitios:
1) Sobre el lado con agua y el lado con aire de la válvula de tubería seca.
2) En la fuente que abastece el acumulador de aire, cuando ésta exista.
3) En el acumulador de aire, cuando éste exista.
4) En cada tubo independiente desde el suministro de aire hasta el sistema de tubería
seca.
5) En los desfogues y aceleradores. [NFPA 13:7.2.1]
5.2.1.3 Limitaciones de volumen según tamaño de los sistemas
5.2.1.3.1* Una válvula de tubería seca no debe controlar más de 750 galones (2 839 L) de
capacidad del sistema. [NFPA 13:7.2.3.1]
5.2.1.3.2 Se debe permitir que el volumen de la tubería exceda los requisitos del numeral
5.2.1.3.1 donde el diseño del sistema es tal que el agua es entregada al sistema en la conexión
de manguera más remota en no más de 3 min, a la presión normal de aire en el sistema,
comenzando el conteo a partir del momento en que la conexión para manguera haya quedado
completamente abierta.
NORMA TÉCNICA COLOMBIANA NTC 1669 (Segunda actualización)
19
5.2.1.4* Ubicación y protección de la válvula de tubería seca. [NFPA 13:7.2.5]
5.2.1.4.1* Generalidades
La válvula de tubería seca y la tubería de suministro deben estar protegidas contra
congelamiento y contra daño mecánico. [NFPA 13:7.2.5.1]
5.2.1.4.2 Cuartos para Válvulas. [NFPA 13:7.2.5.2]
5.2.1.4.2.1 Los cuartos para válvulas deben tener iluminación y calefacción. [NFPA
13:7.2.5.2.1]
5.2.1.4.2.2 La fuente de calefacción debe ser permanente. [NFPA 13:7.2.5.2.2]
5.2.1.4.2.3 No se debe usar cinta calefactora en lugar del cuarto de válvulas con calefacción
para proteger contra congelamiento la válvula de tubería seca y la tubería de suministro. [NFPA
13:7.2.5.2.3]
5.2.1.4.3 Válvula de tubería seca de bajo diferencial
Se debe tener una protección para evitar la acumulación de agua por encima de la charnela
cuando la válvula de tubería seca sea de bajo diferencial. [NFPA13:7.2.5.4.2].
5.2.1.4.4 Dispositivo de alto nivel de agua
Se debe permitir el uso de un dispositivo automático de señalización de alto nivel de agua o de
un dispositivo de drenaje automático. [NFPA 13:7.2.5.4.3].
5.2.1.5 Suministro de aire comprimido. [NFPA 13:7.2.6].
5.2.1.5.1 Mantenimiento de la presión del aire
Se debe mantener la presión del aire o del nitrógeno en sistemas de tubería seca de forma
permanente. [NFPA 13:7.2.6.1]
5.2.1.5.2* Suministro de aire. [NFPA 13:7.2.6.2]
5.2.1.5.2.1 El suministro de aire comprimido debe ser permanente. [NFPA 13:7.2.6.2.1]
5.2.1.5.2.2 El suministro de aire debe tener la capacidad suficiente para restaurar la presión
normal de aire en el sistema, en un lapso no mayor a 30 minutos. [NFPA 13:7.2.6.2.2]
5.2.1.5.3 Conexión de suministro de aire. [NFPA 13:7.2.6.3]
5.2.1.5.3.1 La tubería de conexión de suministro de aire no debe tener un diámetro menor a
1/2 pulgada (15 mm) y se debe conectar al sistema por encima del nivel de cebado de agua de
la válvula de tubería seca. [NFPA 13:7.2.6.3.1]
5.2.1.5.3.2 En la línea de suministro de aire, se debe instalar una válvula de retención y sobre
el lado de suministro de dicha válvula, se debe instalar una válvula de corte del tipo disco
removible, listada o aprobada, que debe permanecer cerrada a menos que se este
suministrando aire al sistema. [NFPA 13:7.2.6.3.2]
NORMA TÉCNICA COLOMBIANA NTC 1669 (Segunda actualización)
20
5.2.1.5.4 Válvula de alivio
Entre la fuente de suministro de aire y la válvula de corte se debe instalar una válvula de alivio
del tipo aprobado, la cual se debe ajustar para aliviar sobrepresiones de por lo menos 10 psi
(0,7 bar) por encima de la presión del sistema requerida en el numeral 5.2.1.5.10 sin exceder
las limitaciones del fabricante. [NFPA 13:7.2.6.4]
5.2.1.5.5 Sostenimiento automático de aire
A menos que se cumplan los requisitos del numeral 5.2.1.5.6, cuando el suministro de aire a un
sistema de tubería seca se mantenga de forma automática, este debe provenir de un sistema
central de aire o de un compresor con tanque de almacenamiento, y debe utilizar un dispositivo
de sostenimiento de aire listado específicamente para dicho servicio y con capacidad de
controlar la presión del sistema y el máximo flujo de aire al sistema seco. [NFPA 13:7.2.6.5.1]
5.2.1.5.6 Cuando la capacidad del compresor sea menor a 5,5 pies3
/ min (156 L/min) a una
presión de 10 psig (0,7 bar), no se requiere ni de tanque de almacenamiento ni de dispositivo
de sostenimiento [NFPA 13:7.2.6.5.2].
5.2.1.5.7 El suministro automático de aire a más de un sistema de tubería seca se debe
conectar de forma tal que permita el mantenimiento independiente para cada uno de los
sistemas. [NFPA 13:7.2.6.5.3].
5.2.1.5.8 Se debe instalar una válvula de retención o un dispositivo antireflujo de presión
positiva en la línea de suministro a cada uno de los sistemas con el fin de prevenir el flujo de
aire o de agua de un sistema a otro. [NFPA 13:7.2.6.5.4].
5.2.1.5.9 Presión de aire del sistema. [NFPA 13:7.2.6.6]
5.2.1.5.10 La presión de aire en el sistema se debe mantener de acuerdo con la hoja de
instrucciones suministrada con la válvula de tubería seca, o debe estar 20 psi (1,4 bar) por encima
de la presión de disparo de la válvula de tubería seca, tomando como referencia la presión más
alta en condición normal del sistema de suministro. [NFPA 13:7.2.6.6.1]
5.2.1.5.11 Las pérdidas de aire permitidas deben ser las especificadas en el numeral
5.2.1.5.12. [NFPA 13:7.2.6.6.2].
5.2.1.5.12 Adicional a la prueba hidrostática normal, se debe realizar una prueba para verificar
la hermeticidad del aire a 40 psi (2,8 bar) durante 24 horas. Cualquier fuga que origine una
pérdida de presión superior a 1 1/2 psi (0,1 bar) durante 24 h, se debe corregir. [NFPA
13:24.2.2.1].
5.2.1.5.13 Nitrógeno
Cuando se use nitrógeno, este se debe inyectar mediante un regulador de presión ajustado
para mantener la presión del sistema de acuerdo con el numeral 5.2.1.5.5. [NFPA 13:7.2.6.7].
5.2.2 Automático húmedo
5.2.2.1 Demanda del sistema
Un sistema automático húmedo para conexión de mangueras contra incendio debe ser un
sistema que tenga un suministro de agua con capacidad para suministrar automáticamente la
demanda del sistema.
NORMA TÉCNICA COLOMBIANA NTC 1669 (Segunda actualización)
21
5.2.2.2 Sistemas auxiliares
Se debe permitir que un sistema de tubería húmedo abastezca un sistema auxiliar de tubería
seco, siempre y cuando el suministro de agua tenga la capacidad de suministrar la demanda
del sistema. [NFPA 13:7.1.3].
5.2.3 Semi-automático seco
Un sistema semi-automático seco para conexión de mangueras contra incendio debe ser un
sistema seco previsto para ser utilizado mediante un dispositivo, tal como una válvula de
inundación, para admitir agua dentro del sistema de tubería mediante la activación de un
dispositivo de control remoto ubicado en una conexión de manguera.
5.2.3.1 Se debe suministrar un dispositivo de activación a control remoto listado en cada
conexión de manguera, a una distancia no mayor a 3 pies (1 m), debe ser visible e identificable
para el uso propuesto y cumplir con las especificaciones del fabricante.
5.2.3.1.1 Se debe permitir que el dispositivo de activación a control remoto se pueda asegurar
de una forma aprobada, para evitar la activación no autorizada del sistema.
5.2.3.1.2 El sistema de activación a control remoto se debe instalar conforme a la norma NFPA 72,
National Fire Alarm Code.
5.2.3.1.3* Los circuitos de activación a control remoto se deben proteger de daños mecánicos.
5.2.3.2 En un sistema seco semi-automático para conexión de mangueras contra incendio el
suministro de agua debe tener la capacidad de abastecer la demanda del sistema.
5.2.3.3 Todos los dispositivos de activación a control remoto del sistema seco semi-automático
para conexión de mangueras contra incendio deben ser compatibles y listados para el uso
propuesto.
5.2.3.4* La válvula automática de control de agua debe contar con medios hidráulicos o medios
manuales mecánicos para una operación que sea independiente del dispositivo de activación
de control remoto.
5.2.3.5 Indicadores de presión
Se deben instalar indicadores de presión listados de acuerdo con el numeral 5.5, como se
indica a continuación:
1) Antes y después de la válvula de pre-acción y después de la válvula de inundación.
2) En la línea de suministro de aire para válvulas de pre-acción e inundación. [NFPA
13:7.3.1.3]
5.2.3.6 Ubicación y protección de las válvulas de control del sistema de agua. [NFPA
13:7.3.1.8]
5.2.3.6.1 Se deben proteger las válvulas de control del sistema de agua y tuberías de
suministro contra el congelamiento y el daño mecánico. [NFPA 13:7.3.1.8.1]
5.2.3.6.2 Cuartos de válvulas. [NFPA 13:7.3.1.8.2]
NORMA TÉCNICA COLOMBIANA NTC 1669 (Segunda actualización)
22
5.2.3.6.2.1 Los cuartos para válvulas deben tener iluminación y calefacción. [NFPA
13:7.3.1.8.2.1]
5.2.3.6.2.2 La fuente de calefacción debe ser de tipo permanente. [NFPA 13:7.3.1.8.2.2]
5.2.3.6.2.3 No se debe usar cinta calefactora en lugar del cuarto de válvulas con calefacción
para proteger contra congelamiento las válvulas de pre-acción e inundación y la tubería de
suministro. [NFPA 13:7.3.1.8.2.3]
5.2.3.7 Los sistemas secos semi-automáticos deben ser de uno de los siguientes tipos:
1) Un sistema de enclavamiento simple, que permita la entrada de agua a la tubería por la
operación de un dispositivo de activación de control remoto.
2) Un sistema sin enclavamiento, que permita la entrada de agua a la tubería por la
operación de un dispositivo de activación de control remoto o válvula de manguera.
3) Un sistema de enclavamiento doble, que permita la entrada de agua a la tubería por la
operación tanto de los dispositivos de activación de control remoto como de las válvulas
de manguera.
5.2.4* Manual seco
Un sistema manual para conexión de mangueras contra incendio seco debe ser un sistema que
no cuenta con un suministro de agua permanente conectado al sistema.
5.2.5* Manual húmedo
Un sistema manual para conexión de mangueras contra incendio húmedo debe ser un sistema
conectado a un pequeño suministro de agua para mantener agua en el sistema o compartir un
suministro de agua con un sistema de rociadores automáticos, pero que no tiene un suministro
de agua capaz de satisfacer la demanda del sistema acoplado al sistema húmedo.
5.3 CLASES DE SISTEMAS PARA CONEXIÓN DE MANGUERAS CONTRA INCENDIO
5.3.1 Sistemas Clase I
Un sistema para conexión de mangueras contra incendio Clase I debe tener conexiones para
manguera de 2 1/2 pulgadas (65 mm) para suministrar agua para el uso por cuerpos de
bomberos y personal entrenado en el manejo de chorros de agua de gran caudal para combate
de incendios.
5.3.2 Sistemas Clase II
5.3.2.1 Un sistema para conexión de mangueras contra incendio Clase II debe tener estaciones
de manguera de 1 1/2 pulgadas (40 mm) para suministrar agua básicamente para el uso por
personal entrenado, o por el cuerpo de bomberos durante la respuesta inicial.
5.3.2.2 Se debe permitir el uso de mangueras de un diámetro no menor a 1 pulgada (25 mm)
para estaciones de manguera en ocupaciones de riesgo leve cuando haya sido investigada y
listada para este servicio y sea aprobada por la autoridad competente.
NORMA TÉCNICA COLOMBIANA NTC 1669 (Segunda actualización)
23
5.3.3 Sistemas Clase III
Un sistema para conexión de mangueras contra incendio Clase III debe tener estaciones de
manguera de 1 1/2 pulgadas (40 mm) para suministrar agua para el uso por personal
entrenado y conexiones de manguera de 2 1/2 pulgadas (65 mm) para suministrar un mayor
caudal de agua para el uso de cuerpos de bomberos y personal entrenados en el manejo de
chorros de agua de gran caudal para combate de incendios.
5.3.3.1 Se debe permitir el uso de mangueras de un diámetro no menor a 1 pulgada (25 mm)
para estaciones de manguera en ocupaciones de riesgo leve cuando haya sido evaluada y
listada para este servicio y sea aprobada por la autoridad competente.
5.3.3.2 Cuando el edificio esté protegido completamente por un sistema aprobado de
rociadores automáticos, si la autoridad competente lo aprueba, no se deben requerir las
estaciones de manguera Clase II para uso por parte de personal entrenado, siempre y cuando
cada conexión de manguera Clase I sea de 2 1/2 pulgadas (65 mm) y esté equipada con un
reductor de 2 1/2 pulgadas x 1 1/2 pulgadas (65 mm x 40 mm) y con una tapa asegurada con
cadena. Tampoco aplica la limitación de distancia de recorrido de 130 pies (39,7 m).
5.4* TIPO DE SISTEMA REQUERIDO
5.4.1 Sistemas de tubería vertical Clase I
5.4.1.1 En edificios que no estén clasificados como altos, se debe permitir que los sistemas
para conexión de mangueras contra incendio Clase I sean de cualquiera de los tipos descritos
en el numeral 5.2.
5.4.1.2 En edificios clasificados como altos los sistemas para conexión de mangueras contra
incendio Clase I deben ser automáticos o semi-automáticos.
5.4.1.2.1 En edificios clasificados como altos, todos los sistemas de la red principal requeridos
deben ser automáticos o semiautomáticos incluyendo cualquiera de los tramos verticales que
suministren a alturas parciales o los que abastezcan dos o más conexiones de manguera y que
sirvan solamente a una parte o a un número limitado de pisos dentro del edificio.
5.4.1.3 Cuando se tenga un sistema para conexión de mangueras contra incendio con red
principal en un diámetro no menor a 4 pulgadas (100 mm) y que se vaya a utilizar para
implementar un nuevo sistema de rociadores, no es necesario que el suministro de agua
requerido en el capitulo 7.10 sea provisto por medios automáticos o semi-automáticos, siempre
y cuando el suministro de agua sea adecuado para abastecer la demanda hidráulica del
sistema de rociadores de acuerdo con la NFPA 13, Standard for the installation of Sprinkler
Systems.
5.4.1.4 Los sistemas para conexión de mangueras contra incendio Clase I deben ser sistemas
húmedos excepto cuando la tubería está expuesta a congelamiento.
5.4.2 Sistemas manuales para conexión de mangueras contra incendio
Cuando se provea un sistema para conexión de mangueras contra incendio manual, cada
conexión de manguera debe contar con una señalización visible y claramente identificable que
diga “RED PRINCIPAL MANUAL PARA USO EXCLUSIVO DE BOMBEROS”.
NORMA TÉCNICA COLOMBIANA NTC 1669 (Segunda actualización)
24
5.4.3 Sistemas para conexión de mangueras contra incendio Clase II y Clase III
Los sistemas para conexión de mangueras contra incendio Clase II y Clase III deben ser
sistemas húmedos automáticos a menos que el sitio donde estén instalados este expuesto a
congelamiento y cuando la brigada de incendios este entrenada para operar el sistema sin la
intervención del cuerpo de bomberos, caso en el cual se debe permitir un sistema seco
automático o semi-automático.
5.5* INDICADORES DE PRESIÓN
5.5.1 Se debe instalar un indicador de presión listado de tipo resorte con carátula de 3 1/2 pulgada
(90 mm) en cada tubería de descarga de la bomba contra incendio o desde la red pública de
abastecimiento de agua, en el tanque de presión, en cada una de las conexiones de drenaje de
la tubería principal, en el compresor que suministra presión al tanque presurizado y en el
extremo superior de cada una de las redes principales.
5.5.1.1 Los indicadores de presión se deben instalar en sitios que no estén expuestos a
congelamiento.
5.5.1.2 Todo indicador de presión se debe controlar mediante una válvula y la configuración
debe contar con un dispositivo para drenaje.
5.5.1.3 Aunque las redes principales estén interconectadas en la parte superior, se debe
instalar un indicador de presión en la parte superior de cada una de ellas.
5.5.1.4 Se deben instalar indicadores de presión aguas arriba y aguas abajo de cada válvula de
alarma, de cada dispositivo antireflujo, o de cada válvula de retención sobre las columnas
cuando se instalen dichos dispositivos. [NFPA 13:7.1.1.2].
5.5.2 Aguas arriba de todos los dispositivos reguladores de presión se debe instalar un
indicador de presión conectado a una salida con válvula.
5.6* SENSORES DE FLUJO Y ALARMAS DE SUPERVISIÓN
5.6.1 En los sistemas automáticos o semiautomáticos y cuando la autoridad competente lo
requiera, se deben instalar sensores de flujo y alarmas de supervisión listados.
5.6.2 Los sensores de flujo deben utilizar un mecanismo sensor adecuado al tipo de red
principal.
5.6.3 Los sensores de flujo paleta solamente se deben utilizar en sistemas para conexión de
mangueras contra incendio húmedos.
5.6.4 Se debe instalar una conexión de prueba para ensayar el sensor de flujo.
5.6.5 Los dispositivos de supervisión y alarma se deben instalar conforme a la norma NFPA 72,
National Fire Alarm Code.
NORMA TÉCNICA COLOMBIANA NTC 1669 (Segunda actualización)
25
6. REQUISITOS DE INSTALACIÓN
6.1* UBICACIÓN Y PROTECCIÓN DE LA TUBERÍA
6.1.1 Ubicación de redes principales secas
Las redes principales secas no podrán quedar ocultas, a menos que la integridad de la tubería
sea monitoreada con un sistema de supervisión con aire comprimido, conforme a la norma
NFPA 72, National Fire Alarm Code.
6.1.2 Protección de tubería no enterrada
6.1.2.1* La tubería del sistema para conexión de mangueras contra incendio debe estar
protegida contra el daño mecánico.
6.1.2.2 Las redes principales y derivaciones que se abastecen de las redes principales deben
estar ubicadas en escaleras de evacuación encerradas o deben estar ubicadas en sitios donde
estén protegidas por un grado de resistencia al fuego igual al requerido para escaleras de
evacuación encerradas en el edificio en el que están instaladas.
6.1.2.2.1 En edificios equipados con un sistema de rociadores automáticos aprobado, no se
requiere que las tuberías que derivan a conexiones de manguera de 2 1/2 pulgada (65 mm)
estén protegidas.
6.1.2.2.2 No se requiere que tubería que conecta las redes principales a conexiones de
manguera de 1 1/2 pulgadas (40 mm) estén protegidas.
6.1.2.2.3 Cuando no se exija que las escaleras de evacuación estén encerradas en una
construcción resistente al fuego, se debe permitir la instalación de sistemas para conexión de
mangueras contra incendio sin la resistencia al fuego requerida por el numeral 6.1.2.2.
6.1.2.3 Cuando una red principal o derivación normalmente llenas de agua atraviese un área
expuesta a temperaturas de congelamiento, los tramos se deben proteger para mantener la
temperatura del agua entre 40 °F y 120 °F (4,4 °C y 48,9 °C).
6.1.2.3.1 Dentro del sistema para conexión de mangueras contra incendio no se deben utilizar
soluciones anticongelantes para proteger la tubería del congelamiento.
6.1.2.3.2 Se debe permitir el uso de cintas calefactoras listadas para proteger contra el
congelamiento, siempre y cuando se instalen y aíslen conforme con las especificaciones del
fabricante.
6.1.2.4 Donde existan condiciones corrosivas o la tubería este expuesta a ambientes húmedos,
se deben utilizar, tuberías, accesorios y soportes resistentes a la corrosión o se deben utilizar
revestimientos de protección resistentes a la corrosión.
6.1.2.5 Cuando exista exposición a riesgo sísmico, los sistemas para conexión de mangueras
contra incendio deben estar protegidos conforme a la norma NFPA 13, Standard for the
Installation of sprinkler System, para minimizar o prevenir la ruptura de las tuberías.
6.1.2.6 Cuando se requiera que los sistemas para conexión de mangueras contra incendio
estén protegidos contra daños de origen sísmico, se deben proteger conforme a la NFPA13,
Standard for the Installation of sprinkler System.
NORMA TÉCNICA COLOMBIANA NTC 1669 (Segunda actualización)
26
6.2 TUBERÍAS ENTERRADAS
Las tuberías instaladas bajo tierra deben cumplir con lo establecido en la norma NFPA 24,
Standard for the installation of Private Fire Service Mains and their Appurtenances.
6.3 VÁLVULAS DE COMPUERTA Y VÁLVULAS DE RETENCIÓN
6.3.1 Conexión a las fuentes de abastecimiento de agua
6.3.1.1 Las conexiones a cada una de las fuentes de abastecimiento, tales como tanques,
bombas y conexiones a sistemas públicos de abastecimiento, deben contar con válvulas del
tipo indicador y válvulas de retención, aprobadas y ubicadas cerca de la fuente de
abastecimiento,
6.3.1.2 En las conexiones para el cuerpo de bomberos no se deben instalar válvulas de corte.
6.3.2 Se deben instalar válvulas que permitan aislar cada una de las redes principales sin
interrumpir el abastecimiento a las demás redes principales desde la misma fuente de
suministro.
6.3.3 Se deben instalar válvulas listadas del tipo indicador a la salida de la red principal para
controlar ramales que abastecen estaciones de manguera remotas.
6.3.4 Cuando se utilicen válvulas de mariposa tipo wafer, se deben instalar de tal forma que el
disco no interfiera con la operación de otros componentes del sistema.
6.3.5* Válvulas de control y válvulas de retención en sistemas combinados (Sistema
para conexión de mangueras contra incendio / Rociadores)
6.3.5.1 Cada conexión que se derive de una red principal, que abastezca un sistema de
rociadores y que sea parte de un sistema combinado debe contar con una válvula de control y
una válvula de retención del mismo diámetro de la derivación.
6.3.5.2 Cuando se instale un dispositivo regulador de presión listado que impida el contraflujo,
éste dispositivo se debe considerar como válvula de retención y por lo tanto no se requiere de
una válvula de retención adicional.
6.3.6 Válvulas en las conexiones a fuentes de abastecimiento de agua
6.3.6.1 Generalidades
6.3.6.1.1* Todas las conexiones a fuentes de abastecimiento de agua diferentes a la conexión
de bomberos, deben contar con una válvula indicadora listada y ubicada en un sitio aprobado.
6.3.6.1.2 Las válvulas de conexiones de bomberos deben cumplir con lo requerido en el
numeral 6.3.
6.3.6.1.2.1 Todas las válvulas deben estar claramente identificadas para indicar el servicio que
controlan.
6.3.6.1.2.2 Cuando la válvula no se pueda ubicar a una distancia de por lo menos 40 pies
(12,2 m) del edificio, ésta se debe instalar en un sitio aprobado, donde sea fácilmente accesible
en caso de incendio y no este expuesta a ningún daño.
NORMA TÉCNICA COLOMBIANA NTC 1669 (Segunda actualización)
27
6.3.6.1.3 Cuando no se puedan utilizar válvulas de poste indicador, se debe permitir el uso de
válvulas enterradas.
6.3.6.1.3.1 La ubicación de las válvulas, su sentido de apertura y los servicios que controlan
deben estar claramente identificados en la fachada del edificio que sirven.
6.3.6.2* Cuando las redes principales sean abastecidas desde una red o un cabezal ubicado en
otro edificio, la conexión debe contar con una válvula tipo indicador listada ubicada en la zona
exterior y a una distancia segura del edificio o en el cabezal.
6.3.7 Supervisión de válvulas
6.3.7.1 Las válvulas para control de suministro de agua al sistema, las válvulas de sectorización
y demás válvulas en redes principales, deben estar supervisadas en la posición abierta
mediante una forma aprobada por uno de los siguientes métodos:
1) Una estación central propia o una estación remota con monitoreo.
2) Un servicio de señalización local que genere una señal audible en un sitio
permanentemente ocupado.
3) El aseguramiento de las válvulas en posición abierta.
4) El sellado de válvulas y una inspección semanal aprobada cuando las válvulas están
localizadas en cerramientos bajo el control del propietario.
6.3.7.2 No se requiere la supervisión de las válvulas de compuerta enterradas en cajas de
válvulas sobre la vía.
6.3.8 Señalización para identificación de cuartos, válvulas y conexiones de manguera
6.3.8.1 Todas las válvulas para control de sistemas tanto principal o de sectores, incluyendo las
válvulas de control de las fuentes de abastecimiento de agua, deben tener una señalización
que indique la parte del sistema que esta controlado por la válvula.
6.3.8.2 Todas las válvulas para control, prueba y drenaje del sistema deben estar señalizadas
indicando su propósito.
6.3.8.3 Cuando la red de un sistema de rociadores en un sistema combinado, se abastece por
más de una red principal (diseño tipo “anillo” o “alimentación dual”), en cada una de las
conexiones se debe instalar una señalización e indicar que para aislar el sistema de rociadores
controlado por esa válvula, se deberá cerrar una o varias válvulas de control adicionales en
otras redes principales.
6.3.8.3.1 La señalización también debe indicar la ubicación de las demás válvulas de control.
6.3.8.4 Cuando una válvula de control principal o de alguna zona del sistema está ubicada en
un cuarto cerrado o espacio oculto, se debe indicar la ubicación de la válvula mediante una
señalización instalada en un sitio aprobado en el exterior de la puerta o del sitio de acceso al
espacio oculto.
6.3.8.5* Cuando las conexiones de mangueras no están ubicadas en las escaleras de
evacuación, se debe suministrar señalización conforme a la norma NFPA 170, Standard for Fire
NORMA TÉCNICA COLOMBIANA NTC 1669 (Segunda actualización)
28
Safety and Emergency Symbols, para identificar la ubicación de las conexiones de manguera
en forma aprobada.
6.3.8.5.1 Donde sean provistos armarios de válvula, deben estar marcados para indicar los
contenidos.
6.3.8.5.2 Las letras deben ser rojas con un fondo blanco y tener 2 1/2 pulgadas (65 mm) de
alto.
6.4* CONEXIONES DE BOMBEROS
6.4.1 No se deben instalar válvulas de corte entre la conexión de bomberos y el sistema.
6.4.2 Se debe instalar una válvula de retención listada en cada conexión de bomberos y debe
estar ubicada tan cerca como sea posible al punto de empalme de la conexión al sistema.
6.4.3 La conexión de bomberos se debe instalar de la siguiente manera:
1) En Sistemas Húmedos para conexión de mangueras contra incendio Manuales y
Automáticos. Aguas abajo de la válvula de control, válvula de retención o cualquier
bomba del sistema, pero aguas arriba de cualquiera de las válvulas de sectorización
requeridas en el numeral 6.3.2.
2) En Sistemas Secos para conexión de mangueras contra incendio Automáticos. Aguas
abajo de la válvula de control y válvula de retención del sistema y aguas arriba de la
válvula de tubería seca.
3) En sistemas Secos para conexión de mangueras contra incendio Semi-automáticos.
Aguas arriba de la válvula de inundación.
4) En sistemas Secos para conexión de mangueras contra incendio Manuales. Conectada
directamente al sistema.
6.4.4 En áreas expuestas a congelamiento, se debe instalar una válvula automática de goteo
listada en la tubería entre la cortina de la válvula de retención y la conexión de bomberos,
implementando un sistema de drenaje adecuado.
6.4.5 Localización e Identificación
6.4.5.1 Las conexiones de bomberos deben ser visibles y reconocibles desde la vía de acceso
o desde el punto de acceso del carro de bomberos o sobre la fachada de los edificios que dan
hacia la calle.
6.4.5.1.1 Las conexiones de bomberos deben estar localizadas y dispuestas de forma tal que
los tramos de manguera se puedan conectar fácilmente a la conexión de bomberos sin la
interferencia de objetos cercanos, incluyendo edificaciones, rejas, postes, cercas vivas,
vehículos y otras conexiones de bomberos.
6.4.5.2 Cada conexión de bomberos debe estar debidamente señalizada mediante un aviso
que tenga letras de al menos 1 pulgada (25 mm) de altura, en el que se lea “RED PRINCIPAL
DE ALIMENTACIÓN”.
NORMA TÉCNICA COLOMBIANA NTC 1669 (Segunda actualización)
29
6.4.5.2.1 Si los rociadores automáticos son también alimentados por la conexión de bomberos,
la señalización o combinación de señales debe indicar los servicios designados (Por ejemplo:
“RED PRINCIPAL DE ALIMENTACIÓN Y ROCIADORES AUTOMÁTICOS”, o “ROCIADORES
AUTOMÁTICOS Y RED PRINCIPAL DE ALIMENTACIÓN”).
6.4.5.2.2 La señalización también debe indicar la presión requerida en las entradas de la
conexión para abastecer la demanda del sistema.
6.4.5.3 Cuando una conexión de bomberos sirva a múltiples edificios, estructuras o
instalaciones, debe contar con una señalización que indique los edificios, estructuras o
instalaciones atendidas.
6.4.5.4* Las conexiones de bomberos deben estar localizadas a una distancia no mayor a 30,5 m
(100 pies) desde el hidrante de incendios más cercano conectado a una fuente aprobada de
abastecimiento de agua.
6.4.5.4.1 Se debe permitir que la localización de la conexión de bomberos exceda 100 pies (30,5 m)
sujeta a la aprobación de la autoridad competente.
6.4.6 Las conexiones de bomberos se deben localizar a una altura no menor a 18 pulgadas
(457 mm) ni mayor a 48 pulgadas (1 219 mm) sobre el nivel del piso, acera o superficie
adyacente.
6.4.7 La tubería de la conexión de bomberos debe estar soportada conforme al numeral 6.5.
6.5 SOPORTE DE TUBERÍA
El sistema de tuberías debe estar soportado conforme a la norma NFPA 13, Standard for the
Installation of sprinkler System.
6.6 INSTALACIÓN DE SEÑALIZACIÓN
La señalización se debe fijar a un dispositivo o a la pared del edificio mediante cadenas o
soportes resistentes a la corrosión.
6.7 SEÑALIZACIÓN PARA BOMBAS DE ABASTECIMIENTO DE AGUA
Cuando se tenga un equipo de bombeo contra incendio, se debe instalar una señalización
cerca del equipo indicando la presión mínima y caudal, requeridos en la brida de descarga de
la bomba para abastecer la demanda del sistema.
6.8* SEÑALIZACIÓN CON LA INFORMACIÓN DEL DISEÑO HIDRÁULICO
6.8.1 El contratista de instalación debe proporcionar una señalización indicando cuales fueron
las bases de diseño del sistema especificando si se realizó mediante cálculo hidráulico o por el
espesor de la pared de la tubería (cedula).
6.8.2 En sistemas para conexión de mangueras contra incendio automáticos o semi-
automáticos la señalización debe estar localizada en la válvula de control para suministro de
agua y para sistemas manuales debe estar en un sitio aprobado.
6.8.3 La señalización debe indicar:
1) La ubicación de las dos conexiones de manguera hidráulicamente más remotas.
NORMA TÉCNICA COLOMBIANA NTC 1669 (Segunda actualización)
30
2) El caudal de diseño para las conexiones identificadas en el numeral 6.8.3 (1).
3) Las presiones residuales de diseño de entrada y salida para las conexiones
identificadas en el numeral 6.8.3 (1).
4) Las presiones y caudales de diseño del sistema (Ejemplo: Caudal y presión residual) en
la válvula de control del sistema o en la brida de descarga del equipo de bombeo
cuando haya sido instalado y en cada una de las conexiones de bomberos.
7. DISEÑO
7.1* GENERALIDADES
El diseño del sistema para conexión de mangueras contra incendio está determinado por la
altura del edificio, la clasificación de ocupación, el área por piso, el diseño del sistema de
evacuación, el caudal y la presión residual requeridos y la distancia entre la conexión de
manguera y la(s) fuente (s) para abastecimiento de agua.
7.1.1* Cuando se utilicen dispositivos de regulación de presión, estos deben ser aprobados
para ser instalados dentro del rango de condiciones previstas de caudal máximo y mínimo.
7.2* LIMITACIÓN DE PRESIÓN
La presión máxima en cualquier punto del sistema nunca debe exceder 350 psi (24 bar).
7.2.1 Presión Máxima para conexiones de manguera
7.2.1.1 Cuando la presión residual a la salida de una conexión de manguera de 1 1/2 pulgadas (40
mm) exceda los 100 psi (6,9 bar), se debe suministrar un dispositivo de regulación de presión
aprobado para limitar la presión residual del flujo a 100 psi (6,9 bar) para el caudal requerido en
el numeral 7.10.
7.2.1.2 Cuando la presión estática en una conexión de manguera exceda de 175 psi (12,1 bar), se
debe suministrar un dispositivo de regulación de presión aprobado para limitar las presiones
estática y residual a la salida de la conexión de manguera a 100 psi (6,9 bar) para conexiones
de manguera de 1 1/2 pulgadas (40 mm) y 175 psi (12,1 bar) para las demás conexiones de
manguera.
La presión en la entrada del dispositivo regulador de presión no debe exceder la presión de
trabajo del dispositivo.
7.2.2* Cuando en lugar de proporcionar bombas separadas, se utilicen dispositivos de
regulación de presión, se debe permitir que varias zonas sean alimentadas por una sola bomba
complementada con uno o varios dispositivos de regulación de presión bajo las siguientes
condiciones:
1) Se debe permitir el uso de dispositivo (s) regulador de presión para controlar la presión
en la zona (s) baja (s).
2) Se debe contar con válvulas que permitan aislar el dispositivo (s) regulador de presión
para permitir su mantenimiento y reparación.
NORMA TÉCNICA COLOMBIANA NTC 1669 (Segunda actualización)
31
3) Los dispositivos reguladores de presión se deben instalar de forma tal que la falla de
cualquiera de los dispositivos no permita que la presión exceda de 175 psi (12,1 bar) en
más de dos conexiones de manguera.
4) Se debe instalar una variante (Bypass) de igual diámetro alrededor del dispositivo (s)
regulador de presión, con una válvula de control normalmente cerrada.
5) Se debe instalar el dispositivo (s) regulador de presión a no más de 7 pies 6 pulgadas
(2,31 m) sobre el piso.
6) Se deben instalar indicadores de presión antes y después del dispositivo regulador de
presión.
7) Las conexiones de bomberos se deben conectar hacia el lado del sistema, aguas abajo
de la válvula de corte localizada después del dispositivo.
8) Los dispositivos reguladores de presión deben contar con una válvula de alivio de
presión conforme a las recomendaciones del fabricante.
9) Se debe proporcionar monitoreo y supervisión con el fin de detectar fallas en el
dispositivo regulador de presión, conforme a la norma NFPA 72, National Alarm Fire
Code.
7.3 LOCALIZACIÓN DE CONEXIONES DE MANGUERA
7.3.1* Generalidades
7.3.1.1 Las conexiones y estaciones de manguera deben tener libre acceso, sin obstrucciones
y localizadas a una altura no menor de 3 pies (0,90 m) o a más de 5 pies (1,50 m) sobre el
acabado del piso.
7.3.1.2 La conexión de manguera no debe quedar obstruida por la operación de la puerta
abierta o cerrada o cualquier otro tipo de objeto localizado en su proximidad.
7.3.2* Sistemas Clase I
Los sistemas Clase I deben estar provistos con conexiones de manguera de 2 1/2 pulgadas
(65 mm) en los siguientes sitios:
1) En todas las escaleras de evacuación requeridas y en cada uno de los descansos
intermedios entre niveles de piso.
2) A la salida de las rutas de evacuación y ubicadas en cada lado del muro adyacente a la
abertura de salida.
3) En edificios diferentes a centros comerciales cubiertos, en el interior de cada uno de los
pasadizos de salida y al lado de la entrada desde las áreas de acceso pasadizo.
4) En centros comerciales cubiertos, a la entrada de cada pasadizo o corredor de
evacuación desde el interior de la zona comercial y en la zona interior de cada una de
las entradas para el público que accede al edificio.
NORMA TÉCNICA COLOMBIANA NTC 1669 (Segunda actualización)
32
5)* En las escaleras de salida a la cubierta, en el descanso más alto. En la cubierta, si esta
no tiene acceso por la escalera siempre y cuando la pendiente del techo no sea superior
al 25 %.
7.3.2.1 Se debe permitir localizar las conexiones de manguera en el descanso principal de la
escalera de evacuación, condicionado a la aprobación por la autoridad competente.
7.3.2.2 Para facilitar la prueba del sistema, se debe instalar una conexión de manguera
adicional de 2 1/2 pulgadas (65 mm), en el tramo hidráulicamente más alejado del sistema.
7.3.2.3* Se deben instalar conexiones de manguera adicionales cuando lo requiera el cuerpo
de bomberos o la autoridad competente si la distancia entre la conexión de manguera y la
salida de emergencia en cualquiera de los pisos es superior a 150 pies (45,7 m) cuando la
edificación no cuente con rociadores automáticos, o cuando la distancia sea superior a 200 pies
(61 m) cuando la edificación cuente con rociadores automáticos.
7.3.3* Sistemas Clase II
7.3.3.1 Los sistemas Clase II deben tener estaciones de manguera con conexiones de 1 1/2 pulgadas
(40 mm) de diámetro. Cuando el diámetro de la manguera sea de 1 1/2 pulgadas (40 mm), la
distancia de recorrido en cada uno de los pisos de la edificación no debe ser mayor a 130 pies
(39,7 m) desde la conexión de manguera. Cuando se utilice manguera de menos de 1 1/2 pulgadas
(40 mm) dicha distancia no podrá ser mayor a 120 pies (36,6 m).
7.3.3.2 Las distancias se deben medir a lo largo de la ruta de recorrido desde la conexión de
manguera hasta el punto de descarga.
7.3.4 Sistemas Clase III
Los sistemas Clase III deben tener conexiones de manguera conforme a lo requerido tanto
para sistemas Clase I como Clase II.
7.3.4.1 Cuando la edificación esté completamente protegida mediante un sistema de rociadores
automáticos aprobado conforme a la norma NFPA 13 Standard for the Installation of Sprinkler
Systems, o NFPA 13R Standard for the Installation of Sprinkler Systems in Residential
Occupancies up to and Including Four Stories in Height, no se requieren estaciones de
manguera Clase II para uso por personal entrenado, sujeto a la aprobación de los bomberos y
de la autoridad competente, siempre y cuando cada conexión de manguera Clase I sea de
2 1/2 pulgadas (65 mm) y esté equipada con una reducción de 2 1/2 pulgadas x 1 1/2 pulgadas
(65 mm x 40 mm) y una tapa roscada provista con cadena de seguridad.
7.3.4.1.1 La limitación de distancia de recorrido de 130 pies (39,7 m) especificada en el
numeral 7.3.3.1 no aplica a sistemas Clase III.
7.3.4.1.2 Para sistemas Clase III instalados sin manguera, los requisitos de suministro de agua
deben ser los especificados para sistemas Clase I.
7.4 NÚMERO DE REDES PRINCIPALES
Se debe contar con redes principales individuales en cada una de las escaleras de evacuación
exigidas.
NORMA TÉCNICA COLOMBIANA NTC 1669 (Segunda actualización)
33
7.5* INTERCONEXIÓN DE REDES PRINCIPALES
7.5.1 Cuando se instalen dos o más redes principales en una misma edificación o sección del
edificio, todas deben quedar interconectadas.
7.5.2 Cuando las redes principales sean abastecidas por tanques altos, se deben cumplir los
siguientes criterios:
1) Las redes principales también deben estar ínter conectadas en la parte superior.
2) Con el propósito de impedir la circulación, se deben instalar válvulas de retención en la
base de cada una de las redes principales.
7.6 DIÁMETROS MÍNIMOS PARA RAMALES Y REDES PRINCIPALES
7.6.1 Las redes principales para sistemas Clase I y Clase III deben tener un diámetro no
menor a 4 pulgadas (100 mm).
7.6.2 Las redes principales que sean parte de un sistema combinado deben tener un diámetro
no menor a 6 pulgadas (150 mm).
7.6.3 Cuando la edificación esté completamente protegida mediante un sistema de rociadores
automático aprobado y conforme a la norma NFPA 13 Standard for the Installation of Sprinkler
Systems, o NFPA 13R Standard for the Installation of Sprinkler Systems in Residential
Occupancies up to and Including Four Stories in Height y en sistemas calculados
hidráulicamente, el diámetro mínimo de la red principal será de 4 pulgadas (100 mm).
7.6.4 Los ramales se deben dimensionar con base en los criterios hidráulicos establecidos en
los numerales 7.8 y 7.10 pero su diámetro no podrá ser inferior de 2 1/2 pulgadas (65 mm).
7.7 DISEÑO DEL SISTEMA Y DIMENSIONADO DE TUBERÍA PARA ABASTECER LA
DEMANDA DEL SISTEMA
7.7.1 Los sistemas para conexión de mangueras contra incendio Clase I y Clase III se deben
diseñar de forma tal que la demanda del sistema que se establece en el numeral 7.12 pueda
ser suministrada por cada una de las conexiones de bomberos.
7.7.2 Cuando de acuerdo al numeral 5.4 se requiera que el suministro de agua sea
automático o semi-automático, para sistemas para conexión de mangueras contra incendio
Clase I, II o III, el sistema para conexión de mangueras contra incendio se debe diseñar de
forma tal que la demanda del sistema pueda ser abastecida de forma independiente bien sea
por el suministro fijo de agua y por cada conexión de bomberos prevista.
7.7.3 Cuando el numeral 5.4 permita la utilización de un sistema manual y se cuente con una
fuente de abastecimiento automática para servicio del sistema de rociadores automáticos o
para mantener el agua en un sistema de tubería húmedo, no se requiere que esta fuente de
abastecimiento satisfaga también la demanda del sistema para conexión de mangueras contra
incendio.
7.7.4 Cuando el sistema para conexión de mangueras contra incendio cuente con una
conexión de bomberos, se debe consultar al cuerpo de bomberos respecto a la disponibilidad
de suministro de agua desde la bomba del carro de bomberos.
NORMA TÉCNICA COLOMBIANA NTC 1669 (Segunda actualización)
34
7.8* LÍMITES DE PRESIÓN MÍNIMA Y MÁXIMA
7.8.1 Presión de diseño mínima para sistemas diseñados hidráulicamente
Los sistemas para conexión de mangueras contra incendio diseñados hidráulicamente se
deben proyectar para suministrar el caudal requerido en el numeral 7.10 a una presión residual
mínima de 100 psi (6,9 bares) en la salida de la conexión de manguera de 2 1/2 pulgadas
(65 mm) hidráulicamente más remota y 65 psi (4,5 bar) en la salida de la estación de manguera
de 1 1/2 pulgadas (40 mm) hidráulicamente más remota.
7.8.2 Presión de diseño mínima para sistemas de tubería diseñados por el espesor de la
pared (cedula)
7.8.2.1 Los sistemas para conexión de mangueras contra incendio diseñados por el espesor de
la pared de la tubería deben tener la tubería dimensionada en concordancia con la Tabla 4 para
suministrar el caudal de agua requerida a una presión residual mínima de 100 psi (6,9 bar) en
la conexión de manguera de 2 1/2 pulgadas (65 mm) más elevada y 65 psi (4,5 bar) en la
estación de manguera de 1 1/2 pulgadas (40 mm) más elevada.
Tabla 4. Diámetros nominales mínimos para redes principales y tubos de suministro en pulgadas
Caudal Total Acumulado Distancia Total de Tubería Desde la Salida más Alejada
L/min gpm
< 50 pies
(< 15,2 m )
50 - 100 pies
(15,2 m – 30,5 m)
> 100 pies
(> 30,5 m )
379 100 2 2 1/2 3
382 - 1893 101- 500 4 4 6
1896 - 2839 501 - 750 5 5 6
2843 - 4731 751 - 1250 6 6 6
4735 y más 1251 y más 8 8 8
Para unidades SI, 1 pulgada = 25,4 mm.
7.8.2.2 Los diseños por el espesor de la pared de tubería deben estar limitados a redes
principales húmedas para edificios que no estén clasificados como altos (mayor de 23 m).
7.8.3* Presión máxima en conexiones de manguera
7.8.3.1 Cuando la presión residual en una salida de 1 1/2 pulgadas (40 mm) sobre una
conexión de manguera disponible para uso de personal entrenado excede 100 psi (6,9 bar), se
debe suministrar de un dispositivo regulador de presión aprobado para limitar la presión
residual en el flujo requerido por el numeral 7.10 a 100 psi (6,9 bar).
7.8.3.2* Cuando la presión estática en una conexión de manguera excede 175 psi (12,1 bar), se
debe proveer de un dispositivo regulador de presión aprobado para limitar las presiones
estática y residual en la salida de la conexión de manguera a 100 psi (6,9 bar) para las
conexiones de manguera de 1 1/2 pulgadas (40 mm) disponibles para uso por personal
entrenado y a 175 psi (12,1 bar) para otras conexiones de manguera.
7.8.3.3 La presión en el lado de entrada del dispositivo regulador de presión no debe exceder la
tasa de presión de trabajo del dispositivo.
7.9 ZONAS DEL SISTEMA PARA CONEXIÓN DE MANGUERAS CONTRA INCENDIO
7.9.1 Cada zona del sistema para conexión de mangueras contra incendio que requiere
bombas, debe ser provista con una bomba separada.
NORMA TÉCNICA COLOMBIANA NTC 1669 (Segunda actualización)
35
7.9.1.1 El requisito en el numeral 7.9.1 no debe impedir el uso de bombas dispuestas en serie.
7.9.2 Cuando las bombas que abastecen dos o más zonas están ubicadas en el mismo nivel,
cada zona debe tener tubería de suministro directa y separada de un diámetro no menor al de
la red principal que ella sirve.
7.9.2.1 Las zonas con dos o más redes principales deben tener al menos dos tuberías de
suministro directo de un diámetro no menor que la red principal más grande que ella sirve.
7.9.3 Cuando el suministro para cada zona es bombeado desde la zona próxima más baja y
la red o redes principales de la zona mas baja son usadas para alimentar la zona superior,
tales redes principales deben cumplir con las previsiones para líneas de suministro dadas en el
numeral 7.9.2.
7.9.3.1 Al menos dos líneas deben ser provistas entre zonas.
7.9.3.2 Una de las líneas especificadas en el numeral 7.9.3.1 se debe disponer de forma tal
que el suministro pueda ser entregado automáticamente desde la zona inferior a la superior.
7.9.4 Se debe proporcionar un medio auxiliar de suministro, para sistemas con dos o más
zonas en los cuales partes de la segunda zona y superior no pueden ser alimentadas usando la
presión residual requerida en el numeral 7.8 por medio de carros del cuerpo de bomberos
usando una conexión para bomberos.
7.9.4.1 Los medios auxiliares deben estar en forma de agua almacenada elevada con equipo
de bombeo adicional o por otro medio aceptable para la autoridad competente.
7.10 CAUDALES
7.10.1 Sistemas Clase I y Clase III
7.10.1.1* Caudal mínimo
7.10.1.1.1 Para sistemas Clase I y Clase III, el caudal mínimo para la red principal
hidráulicamente más remota debe ser de 500 gpm (1 893 L/min) y el procedimiento de cálculo
debe estar conforme al numeral 7.10.1.2.
7.10.1.1.2* Cuando una red principal (en sentido horizontal) en un sistema Clase I y Clase III
abastece tres o más conexiones de manguera en cualquier piso, el caudal mínimo para la red
principal (en sentido horizontal) de mayor demanda hidráulica debe ser de 750 gpm (2 840 L/min) y
el procedimiento de cálculo debe estar conforme al numeral 7.10.1.2.
7.10.1.1.3 El caudal mínimo para redes principales adicionales debe ser de 250 gpm (946 L/min)
por red principal, con un total que no exceda de 1 250 gpm (4 731 L/min) o 1 000 gpm (3 785 L/min)
para edificios totalmente equipados con rociadores.
7.10.1.1.4 Los caudales para sistemas combinados deben estar conforme al numeral 7.10.1.3.
7.10.1.1.4.1 Cuando el área de piso excede de 80 000 pies2
(7 432 m2
), la segunda red
principal más remota debe estar diseñada para abastecer 500 gpm (1 893 L/min).
NORMA TÉCNICA COLOMBIANA NTC 1669 (Segunda actualización)
36
7.10.1.2* Requisitos de cálculo hidráulico
7.10.1.2.1 Los cálculos hidráulicos y diámetros de tubería para cada red principal deben estar
basados en la provisión de 250 gpm (946 L/min) en las dos conexiones de manguera
hidráulicamente más remotas en la red principal y en la salida más alta de cada una de las
otras redes principales a la presión residual mínima requerida en el numeral 7.8.
7.10.1.2.2 Donde una red principal (en sentido horizontal) en un sistema Clase I y Clase III
abastece tres o más conexiones de manguera en cualquier piso, los cálculos hidráulicos y
diámetros de tubería para cada red principal se deben basar en la provisión de 250 gpm
(946 L/min) en las tres conexiones de manguera hidráulicamente más remotas de la red
principal y en la salida más alta de cada una de las otras redes principales a la presión residual
mínima requerida en el numeral 7.8.
7.10.1.2.3 La tubería común de suministro se debe calcular y dimensionar para proveer el
caudal requerido para todas las redes principales conectadas a tal tubería de suministro, con
un total que no exceda 1 250 gpm (4 731 L/min).
7.10.1.3 Sistemas combinados
7.10.1.3.1 Para un edificio protegido totalmente por un sistema de rociadores automáticos
aprobado, se debe permitir que la demanda del sistema establecida en los numerales 7.7 y
7.10.1 también sirva al sistema de rociadores automático.
7.10.1.3.1.1 Cuando el requisito de suministro de agua del sistema de rociadores, incluyendo el
chorro de manguera autorizado determinado conforme a la norma NFPA13, Standard for the
Installation of Sprinkler Systems, excede la demanda del sistema establecida en los numerales
7.7 y 7.10.1, se debe proveer el mayor de los dos valores.
7.10.1.3.1.2 No se debe requerir una demanda separada para rociadores.
7.10.1.3.2 Para un sistema combinado en un edificio equipado con protección parcial automática
de rociadores, el caudal requerido en el numeral 7.10.1 se debe incrementar por una cantidad
igual a la demanda calculada hidráulicamente de rociadores o 150 gpm (568 L/min) para
ocupaciones de riesgo leve o por 500 gpm (1 893 L/min) para ocupaciones de riesgo ordinario,
cualquiera que sea menor.
7.10.2 Sistemas Clase II
7.10.2.1 Caudal mínimo
7.10.2.1.1 Para sistemas Clase II, el caudal mínimo para la conexión de manguera
hidráulicamente más remota debe ser 100 gpm (379 L/min).
7.10.2.1.2 No se requiere caudal adicional cuando este provista más de una conexión de
manguera.
7.10.2.2 Requisitos de cálculo hidráulico
7.10.2.2.1 Los cálculos hidráulicos y dimensiones de tubo para cada red principal se deben
basar en suministrar 100 gpm (379 L/min) en la conexión de manguera hidráulicamente más
remota en la red principal a la presión mínima residual requerida en el numeral 7.8.
NORMA TÉCNICA COLOMBIANA NTC 1669 (Segunda actualización)
37
7.10.2.2.2 La tubería de suministro común que sirve a múltiples redes principales se debe
calcular y dimensionar para suministrar 100 gpm (379 L/min).
7.10.3 Caudales máximos para conexiones individuales
7.10.3.1 El caudal máximo requerido desde una conexión de manguera de 2 1/2 pulgadas (65 mm)
debe ser 250 gpm (946 L/min).
7.10.3.2 El caudal máximo requerido desde una conexión de manguera de 1 1/2 pulgadas (40 mm)
debe ser 100 gpm (379 L/min).
7.11* RED PRINCIPAL: DRENAJE Y PRUEBA
7.11.1 Se debe proveer un tubo elevado de drenaje de 3 pulgadas (76 mm) permanentemente
instalado adyacente a cada red principal equipada con dispositivos reguladores de presión para
facilitar las pruebas de cada dispositivo.
7.11.1.1 El tubo elevado se debe equipar con una te de 3 pulgadas x 2 1/2 pulgadas (76 mm x
65 mm) con un accesorio de articulación giratoria con rosca interna NSH, como se especifica
en la norma NFPA 1963, Standard for Fire Hose Connections, con tapón y se debe ubicar al
menos en cada piso alterno.
7.11.1.2 Todo drenaje elevado debe finalizar con un codo a nivel del piso o un colector que
reciba el caudal total del drenaje del tubo elevado.
7.11.1.3 Cuando los drenajes elevados están inter-conectados y van a un punto de descarga
común, toda la tubería se debe dimensionar para el flujo combinado.
7.11.1.4 Cuando las roscas de manguera del departamento local de bomberos no están
conformes con NFPA 1963, Standard for Fire Hose Connections, la autoridad competente debe
designar las roscas de manguera a ser usadas.
7.11.2 Drenajes auxiliares
Los sistemas para conexión de mangueras contra incendio deben estar provistos de un medio
de drenaje.
7.11.2.1 Se deben instalar drenajes auxiliares de acuerdo con la norma NFPA 13, Standard for
the Installation of Sprinkler Systems, cuando los cambios de dirección en la tubería formen
sifones o secciones difíciles de drenar.
7.11.2.2 Se debe instalar una tubería de drenaje con válvula, ubicada en el punto más bajo de
la red principal aguas abajo de la válvula de sectorización, para descargar el agua a un sitio
aprobado.
7.11.2.3 El dimensionamiento debe ser como se especifica en la Tabla 5.
Tabla 5. Dimensionamiento de drenajes de redes principales
Diámetro de la red principal Diámetro de la Conexión de Drenaje
Hasta 2 pulgadas (50 mm) 3/4 de pulgada (20 mm) o mayor
2 1/2 pulgadas (65 mm), 3 pulgadas (80 mm)
o 3 1/2 pulgadas (90 mm)
1 1/4 de pulgada (32 mm) o mayor
4 pulgadas (100 mm) o mayor 2 pulgadas (50 mm) solamente
NORMA TÉCNICA COLOMBIANA NTC 1669 (Segunda actualización)
38
7.11.3 Conexiones de prueba del drenaje principal
Véase la Figura 1.
e
Manómetro de presión
Tapón de prueba
del inspector de
1
4 de pulgada (6 mm)
Tubería
vertical
ascendente
Válvula
angular
Tubo de
drenaje
No menos de 4 pies (1,22 m)
de tubo de drenaje expuesto
en cuarto caliente más allá
de la válvula cuando la
tubería se extiende a tráves
del muro al exterior
Figura 1. Conexión del drenaje en la tubería vertical
7.11.3.1 Se deben suministrar conexiones de prueba del drenaje principal en ubicaciones que
permitan pruebas de caudal de las conexiones de suministro de agua.
7.11.3.2 Las conexiones de prueba del drenaje principal se deben instalar de forma tal que la
válvula pueda ser abierta totalmente sin causar daño por el agua.
7.11.3.3 Las conexiones del drenaje principal se deben dimensionar de acuerdo con el
numeral 7.11.2.
7.12* CONEXIONES DE BOMBEROS
7.12.1 Se deben suministrar una o más conexiones de bomberos para cada zona de cada
sistema para conexión de mangueras contra incendio Clase I o Clase III.
7.12.1.1 No se requiere suministrar la conexión (s) de bomberos en la zona alta de la red
principal donde aplica el numeral 7.9.4.
7.12.2 Los edificios altos deben tener al menos dos conexiones de bomberos ubicadas en
diferentes extremos de cada zona.
7.12.2.1 Se debe permitir una sola conexión para cada zona donde lo acepte el cuerpo de
bomberos.
7.12.3 Los diámetros de las conexiones de bomberos se deben basar en la demanda del
sistema para conexión de mangueras contra incendio e incluir una entrada de 2 1/2 pulgadas
(65 mm) por cada 250 gpm (946 L/min).
NORMA TÉCNICA COLOMBIANA NTC 1669 (Segunda actualización)
39
7.12.3.1 Se debe permitir una conexión de manguera de gran diámetro de un tamaño aprobado
para acomodar el flujo requerido.
8. PLANOS Y CÁLCULOS
8.1* PLANOS Y ESPECIFICACIONES
8.1.1 Se deben suministrar a la autoridad competente, planos que muestren con precisión los
detalles y disposición del sistema para conexión de mangueras contra incendio de tubería
vertical, antes de la instalación.
8.1.2 Los planos deben ser claros, legibles y dibujados a escala.
8.1.3 Los planos deben mostrar la localización, disposición, suministro de agua, equipos y
todos aquéllos detalles necesarios para establecer el cumplimiento de esta norma.
8.1.4 Los planos deben incluir las especificaciones técnicas de los materiales usados y
describir todos los componentes del sistema.
8.1.5 Se debe incluir en los planos un esquema vertical del sistema.
8.2 CÁLCULOS HIDRÁULICOS
8.2.1 El sistema para conexión de mangueras contra incendio se debe dimensionar a partir de
cálculos hidráulicos.
8.2.2 Un juego completo de cálculos hidráulicos se debe presentar con los planos.
8.2.3 Las memorias de cálculos hidráulicos se deben presentar con los formatos incluyendo la
hoja resumen, hojas de cálculo detalladas y gráficos. [NFPA 13:22.3.1].
8.2.4 Hoja Resumen
La hoja resumen debe contener la siguiente información, donde sea aplicable:
1) Fecha
2) Localización
3) Nombre del propietario y ocupante
4) Dirección del edificio u otra identificación
5) Descripción del riesgo
6) Nombre y dirección del contratista o diseñador
7) Nombre de la autoridad competente
8) Requisitos de diseño del sistema, como sigue:
a) Número de redes principales que fluyen
NORMA TÉCNICA COLOMBIANA NTC 1669 (Segunda actualización)
40
b) Caudal mínimo de aplicación de agua en gpm (L/min)
9) Demanda total de agua como fue calculada, incluyendo autorización para manguera
interior, hidrantes exteriores y rociadores para edificios con protección parcial de
rociadores [NFPA 13:22.3.2].
8.2.5 Hojas de cálculo detallada
Las hojas de cálculo detalladas u hojas de impresión de computadora deben contener la
siguiente información:
1) Número de hoja
2) Descripción de la conexión para manguera y constante (K) de descarga
3) Puntos de referencia hidráulica
4) Caudal en gpm (L/min)
5) Diámetro de las tuberías
6) Longitud de las tuberías, medida centro a centro de los accesorios.
7) Longitud de tubería equivalente para accesorios y dispositivos
8) Pérdidas por fricción en psi/pie (bar/m) de tubería
9) Pérdidas por fricción total entre puntos de referencia
10) Dispositivos según el numeral 8.3.1.5
11) Cabeza de elevación en psi (bar) entre puntos de referencia
12) Presión requerida en psi (bar) en cada punto de referencia
13) Presión de velocidad y presión normal si están incluidas en los cálculos
14) Notas para indicar puntos de arranque o referencia a otras hojas o para clarificar la
información mostrada [NFPA 13:22.3.3]
8.2.6 Gráficos
Se debe trazar sobre papel gráfico semi-exponencial (Q 1.85
), una representación gráfica del
cálculo hidráulico completo y debe incluir lo siguiente:
1) Curva de suministro de agua
2) Demanda del sistema para conexión de mangueras contra incendio.
3) Demanda de mangueras (donde sea aplicable)
4) Demanda parcial de rociadores donde sea aplicable (véase el numeral 7.10.1.3.2).
NORMA TÉCNICA COLOMBIANA NTC 1669 (Segunda actualización)
41
8.3 PROCEDIMIENTO DE CÁLCULO HIDRÁULICO
8.3.1 General
8.3.1.1 Todos los sistemas, se deben calcular hidráulicamente para la mayor demanda de
caudal, con base en los criterios del Capítulo 7.
8.3.1.2 Los cálculos deben comenzar en la salida de cada conexión de manguera y deben
incluir la pérdida por fricción para la válvula de apertura de la manguera y cualquier tubería que
conecte desde la válvula para manguera hasta la red principal.
8.3.1.3 Se debe usar la Tabla 6 para determinar la longitud equivalente de tubería para
accesorios y dispositivos a menos que la información de prueba de los fabricantes indique otros
factores más precisos.
Tabla 6. Carta de longitud equivalente de tubería. Para C = 120
Accesorios y válvulas expresados en pie equivalente de tubería
Accesorios y
Válvulas 3/4 de
pulgada
1 pulgada
1 ¼ de
pulgada
1 ½
pulgada
2
pulgadas
2 ½
pulgadas
3
pulgadas
Codo de 45° 1 1 1 2 2 3 3
Codo de 90°
estándar
2 2 3 4 5 6 7
Codo de radio
largo de 90°
1 2 2 2 3 4 5
Te o cruz con
cambio de
dirección del flujo
de 90°
3 5 6 8 10 12 15
Válvula de
mariposa
6 7 10
Válvula de
compuerta
1 1 1
Válvula de
retención
(Cheque) *
5 7 9 11 14 16
Válvula de globo 46 70
Válvula de ángulo 20 31
Codo de 45° 3 4 5 7 9 11 13
Codo de 90°
estándar
8 10 12 14 18 22 27
Codo de radio
largo de 90°
5 6 8 9 13 16 18
Te o cruz con
cambio de
dirección del flujo
de 90°
17 20 25 30 35 50 60
Válvula de
mariposa
12 9 10 12 19 21
Válvula de
compuerta
1 2 2 3 4 5 6
Continúa...
NORMA TÉCNICA COLOMBIANA NTC 1669 (Segunda actualización)
42
Tabla 6. (Final)
Accesorios y válvulas expresados en pie equivalente de tubería
Accesorios y
Válvulas 3 ½
pulgadas
4
pulgadas
5
pulgadas
6
pulgadas
8
pulgadas
10
pulgadas
12
pulgadas
Válvula de
retención
(Cheque)*
19 22 27 32 45 55 65
Válvula de globo
Válvula de ángulo
Para el SI de unidades, 1 pulgada = 25,4 mm
* Debido a variaciones en el diseño de las válvulas de retención, los equivalentes de tubería indicados en
esta tabla son consideradas como un promedio.
8.3.1.4 Para accesorios tipo silla que tienen pérdidas por fricción mayores a las mostradas en la
Tabla 6, se debe incluir el incremento de pérdida por fricción en los cálculos hidráulicos.
8.3.1.5 Válvulas
Los valores de pérdidas por fricción específicos o longitudes de tubería equivalente para
válvulas de alarma, válvulas de tubería seca, válvulas de inundación, filtros, dispositivo
regulador de presión, válvula contra-flujo y otros dispositivos deben estar disponibles para la
autoridad competente. [NFPA 13:22.4.3.3]
8.3.1.6 Valores diferenciados
Se deben usar los valores de pérdidas por fricción específicas o longitudes de tubería
equivalentes para accesorios no listados en la Tabla 3 en los cálculos hidráulicos cuando estas
pérdidas o longitudes de tubería equivalente sean diferentes de aquellos mostrados en la Tabla 6.
[NFPA 13:22.4.3.4]
8.3.2 Ajustes
8.3.2.1 Se debe usar la Tabla 6 solo donde el factor C Hazen-Williams es 120.
8.3.2.2 Para otros valores de C, se deben multiplicar los valores de la Tabla 6 por los factores
indicados en la Tabla 7.
Tabla 7. Ajuste de Factores para Valores C
Factor multiplicador Valor C
0,713 100
1,16 130
1,33 140
1,51 150
Aplicar a valores de Tabla 6
8.3.2.3 La Tabla 8 indica valores típicos de C que se deben usar para materiales de tubería
comúnmente usados.
NORMA TÉCNICA COLOMBIANA NTC 1669 (Segunda actualización)
43
Tabla 8. Valores C Hazen-Williams
Tubería o Tubo Valor C
Hierro fundido o dúctil sin revestimiento interior 100
Acero negro(sistemas secos, incluyendo pre-acción) 100
Acero negro (sistemas húmedos, incluyendo inundación) 120
Galvanizado (todos) 120
Plástico (listados - todos) 150
Hierro fundido o dúctil con revestimiento interior de cemento 140
Tubo de cobre o acero inoxidable 150
8.3.2.4 Se debe permitir que la autoridad competente requiera otros valores C.
8.3.3 Fórmulas
8.3.3.1 Fórmula de pérdida por fricción
8.3.3.1.1 Las pérdidas por fricción en las tuberías se deben determinar utilizando la ecuación
de Hazen-Williams, como sigue:
874851
851
524
,,
,
dC
Q,
p =
en donde
p = pérdida por fricción en psi por pie de tubería
Q = Caudal en gpm
C = coeficiente de pérdida por fricción
d = diámetro interno real de tubería en pulgadas [NFPA 13:22.4.2.1.1]
8.3.3.1.2 Para unidades SI, se debe usar la siguiente ecuación:
5
874851
851
10056
⎟
⎟
⎠
⎞
⎜
⎜
⎝
⎛
= ,
m
,
,
m
m
dC
Q
,P
en donde
Pm = Pérdida de fricción en bares por metro de tubería
Qm = Caudal en L/min
C = Coeficiente de pérdida por fricción
dm = Diámetro interno real en mm [NFPA 13:22.4.2.1.2]
8.3.3.2 Ecuación de la presión de velocidad
La presión de velocidad se debe calcular con la siguiente ecuación:
4
2
0011230
D
Q,
Pv =
en donde
Pv = Presión de velocidad en psi (SI: 1 psi = 0,0689 bares)
Q = Caudal en gpm (SI: 1 gal = 3,785 L)
d = Diámetro interno real en pulgadas (SI: 1 pulgada = 25,4 mm) [NFPA 13:22.4.2.2]
NORMA TÉCNICA COLOMBIANA NTC 1669 (Segunda actualización)
44
8.3.3.3 Ecuación de la presión normal
La presión normal se debe calcular con la siguiente ecuación:
vtn ppp −=
en donde
Pn = Presión normal
Pt = Presión total en bar (psi)
Pv = Presión de velocidad en bar (psi)
8.3.3.4 Puntos de unión hidráulica
8.3.3.4.1 Se deben balancear las presiones en puntos de unión hidráulica dentro de 0,5 psi
(0,03 bar). [NFPA 13:22.4.2.4.1].
8.3.3.4.2 Se deben incluir dentro de los cálculos la presión más alta en el punto de conexión y
los caudales totales como sean ajustados. [NFPA 13:22.4.2.4.2].
8.3.3.4.3 Se debe permitir el balance de presión a través del uso de un factor k desarrollado
para ramales o partes del sistema que usan Kp = Q/(p)0,5
. [NFPA 13:22.4.2.4.3].
9. SUMINISTRO DE AGUA
9.1* SUMINISTRO DE AGUA REQUERIDO
9.1.1 Se deben tomar los sistemas automáticos y semi-automáticos para conexión de
mangueras contra incendio de un suministro de agua aprobado capaz de abastecer la
demanda del sistema.
9.1.2 Los sistemas manuales para conexión de mangueras contra incendio deben tener un
suministro de agua aprobado accesible a la bomba del cuerpo de bomberos.
9.1.3 Se debe permitir un solo suministro de agua automático o semi-automático cuando es
capaz de abastecer la demanda del sistema durante el tiempo requerido.
9.1.4 Cuando se requiere un segundo suministro de agua según el numeral 7.9.4, no se debe
permitir un solo suministro de agua.
9.1.5 Se deben permitir suministros de agua de las siguientes fuentes:
1) Un sistema de abastecimiento público para el cual la presión y el caudal sean
adecuados.
2) Bombas automáticas de incendio conectadas a una fuente de agua aprobada en
concordancia con NFPA 20, Standard for the installation of Stationary Pumps for Fire
Protection.
3) Bombas de incendios controladas manualmente en combinación con tanques de
presión.
4) Tanques de presión instalados en concordancia con la NFPA 22, Standard for Water
Tanks for Private Fire Protection.
NORMA TÉCNICA COLOMBIANA NTC 1669 (Segunda actualización)
45
5) Bombas de incendio controladas manualmente operadas por dispositivos de control
remoto en cada estación de manguera, supervisadas en concordancia con NFPA 72,
National Fire Alarm Code.
6) Tanques de gravedad instalados conforme a la norma NFPA 22, Standard for Water
Tanks for Private Fire Protection.
9.2 SUMINISTRO MÍNIMO PARA SISTEMAS CLASE I Y CLASE III
El suministro de agua debe ser capaz de abastecer la demanda del sistema establecida en los
numerales 7.8 y 7.10 por al menos 30 min.
9.3 SUMINISTRO MÍNIMO PARA SISTEMAS CLASE II
El suministro mínimo para sistemas Clase II debe ser capaz de abastecer la demanda del
sistema establecida en los numerales 7.8 y 7.10 por al menos 30 min.
10. PRUEBA DE SUMINISTRO DE AGUA
10.1* EVALUACIÓN DEL SUMINISTRO DE AGUA
Se debe conducir una prueba de flujo de agua en el sistema de distribución de agua para
determinar el caudal y la presión disponibles para el diseño del sistema y para los propósitos
de combate de incendios.
10.2* PROCEDIMIENTO
Las pruebas con el propósito de diseñar el sistema se deben realizar dentro del año previo al
diseño.
11. ACEPTACIÓN DEL SISTEMA
11.1* GENERALIDADES
11.1.1 Todos los sistemas nuevos se deben probar antes de la ocupación del edificio.
11.1.2 Los sistemas para conexión de mangueras contra incendio existentes que van a ser
utilizados para un sistema combinado de red principal con un nuevo sistema de rociadores
automáticos, se deben probar conforme con el numeral 11.4.
11.1.3 El contratista de instalación debe diligenciar y firmar los certificados apropiados de
materiales y pruebas como se muestra en la Figura 2 y Figura 3.
11.2 LAVADO DE TUBERÍA
11.2.1 Las tuberías enterradas que abastecen el sistema se deben lavar conforme a la norma
NFPA 24, Standard for the Installation of Private Fire Service Mains and their Appurtenances.
11.2.2 La tubería entre la conexión de bomberos y la válvula de retención (cheque) en la
tubería de entrada se debe lavar con un volumen de agua suficiente con el fin de retirar
cualquier desperdicio de construcción y basura acumulada en la tubería antes de terminar la
instalación del sistema y con anterioridad a la instalación de la conexión de bomberos.
NORMA TÉCNICA COLOMBIANA NTC 1669 (Segunda actualización)
46
11.3 ROSCAS DE MANGUERA
11.3.1 Todas las roscas de las conexiones de manguera y de bomberos, se deben probar para
verificar su compatibilidad con las roscas usadas por el cuerpo de bomberos local.
11.3.2 La prueba debe consistir en enroscar muestras de acoples, tapas o tapones en los
dispositivos instalados.
11.4 PRUEBAS HIDROSTÁTICAS
11.4.1* Generalidades.
Todos los sistemas nuevos, incluyendo tuberías en zonas exteriores y conexiones de bomberos,
se deben probar hidrostáticamente a no menos de 200 psi (13,8 bar) de presión por dos horas o
a 50 psi (3,5 bar) por encima de la presión de trabajo cuando esta sea superior de 150 psi
(10,3 bar).
11.4.2 Se debe medir la presión de prueba hidrostática en el punto más bajo en elevación del
sistema individual o zona que está siendo probada.
11.4.3 Los tubos del sistema para conexión de mangueras contra incendio no deben mostrar
fugas distintas de las permitidas por la norma NFPA 24, Standard for the installation of Private
Fire Service Mains and their Appurtenances.
11.4.4 Se debe probar la tubería enterrada conforme a la norma NFPA 24, Standard for the
installation of Private Fire Service Mains and their Appurtenances.
11.4.5 Cuando el clima frío impide probar con agua, se debe permitir la conducción de una
prueba provisional de aire antes de la prueba hidrostática de norma.
11.4.5.1 Se debe realizar una prueba de fuga mediante aire presurizado a 40 psi (2,8 bar) por 24 h.
11.4.5.2 Cualquier pérdida de presión superior a 1 ½ psi (0,1 bar) durante un período continuo
de 24 h, se debe corregir
11.4.6 Conexión para el cuerpo de bomberos
Se debe probar hidrostáticamente la tubería entre la conexión de bomberos y la válvula de
retención (Cheque) en la tubería de entrada, al igual que en el resto del sistema.
11.4.7 Sistemas existentes
Donde se modifique un sistema para conexión de mangueras contra incendio existente,
incluida la tubería exterior y la conexión de los bomberos, se debe probar la tubería nueva de
conformidad con el numeral 11.4.1.
11.4.8 Protección contra el congelamiento
Durante la prueba, se debe tener el cuidado de asegurar que ninguna parte de la tubería está
sujeta a congelamiento durante el clima frío.
11.4.9 Medidor de presión
Durante la prueba hidrostática, se debe observar el medidor de presión en la parte alta de cada
red principal y registrar la presión.
NORMA TÉCNICA COLOMBIANA NTC 1669 (Segunda actualización)
47
11.4.10 Aditivos para el agua
No se deben usar aditivos, químicos corrosivos tales como silicato de sodio o derivados de
este, salmuera u otros químicos, mientras los sistemas son probados hidrostáticamente o para
detener fugas.
11.5 PRUEBAS DE FLUJO
11.5.1* Se debe probar el sistema para conexión de mangueras contra incendio para verificar
la demanda del sistema.
11.5.1.1 Como se dispone en los numerales 7.8 y 7.10, esta prueba se debe conducir por flujo
de agua simultáneo desde la salida (s) indicada en los cálculos hidráulicos aprobados de cada
red principal.
11.5.2 Para una red principal manual, se debe usar una bomba del Cuerpo de Bomberos o
bomba portátil con capacidad para abastecer el caudal y presión requeridos para verificar el
diseño del sistema por bombeo dentro de la conexión de bomberos.
11.5.3 La disposición de llenado para los tanques de succión. Se debe verificar desconectando
todas las líneas de suministro al tanque, drenándo el tanque por debajo del nivel mínimo de
diseño y posteriormente abrir la válvula de suministro para asegurar la operación de sus
características automáticas.
11.5.4 Dispositivos de regulación de presión
11.5.4.1* Se debe probar cada dispositivo de regulación de presión para verificar que la
instalación es correcta, que el dispositivo está operando y que las presiones tanto de entrada
como de salida y el caudal en el dispositivo están de acuerdo a lo diseñado.
11.5.4.2 Se deben registrar las presiones estáticas y residuales de entrada y salida y el caudal
en el certificado de pruebas del contratista.
11.5.5 Prueba de flujo del drenaje principal
11.5.5.1 La válvula de drenaje principal debe estar abierta y permanecer así hasta que se
estabilice la presión del sistema.
11.5.5.2 Se debe registrar la presión estática y residual en el certificado de pruebas del
contratista.
11.5.6 Prueba de los sistemas automático y semi-automático secos
11.5.6.1 Se deben probar los sistemas automático y semi-automático secos por iniciación de un
flujo de agua desde la conexión de manguera hidráulicamente más remota.
11.5.6.2 El sistema debe entregar un mínimo de 250 gpm (946 L/min) a la conexión de
manguera en un tiempo no mayor a 3 min de apertura de la válvula de manguera si la
capacidad del sistema es superior a los 750 galones (2 480 L).
11.5.6.3 Se debe probar cada dispositivo de activación de control remoto para operación de un
sistema semi-automático conforme a las especificaciones e instrucciones del fabricante.
11.5.6.4 Además de la prueba hidrostática de norma, se debe realizar una prueba de fuga de
presión de aire a 40 psi (2,8 bar) por 24 h. Se debe corregir cualquier fuga que resulte en una
pérdida de presión en exceso de 1 1/2 psi (0,1 bar) en 24 h. [NFPA 13:24.2.2.1].
NORMA TÉCNICA COLOMBIANA NTC 1669 (Segunda actualización)
48
11.5.6.5 Estas pruebas se deben realizar además de todas las pruebas requeridas para los
sistemas automáticos y manuales.
11.5.7 Donde las bombas son parte del suministro de agua para un sistema para conexión de
mangueras contra incendio, la prueba se debe realizar con las bombas operando.
11.6 PRUEBA MANUAL DE VÁLVULA
11.6.1 Cada válvula propuesta para ser abierta o cerrada manualmente, se debe operar por
giro de la palanca o manija del volante en su alcance total y retornándola a su posición normal.
11.6.2 Todas las tapas de las válvulas para manguera, se deben ajustar para evitar fugas
durante la prueba y abrirlas después de la prueba para drenar el agua y aliviar la presión.
11.7 PRUEBAS DE ALARMA Y SUPERVISIÓN
Se debe probar cada dispositivo de alarma y supervisión provisto de acuerdo con la norma
NFPA 72, National Fire Alarm.
11.8 INSTRUCCIONES
El contratista de instalación debe entregar al propietario lo siguiente:
1) Toda la literatura e instrucciones suministradas por el fabricante describiendo la
operación y mantenimiento del equipo y dispositivos instalados.
2) Una copia de la norma NFPA 25, Standard for the Inspection, Testing, and Maintenance
of Water-Based Fire Protection Systems.
11.9 SEÑALIZACIÓN
Se debe verificar la instalación de la señalización requerida por esta norma.
NORMA TÉCNICA COLOMBIANA NTC 1669 (Segunda actualización)
49
CERTIFICADO DE MATERIALES Y PRUEBAS DEL CONTRATISTA PARA TUBERÍA SOBRE TERRENO
Sistema para Conexión de Mangueras Contra Incendio
PROCEDIMIENTO
Una vez completado el trabajo, se deben realizar pruebas e inspecciones por el representante del contratista y se
deben verificar por un representante del propietario. Todos los defectos se deben corregir y el sistema se debe
dejar en servicio antes de que el personal del contratista finalice y entregue el trabajo.
Se debe llenar un certificado firmado por ambos representantes. Se deben preparar copias para aprobación de las
autoridades competentes, propietarios y contratista. Se entiende que la firma del representante del propietario de
ninguna manera evita cualquier reclamo contra el contratista por falla de materiales, trabajo deficiente o falta de
cumplimiento con los requisitos de la autoridad competente u ordenanzas locales.
NOMBRE DE LA PROPIEDAD FECHA
DIRECCIÓN DE LA PROPIEDAD
Aceptados por la autoridad que aprueba (nombres)
Dirección
¿Instalación conforme con los planos aceptados? □ si □ no
¿El equipo usado es aprobado o listado? □ si □ no
Planos
si la respuesta es “no”, explique las desviaciones
Automático seco □ si
Automático húmedo □ si
Semi-automático seco □ si
Manual seco □ si
Manual húmedo □ si
Combinado red principal/rociador □ si
Tipo de Sistema
Si es otro, explique
Datos del
Suministro de
Agua Usado en
Diseño y como
se Muestra en los
Planos
Información de la bomba de incendios
Fabricante_________________________________
Modelo______________________________
Tipo: Eléctrico_____ Diesel_____ Otra_____
(explique)___________________________________
Caudal Nominal, ______________ gpm
Presión Nominal, _______________psi
Presión de Cierre, ______________psi
Capacidad de la
Fuente de
Suministro de
Agua (Galones)
□ Sistema de acueducto público
□ Tanque de almacenamiento
□ Tanque de gravedad
□ Depósito abierto
□ Otro (explique)
Si es Sistema de
Suministro
Público
Presión estática_____________ psi
Presión residual__________________psi
Caudal, __________________ gpm
¿Han Quedado
Copias en las
instalaciones de
lo Siguiente?
□ Instrucciones de los componentes del sistema
□ Cuidado y mantenimiento del sistema
□ NFPA 25
□ Copia de planos aceptados
□ Datos hidráulicos/memorias de cálculo
Suministros a
Edificio(s)
Localización de la válvula principal de corte de agua
_________________________________________
Número de columnas de redes principales
_____________________________________________
¿todas las columnas tienen válvulas de corte en la base? □ si □ no
Supervisión de
Válvulas
□ Aseguradas en posición abierta
□ Selladas y rotuladas
□ Con interruptores supervisados
□ Otro
Si es otro, explique
Tubería y
Accesorios
Tipo de tubería________________________________________________
Tipo de accesorios_____________________________________________
Roscas de
manguera
Las roscas de manguera han sido verificadas para cumplir con los bomberos locales
□ si □ no
Preventor de
contra-flujo
□ Conjunto de doble válvula de retención
Diámetro ______________
Marca y modelo _________________________
□ Dispositivo de presión reducida
Continúa...
Figura 2. Certificados de materiales y pruebas para tubería sobre terreno
NORMA TÉCNICA COLOMBIANA NTC 1669 (Segunda actualización)
50
DISPOSITIVO DE VÁLVULA DE CONTROL
Tipo Diámetro Marca Modelo
Tiempo de recorrido desde la válvula de pre acción hasta la válvula de control ___min. ___s. Presión de agua
______ Presión de aire______
Tiempo del agua en alcanzar la salida desde la válvula de control hasta la válvula de manguera más remota
____min. ____s. Punto de disparo de la presión de aire ____psi
¿Alarma operada apropiadamente? si __no__. Si la respuesta es ”no”, explique:
Tiempo del agua en alcanzar la salida desde la válvula de control hasta la válvula de manguera más remota
_______ min. _______ s.
Activación hidráulica □ Si
Activación eléctrica □ Si
Activación neumática □ Si
Marca y modelo del dispositivo de activación _____________________________________________________
¿Cada dispositivo de activación fue probado? □ Si □ No si la respuesta es “no”, explique, __________________
¿Cada dispositivo de activación operó correctamente? □ Si □ No. Si la respuesta es “no”, explique,
_________________________________
DISPOSITIVO REGULADOR DE PRESIÓN
Sin flujo Con flujo
Ubicación y
Piso
Modelo Entrada
psi
Salida
psi
Entrada
psi
Salida
psi
gpm
¿Todas las válvulas de manguera en el sistema operan apropiadamente? □ Si □ No
Si la respuesta es “no”, explique,_________________
Figura 2. (Continuación)
NORMA TÉCNICA COLOMBIANA NTC 1669 (Segunda actualización)
51
Descripción
de la
Prueba
Hidrostática: Las pruebas hidrostáticas deben hacerse a no menos de 200 psi (13,6 bar) por
2 h o 50 psi (3,4 bar) sobre la presión de trabajo en exceso de 150 psi (10,2 bar) por
2 h. Las charnelas diferenciales de válvula de tubería seca se deben dejar abiertas durante la prueba para
evitar daños. Todas las fugas de la tubería sobre el suelo se deben detener.
Neumática: Establecer presión de aire a 40 psi (2,7 bar) y medir la caída, la cual no debe exceder 1 1/2 psi
(0,1 bar) en 24 h.
Probar los tanques de presión a nivel de agua y presión de aire normales y medir la caída de presión de aire,
la cual no debe exceder 1 ½ psi (0,1 bar) en 24 h.
Toda la tubería fue probada hidrostáticamente a _____ psi (___bar) por___ horas (si no, establecer la razón)
¿Fue la tubería seca probada neumáticamente? □ Si □ No
(si la respuesta es “no”, establecer la razón)
¿El equipo opera apropiadamente? □ Si □ No
(si la respuesta es “no”, establecer la razón)
¿Certifica Ud. como contratista del sistema para conexión de mangueras contra incendio que no fueron
usados aditivos y corrosivos químicos, silicato de sodio o sus derivados, agua salada u otros químicos
corrosivos para probar los sistemas o detener fugas? □ Si □ No
Prueba
de
drenaje
Lectura del medidor ubicado cerca de la
conexión de prueba de suministro de agua
____ psi (____bar)
Presión residual con la válvula de la conexión de
prueba completamente abierta ____ psi (____bar)
Pruebas
Líneas principales subterráneas y conexiones de entrada a las tuberías elevadas del sistema fueron lavadas
antes de hacer la conexión al sistema para conexión de mangueras contra incendio.
□ Si □ No ______________________
¿Lavada por el instalador de la red principal enterrada? □ Si □ No
Otro (explicar)___________
Empaques
de prueba
Número utilizado __________ Ubicaciones___________________ Número retirado______
Tubería soldada □ Si □ No
En caso positivo…
¿Certifica usted como contratista del sistema para conexiones de mangueras
contra incendio que los procedimientos de soldadura cumplen al menos con los
requisitos de la AWS B2.1 o equivalentes?
□ Si □ No
¿Certifica que la soldadura fue realizada por soldadores calificados en
cumplimiento al menos de los requisitos de AWS B2.1 o equivalentes?
□ Si □ No
Soldadura
¿Certifica que la soldadura fue llevada a cabo en cumplimiento de un control de
calidad documentado para asegurar que todos los discos son recuperados, que
las aberturas en la tubería son pulidas, que son removidos la escoria y otros
residuos de la soldadura y que los diámetros internos de la tubería no fueron
penetrados?
□ Si □ No
Recortes
(Discos)
¿Certifica Ud. que tiene un método de control para asegurar que todos los
recortes (discos) son recuperados?
□ Si □ No
Placa con
datos
Hidráulicos
¿Fue provista una placa? □ Si □ No,
Si la respuesta es “no”, explique______________________________________
Notas Fecha en que fue dejado en servicio con todas las válvulas de control abiertas__________________________
Nombre del
Contratista
del sistema
para
conexiónes
de
mangueras
contra
incendio /
Rociadores
Nombre del contratista
_____________________________________________________________________
Dirección
_____________________________________________________________________
Licencia estatal No. (si es aplicable)
______________________________________________________________________
Dueño de la propiedad_____________________
Cargo__________________
Fecha____________________
Contratista de rociadores/red principal_______
Cargo__________________
Fecha____________________
Prueba de
Operación
del Sistema
Atestiguada
por Autoridades que aprueban__________________
Cargo __________________
Fecha____________________
Explicación
y Notas
Adicionales
Figura 2. (Final)
NORMA TÉCNICA COLOMBIANA NTC 1669 (Segunda actualización)
52
CERTIFICADO DE MATERIALES Y PRUEBAS DEL CONTRATISTA PARA TUBERÍA ENTERRADA
PROCEDIMIENTO
Una vez completado el trabajo, se deben realizar pruebas e inspecciones por el representante del contratista y se
deben verificar por un representante del propietario. Todos los defectos se deben corregir y el sistema se debe dejar
en servicio antes de que el personal del contratista finalice y entregue el trabajo.
Se debe llenar un certificado firmado por ambos representantes. Se deben preparar copias para aprobación de las
autoridades competentes, propietarios y contratista. Se entiende que la firma del representante del propietario de
ninguna manera evita cualquier reclamo contra el contratista por falla de materiales, trabajo deficiente o falta de
cumplimiento con los requisitos de la autoridad competente u ordenanzas locales.
NOMBRE DE LA PROPIEDAD FECHA
DIRECCIÓN DE LA PROPIEDAD
Aceptados por la autoridad que aprueba (nombres)
Dirección
¿Instalación conforme con los planos aceptados? □ si □ no
¿El equipo usado es aprobado o listado? □ si □ no
Planos
si la respuesta es “no”, explique las desviaciones
¿La persona a cargo del equipo de incendios ha sido instruida en la
ubicación de las válvulas de control, cuidado y mantenimiento de este
nuevo equipo?
□ si □ no
¿Se han dejado copias de instrucciones apropiadas para el cuidado y
mantenimiento en las instalaciones?
□ si □ no
Instrucciones
Si la respuesta es “no”, explique
Ubicación Edificios abastecidos
Tipos y clases de tubería Tipo de unión
Tubería conforme a la norma _________________ □ si □ no
Accesorios conforme a la norma ______________ □ si □ no
Si la respuesta es “no”, explique
Tuberías y
uniones
enterradas
Uniones que necesitan anclaje, atornilladas, sujetas o con atraque en
concordancia con la norma________________
Si la respuesta es “no”, explique
□ si □ no
Descripción
de la Prueba
Lavado: Permita el flujo de caudal requerido hasta que el agua esté clara y no se observen
residuos de material extraño a las salidas de hidrantes y purgas. Para tubería de 4 pulgadas
(100 mm) lave con un caudal no menor a 390 gpm (1 476 L/min), para tubería de
6 pulgadas (150 mm) 880 gpm (3 330 L/min), para tubería de 8 pulgadas (200 mm) 1 560 gpm
(5 900 L/min ), para tubería de 10 pulgadas (250 mm) 2 440 gpm (9 230 L/min) y para tubería
de 12 pulgadas (300 mm) 3 520 gpm (13 320 L/min).
Cuando la fuente no pueda suministrar los caudales establecidos, se debe obtener el máximo
disponible.
Hidrostática: Las pruebas hidrostáticas se deben realizar a no menos de 200 psi (13,8 bar) por 2 h o
50 psi (3,4 bar) por encima de la presión de trabajo, si esta es superior a 150 psi (10,3 bar) por 2 h.
Fuga: La tubería nueva tendida con uniones con empaquetadura de caucho debe, si la mano de
obra es satisfactoria, tener muy poca o ninguna fuga en las uniones. La cantidad de la fuga en las
uniones no debe exceder de 2 cuartos de galón/hora (1,89 L/h) por 100 uniones sin importar el
diámetro de la tubería. La fuga debe estar distribuida sobre todas las uniones. Si tales fugas
ocurren en unas pocas uniones, la instalación se debe considerar no satisfactoria y se deben hacer
las reparaciones necesarias. La cantidad de filtración o fuga permitida especificada arriba puede
ser incrementada en una onza por pulgada de diámetro de la válvula por hora
(30 ml/25 mm/hora) por cada válvula de asiento metálica que aísla la sección en prueba. Si los
hidrantes de tambor o cuerpo seco son probados con la válvula principal abierta, de forma tal que el
hidrante esté bajo presión, se permite una fuga adicional de 5 onzas/min (150 mL/min.) para cada
hidrante.
Continúa...
Figura 3. Certificados de materiales y pruebas para tubería para tubería enterrada
NORMA TÉCNICA COLOMBIANA NTC 1669 (Segunda actualización)
53
El sistema de tubería nueva enterrada fue lavado de acuerdo con la
norma__________ por la Compañía________________________
Si la respuesta es “no”, explique
□ si □ no
Como fue obtenido el caudal de lavado
Acueducto público __
Tanque o depósito__
Bomba de incendios ____
A través de qué tipo de abertura:
Conexión de hidrante ____
Salida de Tubería _____
Líneas de fuente de abastecimiento lavadas de acuerdo con la norma
_________ por la Compañía______________
Si la respuesta es “no”, explique
□ si □ no
Pruebas de
Lavado
Como se obtuvo el caudal de la fuente de abastecimiento para lavado:
Acueducto público __
Tanque o depósito___
Bomba de incendios___
A través de qué tipo de abertura:
Salida de Tubería
Conexión en Y a la brida y espigo
Prueba
Hidrostática
Toda la tubería nueva enterrada fue probada
Hidrostáticamente a_________ psi por_________ h
Las Uniones se taparon:
□ si □ no
Cantidad total de fuga medida___________ gal _____________ horas
Prueba de Fuga
Fuga permitida___________ gal _____________ horas
Hidrantes
Número instalado Tipo y marca Todos operan
satisfactoriamente
□ si □ no
Válvulas de
Control
Las válvulas de control de agua fueron dejadas totalmente
abiertas
Si la respuesta es “no”, explique
Las roscas de manguera de las conexiones de bomberos e
hidrantes son intercambiables con las de los bomberos que
responden la alarma
□ si □ no
□ si □ no
Comentarios
Fecha de la puesta en servicio
Nombre del contratista instalador
Pruebas Atestiguadas Por
Dueño de la propiedad o
representante (firma)
Cargo Fecha
Contratista instalador (firma) Cargo Fecha
Firmas
Explicación y
Notas Adicionales
Figura 3. (Final)
NORMA TÉCNICA COLOMBIANA NTC 1669 (Segunda actualización)
54
12. EDIFICIOS EN CONSTRUCCIÓN
12.1 GENERAL
Cuando sea requerido por la autoridad competente, se debe disponer de un sistema para
conexión de mangueras contra incendio, temporal o permanente, de acuerdo con este capítulo
en edificios en construcción.
12.2 CONEXIONES DE BOMBEROS
Las redes principales deben disponer de conexiones de bomberos fácilmente accesibles y
claramente marcadas en el exterior del edificio a nivel de la calle, en una ubicación aprobada
por el cuerpo local de bomberos.
12.3 OTRAS CARACTERÍSTICAS DEL SISTEMA
Los diámetros de tubería, conexiones de manguera, mangueras, suministro de agua y otros
detalles para construcciones nuevas deben estar de acuerdo con esta norma.
12.4 SOPORTE DE TUBERÍA
Se deben soportar y fijar redes principales en cada piso alterno.
12.5* CONEXIONES DE MANGUERA
12.5.1 Se debe proveer al menos una conexión de manguera en cada nivel de piso, en una
ubicación aprobada por el cuerpo local de bomberos.
12.5.2 Las válvulas de manguera se deben mantener cerradas todo el tiempo y protegidas
contra daño mecánico.
12.6* EXTENSIÓN DEL SISTEMA DE TUBERÍA
Se deben extender las redes principales hacia arriba para cada piso y tapadas en la cima.
12.7 INSTALACIONES TEMPORALES
12.7.1 Las redes principales temporales deben permanecer en servicio hasta que la red
principal permanente sea completada.
12.7.2 Cuando las redes principales temporales contengan normalmente agua, la tubería debe
estar protegida contra congelamiento.
12.8 SINCRONIZACIÓN DE LA INSTALACIÓN DE SUMINISTRO DE AGUA
12.8.1 Cuando la construcción alcanza una altura a la cual la presión de los sistemas de
servicio público no alcanzan a suministrar el caudal y presión requeridos, se deben instalar
bombas de incendio temporal o permanente para suministrar protección al nivel más elevado o
a la altura requerida por la autoridad competente.
12.8.2 Cuando la autoridad competente permita aparatos de bombeo del departamento local
de bomberos para la presión requerida por la red principal, las bombas de incendio temporal o
permanente no son requeridas.
NORMA TÉCNICA COLOMBIANA NTC 1669 (Segunda actualización)
55
12.9 PROTECCIÓN DE CONEXIONES DE MANGUERA Y CONEXIONES DE BOMBEROS
12.9.1 Se deben instalar tapas y tapones roscados en las conexiones de bomberos y
conexiones de manguera.
12.9.2 Se deben proteger las conexiones de bomberos y conexiones de manguera contra el
daño físico.
NORMA TÉCNICA COLOMBIANA NTC 1669 (Segunda actualización)
56
ANEXO A
(Informativo)
MATERIAL EXPLICATORIO
El Anexo A no es parte de los requisitos de este documento, se incluye solo con propósitos
informativos. Este anexo contiene material explicatorio, numerado para corresponder con los
parágrafos aplicables del texto.
A.1.1.2 Véase la norma NFPA 25, Standard for the Inspection, Testing, and Maintenance of
Water. Based Fire Protection Systems.
A.3.2.1 Aprobado
La National Fire Protection Association NFPA no aprueba, inspecciona o certifica ninguna
instalación, procedimiento, equipo o materiales, ni aprueba o evalúa laboratorios de pruebas.
En la determinación de la aceptabilidad de instalaciones, procedimientos, equipo o materiales,
la autoridad competente puede basar su aceptación de cumplimiento en NFPA u otras normas
apropiadas. En ausencia de tales normas, dicha autoridad puede requerir evidencia de
instalación, procedimiento o uso apropiados. La autoridad competente puede también referirse
a listados o prácticas de rotulado de una organización que hace evaluaciones del producto y
que esta en posición de determinar cumplimiento con normas apropiadas de la producción
actual de elementos listados.
A.3.2.2 Autoridad competente
La frase “autoridad competente” es usada en los documentos de NFPA de una manera amplia,
puesto que las jurisdicciones y agencias de aprobación varían, así como sus
responsabilidades. Donde la seguridad pública es primordial, la autoridad competente puede
ser nacional, departamental, distrital, municipal, regional o algún individuo como el jefe de
bomberos, los comisarios de incendios; el jefe de una oficina de prevención de incendios,
departamento del trabajo o departamento de salud; el administrador del edificio; inspector
eléctrico u otros que tengan autoridad establecida por la ley. Para propósitos de seguros, un
departamento de inspección de seguros, oficina de clasificaciones u otra compañía
representativa de seguros puede ser la autoridad competente. En muchas circunstancias, el
dueño de la propiedad o su agente designado asume el rol de autoridad competente; en
instalaciones del gobierno, el oficial comandante u oficial departamental pueden ser la
autoridad competente.
A.3.2.3 Listado
Los medios para identificar equipo listado pueden variar para cada organización interesada con
la evaluación del producto, algunas de las cuales no reconocen el equipo como listado a menos
que también esté rotulado. La autoridad competente puede utilizar el sistema empleado por la
organización que lista para identificar un producto listado.
A.3.3.8 Dispositivo regulador de presión
Como ejemplos se incluyen válvulas reductoras de presión, válvulas de control de presión y
dispositivos limitadores de presión.
NORMA TÉCNICA COLOMBIANA NTC 1669 (Segunda actualización)
57
A.3.3.12 Sistema para conexión de mangueras contra incendio
Esta disposición está acompañada por medios de conexión para sistemas de suministro de
agua o por medio de bombas, tanques y otro equipo necesario para proporcionar un adecuado
suministro de agua a las conexiones de manguera.
A.3.3.15 Tipo de sistema
La NFPA 600, Standard on Industrial Fire Brigades y la Fire Equipment Manufacturers
Association (FEMA) dan recursos para entrenamiento de personal.
A.3.3.16.4 Válvula reductora de presión
Una válvula de alivio de presión no es una válvula reductora de presión y no debería ser usada
como tal.
A.4.1 El uso de válvulas y accesorios de peso normalizado ordinariamente debería estar
limitado a los pisos superiores de edificios muy altos y a equipo en el cual las presiones más
altas disponibles sean menores a 175 psi (12,1 bares).
A.4.4.1.2 Algunas tuberías de acero con espesor de pared menor que lo especificado en el
numeral 4.4.1.2 han sido listadas para uso en sistemas de rociadores con conexiones
roscadas. La vida útil de tales productos puede ser significativamente menor que la de tubería
de acero cedula 40 (SCH 40) y se debería determinar si la vida útil es suficiente para la
aplicación propuesta.
El instalador debería revisar todas estas roscas usando anillos calibrados de trabajo conformes
con las “Dimensiones Básicas de Calibres de Anillos para USA (Americana) Standard Taper
Pipe Threads, NPT” así como por la Tabla 8 de ASME B.1.20.1, Pipe Threads, General
Purpose (Inch). [NFPA 13: A.6.5.1.2].
A.4.4.2.2 Las operaciones de corte y soldadura originan anualmente el 4 % de los incendios en
edificaciones no residenciales y el 8 % en edificaciones industriales y de manufactura. La
soldadura de la tubería de rociadores en sitio crea un riesgo significativo que normalmente
puede ser evitado realizando las soldaduras en el taller e instalando las secciones soldadas
preensambladas con accesorios de unión mecánica. Por consiguiente, la norma requiere que
las soldaduras se hagan en el taller. Cuando sea inevitable realizar las soldaduras en sitio, las
excepciones determinan los procedimientos y prácticas que minimizan el mayor riesgo
asociado (véase la Figura A.1) [NFPA13: A.6.5.2.2].
NORMA TÉCNICA COLOMBIANA NTC 1669 (Segunda actualización)
58
30° a 45°
3
32 pulgadas a
1
8 de pulgada
3
32 pulgadas a
1
8 de pulgada
30° a 45°
3
16 pulgadas
nominales
1
16 pulgadas a
3
32 de pulgada
Soldadura al tope de fondo abierto Soldadura al tope con anillo de respaldo
Figura A.1. Diagrama de Soldadura
A.4.4.2.3.1 Los niples listados, configurados y contorneados cumplen la definición de
accesorios fabricados. [NFPA 13: A.6.5.2.3.1].
A.4.4.2.4.1 En los accesorios de derivación las soldaduras de penetración parcial son
adecuadas, puesto que no hay una carga significativa sobre la conexión distinta a la causada
por la presión interna en la tubería (véase la Figura A.2.). La carga debida a la presión interna
puede ser soportada con una soldadura que tiene un espesor de garganta de soldadura
moderado que puede ser calculado como sigue:
Espesor de garganta de la soldadura (pulgadas) = PD x 0,000 035
en donde
P = presión de trabajo del sistema (psig)
D = Diámetro exterior del accesorio (pulgadas)
Por ejemplo: Asumiendo una presión de 300 psig y un D del accesorio de salida de 3 pulgadas,
el resultado del cálculo del espesor es 0,0315 pulgadas. Comparado con el espesor mínimo de
garganta de 3/16 de pulgada (0,18 pulgadas), hay un factor de más de 5 veces el valor del
espesor calculado. [NFPA 13: A.6.5.2.4.1].
45°
mínimo
0 a 1
16 de pulgada
1/16 de pulgada
mínimo
45°
típico
Como esta diseñado
0 a 1
16 pulgadas
Dimensión mínima de
soldadura vea 4.4.2.4.1
Dimensión mínima de
soldadura vea 4.4.2.4.1
Unión de Penetración Total Típica Junta de Penetración Parcial Junta Soldada al Filete
Figura A.2. Descripciones de Soldadura
NORMA TÉCNICA COLOMBIANA NTC 1669 (Segunda actualización)
59
A.4.4.2.4.2 Para una adecuada elaboración de la junta soldada, es importante la preparación
de las superficies a unir. Para lograr esto, las superficies a ensamblar se debería preparar y
configurar de forma tal que se logre una soldadura de penetración total, pero es aceptable una
soldadura de penetración parcial. [NFPA13: A.6.5.2.4.2].
A.4.4.4 Cuando se realicen procesos de soldadura por capilaridad, se debe contar con la
adecuada protección contra incendio. [NFPA 13: A.6.5.4].
A.4.4.4.5 Es poco probable que el tipo de fundente fabricado conforme a las especificaciones
requeridas por la Tabla 6.3.1.1 de la NFPA 13 cause daño al sello de los rociadores. Cuando
se utilice fundente para soldadura capilar fuerte, debe ser de un tipo que en lo posible no dañe
el sello de los rociadores. [NFPA 13:A.6.5.4.5].
A.4.6.2.1 En la NFPA 600, Standard on Industrial Fire Brigades, se describe un método para
determinar el entrenamiento adecuado del personal.
A.4.6.5 En la NFPA 600, Standard on Industrial Fire Brigades, se describe un método para
determinar el entrenamiento adecuado del personal.
A.5.1.2 El diseño de sistemas para conexión de mangueras contra incendio debería incluir
consideraciones de las tácticas de supresión del cuerpo local de bomberos, diámetro de
manguera, longitud de manguera y tipos de boquillas usadas.
A.5.2.1 Un sistema de tubería seco debería ser instalado solo cuando la calefacción no es
garantía suficiente para evitar el congelamiento del agua en cualquier parte o sección del
sistema. [NFPA 13:A.7.2]
A.5.2.1.3.1 La capacidad volumétrica para diferentes diámetros de tubería se presenta en la
Tabla A.1, para facilitar el cálculo de la capacidad del sistema. [NFPA 13:A.7.2.3].
Tabla A.1. Volumen por 1 pie de tubería (Basada en el diámetro interno real de la tubería)
Volumen de la Tubería
(galón)
Diámetro Nominal de la Tubería en
Pulgada
Cedula (SCH) 40 Cedula (SCH) 10
3/4 0,028
1 0,045 0,049
1 1/4 0,078 0,085
1 ½ 0,106 0,115
2 0,174 0,190
2 1/2 0,248 0,283
3 0,383 0,433
3 1/2 0,513 0,576
4 0,660 0,740
5 1,040 1,144
6 1,501 1,649
b
8 2,66ª 2,776
c
Para unidades SI, 1 pulgada = 25,4 mm; 1 pie = 0,3048 m; 1 gal = 3. 785 L.
a
Cedula (SCH) 30
b
0,134 pulgadas espesor de pared de tubería
c
0.188 pulgadas espesor de pared de tubería
[NFPA13: Tabla A.7.2.3]
NORMA TÉCNICA COLOMBIANA NTC 1669 (Segunda actualización)
60
A.5.2.1.4 La válvula de tubería seca debería estar localizada en un sitio de fácil acceso y cerca
del sistema que controla. Cuando este expuesta a bajas temperatura, la válvula de tubería seca
debería estar ubicada en un cuarto de válvulas o encerramiento de tamaño adecuado para
poder realizar el mantenimiento del equipo en forma adecuada. [NFPA 13:A.7.2.5].
A.5.2.1.4.1 La válvula de tubería seca y la tubería de suministro deberían estar en un área
mantenida a una temperatura superior a 40 °F (4 °C). La intención del comité es proteger las
válvulas contra el congelamiento. La exposición ocasional de las válvulas a temperaturas de
aire por debajo de 40 °F (4 °C), por periodos cortos y que no causarían congelamiento de las
válvulas, no justifica la construcción de un cuarto de válvulas. [NFPA 13: A.7.2.5.1].
A.5.2.1.5.2 La toma de aire del compresor debería estar instalada conforme a los criterios de
operación del fabricante del compresor. El conducto para toma de aire no debería estar
conectado a la entrada del compresor a menos de que sea aceptado por el fabricante. Se
pueden presentar daños, reducciones en la capacidad de aire o reducción de la vida útil si no
se siguen las recomendaciones del fabricante. [NFPA 13: A.7.2.6.2].
A.5.2.3.1.3 Los circuitos de activación a control remoto no se deberían ubicar en áreas de
construcción combustible sin rociadores.
A.5.2.3.4 Las condiciones de ocupación o riesgos especiales podrían requerir la descarga
rápida de grandes cantidades de agua, y en tales casos, se podrían requerir sistemas de
inundación.
Los dispositivos de detección de incendios se deberían seleccionar con el fin de garantizar su
operación, aún en los casos de operación prematura de los rociadores considerando las
temperaturas normales del recinto y las condiciones generadas por corrientes de aire.
En áreas en las cuales la alta temperatura del ambiente en el cielo raso sea originada por
fuentes de calor distintas a condiciones de incendio, se deberían seleccionar dispositivos de
respuesta al calor que operen a temperaturas más altas que las normales y con capacidad para
resistir estas temperaturas más altas por largos períodos de tiempo.
Donde existan condiciones corrosivas, se deben utilizar materiales o recubrimientos de
protección que resistan la corrosión. [NFPA 13: A.7.3.1].
A.5.2.4 Los sistemas para conexión de mangueras contra incendio manuales secos necesitan
agua de una bomba del cuerpo de bomberos (o equivalente) para suministrarla al sistema a
través de la conexión de bomberos para abastecer la demanda del sistema.
A.5.2.5 Los sistemas para conexión de mangueras contra incendio manuales húmedos
necesitan agua de una bomba del cuerpo de bomberos (o equivalente) para abastecer la
demanda del sistema.
A.5.4 La intención del comité es permitir la omisión de la bomba de incendio como parte del
sistema para conexión de mangueras contra incendio en edificios que no sean altos, cuando se
pueda diseñar un sistema de rociadores automáticos diseñados e instalados con el suministro
de agua disponible, y el caudal y presión demandados por el sistema para conexión de
mangueras contra incendio de la red principal sean suministrados por los equipos del cuerpo
de bomberos a través de la conexión de bomberos.
A.5.5 En algunos sistemas podría ser deseable instalar indicadores de presión adicionales en
la base de las redes principales, en especial en áreas de gran superficie y en edificios altos.
NORMA TÉCNICA COLOMBIANA NTC 1669 (Segunda actualización)
61
A.5.6 Las alarmas audibles normalmente se localizan en la zona exterior de la edificación.
Algunas veces es recomendable contar con campanas eléctricas tipo gong, bocinas o sirenas
ubicadas tanto en el interior como en el exterior.
A.6.1 Las conexiones provenientes de bombas contra incendio y fuentes de abastecimiento
exteriores a la edificación se deberían realizar en la base de las redes principales.
A.6.1.2.1 Las redes principales no deberían estar ubicadas en áreas de construcción
combustible sin protección con rociadores.
A.6.3.5 Véanse la Figura A.3 y la Figura A.4.
Drenaje
elevado
Válvula de
manguera
de incendios
Combinación
rociador / tubería
vertical elevada
Conexión de
drenaje y prueba
del inspector
Al sistema
rociador
Interruptor de
flujo de agua
Indicador de presiónVálvula
antiretorno
Válvula de
control de piso
tipo indicador
con interruptor
supervisor
Figura A.3. Esquema de conexión aceptable para sistemas combinados
Drenaje
elevado
Combinación
rociador / tubería
vertical elevada
Conexión de
drenaje y prueba del
inspector
Al sistema
rociador
Interruptor de
flujo de agua
Indicador
de presión
Válvula de
manguera
de incendios
2 1/2 pulgadas
(65 mm) mínimo
Válvula de
control de piso
tipo indicador
con interruptor
supervisor
Válvula antiretorno
Figura A.4. Esquema de conexión aceptable para sistemas combinados
NORMA TÉCNICA COLOMBIANA NTC 1669 (Segunda actualización)
62
A.6.3.6.1.1 Una conexión de una fuente de abastecimiento de agua no debería prolongarse
hasta el interior de un edificio o cruzar muros de la edificación a menos que dicha conexión
esté controlada mediante una válvula indicadora listada ubicada en el exterior o mediante una
válvula indicadora listada ubicada en el interior y cerca del muro exterior del edificio.
Todas las válvulas de control de abastecimiento de agua para sistemas para conexión de
mangueras contra incendio o partes de ellos, incluyendo las válvulas de control de piso que
alimentan sistemas de rociadores y las válvulas de sectorización de la red principal, deberían
ser accesibles durante las emergencias por parte del personal autorizado Cuando sea
necesario se deberían proveer escaleras permanentes, escaleras próximas a la tubería,
manivelas operadas por cadenas o cualquier otro medio o sistema aceptado.
Se sugiere instalar las válvulas exteriores de control en el siguiente orden de preferencia:
1) Válvulas indicadoras listadas en cada conexión que alimenta el edificio, a por lo menos
a 40 pies (12,2 m) de la fachada del edificio si el espacio lo permite.
2) Válvulas de control instaladas en una caja para válvulas en una escalera o un cuarto de
válvulas accesible desde el exterior.
3) Válvulas de poste indicador ubicadas en las columnas y dispuestas para operación
desde el exterior.
4) Válvulas enterradas en cada una de las conexiones de entrada al edificio.
A.6.3.6.2 Véase la NFPA 24, Standard for the Installation of Private Fire Service Mains and
Their appurtenances.
A.6.3.8.5 Dependiendo de la disposición de las conexiones de manguera en un corredor o en
un área grande, puede ser preferible instalar la señalización de la conexión de manguera
paralela, perpendicular o en un ángulo con el plano de la superficie de montaje en el que este
ubicada la señalización.
A.6.4 Véase la Figura A.5 para la disposición general.
NORMA TÉCNICA COLOMBIANA NTC 1669 (Segunda actualización)
63
Sello a prueba de agua de
1 pulgada a 3 pulgadas
(25,4 mm a 76 mm)
Conexión de
bomberos
Válvula
antiretorno
Cabezal en el
cuarto de válvula
Goteo automático
Figura A.5.Conexión Típica de Bomberos para redes principales Húmedas
A.6.4.5.4 El diseñador del sistema debería consultar con la autoridad competente antes de
establecer la localización de la conexión de bomberos. La localización debería estar basada en
los requisitos exigidos por el cuerpo de bomberos.
A.6.8 Véase la Figura A.6 para un ejemplo de señalización de la información hidráulica.
Localización de las dos conexiones de manguera hidráulicamente
más desfavorables:
Caudal de diseño de las conexiones identificadas anteriormente:
Las presiones residuales de diseño de entrada y salida para las
conexiones identificadas anteriormente:
Caudal y presiones de diseño del sistema (estática y dinámica)
(por ejemplo: Caudal y presión residual) en la válvula de control del
sistema o en la brida de descarga de la bomba cuando se tenga
instalada una bomba y en cada una de la conexiones de
bomberos:
Figura A.6 Señalización con Información Hidráulica del Sistema
A.7.1 La altura del edificio determina el número de zonas verticales. El área de un piso o área
compartimentada para incendios y la ubicación de salidas de evacuación, así como la
clasificación del tipo de ocupación, determinan el número y ubicación de las conexiones de
manguera. Los códigos locales de construcción de edificios establecen los tipos de sistemas,
las clases de sistemas y la localización de las conexiones de manguera. El dimensionamiento
de la tubería depende del número de conexiones para manguera en operación, el caudal
suministrado, la presión residual requerida y las distancias tanto vertical como horizontal entre
las conexiones para manguera y las fuentes de abastecimiento de agua.
NORMA TÉCNICA COLOMBIANA NTC 1669 (Segunda actualización)
64
En las Figuras A.7, A.8 y A.9 se muestran esquemas verticales típicos. Para los requisitos
generales del sistema ver el Capítulo 7.
Al sistema
rociador
Vea nota 1
Al sistema
rociador
Prueba y
drenaje
Sistema
combinado
típico
Drenaje
principal
Válvula de
manguera de
incendios
Al drenaje
Conexión del
cuerpo de
bomberos
Válvula de
retención con
goteo de bola
Vea nota 2
Del suministro
de agua
Bomba de incendios
Al cabezal
de prueba
Medidor de
presión
Válvula de
drenaje
Sensor de flujo de agua
(donde es requerido)
Nivel del suelo
Medidor de
presión
Figura A.7. Sistema típico de zona individual
NOTA 1 Montaje del piso de rociadores en concordancia con NFPA 13 Standard for the Installation of Sprinkler
Systems.
NOTA 2 Derivación en concordancia con NFPA 20 Standard for the Installation of Stationary Pumps for Fire
Protection.
NORMA TÉCNICA COLOMBIANA NTC 1669 (Segunda actualización)
65
Zona
alta (ZA)
Zona
baja (ZB)
ZA
ZB
ZA
ZB ZB
ZA
ZB
ZA
ZB
Válvula de
drenaje
Medidor
de presión
Medidor de presión
Válvula de
manguera de
incendios Nivel
del
suelo
Conexión del
cuerpo de
bomberos
zona alta
Conexión del
cuerpo de
bomberos
zona baja
Válvula de
retención con
goteo de bola
Vea nota 1
Del suministro de agua
Bomba de incendios
zona baja
Bomba de incendios
zona alta
Al cabezal
de prueba
Medidor
de presión
Sensor de flujo de agua
(donde es requerido)Sensor de flujo
de agua (donde
es requerido)
Válvula de drenaje
Válvula de drenaje
Figura A.8. Sistema típico de dos zonas zona alta (za)
NOTA 1 Derivación conforme a la norma NFPA 20 Standard for the Installation of Stationary Pumps for Fire
Protection.
NOTA 2 La bomba de zona alta puede ser dispuesta para tomar la succión directamente de la fuente de
suministro.
NORMA TÉCNICA COLOMBIANA NTC 1669 (Segunda actualización)
66
Zona
media (ZM)
Zona
baja (ZB)
ZM
ZB
ZM
ZB ZB
ZM ZM
ZB
Válvula de
drenaje
Válvula de
manguera de
incendios
Nivel
del
suelo
Conexión del
cuerpo de
bomberos
zona media y
tanque de llenado
Conexión del
cuerpo de
bomberos
zona baja
Válvula de
retención con
goteo de bola
Vea nota 1
Del suministro de agua
Bomba de incendios
zona baja
Bomba de incendios
zona media
Al cabezal
de prueba
Medidor
de presión
Válvula de drenaje
Sensor de flujo de agua
(donde es requerido)
Válvula de drenaje
ZA ZA
Zona
alta (ZA)
Medidor
de presión
Medidor
de presión
Medidor
de presión
Ajuste para
agua doméstica
Tanque de almacenaje
Válvula de
flotación
Bomba de incendios zona alta
Figura A.9. Sistema típico multi-zona
NOTA Derivación conforme a la norma NFPA 20 Standard for the Installation of Stationary Pumps for Fire
Protection.
A.7.1.1 Es importante determinar con exactitud el rango de operación, para asegurar que los
dispositivos de regulación de presión funcionen de acuerdo a las instrucciones del fabricante
tanto para los caudales mínimos y máximos previstos. El caudal mínimo puede corresponder al
de un solo rociador en sistemas combinados o al de una conexión de manguera de 1 1/2
pulgadas (40 mm) en sistemas para conexión de mangueras contra incendio que no alimenta
rociadores. Esto podría requerir el uso de dos dispositivos instalados en paralelo.
A.7.2 Los límites de presión del sistema se han implementado en reemplazo de las unidades
de altura utilizadas anteriormente. Como la variable que se quiere controlar mediante los límites
de altura siempre ha sido la presión máxima, el limitar la presión es un método de control más
directo y cuando se utilizan equipos de bombeo, permite mayor flexibilidad en la definición de
zonas puesto que la curva de una bomba con menor diferencial de presión en el punto de
cierre implica menores presiones máximas en el sistema, hasta que alcance la demanda
requerida.
NORMA TÉCNICA COLOMBIANA NTC 1669 (Segunda actualización)
67
La presión máxima del sistema normalmente es en posición de cierre, con flujo cero y con la
bomba en operación. La medición debería incluir la bomba de refuerzo de presión y la presión
estática de la red pública. El límite de 350 psi (24 bar) fue seleccionado porque es la presión
máxima a la cual la mayoría de los componentes del sistema están disponibles y esta acorde
con la necesidad de limitar la presión a un valor razonable.
A.7.2.2 Se puede requerir un dispositivo de reducción de presión de pequeño diámetro para
acomodar condiciones de flujo bajo tales como aquellas creadas por el flujo de un solo
rociador.
Véanse las Figuras A.10 y A.11 sobre métodos para cumplir con esta sección.
Dispositivo
de regulación
de presión Dispositivo para
supervisión de presión
Medidor de presión
Normalmente
abierta
Normalmente
abierta
Derivación
Válvula indicadora
Normalmente
cerrada
A la conexión
de bomberos
Figura A.10. Adaptación del dispositivo de regulación de presión
Normalmente
cerrada
Normalmente
cerrada
A la conexión
de bomberos
Normalmente
abierta
Normalmente
abierta
Normalmente
abierta
Normalmente
abierta
Dispositivo
para
supervisión
de presión
Dispositivo
para
supervisión
de presión
Figura A.11 Adaptación del dispositivo de regulación de presión doble
A.7.3.1 Se puede permitir ubicar la manguera a un lado de la red principal y abastecerla por
conexiones laterales cortas a la red principal cuando sea necesario para evitar obstrucciones.
Las conexiones de manguera para sistemas Clase I deberían estar ubicadas en un foso de
escaleras y las conexiones para sistemas Clase II deberían ubicarse en el corredor o espacio
adyacente al foso de escalera y conectarse a través del muro con la red principal. Para
sistemas Clase III, las conexiones para manguera de 2 1/2 pulgadas (65 mm) deberían ser
ubicadas en un foso de escalera y las conexiones Clase II deberían ser ubicadas en el corredor
NORMA TÉCNICA COLOMBIANA NTC 1669 (Segunda actualización)
68
o espacio adyacente al foso de escalera. Estas disposiciones hacen posible usar chorros de
manguera del sistema Clase II con prontitud en caso de que la escalera esté llena de gente que
escapa en el momento del incendio. En edificios que tienen grandes áreas, las conexiones para
sistemas Clase I y Clase III pueden ser ubicadas en columnas interiores.
A.7.3.2 Ahora está especificado que las conexiones de manguera se ubiquen en descansos
intermedios entre pisos para evitar la congestión de las entradas. Donde hay múltiples
descansos de piso intermedios entre pisos, las conexiones de manguera deben ser ubicadas
en el descanso aproximadamente equidistante entre pisos. Es reconocido que los cuerpos de
bomberos a menudo usan las conexiones de manguera del piso inferior al del incendio y la
ubicación de conexiones de manguera en descansos intermedios también reduce la distancia
de tendido de mangueras en tales casos.
La aproximación a la ubicación de conexiones de manguera con respecto de salidas es
mostrada en la Figura A.12, A.13 y A.14.
Conexión de manguera
Conexión de manguera
Oficina
remota
Puede ser permitida una distancia máxima de
recorrido a una salida como está establecido
por el código de edificios
Figura A.12. Ubicación de conexiones de manguera en escaleras
Conexiones
de manguera
Salidas
horizontales
Figura A.13. Ubicación de conexiones de manguera en salidas horizontales
NORMA TÉCNICA COLOMBIANA NTC 1669 (Segunda actualización)
69
Conexión de
bomberos
Conexión de
mangueras
Pasadizos de salida como son
requeridos por otros códigos o normas
Figura A.14 Ubicación De Conexiones De Manguera En Pasadizos De Salida
A.7.3.2 (5) Véase la Figura A.15 para un ejemplo de salidas de azotea
Tubería de 4 pulgadas
(100 mm) mínimo
Placas
escudo
Abertura
en muro
Válvula de
manguera
Manguito
de tubería Tapa válvula
para vávula de
control o poste
indicador tipo
muro
Acople especial
Varilla cuadrada Muro
Bola de goteo
de conexión baja
Válvula de compuerta de
vástago fijo de 4 pulgadas
(100 mm) mínimo
Válvula de suministro
de agua de 6 pulgadas
(150 mm) mínimo
Figura A.15. Disposición de tubería de salida de azotea
A.7.3.2.3 El numeral 7.3.2.3 intenta proveer a los cuerpos de bomberos locales con la
autoridad para requerir conexiones de manguera adicionales exteriores de o lejos de una
separación de resistencia al fuego de dos horas. Estas conexiones de manguera adicionales
podrían ser necesarias para permitir a los bomberos atacar con una manguera de incendios en
un razonable lapso de tiempo, con base en las longitudes de manguera disponibles en los
paquetes o en bolsas portátiles del cuerpo de bomberos. Mientras se reconoce que las
limitaciones del espaciamiento de salida proveen controles para limitar las longitudes máximas
de manguera necesarias para combatir un incendio, minimizando así las demandas físicas
sobre los bomberos, también es reconocido que, en algunos casos, basados en la disposición
NORMA TÉCNICA COLOMBIANA NTC 1669 (Segunda actualización)
70
arquitectónica podrían ser necesarias salidas adicionales en áreas de piso abiertas en orden a
cumplir requisitos de espaciamiento. En tales casos, es improbable que tales salidas sean
utilizadas ya que no habría un área de uso para estacionamiento de bomberos cuando
alcancen la conexión de manguera. Por tanto, las conexiones adicionales de manguera, donde
sean provistas para cumplir requisitos de distancia, deberían estar ubicadas en un corredor de
salida con una resistencia al fuego de una hora donde sea posible para proveer un grado de
protección para el acceso de los bomberos a la conexión. Tales conexiones también debieran
estar ubicadas tan uniformemente como sea posible de piso a piso, de forma tal que los
bomberos puedan encontrarlas fácilmente durante un incendio.
La distancia de 200 pies (61 m) permitida para edificios con rociadores podría necesitar
longitudes adicionales de manguera en orden a alcanzar la parte más remota de un piso; sin
embargo, los rociadores automáticos deberían proveer control adecuado para permitirle tiempo
a los bomberos para extender las mangueras en aquellos casos donde un incendio está
ubicado en el área más remota.
A.7.3.3 Las estaciones de manguera deberían estar dispuestas de forma tal que permitan que
la descarga sea dirigida desde la boquilla hasta todas las partes de encerramientos importantes
tales como armarios y cerramientos similares.
A.7.5 Las conexiones de bomberos que alimentan redes principales interconectadas,
incluyendo sistemas combinados, deberían estar dispuestas para abastecer todas las redes
principales interconectadas en un edificio o sección de él. Véanse las Figuras A.7, A.8 y A.9. La
interconexión debería ocurrir tan cerca de la fuente de suministro como sea posible.
A.7.8 Al determinar la presión a la salida de la conexión de manguera remota, se debería
considerar la pérdida de presión en la válvula de la manguera.
Es muy importante que los cuerpos de bomberos escojan un tipo de boquilla apropiado para
sus operaciones de combate de incendios con redes principales. Las boquillas aspersoras tipo
presión constante (automáticas) (vea NFPA 1964, Standard for Spray Nozzless) no se deberían
usar para operaciones con redes principales porque muchos de estos tipos requieren un
mínimo de 100 psi (6,9 bar) de presión a la entrada de la boquilla para producir un chorro de
incendios razonablemente efectivo. En operaciones con redes principales, las perdidas por
fricción podrían evitar la entrega de 100 psi (6,9 bar) a la boquilla.
En sistemas para conexión de mangueras contra incendio de altura con válvulas de manguera
reductoras de presión, los bomberos tienen poco o ningún control sobre la presión de salida de
la válvula de manguera.
Muchos cuerpos de bomberos usan boquillas combinadas (neblina y chorro directo) que
requieren 100 psi (6,9 bar) de presión residual en la entrada de la boquilla con mangueras
de 1 1/2 pulgada, 1 3/4 pulgadas o 2 pulgadas (40 mm, 44 mm o 50 mm) en longitudes de
hasta 150 pies (45,7 m). Algunos usan manguera de 2 1/2 pulgadas (65 mm) con una boquilla
de chorro directo o una boquilla combinada.
Algunos cuerpos de bomberos usan manguera de 50 pies (15,2 m) de 2 1/2 pulgadas (65 mm)
en una conexión siamesa, alimentando dos mangueras de 100 pies (30,5 m) de longitud de
1 1/2 pulgada - 2 pulgadas (40 mm - 50 mm) con boquillas combinadas, requiriendo 120 psi -
149 psi (8,3 bar -10,3 bar) en la salida de la válvula (véase la Tabla A.2.).
Véase también NFPA 1901, Standard for Automotive Fire Apparatus.
NORMA TÉCNICA COLOMBIANA NTC 1669 (Segunda actualización)
71
Tabla A.2 Resumen de pérdidas por fricción en chorros de manguera
Salida de la
válvula
Flujo
Cálculo N° Boquilla/Manguera
L/min gpm bar psi
1
Boquilla combinada de 2 ½ pulgadas (65 mm), con 150 pies
(45,7 m) de manguera de 2 ½ pulgadas (65 mm)
946 250 8,5 123
2
Dos boquillas combinadas de 1 ½ pulgadas (40 mm) con 100 pies
(30,5 m) de manguera de 1 ½ pulgadas (40 mm) por boquilla,
reguladas por derivación en Ye de 2 ½ pulgadas (65 mm) y
50 pies (15,2 m) de manguera de 2 ½ pulgadas (65 mm)
946 250 10,3 149
3
El mismo cálculo N° 2 con dos tramos de manguera de 100 pies
(30,5 m) de 1 ½ pulgadas (40 mm)
946 250 9,6 139
4
El mismo cálculo N° 3 con dos tramos de manguera de 100 pies
(30,5 m) de 2 pulgadas (50 mm)
946 250 8,3 120
5
Combinación de boquilla de 1 ½ pulgadas (40 mm) con 150 pies
(45,7 m) de manguera de 2 pulgadas (50 mm )
757 200 9,4 136
6 El mismo cálculo N° 5 con manguera de 1 ½ pulgadas (40 mm) 757 200 11,6 168
A.7.8.3 Debido a las diferentes limitaciones de presión establecidas en el numeral 7.8, podría
ser necesario disponer la tubería de forma tal que se cuente con dispositivos reguladores de
presión separados en las conexiones de manguera Clase I y Clase II.
A.7.8.3.2 Muchos cuerpos de bomberos tienden una línea de manguera desde el carro bomba
hasta dentro del edificio y se conectan a una salida de válvula accesible usando una
articulación giratoria hembra doble donde las conexiones de bomberos del edificio son
inaccesibles o inoperables. Para presurizar la red principal, la válvula de manguera es abierta y
la máquina bombea al sistema.
Si la red principal está equipada con válvulas de manguera reductoras de presión, la válvula
actúa como una válvula de retención, impidiendo el bombeo al sistema cuando la válvula está
abierta.
Una conexión de bomberos de una sola entrada suplementaria o válvula de manguera con
rosca hembra en una ubicación accesible en la tubería vertical permite bombear dentro de ese
sistema.
A.7.10.1.1 Si un sistema de suministro de agua abastece más de un edificio o más de un área
de incendios, el suministro total puede ser calculado con base en el edificio o área de incendios
individual que requiere el mayor número de redes principales.
Para un debate sobre el uso de los bomberos de las conexiones de bomberos, véase la NFPA
13E, Recommended Practice for Fire Department Operations in Properties Protected by
Sprinkler and Standpipe Systems.
A.7.10.1.1.2 El intento de esta sección es proveer un requisito de caudal diferente para una
gran área de edificios de baja altura y otras estructuras protegidas por redes principales (en
sentido horizontal).
A.7.10.1.2 Véase el numeral 14.4 de NFPA 13 Standard for the Installation of Sprinkler
Systems.
Cuando se realiza un diseño hidráulico, las características hidráulicas de cada suministro de
agua necesitan ser conocidas.
NORMA TÉCNICA COLOMBIANA NTC 1669 (Segunda actualización)
72
El procedimiento para determinar las características hidráulicas de suministros permanentes de
agua, tales como bombas, es bastante directo y está descrito en NFPA 20 Standard for the
Installation of Stationary Pumps for Fire Protection. El procedimiento para determinar las
características hidráulicas de los aparatos de incendio que abastecen un sistema de red principal
es similar. Si falta información sobre aparatos de incendio locales, un diseño conservador podría
acomodarse a una bomba del cuerpo de bomberos de 1 000 gpm (3 785 L/min) trabajando de
acuerdo con las especificaciones del nivel de diseño indicadas en la norma NFPA 1901 Standard
for Automotive Fire Apparatus.
La norma NFPA 1901 especifica que las bombas del cuerpo de bomberos deben ser capaces de
alcanzar tres combinaciones de presión/flujo. Estas son 100 % de la tasa de capacidad a una
presión neta de la bomba de 150 psi (1 034 kPa), 70 % de la tasa de capacidad a una presión
neta de la bomba de 200 psi (1 379 kPa) y 50 % de la tasa de capacidad a una presión neta de la
bomba de 250 psi (1 724kPa). Por tanto, a 1 000 gpm (3 785 L/min) el bombero puede esperar
una entrega no menor de 1 000 gpm (3 785 L/min) a 150 psi (1 034 kPa), 700 gpm (2 650 L/min)
a 200 psi (1 379 kPa) y 500 gpm (1 893 L/min) a 250 psi (1 724 kPa). También puede ser
adicionada la presión de suministro residual en el lado de succión de una bomba desde un
suministro de agua municipal presurizado a otro.
Para realizar un diseño hidráulico, se debería determinar la presión y caudal mínimos
requeridos en la conexión de manguera más remota y calcular esta demanda de regreso a
través del sistema de tubería en cada suministro de agua, acumulando las pérdidas por fricción
y cambios de elevación y adicionando flujos para redes principales adicionales y rociadores en
cada punto donde tales tuberías verticales o rociadores conecten con la ruta de diseño
hidráulico. Cuando se consideren carros de bomberos como un suministro de agua, los flujos
son calculados desde la tubería del sistema a través de la conexión de bomberos y de regreso
a través de las mangueras conectadas a la bomba. Si la presión disponible en cada fuente de
suministro excede una demanda de presión de un sistema de tubería al flujo diseñado, el
diseño es aceptable. De lo contrario, el diseño de la tubería o el suministro de agua necesitan
ser ajustados.
El propósito de esta norma es requerir que cada red principal que sirve dos o más conexiones de
manguera sea capaz de un caudal individual de 500 gpm (1 893 L/min) y 250 gpm (946 L/min) en
cada una de las dos conexiones de mayor demanda hidráulica a la presión residual requerida.
Dados los requisitos del numeral 7.10.1.1.4.1 para la red principal hidráulicamente más remota
para abastecer esta presión y caudal y dados los diámetros mínimos de redes principales en el
numeral 7.6, la capacidad de las redes principales que no son las hidráulicamente más remotas
para satisfacer estos requisitos está implícita y no se deberían requerir cálculos hidráulicos
adicionales.
A.7.11 Durante la prueba de flujo de las válvulas reductoras de presión, se debería tener
cuidado al hacer las conexiones para drenar tuberías elevadas. Se debería mantener un ruptor
de aire para evitar conexión cruzada a fuentes de agua no potables.
A.7.12 Véase NFPA 13E, Recommended Practice for Fire Department Operations in Properties
Protected by Sprinkler and Standpipe Systems.
El número de entradas de 2 1/2 pulgada (65 mm), para suministrar el volumen y presión de
agua requeridos en la conexión de bomberos, depende de distintas variables tales como la
confiabilidad del suministro de agua en la fuente, la distancia desde la fuente hasta la ubicación
de las entradas, el diámetro de la manguera usada, el tamaño de la bomba del cuerpo de
bomberos y el volumen y presión de agua requeridos en la base de la red (es) principal
elevada.
NORMA TÉCNICA COLOMBIANA NTC 1669 (Segunda actualización)
73
A.8.1 Los planos deberían indicar el tipo de equipo del cuerpo de bomberos que el sistema
está diseñado para servir, incluido el diámetro de la manguera, la longitud de ella y la boquilla
de la manguera. Tal equipo es la base para la selección de la presión en concordancia con el
numeral 7.8.
A.9.1 La selección de suministros de agua para cada instalación se debería determinar en
cooperación con la autoridad competente.
A.10.1 Un beneficio adicional que se deriva de las pruebas de flujo de agua es la indicación de
posibles deficiencias, tales como la tuberculización de tubería, válvulas cerradas u otras
obstrucciones, las cuales se deberían corregir para suministrar caudales adecuados.
A.10.2 Las pruebas se deberían realizar conforme a la norma NFPA 291, Recommended
Practice for Fire Flow Testing and Marking Hydrants.
A.11.1 Donde las conexiones de la red principal están construidas dentro de muros o
particiones, se deberían hacer pruebas hidrostáticas antes de que ellas sean cubiertas o
permanentemente selladas.
Ejemplo de la Prueba de Presión Hidrostática Requerida.
El suministro de agua para un sistema para conexión de mangueras contra incendio es la
conexión a un acueducto de servicio público principal. Un equipo de bombeo con una presión
nominal de 100 psi (6,9 bar) se instala en la conexión. Con una presión de suministro normal
del agua pública de 70 psi (4,9 bar) en el punto bajo de elevación del sistema o zona que está
siendo probada y una bomba con una presión de cierre de 120 psi (8,3 bar), la presión de la
prueba hidrostática es de 70 psi + 120 psi + 50 psi o 240 psi (4,8 bar + 8,3 bar + 3.4 bar o 16,5
bar). (Véase la NFPA 24, Standard for the Installation of Private Fire Service Mains and Their
Appurtenances).
A.11.4.1 La prueba y lavado de la tubería subterránea debe estar conforme a la norma NFPA 24,
Standard for the Installation of Private Fire Service Mains and Their Appurtenances.
A.11.5.1 Las conexiones de manguera hidráulicamente más remotas en un edificio
generalmente corresponden a un cabezal de prueba, si es provisto, o en la parte más alta de la
escalera que descarga hacia la cubierta. En un sistema multi-zona, los medios de prueba están
generalmente en un cabezal de prueba a nivel del suelo o en un tanque de succión en los pisos
altos.
Cuando no se pueda realizar una prueba de caudal en la conexión de manguera
hidráulicamente más remota, se debe consultar a la autoridad competente, para la ubicación
apropiada de la prueba.
A.11.5.4.1 Es importante probar los dispositivos reguladores de presión a los caudales mínimos
y máximos previstos.
El caudal mínimo puede ser el de un solo rociador para sistemas combinados o el de conexión
de manguera de 1 1/2 pulgadas (40 mm) en sistemas para conexión de mangueras contra
incendio que no alimentan rociadores. Esto puede requerir mantener un caudal continuo para
demostrar el continuo desempeño del dispositivo regulador de presión para el caudal mínimo.
NORMA TÉCNICA COLOMBIANA NTC 1669 (Segunda actualización)
74
A.12.5 Se debería ubicar un gabinete suficientemente grande y preferiblemente de metal, en la
conexión de manguera más alta, en la cual se debería mantener una cantidad suficiente de
manguera para alcanzar todas las partes del piso, una boquilla de incendio de 1 1/8 pulgadas
(29 mm), llaves tensora (Spanner) y correas para manguera.
A.12.6 Las conexiones superiores para mangueras no se deberían ubicar en ningún momento
más de un piso por debajo de las configuraciones más altas, estacionamiento y combustibles
similares.
NORMA TÉCNICA COLOMBIANA NTC 1669 (Segunda actualización)
75
ANEXO B
(Informativo)
REFERENCIAS INFORMATIVAS
B.1 PUBLICACIONES MENCIONADAS
Los documentos o partes de ellos listados dentro de este anexo son mencionados dentro de las
secciones informativas de esta norma y no hacen parte de los requisitos de este documento a
menos que también estén listados en el Capítulo 2 por otras razones.
B.1.1 Publicaciones NFPA. National Fire Protection Association, 1 Batterymarch Park,
Quincy, MA 02169-7471.
NFPA 13 Standard for the Installation of Sprinkler Systems, 2007.
NFPA 13E, Recommended Practice for Fire Department Operations in Properties Protected by
Sprinkler and Standpipe Systems, 2005.
NFPA 20 Standard for the Installation of Stationary Pumps for Fire Protection, 2007.
NFPA 24 Standard for the Installation of Private Fire Service Mains and Their Appurtenances,
2007.
NFPA 25 Standard for the Inspection, Testing, and Maintenance of Water-Based Fire Protection
Systems, 2002.
NFPA 291, Recommended practice for Fire Flow Testing and Making of Hydrants, 2002.
NFPA 600, Standard on industrial Fire Brigades, 2005.
NFPA 1901, Standard for Automotive Fire Apparatus, 2003.
NFPA 1964, Standard for Spray Nozzles (Shutoff and Tip), 2003.
B.1.2 Otras Publicaciones.
B.1.2.1 Publicaciones ASME. American Society of Mechanical Engineers, , Three Park
Avenue, New York, NY 10016-5990.
ASME B1.20.1, Pipe Threads, General Purpose (Inch), 1983.
B.2 REFERENCIAS INFORMATIVAS (Reservado)
B.3 REFERENCIAS PARA EXTRACTOS EN SECCIONES INFORMATIVAS
NFPA 13, Standard for the Installation of Sprinkler Systems, 2007.
NORMA TÉCNICA COLOMBIANA NTC 1669 (Segunda actualización)
76
DOCUMENTO DE REFERENCIA
NATIONAL FIRE PROTECTION ASSOCIATION (NFPA). Standard for the Installation of
Standpipe and Hose Systems. USA, NFPA 14, 2007. 35 p.
Esta edición de la NTC 1669, se basa en la edición del 2007 de la NFPA 14 Standard for the
Installation of Standpipe and Hose Systems publicado por la National Fire Protection
Association en idioma inglés. Se tradujo al español por la Organización Iberoamericana de
Protección contra Incendios OPCI y de su posterior adopción se encargó el Instituto
Colombiano de Normas Técnicas y Certificación -ICONTEC-.
La NFPA no se hace responsable por la exactitud y veracidad de esta traducción al español, en
el caso de algún conflicto entre las ediciones en idioma inglés y español, el idioma inglés
prevalecerá.
Copyright© 2007 National Fire Protection Association

Ntc 1669 mangueras rci

  • 1.
    NORMA TÉCNICA NTC COLOMBIANA1669 2009-09-30 NORMA PARA LA INSTALACIÓN DE CONEXIONES DE MANGUERAS CONTRA INCENDIO E: STANDARD FOR THE INSTALLATION OF STANDPIPE AND HOSE SYSTEMS CORRESPONDENCIA: esta norma es una adopción idéntica (IDT) a la NFPA 14-2007 DESCRIPTORES: conexión de bomberos; sistema para conexión de mangueras contra incendio I.C.S.: 13.220.10 Editada por el Instituto Colombiano de Normas Técnicas y Certificación (ICONTEC) Apartado 14237 Bogotá, D.C. - Tel. (571) 6078888 - Fax (571) 2221435 Prohibida su reproducción Segunda actualización Editada 2009-10-09
  • 2.
    PRÓLOGO El Instituto Colombianode Normas Técnicas y Certificación, ICONTEC, es el organismo nacional de normalización, según el Decreto 2269 de 1993. ICONTEC es una entidad de carácter privado, sin ánimo de lucro, cuya Misión es fundamental para brindar soporte y desarrollo al productor y protección al consumidor. Colabora con el sector gubernamental y apoya al sector privado del país, para lograr ventajas competitivas en los mercados interno y externo. La representación de todos los sectores involucrados en el proceso de Normalización Técnica está garantizada por los Comités Técnicos y el período de Consulta Pública, este último caracterizado por la participación del público en general. La NTC 1669 (Segunda actualización) fue ratificada por el Consejo Directivo de 2009-09-30. Esta norma está sujeta a ser actualizada permanentemente con el objeto de que responda en todo momento a las necesidades y exigencias actuales. A continuación se relacionan las empresas que colaboraron en el estudio de esta norma a través de su participación en el Comité Técnico 161 Instalaciones hidráulicas y sanitarias. ACODAL ALVARO SABBAGH INGENIEROS S.A. AQUAREDES LTDA. ASOCIACIÓN DE PROFESIONALES EN CONDUCCIÓN DE FLUÍDO -APROCOF- CÁMARA DE COMERCIO DE BOGOTA COMISION REGULADORA DEL AGUA POTABLE (CRA) COMPAÑÍA COLOMBIANA DE CERÁMICOS S.A. -COLCERAMICA- CUERPO OFICIAL BOMBEROS BOGOTA -UAECOBB- DICOL LTDA. DURMAN GENERAL FIRE CONTROL GRICOL S.A. LUBRIZOL CORPORATION MINISTERIO DE AMBIENTE, VIVIENDA Y DESARROLLO TERRITORIAL (M.A.V.D.T - RAS) ORGANIZACIÓN NOGUERA CAMACHO ONC LTDA. OSHO INGENIERÍA PAVCO S.A. PIROCONTROL PIROPROTECCION PLEXIN LTDA PLINCO S.A. PRODESEG S.A. PROYECTOS Y DISEÑOS HIDRAULICOS P.V.C GERFOR S.A. S2R INGENIEROS UNIVERSIDAD CATÓLICA DE COLOMBIA UNIVERSIDAD NACIONAL DE COLOMBIA Además de las anteriores, en Consulta Pública el Proyecto se puso a consideración de las siguientes empresas: ACCESORIOS Y VALVULAS S.A. ACUAVIVA S.A. E.S.P. ACUEDUCTOS Y ALCANTARILLADOS SOSTENIBLES S.A. AGUAS DE CARTAGENA AGUAS Y OBRAS ANDRÉS GILBERTO PÉREZ PARRA ANGEL ROA HERNÁNDEZ ASOCIACIÓN COLOMBIANA DE INGENIERÍA SANITARIA Y AMBIENTAL -ACODAL- ASOCIACIÓN COLOMBIANA DE INGENIEROS - CAPÍTULO CUNDINAMARCA-
  • 3.
    ASOCIACIÓN COLOMBIANA DE PEQUEÑASY MEDIANAS EMPRESAS ASOCIACIÓN COLOMBIANA POPULAR DE INDUSTRIALES -ACOPI- ASOCIACION DE CORPORACIONAES AUTONOMAS REGIONALES -ASOCARS- CÁMARA COLOMBIANA DE LA INFRAESTRUCTURA CAUDALES Y PRESIONES CELTA S.A. CENTRO AMERICANA DE P.V.C. S.A. CONCIENCIAS CONCONCRETO S.A. CONSTRUCTORA MELENDEZ S.A. DBO INGENIERÍA SANITARIA DEPARTAMENTO NACIONAL DE PLANEACIÓN EMPRESA DE ACUEDUCTO Y ALCANTARILLADO DE BOGOTÁ E.S.P. EMPRESA MUNICIPAL DE SERVICIOS PÚBLICOS DE ARAUCA E.S.P EMPRESAS PUBLICAS DE LA CEJA E.S.P. EMPRESAS PÚBLICAS DE MEDELLÍN E.S.P. F.F. SOLUCIONES S.A. FLOW TITE ANDERCOL FONADE GIRSAT COLOMBIA GESTIÓN INTEGRAL DE RIESGOS SOCIALES, AMBIENTALES Y TECNOLÓGICOS HIDRESA HIDROGAS HIDROYUNDA S.A. HOYOS INGENIERÍA LTDA. INDUSTRIA NACIONAL ELECTROMECÁNICA S.A. INGENIERÍA ESTRUCTURAL S.A. INGENIERÍA SANITARIA LTDA. INSTITUTO DE CAPACITACIÓN E INVESTIGACIÓN DEL PLÁSTICO Y EL CAUCHO JACOBO ROMBALSKY JORGE MARIO JARAMILLO MEZA JUAN A. CARVAL M. & CIA LTDA LA CONSTRUCTORA VIVIENDAS Y PROYECTOS S.A. LONDOÑO GÓMEZ S.A. MANCESA S.A. MINISTERIO DE COMERCIO INDUSTRIA Y TURISMO MINISTERIO DE LA PROTECCIÓN SOCIAL MURCIA MURCIA S.A. OBRAS CIVILES AMBIENTALES LTDA. ORGANIZACIÓN IBEROAMERICANA DE LA PROTECCIÓN CONTRA EL FUEGO - O.P.C.I.- POLYPRO LTDA . PROYECTOS HIDRÁULICOS RALCO TUBERÍAS Y ACCESORIOS SÁNCHEZ GÓMEZ Y CÍA. LTDA. SUPERINTENDENCIA DE INDUSTRIA Y COMERCIO SUPERINTENDENCIA DE SERVICIOS PÚBLICOS TORNILLOS Y COMPLEMENTOS S.A. TCL UNIVERSIDAD DE ANTIOQUIA VAR LTDA. ICONTEC cuenta con un Centro de Información que pone a disposición de los interesados normas internacionales, regionales y nacionales y otros documentos relacionados. DIRECCIÓN DE NORMALIZACIÓN
  • 4.
    NORMA TÉCNICA COLOMBIANANTC 1669 (Segunda actualización) CONTENIDO Página 0. INTRODUCCIÓN ..........................................................................................................1 1. ADMINISTRACIÓN.......................................................................................................1 1.1 ALCANCE.....................................................................................................................1 1.2 OBJETO .......................................................................................................................1 1.3 RETROACTIVIDAD......................................................................................................2 1.4 EQUIVALENCIA...........................................................................................................2 1.5 UNIDADES ...................................................................................................................2 2. REFERENCIAS NORMATIVAS ...................................................................................3 2.1 GENERAL.....................................................................................................................3 2.2 PUBLICACIONES ICONTEC - INSTITUTO COLOMBIANO DE NORMAS TÉCNICAS....................................................................................................................3 2.3 PUBLICACIONES NFPA. NATIONAL FIRE PROTECTION ASSOCIATION. ............3 2.4 OTRAS PUBLICACIONES...........................................................................................4 2.5 REFERENCIAS PARA EXTRACTOS EN SECCIONES OBLIGATORIAS .................5 3. DEFINICIONES.............................................................................................................5 3.1 GENERALIDADES ......................................................................................................5 3.2 DEFINICIONES OFICIALES DE LA NFPA..................................................................5 3.3 DEFINICIONES GENERALES .....................................................................................6 4. COMPONENTES Y ACCESORIOS DEL SISTEMA ....................................................8 4.1* GENERALIDADES.......................................................................................................8
  • 5.
    NORMA TÉCNICA COLOMBIANANTC 1669 (Segunda actualización) Página 4.2 TUBERÍAS....................................................................................................................9 4.3 ACCESORIOS............................................................................................................10 4.4 UNIÓN DE TUBOS Y ACCESORIOS ........................................................................11 4.5 VÁLVULAS.................................................................................................................15 4.6 ESTACIONES DE MANGUERA.................................................................................16 4.7 CONEXIONES DE MANGUERA................................................................................17 4.8 CONEXIONES PARA EL CUERPO DE BOMBEROS...............................................17 4.9 DISPOSITIVOS DE REGULACIÓN DE PRESIÓN ....................................................17 4.10 SEÑALIZACIÓN .........................................................................................................17 5. REQUISITOS DEL SISTEMA.....................................................................................18 5.1 GENERALIDADES.....................................................................................................18 5.2 TIPOS DE SISTEMAS PARA CONEXIÓN DE MANGUERAS CONTRA INCENDIO ..................................................................................................18 5.3 CLASES DE SISTEMAS PARA CONEXIÓN DE MANGUERAS CONTRA INCENDIO ..................................................................................................22 5.4* TIPO DE SISTEMA REQUERIDO..............................................................................23 5.5* INDICADORES DE PRESIÓN....................................................................................24 5.6* SENSORES DE FLUJO Y ALARMAS DE SUPERVISIÓN .......................................24 6. REQUISITOS DE INSTALACIÓN ..............................................................................25 6.1* UBICACIÓN Y PROTECCIÓN DE LA TUBERÍA.......................................................25 6.2 TUBERÍAS ENTERRADAS........................................................................................26 6.3 VÁLVULAS DE COMPUERTA Y VÁLVULAS DE RETENCIÓN...............................26 6.4* CONEXIONES DE BOMBEROS................................................................................28
  • 6.
    NORMA TÉCNICA COLOMBIANANTC 1669 (Segunda actualización) Página 6.5 SOPORTE DE TUBERÍA............................................................................................29 6.6 INSTALACIÓN DE SEÑALIZACIÓN..........................................................................29 6.7 SEÑALIZACIÓN PARA BOMBAS DE ABASTECIMIENTO DE AGUA ....................29 6.8* SEÑALIZACIÓN CON LA INFORMACIÓN DEL DISEÑO HIDRÁULICO .................29 7. DISEÑO ......................................................................................................................30 7.1* GENERALIDADES.....................................................................................................30 7.2* LIMITACIÓN DE PRESIÓN........................................................................................30 7.3 LOCALIZACIÓN DE CONEXIONES DE MANGUERA..............................................31 7.4 NÚMERO DE REDES PRINCIPALES........................................................................32 7.5* INTERCONEXIÓN DE REDES PRINCIPALES..........................................................33 7.6 DIÁMETROS MÍNIMOS PARA RAMALES Y REDES PRINCIPALES......................33 7.7 DISEÑO DEL SISTEMA Y DIMENSIONADO DE TUBERÍA PARA ABASTECER LA DEMANDA DEL SISTEMA ................................................33 7.8* LÍMITES DE PRESIÓN MÍNIMA Y MÁXIMA..............................................................34 7.9 ZONAS DEL SISTEMA PARA CONEXIÓN DE MANGUERAS CONTRA INCENDIO ..................................................................................................34 7.10 CAUDALES ................................................................................................................35 7.11* RED PRINCIPAL: DRENAJE Y PRUEBA .................................................................37 7.12* CONEXIONES DE BOMBEROS................................................................................38 8. PLANOS Y CÁLCULOS.............................................................................................39 8.1* PLANOS Y ESPECIFICACIONES .............................................................................39 8.2 CÁLCULOS HIDRÁULICOS ......................................................................................39 8.3 PROCEDIMIENTO DE CÁLCULO HIDRÁULICO......................................................41
  • 7.
    NORMA TÉCNICA COLOMBIANANTC 1669 (Segunda actualización) Página 9. SUMINISTRO DE AGUA............................................................................................44 9.1* SUMINISTRO DE AGUA REQUERIDO .....................................................................44 9.2 SUMINISTRO MÍNIMO PARA SISTEMAS CLASE I Y CLASE III.............................45 9.3 SUMINISTRO MÍNIMO PARA SISTEMAS CLASE II ................................................45 10. PRUEBA DE SUMINISTRO DE AGUA......................................................................45 10.1* EVALUACIÓN DEL SUMINISTRO DE AGUA ...........................................................45 10.2* PROCEDIMIENTO......................................................................................................45 11. ACEPTACIÓN DEL SISTEMA ...................................................................................45 11.1* GENERALIDADES.....................................................................................................45 11.2 LAVADO DE TUBERÍA..............................................................................................45 11.3 ROSCAS DE MANGUERA.........................................................................................46 11.4 PRUEBAS HIDROSTÁTICAS....................................................................................46 11.5 PRUEBAS DE FLUJO................................................................................................47 11.6 PRUEBA MANUAL DE VÁLVULA ............................................................................48 11.7 PRUEBAS DE ALARMA Y SUPERVISIÓN ...............................................................48 11.8 INSTRUCCIONES ......................................................................................................48 11.9 SEÑALIZACIÓN .........................................................................................................48 12. EDIFICIOS EN CONSTRUCCIÓN..............................................................................54 12.1 GENERAL...................................................................................................................54 12.2 CONEXIONES DE BOMBEROS................................................................................54 12.3 OTRAS CARACTERÍSTICAS DEL SISTEMA ...........................................................54 12.4 SOPORTE DE TUBERÍA............................................................................................54
  • 8.
    NORMA TÉCNICA COLOMBIANANTC 1669 (Segunda actualización) Página 12.5* CONEXIONES DE MANGUERA................................................................................54 12.6* EXTENSIÓN DEL SISTEMA DE TUBERÍA ...............................................................54 12.7 INSTALACIONES TEMPORALES.............................................................................54 12.8 SINCRONIZACIÓN DE LA INSTALACIÓN DE SUMINISTRO DE AGUA ................54 12.9 PROTECCIÓN DE CONEXIONES DE MANGUERA Y CONEXIONES DE BOMBEROS.........................................................................................................55 DOCUMENTO DE REFERENCIA..........................................................................................76 ANEXOS ANEXO A (Informativo) MATERIAL EXPLICATORIO .................................................................................................56 ANEXO B (Informativo) REFERENCIAS INFORMATIVAS..........................................................................................75 FIGURAS Figura 1. Conexión del drenaje en la tubería vertical........................................................38 Figura 2. Certificados de materiales y pruebas para tubería sobre terreno ...................49 Figura 3 Certificados de materiales y pruebas para tubería para tubería enterrada .....52 TABLAS Tabla 1. Unidades Métricas de Medición..............................................................................2 Tabla 2. Materiales y dimensiones de tuberías....................................................................9 Tabla 3. Materiales y dimensiones de accesorios.............................................................10 Tabla 4. Diámetros nominales mínimos para redes principales y tubos de suministro en pulgadas .................................................................................................34 Tabla 5. Dimensionamiento de drenajes de redes principales ........................................37
  • 9.
    NORMA TÉCNICA COLOMBIANANTC 1669 (Segunda actualización) Página Tabla 6. Carta de longitud equivalente de tubería. Para C = 120 .....................................41 Tabla 7. Ajuste de Factores para valores C .......................................................................42 Tabla 8. Valores C Hazen-Williams .....................................................................................43
  • 10.
    NORMA TÉCNICA COLOMBIANANTC 1669 (Segunda actualización) 1 de 76 NORMA PARA LA INSTALACIÓN DE CONEXIONES DE MANGUERAS CONTRA INCENDIO NOTA IMPORTANTE Este documento de la NFPA está disponible para uso supeditado a importantes avisos y desautorizaciones legales. Estos avisos y desautorizaciones aparecen en todas las publicaciones contenidas en este documento y se pueden encontrar bajo el encabezamiento "Avisos y Desautorizaciones Importantes Sobre Documentos de la NFPA". También se pueden obtener solicitándolos de la NFPA o verse en www.nfpa.org/disclaimers. 0. INTRODUCCIÓN 0.1 Esta norma es una adopción idéntica de la norma NFPA 14:2007. 0.2 Un asterisco (*) enseguida del número o letra que designa un parágrafo indica que se puede encontrar material aclaratorio en el Anexo A. 0.3 Una referencia entre paréntesis cuadrados [ ] enseguida de una sección o parágrafo indica material que ha sido extraído de otro documento NFPA. Como una ayuda para el usuario, el título completo y edición de los documentos fuente para extractos en secciones obligatorias del documento son dados en el Capítulo 2 y aquellos para extractos en secciones informativas son dados en el Anexo B. 1. ADMINISTRACIÓN 1.1 ALCANCE 1.1.1 Esta norma contiene los requisitos mínimos para la instalación de sistemas para conexión de mangueras contra incendio. 1.1.2* Esta norma no cubre requisitos para la inspección periódica, el ensayo y el mantenimiento de estos sistemas. 1.2 OBJETO 1.2.1 El propósito de esta norma es proveer un razonable grado de protección contra el fuego a la vida y a la propiedad, estableciendo los requisitos para la instalación de sistemas para conexión de mangueras contra incendio basados en sólidos principios de ingeniería, información de ensayos y experiencia de campo. 1.2.2 Nada en esta norma intenta restringir nuevas tecnologías o disposiciones alternas, siempre que el nivel de seguridad prescrito por la norma no sea reducido.
  • 11.
    NORMA TÉCNICA COLOMBIANANTC 1669 (Segunda actualización) 2 1.3 RETROACTIVIDAD Las disposiciones de esta norma reflejan el consenso de qué es necesario proveer un grado aceptable de protección de los peligros tratados en esta norma en el momento en que fue publicada. 1.3.1 A menos que sea especificado en otra parte, las disposiciones de esta norma no aplican a servicios, equipos, estructuras o instalaciones existentes o que fueron aprobadas para construcción o instalación antes de la fecha de vigencia efectiva de esta norma. Donde sea especificado, las previsiones de esta norma deben ser retroactivas. 1.3.2 En aquellos casos donde la autoridad competente determine que la situación existente presenta un grado de riesgo inaceptable, tal autoridad podrá permitir la aplicación retroactiva de cualquier parte de esta norma que considere apropiada. 1.3.3 Se debe permitir la modificación de los requisitos retroactivos de esta norma si a juicio de la autoridad competente, su aplicación resulta ser claramente impráctica y solo donde es claramente evidente que se ha provisto un razonable grado de seguridad. 1.4 EQUIVALENCIA Nada en esta norma intenta prevenir el uso de sistemas, métodos o dispositivos de calidad equivalente o superior, resistencia mecánica, resistencia al fuego, efectividad, durabilidad y seguridad por encima de aquellos prescritos en esta norma. 1.4.1 La documentación técnica se debe someter a la autoridad competente para demostrar equivalencia. 1.4.2 La autoridad competente debe aprobar el sistema, método o dispositivo para el objetivo propuesto. 1.5 UNIDADES 1.5.1 Las unidades métricas de medición en esta norma están en concordancia con el sistema métrico modernizado conocido como el Sistema Internacional de Unidades (SI). Las unidades litro y bar, las cuales están fuera de él pero son reconocidas por el SI, son comúnmente usadas internacionalmente en protección de incendios. Estas unidades y sus factores de conversión se presentan en la Tabla 1. Tabla 1. Unidades Métricas de Medición Nombre de la Unidad Símbolo de la Unidad Factor de Conversión metro m 1 pie = 0,304 8 m milímetro mm 1 pulgada = 25,4 mm Litro L 1 galón = 3,785 L decímetro cúbico dm 3 1 galón = 3,785 dm 3 Pascal Pa 1 psi = 6 894,757 Pa bar bar 1 psi = 0,068 9 bar bar bar 1 bar = 10 5 Pa NOTA Para factores de conversión e información adicional, véase la NTC 1000.
  • 12.
    NORMA TÉCNICA COLOMBIANANTC 1669 (Segunda actualización) 3 1.5.2 En esta norma, si un valor de medida se presenta seguido por un valor equivalente en otras unidades, el primer valor es el que aplica como requisito. El valor equivalente puede ser aproximado. 1.5.3 Las dimensiones indicadas para tuberías, láminas o placas de acero y calibre de los cables están expresadas en diámetros comerciales y no por sus conversiones exactas. 2. REFERENCIAS NORMATIVAS 2.1 GENERAL Los siguientes documentos normativos referenciados son indispensables para la aplicación de este documento normativo. Para referencias fechadas, se aplica únicamente la edición citada. Para referencias no fechadas, se aplica la última edición del documento normativo referenciado (incluida cualquier corrección). 2.2 PUBLICACIONES ICONTEC. INSTITUTO COLOMBIANO DE NORMAS TÉCNICAS NTC 1000, Metrología. Sistema Internacional de Unidades (ISO 1000). NTC 2346, Accesorios para tubería de agua en hierro dúctil y hierro gris, de 76 mm a 1 219 mm - 3 pulgadas a 48 pulgadas, 2002 (AWWA C110:1998). NTC 3470, Tubos de acero soldados y sin costura, negros y recubiertos de zinc por inmersión en caliente, 2005 (ASTM A53:2004). NTC 5562, Tubos de acero soldados y sin costura, negros y recubiertos de zinc por inmersión en caliente (galvanizado), para uso en protección contra fuego, 2005 (ASTM A795:2004). 2.3 PUBLICACIONES NFPA. NATIONAL FIRE PROTECTION ASSOCIATION NFPA 13, Standard for the Installation of Sprinkler Systems, 2007. NFPA 13R, Standard for the Installation of Sprinkler Systems in Residential Occupancies up to and Including Four Stories in Height, 2007. NFPA 20, Standard for the Installation of Stationary Pumps for Fire Protection, 2007. NFPA 22, Standard for Water Tanks for Private Fire Protection, 2003. NFPA 24, Standard for the Installation of Private Fire Service Mains and Their Appurtenances, 2007. NFPA 25, Standard for the Inspection, Testing, and Maintenance of Water-Based Fire Protection Systems, 2002. NFPA 51B, Standard for Fire Prevention During Welding, Cutting, and Other Hot Work, 2003. NFPA 72, National Fire Alarm Code, 2007. NFPA 101, Life Safety Code, 2006 NFPA 170, Standard for Fire Safety and Emergency Symbols, 2006.
  • 13.
    NORMA TÉCNICA COLOMBIANANTC 1669 (Segunda actualización) 4 NFPA 1963, Standard for Fire Hose Connections, 2003. 2.4 OTRAS PUBLICACIONES 2.4.1 Publicaciones ANSI. AMERICAN NATIONAL STANDARD INSTITUTE ANSI B 16.1, Cast Iron Pipe Flanges and Flanged Fittings, 1998 ANSI B16.3, Malleable Iron Threaded Fittings, 1998. ANSI B16.4, Gray Iron Threaded Fittings, 1998. ANSI B16.5, Pipe Flanges and Flanged Fittings, 2003. ANSI B16.9, Factory-Made Wrought Steel Buttwelding Fittings, 2003. ANSI B16.11, Forged Fittings, Socket-Welding and Threaded, 2001. ANSI B16.18, Cast Cooper Alloy Solder Joint Pressure Fittings, 2001. ANSI B16.22, Wrought Copper and Cooper Alloy Solder Joint Pressure Fittings, 2001. ANSI B16.25, Buttwelding Ends, 1997. ANSI B36.10M, Welded and Seamless Wrought Steel Pipe, 2000. ANSI Z97.1, Safety Glazing Materials Used in Buildings-Safety Performance Specifications and Methods of Test, 1994. 2.4.2 Publicaciones ASME. AMERICAN SOCIETY OF MECHANICAL ENGINEERS ASME B1.20.1, Pipe Threads, General Purpose (Inch), 2001. 2.4.3 Publicaciones ASTM. ASTM INTERNATIONAL. ASTM A135, Standard Specification for Electric-Resistance-Welded Steel Pipe, 2001. ASTM A234. Standard Specification for Piping Fittings of Wrought Carbon Steel and Alloy Steel for Moderate and High Temperature Service, 2004. ASTM B75, Standard Specification for Seamless Cooper Tube, 2002. ASTM B88, Standard Specification for Seamless Cooper Water Tube, 2003 ASTM B251, Standard Specification for General Requirements for Wrought Seamless Cooper and Cooper-Alloy Tube, 2002. ASTM B828, Standard Practice for Making Capillary Joints by Soldering of Cooper and Cooper- Alloy Tube and Fittings, 2002. 2.4.4 Publicaciones AWS. AMERICAN WELDING SOCIETY AWS A5.8, Specification for Filler Metals for Brazing and Braze Welding, 2004.
  • 14.
    NORMA TÉCNICA COLOMBIANANTC 1669 (Segunda actualización) 5 AWS B2.1, Specification for Welding Procedure and Performance Qualification, 2002. 2.4.5 Publicaciones AWWA. AMERICAN WATER WORKS ASSOCIATION AWWA C104, Cement-Mortar Lining for Ductile-Iron Pipe and Fittings for Water, 2003 AWWA C151, Ductile-Iron Pipe, Centrifugally Cast, for Water 2002. 2.5 REFERENCIAS PARA EXTRACTOS EN SECCIONES OBLIGATORIAS NFPA 13, Standard for the Installation of Sprinkler Systems, 2007. NFPA 101, Life Safety Code, 2006. NFPA 5000, Building Construction and Safety Code, 2006. 3. DEFINICIONES 3.1 GENERALIDADES Las definiciones incluidas en este capítulo aplican a los términos usados en esta norma. Los términos que no estén definidos en el presente u otro capítulo, se definirán utilizando su significado generalmente aceptado dentro del contexto en que estén siendo utilizados y la fuente para dicho significado será el Diccionario de la Real Academia Española de la Lengua, última edición. 3.2 DEFINICIONES OFICIALES DE LA NFPA 3.2.1* Aprobado. Aceptable para la autoridad competente. 3.2.2* Autoridad Competente (AC). Una organización, oficina, o individuo responsable de hacer cumplir los requisitos de un código o norma, o por la aprobación de equipos, materiales, una instalación o un procedimiento. 3.2.3* Listado. Equipo, materiales o servicios incluidos en una lista publicada por una organización que es aceptable para la autoridad competente y dedicada a la evaluación de productos o servicios, que mantiene inspección periódica de la producción de equipo o material listado o la evaluación periódica de servicios y cuyos listados establecen que tanto el equipo, material o servicio reúne normas de diseño apropiadas o ha sido probado y encontrado satisfactorio para un propósito específico. 3.2.4 Debe. Indica un requisito de obligatorio cumplimiento. 3.2.5 Debería. Indica una recomendación o que es aconsejable pero no exigido. 3.2.6 Norma. Un documento, cuyo texto principal contiene solo disposiciones obligatorias usando la palabra “debe” para indicar requisitos y los cuales son en forma general convenientes para referencia obligatoria por otra norma o código o para adopción dentro de la ley. Las disposiciones no obligatorias se deben ubicar en un apéndice o anexo, pie de página o nota en letra menuda y no son consideradas parte de los requisitos de una norma.
  • 15.
    NORMA TÉCNICA COLOMBIANANTC 1669 (Segunda actualización) 6 3.3 DEFINICIONES GENERALES 3.3.1 Ramal. Un sistema de tubería, generalmente en un plano horizontal, conectado a solo una conexión de manguera con una red principal. 3.3.2 Conexión 3.3.2.1 Conexión de bomberos 3.3.2.1.1 Conexión de bomberos para sistemas automáticos. Una conexión a través de la cual los bomberos pueden bombear agua suplementaria dentro del sistema rociador, red principal de alimentación, u otro sistema accesorio de agua para la extinción del incendio, suplementando así las fuentes de suministro existentes. 3.3.2.1.2 Conexión de bomberos para sistemas manuales. Una conexión a través de la cual los bomberos pueden bombear el suministro de agua primario a un sistema manual para conexión de mangueras contra incendio a la demanda requerida por el sistema. 3.3.2.2 Conexión de manguera. Una combinación de equipo provista para conexión de una manguera a un sistema para conexión de mangueras contra incendio que incluye una válvula de manguera con una salida roscada. 3.3.3 Salida 3.3.3.1 Pasadizo de salida. Pasillos, corredores, pasajes o túneles usados como vías de evacuación y separados de otras partes del edificio en concordancia con la norma NFPA 101. 3.3.3.2 Salida horizontal. Una vía de paso desde un edificio hasta un área de refugio en otro edificio, aproximadamente al mismo nivel, o una vía de paso a través o alrededor de una barrera de incendios hasta un área de refugio aproximadamente al mismo nivel y en el mismo edificio que ofrece seguridad contra el fuego y humo originarios del área de incidencia y espacios que las comunican. [NFPA 101:2006]. 3.3.4 Alimentación principal. La parte de un sistema para conexión de mangueras contra incendio que suministra agua a una o más redes principales. 3.3.5 Edificio alto. Un edificio donde el piso de una planta ocupable está a más de 75 pies (23 m) por encima del nivel más bajo de acceso para el carro o vehículo de bomberos. [NFPA 5000:2006] 3.3.6 Estación de manguera. Un conjunto o combinación de soporte para manguera, boquilla para manguera, manguera y conexión de manguera, también conocido como gabinete. 3.3.7 Presión 3.3.7.1 Presión en la boquilla. Presión requerida en la entrada de una boquilla para producir las características deseadas de la descarga de agua. 3.3.7.2 Presión residual. En sistemas para conexión de mangueras contra incendio, la presión que actúa sobre un punto del sistema bajo condiciones de flujo. 3.3.7.3 Presión estática. En sistemas para conexión de mangueras contra incendio, la presión que actúa sobre un punto del sistema cuando no hay flujo en el sistema.
  • 16.
    NORMA TÉCNICA COLOMBIANANTC 1669 (Segunda actualización) 7 3.3.8* Dispositivo regulador de presión. Un dispositivo diseñado con el propósito de reducir, regular, controlar o limitar la presión del agua. 3.3.9 Dispositivo de restricción de presión. Una válvula o dispositivo diseñado con el propósito de reducir la presión del agua aguas abajo del accesorio solo bajo condiciones de flujo (residual). 3.3.10 Capacidad nominal. El caudal disponible de un dispositivo, a la presión residual diseñada, medida o calculada. 3.3.11 Red principal. El tramo vertical del sistema de tubería que entrega verticalmente, de piso a piso el suministro de agua para conexiones de manguera y en sistemas combinados también a rociadores. El término “Red principal” también se puede referir a la parte horizontal del sistema de tubería que entrega, en un solo nivel, el suministro de agua para dos o más conexiones de manguera y rociadores, en sistemas combinados. 3.3.12* Sistema para conexión de mangueras contra incendio. Una disposición de tubería, válvulas, conexiones de manguera y equipo relacionado, instalado en un edificio o estructura, con las conexiones de manguera ubicadas de manera que el agua puede ser descargada en patrón de chorros o aspersión a través de mangueras y boquillas acopladas, con el propósito de extinguir un incendio, con lo cual es protegido un edificio o estructura y sus contenidos en adición a la protección de los ocupantes. 3.3.12.1 Sistema automático para conexión de mangueras contra incendio. Un sistema para conexión de mangueras contra incendio que está conectado a un suministro de agua capaz de abastecer permanentemente la demanda del sistema y que no requiere acción diferente que la de abrir una válvula de manguera para suministrar agua a las conexiones de manguera. 3.3.12.2 Sistema combinado. Un sistema para conexión de mangueras contra incendio, cuya red suministra agua tanto a las conexiones de manguera como a los rociadores automáticos. 3.3.12.3 Sistema seco para conexión de mangueras contra incendio. 3.3.12.3.1 Sistema seco automático para conexión de mangueras contra incendio. Un sistema para conexión de mangueras contra incendio conectado permanentemente a un suministro de agua y que está diseñado para tener agua contenida en la tubería solo cuando el sistema está siendo utilizado. 3.3.12.3.2 Sistema seco manual para conexión de mangueras contra incendio. Un sistema para conexión de mangueras contra incendio no conectado a una fuente permanente de agua y que está diseñado para tener agua contenida en la tubería solo cuando el sistema está siendo utilizado a través de la conexión de bomberos. 3.3.12.4 Sistema manual para conexión de mangueras contra incendio. Un sistema para conexión de mangueras contra incendio que depende exclusivamente de la conexión de bomberos para abastecer la demanda del sistema. 3.3.12.5 Sistema semiautomático para conexión de mangueras contra incendio. Un sistema para conexión de mangueras contra incendio que está conectado a un suministro de agua capaz de abastecer todo el tiempo la demanda del sistema y que requiere activación de un dispositivo de control para suministrar agua a las conexiones de manguera.
  • 17.
    NORMA TÉCNICA COLOMBIANANTC 1669 (Segunda actualización) 8 3.3.12.6 Sistema húmedo para conexión de mangueras contra incendio. Un sistema para conexión de mangueras contra incendio que tiene la tubería con agua todo el tiempo. 3.3.13 Zona del sistema para conexión de mangueras contra incendio. Una subdivisión vertical de un sistema para conexión de mangueras contra incendio limitado o determinado por las limitaciones de presión de los componentes del sistema. 3.3.14 Demanda del sistema. El caudal y la presión residual que se requiere de la fuente de suministro de agua, medidos en el punto de conexión del suministro a un sistema para conexión de mangueras contra incendio, para entregar el caudal total de agua y las presiones residuales mínimas requeridas a un sistema para conexión de mangueras contra incendio en la manguera hidráulicamente más remota y el caudal mínimo para conexiones de rociadores en sistemas combinados. 3.3.15* Tipo de sistema 3.3.15.1 Sistema Clase I. Un sistema provisto con estaciones de manguera de 2 1/2 pulgadas (65 mm) para suministrar agua para uso de bomberos y personal entrenado en el manejo de chorros de agua de gran caudal para incendio. 3.3.15.2 Sistema Clase II. Un sistema provisto con estaciones de manguera de 1 1/2 pulgadas (40 mm) para suministrar agua para uso prioritario por personal entrenado o por los bomberos durante la respuesta inicial. 3.3.15.3 Sistema Clase III. Un sistema provisto con estaciones de manguera de 1 1/2 pulgada (40 mm) para suministrar agua para uso por personal entrenado y conexiones de manguera de 2 1/2 pulgadas (65 mm) para suministrar un mayor volumen de agua para uso de los bomberos y personal entrenado en el manejo de chorros de agua de gran caudal para incendio. 3.3.16 Válvula 3.3.16.1 Válvula de control. Una válvula de control de flujo para sistemas de protección contra incendios a base de agua. Las válvulas de control no incluyen válvulas de manguera, válvulas de inspección y prueba, válvulas de drenaje, conjunto de válvulas para tubería seca, válvulas de pre-acción e inundación, válvulas de retención o válvulas de alivio. 3.3.16.2 Válvula de manguera. La válvula para una conexión individual de manguera. 3.3.16.3 Válvula reguladora de presión. Una válvula operada por piloto, diseñada con el propósito de controlar la presión de agua aguas abajo a un valor específico bajo condiciones con o sin flujo (residual o estática). 3.3.16.4* Válvula reductora de presión. Una válvula diseñada con el propósito de reducir la presión de agua aguas abajo, bajo condiciones con o sin flujo (residual o estática). 4. COMPONENTES Y ACCESORIOS DEL SISTEMA 4.1* GENERALIDADES 4.1.1 Los componentes y accesorios del sistema para conexión de mangueras contra incendio deben estar en concordancia con este capítulo.
  • 18.
    NORMA TÉCNICA COLOMBIANANTC 1669 (Segunda actualización) 9 4.1.2 Todos los dispositivos y materiales usados en sistemas para conexión de mangueras contra incendio deben ser listados, exceptuando lo permitido en el numeral 4.1.3. 4.1.3 No se requiere que sean listados los componentes que no afectan el desempeño del sistema tales como tubería de drenaje, válvulas de drenaje y señalización. 4.2 TUBERÍAS 4.2.1 Las tuberías usadas en sistemas para conexión de mangueras contra incendio deben cumplir o exceder una de las normas de la Tabla 2 o estar en concordancia con los numerales 4.2.2 hasta el numeral 4.2.6. Tabla 2. Materiales y dimensiones de tuberías Materiales y Dimensiones (Especificaciones) Norma Tubería de Hierro Tubería de hierro-dúctil, vaciada centrífugamente, para agua u otros líquidos AWWA C151 Tubería de Acero Soldada por Resistencia Eléctrica Especificación de norma para tubería de acero soldada por resistencia eléctrica ASTM A135 Acero Soldado y Sin Costuras Especificación de norma para tubería de acero para uso en protección contra incendios, negra y revestida con zinc por inmersión en caliente (galvanizada) con o sin costura NTC 5562 Tubería de Acero Soldada y Sin Costuras Especificación de norma para tubería, acero, negra y revestida con zinc por inmersión en caliente, con o sin costura NTC 3470 Tubería de acero forjado con y sin costura ANSI B36.10M Tubo de Cobre (Estirado, Sin Costuras) Especificación de norma para tubo de cobre sin costuras ASTM B75 Especificación de norma para tubo de cobre para agua sin costuras ASTM B88 Especificación de norma por requisitos generales para tubo de cobre forjado sin costuras y tubo de aleación de cobre ASTM B251 Metal de Aporte para Soldadura Fuerte (Clasificaciones BCuP-3 o BCuP-4) Especificación para metales de aporte para soldadura fuerte y soldadura con bronce AWS A5.8 4.2.2 Cuando se instale tubería de hierro dúctil según la Tabla 2, debe estar revestida conforme a la norma AWWA C104, Cement-Mortar Lining for Ductile-Iron Pipe Fittings for Water. 4.2.3 Cuando se utilice la tubería de acero especificada en la Tabla 2 y su unión se realice soldada o ranurada por presión como está especificado en el numeral 4.4, el espesor mínimo nominal de pared para presiones hasta de 300 psi (20,7 bar) debe estar en concordancia con la cedula 10 (SCH 10) para diámetros de tubería hasta de 5 pulgadas (125 mm), 0,134 pulgadas (3,40 mm) para tubería de 6 pulgadas (150 mm) y 0,188 pulgadas (4,78 mm) para tubería de 8 pulgadas (200 mm) y 10 pulgadas (250 mm). 4.2.3.1 Las limitaciones de presión y espesor de pared para tubería de acero listada de conformidad con el numeral 4.2.6 se deben ajustar a los requisitos del listado. 4.2.4 Cuando la tubería de acero especificada en la Tabla 2 este acoplada por accesorios roscados como se especifica en el numeral 4.4 o por accesorios usados con tubería que tiene uniones ranuradas por corte y para presiones hasta de 300 psi (20,7 bar) el espesor mínimo de pared debe ser cedula 30 (SCH 30) [para diámetros de 8 pulgadas (200 mm) y mayores] o tubería cedula 40 (SCH 40) [para diámetros menores de 8 pulgadas (200 mm)].
  • 19.
    NORMA TÉCNICA COLOMBIANANTC 1669 (Segunda actualización) 10 4.2.4.1 Las limitaciones de presión y espesores de pared para tubería de acero especialmente listada de conformidad con el numeral 4.2.6 se deben ajustar a los requisitos del listado. 4.2.5 Cuando en sistemas para conexión de mangueras contra incendio se utilice tubería de cobre como se indica en la Tabla 2 la tubería debe tener un espesor de pared del Tipo K, L o M. 4.2.6 Se debe permitir el uso de otros tipos de tubería, que hayan sido evaluados para uso en instalaciones de red principal, listados para este servicio, instalados de conformidad con las limitaciones del listado y cumpliendo con las instrucciones de instalación como por ejemplo pero no limitado a tubería de acero diferente a la prevista en la Tabla 2. 4.2.6.1 La tubería no debe estar listada parcialmente para una clasificación de ocupación. 4.2.7 Curvado de tubería 4.2.7.1 Se debe permitir el cambio de dirección de la tubería de acero cedula 40 (SCH 40) y tubo de cobre Tipos K y L siempre y cuando las curvas estén hechas sin dobleces, ondas, distorsiones, reducciones en diámetro o cualquier otra desviación notable de su forma redondeada. 4.2.7.2 El radio mínimo de la curva debe ser de seis veces el diámetro para tuberías de 2 pulgadas (50 mm) y menores, y cinco veces el diámetro para tuberías de 2 1/2 pulgadas (65 mm) y mayores. 4.3 ACCESORIOS 4.3.1 Los accesorios usados en sistemas para conexión de mangueras contra incendio deben cumplir o exceder una de las normas de la Tabla 3 o estar en concordancia con el numeral 4.3.2. Tabla 3. Materiales y dimensiones de accesorios Materiales y Dimensiones Norma Hierro Fundido Accesorios Roscados de Hierro Gris ANSI B16.4 Bridas y Accesorios Bridados de Tubería de Hierro Gris ANSI B16.1 Hierro Maleable Accesorios Roscados de Hierro Maleable ANSI B16.3 Hierro Dúctil Accesorios de Hierro Dúctil y Hierro Gris para Agua y otros líquidos NTC 2343 Acero Accesorios Soldados al Tope en Acero Forjado Hechos en Fábrica ANSI B16.9 Terminales Soldados al Tope ANSI B16.25 Especificación de Norma para Accesorios de Tubería de Acero Forjado al Carbono y Acero Aleado para Servicio de Temperatura Moderada y Alta ASTM A 234 Bridas de Tubería y Accesorios Bridados ANSI B16.5 Accesorios Forjados, de Manguito Soldado y Roscados ANSI B16.11 Cobre Accesorios para Juntas de Presión de Cobre Forjado y Soldados en Cobre Aleado ANSI B16.22 Accesorios para Juntas de Presión Soldadas en Cobre Fundido Aleado ANSI B16.18 4.3.2 Se debe permitir el uso de otros tipos de accesorios que hayan sido analizados para uso en instalaciones de red principal, listados para este servicio, incluyendo pero no limitado a accesorios de aceros diferentes a los previstos en la Tabla 3, instalados en concordancia con las limitaciones del listado y que cumplan con las instrucciones de instalación.
  • 20.
    NORMA TÉCNICA COLOMBIANANTC 1669 (Segunda actualización) 11 4.3.3 Cuando la presión exceda de 175 psi (12,1 bar), los accesorios deben ser del tipo extra- pesado. 4.3.3.1 Cuando la presión no exceda de 300 psi (20,7 bar) se debe permitir el uso de accesorios de hierro fundido de tipo ordinario, para diámetros de 2 pulgadas (50 mm) y menores. 4.3.3.2 Cuando la presión no exceda de 300 psi (20,7 bar) se debe permitir el uso de accesorios de hierro maleable de tipo ordinario, para diámetros de 6 pulgadas (150 mm) y menores. 4.3.3.3 Se debe permitir el uso de accesorios hasta los límites de presión especificados en sus listados. 4.3.4 No se deben utilizar uniones roscadas en tubería de diámetro mayor de 2 pulgadas (50 mm). 4.3.4.1 Los acoples y uniones distintos a los roscados deben ser listados específicamente para uso en sistemas para conexión de mangueras contra incendio. 4.3.5 Para el cambio de diámetro se debe utilizar un accesorio reductor de una sola pieza. 4.3.5.1 Se debe permitir el uso de reductores como bujes hexagonales (Bushings), o bujes sin reborde para reducir el diámetro, cuando no se disponga de accesorios reducidos. 4.4 UNIÓN DE TUBOS Y ACCESORIOS 4.4.1 Tubería y accesorios roscados 4.4.1.1 Toda la tubería y accesorios roscados deben tener roscas según ASME B1.20.1, Pipe Threads, General Purpose. [NFPA 13:6.5.1.1]. 4.4.1.2* Se debe permitir el uso de tubería de acero roscada cuando el espesor de pared sea menor de cedula 30 (SCH 30) [en diámetros de 8 pulgadas (200 mm) y mayores], o cuando el espesor de pared sea menor de cedula 40 (SCH 40) [en diámetros menores de 8 pulgadas (200 mm)], solamente cuando el ensamble roscado haya sido investigado como apropiado para uso en instalaciones de rociadores automáticos y dicho ensamble esté listado para este servicio. [NFPA 13:6.5.1.2]. 4.4.1.3 El sellante de la unión, solo se debe aplicar sobre la rosca macho. [NFPA 13:6.5.1.3]. 4.4.2 Tubería y accesorios soldados. 4.4.2.1 Generalidades 4.4.2.1.1 Se debe permitir la unión soldada para acoplar tuberías y accesorios de rociadores, de conformidad con los numerales 4.4.2.2 hasta el numeral 4.4.2.6, [NFPA 13:6.5.2.1.1]. 4.4.2.2* Ensamble 4.4.2.2.1 La soldadura de tuberías y accesorios para rociadores se debe realizar en taller a menos que se cumplan los requisitos de los numerales 4.4.2.2 ó 4.4.2.3. [NFPA 13:6.5.2.2.1].
  • 21.
    NORMA TÉCNICA COLOMBIANANTC 1669 (Segunda actualización) 12 4.4.2.2.2 Cuando las especificaciones de diseño requieran que alguna parte del sistema de tubería sea soldada en el sitio, se debe permitir la soldadura de la tubería de rociadores siempre y cuando, el proceso de soldado se realice conforme con la norma NFPA 51B y se instalen los accesorios de unión mecánica requeridos en los numerales 8.15.21 y 8.16.3 de la NFPA 13. [NFPA 13:6.5.2.2.2]. 4.4.2.2.3 Se debe permitir la soldadura de suplementos en sitio a la tubería para la instalación de los soportes sismo resistentes longitudinales cuando el proceso de soldadura se realice conforme a la NFPA 51B. [NFPA 13:6.5.2.2.3]. 4.4.2.2.4 No se deben realizar trabajos de soldadura de tubería cuando existan impedimentos originados por condiciones de lluvia, nieve, aguanieve o fuertes vientos en el área de trabajo donde se realiza la soldadura de la tubería. [NFPA 13:6.5.2.2.4]. 4.4.2.2.5 Para modificar o reparar un sistema de rociadores, no se debe permitir el corte y soldadura con soplete u otros instrumentos de llama abierta. [NFPA 13:6.5.2.2.5]. 4.4.2.3 Accesorios 4.4.2.3.1* Los accesorios soldados usados para acoplar tubería deben ser listados o fabricados de acuerdo con la Tabla 3. [NFPA 13:6.5.2.3.1]. 4.4.2.3.2 Los accesorios referidos en 4.4.2.3.1 se deben unir siguiendo un procedimiento calificado de soldadura como se establece en esta sección y deben ser un producto aceptable bajo esta norma, siempre que los materiales y el espesor de pared cumplan con otras secciones de esta norma. [NFPA 13:6.5.2.3.2]. 4.4.2.3.3 No se requiere el uso de accesorios cuando los extremos de la tubería se suelden a tope conforme a los requisitos de 4.4.2.4.2, [NFPA 13:6.5.2.3.3]. 4.4.2.3.4 Las reducciones de diámetro en tramos rectos de tubería se deben realizar mediante accesorios de reducción diseñados para este propósito de acuerdo con los requisitos del numeral 4.4.2.3.1. [NFPA13:6.5.2.3.4]. 4.4.2.4 Requisitos para soldadura 4.4.2.4.1* Se debe permitir el uso de soldadura de penetración total, de soldadura de penetración parcial, y soldadura de filete para unión de tuberías y accesorios. La separación mínima de las piezas no debe ser menor a cualquiera de los siguientes valores: al espesor de pared de la tubería, del espesor del accesorio soldado o de 3/16 de pulgada (4,8 mm) [NFPA 13:6.5.2.4.1]. 4.4.2.4.2* Las juntas circulares a tope se deben cortar, biselar, alinear y distanciar para permitir la penetración total, aunque no se requiere que la soldadura sea de penetración total [NFPA 13:6.5.2.4.2]. 4.4.2.4.3 Cuando se suelden bridas de tipo deslizante a tuberías mediante un solo cordón de soldadura, esta debe estar en el lado de la campana de la brida y la superficie de contacto de la soldadura debe ser mayor al menor de los siguientes valores: 1,25 veces el espesor de pared de la tubería o del espesor de pared de la campana. [NFPA 13:6.5.2.4.3]. 4.4.2.4.4 Se deben permitir soldaduras superficiales sobre la cara interna de la brida como sello de agua adicional a la soldadura en la campana, que se requiere en el numeral 4.4.2.4.3 [NFPA 13:6.5.2.4.4].
  • 22.
    NORMA TÉCNICA COLOMBIANANTC 1669 (Segunda actualización) 13 4.4.2.4.5 La soldadura en los suplementos a la tubería para la instalación de los soportes sismo resistentes longitudinales deben tener una superficie de contacto no menor de 1,25 veces el espesor de la pared de la tubería y estar soldados en ambos lados de la dimensión mayor del suplemento. [NFPA 13:6.5.2.4.5] 4.4.2.4.6 Al ejecutar la soldadura, se debe tener en cuenta lo siguiente: 1) Los orificios que se hagan en la tubería para la conexión de accesorios, se deben cortar con un diámetro igual al diámetro interno del tubo de derivación y antes de soldar el accesorio. 2) Los discos sobrantes de la operación de corte, deben ser retirados. 3) La superficie de corte de los orificios debe quedar completamente lisa y toda rebaba y escoria interna resultante de la soldadura se debe retirar. 4) Los accesorios no deben penetrar mas allá del diámetro interno de la tubería. 5) No se deben soldar placas de acero en los extremos de las tuberías o de los accesorios. 6) Los accesorios no deben ser modificados. 7) No se deben soldar a la tubería o accesorios tuercas, abrazaderas, varillas con ojal, suplementos u otros elementos de fijación y soporte, excepto los permitidos en los numerales 4.4.2.2.3 y 4.4.2.4.5. 8) Las soldaduras terminadas deben estar libres de grietas, fusión incompleta, porosidad superficial de diámetro mayor a 1/16 de pulgada (1,6 mm) y socavado superior al menor valor entre el 25 porciento del espesor de pared o 1/32 de pulgada (0,8 mm). 9) Los refuerzos circulares de soldadura a tope para acabado, no deben exceder 3/32 de pulgada (2,4 mm). [NFPA 13:6.5.2.4.6]. 4.4.2.5 Calificación de soldadura 4.4.2.5.1 El procedimiento de soldadura debe ser preparado y calificado por el contratista o fabricante antes de realizar cualquier soldadura. [NFPA 13:6.5.2.5.1]. 4.4.2.5.2 Se requiere que la calificación del procedimiento de soldadura a utilizar y la habilidad de los soldadores y operarios cumpla o exceda los requisitos de la normas AWS B2.1, ASME Boiler and Pressure Vessel Code, Sección IX, Welding and Brazing Qualifications u otra norma de calificación aplicable que sea exigida por la autoridad competente, excepto en lo permitido en el numeral 4.4.2.5.3. [NFPA 13:6.5.2.5.2]. 4.4.2.5.3 La aceptación del procedimiento de soldadura de ranura en juntas terminadas, debe servir igualmente para calificar soldaduras de penetración parcial (ranurado/filete) y las soldaduras de filete de acuerdo con lo previsto en esta norma. [NFPA 13:6.5.2.5.3]. 4.4.2.5.4 Se debe permitir el uso de los procedimientos de soldadura cualificados bajo normas reconocidas en ediciones previas de esta norma. [NFPA 13:6.5.2.5.4].
  • 23.
    NORMA TÉCNICA COLOMBIANANTC 1669 (Segunda actualización) 14 4.4.2.5.5 Los contratistas o fabricantes deben ser responsables por toda soldadura que ejecuten o produzcan. [NFPA 13:6.5.2.5.5]. 4.4.2.5.6 Cada contratista o fabricante debe tener disponible para la autoridad competente un procedimiento escrito de aseguramiento de la calidad, garantizando el cumplimiento de los requisitos del numeral 4.4.2.4. [NFPA 13:6.5.2.5.6]. 4.4.2.6 Registros de soldadura 4.4.2.6.1 Una vez terminada la soldadura de la tubería, los soldadores o los operarios de soldadura deben colocar su marca de identificación o etiqueta sobre cada pieza en zona adyacente a la soldadura. [NFPA 13:6.5.2.6.1]. 4.4.2.6.2 Los contratistas o fabricantes deben mantener registros certificados, disponibles para la autoridad competente, de los procedimientos usados y los soldadores u operarios de soldadura empleados por ellos, junto con su identificación como soldador. [NFPA 13:6.5.2.6.2]. 4.4.2.6.3 Los registros de soldadura deben incluir la fecha, los resultados del procedimiento y calificaciones de desempeño. [NFPA 13:6.5.2.6.3]. 4.4.3 Métodos para unión ranurada 4.4.3.1 La unión de tubería y accesorios ranurados, se debe realizar mediante una combinación listada de accesorios, empaques y ranuras. [NFPA 13:6.5.3.1]. 4.4.3.2 Las ranuras cortadas y las ranuras laminadas que se realicen sobre la tubería, deben ser dimensionalmente compatibles con los accesorios. [NFPA 13:6.5.3.2]. 4.4.3.3 Los accesorios ranurados y los empaques correspondientes que se utilicen en sistemas de tubería seca, pre-acción y de inundación, deben ser listados para servicio en sistemas de tubería seca. [NFPA 13:6.5.3.3]. 4.4.4* Uniones de soldadura por capilaridad 4.4.4.1 Cuando se permita el uso de uniones soldadas por capilaridad, estas se deben fabricar de acuerdo con los métodos y procedimientos relacionados en ASTM B828. [NFPA 13:6.5.4.1]. 4.4.4.2 Todas las uniones para tubería de cobre se deben realizar mediante soldadura capilar fuerte, a menos que se cumplan los requisitos de los numerales 4.4.4.3 ó 4.4.4.4. [NFPA 13:6.5.4.2]. 4.4.4.3 Se debe permitir el uso de uniones de soldadura capilar blanda para sistemas de tubería húmeda cuando la tubería esté expuesta y en ocupaciones de riesgo ligero donde la clasificación de temperatura de los rociadores instalados sea ordinaria o intermedia. [NFPA 13:6.5.4.3]. 4.4.4.4 Se debe permitir el uso de soldadura capilar blanda para sistemas de tubería húmeda en ocupaciones de riesgo ligero y ordinario (Grupo 1) cuando la tubería esta oculta (protegida del calor) independientemente de la clasificación de temperatura de los rociadores. [NFPA 13:6.5.4.4]. 4.4.4.5* El fundente para soldadura capilar blanda, debe cumplir con lo requerido en la Tabla 6.3.1.1 de la norma NFPA 13. [NFPA 13:6.5.4.5].
  • 24.
    NORMA TÉCNICA COLOMBIANANTC 1669 (Segunda actualización) 15 4.4.4.6 Si se usan fundentes, estos no deben ser del tipo altamente corrosivo. [NFPA 13:6.5.4.6]. 4.4.5 Otros métodos de unión 4.4.5.1 Se deben permitir otros métodos de unión que hayan sido investigados como adecuados para su instalación en sistemas de rociadores automáticos y estén listados para este servicio, siempre y cuando se instalen conforme a sus limitaciones de listado, incluyendo las instrucciones de instalación. [NFPA 13:6.5.5.1]. 4.4.5.2 Accesorios para derivación Los accesorios para derivación con empaquetadura de caucho que se usen en sistemas de rociadores deben cumplir los siguientes requisitos: 1) Ser instalados en concordancia con el listado e instrucciones de instalación del fabricante. 2) Retirar todos los discos sobrantes. 3) Los cortes que se hagan deben ser pared lisa y todos los residuos resultantes deben ser removidos. 4) No ser modificados. [NFPA 13:6.5.5.2] 4.4.6 Alistamiento final 4.4.6.1 Una vez cortada la tubería, se le deben limpiar los bordes del tubo para retirar las virutas y las rebabas. [NFPA 13:6.5.6.1]. 4.4.6.2 La tubería que se instale con accesorios listados y su alistamiento final deben cumplir las instrucciones de instalación del fabricante de los accesorios y sus condiciones de listado. [NFPA 13:6.5.6.2]. 4.5 VÁLVULAS 4.5.1 Todas las válvulas que controlan conexiones a suministros de agua y redes principales deben ser listadas indicando la válvula. 4.5.1.1 En instalaciones enterradas se debe permitir la instalación de válvulas de compuerta listadas y provistas de indicador tipo poste listado. 4.5.1.2 Se debe permitir montar una válvula reguladora de agua listada con un indicador de posición conectado a una estación de supervisión remota. 4.5.1.3 Se deben permitir válvulas no indicadoras, tales como válvulas de compuerta bajo terreno que cuenten con una caja aprobada tipo tráfico completa y con llave T, que sea aprobada por la autoridad competente. 4.5.2 Las válvulas no deben cerrarse en menos de 5 s cuando sean operadas a la velocidad máxima posible desde la posición totalmente abierta.
  • 25.
    NORMA TÉCNICA COLOMBIANANTC 1669 (Segunda actualización) 16 4.6 ESTACIONES DE MANGUERA 4.6.1 Armarios y gabinetes 4.6.1.1 Los armarios y gabinetes utilizados para alojar mangueras de incendio deben ser de un tamaño que permita la instalación del equipo necesario en la estación y diseñados de forma tal que no interfieran con el uso rápido de la conexión de manguera, la manguera y demás equipo en el momento del incendio. 4.6.1.1.1 Dentro del gabinete, las conexiones de manguera deben ser ubicadas de manera que haya al menos 1 pulgada (25,4 mm) libre entre cualquier parte del gabinete y la cruceta de la válvula en cualquier posición, desde totalmente abierta hasta totalmente cerrada. 4.6.1.1.2 El gabinete se debe usar exclusivamente para el equipo de incendio y cada gabinete debe estar claramente identificado. 4.6.1.2 Donde se presente una cubierta protectora tipo “rompa el vidrio” para un aparato con picaporte, el dispositivo provisto para romper el panel de vidrio debe ser fijado en el área inmediata al panel de vidrio quebradizo y dispuesto de forma tal que no pueda ser usado para romper otros paneles de vidrio en la puerta del gabinete. 4.6.1.2.1 Todo elemento transparente en la puerta debe ser de vidrio templado de seguridad o de plástico transparente en concordancia con ANSI Z97.1, Safety Glazing Materials Used in Buildings-Safety Performance Specifications and Methods of Test. 4.6.1.3 Cuando un gabinete interfiera con un montaje o partición resistente al fuego, la resistencia al fuego del montaje se debe mantener según lo requiera el código local de construcción. 4.6.1.4 Los gabinetes de manguera deben ser identificados para indicar su contenido. 4.6.2 Mangueras 4.6.2.1* Toda estación de manguera prevista para uso por personal entrenado (Sistemas Clase II y Clase III) debe estar equipada con manguera de incendio, listada, de 1 1/2 pulgadas (40 mm), revestida, aplastable o no aplastable, acoplada y lista para uso, con no más de 100 pies (30,5 m) de longitud. 4.6.2.2 Cuando se utilicen mangueras de diámetro menor a 1 1/2 pulgadas (40 mm) en estaciones con conexión de 1 1/2 pulgadas (40 mm) de conformidad con los numerales 5.3.2 y 5.3.3, se debe utilizar manguera listada no aplastable. 4.6.3 Soportes para manguera 4.6.3.1 Toda estación de manguera de 1 1/2 pulgadas (40 mm) equipada con manguera de 1 1/2 pulgadas (40 mm) debe contar con un soporte listado u otro sistema de almacenamiento aprobado. 4.6.3.2 Toda estación de manguera con salida de 1 1/2 pulgadas (40 mm) y equipada con manguera de diámetro menor a 1 1/2 pulgadas (40 mm ) de conformidad con los numerales 5.3.2 y 5.3.3 debe estar equipada con un carrete listado para flujo continuo.
  • 26.
    NORMA TÉCNICA COLOMBIANANTC 1669 (Segunda actualización) 17 4.6.4 Boquillas Las boquillas provistas para servicio Clase II deben ser listadas. 4.6.5* Identificación Todo soporte o sistema de almacenamiento para manguera de 1 1/2 pulgadas (40 mm) o menor debe contar con un rótulo o aviso que incluya el texto “Manguera de incendio para uso por personal entrenado” y las instrucciones de operación. 4.7 CONEXIONES DE MANGUERA 4.7.1 Las válvulas de manguera deben ser listadas. 4.7.2 Las conexiones de manguera deben tener roscas externas National Hose Standard (NHS), para el diámetro de válvula especificado, en concordancia con NFPA 1963, Standard for Fire Hose Connections. 4.7.3 Las conexiones de manguera deben estar equipadas con tapas para proteger las roscas de manguera. 4.7.4 Cuando las roscas de manguera del cuerpo de bomberos local no estén conformes con la norma NFPA 1963, Standard for Fire Hose Connections, la autoridad competente debe designar las roscas de manguera que deben ser usadas. 4.8 CONEXIONES PARA EL CUERPO DE BOMBEROS (véase la Figura A.5) 4.8.1 Las conexiones para el cuerpo de bomberos deben ser listadas para una presión de trabajo igual a o mayor que el requisito de presión exigida por el sistema. 4.8.2 Toda conexión para el cuerpo de bomberos debe tener al menos dos accesorios giratorios de rosca interna hembra de 2 1/2 pulgadas (65 mm) que tengan rosca NHS, como está especificado en NFPA 1963, Standard for Fire Hose Connections. (Véase los numerales 7.7 y 7.12 para requisitos de diseño). 4.8.2.1 Las conexiones del cuerpo de bomberos deben estar equipadas con tapas para proteger el sistema de la entrada de objetos extraños. 4.8.2.2 Cuando el cuerpo de bomberos local use accesorios que difieren de aquellos especificados, se deben emplear accesorios compatibles con el equipo del cuerpo de bomberos local y su diámetro mínimo debe ser de 2 1/2 pulgadas (65 mm). 4.9 DISPOSITIVOS DE REGULACIÓN DE PRESIÓN Los dispositivos de regulación de presión deben ser listados. 4.10 SEÑALIZACIÓN Las señales deben ser legibles permanentemente y construidos de materiales de metal o de plástico rígido resistente a la intemperie.
  • 27.
    NORMA TÉCNICA COLOMBIANANTC 1669 (Segunda actualización) 18 5. REQUISITOS DEL SISTEMA 5.1 GENERALIDADES 5.1.1 El número y disposición del equipo de red principal necesario para protección debe ser determinado por las condiciones locales tales como la ocupación, características y construcción del edificio y su accesibilidad. 5.1.2* Se debe consultar a la autoridad competente respecto del tipo de sistema requerido, clase de sistema y requisitos especiales. 5.1.3 La localización y espaciamiento de las redes principales y de las conexiones de manguera debe estar de conformidad con el Capítulo 7. 5.1.4 Los sistemas de red principal y de manguera no requeridos por la autoridad competente y que no reúnan los requisitos de esta norma se deben marcar con una señal que diga “SOLO PARA USO DE LA BRIGADA DE INCENDIOS”. 5.2 TIPOS DE SISTEMAS PARA CONEXIÓN DE MANGUERAS CONTRA INCENDIO 5.2.1* Automático seco 5.2.1.1 Suministro de agua El suministro de agua para un sistema automático seco para conexión de mangueras contra incendio debe ser capaz de abastecer la demanda del sistema. 5.2.1.2 Indicadores de presión Se deben instalar indicadores de presión listados conforme a lo establecido en el numeral 5.5 en los siguientes sitios: 1) Sobre el lado con agua y el lado con aire de la válvula de tubería seca. 2) En la fuente que abastece el acumulador de aire, cuando ésta exista. 3) En el acumulador de aire, cuando éste exista. 4) En cada tubo independiente desde el suministro de aire hasta el sistema de tubería seca. 5) En los desfogues y aceleradores. [NFPA 13:7.2.1] 5.2.1.3 Limitaciones de volumen según tamaño de los sistemas 5.2.1.3.1* Una válvula de tubería seca no debe controlar más de 750 galones (2 839 L) de capacidad del sistema. [NFPA 13:7.2.3.1] 5.2.1.3.2 Se debe permitir que el volumen de la tubería exceda los requisitos del numeral 5.2.1.3.1 donde el diseño del sistema es tal que el agua es entregada al sistema en la conexión de manguera más remota en no más de 3 min, a la presión normal de aire en el sistema, comenzando el conteo a partir del momento en que la conexión para manguera haya quedado completamente abierta.
  • 28.
    NORMA TÉCNICA COLOMBIANANTC 1669 (Segunda actualización) 19 5.2.1.4* Ubicación y protección de la válvula de tubería seca. [NFPA 13:7.2.5] 5.2.1.4.1* Generalidades La válvula de tubería seca y la tubería de suministro deben estar protegidas contra congelamiento y contra daño mecánico. [NFPA 13:7.2.5.1] 5.2.1.4.2 Cuartos para Válvulas. [NFPA 13:7.2.5.2] 5.2.1.4.2.1 Los cuartos para válvulas deben tener iluminación y calefacción. [NFPA 13:7.2.5.2.1] 5.2.1.4.2.2 La fuente de calefacción debe ser permanente. [NFPA 13:7.2.5.2.2] 5.2.1.4.2.3 No se debe usar cinta calefactora en lugar del cuarto de válvulas con calefacción para proteger contra congelamiento la válvula de tubería seca y la tubería de suministro. [NFPA 13:7.2.5.2.3] 5.2.1.4.3 Válvula de tubería seca de bajo diferencial Se debe tener una protección para evitar la acumulación de agua por encima de la charnela cuando la válvula de tubería seca sea de bajo diferencial. [NFPA13:7.2.5.4.2]. 5.2.1.4.4 Dispositivo de alto nivel de agua Se debe permitir el uso de un dispositivo automático de señalización de alto nivel de agua o de un dispositivo de drenaje automático. [NFPA 13:7.2.5.4.3]. 5.2.1.5 Suministro de aire comprimido. [NFPA 13:7.2.6]. 5.2.1.5.1 Mantenimiento de la presión del aire Se debe mantener la presión del aire o del nitrógeno en sistemas de tubería seca de forma permanente. [NFPA 13:7.2.6.1] 5.2.1.5.2* Suministro de aire. [NFPA 13:7.2.6.2] 5.2.1.5.2.1 El suministro de aire comprimido debe ser permanente. [NFPA 13:7.2.6.2.1] 5.2.1.5.2.2 El suministro de aire debe tener la capacidad suficiente para restaurar la presión normal de aire en el sistema, en un lapso no mayor a 30 minutos. [NFPA 13:7.2.6.2.2] 5.2.1.5.3 Conexión de suministro de aire. [NFPA 13:7.2.6.3] 5.2.1.5.3.1 La tubería de conexión de suministro de aire no debe tener un diámetro menor a 1/2 pulgada (15 mm) y se debe conectar al sistema por encima del nivel de cebado de agua de la válvula de tubería seca. [NFPA 13:7.2.6.3.1] 5.2.1.5.3.2 En la línea de suministro de aire, se debe instalar una válvula de retención y sobre el lado de suministro de dicha válvula, se debe instalar una válvula de corte del tipo disco removible, listada o aprobada, que debe permanecer cerrada a menos que se este suministrando aire al sistema. [NFPA 13:7.2.6.3.2]
  • 29.
    NORMA TÉCNICA COLOMBIANANTC 1669 (Segunda actualización) 20 5.2.1.5.4 Válvula de alivio Entre la fuente de suministro de aire y la válvula de corte se debe instalar una válvula de alivio del tipo aprobado, la cual se debe ajustar para aliviar sobrepresiones de por lo menos 10 psi (0,7 bar) por encima de la presión del sistema requerida en el numeral 5.2.1.5.10 sin exceder las limitaciones del fabricante. [NFPA 13:7.2.6.4] 5.2.1.5.5 Sostenimiento automático de aire A menos que se cumplan los requisitos del numeral 5.2.1.5.6, cuando el suministro de aire a un sistema de tubería seca se mantenga de forma automática, este debe provenir de un sistema central de aire o de un compresor con tanque de almacenamiento, y debe utilizar un dispositivo de sostenimiento de aire listado específicamente para dicho servicio y con capacidad de controlar la presión del sistema y el máximo flujo de aire al sistema seco. [NFPA 13:7.2.6.5.1] 5.2.1.5.6 Cuando la capacidad del compresor sea menor a 5,5 pies3 / min (156 L/min) a una presión de 10 psig (0,7 bar), no se requiere ni de tanque de almacenamiento ni de dispositivo de sostenimiento [NFPA 13:7.2.6.5.2]. 5.2.1.5.7 El suministro automático de aire a más de un sistema de tubería seca se debe conectar de forma tal que permita el mantenimiento independiente para cada uno de los sistemas. [NFPA 13:7.2.6.5.3]. 5.2.1.5.8 Se debe instalar una válvula de retención o un dispositivo antireflujo de presión positiva en la línea de suministro a cada uno de los sistemas con el fin de prevenir el flujo de aire o de agua de un sistema a otro. [NFPA 13:7.2.6.5.4]. 5.2.1.5.9 Presión de aire del sistema. [NFPA 13:7.2.6.6] 5.2.1.5.10 La presión de aire en el sistema se debe mantener de acuerdo con la hoja de instrucciones suministrada con la válvula de tubería seca, o debe estar 20 psi (1,4 bar) por encima de la presión de disparo de la válvula de tubería seca, tomando como referencia la presión más alta en condición normal del sistema de suministro. [NFPA 13:7.2.6.6.1] 5.2.1.5.11 Las pérdidas de aire permitidas deben ser las especificadas en el numeral 5.2.1.5.12. [NFPA 13:7.2.6.6.2]. 5.2.1.5.12 Adicional a la prueba hidrostática normal, se debe realizar una prueba para verificar la hermeticidad del aire a 40 psi (2,8 bar) durante 24 horas. Cualquier fuga que origine una pérdida de presión superior a 1 1/2 psi (0,1 bar) durante 24 h, se debe corregir. [NFPA 13:24.2.2.1]. 5.2.1.5.13 Nitrógeno Cuando se use nitrógeno, este se debe inyectar mediante un regulador de presión ajustado para mantener la presión del sistema de acuerdo con el numeral 5.2.1.5.5. [NFPA 13:7.2.6.7]. 5.2.2 Automático húmedo 5.2.2.1 Demanda del sistema Un sistema automático húmedo para conexión de mangueras contra incendio debe ser un sistema que tenga un suministro de agua con capacidad para suministrar automáticamente la demanda del sistema.
  • 30.
    NORMA TÉCNICA COLOMBIANANTC 1669 (Segunda actualización) 21 5.2.2.2 Sistemas auxiliares Se debe permitir que un sistema de tubería húmedo abastezca un sistema auxiliar de tubería seco, siempre y cuando el suministro de agua tenga la capacidad de suministrar la demanda del sistema. [NFPA 13:7.1.3]. 5.2.3 Semi-automático seco Un sistema semi-automático seco para conexión de mangueras contra incendio debe ser un sistema seco previsto para ser utilizado mediante un dispositivo, tal como una válvula de inundación, para admitir agua dentro del sistema de tubería mediante la activación de un dispositivo de control remoto ubicado en una conexión de manguera. 5.2.3.1 Se debe suministrar un dispositivo de activación a control remoto listado en cada conexión de manguera, a una distancia no mayor a 3 pies (1 m), debe ser visible e identificable para el uso propuesto y cumplir con las especificaciones del fabricante. 5.2.3.1.1 Se debe permitir que el dispositivo de activación a control remoto se pueda asegurar de una forma aprobada, para evitar la activación no autorizada del sistema. 5.2.3.1.2 El sistema de activación a control remoto se debe instalar conforme a la norma NFPA 72, National Fire Alarm Code. 5.2.3.1.3* Los circuitos de activación a control remoto se deben proteger de daños mecánicos. 5.2.3.2 En un sistema seco semi-automático para conexión de mangueras contra incendio el suministro de agua debe tener la capacidad de abastecer la demanda del sistema. 5.2.3.3 Todos los dispositivos de activación a control remoto del sistema seco semi-automático para conexión de mangueras contra incendio deben ser compatibles y listados para el uso propuesto. 5.2.3.4* La válvula automática de control de agua debe contar con medios hidráulicos o medios manuales mecánicos para una operación que sea independiente del dispositivo de activación de control remoto. 5.2.3.5 Indicadores de presión Se deben instalar indicadores de presión listados de acuerdo con el numeral 5.5, como se indica a continuación: 1) Antes y después de la válvula de pre-acción y después de la válvula de inundación. 2) En la línea de suministro de aire para válvulas de pre-acción e inundación. [NFPA 13:7.3.1.3] 5.2.3.6 Ubicación y protección de las válvulas de control del sistema de agua. [NFPA 13:7.3.1.8] 5.2.3.6.1 Se deben proteger las válvulas de control del sistema de agua y tuberías de suministro contra el congelamiento y el daño mecánico. [NFPA 13:7.3.1.8.1] 5.2.3.6.2 Cuartos de válvulas. [NFPA 13:7.3.1.8.2]
  • 31.
    NORMA TÉCNICA COLOMBIANANTC 1669 (Segunda actualización) 22 5.2.3.6.2.1 Los cuartos para válvulas deben tener iluminación y calefacción. [NFPA 13:7.3.1.8.2.1] 5.2.3.6.2.2 La fuente de calefacción debe ser de tipo permanente. [NFPA 13:7.3.1.8.2.2] 5.2.3.6.2.3 No se debe usar cinta calefactora en lugar del cuarto de válvulas con calefacción para proteger contra congelamiento las válvulas de pre-acción e inundación y la tubería de suministro. [NFPA 13:7.3.1.8.2.3] 5.2.3.7 Los sistemas secos semi-automáticos deben ser de uno de los siguientes tipos: 1) Un sistema de enclavamiento simple, que permita la entrada de agua a la tubería por la operación de un dispositivo de activación de control remoto. 2) Un sistema sin enclavamiento, que permita la entrada de agua a la tubería por la operación de un dispositivo de activación de control remoto o válvula de manguera. 3) Un sistema de enclavamiento doble, que permita la entrada de agua a la tubería por la operación tanto de los dispositivos de activación de control remoto como de las válvulas de manguera. 5.2.4* Manual seco Un sistema manual para conexión de mangueras contra incendio seco debe ser un sistema que no cuenta con un suministro de agua permanente conectado al sistema. 5.2.5* Manual húmedo Un sistema manual para conexión de mangueras contra incendio húmedo debe ser un sistema conectado a un pequeño suministro de agua para mantener agua en el sistema o compartir un suministro de agua con un sistema de rociadores automáticos, pero que no tiene un suministro de agua capaz de satisfacer la demanda del sistema acoplado al sistema húmedo. 5.3 CLASES DE SISTEMAS PARA CONEXIÓN DE MANGUERAS CONTRA INCENDIO 5.3.1 Sistemas Clase I Un sistema para conexión de mangueras contra incendio Clase I debe tener conexiones para manguera de 2 1/2 pulgadas (65 mm) para suministrar agua para el uso por cuerpos de bomberos y personal entrenado en el manejo de chorros de agua de gran caudal para combate de incendios. 5.3.2 Sistemas Clase II 5.3.2.1 Un sistema para conexión de mangueras contra incendio Clase II debe tener estaciones de manguera de 1 1/2 pulgadas (40 mm) para suministrar agua básicamente para el uso por personal entrenado, o por el cuerpo de bomberos durante la respuesta inicial. 5.3.2.2 Se debe permitir el uso de mangueras de un diámetro no menor a 1 pulgada (25 mm) para estaciones de manguera en ocupaciones de riesgo leve cuando haya sido investigada y listada para este servicio y sea aprobada por la autoridad competente.
  • 32.
    NORMA TÉCNICA COLOMBIANANTC 1669 (Segunda actualización) 23 5.3.3 Sistemas Clase III Un sistema para conexión de mangueras contra incendio Clase III debe tener estaciones de manguera de 1 1/2 pulgadas (40 mm) para suministrar agua para el uso por personal entrenado y conexiones de manguera de 2 1/2 pulgadas (65 mm) para suministrar un mayor caudal de agua para el uso de cuerpos de bomberos y personal entrenados en el manejo de chorros de agua de gran caudal para combate de incendios. 5.3.3.1 Se debe permitir el uso de mangueras de un diámetro no menor a 1 pulgada (25 mm) para estaciones de manguera en ocupaciones de riesgo leve cuando haya sido evaluada y listada para este servicio y sea aprobada por la autoridad competente. 5.3.3.2 Cuando el edificio esté protegido completamente por un sistema aprobado de rociadores automáticos, si la autoridad competente lo aprueba, no se deben requerir las estaciones de manguera Clase II para uso por parte de personal entrenado, siempre y cuando cada conexión de manguera Clase I sea de 2 1/2 pulgadas (65 mm) y esté equipada con un reductor de 2 1/2 pulgadas x 1 1/2 pulgadas (65 mm x 40 mm) y con una tapa asegurada con cadena. Tampoco aplica la limitación de distancia de recorrido de 130 pies (39,7 m). 5.4* TIPO DE SISTEMA REQUERIDO 5.4.1 Sistemas de tubería vertical Clase I 5.4.1.1 En edificios que no estén clasificados como altos, se debe permitir que los sistemas para conexión de mangueras contra incendio Clase I sean de cualquiera de los tipos descritos en el numeral 5.2. 5.4.1.2 En edificios clasificados como altos los sistemas para conexión de mangueras contra incendio Clase I deben ser automáticos o semi-automáticos. 5.4.1.2.1 En edificios clasificados como altos, todos los sistemas de la red principal requeridos deben ser automáticos o semiautomáticos incluyendo cualquiera de los tramos verticales que suministren a alturas parciales o los que abastezcan dos o más conexiones de manguera y que sirvan solamente a una parte o a un número limitado de pisos dentro del edificio. 5.4.1.3 Cuando se tenga un sistema para conexión de mangueras contra incendio con red principal en un diámetro no menor a 4 pulgadas (100 mm) y que se vaya a utilizar para implementar un nuevo sistema de rociadores, no es necesario que el suministro de agua requerido en el capitulo 7.10 sea provisto por medios automáticos o semi-automáticos, siempre y cuando el suministro de agua sea adecuado para abastecer la demanda hidráulica del sistema de rociadores de acuerdo con la NFPA 13, Standard for the installation of Sprinkler Systems. 5.4.1.4 Los sistemas para conexión de mangueras contra incendio Clase I deben ser sistemas húmedos excepto cuando la tubería está expuesta a congelamiento. 5.4.2 Sistemas manuales para conexión de mangueras contra incendio Cuando se provea un sistema para conexión de mangueras contra incendio manual, cada conexión de manguera debe contar con una señalización visible y claramente identificable que diga “RED PRINCIPAL MANUAL PARA USO EXCLUSIVO DE BOMBEROS”.
  • 33.
    NORMA TÉCNICA COLOMBIANANTC 1669 (Segunda actualización) 24 5.4.3 Sistemas para conexión de mangueras contra incendio Clase II y Clase III Los sistemas para conexión de mangueras contra incendio Clase II y Clase III deben ser sistemas húmedos automáticos a menos que el sitio donde estén instalados este expuesto a congelamiento y cuando la brigada de incendios este entrenada para operar el sistema sin la intervención del cuerpo de bomberos, caso en el cual se debe permitir un sistema seco automático o semi-automático. 5.5* INDICADORES DE PRESIÓN 5.5.1 Se debe instalar un indicador de presión listado de tipo resorte con carátula de 3 1/2 pulgada (90 mm) en cada tubería de descarga de la bomba contra incendio o desde la red pública de abastecimiento de agua, en el tanque de presión, en cada una de las conexiones de drenaje de la tubería principal, en el compresor que suministra presión al tanque presurizado y en el extremo superior de cada una de las redes principales. 5.5.1.1 Los indicadores de presión se deben instalar en sitios que no estén expuestos a congelamiento. 5.5.1.2 Todo indicador de presión se debe controlar mediante una válvula y la configuración debe contar con un dispositivo para drenaje. 5.5.1.3 Aunque las redes principales estén interconectadas en la parte superior, se debe instalar un indicador de presión en la parte superior de cada una de ellas. 5.5.1.4 Se deben instalar indicadores de presión aguas arriba y aguas abajo de cada válvula de alarma, de cada dispositivo antireflujo, o de cada válvula de retención sobre las columnas cuando se instalen dichos dispositivos. [NFPA 13:7.1.1.2]. 5.5.2 Aguas arriba de todos los dispositivos reguladores de presión se debe instalar un indicador de presión conectado a una salida con válvula. 5.6* SENSORES DE FLUJO Y ALARMAS DE SUPERVISIÓN 5.6.1 En los sistemas automáticos o semiautomáticos y cuando la autoridad competente lo requiera, se deben instalar sensores de flujo y alarmas de supervisión listados. 5.6.2 Los sensores de flujo deben utilizar un mecanismo sensor adecuado al tipo de red principal. 5.6.3 Los sensores de flujo paleta solamente se deben utilizar en sistemas para conexión de mangueras contra incendio húmedos. 5.6.4 Se debe instalar una conexión de prueba para ensayar el sensor de flujo. 5.6.5 Los dispositivos de supervisión y alarma se deben instalar conforme a la norma NFPA 72, National Fire Alarm Code.
  • 34.
    NORMA TÉCNICA COLOMBIANANTC 1669 (Segunda actualización) 25 6. REQUISITOS DE INSTALACIÓN 6.1* UBICACIÓN Y PROTECCIÓN DE LA TUBERÍA 6.1.1 Ubicación de redes principales secas Las redes principales secas no podrán quedar ocultas, a menos que la integridad de la tubería sea monitoreada con un sistema de supervisión con aire comprimido, conforme a la norma NFPA 72, National Fire Alarm Code. 6.1.2 Protección de tubería no enterrada 6.1.2.1* La tubería del sistema para conexión de mangueras contra incendio debe estar protegida contra el daño mecánico. 6.1.2.2 Las redes principales y derivaciones que se abastecen de las redes principales deben estar ubicadas en escaleras de evacuación encerradas o deben estar ubicadas en sitios donde estén protegidas por un grado de resistencia al fuego igual al requerido para escaleras de evacuación encerradas en el edificio en el que están instaladas. 6.1.2.2.1 En edificios equipados con un sistema de rociadores automáticos aprobado, no se requiere que las tuberías que derivan a conexiones de manguera de 2 1/2 pulgada (65 mm) estén protegidas. 6.1.2.2.2 No se requiere que tubería que conecta las redes principales a conexiones de manguera de 1 1/2 pulgadas (40 mm) estén protegidas. 6.1.2.2.3 Cuando no se exija que las escaleras de evacuación estén encerradas en una construcción resistente al fuego, se debe permitir la instalación de sistemas para conexión de mangueras contra incendio sin la resistencia al fuego requerida por el numeral 6.1.2.2. 6.1.2.3 Cuando una red principal o derivación normalmente llenas de agua atraviese un área expuesta a temperaturas de congelamiento, los tramos se deben proteger para mantener la temperatura del agua entre 40 °F y 120 °F (4,4 °C y 48,9 °C). 6.1.2.3.1 Dentro del sistema para conexión de mangueras contra incendio no se deben utilizar soluciones anticongelantes para proteger la tubería del congelamiento. 6.1.2.3.2 Se debe permitir el uso de cintas calefactoras listadas para proteger contra el congelamiento, siempre y cuando se instalen y aíslen conforme con las especificaciones del fabricante. 6.1.2.4 Donde existan condiciones corrosivas o la tubería este expuesta a ambientes húmedos, se deben utilizar, tuberías, accesorios y soportes resistentes a la corrosión o se deben utilizar revestimientos de protección resistentes a la corrosión. 6.1.2.5 Cuando exista exposición a riesgo sísmico, los sistemas para conexión de mangueras contra incendio deben estar protegidos conforme a la norma NFPA 13, Standard for the Installation of sprinkler System, para minimizar o prevenir la ruptura de las tuberías. 6.1.2.6 Cuando se requiera que los sistemas para conexión de mangueras contra incendio estén protegidos contra daños de origen sísmico, se deben proteger conforme a la NFPA13, Standard for the Installation of sprinkler System.
  • 35.
    NORMA TÉCNICA COLOMBIANANTC 1669 (Segunda actualización) 26 6.2 TUBERÍAS ENTERRADAS Las tuberías instaladas bajo tierra deben cumplir con lo establecido en la norma NFPA 24, Standard for the installation of Private Fire Service Mains and their Appurtenances. 6.3 VÁLVULAS DE COMPUERTA Y VÁLVULAS DE RETENCIÓN 6.3.1 Conexión a las fuentes de abastecimiento de agua 6.3.1.1 Las conexiones a cada una de las fuentes de abastecimiento, tales como tanques, bombas y conexiones a sistemas públicos de abastecimiento, deben contar con válvulas del tipo indicador y válvulas de retención, aprobadas y ubicadas cerca de la fuente de abastecimiento, 6.3.1.2 En las conexiones para el cuerpo de bomberos no se deben instalar válvulas de corte. 6.3.2 Se deben instalar válvulas que permitan aislar cada una de las redes principales sin interrumpir el abastecimiento a las demás redes principales desde la misma fuente de suministro. 6.3.3 Se deben instalar válvulas listadas del tipo indicador a la salida de la red principal para controlar ramales que abastecen estaciones de manguera remotas. 6.3.4 Cuando se utilicen válvulas de mariposa tipo wafer, se deben instalar de tal forma que el disco no interfiera con la operación de otros componentes del sistema. 6.3.5* Válvulas de control y válvulas de retención en sistemas combinados (Sistema para conexión de mangueras contra incendio / Rociadores) 6.3.5.1 Cada conexión que se derive de una red principal, que abastezca un sistema de rociadores y que sea parte de un sistema combinado debe contar con una válvula de control y una válvula de retención del mismo diámetro de la derivación. 6.3.5.2 Cuando se instale un dispositivo regulador de presión listado que impida el contraflujo, éste dispositivo se debe considerar como válvula de retención y por lo tanto no se requiere de una válvula de retención adicional. 6.3.6 Válvulas en las conexiones a fuentes de abastecimiento de agua 6.3.6.1 Generalidades 6.3.6.1.1* Todas las conexiones a fuentes de abastecimiento de agua diferentes a la conexión de bomberos, deben contar con una válvula indicadora listada y ubicada en un sitio aprobado. 6.3.6.1.2 Las válvulas de conexiones de bomberos deben cumplir con lo requerido en el numeral 6.3. 6.3.6.1.2.1 Todas las válvulas deben estar claramente identificadas para indicar el servicio que controlan. 6.3.6.1.2.2 Cuando la válvula no se pueda ubicar a una distancia de por lo menos 40 pies (12,2 m) del edificio, ésta se debe instalar en un sitio aprobado, donde sea fácilmente accesible en caso de incendio y no este expuesta a ningún daño.
  • 36.
    NORMA TÉCNICA COLOMBIANANTC 1669 (Segunda actualización) 27 6.3.6.1.3 Cuando no se puedan utilizar válvulas de poste indicador, se debe permitir el uso de válvulas enterradas. 6.3.6.1.3.1 La ubicación de las válvulas, su sentido de apertura y los servicios que controlan deben estar claramente identificados en la fachada del edificio que sirven. 6.3.6.2* Cuando las redes principales sean abastecidas desde una red o un cabezal ubicado en otro edificio, la conexión debe contar con una válvula tipo indicador listada ubicada en la zona exterior y a una distancia segura del edificio o en el cabezal. 6.3.7 Supervisión de válvulas 6.3.7.1 Las válvulas para control de suministro de agua al sistema, las válvulas de sectorización y demás válvulas en redes principales, deben estar supervisadas en la posición abierta mediante una forma aprobada por uno de los siguientes métodos: 1) Una estación central propia o una estación remota con monitoreo. 2) Un servicio de señalización local que genere una señal audible en un sitio permanentemente ocupado. 3) El aseguramiento de las válvulas en posición abierta. 4) El sellado de válvulas y una inspección semanal aprobada cuando las válvulas están localizadas en cerramientos bajo el control del propietario. 6.3.7.2 No se requiere la supervisión de las válvulas de compuerta enterradas en cajas de válvulas sobre la vía. 6.3.8 Señalización para identificación de cuartos, válvulas y conexiones de manguera 6.3.8.1 Todas las válvulas para control de sistemas tanto principal o de sectores, incluyendo las válvulas de control de las fuentes de abastecimiento de agua, deben tener una señalización que indique la parte del sistema que esta controlado por la válvula. 6.3.8.2 Todas las válvulas para control, prueba y drenaje del sistema deben estar señalizadas indicando su propósito. 6.3.8.3 Cuando la red de un sistema de rociadores en un sistema combinado, se abastece por más de una red principal (diseño tipo “anillo” o “alimentación dual”), en cada una de las conexiones se debe instalar una señalización e indicar que para aislar el sistema de rociadores controlado por esa válvula, se deberá cerrar una o varias válvulas de control adicionales en otras redes principales. 6.3.8.3.1 La señalización también debe indicar la ubicación de las demás válvulas de control. 6.3.8.4 Cuando una válvula de control principal o de alguna zona del sistema está ubicada en un cuarto cerrado o espacio oculto, se debe indicar la ubicación de la válvula mediante una señalización instalada en un sitio aprobado en el exterior de la puerta o del sitio de acceso al espacio oculto. 6.3.8.5* Cuando las conexiones de mangueras no están ubicadas en las escaleras de evacuación, se debe suministrar señalización conforme a la norma NFPA 170, Standard for Fire
  • 37.
    NORMA TÉCNICA COLOMBIANANTC 1669 (Segunda actualización) 28 Safety and Emergency Symbols, para identificar la ubicación de las conexiones de manguera en forma aprobada. 6.3.8.5.1 Donde sean provistos armarios de válvula, deben estar marcados para indicar los contenidos. 6.3.8.5.2 Las letras deben ser rojas con un fondo blanco y tener 2 1/2 pulgadas (65 mm) de alto. 6.4* CONEXIONES DE BOMBEROS 6.4.1 No se deben instalar válvulas de corte entre la conexión de bomberos y el sistema. 6.4.2 Se debe instalar una válvula de retención listada en cada conexión de bomberos y debe estar ubicada tan cerca como sea posible al punto de empalme de la conexión al sistema. 6.4.3 La conexión de bomberos se debe instalar de la siguiente manera: 1) En Sistemas Húmedos para conexión de mangueras contra incendio Manuales y Automáticos. Aguas abajo de la válvula de control, válvula de retención o cualquier bomba del sistema, pero aguas arriba de cualquiera de las válvulas de sectorización requeridas en el numeral 6.3.2. 2) En Sistemas Secos para conexión de mangueras contra incendio Automáticos. Aguas abajo de la válvula de control y válvula de retención del sistema y aguas arriba de la válvula de tubería seca. 3) En sistemas Secos para conexión de mangueras contra incendio Semi-automáticos. Aguas arriba de la válvula de inundación. 4) En sistemas Secos para conexión de mangueras contra incendio Manuales. Conectada directamente al sistema. 6.4.4 En áreas expuestas a congelamiento, se debe instalar una válvula automática de goteo listada en la tubería entre la cortina de la válvula de retención y la conexión de bomberos, implementando un sistema de drenaje adecuado. 6.4.5 Localización e Identificación 6.4.5.1 Las conexiones de bomberos deben ser visibles y reconocibles desde la vía de acceso o desde el punto de acceso del carro de bomberos o sobre la fachada de los edificios que dan hacia la calle. 6.4.5.1.1 Las conexiones de bomberos deben estar localizadas y dispuestas de forma tal que los tramos de manguera se puedan conectar fácilmente a la conexión de bomberos sin la interferencia de objetos cercanos, incluyendo edificaciones, rejas, postes, cercas vivas, vehículos y otras conexiones de bomberos. 6.4.5.2 Cada conexión de bomberos debe estar debidamente señalizada mediante un aviso que tenga letras de al menos 1 pulgada (25 mm) de altura, en el que se lea “RED PRINCIPAL DE ALIMENTACIÓN”.
  • 38.
    NORMA TÉCNICA COLOMBIANANTC 1669 (Segunda actualización) 29 6.4.5.2.1 Si los rociadores automáticos son también alimentados por la conexión de bomberos, la señalización o combinación de señales debe indicar los servicios designados (Por ejemplo: “RED PRINCIPAL DE ALIMENTACIÓN Y ROCIADORES AUTOMÁTICOS”, o “ROCIADORES AUTOMÁTICOS Y RED PRINCIPAL DE ALIMENTACIÓN”). 6.4.5.2.2 La señalización también debe indicar la presión requerida en las entradas de la conexión para abastecer la demanda del sistema. 6.4.5.3 Cuando una conexión de bomberos sirva a múltiples edificios, estructuras o instalaciones, debe contar con una señalización que indique los edificios, estructuras o instalaciones atendidas. 6.4.5.4* Las conexiones de bomberos deben estar localizadas a una distancia no mayor a 30,5 m (100 pies) desde el hidrante de incendios más cercano conectado a una fuente aprobada de abastecimiento de agua. 6.4.5.4.1 Se debe permitir que la localización de la conexión de bomberos exceda 100 pies (30,5 m) sujeta a la aprobación de la autoridad competente. 6.4.6 Las conexiones de bomberos se deben localizar a una altura no menor a 18 pulgadas (457 mm) ni mayor a 48 pulgadas (1 219 mm) sobre el nivel del piso, acera o superficie adyacente. 6.4.7 La tubería de la conexión de bomberos debe estar soportada conforme al numeral 6.5. 6.5 SOPORTE DE TUBERÍA El sistema de tuberías debe estar soportado conforme a la norma NFPA 13, Standard for the Installation of sprinkler System. 6.6 INSTALACIÓN DE SEÑALIZACIÓN La señalización se debe fijar a un dispositivo o a la pared del edificio mediante cadenas o soportes resistentes a la corrosión. 6.7 SEÑALIZACIÓN PARA BOMBAS DE ABASTECIMIENTO DE AGUA Cuando se tenga un equipo de bombeo contra incendio, se debe instalar una señalización cerca del equipo indicando la presión mínima y caudal, requeridos en la brida de descarga de la bomba para abastecer la demanda del sistema. 6.8* SEÑALIZACIÓN CON LA INFORMACIÓN DEL DISEÑO HIDRÁULICO 6.8.1 El contratista de instalación debe proporcionar una señalización indicando cuales fueron las bases de diseño del sistema especificando si se realizó mediante cálculo hidráulico o por el espesor de la pared de la tubería (cedula). 6.8.2 En sistemas para conexión de mangueras contra incendio automáticos o semi- automáticos la señalización debe estar localizada en la válvula de control para suministro de agua y para sistemas manuales debe estar en un sitio aprobado. 6.8.3 La señalización debe indicar: 1) La ubicación de las dos conexiones de manguera hidráulicamente más remotas.
  • 39.
    NORMA TÉCNICA COLOMBIANANTC 1669 (Segunda actualización) 30 2) El caudal de diseño para las conexiones identificadas en el numeral 6.8.3 (1). 3) Las presiones residuales de diseño de entrada y salida para las conexiones identificadas en el numeral 6.8.3 (1). 4) Las presiones y caudales de diseño del sistema (Ejemplo: Caudal y presión residual) en la válvula de control del sistema o en la brida de descarga del equipo de bombeo cuando haya sido instalado y en cada una de las conexiones de bomberos. 7. DISEÑO 7.1* GENERALIDADES El diseño del sistema para conexión de mangueras contra incendio está determinado por la altura del edificio, la clasificación de ocupación, el área por piso, el diseño del sistema de evacuación, el caudal y la presión residual requeridos y la distancia entre la conexión de manguera y la(s) fuente (s) para abastecimiento de agua. 7.1.1* Cuando se utilicen dispositivos de regulación de presión, estos deben ser aprobados para ser instalados dentro del rango de condiciones previstas de caudal máximo y mínimo. 7.2* LIMITACIÓN DE PRESIÓN La presión máxima en cualquier punto del sistema nunca debe exceder 350 psi (24 bar). 7.2.1 Presión Máxima para conexiones de manguera 7.2.1.1 Cuando la presión residual a la salida de una conexión de manguera de 1 1/2 pulgadas (40 mm) exceda los 100 psi (6,9 bar), se debe suministrar un dispositivo de regulación de presión aprobado para limitar la presión residual del flujo a 100 psi (6,9 bar) para el caudal requerido en el numeral 7.10. 7.2.1.2 Cuando la presión estática en una conexión de manguera exceda de 175 psi (12,1 bar), se debe suministrar un dispositivo de regulación de presión aprobado para limitar las presiones estática y residual a la salida de la conexión de manguera a 100 psi (6,9 bar) para conexiones de manguera de 1 1/2 pulgadas (40 mm) y 175 psi (12,1 bar) para las demás conexiones de manguera. La presión en la entrada del dispositivo regulador de presión no debe exceder la presión de trabajo del dispositivo. 7.2.2* Cuando en lugar de proporcionar bombas separadas, se utilicen dispositivos de regulación de presión, se debe permitir que varias zonas sean alimentadas por una sola bomba complementada con uno o varios dispositivos de regulación de presión bajo las siguientes condiciones: 1) Se debe permitir el uso de dispositivo (s) regulador de presión para controlar la presión en la zona (s) baja (s). 2) Se debe contar con válvulas que permitan aislar el dispositivo (s) regulador de presión para permitir su mantenimiento y reparación.
  • 40.
    NORMA TÉCNICA COLOMBIANANTC 1669 (Segunda actualización) 31 3) Los dispositivos reguladores de presión se deben instalar de forma tal que la falla de cualquiera de los dispositivos no permita que la presión exceda de 175 psi (12,1 bar) en más de dos conexiones de manguera. 4) Se debe instalar una variante (Bypass) de igual diámetro alrededor del dispositivo (s) regulador de presión, con una válvula de control normalmente cerrada. 5) Se debe instalar el dispositivo (s) regulador de presión a no más de 7 pies 6 pulgadas (2,31 m) sobre el piso. 6) Se deben instalar indicadores de presión antes y después del dispositivo regulador de presión. 7) Las conexiones de bomberos se deben conectar hacia el lado del sistema, aguas abajo de la válvula de corte localizada después del dispositivo. 8) Los dispositivos reguladores de presión deben contar con una válvula de alivio de presión conforme a las recomendaciones del fabricante. 9) Se debe proporcionar monitoreo y supervisión con el fin de detectar fallas en el dispositivo regulador de presión, conforme a la norma NFPA 72, National Alarm Fire Code. 7.3 LOCALIZACIÓN DE CONEXIONES DE MANGUERA 7.3.1* Generalidades 7.3.1.1 Las conexiones y estaciones de manguera deben tener libre acceso, sin obstrucciones y localizadas a una altura no menor de 3 pies (0,90 m) o a más de 5 pies (1,50 m) sobre el acabado del piso. 7.3.1.2 La conexión de manguera no debe quedar obstruida por la operación de la puerta abierta o cerrada o cualquier otro tipo de objeto localizado en su proximidad. 7.3.2* Sistemas Clase I Los sistemas Clase I deben estar provistos con conexiones de manguera de 2 1/2 pulgadas (65 mm) en los siguientes sitios: 1) En todas las escaleras de evacuación requeridas y en cada uno de los descansos intermedios entre niveles de piso. 2) A la salida de las rutas de evacuación y ubicadas en cada lado del muro adyacente a la abertura de salida. 3) En edificios diferentes a centros comerciales cubiertos, en el interior de cada uno de los pasadizos de salida y al lado de la entrada desde las áreas de acceso pasadizo. 4) En centros comerciales cubiertos, a la entrada de cada pasadizo o corredor de evacuación desde el interior de la zona comercial y en la zona interior de cada una de las entradas para el público que accede al edificio.
  • 41.
    NORMA TÉCNICA COLOMBIANANTC 1669 (Segunda actualización) 32 5)* En las escaleras de salida a la cubierta, en el descanso más alto. En la cubierta, si esta no tiene acceso por la escalera siempre y cuando la pendiente del techo no sea superior al 25 %. 7.3.2.1 Se debe permitir localizar las conexiones de manguera en el descanso principal de la escalera de evacuación, condicionado a la aprobación por la autoridad competente. 7.3.2.2 Para facilitar la prueba del sistema, se debe instalar una conexión de manguera adicional de 2 1/2 pulgadas (65 mm), en el tramo hidráulicamente más alejado del sistema. 7.3.2.3* Se deben instalar conexiones de manguera adicionales cuando lo requiera el cuerpo de bomberos o la autoridad competente si la distancia entre la conexión de manguera y la salida de emergencia en cualquiera de los pisos es superior a 150 pies (45,7 m) cuando la edificación no cuente con rociadores automáticos, o cuando la distancia sea superior a 200 pies (61 m) cuando la edificación cuente con rociadores automáticos. 7.3.3* Sistemas Clase II 7.3.3.1 Los sistemas Clase II deben tener estaciones de manguera con conexiones de 1 1/2 pulgadas (40 mm) de diámetro. Cuando el diámetro de la manguera sea de 1 1/2 pulgadas (40 mm), la distancia de recorrido en cada uno de los pisos de la edificación no debe ser mayor a 130 pies (39,7 m) desde la conexión de manguera. Cuando se utilice manguera de menos de 1 1/2 pulgadas (40 mm) dicha distancia no podrá ser mayor a 120 pies (36,6 m). 7.3.3.2 Las distancias se deben medir a lo largo de la ruta de recorrido desde la conexión de manguera hasta el punto de descarga. 7.3.4 Sistemas Clase III Los sistemas Clase III deben tener conexiones de manguera conforme a lo requerido tanto para sistemas Clase I como Clase II. 7.3.4.1 Cuando la edificación esté completamente protegida mediante un sistema de rociadores automáticos aprobado conforme a la norma NFPA 13 Standard for the Installation of Sprinkler Systems, o NFPA 13R Standard for the Installation of Sprinkler Systems in Residential Occupancies up to and Including Four Stories in Height, no se requieren estaciones de manguera Clase II para uso por personal entrenado, sujeto a la aprobación de los bomberos y de la autoridad competente, siempre y cuando cada conexión de manguera Clase I sea de 2 1/2 pulgadas (65 mm) y esté equipada con una reducción de 2 1/2 pulgadas x 1 1/2 pulgadas (65 mm x 40 mm) y una tapa roscada provista con cadena de seguridad. 7.3.4.1.1 La limitación de distancia de recorrido de 130 pies (39,7 m) especificada en el numeral 7.3.3.1 no aplica a sistemas Clase III. 7.3.4.1.2 Para sistemas Clase III instalados sin manguera, los requisitos de suministro de agua deben ser los especificados para sistemas Clase I. 7.4 NÚMERO DE REDES PRINCIPALES Se debe contar con redes principales individuales en cada una de las escaleras de evacuación exigidas.
  • 42.
    NORMA TÉCNICA COLOMBIANANTC 1669 (Segunda actualización) 33 7.5* INTERCONEXIÓN DE REDES PRINCIPALES 7.5.1 Cuando se instalen dos o más redes principales en una misma edificación o sección del edificio, todas deben quedar interconectadas. 7.5.2 Cuando las redes principales sean abastecidas por tanques altos, se deben cumplir los siguientes criterios: 1) Las redes principales también deben estar ínter conectadas en la parte superior. 2) Con el propósito de impedir la circulación, se deben instalar válvulas de retención en la base de cada una de las redes principales. 7.6 DIÁMETROS MÍNIMOS PARA RAMALES Y REDES PRINCIPALES 7.6.1 Las redes principales para sistemas Clase I y Clase III deben tener un diámetro no menor a 4 pulgadas (100 mm). 7.6.2 Las redes principales que sean parte de un sistema combinado deben tener un diámetro no menor a 6 pulgadas (150 mm). 7.6.3 Cuando la edificación esté completamente protegida mediante un sistema de rociadores automático aprobado y conforme a la norma NFPA 13 Standard for the Installation of Sprinkler Systems, o NFPA 13R Standard for the Installation of Sprinkler Systems in Residential Occupancies up to and Including Four Stories in Height y en sistemas calculados hidráulicamente, el diámetro mínimo de la red principal será de 4 pulgadas (100 mm). 7.6.4 Los ramales se deben dimensionar con base en los criterios hidráulicos establecidos en los numerales 7.8 y 7.10 pero su diámetro no podrá ser inferior de 2 1/2 pulgadas (65 mm). 7.7 DISEÑO DEL SISTEMA Y DIMENSIONADO DE TUBERÍA PARA ABASTECER LA DEMANDA DEL SISTEMA 7.7.1 Los sistemas para conexión de mangueras contra incendio Clase I y Clase III se deben diseñar de forma tal que la demanda del sistema que se establece en el numeral 7.12 pueda ser suministrada por cada una de las conexiones de bomberos. 7.7.2 Cuando de acuerdo al numeral 5.4 se requiera que el suministro de agua sea automático o semi-automático, para sistemas para conexión de mangueras contra incendio Clase I, II o III, el sistema para conexión de mangueras contra incendio se debe diseñar de forma tal que la demanda del sistema pueda ser abastecida de forma independiente bien sea por el suministro fijo de agua y por cada conexión de bomberos prevista. 7.7.3 Cuando el numeral 5.4 permita la utilización de un sistema manual y se cuente con una fuente de abastecimiento automática para servicio del sistema de rociadores automáticos o para mantener el agua en un sistema de tubería húmedo, no se requiere que esta fuente de abastecimiento satisfaga también la demanda del sistema para conexión de mangueras contra incendio. 7.7.4 Cuando el sistema para conexión de mangueras contra incendio cuente con una conexión de bomberos, se debe consultar al cuerpo de bomberos respecto a la disponibilidad de suministro de agua desde la bomba del carro de bomberos.
  • 43.
    NORMA TÉCNICA COLOMBIANANTC 1669 (Segunda actualización) 34 7.8* LÍMITES DE PRESIÓN MÍNIMA Y MÁXIMA 7.8.1 Presión de diseño mínima para sistemas diseñados hidráulicamente Los sistemas para conexión de mangueras contra incendio diseñados hidráulicamente se deben proyectar para suministrar el caudal requerido en el numeral 7.10 a una presión residual mínima de 100 psi (6,9 bares) en la salida de la conexión de manguera de 2 1/2 pulgadas (65 mm) hidráulicamente más remota y 65 psi (4,5 bar) en la salida de la estación de manguera de 1 1/2 pulgadas (40 mm) hidráulicamente más remota. 7.8.2 Presión de diseño mínima para sistemas de tubería diseñados por el espesor de la pared (cedula) 7.8.2.1 Los sistemas para conexión de mangueras contra incendio diseñados por el espesor de la pared de la tubería deben tener la tubería dimensionada en concordancia con la Tabla 4 para suministrar el caudal de agua requerida a una presión residual mínima de 100 psi (6,9 bar) en la conexión de manguera de 2 1/2 pulgadas (65 mm) más elevada y 65 psi (4,5 bar) en la estación de manguera de 1 1/2 pulgadas (40 mm) más elevada. Tabla 4. Diámetros nominales mínimos para redes principales y tubos de suministro en pulgadas Caudal Total Acumulado Distancia Total de Tubería Desde la Salida más Alejada L/min gpm < 50 pies (< 15,2 m ) 50 - 100 pies (15,2 m – 30,5 m) > 100 pies (> 30,5 m ) 379 100 2 2 1/2 3 382 - 1893 101- 500 4 4 6 1896 - 2839 501 - 750 5 5 6 2843 - 4731 751 - 1250 6 6 6 4735 y más 1251 y más 8 8 8 Para unidades SI, 1 pulgada = 25,4 mm. 7.8.2.2 Los diseños por el espesor de la pared de tubería deben estar limitados a redes principales húmedas para edificios que no estén clasificados como altos (mayor de 23 m). 7.8.3* Presión máxima en conexiones de manguera 7.8.3.1 Cuando la presión residual en una salida de 1 1/2 pulgadas (40 mm) sobre una conexión de manguera disponible para uso de personal entrenado excede 100 psi (6,9 bar), se debe suministrar de un dispositivo regulador de presión aprobado para limitar la presión residual en el flujo requerido por el numeral 7.10 a 100 psi (6,9 bar). 7.8.3.2* Cuando la presión estática en una conexión de manguera excede 175 psi (12,1 bar), se debe proveer de un dispositivo regulador de presión aprobado para limitar las presiones estática y residual en la salida de la conexión de manguera a 100 psi (6,9 bar) para las conexiones de manguera de 1 1/2 pulgadas (40 mm) disponibles para uso por personal entrenado y a 175 psi (12,1 bar) para otras conexiones de manguera. 7.8.3.3 La presión en el lado de entrada del dispositivo regulador de presión no debe exceder la tasa de presión de trabajo del dispositivo. 7.9 ZONAS DEL SISTEMA PARA CONEXIÓN DE MANGUERAS CONTRA INCENDIO 7.9.1 Cada zona del sistema para conexión de mangueras contra incendio que requiere bombas, debe ser provista con una bomba separada.
  • 44.
    NORMA TÉCNICA COLOMBIANANTC 1669 (Segunda actualización) 35 7.9.1.1 El requisito en el numeral 7.9.1 no debe impedir el uso de bombas dispuestas en serie. 7.9.2 Cuando las bombas que abastecen dos o más zonas están ubicadas en el mismo nivel, cada zona debe tener tubería de suministro directa y separada de un diámetro no menor al de la red principal que ella sirve. 7.9.2.1 Las zonas con dos o más redes principales deben tener al menos dos tuberías de suministro directo de un diámetro no menor que la red principal más grande que ella sirve. 7.9.3 Cuando el suministro para cada zona es bombeado desde la zona próxima más baja y la red o redes principales de la zona mas baja son usadas para alimentar la zona superior, tales redes principales deben cumplir con las previsiones para líneas de suministro dadas en el numeral 7.9.2. 7.9.3.1 Al menos dos líneas deben ser provistas entre zonas. 7.9.3.2 Una de las líneas especificadas en el numeral 7.9.3.1 se debe disponer de forma tal que el suministro pueda ser entregado automáticamente desde la zona inferior a la superior. 7.9.4 Se debe proporcionar un medio auxiliar de suministro, para sistemas con dos o más zonas en los cuales partes de la segunda zona y superior no pueden ser alimentadas usando la presión residual requerida en el numeral 7.8 por medio de carros del cuerpo de bomberos usando una conexión para bomberos. 7.9.4.1 Los medios auxiliares deben estar en forma de agua almacenada elevada con equipo de bombeo adicional o por otro medio aceptable para la autoridad competente. 7.10 CAUDALES 7.10.1 Sistemas Clase I y Clase III 7.10.1.1* Caudal mínimo 7.10.1.1.1 Para sistemas Clase I y Clase III, el caudal mínimo para la red principal hidráulicamente más remota debe ser de 500 gpm (1 893 L/min) y el procedimiento de cálculo debe estar conforme al numeral 7.10.1.2. 7.10.1.1.2* Cuando una red principal (en sentido horizontal) en un sistema Clase I y Clase III abastece tres o más conexiones de manguera en cualquier piso, el caudal mínimo para la red principal (en sentido horizontal) de mayor demanda hidráulica debe ser de 750 gpm (2 840 L/min) y el procedimiento de cálculo debe estar conforme al numeral 7.10.1.2. 7.10.1.1.3 El caudal mínimo para redes principales adicionales debe ser de 250 gpm (946 L/min) por red principal, con un total que no exceda de 1 250 gpm (4 731 L/min) o 1 000 gpm (3 785 L/min) para edificios totalmente equipados con rociadores. 7.10.1.1.4 Los caudales para sistemas combinados deben estar conforme al numeral 7.10.1.3. 7.10.1.1.4.1 Cuando el área de piso excede de 80 000 pies2 (7 432 m2 ), la segunda red principal más remota debe estar diseñada para abastecer 500 gpm (1 893 L/min).
  • 45.
    NORMA TÉCNICA COLOMBIANANTC 1669 (Segunda actualización) 36 7.10.1.2* Requisitos de cálculo hidráulico 7.10.1.2.1 Los cálculos hidráulicos y diámetros de tubería para cada red principal deben estar basados en la provisión de 250 gpm (946 L/min) en las dos conexiones de manguera hidráulicamente más remotas en la red principal y en la salida más alta de cada una de las otras redes principales a la presión residual mínima requerida en el numeral 7.8. 7.10.1.2.2 Donde una red principal (en sentido horizontal) en un sistema Clase I y Clase III abastece tres o más conexiones de manguera en cualquier piso, los cálculos hidráulicos y diámetros de tubería para cada red principal se deben basar en la provisión de 250 gpm (946 L/min) en las tres conexiones de manguera hidráulicamente más remotas de la red principal y en la salida más alta de cada una de las otras redes principales a la presión residual mínima requerida en el numeral 7.8. 7.10.1.2.3 La tubería común de suministro se debe calcular y dimensionar para proveer el caudal requerido para todas las redes principales conectadas a tal tubería de suministro, con un total que no exceda 1 250 gpm (4 731 L/min). 7.10.1.3 Sistemas combinados 7.10.1.3.1 Para un edificio protegido totalmente por un sistema de rociadores automáticos aprobado, se debe permitir que la demanda del sistema establecida en los numerales 7.7 y 7.10.1 también sirva al sistema de rociadores automático. 7.10.1.3.1.1 Cuando el requisito de suministro de agua del sistema de rociadores, incluyendo el chorro de manguera autorizado determinado conforme a la norma NFPA13, Standard for the Installation of Sprinkler Systems, excede la demanda del sistema establecida en los numerales 7.7 y 7.10.1, se debe proveer el mayor de los dos valores. 7.10.1.3.1.2 No se debe requerir una demanda separada para rociadores. 7.10.1.3.2 Para un sistema combinado en un edificio equipado con protección parcial automática de rociadores, el caudal requerido en el numeral 7.10.1 se debe incrementar por una cantidad igual a la demanda calculada hidráulicamente de rociadores o 150 gpm (568 L/min) para ocupaciones de riesgo leve o por 500 gpm (1 893 L/min) para ocupaciones de riesgo ordinario, cualquiera que sea menor. 7.10.2 Sistemas Clase II 7.10.2.1 Caudal mínimo 7.10.2.1.1 Para sistemas Clase II, el caudal mínimo para la conexión de manguera hidráulicamente más remota debe ser 100 gpm (379 L/min). 7.10.2.1.2 No se requiere caudal adicional cuando este provista más de una conexión de manguera. 7.10.2.2 Requisitos de cálculo hidráulico 7.10.2.2.1 Los cálculos hidráulicos y dimensiones de tubo para cada red principal se deben basar en suministrar 100 gpm (379 L/min) en la conexión de manguera hidráulicamente más remota en la red principal a la presión mínima residual requerida en el numeral 7.8.
  • 46.
    NORMA TÉCNICA COLOMBIANANTC 1669 (Segunda actualización) 37 7.10.2.2.2 La tubería de suministro común que sirve a múltiples redes principales se debe calcular y dimensionar para suministrar 100 gpm (379 L/min). 7.10.3 Caudales máximos para conexiones individuales 7.10.3.1 El caudal máximo requerido desde una conexión de manguera de 2 1/2 pulgadas (65 mm) debe ser 250 gpm (946 L/min). 7.10.3.2 El caudal máximo requerido desde una conexión de manguera de 1 1/2 pulgadas (40 mm) debe ser 100 gpm (379 L/min). 7.11* RED PRINCIPAL: DRENAJE Y PRUEBA 7.11.1 Se debe proveer un tubo elevado de drenaje de 3 pulgadas (76 mm) permanentemente instalado adyacente a cada red principal equipada con dispositivos reguladores de presión para facilitar las pruebas de cada dispositivo. 7.11.1.1 El tubo elevado se debe equipar con una te de 3 pulgadas x 2 1/2 pulgadas (76 mm x 65 mm) con un accesorio de articulación giratoria con rosca interna NSH, como se especifica en la norma NFPA 1963, Standard for Fire Hose Connections, con tapón y se debe ubicar al menos en cada piso alterno. 7.11.1.2 Todo drenaje elevado debe finalizar con un codo a nivel del piso o un colector que reciba el caudal total del drenaje del tubo elevado. 7.11.1.3 Cuando los drenajes elevados están inter-conectados y van a un punto de descarga común, toda la tubería se debe dimensionar para el flujo combinado. 7.11.1.4 Cuando las roscas de manguera del departamento local de bomberos no están conformes con NFPA 1963, Standard for Fire Hose Connections, la autoridad competente debe designar las roscas de manguera a ser usadas. 7.11.2 Drenajes auxiliares Los sistemas para conexión de mangueras contra incendio deben estar provistos de un medio de drenaje. 7.11.2.1 Se deben instalar drenajes auxiliares de acuerdo con la norma NFPA 13, Standard for the Installation of Sprinkler Systems, cuando los cambios de dirección en la tubería formen sifones o secciones difíciles de drenar. 7.11.2.2 Se debe instalar una tubería de drenaje con válvula, ubicada en el punto más bajo de la red principal aguas abajo de la válvula de sectorización, para descargar el agua a un sitio aprobado. 7.11.2.3 El dimensionamiento debe ser como se especifica en la Tabla 5. Tabla 5. Dimensionamiento de drenajes de redes principales Diámetro de la red principal Diámetro de la Conexión de Drenaje Hasta 2 pulgadas (50 mm) 3/4 de pulgada (20 mm) o mayor 2 1/2 pulgadas (65 mm), 3 pulgadas (80 mm) o 3 1/2 pulgadas (90 mm) 1 1/4 de pulgada (32 mm) o mayor 4 pulgadas (100 mm) o mayor 2 pulgadas (50 mm) solamente
  • 47.
    NORMA TÉCNICA COLOMBIANANTC 1669 (Segunda actualización) 38 7.11.3 Conexiones de prueba del drenaje principal Véase la Figura 1. e Manómetro de presión Tapón de prueba del inspector de 1 4 de pulgada (6 mm) Tubería vertical ascendente Válvula angular Tubo de drenaje No menos de 4 pies (1,22 m) de tubo de drenaje expuesto en cuarto caliente más allá de la válvula cuando la tubería se extiende a tráves del muro al exterior Figura 1. Conexión del drenaje en la tubería vertical 7.11.3.1 Se deben suministrar conexiones de prueba del drenaje principal en ubicaciones que permitan pruebas de caudal de las conexiones de suministro de agua. 7.11.3.2 Las conexiones de prueba del drenaje principal se deben instalar de forma tal que la válvula pueda ser abierta totalmente sin causar daño por el agua. 7.11.3.3 Las conexiones del drenaje principal se deben dimensionar de acuerdo con el numeral 7.11.2. 7.12* CONEXIONES DE BOMBEROS 7.12.1 Se deben suministrar una o más conexiones de bomberos para cada zona de cada sistema para conexión de mangueras contra incendio Clase I o Clase III. 7.12.1.1 No se requiere suministrar la conexión (s) de bomberos en la zona alta de la red principal donde aplica el numeral 7.9.4. 7.12.2 Los edificios altos deben tener al menos dos conexiones de bomberos ubicadas en diferentes extremos de cada zona. 7.12.2.1 Se debe permitir una sola conexión para cada zona donde lo acepte el cuerpo de bomberos. 7.12.3 Los diámetros de las conexiones de bomberos se deben basar en la demanda del sistema para conexión de mangueras contra incendio e incluir una entrada de 2 1/2 pulgadas (65 mm) por cada 250 gpm (946 L/min).
  • 48.
    NORMA TÉCNICA COLOMBIANANTC 1669 (Segunda actualización) 39 7.12.3.1 Se debe permitir una conexión de manguera de gran diámetro de un tamaño aprobado para acomodar el flujo requerido. 8. PLANOS Y CÁLCULOS 8.1* PLANOS Y ESPECIFICACIONES 8.1.1 Se deben suministrar a la autoridad competente, planos que muestren con precisión los detalles y disposición del sistema para conexión de mangueras contra incendio de tubería vertical, antes de la instalación. 8.1.2 Los planos deben ser claros, legibles y dibujados a escala. 8.1.3 Los planos deben mostrar la localización, disposición, suministro de agua, equipos y todos aquéllos detalles necesarios para establecer el cumplimiento de esta norma. 8.1.4 Los planos deben incluir las especificaciones técnicas de los materiales usados y describir todos los componentes del sistema. 8.1.5 Se debe incluir en los planos un esquema vertical del sistema. 8.2 CÁLCULOS HIDRÁULICOS 8.2.1 El sistema para conexión de mangueras contra incendio se debe dimensionar a partir de cálculos hidráulicos. 8.2.2 Un juego completo de cálculos hidráulicos se debe presentar con los planos. 8.2.3 Las memorias de cálculos hidráulicos se deben presentar con los formatos incluyendo la hoja resumen, hojas de cálculo detalladas y gráficos. [NFPA 13:22.3.1]. 8.2.4 Hoja Resumen La hoja resumen debe contener la siguiente información, donde sea aplicable: 1) Fecha 2) Localización 3) Nombre del propietario y ocupante 4) Dirección del edificio u otra identificación 5) Descripción del riesgo 6) Nombre y dirección del contratista o diseñador 7) Nombre de la autoridad competente 8) Requisitos de diseño del sistema, como sigue: a) Número de redes principales que fluyen
  • 49.
    NORMA TÉCNICA COLOMBIANANTC 1669 (Segunda actualización) 40 b) Caudal mínimo de aplicación de agua en gpm (L/min) 9) Demanda total de agua como fue calculada, incluyendo autorización para manguera interior, hidrantes exteriores y rociadores para edificios con protección parcial de rociadores [NFPA 13:22.3.2]. 8.2.5 Hojas de cálculo detallada Las hojas de cálculo detalladas u hojas de impresión de computadora deben contener la siguiente información: 1) Número de hoja 2) Descripción de la conexión para manguera y constante (K) de descarga 3) Puntos de referencia hidráulica 4) Caudal en gpm (L/min) 5) Diámetro de las tuberías 6) Longitud de las tuberías, medida centro a centro de los accesorios. 7) Longitud de tubería equivalente para accesorios y dispositivos 8) Pérdidas por fricción en psi/pie (bar/m) de tubería 9) Pérdidas por fricción total entre puntos de referencia 10) Dispositivos según el numeral 8.3.1.5 11) Cabeza de elevación en psi (bar) entre puntos de referencia 12) Presión requerida en psi (bar) en cada punto de referencia 13) Presión de velocidad y presión normal si están incluidas en los cálculos 14) Notas para indicar puntos de arranque o referencia a otras hojas o para clarificar la información mostrada [NFPA 13:22.3.3] 8.2.6 Gráficos Se debe trazar sobre papel gráfico semi-exponencial (Q 1.85 ), una representación gráfica del cálculo hidráulico completo y debe incluir lo siguiente: 1) Curva de suministro de agua 2) Demanda del sistema para conexión de mangueras contra incendio. 3) Demanda de mangueras (donde sea aplicable) 4) Demanda parcial de rociadores donde sea aplicable (véase el numeral 7.10.1.3.2).
  • 50.
    NORMA TÉCNICA COLOMBIANANTC 1669 (Segunda actualización) 41 8.3 PROCEDIMIENTO DE CÁLCULO HIDRÁULICO 8.3.1 General 8.3.1.1 Todos los sistemas, se deben calcular hidráulicamente para la mayor demanda de caudal, con base en los criterios del Capítulo 7. 8.3.1.2 Los cálculos deben comenzar en la salida de cada conexión de manguera y deben incluir la pérdida por fricción para la válvula de apertura de la manguera y cualquier tubería que conecte desde la válvula para manguera hasta la red principal. 8.3.1.3 Se debe usar la Tabla 6 para determinar la longitud equivalente de tubería para accesorios y dispositivos a menos que la información de prueba de los fabricantes indique otros factores más precisos. Tabla 6. Carta de longitud equivalente de tubería. Para C = 120 Accesorios y válvulas expresados en pie equivalente de tubería Accesorios y Válvulas 3/4 de pulgada 1 pulgada 1 ¼ de pulgada 1 ½ pulgada 2 pulgadas 2 ½ pulgadas 3 pulgadas Codo de 45° 1 1 1 2 2 3 3 Codo de 90° estándar 2 2 3 4 5 6 7 Codo de radio largo de 90° 1 2 2 2 3 4 5 Te o cruz con cambio de dirección del flujo de 90° 3 5 6 8 10 12 15 Válvula de mariposa 6 7 10 Válvula de compuerta 1 1 1 Válvula de retención (Cheque) * 5 7 9 11 14 16 Válvula de globo 46 70 Válvula de ángulo 20 31 Codo de 45° 3 4 5 7 9 11 13 Codo de 90° estándar 8 10 12 14 18 22 27 Codo de radio largo de 90° 5 6 8 9 13 16 18 Te o cruz con cambio de dirección del flujo de 90° 17 20 25 30 35 50 60 Válvula de mariposa 12 9 10 12 19 21 Válvula de compuerta 1 2 2 3 4 5 6 Continúa...
  • 51.
    NORMA TÉCNICA COLOMBIANANTC 1669 (Segunda actualización) 42 Tabla 6. (Final) Accesorios y válvulas expresados en pie equivalente de tubería Accesorios y Válvulas 3 ½ pulgadas 4 pulgadas 5 pulgadas 6 pulgadas 8 pulgadas 10 pulgadas 12 pulgadas Válvula de retención (Cheque)* 19 22 27 32 45 55 65 Válvula de globo Válvula de ángulo Para el SI de unidades, 1 pulgada = 25,4 mm * Debido a variaciones en el diseño de las válvulas de retención, los equivalentes de tubería indicados en esta tabla son consideradas como un promedio. 8.3.1.4 Para accesorios tipo silla que tienen pérdidas por fricción mayores a las mostradas en la Tabla 6, se debe incluir el incremento de pérdida por fricción en los cálculos hidráulicos. 8.3.1.5 Válvulas Los valores de pérdidas por fricción específicos o longitudes de tubería equivalente para válvulas de alarma, válvulas de tubería seca, válvulas de inundación, filtros, dispositivo regulador de presión, válvula contra-flujo y otros dispositivos deben estar disponibles para la autoridad competente. [NFPA 13:22.4.3.3] 8.3.1.6 Valores diferenciados Se deben usar los valores de pérdidas por fricción específicas o longitudes de tubería equivalentes para accesorios no listados en la Tabla 3 en los cálculos hidráulicos cuando estas pérdidas o longitudes de tubería equivalente sean diferentes de aquellos mostrados en la Tabla 6. [NFPA 13:22.4.3.4] 8.3.2 Ajustes 8.3.2.1 Se debe usar la Tabla 6 solo donde el factor C Hazen-Williams es 120. 8.3.2.2 Para otros valores de C, se deben multiplicar los valores de la Tabla 6 por los factores indicados en la Tabla 7. Tabla 7. Ajuste de Factores para Valores C Factor multiplicador Valor C 0,713 100 1,16 130 1,33 140 1,51 150 Aplicar a valores de Tabla 6 8.3.2.3 La Tabla 8 indica valores típicos de C que se deben usar para materiales de tubería comúnmente usados.
  • 52.
    NORMA TÉCNICA COLOMBIANANTC 1669 (Segunda actualización) 43 Tabla 8. Valores C Hazen-Williams Tubería o Tubo Valor C Hierro fundido o dúctil sin revestimiento interior 100 Acero negro(sistemas secos, incluyendo pre-acción) 100 Acero negro (sistemas húmedos, incluyendo inundación) 120 Galvanizado (todos) 120 Plástico (listados - todos) 150 Hierro fundido o dúctil con revestimiento interior de cemento 140 Tubo de cobre o acero inoxidable 150 8.3.2.4 Se debe permitir que la autoridad competente requiera otros valores C. 8.3.3 Fórmulas 8.3.3.1 Fórmula de pérdida por fricción 8.3.3.1.1 Las pérdidas por fricción en las tuberías se deben determinar utilizando la ecuación de Hazen-Williams, como sigue: 874851 851 524 ,, , dC Q, p = en donde p = pérdida por fricción en psi por pie de tubería Q = Caudal en gpm C = coeficiente de pérdida por fricción d = diámetro interno real de tubería en pulgadas [NFPA 13:22.4.2.1.1] 8.3.3.1.2 Para unidades SI, se debe usar la siguiente ecuación: 5 874851 851 10056 ⎟ ⎟ ⎠ ⎞ ⎜ ⎜ ⎝ ⎛ = , m , , m m dC Q ,P en donde Pm = Pérdida de fricción en bares por metro de tubería Qm = Caudal en L/min C = Coeficiente de pérdida por fricción dm = Diámetro interno real en mm [NFPA 13:22.4.2.1.2] 8.3.3.2 Ecuación de la presión de velocidad La presión de velocidad se debe calcular con la siguiente ecuación: 4 2 0011230 D Q, Pv = en donde Pv = Presión de velocidad en psi (SI: 1 psi = 0,0689 bares) Q = Caudal en gpm (SI: 1 gal = 3,785 L) d = Diámetro interno real en pulgadas (SI: 1 pulgada = 25,4 mm) [NFPA 13:22.4.2.2]
  • 53.
    NORMA TÉCNICA COLOMBIANANTC 1669 (Segunda actualización) 44 8.3.3.3 Ecuación de la presión normal La presión normal se debe calcular con la siguiente ecuación: vtn ppp −= en donde Pn = Presión normal Pt = Presión total en bar (psi) Pv = Presión de velocidad en bar (psi) 8.3.3.4 Puntos de unión hidráulica 8.3.3.4.1 Se deben balancear las presiones en puntos de unión hidráulica dentro de 0,5 psi (0,03 bar). [NFPA 13:22.4.2.4.1]. 8.3.3.4.2 Se deben incluir dentro de los cálculos la presión más alta en el punto de conexión y los caudales totales como sean ajustados. [NFPA 13:22.4.2.4.2]. 8.3.3.4.3 Se debe permitir el balance de presión a través del uso de un factor k desarrollado para ramales o partes del sistema que usan Kp = Q/(p)0,5 . [NFPA 13:22.4.2.4.3]. 9. SUMINISTRO DE AGUA 9.1* SUMINISTRO DE AGUA REQUERIDO 9.1.1 Se deben tomar los sistemas automáticos y semi-automáticos para conexión de mangueras contra incendio de un suministro de agua aprobado capaz de abastecer la demanda del sistema. 9.1.2 Los sistemas manuales para conexión de mangueras contra incendio deben tener un suministro de agua aprobado accesible a la bomba del cuerpo de bomberos. 9.1.3 Se debe permitir un solo suministro de agua automático o semi-automático cuando es capaz de abastecer la demanda del sistema durante el tiempo requerido. 9.1.4 Cuando se requiere un segundo suministro de agua según el numeral 7.9.4, no se debe permitir un solo suministro de agua. 9.1.5 Se deben permitir suministros de agua de las siguientes fuentes: 1) Un sistema de abastecimiento público para el cual la presión y el caudal sean adecuados. 2) Bombas automáticas de incendio conectadas a una fuente de agua aprobada en concordancia con NFPA 20, Standard for the installation of Stationary Pumps for Fire Protection. 3) Bombas de incendios controladas manualmente en combinación con tanques de presión. 4) Tanques de presión instalados en concordancia con la NFPA 22, Standard for Water Tanks for Private Fire Protection.
  • 54.
    NORMA TÉCNICA COLOMBIANANTC 1669 (Segunda actualización) 45 5) Bombas de incendio controladas manualmente operadas por dispositivos de control remoto en cada estación de manguera, supervisadas en concordancia con NFPA 72, National Fire Alarm Code. 6) Tanques de gravedad instalados conforme a la norma NFPA 22, Standard for Water Tanks for Private Fire Protection. 9.2 SUMINISTRO MÍNIMO PARA SISTEMAS CLASE I Y CLASE III El suministro de agua debe ser capaz de abastecer la demanda del sistema establecida en los numerales 7.8 y 7.10 por al menos 30 min. 9.3 SUMINISTRO MÍNIMO PARA SISTEMAS CLASE II El suministro mínimo para sistemas Clase II debe ser capaz de abastecer la demanda del sistema establecida en los numerales 7.8 y 7.10 por al menos 30 min. 10. PRUEBA DE SUMINISTRO DE AGUA 10.1* EVALUACIÓN DEL SUMINISTRO DE AGUA Se debe conducir una prueba de flujo de agua en el sistema de distribución de agua para determinar el caudal y la presión disponibles para el diseño del sistema y para los propósitos de combate de incendios. 10.2* PROCEDIMIENTO Las pruebas con el propósito de diseñar el sistema se deben realizar dentro del año previo al diseño. 11. ACEPTACIÓN DEL SISTEMA 11.1* GENERALIDADES 11.1.1 Todos los sistemas nuevos se deben probar antes de la ocupación del edificio. 11.1.2 Los sistemas para conexión de mangueras contra incendio existentes que van a ser utilizados para un sistema combinado de red principal con un nuevo sistema de rociadores automáticos, se deben probar conforme con el numeral 11.4. 11.1.3 El contratista de instalación debe diligenciar y firmar los certificados apropiados de materiales y pruebas como se muestra en la Figura 2 y Figura 3. 11.2 LAVADO DE TUBERÍA 11.2.1 Las tuberías enterradas que abastecen el sistema se deben lavar conforme a la norma NFPA 24, Standard for the Installation of Private Fire Service Mains and their Appurtenances. 11.2.2 La tubería entre la conexión de bomberos y la válvula de retención (cheque) en la tubería de entrada se debe lavar con un volumen de agua suficiente con el fin de retirar cualquier desperdicio de construcción y basura acumulada en la tubería antes de terminar la instalación del sistema y con anterioridad a la instalación de la conexión de bomberos.
  • 55.
    NORMA TÉCNICA COLOMBIANANTC 1669 (Segunda actualización) 46 11.3 ROSCAS DE MANGUERA 11.3.1 Todas las roscas de las conexiones de manguera y de bomberos, se deben probar para verificar su compatibilidad con las roscas usadas por el cuerpo de bomberos local. 11.3.2 La prueba debe consistir en enroscar muestras de acoples, tapas o tapones en los dispositivos instalados. 11.4 PRUEBAS HIDROSTÁTICAS 11.4.1* Generalidades. Todos los sistemas nuevos, incluyendo tuberías en zonas exteriores y conexiones de bomberos, se deben probar hidrostáticamente a no menos de 200 psi (13,8 bar) de presión por dos horas o a 50 psi (3,5 bar) por encima de la presión de trabajo cuando esta sea superior de 150 psi (10,3 bar). 11.4.2 Se debe medir la presión de prueba hidrostática en el punto más bajo en elevación del sistema individual o zona que está siendo probada. 11.4.3 Los tubos del sistema para conexión de mangueras contra incendio no deben mostrar fugas distintas de las permitidas por la norma NFPA 24, Standard for the installation of Private Fire Service Mains and their Appurtenances. 11.4.4 Se debe probar la tubería enterrada conforme a la norma NFPA 24, Standard for the installation of Private Fire Service Mains and their Appurtenances. 11.4.5 Cuando el clima frío impide probar con agua, se debe permitir la conducción de una prueba provisional de aire antes de la prueba hidrostática de norma. 11.4.5.1 Se debe realizar una prueba de fuga mediante aire presurizado a 40 psi (2,8 bar) por 24 h. 11.4.5.2 Cualquier pérdida de presión superior a 1 ½ psi (0,1 bar) durante un período continuo de 24 h, se debe corregir 11.4.6 Conexión para el cuerpo de bomberos Se debe probar hidrostáticamente la tubería entre la conexión de bomberos y la válvula de retención (Cheque) en la tubería de entrada, al igual que en el resto del sistema. 11.4.7 Sistemas existentes Donde se modifique un sistema para conexión de mangueras contra incendio existente, incluida la tubería exterior y la conexión de los bomberos, se debe probar la tubería nueva de conformidad con el numeral 11.4.1. 11.4.8 Protección contra el congelamiento Durante la prueba, se debe tener el cuidado de asegurar que ninguna parte de la tubería está sujeta a congelamiento durante el clima frío. 11.4.9 Medidor de presión Durante la prueba hidrostática, se debe observar el medidor de presión en la parte alta de cada red principal y registrar la presión.
  • 56.
    NORMA TÉCNICA COLOMBIANANTC 1669 (Segunda actualización) 47 11.4.10 Aditivos para el agua No se deben usar aditivos, químicos corrosivos tales como silicato de sodio o derivados de este, salmuera u otros químicos, mientras los sistemas son probados hidrostáticamente o para detener fugas. 11.5 PRUEBAS DE FLUJO 11.5.1* Se debe probar el sistema para conexión de mangueras contra incendio para verificar la demanda del sistema. 11.5.1.1 Como se dispone en los numerales 7.8 y 7.10, esta prueba se debe conducir por flujo de agua simultáneo desde la salida (s) indicada en los cálculos hidráulicos aprobados de cada red principal. 11.5.2 Para una red principal manual, se debe usar una bomba del Cuerpo de Bomberos o bomba portátil con capacidad para abastecer el caudal y presión requeridos para verificar el diseño del sistema por bombeo dentro de la conexión de bomberos. 11.5.3 La disposición de llenado para los tanques de succión. Se debe verificar desconectando todas las líneas de suministro al tanque, drenándo el tanque por debajo del nivel mínimo de diseño y posteriormente abrir la válvula de suministro para asegurar la operación de sus características automáticas. 11.5.4 Dispositivos de regulación de presión 11.5.4.1* Se debe probar cada dispositivo de regulación de presión para verificar que la instalación es correcta, que el dispositivo está operando y que las presiones tanto de entrada como de salida y el caudal en el dispositivo están de acuerdo a lo diseñado. 11.5.4.2 Se deben registrar las presiones estáticas y residuales de entrada y salida y el caudal en el certificado de pruebas del contratista. 11.5.5 Prueba de flujo del drenaje principal 11.5.5.1 La válvula de drenaje principal debe estar abierta y permanecer así hasta que se estabilice la presión del sistema. 11.5.5.2 Se debe registrar la presión estática y residual en el certificado de pruebas del contratista. 11.5.6 Prueba de los sistemas automático y semi-automático secos 11.5.6.1 Se deben probar los sistemas automático y semi-automático secos por iniciación de un flujo de agua desde la conexión de manguera hidráulicamente más remota. 11.5.6.2 El sistema debe entregar un mínimo de 250 gpm (946 L/min) a la conexión de manguera en un tiempo no mayor a 3 min de apertura de la válvula de manguera si la capacidad del sistema es superior a los 750 galones (2 480 L). 11.5.6.3 Se debe probar cada dispositivo de activación de control remoto para operación de un sistema semi-automático conforme a las especificaciones e instrucciones del fabricante. 11.5.6.4 Además de la prueba hidrostática de norma, se debe realizar una prueba de fuga de presión de aire a 40 psi (2,8 bar) por 24 h. Se debe corregir cualquier fuga que resulte en una pérdida de presión en exceso de 1 1/2 psi (0,1 bar) en 24 h. [NFPA 13:24.2.2.1].
  • 57.
    NORMA TÉCNICA COLOMBIANANTC 1669 (Segunda actualización) 48 11.5.6.5 Estas pruebas se deben realizar además de todas las pruebas requeridas para los sistemas automáticos y manuales. 11.5.7 Donde las bombas son parte del suministro de agua para un sistema para conexión de mangueras contra incendio, la prueba se debe realizar con las bombas operando. 11.6 PRUEBA MANUAL DE VÁLVULA 11.6.1 Cada válvula propuesta para ser abierta o cerrada manualmente, se debe operar por giro de la palanca o manija del volante en su alcance total y retornándola a su posición normal. 11.6.2 Todas las tapas de las válvulas para manguera, se deben ajustar para evitar fugas durante la prueba y abrirlas después de la prueba para drenar el agua y aliviar la presión. 11.7 PRUEBAS DE ALARMA Y SUPERVISIÓN Se debe probar cada dispositivo de alarma y supervisión provisto de acuerdo con la norma NFPA 72, National Fire Alarm. 11.8 INSTRUCCIONES El contratista de instalación debe entregar al propietario lo siguiente: 1) Toda la literatura e instrucciones suministradas por el fabricante describiendo la operación y mantenimiento del equipo y dispositivos instalados. 2) Una copia de la norma NFPA 25, Standard for the Inspection, Testing, and Maintenance of Water-Based Fire Protection Systems. 11.9 SEÑALIZACIÓN Se debe verificar la instalación de la señalización requerida por esta norma.
  • 58.
    NORMA TÉCNICA COLOMBIANANTC 1669 (Segunda actualización) 49 CERTIFICADO DE MATERIALES Y PRUEBAS DEL CONTRATISTA PARA TUBERÍA SOBRE TERRENO Sistema para Conexión de Mangueras Contra Incendio PROCEDIMIENTO Una vez completado el trabajo, se deben realizar pruebas e inspecciones por el representante del contratista y se deben verificar por un representante del propietario. Todos los defectos se deben corregir y el sistema se debe dejar en servicio antes de que el personal del contratista finalice y entregue el trabajo. Se debe llenar un certificado firmado por ambos representantes. Se deben preparar copias para aprobación de las autoridades competentes, propietarios y contratista. Se entiende que la firma del representante del propietario de ninguna manera evita cualquier reclamo contra el contratista por falla de materiales, trabajo deficiente o falta de cumplimiento con los requisitos de la autoridad competente u ordenanzas locales. NOMBRE DE LA PROPIEDAD FECHA DIRECCIÓN DE LA PROPIEDAD Aceptados por la autoridad que aprueba (nombres) Dirección ¿Instalación conforme con los planos aceptados? □ si □ no ¿El equipo usado es aprobado o listado? □ si □ no Planos si la respuesta es “no”, explique las desviaciones Automático seco □ si Automático húmedo □ si Semi-automático seco □ si Manual seco □ si Manual húmedo □ si Combinado red principal/rociador □ si Tipo de Sistema Si es otro, explique Datos del Suministro de Agua Usado en Diseño y como se Muestra en los Planos Información de la bomba de incendios Fabricante_________________________________ Modelo______________________________ Tipo: Eléctrico_____ Diesel_____ Otra_____ (explique)___________________________________ Caudal Nominal, ______________ gpm Presión Nominal, _______________psi Presión de Cierre, ______________psi Capacidad de la Fuente de Suministro de Agua (Galones) □ Sistema de acueducto público □ Tanque de almacenamiento □ Tanque de gravedad □ Depósito abierto □ Otro (explique) Si es Sistema de Suministro Público Presión estática_____________ psi Presión residual__________________psi Caudal, __________________ gpm ¿Han Quedado Copias en las instalaciones de lo Siguiente? □ Instrucciones de los componentes del sistema □ Cuidado y mantenimiento del sistema □ NFPA 25 □ Copia de planos aceptados □ Datos hidráulicos/memorias de cálculo Suministros a Edificio(s) Localización de la válvula principal de corte de agua _________________________________________ Número de columnas de redes principales _____________________________________________ ¿todas las columnas tienen válvulas de corte en la base? □ si □ no Supervisión de Válvulas □ Aseguradas en posición abierta □ Selladas y rotuladas □ Con interruptores supervisados □ Otro Si es otro, explique Tubería y Accesorios Tipo de tubería________________________________________________ Tipo de accesorios_____________________________________________ Roscas de manguera Las roscas de manguera han sido verificadas para cumplir con los bomberos locales □ si □ no Preventor de contra-flujo □ Conjunto de doble válvula de retención Diámetro ______________ Marca y modelo _________________________ □ Dispositivo de presión reducida Continúa... Figura 2. Certificados de materiales y pruebas para tubería sobre terreno
  • 59.
    NORMA TÉCNICA COLOMBIANANTC 1669 (Segunda actualización) 50 DISPOSITIVO DE VÁLVULA DE CONTROL Tipo Diámetro Marca Modelo Tiempo de recorrido desde la válvula de pre acción hasta la válvula de control ___min. ___s. Presión de agua ______ Presión de aire______ Tiempo del agua en alcanzar la salida desde la válvula de control hasta la válvula de manguera más remota ____min. ____s. Punto de disparo de la presión de aire ____psi ¿Alarma operada apropiadamente? si __no__. Si la respuesta es ”no”, explique: Tiempo del agua en alcanzar la salida desde la válvula de control hasta la válvula de manguera más remota _______ min. _______ s. Activación hidráulica □ Si Activación eléctrica □ Si Activación neumática □ Si Marca y modelo del dispositivo de activación _____________________________________________________ ¿Cada dispositivo de activación fue probado? □ Si □ No si la respuesta es “no”, explique, __________________ ¿Cada dispositivo de activación operó correctamente? □ Si □ No. Si la respuesta es “no”, explique, _________________________________ DISPOSITIVO REGULADOR DE PRESIÓN Sin flujo Con flujo Ubicación y Piso Modelo Entrada psi Salida psi Entrada psi Salida psi gpm ¿Todas las válvulas de manguera en el sistema operan apropiadamente? □ Si □ No Si la respuesta es “no”, explique,_________________ Figura 2. (Continuación)
  • 60.
    NORMA TÉCNICA COLOMBIANANTC 1669 (Segunda actualización) 51 Descripción de la Prueba Hidrostática: Las pruebas hidrostáticas deben hacerse a no menos de 200 psi (13,6 bar) por 2 h o 50 psi (3,4 bar) sobre la presión de trabajo en exceso de 150 psi (10,2 bar) por 2 h. Las charnelas diferenciales de válvula de tubería seca se deben dejar abiertas durante la prueba para evitar daños. Todas las fugas de la tubería sobre el suelo se deben detener. Neumática: Establecer presión de aire a 40 psi (2,7 bar) y medir la caída, la cual no debe exceder 1 1/2 psi (0,1 bar) en 24 h. Probar los tanques de presión a nivel de agua y presión de aire normales y medir la caída de presión de aire, la cual no debe exceder 1 ½ psi (0,1 bar) en 24 h. Toda la tubería fue probada hidrostáticamente a _____ psi (___bar) por___ horas (si no, establecer la razón) ¿Fue la tubería seca probada neumáticamente? □ Si □ No (si la respuesta es “no”, establecer la razón) ¿El equipo opera apropiadamente? □ Si □ No (si la respuesta es “no”, establecer la razón) ¿Certifica Ud. como contratista del sistema para conexión de mangueras contra incendio que no fueron usados aditivos y corrosivos químicos, silicato de sodio o sus derivados, agua salada u otros químicos corrosivos para probar los sistemas o detener fugas? □ Si □ No Prueba de drenaje Lectura del medidor ubicado cerca de la conexión de prueba de suministro de agua ____ psi (____bar) Presión residual con la válvula de la conexión de prueba completamente abierta ____ psi (____bar) Pruebas Líneas principales subterráneas y conexiones de entrada a las tuberías elevadas del sistema fueron lavadas antes de hacer la conexión al sistema para conexión de mangueras contra incendio. □ Si □ No ______________________ ¿Lavada por el instalador de la red principal enterrada? □ Si □ No Otro (explicar)___________ Empaques de prueba Número utilizado __________ Ubicaciones___________________ Número retirado______ Tubería soldada □ Si □ No En caso positivo… ¿Certifica usted como contratista del sistema para conexiones de mangueras contra incendio que los procedimientos de soldadura cumplen al menos con los requisitos de la AWS B2.1 o equivalentes? □ Si □ No ¿Certifica que la soldadura fue realizada por soldadores calificados en cumplimiento al menos de los requisitos de AWS B2.1 o equivalentes? □ Si □ No Soldadura ¿Certifica que la soldadura fue llevada a cabo en cumplimiento de un control de calidad documentado para asegurar que todos los discos son recuperados, que las aberturas en la tubería son pulidas, que son removidos la escoria y otros residuos de la soldadura y que los diámetros internos de la tubería no fueron penetrados? □ Si □ No Recortes (Discos) ¿Certifica Ud. que tiene un método de control para asegurar que todos los recortes (discos) son recuperados? □ Si □ No Placa con datos Hidráulicos ¿Fue provista una placa? □ Si □ No, Si la respuesta es “no”, explique______________________________________ Notas Fecha en que fue dejado en servicio con todas las válvulas de control abiertas__________________________ Nombre del Contratista del sistema para conexiónes de mangueras contra incendio / Rociadores Nombre del contratista _____________________________________________________________________ Dirección _____________________________________________________________________ Licencia estatal No. (si es aplicable) ______________________________________________________________________ Dueño de la propiedad_____________________ Cargo__________________ Fecha____________________ Contratista de rociadores/red principal_______ Cargo__________________ Fecha____________________ Prueba de Operación del Sistema Atestiguada por Autoridades que aprueban__________________ Cargo __________________ Fecha____________________ Explicación y Notas Adicionales Figura 2. (Final)
  • 61.
    NORMA TÉCNICA COLOMBIANANTC 1669 (Segunda actualización) 52 CERTIFICADO DE MATERIALES Y PRUEBAS DEL CONTRATISTA PARA TUBERÍA ENTERRADA PROCEDIMIENTO Una vez completado el trabajo, se deben realizar pruebas e inspecciones por el representante del contratista y se deben verificar por un representante del propietario. Todos los defectos se deben corregir y el sistema se debe dejar en servicio antes de que el personal del contratista finalice y entregue el trabajo. Se debe llenar un certificado firmado por ambos representantes. Se deben preparar copias para aprobación de las autoridades competentes, propietarios y contratista. Se entiende que la firma del representante del propietario de ninguna manera evita cualquier reclamo contra el contratista por falla de materiales, trabajo deficiente o falta de cumplimiento con los requisitos de la autoridad competente u ordenanzas locales. NOMBRE DE LA PROPIEDAD FECHA DIRECCIÓN DE LA PROPIEDAD Aceptados por la autoridad que aprueba (nombres) Dirección ¿Instalación conforme con los planos aceptados? □ si □ no ¿El equipo usado es aprobado o listado? □ si □ no Planos si la respuesta es “no”, explique las desviaciones ¿La persona a cargo del equipo de incendios ha sido instruida en la ubicación de las válvulas de control, cuidado y mantenimiento de este nuevo equipo? □ si □ no ¿Se han dejado copias de instrucciones apropiadas para el cuidado y mantenimiento en las instalaciones? □ si □ no Instrucciones Si la respuesta es “no”, explique Ubicación Edificios abastecidos Tipos y clases de tubería Tipo de unión Tubería conforme a la norma _________________ □ si □ no Accesorios conforme a la norma ______________ □ si □ no Si la respuesta es “no”, explique Tuberías y uniones enterradas Uniones que necesitan anclaje, atornilladas, sujetas o con atraque en concordancia con la norma________________ Si la respuesta es “no”, explique □ si □ no Descripción de la Prueba Lavado: Permita el flujo de caudal requerido hasta que el agua esté clara y no se observen residuos de material extraño a las salidas de hidrantes y purgas. Para tubería de 4 pulgadas (100 mm) lave con un caudal no menor a 390 gpm (1 476 L/min), para tubería de 6 pulgadas (150 mm) 880 gpm (3 330 L/min), para tubería de 8 pulgadas (200 mm) 1 560 gpm (5 900 L/min ), para tubería de 10 pulgadas (250 mm) 2 440 gpm (9 230 L/min) y para tubería de 12 pulgadas (300 mm) 3 520 gpm (13 320 L/min). Cuando la fuente no pueda suministrar los caudales establecidos, se debe obtener el máximo disponible. Hidrostática: Las pruebas hidrostáticas se deben realizar a no menos de 200 psi (13,8 bar) por 2 h o 50 psi (3,4 bar) por encima de la presión de trabajo, si esta es superior a 150 psi (10,3 bar) por 2 h. Fuga: La tubería nueva tendida con uniones con empaquetadura de caucho debe, si la mano de obra es satisfactoria, tener muy poca o ninguna fuga en las uniones. La cantidad de la fuga en las uniones no debe exceder de 2 cuartos de galón/hora (1,89 L/h) por 100 uniones sin importar el diámetro de la tubería. La fuga debe estar distribuida sobre todas las uniones. Si tales fugas ocurren en unas pocas uniones, la instalación se debe considerar no satisfactoria y se deben hacer las reparaciones necesarias. La cantidad de filtración o fuga permitida especificada arriba puede ser incrementada en una onza por pulgada de diámetro de la válvula por hora (30 ml/25 mm/hora) por cada válvula de asiento metálica que aísla la sección en prueba. Si los hidrantes de tambor o cuerpo seco son probados con la válvula principal abierta, de forma tal que el hidrante esté bajo presión, se permite una fuga adicional de 5 onzas/min (150 mL/min.) para cada hidrante. Continúa... Figura 3. Certificados de materiales y pruebas para tubería para tubería enterrada
  • 62.
    NORMA TÉCNICA COLOMBIANANTC 1669 (Segunda actualización) 53 El sistema de tubería nueva enterrada fue lavado de acuerdo con la norma__________ por la Compañía________________________ Si la respuesta es “no”, explique □ si □ no Como fue obtenido el caudal de lavado Acueducto público __ Tanque o depósito__ Bomba de incendios ____ A través de qué tipo de abertura: Conexión de hidrante ____ Salida de Tubería _____ Líneas de fuente de abastecimiento lavadas de acuerdo con la norma _________ por la Compañía______________ Si la respuesta es “no”, explique □ si □ no Pruebas de Lavado Como se obtuvo el caudal de la fuente de abastecimiento para lavado: Acueducto público __ Tanque o depósito___ Bomba de incendios___ A través de qué tipo de abertura: Salida de Tubería Conexión en Y a la brida y espigo Prueba Hidrostática Toda la tubería nueva enterrada fue probada Hidrostáticamente a_________ psi por_________ h Las Uniones se taparon: □ si □ no Cantidad total de fuga medida___________ gal _____________ horas Prueba de Fuga Fuga permitida___________ gal _____________ horas Hidrantes Número instalado Tipo y marca Todos operan satisfactoriamente □ si □ no Válvulas de Control Las válvulas de control de agua fueron dejadas totalmente abiertas Si la respuesta es “no”, explique Las roscas de manguera de las conexiones de bomberos e hidrantes son intercambiables con las de los bomberos que responden la alarma □ si □ no □ si □ no Comentarios Fecha de la puesta en servicio Nombre del contratista instalador Pruebas Atestiguadas Por Dueño de la propiedad o representante (firma) Cargo Fecha Contratista instalador (firma) Cargo Fecha Firmas Explicación y Notas Adicionales Figura 3. (Final)
  • 63.
    NORMA TÉCNICA COLOMBIANANTC 1669 (Segunda actualización) 54 12. EDIFICIOS EN CONSTRUCCIÓN 12.1 GENERAL Cuando sea requerido por la autoridad competente, se debe disponer de un sistema para conexión de mangueras contra incendio, temporal o permanente, de acuerdo con este capítulo en edificios en construcción. 12.2 CONEXIONES DE BOMBEROS Las redes principales deben disponer de conexiones de bomberos fácilmente accesibles y claramente marcadas en el exterior del edificio a nivel de la calle, en una ubicación aprobada por el cuerpo local de bomberos. 12.3 OTRAS CARACTERÍSTICAS DEL SISTEMA Los diámetros de tubería, conexiones de manguera, mangueras, suministro de agua y otros detalles para construcciones nuevas deben estar de acuerdo con esta norma. 12.4 SOPORTE DE TUBERÍA Se deben soportar y fijar redes principales en cada piso alterno. 12.5* CONEXIONES DE MANGUERA 12.5.1 Se debe proveer al menos una conexión de manguera en cada nivel de piso, en una ubicación aprobada por el cuerpo local de bomberos. 12.5.2 Las válvulas de manguera se deben mantener cerradas todo el tiempo y protegidas contra daño mecánico. 12.6* EXTENSIÓN DEL SISTEMA DE TUBERÍA Se deben extender las redes principales hacia arriba para cada piso y tapadas en la cima. 12.7 INSTALACIONES TEMPORALES 12.7.1 Las redes principales temporales deben permanecer en servicio hasta que la red principal permanente sea completada. 12.7.2 Cuando las redes principales temporales contengan normalmente agua, la tubería debe estar protegida contra congelamiento. 12.8 SINCRONIZACIÓN DE LA INSTALACIÓN DE SUMINISTRO DE AGUA 12.8.1 Cuando la construcción alcanza una altura a la cual la presión de los sistemas de servicio público no alcanzan a suministrar el caudal y presión requeridos, se deben instalar bombas de incendio temporal o permanente para suministrar protección al nivel más elevado o a la altura requerida por la autoridad competente. 12.8.2 Cuando la autoridad competente permita aparatos de bombeo del departamento local de bomberos para la presión requerida por la red principal, las bombas de incendio temporal o permanente no son requeridas.
  • 64.
    NORMA TÉCNICA COLOMBIANANTC 1669 (Segunda actualización) 55 12.9 PROTECCIÓN DE CONEXIONES DE MANGUERA Y CONEXIONES DE BOMBEROS 12.9.1 Se deben instalar tapas y tapones roscados en las conexiones de bomberos y conexiones de manguera. 12.9.2 Se deben proteger las conexiones de bomberos y conexiones de manguera contra el daño físico.
  • 65.
    NORMA TÉCNICA COLOMBIANANTC 1669 (Segunda actualización) 56 ANEXO A (Informativo) MATERIAL EXPLICATORIO El Anexo A no es parte de los requisitos de este documento, se incluye solo con propósitos informativos. Este anexo contiene material explicatorio, numerado para corresponder con los parágrafos aplicables del texto. A.1.1.2 Véase la norma NFPA 25, Standard for the Inspection, Testing, and Maintenance of Water. Based Fire Protection Systems. A.3.2.1 Aprobado La National Fire Protection Association NFPA no aprueba, inspecciona o certifica ninguna instalación, procedimiento, equipo o materiales, ni aprueba o evalúa laboratorios de pruebas. En la determinación de la aceptabilidad de instalaciones, procedimientos, equipo o materiales, la autoridad competente puede basar su aceptación de cumplimiento en NFPA u otras normas apropiadas. En ausencia de tales normas, dicha autoridad puede requerir evidencia de instalación, procedimiento o uso apropiados. La autoridad competente puede también referirse a listados o prácticas de rotulado de una organización que hace evaluaciones del producto y que esta en posición de determinar cumplimiento con normas apropiadas de la producción actual de elementos listados. A.3.2.2 Autoridad competente La frase “autoridad competente” es usada en los documentos de NFPA de una manera amplia, puesto que las jurisdicciones y agencias de aprobación varían, así como sus responsabilidades. Donde la seguridad pública es primordial, la autoridad competente puede ser nacional, departamental, distrital, municipal, regional o algún individuo como el jefe de bomberos, los comisarios de incendios; el jefe de una oficina de prevención de incendios, departamento del trabajo o departamento de salud; el administrador del edificio; inspector eléctrico u otros que tengan autoridad establecida por la ley. Para propósitos de seguros, un departamento de inspección de seguros, oficina de clasificaciones u otra compañía representativa de seguros puede ser la autoridad competente. En muchas circunstancias, el dueño de la propiedad o su agente designado asume el rol de autoridad competente; en instalaciones del gobierno, el oficial comandante u oficial departamental pueden ser la autoridad competente. A.3.2.3 Listado Los medios para identificar equipo listado pueden variar para cada organización interesada con la evaluación del producto, algunas de las cuales no reconocen el equipo como listado a menos que también esté rotulado. La autoridad competente puede utilizar el sistema empleado por la organización que lista para identificar un producto listado. A.3.3.8 Dispositivo regulador de presión Como ejemplos se incluyen válvulas reductoras de presión, válvulas de control de presión y dispositivos limitadores de presión.
  • 66.
    NORMA TÉCNICA COLOMBIANANTC 1669 (Segunda actualización) 57 A.3.3.12 Sistema para conexión de mangueras contra incendio Esta disposición está acompañada por medios de conexión para sistemas de suministro de agua o por medio de bombas, tanques y otro equipo necesario para proporcionar un adecuado suministro de agua a las conexiones de manguera. A.3.3.15 Tipo de sistema La NFPA 600, Standard on Industrial Fire Brigades y la Fire Equipment Manufacturers Association (FEMA) dan recursos para entrenamiento de personal. A.3.3.16.4 Válvula reductora de presión Una válvula de alivio de presión no es una válvula reductora de presión y no debería ser usada como tal. A.4.1 El uso de válvulas y accesorios de peso normalizado ordinariamente debería estar limitado a los pisos superiores de edificios muy altos y a equipo en el cual las presiones más altas disponibles sean menores a 175 psi (12,1 bares). A.4.4.1.2 Algunas tuberías de acero con espesor de pared menor que lo especificado en el numeral 4.4.1.2 han sido listadas para uso en sistemas de rociadores con conexiones roscadas. La vida útil de tales productos puede ser significativamente menor que la de tubería de acero cedula 40 (SCH 40) y se debería determinar si la vida útil es suficiente para la aplicación propuesta. El instalador debería revisar todas estas roscas usando anillos calibrados de trabajo conformes con las “Dimensiones Básicas de Calibres de Anillos para USA (Americana) Standard Taper Pipe Threads, NPT” así como por la Tabla 8 de ASME B.1.20.1, Pipe Threads, General Purpose (Inch). [NFPA 13: A.6.5.1.2]. A.4.4.2.2 Las operaciones de corte y soldadura originan anualmente el 4 % de los incendios en edificaciones no residenciales y el 8 % en edificaciones industriales y de manufactura. La soldadura de la tubería de rociadores en sitio crea un riesgo significativo que normalmente puede ser evitado realizando las soldaduras en el taller e instalando las secciones soldadas preensambladas con accesorios de unión mecánica. Por consiguiente, la norma requiere que las soldaduras se hagan en el taller. Cuando sea inevitable realizar las soldaduras en sitio, las excepciones determinan los procedimientos y prácticas que minimizan el mayor riesgo asociado (véase la Figura A.1) [NFPA13: A.6.5.2.2].
  • 67.
    NORMA TÉCNICA COLOMBIANANTC 1669 (Segunda actualización) 58 30° a 45° 3 32 pulgadas a 1 8 de pulgada 3 32 pulgadas a 1 8 de pulgada 30° a 45° 3 16 pulgadas nominales 1 16 pulgadas a 3 32 de pulgada Soldadura al tope de fondo abierto Soldadura al tope con anillo de respaldo Figura A.1. Diagrama de Soldadura A.4.4.2.3.1 Los niples listados, configurados y contorneados cumplen la definición de accesorios fabricados. [NFPA 13: A.6.5.2.3.1]. A.4.4.2.4.1 En los accesorios de derivación las soldaduras de penetración parcial son adecuadas, puesto que no hay una carga significativa sobre la conexión distinta a la causada por la presión interna en la tubería (véase la Figura A.2.). La carga debida a la presión interna puede ser soportada con una soldadura que tiene un espesor de garganta de soldadura moderado que puede ser calculado como sigue: Espesor de garganta de la soldadura (pulgadas) = PD x 0,000 035 en donde P = presión de trabajo del sistema (psig) D = Diámetro exterior del accesorio (pulgadas) Por ejemplo: Asumiendo una presión de 300 psig y un D del accesorio de salida de 3 pulgadas, el resultado del cálculo del espesor es 0,0315 pulgadas. Comparado con el espesor mínimo de garganta de 3/16 de pulgada (0,18 pulgadas), hay un factor de más de 5 veces el valor del espesor calculado. [NFPA 13: A.6.5.2.4.1]. 45° mínimo 0 a 1 16 de pulgada 1/16 de pulgada mínimo 45° típico Como esta diseñado 0 a 1 16 pulgadas Dimensión mínima de soldadura vea 4.4.2.4.1 Dimensión mínima de soldadura vea 4.4.2.4.1 Unión de Penetración Total Típica Junta de Penetración Parcial Junta Soldada al Filete Figura A.2. Descripciones de Soldadura
  • 68.
    NORMA TÉCNICA COLOMBIANANTC 1669 (Segunda actualización) 59 A.4.4.2.4.2 Para una adecuada elaboración de la junta soldada, es importante la preparación de las superficies a unir. Para lograr esto, las superficies a ensamblar se debería preparar y configurar de forma tal que se logre una soldadura de penetración total, pero es aceptable una soldadura de penetración parcial. [NFPA13: A.6.5.2.4.2]. A.4.4.4 Cuando se realicen procesos de soldadura por capilaridad, se debe contar con la adecuada protección contra incendio. [NFPA 13: A.6.5.4]. A.4.4.4.5 Es poco probable que el tipo de fundente fabricado conforme a las especificaciones requeridas por la Tabla 6.3.1.1 de la NFPA 13 cause daño al sello de los rociadores. Cuando se utilice fundente para soldadura capilar fuerte, debe ser de un tipo que en lo posible no dañe el sello de los rociadores. [NFPA 13:A.6.5.4.5]. A.4.6.2.1 En la NFPA 600, Standard on Industrial Fire Brigades, se describe un método para determinar el entrenamiento adecuado del personal. A.4.6.5 En la NFPA 600, Standard on Industrial Fire Brigades, se describe un método para determinar el entrenamiento adecuado del personal. A.5.1.2 El diseño de sistemas para conexión de mangueras contra incendio debería incluir consideraciones de las tácticas de supresión del cuerpo local de bomberos, diámetro de manguera, longitud de manguera y tipos de boquillas usadas. A.5.2.1 Un sistema de tubería seco debería ser instalado solo cuando la calefacción no es garantía suficiente para evitar el congelamiento del agua en cualquier parte o sección del sistema. [NFPA 13:A.7.2] A.5.2.1.3.1 La capacidad volumétrica para diferentes diámetros de tubería se presenta en la Tabla A.1, para facilitar el cálculo de la capacidad del sistema. [NFPA 13:A.7.2.3]. Tabla A.1. Volumen por 1 pie de tubería (Basada en el diámetro interno real de la tubería) Volumen de la Tubería (galón) Diámetro Nominal de la Tubería en Pulgada Cedula (SCH) 40 Cedula (SCH) 10 3/4 0,028 1 0,045 0,049 1 1/4 0,078 0,085 1 ½ 0,106 0,115 2 0,174 0,190 2 1/2 0,248 0,283 3 0,383 0,433 3 1/2 0,513 0,576 4 0,660 0,740 5 1,040 1,144 6 1,501 1,649 b 8 2,66ª 2,776 c Para unidades SI, 1 pulgada = 25,4 mm; 1 pie = 0,3048 m; 1 gal = 3. 785 L. a Cedula (SCH) 30 b 0,134 pulgadas espesor de pared de tubería c 0.188 pulgadas espesor de pared de tubería [NFPA13: Tabla A.7.2.3]
  • 69.
    NORMA TÉCNICA COLOMBIANANTC 1669 (Segunda actualización) 60 A.5.2.1.4 La válvula de tubería seca debería estar localizada en un sitio de fácil acceso y cerca del sistema que controla. Cuando este expuesta a bajas temperatura, la válvula de tubería seca debería estar ubicada en un cuarto de válvulas o encerramiento de tamaño adecuado para poder realizar el mantenimiento del equipo en forma adecuada. [NFPA 13:A.7.2.5]. A.5.2.1.4.1 La válvula de tubería seca y la tubería de suministro deberían estar en un área mantenida a una temperatura superior a 40 °F (4 °C). La intención del comité es proteger las válvulas contra el congelamiento. La exposición ocasional de las válvulas a temperaturas de aire por debajo de 40 °F (4 °C), por periodos cortos y que no causarían congelamiento de las válvulas, no justifica la construcción de un cuarto de válvulas. [NFPA 13: A.7.2.5.1]. A.5.2.1.5.2 La toma de aire del compresor debería estar instalada conforme a los criterios de operación del fabricante del compresor. El conducto para toma de aire no debería estar conectado a la entrada del compresor a menos de que sea aceptado por el fabricante. Se pueden presentar daños, reducciones en la capacidad de aire o reducción de la vida útil si no se siguen las recomendaciones del fabricante. [NFPA 13: A.7.2.6.2]. A.5.2.3.1.3 Los circuitos de activación a control remoto no se deberían ubicar en áreas de construcción combustible sin rociadores. A.5.2.3.4 Las condiciones de ocupación o riesgos especiales podrían requerir la descarga rápida de grandes cantidades de agua, y en tales casos, se podrían requerir sistemas de inundación. Los dispositivos de detección de incendios se deberían seleccionar con el fin de garantizar su operación, aún en los casos de operación prematura de los rociadores considerando las temperaturas normales del recinto y las condiciones generadas por corrientes de aire. En áreas en las cuales la alta temperatura del ambiente en el cielo raso sea originada por fuentes de calor distintas a condiciones de incendio, se deberían seleccionar dispositivos de respuesta al calor que operen a temperaturas más altas que las normales y con capacidad para resistir estas temperaturas más altas por largos períodos de tiempo. Donde existan condiciones corrosivas, se deben utilizar materiales o recubrimientos de protección que resistan la corrosión. [NFPA 13: A.7.3.1]. A.5.2.4 Los sistemas para conexión de mangueras contra incendio manuales secos necesitan agua de una bomba del cuerpo de bomberos (o equivalente) para suministrarla al sistema a través de la conexión de bomberos para abastecer la demanda del sistema. A.5.2.5 Los sistemas para conexión de mangueras contra incendio manuales húmedos necesitan agua de una bomba del cuerpo de bomberos (o equivalente) para abastecer la demanda del sistema. A.5.4 La intención del comité es permitir la omisión de la bomba de incendio como parte del sistema para conexión de mangueras contra incendio en edificios que no sean altos, cuando se pueda diseñar un sistema de rociadores automáticos diseñados e instalados con el suministro de agua disponible, y el caudal y presión demandados por el sistema para conexión de mangueras contra incendio de la red principal sean suministrados por los equipos del cuerpo de bomberos a través de la conexión de bomberos. A.5.5 En algunos sistemas podría ser deseable instalar indicadores de presión adicionales en la base de las redes principales, en especial en áreas de gran superficie y en edificios altos.
  • 70.
    NORMA TÉCNICA COLOMBIANANTC 1669 (Segunda actualización) 61 A.5.6 Las alarmas audibles normalmente se localizan en la zona exterior de la edificación. Algunas veces es recomendable contar con campanas eléctricas tipo gong, bocinas o sirenas ubicadas tanto en el interior como en el exterior. A.6.1 Las conexiones provenientes de bombas contra incendio y fuentes de abastecimiento exteriores a la edificación se deberían realizar en la base de las redes principales. A.6.1.2.1 Las redes principales no deberían estar ubicadas en áreas de construcción combustible sin protección con rociadores. A.6.3.5 Véanse la Figura A.3 y la Figura A.4. Drenaje elevado Válvula de manguera de incendios Combinación rociador / tubería vertical elevada Conexión de drenaje y prueba del inspector Al sistema rociador Interruptor de flujo de agua Indicador de presiónVálvula antiretorno Válvula de control de piso tipo indicador con interruptor supervisor Figura A.3. Esquema de conexión aceptable para sistemas combinados Drenaje elevado Combinación rociador / tubería vertical elevada Conexión de drenaje y prueba del inspector Al sistema rociador Interruptor de flujo de agua Indicador de presión Válvula de manguera de incendios 2 1/2 pulgadas (65 mm) mínimo Válvula de control de piso tipo indicador con interruptor supervisor Válvula antiretorno Figura A.4. Esquema de conexión aceptable para sistemas combinados
  • 71.
    NORMA TÉCNICA COLOMBIANANTC 1669 (Segunda actualización) 62 A.6.3.6.1.1 Una conexión de una fuente de abastecimiento de agua no debería prolongarse hasta el interior de un edificio o cruzar muros de la edificación a menos que dicha conexión esté controlada mediante una válvula indicadora listada ubicada en el exterior o mediante una válvula indicadora listada ubicada en el interior y cerca del muro exterior del edificio. Todas las válvulas de control de abastecimiento de agua para sistemas para conexión de mangueras contra incendio o partes de ellos, incluyendo las válvulas de control de piso que alimentan sistemas de rociadores y las válvulas de sectorización de la red principal, deberían ser accesibles durante las emergencias por parte del personal autorizado Cuando sea necesario se deberían proveer escaleras permanentes, escaleras próximas a la tubería, manivelas operadas por cadenas o cualquier otro medio o sistema aceptado. Se sugiere instalar las válvulas exteriores de control en el siguiente orden de preferencia: 1) Válvulas indicadoras listadas en cada conexión que alimenta el edificio, a por lo menos a 40 pies (12,2 m) de la fachada del edificio si el espacio lo permite. 2) Válvulas de control instaladas en una caja para válvulas en una escalera o un cuarto de válvulas accesible desde el exterior. 3) Válvulas de poste indicador ubicadas en las columnas y dispuestas para operación desde el exterior. 4) Válvulas enterradas en cada una de las conexiones de entrada al edificio. A.6.3.6.2 Véase la NFPA 24, Standard for the Installation of Private Fire Service Mains and Their appurtenances. A.6.3.8.5 Dependiendo de la disposición de las conexiones de manguera en un corredor o en un área grande, puede ser preferible instalar la señalización de la conexión de manguera paralela, perpendicular o en un ángulo con el plano de la superficie de montaje en el que este ubicada la señalización. A.6.4 Véase la Figura A.5 para la disposición general.
  • 72.
    NORMA TÉCNICA COLOMBIANANTC 1669 (Segunda actualización) 63 Sello a prueba de agua de 1 pulgada a 3 pulgadas (25,4 mm a 76 mm) Conexión de bomberos Válvula antiretorno Cabezal en el cuarto de válvula Goteo automático Figura A.5.Conexión Típica de Bomberos para redes principales Húmedas A.6.4.5.4 El diseñador del sistema debería consultar con la autoridad competente antes de establecer la localización de la conexión de bomberos. La localización debería estar basada en los requisitos exigidos por el cuerpo de bomberos. A.6.8 Véase la Figura A.6 para un ejemplo de señalización de la información hidráulica. Localización de las dos conexiones de manguera hidráulicamente más desfavorables: Caudal de diseño de las conexiones identificadas anteriormente: Las presiones residuales de diseño de entrada y salida para las conexiones identificadas anteriormente: Caudal y presiones de diseño del sistema (estática y dinámica) (por ejemplo: Caudal y presión residual) en la válvula de control del sistema o en la brida de descarga de la bomba cuando se tenga instalada una bomba y en cada una de la conexiones de bomberos: Figura A.6 Señalización con Información Hidráulica del Sistema A.7.1 La altura del edificio determina el número de zonas verticales. El área de un piso o área compartimentada para incendios y la ubicación de salidas de evacuación, así como la clasificación del tipo de ocupación, determinan el número y ubicación de las conexiones de manguera. Los códigos locales de construcción de edificios establecen los tipos de sistemas, las clases de sistemas y la localización de las conexiones de manguera. El dimensionamiento de la tubería depende del número de conexiones para manguera en operación, el caudal suministrado, la presión residual requerida y las distancias tanto vertical como horizontal entre las conexiones para manguera y las fuentes de abastecimiento de agua.
  • 73.
    NORMA TÉCNICA COLOMBIANANTC 1669 (Segunda actualización) 64 En las Figuras A.7, A.8 y A.9 se muestran esquemas verticales típicos. Para los requisitos generales del sistema ver el Capítulo 7. Al sistema rociador Vea nota 1 Al sistema rociador Prueba y drenaje Sistema combinado típico Drenaje principal Válvula de manguera de incendios Al drenaje Conexión del cuerpo de bomberos Válvula de retención con goteo de bola Vea nota 2 Del suministro de agua Bomba de incendios Al cabezal de prueba Medidor de presión Válvula de drenaje Sensor de flujo de agua (donde es requerido) Nivel del suelo Medidor de presión Figura A.7. Sistema típico de zona individual NOTA 1 Montaje del piso de rociadores en concordancia con NFPA 13 Standard for the Installation of Sprinkler Systems. NOTA 2 Derivación en concordancia con NFPA 20 Standard for the Installation of Stationary Pumps for Fire Protection.
  • 74.
    NORMA TÉCNICA COLOMBIANANTC 1669 (Segunda actualización) 65 Zona alta (ZA) Zona baja (ZB) ZA ZB ZA ZB ZB ZA ZB ZA ZB Válvula de drenaje Medidor de presión Medidor de presión Válvula de manguera de incendios Nivel del suelo Conexión del cuerpo de bomberos zona alta Conexión del cuerpo de bomberos zona baja Válvula de retención con goteo de bola Vea nota 1 Del suministro de agua Bomba de incendios zona baja Bomba de incendios zona alta Al cabezal de prueba Medidor de presión Sensor de flujo de agua (donde es requerido)Sensor de flujo de agua (donde es requerido) Válvula de drenaje Válvula de drenaje Figura A.8. Sistema típico de dos zonas zona alta (za) NOTA 1 Derivación conforme a la norma NFPA 20 Standard for the Installation of Stationary Pumps for Fire Protection. NOTA 2 La bomba de zona alta puede ser dispuesta para tomar la succión directamente de la fuente de suministro.
  • 75.
    NORMA TÉCNICA COLOMBIANANTC 1669 (Segunda actualización) 66 Zona media (ZM) Zona baja (ZB) ZM ZB ZM ZB ZB ZM ZM ZB Válvula de drenaje Válvula de manguera de incendios Nivel del suelo Conexión del cuerpo de bomberos zona media y tanque de llenado Conexión del cuerpo de bomberos zona baja Válvula de retención con goteo de bola Vea nota 1 Del suministro de agua Bomba de incendios zona baja Bomba de incendios zona media Al cabezal de prueba Medidor de presión Válvula de drenaje Sensor de flujo de agua (donde es requerido) Válvula de drenaje ZA ZA Zona alta (ZA) Medidor de presión Medidor de presión Medidor de presión Ajuste para agua doméstica Tanque de almacenaje Válvula de flotación Bomba de incendios zona alta Figura A.9. Sistema típico multi-zona NOTA Derivación conforme a la norma NFPA 20 Standard for the Installation of Stationary Pumps for Fire Protection. A.7.1.1 Es importante determinar con exactitud el rango de operación, para asegurar que los dispositivos de regulación de presión funcionen de acuerdo a las instrucciones del fabricante tanto para los caudales mínimos y máximos previstos. El caudal mínimo puede corresponder al de un solo rociador en sistemas combinados o al de una conexión de manguera de 1 1/2 pulgadas (40 mm) en sistemas para conexión de mangueras contra incendio que no alimenta rociadores. Esto podría requerir el uso de dos dispositivos instalados en paralelo. A.7.2 Los límites de presión del sistema se han implementado en reemplazo de las unidades de altura utilizadas anteriormente. Como la variable que se quiere controlar mediante los límites de altura siempre ha sido la presión máxima, el limitar la presión es un método de control más directo y cuando se utilizan equipos de bombeo, permite mayor flexibilidad en la definición de zonas puesto que la curva de una bomba con menor diferencial de presión en el punto de cierre implica menores presiones máximas en el sistema, hasta que alcance la demanda requerida.
  • 76.
    NORMA TÉCNICA COLOMBIANANTC 1669 (Segunda actualización) 67 La presión máxima del sistema normalmente es en posición de cierre, con flujo cero y con la bomba en operación. La medición debería incluir la bomba de refuerzo de presión y la presión estática de la red pública. El límite de 350 psi (24 bar) fue seleccionado porque es la presión máxima a la cual la mayoría de los componentes del sistema están disponibles y esta acorde con la necesidad de limitar la presión a un valor razonable. A.7.2.2 Se puede requerir un dispositivo de reducción de presión de pequeño diámetro para acomodar condiciones de flujo bajo tales como aquellas creadas por el flujo de un solo rociador. Véanse las Figuras A.10 y A.11 sobre métodos para cumplir con esta sección. Dispositivo de regulación de presión Dispositivo para supervisión de presión Medidor de presión Normalmente abierta Normalmente abierta Derivación Válvula indicadora Normalmente cerrada A la conexión de bomberos Figura A.10. Adaptación del dispositivo de regulación de presión Normalmente cerrada Normalmente cerrada A la conexión de bomberos Normalmente abierta Normalmente abierta Normalmente abierta Normalmente abierta Dispositivo para supervisión de presión Dispositivo para supervisión de presión Figura A.11 Adaptación del dispositivo de regulación de presión doble A.7.3.1 Se puede permitir ubicar la manguera a un lado de la red principal y abastecerla por conexiones laterales cortas a la red principal cuando sea necesario para evitar obstrucciones. Las conexiones de manguera para sistemas Clase I deberían estar ubicadas en un foso de escaleras y las conexiones para sistemas Clase II deberían ubicarse en el corredor o espacio adyacente al foso de escalera y conectarse a través del muro con la red principal. Para sistemas Clase III, las conexiones para manguera de 2 1/2 pulgadas (65 mm) deberían ser ubicadas en un foso de escalera y las conexiones Clase II deberían ser ubicadas en el corredor
  • 77.
    NORMA TÉCNICA COLOMBIANANTC 1669 (Segunda actualización) 68 o espacio adyacente al foso de escalera. Estas disposiciones hacen posible usar chorros de manguera del sistema Clase II con prontitud en caso de que la escalera esté llena de gente que escapa en el momento del incendio. En edificios que tienen grandes áreas, las conexiones para sistemas Clase I y Clase III pueden ser ubicadas en columnas interiores. A.7.3.2 Ahora está especificado que las conexiones de manguera se ubiquen en descansos intermedios entre pisos para evitar la congestión de las entradas. Donde hay múltiples descansos de piso intermedios entre pisos, las conexiones de manguera deben ser ubicadas en el descanso aproximadamente equidistante entre pisos. Es reconocido que los cuerpos de bomberos a menudo usan las conexiones de manguera del piso inferior al del incendio y la ubicación de conexiones de manguera en descansos intermedios también reduce la distancia de tendido de mangueras en tales casos. La aproximación a la ubicación de conexiones de manguera con respecto de salidas es mostrada en la Figura A.12, A.13 y A.14. Conexión de manguera Conexión de manguera Oficina remota Puede ser permitida una distancia máxima de recorrido a una salida como está establecido por el código de edificios Figura A.12. Ubicación de conexiones de manguera en escaleras Conexiones de manguera Salidas horizontales Figura A.13. Ubicación de conexiones de manguera en salidas horizontales
  • 78.
    NORMA TÉCNICA COLOMBIANANTC 1669 (Segunda actualización) 69 Conexión de bomberos Conexión de mangueras Pasadizos de salida como son requeridos por otros códigos o normas Figura A.14 Ubicación De Conexiones De Manguera En Pasadizos De Salida A.7.3.2 (5) Véase la Figura A.15 para un ejemplo de salidas de azotea Tubería de 4 pulgadas (100 mm) mínimo Placas escudo Abertura en muro Válvula de manguera Manguito de tubería Tapa válvula para vávula de control o poste indicador tipo muro Acople especial Varilla cuadrada Muro Bola de goteo de conexión baja Válvula de compuerta de vástago fijo de 4 pulgadas (100 mm) mínimo Válvula de suministro de agua de 6 pulgadas (150 mm) mínimo Figura A.15. Disposición de tubería de salida de azotea A.7.3.2.3 El numeral 7.3.2.3 intenta proveer a los cuerpos de bomberos locales con la autoridad para requerir conexiones de manguera adicionales exteriores de o lejos de una separación de resistencia al fuego de dos horas. Estas conexiones de manguera adicionales podrían ser necesarias para permitir a los bomberos atacar con una manguera de incendios en un razonable lapso de tiempo, con base en las longitudes de manguera disponibles en los paquetes o en bolsas portátiles del cuerpo de bomberos. Mientras se reconoce que las limitaciones del espaciamiento de salida proveen controles para limitar las longitudes máximas de manguera necesarias para combatir un incendio, minimizando así las demandas físicas sobre los bomberos, también es reconocido que, en algunos casos, basados en la disposición
  • 79.
    NORMA TÉCNICA COLOMBIANANTC 1669 (Segunda actualización) 70 arquitectónica podrían ser necesarias salidas adicionales en áreas de piso abiertas en orden a cumplir requisitos de espaciamiento. En tales casos, es improbable que tales salidas sean utilizadas ya que no habría un área de uso para estacionamiento de bomberos cuando alcancen la conexión de manguera. Por tanto, las conexiones adicionales de manguera, donde sean provistas para cumplir requisitos de distancia, deberían estar ubicadas en un corredor de salida con una resistencia al fuego de una hora donde sea posible para proveer un grado de protección para el acceso de los bomberos a la conexión. Tales conexiones también debieran estar ubicadas tan uniformemente como sea posible de piso a piso, de forma tal que los bomberos puedan encontrarlas fácilmente durante un incendio. La distancia de 200 pies (61 m) permitida para edificios con rociadores podría necesitar longitudes adicionales de manguera en orden a alcanzar la parte más remota de un piso; sin embargo, los rociadores automáticos deberían proveer control adecuado para permitirle tiempo a los bomberos para extender las mangueras en aquellos casos donde un incendio está ubicado en el área más remota. A.7.3.3 Las estaciones de manguera deberían estar dispuestas de forma tal que permitan que la descarga sea dirigida desde la boquilla hasta todas las partes de encerramientos importantes tales como armarios y cerramientos similares. A.7.5 Las conexiones de bomberos que alimentan redes principales interconectadas, incluyendo sistemas combinados, deberían estar dispuestas para abastecer todas las redes principales interconectadas en un edificio o sección de él. Véanse las Figuras A.7, A.8 y A.9. La interconexión debería ocurrir tan cerca de la fuente de suministro como sea posible. A.7.8 Al determinar la presión a la salida de la conexión de manguera remota, se debería considerar la pérdida de presión en la válvula de la manguera. Es muy importante que los cuerpos de bomberos escojan un tipo de boquilla apropiado para sus operaciones de combate de incendios con redes principales. Las boquillas aspersoras tipo presión constante (automáticas) (vea NFPA 1964, Standard for Spray Nozzless) no se deberían usar para operaciones con redes principales porque muchos de estos tipos requieren un mínimo de 100 psi (6,9 bar) de presión a la entrada de la boquilla para producir un chorro de incendios razonablemente efectivo. En operaciones con redes principales, las perdidas por fricción podrían evitar la entrega de 100 psi (6,9 bar) a la boquilla. En sistemas para conexión de mangueras contra incendio de altura con válvulas de manguera reductoras de presión, los bomberos tienen poco o ningún control sobre la presión de salida de la válvula de manguera. Muchos cuerpos de bomberos usan boquillas combinadas (neblina y chorro directo) que requieren 100 psi (6,9 bar) de presión residual en la entrada de la boquilla con mangueras de 1 1/2 pulgada, 1 3/4 pulgadas o 2 pulgadas (40 mm, 44 mm o 50 mm) en longitudes de hasta 150 pies (45,7 m). Algunos usan manguera de 2 1/2 pulgadas (65 mm) con una boquilla de chorro directo o una boquilla combinada. Algunos cuerpos de bomberos usan manguera de 50 pies (15,2 m) de 2 1/2 pulgadas (65 mm) en una conexión siamesa, alimentando dos mangueras de 100 pies (30,5 m) de longitud de 1 1/2 pulgada - 2 pulgadas (40 mm - 50 mm) con boquillas combinadas, requiriendo 120 psi - 149 psi (8,3 bar -10,3 bar) en la salida de la válvula (véase la Tabla A.2.). Véase también NFPA 1901, Standard for Automotive Fire Apparatus.
  • 80.
    NORMA TÉCNICA COLOMBIANANTC 1669 (Segunda actualización) 71 Tabla A.2 Resumen de pérdidas por fricción en chorros de manguera Salida de la válvula Flujo Cálculo N° Boquilla/Manguera L/min gpm bar psi 1 Boquilla combinada de 2 ½ pulgadas (65 mm), con 150 pies (45,7 m) de manguera de 2 ½ pulgadas (65 mm) 946 250 8,5 123 2 Dos boquillas combinadas de 1 ½ pulgadas (40 mm) con 100 pies (30,5 m) de manguera de 1 ½ pulgadas (40 mm) por boquilla, reguladas por derivación en Ye de 2 ½ pulgadas (65 mm) y 50 pies (15,2 m) de manguera de 2 ½ pulgadas (65 mm) 946 250 10,3 149 3 El mismo cálculo N° 2 con dos tramos de manguera de 100 pies (30,5 m) de 1 ½ pulgadas (40 mm) 946 250 9,6 139 4 El mismo cálculo N° 3 con dos tramos de manguera de 100 pies (30,5 m) de 2 pulgadas (50 mm) 946 250 8,3 120 5 Combinación de boquilla de 1 ½ pulgadas (40 mm) con 150 pies (45,7 m) de manguera de 2 pulgadas (50 mm ) 757 200 9,4 136 6 El mismo cálculo N° 5 con manguera de 1 ½ pulgadas (40 mm) 757 200 11,6 168 A.7.8.3 Debido a las diferentes limitaciones de presión establecidas en el numeral 7.8, podría ser necesario disponer la tubería de forma tal que se cuente con dispositivos reguladores de presión separados en las conexiones de manguera Clase I y Clase II. A.7.8.3.2 Muchos cuerpos de bomberos tienden una línea de manguera desde el carro bomba hasta dentro del edificio y se conectan a una salida de válvula accesible usando una articulación giratoria hembra doble donde las conexiones de bomberos del edificio son inaccesibles o inoperables. Para presurizar la red principal, la válvula de manguera es abierta y la máquina bombea al sistema. Si la red principal está equipada con válvulas de manguera reductoras de presión, la válvula actúa como una válvula de retención, impidiendo el bombeo al sistema cuando la válvula está abierta. Una conexión de bomberos de una sola entrada suplementaria o válvula de manguera con rosca hembra en una ubicación accesible en la tubería vertical permite bombear dentro de ese sistema. A.7.10.1.1 Si un sistema de suministro de agua abastece más de un edificio o más de un área de incendios, el suministro total puede ser calculado con base en el edificio o área de incendios individual que requiere el mayor número de redes principales. Para un debate sobre el uso de los bomberos de las conexiones de bomberos, véase la NFPA 13E, Recommended Practice for Fire Department Operations in Properties Protected by Sprinkler and Standpipe Systems. A.7.10.1.1.2 El intento de esta sección es proveer un requisito de caudal diferente para una gran área de edificios de baja altura y otras estructuras protegidas por redes principales (en sentido horizontal). A.7.10.1.2 Véase el numeral 14.4 de NFPA 13 Standard for the Installation of Sprinkler Systems. Cuando se realiza un diseño hidráulico, las características hidráulicas de cada suministro de agua necesitan ser conocidas.
  • 81.
    NORMA TÉCNICA COLOMBIANANTC 1669 (Segunda actualización) 72 El procedimiento para determinar las características hidráulicas de suministros permanentes de agua, tales como bombas, es bastante directo y está descrito en NFPA 20 Standard for the Installation of Stationary Pumps for Fire Protection. El procedimiento para determinar las características hidráulicas de los aparatos de incendio que abastecen un sistema de red principal es similar. Si falta información sobre aparatos de incendio locales, un diseño conservador podría acomodarse a una bomba del cuerpo de bomberos de 1 000 gpm (3 785 L/min) trabajando de acuerdo con las especificaciones del nivel de diseño indicadas en la norma NFPA 1901 Standard for Automotive Fire Apparatus. La norma NFPA 1901 especifica que las bombas del cuerpo de bomberos deben ser capaces de alcanzar tres combinaciones de presión/flujo. Estas son 100 % de la tasa de capacidad a una presión neta de la bomba de 150 psi (1 034 kPa), 70 % de la tasa de capacidad a una presión neta de la bomba de 200 psi (1 379 kPa) y 50 % de la tasa de capacidad a una presión neta de la bomba de 250 psi (1 724kPa). Por tanto, a 1 000 gpm (3 785 L/min) el bombero puede esperar una entrega no menor de 1 000 gpm (3 785 L/min) a 150 psi (1 034 kPa), 700 gpm (2 650 L/min) a 200 psi (1 379 kPa) y 500 gpm (1 893 L/min) a 250 psi (1 724 kPa). También puede ser adicionada la presión de suministro residual en el lado de succión de una bomba desde un suministro de agua municipal presurizado a otro. Para realizar un diseño hidráulico, se debería determinar la presión y caudal mínimos requeridos en la conexión de manguera más remota y calcular esta demanda de regreso a través del sistema de tubería en cada suministro de agua, acumulando las pérdidas por fricción y cambios de elevación y adicionando flujos para redes principales adicionales y rociadores en cada punto donde tales tuberías verticales o rociadores conecten con la ruta de diseño hidráulico. Cuando se consideren carros de bomberos como un suministro de agua, los flujos son calculados desde la tubería del sistema a través de la conexión de bomberos y de regreso a través de las mangueras conectadas a la bomba. Si la presión disponible en cada fuente de suministro excede una demanda de presión de un sistema de tubería al flujo diseñado, el diseño es aceptable. De lo contrario, el diseño de la tubería o el suministro de agua necesitan ser ajustados. El propósito de esta norma es requerir que cada red principal que sirve dos o más conexiones de manguera sea capaz de un caudal individual de 500 gpm (1 893 L/min) y 250 gpm (946 L/min) en cada una de las dos conexiones de mayor demanda hidráulica a la presión residual requerida. Dados los requisitos del numeral 7.10.1.1.4.1 para la red principal hidráulicamente más remota para abastecer esta presión y caudal y dados los diámetros mínimos de redes principales en el numeral 7.6, la capacidad de las redes principales que no son las hidráulicamente más remotas para satisfacer estos requisitos está implícita y no se deberían requerir cálculos hidráulicos adicionales. A.7.11 Durante la prueba de flujo de las válvulas reductoras de presión, se debería tener cuidado al hacer las conexiones para drenar tuberías elevadas. Se debería mantener un ruptor de aire para evitar conexión cruzada a fuentes de agua no potables. A.7.12 Véase NFPA 13E, Recommended Practice for Fire Department Operations in Properties Protected by Sprinkler and Standpipe Systems. El número de entradas de 2 1/2 pulgada (65 mm), para suministrar el volumen y presión de agua requeridos en la conexión de bomberos, depende de distintas variables tales como la confiabilidad del suministro de agua en la fuente, la distancia desde la fuente hasta la ubicación de las entradas, el diámetro de la manguera usada, el tamaño de la bomba del cuerpo de bomberos y el volumen y presión de agua requeridos en la base de la red (es) principal elevada.
  • 82.
    NORMA TÉCNICA COLOMBIANANTC 1669 (Segunda actualización) 73 A.8.1 Los planos deberían indicar el tipo de equipo del cuerpo de bomberos que el sistema está diseñado para servir, incluido el diámetro de la manguera, la longitud de ella y la boquilla de la manguera. Tal equipo es la base para la selección de la presión en concordancia con el numeral 7.8. A.9.1 La selección de suministros de agua para cada instalación se debería determinar en cooperación con la autoridad competente. A.10.1 Un beneficio adicional que se deriva de las pruebas de flujo de agua es la indicación de posibles deficiencias, tales como la tuberculización de tubería, válvulas cerradas u otras obstrucciones, las cuales se deberían corregir para suministrar caudales adecuados. A.10.2 Las pruebas se deberían realizar conforme a la norma NFPA 291, Recommended Practice for Fire Flow Testing and Marking Hydrants. A.11.1 Donde las conexiones de la red principal están construidas dentro de muros o particiones, se deberían hacer pruebas hidrostáticas antes de que ellas sean cubiertas o permanentemente selladas. Ejemplo de la Prueba de Presión Hidrostática Requerida. El suministro de agua para un sistema para conexión de mangueras contra incendio es la conexión a un acueducto de servicio público principal. Un equipo de bombeo con una presión nominal de 100 psi (6,9 bar) se instala en la conexión. Con una presión de suministro normal del agua pública de 70 psi (4,9 bar) en el punto bajo de elevación del sistema o zona que está siendo probada y una bomba con una presión de cierre de 120 psi (8,3 bar), la presión de la prueba hidrostática es de 70 psi + 120 psi + 50 psi o 240 psi (4,8 bar + 8,3 bar + 3.4 bar o 16,5 bar). (Véase la NFPA 24, Standard for the Installation of Private Fire Service Mains and Their Appurtenances). A.11.4.1 La prueba y lavado de la tubería subterránea debe estar conforme a la norma NFPA 24, Standard for the Installation of Private Fire Service Mains and Their Appurtenances. A.11.5.1 Las conexiones de manguera hidráulicamente más remotas en un edificio generalmente corresponden a un cabezal de prueba, si es provisto, o en la parte más alta de la escalera que descarga hacia la cubierta. En un sistema multi-zona, los medios de prueba están generalmente en un cabezal de prueba a nivel del suelo o en un tanque de succión en los pisos altos. Cuando no se pueda realizar una prueba de caudal en la conexión de manguera hidráulicamente más remota, se debe consultar a la autoridad competente, para la ubicación apropiada de la prueba. A.11.5.4.1 Es importante probar los dispositivos reguladores de presión a los caudales mínimos y máximos previstos. El caudal mínimo puede ser el de un solo rociador para sistemas combinados o el de conexión de manguera de 1 1/2 pulgadas (40 mm) en sistemas para conexión de mangueras contra incendio que no alimentan rociadores. Esto puede requerir mantener un caudal continuo para demostrar el continuo desempeño del dispositivo regulador de presión para el caudal mínimo.
  • 83.
    NORMA TÉCNICA COLOMBIANANTC 1669 (Segunda actualización) 74 A.12.5 Se debería ubicar un gabinete suficientemente grande y preferiblemente de metal, en la conexión de manguera más alta, en la cual se debería mantener una cantidad suficiente de manguera para alcanzar todas las partes del piso, una boquilla de incendio de 1 1/8 pulgadas (29 mm), llaves tensora (Spanner) y correas para manguera. A.12.6 Las conexiones superiores para mangueras no se deberían ubicar en ningún momento más de un piso por debajo de las configuraciones más altas, estacionamiento y combustibles similares.
  • 84.
    NORMA TÉCNICA COLOMBIANANTC 1669 (Segunda actualización) 75 ANEXO B (Informativo) REFERENCIAS INFORMATIVAS B.1 PUBLICACIONES MENCIONADAS Los documentos o partes de ellos listados dentro de este anexo son mencionados dentro de las secciones informativas de esta norma y no hacen parte de los requisitos de este documento a menos que también estén listados en el Capítulo 2 por otras razones. B.1.1 Publicaciones NFPA. National Fire Protection Association, 1 Batterymarch Park, Quincy, MA 02169-7471. NFPA 13 Standard for the Installation of Sprinkler Systems, 2007. NFPA 13E, Recommended Practice for Fire Department Operations in Properties Protected by Sprinkler and Standpipe Systems, 2005. NFPA 20 Standard for the Installation of Stationary Pumps for Fire Protection, 2007. NFPA 24 Standard for the Installation of Private Fire Service Mains and Their Appurtenances, 2007. NFPA 25 Standard for the Inspection, Testing, and Maintenance of Water-Based Fire Protection Systems, 2002. NFPA 291, Recommended practice for Fire Flow Testing and Making of Hydrants, 2002. NFPA 600, Standard on industrial Fire Brigades, 2005. NFPA 1901, Standard for Automotive Fire Apparatus, 2003. NFPA 1964, Standard for Spray Nozzles (Shutoff and Tip), 2003. B.1.2 Otras Publicaciones. B.1.2.1 Publicaciones ASME. American Society of Mechanical Engineers, , Three Park Avenue, New York, NY 10016-5990. ASME B1.20.1, Pipe Threads, General Purpose (Inch), 1983. B.2 REFERENCIAS INFORMATIVAS (Reservado) B.3 REFERENCIAS PARA EXTRACTOS EN SECCIONES INFORMATIVAS NFPA 13, Standard for the Installation of Sprinkler Systems, 2007.
  • 85.
    NORMA TÉCNICA COLOMBIANANTC 1669 (Segunda actualización) 76 DOCUMENTO DE REFERENCIA NATIONAL FIRE PROTECTION ASSOCIATION (NFPA). Standard for the Installation of Standpipe and Hose Systems. USA, NFPA 14, 2007. 35 p. Esta edición de la NTC 1669, se basa en la edición del 2007 de la NFPA 14 Standard for the Installation of Standpipe and Hose Systems publicado por la National Fire Protection Association en idioma inglés. Se tradujo al español por la Organización Iberoamericana de Protección contra Incendios OPCI y de su posterior adopción se encargó el Instituto Colombiano de Normas Técnicas y Certificación -ICONTEC-. La NFPA no se hace responsable por la exactitud y veracidad de esta traducción al español, en el caso de algún conflicto entre las ediciones en idioma inglés y español, el idioma inglés prevalecerá. Copyright© 2007 National Fire Protection Association