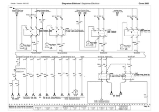
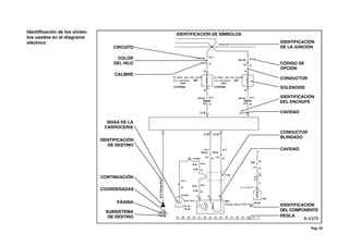
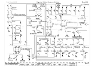
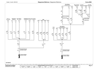
Introducción del circuíto eléctrico 
Diagramas eléctricos 
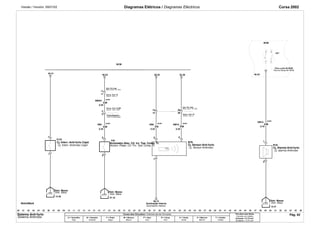
El Corsa utiliza un nuevo esquema eléctrico, conocido como sistema IVED-Integrate Veichle Eletrical Design o Proyecto eléctrico integrado del 
vehículo. 
Este nuevo esquema eléctrico es muy fácil de ser interpretado. Para comprenderlo, es necesario conocer sus características: 
– Cada página del esquema eléctrico posee una regla en la parte inferior de la hoja enumerada de “00” a “56”, que son las coordenadas. 
– Los circuítos y los componentes pueden ser encontrados utilizando estas coordenadas. 
– Cuando el circuíto continúa en otra hoja, estas coordenadas se utilizan para identificar la página y el lugar donde el circuito continua. 
– Los enchufes y las cavidades se identifican a través de un número. 
– De esta manera, la consulta al diagrama eléctrico del Corsa es más sencilla, ya que es posible identificar rápidamente la ubicación y la con-exión 
de todos los componentes, lo cual reduce el tiempo para comprobar irregularidades. 
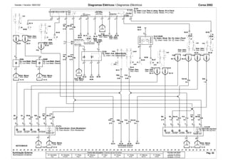
Colores dos conductores 
A. Rojo 
B. Amarillo 
F. Negro 
M. Blanco 
P. Azul 
R. Gris 
V. Verde 
X. Marrón 
Y. Violeta 
Circuitos sin calibre se identifican como siendo 0,75 mm² 
Pág. 01
Leyendas 
Pág. 02
Identificación de los símbo-los 
usados en el diagrama 
eléctrico 
Pág. 03
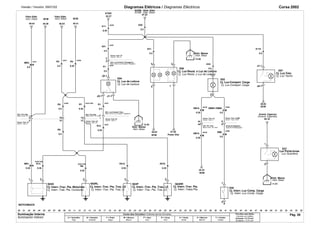
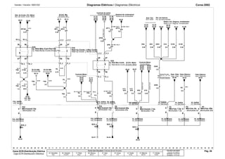
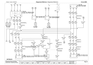
Versão / Versión: 09/01/02 Diagramas Elétricos / Diagramas Eléctricos Corsa 2002 
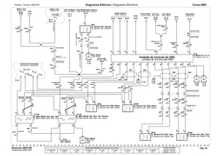
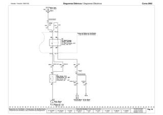
Distr. Elétrica 
Distr. Eléctrica Ctrls. da ventilação HVAC 
41.21 
Contr. Ventilación HVCA 
&UA6 A48. 
Maxi-fusível-30a 
Maxifusible-30a 
Conj. Relé Acces. Arranque F45_ENTRADA 
F45_ENTRADA 
F24. 
4.0 
&LK8 
A57. 
0.35 
S133FB 
2.5 
BCM 
A12. 
1.0 0.35 
Conj. Relé Acess. Part. 
&LK8 
F152. 
0.5 
Di Ctrl. Motor Distr. Elétrica 
05.03 09.29 
Di Ctrl. Motor Distr. Eléctrica Distr. Elétrica Distr. Elétrica 
Relé e Interr. Part. e Igniç. 
Relé e Interr. Arr. y Encend. 
Distr. Eléctrica Distr. Eléctrica 
Limpador e Lavador BCM 
Limpiador Y lavador BCM 
F8_SAÍDA F15_SAÍDA F1_SAÍDA F29_SAÍDA F22_SAÍDA 
F29 
F52_ENTRADA F53_ENTRADA F8_ENTRADA F15_ENTRADA F1_ENTRADA F29_ENTRADA F22_ENTRADA 
 
42.35 
LK8 
49.12 
A 
B 
F240. 
2.5 
F241. 
2.5 
F121. 
51.28 
FY4. 
1.5 
BUS_.5 
40.51 
F23. 
4.0 
F45_OUT 
F45 
41.03 
A47. 
0.35 
30 k72 
F15. 
0.5 
L10L11LJ1 
41.42 
39.37 
86 
85 
A69. 
0.75 
F15 
87 
BUS_.3 
05.03 
BUS_.1 
EC 
BCM 
39.27 
F1 
B 
C25 
A 
B 
BCM 
39.29 
A 
B 
F22 
A120A. EC 
EC 
 
F3 
A150. 
A85. 
6.0 
XIII_2 
 
 
. A96 
0.35 
XIII_4 
41.05 
S108FB 
0.5 
39.09 
BCM 
41.21 
B 
A70. 
0.75 
BUS_.2 
 
EC EC 
 
BCM 
38.25 
A133. 
10 
A86. 
6.0 
S113FB 
Di-Contr. Mot. Di-Contr. Mot. 
A1_P15-K18_P6 K18_P8-S114FB 
VII_2 
BUS_6 
05.07 
09.38 
33.51 
BUS_9 . 
EC 
A133A. 
10 
A 
B 
A122. 
4 
F8 
F52_SAÍDA F53_SAÍDA 
FA1. 
 
07.02 
2.5 Carroceria Delantera 
15 
A9. 
0.5 
37 
37 
A9. 
0.5 
2 
30 
F21. 
0.5 
2 
2 
F11. 
0.5 
5 
50 w 
28.14 
VII_6 
85 
86 
 
 
VII_8 
VII_4 
A39. 
2.5 
87 
30 
LK8 
A 
B 
32.26 
33.44 
 
 
 
XV_4 
 
 
XIII_8 
A45. 
0.35 
XIII_6 
3 
A113. 
0.5 
S149 
A31/D78/W8X 
LK8 
BUS_.4 
4 
BUS_8 . 
EC 
A 
B 
EC 
A120. 
4 
F71. 
2.5 
S118IP 
LK8 
A38. 
0.35 
06.42 
K26 
BUS_6 . 
EC 
S126FB 
28.25 
S120IP 
FA4 . 
0.5 
3 
3 
40.10 
BCM 
A31/D78/W8X 
Mazo Cond. Pnl. Instr. 
ACS 
41.19 
MU8 A83. 
2.5 
XIV_2 
1 
FA1. 
0.5 
A29. 
1.5 
XV_2 
XV_8 
17.41 
12.41 
K50 
30 
86 
85 
87 
A121A. 
4 
A20. 
0.35 
35 
35 
A30. 
0.35 
A31/D78/W8X 
09.05 
XIV_6 
A 
B 
A122A. 
4 
X1 
B.US_7 
EC 
F48 
XV_6 
A115 
0.35 
40.09 
BCM 
K61 
A31/D78/W8X 
FA5. 
0.5 
30 
86 
85 
87 
. 
40.06 
BCM 
FA4/FA51 
. 
0.5 
F46 
F52 
BUS_6 . 
BUS_7 
05.32 
XB6. 
0.35 
XIV_8 
MU8 
26.20 
ACS 
07.21 
06.06 
08.26 
FA3. 
0.35 
F30. 
2.5 
29.04 
LK8 
A107. 
1.5 
06.28 
F53 
A 
B 
A121. 
4 
06.18 
07.41 
08.02 
06.22 
XIV_4 
32.06 
12.38 
17.38 
.00 .01 .02 .03 .04 .05 .06 .07 .08 .09 .10 .11 .12 .13 .14 .15 .16 .17 .18 .19 .20 .21 .22 .23 .24 .25 .26 .27 .28 .29 .30 .31 .32 .33 .34 .35 .36 .37 .38 .39 .40 .41 .42 .43 .44 .45 .46 .47 .48 .49 .50 .51 .52 .53 .54 .55 .56 
Cores dos Circuitos / Colores de los Circuitos 
A = Vermelho 
Rojo 
B = Amarelo 
Amarillo 
F = Preto 
Negro 
M = Branco 
Blanco 
P = Azul 
Azul 
R = Cinza 
Gris 
U = Verde 
Verde 
X = Marrom 
Marrón 
Y = Violeta 
Violeta 
Circuitos sem bitola 
Circuitos sin Calibre 
Indicada = 0,75 mm2 
Senãlada = 0,75 mm2 
A F 
A F 
F/A F 
F/A F/A A A 
F/A F 
F/A A 
X/B F/A 
A 
A 
A 
A A A A A A A A A F 
A A A 
F F 
F 
F 
F F 
A A 
A A A F/B 
A A A 
F F 
Carroçaria Dianteira 
Chicote Pnl. Instr. 
Mazo Conduc. Tabl. Instr. 
Conj. Interr. Partida e Ignição 
Conj. Interr. Arranque y Encendido 
Chicote Pnl. Instr. 
Carroçaria Dianteira 
Carroceria Delantera 
Distr. Elétrica 
Distr. Eléctrica 
Conj. Relé Mtr. Partida 
Conj. Relé Mtr. Arranque 
Distr. Massa 
Distr. Masa 
Carga e Partida 
Carga Y Arranque 
Di-Ctr. Mtr. Di-Ctr. Mtr. 
Conj. Relé ECM 
Conj. Relé ECM 
F48_SAÍDA 
F46_SAÍDA 
F48_SALIDA F46_SALIDA 
Maxi-fusível-30a Maxi-fusível-30a 
Maxifusible-30a Maxifusible-30a 
F48_ENTRADA F46_ENTRADA 
F48_ENTRADA F46_ENTRADA 
BATERIA_MAIS 
BATERIA_MÁS 
Distr. Elétrica-ECRB 
Carga e Partida 
Distr. Eléctrica-ECRB 
Carga y Arranque 
Distr. Massa 
Distr. Masa 
Vent. e Compress. do Arrefec. 
Vent. y Compres. del Resfr. 
F52_SALIDA 
F53_SALIDA F8_SALIDA F15_SALIDA 
F1_SAÍDA F29_SAÍDA F22_SAÍDA 
Maxi-fus.-30a Maxi-fus.-40a 
Maxifus.-30a Maxifus.-40a 
Mini-fus.-10 AA Mini-fus.-10 AA Mini-fus.-7.5a Mini-fusível-20a Mini-fusível-5a 
Minifus.-10 AA Minifus.-10 AA Minifus.-7.5a Minifusible-20a Minifusible-5a 
F52_ENTRADA F53_ENTRADA F8_ENTRADA F15_ENTRADA F1_ENTRADA F29_ENTRADA F22_ENTRADA 
Caixa ECR-Distribuição Elétrica 
Caja ECR-Distribución Eléctrica 
Pág. 04
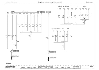
Versão / Versión: 09/01/02 Diagramas Elétricos / Diagramas Eléctricos Corsa 2002 
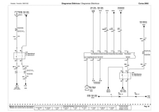
Distr. Elétrica 
04.16 
 
 
XXI_5 
XXI_3 
XVII_5 XVII_3 
30 
87 
XIX_3 
XIX_5 
XXI_4 XVI_4 
 
 
BCM 
42.36 
UA6 
F16. 
0.35 50 
K55 
Desembaçador 
48.30 
47.30 
A81. 
2.5 50 
 
 
 
 
48.35 
47.35 
85 
86 
87 
BUS_7 . 
EC 
F44_ENTRADA 
F44 
K43 
B 
30 
K45 
30 
86 
85 
87 
A 
B 
F47 
86 
85 
30 
87 
30 
87 
XVII_4 XVII_1 
F32. 
1.5 
F F/P 
F41_ENTRADA F42_ENTRADA 
F41 
B 
Mini-fus.-15a 
T96 F28. 
0.75 50 
53.01 
55.01 
T96 
38.17 
BCM 
F29. 
0.75 50 
53.05 
55.05 
86 
85 
K39 
XVI_5 XVI_3 
XXI_1 
38.37 
BCM 
. 
BUS_10 
EC 
F36_ENTRADA F37_ENTRADA 
A 
B 
53.40 
55.40 
F36 
K58 
86 
85 
F37 
B 
XIX_4 
FP1. 
0.75 
53.54 
BUS_11 . 
EC 
F43_ENTRADA 
A 
B 
XIX_1 
F43 
53.51 
55.51 
55.54 
XVI_1 
A 
B 
F42 
38.33 
BCM 
Exterior Light 
53.10 
55.10 
33.20 
BCM 
XI_8 
XI_2 
BUS_6 . 
EC 
Maxi-fusível 30a 
BUS6 
53.43 
55.43 
XI_6 
XI_3 
04.40 
Distr. Elétrica 
Distr. Elétrica - ECRB 
.00 .01 .02 .03 .04 .05 .06 .07 .08 .09 .10 .11 .12 .13 .14 .15 .16 .17 .18 .19 .20 .21 .22 .23 .24 .25 .26 .27 .28 .29 .30 .31 .32 .33 .34 .35 .36 .37 .38 .39 .40 .41 .42 .43 .44 .45 .46 .47 .48 .49 .50 .51 .52 .53 .54 .55 .56 
Cores dos Circuitos / Colores de los Circuitos 
A = Vermelho 
Rojo 
B = Amarelo 
Amarillo 
F = Preto 
Negro 
M = Branco 
Blanco 
P = Azul 
Azul 
R = Cinza 
Gris 
U = Verde 
Verde 
X = Marrom 
Marrón 
Y = Violeta 
Violeta 
Circuitos sem bitola 
Circuitos sin Calibre 
Indicada = 0,75 mm2 
Senãlada = 0,75 mm2 
F 
A 
F F 
Desempañador 
Cj.Relé Desemb.Vdo.Dir. 
Cj.Relé Desemp.Vent.Dcha. 
Distr. Eléctrica 
F47_SAÍDA 
F47_SALIDA 
Maxifusible 30a 
F47_ENTRADA 
F47_ENTRADA 
Distr. Eléctrica - ECRB 
Relé do Farol 
Relé del Faro 
F36_ENTRADA F37_ENTRADA 
Mini-fus.-10 AA Mini-fusível-10 A 
Minifus.-10 AA Minifusible-10 A 
F36_SAÍDA F37_SAÍDA 
F36_SALIDA F37_SALIDA 
Cj. Relé do 
FCaj.r Rolelé del Faro 
Mini-fus.-10 AA Mini-fus.-10 A A 
Minifus.-10 AA Minifus.-10 A A 
F43_SAÍDA F44_SAÍDA 
F43_SALIDA F44_SALIDA 
Conj. Relé Lâmp. Far. Nebl. 
Conj. Relé Bombilla Farol Nebl. 
F43_ENTRADA 
F44_ENTRADA 
F41_ENTRADA 
F42_ENTRADA 
Minifusible-15a 
F41_SAÍDA 
F41_SALIDA 
F42_SAÍDA 
F42_SALIDA 
Conj. Relé Lâmp. Farol Neblina 
Conj. Relé Bombilla Faro Neblina 
Mini-fusível-10 A 
Minifusible-10 A 
Distr. Eléctrica 
Caixa ECR-Distribuição Elétrica 
Caja ECR-Distribución Eléctrica 
Pág. 05
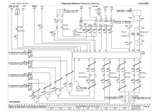
Versão / Versión: 09/01/02 Diagramas Elétricos / Diagramas Eléctricos Corsa 2002 
21.53 
25.53 
23.53 
29.14 
28.17 
30.07 25.50 
F17. 
0.5 
A 
B 
B.US_4 
 
EC 
 
28.07 
30.25 
L10L11LJ1 
L10L11LJ1 
AP10. 
A/P A/P 
2.5 
LK8 
A23. 
0.5 
28.04 
LK8 
A22. 
0.5 
A 
B 
B.US_1 
21.48 
23.48 
25.48 
AP11. 
2.5 
AP8. 
2.5 
L10L11LJ1 
AP20. 
0.35 
L10L11LJ1 
X_6 
85 
86 
87 
K35 
30 
F23 F9 
 
EC 
 
 
XII_8 
30 
87 
L10 
F99. 
0.75 
L10 
25.04 
XII_6 
L10 
F100. 
0.75 
F98. 
1.5 0 
 
 
AP21. 
X_6 X_8 
85 
86 
LK8 
X_2 X_4 
LK8 
F5. 
1.5 
F50. 
1.5 
87 
30 
LK8 
LK8 
21.41 
23.41 
K20 
28.19 
25.41 
53.30 
55.30 61.29 
50.24 
66.36 
65.36 
A54. 
A301. 
0.35 0.35 
0.5 
A300 
. 
0.5 
4 
4 
21.50 
23.50 
X_8 
X_4 
L10L11LJ1 
A900. 
2.5 
K34 
25.03 
22.03 
24.03 
L11/LJ1/L10 
L11/LJ1/L10 
F9. 
F55. 
0.5 
1.5 
RF100. 
0.75 
86 
85 
XII_2 
L10 
XII_4 
53.25 
55.25 
A55. 
0.35 
04.47 
67.41 
A103. 
0.35 
A300. 
0.5 
04.36 
A16. 
59.54 
A31 
F4 
A130. 
0.35 
A5. 
0.5 
A 
B 
X_2 
A F3 
B 
22.07 
24.07 
26.07 
L10/L11/LJ1 
22.04 
24.04 
26.04 
A19. 
0.35 
L10 
F101. 
0.75 
F33 
A 
B 
A20. 
0.35 
L10/L11/LJ1 
04.43 
F2 
59.54 
F5 
A 
B 
25.02 
BUS_.5 
EC 
04.54 
LK8 
BP1. 
0.35 
F8. 
0.75 
28.05 
LK8 LK8 F26. 
F40. 
0.5 
0.5 
B.US_2 
EC 
04.34 
.00 .01 .02 .03 .04 .05 .06 .07 .08 .09 .10 .11 .12 .13 .14 .15 .16 .17 .18 .19 .20 .21 .22 .23 .24 .25 .26 .27 .28 .29 .30 .31 .32 .33 .34 .35 .36 .37 .38 .39 .40 .41 .42 .43 .44 .45 .46 .47 .48 .49 .50 .51 .52 .53 .54 .55 .56 
Cores dos Circuitos / Colores de los Circuitos 
A = Vermelho 
Rojo 
B = Amarelo 
Amarillo 
F = Preto 
Negro 
M = Branco 
Blanco 
P = Azul 
Azul 
R = Cinza 
Gris 
U = Verde 
Verde 
X = Marrom 
Marrón 
Y = Violeta 
Violeta 
Circuitos sem bitola 
Circuitos sin Calibre 
Indicada = 0,75 mm2 
Senãlada = 0,75 mm2 
R/F 
F F 
F F 
B/P A/P 
F 
F F 
F 
F F F 
F 
A 
A/P 
A/P A A A A A A 
A 
A 
A 
A A A A 
Sist. de Comb. Ctrl. Motor 
Sist. de Comb. Contr. Motor 
Di-Ctrl. Mtr. 
Di-Contr. Mtr. 
Controle do motor 
Control del Motor Sistema de combustível 
Sistema de combustible 
Ilum. Ext. Pnl. de Instrum. 
Ilum. exter. Pnl. de Instrumentos 
Rádio e Inf. Diagnos. Imobilizador 
Radio e Inf. Diagnos. Inmobilizador 
Cj. Relé-Bba./Com.Part.frio 
Cj. Relé-Bomb./Comb.Arranq.Frio 
Di-Ctrl.Mtr. Di-Ctrl.Mtr. 
Di-Contr.Mtr 
. 
Di-Contr.Mtr 
. 
Ctrl. Mtr. 
F33_SAÍDA 
Mini-fusível-15a 
F33_ENTRADA 
Ctrl. Mtr. 
F33_SALIDA 
Minifusible-15a 
F33_ENTRADA 
Relé Inj./Comb. e Bba./Comb. 
Relé Inj./Comb. y Bomb./Comb. 
Controle Motor 
Control Motor 
Cj. Relé Bba./Comb. 
Cj. Relé Bomb./Comb. 
Di-Ctrl. Motor Controle Motor 
Chicote Pnl. Instr. 
Carroçaria Dianteira 
Distr. Elétr. Vidro Elétrico Vidro Elétrico 
Di-Contr. Motor Control Motor 
Mazo Con. Tabl. Instr. 
Carroceria Delantera 
Distr. Elétr. Vent. Eléctrica Vent. Eléctrica 
F23_SAÍDA F9_SAÍDA 
F2_SAÍDA F3_SAÍDA F4_SAÍDA F5_SAÍDA 
F23_SALIDA F9_SALIDA 
F2_SALIDA F3_SALIDA F4_SALIDA F5_SALIDA 
Mini-fusível-15a Mini-fusível-20a Mini-fusível.-7.5a Mini-fus.-7.5a Mini-fus.-5a Mini-fus.-20a 
Minifusible-15a Minifusible-20a Minifusible-7.5a Minifusible-7.5a Minifusible-5a Minifusible-20a 
F23_ENTRADA F9_ENTRADA F4_ENTRADA F5_ENTRADA 
F23_ENTRADA F9_ENTRADA 
F2_ENTRADA F3_ENTRADA 
F2_ENTRADA F3_ENTRADA F4_ENTRADA F5_ENTRADA 
Caixa ECR-Distribuição Elétrica 
Caja ECR-Distribución Eléctrica 
Pág. 06
Versão / Versión: 09/01/02 Diagramas Elétricos / Diagramas Eléctricos Corsa 2002 
Painel de Instr. EPS Imobilizador 
50.21 37.28 
F5. 
Ilum. Ext. Rádio e Inf. 
F F F F F 
0.5 
F102. 
0.5 
7 
7 
F102. 
61.32 
F130. 
0.35 
F101. 
0.5 
S107IP 
0.5 0.35 
B 
F10_ENTRADA F11_ENTRADA F12_ENTRADA F13_ENTRADA F16_ENTRADA F17_ENTRADA F18_ENTRADA F20_ENTRADA F24_ENTRADA 
B.US_ 
4 
 
EC 
57.24 
58.28 
18 
18 
A10. 
0.5 
A 
B 
B. 
US_3 
65.04 
66.04 
W8X A400. 
F12 
2.5 
A 
B 
BCM 
39.24 
59.54 
A3. A31 
2.5 
F11 
B 
F10 
A 
B 
F13 
BCM 
42.45 
EC 
 
60.35 
CF5 
F18 
23 
23 
A13. 
1.5 
A 
B 
57.29 
58.29 
27 
27 
A77. 
0.75 
A 
B 
B.US_2 
EC 
04.34 
53.28 
65.29 
F221. 
0.35 
NV8 
F25. 
0.35 
04.54 
65.34 
66.34 
BCM 
40.47 
F103. 
F70. 
0.35 
UD8 
F20 
A 
B 
F4 
A 
F16 
BCM 
39.21 
A 
B 
04.39 
F17 
.00 .01 .02 .03 .04 .05 .06 .07 .08 .09 .10 .11 .12 .13 .14 .15 .16 .17 .18 .19 .20 .21 .22 .23 .24 .25 .26 .27 .28 .29 .30 .31 .32 .33 .34 .35 .36 .37 .38 .39 .40 .41 .42 .43 .44 .45 .46 .47 .48 .49 .50 .51 .52 .53 .54 .55 .56 
Cores dos Circuitos / Colores de los Circuitos 
A = Vermelho 
Rojo 
B = Amarelo 
Amarillo 
F = Preto 
Negro 
M = Branco 
Blanco 
P = Azul 
Azul 
R = Cinza 
Gris 
U = Verde 
Verde 
X = Marrom 
Marrón 
Y = Violeta 
Violeta 
Circuitos sem bitola 
Circuitos sin Calibre 
Indicada = 0,75 mm2 
Senãlada = 0,75 mm2 
A 
A A A A 
F 
F 
F 
F 
F10_SAÍDA 
F10_SALIDA 
F11_SAÍDA F12_SAÍDA F13_SAÍDA F16_SAÍDA F17_SAÍDA F18_SAÍDA F20_SAÍDA F24_SAÍDA 
F11_SALIDA F12_SALIDA F13_SALIDA F16_SALIDA F17_SALIDA F18_SALIDA F20_SALIDA F24_SALIDA 
F10_ENTRADA F11_ENTRADA F12_ENTRADA F13_ENTRADA F16_ENTRADA F17_ENTRADA F18_ENTRADA F20_ENTRADA F24_ENTRADA 
Luzes Internas 
Rádio e Inf. Motorista 
Vidro Elétrico 
Iluminação Interna 
Teto Solar 
Ilum. Ext. Radio e Inf. 
Tabl. de Instr. EPS Inmobilizador 
Ilumin. Interior 
Radio e Inf. Conductor 
Vent. Eléctrica 
Iluminación Interior 
Techo Solar 
Chicote Carroçaria LE Chicote Carroçaria Tras. LE 
Chicote Pnl. Instrumentos Chicote Carroçaria Tras. LE 
Chicote Carroçaria LD Chicote Carroçaria LD 
Carroçaria Dianteira Chicote Carroçaria Diant. 
Mazo Cond. Carroceria LI 
Mazo Cond. Carroceria LD 
Mazo Cond. Carroc. Tras. LI 
Mazo Cond. Carroceria LD 
Mazo Cond. Tabl. Instrumentos 
Carroceria Delantera 
Mazo Cond. Carroceria Tras. LI 
Mazo Cond. Carroceria Delantera 
Mini-fus.-10 AA Mini-fus.-15a Mini-fusível-20a Mini-fusível-20a Mini-fus.-20a Mini-fus.-20a Mini-fusível-20a Mini-fusível-10 AA Mini-fusível-5a 
Minifusible-10 A Minifusible-15a Minifusible-20a Minifusible-20a Minifusible-20a Minifusible-20a Minifusible-20a Minifusible-10 A Minifusible-5a 
Caixa ECR-Distribuição Elétrica 
Caja ECR-Distribución Eléctrica 
Pág. 07
Versão / Versión: 09/01/02 Diagramas Elétricos / Diagramas Eléctricos Corsa 2002 
ACS 
31.26 
59.54 
A31 
F27_SALIDA F28_SALIDA F30_SALIDA F31_SALIDA F32_SALIDA 
F27 
F19. 
0.5 
A 
Minifusible-10 A Minifusible-10 A Minifusible-15a Minifusible-10 A Minifusible-20a Minifusible-15a Minifusible-5a 
B 
54.05 
56.05 
20.22 
F75/F76. 
0.75 
BCM 
42.04 
F25_SALIDA 
A 
A 
56.13 
54.13 
F18/F180. 
0.75 
Mini-fusível-10 
A 
B B 
B.US_4 
F25 
MU8 
F181. 
0.75 
29.23 
F53. 
0.5 
LK8 
BCM 
41.07 
Mini-fusível-15a Mini-fusível-10 A A 
Mini-fusível-20a Mini-fusível-15a Mini-fusível-5a 
B 
F270. 
1.0 
F28 
A 
B 
F26_SALIDA 
Mini-fusível-10 
A 
 
BCM 
42.07 
MU8 
F350. 
0.35 
F/B F/B F 
29 
29 
27.47 
LK8 
F281. 
F/B F/B F F F F 
0.5 
36.14 
F271. 
0.5 
EC 
04.54 
34.15 
C60 
F31 
F70. 
1.0 
A 
B 
ABS 
36.29 
JM4 
F45. 
0.5 
43.44 
AK5 
FB120. 
0.5 
36.21 
F32 
-JM4-MU8 
F30. 
0.5 
3 
3 
F3. 
0.5 
F52. 
0.75 
A 
B 
10 
10 
AK5 
FB2. 
0.5 
F30 
BUS_.5 
EC 
04.47 
MU8 
F350. 
0.35 
.00 .01 .02 .03 .04 .05 .06 .07 .08 .09 .10 .11 .12 .13 .14 .15 .16 .17 .18 .19 .20 .21 .22 .23 .24 .25 .26 .27 .28 .29 .30 .31 .32 .33 .34 .35 .36 .37 .38 .39 .40 .41 .42 .43 .44 .45 .46 .47 .48 .49 .50 .51 .52 .53 .54 .55 .56 
Cores dos Circuitos / Colores de los Circuitos 
A = Vermelho 
Rojo 
B = Amarelo 
Amarillo 
F = Preto 
Negro 
M = Branco 
Blanco 
P = Azul 
Azul 
R = Cinza 
Gris 
U = Verde 
Verde 
X = Marrom 
Marrón 
Y = Violeta 
Violeta 
Circuitos sem bitola 
Circuitos sin Calibre 
Indicada = 0,75 mm2 
Senãlada = 0,75 mm2 
F 
F F F F F F 
F 
Proteção dos Ocupantes 
Di-Ctrl. Mtr. 
Chic. Pnl. Instr. 
Carroç. Diant. 
Injeção 
Carroç. Diant. 
Ilum. Externa Ilum. Externa 
Acend. Cigarros Di-Ctrl. Mtr. Vidro Elétrico Vent. Arrefec. e Comps. 
Protección de los Ocupantes 
Di-Contr. Mtr. 
Mazo Tabl. Ins. 
Carroc. Del. 
Inyección 
Carroc. Del. 
Ilum. Exterior Ilum. Exterior 
Encend. Cigarillos Di-Ctrl. Mtr. Vent. Eléctrica Vent. Refrig. Y Componts. 
F25_SAÍDA 
F26_SAÍDA 
F27_SAÍDA F28_SAÍDA F30_SAÍDA F31_SAÍDA F32_SAÍDA 
F25_ENTRADA F26_ENTRADA F27_ENTRADA F28_ENTRADA F30_ENTRADA F31_ENTRADA F32_ENTRADA 
F25_ENTRADA F26_ENTRADA F27_ENTRADA F28_ENTRADA F30_ENTRADA F31_ENTRADA F32_ENTRADA 
Caixa ECR-Distribuição Elétrica 
Caja ECR-Distribución Eléctrica 
Pág. 08
Versão / Versión: 09/01/02 Diagramas Elétricos / Diagramas Eléctricos Corsa 2002 
ABS 
36.33 
JM4 
A290. 
F35_SAÍDA F39_SAÍDA F34_SAÍDA F49_SAÍDA F50_SAÍDA F51_SAÍDA 
F35_SALIDA 
Mini-fusível-5a Mini-fusível-5a Mini-fusível-5a Mini-fusível-30a Maxi-fusível 50a Maxi-fusível 40a Maxi-fusível 40a 
Minifusible-5a Minifusible-5a Minifusible-5a Minifusible-30a Maxifusible-50a Maxifusible-40a Maxifusible-40a 
	 
	 
CF5-D78-W8X 
65.01 
66.01 
W8X 
60.36 
4 
4 
CF5D78W8X 
A26. D78 
21 
21 
A31. 
0.35 
A 
B 
A114. 
0.35 
F35 
64.28 
A48. 
0.35 
0.35 
A25. 
0.35 
A24. 
0.35 
CF5D78W8X 
36.31 
53.46 
55.46 
54.01 
56.01 
RF4. 
0.5 
4.0 
JM4 
A230. 
4.0 
A250. 
6.0 
JM4 
29.39 
F151. 
LK8 
2.5 
F38 F34 
A 
B 
04.51 
A 
B 
BUS_6 . 
EC 
04.19 
31.18 
A270. 
4.0 
A 
B 
F50 
JM4 
F51 
ACS 
53.48 
55.48 
A 
B 
F39 
F49 
EPS 
37.20 
A 
B 
AM142. AM143. 
0.75 0.75 
AM140. 
1.5 
BCM 
38.23 
A 
B 
04.07 
27.54 
A104. 
6.0 
LK8 
.00 .01 .02 .03 .04 .05 .06 .07 .08 .09 .10 .11 .12 .13 .14 .15 .16 .17 .18 .19 .20 .21 .22 .23 .24 .25 .26 .27 .28 .29 .30 .31 .32 .33 .34 .35 .36 .37 .38 .39 .40 .41 .42 .43 .44 .45 .46 .47 .48 .49 .50 .51 .52 .53 .54 .55 .56 
Cores dos Circuitos / Colores de los Circuitos 
A = Vermelho 
Rojo 
B = Amarelo 
Amarillo 
F = Preto 
Negro 
M = Branco 
Blanco 
P = Azul 
Azul 
R = Cinza 
Gris 
U = Verde 
Verde 
X = Marrom 
Marrón 
Y = Violeta 
Violeta 
Circuitos sem bitola 
Circuitos sin Calibre 
Indicada = 0,75 mm2 
Senãlada = 0,75 mm2 
A 
A A A 
A 
A 
R/F 
A/M A/M 
A/M 
F 
A A 
A A A 
Teto solar 
Carroçaria Tras. LE 
Chicote Pnl. Instr. 
Rádio e Inf. 
Espelho Externo 
Chicote Pnl. Instr. 
Carroçaria Diant. 
Iluminação Externa 
Di-Ctrl. Mtr. 
Di-Ctrl. Mtr. 
Techo Solar 
Carroceria Tras. LE 
Mazo Cond. Tabl. Instr. 
Radio e Inf. 
Espejo Exterior 
Mazo Cond. Tabl. Instr. 
Carroceria Delant. 
Iluminación Exterior 
Di-Contr. Mtr. 
Di-Contr. Mtr. 
F38_SAÍDA 
F38_SALIDA 
F39_SALIDA F34_SALIDA F49_SALIDA F50_SALIDA F51_SALIDA 
F35_ENTRADA 
F35_ENTRADA 
F38_ENTRADA 
F38_ENTRADA 
F39_ENTRADA 
F39_ENTRADA 
F34_ENTRADA 
F34_ENTRADA 
F49_ENTRADA 
F49_ENTRADA 
F50_ENTRADA 
F50_ENTRADA 
F51_ENTRADA 
F51_ENTRADA 
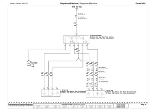
ECRB-Distribuição Elétrica DISTR. ELÉTRICA ECRB-Distribuição Elétrica ECRB-Distribución Eléctrica DISTR. ELÉCTRICA ECRB-Distribución Eléctrica 
Caixa ECR-Distribuição Elétrica 
Caja ECR-Distribución Eléctrica 
Pág. 09
Versão / Versión: 09/01/02 Diagramas Elétricos / Diagramas Eléctricos Corsa 2002 
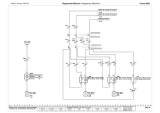
Arranque y Carga 
Masa_Motor 
Parafuso Massa 
Massa_Carroçaria 
NotchBack 
EPS 
37.13 
X8 
X1. 
HVAC 
49.27 
X122. 
X40. 
X101. 
.00 .01 .02 .03 .04 .05 .06 .07 .08 .09 .10 .11 .12 .13 .14 .15 .16 .17 .18 .19 .20 .21 .22 .23 .24 .25 .26 .27 .28 .29 .30 .31 .32 .33 .34 .35 .36 .37 .38 .39 .40 .41 .42 .43 
.44 .45 .46 .47 .48 .49 .50 .51 .52 .53 .54 .55 .56 
X 
Y 
X120. 
0.5 
AK5 
X54. 
0.35 
66.27 
6 
NV8 
X100. 
A 
B 
. 
BCM 
42.31 
UD8 
0.35 
A 
B 
X11. 
BN 
1.0 
1.5 
A 
B 
X 
Y 
X200. 
0.35 
X 
Y 
66.28 
X241. 
4.0 
X 
Y 
35.22 
0.35 
38.12 
X 
Y 
55.25 
BCM 
32.25 
A 
B 
X 
Y 
2.5 
43.48 
A 
B 
W8X 
0.35 
A 
B 
50.24 
A 
B 
32.20 
Cores dos Circuitos / Colores de los Circuitos 
A = Vermelho 
Rojo 
B = Amarelo 
Amarillo 
F = Preto 
Negro 
M = Branco 
Blanco 
P = Azul 
Azul 
R = Cinza 
Gris 
U = Verde 
Verde 
X = Marrom 
Marrón 
Y = Violeta 
Violeta 
Circuitos sem bitola 
Circuitos sin Calibre 
Indicada = 0,75 mm2 
Senãlada = 0,75 mm2 
X X 
X 
X 
X X X X X 
X 
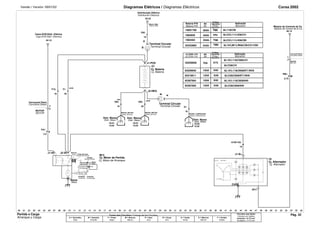
Partida e Carga 
Massa_Motor 
Terminal Circular 
Terminal Circular 
Tornillo Masa 
Partida e Carga Rádio e Informações Proteção dos Ocupantes 
Arranque y Carga Radio e Informaciones Protección de los Ocupantes 
Conj. Instr. Rádio e Inf. Ilum. Ext. Buzina 
Conj. Instr. Radio e Inf. Ilum. Exter. Bocina 
Masa_Carroceria 
Terminal Circular Terminal Circular Terminal Circular Terminal Circular Terminal Circular Terminal Circular Terminal Circular Terminal Circular Terminal Circular Terminal Circular Terminal Circular Terminal Circular 
Prisioneiro Massa Prisioneiro Massa Prisioneiro Massa Prisioneiro Massa 
Prisionero Masa Prisionero Masa Prisionero Masa Prisionero Masa Prisioneiro Massa Prisioneiro Massa 
Prisionero Masa Prisionero Masa 
Distribuição da Massa 
Distribución de la Masa 
Pág. 10
Versão / Versión: 09/01/02 Diagramas Elétricos / Diagramas Eléctricos Corsa 2002 
59.32 
A31 
X7 
1.0 
20 
20 
A31 
X13 
1.0 
59.05 
A31 
X12. 
0.5 
67.12 
25.22 
55.19 44.29 
58.49 44.19 
BCM 
39.31 39.45 39.06 
39.16 
X15. 
AU0 
0.35 X203. 
X301. 
1.5 
X114. 
0.5 
59.34 
59.33 
A31 A31 
X27. 
2.5 
A31 
59.31 
X81 X91 
2.5 
X303. 
6.0 
AU0 
AU0 
X201. 
1.5 
AU0 
1.5 
44.02 
AU0A31D78 
AU0-A31-D78 X7 
1.0 0.75 
20 
20 
A31 
X2 
67.14 
X4. 
1.0 
UA6 A90 
X3. 
0.5 
X19. 
0.75 
A 
B 
X 
Y 
HVAC 
49.33 
A31 
X24. 
4.0 
59.17 
A31 
A31 
X14 
0.5 
X304. 
2.5 
54.36 
A31 
X28. 
2.5 
X7. 
0.35 
AU0A31D78 
64.08 
D78 
X50 
X100 
0.35 0.75 
A31 
2.5 
A 
X 
Y 
B 
61.16 
X130. 
0.5 
AU0 
X202. 
1.5 
X6. 
2.5 
AU0 
.04 .05 .06 .07 .08 .09 .11 .24 .26 .27 .28 .29 .30 .31 .33 .34 .35 .36 .37 .38 .39 .40 .41 .44 .45 .46 .47 .48 .49 
XN5 
X71. 
0.5 
NotchBack 
59.20 44.04 
A31 
X900 
0.5 
1.0 
X115. 
0.35 
X101 
.00 .01 .02 .03 .10 .12 .13 .14 .15 .16 .17 .18 .19 .20 .21 .22 .23 .25 .32 .42 .43 .50 .51 .52 .53 .54 .55 .56 
Distribuição da Massa Cores dos Circuitos / Colores de los Circuitos 
Pág. 11 
A = Vermelho 
Rojo 
B = Amarelo 
Amarillo 
F = Preto 
Negro 
M = Branco 
Blanco 
P = Azul 
Azul 
R = Cinza 
Gris 
U = Verde 
Verde 
X = Marrom 
Marrón 
Y = Violeta 
Violeta 
Circuitos sem bitola 
Circuitos sin Calibre 
Indicada = 0,75 mm2 
Senãlada = 0,75 mm2 
X X X X X X X X 
X X X X 
X 
X 
X 
X 
X X 
X X X 
X X 
X 
X X X X X 
X 
X 
Ilum. Int. Trava Pta. Diagnóst. Ilum. Ext. Trava Pta. Imobilizad. Acend. Cig. 
Vidro Elétrico Espelhos Ext. Trava Pta. Vdo. Elétr. Trava Pta. 
Chicote Pta. Acompanh. 
Chicote Pnl. Instr. 
Chic. Pta. Motorista 
Chicote Pnl. Instr. 
Vidro Elétrico 
Terminal Circular 
Terminal Circular 
Prisioneiro Massa 
Prisioneiro Massa 
Terminal Circular 
Terminal Circular 
Prisionero Masa 
Prisionero Masa 
Ilum. Int. Traba Pta. Diagnosis. Ilum. Ext. Traba Pta. Inmobilazad. Encend. Cig. 
Vent. Eléctrica 
Ventana Eléctrica Espejos Exter. Traba Pta. Vdo. Elétr. Traba Pta. 
Mazo. Pta. Conduct. 
Mazo Cond. Tbl. Instr. 
Mazo Cond. Pta. acompañ. 
Mazo Cond. Tbl. Instr. 
Distribución de la Masa 
Trava Porta 
Trava Puerta
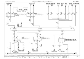
Versão / Versión: 09/01/02 Diagramas Elétricos / Diagramas Eléctricos Corsa 2002 
ABS 
X202. 
4.0 
NotchBack 
JM4 
27.53 
Di-Contr. Mtr. Iluminación Exterior Bocina Sist. de Combust. Limp. y Lavaparabrisas 
55.10 
ABS/VSS ATWS 
36.20 
04.04 62.07 
X6. 
0.5 
ATWS 
62.49 
LK8 
X47. X4. 
0.5 
0.35 
55.00 
55.48 55.51 
LK8/MU8-JM4 
X8. 
0.5 
X2 
2.5 
TR6 TR6 
X48. 
0.5 
X101. 
. X58. 
T96 
X100. 
0.75 
0.5 
X42. 
0.75 
30.07 
X90. 
0.75 
UA6 
X214. 
0.75 
41.16 
. 
S04 
. 
S02 
UA6 
X503. 
X17. 
X3. 
29.03 55.07 
X107. 
X38. 
X110. 
1.5 
A 
X404/X403. 
X11. 
Prisioneiro Massa 
.00 .01 .02 .03 .04 .05 .06 .07 .08 .09 .10 .11 .12 .13 .14 .15 .16 .17 .18 .19 .20 .21 .22 .23 .24 .25 .26 .27 .28 .29 .30 .31 .32 .33 .34 .35 .36 .37 .38 .39 .40 .41 .42 .43 .44 .45 .46 .47 .48 .49 
.50 .51 .52 .53 .54 .55 .56 
ABS/VSS 
36.45 
. 
S01 
0.35 
04.29 
0.35 
. 
S03 
0.35 0.35 
A 
B 
X 
Y 
52.08 
36.31 36.36 36.41 
46.30 
L10/L11/LJ1-JM4-MU8 
41.11 
BCM 
0.75 
X16. 
0.5 
X18. 
0.5 
JM4 
0.5 
X213. 
0.75 
0.35 
1.5 
LK8 
55.07 
ABS/VSS 
36.23 
X1. 
1.0 
1.0 
X12. 
2.5 
X 
Y 
B 
35.33 
4.0 
0.75 
36.52 
2.5 
Cores dos Circuitos / Colores de los Circuitos 
A = Vermelho 
Rojo 
B = Amarelo 
Amarillo 
F = Preto 
Negro 
M = Branco 
Blanco 
P = Azul 
Azul 
R = Cinza 
Gris 
U = Verde 
Verde 
X = Marrom 
Marrón 
Y = Violeta 
Violeta 
Circuitos sem bitola 
Circuitos sin Calibre 
Indicada = 0,75 mm2 
Senãlada = 0,75 mm2 
X X X X X X X 
X X X X 
X 
X 
X X X X X 
X 
X X X X X X 
X 
Di-ctrl. Mtr. Iluminação Externa Buzina Sist. de Combust. Limpador e Lavador 
Di-Ctr. Mtr. ECRB-Dist. Eletr. 
Boost. do freio 
Terminal Circular 
Terminal Circular 
Terminal Circular 
Terminal Circular 
Prisionero a Masa 
Prisionero a Masa 
Prisioneiro Massa 
Di-Ctr. Mtr. ECRB-Distr. Eléctr. 
Boost. Freno 
Distribuição da Massa 
Distribución de la Masa 
Pág. 12
Versão / Versión: 09/01/02 Diagramas Elétricos / Diagramas Eléctricos Corsa 2002 
NotchBack 
Iluminación Exterior Ilum. Interior Sist. Comb. Ilum. Interior 
X3. 
0.75 
Ilum. Exterior 
62.17 56.32 56.32 
UA6 . 
B 
56.51 Sun Roof 
CF5 
. 
58.24 58.34 
. C87 
X1 
Chic. Lâmp. Comp. Passag. 
Placa de Matrícula Mazo cond. Luz. Compart. Pasajeros 
Carroçaria Traseira LE 
Carroceria Trasera LI Carroceria Trasera LI 
C87 
. 
Ilum. Exterior 
X27. 
X1. 
1.0 
3 
CF5 
. 
56.06 
X1. 
2.5 
X2. 
X1 
X200. 
ABS/VSS 
36.55 
X13 
L10 
X100 
X150. JM4 
0.75 
X131 
CE1/CF5 
X10 
X10 
Placa de licença 
Carroçaria Traseira LE 
Chic. Tqe. Comb. 
Mazo Cond. Tanque Comb. 
Chic. Carroç. Tras. LE 
Tampa do Porta-malas 
Tapa del Maletero 
Carroçaria LE-NB 
Carroceria Tras. LI-NB 
Mazo Cond. Carroc. Tras. LI 
Terminal Circular Terminal Circular Terminal Circular 
Terminal Circular Terminal Circular Terminal Circular 
.00 .01 .02 .03 .04 .05 .06 .07 .08 .09 .10 .11 .12 .13 .14 .15 .16 .17 .18 .19 .20 .21 .22 .23 .24 .25 .26 .27 .28 .29 .30 .31 .32 .33 .34 .35 .36 .37 .38 .39 .40 .41 .42 .43 .44 .45 .46 .47 .48 .49 
.50 .51 .52 .53 .54 .55 .56 
60.27 
X700 
1.5 
1.5 
X19 
. 
0.5 
0.5 
56.45 
B 
B 
X127. 
1.5 
56.47 
30.30 30.41 
2 
3 2 
0.5 
X301 
0.75 
X760 
A 
B 
ACS 
31.16 
X 
Y 
0.75 
. 
0.75 
1.5 
X 
Y 
X 
Y 
X10. 
4.0 
MU8 
0.75 
. 
1.5 
2.5 
. 
A 
B 
B 
ATWS 
. 
0.75 
. 
1.5 
X223 
60.18 
A 
B 
UA6 . 
X13 
0.75 
. 
1.0 
X15 UA6 
0.35 
L11 
. 
. 
X1 
1.5 
Distribuição da Massa Cores dos Circuitos / Colores de los Circuitos 
Pág. 13 
A = Vermelho 
Rojo 
B = Amarelo 
Amarillo 
F = Preto 
Negro 
M = Branco 
Blanco 
P = Azul 
Azul 
R = Cinza 
Gris 
U = Verde 
Verde 
X = Marrom 
Marrón 
Y = Violeta 
Violeta 
Circuitos sem bitola 
Circuitos sin Calibre 
Indicada = 0,75 mm2 
Senãlada = 0,75 mm2 
X X 
X X 
X X 
X 
X X 
X 
X 
X X X X X X 
X X 
X 
X X X 
X 
Ilum. Externa 
Iluminação Externa Ilum. Interna Sist. Comb. Ilum. Interna 
Ilum. Externa 
Prisioneiro Massa Prisioneiro Massa Prisioneiro Massa 
Prisionero masa Prisionero masa Prisionero masa 
Distribución de la Masa
Versão / Versión: 09/01/02 Diagramas Elétricos / Diagramas Eléctricos Corsa 2002 
Desemb. Tras. Di-Ctrl. Mtr. Controle do motor Controle do motor Di-Ctrl. Mtr. Controle do motor 
Desemp. Tras. Di-Contr. Mtr. Control del Motor Control del Motor Di-Contr. Mtr. Control del Motor 
21.27 
23.27 
21.01 
23.01 
25.01 
X101. 
0.75 
29.23 29.26 29.03 
48.29 29.39 
X25. 
2.5 
X106. 
A 
22.01 
S1. 
Terminal Circular Terminal Circular Terminal Circular Terminal Circular Terminal Circular A 
Terminal Circular 
29.05 29.07 
X56. 
LK8 LK8 
X2. X3. 
X1 
A 
NotchBack 
.00 .01 .02 .03 .04 .05 .06 .07 .08 .09 .10 .11 .12 .13 .14 .15 .16 .17 .18 .19 .20 .21 .22 .23 .24 .25 .26 .27 .28 .29 .30 .31 .32 .33 .34 .35 .36 .37 .38 .40 .41 
.42 .43 .44 .45 .46 .47 .48 .49 .50 .51 .52 .53 .54 .55 .56 
.39 
A 
B 
25.27 
X 
Y 
X5. LK8 
1.0 
A 
B 
X 
Y 
Y 
B 
LK8 
2.5 
X 
26.01 
L10/L11/LJ1 
4 
X 
Y 
B 
24.01 
A 
B 
X 
Y 
X39. 
0.5 
LK8 LK8 
0.5 
LK8 X4. 
1.0 
X57. 
0.5 
LK8 
0.5 
0.5 
28.19 
1.5 
28.05 
Y 
B 
LK8 
X 
GND_ECM 
Cores dos Circuitos / Colores de los Circuitos 
A = Vermelho 
Rojo 
B = Amarelo 
Amarillo 
F = Preto 
Negro 
M = Branco 
Blanco 
P = Azul 
Azul 
R = Cinza 
Gris 
U = Verde 
Verde 
X = Marrom 
Marrón 
Y = Violeta 
Violeta 
Circuitos sem bitola 
Circuitos sin Calibre 
Indicada = 0,75 mm2 
Senãlada = 0,75 mm2 
X X 
X 
X X X X 
X X X 
X 
Terminal Circular Terminal Circular Terminal Circular Terminal Circular Terminal Circular Terminal Circular 
Prisioneiro Massa Prisioneiro Massa Prisioneiro Massa Prisioneiro Massa Prisioneiro Massa Prisioneiro Massa Prisionero masa Prisionero masa Prisionero masa Prisionero masa Prisionero masa Prisionero masa 
Distribuição da Massa 
Distribución de la Masa 
Pág. 14 
SEM COR 
SIN-COLOR
Versão / Versión: 09/01/02 Diagramas Elétricos / Diagramas Eléctricos Corsa 2002 
32.2 
A 
Terminal Circular 
32.25 
B 
A 
X 
Y 
B 
BODY_GND 
HATCHBACK 
EPS 
37.13 65.28 
X40. 
2.5 
W8X 
65.27 53.25 35.22 
X122. 
X54. 
0.35 0.35 
BCM 
42.31 
X1 
. 
1.5 
43.48 
HVAC 
49.27 
X241. 
4.0 
A 
X 
Y 
A 
B 
X120. AK5 
0.5 
A 
X 
Y 
BCM 
38.12 
B 
X 
Y 
X100. NV8 
6 
50.24 
X200. 
0.35 
B 
X101. 
0.35 
UD8 
X8. 
0.35 
X11. 
1.0 
A 
X 
Y 
B 
A 
X 
Y 
B 
.00 .01 .02 .03 .04 .05 .06 .07 .08 .09 .10 .11 .12 .13 .14 .15 .16 .17 .18 .19 .20 .21 .22 .23 .24 .25 .26 .27 .28 .29 .30 .31 .32 .33 .34 .35 .36 .37 .38 .39 .40 .41 .42 .43 .44 .45 .46 .47 .48 .49 .50 .51 .52 .53 .54 .55 .56 
Cores dos Circuitos / Colores de los Circuitos 
A = Vermelho 
Rojo 
B = Amarelo 
Amarillo 
F = Preto 
Negro 
M = Branco 
Blanco 
P = Azul 
Azul 
R = Cinza 
Gris 
U = Verde 
Verde 
X = Marrom 
Marrón 
Y = Violeta 
Violeta 
Circuitos sem bitola 
Circuitos sin Calibre 
Indicada = 0,75 mm2 
Senãlada = 0,75 mm2 
X X 
X 
X 
X X X X X 
X 
X 
Partida e Carga 
Arranque Y Carga 
Massa_Motor 
Masa_Motor 
Terminal Circular 
Parafuso Massa 
Tornillo Masa 
Partida e Carga 
Arranque Y Carga 
Rádio e Inf. Protec. dos Ocupantes 
Cj. dos Instr. Rádio e Inf. Ilum. Ext. Buzina 
Cj. Instrm. Radio e Inf. Ilum. Extr. Bocina 
Radio e Inf. Protección de los Ocupantes 
Terminal Circular Terminal Circular Terminal Circular Terminal Circular 
Terminal Circular Terminal Circular 
Terminal Circular Terminal Circular Terminal Circular Terminal Circular 
Terminal Circular Terminal Circular 
Prisioneiro Massa Prisioneiro Massa Prisioneiro Massa Prisioneiro Massa Prisioneiro Massa Prisioneiro Massa Prisionero a Masa Prisionero a Masa Prisionero a Masa Prisionero a Masa 
Prisionero a Masa Prisionero a Masa 
Distribuição da Massa 
Distribución de la Masa 
Pág. 15
Versão / Versión: 09/01/02 Diagramas Elétricos / Diagramas Eléctricos Corsa 2002 
57.49 
XN5 
HATCHBACK 
59.32 64.08 
A31 
X 
A31 
X13 
59.31 59.33 
HVAC 
49.33 
A31 
X24. 
4.0 
X12 
59.17 
A31 
Chicote Pta. Acompanhante 
Mazo Cond. Pta. Acompañante 
Chicote Pnl. Instr. 
Mazo Cond. Tab. Instr. 
X14 
0.5 
X304. 
2.5 
20 
A31 
X 
A31 A31 
X91 
A31 
X81 
A31 
X15. 
PWR WIN 
A31 
X900 
X130 
AU0 
X203. 
Ilum. Externa 
UA6 
X3. 
D78 AU0A31D78 
X50 
X19. 
A 
AU0A31D78 
X7 
S112IP 
S105IP 
A 
AU0 
X201 
.00 .01 .02 .03 .04 .05 .06 .07 .08 .09 .10 .11 .12 .13 .14 .15 .16 .17 .18 .19 .20 .21 .22 .23 .24 .25 .26 .27 .28 .29 .30 .31 .32 .33 .34 .35 .36 .37 .38 .39 .40 .41 .42 .43 
.44 .45 .46 .47 .48 .49 .50 .51 .52 .53 .54 .55 .56 
20 
X7 
1.0 
39.16 
20 
X28. 
2.5 
X27. 
2.5 
2.5 
2.5 
. 
AU0 
0.35 
0.5 
AU0 
67.14 
X301. 
1.5 
67.12 
BCM 
39.31 
45.02 
0.5 
0.5 
59.34 
X114. 
X202. 
1.5 
0.5 
1.5 
55.19 
X115. 
0.35 
AU0 
0.5 
S109IP 
X100 
0.35 0.75 
AU0-A31-D78 
X101 
0.75 
A31 
59.36 
39.45 39.06 
0.75 
X 
Y 
B 
1.0 
1.0 
45.04 
X71. 
0.5 
20 
45.19 
59.20 
X6. AU0 
2.5 
61.16 20.22 
X4. 
1.0 
X303 
6.0 
A31 
X 
Y 
B 
. 
A31 
X2 
1.0 
59.05 
. 
1.5 
Cores dos Circuitos / Colores de los Circuitos 
A = Vermelho 
Rojo 
B = Amarelo 
Amarillo 
F = Preto 
Negro 
M = Branco 
Blanco 
P = Azul 
Azul 
R = Cinza 
Gris 
U = Verde 
Verde 
X = Marrom 
Marrón 
Y = Violeta 
Violeta 
Circuitos sem bitola 
Circuitos sin Calibre 
Indicada = 0,75 mm2 
Senãlada = 0,75 mm2 
X X X X 
X 
X 
X X X 
X X X X 
X X X X X 
X 
X 
X X 
X X X 
X X 
X 
Ilum. Int. Diagnóstico Imobilizador 
Vidro Elétrico 
Esps. Externos Trava Pta. Trava Pta. 
Vidro Elétrico 
Terminal Circular 
Terminal Circular Terminal Circular 
Terminal Circular 
Prisioneiro Massa 
Prisionero a Masa Prisioneiro Massa 
Prisionero a Masa 
Chicote Pta. Motorista 
Chicote Pnl. Instr. 
Ilum. Interior Diagnostico Ilum. Exterior 
Inmobilizadr. 
Acend. Cig. 
Enc. Cig. 
Trava Pta. 
Traba Pta. 
Ventana Eléctrica 
Espejos Ext. Traba Puerta Traba Puerta 
Ventana Eléctrica 
Mazo Cond. Conductor 
Mazo Cond. Tab. Instr. 
Distribuição da Massa 
Distribución de la Masa 
Pág. 16
Versão / Versión: 09/01/02 Diagramas Elétricos / Diagramas Eléctricos Corsa 2002 
.54 .56 
ABS 
36.52 
JM4 
X202. 
4.0 
29.03 
X107. 
A 
B 
HATCHBACK 
53.07 . 
36.23 
X16. 
0.5 
46.30 
ABS/VSS 
04.29 36.20 63.09 36.31 
LK8/MU8-JM4 
-MU8 0.35 
X8. 
0.5 
L10/L11/LJ1-JM4-MU8 
X6. 
0.5 
27.53 
LK8 
. 
X47 
0.5 
04.04 
X4. 
0.35 
41.11 41.16 
X17. 
0.75 
X12. 
2.5 
LK8 
X404/X403. 
4.0 
BCM 
X18. 
0.75 
35.33 
30.07 
X90. 
0.75 
ATWS 
63.49 
ABS/VSS 
36.41 
53.48 53.07 53.00 
T96 
X100. 
0.75 
53.51 53.10 
TR6 
X58. 
0.5 
X2. 
2.5 
TR6 
X48. 
0.5 
X11. 
2.5 
36.45 
X3. 
0.35 
X1. 
1.0 
52.08 
X110. 
1.5 
A 
X 
Y 
B 
X101. 
0.75 
36.36 
ATWS 
. 
S02 
X503. 
0.5 
. 
S03 
.35 0.35 
JM4 
. 
S01 
0.35 
X42. 
0.75 
S109FB 
1.5 
S04 
UA6 
X213. 
0.5 
UA6 
X214. 
0.75 
X38. 
1.0 
X 
Y 
.00 .01 .02 .03 .04 .05 .06 .07 .08 .09 .10 .11 .12 .13 .14 .15 .16 .17 .18 .19 .20 .21 .22 .23 .24 .25 .26 .27 .28 .29 .30 .31 .32 .33 .34 .35 .36 .37 .38 .39 .40 .41 .42 .43 .44 .45 .46 .47 .48 .49 .50 .51 .52 .53 .55 
Cores dos Circuitos / Colores de los Circuitos 
A = Vermelho 
Rojo 
B = Amarelo 
Amarillo 
F = Preto 
Negro 
M = Branco 
Blanco 
P = Azul 
Azul 
R = Cinza 
Gris 
U = Verde 
Verde 
X = Marrom 
Marrón 
Y = Violeta 
Violeta 
Circuitos sem bitola 
Circuitos sin Calibre 
Indicada = 0,75 mm2 
Senãlada = 0,75 mm2 
X X X X X X X 
X X X X 
X 
X 
X X X X X 
X 
X X X X X X 
X 
Di-Ctrl. Mtr. 
Iluminação Ext. 
Buzina Sist. de Combust. Limp. e Lavador 
Di-Ctrl. Mtr. Dist. Elétr.-ECRB 
Boost. do Freio ABS/VSS 
Terminal Circular 
Terminal Circular Terminal Circular 
Terminal Circular 
Prisionero a Masa 
Prisionero a Masa 
Prisioneiro Massa 
Prisioneiro Massa 
Di-Contr. Mtr. 
Iluminación Exterior 
Bocina Sist. de Combust. Limp. y Lavador 
Di-Contr. Mtr. Distr. Eléctr.-ECRB 
Boos. del freno ABS/VSS 
Distribuição da Massa 
Distribución de la Masa 
Pág. 17
Versão / Versión: 09/01/02 Diagramas Elétricos / Diagramas Eléctricos Corsa 2002 
57.22 
. C87 
0.5 
X1 
t 3 
X 
C87 . 
X301 
0.75 
54.05 
X1. 
X27. 
2.5 
60.18 
30.30 
A 
B 
60.27 
CF5 
. 
X700 
1.5 
X 
Y 
57.33 
X19. 
0.5 
30.41 
L11 
. . 
L10 
X1 X100 
1.5 
1.5 
Mazo Cond. Tanque Comb. 
S105RB 
54.54 
T79 X4. 
54.47 
X3. 
X2. 
0.75 0.75 0.75 
3 
CE1/CF5 
. 
X10 
1.0 
X127. 
1.5 
X1. 
1.0 
B 
CF5 
X760. 
0.5 
2 
X223 
2 
. 
1.5 
B 
X13 
0.75 
54.39 
1.5 
X200. 
1.5 
.28 .30 .31 .32 .33 .35 .36 .38 .39 .41 .54 .56 
ACS 
31.16 
X10. 
4.0 
A 
B 
X 
Y 
MU8 
HATCHBACK 
Demp. Tras. 
47.29 
B 
54.50 
Y 
X 
A 
X51 
. 
0.5 
54.24 
. 
Limp. Y Lavador 
X15 
0.75 
51.26 
C25 
X11. 
1.5 
X25. 
2.5 
ABS/VSS 
36.55 
X150. JM4 
2.5 
A 
B 
X 
Y 
45.23 
X48 
. 
2.5 
1 
1 
UA6 
X10. 
0.75 
. 
X130. 
2.5 
Tapa Trasera 
.00 .01 .02 .03 .04 .05 .06 .07 .08 .09 .10 .11 .12 .13 .14 .15 .16 .17 .18 .19 .20 .21 .22 .23 .24 .25 .26 .27 .29 .34 .37 .40 .42 .43 .44 .45 .46 .47 .48 .49 .50 .51 .52 .53 .55 
Cores dos Circuitos / Colores de los Circuitos 
A = Vermelho 
Rojo 
B = Amarelo 
Amarillo 
F = Preto 
Negro 
M = Branco 
Blanco 
P = Azul 
Azul 
R = Cinza 
Gris 
U = Verde 
Verde 
X = Marrom 
Marrón 
Y = Violeta 
Violeta 
Circuitos sem bitola 
Circuitos sin Calibre 
Indicada = 0,75 mm2 
Senãlada = 0,75 mm2 
X 
X 
X X X X X 
X 
X 
X X X 
X 
X 
X 
X X X 
X 
X X 
X 
X X X 
X 
Prisioneiro Massa 
Prisionero a Masa 
Terminal Circular 
Terminal Circular 
Limp. e Lavdr. Demb. Tras. 
Ilum. Ext. Trava Ptas. 
Ilum. Exterior 
Traba Puertas 
Ilum. Externa 
Ilum. Exterior Ilum. Interna Sist. Comb. Ilum. Interna Teto Solar 
Ilum. Interior Sist. Comb. Ilum. Interior Techo Solar 
Placa Licen. e Desem. Tras. 
Chic. Luz Comp. Passag. 
Carroçaria tras. LE 
Carroç. Tras. LE 
Placa Matrícl. y desemp. Tras. 
Carroceria Tras. LI 
Mazo Cond. Luz Comp. Pasaj. 
Carroceria Tras. LI 
Chic. Tqe. Comb. 
Chic. Carroç. Tras. LE 
Mazo Cond. Carroc. Tras. LI 
Tampa Traseira 
Carroçaria Traseira Esquerda 
Carroceria Trasera LI 
Ilum. Externa 
Ilum. Exterior 
Terminal Circular Terminal Circular 
Terminal Circular 
Terminal Circular Terminal Circular 
Prisioneiro Massa Prisioneiro Massa Terminal Circular 
Prisioneiro Massa 
Prisionero a Masa Prisionero a Masa 
Prisionero a Masa 
Distribuição da Massa 
Distribución de la Masa 
Pág. 18
Versão / Versión: 09/01/02 Diagramas Elétricos / Diagramas Eléctricos Corsa 2002 
HATCHBACK 
29.23 29.26 29.07 
28.05 
LK8 
LK8 X2. 
X5. 
0.5 
1.0 
29.03 29.05 
LK8 
28.19 
LK8 LK8 
X57. 
0.5 
LK8 
21.27 
23.27 
25.27 
A 
X 
Y 
B 
X1 
1.5 
A 
X 
Y 
LK8 X4. 
1.0 
X39. 
0.5 
X56. 
0.5 
21.01 
23.01 
25.01 
X101. 
0.75 
22.01 
24.01 
26.01 
GND_ECM 
L10/L11/LJ1 
S1. 
4 
A 
X 
Y 
B 
X3. 
0.5 
A 
B 
B 
LK8 
X 
Y 
.00 .01 .02 .03 .04 .05 .06 .07 .08 .09 .10 .11 .12 .13 .14 .15 .16 .17 .18 .19 .20 .21 .22 .23 .24 .25 .26 .27 .28 .29 .30 .31 .32 .33 .34 .35 .36 .37 .38 .39 .40 .41 .42 .43 .44 .45 .46 .47 .48 .49 .50 .51 .52 .53 .54 .55 
.56 
Cores dos Circuitos / Colores de los Circuitos 
A = Vermelho 
Rojo 
B = Amarelo 
Amarillo 
F = Preto 
Negro 
M = Branco 
Blanco 
P = Azul 
Azul 
R = Cinza 
Gris 
U = Verde 
Verde 
X = Marrom 
Marrón 
Y = Violeta 
Violeta 
Circuitos sem bitola 
Circuitos sin Calibre 
Indicada = 0,75 mm2 
Senãlada = 0,75 mm2 
X 
X X X X X X X 
X 
Ctrl. Motor 
Contr. Motor 
Ctrl. Motor 
Contr. Motor Di-Ctrl. Mtr. 
Di-Contr. Mtr. 
Ctrl. Motor 
Contr. Motor 
Terminal Circular Terminal Circular Terminal Circular 
Terminal Circular 
Terminal Circular Terminal Circular Terminal Circular 
Terminal Circular 
Prisioneiro Massa Prisioneiro Massa Prisioneiro Massa 
Prisionero a Masa Prisionero a Masa Prisionero a Masa Prisioneiro Massa 
Prisionero a Masa 
Distribuição da Massa 
Distribución de la Masa 
Pág. 19 
SEM COR 
SIN-COLOR
Versão / Versión: 09/01/02 Diagramas Elétricos / Diagramas Eléctricos Corsa 2002 
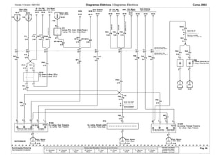
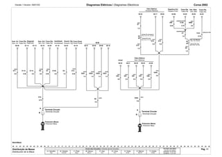
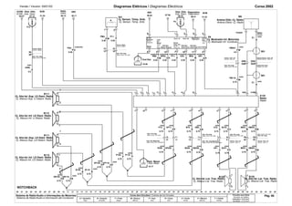
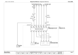
Iluminação Interna Distribuição Elétrica 
Ilumin. Interior Distribución Eléctrica 
57.48 
58.49 
XN5 
E28 
BCM 
41.33 
A 
08.12 
F28. 
17 
0.5 17 
F74. 
1.0 
A 
B 
Mazo Cond. Tbl. Instrumentos 
11.16 
16.16 
Carroçaria Dianteira 
Chicote Pnl. Instrumentos 
Carroceria Delantera 
R1 
.00 .01 .02 .03 .04 .05 .06 .07 .08 .09 .10 .11 .12 .13 .14 .15 .16 .17 .18 .19 .20 .21 .22 .23 .24 .25 .26 .27 .28 .29 .30 .31 .32 .33 .34 .35 .36 .37 .38 .39 .40 .41 
.42 .43 .44 .45 .46 .47 .48 .49 .50 .51 .52 .53 .54 .55 .56 
Cores dos Circuitos / Colores de los Circuitos 
A = Vermelho 
Rojo 
B = Amarelo 
Amarillo 
F = Preto 
Negro 
M = Branco 
Blanco 
P = Azul 
Azul 
R = Cinza 
Gris 
U = Verde 
Verde 
X = Marrom 
Marrón 
Y = Violeta 
Violeta 
Circuitos sem bitola 
Circuitos sin Calibre 
Indicada = 0,75 mm2 
Senãlada = 0,75 mm2 
F 
F 
Cj. Acend. Cigarros Luz-Acend. Cigarros 
Cj. Enc. Cigarillos Luz-Enc. Cigarillos 
Distr. Massa 
Distr. Masa 
Acendedor de Cigarros 
Encendedor de Cigarrillos 
Pág. 20
Versão / Versión: 09/01/02 Diagramas Elétricos / Diagramas Eléctricos Corsa 2002 
K16 
S120FB 
L2C 
B 
Válv. Inj. 001 
Válv. Inyec. 001 Válv. Inyec. 001 Válv. Inyec. 001 
A 
B 
B 
Válv. Inj. 001 Válv. Inj. 001 
XU14. 
B 
XA11. 
L11 XF13. 
0.5 
AP15. 
B 
XA15. 
AP6. 
Carroceria Delantera 
Válv. Inj. 001 
Válv. Inyec. 001 
J1-5 J1-9 J1-8 
J2-26 
M8. 
0.35 
ACS 
L11MU8 
31.19 
6 
L11 
AP14. 
0.5 
L11 
FP2. 
CIL3. 
A 
61.22 
AP12. 
XM12. L11 
0.5 
Inyección 
CIL1. 
J1-22 
XA4. 
X18. L11 
FU2. 
CIL2. 
40.29 
14.18 
L11 S18. 
DEFLETOR 
DEFLECTOR 
S18. 
F55. 
L11 
L11 
CIL4. 
DEFLETOR 
DEFLECTOR 
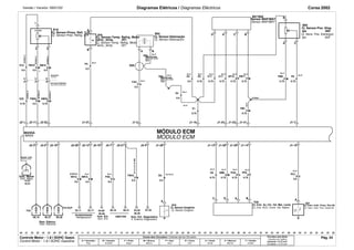
Distr. Eletr. 
.00 .01 .02 .03 .04 .05 .06 .07 .08 .09 .10 .11 .12 .13 .14 .15 .16 .17 .18 .19 .20 .21 .22 .23 .24 .25 .26 .27 .28 .29 .30 .31 .32 .33 .34 .35 .36 .37 .38 .39 .40 .41 .42 .43 .44 .45 .46 .47 .48 .49 .50 .51 .52 
.53 
.54 .55 
.56 
06.17 
L11 
0.0 
0.5 
14.10 
19.10 
L11 
J2-32 J2-27 J2-28 J2-30 
J2-6 
J2-15 
J1-6 
J2-14 
J1-11 
J1-12 J1-21 J1-17 
A84 
J1-1 
L2D 
A 
L11 
0.35 
L11MU8 
L2B 
A 
31.56 
0.75 
0.35 
L11 
0.5 
B C 
P1 P4 P2 P3 
A 
T1 
A 
S18 
34.26 40.27 
L11 
0.0 
4 
33.08 
L11 
0.75 
L11 
0.0 
55 
L2A 
A 
B30 
3 2 1 
BCM 
19.18 
61.28 
5 
L11 
0.5 
U8. 
0.35 
A 
S104INJ 
5 
L11 
0.35 50 
L11 
0.5 
L11 
0.5 
1.5 
06.22 
4 
L11 
F23 
06.22 
06.20 
L11 
1.5 
A 
L11 AP11. 
0.5 
A 
Y57 
0.5 
AP13. 
0.5 
L11 
RF18. 
0.5 
RA18. 
0.35 50 
L11 
0.0 
Cores dos Circuitos / Colores de los Circuitos 
A = Vermelho 
Rojo 
B = Amarelo 
Amarillo 
F = Preto 
Negro 
M = Branco 
Blanco 
P = Azul 
Azul 
R = Cinza 
Gris 
U = Verde 
Verde 
X = Marrom 
Marrón 
Y = Violeta 
Violeta 
Circuitos sem bitola 
Circuitos sin Calibre 
Indicada = 0,75 mm2 
Senãlada = 0,75 mm2 
A/M 
X/A 
A/P 
X/A 
A/P 
X/M 
A/P 
X/F 
A/P 
X/U 
A/P 
X/A 
U M 
R/A R/F 
X 
F/U F/P 
F 
Distribuição Elétrica-ECRB 
Distribución Eléctrica-ECRB 
Cj. Sol.-Válv. Emis. Evap. Cj. Bob. Sol. Inj. Comb. Cj. Bob. Sol. Inj. Comb. Cj. Bob. Sol. Inj. Comb. Cj. Bob. Sol. Inj. Comb. 
Carroçaria Dianteira 
Injeção 
Cj. Sol.-Válv. Emis. Evaporativas Cj. Bob. Sol. Inyec. Comb. Cj. Bob. Sol. Inyec. Comb. Cj. Bob. Sol. Inyec. Comb. Cj. Bob. Sol. Inyec. Comb. 
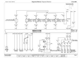
MÓDULO ECM 
MÓDULO ECM 
Cj. Módulo Contr. Eletr. 
ecm_sohc_a 002 
Cj. Módul. Contr. Eléctr. 
ecm_sohc_a 002 
Distr. Massa 
Imobilizador Arrefecimento 
Distr. Massa 
Cj. Sens. Pos. Árv. Maniv. 
Distr. Masa 
Inmobilizador Refrigeración 
Distr. Masa 
Cj. Sensor Posic. Cigüeñal Distr. Eléctr. 
Cj. Bob. Ignição 
Cj. Bob. Encendido 
Vela Ignição 
Vela_ign.001 
Bujía Encendido 
Buj_enc. 001 
Injeção 
Carroçaria Diant. 
Carroceria Delant. 
Inyección 
Controle do Motor 
Control del Motor 
Pág. 21 
R R R R
Versão / Versión: 09/01/02 Diagramas Elétricos / Diagramas Eléctricos Corsa 2002 
S05. 
L11 
X X X U X/P F/M 
0.35 0.75 
L11 
X5. 
0.5 
B 
A 
C 
1 
2 3 
3 
3 
P9. 
0.75 
X1. 
0.75 
L11 
A 
B 
B39 
C60L11 
XM10. 
0.5 
6 
6 
B18 
A C B 
L11 
FM17. 
L11 
FM1. 
0.75 
A B 
S05. 
0.35 
C60L11 
X10. 
0.5 
D 
L11 
XP10. 
0.75 
B67/B69 
L11 
U17. 
0.75 
S103INJ 
4 
P4. 
0.5 
L11 
FM30. 
0.5 
C60L11 
XM35. 
0.75 
Turbina 
C60L11 
B65 
FA5. 
0.5 
L11 
L11 
FM9. 
0.75 
J2-1 J2-22 J1-7 
J1-10 
L11 
PU1. 
0.5 
A 
P 
5V REF 
J1-31 
J1-13 J1-14 
L11 
PF8. 
J1-27 J1-16 
J1-24 J1-23 
J1-28 J1-29 
L11 
B3. 
0.5 
0.75 
B70 
L11 
X9. 
0.75 
002 
A 
L11 
X4. 
0.5 
S05 
C60L11 
. 
FM10 
0.5 
4 
X35. 
0.75 
C60L11 
L11 
X17. 
0.75 
J2-17 
J1-3 
J2-3 J2-29 J2-7 
J2-4 
J2-2 J2-18 J2-19 J2-21 
L11 PA6. 
0.5 
L11-JM4 
FB43. 
0.5 
J2-12 
J1-30 
GND 
36.16 
36.41 
ABS/VSS 
B82 
L11 
PU8. 
0.75 
L11 
L11 
U8. 
0.75 
14.51 
19.51 
06.38 
C60L11 
XB10. 
F2-OUT 
67.34 
0.5 
L11 
UM8. 
0.75 
C D A B 
54.30 
56.30 
Y20 
S87 
L11 
XM10. 
0.5 
33.11 33.17 
54.08 
56.08 
06.37 
F23 
06.19 
.00 .01 .02 .03 .04 .05 .06 .07 .08 .09 .10 .11 .12 .13 .14 .15 .16 .17 .18 .19 .20 .21 .22 .23 .24 .25 .26 .27 .28 .29 .30 .31 .32 .33 .34 .35 .36 .37 .38 .39 .40 .41 .42 .43 .44 .45 .46 .47 .48 .49 .50 .51 .52 .53 .54 .55 .56 
Cores dos Circuitos / Colores de los Circuitos 
A = Vermelho 
Rojo 
B = Amarelo 
Amarillo 
F = Preto 
Negro 
M = Branco 
Blanco 
P = Azul 
Azul 
R = Cinza 
Gris 
U = Verde 
Verde 
X = Marrom 
Marrón 
Y = Violeta 
Violeta 
Circuitos sem bitola 
Circuitos sin Calibre 
Indicada = 0,75 mm2 
Senãlada = 0,75 mm2 
X 
X F/M X/M 
P 
F/A 
X 
X 
F/M 
F/M P 
X/B X/M 
P/A F/B B 
U U/M P/U P/F 
P/U 
Cj. Sens. Press. Refr. A/A 
Cj. sensor Temp. Refr. Motor 
sen_temp. 001 
Cj. Sensor de Detonação 
Sensor MAP/MAT 
Cj. Sensor Pos. Afogador 
DEFLETOR 
Cj. Sens. Pres. Refr. A/A 
Cj. Sensor-Temp. refr. Motor 
sen._temp. 001 
Cj. Sensor de Detonación 
Sensor MAP/MAT 
Cj. Sens. Pos. Estrangul. 
DEFLECTOR 
DEFLETOR 
DEFLECTOR 
tps 005 
tps 005 
Ventoinha 
Carroçaria Dianteira 
Carroceria Delantera 
MÓDULO ECM 
MÓDULO ECM 
Massa do ECM 
Masa Del ECM 
Distr. Massa 
Distr. Masa 
Distr. Elétrica 
Arrefecimento Ilum. Externa Ilum. Ext. Diagnóstico 
Cj. Acio.-Contr. Vel. March. Lenta 
Cj.-Sensor Oxigênio 
Cj. Interr.Indic.Pres.Óleo Motor 
Distr. Eléctrica 
Refrigeración Ilum. Exterior Ilum. Ext. Diagnostico 
Cj.-Sensor Oxígeno 
Cj. Accio.-Contr. Vel. Ralentí Cj. Interr.-Indic.Pres.Aceite Mot. 
Controle do Motor 
Control del Motor 
Pág. 22 
F/M X/M
Versão / Versión: 09/01/02 Diagramas Elétricos / Diagramas Eléctricos Corsa 2002 
AP15. 
Cj. Sol.-Valv. Vent. Emiss. Evap. Cj. Bob.-Sol.Inj.Comb. Cj. Bob.-Sol.Inj.Comb. Cj. Bob.-Sol.Inj.Comb. Cj. Bob.-Sol.Inj.Comb. 
Cj. Sol.-Valv. Vent. Emis. Evapor. 
XA110. 
AP130. AP140. 
AP6. 
Distribuição Elétrica-ECRB 
Distribución Eléctrica-ECRB 
válv_injetora 001 válv_injetora 001 válv_injetora 001 válv_injetora 001 
Cj. Bob.-Sol.Inyec.Comb. Cj. Bob.-Sol.Inyec.Comb. Cj. Bob.-Sol.Inyec.Comb. Cj. Bob.-Sol.Inyec.Comb. 
válv_inyec. 001 
válv_inyec. 001 válv_inyec. 001 válv_inyec. 001 
Carroçaria Dianteira 
Carroceria Delantera 
Injeção 
Inyección 
J1-5 J2-26 
B 
LJ1 
FP2. 
F/P F/P 
0.75 
LJ1 
0.75 
C A 
P1 P4 P2 P3 
CIL4. 
A 
34.26 
L2A 
A 
B 
LJ1 
L2D 
F55. 
1.5 
Inyección 
CIL1. 
0.0 
A 
LJ1 
S18 
B30 
L2C 
A 
B 
J1-9 J1-8 
S18. 
DEFLETOR 
0.35 
S18. 
0.35 
LJ1 
LJ1 
LJ1 
DEFLETOR 
3 2 1 
55 
L11MU8 
M8. 
0.35 
31.56 
L11MU8 
U8. 
0.35 
31.19 
ACS 
40.29 
40.27 
BCM 
L2B 
X18. LJ1 
0.35 
A 
B 
LJ1 
AP120. 
0.5 
LJ1 
A 
B 
XM120. 
0.5 
XU140. 
J1-22 
.09 .24 .28 .29 .40 .42 .47 
K35 
S120FB 
6 
5 
06.20 
06.22 
LJ1 
XA4. 
0.35 
T1 
CIL3. 
A 
XA15. 
CIL2. 
14.10 
Cj. Bobina-Ignição 
Cj. Bobina-Encend. 
.00 .01 .02 .03 .04 .05 .06 .07 .08 .10 .11 .12 .13 .14 .15 .16 .17 .18 .19 .20 .21 .22 .23 .25 .26 .27 .30 .31 .32 .33 .34 .35 .36 .37 .38 .39 .41 .43 .44 .45 .46 .48 .49 .50 .51 .52 .53 .54 
.55 .56 
61.28 
LJ1 
0.0 
61.22 
LJ1 AP110. 
0.5 
4 
06.17 
5 
B 
Y57 
A 
XF130. 
0.5 
LJ1 
FU2. 
4 
A 
LJ1 
0.5 
LJ1 
0.5 
F23 
06.22 
LJ1 
0.0 
J2-32 J2-27 J2-28 J2-30 
J2-6 
J2-15 
J1-6 
J2-14 
J1-11 
J1-12 J1-21 J1-17 
A4 
J1-1 
33.08 
19.10 
LJ1 
0.5 
LJ1 
0.5 
LJ1 
0.0 
RA18. 
0.5 
RF18. 
0.5 
LJ1 
LJ1 
LJ1 
0.5 
0.5 
14.18 
19.18 
LJ1 
1.5 
Cores dos Circuitos / Colores de los Circuitos 
A = Vermelho 
Rojo 
B = Amarelo 
Amarillo 
F = Preto 
Negro 
M = Branco 
Blanco 
P = Azul 
Azul 
R = Cinza 
Gris 
U = Verde 
Verde 
X = Marrom 
Marrón 
Y = Violeta 
Violeta 
Circuitos sem bitola 
Circuitos sin Calibre 
Indicada = 0,75 mm2 
Senãlada = 0,75 mm2 
A/P 
X/A 
A/P 
X/A 
A/P 
X/M 
A/P 
X/M 
A/P 
X/U 
A/P 
X/A 
U M 
R/A R/F 
X 
F 
CIL CIL CIL CIL 
MÓDULO ECM 
MÓDULO ECM 
Unid. Contr.-Multec 
ecm_sohc_b 002 
Unid. Contr.-Multec 
ecm_sohc_b 002 
Distr. Massa 
Imobilizador Arrefecimento 
Distr. Massa 
Cj. Sens. Pos. Árv. Manivelas 
Distr. Massa 
Vela Ignição 
Distr. Masa vela_ign. 001 
Inmobilizador Refrigeración 
Distr. Masa 
Cj. Sens. Pos. Cigüeñal 
Distr. Masa 
Bujía Encendido 
vela_ign. 001 
DEFLECTOR 
DEFLECTOR 
Injeção 
Carroçaria Diant. 
Carroceria Delant. 
Controle Motor - 1.8 l SOHC Gasol. 
Control Motor - 1.8 l SOHC Gasolina 
Pág. 23
Versão / Versión: 09/01/02 Diagramas Elétricos / Diagramas Eléctricos Corsa 2002 
5V REF 
P9. 
LJ1 
LJ1 
X X X U X/P F/M F/M P 
FM1. 
Turbina 
J2-1 J2-22 J1-7 
PU1. 
P 
C60LJ1 
XM10. 
0.5 
X35. 
X4. 
LJ1 
XP10. 
J1-27 J1-24 J1-23 
B3. 
PF8 
U8. 
LJ1 
UM8. 
A Y20 
J2-3 J2-29 J2-7 J2-4 
LJ1 
FM30. 
FB43. 
B 
LJ1 
FM9. 
S05. 
Distr. Massa 
14.51 
LJ1 
C60Lj1 
tps 005 
.00 .01 .02 .03 .04 .05 .06 .07 .08 .09 .10 .11 .12 .13 .15 .16 .18 .19 .22 .23 .25 .26 .27 .28 .29 .30 .31 .32 .33 .34 .35 .36 .37 .38 .39 .40 .41 .42 .43 .44 .45 .46 .47 .48 .49 .50 .51 .52 .53 .54 .55 .56 
.14 .17 .20 .21 .24 
0.75 
C60LJ1 
B70 
C D A B 
B18 
1 
2 3 
S87 
A 
LJ1 
0.5 
PA6. 
0.5 
36.16 
0.75 
U17 
0.75 
S103INJ 
ABS/VSS 
0.5 
C60LJ1 
LJ1 
. 
L11/LJ1/L10-JM4 
0.5 
0.75 
LJ1 
0.5 
4 
4 
0.5 
LJ1 
L10/LJ1 
0.5 
P4. 
D A C B 
B82 
A 
C 
B67/B69 
6 
33.11 
LJ1 
0.0 
0.5 5 
67.34 
C60LJ1 
. 
FM10 
54.08 
56.08 
3 
X1. 
0.75 
LJ1 
19.51 
. 
C60LJ1 
X10. 
0.5 
06.37 
LJ1 
0.75 
B 
B39 
A 
B 
XM35. 
C60LJ1 
B65 
A 
0.75 
33.17 
J2-17 
J2-2 J2-18 J2-12 
J2-19 J2-21 
J1-28 J1-29 
J1-3 
J1-30 
J1-31 
J1-13 J1-14 
J1-16 
LJ1 
J1-10 
LJ1 
0.75 0.75 
F23 
PU8. 
LJ1 
06.19 
LJ1 
0.5 
X17. 
0.75 
LJ1 
0.75 
X5. 
0.75 
36.41 
3 
S05. 
0.0 
LJ1 
S05 
0.5 
LJ1 
6 
. 
FA5. 0.75 
F2-OUT 
FM17 
06.38 
54.30 
56.30 
X9. 
0.75 
XM10. 
0.5 
XB10. 
0.5 
LJ1 
0.75 
Cores dos Circuitos / Colores de los Circuitos 
A = Vermelho 
Rojo 
B = Amarelo 
Amarillo 
F = Preto 
Negro 
M = Branco 
Blanco 
P = Azul 
Azul 
R = Cinza 
Gris 
U = Verde 
Verde 
X = Marrom 
Marrón 
Y = Violeta 
Violeta 
Circuitos sem bitola 
Circuitos sin Calibre 
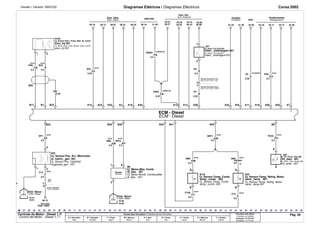
Indicada = 0,75 mm2 
Senãlada = 0,75 mm2 
X F/M X/M 
X F/M X/M 
P 
F/A 
X 
X 
F/M 
X/B X/M P/A 
F/B B 
U U/M P/U P/F 
P/U 
Cj. Sensor-Press. Refr. C/A 
Cj. Sensor-Temp. Refrig. Motor Cj. Sensor-Detonação 
Sensor MAP/MAT 
Cj. Sensor-Pos. Afog. 
DEFLETOR 
DEFLECTOR 
Cj. Sensor-Pres. Refrig. A/A 
Cj. Sensor-Temp. Refrig. Motor 
Cj. Sensor-Detonación 
Sensor MAP/MAT 
Cj. Sens. Pos. Estrangul. 
tps 005 
sens._temp. 001 
sens._temp. 001 
DEFLETOR 
DEFLECTOR 
Ventoinha 
Carroçaria Dianteira 
Carroceria Delantera 
MÓDULO ECM 
MÓDULO ECM 
MASSA 
MASA 
MASSA_ECM 
MASA_ECM 
Distr. Masa 
Distr. Elétrica 
Arrefecimento Ilum. Ext. Ilum. Ext. Diagnóstico 
Distr. Eléctrica 
Refrigeración Ilum. Ext. Il. Externa Diagnostico 
Cj. Sensor-Oxigênio 
Cj. Cntr. Ac.-Ctr. Vel. Mar. Lenta Cj. Interr.-Indic. Press. Óleo Mt 
Cj. Sensor-Oxígeno 
Cj. Cntr. ACC.-Contr. Vel. Ralent Cj. Interr.-Indic. Pres. Aceite Mt 
Controle Motor - 1.8 l SOHC Gasol. 
Control Motor - 1.8 l SOHC Gasolina 
Pág. 24
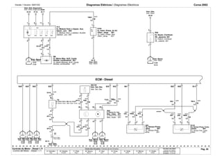
Versão / Versión: 09/01/02 Diagramas Elétricos / Diagramas Eléctricos Corsa 2002 
5V REF 
LK8 LK8 
AM51. 
MB50. 
AP50. 
LK8 
LK8 
LK8 LK8 
XP70. 
A48 A50 A51 A4 A37 A49 A35 A36 A33 A5 
A3 A20 
ECM - Diesel 
ECM - Diesel Distr. Elétr. 
AM1. 
04.24 
LK8 
BN 
A42 
XR1. 
C60LK8 
C60LK8 
X19. 
X21. 
0.5 
C60LK8 
FM100 
C60LK8 
0.5 
C60LK8 
AP7. LK8 
FM180. 
3 
6 3 
8 7 
LK8 LK8 
LK8 . 
2 
2 
MU51. 
LK8 LK8 
AP13. 
A147 
AM9. 
XA35. 
Bico Inj. Bico Inj. Bico Inj. Bico Inj. 
Bico Iny. Bico Iny. Bico Iny. 
.00 .01 .02 .03 .04 .05 .06 .07 .08 .09 .10 .11 .12 .13 .14 .15 .16 .17 .18 .19 .20 .21 .22 .23 .24 .25 .26 .27 .28 .29 .30 .31 .32 .33 .34 
.35 .36 .37 .38 .39 .40 .41 .42 .43 .44 .45 .46 .47 .48 .49 .50 .51 .52 .53 .54 .55 .56 
X100. 
LK8 
2.5 
FM5. 
0.5 
C60LK8 
0.5 50 
4 6 5 
B18 
1 
2 3 
B22 
2 3 1 
0.35 
42 
40.23 
12.36 
17.36 
40.25 
BCM 
AP5. 
0.5 
0.5 
LK8 
0.5 
LK8 
39 
LK8 
0.5 
6 
6 
42 
36 
40 
LK8 
F9 
2.5 
F13. 
4.0 
6 
4 
4 3 
S130EDC 
XM51. 
LK8 
0.35 
LK8 
0.35 
LK8 
LK8 
1.0 
A 
AP6. 
0.5 
9 
A A 
Cont Asm-Glow Plug 
2 1 
41 
1 
XM37. 
0.5 
FM32. 
0.5 
XM100. 
0.5 
36 37 
. 
6 
40 
39 
AM10. 
0.5 
0.5 
3 
B26 B19 
A64 
B10 A9 
A43 
A17 
A84 
A1 
X31. 
LK8 
08.53 
LK8 
0.5 
XU5. 
XP5. 
0.5 
A 
LK8 
0.5 
XP50. 
0.35 
0.35 
LK8 
0.35 
LK8 
LK8 
0.35 
1 
XM71. 
0.35 
LK8 
41 
X28 
AP70. 
0.35 
MB70. 
0.35 
37 
LK8 
B69 
1 5 4 
2 
F10. F8. 
2.5 2.5 
LK8 
LK8 
AP18. 
1.0 
LK8 
F42. 
F12. 
4.0 
4.0 
P1. 
0.35 
F41. 
4.0 
MU71. 
0.35 
AM71. 
0.35 
0.35 
09.55 
Y143 
A 
B 
LK8 F11. 
2.5 
AM11. 
0.5 
LK8 
X72. 
0.5 
LK8 
A 
B 
Y56 
A 
B 
Y38 
LK8 
0.5 
Cores dos Circuitos / Colores de los Circuitos 
A = Vermelho 
Rojo 
B = Amarelo 
Amarillo 
F = Preto 
Negro 
M = Branco 
Blanco 
P = Azul 
Azul 
R = Cinza 
Gris 
U = Verde 
Verde 
X = Marrom 
Marrón 
Y = Violeta 
Violeta 
Circuitos sem bitola 
Circuitos sin Calibre 
Indicada = 0,75 mm2 
Senãlada = 0,75 mm2 
X X 
X 
F/M X/M 
F/M X/M 
A/P M/B X/P A/M M/U X/M 
A/P M/B X/P A/M M/U X/M 
X/P X/U F/M 
X/A 
A/P 
F/M 
A/P 
X 
A/P 
RD/WH 
A/M A/M 
A/P 
A/P 
A/M 
F 
F 
F F 
F 
F 
F F 
X/R P 
Cj. Sensor-Press. Refrig. C/A 
Ventoinha 
Carroç. Diant. 
Cj. Sensor-Pos. Pedal acel. 
pos_pedal 001 
Cj. Sensor-Fluxo Massa Ar 
massa_ar 001 
Chicote Carroç. Tras. LE 
Chicote Carroç. Diant. 
Distr. Elétr. 
Cj. Módulo-Ctr. Elétr. 
ecm_diesel 001 
Cj. Sensor-Pres. Refrig. A/A 
Turbina 
Carroc. Delant. 
Cj. Sensor-Pos. Pedal Acel. 
Mazo Cond. carroc. Tras. LI 
Mazo Cond. Carroc. Delant. 
Cj. Sensor-Flujo Masa Aire 
masa_aire 001 
Distr. Eléctr. 
Cj. Módulo-Ctr. Eléctr. 
pos_pedal 001 
ecm_diesel 001 
Distr. Eléctr. 
Cj. Válv. Sol. Reg. Comb. 
parafuso 001 
Cj. Sol.-Válv. Egr 
gas_rec. 001 
Cj. Acionador-Afogador 
afogador 001 
Distr. Elétr. 
Carroç. Diant. 
EDC Vela Ign II Vela Ign I 
Vela Ign IV 
V Ign III 
vela_ign. 001 
Distr. Massa 
Carroç. Diant. 
EDC 
Cj. Válv. Sol. Reg. Comb. Cj. Sol.-Válv. Egr Cj. Accionador-Estrangulador 
estrangul. 001 
Distr. Eléctr. 
Carroc. Delant. 
EDC 
Buj. Enc. II Buj. Enc. I 
Buj. Enc. IV 
Buj. Enc. III 
buj_enc 001 
Distr. Masa 
parafuso 001 gas_rec. 001 
Carroc. Delant. 
EDC 
Controle do Motor - Diesel 1.7l 
Control del Motor - Diesel 1.7 l 
Pág. 27 
Tempo de Injeção 
Tiempo de Inyección 
Bico Iny.
Versão / Versión: 09/01/02 Diagramas Elétricos / Diagramas Eléctricos Corsa 2002 
EPS 
32.35 
ABS/VSS 
36.10 33.11 
33.18 33.12 
JM4LK8 
JM4LK8 
FB203. 
0.5 
FB92. 
0.35 
S41 
1 
2 
LK8 
B22. 
0.5 
61.23 61.30 
LK8NV8 
U2. 
0.35 
XA8. LK8 
0.5 
B1 A15 A24 A52 A2 A19 A40 A12 A13 A59 A32 A54 A11 A16 A56 A39 A7 
B8 
LK8 LK8 
PU33. 
0.5 
A 
P 
04.19 
LK8 XF6. 
0.35 
54.06 
56.06 
R5. 
0.5 
3 
3 
R7. 
0.35 
B37 
B23 
XP7. LK8 
0.5 
LK8 
FB6. 
0.5 
B17 
14.31 
19.31 
F14. 
0.5 
4 
06.07 06.35 
S02 
. 
0.35 
S87 
AM3. 
RD/WH 
A 
B 
P13. 
0.5 
LK8 
34.30 
B50 B49 B42 B41 B45 
A 
B 
B159 
06.32 
AM17. 
0.5 
FY29. 
0.5 
LK8 
M8 
LK8 
XM8. 
0.5 
1 
2 
LK8 
RF24. 
0.5 
4 
4 
2 
3 
LK8 
14.30 
19.30 
B30 
1 
B39 
06.12 
EDC 
Cj. Int. Press. Óleo Mtr. 
Int_óleo 001 
Cj. Interr.-Pres. Aceite Mtr. 
Int_acite 001 
..00 .01 .02 .03 .04 .05 .06 .07 .08 .09 .10 .11 .12 .13 .14 .15 .16 .17 .18 .19 .20 .21 .22 .23 .24 .25 .26 .27 .28 .29 .30 .31 .32 .33 .34 .35 .36 .37 .38 .39 .40 .41 .42 .43 .44 .45 .46 .47 .48 .49 .50 .51 .52 .53 .54 .55 .56 
Asm-Turbo Press 
54.27 
56.27 
54.29 
56.29 
54.10 
31.40 56.10 
B160 
1 2 
06.12 
S02 
Pwr Dist 
LK8 
0.5 50 
AM2. 
0.5 
LK8 
Cores dos Circuitos / Colores de los Circuitos 
A = Vermelho 
Rojo 
B = Amarelo 
Amarillo 
F = Preto 
Negro 
M = Branco 
Blanco 
P = Azul 
Azul 
R = Cinza 
Gris 
U = Verde 
Verde 
X = Marrom 
Marrón 
Y = Violeta 
Violeta 
Circuitos sem bitola 
Circuitos sin Calibre 
Indicada = 0,75 mm2 
Senãlada = 0,75 mm2 
F/B B 
X/F 
F/B 
F/B 
R 
R 
U X/A 
X/P 
F 
X/M R/F 
A/M 
A/M 
F/Y 
P 
P/U 
Cj. Sensor-Sincr. Press. Bba. Inj. Comb. 
Eixo_Inj 001 
Distr. Elétr. 
Ilum. Ext. 
Cj. Interr.-Clu Eng Brk 
interr._embreagem 001 
Chicote Carroçaria Tras. 
Chicote Carroçaria diant. 
Imobiliz. Arrefecimento 
Inmobiliz. Refrigeración 
Ilum. Exterior 
Distr. Eléctr. 
Cj. Interr.-Clu Eng Brk 
interr._embrague 001 
Mazo Cond. Carroc. Tras. 
Mazo Cond. Carroc. Delant. 
Cj. Sens.-Sincr. Pres. Bomb. Inyec. Comb. 
eixo_inj 001 
ECM - Diesel 
ECM - Diesel 
Cj. Sensor-Pos. Árv. Manivelas 
ár. maniv._gen 001 
Carroç. Dianteira 
Distr. Massa 
Distr. Elétr. 
Cj. Motor-Bba. Comb. 
Bomba di_bba. 001 
Distr. Massa 
Cj. Sensor-Temp. Comb. 
temp._comb. 003 
Cj. Sensor-Temp. Refrig. Motor 
sens._temp. 001 
Cj. Sensor-Pos. Cigüeñal 
cingüeñal_gen 001 
EDC 
Carroc. Delantera 
Distr. Masa 
Cj. Motor-Bomb. Combustible 
di_bba. 001 
Distr. Masa 
Cj. Sensor-Temp. Comb. 
temp._comb. 003 
Cj. Sensor-Temp. Refrig. Motor 
sens._temp 001 
Bomba 
Controle do Motor - Diesel 1.7l 
Control del Motor - Diesel 1.7 l 
Pág. 28
Versão / Versión: 09/01/02 Diagramas Elétricos / Diagramas Eléctricos Corsa 2002 
FM53. 
0.5 
1 
T 
67.44 
BCM 
40.17 
04.33 
1 11 
M 
6 7 
E20.1 
E20.2 E20.3 
E20.4 E20.5 E20.6 
5 
LK8 
U107. 
1.0 
M 
LK8 
S162 
Cj. Módulo-Vent. y calefact. Auxiliar 
calefact._aux. 002 Cj. Interr.-Press. Aire 
ECM - Diesel 
08.18 
A84 D2 
B38 B54 B55 B25 B34 B33 B61 B62 B58 B14 
LK8 
FM48. 
. 
0.5 
Válv. Sol.-Der. 
Cj. Módulo-Contr. Eléctr. 
bba._inyec. 001 
12 3 
2 1 
P 
U 
LK8 
R26 
14.09 
19.10 
09.29 
2 
1 
S045EDC 
LK8 
B63. 
0.5 
B F/M 
B49. LK8 LK8 
U28. 
0.5 
0.5 
1 2 3 
P 
U 
20 22 25 
M 
XU18. 
0.5 
B 
A 
LK8 
AP11. 
0.5 
LK8 
AP12. 
1.5 
1 
1 
06.15 
1 
B47. 
0.5 
LK8 
FM46. 
0.5 
2 1 
LK8 
AP14. 
1.0 
14.34 
19.34 
17 
14.38 
19.38 
2 4 
XU107. 
12.07 
17.07 
LK8 
1.0 
2 
LK8 
U62 
0.5 
M8 
LK8 
. 
PM2 
1.0 
14 
4 7 
LK8 
AP10. 
1.0 
LK8 
Cj. Accion.-Sincr.. Bba. Inyec. Comb. 
AP9. 
1.0 
A12 
2 
LK8 
FU23. 
0.5 
14.44 
14.40 
19.40 19.44 
LK8 
PA25. 
0.5 
FM15. 
0.5 
LK8 
Y9 
LK8 
14.36 
19.36 
A84 
B150 
B26 
Cj. Acion.-Sincr. Bba. Inj. Comb. 
EDC 
EDC 
Carroç. Diant. 
Carroc. Delant. 
.00 .01 .02 .03 .04 .05 .06 .07 .08 .09 .10 .11 .12 .13 .14 .15 .16 .17 .18 .19 .20 .21 .22 .23 .24 .25 .26 .27 .28 .29 .30 .31 .32 .33 .34 .35 .36 .37 .38 .39 .40 .41 .42 .43 .44 .45 .46 .47 .48 .49 .50 .51 .52 .53 .54 .55 .56 
Cores dos Circuitos / Colores de los Circuitos 
A = Vermelho 
Rojo 
B = Amarelo 
Amarillo 
F = Preto 
Negro 
M = Branco 
Blanco 
P = Azul 
Azul 
R = Cinza 
Gris 
U = Verde 
Verde 
X = Marrom 
Marrón 
Y = Violeta 
Violeta 
Circuitos sem bitola 
Circuitos sin Calibre 
Indicada = 0,75 mm2 
Senãlada = 0,75 mm2 
X/U R 
F/M 
A/P 
A/P 
A/P P/M 
A/P A/P 
F/U P/A 
U F/M B 
B U F/M 
Distr. Elétr. Diagnóstico 
Cj. Módulo-Vent. e Aquec. Aux. 
aquec._aux. 002 
Distr. Massa Cj. Motor-Bba. AUX. Comb. 
bomba_combustível 001 
Cj. Interr.-Press. Ar Inf. 
interr._temp. 001 
Distr. Elétr. 
Distr. Elétr. 
Cj. Aquec.-Combust. 
filt._aquecto. 001 
Distr. Massa 
Distr. Eléctr.Diagnostico 
Distr. Masa 
Cj. Motor-BGomb. AUX. Comb. 
bomba_combustible 001 
interr._temp. 001 
Distr. Eléctr. 
Distr. Eléctr. 
Cj. Calent.-Combust. 
filt._calento. 001 
Distr. Masa 
Distr. Mas.Distr. Mas.Distr. Mas. 
Distr. Elétr. 
Distr. Mas. Distr. Mas.Distr. Mas. 
Distr. Eléctr. 
Válv. Sol.-Der. 
Cj. Módulo-Ctr. Elétr. 
bba._injeç. 001 
Distr. Massa Distr. Massa 
Distr. Masa Distr. Masa 
Cj. Sensor-Press. 
Aattmmss.. 001 
Cj. Sensor-Press. Turbo 
press. 001 
Cj. Sensor-Pres. 
aAttmmss.. 001 
Cj. Sensor-Pres. Turbo 
pres. 001 
Controle do Motor - Diesel 1.7l 
Control del Motor - Diesel 1.7 l 
Pág. 29 
X/U
Versão / Versión: 09/01/02 Diagramas Elétricos / Diagramas Eléctricos Corsa 2002 
L10 
AP100. 
1.5 
2 
L10 
. 
XM100 
0.5 
4 
XM30. 
0.5 
2 
2 
21 
21 
L10/L11 
AP9. 
1.5 
LK8 
XM3. 
0.5 
3 1 
1 
42.36 
42.33 
06.25 
L11 
L10 
PF100. 
0.5 
M8A 
Motor-Bomb. Comb.-Gasol. Mtr.-Bomb. Comb.-Alconol Cj. Sensor-Nível Comb. 
M M 
06.02 
M 
5 
L10/L11 
XM29. 
M8B 
3 
0.5 
3 
L11 
PF13. 
0.5 
22 
22 
PF12. 
0.5 
4 
4 
PF1. 
0.5 
L11 
XM1. 
0.5 
AP1. 
1.5 
FB90. 
0.75 
L10 
1 
B53 
XM1. 
0.5 
3 
4 
MXX 
13.41 
13.36 
18.41 18.41 
3 
4 
1 
2 
12.25 
17.25 
LK8 
LK8 
PF1. 
BU/BK 
0.5 
.00 .12 .13 .14 .15 .16 .17 .18 .19 .21 .28 .29 .30 .33 .35 .38 .39 .40 .41 .42 .43 .44 .45 .46 .47 .48 .49 .53 
.01 .02 .03 .04 .05 .06 .07 .08 .09 .10 .11 .20 .22 .23 .24 .25 .26 .27 .31 .32 .34 .36 .37 .50 .51 .52 .54 .55 .56 
Cores dos Circuitos / Colores de los Circuitos 
A = Vermelho 
Rojo 
B = Amarelo 
Amarillo 
F = Preto 
Negro 
M = Branco 
Blanco 
P = Azul 
Azul 
R = Cinza 
Gris 
U = Verde 
Verde 
X = Marrom 
Marrón 
Y = Violeta 
Violeta 
Circuitos sem bitola 
Circuitos sin Calibre 
Indicada = 0,75 mm2 
Senãlada = 0,75 mm2 
P/F X/M 
P/F X/M X/M A/P 
P/F X/M A/P 
2 
P/F X/M A/P X/M 
F/B 
Módulo de Controle da Carroçaria 
Módulo de Controle da Carroçaria 
Distribuição Elétrica 
Chicote Carroçaria Diant. 
Chicote Carroçaria Tras. LE 
Chicote Carroç. Tras. LE 
Chicote Tanque Combustível 
Distr. Elétr. 
Motor-Partida a frio 
Bomba 001 
Distr. Massa 
Motor-Bba. Comb.-Gasol. 
Distr. Massa 
Mtr.-Bba. Comb.-Álcool 
Distr. Massa 
Cj. Sensor-Nível Comb. 
Módulo de Control de la Carroceria 
Módulo de Control de la Carroceria 
Distribución Eléctrica 
Mazo Cond. Carroceria Delant. 
Mazo Cond. Carroceria LI 
Mazo Cond. Carroceria Tras. LI 
Mazo Cond. Tanque Combustible 
Distr. Eléctr. 
Motor-Partida en Frio 
Bomba 001 
Distr. Masa Distr. Masa Distr. Masa 
Sistema de Combustível (Alimentação) 
Sistema de Combustible (Alimentación) 
Pág. 30
Versão / Versión: 09/01/02 Diagramas Elétricos / Diagramas Eléctricos Corsa 2002 
Unidad Control-Auto Clutch 
MU8 
. AM4 
0.5 
45 
45 
MU8 
04.07 36.01 
36.04 
MU8-JM4 
PA91. 
0.35 
ABS 
36.06 36.08 
A30 
MU8 
XM7. 
0.5 
MU8 
. BU1 
0.0 
47 46 
46 
MU8 
. 
BU1 
0.5 
AM4. 
0.5 
47 
MU8 
XM6. 
0.5 
BCM BCM 
42.07 
09.50 40.31 
ABS / VSS 
36.47 
F51 
04.10 
67.38 
. 
40.29 
XM15 
0.35 
MU8 
08.27 
F28 
46 47 45 
49 
58 64 63 61 
48 
13.03 
18.03 
9 
9 
MU8 
XM71. 
0.5 
3 2 1 
MU8-JM4 
PA9. 
0.5 
78 79 80 
68 65 66 69 67 
MU8 
BM1. 
0.5 
54 56 53 57 
21.16 
23.16 
25.16 
MU8 
XM8. 
0.5 
MU8 
BP1. 
51 
MU8 
AM9. 
0.5 
81 
0.5 
MU8 
AM8. 
0.5 
3 2 1 3 2 
1 
MU8 
XM9. 
0.5 
23.17 
21.17 
25.17 
Carroceria Delantera 
Mazo Cond. Tbl. Instr. 
.00 .01 .02 .03 .04 .05 .06 .07 .08 .09 .10 .11 .12 .13 .14 .15 .16 .17 .18 .19 .20 .21 .22 .23 .24 .25 .26 .27 .28 .29 .30 .31 .32 .33 .34 .35 .36 .37 .38 .39 .40 .41 .42 .43 .44 .45 .46 .47 .48 .49 .50 .51 .52 .53 .54 .55 .56 
Cores dos Circuitos / Colores de los Circuitos 
A = Vermelho 
Rojo 
B = Amarelo 
Amarillo 
F = Preto 
Negro 
M = Branco 
Blanco 
P = Azul 
Azul 
R = Cinza 
Gris 
U = Verde 
Verde 
X = Marrom 
Marrón 
Y = Violeta 
Violeta 
Circuitos sem bitola 
Circuitos sin Calibre 
Indicada = 0,75 mm2 
Senãlada = 0,75 mm2 
X/M 
P/A P/A 
X/M 
X/M B/P A/M X/M B/M A/M 
X/M B/U A/M 
X/M B/U A/M 
Distr. Elétr.-ECRB 
Diagnóstico 
Chicote Pnl. Instr. 
Carroçaria Dianteira 
Distr. Eléctr.-ECRB 
Diagnostico 
Mazo Cond. Tbl. Instr. 
Carroceria Delantera 
Unidade de Controle - Auto Clutch 
Unidad de Control - Auto Clutch 
Unidade Controle-Auto Clutch 
Carroçaria Dianteira 
Chicote Pnl. Instr. 
Distr. Massa Controle Motor 
Sensor de Seleção Sensor de Engate Sensor - SIR 
Distr. Masa Control Motor 
Sensor de Selección Sensor de Enganche Sensor - SIR 
Sistema Auto Clutch 
Sistema Auto Clutch 
Pág. 31
Versão / Versión: 09/01/02 Diagramas Elétricos / Diagramas Eléctricos Corsa 2002 
Opcional 
Bateria P/N Aplicación 
19001790 
L11C39 
Ah 
1982404 55Ah LC5/L11/L45C60 
93319811 
45Ah 
100A 
120A 
LC5/L11/L45C41 
K73 
K09 LC5C60NT1/NV8 
K60 L10/L11C60N40 
K09 LC5C60N40 
A102/103. 
J1-B+ 
04.12 
F10. 
FA1. 
X84. 
MASSA_MOTOR MASSA_MOTOR 
10.01 
J1-POS 
Rueda Volante Cj. Motor de Arranque 
Motor 
Massa 
.00 .01 .26 
.50 .54 
L10/L11C60NT1/NV8 
93333882 
70A 
L10/LM1/LR6C39/C41/C60 
93259928 
TM6 
TP4 
TN6 
TM5 
93259930 K60 
.18 .20 .21 
36Ah 
.05 .11 .22 .23 .25 
.55 
100A 
.06 .07 .10 .15 .24 .27 .28 .29 .56 
.03 
1983659 
54Ah 
120A 
L10/L11C39C41 
LC5C41 
93387684 
93387685 
.02 .04 
.08 .09 .12 .13 .14 .16 .17 .19 .30 .31 .32 .33 .34 .35 .36 .37 .38 .39 .41 .42 .43 .44 .45 .46 .47 .48 .49 .51 .52 
.53 
J2-L 
M15 
J1-50 J2-30 
.40 
10.01 
15.02 
G8 
CASE 
16 
1 
X1. 
16 
2.5 
2 
16 
K09 
2 
25 
K09 
X82. 
25 
-K09 
16 
F1. 
04.23 
15.02 
A 
B 
10.02 
15.02 
F62. 
16 
G1 
J2-NEG 
40.14 
1 
PM1. 
0.75 
A 
B 
Cores dos Circuitos / Colores de los Circuitos 
A = Vermelho 
Rojo 
B = Amarelo 
Amarillo 
F = Preto 
Negro 
M = Branco 
Blanco 
P = Azul 
Azul 
R = Cinza 
Gris 
U = Verde 
Verde 
X = Marrom 
Marrón 
Y = Violeta 
Violeta 
Circuitos sem bitola 
Circuitos sin Calibre 
Indicada = 0,75 mm2 
Senãlada = 0,75 mm2 
F F 
F/A 
F 
X X 
X 
P/M 
A 
Caixa ECR-Distr. Elétrica 
Distribuição Elétrica 
Bateria_Mais 
Terminal Circular 
Cj. Bateria 
Distr. Massa Distr. Massa 
Terminal Circular 
MASSA_CARROÇARIA 
Distr. Massa 
Carroçaria Diant. 
MOTOR 
Módulo de Controle da Ca. 
Carroçaria Diant. 
MOTOR 
Retorno 
Prato da mola 
Volante 
Deslocador da Motor 
Alavanca 
Condutor Conjunto 
Cj. Alternador 
Caja ECR-Distr. Eléctrica 
Carroceria Delant. 
MOTOR 
Distribución Eléctrica 
Batería_Más 
Terminal Circular 
Cj. Batería 
Terminal Circular 
Distr. Masa Distr. Masa 
Distr. Masa 
MASA_MOTOR MASA_MOTOR 
MASA_CARROCERIA 
Módulo de Control de la Ca. 
Carroceria Delant. 
MOTOR 
Volver 
Émbolo del resorte 
Cambine de puesto 
la Palanca 
Conducen Ensamblaje 
Cj. Motor de Partida 
Cj. Aternador 
Partida e Carga 
Arranque y Carga 
Pág. 32 
Bateria P/N 
Código Aplicação 
ALTERN. P/N Aplicação 
Ah 
Aplicación 
Código 
Opcional 
ALTERN. P/N 
Ah 
Ah 
Código 
Código 
Opcional 
Opcional 
Masa
Versão / Versión: 09/01/02 Diagramas Elétricos / Diagramas Eléctricos Corsa 2002 
Relé-Vent. Arref. Mtr. Relé-Vent. Arref. Mtr. Relé-Vent. Arref. Mtr. Relé-Vent. Arref. Mtr. 
C60LK8 
M 
 
 
C60LK8 
A14. 
86 
AF4. 
AM10. 
C B 
B C 
AF3. 
L11/L10-C60 
BUS_9 . 
AM140. 
A7. 
AB2. 
A30. 
BUS_8 . 
B C 
BUS_9 
M M M 
L10/L11/LJ1-C60 
L11/L10-C60 
M 
 
 
8 
L10/L11/LJ1-C60 
C60 
M 
A20. 
2.5 
A5. 
4.0 
XA1. 
21.11 
23.11 
A8. 
0.75 
III_4 
X8. 
A21. C60L10/L11/LJ1 
Turbina 
22.11 
24.11 
XM11. 
C60 
AM4. 
28.48 AM2. 
LK8-C60 
LK8-C60 
XB10 
XB11. 
0.5 
I_4 
86 
A31 
86 
XU4. 
BN/GN 
BN 
X2. 
Cj. Mtr.-Vent. Refrig. Mtr. Mtr.-Vent. Refrig. Mtr. Mtr.-Vent. Refrig. Mtr. 
Distr. Masa 
Distr. Massa Distr. Massa 
Distr. Massa 
.00 .01 .02 .03 .04 .05 .06 .07 .10 .11 .12 .13 .14 .15 .16 .17 .18 .19 .20 .21 .22 .25 .26 .28 .30 .32 .33 .35 .36 .37 .38 .39 .40 .41 .42 .43 .44 .45 .46 .47 .51 .52 .54 .55 .56 
.08 .09 .23 .24 .27 .29 .31 .34 .48 .49 .50 .53 
C60L10/L11/LJ1 
A33. 
II_2 
C60LK8 
4.0 
A15. 
4.0 
9 
25.11 
0.5 
9 
V_8 
C60/LJ1-C60 
XM1. 
II_8 
AM3. 
2.5 
C60LK8 
4.0 
C60 
M7/M7A 
A 
C60LK8 
III_2 
M7B 
A 
2.5 
C60LK8 
4.0 
C60LK8 
X5. 
2.5 
86 
87 
M7B 
A 
B 
LIII_1 
K30B 
30 
85 
04.23 04.28 
X14. 
4.0 
LJ1-C60 
V_6 II_5 
AB14. 
26.11 
LJ1-C60 
2.5 
A10 . 
0.5 
V_4 V_2 
I_8 
7 8 
7 
XB1 
0.5 
C60L11/LJ1 
2.5 
C60LK8 
0.5 
28.50 28.51 
. 
II_4 
30 
85 
87 
C60LK8 
4.0 
LJ1-C60 
4.0 
K30A 
AB15. 
1.5 
III_5 
XA1 
0.5 
C60LK8 
8 
C60LK8 
0.5 
AB4. 
4.0 
0.5 
XB2. 
0.5 
0.75 
C60LK8 
LJ1/LK8-C60 
0.75 
C60LK8 
4.0 
A32. 
II_3 
30 
85 
87A 87 
A2. 
0.5 
K30D 
0.5 
M7A 
A 
B 
C60LK8 
4.0 
AB3. 
4.0 
C60L10/L11/LJ1 
2.5 
LK8-C60 
2.5 
LK8-C60 
XU3. 
LK8-C60 
4.0 
85 
87 
A 
B 
C60L11/LJ1 
2.5 
III_6 
K30C 
30 
22.10 
24.10 
LII_1 
2.5 
C60LK8 
4.0 
III_8 
AM1. 
50 
2.5 
EC 
B 
II_6 
EC 
I_2 
M7 
A 
I_6 
M7 
A 
BUS_8 
NET5 
NET3 
NET4 
NET2 
NET1 
Cores dos Circuitos / Colores de los Circuitos 
A = Vermelho 
Rojo 
B = Amarelo 
Amarillo 
F = Preto 
Negro 
M = Branco 
Blanco 
P = Azul 
Azul 
R = Cinza 
Gris 
U = Verde 
Verde 
X = Marrom 
Marrón 
Y = Violeta 
Violeta 
Circuitos sem bitola 
Circuitos sin Calibre 
Indicada = 0,75 mm2 
Senãlada = 0,75 mm2 
A A A A A 
A A A 
A A A A A 
X/B 
X/A X/B X/A X/A 
A/M A/M 
A/B A/B X/A X/B X/M 
A/M 
X/U 
A/M A/B A/B A/F A/F A/M 
A/B A/M 
X 
X 
X 
Caixa ECRB Distribuição Elétrica 
Relé-Vent. Refrig. Mtr. Relé-Vent. Refrig. Mtr. Relé-Vent. Refrig. Mtr. Relé-Vent. Refrig. Mtr. 
Caja ECRB Distribución Eléctrica 
Ventoinha 
Carroçaria Dianteira 
Carroceria Delantera 
Ctrl. Motor 
Ctrl. Motor 
Cj. Mtr.-Vent. Arref. Mtr. Mtr.-Vent. Arref. Mtr. Mtr.-Vent. Arref. Mtr. 
Distr. Massa 
Página 8A - 10-0 
Página 8A - 10-0 Distr. Masa 
Distr. Masa 
Distr. Masa 
Cj. Mtr.-Vent. Arref. Mtr. Cj. Mtr.-Vent. Arref. Mtr. Cj. Mtr.-Vent. Arref. Mtr. 
Cj. Mtr.-Vent. Refrig. Mtr. Cj. Mtr.-Vent. Refrig. Mtr. 
Cj. Mtr.-Vent. Refrig. Mtr. 
Distr. Massa 
Distr. Masa 
Esquemas do Ventilador e Compressor de Arrefecimento 
Esquemas del Ventilador y del Compresor de Refrigeración Pág. 33
Versão / Versión: 09/01/02 Diagramas Elétricos / Diagramas Eléctricos Corsa 2002 
08.31 
C60 
IV_5 
30 
87 
F11. 
0.5 
IV_3 
IV_4 IV_1 
FP13. 
1.0 
86 
85 
C60 
C60L11LJ1 
L7 
A 
B 
1 
1 
F31 
XF1. 
0.5 
5 
5 
C60L10/L11/LJ1 
XF2. 
0.35 
K5 
C60LK8 
XF7. 
0.5 
28.54 
C60 
21.14 
23.14 
25.14 
FP2. C60LK8 
1.0 
F13. 
1.0 
NET 
.00 .01 .02 .03 .04 .05 .06 .07 .08 .09 .10 .11 .12 .13 .14 .15 .16 .17 .18 .19 .20 .21 .22 .23 .24 .25 .26 .27 .28 .29 .30 .31 .32 .33 .34 .35 .36 .37 .38 .39 .40 .41 .42 .43 .44 .45 .46 .47 .48 .49 .50 .51 .52 .53 .54 .55 .56 
Cores dos Circuitos / Colores de los Circuitos 
A = Vermelho 
Rojo 
B = Amarelo 
Amarillo 
F = Preto 
Negro 
M = Branco 
Blanco 
P = Azul 
Azul 
R = Cinza 
Gris 
U = Verde 
Verde 
X = Marrom 
Marrón 
Y = Violeta 
Violeta 
Circuitos sem bitola 
Circuitos sin Calibre 
Indicada = 0,75 mm2 
Senãlada = 0,75 mm2 
F F 
F/P F/P X/F 
X/F X/F 
Pág. 34 
Distr. Elétr. 
Carroçaria Dianteira 
Ventilador 
Caixa de Relés do Ventilador 
Cj. Relé-Compr. 
compr_relé 001 
Bob.-Embr. C/A 
compressor_ca 001 
Ventoinha 
Carroçaria Dianteira 
Distr. Massa 
Página 8A - 10-0 
Controle Motor Di-Ctrl. Motor 
Distr. Eléctr. 
Carroceria Delantera 
Ventilador 
Caja de Relés del Ventilador 
Cj. Relé-Compres. A/A 
compr_relé 001 
Turbina 
Carroceria Delantera 
Bob.-Embr. A/A 
compresor_aa 001 
Distr. Masa 
Control Motor Di-Ctrl. Motor 
Esquemas do Ventilador e Compressor de Arrefecimento 
Esquemas del Ventilador y del Compresor de Refrigeración 
Página 8A - 10-0
Versão / Versión: 09/01/02 Diagramas Elétricos / Diagramas Eléctricos Corsa 2002 
K47 
S5 
Cj. Acionador-Buzina Vol. Direção 
interr._buzina 009 
Cj. Accionador-Bocina Vol. Dirección 
interr._bocina 009 
Mola Relógio / St W 
Muelle Reloj / St W 
Mola Relógio / Pnl. Instr. 
Muelle Reloj - Tbl. Instr. 
38.44 
48 98 
BCM 
1 4 
XM5 
A 
B 
XM1. 
0.5 
2 
X1. 
0.5 
1 2 
XM25. 
0.35 
BCM 
42.39 
1 B9 
Cj. Bocina - Genérica 
12.22 
17.22 
XM22. 
0.75 
2 
.02 .03 .10 .11 .12 .13 .14 .15 .16 .17 .22 .23 .24 .25 .26 .27 .29 .32 .36 .37 .44 .45 
.04 .05 .28 .30 .31 .33 .34 .35 .46 .47 .48 .49 
.06 .07 .18 .19 
.20 .21 .38 .39 .40 .41 .50 .51 .52 .53 .54 .55 .56 
1 
15.54 
10.54 
.00 .01 .08 .09 .42 .43 
Cores dos Circuitos / Colores de los Circuitos 
A = Vermelho 
Rojo 
B = Amarelo 
Amarillo 
F = Preto 
Negro 
M = Branco 
Blanco 
P = Azul 
Azul 
R = Cinza 
Gris 
U = Verde 
Verde 
X = Marrom 
Marrón 
Y = Violeta 
Violeta 
Circuitos sem bitola 
Circuitos sin Calibre 
Indicada = 0,75 mm2 
Senãlada = 0,75 mm2 
X X/M 
X/M X/M X/M 
Cj. Buzina - Genérica 
Distr. Massa Distr. Massa 
Distr. Masa 
Distr. Masa 
Sub-Sistema da Buzina 
Subsistema de la bocina 
Pág. 35
Versão / Versión: 09/01/02 Diagramas Elétricos / Diagramas Eléctricos Corsa 2002 
EPS 
PA20. 
A30 - ACS 
80 
5 
MU8-JM4 
XA134. 
15 14 11 
JM4 
65.29 
UD8 
MU8-JM4 
MU8-JM4 
6 5 8 
3 
JM4 
JM4 
PA13 
PA6. 
ACS 
JM4MU8 
21 22 
12.51 17.51 
JM4 
JM4 
56.30 
JM4L10/L11/LJ1 
JM4L10/L11/LJ1 
JM4 
17.44 
22.19 
JM4 
PA106. 
JM4 
JM4 
FB4. 
P107. 
X140. 
PA1. 
0.5 
6 5 8 
X1. 
P107. 
P1. 
S116IP-A14_P5 
PA2. 
Cj. Sensor-Vel. Rda. Diant. Cj. Sensor-Vel. Rda. Diant. 
Cj. Sensor-Vel. Rda. Delant. Cj. Sensor-Vel. Rda. Delant. 
.02 .04 .05 .10 .14 .15 .18 .19 .20 .22 .24 .26 .27 .31 .32 .34 .35 .36 .38 .39 .40 .41 .42 .44 .46 .47 .48 .49 .50 .51 
.52 .53 .54 .55 .56 
79 
.00 .01 .07 .12 .13 .21 .33 
.03 .06 .08 .09 .11 .16 .17 
.25 .28 .29 .30 .37 .43 .45 
31.36 
09.43 
.23 
08.50 
26 
LK8/MU8-JM4 
. 
1 
X80. 
0.5 
MU8-JM4 
PA92 
0.35 
67.18 
NV8 
0.35 
12.45 17.45 
12.48 
17.48 
JM4 
XA1. 
12.53 17.53 
MU8-JM4 
X133. 
0.5 
0.35 
0.5 
0.35 
PA122. 
0.5 
A119L 
4 2 
PA5. 
0.5 
MU8-JM4 
BCM 
38.05 
B83 
1 2 
F272. 
0.5 
P134 . 
0.5 
0.35 
XA133. 
L10/L11/LJ1-JM4-MU8 
28.25 
LK8 
7 
0.5 
6 
5 
08.47 
31.15 
XA131. 
0.35 
12.36 
17.36 
8 
B76R 
B A 
B 
31.40 
14 
B52L 
A 
XA131. 
FB103. 
0.5 
0.35 
31.34 
XM145. 
0.35 
66.29 
7 
12.44 
37.33 
1 
JM4MU8 
PA8. 
0.5 
2 
31.38 
24.19 
1 2 
8 
JM4 
7 
JM4 
55 
PA121. 
0.5 
B 
08.52 
PA1. 
0.35 
4 
B52R 
A 
0.35 
09.46 
PA106. 
0.35 
JM4MU8 
12.03 
17.03 
PA81. 
0.5 
54.30 
8 
0.5 
B76L 
B A 
JM4 
X140. 
JM4 
X132. 
0.35 
0.35 
JM4 
0.35 
6 
28.28 
0.5 
L10/L11/LJ1-JM4-MU8 
5 
3 
X16. 
P133. 
0.5 
55 
2 
L10/L11/LJ1-JM4-MU8 
PB1. 
0.35 
18.10 
0.5 
4 2 
13.10 
7 8 9 
26 
A119R 
2 19 
25 26 6 3 5 
A38 
1 
16 
17 18 
JM4 
0.35 
JM4 
0.35 
65.14 
66.14 
JM4 
0.35 
22.17 
24.17 
6 
S04 
5 
S02 
S03 
NV8/UD8/W8X 
0.35 
S01 
PA7 
PA80. 
0.35 
14 
. 
0.35 
Cores dos Circuitos / Colores de los Circuitos 
A = Vermelho 
Rojo 
B = Amarelo 
Amarillo 
F = Preto 
Negro 
M = Branco 
Blanco 
P = Azul 
Azul 
R = Cinza 
Gris 
U = Verde 
Verde 
X = Marrom 
Marrón 
Y = Violeta 
Violeta 
Circuitos sem bitola 
Circuitos sin Calibre 
Indicada = 0,75 mm2 
Senãlada = 0,75 mm2 
P/A P/A 
P/A 
P/A 
P/A X 
P/A 
P/A 
F/B 
F/B P/B X/M 
P/A 
P/A X/A 
F 
X 
P/A P/A P/A X P 
X/A P/A 
P X 
X P X/A P/A 
X P X/A P/A 
X P X/A P/A 
Rádio e Info. Rádio e Info. 
A134-Rádio 
Ctrls. do Motor Caixa ECRB-Distrib. Elétrica 
Distrib. Elétrica Di-Ctrl. Motor Ilum. Ext. Ctrls. Motor Diagnóstico 
Chicote Pnl. Instr. 
Carroçaria diant. 
Cj. Sensor-Vel. Veículo 
Injeção 
Carroçaria Diant. 
Distr. Massa 
Di-Ctrl. Mtr. 
Chicote PI 
Carroçaria Diant. 
Controle da Transmissão 
Unidade de Controle do ABS 
Cj. Módulo-Ctr. Fre. E. 
Radio e Info. Radio e Info. 
A134-Radio 
Contr. del Motor Caja ECRB-Distrb. Eléctrica 
Distrib. Eléctrica Di-Contr. Mot. Ilum. Exter. Contr. Motor Diagnostico 
Mazo Con. tbl. Instr. 
Carroceria Delant. 
Cj. Sensor-Vel. Vehículo 
Inyección 
Carroceria Delant. 
Distr. Masa 
Di-Contr. Motor 
Mazo Cond. Tbl. Instr. 
Carroceria Delant. 
Control de la Transmisión 
Cj. Módulo-Contr. Fr. 
Unidad de Control del ABS 
Cj. Môd.-Modif. Sin. Sen. Vel. 
Veícl. 
Cj. Môd.-Modif. Sin. Sen. Vel. Veículo 
Chicote Carroçaria Diant. 
Chicote Carroçaria Tras. LE 
Carroçaria Tras. LE 
Sensor Rot. 
Cj. Sensor-Vel. Rda. Tras. Cj. Sensor-Vel. Rda. Tras. 
Distr. Elétrica 
Distr. Massa 
Cj. Mód.-Modif. Señl. Sen. Vel. 
Vehícl. 
Cj. Mód.-Modif. Señl. Sen. Vel. Vehícl. 
Mazo Cond. Carroç. Delant. 
Mazo Cond. Carroc. Tras. LI 
Carroc. Tras. LI 
Sensor Rot. 
Cj. Sensor-Vel. Rueda Tras. Cj. Sensor-Vel. Rueda Tras. 
Distr. Eléctrica 
Distr. Masa 
Esquemas ABS/VSS 
Esquemas ABS/VSS 
Pág. 36
Versão / Versión: 09/01/02 Diagramas Elétricos / Diagramas Eléctricos Corsa 2002 
Distr. ElétricoDisagnóst. Distr. Elétr. Controle Motor - Diesel 
F49 
A204. 
6.0 
A100. NV8 
2-1 
09.39 
23 
23 
6.0 
BCM 
67.38 07.45 28.45 
6 
6 
U1. 
0.35 
LK8NV8 
ABS 
36.06 
39.12 
C2-1 A106 C2-2 C3-2 C3-3 C3-6 C3-7 
C1-1 C1-2 C4-3 C4-1 C4-2 
M 
A75 
2-2 3-2 3-3 3-8 3-6 
3-7 
C3-8 
C4-4 C4-7 
4 
B161 
1 2 3 
15.10 
.00 .01 .02 .03 .04 .05 .06 .07 .08 .09 .10 .11 .12 .13 .14 .15 .16 .17 .18 .19 .20 .21 .22 .23 .24 .25 .26 .27 .28 .29 .30 .31 .32 .33 .34 .35 .36 .37 .38 .39 .40 .41 .42 .43 
.44 .45 .46 .47 .48 .49 .50 .51 .52 .53 .54 .55 .56 
10.10 
NV8 
M50 
1 2 
S01 
Cores dos Circuitos / Colores de los Circuitos 
A = Vermelho 
Rojo 
B = Amarelo 
Amarillo 
F = Preto 
Negro 
M = Branco 
Blanco 
P = Azul 
Azul 
R = Cinza 
Gris 
U = Verde 
Verde 
X = Marrom 
Marrón 
Y = Violeta 
Violeta 
Circuitos sem bitola 
Circuitos sin Calibre 
Indicada = 0,75 mm2 
Senãlada = 0,75 mm2 
A 
A 
U 
Carroç. Diant. 
Chicote Pnl. Instr. 
Carroç. Diant. 
Chicote Pnl. Instr. 
Fornec. Elétr. do EPS Unidade Ctrl. EPS 
Unidade de Controle - Direção Elétrica 
Cj. Módulo-Apoio Infl. Vol. Dir. Cj. Módulo-Ctr. D/E 
Cj. Sensor-Ângl. Direção 
Motor - EPS 
Distr. Massa 
Distr. Eléctr. Diagnosti. Distr. Eléctr. Control Motor - Diesel 
Carroc. Delant. 
Mazo Cond. Tbl. Instr. 
Carroc. Delant. 
Mazo Cond. Tbl. Instr. 
Suministro. Eléctr. do EPS Unidad Contr. EPS 
Cj. Módulo-Apoyo Infl. Vol. Dir. Cj. Módulo-Contr. D/E 
Cj. Sensor-Ángulo Dirección 
Motor - EPS 
Distr. Masa 
Unidad de Control - Dirección Eléctrica 
Direção Elétrica 
Dirección Eléctrica 
Pág. 37
Versão / Versión: 09/01/02 Diagramas Elétricos / Diagramas Eléctricos Corsa 2002 
Ilum. Exterior Limpiador y Lacador Ilum. Exterior 
52.08 
51.08 
XB4. 
0.35 
Bocina Diagnosis 
Sensor de Massa Lavador Diant./Limp. Tras. Limp. diant.-L_Vela_Int. Flash Farol Alto Ind. Dir. Esq. Dir. Buzina Teclado 2000 
Sensor de Masa Lavador Delant./Limpiador tras. Limpiador delant.-L_veloc._Int. Flash Faro Alto 
K54 
Cj. Relé-Luz Estacionamento 
 
55.38 
53.38 
M1. FM1 
0.35 
55.35 
53.35 
. 
0.35 
55.13 
53.13 
XF100. 
0.35 
T96 
XM3. 
0.35 
05.17 
55.06 
53.06 
XM2. 
0.35 
51.04 
51.13 
52.04 53.13 
FY1. 
0.35 
55.48 
53.48 
RU1. 
0.35 
XB230. 
0.35 
JM4 
ATWS 
62.28 
T79 
XP2. 
0.35 
05.48 
FP1. 
0.35 
55.21 
53.21 
UA6 
XB6. 
0.35 
55.22 
53.22 
WU5 
RF100. 
55.25 
53.25 
10.46 
15.46 
55.55 
53.55 
B1. 
0.35 
35.23 
41.53 
BCM 
55.37 
53.37 
0.35 
XB1. 
0.35 
05.28 
54.24 
56.24 
67.20 
XM40. 
0.35 
05.37 
XB1. 
0.35 
Ind. Dir. Esq. Dir. Bocina 
UA6 
AP100. 
0.35 
55.20 
53.20 
BUS_12 . 
EC 
WU5 
XB7. 
0.35 
FM22. 
0.35 
Teclado 2000 
P5. 
0.35 
36.36 
ABS 
87 
30 
85 
86 
53.22 
.00 .01 .02 .03 .04 .05 .06 .07 .08 .09 .10 .11 .12 .13 .14 .15 .16 .17 .18 .19 .20 .21 .22 .23 .24 .25 .26 .27 .28 .29 .30 .31 .32 .33 .34 .35 .36 .37 .38 .39 .40 .41 .42 .43 .44 .45 .46 .47 .48 .49 .50 .51 .52 .53 .54 .55 .56 
Relay-Dead Lock 
53.23 
04.34 
55.22 
55.23 
09.21 
T96 
XA100. 
0.35 
J2-55 J2-42 J2-36 J2-3 J2-25 J2-57 J2-39 J2-53 J2-54 J2-48 J2-44 
J2-14 J2-31 J2-11 
J2-21 J2-20 
J1-76 J1-93 J1-80 J1-81 J1-84 J1-85 J1-86 
A15 
R100. 
0.35 
XB3. 
0.35 
Cores dos Circuitos / Colores de los Circuitos 
A = Vermelho 
Rojo 
B = Amarelo 
Amarillo 
F = Preto 
Negro 
M = Branco 
Blanco 
P = Azul 
Azul 
R = Cinza 
Gris 
U = Verde 
Verde 
X = Marrom 
Marrón 
Y = Violeta 
Violeta 
Circuitos sem bitola 
Circuitos sin Calibre 
Indicada = 0,75 mm2 
Senãlada = 0,75 mm2 
R/U B R R/F X/A X/F X/B X/B 
X/B 
X/B X/B 
F/P F/Y M F/M 
X/B 
X/M X/P 
X/M 
X X/M A/P F/M P 
Ilum. Externa 
Limpador e Lavador Iluminação externa 
Buzina Diagnosis 
Luz de Estacionam. Farol Baixo Luzes Int. Acesas Nível Ilum. Instr. Luz Neblina Diant. Luz Neblina Tras. 
Falha - ABS Luz de Apoio Relé Luz Neblina Diant. Relé Luz Neblina Tras. Rel. Term. 58 K 
Relé Farol Baixo Relé Farol Alto Relé Buzina ATWS Status TT Aviso Per. TT Int. Per. 
Cj. Módulo-Ctrl. Carroçaria 
Cj. Relé-Luz Estacionamento 
Iluminação Externa ECRB - Distribuição Elétrica 
ECRB - Distribuição Elétrica Ilumin. Externa 
Distr. Massa 
Distr. Masa 
Luz de Estacionam. Faro Bajo 
Falha - ABS 
Luces Int. Encend. Nível Ilum. Instr. Luz Neblina Delant. Luz Neblina Tras. 
Luz de Apoio Relé Luz Neblina Diant. Relé Luz Neblina Tras. Rel Term. 58 K 
Relé Faro Bajo Relé Faro Alto Relé Bocina 
ATWS Status TT Al. Pel. TT Int. Pel. 
Cj. Módulo-Ctrl. Carroceria 
Iluminación Exterior ECRB - Distribución Eléctrica 
ECRB - Distribución Eléctrica Ilum. Exterior 
Módulo de Controle da Carroçaria 
Módulo de Control de la Carroceria 
Pág. 38
Versão / Versión: 09/01/02 Diagramas Elétricos / Diagramas Eléctricos Corsa 2002 
BUS_13 
EC EC 
45.03 
45.39 
 
BUS_13 BUS_13 
2 4 3 
XB202. 
J2-56 J2-32 J2-38 J2-33 
85 
Cj. Relé-Lâmp. Sinal./Dir. Cj. Relé-Lâmp. Sinal./Dir. 
11.24 
Relé Trava Porta Passageiro 
Relé Trava Porta Motorista Relé Destravamento 
Relé traba puerta Conductor 
J2-1 J2-26 J1-82 J2-24 J2-41 J2-12 J1-61 J1-63 J1-64 J1-73 J1-62 J1-87 
5 
30 
Cj. Relé-Luz Señl. Ind./Dir. Cj. Relé-Luz Señl. Ind./Dir. 
87 86 
BUS_13 
2 4 3 
87A 
EC 
87 85 
30 86 
BUS_13 
EC EC 
 
EC 
 
2 4 3 
87A 
87 85 
30 86 
2 4 3 
FM10. 
85 
5 
30 
87 85 
A66. 
86 87 
XA199 
FA6. 
11.25 16.28 
EPS TT Active 
87A 
87 85 
30 86 
87A 
30 86 
A4. 
A65. F10. 
0.5 0 
AM1. 
R11 
R11. 
57.25 
R10. 
R110 
A90 
0.35 
A46. 
11.23 
37.32 
.00 .01 .02 .03 .04 .05 .06 .07 .08 .09 .10 .11 .12 .13 .14 .15 .16 .17 .18 .19 .20 .21 .22 .23 .24 .25 .26 .27 .28 .29 .30 .31 .32 .33 .34 .35 .36 .37 .38 .39 .40 .41 .42 .43 .44 .45 .46 .47 .48 .49 .50 .51 
.52 .53 .54 .55 .56 
04.38 
NV8 
0.35 
16.25 
11.28 
AU0 XM301. 
0.35 
04.35 
. AU0 
0.35 
59.54 07.26 
K66R 
1 
4 3 
BUS_13 
. 
BUS_13 
. 
. 
18 
18 
. 
0.5 
58.25 
1.0 
0.5 
57.48 
58.48 
0.5 
0.5 
k24A 
1 
5 
XM201. AU0 
0.35 
45.01 
44.01 
XF77. 
0.35 
. 
0.5 
07.07 
45.52 
44.52 
XM9. 
39.06 
FB9. 
0.75 
AU0 
0.35 
0.35 
A67. 
1.0 
A102. AU0 
1.5 
EC 
. 
. 
46.30 
BUS_13 
. 
. 
EC 
. 
AU0 
0.75 
5 
K24B 
1 
16.23 
16.24 
BCM 
FU10. 
0.35 
F1 
04.42 
45.05 
44.05 
AU0 
0.35 
44.03 
53.31 
55.31 
53.33 
55.33 
04.53 
44.39 
3 4 
K66L 
1 
K24C 
1 
5 
K24D 
1 
5 
XA5. 
0.35 
EPS 
XF10. 
0.75 
J2-60 
1.0 
BUS_13 
Cores dos Circuitos / Colores de los Circuitos 
A = Vermelho 
Rojo 
B = Amarelo 
Amarillo 
F = Preto 
Negro 
M = Branco 
Blanco 
P = Azul 
Azul 
R = Cinza 
Gris 
U = Verde 
Verde 
X = Marrom 
Marrón 
Y = Violeta 
Violeta 
Circuitos sem bitola 
Circuitos sin Calibre 
Indicada = 0,75 mm2 
Senãlada = 0,75 mm2 
F/A 
X/A 
X/M 
F/B 
X/M 
X/B 
R 
R 
R R 
X/M X/F A/M X/A X/F A A A F 
F/M A 
A 
F/U 
A 
Controle Trava Porta Módulo Controle Porta Módulo Controle Porta Controle Porta 
Distr. Massa 
Relé-Compart. Pass. 
Distr. Massa 
Cj. Relé-Trava Pta. Motorista 
Distr. Massa 
Relé - Destrav. 
Distr. Massa 
Relé-Trava Inat. 
Control Traba Puerta Módulo de Control de la Puerta Módulo de Control de la Puerta Control de la Puerta 
Relé-Compart. Pasaj. Cj. Relé-Traba puerta conductor 
Relé - Destrab. Relé-Traba inact. 
Distr. Masa Distr. Masa 
Distr. Masa 
Distr. Masa 
Luz Interna 20W Tronco Liberação Rel Term. - 15A 
Freio de Estacionamento Fech. dos Vidros Interruptor 
Real Ind. Dir. Esq. Real Ind. Dir./Real 
Relé Travamento 
Relé Ind. Dir. Direito 
Chicote Pnl. Instrumentos 
Carroçaria Tras. Esq. 
Ilum. Interna 
Trava Portas Distr. Elétr. Sist. de Freio Vidros elétricos 
ECRB - Distribuição Elétrica 
ECRB - Distribuição Elétrica 
Ilum. Externa 
Luz Interna 20W Tronco Liberação 
Relé traba puerta Passaj. 
Rel Term. - 15 A Freno de EstacionamentoCierre de las ventanas Eléctricas 
Cambian 
Relé Destrabamento 
Rel. Ind. Dir. Esq. Rel Ind. Dir./Retroactúan 
Relé Trabamiento 
Relé Ind. Dir. Dcho. 
Mazo Cond. Tbl. Instrumentos 
Carroceria Tras. LI 
Ilum. Interior 
Traba puertas Distr. Eléctr. Sist. de Freno Ventanas Eléctricas 
ECRB - Distribución Electrica 
ECRB - Distribución Electrica 
Ilum. Exterior 
Módulo de Controle da Carroçaria 
Módulo de Control de la Carroceria 
Pág. 39 
Term. 30 Ener. CDL 
Term. 30 Ener. CDL Pino Ener. Term. 30 
Pino Ener. Term. 30
Versão / Versión: 09/01/02 Diagramas Elétricos / Diagramas Eléctricos Corsa 2002 
BUS_13 . 
 
44.35 
5 
30 
87 
. BUS_13 
86 
85 
 
 
 
 
BCM 
ATWS 
45.37 
BUS_13 
XM401. 
0.35 
UA6 
50.29 
BUS_13 . 
EC 
J2-5 J2-43 J2-59 
J2-37 
EC 
J2-28 J2-10 
J2-29 J2-27 
EBUS2/L EBUS1/H Travamento Int. Destrav. Int. Chave Trav. Chave Destrav. Term 30 CDL SAÍDA Relé Tronco Destrav. Interr. Tronco Trav. 
EBUS2/L EBUS1/H Trabamto. Inter. Destrab. Inter. Liave Traba Liave Destrab. 
Term 30 CDL SALIDA 
J1-95 J1-99 J2-30 
J2-47 J2-49 
LK8 
M9. 
0.35 
EC 
X1 
A105 
1.5 
J1-75 J1-66 
MU8 
M5. 
0.35 
31.26 
ACS 
45.13 
44.13 
AP10. 
0.35 
4 
4 
XF4. AU0 
0.35 
AU0 
45.10 
44.10 
AU0 AU0 
AU0 
AB10. 
0.35 
10 
10 
AB1. 
0.35 
J2-9 
XB2. 
0.35 
44.21 
45.29 
AU0 
LK8 
U9. 
0.35 
04 
05 
A79. 
0.75 
XM6. 
0.35 
UA6 
3 
1 
A90 
XM30. 
0.35 
62.49 07.36 
ATWS 
57.11 
58.11 
MR1. 
0.35 
57.05 
58.05 
-MU8 
U6. 
0.35 
21.19 
23.19 
25.19 
MU8 
U5. 
0.35 
31.30 
K67 
Cj. Relé - Anti-furto 
Cj. Relé - Anti-robo 
04.50 
45.04 
44.04 
45.07 
44.07 
XM10. 
0.35 
24 
U5. 
0.35 
L10L11LJ1 
PM1. 
0.35 
7 
7 
XA4. 
0.35 
J2-50 
A116 
0.35 
50.31 
04.10 32.52 
32.52 
AU0 
LK8 
24 
XM4. 
0.35 
LK8 
PM2. 
0.35 
29.08 
AU0 
AU0 
PM3. 
0.5 
01 
03 
XA20. 
0.35 
PM11. LK8 
0.35 
M5. 
0.35 
J2-4 
04.02 
UA6 
-MU8 
M6. 
0.35 
21.22 
23.22 
25.22 
4 
AU0 
27.06 
04.10 
27.02 
.00 .01 .02 .03 .04 .05 .06 .07 .08 .09 .10 .11 .12 .13 .14 .15 .16 .17 .18 .19 .20 .21 .22 .23 .24 .25 .26 .27 .28 .29 .30 .31 .32 .33 .34 .35 .36 .37 .38 .39 .40 .41 .42 .43 .44 .45 .46 .47 .48 .49 .50 .51 .52 .53 .54 .55 .56 
Cores dos Circuitos / Colores de los Circuitos 
A = Vermelho 
Rojo 
B = Amarelo 
Amarillo 
F = Preto 
Negro 
M = Branco 
Blanco 
P = Azul 
Azul 
R = Cinza 
Gris 
U = Verde 
Verde 
X = Marrom 
Marrón 
Y = Violeta 
Violeta 
Circuitos sem bitola 
Circuitos sin Calibre 
Indicada = 0,75 mm2 
Senãlada = 0,75 mm2 
M U 
X/A X/M A/B A/D 
X/A X/M A/B X/F A 
X/M 
X/M 
A P/M 
P/M P/M P/M 
X/B 
U M U M U M 
M/R 
X/M 
A 
Painel de Instrum. 
Módulo Ctr. Porta 
Trava Portas 
Relé-Tampa Bagageiro 
Caixa - BCM 
Chicote Porta Motorista 
Chicote Pl 
SW TERM 50 SW TERM W 
Gen. Cornte. Excit. - Term. 61 VBUS1/H VBUS2/L Abrir Porta Motorista Abrir Porta Passageiro Buzina 
Distribuição Elétrica Partida e Carga Di-Ctrl. Motor Trava Porta 
Di-Ctrl. Motor Ctrl. Motor 
Ilum. Interna 
ECRB - Distr. Elétr. 
Tablero de Instrum. 
Módulo Contr. Puerta 
Traba Puertas 
Relé-Tapa Portaequipajes 
Caja - BCM 
Mazo Cond. Puerta Conductor 
Mazo Cond. Tbl. Instrum. 
SW TERM 50 SW TERM W 
Gen. Cornte. Excit. - Term. 61 Interruptor Central Trab./Destrab. VBUS1/H VBUS2/L 
Abrir Puerta Conductor Abrir Purta Pasajero 
Relé Tronco Destrab. 
Bocina 
Interr. Tronco Trab. 
Distribución Eléctrica Arranque y Carga Di-Contr. Motor Traba Puerta 
Di-Contr. Motor Contr. Motor 
Ilum. Interior 
ECRB - Distr. Eléctr. 
Módulo de Controle da Carroçaria 
Módulo de Control de la Carroceria 
Pág. 40 
Interruptor Central Trav./Destrav.
Versão / Versión: 09/01/02 Diagramas Elétricos / Diagramas Eléctricos Corsa 2002 
04.38 
04.40 
3 4 2 
85 87 
FA2. 
0.75 
 
04.36 04.48 
12.37 
17.37 
12.40 
17.40 
2 4 3 
K74 
87A 87 85 
K70 
J1-94 J1-90 
Relé Lav. Tras. 
Relé Limp. Diant. Vel. Baixa 
J1-78 J1-79 
. 
FY2 
1.5 
5 
2 4 3 
M10. 
1.5 
1 
FR10. 
0.35 
B10. 
1.5 
51.13 
52.13 
5 
51.11 
52.11 
RF23. 
XM4. 
0.35 
EC 
. 
BUS_12 
K69B 
1 
FR1 
. 
0.75 
Limpador e Lavador Limpador e Lavador 
Limpiador y Lavador Limpiador y Lavador 
EC EC 
. BUS_12 
20.29 65.07 
0.5 
. BUS_12 
 
44.27 
FB7. 
0.35 
UD8 
RF3. 
0.35 
50.27 
J2-13 J2-22 
 
87A 
30 86 
86 30 
87A 
30 86 
87 85 
 
1A2D 3622A 
51.45 
55.45 
87A 
XB2. 
0.35 
1 
86 30 
85 87 
65.42 
66.42 49.22 
RF2. 
0.35 
RF1. 
0.5 
Intrument Dimming PWM 
49.20 
AU0 
FM120. 
0.35 
C60 
5 
3 4 2 
F73. 
1.5 
51.08 
51.49 
55.49 
K69A 
U90. 
1.5 
1 
FA10. 
0.35 
BUS_12 . 
EC 
BCM 
42.55 
52.08 
A90 
04 
05 
FY3. 
1.5 
J1-91 
XP3. 
0.35 
C25 
. BUS_12 
RF110. 
0.5 
K56 
EC 
BCM 
38.28 
5 
F72. 
1.5 
66.07 
C25 
P10. 
1.5 
51.26 
01 
03 
W8X 
RF40. 
0.35 
F29 
04.47 
- 
44.16 
45.26 
FB2. 
0.35 
F30 08.32 
C25 
51.07 
52.07 
BUS_12_A BUS_12_B 
.56 .00 .01 .02 .03 .04 .05 .06 .07 .08 .09 .10 .11 .12 .13 .14 .15 .16 .17 .18 .19 .20 .21 .22 .23 .24 .25 .26 .27 .28 .29 .30 .31 .32 .33 .34 .35 .36 .37 .38 .39 .40 .41 .42 .43 .44 .45 .46 .47 .48 .49 .50 .51 .52 .53 .54 .55 .56 
Cores dos Circuitos / Colores de los Circuitos 
A = Vermelho 
Rojo 
B = Amarelo 
Amarillo 
F = Preto 
Negro 
M = Branco 
Blanco 
P = Azul 
Azul 
R = Cinza 
Gris 
U = Verde 
Verde 
X = Marrom 
Marrón 
Y = Violeta 
Violeta 
Circuitos sem bitola 
Circuitos sin Calibre 
Indicada = 0,75 mm2 
Senãlada = 0,75 mm2 
F/A 
F/A 
F/R 
F/R 
R/F R/F R/F R/F R/F F/B F/B F/M 
R/F 
X/B 
F F U 
F/Y X/M 
B M 
X/P 
P F/Y 
Distribuição Elétrica Distribuição Elétrica 
Distr. Aterr. Distr. Aterr. 
Cj. Relé-Bba. Lavador Vdo./Tras. Cj. Relé-Bba. Limp. Lav. 
Limp. e Lavador 
Acend. Cigarr. Ilum. Som / TID Pnl. Instr. Som / TID HVAC Trava Porta Ctrl. Aquec. e Ventil. 
Distribución Eléctrica Distribución Eléctrica 
Distr. Masa Distr. Masa 
Cj. Relé-Bomb. Lavador Parabr./Tras. Cj. Relé-Bomb. Limp. Lav. 
Limp. y Lavador 
Encen. CigarrillosIlum. Son./TID Tbl. Instr. Son/TID HVAC Traba Puerta Contr. Calefact. y Ven. 
Relé Lavador Tras. 
Relé Limp. Del. Vel. Baja 
Relé Lavador Diant. 
Relé Limp. diant. Vel. Alta Relé Limp. Tras. 
Int. A/C 
Int. A/C 
Relé Limp. Tras. 
Relé Lavador Del. 
Relé Limp. Del. Vel. Alta 
Cj. Relé-Motr. Limp. Lav. Cj. Relé-Motr. Limp. Lav. 
Cj. Relé-Mtr. Limp. Lav. Vdo. Tras. 
Distr. Elétr. 
Limpador e Lavador Distr. Elétr. 
Cj. Relé-Mot. Limp. Lav. Cj. Relé-Mot. Limp. Lav. 
Cj. Relé-Mot. Limp. Lav. Parabr. Tras. 
Distr. Eléctr. 
Limpiador y Lavador Distr. Eléctr. 
Módulo de Controle da Carroçaria 
Módulo de Control de la Carroceria 
Pág. 41
Versão / Versión: 09/01/02 Diagramas Elétricos / Diagramas Eléctricos Corsa 2002 
Ilum. Interior Distr. Eléctr. Inmobilizador 
UA6 
XY2. 
0.35 
J1-69 J1-67 J1-71 
Tronco Aberto Capo do Motor aberto Imobilizador Sirene de Reserva 
Sirena de Reserva 
Relé Buzina 
Tronco Abierto Sensor de Cristal de la Rotura Capilla del Motor AbiertaInmobilizador 
Relé Bocina 
J1-88 J1-89 J1-98 
XM5. 
0.35 
K47 
01 
03 
61.32 
04 
05 
07.02 
J2-35 
EC EC 
. BUS_12 
 
 
. BUS_12 
 
08.44 
XA7. MU8 
0.35 
25 
25 
K71 
MU8 XA7. 
0.35 
57.36 62.33 
05.07 
58.36 
J2-8 J2-6 
30.35 
30.35 
10.42 
15.42 
28 
28 
F181. 
0.75 
30 
08.15 
86 
85 
87 
59.54 
A31 
A31 
XM11. 
0.50 
22 
22 
XM1. 
0.5 
MU8 
UA6 
AM200. 
0.35 
BCM 
41.02 
62.06 
UA6 
XU105. 
0.35 
MF13. 
0.75 
27 
27 
31.22 
ACS 
35.33 
MU8 
54.17 
56.17 
J2-58 
Combustible 
04.44 
X1 
.00 .01 .02 .03 .04 .05 .06 .07 .08 .09 .10 .11 .12 .13 .14 .15 .16 .17 .18 .19 .20 .21 .22 .23 .24 .25 .26 .27 .28 .29 .30 .31 .32 .33 .34 .35 .36 .37 .38 .39 .40 .41 .42 .43 .44 .45 .46 .47 .48 .49 .50 .51 .52 .53 .54 .55 .56 
Cores dos Circuitos / Colores de los Circuitos 
A = Vermelho 
Rojo 
B = Amarelo 
Amarillo 
F = Preto 
Negro 
M = Branco 
Blanco 
P = Azul 
Azul 
R = Cinza 
Gris 
U = Verde 
Verde 
X = Marrom 
Marrón 
Y = Violeta 
Violeta 
Circuitos sem bitola 
Circuitos sin Calibre 
Indicada = 0,75 mm2 
Senãlada = 0,75 mm2 
F 
M/F X/A 
X/A 
A/M X/U X/Y 
X/M 
X/M X/M 
ECRB - Distr. Elétr. 
Carroçaria Diant. 
Chicote Pnl. Instr. 
Cj. Relé-B/ULP 
Chicote Pnl. Instr. 
Carroçaria Diant. 
Ilum. Ext. 
Ilum. Inter. Distr. Elétr. Imobilizador 
Vidro Elétrico 
Chicote Pnl. Instr. 
Carroçaria Diant. 
Cj. Relé-Buzina 
Distr. Massa 
ECRB - Distr. Elétr. 
Buzina 
Combustível 
Distr. Elétr. 
Vent. Eléctrica 
Mazo Cond. Pnl. Instr. 
Carroceria Delant. 
Distr. Masa 
Bocina 
ECRB - Distr. Eléctr. 
Distr. Eléctr. 
Cj. Relé-Bocina 
ECRB - Distr. Eléctr. 
Carroceria Delant. 
Mazo Cond. Tbl. Instr. 
Cj. Relé-B/ULP 
Mazo Cond. Tbl. Instr. 
Carroceria Delant. 
Ilum. Exterior 
Módulo de Controle da Carroçaria 
Módulo de Control de la Carroceria 
Pág. 42 
Sensor de Parada do Vidro 
Term. 31 EnergiaMassa Nível Comb. Nível Comb. IN 
Sensor US 
Term. 31 Energia Masa Nível Comb. 
Sensor US 
Nível Comb. IN
Versão / Versión: 09/01/02 Diagramas Elétricos / Diagramas Eléctricos Corsa 2002 
7 
AK5 
Cj. Módulo-Apoio Infl. Si Bco./Motorist. 
AK5 
AK5 
4 3 30 5 
Muelle Reloj / St W 
9 8 6 7 
AK5 
XM131. 
0.35 
AM131. 
AK5 
Cj. Asiento del Conductor Cj. Asto. Acompañante 
16 15 
AK5 
Diagnóstico Distr. Elétr. 
Diagnostico Distr. Eléctr. 
.00 .01 .02 .03 .04 .05 .06 .07 .08 .09 .10 .11 .12 .13 .14 .15 .16 .17 .18 .19 .20 .21 .22 .23 .24 .25 .27 .30 .31 .32 .33 .34 .35 .37 .40 .42 .43 .44 .45 .47 .48 .50 .51 .52 .53 .54 .55 .56 
.26 .28 .29 .36 .38 .39 .41 .46 .49 
AK5 
BM120. 
0.35 
15 
B120. 
0.35 
16 
3 4 
4 
AK5 
0.35 
3 
AK5 
AB131. 
0.35 
2 
Y135 
1 2 
XB131. 
0.35 
A79 
1 2 
Y133 
1 
A24 
2 1 
A63 
2 1 
24 25 
10.25 
15.25 
8 
XB120 
0.35 
50.21 
8 
. 
08.46 
X10. 
0.50 
67.15 
7 
P10. 
0.50 
Cores dos Circuitos / Colores de los Circuitos 
A = Vermelho 
Rojo 
B = Amarelo 
Amarillo 
F = Preto 
Negro 
M = Branco 
Blanco 
P = Azul 
Azul 
R = Cinza 
Gris 
U = Verde 
Verde 
X = Marrom 
Marrón 
Y = Violeta 
Violeta 
Circuitos sem bitola 
Circuitos sin Calibre 
Indicada = 0,75 mm2 
Senãlada = 0,75 mm2 
B B/M X P 
X/B A/B A/M X/M X/B 
Cj. Módulo-Apoio Infl. Si Bco./Pass. 
Cj. Módulo-Apoyo Infl. Si Asto./Cond. 
Cj. Módulo-Apoyo Infl. Si Asto./Pasaj. 
Mola Relógio / St W 
Mola Relógio / Pnl Instr. 
Muelle Reloj / Tbl Instr. 
Cj. Módulo-Contr. Apoyo Infl. 
Unidad de Control - Air Bag 
Cj. Módulo-Ctr. Apoio Infl. 
Unidade de Controle - Air Bag 
Cj. Banco do Motorist. 
Conector de Retenção 
Cj. Banco Acompanhante 
Conector de Retenção do Acompanhante 
Conector de Retención del Acompañante 
Conector de Retención 
Cj. Retract.-Cint. Seg. Conductor Cj. Retract.-Cinturón Seg. Pasajero 
Tablero de Instrumentos 
Distr. Masa 
Cj. Retract.-Cinto Seg. Motorist. Cj. Retract.-Cinto Seg. Passag. 
Painel de Instrumentos 
Distr. Massa 
Proteção dos Ocupantes 
Protección de los Ocupantes 
Pág. 43
Versão / Versión: 09/01/02 Diagramas Elétricos / Diagramas Eléctricos Corsa 2002 
AU0 
FA2. 
FB10. 
6 
6 
AU0 
AU0 AU0 
AU0 
. 
FB310 
0.75 
4 
AU0 
FA5. 
AU0 
FA310. 
AU0 
Chicote Porta Acomp. 
Chicote Pnl. Instr. 
M M 
4 2 7 3 
M2.1 
AU0 
AU0 
FB10. 
0.75 
6 
AU0 
AU0 
AU0 
AU0 
AU0 
3 
M M 
M M 
M M 
M2.2 
4 3 
Cj. Ac.-Tpa. Pta. Ench./Tqe. Comb. 
M 
BCM 
37 
5 
26 
BCM BCM 
41.49 
4 3 
G 
BCM 
FA402. A90-AU0 
FB8. A90 
FP50. 
2 
FA400 
BCM 
39.03 
FA10. 
2 
Carroc. Tr. LI 
Cj. Acion.-Trv. Pta./Lat. Tras. 
.12 .13 .15 .34 .36 .37 .38 .39 .41 .52 .54 .55 
15 
FA10. 
FP1. 
.02 .03 .05 .42 
.04 .06 .07 .08 .09 .10 .11 .14 .16 .17 .18 .19 .20 .21 .23 .30 .53 
.24 .25 .27 
NOTHBACK 
.00 .01 .22 .26 .28 .29 .31 .32 .33 .35 .40 .43 
.44 .45 .46 .47 .48 .49 .50 .51 
FP10. 
0.75 
39.44 
15 
G 
22 
11.46 
22 
BCM 
40.22 
41.50 
22 
15 
FB10. AU0 
0.75 
AU0 
0.75 
AU0 
16 
Y35L 
2 6 3 
FP101. 
0.75 
5 
39.14 
BCM 
6 
29 
4 
3 
FB8. 
0.75 
A90 
3 
39.29 
AU0 
0.75 
FA120. AU0 
7 
0.75 
0.75 
17 
13 
17 
4 
13 
5 
FB1. 
0.75 
Y35R 
2 6 3 
FP8. 
40.19 
22 
AU0 
0.75 
39.32 
BCM 
40.16 
0.75 
0.75 
Y13P_LHD 
4 3 5 
AU0 
FB1. 
H 
AU0 
0.75 
FB12. 
0.75 
39.07 
40.13 
18 
15 
AU0 
FA5. 
0.75 
FP310. 
0.75 
FP40. 
0.75 
AU0 
0.75 
FP10. 
0.75 
. 
0.75 
A90 FA1. 
0.75 
AU0 FP7 
0.75 
FA1. 
4 
AU0 
0.75 
2 
5 
18 
2 
5 
0.75 
Y10 
1 
FA11. 
0.75 
AU0 
FA10. 
0.75 
16 
BCM 
40.18 
FP5. 
29 
11.54 
FB8. A90 
0.75 
. 
11.18 
11.09 
FA401. 
0.75 
AU0 
0.75 
AU0 
FB5. 
A90AU0 
FB4. 
0.75 
0.75 
H 
FB210. 
0.75 
AU0 
14 
0.75 
14 
0.75 
AU0 
FP1. 
BCM 
AU0 
0.75 
7 
40.42 
3 
FB11. 
0.75 
FA1. 
0.75 
0.75 
8 9 
Y29 
1 
AU0 
Y13D-LHD 
1 10 
Cores dos Circuitos / Colores de los Circuitos 
A = Vermelho 
Rojo 
B = Amarelo 
Amarillo 
F = Preto 
Negro 
M = Branco 
Blanco 
P = Azul 
Azul 
R = Cinza 
Gris 
U = Verde 
Verde 
X = Marrom 
Marrón 
Y = Violeta 
Violeta 
Circuitos sem bitola 
Circuitos sin Calibre 
Indicada = 0,75 mm2 
Senãlada = 0,75 mm2 
F/A F/B F/P 
F/P 
F/P F/P F/B 
F/P F/B F/A F/B 
F/P F/B F/A 
F/A 
F/A 
F/A F/A 
F/A 
F/A 
F/P F/B F/A 
F/P F/B F/A F/A 
F/B 
F/B 
F/B 
F/B 
F/P F/B F/A 
F/P F/B F/A 
F/P F/B F/A 
Cj. Acion.-Trav. P/Motorist. Diant. 
Interr.-Trava Ptas. Conf. Interr.-Tampa do Bagageiro 
Cj. Acion.-Trav. Acomp. 
Cj. Acion.-Trab. Acomp. 
Interr.-Traba Ptas. Conf. Interr.-Tapa Portaequipajes 
Cj. Accion.-Trab. P/Cond. Delant. 
Distr. Masa 
Mazo Cond. Puerta Conductor 
Mazo Cond. tbl. Instr. 
Distr. Masa Distr. Masa 
Mazo Cond. Puerta Acomp. 
Mazo Cond. Tbl. Instr. 
Chicote Porta Motorista 
Chicote Pnl. Instr. 
Distr. Massa Distr. Massa Distr. Massa 
Chicote Pnl. Instr. 
Carroçaria Tras. LE 
Chicote Pnl. Instr. 
Carroçaria Tras. LE 
Carroçaria Tras. LE-NB 
Tampa do Bagageiro 
Chicote Pnl. Instr. 
Carroçaria Tras. LD 
Carroçaria Tras. LD 
Porta Tras. LD 
Carroç. Tr. LE 
Porta Tras. LE 
Puerta Tras. LI 
Carroc. Tras. LI 
Mazo Cond. Tbl. Instr. 
Mazo Cond. Tbl. Instr. 
Carroceria Tras. LI 
Carroceria Tras. LI-NB 
Tapa Portaequipajes 
Mazo cond. Tbl. Instr. 
Carroceria Tras. LD 
Carroceria Tras. LD 
Puerta Tras. LD 
Cj. Accion.-Tpa. Pta. Lien./Tqe. Comb. 
Cj. Accion.-Traba Pta. Lat. Tras. Cj. Acion.-Relé Lat. Tpa. Comp. Tras. 
Cj. Acion.-Trv. Pta./Lat. Tras. 
Cj. Acion.-Trava Pta. Lat. Tras. Cj. acion.-Relé Lat. Tpa. Comp. Tras. 
Controle da Trava da Porta 
Control de la Traba de la Puerta 
Pág. 44
Versão / Versión: 09/01/02 Diagramas Elétricos / Diagramas Eléctricos Corsa 2002 
40.22 
BCM 
40.16 
40.13 
4 2 7 3 
M2.1 
M M 
M2.2 
M M 
8 9 
AU0 
FP10. 
0.75 
Mazo Cond. Puerta Conductor 
FP7. AU0 
0.75 
AU0 
6 
FB12. 
0.75 
17 
17 
AU0 
. 
FB11 
0.75 
4 
4 
AU0 
AU0 
FB10. 
0.75 
6 
FB1. 
0.75 
AU0 
FP5. 
0.75 
AU0 
AU0 
FA5. 
0.75 
3 
3 
AU0 
FA1 
. 
0.75 
Carroçaria Tras. LE 
Porta Tras. LE 
2 6 3 
5 
AU0 
M M 
BCM 
40.18 
BCM 
41.50 
4 3 
M 
5 
AU0 
FA10. 
0.75 
7 
7 
AU0 
FA2. 
0.75 
AU0 
FA5. 
0.75 
13 
13 
AU0 
FA310. 
0.75 
4 3 
AU0 
FP10. 
0.75 
22 
AU0 
AU0 
FB10. 
0.75 
6 
6 
AU0 
FB4. 
0.75 
AU0 
FB5. 
0.75 
14 
AU0 
FB310. 
0.75 
4 
4 
AU0 
FB1. 
0.75 
AU0 
FP50. 
0.75 
Distr. Massa 
AU0 FB210. AU0 
FP310. 
0.75 
5 
AU0 
3 
FA1. 
Mazo Cond. Tbl. Instr. 
Carroceria Tras. LD 
Carroceria Tras. LD 
2 6 3 
M M 
0.75 
8 
8 
FB1. AU0 
0.75 
1 2 3 
M 
1 10 
AU0 
FP101. 
0.75 
AU0 
FA10. 
0.75 
16.54 
39.14 39.29 39.44 
BCM 
HATCHBACK 
BCM 
40.54 
11 
11 
XM401. 
0.35 
AU0 
7 
7 
XM1. AU0 
0.75 
Sxx 
2 
Y13D-LHD 
FA11. 
0.75 
16 
16 
AU0 
Cj. Accion. Trib. Pta. Lien. Tqe. Comb. 
FA400 AU0 
. 
0.75 
FB220. 
0.75 
AU0 
22 
FP8. 
0.75 
15 
FA120. 
0.75 
9 
9 
Cj. Acion.-Trab. Pta. Lat. Diant. 
BCM 
39.03 
AU0 
Y13P-LHD 
FA10. 
0.75 
AU0 FB10. 
0.75 
15 
5 
18 
18 
FP40. 
39.32 
BCM 
0.75 
Y35L 
5 
AU0 
FA1. AU0 
0.75 
16.18 
FP1. 
0.75 
FP1. 
0.75 
2 
1 
Y10 
4 
Y49 
Y35R 
.00 .01 .03 .04 .06 .07 .09 .10 .12 .13 .14 .15 .16 .17 .18 .19 .20 .21 .22 .23 .24 .25 .26 .27 .28 .29 .30 .31 .32 .33 .35 .36 .38 .39 .40 .41 
.43 .48 .51 .54 .56 
15 
.02 .05 .08 .11 .34 .37 .42 .44 .45 .46 .47 .49 .50 .52 .53 .55 
16.46 
AU0 
0.75 
22 
S103IP 
3 
22 
14 
18.24 
15 
40.19 
Controle da Trava da Porta Cores dos Circuitos / Colores de los Circuitos 
Pág. 45 
A = Vermelho 
Rojo 
B = Amarelo 
Amarillo 
F = Preto 
Negro 
M = Branco 
Blanco 
P = Azul 
Azul 
R = Cinza 
Gris 
U = Verde 
Verde 
X = Marrom 
Marrón 
Y = Violeta 
Violeta 
Circuitos sem bitola 
Circuitos sin Calibre 
Indicada = 0,75 mm2 
Senãlada = 0,75 mm2 
F/A F/B F/P 
F/P 
F/P F/P F/B 
F/A 
F/P F/B F/A 
F/P F/B F/A 
F/A 
F/A 
F/A 
F/P F/B F/A 
F/P F/B F/A F/A 
F/B F/B X/M 
F/B X/M 
F/B 
F/P F/B F/A 
F/P F/B F/A 
F/P F/B F/A 
Cj. Acionador-Trava Pta. Lat. Diant. 
Interr.-Trava das Portas de Conf. 
Cj. Acion.-Trav. Pta. Lat. Diant. 
Chic. Porta Acompanhante 
Chic. Pnl. Instr. 
Chicote Porta Motorista 
Chicote Pnl. Instr. 
Mazo Cond. Tbl. Instr. 
Mazo cond. Puerta Acompañante 
Chic. Pnl. Instr. 
Cj. Accionador-Traba Pta. Lat. Delant. 
Interr.-Traba de las Puertas de Conf. 
Distr. Masa 
Distr. Masa 
Distr. Massa 
Cj. Acion. Trv. Pta. Ench. Tqe. Comb. 
Cj.Acionador-Trav. Pta. Lat. Tras. Acion.-Liv. Cil. Tpa. Comp. Tras. 
Cj. Acion.-Trava Pta. Tras. 
Cj. Accion.-Traba Pta. Tras. 
Accion.-Lib. Cil. Tpa. Comp. Tras. 
Cj. Accionador-Trab. Pta. Lat. Tras. 
Chicote Pnl. Instr. 
Carroçaria Tras. LE 
Carroçaria Tras. LE 
Tampa Traseira 
Chicote Pnl. Instr. 
Carroçaria Tras. LD 
Carroçaria Tras. LD 
Porta Traseira LD 
Puerta Tras. LD 
Mazo Cond. Tbl. Instr. 
Carroceria Tras. LI 
Carroceria Tras. LE 
Tampa Traseira 
Carroceria tras. LE 
Puerta Tras. LE 
Distr. Massa 
Distr. Masa 
Control de la Traba de la Puerta
Versão / Versión: 09/01/02 Diagramas Elétricos / Diagramas Eléctricos Corsa 2002 
S181 
XA2. 
0.75 
A 
BCM 
39.15 
36 
36 
XA5. 
0.35 
Chicote Pnl. Instrum. 
Mazo Cond. Tbl. Instrum. 
Carroçaria Diant. 
Carroceria Delant. 
S36 
B 
Cj. Interr.-Freno Estacionamento Cj. Interr.-Indic. Vl. Nível del Fluido Freno 
A 
12.32 
17.32 
.00 .01 .02 .03 .04 .05 .06 .07 .08 .09 .10 .11 .12 .13 .14 .15 .16 .17 .18 .19 .20 .21 .22 .23 .24 .25 .26 .27 .28 .29 .30 .31 .32 .33 .34 .35 .36 .37 .38 .39 .40 .41 
.42 .43 .44 .45 .46 .47 .48 .49 .50 .51 .52 .53 .54 .55 .56 
Esquemas Bomba Servo-freio Cores dos Circuitos / Colores de los Circuitos 
Pág. 46 
A = Vermelho 
Rojo 
B = Amarelo 
Amarillo 
F = Preto 
Negro 
M = Branco 
Blanco 
P = Azul 
Azul 
R = Cinza 
Gris 
U = Verde 
Verde 
X = Marrom 
Marrón 
Y = Violeta 
Violeta 
Circuitos sem bitola 
Circuitos sin Calibre 
Indicada = 0,75 mm2 
Senãlada = 0,75 mm2 
X/A 
X/A 
Cj. Interr.-Freio Estac. Cj. Interr.-Indic. Vl. Nív. Fluido Freio 
Distr. Massa 
Distr. Masa 
Esquemas Bomba Servofreno
Versão / Versión: 09/01/02 Diagramas Elétricos / Diagramas Eléctricos Corsa 2002 
S140.G 
7 
K55 
8 
6 
49.01 
15 
15 
4 
F15 
F15 
2.5 
Mazo Cond. Carroceria Trasera 
Mazo Cond. Carroceria Tras. LI 
Carroceria Tras. LI 
C49 
Distr. Massa 
.06 .10 .11 .12 .13 .14 .15 .16 .18 .19 .20 .21 .23 .38 .46 .47 
.24 .26 .27 .28 .29 .31 .33 .36 .39 .55 
HATCHBACK 
.17 .22 .25 .40 .41 .42 .43 .44 .45 .48 .49 .50 .51 .52 .53 .54 .56 
.00 .01 .02 .03 .04 .05 .07 
F13 
2.5 
C49 
.08 .09 .30 .32 .34 .35 .37 
XM17 
0.35 
C49 
18 
18 
. 
05.03 
05.05 
XM7. 
0.50 
C49 
4 
C49 
2.5 
18.21 
R22 
A 
B 
Cores dos Circuitos / Colores de los Circuitos 
A = Vermelho 
Rojo 
B = Amarelo 
Amarillo 
F = Preto 
Negro 
M = Branco 
Blanco 
P = Azul 
Azul 
R = Cinza 
Gris 
U = Verde 
Verde 
X = Marrom 
Marrón 
Y = Violeta 
Violeta 
Circuitos sem bitola 
Circuitos sin Calibre 
Indicada = 0,75 mm2 
Senãlada = 0,75 mm2 
X/M 
X/M 
F 
F 
F 
Aquecimento e Ventilação 
Chicote Pnl. Instr. 
Carroçaria Diant. 
Distribuição Elétrica 
Distribuição Elétrica 
Calefacción y Ventilación 
Mazo Cond. Tbl. Instr. 
Carroceria Delant. 
Distribución Eléctrica 
Distribución Eléctrica 
Chicote Carroçaria Tras. 
Chicote Carroçaria Tras. LE 
Carroçaria Tras. Esquerda 
Tampa Traseira 
Tapa Trasera 
Parabrisas - Trasero 
Distr. Masa 
Vidro - Traseiro 
Desembaçador 
Desempañador 
Pág. 47
Versão / Versión: 09/01/02 Diagramas Elétricos / Diagramas Eléctricos Corsa 2002 
6 
S140.G 
7 
XM7. 
18 
K55 
Chicote Carroçaria Dianteira 
Chicote Carroçaria Dianteira Tras. LE 
Parabrisas Trasero 
14.04 
XM17. 
F13 
15 
Mazo Cond. Tbl. Instr. 
Distribución Eléctrica 
NOTCHBACK 
.00 .01 .02 .03 .04 .05 .08 .09 .10 .11 .12 .13 .14 .16 .17 .18 .19 .21 .39 .44 .47 
.15 .54 .55 .56 
.06 .07 .20 .22 .23 .24 .25 .26 .27 .28 .29 .30 .31 .32 .33 .34 .35 .36 .37 .38 .40 .41 .42 .43 .45 .46 .48 .49 .50 .51 .52 
.53 
8 
05.03 
05.05 
0.5 
49.01 
C49 
0.5 
15 
F15 
2.5 
18 
C49 
2.5 
R22 
A 
B 
Desembaçador Cores dos Circuitos / Colores de los Circuitos 
Pág. 48 
A = Vermelho 
Rojo 
B = Amarelo 
Amarillo 
F = Preto 
Negro 
M = Branco 
Blanco 
P = Azul 
Azul 
R = Cinza 
Gris 
U = Verde 
Verde 
X = Marrom 
Marrón 
Y = Violeta 
Violeta 
Circuitos sem bitola 
Circuitos sin Calibre 
Indicada = 0,75 mm2 
Senãlada = 0,75 mm2 
X/M 
X/M 
F 
F 
Aquecimento e Ventilação 
Calefacción y Ventilacción 
Chicote Pnl. Instr. 
Carroçaria Diant. 
Carroceria Delant. 
Distribuição Elétrica 
Distribuição Elétrica 
Distribución Eléctrica 
Distribución Eléctrica Delantera 
Mazo Cond. Carroceria LI Tras. 
Vidro Traseiro 
Distr. Massa 
Distr. Masa 
Desempañador
Versão / Versión: 09/01/02 Diagramas Elétricos / Diagramas Eléctricos Corsa 2002 
7 3 
2 18 
0 1 2 3 4 
M 
93360354 
93360357 C41 
93360350 
M 
.10 .12 .13 .14 .15 .17 
A61 
C60 
A 
B 
Módulo C/A 
Cj. Motor - Vent. Condens. C/A 
Distr. Massa Distr. Massa 
11.32 
16.32 
1 
M1 
24 
24 
5 
Iluminação 
Cj. Interr.-Vent. Ctr. C/A e Aquecimto. 
Indicador A/A 
.00 .01 
.02 .03 .04 .05 .06 .07 .08 .09 .11 .16 .18 .19 .20 .21 .22 .23 .24 .25 .26 .27 .28 .29 .31 .34 .35 .36 .37 .38 .39 .40 .41 .42 .43 .44 .45 .46 .47 .49 .50 .52 .53 .54 .55 .56 
C39 
.30 .32 .33 .48 .51 
IP 
2 
10.34 
15.34 
2 
5 
41.46 
BCM 
41.53 
5 
F24. 
4.0 
3 
A 
04.54 
7 
1 IP 
48.44 
47.44 
2 
R3 
3 2 4 1 
6 7 8 9 
Y1 
1 
S140 
1 11 
3 
4 
Cores dos Circuitos / Colores de los Circuitos 
A = Vermelho 
Rojo 
B = Amarelo 
Amarillo 
F = Preto 
Negro 
M = Branco 
Blanco 
P = Azul 
Azul 
R = Cinza 
Gris 
U = Verde 
Verde 
X = Marrom 
Marrón 
Y = Violeta 
Violeta 
Circuitos sem bitola 
Circuitos sin Calibre 
Indicada = 0,75 mm2 
Senãlada = 0,75 mm2 
F 
Desembaçador 
Distr. Elétr. 
S140-Sist. de Contr. - Aquecim. /CA Modelo 
S140-Sist. de Contr.-Calefacción. /AA Modelo 
Distr. Eléctr. 
Desempañador 
Carroceria Delantera 
Mazo Cond. Tbl. Instr. 
Módulo C/A 
Carroçaria Dianteira 
Chicote Pnl. Instr. 
Módulo C/A 
Vidro Traseiro 
aquecimento 
Indic. Vdo. Traseiro 
Indic. Recirc. ArCirculação Ar Controle Vent. 
Indicador C/A 
Compressor AC Sistema Ctr. Aquec. C/A 
CJ. MÓDULO HVAC 
Cj. Módulo-Aquecto. e Vent. 
Vidrio Trasero 
Calefacción 
Indic. Parabr. Trasero 
Indic. Recirc. AireCirculación Aire Control Vent. 
Compresor AA 
Iluminación 
Sistema Ctr. Calefac. A/A 
Cj. Interr.-Vent. Ctr. A/A y Calefacción 
CJ. MÓDULO HVAC 
Cj. Módulo-Calefacción y Vent. 
Cj. Accion.-Válv. Entr. Aire Cj. Resistor-Mot. Vent. A/A Aux. 
Cj. Motor - Vent. Condens. A/A 
Módulo A/A 
IP 
Distr. Masa Distr. Masa 
Cj. Acion.-Válv. Entr. Ar Cj. Resistor-Mtr. Vent. C/A Aux. 
Esquemas Controles Vent. HVAC 
Esquemas Controles Vent. HVAC 
Pág. 49
Versão / Versión: 09/01/02 Diagramas Elétricos / Diagramas Eléctricos Corsa 2002 
Distr. Elétr. Diagnóstico 
06.42 40.07 40.11 67.27 
KL.30 KL.58D Can H K Diagnosis 
KL.15 Can L 
Painel de Instrumentos Cj. Tbl.-Instrumentos 
Air Bag KL.31 
MIL 
93287531 
93287532 
93287535 
LK8B76UH8 
LJ1/L10/L11MU7/M26B76UH8 
LJ1/L10/L11MU7/M26D15UH8 
.00 .01 .02 .03 .04 .05 .06 .07 .08 .09 .10 .11 .13 .14 .15 .16 .17 .18 .19 .20 .22 .23 .24 .25 .26 .27 .28 .29 .30 .31 .32 .33 .34 .35 .36 .37 .38 .39 .40 .41 .42 .43 
.44 .45 .46 .47 .48 .49 .50 .51 .52 .53 .54 .55 .56 
LK8D15UH8 
93287534 
93287536 L11MU8B76UH8 
.21 
15.47 
XU11. 
0.35 
.12 
43.43 
10.47 
BCM 
07.41 41.40 67.24 
6 5 
7 8 
61.19 
P3 
10 12 
13 
3 2 
Painel de Instrumentos Cores dos Circuitos / Colores de los Circuitos 
Pág. 50 
A = Vermelho 
Rojo 
B = Amarelo 
Amarillo 
F = Preto 
Negro 
M = Branco 
Blanco 
P = Azul 
Azul 
R = Cinza 
Gris 
U = Verde 
Verde 
X = Marrom 
Marrón 
Y = Violeta 
Violeta 
Circuitos sem bitola 
Circuitos sin Calibre 
Indicada = 0,75 mm2 
Senãlada = 0,75 mm2 
X/U 
Painel de Instr. P/N Aplicação 
Tablero de Instr. P/N Aplicación 
Distr. Electr. Diagnostico 
Tablero de Instrumentos 
Cj. Pnl.-Instrumentos 
Imobilizador 
Distr. Massa 
Proteção dos Ocupantes 
Distr. Masa 
Protección de los Ocupantes 
Inmobilizador 
Tablero de Instrumentos
Versão / Versión: 09/01/02 Diagramas Elétricos / Diagramas Eléctricos Corsa 2002 
Limp. 
Tras. 
Limp. 
Tras. 
Limp./ 
Lav. Del. 
1 3 2 
5 
M 
M 
I T 0 
0 
R8 R7 R6 
II 
R5 R1 R2 R3 R4 
4 3 
S250 
K69B 
38.29 
39 57 
5 
3 2 4 
Cj. Bomba - Lavador 
.04 .06 .07 .08 .09 .12 .13 .15 .18 .21 .24 .25 .26 .27 
.28 .29 .38 .40 .41 .46 .47 .50 .51 
k74 k70 
.14 
K69A 
94 90 
78 79 
.00 .01 .02 .03 .10 .11 .20 .23 .30 .31 
.36 .37 .42 .43 .44 .45 .53 .54 .55 .56 
20 
1 
.39 
NOTCHBACK 
.05 .32 .33 .34 .35 .48 .49 .52 
.16 .19 
1 
2 
.17 .22 
BCM 
38.36 
41.13 
B 
BCM 
41.11 
41.25 
E 
12.29 
Y105 
A 
41.10 
M17 
A 
B 
C D 
38.33 
41.14 41.21 
Cores dos Circuitos / Colores de los Circuitos 
A = Vermelho 
Rojo 
B = Amarelo 
Amarillo 
F = Preto 
Negro 
M = Branco 
Blanco 
P = Azul 
Azul 
R = Cinza 
Gris 
U = Verde 
Verde 
X = Marrom 
Marrón 
Y = Violeta 
Violeta 
Circuitos sem bitola 
Circuitos sin Calibre 
Indicada = 0,75 mm2 
Senãlada = 0,75 mm2 
Limp./ 
Lav. Tras. 
Limp./ 
Lav. Diant. 
Cj. Interr.-Limp. e Lav. (W/R/Wd) Limp./ 
Lav. Tras. 
Cj. Interr.-Limpia y Lavaparabrisas (W/R/Wd) 
Cj. Motor - Limpiaparabrisas 
Cj. Bomba - Lavaparabrisas 
Cj. Motor - Limpador 
Distr. Massa 
Distr. Masa 
Limpador e Lavador do Pára-brisa 
Limpia y Lavaparabrisas 
Pág. 51
Versão / Versión: 09/01/02 Diagramas Elétricos / Diagramas Eléctricos Corsa 2002 
Limp./ 
Lav. Tras. 
Lav. Tras. 
Limp./ 
Lav. Diant. 
1 3 2 
39 57 20 
5 
M 
k74 
K56 
94 90 
16 17 
16 
17 
FY6. 
3 
Mazo Cond. Carroc. Delant. 
Mazo Cond. Carroc. Tras. 
Mazo Cond. Carroc. LI 
M M 
R8 R7 
0 II I T 0 
R6 R5 R1 R2 R3 R4 
91 
k70 
2 
S250 
1 
C D E 
BCM 
41.39 
C25 
P6. 
1.5 
Distr. Massa 
.04 .05 .06 .07 .08 .09 .12 .13 .15 .26 .29 .30 .31 .38 .40 .41 .42 .43 .44 .52 
.01 .36 .53 .55 
.37 
1 
5 
3 2 4 
.02 .03 .28 .32 .33 .34 .35 
.24 .27 .45 
K69B 
78 79 
.25 
.14 .16 .17 .39 
K69A 
.00 
4 3 
HATCHBACK 
.10 .11 .46 .47 .48 .49 .50 .51 .54 .56 
.18 .19 .20 .21 .22 .23 
41.25 41.21 
A 
B 
C 
38.36 
BCM 
41.10 
P6. 
1.5 
M12 
3 
41.13 
C25 
Y105 
A 
B 
BCM 
41.11 
17.29 
41.14 
M17 
A 
B 
6 
FY6. 
1.5 
C25 
38.33 38.29 
04.48 
F29 
6 
C25 
1.5 
18.16 
Cores dos Circuitos / Colores de los Circuitos 
A = Vermelho 
Rojo 
B = Amarelo 
Amarillo 
F = Preto 
Negro 
M = Branco 
Blanco 
P = Azul 
Azul 
R = Cinza 
Gris 
U = Verde 
Verde 
X = Marrom 
Marrón 
Y = Violeta 
Violeta 
Circuitos sem bitola 
Circuitos sin Calibre 
Indicada = 0,75 mm2 
Senãlada = 0,75 mm2 
P F/Y 
P F/Y 
Cj. Interr.-Limp. e Lav. (Limp. e Lav. Vdo. Tras.) 
Cj. Motor - Limpador 
Distr. Massa 
Limp. 
Limp./ 
Limp. 
Tras. 
Tras. 
Limp./ 
Lav. Del. 
Cj. Interr.-Limpia y Lavaparabrisas (Limp. y Lav. Parabrisas Tras.) 
Cj. Motor - Limpiaparabrisas Tras. 
Distr. Masa 
Distr. Massa 
Distr. Masa 
Chicote Carroç. Diant. 
Chicote Carroç. Tras. 
Chicote Carroç. LE 
Chicote Tampa Tras. 
Mazo Cond. Tapa Tras. 
Cj. Motor-Lavador Vdo. Tras. Cj. Bomba-Lavador 
Cj. Motor-Lavador Vdo. Tras. Cj. Bomba-Lavador 
Distr. Masa 
Limpador e Lavador do Pará-brisa 
Limpia y lavaparabrisas 
Pág. 52
Versão / Versión: 09/01/02 Diagramas Elétricos / Diagramas Eléctricos Corsa 2002 
Distr. Elétr. Distr. Elétr. 
TR6 
M 
Int. Luzes 
Luz de Neb.-Diant.Luz de Neb.-Tras. Int. Luces 
Lámp.-Luz Nebl. Delant. Lámp.-Luz Nebl. Delant. 
XB101. 
M 
15 30 
0 
3 2 1 0 
1 2 
31 
Cj. Interr.-L. teto y Reós Lamp. Pnl. Instr. y Faro 
BCM 
Blinker LH HeadLamp 
High Beam 
R1 
R2 
R3 
R4 
R5 
R6 
Blinker RH 
Flasher 
K66R 
BCM 
55 
BCM 
6 
81 
07.37 06.40 
K66L 
86 
Farol Baixo 
39.44 
Faro Bajo 
FU3. 
FU2. 
0.5 
F39 
F36 F37 
B2. 
RA102 
F38 
Cj. Interr.-Ind. Advert. 
FM3. 
FM2. 
FU1. 
38.24 
05.44 
B9. 
TR6 
TR6 
38.10 
38.05 
TR6 
B8. 
RA101. 
BCM 
M2. 
F41 
T79 
FP2. 
Distr. Massa 
Mazo Cond. Tbl. Instr. Distr. Elétr. 
Distr. Massa 
Farol Alto Farol Baixo Luz Estac. Sinaliz. Dir. 
Faro Alto Faro Bajo Luz Estac. Indic. Dir. Nivelamto. Farol 
Nivelamto. Faro 
Cj. Faro-(Accion. Nivelamto.) 
Cj. Farol/Acion. 
Farol Alto Farol Baixo Luz de Estacion.Sinal Dir. 
Faro Alto Faro Bajo Luz de Estacion. Indic. Dir. Nivelamto. Farol 
Nivelamto. Faro 
Cj. Faro/Acion. 
.04 .10 .11 .17 .22 .23 .36 .42 .53 
42 
6 
BCM 
.25 .27 
13 
.46 .47 
87 54 
BCM 
38.08 
.37 .55 
21 
K54 
84 
K54 
53 
.08 
84 
.20 .21 
80 
M1. 
HATCHBACK 
2 
.00 .30 .33 .43 
.48 
73 
.16 .18 .19 .24 .28 .29 
K45 
.06 .13 .51 
.26 .45 .50 .52 
6 
25 
.12 .14 .15 .31 .39 .44 
K39 
.01 .03 .05 .07 .09 
.32 .38 .40 .41 .49 .54 .56 
K58 
6 
3 
.02 .34 .35 
09.21 
05.14 
05.19 
F41 
05.34 
1.0 
1 
. 
0.5 
E69L 
TR6 
XB102. 
0.75 
39.41 
F43 
05.25 
7 5 6 
8 
E121L 
1 
2 3 4 
09.14 
0.5 
2 3 4 7 5 6 
8 
16.09 
E121R 
1 
06.37 
0.5 
BCM 
38.21 
38.20 
54.38 
38.42 
BCM 
0.5 
FM1. 
0.5 
TR6 
B5. 
0.75 
38.14 
BCM 
54.33 54.35 
TR6 
XB100. 
0.75 
BCM 
20 
38.37 
0.5 
B1. 
1.0 
9 8 7 6 12 2 3 11 5 4 
0.5 
S124 
10 1 
RA100. 
0.5 
11 
11 
38.14 
BCM 
17.07 
3 
38.40 
S121/S229 
2 1 
17.16 
17.13 
17.11 
17.19 
F42 5 
BCM 
S120 
1 
2 
4 3 
B20. 
1.5 
TR6 
0.5 
0.75 
38.45 
05.37 
F44 05.30 
E69R 
1 
2 
XB100. 
0.5 
BCM 
38.48 
RF30. 
0.5 
B5. 
0.75 
15.52 
54.51 
20 
17.18 
0.75 
0.50 
0.50 
0.75 
Cores dos Circuitos / Colores de los Circuitos 
A = Vermelho 
Rojo 
B = Amarelo 
Amarillo 
F = Preto 
Negro 
M = Branco 
Blanco 
P = Azul 
Azul 
R = Cinza 
Gris 
U = Verde 
Verde 
X = Marrom 
Marrón 
Y = Violeta 
Violeta 
Circuitos sem bitola 
Circuitos sin Calibre 
Indicada = 0,75 mm2 
Senãlada = 0,75 mm2 
B X/B 
B X/B 
F/M F/U R/A B 
M B R/F F/M B X/B 
F/P F/M F/U R/A 
M B R/A F/U B X/B 
Distr. Elétr. 
Distr. Elétr. 
Distr. Eléctr. 
Distr. Eléctr. 
Lâmp.-Luz Nebl. Diant. Lâmp.-Luz Nebl. Diant. 
Distr. Massa Distr. Massa 
Distr. Masa Distr. Masa 
Chicote Pnl. Instr. 
Carroç. Diant. 
Para Instrumentos 
Carroc. Delant. 
Para Instrumentos 
Distr. Eléctr. 
Distr. Elétr. 
Distr. Eléctr. 
Distr. Masa 
Distr. Masa 
Cj. Interr.-L. teto e Reos. Lâmp. Pnl. Instr. e Farol 
Cj. Interr. Cj.-Farol/Cj. Interr. Sinal./Dir. 
Cj. Interr. Cj.-Faro/Cj. Interr.-Ind. Dir. 
Cj. Interr.-Ind. Advert. 
Distr. Elétr. Distr. Elétr. 
Distr. Eléctr. Distr. Eléctr. 
Distr. Eléctr. Distr. Eléctr. 
Cj. Farol-(Acion. Nivelamto.) 
Distr. Massa 
Distr. Masa 
Ilum. Externa 
Distr. Massa 
Distr. Masa 
Ilum. Exterior 
Iluminação Externa 
Iluminación Exterior 
Pág. 53 
Luz de Neb.-Del. Luz de Neb.-Tras. Nivel. 
Faro 
Reóstato Ilum. 
Iluminación 
Comp. Pasaj. Símbolo Iluminación 
Luz Estac. 
Nivel. 
Farol 
Reostato Ilum. 
Iluminação 
Comp. Passag. Símbolo Iluminação 
Luz Estac.
Versão / Versión: 09/01/02 Diagramas Elétricos / Diagramas Eléctricos Corsa 2002 
RU3. 
0.35 
1 
2 
53.27 
Mazo Cond. Carroc. Tras. 
Mazo Cond. Carroc. Tras. LI 
T79 
20 
20 
FP3. 
0.75 
53.32 
10 
10 
53.30 
9 
9 
53.34 
28 
BCM 
42.02 
MU8 
MF13. 
0.75 
BCM 
38.14 
FB3. 
43 38 
28 
F26 
Distr. Eléctr. 
08.09 
43 
Distr. Elétr. DI - Ctrl. Mtr. Ctrl. Motor 
09.21 
12 
25 
12 38 
ABS 
36.38 
24.21 
22.21 
0.75 
JM4L10/L11/LJ1 
FB24. FM2 . 
0.75 0.5 
. 
FU2 
0.5 
FB5 . 
0.75 
A 
C 
C 
FP1. 
0.75 
Carroc. Tras. LE 
T79 
A 
RU10 
0.5 
RU1. 
0.5 
18.28 
E98 
RU2. 
0.35 
1 
2 
RA4. 
0.5 
MF2. 
0.5 
1 
2 
18.24 
E106R 
2 1 
3 
6 4 
E97 
Sinal Dir. 
Indic. Dir. 
Distr. Massa 
18.40 
.34 .37 .38 .39 .52 .53 
08.02 
F11. 
0.75 
25 
F12. 
0.75 
F111. 
0.75 
1 
4 
FB1. 
0.75 
FB2. 
0.75 
F38 
RF4. 
0.5 
2 
1 
Headlamp Asm-(W/Lvlg Actr ) 
Sinal Dir. 
Ind. Dir. 
Lâmp. Tpa. Tras. Lâmp. Pare Lâmp. Reserva 
Lámp. Tpa. Tras. Lámp. Pare Lámp. Reserva 
HATCHBACK 
22.14 
FP500. 
0.35 
L10/L11/LJ1 
01 
28.31 
FB9. 
0.35 
LK8-JM4 
F25 
28.37 28.34 
LK8 
F18. 
0.5 
FB11. 
6 4 
E3_P6 
18.38 
28.30 
LK8 
0.35 
S216 
F11. 
0.75 
3 
2 
01 
B 
A 
E32 
FB91. 
0.35 
JM4-LK8 
MF1/MF100. 
0.75 
FP51. 
0.75 
MF2/MF22. 
0.35 
MF1. 
0.5 
S106RB 
18.31 
TS6 
2 
3 
E106L 
FB4. 
0.75 
Mazo Cond. Carroc. Tras. 
FB2. 
0.75 
2 
1 
E79 
2 
TS6 
18.19 
.00 .01 .02 .03 .04 .05 .06 .07 .08 .09 .10 .11 .12 .13 .14 .15 .16 .17 .18 .19 .20 .21 .22 .23 .24 .25 .26 .27 .28 .29 .30 .31 .32 .33 .35 .36 .40 .41 .42 .43 .44 .45 .46 .47 .48 .49 .50 .51 .54 .55 .56 
Cores dos Circuitos / Colores de los Circuitos 
A = Vermelho 
Rojo 
B = Amarelo 
Amarillo 
F = Preto 
Negro 
M = Branco 
Blanco 
P = Azul 
Azul 
R = Cinza 
Gris 
U = Verde 
Verde 
X = Marrom 
Marrón 
Y = Violeta 
Violeta 
Circuitos sem bitola 
Circuitos sin Calibre 
Indicada = 0,75 mm2 
Senãlada = 0,75 mm2 
F F 
F/B F/P 
M/F M/F M/F 
F/B F/B F/B 
R/F 
F 
F F 
F/P 
F/B 
M/F 
F/B F/M R/A F/U F/P 
R/U 
R/U 
R/U R/U 
F/P 
F/B 
M/F 
F/B 
F/B 
F/B 
Distr. Elétr. 
Lâmpada-Pnl. Instr. (C/Soq.) 
Cj. Interr.-Interr./Plac. Lic. 
Cj. Interr.-Interr./Plac. Matrícula 
Lâmpara-Pnl. Instr. (C/Soq.) 
Distr. Eléctr. DI - Contr. Mtr. Contr. Motor 
DI - Ctrl. Mtr. Ctrl. Mtr. Ilum. Externa 
DI - Contr. Mtr. Contr. Mtr. Ilum. Exterior 
Chicote Carroç. Tras. 
Chicote Carroç. Tras. LE 
Carroç. Tras. LE 
Placa Licença e Luz de Nebl. 
Placa Matrícula y Luz de Nebl. 
Cj. Lâmp.-Plac. Lic. Tras. Cj. Lâmp.-Luz Nebl. 
Cj. Lámp.-Plac. Matríc. Tras. Cj. Lámp.-Luz Nebl. 
Chicote Carroç. Tras. 
Chicote Tampa Tras. 
Mazo Cond. Tapa Tras. 
Cj. Lâmp.-Tampa Tras. 
Distr. Massa 
Break-Light 
Distr. Massa 
Distr. Masa 
Freno Sup. 
Cj. Lámp.-Tapa Tras. 
Distr. Masa 
Distr. Masa 
Cj. Lâmp.-Tampa Tras. 
Cj. Lámp.-Tapa Tras. 
Lâmp. Tamp. Tras. Lâmp. Pare Lâmp. Reserva 
Lámp. Tap. Tras. Lámp. Pare Lámp. Reserva 
Iluminação Externa 
Iluminación Exterior 
Pág. 54
Versão / Versión: 09/01/02 Diagramas Elétricos / Diagramas Eléctricos Corsa 2002 
15 30 
0 
3 2 1 0 
Int. Luzes 
Int. Luces 
Farol Baixo 
1 2 
31 
Cj. Interr.-Luz Teto e Lâmp. Reost. P/I e Farol 
3 
Blinker LH HeadLamp 
High Beam 
BCM 
38.21 
S3.2 S3.1 
R1 
R2 
R3 
R4 
R5 
R6 
Blinker RH 
Flasher 
Distr. Elétr. Distr. Eléctr. 
05.25 
TR6 
M 
F41 
Distr. Elétr. 
Distr. Eléctr. 
Distr. Massa Distr. Massa 
RF30 
Distr. Elétr. 
Distr. Eléctr. 
XB101. 
2 3 4 7 5 6 
M 
55 
TR6 
B8. 
Cj. Farol-(W/Lvlg Actr) 
Cj. Faro-(W/Lvlg Actr) 
Distr. Massa 
.50 .52 .53 
K39 
6 
M1. 
NOTCHBACK 
Cj. Interr.-Sinal. Dir.-Cj. Interr./Farol 
.39 
6 
Faro Bajo 
9 10 8 7 6 12 2 1 3 11 5 4 
25 
F39 
FU1. 
F38 
05.19 
RA101. 
.46 .49 
K54 
6 
73 
BCM 
54 
21 
BCM 
39.41 
0.50 
38.14 
FM2. 
TR6 
B5. 
07.37 
TR6 
TR6 
T96 
FP2. 
Mazo Cond. Tbl. Instr. 
Distr. Eléctr. 
Distr. Massa 
Cj. Farol-Acion. (Com Nivelamto) 
Cj. Faro-Accion. (Con Nivelamto) 
Iluminação Externa 
.02 .34 .35 
84 
.13 
53 
.51 
86 
13 
2 
BCM 
.00 .05 .06 .29 .41 
6 
55 
84 
F37 
.32 .40 .43 
81 
80 3 
B2. 
.03 .10 .11 .12 .14 .15 .16 .18 .19 .26 .27 .28 .33 .37 
.42 .44 .45 .47 .48 .54 .55 .56 
K45 
K54 
K66R 
.01 .04 .07 
K66L 
K58 
87 
BCM 
.08 .09 .17 .20 .21 .22 .23 .24 .25 .31 .36 
.30 .38 
06.37 
S124 
1 
56.36 
E69L 
FM3. 
B9. 
TR6 
XB100. 
0.75 
05.30 
F44 
TR6 
0.5 
11 
RA102 
F41 
05.37 
. 
0.5 
BCM 
7 5 6 
8 
0.5 
E121R 
1 
2 3 4 
XB100. 
0.5 
F43 
0.5 
20 
12.11 
0.75 
0.5 
BCM 
38.14 
0.75 
S121/S229 
2 1 
1.0 
56.24 56.41 
09.21 
38.40 
12.07 
38.45 
8 
RA100. 
0.5 
1 
E121L 
12.19 
11.09 
06.40 
XB102. 
0.75 
38.24 
BCM 
B5. 
0.75 
BCM 
38.42 
38.10 
39.44 
BCM 
38.48 
FU3. 
0.50 
B1. 
1.0 
M2. 
38.05 
BCM 
0.75 
E69R 
1 
2 
05.34 
0.5 
. 
F42 
05.44 
0.5 
B20. 
1.5 
0.75 
56.38 
12.18 
BCM 
38.20 
FM1. 
0.5 
38.37 
10.52 
11 
20 
12.13 
TR6 
0.5 
12.16 
5 
38.08 
BCM 
S120 
1 
2 
4 3 
F36 
09.17 
FU2. 
0.5 
05.14 
Iluminação Externa Cores dos Circuitos / Colores de los Circuitos 
Pág. 55 
A = Vermelho 
Rojo 
B = Amarelo 
Amarillo 
F = Preto 
Negro 
M = Branco 
Blanco 
P = Azul 
Azul 
R = Cinza 
Gris 
U = Verde 
Verde 
X = Marrom 
Marrón 
Y = Violeta 
Violeta 
Circuitos sem bitola 
Circuitos sin Calibre 
Indicada = 0,75 mm2 
Senãlada = 0,75 mm2 
B X/M 
B X/M 
F/U F/U 
R/A B 
M B R/F F/M B X/M 
F/P F/M F/U R/A 
M B R/A F/U B X/M 
Cj. Interr.-Ind. Advertência 
Cj. Interr.-Ind. Advertencia 
Cj. Interr.-Luz Techo y Lámp. Reóst. P/I y Faro 
Cj. Interr.-Indic. Dir.-Cj. Interr./Faro 
Cj. Luz-Nebl. Diant. Cj. Luz-Nebl. Diant. 
Cj. Luz-Nebl. Delant. Cj. Luz-Nebl. Delant. 
Distr. Masa Distr. Masa 
Chicote Pnl. Instr. 
Carroç. Diant. 
Para os Instrumentos 
Carroc. Delant. 
Para los Instrumentos 
Distr. Masa 
Distr. Eléctr. 
Distr. Masa 
Distr. Elétr. 
Distr. Elétr. 
Distr. Massa 
Distr. Elétr. Distr. Elétr. 
Distr. Eléctr. Distr. Eléctr. 
Distr. Eléctr. 
Distr. Elétr. 
Farol Alto Farol Baixo Luz Estac. Sinal Direção 
Nivelamto. Farol 
Distr. Massa 
Distr. Masa 
Faro Alto Faro Bajo Luz Estac. Ind. Dirección 
Nivelamto. Faro 
Iluminación Exterior 
Farol Alto Farol Baixo Luz Estac. Sinal. Dir. 
Faro Alto Faro Bajo Luz Estac. Indic. Dir. Nivelamto. Farol 
Nivelamto. Faro 
Distr. Masa 
Iluminación Exterior 
Luz de Nebl.-Diant.Luz de Nebl.-Tras. Nivel. 
Farol 
Reostato Ilum. 
Iluminação 
Comp. Passag. 
Símbolo Ilum. 
Luz Estac. 
Luz de Nebl.-Delan.Luz de Nebl.-Tras. 
Nivel. 
Faro 
Reóstato Ilum. 
Iluminación 
Comp. Pasaj. Símbolo Ilum. 
Luz Estac.
Versão / Versión: 09/01/02 Diagramas Elétricos / Diagramas Eléctricos Corsa 2002 
F11. 
0.75 
F12 
0.75 
FB1. 
0.75 
NOTCHBACK 
BCM 
42.02 
MU8 
MF13. 
0.75 
28.30 28.31 
FB9. 
0.35 
LK8-JM4 
FB24. 
0.75 
FB2. 
0.75 
MF2. 
0.5 
28 
5 6 4 
Sinal. Dir. 
Indic. Dir. 
Luz Tpa. Tras. Luz Pare Lâmp. Reserva 
Luz Tapa Tras. Luz Pare Lámp. Reserva 
3 
RU10 
0.5 
E106R 
1 
MF2/MF22. 
0.35 
ABS 
FB11. 
L10/L11/LJ1 
FU2 
B 
01 
FP51. 
MF1. 
LK8 
3 
2 
FB91. 
0.35 
JM4-LK8 
20 
Carroç. Tras. LE 
Placa Liç. e Luz Nebl. 
Tras. 
Carroc. Tras. LI-NB 
Lâmp. Reserva 
Sinal. Dir. 
Lámp. Reserva 
Ind. Direc. 
Cj. Lâmp.-Tampa Traseira 
Cj. Lámp.-Tapa Trasera 
Distr. Massa 
.00 .01 .05 .10 .12 .13 .14 .15 .16 .18 .21 .22 .23 .28 .36 .40 .42 .43 .45 .52 .53 .55 
.02 .03 .04 .06 .07 .08 .09 .11 .17 .19 .20 .24 .25 .26 .27 .29 .30 .31 .32 .33 .34 .35 .37 .38 .39 .41 .44 .46 .47 .48 .49 .50 .51 .54 .56 
RF4. 
0.5 
RU3. 
0.35 0.35 
28.37 
RU2. 
28.34 
36.38 
LK8 
0.35 0 5 
10 
01 
D 
28 
FP500. 
0.35 
. 
0.5 
Headlamp As) 
F111. 
E98 
1 
2 
3 2 1 
4 
5 6 
9 
E106L 
55.30 
FP3 T79 . 
0.5 
25 
A 
25 
E32 
9 
22.14 
55.34 
08.09 
F26 
FB5. 
0.75 
13.25 
13.36 
0.75 
4 
0.5 
S216 
1 
2 
E79 
1 
RU1. 
0.5 
F25 
08.02 
F11. 
0.75 
0.75 
. 
0.5 
MF1/MF100. 
FM2 
13.27 
A 
A 
43 
BCM 
38.14 55.27 55.32 
FB4. 
0.75 
TS6 
09.21 
F38 
0.5 
F18. 
0.50 
RA4. 
43 38 
12 38 
FB2. 
FB3. 
0.75 
JM4L10/L11/LJ1 
10 
0.75 
20 
. 
12 
0.75 
22.21 
13.34 
24.21 
1 
2 
D 
13.21 
Cores dos Circuitos / Colores de los Circuitos 
A = Vermelho 
Rojo 
B = Amarelo 
Amarillo 
F = Preto 
Negro 
M = Branco 
Blanco 
P = Azul 
Azul 
R = Cinza 
Gris 
U = Verde 
Verde 
X = Marrom 
Marrón 
Y = Violeta 
Violeta 
Circuitos sem bitola 
Circuitos sin Calibre 
Indicada = 0,75 mm2 
Senãlada = 0,75 mm2 
F F F/B F/P 
M/F 
M/F M/F 
F/B F/B F/B 
F/M F/U R/A 
R/U 
R/U 
R/U R/U 
M/F 
F/P 
F/B 
R/F 
F 
F F 
F/P 
F/B 
F/B 
F/B 
F/B 
F/B 
Distr. Elétr. 
DI - Ctrl. Mtr. Ctrl. Motor 
Distr. Elétr. 
Ilum. Externa DI - Ctrl. Mtr. Ctrl. Motor Ilum. Externa 
Distr. Eléctr. 
DI - Contr. Mtr. Contr. Motor 
Ilum. Exterior DI - Contr. Mtr. Contr. Motor Ilum. Exterior 
Distr. Eléctr. 
Lâmp.-Pnl. Instr. (Com/Soqt.) 
Cj. Interr.-Lâmp. S/Lp 
Cj. Interr.-Lámp. S/Lp 
Lámp.-Tbl. Instr. (Con/Soqt.) 
Cj. Lâmp.-Placa de Lic. 
Cj. Lámp.-Placa de Mat. 
Chicote Carroç. Diant. 
Chicote Carroç. Tras. 
LE 
Carroc. Tras. LI 
Placa Matríc. y Luz Nebl. Tras. 
Nazo Cond. Carroc. Delant. 
Mazo Cond. Carroc. Tras. LI 
Carroç. Tras. LE-NB 
Tampa do Bagageiro 
Tapa Portaequipajes 
Tampa Tras. Lâmp. Pare/Tpa. Tr. 
Luz Neblina 
Tapa Trasera Lámp. Pare/Tpa. Tr. 
Luz Neblina 
Distr. Massa 
Distr. Masa 
Cj. Lâmp.-Tpa. Traseira Cj. Lâmp. Break Light 
Cj. Lámp. Tpa. Trasera Cj. Lámp. Freno Sup. 
Distr. Massa 
Distr. Masa Distr. Masa 
Iluminação Externa 
Iluminación Exterior 
Pág. 56 
M/F
Versão / Versión: 09/01/02 Diagramas Elétricos / Diagramas Eléctricos Corsa 2002 
59.54 
C87/UA6 
R13. 
0.35 
MR2. 
3 
HATCHBACK 
ATWS 
63.27 
A21. 
2 
A30. 
Carroc. Delant. LI 
R2. 18.45 
C87 
A1. 
0.5 
J2-1 
C87 
S63RL 
R7. 
0.35 
A31/UA6 
12 
12 
A31 
0.5 
18.37 
R1. 
1 
1 
39.04 
BCM 
44 
R12. 
0.35 
R5. 
0.5 
UA6 
RD 
A32. 
C87/UA6 
RD 
A110. 
R370 
R91. 
Carroc. Tras. LI Carroc. Tras. LI 
XM9. 
20.18 
.00 .02 .03 .04 .05 .06 .07 .08 .09 .10 .11 .12 .13 .14 .15 .16 .17 .18 .19 .20 .21 
.22 .23 .24 .25 .26 .27 .28 .29 .30 .31 .32 .33 .34 .35 .36 .38 .39 .40 .41 .42 .43 .44 .45 .46 .47 .48 .50 .51 .52 .53 .54 .55 .56 
2 
59.54 
.01 .37 .49 
E67 
J1-1 
J2-1 
3 
A11. 
0.35 
UA6 
R3. 
0.5 50 
5 
42.33 
BCM 
UA6 
0.35 
0.35 
S39 
1 
2 
R8. 
07.48 
A31. 
0.5 50 
2 
1 
2 
S63P 
2 
S63RR 
2 
4 
5 
S63D 
1 2 
E62 
19 
E68 
1 
2 
R9. 
0.5 
19 
0.5 50 
. 
BCM 
40.41 
0.35 
0.5 
R310. 
0.35 
0.5 
A31 
44 
16.01 
XM19. 
0.35 
AU0 
5 
MR1. 
0.35 
0.35 
AU0 
39.03 
BCM 
0.5 
XM19. 
0.5 
C87 
BCM 
40.38 
XN5 
0.5 
E27 
1 
2 
XM991/XM99. 
0.5 
XN5 
07.22 
E94 
J1-1 
J3-1 
C87 
0.5 
E16_P2 
Cores dos Circuitos / Colores de los Circuitos 
A = Vermelho 
Rojo 
B = Amarelo 
Amarillo 
F = Preto 
Negro 
M = Branco 
Blanco 
P = Azul 
Azul 
R = Cinza 
Gris 
U = Verde 
Verde 
X = Marrom 
Marrón 
Y = Violeta 
Violeta 
Circuitos sem bitola 
Circuitos sin Calibre 
Indicada = 0,75 mm2 
Senãlada = 0,75 mm2 
M/R R R 
R R R 
R R 
R 
A 
A 
A 
A 
A 
X/M X/M 
X/M X/M 
M/R R 
R 
R R 
Vidro Elétr. Vidro Elétr. 
ECRB - Distr. Elétr. 
ECRB - Distr. Eléctr. 
Vent. Eléctr. Vent. Eléctr. 
Carroç. Diant. LE 
Chicote Luz Compart. Pass. 
Mazo Cond. Luz Compart. Pasaj. 
Chic. Pnl. Instr. 
Carroç. Tras. Esq. 
Chic. Pnl. Instr. 
Carroç. Tras. LD 
Chic. Luz Compart. Pass. 
Carroç. Tras. LE 
Mazo Cond. Tbl. Instr. Mazo Cond. Tbl. Instr. 
Carroc. Tras. LI 
Carroc. Tras. LD 
Mazo Cond. Luz Compart. Pasaj. 
Carroc. Tras. LI 
Carroç. Tras. LE Carroç. Tras. LE 
Chic. Pnl. Instr. Tampa Tras. 
Mazo Cond. Tbl. Instr. Tapa Tras. 
Distr. Massa 
Distr. Masa 
Cj. Luz-Leitura 
Cj. Luz-Reost. e Leitura 
Cj. Luz-Comp. Carga 
Cj. Luz-Reostato 
Cj. Luz-Lectura 
Cj. Luz-Reóst. y Lectura 
Cj. Luz-Comp. Carga 
Cj. Luz-Reóstato 
Distr. Masa 
Distr. Eléctr. 
Distr. Massa 
Distr. Elétr. 
Acend. Cigarros 
Encend. Cigarrillos 
Cj. Interr.-Trv. Pta. Motorista Cj. Interr.-Trav. Pta. Tras. LE Cj. Int.-Trv. Pta. Diant. LE Cj. Interr.-Trava Porta Cj. Interr.-Luz Comp. Carga 
Cj. Luz-Porta-luva 
Cj. Luz-Guantera 
Distr. Massa 
Distr. Masa 
Cj. Interr.-Trb. Pta. Conductor Cj. Interr.-Trab. Pta. Tras. LI Cj. Int.-Trb. Pta. Delant. LE Cj. Interr.-Traba Puerta Cj. Interr.-Luz Comp. Carga 
Iluminação Interna 
Iluminación Interior 
Pág. 57
Versão / Versión: 09/01/02 Diagramas Elétricos / Diagramas Eléctricos Corsa 2002 
59.54 
A31 
MR2. 
0.5 
3 
3 
MR1. 
0.35 
C87/UA6 
R13. 
0.35 
1 2 
NOTCHBACK 
Distr. Massa 
A32. 
0.5 
1 
2 
07.22 
A30. 
Carroc. Tras. LI 
E94 
J1-1 
BCM 
40.41 
UA6 
R7. 
0.35 
A31/UA6 
12 
13.40 
Carroc. Tras. LI Carroc. Tras. LI-NB 
12 E 
Distr. Massa 
S63P 
R310. 
0.35 
2 
E68 
07.48 
Power Dist 
S63RR 
R370. 
0.35 
2 
A31. 
0.5 
4 
5 
BCM 
40.38 
S63D 
E62 
1 
2 
ATWS 
62.27 
A11. 
0.35 
UA6 
A21. 
0.5 
2 
C87 
AU0 XN5 
XM991/XM99. 
0.5 
E 
XM9. 
0.5 
59.54 
A31 
R2. 
0.5 
XN5 
XM19. 
0.35 
44 
44 
XM19. 
0.35 
AU0 
42.33 
BCM 
R5. 
0.5 
19 
11.01 
S39 
1 
2 
0.5 
J1-1 
J2-1 
39.03 
BCM 
20.18 
19 
R9. 
0.5 
39.04 
BCM 
A110. 
E67 
0.5 
13.35 
2 
A1. 
0.5 
C87 
J3-1 
R1. 
J2-1 
0.5 
1 
1 
C87 
R12. 
0.35 
S63RL 
C87/UA6 
R8. 
0.35 
2 
C87 
R3. 
0.35 
E27 
1 
2 
UA6 
Luz Guantera 
.00 .01 .02 .03 .04 .05 .06 .07 .08 .09 .10 .11 .12 .13 .14 .15 .16 .17 .18 .19 .20 .21 .22 .23 .24 .25 .26 .27 .28 .29 .30 .31 .32 .33 .34 .35 .36 .37 .38 .39 .40 .41 .42 .43 .44 .45 .46 .47 .48 .49 .50 .51 .52 .53 
.54 .55 .56 
Iluminação Interna Cores dos Circuitos / Colores de los Circuitos 
Pág. 58 
A = Vermelho 
Rojo 
B = Amarelo 
Amarillo 
F = Preto 
Negro 
M = Branco 
Blanco 
P = Azul 
Azul 
R = Cinza 
Gris 
U = Verde 
Verde 
X = Marrom 
Marrón 
Y = Violeta 
Violeta 
Circuitos sem bitola 
Circuitos sin Calibre 
Indicada = 0,75 mm2 
Senãlada = 0,75 mm2 
M/R R R 
R R 
R 
M/R R 
R 
A 
A 
A 
A 
R 
R 
A 
X/M X/M 
X/M X/M 
A 
R R 
Vidro Elétr. Vidro Elétr. 
ECRB - Distr. Elétr. 
ECRB - Distr. Eléctr. 
Vent. Eléctr. Vent. Eléctr. 
Carroç. Tras. LE 
Chic. Luz Compart. Passageiros 
Mazo Cond. Luz Compart. Pasajeros 
Chic. Pnl. Instr. 
Carroç. Tras. LE 
Chic. Pnl. Instr. 
Carroç. Tras. LD 
Chic. Luz Compart. Pass. 
Carroç. Tras. LE 
Mazo Cond. Pnl. Instr. 
Carroc. Tras. LI 
Mazo Cond. Pnl. Instr. 
Carroc. Tras. LD 
Mazo Cond. Luz Compart. Pasajeros 
Carroc. Tras. LI 
Carroç. Tras. LE Carroç. Tras. LE-NB 
Chic. Pnl. Instr. Tampa do Bagageiro 
Mazo Cond. Tbl. Instr. Tapa del Portaequipajes 
Cj. Luz de Leitura 
Cj. Luz-Reost. e Luz de Leitura 
Cj. Luz-Compart. Carga 
Cj. Luz-Teto 
Cj. Luz de Lectura 
Cj. Luz-Reóst. y Luz de Lectura 
Cj. Luz-Compart. Carga 
Cj. Luz-Techo 
Distr. Masa 
Distr. Masa 
Acend. Cigarros 
Encend. Cigarrillos 
Cj. Interr.-Trav. Pta. Motorista Cj. Interr.-Trav. Pta. Tras. LE Cj. Interr.-Trav. Pta. Tras. LD Cj. Interr.-Trav. Pta. 
Cj. Interr.-Luz Comp. Carga 
Luz Porta-luvas 
Distr. Massa 
Distr. Masa 
Cj. Interr.-Luz Comp. Carga 
Cj. Interr.-Trab. Pta. Conductor Cj. Interr.-Trav. Pta. Tras. LI Cj. Interr.-Trav. Pta. Tras. LD Cj. Interr.-Traba Pta. 
Iluminación Interior 
A
Versão / Versión: 09/01/02 Diagramas Elétricos / Diagramas Eléctricos Corsa 2002 
Pta. Acompanhante 
Pta. Acompañante 
S112P 
2 3 
Cj. Interr.-Func./Mt. Pta./lat. Del. 
A31 
Pta. Motorista 
Pta. Conductor 
9 
Arriba Abajo Arriba Abajo Arriba Abajo Arriba Abajo 
1 10 
3 7 2 6 5 12 11 
S112D 
A31 A31 
PA20. 
0.5 
4 
1 
40 
40 
A31 
12 
12 
RU20. 
0.5 
06.51 
07.17 
06.47 
Ilum. Int. 
39.18 
F14. 
0.50 
Mazo Cond. Pta. Conductor 
Carroc. Delant. 
Codrv Door Wrg Hrn 17 42.53 
A31 
A80. 
2.5 
A31 
F15. 
0.5 
A31 
A2. 
2.5 
A31 
A31 
F30. 
0.5 
3 
F13. 
0.5 
A31 
A2. 
2.5 
27 IP Wrg Hrn 
A31 
17 
RU8. 
0.5 
16 
16 
A31 
PA8. 
0.5 
A31 
A5. 
0.5 
A31 
F16. 
0.5 
A26 A27 A2 A21 A20 
A14 A12 A13 
Abajo 
Derecha Izquierda 
Interruptor de los Ventanas - Del. 
Interruptor de los Ventanas - Tras. 
Int. de los Ventanas 
Motor - Diant. 
Motor - Delant. 
Ingnición Lógica 
Conductor Pasajero Bocina 
De los Ventanas - Del. 
Motor de los Ventanas - Tras. 
Fuente de Alimentación 
Izquierda Izquierda Derecha Izquierda Derecha 
Derecha 
A4 A3 A6 A5 
A31 
Int. Vidro Ignição Lógica 
Motorista Passageiro Buzina 
Int. Portas 
Esquerda Direita Esquerda Direita 
Derecha 
Masa 
RU72. A31 
0.5 
M 
PA60. 
0.5 
8 
A31 
RU60. 
0.5 
A31 
RU70. 
0.5 
A31 
PA70 
0.5 
A31 
PA200 
A31 
RU200 
0.5 
0.5 
28 16 
28 
PA60. 
A31 
RU60. 
0.5 
UP DOWN 
A31 
A28 
B8 B9 
B12 
A7 
B1 B10 B11 
A31 
AM2. 
2.5 
2 
2 
A31 
AM1 
2.5 
M 
F14. 
0.50 
38 
A31 
AM3. 
2.5 
A10 A11 
A31 
PF2. 
2.5 
1 
Mazo Cond. Tbl. Instr. 
IP Wrn Hrn 
Drv Door Wrn Hrn 1 
A31 
PF1 
2.5 
3 
38 
A8 A9 
A18 
A31 
11.41 
2 
2 
16.41 
2 
1 
M14L 
1 
PF13. 
2.5 
1 
1 
A31 
AM2 
2.5 
A31 
PF2 
2.5 
M10P_LHD 
M M 
1 
1 
A80 
PU1. 
2.5 
23 
23 
A31 
PU1. 
2.5 
1 
1 
16.37 
11.37 
B2 
11.33 
16.33 
A31 
AP1. 
2.5 
24 
24 
A31 
AP1. 
2.5 
2 
2 
A19 
A31 
PU1. 
2.5 
M14R 
A31 
AP1. 
2.5 
A31 
.48 .49 .51 
A31 
M10. 
0.5 
26 
26 
A31 
M11. 
0.5 
A31 
0.5 
25 
25 
6 
6 
2 4 3 
A31 
RU1. 
0.50 
10 
10 
A31 
RU4. 
0.5 
Driver Door Wrn Hrn 
A31 
PA30. 
0.5 
8 IP Wrn Hrn 
A31 
RU3. 
0.5 
A31 
M13. 
0.5 
11.36 
16.36 
A31 
M10D_LHD 
2 
1 
16 
9 
6 
6 
2 4 3 
A31 
PA1. 
0.5 
RU1 
. 
A31 
RU30. 
0.5 
9 
A31 
PA3. 
A31 
0.5 
27 
M12. 
0.5 
A31 
M1. 
0.5 
8 
A31 
PA7. 
0.5 
6 
6 
A31 
M1. 
0.5 
17 
19 
19 
08.22 
PU2. 
2.5 
11 
11 
A31 
PU1. 
2.5 
1 
1 
11.52 
16.52 
A31 
RU7. 
0.5 
57.08 58.08 
57.02 58.02 
AP2. 
2.5 
31 
67.29 
31 
A31 
AP1. 
2.5 
2 
1 
X1. 
0.50 
7 
7 
X3. 
0.5 
7 
7 
A31 
PA1. 
0.50 
9 
A31 
9 
PA1. 
0.5 
27 
28 
28 
17 
A31 
. 
2 
RU10 
0.5 
RU61 . 
0.5 
A31 
0.5 
A31 
RU62. 
0.5 
B7 
B3 B4 
PA72. 
0.5 
A31 
15 
15 
11.39 
16.39 
A31 
M1. 
0.5 
A31 
M1. 
0.5 
1 
A31 
X1. 
0.50 
7 
7 
A31 
RU70. 
0.5 
14 
14 
A31 
PA70. 
0.5 
1 
2 
PA1. 
0.50 
A31 
A31 
X3. 
0.5 
9 
9 
2 
A31 
10 
10 
RU4. 
0.5 
18 
18 
PU1. 
2.5 
PA1 
. 
0.5 
8 
8 
A31 
A31 
A31 
S215L 
PA62. 
0.5 
26 
Carroc. Tras. LI 
16.43 
11.43 
27 
BCM 
A31 
PA61. 
0.5 
S215R 
A31 
AP1. 
2.5 
A31 
26 
11.41 
16.41 
RU71. 
0.5 
A31 
A31 
PA71. 
0.5 
A31 
A31 
.00 .01 .02 .03 .04 .05 .06 .07 .08 .09 .10 .11 .12 .13 .14 .15 .16 .17 .18 .19 .20 .21 .22 .23 .24 .25 .26 .27 .28 .29 .30 .31 .32 .33 .34 .35 .36 .37 .38 .39 .40 .41 .42 .43 .44 .45 .46 .47 .50 .52 .53 .54 .55 .56 
Cores dos Circuitos / Colores de los Circuitos 
A = Vermelho 
Rojo 
B = Amarelo 
Amarillo 
F = Preto 
Negro 
M = Branco 
Blanco 
P = Azul 
Azul 
R = Cinza 
Gris 
U = Verde 
Verde 
X = Marrom 
Marrón 
Y = Violeta 
Violeta 
Circuitos sem bitola 
Circuitos sin Calibre 
Indicada = 0,75 mm2 
Senãlada = 0,75 mm2 
M R/U P/A R/U P/A R/U P/A R/U P/A 
R/U P/A 
F 
F 
F F 
A 
M R/U P/A R/U P/A R/U P/A 
P/A P/A R/U R/U 
R/U 
P/A F A A F A 
P/A 
R/U 
P/F A/M P/F A/M 
P/F A/M P/F A/M 
P/U A/P P/U A/P 
P/U A/P P/U A/P 
P/U A/P P/U A/P 
M 
M 
M 
R/U P/A X 
R/U P/A X 
R/U P/A 
M 
M 
M 
R/U P/A X 
R/U P/A X 
R/U P/A 
P/A R/U 
Inibidor 
Vidros 
Traseiros 
Acima Abaixo Acima Abaixo Acima Abaixo Acima Abaixo 
Inhibidor Tras. LE Tras. LD Acompanhante Motorista 
Ventanas 
Traseras 
Tras. LI Tras. LD Acompañante Conductor 
Cj. Interr.-Func./M. Pta./Lat. Diant. 
Cj. Interr.-Func./M. Pta./Lat. Diant. 
Cj. Interr.-Func./Mt. Pta./lat. Del. 
Acima Abaixo 
Arriba Abajo 
Chic. Pta. Acomp. 
Chic. Pnl. Instr. 
Chic. Pta. Motorista 
Chic. Pnl. Instr. 
Carroç. Diant. 
Chic. Pnl. Instr. 
Mazo Cond. Pta. Acomp. 
Mazo Co. Tbl. Instr. Mazo Co. Tbl. Instr. 
Mazo Co. Tbl. Instr. 
Distr. Elétr. 
Distr. Eléctr. 
Luzes Int. 
Diagnóstico 
Diagnostico 
Cj. Módulo - Ctrl. Vdo. Elétr. 
Int. Vidro - Diant. Cj. Módulo - Contr. Vent. Eléctr. 
Int. Vidro Tras. 
Massa 
Motor do Vidro - Diant. Motor do Vidro - Tras. 
Acima Abaixo Acima Abaixo 
Direita Esquerda 
Esquerda Direita 
Abaixo Acima Abaixo Acima 
Esquerda Direita 
Acima Abaixo Acima Abaixo Acima Abaixo Acima Abaixo 
Arriba Abajo Arriba 
Arriba Arriba Arriba Arriba Arriba Arriba 
Abajo Abajo Abajo Abajo Abajo Abajo 
Chic. Pnl. Instr. 
Carroç. Tras. LE 
Carroç. Tras. LE 
Porta Tras. LE 
Chic. Pnl. Instr. 
Carroç. Tras. LD 
Carroç. Tras. LD 
Porta Tras. LD 
Mazo Cond. Tbl. Instr. 
Carroc. Tras. LI 
Carroc. Tras. LI 
Porta Tras. LI 
Mazo Cond. Tbl. Instr. 
Carroc. Tras. LD 
Carroc. Tras. LD 
Porta Tras. LD 
Chic. Pnl. Instr. 
Chic. Pta. Motorista 
Chic. Pnl. Instr. 
Chic. Pta. Acomp. 
Chic. Pnl. Instr. Chic. Pnl. Instr. 
Carroç. Tras. LE Carroç. Tras. LD 
Carroç. Tras. LE 
Carroç. Tras. LE 
Carroç. Tras. LD 
Carroç. Tras. LD 
Mazo Cond. Tbl. Instr. 
Mazo Cond. Tbl. Instr. Mazo Cond. Tbl. Instr. 
Mazo Cond. Pta. Conductor 
Mazo Cond. Pta. Acomp. 
Carroc. Tras. LI 
Carroc. Tras. LI 
Carroc. Tras. LI 
Carroc. Tras. LD 
Carroc. Tras. LD 
Carroc. Tras. LD 
Porta Tras. LE 
Carroç. Tras. LE 
Porta Tras. LE 
Chic. Pnl. Instr. 
Porta Tras. LD 
Carroç. Tras. LD 
Carroç. Tras. LD 
Chic. Pnl. Instr. 
Puerta Tras. LI 
Puerta Tras. LI 
Mazo Cond. Tbl. Instr. 
Puerta Tras. LD 
Carroc. Tras. LD 
Carroc. Tras. LD 
Mazo Cond. Tbl. Instr. 
Cj. Interr. - Vidro Pta./Lat. Tras. 
Cj. Interr. - Vidro Pta./Lat. Tras. 
Cj. Motor-Reg. Vdo. Pta./Lat. Diant. 
Cj. Motor-Reg. Vdo. Pta./Lat. Diant. 
Cj. Motor-Reg. Vdo. Pta./Lat. Tras. Cj. Motor-Reg. Vdo. Pta./Lat. Tras. 
Tras. - LD 
Tras. - LD 
Cj. Interr. - Vent. Pta./Lat. Tras. 
Cj. Interr. - Vent. Pta./Lat. Tras. 
Tras. - LD 
Tras. - LD 
Cj. Mt.-Reg. Vent. Pta./Lat. Del. 
Cj. Mt.-Reg. Vent. Pta./Lat. Del. 
Cj. Motor-Reg. Vent. Pta./Lat. Tras. Cj. Motor-Reg. Vent. Pta./Lat. Tras. 
Acima Abaixo 
Arriba Abajo 
Esquemas dos Vidros Elétricos 
Esquemas de las Ventanas Eléctricos 
Pág. 59 
Izquierda 
Supl. Energia
Versão / Versión: 09/01/02 Diagramas Elétricos / Diagramas Eléctricos Corsa 2002 
Cj. Interr.-Teto Solar ECRB - Distr. Elétr. 
09.09 
07.31 
CF5 
A700. 
1.5 
CF5 
A70. 
0.5 
FM700. 
13.54 
13.52 
Cj. Interr.-Techo Solar 
.00 .01 .02 .03 .04 .05 .06 .07 .08 .09 .10 .11 .12 .13 .14 .15 .16 .17 .18 .19 .20 .21 .22 .23 .24 .25 .27 .32 .34 .35 .36 .37 .38 .39 .40 .41 .42 .43 .44 .45 .46 .47 .48 .49 .50 .51 .52 .53 .55 
.26 .28 .29 .30 .31 .33 .54 .56 
FP700. 
CF5 
0.5 
18.54 
CF5 
0.5 
M16 
2 3 5 1 
6 
18.52 
S228 
4 3 5 
Cores dos Circuitos / Colores de los Circuitos 
A = Vermelho 
Rojo 
B = Amarelo 
Amarillo 
F = Preto 
Negro 
M = Branco 
Blanco 
P = Azul 
Azul 
R = Cinza 
Gris 
U = Verde 
Verde 
X = Marrom 
Marrón 
Y = Violeta 
Violeta 
Circuitos sem bitola 
Circuitos sin Calibre 
Indicada = 0,75 mm2 
Senãlada = 0,75 mm2 
F/P F/M 
A A 
Cj. Motor-Acionador Teto Solar 
Distr. Massa Distr. Massa 
Distr. Masa Distr. Masa 
ECRB - Distr. Eléctr. 
Cj. Motor-Accionador Techo Solar 
Esquemas do Teto Solar 
Esquemas del Techo Solar 
Pág. 60
Versão / Versión: 09/01/02 Diagramas Elétricos / Diagramas Eléctricos Corsa 2002 
Pnl. Instrum. Ctr. Mt. DI - Ctr. Mt. Ctr. Mt. DI - Ctr. Mt. Distr. Elétr. 
Tabl. Instrum. Contr. Mt. DI - Contr. Mt.Contr. Mt.DI - Contr. Mt.Distr. Eléctr. 
28.42 
LK8 
XP4. 
0.35 
28.45 
LK8 
XY42. 
0.35 
21.10 
23.10 
25.10 
XY4. 
12 
12 8 
XY130 
6 
XM138. 
0.35 
8 
0.35 
0.35 
07.45 
21.07 
23.07 
25.07 
67.41 
L10L11LJ1 
50.32 
XP9. 
11.13 
L10L11LJ1 
XP8. 
0.35 
5 
1 
42.45 
BCM 
16.13 
. 
7 
67.44 
0.35 
XP10. 
0.35 
Carroceria Delant. 
9 
06.48 
XP8. 
0.35 
A110 
2 
4 
.00 .01 .02 .03 .04 .05 .06 .07 .08 .09 .10 .11 .12 .13 .14 .15 .16 .17 .18 .19 .20 .21 .22 .23 .24 .25 .26 .27 .28 .29 .30 .31 .32 .33 .34 .35 .36 .37 .38 .39 .40 .41 .42 .43 .44 .45 .46 .47 .48 .49 .50 .51 .52 .53 .54 .55 .56 
Cores dos Circuitos / Colores de los Circuitos 
A = Vermelho 
Rojo 
B = Amarelo 
Amarillo 
F = Preto 
Negro 
M = Branco 
Blanco 
P = Azul 
Azul 
R = Cinza 
Gris 
U = Verde 
Verde 
X = Marrom 
Marrón 
Y = Violeta 
Violeta 
Circuitos sem bitola 
Circuitos sin Calibre 
Indicada = 0,75 mm2 
Senãlada = 0,75 mm2 
X/P X/P X/Y X/Y 
X/P X/P 
X/P X/Y 
X/M 
Carroçaria Diant. 
Chic. Pnl. Instrum. 
Mazo Cond. Tbl. Instrum. 
Cj. Módulo-Anti-furto 
Diagnóstico Distr. Elétr. 
Distr. Massa 
Distr. Masa 
Diagnostico Distr. Eléctr. 
Cj. Módulo-Antirrobo 
Imobilizador 
Inmobilizador 
Pág. 61
Versão / Versión: 09/01/02 Diagramas Elétricos / Diagramas Eléctricos Corsa 2002 
K67 
B79 
42.38 
39 
38.25 
12 
12 
39 
. 
AM10 UA6 
0.35 
XB6. 
0.35 
2 4 
1 
BCM 
. 
UA6 
40.43 
XM13 
0.75 
UA6 
58.13 
Para o pino 66 BCM 
Para la Clavija 66 BCM 
H16 
12.41 
1 
2 
.22 .24 .25 .27 .54 .55 .56 
.30 .32 .33 .35 
NotchBack 
40.53 
UA6 
UA6 
Y49 
57.16 
11 
11 
XM401. 
0.35 
C 
C 
XM1. 
0.35 
42.41 
3 
4 
S135 
12.46 
BCM 
2 
1 
.00 .01 .02 .03 .04 .05 .06 .07 .08 .09 .10 .11 .12 .13 .14 .15 .16 .17 .18 .19 .20 .21 .23 .26 .28 .29 .31 .34 .36 .37 .38 .39 .40 .41 .42 .43 .44 .45 .46 .47 .48 .49 .50 .51 .52 .53 
Sistema Anti-furto Cores dos Circuitos / Colores de los Circuitos 
Pág. 62 
A = Vermelho 
Rojo 
B = Amarelo 
Amarillo 
F = Preto 
Negro 
M = Branco 
Blanco 
P = Azul 
Azul 
R = Cinza 
Gris 
U = Verde 
Verde 
X = Marrom 
Marrón 
Y = Violeta 
Violeta 
Circuitos sem bitola 
Circuitos sin Calibre 
Indicada = 0,75 mm2 
Senãlada = 0,75 mm2 
X/M 
X/M X/B X/M 
X/M 
Chic. Pnl. Instr. 
Carroç. Tras. LE 
Carroç. Tras. LE-NB 
Tampa Bagageiro 
Chic. Pnl. Instr. 
Carroç. Tras. LE 
Mazo Cond. Tbl. Instr. 
Carroc. Tras. LI 
Carroc. Tras. LI-NB 
Tapa Portaequipajes 
Mazo Cond. Tbl. Instr. 
Carroc. Tras. LI 
Cj. Interr.-Antirrobo Capó Accion.-Palac. Cil. Trv. Tpa. Comp. Tr. 
Cj. Sensor-Antirrobo 
Cj. alarma-Antirrobo 
Cj. Interr.-Anti-furto Capô Acionador-Alav. Cil. trv. Tpa. Comp. Tr. 
Cj. Sensor-Anti-furto 
Cj. Alarme-Anti-furto 
Distr. Massa 
Distr. Massa 
Distr. Massa 
Iluminação Interna 
Distr. Masa 
Distr. Masa 
Iluminación Interior 
Distr. Masa 
Sistema Antirrobo
Versão / Versión: 09/01/02 Diagramas Elétricos / Diagramas Eléctricos Corsa 2002 
HatchBack 
AM10. 
XB6. 
38.25 
2 4 
1 
2 
XM13. 
Chic. Pnl. Instr. 
Mazo Cond. Tbl. Instr. 
Carroç. Tras. LE 
Carroc. Tras. LI 
Distr. Massa 
.00 .01 .03 .07 .12 .15 .18 .21 .42 .43 .44 .45 .46 .47 .48 .49 
.02 .05 .06 .08 .09 .10 .11 .13 .14 .16 .17 .19 .20 .22 .23 .24 .25 .26 .27 .28 .29 .30 .31 .32 .33 .35 .40 .41 
.50 .51 .52 .53 .54 .55 .56 
K67 
.04 .34 .36 .37 .38 .39 
1 
2 
S135 
1 
B79 
39 
H16 
12 
UA6 
0.75 
12 
39 
UA6 
0.35 
0.35 
BCM 
42.38 
UA6 
40.43 
BCM 
17.41 
42.41 
57.13 
17.46 
S16_P2-A29_P67 
Cores dos Circuitos / Colores de los Circuitos 
A = Vermelho 
Rojo 
B = Amarelo 
Amarillo 
F = Preto 
Negro 
M = Branco 
Blanco 
P = Azul 
Azul 
R = Cinza 
Gris 
U = Verde 
Verde 
X = Marrom 
Marrón 
Y = Violeta 
Violeta 
Circuitos sem bitola 
Circuitos sin Calibre 
Indicada = 0,75 mm2 
Senãlada = 0,75 mm2 
X/B A/M 
X/M 
Cj. Interr.-Anti-furto Capô 
Cj. Interr.-Antirrobo Capó Cj. Sensor-Anti-furto 
Cj. Alarme-Anti-furto 
Cj. Alarma-Antirrobo 
Cj. Sensor-Antirrobo 
Para o pino 66 BCM 
Para la clavija 66 BCM 
Distr. Masa 
Iluminação Interna 
Iluminación Interior 
Distr. Massa 
Distr. Masa 
Sistema Anti-furto 
Sistema Antirrobo 
Pág. 63
Versão / Versión: 09/01/02 Diagramas Elétricos / Diagramas Eléctricos Corsa 2002 
D78 
D78 
1 3 2 4 
M M 
D78 
25 
25 
P3. 
D78 
D78 
23 21 
R10. 
21 
23 21 
D78 
FA7. 
M M 
09.11 
12 
12 
D78 
A10. 
Y1 Y2 X1 X2 
M11D_LHD 
D78 
Mazo Cond. Pta. Conductor 
Mazo Cond. Tbl. Instr. 
Mazo Cond. Tbl. Instr. 
.00 .01 .02 .03 .04 .05 .06 .07 .08 .09 .10 .11 .12 .13 .14 .15 .16 .17 
.18 .19 .20 .21 .22 .23 .24 .25 .26 .27 .28 .29 .30 .31 .32 .33 .34 .35 .36 .37 .38 .39 .40 .41 .42 .43 .44 .45 .46 .47 .48 .49 .50 .51 .52 .53 .54 .55 .56 
0.35 
D78 
P20. 
0.35 
R10 
0.35 
FA30. 
0.35 
FA40. 
0.35 
. 
D78 
B20. 
0.35 
FA20 
0.35 
U10. 
0.35 
D78 
0.35 
. 
D78 
0.35 
11.46 
16.46 
D78 
0.35 
D78 
P20. 
0.35 
R10. 
0.35 
FA60. 
0.35 
25 
23 21 25 
7 5 8 
23 
S169LHD/S169RHD 
1 
2 3 4 
M11P_LHD 
1 3 2 4 
Cores dos Circuitos / Colores de los Circuitos 
A = Vermelho 
Rojo 
B = Amarelo 
Amarillo 
F = Preto 
Negro 
M = Branco 
Blanco 
P = Azul 
Azul 
R = Cinza 
Gris 
U = Verde 
Verde 
X = Marrom 
Marrón 
Y = Violeta 
Violeta 
Circuitos sem bitola 
Circuitos sin Calibre 
Indicada = 0,75 mm2 
Senãlada = 0,75 mm2 
A 
F/A 
R F/A P 
R F/A P 
R F/A P 
B F/A U 
ECRB - Distr. Elétr. 
ECRB - Distr. Eléctr. 
Chic. Pnl. Instr. 
Chic. Pta. Motorista 
Chic. Pta. Motorista 
Chic. Pnl. Instr. 
Chic. Pnl. Instr. 
Chic. Pta. Acompanhamto. 
Mazo Cond. Pta. Acompañante 
Mazo Cond. Tbl. Instr. 
Mazo Cond. Pta. Conductor 
Cj. Interr.-Ctr. Esp. Retr. Tras. Externo 
Cj. Interr.-Contr. Esp. Retr. Tras. Exterior 
E D E D 
I D I D 
Cj. Motor - Esp. Retrov. Ext. Pta. Motorista Cj. Motor - Esp. Retrov. Extr. Porta Acompanhante 
Cj. Motor - Esp. Retrov. Ext. Pta. Conductor Cj. Motor - Esp. Retrov. Extr. Puerta Acompañante 
Distr. Massa 
Distr. Masa 
Esquemas dos Espelhos Externos 
Esquemas de los Espejos Exteriores 
Pág. 64
Versão / Versión: 09/01/02 Diagramas Elétricos / Diagramas Eléctricos Corsa 2002 
ABS 
Cj. Sensor, Temp. Amb. Antena Elétr. - Cj. Rádio 
9 8 
BCM 
3 4 
Data Bus 
Serial Clock 
Data Bus 
Serial Data 
Data Bus 
Master Request 
Term. 15 
Auto Antena 
Term. 30 
6 5 7 
W8X 
W8X-UD8 
P11. 
PM4. 
W8X 
2 
A134 
Antena Eléctr. - Cj. Radio 
W8X 
UD8W8X 
Gnd Dist 
XU41. 
XP110. 
BCM 
AR1. 
UD8W8X 
W8X 
W8X 
P12. 
P230. 
W8X 
B120. B110. 
XB9. 
XB110. 
XB120. 
PA5. 
XP230. 
W8X 
M341. 
W8X 
U10. 
W8X 
W8X 
W8X 
Cj. Altavoz-Sup. LI Delant. Radio 
Cj. Altavoz-Inf. LI Delant. Radio 
Cj. Altavoz-Sup. LD Delant. Radio 
Distr. Massa 
HATCHBACK 
.00 .01 .02 .03 .04 .05 .06 .07 .08 .09 .10 .11 .12 .13 .14 .15 .16 .17 .18 .19 .20 .21 .22 .23 .24 .25 .26 .27 .28 .29 .30 .31 .32 .33 .34 .35 .36 .37 .38 .39 .40 .41 .42 .43 .44 .45 .46 .47 .48 .49 .50 .51 .52 .53 .54 .55 
.56 
1 
2 
P6 
1 
12 10 11 2 
2 
B111 
1 
2 
B112 
1 2 
B111 
1 
2 
B112 
1 
15 
B23 
XM10. 
36.02 
2 
0.75 
11 
2 
PM13. 
0.35 
FM110. 
Z1. W8X 
16 
W8X 
0.75 
07.12 
F12 
UD8W8X 
U33. 
0.35 
1 
39 
0.35 
FM301. 
0.5 
W8X 
W8X 
XP120. 
0.75 
W8X 
0.75 
P120. 
0.75 
7 
F3 
06.43 
U41. 
S01 
SGN 
GND 
8 5 7 6-EMP 
9 
2 19 18 20 GND 
26 
3 27 
4 
1 
15 11 14 10 16 12 13 
1 
2 
B120 
1 
Radio 
W6 
POWER 
SIGNAL 
B120 
15.50 
SGN 
41.42 
0.75 
GND 
3 
3 
ABS 
36.11 
13 
Diagnose 
68.43 
13 
W8X 
0.0 
41.35 
UD8W8X 
0.35 
39 
11 
B10. 
0.75 
0.75 
16 
11 
W8X 
W8X 
0.75 
0.75 
W8X 
0.75 
W8X 
0.75 
W8X 
0.75 
UD8W8X 
XR34. 
09.07 
UD8W8X 
P11. 
0.35 0.35 
M35 
0.35 
15.17 
XP11. 
0.75 
. 
W8X 
UD8W8X 
0.35 
W8X 
0.75 
W8X 
0.75 
7 
XU10. M10. 
0.75 
0.75 
0.75 
W8X 
W8X 
6 
0.35 
A400. 
2.5 
6 
PM4. 
0.75 
S01 
W8X 
XM341. 
0.75 
13 
0.35 
13 
11 
W8X Z1. 
15 
68.12 
P110. 
0.75 
1 
Power Dist 
07.39 
XB230. 
0.75 
B230. 
0.75 
Cores dos Circuitos / Colores de los Circuitos 
A = Vermelho 
Rojo 
B = Amarelo 
Amarillo 
F = Preto 
Negro 
M = Branco 
Blanco 
P = Azul 
Azul 
R = Cinza 
Gris 
U = Verde 
Verde 
X = Marrom 
Marrón 
Y = Violeta 
Violeta 
Circuitos sem bitola 
Circuitos sin Calibre 
Indicada = 0,75 mm2 
Senãlada = 0,75 mm2 
P/A 
A 
P/M P 
P/M 
P/M X/R P U M A/R 
R 
F/M 
F/M 
R 
X/B X/B 
B B 
X/P X/P 
P P 
P X/P 
P X/P 
B X/B 
B X/B 
U X/U 
U X/U 
M X/M 
M X/M 
ECRB - Distr. Elétr. 
ERCB - Distr. Eléctr. 
Diagnós. 
Diagnos. 
Carroç. Diant. 
Chic. Pnl. Instr. 
Carroç. Diant. 
Chic. Pnl. Instr. 
Carroc. Delant. 
Mazo Cond. Tbl. Instr. 
Carroc. Delant. 
Mazo Cond. Tbl. Instr. 
Cj. Motorista - Inf. Motorista 
Cj. Mostrador - Inf. Conductor 
Sensor 
Distância Term. 15 
Diagnóstico 
Massa 
Limp. Ext. 
Massa 
Sensor 
Temp. Ext. 
Masa 
Temp. Ext. 
Masa 
Sensor 
Temp. Ext. 
Sensor 
Distancia 
Term. 30 Diagnóstico 
Carroç. Tras. 
Chic. Pnl. Instr. 
Antena Carroç. Tras. LD 
Antena PI 
Carroc. Tras. 
Mazo Cond. Tbl. Instr. 
Antena Carroc. Tras. LD 
Antena PI 
Cj. Sensor, Temp. Amb. 
Cj. Alto-falant.-Sup. LE Dian. Rádio 
Cj. Alto-falant.-Inf. LE Dian. Rádio 
Cj. Alto-falant.-Sup. LD Dian. Rádio 
Cj. Alto-falant.-Inf. LD Dian. Rádio 
Cj. Altavoz-Inf. LD Delant. Radio 
Chic. Pnl. Instr. 
Chic. Pta. Acompanh. 
Chic. Pnl. Instr. 
Chic. Pta. Acompanh. 
Chic. Pnl. Instr. 
Carroç. Tras. LE 
Chic. Pnl. Instr. 
Carroç. Tras. LE 
Mazo Cond. Tpl. Instr. 
Mazo Cond. Pta. Acompañante 
Mazo Cond. Tpl. Instr. 
Mazo Cond. Pta. Acompañante 
Mazo Cond. Tpl. Instr. 
Carroc. Tras. LI 
Mazo Cond. Tpl. Instr. 
Carroc. Tras. LI 
Distr. Masa 
Cj. Alto-falte.-Rádio Lat. Tras. Cj. Alto-falte.-Rádio Lat. Tras. 
Cj. Altavoz-Radio Lat. Tras. Cj. Altavoz-Radio Lat. Tras. 
Sistema de Rádio/Áudio e Informações do Motorista 
Sistema de Radio/Audio e Informaciones del Conductor 
Pág. 65 
Painel 
Ilum. 
Panel 
Ilum.
Versão / Versión: 09/01/02 Diagramas Elétricos / Diagramas Eléctricos Corsa 2002 
ABS 
36.11 W6 
3 4 
Data Bus 
Serial Clock 
8 
Data Bus 
Serial Data 
Data Bus 
Master Request 
Term. 15 
Painel 
Ilum. 
Auto Antena 
Term. 30 
07.12 
A400. 
Cj. Altavoz-Sup. LI Delant. Radio 
Cj. Altavoz-Inf. LI Delant. Radio 
Cj. Altavoz-Sup. LD Delant. Radio 
NOTCHBACK 
6 5 7 
UD8W8X 
PM4. 
UD8W8X 
Cj. Sensor, Temp. Amb. 
Cj. Sensor, Temp. Amb. 
2 19 18 20 
W8X W8X 
XP11 
W8X 
W8X 
Antena Eléctr.-Cj. Radio 
W8X 
M341. 
W8X 
W8X 
W8X 
P110. 
UD8W8X 
U33. 
UD8W8X 
W8X 
XU10. 
2 
M35. 
2 
XM341. 
P120. 
W8X 
U41. 
W8X 
XB230. 
FM301. 
XP120. 
SINAL 
SEÑAL 
Distr. Massa 
.00 .01 .02 .03 .04 .05 .06 .07 .08 .09 .10 .11 .12 .13 .14 .15 .16 .17 .18 .19 .20 
.21 .22 .23 .24 .25 .26 .27 .28 .29 .30 .31 .32 .33 .34 .35 .36 .37 .38 .39 .40 .41 .42 .43 .44 .45 .46 .47 .48 .49 .50 .51 .52 .53 .54 .55 .56 
13 11 
XP230. 
B112 1 
2 
W8X Z1. 
W8X 
B111 
1 
2 
B120. 
0.75 
B110. 
0.75 
XB110. 
0.75 
W8X 
M341. 
0.75 
P230. 
0.75 
16 
W8X 
0.75 
0.35 
45 
AR1. 
0.35 
15 
B120 
1 
2 
ABS 
36.02 
W8X 
46 
U10. 
0.75 0.75 
W8X 
6 
PA5. 
0.35 
UD8W8X 
Z1. 
POWER 
Gnd Dist 
10.50 
P11. 
0.35 
1 
UD8W8X 
0.35 
P12. 
0.75 
B112 
GND 
1 
0.75 
SGN 
. 
XB9. 
FM110. 
0.75 
W8X 
0.75 
B120 
1 
F12 
07.39 
10.17 
S01 
3 27 
4 
8 5 7 6-EMP 
9 
GND 
15 16 
26 
A134 
1 
11 14 10 12 13 
7 
XR34. 
0.35 
46 
W8X 
68.12 
PM4. 
0.35 
0.75 
68.31 
W8X 
2.5 
13 7 
0.35 
W8X 
XM341. 
0.75 
UD8W8X 
9 
0.75 
12 2 
09.07 
P6 
1 
10 11 
W8X 
0.75 
B230. 
0.75 
B10. 
BCM 
41.43 
W8X 
0.75 
15 
0.75 
6 
S01 
2 
39 
P11. 
B111 
1 
W8X 
0.75 
0.35 
SGN 
GND 
11 
13 11 
06.43 
F3 
13 
W8X 
W8X 
0.5 
16 
XB120. 
0.75 
39 
W8X 
0.75 
B23 
1 2 
11 
W8X 
XU41. 
0.75 
45 
BCM 
41.34 
1 
XP110. 
0.75 
W8X 
Cores dos Circuitos / Colores de los Circuitos 
A = Vermelho 
Rojo 
B = Amarelo 
Amarillo 
F = Preto 
Negro 
M = Branco 
Blanco 
P = Azul 
Azul 
R = Cinza 
Gris 
U = Verde 
Verde 
X = Marrom 
Marrón 
Y = Violeta 
Violeta 
Circuitos sem bitola 
Circuitos sin Calibre 
Indicada = 0,75 mm2 
Senãlada = 0,75 mm2 
A 
P/A 
P/M P 
P/M X/R P U M A/R 
F/M 
R 
F/M 
R 
X/B X/B 
B B 
X/P X/P 
P P 
P X/P B X/B U X/U M X/M 
P X B X/B U X/U M X/M 
ECRB - Distr. Elétr. DIAG. 
ECRB - Distr. Eléctr. DIAG. 
Carroç. Diant. 
Chic. Pnl. Instr. 
Carroç. Diant. 
Chic. Pnl. Instr. 
Carroc. Delant. 
Mazo Cond. Tpl. Instr. 
Carroc. Delant. 
Mazo Cond. Tpl. Instr. 
Distr. Elétr. Diagnóstico 
Antena Elétr.-Cj. Rádio 
Cj. Mostrador-Inf. Motorista 
Cj. Mostrador-Inf. Conductor 
Distr. Eléctr. Diagnostico 
Sensor 
Distância 
Massa 
Limp. 
Ext. 
Massa Sensor 
Temp. Ext. 
Diagnóstico 
Sensor 
Distancia 
Masa 
Temp. 
Ext. 
Masa 
Sensor 
Temp. Ext. 
Diagnostico 
Carroç. Tras. LD 
Chic. Pnl. Instr. 
Antena Carroç. Tras. LD 
Antena Pnl. Instr. 
Carroc. Tras. LD 
Mazo Cond. Tbl. Intr. 
Antena Carroc. Trad. LD 
Antena Tbl. Instr. 
Rádio 
Radio 
Cj. Alto-fal.-Sup. LE Diant. Rádio 
Cj. Alto-fal.-Inf. LE Diant. Rádio 
Cj. Alto-fal.-Sup. LD Diant. Rádio 
Cj. Alto-fal.-Inf. LD Diant. Rádio 
Cj. Altavoz-Inf. LD Delant. Radio 
Chic. Pnl. Instr. 
Chic. Pta. Motorista 
Chic. Pnl. Instr. 
Chic. Pta. Acompanhante 
Chic. Pnl. Instr. 
Carroç. Tras. LE 
Chic. Pnl. Instr. 
Carroç. Tras. LE 
Mazo Cond. Tbl. Instr. 
Mazo Cond. Pta. Conductor 
Mazo Cond. Tbl. Instr. 
Mazo Cond. Pta. Acompañante 
Mazo Cond. Tbl. Instr. 
Carroc. Tras. LI 
Mazo Cond. Tbl. Instr. 
Carroc. Tras. LI 
Distr. Masa 
Cj. Alto-fal.-Lat. Tras. Rádio Cj. Alto-fal.-Lat. Tras. Rádio 
Cj. Altavoz-Lat. Tras. Radio Cj. Altavoz-Lat. Tras. Radio 
Sistema de Rádio/Áudio e Informações do Motorista 
Sistema de Radio/Audio e Información del Conductor 
Pág. 66 
Panel 
Ilum.
Versão / Versión: 09/01/02 Diagramas Elétricos / Diagramas Eléctricos Corsa 2002 
Rádio e Inf. Ctrl. Mtr. 
65.40 
EPS 
22.23 
24.23 
26.23 
43.39 66.40 
29.07 
61.26 
XM29. LK8 
50.32 
59.54 
A31 
XU2. 
0.50 
UD8 
XU121. 
UD8 
XU1. 
0.35 
0.35 
ABS 
36.50 
JM4 
XM145. 
0.35 
BCM 
38.48 
XM140. 
0 35 
XM111. 
0.35 
61.23 
NV8 
XM130. 
0.35 
37.28 
NV8 
L10/L11/LJ1 
XM20. 
0.35 
30 
30 
Carroç. Diant. 
Carroc. Delant. 
L10/L11/LJ1 
B15. 
0.75 
5 
5 
B15. 
0.75 
XM28. 
0.35 
NV8 
LK8 
XM29. 
0.35 
UD8 
XU120. 
50.36 
0.35 
8 6 7 
13 16 
06.46 
31.31 
ACS 
X136 
12 
.16 .19 .32 .33 .34 .35 .36 .37 .39 .50 
AK5 
XM120 
0.35 
XM121. 
0.35 
3 
4 5 
16.04 
11.04 
65.13 
66.13 
16.07 
11.07 
.00 .01 .02 .03 .04 .05 .06 .07 .08 .09 .10 .11 .12 .13 .14 .15 .17 .18 .20 .21 .22 .23 .24 .25 .26 .27 .28 .29 .30 .31 .38 .40 .41 .42 .43 .44 .45 .46 .47 .48 .49 .51 .52 .53 .54 .55 .56 
Cores dos Circuitos / Colores de los Circuitos 
A = Vermelho 
Rojo 
B = Amarelo 
Amarillo 
F = Preto 
Negro 
M = Branco 
Blanco 
P = Azul 
Azul 
R = Cinza 
Gris 
U = Verde 
Verde 
X = Marrom 
Marrón 
Y = Violeta 
Violeta 
Circuitos sem bitola 
Circuitos sin Calibre 
Indicada = 0,75 mm2 
Senãlada = 0,75 mm2 
X/M X/M X/M 
X/M 
X/M 
X/U X/U X/U 
B 
X/U 
B 
X/M 
X/M X/M X/M 
X/M 
Rádio e Inf. Prot. Ocupantes Pnl. Instrum. Vdo. Elétr. 
Ctrl. Mtr. 
Imobilizador Di-Ctrl. Mtr. Imobilizador Radio e Inf. Protec. Ocupantes Tabl. Instrum. Vent. Eléctr. Radio e Inf. 
Inmobilizador Di-Ctrl. Mtr. Inmobilizador 
Carroç. Diant. 
Chic. Pnl. Instr. 
Chic. Pnl. Instr. 
Carroc. Delant. 
Mazo Cond. Tbl. Instr. 
Mazo Cond. Tbl. Instr. 
Conexão P/ Diagnóstico 
Conexión P/ Diagnostico 
Distr. Massa 
Distr. Masa 
Distribuição Elétrica 
Distribución Eléctrica 
Diagnóstico 
Diagnostico 
Pág. 67
Opcionales - Corsa 
Código Descripción 
A31 Ventana eléctrica, todas las puertas 
A90 Control de la traba de la tapa del compartimiento trasero, desbloqueo eléctrico con control remoto 
AK5 Sistema inmobilizador del asiento, inflable, conductor y pasajero 
AU0 Control de la traba, entrada remoto entrada 
B76 Tablero de instrumentos colorido, negro 
C25 Sistema lavador del vidrio trasero 
C39 Sistema HVAC de aire exterior, con ventilador 
C41 Sistema HVAC calefactor del aire exterior, con ventilador 
C49 Desempañador del vidrio trasero, eléctrico 
C60 Controles principales HVAC del sistema acondicionador de aire delantero 
C87 Luz del tablero de instrumentos, qtr, cortesía 
CE1 Sistema limpiaparabrisas, pulso, sensible a la humedad 
CF5 Techo solar, vidrio, techo deslizante, eléctrico 
D15 Tablero de instrumentos colorido, gris 
D78 Espejo exterior lado izquierdo y lado derecho, control remoto, eléctrico, convexo, auxiliar wfov, cor 
JM4 Sistema de freno hidráulico, freno a disco delantero, tambor en el freno trasero, acero fundido, antiblocante, ruedas delanteras 
y traseras 
K09 Alternador de 120 AMP 
L11 Motor a gasolina 4 CI, 1.0 l, MFI, OHC Brasil 
LJ1 Motor a gasolina 4 CI, 1.8 l, MFI, OHC, Brasil 
Pág. 66
Código Descripción 
M26 Transmisión manual 5 marchas, OPEL, 1.96 2ND, 1.323 3RD, 0.946 4TH 0.756 5TH, F17 (WR) 
Pág. 67
Opcionales - Corsa 
Código Descripción 
MU7 Transmisión manual 5 marchas, Brasil, 65 mm, 4.273 1ST, 1.483 3RD 0.804 5TH (F15/F17M HR) 
MU8 Transmisión manual 5 marchas, Brasil, 65 mm, 4.273 1ST, 0.804 5TH sistema de embrague electrónico (F15/F17M HR) 
T79 Luz de neblina, trasera 
T96 Luz de neblina 
TR6 Control del sistema de nivelación de los faros, manual 
TS6 Luz de pare, nivel alto 
UA6 Sistema de detección antihurto 
UD8 Reloj digital y sensor de la temperatura exterior 
UH8 Tablero de instrumentos, temperatura del sistema de refrigeración, trip odómetro, taquímetro 
W8X Mazo de conductores eléctricos de los equipamientos, radio características de opción substituta 
WU5 Crédito de combustible de las concesionarias/ fuel credit dealer’s 
XN5 Luz adicional 
Pág. 68

Corsa 2002 diagramas eléctricos

  • 1.
    Introducción del circuítoeléctrico Diagramas eléctricos El Corsa utiliza un nuevo esquema eléctrico, conocido como sistema IVED-Integrate Veichle Eletrical Design o Proyecto eléctrico integrado del vehículo. Este nuevo esquema eléctrico es muy fácil de ser interpretado. Para comprenderlo, es necesario conocer sus características: – Cada página del esquema eléctrico posee una regla en la parte inferior de la hoja enumerada de “00” a “56”, que son las coordenadas. – Los circuítos y los componentes pueden ser encontrados utilizando estas coordenadas. – Cuando el circuíto continúa en otra hoja, estas coordenadas se utilizan para identificar la página y el lugar donde el circuito continua. – Los enchufes y las cavidades se identifican a través de un número. – De esta manera, la consulta al diagrama eléctrico del Corsa es más sencilla, ya que es posible identificar rápidamente la ubicación y la con-exión de todos los componentes, lo cual reduce el tiempo para comprobar irregularidades. Colores dos conductores A. Rojo B. Amarillo F. Negro M. Blanco P. Azul R. Gris V. Verde X. Marrón Y. Violeta Circuitos sin calibre se identifican como siendo 0,75 mm² Pág. 01
  • 2.
  • 3.
    Identificación de lossímbo-los usados en el diagrama eléctrico Pág. 03
  • 4.
    Versão / Versión:09/01/02 Diagramas Elétricos / Diagramas Eléctricos Corsa 2002 Distr. Elétrica Distr. Eléctrica Ctrls. da ventilação HVAC 41.21 Contr. Ventilación HVCA &UA6 A48. Maxi-fusível-30a Maxifusible-30a Conj. Relé Acces. Arranque F45_ENTRADA F45_ENTRADA F24. 4.0 &LK8 A57. 0.35 S133FB 2.5 BCM A12. 1.0 0.35 Conj. Relé Acess. Part. &LK8 F152. 0.5 Di Ctrl. Motor Distr. Elétrica 05.03 09.29 Di Ctrl. Motor Distr. Eléctrica Distr. Elétrica Distr. Elétrica Relé e Interr. Part. e Igniç. Relé e Interr. Arr. y Encend. Distr. Eléctrica Distr. Eléctrica Limpador e Lavador BCM Limpiador Y lavador BCM F8_SAÍDA F15_SAÍDA F1_SAÍDA F29_SAÍDA F22_SAÍDA F29 F52_ENTRADA F53_ENTRADA F8_ENTRADA F15_ENTRADA F1_ENTRADA F29_ENTRADA F22_ENTRADA 42.35 LK8 49.12 A B F240. 2.5 F241. 2.5 F121. 51.28 FY4. 1.5 BUS_.5 40.51 F23. 4.0 F45_OUT F45 41.03 A47. 0.35 30 k72 F15. 0.5 L10L11LJ1 41.42 39.37 86 85 A69. 0.75 F15 87 BUS_.3 05.03 BUS_.1 EC BCM 39.27 F1 B C25 A B BCM 39.29 A B F22 A120A. EC EC F3 A150. A85. 6.0 XIII_2 . A96 0.35 XIII_4 41.05 S108FB 0.5 39.09 BCM 41.21 B A70. 0.75 BUS_.2 EC EC BCM 38.25 A133. 10 A86. 6.0 S113FB Di-Contr. Mot. Di-Contr. Mot. A1_P15-K18_P6 K18_P8-S114FB VII_2 BUS_6 05.07 09.38 33.51 BUS_9 . EC A133A. 10 A B A122. 4 F8 F52_SAÍDA F53_SAÍDA FA1. 07.02 2.5 Carroceria Delantera 15 A9. 0.5 37 37 A9. 0.5 2 30 F21. 0.5 2 2 F11. 0.5 5 50 w 28.14 VII_6 85 86 VII_8 VII_4 A39. 2.5 87 30 LK8 A B 32.26 33.44 XV_4 XIII_8 A45. 0.35 XIII_6 3 A113. 0.5 S149 A31/D78/W8X LK8 BUS_.4 4 BUS_8 . EC A B EC A120. 4 F71. 2.5 S118IP LK8 A38. 0.35 06.42 K26 BUS_6 . EC S126FB 28.25 S120IP FA4 . 0.5 3 3 40.10 BCM A31/D78/W8X Mazo Cond. Pnl. Instr. ACS 41.19 MU8 A83. 2.5 XIV_2 1 FA1. 0.5 A29. 1.5 XV_2 XV_8 17.41 12.41 K50 30 86 85 87 A121A. 4 A20. 0.35 35 35 A30. 0.35 A31/D78/W8X 09.05 XIV_6 A B A122A. 4 X1 B.US_7 EC F48 XV_6 A115 0.35 40.09 BCM K61 A31/D78/W8X FA5. 0.5 30 86 85 87 . 40.06 BCM FA4/FA51 . 0.5 F46 F52 BUS_6 . BUS_7 05.32 XB6. 0.35 XIV_8 MU8 26.20 ACS 07.21 06.06 08.26 FA3. 0.35 F30. 2.5 29.04 LK8 A107. 1.5 06.28 F53 A B A121. 4 06.18 07.41 08.02 06.22 XIV_4 32.06 12.38 17.38 .00 .01 .02 .03 .04 .05 .06 .07 .08 .09 .10 .11 .12 .13 .14 .15 .16 .17 .18 .19 .20 .21 .22 .23 .24 .25 .26 .27 .28 .29 .30 .31 .32 .33 .34 .35 .36 .37 .38 .39 .40 .41 .42 .43 .44 .45 .46 .47 .48 .49 .50 .51 .52 .53 .54 .55 .56 Cores dos Circuitos / Colores de los Circuitos A = Vermelho Rojo B = Amarelo Amarillo F = Preto Negro M = Branco Blanco P = Azul Azul R = Cinza Gris U = Verde Verde X = Marrom Marrón Y = Violeta Violeta Circuitos sem bitola Circuitos sin Calibre Indicada = 0,75 mm2 Senãlada = 0,75 mm2 A F A F F/A F F/A F/A A A F/A F F/A A X/B F/A A A A A A A A A A A A A F A A A F F F F F F A A A A A F/B A A A F F Carroçaria Dianteira Chicote Pnl. Instr. Mazo Conduc. Tabl. Instr. Conj. Interr. Partida e Ignição Conj. Interr. Arranque y Encendido Chicote Pnl. Instr. Carroçaria Dianteira Carroceria Delantera Distr. Elétrica Distr. Eléctrica Conj. Relé Mtr. Partida Conj. Relé Mtr. Arranque Distr. Massa Distr. Masa Carga e Partida Carga Y Arranque Di-Ctr. Mtr. Di-Ctr. Mtr. Conj. Relé ECM Conj. Relé ECM F48_SAÍDA F46_SAÍDA F48_SALIDA F46_SALIDA Maxi-fusível-30a Maxi-fusível-30a Maxifusible-30a Maxifusible-30a F48_ENTRADA F46_ENTRADA F48_ENTRADA F46_ENTRADA BATERIA_MAIS BATERIA_MÁS Distr. Elétrica-ECRB Carga e Partida Distr. Eléctrica-ECRB Carga y Arranque Distr. Massa Distr. Masa Vent. e Compress. do Arrefec. Vent. y Compres. del Resfr. F52_SALIDA F53_SALIDA F8_SALIDA F15_SALIDA F1_SAÍDA F29_SAÍDA F22_SAÍDA Maxi-fus.-30a Maxi-fus.-40a Maxifus.-30a Maxifus.-40a Mini-fus.-10 AA Mini-fus.-10 AA Mini-fus.-7.5a Mini-fusível-20a Mini-fusível-5a Minifus.-10 AA Minifus.-10 AA Minifus.-7.5a Minifusible-20a Minifusible-5a F52_ENTRADA F53_ENTRADA F8_ENTRADA F15_ENTRADA F1_ENTRADA F29_ENTRADA F22_ENTRADA Caixa ECR-Distribuição Elétrica Caja ECR-Distribución Eléctrica Pág. 04
  • 5.
    Versão / Versión:09/01/02 Diagramas Elétricos / Diagramas Eléctricos Corsa 2002 Distr. Elétrica 04.16 XXI_5 XXI_3 XVII_5 XVII_3 30 87 XIX_3 XIX_5 XXI_4 XVI_4 BCM 42.36 UA6 F16. 0.35 50 K55 Desembaçador 48.30 47.30 A81. 2.5 50 48.35 47.35 85 86 87 BUS_7 . EC F44_ENTRADA F44 K43 B 30 K45 30 86 85 87 A B F47 86 85 30 87 30 87 XVII_4 XVII_1 F32. 1.5 F F/P F41_ENTRADA F42_ENTRADA F41 B Mini-fus.-15a T96 F28. 0.75 50 53.01 55.01 T96 38.17 BCM F29. 0.75 50 53.05 55.05 86 85 K39 XVI_5 XVI_3 XXI_1 38.37 BCM . BUS_10 EC F36_ENTRADA F37_ENTRADA A B 53.40 55.40 F36 K58 86 85 F37 B XIX_4 FP1. 0.75 53.54 BUS_11 . EC F43_ENTRADA A B XIX_1 F43 53.51 55.51 55.54 XVI_1 A B F42 38.33 BCM Exterior Light 53.10 55.10 33.20 BCM XI_8 XI_2 BUS_6 . EC Maxi-fusível 30a BUS6 53.43 55.43 XI_6 XI_3 04.40 Distr. Elétrica Distr. Elétrica - ECRB .00 .01 .02 .03 .04 .05 .06 .07 .08 .09 .10 .11 .12 .13 .14 .15 .16 .17 .18 .19 .20 .21 .22 .23 .24 .25 .26 .27 .28 .29 .30 .31 .32 .33 .34 .35 .36 .37 .38 .39 .40 .41 .42 .43 .44 .45 .46 .47 .48 .49 .50 .51 .52 .53 .54 .55 .56 Cores dos Circuitos / Colores de los Circuitos A = Vermelho Rojo B = Amarelo Amarillo F = Preto Negro M = Branco Blanco P = Azul Azul R = Cinza Gris U = Verde Verde X = Marrom Marrón Y = Violeta Violeta Circuitos sem bitola Circuitos sin Calibre Indicada = 0,75 mm2 Senãlada = 0,75 mm2 F A F F Desempañador Cj.Relé Desemb.Vdo.Dir. Cj.Relé Desemp.Vent.Dcha. Distr. Eléctrica F47_SAÍDA F47_SALIDA Maxifusible 30a F47_ENTRADA F47_ENTRADA Distr. Eléctrica - ECRB Relé do Farol Relé del Faro F36_ENTRADA F37_ENTRADA Mini-fus.-10 AA Mini-fusível-10 A Minifus.-10 AA Minifusible-10 A F36_SAÍDA F37_SAÍDA F36_SALIDA F37_SALIDA Cj. Relé do FCaj.r Rolelé del Faro Mini-fus.-10 AA Mini-fus.-10 A A Minifus.-10 AA Minifus.-10 A A F43_SAÍDA F44_SAÍDA F43_SALIDA F44_SALIDA Conj. Relé Lâmp. Far. Nebl. Conj. Relé Bombilla Farol Nebl. F43_ENTRADA F44_ENTRADA F41_ENTRADA F42_ENTRADA Minifusible-15a F41_SAÍDA F41_SALIDA F42_SAÍDA F42_SALIDA Conj. Relé Lâmp. Farol Neblina Conj. Relé Bombilla Faro Neblina Mini-fusível-10 A Minifusible-10 A Distr. Eléctrica Caixa ECR-Distribuição Elétrica Caja ECR-Distribución Eléctrica Pág. 05
  • 6.
    Versão / Versión:09/01/02 Diagramas Elétricos / Diagramas Eléctricos Corsa 2002 21.53 25.53 23.53 29.14 28.17 30.07 25.50 F17. 0.5 A B B.US_4 EC 28.07 30.25 L10L11LJ1 L10L11LJ1 AP10. A/P A/P 2.5 LK8 A23. 0.5 28.04 LK8 A22. 0.5 A B B.US_1 21.48 23.48 25.48 AP11. 2.5 AP8. 2.5 L10L11LJ1 AP20. 0.35 L10L11LJ1 X_6 85 86 87 K35 30 F23 F9 EC XII_8 30 87 L10 F99. 0.75 L10 25.04 XII_6 L10 F100. 0.75 F98. 1.5 0 AP21. X_6 X_8 85 86 LK8 X_2 X_4 LK8 F5. 1.5 F50. 1.5 87 30 LK8 LK8 21.41 23.41 K20 28.19 25.41 53.30 55.30 61.29 50.24 66.36 65.36 A54. A301. 0.35 0.35 0.5 A300 . 0.5 4 4 21.50 23.50 X_8 X_4 L10L11LJ1 A900. 2.5 K34 25.03 22.03 24.03 L11/LJ1/L10 L11/LJ1/L10 F9. F55. 0.5 1.5 RF100. 0.75 86 85 XII_2 L10 XII_4 53.25 55.25 A55. 0.35 04.47 67.41 A103. 0.35 A300. 0.5 04.36 A16. 59.54 A31 F4 A130. 0.35 A5. 0.5 A B X_2 A F3 B 22.07 24.07 26.07 L10/L11/LJ1 22.04 24.04 26.04 A19. 0.35 L10 F101. 0.75 F33 A B A20. 0.35 L10/L11/LJ1 04.43 F2 59.54 F5 A B 25.02 BUS_.5 EC 04.54 LK8 BP1. 0.35 F8. 0.75 28.05 LK8 LK8 F26. F40. 0.5 0.5 B.US_2 EC 04.34 .00 .01 .02 .03 .04 .05 .06 .07 .08 .09 .10 .11 .12 .13 .14 .15 .16 .17 .18 .19 .20 .21 .22 .23 .24 .25 .26 .27 .28 .29 .30 .31 .32 .33 .34 .35 .36 .37 .38 .39 .40 .41 .42 .43 .44 .45 .46 .47 .48 .49 .50 .51 .52 .53 .54 .55 .56 Cores dos Circuitos / Colores de los Circuitos A = Vermelho Rojo B = Amarelo Amarillo F = Preto Negro M = Branco Blanco P = Azul Azul R = Cinza Gris U = Verde Verde X = Marrom Marrón Y = Violeta Violeta Circuitos sem bitola Circuitos sin Calibre Indicada = 0,75 mm2 Senãlada = 0,75 mm2 R/F F F F F B/P A/P F F F F F F F F A A/P A/P A A A A A A A A A A A A A Sist. de Comb. Ctrl. Motor Sist. de Comb. Contr. Motor Di-Ctrl. Mtr. Di-Contr. Mtr. Controle do motor Control del Motor Sistema de combustível Sistema de combustible Ilum. Ext. Pnl. de Instrum. Ilum. exter. Pnl. de Instrumentos Rádio e Inf. Diagnos. Imobilizador Radio e Inf. Diagnos. Inmobilizador Cj. Relé-Bba./Com.Part.frio Cj. Relé-Bomb./Comb.Arranq.Frio Di-Ctrl.Mtr. Di-Ctrl.Mtr. Di-Contr.Mtr . Di-Contr.Mtr . Ctrl. Mtr. F33_SAÍDA Mini-fusível-15a F33_ENTRADA Ctrl. Mtr. F33_SALIDA Minifusible-15a F33_ENTRADA Relé Inj./Comb. e Bba./Comb. Relé Inj./Comb. y Bomb./Comb. Controle Motor Control Motor Cj. Relé Bba./Comb. Cj. Relé Bomb./Comb. Di-Ctrl. Motor Controle Motor Chicote Pnl. Instr. Carroçaria Dianteira Distr. Elétr. Vidro Elétrico Vidro Elétrico Di-Contr. Motor Control Motor Mazo Con. Tabl. Instr. Carroceria Delantera Distr. Elétr. Vent. Eléctrica Vent. Eléctrica F23_SAÍDA F9_SAÍDA F2_SAÍDA F3_SAÍDA F4_SAÍDA F5_SAÍDA F23_SALIDA F9_SALIDA F2_SALIDA F3_SALIDA F4_SALIDA F5_SALIDA Mini-fusível-15a Mini-fusível-20a Mini-fusível.-7.5a Mini-fus.-7.5a Mini-fus.-5a Mini-fus.-20a Minifusible-15a Minifusible-20a Minifusible-7.5a Minifusible-7.5a Minifusible-5a Minifusible-20a F23_ENTRADA F9_ENTRADA F4_ENTRADA F5_ENTRADA F23_ENTRADA F9_ENTRADA F2_ENTRADA F3_ENTRADA F2_ENTRADA F3_ENTRADA F4_ENTRADA F5_ENTRADA Caixa ECR-Distribuição Elétrica Caja ECR-Distribución Eléctrica Pág. 06
  • 7.
    Versão / Versión:09/01/02 Diagramas Elétricos / Diagramas Eléctricos Corsa 2002 Painel de Instr. EPS Imobilizador 50.21 37.28 F5. Ilum. Ext. Rádio e Inf. F F F F F 0.5 F102. 0.5 7 7 F102. 61.32 F130. 0.35 F101. 0.5 S107IP 0.5 0.35 B F10_ENTRADA F11_ENTRADA F12_ENTRADA F13_ENTRADA F16_ENTRADA F17_ENTRADA F18_ENTRADA F20_ENTRADA F24_ENTRADA B.US_ 4 EC 57.24 58.28 18 18 A10. 0.5 A B B. US_3 65.04 66.04 W8X A400. F12 2.5 A B BCM 39.24 59.54 A3. A31 2.5 F11 B F10 A B F13 BCM 42.45 EC 60.35 CF5 F18 23 23 A13. 1.5 A B 57.29 58.29 27 27 A77. 0.75 A B B.US_2 EC 04.34 53.28 65.29 F221. 0.35 NV8 F25. 0.35 04.54 65.34 66.34 BCM 40.47 F103. F70. 0.35 UD8 F20 A B F4 A F16 BCM 39.21 A B 04.39 F17 .00 .01 .02 .03 .04 .05 .06 .07 .08 .09 .10 .11 .12 .13 .14 .15 .16 .17 .18 .19 .20 .21 .22 .23 .24 .25 .26 .27 .28 .29 .30 .31 .32 .33 .34 .35 .36 .37 .38 .39 .40 .41 .42 .43 .44 .45 .46 .47 .48 .49 .50 .51 .52 .53 .54 .55 .56 Cores dos Circuitos / Colores de los Circuitos A = Vermelho Rojo B = Amarelo Amarillo F = Preto Negro M = Branco Blanco P = Azul Azul R = Cinza Gris U = Verde Verde X = Marrom Marrón Y = Violeta Violeta Circuitos sem bitola Circuitos sin Calibre Indicada = 0,75 mm2 Senãlada = 0,75 mm2 A A A A A F F F F F10_SAÍDA F10_SALIDA F11_SAÍDA F12_SAÍDA F13_SAÍDA F16_SAÍDA F17_SAÍDA F18_SAÍDA F20_SAÍDA F24_SAÍDA F11_SALIDA F12_SALIDA F13_SALIDA F16_SALIDA F17_SALIDA F18_SALIDA F20_SALIDA F24_SALIDA F10_ENTRADA F11_ENTRADA F12_ENTRADA F13_ENTRADA F16_ENTRADA F17_ENTRADA F18_ENTRADA F20_ENTRADA F24_ENTRADA Luzes Internas Rádio e Inf. Motorista Vidro Elétrico Iluminação Interna Teto Solar Ilum. Ext. Radio e Inf. Tabl. de Instr. EPS Inmobilizador Ilumin. Interior Radio e Inf. Conductor Vent. Eléctrica Iluminación Interior Techo Solar Chicote Carroçaria LE Chicote Carroçaria Tras. LE Chicote Pnl. Instrumentos Chicote Carroçaria Tras. LE Chicote Carroçaria LD Chicote Carroçaria LD Carroçaria Dianteira Chicote Carroçaria Diant. Mazo Cond. Carroceria LI Mazo Cond. Carroceria LD Mazo Cond. Carroc. Tras. LI Mazo Cond. Carroceria LD Mazo Cond. Tabl. Instrumentos Carroceria Delantera Mazo Cond. Carroceria Tras. LI Mazo Cond. Carroceria Delantera Mini-fus.-10 AA Mini-fus.-15a Mini-fusível-20a Mini-fusível-20a Mini-fus.-20a Mini-fus.-20a Mini-fusível-20a Mini-fusível-10 AA Mini-fusível-5a Minifusible-10 A Minifusible-15a Minifusible-20a Minifusible-20a Minifusible-20a Minifusible-20a Minifusible-20a Minifusible-10 A Minifusible-5a Caixa ECR-Distribuição Elétrica Caja ECR-Distribución Eléctrica Pág. 07
  • 8.
    Versão / Versión:09/01/02 Diagramas Elétricos / Diagramas Eléctricos Corsa 2002 ACS 31.26 59.54 A31 F27_SALIDA F28_SALIDA F30_SALIDA F31_SALIDA F32_SALIDA F27 F19. 0.5 A Minifusible-10 A Minifusible-10 A Minifusible-15a Minifusible-10 A Minifusible-20a Minifusible-15a Minifusible-5a B 54.05 56.05 20.22 F75/F76. 0.75 BCM 42.04 F25_SALIDA A A 56.13 54.13 F18/F180. 0.75 Mini-fusível-10 A B B B.US_4 F25 MU8 F181. 0.75 29.23 F53. 0.5 LK8 BCM 41.07 Mini-fusível-15a Mini-fusível-10 A A Mini-fusível-20a Mini-fusível-15a Mini-fusível-5a B F270. 1.0 F28 A B F26_SALIDA Mini-fusível-10 A BCM 42.07 MU8 F350. 0.35 F/B F/B F 29 29 27.47 LK8 F281. F/B F/B F F F F 0.5 36.14 F271. 0.5 EC 04.54 34.15 C60 F31 F70. 1.0 A B ABS 36.29 JM4 F45. 0.5 43.44 AK5 FB120. 0.5 36.21 F32 -JM4-MU8 F30. 0.5 3 3 F3. 0.5 F52. 0.75 A B 10 10 AK5 FB2. 0.5 F30 BUS_.5 EC 04.47 MU8 F350. 0.35 .00 .01 .02 .03 .04 .05 .06 .07 .08 .09 .10 .11 .12 .13 .14 .15 .16 .17 .18 .19 .20 .21 .22 .23 .24 .25 .26 .27 .28 .29 .30 .31 .32 .33 .34 .35 .36 .37 .38 .39 .40 .41 .42 .43 .44 .45 .46 .47 .48 .49 .50 .51 .52 .53 .54 .55 .56 Cores dos Circuitos / Colores de los Circuitos A = Vermelho Rojo B = Amarelo Amarillo F = Preto Negro M = Branco Blanco P = Azul Azul R = Cinza Gris U = Verde Verde X = Marrom Marrón Y = Violeta Violeta Circuitos sem bitola Circuitos sin Calibre Indicada = 0,75 mm2 Senãlada = 0,75 mm2 F F F F F F F F Proteção dos Ocupantes Di-Ctrl. Mtr. Chic. Pnl. Instr. Carroç. Diant. Injeção Carroç. Diant. Ilum. Externa Ilum. Externa Acend. Cigarros Di-Ctrl. Mtr. Vidro Elétrico Vent. Arrefec. e Comps. Protección de los Ocupantes Di-Contr. Mtr. Mazo Tabl. Ins. Carroc. Del. Inyección Carroc. Del. Ilum. Exterior Ilum. Exterior Encend. Cigarillos Di-Ctrl. Mtr. Vent. Eléctrica Vent. Refrig. Y Componts. F25_SAÍDA F26_SAÍDA F27_SAÍDA F28_SAÍDA F30_SAÍDA F31_SAÍDA F32_SAÍDA F25_ENTRADA F26_ENTRADA F27_ENTRADA F28_ENTRADA F30_ENTRADA F31_ENTRADA F32_ENTRADA F25_ENTRADA F26_ENTRADA F27_ENTRADA F28_ENTRADA F30_ENTRADA F31_ENTRADA F32_ENTRADA Caixa ECR-Distribuição Elétrica Caja ECR-Distribución Eléctrica Pág. 08
  • 9.
    Versão / Versión:09/01/02 Diagramas Elétricos / Diagramas Eléctricos Corsa 2002 ABS 36.33 JM4 A290. F35_SAÍDA F39_SAÍDA F34_SAÍDA F49_SAÍDA F50_SAÍDA F51_SAÍDA F35_SALIDA Mini-fusível-5a Mini-fusível-5a Mini-fusível-5a Mini-fusível-30a Maxi-fusível 50a Maxi-fusível 40a Maxi-fusível 40a Minifusible-5a Minifusible-5a Minifusible-5a Minifusible-30a Maxifusible-50a Maxifusible-40a Maxifusible-40a CF5-D78-W8X 65.01 66.01 W8X 60.36 4 4 CF5D78W8X A26. D78 21 21 A31. 0.35 A B A114. 0.35 F35 64.28 A48. 0.35 0.35 A25. 0.35 A24. 0.35 CF5D78W8X 36.31 53.46 55.46 54.01 56.01 RF4. 0.5 4.0 JM4 A230. 4.0 A250. 6.0 JM4 29.39 F151. LK8 2.5 F38 F34 A B 04.51 A B BUS_6 . EC 04.19 31.18 A270. 4.0 A B F50 JM4 F51 ACS 53.48 55.48 A B F39 F49 EPS 37.20 A B AM142. AM143. 0.75 0.75 AM140. 1.5 BCM 38.23 A B 04.07 27.54 A104. 6.0 LK8 .00 .01 .02 .03 .04 .05 .06 .07 .08 .09 .10 .11 .12 .13 .14 .15 .16 .17 .18 .19 .20 .21 .22 .23 .24 .25 .26 .27 .28 .29 .30 .31 .32 .33 .34 .35 .36 .37 .38 .39 .40 .41 .42 .43 .44 .45 .46 .47 .48 .49 .50 .51 .52 .53 .54 .55 .56 Cores dos Circuitos / Colores de los Circuitos A = Vermelho Rojo B = Amarelo Amarillo F = Preto Negro M = Branco Blanco P = Azul Azul R = Cinza Gris U = Verde Verde X = Marrom Marrón Y = Violeta Violeta Circuitos sem bitola Circuitos sin Calibre Indicada = 0,75 mm2 Senãlada = 0,75 mm2 A A A A A A R/F A/M A/M A/M F A A A A A Teto solar Carroçaria Tras. LE Chicote Pnl. Instr. Rádio e Inf. Espelho Externo Chicote Pnl. Instr. Carroçaria Diant. Iluminação Externa Di-Ctrl. Mtr. Di-Ctrl. Mtr. Techo Solar Carroceria Tras. LE Mazo Cond. Tabl. Instr. Radio e Inf. Espejo Exterior Mazo Cond. Tabl. Instr. Carroceria Delant. Iluminación Exterior Di-Contr. Mtr. Di-Contr. Mtr. F38_SAÍDA F38_SALIDA F39_SALIDA F34_SALIDA F49_SALIDA F50_SALIDA F51_SALIDA F35_ENTRADA F35_ENTRADA F38_ENTRADA F38_ENTRADA F39_ENTRADA F39_ENTRADA F34_ENTRADA F34_ENTRADA F49_ENTRADA F49_ENTRADA F50_ENTRADA F50_ENTRADA F51_ENTRADA F51_ENTRADA ECRB-Distribuição Elétrica DISTR. ELÉTRICA ECRB-Distribuição Elétrica ECRB-Distribución Eléctrica DISTR. ELÉCTRICA ECRB-Distribución Eléctrica Caixa ECR-Distribuição Elétrica Caja ECR-Distribución Eléctrica Pág. 09
  • 10.
    Versão / Versión:09/01/02 Diagramas Elétricos / Diagramas Eléctricos Corsa 2002 Arranque y Carga Masa_Motor Parafuso Massa Massa_Carroçaria NotchBack EPS 37.13 X8 X1. HVAC 49.27 X122. X40. X101. .00 .01 .02 .03 .04 .05 .06 .07 .08 .09 .10 .11 .12 .13 .14 .15 .16 .17 .18 .19 .20 .21 .22 .23 .24 .25 .26 .27 .28 .29 .30 .31 .32 .33 .34 .35 .36 .37 .38 .39 .40 .41 .42 .43 .44 .45 .46 .47 .48 .49 .50 .51 .52 .53 .54 .55 .56 X Y X120. 0.5 AK5 X54. 0.35 66.27 6 NV8 X100. A B . BCM 42.31 UD8 0.35 A B X11. BN 1.0 1.5 A B X Y X200. 0.35 X Y 66.28 X241. 4.0 X Y 35.22 0.35 38.12 X Y 55.25 BCM 32.25 A B X Y 2.5 43.48 A B W8X 0.35 A B 50.24 A B 32.20 Cores dos Circuitos / Colores de los Circuitos A = Vermelho Rojo B = Amarelo Amarillo F = Preto Negro M = Branco Blanco P = Azul Azul R = Cinza Gris U = Verde Verde X = Marrom Marrón Y = Violeta Violeta Circuitos sem bitola Circuitos sin Calibre Indicada = 0,75 mm2 Senãlada = 0,75 mm2 X X X X X X X X X X Partida e Carga Massa_Motor Terminal Circular Terminal Circular Tornillo Masa Partida e Carga Rádio e Informações Proteção dos Ocupantes Arranque y Carga Radio e Informaciones Protección de los Ocupantes Conj. Instr. Rádio e Inf. Ilum. Ext. Buzina Conj. Instr. Radio e Inf. Ilum. Exter. Bocina Masa_Carroceria Terminal Circular Terminal Circular Terminal Circular Terminal Circular Terminal Circular Terminal Circular Terminal Circular Terminal Circular Terminal Circular Terminal Circular Terminal Circular Terminal Circular Prisioneiro Massa Prisioneiro Massa Prisioneiro Massa Prisioneiro Massa Prisionero Masa Prisionero Masa Prisionero Masa Prisionero Masa Prisioneiro Massa Prisioneiro Massa Prisionero Masa Prisionero Masa Distribuição da Massa Distribución de la Masa Pág. 10
  • 11.
    Versão / Versión:09/01/02 Diagramas Elétricos / Diagramas Eléctricos Corsa 2002 59.32 A31 X7 1.0 20 20 A31 X13 1.0 59.05 A31 X12. 0.5 67.12 25.22 55.19 44.29 58.49 44.19 BCM 39.31 39.45 39.06 39.16 X15. AU0 0.35 X203. X301. 1.5 X114. 0.5 59.34 59.33 A31 A31 X27. 2.5 A31 59.31 X81 X91 2.5 X303. 6.0 AU0 AU0 X201. 1.5 AU0 1.5 44.02 AU0A31D78 AU0-A31-D78 X7 1.0 0.75 20 20 A31 X2 67.14 X4. 1.0 UA6 A90 X3. 0.5 X19. 0.75 A B X Y HVAC 49.33 A31 X24. 4.0 59.17 A31 A31 X14 0.5 X304. 2.5 54.36 A31 X28. 2.5 X7. 0.35 AU0A31D78 64.08 D78 X50 X100 0.35 0.75 A31 2.5 A X Y B 61.16 X130. 0.5 AU0 X202. 1.5 X6. 2.5 AU0 .04 .05 .06 .07 .08 .09 .11 .24 .26 .27 .28 .29 .30 .31 .33 .34 .35 .36 .37 .38 .39 .40 .41 .44 .45 .46 .47 .48 .49 XN5 X71. 0.5 NotchBack 59.20 44.04 A31 X900 0.5 1.0 X115. 0.35 X101 .00 .01 .02 .03 .10 .12 .13 .14 .15 .16 .17 .18 .19 .20 .21 .22 .23 .25 .32 .42 .43 .50 .51 .52 .53 .54 .55 .56 Distribuição da Massa Cores dos Circuitos / Colores de los Circuitos Pág. 11 A = Vermelho Rojo B = Amarelo Amarillo F = Preto Negro M = Branco Blanco P = Azul Azul R = Cinza Gris U = Verde Verde X = Marrom Marrón Y = Violeta Violeta Circuitos sem bitola Circuitos sin Calibre Indicada = 0,75 mm2 Senãlada = 0,75 mm2 X X X X X X X X X X X X X X X X X X X X X X X X X X X X X X X Ilum. Int. Trava Pta. Diagnóst. Ilum. Ext. Trava Pta. Imobilizad. Acend. Cig. Vidro Elétrico Espelhos Ext. Trava Pta. Vdo. Elétr. Trava Pta. Chicote Pta. Acompanh. Chicote Pnl. Instr. Chic. Pta. Motorista Chicote Pnl. Instr. Vidro Elétrico Terminal Circular Terminal Circular Prisioneiro Massa Prisioneiro Massa Terminal Circular Terminal Circular Prisionero Masa Prisionero Masa Ilum. Int. Traba Pta. Diagnosis. Ilum. Ext. Traba Pta. Inmobilazad. Encend. Cig. Vent. Eléctrica Ventana Eléctrica Espejos Exter. Traba Pta. Vdo. Elétr. Traba Pta. Mazo. Pta. Conduct. Mazo Cond. Tbl. Instr. Mazo Cond. Pta. acompañ. Mazo Cond. Tbl. Instr. Distribución de la Masa Trava Porta Trava Puerta
  • 12.
    Versão / Versión:09/01/02 Diagramas Elétricos / Diagramas Eléctricos Corsa 2002 ABS X202. 4.0 NotchBack JM4 27.53 Di-Contr. Mtr. Iluminación Exterior Bocina Sist. de Combust. Limp. y Lavaparabrisas 55.10 ABS/VSS ATWS 36.20 04.04 62.07 X6. 0.5 ATWS 62.49 LK8 X47. X4. 0.5 0.35 55.00 55.48 55.51 LK8/MU8-JM4 X8. 0.5 X2 2.5 TR6 TR6 X48. 0.5 X101. . X58. T96 X100. 0.75 0.5 X42. 0.75 30.07 X90. 0.75 UA6 X214. 0.75 41.16 . S04 . S02 UA6 X503. X17. X3. 29.03 55.07 X107. X38. X110. 1.5 A X404/X403. X11. Prisioneiro Massa .00 .01 .02 .03 .04 .05 .06 .07 .08 .09 .10 .11 .12 .13 .14 .15 .16 .17 .18 .19 .20 .21 .22 .23 .24 .25 .26 .27 .28 .29 .30 .31 .32 .33 .34 .35 .36 .37 .38 .39 .40 .41 .42 .43 .44 .45 .46 .47 .48 .49 .50 .51 .52 .53 .54 .55 .56 ABS/VSS 36.45 . S01 0.35 04.29 0.35 . S03 0.35 0.35 A B X Y 52.08 36.31 36.36 36.41 46.30 L10/L11/LJ1-JM4-MU8 41.11 BCM 0.75 X16. 0.5 X18. 0.5 JM4 0.5 X213. 0.75 0.35 1.5 LK8 55.07 ABS/VSS 36.23 X1. 1.0 1.0 X12. 2.5 X Y B 35.33 4.0 0.75 36.52 2.5 Cores dos Circuitos / Colores de los Circuitos A = Vermelho Rojo B = Amarelo Amarillo F = Preto Negro M = Branco Blanco P = Azul Azul R = Cinza Gris U = Verde Verde X = Marrom Marrón Y = Violeta Violeta Circuitos sem bitola Circuitos sin Calibre Indicada = 0,75 mm2 Senãlada = 0,75 mm2 X X X X X X X X X X X X X X X X X X X X X X X X X X Di-ctrl. Mtr. Iluminação Externa Buzina Sist. de Combust. Limpador e Lavador Di-Ctr. Mtr. ECRB-Dist. Eletr. Boost. do freio Terminal Circular Terminal Circular Terminal Circular Terminal Circular Prisionero a Masa Prisionero a Masa Prisioneiro Massa Di-Ctr. Mtr. ECRB-Distr. Eléctr. Boost. Freno Distribuição da Massa Distribución de la Masa Pág. 12
  • 13.
    Versão / Versión:09/01/02 Diagramas Elétricos / Diagramas Eléctricos Corsa 2002 NotchBack Iluminación Exterior Ilum. Interior Sist. Comb. Ilum. Interior X3. 0.75 Ilum. Exterior 62.17 56.32 56.32 UA6 . B 56.51 Sun Roof CF5 . 58.24 58.34 . C87 X1 Chic. Lâmp. Comp. Passag. Placa de Matrícula Mazo cond. Luz. Compart. Pasajeros Carroçaria Traseira LE Carroceria Trasera LI Carroceria Trasera LI C87 . Ilum. Exterior X27. X1. 1.0 3 CF5 . 56.06 X1. 2.5 X2. X1 X200. ABS/VSS 36.55 X13 L10 X100 X150. JM4 0.75 X131 CE1/CF5 X10 X10 Placa de licença Carroçaria Traseira LE Chic. Tqe. Comb. Mazo Cond. Tanque Comb. Chic. Carroç. Tras. LE Tampa do Porta-malas Tapa del Maletero Carroçaria LE-NB Carroceria Tras. LI-NB Mazo Cond. Carroc. Tras. LI Terminal Circular Terminal Circular Terminal Circular Terminal Circular Terminal Circular Terminal Circular .00 .01 .02 .03 .04 .05 .06 .07 .08 .09 .10 .11 .12 .13 .14 .15 .16 .17 .18 .19 .20 .21 .22 .23 .24 .25 .26 .27 .28 .29 .30 .31 .32 .33 .34 .35 .36 .37 .38 .39 .40 .41 .42 .43 .44 .45 .46 .47 .48 .49 .50 .51 .52 .53 .54 .55 .56 60.27 X700 1.5 1.5 X19 . 0.5 0.5 56.45 B B X127. 1.5 56.47 30.30 30.41 2 3 2 0.5 X301 0.75 X760 A B ACS 31.16 X Y 0.75 . 0.75 1.5 X Y X Y X10. 4.0 MU8 0.75 . 1.5 2.5 . A B B ATWS . 0.75 . 1.5 X223 60.18 A B UA6 . X13 0.75 . 1.0 X15 UA6 0.35 L11 . . X1 1.5 Distribuição da Massa Cores dos Circuitos / Colores de los Circuitos Pág. 13 A = Vermelho Rojo B = Amarelo Amarillo F = Preto Negro M = Branco Blanco P = Azul Azul R = Cinza Gris U = Verde Verde X = Marrom Marrón Y = Violeta Violeta Circuitos sem bitola Circuitos sin Calibre Indicada = 0,75 mm2 Senãlada = 0,75 mm2 X X X X X X X X X X X X X X X X X X X X X X X X Ilum. Externa Iluminação Externa Ilum. Interna Sist. Comb. Ilum. Interna Ilum. Externa Prisioneiro Massa Prisioneiro Massa Prisioneiro Massa Prisionero masa Prisionero masa Prisionero masa Distribución de la Masa
  • 14.
    Versão / Versión:09/01/02 Diagramas Elétricos / Diagramas Eléctricos Corsa 2002 Desemb. Tras. Di-Ctrl. Mtr. Controle do motor Controle do motor Di-Ctrl. Mtr. Controle do motor Desemp. Tras. Di-Contr. Mtr. Control del Motor Control del Motor Di-Contr. Mtr. Control del Motor 21.27 23.27 21.01 23.01 25.01 X101. 0.75 29.23 29.26 29.03 48.29 29.39 X25. 2.5 X106. A 22.01 S1. Terminal Circular Terminal Circular Terminal Circular Terminal Circular Terminal Circular A Terminal Circular 29.05 29.07 X56. LK8 LK8 X2. X3. X1 A NotchBack .00 .01 .02 .03 .04 .05 .06 .07 .08 .09 .10 .11 .12 .13 .14 .15 .16 .17 .18 .19 .20 .21 .22 .23 .24 .25 .26 .27 .28 .29 .30 .31 .32 .33 .34 .35 .36 .37 .38 .40 .41 .42 .43 .44 .45 .46 .47 .48 .49 .50 .51 .52 .53 .54 .55 .56 .39 A B 25.27 X Y X5. LK8 1.0 A B X Y Y B LK8 2.5 X 26.01 L10/L11/LJ1 4 X Y B 24.01 A B X Y X39. 0.5 LK8 LK8 0.5 LK8 X4. 1.0 X57. 0.5 LK8 0.5 0.5 28.19 1.5 28.05 Y B LK8 X GND_ECM Cores dos Circuitos / Colores de los Circuitos A = Vermelho Rojo B = Amarelo Amarillo F = Preto Negro M = Branco Blanco P = Azul Azul R = Cinza Gris U = Verde Verde X = Marrom Marrón Y = Violeta Violeta Circuitos sem bitola Circuitos sin Calibre Indicada = 0,75 mm2 Senãlada = 0,75 mm2 X X X X X X X X X X X Terminal Circular Terminal Circular Terminal Circular Terminal Circular Terminal Circular Terminal Circular Prisioneiro Massa Prisioneiro Massa Prisioneiro Massa Prisioneiro Massa Prisioneiro Massa Prisioneiro Massa Prisionero masa Prisionero masa Prisionero masa Prisionero masa Prisionero masa Prisionero masa Distribuição da Massa Distribución de la Masa Pág. 14 SEM COR SIN-COLOR
  • 15.
    Versão / Versión:09/01/02 Diagramas Elétricos / Diagramas Eléctricos Corsa 2002 32.2 A Terminal Circular 32.25 B A X Y B BODY_GND HATCHBACK EPS 37.13 65.28 X40. 2.5 W8X 65.27 53.25 35.22 X122. X54. 0.35 0.35 BCM 42.31 X1 . 1.5 43.48 HVAC 49.27 X241. 4.0 A X Y A B X120. AK5 0.5 A X Y BCM 38.12 B X Y X100. NV8 6 50.24 X200. 0.35 B X101. 0.35 UD8 X8. 0.35 X11. 1.0 A X Y B A X Y B .00 .01 .02 .03 .04 .05 .06 .07 .08 .09 .10 .11 .12 .13 .14 .15 .16 .17 .18 .19 .20 .21 .22 .23 .24 .25 .26 .27 .28 .29 .30 .31 .32 .33 .34 .35 .36 .37 .38 .39 .40 .41 .42 .43 .44 .45 .46 .47 .48 .49 .50 .51 .52 .53 .54 .55 .56 Cores dos Circuitos / Colores de los Circuitos A = Vermelho Rojo B = Amarelo Amarillo F = Preto Negro M = Branco Blanco P = Azul Azul R = Cinza Gris U = Verde Verde X = Marrom Marrón Y = Violeta Violeta Circuitos sem bitola Circuitos sin Calibre Indicada = 0,75 mm2 Senãlada = 0,75 mm2 X X X X X X X X X X X Partida e Carga Arranque Y Carga Massa_Motor Masa_Motor Terminal Circular Parafuso Massa Tornillo Masa Partida e Carga Arranque Y Carga Rádio e Inf. Protec. dos Ocupantes Cj. dos Instr. Rádio e Inf. Ilum. Ext. Buzina Cj. Instrm. Radio e Inf. Ilum. Extr. Bocina Radio e Inf. Protección de los Ocupantes Terminal Circular Terminal Circular Terminal Circular Terminal Circular Terminal Circular Terminal Circular Terminal Circular Terminal Circular Terminal Circular Terminal Circular Terminal Circular Terminal Circular Prisioneiro Massa Prisioneiro Massa Prisioneiro Massa Prisioneiro Massa Prisioneiro Massa Prisioneiro Massa Prisionero a Masa Prisionero a Masa Prisionero a Masa Prisionero a Masa Prisionero a Masa Prisionero a Masa Distribuição da Massa Distribución de la Masa Pág. 15
  • 16.
    Versão / Versión:09/01/02 Diagramas Elétricos / Diagramas Eléctricos Corsa 2002 57.49 XN5 HATCHBACK 59.32 64.08 A31 X A31 X13 59.31 59.33 HVAC 49.33 A31 X24. 4.0 X12 59.17 A31 Chicote Pta. Acompanhante Mazo Cond. Pta. Acompañante Chicote Pnl. Instr. Mazo Cond. Tab. Instr. X14 0.5 X304. 2.5 20 A31 X A31 A31 X91 A31 X81 A31 X15. PWR WIN A31 X900 X130 AU0 X203. Ilum. Externa UA6 X3. D78 AU0A31D78 X50 X19. A AU0A31D78 X7 S112IP S105IP A AU0 X201 .00 .01 .02 .03 .04 .05 .06 .07 .08 .09 .10 .11 .12 .13 .14 .15 .16 .17 .18 .19 .20 .21 .22 .23 .24 .25 .26 .27 .28 .29 .30 .31 .32 .33 .34 .35 .36 .37 .38 .39 .40 .41 .42 .43 .44 .45 .46 .47 .48 .49 .50 .51 .52 .53 .54 .55 .56 20 X7 1.0 39.16 20 X28. 2.5 X27. 2.5 2.5 2.5 . AU0 0.35 0.5 AU0 67.14 X301. 1.5 67.12 BCM 39.31 45.02 0.5 0.5 59.34 X114. X202. 1.5 0.5 1.5 55.19 X115. 0.35 AU0 0.5 S109IP X100 0.35 0.75 AU0-A31-D78 X101 0.75 A31 59.36 39.45 39.06 0.75 X Y B 1.0 1.0 45.04 X71. 0.5 20 45.19 59.20 X6. AU0 2.5 61.16 20.22 X4. 1.0 X303 6.0 A31 X Y B . A31 X2 1.0 59.05 . 1.5 Cores dos Circuitos / Colores de los Circuitos A = Vermelho Rojo B = Amarelo Amarillo F = Preto Negro M = Branco Blanco P = Azul Azul R = Cinza Gris U = Verde Verde X = Marrom Marrón Y = Violeta Violeta Circuitos sem bitola Circuitos sin Calibre Indicada = 0,75 mm2 Senãlada = 0,75 mm2 X X X X X X X X X X X X X X X X X X X X X X X X X X X X Ilum. Int. Diagnóstico Imobilizador Vidro Elétrico Esps. Externos Trava Pta. Trava Pta. Vidro Elétrico Terminal Circular Terminal Circular Terminal Circular Terminal Circular Prisioneiro Massa Prisionero a Masa Prisioneiro Massa Prisionero a Masa Chicote Pta. Motorista Chicote Pnl. Instr. Ilum. Interior Diagnostico Ilum. Exterior Inmobilizadr. Acend. Cig. Enc. Cig. Trava Pta. Traba Pta. Ventana Eléctrica Espejos Ext. Traba Puerta Traba Puerta Ventana Eléctrica Mazo Cond. Conductor Mazo Cond. Tab. Instr. Distribuição da Massa Distribución de la Masa Pág. 16
  • 17.
    Versão / Versión:09/01/02 Diagramas Elétricos / Diagramas Eléctricos Corsa 2002 .54 .56 ABS 36.52 JM4 X202. 4.0 29.03 X107. A B HATCHBACK 53.07 . 36.23 X16. 0.5 46.30 ABS/VSS 04.29 36.20 63.09 36.31 LK8/MU8-JM4 -MU8 0.35 X8. 0.5 L10/L11/LJ1-JM4-MU8 X6. 0.5 27.53 LK8 . X47 0.5 04.04 X4. 0.35 41.11 41.16 X17. 0.75 X12. 2.5 LK8 X404/X403. 4.0 BCM X18. 0.75 35.33 30.07 X90. 0.75 ATWS 63.49 ABS/VSS 36.41 53.48 53.07 53.00 T96 X100. 0.75 53.51 53.10 TR6 X58. 0.5 X2. 2.5 TR6 X48. 0.5 X11. 2.5 36.45 X3. 0.35 X1. 1.0 52.08 X110. 1.5 A X Y B X101. 0.75 36.36 ATWS . S02 X503. 0.5 . S03 .35 0.35 JM4 . S01 0.35 X42. 0.75 S109FB 1.5 S04 UA6 X213. 0.5 UA6 X214. 0.75 X38. 1.0 X Y .00 .01 .02 .03 .04 .05 .06 .07 .08 .09 .10 .11 .12 .13 .14 .15 .16 .17 .18 .19 .20 .21 .22 .23 .24 .25 .26 .27 .28 .29 .30 .31 .32 .33 .34 .35 .36 .37 .38 .39 .40 .41 .42 .43 .44 .45 .46 .47 .48 .49 .50 .51 .52 .53 .55 Cores dos Circuitos / Colores de los Circuitos A = Vermelho Rojo B = Amarelo Amarillo F = Preto Negro M = Branco Blanco P = Azul Azul R = Cinza Gris U = Verde Verde X = Marrom Marrón Y = Violeta Violeta Circuitos sem bitola Circuitos sin Calibre Indicada = 0,75 mm2 Senãlada = 0,75 mm2 X X X X X X X X X X X X X X X X X X X X X X X X X X Di-Ctrl. Mtr. Iluminação Ext. Buzina Sist. de Combust. Limp. e Lavador Di-Ctrl. Mtr. Dist. Elétr.-ECRB Boost. do Freio ABS/VSS Terminal Circular Terminal Circular Terminal Circular Terminal Circular Prisionero a Masa Prisionero a Masa Prisioneiro Massa Prisioneiro Massa Di-Contr. Mtr. Iluminación Exterior Bocina Sist. de Combust. Limp. y Lavador Di-Contr. Mtr. Distr. Eléctr.-ECRB Boos. del freno ABS/VSS Distribuição da Massa Distribución de la Masa Pág. 17
  • 18.
    Versão / Versión:09/01/02 Diagramas Elétricos / Diagramas Eléctricos Corsa 2002 57.22 . C87 0.5 X1 t 3 X C87 . X301 0.75 54.05 X1. X27. 2.5 60.18 30.30 A B 60.27 CF5 . X700 1.5 X Y 57.33 X19. 0.5 30.41 L11 . . L10 X1 X100 1.5 1.5 Mazo Cond. Tanque Comb. S105RB 54.54 T79 X4. 54.47 X3. X2. 0.75 0.75 0.75 3 CE1/CF5 . X10 1.0 X127. 1.5 X1. 1.0 B CF5 X760. 0.5 2 X223 2 . 1.5 B X13 0.75 54.39 1.5 X200. 1.5 .28 .30 .31 .32 .33 .35 .36 .38 .39 .41 .54 .56 ACS 31.16 X10. 4.0 A B X Y MU8 HATCHBACK Demp. Tras. 47.29 B 54.50 Y X A X51 . 0.5 54.24 . Limp. Y Lavador X15 0.75 51.26 C25 X11. 1.5 X25. 2.5 ABS/VSS 36.55 X150. JM4 2.5 A B X Y 45.23 X48 . 2.5 1 1 UA6 X10. 0.75 . X130. 2.5 Tapa Trasera .00 .01 .02 .03 .04 .05 .06 .07 .08 .09 .10 .11 .12 .13 .14 .15 .16 .17 .18 .19 .20 .21 .22 .23 .24 .25 .26 .27 .29 .34 .37 .40 .42 .43 .44 .45 .46 .47 .48 .49 .50 .51 .52 .53 .55 Cores dos Circuitos / Colores de los Circuitos A = Vermelho Rojo B = Amarelo Amarillo F = Preto Negro M = Branco Blanco P = Azul Azul R = Cinza Gris U = Verde Verde X = Marrom Marrón Y = Violeta Violeta Circuitos sem bitola Circuitos sin Calibre Indicada = 0,75 mm2 Senãlada = 0,75 mm2 X X X X X X X X X X X X X X X X X X X X X X X X X X Prisioneiro Massa Prisionero a Masa Terminal Circular Terminal Circular Limp. e Lavdr. Demb. Tras. Ilum. Ext. Trava Ptas. Ilum. Exterior Traba Puertas Ilum. Externa Ilum. Exterior Ilum. Interna Sist. Comb. Ilum. Interna Teto Solar Ilum. Interior Sist. Comb. Ilum. Interior Techo Solar Placa Licen. e Desem. Tras. Chic. Luz Comp. Passag. Carroçaria tras. LE Carroç. Tras. LE Placa Matrícl. y desemp. Tras. Carroceria Tras. LI Mazo Cond. Luz Comp. Pasaj. Carroceria Tras. LI Chic. Tqe. Comb. Chic. Carroç. Tras. LE Mazo Cond. Carroc. Tras. LI Tampa Traseira Carroçaria Traseira Esquerda Carroceria Trasera LI Ilum. Externa Ilum. Exterior Terminal Circular Terminal Circular Terminal Circular Terminal Circular Terminal Circular Prisioneiro Massa Prisioneiro Massa Terminal Circular Prisioneiro Massa Prisionero a Masa Prisionero a Masa Prisionero a Masa Distribuição da Massa Distribución de la Masa Pág. 18
  • 19.
    Versão / Versión:09/01/02 Diagramas Elétricos / Diagramas Eléctricos Corsa 2002 HATCHBACK 29.23 29.26 29.07 28.05 LK8 LK8 X2. X5. 0.5 1.0 29.03 29.05 LK8 28.19 LK8 LK8 X57. 0.5 LK8 21.27 23.27 25.27 A X Y B X1 1.5 A X Y LK8 X4. 1.0 X39. 0.5 X56. 0.5 21.01 23.01 25.01 X101. 0.75 22.01 24.01 26.01 GND_ECM L10/L11/LJ1 S1. 4 A X Y B X3. 0.5 A B B LK8 X Y .00 .01 .02 .03 .04 .05 .06 .07 .08 .09 .10 .11 .12 .13 .14 .15 .16 .17 .18 .19 .20 .21 .22 .23 .24 .25 .26 .27 .28 .29 .30 .31 .32 .33 .34 .35 .36 .37 .38 .39 .40 .41 .42 .43 .44 .45 .46 .47 .48 .49 .50 .51 .52 .53 .54 .55 .56 Cores dos Circuitos / Colores de los Circuitos A = Vermelho Rojo B = Amarelo Amarillo F = Preto Negro M = Branco Blanco P = Azul Azul R = Cinza Gris U = Verde Verde X = Marrom Marrón Y = Violeta Violeta Circuitos sem bitola Circuitos sin Calibre Indicada = 0,75 mm2 Senãlada = 0,75 mm2 X X X X X X X X X Ctrl. Motor Contr. Motor Ctrl. Motor Contr. Motor Di-Ctrl. Mtr. Di-Contr. Mtr. Ctrl. Motor Contr. Motor Terminal Circular Terminal Circular Terminal Circular Terminal Circular Terminal Circular Terminal Circular Terminal Circular Terminal Circular Prisioneiro Massa Prisioneiro Massa Prisioneiro Massa Prisionero a Masa Prisionero a Masa Prisionero a Masa Prisioneiro Massa Prisionero a Masa Distribuição da Massa Distribución de la Masa Pág. 19 SEM COR SIN-COLOR
  • 20.
    Versão / Versión:09/01/02 Diagramas Elétricos / Diagramas Eléctricos Corsa 2002 Iluminação Interna Distribuição Elétrica Ilumin. Interior Distribución Eléctrica 57.48 58.49 XN5 E28 BCM 41.33 A 08.12 F28. 17 0.5 17 F74. 1.0 A B Mazo Cond. Tbl. Instrumentos 11.16 16.16 Carroçaria Dianteira Chicote Pnl. Instrumentos Carroceria Delantera R1 .00 .01 .02 .03 .04 .05 .06 .07 .08 .09 .10 .11 .12 .13 .14 .15 .16 .17 .18 .19 .20 .21 .22 .23 .24 .25 .26 .27 .28 .29 .30 .31 .32 .33 .34 .35 .36 .37 .38 .39 .40 .41 .42 .43 .44 .45 .46 .47 .48 .49 .50 .51 .52 .53 .54 .55 .56 Cores dos Circuitos / Colores de los Circuitos A = Vermelho Rojo B = Amarelo Amarillo F = Preto Negro M = Branco Blanco P = Azul Azul R = Cinza Gris U = Verde Verde X = Marrom Marrón Y = Violeta Violeta Circuitos sem bitola Circuitos sin Calibre Indicada = 0,75 mm2 Senãlada = 0,75 mm2 F F Cj. Acend. Cigarros Luz-Acend. Cigarros Cj. Enc. Cigarillos Luz-Enc. Cigarillos Distr. Massa Distr. Masa Acendedor de Cigarros Encendedor de Cigarrillos Pág. 20
  • 21.
    Versão / Versión:09/01/02 Diagramas Elétricos / Diagramas Eléctricos Corsa 2002 K16 S120FB L2C B Válv. Inj. 001 Válv. Inyec. 001 Válv. Inyec. 001 Válv. Inyec. 001 A B B Válv. Inj. 001 Válv. Inj. 001 XU14. B XA11. L11 XF13. 0.5 AP15. B XA15. AP6. Carroceria Delantera Válv. Inj. 001 Válv. Inyec. 001 J1-5 J1-9 J1-8 J2-26 M8. 0.35 ACS L11MU8 31.19 6 L11 AP14. 0.5 L11 FP2. CIL3. A 61.22 AP12. XM12. L11 0.5 Inyección CIL1. J1-22 XA4. X18. L11 FU2. CIL2. 40.29 14.18 L11 S18. DEFLETOR DEFLECTOR S18. F55. L11 L11 CIL4. DEFLETOR DEFLECTOR Distr. Eletr. .00 .01 .02 .03 .04 .05 .06 .07 .08 .09 .10 .11 .12 .13 .14 .15 .16 .17 .18 .19 .20 .21 .22 .23 .24 .25 .26 .27 .28 .29 .30 .31 .32 .33 .34 .35 .36 .37 .38 .39 .40 .41 .42 .43 .44 .45 .46 .47 .48 .49 .50 .51 .52 .53 .54 .55 .56 06.17 L11 0.0 0.5 14.10 19.10 L11 J2-32 J2-27 J2-28 J2-30 J2-6 J2-15 J1-6 J2-14 J1-11 J1-12 J1-21 J1-17 A84 J1-1 L2D A L11 0.35 L11MU8 L2B A 31.56 0.75 0.35 L11 0.5 B C P1 P4 P2 P3 A T1 A S18 34.26 40.27 L11 0.0 4 33.08 L11 0.75 L11 0.0 55 L2A A B30 3 2 1 BCM 19.18 61.28 5 L11 0.5 U8. 0.35 A S104INJ 5 L11 0.35 50 L11 0.5 L11 0.5 1.5 06.22 4 L11 F23 06.22 06.20 L11 1.5 A L11 AP11. 0.5 A Y57 0.5 AP13. 0.5 L11 RF18. 0.5 RA18. 0.35 50 L11 0.0 Cores dos Circuitos / Colores de los Circuitos A = Vermelho Rojo B = Amarelo Amarillo F = Preto Negro M = Branco Blanco P = Azul Azul R = Cinza Gris U = Verde Verde X = Marrom Marrón Y = Violeta Violeta Circuitos sem bitola Circuitos sin Calibre Indicada = 0,75 mm2 Senãlada = 0,75 mm2 A/M X/A A/P X/A A/P X/M A/P X/F A/P X/U A/P X/A U M R/A R/F X F/U F/P F Distribuição Elétrica-ECRB Distribución Eléctrica-ECRB Cj. Sol.-Válv. Emis. Evap. Cj. Bob. Sol. Inj. Comb. Cj. Bob. Sol. Inj. Comb. Cj. Bob. Sol. Inj. Comb. Cj. Bob. Sol. Inj. Comb. Carroçaria Dianteira Injeção Cj. Sol.-Válv. Emis. Evaporativas Cj. Bob. Sol. Inyec. Comb. Cj. Bob. Sol. Inyec. Comb. Cj. Bob. Sol. Inyec. Comb. Cj. Bob. Sol. Inyec. Comb. MÓDULO ECM MÓDULO ECM Cj. Módulo Contr. Eletr. ecm_sohc_a 002 Cj. Módul. Contr. Eléctr. ecm_sohc_a 002 Distr. Massa Imobilizador Arrefecimento Distr. Massa Cj. Sens. Pos. Árv. Maniv. Distr. Masa Inmobilizador Refrigeración Distr. Masa Cj. Sensor Posic. Cigüeñal Distr. Eléctr. Cj. Bob. Ignição Cj. Bob. Encendido Vela Ignição Vela_ign.001 Bujía Encendido Buj_enc. 001 Injeção Carroçaria Diant. Carroceria Delant. Inyección Controle do Motor Control del Motor Pág. 21 R R R R
  • 22.
    Versão / Versión:09/01/02 Diagramas Elétricos / Diagramas Eléctricos Corsa 2002 S05. L11 X X X U X/P F/M 0.35 0.75 L11 X5. 0.5 B A C 1 2 3 3 3 P9. 0.75 X1. 0.75 L11 A B B39 C60L11 XM10. 0.5 6 6 B18 A C B L11 FM17. L11 FM1. 0.75 A B S05. 0.35 C60L11 X10. 0.5 D L11 XP10. 0.75 B67/B69 L11 U17. 0.75 S103INJ 4 P4. 0.5 L11 FM30. 0.5 C60L11 XM35. 0.75 Turbina C60L11 B65 FA5. 0.5 L11 L11 FM9. 0.75 J2-1 J2-22 J1-7 J1-10 L11 PU1. 0.5 A P 5V REF J1-31 J1-13 J1-14 L11 PF8. J1-27 J1-16 J1-24 J1-23 J1-28 J1-29 L11 B3. 0.5 0.75 B70 L11 X9. 0.75 002 A L11 X4. 0.5 S05 C60L11 . FM10 0.5 4 X35. 0.75 C60L11 L11 X17. 0.75 J2-17 J1-3 J2-3 J2-29 J2-7 J2-4 J2-2 J2-18 J2-19 J2-21 L11 PA6. 0.5 L11-JM4 FB43. 0.5 J2-12 J1-30 GND 36.16 36.41 ABS/VSS B82 L11 PU8. 0.75 L11 L11 U8. 0.75 14.51 19.51 06.38 C60L11 XB10. F2-OUT 67.34 0.5 L11 UM8. 0.75 C D A B 54.30 56.30 Y20 S87 L11 XM10. 0.5 33.11 33.17 54.08 56.08 06.37 F23 06.19 .00 .01 .02 .03 .04 .05 .06 .07 .08 .09 .10 .11 .12 .13 .14 .15 .16 .17 .18 .19 .20 .21 .22 .23 .24 .25 .26 .27 .28 .29 .30 .31 .32 .33 .34 .35 .36 .37 .38 .39 .40 .41 .42 .43 .44 .45 .46 .47 .48 .49 .50 .51 .52 .53 .54 .55 .56 Cores dos Circuitos / Colores de los Circuitos A = Vermelho Rojo B = Amarelo Amarillo F = Preto Negro M = Branco Blanco P = Azul Azul R = Cinza Gris U = Verde Verde X = Marrom Marrón Y = Violeta Violeta Circuitos sem bitola Circuitos sin Calibre Indicada = 0,75 mm2 Senãlada = 0,75 mm2 X X F/M X/M P F/A X X F/M F/M P X/B X/M P/A F/B B U U/M P/U P/F P/U Cj. Sens. Press. Refr. A/A Cj. sensor Temp. Refr. Motor sen_temp. 001 Cj. Sensor de Detonação Sensor MAP/MAT Cj. Sensor Pos. Afogador DEFLETOR Cj. Sens. Pres. Refr. A/A Cj. Sensor-Temp. refr. Motor sen._temp. 001 Cj. Sensor de Detonación Sensor MAP/MAT Cj. Sens. Pos. Estrangul. DEFLECTOR DEFLETOR DEFLECTOR tps 005 tps 005 Ventoinha Carroçaria Dianteira Carroceria Delantera MÓDULO ECM MÓDULO ECM Massa do ECM Masa Del ECM Distr. Massa Distr. Masa Distr. Elétrica Arrefecimento Ilum. Externa Ilum. Ext. Diagnóstico Cj. Acio.-Contr. Vel. March. Lenta Cj.-Sensor Oxigênio Cj. Interr.Indic.Pres.Óleo Motor Distr. Eléctrica Refrigeración Ilum. Exterior Ilum. Ext. Diagnostico Cj.-Sensor Oxígeno Cj. Accio.-Contr. Vel. Ralentí Cj. Interr.-Indic.Pres.Aceite Mot. Controle do Motor Control del Motor Pág. 22 F/M X/M
  • 23.
    Versão / Versión:09/01/02 Diagramas Elétricos / Diagramas Eléctricos Corsa 2002 AP15. Cj. Sol.-Valv. Vent. Emiss. Evap. Cj. Bob.-Sol.Inj.Comb. Cj. Bob.-Sol.Inj.Comb. Cj. Bob.-Sol.Inj.Comb. Cj. Bob.-Sol.Inj.Comb. Cj. Sol.-Valv. Vent. Emis. Evapor. XA110. AP130. AP140. AP6. Distribuição Elétrica-ECRB Distribución Eléctrica-ECRB válv_injetora 001 válv_injetora 001 válv_injetora 001 válv_injetora 001 Cj. Bob.-Sol.Inyec.Comb. Cj. Bob.-Sol.Inyec.Comb. Cj. Bob.-Sol.Inyec.Comb. Cj. Bob.-Sol.Inyec.Comb. válv_inyec. 001 válv_inyec. 001 válv_inyec. 001 válv_inyec. 001 Carroçaria Dianteira Carroceria Delantera Injeção Inyección J1-5 J2-26 B LJ1 FP2. F/P F/P 0.75 LJ1 0.75 C A P1 P4 P2 P3 CIL4. A 34.26 L2A A B LJ1 L2D F55. 1.5 Inyección CIL1. 0.0 A LJ1 S18 B30 L2C A B J1-9 J1-8 S18. DEFLETOR 0.35 S18. 0.35 LJ1 LJ1 LJ1 DEFLETOR 3 2 1 55 L11MU8 M8. 0.35 31.56 L11MU8 U8. 0.35 31.19 ACS 40.29 40.27 BCM L2B X18. LJ1 0.35 A B LJ1 AP120. 0.5 LJ1 A B XM120. 0.5 XU140. J1-22 .09 .24 .28 .29 .40 .42 .47 K35 S120FB 6 5 06.20 06.22 LJ1 XA4. 0.35 T1 CIL3. A XA15. CIL2. 14.10 Cj. Bobina-Ignição Cj. Bobina-Encend. .00 .01 .02 .03 .04 .05 .06 .07 .08 .10 .11 .12 .13 .14 .15 .16 .17 .18 .19 .20 .21 .22 .23 .25 .26 .27 .30 .31 .32 .33 .34 .35 .36 .37 .38 .39 .41 .43 .44 .45 .46 .48 .49 .50 .51 .52 .53 .54 .55 .56 61.28 LJ1 0.0 61.22 LJ1 AP110. 0.5 4 06.17 5 B Y57 A XF130. 0.5 LJ1 FU2. 4 A LJ1 0.5 LJ1 0.5 F23 06.22 LJ1 0.0 J2-32 J2-27 J2-28 J2-30 J2-6 J2-15 J1-6 J2-14 J1-11 J1-12 J1-21 J1-17 A4 J1-1 33.08 19.10 LJ1 0.5 LJ1 0.5 LJ1 0.0 RA18. 0.5 RF18. 0.5 LJ1 LJ1 LJ1 0.5 0.5 14.18 19.18 LJ1 1.5 Cores dos Circuitos / Colores de los Circuitos A = Vermelho Rojo B = Amarelo Amarillo F = Preto Negro M = Branco Blanco P = Azul Azul R = Cinza Gris U = Verde Verde X = Marrom Marrón Y = Violeta Violeta Circuitos sem bitola Circuitos sin Calibre Indicada = 0,75 mm2 Senãlada = 0,75 mm2 A/P X/A A/P X/A A/P X/M A/P X/M A/P X/U A/P X/A U M R/A R/F X F CIL CIL CIL CIL MÓDULO ECM MÓDULO ECM Unid. Contr.-Multec ecm_sohc_b 002 Unid. Contr.-Multec ecm_sohc_b 002 Distr. Massa Imobilizador Arrefecimento Distr. Massa Cj. Sens. Pos. Árv. Manivelas Distr. Massa Vela Ignição Distr. Masa vela_ign. 001 Inmobilizador Refrigeración Distr. Masa Cj. Sens. Pos. Cigüeñal Distr. Masa Bujía Encendido vela_ign. 001 DEFLECTOR DEFLECTOR Injeção Carroçaria Diant. Carroceria Delant. Controle Motor - 1.8 l SOHC Gasol. Control Motor - 1.8 l SOHC Gasolina Pág. 23
  • 24.
    Versão / Versión:09/01/02 Diagramas Elétricos / Diagramas Eléctricos Corsa 2002 5V REF P9. LJ1 LJ1 X X X U X/P F/M F/M P FM1. Turbina J2-1 J2-22 J1-7 PU1. P C60LJ1 XM10. 0.5 X35. X4. LJ1 XP10. J1-27 J1-24 J1-23 B3. PF8 U8. LJ1 UM8. A Y20 J2-3 J2-29 J2-7 J2-4 LJ1 FM30. FB43. B LJ1 FM9. S05. Distr. Massa 14.51 LJ1 C60Lj1 tps 005 .00 .01 .02 .03 .04 .05 .06 .07 .08 .09 .10 .11 .12 .13 .15 .16 .18 .19 .22 .23 .25 .26 .27 .28 .29 .30 .31 .32 .33 .34 .35 .36 .37 .38 .39 .40 .41 .42 .43 .44 .45 .46 .47 .48 .49 .50 .51 .52 .53 .54 .55 .56 .14 .17 .20 .21 .24 0.75 C60LJ1 B70 C D A B B18 1 2 3 S87 A LJ1 0.5 PA6. 0.5 36.16 0.75 U17 0.75 S103INJ ABS/VSS 0.5 C60LJ1 LJ1 . L11/LJ1/L10-JM4 0.5 0.75 LJ1 0.5 4 4 0.5 LJ1 L10/LJ1 0.5 P4. D A C B B82 A C B67/B69 6 33.11 LJ1 0.0 0.5 5 67.34 C60LJ1 . FM10 54.08 56.08 3 X1. 0.75 LJ1 19.51 . C60LJ1 X10. 0.5 06.37 LJ1 0.75 B B39 A B XM35. C60LJ1 B65 A 0.75 33.17 J2-17 J2-2 J2-18 J2-12 J2-19 J2-21 J1-28 J1-29 J1-3 J1-30 J1-31 J1-13 J1-14 J1-16 LJ1 J1-10 LJ1 0.75 0.75 F23 PU8. LJ1 06.19 LJ1 0.5 X17. 0.75 LJ1 0.75 X5. 0.75 36.41 3 S05. 0.0 LJ1 S05 0.5 LJ1 6 . FA5. 0.75 F2-OUT FM17 06.38 54.30 56.30 X9. 0.75 XM10. 0.5 XB10. 0.5 LJ1 0.75 Cores dos Circuitos / Colores de los Circuitos A = Vermelho Rojo B = Amarelo Amarillo F = Preto Negro M = Branco Blanco P = Azul Azul R = Cinza Gris U = Verde Verde X = Marrom Marrón Y = Violeta Violeta Circuitos sem bitola Circuitos sin Calibre Indicada = 0,75 mm2 Senãlada = 0,75 mm2 X F/M X/M X F/M X/M P F/A X X F/M X/B X/M P/A F/B B U U/M P/U P/F P/U Cj. Sensor-Press. Refr. C/A Cj. Sensor-Temp. Refrig. Motor Cj. Sensor-Detonação Sensor MAP/MAT Cj. Sensor-Pos. Afog. DEFLETOR DEFLECTOR Cj. Sensor-Pres. Refrig. A/A Cj. Sensor-Temp. Refrig. Motor Cj. Sensor-Detonación Sensor MAP/MAT Cj. Sens. Pos. Estrangul. tps 005 sens._temp. 001 sens._temp. 001 DEFLETOR DEFLECTOR Ventoinha Carroçaria Dianteira Carroceria Delantera MÓDULO ECM MÓDULO ECM MASSA MASA MASSA_ECM MASA_ECM Distr. Masa Distr. Elétrica Arrefecimento Ilum. Ext. Ilum. Ext. Diagnóstico Distr. Eléctrica Refrigeración Ilum. Ext. Il. Externa Diagnostico Cj. Sensor-Oxigênio Cj. Cntr. Ac.-Ctr. Vel. Mar. Lenta Cj. Interr.-Indic. Press. Óleo Mt Cj. Sensor-Oxígeno Cj. Cntr. ACC.-Contr. Vel. Ralent Cj. Interr.-Indic. Pres. Aceite Mt Controle Motor - 1.8 l SOHC Gasol. Control Motor - 1.8 l SOHC Gasolina Pág. 24
  • 25.
    Versão / Versión:09/01/02 Diagramas Elétricos / Diagramas Eléctricos Corsa 2002 5V REF LK8 LK8 AM51. MB50. AP50. LK8 LK8 LK8 LK8 XP70. A48 A50 A51 A4 A37 A49 A35 A36 A33 A5 A3 A20 ECM - Diesel ECM - Diesel Distr. Elétr. AM1. 04.24 LK8 BN A42 XR1. C60LK8 C60LK8 X19. X21. 0.5 C60LK8 FM100 C60LK8 0.5 C60LK8 AP7. LK8 FM180. 3 6 3 8 7 LK8 LK8 LK8 . 2 2 MU51. LK8 LK8 AP13. A147 AM9. XA35. Bico Inj. Bico Inj. Bico Inj. Bico Inj. Bico Iny. Bico Iny. Bico Iny. .00 .01 .02 .03 .04 .05 .06 .07 .08 .09 .10 .11 .12 .13 .14 .15 .16 .17 .18 .19 .20 .21 .22 .23 .24 .25 .26 .27 .28 .29 .30 .31 .32 .33 .34 .35 .36 .37 .38 .39 .40 .41 .42 .43 .44 .45 .46 .47 .48 .49 .50 .51 .52 .53 .54 .55 .56 X100. LK8 2.5 FM5. 0.5 C60LK8 0.5 50 4 6 5 B18 1 2 3 B22 2 3 1 0.35 42 40.23 12.36 17.36 40.25 BCM AP5. 0.5 0.5 LK8 0.5 LK8 39 LK8 0.5 6 6 42 36 40 LK8 F9 2.5 F13. 4.0 6 4 4 3 S130EDC XM51. LK8 0.35 LK8 0.35 LK8 LK8 1.0 A AP6. 0.5 9 A A Cont Asm-Glow Plug 2 1 41 1 XM37. 0.5 FM32. 0.5 XM100. 0.5 36 37 . 6 40 39 AM10. 0.5 0.5 3 B26 B19 A64 B10 A9 A43 A17 A84 A1 X31. LK8 08.53 LK8 0.5 XU5. XP5. 0.5 A LK8 0.5 XP50. 0.35 0.35 LK8 0.35 LK8 LK8 0.35 1 XM71. 0.35 LK8 41 X28 AP70. 0.35 MB70. 0.35 37 LK8 B69 1 5 4 2 F10. F8. 2.5 2.5 LK8 LK8 AP18. 1.0 LK8 F42. F12. 4.0 4.0 P1. 0.35 F41. 4.0 MU71. 0.35 AM71. 0.35 0.35 09.55 Y143 A B LK8 F11. 2.5 AM11. 0.5 LK8 X72. 0.5 LK8 A B Y56 A B Y38 LK8 0.5 Cores dos Circuitos / Colores de los Circuitos A = Vermelho Rojo B = Amarelo Amarillo F = Preto Negro M = Branco Blanco P = Azul Azul R = Cinza Gris U = Verde Verde X = Marrom Marrón Y = Violeta Violeta Circuitos sem bitola Circuitos sin Calibre Indicada = 0,75 mm2 Senãlada = 0,75 mm2 X X X F/M X/M F/M X/M A/P M/B X/P A/M M/U X/M A/P M/B X/P A/M M/U X/M X/P X/U F/M X/A A/P F/M A/P X A/P RD/WH A/M A/M A/P A/P A/M F F F F F F F F X/R P Cj. Sensor-Press. Refrig. C/A Ventoinha Carroç. Diant. Cj. Sensor-Pos. Pedal acel. pos_pedal 001 Cj. Sensor-Fluxo Massa Ar massa_ar 001 Chicote Carroç. Tras. LE Chicote Carroç. Diant. Distr. Elétr. Cj. Módulo-Ctr. Elétr. ecm_diesel 001 Cj. Sensor-Pres. Refrig. A/A Turbina Carroc. Delant. Cj. Sensor-Pos. Pedal Acel. Mazo Cond. carroc. Tras. LI Mazo Cond. Carroc. Delant. Cj. Sensor-Flujo Masa Aire masa_aire 001 Distr. Eléctr. Cj. Módulo-Ctr. Eléctr. pos_pedal 001 ecm_diesel 001 Distr. Eléctr. Cj. Válv. Sol. Reg. Comb. parafuso 001 Cj. Sol.-Válv. Egr gas_rec. 001 Cj. Acionador-Afogador afogador 001 Distr. Elétr. Carroç. Diant. EDC Vela Ign II Vela Ign I Vela Ign IV V Ign III vela_ign. 001 Distr. Massa Carroç. Diant. EDC Cj. Válv. Sol. Reg. Comb. Cj. Sol.-Válv. Egr Cj. Accionador-Estrangulador estrangul. 001 Distr. Eléctr. Carroc. Delant. EDC Buj. Enc. II Buj. Enc. I Buj. Enc. IV Buj. Enc. III buj_enc 001 Distr. Masa parafuso 001 gas_rec. 001 Carroc. Delant. EDC Controle do Motor - Diesel 1.7l Control del Motor - Diesel 1.7 l Pág. 27 Tempo de Injeção Tiempo de Inyección Bico Iny.
  • 26.
    Versão / Versión:09/01/02 Diagramas Elétricos / Diagramas Eléctricos Corsa 2002 EPS 32.35 ABS/VSS 36.10 33.11 33.18 33.12 JM4LK8 JM4LK8 FB203. 0.5 FB92. 0.35 S41 1 2 LK8 B22. 0.5 61.23 61.30 LK8NV8 U2. 0.35 XA8. LK8 0.5 B1 A15 A24 A52 A2 A19 A40 A12 A13 A59 A32 A54 A11 A16 A56 A39 A7 B8 LK8 LK8 PU33. 0.5 A P 04.19 LK8 XF6. 0.35 54.06 56.06 R5. 0.5 3 3 R7. 0.35 B37 B23 XP7. LK8 0.5 LK8 FB6. 0.5 B17 14.31 19.31 F14. 0.5 4 06.07 06.35 S02 . 0.35 S87 AM3. RD/WH A B P13. 0.5 LK8 34.30 B50 B49 B42 B41 B45 A B B159 06.32 AM17. 0.5 FY29. 0.5 LK8 M8 LK8 XM8. 0.5 1 2 LK8 RF24. 0.5 4 4 2 3 LK8 14.30 19.30 B30 1 B39 06.12 EDC Cj. Int. Press. Óleo Mtr. Int_óleo 001 Cj. Interr.-Pres. Aceite Mtr. Int_acite 001 ..00 .01 .02 .03 .04 .05 .06 .07 .08 .09 .10 .11 .12 .13 .14 .15 .16 .17 .18 .19 .20 .21 .22 .23 .24 .25 .26 .27 .28 .29 .30 .31 .32 .33 .34 .35 .36 .37 .38 .39 .40 .41 .42 .43 .44 .45 .46 .47 .48 .49 .50 .51 .52 .53 .54 .55 .56 Asm-Turbo Press 54.27 56.27 54.29 56.29 54.10 31.40 56.10 B160 1 2 06.12 S02 Pwr Dist LK8 0.5 50 AM2. 0.5 LK8 Cores dos Circuitos / Colores de los Circuitos A = Vermelho Rojo B = Amarelo Amarillo F = Preto Negro M = Branco Blanco P = Azul Azul R = Cinza Gris U = Verde Verde X = Marrom Marrón Y = Violeta Violeta Circuitos sem bitola Circuitos sin Calibre Indicada = 0,75 mm2 Senãlada = 0,75 mm2 F/B B X/F F/B F/B R R U X/A X/P F X/M R/F A/M A/M F/Y P P/U Cj. Sensor-Sincr. Press. Bba. Inj. Comb. Eixo_Inj 001 Distr. Elétr. Ilum. Ext. Cj. Interr.-Clu Eng Brk interr._embreagem 001 Chicote Carroçaria Tras. Chicote Carroçaria diant. Imobiliz. Arrefecimento Inmobiliz. Refrigeración Ilum. Exterior Distr. Eléctr. Cj. Interr.-Clu Eng Brk interr._embrague 001 Mazo Cond. Carroc. Tras. Mazo Cond. Carroc. Delant. Cj. Sens.-Sincr. Pres. Bomb. Inyec. Comb. eixo_inj 001 ECM - Diesel ECM - Diesel Cj. Sensor-Pos. Árv. Manivelas ár. maniv._gen 001 Carroç. Dianteira Distr. Massa Distr. Elétr. Cj. Motor-Bba. Comb. Bomba di_bba. 001 Distr. Massa Cj. Sensor-Temp. Comb. temp._comb. 003 Cj. Sensor-Temp. Refrig. Motor sens._temp. 001 Cj. Sensor-Pos. Cigüeñal cingüeñal_gen 001 EDC Carroc. Delantera Distr. Masa Cj. Motor-Bomb. Combustible di_bba. 001 Distr. Masa Cj. Sensor-Temp. Comb. temp._comb. 003 Cj. Sensor-Temp. Refrig. Motor sens._temp 001 Bomba Controle do Motor - Diesel 1.7l Control del Motor - Diesel 1.7 l Pág. 28
  • 27.
    Versão / Versión:09/01/02 Diagramas Elétricos / Diagramas Eléctricos Corsa 2002 FM53. 0.5 1 T 67.44 BCM 40.17 04.33 1 11 M 6 7 E20.1 E20.2 E20.3 E20.4 E20.5 E20.6 5 LK8 U107. 1.0 M LK8 S162 Cj. Módulo-Vent. y calefact. Auxiliar calefact._aux. 002 Cj. Interr.-Press. Aire ECM - Diesel 08.18 A84 D2 B38 B54 B55 B25 B34 B33 B61 B62 B58 B14 LK8 FM48. . 0.5 Válv. Sol.-Der. Cj. Módulo-Contr. Eléctr. bba._inyec. 001 12 3 2 1 P U LK8 R26 14.09 19.10 09.29 2 1 S045EDC LK8 B63. 0.5 B F/M B49. LK8 LK8 U28. 0.5 0.5 1 2 3 P U 20 22 25 M XU18. 0.5 B A LK8 AP11. 0.5 LK8 AP12. 1.5 1 1 06.15 1 B47. 0.5 LK8 FM46. 0.5 2 1 LK8 AP14. 1.0 14.34 19.34 17 14.38 19.38 2 4 XU107. 12.07 17.07 LK8 1.0 2 LK8 U62 0.5 M8 LK8 . PM2 1.0 14 4 7 LK8 AP10. 1.0 LK8 Cj. Accion.-Sincr.. Bba. Inyec. Comb. AP9. 1.0 A12 2 LK8 FU23. 0.5 14.44 14.40 19.40 19.44 LK8 PA25. 0.5 FM15. 0.5 LK8 Y9 LK8 14.36 19.36 A84 B150 B26 Cj. Acion.-Sincr. Bba. Inj. Comb. EDC EDC Carroç. Diant. Carroc. Delant. .00 .01 .02 .03 .04 .05 .06 .07 .08 .09 .10 .11 .12 .13 .14 .15 .16 .17 .18 .19 .20 .21 .22 .23 .24 .25 .26 .27 .28 .29 .30 .31 .32 .33 .34 .35 .36 .37 .38 .39 .40 .41 .42 .43 .44 .45 .46 .47 .48 .49 .50 .51 .52 .53 .54 .55 .56 Cores dos Circuitos / Colores de los Circuitos A = Vermelho Rojo B = Amarelo Amarillo F = Preto Negro M = Branco Blanco P = Azul Azul R = Cinza Gris U = Verde Verde X = Marrom Marrón Y = Violeta Violeta Circuitos sem bitola Circuitos sin Calibre Indicada = 0,75 mm2 Senãlada = 0,75 mm2 X/U R F/M A/P A/P A/P P/M A/P A/P F/U P/A U F/M B B U F/M Distr. Elétr. Diagnóstico Cj. Módulo-Vent. e Aquec. Aux. aquec._aux. 002 Distr. Massa Cj. Motor-Bba. AUX. Comb. bomba_combustível 001 Cj. Interr.-Press. Ar Inf. interr._temp. 001 Distr. Elétr. Distr. Elétr. Cj. Aquec.-Combust. filt._aquecto. 001 Distr. Massa Distr. Eléctr.Diagnostico Distr. Masa Cj. Motor-BGomb. AUX. Comb. bomba_combustible 001 interr._temp. 001 Distr. Eléctr. Distr. Eléctr. Cj. Calent.-Combust. filt._calento. 001 Distr. Masa Distr. Mas.Distr. Mas.Distr. Mas. Distr. Elétr. Distr. Mas. Distr. Mas.Distr. Mas. Distr. Eléctr. Válv. Sol.-Der. Cj. Módulo-Ctr. Elétr. bba._injeç. 001 Distr. Massa Distr. Massa Distr. Masa Distr. Masa Cj. Sensor-Press. Aattmmss.. 001 Cj. Sensor-Press. Turbo press. 001 Cj. Sensor-Pres. aAttmmss.. 001 Cj. Sensor-Pres. Turbo pres. 001 Controle do Motor - Diesel 1.7l Control del Motor - Diesel 1.7 l Pág. 29 X/U
  • 28.
    Versão / Versión:09/01/02 Diagramas Elétricos / Diagramas Eléctricos Corsa 2002 L10 AP100. 1.5 2 L10 . XM100 0.5 4 XM30. 0.5 2 2 21 21 L10/L11 AP9. 1.5 LK8 XM3. 0.5 3 1 1 42.36 42.33 06.25 L11 L10 PF100. 0.5 M8A Motor-Bomb. Comb.-Gasol. Mtr.-Bomb. Comb.-Alconol Cj. Sensor-Nível Comb. M M 06.02 M 5 L10/L11 XM29. M8B 3 0.5 3 L11 PF13. 0.5 22 22 PF12. 0.5 4 4 PF1. 0.5 L11 XM1. 0.5 AP1. 1.5 FB90. 0.75 L10 1 B53 XM1. 0.5 3 4 MXX 13.41 13.36 18.41 18.41 3 4 1 2 12.25 17.25 LK8 LK8 PF1. BU/BK 0.5 .00 .12 .13 .14 .15 .16 .17 .18 .19 .21 .28 .29 .30 .33 .35 .38 .39 .40 .41 .42 .43 .44 .45 .46 .47 .48 .49 .53 .01 .02 .03 .04 .05 .06 .07 .08 .09 .10 .11 .20 .22 .23 .24 .25 .26 .27 .31 .32 .34 .36 .37 .50 .51 .52 .54 .55 .56 Cores dos Circuitos / Colores de los Circuitos A = Vermelho Rojo B = Amarelo Amarillo F = Preto Negro M = Branco Blanco P = Azul Azul R = Cinza Gris U = Verde Verde X = Marrom Marrón Y = Violeta Violeta Circuitos sem bitola Circuitos sin Calibre Indicada = 0,75 mm2 Senãlada = 0,75 mm2 P/F X/M P/F X/M X/M A/P P/F X/M A/P 2 P/F X/M A/P X/M F/B Módulo de Controle da Carroçaria Módulo de Controle da Carroçaria Distribuição Elétrica Chicote Carroçaria Diant. Chicote Carroçaria Tras. LE Chicote Carroç. Tras. LE Chicote Tanque Combustível Distr. Elétr. Motor-Partida a frio Bomba 001 Distr. Massa Motor-Bba. Comb.-Gasol. Distr. Massa Mtr.-Bba. Comb.-Álcool Distr. Massa Cj. Sensor-Nível Comb. Módulo de Control de la Carroceria Módulo de Control de la Carroceria Distribución Eléctrica Mazo Cond. Carroceria Delant. Mazo Cond. Carroceria LI Mazo Cond. Carroceria Tras. LI Mazo Cond. Tanque Combustible Distr. Eléctr. Motor-Partida en Frio Bomba 001 Distr. Masa Distr. Masa Distr. Masa Sistema de Combustível (Alimentação) Sistema de Combustible (Alimentación) Pág. 30
  • 29.
    Versão / Versión:09/01/02 Diagramas Elétricos / Diagramas Eléctricos Corsa 2002 Unidad Control-Auto Clutch MU8 . AM4 0.5 45 45 MU8 04.07 36.01 36.04 MU8-JM4 PA91. 0.35 ABS 36.06 36.08 A30 MU8 XM7. 0.5 MU8 . BU1 0.0 47 46 46 MU8 . BU1 0.5 AM4. 0.5 47 MU8 XM6. 0.5 BCM BCM 42.07 09.50 40.31 ABS / VSS 36.47 F51 04.10 67.38 . 40.29 XM15 0.35 MU8 08.27 F28 46 47 45 49 58 64 63 61 48 13.03 18.03 9 9 MU8 XM71. 0.5 3 2 1 MU8-JM4 PA9. 0.5 78 79 80 68 65 66 69 67 MU8 BM1. 0.5 54 56 53 57 21.16 23.16 25.16 MU8 XM8. 0.5 MU8 BP1. 51 MU8 AM9. 0.5 81 0.5 MU8 AM8. 0.5 3 2 1 3 2 1 MU8 XM9. 0.5 23.17 21.17 25.17 Carroceria Delantera Mazo Cond. Tbl. Instr. .00 .01 .02 .03 .04 .05 .06 .07 .08 .09 .10 .11 .12 .13 .14 .15 .16 .17 .18 .19 .20 .21 .22 .23 .24 .25 .26 .27 .28 .29 .30 .31 .32 .33 .34 .35 .36 .37 .38 .39 .40 .41 .42 .43 .44 .45 .46 .47 .48 .49 .50 .51 .52 .53 .54 .55 .56 Cores dos Circuitos / Colores de los Circuitos A = Vermelho Rojo B = Amarelo Amarillo F = Preto Negro M = Branco Blanco P = Azul Azul R = Cinza Gris U = Verde Verde X = Marrom Marrón Y = Violeta Violeta Circuitos sem bitola Circuitos sin Calibre Indicada = 0,75 mm2 Senãlada = 0,75 mm2 X/M P/A P/A X/M X/M B/P A/M X/M B/M A/M X/M B/U A/M X/M B/U A/M Distr. Elétr.-ECRB Diagnóstico Chicote Pnl. Instr. Carroçaria Dianteira Distr. Eléctr.-ECRB Diagnostico Mazo Cond. Tbl. Instr. Carroceria Delantera Unidade de Controle - Auto Clutch Unidad de Control - Auto Clutch Unidade Controle-Auto Clutch Carroçaria Dianteira Chicote Pnl. Instr. Distr. Massa Controle Motor Sensor de Seleção Sensor de Engate Sensor - SIR Distr. Masa Control Motor Sensor de Selección Sensor de Enganche Sensor - SIR Sistema Auto Clutch Sistema Auto Clutch Pág. 31
  • 30.
    Versão / Versión:09/01/02 Diagramas Elétricos / Diagramas Eléctricos Corsa 2002 Opcional Bateria P/N Aplicación 19001790 L11C39 Ah 1982404 55Ah LC5/L11/L45C60 93319811 45Ah 100A 120A LC5/L11/L45C41 K73 K09 LC5C60NT1/NV8 K60 L10/L11C60N40 K09 LC5C60N40 A102/103. J1-B+ 04.12 F10. FA1. X84. MASSA_MOTOR MASSA_MOTOR 10.01 J1-POS Rueda Volante Cj. Motor de Arranque Motor Massa .00 .01 .26 .50 .54 L10/L11C60NT1/NV8 93333882 70A L10/LM1/LR6C39/C41/C60 93259928 TM6 TP4 TN6 TM5 93259930 K60 .18 .20 .21 36Ah .05 .11 .22 .23 .25 .55 100A .06 .07 .10 .15 .24 .27 .28 .29 .56 .03 1983659 54Ah 120A L10/L11C39C41 LC5C41 93387684 93387685 .02 .04 .08 .09 .12 .13 .14 .16 .17 .19 .30 .31 .32 .33 .34 .35 .36 .37 .38 .39 .41 .42 .43 .44 .45 .46 .47 .48 .49 .51 .52 .53 J2-L M15 J1-50 J2-30 .40 10.01 15.02 G8 CASE 16 1 X1. 16 2.5 2 16 K09 2 25 K09 X82. 25 -K09 16 F1. 04.23 15.02 A B 10.02 15.02 F62. 16 G1 J2-NEG 40.14 1 PM1. 0.75 A B Cores dos Circuitos / Colores de los Circuitos A = Vermelho Rojo B = Amarelo Amarillo F = Preto Negro M = Branco Blanco P = Azul Azul R = Cinza Gris U = Verde Verde X = Marrom Marrón Y = Violeta Violeta Circuitos sem bitola Circuitos sin Calibre Indicada = 0,75 mm2 Senãlada = 0,75 mm2 F F F/A F X X X P/M A Caixa ECR-Distr. Elétrica Distribuição Elétrica Bateria_Mais Terminal Circular Cj. Bateria Distr. Massa Distr. Massa Terminal Circular MASSA_CARROÇARIA Distr. Massa Carroçaria Diant. MOTOR Módulo de Controle da Ca. Carroçaria Diant. MOTOR Retorno Prato da mola Volante Deslocador da Motor Alavanca Condutor Conjunto Cj. Alternador Caja ECR-Distr. Eléctrica Carroceria Delant. MOTOR Distribución Eléctrica Batería_Más Terminal Circular Cj. Batería Terminal Circular Distr. Masa Distr. Masa Distr. Masa MASA_MOTOR MASA_MOTOR MASA_CARROCERIA Módulo de Control de la Ca. Carroceria Delant. MOTOR Volver Émbolo del resorte Cambine de puesto la Palanca Conducen Ensamblaje Cj. Motor de Partida Cj. Aternador Partida e Carga Arranque y Carga Pág. 32 Bateria P/N Código Aplicação ALTERN. P/N Aplicação Ah Aplicación Código Opcional ALTERN. P/N Ah Ah Código Código Opcional Opcional Masa
  • 31.
    Versão / Versión:09/01/02 Diagramas Elétricos / Diagramas Eléctricos Corsa 2002 Relé-Vent. Arref. Mtr. Relé-Vent. Arref. Mtr. Relé-Vent. Arref. Mtr. Relé-Vent. Arref. Mtr. C60LK8 M C60LK8 A14. 86 AF4. AM10. C B B C AF3. L11/L10-C60 BUS_9 . AM140. A7. AB2. A30. BUS_8 . B C BUS_9 M M M L10/L11/LJ1-C60 L11/L10-C60 M 8 L10/L11/LJ1-C60 C60 M A20. 2.5 A5. 4.0 XA1. 21.11 23.11 A8. 0.75 III_4 X8. A21. C60L10/L11/LJ1 Turbina 22.11 24.11 XM11. C60 AM4. 28.48 AM2. LK8-C60 LK8-C60 XB10 XB11. 0.5 I_4 86 A31 86 XU4. BN/GN BN X2. Cj. Mtr.-Vent. Refrig. Mtr. Mtr.-Vent. Refrig. Mtr. Mtr.-Vent. Refrig. Mtr. Distr. Masa Distr. Massa Distr. Massa Distr. Massa .00 .01 .02 .03 .04 .05 .06 .07 .10 .11 .12 .13 .14 .15 .16 .17 .18 .19 .20 .21 .22 .25 .26 .28 .30 .32 .33 .35 .36 .37 .38 .39 .40 .41 .42 .43 .44 .45 .46 .47 .51 .52 .54 .55 .56 .08 .09 .23 .24 .27 .29 .31 .34 .48 .49 .50 .53 C60L10/L11/LJ1 A33. II_2 C60LK8 4.0 A15. 4.0 9 25.11 0.5 9 V_8 C60/LJ1-C60 XM1. II_8 AM3. 2.5 C60LK8 4.0 C60 M7/M7A A C60LK8 III_2 M7B A 2.5 C60LK8 4.0 C60LK8 X5. 2.5 86 87 M7B A B LIII_1 K30B 30 85 04.23 04.28 X14. 4.0 LJ1-C60 V_6 II_5 AB14. 26.11 LJ1-C60 2.5 A10 . 0.5 V_4 V_2 I_8 7 8 7 XB1 0.5 C60L11/LJ1 2.5 C60LK8 0.5 28.50 28.51 . II_4 30 85 87 C60LK8 4.0 LJ1-C60 4.0 K30A AB15. 1.5 III_5 XA1 0.5 C60LK8 8 C60LK8 0.5 AB4. 4.0 0.5 XB2. 0.5 0.75 C60LK8 LJ1/LK8-C60 0.75 C60LK8 4.0 A32. II_3 30 85 87A 87 A2. 0.5 K30D 0.5 M7A A B C60LK8 4.0 AB3. 4.0 C60L10/L11/LJ1 2.5 LK8-C60 2.5 LK8-C60 XU3. LK8-C60 4.0 85 87 A B C60L11/LJ1 2.5 III_6 K30C 30 22.10 24.10 LII_1 2.5 C60LK8 4.0 III_8 AM1. 50 2.5 EC B II_6 EC I_2 M7 A I_6 M7 A BUS_8 NET5 NET3 NET4 NET2 NET1 Cores dos Circuitos / Colores de los Circuitos A = Vermelho Rojo B = Amarelo Amarillo F = Preto Negro M = Branco Blanco P = Azul Azul R = Cinza Gris U = Verde Verde X = Marrom Marrón Y = Violeta Violeta Circuitos sem bitola Circuitos sin Calibre Indicada = 0,75 mm2 Senãlada = 0,75 mm2 A A A A A A A A A A A A A X/B X/A X/B X/A X/A A/M A/M A/B A/B X/A X/B X/M A/M X/U A/M A/B A/B A/F A/F A/M A/B A/M X X X Caixa ECRB Distribuição Elétrica Relé-Vent. Refrig. Mtr. Relé-Vent. Refrig. Mtr. Relé-Vent. Refrig. Mtr. Relé-Vent. Refrig. Mtr. Caja ECRB Distribución Eléctrica Ventoinha Carroçaria Dianteira Carroceria Delantera Ctrl. Motor Ctrl. Motor Cj. Mtr.-Vent. Arref. Mtr. Mtr.-Vent. Arref. Mtr. Mtr.-Vent. Arref. Mtr. Distr. Massa Página 8A - 10-0 Página 8A - 10-0 Distr. Masa Distr. Masa Distr. Masa Cj. Mtr.-Vent. Arref. Mtr. Cj. Mtr.-Vent. Arref. Mtr. Cj. Mtr.-Vent. Arref. Mtr. Cj. Mtr.-Vent. Refrig. Mtr. Cj. Mtr.-Vent. Refrig. Mtr. Cj. Mtr.-Vent. Refrig. Mtr. Distr. Massa Distr. Masa Esquemas do Ventilador e Compressor de Arrefecimento Esquemas del Ventilador y del Compresor de Refrigeración Pág. 33
  • 32.
    Versão / Versión:09/01/02 Diagramas Elétricos / Diagramas Eléctricos Corsa 2002 08.31 C60 IV_5 30 87 F11. 0.5 IV_3 IV_4 IV_1 FP13. 1.0 86 85 C60 C60L11LJ1 L7 A B 1 1 F31 XF1. 0.5 5 5 C60L10/L11/LJ1 XF2. 0.35 K5 C60LK8 XF7. 0.5 28.54 C60 21.14 23.14 25.14 FP2. C60LK8 1.0 F13. 1.0 NET .00 .01 .02 .03 .04 .05 .06 .07 .08 .09 .10 .11 .12 .13 .14 .15 .16 .17 .18 .19 .20 .21 .22 .23 .24 .25 .26 .27 .28 .29 .30 .31 .32 .33 .34 .35 .36 .37 .38 .39 .40 .41 .42 .43 .44 .45 .46 .47 .48 .49 .50 .51 .52 .53 .54 .55 .56 Cores dos Circuitos / Colores de los Circuitos A = Vermelho Rojo B = Amarelo Amarillo F = Preto Negro M = Branco Blanco P = Azul Azul R = Cinza Gris U = Verde Verde X = Marrom Marrón Y = Violeta Violeta Circuitos sem bitola Circuitos sin Calibre Indicada = 0,75 mm2 Senãlada = 0,75 mm2 F F F/P F/P X/F X/F X/F Pág. 34 Distr. Elétr. Carroçaria Dianteira Ventilador Caixa de Relés do Ventilador Cj. Relé-Compr. compr_relé 001 Bob.-Embr. C/A compressor_ca 001 Ventoinha Carroçaria Dianteira Distr. Massa Página 8A - 10-0 Controle Motor Di-Ctrl. Motor Distr. Eléctr. Carroceria Delantera Ventilador Caja de Relés del Ventilador Cj. Relé-Compres. A/A compr_relé 001 Turbina Carroceria Delantera Bob.-Embr. A/A compresor_aa 001 Distr. Masa Control Motor Di-Ctrl. Motor Esquemas do Ventilador e Compressor de Arrefecimento Esquemas del Ventilador y del Compresor de Refrigeración Página 8A - 10-0
  • 33.
    Versão / Versión:09/01/02 Diagramas Elétricos / Diagramas Eléctricos Corsa 2002 K47 S5 Cj. Acionador-Buzina Vol. Direção interr._buzina 009 Cj. Accionador-Bocina Vol. Dirección interr._bocina 009 Mola Relógio / St W Muelle Reloj / St W Mola Relógio / Pnl. Instr. Muelle Reloj - Tbl. Instr. 38.44 48 98 BCM 1 4 XM5 A B XM1. 0.5 2 X1. 0.5 1 2 XM25. 0.35 BCM 42.39 1 B9 Cj. Bocina - Genérica 12.22 17.22 XM22. 0.75 2 .02 .03 .10 .11 .12 .13 .14 .15 .16 .17 .22 .23 .24 .25 .26 .27 .29 .32 .36 .37 .44 .45 .04 .05 .28 .30 .31 .33 .34 .35 .46 .47 .48 .49 .06 .07 .18 .19 .20 .21 .38 .39 .40 .41 .50 .51 .52 .53 .54 .55 .56 1 15.54 10.54 .00 .01 .08 .09 .42 .43 Cores dos Circuitos / Colores de los Circuitos A = Vermelho Rojo B = Amarelo Amarillo F = Preto Negro M = Branco Blanco P = Azul Azul R = Cinza Gris U = Verde Verde X = Marrom Marrón Y = Violeta Violeta Circuitos sem bitola Circuitos sin Calibre Indicada = 0,75 mm2 Senãlada = 0,75 mm2 X X/M X/M X/M X/M Cj. Buzina - Genérica Distr. Massa Distr. Massa Distr. Masa Distr. Masa Sub-Sistema da Buzina Subsistema de la bocina Pág. 35
  • 34.
    Versão / Versión:09/01/02 Diagramas Elétricos / Diagramas Eléctricos Corsa 2002 EPS PA20. A30 - ACS 80 5 MU8-JM4 XA134. 15 14 11 JM4 65.29 UD8 MU8-JM4 MU8-JM4 6 5 8 3 JM4 JM4 PA13 PA6. ACS JM4MU8 21 22 12.51 17.51 JM4 JM4 56.30 JM4L10/L11/LJ1 JM4L10/L11/LJ1 JM4 17.44 22.19 JM4 PA106. JM4 JM4 FB4. P107. X140. PA1. 0.5 6 5 8 X1. P107. P1. S116IP-A14_P5 PA2. Cj. Sensor-Vel. Rda. Diant. Cj. Sensor-Vel. Rda. Diant. Cj. Sensor-Vel. Rda. Delant. Cj. Sensor-Vel. Rda. Delant. .02 .04 .05 .10 .14 .15 .18 .19 .20 .22 .24 .26 .27 .31 .32 .34 .35 .36 .38 .39 .40 .41 .42 .44 .46 .47 .48 .49 .50 .51 .52 .53 .54 .55 .56 79 .00 .01 .07 .12 .13 .21 .33 .03 .06 .08 .09 .11 .16 .17 .25 .28 .29 .30 .37 .43 .45 31.36 09.43 .23 08.50 26 LK8/MU8-JM4 . 1 X80. 0.5 MU8-JM4 PA92 0.35 67.18 NV8 0.35 12.45 17.45 12.48 17.48 JM4 XA1. 12.53 17.53 MU8-JM4 X133. 0.5 0.35 0.5 0.35 PA122. 0.5 A119L 4 2 PA5. 0.5 MU8-JM4 BCM 38.05 B83 1 2 F272. 0.5 P134 . 0.5 0.35 XA133. L10/L11/LJ1-JM4-MU8 28.25 LK8 7 0.5 6 5 08.47 31.15 XA131. 0.35 12.36 17.36 8 B76R B A B 31.40 14 B52L A XA131. FB103. 0.5 0.35 31.34 XM145. 0.35 66.29 7 12.44 37.33 1 JM4MU8 PA8. 0.5 2 31.38 24.19 1 2 8 JM4 7 JM4 55 PA121. 0.5 B 08.52 PA1. 0.35 4 B52R A 0.35 09.46 PA106. 0.35 JM4MU8 12.03 17.03 PA81. 0.5 54.30 8 0.5 B76L B A JM4 X140. JM4 X132. 0.35 0.35 JM4 0.35 6 28.28 0.5 L10/L11/LJ1-JM4-MU8 5 3 X16. P133. 0.5 55 2 L10/L11/LJ1-JM4-MU8 PB1. 0.35 18.10 0.5 4 2 13.10 7 8 9 26 A119R 2 19 25 26 6 3 5 A38 1 16 17 18 JM4 0.35 JM4 0.35 65.14 66.14 JM4 0.35 22.17 24.17 6 S04 5 S02 S03 NV8/UD8/W8X 0.35 S01 PA7 PA80. 0.35 14 . 0.35 Cores dos Circuitos / Colores de los Circuitos A = Vermelho Rojo B = Amarelo Amarillo F = Preto Negro M = Branco Blanco P = Azul Azul R = Cinza Gris U = Verde Verde X = Marrom Marrón Y = Violeta Violeta Circuitos sem bitola Circuitos sin Calibre Indicada = 0,75 mm2 Senãlada = 0,75 mm2 P/A P/A P/A P/A P/A X P/A P/A F/B F/B P/B X/M P/A P/A X/A F X P/A P/A P/A X P X/A P/A P X X P X/A P/A X P X/A P/A X P X/A P/A Rádio e Info. Rádio e Info. A134-Rádio Ctrls. do Motor Caixa ECRB-Distrib. Elétrica Distrib. Elétrica Di-Ctrl. Motor Ilum. Ext. Ctrls. Motor Diagnóstico Chicote Pnl. Instr. Carroçaria diant. Cj. Sensor-Vel. Veículo Injeção Carroçaria Diant. Distr. Massa Di-Ctrl. Mtr. Chicote PI Carroçaria Diant. Controle da Transmissão Unidade de Controle do ABS Cj. Módulo-Ctr. Fre. E. Radio e Info. Radio e Info. A134-Radio Contr. del Motor Caja ECRB-Distrb. Eléctrica Distrib. Eléctrica Di-Contr. Mot. Ilum. Exter. Contr. Motor Diagnostico Mazo Con. tbl. Instr. Carroceria Delant. Cj. Sensor-Vel. Vehículo Inyección Carroceria Delant. Distr. Masa Di-Contr. Motor Mazo Cond. Tbl. Instr. Carroceria Delant. Control de la Transmisión Cj. Módulo-Contr. Fr. Unidad de Control del ABS Cj. Môd.-Modif. Sin. Sen. Vel. Veícl. Cj. Môd.-Modif. Sin. Sen. Vel. Veículo Chicote Carroçaria Diant. Chicote Carroçaria Tras. LE Carroçaria Tras. LE Sensor Rot. Cj. Sensor-Vel. Rda. Tras. Cj. Sensor-Vel. Rda. Tras. Distr. Elétrica Distr. Massa Cj. Mód.-Modif. Señl. Sen. Vel. Vehícl. Cj. Mód.-Modif. Señl. Sen. Vel. Vehícl. Mazo Cond. Carroç. Delant. Mazo Cond. Carroc. Tras. LI Carroc. Tras. LI Sensor Rot. Cj. Sensor-Vel. Rueda Tras. Cj. Sensor-Vel. Rueda Tras. Distr. Eléctrica Distr. Masa Esquemas ABS/VSS Esquemas ABS/VSS Pág. 36
  • 35.
    Versão / Versión:09/01/02 Diagramas Elétricos / Diagramas Eléctricos Corsa 2002 Distr. ElétricoDisagnóst. Distr. Elétr. Controle Motor - Diesel F49 A204. 6.0 A100. NV8 2-1 09.39 23 23 6.0 BCM 67.38 07.45 28.45 6 6 U1. 0.35 LK8NV8 ABS 36.06 39.12 C2-1 A106 C2-2 C3-2 C3-3 C3-6 C3-7 C1-1 C1-2 C4-3 C4-1 C4-2 M A75 2-2 3-2 3-3 3-8 3-6 3-7 C3-8 C4-4 C4-7 4 B161 1 2 3 15.10 .00 .01 .02 .03 .04 .05 .06 .07 .08 .09 .10 .11 .12 .13 .14 .15 .16 .17 .18 .19 .20 .21 .22 .23 .24 .25 .26 .27 .28 .29 .30 .31 .32 .33 .34 .35 .36 .37 .38 .39 .40 .41 .42 .43 .44 .45 .46 .47 .48 .49 .50 .51 .52 .53 .54 .55 .56 10.10 NV8 M50 1 2 S01 Cores dos Circuitos / Colores de los Circuitos A = Vermelho Rojo B = Amarelo Amarillo F = Preto Negro M = Branco Blanco P = Azul Azul R = Cinza Gris U = Verde Verde X = Marrom Marrón Y = Violeta Violeta Circuitos sem bitola Circuitos sin Calibre Indicada = 0,75 mm2 Senãlada = 0,75 mm2 A A U Carroç. Diant. Chicote Pnl. Instr. Carroç. Diant. Chicote Pnl. Instr. Fornec. Elétr. do EPS Unidade Ctrl. EPS Unidade de Controle - Direção Elétrica Cj. Módulo-Apoio Infl. Vol. Dir. Cj. Módulo-Ctr. D/E Cj. Sensor-Ângl. Direção Motor - EPS Distr. Massa Distr. Eléctr. Diagnosti. Distr. Eléctr. Control Motor - Diesel Carroc. Delant. Mazo Cond. Tbl. Instr. Carroc. Delant. Mazo Cond. Tbl. Instr. Suministro. Eléctr. do EPS Unidad Contr. EPS Cj. Módulo-Apoyo Infl. Vol. Dir. Cj. Módulo-Contr. D/E Cj. Sensor-Ángulo Dirección Motor - EPS Distr. Masa Unidad de Control - Dirección Eléctrica Direção Elétrica Dirección Eléctrica Pág. 37
  • 36.
    Versão / Versión:09/01/02 Diagramas Elétricos / Diagramas Eléctricos Corsa 2002 Ilum. Exterior Limpiador y Lacador Ilum. Exterior 52.08 51.08 XB4. 0.35 Bocina Diagnosis Sensor de Massa Lavador Diant./Limp. Tras. Limp. diant.-L_Vela_Int. Flash Farol Alto Ind. Dir. Esq. Dir. Buzina Teclado 2000 Sensor de Masa Lavador Delant./Limpiador tras. Limpiador delant.-L_veloc._Int. Flash Faro Alto K54 Cj. Relé-Luz Estacionamento 55.38 53.38 M1. FM1 0.35 55.35 53.35 . 0.35 55.13 53.13 XF100. 0.35 T96 XM3. 0.35 05.17 55.06 53.06 XM2. 0.35 51.04 51.13 52.04 53.13 FY1. 0.35 55.48 53.48 RU1. 0.35 XB230. 0.35 JM4 ATWS 62.28 T79 XP2. 0.35 05.48 FP1. 0.35 55.21 53.21 UA6 XB6. 0.35 55.22 53.22 WU5 RF100. 55.25 53.25 10.46 15.46 55.55 53.55 B1. 0.35 35.23 41.53 BCM 55.37 53.37 0.35 XB1. 0.35 05.28 54.24 56.24 67.20 XM40. 0.35 05.37 XB1. 0.35 Ind. Dir. Esq. Dir. Bocina UA6 AP100. 0.35 55.20 53.20 BUS_12 . EC WU5 XB7. 0.35 FM22. 0.35 Teclado 2000 P5. 0.35 36.36 ABS 87 30 85 86 53.22 .00 .01 .02 .03 .04 .05 .06 .07 .08 .09 .10 .11 .12 .13 .14 .15 .16 .17 .18 .19 .20 .21 .22 .23 .24 .25 .26 .27 .28 .29 .30 .31 .32 .33 .34 .35 .36 .37 .38 .39 .40 .41 .42 .43 .44 .45 .46 .47 .48 .49 .50 .51 .52 .53 .54 .55 .56 Relay-Dead Lock 53.23 04.34 55.22 55.23 09.21 T96 XA100. 0.35 J2-55 J2-42 J2-36 J2-3 J2-25 J2-57 J2-39 J2-53 J2-54 J2-48 J2-44 J2-14 J2-31 J2-11 J2-21 J2-20 J1-76 J1-93 J1-80 J1-81 J1-84 J1-85 J1-86 A15 R100. 0.35 XB3. 0.35 Cores dos Circuitos / Colores de los Circuitos A = Vermelho Rojo B = Amarelo Amarillo F = Preto Negro M = Branco Blanco P = Azul Azul R = Cinza Gris U = Verde Verde X = Marrom Marrón Y = Violeta Violeta Circuitos sem bitola Circuitos sin Calibre Indicada = 0,75 mm2 Senãlada = 0,75 mm2 R/U B R R/F X/A X/F X/B X/B X/B X/B X/B F/P F/Y M F/M X/B X/M X/P X/M X X/M A/P F/M P Ilum. Externa Limpador e Lavador Iluminação externa Buzina Diagnosis Luz de Estacionam. Farol Baixo Luzes Int. Acesas Nível Ilum. Instr. Luz Neblina Diant. Luz Neblina Tras. Falha - ABS Luz de Apoio Relé Luz Neblina Diant. Relé Luz Neblina Tras. Rel. Term. 58 K Relé Farol Baixo Relé Farol Alto Relé Buzina ATWS Status TT Aviso Per. TT Int. Per. Cj. Módulo-Ctrl. Carroçaria Cj. Relé-Luz Estacionamento Iluminação Externa ECRB - Distribuição Elétrica ECRB - Distribuição Elétrica Ilumin. Externa Distr. Massa Distr. Masa Luz de Estacionam. Faro Bajo Falha - ABS Luces Int. Encend. Nível Ilum. Instr. Luz Neblina Delant. Luz Neblina Tras. Luz de Apoio Relé Luz Neblina Diant. Relé Luz Neblina Tras. Rel Term. 58 K Relé Faro Bajo Relé Faro Alto Relé Bocina ATWS Status TT Al. Pel. TT Int. Pel. Cj. Módulo-Ctrl. Carroceria Iluminación Exterior ECRB - Distribución Eléctrica ECRB - Distribución Eléctrica Ilum. Exterior Módulo de Controle da Carroçaria Módulo de Control de la Carroceria Pág. 38
  • 37.
    Versão / Versión:09/01/02 Diagramas Elétricos / Diagramas Eléctricos Corsa 2002 BUS_13 EC EC 45.03 45.39 BUS_13 BUS_13 2 4 3 XB202. J2-56 J2-32 J2-38 J2-33 85 Cj. Relé-Lâmp. Sinal./Dir. Cj. Relé-Lâmp. Sinal./Dir. 11.24 Relé Trava Porta Passageiro Relé Trava Porta Motorista Relé Destravamento Relé traba puerta Conductor J2-1 J2-26 J1-82 J2-24 J2-41 J2-12 J1-61 J1-63 J1-64 J1-73 J1-62 J1-87 5 30 Cj. Relé-Luz Señl. Ind./Dir. Cj. Relé-Luz Señl. Ind./Dir. 87 86 BUS_13 2 4 3 87A EC 87 85 30 86 BUS_13 EC EC EC 2 4 3 87A 87 85 30 86 2 4 3 FM10. 85 5 30 87 85 A66. 86 87 XA199 FA6. 11.25 16.28 EPS TT Active 87A 87 85 30 86 87A 30 86 A4. A65. F10. 0.5 0 AM1. R11 R11. 57.25 R10. R110 A90 0.35 A46. 11.23 37.32 .00 .01 .02 .03 .04 .05 .06 .07 .08 .09 .10 .11 .12 .13 .14 .15 .16 .17 .18 .19 .20 .21 .22 .23 .24 .25 .26 .27 .28 .29 .30 .31 .32 .33 .34 .35 .36 .37 .38 .39 .40 .41 .42 .43 .44 .45 .46 .47 .48 .49 .50 .51 .52 .53 .54 .55 .56 04.38 NV8 0.35 16.25 11.28 AU0 XM301. 0.35 04.35 . AU0 0.35 59.54 07.26 K66R 1 4 3 BUS_13 . BUS_13 . . 18 18 . 0.5 58.25 1.0 0.5 57.48 58.48 0.5 0.5 k24A 1 5 XM201. AU0 0.35 45.01 44.01 XF77. 0.35 . 0.5 07.07 45.52 44.52 XM9. 39.06 FB9. 0.75 AU0 0.35 0.35 A67. 1.0 A102. AU0 1.5 EC . . 46.30 BUS_13 . . EC . AU0 0.75 5 K24B 1 16.23 16.24 BCM FU10. 0.35 F1 04.42 45.05 44.05 AU0 0.35 44.03 53.31 55.31 53.33 55.33 04.53 44.39 3 4 K66L 1 K24C 1 5 K24D 1 5 XA5. 0.35 EPS XF10. 0.75 J2-60 1.0 BUS_13 Cores dos Circuitos / Colores de los Circuitos A = Vermelho Rojo B = Amarelo Amarillo F = Preto Negro M = Branco Blanco P = Azul Azul R = Cinza Gris U = Verde Verde X = Marrom Marrón Y = Violeta Violeta Circuitos sem bitola Circuitos sin Calibre Indicada = 0,75 mm2 Senãlada = 0,75 mm2 F/A X/A X/M F/B X/M X/B R R R R X/M X/F A/M X/A X/F A A A F F/M A A F/U A Controle Trava Porta Módulo Controle Porta Módulo Controle Porta Controle Porta Distr. Massa Relé-Compart. Pass. Distr. Massa Cj. Relé-Trava Pta. Motorista Distr. Massa Relé - Destrav. Distr. Massa Relé-Trava Inat. Control Traba Puerta Módulo de Control de la Puerta Módulo de Control de la Puerta Control de la Puerta Relé-Compart. Pasaj. Cj. Relé-Traba puerta conductor Relé - Destrab. Relé-Traba inact. Distr. Masa Distr. Masa Distr. Masa Distr. Masa Luz Interna 20W Tronco Liberação Rel Term. - 15A Freio de Estacionamento Fech. dos Vidros Interruptor Real Ind. Dir. Esq. Real Ind. Dir./Real Relé Travamento Relé Ind. Dir. Direito Chicote Pnl. Instrumentos Carroçaria Tras. Esq. Ilum. Interna Trava Portas Distr. Elétr. Sist. de Freio Vidros elétricos ECRB - Distribuição Elétrica ECRB - Distribuição Elétrica Ilum. Externa Luz Interna 20W Tronco Liberação Relé traba puerta Passaj. Rel Term. - 15 A Freno de EstacionamentoCierre de las ventanas Eléctricas Cambian Relé Destrabamento Rel. Ind. Dir. Esq. Rel Ind. Dir./Retroactúan Relé Trabamiento Relé Ind. Dir. Dcho. Mazo Cond. Tbl. Instrumentos Carroceria Tras. LI Ilum. Interior Traba puertas Distr. Eléctr. Sist. de Freno Ventanas Eléctricas ECRB - Distribución Electrica ECRB - Distribución Electrica Ilum. Exterior Módulo de Controle da Carroçaria Módulo de Control de la Carroceria Pág. 39 Term. 30 Ener. CDL Term. 30 Ener. CDL Pino Ener. Term. 30 Pino Ener. Term. 30
  • 38.
    Versão / Versión:09/01/02 Diagramas Elétricos / Diagramas Eléctricos Corsa 2002 BUS_13 . 44.35 5 30 87 . BUS_13 86 85 BCM ATWS 45.37 BUS_13 XM401. 0.35 UA6 50.29 BUS_13 . EC J2-5 J2-43 J2-59 J2-37 EC J2-28 J2-10 J2-29 J2-27 EBUS2/L EBUS1/H Travamento Int. Destrav. Int. Chave Trav. Chave Destrav. Term 30 CDL SAÍDA Relé Tronco Destrav. Interr. Tronco Trav. EBUS2/L EBUS1/H Trabamto. Inter. Destrab. Inter. Liave Traba Liave Destrab. Term 30 CDL SALIDA J1-95 J1-99 J2-30 J2-47 J2-49 LK8 M9. 0.35 EC X1 A105 1.5 J1-75 J1-66 MU8 M5. 0.35 31.26 ACS 45.13 44.13 AP10. 0.35 4 4 XF4. AU0 0.35 AU0 45.10 44.10 AU0 AU0 AU0 AB10. 0.35 10 10 AB1. 0.35 J2-9 XB2. 0.35 44.21 45.29 AU0 LK8 U9. 0.35 04 05 A79. 0.75 XM6. 0.35 UA6 3 1 A90 XM30. 0.35 62.49 07.36 ATWS 57.11 58.11 MR1. 0.35 57.05 58.05 -MU8 U6. 0.35 21.19 23.19 25.19 MU8 U5. 0.35 31.30 K67 Cj. Relé - Anti-furto Cj. Relé - Anti-robo 04.50 45.04 44.04 45.07 44.07 XM10. 0.35 24 U5. 0.35 L10L11LJ1 PM1. 0.35 7 7 XA4. 0.35 J2-50 A116 0.35 50.31 04.10 32.52 32.52 AU0 LK8 24 XM4. 0.35 LK8 PM2. 0.35 29.08 AU0 AU0 PM3. 0.5 01 03 XA20. 0.35 PM11. LK8 0.35 M5. 0.35 J2-4 04.02 UA6 -MU8 M6. 0.35 21.22 23.22 25.22 4 AU0 27.06 04.10 27.02 .00 .01 .02 .03 .04 .05 .06 .07 .08 .09 .10 .11 .12 .13 .14 .15 .16 .17 .18 .19 .20 .21 .22 .23 .24 .25 .26 .27 .28 .29 .30 .31 .32 .33 .34 .35 .36 .37 .38 .39 .40 .41 .42 .43 .44 .45 .46 .47 .48 .49 .50 .51 .52 .53 .54 .55 .56 Cores dos Circuitos / Colores de los Circuitos A = Vermelho Rojo B = Amarelo Amarillo F = Preto Negro M = Branco Blanco P = Azul Azul R = Cinza Gris U = Verde Verde X = Marrom Marrón Y = Violeta Violeta Circuitos sem bitola Circuitos sin Calibre Indicada = 0,75 mm2 Senãlada = 0,75 mm2 M U X/A X/M A/B A/D X/A X/M A/B X/F A X/M X/M A P/M P/M P/M P/M X/B U M U M U M M/R X/M A Painel de Instrum. Módulo Ctr. Porta Trava Portas Relé-Tampa Bagageiro Caixa - BCM Chicote Porta Motorista Chicote Pl SW TERM 50 SW TERM W Gen. Cornte. Excit. - Term. 61 VBUS1/H VBUS2/L Abrir Porta Motorista Abrir Porta Passageiro Buzina Distribuição Elétrica Partida e Carga Di-Ctrl. Motor Trava Porta Di-Ctrl. Motor Ctrl. Motor Ilum. Interna ECRB - Distr. Elétr. Tablero de Instrum. Módulo Contr. Puerta Traba Puertas Relé-Tapa Portaequipajes Caja - BCM Mazo Cond. Puerta Conductor Mazo Cond. Tbl. Instrum. SW TERM 50 SW TERM W Gen. Cornte. Excit. - Term. 61 Interruptor Central Trab./Destrab. VBUS1/H VBUS2/L Abrir Puerta Conductor Abrir Purta Pasajero Relé Tronco Destrab. Bocina Interr. Tronco Trab. Distribución Eléctrica Arranque y Carga Di-Contr. Motor Traba Puerta Di-Contr. Motor Contr. Motor Ilum. Interior ECRB - Distr. Eléctr. Módulo de Controle da Carroçaria Módulo de Control de la Carroceria Pág. 40 Interruptor Central Trav./Destrav.
  • 39.
    Versão / Versión:09/01/02 Diagramas Elétricos / Diagramas Eléctricos Corsa 2002 04.38 04.40 3 4 2 85 87 FA2. 0.75 04.36 04.48 12.37 17.37 12.40 17.40 2 4 3 K74 87A 87 85 K70 J1-94 J1-90 Relé Lav. Tras. Relé Limp. Diant. Vel. Baixa J1-78 J1-79 . FY2 1.5 5 2 4 3 M10. 1.5 1 FR10. 0.35 B10. 1.5 51.13 52.13 5 51.11 52.11 RF23. XM4. 0.35 EC . BUS_12 K69B 1 FR1 . 0.75 Limpador e Lavador Limpador e Lavador Limpiador y Lavador Limpiador y Lavador EC EC . BUS_12 20.29 65.07 0.5 . BUS_12 44.27 FB7. 0.35 UD8 RF3. 0.35 50.27 J2-13 J2-22 87A 30 86 86 30 87A 30 86 87 85 1A2D 3622A 51.45 55.45 87A XB2. 0.35 1 86 30 85 87 65.42 66.42 49.22 RF2. 0.35 RF1. 0.5 Intrument Dimming PWM 49.20 AU0 FM120. 0.35 C60 5 3 4 2 F73. 1.5 51.08 51.49 55.49 K69A U90. 1.5 1 FA10. 0.35 BUS_12 . EC BCM 42.55 52.08 A90 04 05 FY3. 1.5 J1-91 XP3. 0.35 C25 . BUS_12 RF110. 0.5 K56 EC BCM 38.28 5 F72. 1.5 66.07 C25 P10. 1.5 51.26 01 03 W8X RF40. 0.35 F29 04.47 - 44.16 45.26 FB2. 0.35 F30 08.32 C25 51.07 52.07 BUS_12_A BUS_12_B .56 .00 .01 .02 .03 .04 .05 .06 .07 .08 .09 .10 .11 .12 .13 .14 .15 .16 .17 .18 .19 .20 .21 .22 .23 .24 .25 .26 .27 .28 .29 .30 .31 .32 .33 .34 .35 .36 .37 .38 .39 .40 .41 .42 .43 .44 .45 .46 .47 .48 .49 .50 .51 .52 .53 .54 .55 .56 Cores dos Circuitos / Colores de los Circuitos A = Vermelho Rojo B = Amarelo Amarillo F = Preto Negro M = Branco Blanco P = Azul Azul R = Cinza Gris U = Verde Verde X = Marrom Marrón Y = Violeta Violeta Circuitos sem bitola Circuitos sin Calibre Indicada = 0,75 mm2 Senãlada = 0,75 mm2 F/A F/A F/R F/R R/F R/F R/F R/F R/F F/B F/B F/M R/F X/B F F U F/Y X/M B M X/P P F/Y Distribuição Elétrica Distribuição Elétrica Distr. Aterr. Distr. Aterr. Cj. Relé-Bba. Lavador Vdo./Tras. Cj. Relé-Bba. Limp. Lav. Limp. e Lavador Acend. Cigarr. Ilum. Som / TID Pnl. Instr. Som / TID HVAC Trava Porta Ctrl. Aquec. e Ventil. Distribución Eléctrica Distribución Eléctrica Distr. Masa Distr. Masa Cj. Relé-Bomb. Lavador Parabr./Tras. Cj. Relé-Bomb. Limp. Lav. Limp. y Lavador Encen. CigarrillosIlum. Son./TID Tbl. Instr. Son/TID HVAC Traba Puerta Contr. Calefact. y Ven. Relé Lavador Tras. Relé Limp. Del. Vel. Baja Relé Lavador Diant. Relé Limp. diant. Vel. Alta Relé Limp. Tras. Int. A/C Int. A/C Relé Limp. Tras. Relé Lavador Del. Relé Limp. Del. Vel. Alta Cj. Relé-Motr. Limp. Lav. Cj. Relé-Motr. Limp. Lav. Cj. Relé-Mtr. Limp. Lav. Vdo. Tras. Distr. Elétr. Limpador e Lavador Distr. Elétr. Cj. Relé-Mot. Limp. Lav. Cj. Relé-Mot. Limp. Lav. Cj. Relé-Mot. Limp. Lav. Parabr. Tras. Distr. Eléctr. Limpiador y Lavador Distr. Eléctr. Módulo de Controle da Carroçaria Módulo de Control de la Carroceria Pág. 41
  • 40.
    Versão / Versión:09/01/02 Diagramas Elétricos / Diagramas Eléctricos Corsa 2002 Ilum. Interior Distr. Eléctr. Inmobilizador UA6 XY2. 0.35 J1-69 J1-67 J1-71 Tronco Aberto Capo do Motor aberto Imobilizador Sirene de Reserva Sirena de Reserva Relé Buzina Tronco Abierto Sensor de Cristal de la Rotura Capilla del Motor AbiertaInmobilizador Relé Bocina J1-88 J1-89 J1-98 XM5. 0.35 K47 01 03 61.32 04 05 07.02 J2-35 EC EC . BUS_12 . BUS_12 08.44 XA7. MU8 0.35 25 25 K71 MU8 XA7. 0.35 57.36 62.33 05.07 58.36 J2-8 J2-6 30.35 30.35 10.42 15.42 28 28 F181. 0.75 30 08.15 86 85 87 59.54 A31 A31 XM11. 0.50 22 22 XM1. 0.5 MU8 UA6 AM200. 0.35 BCM 41.02 62.06 UA6 XU105. 0.35 MF13. 0.75 27 27 31.22 ACS 35.33 MU8 54.17 56.17 J2-58 Combustible 04.44 X1 .00 .01 .02 .03 .04 .05 .06 .07 .08 .09 .10 .11 .12 .13 .14 .15 .16 .17 .18 .19 .20 .21 .22 .23 .24 .25 .26 .27 .28 .29 .30 .31 .32 .33 .34 .35 .36 .37 .38 .39 .40 .41 .42 .43 .44 .45 .46 .47 .48 .49 .50 .51 .52 .53 .54 .55 .56 Cores dos Circuitos / Colores de los Circuitos A = Vermelho Rojo B = Amarelo Amarillo F = Preto Negro M = Branco Blanco P = Azul Azul R = Cinza Gris U = Verde Verde X = Marrom Marrón Y = Violeta Violeta Circuitos sem bitola Circuitos sin Calibre Indicada = 0,75 mm2 Senãlada = 0,75 mm2 F M/F X/A X/A A/M X/U X/Y X/M X/M X/M ECRB - Distr. Elétr. Carroçaria Diant. Chicote Pnl. Instr. Cj. Relé-B/ULP Chicote Pnl. Instr. Carroçaria Diant. Ilum. Ext. Ilum. Inter. Distr. Elétr. Imobilizador Vidro Elétrico Chicote Pnl. Instr. Carroçaria Diant. Cj. Relé-Buzina Distr. Massa ECRB - Distr. Elétr. Buzina Combustível Distr. Elétr. Vent. Eléctrica Mazo Cond. Pnl. Instr. Carroceria Delant. Distr. Masa Bocina ECRB - Distr. Eléctr. Distr. Eléctr. Cj. Relé-Bocina ECRB - Distr. Eléctr. Carroceria Delant. Mazo Cond. Tbl. Instr. Cj. Relé-B/ULP Mazo Cond. Tbl. Instr. Carroceria Delant. Ilum. Exterior Módulo de Controle da Carroçaria Módulo de Control de la Carroceria Pág. 42 Sensor de Parada do Vidro Term. 31 EnergiaMassa Nível Comb. Nível Comb. IN Sensor US Term. 31 Energia Masa Nível Comb. Sensor US Nível Comb. IN
  • 41.
    Versão / Versión:09/01/02 Diagramas Elétricos / Diagramas Eléctricos Corsa 2002 7 AK5 Cj. Módulo-Apoio Infl. Si Bco./Motorist. AK5 AK5 4 3 30 5 Muelle Reloj / St W 9 8 6 7 AK5 XM131. 0.35 AM131. AK5 Cj. Asiento del Conductor Cj. Asto. Acompañante 16 15 AK5 Diagnóstico Distr. Elétr. Diagnostico Distr. Eléctr. .00 .01 .02 .03 .04 .05 .06 .07 .08 .09 .10 .11 .12 .13 .14 .15 .16 .17 .18 .19 .20 .21 .22 .23 .24 .25 .27 .30 .31 .32 .33 .34 .35 .37 .40 .42 .43 .44 .45 .47 .48 .50 .51 .52 .53 .54 .55 .56 .26 .28 .29 .36 .38 .39 .41 .46 .49 AK5 BM120. 0.35 15 B120. 0.35 16 3 4 4 AK5 0.35 3 AK5 AB131. 0.35 2 Y135 1 2 XB131. 0.35 A79 1 2 Y133 1 A24 2 1 A63 2 1 24 25 10.25 15.25 8 XB120 0.35 50.21 8 . 08.46 X10. 0.50 67.15 7 P10. 0.50 Cores dos Circuitos / Colores de los Circuitos A = Vermelho Rojo B = Amarelo Amarillo F = Preto Negro M = Branco Blanco P = Azul Azul R = Cinza Gris U = Verde Verde X = Marrom Marrón Y = Violeta Violeta Circuitos sem bitola Circuitos sin Calibre Indicada = 0,75 mm2 Senãlada = 0,75 mm2 B B/M X P X/B A/B A/M X/M X/B Cj. Módulo-Apoio Infl. Si Bco./Pass. Cj. Módulo-Apoyo Infl. Si Asto./Cond. Cj. Módulo-Apoyo Infl. Si Asto./Pasaj. Mola Relógio / St W Mola Relógio / Pnl Instr. Muelle Reloj / Tbl Instr. Cj. Módulo-Contr. Apoyo Infl. Unidad de Control - Air Bag Cj. Módulo-Ctr. Apoio Infl. Unidade de Controle - Air Bag Cj. Banco do Motorist. Conector de Retenção Cj. Banco Acompanhante Conector de Retenção do Acompanhante Conector de Retención del Acompañante Conector de Retención Cj. Retract.-Cint. Seg. Conductor Cj. Retract.-Cinturón Seg. Pasajero Tablero de Instrumentos Distr. Masa Cj. Retract.-Cinto Seg. Motorist. Cj. Retract.-Cinto Seg. Passag. Painel de Instrumentos Distr. Massa Proteção dos Ocupantes Protección de los Ocupantes Pág. 43
  • 42.
    Versão / Versión:09/01/02 Diagramas Elétricos / Diagramas Eléctricos Corsa 2002 AU0 FA2. FB10. 6 6 AU0 AU0 AU0 AU0 . FB310 0.75 4 AU0 FA5. AU0 FA310. AU0 Chicote Porta Acomp. Chicote Pnl. Instr. M M 4 2 7 3 M2.1 AU0 AU0 FB10. 0.75 6 AU0 AU0 AU0 AU0 AU0 3 M M M M M M M2.2 4 3 Cj. Ac.-Tpa. Pta. Ench./Tqe. Comb. M BCM 37 5 26 BCM BCM 41.49 4 3 G BCM FA402. A90-AU0 FB8. A90 FP50. 2 FA400 BCM 39.03 FA10. 2 Carroc. Tr. LI Cj. Acion.-Trv. Pta./Lat. Tras. .12 .13 .15 .34 .36 .37 .38 .39 .41 .52 .54 .55 15 FA10. FP1. .02 .03 .05 .42 .04 .06 .07 .08 .09 .10 .11 .14 .16 .17 .18 .19 .20 .21 .23 .30 .53 .24 .25 .27 NOTHBACK .00 .01 .22 .26 .28 .29 .31 .32 .33 .35 .40 .43 .44 .45 .46 .47 .48 .49 .50 .51 FP10. 0.75 39.44 15 G 22 11.46 22 BCM 40.22 41.50 22 15 FB10. AU0 0.75 AU0 0.75 AU0 16 Y35L 2 6 3 FP101. 0.75 5 39.14 BCM 6 29 4 3 FB8. 0.75 A90 3 39.29 AU0 0.75 FA120. AU0 7 0.75 0.75 17 13 17 4 13 5 FB1. 0.75 Y35R 2 6 3 FP8. 40.19 22 AU0 0.75 39.32 BCM 40.16 0.75 0.75 Y13P_LHD 4 3 5 AU0 FB1. H AU0 0.75 FB12. 0.75 39.07 40.13 18 15 AU0 FA5. 0.75 FP310. 0.75 FP40. 0.75 AU0 0.75 FP10. 0.75 . 0.75 A90 FA1. 0.75 AU0 FP7 0.75 FA1. 4 AU0 0.75 2 5 18 2 5 0.75 Y10 1 FA11. 0.75 AU0 FA10. 0.75 16 BCM 40.18 FP5. 29 11.54 FB8. A90 0.75 . 11.18 11.09 FA401. 0.75 AU0 0.75 AU0 FB5. A90AU0 FB4. 0.75 0.75 H FB210. 0.75 AU0 14 0.75 14 0.75 AU0 FP1. BCM AU0 0.75 7 40.42 3 FB11. 0.75 FA1. 0.75 0.75 8 9 Y29 1 AU0 Y13D-LHD 1 10 Cores dos Circuitos / Colores de los Circuitos A = Vermelho Rojo B = Amarelo Amarillo F = Preto Negro M = Branco Blanco P = Azul Azul R = Cinza Gris U = Verde Verde X = Marrom Marrón Y = Violeta Violeta Circuitos sem bitola Circuitos sin Calibre Indicada = 0,75 mm2 Senãlada = 0,75 mm2 F/A F/B F/P F/P F/P F/P F/B F/P F/B F/A F/B F/P F/B F/A F/A F/A F/A F/A F/A F/A F/P F/B F/A F/P F/B F/A F/A F/B F/B F/B F/B F/P F/B F/A F/P F/B F/A F/P F/B F/A Cj. Acion.-Trav. P/Motorist. Diant. Interr.-Trava Ptas. Conf. Interr.-Tampa do Bagageiro Cj. Acion.-Trav. Acomp. Cj. Acion.-Trab. Acomp. Interr.-Traba Ptas. Conf. Interr.-Tapa Portaequipajes Cj. Accion.-Trab. P/Cond. Delant. Distr. Masa Mazo Cond. Puerta Conductor Mazo Cond. tbl. Instr. Distr. Masa Distr. Masa Mazo Cond. Puerta Acomp. Mazo Cond. Tbl. Instr. Chicote Porta Motorista Chicote Pnl. Instr. Distr. Massa Distr. Massa Distr. Massa Chicote Pnl. Instr. Carroçaria Tras. LE Chicote Pnl. Instr. Carroçaria Tras. LE Carroçaria Tras. LE-NB Tampa do Bagageiro Chicote Pnl. Instr. Carroçaria Tras. LD Carroçaria Tras. LD Porta Tras. LD Carroç. Tr. LE Porta Tras. LE Puerta Tras. LI Carroc. Tras. LI Mazo Cond. Tbl. Instr. Mazo Cond. Tbl. Instr. Carroceria Tras. LI Carroceria Tras. LI-NB Tapa Portaequipajes Mazo cond. Tbl. Instr. Carroceria Tras. LD Carroceria Tras. LD Puerta Tras. LD Cj. Accion.-Tpa. Pta. Lien./Tqe. Comb. Cj. Accion.-Traba Pta. Lat. Tras. Cj. Acion.-Relé Lat. Tpa. Comp. Tras. Cj. Acion.-Trv. Pta./Lat. Tras. Cj. Acion.-Trava Pta. Lat. Tras. Cj. acion.-Relé Lat. Tpa. Comp. Tras. Controle da Trava da Porta Control de la Traba de la Puerta Pág. 44
  • 43.
    Versão / Versión:09/01/02 Diagramas Elétricos / Diagramas Eléctricos Corsa 2002 40.22 BCM 40.16 40.13 4 2 7 3 M2.1 M M M2.2 M M 8 9 AU0 FP10. 0.75 Mazo Cond. Puerta Conductor FP7. AU0 0.75 AU0 6 FB12. 0.75 17 17 AU0 . FB11 0.75 4 4 AU0 AU0 FB10. 0.75 6 FB1. 0.75 AU0 FP5. 0.75 AU0 AU0 FA5. 0.75 3 3 AU0 FA1 . 0.75 Carroçaria Tras. LE Porta Tras. LE 2 6 3 5 AU0 M M BCM 40.18 BCM 41.50 4 3 M 5 AU0 FA10. 0.75 7 7 AU0 FA2. 0.75 AU0 FA5. 0.75 13 13 AU0 FA310. 0.75 4 3 AU0 FP10. 0.75 22 AU0 AU0 FB10. 0.75 6 6 AU0 FB4. 0.75 AU0 FB5. 0.75 14 AU0 FB310. 0.75 4 4 AU0 FB1. 0.75 AU0 FP50. 0.75 Distr. Massa AU0 FB210. AU0 FP310. 0.75 5 AU0 3 FA1. Mazo Cond. Tbl. Instr. Carroceria Tras. LD Carroceria Tras. LD 2 6 3 M M 0.75 8 8 FB1. AU0 0.75 1 2 3 M 1 10 AU0 FP101. 0.75 AU0 FA10. 0.75 16.54 39.14 39.29 39.44 BCM HATCHBACK BCM 40.54 11 11 XM401. 0.35 AU0 7 7 XM1. AU0 0.75 Sxx 2 Y13D-LHD FA11. 0.75 16 16 AU0 Cj. Accion. Trib. Pta. Lien. Tqe. Comb. FA400 AU0 . 0.75 FB220. 0.75 AU0 22 FP8. 0.75 15 FA120. 0.75 9 9 Cj. Acion.-Trab. Pta. Lat. Diant. BCM 39.03 AU0 Y13P-LHD FA10. 0.75 AU0 FB10. 0.75 15 5 18 18 FP40. 39.32 BCM 0.75 Y35L 5 AU0 FA1. AU0 0.75 16.18 FP1. 0.75 FP1. 0.75 2 1 Y10 4 Y49 Y35R .00 .01 .03 .04 .06 .07 .09 .10 .12 .13 .14 .15 .16 .17 .18 .19 .20 .21 .22 .23 .24 .25 .26 .27 .28 .29 .30 .31 .32 .33 .35 .36 .38 .39 .40 .41 .43 .48 .51 .54 .56 15 .02 .05 .08 .11 .34 .37 .42 .44 .45 .46 .47 .49 .50 .52 .53 .55 16.46 AU0 0.75 22 S103IP 3 22 14 18.24 15 40.19 Controle da Trava da Porta Cores dos Circuitos / Colores de los Circuitos Pág. 45 A = Vermelho Rojo B = Amarelo Amarillo F = Preto Negro M = Branco Blanco P = Azul Azul R = Cinza Gris U = Verde Verde X = Marrom Marrón Y = Violeta Violeta Circuitos sem bitola Circuitos sin Calibre Indicada = 0,75 mm2 Senãlada = 0,75 mm2 F/A F/B F/P F/P F/P F/P F/B F/A F/P F/B F/A F/P F/B F/A F/A F/A F/A F/P F/B F/A F/P F/B F/A F/A F/B F/B X/M F/B X/M F/B F/P F/B F/A F/P F/B F/A F/P F/B F/A Cj. Acionador-Trava Pta. Lat. Diant. Interr.-Trava das Portas de Conf. Cj. Acion.-Trav. Pta. Lat. Diant. Chic. Porta Acompanhante Chic. Pnl. Instr. Chicote Porta Motorista Chicote Pnl. Instr. Mazo Cond. Tbl. Instr. Mazo cond. Puerta Acompañante Chic. Pnl. Instr. Cj. Accionador-Traba Pta. Lat. Delant. Interr.-Traba de las Puertas de Conf. Distr. Masa Distr. Masa Distr. Massa Cj. Acion. Trv. Pta. Ench. Tqe. Comb. Cj.Acionador-Trav. Pta. Lat. Tras. Acion.-Liv. Cil. Tpa. Comp. Tras. Cj. Acion.-Trava Pta. Tras. Cj. Accion.-Traba Pta. Tras. Accion.-Lib. Cil. Tpa. Comp. Tras. Cj. Accionador-Trab. Pta. Lat. Tras. Chicote Pnl. Instr. Carroçaria Tras. LE Carroçaria Tras. LE Tampa Traseira Chicote Pnl. Instr. Carroçaria Tras. LD Carroçaria Tras. LD Porta Traseira LD Puerta Tras. LD Mazo Cond. Tbl. Instr. Carroceria Tras. LI Carroceria Tras. LE Tampa Traseira Carroceria tras. LE Puerta Tras. LE Distr. Massa Distr. Masa Control de la Traba de la Puerta
  • 44.
    Versão / Versión:09/01/02 Diagramas Elétricos / Diagramas Eléctricos Corsa 2002 S181 XA2. 0.75 A BCM 39.15 36 36 XA5. 0.35 Chicote Pnl. Instrum. Mazo Cond. Tbl. Instrum. Carroçaria Diant. Carroceria Delant. S36 B Cj. Interr.-Freno Estacionamento Cj. Interr.-Indic. Vl. Nível del Fluido Freno A 12.32 17.32 .00 .01 .02 .03 .04 .05 .06 .07 .08 .09 .10 .11 .12 .13 .14 .15 .16 .17 .18 .19 .20 .21 .22 .23 .24 .25 .26 .27 .28 .29 .30 .31 .32 .33 .34 .35 .36 .37 .38 .39 .40 .41 .42 .43 .44 .45 .46 .47 .48 .49 .50 .51 .52 .53 .54 .55 .56 Esquemas Bomba Servo-freio Cores dos Circuitos / Colores de los Circuitos Pág. 46 A = Vermelho Rojo B = Amarelo Amarillo F = Preto Negro M = Branco Blanco P = Azul Azul R = Cinza Gris U = Verde Verde X = Marrom Marrón Y = Violeta Violeta Circuitos sem bitola Circuitos sin Calibre Indicada = 0,75 mm2 Senãlada = 0,75 mm2 X/A X/A Cj. Interr.-Freio Estac. Cj. Interr.-Indic. Vl. Nív. Fluido Freio Distr. Massa Distr. Masa Esquemas Bomba Servofreno
  • 45.
    Versão / Versión:09/01/02 Diagramas Elétricos / Diagramas Eléctricos Corsa 2002 S140.G 7 K55 8 6 49.01 15 15 4 F15 F15 2.5 Mazo Cond. Carroceria Trasera Mazo Cond. Carroceria Tras. LI Carroceria Tras. LI C49 Distr. Massa .06 .10 .11 .12 .13 .14 .15 .16 .18 .19 .20 .21 .23 .38 .46 .47 .24 .26 .27 .28 .29 .31 .33 .36 .39 .55 HATCHBACK .17 .22 .25 .40 .41 .42 .43 .44 .45 .48 .49 .50 .51 .52 .53 .54 .56 .00 .01 .02 .03 .04 .05 .07 F13 2.5 C49 .08 .09 .30 .32 .34 .35 .37 XM17 0.35 C49 18 18 . 05.03 05.05 XM7. 0.50 C49 4 C49 2.5 18.21 R22 A B Cores dos Circuitos / Colores de los Circuitos A = Vermelho Rojo B = Amarelo Amarillo F = Preto Negro M = Branco Blanco P = Azul Azul R = Cinza Gris U = Verde Verde X = Marrom Marrón Y = Violeta Violeta Circuitos sem bitola Circuitos sin Calibre Indicada = 0,75 mm2 Senãlada = 0,75 mm2 X/M X/M F F F Aquecimento e Ventilação Chicote Pnl. Instr. Carroçaria Diant. Distribuição Elétrica Distribuição Elétrica Calefacción y Ventilación Mazo Cond. Tbl. Instr. Carroceria Delant. Distribución Eléctrica Distribución Eléctrica Chicote Carroçaria Tras. Chicote Carroçaria Tras. LE Carroçaria Tras. Esquerda Tampa Traseira Tapa Trasera Parabrisas - Trasero Distr. Masa Vidro - Traseiro Desembaçador Desempañador Pág. 47
  • 46.
    Versão / Versión:09/01/02 Diagramas Elétricos / Diagramas Eléctricos Corsa 2002 6 S140.G 7 XM7. 18 K55 Chicote Carroçaria Dianteira Chicote Carroçaria Dianteira Tras. LE Parabrisas Trasero 14.04 XM17. F13 15 Mazo Cond. Tbl. Instr. Distribución Eléctrica NOTCHBACK .00 .01 .02 .03 .04 .05 .08 .09 .10 .11 .12 .13 .14 .16 .17 .18 .19 .21 .39 .44 .47 .15 .54 .55 .56 .06 .07 .20 .22 .23 .24 .25 .26 .27 .28 .29 .30 .31 .32 .33 .34 .35 .36 .37 .38 .40 .41 .42 .43 .45 .46 .48 .49 .50 .51 .52 .53 8 05.03 05.05 0.5 49.01 C49 0.5 15 F15 2.5 18 C49 2.5 R22 A B Desembaçador Cores dos Circuitos / Colores de los Circuitos Pág. 48 A = Vermelho Rojo B = Amarelo Amarillo F = Preto Negro M = Branco Blanco P = Azul Azul R = Cinza Gris U = Verde Verde X = Marrom Marrón Y = Violeta Violeta Circuitos sem bitola Circuitos sin Calibre Indicada = 0,75 mm2 Senãlada = 0,75 mm2 X/M X/M F F Aquecimento e Ventilação Calefacción y Ventilacción Chicote Pnl. Instr. Carroçaria Diant. Carroceria Delant. Distribuição Elétrica Distribuição Elétrica Distribución Eléctrica Distribución Eléctrica Delantera Mazo Cond. Carroceria LI Tras. Vidro Traseiro Distr. Massa Distr. Masa Desempañador
  • 47.
    Versão / Versión:09/01/02 Diagramas Elétricos / Diagramas Eléctricos Corsa 2002 7 3 2 18 0 1 2 3 4 M 93360354 93360357 C41 93360350 M .10 .12 .13 .14 .15 .17 A61 C60 A B Módulo C/A Cj. Motor - Vent. Condens. C/A Distr. Massa Distr. Massa 11.32 16.32 1 M1 24 24 5 Iluminação Cj. Interr.-Vent. Ctr. C/A e Aquecimto. Indicador A/A .00 .01 .02 .03 .04 .05 .06 .07 .08 .09 .11 .16 .18 .19 .20 .21 .22 .23 .24 .25 .26 .27 .28 .29 .31 .34 .35 .36 .37 .38 .39 .40 .41 .42 .43 .44 .45 .46 .47 .49 .50 .52 .53 .54 .55 .56 C39 .30 .32 .33 .48 .51 IP 2 10.34 15.34 2 5 41.46 BCM 41.53 5 F24. 4.0 3 A 04.54 7 1 IP 48.44 47.44 2 R3 3 2 4 1 6 7 8 9 Y1 1 S140 1 11 3 4 Cores dos Circuitos / Colores de los Circuitos A = Vermelho Rojo B = Amarelo Amarillo F = Preto Negro M = Branco Blanco P = Azul Azul R = Cinza Gris U = Verde Verde X = Marrom Marrón Y = Violeta Violeta Circuitos sem bitola Circuitos sin Calibre Indicada = 0,75 mm2 Senãlada = 0,75 mm2 F Desembaçador Distr. Elétr. S140-Sist. de Contr. - Aquecim. /CA Modelo S140-Sist. de Contr.-Calefacción. /AA Modelo Distr. Eléctr. Desempañador Carroceria Delantera Mazo Cond. Tbl. Instr. Módulo C/A Carroçaria Dianteira Chicote Pnl. Instr. Módulo C/A Vidro Traseiro aquecimento Indic. Vdo. Traseiro Indic. Recirc. ArCirculação Ar Controle Vent. Indicador C/A Compressor AC Sistema Ctr. Aquec. C/A CJ. MÓDULO HVAC Cj. Módulo-Aquecto. e Vent. Vidrio Trasero Calefacción Indic. Parabr. Trasero Indic. Recirc. AireCirculación Aire Control Vent. Compresor AA Iluminación Sistema Ctr. Calefac. A/A Cj. Interr.-Vent. Ctr. A/A y Calefacción CJ. MÓDULO HVAC Cj. Módulo-Calefacción y Vent. Cj. Accion.-Válv. Entr. Aire Cj. Resistor-Mot. Vent. A/A Aux. Cj. Motor - Vent. Condens. A/A Módulo A/A IP Distr. Masa Distr. Masa Cj. Acion.-Válv. Entr. Ar Cj. Resistor-Mtr. Vent. C/A Aux. Esquemas Controles Vent. HVAC Esquemas Controles Vent. HVAC Pág. 49
  • 48.
    Versão / Versión:09/01/02 Diagramas Elétricos / Diagramas Eléctricos Corsa 2002 Distr. Elétr. Diagnóstico 06.42 40.07 40.11 67.27 KL.30 KL.58D Can H K Diagnosis KL.15 Can L Painel de Instrumentos Cj. Tbl.-Instrumentos Air Bag KL.31 MIL 93287531 93287532 93287535 LK8B76UH8 LJ1/L10/L11MU7/M26B76UH8 LJ1/L10/L11MU7/M26D15UH8 .00 .01 .02 .03 .04 .05 .06 .07 .08 .09 .10 .11 .13 .14 .15 .16 .17 .18 .19 .20 .22 .23 .24 .25 .26 .27 .28 .29 .30 .31 .32 .33 .34 .35 .36 .37 .38 .39 .40 .41 .42 .43 .44 .45 .46 .47 .48 .49 .50 .51 .52 .53 .54 .55 .56 LK8D15UH8 93287534 93287536 L11MU8B76UH8 .21 15.47 XU11. 0.35 .12 43.43 10.47 BCM 07.41 41.40 67.24 6 5 7 8 61.19 P3 10 12 13 3 2 Painel de Instrumentos Cores dos Circuitos / Colores de los Circuitos Pág. 50 A = Vermelho Rojo B = Amarelo Amarillo F = Preto Negro M = Branco Blanco P = Azul Azul R = Cinza Gris U = Verde Verde X = Marrom Marrón Y = Violeta Violeta Circuitos sem bitola Circuitos sin Calibre Indicada = 0,75 mm2 Senãlada = 0,75 mm2 X/U Painel de Instr. P/N Aplicação Tablero de Instr. P/N Aplicación Distr. Electr. Diagnostico Tablero de Instrumentos Cj. Pnl.-Instrumentos Imobilizador Distr. Massa Proteção dos Ocupantes Distr. Masa Protección de los Ocupantes Inmobilizador Tablero de Instrumentos
  • 49.
    Versão / Versión:09/01/02 Diagramas Elétricos / Diagramas Eléctricos Corsa 2002 Limp. Tras. Limp. Tras. Limp./ Lav. Del. 1 3 2 5 M M I T 0 0 R8 R7 R6 II R5 R1 R2 R3 R4 4 3 S250 K69B 38.29 39 57 5 3 2 4 Cj. Bomba - Lavador .04 .06 .07 .08 .09 .12 .13 .15 .18 .21 .24 .25 .26 .27 .28 .29 .38 .40 .41 .46 .47 .50 .51 k74 k70 .14 K69A 94 90 78 79 .00 .01 .02 .03 .10 .11 .20 .23 .30 .31 .36 .37 .42 .43 .44 .45 .53 .54 .55 .56 20 1 .39 NOTCHBACK .05 .32 .33 .34 .35 .48 .49 .52 .16 .19 1 2 .17 .22 BCM 38.36 41.13 B BCM 41.11 41.25 E 12.29 Y105 A 41.10 M17 A B C D 38.33 41.14 41.21 Cores dos Circuitos / Colores de los Circuitos A = Vermelho Rojo B = Amarelo Amarillo F = Preto Negro M = Branco Blanco P = Azul Azul R = Cinza Gris U = Verde Verde X = Marrom Marrón Y = Violeta Violeta Circuitos sem bitola Circuitos sin Calibre Indicada = 0,75 mm2 Senãlada = 0,75 mm2 Limp./ Lav. Tras. Limp./ Lav. Diant. Cj. Interr.-Limp. e Lav. (W/R/Wd) Limp./ Lav. Tras. Cj. Interr.-Limpia y Lavaparabrisas (W/R/Wd) Cj. Motor - Limpiaparabrisas Cj. Bomba - Lavaparabrisas Cj. Motor - Limpador Distr. Massa Distr. Masa Limpador e Lavador do Pára-brisa Limpia y Lavaparabrisas Pág. 51
  • 50.
    Versão / Versión:09/01/02 Diagramas Elétricos / Diagramas Eléctricos Corsa 2002 Limp./ Lav. Tras. Lav. Tras. Limp./ Lav. Diant. 1 3 2 39 57 20 5 M k74 K56 94 90 16 17 16 17 FY6. 3 Mazo Cond. Carroc. Delant. Mazo Cond. Carroc. Tras. Mazo Cond. Carroc. LI M M R8 R7 0 II I T 0 R6 R5 R1 R2 R3 R4 91 k70 2 S250 1 C D E BCM 41.39 C25 P6. 1.5 Distr. Massa .04 .05 .06 .07 .08 .09 .12 .13 .15 .26 .29 .30 .31 .38 .40 .41 .42 .43 .44 .52 .01 .36 .53 .55 .37 1 5 3 2 4 .02 .03 .28 .32 .33 .34 .35 .24 .27 .45 K69B 78 79 .25 .14 .16 .17 .39 K69A .00 4 3 HATCHBACK .10 .11 .46 .47 .48 .49 .50 .51 .54 .56 .18 .19 .20 .21 .22 .23 41.25 41.21 A B C 38.36 BCM 41.10 P6. 1.5 M12 3 41.13 C25 Y105 A B BCM 41.11 17.29 41.14 M17 A B 6 FY6. 1.5 C25 38.33 38.29 04.48 F29 6 C25 1.5 18.16 Cores dos Circuitos / Colores de los Circuitos A = Vermelho Rojo B = Amarelo Amarillo F = Preto Negro M = Branco Blanco P = Azul Azul R = Cinza Gris U = Verde Verde X = Marrom Marrón Y = Violeta Violeta Circuitos sem bitola Circuitos sin Calibre Indicada = 0,75 mm2 Senãlada = 0,75 mm2 P F/Y P F/Y Cj. Interr.-Limp. e Lav. (Limp. e Lav. Vdo. Tras.) Cj. Motor - Limpador Distr. Massa Limp. Limp./ Limp. Tras. Tras. Limp./ Lav. Del. Cj. Interr.-Limpia y Lavaparabrisas (Limp. y Lav. Parabrisas Tras.) Cj. Motor - Limpiaparabrisas Tras. Distr. Masa Distr. Massa Distr. Masa Chicote Carroç. Diant. Chicote Carroç. Tras. Chicote Carroç. LE Chicote Tampa Tras. Mazo Cond. Tapa Tras. Cj. Motor-Lavador Vdo. Tras. Cj. Bomba-Lavador Cj. Motor-Lavador Vdo. Tras. Cj. Bomba-Lavador Distr. Masa Limpador e Lavador do Pará-brisa Limpia y lavaparabrisas Pág. 52
  • 51.
    Versão / Versión:09/01/02 Diagramas Elétricos / Diagramas Eléctricos Corsa 2002 Distr. Elétr. Distr. Elétr. TR6 M Int. Luzes Luz de Neb.-Diant.Luz de Neb.-Tras. Int. Luces Lámp.-Luz Nebl. Delant. Lámp.-Luz Nebl. Delant. XB101. M 15 30 0 3 2 1 0 1 2 31 Cj. Interr.-L. teto y Reós Lamp. Pnl. Instr. y Faro BCM Blinker LH HeadLamp High Beam R1 R2 R3 R4 R5 R6 Blinker RH Flasher K66R BCM 55 BCM 6 81 07.37 06.40 K66L 86 Farol Baixo 39.44 Faro Bajo FU3. FU2. 0.5 F39 F36 F37 B2. RA102 F38 Cj. Interr.-Ind. Advert. FM3. FM2. FU1. 38.24 05.44 B9. TR6 TR6 38.10 38.05 TR6 B8. RA101. BCM M2. F41 T79 FP2. Distr. Massa Mazo Cond. Tbl. Instr. Distr. Elétr. Distr. Massa Farol Alto Farol Baixo Luz Estac. Sinaliz. Dir. Faro Alto Faro Bajo Luz Estac. Indic. Dir. Nivelamto. Farol Nivelamto. Faro Cj. Faro-(Accion. Nivelamto.) Cj. Farol/Acion. Farol Alto Farol Baixo Luz de Estacion.Sinal Dir. Faro Alto Faro Bajo Luz de Estacion. Indic. Dir. Nivelamto. Farol Nivelamto. Faro Cj. Faro/Acion. .04 .10 .11 .17 .22 .23 .36 .42 .53 42 6 BCM .25 .27 13 .46 .47 87 54 BCM 38.08 .37 .55 21 K54 84 K54 53 .08 84 .20 .21 80 M1. HATCHBACK 2 .00 .30 .33 .43 .48 73 .16 .18 .19 .24 .28 .29 K45 .06 .13 .51 .26 .45 .50 .52 6 25 .12 .14 .15 .31 .39 .44 K39 .01 .03 .05 .07 .09 .32 .38 .40 .41 .49 .54 .56 K58 6 3 .02 .34 .35 09.21 05.14 05.19 F41 05.34 1.0 1 . 0.5 E69L TR6 XB102. 0.75 39.41 F43 05.25 7 5 6 8 E121L 1 2 3 4 09.14 0.5 2 3 4 7 5 6 8 16.09 E121R 1 06.37 0.5 BCM 38.21 38.20 54.38 38.42 BCM 0.5 FM1. 0.5 TR6 B5. 0.75 38.14 BCM 54.33 54.35 TR6 XB100. 0.75 BCM 20 38.37 0.5 B1. 1.0 9 8 7 6 12 2 3 11 5 4 0.5 S124 10 1 RA100. 0.5 11 11 38.14 BCM 17.07 3 38.40 S121/S229 2 1 17.16 17.13 17.11 17.19 F42 5 BCM S120 1 2 4 3 B20. 1.5 TR6 0.5 0.75 38.45 05.37 F44 05.30 E69R 1 2 XB100. 0.5 BCM 38.48 RF30. 0.5 B5. 0.75 15.52 54.51 20 17.18 0.75 0.50 0.50 0.75 Cores dos Circuitos / Colores de los Circuitos A = Vermelho Rojo B = Amarelo Amarillo F = Preto Negro M = Branco Blanco P = Azul Azul R = Cinza Gris U = Verde Verde X = Marrom Marrón Y = Violeta Violeta Circuitos sem bitola Circuitos sin Calibre Indicada = 0,75 mm2 Senãlada = 0,75 mm2 B X/B B X/B F/M F/U R/A B M B R/F F/M B X/B F/P F/M F/U R/A M B R/A F/U B X/B Distr. Elétr. Distr. Elétr. Distr. Eléctr. Distr. Eléctr. Lâmp.-Luz Nebl. Diant. Lâmp.-Luz Nebl. Diant. Distr. Massa Distr. Massa Distr. Masa Distr. Masa Chicote Pnl. Instr. Carroç. Diant. Para Instrumentos Carroc. Delant. Para Instrumentos Distr. Eléctr. Distr. Elétr. Distr. Eléctr. Distr. Masa Distr. Masa Cj. Interr.-L. teto e Reos. Lâmp. Pnl. Instr. e Farol Cj. Interr. Cj.-Farol/Cj. Interr. Sinal./Dir. Cj. Interr. Cj.-Faro/Cj. Interr.-Ind. Dir. Cj. Interr.-Ind. Advert. Distr. Elétr. Distr. Elétr. Distr. Eléctr. Distr. Eléctr. Distr. Eléctr. Distr. Eléctr. Cj. Farol-(Acion. Nivelamto.) Distr. Massa Distr. Masa Ilum. Externa Distr. Massa Distr. Masa Ilum. Exterior Iluminação Externa Iluminación Exterior Pág. 53 Luz de Neb.-Del. Luz de Neb.-Tras. Nivel. Faro Reóstato Ilum. Iluminación Comp. Pasaj. Símbolo Iluminación Luz Estac. Nivel. Farol Reostato Ilum. Iluminação Comp. Passag. Símbolo Iluminação Luz Estac.
  • 52.
    Versão / Versión:09/01/02 Diagramas Elétricos / Diagramas Eléctricos Corsa 2002 RU3. 0.35 1 2 53.27 Mazo Cond. Carroc. Tras. Mazo Cond. Carroc. Tras. LI T79 20 20 FP3. 0.75 53.32 10 10 53.30 9 9 53.34 28 BCM 42.02 MU8 MF13. 0.75 BCM 38.14 FB3. 43 38 28 F26 Distr. Eléctr. 08.09 43 Distr. Elétr. DI - Ctrl. Mtr. Ctrl. Motor 09.21 12 25 12 38 ABS 36.38 24.21 22.21 0.75 JM4L10/L11/LJ1 FB24. FM2 . 0.75 0.5 . FU2 0.5 FB5 . 0.75 A C C FP1. 0.75 Carroc. Tras. LE T79 A RU10 0.5 RU1. 0.5 18.28 E98 RU2. 0.35 1 2 RA4. 0.5 MF2. 0.5 1 2 18.24 E106R 2 1 3 6 4 E97 Sinal Dir. Indic. Dir. Distr. Massa 18.40 .34 .37 .38 .39 .52 .53 08.02 F11. 0.75 25 F12. 0.75 F111. 0.75 1 4 FB1. 0.75 FB2. 0.75 F38 RF4. 0.5 2 1 Headlamp Asm-(W/Lvlg Actr ) Sinal Dir. Ind. Dir. Lâmp. Tpa. Tras. Lâmp. Pare Lâmp. Reserva Lámp. Tpa. Tras. Lámp. Pare Lámp. Reserva HATCHBACK 22.14 FP500. 0.35 L10/L11/LJ1 01 28.31 FB9. 0.35 LK8-JM4 F25 28.37 28.34 LK8 F18. 0.5 FB11. 6 4 E3_P6 18.38 28.30 LK8 0.35 S216 F11. 0.75 3 2 01 B A E32 FB91. 0.35 JM4-LK8 MF1/MF100. 0.75 FP51. 0.75 MF2/MF22. 0.35 MF1. 0.5 S106RB 18.31 TS6 2 3 E106L FB4. 0.75 Mazo Cond. Carroc. Tras. FB2. 0.75 2 1 E79 2 TS6 18.19 .00 .01 .02 .03 .04 .05 .06 .07 .08 .09 .10 .11 .12 .13 .14 .15 .16 .17 .18 .19 .20 .21 .22 .23 .24 .25 .26 .27 .28 .29 .30 .31 .32 .33 .35 .36 .40 .41 .42 .43 .44 .45 .46 .47 .48 .49 .50 .51 .54 .55 .56 Cores dos Circuitos / Colores de los Circuitos A = Vermelho Rojo B = Amarelo Amarillo F = Preto Negro M = Branco Blanco P = Azul Azul R = Cinza Gris U = Verde Verde X = Marrom Marrón Y = Violeta Violeta Circuitos sem bitola Circuitos sin Calibre Indicada = 0,75 mm2 Senãlada = 0,75 mm2 F F F/B F/P M/F M/F M/F F/B F/B F/B R/F F F F F/P F/B M/F F/B F/M R/A F/U F/P R/U R/U R/U R/U F/P F/B M/F F/B F/B F/B Distr. Elétr. Lâmpada-Pnl. Instr. (C/Soq.) Cj. Interr.-Interr./Plac. Lic. Cj. Interr.-Interr./Plac. Matrícula Lâmpara-Pnl. Instr. (C/Soq.) Distr. Eléctr. DI - Contr. Mtr. Contr. Motor DI - Ctrl. Mtr. Ctrl. Mtr. Ilum. Externa DI - Contr. Mtr. Contr. Mtr. Ilum. Exterior Chicote Carroç. Tras. Chicote Carroç. Tras. LE Carroç. Tras. LE Placa Licença e Luz de Nebl. Placa Matrícula y Luz de Nebl. Cj. Lâmp.-Plac. Lic. Tras. Cj. Lâmp.-Luz Nebl. Cj. Lámp.-Plac. Matríc. Tras. Cj. Lámp.-Luz Nebl. Chicote Carroç. Tras. Chicote Tampa Tras. Mazo Cond. Tapa Tras. Cj. Lâmp.-Tampa Tras. Distr. Massa Break-Light Distr. Massa Distr. Masa Freno Sup. Cj. Lámp.-Tapa Tras. Distr. Masa Distr. Masa Cj. Lâmp.-Tampa Tras. Cj. Lámp.-Tapa Tras. Lâmp. Tamp. Tras. Lâmp. Pare Lâmp. Reserva Lámp. Tap. Tras. Lámp. Pare Lámp. Reserva Iluminação Externa Iluminación Exterior Pág. 54
  • 53.
    Versão / Versión:09/01/02 Diagramas Elétricos / Diagramas Eléctricos Corsa 2002 15 30 0 3 2 1 0 Int. Luzes Int. Luces Farol Baixo 1 2 31 Cj. Interr.-Luz Teto e Lâmp. Reost. P/I e Farol 3 Blinker LH HeadLamp High Beam BCM 38.21 S3.2 S3.1 R1 R2 R3 R4 R5 R6 Blinker RH Flasher Distr. Elétr. Distr. Eléctr. 05.25 TR6 M F41 Distr. Elétr. Distr. Eléctr. Distr. Massa Distr. Massa RF30 Distr. Elétr. Distr. Eléctr. XB101. 2 3 4 7 5 6 M 55 TR6 B8. Cj. Farol-(W/Lvlg Actr) Cj. Faro-(W/Lvlg Actr) Distr. Massa .50 .52 .53 K39 6 M1. NOTCHBACK Cj. Interr.-Sinal. Dir.-Cj. Interr./Farol .39 6 Faro Bajo 9 10 8 7 6 12 2 1 3 11 5 4 25 F39 FU1. F38 05.19 RA101. .46 .49 K54 6 73 BCM 54 21 BCM 39.41 0.50 38.14 FM2. TR6 B5. 07.37 TR6 TR6 T96 FP2. Mazo Cond. Tbl. Instr. Distr. Eléctr. Distr. Massa Cj. Farol-Acion. (Com Nivelamto) Cj. Faro-Accion. (Con Nivelamto) Iluminação Externa .02 .34 .35 84 .13 53 .51 86 13 2 BCM .00 .05 .06 .29 .41 6 55 84 F37 .32 .40 .43 81 80 3 B2. .03 .10 .11 .12 .14 .15 .16 .18 .19 .26 .27 .28 .33 .37 .42 .44 .45 .47 .48 .54 .55 .56 K45 K54 K66R .01 .04 .07 K66L K58 87 BCM .08 .09 .17 .20 .21 .22 .23 .24 .25 .31 .36 .30 .38 06.37 S124 1 56.36 E69L FM3. B9. TR6 XB100. 0.75 05.30 F44 TR6 0.5 11 RA102 F41 05.37 . 0.5 BCM 7 5 6 8 0.5 E121R 1 2 3 4 XB100. 0.5 F43 0.5 20 12.11 0.75 0.5 BCM 38.14 0.75 S121/S229 2 1 1.0 56.24 56.41 09.21 38.40 12.07 38.45 8 RA100. 0.5 1 E121L 12.19 11.09 06.40 XB102. 0.75 38.24 BCM B5. 0.75 BCM 38.42 38.10 39.44 BCM 38.48 FU3. 0.50 B1. 1.0 M2. 38.05 BCM 0.75 E69R 1 2 05.34 0.5 . F42 05.44 0.5 B20. 1.5 0.75 56.38 12.18 BCM 38.20 FM1. 0.5 38.37 10.52 11 20 12.13 TR6 0.5 12.16 5 38.08 BCM S120 1 2 4 3 F36 09.17 FU2. 0.5 05.14 Iluminação Externa Cores dos Circuitos / Colores de los Circuitos Pág. 55 A = Vermelho Rojo B = Amarelo Amarillo F = Preto Negro M = Branco Blanco P = Azul Azul R = Cinza Gris U = Verde Verde X = Marrom Marrón Y = Violeta Violeta Circuitos sem bitola Circuitos sin Calibre Indicada = 0,75 mm2 Senãlada = 0,75 mm2 B X/M B X/M F/U F/U R/A B M B R/F F/M B X/M F/P F/M F/U R/A M B R/A F/U B X/M Cj. Interr.-Ind. Advertência Cj. Interr.-Ind. Advertencia Cj. Interr.-Luz Techo y Lámp. Reóst. P/I y Faro Cj. Interr.-Indic. Dir.-Cj. Interr./Faro Cj. Luz-Nebl. Diant. Cj. Luz-Nebl. Diant. Cj. Luz-Nebl. Delant. Cj. Luz-Nebl. Delant. Distr. Masa Distr. Masa Chicote Pnl. Instr. Carroç. Diant. Para os Instrumentos Carroc. Delant. Para los Instrumentos Distr. Masa Distr. Eléctr. Distr. Masa Distr. Elétr. Distr. Elétr. Distr. Massa Distr. Elétr. Distr. Elétr. Distr. Eléctr. Distr. Eléctr. Distr. Eléctr. Distr. Elétr. Farol Alto Farol Baixo Luz Estac. Sinal Direção Nivelamto. Farol Distr. Massa Distr. Masa Faro Alto Faro Bajo Luz Estac. Ind. Dirección Nivelamto. Faro Iluminación Exterior Farol Alto Farol Baixo Luz Estac. Sinal. Dir. Faro Alto Faro Bajo Luz Estac. Indic. Dir. Nivelamto. Farol Nivelamto. Faro Distr. Masa Iluminación Exterior Luz de Nebl.-Diant.Luz de Nebl.-Tras. Nivel. Farol Reostato Ilum. Iluminação Comp. Passag. Símbolo Ilum. Luz Estac. Luz de Nebl.-Delan.Luz de Nebl.-Tras. Nivel. Faro Reóstato Ilum. Iluminación Comp. Pasaj. Símbolo Ilum. Luz Estac.
  • 54.
    Versão / Versión:09/01/02 Diagramas Elétricos / Diagramas Eléctricos Corsa 2002 F11. 0.75 F12 0.75 FB1. 0.75 NOTCHBACK BCM 42.02 MU8 MF13. 0.75 28.30 28.31 FB9. 0.35 LK8-JM4 FB24. 0.75 FB2. 0.75 MF2. 0.5 28 5 6 4 Sinal. Dir. Indic. Dir. Luz Tpa. Tras. Luz Pare Lâmp. Reserva Luz Tapa Tras. Luz Pare Lámp. Reserva 3 RU10 0.5 E106R 1 MF2/MF22. 0.35 ABS FB11. L10/L11/LJ1 FU2 B 01 FP51. MF1. LK8 3 2 FB91. 0.35 JM4-LK8 20 Carroç. Tras. LE Placa Liç. e Luz Nebl. Tras. Carroc. Tras. LI-NB Lâmp. Reserva Sinal. Dir. Lámp. Reserva Ind. Direc. Cj. Lâmp.-Tampa Traseira Cj. Lámp.-Tapa Trasera Distr. Massa .00 .01 .05 .10 .12 .13 .14 .15 .16 .18 .21 .22 .23 .28 .36 .40 .42 .43 .45 .52 .53 .55 .02 .03 .04 .06 .07 .08 .09 .11 .17 .19 .20 .24 .25 .26 .27 .29 .30 .31 .32 .33 .34 .35 .37 .38 .39 .41 .44 .46 .47 .48 .49 .50 .51 .54 .56 RF4. 0.5 RU3. 0.35 0.35 28.37 RU2. 28.34 36.38 LK8 0.35 0 5 10 01 D 28 FP500. 0.35 . 0.5 Headlamp As) F111. E98 1 2 3 2 1 4 5 6 9 E106L 55.30 FP3 T79 . 0.5 25 A 25 E32 9 22.14 55.34 08.09 F26 FB5. 0.75 13.25 13.36 0.75 4 0.5 S216 1 2 E79 1 RU1. 0.5 F25 08.02 F11. 0.75 0.75 . 0.5 MF1/MF100. FM2 13.27 A A 43 BCM 38.14 55.27 55.32 FB4. 0.75 TS6 09.21 F38 0.5 F18. 0.50 RA4. 43 38 12 38 FB2. FB3. 0.75 JM4L10/L11/LJ1 10 0.75 20 . 12 0.75 22.21 13.34 24.21 1 2 D 13.21 Cores dos Circuitos / Colores de los Circuitos A = Vermelho Rojo B = Amarelo Amarillo F = Preto Negro M = Branco Blanco P = Azul Azul R = Cinza Gris U = Verde Verde X = Marrom Marrón Y = Violeta Violeta Circuitos sem bitola Circuitos sin Calibre Indicada = 0,75 mm2 Senãlada = 0,75 mm2 F F F/B F/P M/F M/F M/F F/B F/B F/B F/M F/U R/A R/U R/U R/U R/U M/F F/P F/B R/F F F F F/P F/B F/B F/B F/B F/B Distr. Elétr. DI - Ctrl. Mtr. Ctrl. Motor Distr. Elétr. Ilum. Externa DI - Ctrl. Mtr. Ctrl. Motor Ilum. Externa Distr. Eléctr. DI - Contr. Mtr. Contr. Motor Ilum. Exterior DI - Contr. Mtr. Contr. Motor Ilum. Exterior Distr. Eléctr. Lâmp.-Pnl. Instr. (Com/Soqt.) Cj. Interr.-Lâmp. S/Lp Cj. Interr.-Lámp. S/Lp Lámp.-Tbl. Instr. (Con/Soqt.) Cj. Lâmp.-Placa de Lic. Cj. Lámp.-Placa de Mat. Chicote Carroç. Diant. Chicote Carroç. Tras. LE Carroc. Tras. LI Placa Matríc. y Luz Nebl. Tras. Nazo Cond. Carroc. Delant. Mazo Cond. Carroc. Tras. LI Carroç. Tras. LE-NB Tampa do Bagageiro Tapa Portaequipajes Tampa Tras. Lâmp. Pare/Tpa. Tr. Luz Neblina Tapa Trasera Lámp. Pare/Tpa. Tr. Luz Neblina Distr. Massa Distr. Masa Cj. Lâmp.-Tpa. Traseira Cj. Lâmp. Break Light Cj. Lámp. Tpa. Trasera Cj. Lámp. Freno Sup. Distr. Massa Distr. Masa Distr. Masa Iluminação Externa Iluminación Exterior Pág. 56 M/F
  • 55.
    Versão / Versión:09/01/02 Diagramas Elétricos / Diagramas Eléctricos Corsa 2002 59.54 C87/UA6 R13. 0.35 MR2. 3 HATCHBACK ATWS 63.27 A21. 2 A30. Carroc. Delant. LI R2. 18.45 C87 A1. 0.5 J2-1 C87 S63RL R7. 0.35 A31/UA6 12 12 A31 0.5 18.37 R1. 1 1 39.04 BCM 44 R12. 0.35 R5. 0.5 UA6 RD A32. C87/UA6 RD A110. R370 R91. Carroc. Tras. LI Carroc. Tras. LI XM9. 20.18 .00 .02 .03 .04 .05 .06 .07 .08 .09 .10 .11 .12 .13 .14 .15 .16 .17 .18 .19 .20 .21 .22 .23 .24 .25 .26 .27 .28 .29 .30 .31 .32 .33 .34 .35 .36 .38 .39 .40 .41 .42 .43 .44 .45 .46 .47 .48 .50 .51 .52 .53 .54 .55 .56 2 59.54 .01 .37 .49 E67 J1-1 J2-1 3 A11. 0.35 UA6 R3. 0.5 50 5 42.33 BCM UA6 0.35 0.35 S39 1 2 R8. 07.48 A31. 0.5 50 2 1 2 S63P 2 S63RR 2 4 5 S63D 1 2 E62 19 E68 1 2 R9. 0.5 19 0.5 50 . BCM 40.41 0.35 0.5 R310. 0.35 0.5 A31 44 16.01 XM19. 0.35 AU0 5 MR1. 0.35 0.35 AU0 39.03 BCM 0.5 XM19. 0.5 C87 BCM 40.38 XN5 0.5 E27 1 2 XM991/XM99. 0.5 XN5 07.22 E94 J1-1 J3-1 C87 0.5 E16_P2 Cores dos Circuitos / Colores de los Circuitos A = Vermelho Rojo B = Amarelo Amarillo F = Preto Negro M = Branco Blanco P = Azul Azul R = Cinza Gris U = Verde Verde X = Marrom Marrón Y = Violeta Violeta Circuitos sem bitola Circuitos sin Calibre Indicada = 0,75 mm2 Senãlada = 0,75 mm2 M/R R R R R R R R R A A A A A X/M X/M X/M X/M M/R R R R R Vidro Elétr. Vidro Elétr. ECRB - Distr. Elétr. ECRB - Distr. Eléctr. Vent. Eléctr. Vent. Eléctr. Carroç. Diant. LE Chicote Luz Compart. Pass. Mazo Cond. Luz Compart. Pasaj. Chic. Pnl. Instr. Carroç. Tras. Esq. Chic. Pnl. Instr. Carroç. Tras. LD Chic. Luz Compart. Pass. Carroç. Tras. LE Mazo Cond. Tbl. Instr. Mazo Cond. Tbl. Instr. Carroc. Tras. LI Carroc. Tras. LD Mazo Cond. Luz Compart. Pasaj. Carroc. Tras. LI Carroç. Tras. LE Carroç. Tras. LE Chic. Pnl. Instr. Tampa Tras. Mazo Cond. Tbl. Instr. Tapa Tras. Distr. Massa Distr. Masa Cj. Luz-Leitura Cj. Luz-Reost. e Leitura Cj. Luz-Comp. Carga Cj. Luz-Reostato Cj. Luz-Lectura Cj. Luz-Reóst. y Lectura Cj. Luz-Comp. Carga Cj. Luz-Reóstato Distr. Masa Distr. Eléctr. Distr. Massa Distr. Elétr. Acend. Cigarros Encend. Cigarrillos Cj. Interr.-Trv. Pta. Motorista Cj. Interr.-Trav. Pta. Tras. LE Cj. Int.-Trv. Pta. Diant. LE Cj. Interr.-Trava Porta Cj. Interr.-Luz Comp. Carga Cj. Luz-Porta-luva Cj. Luz-Guantera Distr. Massa Distr. Masa Cj. Interr.-Trb. Pta. Conductor Cj. Interr.-Trab. Pta. Tras. LI Cj. Int.-Trb. Pta. Delant. LE Cj. Interr.-Traba Puerta Cj. Interr.-Luz Comp. Carga Iluminação Interna Iluminación Interior Pág. 57
  • 56.
    Versão / Versión:09/01/02 Diagramas Elétricos / Diagramas Eléctricos Corsa 2002 59.54 A31 MR2. 0.5 3 3 MR1. 0.35 C87/UA6 R13. 0.35 1 2 NOTCHBACK Distr. Massa A32. 0.5 1 2 07.22 A30. Carroc. Tras. LI E94 J1-1 BCM 40.41 UA6 R7. 0.35 A31/UA6 12 13.40 Carroc. Tras. LI Carroc. Tras. LI-NB 12 E Distr. Massa S63P R310. 0.35 2 E68 07.48 Power Dist S63RR R370. 0.35 2 A31. 0.5 4 5 BCM 40.38 S63D E62 1 2 ATWS 62.27 A11. 0.35 UA6 A21. 0.5 2 C87 AU0 XN5 XM991/XM99. 0.5 E XM9. 0.5 59.54 A31 R2. 0.5 XN5 XM19. 0.35 44 44 XM19. 0.35 AU0 42.33 BCM R5. 0.5 19 11.01 S39 1 2 0.5 J1-1 J2-1 39.03 BCM 20.18 19 R9. 0.5 39.04 BCM A110. E67 0.5 13.35 2 A1. 0.5 C87 J3-1 R1. J2-1 0.5 1 1 C87 R12. 0.35 S63RL C87/UA6 R8. 0.35 2 C87 R3. 0.35 E27 1 2 UA6 Luz Guantera .00 .01 .02 .03 .04 .05 .06 .07 .08 .09 .10 .11 .12 .13 .14 .15 .16 .17 .18 .19 .20 .21 .22 .23 .24 .25 .26 .27 .28 .29 .30 .31 .32 .33 .34 .35 .36 .37 .38 .39 .40 .41 .42 .43 .44 .45 .46 .47 .48 .49 .50 .51 .52 .53 .54 .55 .56 Iluminação Interna Cores dos Circuitos / Colores de los Circuitos Pág. 58 A = Vermelho Rojo B = Amarelo Amarillo F = Preto Negro M = Branco Blanco P = Azul Azul R = Cinza Gris U = Verde Verde X = Marrom Marrón Y = Violeta Violeta Circuitos sem bitola Circuitos sin Calibre Indicada = 0,75 mm2 Senãlada = 0,75 mm2 M/R R R R R R M/R R R A A A A R R A X/M X/M X/M X/M A R R Vidro Elétr. Vidro Elétr. ECRB - Distr. Elétr. ECRB - Distr. Eléctr. Vent. Eléctr. Vent. Eléctr. Carroç. Tras. LE Chic. Luz Compart. Passageiros Mazo Cond. Luz Compart. Pasajeros Chic. Pnl. Instr. Carroç. Tras. LE Chic. Pnl. Instr. Carroç. Tras. LD Chic. Luz Compart. Pass. Carroç. Tras. LE Mazo Cond. Pnl. Instr. Carroc. Tras. LI Mazo Cond. Pnl. Instr. Carroc. Tras. LD Mazo Cond. Luz Compart. Pasajeros Carroc. Tras. LI Carroç. Tras. LE Carroç. Tras. LE-NB Chic. Pnl. Instr. Tampa do Bagageiro Mazo Cond. Tbl. Instr. Tapa del Portaequipajes Cj. Luz de Leitura Cj. Luz-Reost. e Luz de Leitura Cj. Luz-Compart. Carga Cj. Luz-Teto Cj. Luz de Lectura Cj. Luz-Reóst. y Luz de Lectura Cj. Luz-Compart. Carga Cj. Luz-Techo Distr. Masa Distr. Masa Acend. Cigarros Encend. Cigarrillos Cj. Interr.-Trav. Pta. Motorista Cj. Interr.-Trav. Pta. Tras. LE Cj. Interr.-Trav. Pta. Tras. LD Cj. Interr.-Trav. Pta. Cj. Interr.-Luz Comp. Carga Luz Porta-luvas Distr. Massa Distr. Masa Cj. Interr.-Luz Comp. Carga Cj. Interr.-Trab. Pta. Conductor Cj. Interr.-Trav. Pta. Tras. LI Cj. Interr.-Trav. Pta. Tras. LD Cj. Interr.-Traba Pta. Iluminación Interior A
  • 57.
    Versão / Versión:09/01/02 Diagramas Elétricos / Diagramas Eléctricos Corsa 2002 Pta. Acompanhante Pta. Acompañante S112P 2 3 Cj. Interr.-Func./Mt. Pta./lat. Del. A31 Pta. Motorista Pta. Conductor 9 Arriba Abajo Arriba Abajo Arriba Abajo Arriba Abajo 1 10 3 7 2 6 5 12 11 S112D A31 A31 PA20. 0.5 4 1 40 40 A31 12 12 RU20. 0.5 06.51 07.17 06.47 Ilum. Int. 39.18 F14. 0.50 Mazo Cond. Pta. Conductor Carroc. Delant. Codrv Door Wrg Hrn 17 42.53 A31 A80. 2.5 A31 F15. 0.5 A31 A2. 2.5 A31 A31 F30. 0.5 3 F13. 0.5 A31 A2. 2.5 27 IP Wrg Hrn A31 17 RU8. 0.5 16 16 A31 PA8. 0.5 A31 A5. 0.5 A31 F16. 0.5 A26 A27 A2 A21 A20 A14 A12 A13 Abajo Derecha Izquierda Interruptor de los Ventanas - Del. Interruptor de los Ventanas - Tras. Int. de los Ventanas Motor - Diant. Motor - Delant. Ingnición Lógica Conductor Pasajero Bocina De los Ventanas - Del. Motor de los Ventanas - Tras. Fuente de Alimentación Izquierda Izquierda Derecha Izquierda Derecha Derecha A4 A3 A6 A5 A31 Int. Vidro Ignição Lógica Motorista Passageiro Buzina Int. Portas Esquerda Direita Esquerda Direita Derecha Masa RU72. A31 0.5 M PA60. 0.5 8 A31 RU60. 0.5 A31 RU70. 0.5 A31 PA70 0.5 A31 PA200 A31 RU200 0.5 0.5 28 16 28 PA60. A31 RU60. 0.5 UP DOWN A31 A28 B8 B9 B12 A7 B1 B10 B11 A31 AM2. 2.5 2 2 A31 AM1 2.5 M F14. 0.50 38 A31 AM3. 2.5 A10 A11 A31 PF2. 2.5 1 Mazo Cond. Tbl. Instr. IP Wrn Hrn Drv Door Wrn Hrn 1 A31 PF1 2.5 3 38 A8 A9 A18 A31 11.41 2 2 16.41 2 1 M14L 1 PF13. 2.5 1 1 A31 AM2 2.5 A31 PF2 2.5 M10P_LHD M M 1 1 A80 PU1. 2.5 23 23 A31 PU1. 2.5 1 1 16.37 11.37 B2 11.33 16.33 A31 AP1. 2.5 24 24 A31 AP1. 2.5 2 2 A19 A31 PU1. 2.5 M14R A31 AP1. 2.5 A31 .48 .49 .51 A31 M10. 0.5 26 26 A31 M11. 0.5 A31 0.5 25 25 6 6 2 4 3 A31 RU1. 0.50 10 10 A31 RU4. 0.5 Driver Door Wrn Hrn A31 PA30. 0.5 8 IP Wrn Hrn A31 RU3. 0.5 A31 M13. 0.5 11.36 16.36 A31 M10D_LHD 2 1 16 9 6 6 2 4 3 A31 PA1. 0.5 RU1 . A31 RU30. 0.5 9 A31 PA3. A31 0.5 27 M12. 0.5 A31 M1. 0.5 8 A31 PA7. 0.5 6 6 A31 M1. 0.5 17 19 19 08.22 PU2. 2.5 11 11 A31 PU1. 2.5 1 1 11.52 16.52 A31 RU7. 0.5 57.08 58.08 57.02 58.02 AP2. 2.5 31 67.29 31 A31 AP1. 2.5 2 1 X1. 0.50 7 7 X3. 0.5 7 7 A31 PA1. 0.50 9 A31 9 PA1. 0.5 27 28 28 17 A31 . 2 RU10 0.5 RU61 . 0.5 A31 0.5 A31 RU62. 0.5 B7 B3 B4 PA72. 0.5 A31 15 15 11.39 16.39 A31 M1. 0.5 A31 M1. 0.5 1 A31 X1. 0.50 7 7 A31 RU70. 0.5 14 14 A31 PA70. 0.5 1 2 PA1. 0.50 A31 A31 X3. 0.5 9 9 2 A31 10 10 RU4. 0.5 18 18 PU1. 2.5 PA1 . 0.5 8 8 A31 A31 A31 S215L PA62. 0.5 26 Carroc. Tras. LI 16.43 11.43 27 BCM A31 PA61. 0.5 S215R A31 AP1. 2.5 A31 26 11.41 16.41 RU71. 0.5 A31 A31 PA71. 0.5 A31 A31 .00 .01 .02 .03 .04 .05 .06 .07 .08 .09 .10 .11 .12 .13 .14 .15 .16 .17 .18 .19 .20 .21 .22 .23 .24 .25 .26 .27 .28 .29 .30 .31 .32 .33 .34 .35 .36 .37 .38 .39 .40 .41 .42 .43 .44 .45 .46 .47 .50 .52 .53 .54 .55 .56 Cores dos Circuitos / Colores de los Circuitos A = Vermelho Rojo B = Amarelo Amarillo F = Preto Negro M = Branco Blanco P = Azul Azul R = Cinza Gris U = Verde Verde X = Marrom Marrón Y = Violeta Violeta Circuitos sem bitola Circuitos sin Calibre Indicada = 0,75 mm2 Senãlada = 0,75 mm2 M R/U P/A R/U P/A R/U P/A R/U P/A R/U P/A F F F F A M R/U P/A R/U P/A R/U P/A P/A P/A R/U R/U R/U P/A F A A F A P/A R/U P/F A/M P/F A/M P/F A/M P/F A/M P/U A/P P/U A/P P/U A/P P/U A/P P/U A/P P/U A/P M M M R/U P/A X R/U P/A X R/U P/A M M M R/U P/A X R/U P/A X R/U P/A P/A R/U Inibidor Vidros Traseiros Acima Abaixo Acima Abaixo Acima Abaixo Acima Abaixo Inhibidor Tras. LE Tras. LD Acompanhante Motorista Ventanas Traseras Tras. LI Tras. LD Acompañante Conductor Cj. Interr.-Func./M. Pta./Lat. Diant. Cj. Interr.-Func./M. Pta./Lat. Diant. Cj. Interr.-Func./Mt. Pta./lat. Del. Acima Abaixo Arriba Abajo Chic. Pta. Acomp. Chic. Pnl. Instr. Chic. Pta. Motorista Chic. Pnl. Instr. Carroç. Diant. Chic. Pnl. Instr. Mazo Cond. Pta. Acomp. Mazo Co. Tbl. Instr. Mazo Co. Tbl. Instr. Mazo Co. Tbl. Instr. Distr. Elétr. Distr. Eléctr. Luzes Int. Diagnóstico Diagnostico Cj. Módulo - Ctrl. Vdo. Elétr. Int. Vidro - Diant. Cj. Módulo - Contr. Vent. Eléctr. Int. Vidro Tras. Massa Motor do Vidro - Diant. Motor do Vidro - Tras. Acima Abaixo Acima Abaixo Direita Esquerda Esquerda Direita Abaixo Acima Abaixo Acima Esquerda Direita Acima Abaixo Acima Abaixo Acima Abaixo Acima Abaixo Arriba Abajo Arriba Arriba Arriba Arriba Arriba Arriba Arriba Abajo Abajo Abajo Abajo Abajo Abajo Chic. Pnl. Instr. Carroç. Tras. LE Carroç. Tras. LE Porta Tras. LE Chic. Pnl. Instr. Carroç. Tras. LD Carroç. Tras. LD Porta Tras. LD Mazo Cond. Tbl. Instr. Carroc. Tras. LI Carroc. Tras. LI Porta Tras. LI Mazo Cond. Tbl. Instr. Carroc. Tras. LD Carroc. Tras. LD Porta Tras. LD Chic. Pnl. Instr. Chic. Pta. Motorista Chic. Pnl. Instr. Chic. Pta. Acomp. Chic. Pnl. Instr. Chic. Pnl. Instr. Carroç. Tras. LE Carroç. Tras. LD Carroç. Tras. LE Carroç. Tras. LE Carroç. Tras. LD Carroç. Tras. LD Mazo Cond. Tbl. Instr. Mazo Cond. Tbl. Instr. Mazo Cond. Tbl. Instr. Mazo Cond. Pta. Conductor Mazo Cond. Pta. Acomp. Carroc. Tras. LI Carroc. Tras. LI Carroc. Tras. LI Carroc. Tras. LD Carroc. Tras. LD Carroc. Tras. LD Porta Tras. LE Carroç. Tras. LE Porta Tras. LE Chic. Pnl. Instr. Porta Tras. LD Carroç. Tras. LD Carroç. Tras. LD Chic. Pnl. Instr. Puerta Tras. LI Puerta Tras. LI Mazo Cond. Tbl. Instr. Puerta Tras. LD Carroc. Tras. LD Carroc. Tras. LD Mazo Cond. Tbl. Instr. Cj. Interr. - Vidro Pta./Lat. Tras. Cj. Interr. - Vidro Pta./Lat. Tras. Cj. Motor-Reg. Vdo. Pta./Lat. Diant. Cj. Motor-Reg. Vdo. Pta./Lat. Diant. Cj. Motor-Reg. Vdo. Pta./Lat. Tras. Cj. Motor-Reg. Vdo. Pta./Lat. Tras. Tras. - LD Tras. - LD Cj. Interr. - Vent. Pta./Lat. Tras. Cj. Interr. - Vent. Pta./Lat. Tras. Tras. - LD Tras. - LD Cj. Mt.-Reg. Vent. Pta./Lat. Del. Cj. Mt.-Reg. Vent. Pta./Lat. Del. Cj. Motor-Reg. Vent. Pta./Lat. Tras. Cj. Motor-Reg. Vent. Pta./Lat. Tras. Acima Abaixo Arriba Abajo Esquemas dos Vidros Elétricos Esquemas de las Ventanas Eléctricos Pág. 59 Izquierda Supl. Energia
  • 58.
    Versão / Versión:09/01/02 Diagramas Elétricos / Diagramas Eléctricos Corsa 2002 Cj. Interr.-Teto Solar ECRB - Distr. Elétr. 09.09 07.31 CF5 A700. 1.5 CF5 A70. 0.5 FM700. 13.54 13.52 Cj. Interr.-Techo Solar .00 .01 .02 .03 .04 .05 .06 .07 .08 .09 .10 .11 .12 .13 .14 .15 .16 .17 .18 .19 .20 .21 .22 .23 .24 .25 .27 .32 .34 .35 .36 .37 .38 .39 .40 .41 .42 .43 .44 .45 .46 .47 .48 .49 .50 .51 .52 .53 .55 .26 .28 .29 .30 .31 .33 .54 .56 FP700. CF5 0.5 18.54 CF5 0.5 M16 2 3 5 1 6 18.52 S228 4 3 5 Cores dos Circuitos / Colores de los Circuitos A = Vermelho Rojo B = Amarelo Amarillo F = Preto Negro M = Branco Blanco P = Azul Azul R = Cinza Gris U = Verde Verde X = Marrom Marrón Y = Violeta Violeta Circuitos sem bitola Circuitos sin Calibre Indicada = 0,75 mm2 Senãlada = 0,75 mm2 F/P F/M A A Cj. Motor-Acionador Teto Solar Distr. Massa Distr. Massa Distr. Masa Distr. Masa ECRB - Distr. Eléctr. Cj. Motor-Accionador Techo Solar Esquemas do Teto Solar Esquemas del Techo Solar Pág. 60
  • 59.
    Versão / Versión:09/01/02 Diagramas Elétricos / Diagramas Eléctricos Corsa 2002 Pnl. Instrum. Ctr. Mt. DI - Ctr. Mt. Ctr. Mt. DI - Ctr. Mt. Distr. Elétr. Tabl. Instrum. Contr. Mt. DI - Contr. Mt.Contr. Mt.DI - Contr. Mt.Distr. Eléctr. 28.42 LK8 XP4. 0.35 28.45 LK8 XY42. 0.35 21.10 23.10 25.10 XY4. 12 12 8 XY130 6 XM138. 0.35 8 0.35 0.35 07.45 21.07 23.07 25.07 67.41 L10L11LJ1 50.32 XP9. 11.13 L10L11LJ1 XP8. 0.35 5 1 42.45 BCM 16.13 . 7 67.44 0.35 XP10. 0.35 Carroceria Delant. 9 06.48 XP8. 0.35 A110 2 4 .00 .01 .02 .03 .04 .05 .06 .07 .08 .09 .10 .11 .12 .13 .14 .15 .16 .17 .18 .19 .20 .21 .22 .23 .24 .25 .26 .27 .28 .29 .30 .31 .32 .33 .34 .35 .36 .37 .38 .39 .40 .41 .42 .43 .44 .45 .46 .47 .48 .49 .50 .51 .52 .53 .54 .55 .56 Cores dos Circuitos / Colores de los Circuitos A = Vermelho Rojo B = Amarelo Amarillo F = Preto Negro M = Branco Blanco P = Azul Azul R = Cinza Gris U = Verde Verde X = Marrom Marrón Y = Violeta Violeta Circuitos sem bitola Circuitos sin Calibre Indicada = 0,75 mm2 Senãlada = 0,75 mm2 X/P X/P X/Y X/Y X/P X/P X/P X/Y X/M Carroçaria Diant. Chic. Pnl. Instrum. Mazo Cond. Tbl. Instrum. Cj. Módulo-Anti-furto Diagnóstico Distr. Elétr. Distr. Massa Distr. Masa Diagnostico Distr. Eléctr. Cj. Módulo-Antirrobo Imobilizador Inmobilizador Pág. 61
  • 60.
    Versão / Versión:09/01/02 Diagramas Elétricos / Diagramas Eléctricos Corsa 2002 K67 B79 42.38 39 38.25 12 12 39 . AM10 UA6 0.35 XB6. 0.35 2 4 1 BCM . UA6 40.43 XM13 0.75 UA6 58.13 Para o pino 66 BCM Para la Clavija 66 BCM H16 12.41 1 2 .22 .24 .25 .27 .54 .55 .56 .30 .32 .33 .35 NotchBack 40.53 UA6 UA6 Y49 57.16 11 11 XM401. 0.35 C C XM1. 0.35 42.41 3 4 S135 12.46 BCM 2 1 .00 .01 .02 .03 .04 .05 .06 .07 .08 .09 .10 .11 .12 .13 .14 .15 .16 .17 .18 .19 .20 .21 .23 .26 .28 .29 .31 .34 .36 .37 .38 .39 .40 .41 .42 .43 .44 .45 .46 .47 .48 .49 .50 .51 .52 .53 Sistema Anti-furto Cores dos Circuitos / Colores de los Circuitos Pág. 62 A = Vermelho Rojo B = Amarelo Amarillo F = Preto Negro M = Branco Blanco P = Azul Azul R = Cinza Gris U = Verde Verde X = Marrom Marrón Y = Violeta Violeta Circuitos sem bitola Circuitos sin Calibre Indicada = 0,75 mm2 Senãlada = 0,75 mm2 X/M X/M X/B X/M X/M Chic. Pnl. Instr. Carroç. Tras. LE Carroç. Tras. LE-NB Tampa Bagageiro Chic. Pnl. Instr. Carroç. Tras. LE Mazo Cond. Tbl. Instr. Carroc. Tras. LI Carroc. Tras. LI-NB Tapa Portaequipajes Mazo Cond. Tbl. Instr. Carroc. Tras. LI Cj. Interr.-Antirrobo Capó Accion.-Palac. Cil. Trv. Tpa. Comp. Tr. Cj. Sensor-Antirrobo Cj. alarma-Antirrobo Cj. Interr.-Anti-furto Capô Acionador-Alav. Cil. trv. Tpa. Comp. Tr. Cj. Sensor-Anti-furto Cj. Alarme-Anti-furto Distr. Massa Distr. Massa Distr. Massa Iluminação Interna Distr. Masa Distr. Masa Iluminación Interior Distr. Masa Sistema Antirrobo
  • 61.
    Versão / Versión:09/01/02 Diagramas Elétricos / Diagramas Eléctricos Corsa 2002 HatchBack AM10. XB6. 38.25 2 4 1 2 XM13. Chic. Pnl. Instr. Mazo Cond. Tbl. Instr. Carroç. Tras. LE Carroc. Tras. LI Distr. Massa .00 .01 .03 .07 .12 .15 .18 .21 .42 .43 .44 .45 .46 .47 .48 .49 .02 .05 .06 .08 .09 .10 .11 .13 .14 .16 .17 .19 .20 .22 .23 .24 .25 .26 .27 .28 .29 .30 .31 .32 .33 .35 .40 .41 .50 .51 .52 .53 .54 .55 .56 K67 .04 .34 .36 .37 .38 .39 1 2 S135 1 B79 39 H16 12 UA6 0.75 12 39 UA6 0.35 0.35 BCM 42.38 UA6 40.43 BCM 17.41 42.41 57.13 17.46 S16_P2-A29_P67 Cores dos Circuitos / Colores de los Circuitos A = Vermelho Rojo B = Amarelo Amarillo F = Preto Negro M = Branco Blanco P = Azul Azul R = Cinza Gris U = Verde Verde X = Marrom Marrón Y = Violeta Violeta Circuitos sem bitola Circuitos sin Calibre Indicada = 0,75 mm2 Senãlada = 0,75 mm2 X/B A/M X/M Cj. Interr.-Anti-furto Capô Cj. Interr.-Antirrobo Capó Cj. Sensor-Anti-furto Cj. Alarme-Anti-furto Cj. Alarma-Antirrobo Cj. Sensor-Antirrobo Para o pino 66 BCM Para la clavija 66 BCM Distr. Masa Iluminação Interna Iluminación Interior Distr. Massa Distr. Masa Sistema Anti-furto Sistema Antirrobo Pág. 63
  • 62.
    Versão / Versión:09/01/02 Diagramas Elétricos / Diagramas Eléctricos Corsa 2002 D78 D78 1 3 2 4 M M D78 25 25 P3. D78 D78 23 21 R10. 21 23 21 D78 FA7. M M 09.11 12 12 D78 A10. Y1 Y2 X1 X2 M11D_LHD D78 Mazo Cond. Pta. Conductor Mazo Cond. Tbl. Instr. Mazo Cond. Tbl. Instr. .00 .01 .02 .03 .04 .05 .06 .07 .08 .09 .10 .11 .12 .13 .14 .15 .16 .17 .18 .19 .20 .21 .22 .23 .24 .25 .26 .27 .28 .29 .30 .31 .32 .33 .34 .35 .36 .37 .38 .39 .40 .41 .42 .43 .44 .45 .46 .47 .48 .49 .50 .51 .52 .53 .54 .55 .56 0.35 D78 P20. 0.35 R10 0.35 FA30. 0.35 FA40. 0.35 . D78 B20. 0.35 FA20 0.35 U10. 0.35 D78 0.35 . D78 0.35 11.46 16.46 D78 0.35 D78 P20. 0.35 R10. 0.35 FA60. 0.35 25 23 21 25 7 5 8 23 S169LHD/S169RHD 1 2 3 4 M11P_LHD 1 3 2 4 Cores dos Circuitos / Colores de los Circuitos A = Vermelho Rojo B = Amarelo Amarillo F = Preto Negro M = Branco Blanco P = Azul Azul R = Cinza Gris U = Verde Verde X = Marrom Marrón Y = Violeta Violeta Circuitos sem bitola Circuitos sin Calibre Indicada = 0,75 mm2 Senãlada = 0,75 mm2 A F/A R F/A P R F/A P R F/A P B F/A U ECRB - Distr. Elétr. ECRB - Distr. Eléctr. Chic. Pnl. Instr. Chic. Pta. Motorista Chic. Pta. Motorista Chic. Pnl. Instr. Chic. Pnl. Instr. Chic. Pta. Acompanhamto. Mazo Cond. Pta. Acompañante Mazo Cond. Tbl. Instr. Mazo Cond. Pta. Conductor Cj. Interr.-Ctr. Esp. Retr. Tras. Externo Cj. Interr.-Contr. Esp. Retr. Tras. Exterior E D E D I D I D Cj. Motor - Esp. Retrov. Ext. Pta. Motorista Cj. Motor - Esp. Retrov. Extr. Porta Acompanhante Cj. Motor - Esp. Retrov. Ext. Pta. Conductor Cj. Motor - Esp. Retrov. Extr. Puerta Acompañante Distr. Massa Distr. Masa Esquemas dos Espelhos Externos Esquemas de los Espejos Exteriores Pág. 64
  • 63.
    Versão / Versión:09/01/02 Diagramas Elétricos / Diagramas Eléctricos Corsa 2002 ABS Cj. Sensor, Temp. Amb. Antena Elétr. - Cj. Rádio 9 8 BCM 3 4 Data Bus Serial Clock Data Bus Serial Data Data Bus Master Request Term. 15 Auto Antena Term. 30 6 5 7 W8X W8X-UD8 P11. PM4. W8X 2 A134 Antena Eléctr. - Cj. Radio W8X UD8W8X Gnd Dist XU41. XP110. BCM AR1. UD8W8X W8X W8X P12. P230. W8X B120. B110. XB9. XB110. XB120. PA5. XP230. W8X M341. W8X U10. W8X W8X W8X Cj. Altavoz-Sup. LI Delant. Radio Cj. Altavoz-Inf. LI Delant. Radio Cj. Altavoz-Sup. LD Delant. Radio Distr. Massa HATCHBACK .00 .01 .02 .03 .04 .05 .06 .07 .08 .09 .10 .11 .12 .13 .14 .15 .16 .17 .18 .19 .20 .21 .22 .23 .24 .25 .26 .27 .28 .29 .30 .31 .32 .33 .34 .35 .36 .37 .38 .39 .40 .41 .42 .43 .44 .45 .46 .47 .48 .49 .50 .51 .52 .53 .54 .55 .56 1 2 P6 1 12 10 11 2 2 B111 1 2 B112 1 2 B111 1 2 B112 1 15 B23 XM10. 36.02 2 0.75 11 2 PM13. 0.35 FM110. Z1. W8X 16 W8X 0.75 07.12 F12 UD8W8X U33. 0.35 1 39 0.35 FM301. 0.5 W8X W8X XP120. 0.75 W8X 0.75 P120. 0.75 7 F3 06.43 U41. S01 SGN GND 8 5 7 6-EMP 9 2 19 18 20 GND 26 3 27 4 1 15 11 14 10 16 12 13 1 2 B120 1 Radio W6 POWER SIGNAL B120 15.50 SGN 41.42 0.75 GND 3 3 ABS 36.11 13 Diagnose 68.43 13 W8X 0.0 41.35 UD8W8X 0.35 39 11 B10. 0.75 0.75 16 11 W8X W8X 0.75 0.75 W8X 0.75 W8X 0.75 W8X 0.75 UD8W8X XR34. 09.07 UD8W8X P11. 0.35 0.35 M35 0.35 15.17 XP11. 0.75 . W8X UD8W8X 0.35 W8X 0.75 W8X 0.75 7 XU10. M10. 0.75 0.75 0.75 W8X W8X 6 0.35 A400. 2.5 6 PM4. 0.75 S01 W8X XM341. 0.75 13 0.35 13 11 W8X Z1. 15 68.12 P110. 0.75 1 Power Dist 07.39 XB230. 0.75 B230. 0.75 Cores dos Circuitos / Colores de los Circuitos A = Vermelho Rojo B = Amarelo Amarillo F = Preto Negro M = Branco Blanco P = Azul Azul R = Cinza Gris U = Verde Verde X = Marrom Marrón Y = Violeta Violeta Circuitos sem bitola Circuitos sin Calibre Indicada = 0,75 mm2 Senãlada = 0,75 mm2 P/A A P/M P P/M P/M X/R P U M A/R R F/M F/M R X/B X/B B B X/P X/P P P P X/P P X/P B X/B B X/B U X/U U X/U M X/M M X/M ECRB - Distr. Elétr. ERCB - Distr. Eléctr. Diagnós. Diagnos. Carroç. Diant. Chic. Pnl. Instr. Carroç. Diant. Chic. Pnl. Instr. Carroc. Delant. Mazo Cond. Tbl. Instr. Carroc. Delant. Mazo Cond. Tbl. Instr. Cj. Motorista - Inf. Motorista Cj. Mostrador - Inf. Conductor Sensor Distância Term. 15 Diagnóstico Massa Limp. Ext. Massa Sensor Temp. Ext. Masa Temp. Ext. Masa Sensor Temp. Ext. Sensor Distancia Term. 30 Diagnóstico Carroç. Tras. Chic. Pnl. Instr. Antena Carroç. Tras. LD Antena PI Carroc. Tras. Mazo Cond. Tbl. Instr. Antena Carroc. Tras. LD Antena PI Cj. Sensor, Temp. Amb. Cj. Alto-falant.-Sup. LE Dian. Rádio Cj. Alto-falant.-Inf. LE Dian. Rádio Cj. Alto-falant.-Sup. LD Dian. Rádio Cj. Alto-falant.-Inf. LD Dian. Rádio Cj. Altavoz-Inf. LD Delant. Radio Chic. Pnl. Instr. Chic. Pta. Acompanh. Chic. Pnl. Instr. Chic. Pta. Acompanh. Chic. Pnl. Instr. Carroç. Tras. LE Chic. Pnl. Instr. Carroç. Tras. LE Mazo Cond. Tpl. Instr. Mazo Cond. Pta. Acompañante Mazo Cond. Tpl. Instr. Mazo Cond. Pta. Acompañante Mazo Cond. Tpl. Instr. Carroc. Tras. LI Mazo Cond. Tpl. Instr. Carroc. Tras. LI Distr. Masa Cj. Alto-falte.-Rádio Lat. Tras. Cj. Alto-falte.-Rádio Lat. Tras. Cj. Altavoz-Radio Lat. Tras. Cj. Altavoz-Radio Lat. Tras. Sistema de Rádio/Áudio e Informações do Motorista Sistema de Radio/Audio e Informaciones del Conductor Pág. 65 Painel Ilum. Panel Ilum.
  • 64.
    Versão / Versión:09/01/02 Diagramas Elétricos / Diagramas Eléctricos Corsa 2002 ABS 36.11 W6 3 4 Data Bus Serial Clock 8 Data Bus Serial Data Data Bus Master Request Term. 15 Painel Ilum. Auto Antena Term. 30 07.12 A400. Cj. Altavoz-Sup. LI Delant. Radio Cj. Altavoz-Inf. LI Delant. Radio Cj. Altavoz-Sup. LD Delant. Radio NOTCHBACK 6 5 7 UD8W8X PM4. UD8W8X Cj. Sensor, Temp. Amb. Cj. Sensor, Temp. Amb. 2 19 18 20 W8X W8X XP11 W8X W8X Antena Eléctr.-Cj. Radio W8X M341. W8X W8X W8X P110. UD8W8X U33. UD8W8X W8X XU10. 2 M35. 2 XM341. P120. W8X U41. W8X XB230. FM301. XP120. SINAL SEÑAL Distr. Massa .00 .01 .02 .03 .04 .05 .06 .07 .08 .09 .10 .11 .12 .13 .14 .15 .16 .17 .18 .19 .20 .21 .22 .23 .24 .25 .26 .27 .28 .29 .30 .31 .32 .33 .34 .35 .36 .37 .38 .39 .40 .41 .42 .43 .44 .45 .46 .47 .48 .49 .50 .51 .52 .53 .54 .55 .56 13 11 XP230. B112 1 2 W8X Z1. W8X B111 1 2 B120. 0.75 B110. 0.75 XB110. 0.75 W8X M341. 0.75 P230. 0.75 16 W8X 0.75 0.35 45 AR1. 0.35 15 B120 1 2 ABS 36.02 W8X 46 U10. 0.75 0.75 W8X 6 PA5. 0.35 UD8W8X Z1. POWER Gnd Dist 10.50 P11. 0.35 1 UD8W8X 0.35 P12. 0.75 B112 GND 1 0.75 SGN . XB9. FM110. 0.75 W8X 0.75 B120 1 F12 07.39 10.17 S01 3 27 4 8 5 7 6-EMP 9 GND 15 16 26 A134 1 11 14 10 12 13 7 XR34. 0.35 46 W8X 68.12 PM4. 0.35 0.75 68.31 W8X 2.5 13 7 0.35 W8X XM341. 0.75 UD8W8X 9 0.75 12 2 09.07 P6 1 10 11 W8X 0.75 B230. 0.75 B10. BCM 41.43 W8X 0.75 15 0.75 6 S01 2 39 P11. B111 1 W8X 0.75 0.35 SGN GND 11 13 11 06.43 F3 13 W8X W8X 0.5 16 XB120. 0.75 39 W8X 0.75 B23 1 2 11 W8X XU41. 0.75 45 BCM 41.34 1 XP110. 0.75 W8X Cores dos Circuitos / Colores de los Circuitos A = Vermelho Rojo B = Amarelo Amarillo F = Preto Negro M = Branco Blanco P = Azul Azul R = Cinza Gris U = Verde Verde X = Marrom Marrón Y = Violeta Violeta Circuitos sem bitola Circuitos sin Calibre Indicada = 0,75 mm2 Senãlada = 0,75 mm2 A P/A P/M P P/M X/R P U M A/R F/M R F/M R X/B X/B B B X/P X/P P P P X/P B X/B U X/U M X/M P X B X/B U X/U M X/M ECRB - Distr. Elétr. DIAG. ECRB - Distr. Eléctr. DIAG. Carroç. Diant. Chic. Pnl. Instr. Carroç. Diant. Chic. Pnl. Instr. Carroc. Delant. Mazo Cond. Tpl. Instr. Carroc. Delant. Mazo Cond. Tpl. Instr. Distr. Elétr. Diagnóstico Antena Elétr.-Cj. Rádio Cj. Mostrador-Inf. Motorista Cj. Mostrador-Inf. Conductor Distr. Eléctr. Diagnostico Sensor Distância Massa Limp. Ext. Massa Sensor Temp. Ext. Diagnóstico Sensor Distancia Masa Temp. Ext. Masa Sensor Temp. Ext. Diagnostico Carroç. Tras. LD Chic. Pnl. Instr. Antena Carroç. Tras. LD Antena Pnl. Instr. Carroc. Tras. LD Mazo Cond. Tbl. Intr. Antena Carroc. Trad. LD Antena Tbl. Instr. Rádio Radio Cj. Alto-fal.-Sup. LE Diant. Rádio Cj. Alto-fal.-Inf. LE Diant. Rádio Cj. Alto-fal.-Sup. LD Diant. Rádio Cj. Alto-fal.-Inf. LD Diant. Rádio Cj. Altavoz-Inf. LD Delant. Radio Chic. Pnl. Instr. Chic. Pta. Motorista Chic. Pnl. Instr. Chic. Pta. Acompanhante Chic. Pnl. Instr. Carroç. Tras. LE Chic. Pnl. Instr. Carroç. Tras. LE Mazo Cond. Tbl. Instr. Mazo Cond. Pta. Conductor Mazo Cond. Tbl. Instr. Mazo Cond. Pta. Acompañante Mazo Cond. Tbl. Instr. Carroc. Tras. LI Mazo Cond. Tbl. Instr. Carroc. Tras. LI Distr. Masa Cj. Alto-fal.-Lat. Tras. Rádio Cj. Alto-fal.-Lat. Tras. Rádio Cj. Altavoz-Lat. Tras. Radio Cj. Altavoz-Lat. Tras. Radio Sistema de Rádio/Áudio e Informações do Motorista Sistema de Radio/Audio e Información del Conductor Pág. 66 Panel Ilum.
  • 65.
    Versão / Versión:09/01/02 Diagramas Elétricos / Diagramas Eléctricos Corsa 2002 Rádio e Inf. Ctrl. Mtr. 65.40 EPS 22.23 24.23 26.23 43.39 66.40 29.07 61.26 XM29. LK8 50.32 59.54 A31 XU2. 0.50 UD8 XU121. UD8 XU1. 0.35 0.35 ABS 36.50 JM4 XM145. 0.35 BCM 38.48 XM140. 0 35 XM111. 0.35 61.23 NV8 XM130. 0.35 37.28 NV8 L10/L11/LJ1 XM20. 0.35 30 30 Carroç. Diant. Carroc. Delant. L10/L11/LJ1 B15. 0.75 5 5 B15. 0.75 XM28. 0.35 NV8 LK8 XM29. 0.35 UD8 XU120. 50.36 0.35 8 6 7 13 16 06.46 31.31 ACS X136 12 .16 .19 .32 .33 .34 .35 .36 .37 .39 .50 AK5 XM120 0.35 XM121. 0.35 3 4 5 16.04 11.04 65.13 66.13 16.07 11.07 .00 .01 .02 .03 .04 .05 .06 .07 .08 .09 .10 .11 .12 .13 .14 .15 .17 .18 .20 .21 .22 .23 .24 .25 .26 .27 .28 .29 .30 .31 .38 .40 .41 .42 .43 .44 .45 .46 .47 .48 .49 .51 .52 .53 .54 .55 .56 Cores dos Circuitos / Colores de los Circuitos A = Vermelho Rojo B = Amarelo Amarillo F = Preto Negro M = Branco Blanco P = Azul Azul R = Cinza Gris U = Verde Verde X = Marrom Marrón Y = Violeta Violeta Circuitos sem bitola Circuitos sin Calibre Indicada = 0,75 mm2 Senãlada = 0,75 mm2 X/M X/M X/M X/M X/M X/U X/U X/U B X/U B X/M X/M X/M X/M X/M Rádio e Inf. Prot. Ocupantes Pnl. Instrum. Vdo. Elétr. Ctrl. Mtr. Imobilizador Di-Ctrl. Mtr. Imobilizador Radio e Inf. Protec. Ocupantes Tabl. Instrum. Vent. Eléctr. Radio e Inf. Inmobilizador Di-Ctrl. Mtr. Inmobilizador Carroç. Diant. Chic. Pnl. Instr. Chic. Pnl. Instr. Carroc. Delant. Mazo Cond. Tbl. Instr. Mazo Cond. Tbl. Instr. Conexão P/ Diagnóstico Conexión P/ Diagnostico Distr. Massa Distr. Masa Distribuição Elétrica Distribución Eléctrica Diagnóstico Diagnostico Pág. 67
  • 66.
    Opcionales - Corsa Código Descripción A31 Ventana eléctrica, todas las puertas A90 Control de la traba de la tapa del compartimiento trasero, desbloqueo eléctrico con control remoto AK5 Sistema inmobilizador del asiento, inflable, conductor y pasajero AU0 Control de la traba, entrada remoto entrada B76 Tablero de instrumentos colorido, negro C25 Sistema lavador del vidrio trasero C39 Sistema HVAC de aire exterior, con ventilador C41 Sistema HVAC calefactor del aire exterior, con ventilador C49 Desempañador del vidrio trasero, eléctrico C60 Controles principales HVAC del sistema acondicionador de aire delantero C87 Luz del tablero de instrumentos, qtr, cortesía CE1 Sistema limpiaparabrisas, pulso, sensible a la humedad CF5 Techo solar, vidrio, techo deslizante, eléctrico D15 Tablero de instrumentos colorido, gris D78 Espejo exterior lado izquierdo y lado derecho, control remoto, eléctrico, convexo, auxiliar wfov, cor JM4 Sistema de freno hidráulico, freno a disco delantero, tambor en el freno trasero, acero fundido, antiblocante, ruedas delanteras y traseras K09 Alternador de 120 AMP L11 Motor a gasolina 4 CI, 1.0 l, MFI, OHC Brasil LJ1 Motor a gasolina 4 CI, 1.8 l, MFI, OHC, Brasil Pág. 66
  • 67.
    Código Descripción M26Transmisión manual 5 marchas, OPEL, 1.96 2ND, 1.323 3RD, 0.946 4TH 0.756 5TH, F17 (WR) Pág. 67
  • 68.
    Opcionales - Corsa Código Descripción MU7 Transmisión manual 5 marchas, Brasil, 65 mm, 4.273 1ST, 1.483 3RD 0.804 5TH (F15/F17M HR) MU8 Transmisión manual 5 marchas, Brasil, 65 mm, 4.273 1ST, 0.804 5TH sistema de embrague electrónico (F15/F17M HR) T79 Luz de neblina, trasera T96 Luz de neblina TR6 Control del sistema de nivelación de los faros, manual TS6 Luz de pare, nivel alto UA6 Sistema de detección antihurto UD8 Reloj digital y sensor de la temperatura exterior UH8 Tablero de instrumentos, temperatura del sistema de refrigeración, trip odómetro, taquímetro W8X Mazo de conductores eléctricos de los equipamientos, radio características de opción substituta WU5 Crédito de combustible de las concesionarias/ fuel credit dealer’s XN5 Luz adicional Pág. 68