INTERPRETACIÓN DE
PLANOS Y DIAGRAMAS
EN INSTRUMENTACIÓN
SEÑALES DE COMUNICACIÓN
ESTÁNDAR DE INSTRUMENTACIÓN
¿Qué es la Instrumentación? Instrumentación es el conjunto de
ciencias y tecnologías mediante las cuales se miden cantidades físicas ó
químicas con el objeto de obtener información para su archivo,
evaluación ó actuación sobre los Sistemas de Control Automático.
¿Qué es la Medición? Comparar una cantidad con su respectiva
unidad con el fin de averiguar cuantas veces la segunda está contenida
en la primera. Entre las variables mas medidas en los Procesos tenemos:
Presión, Nivel, Temperatura, Flujo, Densidad, variables de análisis
químico, etc.
SIMBOLOGÍA Y NOMENCLATURA
(ISA) DE INSTRUMENTACIÓN
La SOCIEDAD DE INSTRUMENTISTAS DE
AMERICA (ISA) publica normas para símbolos,
términos y diagramas que son reconocidos en la
industria.
SIMBOLOS Y DIAGRAMAS
Los símbolos y diagramas son usados en el control de
procesos para indicar:
-La aplicación en el proceso
-El tipo de señales empleadas
-La secuencia de componentes interconectadas
-La instrumentación empleada
Identificación del instrumento
NORMA ISA APLICABLES A DTI´S
No hay “norma” DTI o acuerdo en la información
que debe ser incluida o excluida de tales
documentos. Las normas ISA ANSI/ISA-5.1-1984
(R1992) y ISA-5.3-1983 son las guías generalmente
más aceptables para desarrollar simbolismo para
instrumentación y sistemas de control en: las
industrias químicas y petroquímica, generación de
energía, pulpa y papel, refinación, metales, aire
acondicionado, etc. y pueden ser utilizadas en
procesos continuos, por lotes y discretos.
 ANSI/ISA-S5.1-1984 (R1992), Identificación y
símbolos de
instrumentación.
 ANSI/ISA-S5.2-1976 (R1992), Diagramas lógicos
binarios para operaciones de proceso.
 ISA-S5.3-1983, Símbolos gráficos para control
distribuido,
instrumentación de desplegados compartidos, sistemas
lógicos y computarizados.
 ANSI/ISA-S5.4-1991, Diagramas de lazo de
instrumentación.
 ANSI/ISA S5.5-1985, Símbolos gráficos para
desplegados de proceso.
NORMA ISA APLICABLES A DTI´S
OTRAS NORMAS DE SIMBOLOGÍA
 ASA Y32.11-1961 – Símbolos gráficos para diagramas de
flujo de proceso en las industrias del petróleo y química
(ASME).
 ASA Z32.2.3-1949 – Símbolos gráficos para accesorios
de tubería, válvulas y tubería (ASME)
 ANSI Y14.15.a-1971 Sección 15-11 Interconexión de
diagramas (ASME)
 IEEE Std 315-1975 (ANSI Y32.2 1975) (CSA Z99 1975)
Símbolos gráficos para diagramas eléctricos y
electrónicos (IEEE)
 ANSI/IEEE Std 315A-1986 (IEEE
SÍMBOLOS DE INSTRUMENTOS
Suministros
SA Suministro de aire
SE Suministro eléctrico
SG Suministro de gas
SH Suministro hidráulico
SN Suministro de nitrógeno
SS Suministro de vapor
SW Suministro de agua
Localización
PP En línea de proceso
LO En campo, local
PNB En tablero principal de control
BPNB Parte posterior del tablero
PNBL En tablero de control local
LI
2702
SA
IDENTIFICACIÓN DEL
INSTRUMENTO
Se utilizan letras y números para
identificar a los instrumentos
F R C 102 A
Primera
letra
Letras
subsecuentes
Número
del lazo
de
control
sufijo
Identificación del lazo
Identificación funcional
IDENTIFICACIÓN DEL
INSTRUMENTO
La primera letra representa a la variable del proceso, por
ejemplo:
A ANALISIS
C CONDUCTIVIDAD
D DENSIDAD
E VOLTAJE
F FLUJO
H MANUAL
I CORRIENTE
J POTENCIA
K TIEMPO
L NIVEL
M HUMEDAD
N VIBRACION
O TORQUE
P PRESION
Q CANTIDAD
R RADIACION
S VELOCIDAD
T TEMPERATURA
V VISCOSIDAD
W PESO
Z POSICION
Las letras posteriores nos indican el tipo de medición y las
funciones del instrumento, por ejemplo, la última letra indica la
función principal del instrumento y la penúltima letra indica la
función auxiliar. Adicionalmente puede existir una segunda letra
que modifica a la variable de proceso principal.  
Para el Ejemplo mostrado:
F R C 102 A 
Función Principal C: Controlador
Función Auxiliar R: Registrador
Entonces FRC significa “Controlador Registrador de Flujo”.
IDENTIFICACIÓN DE LAZO
Número de Lazo de Control: Representa el número de lazo de
control en el cual se encuentra el instrumento dentro del proceso.
El sufijo se considera cuando se tienen varios instrumentos del
mismo tipo, dentro del mismo lazo.
Ejemplo: “FRC 102 A” 
También se puede usar:
FRC 25-102 ó 25 FRC 102
Esto significa: Controlador Registrador de Flujo número
102, construcción 25 
Identificación de lazo
Si el controlador registrador de flujo FRC 102 recibe señales de
dos transmisores de flujo separados, las etiquetas de cada
transmisor se pueden escribir así: FT 102 A y FT 102 B
SÍMBOLOS ESTÁNDAR
Las líneas punteadas indican que el instrumento está montado en la parte
posterior del panel el cual no es accesible al operador
Descripción de cómo los círculos indican la posición de los instrumentos
SÍMBOLOS ESTÁNDAR
Montado localmente o en el campo
Montado detrás del tablero de control
Montado en el panel de control
FUNCIONES SIMPLES
Ejemplo:
FRC
102
5 Montado en el panel de control Nº 5
SÍMBOLOS ESTÁNDAR
Montado localmente o en el campo
Montado detrás del tablero de control
Montado en el panel de control
FUNCIONES MULTIPLES
Ejemplo: si FRC incluye una segunda plumilla para graficar
presión se usará un círculo doble para indicar dicha función
INDICADORES E INSTRUMENTOS
DE CONTROL
SÍMBOLOS ESPECIALES EN
VÁLVULAS DE CONTROL
SIMBOLOGÍA
SIMBOLOGÍA DE INSTRUMENTOS
EN UN PROCESO SIMPLE
I/P
ELEMENTOS PRIMARIOS PARA
CONTROL DE TEMPERATURA
ELEMENTOS PRIMARIOS PARA
CONTROL DE PRESIÓN
ELEMENTOS PRIMARIOS PARA
CONTROL DE FLUJO
TUBO PITOT
ELEMENTOS FINALES DE CONTROL
APLICACIONES
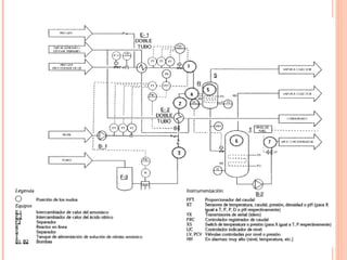
Para mostrar un proceso y el control de procesos 
particularmente, se utilizan 4 tipos de diagrama
Diagrama de tuberías e instrumentación (P&ID o
DTI)
Diagramas de lazos
Diagrama de instalación
Diagramas de alambrado
DIAGRAMAS DE TUBERÍAS E
INSTRUMENTACIÓN
 Las tuberías son representadas con líneas
 Las dimensiones de recipientes, bombas y tubos están indicados en el
DTI
 Un DTI bien detallado, simplifica las decisiones sobre cómo controlar e
instrumentar un proceso
 El DTI muestra el proceso entero y proporciona una guía completa
para las operaciones del proceso y los instrumentos involucrados.
DIAGRAMA DE UBICACIÓN
Muestran con detalle la posición de la instrumentación y equipo instalado
Un diagrama de ubicación es importante tanto para el mecánico o técnico
no familiarizado con el área, como para el que instala el equipo
Debajo de cada círculo que representa al instrumento, se debe indicar la
elevación a la cual el instrumento será instalado
DIAGRAMA DE LAZOS
DIAGRAMA DE INSTALACIÓN
DIAGRAMA DE ALAMBRADO
RESUMEN

Interpretacion de planos y diagramas DTI

  • 1.
    INTERPRETACIÓN DE PLANOS YDIAGRAMAS EN INSTRUMENTACIÓN
  • 2.
    SEÑALES DE COMUNICACIÓN ESTÁNDARDE INSTRUMENTACIÓN ¿Qué es la Instrumentación? Instrumentación es el conjunto de ciencias y tecnologías mediante las cuales se miden cantidades físicas ó químicas con el objeto de obtener información para su archivo, evaluación ó actuación sobre los Sistemas de Control Automático. ¿Qué es la Medición? Comparar una cantidad con su respectiva unidad con el fin de averiguar cuantas veces la segunda está contenida en la primera. Entre las variables mas medidas en los Procesos tenemos: Presión, Nivel, Temperatura, Flujo, Densidad, variables de análisis químico, etc.
  • 3.
    SIMBOLOGÍA Y NOMENCLATURA (ISA)DE INSTRUMENTACIÓN La SOCIEDAD DE INSTRUMENTISTAS DE AMERICA (ISA) publica normas para símbolos, términos y diagramas que son reconocidos en la industria. SIMBOLOS Y DIAGRAMAS Los símbolos y diagramas son usados en el control de procesos para indicar: -La aplicación en el proceso -El tipo de señales empleadas -La secuencia de componentes interconectadas -La instrumentación empleada Identificación del instrumento
  • 4.
    NORMA ISA APLICABLESA DTI´S No hay “norma” DTI o acuerdo en la información que debe ser incluida o excluida de tales documentos. Las normas ISA ANSI/ISA-5.1-1984 (R1992) y ISA-5.3-1983 son las guías generalmente más aceptables para desarrollar simbolismo para instrumentación y sistemas de control en: las industrias químicas y petroquímica, generación de energía, pulpa y papel, refinación, metales, aire acondicionado, etc. y pueden ser utilizadas en procesos continuos, por lotes y discretos.
  • 5.
     ANSI/ISA-S5.1-1984 (R1992),Identificación y símbolos de instrumentación.  ANSI/ISA-S5.2-1976 (R1992), Diagramas lógicos binarios para operaciones de proceso.  ISA-S5.3-1983, Símbolos gráficos para control distribuido, instrumentación de desplegados compartidos, sistemas lógicos y computarizados.  ANSI/ISA-S5.4-1991, Diagramas de lazo de instrumentación.  ANSI/ISA S5.5-1985, Símbolos gráficos para desplegados de proceso. NORMA ISA APLICABLES A DTI´S
  • 6.
    OTRAS NORMAS DESIMBOLOGÍA  ASA Y32.11-1961 – Símbolos gráficos para diagramas de flujo de proceso en las industrias del petróleo y química (ASME).  ASA Z32.2.3-1949 – Símbolos gráficos para accesorios de tubería, válvulas y tubería (ASME)  ANSI Y14.15.a-1971 Sección 15-11 Interconexión de diagramas (ASME)  IEEE Std 315-1975 (ANSI Y32.2 1975) (CSA Z99 1975) Símbolos gráficos para diagramas eléctricos y electrónicos (IEEE)  ANSI/IEEE Std 315A-1986 (IEEE
  • 7.
    SÍMBOLOS DE INSTRUMENTOS Suministros SASuministro de aire SE Suministro eléctrico SG Suministro de gas SH Suministro hidráulico SN Suministro de nitrógeno SS Suministro de vapor SW Suministro de agua Localización PP En línea de proceso LO En campo, local PNB En tablero principal de control BPNB Parte posterior del tablero PNBL En tablero de control local LI 2702 SA
  • 8.
    IDENTIFICACIÓN DEL INSTRUMENTO Se utilizanletras y números para identificar a los instrumentos F R C 102 A Primera letra Letras subsecuentes Número del lazo de control sufijo Identificación del lazo Identificación funcional
  • 9.
    IDENTIFICACIÓN DEL INSTRUMENTO La primeraletra representa a la variable del proceso, por ejemplo: A ANALISIS C CONDUCTIVIDAD D DENSIDAD E VOLTAJE F FLUJO H MANUAL I CORRIENTE J POTENCIA K TIEMPO L NIVEL M HUMEDAD N VIBRACION O TORQUE P PRESION Q CANTIDAD R RADIACION S VELOCIDAD T TEMPERATURA V VISCOSIDAD W PESO Z POSICION
  • 10.
    Las letras posterioresnos indican el tipo de medición y las funciones del instrumento, por ejemplo, la última letra indica la función principal del instrumento y la penúltima letra indica la función auxiliar. Adicionalmente puede existir una segunda letra que modifica a la variable de proceso principal.   Para el Ejemplo mostrado: F R C 102 A  Función Principal C: Controlador Función Auxiliar R: Registrador Entonces FRC significa “Controlador Registrador de Flujo”.
  • 11.
    IDENTIFICACIÓN DE LAZO Númerode Lazo de Control: Representa el número de lazo de control en el cual se encuentra el instrumento dentro del proceso. El sufijo se considera cuando se tienen varios instrumentos del mismo tipo, dentro del mismo lazo. Ejemplo: “FRC 102 A”  También se puede usar: FRC 25-102 ó 25 FRC 102 Esto significa: Controlador Registrador de Flujo número 102, construcción 25  Identificación de lazo Si el controlador registrador de flujo FRC 102 recibe señales de dos transmisores de flujo separados, las etiquetas de cada transmisor se pueden escribir así: FT 102 A y FT 102 B
  • 12.
    SÍMBOLOS ESTÁNDAR Las líneaspunteadas indican que el instrumento está montado en la parte posterior del panel el cual no es accesible al operador Descripción de cómo los círculos indican la posición de los instrumentos
  • 13.
    SÍMBOLOS ESTÁNDAR Montado localmenteo en el campo Montado detrás del tablero de control Montado en el panel de control FUNCIONES SIMPLES Ejemplo: FRC 102 5 Montado en el panel de control Nº 5
  • 14.
    SÍMBOLOS ESTÁNDAR Montado localmenteo en el campo Montado detrás del tablero de control Montado en el panel de control FUNCIONES MULTIPLES Ejemplo: si FRC incluye una segunda plumilla para graficar presión se usará un círculo doble para indicar dicha función
  • 15.
  • 16.
  • 17.
  • 18.
    SIMBOLOGÍA DE INSTRUMENTOS ENUN PROCESO SIMPLE I/P
  • 19.
  • 20.
  • 21.
  • 22.
  • 23.
  • 24.
    APLICACIONES Para mostrar unproceso y el control de procesos  particularmente, se utilizan 4 tipos de diagrama Diagrama de tuberías e instrumentación (P&ID o DTI) Diagramas de lazos Diagrama de instalación Diagramas de alambrado
  • 25.
    DIAGRAMAS DE TUBERÍASE INSTRUMENTACIÓN  Las tuberías son representadas con líneas  Las dimensiones de recipientes, bombas y tubos están indicados en el DTI  Un DTI bien detallado, simplifica las decisiones sobre cómo controlar e instrumentar un proceso  El DTI muestra el proceso entero y proporciona una guía completa para las operaciones del proceso y los instrumentos involucrados.
  • 27.
    DIAGRAMA DE UBICACIÓN Muestrancon detalle la posición de la instrumentación y equipo instalado Un diagrama de ubicación es importante tanto para el mecánico o técnico no familiarizado con el área, como para el que instala el equipo Debajo de cada círculo que representa al instrumento, se debe indicar la elevación a la cual el instrumento será instalado
  • 28.
  • 29.
  • 30.
  • 31.