DESARROLLO DE PRÁCTICA 1
EJERCICIOS DE REPASO
TEMA: DETALLES DE REFUERZO
7.10.5 Estribos
Los estribos para elementos sometidos a compresión deben
cumplir con lo siguiente:
7.10.5.1 Todas las barras no preesforzadas deben estar
confinadas por medio de estribos transversales de por lo menos
Estribo de 8 mm para barras de hasta 5/8” (3/8, ½, 5/8),
Estribo de 3/8” para barras de MAS de 5/8” (= 3/4” y 1”)
Estribo 1/2” para barras longitudinales de mayor diámetro y para
los paquetes de barras.
7.1.3 (c) Para barras de 1” y menores, un doblez
de 135º más una extensión de 6 db al extremo
libre de la barra.
3/8”
3/8”
6db= 6 x 3/8 x 2.54 = 5.715 cm = 57.5 mm = 0.0571 m
6db= 6 x 3/8 x 2.54 = 5.715 cm = 57.5 mm = 0.0571 m
(55-6)x2 + (25-6)x2 + (10x2) = 156cm = 1.56m
(45-6)x2 + (25-6)x2 + (10x2) = 136cm = 1.36m
~
~
6cm se recomienda considerar
como mínimo 10cm o lo
que el proyectista indique
en detalle de planos pero
no menos de 6cm
6cm
~
~
1.60m
1.40m
10cm
10cm
~
~
3/8”
3/8”
40mm o 4 cm
6db= 6 x 3/8 x 2.54 = 5.715 cm = 57.5 mm = 0.0571 m
(60-8)x2 + (25-8)x2 + (10x2) = 158cm 1.6m
35 cm 42 cm
se recomienda considerar como
mínimo 10cm o lo que el
proyectista indique en detalle de
planos pero no menos de 6cm
~ 6cm ~ 10cm
~
b.1= 12 x 2.54 x 5/8 = 19.05 ~ 20cm + 5 = 25cm
Pero para F´c=210 kg/cm2, Ø=5/8” ~ 35cm
b.2= 12 x 2.54 x 3/4 = 22.86 ~ 25cm + 6 = 31cm
Pero para F´c=210 kg/cm2, Ø=5/8” ~ 42cm
Concreto f´c=210 kg/cm2
8mm
7.10.5 Estribos
Los estribos para elementos sometidos a compresión deben
cumplir con lo siguiente:
7.10.5.1 Todas las barras no preesforzadas deben estar
confinadas por medio de estribos transversales de por lo menos
Estribo de 8 mm para barras de hasta 5/8” (3/8, ½, 5/8),
Estribo de 3/8” para barras de MAS de 5/8” (= 3/4” y 1”)
Estribo 1/2” para barras longitudinales de mayor diámetro y para
los paquetes de barras.
½”
40mm o 4 cm
7.1.3 (c) Para barras de 1” y menores, un doblez
de 135º más una extensión de 6 db al extremo
libre de la barra.
b.1) 12x2.54x5/8=19.05 20+5=25 para f´c=210kg/cm2 =35cm
35cm 28cm
~
b.2) 12x2.54x1/2=15.24 15+4=19 para f´c=210kg/cm2 =28cm
6db= 6 x 8 mm= 48mm =4.8cm
~
~
(40-8)x2 + (25-8)x2 + (10x2) = 118cm = 1.2m
se recomienda considerar
como mínimo 10cm o lo
que el proyectista indique
en detalle de planos pero
no menos de 6cm
5cm ~ 10cm
Estribo “A”
Estribo “B”
Columna C-2
Columna C-3
Columna C-2
a) Cuál es el Ø del estribo “A”: 3/8”
b) Cuál es el Ø del estribo “B”: 3/8”
c)Longitud del gancho del estribo A=B: 6db= 6x3/8x2.54=5.715cm ~ 6cm
d)r1=3cm, calcula la longitud del estribo “A”: (90-6)x2 + (25-6)x2 + (10x2) = 226cm = 2.26m 2.30m
e)r1=3cm, calcula la longitud del estribo “B”: (45-6)x2 + (25-6)x2 + (10x2) = 136cm = 1.36 1.40m
Columna C-3
a) Cuál es el Ø del estribo : 8mm
b)Longitud del gancho del estribo : 6db= 6x8mm=48mm ~ 5cm
Ejemplo de detalle
de estribo en plano
se recomienda considerar como mínimo
10cm o lo que el proyectista indique en
detalle de planos pero no menos de 6cm~ 10cm
c)r1=3cm, calcula la longitud del estribo: (30-6)x2 + (25-6)x2 + (10x2) = 106cm 1.1m
~ 10cm
se recomienda considerar como mínimo
10cm o lo que el proyectista indique en
detalle de planos pero no menos de 6cm
~
~
~
3/8”
½”
b.1= 12 x 2.54 x ½” = 15.24 ~ 15cm + 4 = 19cm
Pero para F´c=210 kg/cm2, Ø=1/2” ~ 28cm (mín)
b.2= 12 x 2.54 x 3/4 = 22.86 ~ 25cm + 6 = 31cm
Pero para F´c=210 kg/cm2, Ø=5/8” ~ 42cm
28cm 42cm
40mm
6db= 6 x 8 mm= 48mm =4.8cm 5cm ~~ 10cm
(30-8)x2 + (25-8)x2 + (10x2) = 108cm = 98cm

Ejercicios repaso detalles de refuerzo

  • 1.
    DESARROLLO DE PRÁCTICA1 EJERCICIOS DE REPASO TEMA: DETALLES DE REFUERZO
  • 2.
    7.10.5 Estribos Los estribospara elementos sometidos a compresión deben cumplir con lo siguiente: 7.10.5.1 Todas las barras no preesforzadas deben estar confinadas por medio de estribos transversales de por lo menos Estribo de 8 mm para barras de hasta 5/8” (3/8, ½, 5/8), Estribo de 3/8” para barras de MAS de 5/8” (= 3/4” y 1”) Estribo 1/2” para barras longitudinales de mayor diámetro y para los paquetes de barras. 7.1.3 (c) Para barras de 1” y menores, un doblez de 135º más una extensión de 6 db al extremo libre de la barra. 3/8” 3/8” 6db= 6 x 3/8 x 2.54 = 5.715 cm = 57.5 mm = 0.0571 m 6db= 6 x 3/8 x 2.54 = 5.715 cm = 57.5 mm = 0.0571 m (55-6)x2 + (25-6)x2 + (10x2) = 156cm = 1.56m (45-6)x2 + (25-6)x2 + (10x2) = 136cm = 1.36m ~ ~ 6cm se recomienda considerar como mínimo 10cm o lo que el proyectista indique en detalle de planos pero no menos de 6cm 6cm ~ ~ 1.60m 1.40m 10cm 10cm ~ ~
  • 3.
    3/8” 3/8” 40mm o 4cm 6db= 6 x 3/8 x 2.54 = 5.715 cm = 57.5 mm = 0.0571 m (60-8)x2 + (25-8)x2 + (10x2) = 158cm 1.6m 35 cm 42 cm se recomienda considerar como mínimo 10cm o lo que el proyectista indique en detalle de planos pero no menos de 6cm ~ 6cm ~ 10cm ~
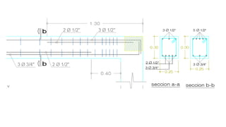
  • 4.
    b.1= 12 x2.54 x 5/8 = 19.05 ~ 20cm + 5 = 25cm Pero para F´c=210 kg/cm2, Ø=5/8” ~ 35cm b.2= 12 x 2.54 x 3/4 = 22.86 ~ 25cm + 6 = 31cm Pero para F´c=210 kg/cm2, Ø=5/8” ~ 42cm
  • 5.
  • 6.
    8mm 7.10.5 Estribos Los estribospara elementos sometidos a compresión deben cumplir con lo siguiente: 7.10.5.1 Todas las barras no preesforzadas deben estar confinadas por medio de estribos transversales de por lo menos Estribo de 8 mm para barras de hasta 5/8” (3/8, ½, 5/8), Estribo de 3/8” para barras de MAS de 5/8” (= 3/4” y 1”) Estribo 1/2” para barras longitudinales de mayor diámetro y para los paquetes de barras. ½” 40mm o 4 cm 7.1.3 (c) Para barras de 1” y menores, un doblez de 135º más una extensión de 6 db al extremo libre de la barra. b.1) 12x2.54x5/8=19.05 20+5=25 para f´c=210kg/cm2 =35cm 35cm 28cm ~ b.2) 12x2.54x1/2=15.24 15+4=19 para f´c=210kg/cm2 =28cm 6db= 6 x 8 mm= 48mm =4.8cm ~ ~ (40-8)x2 + (25-8)x2 + (10x2) = 118cm = 1.2m se recomienda considerar como mínimo 10cm o lo que el proyectista indique en detalle de planos pero no menos de 6cm 5cm ~ 10cm
  • 7.
  • 8.
    Columna C-2 a) Cuáles el Ø del estribo “A”: 3/8” b) Cuál es el Ø del estribo “B”: 3/8” c)Longitud del gancho del estribo A=B: 6db= 6x3/8x2.54=5.715cm ~ 6cm d)r1=3cm, calcula la longitud del estribo “A”: (90-6)x2 + (25-6)x2 + (10x2) = 226cm = 2.26m 2.30m e)r1=3cm, calcula la longitud del estribo “B”: (45-6)x2 + (25-6)x2 + (10x2) = 136cm = 1.36 1.40m Columna C-3 a) Cuál es el Ø del estribo : 8mm b)Longitud del gancho del estribo : 6db= 6x8mm=48mm ~ 5cm Ejemplo de detalle de estribo en plano se recomienda considerar como mínimo 10cm o lo que el proyectista indique en detalle de planos pero no menos de 6cm~ 10cm c)r1=3cm, calcula la longitud del estribo: (30-6)x2 + (25-6)x2 + (10x2) = 106cm 1.1m ~ 10cm se recomienda considerar como mínimo 10cm o lo que el proyectista indique en detalle de planos pero no menos de 6cm ~ ~ ~
  • 11.
    3/8” ½” b.1= 12 x2.54 x ½” = 15.24 ~ 15cm + 4 = 19cm Pero para F´c=210 kg/cm2, Ø=1/2” ~ 28cm (mín) b.2= 12 x 2.54 x 3/4 = 22.86 ~ 25cm + 6 = 31cm Pero para F´c=210 kg/cm2, Ø=5/8” ~ 42cm 28cm 42cm 40mm 6db= 6 x 8 mm= 48mm =4.8cm 5cm ~~ 10cm (30-8)x2 + (25-8)x2 + (10x2) = 108cm = 98cm