AutoIngeniería
Prof. Pablo Monteros & Asoc.
Sto. Cabral 723 (8300) Neuquén-e-mail:autoingenieria@argentina.com–web:www.autoingenieria.com
Te: Oficina: 0299 – 442 6809 Soporte Técnico: 0299-155 832495 Contacto y Ventas: 0299-155 174096
1
DIESEL PESADOS. CURSO MERCEDES BENZ PLD + ADM
AutoIngeniería
Prof. Pablo Monteros & Asoc.
Sto. Cabral 723 (8300) Neuquén-e-mail:autoingenieria@argentina.com–web:www.autoingenieria.com
Te: Oficina: 0299 – 442 6809 Soporte Técnico: 0299-155 832495 Contacto y Ventas: 0299-155 174096
2
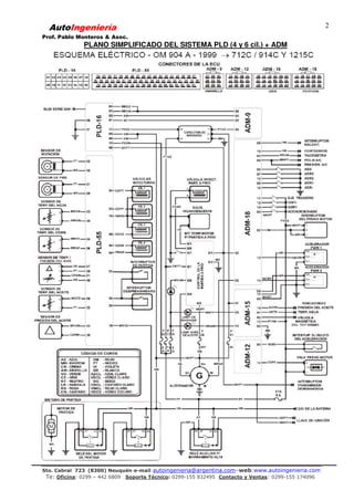
PLANO SIMPLIFICADO DEL SISTEMA PLD (4 y 6 cil.) + ADM
AutoIngeniería
Prof. Pablo Monteros & Asoc.
Sto. Cabral 723 (8300) Neuquén-e-mail:autoingenieria@argentina.com–web:www.autoingenieria.com
Te: Oficina: 0299 – 442 6809 Soporte Técnico: 0299-155 832495 Contacto y Ventas: 0299-155 174096
3
AutoIngeniería
Prof. Pablo Monteros & Asoc.
Sto. Cabral 723 (8300) Neuquén-e-mail:autoingenieria@argentina.com–web:www.autoingenieria.com
Te: Oficina: 0299 – 442 6809 Soporte Técnico: 0299-155 832495 Contacto y Ventas: 0299-155 174096
4
1) PRESENTACIÓN DEL EQUIPO DIESEL PLD - ADM
El sistema trabaja con Bombas individuales accionadas por el Árbol de Levas. Estas Bombas
se conectan por medio de una cañería corta con un inyector Standard de inyección directa
(tobera multiorificios) que permite una muy elevada presión de inyección (hasta 2000 Bares).
Por este motivo recibe el nombre de PLD (Bomba-Tubería-Inyector). Permite una buena
distribución de piezas en el “Cielo” de las cámaras, que en M. Benz son Multivalvulares.
AutoIngeniería
Prof. Pablo Monteros & Asoc.
Sto. Cabral 723 (8300) Neuquén-e-mail:autoingenieria@argentina.com–web:www.autoingenieria.com
Te: Oficina: 0299 – 442 6809 Soporte Técnico: 0299-155 832495 Contacto y Ventas: 0299-155 174096
5
Al sistema PLD también se lo llama “Monobombas” y es controlado por una Computadora
Motor que Mercedes Benz la llama genéricamente PLD, la cual interactua con una BCM o
Computadora de Carrocería llamada ADM. Por lo dicho el sistema se reconoce como:
PLD + ADM
PLD: asume las funciones del control de las Monobombas y de los sensores ubicados
en el “Lado Motor”. Tiene 2 conectores llamados PLD55 y PLD16 por ser estos el
número de pines de su conector.
En la imagen inferior se observa la localización y las pineras de conexión del Módulo PLD
AutoIngeniería
Prof. Pablo Monteros & Asoc.
Sto. Cabral 723 (8300) Neuquén-e-mail:autoingenieria@argentina.com–web:www.autoingenieria.com
Te: Oficina: 0299 – 442 6809 Soporte Técnico: 0299-155 832495 Contacto y Ventas: 0299-155 174096
6
El Módulo PLD se encuentra siempre en el lateral del motor, montado sobre una “placa
Fría” por la que pasa gas oil. Esto es para evitar sobrecalentamientos del Módulo.
Las pineras del PLD se retiran bajando una traba. Esta operación se debe realizar con
mucho cuidado para evitar romperla.
ADM: Asume funciones de control de Carrocería y Cabina. Controla y envía señales al
PLD y al Panel de Instrumentos como RPM, Velocidad del vehículo, Temperatura de los
fluidos, etc.
Es un Módulo de Plástico negro con 4 pineras de colores que en general está ubicado
bajo el torpedo en la cabina del camión a la altura central al costado de la fusiblera y del
Terminal de Diagnóstico (DLC). Se comunica con el Módulo PLD por un BUS CAN HS.
AutoIngeniería
Prof. Pablo Monteros & Asoc.
Sto. Cabral 723 (8300) Neuquén-e-mail:autoingenieria@argentina.com–web:www.autoingenieria.com
Te: Oficina: 0299 – 442 6809 Soporte Técnico: 0299-155 832495 Contacto y Ventas: 0299-155 174096
7
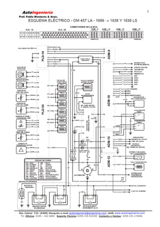
En la imagen superior se observa la ubicación típica del ADM. Se lo reconoce por las
pineras de colores. En la figura inferior la asignación y número de pines de las 4 pineras.
2) ALIMENTACIÓNES POSITIVAS Y MASAS DEL PLD Y ADM
Este Sistema trabaja con 24Volt de alimentación. Es imprescindible vigilar las buenas
conexiones de positivo y las tomas de masa al block motor y al chasis-carrocería a fin de
no perjudicar la Compatibilidad Electromagnética de los Módulos Electrónicos.
No es conveniente la desconexión de los Módulos en contacto. Si se realizan soldaduras
eléctricas es necesario desconectar ambos bornes de batería (salida a positivo y a masa)
y desconectar las pineras del PLD y el ADM.
AutoIngeniería
Prof. Pablo Monteros & Asoc.
Sto. Cabral 723 (8300) Neuquén-e-mail:autoingenieria@argentina.com–web:www.autoingenieria.com
Te: Oficina: 0299 – 442 6809 Soporte Técnico: 0299-155 832495 Contacto y Ventas: 0299-155 174096
8
COMPATIVILIDAD ELECTROMAGNÉTICA:
Es necesario distinguir entre las Masas de Alimentación-Conexión por las que circulan
corrientes importantes de decenas de Amperes (chasis y cables gruesos) de la Masa
Electrónica por la que circulan mili Amperes. Como la estructura metálica del camión
debe funcionar como un “conductor equipotencial” es necesario vigilar las conexiones
de masa (terminales limpios y fuertemente conectados), minimizando las “Resistencias de
Contacto” a fin de evitar que por irradiación de “Interferencias Parásitas” o falsos
contactos aparezca un voltaje sobre la Masa Electrónica. La Masa debe funcionar como
Referencia de Potencial de todo el Sistema. Una masa en mal estado distorsionará todas
las señales de los sensores de un Modulo Electrónico afectando su procesamiento.
En la imagen inferior se observa el comportamiento eléctrico del Sistema de Alimentación.
Siendo:
Ba= Batería.
R= Cargas o consumos como lámparas, solenoides, motores eléctricos y Módulos.
Rz= Impedancias propias (tolerables) del Chasis-Carrocería del camión.
M1, M2, M3= Implantaciones de masa o tomas de masa del Chasis-Carrocería.
No podemos trabajar en Rz pero si mantener en buen estado a M1, M2, etc.
Alimentaciones del PLD
El PLD tiene sus alimentaciones en la pinera PLD16 (pinera chica). Son 24Volt y Masa.
-Positivo de Batería: Pines 5 y 6
-Positivo de contacto: Pin 15 (Fuse 20 de 5Amp. Viene por Relé Auxiliar KL 15).
-Positivo en arranque: Pin 8 desde la Contactora de arranque.
-Masa: Pines 9 y 11
AutoIngeniería
Prof. Pablo Monteros & Asoc.
Sto. Cabral 723 (8300) Neuquén-e-mail:autoingenieria@argentina.com–web:www.autoingenieria.com
Te: Oficina: 0299 – 442 6809 Soporte Técnico: 0299-155 832495 Contacto y Ventas: 0299-155 174096
9
Alimentaciones del ADM
-Positivos de Batería: Pin 1 del ADM15 (ficha Roja) por Fuse 38 de 5Amp.
-Masa: Pin 5 del ADM15 (ficha Roja) y Pin 8 del ADM18 (ficha Gris).
-Positivos de Contacto: Pin 15 del ADM15 (ficha Roja) por Relé KL15 y F19 de 5Amp.
-Positivo en Arranque: Pin 5 del ADM18 (ficha Gris) de la Contactora (Borne 50).
-Señal de Arranque (50):
Al motor de arranque lo controla el PLD55 por el Pin 18. El PLD55 coloca 24Volt en el Pin
18 en el momento del arranque para excitar al Relé de Arranque. La señal de arranque le
llega al PLD por el Pin 8 del PLD16 y si la Transmisión no se encuentra engranada
(cambio colocado) el ADM saca 24V por el Pin 18 del conector PLD55 que se conecta con
un extremo de la bobina de mando del Relé de Arranque.
AutoIngeniería
Prof. Pablo Monteros & Asoc.
Sto. Cabral 723 (8300) Neuquén-e-mail:autoingenieria@argentina.com–web:www.autoingenieria.com
Te: Oficina: 0299 – 442 6809 Soporte Técnico: 0299-155 832495 Contacto y Ventas: 0299-155 174096
10
El otro extremo de la bobina de mando del Relé de Arranque está conectada a Masa
Directa como se observa en el Plano.
Adicionalmente el ADM recibe también la señal de Arranque, como ya hemos dicho, por el
Pin 5 del ADM18 (ficha Gris).
AutoIngeniería
Prof. Pablo Monteros & Asoc.
Sto. Cabral 723 (8300) Neuquén-e-mail:autoingenieria@argentina.com–web:www.autoingenieria.com
Te: Oficina: 0299 – 442 6809 Soporte Técnico: 0299-155 832495 Contacto y Ventas: 0299-155 174096
11
ESTUDIO DE LAS SEÑALES DEL SISTEMA PLD+ADM
-Sensores de Rotación y de Posición del Eje de Levas
El sistema tiene 2 sensores:
a) SENSOR DE RPM Y PMS. CKP Crankshaft Position Sensor. Está ubicado sobre el
Volante del Motor. Informa al PLD la señal de Velocidad del motor y la posición en la
carrera de los pistones. Es de Reluctancia Variable (Inductivo).
Esta señal es necesaria para el arranque del motor y también es enviada via BUS CAN al
ADM para que la distribuya al Panel de Instrumentos ICL (Instrument Cluster).
La señal del Sensor CKP llega al PLD55 por los Pines 2 Y 19
AutoIngeniería
Prof. Pablo Monteros & Asoc.
Sto. Cabral 723 (8300) Neuquén-e-mail:autoingenieria@argentina.com–web:www.autoingenieria.com
Te: Oficina: 0299 – 442 6809 Soporte Técnico: 0299-155 832495 Contacto y Ventas: 0299-155 174096
12
Está construido con una bobina arrollada sobre un Imán. Tiene 2 pines de conexión
Mediciones:
-Resistencia del Sensor: de 1000 ΩΩΩΩ a 1300 ΩΩΩΩ (1 K a 1K3).
Este sensor se encuentra enfrentado al volante del cigüeñal, el cual tiene expansiones
polares (dientes) formadas por orificios, que al girar pasan en proximidad del sensor.
Genera una Onda Alterna Cuasi-Senoidal que el PLD interpreta como el giro del motor.
Esta señal le permite al PLD localizar la posición en la carrera del Cilindro 1 pero no sabe
si está en Compresión o en Balanceo (final de carrera de escape). La señal del CKP le
AutoIngeniería
Prof. Pablo Monteros & Asoc.
Sto. Cabral 723 (8300) Neuquén-e-mail:autoingenieria@argentina.com–web:www.autoingenieria.com
Te: Oficina: 0299 – 442 6809 Soporte Técnico: 0299-155 832495 Contacto y Ventas: 0299-155 174096
13
informa al PLD cuando el Pistón Cil #1 está a 65 grados APMS y le permite calcular el
Avance a la inyección y el “Atracamiento” de las Monobombas.
-Medición con Osciloscopio:
El Volante tiene 36 orificios simétricos y un orificio más (37) entre dos de ellos. El
orificio extra se encuentra en el medio de dos dientes normales y es más pequeño. Esta
señal indica al PLD que el Cilindro 1 se encuentra 65 grados antes del PMS.
El Pin 2 del PLD55 es la masa del sensor y el Pin 19 la señal ( de 0,5V a 5V).
En el oscilograma inferior se observa la señal medida sobre el Pin 19 del PLD.
AutoIngeniería
Prof. Pablo Monteros & Asoc.
Sto. Cabral 723 (8300) Neuquén-e-mail:autoingenieria@argentina.com–web:www.autoingenieria.com
Te: Oficina: 0299 – 442 6809 Soporte Técnico: 0299-155 832495 Contacto y Ventas: 0299-155 174096
14
b) SENSOR DE POSICIÓN DEL ÁRBOL DE LEVAS O SENSOR DE FASE – CMP
Camshaft Position Sensor
Está ubicado enfrentado al Árbol de Levas. Al igual que el CKP es del Tipo Inductivo
(Reluctancia Variable) formado por una Bobina arrollada sobre un Imán que lee sobre 12
orificios que tiene el Árbol de Levas.
Genera una señal del Tipo Alterna Cuasi-Senoidal.
Le informa al PLD cuando el Pistón Cilindro 1 se encuentra a 55°APMS en la carrera de
Compresión. Con está señal el PLD calcula el Anticipo a la Inyección.
AutoIngeniería
Prof. Pablo Monteros & Asoc.
Sto. Cabral 723 (8300) Neuquén-e-mail:autoingenieria@argentina.com–web:www.autoingenieria.com
Te: Oficina: 0299 – 442 6809 Soporte Técnico: 0299-155 832495 Contacto y Ventas: 0299-155 174096
15
Conexión del Sensor: Tiene 2 cables que están conectados al PLD55 a los Pines 1 y 20
Mediciones:
- Resistencia: de 1KΩΩΩΩ a 1K3ΩΩΩΩ
El Pin 1 corresponde a la Masa del sensor y el Pin 20 a la señal (0V a 5V)
AutoIngeniería
Prof. Pablo Monteros & Asoc.
Sto. Cabral 723 (8300) Neuquén-e-mail:autoingenieria@argentina.com–web:www.autoingenieria.com
Te: Oficina: 0299 – 442 6809 Soporte Técnico: 0299-155 832495 Contacto y Ventas: 0299-155 174096
16
-Comprobación con osciloscopio de la señal del CMP:
NOTA: Si fallara alguno de estos sensores el sistema es capaz de arrancar con una sola
de las dos señales (CKP o CMP). Algunas veces el PLD ve la señal del CKP o del CMP
pero estas están defectuosas. La Computadora se confunde más si la señal es errada que
si la misma no está presente. Una prueba posible es desconectar de a uno a estos
sensores y dar arranque.
Si arranca, el sensor dañado es el que desconectamos, que con su señal errónea
interfiere en el procesamiento del giro del motor por parte del PLD.
Compensación del Desvío de Rotación en Marcha Lenta:
Con las correctas señales del CKP y el CMP el PLD puede ajustar la Marcha Lenta de
modo que el motor regule sereno y con menos vibraciones.
Como no existen 2 cámaras exactamente iguales ni 2 Monobombas iguales, cada carrera
motriz es afectada por estas variables y vuelven rumoroso y desparejo al motor,
especialmente en Ralenti. Para solucionar esto el PLD operará una estrategia de
corrección Cilindro a Cilindro, que ahora explicaremos.
Durante el funcionamiento del motor, cada cilindro es el responsable de la aceleración del
Cigüeñal en la Carrera Motriz por 180°en 4 cilindros o 120°en 6 cilindros.
Cuando algún cilindro está peor o mejor que los otros la velocidad en que se cumple esta
porción del giro disminuye o aumenta, con lo que también cambia el tiempo que dura
haciendo que el motor funcione irregular.
Para corregir esto el PLD ajusta la cantidad de combustible a inyectar en cada cilindro
con el objeto de regularizar la velocidad del cigüeñal.
Cuando la corrección es superior al 10% se genera un Código de falla.
AutoIngeniería
Prof. Pablo Monteros & Asoc.
Sto. Cabral 723 (8300) Neuquén-e-mail:autoingenieria@argentina.com–web:www.autoingenieria.com
Te: Oficina: 0299 – 442 6809 Soporte Técnico: 0299-155 832495 Contacto y Ventas: 0299-155 174096
17
Esta corrección puede ocurrir siempre que haya una Cámara dañada, problemas de
compresión, una Bomba defectuosa, problemas eléctricos, etc.
En la imagen inferior se puede observar el tiempo que demora cada pistón en recorre los
180°de giro (motor 4 cilindros).
Obsérvese que el Pistón 3 es el que desarrolla más potencia (demora menos en recorre
los 180°) y el Pistón 2 es el que aporta menos (demora más tiempo). El PLD lo corregirá
dentro de una dispersión límite y luego si es excedida cargará un DTC (Data Trouble
Code) o Código de Fallas.
-Sensor de Presión de Admisión y de Temperatura del aire de Admisión T-MAP
Es un Sensor MAP (Manifold Absolute Pressure) que Informa al PLD sobre la Presión de
Refuerzo del Turbocargador y la Presión atmosférica en arranque y a baja carga (que el
PLD la compara con su Sensor BARO interno). Complementariamente tiene integrado un
sensor de Temperatura del aire IAT (Intake Air Temperatura). Tiene 4 Cables que lo
conectan al PLD.
AutoIngeniería
Prof. Pablo Monteros & Asoc.
Sto. Cabral 723 (8300) Neuquén-e-mail:autoingenieria@argentina.com–web:www.autoingenieria.com
Te: Oficina: 0299 – 442 6809 Soporte Técnico: 0299-155 832495 Contacto y Ventas: 0299-155 174096
18
Las Alimentaciones del Sensor son:
Masa: Pin 1 del Sensor TMAP. Llega al Pin 21 del PLD55
Alimentación (VRef) 5V: Pin 3 del Sensor TMAP. Llega al Pin 7 del PLD55
Se observa que la masa (Pin 21 del PLD55) es compartida por los 2 sensores. Las
señales legan al PLD55 por los pines:
MAP: 29-PLD55
IAT: 48-PLD55
AutoIngeniería
Prof. Pablo Monteros & Asoc.
Sto. Cabral 723 (8300) Neuquén-e-mail:autoingenieria@argentina.com–web:www.autoingenieria.com
Te: Oficina: 0299 – 442 6809 Soporte Técnico: 0299-155 832495 Contacto y Ventas: 0299-155 174096
19
MEDICIONES:
Con Scanner en la Línea de Datos seleccionar el PID (Parámetro de Identificación)
correspondiente a la Presión de Admisión y a la Temperatura del Aire de Admisión.
Con el motor en KOEO (Key On Engine Off –Contacto con Motor Parado) el MAP nos
debe informar la Presión Atmosférica (0,95 Bar a 1,5 Bar)
Con el Motor en Ralenti la presión debe ser la misma que en KOEO.
Acelerar bombeando al motor para que funcione el Turbo aumentando la Presión de
Refuerzo y verificar el aumento de la Presión de Admisión, la que debe llegar a 1,5 Bares.
La Temperatura del Aire debe aumentar hasta 40-50 °C con el motor caliente.
-Con TESTER:
Verificar la Alimentación de VRef.(5V) del MAP por el Pin 4 del TMAP y su continuidad
con el Pin 7 del PLD 55
En el Esquema superior se observa la medición con Tester de la Masa y la Alimentación
de 5V del sensor. Esta medición se puede realizar sobre el sensor mismo y si no está
correcta ir a medir al conector del PLD (PLD55).
Señal del MAP:
Medir ahora la señal del sensor MAP directamente sobre el Pin 4 del T-MAP o en el Pin
29 del PLD55.
AutoIngeniería
Prof. Pablo Monteros & Asoc.
Sto. Cabral 723 (8300) Neuquén-e-mail:autoingenieria@argentina.com–web:www.autoingenieria.com
Te: Oficina: 0299 – 442 6809 Soporte Técnico: 0299-155 832495 Contacto y Ventas: 0299-155 174096
20
Tabla aproximada de Voltaje de Señal del MAP:
Los valores de la señal del MAP son influenciados por la Presión Atmosférica local. Es por
esto que no da siempre la misma señal. Veamos una tabla de respuesta del MAP según
la altura con respecto al Nivel del Mar.
AutoIngeniería
Prof. Pablo Monteros & Asoc.
Sto. Cabral 723 (8300) Neuquén-e-mail:autoingenieria@argentina.com–web:www.autoingenieria.com
Te: Oficina: 0299 – 442 6809 Soporte Técnico: 0299-155 832495 Contacto y Ventas: 0299-155 174096
21
Señal del IAT:
La señal del IAT es un Voltaje variable con la Temperatura. Es una Termistancia o
Resistencia Variable con la Temperatura. Tiene Coeficiente de Temperatura Negativo
(NTC), por lo que cuando la Temperatura AUMENTA el Voltaje de la señal BAJA.
Estos sensores se comportan según la siguiente relación:
MAYOR TEMPERATURA-----MENOR RESISTENCIA--------MENOR TENSIÓN
MENOR TEMPERATURA-----MAYOR RESISTENCIA--------MAYOR TENSIÓN
La señal sale del Sensor por el Pin 2 y llega al PLD55 en el Pin 48
SEÑAL TÍPICA: En Voltaje
Temperatura del Aire 25°C -------------------2,3V
Temperatura del Aire 60°C -------------------0,8V a 1V
Resistencia Típica del sensor:
Temperatura del Aire 25°C -------------------1K7ΩΩΩΩ
Temperatura del Aire 80°C -------------------650ΩΩΩΩ
AutoIngeniería
Prof. Pablo Monteros & Asoc.
Sto. Cabral 723 (8300) Neuquén-e-mail:autoingenieria@argentina.com–web:www.autoingenieria.com
Te: Oficina: 0299 – 442 6809 Soporte Técnico: 0299-155 832495 Contacto y Ventas: 0299-155 174096
22
Curva de respuesta del Sensor de Temperatura del Aire
Se observa la respuesta inversa con la temperatura
-Sensor de Temperatura del Refrigerante ECT (Engine Coolant Temperatura).
Está conectado por 2 Pines al PLD55. Brinda al PCM una imagen eléctrica de la
temperatura que tiene el agua del motor.
En los Camiones es particularmente importante el buen desempeño de este sensor
porque puede afectar a la economía del combustible.
Es una Termistancia del tipo NTC que varia su resistencia con la temperatura del
refrigerante.
Cunado el motor está frío la Resistencia del Sensor debe ser Alta y su Señal en Voltaje
también.
Cuando el motor está caliente debe bajarle la resistencia y también el Voltaje de la señal.
Su señal es transmitida por el PLD al ADM por el BUS CAN para que éste la informe al
Panel de Instrumentos ICL.

Esquema elétrico e diagnóstico mbb

  • 1.
    AutoIngeniería Prof. Pablo Monteros& Asoc. Sto. Cabral 723 (8300) Neuquén-e-mail:autoingenieria@argentina.com–web:www.autoingenieria.com Te: Oficina: 0299 – 442 6809 Soporte Técnico: 0299-155 832495 Contacto y Ventas: 0299-155 174096 1 DIESEL PESADOS. CURSO MERCEDES BENZ PLD + ADM
  • 2.
    AutoIngeniería Prof. Pablo Monteros& Asoc. Sto. Cabral 723 (8300) Neuquén-e-mail:autoingenieria@argentina.com–web:www.autoingenieria.com Te: Oficina: 0299 – 442 6809 Soporte Técnico: 0299-155 832495 Contacto y Ventas: 0299-155 174096 2 PLANO SIMPLIFICADO DEL SISTEMA PLD (4 y 6 cil.) + ADM
  • 3.
    AutoIngeniería Prof. Pablo Monteros& Asoc. Sto. Cabral 723 (8300) Neuquén-e-mail:autoingenieria@argentina.com–web:www.autoingenieria.com Te: Oficina: 0299 – 442 6809 Soporte Técnico: 0299-155 832495 Contacto y Ventas: 0299-155 174096 3
  • 4.
    AutoIngeniería Prof. Pablo Monteros& Asoc. Sto. Cabral 723 (8300) Neuquén-e-mail:autoingenieria@argentina.com–web:www.autoingenieria.com Te: Oficina: 0299 – 442 6809 Soporte Técnico: 0299-155 832495 Contacto y Ventas: 0299-155 174096 4 1) PRESENTACIÓN DEL EQUIPO DIESEL PLD - ADM El sistema trabaja con Bombas individuales accionadas por el Árbol de Levas. Estas Bombas se conectan por medio de una cañería corta con un inyector Standard de inyección directa (tobera multiorificios) que permite una muy elevada presión de inyección (hasta 2000 Bares). Por este motivo recibe el nombre de PLD (Bomba-Tubería-Inyector). Permite una buena distribución de piezas en el “Cielo” de las cámaras, que en M. Benz son Multivalvulares.
  • 5.
    AutoIngeniería Prof. Pablo Monteros& Asoc. Sto. Cabral 723 (8300) Neuquén-e-mail:autoingenieria@argentina.com–web:www.autoingenieria.com Te: Oficina: 0299 – 442 6809 Soporte Técnico: 0299-155 832495 Contacto y Ventas: 0299-155 174096 5 Al sistema PLD también se lo llama “Monobombas” y es controlado por una Computadora Motor que Mercedes Benz la llama genéricamente PLD, la cual interactua con una BCM o Computadora de Carrocería llamada ADM. Por lo dicho el sistema se reconoce como: PLD + ADM PLD: asume las funciones del control de las Monobombas y de los sensores ubicados en el “Lado Motor”. Tiene 2 conectores llamados PLD55 y PLD16 por ser estos el número de pines de su conector. En la imagen inferior se observa la localización y las pineras de conexión del Módulo PLD
  • 6.
    AutoIngeniería Prof. Pablo Monteros& Asoc. Sto. Cabral 723 (8300) Neuquén-e-mail:autoingenieria@argentina.com–web:www.autoingenieria.com Te: Oficina: 0299 – 442 6809 Soporte Técnico: 0299-155 832495 Contacto y Ventas: 0299-155 174096 6 El Módulo PLD se encuentra siempre en el lateral del motor, montado sobre una “placa Fría” por la que pasa gas oil. Esto es para evitar sobrecalentamientos del Módulo. Las pineras del PLD se retiran bajando una traba. Esta operación se debe realizar con mucho cuidado para evitar romperla. ADM: Asume funciones de control de Carrocería y Cabina. Controla y envía señales al PLD y al Panel de Instrumentos como RPM, Velocidad del vehículo, Temperatura de los fluidos, etc. Es un Módulo de Plástico negro con 4 pineras de colores que en general está ubicado bajo el torpedo en la cabina del camión a la altura central al costado de la fusiblera y del Terminal de Diagnóstico (DLC). Se comunica con el Módulo PLD por un BUS CAN HS.
  • 7.
    AutoIngeniería Prof. Pablo Monteros& Asoc. Sto. Cabral 723 (8300) Neuquén-e-mail:autoingenieria@argentina.com–web:www.autoingenieria.com Te: Oficina: 0299 – 442 6809 Soporte Técnico: 0299-155 832495 Contacto y Ventas: 0299-155 174096 7 En la imagen superior se observa la ubicación típica del ADM. Se lo reconoce por las pineras de colores. En la figura inferior la asignación y número de pines de las 4 pineras. 2) ALIMENTACIÓNES POSITIVAS Y MASAS DEL PLD Y ADM Este Sistema trabaja con 24Volt de alimentación. Es imprescindible vigilar las buenas conexiones de positivo y las tomas de masa al block motor y al chasis-carrocería a fin de no perjudicar la Compatibilidad Electromagnética de los Módulos Electrónicos. No es conveniente la desconexión de los Módulos en contacto. Si se realizan soldaduras eléctricas es necesario desconectar ambos bornes de batería (salida a positivo y a masa) y desconectar las pineras del PLD y el ADM.
  • 8.
    AutoIngeniería Prof. Pablo Monteros& Asoc. Sto. Cabral 723 (8300) Neuquén-e-mail:autoingenieria@argentina.com–web:www.autoingenieria.com Te: Oficina: 0299 – 442 6809 Soporte Técnico: 0299-155 832495 Contacto y Ventas: 0299-155 174096 8 COMPATIVILIDAD ELECTROMAGNÉTICA: Es necesario distinguir entre las Masas de Alimentación-Conexión por las que circulan corrientes importantes de decenas de Amperes (chasis y cables gruesos) de la Masa Electrónica por la que circulan mili Amperes. Como la estructura metálica del camión debe funcionar como un “conductor equipotencial” es necesario vigilar las conexiones de masa (terminales limpios y fuertemente conectados), minimizando las “Resistencias de Contacto” a fin de evitar que por irradiación de “Interferencias Parásitas” o falsos contactos aparezca un voltaje sobre la Masa Electrónica. La Masa debe funcionar como Referencia de Potencial de todo el Sistema. Una masa en mal estado distorsionará todas las señales de los sensores de un Modulo Electrónico afectando su procesamiento. En la imagen inferior se observa el comportamiento eléctrico del Sistema de Alimentación. Siendo: Ba= Batería. R= Cargas o consumos como lámparas, solenoides, motores eléctricos y Módulos. Rz= Impedancias propias (tolerables) del Chasis-Carrocería del camión. M1, M2, M3= Implantaciones de masa o tomas de masa del Chasis-Carrocería. No podemos trabajar en Rz pero si mantener en buen estado a M1, M2, etc. Alimentaciones del PLD El PLD tiene sus alimentaciones en la pinera PLD16 (pinera chica). Son 24Volt y Masa. -Positivo de Batería: Pines 5 y 6 -Positivo de contacto: Pin 15 (Fuse 20 de 5Amp. Viene por Relé Auxiliar KL 15). -Positivo en arranque: Pin 8 desde la Contactora de arranque. -Masa: Pines 9 y 11
  • 9.
    AutoIngeniería Prof. Pablo Monteros& Asoc. Sto. Cabral 723 (8300) Neuquén-e-mail:autoingenieria@argentina.com–web:www.autoingenieria.com Te: Oficina: 0299 – 442 6809 Soporte Técnico: 0299-155 832495 Contacto y Ventas: 0299-155 174096 9 Alimentaciones del ADM -Positivos de Batería: Pin 1 del ADM15 (ficha Roja) por Fuse 38 de 5Amp. -Masa: Pin 5 del ADM15 (ficha Roja) y Pin 8 del ADM18 (ficha Gris). -Positivos de Contacto: Pin 15 del ADM15 (ficha Roja) por Relé KL15 y F19 de 5Amp. -Positivo en Arranque: Pin 5 del ADM18 (ficha Gris) de la Contactora (Borne 50). -Señal de Arranque (50): Al motor de arranque lo controla el PLD55 por el Pin 18. El PLD55 coloca 24Volt en el Pin 18 en el momento del arranque para excitar al Relé de Arranque. La señal de arranque le llega al PLD por el Pin 8 del PLD16 y si la Transmisión no se encuentra engranada (cambio colocado) el ADM saca 24V por el Pin 18 del conector PLD55 que se conecta con un extremo de la bobina de mando del Relé de Arranque.
  • 10.
    AutoIngeniería Prof. Pablo Monteros& Asoc. Sto. Cabral 723 (8300) Neuquén-e-mail:autoingenieria@argentina.com–web:www.autoingenieria.com Te: Oficina: 0299 – 442 6809 Soporte Técnico: 0299-155 832495 Contacto y Ventas: 0299-155 174096 10 El otro extremo de la bobina de mando del Relé de Arranque está conectada a Masa Directa como se observa en el Plano. Adicionalmente el ADM recibe también la señal de Arranque, como ya hemos dicho, por el Pin 5 del ADM18 (ficha Gris).
  • 11.
    AutoIngeniería Prof. Pablo Monteros& Asoc. Sto. Cabral 723 (8300) Neuquén-e-mail:autoingenieria@argentina.com–web:www.autoingenieria.com Te: Oficina: 0299 – 442 6809 Soporte Técnico: 0299-155 832495 Contacto y Ventas: 0299-155 174096 11 ESTUDIO DE LAS SEÑALES DEL SISTEMA PLD+ADM -Sensores de Rotación y de Posición del Eje de Levas El sistema tiene 2 sensores: a) SENSOR DE RPM Y PMS. CKP Crankshaft Position Sensor. Está ubicado sobre el Volante del Motor. Informa al PLD la señal de Velocidad del motor y la posición en la carrera de los pistones. Es de Reluctancia Variable (Inductivo). Esta señal es necesaria para el arranque del motor y también es enviada via BUS CAN al ADM para que la distribuya al Panel de Instrumentos ICL (Instrument Cluster). La señal del Sensor CKP llega al PLD55 por los Pines 2 Y 19
  • 12.
    AutoIngeniería Prof. Pablo Monteros& Asoc. Sto. Cabral 723 (8300) Neuquén-e-mail:autoingenieria@argentina.com–web:www.autoingenieria.com Te: Oficina: 0299 – 442 6809 Soporte Técnico: 0299-155 832495 Contacto y Ventas: 0299-155 174096 12 Está construido con una bobina arrollada sobre un Imán. Tiene 2 pines de conexión Mediciones: -Resistencia del Sensor: de 1000 ΩΩΩΩ a 1300 ΩΩΩΩ (1 K a 1K3). Este sensor se encuentra enfrentado al volante del cigüeñal, el cual tiene expansiones polares (dientes) formadas por orificios, que al girar pasan en proximidad del sensor. Genera una Onda Alterna Cuasi-Senoidal que el PLD interpreta como el giro del motor. Esta señal le permite al PLD localizar la posición en la carrera del Cilindro 1 pero no sabe si está en Compresión o en Balanceo (final de carrera de escape). La señal del CKP le
  • 13.
    AutoIngeniería Prof. Pablo Monteros& Asoc. Sto. Cabral 723 (8300) Neuquén-e-mail:autoingenieria@argentina.com–web:www.autoingenieria.com Te: Oficina: 0299 – 442 6809 Soporte Técnico: 0299-155 832495 Contacto y Ventas: 0299-155 174096 13 informa al PLD cuando el Pistón Cil #1 está a 65 grados APMS y le permite calcular el Avance a la inyección y el “Atracamiento” de las Monobombas. -Medición con Osciloscopio: El Volante tiene 36 orificios simétricos y un orificio más (37) entre dos de ellos. El orificio extra se encuentra en el medio de dos dientes normales y es más pequeño. Esta señal indica al PLD que el Cilindro 1 se encuentra 65 grados antes del PMS. El Pin 2 del PLD55 es la masa del sensor y el Pin 19 la señal ( de 0,5V a 5V). En el oscilograma inferior se observa la señal medida sobre el Pin 19 del PLD.
  • 14.
    AutoIngeniería Prof. Pablo Monteros& Asoc. Sto. Cabral 723 (8300) Neuquén-e-mail:autoingenieria@argentina.com–web:www.autoingenieria.com Te: Oficina: 0299 – 442 6809 Soporte Técnico: 0299-155 832495 Contacto y Ventas: 0299-155 174096 14 b) SENSOR DE POSICIÓN DEL ÁRBOL DE LEVAS O SENSOR DE FASE – CMP Camshaft Position Sensor Está ubicado enfrentado al Árbol de Levas. Al igual que el CKP es del Tipo Inductivo (Reluctancia Variable) formado por una Bobina arrollada sobre un Imán que lee sobre 12 orificios que tiene el Árbol de Levas. Genera una señal del Tipo Alterna Cuasi-Senoidal. Le informa al PLD cuando el Pistón Cilindro 1 se encuentra a 55°APMS en la carrera de Compresión. Con está señal el PLD calcula el Anticipo a la Inyección.
  • 15.
    AutoIngeniería Prof. Pablo Monteros& Asoc. Sto. Cabral 723 (8300) Neuquén-e-mail:autoingenieria@argentina.com–web:www.autoingenieria.com Te: Oficina: 0299 – 442 6809 Soporte Técnico: 0299-155 832495 Contacto y Ventas: 0299-155 174096 15 Conexión del Sensor: Tiene 2 cables que están conectados al PLD55 a los Pines 1 y 20 Mediciones: - Resistencia: de 1KΩΩΩΩ a 1K3ΩΩΩΩ El Pin 1 corresponde a la Masa del sensor y el Pin 20 a la señal (0V a 5V)
  • 16.
    AutoIngeniería Prof. Pablo Monteros& Asoc. Sto. Cabral 723 (8300) Neuquén-e-mail:autoingenieria@argentina.com–web:www.autoingenieria.com Te: Oficina: 0299 – 442 6809 Soporte Técnico: 0299-155 832495 Contacto y Ventas: 0299-155 174096 16 -Comprobación con osciloscopio de la señal del CMP: NOTA: Si fallara alguno de estos sensores el sistema es capaz de arrancar con una sola de las dos señales (CKP o CMP). Algunas veces el PLD ve la señal del CKP o del CMP pero estas están defectuosas. La Computadora se confunde más si la señal es errada que si la misma no está presente. Una prueba posible es desconectar de a uno a estos sensores y dar arranque. Si arranca, el sensor dañado es el que desconectamos, que con su señal errónea interfiere en el procesamiento del giro del motor por parte del PLD. Compensación del Desvío de Rotación en Marcha Lenta: Con las correctas señales del CKP y el CMP el PLD puede ajustar la Marcha Lenta de modo que el motor regule sereno y con menos vibraciones. Como no existen 2 cámaras exactamente iguales ni 2 Monobombas iguales, cada carrera motriz es afectada por estas variables y vuelven rumoroso y desparejo al motor, especialmente en Ralenti. Para solucionar esto el PLD operará una estrategia de corrección Cilindro a Cilindro, que ahora explicaremos. Durante el funcionamiento del motor, cada cilindro es el responsable de la aceleración del Cigüeñal en la Carrera Motriz por 180°en 4 cilindros o 120°en 6 cilindros. Cuando algún cilindro está peor o mejor que los otros la velocidad en que se cumple esta porción del giro disminuye o aumenta, con lo que también cambia el tiempo que dura haciendo que el motor funcione irregular. Para corregir esto el PLD ajusta la cantidad de combustible a inyectar en cada cilindro con el objeto de regularizar la velocidad del cigüeñal. Cuando la corrección es superior al 10% se genera un Código de falla.
  • 17.
    AutoIngeniería Prof. Pablo Monteros& Asoc. Sto. Cabral 723 (8300) Neuquén-e-mail:autoingenieria@argentina.com–web:www.autoingenieria.com Te: Oficina: 0299 – 442 6809 Soporte Técnico: 0299-155 832495 Contacto y Ventas: 0299-155 174096 17 Esta corrección puede ocurrir siempre que haya una Cámara dañada, problemas de compresión, una Bomba defectuosa, problemas eléctricos, etc. En la imagen inferior se puede observar el tiempo que demora cada pistón en recorre los 180°de giro (motor 4 cilindros). Obsérvese que el Pistón 3 es el que desarrolla más potencia (demora menos en recorre los 180°) y el Pistón 2 es el que aporta menos (demora más tiempo). El PLD lo corregirá dentro de una dispersión límite y luego si es excedida cargará un DTC (Data Trouble Code) o Código de Fallas. -Sensor de Presión de Admisión y de Temperatura del aire de Admisión T-MAP Es un Sensor MAP (Manifold Absolute Pressure) que Informa al PLD sobre la Presión de Refuerzo del Turbocargador y la Presión atmosférica en arranque y a baja carga (que el PLD la compara con su Sensor BARO interno). Complementariamente tiene integrado un sensor de Temperatura del aire IAT (Intake Air Temperatura). Tiene 4 Cables que lo conectan al PLD.
  • 18.
    AutoIngeniería Prof. Pablo Monteros& Asoc. Sto. Cabral 723 (8300) Neuquén-e-mail:autoingenieria@argentina.com–web:www.autoingenieria.com Te: Oficina: 0299 – 442 6809 Soporte Técnico: 0299-155 832495 Contacto y Ventas: 0299-155 174096 18 Las Alimentaciones del Sensor son: Masa: Pin 1 del Sensor TMAP. Llega al Pin 21 del PLD55 Alimentación (VRef) 5V: Pin 3 del Sensor TMAP. Llega al Pin 7 del PLD55 Se observa que la masa (Pin 21 del PLD55) es compartida por los 2 sensores. Las señales legan al PLD55 por los pines: MAP: 29-PLD55 IAT: 48-PLD55
  • 19.
    AutoIngeniería Prof. Pablo Monteros& Asoc. Sto. Cabral 723 (8300) Neuquén-e-mail:autoingenieria@argentina.com–web:www.autoingenieria.com Te: Oficina: 0299 – 442 6809 Soporte Técnico: 0299-155 832495 Contacto y Ventas: 0299-155 174096 19 MEDICIONES: Con Scanner en la Línea de Datos seleccionar el PID (Parámetro de Identificación) correspondiente a la Presión de Admisión y a la Temperatura del Aire de Admisión. Con el motor en KOEO (Key On Engine Off –Contacto con Motor Parado) el MAP nos debe informar la Presión Atmosférica (0,95 Bar a 1,5 Bar) Con el Motor en Ralenti la presión debe ser la misma que en KOEO. Acelerar bombeando al motor para que funcione el Turbo aumentando la Presión de Refuerzo y verificar el aumento de la Presión de Admisión, la que debe llegar a 1,5 Bares. La Temperatura del Aire debe aumentar hasta 40-50 °C con el motor caliente. -Con TESTER: Verificar la Alimentación de VRef.(5V) del MAP por el Pin 4 del TMAP y su continuidad con el Pin 7 del PLD 55 En el Esquema superior se observa la medición con Tester de la Masa y la Alimentación de 5V del sensor. Esta medición se puede realizar sobre el sensor mismo y si no está correcta ir a medir al conector del PLD (PLD55). Señal del MAP: Medir ahora la señal del sensor MAP directamente sobre el Pin 4 del T-MAP o en el Pin 29 del PLD55.
  • 20.
    AutoIngeniería Prof. Pablo Monteros& Asoc. Sto. Cabral 723 (8300) Neuquén-e-mail:autoingenieria@argentina.com–web:www.autoingenieria.com Te: Oficina: 0299 – 442 6809 Soporte Técnico: 0299-155 832495 Contacto y Ventas: 0299-155 174096 20 Tabla aproximada de Voltaje de Señal del MAP: Los valores de la señal del MAP son influenciados por la Presión Atmosférica local. Es por esto que no da siempre la misma señal. Veamos una tabla de respuesta del MAP según la altura con respecto al Nivel del Mar.
  • 21.
    AutoIngeniería Prof. Pablo Monteros& Asoc. Sto. Cabral 723 (8300) Neuquén-e-mail:autoingenieria@argentina.com–web:www.autoingenieria.com Te: Oficina: 0299 – 442 6809 Soporte Técnico: 0299-155 832495 Contacto y Ventas: 0299-155 174096 21 Señal del IAT: La señal del IAT es un Voltaje variable con la Temperatura. Es una Termistancia o Resistencia Variable con la Temperatura. Tiene Coeficiente de Temperatura Negativo (NTC), por lo que cuando la Temperatura AUMENTA el Voltaje de la señal BAJA. Estos sensores se comportan según la siguiente relación: MAYOR TEMPERATURA-----MENOR RESISTENCIA--------MENOR TENSIÓN MENOR TEMPERATURA-----MAYOR RESISTENCIA--------MAYOR TENSIÓN La señal sale del Sensor por el Pin 2 y llega al PLD55 en el Pin 48 SEÑAL TÍPICA: En Voltaje Temperatura del Aire 25°C -------------------2,3V Temperatura del Aire 60°C -------------------0,8V a 1V Resistencia Típica del sensor: Temperatura del Aire 25°C -------------------1K7ΩΩΩΩ Temperatura del Aire 80°C -------------------650ΩΩΩΩ
  • 22.
    AutoIngeniería Prof. Pablo Monteros& Asoc. Sto. Cabral 723 (8300) Neuquén-e-mail:autoingenieria@argentina.com–web:www.autoingenieria.com Te: Oficina: 0299 – 442 6809 Soporte Técnico: 0299-155 832495 Contacto y Ventas: 0299-155 174096 22 Curva de respuesta del Sensor de Temperatura del Aire Se observa la respuesta inversa con la temperatura -Sensor de Temperatura del Refrigerante ECT (Engine Coolant Temperatura). Está conectado por 2 Pines al PLD55. Brinda al PCM una imagen eléctrica de la temperatura que tiene el agua del motor. En los Camiones es particularmente importante el buen desempeño de este sensor porque puede afectar a la economía del combustible. Es una Termistancia del tipo NTC que varia su resistencia con la temperatura del refrigerante. Cunado el motor está frío la Resistencia del Sensor debe ser Alta y su Señal en Voltaje también. Cuando el motor está caliente debe bajarle la resistencia y también el Voltaje de la señal. Su señal es transmitida por el PLD al ADM por el BUS CAN para que éste la informe al Panel de Instrumentos ICL.