Curso: Programacion 2 - Proyecto Final
Integrantes:
-Percy Andre Pacahuala
-Rubén Magallanes
Profesora: Margarita Murillo
3er CICLO
Estacionamiento Automatizado
Importancia
Lo más importante es ver y analizar la gran oportunidad que tenemos de solucionar un inconveniente o
problema que afecta a muchas personas y a través de este problema encontrar la oportunidad de generar
cierta cantidad de utilidad o ganancia, atacando y ayudando a solucionar en gran parte el problema de
estacionarse.
Es una idea innovadora y novedosa que podrá atraer la curiosidad de muchas personas, ya que en el país no
se encuentra construido algo parecido.
Generalidades
Se conoce como estacionamiento al espacio físico donde se deja el vehículo por un tiempo indefinido
cualquiera
En los países donde el automóvil es de uso común, instalaciones para el estacionamiento son construidas
junto a edificios para facilitar el movimiento de los usuarios y brindar seguridad a sus vehículos
Características del Estacionamiento Automatizado
Este estacionamiento consta de un parqueo hasta de 14 vehículos pero nosotros solo
utilizaremos solo 2 espacios del parqueo porque solo estamos usando dos sensores
infrarrojo
Este parqueo está equipado con una alarma contra incendios y un ventilador.
Gastos Economicos
El presente proyecto tuvo un gasto total de S/.150 incluido los pasajes ida y vuelta que gastamos
hacia paruro.
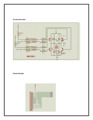
Circuito del motor
Puerto Paralelo

Informe progra2

  • 1.
    Curso: Programacion 2- Proyecto Final Integrantes: -Percy Andre Pacahuala -Rubén Magallanes Profesora: Margarita Murillo 3er CICLO
  • 2.
    Estacionamiento Automatizado Importancia Lo másimportante es ver y analizar la gran oportunidad que tenemos de solucionar un inconveniente o problema que afecta a muchas personas y a través de este problema encontrar la oportunidad de generar cierta cantidad de utilidad o ganancia, atacando y ayudando a solucionar en gran parte el problema de estacionarse. Es una idea innovadora y novedosa que podrá atraer la curiosidad de muchas personas, ya que en el país no se encuentra construido algo parecido. Generalidades Se conoce como estacionamiento al espacio físico donde se deja el vehículo por un tiempo indefinido cualquiera En los países donde el automóvil es de uso común, instalaciones para el estacionamiento son construidas junto a edificios para facilitar el movimiento de los usuarios y brindar seguridad a sus vehículos Características del Estacionamiento Automatizado Este estacionamiento consta de un parqueo hasta de 14 vehículos pero nosotros solo utilizaremos solo 2 espacios del parqueo porque solo estamos usando dos sensores infrarrojo Este parqueo está equipado con una alarma contra incendios y un ventilador. Gastos Economicos El presente proyecto tuvo un gasto total de S/.150 incluido los pasajes ida y vuelta que gastamos hacia paruro.
  • 3.