Diagnostico electrónico Nueva Toyota Hilux (2016)
1GD-2GD FTV
Escuchar es fácil y puede ser de gran utilidad
Diagnostico electrónico Nueva Toyota Hilux
Es la octava generación de la pick-up mediana de Toyota, conocida con el código
interno AN120/130. Reemplaza a la Hilux de séptima generación (AN10/20) que
se comercializaba desde 2005. Se ofrece con cabina simple o doble. La Hilux
2016 creció en varias dimensiones, excepto en distancia entre ejes y altura (que
varía según el despeje de cada versión): largo, 5.335 mm (antes 5.260 mm);
ancho, 1.855 mm (antes 1.835 mm); alto, 1.820 mm (antes 1.860 mm); distancia
entre ejes, 3.085 mm (no varió).
MECÁNICA: Las motorizaciones y las transmisiones son nuevas. El motor 2.5
turbodiesel de 120 cv y 325 Nm fue reemplazado por un nuevo 2.4 turbodiesel de
150 cv y 400 Nm. El 3.0 turbodiesel de 171 cv y 343 Nm fue reemplazado por un
nuevo 2.8 turbodiesel de 177 cv y 420 Nm (con caja manual) o 450 Nm (con caja
automática). Más adelante se sumará un motor naftero. Nuevas cajas manuales y
automáticas, de seis marchas. Tracción trasera o a las cuatro ruedas, con
reductora y bloqueo de diferencial.
Diagnostico electrónico Nueva Toyota Hilux (2016)
1GD-2GD FTV
Escuchar es fácil y puede ser de gran utilidad
La seguridad. Todas las versiones ahora vienen de serie al menos tres airbags
(dos frontales delanteros, uno de rodillas para el conductor), control de estabilidad
(ESP), control de tracción, asistencia al arranque en pendiente, control de
estabilidad de remolque y anclajes Isofix.
Viene de serie con llantas de 17 pulgadas, volante multifunción, guantera con
refrigerador/calentador de objetos, aire acondicionado, dirección asistida, equipo
de audio con CD/USB/Aux/Bluetooth y cierre centralizado. Las versiones más
equipadas agregan llantas de aleación de 18 pulgadas, hasta siete airbags, luces
diurnas de leds, faros antiniebla, modo de manejo EcoDrive, pantalla táctil de siete
pulgadas, tapizados en cuero, butacas delanteras con ajuste eléctrico, pantalla
táctil multimedia, control de crucero, acceso sin llave y climatizador automático.
Nuevos Motores
Se desarrollaron dos nuevos motores turbo diesel intercooler, los cuales
corresponden a la nueva serie GD (Global Diesel). Junto con la mejora en el
consumo de combustible, lo más destacado en ambos motores es el incremento
de torque que se ve reflejado en la excepcional mejora en la aceleración en bajas
y medias velocidades.
En ambos motores la performance se logró mejorando la eficiencia de los
sistemas de inyección y de admisión. A su vez, se trabajó para mejorar los niveles
de consumo de combustible reduciendo el peso del motor, mejorando la eficiencia
de la combustión y reduciendo la fricción de piezas mecánicas.
Para reducir el peso del motor se redujo el tamaño de la tapa de cilindros y se
utilizó una tapa de válvulas plástico. A su vez, para mejorar la eficiencia de la
combustión se adaptó la forma de los pistones para mejorar la cámara de
Diagnostico electrónico Nueva Toyota Hilux (2016)
1GD-2GD FTV
Escuchar es fácil y puede ser de gran utilidad
combustión, se optimizó la admisión de aire en función de la velocidad del motor y
se mejoró el control de la presión de la inyección del sistema Common-Rail.
Por otro lado, para reducir la fricción de las piezas mecánicas, ambos motores
utilizan cadena de distribución de baja fricción que no solo ayuda a mejorar los
niveles de consumo de combustible, sino que a su vez, disminuye los costos de
mantenimiento.
Motor Toyota 2.8 litros (1GD).
El nuevo motor diesel Toyota 1GD de 2.8 litros, 4 cilindros en línea con 16
válvulas, DOHC con cadena de distribución, posee TGV (turbocompresor de
geometría variable), intercooler e inyección directa electrónica Common-Rail. Aún
con 200cc menos que el motor Toyota 1KD de la generación anterior, esta
evolución no solo mejora el nivel de consumo de combustible en el orden del 10%,
sino que además mejora la performance, contando con 6 CV más (177Cv a 3.400
rpm), 22% más torque en transmisiones manuales (420Nm entre 1.400 y 2.600
rpm) y 31% más en transmisiones automáticas (450Nm entre 1.600 y 2.400 rpm).
Motor Toyota 2.4 litros (2GD)
El nuevo motor diesel Toyota 2GD de 2.4 litros, 4 cilindros en línea con 16
válvulas, DOHC con cadena de distribución, incorpora como novedad TGV
(turbocompresor de geometría variable) aunque mantiene con respecto a la
generación anterior, intercooler e inyección directa electrónica Common-Rail. Aún
con 100cc menos que el motor Toyota 2KD de la generación anterior, esta
evolución mejora notablemente el consumo de combustible aproximadamente un
10%, como así también su desempeño, ofreciendo un 25% más de potencia (150
CV a 3.400 rpm) y un 23% más de torque (400Nm entre 1.600 y 2.000 rpm).
Tecnología TSWIN en motores GD Thermo swing Wall insulation technology
(Tecnología de aislamiento de pared)
Diagnostico electrónico Nueva Toyota Hilux (2016)
1GD-2GD FTV
Escuchar es fácil y puede ser de gran utilidad
Este recubrimiento superficial en los bordes de la cabeza del pistón permite
mejorar el rendimiento térmico, evitando la disipación de la temperatura al centro
del mismo. De esta manera se obtiene una ganancia en la combustión.
Nuevas Transmisiones Automática y Manual de 6 velocidades
Las nuevas transmisiones fueron desarrolladas para maximizar todo el potencial
de los motores. Ambas, la manual y la automática son de seis velocidades.
Comparadas con las trasmisiones del modelo anterior, además de poseer una
marcha adicional, las nuevas transmisiones tienen una nueva relación de marchas
más amplia que se traduce en una mayor aceleración en 1ra y reducción del
consumo de combustible en 6ta.
Diagnostico electrónico Nueva Toyota Hilux (2016)
1GD-2GD FTV
Escuchar es fácil y puede ser de gran utilidad
En la transmisión manual, la relación en 1ra es 10% menor y 23% mayor en 6ta.
Por otro lado, en la transmisión automática, la relación en 1ra es un 2% menor y
un 19% mayor en 6ta velocidad. De esta manera, en 1ra marcha, logra transmitir
mayor torque mejorando la capacidad de arranque con y sin carga y al haber
aumentado la relación de la 6ta se disminuyen las revoluciones del motor en altas
velocidades mejorando notablemente el consumo de combustible.
En la transmisión manual se optimizó la forma de los engranajes y la cantidad de
dientes para hacerla más fuerte y resistente, ideal para transportar o remolcar
grandes cargas.
La transmisión automática es la 6 Súper ECT (transmisión controlada
electrónicamente), la cual cambia su patrón de marcha según la forma de
conducción, inclinación y nivel de carga del vehículo logrando de manera
simultánea economía en el consumo de combustible y performance.
Cabe destacar que la capacidad de remolque de la nueva Hilux se mejoró
llegando a remolcar hasta 3.500Kg. con trailer con frenos según la versión.
iMT (Intelligent Manual Transmission)
Las versiones SRX y SRV con transmisión manual contarán con el nuevo sistema
iMT o Transmisión manual inteligente. Al presionar el botón iMT en la consola
central, un indicador aparecerá en el display de información múltiple indicando que
el sistema se encuentra activo.
El sistema funciona detectando los cambios de marcha (cuando el embrague es
presionado y cuando el cambio es seleccionado) y ajusta automáticamente las
revoluciones del motor, brindando un suave y confortable paso de marchas.
Diagnostico electrónico Nueva Toyota Hilux (2016)
1GD-2GD FTV
Escuchar es fácil y puede ser de gran utilidad
ECO y POWER Mode
Para elegir el modo de conducción, las versiones SRX, SRV y SR, poseen los
modos de conducción ECO o POWER.
El ECO Mode, suaviza la aceleración cambiando el patrón del acelerador y
optimiza el sistema de aire acondicionado brindando una aceleración más suave y
una mejora en el consumo de combustible.
En POWER Mode, el conductor puede disfrutar de una aceleración más
emocionante, ya que la ECU del motor cambia el patrón de aceleración en función
del ángulo de posición del pedal acelerador. Este modo de conducción puede ser
utilizado idealmente en situaciones donde el usuario transite por pendientes
inclinadas o con mucha carga.
Además, la nueva Hilux vendrá equipada en todas sus versiones con Asistente de
arranque en pendientes (HAC – Hill Start Assist Control), un sistema que mejora la
capacidad off-road del vehículo así como también facilita maniobras de ascenso
en ciudad actuando automáticamente sobre los frenos en una partida detenida.
A su vez, todas las versiones 4×4 están equipadas con Control de tracción activo
(A-TRC – Active Traction Control). Este sistema, que funciona cuando está
activada la tracción 4×4, previene el derrape del vehículo en una aceleración
aplicando automáticamente presión de frenado en cualquiera de las 4 ruedas que
eventualmente pierda adherencia, y envía así mayor torque a la rueda contraria,
asegurándose que el vehículo pueda traccionar correctamente.
Diagnostico electrónico Nueva Toyota Hilux (2016)
1GD-2GD FTV
Escuchar es fácil y puede ser de gran utilidad
SEGURIDAD
En lo que respecta a Seguridad Activa, la nueva Hilux incorpora equipamiento en
todas sus versiones:
• Frenos ABS con distribución electrónica de la fuerza de frenado (EBD)
• Asistente de frenado de emergencia (BA)
• Control de tracción (TRC)
• Control de estabilidad (VSC)
• Control de balanceo de tráiler (TSC)
• Asistente de arranque en pendientes (HAC)
• Luces de frenado de emergencia (EBS)
• Faro antiniebla trasero.
Adicionalmente, las versiones SRX y SRV 4×4 están equipadas con asistente de
descenso en pendientes (DAC).
El ABS con distribución electrónica de la fuerza de frenado (EBD), permite al
vehículo frenar en todo momento con seguridad, independientemente de la
cantidad de carga que posea, y permitiendo al conductor mantener el control del
vehículo. A su vez, el Asistente de frenado de emergencia (BA) aplica presión
adicional al sistema de frenos cuando detecta una frenada de emergencia,
ayudado a conductores que por un motivo u otro no pueden aplicar el pedal de
freno con suficiente fuerza.
El control de tracción (TRC) funciona aplicando fuerza de frenado en las ruedas
para evitar que estas derrapen producto de una aceleración desmedida, y
permitiendo así que el vehículo avance correctamente.
El control de estabilidad (VSC) es un sistema que colabora con el conductor a fin
de evitar un subviraje o sobreviraje cuando el vehículo dobla en exceso de
velocidad, brindando mayor control del vehículo en todo momento. El sistema
funciona controlando la respuesta del motor y los frenos, aplicando de forma
selectiva presión a las ruedas necesarias con el fin de corregir la trayectoria y
mantener la dirección deseada.
El Control de balanceo de trailer (TSC) ayuda a mantener la pick-up y su remolque
en línea recta, compensando con los frenos y la respuesta del motor el balanceo
del trailer que pudiera generarse por vientos cruzados o un viraje.
El sistema de Luces de frenado de emergencia (EBS – Emergency Brake Signal)
permite que las balizas se enciendan automáticamente cuando el vehículo realiza
Diagnostico electrónico Nueva Toyota Hilux (2016)
1GD-2GD FTV
Escuchar es fácil y puede ser de gran utilidad
una frenada de emergencia. De esta manera se da aviso a los vehículos que
vienen detrás, reduciendo la posibilidad de accidentes.
En cuanto a la Seguridad Pasiva, la nueva Hilux viene equipada en todas las
versiones con:
• Airbags frontales para conductor y acompañante.
• Airbag de rodilla para el conductor.
• Cinturones de 3 puntos, con pretensionador y limitador de fuerza, para las plazas
delanteras con alarma e indicador de cinturón desabrochado.
Además, todas las versiones con cabina doble incorporan:
• Tres cinturones inerciales de 3 puntos para las plazas traseras junto con 3 apoya
cabezas con alarma e indicador de cinturón desabrochado.
• Anclajes ISOFIX y fijación con soportes para la correa superior. (La silla para
niños con anclajes ISOFIX se encuentra disponible en la Red de Concesionarios
Oficiales Toyota.)
A su vez, las versiones SRX y SRV PACK 4×2 estarán equipadas adicionalmente
con:
• Airbags laterales para conductor y acompañante y
• Airbags de Cortina en ambos lados, sumando en total 7 airbags para estas
versiones.
Desde lo estructural, la carrocería no solamente cuenta con barras de protección
lateral en las puertas sino que a su vez, fue diseñada para absorber impactos
frontales y laterales. Por otro lado, la estructura del chasis fue diseñada para
absorber impactos frontales mejorando la absorción de energía respecto de la
generación anterior.
Otro equipamiento que estará disponible de serie en todas las versiones 4×4 es el
bloqueo de diferencial trasero. Al accionarlo, este sistema permite que ambas
ruedas traseras giren exactamente a la misma velocidad, aprovechando todo el
torque disponible y facilitando maniobras de escape en una situación de
atascamiento.
Adicionalmente, cabe destacar en este apartado la incorporación del Asistente de
descenso en pendientes (DAC – Downhill Assist Control) para las versiones SRX y
SRV 4×4. Al accionar este sistema en pendientes declinadas, cuando el freno
motor no es suficiente, el sistema automáticamente envía presión de frenado a las
cuatro ruedas para poder mantener el control del vehiculo y así poder focalizar la
atención en las maniobras de viraje.
Diagnostico electrónico Nueva Toyota Hilux (2016)
1GD-2GD FTV
Escuchar es fácil y puede ser de gran utilidad
Características técnicas:
Diagnostico electrónico Nueva Toyota Hilux (2016)
1GD-2GD FTV
Escuchar es fácil y puede ser de gran utilidad
El tipo de combustible a utilizar para los motores GD es diésel grado 3, según la
resolución 1283-2006 y la resolución 478-2009.
Dicha resolución dictamina lo siguiente.
Artículo 5º- Establécese a partir del 1º de junio de 2009 la comercialización
obligatoria en todo el Territorio Nacional de GASOILBIO o GASOIL GRADO TRES
(3) con un contenido máximo de azufre de CINCUENTA (50) partes por millón en
peso (mg/kg) y un mínimo índice de cetano de CUARENTA Y OCHO (48) o un
mínimo número de cetano de CINCUENTA Y UNO (51), y una lubricidad según
norma ASTM D 6079 o ISO 12156-1 máxima de CUATROCIENTOS SESENTA
MICROMETROS (460 µm ) a SESENTA GRADOS CELSIUS (60 °C).
La especificación del aceite de motor que llevan ambos motores es
Grado del aceite
API-CF-4 o CF
CF-4 para Servicio en Motores Diesel: Servicio Típico de motores diesel de trabajo
pesado, de 4 tiempos y alta velocidad, turbocargados y sobrecargados fabricados
desde 1990, particularmente en tractocamiones, camiones y autobuses en servicio
de carretera. Los aceites CF-4 exceden los requerimientos de los aceites de
categoría CE y están diseñados para reemplazarlos. Los aceites CF-4 también
pueden utilizarse en reemplazo de las anteriores categorías CD y CC. La nueva
categoría CF-4 provee mejor control de consumo de aceite y depósitos en los
pistones.
CF Servicio en Motores Diesel de Inyección Directa e Indirecta: Aceites para
servicio típico en motores diesel con inyección directa e indirecta. Fueron
diseñados para ser usados en motores diesel que utilizan un amplio rango de tipos
de combustibles, incluidos aquellos con alto contenido de azufre (sobre 0,5%). La
mantención de un control efectivo de los depósitos y desgastes del pistón y del
cobre producido por la corrosión de rodamientos, es esencial en estos motores,
los cuales pueden ser de aspiración natural, turbocargados o supercargados. Los
aceites para este servicio fueron introducidos en 1994 y pueden ser usados
también cuando se recomienda la categoría CD.
ACEA B1
A1/B1: Aceite para motores gasolina o diesel diseñados para utilizar aceites de
baja friccion y baja viscosidad.
Viscosidad SAE recomendada
SAE 5W-30
La capacidad de aceite es de 7.5 Lts con filtro, y 7.0 Lts sin filtro.
Diagnostico electrónico Nueva Toyota Hilux (2016)
1GD-2GD FTV
Escuchar es fácil y puede ser de gran utilidad
Diagnostico electrónico Nueva Toyota Hilux (2016)
1GD-2GD FTV
Escuchar es fácil y puede ser de gran utilidad
Ubicación de fusibleras
Diagnostico electrónico Nueva Toyota Hilux (2016)
1GD-2GD FTV
Escuchar es fácil y puede ser de gran utilidad
Diagnostico electrónico Nueva Toyota Hilux (2016)
1GD-2GD FTV
Escuchar es fácil y puede ser de gran utilidad
Pineras PCM
El PCM posee 6 Pineras, y realiza todas las funciones que tengan que ver con
gestión motor. El pin de cada pinera comienza en la parte superior a la izquierda i
comienza a contar hacia abajo.
Diagnostico electrónico Nueva Toyota Hilux (2016)
1GD-2GD FTV
Escuchar es fácil y puede ser de gran utilidad
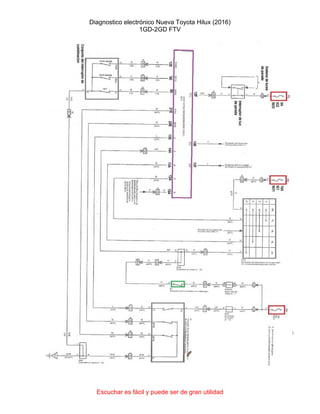
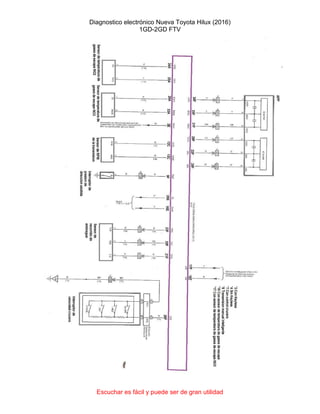
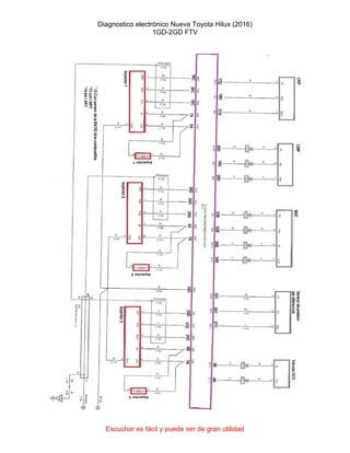
Planos eléctricos 1GD – 2 GD
Diagnostico electrónico Nueva Toyota Hilux (2016)
1GD-2GD FTV
Escuchar es fácil y puede ser de gran utilidad
Diagnostico electrónico Nueva Toyota Hilux (2016)
1GD-2GD FTV
Escuchar es fácil y puede ser de gran utilidad
Diagnostico electrónico Nueva Toyota Hilux (2016)
1GD-2GD FTV
Escuchar es fácil y puede ser de gran utilidad
Diagnostico electrónico Nueva Toyota Hilux (2016)
1GD-2GD FTV
Escuchar es fácil y puede ser de gran utilidad
Diagnostico electrónico Nueva Toyota Hilux (2016)
1GD-2GD FTV
Escuchar es fácil y puede ser de gran utilidad
Diagnostico electrónico Nueva Toyota Hilux (2016)
1GD-2GD FTV
Escuchar es fácil y puede ser de gran utilidad
Diagnostico electrónico Nueva Toyota Hilux (2016)
1GD-2GD FTV
Escuchar es fácil y puede ser de gran utilidad
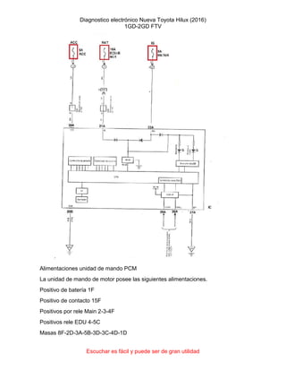
Alimentaciones unidad de mando PCM
La unidad de mando de motor posee las siguientes alimentaciones.
Positivo de batería 1F
Positivo de contacto 15F
Positivos por rele Main 2-3-4F
Positivos rele EDU 4-5C
Masas 8F-2D-3A-5B-3D-3C-4D-1D
Diagnostico electrónico Nueva Toyota Hilux (2016)
1GD-2GD FTV
Escuchar es fácil y puede ser de gran utilidad
Diagnostico electrónico Nueva Toyota Hilux (2016)
1GD-2GD FTV
Escuchar es fácil y puede ser de gran utilidad
Sensores de giro
La nueva Hilux posee dos sensores de giro para monitorear el cigüeñal y el árbol
de levas, ambos del tipo Hall.
Sensores Hall
El sensor de giro de señal pulsante tiene unas características completamente
diferentes a la alterna. En el caso del sensor de efecto Hall, la señal cambia a dos
posiciones fijas que son 5 voltios ó 0 voltios. En el gráfico inferior se muestra un
diagrama de un sensor de giro de efecto Hall.
El mecanismo por el cual el sensor de efecto Hall genera la señal pulsante fue
explicado anteriormente. Lo importante en este punto es interpretar que el PCM
aplica al sensor una señal de referencia, la cual es colocada a masa, de acuerdo
al giro del cigüeñal o del árbol de levas.
En el siguiente esquema se puede ver la forma en la cual se genera esta señal.
Diagnostico electrónico Nueva Toyota Hilux (2016)
1GD-2GD FTV
Escuchar es fácil y puede ser de gran utilidad
Inicialmente el PCM coloca al sensor una tensión de referencia de 5 voltios; esta
tensión viaja a través de uno de sus cables. En la figura inferior, se muestra esta
señal en el osciloscopio.
Una vez que el mecanismo del sensor de efecto Hall recibe un cambio de posición
del eje, se genera dentro del sensor un cierre de esta señal de referencia a masa,
lo cual hace que en el oscilograma la línea de tensión baje a 0.
En esta imagen se puede apreciar que el sensor tuvo un cambio interno, con lo
cual actúa como un interruptor que envía la señal de referencia a masa. Este
cambio lo observamos en el osciloscopio como una señal cuadrada, que depende
de las veces que el sensor coloca masa a la señal de referencia.
Diagnostico electrónico Nueva Toyota Hilux (2016)
1GD-2GD FTV
Escuchar es fácil y puede ser de gran utilidad
En el gráfico siguiente se puede observar este cambio en el osciloscopio.
El mecanismo por medio el cual funciona el sensor se muestra en la siguiente
figura.
Cada vez que el sensor enfrenta al imán permanente, dentro del sensor se genera
un efecto que aterriza la señal a masa. Una vez que es separado nuevamente el
sensor del imán, esta señal vuelve a subir a la tensión de referencia. De acuerdo a
la velocidad de giro del motor se tendrán diferentes números de señales
cuadradas por unidad de tiempo.
Este sensor presenta una conexión en la cual se encuentra la siguiente
disposición:
Diagnostico electrónico Nueva Toyota Hilux (2016)
1GD-2GD FTV
Escuchar es fácil y puede ser de gran utilidad
1. Cable de alimentación del circuito del sensor: este puede tener 5 ó 12 voltios,
deacuerdo el sistema de inyección.
2. Un cable de masa: esta masa es la que utiliza el sensor para aterrizar la señal.
En este cable encontramos una tensión de 30 mV máximo.
3. El cable de señal: en este cable encontramos una señal que cambia de acuerdo
a la velocidad del eje en el cual esté montado el sensor. Esta señal cambiará de 0
a 5 voltios en forma cuadrada, lo cual representa una señal pulsante.
Plano simplificado sensores de giro Hilux
El sensor de levas está ubicado sobre la tapa de válvulas, del lado de la leva de
escape.
Capta sobre 3 salientes, de distinta permanencia cada uno de ellos.
La unidad de mando necesita esta señal para que el motor arranque. La señal
la podemos medir sobre el PIN 27 de la pinera D del PCM o desde el PIN 1 del
sensor.
Diagnostico electrónico Nueva Toyota Hilux (2016)
1GD-2GD FTV
Escuchar es fácil y puede ser de gran utilidad
Señal sensor de árbol de levas
DTC eléctrico sensor CMP
Diagnostico electrónico Nueva Toyota Hilux (2016)
1GD-2GD FTV
Escuchar es fácil y puede ser de gran utilidad
DTC cable de señal corto a negativo
El sensor de cigüeñal está ubicado lado caja de velocidades, con un conector
intermediario cercano al motor de arranque, del lado de admisión de motor.
Capta sobre 34 salientes solidarios al volante de motor. La unidad de mando de
motor PCM no necesita esta señal para que el motor arranque.
DTC señal de CKP corto a negativo
La señal la podemos medir en el PIN 28 del PCM o en el PIN 1 desde el sensor.
Diagnostico electrónico Nueva Toyota Hilux (2016)
1GD-2GD FTV
Escuchar es fácil y puede ser de gran utilidad
El motor puede seguir en marcha con cualquiera de las señales, siempre y cuando
al menos posea alguna de ellas (CKP o CMP). Cabe destacar que la llave
electrónica que es el sensor no pone en corto el voltaje que el PCM aplica sobre la
señal, si no que el voltaje cae desde 5V a 1 V.
Sincronización de motor.
1 - cadena 2 guía, 2 - cadena 2 tensor, 3 - cadena 2 tensor deslizador, 4 - cadena
1 tensor deslizador, 5 - cadena 1 tensor, 6 - equilibradores cadena, 7 -
equilibradores cadena tensor, 8 - cadena 1 amortiguador, 9 - cadena 1, 10 -
cadena 2 amortiguador, 11 - cadena 2.
La Unidad de mando de motor evalúa el sincronismo entre el cigüeñal y el árbol de
levas, en caso de encontrar fuera de punto el motor genera una avería referida a
puesta a punto, pero el motor arranca.
Diagnostico electrónico Nueva Toyota Hilux (2016)
1GD-2GD FTV
Escuchar es fácil y puede ser de gran utilidad
En la siguiente imagen se puede apreciar la puesta a punto electrónica midiendo
el CKP y el CMP al mismo tiempo utilizando los dos canales del osciloscopio.
Diagnostico electrónico Nueva Toyota Hilux (2016)
1GD-2GD FTV
Escuchar es fácil y puede ser de gran utilidad
Sistema de combustible
El combustible es suministrado por la bomba de alta presión en un carril común y
luego se inyecta en los cilindros a través de los inyectores controlados
electrónicamente. La presión de inyección - 35-220 MPa (registro para Toyota
diesel). Los componentes fabricados por Denso
Sistema de combustible. 1- Riel 2-FRP 3-PCM – 4CKP 5 - sensor de posición del
árbol de levas, 6 - válvula de control (IMV / SCV), 7 - bomba de alimentación, 8 -
inyector de combustible de escape, 9 - Filtro de combustible presurizado, 10 - filtro
de combustible, 11 - depósito de combustible, 12 - inyector, 13 - válvula de
Diagnostico electrónico Nueva Toyota Hilux (2016)
1GD-2GD FTV
Escuchar es fácil y puede ser de gran utilidad
descarga de presión. A - Presión alta, b - presión de alimentación, c - aspiración, d
– retorno
1 - válvula de descarga de presión, 2 - sensor de posición del árbol de levas, 3 -
sensor de temperatura del refrigerante, 4 - turbocompresor (VGT), 5 - bomba de
alimentación, 6 - cuerpo del acelerador, 7 Válvula de conmutación de vacío
(soportes activos) 8- EGR VSV - 9 - control de turbulencia VSV, 10 - sensor de
presión de combustible, 11 - sensor de temperatura del aire, 12 - sensor de
presión de turbo, 13 - válvula de control EGR, 14 - sensor de posición del cigüeñal,
15 - inyector.
La inyección se puede realizar varias veces en el ciclo:
Dos pilotos cortos (antes del TDC de la carrera de compresión)
Principal (TDC de la carrera de compresión y el comienzo de la carrera de
expansión)
Después de la inyección (en la carrera de expansión).
Control de la presión del combustible realizado por la válvula de control de la
bomba de alimentación y por la válvula de descarga de presión.
Bomba de alimentación de alta presión
tipo HP5S, consta de árbol de leva, émbolo, válvula de retención, bomba de
alimentación y válvula de control. Las versiones más simples sin DPF no tienen
sección adicional de baja presión.
Diagnostico electrónico Nueva Toyota Hilux (2016)
1GD-2GD FTV
Escuchar es fácil y puede ser de gran utilidad
1 - Válvula de control, 2 - émbolo, 3 - muelle, 4 - seguidor, 5 - rodillo, 6 - árbol de
levas, 7 - doble leva, 8 - chequear bola. a Un inyector de adición de combustible
de escape y un filtro de combustible presurizado, b - puerto de retorno de
combustible (al filtro de combustible presurizado), c - puerto de entrada de
combustible (desde el depósito de combustible), d - al conjunto de riel común.
La leva giratoria a través del seguidor mueve el émbolo hacia arriba. Si la válvula
de control está cerrada, la presión aumenta y el combustible de la bomba fluye
hacia el carril.
ECM controla la sincronización del cierre de la válvula de control y proporciona así
un nivel objetivo de presión en el carril del combustible.
Si el empujador no es empujado por la leva, es devuelto hacia abajo por la fuerza
del resorte.
Diagnostico electrónico Nueva Toyota Hilux (2016)
1GD-2GD FTV
Escuchar es fácil y puede ser de gran utilidad
1 - válvula de control, 2 - émbolo, 3 - muelle, 4 - seguidor, 5 - rodillos, 6 - doble
leva.
El cierre tardío de la válvula de control aumenta la descarga de combustible a la
entrada y reduce el volumen de suministro.
El cierre temprano de la válvula de control aumenta el volumen de suministrio
Diagnostico electrónico Nueva Toyota Hilux (2016)
1GD-2GD FTV
Escuchar es fácil y puede ser de gran utilidad
El filtro de combustible presurizado puede ser instalado para proporcionar
protección adicional a la bomba, el carril y los inyectores.
Riel común
Hay un sensor de presión de combustible y válvula de descarga de presión en el
carril de combustible.
La válvula controlada electrónicamente se abre y cierra mediante una señal de la
unidad de control, además, puede funcionar de alivio de presión de emergencia.
1 - common-rail, 2 - sensor de presión de combustible, 3 - válvula de descarga de
presión. A - al inyector, b - a la bomba de suministro, c - al depósito de
combustible.
Control de Electroválvula VCV
La electroválvula es Normal Abierta, si el PCM quiere elevar la presión en el Rail
debe aumentar la corriente de la bobina, para que la electroválvula aumente el
caudal a comprimir. El pulso no es PWM, es un pulso donde el PCM le aplica
masa, y modula durante un tiempo el positivo. Este pulso debe estar sincronizado
junto a la embolada, ya que si se realiza a destiempo el embolo podría subir y la
electroválvula permanecer abierta eléctricamente.
Diagnostico electrónico Nueva Toyota Hilux (2016)
1GD-2GD FTV
Escuchar es fácil y puede ser de gran utilidad
Pulso Electroválvula VCV
Para que la electroválvula esta controlada el PCM necesita señal de CKP o CMP.
Control Electroválvula de descarga
Diagnostico electrónico Nueva Toyota Hilux (2016)
1GD-2GD FTV
Escuchar es fácil y puede ser de gran utilidad
El PCM controla la electroválvula de descarga cuando es necesario bajar o
evacuar la presión en el rail.
La válvula de descarga de presión controla la presión del combustible de la rampa.
Cuando la presión del combustible de la rampa excede la presión de inyección
deseada, o cuando la ECU del motor detecta que la presión del combustible de la
rampa excede el valor meta, se excita la bobina solenoide de la válvula de
descarga de presión. Se abre así el paso de la válvula de descarga de presión,
permitiendo que el combustible vuelva de nuevo a su depósito y reduciendo la
presión del combustible de la rampa hasta la presión deseada.
Pulso Electroválvula de descarga al quitar contacto
Diagnostico electrónico Nueva Toyota Hilux (2016)
1GD-2GD FTV
Escuchar es fácil y puede ser de gran utilidad
Pulso Electroválvula al parar al motor o en una desaceleración
DTC problema de cableado a electroválvula
Diagnostico electrónico Nueva Toyota Hilux (2016)
1GD-2GD FTV
Escuchar es fácil y puede ser de gran utilidad
Sensor de presión de combustible
El sensor de presión es dual, esto quiere decir que arroja dos señales desfasadas
simultáneas, esto le permite cierta tolerancia a fallos.
Diagnostico electrónico Nueva Toyota Hilux (2016)
1GD-2GD FTV
Escuchar es fácil y puede ser de gran utilidad
PIN……………..
PIN………….
Diagnostico electrónico Nueva Toyota Hilux (2016)
1GD-2GD FTV
Escuchar es fácil y puede ser de gran utilidad
El motor es capaz de funcionar en emergencia sin ninguna de las señales del FRP
DTC de Cualquiera de las señales con problemas eléctrico, ya que el PCM no
distingue cuál de las señales posee problemas, siempre genera el mismo DTC.
Inyectores
De acuerdo con las últimas tendencias, la serie GD obtiene inyectores de
solenoide (no piezoeléctricos). Datos específicos del inyector (código del modelo,
la corrección de alimentación individual) impresos como código QR y asegúrese
de estar programados en la unidad de control.
La operación del inyector tiene cierta diferencia de los diesel anteriores del carril
común de Toyota:
- Cuando se cierra, la válvula está sostenida por un resorte. La presión en la
cámara de control es alta. La presión del combustible que actúa en la parte inferior
de la aguja no es suficiente para abrirla.
Cuando la alimentación de corriente a la bobina, la válvula abre el canal a través
del cual el combustible se descarga de la cámara de control. Debido a la diferencia
de presión, la aguja del inyector se abre y se inyecta combustible.
Después de cerrar la válvula de corte de corriente. La placa de control se mueve
hacia abajo y el combustible a alta presión llena la cámara de control y actúa
sobre la parte superior de la aguja. La aguja está cerrada y la inyección de
combustible se detiene. Después de la ecualización de presión en la cámara de
control, la placa de control es movida hacia arriba por un resorte.
Diagnostico electrónico Nueva Toyota Hilux (2016)
1GD-2GD FTV
Escuchar es fácil y puede ser de gran utilidad
Plano inyectores
Diagnostico electrónico Nueva Toyota Hilux (2016)
1GD-2GD FTV
Escuchar es fácil y puede ser de gran utilidad
Diagnostico electrónico Nueva Toyota Hilux (2016)
1GD-2GD FTV
Escuchar es fácil y puede ser de gran utilidad
Funcionamiento
1 - Válvula de control, 2 - salida del orificio, 3 - placa de control, 4 - en el orificio, 5
- cámara de control.
El PCM controla al inyector con alta tensión, de esta manera logra aumentar el
tiempo de respuesta de la bobina.
El pulso está en el orden de los 60V. El sistema realiza dos preinyecciones y una
inyección principal.
La duración de las preinyección está en el orden de los 0,4 Ms, y la principal
alrededor de q Ms
Pulso inyección lado Alto
Diagnostico electrónico Nueva Toyota Hilux (2016)
1GD-2GD FTV
Escuchar es fácil y puede ser de gran utilidad
Pulso de inyección lado bajo
Pulso de inyección sobre cada uno de los pines
El pulso de negativo solo esta cuando el inyector tiene que abrir, mientras tanto se
ve el mismo pulso en los canales. Recordar si se utiliza un osciloscopio
convencional que se debe atenuar la entrada, ya que trabajan con alta tensión.
El disparo al inyector se realiza sin la necesidad de tener la señal del sensor de
giro de cigüeñal, ya que el motor arranca con solo la señal de árbol de levas.
La siguiente imagen pertenece al pulso medido en ambois pines durante una
aceleración brusca.
Diagnostico electrónico Nueva Toyota Hilux (2016)
1GD-2GD FTV
Escuchar es fácil y puede ser de gran utilidad
La resistencia de los inyectores es extremadamente baja.

Toyota Hilux 2016 1GD.pdf

  • 1.
    Diagnostico electrónico NuevaToyota Hilux (2016) 1GD-2GD FTV Escuchar es fácil y puede ser de gran utilidad Diagnostico electrónico Nueva Toyota Hilux Es la octava generación de la pick-up mediana de Toyota, conocida con el código interno AN120/130. Reemplaza a la Hilux de séptima generación (AN10/20) que se comercializaba desde 2005. Se ofrece con cabina simple o doble. La Hilux 2016 creció en varias dimensiones, excepto en distancia entre ejes y altura (que varía según el despeje de cada versión): largo, 5.335 mm (antes 5.260 mm); ancho, 1.855 mm (antes 1.835 mm); alto, 1.820 mm (antes 1.860 mm); distancia entre ejes, 3.085 mm (no varió). MECÁNICA: Las motorizaciones y las transmisiones son nuevas. El motor 2.5 turbodiesel de 120 cv y 325 Nm fue reemplazado por un nuevo 2.4 turbodiesel de 150 cv y 400 Nm. El 3.0 turbodiesel de 171 cv y 343 Nm fue reemplazado por un nuevo 2.8 turbodiesel de 177 cv y 420 Nm (con caja manual) o 450 Nm (con caja automática). Más adelante se sumará un motor naftero. Nuevas cajas manuales y automáticas, de seis marchas. Tracción trasera o a las cuatro ruedas, con reductora y bloqueo de diferencial.
  • 2.
    Diagnostico electrónico NuevaToyota Hilux (2016) 1GD-2GD FTV Escuchar es fácil y puede ser de gran utilidad La seguridad. Todas las versiones ahora vienen de serie al menos tres airbags (dos frontales delanteros, uno de rodillas para el conductor), control de estabilidad (ESP), control de tracción, asistencia al arranque en pendiente, control de estabilidad de remolque y anclajes Isofix. Viene de serie con llantas de 17 pulgadas, volante multifunción, guantera con refrigerador/calentador de objetos, aire acondicionado, dirección asistida, equipo de audio con CD/USB/Aux/Bluetooth y cierre centralizado. Las versiones más equipadas agregan llantas de aleación de 18 pulgadas, hasta siete airbags, luces diurnas de leds, faros antiniebla, modo de manejo EcoDrive, pantalla táctil de siete pulgadas, tapizados en cuero, butacas delanteras con ajuste eléctrico, pantalla táctil multimedia, control de crucero, acceso sin llave y climatizador automático. Nuevos Motores Se desarrollaron dos nuevos motores turbo diesel intercooler, los cuales corresponden a la nueva serie GD (Global Diesel). Junto con la mejora en el consumo de combustible, lo más destacado en ambos motores es el incremento de torque que se ve reflejado en la excepcional mejora en la aceleración en bajas y medias velocidades. En ambos motores la performance se logró mejorando la eficiencia de los sistemas de inyección y de admisión. A su vez, se trabajó para mejorar los niveles de consumo de combustible reduciendo el peso del motor, mejorando la eficiencia de la combustión y reduciendo la fricción de piezas mecánicas. Para reducir el peso del motor se redujo el tamaño de la tapa de cilindros y se utilizó una tapa de válvulas plástico. A su vez, para mejorar la eficiencia de la combustión se adaptó la forma de los pistones para mejorar la cámara de
  • 3.
    Diagnostico electrónico NuevaToyota Hilux (2016) 1GD-2GD FTV Escuchar es fácil y puede ser de gran utilidad combustión, se optimizó la admisión de aire en función de la velocidad del motor y se mejoró el control de la presión de la inyección del sistema Common-Rail. Por otro lado, para reducir la fricción de las piezas mecánicas, ambos motores utilizan cadena de distribución de baja fricción que no solo ayuda a mejorar los niveles de consumo de combustible, sino que a su vez, disminuye los costos de mantenimiento. Motor Toyota 2.8 litros (1GD). El nuevo motor diesel Toyota 1GD de 2.8 litros, 4 cilindros en línea con 16 válvulas, DOHC con cadena de distribución, posee TGV (turbocompresor de geometría variable), intercooler e inyección directa electrónica Common-Rail. Aún con 200cc menos que el motor Toyota 1KD de la generación anterior, esta evolución no solo mejora el nivel de consumo de combustible en el orden del 10%, sino que además mejora la performance, contando con 6 CV más (177Cv a 3.400 rpm), 22% más torque en transmisiones manuales (420Nm entre 1.400 y 2.600 rpm) y 31% más en transmisiones automáticas (450Nm entre 1.600 y 2.400 rpm). Motor Toyota 2.4 litros (2GD) El nuevo motor diesel Toyota 2GD de 2.4 litros, 4 cilindros en línea con 16 válvulas, DOHC con cadena de distribución, incorpora como novedad TGV (turbocompresor de geometría variable) aunque mantiene con respecto a la generación anterior, intercooler e inyección directa electrónica Common-Rail. Aún con 100cc menos que el motor Toyota 2KD de la generación anterior, esta evolución mejora notablemente el consumo de combustible aproximadamente un 10%, como así también su desempeño, ofreciendo un 25% más de potencia (150 CV a 3.400 rpm) y un 23% más de torque (400Nm entre 1.600 y 2.000 rpm). Tecnología TSWIN en motores GD Thermo swing Wall insulation technology (Tecnología de aislamiento de pared)
  • 4.
    Diagnostico electrónico NuevaToyota Hilux (2016) 1GD-2GD FTV Escuchar es fácil y puede ser de gran utilidad Este recubrimiento superficial en los bordes de la cabeza del pistón permite mejorar el rendimiento térmico, evitando la disipación de la temperatura al centro del mismo. De esta manera se obtiene una ganancia en la combustión. Nuevas Transmisiones Automática y Manual de 6 velocidades Las nuevas transmisiones fueron desarrolladas para maximizar todo el potencial de los motores. Ambas, la manual y la automática son de seis velocidades. Comparadas con las trasmisiones del modelo anterior, además de poseer una marcha adicional, las nuevas transmisiones tienen una nueva relación de marchas más amplia que se traduce en una mayor aceleración en 1ra y reducción del consumo de combustible en 6ta.
  • 5.
    Diagnostico electrónico NuevaToyota Hilux (2016) 1GD-2GD FTV Escuchar es fácil y puede ser de gran utilidad En la transmisión manual, la relación en 1ra es 10% menor y 23% mayor en 6ta. Por otro lado, en la transmisión automática, la relación en 1ra es un 2% menor y un 19% mayor en 6ta velocidad. De esta manera, en 1ra marcha, logra transmitir mayor torque mejorando la capacidad de arranque con y sin carga y al haber aumentado la relación de la 6ta se disminuyen las revoluciones del motor en altas velocidades mejorando notablemente el consumo de combustible. En la transmisión manual se optimizó la forma de los engranajes y la cantidad de dientes para hacerla más fuerte y resistente, ideal para transportar o remolcar grandes cargas. La transmisión automática es la 6 Súper ECT (transmisión controlada electrónicamente), la cual cambia su patrón de marcha según la forma de conducción, inclinación y nivel de carga del vehículo logrando de manera simultánea economía en el consumo de combustible y performance. Cabe destacar que la capacidad de remolque de la nueva Hilux se mejoró llegando a remolcar hasta 3.500Kg. con trailer con frenos según la versión. iMT (Intelligent Manual Transmission) Las versiones SRX y SRV con transmisión manual contarán con el nuevo sistema iMT o Transmisión manual inteligente. Al presionar el botón iMT en la consola central, un indicador aparecerá en el display de información múltiple indicando que el sistema se encuentra activo. El sistema funciona detectando los cambios de marcha (cuando el embrague es presionado y cuando el cambio es seleccionado) y ajusta automáticamente las revoluciones del motor, brindando un suave y confortable paso de marchas.
  • 6.
    Diagnostico electrónico NuevaToyota Hilux (2016) 1GD-2GD FTV Escuchar es fácil y puede ser de gran utilidad ECO y POWER Mode Para elegir el modo de conducción, las versiones SRX, SRV y SR, poseen los modos de conducción ECO o POWER. El ECO Mode, suaviza la aceleración cambiando el patrón del acelerador y optimiza el sistema de aire acondicionado brindando una aceleración más suave y una mejora en el consumo de combustible. En POWER Mode, el conductor puede disfrutar de una aceleración más emocionante, ya que la ECU del motor cambia el patrón de aceleración en función del ángulo de posición del pedal acelerador. Este modo de conducción puede ser utilizado idealmente en situaciones donde el usuario transite por pendientes inclinadas o con mucha carga. Además, la nueva Hilux vendrá equipada en todas sus versiones con Asistente de arranque en pendientes (HAC – Hill Start Assist Control), un sistema que mejora la capacidad off-road del vehículo así como también facilita maniobras de ascenso en ciudad actuando automáticamente sobre los frenos en una partida detenida. A su vez, todas las versiones 4×4 están equipadas con Control de tracción activo (A-TRC – Active Traction Control). Este sistema, que funciona cuando está activada la tracción 4×4, previene el derrape del vehículo en una aceleración aplicando automáticamente presión de frenado en cualquiera de las 4 ruedas que eventualmente pierda adherencia, y envía así mayor torque a la rueda contraria, asegurándose que el vehículo pueda traccionar correctamente.
  • 7.
    Diagnostico electrónico NuevaToyota Hilux (2016) 1GD-2GD FTV Escuchar es fácil y puede ser de gran utilidad SEGURIDAD En lo que respecta a Seguridad Activa, la nueva Hilux incorpora equipamiento en todas sus versiones: • Frenos ABS con distribución electrónica de la fuerza de frenado (EBD) • Asistente de frenado de emergencia (BA) • Control de tracción (TRC) • Control de estabilidad (VSC) • Control de balanceo de tráiler (TSC) • Asistente de arranque en pendientes (HAC) • Luces de frenado de emergencia (EBS) • Faro antiniebla trasero. Adicionalmente, las versiones SRX y SRV 4×4 están equipadas con asistente de descenso en pendientes (DAC). El ABS con distribución electrónica de la fuerza de frenado (EBD), permite al vehículo frenar en todo momento con seguridad, independientemente de la cantidad de carga que posea, y permitiendo al conductor mantener el control del vehículo. A su vez, el Asistente de frenado de emergencia (BA) aplica presión adicional al sistema de frenos cuando detecta una frenada de emergencia, ayudado a conductores que por un motivo u otro no pueden aplicar el pedal de freno con suficiente fuerza. El control de tracción (TRC) funciona aplicando fuerza de frenado en las ruedas para evitar que estas derrapen producto de una aceleración desmedida, y permitiendo así que el vehículo avance correctamente. El control de estabilidad (VSC) es un sistema que colabora con el conductor a fin de evitar un subviraje o sobreviraje cuando el vehículo dobla en exceso de velocidad, brindando mayor control del vehículo en todo momento. El sistema funciona controlando la respuesta del motor y los frenos, aplicando de forma selectiva presión a las ruedas necesarias con el fin de corregir la trayectoria y mantener la dirección deseada. El Control de balanceo de trailer (TSC) ayuda a mantener la pick-up y su remolque en línea recta, compensando con los frenos y la respuesta del motor el balanceo del trailer que pudiera generarse por vientos cruzados o un viraje. El sistema de Luces de frenado de emergencia (EBS – Emergency Brake Signal) permite que las balizas se enciendan automáticamente cuando el vehículo realiza
  • 8.
    Diagnostico electrónico NuevaToyota Hilux (2016) 1GD-2GD FTV Escuchar es fácil y puede ser de gran utilidad una frenada de emergencia. De esta manera se da aviso a los vehículos que vienen detrás, reduciendo la posibilidad de accidentes. En cuanto a la Seguridad Pasiva, la nueva Hilux viene equipada en todas las versiones con: • Airbags frontales para conductor y acompañante. • Airbag de rodilla para el conductor. • Cinturones de 3 puntos, con pretensionador y limitador de fuerza, para las plazas delanteras con alarma e indicador de cinturón desabrochado. Además, todas las versiones con cabina doble incorporan: • Tres cinturones inerciales de 3 puntos para las plazas traseras junto con 3 apoya cabezas con alarma e indicador de cinturón desabrochado. • Anclajes ISOFIX y fijación con soportes para la correa superior. (La silla para niños con anclajes ISOFIX se encuentra disponible en la Red de Concesionarios Oficiales Toyota.) A su vez, las versiones SRX y SRV PACK 4×2 estarán equipadas adicionalmente con: • Airbags laterales para conductor y acompañante y • Airbags de Cortina en ambos lados, sumando en total 7 airbags para estas versiones. Desde lo estructural, la carrocería no solamente cuenta con barras de protección lateral en las puertas sino que a su vez, fue diseñada para absorber impactos frontales y laterales. Por otro lado, la estructura del chasis fue diseñada para absorber impactos frontales mejorando la absorción de energía respecto de la generación anterior. Otro equipamiento que estará disponible de serie en todas las versiones 4×4 es el bloqueo de diferencial trasero. Al accionarlo, este sistema permite que ambas ruedas traseras giren exactamente a la misma velocidad, aprovechando todo el torque disponible y facilitando maniobras de escape en una situación de atascamiento. Adicionalmente, cabe destacar en este apartado la incorporación del Asistente de descenso en pendientes (DAC – Downhill Assist Control) para las versiones SRX y SRV 4×4. Al accionar este sistema en pendientes declinadas, cuando el freno motor no es suficiente, el sistema automáticamente envía presión de frenado a las cuatro ruedas para poder mantener el control del vehiculo y así poder focalizar la atención en las maniobras de viraje.
  • 9.
    Diagnostico electrónico NuevaToyota Hilux (2016) 1GD-2GD FTV Escuchar es fácil y puede ser de gran utilidad Características técnicas:
  • 10.
    Diagnostico electrónico NuevaToyota Hilux (2016) 1GD-2GD FTV Escuchar es fácil y puede ser de gran utilidad El tipo de combustible a utilizar para los motores GD es diésel grado 3, según la resolución 1283-2006 y la resolución 478-2009. Dicha resolución dictamina lo siguiente. Artículo 5º- Establécese a partir del 1º de junio de 2009 la comercialización obligatoria en todo el Territorio Nacional de GASOILBIO o GASOIL GRADO TRES (3) con un contenido máximo de azufre de CINCUENTA (50) partes por millón en peso (mg/kg) y un mínimo índice de cetano de CUARENTA Y OCHO (48) o un mínimo número de cetano de CINCUENTA Y UNO (51), y una lubricidad según norma ASTM D 6079 o ISO 12156-1 máxima de CUATROCIENTOS SESENTA MICROMETROS (460 µm ) a SESENTA GRADOS CELSIUS (60 °C). La especificación del aceite de motor que llevan ambos motores es Grado del aceite API-CF-4 o CF CF-4 para Servicio en Motores Diesel: Servicio Típico de motores diesel de trabajo pesado, de 4 tiempos y alta velocidad, turbocargados y sobrecargados fabricados desde 1990, particularmente en tractocamiones, camiones y autobuses en servicio de carretera. Los aceites CF-4 exceden los requerimientos de los aceites de categoría CE y están diseñados para reemplazarlos. Los aceites CF-4 también pueden utilizarse en reemplazo de las anteriores categorías CD y CC. La nueva categoría CF-4 provee mejor control de consumo de aceite y depósitos en los pistones. CF Servicio en Motores Diesel de Inyección Directa e Indirecta: Aceites para servicio típico en motores diesel con inyección directa e indirecta. Fueron diseñados para ser usados en motores diesel que utilizan un amplio rango de tipos de combustibles, incluidos aquellos con alto contenido de azufre (sobre 0,5%). La mantención de un control efectivo de los depósitos y desgastes del pistón y del cobre producido por la corrosión de rodamientos, es esencial en estos motores, los cuales pueden ser de aspiración natural, turbocargados o supercargados. Los aceites para este servicio fueron introducidos en 1994 y pueden ser usados también cuando se recomienda la categoría CD. ACEA B1 A1/B1: Aceite para motores gasolina o diesel diseñados para utilizar aceites de baja friccion y baja viscosidad. Viscosidad SAE recomendada SAE 5W-30 La capacidad de aceite es de 7.5 Lts con filtro, y 7.0 Lts sin filtro.
  • 11.
    Diagnostico electrónico NuevaToyota Hilux (2016) 1GD-2GD FTV Escuchar es fácil y puede ser de gran utilidad
  • 12.
    Diagnostico electrónico NuevaToyota Hilux (2016) 1GD-2GD FTV Escuchar es fácil y puede ser de gran utilidad Ubicación de fusibleras
  • 13.
    Diagnostico electrónico NuevaToyota Hilux (2016) 1GD-2GD FTV Escuchar es fácil y puede ser de gran utilidad
  • 14.
    Diagnostico electrónico NuevaToyota Hilux (2016) 1GD-2GD FTV Escuchar es fácil y puede ser de gran utilidad Pineras PCM El PCM posee 6 Pineras, y realiza todas las funciones que tengan que ver con gestión motor. El pin de cada pinera comienza en la parte superior a la izquierda i comienza a contar hacia abajo.
  • 15.
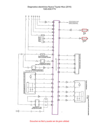
    Diagnostico electrónico NuevaToyota Hilux (2016) 1GD-2GD FTV Escuchar es fácil y puede ser de gran utilidad Planos eléctricos 1GD – 2 GD
  • 16.
    Diagnostico electrónico NuevaToyota Hilux (2016) 1GD-2GD FTV Escuchar es fácil y puede ser de gran utilidad
  • 17.
    Diagnostico electrónico NuevaToyota Hilux (2016) 1GD-2GD FTV Escuchar es fácil y puede ser de gran utilidad
  • 18.
    Diagnostico electrónico NuevaToyota Hilux (2016) 1GD-2GD FTV Escuchar es fácil y puede ser de gran utilidad
  • 19.
    Diagnostico electrónico NuevaToyota Hilux (2016) 1GD-2GD FTV Escuchar es fácil y puede ser de gran utilidad
  • 20.
    Diagnostico electrónico NuevaToyota Hilux (2016) 1GD-2GD FTV Escuchar es fácil y puede ser de gran utilidad
  • 21.
    Diagnostico electrónico NuevaToyota Hilux (2016) 1GD-2GD FTV Escuchar es fácil y puede ser de gran utilidad
  • 22.
    Diagnostico electrónico NuevaToyota Hilux (2016) 1GD-2GD FTV Escuchar es fácil y puede ser de gran utilidad Alimentaciones unidad de mando PCM La unidad de mando de motor posee las siguientes alimentaciones. Positivo de batería 1F Positivo de contacto 15F Positivos por rele Main 2-3-4F Positivos rele EDU 4-5C Masas 8F-2D-3A-5B-3D-3C-4D-1D
  • 23.
    Diagnostico electrónico NuevaToyota Hilux (2016) 1GD-2GD FTV Escuchar es fácil y puede ser de gran utilidad
  • 24.
    Diagnostico electrónico NuevaToyota Hilux (2016) 1GD-2GD FTV Escuchar es fácil y puede ser de gran utilidad Sensores de giro La nueva Hilux posee dos sensores de giro para monitorear el cigüeñal y el árbol de levas, ambos del tipo Hall. Sensores Hall El sensor de giro de señal pulsante tiene unas características completamente diferentes a la alterna. En el caso del sensor de efecto Hall, la señal cambia a dos posiciones fijas que son 5 voltios ó 0 voltios. En el gráfico inferior se muestra un diagrama de un sensor de giro de efecto Hall. El mecanismo por el cual el sensor de efecto Hall genera la señal pulsante fue explicado anteriormente. Lo importante en este punto es interpretar que el PCM aplica al sensor una señal de referencia, la cual es colocada a masa, de acuerdo al giro del cigüeñal o del árbol de levas. En el siguiente esquema se puede ver la forma en la cual se genera esta señal.
  • 25.
    Diagnostico electrónico NuevaToyota Hilux (2016) 1GD-2GD FTV Escuchar es fácil y puede ser de gran utilidad Inicialmente el PCM coloca al sensor una tensión de referencia de 5 voltios; esta tensión viaja a través de uno de sus cables. En la figura inferior, se muestra esta señal en el osciloscopio. Una vez que el mecanismo del sensor de efecto Hall recibe un cambio de posición del eje, se genera dentro del sensor un cierre de esta señal de referencia a masa, lo cual hace que en el oscilograma la línea de tensión baje a 0. En esta imagen se puede apreciar que el sensor tuvo un cambio interno, con lo cual actúa como un interruptor que envía la señal de referencia a masa. Este cambio lo observamos en el osciloscopio como una señal cuadrada, que depende de las veces que el sensor coloca masa a la señal de referencia.
  • 26.
    Diagnostico electrónico NuevaToyota Hilux (2016) 1GD-2GD FTV Escuchar es fácil y puede ser de gran utilidad En el gráfico siguiente se puede observar este cambio en el osciloscopio. El mecanismo por medio el cual funciona el sensor se muestra en la siguiente figura. Cada vez que el sensor enfrenta al imán permanente, dentro del sensor se genera un efecto que aterriza la señal a masa. Una vez que es separado nuevamente el sensor del imán, esta señal vuelve a subir a la tensión de referencia. De acuerdo a la velocidad de giro del motor se tendrán diferentes números de señales cuadradas por unidad de tiempo. Este sensor presenta una conexión en la cual se encuentra la siguiente disposición:
  • 27.
    Diagnostico electrónico NuevaToyota Hilux (2016) 1GD-2GD FTV Escuchar es fácil y puede ser de gran utilidad 1. Cable de alimentación del circuito del sensor: este puede tener 5 ó 12 voltios, deacuerdo el sistema de inyección. 2. Un cable de masa: esta masa es la que utiliza el sensor para aterrizar la señal. En este cable encontramos una tensión de 30 mV máximo. 3. El cable de señal: en este cable encontramos una señal que cambia de acuerdo a la velocidad del eje en el cual esté montado el sensor. Esta señal cambiará de 0 a 5 voltios en forma cuadrada, lo cual representa una señal pulsante. Plano simplificado sensores de giro Hilux El sensor de levas está ubicado sobre la tapa de válvulas, del lado de la leva de escape. Capta sobre 3 salientes, de distinta permanencia cada uno de ellos. La unidad de mando necesita esta señal para que el motor arranque. La señal la podemos medir sobre el PIN 27 de la pinera D del PCM o desde el PIN 1 del sensor.
  • 28.
    Diagnostico electrónico NuevaToyota Hilux (2016) 1GD-2GD FTV Escuchar es fácil y puede ser de gran utilidad Señal sensor de árbol de levas DTC eléctrico sensor CMP
  • 29.
    Diagnostico electrónico NuevaToyota Hilux (2016) 1GD-2GD FTV Escuchar es fácil y puede ser de gran utilidad DTC cable de señal corto a negativo El sensor de cigüeñal está ubicado lado caja de velocidades, con un conector intermediario cercano al motor de arranque, del lado de admisión de motor. Capta sobre 34 salientes solidarios al volante de motor. La unidad de mando de motor PCM no necesita esta señal para que el motor arranque. DTC señal de CKP corto a negativo La señal la podemos medir en el PIN 28 del PCM o en el PIN 1 desde el sensor.
  • 30.
    Diagnostico electrónico NuevaToyota Hilux (2016) 1GD-2GD FTV Escuchar es fácil y puede ser de gran utilidad El motor puede seguir en marcha con cualquiera de las señales, siempre y cuando al menos posea alguna de ellas (CKP o CMP). Cabe destacar que la llave electrónica que es el sensor no pone en corto el voltaje que el PCM aplica sobre la señal, si no que el voltaje cae desde 5V a 1 V. Sincronización de motor. 1 - cadena 2 guía, 2 - cadena 2 tensor, 3 - cadena 2 tensor deslizador, 4 - cadena 1 tensor deslizador, 5 - cadena 1 tensor, 6 - equilibradores cadena, 7 - equilibradores cadena tensor, 8 - cadena 1 amortiguador, 9 - cadena 1, 10 - cadena 2 amortiguador, 11 - cadena 2. La Unidad de mando de motor evalúa el sincronismo entre el cigüeñal y el árbol de levas, en caso de encontrar fuera de punto el motor genera una avería referida a puesta a punto, pero el motor arranca.
  • 31.
    Diagnostico electrónico NuevaToyota Hilux (2016) 1GD-2GD FTV Escuchar es fácil y puede ser de gran utilidad En la siguiente imagen se puede apreciar la puesta a punto electrónica midiendo el CKP y el CMP al mismo tiempo utilizando los dos canales del osciloscopio.
  • 32.
    Diagnostico electrónico NuevaToyota Hilux (2016) 1GD-2GD FTV Escuchar es fácil y puede ser de gran utilidad Sistema de combustible El combustible es suministrado por la bomba de alta presión en un carril común y luego se inyecta en los cilindros a través de los inyectores controlados electrónicamente. La presión de inyección - 35-220 MPa (registro para Toyota diesel). Los componentes fabricados por Denso Sistema de combustible. 1- Riel 2-FRP 3-PCM – 4CKP 5 - sensor de posición del árbol de levas, 6 - válvula de control (IMV / SCV), 7 - bomba de alimentación, 8 - inyector de combustible de escape, 9 - Filtro de combustible presurizado, 10 - filtro de combustible, 11 - depósito de combustible, 12 - inyector, 13 - válvula de
  • 33.
    Diagnostico electrónico NuevaToyota Hilux (2016) 1GD-2GD FTV Escuchar es fácil y puede ser de gran utilidad descarga de presión. A - Presión alta, b - presión de alimentación, c - aspiración, d – retorno 1 - válvula de descarga de presión, 2 - sensor de posición del árbol de levas, 3 - sensor de temperatura del refrigerante, 4 - turbocompresor (VGT), 5 - bomba de alimentación, 6 - cuerpo del acelerador, 7 Válvula de conmutación de vacío (soportes activos) 8- EGR VSV - 9 - control de turbulencia VSV, 10 - sensor de presión de combustible, 11 - sensor de temperatura del aire, 12 - sensor de presión de turbo, 13 - válvula de control EGR, 14 - sensor de posición del cigüeñal, 15 - inyector. La inyección se puede realizar varias veces en el ciclo: Dos pilotos cortos (antes del TDC de la carrera de compresión) Principal (TDC de la carrera de compresión y el comienzo de la carrera de expansión) Después de la inyección (en la carrera de expansión). Control de la presión del combustible realizado por la válvula de control de la bomba de alimentación y por la válvula de descarga de presión. Bomba de alimentación de alta presión tipo HP5S, consta de árbol de leva, émbolo, válvula de retención, bomba de alimentación y válvula de control. Las versiones más simples sin DPF no tienen sección adicional de baja presión.
  • 34.
    Diagnostico electrónico NuevaToyota Hilux (2016) 1GD-2GD FTV Escuchar es fácil y puede ser de gran utilidad 1 - Válvula de control, 2 - émbolo, 3 - muelle, 4 - seguidor, 5 - rodillo, 6 - árbol de levas, 7 - doble leva, 8 - chequear bola. a Un inyector de adición de combustible de escape y un filtro de combustible presurizado, b - puerto de retorno de combustible (al filtro de combustible presurizado), c - puerto de entrada de combustible (desde el depósito de combustible), d - al conjunto de riel común. La leva giratoria a través del seguidor mueve el émbolo hacia arriba. Si la válvula de control está cerrada, la presión aumenta y el combustible de la bomba fluye hacia el carril. ECM controla la sincronización del cierre de la válvula de control y proporciona así un nivel objetivo de presión en el carril del combustible. Si el empujador no es empujado por la leva, es devuelto hacia abajo por la fuerza del resorte.
  • 35.
    Diagnostico electrónico NuevaToyota Hilux (2016) 1GD-2GD FTV Escuchar es fácil y puede ser de gran utilidad 1 - válvula de control, 2 - émbolo, 3 - muelle, 4 - seguidor, 5 - rodillos, 6 - doble leva. El cierre tardío de la válvula de control aumenta la descarga de combustible a la entrada y reduce el volumen de suministro. El cierre temprano de la válvula de control aumenta el volumen de suministrio
  • 36.
    Diagnostico electrónico NuevaToyota Hilux (2016) 1GD-2GD FTV Escuchar es fácil y puede ser de gran utilidad El filtro de combustible presurizado puede ser instalado para proporcionar protección adicional a la bomba, el carril y los inyectores. Riel común Hay un sensor de presión de combustible y válvula de descarga de presión en el carril de combustible. La válvula controlada electrónicamente se abre y cierra mediante una señal de la unidad de control, además, puede funcionar de alivio de presión de emergencia. 1 - common-rail, 2 - sensor de presión de combustible, 3 - válvula de descarga de presión. A - al inyector, b - a la bomba de suministro, c - al depósito de combustible. Control de Electroválvula VCV La electroválvula es Normal Abierta, si el PCM quiere elevar la presión en el Rail debe aumentar la corriente de la bobina, para que la electroválvula aumente el caudal a comprimir. El pulso no es PWM, es un pulso donde el PCM le aplica masa, y modula durante un tiempo el positivo. Este pulso debe estar sincronizado junto a la embolada, ya que si se realiza a destiempo el embolo podría subir y la electroválvula permanecer abierta eléctricamente.
  • 37.
    Diagnostico electrónico NuevaToyota Hilux (2016) 1GD-2GD FTV Escuchar es fácil y puede ser de gran utilidad Pulso Electroválvula VCV Para que la electroválvula esta controlada el PCM necesita señal de CKP o CMP. Control Electroválvula de descarga
  • 38.
    Diagnostico electrónico NuevaToyota Hilux (2016) 1GD-2GD FTV Escuchar es fácil y puede ser de gran utilidad El PCM controla la electroválvula de descarga cuando es necesario bajar o evacuar la presión en el rail. La válvula de descarga de presión controla la presión del combustible de la rampa. Cuando la presión del combustible de la rampa excede la presión de inyección deseada, o cuando la ECU del motor detecta que la presión del combustible de la rampa excede el valor meta, se excita la bobina solenoide de la válvula de descarga de presión. Se abre así el paso de la válvula de descarga de presión, permitiendo que el combustible vuelva de nuevo a su depósito y reduciendo la presión del combustible de la rampa hasta la presión deseada. Pulso Electroválvula de descarga al quitar contacto
  • 39.
    Diagnostico electrónico NuevaToyota Hilux (2016) 1GD-2GD FTV Escuchar es fácil y puede ser de gran utilidad Pulso Electroválvula al parar al motor o en una desaceleración DTC problema de cableado a electroválvula
  • 40.
    Diagnostico electrónico NuevaToyota Hilux (2016) 1GD-2GD FTV Escuchar es fácil y puede ser de gran utilidad Sensor de presión de combustible El sensor de presión es dual, esto quiere decir que arroja dos señales desfasadas simultáneas, esto le permite cierta tolerancia a fallos.
  • 41.
    Diagnostico electrónico NuevaToyota Hilux (2016) 1GD-2GD FTV Escuchar es fácil y puede ser de gran utilidad PIN…………….. PIN………….
  • 42.
    Diagnostico electrónico NuevaToyota Hilux (2016) 1GD-2GD FTV Escuchar es fácil y puede ser de gran utilidad El motor es capaz de funcionar en emergencia sin ninguna de las señales del FRP DTC de Cualquiera de las señales con problemas eléctrico, ya que el PCM no distingue cuál de las señales posee problemas, siempre genera el mismo DTC. Inyectores De acuerdo con las últimas tendencias, la serie GD obtiene inyectores de solenoide (no piezoeléctricos). Datos específicos del inyector (código del modelo, la corrección de alimentación individual) impresos como código QR y asegúrese de estar programados en la unidad de control. La operación del inyector tiene cierta diferencia de los diesel anteriores del carril común de Toyota: - Cuando se cierra, la válvula está sostenida por un resorte. La presión en la cámara de control es alta. La presión del combustible que actúa en la parte inferior de la aguja no es suficiente para abrirla. Cuando la alimentación de corriente a la bobina, la válvula abre el canal a través del cual el combustible se descarga de la cámara de control. Debido a la diferencia de presión, la aguja del inyector se abre y se inyecta combustible. Después de cerrar la válvula de corte de corriente. La placa de control se mueve hacia abajo y el combustible a alta presión llena la cámara de control y actúa sobre la parte superior de la aguja. La aguja está cerrada y la inyección de combustible se detiene. Después de la ecualización de presión en la cámara de control, la placa de control es movida hacia arriba por un resorte.
  • 43.
    Diagnostico electrónico NuevaToyota Hilux (2016) 1GD-2GD FTV Escuchar es fácil y puede ser de gran utilidad Plano inyectores
  • 44.
    Diagnostico electrónico NuevaToyota Hilux (2016) 1GD-2GD FTV Escuchar es fácil y puede ser de gran utilidad
  • 45.
    Diagnostico electrónico NuevaToyota Hilux (2016) 1GD-2GD FTV Escuchar es fácil y puede ser de gran utilidad Funcionamiento 1 - Válvula de control, 2 - salida del orificio, 3 - placa de control, 4 - en el orificio, 5 - cámara de control. El PCM controla al inyector con alta tensión, de esta manera logra aumentar el tiempo de respuesta de la bobina. El pulso está en el orden de los 60V. El sistema realiza dos preinyecciones y una inyección principal. La duración de las preinyección está en el orden de los 0,4 Ms, y la principal alrededor de q Ms Pulso inyección lado Alto
  • 46.
    Diagnostico electrónico NuevaToyota Hilux (2016) 1GD-2GD FTV Escuchar es fácil y puede ser de gran utilidad Pulso de inyección lado bajo Pulso de inyección sobre cada uno de los pines El pulso de negativo solo esta cuando el inyector tiene que abrir, mientras tanto se ve el mismo pulso en los canales. Recordar si se utiliza un osciloscopio convencional que se debe atenuar la entrada, ya que trabajan con alta tensión. El disparo al inyector se realiza sin la necesidad de tener la señal del sensor de giro de cigüeñal, ya que el motor arranca con solo la señal de árbol de levas. La siguiente imagen pertenece al pulso medido en ambois pines durante una aceleración brusca.
  • 47.
    Diagnostico electrónico NuevaToyota Hilux (2016) 1GD-2GD FTV Escuchar es fácil y puede ser de gran utilidad La resistencia de los inyectores es extremadamente baja.