VANESA ARENAS


     TRABAJO DE EL
MAGNETISMO,LOS CIRCUITOS
     Y LA ROBOTICA
¿QUE ES UN CIRCUITO?
   es una red eléctrica (interconexión de dos o más
    componentes,                                               tales
    como resistencias, inductores, condensadores, fuentes, interr
    uptores y semiconductores) que contiene al menos una
    trayectoria cerrada. Los circuitos que contienen solo
    fuentes,                  componentes                  lineales
    (resistores, condensadores, inductores), y elementos de
    distribución lineales (líneas de transmisión o cables) pueden
    analizarse por métodos algebraicos para determinar su
    comportamiento en corriente directa o en corriente alterna. Un
    circuito que tiene componentes electrónicos es denominado
    un circuito electrónico. Estas redes son generalmente no
    lineales y requieren diseños y herramientas de análisis mucho
    más complejos.
PARTES DE UN CIRCUITO
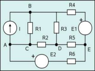
   Componente: Un dispositivo con dos o más terminales en el que puede
    fluir interiormente una carga. En la figura 1 se ven 9 componentes entre
    resistores y fuentes.
   Nodo: Punto de un circuito donde concurren varios conductores
    distintos. A, B, D, E son nodos. Nótese que C no es considerado como
    un nodo puesto que es el mismo nodo A al no existir entre ellos
    diferencia de potencial o tener tensión 0 (VA - VC = 0).
   Rama: Conjunto de todos los elementos de un circuito comprendidos
    entre dos nodos consecutivos. En la figura 1 se hallan siete ramales: AB
    por la fuente, BC por R1, AD, AE, BD, BE y DE. Obviamente, por un
    ramal sólo puede circular una corriente.
   Malla: Un grupo de ramas que están unidas en una red y que a su vez
    forman un lazo.
   Fuente: Componente que se encarga de transformar algún tipo de
    energía en energía eléctrica. En el circuito de la figura 1 hay tres
    fuentes, una de intensidad, I, y dos de tensión, E1 y E2.
   Conductor: Comúnmente llamado cable; es un hilo de resistencia
    despreciable (idealmente cero) que une los elementos para formar el
    circuito.
CLASIFICACION DE UN CIRCUITO
LEYES FUNDAMENTALES
   Existen unas leyes fundamentales que rigen a cualquier circuito
    eléctrico. Estas son:
   Ley de corriente de Kirchhoff: La suma de las corrientes que entran
    por un nodo deben ser igual a la suma de las corrientes que salen por
    ese nodo.
   Ley de tensiones de Kirchhoff: La suma de las tensiones en un lazo
    debe ser 0.
   Ley de Ohm: La tensión en una resistencia es igual al producto del valor
    dicha resistencia por la corriente que fluye a través de ella.
   Teorema de Norton: Cualquier red que tenga una fuente de tensión o
    de corriente y al menos una resistencia es equivalente a una fuente ideal
    de corriente en paralelo con una resistencia.
   Teorema de Thévenin: Cualquier red que tenga una fuente de tensión o
    de corriente y al menos una resistencia es equivalente a una fuente ideal
    de tensión en serie con una resistencia.
   Si el circuito eléctrico tiene componentes no lineales y reactivos, pueden
    necesitarse otras leyes mucho más complejas. Al aplicar estas leyes o
    teoremas se producirán un sistema de ecuaciones lineales que pueden
    ser resueltas manualmente o por computadora.
¿QUÉ ES MAGNETISMO?
   es       un       fenómeno      físico    por      el     que
    los materiales ejercen fuerzas de atracción o repulsión sobre
    otros materiales. Hay algunos materiales conocidos que han
    presentado propiedades magnéticas detectables fácilmente
    como el níquel, hierro, cobalto y sus aleaciones que
    comúnmente se llaman imanes. Sin embargo todos los
    materiales son influidos, de mayor o menor forma, por la
    presencia de un campo magnético.
   El magnetismo también tiene otras manifestaciones en
    física, particularmente como uno de los dos componentes de
    la radiación electromagnética, como por ejemplo, la luz.
CLASIFICACIÓN DE LOS MATERIALES DEL
MAGNETISMO
Tipo de material   Características
No magnético       No afecta el paso de las líneas de
                   Campo magnético.
                   Ejemplo: el vacío.
Diamagnético       Material débilmente magnético. Si
                   se sitúa una barra magnética
                   cerca de él, ésta lo repele.
                   Ejemplo: bismuto (Bi), plata (Ag), p
                   lomo (Pb), agua.
Paramagnético      Presenta un magnetismo
                   significativo. Atraído por la barra
                   magnética.
                   Ejemplo: aire, aluminio (Al), paladi
                   o (Pd), magneto molecular.
Tipos de material    Características
Ferro magnético      Magnético por excelencia o
                     fuertemente magnético. Atraído
                     por la barra magnética.
                     Paramagnético por encima de
                     la temperatura de Curie
                     (La temperatura de Curie del
                     hierro metálico es
                     aproximadamente unos 770 °C).
                     Ejemplo: hierro (Fe), cobalto (Co),
                     níquel (Ni), acero suave.
Antiferromagnético   No magnético aún bajo acción de
                     un campo magnético inducido.
                     Ejemplo: óxido de
                     manganeso (MnO2).
Ferrimagnético       Menor grado magnético que los
                     materiales ferromagnéticos.
                     Ejemplo: ferrita de hierro.
Tipo de material     Características
Superparamagnético   Materiales ferromagnéticos
                     suspendidos en una matriz
                     dieléctrica.
                     Ejemplo: materiales utilizados en
                     cintas de audio y video.
Ferritas             Ferromagnético de
                     baja conductividad eléctrica.
                     Ejemplo: utilizado como núcleo
                     inductores para aplicaciones de
                     corriente alterna.
TIPO DE MATERIALES MAGNÉTICOS
   Existen diversos tipos de comportamiento de los materiales
    magnéticos, siendo los principales el ferromagnetismo, el
    diamagnetismo y el paramagnetismo.
   En los materiales diamagnéticos, la disposición de los electrones de
    cada átomo es tal, que se produce una anulación global de los efectos
    magnéticos. Sin embargo, si el material se introduce en un campo
    inducido, la sustancia adquiere una imantación débil y en el sentido
    opuesto al campo inductor.
   Si se sitúa una barra de material diamagnético en el interior de un
    campo magnético uniforme e intenso, esta se dispone transversalmente
    respecto de aquel.
   Los materiales paramagnéticos no presentan la anulación global de
    efectos magnéticos, por lo que cada átomo que los constituye actúa
    como un pequeño imán. Sin embargo, la orientación de dichos imanes
    es, en general, arbitraria, y el efecto global se anula.
   Asimismo, si el material paramagnético se somete a la acción de un
    campo magnético inductor, el campo magnético inducido en dicha
    sustancia se orienta en el sentido del campo magnético inductor.
   Esto hace que una barra de material paramagnético
    suspendida libremente en el seno de un campo inductor
    se alinee con este.
   El magnetismo inducido, aunque débil, es suficiente
    intenso como para imponer al efecto magnético. Para
    comparar los tres tipos de magnetismo se emplea la
    razón entre el campo magnético inducido y el inductor.
   La rama de la química que estudia las sustancias de
    propiedades magnéticas interesantes es la magneto
    química.
   Electro magnetos
   Un electroimán es un imán hecho de alambre eléctrico
    bobinado en torno a un material magnético como el
    hierro. Este tipo de imán es útil en los casos en que un
    imán debe estar encendido o apagado, por ejemplo, las
    grandes grúas para levantar chatarra de automóviles.
   Para el caso de corriente eléctrica se desplazan a través de
    un cable, el campo resultante se dirige de acuerdo con la
    "regla de la mano derecha." Si la mano derecha se utiliza
    como un modelo, y el pulgar de la mano derecha a lo largo
    del cable de positivo hacia el lado negativo ( "convencional
    actual", a la inversa de la dirección del movimiento real de los
    electrones), entonces el campo magnético hace una
    recapitulación de todo el cable en la dirección indicada por los
    dedos de la mano derecha. Como puede observarse
    geométricamente, en caso de un bucle o hélice de cable, está
    formado de tal manera que el actual es viajar en un círculo, a
    continuación, todas las líneas de campo en el centro del bucle
    se dirigen a la misma dirección, lo que arroja
    un 'magnética dipolo ' cuya fuerza depende de la actual en
    todo el bucle, o el actual en la hélice multiplicado por el
    número de vueltas de alambre. En el caso de ese bucle, si los
    dedos de la mano derecha se dirigen en la dirección del flujo
    de corriente convencional (es decir, el positivo y el
    negativo, la dirección opuesta al flujo real de los
    electrones), el pulgar apuntará en la dirección
    correspondiente al polo norte del dipolo. -->
   Magnetos temporales y permanentes
   Un imán permanente conserva su magnetismo sin
    un campo magnético exterior, mientras que un imán
    temporal sólo es magnético, siempre que esté situado
    en otro campo magnético. Inducir el magnetismo del
    acero en los resultados en un imán de hierro, pierde su
    magnetismo cuando la inducción de campo se retira. Un
    imán temporal como el hierro es un material adecuado
    para los electroimanes. Los imanes son hechos por
    acariciar con otro imán, la grabación, mientras que fija
    en un campo magnético opuesto dentro de
    una solenoide bobina, se suministra con una corriente
    directa. Un imán permanente puede ser la remoción de
    los imanes de someter a la calefacción, fuertes
    golpes, o colocarlo dentro de un solenoide se suministra
    con una reducción de corriente alterna.
¿QUÉ ES LA ROBÓTICA?
     es la rama de la tecnología diferenciada de
    la telecomunicación (cuya función es cubrir todas las
    formas de comunicación a distancia)que se dedica al
    diseño, construcción, operación, disposición estructural,
    manufactura y aplicación de los robots.1 2 La robótica
    combina diversas disciplinas como son: la mecánica,
    la electrónica, la informática, la inteligencia artificial y
    la ingeniería de control.3 Otras áreas importantes en
    robótica son el álgebra, los autómatas programables y
    las máquinas de estados.
   El término robot se popularizó con el éxito de la
    obra RUR (Robots Universales Rossum), escrita
    por Karel Capek en 1920. En la traducción al inglés de
    dicha obra, la palabra checa robota, que
    significa trabajos forzados, fue traducida al inglés
    como robot.4
CLASIFICACIÓN DE LOS ROBOTS
   Según su cronología
   La que a continuación se presenta es la clasificación más
    común:
   1ª Generación.
   Manipuladores. Son sistemas mecánicos multifuncionales con un
    sencillo sistema de control, bien manual, de secuencia fija o de
    secuencia variable.
   2ª Generación.
   Robots de aprendizaje. Repiten una secuencia de movimientos
    que ha sido ejecutada previamente por un operador humano. El
    modo de hacerlo es a través de un dispositivo mecánico. El
    operador realiza los movimientos requeridos mientras el robot le
    sigue y los memoriza.
   3ª Generación.
   Robots con control sensorizado. El controlador es una
    computadora que ejecuta las órdenes de un programa y las
    envía al manipulador para que realice los movimientos
    necesarios.
   4ª Generación.
   Robots inteligentes. Son similares a los anteriores, pero
    además poseen sensores que envían información a la
    computadora de control sobre el estado del proceso. Esto
    permite una toma inteligente de decisiones y el control del
    proceso en tiempo real.
   Según su arquitectura
   La arquitectura, es definida por el tipo de configuración
    general del Robot, puede ser metamórfica. El concepto de
    metamorfismo, de reciente aparición, se ha introducido para
    incrementar la flexibilidad funcional de un Robot a través del
    cambio de su configuración por el propio Robot. El
    metamorfismo admite diversos niveles, desde los más
    elementales (cambio de herramienta o de efecto
    terminal), hasta los más complejos como el cambio o
    alteración de algunos de sus elementos o subsistemas
    estructurales. Los dispositivos y mecanismos que pueden
    agruparse bajo la denominación genérica del Robot, tal como
    se ha indicado, son muy diversos y es por tanto difícil
    establecer una clasificación coherente de los mismos que
    resista un análisis crítico y riguroso. La subdivisión de los
    Robots, con base en su arquitectura, se hace en los
    siguientes                                              grupos:
    poliarticulados, móviles, androides, zoomórficos e híbridos.
   1. Poliarticulados
   En este grupo se encuentran los Robots de muy diversa forma y
    configuración, cuya característica común es la de ser
    básicamente sedentarios (aunque excepcionalmente pueden ser
    guiados para efectuar desplazamientos limitados) y estar
    estructurados para mover sus elementos terminales en un
    determinado espacio de trabajo según uno o más sistemas de
    coordenadas, y con un número limitado de grados de libertad.
    En este grupo, se encuentran los manipuladores, los Robots
    industriales, los Robots cartesianos y se emplean cuando es
    preciso abarcar una zona de trabajo relativamente amplia o
    alargada, actuar sobre objetos con un plano de simetría vertical
    o reducir el espacio ocupado en el suelo.
   2. Móviles
   Son Robots con gran capacidad de desplazamiento, basados en
    carros o plataformas y dotados de un sistema locomotor de tipo
    rodante. Siguen su camino por telemando o guiándose por la
    información recibida de su entorno a través de sus sensores.
    Estos Robots aseguran el transporte de piezas de un punto a
    otro de una cadena de fabricación. Guiados mediante pistas
    materializadas a través de la radiación electromagnética de
    circuitos empotrados en el suelo, o a través de bandas
    detectadas fotoeléctricamente, pueden incluso llegar a sortear
    obstáculos y están dotados de un nivel relativamente elevado de
    inteligencia.
   3. Androides
   Son Robots que intentan reproducir total o parcialmente la forma y el
    comportamiento cinemática del ser humano. Actualmente, los androides
    son todavía dispositivos muy poco evolucionados y sin utilidad
    práctica, y destinados, fundamentalmente, al estudio y experimentación.
    Uno de los aspectos más complejos de estos Robots, y sobre el que se
    centra la mayoría de los trabajos, es el de la locomoción bípeda. En este
    caso, el principal problema es controlar dinámica y coordinadamente en
    el tiempo real el proceso y mantener simultáneamente el equilibrio del
    Robot.
   4. Zoomórficos
   Los Robots zoomórficos, que considerados en sentido no restrictivo
    podrían incluir también a los androides, constituyen una clase
    caracterizada principalmente por sus sistemas de locomoción que imitan
    a los diversos seres vivos. A pesar de la disparidad morfológica de sus
    posibles sistemas de locomoción es conveniente agrupar a los Robots
    zoomórficos en dos categorías principales: caminadores y no
    caminadores. El grupo de los Robots zoomórficos no caminadores está
    muy poco evolucionado. Los experimentos efectuados en Japón
    basados en segmentos cilíndricos biselados acoplados axialmente entre
    sí y dotados de un movimiento relativo de rotación. Los Robots
    zoomórficos caminadores multípedos son muy numerosos y están
    siendo objeto de experimentos en diversos laboratorios con vistas al
    desarrollo posterior de verdaderos vehículos terrenos, piloteados o
    autónomos, capaces de evolucionar en superficies muy accidentadas.
    Las aplicaciones de estos Robots serán interesantes en el campo de la
    exploración espacial y en el estudio de los volcanes.
   5. Híbridos
   Corresponden a aquellos de difícil clasificación, cuya estructura se
    sitúa en combinación con alguna de las anteriores ya
    expuestas, bien sea por conjunción o por yuxtaposición. Por
    ejemplo, un dispositivo segmentado articulado y con ruedas, es al
    mismo tiempo, uno de los atributos de los Robots móviles y de los
    Robots zoomórficos.
Vanesa arenas

Vanesa arenas

  • 1.
    VANESA ARENAS TRABAJO DE EL MAGNETISMO,LOS CIRCUITOS Y LA ROBOTICA
  • 2.
    ¿QUE ES UNCIRCUITO?  es una red eléctrica (interconexión de dos o más componentes, tales como resistencias, inductores, condensadores, fuentes, interr uptores y semiconductores) que contiene al menos una trayectoria cerrada. Los circuitos que contienen solo fuentes, componentes lineales (resistores, condensadores, inductores), y elementos de distribución lineales (líneas de transmisión o cables) pueden analizarse por métodos algebraicos para determinar su comportamiento en corriente directa o en corriente alterna. Un circuito que tiene componentes electrónicos es denominado un circuito electrónico. Estas redes son generalmente no lineales y requieren diseños y herramientas de análisis mucho más complejos.
  • 3.
    PARTES DE UNCIRCUITO  Componente: Un dispositivo con dos o más terminales en el que puede fluir interiormente una carga. En la figura 1 se ven 9 componentes entre resistores y fuentes.  Nodo: Punto de un circuito donde concurren varios conductores distintos. A, B, D, E son nodos. Nótese que C no es considerado como un nodo puesto que es el mismo nodo A al no existir entre ellos diferencia de potencial o tener tensión 0 (VA - VC = 0).  Rama: Conjunto de todos los elementos de un circuito comprendidos entre dos nodos consecutivos. En la figura 1 se hallan siete ramales: AB por la fuente, BC por R1, AD, AE, BD, BE y DE. Obviamente, por un ramal sólo puede circular una corriente.  Malla: Un grupo de ramas que están unidas en una red y que a su vez forman un lazo.  Fuente: Componente que se encarga de transformar algún tipo de energía en energía eléctrica. En el circuito de la figura 1 hay tres fuentes, una de intensidad, I, y dos de tensión, E1 y E2.  Conductor: Comúnmente llamado cable; es un hilo de resistencia despreciable (idealmente cero) que une los elementos para formar el circuito.
  • 5.
  • 6.
    LEYES FUNDAMENTALES  Existen unas leyes fundamentales que rigen a cualquier circuito eléctrico. Estas son:  Ley de corriente de Kirchhoff: La suma de las corrientes que entran por un nodo deben ser igual a la suma de las corrientes que salen por ese nodo.  Ley de tensiones de Kirchhoff: La suma de las tensiones en un lazo debe ser 0.  Ley de Ohm: La tensión en una resistencia es igual al producto del valor dicha resistencia por la corriente que fluye a través de ella.  Teorema de Norton: Cualquier red que tenga una fuente de tensión o de corriente y al menos una resistencia es equivalente a una fuente ideal de corriente en paralelo con una resistencia.  Teorema de Thévenin: Cualquier red que tenga una fuente de tensión o de corriente y al menos una resistencia es equivalente a una fuente ideal de tensión en serie con una resistencia.  Si el circuito eléctrico tiene componentes no lineales y reactivos, pueden necesitarse otras leyes mucho más complejas. Al aplicar estas leyes o teoremas se producirán un sistema de ecuaciones lineales que pueden ser resueltas manualmente o por computadora.
  • 7.
    ¿QUÉ ES MAGNETISMO?  es un fenómeno físico por el que los materiales ejercen fuerzas de atracción o repulsión sobre otros materiales. Hay algunos materiales conocidos que han presentado propiedades magnéticas detectables fácilmente como el níquel, hierro, cobalto y sus aleaciones que comúnmente se llaman imanes. Sin embargo todos los materiales son influidos, de mayor o menor forma, por la presencia de un campo magnético.  El magnetismo también tiene otras manifestaciones en física, particularmente como uno de los dos componentes de la radiación electromagnética, como por ejemplo, la luz.
  • 8.
    CLASIFICACIÓN DE LOSMATERIALES DEL MAGNETISMO Tipo de material Características No magnético No afecta el paso de las líneas de Campo magnético. Ejemplo: el vacío. Diamagnético Material débilmente magnético. Si se sitúa una barra magnética cerca de él, ésta lo repele. Ejemplo: bismuto (Bi), plata (Ag), p lomo (Pb), agua. Paramagnético Presenta un magnetismo significativo. Atraído por la barra magnética. Ejemplo: aire, aluminio (Al), paladi o (Pd), magneto molecular.
  • 9.
    Tipos de material Características Ferro magnético Magnético por excelencia o fuertemente magnético. Atraído por la barra magnética. Paramagnético por encima de la temperatura de Curie (La temperatura de Curie del hierro metálico es aproximadamente unos 770 °C). Ejemplo: hierro (Fe), cobalto (Co), níquel (Ni), acero suave. Antiferromagnético No magnético aún bajo acción de un campo magnético inducido. Ejemplo: óxido de manganeso (MnO2). Ferrimagnético Menor grado magnético que los materiales ferromagnéticos. Ejemplo: ferrita de hierro.
  • 10.
    Tipo de material Características Superparamagnético Materiales ferromagnéticos suspendidos en una matriz dieléctrica. Ejemplo: materiales utilizados en cintas de audio y video. Ferritas Ferromagnético de baja conductividad eléctrica. Ejemplo: utilizado como núcleo inductores para aplicaciones de corriente alterna.
  • 11.
    TIPO DE MATERIALESMAGNÉTICOS  Existen diversos tipos de comportamiento de los materiales magnéticos, siendo los principales el ferromagnetismo, el diamagnetismo y el paramagnetismo.  En los materiales diamagnéticos, la disposición de los electrones de cada átomo es tal, que se produce una anulación global de los efectos magnéticos. Sin embargo, si el material se introduce en un campo inducido, la sustancia adquiere una imantación débil y en el sentido opuesto al campo inductor.  Si se sitúa una barra de material diamagnético en el interior de un campo magnético uniforme e intenso, esta se dispone transversalmente respecto de aquel.  Los materiales paramagnéticos no presentan la anulación global de efectos magnéticos, por lo que cada átomo que los constituye actúa como un pequeño imán. Sin embargo, la orientación de dichos imanes es, en general, arbitraria, y el efecto global se anula.  Asimismo, si el material paramagnético se somete a la acción de un campo magnético inductor, el campo magnético inducido en dicha sustancia se orienta en el sentido del campo magnético inductor.
  • 12.
    Esto hace que una barra de material paramagnético suspendida libremente en el seno de un campo inductor se alinee con este.  El magnetismo inducido, aunque débil, es suficiente intenso como para imponer al efecto magnético. Para comparar los tres tipos de magnetismo se emplea la razón entre el campo magnético inducido y el inductor.  La rama de la química que estudia las sustancias de propiedades magnéticas interesantes es la magneto química.  Electro magnetos  Un electroimán es un imán hecho de alambre eléctrico bobinado en torno a un material magnético como el hierro. Este tipo de imán es útil en los casos en que un imán debe estar encendido o apagado, por ejemplo, las grandes grúas para levantar chatarra de automóviles.
  • 13.
    Para el caso de corriente eléctrica se desplazan a través de un cable, el campo resultante se dirige de acuerdo con la "regla de la mano derecha." Si la mano derecha se utiliza como un modelo, y el pulgar de la mano derecha a lo largo del cable de positivo hacia el lado negativo ( "convencional actual", a la inversa de la dirección del movimiento real de los electrones), entonces el campo magnético hace una recapitulación de todo el cable en la dirección indicada por los dedos de la mano derecha. Como puede observarse geométricamente, en caso de un bucle o hélice de cable, está formado de tal manera que el actual es viajar en un círculo, a continuación, todas las líneas de campo en el centro del bucle se dirigen a la misma dirección, lo que arroja un 'magnética dipolo ' cuya fuerza depende de la actual en todo el bucle, o el actual en la hélice multiplicado por el número de vueltas de alambre. En el caso de ese bucle, si los dedos de la mano derecha se dirigen en la dirección del flujo de corriente convencional (es decir, el positivo y el negativo, la dirección opuesta al flujo real de los electrones), el pulgar apuntará en la dirección correspondiente al polo norte del dipolo. -->
  • 14.
    Magnetos temporales y permanentes  Un imán permanente conserva su magnetismo sin un campo magnético exterior, mientras que un imán temporal sólo es magnético, siempre que esté situado en otro campo magnético. Inducir el magnetismo del acero en los resultados en un imán de hierro, pierde su magnetismo cuando la inducción de campo se retira. Un imán temporal como el hierro es un material adecuado para los electroimanes. Los imanes son hechos por acariciar con otro imán, la grabación, mientras que fija en un campo magnético opuesto dentro de una solenoide bobina, se suministra con una corriente directa. Un imán permanente puede ser la remoción de los imanes de someter a la calefacción, fuertes golpes, o colocarlo dentro de un solenoide se suministra con una reducción de corriente alterna.
  • 16.
    ¿QUÉ ES LAROBÓTICA?  es la rama de la tecnología diferenciada de la telecomunicación (cuya función es cubrir todas las formas de comunicación a distancia)que se dedica al diseño, construcción, operación, disposición estructural, manufactura y aplicación de los robots.1 2 La robótica combina diversas disciplinas como son: la mecánica, la electrónica, la informática, la inteligencia artificial y la ingeniería de control.3 Otras áreas importantes en robótica son el álgebra, los autómatas programables y las máquinas de estados.  El término robot se popularizó con el éxito de la obra RUR (Robots Universales Rossum), escrita por Karel Capek en 1920. En la traducción al inglés de dicha obra, la palabra checa robota, que significa trabajos forzados, fue traducida al inglés como robot.4
  • 17.
    CLASIFICACIÓN DE LOSROBOTS  Según su cronología  La que a continuación se presenta es la clasificación más común:  1ª Generación.  Manipuladores. Son sistemas mecánicos multifuncionales con un sencillo sistema de control, bien manual, de secuencia fija o de secuencia variable.  2ª Generación.  Robots de aprendizaje. Repiten una secuencia de movimientos que ha sido ejecutada previamente por un operador humano. El modo de hacerlo es a través de un dispositivo mecánico. El operador realiza los movimientos requeridos mientras el robot le sigue y los memoriza.  3ª Generación.  Robots con control sensorizado. El controlador es una computadora que ejecuta las órdenes de un programa y las envía al manipulador para que realice los movimientos necesarios.
  • 18.
    4ª Generación.  Robots inteligentes. Son similares a los anteriores, pero además poseen sensores que envían información a la computadora de control sobre el estado del proceso. Esto permite una toma inteligente de decisiones y el control del proceso en tiempo real.  Según su arquitectura  La arquitectura, es definida por el tipo de configuración general del Robot, puede ser metamórfica. El concepto de metamorfismo, de reciente aparición, se ha introducido para incrementar la flexibilidad funcional de un Robot a través del cambio de su configuración por el propio Robot. El metamorfismo admite diversos niveles, desde los más elementales (cambio de herramienta o de efecto terminal), hasta los más complejos como el cambio o alteración de algunos de sus elementos o subsistemas estructurales. Los dispositivos y mecanismos que pueden agruparse bajo la denominación genérica del Robot, tal como se ha indicado, son muy diversos y es por tanto difícil establecer una clasificación coherente de los mismos que resista un análisis crítico y riguroso. La subdivisión de los Robots, con base en su arquitectura, se hace en los siguientes grupos: poliarticulados, móviles, androides, zoomórficos e híbridos.
  • 19.
    1. Poliarticulados  En este grupo se encuentran los Robots de muy diversa forma y configuración, cuya característica común es la de ser básicamente sedentarios (aunque excepcionalmente pueden ser guiados para efectuar desplazamientos limitados) y estar estructurados para mover sus elementos terminales en un determinado espacio de trabajo según uno o más sistemas de coordenadas, y con un número limitado de grados de libertad. En este grupo, se encuentran los manipuladores, los Robots industriales, los Robots cartesianos y se emplean cuando es preciso abarcar una zona de trabajo relativamente amplia o alargada, actuar sobre objetos con un plano de simetría vertical o reducir el espacio ocupado en el suelo.  2. Móviles  Son Robots con gran capacidad de desplazamiento, basados en carros o plataformas y dotados de un sistema locomotor de tipo rodante. Siguen su camino por telemando o guiándose por la información recibida de su entorno a través de sus sensores. Estos Robots aseguran el transporte de piezas de un punto a otro de una cadena de fabricación. Guiados mediante pistas materializadas a través de la radiación electromagnética de circuitos empotrados en el suelo, o a través de bandas detectadas fotoeléctricamente, pueden incluso llegar a sortear obstáculos y están dotados de un nivel relativamente elevado de inteligencia.
  • 20.
    3. Androides  Son Robots que intentan reproducir total o parcialmente la forma y el comportamiento cinemática del ser humano. Actualmente, los androides son todavía dispositivos muy poco evolucionados y sin utilidad práctica, y destinados, fundamentalmente, al estudio y experimentación. Uno de los aspectos más complejos de estos Robots, y sobre el que se centra la mayoría de los trabajos, es el de la locomoción bípeda. En este caso, el principal problema es controlar dinámica y coordinadamente en el tiempo real el proceso y mantener simultáneamente el equilibrio del Robot.  4. Zoomórficos  Los Robots zoomórficos, que considerados en sentido no restrictivo podrían incluir también a los androides, constituyen una clase caracterizada principalmente por sus sistemas de locomoción que imitan a los diversos seres vivos. A pesar de la disparidad morfológica de sus posibles sistemas de locomoción es conveniente agrupar a los Robots zoomórficos en dos categorías principales: caminadores y no caminadores. El grupo de los Robots zoomórficos no caminadores está muy poco evolucionado. Los experimentos efectuados en Japón basados en segmentos cilíndricos biselados acoplados axialmente entre sí y dotados de un movimiento relativo de rotación. Los Robots zoomórficos caminadores multípedos son muy numerosos y están siendo objeto de experimentos en diversos laboratorios con vistas al desarrollo posterior de verdaderos vehículos terrenos, piloteados o autónomos, capaces de evolucionar en superficies muy accidentadas. Las aplicaciones de estos Robots serán interesantes en el campo de la exploración espacial y en el estudio de los volcanes.
  • 21.
    5. Híbridos  Corresponden a aquellos de difícil clasificación, cuya estructura se sitúa en combinación con alguna de las anteriores ya expuestas, bien sea por conjunción o por yuxtaposición. Por ejemplo, un dispositivo segmentado articulado y con ruedas, es al mismo tiempo, uno de los atributos de los Robots móviles y de los Robots zoomórficos.