UNIVERSIDAD PERUANA DE CIENCIAS APLICADAS
FACULTAD DE INGENIERÍA
CARRERA DE INGENIERÍA INDUSTRIAL
Propuesta de Mejora de Procesos para la Implantación de
un Sistema de Gestión de la Calidad en una Empresa de
Venta de Equipos de Medio Ambiente
Proyecto Profesional :
Para optar el Título de:
INGENIERO INDUSTRIAL
AUTOR:
Céspedes Zúñiga, Alexander
LIMA, PERU
2014
2
DEDICATORIA
A mi padre, madre y hermanas
3
AGRADECIMIENTOS
Gracias a mi asesor José Antonio Rojas García quien me apoyó en el desarrollo del presente
trabajo de tesis.
4
ÍNDICE DE TABLAS
Tabla 1: Procesos vs Factores clave 37
Tabla 2: Indicadores de Gestión 43
Tabla 3: Resumen de los Elementos Detallados del Coste 53
Tabla 4: Matriz de Costos de Calidad 54
Tabla 5: Costos de Prevención, Evaluación, Fallas Internas y Externas(S/.) 78
Tabla 7: Costos de Calidad 80
Tabla 6: Costos de no calidad 79
Tabla 8: Problemas por Frecuencia 85
Tabla 9: Procedimientos y Registros Obligatorios ISO 9001:2008 90
Tabla 10: Plan de documentación de Procesos por área 129
Tabla 11: Cronograma de Capacitación 131
Tabla 12: Plan de Capacitación (I, II , III y IV) 132
Tabla 13: Plan de Capacitación (V) 133
Tabla 14: Plan de Auditoría 134
Tabla 15: Flujo de Caja del Proyecto de Implementación del SGC136
Tabla 16: Productividad Total y de Mano de Obra (2008-2013) 137
Tabla 17: Simulación de la Productividad Parcial de Mano de Obra con SGC y sin SGC
139
5
ÍNDICE DE GRÁFICOS
Figura 1: Estructura Jerárquica del Manual de Calidad 23
Figura 2: Formato Manual de Calidad 26
Figura 3: Ficha de Análisis de Procesos-SIPOC 30
Figura 4: Mapa de Procesos (1) 33
Figura 5: Mapa de procesos (2) 34
Figura 6: Diagrama Ishikawa (Causa-Efecto) 39
Figura 7: Diagrama Pareto (80-20) 40
Figura 8: Ciclo de Deming como Método de Solución de Problemas 47
Figura 9: Ciclo PDCA vs Herramientas de Calidad más Frecuentes 49
Figura 10: Gráfico de Datos de Costes de la Calidad 56
Figura 11: Gráfico de Datos de Costes de la Calidad 57
Figura 12: La Evolución Costo de Calidad según Ph. Crosby 58
Figura 13: Certificación ISO 9000 en el Sector Químico 60
Figura 14: Certificación ISO 9000 en el Sector Químico 61
Figura 15: Certificación ISO 9000 en el sector de maquinaria industrial y ordenadores 62
Figura 16: Certificación ISO 9000 en el sector de maquinaria industrial y ordenadores 63
Figura 17: Certificación ISO 9000 en el sector de equipos y componentes electrónicos 64
Figura 18: Certificación ISO 9000 en el sector de equipos y componentes electrónicos 65
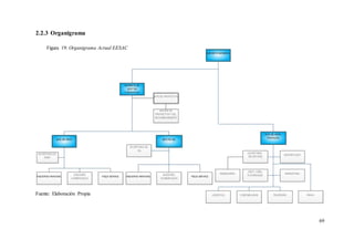
Figura 19: Organigrama Actual EESAC 69
6
Figura 20: Mapa de Procesos - EESAC 70
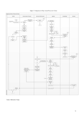
Figura 21: Diagrama de Flujo Actual-Proceso de Ventas 73
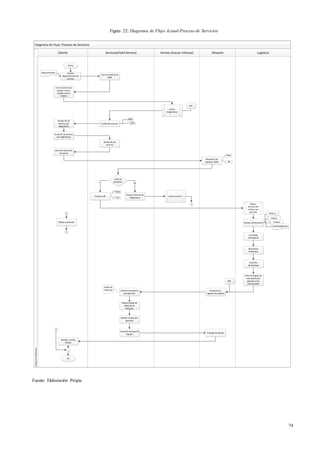
Figura 22: Diagrama de Flujo Actual-Proceso de Servicios 74
Figura 23: Ingresos 2010-2013 75
Figura 24: Análisis de Tendencia de Costos Totales de Calidad Vs Ingresos Anuales 77
Figura 25: Ingresos, Costos Totales de la Calidad (2010-2013) 81
Figura 26: Diagrama Causa Raíz 84
Figura 27: Diagrama de Pareto de los Problemas 86
Figura 28: Formato de Lecciones Aprendidas (FLA) 96
Figura 29: Diagrama de Flujo Propuesto (FLA) 97
Figura 30: Formato de Protocolo de Pruebas (FPP) 103
Figura 31: Diagrama de Flujo Propuesto 104
Figura 32: Formato de Equipo Canibalizado 109
Figura 33: Diagrama de Flujo Propuesto (FEC) 110
Figura 34: Indicador I1-%FLA 112
Figura 35: Indicador I2-%PP 114
Figura 36: Indicador I3-#FEC 116
Figura 37: Organigrama Propuesto 118
Figura 38: Productividad Total y Parcial (2008-2013) 138
Figura 39: Tendencia de Productividad Parcial con y sin SGC (2015-2019) 140
7
Figura 40: Simulación de Productividad Parcial de Mano de Obra sin SGC y con SGC 2015
143
Figura 41: Simulación de Productividad Parcial de Mano de Obra sin SGC y con SGC 2016
145
Figura 42: Simulación de Productividad Parcial de Mano de Obra sin SGC y con SGC 2017
147
Figura 43: Simulación de Productividad Parcial de Mano de Obra sin SGC y con SGC 2018
149
Figura 44: Simulación de Productividad Parcial de Mano de Obra sin SGC y con SGC 2019
151
ÍNDICE DE ANEXOS
Anexo 1: SGC-M01 Manual de Calidad 159
Anexo 2: SGC-P07 Procedimiento Control de Equipos de Seguimiento y Medición 191
Anexo 3: SGC-P10 Procedimiento de Auditorías Internas 196
Anexo 4: SGC-P09 Procedimiento Identificación y Trazabilidad 202
Anexo 5: SGC-P15 Procedimiento de Encuesta de Satisfacción del Cliente 208
Anexo 6: Indicador I4-%Rotación de Personal 215
Anexo 7: Indicador I5-%Capacitación Costo 216
Anexo 8: Indicador I6-%Requerimientos Entregados a Tiempo 217
Anexo 9: Indicador I7-%Quejas o Reclamos Atendidos a Tiempo 218
8
TABLA DE CONTENIDO
AGRADECIMIENTOS ...............................................................................................................3
INTRODUCCIÓN.....................................................................................................................11
RESUMEN ................................................................................................................................14
CAPÍTULO I : MARCO TEÓRICO .........................................................................................15
1.1 Calidad.............................................................................................................................15
1.2 International Organization for Standardization (ISO) .....................................................16
1.2.1Definición y conceptos básicos .................................................................................16
1.2.2Política de calidad......................................................................................................21
1.2.3Manual de calidad......................................................................................................22
1.2.4Procedimientos de Calidad ........................................................................................27
1.2.5Otros Documentos de Calidad ...................................................................................27
1.3Procesos ............................................................................................................................28
1.3.1Definición ..................................................................................................................28
1.3.2Análisis de Procesos ..................................................................................................29
1.3.3Enfoque Basado en Procesos .....................................................................................31
1.3.4Mapa de Procesos ......................................................................................................32
1.3.5Herramientas de Consideración para Elaborar el Mapa de Procesos ........................35
1.3.6Diagrama Causa- Efecto ............................................................................................38
1.3.7Diagrama de Pareto....................................................................................................39
1.3.8Indicadores de Gestión ..............................................................................................41
1.3.9Índice de Productividad Total....................................................................................44
1.4Implantación de un Sistema de Gestión de la Calidad .................................................45
1.4.1Ciclo de Mejora de Continua de Deming ..................................................................46
1.5Costos Totales de Calidad ................................................................................................50
CAPÍTULO II : ANÁLISIS Y DIAGNÓSTICO DEL PROCESO ACTUAL .........................67
2.1Descripción de la Empresa ...............................................................................................67
2.1.1Visión.........................................................................................................................67
2.2.2Misión........................................................................................................................68
2.2.3Organigrama ..............................................................................................................69
9
2.1.4Mapa de Procesos ......................................................................................................70
2.1.5Identificación del Problema.......................................................................................75
2.2Implicancias de los Problemas de la Calidad ...................................................................76
2.3Identificación del problema ..............................................................................................82
2.3.1Ishikawa (Identificación de Causa Raíz) ...................................................................84
2.3.2Pareto .........................................................................................................................86
CAPÍTULO III : EVALUACIÓN DE LA PROPUESTA DE SOLUCIÓN .............................87
3.1Objetivo General...............................................................................................................87
3.2Objetivos Específicos .......................................................................................................87
3.3Definición de la Documentación de Calidad ....................................................................88
3.3.1Política de Calidad.....................................................................................................88
3.3.2Objetivos de la Calidad..............................................................................................88
3.3.3Alcance del Sistema de Gestión de la Calidad ..........................................................89
3.3.4Exclusiones del Sistema de Gestión de la Calidad ....................................................90
3.4.5Procedimientos y Registros Obligatorios ..................................................................90
3.4.6Instructivos de Trabajo ..............................................................................................91
3.2Manual de Calidad..........................................................................................................117
3.3Organización y Funciones ..............................................................................................118
3.3.1Gerente de Calidad ..................................................................................................120
3.3.2Gerente de Ventas y Servicios.................................................................................122
3.3.3Jefes de Ventas y Servicios......................................................................................124
3.3.4Asesores Comerciales e Inhouse .............................................................................125
3.3.5Field Service ............................................................................................................126
3.3.6Soporte SAP.............................................................................................................127
3.4Plan de Documentación..................................................................................................129
3.5Plan de Capacitación.......................................................................................................131
3.5Flujo de Caja...................................................................................................................135
3.6Productividad Total ........................................................................................................137
4. CAPÍTULO IV: CONCLUSIONES....................................................................................152
RECOMENDACIONES..........................................................................................................154
BIBLIOGRAFÍA .....................................................................................................................155
10
ANEXOS .................................................................................................................................159
11
INTRODUCCIÓN
Los sistemas de gestión de la calidad enfatizan en el uso de la gestión por procesos. Estos
sistemas están compuestos por un conjunto de actividades que dan la dirección de la empresa,
determina la política, los objetivos y las responsabilidades de calidad. En ese sentido, los
objetivos de calidad deben ser definidos por la gerencia general de la empresa. Por otro lado,
podemos decir que los procesos son la combinación de recursos materiales y humanos a través
de una serie de actividades conjuntas para producir bienes y servicios que satisfagan las
necesidades del cliente.1 Es decir, son actividades que en conjunto satisfacen las necesidades
de los clientes.
Es tan útil la gestión por procesos que en los modelos de gestión como la International
Organization for Standardization (ISO) y la European Foundation for Quality Management
(EFQM) enfatizan su práctica para mejorar de manera significativa los procedimientos de
1 VERGARA 2010: 71
12
trabajo en todas las áreas de las organización. En esa perspectiva, el tema que se propone
desarrollar en este proyecto profesional aborda el marco teórico para la propuesta de
implantación de un sistema de gestión de la calidad en Enviroequip S.A.C (EESAC). Así
como, la identificación de los procesos actuales y lograr un diagnóstico que evidencie las
desviaciones de calidad y de costos que afectan los resultados de la compañía. Asimismo se
propone un sistema de gestión de la calidad que garantice la documentación y control de los
procesos que afectan a la calidad el cual permita mejorar la productividad y satisfacción de
cliente. Se presenta recomendaciones que permitan la adecuada implementación de la
propuesta del sistema de gestión de calidad y los beneficios que se logran bajo su
implantación.
El presente proyecto profesional fue elaborado con el interés de implantar un sistema de
gestión de la calidad (SGC) en la compañía EESAC, ya que en la actualidad no cuenta con
ningún sistema de gestión. Con este mismo interés se propone la implementación de un
sistema de gestión para la compañía, para el cual se propone la política y objetivos de calidad,
la identificación del mapa de procesos, procedimientos documentados de calidad e indicadores
de gestión.
Éste trabajo pretende resolver los problemas de cuáles son los pasos para implementar un SGC
en una empresa que realiza venta de equipos y/o servicios de instalación, capacitación y
mantenimiento de equipos ambientales a fin de ahorrar costos. Éste consta de cuatro capítulos
en donde el primero explica la definición de conceptos de calidad, procesos e implantación de
un SGC, así como los costos totales de calidad. En el segundo capítulo, el análisis, diagnóstico
de los procesos actuales e identificación de la causa raíz del problema. En el tercer capítulo, la
propuesta de solución a la causa raíz encontrada y por último en el capítulo cuatro las
conclusiones y recomendaciones.
13
Las fuentes usadas en este trabajo corresponden a materiales didácticos recibidos de los
profesores del curso de Organización y Métodos, Gestión de la Calidad y libros electrónicos
de Gestión de Calidad encontrados en la biblioteca virtual de la Universidad Peruana de
Ciencias Aplicadas y otros sitios web. Estas fuentes corresponden a varios autores reconocidos
y con gran experiencia en temas de calidad y gestión por procesos.
El proyecto profesional propuesto pretende explicar los pasos para orientar la empresa a
procesos, comenzando por el área de servicios, ya que tomaría mayor tiempo en evaluar al
detalle todos los procesos que se realizan en la compañía. Es decir, existe una limitación en
cuanto a tiempo y recursos humanos que conformen un equipo de trabajo. Asimismo, requiere
un compromiso de la alta gerencia para que la propuesta de implementación del sistema de
gestión de la calidad se implemente y funcione.
14
RESUMEN
El tema que se propuso desarrollar en este proyecto profesional aborda una propuesta de
mejora de procesos para la implantación de un Sistema de Gestión de la Calidad en una
empresa de venta de equipos de medio ambiente.
El trabajo está compuesto por cuatro capítulos. En el primero, se desarrolla la definición y los
conceptos de calidad, procesos, implantación de un sistema de calidad, costos totales de la
calidad. En el segundo, se realiza el análisis y diagnóstico de los procesos actuales en el cual
se describe la empresa, la visión, misión, organigrama y principales procesos que la
conforman, la identificación e implicancias de los problemas de calidad, identificación de los
costos a través de las herramientas de calidad. En el tercer capítulo se evalúa la propuesta de
solución en donde se define el manual de calidad, asimismo, se propone un plan de
documentación, plan de implementación de los procesos por área, plan de capacitación, plan
de auditoría y finalmente el flujo de caja. De este modo, llegamos a la conclusión de que si
invertimos en una implementación de un sistema de gestión de la calidad en la empresa
lograremos un ahorro significativo a partir del quinto periodo de la implantación y un
incremento en la productividad total de la organización.
15
CAPÍTULO I: MARCO TEÓRICO
1.1 Calidad
La calidad es un concepto bastante relativo, ya que cada persona tiene una definición
diferente. Por ejemplo, para tener una idea más clara del concepto de calidad apelaremos a la
definición de grandes autores como: Philip B. Crosby, Joseph M. Juran, Edward Demming,
Genichi Taguchi y Kaoro Ishikawa.
Calidad total es el cumplimiento de los requerimientos, donde el sistema es la
prevención es estándar, es cero defectos. (Philip B.Crosby)
Calidad es ausencia de defectos y adecuarse al uso. (Joseph M. Juran)
Calidad es el grado predecible de uniformidad y fiabilidad a bajo costo y
adecuado a las necesidades de los clientes. (Edward Demming)
El producto es de mayor calidad si la pérdida que provoca a la sociedad es
mínima. (Genichi Taguchi)
Calidad es diseñar, producir y ofrecer un producto o servicio que sea útil, al
mejor precio posible, y que siempre satisfaga las necesidades del cliente.
(Kaoro Ishikawa)
Según la Organización Internacional de Normalización (ISO 9000), la calidad
debe entenderse como el grado en el que un conjunto de características (rasgos
diferenciadores) cumple con ciertos requisitos (necesidades o expectativa
establecida, generalmente implícita u obligatoria). Los requisitos deben
satisfacer las expectativas del cliente.2
2 ALCALDE 2010 : 6,7.
16
En conclusión, la definición que se adoptará en el presente proyecto profesional será la
empleada por la ISO 9000:2005, ya que el propósito de este trabajo es proponer la
implementación de un sistema de gestión de la calidad. Es decir, la calidad debe entenderse
como el grado en el que un conjunto de características (rasgos diferenciadores) cumple con
ciertos requisitos (necesidades o expectativa establecida, generalmente implícita u
obligatoria). Los requisitos deben satisfacer las expectativas del cliente.
1.2 International Organization for Standardization (ISO)
1.2.1 Definición y conceptos básicos
Brevemente conoceremos el significado de las siglas ISO, país sede, número de países
miembros y las funciones que cumple. Así como, quién lo representa en nuestro país. ISO es
la Organización Internacional de Normalización, por sus siglas en inglés, con secretaría
general ubicado en Ginebra-Suiza y es reconocida por más de ciento sesenta y cuatro países a
nivel mundial. ISO es una organización no gubernamental el cual es el puente entre el sector
público y privado; cuya función principal es promover y elaborar normas a nivel internacional
para facilitar el comercio mundial.3 Entonces ISO es una organización reconocida a nivel
mundial y su función es promover y elaborar normas a nivel internacional para facilitar el
comercio.
3 ISO 2014(a)
17
La ISO en el Perú está representada por el Instituto Nacional de Defensa de la
Competencia y de la Protección de la Propiedad Intelectual (INDECOPI).4
A continuación el desarrollo de las Normas ISO 9000:
ISO 9000:1987 publicada por primera vez y aceptada por muchas
organizaciones alrededor del mundo.
ISO 9000:1994 primera revisión que mejoraba los sistemas de calidad
existentes.
ISO 9000:2000 revisión de la norma y publicada en Diciembre de 2000 y
vigente en la actualidad. Es más genérica, entendible y de aplicación universal.
ISO 9000:2005 sistemas de gestión de la calidad - fundamentos y
vocabulario.
ISO 9000:2008 revisión de la versión anterior. Aclara términos. Mismo
objetivo “Mejora continua”5
Por consiguiente, periódicamente se realiza revisiones y mejoras respecto a la versión anterior
de las normas.
La familia de Normas ISO 9000 citadas a continuación se ha elaborado para
asistir a las organizaciones, de todo tipo y tamaño, en la implementación y la
operación de sistemas de gestión de la calidad eficaces.
4 ISO 2014(b)
5 GRAJEDA : 7
18
La norma ISO 9000 describe los fundamentos de los sistemas de gestión de la
calidad y especifica la terminología para los sistemas de gestión de la calidad.
La norma ISO 9001 especifica los requisitos para los sistemas de gestión de la
calidad aplicables a toda organización que necesite demostrar su capacidad para
proporcionar productos que cumplan los requisitos de sus clientes y los
reglamentarios que le sean de aplicación, y su objetivo es aumentar la
satisfacción del cliente.
La norma ISO 9004 proporciona directrices que consideran tanto la eficacia
como la eficiencia del sistema de gestión de la calidad. El objetivo de esta
norma es la mejora del desempeño de la organización y la satisfacción de los
clientes y de otras partes interesadas.
La norma ISO 19011 proporciona orientación relativa a las auditorías de
sistemas de gestión de la calidad y de gestión ambiental.
Todas estas normas juntas forman un conjunto coherente de normas de sistemas
de gestión de la calidad que facilitan la mutua comprensión en el comercio
nacional e internacional.6
Resumiendo, la familia ISO 9000 describe los fundamentos, especifica los requisitos,
proporciona requisitos y orientación relativa a las auditorias de los sistemas de gestión de
calidad.
6 ISO 9000(2005): 6
19
Adicionalmente, para el cumplimiento del requisito 7.1, de la ISO 9001:2008, Realización del
Producto, es importante mencionar las directrices para los planes de calidad en según la ISO
10005.
“Ésta norma internacional proporciona directrices para el desarrollo, revisión,
aceptación, aplicación y revisión de los planes de calidad. Es aplicable tanto si
la organización tiene un sistema de gestión de calidad en conformidad con la
norma ISO 9001, como si no lo tiene. Esta norma internacional es aplicable a
planes de la calidad para proceso, producto, proyecto o contrato, cualquier
categoría de producto (hardware, software, materiales procesados y servicios) y
a cualquier industria. Está enfocada principalmente a la realización del producto
y no es una guía para la planificación organizacional del sistema de gestión de
la calidad de la organización. Ésta norma internacional es un documento de
orientación y no está prevista para propósitos de certificación o registro.” (ISO
10005:2005: 7)
A continuación los ocho principios de gestión de calidad sobre las cuales se basan las normas
ISO 9000. Estás pueden ser usados como guías por los gerentes para lograr mejoras en sus
empresas. Estos principios vienen de la vasta experiencia y conocimiento adquirido de los
expertos que participan de los comités técnicos de la ISO.
“Enfoque al cliente: Las organizaciones dependen de sus clientes y por lo tanto
deberían comprender las necesidades actuales u futuras de los clientes,
satisfacer los requisitos de los clientes y esforzarse en exceder las expectativas
de los clientes.
Liderazgo: Los líderes establecen la unidad de propósito y la orientación de la
organización. Ellos deberían crear y mantener un ambiente interno, en el cual el
personal pueda llegar a involucrarse totalmente en el logro de los objetivos de
la organización.
20
Participación del personal: El personal, a todos los niveles, es la esencia de una
organización y su total compromiso posibilita que sus habilidades sean usadas
para el beneficio de la organización.
Enfoque basado en procesos: Un resultado se alcanza más eficientemente
cuando las actividades y los recursos relacionados se gestionan como un
proceso.
Enfoque de sistema para la gestión: Identificar, entender y gestionar los
procesos interrelacionados como un sistema, contribuye a la eficacia y
eficiencia de una organización en el logro de sus objetivos.
Mejora continua: La mejora continua del desempeño global de la organización
debería ser un objetivo permanente de ésta.
Enfoque basado en hechos para la toma de decisión: Las decisiones eficaces se
basan en el análisis de los datos y la información.
Relaciones mutuamente beneficiosas con el proveedor: Una organización y sus
proveedores son interdependientes, y una relación mutuamente beneficiosa
aumenta la capacidad de ambos para crear valor.” (ISO 9000:2005: 6,7)
En consecuencia estos principios describen los beneficios claves del enfoque al cliente,
liderazgo, participación del personal, enfoque basado en procesos, enfoque de sistema para la
gestión, mejora continua, enfoque basado en hechos para la toma de decisión, relaciones
mutuamente beneficiosas con el proveedor y la conducción de la aplicación de cada uno de
estos principios.
21
1.2.2 Política de calidad
La política de calidad es un compromiso por parte de la organización, una declaración formal
de las intenciones de la organización en cuestión de calidad que debe ser anunciada a los
empleados.7
Según la ISO, la política de calidad debe cumplir con cinco características:
“La alta dirección debe asegurarse de que la política de la calidad:
a) es adecuada al propósito de la organización,
b) incluye un compromiso de cumplir con los requisitos y de mejorar
continuamente la eficacia del sistema de gestión de la calidad,
c) proporciona un marco de referencia para establecer y revisar los objetivos de
la calidad,
d) es comunicada y entendida dentro de la organización, y
e) es revisada para su continua adecuación.” (ISO 9001:2008: 4)
Es decir, la política de calidad debe guardar sentido y coherencia con la política de la empresa.
Las políticas de calidad son guías específicas e importantes para la organización.
7 POLLO 2009 : 227
22
1.2.3 Manual de calidad
Un documento muy importante dentro del sistema de gestión de la calidad es el manual de
calidad.
El manual de calidad es un documento que especifica el sistema de gestión de la calidad de
una organización. Los manuales de la calidad pueden variar en cuanto a detalle y formato para
adecuarse al tamaño y complejidad de cada organización en particular.8
Por lo tanto, todo sistema de gestión de la calidad debe documentarse en un manual de calidad.
Además, según la ISO, el manual de calidad debe cumplir con las siguientes características:
“La organización debe establecer y mantener un manual de la calidad que
incluya:
a) el alcance del sistema de gestión de la calidad, incluyendo los detalles y la
justificación de cualquier exclusión (Véase 1.2),
b) los procedimientos documentados establecidos para el sistema de gestión de
la calidad, o referencia a los mismos, y
c) una descripción de la interacción entre los procesos del sistema de gestión de
la calidad.” (ISO 9001:2008: 3)
Es decir, un manual de calidad debe contener procedimientos, instrucciones y registros de
calidad. En la figura 1, se muestra gráficamente la estructura documental que debe contener.
8 ISO 9000:2005: 17
23
Manual
de Calidad
Procedimientos
Instrucciones y Registros de calidad
Sistema de Gestión de la Calidad
(SGC)
Fuente: FONTALVO 2010: 113
En seguida se menciona algunas consideraciones que se debe tener en cuenta en la gestión del
manual de la calidad.
Primero, el establecimiento del manual de calidad, donde el departamento de
calidad es el responsable de la elaboración del manual de calidad. Segundo,
revisión del manual de calidad, se debe realizar cada vez que existan
modificaciones en el sistema de calidad (política de calidad, organización etc.)
Figura 1: Estructura Jerárquica del Manual de Calidad
24
o cada vez que algún departamento lo solicite. Ésta se debe evaluar y luego se
podrá incorporar en el manual. Existan o no modificaciones se establecerá
revisiones periódicas una vez cada 2 años como mínimo. Este tiempo ayudará a
revisar el acumulado de la revisión anual. Tercero, aprobación del manual de
calidad, corresponde la aprobación del manual de calidad al gerente general de
la empresa, y si el cliente lo exige será aprobado por una entidad externa.
Cuarto, distribución, la distribución del manual se realizará a todos los
departamentos y entidades que por requerimientos contractuales lo requiera. En
el caso que haya una modificación en alguna parte del manual se emitirá
solamente las o la página que requiera el cambio; asimismo, solicitando la
devolución del antiguo documento. Quinto, la estructura del manual deberá
contener en la portada la identificación de la empresa que lo ha establecido, el
título del manual, el propietario del ejemplar y su número de colección, la fecha
de la primera y última revisión, el nombre y firma de quien establece el manual,
y fecha de establecimiento y aprobación. Esta estructura debe contener en la
primera parte introductoria el índice del contenido (partes, secciones y
capítulos) del manual de calidad de la empresa, la declaración de política de
calidad por la dirección de la empresa, la presentación de la misma, las
definiciones y terminología aplicables, las actividades relacionadas con la
gestión del manual de calidad. Una segunda parte debe contener el desarrollo de
las partes y capítulos aplicables de la norma ISO 9001. Finalmente, el manual
de calidad se debe editar en español. 9
Por consiguiente, evaluar periódicamente el manual de calidad y cambiarlo si fuera necesario
bajo la aprobación de la gerencia. Además, debe estar bien organizado y estructurado.
Enseguida se menciona brevemente algunos elementos básicos que debe contener la estructura
del manual para la implementación de un sistema de gestión de calidad.
Características de la empresa, como por ejemplo, reseña histórica, portafolio
de servicios, políticas y objetivos de calidad, visión, misión.
Alcance y exclusiones, la descripción del cumplimiento de la norma ISO 9001:
Sistema de gestión de calidad: Requisitos generales, requisitos de la
9 GÓMEZ 2005: 56-63
25
documentación, generalidades, manual de calidad, control de la documentación,
control de los registros de la calidad.
Responsabilidades de la dirección: compromiso de la dirección, enfoque al
cliente, política de calidad (gestión de la política y declaración de la política de
calidad), responsabilidad y autoridad (estructura básica de la empresa de
servicio y comité de calidad), representante de la dirección, comunicación
interna, revisión por la dirección (generalidades, información y resultados de la
revisión)
Gestión de los recursos: suministro de recursos, recursos humanos
(generalidades y competencia, toma de conciencia y formación),
infraestructura, ambiente de trabajo.
Prestación del servicio: Planificación de la prestación del servicio, procesos
relacionados con el cliente (determinación de los requisitos relacionados con el
servicio, revisión de los requisitos relacionados con el servicio, comunicación
con los clientes), diseño y desarrollo ( Planificación del diseño y desarrollo,
elementos de entrada para el diseño y desarrollo, resultados del diseño y
desarrollo, verificación del diseño y desarrollo, validación del diseño y
desarrollo, control de cambios del diseño desarrollo). Compras (proceso de
compras, información de las compras, verificación de servicios adquiridos),
prestación del servicio (control de la prestación del servicio, validación de los
procesos de la prestación del servicio, identificación y trazabilidad, propiedad
del cliente, presentación del servicio), control de equipos de medición y
seguimiento.
Medición, análisis y mejora: Generalidades, seguimiento y medición
(satisfacción del cliente, auditoría interna, seguimiento y medición de los
procesos, seguimiento y medición de los servicios), control del servicio no
conforme, análisis de los datos.
Mejora: Mejora continua, Acciones correctivas y preventivas.10
De aquí que la estructura básica del manual de calidad debe especificar las características de la
empresa, alcance y exclusiones, la descripción del cumplimiento de la norma ISO 9001:
10 FONTALVO 2010(a) : 216-218
26
Sistema de gestión de calidad, responsabilidades de la dirección, gestión de los recursos,
prestación del servicio, medición, análisis y mejora.
En la figura 2, se muestra un formato ejemplo para elaborar los documentos de un sistema de
gestión de calidad.
Figura 2: Formato Manual de Calidad
Fuente: FONTALVO 2010(b): 115
En el formato anterior se debe colocar el logo de la empresa, el código y edición de referencia,
la fecha y página, la persona quién lo elaboró, revisó y aprobó el formato, si es una copia
controlada o no controlada. De esta manera se tendrá ordenado y controlado el manual de la
calidad.
Código
Edición
Fecha
Página
ELABORÓ REVISÓ APROBÓ Copia Controlada:
Copia No controlada:
Logo MANUAL DE CALIDAD
GENERAL
Empresa
Logo y nombre
de la empresa
Tipo de documento
El código es una
notación que puede
ser numérica o alfa
numérica y se utiliza
para darle una
identificación a los
documentos de un
sistema de gestión de
calidad.
La edición expresa el
número de versiones
o correcciones que ha
tenido el documento.
La fecha refleja el día
de la edición del
documento. En la
página se coloca el
consecutivo de cada
hoja; esto con el fin
de que enel caso de
nuevas ediciones o
correciones del
documento no se
tenga que imprimir
todo el documento
nuevamente.
Especificación del
documento
En estos items se
establece la
responsabilidad en la
elaboración del
documento.
En estos items se
determina si el
documento es de
libre circulación o no.
27
1.2.4 Procedimientos de Calidad
Los sistemas de gestión usan procedimientos de calidad para definir los procesos de la
organización. Enseguida se mencionan algunas consideraciones sobre el contenido de los
procedimientos de calidad.
“Los procedimientos de calidad en suma con el manual de la calidad conforman
la política de calidad y establecen los requisitos que se deben cumplir con el
objetivo de conseguir el nivel de calidad requerido del producto. Así como el
manual de calidad es la guía general de actuación de la empresa, los
procedimientos definen el proceso para realizar las actividades en la práctica.
En cada procedimiento se reflejará el número de revisión y fecha, así como la
firma del responsable de su realización. Los procedimientos específicos de
calidad comenzarán su numeración por PC seguido del capítulo del manual al
que afecta principalmente y un dígito correlativo a continuación. Los
procedimientos de calidad serán editados por el departamento de calidad, el
cual editará y mantendrá con periodicidad mensual un listado de todos los
procedimientos de calidad en vigor en el que figure, aparte de su identificación,
la aplicabilidad y estado de revisión de cada procedimiento y su distribución.
Los procedimientos de calidad se revisarán siempre que sea necesario como
consecuencia de cambios en los procesos, procedimientos, métodos de trabajo o
control o para evitar ambigüedades o posibilidad de distinto criterio de
interpretación. Las revisiones de los procedimientos de calidad se realizarán
como mínimo cada dos años.” (GÓMEZ 2005b: 71,72).
Por tanto, los procedimientos de calidad deben contener información revisada y actualizada
periódicamente.
1.2.5 Otros Documentos de Calidad
28
El sistema de gestión puede incluir otros documentos relacionados con la calidad, como por
ejemplo, planes de calidad o normas. Asimismo, hojas de verificación, hojas de análisis de los
datos de los costes de la calidad, registros de incidencias, plan de auditorías internas o
externas, encuestas, hojas de control de procesos, reclamaciones, devoluciones, formato de
indicadores, ficha de procesos, diagrama de flujo de procesos.
1.3 Procesos
1.3.1 Definición
Usando el conjunto de documentos para la introducción y el soporte de la serie de Normas ISO
9000: Orientación sobre el concepto y uso del “Enfoque basado en procesos” para los sistemas
de gestión, definimos un proceso.
“Conjunto de actividades interrelacionadas o que interactúan, las cuales
transforman elementos de entrada en resultados”. (COMITÉ 176 DE LA ISO
2003: 3)
Es decir, en un proceso existen elementos de entrada que interactúan y luego estos se
transforman en un resultado.
29
1.3.2 Análisis de Procesos
La determinación de los criterios y métodos para operación y control de procesos consiste en
el análisis del proceso a través del SIPOC (Supliers, Input, Process, Output, Custumer).
Supliers son aquellos que proporcionan los insumos necesarios para que el proceso comience.
Input son las materias primas y/o información que desencadenan el proceso. Process son el
conjunto de tareas que se realiza para procesar los input hasta convertirlos en output.
Costumer, para quién se ha elaborado el producto o servicio solicitado. Ésta es una
herramienta que permite ver gráficamente el proceso de manera sencilla y general.11
Existen varios modelos de análisis de proceso, pero en esta oportunidad he tomado en cuenta
un modelo SIPOC el cual ofrece un orden y un nivel de detalle fácilmente entendible.
En la siguiente figura 3, se aprecia un ejemplo de análisis de procesos SIPOC, para el proceso
de ventas. Definición de entradas, factores críticos, controles, definición de recursos,
definición de salida, indicadores.
11 TOVAR 2007 : 39
30
Fuente: Adaptado de MARIN 2011
Figura 3: Ficha de Análisis de Procesos-SIPOC
31
1.3.3 Enfoque Basado en Procesos
Normalmente, las organizaciones se gestionan de manera vertical o funcional, pero la ISO
sugiere un enfoque basado en procesos.
El enfoque basado en procesos trata de gestionar la organización a través de una
gestión horizontal. Es decir, pasar de la gestión vertical o funcional tradicional
a una gestión horizontal, transversal, unificando los enfoques de los
departamentos hacia metas principales de la organización.12
Por lo tanto, gestionar horizontalmente demanda mayor coordinación entre las áreas
funcionales pero está gestión garantiza que los resultados sean eficientes y eficaces.
El enfoque basado en procesos brinda ciertos beneficios que a continuación se mencionan:
Capacidad para centrar los esfuerzos en la eficacia y eficiencia de los procesos.
Integra y alinear los procesos para permitir el logro de los resultados
planificados.
Transparencia de las operaciones dentro de la organización.
Reduce costos y tiempos de ciclo a través del uso eficaz de los recursos.
Mejores resultados, coherentes y predecibles.
12 COMITÉ 176 DE LA ISO 2003(a) : 4-5
32
Proporciona oportunidades para enfocar y priorizar las iniciativas de mejora.13
Es decir, integrando los procesos de manera idónea lograremos obtener mejores resultados
planificados, los cuales se reflejaran en una reducción de los costos.
1.3.4 Mapa de Procesos
Uno de los conceptos más fáciles de entender es el que se maneja en la Guía para una Gestión
Basada en Procesos.
El mapa de procesos es la representación gráfica de la estructura de procesos
que conforman el sistema de gestión. (CEX 2012: 20)
Entonces el mapa de procesos está representada gráficamente y compuesta por varios
procesos.
Una vez reconocidos y seleccionados los principales procesos de la organización se procede a
elaborar el mapa de procesos, con el único fin de facilitar la interpretación a través de gráficos.
Existen dos posibles agrupaciones: La figura 4 muestra tres procesos: los estratégicos,
13 GRAJEDA 2012 : 37
33
operativos y de apoyo; y la interacción entre el cliente desde sus requisitos hasta su
satisfacción.
Fuente: CEX 2012: 21
Por otro lado, la figura 5 muestra cuatro procesos: de planificación, gestión de recursos, de
realización del producto y de medición, análisis; y del mismo modo la interacción entre el
cliente desde sus requisitos hasta su satisfacción.
Figura 4: Mapa de Procesos (1)
34
Fuente: CEX 2012: 21
Existen varias configuraciones para la elaboración de mapas de procesos, pero en esta
oportunidad sólo se mencionará y describirá los dos anteriores.
“Procesos estratégicos como aquellos procesos que están vinculados ámbito de
las responsabilidades de la dirección y, principalmente, al largo plazo. Se
refieren fundamentalmente a procesos de planificación y otros que se
consideren ligados a factores clave o estratégicos.
Procesos operativos como aquellos procesos ligados directamente con la
realización del producto y/o la prestación del servicio. Son los procesos de
línea.
Procesos de apoyo como aquellos procesos que dan soporte a los procesos
operativos. Se suelen referir a procesos relacionados con recursos y mediciones.
El segundo ejemplo está en línea con los cuatro grandes capítulos de requisitos
de la norma ISO 9001, y son los siguientes:
Procesos de planificación como aquellos procesos que están vinculados al
ámbito de las responsabilidades de la dirección y se encuentran en consonancia
con el capítulo cinco de la norma de referencia.
Figura 5: Mapa de procesos (2)
35
Procesos de gestión de recursos como aquellos procesos permiten determinar,
proporcionar y mantener los recursos necesarios (recursos humanos,
infraestructura y ambiente de trabajo) y se encuentran en consonancia con el
capítulo seis de la norma de referencia.
Procesos de realización del producto como aquellos procesos que permiten
llevar a cabo la producción y/o la prestación del servicio, y se encuentran en
consonancia con el capítulo siete de la norma de referencia.
Procesos de medición, análisis y mejora como aquellos procesos que permiten
hacer el seguimiento de los procesos, medirlos, analizarlos y establecer
acciones de mejora. Se encuentran en consonancia con el capítulo ocho de la
norma de referencia.”(CEX 2012: 22)
En resumen, existen varias representaciones pero se tomaron solo dos representaciones básicas
de los mapas de procesos, el primero compuesta por procesos estratégicos, operativos y de
apoyo, mientras el segundo está compuesto por procesos de planificación, gestión de recursos,
realización y de medición. Todos estos en línea a los capítulos 6,7 y 8 respectivamente de los
requisitos de la norma ISO 9001.
1.3.5 Herramientas de Consideración para Elaborar el Mapa de Procesos
Las empresas realizan muchos procesos, asimismo, cada uno de estos comprenden varias
actividades. Como estos ya existen dentro de la organización, entonces, los esfuerzos deben
ser dirigidos a identificarlos y gestionarlos apropiadamente. Existen algunas herramientas de
gestión que ayudan a identificar los principales procesos que componen la estructura del mapa
de procesos. La estructura del mapa son gráficos que ayudan a representar los procesos y su
interacción con otros dentro de la empresa. Estos procesos se pueden agrupar por analogía en
dos diferentes tipos, con tres o cuatro agrupaciones.14 Existen herramientas de reconocimiento
que permiten identificar los más críticos. Estas se ayudan de matrices donde en cada columna
14 BELTRÁN 2008 : 24
36
se anotan las actividades y en cada fila se anotan los factores críticos de éxito de la
organización.15 En conclusión, el mapa sirve para representar los procesos gráficamente e
identificar los procesos críticos con la ayuda de matrices.
Ahora, conoceremos los pasos de cómo elaborar o establecer un mapa de procesos.
En la elaboración del mapa de procesos se debe tener en cuenta los procesos que brindan una
ventaja competitiva, en seguida, se describirán los pasos para desarrollar un mapa de procesos.
Primero, realizar un inventario de todos los procesos que se realizan en la organización.
Luego, determinar las capacidades y competencias que la organización debe impulsar para
mantener una ventaja competitiva, y determinar las características, condiciones y variables que
debidamente gestionadas tendrán un impacto de éxito en la organización. También, se debe
conocer qué variables son influenciadas por la dirección a través de sus decisiones. A parte de
ello, se debe determinar objetivos intermedios cuya ejecución conduce a la implementación
exitosa de la estrategia, trabajos clave que deben ejecutarse con el mínimo de errores y
finalmente se logrará identificar los procesos más importantes o procesos claves. 16
De lo anterior, se elaboró un formato que permite analizar los procesos y factores claves
analizados y cuantificados se deberá valorar como E (excelente), B (bueno), R (regular) y D
(deficiente) donde permitirá identificar los procesos que generan un ventaja competitiva a la
organización.
15 MINISTERIO DE FOMENTO 2005 : 10-11
16 FONTALVO 2010(c) : 91-94
37
Establecimiento de las
políticas de la calidad
Diseño de servicio en
función de la satisfacción
del cliente
Planificar el servicio
Revisión el servicio
Revisión del sistema por
parte de la gerencia
Preceso de administración
de recuersos
Formación y
capacitación del personal
Mejoramiento del
ambiente de trabajo
Control de servicios
no conformes del SGC
Análisis de la información
y verificación para cumplir con
las necesidades del cliente.
Acciones correctivas
y preventivas del SGC para el
mejoramiento de los servicios.
Procesos relacionados
con el cliente.
Diseño y desarrollo de la
prestación del servicio
Prestación del servicio
Oportunidades
del mercado
Grado de satisfacción
del cliente.
Nuevos recursos
Políticas económicas
de incentivación.
Valoración
Satisfación
del cliente
Factoresclaves
E(excelente), B(bueno), R(regular)y D(deficiente)
Procesos
Paticipación
del personal
laboral
Dirección
(flexible,
creativo y
profesional)
Calidad de
servicios y
de la gestión
Recursos
Fuente: FONTALVO 2010: 92
Tabla 1: Procesos vs Factores clave
38
1.3.6 Diagrama Causa- Efecto
Una de las herramientas básicas de calidad más conocidas y usadas es el diagrama causa –
efecto. También conocido como diagrama de Ishikawa o diagrama de espina de pez, analiza de
forma organizada y sistemática los factores, las causas y las causas de las causas, que inciden
en la generación de un problema detectado a partir de sus efectos. En éste diagrama se dibujan
fechas inclinadas que inciden sobre una línea central que dirige el conjunto hacia el efecto a
alcanzar. Las flechas inclinadas que están dirigidas a la línea central pueden representar los
elementos que intervienen en el proceso analizado; uno de los diagramas más conocidos, en
este sentido, es el de las denominadas las 6M, en el que los elementos del sistema productivo
comienzan por una M y son los siguientes: Mano de Obra, Materiales, Métodos, Medio
ambiente, Mantenimiento y Maquinaria. Ésta herramienta es aconsejable que sea elaborada
por un grupo de trabajo que facilite la aportación de ideas y datos de forma abundante y
contrastada; de hecho, comenzó a utilizarse en los grupos denominados “círculos de calidad”,
desarrollados por el mismo Kaoru Ishikawa.17
Entonces, el diagrama de Ishikawa sirve para encontrar la causa raíz de un problema a través
de la identificación de las causas y sub causas de un problema detectado.
En la figura se muestra los seis elementos del sistema productivo: Mano de Obra, Materiales,
Métodos, Medio ambiente, Mantenimiento y Maquinaria; y a través de una lluvia de ideas se
identifica el principal problema (efecto sobre la calidad).
17 CUATRECASAS 2012: 592
39
Fuente: ALCALDE 2007: 150
1.3.7Diagrama de Pareto
Ésta herramienta ayuda en la toma de decisiones sobre qué causas hay que resolver
prioritariamente para lograr una mayor efectividad en la resolución de problemas. Así, en el
caso de haber identificado las causas de defectos por medio del diagrama de Ishikawa, pueden
haber aparecido muchas posibles causas y ahora interesa concentrarse en las más relevantes.
La regla consiste en considerar que aproximadamente el 80% de las consecuencias de un
fenómeno (por ejemplo, los defectos de calidad), son debidas a unas pocas e importantes
causas (alrededor de 20% de ellas). Con el objeto de seleccionar las causas más relevantes, se
ordenan las mismas situándolas de mayor a menor incidencia (frecuencia o coste) a partir de la
izquierda, tal como indica la figura 7. También se representa una curva que establece, para
Efecto sobre la calidad
Máquina
Mano de Obra
Materia
Métodos
Medio Ambiente
Medida
Figura 6: Diagrama Ishikawa (Causa-Efecto)
40
cada causa, el porcentaje acumulado de fallos sobre el total, donde se aprecia en mayor o
menor medida la regla anterior de Pareto.18
Es decir, el diagrama de Pareto se usa para identificar y priorizar en los problemas más
significativos a través de la recolección y organización de los datos.
Fuente: Adaptado de CUATRECASAS 2012: 593
Por ejemplo, el gráfico anterior muestra en el eje de la izquierda, la frecuencia de ocurrencia
de las variables A, B, C, D, E, F y G y la curva de color rojo representa el acumulado
expresado en porcentaje (%). Luego, si trazamos una línea horizontal en 80% e interceptamos
con una línea vertical, paralela, así se identificará las variables o categorías donde se debería
priorizar los esfuerzos para resolver el problema, en este caso variables A, B, C y D.
18 CUATRECASAS 2012 : 593
Figura 7: Diagrama Pareto (80-20)
80% de fallos
20% de causas
41
1.3.8 Indicadores de Gestión
Los procesos se miden a través de indicadores de gestión; a continuación se definirá y
mencionará las características que deben tener.
Un indicador es un soporte de información (habitualmente expresión numérica)
que representa una magnitud, de manera que a través del análisis del mismo
permite la toma de decisiones sobre los parámetros de actuación (variables de
control) asociados. Además, un indicador debe cumplir una serie de
características: un indicador debe ser lo más representativo posible de la
magnitud que pretende medir. Asimismo, debe cambiar de valor de forma
apreciable cuando realmente se altere el resultado de la magnitud. El beneficio
que se obtiene del uso de un indicador debe compensar el esfuerzo de recopilar,
calcular y analizar los datos. Del mismo modo, se debe basar en datos obtenidos
de mediciones objetivas y confiables. Adicionalmente, debe determinarse y
formularse de manera que sea comparable en el tiempo para poder analizar su
evolución y tendencia.19
En resumen, un indicador debe tener las siguientes características: representatividad,
sensibilidad, rentabilidad, fiabilidad y relatividad en el tiempo.
La implementación de los indicadores de gestión se realiza para controlar los resultados.
Los indicadores de gestión son un conjunto de variables cuantitativas y
cualitativas las cuales son medidas y luego observadas sus tendencias en
función a los objetivos trazados por el área o proceso. Estos indicadores de
gestión pueden ser de eficacia o eficiencia. Los indicadores de eficacia, se
19CEX 2012 : 34
42
refieren a conseguir los objetivos establecidos y los indicadores de eficiencia se
refieren a hacer más con igual o menos recursos de manera óptima.20
Es decir, los indicadores pueden ser de eficacia o eficiencia según sea el objetivo de lo que se
desee medir y controlar.
En la siguiente tabla se muestran indicadores de gestión los cuales ayudan como referencia de
la tendencia de los indicadores.
20 ITM 2009 : 10
43
Tabla 2: Indicadores de Gestión
Fuente: Adaptado de ROJAS, Carlos (AÑO 03): 21-23
AREA INDICADOR RELACIÓN UNID TENDENCIA ESTANDAR
Eficacia
(desviación pronóstico)
(Ventas reales mes / Ventas presupuestadas)*100 % 1 ó ↗ -
Eficiencia
(presupuesto gastos)
[Valor gastos/mes)/Valor gastos presupuestados]*100 % 1 -
Eficacia
(pertenencia clientes)
Número de deserciones de clientes/Periodo # Cero(0) -
RRHH Tasas retorno de capacitación ($ perdido por desempeños deficientes/$ invertido en capacitación costo)*100 % -
NOMBRE INDICADOR RELACIÓN UNID TENDENCIA ESTANDAR
CAPACITACIÓN GASTO
* $ Gastado capacitación en C,
H/periodo
* $ Invertido en capacitación/
periodo
CG=[($ Capacitación gasto/periodo)/($ Capacitación total/periodo)]*100 %
↘
5%
CAPACITACIÓN COSTO
* $ Invertido Estratégicamente
en capacitación/Periodo
* Costo capacitación total/
Periodo
CC=[($ Capacitación gasto/periodo)/($ Capacitación total/periodo)]*100 %
↘
Según plan
estratégico
de la empresa
ROTACIÓN DE
PERSONAL
(GLOBAL)
*# de Egresos/Periodo
*#Promedio de empleados en el
periodo
RG= (# N° egresos/ periodo)/# promedio empleados en el periodo)*100 %
↗
5%
ROTACIÓN DE
PERSONAL
(POR CAUSA)
*# de Egresos por causa
*#Promedio de empleados en el
periodo
RC= (# N° egresos/ periodo)/# promedio empleados en el periodo)*100 %
↘
$=5%
E.Dcción=2%
Normas =3%
O.Dllo=2%
VENTAS
↘
44
1.3.9 Índice de Productividad Total
Según la Organización Internacional del Trabajo (Introducción al Estudio del Trabajo), la
productividad es la relación entre producción e insumo (OIT 1996: 4)
En el caso de la medición de la productividad de empresas se habla del índice de
productividad total.
Un índice de productividad total es una cifra única que expresa la eficiencia de
toda una organización. Su formulación incluye una exposición general del valor
del producto o servicio y un valor resumido de todos sus insumos. Típicamente,
se usan dimensiones monetarias para el numerador y el denominador, a fin de
permitir que los diversos productos y recursos sean expresados en términos
equivalentes. Uno de los muchos modelos posibles de productividad total tiene
la fórmula siguiente: Índice de Productividad Total =
Ventas+Cambio de Inventario+Planta
Mano de Obra+Materiales+Servicios+Depreciación+Inversión
Los factores de producción e insumo se describen de manera individual a
continuación:
Ventas (ventas netas facturadas para el año que se mide), para que los datos
sean comparables de un año al siguiente, se debe aplicar un factor de deflación,
o deflactor de precio, a fin de convertir los dólares actuales en dólares
constantes. Las tablas de índices de precios, fáciles de obtener, pueden
proporcionar las cifras actuales de deflación.
Cambio de inventario (Variación en el valor de los niveles de inventario entre el
principio y el final de año que se mide), el inventario incluye producción en
proceso y artículos terminados. Cada categoría de inventario podría tener su
propio factor de deflación.
Planta (Valor agregado internamente a la organización), las capacidades de una
organización son aumentadas a menudo por la producción de sus empleados en
forma que aumenta el valor del sistema de producción, pero no incrementa
directamente la utilidad proveniente de las ventas.
Mano de Obra (Salarios y beneficios pagados a empleados o separados en
cuentas de reserva), la retribución anual por trabajo incluye salarios por hora,
sueldos, tiempo extraordinario, vacaciones y enfermedad, seguro, participación
de utilidades, seguro social y gratificaciones.
45
Materiales (Materias primas y componentes comprados consumidos en la
producción).
Servicios (Energía y suministros comprados por fuera más equipo rentado y
mano de obra contratada).
Depreciación (Disminución del valor de capital del activo que proporciona
capacidad de producción)
Inversión (Costo para los inversionistas del capital fijo que proporciona
capacidad de producción), el capital fijo incluye terrenos, edificios, maquinaria
y equipo, así como cargos diferidos. El capital de trabajo comprende efectivo,
documentos, cuentas por cobrar, inventarios y gastos pagados por anticipado. El
insumo inversión es, por lo tanto, la tasa de rendimiento que deben ganar todos
los activos de capital21
Por otro lado es importante mencionar la definición de eficiencia que realiza la ISO
9000:2005, donde se define la eficiencia como la relación entre el resultado alcanzado y los
recursos utilizados.
1.4 Implantación de un Sistema de Gestión de la Calidad
Un sistema de gestión de la calidad es la estructura organizativa, las responsabilidades, los
procedimientos, procesos y recursos necesarios para llevar a cabo la gestión de calidad. La
cual se aplica a todas las actividades realizadas en una empresa y afecta a todas las fases,
desde el estudio de las necesidades del consumidor hasta el servicio posventa. Estas empresas
interesadas en implantar deben cumplir con ciertas etapas las cuales se explican brevemente:
Primero, se debe realizar un diagnóstico inicial de la empresa. Es decir, un
análisis de los procesos que se llevan a cabo tomando como referencia el
21 RIGGS 2001 : 615-617
46
modelo de gestión elegido. Segundo, elaborar una documentación adecuada
(manual de calidad, procedimientos e instrucciones), el cual detalle la manera
de realizar todas las tareas. El objetivo de documentarlas es no cometer errores
o minimizarlas. Es decir, estandarizar la manera de realizar las actividades que
comprenden un proceso. Tercero, implantar el sistema de gestión de la calidad
el cual generará registros (documentos, fichas, etc.) Estos son una prueba
objetiva de que el sistema de gestión está implantado. Luego de la implantación
se comparará con algún modelo de sistema de gestión de calidad que la empresa
este interesado. Posteriormente, se debe realizar auditorías internas para
comprobar si cumple con los requisitos del modelo de gestión elegido.
Finalmente, se solicitará auditorías más objetivas a través de entidades externas
certificadoras.22
Implantar un sistema de gestión de calidad está compuesto básicamente por cuatro etapas:
diagnóstico, elaboración, implantación y evaluación/ certificación.
1.4.1 Ciclo de Mejora de Continua de Deming
El ciclo de mejora continua de Deming consiste en los cuatro pasos: Planificar, Ejecutar,
Verificar y Actuar. Del mismo modo, planificar se divide en cuatro sub pasos: identificación
del problema, observación, análisis y plan de acción, mientras que las demás se mantienen en
un solo paso. Adicionalmente, cada uno de estos pasos se descomponen en tareas, para ilustrar
a continuación se muestra la siguiente figura, en la cual se observa de manera resumida los
ocho pasos del método de solución de problemas.
22 LÓPEZ 2006 : 21-32
47
Fuente: RUCOBA 2011
Identificación del problema, está compuesta por las siguientes tareas: selección
del problema, historia del problema, mostrar pérdidas actuales y ganancias
viables, realizar un análisis de Pareto y nombrar responsables.
Observación, está compuesta por las siguientes tareas: descubrir las
características del problema, descubrir las características del problema
observaciones y cronograma.
Análisis, está compuesta por las siguientes tareas: definición de causas
fundamentales, selección de causas más probables, análisis de causas más
probables y prueba de consistencia de la causa fundamental.
Figura 8: Ciclo de Deming como Método de Solución de Problemas
48
Plan de acción, está compuesta por las siguientes tareas: elaborar la estrategia
de acción y elaborar el plan de acción para el bloqueo y la revisión del
cronograma y presupuesto final.
Ejecución, está compuesta por las tareas entrenamiento y ejecución de la
acción.
Verificación, está compuesta por las siguientes tareas: comparación de los
resultados, lista de los efectos secundarios, verificación de la continuación o no
del problema y ¿El bloqueo fue efectivo?
Estandarización, está compuesta por las siguientes tareas: elaboración o
alteración del estándar, comunicación, educación y entrenamiento, y
acompañamiento de la utilización del estándar.
Conclusión, relación de los problemas remanentes, planeamiento del ataque a
los problemas remanentes y reflexión.23
Por lo tanto, el Ciclo de Deming se usa como un método de solución de problemas dispuestos
en ochos pasos: Identificación del problema (seleccionar el problema y mostrar su
importancia), Observación (¿Cómo ocurre?), Análisis (¿Por qué ocurre?), Plan de acción
(¿Qué hacer para eliminar la causa?), Ejecución (Garantizar la ejecución del plan),
Verificación (¿El problema fue resuelto?), Estandarización(Evitar que la causa vuelva a
ocurrir) y finalmente la Conclusión (Reflexionar acerca de los aprendido).
Adicionalmente en la siguiente figura, se muestra las herramientas de calidad de uso más
frecuente comparado con los cuatro pasos de la mejora continua (PDCA).
23 RUCOBA 2011(a) : 1-9
49
Figura 9: Ciclo PDCA vs Herramientas de Calidad más Frecuentes
Fuente: ITM 2009(b): 47
En la parte superior de la figura se encuentran las herramientas de calidad: Diagrama de
decisión de acción es la herramienta menos usada en la etapa de planificación. Por el
contrario, las herramientas de calidad como: Hoja de control y Diagrama árbol son los más
usados en la etapa hacer de mejora continua. Asimismo, las herramientas de Estratificación,
Hoja de control, Gráficos de control, Histograma y Diagrama Pareto son usados en la etapa de
verificación. Por último, las herramientas de Diagrama de Gantt, PERT, de decisiones de
acción Brainstorming, AMFEC (Análisis Modal de Fallos y Efectos), QFD (Despliegue de la
Función de Calidad), DDE (Diseño de Experimentos), Diagrama de flujo, Análisis Valor y
Benchmarking son usados en la etapa actuar del proceso de mejora continua.
Asimismo en la parte inferior izquierda de la figura, encontramos el ciclo PDCA, donde de
manera resumida podemos decir lo siguiente:
50
 “Planificar” Establece los objetivos y procesos necesarios para conseguir resultados de
acuerdo con los requisitos del cliente y las políticas de la organización;
 “Hacer” Implementa los procesos
 “Verificar” Realiza el seguimiento y la medición de los procesos y los productos respecto
a las políticas, los objetivos y los requisitos para el producto, e informar sobre los
resultados.
 “Actuar” Toma las acciones para mejorar continuamente el desempeño del proceso.
1.5 Costos Totales de Calidad
Los costos totales de calidad se clasifican en costos de prevención, evaluación, fallos internos
y externos. Enseguida se explica cada uno de ellos.
“Costos de prevención, son los costos de todas las actividades específicamente
diseñadas para evitar la mala calidad en productos o servicios. Ejemplos: costos
de la revisión de un nuevo producto, la planificación de la calidad, estudios de
la capacidad del proveedor, evaluaciones de la capacidad del proceso, reuniones
del equipo de mejora de la calidad, proyectos de mejora de la calidad,
educación y formación para la calidad. Costos de evaluación, son los costos
correspondientes a la medida, evaluación o auditoría de productos o servicios
para garantizar la conformidad con las normas de calidad y los requisitos de
comportamiento. Éstos incluyen los costos de la inspección en recepción y en
origen/ensayo de material adquirido, inspección durante el proceso y
final/ensayo, auditoría de producto, proceso o servicio, calibración del equipo
de medida y ensayo, y el costo de los suministros y materiales asociados.
Costes de fallos, son los costos que resultan de productos o servicios no
conformes con los requisitos o las necesidades del cliente/usuario. Los costos
de fallos se dividen en dos categorías: fallos internos y fallos externos. Costos
de fallos internos, son los costos de fallos que tienen lugar antes de la entrega o
expedición del producto, o de proveer un servicio, al cliente. Ejemplos: costos
de desechos, reprocesos, re inspección, repetición de ensayos, revisión de
51
material y degradación. Costos de fallos externos, son los costos de fallos que
tienen lugar después de la entrega o expedición del producto, y durante o
después de proveer un servicio, al cliente. Ejemplos: costes de procesar las
reclamaciones del cliente, devoluciones del cliente, indemnizaciones por
garantía y retiradas de producto. Costos totales de calidad, es la suma de todos
los costos anteriores. Representa la diferencia entre el costo real de un producto
o servicio y el menor costo que tendría si no hubiese posibilidad de dar un
servicio inferior, fallos de los productos, o defectos en su fabricación.”
(CAMPANELLA 1992: 33-36).
Resumiendo, los costos de prevención y evaluación de calidad son los no percibidos por el
cliente. Es decir, son los costos por mantener la calidad del producto. Mientras tanto los costos
de fallas internas y externas son los que el cliente puede percibir en el producto final.
Complementando los costos totales de calidad en la siguiente tabla, se muestra un reporte de
costos de la calidad para ver por separado los costos de prevención, evaluación, fallas internas
y externas. Asimismo, comparados con los costos del año anterior y actual, así como, el
cambio porcentual y el cambio porcentual respecto a su presupuesto.
52
Costos del
periodo
actual
Costos del
periodo
anterior
Cambio
porcentual
respecto del
periodo
anterior
Presupuesto
del periodo
actual
Cambio
porcentual
respecto al
presupuesto
Costos de prevención
Entrenamiento para la calidad
Participación en la calidad
Investigación de mercado de la calidad
Tecnología para la calidad
Diseño del producto de calidad
Total
Costos de evaluciones
Inspecciones de calidad
Verificación de procedimientos
Equipo de medición
Equipo de pruebas
Total
Costos internos por fallas
Reprocesamiento de productos
Productos defectuosos y desperdicios
Almacenamiento y dispoción de desperdicios
Reprocesamiento
Reprogramación y preparación de máquinas
Total
Costos externos por fallas
Manejo de quejas
Manejo de garantías
Repación y reubicación de devoluciones
Reembolsos a clientes
Ejecuciones aceleradas
Total
Total costos de la calidad
Tabla 2: “Reporte de Costos de la Calidad”
Fuente: JESSE T. 2004: 319
Por consiguiente, el reporte de costo de calidad debe mostrar la variación respecto del año
anterior, así identificar en dónde se genera mayores costos de calidad para luego analizar y
posterior plan de mejora.
Adicionalmente, en la siguiente tabla se muestra un resumen de los elementos detallados del
costo.
53
1.1 Marketing/Cliente/Usuario 2.1 Costos de evaluación de compras
1.1.1 Investigación de Marketing 2.1.1 Inspección y ensayos en recepción o de entrada
1.1.2 Encuestas/consultas de la percepción del cliente/usuario 2.1.2 Equipo de medida
1.1.3 Revisión de contratos/documentos 2.1.3 Homologación del producto del proveedor
1.2 Desarrollo del producto/servicio 2.1.4 Programas de inspección y control en origen
1.2.1 Revisiones de los progresos del diseño de la calidad 2.2 Costos de evaluación de operaciones(fabricación o servicio)
1.2.2 Actividades de apoyo de diseño 2.2.1 Operaciones, inspecciones, ensayos y auditorías planificados
1.2.3 Ensayo de homologación del diseño del producto 2.2.1.1 Comprobación de mano de obra
1.2.4 Diseño del servicios-Homologación 2.2.1.2 Auditorías de calidad del producto o servicio
1.2.5 Pruebas en servicio 2.2.1.3 Inspección y ensayo de preparación
1.3 Costes de prevención de compras 2.2.2 inspecciones y ensayo de preparación
1.3.1 Revisiones de proveedores 2.2.3 Ensayos especiales (fabricación)
1.3.2 Clasificación de proveedores 2.2.4 Medidas de control del proceso
1.3.3 Revisiones de los datos técnicos de pedidos 2.2.5 Apoyo de laboratorio
1.4 Planificación de la calidad de proveedores 2.2.6 Equipo de medida(inspección y ensayo)
1.4.1 Costes de prevención de operaciones (fabricación o servicio) 2.2.6.1 Provisiones para amortización
1.4.2 Planificación de la calidad de operaciones 2.2.6.2 Gastos del equipo de medida
1.4.2.1 Diseño y desarrollo del equipo para medir la calidad y de control 2.2.6.3 Mano de obra de mantenimiento y calibración
1.4.3 Planificación de calidad del apoyo a operaciones 2.2.7 Avales y certificaciones externas
1.4.4 Educación para la calidad de los operarios 2.3 Costos de evaluación externos
1.4.5 CEP/Control del Proceso por el Operario 2.3.1 Evaluación del funcionamiento en servicios
1.5 Administración de la calidad 2.3.2 Evaluaciones especiales de productos
1.5.1 Salarios de administrativos 2.3.3 Evaluación de existencias en servicio y recambios
1.5.2 Gastos administrativos 2.4 Revisión de los datos de ensayos e inspección
1.5.3 Planificación del programa de calidad 2.5 Evaluaciones misceláneas de calidad
1.5.4 Informes del comportamiento de la calidad
1.5.5 Educación para la calidad
1.5.6 Mejora de la calidad
1.5.7 Auditorías del sistema de calidad
1.6 Otros costos de prevención
3.1 Costos de fallos(internos) del diseño del producto/servicio 4.1 Investigación de reclamaciones/servicio al cliente o usuario
3.1.1 Acción correctora del diseño 4.2 Devoluciones
3.1.2 Reprocesos debido a cambio de diseño 4.3 Costos de reconversión
3.1.3 Desechos debidos a cambios de diseño 4.3.1 Costos de retirada
3.1.4 Costos de coordinación de producción 4.4 Indemnización por garantía
3.2 Costos de fallos de compras 4.5 Costos de responsabilidad
3.2.1 Costos de la disposición de los materiales adquiridos y rechazados 4.6 Penalizaciones
3.2.2 Costos de sustitución de materiales adquiridos 4.7 Buena voluntad con el cliente/usuario
3.2.3 Acción correctora del proveedor 4.8 Pérdida de ventas
3.2.4 Reproceso de los rechazos al proveedor 4.9 Otros costos de fallos externos
3.2.5 Pérdidas de materiales incontrolados
3.3 Costos de los fallos de operaciones (producto o servicio)
3.3.1 Costos de revisión de material y acción correctora
3.3.3.1 Costos de disposición
3.3.3.2 Costos del análisis de fallos o hacer frente a anomalías
3.3.3.3 Costos de apoyo a investigación
3.3.3.4 Acción correctora de operaciones
3.3.2 Costos de reparación y reproceso de operaciones
3.3.2.1 Reprocesos
3.3.2.2 Reparaciones
3.3.3 Costos de repetición de inspección/ensayos
3.3.4 Operación extra
3.3.5 Costos de desechos de operaciones
3.3.6 Producto final o servicio degradado
3.3.7 Pérdidas de mano de obra de fallos internos
3.4.1 Otros costos de fallos internos
COSTOS DE PREVENCIÓN
COSTOS DE FALLOS INTERNOS
COSTOS DE EVALUACIÓN
COSTOS DE FALLOS EXTERNOS
Fuente: Adaptado de CAMPANELLA 1992: 135-157
Tabla 3: Resumen de los Elementos Detallados del Coste
54
Esta lista no pretende contener todos los elementos de costos de la calidad aplicables a todos
los negocios, sino más bien una idea general de qué tipo de elementos están contenidos en las
categorías de costos de prevención, evaluación, fallas internas y externas.
Una forma conveniente de informar los costos de calidad es a través de una segmentación por
segmentación organizacional, como se muestra en la siguiente tabla.
Fuente: Adaptado de FRANK 1988: 400
Una vez descrito los costos de prevención, evaluación, fallos internos y externos,
mencionaremos las relaciones que producen mayor impacto en la alta dirección de las
empresas:
Indicar los costos de la calidad como porcentajes de las ventas.
Comparar los costos de la calidad con los beneficios.
Comparar los costos de la calidad con la magnitud de los problemas corrientes.
Ventas Servicios Proyectos Logística Contabilidad Tesorería Almacén
Planeación de la calidad
Capacitación y entrenamiento
…
Costos de evaluación
Instrumentos de prueba e inspección
…
Costo de fallas internas
Desperdicio
Reproceso
…
Costos de fallas externas
Devoluciones
Costos de devolución
…
Área
Costos de Calidad
TOTALES
Costos de Prevención
Tabla 4: Matriz de Costos de Calidad
55
Dólares por acción.
Dólares como porcentaje del costo de los productos vendidos.
Dólares como porcentaje del costo de fabricación.
Efecto del costo de la calidad sobre el punto muerto.24
Por lo tanto para fines de análisis de éste proyecto profesional usaremos los costos de calidad
mensual, utilidad neta versus las ventas (ingresos) y los costos de la calidad como porcentajes
de las ventas (ingresos).
A continuación en las siguientes figuras se muestran dos gráficos acerca de los costos de la
calidad: costos de prevención, evaluación, fallos internos y externos. La primera como los
costos de calidad como porcentaje (%) del costo de las unidades servidas por mes. En la
segunda se muestra los costos de prevención, evaluación, fallos internos, externos y costos
totales de la calidad comparados mensualmente.
24 GRIMM, A.F (1974) : 190-200
56
20
18
COSTOS DE LA CALIDAD COMO %
DEL COSTE DE LAS UNDS.
SERVIDAS
16
14
12 COSTE TOTAL
10
8 EVALUACIÓN
6
4 FALLOS INTERNOS
2 FALLOS EXTERNOS
0 PREVENCIÓN
E F M A M J J A S O N D
PORCENTAJE
(%)
Figura 10: Gráfico de Datos de Costes de la Calidad
Fuente: Adaptado de ASQC 1977: 18 y 20
57
200
180 COSTE TOTAL
160
140
120
100
80 EVALUACIÓN
60
40 FALLOS INTERNOS
20 FALLOS EXTERNOS
0 PREVENCIÓN
E F M A M J J A S O N D
DOLARES(miles
de
$)
Fuente: Adaptado de ASQC 1977: 18 y 20
Figura 11: Gráfico de Datos de Costes de la Calidad
58
Complementando, en la figura siguiente según Ph. Crosby el costo de la no calidad va
disminuyendo conforme nos adentremos en una mayor profundización en la gestión de
calidad.
Fuente: Pérez 1994: 43
Claramente, el costo de la mala calidad se reduce mientras la calidad atraviesa por las cinco
etapas: indiferencia, despertar, descubrir, adhesión y participación.
Un estudio muy importante realizado por estudiosos de EEUU y España, como Charles J.
Corbett (The Anderson School, UCLA), María J. Montes y María José Álvarez-Gil
(Universidad Carlos III), David A. Kirsch (R.H. Smith School of Business, Universidad de
Maryland) , analizan los datos de rendimiento económico de las empresas con mayor número
de certificados ISO 9000 en tres sectores de distinta actividad económica: sector de productos
Figura 12: La Evolución Costo de Calidad según Ph. Crosby
59
químicos y afines, sector de maquinaria industrial y comercial y equipos informáticos y el
sector de equipos y componentes electrónicos y eléctricos durante el periodo 1990-1997. En
donde se estudiaron a setenta y cuatro (74), ciento treinta y dos (132), y ciento sesenta y siete
(167) empresas respectivamente de un universo de 7 598 empresas escogidas. En las figuras
13, 14, 15, 16, 17 y 18 se muestran un resumen de resultados del rendimiento económico de
las empresas con mayor número de certificados ISO 9000 de los EEUU.
60
Fuente: CORBETT 2012: 27
Figura 13: Certificación ISO 9000 en el Sector Químico
61
Fuente: CORBETT 2012: 27
Figura 14: Certificación ISO 9000 en el Sector Químico
62
Fuente: CORBETT 2012: 28
Figura 15: Certificación ISO 9000 en el sector de maquinaria industrial y
ordenadores
63
Fuente: CORBETT 2012: 28
Figura 16: Certificación ISO 9000 en el sector de maquinaria industrial y
ordenadores
64
Fuente: CORBETT 2012: 29
Figura 17: Certificación ISO 9000 en el sector de equipos y componentes electrónicos
65
Fuente: CORBETT 2012: 29
Figura 18: Certificación ISO 9000 en el sector de equipos y componentes electrónicos
66
Del estudio anterior realizado en los tres sectores, se ha llegado a las siguientes
conclusiones:
Descubrimos que sí parece que influye en la mejora del rendimiento
económico, medido con el ratio de la rentabilidad sobre activos (ROA).
(CORBETT 2012: 1).
Las empresas que no implantaron la Norma ISO 9000 experimentaron un
considerable deterioro del ROA, la productividad y las ventas, mientras que
las empresas que sí la implantaron consiguieron, en general, evitar estas
caídas. (CORBETT 2012: 24)
De nuestros resultados se desprende que la falta de interés por obtener la
certificación ISO 9000 contribuye a un empeoramiento gradual del
rendimiento. (CORBETT 2012: 30)
Después de decidir obtener la primera certificación ISO 9000, las empresas
han realizado cambios que, directa o indirectamente, han producido mejoras
relativas en el ROA, gracias a un mejor control de costes y a un incremento
de las ventas. (CORBETT 2012: 32)
Por lo tanto, se concluye que certificarse o implantar el ISO genera mejoras en la
rentabilidad de la organización (ROA).
67
CAPÍTULO II : ANÁLISIS Y DIAGNÓSTICO DEL
PROCESOACTUAL
2.1 Descripción de la Empresa
ENVIROEQUIP S.A.C. es una empresa líder del mercado peruano, en la transferencia
tecnológica de bienes y servicios de equipos Medio Ambientales (Ambiental, Meteorología
e Hidrología); Instrumentos Analíticos - Rayos X – Preparación de muestras para
laboratorios. También provee la instalación, mantenimiento, entrenamiento y desarrollo de
métodos y asistencia de post venta. La empresa inició sus operaciones en 1997,
actualmente tiene más de 17 años en el mercado.
2.1.1 Visión
Ser una empresa líder del mercado peruano en la comercialización de equipos medio
ambientales, ofreciendo a nuestros clientes no sólo instrumentos analíticos para la
protección del medio ambiente y laboratorio si no también transfiriendo a ellos la última y
más avanzada tecnología con que cuentan estos equipos ayudando a crear conciencia social
dentro de las organizaciones y los individuos con el objetivo de alcanzar un desarrollo
sostenible asegurando un medio ambiente saludable para las futuras generaciones.
68
2.2.2 Misión
Transferir tecnología ofreciendo a nuestros clientes herramientas analíticas en las áreas de
protección medio ambiental y laboratorio, con el objetivo de mejorar sus procesos,
haciendo sus operaciones más efectivas y eficientes consiguiendo ser mejores socios con el
medio ambiente. Para lo cual la empresa cuenta con un equipo altamente capacitado y
comprometido en satisfacer las necesidades de nuestros clientes.
69
2.2.3 Organigrama
Fuente: Elaboración Propia
Figura 19: Organigrama Actual EESAC
70
2.1.4 Mapa de Procesos
A continuación en la siguiente figura, se muestra el mapa de procesos de EESAC, donde se
puede identificar los procesos estratégicos, operativos y de apoyo, a su vez, éstos están
compuestos por los procesos más significativos, como la planificación estratégica:
planificación estratégica, revisión de estado de ganancias y pérdidas, vigilancia tecnológica
y definición de los objetivos. También, se ha logrado identificar los principales procesos
operativos: ventas, compras, almacenaje, distribución; y facturación y cobro. Del mismo
modo, los procesos de apoyo: administración, logística, contabilidad, tesorería y recursos
humanos.
Fuente: Elaboración Propia
Figura 20: Mapa de Procesos - EESAC
71
Proceso de Ventas: se inicia con el requerimiento del cliente. Luego, en ventas se decide si
es la cotización de un bien o no. Si es un bien, se verifica en el sistema de información
(SAP) si está en Stock. En seguida, se prepara la oferta económica. Se aprueba y se envía
la oferta económica al cliente. Posteriormente, el cliente recibe la oferta. Si la acepta,
entonces, emite su orden de compra. Ventas lo procesa, aprueba y envía la oferta
económica hacia administración.
Proceso de Servicios: se verifica y prueba el estado de la mercadería ingresada. Se crea su
Certificado de Operatividad (CDO) e informa estado. Ventas prepara y aprueba la hoja de
Salida de Material (SM). Administración aprueba la salida de material. Logística prepara la
guía y factura, luego se programa la entrega. Almacén empaca y logística entrega la
mercadería. Después, el cliente recepciona el pedido. Posteriormente, si la venta incluye
servicio se programa y realiza el servicio. Se coordina la fecha de realización del servicio.
Luego, el cliente recibe los documentos parte del servicio realizado.
Proceso de Compras (logística): se recibe la orden de compra que aprueba administración,
luego, se prepara la orden de compra y negocia el flete. Se envía la orden de compra al
proveedor. Después, se recibe la confirmación de la orden de compra, embarque, factura y
declaración. Se consolida, monitorea, coordina desaduanaje e informa la llegada de la
mercadería. Finalmente, se envía a contabilidad el invoice. En otro momento del flujo, en
logística se prepara la guía de salida de la mercadería o factura a través del SAP. Luego se
programa la entrega y almacén se prepara la mercadería. El cliente recepciona la
mercadería.
Proceso de Almacenaje: una vez confirmado la llegada de la mercadería por compras, el
personal de almacén se encarga de recepcionar los productos de importación. Asimismo,
recepciona y almacena los equipos recepcionados por mantenimiento y garantía.
Proceso de Distribución: ventas, servicios, administración y logística coordinan fecha de
entrega del producto al cliente. Considerando los tiempos y lugar de entrega ofrecido en la
oferta económica.
Proceso de Facturación y Cobro: en éste proceso se realiza la emisión de la factura y/o guía
de remisión para el despacho de la mercadería o prestación del servicio.
72
Proceso de Administración: administración aprueba la orden de compra. Luego de
continuar el flujo administrativo se recibe la confirmación del pago (Swift Code). En otro
momento, administración también aprueba la hoja de salida de materiales.
Proceso de Contabilidad: contabilidad recibe el invoice, luego, a través del sistema de
información se provisiona en el SAP. Después, registra el pago y compara el FOB.
Proceso de Tesorería: recibe el invoice y se programa el pago al proveedor. Por último, se
realiza la cancelación del invoice.
Proceso de RRHH: administración a través del personal de RRHH se encarga de reclutar,
contratar e inducir al personal nuevo.
Brevemente, en la siguiente figura 21 y 22, se describe el diagrama de flujo actual. El
diagrama de flujo es un medio gráfico para describir las etapas de un proceso.25 En estos
diagramas se logran identificar qué, quién y cómo realizan las actividades. Por experiencia
laboral en EESAC se ha podido identificar éstos procesos.
25 JURAN 1990: 17
73
Daigrama de Flujo: Proceso de Ventas
Ventas (Asesor Inhouse)
Cliente Servicios (Field Service) Logística Contabilidad Almacén
Proyecto
Profesional
Inicio
Solicita Cotización
Envía Orden de
Compra
Requerimiento
Bien
Recibe Oferta
Económica
SAP
Recibe confirmación
Monitorea
embarque
Consolida
mercadería
Coordina
desduanaje
Informa llegada de
mercadería a los
involucrados
Order C.
Ship C.
Invoice
¿Es un bien o
Servicio?
Verifica Stock
Prepara Oferta
Económica
Solicita aprobación
de jefatura de
ventas
Solicita cotización
del Cuadro Costo
del Servicio
Servicio
Proceso de
Servicios
¿Acepta OE?
Si
Prepara Orden de
Compra al
proveedor
Solicita aprobación
de Orden de
Compra de jefatura
ventas y
administración
Prepara Orden de
Compra al
Proveedor
Negocia flete
Recibe Orden de
Compra Aprobada
Envía Orden de
Compra al
proveedor
Ingresa Invoice
(factura)
Provisiona Pago de
acuerdo a las
condiciones del
Proveedor
Realiza pago de
factura
Recibe confirmación
de pago
Registra pagos
SAP
Ingresa Stock físico
de mercadería por #
de Embarque
SAP
Revisa mercadería
¿Ok?
Elabora Certificado
de Operatividad
Prepara Customer
Incident Report(CIR)
Si
No
Informa estado de la
mercadería revisada
a su jefatura
Realiza
proceso de
reclamo por
garantía
Recibe confirmación
Monitorea
embarque
Consolida
mercadería
Coordina
desduanaje
Informa llegada de
mercadería por
garantía a los
involucrados
Order C.
Ship C.
Invoice
Acknowlegment
1
1
Elabora y solicita
aprobación de hoja
de salida de material
de almacén a las
jefaturas:Adm.y
Serv.
Prepara Guía de
Remisión y/o
Factura
Programa entrega
Empaca y Despacha
mercadería
Entrega mercadería
Recepciona
mercadería
No
Fin
Fin
Figura 21: Diagrama de Flujo Actual-Proceso de Ventas
Fuente: Elaboración Propia
74
Diagrama de Flujo: Proceso de Servicios
Servicios(Field Service)
Cliente Ventas (Asesor Inhouse) Almacén Logística
Proyecto
Profesional
Inicio
Fin
Solicita
Requerimiento de
servicio
Envía OC de servicio
por diagnóstico
Controla reposición
de partes
Requerimiento
Crea Correlativo de
ARM
Envía nombre del
equipo, marca,
modelo serie y
motivo
Cotiza
diagnóstico
SAP
Evalúa OE servicio
ARM
OES
Recibe OE de
servicio por
diagnóstico
Recibe OC de
servicio
Recepción de
equipo y ARM
¿Está en
garantía?
Prepara informe de
diagnóstico
No
Prepara CIR
Si
Cotiza servicio
Recibe confirmación
Monitorea
embarque
Consolida
mercadería
Coordina
desduanaje
Informa llegada de
mercadería por
garantía a los
involucrados
Recepciona e
ingresa mercadería
Solicita mercadería
por garantía
Elabora Salida de
Material de
Almacén
Realiza cambio por
garantía
Coordina entrega de
equipo
Entrega de equipo
Recoge o recibe
equipo
Recibe cotización
1
1
2
2
Order C.
Ship C.
Invoice
Acknowlegment
*.DOCS
*.XLS
ARM
GR
Realiza
proceso de
reclamo por
garantía
Salida de
Material
SAP
Fuente: Elaboración Propia
Figura 22: Diagrama de Flujo Actual-Proceso de Servicios
75
2.1.5 Identificación del Problema
El incremento de la implementación de proyectos medio ambientales en el Perú ha
generado un vertiginoso crecimiento en el sector de comercialización y venta de equipos
ambientales. A fines del año 2009, inició la implementación del sistema de información
SAP Business One, para registrar en una base de datos de las operaciones y ordenar el
crecimiento de la empresa. Desde ese año 2010 se tiene una base de datos de todas las
ventas, servicios e ingresos totales realizados hasta la actualidad, pero en esta oportunidad
analizaremos la información hasta el año 2013.
Figura 23: Ingresos 2010-2013
Fuente: Elaboración propia
(5,000,000.00)
-
5,000,000.00
10,000,000.00
15,000,000.00
2010
2011
2012
2013
Ventas
(S/.)
2010 2011 2012 2013
Ingresos 7,930,421.00 12,493,544.61 9,637,709.00 14,211,751.00
Servicios 356,868.95 624,677.23 530,074.00 710,587.55
Ventas 7,573,552.06 11,868,867.38 9,107,635.01 13,501,163.45
% Servicios 4.5% 5.0% 5.5% 5.0%
% Inc./Reduc. Ingresos 57.5% -29.6% 47.5%
Ventas 2010-2013
76
En el gráfico anterior, se observa la evolución de ventas y servicios, así como los ingresos
totales desde el año 2010 al 2013. Del mismo modo, se observa el incremento de 57.5% en
los ingreso al año 2011, mientras que en el año 2012 se observa una reducción de 29.6% de
los ingresos, y finalmente un incremento de los ingresos de 47.5%. Por otro lado, la
participación porcentual de servicios se ha mantenido en promedio 5% respecto de los
ingresos del año 2010 al 2013.
2.2 Implicancias de los Problemas de la Calidad
A continuación en la siguiente figura se realizó un análisis de tendencia de costos totales
de calidad versus las ventas anuales (ingresos) de los años 2010, 2011, 2012 y 2013. En él
se observa la variación anual del indicador para cada año.
Más adelante en la tabla 5, se muestra los costos totales de calidad del año 2010 al 2013:
costos de prevención, evaluación, fallas internas, fallas externas. Los costos de prevención
son los costos por planeación de la calidad, capacitación, proyectos de mejora. Mientras
que los costos de evaluación son costos por inspección de materiales de entrada, proceso,
producto final y los costos de mantenimiento de instrumentos. En cambio, los costos de
fallas internas son los desperdicios, los reprocesamientos, degradación y revisión de
mercadería. Y los costos de fallas externas se refieren a los costos por garantía, mercadería
devuelta por fallas, demandas interpuestas por clientes insatisfechos y descuentos por
productos fallados.
77
Figura 24: Análisis de Tendencia de Costos Totales de Calidad Vs Ingresos Anuales
Fuente: Elaboración propia
0.33%
0.59%
0.76%
1.50%
0.32%
0.24%
0.44%
0.38%
0.11%
0.22%
0.57%
0.20%
0.58% 0.36%
0.53%
0.48%
1.33%
1.42%
2.31%
2.56%
0.00%
1.00%
2.00%
3.00%
4.00%
5.00%
6.00%
2010 2011 2012 2013
CTC/Ingresos
Costo de Prevención
Costo de Evaluación
Costo de Fallos Externos
Costo de Fallos Internos
78
Tabla 5: Costos de Prevención, Evaluación, Fallas Internas y Externas(S/.)
Año 2010 2011 2012 2013
Costo de Fallos
Externos S/. 24,981.14 S/. 30,117.93 S/. 42,858.50 S/. 53,306.61
Costo de Fallos
Internos S/. 25,910.47 S/. 73,686.28 S/. 73,686.28 S/. 213,060.51
Costos de no
calidad S/. 50,891.60 S/. 103,804.21 S/. 116,544.78 S/. 266,367.12
Costo de
Evaluación S/. 8,715.45 S/. 27,924.44 S/. 55,118.98 S/. 28,140.64
Costo de
Prevención S/. 46,151.24 S/. 45,512.62 S/. 50,915.35 S/. 68,636.67
Costos de Calidad S/. 54,866.70 S/. 73,437.07 S/. 106,034.34 S/. 96,777.30
Costo Total de
Calidad S/. 105,758.30 S/. 177,241.28 S/. 222,579.11 S/. 363,144.42
Fuente: Elaboración propia
Ahora, los costos de prevención están directamente relacionados a prevenir la mala calidad
de los productos, mientras los costos de evaluación corresponden a evaluar los productos
para garantizar la conformidad de los estándares de calidad. Además, es conveniente
aclarar que los costos asociados a la prevención y evaluación son costos que se incurren en
la gestión, para el aseguramiento de la calidad. En cambio, los costos por fallas internas y
externas son parte de la ineficiencia del proceso. Por lo tanto, este proyecto profesional o el
79
objetivo de este sistema de gestión de la calidad es reducir los costos de calidad, es decir,
reducir los costos de la ineficiencia.
Enseguida en la tabla 6 se muestra la estimación de los costos de no calidad desde el 2010
al 2013: Fallos externos (Costo por manejo de garantías, Costo por penalidades),
asimismo, se muestra los costos de fallos internos (Costo por reprocesamiento de equipos
para dejar operativos, Costos de fallos de compras).
Fuente: Elaboración propia
En la siguiente tabla se muestra la estimación de los costos de no calidad desde el 2010 al
2013: Costo de Prevención (Costos de entrenamiento para la calidad) y Costo de
Evaluación (Costos de inspección de calidad, equipos de medición y equipos de pruebas)
Costo de Fallos Externos C. Manejo de Garantías C.Penalidades
2010 4,481.14
S/. 20,500.00
S/.
2011 7,617.93
S/. 22,500.00
S/.
2012 9,858.50
S/. 33,000.00
S/.
2013 10,306.61
S/. 43,000.00
S/.
Costo de Fallos Internos
C. Reprocesamiento de equipos
para dejar operativos
Costos de fallos de
compras
2010 6,310.47
S/. 19,600.00
S/.
2011 26,086.28
S/. 47,600.00
S/.
2012 18,123.86
S/. 175,000.00
S/.
2013 11,460.51
S/. 201,600.00
S/.
Tabla 6: Costos de no calidad
80
Tabla 7: Costos de Calidad
Fuente: Elaboración propia
Costo de Prevención C.Entrenamiento para la calidad
2010 46,151.24
S/.
2011 45,512.62
S/.
2012 50,915.35
S/.
2013 68,636.67
S/.
Costo de Evaluación C. Inspecciones de calidad C. Equipos de Medición C.Equipos de Pruebas
2010 6,310.47
S/. 1,552.17
S/. 852.82
S/.
2011 26,086.28
S/. 1,000.00
S/. 838.16
S/.
2012 18,123.86
S/. 342.17
S/. 8,728.51
S/.
2013 11,460.51
S/. 14,364.00
S/. 2,316.13
S/.
81
En la siguiente figura se muestra la evolución de los ingresos anuales desde el 2010 hasta
el 2013, asimismo, la evolución de los costos totales de calidad.
Fuente: Elaboración Propia
En la figura se aprecia como los ingresos han aumentado año a año y del mismo modo se
ha incrementado el costo total de calidad de cada año. Es decir, crece los ingresos o ventas
y del mismo modo crece la desorganización.
Figura 25: Ingresos, Costos Totales de la Calidad (2010-2013)
82
2.3 Identificación del problema
Para lograr definir la causa raíz del problema se realizó una lluvia de ideas en las diferentes
áreas de la empresa como Aire Meteorología e Hidrología (AMH), Almacén, Logística,
Instrumentos Analíticos de Laboratorio (AIL), finanzas, tesorería, contabilidad y otras
áreas:
 No existe un correcto procedimiento de trabajo.
 Falta entrenamiento y capacitación.
 Sobrecarga de trabajo.
 Falta de colaboración y coordinación entre compañeros de trabajo.
 Falta priorizar lo realmente urgente.
 Falta un catálogo general de los productos que se ofrecen.
 Mejorar la calidad de impresión de los catálogos
 Cuadro de costos general en la cual se incluyan todos los factores
 Falta de una infraestructura (oficina y taller) adecuadamente implementados
 Falta de equipos para la ejecución de los servicio
 Falta de equipos adecuados que faciliten el trabajo en oficina
 Falta de orden en el almacenamiento de carpetas creadas
 Falta de motivación para resolver un problema del cliente con la mejor solución y no
solo vender productos
 Tiempo de respuesta deficiente en los servicios
 Falta de un stock de repuestos
 Falta de acceso a las unidades de red de información de la empresa
 Falta de inventarios periódicos, para determinar qué hay y qué sirve realmente en
almacén
 Falta de espacio para recepción y despacho para maniobra de mercadería
83
 Falta de un servidor rápido para ingresar al SAP y/ Ver las fotos del previo
 Atención al cliente interno, no hay procesos claros para sacar mercadería de almacén.
 Toda mercadería debe llegar a almacenarse y procesarse en almacén
 Separación ambiente del almacén. No compartir espacios
 Descoordinación del área de ventas, organización despacho
 Falta de personal, asume roles que no le corresponde
 Falta de liderazgo de la jefaturas
 Servidor deficiente
 Capacitación en contabilidad
 Baja de ventas
 Búsqueda de mercado ante la competencia
 Atraso de comisiones
 Falta de personal
 No se cumple disciplinadamente los procedimientos de trabajo.
 Problemas con el sistema de información SAP
 Falta de manual de funciones
 Falta de manejo comunicación entre jefaturas
 Falta de compañerismo
84
2.3.1 Ishikawa (Identificación de Causa Raíz)
Fuente: Elaboración propia
Figura 26: Diagrama Causa Raíz
85
Luego de realizar el diagrama causa-efecto con treinta y ocho ideas recogidas se agrupó en
dieciocho problemas donde se asignó un factor de importancia entre 1 y 5, de menos
importante al más importante, respectivamente, cada problema, además la columna de
frecuencias representa la cantidad de personas que creen que el problema es recurrente. Luego
la columna factor por frecuencia representa la importancia de cada problema ordenado
descendentemente (ver la siguiente tabla).
Tabla 8: Problemas por Frecuencia
Fuente: Elaboración propia
Nro. Problemas
Factor de
importancia
(1-5)
Frecuencia Factor x Frecuencias
1 Falta de procedimientos y funciones 5 6 30
2 Falta de infraestructura 5 6 30
3 Falta de equipos y herramientas calibradas 5 6 30
4 Falta de stock de repuestos y equipos 5 5 25
5 Falta de trabajo en equipo 5 4 20
6 Falta de indicadores claros 4 5 20
7 Reprocesos 4 4 16
8 Falta de liderazgo 4 4 16
9 Falta de inventario 3 5 15
10 Retraso de cotizaciones 5 3 15
11 Alta variabilidad de trabajos 5 3 15
12 Falta de proactividad 4 3 12
13 Falta de planificación 4 3 12
14 Reducción en ventas 5 2 10
15 Falta de cuadro de costos con factores 4 2 8
16 Falta de liquidez 2 3 6
17 Clientes nuevos 5 1 5
18 Otros 1 5 5
86
2.3.2Pareto
Fuente: Elaboración propia
En base a la tabla anterior, se preparó el diagrama de Pareto, donde podemos identificar en qué
problemas debemos priorizar los esfuerzos en incrementar la productividad. El diagrama de
Pareto elaborado, quiere decir que debemos enfocarnos en resolver los problemas de la falta
de procedimientos y funciones(4.2.1), falta de infraestructura(6.3), falta de equipos
herramientas calibradas(7.6), falta de indicadores claros(4.1, e ,f), reprocesos(7.2.2). Éstos
están bastante relacionados con los capítulos en paréntesis de la ISO 9001:2008. Además la
falta de liderazgo es parte de uno de los ocho principios de calidad.
Figura 27: Diagrama de Pareto de los Problemas
87
CAPÍTULO III : EVALUACIÓN DE LA PROPUESTA
DE SOLUCIÓN
La propuesta de solución comienza por alcanzar los objetivos específicos y en consecuencia el
objetivo general, los cuales se mencionan a continuación.
3.1 Objetivo General
 Detallar los pasos para la propuesta de mejora de procesos de un Sistema de Gestión de la
Calidad que permita reducir los costos de calidad en una empresa de venta de equipos de
medio ambiente.
3.2 Objetivos Específicos
 Dar a conocer el marco teórico para la propuesta de implantación de un sistema de gestión
de calidad entera a toda la organización.
 Identificar los procesos actuales y lograr un diagnóstico que evidencie las desviaciones de
calidad y de costos que afectan los resultados de la compañía.
 Proponer un sistema de gestión de la calidad que garantice la documentación y control de
los procesos que afectan a la calidad el cual permita mejorar la productividad y
satisfacción de cliente.
 Realizar recomendaciones que permitan la adecuada implementación de la propuesta del
sistema de gestión de la calidad y los beneficios que se logran bajo su implementación.
88
3.3 Definición de la Documentación de Calidad
A continuación se propone de política de calidad, objetivos de calidad, así como el alcance y
las exclusiones del SGC propuesto para Enviroequip SAC. Asimismo los procedimientos y
registros obligatorios para cumplir con todos los requisitos de la ISO 9001:2008, explicados y
detallados en el Manual de Calidad (Ver ANEXOS). Además el nuevo organigrama con la
propuesta de creación del área de calidad incluida.
3.3.1 Política de Calidad
ENVIROEQUIP S.A.C., ofrece soluciones tecnológicas para satisfacer las necesidades de sus
clientes, a través de la diferenciación y calidad de los bienes y servicios, promoviendo las
relaciones de beneficio mutuo entre cliente y proveedor. El sistema de gestión de calidad
implantado asegura la correcta ejecución de los procesos que realiza el personal enfocado a la
mejora continua (Ver el capítulo 4, ANEXOS, los indicadores alineados a éstos objetivos)
3.3.2 Objetivos de la Calidad
Atender oportunamente los requerimientos del cliente (cotizaciones, servicios, quejas y/o
reclamos)
Entregar soporte técnico, comercial de alta calidad; contando con personal permanentemente
capacitado.
Fomentar la reducción de costos totales de calidad a través de la medición y control de
indicadores.
89
3.3.3 Alcance del Sistema de Gestión de la Calidad
ENVIROEQUIP S.A.C, ha interiorizado los requisitos de la norma ISO 9001:2008 para el
alcance siguiente:
“Servicio de instalación, mantenimiento y capacitación en el uso de los equipos de medio
ambiente y laboratorio”.
90
Capítulo
1 Política de Calidad 5.3
2 Objetivos de Calidad 5.4.1
3 Alcance del SGC 1.2
4 Exclusiones del SGC 7.3
1 Control de Documentos 4.2.3
2 Control de Registros 4.2.4
3 Auditorias Internas 8.2.2
4 Control de No Conformidades 8.30
5 Acciones Correctivas 8.5.2
6 Acciones Preventivas 8.5.3
1 Revisión por la Dirección 5.6.1
2 Educación, Formación, Habilidades 6.2.2 (e)
3 Evidencia procesos en ejecución y resultados 7.1 (d)
4 Resultados revisión requisitos relacionados con el producto 7.2.2
5 Elementos Entrada para el Diseño y Desarrollo 7.3.2
6 Resultados de la Revisión del Diseño 7.3.4
7 Resultados de la Verificación del Diseño 7.3.5
8 Resultados de la Validación del Diseño 7.3.7
9 Resultados evaluaciones del proveedor 7.4.1
10 Demostrar la validación de los procesos 7.5.2 (d)
11 Identificación del producto, cuando la trazabilidad sea requisito 7.5.3
12 Bien del cliente cuando se pierde o deteriore 7.5.4
13 Normas de calibración o verificación del EIME 7.6 (a)
14 Resultado de calibración 7.60
15 Resultado de Auditoria Interna 8.2.2
16 Evidencia conformidad del producto, criterios aceptación 8.2.4
17 Naturaleza de No Conformidad del Producto 8.30
18 Resultado Acción Correctiva y/o Preventiva 8.5.2
MANUAL
DE
CALIDAD
MANUAL DE
CALIDAD
PROCEDIMIENTOS
REGISTROS
ISO 9001: 2008 (Requisitos 4.2.1)
3.3.4 Exclusiones del Sistema de Gestión de la Calidad
Enviroequip SAC, no realiza actividades de diseño y desarrollo, por lo tanto no aplica el punto
7.3 de la norma ISO 9001:2008. Esta exclusión no limita la capacidad o responsabilidad de
Enviroequip SAC, en brindar servicios que cumplan con los requisitos del cliente y
reglamentos aplicables.
3.4.5 Procedimientos y Registros Obligatorios
Los procedimientos y registros obligatorios que debe contener el SGC propuesto, ISO
9001:2008, son las que se detallan a continuación.
Fuente: Adaptado de ISO 9001:2008
Tabla 9: Procedimientos y Registros Obligatorios ISO 9001:2008
91
3.4.6 Instructivos de Trabajo
Complementariamente a los seis (06) procedimientos y dieciocho (18) registros de calidad que
la norma ISO 9001:2008 recomienda como mínimo. Se propone implementar para el área de
servicios los siguientes instructivos y registros.
3.4.6.1 Registro de Formato de Lecciones Aprendidas (FLA)
El Formato de Lecciones Aprendidas (FLA), permitirá registrar las buenas y/o malas
experiencias más relevantes durante la preparación o ejecución de los procesos de ventas,
servicios y/o proyectos. En principio el Field Service o Asesor In house deberá llenar el FLA
en el SAP, identificando el área al que pertenece, el cliente, el número de la carpeta de
referencia, la fecha de creación del documento, la marca y el modelo del equipo, así como,
realizar un pequeño comentario de la lección aprendida, por ejemplo, si cumplió con el
objetivo de lo ofrecido al cliente o qué debería hacer para cumplir los objetivos en el futuro.
Del mismo modo si se realizó el trabajo a tiempo y si se cumplió el presupuesto y las
especificaciones, también, qué circunstancias no se habían previsto, qué se pudo hacer
diferente para lograr mejores resultados, además, mencionar qué sorpresas tuvo que lidiar el
personal. Se debe especificar quién debe ser informado sobre esta lección aprendida, como
personal de servicios, ventas o todo el área y cómo se debería distribuir esta lección aprendida
por email, exposiciones o intranet. Y lo más importante cuántas horas efectivas tomó el trabajo
realizado y cuántas horas tomaría realizarlo nuevamente teniendo en cuenta la lección ya
aprendida. La diferencia de horas es para medir cuán efectivo podría ser el próximo servicio.
La propuesta de registrar esta información es que se guarde en el SAP, agrupado por marca y
modelo de equipos de tal manera que permita filtrar y así sea fácilmente ubicable la
información en la base de datos.
92
En seguida se muestra el instructivo de elaboración del Formato de Lecciones Aprendidas
(FLA).
Instructivo de Registro del FLA
1. Objetivo
Crear el formato de lecciones aprendidas en el SAP por marca y modelo.
Realizar las cotizaciones de manera eficiente, eficaz y rápida en función al contenido del FLA.
Ayudar a reducir el tiempo de adaptación de un personal nuevo a la empresa.
2. Alcance y aplicación
Está dirigido al personal de ventas y servicios que tengan la necesidad de realizar cotizaciones
de bienes y servicios atípicos, específicamente. Con el cual se creará una base de
conocimiento para futuras cotizaciones.
3. Responsabilidad
3.1 Asesor in house
Es responsable de cotizar los bienes y servicios inherentes al tipo de aplicación en
coordinación con los Field Service. El Asesor Inhouse o el Field Service serán responsables de
ingresar y actualizar el FLA en el SAP.
93
3.2 Field service
Es responsable de informar adecuada y oportunamente la situación atípica de la experiencia
buena o mala ya sea después de la culminación de los servicios o después del control de
calidad de los materiales Él deberá guardar en el FLA y en el SAP.
3.3 Jefe de área
Es responsable de informar adecuada y oportunamente al Asesor In House sobre las lecciones
aprendidas al cierre de una venta, servicio o proyecto. Él deberá guardar el FLA en la carpeta
virtual del cliente.
4. Documentos requeridos
Manual de operación de los equipos, ofertas económicas pasadas, carpetas, reportes técnicos,
reportes de campo e informes de diagnóstico.
5. Definiciones
Original Invoice: contienes datos importantes como el Invoice Number, Order Number (CO
XXXX), PO number (XXXX. # Carpeta)
# Carpeta: número correlativo de carpeta física y virtual
Informe de diagnóstico: Registro donde se detalla las condiciones iniciales, diagnóstico y
recomendación técnica del servicio, como cambio de partes o piezas a cotizar. Información
suministrada por el Field Service.
Reporte diario de campo: Registro donde se detalla el tipo de servicio: instalación, verificación
de la calibración, mantenimiento preventivo o correctivo. Además se describe las condiciones
iniciales y acciones realizadas, luego el estado final de la intervención y recomendaciones
finales.
ARM: Autorización de Retorno de Material, registro donde se autoriza el ingreso del equipo o
máquina al almacén central para realizar el diagnóstico y/o servicio.
94
FLA: Formato de Lecciones Aprendidas, registro donde se guardará las lecciones aprendidas
de todos los servicios cotizados y ejecutados que da a conocer los aspectos positivos,
negativos y las lecciones aprendida. Asegurará la gestión de conocimiento dentro de la
organización. Además estará disponible en el SAP para cualquier usuario con acceso a la base
de datos.
6. Desarrollo
Paso 01: Elabora FLA
Culminado el servicio, el field service elabora el formato de lecciones aprendidas (FLA) que
contiene información de buenas o malas experiencias de los servicios realizados
recientemente.
Paso 02: Almacena FLA en el SAP
El asesor inhouse, se encarga de almacenar el FLA en el SAP y en la carpeta virtual del cliente
que corresponda.
Paso 03: Consulta FLA
El caso que el asesor inhouse requiera cotizar un bien o servicio, consultará el FLA en el SAP,
para verificar las dificultades que pudo haber durante la venta o ejecución del servicio.
Asimismo evitar o tener en cuenta para las próximas cotizaciones.
Paso 04: Prepara cotización
El asesor inhouse se encarga de preparar la cotización de acuerdo al o los FLA.
95
7. Registros
OE: Oferta Económica
FLA (Formato de Lecciones Aprendidas)
Informe de diagnóstico (FORM SRV007: Informe de Diagnóstico, Rev 00)
8. Anexos
Manual de operación de los equipos.
Manual de servicios de los equipos.
Diagrama de Flujo Propuesto-FLA
Formato propuesto de Lecciones Aprendidas (FLA)
96
Figura 28: Formato de Lecciones Aprendidas (FLA)
Fuente: Elaboración Propia
CÓDIGO : SGC-F21
VERSIÓN : 01
FECHA : 12-mar-14
AMH AIL PROYECTOS
ÁREA:
MODELO: MARCA:
ADM. VENTAS TODAS LAS ÁREAS
E-MAIL
ELABORADO POR: REVISADO POR:
¿SE REALIZÓ EL TRABAJO A TIEMPO, CUMPLIENDO EL PRESUPUESTO Y LAS ESPECIFICACIONES?
EXPOSICIONES
APROBADO POR:
SERVICIOS
# CARPETA DEL CLIENTE:
CLIENTE
ESPECÍFICAS
Alexander Céspedes Z.
FORMATO DE SGC
FORMATO DE LECCIONES APRENDIDAS
¿CUÁNTAS HORAS HOMBRE EFECTIVAS TOMÓ EL TRABAJO?
DIFERENCIA ESTIMADA(HORAS):
¿CUÁNTAS HORAS HOMBRE EFECTIVAS LE TOMARÍA
HACERLO NUEVAMENTE TENIENDO EN CUENTA LAS LECCIONES
APRENDIDAS?
¿QUÉ SE PUDO HACER DIFERENTE PARA CONSEGUIR MEJORES RESULTADOS?
¿CON QUÉ SORPRESAS TUVO QUE LIDIAR EL PERSONAL ?
¿HAN QUEDADO SATISFECHOS LOS PARTICIPANTES?
GENERALES
¿SE COMPLETÓ EL OBJETIVO DEL SERVICIO OFRECIDO?SI NO,
¿ QUÉ CAMBIOS DEBEN HACERSE PARA CUMPLIR LOS OBJETIVOS EN EL FUTURO?
¿CÓMO DEBE SER DISTRIBUIDO ESTA INFORMACIÓN?
¿QUIÉN DEBE SER INFORMADO SOBRE ESTA LECCIÓN
APRENDIDA?
¿QUÉ SE PUEDE HACER PARA MEJORAR FUTUROS SERVICIOS?¿QUÉ CIRCUNSTANCIAS DEL SERVICIO NO SE HABÍAN PREVISTO?
¿QUÉ SE PUDO HACER DIFERENTE PARA CONSEGUIR MEJORES RESULTADOS?
97
Fuente: Elaboración Propia
Diagrama de Flujo: Formato de Lecciones Aprendidas (FLA)
Asesor Inhouse
Jefe de Área Field Service
Proyecto
de
Tesis
Inicio
Prepara
cotización
Almacena FLA en
carpeta virtual
SAP
Fin
Experiencias
buenas y
malas
Elabora FLA
Formato de
Lecciones
Aprendidas(FLA)
Consulta FLA
Experiencias
buenas y
malas
1.
2.
3.
4.
¿ Cotiza o término
de servicio?
Término de servicio
Cotiza SAP
1
Figura 29: Diagrama de Flujo Propuesto (FLA)
98
Los beneficios del diagrama de flujo anterior propuesto, será reducir los reprocesos en
preparar cotizaciones de productos o servicios similares que ya se ejecutaron. En
consecuencia, las cotizaciones y servicios posteriores serán más eficientes y efectivas. Además
con esta propuesta se espera reducir el tiempo de cotización en un 50%. Esto se verá reflejado
en un ahorro de horas hombre dedicado a la preparación de cotizaciones, es decir, una
reducción de costos.
99
3.4.6.2 Registro del Formato de Protocolo de Pruebas (FPP)
El registro del formato de protocolo de pruebas (FPP) servirá para realizar un diagnóstico
inicial que descarte el estado del equipo al momento del ingreso del equipo al almacén
(máximo 2 días hábiles) con este procedimiento se espera reducir los re-procesos en
diagnósticos. Éste formato deberá ser llenado por el personal field service indicando la fecha,
la persona encargada de realizar el diagnóstico, área a la que pertenece, equipo que
diagnostica. Además, deberá indicar en qué estado se encuentra cada etapa de la prueba y si
existe alguna observación, detallarlo.
Instructivo de elaboración de Protocolo de Pruebas
1. Objetivo
Diagnosticar eficaz y oportunamente en la primera etapa de recepción de equipos para
servicios.
2. Alcance y aplicación
Esta dirigido a los Field Service quienes realizarán los diagnósticos previo a la aprobación del
servicio.
3. Responsabilidad
3.1 Field service
100
Es responsable de realizar el diagnóstico inicial después de recibir la Autorización de Retorno
de Material del equipo para su posterior cotización del servicio.
4. Documentos
Manual de operación y de servicio de los equipos
Formato de Lecciones Aprendidas
5. Definiciones
Informe de diagnóstico: documento donde se detalla las condiciones iniciales, diagnóstico y
recomendación técnica del servicio, como cambio de partes o piezas a cotizar. Información
suministrada por el Field Service.
ARM: Autorización de Retorno de Material, autoriza el ingreso del equipo o máquina al
almacén central para realizar el diagnóstico y/o servicio.
Propuestas técnicas:
FLA: Formato de Lecciones Aprendidas, registro donde se guardará las lecciones aprendidas
de todos los servicios cotizados y ejecutados que da a conocer los aspectos positivos,
negativos y las lecciones aprendida. Asegurará la gestión de conocimiento dentro de la
organización. Además estará disponible en el SAP para cualquier usuario con acceso a la base
de datos.
101
6. Desarrollo
Paso 01: Informa sobre ingreso
El personal de almacén informa por correo electrónico el ingreso de equipos para servicios.
Además, semanalmente (viernes) envía un kardex de ingreso y/o salida de equipos.
Paso 02: Realiza diagnóstico
El field service se encarga de realizar diagnóstico de los equipos que ingresan al taller de
servicios dentro de los dos días hábiles a partir del ingreso físico al taller.
Paso 03: Elabora PP
El field service elabora el protocolo de pruebas (diagnóstico inicial), donde se determina si
requiere más pruebas.
Paso 04: Realiza pruebas
Si requiere más pruebas de operatividad o diagnóstico, realiza el sub proceso de pruebas.
Paso 05: Envía informe diagnóstico
Si no requiere más pruebas envía el informe diagnóstico por correo electrónico al cliente.
Paso 06: Recibe informe diagnóstico
El cliente recibe informe de diagnóstico por correo electrónico.
7. Registros
OE: Oferta Económica
PP ( Protocolo de Pruebas)
Informe de diagnóstico (FORM SRV007: Informe de Diagnóstico, Rev 00)
102
8. Anexos
Manual de operación de los equipos.
Manual de servicios de los equipos.
Diagrama de Flujo Propuesto-PP
Formato de Propuesto de Protocolo de Pruebas (PP)
103
Figura 30: Formato de Protocolo de Pruebas (FPP)
Fuente: Elaboración Propia
CÓDIGO : SGC-F22
VERSIÓN : 01
FECHA : 12-mar-14
ENCARGADO
FECHA DE INGRESO FÍSICO FECHA DE INTERVENCIÓN MÁS DE 2 DÍAS SI NO
ÁREA AMH IAL PROY ¿POR QUÉ?:
EQUIPO NOx SO2 CO HCT PM
AC DC TARJETA ELECTRÓNICA
FLUJO PRESIÓN OTRO
NRO. DE CILINDRO DE GAS
FECHA DE EXPIRACIÓN
PRESIÓN DE LLENADO
NÚMERO DE SERIE
CERO
SPAN
OBJETIVO
METODOLOGÍA
RESULTADO ESPERADO
RESULTADO OBTENIDO
ESTADO DE LA PRUEBA
CONCLUSIÓN
NÚMERO DE SERIE
RESULTADO ESPERADO
RESULTADO OBTENIDO
ESTADO DE LA PRUEBA
CONCLUSIÓN
NÚMERO DE SERIE
CERO
SPAN
OBJETIVO
METODOLOGÍA
RESULTADO ESPERADO
RESULTADO OBTENIDO
ESTADO DE LA PRUEBA
CONCLUSIÓN
NÚMERO DE SERIE
CERO
SPAN
OBJETIVO
METODOLOGÍA
RESULTADO ESPERADO
RESULTADO OBTENIDO
ESTADO DE LA PRUEBA
CONCLUSIÓN
NÚMERO DE SERIE
CERO
SPAN
OBJETIVO
METODOLOGÍA
RESULTADO ESPERADO
RESULTADO OBTENIDO
ESTADO DE LA PRUEBA
CONCLUSIÓN
DIAGNÓSTICO INICIAL:
ELABORADO POR: REVISADO POR: APROBADO POR:
Alexander Céspedes Z.
VERIFICACIÓN DEL SISTEMA NEUMÁTICO
DESTILADORES AUTOMÁTICOS
OLYMPUS
PANALYTICAL
FORMATO DE SGC
FORMATO DE PROTOCOLO DE PRUEBAS
DATALOGGERS Y ESTACIONES METEOROLÓGICAS
VERIFICACIÓN DE ALIMENTACIÓN ELÉCTRICA
MEDICIÓN DE NOx, SO2, CO, HIDROCARBUROS(HCT), MATERIAL PARTICULADO(PM)
104
Fuente: Elaboración Propia
Diagrama de Flujo: Protocolo de pruebas (PP)
Field Service
Almacén Cliente
Proyecto
de
Tesis
Inicio
Realiza
pruebas
Fin
Elabora PP
Protocolo de
Pruebas (PP)
Informa sobre
ingreso
Realiza diagnóstico
¿ Requiere más
pruebas?
Si
Envía Informe
diagnóstico
No
Recibe Informe
diagnóstico
1.
2.
3.
4.
5.
6.
Figura 31: Diagrama de Flujo Propuesto
105
3.4.6.3 Elaboración de Formato de Equipo Canibalizado (FEC)
El instructivo de elaboración de Formato de Equipo Canibalizado (FEC) servirá para realizar
el control de las piezas retiradas de los equipos operativos y/o nuevos para completar o poner
operativos otros equipos de las mismas características.
Instructivo de Elaboración de Formato de Equipo Canibalizado (FEC)
1. Objetivo
Registrar y controlar las piezas retiradas de los equipos canibalizados del stock de equipos.
2. Alcance y aplicación
Esta dirigido a los Field Service que extraen piezas de equipos nuevos u operativos para poner
operativos otros equipos con características similares.
3. Responsabilidad
3.1 Field service
Es responsable de registrar las piezas retiradas a través del FEC después preparar la hoja de
salida de material y recibir la autorización del jefe inmediato.
3.2 Jefe de área
106
Es responsable de controlar la reposición de las partes usadas en el menor tiempo posible.
3.3 Almacenero
Es responsable de realizar seguimiento de los equipos incompletos y coordinar su reposición
inmediata al jefe de área responsable.
Documentos requeridos
Manual de operación y de servicio de los equipos
Formato de Equipo Canibalizado
Salida de Material de Almacén
5. Definiciones
FEC: Formato de Equipos Canibalizados.
SMA: Salida de Material de Almacén
6. Desarrollo del procedimiento
Paso 01: Solita partes o piezas
107
El field service, solicita las partes o piezas requeridas para un servicio, diagnóstico, servicio de
garantía al personal de almacén. Él conjuntamente con el field Service corroboran el stock de
partes o piezas. Otra posibilidad es verificar el stock de equipos compatibles para canibalizar
sus partes.
Paso 02: Solicita autorización de extracción
El field service una vez corroborado el equipo para canibalizar sus partes solicita autorización
de extracción al jefe de área.
Paso 03: Registra extracción de partes o piezas en FEC
El field service registra extracción de partes o piezas en Formato de Equipo Canibalizado
(FEC) y entrega al personal de almacén para su entrega.
Paso 04: Entrega partes o piezas
El personal de almacén, entrega las partes o piezas solicitadas. Asimismo controla la
reposición de estas.
Paso 05: Realiza seguimiento de partes
El jefe de área realiza el seguimiento de las partes extraídas por canibalización, para su pronta
reposición con el proveedor.
7. Registros
108
SMA: Salida de Material de Almacén
FEC: Formato de Equipo Canibalizado.
8. Anexos
Manual de operación de los equipos.
Manual de servicios de los equipos.
Formato de Ingreso Salida de Equipos
Hoja de Salida de Materiales
Diagrama de Flujo Propuesto-FEC
Formato propuesto de Equipo Canibalizado (FEC)
109
CÓDIGO : SGC-F20
VERSIÓN : 01
FECHA : 12-mar-14
FECHA:
RESPONSABLE: FECHA DE SALIDA:
EQUIPO: CORRELATIVO:
FINALIDAD DE LA
CANIBALIZACIÓN:
GARANTÍA VENTA SERVICIO
EQUIPO: MODELO: SERIE:
DETALLES: # CARPETA: INFORME/REPORTE:
ITEM CÓDIGO SAP NÚMERO DE PARTE MODELO SERIE
1
2
3
4
5
6
7
8
9
10
OBSERVACIONES:
AUTORIZADO POR ENTREGADO POR ALMACÉN
V°B° FIRMA FIRMA
RESPONSABLE: FECHA DE SALIDA:
EQUIPO: CORRELATIVO:
FINALIDAD DE LA
CANIBALIZACIÓN:
GARANTÍA VENTA SERVICIO
EQUIPO: MODELO: SERIE:
DETALLES: # CARPETA: INFORME/REPORTE:
ITEM CÓDIGO SAP NÚMERO DE PARTE MODELO SERIE
1
2
3
4
5
6
7
8
9
10
OBSERVACIONES:
AUTORIZADO POR ENTREGADO POR SERVICIOS:
V°B° FIRMA FIRMA
ELABORADO POR: REVISADO POR: APROBADO POR:
Alexander Céspedes Z.
FORMATO DE SGC
FORMATO DE EQUIPO CANIBALIZADO
DETALLES
001-2013
DESCRIPCIÓN DE LA PARTE O PIEZA CANIBALIZADA
EQUIPO CANIBALIZADO
FORMATO DE EQUIPO CANIBALIZADO
REPOSICIÓN DE EQUIPO CANIBALIZADO
001-2013
DETALLES
DESCRIPCIÓN DE LA PARTE O PIEZA CANIBALIZADA
Fuente: Elaboración Propia
Figura 32: Formato de Equipo Canibalizado
110
Fuente: Elaboración Propia
Diagrama de Flujo: Formato de Equipo Canibalizado (FEC)
Almacén
Field Service Jefe de área
Proyecto
de
Tesis
Inicio
Fin
Solicita partes o
piezas
¿Stock?
Solicita autorización de
extracción
Entrega partes o
piezas
Si
Registra extracción de
partes o piezas en FEC
Formato de Equipo
Canibalizado (FEC)
¿Equipo para
canibalizar?
No
Si
Controla reposición
de partes
Realiza seguimiento
de partes
Prepara Salida de
Material de
Almacén
Salida de Material
de Alamacén (SMA)
1.
2.
1
No
1
3.
4.
5.
Figura 33: Diagrama de Flujo Propuesto (FEC)
111
Por lo tanto, la implementación, elaboración de los Protocolos de Pruebas (PP), Formatos de
Lecciones Aprendidas (FLA) y Formato de Equipo Canibalizado buscan soluciones eficientes
para resolver un problema atípico en una base de conocimientos, mediante los cuales se
reducirá los reprocesos. Esto quiere decir que la implementación del SGC garantizan un
ahorro (Ver flujo de caja).
3.4.6.4 Indicador I1-%FLA
El indicador Formato de Lecciones Aprendidas I1-%FLA mide los procesos operativos,
específicamente, al proceso de ventas y servicios de AMH y AIL. Éste indicador ayuda a
medir la eficacia del instructivo propuesto que tiene el objetivo de medir cuántas ofertas
económicas nuevas atípicas se concretaron en órdenes de compra. La fórmula de cálculo del
indicador es un cociente entre las ofertas económicas convertidas en compra respecto las
ofertas económicas nuevas, expresadas en porcentaje (%). La fuente de datos será las ofertas
económicas mensuales realizadas. Asimismo, es importante conocer el rango de gestión válido
para este indicador, como excelente, aceptable o deficiente. Meta inicial de setenta y cinco por
ciento 75%. La frecuencia de medición que se propone es mensual y el análisis de la
información lo realizaría el área de ventas y servicios de AMH o AIL. Los datos deben ser
extraídos del SAP por los asesores in house siendo responsables de la medición mensual. Lo
que se busca es medir los indicadores y en función a ellos tomar acciones correctivas para
mejorarlos.
112
TIPO DE PROCESO
PROCESO
DENOMINACIÓN DEL INDICADOR
TIPO DEL INDICADOR EFICACIA
OBJETIVO DEL INDICADOR
FÓRMULA DE CÁLCULO
DATOS DE LA MEDICIÓN
META
RANGO DE GESTIÓN EXCELENTE: >75% ACEPTABLE: >=30% DEFICIENTE:<30%
PERIODICIDAD O FRECUENCIA
EVOLUCIÓN HISTÓRICA DEL INDICADOR
ANÁLISIS DE LA INFORMACIÓN
FUENTE DE LA INFORMACIÓN
RESPONSABLE DE LA MEDICIÓN
FECHA DE ELABORACIÓN
Mensual
24-10-12
Asesores Inhouse
SAP, FLA y OE
Ventas & Servicios AMH y AIL
75%
Ofertas Económicas mensuales
(OE convertidas en compras/OE nuevas)*100%
Medir cuantas OE nuevas se concretaron en compra.
Procesos Operativos
Ventas(Bienes y Servicios)
I1: %FLA (Formato de Lecciones Aprendidas)
4%
15%
7% 8%
13%
4% 6% 8% 9%
4%
25%
20%
-5%
5%
15%
25%
35%
Evolución 2012
Fuente: Elaboración propia
Figura 34: Indicador I1-%FLA
113
3.4.6.5 Indicador I2-%PP
Enseguida se propone el indicador I2, denominado Protocolo de Pruebas (I2-%PP) con éste se
busca medir la eficiencia de los diagnósticos, para tomar medidas correctivas como
entrenamiento en el mantenimiento de los equipos para el personal de servicio. Los servicios
realizados son inferiores en cantidad si comparamos con las ofertas económicas realizadas
mensualmente, entonces, sería mejor medir su evolución trimestralmente para observar el
acumulado y realizar acciones de mejora posteriormente. Lo que se busca es medir los
indicadores y en función a ellos tomar acciones correctivas para mejorarlos.
114
TIPO DE PROCESO
PROCESO
DENOMINACIÓN DEL INDICADOR
TIPO DEL INDICADOR EFICIENCIA
OBJETIVO DEL INDICADOR
FÓRMULA DE CÁLCULO
DATOS DE LA MEDICIÓN
META
RANGO DE GESTIÓN EXCELENTE: = 0% ACEPTABLE: =< 33% DEFICIENTE: > 34%
PERIODICIDAD O FRECUENCIA
EVOLUCIÓN HISTÓRICA DEL INDICADOR
ANÁLISIS DE LA INFORMACIÓN
FUENTE DE LA INFORMACIÓN
RESPONSABLE DE LA MEDICIÓN
FECHA DE ELABORACIÓN
Procesos Operativos
Servicios
I2: %PP(Protocolo de Pruebas)
Determinar el % de rediagnósticos
(# Rediagnósticos/# Servicios trimestrales)*100%
Servicios Diagnósticados Mensualmente
0%
Mensual
Field Service
24-10-12
Jefe de Ventas & Servicios AMH y AIL
SAP, FLA y OE
2%
15%
7% 8%
-5%
5%
15%
25%
35%
Trimestre 1 Trimestre 2 Trimestre 3 Trimestre 4
Evolución 2012
Fuente: Elaboración Propia
Figura 35: Indicador I2-%PP
115
3.4.6.6 Indicador I3-#FEC
El indicador I3, denominado Formato de Equipos Canibalizados (#FEC) busca tener un
control de equipos operativos en almacén, que son usados para poner operativos otros equipos
que ingresaron a servicio donde surge la necesidad de usar sus partes para superar el
desabastecimiento de repuestos. Es decir, la cantidad de equipos operativos en stock usados
para poner operativos equipos que tienen orden de servicio por partes o repuestos deberían ser
cero, ya que existe un costo de oportunidad relacionado a la venta de un equipo nuevo. Lo que
se busca es medir los indicadores y en función a ellos tomar acciones correctivas para
mejorarlos.
116
TIPO DE PROCESO
PROCESO
DENOMINACIÓN DEL INDICADOR
TIPO DEL INDICADOR EFICIENCIA
OBJETIVO DEL INDICADOR
FÓRMULA DE CÁLCULO
DATOS DE LA MEDICIÓN
META
RANGO DE GESTIÓN EXCELENTE: =0 ACEPTABLE: =1 DEFICIENTE: > 1
PERIODICIDAD O FRECUENCIA
EVOLUCIÓN HISTÓRICA DEL INDICADOR
ANÁLISIS DE LA INFORMACIÓN
FUENTE DE LA INFORMACIÓN
RESPONSABLE DE LA MEDICIÓN
FECHA DE ELABORACIÓN
Jefe de servicio y Almacenero
24/10/2012
Ventas, Servicios AMH y AIL, Almacén
SAP, FEC y OS
0
Mensual
Medir cuántos equipos operativos se dejan
inoperativos por cumplir con el cliente
Número de equipos canibalizados
Formato de Ingreso Salida de Equipos,
Stock de equipos operativos, Órdenes de Servicio
Procesos Operativos
Servicios
I3: FEC (Formato de Equipos Canibalizados)
0 0
1 1
2 2
1 1
0
1 1
0
0.00
0.50
1.00
1.50
2.00
Evolución 2012
Fuente: Elaboración Propia
Figura 36: Indicador I3-#FEC
117
3.2 Manual de Calidad
En el presente manual de calidad propuesto (Ver ANEXOS: SGC-M01 Manual de Calidad
EESAC), ha sido desarrollado con el siguiente fin:
Satisfacer los requisitos de la norma internacional NTP-ISO 9001:2008
Documentar las mejores prácticas de negocio de la empresa.
Entender y satisfacer más adecuadamente las necesidades y las expectativas de los clientes.
Mejorar la administración global de la empresa.
El manual describe el Sistema de Gestión de la Calidad, perfila los campos de autoridad, las
relaciones y los deberes del personal responsable del desempeño de la empresa. Asimismo, el
manual está dividido en ocho secciones que están directamente relacionadas con los requisitos
de la norma ISO 9001:2008. Además se utiliza internamente para orientar a los empleados de
ENVIROEQUIP SAC con respecto a los diversos requisitos de la norma ISO 9001:2008 que
deben ser cumplidos y mantenidos para asegurar la satisfacción del cliente, la mejora continua
y brindar las directivas necesarias que generen una fuerza laboral dotada de poder, autoridad y
responsabilidad.
118
3.3 Organización y Funciones
Fuente: Enviroequip SAC
Figura 37: Organigrama Propuesto
GERENTE GENERAL
GERENTE DE
VENTAS
Y SERVICIOS
JEFE DE PROYECTOS
ASESOR DE
PROYECTOS Y EQ.
DE SANEAMIENTO
JEFE DE IAL
JEFE DE AMH
SECRETARIA DE
AMH
ASESORES INHOUSE
ASESORES
COMERCIALES
FIELD SERVICE
SECRETARIA DE
IAL
ASESORES INHOUSE
ASESORES
COMERCIALES
FIELD SERVICE
JEFE DE ADM.
FINANZAS
SECRETARIA-
RECEPCIÓN
SOPORTE SAP
ASIST. ADM.
SUCURSALES
LOGÍSTICA CONTABILIDAD TESORERÍA RRHH
MARKETING
MENSAJERÍA
119
En la figura anterior se muestra el organigrama compuesto por una gerencia general, gerencia
de ventas y servicios, y sus respectivas jefaturas. En la que se propone la creación de una
gerencia de calidad como se señala. Ésta gerencia se encargará de implementar el sistema de
gestión de la calidad para la compañía, así como, elaborar el manual de calidad, proponer y/o
mejorar los procesos existentes, asimismo, mantener el sistema de gestión de la calidad y
capacitar al personal en temas relacionados a la calidad durante el periodo de implantación y
mantenimiento. En resumen, con esta propuesta de solución se espera implementar el área de
calidad; y con el compromiso de la gerencia general, seguir el programa piloto propuesto,
nombrar al líder del piloto, seguir el plan de trabajo para la implementación, capacitación del
personal, mejorar y optimizar los procesos que sean necesarios.
Por otro lado, con el área de calidad propuesta se espera reducir costos de reprocesos en la
empresa. El costo inicial para ésta mejora está asociado al sueldo del personal nuevo,
capacitaciones internas y externas que más adelante se detalla los costos asociados.
120
3.3.1 Gerente de Calidad
 Las responsabilidades del Gerente de Calidad, con dependencia directa del Gerente
General son las siguientes:
 Hacer un seguimiento y control directo del Sistema de Gestión de la Calidad en las áreas.
 Supervisar a las áreas para el correcto desarrollo de los trabajos fijados en las
especificaciones del cliente.
 Estudiar la mejora de tiempos y métodos de trabajo en colaboración con los Jefes de Área.
 Asistir en las necesidades del personal, su formación y funcionamiento en coordinación
con los Jefes de Área y RRHH.
 Supervisar la formación del personal, en forma conjunta con RRHH y los Gerentes de
área.
 Desarrollar el Sistema de Gestión de la Calidad, de acuerdo con la política de la empresa
definida en el Manual de Calidad.
 Asistir a las reuniones del Comité de Calidad.
 Verificar y mantener la actualización del personal de la empresa, enviado por RRHH.
 Elaborar, mantener y mejorar el Manual de Calidad.
 Elaborar los procedimientos de calidad en los cuales se encuentre involucrado.
 Detectar, identificar y evaluar los problemas de calidad (incidencias, no conformidades o
reclamos), proponiendo soluciones adecuadas y comprobando su implantación y
cumplimiento.
 Informar a la Gerencia General de las modificaciones del Manual de Calidad.
 Controlar la distribución del Manual de Calidad.
 Verificar el cumplimiento del Sistema de Gestión de la Calidad, mediante la realización de
auditorías internas periódicas.
121
 Mantener actualizado el registro de evaluación de proveedores.
 Supervisar periódicamente las condiciones de almacenamiento de los materiales.
 Supervisar el uso y conservación de los registros de calidad.
 Verificar y mantener el archivo de los informes emitidos por el Gerente de Área y/o
Jefaturas sobre las herramientas del área.
 Supervisar el correcto estado operacional de los diferentes equipos de trabajo y control así
como medios de transporte en colaboración con los Gerentes de área y/o Jefaturas de área.
 Preparar toda la documentación referente a las homologaciones solicitadas por los clientes.
122
3.3.2 Gerente de Ventas y Servicios
 El Gerente de Ventas y Servicios con relación a la calidad, asumirá las responsabilidades
del Gerente General en ausencia de éste; garantizando el seguimiento del Sistema de
Gestión de la Calidad. Además, tiene la responsabilidad de coordinar todos los temas
relacionados con la calidad tanto en el área de ventas, servicios, administración,
contabilidad, finanzas, logística, almacén y despacho, así como, la mejora del sistema de
información, haciendo especial hincapié en el cumplimiento y seguimiento del Sistema de
Gestión de la Calidad. Asimismo, tiene en Enviroequip SAC., la autoridad para la
implementación de los procedimientos de trabajo para realizar los servicios encomendados
en su área. Sus responsabilidades con respecto a la calidad son los siguientes:

 Asistir técnicamente a las áreas para el correcto desarrollo de los trabajos fijados en las
especificaciones del cliente.
 Comprobar que los trabajos se llevan a cabo con los materiales, medios y personal
adecuado.
 Recepción, control y distribución de la documentación de calidad aplicable al área y su
cumplimiento.
 Colabora con el Gerente de Calidad en el desarrollo de la documentación de calidad que se
considere necesaria, para el control de las actividades en el área.
 Recopilar datos y analizar la situación de la calidad en las actividades que se realizan en el
área, informando periódicamente al Gerente de Calidad.
 Colaborar con el Gerente de Calidad en la gestión de las acciones correctoras y resolución
de reclamación del cliente.
 Hacer seguimiento de las No Conformidad hasta su cierre.
 Asistir o delegar asistencia a las reuniones con el cliente.
123
 Controlar que se lleven a cabo las acciones correctoras establecidas por el cliente y la
Gerencia de Calidad de la Empresa.
 Realizar los trámites especificados en el contrato correspondiente, antes, durante y al final
de los trabajos en compañía del representante del cliente, si es el caso, e informar a
Gerencia General o a quien esta delegue.
 Proponer al Jefe de Administración y Finanzas para que delegue la adquisición de equipos
de trabajo y medios de control, seguridad y transporte basándose en las necesidades
técnicas y de la optimización en la realización de los servicios.
 Realizar las gestiones de compras de su área con los requisitos de compras locales o en el
exterior.
 Llevar a cabo la actividad comercial que se le asigne ante el cliente e informar a la
Gerencia General o a quien esta delegue los posibles nuevos objetivos.
 Cumplir y hacer que se cumpla toda la documentación que requiera el pedido, por
exigencia del cliente y la gestión interna de Enviroequip SAC Mantener un archivo en el
área correspondiente con todos los registros de la calidad generados por su actuación en
cada servicio y darán evidencia de que los objetivos de calidad están siendo cumplidos,
pudiendo ser revisados por la Gerencia de Calidad o el personal autorizado.
 Participar en la realización de auditorías internas programadas.
 Actualizar en el sistema información los registros contemplados según el trabajo realizado
sobre el cumplimiento de indicadores de gestión.
 Verificar que el área de trabajo esté en óptimas condiciones.
 Otras que deriven de sus funciones.
124
3.3.3 Jefes de Ventas y Servicios
 Asistir técnicamente a los Asesores Inhouse y Field Service para el correcto desarrollo de
los trabajos fijados en las especificaciones del cliente.
 Comprobar que los trabajos se llevan a cabo con los materiales, medios y personal
adecuado.
 Recepción, control y distribución de la documentación de calidad aplicable al área y su
cumplimiento.
 Colabora con el Gerente de calidad en el desarrollo de la documentación de calidad que se
considere necesaria, para el control de las actividades en el área.
 Recopilar datos y analizar la situación de la calidad en las actividades que se realizan en el
área, informando periódicamente al Gerente de Calidad.
 Colaborar con el Gerente de Calidad en la gestión de las acciones correctoras y resolución
de reclamamos o quejas del cliente.
 Ayudar en el seguimiento de las No Conformidad hasta su cierre.
 Asistir o delegar asistencia a las reuniones con el cliente.
 Controlar que se lleven a cabo las acciones correctoras establecidas por el cliente y la
Gerencia de Calidad de la Empresa.
 Realizar los trámites especificados en el contrato correspondiente, antes, durante y al final
de los trabajos en compañía del representante del cliente, si es el caso, e informar a
Gerencia General o a quien esta delegue.
 Proponer al Gerente de Ventas y Servicios para que delegue la adquisición de equipos de
trabajo y medios de control, seguridad y transporte basándose en las necesidades técnicas y
de la optimización en la realización de los servicios.
 Realizar las gestiones de compras de su área con los requisitos de compras locales o en el
exterior.
125
 Llevar a cabo la actividad comercial que se le asigne ante el cliente e informar a la
Gerencia de Ventas y Servicios o a quien ésta delegue los posibles nuevos objetivos.
 Cumplir y hacer que se cumpla toda la documentación que requiera el pedido, por
exigencia del cliente y la gestión interna de Enviroequip SAC Mantener un archivo en el
área correspondiente con todos los registros de la calidad generados por su actuación en
cada servicio y darán evidencia de que los objetivos de calidad están siendo cumplidos,
pudiendo ser revisados por la Gerencia de Calidad o el personal autorizado.
 Participar en la realización de auditorías internas programadas.
 Actualizar y verificar el cumplimiento de indicadores de gestión.
 Verificar que el área de trabajo esté en óptimas condiciones.
 Otras que deriven de sus funciones.
3.3.4 Asesores Comerciales e Inhouse
 Tiene dependencia directa de los Jefes de Ventas y Servicios. Sus funciones inherentes a la
calidad son las siguientes:

 Prepara la oferta económica y técnica solicitada por cada cliente en concordancia con las
normas de la compañía y conforme a lo coordinado con el jefe de ventas y servicios.
 Realizar las coordinaciones necesarias con el personal de servicios para la realización de
los trabajos y tiempos de entrega.
 Mantener comunicación directa con los proveedores para la entrega oportuna de la
mercadería. Asimismo, con el personal de servicios para la entrega de los trabajos.
 Coordinar reuniones con los clientes y Field Service si fuera necesario.
126
 Informar directamente al Gerente de Calidad sobre cualquier incidencia presentada que
afecte a la calidad, o en caso de ausencia de éste a cualquiera de los Jefes o Gerentes
encargados de Enviroequip SAC.
 Mantener los registros de calidad correspondientes.
 Otras que se deriven de sus funciones.
3.3.5 Field Service
 Encargados del control de calidad de la mercadería y realización de los servicios, además
dependen directamente de los Jefes de Ventas y Servicios. Éstos son los responsables de
realizar el control de calidad de la mercadería, planificar, realizar y/o supervisar los
trabajos encomendados por el cliente con las normas e instructivos para un resultado de
calidad. Sus actividades en relación con la calidad son las siguientes:

 Ejecutar y/o supervisar los trabajos de acuerdo a la oferta económica y normas técnicas
inherentes a su especialidad.
 Coordinar con el Asesor In house y/o Jefe de área para la preparación de las ofertas
económicas, para luego ser comunicado al cliente.
 Coordinar con el Asesor In house y/o Jefe de área para la programación de la entrega de la
mercadería al cliente y/o necesidad de algún equipo de medición (calibrador) para el
normal desarrollo de los servicios.
 Llevar el control de la vigencia de los patrones de calibración y los consumibles necesarios
para el mantenimiento de los mismos a través de los manuales de servicio de los equipos
y/o fabricante.
127
 Realizar sus funciones de acuerdo a lo contemplado en los instructivos del cliente si fuese
el caso, como actas de conformidad.
 Controlar y firmar los registros de calidad de los trabajos realizados, conservándolos hasta
su entrega al coordinador o jefe de área.
 Participar en la realización de Auditorías Internas de estar calificados.
 Mantener sus áreas de trabajo en óptimas condiciones.
 Ejecutar el mantenimiento de los equipos de forma correcta a través de la guía de los
manuales de operación y/o servicios y constatar con el proveedor que se realiza con los
medios correctos para esta operación.
 Entrenar a los usuarios finales conforme sus necesidades.
 Enviar informes del servicio a la Gerencia de Calidad.
 Restringir el acceso a áreas de trabajo a personas no autorizadas.
 Otras que se deriven de sus funciones.
3.3.6 Soporte SAP
 Tiene dependencia directa del área de Administración y Finanzas su jurisdicción es
netamente operativo ya sea por medios propios o por la tercerización de servicios. Sus
responsabilidades con respecto a la Calidad son los siguientes:
 Mantener información resguardada en la infraestructura disponible.
 Recomendar al área de Administración y Finanzas la adquisición de equipos o licencias
requeridas para el normal desenvolvimiento de las operaciones.
 Mantener control sobre los equipos en la empresa.
 Mantener actualizada las versiones de los equipos.
128
 Capacitar a los usuarios en el manejo del sistema de información SAP.
 Llevar un back up conforme a la política de la empresa garantizando el control de la
información.
 Analizar la migración de datos en caso sea necesario a fin de que no existan incidencias en
la información.
 Realizar un plan de contingencia que permita ante cualquier eventualidad mantener la
información a salvo.
 Otras que se designen.
129
3.4 Plan de Documentación
El plan de documentación de procesos se va realizar de acuerdo al siguiente cronograma de procedimientos a implementar por área.
Tabla 10: Plan de documentación de Procesos por área
ÁREA PROCEDIMIENTO
MES
1 2 3 4 5 6
Todas P. de Control de Documentos y Registros.
Todas P. de Revisión por la Dirección.
RRHH/SERVICIOS/VENTAS P. de Competencia, Formación y Toma de Conciencia.
VENTAS/SERVICIOS/LOGÍSTICA/ALMACÉN P. de Compras.
VENTAS/SERVICIOS P. de Revisión de los Requisitos Relacionados con el Producto.
VENTAS/SERVICIOS P. de Revisión e Instalación de Equipos AMH&IAL.
VENTAS/SERVICIOS/LOGÍSTICA P. de Control de Equiposde Seguimiento, Medicióny Calibración.
130
VENTAS/SERVICIOS/LOGÍSTICA/ALMACÉN P. de Propiedad del Cliente.
SERVICIOS/LOGÍSTICA/ALMACÉN P. de Identificación y Trazabilidad.
Todas P. de Auditorías Internas
Todas P. de No Conformidad, Acciones Correctivas y Preventivas.
VENTAS/SERVICIOS P. de Atención de Quejas y Reclamos.
VENTAS/SERVICIOS P. de Evaluación y Medición de Satisfacción del Cliente.
Todas P. de Tratamiento de Servicios No Conformes.
Fuente: Elaboración Propio
131
3.5 Plan de Capacitación
En la siguiente tabla 11 se muestra el cronograma de capacitaciones a realizar durante el año
2015. Luego en la tabla 12 y 13 el plan de capacitación, el cual está divido en cinco módulos
que constan en los siguientes cursos, en el primer módulo: Liderazgo y Compromiso en
Gestión de la Calidad, Compromiso en la Gestión de la Calidad, Introducción a los modelos
ISO 9001, Planificación del SGC, en el segundo módulo: Herramientas de Gestión para la
mejora continua del SGC, en el tercer módulo: Implementación y Operación Seguimiento
Análisis y Mejora del SGC, el cuarto módulo formación de auditores internos y por último el
módulo cinco, el cual comprende la difusión de las capacitaciones técnica y comercial
recibidas en fábrica entre el personal de ventas y servicios de AMH e IAL, con la intención de
incrementar las habilidades del personal para que éste mejore su productividad en adelante.
Posteriormente, el Gerente de Calidad estará encargado de realizar las réplicas de temas de
calidad así como la difusión de la política, objetivos, funciones, procedimientos y formatos de
calidad en coordinación con la gerencia general.
Fuente: Elaboración propia
1 2 3 4 5 6 7 8 9 10 11 12
Capacitación
1 Módulo I ( A, B y C)
2 Módulo II
3 Módulo III
4 Módulo IV
5 Módulo V
ACTIVIDAD
MES
Tabla 11: Cronograma de Capacitación
132
Fuente: Elaboración propia
MÓDULO CURSOS HRS # PERSONAS TEMARIO RESUMEN DIRIGIDO A:
Beneficios de la Capacitación de Calidad
Liderazgo y Compromiso
Gestión del Cambio
Bases de los modelos ISO 9001
Difusión del Proyecto SGC
Beneficios de la Gestión de Calidad
Compromiso de todos
Bases de los modelos ISO 9001
Difusión del Proyecto SGC
Modelos ISO 9001
Enfoque al Cliente
Mapa de Procesos
Requisitos relacionados con el producto
Objetivos/Programas de gestión
Gestión de las comunicaciones Internas/Externas
No conformidades, análisis de causa,
acciones correctivas, acciones preventivas
Responsabilidad y Autoridad
Competencia, Capacitación y Toma de Conciencia
Control Operativo
Control de producto no conforme
Seguimiento y medición
Indicadores de Calidad
Análisis y Mejora
IV Auditores Internos del SGC 16 5 Auditoría Interna del SGC
Niveles Gerenciales y
Niveles Supervisores
Niveles Supervisores y
Niveles Operativos
Implementación y Operación Seguimiento Análisis y Mejora del SGC
2
5
5
5
5
III 8
Niveles Gerenciales y
Niveles Supervisores
Introducción a los modelos ISO 9001
Planificación del SGC ( C )
I
8
Niveles Gerenciales y
Niveles Supervisores
Herramientas de Gestión para la mejora continua del SGC
II
Niveles Gerenciales y
Niveles Supervisores
8
Alta Dirección
Liderazgo y Compromiso en Gestión de la Calidad(A) 2
Compromiso en la Gestión de la Calidad(B) 2
Tabla 12: Plan de Capacitación (I, II, III y IV)
133
MÓDULO CURSOS POR MARCA HRS FRECUENCIA
TOTAL HRS
ANUALES
# PERSONAS TEMARIO RESUMEN (TEÓRICO Y PRÁCTICO) DIRIGIDO A:
Thermo Scientific
(Hivol, Partisol,
Analizadores, TEOM)
3.5 Bimestral 21 3
Instalación, Operación Mantenimiento e
Interpretación de los resultados.
Troubleshooting y Lecciones aprendidas
Campbell Scientic
(Estaciones
meteorológicas y otros
sensores)
3.5 Bimestral 21 3
Instalación, Operación y Mantenimiento.
Troubleshooting y Lecciones aprendidas
Cirrus
(Ruido ambiental y
ocupacional)
3.5 Bimestral 21 3
Instalación, Operación, Mantenimiento e
Interpretación de los resultados.
Troubleshooting y Lecciones aprendidas
PANalytical(*) 6 Bimestral 36 3
Instalación, Operación y Mantenimiento.
Troubleshooting y Lecciones aprendidas
Anton Pa_ar 3.5 Bimestral 21 3
Instalación, Operación y Mantenimiento.
Troubleshooting y Lecciones aprendidas
Olympus 3.5 Bimestral 21 3
Instalación, Operación y Mantenimiento.
Troubleshooting y Lecciones aprendidas
Otras marcas AMH y IAL 3.5 Bimestral 21 3
Instalación, Operación y Mantenimiento.
Troubleshooting y Lecciones aprendidas
V
Asesor Inhouse y Field Service
AMH (Ambiental, Meteorología e Hidrología)
Asesor Inhouse y Field Service
IAL(Instrumentos Analíticos de Laboratorio)
Fuente: Elaboración propia
Tabla 13: Plan de Capacitación (V)
134
En la siguiente tabla se muestra el formato del Plan de Auditoría Interna, el cual describe las actividades, plazos y responsables
acordados para un proceso de auditoría.
Fuente: Elaboración propia
CÓDIGO : SGC-P02 F2
VERSIÓN : 01
FECHA : 12/marzo/2014
PÁGINA : 1 de 1
OBJETIVO:Determinar el cumplimiento de los requisitos de la norma ISO 9001:2008
ALCANCE:
SGC-P13/ Servicios Auditor Lider
SGC-P13/ Ventas Auditor Lider
SGC-P07/Servicios Auditor Junior
SGC-P07/Ventas Auditor Junior
SIGLAS
AL
AJ
OBSERVACIONES
SGC-P13 Procedimiento de Evaluación y Medición de Satisfacción del Cliente
PLAN DE AUDITORIA INTERNA
FORMATO
Gerente de Calidad
Auditor Líder
REQUISITOS DELA NORMA
FECHA HORARIO
CARGO
NOMBRE
EQUIPO AUDITOR
Auditor Junior
PARTICIPANTES
06/07/2015 10:00 a.m.
C IER R E D E LA A UD IT OR IA
Nota: Estos horarios podrán variar de acuerdo a las necesidades presentadas en cada área. Se incluirá según corresponda: Receso-Almuerzo, Reunión de equipo auditor y
reunión de avance.
PROCESO / ÁREA AUDITADO
Jefe de Servicios
Servicio de instalación, mantenimiento y capacitación en el uso de los equipos
de medio ambiente y laboratorio
02/11/2015 01:00 p.m.
8.2,5.2, 4.2, 5.6
7.5.3, 7.5.4
EQUIPO AUDITOR
ISO 9001
A P ER T UR A D E LA A UD IT OR IA
Jefe de Ventas
Field Service
InHouse
12:00 p.m.
02/11/2015
06/07/2015 11:00 a.m. 8.2,5.2, 4.2, 5.6
7.4, 7.5.3, 7.6
SGC-P07 Procedimientos de Control de Equipos de Seguimiento, Medición y Calibración
Analista de Procesos
Tabla 14: Plan de Auditoría
135
3.5 Flujo de Caja
En el siguiente flujo de caja se muestran los beneficios estimados de 5%, 6%, 7%, 8% y 10%
de los costos totales de calidad generados por la implementación del SGC ISO 9001:2008.
Asimismo, se muestra los costos totales de la nueva organización, así como un incremento de
costos de la nueva organización, anualmente, tres por ciento (3%), relacionado al incremento
del costo de vida y anualmente diez por ciento (10%) al crecimiento de la ineficiencia de la
organización sin SGC. Es decir, si continúa creciendo los ingresos de la organización y
trabajando de la misma manera (sin SGC) también estaría presente un incremento de los
costos totales de calidad ´por la ineficiencia de sus procesos (más costos de ineficiencia).
El Valor Presente neto (VPN) proyectado sería positivo a partir del quinto periodo de
implantado el SGC en donde se espera un ahorro de casi sesenta y siete mil soles. Además se
calculó la Tasa Interna de Retorno (TIR), obteniéndose un valor de 19%, es decir, es mayor a
la tasa de interés de 12%. Por lo tanto, el proyecto de implantación de un SGC como la ISO
9001:2008, es rentable a largo plazo.
136
Fuente: Elaboración propia
0 1 2 3 4 5
2015 2016 2017 2018 2019 2020
Costos calidad + no calidad 363144,42 399458,87 439404,75 483345,23 531679,75 584847,73
Beneficios 0,05 0,10 0,16 0,23 0,31 0,41
Ahorro proyectado
Ahorro total anual 18157,22 39945,89 70304,76 111169,40 164820,72 239787,57
Costos Nueva Organización -56000,00 -57680,00 -59410,40 -61192,71 -63028,49 -64919,35
Capacitación Interna -13608,00 -14016,24 -14436,73 -14869,83 -15315,92 -15775,40
Capacitación Externa -15400,00 0,00 0,00 0,00 0,00 0,00
Materiales -2000,00 -2060,00 -2121,80 -2185,45 -2251,02 -2318,55
Formatos y Sistemas -2000,00 -2060,00 -2121,80 -2185,45 -2251,02 -2318,55
Otros Costos -3680,40 -3790,81 -3904,54 -4021,67 -4142,32 -4266,59
Costo Total -77288,40 -79607,05 -81995,26 -84455,12 -86988,78 -89598,44
Resultado Final -74531,18 -39661,17 -11690,50 26714,28 77831,95 150189,13
VPN S/. 66.918,00
TIR 19% > 12%
Tabla 15: Flujo de Caja del Proyecto de Implementación del SGC
137
3.6 Productividad Total
En el siguiente cuadro se muestra la productividad total de la empresa desde el año 2008 al
2013, calculada a partir de los estados financieros de la compañía.
Fuente: Elaboración propia
De la tabla anterior se observa que para el año 2008, la productividad total fue de 2.784.
Luego se observa una caída para el año 2009 a 1.608, lo que se traduce en una reducción en
42% de la productividad total respecto del año 2008. Otra caída en el año 2010 a 1.360, lo que
se traduce en una reducción de 15% de la productividad, respecto del año 2009. En el año
2011 se produce un incremento a 1.591 lo que significó un aumento de 17%, respecto del año
2010; pero en el año 2012 se produce una reducción a 1.102 respecto del año 2011 lo que se
traduce en una reducción de 31% de la productividad total. Por último, el año 2013 se reduce a
1.073 lo que significa una reducción de 3% respecto del año 2012. Ahora, si calculamos la
media de las variaciones anuales de la productividad total desde el 2008 al 2013, obtendremos
en promedio una reducción anual de quince por ciento (-15%). Es decir, la productividad total
de la compañía desde el año 2008 al 2013 tiene una tendencia a reducirse conforme se
continúe trabajando sin ningún Sistema de Gestión de Calidad.
Años 2008 2009 2010 2011 2012 2013
VENTAS S/. 7,631,486.00 S/. 7,860,000.00 S/. 7,930,421.00 S/. 12,493,544.61 S/. 9,637,709.00 S/. 14,211,751.00
CAMBIO DE INVENTARIO S/. 250,400.00 S/. 234,000.00 S/. 324,862.20 S/. 294,847.00 S/. 812,174.00 S/. 807,167.00
Sub Total(Numerador) 7,881,886.00
S/. 8,094,000.00
S/. 8,255,283.20
S/. 12,788,391.61
S/. 10,449,883.00
S/. 15,018,918.00
S/.
MANO DE OBRA S/. 798,727.50 1,064,970.00
S/. 1,405,760.40
S/. 1,483,858.20
S/. 1,757,200.50
S/. 2,795,546.25
S/.
MATERIALES S/. 8,800.00 S/. 12,000.00 S/. 13,500.00 S/. 14,800.00 S/. 22,300.00 S/. 15,500.00
SERVICIOS S/. 6,550.00 S/. 13,450.00 S/. 27,000.00 S/. 30,400.00 S/. 34,200.00 S/. 41,800.00
DEPRECIACIÓN S/. 169,932.00 S/. 135,034.00 S/. 388,501.00 S/. 582,751.50 S/. 777,002.00 S/. 947,653.03
INVERSIÓN S/. 1,846,641.00 S/. 3,809,452.00 S/. 4,233,741.00 S/. 5,925,826.00 S/. 6,890,900.00 S/. 10,191,883.00
Sub Total(Denominador) 2,830,650.50
S/. 5,034,906.00
S/. 6,068,502.40
S/. 8,037,635.70
S/. 9,481,602.50
S/. 13,992,382.28
S/.
PRODUCTIVIDAD TOTAL 2.784478691 1.607577182 1.360349334 1.591063851 1.102122031 1.073363899
REDUCCIÓN DE LA PRODUCTIVIDAD -42% -15% 17% -31% -3%
INCREMENTO DE VENTAS(INGRESOS) 2.99% 0.90% 57.54% -22.86% 47.46%
PRODUCTIVIDAD DE MANO DE OBRA 9.535337146 7.356592204 5.612564559 8.389173986 5.452541699 5.063214747
Tabla 16: Productividad Total y de Mano de Obra (2008-2013)
138
Figura 38: Productividad Total y Parcial (2008-2013)
Fuente: Elaboración propia
En la gráfica anterior se observa la tendencia decreciente de la productividad de la mano de
obra de 9.535 en el 2008, se reduce a 7,357 en el 2009, luego continúa reduciéndose hasta
5.612 en el 2010, después un incremento hasta 8.389 en el 2011, para luego una caída a 5.453
en el 2012 y otra caída de la productividad de la mano de obra a 5.063 en el 2013. Asimismo,
se observa el pronóstico de la productividad total y de mano de obra para el año 2014. En ese
sentido, se realizó el cálculo del pronóstico de la productividad total para el año 2014, usando
el método de suavizamiento exponencial (α=0.1, α=0.2 y α=0.5). De los tres se encontró que
el menor error porcentual medio absoluto (MAP) y desviación media absoluta (MAD)
corresponde para α=0.2, se obtuvo 30.44767935 y 0.431692876 respectivamente. Asimismo,
se calculó el pronóstico de la productividad de mano de obra, usando el mismo método de
139
Años 2015 2016 2017 2018 2019
Productividad Parcial (Con SGC) 1.45 1.54 1.67 1.78 1.91
Ventas 0.37 0.40 0.43 0.46 0.49
Compras 19.99 21.35 23.15 24.73 26.41
Almacenaje 179.93 192.15 208.37 222.53 237.65
Distribución 44.98 48.04 52.09 55.63 59.41
Productividad Parcial (Sin SGC) 1.45 1.42 1.39 1.41 1.45
Ventas 0.37 0.37 0.36 0.36 0.37
Compras 19.99 19.71 19.29 19.48 20.00
Almacenaje 179.93 177.37 173.64 175.33 180.04
Distribución 44.98 44.34 43.41 43.83 45.01
Variación Sin SGC y Con SGC 0% 8.3% 19.8% 26.7% 31.8%
suavizamiento exponencial (α=0.1, α=0.2 y α=0.5) se encontró el menor error porcentual
medio absoluto (MAP) y desviación media absoluta (MAD) corresponde para α=0.1, se
obtuvo 39.15373915 y 2.586140187 respectivamente. Es decir, el pronóstico de productividad
total para el 2014 sería de 1.08899 con un ligero incremento de 1.46% respecto del año 2013.
Mientras tanto, el pronóstico de la productividad de mano de obra para el año 2014 sería
5.05664.
Considerando las tendencias de productividad total y la productividad de mano de obra de la
empresa entre el año 2008 y 2013, se ha realizado la siguiente simulación de productividad
parcial de la mano de obra de continuar trabajando sin un sistema de gestión de calidad y
tener implementado un sistema de gestión de calidad. En la siguiente tabla se muestra los dos
escenarios; donde, se ha simulado la productividad de los procesos principales (core business)
de la organización, ya que un incremento o reducción de la productividad en estos procesos
tiene un impacto directo en la productividad total de la empresa.
Tabla 17: Simulación de la Productividad Parcial de Mano de Obra con SGC y sin SGC
Fuente: Elaboración propia
140
En la tabla anterior se observa que la simulación de Productividad Parcial de Mano de Obra
con SGC es de 1.45 el 2015, 1.54 el 2016, 1.67 el 2017, 1.78 el 2018 y 1.91 para el 2019. Por
otro lado, en la tabla anterior se ha considerado la simulación de la Productividad Parcial de
Mano de Obra sin SGC, de continuar trabajando de la misma forma, se espera una
productividad de 1.45 para el 2015, 1.42 el 2016, 1.39 el 2017, 1.41 el 2018 y 1.45 para el
2019. Estos considerables incrementos de productividad se obtienen, también, por el buen
momento económico que atraviesa la empresa con un incremento de 17.2% promedio en
ventas registrados desde el 2008 al 2013. Ver Tabla 16: Productividad Total y de Mano de
Obra (2008-2013). Adicionalmente, para el cálculo de la productividad con y sin SGC de la
tabla anterior se ha considerado el escenario más probable de crecimiento en ventas de 10%
anual, es decir, un incremento de los requerimientos atendidos (órdenes de compra del cliente)
también en 10% anual.
Figura 39: Tendencia de Productividad Parcial con y sin SGC (2015-2019)
Fuente: Elaboración propia
141
De la gráfica anterior podemos decir que en ambos casos existirá un incremento de la
productividad parcial, pero se puede aprovechar mejor implementando un sistema de Gestión
de la Calidad. Además de la Tabla 17: Simulación de la Productividad Parcial de Mano de
Obra con SGC y sin SGC en donde se observa que a partir del segundo año una diferencia de
8%, 20%, 27% y hasta 32% de mejor aprovechamiento del incremento de la productividad.
142
En la siguiente figura se observa las condiciones iniciales, sin SGC y con SGC del año 2015,
en las que se simularon los procesos de ventas (incluye requerimientos de servicios), compras
(facturación y cobro) y distribución. Los requerimientos atendidos para este año son de 288
con un ingreso anual de S/.17 196 218.71, como los ingresos se incrementarán en 10%
anualmente, entonces, los requerimientos anuales también se incrementaran. El costo
promedio de horas- hombre en la empresa es S/.24.51. La eficiencia de los procesos son de
65% para todos los procesos tanto sin SGC y con SGC. El número de personas que trabaja en
el proceso de ventas (incluye servicios), compras, almacenaje y distribución son 22, 3, 1 y 2
respectivamente, además, los costos laborales anuales son de S/. 1 366 711.50, S/. 186
369.75, S/. 62 123.25 y S/.124 246.50 respectivamente. Se ha realizado el cálculo de la
productividad de cada uno de los procesos con sus eficiencias respectivas. Luego se ha
sumado la producción neta y se ha comparado respecto de las ventas realizadas en el periodo
2015, obteniéndose una productividad parcial de la mano de obra de 1.44518284.
143
Ingresos 2015 S/. 17,196,218.71 59,709.09
S/.
Crecimiento
Ventas 288 Compras Almacenaje Distribución
Requerimiento/año
Costo HH(prom) 24.51
S/. Costo HH(prom) 24.51
S/. Costo HH(prom) 24.51
S/. Costo HH(prom) 24.51
S/.
Eficiencia 65% Eficiencia 65% Eficiencia 65% Eficiencia 65%
# Personal 22 # Personal 3 # Personal 1 # Personal 2
Costo Lab/año 1,366,711.50
S/. Costo Lab/año 186,369.75
S/. Costo Lab/año 62,123.25
S/. Costo Lab/año 124,246.50
S/.
2015
Productividad 11,177,542.16
S/. 0.371746413
Ventas 30,067,653.00
S/.
Productividad 11,177,542.16
S/. 19.991696008
Compras 559,109.25
S/.
Productividad 11,177,542.16
S/. 179.925264076
Almacenaje 62,123.25
S/.
Productividad 11,177,542.16
S/. 44.981316019
Distribución 248,493.00
S/.
Productividad 44,710,168.65
S/. 1.44518284
S/. 30,937,378.50
Fuente: Elaboración propia
Figura 40: Simulación de Productividad Parcial de Mano de Obra sin SGC y con SGC 2015
144
En la siguiente figura se observa la simulación, sin SGC y con SGC del año 2016, de los
procesos de ventas (incluye requerimientos de servicios), compras (facturación y cobro) y
distribución. Los requerimientos atendidos para este año son de 317 con un ingreso anual de
S/. 18 915 840.58, como los ingresos se incrementarán en 10% anualmente, entonces, los
requerimientos anuales también se incrementan. El costo promedio de horas- hombre en la
empresa es S/.25.24, la eficiencia de los procesos de ventas, compras, almacenaje y
distribución son de 60% sin SGC y 65% con SGC. El número de personas que trabaja en el
proceso de ventas (incluye servicios), compras, almacenaje y distribución son 22, 3, 1 y 2
respectivamente, además, los costos laborales anuales son de S/. 1 407 712.85, S/. 191 960.84,
S/. 63 986.95 y S/.127 973.90 respectivamente. Se ha realizado el cálculo de la productividad
de cada uno de los procesos con sus eficiencias. Luego se ha sumado la producción neta y se
ha comparado respecto de las ventas realizadas en el periodo 2016, obteniéndose una
productividad parcial de la mano de obra de 1.42467614 sin SGC y con SGC 1.54339915.
145
SIN SGC Ingresos 2016 18,915,840.58
S/. 59,709.09
S/.
Crecimiento 10%
Ventas 316.8 Compras Almacenaje Distribución
Requerimiento/año
Costo HH(prom) 25.24
S/. Costo HH(prom) 25.24
S/. Costo HH(prom) 25.24
S/. Costo HH(prom) 25.24
S/.
Eficiencia 60% Eficiencia 60% Eficiencia 60% Eficiencia 60%
# Personal 22 # Personal 3 # Personal 1 # Personal 2
Costo Lab/año 1,407,712.85
S/. Costo Lab/año 191,960.84
S/. Costo Lab/año 63,986.95
S/. Costo Lab/año 127,973.90
S/.
2016
Productividad 11,349,504.35
S/. 0.366471446
Ventas 30,969,682.59
S/.
Productividad 11,349,504.35
S/. 19.708019963
Compras 575,882.53
S/.
Productividad 11,349,504.35
S/. 177.372179671
Almacenaje 63,986.95
S/.
Productividad 11,349,504.35
S/. 44.343044918
Distribución 255,947.79
S/.
Productividad 45,398,017.39
S/. 1.42467614
S/. 31,865,499.86
CON SGC Ingresos 2016 18,915,840.58
S/. 59,709.09
S/.
Crecimiento 10%
Ventas 316.8 Compras Almacenaje Distribución
Requerimiento/año
Costo HH(prom) 25.24
S/. Costo HH(prom) 25.24
S/. Costo HH(prom) 25.24
S/. Costo HH(prom) 25.24
S/.
Eficiencia 65% Eficiencia 65% Eficiencia 65% Eficiencia 65%
# Personal 22 # Personal 3 # Personal 1 # Personal 2
Costo Lab/año 1,407,712.85
S/. Costo Lab/año 191,960.84
S/. Costo Lab/año 63,986.95
S/. Costo Lab/año 127,973.90
S/.
2016
Productividad 12,295,296.38
S/. 0.397010733
Ventas 30,969,682.59
S/.
Productividad 12,295,296.38
S/. 21.350354960
Compras 575,882.53
S/.
Productividad 12,295,296.38
S/. 192.153194644
Almacenaje 63,986.95
S/.
Productividad 12,295,296.38
S/. 48.038298661
Distribución 255,947.79
S/.
Productividad 49,181,185.51
S/. 1.54339915
S/. 31,865,499.86
Fuente: Elaboración propio
Figura 41: Simulación de Productividad Parcial de Mano de Obra sin SGC y con SGC 2016
146
En la siguiente figura se observa la simulación, sin SGC y con SGC del año 2017, de los
procesos de ventas (incluye requerimientos de servicios), compras (facturación y cobro) y
distribución. Los requerimientos atendidos para este año son de 348 con un ingreso anual de
S/. 20 807 424.64, como los ingresos se incrementarán en 10% anualmente, entonces, los
requerimientos anuales también se incrementan. El costo promedio de horas- hombre para la
empresa es S/.26. La eficiencia de los procesos de ventas, compras, almacenaje y distribución
son de 55% para todos los procesos sin SGC y 65.5%, 66%, 66%, 66% para los procesos antes
mencionados con SGC, respectivamente. El número de personas que trabajan en el proceso de
ventas (incluye servicios), compras, almacenaje y distribución son 22, 3, 1 y 2
respectivamente, además, los costos laborales anuales son de S/. 1 449 944.23, S/. 197 719.67,
S/. 65 906.56 y S/.131 813.11 respectivamente. Se ha realizado el cálculo de la productividad
de cada uno de los procesos. Luego se ha sumado la producción neta y se ha comparado
respecto de las ventas realizadas en el periodo 2017, obteniéndose una productividad parcial
de la mano de obra de 1.39470723 sin SGC y con SGC 1.67047888.
147
SIN SGC Ingresos 2017 20,807,424.64
S/. 59,709.09
S/.
Crecimiento 10%
Ventas 348.48 Compras Almacenaje Distribución
Requerimiento/año
Costo HH(prom) 26.00
S/. Costo HH(prom) 26.00
S/. Costo HH(prom) 26.00
S/. Costo HH(prom) 26.00
S/.
Eficiencia 55% Eficiencia 55% Eficiencia 55% Eficiencia 55%
# Personal 22 # Personal 3 # Personal 1 # Personal 2
Costo Lab/año 1,449,944.23
S/. Costo Lab/año 197,719.67
S/. Costo Lab/año 65,906.56
S/. Costo Lab/año 131,813.11
S/.
2017
Productividad 11,444,083.55
S/. 0.358762499
Ventas 31,898,773.07
S/.
Productividad 11,444,083.55
S/. 19.29344996
Compras 593,159.00
S/.
Productividad 11,444,083.55
S/. 173.6410497
Almacenaje 65,906.56
S/.
Productividad 11,444,083.55
S/. 43.41026242
Distribución 263,626.22
S/.
Productividad 45,776,334.21
S/. 1.39470723
32,821,464.85
S/.
CON SGC Ingresos 2017 20,807,424.64
S/. 59,709.09
S/.
Crecimiento 10%
Ventas 348.48 Compras Almacenaje Distribución
Requerimiento/año
Costo HH(prom) 26.00
S/. Costo HH(prom) 26.00
S/. Costo HH(prom) 26.00
S/. Costo HH(prom) 26.00
S/.
Eficiencia 65.5% Eficiencia 66% Eficiencia 66% Eficiencia 66%
# Personal 22 # Personal 3 # Personal 1 # Personal 2
Costo Lab/año 1,449,944.23
S/. Costo Lab/año 197,719.67
S/. Costo Lab/año 65,906.56
S/. Costo Lab/año 131,813.11
S/.
2017
Productividad 13,628,863.14
S/. 0.427253522
Ventas 31,898,773.07
S/.
Productividad 13,732,900.26
S/. 23.15213996
Compras 593,159.00
S/.
Productividad 13,732,900.26
S/. 208.3692596
Almacenaje 65,906.56
S/.
Productividad 13,732,900.26
S/. 52.0923149
Distribución 263,626.22
S/.
Productividad 54,827,563.92
S/. 1.67047888
32,821,464.85
S/.
Fuente: Elaboración propia
Figura 42: Simulación de Productividad Parcial de Mano de Obra sin SGC y con SGC 2017
148
En la siguiente figura se observa la simulación, sin SGC y con SGC del año 2018, de los
procesos de ventas (incluye requerimientos de servicios), compras (facturación y cobro) y
distribución. Los requerimientos atendidos para este año son de 383 con un ingreso anual de
S/. 22 888 167.10, como los ingresos se incrementarán en 10% anualmente, entonces, los
requerimientos anuales también se incrementan. El costo promedio de horas- hombre para la
empresa es S/.27.58. La eficiencia de los procesos de ventas, compras, almacenaje y
distribución son de 52% para todos los procesos sin SGC y 65.5%, 66%, 66%, 66% para los
procesos antes mencionados con SGC, respectivamente. El número de personas que trabajan
en el proceso de ventas (incluye servicios), compras, almacenaje y distribución son 22, 3, 1 y 2
respectivamente, además, los costos laborales anuales son de S/. 1 493 442.26, S/. 203 651.26,
S/. 67 883.75 y S/.135 767.51 respectivamente. Se ha realizado el cálculo de la productividad
de cada uno de los procesos. Luego se ha sumado la producción neta y se ha comparado
respecto de las ventas realizadas en el periodo 2018, obteniéndose una productividad parcial
de la mano de obra de 1.40824807 sin SGC y con SGC 1.78400657.
149
CON SGC Ingresos 2018 22,888,167.10
S/. 59,709.09
S/.
Crecimiento 10%
Ventas 383.328 Compras Almacenaje Distribución
Requerimiento/año
Costo HH(prom) 27.58
S/. Costo HH(prom) 27.58
S/. Costo HH(prom) 27.58
S/. Costo HH(prom) 27.58
S/.
Eficiencia 65.5% Eficiencia 66% Eficiencia 66% Eficiencia 66%
# Personal 22 # Personal 3 # Personal 1 # Personal 2
Costo Lab/año 1,493,442.56
S/. Costo Lab/año 203,651.26
S/. Costo Lab/año 67,883.75
S/. Costo Lab/año 135,767.51
S/.
2018
Productividad 14,991,749.45
S/. 0.456290169
Ventas 32,855,736.26
S/.
Productividad 15,106,190.29
S/. 24.72558636
Compras 610,953.77
S/.
Productividad 15,106,190.29
S/. 222.5302773
Almacenaje 67,883.75
S/.
Productividad 15,106,190.29
S/. 55.63256931
Distribución 271,535.01
S/.
Productividad 60,310,320.32
S/. 1.78400657
33,806,108.80
S/.
SIN SGC Ingresos 2018 22,888,167.10
S/. 59,709.09
S/.
Crecimiento 10%
Ventas 383.328 Compras Almacenaje Distribución
Requerimiento/año
Costo HH(prom) 27.58
S/. Costo HH(prom) 27.58
S/. Costo HH(prom) 27.58
S/. Costo HH(prom) 27.58
S/.
Eficiencia 52% Eficiencia 52% Eficiencia 52% Eficiencia 52%
# Personal 22 # Personal 3 # Personal 1 # Personal 2
Costo Lab/año 1,493,442.56
S/. Costo Lab/año 203,651.26
S/. Costo Lab/año 67,883.75
S/. Costo Lab/año 135,767.51
S/.
2018
Productividad 11,901,846.89
S/. 0.36224563
Ventas 32,855,736.26
S/.
Productividad 11,901,846.89
S/. 19.48076501
Compras 610,953.77
S/.
Productividad 11,901,846.89
S/. 175.3268851
Almacenaje 67,883.75
S/.
Productividad 11,901,846.89
S/. 43.83172128
Distribución 271,535.01
S/.
Productividad 47,607,387.57
S/. 1.40824807
33,806,108.80
S/.
Fuente: Elaboración propia
Figura 43: Simulación de Productividad Parcial de Mano de Obra sin SGC y con SGC 2018
150
En la siguiente figura se observa la simulación, sin SGC y con SGC del año 2019, de los
procesos de ventas (incluye requerimientos de servicios), compras (facturación y cobro) y
distribución. Los requerimientos atendidos para este año son de 422 con un ingreso anual de
S/. 25 176 983.81, como los ingresos se incrementarán en 10% anualmente, entonces, los
requerimientos anuales también se incrementan. El costo promedio de horas- hombre para la
empresa es S/.30.14. La eficiencia de los procesos de ventas, compras, almacenaje y
distribución son de 50% para todos los procesos sin SGC y 65.5%, 66%, 66%, 66% para los
procesos antes mencionados con SGC, respectivamente. El número de personas que trabajan
en el proceso de ventas (incluye servicios), compras, almacenaje y distribución son 22, 3, 1 y 2
respectivamente, además, los costos laborales anuales son de S/. 1 538 245.83, S/. 209 760.80,
S/. 69 920.27 y S/.139 840.53 respectivamente. Se ha realizado el cálculo de la productividad
de cada uno de los procesos. Luego se ha sumado la producción neta y se ha comparado
respecto de las ventas realizadas en el periodo 2019, obteniéndose una productividad parcial
de la mano de obra de 1.44610986 sin SGC y con SGC 1.90524974.
151
SIN SGC Ingresos 2019 25,176,983.81
S/. 59,709.09
S/.
Crecimiento 10%
Ventas 421.6608 Compras Almacenaje Distribución
Requerimiento/año
Costo HH(prom) 30.14
S/. Costo HH(prom) 30.14
S/. Costo HH(prom) 30.14
S/. Costo HH(prom) 30.14
S/.
Eficiencia 50% Eficiencia 50% Eficiencia 50% Eficiencia 50%
# Personal 22 # Personal 3 # Personal 1 # Personal 2
Costo Lab/año 1,538,245.83
S/. Costo Lab/año 209,760.80
S/. Costo Lab/año 69,920.27
S/. Costo Lab/año 139,840.53
S/.
2019
Productividad 12,588,491.91
S/. 0.371984871
Ventas 33,841,408.35
S/.
Productividad 12,588,491.91
S/. 20.00451971
Compras 629,282.39
S/.
Productividad 12,588,491.91
S/. 180.0406774
Almacenaje 69,920.27
S/.
Productividad 12,588,491.91
S/. 45.01016935
Distribución 279,681.06
S/.
Productividad 50,353,967.63
S/. 1.44610986
34,820,292.06
S/.
CON SGC Ingresos 2019 25,176,983.81
S/. 59,709.09
S/.
Crecimiento 10%
Ventas 421.6608 Compras Almacenaje Distribución
Requerimiento/año
Costo HH(prom) 30.14
S/. Costo HH(prom) 30.14
S/. Costo HH(prom) 30.14
S/. Costo HH(prom) 30.14
S/.
Eficiencia 65.5% Eficiencia 66% Eficiencia 66% Eficiencia 66%
# Personal 22 # Personal 3 # Personal 1 # Personal 2
Costo Lab/año 1,538,245.83
S/. Costo Lab/año 209,760.80
S/. Costo Lab/año 69,920.27
S/. Costo Lab/año 139,840.53
S/.
2019
Productividad 16,490,924.40
S/. 0.487300181
Ventas 33,841,408.35
S/.
Productividad 16,616,809.32
S/. 26.40596602
Compras 629,282.39
S/.
Productividad 16,616,809.32
S/. 237.6536942
Almacenaje 69,920.27
S/.
Productividad 16,616,809.32
S/. 59.41342354
Distribución 279,681.06
S/.
Productividad 66,341,352.35
S/. 1.90524974
34,820,292.06
S/.
Fuente: Elaboración prop
Figura 44: Simulación de Productividad Parcial de Mano de Obra sin SGC y con SGC 2019
152
4. CAPÍTULO IV: CONCLUSIONES
 Luego de estudiar la definición de calidad de reconocidos autores como, Philip B. Crosby,
Joseph M. Juran, Edward Demming, Genichi Taguchi, Kaoro Ishikawa e ISO 9000.
Entonces, según ésta última, la calidad debe entenderse como el grado en el que un
conjunto de características (rasgos diferenciadores) cumple con ciertos requisitos
(necesidades o expectativas establecidas, generalmente implícitas u obligatorias). Es decir,
los requisitos deben satisfacer las expectativas del cliente.
 Existen diversos indicadores de rendimiento como el ROA (ingresos de explotación antes
de amortización divididos por el total de activos), COSTOS/VENTAS (para examinar el
efecto de la productividad), VENTAS/ACTIVOS (para medir el efecto en el marketing).
En el presente trabajo se decidió por un análisis de tendencia de COSTOS/VENTAS,
porque es la información más recomendable para nuestro análisis y comparable entre
periodos contables desde el año 2010 al 2013. En él se lograron observar las desviaciones
de los costos de calidad asociados a la mala calidad.
 Se identificó y realizó el mapa de procesos de Enviroequip SAC. En él se indica los
procesos estratégicos, operativos y de apoyo, del que está compuesto a nivel macro. Éste
ayudó a identificar los subprocesos del que está compuesto cada macro proceso, así, según
la complejidad del proceso se descompuso para identificar y definir correctamente las
funciones y procedimientos dentro de la organización.
 Se propone la implementación de un sistema de gestión de localidad IS0 9001:2008, a
partir del cumplimiento de la política de calidad, el manual de calidad, procesos y
procedimientos controlados con el cual se garantiza una mayor productividad. Éste sistema
garantiza clientes satisfechos y mejora continua de todos los procesos. Implementar el
SGC tomará aproximadamente seis meses, según la cantidad de recursos asignados para
este objetivo.
153
 Al implementar un sistema de gestión de la calidad, si bien es cierto, desde el primer año
no se recuperará lo invertido, pero al contar con un sistema de gestión de la calidad ISO
9001:2008 y la presencia de una gerencia de calidad para su mantención del sistema éste
avala una proyección del flujo de caja en un horizonte de cinco periodos, con el cual,
veremos que invertir en la calidad es un negocio rentable a largo plazo.
 Un enfoque basado en procesos brinda muchos beneficios, principalmente, integra y alínea
los procesos de manera idónea logrando obtener mejores resultados, los cuales se
reflejaran en una reducción de los costos totales de calidad.
 De la lluvia de ideas realizado, los problemas se agruparon por frecuencia e importancia en
dieciocho problemas para elaborar el diagrama de causa-efecto. De esa agrupación se
desprende que debemos priorizar en el veinte por ciento (20%) de los problemas que son la
causa del ochenta por ciento (80%) de estos.
 Se realizó una estimación del flujo de caja de Enviroequip SAC., en donde se calculó que
el Valor Presente Neto (VPN) proyectado sería positivo a partir del quinto periodo de
haber implantado el SGC en donde se espera un ahorro de casi sesenta y siete mil soles.
 De la simulación de la productividad parcial de la mano de obra con un sistema de gestión
de la calidad (SGC), se concluye que la productividad se incrementa en mayor medida
respecto a la productividad de la mano de obra sin SGC, en donde desde el segundo,
tercer, cuarto y quinto periodo se obtendría un incremento de 8%, 20%, 27% y 32%
respecto de una organización sin SGC.
RECOMENDACIONES
 Practicar los ocho principios de calidad: Enfoque al cliente, Liderazgo, Participación del personal,
Enfoque basado en procesos, Enfoque de sistema para la gestión, Mejora continua y Relaciones
mutuamente beneficiosa con el proveedor.
 Se recomienda implementar el sistema de gestión de la calidad ISO 9001:2008, el cual incluye el
manual de calidad, procedimientos, registros y formatos como el procedimiento de la elaboración
de lecciones aprendidas (FLA), protocolos de pruebas (PP), formato de equipos canibalizados
(FEC) , plan de documentación de procesos, capacitación y plan de auditoría interna. Estas
propuestas pretenden reducir los riesgos de realizar re-trabajos como diagnósticos y cotizaciones
imprecisas (no se consideran todos los costos que intervienen en la venta o servicio).
 Se recomienda persuadir a la alta gerencia de la propuesta, ya que ésta sólo tiene sentido si la
gerencia general de la empresa está convencida y comprometida en destinar recursos que
garanticen su ejecución, desarrollo de un sistema de gestión de calidad, es decir, debe cumplir los
ocho principios de calidad antes mencionados. De lo contrario, los costos totales de calidad
seguirán incrementándose según el crecimiento de los ingresos, ya que existe una relación directa
entre el incremento de ventas y los costos totales de calidad, si se sigue trabajando de la misma
manera sin mejorar los procesos.
 Se recomienda implementar un sistema de costos totales de calidad, el cual permitirá evidenciar las
oportunidades de mejora en la organización. Lo que no se mide no se puede controlar y lo que no
se controlar no se puede gestionar. Asimismo, aplicar la herramienta de mejora continua:
Planificar, Verificar, Hacer y Actuar.
BIBLIOGRAFÍA
ALCALDE, Pablo (2010) Calidad .2da. ed. Madrid. Ediciones Paraninfo SA.
ASQC (1977) Guide for Reducing Quality Control, Milwankee, pp 18, 20.
ASOCIACIÓN DE CENTROS PROMOTORES DE LA EXCELENCIA (CEX) (2012)
(http://www.centrosdeexcelencia.com/) Sitio web oficial del Centros de Excelencia se conoce a la
Asociación de Centros Promotores de la Excelencia; contiene información sobre una Guía para una
Gestión Basada en Procesos (consulta:04 de junio)
CAMPANELLA, Jack (1992) Principios de los Costes de la Calidad. España. Ediciones Diaz de
Santos SA.
CARPIO SALINAS, Antonio (AÑO 03) ¿La Calidad Cuesta? pp 25-29. En revista Calidad y
Excelencia, Nro. 14. Edición Internacional.
CORBETT Charles J., MONTES María, J., KIRSCH Mavid A., ÁLVAREZ-GIL María José.
(http://www.iso.org/iso/ims02_04.pdf) Sitio web oficial de la Organización Internacional de
Normalización; contiene información sobre La certificación ISO 9000, ¿Es rentable? (consulta:04 de
junio de 2012)
COMITÉ TÉCNICO 176 DE LA ORGANIZACIÓN INTERNACIONAL PARA LA
ESTANDARIZACIÓN (2003a) Orientación sobre el concepto y uso del Enfoque basado en procesos para
los sistemas de gestión (Consulta: 04 de junio de 2012).
(http://iso9mil.com/orientacion.pdf)
COMITÉ TÉCNICO 176 DE LA ORGANIZACIÓN INTERNACIONAL PARA LA
ESTANDARIZACIÓN (2003b) Orientación sobre el concepto y uso del Enfoque basado en procesos para
los sistemas de gestión (Consulta: 04 de junio de 2012).
(http://iso9mil.com/orientacion.pdf)
CUATRECASAS, Lluis (2012) Gestión de la Calidad Total. Madrid. Ediciones Diaz de Santos SA.
GRAJEDA, Carlos. (2012) Compilación de diapositivas del curso de Gestión de la Calidad. Lima:
UPC.
GRIMM, A.F (1974) Quality Costs: Where Are They in the Accounting Process? ASQC Technical
Conference Transaction, Milwauke, pp 190-200.
GÓMEZ FRAILE, Fermín, TEJERO MONZÓN, Miguel, VILAR BARRIO, José Francisco (2005a)
Cómo hacer el manual de calidad según la nueva ISO 9001:2000. 5ta.ed. Madrid. Editorial FC.
GÓMEZ FRAILE, Fermín, TEJERO MONZÓN, Miguel, VILAR BARRIO, José Francisco (2005b)
Cómo hacer el manual de calidad según la nueva ISO 9001:2000. 5ta.ed. Madrid. Editorial FC.
INSTITUTO TECNOLÓGICO METROPOLITANO (ITM) (2009) Manual de indicadores de gestión.
Bogotá. Editorial S/N.
FONTALVO HERRERA, Tomas Jose, VERGARA SCHMALBACH, Juan Carlos (2010a) La gestión
de la calidad en los servicio ISO 9001:2008. Editorial Eumed-Universidad de Malaga.
FONTALVO HERRERA, Tomas Jose, VERGARA SCHMALBACH, Juan Carlos (2010b) La gestión
de la calidad en los servicio ISO 9001:2008. Editorial Eumed-Universidad de Malaga.
FONTALVO HERRERA, Tomas Jose, VERGARA SCHMALBACH, Juan Carlos (2010c) La gestión
de la calidad en los servicio ISO 9001:2008. Editorial Eumed-Universidad de Malaga.
GRYNA, Frank (1988) Quality Costs, in Juran´s Quality Control Handbook, 4th ed. New York.
MacGraw-Hill.
JESSE T. Barfield, CECILY A., Raiborn, MICHAEL R. Kinney.(2004) Contabilidad de Costos:
Tradiciones e Innovaciones.5ta. ed. Editotial Thomson. Mexico DF.
JURAN Joseph (1990) Juran y la Planificación para la Calidad. Diaz de Santos S.A. Madrid
ISO 9000 (2005) International Organization for Standardization, pp 6, 17. En: Sistemas de gestión de
la calidad -Fundamentos y vocabulario. 
ISO 10005 (2005) International Organization for Standardization, pp 7. En: Sistemas de gestión de la
calidad- Directrices para los planes de calidad.
ISO 9000 (2008) International Organization for Standardization, pp 3. En: Sistemas de gestión de
calidad — Requisitos.
ISO (International Organization for Standardization) (2014a) (http://www.iso.org/iso/about.htm) Sitio
web oficial de la ISO; contiene información de interés (consulta: 02 junio).
ISO (International Organization for Standardization) (2014b)
(http://www.iso.org/iso/about/iso_members/iso_member_body.htm?member_id=2036 Sitio web
oficial de la ISO; contiene información de interés (consulta: 02 junio).
ISO 10005:2005 / TC176 / SC2 Quality systems (2014).
(http://www.iso.org/iso/home/standards_development/list_of_iso_technical_committees/iso_technical
_committee.htm?commid=53896) Sitio web oficial de la ISO; contiene información de interés
(consulta: 23 junio).
LÓPEZ REY, Susana Implementación de un Sistema de Calidad (2006). Vigo (España) Editorial
Ideaspropias.
MARÍN LIRA, Percy Ygnacio (2011) Compilación de diapositivas del curso de Organización y
Métodos: Taller de diseño de procesos. Lima: UPC.
MINISTERIO DE FOMENTO (2005) La gestión por procesos (consulta: 04 de junio de
2012).(http://www.fomento.gob.es/mfom/lang_castellano/direcciones_generales/transporte_por_carret
era/documentos/mejora/gp/)
ORGANIZACIÓN INTERNACIONAL DEL TRABAJO-OIT (1996) Introducción al Estudio del
Trabajo. Ginebra. 4ta. Edición.
PÉREZ FERNÁNDEZ, José Antonio (1994) Gestión de la calidad empresarial: Calidad en los
servicios y atención al cliente total. Madrid: Editorial ESIC.
POLLO MARTÍN, Rocío (2009) Apoyo en la organización de intervenciones en el ámbito
institucional. Vigo. Editorial Ideas Propias.
RUCOBA TELLO, Jorge Luis (2011a) Compilación de diapositivas del curso de Herramientas de la
Calidad: Método de solución de problemas. Lima: UPC.
RUCOBA TELLO, Jorge Luis (2011b) Compilación de diapositivas del curso de Herramientas de la
Calidad: Siete herramientas estadísticas. Lima: UPC.
ROJAS JULIO, Carlos (AÑO 03) Indicadores de Gestión, pp 16-23. En revista Calidad y Excelencia,
Nro. 14. Edición Internacional.
ROBERT I. Wise, "A Method for Aligning Process Level and Strategy Level Performance Metrics"
American Society for Quality, 11th Annual Quality Management Conference.
RIGGS L. James (2001) Sistemas de Producción, Planeación, Análisis y Control. Ed. México DF.
Limusa Noriega Editores. 3ra. Ed.
TOVAR, Arturo, MOTA, Alejandro (2007) Un modelo de administración por procesos. Ciudad de
México. Panorama Editorial SA de CV.
ANEXOS
Anexo 1: SGC-M01 Manual de Calidad
Manual de la Calidad
ISO 9001:2008
de
Calle Mariano de los Santos # 192,
San Isidro, Lima.
Índice
1. Generalidades...............................................................................................................163
1.1 Presentación de la empresa................................................................................163
1.2 Visión...................................................................................................................164
1.3 Misión..................................................................................................................164
1.4 Productos y Servicios .........................................................................................164
2. Alcance y Exclusiones del SGC...................................................................................164
2.1 Alcance.................................................................................................................165
2.2 Exclusiones..........................................................................................................165
3. Términos y Definiciones..............................................................................................165
4. Sistema de gestión de la calidad ..................................................................................166
4.1 Requisitos generales ...........................................................................................166
Fuente: Elaboración Propia .............................................................................................166
4.2 Requisitos de la documentación ........................................................................167
4.2.1 Generalidades ..............................................................................................167
4.2.2 Manual del Sistema de Gestión de la Calidad ..........................................167
4.2.3 Control de Documentos y Registros (4.2.4)...............................................168
5. Responsabilidad de la gerencia....................................................................................169
5.1 Compromiso de la gerencia ....................................................................................169
5.2 Enfoque al cliente ....................................................................................................169
5.3 Política de la calidad...........................................................................................170
5.4 Planificación.............................................................................................................170
5.4.1 Objetivos del Sistema de Gestión de la Calidad ............................................170
5.4.2 Planificación del Sistema de Gestión de la Calidad ......................................171
5.5 Responsabilidad, autoridad y comunicación ........................................................172
5.5.1 Responsabilidad de la dirección......................................................................172
5.5.2 Representante de la dirección .........................................................................172
5.5.3 Comunicación Interna .....................................................................................172
5.6 Revisión por la Dirección........................................................................................173
5.6.1 Generalidades ..............................................................................................173
5.6.2 Información de entrada para la revisión...................................................173
5.6.3 Resultados de la revisión.............................................................................174
6. Gestión de los recursos ................................................................................................174
6.1 Provisión de recursos ................................................................................................174
6.2 Recursos humanos.....................................................................................................174
6.2.1 Generalidades.....................................................................................................174
6.2.2 Competencia, toma de conciencia y formación .................................................175
6.3 Infraestructura ...........................................................................................................176
6.4 Ambiente de trabajo ..................................................................................................177
7 Realización del servicio ...............................................................................................177
7.1 Planificación de la realización del servicio ...............................................................177
7.2 Procesos relacionados con el cliente .........................................................................178
7.2.1 Determinación de los requisitos relacionados con el servicio..................178
7.2.2 Revisión de los requisitos de calidad relacionados con el servicio..........178
7.2.3 Comunicación con el cliente .......................................................................179
7.3 Diseño y desarrollo....................................................................................................179
7.4 Compras ....................................................................................................................180
7.4.1 Proceso de compras.......................................................................................180
7.4.2 Información de las compras ..........................................................................180
7.4.3 Verificación de los productos comprados .....................................................181
7.5.1 Control de operaciones en la prestación del servicio ....................................182
7.5.2 Validación de la prestación del servicio........................................................182
7.5.3 Identificación y trazabilidad..........................................................................183
7.5.4 Propiedad del cliente .....................................................................................183
7.5.5 Preservación del producto .............................................................................184
7.6 Control de los equipos de seguimiento y de medición..............................................184
8 Medición, Análisis y Mejora........................................................................................185
1.1 Generalidades .....................................................................................................185
1.2 Seguimiento y Medición.....................................................................................185
1.2.1 Satisfacción del Cliente ...............................................................................185
1.2.2 Auditoría Interna ........................................................................................185
1.2.3 Seguimiento y Medición de los Procesos...................................................186
1.2.4 Seguimiento y Medición del Servicio .........................................................186
1.3 Control del Servicio No Conforme....................................................................187
1.4 Análisis de datos .................................................................................................188
1.5 Mejora .................................................................................................................188
1.5.1 Mejora continua ..........................................................................................188
1.5.2 Acción Correctiva y Acciones Preventivas (8.5.3)....................................189
2. Anexos .........................................................................................................................189
3. Tabla histórica de cambios...........................................................................................190
1. Generalidades
1.1 Presentación de la empresa
ENVIROEQUIP S.A.C. es una empresa líder del mercado peruano, en la transferencia
tecnológica de bienes y servicios de equipos Medio Ambientales [Ambiental, Meteorología
e Hidrología]; Instrumentos Analíticos - Rayos X – Preparación de muestras para
laboratorios. También proveemos la instalación, mantenimiento, entrenamiento y desarrollo
de métodos y asistencia de post venta. La empresa inició sus operaciones en 1997,
actualmente tiene más de 17 años en el mercado.
El presente Manual de Gestión de la Calidad es propiedad de ENVIROEQUIP SAC
consecuentemente la información contenida no podrá reproducirse total ni parcialmente sin
la correspondiente autorización por escrito del Gerente General. Los poseedores de copias
controladas de este Manual, serán oportunamente informados de los cambios que se
produzcan como consecuencia de las revisiones del mismo.
El presente Manual de Gestión de la Calidad ha sido desarrollado con el siguiente fin:
• Satisfacer los requisitos de la norma internacional NTP-ISO 9001:2008
• Documentar las mejores prácticas de negocio de la empresa.
• Entender y satisfacer más adecuadamente las necesidades y las expectativas de los
clientes.
• Mejorar la administración global de la empresa.
El manual describe el Sistema de Gestión de la Calidad, perfila los campos de autoridad, las
relaciones y los deberes del personal responsable del desempeño de la empresa.
APROBADO POR REVISADO POR ELABORADO POR
Nombre: Nombre:
Nombre: Alexander Céspedes
Zúñiga
Cargo: Gerente General Cargo: Gerente de Calidad Cargo: Analista
El manual está dividido en ocho secciones que están directamente relacionadas con los
requisitos de la norma ISO 9001:2008. Además se utiliza internamente para orientar a los
empleados de ENVIROEQUIP SAC con respecto a los diversos requisitos de la norma ISO
9001:2008 que deben ser cumplidos y mantenidos para asegurar la satisfacción del cliente,
la mejora continua y brindar las directivas necesarias que generen una fuerza laboral dotada
de poder, autoridad y responsabilidad.
1.2 Visión
Ser una empresa líder del mercado peruano en la comercialización de equipos medio
ambientales, ofreciendo a nuestros clientes no sólo instrumentos analíticos para la
protección del medio ambiente y laboratorio si no también transfiriendo a ellos la última y
más avanzada tecnología con que cuentan estos equipos ayudando a crear conciencia social
dentro de las organizaciones y los individuos con el objetivo de alcanzar un desarrollo
sostenible asegurando un medio ambiente saludable para las futuras generaciones.
1.3 Misión
Transferir tecnología ofreciendo a nuestros clientes herramientas analíticas en las áreas de
protección medio ambiental y laboratorio, con el objetivo de mejorar sus procesos,
haciendo sus operaciones más efectivas y eficientes consiguiendo ser mejores socios con el
medio ambiente. Para lo cual la empresa cuenta con un equipo altamente capacitado y
comprometido en satisfacer las necesidades de nuestros clientes.
1.4 Productos y Servicios
Actualmente, ofrecemos a nuestros clientes venta de equipos de medio ambiente y
laboratorio los siguientes servicios :
 Instalación
 Mantenimiento y
 Capacitación
 Venta asesorada
2. Alcance y Exclusiones del SGC
2.1 Alcance
ENVIROEQUIP S.A.C, ha interiorizado los requisitos de la norma ISO 9001:2008 para el
alcance siguiente :
“Servicio de instalación, mantenimiento y capacitación en el uso de los equipos de medio
ambiente y laboratorio.”
2.2 Exclusiones
ENVIROEQUIP S.A.C, no realiza actividades de diseño y desarrollo, por lo tanto, no
aplica el punto 7.3 de la norma ISO 9001:2008. Esta exclusión no limita la capacidad o
responsabilidad de ENVIROEQUIP S.A.C, en brindar servicios que cumplan con los
requisitos del cliente y reglamentos aplicables.
3. Términos y Definiciones
TRAZABILIDAD: Capacidad del sistema productivo para identificar los agentes (personas,
equipos, insumos, etc.) involucrados en la elaboración de determinado producto o servicio.
Rastreo que puede llevarse a cabo, en muchas ocasiones con una identificación en el mismo
producto o servicio.
CALIDAD: Grado en el que un conjunto de características inherentes cumple con los
requisitos.
CONFORMIDAD: Cumplimiento de un requisito.
NO CONFORMIDAD (NC): Incumplimiento de un requisito.
PROCEDIMIENTO: Forma específica para llevar a cabo una actividad o un proceso. Los
procedimientos pueden estar documentados o no. Cuando un procedimiento está documentado
se utilizará el término “procedimiento documentado”.
PROCESO: Conjunto de actividades mutuamente relacionadas o que interactúan, las cuales
transforman elementos de entrada (materia prima, insumos, materiales, equipo, tecnología,
mano de obra, tiempo y conocimiento) en resultados o salidas (productos y/o servicios).
4. Sistema de gestión de la calidad
4.1 Requisitos generales
En cuanto a los requisitos generales, ENVIROEQUIP S.A.C, ha identificado el mapa de
procesos, donde se muestra la interacción de los procesos estratégicos, operativos y de
apoyo. El de mayor importancia, proceso operativo, el cual muestra la interacción de la
línea de negocio de la empresa.
Fuente: Elaboración Propia
4.2 Requisitos de la documentación
4.2.1 Generalidades
ENVIROEQUIP S.A.C, cuenta con documentos que describen el SGC e incluyen:
 Manual del Sistema de Gestión de la Calidad incluyendo el alcance y las referencias
hacia los demás documentos a emplear.
 La política y objetivos de calidad.
 Los procedimientos e instructivos que describen los procesos del SGC requeridos
por las Norma ISO 9001:2008.
 El Mapa de procesos de la empresa.
 Los registros que evidencian la conformidad con los requisitos de la Norma ISO
9001:2008.
En resumen, el cumplimiento de los requisitos de la norma se ve evidenciado en el presente
manual de calidad, la declaración de la política y objetivos de calidad, alcance y
exclusiones.
4.2.2 Manual del Sistema de Gestión de la Calidad
En la pirámide documentaria, éste documento se encuentra en la cúspide, el cual contiene el
alcance del Sistema de Gestión de la Calidad (SGC) desde el punto de vista de la Norma
ISO 9001:2008, la política, los objetivos de calidad y exclusiones, asimismo, la estructura
organizacional, las responsabilidades, la referencia a los procedimientos documentados
establecidos y la descripción de la interacción entre los procesos del SGC. Del mismo
modo, aparecen los formularios y registros en la base de la pirámide que constituyen
evidencias y mecanismos de control para los procesos del SGC.
Los documentos del SGC están clasificados según la estructura general que se muestra en
el gráfico siguiente :
Estructura documentaria del Sistema de Gestión de la Calidad (SGC) de
ENVIROEQUIP S.A.C.
4.2.3 Control de Documentos y Registros (4.2.4)
Para controlar los documentos necesarios para el funcionamiento del SGC,
ENVIROEQUIP S.A.C, ha definido :
 La aprobación de los documentos antes de su distribución para asegurar su
adecuación.
 La revisión y actualización de los documentos cuando sea necesario y nueva
aprobación.
 Identificación de los cambios y el estado de revisión actual de los documentos.
 Las versiones actualizadas de los documentos aplicables se encuentran disponibles
para los usuarios según corresponda.
 Fácil identificación y legibilidad de los documentos.
 El control de los documentos obsoletos y su identificación adecuada si son
conservados para cualquier propósito.
Manual de calidad
Políticas, objetivos de calidad,
alcance y exclusiones
Procedimientos de calidad y
trabajo
Registros e Instrucciones
Los registros de ENVIROEQUIP S.A.C, son mantenidos para evidenciar la conformidad
con los requisitos establecidos por las Normas ISO 9001:2008.
La identificación, archivo, protección, recuperación, tiempo de conservación y destino final
de los registros ; así como disposiciones para el mantenimiento de registros legibles y
legítimos, se realiza de acuerdo al siguiente procedimiento documentado : SGC-P01
Procedimiento de Control de Documentos y Registros.
Además incluye los seis procedimientos documentados y dieciocho registros obligatorios
por la norma ISO 9000:2008.
5. Responsabilidad de la gerencia
5.1 Compromiso de la gerencia
ENVIROEQUIP S.A.C cuenta con un comité de calidad (Gerencias y Jefaturas) que se
formó a raíz del compromiso con el desarrollo e implementación del sistema de gestión de
la calidad que esta compañía tiene, así como la mejora continua de su eficacia. Todo el
personal de ENVIROEQUIP S.A.C sabe y es consciente de lo importante que es satisfacer
las necesidades del cliente y todos trabajan con ese objetivo. Para ello, ENVIROEQUIP
S.A.C, cuenta con todos los recursos para cumplir este objetivo partiendo desde una
política de calidad que es detallada en este capítulo. Además la gerencia realiza revisiones
periódicas del SGC de acuerdo a lo indicado en el SGC-P02 Procedimiento de Revisión
por la Dirección.
5.2 Enfoque al cliente
ENVIROEQUIP S.A.C tiene como objetivo principal satisfacer las necesidades del cliente.
Asimismo, se ha asegurado de la medición del nivel de satisfacción del cliente,
directamente a través de encuestas de satisfacción y la recepción de sus observaciones
previstas de monitoreo del Sistema de gestión de la Calidad. Para éste fin se asegura del
cumplimiento de los siguientes procedimientos:
SGC-P12 Procedimiento de Atención de Quejas y Reclamos.
SGC-P11 Procedimiento No Conformidad, Acciones Correctivas y Preventivas.
5.3 Política de la calidad
ENVIROEQUIP S.A.C., ofrece soluciones tecnológicas para satisfacer las necesidades de
sus clientes, a través de la diferenciación y calidad de los bienes y servicios, promoviendo
las relaciones de beneficio mutuo entre cliente y proveedor. El sistema de gestión de
calidad implantado asegura la correcta ejecución de los procesos que realiza el personal
enfocado a la mejora continua.
Además, está previsto que la política de calidad del SGC sea periódicamente examinada en
la revisión anual por la dirección (Ver 5.6) y adaptada a las condiciones internas y del
entorno, de modo que siempre actuamos bajo un lineamiento único.
5.4 Planificación
5.4.1 Objetivos del Sistema de Gestión de la Calidad
Se han establecido y diseñado los objetivos de calidad de tal manera que sean
coherentes a las políticas de calidad, para que puedan ser cuantificables a través de los
indicadores implementados. Éstos objetivos son susceptibles a ser modificados en
coherencia con la mejora continua del SGC.
1. Atender oportunamente los requerimientos del cliente (cotizaciones, servicios,
quejas y/o reclamos)
2. Entregar soporte técnico, comercial de alta calidad; contando con personal
permanentemente capacitado.
3. Fomentar la reducción de costos totales de calidad a través de la medición y
control de indicadores.
N° FÓRMULA UNIDAD META FRECUENCIA
Costo de Prevención/Costo
de Ventas Netas Facturadas
↗
Costo de Evaluación/Costo de
Ventas Netas Facturadas
↗
Costo de Fallos
Internos/Costo de Ventas
Netas Facturadas
↘
↘
Costo Fallos Externos/Costo
de Ventas Netas Facturadas
# Clientes Satisfechos/# de
Clientes Encuestados
Entregar soporte técnico,
comercial de alta calidad;
contando con personal
permanentemente
capacitado.
Costo de Capacitación
Estratégica (Invertido
Estratégicamente) VS Costo
Total de Capacitación (Según
el Programa Anual de
Capacitación) Semestral
Fomentar la reducción de
costos totales de calidad
a través de la medición y
control de indicadores.
COSTO TOTAL DE CALIDAD/COSTO
DE VENTAS NETAS FACTURADAS
% Semestral
%
CAPACITACIÓN COSTO
ENCUESTAS DE SATISFACCIÓN DE
LOS CLIENTES
↗
↗
# Quejas o Reclamos
atendidos por área VS Total
de Quejas o Reclamos
%
# Requerimientos entregados
a tiempo VS Requerimientos
Realizados
%
↘
↗
Mensual
Mensual
POLITICADE CALIDAD OBJETIVOS INDICADORES
ENVIROEQUIP S.A.C.,
ofrece soluciones
tecnológicas para
satisfacer las
necesidades de sus
clientes, a través de la
diferenciación y calidad
de los bienes y
servicios, promoviendo
las relaciones de
beneficio mutuo entre
cliente y proveedor. El
sistema de gestión de
calidad implantado
asegura la correcta
ejecución de los
procesos que realiza el
personal enfocado a la
mejora continua.
1
Atender oportunamente
los requerimientos del
cliente(Cotizaciones,
Servicios, quejas y/o
reclamos)
CUMPLIMIENTO DE ATENCIÓN
2
3
En la siguiente tabla se muestra de manera resumida la política de calidad, objetivos,
indicadores asociados, fórmula de cálculo, unidad de medida y la frecuencia de medición.
Fuente: Elaboración propia
5.4.2 Planificación del Sistema de Gestión de la Calidad
La Gerencia General ha asumido las principales responsabilidades gerenciales para la
implementación, mantenimiento y mejora del SGC. Por otro lado, se ha planificado
realizar el seguimiento para lograr los objetivos a través de una revisión de los objetivos
periódicamente.
Mínimo una vez al año o con mayor frecuencia, la gerencia general debe revisar el
manual del SGC y realizar las adaptaciones necesarias. Estas modificaciones pueden ser
el manual completo o solo secciones individuales. Asimismo, tiene la responsabilidad
de adaptar el SGC en los procesos y documentación, ante cualquier cambio que se
genere en la empresa; garantizando así su integridad y continuidad.
Tabla 18: Cuadro resumen de política, objetivos de calidad e indicadores
GERENTE GENERAL
GERENTE DE
VENTAS
Y SERVICIOS
JEFE DE PROYECTOS
ASESOR DE
PROYECTOS Y EQ.
DE SANEAMIENTO
JEFE DE AIL
JEFE DE AMH
SECRETARIA DE
AMH
ASESORES INHOUSE
ASESORES
COMERCIALES
FIELD SERVICE
SECRETARIA DE
AMH
ASESORES INHOUSE
ASESORES
COMERCIALES
FIELD SERVICE
JEFE DE ADM.
FINANZAS
SECRETARIA-
RECEPCIÓN
SOPORTE SAP
ASIST. ADM.
SUCURSALES
LOGÍSTICA CONTABILIDAD TESORERÍA RRHH
MARKETING
MENSAJERÍA
GERENTE DE
CALIDAD
5.5 Responsabilidad, autoridad y comunicación
5.5.1 Responsabilidad de la dirección
La Gerencia General, se asegura que las responsabilidades, interrelación, autoridad del
personal sean definidas y comunicadas mediante el Manual de Organización y
Funciones (MOF).
Fuente : Elaboración Propia
5.5.2 Representante de la dirección
La gerencia ha cumplido con designar un Representante de la Dirección, el cual vela
por el mantenimiento, continuidad y mejora del mismo y posee las debidas funciones
mencionadas en las normas adoptadas. Asimismo, el representante de la dirección
pertenece al comité de calidad.
5.5.3 Comunicación Interna
Figura 45: Organigrama EESAC
La gerencia general de ENVIROEQUIP S.A.C, asegura que se establezcan medios de
comunicación apropiados para el desarrollo eficaz del SGC y considera lo siguiente:
Reuniones efectuadas por las diferentes áreas y gerencia, cada vez que se considere
necesario, dejando evidencia de estas acciones y decisiones en el formato: SGC-F4
Acta de Reunión.
En la comunicación de trabajo diario, serán utilizados canal oral directo o remoto
mediante teléfonos o escrito mediante correos electrónicos.
5.6 Revisión por la Dirección
5.6.1 Generalidades
La gerencia general conjuntamente con el Representante de la Dirección efectúa por lo
menos una revisión de una vez al año del Sistema de Gestión de la Calidad,
contrastando con la edición de la norma NTP-ISO 9001 vigente. Asimismo, la revisión
incluye la evaluación de las oportunidades de mejora y la necesidad de efectuar cambios
en el Sistema de Gestión de Calidad, incluyendo la política y objetivo de calidad. SGC-
P02 Revisión por la Dirección.
5.6.2 Información de entrada para la revisión
La información requerida para que la dirección realice la revisión incluye:
 Reportes de auditoría
 Informes de encuestas de satisfacción del cliente.
 Informe de desempeño de los procesos y la conformidad del servicio.
 Reporte del estado de las acciones correctivas y preventivas.
 Revisión por la dirección.
 Reportes de cambios que podrían afectar el SGC.
 Reporte de recomendaciones de mejora.
5.6.3 Resultados de la revisión
Los resultados de la revisión por la dirección incluyen todas las decisiones y acciones
relacionadas con la mejora de la eficacia del sistema de gestión de la calidad y sus
procesos, la mejora del servicio en relación con los requisitos del cliente y las
necesidades de recursos. Es decir, incluyen las recomendaciones, conclusiones,
acuerdos y demás temas relacionados al SGC. Según lo establecido en el procedimiento
SGC-P02 Revisión por la Dirección.
6. Gestión de los recursos
6.1 Provisión de recursos
ENVIROEQUIP S.A.C implementa y mantiene el sistema de gestión de calidad mejorándolo
continuamente. En ese sentido la responsabilidad para el abastecimiento de los recursos
requeridos recae en el Gerente General, quien aprueba la adquisición de recursos y puede
delegar esto al jefe de administración y finanzas. Los elementos esenciales de los recursos
requeridos (personal, maquinarías, software y hardware) tienen que ser canalizados por el
Gerente General. Asimismo, los resultados de la auditoría interna, observaciones, NC,
oportunidades de mejora registradas y encuestas de satisfacción a clientes son usadas como una
pauta para los recursos requeridos.
6.2 Recursos humanos
6.2.1 Generalidades
El personal que realice trabajos que afecten la calidad es competente con base en la
educación, formación, habilidades y experiencia demostrada.
De acuerdo a los alcances del SGC los requisitos y competencias de cada puesto de
trabajo están definidos en el Manual de Organización de Funciones (MOF).
6.2.2 Competencia, toma de conciencia y formación
A efecto de dar cumplimiento a este requisito, ENVIROEQUIP S.A.C, determina la
competencia del personal a través del procedimiento de competencias y la detección de
capacitación:
 Selección de personal e ingreso de personal. SGC-F6 Declaración Jurada de
Datos Personales, SGC-F7 Ingreso de Personal.
 Realizar al menos una vez al año una nueva evaluación de desempeño del
personal, generando el informe correspondiente a fin de determinar los puntos
débiles e incluirlos en el programa de capacitación anual a fin de lograr un mejor
desempeño del personal a mediano y largo plazo.
 Realización de exámenes al término de los cursos dictados o demostración de lo
aprendido a través de exposiciones al personal, a fin de determinar el grado de
aprendizaje del trabajador.
 Entrenamiento con programas de capacitación, evaluación de personal, listas de
asistencia, eficacia de la capacitación que se evalúan mediante verificaciones en
el puesto de trabajo y mediante una medida de errores detectados en el puesto de
trabajo. El programa de capacitación se programará anualmente en el formato
SGC-F8 Programa Anual de Formación.
 Inducción en la formación, teniendo en cuenta las necesidades prioritarias del
personal y de la empresa.
 Sensibilización a todo el personal para una adecuada identificación con su
trabajo y la empresa a fin de buscar alinear los objetivos personales de los
trabajadores con los objetivos de la empresa.
 Los certificados internos y externos que avalen la formación y calificación del
personal serán incluidos en el file del personal.
 Lo antes descrito se encuentra en el Procedimiento, SGC-P03-Competencia,
Formación y Toma de Conciencia.
6.3 Infraestructura
ENVIROEQUIP S.A.C, proporciona y mantiene la infraestructura necesaria para lograr la
conformidad con los requisitos de los servicios que ofrece para esto cuenta con un local
administrativo, almacén y taller de servicios con espacio para realizar las actividades que se
requiere.
La infraestructura para llevar a cabo los procesos incluye:
 Espacios adecuados para almacenar los bienes del cliente.
 Espacios de trabajo ordenado, limpio con buena iluminación y
ventilación apropiada.
 Pasadizos de libre tránsito.
 Equipos informáticos con capacidad y software necesarios para el
control de registro y emisión de información. Sistemas de Información
SAP que ayudan a elaborar las cotizaciones por servicios,
mantenimientos, capacitaciones, piezas o partes de equipos, así como,
accesibilidad al intranet para ver la carpeta del cliente y verificar los
manuales.
 Mobiliario y equipo necesario para desarrollar correctamente el SGC
(módulos, silla y equipo de cómputo, archivadores, armarios, cámaras,
equipo de aire acondicionado, extintores, impresoras, mesas de
reuniones, scanner, etc.)
 Materiales, equipos y herramientas necesarias y en buen estado para
otorgar los servicios solicitados.
 Medios de Comunicación (teléfono fijo, teléfonos móviles, skype, correo
electrónico, etc.)
 Instalaciones para el servicio alimenticio del personal (comedor).
Se cuenta también con equipos altamente sofisticados que permiten la instalación,
mantenimiento y calibración de los equipos en taller y/o en campo. Además de contar con
indumentaria de trabajo y equipos para la seguridad en los trabajos. El servicio de limpieza de
toda la infraestructura es realizada por proveedor externo.
6.4 Ambiente de trabajo
ENVIROEQUIP S.A.C, establece, evalúa y propicia la mejora del ambiente de trabajo
necesario para lograr la conformidad con los requisitos del personal por medio de:
 Condiciones de salud y seguridad, establecidas en Ley de Seguridad y
Salud en el Trabajo.
 Condiciones Ergonómicas para actividades desarrolladas en la oficina,
según lo indicado en el la Ley de Seguridad y Salud en el Trabajo.
 Métodos de trabajo (Procedimientos e Instructivos).
 Instalación de servicios requeridos para comodidad del personal
(SS.HH., comedor, botiquín, etc.).
 Reuniones de confraternidad que promueven la interacción del personal,
así como actividades de esparcimiento.
7 Realización del servicio
7.1 Planificación de la realización del servicio
ENVIROEQUIP S.A.C, planifica y desarrolla los procesos necesarios para la ejecución de
sus servicios a través de los procedimientos e instrucciones de trabajo. Asimismo,
planifica los servicios o visitas a clientes según su programación. Los servicios se
programan quincenalmente de acuerdo al a la carga de trabajo y disponibilidad de personal
en el siguiente Procedimiento : SGC- P06 Planificación de Revisión e Instalación de
Equipos AMH&IAL
7.2 Procesos relacionados con el cliente
7.2.1 Determinación de los requisitos relacionados con el servicio.
La determinación e identificación de los requisitos especificados por el cliente,
incluyendo los requisitos para las actividades de entrega del servicio, se realizará según
se detalla en el contrato de servicios o bases del concurso, ofertas técnicas/económicas,
correos electrónicos, actas de reuniones y en las especificaciones técnicas del cliente
(orden de compra), dicha información se consolidará para luego entregarse a los jefes de
área con la finalidad de cumplir los requisitos relacionados con el servicio se realizará la
contratación de proveedores externos de servicios. En el caso específico para
licitaciones y/o contratos, los requisitos del cliente se obtienen de las Bases de
Licitaciones Públicas con el estado (OSCE).
7.2.2 Revisión de los requisitos de calidad relacionados con el servicio.
Antes que se adquiera un compromiso con los clientes para proporcionar un servicio, ya
sea propuesta preliminar, aceptación de contrato o aceptación de cambio en el contrato,
ENVIROEQUIP S.A.C (Gerentes y Jefes) realizan una revisión de los requerimientos
solicitados por el cliente, incluyendo cualquier cambio que sea solicitado.
A fin de asegurar lo siguiente:
 Los requisitos del servicio, estén definidos.
 Las diferencias existentes entre los requisitos del pedido o contrato y los
expresados previamente sean resueltos.
 La capacidad para cumplir con los requisitos definidos por el cliente.
 En caso que exista necesidad de modificación del contrato, se registrará en una
adenda al contrato inicial, dichas modificaciones serán comunicadas a los
involucrados los cuales implementarán dentro de los procedimientos internos si
fuese necesario.
Usualmente el cliente proporciona el contrato de servicios / bases del concurso donde se
establecen sus requisitos.
Cuando el cliente no proporcione una declaración documentada de los requisitos del
servicio, ENVIROEQUIP S.A.C, confirma éstos requisitos antes de la aceptación, a
través de la comunicación con el cliente vía correo electrónico.
Cuando los requisitos del servicio son modificados, el cliente los envía a
ENVIROEQUIP S.A.C y estos son comunicados a las áreas interesadas (ventas y/o
servicios), generando en algunos casos adendas al contrato original (cuando involucra
mayores recursos).
Para el caso de licitaciones, los requisitos del cliente son revisados minuciosamente,
antes de emitir la propuesta técnica/económica. La emisión y firma de las mismas
evidencia la revisión de los requisitos del cliente.
Los requisitos del cliente son revisados constantemente para evaluar la capacidad del
cumplimiento de los mismos; y se deja evidencia en los correos y las versiones de las
propuestas técnicas y económicas del cliente (carpeta del cliente).
7.2.3 Comunicación con el cliente
ENVIROEQUIP S.A.C, ha identificado y establecido las disposiciones necesarias para
establecer un sistema eficaz de comunicación con los clientes que abarca lo siguiente:
 Información sobre los servicios.
 Consultas si existiesen dudas relacionadas a contratos y pedidos, incluyendo las
modificaciones.
 Retroalimentación de los clientes según lo establecido en el SGC-P12
Procedimiento de atención de quejas y reclamos; y SGC-P11 Procedimiento
de No Conformidad, Acciones Correctivas y Preventivas.
7.3 Diseño y desarrollo
Excluido del alcance (Ver 2.3)
7.4 Compras
7.4.1 Proceso de compras
ENVIROEQUIP S.A.C, se asegura de adquirir materiales o servicios que cumplan con los
requisitos de compra especificados, con la finalidad de determinar los lineamientos para la
gestión del personal usuario y de las áreas de apoyo que se han definido el proceso de compra
de materiales estableciendo el SGC-P04 Procedimiento de Compras, cabe resaltar que la
compra de repuestos se realiza de manera coordinada entre el encargado de Logística y la
Jefatura de Servicios y/o Field Service responsable.
ENVIROEQUIP S.A.C, define los criterios de evaluación, selección y re-evaluación de los
proveedores (internos y externos) de materiales y servicios en función de su capacidad para
brindar el servicio de acuerdo a los requisitos establecidos, para ello cuenta con el SGC-P04
Procedimiento de Compras y en los formatos de registro: SGC-F9 Pedido de Importación
de Bienes, SGC-F10 Requerimiento de compra, SGC-F11 Evaluación y Seguimiento de
Proveedores.
En el caso de proveedores de las que se tiene representación exclusiva se considera proveedor
único.
7.4.2 Información de las compras
ENVIROEQUIP S.A.C, ha establecido especificaciones técnicas para la adquisición de
materiales, equipos, herramientas y servicios que afectan la calidad del servicio, en función a
los requerimientos del cliente.
Servicios
 Especificaciones técnicas del servicio prestación por los contratistas respecto a la
supervisión y ejecución de trabajos.
Herramientas
 Especificaciones técnicas de materiales, maquinarias y equipos que sean considerados
como activos de la empresa.
Compras inventario
Para el caso de compras de productos que se comercializan, la identificación de la necesidad de
reponer inventarios se realiza de la siguiente manera:
El jefe de ventas y servicios reporta la necesidad de reposición de equipos, partes, piezas o
consumibles por medio del formato SGC-F9 Pedido de Importación de Bienes.
El encargado de Logística, con la información recibida y previa aprobación de administración y
finanzas y/o gerencia de ventas emite la orden de compra al proveedor. En donde se encuentran
todas las especificaciones de los productos a adquirir.
Compras no inventario
Para el caso de adquisición de productos y servicios como mantenimiento de las instalaciones
de almacén, taller de servicios o local administrativo, los responsables identifican sus
necesidades y gestionan directamente su adquisición con los proveedores a través del formato
SGC-F10 Requerimiento de compra, si conociera los límites de compra establecidos.
RESPONSABLE TIPO DE COMPRA
Jefe de servicios EPPs, partes, piezas y consumibles para
servicios.
Jefe de
administración y
finanzas (Logística)
Servicio de mantenimiento de las
instalaciones, compra de muebles, pólizas y
otros.
Secretaria-
Recepcionista
Artículos de oficina, de limpieza y otros.
7.4.3 Verificación de los productos comprados
La verificación de los productos a proveedores, se realiza control de calidad sobre la
mercadería adquirida. Éste control consta de una inspección visual con la finalidad de
identificar lo solicitado por la orden de compra emitida y el invoice del proveedor. Se
encuentra bajo la responsabilidad del área de servicios en coordinación con la sección de
almacén y logística. El siguiente procedimiento SGC-P05 Procedimiento de Revisión de los
Requisitos Relacionados con el Producto y el instructivo SGC-INS01 Instructivo de
Control de Calidad.
7.5 Prestación del servicio
7.5.1 Control de operaciones en la prestación del servicio
ENVIROEQUIP S.A.C, planifica y controla las operaciones de ejecución del SGC, de acuerdo
a la disponibilidad de información descrita y lo establecido en las especificaciones técnicas del
servicio: Oferta técnica y económica del cliente anexas al contrato de servicios o bases del
concurso.
 La disponibilidad de procedimientos e instrucciones técnicas.
 La disponibilidad, utilización de dispositivos de seguimiento y medición adecuados.
 La implementación de actividades de liberación, entrega y actividades posteriores a la
entrega de los servicios, como certificados de calibración, informe de diagnóstico,
reportes técnico de servicio y actas de conformidad del cliente.
 Existen procedimientos documentados e instructivos que detallan las actividades
específicas de trabajo de cada proceso desde la recepción, almacenamiento y despacho.
Asimismo, cuando el cliente cuente con su propio sistema de gestión, se validará la exigencia y
se aplicará los controles que soliciten que lo requiera.
7.5.2 Validación de la prestación del servicio
Existen procesos ligados al servicio que son susceptibles a ser validados, al hacerse evidentes
las deficiencias cuando ya está ocurriendo la prestación del mismo. Por ejemplo, si no
validamos debidamente el Proceso de control de calidad, posteriormente podríamos tener
problemas de instalación y puesta en marcha de los equipos. Asimismo, en la etapa de
mantenimiento de estos, por la incorrecta verificación previa a la entrega al cliente. El servicio
concluye con la emisión del acta de conformidad del cliente.
Todos los procesos de prestación de comercialización y servicios en ENVIROEQUIP SAC son
debidamente identificables, por lo tanto este punto no es aplicable y no es incluido dentro del
SGC.
Se incluye esta sección para mantener correspondencia con la Norma ISO 9001:2008 respecto a
la numeración de las secciones.
7.5.3 Identificación y trazabilidad
En ENVIROEQUIP S.A.C, lleva cabo la identificación y trazabilidad de dos maneras:
1. La primera, se identifica el producto nuevo (equipos, partes, piezas o consumibles)
recientemente exportados. En este caso se elabora un Certificado De Operatividad
(CDO), donde se describe las condiciones con las que llegó el producto y las pruebas de
operatividad realizadas en el taller de servicios antes de su entrega al cliente. Ésta
identificación se realiza en el siguiente Instructivo SGC-INS01 Instructivo de Control
de Calidad.
2. La segunda, se identifica los equipos que ingresan al taller de servicio con un #
Autorización de Retorno de Material (ARM), donde se describe las condiciones con que
ingresa el equipo, como las causas del ingreso: reparación, mantenimiento o garantía.
Asimismo, se controla el ingreso y salida de equipos a través del formato SGC-F17
Kardex de Ingreso-Salida de Equipos.
En ambos casos se identifica el equipo por una etiqueta de trazabilidad, donde de manera
resumida se menciona el # ARM, # Carpeta del cliente, Nombre del equipo, Nombre de la
persona que realizó la revisión, fecha, calibración o tipo de mantenimiento si fuera el caso.
De esta forma es que la empresa identifica y verifica la trazabilidad de los productos que
comercializa y realiza servicios.
7.5.4 Propiedad del cliente
En el caso que se reciban bienes del cliente (documentos: Manuales de operación, equipos,
materiales o información en diferentes medios de almacenamiento) con indicación de
devolución, mientras éstos estén bajo custodia de ENVIROEQUIP S.A.C. El personal
asignado, será responsable de identificar, verificar, proteger y mantener los bienes del cliente,
hasta su devolución. Por lo cual, deberá verificar y registrar el estado de los bienes antes de
recibirlos. Cualquier bien del cliente que se pierda, deteriore o que de algún otro modo se
estime que es inadecuado para su uso es comunicado al cliente por carta o correo electrónico
por el responsable de ejecución del servicio para dar la solución inmediata al problema. Todas
las observaciones de los equipos del cliente como cantidades de piezas entregadas y
descripción de problemas técnicos serán registradas como lo indica el procedimiento de SGC-
P08 Propiedad del Cliente y en el siguiente formato SGC-F14 Registro de Pérdida o
Deterioro del Bien del Cliente.
7.5.5 Preservación del producto
ENVIROEQUIP S.A.C, preserva la conformidad del servicio durante el proceso interno y la
entrega de mismo. El resultado tangible de los servicios prestados a los clientes es la
documentación generada, la cual se identifica, manipula, almacena adecuadamente el equipo
del cliente y se protege para evitar la pérdida o deterioro de los mismos. La preservación de las
partes constitutivas del servicio (materiales) se realiza según lo establecido en el SGC-INS02
Instructivo de Almacenaje de Equipos o Materiales.
7.6 Control de los equipos de seguimiento y de medición
ENVIROEQUIP S.A.C, determina las actividades de seguimiento y medición que se requieran
para proporcionar la evidencia de la conformidad de los procesos y de los servicios con los
requisitos determinados, para asegurar que el seguimiento y medición puedan realizarse de una
manera coherente con los requisitos de la norma, respecto a los materiales comprados. Los
equipos de medición registrados están:
 Mantenidos
 Calibrados o verificados a intervalos específicos contra patrones de medición, trazables
a patrones nacionales o internacionales, a través de organismos acreditados.
 Ajustados o reajustados cuando sea necesario.
 Protegidos contra daños y el deterioro durante la manipulación, mantenimiento y
almacenamiento.
En el siguiente formato se registra la calibración y mantenimiento de instrumentos
SGC-F13 Registro de Calibración y Mantenimiento de Instrumentos.
8 Medición, Análisis y Mejora
1.1 Generalidades
ENVIROEQUIP S.A.C, planifica e implementa procesos de seguimiento, medición,
análisis y mejora necesarios para lo siguiente:
• Demostrar la conformidad de los servicios.
• Asegurar la conformidad y mejora continua del SGC.
• Mejorar continuamente la eficacia del SGC.
1.2 Seguimiento y Medición
1.2.1 Satisfacción del Cliente
ENVIROEQUIP S.A.C, lleva a cabo el seguimiento de la información relativa a la
percepción de sus clientes respecto al cumplimiento de sus requisitos, a través del
SGC-P13 Procedimiento de Evaluación y Medición de Satisfacción del Cliente,
con el fin de mejorar la calidad del servicio, se utiliza el formato de SGC-F19
Encuesta de Satisfacción del Cliente o en otras circunstancias se utiliza la
siguiente web: www.encuestafácil.com , para realizar las encuestas de manera
online, dando resultados inmediatos de análisis e interpretación de los resultados y
elabora un informe general a manera de reporte ejecutivo. Los resultados serán
presentados a los Jefes de Área y Gerencia General con el fin de buscar estrategias,
diseñar políticas y ejecutar acciones de mejora para asegurar la calidad de nuestros
servicios.
1.2.2 Auditoría Interna
ENVIROEQUIP S.A.C, planifica periódicamente la realización de auditorías
internas de acuerdo al SGC-P10 Procedimiento de Auditorías Internas para
determinar si el Sistema de Gestión de Calidad:
 Es conforme con lo planeado y con los requisitos de las Normas ISO
9001:2008.
 Se ha implementado y se mantiene de manera eficaz.
ENVIROEQUIP S.A.C, planifica en el formato SGC-F15 Programa Anual de
Auditorías Internas tomando en consideración el estado y la importancia de los
procesos y las áreas a auditar, así como los resultados de auditorías previas.
En la planificación de las auditorias se definen los criterios de auditoría, el alcance
de la misma, su frecuencia y metodología. La selección de los auditores y la
realización de las auditorias aseguran la objetividad e imparcialidad del proceso de
auditoría. Los auditores no auditan su propio trabajo. En el SGC-P10
Procedimiento de Auditorías Internas se definen las responsabilidades y
requisitos para la planificación y la realización de las auditorías, para informar de
los resultados y para mantener registros.
1.2.3 Seguimiento y Medición de los Procesos
ENVIROEQUIP S.A.C, aplica herramientas de medición para realizar el
seguimiento y control de los procesos involucrados en el sistema de gestión de la
calidad. En estas herramientas se realiza el seguimiento a las actividades,
responsables, cumplimiento de fechas, tiempos de ejecución, entre otros. Por
ejemplo, se usarán Indicadores de Gestión como, el Cumplimiento de Atención,
Capacitación Costo, Encuestas de Satisfacción de los clientes y Costo Total de
Calidad/Costo de Ventas Netas Facturadas. Los resultados son analizados en las
reuniones de Comité Gerencial cuando sea necesario.
1.2.4 Seguimiento y Medición del Servicio
ENVIROEQUIP S.A.C, realiza el seguimiento y medición de las características de
los servicios para verificar que se cumplen los requisitos de los mismos. Se ha
implementado herramientas de calidad que ayudan a monitorear y medir la
ejecución del servicio, como la evolución de los indicadores de gestión.
La liberación de la prestación del servicio no se lleva a cabo hasta que se haya
completado satisfactoriamente las disposiciones planificadas en las especificaciones
técnicas del cliente, en las caracterizaciones, procedimientos e instructivos técnicos,
a menos que sean aprobados de otra manera o por el cliente.
Se lleva un control en las etapas apropiadas, a saber:
 Antes: por medio de controles citados en el instructivo SGC-INS01
Instructivo de Control de Calidad.
 Durante: por medio de controles citados en SGC-P09 Identificación y
Trazabilidad.
1.3 Control del Servicio No Conforme
ENVIROEQUIP S.A.C, asegura cuando el servicio no sea conforme con los requisitos, se
identifique y se controle para prevenir su uso o entrega no intencional. Los controles, las
responsabilidades relacionadas con el tratamiento del servicio no conforme están definidos
en el SGC-P14 Procedimiento de Tratamiento de Servicios No Conformes.
En caso de presentarse un servicio no conforme, ENVIROEQUIP S.A.C, los trata de la
siguiente forma:
• Tomando acciones para eliminar las no conformidades detectadas.
• Autorizando su uso, liberación o aceptación bajo concesión por una autoridad
pertinente y, cuando sea aplicable, por el cliente.
• Tomando acciones para impedir su uso o aplicación originalmente prevista.
• ENVIROEQUIP S.A.C, identifica los servicios no conformes y mantiene los
registros de las acciones tomadas al respecto. SGC-F20 Servicios No Conformes
Detectados. Cuando se corrige un servicio no conforme, se somete a una nueva
verificación para demostrar la conformidad con los requisitos.
1.4 Análisis de datos
ENVIROEQUIP S.A.C determina, recopila y analiza los datos apropiados para demostrar
la idoneidad y la eficacia de su SGC.
Utiliza la información recabada por la medición y monitoreo de los procesos para evaluar
donde puede realizar la mejora continua de la eficacia del SGC.
El análisis de los datos (indicadores de desempeño de los procesos) se realiza de acuerdo a
los objetivos estratégicos y objetivos de calidad del SGC. Se determina la frecuencia de
medición, responsables de obtener y analizar datos, así como; los documentos y registros
correspondientes.
Entre estos datos se encontraran los generados por el resultado del seguimiento y medición
de:
 La satisfacción del cliente, de acuerdo al SGC-P13 Procedimiento de Evaluación
y Medición de Satisfacción del Cliente.
 La conformidad con los requisitos del servicio registrado en el Informe mensual de
servicios no conformes.
 Las características, tendencias de los procesos y de los servicios, incluyendo las
oportunidades para llevar a cabo acciones preventivas.
 La evaluación del desempeño de los proveedores.
1.5 Mejora
1.5.1 Mejora continua
ENVIROEQUIP S.A.C, con base en el ciclo PHVA (planificar, hacer, verificar y
actuar) podemos evidenciar que la mejora continua se proyecta como una constante.
Entre los principales componentes del sistema que la propician están:
La política del SGC.- La continua adecuación y evolución de la misma genera
compromisos más exigentes.
Los objetivos del SGC.- Al ser renovables, se pueden mantener hasta ser
alcanzados, para luego elevar su exigencia. (Ver 5.4.1)
Las mediciones internas.- Se establecen metas dinámicas en el tiempo para
evidenciar la mejora.
Los resultados de las auditorías internas.- Como motor principal de la mejora,
generan acciones correctivas, preventivas y evidencian oportunidades de mejora.
(Ver 8.2.2)
Análisis de datos.- Está previsto que mediante el análisis de los datos se pueden
tomar decisiones y oportunidades de mejora.
La revisión anual por la gerencia.- Este evento marca el fin y el inicio de un
nuevo periodo del funcionamiento del sistema, generando decisiones gerenciales
para la adecuación y mejora del SCG. (ver 5.6.3)
1.5.2 Acción Correctiva y Acciones Preventivas (8.5.3)
ENVIROEQUIP S.A.C, toma acciones para eliminar la causa de no conformidades
con el objetivo de prevenir que vuelva a ocurrir.
Las acciones correctivas son apropiadas a los efectos de las no conformidades
encontradas. El Procedimiento SGC-P11 Procedimiento No conformidad,
Acciones Correctivas y Preventivas, el cual implica:
 Revisar las no conformidades detectadas.
 Investigar y determinar las causas de las no conformidades.
 Evaluar la necesidad de adoptar acciones para asegurarse que las no
conformidades vuelvan a ocurrir.
 Determinar e implementar las acciones necesarias.
 Registrar los resultados de las acciones tomadas.
 Revisar las acciones correctivas y preventivas tomadas.
2. Anexos
SGC-P01 Procedimiento de Control de Documentos y Registros.
SGC-P02 Procedimiento de Revisión por la Dirección.
SGC-P03 Procedimiento Competencia, Formación y Toma de Conciencia.
SGC-P04 Compras.
SGC-P05 Procedimiento de Revisión de los Requisitos Relacionados con el Producto
SGC-P06 Procedimientos de Revisión e Instalación de Equipos AMH&IAL.
SGC-P07 Procedimientos de Control de Equipos de Seguimiento, Medición y Calibración.
SGC-P08 Procedimiento de Propiedad del Cliente.
SGC-P09 Procedimiento de Identificación y Trazabilidad.
SGC-P10 Procedimiento de Auditorías Internas
SGC-P11 Procedimiento de No Conformidad, Acciones Correctivas y Preventivas.
SGC-P12 Procedimiento de Atención de Quejas y Reclamos.
SGC-P13 Procedimiento de Evaluación y Medición de Satisfacción del Cliente.
SGC-P14 Procedimiento de Tratamiento de Servicios No Conformes.
SGC-F4 Acta de Reunión.
SGC-F5 Revisión por la Dirección.
SGC-F6 Declaración Jurada de Datos Personales
SGC-F7 Ingreso de Personal.
SGC-F8 Programa Anual de Formación.
SGC-F9 Pedido de Importación de Bienes
SGC-F10 Requerimiento de Compra
SGC-F11 Evaluación y Seguimiento de Proveedores
SGC-F12 Revisiones de los requisitos relacionados con el producto
SGC-F13 Registro de Calibración y Mantenimiento de Instrumentos
SGC-F14 Registro de Pérdida o Deterioro del Bien del Cliente
SGC-F15 Programa Anual de Auditorías Internas
SGC-F16 Revisión e Instalación de Equipos AMH&IAL
SGC-F17 Kardex de Ingreso-Salida de Equipos
SGC-F18 Autorización de Retorno de Material
SGC-F19 Encuesta de Satisfacción del Cliente
SGC-F20 Servicios No Conformes Detectados
SGC-INS01 Instructivo de Control de Calidad
SGC-INS02 Instructivo de Almacenaje de Equipos o Materiales
3. Tabla histórica de cambios
Versión Fecha Hojas Afectadas Causa
0 02/06/2014 Todas Elaboración del
manual de calidad
Anexo 2: SGC-P07 Procedimiento Control de Equipos de
Seguimiento y Medición
1. OBJETIVO
Determinar el seguimiento y la medición de los servicios brindados al cliente y proporcionar la
evidencia de la conformidad con los requisitos.
2. ALCANCE
El presente procedimiento es aplicable al área de servicios y almacén, desde la identificación del
instrumento o equipo hasta su almacenamiento.
3. RESPONSABLE
a) Jefes de Servicios
Es responsable de verificar y hacer cumplir éste procedimiento. Así como, el
cumplimiento de la actualización de su registro a través de la persona que delegue
como responsable directo.
b) Field Service
Es responsable de revisar el equipo y colocar el sticker de revisión, según el instructivo
de control de calidad, para los equipos de importación. Asimismo, es responsable de
verificar el llenado de todos los campos vacíos, asimismo, la descripción de la falla
presentada descrito en el ARM correlativo del cliente.
c) Encargado de Almacén
Es el responsable de mantener almacenado en buenas condiciones los equipos de
medición.
d) Analista de Procesos
Es responsable de verificar periódicamente o cuando sea conveniente el cumplimiento de
los registros de este procedimiento.
APROBADO POR REVISADO POR ELABORADO POR
Nombre: Nombre: Nombre: Alexander Céspedes Z.
Cargo: Cargo: Cargo: Analista de Procesos
4. RECURSOS
4.1 Documentos requeridos
 Norma ISO 9001:2008 Sistema de Gestión de la Calidad – Requisitos
5. DEFINICIONES
Inspección: Evaluación de la conformidad por medio de observación y dictamen, acompañada
cuando sea apropiado por medición, ensayo/prueba o comparación con patrones.
Verificación: Confirmación mediante la aportación de evidencia objetiva de que se han
cumplido los requisitos especificados.
NOTA 1.- El término "verificado" se utiliza para designar el estado correspondiente.
NOTA 2.- La confirmación puede comprender acciones tales como:
 la elaboración de cálculos alternativos,
 la comparación de una especificación de un diseño nuevo con una especificación de un
diseño similar probado,
 la realización de ensayos/pruebas y demostraciones, y
 la revisión de los documentos antes de su emisión.
Equipo de medición: Instrumento de medición, software, patrón de medición, material de
referencia o equipos auxiliares o combinación de ellos necesarios para llevar a cabo un proceso
de medición.
6. DESARROLLO DEL PROCEDIMIENTO
6.1 Flujo
OBJETIVO: Registrar calibración y mantenimiento de instrumentos
ALCANCE: Área de Servicios
Descripción
Diagrama de flujo Ejecutor
REGISTRO
DE
CALIBRACIÓN
O
VERIFICACIÓN
DE
INSTRUMENTOS
1. El field service se encarga de identificar y registrar la
calibración y mantenimiento de los instrumentos de
medición que se utilizan en el taller de servicios. Ésto
se registra en el siguiente documento: SGC-F13
Registro de Calibración y Mantenimiento de
Instrumentos. Además deberá almacenar los
certificados de calibración de cada instrumento y
mencionar su ubicación física o virtual.
2. El field service se encargará de colocar una etiqueta
sobre el equipo donde indique la próxima fecha
calibración y/o mantenimiento. Además, deberá
prevenir que se modifique la configuración del calibrado
de manera accidental o inadecuada.
3. El encargado de almacén, es responsable de la
protección contra los daños o deterioro durante el
almacenamiento de los instrumentos.
Field Service
Field Service
Encargado de
Almacén
2.
3.
SGC-F13
Identificar
instrumentos
Proteger los
instrumentos
Inicio
Fin
1.
Colocar etiqueta
de identificación
6.1.1 Registro de Calibración y Mantenimiento de los Instrumentos
El personal de servicios realizará un listado de los instrumentos y equipos de
medición utilizados en la prestación de los servicios, registrando su próxima fecha
de calibración y/o mantenimiento en el formato de Registro de Calibración y
Mantenimiento de Instrumentos.
6.1.2 Calibraciones Externas
En caso de requerirse calibraciones externas, se procederá a remitir los equipos a
laboratorios o proveedores externos que puedan garantizar que los resultados
estarán en concordancia contra patrones internacionales. La coordinación de
aprobación de las calibraciones externas se realizará entre el Jefe de Servicios,
Administración y Gerencia General. Si la calibración externa es aprobada, el área de
servicios y logística serán los encargados de coordinar y preparar la documentación
de exportación temporal. Para ello usará el formato de Exportación Temporal o
Definitiva.
6.1.3 Periodo de Calibración
Todos los equipos o instrumentos de medición y que afectan directamente a la
calidad de los productos o prestación de servicios que brinda ENVIROEQUIP SAC.,
se someterán forzosamente a una calibración periódica. La periodicidad dependerá
de las características del equipo o instrumento.
6.1.4 Identificación de los Equipos de Medición
Todos los instrumentos o equipos de medición se identificarán con una etiqueta que
haga referencia a la siguiente información:
Nombre del equipo
Fecha de última calibración
Fecha de próxima calibración
Laboratorio, lugar o método de calibración
7. REGISTROS
Código de Identificación Nombre del formato
SGC-F13 Programa de Calibración o Verificación de
Instrumentos
8. TABLA HISTÓRICA DE CAMBIOS
Versión Fecha Hojas Afectadas Causa
01 12 Marzo 2014 Todas
Se modificó por
elaboración del
Procedimiento
9. ANEXOS
Anexo 01: Leyenda
Anexo 3: SGC-P10 Procedimiento de Auditorías Internas
1. OBJETIVO
Establecer los lineamientos generales para realizar los procesos de auditorías internas del
sistema de gestión de la calidad.
2. ALCANCE
El presente procedimiento es aplicable a todos los procesos y actividades que se
encuentran dentro del Sistema de Gestión de la Calidad (SGC).
3. RESPONSABLE
a) Gerencia General
Es responsable de aprobar el presente procedimiento, de revisar los resultados de los
procesos de auditoría. En caso de ausencia de éste cuentan con la facultad de poder
designar a un colaborador responsable como apoyo para dicha función.
b) Jede de Administración y Finanzas
Es responsable de revisar y realizar seguimiento el presente procedimiento. Del mismo
modo, revisar el plan de cada auditoría interna, de reportar a Gerencia General los
resultados y seguimiento de las auditorías.
c) Analista de Procesos
Es dueño del proceso y responsable de elaborar y difundir el Programa Anual de
Auditorías Internas.
d) Equipo auditor
El auditor líder o principal es responsable de emitir el informe final de auditoría,
presentarlo a la Gerencia General, a través del área de Administración y Finanzas. Los
auditores comunicarán a los dueños de los procesos los hallazgos detectados.
Los auditores internos no deben auditar su propio trabajo ; es decir, no deben tener
compromiso directo con la actividad a auditar.
4. RECURSOS
4.1 Documentos requeridos
 Norma ISO 9001:2008 Sistema de Gestión de la Calidad – Requisitos
 Manual del SGC - Medición, análisis y mejora.
5. DEFINICIONES
Auditor: Persona con la competencia para llevar a cabo una auditoria.
Auditoría: Proceso de verificación sistemático, independiente y documentado para obtener
evidencias y evaluarlas de manera objetiva con el fin de determinar el grado en que se
cumplen las normativas, los requisitos de las normas certificadas y la documentación del
SGC.
Nota: Las auditorías internas, denominadas en algunos casos como auditorias de primera
parte, se realizan por, o en nombre de la propia organización para fines internos, y puede
constituir la base para la auto-declaración de conformidad de una organización (Norma ISO
9001:2008).
Conclusiones de la auditoria: Resultado que proporciona el auditor tras considerar los
objetivos y todos los hallazgos de la auditoria.
Criterios de auditoria: Conjunto de políticas, prácticas, procedimientos o requisitos.
Equipo auditor: Uno o más auditores que llevan a cabo una auditoria con el apoyo, si es
necesario, de expertos técnicos.
Evidencia de la auditoría: Registros, declaraciones de hechos o cualquier otra
información que son pertinentes para los criterios de auditoría y que son verificables.
Hallazgos de la auditoria: Resultados de la evaluación de la evidencia recopilada frente al
cumplimiento de las normativas legales, los requisitos de las normas certificadas y la
documentación del SGC.
No Conformidad (NC) : Incumplimiento de un requisito.
Observación: Situación específica que no implica desviación ni incumplimiento de requisitos,
pero que podría generar una no conformidad si no es mejorado.
Programa de auditoría: Conjunto de una o más auditorías planificadas para un periodo de
tiempo determinado y dirigidas hacia un propósito específico.
Plan de auditoría: Descripción de las actividades, plazos y responsables acordados para
un proceso de auditoría.
Requisito: Necesidad o expectativa establecida, generalmente habitual o común, u
obligatoria. Pueden identificarse requisitos de un servicio, de la gestión de la calidad, de la
gestión de prevención de riesgos y medio ambiente, del cliente, de las normas internacionales
implementadas en una organización, entre otros.
6. DESARROLLO DEL PROCEDIMIENTO
Se realizarán auditorías internas para determinar si el Sistema de Gestión de la Calidad :
a) Es conforme con las disposiciones planificadas, con los requisitos de las normas y
los establecidos por la organización,
b) Se ha implementado y se mantiene de manera eficaz ; y
c) Se ha adecuado a los posibles cambios organizacionales.
Las auditorías internas se realizan por lo menos 1 vez al año y están dirigidas a los procesos que
involucran el alcance de la certificación. Además, se pueden programar auditorías específicas a
procesos que lo requieran.
El responsable del área auditada debe asegurarse que se tomen las acciones correctivas o
Preventivas necesarias para tratar las no conformidades y observaciones detectadas, previo
análisis de sus causas ; según el documento SGC-P03 Procedimiento de Control de No
Conformidades AC y AP.
En caso de auditorías a los proveedores el único registro a llenar es el SGC-F26 Informe de
Auditoría Interna.
6.1 Flujo de proceso
OBJETIVO: Conocer las acciones a seguir en el desarrollo de un proceso de auditoría.
ALCANCE: Todos los procesos de ENVIROEQUIP SAC
Descripción
Diagrama de flujo Ejecutor
AUDITORÍAS
INTERNAS
1. El programa anual de auditorías internas de EESAC
es presentado a Gerencia General para su aprobación.
Si existe alguna observación se procede a modificar el
programa y se vuelve a preguntar. Documento
Programa Anual de Auditorías Internas.
2. Se selecciona al equipo auditor teniendo en cuenta
la identificación de sus conocimientos y habilidades
necesarias para lograr los objetivos de la auditoría.
3. Se elabora el Plan de auditoría en coordinación con
el equipo auditor y áreas involucrados, si existiera
alguna observación se procede a realizar las
modificaciones correspondientes. Documento Plan de
Auditoría Interna.
4. Se realiza la difusión del Plan de auditoría a los
colaboradores, proveedores y contratistas, según
corresponda.
5. En esta reunión se presenta al equipo auditor, se
confirma el alcance de la auditoría, se aplica la
metodología de trabajo, se informa y confirma el plan
de auditoría (de ser necesario se puede modificar) y se
firma la asistencia de la reunión. Documento Acta de
apertura y cierre de auditoría interna
6. Se recogerá evidencias objetivas, a través de
entrevistas, observaciones de las actividades “insitu” y
revisiones de los documentos.
7. Se plasmarán en el formato correspondiente los
hallazgos detectados en la ejecución de la auditoría.
Los hallazgos deberán ser presentados a Procesos.
8. En esta reunión se comentaron los hallazgos
encontrados y se confirma la fecha de entrega del
informe de auditoría. Documento Acta de apertura y
cierre de auditoría interna.
En el informe final se registra el número de NC y/u
observaciones generadas y sus conclusiones,
tomando como referencia las evidencias objetivas
encontradas y los requisitos de la Norma auditada;
dicho informe es presentado a Gerencia General y
Procesos para su revisión.
Elaborar el
Programa Annual
de auditorías
internas
Elaborar Plan de
Auditoría
Difundir Plan de
Auditoría
Reunión de
apertura
Inicio
Fin
1.
2.
3.
4.
5.
Procesos, Gerencia
General
Gerencia General
Procesos
Procesos, Auditor, y
áreas involucradas
Procesos y
Auditados
Auditor
Auditor
Auditor Lider,
Gerencia General,
Procesos y áreas
involucradas
Auditor o
responsable
Ejecución de la
auditoría interna
6.
7.
Revisión y
aprobación
Seleccionar
Equipo Auditor
Si
Realizar
modificaciones
y reenviar
Revisión y
aprobación
Realizar
modificaciones
y reenviar
Identificación de
Hallazgos
8.
Reunión de cierre
SGC F22
SGC F23
SGC F24
SGC F25
SGC F24
SGC F26
6.1.1 Programa de auditoría internas
El programa anual de auditorías internas de ENVIROEQUIP SAC, se aprueba entre
los meses de octubre y diciembre; sin embargo, durante el año pueden realizarse
actualizaciones.
Se elabora la propuesta del programa anual de auditorías internas teniendo en
cuenta el estado, la importancia de los procesos y áreas a auditar; así como el
resultado de auditorías previas.
6.1.2 Plan de auditoría
Se elabora el plan de auditoría definiendo horarios, tipo de actividad, áreas
involucradas, auditores y otros. Administración (Procesos) entregará a los auditores
en un plazo no menor a 05 días hábiles de anticipación a la auditoría programada.
6.1.3 Identificación de hallazgos
Los auditores internos deberán elaborar una lista de verificación, herramienta que
les servirá como ayuda memoria, permitiéndoles verificar todos los asuntos y puntos
relevantes, teniendo una adecuada administración del tiempo.
Durante la auditoría se recogen evidencias objetivas de las áreas auditadas, a través
de entrevistas, observaciones de las actividades y revisión de documentos. Estas
evidencias serán evaluadas frente a los criterios de auditoría: cumplimiento de las
normativas legales, los requisitos de las normas certificadas y la documentación del
SGC.
Las evidencias deben ser redactadas en forma clara, sustentada con evidencia
objetiva, definiendo el tipo de hallazgo: No conformidad u Observación.
7. REGISTROS
Los registros generados en la aplicación de este procedimiento son los siguientes:
Código de Identificación Nombre del formato
SGC-F15 Programa anual de Auditorías Internas
SGC-F23 Plan de Auditoría Interna
SGC-F24 Acta de apertura y cierre de auditoría interna
SGC-F25 Seguimiento de acciones Correctivas/ Preventivas
SGC-F26 Informe de Auditoría Interna
8. TABLA HISTÓRICA DE CAMBIOS
Versión Fecha Hojas Afectadas Causa
01 22 Marzo 2014 Todas
Se modificó por elaboración del
Procedimiento.
9. ANEXOS
Anexo 01: Leyenda
Anexo 4: SGC-P09 Procedimiento Identificación y Trazabilidad
1. OBJETIVO
Identificar en cualquier instante el estado de la potencial compra o entrega de la mercadería y
compra y entrega comprometida de la mercadería.
2. ALCANCE
El presente procedimiento es aplicable todas las áreas de ventas, servicios, proyectos,
administración y finanzas (logística y almacén), licitación y contratos, y por último contabilidad.
3. RESPONSABLE
e) Jefes de área
Son responsables de verificar y hacer cumplir éste procedimiento donde se indica el
procedimiento de identificación y trazabilidad del producto o prestación del servicio. Así
como, el cumplimiento de la actualización de su registro a través de la persona que
deleguen como responsable directo.
APROBADO POR REVISADO POR ELABORADO POR
Nombre: Nombre: Nombre: Alexander Céspedes Z.
Cargo: Cargo: Cargo: Analista de Procesos
4. RECURSOS
4.1 Documentos requeridos
 Norma ISO 9001:2008 Sistema de Gestión de la Calidad - Requisitos
5. DEFINICIONES
Inspección: Evaluación de la conformidad por medio de observación y dictamen, acompañada
cuando sea apropiado por medición, ensayo/prueba o comparación con patrones.
Ensayo/prueba: Determinación de una o más características de acuerdo con un procedimiento.
Verificación: Confirmación mediante la aportación de evidencia objetiva de que se han
cumplido los requisitos especificados.
NOTA 1.- El término "verificado" se utiliza para designar el estado correspondiente.
NOTA 2.- La confirmación puede comprender acciones tales como:
 la elaboración de cálculos alternativos,
 la comparación de una especificación de un diseño nuevo con una especificación de un
diseño similar probado,
 la realización de ensayos/pruebas y demostraciones, y
 la revisión de los documentos antes de su emisión.
Validación: Confirmación mediante la aportación de evidencia objetiva de que se han cumplido
los requisitos para una utilización o aplicación específica prevista.
NOTA 1 El término "validado" se utiliza para designar el estado correspondiente.
NOTA 2 Las condiciones de utilización para la validación pueden ser reales o simuladas.
Trazabilidad: capacidad para seguir la historia, la aplicación o la localización de todo aquello
que está bajo consideración.
NOTA 1 Al considerar un producto, la trazabilidad puede estar relacionada con:
⎯ el origen de los materiales y las partes;
⎯ la historia del procesamiento;
⎯ la distribución y localización del producto después de su entrega.
NOTA 2 En el campo de la Metrología se acepta la definición dada en el apartado 6.10 del
VIM:1993.
5. DESARROLLO DEL PROCEDIMIENTO
5.1 Seguimiento del producto y prestación del servicio
Los productos están debidamente asociados a un número de carpeta único, donde es
fácilmente verificable la orden de compra del cliente, la oferta técnica y/o económica enviada
al cliente, consultor comercial quien lo preparó; así como, las facturas, guías de remisión,
embarque de llegada de mercadería y otras asociadas a dicha carpeta, field service quien
realizó el servicio de capacitación y/o instalación (si fuera el caso).
TRAZABILIDAD DE VENTAS
Ventas Servicios Logística Administración
Inhouse, recibe
requerimiento del
cliente
Inhouse, genera #
Carpeta única para
cada cliente
Inhouse, prepara
oferta económica y/o
técnica en el SAP
(#carpeta .#oferta)
Ejemplo:01030.9384
Jefe de ventas,
aprueba oferta
económica
Field Service valida
las implicancias del
servicio de
instalación,
mantenimiento y/o
servicio post venta
Jefe de servicios,
aprueba
consideraciones
técnicas de la venta
Jefe de
administración,
evalúa capacidad
financiera de compra
Encargado de
logística, confirma
fechas de entrega de
mercadería
Inhouse, envía oferta
económica y/o técnica
Inicioa
Fin
TRAZABILIDAD DE SERVICIOS
Servicios Logística Almacén
Field Service,
elabora cuadro costo
venta (H-H) de la
instalación,
mantenimiento y/o
servicio.
Jefe de servicios,
aprueba cuadro costo
venta del servicio
Encargado, confirma
llegada de
mercadería
Confirma tiempos de
entrega de repuestos
Secretacia, recibe
requerimiento del
cliente
Secretacia, prepara
oferta económica y/o
técnica en el SAP
(#carpeta .#oferta)
Ejemplo:01030.9384
Secretaria, envía
oferta técnica
/económica
Field Service, realiza
servicio
Fin
6. REGISTROS
Código de Identificación Nombre del formato
SGC-INS01 Instructivo de Control de Calidad
7. TABLA HISTÓRICA DE CAMBIOS
Versión Fecha Hojas Afectadas Causa
01 12 Marzo 2014 Todas
Se modificó por
elaboración del
Procedimiento
8. ANEXOS
Anexo 01: Leyenda
Anexo 5: SGC-P15 Procedimiento de Encuesta de
Satisfacción del Cliente
A.- Introducción
Recientemente ha contactado con nuestro servicio de atención al cliente y nos gustaría estar
seguros que ha quedado satisfecho con el servicio ofrecido.
El resultado nos será de utilidad para mejorar nuestro servicio. Sus respuestas serán tratadas de
forma confidencial y no se utilizaran para otro propósito que no sea para la investigación
llevada a cabo por ENVIROEQUIP SAC.
Por favor, dedique un momento a completar esta pequeña encuesta que dura aproximadamente
[5] minutos.
1. Basándose en su propia experiencia, por favor valore las siguientes afirmaciones
siendo 1 muy pobre y 5 excelente.
1 2 3 4 5
Facilidad de contacto con el servicio al
cliente
Utilidad del representante
Calidad del consejo
Profesionalidad del representante
Resolución de la incidencia
Rapidez de respuesta por email
Rapidez de respuesta por teléfono
B.- Experiencia
Por favor, a continuación piense en la última experiencia que haya tenido con nuestro servicio
de atención al cliente.
2. ¿Cómo contactó con nuestro representante?
En persona
Telefónicamente
Email
Otro (Por favor
especifique) ………………….
3. ¿Cuánto tiempo tuvo que esperar antes de poder hablar con nuestro
representante?
Inmediatamente
Menos de 3
minutos
Entre 3 y 5
minutos
Entre 5 y 10
minutos
Más de 10
minutos
4. ¿Cuánto tiempo tuvo que esperar a que un representante contactara con usted?
Menos de 2 horas
Entre 2 y 4 horas
Entre 4 y 6 horas
entre 6 y 8 horas
Más de 8 horas
5. En total, ¿cómo calificaría el proceso hasta que se resolvió su incedencia?
Muy bueno
Bueno
Neutro
Pobre
Muy pobre
6. Por favor, díganos en que podemos mejorar.
………………………………………………………………………………………..
C.- Nivel de satisfacción
7. Por favor, díganos cuál es su nivel de satisfacción con las siguientes afirmaciones.
Completamente
de acuerdo
De acuerdo Neutral Desacuerdo
Completamente
desacuerdo
El representante estaba bien
informado
El representante fue paciente
El representante tuvo una
actitud positiva
El representante escuchaba con
atención
El representante fue amable
El representante fue responsable
El representante fue cortés
8. ¿Tiene algún comentario o sugerencia adicional que hacernos sobre su
experiencia con nosotros?
……………………………………………………………………………………….
La encuesta ha concluido.
¡Muchas gracias por su colaboración!
A.- Ayúdenos a mejorar
Por favor, dedique un momento a completar esta pequeña encuesta, la información que
nos proporcione será utilizada para mejorar nuestro producto. Sus respuestas serán
tratadas de forma confidencial y no serán utilizadas para ningún propósito distinto a la
investigación llevada a cabo por ENVIROEQUIP SAC.
Esta encuesta dura aproximadamente 10 minutos.
1. ¿Cuánto tiempo lleva utilizando nuestros equipos?
Menos de un mes
Entre uno y seis meses
Entre seis meses y un
año
Entre uno y tres años
Más de tres años
2. ¿Con qué frecuencia utiliza nuestros equipos?
Una o más veces a la
semana
Dos o tres veces al mes
Una vez al mes
Menos de una vez al mes
B.- Satisfacción general
3. ¿Cuál es su grado de satisfacción general con nuestros equipos?
Completamente satisfecho
Satisfecho
Insatisfecho
Completamente insatisfecho
4. En comparación con otras alternativas de eficiencia, los equipos que
suministramos es ...
Mucho mejor
Algo Mejor
Más o menos
igual
Algo peor
Mucho peor
No lo sé
C.- Intención de uso y recomendación
5. ¿Comprará o utilizará usted nuestros equipos de nuevo?
Seguro que sí
Probablemente sí
Puede que sí, puede que
no
Probablemente no
Seguro que no
6. ¿Ha recomendado usted nuestros equipos a otras personas?
Si
No
D.- Satisfacción atributos
7. ¿Qué grado de importancia le da usted a los siguientes aspectos a la hora de
comprar nuestros productos?... ¿Y cuál es su grado de satisfacción en esos
mismos aspectos con nuestro producto?
Grado de importancia al
comprar:
Satisfacción con
nuestro producto:
Calidad del producto
Relación calidad precio
Proceso de compra del producto
Experiencia de uso
Servicio postventa
E.- Valoración de la empresa y el producto
Teniendo en cuenta su experiencia más reciente con nuestros equipos, por favor,
valore su grado de acuerdo o desacuerdo con las siguientes afirmaciones:
8. ENVIROEQUIP SAC me dio un equipo que valía lo que pague por él.
Totalmente de acuerdo
De acuerdo
En desacuerdo
Totalmente en
desacuerdo
No aplicable
9. El equipo cubre mis necesidades.
Totalmente de acuerdo
De acuerdo
En desacuerdo
Totalmente en
desacuerdo
No aplicable
10. El equipo es fácil de usar.
Totalmente de acuerdo
De acuerdo
En desacuerdo
Totalmente en
desacuerdo
No aplicable
11. ENVIROEQUIP SAC ofrece productos competitivos.
Totalmente de acuerdo
De acuerdo
En desacuerdo
Totalmente en
desacuerdo
No aplicable
12. El servicio al cliente de los equipos conoce bien el producto.
Totalmente de acuerdo
De acuerdo
En desacuerdo
Totalmente en
desacuerdo
No aplicable
13. El servicio al cliente de los equipos atiende bien a las necesidades del cliente.
Totalmente de acuerdo
De acuerdo
En desacuerdo
Totalmente en
desacuerdo
No aplicable
F.- Varios
14. Basándose en su propia experiencia con nuestros productos, ¿buscaría usted a
ENVIROEQUIP SAC para comprar productos o servicios similares?
Es muy probable
Es probable
No es probable
Es muy
improbable
15. ¿Ha tenido usted algún problema a la hora de usar nuestros productos o
servicios?
Si
No
16. ¿Hay alguna cosa que le gustaría decirle a ENVIROEQUIP SAC sobre sus
productos que no le hayamos preguntado en esta encuesta? Si es así, por
favor, díganos de que se trata:
……………………………………………………………………………
La encuesta ha concluido. Muchas gracias por su colaboración.
Anexo 6: Indicador I4-%Rotación de Personal
CÓDIGO: SGC-P03
INDICADOR: I4-%RP Periodo
Enero
TIPO DE PROCESO Febrero
Marzo
PROCESO Abril
Mayo
DENOMINACIÓN
DEL INDICADOR Junio
Julio
TIPO DEL INDICADOR EFICACIA EFICIENCIA Agosto
Septiembre
OBJETIVO DEL INDICADOR Octubre
Noviembre
FÓRMULA DE CÁLCULO
Diciembre
DATOS DE LA MEDICIÓN
META
RANGO DE GESTIÓN EXCELENTE: <5% ACEPTABLE: 5% DEFICIENTE: >5%
PERIODICIDAD O
FRECUENCIA
EVOLUCIÓN
HISTÓRICA
DEL INDICADOR
ANÁLISIS DE LA
INFORMACIÓN
FUENTE DE LA
INFORMACIÓN
RESPONSABLE
DE LA MEDICIÓN
FECHA DE
ELABORACIÓN
PLAME(SUNAT)
Asistente de RRHH
I4- % Rotación del Personal
0%
Rotación de Personal Global (Trimestral)
I4-%RP=(# Egresos)/(# Promedio empleados en el periodo)
Trimestral
Determinar el porcentaje de rotación de personal
FORMATO
FICHA TÉCNICA DE INDICADOR
En el último trimestre se ha incrementado la rotación del personal
Proceso de Apoyo
SGC-P03 Procedimiento Competencia, Formación y Toma de
Conciencia
7.1%
4.7%
2.3%
7.0%
0.0%
2.0%
4.0%
6.0%
8.0%
10.0%
Trimestre 1 Trimestre 2 Trimestre 3 Trimestre 4
Rotación de
Personal
(global) %
Rotación
de
Personal…
Anexo 7: Indicador I5-%Capacitación Costo
CÓDIGO: SGC-P03
INDICADOR: I5-%Cc Periodo
Enero
TIPO DE PROCESO Febrero
Marzo
PROCESO Abril
Mayo
DENOMINACIÓN
DEL INDICADOR Junio
Julio
TIPO DEL INDICADOR EFICACIA EFICIENCIA Agosto
Septiembre
OBJETIVO DEL INDICADOR Octubre
Noviembre
FÓRMULA DE CÁLCULO
Diciembre
DATOS DE LA MEDICIÓN
META
RANGO DE GESTIÓN EXCELENTE: 100% ACEPTABLE: 95% DEFICIENTE: <95%
PERIODICIDAD O
FRECUENCIA
EVOLUCIÓN
HISTÓRICA
DEL INDICADOR
ANÁLISIS DE LA
INFORMACIÓN
FUENTE DE LA
INFORMACIÓN
RESPONSABLE
DE LA MEDICIÓN
FECHA DE
ELABORACIÓN
Plan Anual de Capacitación del Personal
Asistente de RRHH
Trimestral
Costo de capacitación (Semestral)
Cumplir el Plan Anual de Capacitación
Determinar el porcentaje de inversión estratégica
I5-%Cc=(Costo de Capacitación Estratégica)/(Costo Total Capacitación)
SGC-P03 Procedimiento Competencia, Formación y Toma de
Conciencia
I5-% Capacitación Costo
Proceso de Apoyo
FORMATO
FICHA TÉCNICA DE INDICADOR
90.0%
85.0%
0.0%
10.0%
20.0%
30.0%
40.0%
50.0%
60.0%
70.0%
80.0%
90.0%
100.0%
Semestre 1 Semestre 2
CapacitaciónCosto%
Capacitació
n Costo( %)
CÓDIGO: SGC-F17
INDICADOR: I6-%REA Periodo
Enero
TIPO DE PROCESO Febrero
Marzo
PROCESO Abril
Mayo
DENOMINACIÓN
DEL INDICADOR Junio
Julio
TIPO DEL INDICADOR EFICACIA EFICIENCIA Agosto
Septiembre
OBJETIVO DEL INDICADOR Octubre
Noviembre
FÓRMULA DE CÁLCULO
Diciembre
DATOS DE LA MEDICIÓN
META
RANGO DE GESTIÓN EXCELENTE: 100% ACEPTABLE: 95% DEFICIENTE: <95%
PERIODICIDAD O
FRECUENCIA
EVOLUCIÓN
HISTÓRICA
DEL INDICADOR
ANÁLISIS DE LA
INFORMACIÓN
FUENTE DE LA
INFORMACIÓN
RESPONSABLE
DE LA MEDICIÓN
FECHA DE
ELABORACIÓN
Secretaria de Ventas/Servicios
# Requerimientos mensuales
Entregar a tiempo los requerimientos
Mensual
I6-%REA=(#Requerimientos entregados a tiempo/Requerimientos Realizados)
# de requerimientos recibidos mensualmente
I6-% Requerimientos entregados a tiempo
Determinar el # de Requerimientos entregados a tiempo
Proceso de Principal
SGC-F17 Kardex de Ingreso-Salida de Equipos
FORMATO
FICHA TÉCNICA DE INDICADOR
90.0% 85.0%
0.0%
10.0%
20.0%
30.0%
40.0%
50.0%
60.0%
70.0%
80.0%
90.0%
100.0%
Enero
Febrero
Marzo
Abril
Mayo
Junio
Julio
Agosto
Septiembre
Octubre
Noviembre
Diciembre
Requerimientosentregados atiempo%
Requerimie
ntos a
tiempo( %)
Anexo 8: Indicador I6-%Requerimientos Entregados a Tiempo
CÓDIGO: SGC-P12
INDICADOR: I7-%QR Periodo
Enero
TIPO DE PROCESO Febrero
Marzo
PROCESO Abril
Mayo
DENOMINACIÓN
DEL INDICADOR Junio
Julio
TIPO DEL INDICADOR EFICACIA EFICIENCIA Agosto
Septiembre
OBJETIVO DEL INDICADOR Octubre
Noviembre
FÓRMULA DE CÁLCULO
Diciembre
DATOS DE LA MEDICIÓN
META
RANGO DE GESTIÓN EXCELENTE: 90% ACEPTABLE: 80.00% DEFICIENTE: <80%
PERIODICIDAD O
FRECUENCIA
EVOLUCIÓN
HISTÓRICA
DEL INDICADOR
ANÁLISIS DE LA
INFORMACIÓN
FUENTE DE LA
INFORMACIÓN
RESPONSABLE
DE LA MEDICIÓN
FECHA DE
ELABORACIÓN
Secretaria de Ventas/Servicios
# Reclamos mensuales
90% de Reclamos o Quejas Atendidos
Mensual
I7-%QR=(#Reclamos o Quejas Atendidos/#Reclamos Totales Reclamos o Quejas)
# de Reclamos o Quejas Recibidos
I7-# Atención de Quejas y Reclamos
Determinar el # de Quejas y Reclamos Atendidos
Proceso de Principal
SGC-P12 Procedimiento de Atención de Quejas y Reclamos
FORMATO
FICHA TÉCNICA DE INDICADOR
90.0% 85.0%
0.0%
10.0%
20.0%
30.0%
40.0%
50.0%
60.0%
70.0%
80.0%
90.0%
100.0%
Enero
Febrero
Marzo
Abril
Mayo
Junio
Julio
Agosto
Septiembre
Octubre
Noviembre
Diciembre
Reclamos oQuejas Atendidos %
Reclamos o
Quejas( %)
Anexo 9: Indicador I7-%Quejas o Reclamos Atendidos a
Tiempo

Cespedes za

  • 1.
    UNIVERSIDAD PERUANA DECIENCIAS APLICADAS FACULTAD DE INGENIERÍA CARRERA DE INGENIERÍA INDUSTRIAL Propuesta de Mejora de Procesos para la Implantación de un Sistema de Gestión de la Calidad en una Empresa de Venta de Equipos de Medio Ambiente Proyecto Profesional : Para optar el Título de: INGENIERO INDUSTRIAL AUTOR: Céspedes Zúñiga, Alexander LIMA, PERU 2014
  • 2.
    2 DEDICATORIA A mi padre,madre y hermanas
  • 3.
    3 AGRADECIMIENTOS Gracias a miasesor José Antonio Rojas García quien me apoyó en el desarrollo del presente trabajo de tesis.
  • 4.
    4 ÍNDICE DE TABLAS Tabla1: Procesos vs Factores clave 37 Tabla 2: Indicadores de Gestión 43 Tabla 3: Resumen de los Elementos Detallados del Coste 53 Tabla 4: Matriz de Costos de Calidad 54 Tabla 5: Costos de Prevención, Evaluación, Fallas Internas y Externas(S/.) 78 Tabla 7: Costos de Calidad 80 Tabla 6: Costos de no calidad 79 Tabla 8: Problemas por Frecuencia 85 Tabla 9: Procedimientos y Registros Obligatorios ISO 9001:2008 90 Tabla 10: Plan de documentación de Procesos por área 129 Tabla 11: Cronograma de Capacitación 131 Tabla 12: Plan de Capacitación (I, II , III y IV) 132 Tabla 13: Plan de Capacitación (V) 133 Tabla 14: Plan de Auditoría 134 Tabla 15: Flujo de Caja del Proyecto de Implementación del SGC136 Tabla 16: Productividad Total y de Mano de Obra (2008-2013) 137 Tabla 17: Simulación de la Productividad Parcial de Mano de Obra con SGC y sin SGC 139
  • 5.
    5 ÍNDICE DE GRÁFICOS Figura1: Estructura Jerárquica del Manual de Calidad 23 Figura 2: Formato Manual de Calidad 26 Figura 3: Ficha de Análisis de Procesos-SIPOC 30 Figura 4: Mapa de Procesos (1) 33 Figura 5: Mapa de procesos (2) 34 Figura 6: Diagrama Ishikawa (Causa-Efecto) 39 Figura 7: Diagrama Pareto (80-20) 40 Figura 8: Ciclo de Deming como Método de Solución de Problemas 47 Figura 9: Ciclo PDCA vs Herramientas de Calidad más Frecuentes 49 Figura 10: Gráfico de Datos de Costes de la Calidad 56 Figura 11: Gráfico de Datos de Costes de la Calidad 57 Figura 12: La Evolución Costo de Calidad según Ph. Crosby 58 Figura 13: Certificación ISO 9000 en el Sector Químico 60 Figura 14: Certificación ISO 9000 en el Sector Químico 61 Figura 15: Certificación ISO 9000 en el sector de maquinaria industrial y ordenadores 62 Figura 16: Certificación ISO 9000 en el sector de maquinaria industrial y ordenadores 63 Figura 17: Certificación ISO 9000 en el sector de equipos y componentes electrónicos 64 Figura 18: Certificación ISO 9000 en el sector de equipos y componentes electrónicos 65 Figura 19: Organigrama Actual EESAC 69
  • 6.
    6 Figura 20: Mapade Procesos - EESAC 70 Figura 21: Diagrama de Flujo Actual-Proceso de Ventas 73 Figura 22: Diagrama de Flujo Actual-Proceso de Servicios 74 Figura 23: Ingresos 2010-2013 75 Figura 24: Análisis de Tendencia de Costos Totales de Calidad Vs Ingresos Anuales 77 Figura 25: Ingresos, Costos Totales de la Calidad (2010-2013) 81 Figura 26: Diagrama Causa Raíz 84 Figura 27: Diagrama de Pareto de los Problemas 86 Figura 28: Formato de Lecciones Aprendidas (FLA) 96 Figura 29: Diagrama de Flujo Propuesto (FLA) 97 Figura 30: Formato de Protocolo de Pruebas (FPP) 103 Figura 31: Diagrama de Flujo Propuesto 104 Figura 32: Formato de Equipo Canibalizado 109 Figura 33: Diagrama de Flujo Propuesto (FEC) 110 Figura 34: Indicador I1-%FLA 112 Figura 35: Indicador I2-%PP 114 Figura 36: Indicador I3-#FEC 116 Figura 37: Organigrama Propuesto 118 Figura 38: Productividad Total y Parcial (2008-2013) 138 Figura 39: Tendencia de Productividad Parcial con y sin SGC (2015-2019) 140
  • 7.
    7 Figura 40: Simulaciónde Productividad Parcial de Mano de Obra sin SGC y con SGC 2015 143 Figura 41: Simulación de Productividad Parcial de Mano de Obra sin SGC y con SGC 2016 145 Figura 42: Simulación de Productividad Parcial de Mano de Obra sin SGC y con SGC 2017 147 Figura 43: Simulación de Productividad Parcial de Mano de Obra sin SGC y con SGC 2018 149 Figura 44: Simulación de Productividad Parcial de Mano de Obra sin SGC y con SGC 2019 151 ÍNDICE DE ANEXOS Anexo 1: SGC-M01 Manual de Calidad 159 Anexo 2: SGC-P07 Procedimiento Control de Equipos de Seguimiento y Medición 191 Anexo 3: SGC-P10 Procedimiento de Auditorías Internas 196 Anexo 4: SGC-P09 Procedimiento Identificación y Trazabilidad 202 Anexo 5: SGC-P15 Procedimiento de Encuesta de Satisfacción del Cliente 208 Anexo 6: Indicador I4-%Rotación de Personal 215 Anexo 7: Indicador I5-%Capacitación Costo 216 Anexo 8: Indicador I6-%Requerimientos Entregados a Tiempo 217 Anexo 9: Indicador I7-%Quejas o Reclamos Atendidos a Tiempo 218
  • 8.
    8 TABLA DE CONTENIDO AGRADECIMIENTOS...............................................................................................................3 INTRODUCCIÓN.....................................................................................................................11 RESUMEN ................................................................................................................................14 CAPÍTULO I : MARCO TEÓRICO .........................................................................................15 1.1 Calidad.............................................................................................................................15 1.2 International Organization for Standardization (ISO) .....................................................16 1.2.1Definición y conceptos básicos .................................................................................16 1.2.2Política de calidad......................................................................................................21 1.2.3Manual de calidad......................................................................................................22 1.2.4Procedimientos de Calidad ........................................................................................27 1.2.5Otros Documentos de Calidad ...................................................................................27 1.3Procesos ............................................................................................................................28 1.3.1Definición ..................................................................................................................28 1.3.2Análisis de Procesos ..................................................................................................29 1.3.3Enfoque Basado en Procesos .....................................................................................31 1.3.4Mapa de Procesos ......................................................................................................32 1.3.5Herramientas de Consideración para Elaborar el Mapa de Procesos ........................35 1.3.6Diagrama Causa- Efecto ............................................................................................38 1.3.7Diagrama de Pareto....................................................................................................39 1.3.8Indicadores de Gestión ..............................................................................................41 1.3.9Índice de Productividad Total....................................................................................44 1.4Implantación de un Sistema de Gestión de la Calidad .................................................45 1.4.1Ciclo de Mejora de Continua de Deming ..................................................................46 1.5Costos Totales de Calidad ................................................................................................50 CAPÍTULO II : ANÁLISIS Y DIAGNÓSTICO DEL PROCESO ACTUAL .........................67 2.1Descripción de la Empresa ...............................................................................................67 2.1.1Visión.........................................................................................................................67 2.2.2Misión........................................................................................................................68 2.2.3Organigrama ..............................................................................................................69
  • 9.
    9 2.1.4Mapa de Procesos......................................................................................................70 2.1.5Identificación del Problema.......................................................................................75 2.2Implicancias de los Problemas de la Calidad ...................................................................76 2.3Identificación del problema ..............................................................................................82 2.3.1Ishikawa (Identificación de Causa Raíz) ...................................................................84 2.3.2Pareto .........................................................................................................................86 CAPÍTULO III : EVALUACIÓN DE LA PROPUESTA DE SOLUCIÓN .............................87 3.1Objetivo General...............................................................................................................87 3.2Objetivos Específicos .......................................................................................................87 3.3Definición de la Documentación de Calidad ....................................................................88 3.3.1Política de Calidad.....................................................................................................88 3.3.2Objetivos de la Calidad..............................................................................................88 3.3.3Alcance del Sistema de Gestión de la Calidad ..........................................................89 3.3.4Exclusiones del Sistema de Gestión de la Calidad ....................................................90 3.4.5Procedimientos y Registros Obligatorios ..................................................................90 3.4.6Instructivos de Trabajo ..............................................................................................91 3.2Manual de Calidad..........................................................................................................117 3.3Organización y Funciones ..............................................................................................118 3.3.1Gerente de Calidad ..................................................................................................120 3.3.2Gerente de Ventas y Servicios.................................................................................122 3.3.3Jefes de Ventas y Servicios......................................................................................124 3.3.4Asesores Comerciales e Inhouse .............................................................................125 3.3.5Field Service ............................................................................................................126 3.3.6Soporte SAP.............................................................................................................127 3.4Plan de Documentación..................................................................................................129 3.5Plan de Capacitación.......................................................................................................131 3.5Flujo de Caja...................................................................................................................135 3.6Productividad Total ........................................................................................................137 4. CAPÍTULO IV: CONCLUSIONES....................................................................................152 RECOMENDACIONES..........................................................................................................154 BIBLIOGRAFÍA .....................................................................................................................155
  • 10.
  • 11.
    11 INTRODUCCIÓN Los sistemas degestión de la calidad enfatizan en el uso de la gestión por procesos. Estos sistemas están compuestos por un conjunto de actividades que dan la dirección de la empresa, determina la política, los objetivos y las responsabilidades de calidad. En ese sentido, los objetivos de calidad deben ser definidos por la gerencia general de la empresa. Por otro lado, podemos decir que los procesos son la combinación de recursos materiales y humanos a través de una serie de actividades conjuntas para producir bienes y servicios que satisfagan las necesidades del cliente.1 Es decir, son actividades que en conjunto satisfacen las necesidades de los clientes. Es tan útil la gestión por procesos que en los modelos de gestión como la International Organization for Standardization (ISO) y la European Foundation for Quality Management (EFQM) enfatizan su práctica para mejorar de manera significativa los procedimientos de 1 VERGARA 2010: 71
  • 12.
    12 trabajo en todaslas áreas de las organización. En esa perspectiva, el tema que se propone desarrollar en este proyecto profesional aborda el marco teórico para la propuesta de implantación de un sistema de gestión de la calidad en Enviroequip S.A.C (EESAC). Así como, la identificación de los procesos actuales y lograr un diagnóstico que evidencie las desviaciones de calidad y de costos que afectan los resultados de la compañía. Asimismo se propone un sistema de gestión de la calidad que garantice la documentación y control de los procesos que afectan a la calidad el cual permita mejorar la productividad y satisfacción de cliente. Se presenta recomendaciones que permitan la adecuada implementación de la propuesta del sistema de gestión de calidad y los beneficios que se logran bajo su implantación. El presente proyecto profesional fue elaborado con el interés de implantar un sistema de gestión de la calidad (SGC) en la compañía EESAC, ya que en la actualidad no cuenta con ningún sistema de gestión. Con este mismo interés se propone la implementación de un sistema de gestión para la compañía, para el cual se propone la política y objetivos de calidad, la identificación del mapa de procesos, procedimientos documentados de calidad e indicadores de gestión. Éste trabajo pretende resolver los problemas de cuáles son los pasos para implementar un SGC en una empresa que realiza venta de equipos y/o servicios de instalación, capacitación y mantenimiento de equipos ambientales a fin de ahorrar costos. Éste consta de cuatro capítulos en donde el primero explica la definición de conceptos de calidad, procesos e implantación de un SGC, así como los costos totales de calidad. En el segundo capítulo, el análisis, diagnóstico de los procesos actuales e identificación de la causa raíz del problema. En el tercer capítulo, la propuesta de solución a la causa raíz encontrada y por último en el capítulo cuatro las conclusiones y recomendaciones.
  • 13.
    13 Las fuentes usadasen este trabajo corresponden a materiales didácticos recibidos de los profesores del curso de Organización y Métodos, Gestión de la Calidad y libros electrónicos de Gestión de Calidad encontrados en la biblioteca virtual de la Universidad Peruana de Ciencias Aplicadas y otros sitios web. Estas fuentes corresponden a varios autores reconocidos y con gran experiencia en temas de calidad y gestión por procesos. El proyecto profesional propuesto pretende explicar los pasos para orientar la empresa a procesos, comenzando por el área de servicios, ya que tomaría mayor tiempo en evaluar al detalle todos los procesos que se realizan en la compañía. Es decir, existe una limitación en cuanto a tiempo y recursos humanos que conformen un equipo de trabajo. Asimismo, requiere un compromiso de la alta gerencia para que la propuesta de implementación del sistema de gestión de la calidad se implemente y funcione.
  • 14.
    14 RESUMEN El tema quese propuso desarrollar en este proyecto profesional aborda una propuesta de mejora de procesos para la implantación de un Sistema de Gestión de la Calidad en una empresa de venta de equipos de medio ambiente. El trabajo está compuesto por cuatro capítulos. En el primero, se desarrolla la definición y los conceptos de calidad, procesos, implantación de un sistema de calidad, costos totales de la calidad. En el segundo, se realiza el análisis y diagnóstico de los procesos actuales en el cual se describe la empresa, la visión, misión, organigrama y principales procesos que la conforman, la identificación e implicancias de los problemas de calidad, identificación de los costos a través de las herramientas de calidad. En el tercer capítulo se evalúa la propuesta de solución en donde se define el manual de calidad, asimismo, se propone un plan de documentación, plan de implementación de los procesos por área, plan de capacitación, plan de auditoría y finalmente el flujo de caja. De este modo, llegamos a la conclusión de que si invertimos en una implementación de un sistema de gestión de la calidad en la empresa lograremos un ahorro significativo a partir del quinto periodo de la implantación y un incremento en la productividad total de la organización.
  • 15.
    15 CAPÍTULO I: MARCOTEÓRICO 1.1 Calidad La calidad es un concepto bastante relativo, ya que cada persona tiene una definición diferente. Por ejemplo, para tener una idea más clara del concepto de calidad apelaremos a la definición de grandes autores como: Philip B. Crosby, Joseph M. Juran, Edward Demming, Genichi Taguchi y Kaoro Ishikawa. Calidad total es el cumplimiento de los requerimientos, donde el sistema es la prevención es estándar, es cero defectos. (Philip B.Crosby) Calidad es ausencia de defectos y adecuarse al uso. (Joseph M. Juran) Calidad es el grado predecible de uniformidad y fiabilidad a bajo costo y adecuado a las necesidades de los clientes. (Edward Demming) El producto es de mayor calidad si la pérdida que provoca a la sociedad es mínima. (Genichi Taguchi) Calidad es diseñar, producir y ofrecer un producto o servicio que sea útil, al mejor precio posible, y que siempre satisfaga las necesidades del cliente. (Kaoro Ishikawa) Según la Organización Internacional de Normalización (ISO 9000), la calidad debe entenderse como el grado en el que un conjunto de características (rasgos diferenciadores) cumple con ciertos requisitos (necesidades o expectativa establecida, generalmente implícita u obligatoria). Los requisitos deben satisfacer las expectativas del cliente.2 2 ALCALDE 2010 : 6,7.
  • 16.
    16 En conclusión, ladefinición que se adoptará en el presente proyecto profesional será la empleada por la ISO 9000:2005, ya que el propósito de este trabajo es proponer la implementación de un sistema de gestión de la calidad. Es decir, la calidad debe entenderse como el grado en el que un conjunto de características (rasgos diferenciadores) cumple con ciertos requisitos (necesidades o expectativa establecida, generalmente implícita u obligatoria). Los requisitos deben satisfacer las expectativas del cliente. 1.2 International Organization for Standardization (ISO) 1.2.1 Definición y conceptos básicos Brevemente conoceremos el significado de las siglas ISO, país sede, número de países miembros y las funciones que cumple. Así como, quién lo representa en nuestro país. ISO es la Organización Internacional de Normalización, por sus siglas en inglés, con secretaría general ubicado en Ginebra-Suiza y es reconocida por más de ciento sesenta y cuatro países a nivel mundial. ISO es una organización no gubernamental el cual es el puente entre el sector público y privado; cuya función principal es promover y elaborar normas a nivel internacional para facilitar el comercio mundial.3 Entonces ISO es una organización reconocida a nivel mundial y su función es promover y elaborar normas a nivel internacional para facilitar el comercio. 3 ISO 2014(a)
  • 17.
    17 La ISO enel Perú está representada por el Instituto Nacional de Defensa de la Competencia y de la Protección de la Propiedad Intelectual (INDECOPI).4 A continuación el desarrollo de las Normas ISO 9000: ISO 9000:1987 publicada por primera vez y aceptada por muchas organizaciones alrededor del mundo. ISO 9000:1994 primera revisión que mejoraba los sistemas de calidad existentes. ISO 9000:2000 revisión de la norma y publicada en Diciembre de 2000 y vigente en la actualidad. Es más genérica, entendible y de aplicación universal. ISO 9000:2005 sistemas de gestión de la calidad - fundamentos y vocabulario. ISO 9000:2008 revisión de la versión anterior. Aclara términos. Mismo objetivo “Mejora continua”5 Por consiguiente, periódicamente se realiza revisiones y mejoras respecto a la versión anterior de las normas. La familia de Normas ISO 9000 citadas a continuación se ha elaborado para asistir a las organizaciones, de todo tipo y tamaño, en la implementación y la operación de sistemas de gestión de la calidad eficaces. 4 ISO 2014(b) 5 GRAJEDA : 7
  • 18.
    18 La norma ISO9000 describe los fundamentos de los sistemas de gestión de la calidad y especifica la terminología para los sistemas de gestión de la calidad. La norma ISO 9001 especifica los requisitos para los sistemas de gestión de la calidad aplicables a toda organización que necesite demostrar su capacidad para proporcionar productos que cumplan los requisitos de sus clientes y los reglamentarios que le sean de aplicación, y su objetivo es aumentar la satisfacción del cliente. La norma ISO 9004 proporciona directrices que consideran tanto la eficacia como la eficiencia del sistema de gestión de la calidad. El objetivo de esta norma es la mejora del desempeño de la organización y la satisfacción de los clientes y de otras partes interesadas. La norma ISO 19011 proporciona orientación relativa a las auditorías de sistemas de gestión de la calidad y de gestión ambiental. Todas estas normas juntas forman un conjunto coherente de normas de sistemas de gestión de la calidad que facilitan la mutua comprensión en el comercio nacional e internacional.6 Resumiendo, la familia ISO 9000 describe los fundamentos, especifica los requisitos, proporciona requisitos y orientación relativa a las auditorias de los sistemas de gestión de calidad. 6 ISO 9000(2005): 6
  • 19.
    19 Adicionalmente, para elcumplimiento del requisito 7.1, de la ISO 9001:2008, Realización del Producto, es importante mencionar las directrices para los planes de calidad en según la ISO 10005. “Ésta norma internacional proporciona directrices para el desarrollo, revisión, aceptación, aplicación y revisión de los planes de calidad. Es aplicable tanto si la organización tiene un sistema de gestión de calidad en conformidad con la norma ISO 9001, como si no lo tiene. Esta norma internacional es aplicable a planes de la calidad para proceso, producto, proyecto o contrato, cualquier categoría de producto (hardware, software, materiales procesados y servicios) y a cualquier industria. Está enfocada principalmente a la realización del producto y no es una guía para la planificación organizacional del sistema de gestión de la calidad de la organización. Ésta norma internacional es un documento de orientación y no está prevista para propósitos de certificación o registro.” (ISO 10005:2005: 7) A continuación los ocho principios de gestión de calidad sobre las cuales se basan las normas ISO 9000. Estás pueden ser usados como guías por los gerentes para lograr mejoras en sus empresas. Estos principios vienen de la vasta experiencia y conocimiento adquirido de los expertos que participan de los comités técnicos de la ISO. “Enfoque al cliente: Las organizaciones dependen de sus clientes y por lo tanto deberían comprender las necesidades actuales u futuras de los clientes, satisfacer los requisitos de los clientes y esforzarse en exceder las expectativas de los clientes. Liderazgo: Los líderes establecen la unidad de propósito y la orientación de la organización. Ellos deberían crear y mantener un ambiente interno, en el cual el personal pueda llegar a involucrarse totalmente en el logro de los objetivos de la organización.
  • 20.
    20 Participación del personal:El personal, a todos los niveles, es la esencia de una organización y su total compromiso posibilita que sus habilidades sean usadas para el beneficio de la organización. Enfoque basado en procesos: Un resultado se alcanza más eficientemente cuando las actividades y los recursos relacionados se gestionan como un proceso. Enfoque de sistema para la gestión: Identificar, entender y gestionar los procesos interrelacionados como un sistema, contribuye a la eficacia y eficiencia de una organización en el logro de sus objetivos. Mejora continua: La mejora continua del desempeño global de la organización debería ser un objetivo permanente de ésta. Enfoque basado en hechos para la toma de decisión: Las decisiones eficaces se basan en el análisis de los datos y la información. Relaciones mutuamente beneficiosas con el proveedor: Una organización y sus proveedores son interdependientes, y una relación mutuamente beneficiosa aumenta la capacidad de ambos para crear valor.” (ISO 9000:2005: 6,7) En consecuencia estos principios describen los beneficios claves del enfoque al cliente, liderazgo, participación del personal, enfoque basado en procesos, enfoque de sistema para la gestión, mejora continua, enfoque basado en hechos para la toma de decisión, relaciones mutuamente beneficiosas con el proveedor y la conducción de la aplicación de cada uno de estos principios.
  • 21.
    21 1.2.2 Política decalidad La política de calidad es un compromiso por parte de la organización, una declaración formal de las intenciones de la organización en cuestión de calidad que debe ser anunciada a los empleados.7 Según la ISO, la política de calidad debe cumplir con cinco características: “La alta dirección debe asegurarse de que la política de la calidad: a) es adecuada al propósito de la organización, b) incluye un compromiso de cumplir con los requisitos y de mejorar continuamente la eficacia del sistema de gestión de la calidad, c) proporciona un marco de referencia para establecer y revisar los objetivos de la calidad, d) es comunicada y entendida dentro de la organización, y e) es revisada para su continua adecuación.” (ISO 9001:2008: 4) Es decir, la política de calidad debe guardar sentido y coherencia con la política de la empresa. Las políticas de calidad son guías específicas e importantes para la organización. 7 POLLO 2009 : 227
  • 22.
    22 1.2.3 Manual decalidad Un documento muy importante dentro del sistema de gestión de la calidad es el manual de calidad. El manual de calidad es un documento que especifica el sistema de gestión de la calidad de una organización. Los manuales de la calidad pueden variar en cuanto a detalle y formato para adecuarse al tamaño y complejidad de cada organización en particular.8 Por lo tanto, todo sistema de gestión de la calidad debe documentarse en un manual de calidad. Además, según la ISO, el manual de calidad debe cumplir con las siguientes características: “La organización debe establecer y mantener un manual de la calidad que incluya: a) el alcance del sistema de gestión de la calidad, incluyendo los detalles y la justificación de cualquier exclusión (Véase 1.2), b) los procedimientos documentados establecidos para el sistema de gestión de la calidad, o referencia a los mismos, y c) una descripción de la interacción entre los procesos del sistema de gestión de la calidad.” (ISO 9001:2008: 3) Es decir, un manual de calidad debe contener procedimientos, instrucciones y registros de calidad. En la figura 1, se muestra gráficamente la estructura documental que debe contener. 8 ISO 9000:2005: 17
  • 23.
    23 Manual de Calidad Procedimientos Instrucciones yRegistros de calidad Sistema de Gestión de la Calidad (SGC) Fuente: FONTALVO 2010: 113 En seguida se menciona algunas consideraciones que se debe tener en cuenta en la gestión del manual de la calidad. Primero, el establecimiento del manual de calidad, donde el departamento de calidad es el responsable de la elaboración del manual de calidad. Segundo, revisión del manual de calidad, se debe realizar cada vez que existan modificaciones en el sistema de calidad (política de calidad, organización etc.) Figura 1: Estructura Jerárquica del Manual de Calidad
  • 24.
    24 o cada vezque algún departamento lo solicite. Ésta se debe evaluar y luego se podrá incorporar en el manual. Existan o no modificaciones se establecerá revisiones periódicas una vez cada 2 años como mínimo. Este tiempo ayudará a revisar el acumulado de la revisión anual. Tercero, aprobación del manual de calidad, corresponde la aprobación del manual de calidad al gerente general de la empresa, y si el cliente lo exige será aprobado por una entidad externa. Cuarto, distribución, la distribución del manual se realizará a todos los departamentos y entidades que por requerimientos contractuales lo requiera. En el caso que haya una modificación en alguna parte del manual se emitirá solamente las o la página que requiera el cambio; asimismo, solicitando la devolución del antiguo documento. Quinto, la estructura del manual deberá contener en la portada la identificación de la empresa que lo ha establecido, el título del manual, el propietario del ejemplar y su número de colección, la fecha de la primera y última revisión, el nombre y firma de quien establece el manual, y fecha de establecimiento y aprobación. Esta estructura debe contener en la primera parte introductoria el índice del contenido (partes, secciones y capítulos) del manual de calidad de la empresa, la declaración de política de calidad por la dirección de la empresa, la presentación de la misma, las definiciones y terminología aplicables, las actividades relacionadas con la gestión del manual de calidad. Una segunda parte debe contener el desarrollo de las partes y capítulos aplicables de la norma ISO 9001. Finalmente, el manual de calidad se debe editar en español. 9 Por consiguiente, evaluar periódicamente el manual de calidad y cambiarlo si fuera necesario bajo la aprobación de la gerencia. Además, debe estar bien organizado y estructurado. Enseguida se menciona brevemente algunos elementos básicos que debe contener la estructura del manual para la implementación de un sistema de gestión de calidad. Características de la empresa, como por ejemplo, reseña histórica, portafolio de servicios, políticas y objetivos de calidad, visión, misión. Alcance y exclusiones, la descripción del cumplimiento de la norma ISO 9001: Sistema de gestión de calidad: Requisitos generales, requisitos de la 9 GÓMEZ 2005: 56-63
  • 25.
    25 documentación, generalidades, manualde calidad, control de la documentación, control de los registros de la calidad. Responsabilidades de la dirección: compromiso de la dirección, enfoque al cliente, política de calidad (gestión de la política y declaración de la política de calidad), responsabilidad y autoridad (estructura básica de la empresa de servicio y comité de calidad), representante de la dirección, comunicación interna, revisión por la dirección (generalidades, información y resultados de la revisión) Gestión de los recursos: suministro de recursos, recursos humanos (generalidades y competencia, toma de conciencia y formación), infraestructura, ambiente de trabajo. Prestación del servicio: Planificación de la prestación del servicio, procesos relacionados con el cliente (determinación de los requisitos relacionados con el servicio, revisión de los requisitos relacionados con el servicio, comunicación con los clientes), diseño y desarrollo ( Planificación del diseño y desarrollo, elementos de entrada para el diseño y desarrollo, resultados del diseño y desarrollo, verificación del diseño y desarrollo, validación del diseño y desarrollo, control de cambios del diseño desarrollo). Compras (proceso de compras, información de las compras, verificación de servicios adquiridos), prestación del servicio (control de la prestación del servicio, validación de los procesos de la prestación del servicio, identificación y trazabilidad, propiedad del cliente, presentación del servicio), control de equipos de medición y seguimiento. Medición, análisis y mejora: Generalidades, seguimiento y medición (satisfacción del cliente, auditoría interna, seguimiento y medición de los procesos, seguimiento y medición de los servicios), control del servicio no conforme, análisis de los datos. Mejora: Mejora continua, Acciones correctivas y preventivas.10 De aquí que la estructura básica del manual de calidad debe especificar las características de la empresa, alcance y exclusiones, la descripción del cumplimiento de la norma ISO 9001: 10 FONTALVO 2010(a) : 216-218
  • 26.
    26 Sistema de gestiónde calidad, responsabilidades de la dirección, gestión de los recursos, prestación del servicio, medición, análisis y mejora. En la figura 2, se muestra un formato ejemplo para elaborar los documentos de un sistema de gestión de calidad. Figura 2: Formato Manual de Calidad Fuente: FONTALVO 2010(b): 115 En el formato anterior se debe colocar el logo de la empresa, el código y edición de referencia, la fecha y página, la persona quién lo elaboró, revisó y aprobó el formato, si es una copia controlada o no controlada. De esta manera se tendrá ordenado y controlado el manual de la calidad. Código Edición Fecha Página ELABORÓ REVISÓ APROBÓ Copia Controlada: Copia No controlada: Logo MANUAL DE CALIDAD GENERAL Empresa Logo y nombre de la empresa Tipo de documento El código es una notación que puede ser numérica o alfa numérica y se utiliza para darle una identificación a los documentos de un sistema de gestión de calidad. La edición expresa el número de versiones o correcciones que ha tenido el documento. La fecha refleja el día de la edición del documento. En la página se coloca el consecutivo de cada hoja; esto con el fin de que enel caso de nuevas ediciones o correciones del documento no se tenga que imprimir todo el documento nuevamente. Especificación del documento En estos items se establece la responsabilidad en la elaboración del documento. En estos items se determina si el documento es de libre circulación o no.
  • 27.
    27 1.2.4 Procedimientos deCalidad Los sistemas de gestión usan procedimientos de calidad para definir los procesos de la organización. Enseguida se mencionan algunas consideraciones sobre el contenido de los procedimientos de calidad. “Los procedimientos de calidad en suma con el manual de la calidad conforman la política de calidad y establecen los requisitos que se deben cumplir con el objetivo de conseguir el nivel de calidad requerido del producto. Así como el manual de calidad es la guía general de actuación de la empresa, los procedimientos definen el proceso para realizar las actividades en la práctica. En cada procedimiento se reflejará el número de revisión y fecha, así como la firma del responsable de su realización. Los procedimientos específicos de calidad comenzarán su numeración por PC seguido del capítulo del manual al que afecta principalmente y un dígito correlativo a continuación. Los procedimientos de calidad serán editados por el departamento de calidad, el cual editará y mantendrá con periodicidad mensual un listado de todos los procedimientos de calidad en vigor en el que figure, aparte de su identificación, la aplicabilidad y estado de revisión de cada procedimiento y su distribución. Los procedimientos de calidad se revisarán siempre que sea necesario como consecuencia de cambios en los procesos, procedimientos, métodos de trabajo o control o para evitar ambigüedades o posibilidad de distinto criterio de interpretación. Las revisiones de los procedimientos de calidad se realizarán como mínimo cada dos años.” (GÓMEZ 2005b: 71,72). Por tanto, los procedimientos de calidad deben contener información revisada y actualizada periódicamente. 1.2.5 Otros Documentos de Calidad
  • 28.
    28 El sistema degestión puede incluir otros documentos relacionados con la calidad, como por ejemplo, planes de calidad o normas. Asimismo, hojas de verificación, hojas de análisis de los datos de los costes de la calidad, registros de incidencias, plan de auditorías internas o externas, encuestas, hojas de control de procesos, reclamaciones, devoluciones, formato de indicadores, ficha de procesos, diagrama de flujo de procesos. 1.3 Procesos 1.3.1 Definición Usando el conjunto de documentos para la introducción y el soporte de la serie de Normas ISO 9000: Orientación sobre el concepto y uso del “Enfoque basado en procesos” para los sistemas de gestión, definimos un proceso. “Conjunto de actividades interrelacionadas o que interactúan, las cuales transforman elementos de entrada en resultados”. (COMITÉ 176 DE LA ISO 2003: 3) Es decir, en un proceso existen elementos de entrada que interactúan y luego estos se transforman en un resultado.
  • 29.
    29 1.3.2 Análisis deProcesos La determinación de los criterios y métodos para operación y control de procesos consiste en el análisis del proceso a través del SIPOC (Supliers, Input, Process, Output, Custumer). Supliers son aquellos que proporcionan los insumos necesarios para que el proceso comience. Input son las materias primas y/o información que desencadenan el proceso. Process son el conjunto de tareas que se realiza para procesar los input hasta convertirlos en output. Costumer, para quién se ha elaborado el producto o servicio solicitado. Ésta es una herramienta que permite ver gráficamente el proceso de manera sencilla y general.11 Existen varios modelos de análisis de proceso, pero en esta oportunidad he tomado en cuenta un modelo SIPOC el cual ofrece un orden y un nivel de detalle fácilmente entendible. En la siguiente figura 3, se aprecia un ejemplo de análisis de procesos SIPOC, para el proceso de ventas. Definición de entradas, factores críticos, controles, definición de recursos, definición de salida, indicadores. 11 TOVAR 2007 : 39
  • 30.
    30 Fuente: Adaptado deMARIN 2011 Figura 3: Ficha de Análisis de Procesos-SIPOC
  • 31.
    31 1.3.3 Enfoque Basadoen Procesos Normalmente, las organizaciones se gestionan de manera vertical o funcional, pero la ISO sugiere un enfoque basado en procesos. El enfoque basado en procesos trata de gestionar la organización a través de una gestión horizontal. Es decir, pasar de la gestión vertical o funcional tradicional a una gestión horizontal, transversal, unificando los enfoques de los departamentos hacia metas principales de la organización.12 Por lo tanto, gestionar horizontalmente demanda mayor coordinación entre las áreas funcionales pero está gestión garantiza que los resultados sean eficientes y eficaces. El enfoque basado en procesos brinda ciertos beneficios que a continuación se mencionan: Capacidad para centrar los esfuerzos en la eficacia y eficiencia de los procesos. Integra y alinear los procesos para permitir el logro de los resultados planificados. Transparencia de las operaciones dentro de la organización. Reduce costos y tiempos de ciclo a través del uso eficaz de los recursos. Mejores resultados, coherentes y predecibles. 12 COMITÉ 176 DE LA ISO 2003(a) : 4-5
  • 32.
    32 Proporciona oportunidades paraenfocar y priorizar las iniciativas de mejora.13 Es decir, integrando los procesos de manera idónea lograremos obtener mejores resultados planificados, los cuales se reflejaran en una reducción de los costos. 1.3.4 Mapa de Procesos Uno de los conceptos más fáciles de entender es el que se maneja en la Guía para una Gestión Basada en Procesos. El mapa de procesos es la representación gráfica de la estructura de procesos que conforman el sistema de gestión. (CEX 2012: 20) Entonces el mapa de procesos está representada gráficamente y compuesta por varios procesos. Una vez reconocidos y seleccionados los principales procesos de la organización se procede a elaborar el mapa de procesos, con el único fin de facilitar la interpretación a través de gráficos. Existen dos posibles agrupaciones: La figura 4 muestra tres procesos: los estratégicos, 13 GRAJEDA 2012 : 37
  • 33.
    33 operativos y deapoyo; y la interacción entre el cliente desde sus requisitos hasta su satisfacción. Fuente: CEX 2012: 21 Por otro lado, la figura 5 muestra cuatro procesos: de planificación, gestión de recursos, de realización del producto y de medición, análisis; y del mismo modo la interacción entre el cliente desde sus requisitos hasta su satisfacción. Figura 4: Mapa de Procesos (1)
  • 34.
    34 Fuente: CEX 2012:21 Existen varias configuraciones para la elaboración de mapas de procesos, pero en esta oportunidad sólo se mencionará y describirá los dos anteriores. “Procesos estratégicos como aquellos procesos que están vinculados ámbito de las responsabilidades de la dirección y, principalmente, al largo plazo. Se refieren fundamentalmente a procesos de planificación y otros que se consideren ligados a factores clave o estratégicos. Procesos operativos como aquellos procesos ligados directamente con la realización del producto y/o la prestación del servicio. Son los procesos de línea. Procesos de apoyo como aquellos procesos que dan soporte a los procesos operativos. Se suelen referir a procesos relacionados con recursos y mediciones. El segundo ejemplo está en línea con los cuatro grandes capítulos de requisitos de la norma ISO 9001, y son los siguientes: Procesos de planificación como aquellos procesos que están vinculados al ámbito de las responsabilidades de la dirección y se encuentran en consonancia con el capítulo cinco de la norma de referencia. Figura 5: Mapa de procesos (2)
  • 35.
    35 Procesos de gestiónde recursos como aquellos procesos permiten determinar, proporcionar y mantener los recursos necesarios (recursos humanos, infraestructura y ambiente de trabajo) y se encuentran en consonancia con el capítulo seis de la norma de referencia. Procesos de realización del producto como aquellos procesos que permiten llevar a cabo la producción y/o la prestación del servicio, y se encuentran en consonancia con el capítulo siete de la norma de referencia. Procesos de medición, análisis y mejora como aquellos procesos que permiten hacer el seguimiento de los procesos, medirlos, analizarlos y establecer acciones de mejora. Se encuentran en consonancia con el capítulo ocho de la norma de referencia.”(CEX 2012: 22) En resumen, existen varias representaciones pero se tomaron solo dos representaciones básicas de los mapas de procesos, el primero compuesta por procesos estratégicos, operativos y de apoyo, mientras el segundo está compuesto por procesos de planificación, gestión de recursos, realización y de medición. Todos estos en línea a los capítulos 6,7 y 8 respectivamente de los requisitos de la norma ISO 9001. 1.3.5 Herramientas de Consideración para Elaborar el Mapa de Procesos Las empresas realizan muchos procesos, asimismo, cada uno de estos comprenden varias actividades. Como estos ya existen dentro de la organización, entonces, los esfuerzos deben ser dirigidos a identificarlos y gestionarlos apropiadamente. Existen algunas herramientas de gestión que ayudan a identificar los principales procesos que componen la estructura del mapa de procesos. La estructura del mapa son gráficos que ayudan a representar los procesos y su interacción con otros dentro de la empresa. Estos procesos se pueden agrupar por analogía en dos diferentes tipos, con tres o cuatro agrupaciones.14 Existen herramientas de reconocimiento que permiten identificar los más críticos. Estas se ayudan de matrices donde en cada columna 14 BELTRÁN 2008 : 24
  • 36.
    36 se anotan lasactividades y en cada fila se anotan los factores críticos de éxito de la organización.15 En conclusión, el mapa sirve para representar los procesos gráficamente e identificar los procesos críticos con la ayuda de matrices. Ahora, conoceremos los pasos de cómo elaborar o establecer un mapa de procesos. En la elaboración del mapa de procesos se debe tener en cuenta los procesos que brindan una ventaja competitiva, en seguida, se describirán los pasos para desarrollar un mapa de procesos. Primero, realizar un inventario de todos los procesos que se realizan en la organización. Luego, determinar las capacidades y competencias que la organización debe impulsar para mantener una ventaja competitiva, y determinar las características, condiciones y variables que debidamente gestionadas tendrán un impacto de éxito en la organización. También, se debe conocer qué variables son influenciadas por la dirección a través de sus decisiones. A parte de ello, se debe determinar objetivos intermedios cuya ejecución conduce a la implementación exitosa de la estrategia, trabajos clave que deben ejecutarse con el mínimo de errores y finalmente se logrará identificar los procesos más importantes o procesos claves. 16 De lo anterior, se elaboró un formato que permite analizar los procesos y factores claves analizados y cuantificados se deberá valorar como E (excelente), B (bueno), R (regular) y D (deficiente) donde permitirá identificar los procesos que generan un ventaja competitiva a la organización. 15 MINISTERIO DE FOMENTO 2005 : 10-11 16 FONTALVO 2010(c) : 91-94
  • 37.
    37 Establecimiento de las políticasde la calidad Diseño de servicio en función de la satisfacción del cliente Planificar el servicio Revisión el servicio Revisión del sistema por parte de la gerencia Preceso de administración de recuersos Formación y capacitación del personal Mejoramiento del ambiente de trabajo Control de servicios no conformes del SGC Análisis de la información y verificación para cumplir con las necesidades del cliente. Acciones correctivas y preventivas del SGC para el mejoramiento de los servicios. Procesos relacionados con el cliente. Diseño y desarrollo de la prestación del servicio Prestación del servicio Oportunidades del mercado Grado de satisfacción del cliente. Nuevos recursos Políticas económicas de incentivación. Valoración Satisfación del cliente Factoresclaves E(excelente), B(bueno), R(regular)y D(deficiente) Procesos Paticipación del personal laboral Dirección (flexible, creativo y profesional) Calidad de servicios y de la gestión Recursos Fuente: FONTALVO 2010: 92 Tabla 1: Procesos vs Factores clave
  • 38.
    38 1.3.6 Diagrama Causa-Efecto Una de las herramientas básicas de calidad más conocidas y usadas es el diagrama causa – efecto. También conocido como diagrama de Ishikawa o diagrama de espina de pez, analiza de forma organizada y sistemática los factores, las causas y las causas de las causas, que inciden en la generación de un problema detectado a partir de sus efectos. En éste diagrama se dibujan fechas inclinadas que inciden sobre una línea central que dirige el conjunto hacia el efecto a alcanzar. Las flechas inclinadas que están dirigidas a la línea central pueden representar los elementos que intervienen en el proceso analizado; uno de los diagramas más conocidos, en este sentido, es el de las denominadas las 6M, en el que los elementos del sistema productivo comienzan por una M y son los siguientes: Mano de Obra, Materiales, Métodos, Medio ambiente, Mantenimiento y Maquinaria. Ésta herramienta es aconsejable que sea elaborada por un grupo de trabajo que facilite la aportación de ideas y datos de forma abundante y contrastada; de hecho, comenzó a utilizarse en los grupos denominados “círculos de calidad”, desarrollados por el mismo Kaoru Ishikawa.17 Entonces, el diagrama de Ishikawa sirve para encontrar la causa raíz de un problema a través de la identificación de las causas y sub causas de un problema detectado. En la figura se muestra los seis elementos del sistema productivo: Mano de Obra, Materiales, Métodos, Medio ambiente, Mantenimiento y Maquinaria; y a través de una lluvia de ideas se identifica el principal problema (efecto sobre la calidad). 17 CUATRECASAS 2012: 592
  • 39.
    39 Fuente: ALCALDE 2007:150 1.3.7Diagrama de Pareto Ésta herramienta ayuda en la toma de decisiones sobre qué causas hay que resolver prioritariamente para lograr una mayor efectividad en la resolución de problemas. Así, en el caso de haber identificado las causas de defectos por medio del diagrama de Ishikawa, pueden haber aparecido muchas posibles causas y ahora interesa concentrarse en las más relevantes. La regla consiste en considerar que aproximadamente el 80% de las consecuencias de un fenómeno (por ejemplo, los defectos de calidad), son debidas a unas pocas e importantes causas (alrededor de 20% de ellas). Con el objeto de seleccionar las causas más relevantes, se ordenan las mismas situándolas de mayor a menor incidencia (frecuencia o coste) a partir de la izquierda, tal como indica la figura 7. También se representa una curva que establece, para Efecto sobre la calidad Máquina Mano de Obra Materia Métodos Medio Ambiente Medida Figura 6: Diagrama Ishikawa (Causa-Efecto)
  • 40.
    40 cada causa, elporcentaje acumulado de fallos sobre el total, donde se aprecia en mayor o menor medida la regla anterior de Pareto.18 Es decir, el diagrama de Pareto se usa para identificar y priorizar en los problemas más significativos a través de la recolección y organización de los datos. Fuente: Adaptado de CUATRECASAS 2012: 593 Por ejemplo, el gráfico anterior muestra en el eje de la izquierda, la frecuencia de ocurrencia de las variables A, B, C, D, E, F y G y la curva de color rojo representa el acumulado expresado en porcentaje (%). Luego, si trazamos una línea horizontal en 80% e interceptamos con una línea vertical, paralela, así se identificará las variables o categorías donde se debería priorizar los esfuerzos para resolver el problema, en este caso variables A, B, C y D. 18 CUATRECASAS 2012 : 593 Figura 7: Diagrama Pareto (80-20) 80% de fallos 20% de causas
  • 41.
    41 1.3.8 Indicadores deGestión Los procesos se miden a través de indicadores de gestión; a continuación se definirá y mencionará las características que deben tener. Un indicador es un soporte de información (habitualmente expresión numérica) que representa una magnitud, de manera que a través del análisis del mismo permite la toma de decisiones sobre los parámetros de actuación (variables de control) asociados. Además, un indicador debe cumplir una serie de características: un indicador debe ser lo más representativo posible de la magnitud que pretende medir. Asimismo, debe cambiar de valor de forma apreciable cuando realmente se altere el resultado de la magnitud. El beneficio que se obtiene del uso de un indicador debe compensar el esfuerzo de recopilar, calcular y analizar los datos. Del mismo modo, se debe basar en datos obtenidos de mediciones objetivas y confiables. Adicionalmente, debe determinarse y formularse de manera que sea comparable en el tiempo para poder analizar su evolución y tendencia.19 En resumen, un indicador debe tener las siguientes características: representatividad, sensibilidad, rentabilidad, fiabilidad y relatividad en el tiempo. La implementación de los indicadores de gestión se realiza para controlar los resultados. Los indicadores de gestión son un conjunto de variables cuantitativas y cualitativas las cuales son medidas y luego observadas sus tendencias en función a los objetivos trazados por el área o proceso. Estos indicadores de gestión pueden ser de eficacia o eficiencia. Los indicadores de eficacia, se 19CEX 2012 : 34
  • 42.
    42 refieren a conseguirlos objetivos establecidos y los indicadores de eficiencia se refieren a hacer más con igual o menos recursos de manera óptima.20 Es decir, los indicadores pueden ser de eficacia o eficiencia según sea el objetivo de lo que se desee medir y controlar. En la siguiente tabla se muestran indicadores de gestión los cuales ayudan como referencia de la tendencia de los indicadores. 20 ITM 2009 : 10
  • 43.
    43 Tabla 2: Indicadoresde Gestión Fuente: Adaptado de ROJAS, Carlos (AÑO 03): 21-23 AREA INDICADOR RELACIÓN UNID TENDENCIA ESTANDAR Eficacia (desviación pronóstico) (Ventas reales mes / Ventas presupuestadas)*100 % 1 ó ↗ - Eficiencia (presupuesto gastos) [Valor gastos/mes)/Valor gastos presupuestados]*100 % 1 - Eficacia (pertenencia clientes) Número de deserciones de clientes/Periodo # Cero(0) - RRHH Tasas retorno de capacitación ($ perdido por desempeños deficientes/$ invertido en capacitación costo)*100 % - NOMBRE INDICADOR RELACIÓN UNID TENDENCIA ESTANDAR CAPACITACIÓN GASTO * $ Gastado capacitación en C, H/periodo * $ Invertido en capacitación/ periodo CG=[($ Capacitación gasto/periodo)/($ Capacitación total/periodo)]*100 % ↘ 5% CAPACITACIÓN COSTO * $ Invertido Estratégicamente en capacitación/Periodo * Costo capacitación total/ Periodo CC=[($ Capacitación gasto/periodo)/($ Capacitación total/periodo)]*100 % ↘ Según plan estratégico de la empresa ROTACIÓN DE PERSONAL (GLOBAL) *# de Egresos/Periodo *#Promedio de empleados en el periodo RG= (# N° egresos/ periodo)/# promedio empleados en el periodo)*100 % ↗ 5% ROTACIÓN DE PERSONAL (POR CAUSA) *# de Egresos por causa *#Promedio de empleados en el periodo RC= (# N° egresos/ periodo)/# promedio empleados en el periodo)*100 % ↘ $=5% E.Dcción=2% Normas =3% O.Dllo=2% VENTAS ↘
  • 44.
    44 1.3.9 Índice deProductividad Total Según la Organización Internacional del Trabajo (Introducción al Estudio del Trabajo), la productividad es la relación entre producción e insumo (OIT 1996: 4) En el caso de la medición de la productividad de empresas se habla del índice de productividad total. Un índice de productividad total es una cifra única que expresa la eficiencia de toda una organización. Su formulación incluye una exposición general del valor del producto o servicio y un valor resumido de todos sus insumos. Típicamente, se usan dimensiones monetarias para el numerador y el denominador, a fin de permitir que los diversos productos y recursos sean expresados en términos equivalentes. Uno de los muchos modelos posibles de productividad total tiene la fórmula siguiente: Índice de Productividad Total = Ventas+Cambio de Inventario+Planta Mano de Obra+Materiales+Servicios+Depreciación+Inversión Los factores de producción e insumo se describen de manera individual a continuación: Ventas (ventas netas facturadas para el año que se mide), para que los datos sean comparables de un año al siguiente, se debe aplicar un factor de deflación, o deflactor de precio, a fin de convertir los dólares actuales en dólares constantes. Las tablas de índices de precios, fáciles de obtener, pueden proporcionar las cifras actuales de deflación. Cambio de inventario (Variación en el valor de los niveles de inventario entre el principio y el final de año que se mide), el inventario incluye producción en proceso y artículos terminados. Cada categoría de inventario podría tener su propio factor de deflación. Planta (Valor agregado internamente a la organización), las capacidades de una organización son aumentadas a menudo por la producción de sus empleados en forma que aumenta el valor del sistema de producción, pero no incrementa directamente la utilidad proveniente de las ventas. Mano de Obra (Salarios y beneficios pagados a empleados o separados en cuentas de reserva), la retribución anual por trabajo incluye salarios por hora, sueldos, tiempo extraordinario, vacaciones y enfermedad, seguro, participación de utilidades, seguro social y gratificaciones.
  • 45.
    45 Materiales (Materias primasy componentes comprados consumidos en la producción). Servicios (Energía y suministros comprados por fuera más equipo rentado y mano de obra contratada). Depreciación (Disminución del valor de capital del activo que proporciona capacidad de producción) Inversión (Costo para los inversionistas del capital fijo que proporciona capacidad de producción), el capital fijo incluye terrenos, edificios, maquinaria y equipo, así como cargos diferidos. El capital de trabajo comprende efectivo, documentos, cuentas por cobrar, inventarios y gastos pagados por anticipado. El insumo inversión es, por lo tanto, la tasa de rendimiento que deben ganar todos los activos de capital21 Por otro lado es importante mencionar la definición de eficiencia que realiza la ISO 9000:2005, donde se define la eficiencia como la relación entre el resultado alcanzado y los recursos utilizados. 1.4 Implantación de un Sistema de Gestión de la Calidad Un sistema de gestión de la calidad es la estructura organizativa, las responsabilidades, los procedimientos, procesos y recursos necesarios para llevar a cabo la gestión de calidad. La cual se aplica a todas las actividades realizadas en una empresa y afecta a todas las fases, desde el estudio de las necesidades del consumidor hasta el servicio posventa. Estas empresas interesadas en implantar deben cumplir con ciertas etapas las cuales se explican brevemente: Primero, se debe realizar un diagnóstico inicial de la empresa. Es decir, un análisis de los procesos que se llevan a cabo tomando como referencia el 21 RIGGS 2001 : 615-617
  • 46.
    46 modelo de gestiónelegido. Segundo, elaborar una documentación adecuada (manual de calidad, procedimientos e instrucciones), el cual detalle la manera de realizar todas las tareas. El objetivo de documentarlas es no cometer errores o minimizarlas. Es decir, estandarizar la manera de realizar las actividades que comprenden un proceso. Tercero, implantar el sistema de gestión de la calidad el cual generará registros (documentos, fichas, etc.) Estos son una prueba objetiva de que el sistema de gestión está implantado. Luego de la implantación se comparará con algún modelo de sistema de gestión de calidad que la empresa este interesado. Posteriormente, se debe realizar auditorías internas para comprobar si cumple con los requisitos del modelo de gestión elegido. Finalmente, se solicitará auditorías más objetivas a través de entidades externas certificadoras.22 Implantar un sistema de gestión de calidad está compuesto básicamente por cuatro etapas: diagnóstico, elaboración, implantación y evaluación/ certificación. 1.4.1 Ciclo de Mejora de Continua de Deming El ciclo de mejora continua de Deming consiste en los cuatro pasos: Planificar, Ejecutar, Verificar y Actuar. Del mismo modo, planificar se divide en cuatro sub pasos: identificación del problema, observación, análisis y plan de acción, mientras que las demás se mantienen en un solo paso. Adicionalmente, cada uno de estos pasos se descomponen en tareas, para ilustrar a continuación se muestra la siguiente figura, en la cual se observa de manera resumida los ocho pasos del método de solución de problemas. 22 LÓPEZ 2006 : 21-32
  • 47.
    47 Fuente: RUCOBA 2011 Identificacióndel problema, está compuesta por las siguientes tareas: selección del problema, historia del problema, mostrar pérdidas actuales y ganancias viables, realizar un análisis de Pareto y nombrar responsables. Observación, está compuesta por las siguientes tareas: descubrir las características del problema, descubrir las características del problema observaciones y cronograma. Análisis, está compuesta por las siguientes tareas: definición de causas fundamentales, selección de causas más probables, análisis de causas más probables y prueba de consistencia de la causa fundamental. Figura 8: Ciclo de Deming como Método de Solución de Problemas
  • 48.
    48 Plan de acción,está compuesta por las siguientes tareas: elaborar la estrategia de acción y elaborar el plan de acción para el bloqueo y la revisión del cronograma y presupuesto final. Ejecución, está compuesta por las tareas entrenamiento y ejecución de la acción. Verificación, está compuesta por las siguientes tareas: comparación de los resultados, lista de los efectos secundarios, verificación de la continuación o no del problema y ¿El bloqueo fue efectivo? Estandarización, está compuesta por las siguientes tareas: elaboración o alteración del estándar, comunicación, educación y entrenamiento, y acompañamiento de la utilización del estándar. Conclusión, relación de los problemas remanentes, planeamiento del ataque a los problemas remanentes y reflexión.23 Por lo tanto, el Ciclo de Deming se usa como un método de solución de problemas dispuestos en ochos pasos: Identificación del problema (seleccionar el problema y mostrar su importancia), Observación (¿Cómo ocurre?), Análisis (¿Por qué ocurre?), Plan de acción (¿Qué hacer para eliminar la causa?), Ejecución (Garantizar la ejecución del plan), Verificación (¿El problema fue resuelto?), Estandarización(Evitar que la causa vuelva a ocurrir) y finalmente la Conclusión (Reflexionar acerca de los aprendido). Adicionalmente en la siguiente figura, se muestra las herramientas de calidad de uso más frecuente comparado con los cuatro pasos de la mejora continua (PDCA). 23 RUCOBA 2011(a) : 1-9
  • 49.
    49 Figura 9: CicloPDCA vs Herramientas de Calidad más Frecuentes Fuente: ITM 2009(b): 47 En la parte superior de la figura se encuentran las herramientas de calidad: Diagrama de decisión de acción es la herramienta menos usada en la etapa de planificación. Por el contrario, las herramientas de calidad como: Hoja de control y Diagrama árbol son los más usados en la etapa hacer de mejora continua. Asimismo, las herramientas de Estratificación, Hoja de control, Gráficos de control, Histograma y Diagrama Pareto son usados en la etapa de verificación. Por último, las herramientas de Diagrama de Gantt, PERT, de decisiones de acción Brainstorming, AMFEC (Análisis Modal de Fallos y Efectos), QFD (Despliegue de la Función de Calidad), DDE (Diseño de Experimentos), Diagrama de flujo, Análisis Valor y Benchmarking son usados en la etapa actuar del proceso de mejora continua. Asimismo en la parte inferior izquierda de la figura, encontramos el ciclo PDCA, donde de manera resumida podemos decir lo siguiente:
  • 50.
    50  “Planificar” Establecelos objetivos y procesos necesarios para conseguir resultados de acuerdo con los requisitos del cliente y las políticas de la organización;  “Hacer” Implementa los procesos  “Verificar” Realiza el seguimiento y la medición de los procesos y los productos respecto a las políticas, los objetivos y los requisitos para el producto, e informar sobre los resultados.  “Actuar” Toma las acciones para mejorar continuamente el desempeño del proceso. 1.5 Costos Totales de Calidad Los costos totales de calidad se clasifican en costos de prevención, evaluación, fallos internos y externos. Enseguida se explica cada uno de ellos. “Costos de prevención, son los costos de todas las actividades específicamente diseñadas para evitar la mala calidad en productos o servicios. Ejemplos: costos de la revisión de un nuevo producto, la planificación de la calidad, estudios de la capacidad del proveedor, evaluaciones de la capacidad del proceso, reuniones del equipo de mejora de la calidad, proyectos de mejora de la calidad, educación y formación para la calidad. Costos de evaluación, son los costos correspondientes a la medida, evaluación o auditoría de productos o servicios para garantizar la conformidad con las normas de calidad y los requisitos de comportamiento. Éstos incluyen los costos de la inspección en recepción y en origen/ensayo de material adquirido, inspección durante el proceso y final/ensayo, auditoría de producto, proceso o servicio, calibración del equipo de medida y ensayo, y el costo de los suministros y materiales asociados. Costes de fallos, son los costos que resultan de productos o servicios no conformes con los requisitos o las necesidades del cliente/usuario. Los costos de fallos se dividen en dos categorías: fallos internos y fallos externos. Costos de fallos internos, son los costos de fallos que tienen lugar antes de la entrega o expedición del producto, o de proveer un servicio, al cliente. Ejemplos: costos de desechos, reprocesos, re inspección, repetición de ensayos, revisión de
  • 51.
    51 material y degradación.Costos de fallos externos, son los costos de fallos que tienen lugar después de la entrega o expedición del producto, y durante o después de proveer un servicio, al cliente. Ejemplos: costes de procesar las reclamaciones del cliente, devoluciones del cliente, indemnizaciones por garantía y retiradas de producto. Costos totales de calidad, es la suma de todos los costos anteriores. Representa la diferencia entre el costo real de un producto o servicio y el menor costo que tendría si no hubiese posibilidad de dar un servicio inferior, fallos de los productos, o defectos en su fabricación.” (CAMPANELLA 1992: 33-36). Resumiendo, los costos de prevención y evaluación de calidad son los no percibidos por el cliente. Es decir, son los costos por mantener la calidad del producto. Mientras tanto los costos de fallas internas y externas son los que el cliente puede percibir en el producto final. Complementando los costos totales de calidad en la siguiente tabla, se muestra un reporte de costos de la calidad para ver por separado los costos de prevención, evaluación, fallas internas y externas. Asimismo, comparados con los costos del año anterior y actual, así como, el cambio porcentual y el cambio porcentual respecto a su presupuesto.
  • 52.
    52 Costos del periodo actual Costos del periodo anterior Cambio porcentual respectodel periodo anterior Presupuesto del periodo actual Cambio porcentual respecto al presupuesto Costos de prevención Entrenamiento para la calidad Participación en la calidad Investigación de mercado de la calidad Tecnología para la calidad Diseño del producto de calidad Total Costos de evaluciones Inspecciones de calidad Verificación de procedimientos Equipo de medición Equipo de pruebas Total Costos internos por fallas Reprocesamiento de productos Productos defectuosos y desperdicios Almacenamiento y dispoción de desperdicios Reprocesamiento Reprogramación y preparación de máquinas Total Costos externos por fallas Manejo de quejas Manejo de garantías Repación y reubicación de devoluciones Reembolsos a clientes Ejecuciones aceleradas Total Total costos de la calidad Tabla 2: “Reporte de Costos de la Calidad” Fuente: JESSE T. 2004: 319 Por consiguiente, el reporte de costo de calidad debe mostrar la variación respecto del año anterior, así identificar en dónde se genera mayores costos de calidad para luego analizar y posterior plan de mejora. Adicionalmente, en la siguiente tabla se muestra un resumen de los elementos detallados del costo.
  • 53.
    53 1.1 Marketing/Cliente/Usuario 2.1Costos de evaluación de compras 1.1.1 Investigación de Marketing 2.1.1 Inspección y ensayos en recepción o de entrada 1.1.2 Encuestas/consultas de la percepción del cliente/usuario 2.1.2 Equipo de medida 1.1.3 Revisión de contratos/documentos 2.1.3 Homologación del producto del proveedor 1.2 Desarrollo del producto/servicio 2.1.4 Programas de inspección y control en origen 1.2.1 Revisiones de los progresos del diseño de la calidad 2.2 Costos de evaluación de operaciones(fabricación o servicio) 1.2.2 Actividades de apoyo de diseño 2.2.1 Operaciones, inspecciones, ensayos y auditorías planificados 1.2.3 Ensayo de homologación del diseño del producto 2.2.1.1 Comprobación de mano de obra 1.2.4 Diseño del servicios-Homologación 2.2.1.2 Auditorías de calidad del producto o servicio 1.2.5 Pruebas en servicio 2.2.1.3 Inspección y ensayo de preparación 1.3 Costes de prevención de compras 2.2.2 inspecciones y ensayo de preparación 1.3.1 Revisiones de proveedores 2.2.3 Ensayos especiales (fabricación) 1.3.2 Clasificación de proveedores 2.2.4 Medidas de control del proceso 1.3.3 Revisiones de los datos técnicos de pedidos 2.2.5 Apoyo de laboratorio 1.4 Planificación de la calidad de proveedores 2.2.6 Equipo de medida(inspección y ensayo) 1.4.1 Costes de prevención de operaciones (fabricación o servicio) 2.2.6.1 Provisiones para amortización 1.4.2 Planificación de la calidad de operaciones 2.2.6.2 Gastos del equipo de medida 1.4.2.1 Diseño y desarrollo del equipo para medir la calidad y de control 2.2.6.3 Mano de obra de mantenimiento y calibración 1.4.3 Planificación de calidad del apoyo a operaciones 2.2.7 Avales y certificaciones externas 1.4.4 Educación para la calidad de los operarios 2.3 Costos de evaluación externos 1.4.5 CEP/Control del Proceso por el Operario 2.3.1 Evaluación del funcionamiento en servicios 1.5 Administración de la calidad 2.3.2 Evaluaciones especiales de productos 1.5.1 Salarios de administrativos 2.3.3 Evaluación de existencias en servicio y recambios 1.5.2 Gastos administrativos 2.4 Revisión de los datos de ensayos e inspección 1.5.3 Planificación del programa de calidad 2.5 Evaluaciones misceláneas de calidad 1.5.4 Informes del comportamiento de la calidad 1.5.5 Educación para la calidad 1.5.6 Mejora de la calidad 1.5.7 Auditorías del sistema de calidad 1.6 Otros costos de prevención 3.1 Costos de fallos(internos) del diseño del producto/servicio 4.1 Investigación de reclamaciones/servicio al cliente o usuario 3.1.1 Acción correctora del diseño 4.2 Devoluciones 3.1.2 Reprocesos debido a cambio de diseño 4.3 Costos de reconversión 3.1.3 Desechos debidos a cambios de diseño 4.3.1 Costos de retirada 3.1.4 Costos de coordinación de producción 4.4 Indemnización por garantía 3.2 Costos de fallos de compras 4.5 Costos de responsabilidad 3.2.1 Costos de la disposición de los materiales adquiridos y rechazados 4.6 Penalizaciones 3.2.2 Costos de sustitución de materiales adquiridos 4.7 Buena voluntad con el cliente/usuario 3.2.3 Acción correctora del proveedor 4.8 Pérdida de ventas 3.2.4 Reproceso de los rechazos al proveedor 4.9 Otros costos de fallos externos 3.2.5 Pérdidas de materiales incontrolados 3.3 Costos de los fallos de operaciones (producto o servicio) 3.3.1 Costos de revisión de material y acción correctora 3.3.3.1 Costos de disposición 3.3.3.2 Costos del análisis de fallos o hacer frente a anomalías 3.3.3.3 Costos de apoyo a investigación 3.3.3.4 Acción correctora de operaciones 3.3.2 Costos de reparación y reproceso de operaciones 3.3.2.1 Reprocesos 3.3.2.2 Reparaciones 3.3.3 Costos de repetición de inspección/ensayos 3.3.4 Operación extra 3.3.5 Costos de desechos de operaciones 3.3.6 Producto final o servicio degradado 3.3.7 Pérdidas de mano de obra de fallos internos 3.4.1 Otros costos de fallos internos COSTOS DE PREVENCIÓN COSTOS DE FALLOS INTERNOS COSTOS DE EVALUACIÓN COSTOS DE FALLOS EXTERNOS Fuente: Adaptado de CAMPANELLA 1992: 135-157 Tabla 3: Resumen de los Elementos Detallados del Coste
  • 54.
    54 Esta lista nopretende contener todos los elementos de costos de la calidad aplicables a todos los negocios, sino más bien una idea general de qué tipo de elementos están contenidos en las categorías de costos de prevención, evaluación, fallas internas y externas. Una forma conveniente de informar los costos de calidad es a través de una segmentación por segmentación organizacional, como se muestra en la siguiente tabla. Fuente: Adaptado de FRANK 1988: 400 Una vez descrito los costos de prevención, evaluación, fallos internos y externos, mencionaremos las relaciones que producen mayor impacto en la alta dirección de las empresas: Indicar los costos de la calidad como porcentajes de las ventas. Comparar los costos de la calidad con los beneficios. Comparar los costos de la calidad con la magnitud de los problemas corrientes. Ventas Servicios Proyectos Logística Contabilidad Tesorería Almacén Planeación de la calidad Capacitación y entrenamiento … Costos de evaluación Instrumentos de prueba e inspección … Costo de fallas internas Desperdicio Reproceso … Costos de fallas externas Devoluciones Costos de devolución … Área Costos de Calidad TOTALES Costos de Prevención Tabla 4: Matriz de Costos de Calidad
  • 55.
    55 Dólares por acción. Dólarescomo porcentaje del costo de los productos vendidos. Dólares como porcentaje del costo de fabricación. Efecto del costo de la calidad sobre el punto muerto.24 Por lo tanto para fines de análisis de éste proyecto profesional usaremos los costos de calidad mensual, utilidad neta versus las ventas (ingresos) y los costos de la calidad como porcentajes de las ventas (ingresos). A continuación en las siguientes figuras se muestran dos gráficos acerca de los costos de la calidad: costos de prevención, evaluación, fallos internos y externos. La primera como los costos de calidad como porcentaje (%) del costo de las unidades servidas por mes. En la segunda se muestra los costos de prevención, evaluación, fallos internos, externos y costos totales de la calidad comparados mensualmente. 24 GRIMM, A.F (1974) : 190-200
  • 56.
    56 20 18 COSTOS DE LACALIDAD COMO % DEL COSTE DE LAS UNDS. SERVIDAS 16 14 12 COSTE TOTAL 10 8 EVALUACIÓN 6 4 FALLOS INTERNOS 2 FALLOS EXTERNOS 0 PREVENCIÓN E F M A M J J A S O N D PORCENTAJE (%) Figura 10: Gráfico de Datos de Costes de la Calidad Fuente: Adaptado de ASQC 1977: 18 y 20
  • 57.
    57 200 180 COSTE TOTAL 160 140 120 100 80EVALUACIÓN 60 40 FALLOS INTERNOS 20 FALLOS EXTERNOS 0 PREVENCIÓN E F M A M J J A S O N D DOLARES(miles de $) Fuente: Adaptado de ASQC 1977: 18 y 20 Figura 11: Gráfico de Datos de Costes de la Calidad
  • 58.
    58 Complementando, en lafigura siguiente según Ph. Crosby el costo de la no calidad va disminuyendo conforme nos adentremos en una mayor profundización en la gestión de calidad. Fuente: Pérez 1994: 43 Claramente, el costo de la mala calidad se reduce mientras la calidad atraviesa por las cinco etapas: indiferencia, despertar, descubrir, adhesión y participación. Un estudio muy importante realizado por estudiosos de EEUU y España, como Charles J. Corbett (The Anderson School, UCLA), María J. Montes y María José Álvarez-Gil (Universidad Carlos III), David A. Kirsch (R.H. Smith School of Business, Universidad de Maryland) , analizan los datos de rendimiento económico de las empresas con mayor número de certificados ISO 9000 en tres sectores de distinta actividad económica: sector de productos Figura 12: La Evolución Costo de Calidad según Ph. Crosby
  • 59.
    59 químicos y afines,sector de maquinaria industrial y comercial y equipos informáticos y el sector de equipos y componentes electrónicos y eléctricos durante el periodo 1990-1997. En donde se estudiaron a setenta y cuatro (74), ciento treinta y dos (132), y ciento sesenta y siete (167) empresas respectivamente de un universo de 7 598 empresas escogidas. En las figuras 13, 14, 15, 16, 17 y 18 se muestran un resumen de resultados del rendimiento económico de las empresas con mayor número de certificados ISO 9000 de los EEUU.
  • 60.
    60 Fuente: CORBETT 2012:27 Figura 13: Certificación ISO 9000 en el Sector Químico
  • 61.
    61 Fuente: CORBETT 2012:27 Figura 14: Certificación ISO 9000 en el Sector Químico
  • 62.
    62 Fuente: CORBETT 2012:28 Figura 15: Certificación ISO 9000 en el sector de maquinaria industrial y ordenadores
  • 63.
    63 Fuente: CORBETT 2012:28 Figura 16: Certificación ISO 9000 en el sector de maquinaria industrial y ordenadores
  • 64.
    64 Fuente: CORBETT 2012:29 Figura 17: Certificación ISO 9000 en el sector de equipos y componentes electrónicos
  • 65.
    65 Fuente: CORBETT 2012:29 Figura 18: Certificación ISO 9000 en el sector de equipos y componentes electrónicos
  • 66.
    66 Del estudio anteriorrealizado en los tres sectores, se ha llegado a las siguientes conclusiones: Descubrimos que sí parece que influye en la mejora del rendimiento económico, medido con el ratio de la rentabilidad sobre activos (ROA). (CORBETT 2012: 1). Las empresas que no implantaron la Norma ISO 9000 experimentaron un considerable deterioro del ROA, la productividad y las ventas, mientras que las empresas que sí la implantaron consiguieron, en general, evitar estas caídas. (CORBETT 2012: 24) De nuestros resultados se desprende que la falta de interés por obtener la certificación ISO 9000 contribuye a un empeoramiento gradual del rendimiento. (CORBETT 2012: 30) Después de decidir obtener la primera certificación ISO 9000, las empresas han realizado cambios que, directa o indirectamente, han producido mejoras relativas en el ROA, gracias a un mejor control de costes y a un incremento de las ventas. (CORBETT 2012: 32) Por lo tanto, se concluye que certificarse o implantar el ISO genera mejoras en la rentabilidad de la organización (ROA).
  • 67.
    67 CAPÍTULO II :ANÁLISIS Y DIAGNÓSTICO DEL PROCESOACTUAL 2.1 Descripción de la Empresa ENVIROEQUIP S.A.C. es una empresa líder del mercado peruano, en la transferencia tecnológica de bienes y servicios de equipos Medio Ambientales (Ambiental, Meteorología e Hidrología); Instrumentos Analíticos - Rayos X – Preparación de muestras para laboratorios. También provee la instalación, mantenimiento, entrenamiento y desarrollo de métodos y asistencia de post venta. La empresa inició sus operaciones en 1997, actualmente tiene más de 17 años en el mercado. 2.1.1 Visión Ser una empresa líder del mercado peruano en la comercialización de equipos medio ambientales, ofreciendo a nuestros clientes no sólo instrumentos analíticos para la protección del medio ambiente y laboratorio si no también transfiriendo a ellos la última y más avanzada tecnología con que cuentan estos equipos ayudando a crear conciencia social dentro de las organizaciones y los individuos con el objetivo de alcanzar un desarrollo sostenible asegurando un medio ambiente saludable para las futuras generaciones.
  • 68.
    68 2.2.2 Misión Transferir tecnologíaofreciendo a nuestros clientes herramientas analíticas en las áreas de protección medio ambiental y laboratorio, con el objetivo de mejorar sus procesos, haciendo sus operaciones más efectivas y eficientes consiguiendo ser mejores socios con el medio ambiente. Para lo cual la empresa cuenta con un equipo altamente capacitado y comprometido en satisfacer las necesidades de nuestros clientes.
  • 69.
    69 2.2.3 Organigrama Fuente: ElaboraciónPropia Figura 19: Organigrama Actual EESAC
  • 70.
    70 2.1.4 Mapa deProcesos A continuación en la siguiente figura, se muestra el mapa de procesos de EESAC, donde se puede identificar los procesos estratégicos, operativos y de apoyo, a su vez, éstos están compuestos por los procesos más significativos, como la planificación estratégica: planificación estratégica, revisión de estado de ganancias y pérdidas, vigilancia tecnológica y definición de los objetivos. También, se ha logrado identificar los principales procesos operativos: ventas, compras, almacenaje, distribución; y facturación y cobro. Del mismo modo, los procesos de apoyo: administración, logística, contabilidad, tesorería y recursos humanos. Fuente: Elaboración Propia Figura 20: Mapa de Procesos - EESAC
  • 71.
    71 Proceso de Ventas:se inicia con el requerimiento del cliente. Luego, en ventas se decide si es la cotización de un bien o no. Si es un bien, se verifica en el sistema de información (SAP) si está en Stock. En seguida, se prepara la oferta económica. Se aprueba y se envía la oferta económica al cliente. Posteriormente, el cliente recibe la oferta. Si la acepta, entonces, emite su orden de compra. Ventas lo procesa, aprueba y envía la oferta económica hacia administración. Proceso de Servicios: se verifica y prueba el estado de la mercadería ingresada. Se crea su Certificado de Operatividad (CDO) e informa estado. Ventas prepara y aprueba la hoja de Salida de Material (SM). Administración aprueba la salida de material. Logística prepara la guía y factura, luego se programa la entrega. Almacén empaca y logística entrega la mercadería. Después, el cliente recepciona el pedido. Posteriormente, si la venta incluye servicio se programa y realiza el servicio. Se coordina la fecha de realización del servicio. Luego, el cliente recibe los documentos parte del servicio realizado. Proceso de Compras (logística): se recibe la orden de compra que aprueba administración, luego, se prepara la orden de compra y negocia el flete. Se envía la orden de compra al proveedor. Después, se recibe la confirmación de la orden de compra, embarque, factura y declaración. Se consolida, monitorea, coordina desaduanaje e informa la llegada de la mercadería. Finalmente, se envía a contabilidad el invoice. En otro momento del flujo, en logística se prepara la guía de salida de la mercadería o factura a través del SAP. Luego se programa la entrega y almacén se prepara la mercadería. El cliente recepciona la mercadería. Proceso de Almacenaje: una vez confirmado la llegada de la mercadería por compras, el personal de almacén se encarga de recepcionar los productos de importación. Asimismo, recepciona y almacena los equipos recepcionados por mantenimiento y garantía. Proceso de Distribución: ventas, servicios, administración y logística coordinan fecha de entrega del producto al cliente. Considerando los tiempos y lugar de entrega ofrecido en la oferta económica. Proceso de Facturación y Cobro: en éste proceso se realiza la emisión de la factura y/o guía de remisión para el despacho de la mercadería o prestación del servicio.
  • 72.
    72 Proceso de Administración:administración aprueba la orden de compra. Luego de continuar el flujo administrativo se recibe la confirmación del pago (Swift Code). En otro momento, administración también aprueba la hoja de salida de materiales. Proceso de Contabilidad: contabilidad recibe el invoice, luego, a través del sistema de información se provisiona en el SAP. Después, registra el pago y compara el FOB. Proceso de Tesorería: recibe el invoice y se programa el pago al proveedor. Por último, se realiza la cancelación del invoice. Proceso de RRHH: administración a través del personal de RRHH se encarga de reclutar, contratar e inducir al personal nuevo. Brevemente, en la siguiente figura 21 y 22, se describe el diagrama de flujo actual. El diagrama de flujo es un medio gráfico para describir las etapas de un proceso.25 En estos diagramas se logran identificar qué, quién y cómo realizan las actividades. Por experiencia laboral en EESAC se ha podido identificar éstos procesos. 25 JURAN 1990: 17
  • 73.
    73 Daigrama de Flujo:Proceso de Ventas Ventas (Asesor Inhouse) Cliente Servicios (Field Service) Logística Contabilidad Almacén Proyecto Profesional Inicio Solicita Cotización Envía Orden de Compra Requerimiento Bien Recibe Oferta Económica SAP Recibe confirmación Monitorea embarque Consolida mercadería Coordina desduanaje Informa llegada de mercadería a los involucrados Order C. Ship C. Invoice ¿Es un bien o Servicio? Verifica Stock Prepara Oferta Económica Solicita aprobación de jefatura de ventas Solicita cotización del Cuadro Costo del Servicio Servicio Proceso de Servicios ¿Acepta OE? Si Prepara Orden de Compra al proveedor Solicita aprobación de Orden de Compra de jefatura ventas y administración Prepara Orden de Compra al Proveedor Negocia flete Recibe Orden de Compra Aprobada Envía Orden de Compra al proveedor Ingresa Invoice (factura) Provisiona Pago de acuerdo a las condiciones del Proveedor Realiza pago de factura Recibe confirmación de pago Registra pagos SAP Ingresa Stock físico de mercadería por # de Embarque SAP Revisa mercadería ¿Ok? Elabora Certificado de Operatividad Prepara Customer Incident Report(CIR) Si No Informa estado de la mercadería revisada a su jefatura Realiza proceso de reclamo por garantía Recibe confirmación Monitorea embarque Consolida mercadería Coordina desduanaje Informa llegada de mercadería por garantía a los involucrados Order C. Ship C. Invoice Acknowlegment 1 1 Elabora y solicita aprobación de hoja de salida de material de almacén a las jefaturas:Adm.y Serv. Prepara Guía de Remisión y/o Factura Programa entrega Empaca y Despacha mercadería Entrega mercadería Recepciona mercadería No Fin Fin Figura 21: Diagrama de Flujo Actual-Proceso de Ventas Fuente: Elaboración Propia
  • 74.
    74 Diagrama de Flujo:Proceso de Servicios Servicios(Field Service) Cliente Ventas (Asesor Inhouse) Almacén Logística Proyecto Profesional Inicio Fin Solicita Requerimiento de servicio Envía OC de servicio por diagnóstico Controla reposición de partes Requerimiento Crea Correlativo de ARM Envía nombre del equipo, marca, modelo serie y motivo Cotiza diagnóstico SAP Evalúa OE servicio ARM OES Recibe OE de servicio por diagnóstico Recibe OC de servicio Recepción de equipo y ARM ¿Está en garantía? Prepara informe de diagnóstico No Prepara CIR Si Cotiza servicio Recibe confirmación Monitorea embarque Consolida mercadería Coordina desduanaje Informa llegada de mercadería por garantía a los involucrados Recepciona e ingresa mercadería Solicita mercadería por garantía Elabora Salida de Material de Almacén Realiza cambio por garantía Coordina entrega de equipo Entrega de equipo Recoge o recibe equipo Recibe cotización 1 1 2 2 Order C. Ship C. Invoice Acknowlegment *.DOCS *.XLS ARM GR Realiza proceso de reclamo por garantía Salida de Material SAP Fuente: Elaboración Propia Figura 22: Diagrama de Flujo Actual-Proceso de Servicios
  • 75.
    75 2.1.5 Identificación delProblema El incremento de la implementación de proyectos medio ambientales en el Perú ha generado un vertiginoso crecimiento en el sector de comercialización y venta de equipos ambientales. A fines del año 2009, inició la implementación del sistema de información SAP Business One, para registrar en una base de datos de las operaciones y ordenar el crecimiento de la empresa. Desde ese año 2010 se tiene una base de datos de todas las ventas, servicios e ingresos totales realizados hasta la actualidad, pero en esta oportunidad analizaremos la información hasta el año 2013. Figura 23: Ingresos 2010-2013 Fuente: Elaboración propia (5,000,000.00) - 5,000,000.00 10,000,000.00 15,000,000.00 2010 2011 2012 2013 Ventas (S/.) 2010 2011 2012 2013 Ingresos 7,930,421.00 12,493,544.61 9,637,709.00 14,211,751.00 Servicios 356,868.95 624,677.23 530,074.00 710,587.55 Ventas 7,573,552.06 11,868,867.38 9,107,635.01 13,501,163.45 % Servicios 4.5% 5.0% 5.5% 5.0% % Inc./Reduc. Ingresos 57.5% -29.6% 47.5% Ventas 2010-2013
  • 76.
    76 En el gráficoanterior, se observa la evolución de ventas y servicios, así como los ingresos totales desde el año 2010 al 2013. Del mismo modo, se observa el incremento de 57.5% en los ingreso al año 2011, mientras que en el año 2012 se observa una reducción de 29.6% de los ingresos, y finalmente un incremento de los ingresos de 47.5%. Por otro lado, la participación porcentual de servicios se ha mantenido en promedio 5% respecto de los ingresos del año 2010 al 2013. 2.2 Implicancias de los Problemas de la Calidad A continuación en la siguiente figura se realizó un análisis de tendencia de costos totales de calidad versus las ventas anuales (ingresos) de los años 2010, 2011, 2012 y 2013. En él se observa la variación anual del indicador para cada año. Más adelante en la tabla 5, se muestra los costos totales de calidad del año 2010 al 2013: costos de prevención, evaluación, fallas internas, fallas externas. Los costos de prevención son los costos por planeación de la calidad, capacitación, proyectos de mejora. Mientras que los costos de evaluación son costos por inspección de materiales de entrada, proceso, producto final y los costos de mantenimiento de instrumentos. En cambio, los costos de fallas internas son los desperdicios, los reprocesamientos, degradación y revisión de mercadería. Y los costos de fallas externas se refieren a los costos por garantía, mercadería devuelta por fallas, demandas interpuestas por clientes insatisfechos y descuentos por productos fallados.
  • 77.
    77 Figura 24: Análisisde Tendencia de Costos Totales de Calidad Vs Ingresos Anuales Fuente: Elaboración propia 0.33% 0.59% 0.76% 1.50% 0.32% 0.24% 0.44% 0.38% 0.11% 0.22% 0.57% 0.20% 0.58% 0.36% 0.53% 0.48% 1.33% 1.42% 2.31% 2.56% 0.00% 1.00% 2.00% 3.00% 4.00% 5.00% 6.00% 2010 2011 2012 2013 CTC/Ingresos Costo de Prevención Costo de Evaluación Costo de Fallos Externos Costo de Fallos Internos
  • 78.
    78 Tabla 5: Costosde Prevención, Evaluación, Fallas Internas y Externas(S/.) Año 2010 2011 2012 2013 Costo de Fallos Externos S/. 24,981.14 S/. 30,117.93 S/. 42,858.50 S/. 53,306.61 Costo de Fallos Internos S/. 25,910.47 S/. 73,686.28 S/. 73,686.28 S/. 213,060.51 Costos de no calidad S/. 50,891.60 S/. 103,804.21 S/. 116,544.78 S/. 266,367.12 Costo de Evaluación S/. 8,715.45 S/. 27,924.44 S/. 55,118.98 S/. 28,140.64 Costo de Prevención S/. 46,151.24 S/. 45,512.62 S/. 50,915.35 S/. 68,636.67 Costos de Calidad S/. 54,866.70 S/. 73,437.07 S/. 106,034.34 S/. 96,777.30 Costo Total de Calidad S/. 105,758.30 S/. 177,241.28 S/. 222,579.11 S/. 363,144.42 Fuente: Elaboración propia Ahora, los costos de prevención están directamente relacionados a prevenir la mala calidad de los productos, mientras los costos de evaluación corresponden a evaluar los productos para garantizar la conformidad de los estándares de calidad. Además, es conveniente aclarar que los costos asociados a la prevención y evaluación son costos que se incurren en la gestión, para el aseguramiento de la calidad. En cambio, los costos por fallas internas y externas son parte de la ineficiencia del proceso. Por lo tanto, este proyecto profesional o el
  • 79.
    79 objetivo de estesistema de gestión de la calidad es reducir los costos de calidad, es decir, reducir los costos de la ineficiencia. Enseguida en la tabla 6 se muestra la estimación de los costos de no calidad desde el 2010 al 2013: Fallos externos (Costo por manejo de garantías, Costo por penalidades), asimismo, se muestra los costos de fallos internos (Costo por reprocesamiento de equipos para dejar operativos, Costos de fallos de compras). Fuente: Elaboración propia En la siguiente tabla se muestra la estimación de los costos de no calidad desde el 2010 al 2013: Costo de Prevención (Costos de entrenamiento para la calidad) y Costo de Evaluación (Costos de inspección de calidad, equipos de medición y equipos de pruebas) Costo de Fallos Externos C. Manejo de Garantías C.Penalidades 2010 4,481.14 S/. 20,500.00 S/. 2011 7,617.93 S/. 22,500.00 S/. 2012 9,858.50 S/. 33,000.00 S/. 2013 10,306.61 S/. 43,000.00 S/. Costo de Fallos Internos C. Reprocesamiento de equipos para dejar operativos Costos de fallos de compras 2010 6,310.47 S/. 19,600.00 S/. 2011 26,086.28 S/. 47,600.00 S/. 2012 18,123.86 S/. 175,000.00 S/. 2013 11,460.51 S/. 201,600.00 S/. Tabla 6: Costos de no calidad
  • 80.
    80 Tabla 7: Costosde Calidad Fuente: Elaboración propia Costo de Prevención C.Entrenamiento para la calidad 2010 46,151.24 S/. 2011 45,512.62 S/. 2012 50,915.35 S/. 2013 68,636.67 S/. Costo de Evaluación C. Inspecciones de calidad C. Equipos de Medición C.Equipos de Pruebas 2010 6,310.47 S/. 1,552.17 S/. 852.82 S/. 2011 26,086.28 S/. 1,000.00 S/. 838.16 S/. 2012 18,123.86 S/. 342.17 S/. 8,728.51 S/. 2013 11,460.51 S/. 14,364.00 S/. 2,316.13 S/.
  • 81.
    81 En la siguientefigura se muestra la evolución de los ingresos anuales desde el 2010 hasta el 2013, asimismo, la evolución de los costos totales de calidad. Fuente: Elaboración Propia En la figura se aprecia como los ingresos han aumentado año a año y del mismo modo se ha incrementado el costo total de calidad de cada año. Es decir, crece los ingresos o ventas y del mismo modo crece la desorganización. Figura 25: Ingresos, Costos Totales de la Calidad (2010-2013)
  • 82.
    82 2.3 Identificación delproblema Para lograr definir la causa raíz del problema se realizó una lluvia de ideas en las diferentes áreas de la empresa como Aire Meteorología e Hidrología (AMH), Almacén, Logística, Instrumentos Analíticos de Laboratorio (AIL), finanzas, tesorería, contabilidad y otras áreas:  No existe un correcto procedimiento de trabajo.  Falta entrenamiento y capacitación.  Sobrecarga de trabajo.  Falta de colaboración y coordinación entre compañeros de trabajo.  Falta priorizar lo realmente urgente.  Falta un catálogo general de los productos que se ofrecen.  Mejorar la calidad de impresión de los catálogos  Cuadro de costos general en la cual se incluyan todos los factores  Falta de una infraestructura (oficina y taller) adecuadamente implementados  Falta de equipos para la ejecución de los servicio  Falta de equipos adecuados que faciliten el trabajo en oficina  Falta de orden en el almacenamiento de carpetas creadas  Falta de motivación para resolver un problema del cliente con la mejor solución y no solo vender productos  Tiempo de respuesta deficiente en los servicios  Falta de un stock de repuestos  Falta de acceso a las unidades de red de información de la empresa  Falta de inventarios periódicos, para determinar qué hay y qué sirve realmente en almacén  Falta de espacio para recepción y despacho para maniobra de mercadería
  • 83.
    83  Falta deun servidor rápido para ingresar al SAP y/ Ver las fotos del previo  Atención al cliente interno, no hay procesos claros para sacar mercadería de almacén.  Toda mercadería debe llegar a almacenarse y procesarse en almacén  Separación ambiente del almacén. No compartir espacios  Descoordinación del área de ventas, organización despacho  Falta de personal, asume roles que no le corresponde  Falta de liderazgo de la jefaturas  Servidor deficiente  Capacitación en contabilidad  Baja de ventas  Búsqueda de mercado ante la competencia  Atraso de comisiones  Falta de personal  No se cumple disciplinadamente los procedimientos de trabajo.  Problemas con el sistema de información SAP  Falta de manual de funciones  Falta de manejo comunicación entre jefaturas  Falta de compañerismo
  • 84.
    84 2.3.1 Ishikawa (Identificaciónde Causa Raíz) Fuente: Elaboración propia Figura 26: Diagrama Causa Raíz
  • 85.
    85 Luego de realizarel diagrama causa-efecto con treinta y ocho ideas recogidas se agrupó en dieciocho problemas donde se asignó un factor de importancia entre 1 y 5, de menos importante al más importante, respectivamente, cada problema, además la columna de frecuencias representa la cantidad de personas que creen que el problema es recurrente. Luego la columna factor por frecuencia representa la importancia de cada problema ordenado descendentemente (ver la siguiente tabla). Tabla 8: Problemas por Frecuencia Fuente: Elaboración propia Nro. Problemas Factor de importancia (1-5) Frecuencia Factor x Frecuencias 1 Falta de procedimientos y funciones 5 6 30 2 Falta de infraestructura 5 6 30 3 Falta de equipos y herramientas calibradas 5 6 30 4 Falta de stock de repuestos y equipos 5 5 25 5 Falta de trabajo en equipo 5 4 20 6 Falta de indicadores claros 4 5 20 7 Reprocesos 4 4 16 8 Falta de liderazgo 4 4 16 9 Falta de inventario 3 5 15 10 Retraso de cotizaciones 5 3 15 11 Alta variabilidad de trabajos 5 3 15 12 Falta de proactividad 4 3 12 13 Falta de planificación 4 3 12 14 Reducción en ventas 5 2 10 15 Falta de cuadro de costos con factores 4 2 8 16 Falta de liquidez 2 3 6 17 Clientes nuevos 5 1 5 18 Otros 1 5 5
  • 86.
    86 2.3.2Pareto Fuente: Elaboración propia Enbase a la tabla anterior, se preparó el diagrama de Pareto, donde podemos identificar en qué problemas debemos priorizar los esfuerzos en incrementar la productividad. El diagrama de Pareto elaborado, quiere decir que debemos enfocarnos en resolver los problemas de la falta de procedimientos y funciones(4.2.1), falta de infraestructura(6.3), falta de equipos herramientas calibradas(7.6), falta de indicadores claros(4.1, e ,f), reprocesos(7.2.2). Éstos están bastante relacionados con los capítulos en paréntesis de la ISO 9001:2008. Además la falta de liderazgo es parte de uno de los ocho principios de calidad. Figura 27: Diagrama de Pareto de los Problemas
  • 87.
    87 CAPÍTULO III :EVALUACIÓN DE LA PROPUESTA DE SOLUCIÓN La propuesta de solución comienza por alcanzar los objetivos específicos y en consecuencia el objetivo general, los cuales se mencionan a continuación. 3.1 Objetivo General  Detallar los pasos para la propuesta de mejora de procesos de un Sistema de Gestión de la Calidad que permita reducir los costos de calidad en una empresa de venta de equipos de medio ambiente. 3.2 Objetivos Específicos  Dar a conocer el marco teórico para la propuesta de implantación de un sistema de gestión de calidad entera a toda la organización.  Identificar los procesos actuales y lograr un diagnóstico que evidencie las desviaciones de calidad y de costos que afectan los resultados de la compañía.  Proponer un sistema de gestión de la calidad que garantice la documentación y control de los procesos que afectan a la calidad el cual permita mejorar la productividad y satisfacción de cliente.  Realizar recomendaciones que permitan la adecuada implementación de la propuesta del sistema de gestión de la calidad y los beneficios que se logran bajo su implementación.
  • 88.
    88 3.3 Definición dela Documentación de Calidad A continuación se propone de política de calidad, objetivos de calidad, así como el alcance y las exclusiones del SGC propuesto para Enviroequip SAC. Asimismo los procedimientos y registros obligatorios para cumplir con todos los requisitos de la ISO 9001:2008, explicados y detallados en el Manual de Calidad (Ver ANEXOS). Además el nuevo organigrama con la propuesta de creación del área de calidad incluida. 3.3.1 Política de Calidad ENVIROEQUIP S.A.C., ofrece soluciones tecnológicas para satisfacer las necesidades de sus clientes, a través de la diferenciación y calidad de los bienes y servicios, promoviendo las relaciones de beneficio mutuo entre cliente y proveedor. El sistema de gestión de calidad implantado asegura la correcta ejecución de los procesos que realiza el personal enfocado a la mejora continua (Ver el capítulo 4, ANEXOS, los indicadores alineados a éstos objetivos) 3.3.2 Objetivos de la Calidad Atender oportunamente los requerimientos del cliente (cotizaciones, servicios, quejas y/o reclamos) Entregar soporte técnico, comercial de alta calidad; contando con personal permanentemente capacitado. Fomentar la reducción de costos totales de calidad a través de la medición y control de indicadores.
  • 89.
    89 3.3.3 Alcance delSistema de Gestión de la Calidad ENVIROEQUIP S.A.C, ha interiorizado los requisitos de la norma ISO 9001:2008 para el alcance siguiente: “Servicio de instalación, mantenimiento y capacitación en el uso de los equipos de medio ambiente y laboratorio”.
  • 90.
    90 Capítulo 1 Política deCalidad 5.3 2 Objetivos de Calidad 5.4.1 3 Alcance del SGC 1.2 4 Exclusiones del SGC 7.3 1 Control de Documentos 4.2.3 2 Control de Registros 4.2.4 3 Auditorias Internas 8.2.2 4 Control de No Conformidades 8.30 5 Acciones Correctivas 8.5.2 6 Acciones Preventivas 8.5.3 1 Revisión por la Dirección 5.6.1 2 Educación, Formación, Habilidades 6.2.2 (e) 3 Evidencia procesos en ejecución y resultados 7.1 (d) 4 Resultados revisión requisitos relacionados con el producto 7.2.2 5 Elementos Entrada para el Diseño y Desarrollo 7.3.2 6 Resultados de la Revisión del Diseño 7.3.4 7 Resultados de la Verificación del Diseño 7.3.5 8 Resultados de la Validación del Diseño 7.3.7 9 Resultados evaluaciones del proveedor 7.4.1 10 Demostrar la validación de los procesos 7.5.2 (d) 11 Identificación del producto, cuando la trazabilidad sea requisito 7.5.3 12 Bien del cliente cuando se pierde o deteriore 7.5.4 13 Normas de calibración o verificación del EIME 7.6 (a) 14 Resultado de calibración 7.60 15 Resultado de Auditoria Interna 8.2.2 16 Evidencia conformidad del producto, criterios aceptación 8.2.4 17 Naturaleza de No Conformidad del Producto 8.30 18 Resultado Acción Correctiva y/o Preventiva 8.5.2 MANUAL DE CALIDAD MANUAL DE CALIDAD PROCEDIMIENTOS REGISTROS ISO 9001: 2008 (Requisitos 4.2.1) 3.3.4 Exclusiones del Sistema de Gestión de la Calidad Enviroequip SAC, no realiza actividades de diseño y desarrollo, por lo tanto no aplica el punto 7.3 de la norma ISO 9001:2008. Esta exclusión no limita la capacidad o responsabilidad de Enviroequip SAC, en brindar servicios que cumplan con los requisitos del cliente y reglamentos aplicables. 3.4.5 Procedimientos y Registros Obligatorios Los procedimientos y registros obligatorios que debe contener el SGC propuesto, ISO 9001:2008, son las que se detallan a continuación. Fuente: Adaptado de ISO 9001:2008 Tabla 9: Procedimientos y Registros Obligatorios ISO 9001:2008
  • 91.
    91 3.4.6 Instructivos deTrabajo Complementariamente a los seis (06) procedimientos y dieciocho (18) registros de calidad que la norma ISO 9001:2008 recomienda como mínimo. Se propone implementar para el área de servicios los siguientes instructivos y registros. 3.4.6.1 Registro de Formato de Lecciones Aprendidas (FLA) El Formato de Lecciones Aprendidas (FLA), permitirá registrar las buenas y/o malas experiencias más relevantes durante la preparación o ejecución de los procesos de ventas, servicios y/o proyectos. En principio el Field Service o Asesor In house deberá llenar el FLA en el SAP, identificando el área al que pertenece, el cliente, el número de la carpeta de referencia, la fecha de creación del documento, la marca y el modelo del equipo, así como, realizar un pequeño comentario de la lección aprendida, por ejemplo, si cumplió con el objetivo de lo ofrecido al cliente o qué debería hacer para cumplir los objetivos en el futuro. Del mismo modo si se realizó el trabajo a tiempo y si se cumplió el presupuesto y las especificaciones, también, qué circunstancias no se habían previsto, qué se pudo hacer diferente para lograr mejores resultados, además, mencionar qué sorpresas tuvo que lidiar el personal. Se debe especificar quién debe ser informado sobre esta lección aprendida, como personal de servicios, ventas o todo el área y cómo se debería distribuir esta lección aprendida por email, exposiciones o intranet. Y lo más importante cuántas horas efectivas tomó el trabajo realizado y cuántas horas tomaría realizarlo nuevamente teniendo en cuenta la lección ya aprendida. La diferencia de horas es para medir cuán efectivo podría ser el próximo servicio. La propuesta de registrar esta información es que se guarde en el SAP, agrupado por marca y modelo de equipos de tal manera que permita filtrar y así sea fácilmente ubicable la información en la base de datos.
  • 92.
    92 En seguida semuestra el instructivo de elaboración del Formato de Lecciones Aprendidas (FLA). Instructivo de Registro del FLA 1. Objetivo Crear el formato de lecciones aprendidas en el SAP por marca y modelo. Realizar las cotizaciones de manera eficiente, eficaz y rápida en función al contenido del FLA. Ayudar a reducir el tiempo de adaptación de un personal nuevo a la empresa. 2. Alcance y aplicación Está dirigido al personal de ventas y servicios que tengan la necesidad de realizar cotizaciones de bienes y servicios atípicos, específicamente. Con el cual se creará una base de conocimiento para futuras cotizaciones. 3. Responsabilidad 3.1 Asesor in house Es responsable de cotizar los bienes y servicios inherentes al tipo de aplicación en coordinación con los Field Service. El Asesor Inhouse o el Field Service serán responsables de ingresar y actualizar el FLA en el SAP.
  • 93.
    93 3.2 Field service Esresponsable de informar adecuada y oportunamente la situación atípica de la experiencia buena o mala ya sea después de la culminación de los servicios o después del control de calidad de los materiales Él deberá guardar en el FLA y en el SAP. 3.3 Jefe de área Es responsable de informar adecuada y oportunamente al Asesor In House sobre las lecciones aprendidas al cierre de una venta, servicio o proyecto. Él deberá guardar el FLA en la carpeta virtual del cliente. 4. Documentos requeridos Manual de operación de los equipos, ofertas económicas pasadas, carpetas, reportes técnicos, reportes de campo e informes de diagnóstico. 5. Definiciones Original Invoice: contienes datos importantes como el Invoice Number, Order Number (CO XXXX), PO number (XXXX. # Carpeta) # Carpeta: número correlativo de carpeta física y virtual Informe de diagnóstico: Registro donde se detalla las condiciones iniciales, diagnóstico y recomendación técnica del servicio, como cambio de partes o piezas a cotizar. Información suministrada por el Field Service. Reporte diario de campo: Registro donde se detalla el tipo de servicio: instalación, verificación de la calibración, mantenimiento preventivo o correctivo. Además se describe las condiciones iniciales y acciones realizadas, luego el estado final de la intervención y recomendaciones finales. ARM: Autorización de Retorno de Material, registro donde se autoriza el ingreso del equipo o máquina al almacén central para realizar el diagnóstico y/o servicio.
  • 94.
    94 FLA: Formato deLecciones Aprendidas, registro donde se guardará las lecciones aprendidas de todos los servicios cotizados y ejecutados que da a conocer los aspectos positivos, negativos y las lecciones aprendida. Asegurará la gestión de conocimiento dentro de la organización. Además estará disponible en el SAP para cualquier usuario con acceso a la base de datos. 6. Desarrollo Paso 01: Elabora FLA Culminado el servicio, el field service elabora el formato de lecciones aprendidas (FLA) que contiene información de buenas o malas experiencias de los servicios realizados recientemente. Paso 02: Almacena FLA en el SAP El asesor inhouse, se encarga de almacenar el FLA en el SAP y en la carpeta virtual del cliente que corresponda. Paso 03: Consulta FLA El caso que el asesor inhouse requiera cotizar un bien o servicio, consultará el FLA en el SAP, para verificar las dificultades que pudo haber durante la venta o ejecución del servicio. Asimismo evitar o tener en cuenta para las próximas cotizaciones. Paso 04: Prepara cotización El asesor inhouse se encarga de preparar la cotización de acuerdo al o los FLA.
  • 95.
    95 7. Registros OE: OfertaEconómica FLA (Formato de Lecciones Aprendidas) Informe de diagnóstico (FORM SRV007: Informe de Diagnóstico, Rev 00) 8. Anexos Manual de operación de los equipos. Manual de servicios de los equipos. Diagrama de Flujo Propuesto-FLA Formato propuesto de Lecciones Aprendidas (FLA)
  • 96.
    96 Figura 28: Formatode Lecciones Aprendidas (FLA) Fuente: Elaboración Propia CÓDIGO : SGC-F21 VERSIÓN : 01 FECHA : 12-mar-14 AMH AIL PROYECTOS ÁREA: MODELO: MARCA: ADM. VENTAS TODAS LAS ÁREAS E-MAIL ELABORADO POR: REVISADO POR: ¿SE REALIZÓ EL TRABAJO A TIEMPO, CUMPLIENDO EL PRESUPUESTO Y LAS ESPECIFICACIONES? EXPOSICIONES APROBADO POR: SERVICIOS # CARPETA DEL CLIENTE: CLIENTE ESPECÍFICAS Alexander Céspedes Z. FORMATO DE SGC FORMATO DE LECCIONES APRENDIDAS ¿CUÁNTAS HORAS HOMBRE EFECTIVAS TOMÓ EL TRABAJO? DIFERENCIA ESTIMADA(HORAS): ¿CUÁNTAS HORAS HOMBRE EFECTIVAS LE TOMARÍA HACERLO NUEVAMENTE TENIENDO EN CUENTA LAS LECCIONES APRENDIDAS? ¿QUÉ SE PUDO HACER DIFERENTE PARA CONSEGUIR MEJORES RESULTADOS? ¿CON QUÉ SORPRESAS TUVO QUE LIDIAR EL PERSONAL ? ¿HAN QUEDADO SATISFECHOS LOS PARTICIPANTES? GENERALES ¿SE COMPLETÓ EL OBJETIVO DEL SERVICIO OFRECIDO?SI NO, ¿ QUÉ CAMBIOS DEBEN HACERSE PARA CUMPLIR LOS OBJETIVOS EN EL FUTURO? ¿CÓMO DEBE SER DISTRIBUIDO ESTA INFORMACIÓN? ¿QUIÉN DEBE SER INFORMADO SOBRE ESTA LECCIÓN APRENDIDA? ¿QUÉ SE PUEDE HACER PARA MEJORAR FUTUROS SERVICIOS?¿QUÉ CIRCUNSTANCIAS DEL SERVICIO NO SE HABÍAN PREVISTO? ¿QUÉ SE PUDO HACER DIFERENTE PARA CONSEGUIR MEJORES RESULTADOS?
  • 97.
    97 Fuente: Elaboración Propia Diagramade Flujo: Formato de Lecciones Aprendidas (FLA) Asesor Inhouse Jefe de Área Field Service Proyecto de Tesis Inicio Prepara cotización Almacena FLA en carpeta virtual SAP Fin Experiencias buenas y malas Elabora FLA Formato de Lecciones Aprendidas(FLA) Consulta FLA Experiencias buenas y malas 1. 2. 3. 4. ¿ Cotiza o término de servicio? Término de servicio Cotiza SAP 1 Figura 29: Diagrama de Flujo Propuesto (FLA)
  • 98.
    98 Los beneficios deldiagrama de flujo anterior propuesto, será reducir los reprocesos en preparar cotizaciones de productos o servicios similares que ya se ejecutaron. En consecuencia, las cotizaciones y servicios posteriores serán más eficientes y efectivas. Además con esta propuesta se espera reducir el tiempo de cotización en un 50%. Esto se verá reflejado en un ahorro de horas hombre dedicado a la preparación de cotizaciones, es decir, una reducción de costos.
  • 99.
    99 3.4.6.2 Registro delFormato de Protocolo de Pruebas (FPP) El registro del formato de protocolo de pruebas (FPP) servirá para realizar un diagnóstico inicial que descarte el estado del equipo al momento del ingreso del equipo al almacén (máximo 2 días hábiles) con este procedimiento se espera reducir los re-procesos en diagnósticos. Éste formato deberá ser llenado por el personal field service indicando la fecha, la persona encargada de realizar el diagnóstico, área a la que pertenece, equipo que diagnostica. Además, deberá indicar en qué estado se encuentra cada etapa de la prueba y si existe alguna observación, detallarlo. Instructivo de elaboración de Protocolo de Pruebas 1. Objetivo Diagnosticar eficaz y oportunamente en la primera etapa de recepción de equipos para servicios. 2. Alcance y aplicación Esta dirigido a los Field Service quienes realizarán los diagnósticos previo a la aprobación del servicio. 3. Responsabilidad 3.1 Field service
  • 100.
    100 Es responsable derealizar el diagnóstico inicial después de recibir la Autorización de Retorno de Material del equipo para su posterior cotización del servicio. 4. Documentos Manual de operación y de servicio de los equipos Formato de Lecciones Aprendidas 5. Definiciones Informe de diagnóstico: documento donde se detalla las condiciones iniciales, diagnóstico y recomendación técnica del servicio, como cambio de partes o piezas a cotizar. Información suministrada por el Field Service. ARM: Autorización de Retorno de Material, autoriza el ingreso del equipo o máquina al almacén central para realizar el diagnóstico y/o servicio. Propuestas técnicas: FLA: Formato de Lecciones Aprendidas, registro donde se guardará las lecciones aprendidas de todos los servicios cotizados y ejecutados que da a conocer los aspectos positivos, negativos y las lecciones aprendida. Asegurará la gestión de conocimiento dentro de la organización. Además estará disponible en el SAP para cualquier usuario con acceso a la base de datos.
  • 101.
    101 6. Desarrollo Paso 01:Informa sobre ingreso El personal de almacén informa por correo electrónico el ingreso de equipos para servicios. Además, semanalmente (viernes) envía un kardex de ingreso y/o salida de equipos. Paso 02: Realiza diagnóstico El field service se encarga de realizar diagnóstico de los equipos que ingresan al taller de servicios dentro de los dos días hábiles a partir del ingreso físico al taller. Paso 03: Elabora PP El field service elabora el protocolo de pruebas (diagnóstico inicial), donde se determina si requiere más pruebas. Paso 04: Realiza pruebas Si requiere más pruebas de operatividad o diagnóstico, realiza el sub proceso de pruebas. Paso 05: Envía informe diagnóstico Si no requiere más pruebas envía el informe diagnóstico por correo electrónico al cliente. Paso 06: Recibe informe diagnóstico El cliente recibe informe de diagnóstico por correo electrónico. 7. Registros OE: Oferta Económica PP ( Protocolo de Pruebas) Informe de diagnóstico (FORM SRV007: Informe de Diagnóstico, Rev 00)
  • 102.
    102 8. Anexos Manual deoperación de los equipos. Manual de servicios de los equipos. Diagrama de Flujo Propuesto-PP Formato de Propuesto de Protocolo de Pruebas (PP)
  • 103.
    103 Figura 30: Formatode Protocolo de Pruebas (FPP) Fuente: Elaboración Propia CÓDIGO : SGC-F22 VERSIÓN : 01 FECHA : 12-mar-14 ENCARGADO FECHA DE INGRESO FÍSICO FECHA DE INTERVENCIÓN MÁS DE 2 DÍAS SI NO ÁREA AMH IAL PROY ¿POR QUÉ?: EQUIPO NOx SO2 CO HCT PM AC DC TARJETA ELECTRÓNICA FLUJO PRESIÓN OTRO NRO. DE CILINDRO DE GAS FECHA DE EXPIRACIÓN PRESIÓN DE LLENADO NÚMERO DE SERIE CERO SPAN OBJETIVO METODOLOGÍA RESULTADO ESPERADO RESULTADO OBTENIDO ESTADO DE LA PRUEBA CONCLUSIÓN NÚMERO DE SERIE RESULTADO ESPERADO RESULTADO OBTENIDO ESTADO DE LA PRUEBA CONCLUSIÓN NÚMERO DE SERIE CERO SPAN OBJETIVO METODOLOGÍA RESULTADO ESPERADO RESULTADO OBTENIDO ESTADO DE LA PRUEBA CONCLUSIÓN NÚMERO DE SERIE CERO SPAN OBJETIVO METODOLOGÍA RESULTADO ESPERADO RESULTADO OBTENIDO ESTADO DE LA PRUEBA CONCLUSIÓN NÚMERO DE SERIE CERO SPAN OBJETIVO METODOLOGÍA RESULTADO ESPERADO RESULTADO OBTENIDO ESTADO DE LA PRUEBA CONCLUSIÓN DIAGNÓSTICO INICIAL: ELABORADO POR: REVISADO POR: APROBADO POR: Alexander Céspedes Z. VERIFICACIÓN DEL SISTEMA NEUMÁTICO DESTILADORES AUTOMÁTICOS OLYMPUS PANALYTICAL FORMATO DE SGC FORMATO DE PROTOCOLO DE PRUEBAS DATALOGGERS Y ESTACIONES METEOROLÓGICAS VERIFICACIÓN DE ALIMENTACIÓN ELÉCTRICA MEDICIÓN DE NOx, SO2, CO, HIDROCARBUROS(HCT), MATERIAL PARTICULADO(PM)
  • 104.
    104 Fuente: Elaboración Propia Diagramade Flujo: Protocolo de pruebas (PP) Field Service Almacén Cliente Proyecto de Tesis Inicio Realiza pruebas Fin Elabora PP Protocolo de Pruebas (PP) Informa sobre ingreso Realiza diagnóstico ¿ Requiere más pruebas? Si Envía Informe diagnóstico No Recibe Informe diagnóstico 1. 2. 3. 4. 5. 6. Figura 31: Diagrama de Flujo Propuesto
  • 105.
    105 3.4.6.3 Elaboración deFormato de Equipo Canibalizado (FEC) El instructivo de elaboración de Formato de Equipo Canibalizado (FEC) servirá para realizar el control de las piezas retiradas de los equipos operativos y/o nuevos para completar o poner operativos otros equipos de las mismas características. Instructivo de Elaboración de Formato de Equipo Canibalizado (FEC) 1. Objetivo Registrar y controlar las piezas retiradas de los equipos canibalizados del stock de equipos. 2. Alcance y aplicación Esta dirigido a los Field Service que extraen piezas de equipos nuevos u operativos para poner operativos otros equipos con características similares. 3. Responsabilidad 3.1 Field service Es responsable de registrar las piezas retiradas a través del FEC después preparar la hoja de salida de material y recibir la autorización del jefe inmediato. 3.2 Jefe de área
  • 106.
    106 Es responsable decontrolar la reposición de las partes usadas en el menor tiempo posible. 3.3 Almacenero Es responsable de realizar seguimiento de los equipos incompletos y coordinar su reposición inmediata al jefe de área responsable. Documentos requeridos Manual de operación y de servicio de los equipos Formato de Equipo Canibalizado Salida de Material de Almacén 5. Definiciones FEC: Formato de Equipos Canibalizados. SMA: Salida de Material de Almacén 6. Desarrollo del procedimiento Paso 01: Solita partes o piezas
  • 107.
    107 El field service,solicita las partes o piezas requeridas para un servicio, diagnóstico, servicio de garantía al personal de almacén. Él conjuntamente con el field Service corroboran el stock de partes o piezas. Otra posibilidad es verificar el stock de equipos compatibles para canibalizar sus partes. Paso 02: Solicita autorización de extracción El field service una vez corroborado el equipo para canibalizar sus partes solicita autorización de extracción al jefe de área. Paso 03: Registra extracción de partes o piezas en FEC El field service registra extracción de partes o piezas en Formato de Equipo Canibalizado (FEC) y entrega al personal de almacén para su entrega. Paso 04: Entrega partes o piezas El personal de almacén, entrega las partes o piezas solicitadas. Asimismo controla la reposición de estas. Paso 05: Realiza seguimiento de partes El jefe de área realiza el seguimiento de las partes extraídas por canibalización, para su pronta reposición con el proveedor. 7. Registros
  • 108.
    108 SMA: Salida deMaterial de Almacén FEC: Formato de Equipo Canibalizado. 8. Anexos Manual de operación de los equipos. Manual de servicios de los equipos. Formato de Ingreso Salida de Equipos Hoja de Salida de Materiales Diagrama de Flujo Propuesto-FEC Formato propuesto de Equipo Canibalizado (FEC)
  • 109.
    109 CÓDIGO : SGC-F20 VERSIÓN: 01 FECHA : 12-mar-14 FECHA: RESPONSABLE: FECHA DE SALIDA: EQUIPO: CORRELATIVO: FINALIDAD DE LA CANIBALIZACIÓN: GARANTÍA VENTA SERVICIO EQUIPO: MODELO: SERIE: DETALLES: # CARPETA: INFORME/REPORTE: ITEM CÓDIGO SAP NÚMERO DE PARTE MODELO SERIE 1 2 3 4 5 6 7 8 9 10 OBSERVACIONES: AUTORIZADO POR ENTREGADO POR ALMACÉN V°B° FIRMA FIRMA RESPONSABLE: FECHA DE SALIDA: EQUIPO: CORRELATIVO: FINALIDAD DE LA CANIBALIZACIÓN: GARANTÍA VENTA SERVICIO EQUIPO: MODELO: SERIE: DETALLES: # CARPETA: INFORME/REPORTE: ITEM CÓDIGO SAP NÚMERO DE PARTE MODELO SERIE 1 2 3 4 5 6 7 8 9 10 OBSERVACIONES: AUTORIZADO POR ENTREGADO POR SERVICIOS: V°B° FIRMA FIRMA ELABORADO POR: REVISADO POR: APROBADO POR: Alexander Céspedes Z. FORMATO DE SGC FORMATO DE EQUIPO CANIBALIZADO DETALLES 001-2013 DESCRIPCIÓN DE LA PARTE O PIEZA CANIBALIZADA EQUIPO CANIBALIZADO FORMATO DE EQUIPO CANIBALIZADO REPOSICIÓN DE EQUIPO CANIBALIZADO 001-2013 DETALLES DESCRIPCIÓN DE LA PARTE O PIEZA CANIBALIZADA Fuente: Elaboración Propia Figura 32: Formato de Equipo Canibalizado
  • 110.
    110 Fuente: Elaboración Propia Diagramade Flujo: Formato de Equipo Canibalizado (FEC) Almacén Field Service Jefe de área Proyecto de Tesis Inicio Fin Solicita partes o piezas ¿Stock? Solicita autorización de extracción Entrega partes o piezas Si Registra extracción de partes o piezas en FEC Formato de Equipo Canibalizado (FEC) ¿Equipo para canibalizar? No Si Controla reposición de partes Realiza seguimiento de partes Prepara Salida de Material de Almacén Salida de Material de Alamacén (SMA) 1. 2. 1 No 1 3. 4. 5. Figura 33: Diagrama de Flujo Propuesto (FEC)
  • 111.
    111 Por lo tanto,la implementación, elaboración de los Protocolos de Pruebas (PP), Formatos de Lecciones Aprendidas (FLA) y Formato de Equipo Canibalizado buscan soluciones eficientes para resolver un problema atípico en una base de conocimientos, mediante los cuales se reducirá los reprocesos. Esto quiere decir que la implementación del SGC garantizan un ahorro (Ver flujo de caja). 3.4.6.4 Indicador I1-%FLA El indicador Formato de Lecciones Aprendidas I1-%FLA mide los procesos operativos, específicamente, al proceso de ventas y servicios de AMH y AIL. Éste indicador ayuda a medir la eficacia del instructivo propuesto que tiene el objetivo de medir cuántas ofertas económicas nuevas atípicas se concretaron en órdenes de compra. La fórmula de cálculo del indicador es un cociente entre las ofertas económicas convertidas en compra respecto las ofertas económicas nuevas, expresadas en porcentaje (%). La fuente de datos será las ofertas económicas mensuales realizadas. Asimismo, es importante conocer el rango de gestión válido para este indicador, como excelente, aceptable o deficiente. Meta inicial de setenta y cinco por ciento 75%. La frecuencia de medición que se propone es mensual y el análisis de la información lo realizaría el área de ventas y servicios de AMH o AIL. Los datos deben ser extraídos del SAP por los asesores in house siendo responsables de la medición mensual. Lo que se busca es medir los indicadores y en función a ellos tomar acciones correctivas para mejorarlos.
  • 112.
    112 TIPO DE PROCESO PROCESO DENOMINACIÓNDEL INDICADOR TIPO DEL INDICADOR EFICACIA OBJETIVO DEL INDICADOR FÓRMULA DE CÁLCULO DATOS DE LA MEDICIÓN META RANGO DE GESTIÓN EXCELENTE: >75% ACEPTABLE: >=30% DEFICIENTE:<30% PERIODICIDAD O FRECUENCIA EVOLUCIÓN HISTÓRICA DEL INDICADOR ANÁLISIS DE LA INFORMACIÓN FUENTE DE LA INFORMACIÓN RESPONSABLE DE LA MEDICIÓN FECHA DE ELABORACIÓN Mensual 24-10-12 Asesores Inhouse SAP, FLA y OE Ventas & Servicios AMH y AIL 75% Ofertas Económicas mensuales (OE convertidas en compras/OE nuevas)*100% Medir cuantas OE nuevas se concretaron en compra. Procesos Operativos Ventas(Bienes y Servicios) I1: %FLA (Formato de Lecciones Aprendidas) 4% 15% 7% 8% 13% 4% 6% 8% 9% 4% 25% 20% -5% 5% 15% 25% 35% Evolución 2012 Fuente: Elaboración propia Figura 34: Indicador I1-%FLA
  • 113.
    113 3.4.6.5 Indicador I2-%PP Enseguidase propone el indicador I2, denominado Protocolo de Pruebas (I2-%PP) con éste se busca medir la eficiencia de los diagnósticos, para tomar medidas correctivas como entrenamiento en el mantenimiento de los equipos para el personal de servicio. Los servicios realizados son inferiores en cantidad si comparamos con las ofertas económicas realizadas mensualmente, entonces, sería mejor medir su evolución trimestralmente para observar el acumulado y realizar acciones de mejora posteriormente. Lo que se busca es medir los indicadores y en función a ellos tomar acciones correctivas para mejorarlos.
  • 114.
    114 TIPO DE PROCESO PROCESO DENOMINACIÓNDEL INDICADOR TIPO DEL INDICADOR EFICIENCIA OBJETIVO DEL INDICADOR FÓRMULA DE CÁLCULO DATOS DE LA MEDICIÓN META RANGO DE GESTIÓN EXCELENTE: = 0% ACEPTABLE: =< 33% DEFICIENTE: > 34% PERIODICIDAD O FRECUENCIA EVOLUCIÓN HISTÓRICA DEL INDICADOR ANÁLISIS DE LA INFORMACIÓN FUENTE DE LA INFORMACIÓN RESPONSABLE DE LA MEDICIÓN FECHA DE ELABORACIÓN Procesos Operativos Servicios I2: %PP(Protocolo de Pruebas) Determinar el % de rediagnósticos (# Rediagnósticos/# Servicios trimestrales)*100% Servicios Diagnósticados Mensualmente 0% Mensual Field Service 24-10-12 Jefe de Ventas & Servicios AMH y AIL SAP, FLA y OE 2% 15% 7% 8% -5% 5% 15% 25% 35% Trimestre 1 Trimestre 2 Trimestre 3 Trimestre 4 Evolución 2012 Fuente: Elaboración Propia Figura 35: Indicador I2-%PP
  • 115.
    115 3.4.6.6 Indicador I3-#FEC Elindicador I3, denominado Formato de Equipos Canibalizados (#FEC) busca tener un control de equipos operativos en almacén, que son usados para poner operativos otros equipos que ingresaron a servicio donde surge la necesidad de usar sus partes para superar el desabastecimiento de repuestos. Es decir, la cantidad de equipos operativos en stock usados para poner operativos equipos que tienen orden de servicio por partes o repuestos deberían ser cero, ya que existe un costo de oportunidad relacionado a la venta de un equipo nuevo. Lo que se busca es medir los indicadores y en función a ellos tomar acciones correctivas para mejorarlos.
  • 116.
    116 TIPO DE PROCESO PROCESO DENOMINACIÓNDEL INDICADOR TIPO DEL INDICADOR EFICIENCIA OBJETIVO DEL INDICADOR FÓRMULA DE CÁLCULO DATOS DE LA MEDICIÓN META RANGO DE GESTIÓN EXCELENTE: =0 ACEPTABLE: =1 DEFICIENTE: > 1 PERIODICIDAD O FRECUENCIA EVOLUCIÓN HISTÓRICA DEL INDICADOR ANÁLISIS DE LA INFORMACIÓN FUENTE DE LA INFORMACIÓN RESPONSABLE DE LA MEDICIÓN FECHA DE ELABORACIÓN Jefe de servicio y Almacenero 24/10/2012 Ventas, Servicios AMH y AIL, Almacén SAP, FEC y OS 0 Mensual Medir cuántos equipos operativos se dejan inoperativos por cumplir con el cliente Número de equipos canibalizados Formato de Ingreso Salida de Equipos, Stock de equipos operativos, Órdenes de Servicio Procesos Operativos Servicios I3: FEC (Formato de Equipos Canibalizados) 0 0 1 1 2 2 1 1 0 1 1 0 0.00 0.50 1.00 1.50 2.00 Evolución 2012 Fuente: Elaboración Propia Figura 36: Indicador I3-#FEC
  • 117.
    117 3.2 Manual deCalidad En el presente manual de calidad propuesto (Ver ANEXOS: SGC-M01 Manual de Calidad EESAC), ha sido desarrollado con el siguiente fin: Satisfacer los requisitos de la norma internacional NTP-ISO 9001:2008 Documentar las mejores prácticas de negocio de la empresa. Entender y satisfacer más adecuadamente las necesidades y las expectativas de los clientes. Mejorar la administración global de la empresa. El manual describe el Sistema de Gestión de la Calidad, perfila los campos de autoridad, las relaciones y los deberes del personal responsable del desempeño de la empresa. Asimismo, el manual está dividido en ocho secciones que están directamente relacionadas con los requisitos de la norma ISO 9001:2008. Además se utiliza internamente para orientar a los empleados de ENVIROEQUIP SAC con respecto a los diversos requisitos de la norma ISO 9001:2008 que deben ser cumplidos y mantenidos para asegurar la satisfacción del cliente, la mejora continua y brindar las directivas necesarias que generen una fuerza laboral dotada de poder, autoridad y responsabilidad.
  • 118.
    118 3.3 Organización yFunciones Fuente: Enviroequip SAC Figura 37: Organigrama Propuesto GERENTE GENERAL GERENTE DE VENTAS Y SERVICIOS JEFE DE PROYECTOS ASESOR DE PROYECTOS Y EQ. DE SANEAMIENTO JEFE DE IAL JEFE DE AMH SECRETARIA DE AMH ASESORES INHOUSE ASESORES COMERCIALES FIELD SERVICE SECRETARIA DE IAL ASESORES INHOUSE ASESORES COMERCIALES FIELD SERVICE JEFE DE ADM. FINANZAS SECRETARIA- RECEPCIÓN SOPORTE SAP ASIST. ADM. SUCURSALES LOGÍSTICA CONTABILIDAD TESORERÍA RRHH MARKETING MENSAJERÍA
  • 119.
    119 En la figuraanterior se muestra el organigrama compuesto por una gerencia general, gerencia de ventas y servicios, y sus respectivas jefaturas. En la que se propone la creación de una gerencia de calidad como se señala. Ésta gerencia se encargará de implementar el sistema de gestión de la calidad para la compañía, así como, elaborar el manual de calidad, proponer y/o mejorar los procesos existentes, asimismo, mantener el sistema de gestión de la calidad y capacitar al personal en temas relacionados a la calidad durante el periodo de implantación y mantenimiento. En resumen, con esta propuesta de solución se espera implementar el área de calidad; y con el compromiso de la gerencia general, seguir el programa piloto propuesto, nombrar al líder del piloto, seguir el plan de trabajo para la implementación, capacitación del personal, mejorar y optimizar los procesos que sean necesarios. Por otro lado, con el área de calidad propuesta se espera reducir costos de reprocesos en la empresa. El costo inicial para ésta mejora está asociado al sueldo del personal nuevo, capacitaciones internas y externas que más adelante se detalla los costos asociados.
  • 120.
    120 3.3.1 Gerente deCalidad  Las responsabilidades del Gerente de Calidad, con dependencia directa del Gerente General son las siguientes:  Hacer un seguimiento y control directo del Sistema de Gestión de la Calidad en las áreas.  Supervisar a las áreas para el correcto desarrollo de los trabajos fijados en las especificaciones del cliente.  Estudiar la mejora de tiempos y métodos de trabajo en colaboración con los Jefes de Área.  Asistir en las necesidades del personal, su formación y funcionamiento en coordinación con los Jefes de Área y RRHH.  Supervisar la formación del personal, en forma conjunta con RRHH y los Gerentes de área.  Desarrollar el Sistema de Gestión de la Calidad, de acuerdo con la política de la empresa definida en el Manual de Calidad.  Asistir a las reuniones del Comité de Calidad.  Verificar y mantener la actualización del personal de la empresa, enviado por RRHH.  Elaborar, mantener y mejorar el Manual de Calidad.  Elaborar los procedimientos de calidad en los cuales se encuentre involucrado.  Detectar, identificar y evaluar los problemas de calidad (incidencias, no conformidades o reclamos), proponiendo soluciones adecuadas y comprobando su implantación y cumplimiento.  Informar a la Gerencia General de las modificaciones del Manual de Calidad.  Controlar la distribución del Manual de Calidad.  Verificar el cumplimiento del Sistema de Gestión de la Calidad, mediante la realización de auditorías internas periódicas.
  • 121.
    121  Mantener actualizadoel registro de evaluación de proveedores.  Supervisar periódicamente las condiciones de almacenamiento de los materiales.  Supervisar el uso y conservación de los registros de calidad.  Verificar y mantener el archivo de los informes emitidos por el Gerente de Área y/o Jefaturas sobre las herramientas del área.  Supervisar el correcto estado operacional de los diferentes equipos de trabajo y control así como medios de transporte en colaboración con los Gerentes de área y/o Jefaturas de área.  Preparar toda la documentación referente a las homologaciones solicitadas por los clientes.
  • 122.
    122 3.3.2 Gerente deVentas y Servicios  El Gerente de Ventas y Servicios con relación a la calidad, asumirá las responsabilidades del Gerente General en ausencia de éste; garantizando el seguimiento del Sistema de Gestión de la Calidad. Además, tiene la responsabilidad de coordinar todos los temas relacionados con la calidad tanto en el área de ventas, servicios, administración, contabilidad, finanzas, logística, almacén y despacho, así como, la mejora del sistema de información, haciendo especial hincapié en el cumplimiento y seguimiento del Sistema de Gestión de la Calidad. Asimismo, tiene en Enviroequip SAC., la autoridad para la implementación de los procedimientos de trabajo para realizar los servicios encomendados en su área. Sus responsabilidades con respecto a la calidad son los siguientes:   Asistir técnicamente a las áreas para el correcto desarrollo de los trabajos fijados en las especificaciones del cliente.  Comprobar que los trabajos se llevan a cabo con los materiales, medios y personal adecuado.  Recepción, control y distribución de la documentación de calidad aplicable al área y su cumplimiento.  Colabora con el Gerente de Calidad en el desarrollo de la documentación de calidad que se considere necesaria, para el control de las actividades en el área.  Recopilar datos y analizar la situación de la calidad en las actividades que se realizan en el área, informando periódicamente al Gerente de Calidad.  Colaborar con el Gerente de Calidad en la gestión de las acciones correctoras y resolución de reclamación del cliente.  Hacer seguimiento de las No Conformidad hasta su cierre.  Asistir o delegar asistencia a las reuniones con el cliente.
  • 123.
    123  Controlar quese lleven a cabo las acciones correctoras establecidas por el cliente y la Gerencia de Calidad de la Empresa.  Realizar los trámites especificados en el contrato correspondiente, antes, durante y al final de los trabajos en compañía del representante del cliente, si es el caso, e informar a Gerencia General o a quien esta delegue.  Proponer al Jefe de Administración y Finanzas para que delegue la adquisición de equipos de trabajo y medios de control, seguridad y transporte basándose en las necesidades técnicas y de la optimización en la realización de los servicios.  Realizar las gestiones de compras de su área con los requisitos de compras locales o en el exterior.  Llevar a cabo la actividad comercial que se le asigne ante el cliente e informar a la Gerencia General o a quien esta delegue los posibles nuevos objetivos.  Cumplir y hacer que se cumpla toda la documentación que requiera el pedido, por exigencia del cliente y la gestión interna de Enviroequip SAC Mantener un archivo en el área correspondiente con todos los registros de la calidad generados por su actuación en cada servicio y darán evidencia de que los objetivos de calidad están siendo cumplidos, pudiendo ser revisados por la Gerencia de Calidad o el personal autorizado.  Participar en la realización de auditorías internas programadas.  Actualizar en el sistema información los registros contemplados según el trabajo realizado sobre el cumplimiento de indicadores de gestión.  Verificar que el área de trabajo esté en óptimas condiciones.  Otras que deriven de sus funciones.
  • 124.
    124 3.3.3 Jefes deVentas y Servicios  Asistir técnicamente a los Asesores Inhouse y Field Service para el correcto desarrollo de los trabajos fijados en las especificaciones del cliente.  Comprobar que los trabajos se llevan a cabo con los materiales, medios y personal adecuado.  Recepción, control y distribución de la documentación de calidad aplicable al área y su cumplimiento.  Colabora con el Gerente de calidad en el desarrollo de la documentación de calidad que se considere necesaria, para el control de las actividades en el área.  Recopilar datos y analizar la situación de la calidad en las actividades que se realizan en el área, informando periódicamente al Gerente de Calidad.  Colaborar con el Gerente de Calidad en la gestión de las acciones correctoras y resolución de reclamamos o quejas del cliente.  Ayudar en el seguimiento de las No Conformidad hasta su cierre.  Asistir o delegar asistencia a las reuniones con el cliente.  Controlar que se lleven a cabo las acciones correctoras establecidas por el cliente y la Gerencia de Calidad de la Empresa.  Realizar los trámites especificados en el contrato correspondiente, antes, durante y al final de los trabajos en compañía del representante del cliente, si es el caso, e informar a Gerencia General o a quien esta delegue.  Proponer al Gerente de Ventas y Servicios para que delegue la adquisición de equipos de trabajo y medios de control, seguridad y transporte basándose en las necesidades técnicas y de la optimización en la realización de los servicios.  Realizar las gestiones de compras de su área con los requisitos de compras locales o en el exterior.
  • 125.
    125  Llevar acabo la actividad comercial que se le asigne ante el cliente e informar a la Gerencia de Ventas y Servicios o a quien ésta delegue los posibles nuevos objetivos.  Cumplir y hacer que se cumpla toda la documentación que requiera el pedido, por exigencia del cliente y la gestión interna de Enviroequip SAC Mantener un archivo en el área correspondiente con todos los registros de la calidad generados por su actuación en cada servicio y darán evidencia de que los objetivos de calidad están siendo cumplidos, pudiendo ser revisados por la Gerencia de Calidad o el personal autorizado.  Participar en la realización de auditorías internas programadas.  Actualizar y verificar el cumplimiento de indicadores de gestión.  Verificar que el área de trabajo esté en óptimas condiciones.  Otras que deriven de sus funciones. 3.3.4 Asesores Comerciales e Inhouse  Tiene dependencia directa de los Jefes de Ventas y Servicios. Sus funciones inherentes a la calidad son las siguientes:   Prepara la oferta económica y técnica solicitada por cada cliente en concordancia con las normas de la compañía y conforme a lo coordinado con el jefe de ventas y servicios.  Realizar las coordinaciones necesarias con el personal de servicios para la realización de los trabajos y tiempos de entrega.  Mantener comunicación directa con los proveedores para la entrega oportuna de la mercadería. Asimismo, con el personal de servicios para la entrega de los trabajos.  Coordinar reuniones con los clientes y Field Service si fuera necesario.
  • 126.
    126  Informar directamenteal Gerente de Calidad sobre cualquier incidencia presentada que afecte a la calidad, o en caso de ausencia de éste a cualquiera de los Jefes o Gerentes encargados de Enviroequip SAC.  Mantener los registros de calidad correspondientes.  Otras que se deriven de sus funciones. 3.3.5 Field Service  Encargados del control de calidad de la mercadería y realización de los servicios, además dependen directamente de los Jefes de Ventas y Servicios. Éstos son los responsables de realizar el control de calidad de la mercadería, planificar, realizar y/o supervisar los trabajos encomendados por el cliente con las normas e instructivos para un resultado de calidad. Sus actividades en relación con la calidad son las siguientes:   Ejecutar y/o supervisar los trabajos de acuerdo a la oferta económica y normas técnicas inherentes a su especialidad.  Coordinar con el Asesor In house y/o Jefe de área para la preparación de las ofertas económicas, para luego ser comunicado al cliente.  Coordinar con el Asesor In house y/o Jefe de área para la programación de la entrega de la mercadería al cliente y/o necesidad de algún equipo de medición (calibrador) para el normal desarrollo de los servicios.  Llevar el control de la vigencia de los patrones de calibración y los consumibles necesarios para el mantenimiento de los mismos a través de los manuales de servicio de los equipos y/o fabricante.
  • 127.
    127  Realizar susfunciones de acuerdo a lo contemplado en los instructivos del cliente si fuese el caso, como actas de conformidad.  Controlar y firmar los registros de calidad de los trabajos realizados, conservándolos hasta su entrega al coordinador o jefe de área.  Participar en la realización de Auditorías Internas de estar calificados.  Mantener sus áreas de trabajo en óptimas condiciones.  Ejecutar el mantenimiento de los equipos de forma correcta a través de la guía de los manuales de operación y/o servicios y constatar con el proveedor que se realiza con los medios correctos para esta operación.  Entrenar a los usuarios finales conforme sus necesidades.  Enviar informes del servicio a la Gerencia de Calidad.  Restringir el acceso a áreas de trabajo a personas no autorizadas.  Otras que se deriven de sus funciones. 3.3.6 Soporte SAP  Tiene dependencia directa del área de Administración y Finanzas su jurisdicción es netamente operativo ya sea por medios propios o por la tercerización de servicios. Sus responsabilidades con respecto a la Calidad son los siguientes:  Mantener información resguardada en la infraestructura disponible.  Recomendar al área de Administración y Finanzas la adquisición de equipos o licencias requeridas para el normal desenvolvimiento de las operaciones.  Mantener control sobre los equipos en la empresa.  Mantener actualizada las versiones de los equipos.
  • 128.
    128  Capacitar alos usuarios en el manejo del sistema de información SAP.  Llevar un back up conforme a la política de la empresa garantizando el control de la información.  Analizar la migración de datos en caso sea necesario a fin de que no existan incidencias en la información.  Realizar un plan de contingencia que permita ante cualquier eventualidad mantener la información a salvo.  Otras que se designen.
  • 129.
    129 3.4 Plan deDocumentación El plan de documentación de procesos se va realizar de acuerdo al siguiente cronograma de procedimientos a implementar por área. Tabla 10: Plan de documentación de Procesos por área ÁREA PROCEDIMIENTO MES 1 2 3 4 5 6 Todas P. de Control de Documentos y Registros. Todas P. de Revisión por la Dirección. RRHH/SERVICIOS/VENTAS P. de Competencia, Formación y Toma de Conciencia. VENTAS/SERVICIOS/LOGÍSTICA/ALMACÉN P. de Compras. VENTAS/SERVICIOS P. de Revisión de los Requisitos Relacionados con el Producto. VENTAS/SERVICIOS P. de Revisión e Instalación de Equipos AMH&IAL. VENTAS/SERVICIOS/LOGÍSTICA P. de Control de Equiposde Seguimiento, Medicióny Calibración.
  • 130.
    130 VENTAS/SERVICIOS/LOGÍSTICA/ALMACÉN P. dePropiedad del Cliente. SERVICIOS/LOGÍSTICA/ALMACÉN P. de Identificación y Trazabilidad. Todas P. de Auditorías Internas Todas P. de No Conformidad, Acciones Correctivas y Preventivas. VENTAS/SERVICIOS P. de Atención de Quejas y Reclamos. VENTAS/SERVICIOS P. de Evaluación y Medición de Satisfacción del Cliente. Todas P. de Tratamiento de Servicios No Conformes. Fuente: Elaboración Propio
  • 131.
    131 3.5 Plan deCapacitación En la siguiente tabla 11 se muestra el cronograma de capacitaciones a realizar durante el año 2015. Luego en la tabla 12 y 13 el plan de capacitación, el cual está divido en cinco módulos que constan en los siguientes cursos, en el primer módulo: Liderazgo y Compromiso en Gestión de la Calidad, Compromiso en la Gestión de la Calidad, Introducción a los modelos ISO 9001, Planificación del SGC, en el segundo módulo: Herramientas de Gestión para la mejora continua del SGC, en el tercer módulo: Implementación y Operación Seguimiento Análisis y Mejora del SGC, el cuarto módulo formación de auditores internos y por último el módulo cinco, el cual comprende la difusión de las capacitaciones técnica y comercial recibidas en fábrica entre el personal de ventas y servicios de AMH e IAL, con la intención de incrementar las habilidades del personal para que éste mejore su productividad en adelante. Posteriormente, el Gerente de Calidad estará encargado de realizar las réplicas de temas de calidad así como la difusión de la política, objetivos, funciones, procedimientos y formatos de calidad en coordinación con la gerencia general. Fuente: Elaboración propia 1 2 3 4 5 6 7 8 9 10 11 12 Capacitación 1 Módulo I ( A, B y C) 2 Módulo II 3 Módulo III 4 Módulo IV 5 Módulo V ACTIVIDAD MES Tabla 11: Cronograma de Capacitación
  • 132.
    132 Fuente: Elaboración propia MÓDULOCURSOS HRS # PERSONAS TEMARIO RESUMEN DIRIGIDO A: Beneficios de la Capacitación de Calidad Liderazgo y Compromiso Gestión del Cambio Bases de los modelos ISO 9001 Difusión del Proyecto SGC Beneficios de la Gestión de Calidad Compromiso de todos Bases de los modelos ISO 9001 Difusión del Proyecto SGC Modelos ISO 9001 Enfoque al Cliente Mapa de Procesos Requisitos relacionados con el producto Objetivos/Programas de gestión Gestión de las comunicaciones Internas/Externas No conformidades, análisis de causa, acciones correctivas, acciones preventivas Responsabilidad y Autoridad Competencia, Capacitación y Toma de Conciencia Control Operativo Control de producto no conforme Seguimiento y medición Indicadores de Calidad Análisis y Mejora IV Auditores Internos del SGC 16 5 Auditoría Interna del SGC Niveles Gerenciales y Niveles Supervisores Niveles Supervisores y Niveles Operativos Implementación y Operación Seguimiento Análisis y Mejora del SGC 2 5 5 5 5 III 8 Niveles Gerenciales y Niveles Supervisores Introducción a los modelos ISO 9001 Planificación del SGC ( C ) I 8 Niveles Gerenciales y Niveles Supervisores Herramientas de Gestión para la mejora continua del SGC II Niveles Gerenciales y Niveles Supervisores 8 Alta Dirección Liderazgo y Compromiso en Gestión de la Calidad(A) 2 Compromiso en la Gestión de la Calidad(B) 2 Tabla 12: Plan de Capacitación (I, II, III y IV)
  • 133.
    133 MÓDULO CURSOS PORMARCA HRS FRECUENCIA TOTAL HRS ANUALES # PERSONAS TEMARIO RESUMEN (TEÓRICO Y PRÁCTICO) DIRIGIDO A: Thermo Scientific (Hivol, Partisol, Analizadores, TEOM) 3.5 Bimestral 21 3 Instalación, Operación Mantenimiento e Interpretación de los resultados. Troubleshooting y Lecciones aprendidas Campbell Scientic (Estaciones meteorológicas y otros sensores) 3.5 Bimestral 21 3 Instalación, Operación y Mantenimiento. Troubleshooting y Lecciones aprendidas Cirrus (Ruido ambiental y ocupacional) 3.5 Bimestral 21 3 Instalación, Operación, Mantenimiento e Interpretación de los resultados. Troubleshooting y Lecciones aprendidas PANalytical(*) 6 Bimestral 36 3 Instalación, Operación y Mantenimiento. Troubleshooting y Lecciones aprendidas Anton Pa_ar 3.5 Bimestral 21 3 Instalación, Operación y Mantenimiento. Troubleshooting y Lecciones aprendidas Olympus 3.5 Bimestral 21 3 Instalación, Operación y Mantenimiento. Troubleshooting y Lecciones aprendidas Otras marcas AMH y IAL 3.5 Bimestral 21 3 Instalación, Operación y Mantenimiento. Troubleshooting y Lecciones aprendidas V Asesor Inhouse y Field Service AMH (Ambiental, Meteorología e Hidrología) Asesor Inhouse y Field Service IAL(Instrumentos Analíticos de Laboratorio) Fuente: Elaboración propia Tabla 13: Plan de Capacitación (V)
  • 134.
    134 En la siguientetabla se muestra el formato del Plan de Auditoría Interna, el cual describe las actividades, plazos y responsables acordados para un proceso de auditoría. Fuente: Elaboración propia CÓDIGO : SGC-P02 F2 VERSIÓN : 01 FECHA : 12/marzo/2014 PÁGINA : 1 de 1 OBJETIVO:Determinar el cumplimiento de los requisitos de la norma ISO 9001:2008 ALCANCE: SGC-P13/ Servicios Auditor Lider SGC-P13/ Ventas Auditor Lider SGC-P07/Servicios Auditor Junior SGC-P07/Ventas Auditor Junior SIGLAS AL AJ OBSERVACIONES SGC-P13 Procedimiento de Evaluación y Medición de Satisfacción del Cliente PLAN DE AUDITORIA INTERNA FORMATO Gerente de Calidad Auditor Líder REQUISITOS DELA NORMA FECHA HORARIO CARGO NOMBRE EQUIPO AUDITOR Auditor Junior PARTICIPANTES 06/07/2015 10:00 a.m. C IER R E D E LA A UD IT OR IA Nota: Estos horarios podrán variar de acuerdo a las necesidades presentadas en cada área. Se incluirá según corresponda: Receso-Almuerzo, Reunión de equipo auditor y reunión de avance. PROCESO / ÁREA AUDITADO Jefe de Servicios Servicio de instalación, mantenimiento y capacitación en el uso de los equipos de medio ambiente y laboratorio 02/11/2015 01:00 p.m. 8.2,5.2, 4.2, 5.6 7.5.3, 7.5.4 EQUIPO AUDITOR ISO 9001 A P ER T UR A D E LA A UD IT OR IA Jefe de Ventas Field Service InHouse 12:00 p.m. 02/11/2015 06/07/2015 11:00 a.m. 8.2,5.2, 4.2, 5.6 7.4, 7.5.3, 7.6 SGC-P07 Procedimientos de Control de Equipos de Seguimiento, Medición y Calibración Analista de Procesos Tabla 14: Plan de Auditoría
  • 135.
    135 3.5 Flujo deCaja En el siguiente flujo de caja se muestran los beneficios estimados de 5%, 6%, 7%, 8% y 10% de los costos totales de calidad generados por la implementación del SGC ISO 9001:2008. Asimismo, se muestra los costos totales de la nueva organización, así como un incremento de costos de la nueva organización, anualmente, tres por ciento (3%), relacionado al incremento del costo de vida y anualmente diez por ciento (10%) al crecimiento de la ineficiencia de la organización sin SGC. Es decir, si continúa creciendo los ingresos de la organización y trabajando de la misma manera (sin SGC) también estaría presente un incremento de los costos totales de calidad ´por la ineficiencia de sus procesos (más costos de ineficiencia). El Valor Presente neto (VPN) proyectado sería positivo a partir del quinto periodo de implantado el SGC en donde se espera un ahorro de casi sesenta y siete mil soles. Además se calculó la Tasa Interna de Retorno (TIR), obteniéndose un valor de 19%, es decir, es mayor a la tasa de interés de 12%. Por lo tanto, el proyecto de implantación de un SGC como la ISO 9001:2008, es rentable a largo plazo.
  • 136.
    136 Fuente: Elaboración propia 01 2 3 4 5 2015 2016 2017 2018 2019 2020 Costos calidad + no calidad 363144,42 399458,87 439404,75 483345,23 531679,75 584847,73 Beneficios 0,05 0,10 0,16 0,23 0,31 0,41 Ahorro proyectado Ahorro total anual 18157,22 39945,89 70304,76 111169,40 164820,72 239787,57 Costos Nueva Organización -56000,00 -57680,00 -59410,40 -61192,71 -63028,49 -64919,35 Capacitación Interna -13608,00 -14016,24 -14436,73 -14869,83 -15315,92 -15775,40 Capacitación Externa -15400,00 0,00 0,00 0,00 0,00 0,00 Materiales -2000,00 -2060,00 -2121,80 -2185,45 -2251,02 -2318,55 Formatos y Sistemas -2000,00 -2060,00 -2121,80 -2185,45 -2251,02 -2318,55 Otros Costos -3680,40 -3790,81 -3904,54 -4021,67 -4142,32 -4266,59 Costo Total -77288,40 -79607,05 -81995,26 -84455,12 -86988,78 -89598,44 Resultado Final -74531,18 -39661,17 -11690,50 26714,28 77831,95 150189,13 VPN S/. 66.918,00 TIR 19% > 12% Tabla 15: Flujo de Caja del Proyecto de Implementación del SGC
  • 137.
    137 3.6 Productividad Total Enel siguiente cuadro se muestra la productividad total de la empresa desde el año 2008 al 2013, calculada a partir de los estados financieros de la compañía. Fuente: Elaboración propia De la tabla anterior se observa que para el año 2008, la productividad total fue de 2.784. Luego se observa una caída para el año 2009 a 1.608, lo que se traduce en una reducción en 42% de la productividad total respecto del año 2008. Otra caída en el año 2010 a 1.360, lo que se traduce en una reducción de 15% de la productividad, respecto del año 2009. En el año 2011 se produce un incremento a 1.591 lo que significó un aumento de 17%, respecto del año 2010; pero en el año 2012 se produce una reducción a 1.102 respecto del año 2011 lo que se traduce en una reducción de 31% de la productividad total. Por último, el año 2013 se reduce a 1.073 lo que significa una reducción de 3% respecto del año 2012. Ahora, si calculamos la media de las variaciones anuales de la productividad total desde el 2008 al 2013, obtendremos en promedio una reducción anual de quince por ciento (-15%). Es decir, la productividad total de la compañía desde el año 2008 al 2013 tiene una tendencia a reducirse conforme se continúe trabajando sin ningún Sistema de Gestión de Calidad. Años 2008 2009 2010 2011 2012 2013 VENTAS S/. 7,631,486.00 S/. 7,860,000.00 S/. 7,930,421.00 S/. 12,493,544.61 S/. 9,637,709.00 S/. 14,211,751.00 CAMBIO DE INVENTARIO S/. 250,400.00 S/. 234,000.00 S/. 324,862.20 S/. 294,847.00 S/. 812,174.00 S/. 807,167.00 Sub Total(Numerador) 7,881,886.00 S/. 8,094,000.00 S/. 8,255,283.20 S/. 12,788,391.61 S/. 10,449,883.00 S/. 15,018,918.00 S/. MANO DE OBRA S/. 798,727.50 1,064,970.00 S/. 1,405,760.40 S/. 1,483,858.20 S/. 1,757,200.50 S/. 2,795,546.25 S/. MATERIALES S/. 8,800.00 S/. 12,000.00 S/. 13,500.00 S/. 14,800.00 S/. 22,300.00 S/. 15,500.00 SERVICIOS S/. 6,550.00 S/. 13,450.00 S/. 27,000.00 S/. 30,400.00 S/. 34,200.00 S/. 41,800.00 DEPRECIACIÓN S/. 169,932.00 S/. 135,034.00 S/. 388,501.00 S/. 582,751.50 S/. 777,002.00 S/. 947,653.03 INVERSIÓN S/. 1,846,641.00 S/. 3,809,452.00 S/. 4,233,741.00 S/. 5,925,826.00 S/. 6,890,900.00 S/. 10,191,883.00 Sub Total(Denominador) 2,830,650.50 S/. 5,034,906.00 S/. 6,068,502.40 S/. 8,037,635.70 S/. 9,481,602.50 S/. 13,992,382.28 S/. PRODUCTIVIDAD TOTAL 2.784478691 1.607577182 1.360349334 1.591063851 1.102122031 1.073363899 REDUCCIÓN DE LA PRODUCTIVIDAD -42% -15% 17% -31% -3% INCREMENTO DE VENTAS(INGRESOS) 2.99% 0.90% 57.54% -22.86% 47.46% PRODUCTIVIDAD DE MANO DE OBRA 9.535337146 7.356592204 5.612564559 8.389173986 5.452541699 5.063214747 Tabla 16: Productividad Total y de Mano de Obra (2008-2013)
  • 138.
    138 Figura 38: ProductividadTotal y Parcial (2008-2013) Fuente: Elaboración propia En la gráfica anterior se observa la tendencia decreciente de la productividad de la mano de obra de 9.535 en el 2008, se reduce a 7,357 en el 2009, luego continúa reduciéndose hasta 5.612 en el 2010, después un incremento hasta 8.389 en el 2011, para luego una caída a 5.453 en el 2012 y otra caída de la productividad de la mano de obra a 5.063 en el 2013. Asimismo, se observa el pronóstico de la productividad total y de mano de obra para el año 2014. En ese sentido, se realizó el cálculo del pronóstico de la productividad total para el año 2014, usando el método de suavizamiento exponencial (α=0.1, α=0.2 y α=0.5). De los tres se encontró que el menor error porcentual medio absoluto (MAP) y desviación media absoluta (MAD) corresponde para α=0.2, se obtuvo 30.44767935 y 0.431692876 respectivamente. Asimismo, se calculó el pronóstico de la productividad de mano de obra, usando el mismo método de
  • 139.
    139 Años 2015 20162017 2018 2019 Productividad Parcial (Con SGC) 1.45 1.54 1.67 1.78 1.91 Ventas 0.37 0.40 0.43 0.46 0.49 Compras 19.99 21.35 23.15 24.73 26.41 Almacenaje 179.93 192.15 208.37 222.53 237.65 Distribución 44.98 48.04 52.09 55.63 59.41 Productividad Parcial (Sin SGC) 1.45 1.42 1.39 1.41 1.45 Ventas 0.37 0.37 0.36 0.36 0.37 Compras 19.99 19.71 19.29 19.48 20.00 Almacenaje 179.93 177.37 173.64 175.33 180.04 Distribución 44.98 44.34 43.41 43.83 45.01 Variación Sin SGC y Con SGC 0% 8.3% 19.8% 26.7% 31.8% suavizamiento exponencial (α=0.1, α=0.2 y α=0.5) se encontró el menor error porcentual medio absoluto (MAP) y desviación media absoluta (MAD) corresponde para α=0.1, se obtuvo 39.15373915 y 2.586140187 respectivamente. Es decir, el pronóstico de productividad total para el 2014 sería de 1.08899 con un ligero incremento de 1.46% respecto del año 2013. Mientras tanto, el pronóstico de la productividad de mano de obra para el año 2014 sería 5.05664. Considerando las tendencias de productividad total y la productividad de mano de obra de la empresa entre el año 2008 y 2013, se ha realizado la siguiente simulación de productividad parcial de la mano de obra de continuar trabajando sin un sistema de gestión de calidad y tener implementado un sistema de gestión de calidad. En la siguiente tabla se muestra los dos escenarios; donde, se ha simulado la productividad de los procesos principales (core business) de la organización, ya que un incremento o reducción de la productividad en estos procesos tiene un impacto directo en la productividad total de la empresa. Tabla 17: Simulación de la Productividad Parcial de Mano de Obra con SGC y sin SGC Fuente: Elaboración propia
  • 140.
    140 En la tablaanterior se observa que la simulación de Productividad Parcial de Mano de Obra con SGC es de 1.45 el 2015, 1.54 el 2016, 1.67 el 2017, 1.78 el 2018 y 1.91 para el 2019. Por otro lado, en la tabla anterior se ha considerado la simulación de la Productividad Parcial de Mano de Obra sin SGC, de continuar trabajando de la misma forma, se espera una productividad de 1.45 para el 2015, 1.42 el 2016, 1.39 el 2017, 1.41 el 2018 y 1.45 para el 2019. Estos considerables incrementos de productividad se obtienen, también, por el buen momento económico que atraviesa la empresa con un incremento de 17.2% promedio en ventas registrados desde el 2008 al 2013. Ver Tabla 16: Productividad Total y de Mano de Obra (2008-2013). Adicionalmente, para el cálculo de la productividad con y sin SGC de la tabla anterior se ha considerado el escenario más probable de crecimiento en ventas de 10% anual, es decir, un incremento de los requerimientos atendidos (órdenes de compra del cliente) también en 10% anual. Figura 39: Tendencia de Productividad Parcial con y sin SGC (2015-2019) Fuente: Elaboración propia
  • 141.
    141 De la gráficaanterior podemos decir que en ambos casos existirá un incremento de la productividad parcial, pero se puede aprovechar mejor implementando un sistema de Gestión de la Calidad. Además de la Tabla 17: Simulación de la Productividad Parcial de Mano de Obra con SGC y sin SGC en donde se observa que a partir del segundo año una diferencia de 8%, 20%, 27% y hasta 32% de mejor aprovechamiento del incremento de la productividad.
  • 142.
    142 En la siguientefigura se observa las condiciones iniciales, sin SGC y con SGC del año 2015, en las que se simularon los procesos de ventas (incluye requerimientos de servicios), compras (facturación y cobro) y distribución. Los requerimientos atendidos para este año son de 288 con un ingreso anual de S/.17 196 218.71, como los ingresos se incrementarán en 10% anualmente, entonces, los requerimientos anuales también se incrementaran. El costo promedio de horas- hombre en la empresa es S/.24.51. La eficiencia de los procesos son de 65% para todos los procesos tanto sin SGC y con SGC. El número de personas que trabaja en el proceso de ventas (incluye servicios), compras, almacenaje y distribución son 22, 3, 1 y 2 respectivamente, además, los costos laborales anuales son de S/. 1 366 711.50, S/. 186 369.75, S/. 62 123.25 y S/.124 246.50 respectivamente. Se ha realizado el cálculo de la productividad de cada uno de los procesos con sus eficiencias respectivas. Luego se ha sumado la producción neta y se ha comparado respecto de las ventas realizadas en el periodo 2015, obteniéndose una productividad parcial de la mano de obra de 1.44518284.
  • 143.
    143 Ingresos 2015 S/.17,196,218.71 59,709.09 S/. Crecimiento Ventas 288 Compras Almacenaje Distribución Requerimiento/año Costo HH(prom) 24.51 S/. Costo HH(prom) 24.51 S/. Costo HH(prom) 24.51 S/. Costo HH(prom) 24.51 S/. Eficiencia 65% Eficiencia 65% Eficiencia 65% Eficiencia 65% # Personal 22 # Personal 3 # Personal 1 # Personal 2 Costo Lab/año 1,366,711.50 S/. Costo Lab/año 186,369.75 S/. Costo Lab/año 62,123.25 S/. Costo Lab/año 124,246.50 S/. 2015 Productividad 11,177,542.16 S/. 0.371746413 Ventas 30,067,653.00 S/. Productividad 11,177,542.16 S/. 19.991696008 Compras 559,109.25 S/. Productividad 11,177,542.16 S/. 179.925264076 Almacenaje 62,123.25 S/. Productividad 11,177,542.16 S/. 44.981316019 Distribución 248,493.00 S/. Productividad 44,710,168.65 S/. 1.44518284 S/. 30,937,378.50 Fuente: Elaboración propia Figura 40: Simulación de Productividad Parcial de Mano de Obra sin SGC y con SGC 2015
  • 144.
    144 En la siguientefigura se observa la simulación, sin SGC y con SGC del año 2016, de los procesos de ventas (incluye requerimientos de servicios), compras (facturación y cobro) y distribución. Los requerimientos atendidos para este año son de 317 con un ingreso anual de S/. 18 915 840.58, como los ingresos se incrementarán en 10% anualmente, entonces, los requerimientos anuales también se incrementan. El costo promedio de horas- hombre en la empresa es S/.25.24, la eficiencia de los procesos de ventas, compras, almacenaje y distribución son de 60% sin SGC y 65% con SGC. El número de personas que trabaja en el proceso de ventas (incluye servicios), compras, almacenaje y distribución son 22, 3, 1 y 2 respectivamente, además, los costos laborales anuales son de S/. 1 407 712.85, S/. 191 960.84, S/. 63 986.95 y S/.127 973.90 respectivamente. Se ha realizado el cálculo de la productividad de cada uno de los procesos con sus eficiencias. Luego se ha sumado la producción neta y se ha comparado respecto de las ventas realizadas en el periodo 2016, obteniéndose una productividad parcial de la mano de obra de 1.42467614 sin SGC y con SGC 1.54339915.
  • 145.
    145 SIN SGC Ingresos2016 18,915,840.58 S/. 59,709.09 S/. Crecimiento 10% Ventas 316.8 Compras Almacenaje Distribución Requerimiento/año Costo HH(prom) 25.24 S/. Costo HH(prom) 25.24 S/. Costo HH(prom) 25.24 S/. Costo HH(prom) 25.24 S/. Eficiencia 60% Eficiencia 60% Eficiencia 60% Eficiencia 60% # Personal 22 # Personal 3 # Personal 1 # Personal 2 Costo Lab/año 1,407,712.85 S/. Costo Lab/año 191,960.84 S/. Costo Lab/año 63,986.95 S/. Costo Lab/año 127,973.90 S/. 2016 Productividad 11,349,504.35 S/. 0.366471446 Ventas 30,969,682.59 S/. Productividad 11,349,504.35 S/. 19.708019963 Compras 575,882.53 S/. Productividad 11,349,504.35 S/. 177.372179671 Almacenaje 63,986.95 S/. Productividad 11,349,504.35 S/. 44.343044918 Distribución 255,947.79 S/. Productividad 45,398,017.39 S/. 1.42467614 S/. 31,865,499.86 CON SGC Ingresos 2016 18,915,840.58 S/. 59,709.09 S/. Crecimiento 10% Ventas 316.8 Compras Almacenaje Distribución Requerimiento/año Costo HH(prom) 25.24 S/. Costo HH(prom) 25.24 S/. Costo HH(prom) 25.24 S/. Costo HH(prom) 25.24 S/. Eficiencia 65% Eficiencia 65% Eficiencia 65% Eficiencia 65% # Personal 22 # Personal 3 # Personal 1 # Personal 2 Costo Lab/año 1,407,712.85 S/. Costo Lab/año 191,960.84 S/. Costo Lab/año 63,986.95 S/. Costo Lab/año 127,973.90 S/. 2016 Productividad 12,295,296.38 S/. 0.397010733 Ventas 30,969,682.59 S/. Productividad 12,295,296.38 S/. 21.350354960 Compras 575,882.53 S/. Productividad 12,295,296.38 S/. 192.153194644 Almacenaje 63,986.95 S/. Productividad 12,295,296.38 S/. 48.038298661 Distribución 255,947.79 S/. Productividad 49,181,185.51 S/. 1.54339915 S/. 31,865,499.86 Fuente: Elaboración propio Figura 41: Simulación de Productividad Parcial de Mano de Obra sin SGC y con SGC 2016
  • 146.
    146 En la siguientefigura se observa la simulación, sin SGC y con SGC del año 2017, de los procesos de ventas (incluye requerimientos de servicios), compras (facturación y cobro) y distribución. Los requerimientos atendidos para este año son de 348 con un ingreso anual de S/. 20 807 424.64, como los ingresos se incrementarán en 10% anualmente, entonces, los requerimientos anuales también se incrementan. El costo promedio de horas- hombre para la empresa es S/.26. La eficiencia de los procesos de ventas, compras, almacenaje y distribución son de 55% para todos los procesos sin SGC y 65.5%, 66%, 66%, 66% para los procesos antes mencionados con SGC, respectivamente. El número de personas que trabajan en el proceso de ventas (incluye servicios), compras, almacenaje y distribución son 22, 3, 1 y 2 respectivamente, además, los costos laborales anuales son de S/. 1 449 944.23, S/. 197 719.67, S/. 65 906.56 y S/.131 813.11 respectivamente. Se ha realizado el cálculo de la productividad de cada uno de los procesos. Luego se ha sumado la producción neta y se ha comparado respecto de las ventas realizadas en el periodo 2017, obteniéndose una productividad parcial de la mano de obra de 1.39470723 sin SGC y con SGC 1.67047888.
  • 147.
    147 SIN SGC Ingresos2017 20,807,424.64 S/. 59,709.09 S/. Crecimiento 10% Ventas 348.48 Compras Almacenaje Distribución Requerimiento/año Costo HH(prom) 26.00 S/. Costo HH(prom) 26.00 S/. Costo HH(prom) 26.00 S/. Costo HH(prom) 26.00 S/. Eficiencia 55% Eficiencia 55% Eficiencia 55% Eficiencia 55% # Personal 22 # Personal 3 # Personal 1 # Personal 2 Costo Lab/año 1,449,944.23 S/. Costo Lab/año 197,719.67 S/. Costo Lab/año 65,906.56 S/. Costo Lab/año 131,813.11 S/. 2017 Productividad 11,444,083.55 S/. 0.358762499 Ventas 31,898,773.07 S/. Productividad 11,444,083.55 S/. 19.29344996 Compras 593,159.00 S/. Productividad 11,444,083.55 S/. 173.6410497 Almacenaje 65,906.56 S/. Productividad 11,444,083.55 S/. 43.41026242 Distribución 263,626.22 S/. Productividad 45,776,334.21 S/. 1.39470723 32,821,464.85 S/. CON SGC Ingresos 2017 20,807,424.64 S/. 59,709.09 S/. Crecimiento 10% Ventas 348.48 Compras Almacenaje Distribución Requerimiento/año Costo HH(prom) 26.00 S/. Costo HH(prom) 26.00 S/. Costo HH(prom) 26.00 S/. Costo HH(prom) 26.00 S/. Eficiencia 65.5% Eficiencia 66% Eficiencia 66% Eficiencia 66% # Personal 22 # Personal 3 # Personal 1 # Personal 2 Costo Lab/año 1,449,944.23 S/. Costo Lab/año 197,719.67 S/. Costo Lab/año 65,906.56 S/. Costo Lab/año 131,813.11 S/. 2017 Productividad 13,628,863.14 S/. 0.427253522 Ventas 31,898,773.07 S/. Productividad 13,732,900.26 S/. 23.15213996 Compras 593,159.00 S/. Productividad 13,732,900.26 S/. 208.3692596 Almacenaje 65,906.56 S/. Productividad 13,732,900.26 S/. 52.0923149 Distribución 263,626.22 S/. Productividad 54,827,563.92 S/. 1.67047888 32,821,464.85 S/. Fuente: Elaboración propia Figura 42: Simulación de Productividad Parcial de Mano de Obra sin SGC y con SGC 2017
  • 148.
    148 En la siguientefigura se observa la simulación, sin SGC y con SGC del año 2018, de los procesos de ventas (incluye requerimientos de servicios), compras (facturación y cobro) y distribución. Los requerimientos atendidos para este año son de 383 con un ingreso anual de S/. 22 888 167.10, como los ingresos se incrementarán en 10% anualmente, entonces, los requerimientos anuales también se incrementan. El costo promedio de horas- hombre para la empresa es S/.27.58. La eficiencia de los procesos de ventas, compras, almacenaje y distribución son de 52% para todos los procesos sin SGC y 65.5%, 66%, 66%, 66% para los procesos antes mencionados con SGC, respectivamente. El número de personas que trabajan en el proceso de ventas (incluye servicios), compras, almacenaje y distribución son 22, 3, 1 y 2 respectivamente, además, los costos laborales anuales son de S/. 1 493 442.26, S/. 203 651.26, S/. 67 883.75 y S/.135 767.51 respectivamente. Se ha realizado el cálculo de la productividad de cada uno de los procesos. Luego se ha sumado la producción neta y se ha comparado respecto de las ventas realizadas en el periodo 2018, obteniéndose una productividad parcial de la mano de obra de 1.40824807 sin SGC y con SGC 1.78400657.
  • 149.
    149 CON SGC Ingresos2018 22,888,167.10 S/. 59,709.09 S/. Crecimiento 10% Ventas 383.328 Compras Almacenaje Distribución Requerimiento/año Costo HH(prom) 27.58 S/. Costo HH(prom) 27.58 S/. Costo HH(prom) 27.58 S/. Costo HH(prom) 27.58 S/. Eficiencia 65.5% Eficiencia 66% Eficiencia 66% Eficiencia 66% # Personal 22 # Personal 3 # Personal 1 # Personal 2 Costo Lab/año 1,493,442.56 S/. Costo Lab/año 203,651.26 S/. Costo Lab/año 67,883.75 S/. Costo Lab/año 135,767.51 S/. 2018 Productividad 14,991,749.45 S/. 0.456290169 Ventas 32,855,736.26 S/. Productividad 15,106,190.29 S/. 24.72558636 Compras 610,953.77 S/. Productividad 15,106,190.29 S/. 222.5302773 Almacenaje 67,883.75 S/. Productividad 15,106,190.29 S/. 55.63256931 Distribución 271,535.01 S/. Productividad 60,310,320.32 S/. 1.78400657 33,806,108.80 S/. SIN SGC Ingresos 2018 22,888,167.10 S/. 59,709.09 S/. Crecimiento 10% Ventas 383.328 Compras Almacenaje Distribución Requerimiento/año Costo HH(prom) 27.58 S/. Costo HH(prom) 27.58 S/. Costo HH(prom) 27.58 S/. Costo HH(prom) 27.58 S/. Eficiencia 52% Eficiencia 52% Eficiencia 52% Eficiencia 52% # Personal 22 # Personal 3 # Personal 1 # Personal 2 Costo Lab/año 1,493,442.56 S/. Costo Lab/año 203,651.26 S/. Costo Lab/año 67,883.75 S/. Costo Lab/año 135,767.51 S/. 2018 Productividad 11,901,846.89 S/. 0.36224563 Ventas 32,855,736.26 S/. Productividad 11,901,846.89 S/. 19.48076501 Compras 610,953.77 S/. Productividad 11,901,846.89 S/. 175.3268851 Almacenaje 67,883.75 S/. Productividad 11,901,846.89 S/. 43.83172128 Distribución 271,535.01 S/. Productividad 47,607,387.57 S/. 1.40824807 33,806,108.80 S/. Fuente: Elaboración propia Figura 43: Simulación de Productividad Parcial de Mano de Obra sin SGC y con SGC 2018
  • 150.
    150 En la siguientefigura se observa la simulación, sin SGC y con SGC del año 2019, de los procesos de ventas (incluye requerimientos de servicios), compras (facturación y cobro) y distribución. Los requerimientos atendidos para este año son de 422 con un ingreso anual de S/. 25 176 983.81, como los ingresos se incrementarán en 10% anualmente, entonces, los requerimientos anuales también se incrementan. El costo promedio de horas- hombre para la empresa es S/.30.14. La eficiencia de los procesos de ventas, compras, almacenaje y distribución son de 50% para todos los procesos sin SGC y 65.5%, 66%, 66%, 66% para los procesos antes mencionados con SGC, respectivamente. El número de personas que trabajan en el proceso de ventas (incluye servicios), compras, almacenaje y distribución son 22, 3, 1 y 2 respectivamente, además, los costos laborales anuales son de S/. 1 538 245.83, S/. 209 760.80, S/. 69 920.27 y S/.139 840.53 respectivamente. Se ha realizado el cálculo de la productividad de cada uno de los procesos. Luego se ha sumado la producción neta y se ha comparado respecto de las ventas realizadas en el periodo 2019, obteniéndose una productividad parcial de la mano de obra de 1.44610986 sin SGC y con SGC 1.90524974.
  • 151.
    151 SIN SGC Ingresos2019 25,176,983.81 S/. 59,709.09 S/. Crecimiento 10% Ventas 421.6608 Compras Almacenaje Distribución Requerimiento/año Costo HH(prom) 30.14 S/. Costo HH(prom) 30.14 S/. Costo HH(prom) 30.14 S/. Costo HH(prom) 30.14 S/. Eficiencia 50% Eficiencia 50% Eficiencia 50% Eficiencia 50% # Personal 22 # Personal 3 # Personal 1 # Personal 2 Costo Lab/año 1,538,245.83 S/. Costo Lab/año 209,760.80 S/. Costo Lab/año 69,920.27 S/. Costo Lab/año 139,840.53 S/. 2019 Productividad 12,588,491.91 S/. 0.371984871 Ventas 33,841,408.35 S/. Productividad 12,588,491.91 S/. 20.00451971 Compras 629,282.39 S/. Productividad 12,588,491.91 S/. 180.0406774 Almacenaje 69,920.27 S/. Productividad 12,588,491.91 S/. 45.01016935 Distribución 279,681.06 S/. Productividad 50,353,967.63 S/. 1.44610986 34,820,292.06 S/. CON SGC Ingresos 2019 25,176,983.81 S/. 59,709.09 S/. Crecimiento 10% Ventas 421.6608 Compras Almacenaje Distribución Requerimiento/año Costo HH(prom) 30.14 S/. Costo HH(prom) 30.14 S/. Costo HH(prom) 30.14 S/. Costo HH(prom) 30.14 S/. Eficiencia 65.5% Eficiencia 66% Eficiencia 66% Eficiencia 66% # Personal 22 # Personal 3 # Personal 1 # Personal 2 Costo Lab/año 1,538,245.83 S/. Costo Lab/año 209,760.80 S/. Costo Lab/año 69,920.27 S/. Costo Lab/año 139,840.53 S/. 2019 Productividad 16,490,924.40 S/. 0.487300181 Ventas 33,841,408.35 S/. Productividad 16,616,809.32 S/. 26.40596602 Compras 629,282.39 S/. Productividad 16,616,809.32 S/. 237.6536942 Almacenaje 69,920.27 S/. Productividad 16,616,809.32 S/. 59.41342354 Distribución 279,681.06 S/. Productividad 66,341,352.35 S/. 1.90524974 34,820,292.06 S/. Fuente: Elaboración prop Figura 44: Simulación de Productividad Parcial de Mano de Obra sin SGC y con SGC 2019
  • 152.
    152 4. CAPÍTULO IV:CONCLUSIONES  Luego de estudiar la definición de calidad de reconocidos autores como, Philip B. Crosby, Joseph M. Juran, Edward Demming, Genichi Taguchi, Kaoro Ishikawa e ISO 9000. Entonces, según ésta última, la calidad debe entenderse como el grado en el que un conjunto de características (rasgos diferenciadores) cumple con ciertos requisitos (necesidades o expectativas establecidas, generalmente implícitas u obligatorias). Es decir, los requisitos deben satisfacer las expectativas del cliente.  Existen diversos indicadores de rendimiento como el ROA (ingresos de explotación antes de amortización divididos por el total de activos), COSTOS/VENTAS (para examinar el efecto de la productividad), VENTAS/ACTIVOS (para medir el efecto en el marketing). En el presente trabajo se decidió por un análisis de tendencia de COSTOS/VENTAS, porque es la información más recomendable para nuestro análisis y comparable entre periodos contables desde el año 2010 al 2013. En él se lograron observar las desviaciones de los costos de calidad asociados a la mala calidad.  Se identificó y realizó el mapa de procesos de Enviroequip SAC. En él se indica los procesos estratégicos, operativos y de apoyo, del que está compuesto a nivel macro. Éste ayudó a identificar los subprocesos del que está compuesto cada macro proceso, así, según la complejidad del proceso se descompuso para identificar y definir correctamente las funciones y procedimientos dentro de la organización.  Se propone la implementación de un sistema de gestión de localidad IS0 9001:2008, a partir del cumplimiento de la política de calidad, el manual de calidad, procesos y procedimientos controlados con el cual se garantiza una mayor productividad. Éste sistema garantiza clientes satisfechos y mejora continua de todos los procesos. Implementar el SGC tomará aproximadamente seis meses, según la cantidad de recursos asignados para este objetivo.
  • 153.
    153  Al implementarun sistema de gestión de la calidad, si bien es cierto, desde el primer año no se recuperará lo invertido, pero al contar con un sistema de gestión de la calidad ISO 9001:2008 y la presencia de una gerencia de calidad para su mantención del sistema éste avala una proyección del flujo de caja en un horizonte de cinco periodos, con el cual, veremos que invertir en la calidad es un negocio rentable a largo plazo.  Un enfoque basado en procesos brinda muchos beneficios, principalmente, integra y alínea los procesos de manera idónea logrando obtener mejores resultados, los cuales se reflejaran en una reducción de los costos totales de calidad.  De la lluvia de ideas realizado, los problemas se agruparon por frecuencia e importancia en dieciocho problemas para elaborar el diagrama de causa-efecto. De esa agrupación se desprende que debemos priorizar en el veinte por ciento (20%) de los problemas que son la causa del ochenta por ciento (80%) de estos.  Se realizó una estimación del flujo de caja de Enviroequip SAC., en donde se calculó que el Valor Presente Neto (VPN) proyectado sería positivo a partir del quinto periodo de haber implantado el SGC en donde se espera un ahorro de casi sesenta y siete mil soles.  De la simulación de la productividad parcial de la mano de obra con un sistema de gestión de la calidad (SGC), se concluye que la productividad se incrementa en mayor medida respecto a la productividad de la mano de obra sin SGC, en donde desde el segundo, tercer, cuarto y quinto periodo se obtendría un incremento de 8%, 20%, 27% y 32% respecto de una organización sin SGC.
  • 154.
    RECOMENDACIONES  Practicar losocho principios de calidad: Enfoque al cliente, Liderazgo, Participación del personal, Enfoque basado en procesos, Enfoque de sistema para la gestión, Mejora continua y Relaciones mutuamente beneficiosa con el proveedor.  Se recomienda implementar el sistema de gestión de la calidad ISO 9001:2008, el cual incluye el manual de calidad, procedimientos, registros y formatos como el procedimiento de la elaboración de lecciones aprendidas (FLA), protocolos de pruebas (PP), formato de equipos canibalizados (FEC) , plan de documentación de procesos, capacitación y plan de auditoría interna. Estas propuestas pretenden reducir los riesgos de realizar re-trabajos como diagnósticos y cotizaciones imprecisas (no se consideran todos los costos que intervienen en la venta o servicio).  Se recomienda persuadir a la alta gerencia de la propuesta, ya que ésta sólo tiene sentido si la gerencia general de la empresa está convencida y comprometida en destinar recursos que garanticen su ejecución, desarrollo de un sistema de gestión de calidad, es decir, debe cumplir los ocho principios de calidad antes mencionados. De lo contrario, los costos totales de calidad seguirán incrementándose según el crecimiento de los ingresos, ya que existe una relación directa entre el incremento de ventas y los costos totales de calidad, si se sigue trabajando de la misma manera sin mejorar los procesos.  Se recomienda implementar un sistema de costos totales de calidad, el cual permitirá evidenciar las oportunidades de mejora en la organización. Lo que no se mide no se puede controlar y lo que no se controlar no se puede gestionar. Asimismo, aplicar la herramienta de mejora continua: Planificar, Verificar, Hacer y Actuar.
  • 155.
    BIBLIOGRAFÍA ALCALDE, Pablo (2010)Calidad .2da. ed. Madrid. Ediciones Paraninfo SA. ASQC (1977) Guide for Reducing Quality Control, Milwankee, pp 18, 20. ASOCIACIÓN DE CENTROS PROMOTORES DE LA EXCELENCIA (CEX) (2012) (http://www.centrosdeexcelencia.com/) Sitio web oficial del Centros de Excelencia se conoce a la Asociación de Centros Promotores de la Excelencia; contiene información sobre una Guía para una Gestión Basada en Procesos (consulta:04 de junio) CAMPANELLA, Jack (1992) Principios de los Costes de la Calidad. España. Ediciones Diaz de Santos SA. CARPIO SALINAS, Antonio (AÑO 03) ¿La Calidad Cuesta? pp 25-29. En revista Calidad y Excelencia, Nro. 14. Edición Internacional. CORBETT Charles J., MONTES María, J., KIRSCH Mavid A., ÁLVAREZ-GIL María José. (http://www.iso.org/iso/ims02_04.pdf) Sitio web oficial de la Organización Internacional de Normalización; contiene información sobre La certificación ISO 9000, ¿Es rentable? (consulta:04 de junio de 2012) COMITÉ TÉCNICO 176 DE LA ORGANIZACIÓN INTERNACIONAL PARA LA ESTANDARIZACIÓN (2003a) Orientación sobre el concepto y uso del Enfoque basado en procesos para los sistemas de gestión (Consulta: 04 de junio de 2012). (http://iso9mil.com/orientacion.pdf) COMITÉ TÉCNICO 176 DE LA ORGANIZACIÓN INTERNACIONAL PARA LA ESTANDARIZACIÓN (2003b) Orientación sobre el concepto y uso del Enfoque basado en procesos para los sistemas de gestión (Consulta: 04 de junio de 2012). (http://iso9mil.com/orientacion.pdf)
  • 156.
    CUATRECASAS, Lluis (2012)Gestión de la Calidad Total. Madrid. Ediciones Diaz de Santos SA. GRAJEDA, Carlos. (2012) Compilación de diapositivas del curso de Gestión de la Calidad. Lima: UPC. GRIMM, A.F (1974) Quality Costs: Where Are They in the Accounting Process? ASQC Technical Conference Transaction, Milwauke, pp 190-200. GÓMEZ FRAILE, Fermín, TEJERO MONZÓN, Miguel, VILAR BARRIO, José Francisco (2005a) Cómo hacer el manual de calidad según la nueva ISO 9001:2000. 5ta.ed. Madrid. Editorial FC. GÓMEZ FRAILE, Fermín, TEJERO MONZÓN, Miguel, VILAR BARRIO, José Francisco (2005b) Cómo hacer el manual de calidad según la nueva ISO 9001:2000. 5ta.ed. Madrid. Editorial FC. INSTITUTO TECNOLÓGICO METROPOLITANO (ITM) (2009) Manual de indicadores de gestión. Bogotá. Editorial S/N. FONTALVO HERRERA, Tomas Jose, VERGARA SCHMALBACH, Juan Carlos (2010a) La gestión de la calidad en los servicio ISO 9001:2008. Editorial Eumed-Universidad de Malaga. FONTALVO HERRERA, Tomas Jose, VERGARA SCHMALBACH, Juan Carlos (2010b) La gestión de la calidad en los servicio ISO 9001:2008. Editorial Eumed-Universidad de Malaga. FONTALVO HERRERA, Tomas Jose, VERGARA SCHMALBACH, Juan Carlos (2010c) La gestión de la calidad en los servicio ISO 9001:2008. Editorial Eumed-Universidad de Malaga. GRYNA, Frank (1988) Quality Costs, in Juran´s Quality Control Handbook, 4th ed. New York. MacGraw-Hill. JESSE T. Barfield, CECILY A., Raiborn, MICHAEL R. Kinney.(2004) Contabilidad de Costos: Tradiciones e Innovaciones.5ta. ed. Editotial Thomson. Mexico DF.
  • 157.
    JURAN Joseph (1990)Juran y la Planificación para la Calidad. Diaz de Santos S.A. Madrid ISO 9000 (2005) International Organization for Standardization, pp 6, 17. En: Sistemas de gestión de la calidad -Fundamentos y vocabulario. ISO 10005 (2005) International Organization for Standardization, pp 7. En: Sistemas de gestión de la calidad- Directrices para los planes de calidad. ISO 9000 (2008) International Organization for Standardization, pp 3. En: Sistemas de gestión de calidad — Requisitos. ISO (International Organization for Standardization) (2014a) (http://www.iso.org/iso/about.htm) Sitio web oficial de la ISO; contiene información de interés (consulta: 02 junio). ISO (International Organization for Standardization) (2014b) (http://www.iso.org/iso/about/iso_members/iso_member_body.htm?member_id=2036 Sitio web oficial de la ISO; contiene información de interés (consulta: 02 junio). ISO 10005:2005 / TC176 / SC2 Quality systems (2014). (http://www.iso.org/iso/home/standards_development/list_of_iso_technical_committees/iso_technical _committee.htm?commid=53896) Sitio web oficial de la ISO; contiene información de interés (consulta: 23 junio). LÓPEZ REY, Susana Implementación de un Sistema de Calidad (2006). Vigo (España) Editorial Ideaspropias. MARÍN LIRA, Percy Ygnacio (2011) Compilación de diapositivas del curso de Organización y Métodos: Taller de diseño de procesos. Lima: UPC. MINISTERIO DE FOMENTO (2005) La gestión por procesos (consulta: 04 de junio de 2012).(http://www.fomento.gob.es/mfom/lang_castellano/direcciones_generales/transporte_por_carret era/documentos/mejora/gp/)
  • 158.
    ORGANIZACIÓN INTERNACIONAL DELTRABAJO-OIT (1996) Introducción al Estudio del Trabajo. Ginebra. 4ta. Edición. PÉREZ FERNÁNDEZ, José Antonio (1994) Gestión de la calidad empresarial: Calidad en los servicios y atención al cliente total. Madrid: Editorial ESIC. POLLO MARTÍN, Rocío (2009) Apoyo en la organización de intervenciones en el ámbito institucional. Vigo. Editorial Ideas Propias. RUCOBA TELLO, Jorge Luis (2011a) Compilación de diapositivas del curso de Herramientas de la Calidad: Método de solución de problemas. Lima: UPC. RUCOBA TELLO, Jorge Luis (2011b) Compilación de diapositivas del curso de Herramientas de la Calidad: Siete herramientas estadísticas. Lima: UPC. ROJAS JULIO, Carlos (AÑO 03) Indicadores de Gestión, pp 16-23. En revista Calidad y Excelencia, Nro. 14. Edición Internacional. ROBERT I. Wise, "A Method for Aligning Process Level and Strategy Level Performance Metrics" American Society for Quality, 11th Annual Quality Management Conference. RIGGS L. James (2001) Sistemas de Producción, Planeación, Análisis y Control. Ed. México DF. Limusa Noriega Editores. 3ra. Ed. TOVAR, Arturo, MOTA, Alejandro (2007) Un modelo de administración por procesos. Ciudad de México. Panorama Editorial SA de CV.
  • 159.
    ANEXOS Anexo 1: SGC-M01Manual de Calidad Manual de la Calidad ISO 9001:2008 de Calle Mariano de los Santos # 192, San Isidro, Lima.
  • 160.
    Índice 1. Generalidades...............................................................................................................163 1.1 Presentaciónde la empresa................................................................................163 1.2 Visión...................................................................................................................164 1.3 Misión..................................................................................................................164 1.4 Productos y Servicios .........................................................................................164 2. Alcance y Exclusiones del SGC...................................................................................164 2.1 Alcance.................................................................................................................165 2.2 Exclusiones..........................................................................................................165 3. Términos y Definiciones..............................................................................................165 4. Sistema de gestión de la calidad ..................................................................................166 4.1 Requisitos generales ...........................................................................................166 Fuente: Elaboración Propia .............................................................................................166 4.2 Requisitos de la documentación ........................................................................167 4.2.1 Generalidades ..............................................................................................167 4.2.2 Manual del Sistema de Gestión de la Calidad ..........................................167 4.2.3 Control de Documentos y Registros (4.2.4)...............................................168 5. Responsabilidad de la gerencia....................................................................................169 5.1 Compromiso de la gerencia ....................................................................................169 5.2 Enfoque al cliente ....................................................................................................169 5.3 Política de la calidad...........................................................................................170 5.4 Planificación.............................................................................................................170 5.4.1 Objetivos del Sistema de Gestión de la Calidad ............................................170 5.4.2 Planificación del Sistema de Gestión de la Calidad ......................................171 5.5 Responsabilidad, autoridad y comunicación ........................................................172 5.5.1 Responsabilidad de la dirección......................................................................172 5.5.2 Representante de la dirección .........................................................................172 5.5.3 Comunicación Interna .....................................................................................172 5.6 Revisión por la Dirección........................................................................................173 5.6.1 Generalidades ..............................................................................................173 5.6.2 Información de entrada para la revisión...................................................173
  • 161.
    5.6.3 Resultados dela revisión.............................................................................174 6. Gestión de los recursos ................................................................................................174 6.1 Provisión de recursos ................................................................................................174 6.2 Recursos humanos.....................................................................................................174 6.2.1 Generalidades.....................................................................................................174 6.2.2 Competencia, toma de conciencia y formación .................................................175 6.3 Infraestructura ...........................................................................................................176 6.4 Ambiente de trabajo ..................................................................................................177 7 Realización del servicio ...............................................................................................177 7.1 Planificación de la realización del servicio ...............................................................177 7.2 Procesos relacionados con el cliente .........................................................................178 7.2.1 Determinación de los requisitos relacionados con el servicio..................178 7.2.2 Revisión de los requisitos de calidad relacionados con el servicio..........178 7.2.3 Comunicación con el cliente .......................................................................179 7.3 Diseño y desarrollo....................................................................................................179 7.4 Compras ....................................................................................................................180 7.4.1 Proceso de compras.......................................................................................180 7.4.2 Información de las compras ..........................................................................180 7.4.3 Verificación de los productos comprados .....................................................181 7.5.1 Control de operaciones en la prestación del servicio ....................................182 7.5.2 Validación de la prestación del servicio........................................................182 7.5.3 Identificación y trazabilidad..........................................................................183 7.5.4 Propiedad del cliente .....................................................................................183 7.5.5 Preservación del producto .............................................................................184 7.6 Control de los equipos de seguimiento y de medición..............................................184 8 Medición, Análisis y Mejora........................................................................................185 1.1 Generalidades .....................................................................................................185 1.2 Seguimiento y Medición.....................................................................................185 1.2.1 Satisfacción del Cliente ...............................................................................185 1.2.2 Auditoría Interna ........................................................................................185 1.2.3 Seguimiento y Medición de los Procesos...................................................186 1.2.4 Seguimiento y Medición del Servicio .........................................................186
  • 162.
    1.3 Control delServicio No Conforme....................................................................187 1.4 Análisis de datos .................................................................................................188 1.5 Mejora .................................................................................................................188 1.5.1 Mejora continua ..........................................................................................188 1.5.2 Acción Correctiva y Acciones Preventivas (8.5.3)....................................189 2. Anexos .........................................................................................................................189 3. Tabla histórica de cambios...........................................................................................190
  • 163.
    1. Generalidades 1.1 Presentaciónde la empresa ENVIROEQUIP S.A.C. es una empresa líder del mercado peruano, en la transferencia tecnológica de bienes y servicios de equipos Medio Ambientales [Ambiental, Meteorología e Hidrología]; Instrumentos Analíticos - Rayos X – Preparación de muestras para laboratorios. También proveemos la instalación, mantenimiento, entrenamiento y desarrollo de métodos y asistencia de post venta. La empresa inició sus operaciones en 1997, actualmente tiene más de 17 años en el mercado. El presente Manual de Gestión de la Calidad es propiedad de ENVIROEQUIP SAC consecuentemente la información contenida no podrá reproducirse total ni parcialmente sin la correspondiente autorización por escrito del Gerente General. Los poseedores de copias controladas de este Manual, serán oportunamente informados de los cambios que se produzcan como consecuencia de las revisiones del mismo. El presente Manual de Gestión de la Calidad ha sido desarrollado con el siguiente fin: • Satisfacer los requisitos de la norma internacional NTP-ISO 9001:2008 • Documentar las mejores prácticas de negocio de la empresa. • Entender y satisfacer más adecuadamente las necesidades y las expectativas de los clientes. • Mejorar la administración global de la empresa. El manual describe el Sistema de Gestión de la Calidad, perfila los campos de autoridad, las relaciones y los deberes del personal responsable del desempeño de la empresa. APROBADO POR REVISADO POR ELABORADO POR Nombre: Nombre: Nombre: Alexander Céspedes Zúñiga Cargo: Gerente General Cargo: Gerente de Calidad Cargo: Analista
  • 164.
    El manual estádividido en ocho secciones que están directamente relacionadas con los requisitos de la norma ISO 9001:2008. Además se utiliza internamente para orientar a los empleados de ENVIROEQUIP SAC con respecto a los diversos requisitos de la norma ISO 9001:2008 que deben ser cumplidos y mantenidos para asegurar la satisfacción del cliente, la mejora continua y brindar las directivas necesarias que generen una fuerza laboral dotada de poder, autoridad y responsabilidad. 1.2 Visión Ser una empresa líder del mercado peruano en la comercialización de equipos medio ambientales, ofreciendo a nuestros clientes no sólo instrumentos analíticos para la protección del medio ambiente y laboratorio si no también transfiriendo a ellos la última y más avanzada tecnología con que cuentan estos equipos ayudando a crear conciencia social dentro de las organizaciones y los individuos con el objetivo de alcanzar un desarrollo sostenible asegurando un medio ambiente saludable para las futuras generaciones. 1.3 Misión Transferir tecnología ofreciendo a nuestros clientes herramientas analíticas en las áreas de protección medio ambiental y laboratorio, con el objetivo de mejorar sus procesos, haciendo sus operaciones más efectivas y eficientes consiguiendo ser mejores socios con el medio ambiente. Para lo cual la empresa cuenta con un equipo altamente capacitado y comprometido en satisfacer las necesidades de nuestros clientes. 1.4 Productos y Servicios Actualmente, ofrecemos a nuestros clientes venta de equipos de medio ambiente y laboratorio los siguientes servicios :  Instalación  Mantenimiento y  Capacitación  Venta asesorada 2. Alcance y Exclusiones del SGC
  • 165.
    2.1 Alcance ENVIROEQUIP S.A.C,ha interiorizado los requisitos de la norma ISO 9001:2008 para el alcance siguiente : “Servicio de instalación, mantenimiento y capacitación en el uso de los equipos de medio ambiente y laboratorio.” 2.2 Exclusiones ENVIROEQUIP S.A.C, no realiza actividades de diseño y desarrollo, por lo tanto, no aplica el punto 7.3 de la norma ISO 9001:2008. Esta exclusión no limita la capacidad o responsabilidad de ENVIROEQUIP S.A.C, en brindar servicios que cumplan con los requisitos del cliente y reglamentos aplicables. 3. Términos y Definiciones TRAZABILIDAD: Capacidad del sistema productivo para identificar los agentes (personas, equipos, insumos, etc.) involucrados en la elaboración de determinado producto o servicio. Rastreo que puede llevarse a cabo, en muchas ocasiones con una identificación en el mismo producto o servicio. CALIDAD: Grado en el que un conjunto de características inherentes cumple con los requisitos. CONFORMIDAD: Cumplimiento de un requisito. NO CONFORMIDAD (NC): Incumplimiento de un requisito. PROCEDIMIENTO: Forma específica para llevar a cabo una actividad o un proceso. Los procedimientos pueden estar documentados o no. Cuando un procedimiento está documentado se utilizará el término “procedimiento documentado”.
  • 166.
    PROCESO: Conjunto deactividades mutuamente relacionadas o que interactúan, las cuales transforman elementos de entrada (materia prima, insumos, materiales, equipo, tecnología, mano de obra, tiempo y conocimiento) en resultados o salidas (productos y/o servicios). 4. Sistema de gestión de la calidad 4.1 Requisitos generales En cuanto a los requisitos generales, ENVIROEQUIP S.A.C, ha identificado el mapa de procesos, donde se muestra la interacción de los procesos estratégicos, operativos y de apoyo. El de mayor importancia, proceso operativo, el cual muestra la interacción de la línea de negocio de la empresa. Fuente: Elaboración Propia
  • 167.
    4.2 Requisitos dela documentación 4.2.1 Generalidades ENVIROEQUIP S.A.C, cuenta con documentos que describen el SGC e incluyen:  Manual del Sistema de Gestión de la Calidad incluyendo el alcance y las referencias hacia los demás documentos a emplear.  La política y objetivos de calidad.  Los procedimientos e instructivos que describen los procesos del SGC requeridos por las Norma ISO 9001:2008.  El Mapa de procesos de la empresa.  Los registros que evidencian la conformidad con los requisitos de la Norma ISO 9001:2008. En resumen, el cumplimiento de los requisitos de la norma se ve evidenciado en el presente manual de calidad, la declaración de la política y objetivos de calidad, alcance y exclusiones. 4.2.2 Manual del Sistema de Gestión de la Calidad En la pirámide documentaria, éste documento se encuentra en la cúspide, el cual contiene el alcance del Sistema de Gestión de la Calidad (SGC) desde el punto de vista de la Norma ISO 9001:2008, la política, los objetivos de calidad y exclusiones, asimismo, la estructura organizacional, las responsabilidades, la referencia a los procedimientos documentados establecidos y la descripción de la interacción entre los procesos del SGC. Del mismo modo, aparecen los formularios y registros en la base de la pirámide que constituyen evidencias y mecanismos de control para los procesos del SGC. Los documentos del SGC están clasificados según la estructura general que se muestra en el gráfico siguiente :
  • 168.
    Estructura documentaria delSistema de Gestión de la Calidad (SGC) de ENVIROEQUIP S.A.C. 4.2.3 Control de Documentos y Registros (4.2.4) Para controlar los documentos necesarios para el funcionamiento del SGC, ENVIROEQUIP S.A.C, ha definido :  La aprobación de los documentos antes de su distribución para asegurar su adecuación.  La revisión y actualización de los documentos cuando sea necesario y nueva aprobación.  Identificación de los cambios y el estado de revisión actual de los documentos.  Las versiones actualizadas de los documentos aplicables se encuentran disponibles para los usuarios según corresponda.  Fácil identificación y legibilidad de los documentos.  El control de los documentos obsoletos y su identificación adecuada si son conservados para cualquier propósito. Manual de calidad Políticas, objetivos de calidad, alcance y exclusiones Procedimientos de calidad y trabajo Registros e Instrucciones
  • 169.
    Los registros deENVIROEQUIP S.A.C, son mantenidos para evidenciar la conformidad con los requisitos establecidos por las Normas ISO 9001:2008. La identificación, archivo, protección, recuperación, tiempo de conservación y destino final de los registros ; así como disposiciones para el mantenimiento de registros legibles y legítimos, se realiza de acuerdo al siguiente procedimiento documentado : SGC-P01 Procedimiento de Control de Documentos y Registros. Además incluye los seis procedimientos documentados y dieciocho registros obligatorios por la norma ISO 9000:2008. 5. Responsabilidad de la gerencia 5.1 Compromiso de la gerencia ENVIROEQUIP S.A.C cuenta con un comité de calidad (Gerencias y Jefaturas) que se formó a raíz del compromiso con el desarrollo e implementación del sistema de gestión de la calidad que esta compañía tiene, así como la mejora continua de su eficacia. Todo el personal de ENVIROEQUIP S.A.C sabe y es consciente de lo importante que es satisfacer las necesidades del cliente y todos trabajan con ese objetivo. Para ello, ENVIROEQUIP S.A.C, cuenta con todos los recursos para cumplir este objetivo partiendo desde una política de calidad que es detallada en este capítulo. Además la gerencia realiza revisiones periódicas del SGC de acuerdo a lo indicado en el SGC-P02 Procedimiento de Revisión por la Dirección. 5.2 Enfoque al cliente ENVIROEQUIP S.A.C tiene como objetivo principal satisfacer las necesidades del cliente. Asimismo, se ha asegurado de la medición del nivel de satisfacción del cliente, directamente a través de encuestas de satisfacción y la recepción de sus observaciones
  • 170.
    previstas de monitoreodel Sistema de gestión de la Calidad. Para éste fin se asegura del cumplimiento de los siguientes procedimientos: SGC-P12 Procedimiento de Atención de Quejas y Reclamos. SGC-P11 Procedimiento No Conformidad, Acciones Correctivas y Preventivas. 5.3 Política de la calidad ENVIROEQUIP S.A.C., ofrece soluciones tecnológicas para satisfacer las necesidades de sus clientes, a través de la diferenciación y calidad de los bienes y servicios, promoviendo las relaciones de beneficio mutuo entre cliente y proveedor. El sistema de gestión de calidad implantado asegura la correcta ejecución de los procesos que realiza el personal enfocado a la mejora continua. Además, está previsto que la política de calidad del SGC sea periódicamente examinada en la revisión anual por la dirección (Ver 5.6) y adaptada a las condiciones internas y del entorno, de modo que siempre actuamos bajo un lineamiento único. 5.4 Planificación 5.4.1 Objetivos del Sistema de Gestión de la Calidad Se han establecido y diseñado los objetivos de calidad de tal manera que sean coherentes a las políticas de calidad, para que puedan ser cuantificables a través de los indicadores implementados. Éstos objetivos son susceptibles a ser modificados en coherencia con la mejora continua del SGC. 1. Atender oportunamente los requerimientos del cliente (cotizaciones, servicios, quejas y/o reclamos) 2. Entregar soporte técnico, comercial de alta calidad; contando con personal permanentemente capacitado. 3. Fomentar la reducción de costos totales de calidad a través de la medición y control de indicadores.
  • 171.
    N° FÓRMULA UNIDADMETA FRECUENCIA Costo de Prevención/Costo de Ventas Netas Facturadas ↗ Costo de Evaluación/Costo de Ventas Netas Facturadas ↗ Costo de Fallos Internos/Costo de Ventas Netas Facturadas ↘ ↘ Costo Fallos Externos/Costo de Ventas Netas Facturadas # Clientes Satisfechos/# de Clientes Encuestados Entregar soporte técnico, comercial de alta calidad; contando con personal permanentemente capacitado. Costo de Capacitación Estratégica (Invertido Estratégicamente) VS Costo Total de Capacitación (Según el Programa Anual de Capacitación) Semestral Fomentar la reducción de costos totales de calidad a través de la medición y control de indicadores. COSTO TOTAL DE CALIDAD/COSTO DE VENTAS NETAS FACTURADAS % Semestral % CAPACITACIÓN COSTO ENCUESTAS DE SATISFACCIÓN DE LOS CLIENTES ↗ ↗ # Quejas o Reclamos atendidos por área VS Total de Quejas o Reclamos % # Requerimientos entregados a tiempo VS Requerimientos Realizados % ↘ ↗ Mensual Mensual POLITICADE CALIDAD OBJETIVOS INDICADORES ENVIROEQUIP S.A.C., ofrece soluciones tecnológicas para satisfacer las necesidades de sus clientes, a través de la diferenciación y calidad de los bienes y servicios, promoviendo las relaciones de beneficio mutuo entre cliente y proveedor. El sistema de gestión de calidad implantado asegura la correcta ejecución de los procesos que realiza el personal enfocado a la mejora continua. 1 Atender oportunamente los requerimientos del cliente(Cotizaciones, Servicios, quejas y/o reclamos) CUMPLIMIENTO DE ATENCIÓN 2 3 En la siguiente tabla se muestra de manera resumida la política de calidad, objetivos, indicadores asociados, fórmula de cálculo, unidad de medida y la frecuencia de medición. Fuente: Elaboración propia 5.4.2 Planificación del Sistema de Gestión de la Calidad La Gerencia General ha asumido las principales responsabilidades gerenciales para la implementación, mantenimiento y mejora del SGC. Por otro lado, se ha planificado realizar el seguimiento para lograr los objetivos a través de una revisión de los objetivos periódicamente. Mínimo una vez al año o con mayor frecuencia, la gerencia general debe revisar el manual del SGC y realizar las adaptaciones necesarias. Estas modificaciones pueden ser el manual completo o solo secciones individuales. Asimismo, tiene la responsabilidad de adaptar el SGC en los procesos y documentación, ante cualquier cambio que se genere en la empresa; garantizando así su integridad y continuidad. Tabla 18: Cuadro resumen de política, objetivos de calidad e indicadores
  • 172.
    GERENTE GENERAL GERENTE DE VENTAS YSERVICIOS JEFE DE PROYECTOS ASESOR DE PROYECTOS Y EQ. DE SANEAMIENTO JEFE DE AIL JEFE DE AMH SECRETARIA DE AMH ASESORES INHOUSE ASESORES COMERCIALES FIELD SERVICE SECRETARIA DE AMH ASESORES INHOUSE ASESORES COMERCIALES FIELD SERVICE JEFE DE ADM. FINANZAS SECRETARIA- RECEPCIÓN SOPORTE SAP ASIST. ADM. SUCURSALES LOGÍSTICA CONTABILIDAD TESORERÍA RRHH MARKETING MENSAJERÍA GERENTE DE CALIDAD 5.5 Responsabilidad, autoridad y comunicación 5.5.1 Responsabilidad de la dirección La Gerencia General, se asegura que las responsabilidades, interrelación, autoridad del personal sean definidas y comunicadas mediante el Manual de Organización y Funciones (MOF). Fuente : Elaboración Propia 5.5.2 Representante de la dirección La gerencia ha cumplido con designar un Representante de la Dirección, el cual vela por el mantenimiento, continuidad y mejora del mismo y posee las debidas funciones mencionadas en las normas adoptadas. Asimismo, el representante de la dirección pertenece al comité de calidad. 5.5.3 Comunicación Interna Figura 45: Organigrama EESAC
  • 173.
    La gerencia generalde ENVIROEQUIP S.A.C, asegura que se establezcan medios de comunicación apropiados para el desarrollo eficaz del SGC y considera lo siguiente: Reuniones efectuadas por las diferentes áreas y gerencia, cada vez que se considere necesario, dejando evidencia de estas acciones y decisiones en el formato: SGC-F4 Acta de Reunión. En la comunicación de trabajo diario, serán utilizados canal oral directo o remoto mediante teléfonos o escrito mediante correos electrónicos. 5.6 Revisión por la Dirección 5.6.1 Generalidades La gerencia general conjuntamente con el Representante de la Dirección efectúa por lo menos una revisión de una vez al año del Sistema de Gestión de la Calidad, contrastando con la edición de la norma NTP-ISO 9001 vigente. Asimismo, la revisión incluye la evaluación de las oportunidades de mejora y la necesidad de efectuar cambios en el Sistema de Gestión de Calidad, incluyendo la política y objetivo de calidad. SGC- P02 Revisión por la Dirección. 5.6.2 Información de entrada para la revisión La información requerida para que la dirección realice la revisión incluye:  Reportes de auditoría  Informes de encuestas de satisfacción del cliente.  Informe de desempeño de los procesos y la conformidad del servicio.  Reporte del estado de las acciones correctivas y preventivas.  Revisión por la dirección.  Reportes de cambios que podrían afectar el SGC.  Reporte de recomendaciones de mejora.
  • 174.
    5.6.3 Resultados dela revisión Los resultados de la revisión por la dirección incluyen todas las decisiones y acciones relacionadas con la mejora de la eficacia del sistema de gestión de la calidad y sus procesos, la mejora del servicio en relación con los requisitos del cliente y las necesidades de recursos. Es decir, incluyen las recomendaciones, conclusiones, acuerdos y demás temas relacionados al SGC. Según lo establecido en el procedimiento SGC-P02 Revisión por la Dirección. 6. Gestión de los recursos 6.1 Provisión de recursos ENVIROEQUIP S.A.C implementa y mantiene el sistema de gestión de calidad mejorándolo continuamente. En ese sentido la responsabilidad para el abastecimiento de los recursos requeridos recae en el Gerente General, quien aprueba la adquisición de recursos y puede delegar esto al jefe de administración y finanzas. Los elementos esenciales de los recursos requeridos (personal, maquinarías, software y hardware) tienen que ser canalizados por el Gerente General. Asimismo, los resultados de la auditoría interna, observaciones, NC, oportunidades de mejora registradas y encuestas de satisfacción a clientes son usadas como una pauta para los recursos requeridos. 6.2 Recursos humanos 6.2.1 Generalidades El personal que realice trabajos que afecten la calidad es competente con base en la educación, formación, habilidades y experiencia demostrada.
  • 175.
    De acuerdo alos alcances del SGC los requisitos y competencias de cada puesto de trabajo están definidos en el Manual de Organización de Funciones (MOF). 6.2.2 Competencia, toma de conciencia y formación A efecto de dar cumplimiento a este requisito, ENVIROEQUIP S.A.C, determina la competencia del personal a través del procedimiento de competencias y la detección de capacitación:  Selección de personal e ingreso de personal. SGC-F6 Declaración Jurada de Datos Personales, SGC-F7 Ingreso de Personal.  Realizar al menos una vez al año una nueva evaluación de desempeño del personal, generando el informe correspondiente a fin de determinar los puntos débiles e incluirlos en el programa de capacitación anual a fin de lograr un mejor desempeño del personal a mediano y largo plazo.  Realización de exámenes al término de los cursos dictados o demostración de lo aprendido a través de exposiciones al personal, a fin de determinar el grado de aprendizaje del trabajador.  Entrenamiento con programas de capacitación, evaluación de personal, listas de asistencia, eficacia de la capacitación que se evalúan mediante verificaciones en el puesto de trabajo y mediante una medida de errores detectados en el puesto de trabajo. El programa de capacitación se programará anualmente en el formato SGC-F8 Programa Anual de Formación.  Inducción en la formación, teniendo en cuenta las necesidades prioritarias del personal y de la empresa.  Sensibilización a todo el personal para una adecuada identificación con su trabajo y la empresa a fin de buscar alinear los objetivos personales de los trabajadores con los objetivos de la empresa.  Los certificados internos y externos que avalen la formación y calificación del personal serán incluidos en el file del personal.  Lo antes descrito se encuentra en el Procedimiento, SGC-P03-Competencia, Formación y Toma de Conciencia.
  • 176.
    6.3 Infraestructura ENVIROEQUIP S.A.C,proporciona y mantiene la infraestructura necesaria para lograr la conformidad con los requisitos de los servicios que ofrece para esto cuenta con un local administrativo, almacén y taller de servicios con espacio para realizar las actividades que se requiere. La infraestructura para llevar a cabo los procesos incluye:  Espacios adecuados para almacenar los bienes del cliente.  Espacios de trabajo ordenado, limpio con buena iluminación y ventilación apropiada.  Pasadizos de libre tránsito.  Equipos informáticos con capacidad y software necesarios para el control de registro y emisión de información. Sistemas de Información SAP que ayudan a elaborar las cotizaciones por servicios, mantenimientos, capacitaciones, piezas o partes de equipos, así como, accesibilidad al intranet para ver la carpeta del cliente y verificar los manuales.  Mobiliario y equipo necesario para desarrollar correctamente el SGC (módulos, silla y equipo de cómputo, archivadores, armarios, cámaras, equipo de aire acondicionado, extintores, impresoras, mesas de reuniones, scanner, etc.)  Materiales, equipos y herramientas necesarias y en buen estado para otorgar los servicios solicitados.  Medios de Comunicación (teléfono fijo, teléfonos móviles, skype, correo electrónico, etc.)  Instalaciones para el servicio alimenticio del personal (comedor). Se cuenta también con equipos altamente sofisticados que permiten la instalación, mantenimiento y calibración de los equipos en taller y/o en campo. Además de contar con indumentaria de trabajo y equipos para la seguridad en los trabajos. El servicio de limpieza de toda la infraestructura es realizada por proveedor externo.
  • 177.
    6.4 Ambiente detrabajo ENVIROEQUIP S.A.C, establece, evalúa y propicia la mejora del ambiente de trabajo necesario para lograr la conformidad con los requisitos del personal por medio de:  Condiciones de salud y seguridad, establecidas en Ley de Seguridad y Salud en el Trabajo.  Condiciones Ergonómicas para actividades desarrolladas en la oficina, según lo indicado en el la Ley de Seguridad y Salud en el Trabajo.  Métodos de trabajo (Procedimientos e Instructivos).  Instalación de servicios requeridos para comodidad del personal (SS.HH., comedor, botiquín, etc.).  Reuniones de confraternidad que promueven la interacción del personal, así como actividades de esparcimiento. 7 Realización del servicio 7.1 Planificación de la realización del servicio ENVIROEQUIP S.A.C, planifica y desarrolla los procesos necesarios para la ejecución de sus servicios a través de los procedimientos e instrucciones de trabajo. Asimismo, planifica los servicios o visitas a clientes según su programación. Los servicios se programan quincenalmente de acuerdo al a la carga de trabajo y disponibilidad de personal en el siguiente Procedimiento : SGC- P06 Planificación de Revisión e Instalación de Equipos AMH&IAL
  • 178.
    7.2 Procesos relacionadoscon el cliente 7.2.1 Determinación de los requisitos relacionados con el servicio. La determinación e identificación de los requisitos especificados por el cliente, incluyendo los requisitos para las actividades de entrega del servicio, se realizará según se detalla en el contrato de servicios o bases del concurso, ofertas técnicas/económicas, correos electrónicos, actas de reuniones y en las especificaciones técnicas del cliente (orden de compra), dicha información se consolidará para luego entregarse a los jefes de área con la finalidad de cumplir los requisitos relacionados con el servicio se realizará la contratación de proveedores externos de servicios. En el caso específico para licitaciones y/o contratos, los requisitos del cliente se obtienen de las Bases de Licitaciones Públicas con el estado (OSCE). 7.2.2 Revisión de los requisitos de calidad relacionados con el servicio. Antes que se adquiera un compromiso con los clientes para proporcionar un servicio, ya sea propuesta preliminar, aceptación de contrato o aceptación de cambio en el contrato, ENVIROEQUIP S.A.C (Gerentes y Jefes) realizan una revisión de los requerimientos solicitados por el cliente, incluyendo cualquier cambio que sea solicitado. A fin de asegurar lo siguiente:  Los requisitos del servicio, estén definidos.  Las diferencias existentes entre los requisitos del pedido o contrato y los expresados previamente sean resueltos.  La capacidad para cumplir con los requisitos definidos por el cliente.  En caso que exista necesidad de modificación del contrato, se registrará en una adenda al contrato inicial, dichas modificaciones serán comunicadas a los involucrados los cuales implementarán dentro de los procedimientos internos si fuese necesario.
  • 179.
    Usualmente el clienteproporciona el contrato de servicios / bases del concurso donde se establecen sus requisitos. Cuando el cliente no proporcione una declaración documentada de los requisitos del servicio, ENVIROEQUIP S.A.C, confirma éstos requisitos antes de la aceptación, a través de la comunicación con el cliente vía correo electrónico. Cuando los requisitos del servicio son modificados, el cliente los envía a ENVIROEQUIP S.A.C y estos son comunicados a las áreas interesadas (ventas y/o servicios), generando en algunos casos adendas al contrato original (cuando involucra mayores recursos). Para el caso de licitaciones, los requisitos del cliente son revisados minuciosamente, antes de emitir la propuesta técnica/económica. La emisión y firma de las mismas evidencia la revisión de los requisitos del cliente. Los requisitos del cliente son revisados constantemente para evaluar la capacidad del cumplimiento de los mismos; y se deja evidencia en los correos y las versiones de las propuestas técnicas y económicas del cliente (carpeta del cliente). 7.2.3 Comunicación con el cliente ENVIROEQUIP S.A.C, ha identificado y establecido las disposiciones necesarias para establecer un sistema eficaz de comunicación con los clientes que abarca lo siguiente:  Información sobre los servicios.  Consultas si existiesen dudas relacionadas a contratos y pedidos, incluyendo las modificaciones.  Retroalimentación de los clientes según lo establecido en el SGC-P12 Procedimiento de atención de quejas y reclamos; y SGC-P11 Procedimiento de No Conformidad, Acciones Correctivas y Preventivas. 7.3 Diseño y desarrollo Excluido del alcance (Ver 2.3)
  • 180.
    7.4 Compras 7.4.1 Procesode compras ENVIROEQUIP S.A.C, se asegura de adquirir materiales o servicios que cumplan con los requisitos de compra especificados, con la finalidad de determinar los lineamientos para la gestión del personal usuario y de las áreas de apoyo que se han definido el proceso de compra de materiales estableciendo el SGC-P04 Procedimiento de Compras, cabe resaltar que la compra de repuestos se realiza de manera coordinada entre el encargado de Logística y la Jefatura de Servicios y/o Field Service responsable. ENVIROEQUIP S.A.C, define los criterios de evaluación, selección y re-evaluación de los proveedores (internos y externos) de materiales y servicios en función de su capacidad para brindar el servicio de acuerdo a los requisitos establecidos, para ello cuenta con el SGC-P04 Procedimiento de Compras y en los formatos de registro: SGC-F9 Pedido de Importación de Bienes, SGC-F10 Requerimiento de compra, SGC-F11 Evaluación y Seguimiento de Proveedores. En el caso de proveedores de las que se tiene representación exclusiva se considera proveedor único. 7.4.2 Información de las compras ENVIROEQUIP S.A.C, ha establecido especificaciones técnicas para la adquisición de materiales, equipos, herramientas y servicios que afectan la calidad del servicio, en función a los requerimientos del cliente. Servicios  Especificaciones técnicas del servicio prestación por los contratistas respecto a la supervisión y ejecución de trabajos. Herramientas  Especificaciones técnicas de materiales, maquinarias y equipos que sean considerados como activos de la empresa.
  • 181.
    Compras inventario Para elcaso de compras de productos que se comercializan, la identificación de la necesidad de reponer inventarios se realiza de la siguiente manera: El jefe de ventas y servicios reporta la necesidad de reposición de equipos, partes, piezas o consumibles por medio del formato SGC-F9 Pedido de Importación de Bienes. El encargado de Logística, con la información recibida y previa aprobación de administración y finanzas y/o gerencia de ventas emite la orden de compra al proveedor. En donde se encuentran todas las especificaciones de los productos a adquirir. Compras no inventario Para el caso de adquisición de productos y servicios como mantenimiento de las instalaciones de almacén, taller de servicios o local administrativo, los responsables identifican sus necesidades y gestionan directamente su adquisición con los proveedores a través del formato SGC-F10 Requerimiento de compra, si conociera los límites de compra establecidos. RESPONSABLE TIPO DE COMPRA Jefe de servicios EPPs, partes, piezas y consumibles para servicios. Jefe de administración y finanzas (Logística) Servicio de mantenimiento de las instalaciones, compra de muebles, pólizas y otros. Secretaria- Recepcionista Artículos de oficina, de limpieza y otros. 7.4.3 Verificación de los productos comprados
  • 182.
    La verificación delos productos a proveedores, se realiza control de calidad sobre la mercadería adquirida. Éste control consta de una inspección visual con la finalidad de identificar lo solicitado por la orden de compra emitida y el invoice del proveedor. Se encuentra bajo la responsabilidad del área de servicios en coordinación con la sección de almacén y logística. El siguiente procedimiento SGC-P05 Procedimiento de Revisión de los Requisitos Relacionados con el Producto y el instructivo SGC-INS01 Instructivo de Control de Calidad. 7.5 Prestación del servicio 7.5.1 Control de operaciones en la prestación del servicio ENVIROEQUIP S.A.C, planifica y controla las operaciones de ejecución del SGC, de acuerdo a la disponibilidad de información descrita y lo establecido en las especificaciones técnicas del servicio: Oferta técnica y económica del cliente anexas al contrato de servicios o bases del concurso.  La disponibilidad de procedimientos e instrucciones técnicas.  La disponibilidad, utilización de dispositivos de seguimiento y medición adecuados.  La implementación de actividades de liberación, entrega y actividades posteriores a la entrega de los servicios, como certificados de calibración, informe de diagnóstico, reportes técnico de servicio y actas de conformidad del cliente.  Existen procedimientos documentados e instructivos que detallan las actividades específicas de trabajo de cada proceso desde la recepción, almacenamiento y despacho. Asimismo, cuando el cliente cuente con su propio sistema de gestión, se validará la exigencia y se aplicará los controles que soliciten que lo requiera. 7.5.2 Validación de la prestación del servicio Existen procesos ligados al servicio que son susceptibles a ser validados, al hacerse evidentes las deficiencias cuando ya está ocurriendo la prestación del mismo. Por ejemplo, si no validamos debidamente el Proceso de control de calidad, posteriormente podríamos tener problemas de instalación y puesta en marcha de los equipos. Asimismo, en la etapa de
  • 183.
    mantenimiento de estos,por la incorrecta verificación previa a la entrega al cliente. El servicio concluye con la emisión del acta de conformidad del cliente. Todos los procesos de prestación de comercialización y servicios en ENVIROEQUIP SAC son debidamente identificables, por lo tanto este punto no es aplicable y no es incluido dentro del SGC. Se incluye esta sección para mantener correspondencia con la Norma ISO 9001:2008 respecto a la numeración de las secciones. 7.5.3 Identificación y trazabilidad En ENVIROEQUIP S.A.C, lleva cabo la identificación y trazabilidad de dos maneras: 1. La primera, se identifica el producto nuevo (equipos, partes, piezas o consumibles) recientemente exportados. En este caso se elabora un Certificado De Operatividad (CDO), donde se describe las condiciones con las que llegó el producto y las pruebas de operatividad realizadas en el taller de servicios antes de su entrega al cliente. Ésta identificación se realiza en el siguiente Instructivo SGC-INS01 Instructivo de Control de Calidad. 2. La segunda, se identifica los equipos que ingresan al taller de servicio con un # Autorización de Retorno de Material (ARM), donde se describe las condiciones con que ingresa el equipo, como las causas del ingreso: reparación, mantenimiento o garantía. Asimismo, se controla el ingreso y salida de equipos a través del formato SGC-F17 Kardex de Ingreso-Salida de Equipos. En ambos casos se identifica el equipo por una etiqueta de trazabilidad, donde de manera resumida se menciona el # ARM, # Carpeta del cliente, Nombre del equipo, Nombre de la persona que realizó la revisión, fecha, calibración o tipo de mantenimiento si fuera el caso. De esta forma es que la empresa identifica y verifica la trazabilidad de los productos que comercializa y realiza servicios. 7.5.4 Propiedad del cliente En el caso que se reciban bienes del cliente (documentos: Manuales de operación, equipos, materiales o información en diferentes medios de almacenamiento) con indicación de
  • 184.
    devolución, mientras éstosestén bajo custodia de ENVIROEQUIP S.A.C. El personal asignado, será responsable de identificar, verificar, proteger y mantener los bienes del cliente, hasta su devolución. Por lo cual, deberá verificar y registrar el estado de los bienes antes de recibirlos. Cualquier bien del cliente que se pierda, deteriore o que de algún otro modo se estime que es inadecuado para su uso es comunicado al cliente por carta o correo electrónico por el responsable de ejecución del servicio para dar la solución inmediata al problema. Todas las observaciones de los equipos del cliente como cantidades de piezas entregadas y descripción de problemas técnicos serán registradas como lo indica el procedimiento de SGC- P08 Propiedad del Cliente y en el siguiente formato SGC-F14 Registro de Pérdida o Deterioro del Bien del Cliente. 7.5.5 Preservación del producto ENVIROEQUIP S.A.C, preserva la conformidad del servicio durante el proceso interno y la entrega de mismo. El resultado tangible de los servicios prestados a los clientes es la documentación generada, la cual se identifica, manipula, almacena adecuadamente el equipo del cliente y se protege para evitar la pérdida o deterioro de los mismos. La preservación de las partes constitutivas del servicio (materiales) se realiza según lo establecido en el SGC-INS02 Instructivo de Almacenaje de Equipos o Materiales. 7.6 Control de los equipos de seguimiento y de medición ENVIROEQUIP S.A.C, determina las actividades de seguimiento y medición que se requieran para proporcionar la evidencia de la conformidad de los procesos y de los servicios con los requisitos determinados, para asegurar que el seguimiento y medición puedan realizarse de una manera coherente con los requisitos de la norma, respecto a los materiales comprados. Los equipos de medición registrados están:  Mantenidos
  • 185.
     Calibrados overificados a intervalos específicos contra patrones de medición, trazables a patrones nacionales o internacionales, a través de organismos acreditados.  Ajustados o reajustados cuando sea necesario.  Protegidos contra daños y el deterioro durante la manipulación, mantenimiento y almacenamiento. En el siguiente formato se registra la calibración y mantenimiento de instrumentos SGC-F13 Registro de Calibración y Mantenimiento de Instrumentos. 8 Medición, Análisis y Mejora 1.1 Generalidades ENVIROEQUIP S.A.C, planifica e implementa procesos de seguimiento, medición, análisis y mejora necesarios para lo siguiente: • Demostrar la conformidad de los servicios. • Asegurar la conformidad y mejora continua del SGC. • Mejorar continuamente la eficacia del SGC. 1.2 Seguimiento y Medición 1.2.1 Satisfacción del Cliente ENVIROEQUIP S.A.C, lleva a cabo el seguimiento de la información relativa a la percepción de sus clientes respecto al cumplimiento de sus requisitos, a través del SGC-P13 Procedimiento de Evaluación y Medición de Satisfacción del Cliente, con el fin de mejorar la calidad del servicio, se utiliza el formato de SGC-F19 Encuesta de Satisfacción del Cliente o en otras circunstancias se utiliza la siguiente web: www.encuestafácil.com , para realizar las encuestas de manera online, dando resultados inmediatos de análisis e interpretación de los resultados y elabora un informe general a manera de reporte ejecutivo. Los resultados serán presentados a los Jefes de Área y Gerencia General con el fin de buscar estrategias, diseñar políticas y ejecutar acciones de mejora para asegurar la calidad de nuestros servicios. 1.2.2 Auditoría Interna
  • 186.
    ENVIROEQUIP S.A.C, planificaperiódicamente la realización de auditorías internas de acuerdo al SGC-P10 Procedimiento de Auditorías Internas para determinar si el Sistema de Gestión de Calidad:  Es conforme con lo planeado y con los requisitos de las Normas ISO 9001:2008.  Se ha implementado y se mantiene de manera eficaz. ENVIROEQUIP S.A.C, planifica en el formato SGC-F15 Programa Anual de Auditorías Internas tomando en consideración el estado y la importancia de los procesos y las áreas a auditar, así como los resultados de auditorías previas. En la planificación de las auditorias se definen los criterios de auditoría, el alcance de la misma, su frecuencia y metodología. La selección de los auditores y la realización de las auditorias aseguran la objetividad e imparcialidad del proceso de auditoría. Los auditores no auditan su propio trabajo. En el SGC-P10 Procedimiento de Auditorías Internas se definen las responsabilidades y requisitos para la planificación y la realización de las auditorías, para informar de los resultados y para mantener registros. 1.2.3 Seguimiento y Medición de los Procesos ENVIROEQUIP S.A.C, aplica herramientas de medición para realizar el seguimiento y control de los procesos involucrados en el sistema de gestión de la calidad. En estas herramientas se realiza el seguimiento a las actividades, responsables, cumplimiento de fechas, tiempos de ejecución, entre otros. Por ejemplo, se usarán Indicadores de Gestión como, el Cumplimiento de Atención, Capacitación Costo, Encuestas de Satisfacción de los clientes y Costo Total de Calidad/Costo de Ventas Netas Facturadas. Los resultados son analizados en las reuniones de Comité Gerencial cuando sea necesario. 1.2.4 Seguimiento y Medición del Servicio
  • 187.
    ENVIROEQUIP S.A.C, realizael seguimiento y medición de las características de los servicios para verificar que se cumplen los requisitos de los mismos. Se ha implementado herramientas de calidad que ayudan a monitorear y medir la ejecución del servicio, como la evolución de los indicadores de gestión. La liberación de la prestación del servicio no se lleva a cabo hasta que se haya completado satisfactoriamente las disposiciones planificadas en las especificaciones técnicas del cliente, en las caracterizaciones, procedimientos e instructivos técnicos, a menos que sean aprobados de otra manera o por el cliente. Se lleva un control en las etapas apropiadas, a saber:  Antes: por medio de controles citados en el instructivo SGC-INS01 Instructivo de Control de Calidad.  Durante: por medio de controles citados en SGC-P09 Identificación y Trazabilidad. 1.3 Control del Servicio No Conforme ENVIROEQUIP S.A.C, asegura cuando el servicio no sea conforme con los requisitos, se identifique y se controle para prevenir su uso o entrega no intencional. Los controles, las responsabilidades relacionadas con el tratamiento del servicio no conforme están definidos en el SGC-P14 Procedimiento de Tratamiento de Servicios No Conformes. En caso de presentarse un servicio no conforme, ENVIROEQUIP S.A.C, los trata de la siguiente forma: • Tomando acciones para eliminar las no conformidades detectadas. • Autorizando su uso, liberación o aceptación bajo concesión por una autoridad pertinente y, cuando sea aplicable, por el cliente. • Tomando acciones para impedir su uso o aplicación originalmente prevista. • ENVIROEQUIP S.A.C, identifica los servicios no conformes y mantiene los registros de las acciones tomadas al respecto. SGC-F20 Servicios No Conformes Detectados. Cuando se corrige un servicio no conforme, se somete a una nueva verificación para demostrar la conformidad con los requisitos.
  • 188.
    1.4 Análisis dedatos ENVIROEQUIP S.A.C determina, recopila y analiza los datos apropiados para demostrar la idoneidad y la eficacia de su SGC. Utiliza la información recabada por la medición y monitoreo de los procesos para evaluar donde puede realizar la mejora continua de la eficacia del SGC. El análisis de los datos (indicadores de desempeño de los procesos) se realiza de acuerdo a los objetivos estratégicos y objetivos de calidad del SGC. Se determina la frecuencia de medición, responsables de obtener y analizar datos, así como; los documentos y registros correspondientes. Entre estos datos se encontraran los generados por el resultado del seguimiento y medición de:  La satisfacción del cliente, de acuerdo al SGC-P13 Procedimiento de Evaluación y Medición de Satisfacción del Cliente.  La conformidad con los requisitos del servicio registrado en el Informe mensual de servicios no conformes.  Las características, tendencias de los procesos y de los servicios, incluyendo las oportunidades para llevar a cabo acciones preventivas.  La evaluación del desempeño de los proveedores. 1.5 Mejora 1.5.1 Mejora continua ENVIROEQUIP S.A.C, con base en el ciclo PHVA (planificar, hacer, verificar y actuar) podemos evidenciar que la mejora continua se proyecta como una constante. Entre los principales componentes del sistema que la propician están: La política del SGC.- La continua adecuación y evolución de la misma genera compromisos más exigentes. Los objetivos del SGC.- Al ser renovables, se pueden mantener hasta ser alcanzados, para luego elevar su exigencia. (Ver 5.4.1) Las mediciones internas.- Se establecen metas dinámicas en el tiempo para evidenciar la mejora.
  • 189.
    Los resultados delas auditorías internas.- Como motor principal de la mejora, generan acciones correctivas, preventivas y evidencian oportunidades de mejora. (Ver 8.2.2) Análisis de datos.- Está previsto que mediante el análisis de los datos se pueden tomar decisiones y oportunidades de mejora. La revisión anual por la gerencia.- Este evento marca el fin y el inicio de un nuevo periodo del funcionamiento del sistema, generando decisiones gerenciales para la adecuación y mejora del SCG. (ver 5.6.3) 1.5.2 Acción Correctiva y Acciones Preventivas (8.5.3) ENVIROEQUIP S.A.C, toma acciones para eliminar la causa de no conformidades con el objetivo de prevenir que vuelva a ocurrir. Las acciones correctivas son apropiadas a los efectos de las no conformidades encontradas. El Procedimiento SGC-P11 Procedimiento No conformidad, Acciones Correctivas y Preventivas, el cual implica:  Revisar las no conformidades detectadas.  Investigar y determinar las causas de las no conformidades.  Evaluar la necesidad de adoptar acciones para asegurarse que las no conformidades vuelvan a ocurrir.  Determinar e implementar las acciones necesarias.  Registrar los resultados de las acciones tomadas.  Revisar las acciones correctivas y preventivas tomadas. 2. Anexos SGC-P01 Procedimiento de Control de Documentos y Registros. SGC-P02 Procedimiento de Revisión por la Dirección. SGC-P03 Procedimiento Competencia, Formación y Toma de Conciencia. SGC-P04 Compras. SGC-P05 Procedimiento de Revisión de los Requisitos Relacionados con el Producto SGC-P06 Procedimientos de Revisión e Instalación de Equipos AMH&IAL. SGC-P07 Procedimientos de Control de Equipos de Seguimiento, Medición y Calibración. SGC-P08 Procedimiento de Propiedad del Cliente. SGC-P09 Procedimiento de Identificación y Trazabilidad. SGC-P10 Procedimiento de Auditorías Internas SGC-P11 Procedimiento de No Conformidad, Acciones Correctivas y Preventivas. SGC-P12 Procedimiento de Atención de Quejas y Reclamos.
  • 190.
    SGC-P13 Procedimiento deEvaluación y Medición de Satisfacción del Cliente. SGC-P14 Procedimiento de Tratamiento de Servicios No Conformes. SGC-F4 Acta de Reunión. SGC-F5 Revisión por la Dirección. SGC-F6 Declaración Jurada de Datos Personales SGC-F7 Ingreso de Personal. SGC-F8 Programa Anual de Formación. SGC-F9 Pedido de Importación de Bienes SGC-F10 Requerimiento de Compra SGC-F11 Evaluación y Seguimiento de Proveedores SGC-F12 Revisiones de los requisitos relacionados con el producto SGC-F13 Registro de Calibración y Mantenimiento de Instrumentos SGC-F14 Registro de Pérdida o Deterioro del Bien del Cliente SGC-F15 Programa Anual de Auditorías Internas SGC-F16 Revisión e Instalación de Equipos AMH&IAL SGC-F17 Kardex de Ingreso-Salida de Equipos SGC-F18 Autorización de Retorno de Material SGC-F19 Encuesta de Satisfacción del Cliente SGC-F20 Servicios No Conformes Detectados SGC-INS01 Instructivo de Control de Calidad SGC-INS02 Instructivo de Almacenaje de Equipos o Materiales 3. Tabla histórica de cambios Versión Fecha Hojas Afectadas Causa 0 02/06/2014 Todas Elaboración del manual de calidad
  • 191.
    Anexo 2: SGC-P07Procedimiento Control de Equipos de Seguimiento y Medición 1. OBJETIVO Determinar el seguimiento y la medición de los servicios brindados al cliente y proporcionar la evidencia de la conformidad con los requisitos. 2. ALCANCE El presente procedimiento es aplicable al área de servicios y almacén, desde la identificación del instrumento o equipo hasta su almacenamiento. 3. RESPONSABLE a) Jefes de Servicios Es responsable de verificar y hacer cumplir éste procedimiento. Así como, el cumplimiento de la actualización de su registro a través de la persona que delegue como responsable directo. b) Field Service Es responsable de revisar el equipo y colocar el sticker de revisión, según el instructivo de control de calidad, para los equipos de importación. Asimismo, es responsable de verificar el llenado de todos los campos vacíos, asimismo, la descripción de la falla presentada descrito en el ARM correlativo del cliente. c) Encargado de Almacén Es el responsable de mantener almacenado en buenas condiciones los equipos de medición. d) Analista de Procesos Es responsable de verificar periódicamente o cuando sea conveniente el cumplimiento de los registros de este procedimiento. APROBADO POR REVISADO POR ELABORADO POR Nombre: Nombre: Nombre: Alexander Céspedes Z. Cargo: Cargo: Cargo: Analista de Procesos
  • 192.
    4. RECURSOS 4.1 Documentosrequeridos  Norma ISO 9001:2008 Sistema de Gestión de la Calidad – Requisitos 5. DEFINICIONES Inspección: Evaluación de la conformidad por medio de observación y dictamen, acompañada cuando sea apropiado por medición, ensayo/prueba o comparación con patrones. Verificación: Confirmación mediante la aportación de evidencia objetiva de que se han cumplido los requisitos especificados. NOTA 1.- El término "verificado" se utiliza para designar el estado correspondiente. NOTA 2.- La confirmación puede comprender acciones tales como:  la elaboración de cálculos alternativos,  la comparación de una especificación de un diseño nuevo con una especificación de un diseño similar probado,  la realización de ensayos/pruebas y demostraciones, y  la revisión de los documentos antes de su emisión. Equipo de medición: Instrumento de medición, software, patrón de medición, material de referencia o equipos auxiliares o combinación de ellos necesarios para llevar a cabo un proceso de medición.
  • 193.
    6. DESARROLLO DELPROCEDIMIENTO 6.1 Flujo OBJETIVO: Registrar calibración y mantenimiento de instrumentos ALCANCE: Área de Servicios Descripción Diagrama de flujo Ejecutor REGISTRO DE CALIBRACIÓN O VERIFICACIÓN DE INSTRUMENTOS 1. El field service se encarga de identificar y registrar la calibración y mantenimiento de los instrumentos de medición que se utilizan en el taller de servicios. Ésto se registra en el siguiente documento: SGC-F13 Registro de Calibración y Mantenimiento de Instrumentos. Además deberá almacenar los certificados de calibración de cada instrumento y mencionar su ubicación física o virtual. 2. El field service se encargará de colocar una etiqueta sobre el equipo donde indique la próxima fecha calibración y/o mantenimiento. Además, deberá prevenir que se modifique la configuración del calibrado de manera accidental o inadecuada. 3. El encargado de almacén, es responsable de la protección contra los daños o deterioro durante el almacenamiento de los instrumentos. Field Service Field Service Encargado de Almacén 2. 3. SGC-F13 Identificar instrumentos Proteger los instrumentos Inicio Fin 1. Colocar etiqueta de identificación
  • 194.
    6.1.1 Registro deCalibración y Mantenimiento de los Instrumentos El personal de servicios realizará un listado de los instrumentos y equipos de medición utilizados en la prestación de los servicios, registrando su próxima fecha de calibración y/o mantenimiento en el formato de Registro de Calibración y Mantenimiento de Instrumentos. 6.1.2 Calibraciones Externas En caso de requerirse calibraciones externas, se procederá a remitir los equipos a laboratorios o proveedores externos que puedan garantizar que los resultados estarán en concordancia contra patrones internacionales. La coordinación de aprobación de las calibraciones externas se realizará entre el Jefe de Servicios, Administración y Gerencia General. Si la calibración externa es aprobada, el área de servicios y logística serán los encargados de coordinar y preparar la documentación de exportación temporal. Para ello usará el formato de Exportación Temporal o Definitiva. 6.1.3 Periodo de Calibración Todos los equipos o instrumentos de medición y que afectan directamente a la calidad de los productos o prestación de servicios que brinda ENVIROEQUIP SAC., se someterán forzosamente a una calibración periódica. La periodicidad dependerá de las características del equipo o instrumento. 6.1.4 Identificación de los Equipos de Medición Todos los instrumentos o equipos de medición se identificarán con una etiqueta que haga referencia a la siguiente información: Nombre del equipo Fecha de última calibración Fecha de próxima calibración Laboratorio, lugar o método de calibración
  • 195.
    7. REGISTROS Código deIdentificación Nombre del formato SGC-F13 Programa de Calibración o Verificación de Instrumentos 8. TABLA HISTÓRICA DE CAMBIOS Versión Fecha Hojas Afectadas Causa 01 12 Marzo 2014 Todas Se modificó por elaboración del Procedimiento 9. ANEXOS Anexo 01: Leyenda
  • 196.
    Anexo 3: SGC-P10Procedimiento de Auditorías Internas 1. OBJETIVO Establecer los lineamientos generales para realizar los procesos de auditorías internas del sistema de gestión de la calidad. 2. ALCANCE El presente procedimiento es aplicable a todos los procesos y actividades que se encuentran dentro del Sistema de Gestión de la Calidad (SGC). 3. RESPONSABLE a) Gerencia General Es responsable de aprobar el presente procedimiento, de revisar los resultados de los procesos de auditoría. En caso de ausencia de éste cuentan con la facultad de poder designar a un colaborador responsable como apoyo para dicha función. b) Jede de Administración y Finanzas Es responsable de revisar y realizar seguimiento el presente procedimiento. Del mismo modo, revisar el plan de cada auditoría interna, de reportar a Gerencia General los resultados y seguimiento de las auditorías. c) Analista de Procesos Es dueño del proceso y responsable de elaborar y difundir el Programa Anual de Auditorías Internas. d) Equipo auditor El auditor líder o principal es responsable de emitir el informe final de auditoría, presentarlo a la Gerencia General, a través del área de Administración y Finanzas. Los auditores comunicarán a los dueños de los procesos los hallazgos detectados.
  • 197.
    Los auditores internosno deben auditar su propio trabajo ; es decir, no deben tener compromiso directo con la actividad a auditar. 4. RECURSOS 4.1 Documentos requeridos  Norma ISO 9001:2008 Sistema de Gestión de la Calidad – Requisitos  Manual del SGC - Medición, análisis y mejora. 5. DEFINICIONES Auditor: Persona con la competencia para llevar a cabo una auditoria. Auditoría: Proceso de verificación sistemático, independiente y documentado para obtener evidencias y evaluarlas de manera objetiva con el fin de determinar el grado en que se cumplen las normativas, los requisitos de las normas certificadas y la documentación del SGC. Nota: Las auditorías internas, denominadas en algunos casos como auditorias de primera parte, se realizan por, o en nombre de la propia organización para fines internos, y puede constituir la base para la auto-declaración de conformidad de una organización (Norma ISO 9001:2008). Conclusiones de la auditoria: Resultado que proporciona el auditor tras considerar los objetivos y todos los hallazgos de la auditoria. Criterios de auditoria: Conjunto de políticas, prácticas, procedimientos o requisitos. Equipo auditor: Uno o más auditores que llevan a cabo una auditoria con el apoyo, si es necesario, de expertos técnicos. Evidencia de la auditoría: Registros, declaraciones de hechos o cualquier otra información que son pertinentes para los criterios de auditoría y que son verificables. Hallazgos de la auditoria: Resultados de la evaluación de la evidencia recopilada frente al cumplimiento de las normativas legales, los requisitos de las normas certificadas y la documentación del SGC. No Conformidad (NC) : Incumplimiento de un requisito. Observación: Situación específica que no implica desviación ni incumplimiento de requisitos, pero que podría generar una no conformidad si no es mejorado. Programa de auditoría: Conjunto de una o más auditorías planificadas para un periodo de tiempo determinado y dirigidas hacia un propósito específico. Plan de auditoría: Descripción de las actividades, plazos y responsables acordados para un proceso de auditoría. Requisito: Necesidad o expectativa establecida, generalmente habitual o común, u obligatoria. Pueden identificarse requisitos de un servicio, de la gestión de la calidad, de la
  • 198.
    gestión de prevenciónde riesgos y medio ambiente, del cliente, de las normas internacionales implementadas en una organización, entre otros. 6. DESARROLLO DEL PROCEDIMIENTO Se realizarán auditorías internas para determinar si el Sistema de Gestión de la Calidad : a) Es conforme con las disposiciones planificadas, con los requisitos de las normas y los establecidos por la organización, b) Se ha implementado y se mantiene de manera eficaz ; y c) Se ha adecuado a los posibles cambios organizacionales. Las auditorías internas se realizan por lo menos 1 vez al año y están dirigidas a los procesos que involucran el alcance de la certificación. Además, se pueden programar auditorías específicas a procesos que lo requieran. El responsable del área auditada debe asegurarse que se tomen las acciones correctivas o Preventivas necesarias para tratar las no conformidades y observaciones detectadas, previo análisis de sus causas ; según el documento SGC-P03 Procedimiento de Control de No Conformidades AC y AP. En caso de auditorías a los proveedores el único registro a llenar es el SGC-F26 Informe de Auditoría Interna.
  • 199.
    6.1 Flujo deproceso OBJETIVO: Conocer las acciones a seguir en el desarrollo de un proceso de auditoría. ALCANCE: Todos los procesos de ENVIROEQUIP SAC Descripción Diagrama de flujo Ejecutor AUDITORÍAS INTERNAS 1. El programa anual de auditorías internas de EESAC es presentado a Gerencia General para su aprobación. Si existe alguna observación se procede a modificar el programa y se vuelve a preguntar. Documento Programa Anual de Auditorías Internas. 2. Se selecciona al equipo auditor teniendo en cuenta la identificación de sus conocimientos y habilidades necesarias para lograr los objetivos de la auditoría. 3. Se elabora el Plan de auditoría en coordinación con el equipo auditor y áreas involucrados, si existiera alguna observación se procede a realizar las modificaciones correspondientes. Documento Plan de Auditoría Interna. 4. Se realiza la difusión del Plan de auditoría a los colaboradores, proveedores y contratistas, según corresponda. 5. En esta reunión se presenta al equipo auditor, se confirma el alcance de la auditoría, se aplica la metodología de trabajo, se informa y confirma el plan de auditoría (de ser necesario se puede modificar) y se firma la asistencia de la reunión. Documento Acta de apertura y cierre de auditoría interna 6. Se recogerá evidencias objetivas, a través de entrevistas, observaciones de las actividades “insitu” y revisiones de los documentos. 7. Se plasmarán en el formato correspondiente los hallazgos detectados en la ejecución de la auditoría. Los hallazgos deberán ser presentados a Procesos. 8. En esta reunión se comentaron los hallazgos encontrados y se confirma la fecha de entrega del informe de auditoría. Documento Acta de apertura y cierre de auditoría interna. En el informe final se registra el número de NC y/u observaciones generadas y sus conclusiones, tomando como referencia las evidencias objetivas encontradas y los requisitos de la Norma auditada; dicho informe es presentado a Gerencia General y Procesos para su revisión. Elaborar el Programa Annual de auditorías internas Elaborar Plan de Auditoría Difundir Plan de Auditoría Reunión de apertura Inicio Fin 1. 2. 3. 4. 5. Procesos, Gerencia General Gerencia General Procesos Procesos, Auditor, y áreas involucradas Procesos y Auditados Auditor Auditor Auditor Lider, Gerencia General, Procesos y áreas involucradas Auditor o responsable Ejecución de la auditoría interna 6. 7. Revisión y aprobación Seleccionar Equipo Auditor Si Realizar modificaciones y reenviar Revisión y aprobación Realizar modificaciones y reenviar Identificación de Hallazgos 8. Reunión de cierre SGC F22 SGC F23 SGC F24 SGC F25 SGC F24 SGC F26
  • 200.
    6.1.1 Programa deauditoría internas El programa anual de auditorías internas de ENVIROEQUIP SAC, se aprueba entre los meses de octubre y diciembre; sin embargo, durante el año pueden realizarse actualizaciones. Se elabora la propuesta del programa anual de auditorías internas teniendo en cuenta el estado, la importancia de los procesos y áreas a auditar; así como el resultado de auditorías previas. 6.1.2 Plan de auditoría Se elabora el plan de auditoría definiendo horarios, tipo de actividad, áreas involucradas, auditores y otros. Administración (Procesos) entregará a los auditores en un plazo no menor a 05 días hábiles de anticipación a la auditoría programada. 6.1.3 Identificación de hallazgos Los auditores internos deberán elaborar una lista de verificación, herramienta que les servirá como ayuda memoria, permitiéndoles verificar todos los asuntos y puntos relevantes, teniendo una adecuada administración del tiempo. Durante la auditoría se recogen evidencias objetivas de las áreas auditadas, a través de entrevistas, observaciones de las actividades y revisión de documentos. Estas evidencias serán evaluadas frente a los criterios de auditoría: cumplimiento de las normativas legales, los requisitos de las normas certificadas y la documentación del SGC. Las evidencias deben ser redactadas en forma clara, sustentada con evidencia objetiva, definiendo el tipo de hallazgo: No conformidad u Observación.
  • 201.
    7. REGISTROS Los registrosgenerados en la aplicación de este procedimiento son los siguientes: Código de Identificación Nombre del formato SGC-F15 Programa anual de Auditorías Internas SGC-F23 Plan de Auditoría Interna SGC-F24 Acta de apertura y cierre de auditoría interna SGC-F25 Seguimiento de acciones Correctivas/ Preventivas SGC-F26 Informe de Auditoría Interna 8. TABLA HISTÓRICA DE CAMBIOS Versión Fecha Hojas Afectadas Causa 01 22 Marzo 2014 Todas Se modificó por elaboración del Procedimiento. 9. ANEXOS Anexo 01: Leyenda
  • 202.
    Anexo 4: SGC-P09Procedimiento Identificación y Trazabilidad 1. OBJETIVO Identificar en cualquier instante el estado de la potencial compra o entrega de la mercadería y compra y entrega comprometida de la mercadería. 2. ALCANCE El presente procedimiento es aplicable todas las áreas de ventas, servicios, proyectos, administración y finanzas (logística y almacén), licitación y contratos, y por último contabilidad. 3. RESPONSABLE e) Jefes de área Son responsables de verificar y hacer cumplir éste procedimiento donde se indica el procedimiento de identificación y trazabilidad del producto o prestación del servicio. Así como, el cumplimiento de la actualización de su registro a través de la persona que deleguen como responsable directo. APROBADO POR REVISADO POR ELABORADO POR Nombre: Nombre: Nombre: Alexander Céspedes Z. Cargo: Cargo: Cargo: Analista de Procesos
  • 203.
    4. RECURSOS 4.1 Documentosrequeridos  Norma ISO 9001:2008 Sistema de Gestión de la Calidad - Requisitos 5. DEFINICIONES Inspección: Evaluación de la conformidad por medio de observación y dictamen, acompañada cuando sea apropiado por medición, ensayo/prueba o comparación con patrones. Ensayo/prueba: Determinación de una o más características de acuerdo con un procedimiento. Verificación: Confirmación mediante la aportación de evidencia objetiva de que se han cumplido los requisitos especificados. NOTA 1.- El término "verificado" se utiliza para designar el estado correspondiente. NOTA 2.- La confirmación puede comprender acciones tales como:  la elaboración de cálculos alternativos,  la comparación de una especificación de un diseño nuevo con una especificación de un diseño similar probado,  la realización de ensayos/pruebas y demostraciones, y  la revisión de los documentos antes de su emisión. Validación: Confirmación mediante la aportación de evidencia objetiva de que se han cumplido los requisitos para una utilización o aplicación específica prevista. NOTA 1 El término "validado" se utiliza para designar el estado correspondiente. NOTA 2 Las condiciones de utilización para la validación pueden ser reales o simuladas. Trazabilidad: capacidad para seguir la historia, la aplicación o la localización de todo aquello que está bajo consideración. NOTA 1 Al considerar un producto, la trazabilidad puede estar relacionada con: ⎯ el origen de los materiales y las partes; ⎯ la historia del procesamiento; ⎯ la distribución y localización del producto después de su entrega. NOTA 2 En el campo de la Metrología se acepta la definición dada en el apartado 6.10 del VIM:1993.
  • 204.
    5. DESARROLLO DELPROCEDIMIENTO 5.1 Seguimiento del producto y prestación del servicio Los productos están debidamente asociados a un número de carpeta único, donde es fácilmente verificable la orden de compra del cliente, la oferta técnica y/o económica enviada al cliente, consultor comercial quien lo preparó; así como, las facturas, guías de remisión, embarque de llegada de mercadería y otras asociadas a dicha carpeta, field service quien realizó el servicio de capacitación y/o instalación (si fuera el caso).
  • 205.
    TRAZABILIDAD DE VENTAS VentasServicios Logística Administración Inhouse, recibe requerimiento del cliente Inhouse, genera # Carpeta única para cada cliente Inhouse, prepara oferta económica y/o técnica en el SAP (#carpeta .#oferta) Ejemplo:01030.9384 Jefe de ventas, aprueba oferta económica Field Service valida las implicancias del servicio de instalación, mantenimiento y/o servicio post venta Jefe de servicios, aprueba consideraciones técnicas de la venta Jefe de administración, evalúa capacidad financiera de compra Encargado de logística, confirma fechas de entrega de mercadería Inhouse, envía oferta económica y/o técnica Inicioa Fin
  • 206.
    TRAZABILIDAD DE SERVICIOS ServiciosLogística Almacén Field Service, elabora cuadro costo venta (H-H) de la instalación, mantenimiento y/o servicio. Jefe de servicios, aprueba cuadro costo venta del servicio Encargado, confirma llegada de mercadería Confirma tiempos de entrega de repuestos Secretacia, recibe requerimiento del cliente Secretacia, prepara oferta económica y/o técnica en el SAP (#carpeta .#oferta) Ejemplo:01030.9384 Secretaria, envía oferta técnica /económica Field Service, realiza servicio Fin
  • 207.
    6. REGISTROS Código deIdentificación Nombre del formato SGC-INS01 Instructivo de Control de Calidad 7. TABLA HISTÓRICA DE CAMBIOS Versión Fecha Hojas Afectadas Causa 01 12 Marzo 2014 Todas Se modificó por elaboración del Procedimiento 8. ANEXOS Anexo 01: Leyenda
  • 208.
    Anexo 5: SGC-P15Procedimiento de Encuesta de Satisfacción del Cliente A.- Introducción Recientemente ha contactado con nuestro servicio de atención al cliente y nos gustaría estar seguros que ha quedado satisfecho con el servicio ofrecido. El resultado nos será de utilidad para mejorar nuestro servicio. Sus respuestas serán tratadas de forma confidencial y no se utilizaran para otro propósito que no sea para la investigación llevada a cabo por ENVIROEQUIP SAC. Por favor, dedique un momento a completar esta pequeña encuesta que dura aproximadamente [5] minutos. 1. Basándose en su propia experiencia, por favor valore las siguientes afirmaciones siendo 1 muy pobre y 5 excelente. 1 2 3 4 5 Facilidad de contacto con el servicio al cliente Utilidad del representante Calidad del consejo Profesionalidad del representante Resolución de la incidencia Rapidez de respuesta por email Rapidez de respuesta por teléfono B.- Experiencia Por favor, a continuación piense en la última experiencia que haya tenido con nuestro servicio de atención al cliente. 2. ¿Cómo contactó con nuestro representante? En persona Telefónicamente Email Otro (Por favor especifique) ………………….
  • 209.
    3. ¿Cuánto tiempotuvo que esperar antes de poder hablar con nuestro representante? Inmediatamente Menos de 3 minutos Entre 3 y 5 minutos Entre 5 y 10 minutos Más de 10 minutos 4. ¿Cuánto tiempo tuvo que esperar a que un representante contactara con usted? Menos de 2 horas Entre 2 y 4 horas Entre 4 y 6 horas entre 6 y 8 horas Más de 8 horas 5. En total, ¿cómo calificaría el proceso hasta que se resolvió su incedencia? Muy bueno Bueno Neutro Pobre Muy pobre 6. Por favor, díganos en que podemos mejorar. ………………………………………………………………………………………..
  • 210.
    C.- Nivel desatisfacción 7. Por favor, díganos cuál es su nivel de satisfacción con las siguientes afirmaciones. Completamente de acuerdo De acuerdo Neutral Desacuerdo Completamente desacuerdo El representante estaba bien informado El representante fue paciente El representante tuvo una actitud positiva El representante escuchaba con atención El representante fue amable El representante fue responsable El representante fue cortés 8. ¿Tiene algún comentario o sugerencia adicional que hacernos sobre su experiencia con nosotros? ………………………………………………………………………………………. La encuesta ha concluido. ¡Muchas gracias por su colaboración!
  • 211.
    A.- Ayúdenos amejorar Por favor, dedique un momento a completar esta pequeña encuesta, la información que nos proporcione será utilizada para mejorar nuestro producto. Sus respuestas serán tratadas de forma confidencial y no serán utilizadas para ningún propósito distinto a la investigación llevada a cabo por ENVIROEQUIP SAC. Esta encuesta dura aproximadamente 10 minutos. 1. ¿Cuánto tiempo lleva utilizando nuestros equipos? Menos de un mes Entre uno y seis meses Entre seis meses y un año Entre uno y tres años Más de tres años 2. ¿Con qué frecuencia utiliza nuestros equipos? Una o más veces a la semana Dos o tres veces al mes Una vez al mes Menos de una vez al mes B.- Satisfacción general 3. ¿Cuál es su grado de satisfacción general con nuestros equipos? Completamente satisfecho Satisfecho Insatisfecho Completamente insatisfecho 4. En comparación con otras alternativas de eficiencia, los equipos que suministramos es ...
  • 212.
    Mucho mejor Algo Mejor Máso menos igual Algo peor Mucho peor No lo sé C.- Intención de uso y recomendación 5. ¿Comprará o utilizará usted nuestros equipos de nuevo? Seguro que sí Probablemente sí Puede que sí, puede que no Probablemente no Seguro que no 6. ¿Ha recomendado usted nuestros equipos a otras personas? Si No D.- Satisfacción atributos 7. ¿Qué grado de importancia le da usted a los siguientes aspectos a la hora de comprar nuestros productos?... ¿Y cuál es su grado de satisfacción en esos mismos aspectos con nuestro producto? Grado de importancia al comprar: Satisfacción con nuestro producto: Calidad del producto Relación calidad precio Proceso de compra del producto Experiencia de uso Servicio postventa
  • 213.
    E.- Valoración dela empresa y el producto Teniendo en cuenta su experiencia más reciente con nuestros equipos, por favor, valore su grado de acuerdo o desacuerdo con las siguientes afirmaciones: 8. ENVIROEQUIP SAC me dio un equipo que valía lo que pague por él. Totalmente de acuerdo De acuerdo En desacuerdo Totalmente en desacuerdo No aplicable 9. El equipo cubre mis necesidades. Totalmente de acuerdo De acuerdo En desacuerdo Totalmente en desacuerdo No aplicable 10. El equipo es fácil de usar. Totalmente de acuerdo De acuerdo En desacuerdo Totalmente en desacuerdo No aplicable 11. ENVIROEQUIP SAC ofrece productos competitivos. Totalmente de acuerdo De acuerdo En desacuerdo Totalmente en desacuerdo
  • 214.
    No aplicable 12. Elservicio al cliente de los equipos conoce bien el producto. Totalmente de acuerdo De acuerdo En desacuerdo Totalmente en desacuerdo No aplicable 13. El servicio al cliente de los equipos atiende bien a las necesidades del cliente. Totalmente de acuerdo De acuerdo En desacuerdo Totalmente en desacuerdo No aplicable F.- Varios 14. Basándose en su propia experiencia con nuestros productos, ¿buscaría usted a ENVIROEQUIP SAC para comprar productos o servicios similares? Es muy probable Es probable No es probable Es muy improbable 15. ¿Ha tenido usted algún problema a la hora de usar nuestros productos o servicios? Si No 16. ¿Hay alguna cosa que le gustaría decirle a ENVIROEQUIP SAC sobre sus productos que no le hayamos preguntado en esta encuesta? Si es así, por favor, díganos de que se trata: …………………………………………………………………………… La encuesta ha concluido. Muchas gracias por su colaboración.
  • 215.
    Anexo 6: IndicadorI4-%Rotación de Personal CÓDIGO: SGC-P03 INDICADOR: I4-%RP Periodo Enero TIPO DE PROCESO Febrero Marzo PROCESO Abril Mayo DENOMINACIÓN DEL INDICADOR Junio Julio TIPO DEL INDICADOR EFICACIA EFICIENCIA Agosto Septiembre OBJETIVO DEL INDICADOR Octubre Noviembre FÓRMULA DE CÁLCULO Diciembre DATOS DE LA MEDICIÓN META RANGO DE GESTIÓN EXCELENTE: <5% ACEPTABLE: 5% DEFICIENTE: >5% PERIODICIDAD O FRECUENCIA EVOLUCIÓN HISTÓRICA DEL INDICADOR ANÁLISIS DE LA INFORMACIÓN FUENTE DE LA INFORMACIÓN RESPONSABLE DE LA MEDICIÓN FECHA DE ELABORACIÓN PLAME(SUNAT) Asistente de RRHH I4- % Rotación del Personal 0% Rotación de Personal Global (Trimestral) I4-%RP=(# Egresos)/(# Promedio empleados en el periodo) Trimestral Determinar el porcentaje de rotación de personal FORMATO FICHA TÉCNICA DE INDICADOR En el último trimestre se ha incrementado la rotación del personal Proceso de Apoyo SGC-P03 Procedimiento Competencia, Formación y Toma de Conciencia 7.1% 4.7% 2.3% 7.0% 0.0% 2.0% 4.0% 6.0% 8.0% 10.0% Trimestre 1 Trimestre 2 Trimestre 3 Trimestre 4 Rotación de Personal (global) % Rotación de Personal…
  • 216.
    Anexo 7: IndicadorI5-%Capacitación Costo CÓDIGO: SGC-P03 INDICADOR: I5-%Cc Periodo Enero TIPO DE PROCESO Febrero Marzo PROCESO Abril Mayo DENOMINACIÓN DEL INDICADOR Junio Julio TIPO DEL INDICADOR EFICACIA EFICIENCIA Agosto Septiembre OBJETIVO DEL INDICADOR Octubre Noviembre FÓRMULA DE CÁLCULO Diciembre DATOS DE LA MEDICIÓN META RANGO DE GESTIÓN EXCELENTE: 100% ACEPTABLE: 95% DEFICIENTE: <95% PERIODICIDAD O FRECUENCIA EVOLUCIÓN HISTÓRICA DEL INDICADOR ANÁLISIS DE LA INFORMACIÓN FUENTE DE LA INFORMACIÓN RESPONSABLE DE LA MEDICIÓN FECHA DE ELABORACIÓN Plan Anual de Capacitación del Personal Asistente de RRHH Trimestral Costo de capacitación (Semestral) Cumplir el Plan Anual de Capacitación Determinar el porcentaje de inversión estratégica I5-%Cc=(Costo de Capacitación Estratégica)/(Costo Total Capacitación) SGC-P03 Procedimiento Competencia, Formación y Toma de Conciencia I5-% Capacitación Costo Proceso de Apoyo FORMATO FICHA TÉCNICA DE INDICADOR 90.0% 85.0% 0.0% 10.0% 20.0% 30.0% 40.0% 50.0% 60.0% 70.0% 80.0% 90.0% 100.0% Semestre 1 Semestre 2 CapacitaciónCosto% Capacitació n Costo( %)
  • 217.
    CÓDIGO: SGC-F17 INDICADOR: I6-%REAPeriodo Enero TIPO DE PROCESO Febrero Marzo PROCESO Abril Mayo DENOMINACIÓN DEL INDICADOR Junio Julio TIPO DEL INDICADOR EFICACIA EFICIENCIA Agosto Septiembre OBJETIVO DEL INDICADOR Octubre Noviembre FÓRMULA DE CÁLCULO Diciembre DATOS DE LA MEDICIÓN META RANGO DE GESTIÓN EXCELENTE: 100% ACEPTABLE: 95% DEFICIENTE: <95% PERIODICIDAD O FRECUENCIA EVOLUCIÓN HISTÓRICA DEL INDICADOR ANÁLISIS DE LA INFORMACIÓN FUENTE DE LA INFORMACIÓN RESPONSABLE DE LA MEDICIÓN FECHA DE ELABORACIÓN Secretaria de Ventas/Servicios # Requerimientos mensuales Entregar a tiempo los requerimientos Mensual I6-%REA=(#Requerimientos entregados a tiempo/Requerimientos Realizados) # de requerimientos recibidos mensualmente I6-% Requerimientos entregados a tiempo Determinar el # de Requerimientos entregados a tiempo Proceso de Principal SGC-F17 Kardex de Ingreso-Salida de Equipos FORMATO FICHA TÉCNICA DE INDICADOR 90.0% 85.0% 0.0% 10.0% 20.0% 30.0% 40.0% 50.0% 60.0% 70.0% 80.0% 90.0% 100.0% Enero Febrero Marzo Abril Mayo Junio Julio Agosto Septiembre Octubre Noviembre Diciembre Requerimientosentregados atiempo% Requerimie ntos a tiempo( %) Anexo 8: Indicador I6-%Requerimientos Entregados a Tiempo
  • 218.
    CÓDIGO: SGC-P12 INDICADOR: I7-%QRPeriodo Enero TIPO DE PROCESO Febrero Marzo PROCESO Abril Mayo DENOMINACIÓN DEL INDICADOR Junio Julio TIPO DEL INDICADOR EFICACIA EFICIENCIA Agosto Septiembre OBJETIVO DEL INDICADOR Octubre Noviembre FÓRMULA DE CÁLCULO Diciembre DATOS DE LA MEDICIÓN META RANGO DE GESTIÓN EXCELENTE: 90% ACEPTABLE: 80.00% DEFICIENTE: <80% PERIODICIDAD O FRECUENCIA EVOLUCIÓN HISTÓRICA DEL INDICADOR ANÁLISIS DE LA INFORMACIÓN FUENTE DE LA INFORMACIÓN RESPONSABLE DE LA MEDICIÓN FECHA DE ELABORACIÓN Secretaria de Ventas/Servicios # Reclamos mensuales 90% de Reclamos o Quejas Atendidos Mensual I7-%QR=(#Reclamos o Quejas Atendidos/#Reclamos Totales Reclamos o Quejas) # de Reclamos o Quejas Recibidos I7-# Atención de Quejas y Reclamos Determinar el # de Quejas y Reclamos Atendidos Proceso de Principal SGC-P12 Procedimiento de Atención de Quejas y Reclamos FORMATO FICHA TÉCNICA DE INDICADOR 90.0% 85.0% 0.0% 10.0% 20.0% 30.0% 40.0% 50.0% 60.0% 70.0% 80.0% 90.0% 100.0% Enero Febrero Marzo Abril Mayo Junio Julio Agosto Septiembre Octubre Noviembre Diciembre Reclamos oQuejas Atendidos % Reclamos o Quejas( %) Anexo 9: Indicador I7-%Quejas o Reclamos Atendidos a Tiempo