Elementos de Máquinas
y Mecanismos
Elementos de
Unión
Elementos de
transmisión
Mecanismos
Elementos de Unión
Roscados
Enchavetados
Con pasadores
Remachados
TIPOS DE ROSCAS
rosca triangular (la más usada para la fijación)
rosca cuadrada (sin normalizar)
rosca trapecial (trapecio isósceles, usadas
para transmisión de fuerza)
rosca redonda (para roscas que tengan mucho
desgaste)
rosca en diente de sierra (para transmitir
grandes esfuerzos)
Por la forma del filete o perfil de la rosca se clasifican en:
ROSCAS NORMALIZADAS
ROSCA MÉTRICA ISO
(M 30X1.5 UNE 17702)
ROSCA CORTANTE (Rc)
ROSCA WITHWORTH
(W 5” 1/4 DIN 11)
ROSCA DE GAS (R o G)
ROSCA TRAPECIAL
(Tr 50X14 DIN 103)
ROSCA SELLER (S.A.E.)
ROSCA EN DIENTE DE SIERRA
(S 40X10 DIN 513)
ROSCA REDONDA
(Rd 16X3 DIN 405)
ROSCA ELÉCTRICA O EDISON
UNIONES ROSCADAS
UNIONES ROSCADAS:
Son uniones desmontables muy difundidas en la
construcción de máquinas. Se pueden realizar por medio de tornillos, tornillo
y tuerca, espárragos roscados y prisioneros
TORNILLOS:
Los tornillos son elementos mecánicos empleados para realizar,
en la mayoría de los casos, uniones con cierre de fuerza.
Se fabrican de aceros al carbono, de aceros aleados, de aceros inoxidables y de
metales no ferrosos.
TIPOS DE TORNILLOS:
Los tornillos se diferencian, según la Norma DIN
1891, por la rosca, la forma de la cabeza, la forma del vástago, el extremo del
tornillo y la forma de accionamiento.
La rosca puede ser tallada con herramienta de corte o por laminación
UNIONES ROSCADAS
TORNILLO HEXAGONAL:
Se utiliza para unir piezas con agujeros pasante.Se emplea sin tuerca
cuando la rosca hembra está tallada en una de las piezas que se
desea unir.
• TORNILLO HEXAGONAL DE
ROSCA CORTA (a) Y ROSCA
LARGA (b).
• TORNILLO HEXAGONAL DE
AJUSTE CON ROSCA LARGA
(C) Y ROSCA CORTA (D)
• TORNILLO HEXAGONAL CON
ESPIGA (E) Y CON PUNTA (F)
UNIONES ROSCADAS
TORNILLOS DE CABEZA CUADRADA
Se emplean en uniones donde el esfuerzo de apriete es mayor
que el solicitado a los tornillos de cabeza hexagonal. Las
llaves cuadradas se adaptan mejor que las fijas y por lo tanto
es más difícil que salte. También se emplean para unir chapas,
cortándoles la cabeza, después de apretarlos
• TORNILLO CUADRADO CON
COLLAR
• TORNILLO CUADRADO CON
NÚCLEO SALIENTE
• TORNILLO CUADRADO CON
COLLAR Y ESPIGA
• TORNILLO CUADRADO PARA
FIJAR CHAPAS
• TORNILLO EN ( T )
• Para sujetar mordazas
ESPARRAGOS
Se emplean cuando las piezas a unir se tienen que desmontar con
bastante frecuencia. El extremo del espárrago roscado a la pieza de
la máquina no se desmonta, por lo que no se daña. Los extremos de
los espárragos pueden ir roscados, con el mismo o distinto paso de
rosca
TORNILLOS PRISIONEROS O ESPIGAS ROSCADA
Se utilizan para asegurar contra giro o desplazamiento, piezas
de máquinas,como anillos de ajuste, casquillos de cojinetes,
etc. Están roscados en toda su longitud y tienen una ranura
para apretarlos
• ESPIGA ROSCADA CON
SALIENTE CÓNICO
• ESPIGA ROSCADA CON
PUNTA
• ESPÌGA ROSCADA CON
HEXÁGONO INTERIOR
• ESPIGA ROSCADA CON
HEXÁGONO INTERIOR Y
PUNTA
TORNILLOS PRISIONEROS O ESPIGAS ROSCADAS
• ESPIGA ROSCADA CON
HEXÁGONO INTERIOR Y
VÁSTAGO
• TORNILLO DE VÁSTAGO
• ESPIGA ROSCADA CON
VÁSTAGO
• ESPIGA ROSCADA CON
VÁSTAGO
• TORNILLOS CON PIVOTE
TORNILLOS DE CABEZA RANURADA
SE APRIETAN MEDIANTE UN DESTORNILLADOR Y SE UTILIZAN
PARA UNIONES SIN IMPORTANCIA Y DONDE EL ESFUERZO DE
APRIETE NO DEBE SER FUERTE
• TORNILLO CILINDRICO
• TORNILLO CILINDRICO
• TORNILLO GOTA DE SEBO
• TORNILLO CABEZA
REDONDA
• TORNILLO AVELLANADO
• TORNILLO GOTA DE SEBO
• TORNILLO AVELLANADO
• TORNILLO GOTA DE SEBO
TORNILLOS DE CABEZA RANURADA
• GOTA DE SEBO CABEZA
PEQUEÑA
• GOTA DE SEBO CABEZA
GRANDE
• GOTA DE SEBO CON
VÁSTAGO O ESPIGA
• GOTA DE SEBO CON
SALIENTE
• GOTA DE SEBO
AVELLANADO CON ESPIGA
• AVELLANADO CON ESPIGA
• CON TALADROS CRUZADOS
TORNILLOS CON CABEZA EN CRUZ
SE EMPLEAN PARA FIJAR PIEZAS QUE SE DESMONTAN CON
FRECUENCIA Y QUE NO ESTAN SOMETIDAS A GRANDES
ESFUERZOS, COMO LAS PIEZAS EXTERIORES DE LAS MÁQUINAS
( CÁRTERES, TAPADERAS, ETC. )
• GOTA DE SEBO CON
RANURAS CRUZADAS
• REDONDO CON RANURAS
CRUZADAS
• AVELLANADO CON RANURAS
CRUZADAS
• GOTA DE SEBO CON
RANURAS CRUZADAS
TORNILLOS DE AUTORROSCADO O DE CORTE
• TORNILLO AVELLANADO DE
FILOS
• TORNILLO DE GOTA DE SEBO
AVELLANADO DE FILOS
• TORNILLO DE PLANCHA
AVELLANADO CON RANURAS
CRUZADAS
• TORNILLO DE PLANCHA DE
GOTA DE SEBO AVELLANADO
CON RANURAS CRUZADAS
TORNILLOS DE AUTORROSCADO O DE CORTE
TALLAN POR SÍ MISMOS LA ROSCA HEMBRA AL ATORNILLARSE
EN EL AGUJERO DEL NÚCLEO. ES´TÁN TEMPLADOS POR
CEMENTACIÓN. SOLO SE FABRICAN HASTA M8
• TORNILLO DE
AUTORROSCADO
• TORNILLO HEXAGONAL DE
FILOS
• TORNILLO CILINDRICO DE
FILOS
• TORNILLO REDONDO DE
FILOS
TORNILLOS DE AUTORROSCADO O DE CORTE, DE
FILOS
• TORNILLO AVELLANADO DE
FILOS
• TORNILLO DE GOTA DE
SEBO AVELLANADO DE FILO
• TORNILLO DE PLANCHA
AVELLANADO CON
RANURAS CRUZADAS
• TORNILLO DE PLANCHA DE
GOTA DE SEBO
AVELLANADO CON
RANURAS CRUZADAS
TUERCAS
LAS TUERCAS SE HAN DE PODER AFLOJAR, APRETAR Y
ASEGURAR BIEN, SE FABRICAN DE DIVERSAS FORNAS, DE
ACUERDO CON SU APLICACIÓN
• TUERCA HEXAGONAL
• Son las de mayor empleo. Su
altura es de 0,8x d
• TUERCA PLANA
HEXAGONAL
• TUERCA CUADRADA PLANA
TUERCAS
• TUERCA BAJA DE CAPERUZA
• Se emplean para proteger los
extremos de los tornillos y ofrecer
un aspecto decorativo. (e)
• TUERCA PLANA DE CORONA O
ALMENADA (f) y (g)
• Se emplean cuando han de ser
aseguradas con pasadores. Se
fabrican con 6 o 10 ranuras
• TUERCA DE RANURAS
• Se emplean para fijar piezas en los
ejes ( cigüeñales) (h)
TUERCAS
• TUERCA CON RANURA
• TUERCA DE DOS AGUJEROS
• TUERCA ALTA MOLETEADA
• Se emplean en uniones que se
desmontan con frecuencia y con
poca carga. Se aprietan con la
mano
• TUER. PLANA MOLETEADA
• TU. DE ALETAS O MARIPOSA
• Tiene la misma aplicación que las
tuercas moleteadas
• TUERCA DE ANILLO
Unión de dos piezas mediante
un tornillo no pasante.
Unión de dos piezas mediante un
tornillo pasante
Unión de dos piezas mediante
un espárrago.
PERNO TORNILLO ESPARRAGO
Dibujar a lapiz en DIN A4 y a escala 1:1
SEGUROS POR CIERRE DE FUERZA
ESTOS SEGUROS ESTABLECEN UNA FUERZA DE COMPRESIÓN
ENTRE LAS PIEZAS QUE AUMENTA EL ROZAMIENTO Y DIFICULTA
ASÍ QUE SE AFLOJE LA UNIÓN, PERO NO LO IMPIDE TOTALMENTE
• ANILLO ELÁSTICO CURVADO
O ARANDELA GROWER
• 1.- Anillo elástico curvado
• 2.- Anillo elástico liso
• ARANDELAS ELASTICAS
ABOMBADAS
• ARANDELA ELASTICA
DENTADA
• ARANDELA DE ABANICO
SEGUROS POR CIERRE DE FUERZA
• TUERCAS DE SEGURIDAD
• TUERCA HEXAGONAL
AUTOASEGURADORA
• TUERCA HEXAGONAL DE
DOS PIEZAS
AUTOASEGURADORA
• TUERCA DE SEGURIDAD
SEGUROS POR CIERRE DE FORMA
CON LOS SEGUROS POR CIERRE DE FORMA PUDE IMPEDIRSE
POR COMPLETO QUE SE AFLOJEN LAS UNIONES POR TORNILLOS.
LA UNIÓN NO PODRÁ AFLOJARSE HASTA QUE SE QUITE EL
SEGURO
• CHAPA DE SEGURIDAD CON
DOS OREJETAS
• CHAPA DE SEGURIDAD CON
TALON
• CHAPA DE SEGURIDAD CON
TALON INTERIOR
• CHAPA DE SEGURIDAD O
ARANDELA DE CIERRE
• ANILLA ELASTICA CON
GANCHO
• PASADOR
• ALAMBRE DE SEGURIDAD
ARANDELAS
• PLANA PARA TORNILLO
HEXAGONAL
• PLANA PARA TUERCA
HEXAGONAL
• PARA TORNILLO CILINDRICO
• INCLINADA CO VIGUETA EN
• (U)
• CUADRADA CON VIGUETA
EN (I)
SEGUROS CONTRA DESPLAZAMIENTO AXIAL
PARA ASEGURAR LA POSICIÓN DE EJES MONTADOS SOBRE
AGUJEROS Y DE PIEZAS SOBRE EJES, SE UTILIZAN LOS ANILLOS
DE SEGURIDAD, ARANDELAS DE SEGURIDAD Y ANILLOS
ALÁSTICOS
• ANILLOS DE SEGURIDAD PARA
EJES DIN 471
• Para ejes mayores de 9mm
• ANILLOS DE SEGURIDAD PARA
EJES
• Para ejes menores de 9mm
• ANILLOS DE SEGURIDA PARA
TALADROS. DIN 472
SEGUROS CONTRA DESPLAZAMIENTO AXIAL
• ANILLOS DE FORMAS
ESPECIALES
• Sujetan sin juego lateral
• ARANDELA DE SEGURIDAD
PARA EJES DIN 6799
• Pueden colocarse fácilmente,
pero sólo absorben esfuerzos
axiales reducidos
• ANILLOS ELÁSTICOS PARA
EJES Y TALADROS. DIN 9035
• Son anillos de alambre de
acero introducidos en una
ranura semitórica hasta la
mitad de su diametro
UNION CON PASADORES
UNIONES CON PASADORES O CLAVIJAS
LAS UNIONES CON PASADORES O CLAVIJAS PERTENECEN AL
GRUPO DE UNIONES DESMONTABLES. ESTÁN SOMETIDOS A
ESFUERZO CORTANTE. TIENEN TRES MISIONES:
1ª FACILITAR EL MONTAJE, CONSIGUIENDO LA POSICIÓN
PRIMITIVA EXACTA DE LAS PIEZAS A UNIR, EVITANDO EL
DESPLAZAMIENTO LATERAL DE LAS MISMAS. ESTOS SON LOS
PASADORES O CLAVIJAS DE AJUSTE.
2º UNIR PIEZAS PARA TRANSMITIR PEQUEÑOS ESFUERZOS. SON
MÁS BARATOS QUE LOS TORNILLOS Y SUPONEN UNA
DEBILITACIÓN IMPERCEPTIBLE EN LA SECCIÓN TRANSVERSAL DE
LAS PIEZAS QUE UNEN. ESTOS SON LOS PASADORES O CLAVIJAS
DE SUJECIÓN.
3ª EVITAR SOBRECARGAS EN PIEZAS DELICADAS Y DE ALTO
VALOR. SE MONTAN ENTRE EL ACCIONAMIENTO Y EL HUSILLO DE
TRABAJO Y EN CASO DE SOBRECARGA EXCESIVA SE CIZALLA,
CON LO QUE LA UNIÓN QUEDA INTERRUMPIDA. ESTOS SON LOS
PASADORES O CLAVIJAS DE SEGURIDAD POR ROTURA
PASADORES CILINDRICOS Y CÓNICOS
PASADORES ESTRIADOS
EN LA SUPERFICIE LATERAL, DE FORMA CILINDRICA LLEVAN
TRES ENTALLADURAS QUE FORMAN RESALTOS QUE SE
OBTIENEN POR LAMINACIÓN. SON DE REDUCIDO PRECIO Y SE
AJUSTAN CON FACILIDAD. NO ES NECESARIO ESCARIAR LOS
ORIFICIOS PARA PASADORES ESTRIADOS. EL MATERIAL
EMPLEADO PARA SU FABRICACIÓN ES EL ACERO, EL LATÓN O EL
MATERIAL SINTÉTICO
• CILINDRICO ENTALLADO.
DIN1473
• CON ENTALLADURA EN
CONO. DIN 1471
• ESTRIADO DE MULETILLA.
DIN 1475
• ESTRIADO DE AJUSTE. DIN
1472
• ESTRIADO CON ESPIGA. DIN
1474
• CLAVO ENTALLADO CON
CABEZA REDONDA
• CLAVO ENTALLADO CON
CABEZA AVELLANADA
Pasadores cónicos
UNIONES ENCHAVETADAS
UNIONES ENCHAVETADAS
LAS CHAVETAS TIENEN UNA INCLINACIÓN DE 1:100, EN VIRTUD DE
LA CUAL SE ESTABLECE, ENTRE LAS PIEZAS A UNIR, UN
ESFUERZO DE COMPRESIÓN EN DIRECCIÓN RADIAL QUE
GARANTIZA LA UNION DE AMBAS
• CHAVETA DE CUÑA O DE FUERZA. DIN
6886 B.
• Van montadas sobre las ranuras de la rueda
y del eje.
• CHAVETA ENCAJADA O ENGASTADA. DIN
6886 A.
• Se montan ajustadas sobre chaveteros de
las mismas dimensiones
• CHAVETA DE TALON. DIN 6887
• Se emplea cuando para sacar la chaveta se
tropieza con una dificultad de sitio
• CHAVETA PLANA. DIN 6883
• Se emplea para casos de importancia
secundaria
UNIONES ENCHAVETADAS
• CHAVETA PLANA DE TALON. DIN 6884
• CHAVETA CÓNCAVA. DIN 6881
• CHAVETA CONCAVA DE TALÓN. DIN
6889
• CHAVETAS TANGENCIALES. DIN 268
• Se utiliza cuando hay que transmitir
momentos torsores muy grandes y de
sentido de giro alternativo
UNIONES MEDIANTE LENGÜETAS
UNIONES MEDIANTE LENGÜETAS
SE UTILIZAN PARA UNIONES DE ARRASTRE, YA QUE NO EJERCEN
LA ACCIÓN CUÑA, COMO LAS CHAVETAS. PARA ASEGURARLAS
CONTRA EL DESPLAZAMIENTO AXIAL SE UTILIZAN TORNILLOS,
ANILLOS ELÁSTICOS, PASADORES, ETC.
• LENGÜETAS DE AJUSTE DE
CARAS FRONTALES
REDONDAS. DIN 6885 A.
• LENGÜETAS DE AJUSTE DE
CARAS FRONTALES
RECTAS. DIN 6885 B.
• LENGÜETAS DESLIZANTES
PARA UN TORNILLO DE
FIJACIÓN. DIN 6885 C.
• PARA DOS TORNILLOS DE
FIJACIÓN. DIN 6885 F.
• LENGÜETAS DESLIZANTES
PARA UN TORNILLO DE
FIJACIÓN, CON BISEL. DIN
6885 G.
UNIONES MEDIANTE LENGÜETAS
• LENGÜETAS DE MUÑON CENTRAL
• LENGÜETAS DE MUÑÓN O GORRÓN
LATERAL
• Se deslizan sobre la ranura longitudinal
del árbol o husillo. Se emplean para el
accionamiento automático, longitudinal o
transversal, de los tornos
• LENGÜETAS DE DISCO
• Se emplea para la transmisión de
movimientos de árboles con extremos
cónicos. En su construcción se debilita
mucho la sección transversal del árbol,
por lo que se emplea para transmitir
Uniones con lengüetas: son similares a las uniones con
chavetas , las lengüetas se diferencian en que tienen las
caras paralelas y su colocación en la ranura del eje se
realiza con juego
Unión de eje y cubo mediante una lengüeta semirredonda
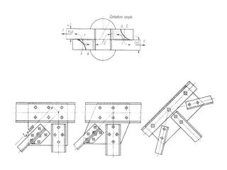
En las figuras siguientes se ejemplifican diversos elementos de
unión, el eje roscado se une por medio de una tuerca a la polea. La
polea gira arrastrada por la chaveta inserta en el eje, éste rota al
interior del buje debido al ajuste deslizante que existe entre ellos. El
buje se une al soporte por medio de un ajuste apretado y finalmente,
el conjunto se une al soporte por medio de una golilla gruesa y un
pasador cónico.
TUERCA
ARANDELA POLEA PASADOR CONICO
EJE
CHAVETA
CASQUILLO SOPORTE
TOPE
DIBUJAR A LAPIZ EN DIN A4 ESCALA 1:1
UNIONES REMACHADAS
L = e + e +1.5 x e. remache
elementos de unión para estructuras metalicas
elementos de unión para estructuras metalicas

elementos de unión para estructuras metalicas

  • 1.
    Elementos de Máquinas yMecanismos Elementos de Unión Elementos de transmisión Mecanismos
  • 2.
  • 4.
    TIPOS DE ROSCAS roscatriangular (la más usada para la fijación) rosca cuadrada (sin normalizar) rosca trapecial (trapecio isósceles, usadas para transmisión de fuerza) rosca redonda (para roscas que tengan mucho desgaste) rosca en diente de sierra (para transmitir grandes esfuerzos) Por la forma del filete o perfil de la rosca se clasifican en:
  • 6.
    ROSCAS NORMALIZADAS ROSCA MÉTRICAISO (M 30X1.5 UNE 17702) ROSCA CORTANTE (Rc) ROSCA WITHWORTH (W 5” 1/4 DIN 11) ROSCA DE GAS (R o G) ROSCA TRAPECIAL (Tr 50X14 DIN 103) ROSCA SELLER (S.A.E.) ROSCA EN DIENTE DE SIERRA (S 40X10 DIN 513) ROSCA REDONDA (Rd 16X3 DIN 405) ROSCA ELÉCTRICA O EDISON
  • 7.
    UNIONES ROSCADAS UNIONES ROSCADAS: Sonuniones desmontables muy difundidas en la construcción de máquinas. Se pueden realizar por medio de tornillos, tornillo y tuerca, espárragos roscados y prisioneros TORNILLOS: Los tornillos son elementos mecánicos empleados para realizar, en la mayoría de los casos, uniones con cierre de fuerza. Se fabrican de aceros al carbono, de aceros aleados, de aceros inoxidables y de metales no ferrosos. TIPOS DE TORNILLOS: Los tornillos se diferencian, según la Norma DIN 1891, por la rosca, la forma de la cabeza, la forma del vástago, el extremo del tornillo y la forma de accionamiento. La rosca puede ser tallada con herramienta de corte o por laminación
  • 8.
    UNIONES ROSCADAS TORNILLO HEXAGONAL: Seutiliza para unir piezas con agujeros pasante.Se emplea sin tuerca cuando la rosca hembra está tallada en una de las piezas que se desea unir. • TORNILLO HEXAGONAL DE ROSCA CORTA (a) Y ROSCA LARGA (b). • TORNILLO HEXAGONAL DE AJUSTE CON ROSCA LARGA (C) Y ROSCA CORTA (D) • TORNILLO HEXAGONAL CON ESPIGA (E) Y CON PUNTA (F)
  • 9.
    UNIONES ROSCADAS TORNILLOS DECABEZA CUADRADA Se emplean en uniones donde el esfuerzo de apriete es mayor que el solicitado a los tornillos de cabeza hexagonal. Las llaves cuadradas se adaptan mejor que las fijas y por lo tanto es más difícil que salte. También se emplean para unir chapas, cortándoles la cabeza, después de apretarlos • TORNILLO CUADRADO CON COLLAR • TORNILLO CUADRADO CON NÚCLEO SALIENTE • TORNILLO CUADRADO CON COLLAR Y ESPIGA • TORNILLO CUADRADO PARA FIJAR CHAPAS • TORNILLO EN ( T ) • Para sujetar mordazas
  • 10.
    ESPARRAGOS Se emplean cuandolas piezas a unir se tienen que desmontar con bastante frecuencia. El extremo del espárrago roscado a la pieza de la máquina no se desmonta, por lo que no se daña. Los extremos de los espárragos pueden ir roscados, con el mismo o distinto paso de rosca
  • 11.
    TORNILLOS PRISIONEROS OESPIGAS ROSCADA Se utilizan para asegurar contra giro o desplazamiento, piezas de máquinas,como anillos de ajuste, casquillos de cojinetes, etc. Están roscados en toda su longitud y tienen una ranura para apretarlos • ESPIGA ROSCADA CON SALIENTE CÓNICO • ESPIGA ROSCADA CON PUNTA • ESPÌGA ROSCADA CON HEXÁGONO INTERIOR • ESPIGA ROSCADA CON HEXÁGONO INTERIOR Y PUNTA
  • 12.
    TORNILLOS PRISIONEROS OESPIGAS ROSCADAS • ESPIGA ROSCADA CON HEXÁGONO INTERIOR Y VÁSTAGO • TORNILLO DE VÁSTAGO • ESPIGA ROSCADA CON VÁSTAGO • ESPIGA ROSCADA CON VÁSTAGO • TORNILLOS CON PIVOTE
  • 13.
    TORNILLOS DE CABEZARANURADA SE APRIETAN MEDIANTE UN DESTORNILLADOR Y SE UTILIZAN PARA UNIONES SIN IMPORTANCIA Y DONDE EL ESFUERZO DE APRIETE NO DEBE SER FUERTE • TORNILLO CILINDRICO • TORNILLO CILINDRICO • TORNILLO GOTA DE SEBO • TORNILLO CABEZA REDONDA • TORNILLO AVELLANADO • TORNILLO GOTA DE SEBO • TORNILLO AVELLANADO • TORNILLO GOTA DE SEBO
  • 14.
    TORNILLOS DE CABEZARANURADA • GOTA DE SEBO CABEZA PEQUEÑA • GOTA DE SEBO CABEZA GRANDE • GOTA DE SEBO CON VÁSTAGO O ESPIGA • GOTA DE SEBO CON SALIENTE • GOTA DE SEBO AVELLANADO CON ESPIGA • AVELLANADO CON ESPIGA • CON TALADROS CRUZADOS
  • 15.
    TORNILLOS CON CABEZAEN CRUZ SE EMPLEAN PARA FIJAR PIEZAS QUE SE DESMONTAN CON FRECUENCIA Y QUE NO ESTAN SOMETIDAS A GRANDES ESFUERZOS, COMO LAS PIEZAS EXTERIORES DE LAS MÁQUINAS ( CÁRTERES, TAPADERAS, ETC. ) • GOTA DE SEBO CON RANURAS CRUZADAS • REDONDO CON RANURAS CRUZADAS • AVELLANADO CON RANURAS CRUZADAS • GOTA DE SEBO CON RANURAS CRUZADAS
  • 16.
    TORNILLOS DE AUTORROSCADOO DE CORTE • TORNILLO AVELLANADO DE FILOS • TORNILLO DE GOTA DE SEBO AVELLANADO DE FILOS • TORNILLO DE PLANCHA AVELLANADO CON RANURAS CRUZADAS • TORNILLO DE PLANCHA DE GOTA DE SEBO AVELLANADO CON RANURAS CRUZADAS
  • 17.
    TORNILLOS DE AUTORROSCADOO DE CORTE TALLAN POR SÍ MISMOS LA ROSCA HEMBRA AL ATORNILLARSE EN EL AGUJERO DEL NÚCLEO. ES´TÁN TEMPLADOS POR CEMENTACIÓN. SOLO SE FABRICAN HASTA M8 • TORNILLO DE AUTORROSCADO • TORNILLO HEXAGONAL DE FILOS • TORNILLO CILINDRICO DE FILOS • TORNILLO REDONDO DE FILOS
  • 18.
    TORNILLOS DE AUTORROSCADOO DE CORTE, DE FILOS • TORNILLO AVELLANADO DE FILOS • TORNILLO DE GOTA DE SEBO AVELLANADO DE FILO • TORNILLO DE PLANCHA AVELLANADO CON RANURAS CRUZADAS • TORNILLO DE PLANCHA DE GOTA DE SEBO AVELLANADO CON RANURAS CRUZADAS
  • 19.
    TUERCAS LAS TUERCAS SEHAN DE PODER AFLOJAR, APRETAR Y ASEGURAR BIEN, SE FABRICAN DE DIVERSAS FORNAS, DE ACUERDO CON SU APLICACIÓN • TUERCA HEXAGONAL • Son las de mayor empleo. Su altura es de 0,8x d • TUERCA PLANA HEXAGONAL • TUERCA CUADRADA PLANA
  • 20.
    TUERCAS • TUERCA BAJADE CAPERUZA • Se emplean para proteger los extremos de los tornillos y ofrecer un aspecto decorativo. (e) • TUERCA PLANA DE CORONA O ALMENADA (f) y (g) • Se emplean cuando han de ser aseguradas con pasadores. Se fabrican con 6 o 10 ranuras • TUERCA DE RANURAS • Se emplean para fijar piezas en los ejes ( cigüeñales) (h)
  • 21.
    TUERCAS • TUERCA CONRANURA • TUERCA DE DOS AGUJEROS • TUERCA ALTA MOLETEADA • Se emplean en uniones que se desmontan con frecuencia y con poca carga. Se aprietan con la mano • TUER. PLANA MOLETEADA • TU. DE ALETAS O MARIPOSA • Tiene la misma aplicación que las tuercas moleteadas • TUERCA DE ANILLO
  • 22.
    Unión de dospiezas mediante un tornillo no pasante. Unión de dos piezas mediante un tornillo pasante Unión de dos piezas mediante un espárrago.
  • 23.
  • 24.
    Dibujar a lapizen DIN A4 y a escala 1:1
  • 25.
    SEGUROS POR CIERREDE FUERZA ESTOS SEGUROS ESTABLECEN UNA FUERZA DE COMPRESIÓN ENTRE LAS PIEZAS QUE AUMENTA EL ROZAMIENTO Y DIFICULTA ASÍ QUE SE AFLOJE LA UNIÓN, PERO NO LO IMPIDE TOTALMENTE • ANILLO ELÁSTICO CURVADO O ARANDELA GROWER • 1.- Anillo elástico curvado • 2.- Anillo elástico liso • ARANDELAS ELASTICAS ABOMBADAS • ARANDELA ELASTICA DENTADA • ARANDELA DE ABANICO
  • 26.
    SEGUROS POR CIERREDE FUERZA • TUERCAS DE SEGURIDAD • TUERCA HEXAGONAL AUTOASEGURADORA • TUERCA HEXAGONAL DE DOS PIEZAS AUTOASEGURADORA • TUERCA DE SEGURIDAD
  • 27.
    SEGUROS POR CIERREDE FORMA CON LOS SEGUROS POR CIERRE DE FORMA PUDE IMPEDIRSE POR COMPLETO QUE SE AFLOJEN LAS UNIONES POR TORNILLOS. LA UNIÓN NO PODRÁ AFLOJARSE HASTA QUE SE QUITE EL SEGURO • CHAPA DE SEGURIDAD CON DOS OREJETAS • CHAPA DE SEGURIDAD CON TALON • CHAPA DE SEGURIDAD CON TALON INTERIOR • CHAPA DE SEGURIDAD O ARANDELA DE CIERRE • ANILLA ELASTICA CON GANCHO • PASADOR • ALAMBRE DE SEGURIDAD
  • 28.
    ARANDELAS • PLANA PARATORNILLO HEXAGONAL • PLANA PARA TUERCA HEXAGONAL • PARA TORNILLO CILINDRICO • INCLINADA CO VIGUETA EN • (U) • CUADRADA CON VIGUETA EN (I)
  • 29.
    SEGUROS CONTRA DESPLAZAMIENTOAXIAL PARA ASEGURAR LA POSICIÓN DE EJES MONTADOS SOBRE AGUJEROS Y DE PIEZAS SOBRE EJES, SE UTILIZAN LOS ANILLOS DE SEGURIDAD, ARANDELAS DE SEGURIDAD Y ANILLOS ALÁSTICOS • ANILLOS DE SEGURIDAD PARA EJES DIN 471 • Para ejes mayores de 9mm • ANILLOS DE SEGURIDAD PARA EJES • Para ejes menores de 9mm • ANILLOS DE SEGURIDA PARA TALADROS. DIN 472
  • 30.
    SEGUROS CONTRA DESPLAZAMIENTOAXIAL • ANILLOS DE FORMAS ESPECIALES • Sujetan sin juego lateral • ARANDELA DE SEGURIDAD PARA EJES DIN 6799 • Pueden colocarse fácilmente, pero sólo absorben esfuerzos axiales reducidos • ANILLOS ELÁSTICOS PARA EJES Y TALADROS. DIN 9035 • Son anillos de alambre de acero introducidos en una ranura semitórica hasta la mitad de su diametro
  • 31.
  • 32.
    UNIONES CON PASADORESO CLAVIJAS LAS UNIONES CON PASADORES O CLAVIJAS PERTENECEN AL GRUPO DE UNIONES DESMONTABLES. ESTÁN SOMETIDOS A ESFUERZO CORTANTE. TIENEN TRES MISIONES: 1ª FACILITAR EL MONTAJE, CONSIGUIENDO LA POSICIÓN PRIMITIVA EXACTA DE LAS PIEZAS A UNIR, EVITANDO EL DESPLAZAMIENTO LATERAL DE LAS MISMAS. ESTOS SON LOS PASADORES O CLAVIJAS DE AJUSTE. 2º UNIR PIEZAS PARA TRANSMITIR PEQUEÑOS ESFUERZOS. SON MÁS BARATOS QUE LOS TORNILLOS Y SUPONEN UNA DEBILITACIÓN IMPERCEPTIBLE EN LA SECCIÓN TRANSVERSAL DE LAS PIEZAS QUE UNEN. ESTOS SON LOS PASADORES O CLAVIJAS DE SUJECIÓN. 3ª EVITAR SOBRECARGAS EN PIEZAS DELICADAS Y DE ALTO VALOR. SE MONTAN ENTRE EL ACCIONAMIENTO Y EL HUSILLO DE TRABAJO Y EN CASO DE SOBRECARGA EXCESIVA SE CIZALLA, CON LO QUE LA UNIÓN QUEDA INTERRUMPIDA. ESTOS SON LOS PASADORES O CLAVIJAS DE SEGURIDAD POR ROTURA
  • 33.
  • 34.
    PASADORES ESTRIADOS EN LASUPERFICIE LATERAL, DE FORMA CILINDRICA LLEVAN TRES ENTALLADURAS QUE FORMAN RESALTOS QUE SE OBTIENEN POR LAMINACIÓN. SON DE REDUCIDO PRECIO Y SE AJUSTAN CON FACILIDAD. NO ES NECESARIO ESCARIAR LOS ORIFICIOS PARA PASADORES ESTRIADOS. EL MATERIAL EMPLEADO PARA SU FABRICACIÓN ES EL ACERO, EL LATÓN O EL MATERIAL SINTÉTICO • CILINDRICO ENTALLADO. DIN1473 • CON ENTALLADURA EN CONO. DIN 1471 • ESTRIADO DE MULETILLA. DIN 1475 • ESTRIADO DE AJUSTE. DIN 1472 • ESTRIADO CON ESPIGA. DIN 1474 • CLAVO ENTALLADO CON CABEZA REDONDA • CLAVO ENTALLADO CON CABEZA AVELLANADA
  • 36.
  • 37.
  • 38.
    UNIONES ENCHAVETADAS LAS CHAVETASTIENEN UNA INCLINACIÓN DE 1:100, EN VIRTUD DE LA CUAL SE ESTABLECE, ENTRE LAS PIEZAS A UNIR, UN ESFUERZO DE COMPRESIÓN EN DIRECCIÓN RADIAL QUE GARANTIZA LA UNION DE AMBAS • CHAVETA DE CUÑA O DE FUERZA. DIN 6886 B. • Van montadas sobre las ranuras de la rueda y del eje. • CHAVETA ENCAJADA O ENGASTADA. DIN 6886 A. • Se montan ajustadas sobre chaveteros de las mismas dimensiones • CHAVETA DE TALON. DIN 6887 • Se emplea cuando para sacar la chaveta se tropieza con una dificultad de sitio • CHAVETA PLANA. DIN 6883 • Se emplea para casos de importancia secundaria
  • 39.
    UNIONES ENCHAVETADAS • CHAVETAPLANA DE TALON. DIN 6884 • CHAVETA CÓNCAVA. DIN 6881 • CHAVETA CONCAVA DE TALÓN. DIN 6889 • CHAVETAS TANGENCIALES. DIN 268 • Se utiliza cuando hay que transmitir momentos torsores muy grandes y de sentido de giro alternativo
  • 42.
  • 43.
    UNIONES MEDIANTE LENGÜETAS SEUTILIZAN PARA UNIONES DE ARRASTRE, YA QUE NO EJERCEN LA ACCIÓN CUÑA, COMO LAS CHAVETAS. PARA ASEGURARLAS CONTRA EL DESPLAZAMIENTO AXIAL SE UTILIZAN TORNILLOS, ANILLOS ELÁSTICOS, PASADORES, ETC. • LENGÜETAS DE AJUSTE DE CARAS FRONTALES REDONDAS. DIN 6885 A. • LENGÜETAS DE AJUSTE DE CARAS FRONTALES RECTAS. DIN 6885 B. • LENGÜETAS DESLIZANTES PARA UN TORNILLO DE FIJACIÓN. DIN 6885 C. • PARA DOS TORNILLOS DE FIJACIÓN. DIN 6885 F. • LENGÜETAS DESLIZANTES PARA UN TORNILLO DE FIJACIÓN, CON BISEL. DIN 6885 G.
  • 44.
    UNIONES MEDIANTE LENGÜETAS •LENGÜETAS DE MUÑON CENTRAL • LENGÜETAS DE MUÑÓN O GORRÓN LATERAL • Se deslizan sobre la ranura longitudinal del árbol o husillo. Se emplean para el accionamiento automático, longitudinal o transversal, de los tornos • LENGÜETAS DE DISCO • Se emplea para la transmisión de movimientos de árboles con extremos cónicos. En su construcción se debilita mucho la sección transversal del árbol, por lo que se emplea para transmitir
  • 46.
    Uniones con lengüetas:son similares a las uniones con chavetas , las lengüetas se diferencian en que tienen las caras paralelas y su colocación en la ranura del eje se realiza con juego Unión de eje y cubo mediante una lengüeta semirredonda
  • 47.
    En las figurassiguientes se ejemplifican diversos elementos de unión, el eje roscado se une por medio de una tuerca a la polea. La polea gira arrastrada por la chaveta inserta en el eje, éste rota al interior del buje debido al ajuste deslizante que existe entre ellos. El buje se une al soporte por medio de un ajuste apretado y finalmente, el conjunto se une al soporte por medio de una golilla gruesa y un pasador cónico.
  • 48.
    TUERCA ARANDELA POLEA PASADORCONICO EJE CHAVETA CASQUILLO SOPORTE TOPE DIBUJAR A LAPIZ EN DIN A4 ESCALA 1:1
  • 50.
  • 51.
    L = e+ e +1.5 x e. remache