Examen final
Física II
Alumno: José Eduardo Badillo M.
Profesor: Ariel Trejo Bahena
Introducción
En este trabajo veremos lo que hemos visto y aprendido alrededor de todo l
transcurso del año por medio del tema de la contaminación atmosferita el tema
escogido por segundo año viendo cuales son los aparatos que previenen y miden la
contaminado , ver cómo funciona y cuáles son sus mecanismos .
Contaminación de la atmósfera por residuos o productos secundarios gaseosos,
sólidos o líquidos, que pueden poner en peligro la salud del hombre y la salud y
bienestar de las plantas y animales, atacar a distintos materiales, reducir la visibilidad
o producir olores desagradables.
La contaminación es un problema que nos afecta desde tiempo porque rompe la
capa de ozono, si se rompe la capa se ozono la luz solar que nos llega sería más
fuerte y podría darnos cáncer de piel y otros problemas en la salud por eso la gente a
creado aparatos para ver cómo se puede prevenir, medición y tratar la contaminación
atmosférica .
La contaminación atmosférica puede dar enfermedades como asma, pulmonía,
bronquitis, etc . Por la causa de que al respirarlo la basura entra a nuestros pulmones
y eso es lo que nos ase daño.
Índice
Pregunta………………………………………………………………………1
Qué aparatos electrónicos se usan en la prevención de la
contaminación atmosférica………………………………………………2,3
¿Qué aparatos electrónicos se usan en la medición de la
contaminación
Atmosférica?............................................................................................4
Qué aparatos electrónicos se usan en el tratamiento de la
contaminación atmosférica…………………………………………….5,6
Anexos………………………………………………………………………….7
Conclusión……………………………………………………………………8
PREGUNTA
¿Qué aparatos electrónicos se usan en
la prevención, medición y tratamiento
de la contaminación atmosférica y el
funcionamiento de cada uno de ellos?
Qué aparatos electrónicos se usan en la prevención de la
contaminación atmosférica
Los aparatos para la prevención de la contaminación no se han creado total mente
pero ay aparatos que nos pueden decirnos que tanto hemos avanzado con la
contaminación y gracias a esto podemos darnos cuenta de que manera hemos
estado afectando a la capa de ozono y así prevenirnos de el aumento de la
contaminación
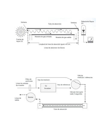
El principio de operación que utilizan los analizadores de ozono, O
, se conoce como el método de fotometría UV y consiste en medir la cantidad de luz
ultravioleta, a una longitud de onda de 254 nm, absorbida por el ozono presente en
una muestra. El principio de operación se basa
en la Ley de Beer-Lambert. Cuando la muestra pasa por el interior de las celdas, la
molécula de ozono absorbe una cantidad de luz (I), la cual se compara con la
cantidad de luz medida en la celda de referencia (I0) para calcular la con contracción
(C). La concentración obtenida se corrige a condiciones de temperatura y presión del
interior de la celda de absorción, los cuales son medidos de manera independiente.
La concentración del gas se puede obtener mediante la siguiente ecuación:
Donde:
I = La intensidad de la luz después de
la absorción
I0= La intensidad de la luz antes de la absorción
α=Coeficiente de Absorción del O3 a determinada longitud de onda
L = Longitud de la celda o tubo de absorción
C = concentración del gas absorbente
(O3)
Despejando la concentración de O3(C) en ppm:
¿Qué aparatos electrónicos se usan en la medición de la contaminación
Atmosférica?
Los aparatos que miden la contaminación son comunes en especial los que lo miden
por el monóxido de carbono Los analizadores de Monóxido de Carbono, CO, se
sirven del principio de operación que se basa en la capacidad que tiene este gas
para absorber energía en determinadas longitudes de onda. En los equipos de
medición que utilizan este principio se mide la absorción de luz infrarroja, llevada a
cabo por las moléculas de CO en intervalos relativamente pequeños de longitudes de
onda centradas sobre la región de máxima absorción del contaminante .En los
analizadores de CO se aplica una variación denominada filtro de correlación de gas.
En este caso el haz de luz infrarroja pasa por un filtro rotatorio integrado por dos
celdas, una de las cuales contiene CO en alta concentración y la otra N2 como
blanco para crear el haz de referencia de modo tal que el detector mida la diferencia
de energía entre la radiación absorbida en la celda de muestra y la señal modulada
por la alternancia entre los filtros de gas. La señal del detector es procesada
y acondicionada por microprocesadores para desplegarla como una
lectura de concentración de CO.
Qué aparatos electrónicos se usan en el tratamiento de la
contaminación atmosférica
Basan su funcionamiento en el hecho de que los gases residuales están compuestos
de mezclas de sustancias en fase gaseosa, algunas de las cuales son solubles en
fase líquida. En el proceso de absorción de un gas , el efluente gaseoso
que contiene el contaminante a eliminar se pone en contacto con un líquido en el que
el contaminante se disuelve. La transferencia de materia se realiza por el contacto
del gas con el líquido en lavadores húmedos o en sistemas de absorción en seco.
Una alternativa a los sistemas de absorción por líquido lo constituye la adsorción de
los contaminantes sobre sólidos. En los procesos de adsorción los gases, vapores y
líquidos se retienen sobre unasuperficie sólida como consecuencia de reacciones
químicas y/o fuerzas superficiales. Se produce una difusión desde la masa gaseosa
hasta la superficie externa del sólido y de las moléculas del gas dentro de los poros
de sólido seguida de la adsorción propiamente dicha de las moléculas del gas en la
superficie del sólido. Los sólidos más adecuados para la adsorción son los que
presentan grandes relaciones superficie-volumen, es decir, aquellos que tienen una
elevada porosidad y área superficial para facilitar el contacto sólido-gas: tierra de
Fuller, bauxita, carbón activado, alúmina activada, tamices moleculares,
etc. Periódicamente, es necesaria la sustitución o regeneración del adsorbente
para que su actividad no descienda de determinados niveles.
La combustión constituye un proceso apropiado par la eliminación de compuestos
orgánicos transformándolos en dióxido de carbono y vapor de agua y también es
válido para determinadas sustancias inorgánicas. Tipos de combustión:
Espontánea. Cuando se trata de eliminar gran parte de los gases que son tóxicos
que tienen olores fétidos, la combustión ha de realizarse a alta temperatura y con
tiempo de retención controlado, por lo que el coste de combustible puede ser
elevado.
Procesos catalíticos. Con el fin de realizar la combustión a temperaturas más bajas,
suele utilizarse la combustión en presencia de un catalizador, por lo general un metal
de transición depositado en una matriz de alúmina. Este tipo de combustión suele
emplearse en la eliminación de trazas de compuestos que contienen
fenoles, formaldehído, azufre, etc. Un problema que presenta la combustión catalítica
es la del envenenamiento del catalizador por algunas sustancias en forma de
partículas.
La producción de energía eléctrica por combustión a altas temperaturas
de combustibles fósiles, utilizando aire como comburente, produce gases que
contienen óxidos de nitrógeno (NOx ) y óxidos de azufre (SO2). Estos gases,
emitidos a la atmósfera, pueden ocasionar daños al ecosistema y son muy agresivos
por su carácter ácido, por ello es necesario controlar las emisiones de estos gases a
partir de una serie de tratamiento para la eliminación tanto de los NOx , como del
SO2.
Anexos
15 Formas sencillas para evitar la contaminación del aire
Las acciones para prevenir la contaminación atmosférica deben ser hábito cotidiano
de todos, en todos los lugares y todo el tiempo, para que realmente sean efectivas.
Entre ellas están:
Afinar y dar mantenimiento a los automóviles
Evitar la quema de basura y llantas, así como el uso de cohetes artificiales
Evitar comprar artículos desechables y plásticos que no son biodegradables.
Reciclar la basura
No arrojar basura en la calle, bosques y parques, envolverla o taparla bien en la casa
Usar racionalmente los plaguicidas
Evitar el consumo de tabaco
Cuidar los bosques, no provocar incendios ni destruir las zonas verdes de la ciudad
Posponer las tareas de jardinería que requieran el uso de herramientas a gasolina
en días de alto nivel de de ozono.
Consume alimentos orgánicos o al menos aquellos no hayan sido sometidos a un
uso tan intensivo de agroquímicos. (puedes cultivarlos en tú azotea con composta
hecha por ti mismo)
Restringir la limpieza en seco.
Evita el uso de pinturas, aceites y solventes en días de alta concentración de ozono.
Reduce el consumo de electricidad, lo cual contribuirá a disminuir las emanaciones
de contaminantes y partículas.
Prende el carbón de leña con un encendedor eléctrico en vez de hacerlo con
combustible líquido.
Aplica el poder de las 3 Erres: Reduce-Reutiliza-Recicla. Un menor consumo
redundará en menor contaminación atmosférica de todo tipo.
Conclusion
El aire contaminado nos afecta en nuestro diario vivir, manifestándose de diferentes
formas en nuestro organismo, como la irritación de los ojos y trastornos en las
membranas conjuntivas, irritación en las vías respiratorias, agravación de las
enfermedades bronco pulmonares, etc.
La óptima calidad de vida exige que el equilibrio de la naturaleza no sea modificado.
El hombre debe aprender que el ambiente no es algo que pueda manejar según su
voluntad, sino que él debe integrarse para tener una vida mejor.
Un paso importante para mejorar el hábitat sería lograr que el hombre cambio de
actitud interna hacia su ambiente respetando sus valores y derechos
Mientras los seres humanos no nos demos cuanta del daño tan enorme que nos
estamos haciendo al contaminar la tierra no se podrá hacer nada para tratar de
salvar lo que aun nos queda de la naturaleza. Por eso tenemos que crear una cultura
basada en el respeto a la tierra y a la conservación de nuestros recursos naturales
pues es importante que tengamos conocimiento sobre el daño que le podemos hacer
a la tierra con el uso de productos químicos, pues el sobrecalentamiento del planeta
esta llevando a que el clima del planeta se salga de su equilibrio normal y así otros
problemas como la inversión térmica y el daño a la capa de ozono.

Examen final fisica

  • 1.
    Examen final Física II Alumno:José Eduardo Badillo M. Profesor: Ariel Trejo Bahena
  • 2.
    Introducción En este trabajoveremos lo que hemos visto y aprendido alrededor de todo l transcurso del año por medio del tema de la contaminación atmosferita el tema escogido por segundo año viendo cuales son los aparatos que previenen y miden la contaminado , ver cómo funciona y cuáles son sus mecanismos . Contaminación de la atmósfera por residuos o productos secundarios gaseosos, sólidos o líquidos, que pueden poner en peligro la salud del hombre y la salud y bienestar de las plantas y animales, atacar a distintos materiales, reducir la visibilidad o producir olores desagradables. La contaminación es un problema que nos afecta desde tiempo porque rompe la capa de ozono, si se rompe la capa se ozono la luz solar que nos llega sería más fuerte y podría darnos cáncer de piel y otros problemas en la salud por eso la gente a creado aparatos para ver cómo se puede prevenir, medición y tratar la contaminación atmosférica . La contaminación atmosférica puede dar enfermedades como asma, pulmonía, bronquitis, etc . Por la causa de que al respirarlo la basura entra a nuestros pulmones y eso es lo que nos ase daño.
  • 3.
    Índice Pregunta………………………………………………………………………1 Qué aparatos electrónicosse usan en la prevención de la contaminación atmosférica………………………………………………2,3 ¿Qué aparatos electrónicos se usan en la medición de la contaminación Atmosférica?............................................................................................4 Qué aparatos electrónicos se usan en el tratamiento de la contaminación atmosférica…………………………………………….5,6 Anexos………………………………………………………………………….7 Conclusión……………………………………………………………………8
  • 4.
    PREGUNTA ¿Qué aparatos electrónicosse usan en la prevención, medición y tratamiento de la contaminación atmosférica y el funcionamiento de cada uno de ellos?
  • 5.
    Qué aparatos electrónicosse usan en la prevención de la contaminación atmosférica Los aparatos para la prevención de la contaminación no se han creado total mente pero ay aparatos que nos pueden decirnos que tanto hemos avanzado con la contaminación y gracias a esto podemos darnos cuenta de que manera hemos estado afectando a la capa de ozono y así prevenirnos de el aumento de la contaminación El principio de operación que utilizan los analizadores de ozono, O , se conoce como el método de fotometría UV y consiste en medir la cantidad de luz ultravioleta, a una longitud de onda de 254 nm, absorbida por el ozono presente en una muestra. El principio de operación se basa en la Ley de Beer-Lambert. Cuando la muestra pasa por el interior de las celdas, la molécula de ozono absorbe una cantidad de luz (I), la cual se compara con la cantidad de luz medida en la celda de referencia (I0) para calcular la con contracción (C). La concentración obtenida se corrige a condiciones de temperatura y presión del interior de la celda de absorción, los cuales son medidos de manera independiente. La concentración del gas se puede obtener mediante la siguiente ecuación: Donde: I = La intensidad de la luz después de la absorción I0= La intensidad de la luz antes de la absorción α=Coeficiente de Absorción del O3 a determinada longitud de onda L = Longitud de la celda o tubo de absorción C = concentración del gas absorbente (O3) Despejando la concentración de O3(C) en ppm:
  • 7.
    ¿Qué aparatos electrónicosse usan en la medición de la contaminación Atmosférica? Los aparatos que miden la contaminación son comunes en especial los que lo miden por el monóxido de carbono Los analizadores de Monóxido de Carbono, CO, se sirven del principio de operación que se basa en la capacidad que tiene este gas para absorber energía en determinadas longitudes de onda. En los equipos de medición que utilizan este principio se mide la absorción de luz infrarroja, llevada a cabo por las moléculas de CO en intervalos relativamente pequeños de longitudes de onda centradas sobre la región de máxima absorción del contaminante .En los analizadores de CO se aplica una variación denominada filtro de correlación de gas. En este caso el haz de luz infrarroja pasa por un filtro rotatorio integrado por dos celdas, una de las cuales contiene CO en alta concentración y la otra N2 como blanco para crear el haz de referencia de modo tal que el detector mida la diferencia de energía entre la radiación absorbida en la celda de muestra y la señal modulada por la alternancia entre los filtros de gas. La señal del detector es procesada y acondicionada por microprocesadores para desplegarla como una lectura de concentración de CO.
  • 8.
    Qué aparatos electrónicosse usan en el tratamiento de la contaminación atmosférica Basan su funcionamiento en el hecho de que los gases residuales están compuestos de mezclas de sustancias en fase gaseosa, algunas de las cuales son solubles en fase líquida. En el proceso de absorción de un gas , el efluente gaseoso que contiene el contaminante a eliminar se pone en contacto con un líquido en el que el contaminante se disuelve. La transferencia de materia se realiza por el contacto del gas con el líquido en lavadores húmedos o en sistemas de absorción en seco. Una alternativa a los sistemas de absorción por líquido lo constituye la adsorción de los contaminantes sobre sólidos. En los procesos de adsorción los gases, vapores y líquidos se retienen sobre unasuperficie sólida como consecuencia de reacciones químicas y/o fuerzas superficiales. Se produce una difusión desde la masa gaseosa hasta la superficie externa del sólido y de las moléculas del gas dentro de los poros de sólido seguida de la adsorción propiamente dicha de las moléculas del gas en la superficie del sólido. Los sólidos más adecuados para la adsorción son los que presentan grandes relaciones superficie-volumen, es decir, aquellos que tienen una elevada porosidad y área superficial para facilitar el contacto sólido-gas: tierra de Fuller, bauxita, carbón activado, alúmina activada, tamices moleculares, etc. Periódicamente, es necesaria la sustitución o regeneración del adsorbente para que su actividad no descienda de determinados niveles. La combustión constituye un proceso apropiado par la eliminación de compuestos orgánicos transformándolos en dióxido de carbono y vapor de agua y también es válido para determinadas sustancias inorgánicas. Tipos de combustión: Espontánea. Cuando se trata de eliminar gran parte de los gases que son tóxicos que tienen olores fétidos, la combustión ha de realizarse a alta temperatura y con tiempo de retención controlado, por lo que el coste de combustible puede ser elevado. Procesos catalíticos. Con el fin de realizar la combustión a temperaturas más bajas, suele utilizarse la combustión en presencia de un catalizador, por lo general un metal de transición depositado en una matriz de alúmina. Este tipo de combustión suele emplearse en la eliminación de trazas de compuestos que contienen fenoles, formaldehído, azufre, etc. Un problema que presenta la combustión catalítica es la del envenenamiento del catalizador por algunas sustancias en forma de partículas. La producción de energía eléctrica por combustión a altas temperaturas de combustibles fósiles, utilizando aire como comburente, produce gases que
  • 9.
    contienen óxidos denitrógeno (NOx ) y óxidos de azufre (SO2). Estos gases, emitidos a la atmósfera, pueden ocasionar daños al ecosistema y son muy agresivos por su carácter ácido, por ello es necesario controlar las emisiones de estos gases a partir de una serie de tratamiento para la eliminación tanto de los NOx , como del SO2.
  • 10.
    Anexos 15 Formas sencillaspara evitar la contaminación del aire Las acciones para prevenir la contaminación atmosférica deben ser hábito cotidiano de todos, en todos los lugares y todo el tiempo, para que realmente sean efectivas. Entre ellas están: Afinar y dar mantenimiento a los automóviles Evitar la quema de basura y llantas, así como el uso de cohetes artificiales Evitar comprar artículos desechables y plásticos que no son biodegradables. Reciclar la basura No arrojar basura en la calle, bosques y parques, envolverla o taparla bien en la casa Usar racionalmente los plaguicidas Evitar el consumo de tabaco Cuidar los bosques, no provocar incendios ni destruir las zonas verdes de la ciudad Posponer las tareas de jardinería que requieran el uso de herramientas a gasolina en días de alto nivel de de ozono. Consume alimentos orgánicos o al menos aquellos no hayan sido sometidos a un uso tan intensivo de agroquímicos. (puedes cultivarlos en tú azotea con composta hecha por ti mismo) Restringir la limpieza en seco. Evita el uso de pinturas, aceites y solventes en días de alta concentración de ozono. Reduce el consumo de electricidad, lo cual contribuirá a disminuir las emanaciones de contaminantes y partículas. Prende el carbón de leña con un encendedor eléctrico en vez de hacerlo con combustible líquido. Aplica el poder de las 3 Erres: Reduce-Reutiliza-Recicla. Un menor consumo redundará en menor contaminación atmosférica de todo tipo.
  • 11.
    Conclusion El aire contaminadonos afecta en nuestro diario vivir, manifestándose de diferentes formas en nuestro organismo, como la irritación de los ojos y trastornos en las membranas conjuntivas, irritación en las vías respiratorias, agravación de las enfermedades bronco pulmonares, etc. La óptima calidad de vida exige que el equilibrio de la naturaleza no sea modificado. El hombre debe aprender que el ambiente no es algo que pueda manejar según su voluntad, sino que él debe integrarse para tener una vida mejor. Un paso importante para mejorar el hábitat sería lograr que el hombre cambio de actitud interna hacia su ambiente respetando sus valores y derechos Mientras los seres humanos no nos demos cuanta del daño tan enorme que nos estamos haciendo al contaminar la tierra no se podrá hacer nada para tratar de salvar lo que aun nos queda de la naturaleza. Por eso tenemos que crear una cultura basada en el respeto a la tierra y a la conservación de nuestros recursos naturales pues es importante que tengamos conocimiento sobre el daño que le podemos hacer a la tierra con el uso de productos químicos, pues el sobrecalentamiento del planeta esta llevando a que el clima del planeta se salga de su equilibrio normal y así otros problemas como la inversión térmica y el daño a la capa de ozono.