DEPARTAMENTO DE MEDICIÓN Y SERVICIOS
WATTS VARS
DEPARTAMENTO DE MEDICIÓN Y SERVICIOS
DIVISIÓN BAJA CALIFORNIA
ESPECIFICACIONES
PARA
TABLEROS
DE
MEDICIÓN
DEPARTAMENTO DE MEDICIÓN Y SERVICIOS
DIVISIÓN BAJA CALIFORNIA
ESPECIFICACIONES PARA TABLEROS DE MEDICIÓN
M-1 TABLERO MONOFÁSICO 1F, 2H, 120 V, CARGAS HASTA 10 kW.
M-2 TABLERO MONOFÁSICO 1F, 3H, 240 V, CARGAS HASTA 24 kW.
M-3 TABLERO BIFÁSICO 2F, 3H, ESTRELLA, 127-220 V, CARGAS HASTA 24 kW.
M-5 TABLERO POLIFÁSICO, 3F-4H- DELTA Ó ESTRELLA, CARGAS HASTA 60 kW EN 240 V
Y HASTA 120 kW EN 480V.
M-6 CONCENTRACIÓN DE MEDIDORES, ALIMENTACIÓN MONOFÁSICA 1F-3H (120/240V) Ó
2F-3H-ESTRELLA INCOMPLETA (127/220V), CARGAS HASTA 24 kW.
M-7 CONCENTRACIÓN DE MEDIDORES, ALIMENTACIÓN MONOFÁSICA 1F-3H (120/240V) Ó
2F-3H-ESTRELLA INCOMPLETA (127/220V), CARGAS DESDE 24 kW HASTA 100 kW, CON
INTERRUPTOR DE LÍNEA.
M-8 CONCENTRACIÓN DE MEDIDORES, ALIMENTACIÓN TRIFÁSICA 3F-4H-DELTA Ó
ESTRELLA,(120/240 V) ¢ (127/220V), CON INTERRUPTOR DE LÍNEA.
M-9 TABLERO POLIFÁSICO, 3F-4H- DELTA Ó ESTRELLA, CARGAS DE 60 kW HASTA 120 kW EN
240V Y DE 120 kW HASTA 250 kW EN 480V.
M-10 TABLERO POLIFÁSICO, 3F-4H- DELTA Ó ESTRELLA, CON TCïS EN B.T. CARGAS DE 60 kW
HASTA 1000 kW EN 240V Y DE 120 kW HASTA 2000 kW EN 480V.
M-11 MEDICIÓN EN BAJA TENSIÓN CON MEDIDOR TOTALIZADOR
M-15 MEDICIÓN EN MEDIA TENSIÓN, 3 FASES, 4 HILOS, HASTA 34,5 Kv
.
M-15A DIAGRAMA DE CONEXIONES PARA MEDICIÓN DE SUMINISTROS EN MEDIA TENSIÓN
3F-4H-ESTRELLA.
S-1 TABLERO MONOFÁSICO 1F, 2H, 120 V, CARGAS HASTA 10 kW. RED SUBTERRÁNEA
S-2 TABLERO MONOFÁSICO 1F, 3H, 120-240 V, CARGAS HASTA 24 kW. RED SUBTERRÁNEA
S-3 TABLERO BIFÁSICO 2F, 3H, ESTRELLA, 127-220 V, CARGAS HASTA 24 kW. RED
SUBTERRÁNEA
1,6m
*5
2,95m
PARA COLOCACIÓN DEL TABLERO
VER ESPECIFICACIÓN MT-1
CON NOMBRE,No.DE SOLICITUD Y
NIVEL DE PISO
MUFA TIPO INTEMPERIE
FASE FORRO NEGRO
NEUTRO FORRO BLANCO
*1
ABRAZADERA GALVANIZADA
TUBO METÁLICO GALVANIZADO
VER DIÁMETRO EN TABLA
*2
CONECTOR A PRUEBA DE AGUA
MONITOR
CONECTOR
TUBO CONDUIT O STEEL DE 13mm.
ABRAZADERA
AL CENTRO DE CARGA
*4
SIN ESCALA
ACOTACIONES EN METROS
FASE
NEUTRO
DE PASO A TIERRA
SIN CORTAR
ELECTRODO PARA PUESTA A TIERRA
13mm DE DIÁMETRO X 3m DE LARGO
COMO MÍNIMO
SE DEBERA IDENTIFICAR EL TABLERO
DIRECCIÓN EN FORMA VISIBLE
IMPORTANTE
CON NOMBRE, No. DE SOLICITUD Y
JULIO 2004
10
* AISLAMIENTO TIPO THW-LS 90ºC
7
7 - 10 60 4 6 1”
25 mm
*3
BASE DE MEDICIÓN INTEGRAL, TIPO
ENCHUFE, 4 CONTACTOS, 100A, 240V,
CON INTERRUPTOR TERMOMAGNÉTICO
1 POLO,120V.
NOTAS:
*1.- LOS CONDUCTORES DEBEN SALIR
60 cm DE LA MUFA MÍNIMO
*2.- EN ÁREAS TIPO COSTA INSTALAR
TUBO PVC.
*3.- OPCIONALMENTE SE PUEDE INSTA-
LAR INTERRUPTOR SEPARADO DE
LA BASE.
*4.- SE DEBERÁ CONTINUAR CON EL
MISMO CALIBRE HASTA EL CENTRO
DE CARGA ( FASES Y NEUTRO).
*5.- USAR GRAPA DE CONEXIÓN A
TIERRA CON TORNILLO OPRESOR
DE BRONCE.
NIVEL DE PISO
1,6m
MUFA TIPO INTEMPERIE
FASES FORRO NEGRO
NEUTRO FORRO BLANCO
*1
ABRAZADERA GALVANIZADA
TUBO METÁLICO GALVANIZADO
VER DIÁMETRO EN TABLA
*2
CONECTOR A PRUEBA DE AGUA
MONITOR
TUBO CONDUIT O STEEL DE 13mm
ABRAZADERA
AL CENTRO DE CARGA
*4
*5
CONECTOR
2,95m
SIN ESCALA
ACOTACIONES EN METROS
FASES
NEUTRO
DE PASO A TIERRA
SIN CORTAR
*4.-
NOTAS:
*1.-
*2.-
*3.-
*5.-
ELECTRODO PARA PUESTA A TIERRA
13mm DE DIÁMETRO X 3m DE LARGO
COMO MÍNIMO
PARA COLOCACIÓN DEL TABLERO
VER ESPECIFICACIÓN MT-1
*3
BASE DE MEDICIÓN INTEGRAL, TIPO
ENCHUFE, 4 CONTACTOS, 100A, 240V,
CON INTERRUPTOR TERMOMAGNÉTICO
2 POLOS,1 TIRO, 240V.
SE DEBERÁ IDENTIFICAR EL TABLERO
CON NOMBRE, No. DE SOLICITUD Y
DIRECCIÓN EN FORMA VISIBLE
IMPORTANTE
JULIO 2004
TABLERO MONOFÁSICO 1F, 3H, 240 V, CARGAS HASTA 24 Kw.
NIVEL DE PISO
1,6m
MUFA TIPO INTEMPERIE
FASES FORRO NEGRO
NEUTRO FORRO BLANCO
*1
ABRAZADERA GALVANIZADA
TUBO METÁLICO GALVANIZADO
VER DIÁMETRO EN TABLA
*2
CONECTOR A PRUEBA DE AGUA
*3
MONITOR
TUBO CONDUIT O STEEL DE 13mm
ABRAZADERA
AL CENTRO DE CARGA
*4
*5
CONECTOR
2,95m
SIN ESCALA
ACOTACIONES EN METROS
FASES
NEUTRO
DE PASO A TIERRA
SIN CORTAR
DE PASO A TIERRA
SIN CORTAR
*1.-
*4.-
*3.-
*2.-
NOTAS:
*5.-
ELECTRODO PARA PUESTA A TIERRA
13mm DE DIÁMETRO X 3m DE LARGO
COMO MÍNIMO
PARA COLOCACIÓN DEL TABLERO
VER ESPECIFICACIÓN MT-1
BASE DE MEDICIÓN INTEGRAL, TIPO
ENCHUFE, 5 CONTACTOS, 100A, 240V,
CON INTERRUPTOR TERMOMAGNÉTICO
2 POLOS,1 TIRO, 240V.
IMPORTANTE
SE DEBERÁ IDENTIFICAR EL TABLERO
CON NOMBRE, No. DE SOLICITUD Y
DIRECCIÓN EN FORMA VISIBLE
JULIO 2004
TABLERO BIFÁSICO 2F, 3H, ESTRELLA, 127-220 V, CARGAS HASTA 24 kW.
0
LA CAPACIDAD DEL INTERRUPTOR,
EL CALIBRE DE LOS CONDUCTORES Y
LOS DIÁMETROS DE TUBERÍA Y MUFA, SE
CALCULARÁN EN BASE A LA NORMA OFICIAL
MEXICANA DE INSTALACIONES ELÉCTRICAS
NEUTRO
SECUENCIA ABC
*7
0,2m
0,2m
0,1m
3m
*6
ELECTRODO PARA PUESTA A
TIERRA 13mm DE DIÁMETRO Y
3m DE LARGO COMO MÍNIMO
(VER ESPECIF. M-100).
*5
*7 .-
*6 .-
*5 .-
*4 .-
*2 .-
NOTAS:
"FASE ALTA"
*4 (SIST. DELTA)
1,6m
PARA COLOCACIÓN DE TABLERO
VER ESPECIFICACIÓN MT-5
JULIO 2004
TABLERO POLIFÁSICO 3F-4H-DELTA ó ESTRELLA, CARGAS
HASTA 60 kW EN 240V Y HASTA 120 kW EN 480V.
BASE DE MEDICIÓN INTEGRAL , TIPO
ENCHUFE, 7 CONTACTOS, 100 ó 200A, 600V,
CON INTERRUPTOR TERMOMAGNÉTICO
INTEGRADO DE 3 POLOS, 1 TIRO, 240/480V.
* 3
ES OPCIONAL INSTALAR LA BASE Y EL
INTERRUPTOR EN FORMA SEPARADA
SIN ESCALA
ACOTACIONES EN METROS
CONECTOR A
PRUEBA DE
AGUA
MONITORES
4 SELLOS MÍNIMO, TIPO ROTO-SEAL EN LADOS
OPUESTOS EN CADA SECCIÓN DEL DUCTO Y EN
LOS EXTREMOS
CONECTOR BIPARTIDO DE COBRE CON CINTA
DE RELLENO Y AISLANTE EN TODAS LAS
DERIVACIONES DE ALAMBRADO DE DUCTO
CAJA, CONECTORES Y CANALIZACIONES HERMÉTICOS A LA LLUVIA.
ELECTRODO PARA PUESTA A
TIERRA 13mm DE DIÁMETRO POR
3m DE LARGO COMO MÍNIMO
NIVEL DE
PISO
1,6m
0,1m 0,1m 0,1m
0,075m
0,05m
2,95m
CONEXIÓN A TIERRA
SIMILAR A DETALLE
IZQUIERDO.
NOTAS:
PARA ALAMBRADO Y CANALIZACIÓN DE
TABLEROS,VER ESPECIFICACIÓN DE MEDICIÓN
M-1 , M-2 , M-3.
CADA TABLERO DEBE ESTAR MARCADO
PERMANENTEMENTE CON EL NÚMERO DE
LOCAL CORRESPONDIENTE.
PARA CONEXIÓN A TIERRA DEBE DE
HABER 2 ELECTRODOS COMO MÍNIMO.
LOS CONDUCTORES A LOS CENTROS DE
CARGA NO DEBEN PASAR POR EL DUCTO DE
ALIMENTACIÓN DE LAS BASES.
1.-
2.-
3.-
4.-
GRAPA DE CONEXIÓN A TIERRA
CON TORNILLO OPRESOR DE BRONCE
A LOS CENTROS DE CARGA.
EN ALIMENTACIÓN
2F-3H-ESTRELLA INCOMPLETA
INSTALAR 5ta. CLAVIJA EN
LAS BASES DE MEDICIÓN.
0,075m
0,05m
2,95m
ELECTRODO PARA PUESTA A
TIERRA 13mm DE DIÁMETRO POR
3m DE LARGO COMO MÍNIMO
NIVEL DE PISO
GRAPA DE CONEXIÓN A TIERRA
CON TORNILLO OPRESOR DE BRONCE.
4 SELLOS MÍNIMO, TIPO ROTO-SEAL EN LADOS
OPUESTOS EN CADA SECCIÓN DEL DUCTO Y EN
LOS EXTREMOS, 1 EN EL INTERRUPTOR DE LÍNEA
CONECTOR BIPARTIDO DE COBRE CON CINTA
DE RELLENO Y AISLANTE EN TODAS LAS
DERIVACIONES DE ALAMBRADO DEL DUCTO
SIN ESCALA
ACOTACIONES EN METROS
ACOMETIDA:
MÍNIMO 2 FASES
Y NEUTRO
CONECTOR A
PRUEBA DE
AGUA
CAJAS, CONECTORES Y CANALIZACIONES HERMÉTICAS A LA LLUVIA
CONEXIÓN A TIERRA
SIMILAR A DETALLE
DERECHO
NOTAS:
PARA ALAMBRADO Y CANALIZACIÓN DE
TABLEROS, VER ESPECIFICACIÓN DE MEDICIÓN
M-1 , M-2 , M-3.
1.-
CADA TABLERO DEBE ESTAR MARCADO
PERMANENTEMENTE CON EL NÚMERO DE
LOCAL CORRESPONDIENTE.
2.-
PARA CONEXIÓN A TIERRA DEBE DE
HABER 2 ELECTRODOS COMO MÍNIMO.
3.-
A LOS CENTROS DE CARGA
INTERRUPTOR
DE LÍNEA
LOS CONDUCTORES A LOS CENTROS DE CARGA NO
DEBEN PASAR POR EL DUCTO DE ALIMENTACIÓN DE
LAS BASES.
*
LA CAPACIDAD DEL INTERRUPTOR, EL CALIBRE DE LOS
CONDUCTORES Y LOS DIÁMETROS DE TUBERÍA Y MUFA, SE
CALCULARÁN EN BASE A LA NORMA OFICIAL MEXICANA DE
INSTALACIONES ELÉCTRICAS.
EN ALIMENTACIÓN
2F-3H-ESTRELLA INCOMPLETA
INSTALAR 5ta. CLAVIJA EN
LAS BASES DE MEDICIÓN.
JULIO 2004
0,075m
0,05m
2,95m
ELECTRODO PARA PUESTA A
TIERRA 13mm DE DIÁMETRO POR
3m DE LARGO COMO MÍNIMO
NIVEL DE PISO
GRAPA DE CONEXIÓN A TIERRA
CON TORNILLO OPRESOR DE BRONCE.
SIN ESCALA
ACOTACIONES EN METROS
CONECTOR A
PRUEBA DE
AGUA
CAJAS, CONECTORES Y CANALIZACIONES HERMÉTICAS A LA LLUVIA
CONEXIÓN A TIERRA,
SIMILAR A DETALLE
DERECHO
NOTAS:
PARA ALAMBRADO Y CANALIZACIÓN DE
TABLEROS,VER ESPECIFICACIÓN DE MEDICIÓN
M-1 , M-2 , M-4 Y M-5.
1.-
SI LA CONCENTRACIÓN SE ALIMENTA DE
UN BANCO 3F-4H-ESTRELLA, LA CARGA
DEBERÁ SER BALANCEADA EN LAS TRES
FASES Y EN LOS SERVICIOS DE 2F-3H SE
APLICARÁ LA ESPECIFICACIÓN M-3.
CADA TABLERO DEBE ESTAR MARCADO
PERMANENTEMENTE CON EL NÚMERO DE
LOCAL CORRESPONDIENTE.
2.-
PARA CONEXIÓN A TIERRA DEBE DE
HABER 2 ELECTRODOS COMO MÍNIMO.
4.-
3.-
A LOS CENTROS DE CARGA
INTERRUPTOR
DE LíNEA
LOS CONDUCTORES A LOS CENTROS DE CARGA NO
DEBEN PASAR POR EL DUCTO DE ALIMENTACIÓN
DE LAS BASES.
*
CONECTOR BIPARTIDO DE COBRE CON CINTA
DE RELLENO Y AISLANTE EN TODAS LAS
DERIVACIONES DE ALAMBRADO DEL DUCTO
LA CAPACIDAD DEL INTERRUPTOR, EL CALIBRE DE LOS
CONDUCTORES Y LOS DIÁMETROS DE TUBERÍA Y MUFA, SE
CALCULARÁN EN BASE A LA NORMA OFICIAL MEXICANA DE
INSTALACIONES ELÉCTRICAS.
4 SELLOS MÍNIMO, TIPO ROTO-SEAL EN LADOS
OPUESTOS EN CADA SECCIÓN DEL DUCTO Y EN
LOS EXTREMOS, 1 EN EL INTERRUPTOR DE LÍNEA
JULIO 2004
BASE PARA MEDIDOR
400 A, 600V.
TUBO CONDUIT O STEEL DE 13mm
BAJADA A TIERRA
*3
NOTAS
:
EN ÁREAS DE COSTA INSTALAR TUBO PVC CÉDULA 40 Y CAJA
PROTECTORA HERMÉTICA AL AGUA PARA MEDIDOR E
INTERRUPTOR.
LOS CONDUCTORES DEBEN SALIR 60 cm DE LA MUFA COMO
MÍNIMO.
* 2.-
* 1.-
PARA CONEXIÓN A TIERRA VER ESPECIFICACIÓN M-100.
* 3.-
LA TUBERÍA DEBE TENER SOPORTES PARA EVITAR ESFUERZOS
SOBRE LAS PAREDES DEL GABINETE.
* 4.-
1,6m
NIVEL DEL PISO
*2
*1 y *5
PARA COLOCACIÓN DEL TABLERO VER
ESPECIFICACIÓN MT-9
SECUENCIA
A-B-C
LA CAPACIDAD DEL INTERRUPTOR,
EL CALIBRE DE LOS CONDUCTORES Y
LOS DIÁMETROS DE TUBERÍA Y MUFA, SE
CALCULARÁN EN BASE A LA NORMA
OFICIAL
MEXICANA DE INSTALACIONES ELÉCTRICAS
"FASE ALTA"*5 (SIST. DELTA)
* 5.-
JULIO 2004
EN SISTEMA 3F-4H-DELTA EL VOLTAJE ENTRE LA FASE C (ALTA)
Y N ES DE 208V, APROX. DEBIENDO IDENTIFICARSE ESTE
CONDUCTOR CON COLO ROJO DE PREFERENCIA.
LA CAPACIDAD DEL INTERRUPTOR, EL CALIBRE DE LOS
CONDUCTORES Y LOS DIÁMETROS DE TUBERÍA Y MUFA, SE
CALCULARÁN EN BASE A LA NORMA OFICIAL MEXICANA DE
INSTALACIONES ELÉCTRICAS.
0,25
0,25 0,15
0,1 0,75 0,15
0,25
1,6
0,75
D
CARGA AL INTERRUPTOR
GENERAL
CONEXIÓN A LA
RED DE TIERRAS
A
F
F
F
A.-GABINETE PARA TC DE 75x75x30cm.
B.-BASE PARA MEDIDOR TIPO ENCHUFE DE 13 TERMINALES;
PREALAMBRADA CON TABLILLA DE PRUEBAS DE 10 POLOS Y
ARO TIPO CINCHO.
C.-TABLILLA DE PRUEBAS DE 10 POLOS.
D.-GRAPA DERIVADORA DE COBRE ATERRIZADA AL GABINETE.
F.-TC.TIPO INTERIOR 600V.
E.-UTILIZAR CABLE COLOR BLANCO CAL. 6 AWG.
DESCRIPCIÓN:
NOTAS:
LA TUBERÍA DEBE TENER SOPORTES
PARA EVITAR ESFUERZOS SOBRE LAS
PAREDES DEL GABINETE.
*2.-
PARA CONEXIÓN A TIERRA Y CALIBRES
VER ESPECIFICACIÓN M-100.
*1.-
PARA DETALLES DE GABINETES DE T.C'S Y
TABLILLA DE PRUEBAS VER ESPECIFICACIÓN
M-101.
*3.-
*1
*2
SECUENCIA
A - B - C
JULIO 2004
E
C
B
SECUENCIA
A - B - C
VER NOTA 1
NOTA 1:
SE DEBERÁ UNIR EL RETORNO DE LAS CORRIENTES
AL NEUTRO DE LA CARGA CON CONECTOR BIPARTIDO
DE COBRE; SIN CORTAR EL CABLE
JULIO 2004
L
EL SISTEMA DE MEDICIÓN POR MEDIO DE TOTALIZADORES TIENE LAS MISMAS
CARACTERÍSTICAS QUE SE INDICAN EN LA ESPECIFICACIÓN M-10:
- SE PODRÁN UTILIZAR DE 2 A 3 MURETES (MT-10) DE ACUERDO A LA UBICACIÓN Y NÚMERO DE BANCOS DE
TRANSFORMACIÓN QUE SE REQUIERA MEDIR.
D
- LA CANALIZACIÓN PARA EL CABLEADO DE LA SEÑAL DE PULSOS DEBERÁ SER DE TUBO CONDUIT, STEEL O PVC
SEGÚN SE REQUIERA.
A
- LA DISTANCIA MÁXIMA ENTRE EL MEDIDOR TOTALIZADOR Y EL RESTO DE LOS EQUIPOS DE MEDICIÓN NO DEBE
EXCEDER DE 30 METROS.
B
- PARA LA ALIMENTACIÓN DE PULSOS SE UTILIZARÁN 3 CONDUCTORES THW-LS, CALIBRE No.18 AWG, EN COLORES
AMARILLO, ROJO, Y NEGRO RESPECTIVAMENTE.
C
MEDICIÓN EN BAJA TENSIÓN CON MEDIDOR TOTALIZADOR
NOTA A
NOTA B
N O T A S
JULIO 2004
D
F
F
D
D
F
F
E
E
E
MEDICIÓN EN MEDIA TENSIÓN, 3 FASES 4 HILOS, HASTA 34,5 kV.
G
A
A
A
B
B
B
C
C
C
DESCRIPCIÓN:
A.- CUCHILLAS SECCIONADORAS DE
OPERACIÓN EN GRUPO PARA
CARGAS MAYORES DE 500 kW.
B.- CORTACIRCUITO FUSIBLE.
C.- APARTARRAYOS.
D.- TP'S TIPO INTEMPERIE.
E.- TC'S TIPO INTEMPERIE.
G.- BASE PARA MEDIDOR TIPO ENCHUFE DE 13
TERMINALES; PREALAMBRADA CON
TABLILLA DE PRUEBAS DE 10 POLOS Y
ARO TIPO CINCHO. DE ACUERDO A
ESPECIFICACIÓN CFE-GWH00-11.
H.- TABLILLA DE PRUEBAS DE 10 POLOS.
TUBO CONDUIT,PVC, O FLEXIBLE CON
CONECTORES Y ACCESORIOS
HERMÉTICOS AL AGUA.
F.-
NOTAS:
1.- PARA CONEXIÓN A TIERRA VER ESPECIFICACIÓN M-100.
3.- LAS DISTANCIAS ENTRE LOS TRANSF. DE INSTRUMENTO SON
DE CENTRO A CENTRO (Y).
2.- EN ÁREAS DE COSTA SE DEBERÁ INSTALAR TUBO PVC.
X
X
Y
Y
ACOMETIDA
A LA CARGA
4.- PARA CABLEADO SECUNDARIO VER ESPECIFICACIÓN M-15A.
5.- LA DISTANCIA ENTRE CONDUCTOR Y ESTRUCTURA SERÁ (X).
6.- DONDE EXISTA NEUTRO CORRIDO EN LA RED DE
DISTRIBUCIÓN, DEBERÁ UNIRSE ÉSTE AL NEUTRO DE LOS
TRANSFORMADORES DE POTENCIAL.
*6
JULIO 2004
32mm DIAM.
(1¬")
RED DE TIERRAS
H
DISTANCIAS
MÍNIMAS EN METROS
X
Y
13,8kV 34,5kV
0,4
0,7
0,6
0,9
DIAGRAMA DE CONEXIONES PARA MEDICIÓN DE SUMINISTROS
EN MEDIA TENSIÓN 3F-4H-ESTRELLA.
1 2 3 4 5 7 7
8
6
TRANSFORMADORES DE POTENCIAL
TRANSFORMADORES DE CORRIENTE
A B C
TABLILLA DE PRUEBAS
DE 10 POLOS
1.-
2.-
3.-
4.-
5.-
6.-
7.-
8.-
NARANJA
AMARILLO
VERDE
GRIS
ROJO
NEGRO
AZUL
BLANCO
C O L O R E S
N O T A S :
PARA EL CABLEADO SECUNDARIO UTILIZAR CABLE DE COBRE MONOPOLAR THW-LS 90ø CALIBRE #10 AWG.
A.-
LAS CONEXIONES A LOS BORNES SECUNDARIOS DE LOS TRANSFORMADORES DE MEDICIÓN DEBERÁN HACERSE
UTILIZANDO ZAPATAS PONCHABLES, TIPO CERRADO.
B.-
LAS CONEXIONES A TIERRA DE LOS TP'S Y TC'S, DEBERÁN SER INDEPENDIENTES Y CON CABLE DE COBRE
DESNUDO # 2 AWG, CONTÍNUO.
C.-
SIN ESCALA
E1 E2 E3 N I1 I2 I3
S2
S1
DETALLE DE CONEXIÓN EN
BORNES SECUNDARIOS DE
TC'S. Y TP'S.
DETALLE DE CONEXIÓNES
A TIERRA EN TP'S DE 2
BOQUILLAS.
EL USUARIO INSTALARÁ EL CABLEADO Y HARÁ LAS CONEXIONES EN LOS BORNES SECUNDARIOS DE
LOS TC'S Y TP'S.
C.F.E. HARÁ LAS CONEXIONES EN LA TABLILLA DE PRUEBA Y BASE DE MEDICIÓN.
E.-
A LA RED DE TIERRAS
NOTA C
H1
H2 H2 H2
H1 H1
CONEXIÓN AL
NEUTRO DEL
CIRCUITO DE
DISTRIBUCIÓN
H1 H2 P1 P2 P1 P2 P1 P2
JULIO 2004
NOTA D
D.- UTILIZAR CABLE COLOR BLANCO CAL. 6 AWG.
DIAGRAMA DE CONEXIONES PARA MEDICIÓN DE SUMINISTROS
EN A.T. 3F-4H-ESTRELLA CON TENSIÓN DE SUMINISTRO IGUAL O MAYOR A 69 kV.
1 2 3 4 5 7 7
8
6
TRANSFORMADORES DE POTENCIAL
TRANSFORMADORES DE CORRIENTE
A B C
TABLILLA DE PRUEBAS
DE 10 POLOS
1.-
2.-
3.-
4.-
5.-
6.-
7.-
8.-
NARANJA
AMARILLO
VERDE
GRIS
ROJO
NEGRO
AZUL
BLANCO
C O L O R E S
N O T A S :
PARA EL CABLEADO SECUNDARIO UTILIZAR CABLE BLINDADO THW-LS 90ø CALIBRE #10 AWG MÍNIMO.
A.-
LAS CONEXIONES A LOS BORNES SECUNDARIOS DE LOS TRANSFORMADORES DE MEDICIÓN DEBERÁN HACERSE
UTILIZANDO ZAPATAS PONCHABLES, TIPO CERRADO.
B.-
LAS CONEXIONES A TIERRA DE LOS TP'S Y TC'S, DEBERÁN SER INDEPENDIENTES Y CON CABLE DE COBRE
DESNUDO # 2 AWG, CONTÍNUO.
C.-
SIN ESCALA
E1 E2 E3 N I1 I2 I3
S2
S1
DETALLE DE CONEXIÓN EN
BORNES SECUNDARIOS DE
TC'S. Y TP'S.
EL USUARIO INSTALARÁ EL CABLEADO Y HARÁ LAS CONEXIONES EN LOS BORNES SECUNDARIOS DE
LOS TC'S Y TP'S.
C.F.E. HARÁ LAS CONEXIONES EN LA TABLILLA DE PRUEBA Y BASE DE MEDICIÓN.
E.-
A LA RED DE TIERRAS
NOTA C
H1
H2 H2 H2
H1 H1
CONEXIÓN AL
NEUTRO DEL
CIRCUITO DE
DISTRIBUCIÓN
P1 P2 P1 P2 P1 P2
JULIO 2004
NOTA D
D.- UTILIZAR CABLE COLOR BLANCO CAL. 6 AWG.
ELECTRODO PARA PUESTA A TIERRA
13mm DE DIÁMETRO X 3m DE LARGO
COMO MÍNIMO
NIVEL DE PISO
1,6m
TUBO METÁLICO GALVANIZADO
O PVC AL REGISTRO DE CFE,
VER DIÁMETRO EN TABLA
MONITOR
TUBO CONDUIT O
STEEL DE 13mm
ABRAZADERA
AL CENTRO
DE CARGA *2
CONECTOR
2,95m
SIN ESCALA
ACOTACIÓN EN METROS
FASE
NEUTRO
*1
PARA COLOCACIÓN DEL TABLERO
VER ESPECIFICACIÓN ST-1
BASE DE MEDICIÓN INTEGRAL,
PARA SUBTERRÁNEO, TIPO
ENCHUFE, 4 CONTACTOS 100A.
120/240V CON INTERRUPTOR
TERMOMAGNÉTICO DE 1 POLO
SE DEBERÁ IDENTIFICAR EL TABLERO
CON NOMBRE, No. DE SOLICITUD Y
DIRECCIÓN EN FORMA VISIBLE
IMPORTANTE
JULIO 2004
TABLERO MONOFÁSICO 1F, 2H, 120/127 V, CARGAS HASTA 10 kW.
S-1
NOTAS:
*1.- NEUTRO DE PASO A TIERRA
SIN CORTAR
*2.- SE DEBERÁ CONTINUAR CON
EL MISMO CALIBRE HASTA EL
CENTRO DE CARGA
( FASES Y NEUTRO)
*3.- USAR GRAPA DE CONEXIÓN
A TIERRA CON TORNILLO
OPRESOR DE BRONCE.
*4.- EN CASO DE UTILIZAR ACOM.
XLP, SE DEBERÁ MODIFICAR
EL DIÁMETRO DE LA TUBERÍA
GRAPA DE CONEXIÓN
A TIERRA *3 0,05m
CARGA CAPACIDAD DIÁMETRO
CONECTADA INTERRUPTOR TUBO
Kw A FASE NEUTRO
0 - 7 30 8 8 3/4"
19 mm
7 - 10 60 4 6 1"
25 mm
* AISLAMIENTO TIPO THW-LS 90ºC
CALIBRE
CONDUCTORES *
ELECTRODO PARA PUESTA A TIERRA
13mm DE DIÁMETRO X 3m DE LARGO
COMO MÍNIMO
FASES
NIVEL DE PISO
1,6m
TUBO METÁLICO GALVANIZADO
O PVC AL REGISTRO DE CFE,
VER DIÁMETRO EN TABLA
MONITOR
TUBO CONDUIT O
STEEL DE 13mm
ABRAZADERA
AL CENTRO
DE CARGA *2
CONECTOR
2,95m
SIN ESCALA
ACOTACIÓN EN METROS
NEUTRO
*1
PARA COLOCACIÓN DEL TABLERO
VER ESPECIFICACIÓN ST-1
BASE DE MEDICIÓN INTEGRAL,
PARA SUBTERRÁNEO, TIPO
ENCHUFE, 4 CONTACTOS 100A.
120/240V CON INTERRUPTOR
TERMOMAGNÉTICO DE 2 POLOS,
1 TIRO, 240V.
SE DEBERÁ IDENTIFICAR EL TABLERO
CON NOMBRE, No. DE SOLICITUD Y
DIRECCIÓN EN FORMA VISIBLE
IMPORTANTE
JULIO 2004
TABLERO MONOFÁSICO 1F, 3H, 120-240 V, CARGAS HASTA 24 kW.
S-2
NOTAS:
*1.- NEUTRO DE PASO A TIERRA
SIN CORTAR
*2.- SE DEBERÁ CONTINUAR CON
EL MISMO CALIBRE HASTA EL
CENTRO DE CARGA
( FASES Y NEUTRO)
*3.- USAR GRAPA DE CONEXIÓN
A TIERRA CON TORNILLO
OPRESOR DE BRONCE.
*4.- EN CASO DE UTILIZAR ACOM.
XLP, SE DEBERÁ MODIFICAR
EL DIÁMETRO DE LA TUBERÍA
GRAPA DE CONEXIÓN
A TIERRA *3 0,05m
CARGA CAPACIDAD DIÁMETRO
CONECTADA INTERRUPTOR TUBO
Kw A FASE NEUTRO
0 - 7 30 8 8 3/4"
19 mm
7 - 14 60 4 6 1"
25 mm
14 - 24 100 2 4 1 1/4"
32 mm
* AISLAMIENTO TIPO THW-LS 90ºC
CALIBRE
CONDUCTORES *
ELECTRODO PARA PUESTA A TIERRA
13mm DE DIÁMETRO X 3m DE LARGO
COMO MÍNIMO
FASES
NIVEL DE PISO
1,6m
TUBO METÁLICO GALVANIZADO
O PVC AL REGISTRO DE CFE,
VER DIÁMETRO EN TABLA
MONITOR
TUBO CONDUIT O
STEEL DE 13mm
ABRAZADERA
AL CENTRO
DE CARGA *2
CONECTOR
2,95m
SIN ESCALA
ACOTACIÓN EN METROS
NEUTRO
*1
PARA COLOCACIÓN DEL TABLERO
VER ESPECIFICACIÓN ST-1
BASE DE MEDICIÓN INTEGRAL,
PARA SUBTERRÁNEO, TIPO
ENCHUFE, 4 CONTACTOS 100A.
120/240V CON INTERRUPTOR
TERMOMAGNÉTICO DE 2 POLOS,
1 TIRO, 240V.
SE DEBERÁ IDENTIFICAR EL TABLERO
CON NOMBRE, No. DE SOLICITUD Y
DIRECCIÓN EN FORMA VISIBLE
IMPORTANTE
JULIO 2004
TABLERO MONOFÁSICO 2F, 3H, 127-220 V, CARGAS HASTA 24 kW.
S-3
NOTAS:
*1.- NEUTRO DE PASO A TIERRA
SIN CORTAR
*2.- SE DEBERÁ CONTINUAR CON
EL MISMO CALIBRE HASTA EL
CENTRO DE CARGA
( FASES Y NEUTRO)
*3.- USAR GRAPA DE CONEXIÓN
A TIERRA CON TORNILLO
OPRESOR DE BRONCE.
*4.- EN CASO DE UTILIZAR ACOM.
XLP, SE DEBERÁ MODIFICAR
EL DIÁMETRO DE LA TUBERÍA
GRAPA DE CONEXIÓN
A TIERRA *3 0,05m
CARGA CAPACIDAD DIÁMETRO
CONECTADA INTERRUPTOR TUBO
Kw A FASE NEUTRO
0 - 7 30 8 8 3/4"
19 mm
0 - 14 60 4 6 1"
25 mm
14 - 24 100 2 4 1 1/4"
32 mm
* AISLAMIENTO TIPO THW-LS 90ºC
CALIBRE
CONDUCTORES *
DEPARTAMENTO DE MEDICIÓN Y SERVICIOS
DIVISIÓN BAJA CALIFORNIA
ESPECIFICACIONES
DE
CONSTRUCCIÓN
DEPARTAMENTO DE MEDICIÓN Y SERVICIOS
DIVISIÓN BAJA CALIFORNIA
ESPECIFICACIONES DE CONSTRUCCIÓN
M-1 SOPORTE PARA TABLERO MONOFÁSICO Ó POLIFÁSICO, CARGAS HASTA 24 kW.
MT-2 SOPORTE PARA TABLERO DÚPLEX, 2 Ó 3 HILOS.
MT-5 MURETE CON TABLERO PARA SERVICIO POLIFÁSICO, CARGAS MAYORES DE 25 kW.
MT-6 MURETE Y SOPORTE DE ACOMETIDA PARA USO EN CONCENTRACIONES DE MEDIDORES
MT-9 MURETE DE MEDICIÓN PARA SUMINISTROS CON CARGAS DE 60 kW HASTA 120 kW EN 240V
Y DE 120 kW HASTA 250 kW EN 480V.
MT-10 MURETE PARA SUMINISTROS MEDIDOS EN BAJA TENSIÓN CON TC'S
MT-15 MURETE PARA SUMINISTROS MEDIDOS EN MEDIA Y ALTA TENSIÓN.
M-100 CONEXIÓN A TIERRA EN TABLEROS DE MEDICIÓN.
M-101 GABINETES PARA TC'S,TABLILLA DE PRUEBAS Y RELEVADOR DE AISLAMIENTO.
ST-1 SOPORTE PARA TABLERO MONOFÁSICO Ó POLIFÁSICO, CARGAS HASTA 24 kW,
RED SUBTERRÁNEA.
ST-2 SOPORTE PARA TABLERO DUPLEX MONOFÁSICO Ó POLIFÁSICO,
CARGAS HASTA 24 kW, RED SUBTERRÁNEA.
0,1m
0,15m
0,3m
0,5m
0,8m
0,1m
0,4m AL CENTRO DE CARGA
SI EL FRENTE DE LA
EDIFICACIÓN ESTÁ EN EL
LÍMITE DE PROPIEDAD CON
LA ALTURA NECESARIA,SE
PODRÁ UTILIZAR PARA
SOPORTAR LA ACOMETIDA.
INSTALAR TABLERO FRENTE
LÍMITE DE
AL LÍMITE DE PROPIEDAD
0,4m
AISLADOR DE CARRETE CON
BASTIDOR ATORNILLADO
SIN ESCALA
ACOTACIONES EN METROS
4,80m
Ó
5,50m
1,6m
0,6m
0,3m
0,5m
0,8m
0,1m
0,4m
*
*4,80m SI LA POSTERIA ESTA POR
LA ACERA DEL MISMO LADO.
5,50m SI LA POSTERIA ESTA POR LA
ACERA CONTRARIA.
VISTA DE FRENTE VISTA DE PERFIL
AISLADOR DE SERVICIO
CON ABRAZADERA
SOPORTE TUBO DE FIERRO GALVANIZADO DE
63,5 mm (MÍNIMO) PARED GRUESA (CÉDULA 40)
Ó TUBO NEGRO PROTEGIDO CON 2 CAPAS DE
PINTURA ANTICORROSIVA Y TAPÓN EN LA
PARTE SUPERIOR.
EN ÁREAS DE COSTA INSTALAR TAPA
Ó CAJA PROTECTORA A PRUEBA DE
HUMEDAD PARA MEDIDOR E
INTERRUPTOR.
JULIO 2004
0,1m
0,15m
0,3m
0,8m
0,1m
0,3m
0,5m
0,8m
0,1m
0,4m AL CENTRO DE CARGA
SI EL FRENTE DE LA
EDIFICACIÓN ESTÁ EN EL
LÍMITE DE PROPIEDAD CON
LA ALTURA NECESARIA,SE
PODRÁ UTILIZAR PARA
SOPORTAR LA ACOMETIDA.
INSTALAR TABLERO FRENTE
AL LÍMITE DE DE PROPIEDAD
0,6m
AISLADOR DE CARRETE CON
BASTIDOR ATORNILLADO
SIN ESCALA
ACOTACIONES EN METROS
4,80m
Ó
5,50m
1,6m
0,4m
*
*4,80m SI LA POSTERÍA ESTÁ POR
LA ACERA DEL MISMO LADO.
5,50m SI LA POSTERÍA ESTÁ POR LA
ACERA CONTRARIA.
AISLADOR DE SERVICIO
CON ABRAZADERA
SOPORTE TUBO DE FIERRO GALVANIZADO DE
63,5 mm (MÍNIMO) PARED GRUESA (CÉDULA 40)
Ó TUBO NEGRO PROTEGIDO CON 2 CAPAS DE
PINTURA ANTICORROSIVA Y TAPÓN EN LA
PARTE SUPERIOR.
EN AREAS DE COSTA INSTALAR TAPA
Ó CAJA PROTECTORA A PRUEBA DE
HUMEDAD PARA MEDIDOR E
INTERRUPTOR.
JULIO 2004
0,10m
0,75m
1,15 m
1,6m
0,1m
5,0m
1,0m
0,2m
AISLADOR CON ABRAZADERA
TUBO DE FIERRO GALVANIZADO DE PARED
GRUESA DE 76mm DIÁMETRO MIN.
ABRAZADERA DE FIERRO GALVANIZADO
FRENTE PERFIL
NOTAS:
EN ÁREAS DE COSTA SE DEBERÁ INSTALAR TAPA PROTECTORA
HERMÉTICA AL AGUA PARA MEDIDORES E INTERRUPTOR Y TUBO
PVC EN LA BAJADA AL TABLERO.
*
DEBERÁ SER CIMENTACIÓN REFORZADA CON VARILLAS
DE FIERRO.
*
AL CENTRO DE
CARGA
MEDIDOR
AUTOCONTENIDO
ESTADO SÓLIDO
kWh - kVArh - kW
NIVEL DE PISO
0,55m
TUBO SOPORTE DE ACOMETIDA
FIRMEMENTE ANCLADA A LA
CIMENTACIÓN DEL MURETE.
2,0m
JULIO 2004
INSTALAR MEDICIÓN FRENTE AL LÍMITE DE DE PROPIEDAD
*
4,80m
¢
5,50m
0,1m
0,15m
2,10m
1,60m
A LOS CENTROS DE CARGA
ABRAZADERA O
FLEJE GALVANIZADO
SIN ESCALA
ACOTACIONES EN METROS
A
B
SELLOS DE CFE
TUBO SOPORTE DE FIERRO GALVANIZADO DE 76mm (3"), PARED GRUESA
(CÉDULA 40) TUBO NEGRO PROTEGIDO CON 2 CAPAS DE PINTURA
ANTICORROSIVA Y TAPÓN EN LA PARTE SUPERIOR, FIRMEMENTE ANCLADO
EN LA CIMENTACIÓN DEL MURETE.
A.-
4,80m SI LA POSTERÍA ESTÁ POR LA ACERA DEL MISMO LADO.
5,50m SI LA POSTERÍA ESTÁ POR LA ACERA CONTRARIA.
B.-
INSTALAR MEDICIÓN FRENTE LÍMITE DE PROPIEDAD.
C.-
PARA CONCENTRACIÓN DE MEDIDORES SE REQUIEREN 2 ELECTRODOS PARA
PUESTA A TIERRA COMO MÍNIMO.
D.-
C
D
SI EL FRENTE DE LA EDIFICACIÓN ESTÁ EN
EL LMITE DE PROPIEDAD CON LA ALTURA
NECESARIA SE PODRÁ UTILIZAR PARA
SOPORTAR LA ACOMETIDA.
O,60m
JULIO 2004
0,10m
0,1m
1,20m
0,6m
5,0m
1,0m
FRENTE
A B
C
D
0,4m
0,2m
PLANTA
0,2m 0,2m
0,1m 0,1m
1,10m
C
DESCRIPCIÓN:
A.-BASE PARA MEDIDOR DE 400 A, 600 V.
B.-INTERRUPTOR GENERAL.
C.-TUBO DE FIERRO GALVANIZADO DE 76mm
PARED GRUESA.
D.-CANALIZACIÓN HACIA LA CARGA, CONDUCTORES
DEL MISMO CALIBRE DEL TABLERO.
NOTAS:
PARA DETALLE DE CONEXIÓN A TIERRA VER
ESPECIFICACIÓN M-100.
1.-
LAS DIMENSIONES DEL MURETE PUEDEN
VARIAR DE ACUERDO A LA DISPOSICIÓN DEL
EQUIPO (BASE DE MEDICIÓN, INTERRUPTOR,
ARRANCADOR, ETC.)
LA CONSTRUCCIÓN DE ESTOS MURETES SE HARÁ
CON BLOCK O LADRILLO Y CONCRETO ARMADO,
DEBIENDO TENER AL FRENTE UNA BANQUETA DE
1m DE ANCHO COMO MÍNIMO.
3.-
C
TUBO SOPORTE DE ACOMETIDA
FIRMEMENTE ANCLADA A LA
CIMENTACIÓN DEL MURETE.
JULIO 2004
D
0,1m
0,1m
0,75
m
0,1m
0,95
m
5,0m
1,0m
1,45
m
0,4m
0,4m
0,2m
FRENTE
PLANTA
DETALLE PUERTAS DEL TABLERO
RAZÓN SOCIAL
DIRECCIÓN
MEDIDORES
C.F.E
A
B
C
DESCRIPCIÓN:
GABINETE PARA TC. CON TAPA SELLABLE.
A.-
BASE PARA MEDIDOR TIPO ENCHUFE DE 13
TERMINALES, PREALAMBRADA CON TABLILLA
B.-
DE PRUEBAS DE 10 POLOS Y ARO TIPO CINCHO.
PUERTAS METÁLICAS PROTECTORAS DEL
EQUIPO DE MEDICIÓN, DEBERÁN LLEVAR
RECUBRIMIENTO ANTICORROSIVO Y
LEYENDAS PERMANENTES.
C.-
TUBO SOPORTE DE ACOMETIDA AÉREA DE
FIERRO GALVANIZADO DE 101mm(MÍNIMO)
PARED GRUESA.
D.-
DE ACUERDO A ESPECIFICACIÓN CFE-GWH00-11.
NOTAS:
PARA DETALLE DE CONEXIÓN A TIERRA VER
ESPECIFICACIÓN M-100.
1.-
DETALLE DE GABINETE PARA TC'S. EN ESPECIFICACION
M-101.
LA CONSTRUCCIÓN DE ESTOS MURETES SE HARÁ
CON BLOCK O LADRILLO Y CONCRETO ARMADO,
DEBIENDO TENER AL FRENTE UNA BANQUETA DE
1m DE ANCHO COMO MÍNIMO.
3.-
TUBO SOPORTE DE ACOMETIDA
FIRMEMENTE ANCLADA A LA
CIMENTACIÓN DEL MURETE.
1,6m
JULIO 2004
2.-
4.- INSTALAR MEDICIÓN FRENTE AL LÍMITE DE PROPIEDAD.
A
0,1m
0,8m
0,1m
1,0m
FRENTE
1,0m 0,2m
0,2m
0,2m
0,4m
PLANTA
DETALLE PUERTAS DEL TABLERO
RAZÓN SOCIAL
DIRECCIÓN
MEDIDORES
C.F.E
DESCRIPCIÓN:
A.- BASE PARA MEDIDOR TIPO ENCHUFE DE 13
B.-
C.- PUERTAS METÁLICAS PROTECTORAS DEL
EQUIPO DE MEDICIÓN, DEBERÁN LLEVAR
RECUBRIMIENTO ANTICORROSIVO Y
LEYENDAS PERMANENTES.
DE ACUERDO A ESPECIFICACIÓN CFE-GWH00-11
TUBERIA CONDUIT Ó PVC DE 32mm (1¬").
NOTAS:
PARA DETALLE DE CONEXIÓN A TIERRA VER
ESPECIFICACIÓN M-100.
1.-
LA CONSTRUCCIÓN DE ESTOS MURETES SE HARÁ
CON BLOCK O LADRILLO Y CONCRETO ARMADO,
DEBIENDO TENER AL FRENTE UNA BANQUETA DE
1m DE ANCHO COMO MÍNIMO.
2.-
C
B 1,6m
JULIO 2004
TERMINALES; PREALAMBRADA CON TABLILLA
DE PRUEBAS DE 10 POLOS Y ARO TIPO CINCHO.
3.- INSTALAR MEDICIÓN FRENTE AL LÍMITE DE PROPIEDAD.
D
FIG. 1
TABLERO MONOFÁSICO
FIG. 2
TABLERO POLIFÁSICO
0,2m
0,2m
0,22m
TAPA MATERIAL PLÁSTICO
0,22m
VISTA PLANTA VISTA LATERAL
TABLA DE CALIBRES DE CONDUCTORES
No. 2 ó menor
No. 1 a 1/0
No. 1/0 a 3/0
Mas de 350 hasta 600 MCM
Mas de 3/0 hasta 350 MCM
Mas de 600 hasta 1100 MCM
Mas de 1100 MCM
8
6
4
2
2/0
3/0
4/0
DETALLE REGISTRO TUBO PVC
DESCRIPCIÓN:
A.- CONTRATUERCAS Y MONITOR DE 13mm.
B.- TUBO CONDUIT DE 13mm.
C.- ABRAZADERA PARA TUBO CONDUIT.
GRAPA DE CONEXIÓN A TIERRA CON
TORNILLO OPRESOR DE BRONCE.
D.-
ELECTRODO DE ACERO CON CUBIERTA DE
COBRE. 13mm DE DIÁMETRO POR 3m DE
LARGO.
E.-
A
A
B
B
C
C
E
D
E
NOTAS:
EL CALIBRE MÍNIMO PERMITIDO PARA EL CONDUCTOR DE CONEXIÓN A TIERRA ES COBRE
No.8 AWG. Y DEBE PROTEGERSE CON TUBO CONDUIT.
1.-
EL VALOR DE LA RESISTENCIA DE TIERRA AL APLICAR EL "PROBADOR DE TIERRAS EN
SERVICIOS", NO DEBERÁ EXCEDER DE 25 ohms (PARA CASA HABITACIÓN,COMERCIO, O LOCALES
CONSIDERADOS COMO DE CONCENTRACIÓN PÚBLICA CON ACOMETIDAS EN BAJA TENSIÓN).
2.-
LA VARILLA DE TIERRA NO DEBE QUEDAR AHOGADA EN CEMENTO Y SE DEBERÁ LOCALIZAR
DONDE LA TIERRA SEA MÁS EFECTIVA.(BAJA RESISTIVIDAD).
3.-
SE DEBERÁ PROLONGAR LA REFERENCIA DE TIERRA A EL INTERIOR DE LA INSTALACIÓN, ES DECIR
DEBERÁ EXISTIR CONTINUIDAD ELÉCTRICA.
4.-
0,2m
0,2m
3m
0,1m
CONDUCTOR MAYOR
DEL SERVICIO
CONDUCTOR A TIERRA
(Cu)
JULIO 2004
GABINETE DE LÁMINA, CON TAPA SELLABLE PARA T.C. HERMÉTICA AL AGUA.
FIGURA No.1
*1
*3 *3
0,75m
0,3m
0,75m
*4 *4
*2
*3
0,5m
0,3m
0,15m
*4
GABINETE DE LÁMINA, CON TAPA SELLABLE PARA TABLILLA DE PRUEBAS. HERMÉTICA AL AGUA.
FIGURA No.2
*2
*3
*5
0,3m
0,3m
*4
FIGURA No.3
GABINETE PARA RELEVADOR DE AISLAMIENTO.
NOTAS:
CALIBRE MÍNIMO DE LÁMINA: 1,5mm GALVANIZADA.
*1.-
CALIBRE MÍNIMO DE LÁMINA: 0,75mm GALVANIZADA.
*2.-
TORNILLO GUÍA FIJO, GALVANIZADO CON PERFORACIÓN PARA SELLO.
*3.-
*4.- PERFORACIONES PARA PASO DE TORNILLO.
PARA USO EXCLUSIVO EN SUMINISTROS DONDE SE REQUIERAN
SALIDAS DE PULSOS KYZ Y FIN DE INTERVALO.
*5.-
JULIO 2004
JULIO 2004
ST-1
TUBO CONDUIT O STEEL
TUBO DE PVC
NOTAS:
1.- INSTALAR TABLERO DE MEDICIÓN AL LÍMITE DE PROPIEDAD.
2.- EN CASO DE INSTALAR TUBERÍA DE PVC DESDE LA BASE AL REGISTRO DE CFE Y/O AL CENTRO
DE CARGA, SE DEBERÁ PROTEGER LA TUBERÍA. (CON EL VISTO BUENO DEL DEPTO. DE MEDICIÓN)
SOPORTE PARA TABLERO MONOFÁSICO O POLIFÁSICO
CARGAS HASTA 24 Kw, RED SUBTERRÁNEA.
JULIO 2004
ST-2
TUBO CONDUIT O STEEL
TUBO DE PVC
NOTAS:
1.- INSTALAR TABLERO DE MEDICIÓN AL LÍMITE DE PROPIEDAD.
2.- EN CASO DE INSTALAR TUBERÍA DE PVC DESDE LA BASE AL REGISTRO DE CFE Y/O A LOS CENTROS
DE CARGA, SE DEBERÁ PROTEGER LA TUBERÍA. (CON EL VISTO BUENO DEL DEPTO. DE MEDICIÓN)
SOPORTE PARA TABLERO DUPLEX MONOFÁSICO O POLIFÁSICO
CARGAS HASTA 24 Kw, RED SUBTERRÁNEA.

NormaCFEMedicionBC.pdf

  • 1.
    DEPARTAMENTO DE MEDICIÓNY SERVICIOS WATTS VARS
  • 2.
    DEPARTAMENTO DE MEDICIÓNY SERVICIOS DIVISIÓN BAJA CALIFORNIA ESPECIFICACIONES PARA TABLEROS DE MEDICIÓN
  • 3.
    DEPARTAMENTO DE MEDICIÓNY SERVICIOS DIVISIÓN BAJA CALIFORNIA ESPECIFICACIONES PARA TABLEROS DE MEDICIÓN M-1 TABLERO MONOFÁSICO 1F, 2H, 120 V, CARGAS HASTA 10 kW. M-2 TABLERO MONOFÁSICO 1F, 3H, 240 V, CARGAS HASTA 24 kW. M-3 TABLERO BIFÁSICO 2F, 3H, ESTRELLA, 127-220 V, CARGAS HASTA 24 kW. M-5 TABLERO POLIFÁSICO, 3F-4H- DELTA Ó ESTRELLA, CARGAS HASTA 60 kW EN 240 V Y HASTA 120 kW EN 480V. M-6 CONCENTRACIÓN DE MEDIDORES, ALIMENTACIÓN MONOFÁSICA 1F-3H (120/240V) Ó 2F-3H-ESTRELLA INCOMPLETA (127/220V), CARGAS HASTA 24 kW. M-7 CONCENTRACIÓN DE MEDIDORES, ALIMENTACIÓN MONOFÁSICA 1F-3H (120/240V) Ó 2F-3H-ESTRELLA INCOMPLETA (127/220V), CARGAS DESDE 24 kW HASTA 100 kW, CON INTERRUPTOR DE LÍNEA. M-8 CONCENTRACIÓN DE MEDIDORES, ALIMENTACIÓN TRIFÁSICA 3F-4H-DELTA Ó ESTRELLA,(120/240 V) ¢ (127/220V), CON INTERRUPTOR DE LÍNEA. M-9 TABLERO POLIFÁSICO, 3F-4H- DELTA Ó ESTRELLA, CARGAS DE 60 kW HASTA 120 kW EN 240V Y DE 120 kW HASTA 250 kW EN 480V. M-10 TABLERO POLIFÁSICO, 3F-4H- DELTA Ó ESTRELLA, CON TCïS EN B.T. CARGAS DE 60 kW HASTA 1000 kW EN 240V Y DE 120 kW HASTA 2000 kW EN 480V. M-11 MEDICIÓN EN BAJA TENSIÓN CON MEDIDOR TOTALIZADOR M-15 MEDICIÓN EN MEDIA TENSIÓN, 3 FASES, 4 HILOS, HASTA 34,5 Kv . M-15A DIAGRAMA DE CONEXIONES PARA MEDICIÓN DE SUMINISTROS EN MEDIA TENSIÓN 3F-4H-ESTRELLA. S-1 TABLERO MONOFÁSICO 1F, 2H, 120 V, CARGAS HASTA 10 kW. RED SUBTERRÁNEA S-2 TABLERO MONOFÁSICO 1F, 3H, 120-240 V, CARGAS HASTA 24 kW. RED SUBTERRÁNEA S-3 TABLERO BIFÁSICO 2F, 3H, ESTRELLA, 127-220 V, CARGAS HASTA 24 kW. RED SUBTERRÁNEA
  • 4.
    1,6m *5 2,95m PARA COLOCACIÓN DELTABLERO VER ESPECIFICACIÓN MT-1 CON NOMBRE,No.DE SOLICITUD Y NIVEL DE PISO MUFA TIPO INTEMPERIE FASE FORRO NEGRO NEUTRO FORRO BLANCO *1 ABRAZADERA GALVANIZADA TUBO METÁLICO GALVANIZADO VER DIÁMETRO EN TABLA *2 CONECTOR A PRUEBA DE AGUA MONITOR CONECTOR TUBO CONDUIT O STEEL DE 13mm. ABRAZADERA AL CENTRO DE CARGA *4 SIN ESCALA ACOTACIONES EN METROS FASE NEUTRO DE PASO A TIERRA SIN CORTAR ELECTRODO PARA PUESTA A TIERRA 13mm DE DIÁMETRO X 3m DE LARGO COMO MÍNIMO SE DEBERA IDENTIFICAR EL TABLERO DIRECCIÓN EN FORMA VISIBLE IMPORTANTE CON NOMBRE, No. DE SOLICITUD Y JULIO 2004 10 * AISLAMIENTO TIPO THW-LS 90ºC 7 7 - 10 60 4 6 1” 25 mm *3 BASE DE MEDICIÓN INTEGRAL, TIPO ENCHUFE, 4 CONTACTOS, 100A, 240V, CON INTERRUPTOR TERMOMAGNÉTICO 1 POLO,120V. NOTAS: *1.- LOS CONDUCTORES DEBEN SALIR 60 cm DE LA MUFA MÍNIMO *2.- EN ÁREAS TIPO COSTA INSTALAR TUBO PVC. *3.- OPCIONALMENTE SE PUEDE INSTA- LAR INTERRUPTOR SEPARADO DE LA BASE. *4.- SE DEBERÁ CONTINUAR CON EL MISMO CALIBRE HASTA EL CENTRO DE CARGA ( FASES Y NEUTRO). *5.- USAR GRAPA DE CONEXIÓN A TIERRA CON TORNILLO OPRESOR DE BRONCE.
  • 5.
    NIVEL DE PISO 1,6m MUFATIPO INTEMPERIE FASES FORRO NEGRO NEUTRO FORRO BLANCO *1 ABRAZADERA GALVANIZADA TUBO METÁLICO GALVANIZADO VER DIÁMETRO EN TABLA *2 CONECTOR A PRUEBA DE AGUA MONITOR TUBO CONDUIT O STEEL DE 13mm ABRAZADERA AL CENTRO DE CARGA *4 *5 CONECTOR 2,95m SIN ESCALA ACOTACIONES EN METROS FASES NEUTRO DE PASO A TIERRA SIN CORTAR *4.- NOTAS: *1.- *2.- *3.- *5.- ELECTRODO PARA PUESTA A TIERRA 13mm DE DIÁMETRO X 3m DE LARGO COMO MÍNIMO PARA COLOCACIÓN DEL TABLERO VER ESPECIFICACIÓN MT-1 *3 BASE DE MEDICIÓN INTEGRAL, TIPO ENCHUFE, 4 CONTACTOS, 100A, 240V, CON INTERRUPTOR TERMOMAGNÉTICO 2 POLOS,1 TIRO, 240V. SE DEBERÁ IDENTIFICAR EL TABLERO CON NOMBRE, No. DE SOLICITUD Y DIRECCIÓN EN FORMA VISIBLE IMPORTANTE JULIO 2004 TABLERO MONOFÁSICO 1F, 3H, 240 V, CARGAS HASTA 24 Kw.
  • 6.
    NIVEL DE PISO 1,6m MUFATIPO INTEMPERIE FASES FORRO NEGRO NEUTRO FORRO BLANCO *1 ABRAZADERA GALVANIZADA TUBO METÁLICO GALVANIZADO VER DIÁMETRO EN TABLA *2 CONECTOR A PRUEBA DE AGUA *3 MONITOR TUBO CONDUIT O STEEL DE 13mm ABRAZADERA AL CENTRO DE CARGA *4 *5 CONECTOR 2,95m SIN ESCALA ACOTACIONES EN METROS FASES NEUTRO DE PASO A TIERRA SIN CORTAR DE PASO A TIERRA SIN CORTAR *1.- *4.- *3.- *2.- NOTAS: *5.- ELECTRODO PARA PUESTA A TIERRA 13mm DE DIÁMETRO X 3m DE LARGO COMO MÍNIMO PARA COLOCACIÓN DEL TABLERO VER ESPECIFICACIÓN MT-1 BASE DE MEDICIÓN INTEGRAL, TIPO ENCHUFE, 5 CONTACTOS, 100A, 240V, CON INTERRUPTOR TERMOMAGNÉTICO 2 POLOS,1 TIRO, 240V. IMPORTANTE SE DEBERÁ IDENTIFICAR EL TABLERO CON NOMBRE, No. DE SOLICITUD Y DIRECCIÓN EN FORMA VISIBLE JULIO 2004 TABLERO BIFÁSICO 2F, 3H, ESTRELLA, 127-220 V, CARGAS HASTA 24 kW. 0
  • 7.
    LA CAPACIDAD DELINTERRUPTOR, EL CALIBRE DE LOS CONDUCTORES Y LOS DIÁMETROS DE TUBERÍA Y MUFA, SE CALCULARÁN EN BASE A LA NORMA OFICIAL MEXICANA DE INSTALACIONES ELÉCTRICAS NEUTRO SECUENCIA ABC *7 0,2m 0,2m 0,1m 3m *6 ELECTRODO PARA PUESTA A TIERRA 13mm DE DIÁMETRO Y 3m DE LARGO COMO MÍNIMO (VER ESPECIF. M-100). *5 *7 .- *6 .- *5 .- *4 .- *2 .- NOTAS: "FASE ALTA" *4 (SIST. DELTA) 1,6m PARA COLOCACIÓN DE TABLERO VER ESPECIFICACIÓN MT-5 JULIO 2004 TABLERO POLIFÁSICO 3F-4H-DELTA ó ESTRELLA, CARGAS HASTA 60 kW EN 240V Y HASTA 120 kW EN 480V. BASE DE MEDICIÓN INTEGRAL , TIPO ENCHUFE, 7 CONTACTOS, 100 ó 200A, 600V, CON INTERRUPTOR TERMOMAGNÉTICO INTEGRADO DE 3 POLOS, 1 TIRO, 240/480V. * 3 ES OPCIONAL INSTALAR LA BASE Y EL INTERRUPTOR EN FORMA SEPARADA
  • 8.
    SIN ESCALA ACOTACIONES ENMETROS CONECTOR A PRUEBA DE AGUA MONITORES 4 SELLOS MÍNIMO, TIPO ROTO-SEAL EN LADOS OPUESTOS EN CADA SECCIÓN DEL DUCTO Y EN LOS EXTREMOS CONECTOR BIPARTIDO DE COBRE CON CINTA DE RELLENO Y AISLANTE EN TODAS LAS DERIVACIONES DE ALAMBRADO DE DUCTO CAJA, CONECTORES Y CANALIZACIONES HERMÉTICOS A LA LLUVIA. ELECTRODO PARA PUESTA A TIERRA 13mm DE DIÁMETRO POR 3m DE LARGO COMO MÍNIMO NIVEL DE PISO 1,6m 0,1m 0,1m 0,1m 0,075m 0,05m 2,95m CONEXIÓN A TIERRA SIMILAR A DETALLE IZQUIERDO. NOTAS: PARA ALAMBRADO Y CANALIZACIÓN DE TABLEROS,VER ESPECIFICACIÓN DE MEDICIÓN M-1 , M-2 , M-3. CADA TABLERO DEBE ESTAR MARCADO PERMANENTEMENTE CON EL NÚMERO DE LOCAL CORRESPONDIENTE. PARA CONEXIÓN A TIERRA DEBE DE HABER 2 ELECTRODOS COMO MÍNIMO. LOS CONDUCTORES A LOS CENTROS DE CARGA NO DEBEN PASAR POR EL DUCTO DE ALIMENTACIÓN DE LAS BASES. 1.- 2.- 3.- 4.- GRAPA DE CONEXIÓN A TIERRA CON TORNILLO OPRESOR DE BRONCE A LOS CENTROS DE CARGA. EN ALIMENTACIÓN 2F-3H-ESTRELLA INCOMPLETA INSTALAR 5ta. CLAVIJA EN LAS BASES DE MEDICIÓN.
  • 9.
    0,075m 0,05m 2,95m ELECTRODO PARA PUESTAA TIERRA 13mm DE DIÁMETRO POR 3m DE LARGO COMO MÍNIMO NIVEL DE PISO GRAPA DE CONEXIÓN A TIERRA CON TORNILLO OPRESOR DE BRONCE. 4 SELLOS MÍNIMO, TIPO ROTO-SEAL EN LADOS OPUESTOS EN CADA SECCIÓN DEL DUCTO Y EN LOS EXTREMOS, 1 EN EL INTERRUPTOR DE LÍNEA CONECTOR BIPARTIDO DE COBRE CON CINTA DE RELLENO Y AISLANTE EN TODAS LAS DERIVACIONES DE ALAMBRADO DEL DUCTO SIN ESCALA ACOTACIONES EN METROS ACOMETIDA: MÍNIMO 2 FASES Y NEUTRO CONECTOR A PRUEBA DE AGUA CAJAS, CONECTORES Y CANALIZACIONES HERMÉTICAS A LA LLUVIA CONEXIÓN A TIERRA SIMILAR A DETALLE DERECHO NOTAS: PARA ALAMBRADO Y CANALIZACIÓN DE TABLEROS, VER ESPECIFICACIÓN DE MEDICIÓN M-1 , M-2 , M-3. 1.- CADA TABLERO DEBE ESTAR MARCADO PERMANENTEMENTE CON EL NÚMERO DE LOCAL CORRESPONDIENTE. 2.- PARA CONEXIÓN A TIERRA DEBE DE HABER 2 ELECTRODOS COMO MÍNIMO. 3.- A LOS CENTROS DE CARGA INTERRUPTOR DE LÍNEA LOS CONDUCTORES A LOS CENTROS DE CARGA NO DEBEN PASAR POR EL DUCTO DE ALIMENTACIÓN DE LAS BASES. * LA CAPACIDAD DEL INTERRUPTOR, EL CALIBRE DE LOS CONDUCTORES Y LOS DIÁMETROS DE TUBERÍA Y MUFA, SE CALCULARÁN EN BASE A LA NORMA OFICIAL MEXICANA DE INSTALACIONES ELÉCTRICAS. EN ALIMENTACIÓN 2F-3H-ESTRELLA INCOMPLETA INSTALAR 5ta. CLAVIJA EN LAS BASES DE MEDICIÓN. JULIO 2004
  • 10.
    0,075m 0,05m 2,95m ELECTRODO PARA PUESTAA TIERRA 13mm DE DIÁMETRO POR 3m DE LARGO COMO MÍNIMO NIVEL DE PISO GRAPA DE CONEXIÓN A TIERRA CON TORNILLO OPRESOR DE BRONCE. SIN ESCALA ACOTACIONES EN METROS CONECTOR A PRUEBA DE AGUA CAJAS, CONECTORES Y CANALIZACIONES HERMÉTICAS A LA LLUVIA CONEXIÓN A TIERRA, SIMILAR A DETALLE DERECHO NOTAS: PARA ALAMBRADO Y CANALIZACIÓN DE TABLEROS,VER ESPECIFICACIÓN DE MEDICIÓN M-1 , M-2 , M-4 Y M-5. 1.- SI LA CONCENTRACIÓN SE ALIMENTA DE UN BANCO 3F-4H-ESTRELLA, LA CARGA DEBERÁ SER BALANCEADA EN LAS TRES FASES Y EN LOS SERVICIOS DE 2F-3H SE APLICARÁ LA ESPECIFICACIÓN M-3. CADA TABLERO DEBE ESTAR MARCADO PERMANENTEMENTE CON EL NÚMERO DE LOCAL CORRESPONDIENTE. 2.- PARA CONEXIÓN A TIERRA DEBE DE HABER 2 ELECTRODOS COMO MÍNIMO. 4.- 3.- A LOS CENTROS DE CARGA INTERRUPTOR DE LíNEA LOS CONDUCTORES A LOS CENTROS DE CARGA NO DEBEN PASAR POR EL DUCTO DE ALIMENTACIÓN DE LAS BASES. * CONECTOR BIPARTIDO DE COBRE CON CINTA DE RELLENO Y AISLANTE EN TODAS LAS DERIVACIONES DE ALAMBRADO DEL DUCTO LA CAPACIDAD DEL INTERRUPTOR, EL CALIBRE DE LOS CONDUCTORES Y LOS DIÁMETROS DE TUBERÍA Y MUFA, SE CALCULARÁN EN BASE A LA NORMA OFICIAL MEXICANA DE INSTALACIONES ELÉCTRICAS. 4 SELLOS MÍNIMO, TIPO ROTO-SEAL EN LADOS OPUESTOS EN CADA SECCIÓN DEL DUCTO Y EN LOS EXTREMOS, 1 EN EL INTERRUPTOR DE LÍNEA JULIO 2004
  • 11.
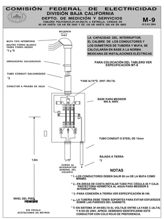
    BASE PARA MEDIDOR 400A, 600V. TUBO CONDUIT O STEEL DE 13mm BAJADA A TIERRA *3 NOTAS : EN ÁREAS DE COSTA INSTALAR TUBO PVC CÉDULA 40 Y CAJA PROTECTORA HERMÉTICA AL AGUA PARA MEDIDOR E INTERRUPTOR. LOS CONDUCTORES DEBEN SALIR 60 cm DE LA MUFA COMO MÍNIMO. * 2.- * 1.- PARA CONEXIÓN A TIERRA VER ESPECIFICACIÓN M-100. * 3.- LA TUBERÍA DEBE TENER SOPORTES PARA EVITAR ESFUERZOS SOBRE LAS PAREDES DEL GABINETE. * 4.- 1,6m NIVEL DEL PISO *2 *1 y *5 PARA COLOCACIÓN DEL TABLERO VER ESPECIFICACIÓN MT-9 SECUENCIA A-B-C LA CAPACIDAD DEL INTERRUPTOR, EL CALIBRE DE LOS CONDUCTORES Y LOS DIÁMETROS DE TUBERÍA Y MUFA, SE CALCULARÁN EN BASE A LA NORMA OFICIAL MEXICANA DE INSTALACIONES ELÉCTRICAS "FASE ALTA"*5 (SIST. DELTA) * 5.- JULIO 2004 EN SISTEMA 3F-4H-DELTA EL VOLTAJE ENTRE LA FASE C (ALTA) Y N ES DE 208V, APROX. DEBIENDO IDENTIFICARSE ESTE CONDUCTOR CON COLO ROJO DE PREFERENCIA.
  • 12.
    LA CAPACIDAD DELINTERRUPTOR, EL CALIBRE DE LOS CONDUCTORES Y LOS DIÁMETROS DE TUBERÍA Y MUFA, SE CALCULARÁN EN BASE A LA NORMA OFICIAL MEXICANA DE INSTALACIONES ELÉCTRICAS. 0,25 0,25 0,15 0,1 0,75 0,15 0,25 1,6 0,75 D CARGA AL INTERRUPTOR GENERAL CONEXIÓN A LA RED DE TIERRAS A F F F A.-GABINETE PARA TC DE 75x75x30cm. B.-BASE PARA MEDIDOR TIPO ENCHUFE DE 13 TERMINALES; PREALAMBRADA CON TABLILLA DE PRUEBAS DE 10 POLOS Y ARO TIPO CINCHO. C.-TABLILLA DE PRUEBAS DE 10 POLOS. D.-GRAPA DERIVADORA DE COBRE ATERRIZADA AL GABINETE. F.-TC.TIPO INTERIOR 600V. E.-UTILIZAR CABLE COLOR BLANCO CAL. 6 AWG. DESCRIPCIÓN: NOTAS: LA TUBERÍA DEBE TENER SOPORTES PARA EVITAR ESFUERZOS SOBRE LAS PAREDES DEL GABINETE. *2.- PARA CONEXIÓN A TIERRA Y CALIBRES VER ESPECIFICACIÓN M-100. *1.- PARA DETALLES DE GABINETES DE T.C'S Y TABLILLA DE PRUEBAS VER ESPECIFICACIÓN M-101. *3.- *1 *2 SECUENCIA A - B - C JULIO 2004 E C B
  • 13.
    SECUENCIA A - B- C VER NOTA 1 NOTA 1: SE DEBERÁ UNIR EL RETORNO DE LAS CORRIENTES AL NEUTRO DE LA CARGA CON CONECTOR BIPARTIDO DE COBRE; SIN CORTAR EL CABLE JULIO 2004
  • 14.
    L EL SISTEMA DEMEDICIÓN POR MEDIO DE TOTALIZADORES TIENE LAS MISMAS CARACTERÍSTICAS QUE SE INDICAN EN LA ESPECIFICACIÓN M-10: - SE PODRÁN UTILIZAR DE 2 A 3 MURETES (MT-10) DE ACUERDO A LA UBICACIÓN Y NÚMERO DE BANCOS DE TRANSFORMACIÓN QUE SE REQUIERA MEDIR. D - LA CANALIZACIÓN PARA EL CABLEADO DE LA SEÑAL DE PULSOS DEBERÁ SER DE TUBO CONDUIT, STEEL O PVC SEGÚN SE REQUIERA. A - LA DISTANCIA MÁXIMA ENTRE EL MEDIDOR TOTALIZADOR Y EL RESTO DE LOS EQUIPOS DE MEDICIÓN NO DEBE EXCEDER DE 30 METROS. B - PARA LA ALIMENTACIÓN DE PULSOS SE UTILIZARÁN 3 CONDUCTORES THW-LS, CALIBRE No.18 AWG, EN COLORES AMARILLO, ROJO, Y NEGRO RESPECTIVAMENTE. C MEDICIÓN EN BAJA TENSIÓN CON MEDIDOR TOTALIZADOR NOTA A NOTA B N O T A S JULIO 2004
  • 15.
    D F F D D F F E E E MEDICIÓN EN MEDIATENSIÓN, 3 FASES 4 HILOS, HASTA 34,5 kV. G A A A B B B C C C DESCRIPCIÓN: A.- CUCHILLAS SECCIONADORAS DE OPERACIÓN EN GRUPO PARA CARGAS MAYORES DE 500 kW. B.- CORTACIRCUITO FUSIBLE. C.- APARTARRAYOS. D.- TP'S TIPO INTEMPERIE. E.- TC'S TIPO INTEMPERIE. G.- BASE PARA MEDIDOR TIPO ENCHUFE DE 13 TERMINALES; PREALAMBRADA CON TABLILLA DE PRUEBAS DE 10 POLOS Y ARO TIPO CINCHO. DE ACUERDO A ESPECIFICACIÓN CFE-GWH00-11. H.- TABLILLA DE PRUEBAS DE 10 POLOS. TUBO CONDUIT,PVC, O FLEXIBLE CON CONECTORES Y ACCESORIOS HERMÉTICOS AL AGUA. F.- NOTAS: 1.- PARA CONEXIÓN A TIERRA VER ESPECIFICACIÓN M-100. 3.- LAS DISTANCIAS ENTRE LOS TRANSF. DE INSTRUMENTO SON DE CENTRO A CENTRO (Y). 2.- EN ÁREAS DE COSTA SE DEBERÁ INSTALAR TUBO PVC. X X Y Y ACOMETIDA A LA CARGA 4.- PARA CABLEADO SECUNDARIO VER ESPECIFICACIÓN M-15A. 5.- LA DISTANCIA ENTRE CONDUCTOR Y ESTRUCTURA SERÁ (X). 6.- DONDE EXISTA NEUTRO CORRIDO EN LA RED DE DISTRIBUCIÓN, DEBERÁ UNIRSE ÉSTE AL NEUTRO DE LOS TRANSFORMADORES DE POTENCIAL. *6 JULIO 2004 32mm DIAM. (1¬") RED DE TIERRAS H DISTANCIAS MÍNIMAS EN METROS X Y 13,8kV 34,5kV 0,4 0,7 0,6 0,9
  • 16.
    DIAGRAMA DE CONEXIONESPARA MEDICIÓN DE SUMINISTROS EN MEDIA TENSIÓN 3F-4H-ESTRELLA. 1 2 3 4 5 7 7 8 6 TRANSFORMADORES DE POTENCIAL TRANSFORMADORES DE CORRIENTE A B C TABLILLA DE PRUEBAS DE 10 POLOS 1.- 2.- 3.- 4.- 5.- 6.- 7.- 8.- NARANJA AMARILLO VERDE GRIS ROJO NEGRO AZUL BLANCO C O L O R E S N O T A S : PARA EL CABLEADO SECUNDARIO UTILIZAR CABLE DE COBRE MONOPOLAR THW-LS 90ø CALIBRE #10 AWG. A.- LAS CONEXIONES A LOS BORNES SECUNDARIOS DE LOS TRANSFORMADORES DE MEDICIÓN DEBERÁN HACERSE UTILIZANDO ZAPATAS PONCHABLES, TIPO CERRADO. B.- LAS CONEXIONES A TIERRA DE LOS TP'S Y TC'S, DEBERÁN SER INDEPENDIENTES Y CON CABLE DE COBRE DESNUDO # 2 AWG, CONTÍNUO. C.- SIN ESCALA E1 E2 E3 N I1 I2 I3 S2 S1 DETALLE DE CONEXIÓN EN BORNES SECUNDARIOS DE TC'S. Y TP'S. DETALLE DE CONEXIÓNES A TIERRA EN TP'S DE 2 BOQUILLAS. EL USUARIO INSTALARÁ EL CABLEADO Y HARÁ LAS CONEXIONES EN LOS BORNES SECUNDARIOS DE LOS TC'S Y TP'S. C.F.E. HARÁ LAS CONEXIONES EN LA TABLILLA DE PRUEBA Y BASE DE MEDICIÓN. E.- A LA RED DE TIERRAS NOTA C H1 H2 H2 H2 H1 H1 CONEXIÓN AL NEUTRO DEL CIRCUITO DE DISTRIBUCIÓN H1 H2 P1 P2 P1 P2 P1 P2 JULIO 2004 NOTA D D.- UTILIZAR CABLE COLOR BLANCO CAL. 6 AWG.
  • 17.
    DIAGRAMA DE CONEXIONESPARA MEDICIÓN DE SUMINISTROS EN A.T. 3F-4H-ESTRELLA CON TENSIÓN DE SUMINISTRO IGUAL O MAYOR A 69 kV. 1 2 3 4 5 7 7 8 6 TRANSFORMADORES DE POTENCIAL TRANSFORMADORES DE CORRIENTE A B C TABLILLA DE PRUEBAS DE 10 POLOS 1.- 2.- 3.- 4.- 5.- 6.- 7.- 8.- NARANJA AMARILLO VERDE GRIS ROJO NEGRO AZUL BLANCO C O L O R E S N O T A S : PARA EL CABLEADO SECUNDARIO UTILIZAR CABLE BLINDADO THW-LS 90ø CALIBRE #10 AWG MÍNIMO. A.- LAS CONEXIONES A LOS BORNES SECUNDARIOS DE LOS TRANSFORMADORES DE MEDICIÓN DEBERÁN HACERSE UTILIZANDO ZAPATAS PONCHABLES, TIPO CERRADO. B.- LAS CONEXIONES A TIERRA DE LOS TP'S Y TC'S, DEBERÁN SER INDEPENDIENTES Y CON CABLE DE COBRE DESNUDO # 2 AWG, CONTÍNUO. C.- SIN ESCALA E1 E2 E3 N I1 I2 I3 S2 S1 DETALLE DE CONEXIÓN EN BORNES SECUNDARIOS DE TC'S. Y TP'S. EL USUARIO INSTALARÁ EL CABLEADO Y HARÁ LAS CONEXIONES EN LOS BORNES SECUNDARIOS DE LOS TC'S Y TP'S. C.F.E. HARÁ LAS CONEXIONES EN LA TABLILLA DE PRUEBA Y BASE DE MEDICIÓN. E.- A LA RED DE TIERRAS NOTA C H1 H2 H2 H2 H1 H1 CONEXIÓN AL NEUTRO DEL CIRCUITO DE DISTRIBUCIÓN P1 P2 P1 P2 P1 P2 JULIO 2004 NOTA D D.- UTILIZAR CABLE COLOR BLANCO CAL. 6 AWG.
  • 18.
    ELECTRODO PARA PUESTAA TIERRA 13mm DE DIÁMETRO X 3m DE LARGO COMO MÍNIMO NIVEL DE PISO 1,6m TUBO METÁLICO GALVANIZADO O PVC AL REGISTRO DE CFE, VER DIÁMETRO EN TABLA MONITOR TUBO CONDUIT O STEEL DE 13mm ABRAZADERA AL CENTRO DE CARGA *2 CONECTOR 2,95m SIN ESCALA ACOTACIÓN EN METROS FASE NEUTRO *1 PARA COLOCACIÓN DEL TABLERO VER ESPECIFICACIÓN ST-1 BASE DE MEDICIÓN INTEGRAL, PARA SUBTERRÁNEO, TIPO ENCHUFE, 4 CONTACTOS 100A. 120/240V CON INTERRUPTOR TERMOMAGNÉTICO DE 1 POLO SE DEBERÁ IDENTIFICAR EL TABLERO CON NOMBRE, No. DE SOLICITUD Y DIRECCIÓN EN FORMA VISIBLE IMPORTANTE JULIO 2004 TABLERO MONOFÁSICO 1F, 2H, 120/127 V, CARGAS HASTA 10 kW. S-1 NOTAS: *1.- NEUTRO DE PASO A TIERRA SIN CORTAR *2.- SE DEBERÁ CONTINUAR CON EL MISMO CALIBRE HASTA EL CENTRO DE CARGA ( FASES Y NEUTRO) *3.- USAR GRAPA DE CONEXIÓN A TIERRA CON TORNILLO OPRESOR DE BRONCE. *4.- EN CASO DE UTILIZAR ACOM. XLP, SE DEBERÁ MODIFICAR EL DIÁMETRO DE LA TUBERÍA GRAPA DE CONEXIÓN A TIERRA *3 0,05m CARGA CAPACIDAD DIÁMETRO CONECTADA INTERRUPTOR TUBO Kw A FASE NEUTRO 0 - 7 30 8 8 3/4" 19 mm 7 - 10 60 4 6 1" 25 mm * AISLAMIENTO TIPO THW-LS 90ºC CALIBRE CONDUCTORES *
  • 19.
    ELECTRODO PARA PUESTAA TIERRA 13mm DE DIÁMETRO X 3m DE LARGO COMO MÍNIMO FASES NIVEL DE PISO 1,6m TUBO METÁLICO GALVANIZADO O PVC AL REGISTRO DE CFE, VER DIÁMETRO EN TABLA MONITOR TUBO CONDUIT O STEEL DE 13mm ABRAZADERA AL CENTRO DE CARGA *2 CONECTOR 2,95m SIN ESCALA ACOTACIÓN EN METROS NEUTRO *1 PARA COLOCACIÓN DEL TABLERO VER ESPECIFICACIÓN ST-1 BASE DE MEDICIÓN INTEGRAL, PARA SUBTERRÁNEO, TIPO ENCHUFE, 4 CONTACTOS 100A. 120/240V CON INTERRUPTOR TERMOMAGNÉTICO DE 2 POLOS, 1 TIRO, 240V. SE DEBERÁ IDENTIFICAR EL TABLERO CON NOMBRE, No. DE SOLICITUD Y DIRECCIÓN EN FORMA VISIBLE IMPORTANTE JULIO 2004 TABLERO MONOFÁSICO 1F, 3H, 120-240 V, CARGAS HASTA 24 kW. S-2 NOTAS: *1.- NEUTRO DE PASO A TIERRA SIN CORTAR *2.- SE DEBERÁ CONTINUAR CON EL MISMO CALIBRE HASTA EL CENTRO DE CARGA ( FASES Y NEUTRO) *3.- USAR GRAPA DE CONEXIÓN A TIERRA CON TORNILLO OPRESOR DE BRONCE. *4.- EN CASO DE UTILIZAR ACOM. XLP, SE DEBERÁ MODIFICAR EL DIÁMETRO DE LA TUBERÍA GRAPA DE CONEXIÓN A TIERRA *3 0,05m CARGA CAPACIDAD DIÁMETRO CONECTADA INTERRUPTOR TUBO Kw A FASE NEUTRO 0 - 7 30 8 8 3/4" 19 mm 7 - 14 60 4 6 1" 25 mm 14 - 24 100 2 4 1 1/4" 32 mm * AISLAMIENTO TIPO THW-LS 90ºC CALIBRE CONDUCTORES *
  • 20.
    ELECTRODO PARA PUESTAA TIERRA 13mm DE DIÁMETRO X 3m DE LARGO COMO MÍNIMO FASES NIVEL DE PISO 1,6m TUBO METÁLICO GALVANIZADO O PVC AL REGISTRO DE CFE, VER DIÁMETRO EN TABLA MONITOR TUBO CONDUIT O STEEL DE 13mm ABRAZADERA AL CENTRO DE CARGA *2 CONECTOR 2,95m SIN ESCALA ACOTACIÓN EN METROS NEUTRO *1 PARA COLOCACIÓN DEL TABLERO VER ESPECIFICACIÓN ST-1 BASE DE MEDICIÓN INTEGRAL, PARA SUBTERRÁNEO, TIPO ENCHUFE, 4 CONTACTOS 100A. 120/240V CON INTERRUPTOR TERMOMAGNÉTICO DE 2 POLOS, 1 TIRO, 240V. SE DEBERÁ IDENTIFICAR EL TABLERO CON NOMBRE, No. DE SOLICITUD Y DIRECCIÓN EN FORMA VISIBLE IMPORTANTE JULIO 2004 TABLERO MONOFÁSICO 2F, 3H, 127-220 V, CARGAS HASTA 24 kW. S-3 NOTAS: *1.- NEUTRO DE PASO A TIERRA SIN CORTAR *2.- SE DEBERÁ CONTINUAR CON EL MISMO CALIBRE HASTA EL CENTRO DE CARGA ( FASES Y NEUTRO) *3.- USAR GRAPA DE CONEXIÓN A TIERRA CON TORNILLO OPRESOR DE BRONCE. *4.- EN CASO DE UTILIZAR ACOM. XLP, SE DEBERÁ MODIFICAR EL DIÁMETRO DE LA TUBERÍA GRAPA DE CONEXIÓN A TIERRA *3 0,05m CARGA CAPACIDAD DIÁMETRO CONECTADA INTERRUPTOR TUBO Kw A FASE NEUTRO 0 - 7 30 8 8 3/4" 19 mm 0 - 14 60 4 6 1" 25 mm 14 - 24 100 2 4 1 1/4" 32 mm * AISLAMIENTO TIPO THW-LS 90ºC CALIBRE CONDUCTORES *
  • 21.
    DEPARTAMENTO DE MEDICIÓNY SERVICIOS DIVISIÓN BAJA CALIFORNIA ESPECIFICACIONES DE CONSTRUCCIÓN
  • 22.
    DEPARTAMENTO DE MEDICIÓNY SERVICIOS DIVISIÓN BAJA CALIFORNIA ESPECIFICACIONES DE CONSTRUCCIÓN M-1 SOPORTE PARA TABLERO MONOFÁSICO Ó POLIFÁSICO, CARGAS HASTA 24 kW. MT-2 SOPORTE PARA TABLERO DÚPLEX, 2 Ó 3 HILOS. MT-5 MURETE CON TABLERO PARA SERVICIO POLIFÁSICO, CARGAS MAYORES DE 25 kW. MT-6 MURETE Y SOPORTE DE ACOMETIDA PARA USO EN CONCENTRACIONES DE MEDIDORES MT-9 MURETE DE MEDICIÓN PARA SUMINISTROS CON CARGAS DE 60 kW HASTA 120 kW EN 240V Y DE 120 kW HASTA 250 kW EN 480V. MT-10 MURETE PARA SUMINISTROS MEDIDOS EN BAJA TENSIÓN CON TC'S MT-15 MURETE PARA SUMINISTROS MEDIDOS EN MEDIA Y ALTA TENSIÓN. M-100 CONEXIÓN A TIERRA EN TABLEROS DE MEDICIÓN. M-101 GABINETES PARA TC'S,TABLILLA DE PRUEBAS Y RELEVADOR DE AISLAMIENTO. ST-1 SOPORTE PARA TABLERO MONOFÁSICO Ó POLIFÁSICO, CARGAS HASTA 24 kW, RED SUBTERRÁNEA. ST-2 SOPORTE PARA TABLERO DUPLEX MONOFÁSICO Ó POLIFÁSICO, CARGAS HASTA 24 kW, RED SUBTERRÁNEA.
  • 23.
    0,1m 0,15m 0,3m 0,5m 0,8m 0,1m 0,4m AL CENTRODE CARGA SI EL FRENTE DE LA EDIFICACIÓN ESTÁ EN EL LÍMITE DE PROPIEDAD CON LA ALTURA NECESARIA,SE PODRÁ UTILIZAR PARA SOPORTAR LA ACOMETIDA. INSTALAR TABLERO FRENTE LÍMITE DE AL LÍMITE DE PROPIEDAD 0,4m AISLADOR DE CARRETE CON BASTIDOR ATORNILLADO SIN ESCALA ACOTACIONES EN METROS 4,80m Ó 5,50m 1,6m 0,6m 0,3m 0,5m 0,8m 0,1m 0,4m * *4,80m SI LA POSTERIA ESTA POR LA ACERA DEL MISMO LADO. 5,50m SI LA POSTERIA ESTA POR LA ACERA CONTRARIA. VISTA DE FRENTE VISTA DE PERFIL AISLADOR DE SERVICIO CON ABRAZADERA SOPORTE TUBO DE FIERRO GALVANIZADO DE 63,5 mm (MÍNIMO) PARED GRUESA (CÉDULA 40) Ó TUBO NEGRO PROTEGIDO CON 2 CAPAS DE PINTURA ANTICORROSIVA Y TAPÓN EN LA PARTE SUPERIOR. EN ÁREAS DE COSTA INSTALAR TAPA Ó CAJA PROTECTORA A PRUEBA DE HUMEDAD PARA MEDIDOR E INTERRUPTOR. JULIO 2004
  • 24.
    0,1m 0,15m 0,3m 0,8m 0,1m 0,3m 0,5m 0,8m 0,1m 0,4m AL CENTRODE CARGA SI EL FRENTE DE LA EDIFICACIÓN ESTÁ EN EL LÍMITE DE PROPIEDAD CON LA ALTURA NECESARIA,SE PODRÁ UTILIZAR PARA SOPORTAR LA ACOMETIDA. INSTALAR TABLERO FRENTE AL LÍMITE DE DE PROPIEDAD 0,6m AISLADOR DE CARRETE CON BASTIDOR ATORNILLADO SIN ESCALA ACOTACIONES EN METROS 4,80m Ó 5,50m 1,6m 0,4m * *4,80m SI LA POSTERÍA ESTÁ POR LA ACERA DEL MISMO LADO. 5,50m SI LA POSTERÍA ESTÁ POR LA ACERA CONTRARIA. AISLADOR DE SERVICIO CON ABRAZADERA SOPORTE TUBO DE FIERRO GALVANIZADO DE 63,5 mm (MÍNIMO) PARED GRUESA (CÉDULA 40) Ó TUBO NEGRO PROTEGIDO CON 2 CAPAS DE PINTURA ANTICORROSIVA Y TAPÓN EN LA PARTE SUPERIOR. EN AREAS DE COSTA INSTALAR TAPA Ó CAJA PROTECTORA A PRUEBA DE HUMEDAD PARA MEDIDOR E INTERRUPTOR. JULIO 2004
  • 25.
    0,10m 0,75m 1,15 m 1,6m 0,1m 5,0m 1,0m 0,2m AISLADOR CONABRAZADERA TUBO DE FIERRO GALVANIZADO DE PARED GRUESA DE 76mm DIÁMETRO MIN. ABRAZADERA DE FIERRO GALVANIZADO FRENTE PERFIL NOTAS: EN ÁREAS DE COSTA SE DEBERÁ INSTALAR TAPA PROTECTORA HERMÉTICA AL AGUA PARA MEDIDORES E INTERRUPTOR Y TUBO PVC EN LA BAJADA AL TABLERO. * DEBERÁ SER CIMENTACIÓN REFORZADA CON VARILLAS DE FIERRO. * AL CENTRO DE CARGA MEDIDOR AUTOCONTENIDO ESTADO SÓLIDO kWh - kVArh - kW NIVEL DE PISO 0,55m TUBO SOPORTE DE ACOMETIDA FIRMEMENTE ANCLADA A LA CIMENTACIÓN DEL MURETE. 2,0m JULIO 2004 INSTALAR MEDICIÓN FRENTE AL LÍMITE DE DE PROPIEDAD *
  • 26.
    4,80m ¢ 5,50m 0,1m 0,15m 2,10m 1,60m A LOS CENTROSDE CARGA ABRAZADERA O FLEJE GALVANIZADO SIN ESCALA ACOTACIONES EN METROS A B SELLOS DE CFE TUBO SOPORTE DE FIERRO GALVANIZADO DE 76mm (3"), PARED GRUESA (CÉDULA 40) TUBO NEGRO PROTEGIDO CON 2 CAPAS DE PINTURA ANTICORROSIVA Y TAPÓN EN LA PARTE SUPERIOR, FIRMEMENTE ANCLADO EN LA CIMENTACIÓN DEL MURETE. A.- 4,80m SI LA POSTERÍA ESTÁ POR LA ACERA DEL MISMO LADO. 5,50m SI LA POSTERÍA ESTÁ POR LA ACERA CONTRARIA. B.- INSTALAR MEDICIÓN FRENTE LÍMITE DE PROPIEDAD. C.- PARA CONCENTRACIÓN DE MEDIDORES SE REQUIEREN 2 ELECTRODOS PARA PUESTA A TIERRA COMO MÍNIMO. D.- C D SI EL FRENTE DE LA EDIFICACIÓN ESTÁ EN EL LMITE DE PROPIEDAD CON LA ALTURA NECESARIA SE PODRÁ UTILIZAR PARA SOPORTAR LA ACOMETIDA. O,60m JULIO 2004
  • 27.
    0,10m 0,1m 1,20m 0,6m 5,0m 1,0m FRENTE A B C D 0,4m 0,2m PLANTA 0,2m 0,2m 0,1m0,1m 1,10m C DESCRIPCIÓN: A.-BASE PARA MEDIDOR DE 400 A, 600 V. B.-INTERRUPTOR GENERAL. C.-TUBO DE FIERRO GALVANIZADO DE 76mm PARED GRUESA. D.-CANALIZACIÓN HACIA LA CARGA, CONDUCTORES DEL MISMO CALIBRE DEL TABLERO. NOTAS: PARA DETALLE DE CONEXIÓN A TIERRA VER ESPECIFICACIÓN M-100. 1.- LAS DIMENSIONES DEL MURETE PUEDEN VARIAR DE ACUERDO A LA DISPOSICIÓN DEL EQUIPO (BASE DE MEDICIÓN, INTERRUPTOR, ARRANCADOR, ETC.) LA CONSTRUCCIÓN DE ESTOS MURETES SE HARÁ CON BLOCK O LADRILLO Y CONCRETO ARMADO, DEBIENDO TENER AL FRENTE UNA BANQUETA DE 1m DE ANCHO COMO MÍNIMO. 3.- C TUBO SOPORTE DE ACOMETIDA FIRMEMENTE ANCLADA A LA CIMENTACIÓN DEL MURETE. JULIO 2004
  • 28.
    D 0,1m 0,1m 0,75 m 0,1m 0,95 m 5,0m 1,0m 1,45 m 0,4m 0,4m 0,2m FRENTE PLANTA DETALLE PUERTAS DELTABLERO RAZÓN SOCIAL DIRECCIÓN MEDIDORES C.F.E A B C DESCRIPCIÓN: GABINETE PARA TC. CON TAPA SELLABLE. A.- BASE PARA MEDIDOR TIPO ENCHUFE DE 13 TERMINALES, PREALAMBRADA CON TABLILLA B.- DE PRUEBAS DE 10 POLOS Y ARO TIPO CINCHO. PUERTAS METÁLICAS PROTECTORAS DEL EQUIPO DE MEDICIÓN, DEBERÁN LLEVAR RECUBRIMIENTO ANTICORROSIVO Y LEYENDAS PERMANENTES. C.- TUBO SOPORTE DE ACOMETIDA AÉREA DE FIERRO GALVANIZADO DE 101mm(MÍNIMO) PARED GRUESA. D.- DE ACUERDO A ESPECIFICACIÓN CFE-GWH00-11. NOTAS: PARA DETALLE DE CONEXIÓN A TIERRA VER ESPECIFICACIÓN M-100. 1.- DETALLE DE GABINETE PARA TC'S. EN ESPECIFICACION M-101. LA CONSTRUCCIÓN DE ESTOS MURETES SE HARÁ CON BLOCK O LADRILLO Y CONCRETO ARMADO, DEBIENDO TENER AL FRENTE UNA BANQUETA DE 1m DE ANCHO COMO MÍNIMO. 3.- TUBO SOPORTE DE ACOMETIDA FIRMEMENTE ANCLADA A LA CIMENTACIÓN DEL MURETE. 1,6m JULIO 2004 2.- 4.- INSTALAR MEDICIÓN FRENTE AL LÍMITE DE PROPIEDAD.
  • 29.
    A 0,1m 0,8m 0,1m 1,0m FRENTE 1,0m 0,2m 0,2m 0,2m 0,4m PLANTA DETALLE PUERTASDEL TABLERO RAZÓN SOCIAL DIRECCIÓN MEDIDORES C.F.E DESCRIPCIÓN: A.- BASE PARA MEDIDOR TIPO ENCHUFE DE 13 B.- C.- PUERTAS METÁLICAS PROTECTORAS DEL EQUIPO DE MEDICIÓN, DEBERÁN LLEVAR RECUBRIMIENTO ANTICORROSIVO Y LEYENDAS PERMANENTES. DE ACUERDO A ESPECIFICACIÓN CFE-GWH00-11 TUBERIA CONDUIT Ó PVC DE 32mm (1¬"). NOTAS: PARA DETALLE DE CONEXIÓN A TIERRA VER ESPECIFICACIÓN M-100. 1.- LA CONSTRUCCIÓN DE ESTOS MURETES SE HARÁ CON BLOCK O LADRILLO Y CONCRETO ARMADO, DEBIENDO TENER AL FRENTE UNA BANQUETA DE 1m DE ANCHO COMO MÍNIMO. 2.- C B 1,6m JULIO 2004 TERMINALES; PREALAMBRADA CON TABLILLA DE PRUEBAS DE 10 POLOS Y ARO TIPO CINCHO. 3.- INSTALAR MEDICIÓN FRENTE AL LÍMITE DE PROPIEDAD.
  • 30.
    D FIG. 1 TABLERO MONOFÁSICO FIG.2 TABLERO POLIFÁSICO 0,2m 0,2m 0,22m TAPA MATERIAL PLÁSTICO 0,22m VISTA PLANTA VISTA LATERAL TABLA DE CALIBRES DE CONDUCTORES No. 2 ó menor No. 1 a 1/0 No. 1/0 a 3/0 Mas de 350 hasta 600 MCM Mas de 3/0 hasta 350 MCM Mas de 600 hasta 1100 MCM Mas de 1100 MCM 8 6 4 2 2/0 3/0 4/0 DETALLE REGISTRO TUBO PVC DESCRIPCIÓN: A.- CONTRATUERCAS Y MONITOR DE 13mm. B.- TUBO CONDUIT DE 13mm. C.- ABRAZADERA PARA TUBO CONDUIT. GRAPA DE CONEXIÓN A TIERRA CON TORNILLO OPRESOR DE BRONCE. D.- ELECTRODO DE ACERO CON CUBIERTA DE COBRE. 13mm DE DIÁMETRO POR 3m DE LARGO. E.- A A B B C C E D E NOTAS: EL CALIBRE MÍNIMO PERMITIDO PARA EL CONDUCTOR DE CONEXIÓN A TIERRA ES COBRE No.8 AWG. Y DEBE PROTEGERSE CON TUBO CONDUIT. 1.- EL VALOR DE LA RESISTENCIA DE TIERRA AL APLICAR EL "PROBADOR DE TIERRAS EN SERVICIOS", NO DEBERÁ EXCEDER DE 25 ohms (PARA CASA HABITACIÓN,COMERCIO, O LOCALES CONSIDERADOS COMO DE CONCENTRACIÓN PÚBLICA CON ACOMETIDAS EN BAJA TENSIÓN). 2.- LA VARILLA DE TIERRA NO DEBE QUEDAR AHOGADA EN CEMENTO Y SE DEBERÁ LOCALIZAR DONDE LA TIERRA SEA MÁS EFECTIVA.(BAJA RESISTIVIDAD). 3.- SE DEBERÁ PROLONGAR LA REFERENCIA DE TIERRA A EL INTERIOR DE LA INSTALACIÓN, ES DECIR DEBERÁ EXISTIR CONTINUIDAD ELÉCTRICA. 4.- 0,2m 0,2m 3m 0,1m CONDUCTOR MAYOR DEL SERVICIO CONDUCTOR A TIERRA (Cu) JULIO 2004
  • 31.
    GABINETE DE LÁMINA,CON TAPA SELLABLE PARA T.C. HERMÉTICA AL AGUA. FIGURA No.1 *1 *3 *3 0,75m 0,3m 0,75m *4 *4 *2 *3 0,5m 0,3m 0,15m *4 GABINETE DE LÁMINA, CON TAPA SELLABLE PARA TABLILLA DE PRUEBAS. HERMÉTICA AL AGUA. FIGURA No.2 *2 *3 *5 0,3m 0,3m *4 FIGURA No.3 GABINETE PARA RELEVADOR DE AISLAMIENTO. NOTAS: CALIBRE MÍNIMO DE LÁMINA: 1,5mm GALVANIZADA. *1.- CALIBRE MÍNIMO DE LÁMINA: 0,75mm GALVANIZADA. *2.- TORNILLO GUÍA FIJO, GALVANIZADO CON PERFORACIÓN PARA SELLO. *3.- *4.- PERFORACIONES PARA PASO DE TORNILLO. PARA USO EXCLUSIVO EN SUMINISTROS DONDE SE REQUIERAN SALIDAS DE PULSOS KYZ Y FIN DE INTERVALO. *5.- JULIO 2004
  • 32.
    JULIO 2004 ST-1 TUBO CONDUITO STEEL TUBO DE PVC NOTAS: 1.- INSTALAR TABLERO DE MEDICIÓN AL LÍMITE DE PROPIEDAD. 2.- EN CASO DE INSTALAR TUBERÍA DE PVC DESDE LA BASE AL REGISTRO DE CFE Y/O AL CENTRO DE CARGA, SE DEBERÁ PROTEGER LA TUBERÍA. (CON EL VISTO BUENO DEL DEPTO. DE MEDICIÓN) SOPORTE PARA TABLERO MONOFÁSICO O POLIFÁSICO CARGAS HASTA 24 Kw, RED SUBTERRÁNEA.
  • 33.
    JULIO 2004 ST-2 TUBO CONDUITO STEEL TUBO DE PVC NOTAS: 1.- INSTALAR TABLERO DE MEDICIÓN AL LÍMITE DE PROPIEDAD. 2.- EN CASO DE INSTALAR TUBERÍA DE PVC DESDE LA BASE AL REGISTRO DE CFE Y/O A LOS CENTROS DE CARGA, SE DEBERÁ PROTEGER LA TUBERÍA. (CON EL VISTO BUENO DEL DEPTO. DE MEDICIÓN) SOPORTE PARA TABLERO DUPLEX MONOFÁSICO O POLIFÁSICO CARGAS HASTA 24 Kw, RED SUBTERRÁNEA.