MANUAL DE INSTRUCCIONES
             Y UTILIZACION
               GARANTIA
         MANUAIS DE INSTRUÇÕES
             E UTILIZAÇÃO
               GARANTIA


   TERMOS ELÉCTRICOS
       DE APOYO A
 INSTALACIONES SOLARES
   TERMOS ELÉCTRICOS
       DE APOIO A
  INSTALAÇÕES SOLARES
 Calderín de Acero Protegido con Esmalte Vítreo
Caldeira em Aço Revestido com Esmalte Vitrificado
E
FELICIDADES. Usted ha decidido adquirir un termo eléctrico FAGOR, una marca de prestigio, donde lo verdaderamente
importante para nosotros es la satisfacción de las necesidades de nuestros clientes, adelantándonos a las mismas con
productos tecnológicamente avanzados e innovadores. Nuestros especialistas han fabricado y comprobado con esmero
todos nuestros termos eléctricos FAGOR para ofrecerles la máxima satisfacción a sus exigencias.
Gracias por la confianza depositada en nosotros.


    El buen funcionamiento de su termo no depende sólo de la calidad del producto sino también de su
    correcta instalación por un profesional cualificado.
    Lea detenidamente este manual de instrucciones antes de instalar y utilizar su termo, para lograr un
    máximo rendimiento y prolongar su durabilidad. Guarde este manual para futuros usos.


SEGURIDAD Y ADVERTENCIAS GENERALES
– Compruebe que las especificaciones escritas en la placa de características del aparato coinciden con las del suministro
  eléctrico.
– La instalación y puesta en marcha se debe realizar de acuerdo con estas instrucciones y sólo por parte de profesionales
  cualificados.
– Los termos eléctricos de Fagor están fabricados y se prueban de acuerdo con regulaciones normativas válidas.
– Este aparato no está destinado para ser usado por personas (incluidos niños) cuyas capacidades físicas, sensoriales
  o mentales estén reducidas, o carezcan de experiencia o conocimiento, salvo si han tenido supervisión o instrucciones
  relativas al uso del aparato por una persona responsable de su seguridad. Los niños deberían ser supervisados para
  asegurar que no juegan con el aparato.


ECOLOGÍA
El modelo de termo que usted ha elegido utiliza HFC 134 A, uno de los aislamientos más ecológicos existentes hoy en
el mercado. Este aislamiento cuenta con un gran espesor y densidad (0% CFC), que permite reducir el consumo eléctrico
en un 40%.


INFORMACION PARA LA CORRECTA GESTION DE LOS RESIDUOS DE APARATOS ELECTRICOS Y
ELECTRONICOS
Al final de la vida útil del aparato, éste no debe eliminarse mezclado con los residuos domésticos generales.
Puede entregarse, sin coste alguno, en centros específicos de recogida, diferenciados por las administraciones locales,
o distribuidores que faciliten este servicio.
         Eliminar por separado un residuo de electrodoméstico, significa evitar posibles consecuencias negativas para
         el medio ambiente y la salud, derivadas de una eliminación inadecuada, y permite un tratamiento, y reciclado
         de los materiales que lo componen, obteniendo ahorros importantes de energía y recursos.
         Para subrayar la obligación de colaborar con una recogida selectiva, en el producto aparece el marcado que
         se muestra como advertencia de la no utilización de contenedores tradicionales para su eliminación.
Para mas información, ponerse en contacto con la autoridad local o con la tienda donde adquirió el producto.


FALLOS O AVERÍAS
En el caso de que se produzca alguna avería en su termo, desconecte inmediatamente el aparato del suministro de
energía eléctrica. Informe al Servicio de Asistencia Técnica (902 10 50 10).
Para facilitar las tareas al Servicio de Asistencia técnica, les deberá de facilitar los siguientes datos:
      – Modelo de termo
      – Número de serie
      – Fecha de compra
      – Descripción del problema
      – Dirección y teléfono de su vivienda.
      – Nombre y apellidos de la persona de contacto.


                                                            – 2 –
E

                      CARACTERISTICAS DE LOS TERMOS ELECTRICOS

                                                  CONSUMO                                   DIMENSIONES
                   CAPACIDADES   POTENCIA (W)   MANTENIMIENTO
     MODELOS                                                                                                                      PESO
                       (1)          230V ~      Kw/24 h. a 65ºC    A       B     D     E        F         G     H      I    K



REDONDO                75           1.600           0,93           230    175   738   440       280       250   500   522   752   28

VERTICAL              100           1.600           1,09           230    175   917   440       435       250   500   522   931   33




                                                ESQUEMA DIMENSIONES




                      MONTAJE DE LOS COMPONENTES DEL KIT SOLAR



               COLECTOR
                SOLAR

                                                                                                      TERMO SOLASIS




                                                      ACUMULADOR




                                                                  – 3 –
E
INSTALACION
ACCESORIOS
El termo o calentador de agua eléctrico por acumulación bajo presión, se
suministra con los elementos básicos para su instalación, como son:
– Casquillos aislantes.
– Válvula de seguridad.
Estos accesorios van dentro del embalaje.

COLOCACION
Tanto la pared donde se instale el termo como los tacos y tornillos de fijación
del mismo deberán soportar el peso del aparato lleno de agua. En el caso de
una pared delgada, deben utilizarse contraplacas por el otro lado de la pared.
NOTA.- El termo debe estar situado de forma que la clavija del cable de
alimentación sea accesible.




                                                                                  80 cm.
LOCALIZACION
Es recomendable situarlo lo más próximo posible al punto de utilización del
agua caliente; con ello se evitan pérdidas de temperatura del agua en el
recorrido por las tuberías.
Este termo sólo se instalará en posición vertical. Es necesario dejar un
espacio mínimo de 80 cm. por debajo de la salida de los tubos, para tener
acceso a las partes eléctricas y hacer más fácil su mantenimiento y reparación.
                                                                                            1. Grupo de seguridad hidráulica (suministrada con
INSTALACION HIDRAULICA                                                                         el termo eléctrico).
                                                                                            2. Mando grifo vaciado.
AVISO AL INSTALADOR: Los casquillos aislantes, suministrados con el                         3. Desagüe conducido.
termo, deben ser colocados a los tubos de entrada y salida, para eliminar                   4. Llave de paso.
riesgos de pares galvánicos, empleando teflón en la rosca de los tubos.                     5. Reductor de presión: Es necesario colocarlo
Par de apriete de los casquillos: 3,5 mkg.                                                      después del contador, en la entrada de la vivienda
                                                                                                (nunca cerca del calentador cuando la presión
Antes de proceder a la conexión hidráulica es indispensable limpiar las                         es superior a 5 Kg. / cm2).
tuberías de alimentación con el objeto de no introducir partículas metálicas                6. Manguitos aislantes (suministrados con el termo
o extrañas dentro del termo.                                                                    eléctrico).
Instalar el termo, según los esquemas de la figura 1.
a) El termo debe ser instalado OBLIGATORIAMENTE con el grupo de                               Fig. 1 - INSTALACION TOMAS INFERIORES
seguridad, dotado de antirretorno (suministrado con el termo).
No debe instalarse ningún accesorio hidráulico entre el grupo de seguridad y el tubo de agua fría (llave de paso, antirretorno, etc.).
La salida de vaciado del grupo de seguridad debe ser conectada OBLIGATORIAMENTE a una tubería de desagüe, que tenga un diámetro
por lo menos igual al de la tubería de conexión del termo, con una inclinación continuada y abierta a la atmósfera manteniendo una distancia
mínima de 20 mm. como se indica en la figura 1. Durante el período de calentamiento el agua se dilata produciendo un goteo
(aproximadamente el 3% de su capacidad por cada ciclo de calentamiento). No se preocupe, es un fenómeno normal.
Para vaciar el termo, es necesario actuar sobre el grupo de seguridad elevando la palanca, como se indica en la figura 2.
Conviene actuar sobre dicha palanca periódicamente, para evitar que se bloquee y comprobar su correcto funcionamiento.
b) Cuando la presión de la red de suministro supere los 5 bares, es OBLIGATORIO colocar un Reductor de Presión, en la acometida de la
vivienda de 3 ó 4 bares.
c) Si se utilizan tuberías de plástico para realizar la instalación hay que tener en cuenta las condiciones de presión y temperatura a los que
van a estar sometidos. Presión máxima de 9 bares y temperatura máxima de 70ºC en condiciones normales o de 100ºC en condiciones
anormales de corte del termostato de seguridad.

INSTALACION ELECTRICA
Los aparatos se suministran a 230 V. monofásico. Verificar con cuidado la concordancia entre la tensión
de alimentación y la del aparato. El termo no precisa ninguna instalación fuera de lo normal; basta por
tanto que se ajuste al Reglamento Electrotécnico para Baja tensión. Aunque es de sobra conocido por
los instaladores, transcribimos algunas normas que son básicas:
“Para las instalaciones en cuartos de baño o aseo, se tendrán en cuenta los siguientes volúmenes y
prescripciones para cada uno de ellos”.
VOLUMEN DE PROHIBICION. - Es el volumen limitado por los planos verticales tangentes a los bordes                           Fig. 2
exteriores de la bañera, baño-aseo o ducha, y los horizontales constituidos por el suelo y por un plano
situado a 2,25 metros por encima del fondo de aquéllos o por encima del suelo, en el caso de que                      VACIADO EN VERTICAL
                                                                                                                       TOMAS INFERIORES
estos aparatos estuviesen empotrados en el mismo.
VOLUMEN DE PROTECCION. - Es el comprendido entre los mismos planos horizontales señalados para el volumen de prohibición y otros
verticales situados a 1,2 metros de los del citado volumen.
En el volumen de PROHIBICION no se instalarán interruptores, tomas de corriente ni aparatos de iluminación.
En el volumen de PROTECCION no se instalarán interruptores, pero podrán instalarse tomas de corriente de seguridad o protegidas por
diferenciales de valor ≤ 30 mA.
El termo deberá instalarse fuera del VOLUMEN DE PROHIBICION, con objeto de evitar las proyecciones de agua al interior del aparato.
En caso de que el termo vaya sin clavija la alimentación eléctrica deberá realizarse a través de un interruptor bipolar con apertura de contactos
con un mínimo de 3mm. La instalación debe protegerse con fusibles de calibre correspondiente a la intensidad absorbida.
Una conexión a tierra debe preverse en toda instalación eléctrica. Para facilitar esa conexión, el enchufe del termo va provisto del oportuno
contacto, por tanto basta que la base del enchufe sea la correspondiente al suministrado con el aparato.
Deberá verificarse que la instalación eléctrica del local o vivienda esté equipada con la línea de “TIERRA”.
Si no se dispone de la “TIERRA” reglamentaria, recomendamos instalar un interruptor diferencial de valor ≤ 30 mA.
Este aparato cumple con el reglamento sobre perturbaciones radioeléctricas e interferencias.
NOTA: Queda terminantemente prohibida toda manipulación y sustitución de piezas (incluído el cable de alimentación si no es por
el Servicio de Asistencia Técnica).



                                                                    – 4 –
E
UTILIZACION
PUESTA EN FUNCIONAMIENTO
Llenado. Una vez instalado el termo, abrir la llave de paso. Abrir los grifos de agua caliente. Cuando el agua
comience a salir por el mismo, el termo está lleno. Cerrar entonces los grifos de salida y asegurarse que no hay
fugas en la instalación.
No conectar el termo a la red eléctrica sin tener seguridad de que está lleno de agua.
Conexión eléctrica. Enchufar a la red y accionar el interruptor general para quedar bajo tensión el aparato. En
los modelos con piloto, éste se enciende al funcionar el elemento calefactor.
Al ser usada una cierta cantidad de agua caliente, el termostato vuelve a conectar el elemento calefactor.
Reglaje temperatura del agua. En los modelos no provistos de mando exterior de regulación de temperatura,
el termostato viene regulado de fábrica a una temperatura de 70 ºC.



                                                                                  PILOTO FUNCIONAMIENTO INVIERNO




                                                                                         INTERRUPTOR
    PILOTO FUNCIONAMIENTO VERANO




Si la temperatura de entrada de agua procedente del acumulador es inferior a 60°C se pondrá en funcionamiento
la resistencia superior encendiendose el piloto de funcionamiento      , hasta alcanzar la temperatura de 70°C.
Una vez alcanzada esta temperatura podrá conectarse la resistencia inferior siempre que el interruptor se
encuentre en posición     , durante este tiempo estará encendido el piloto de funcionamiento    . De esta forma
todo el termo alcanzará la temperatura de 70°C.
Es recomendable mantener enchufado el termo permanentemente, ya que el termostato hará que funcione sólo
cuando sea necesario para mantener la temperatura seleccionada, y las insignificantes pérdidas caloríficas están
garantizadas por el aislamiento térmico de espuma de poliuretano.
Vaciado. En caso de no utilización prolongada, y si hay riesgo de heladas en el local donde está instalado, es
recomendable vaciar el termo. El vaciado se puede hacer por el drenaje de la válvula de seguridad.
En todo caso:
– Cortar la corriente.
– Cerrar el grifo entrada agua en la instalación.
– Abrir el grifo de agua caliente.




                                                     – 5 –
E
MANTENIMIENTO
El termo no necesita ningún mantenimiento especial. Para limpiarlo basta frotarlo con un paño suave o esponja
húmeda. No usar abrasivos ni detergentes.
El calentamiento excesivo por un eventual fallo del termostato de trabajo, queda protegido por el limitador de
seguridad, que corta las dos fases y deja sin tensión el termo.
En este caso deberá llamarse al Servicio Asistencia al Cliente para su reparación.
EL FABRICANTE se reserva la facultad de modificar las características y especificaciones de sus productos sin
previo aviso.




                                                          RESISTENCIA
                                                           SUPERIOR



               TERMOSTATO
REGLETA         INVERSOR
                                                                LAMPARA
                                                                                                   PULSADOR


                                                              RESISTENCIA
                                                               INFERIOR



                                        TERMOSTATO
                                          TRABAJO
                                                                LAMPARA




                                                    – 6 –
E
CONDICIONES DE LA GARANTÍA PARA TERMOS FAGOR
La Garantía para Termos Fagor es una garantía comercial que le            c) Aquellas intervenciones que se deriven de una incorrecta instalación
ofrecemos como fabricante de forma adicional e independiente                 del termo o de la falta de mantenimiento del mismo, de la puesta
a los derechos que Usted tiene frente al vendedor derivados del              en marcha realizada por un profesional sin la debida acreditación,
contrato de compraventa de su termo, derechos que se encuentran              todo ello de conformidad con las recomendaciones de instalación
regulados en el título V del Real Decreto Legislativo 1/2007 de 16 de        y uso recogidas en el Libro de Instrucciones y/o Manual de
noviembre, siendo éstos independientes y compatibles con los                 Instalación.
otorgados en la presente garantía comercial.
                                                                          d) Los desgastes y deterioros estéticos producidos por el uso, la
El citado texto legal, cuyo contenido le recomendamos consulte, le
faculta a Ud. como consumidor y usuario a elegir, en el caso de existir      limpieza de acumulación de cal, la revisión y sustitución del ánodo
una falta de conformidad del termo con el contrato, entre la reparación      de magnesio así como otras operaciones de mantenimiento del
o la sustitución totalmente gratuitas del termo, siempre que la opción       termo.
elegida no sea objetivamente imposible o económicamente                   Todos los termos deben de estar instalados de forma accesible para
desproporcionada respecto de la otra. Por favor, en el caso de detectar   nuestros técnicos, siendo por cuenta del usuario la disposición y los
una falta de conformidad en el termo comuníquelo inmediatamente           gastos que posibiliten el acceso al termo para su reparación y/o
después de ser descubierto, para evitar inconvenientes mayores. Si        sustitución.
la reparación o la sustitución no hubiesen sido posibles o llevadas a
cabo en un plazo razonable, podrá solicitar al vendedor la rebaja del     MUY IMPORTANTE: para ser acreedor a esta garantía, es totalmente
precio o la resolución del contrato, siempre que cualquiera de las 2      imprescindible que el usuario acredite ante el Servicio Técnico Oficial
anteriores formas de subsanación no se hayan podido llevar a efecto.      del garante, la fecha de compra mediante la factura o ticket emitido
                                                                          por el vendedor del termo. En el caso de termos suministrados en
¿QUE CUBRE LA GARANTÍA PARA TERMOS FAGOR?                                 obras nuevas se deberá acreditar suficientemente la fecha de
La Garantía para Termos Fagor que le ofrecemos como fabricante            disposición para el uso del termo.
cubre, durante un plazo de dos años a contar desde la entrega del         Todos nuestros técnicos van equipados del correspondiente carnet
aparato, el coste total de las reparaciones realizadas por el Servicio
                                                                          avalado por ANFEL (Asociación Nacional de Fabricantes de
de Asistencia Técnica Oficial de Fagor, sobre las faltas de conformidad
                                                                          Electrodomesticos) que los acredita como Servicio Oficial de la Marca.
que existan en el momento de la entrega del termo. Se entenderá
que el aparato es conforme siempre que concurran los siguientes           En su propio beneficio exija su identificación.
requisitos:                                                               La presente Garantía será válida únicamente en territorio español y
a) El aparato garantizado deberá corresponder a los que el fabricante     es otorgada por Fagor Electrodomesticos, S.Coop. Nuestro domicilio
   destina expresamente para la venta e instalación en España             social está en el Barrio San Andrés nº 18, Apdo. 20500 Mondragón-
   siguiendo todas las normativas aplicables vigentes.                    Gipuzkoa.
b) Se ajuste a la descripción dada por Fagor en sus catálogos, web,
   manuales de instrucciones o de instalación.                            ANULACION DE LA PRESENTE GARANTIA
c) Sea apto para los usos a los que ordinariamente se destinen            Esta garantía quedará anulada y por tanto sin efecto alguno si el
   aparatos del mismo tipo.                                               termo ha sido manipulado, modificado o reparado por personas no
d) Presenten la calidad y prestaciones habituales de aparatos del         autorizadas o servicios técnicos que no sean los oficiales de la marca.
   mismo tipo.                                                            Igualmente se anulará si el termo no está bien instalado con el grupo
Las faltas de conformidad que se manifiesten en los primeros seis         de seguridad y los casquillos protectores adecuados.
meses posteriores a la entrega del termo, se presumen, salvo prueba
en contrario, que existían en el momento de la entrega. Posteriormente,   CONSULTAS y RECLAMACIONES
y hasta los dos años, corresponderá al usuario probar que la falta de     Para cualquier consulta, aclaración ó planteamiento de quejas y
conformidad que se manifieste existía en el momento de la entrega         reclamaciones en relación con esta garantía o en caso de avería de
del aparato.
                                                                          su termo, contacte con el Centro de Información al Consumidor de
Adicionalmente la garantía cubre durante los dos años a partir de la      Fagor a través del teléfono de atención 902105010, la web
compra el coste de los componentes sustituidos por el Servicio de         www.fagor.com, correo electrónico info@fagor.com ó correo postal
Asistencia Técnica Oficial FAGOR.
                                                                          enviándolo al Centro de Información al Consumidor, Apdo. Correos
Asimismo se garantiza durante 5 años desde la fecha de compra, el         nº 1 de Basauri (C.P. 48970). También podrá acudir a cualquier órgano
calderín del termo eléctrico siempre que el Servicio Técnico Oficial
                                                                          o entidad correspondiente a las Comunidades Autónomas y de las
revise anualmente el estado del ánodo de magnesio y lo sustituya en
                                                                          Corporaciones Locales competentes en materia de defensa de los
caso de desgaste excesivo.
                                                                          consumidores y/o a los Juzgados y Tribunales competentes.
Recuerde que mientras el termo está siendo reparado o cuando sea
reemplazado, el periodo durante el que puede ejercer los derechos
que tiene Usted frente al vendedor, como los que dispone con la               Identificación del aparato
garantía termos Fagor que le ofrecemos adicionalmente, queda
suspendido temporalmente hasta la entrega del termo reparado o
sustituto, momento a partir del cual dispondrá del periodo no consumido
y en todo caso de 6 meses.
EXCLUSIONES: Queda excluido de la cobertura de la presente
garantía, y por tanto, el coste total de la reparación será a cargo del
usuario, en los siguientes casos:
a) Las averías provocadas por actos malintencionados, negligencia
   o mal uso del termo por parte del cliente o terceros.
b) Las averías producidas por causas fortuitas, fuerza mayor
   (fenómenos atmosféricos o geológicos) y en general las averías             Fecha de Compra:               /              /
   causadas por elementos ajenos al propio termo.

                                                                      – 7 –
P
FELICIDADES. Decidiu adquirir um termo eléctrico FAGOR, uma marca de prestígio, onde o verdadeiramente importante
para nós é a satisfação das necessidades dos nossos clientes, atecipando as mesmas com produtos tecnologicamente
avançados e inovadoras. Os nossos especialistas fabricaram e comprovaram com esmero todos os nossos termos
eléctricos FAGOR para lhes oferecer a máxima satisfação para as suas exigências.
Gratos pela confiança depositada em nós.


    O bom funcionamento do seu termo não depende apenas da qualidade do produto mas também da sua
    correcta instalação por um profissional qualificado.
    Leia atentamente este manuais de instruções antes de instalar e utilizar o seu termo, para conseguir o
    máximo rendimento e prolongar a sua durabilidade. Guarde este manual para uso futuro.


SEGURANÇA E ADVERTÊNCIAS GERAIS
– Comproeve que as especificações escritas na placa de características do aparelho coincidem com as do fornecimento
  eléctrico.
– A instalação e colocação em serviço deve ser feita de acordo com estas instruções e apenas por canalizador ou
  profissionais qualificados.
– Os termos eléctricos da Fagor são fabricados e estão de acordo com regulamentos e normas válidas.
– Este aparelho não está destinado a ser utilizado por pessoas (incluindo crianças) cujas capacidades físicas, sensoriais
  ou mentais estejam reduzidas, ou careçam de experiência ou conhecimento, salvo se tenham tido supervisão ou
  instruções relativas ao uso do aparelho por uma pessoa responsável pela sua segurança. As crianças deveriam ser
  supervisionadas para assegurar que não brincam com o aparelho.


ECOLOGIA
O modelo de termo que seleccionou utiliza HFC 134 A, um dos isolamentos mais ecológicos existentes hoje em dia no
mercado. Este Isolamento conta com uma grande espessura e densidade (0% CFC), que permite reduzir o consumo
eléctrico em cerca de 40%.


INFORMAÇÃO PARA A GESTÃO CORRECTA DOS RESÍDUOS DE APARELHOS ELÉCTRICOS E
ELECTRÓNICOS
Ao final da vida útil do aparelho, este não deve ser eliminado junto com os resíduos domésticos gerais.
Pode entregar, sem qualquer tipo de custo, em centros específicos de recolha, diferenciados pelas administrações locais,
ou distribuidores que facilitem este serviço.
         Eliminar um resíduo de electrodoméstico em separado representa evitar possíveis consequências negativas
         para o meio ambiente e para a saúde, provocadas por uma eliminação inadequada, e permite um tratamento
         e reciclagem dos materiais que o compõem, obtendo uma poupança importante de energia e recursos.
         Para evidenciar a obrigação de colaborar numa recolha selectiva, o produto aparece marcado tal como se mostra
         como advertência de não utilização de contentores tradicionais para a sua eliminação.
Para mas informação, entre em contacto com a autoridade local ou com a loja onde tiver adquirido o produto.


DEFEITOS OU AVARIAS
No caso de surgir alguma avaria no seu termo, desligue-o imediatamente da corrente eléctrica. Informe o Serviço de
Assistência Técnica (707 20 50 10).
Para facilitar a tarefa do Serviço de Assistência técnica, deverá facultar-lhes os seguintes dados:


           –   Modelo do termo
           –   N.º de serie
           –   Data de compra
           –   Descrição do problema
           –   Morada e telefone da sua habitação.
           –   Nome e apelido da pessoa de contacto.


                                                         – 8 –
P

                CARACTERISTICAS DOS TERMOACUMULADORES ELÉCTRICOS

                                                    CONSUMO                                   DIMENSÕES
                    CAPACIDADES   POTÊNCIA (W)     MANUTENÇÃO
     MODELOS                                                                                                                      PESO
                         (l)         230V ~       Kw/24 h. a 65ºC    A       B     D     E        F       G     H      I    K



REDONDO                 75          1.600             0,93           230    175   738   440      280      250   500   522   752   28

VERTICAL               100          1.600             1,09           230    175   917   440      435      250   500   522   931   33




                                                 ESQUEMA DE DIMENSÕES




                          MONTAGEM DOS COMPONENTES DO KIT SOLAR



               COLECTOR
                SOLAR

                                                                                                       TERMO SOLASIS




                                                        ACUMULADOR




                                                                    – 9 –
P
INSTALAÇÃO
ACESSÓRIOS
O termo ou aquecedor de água eléctrico por acumulação sob pressão é
fornecido com os elementos básicos para a sua instalação, tais como:
– Casquilhos isolantes
– Válvula de segurança
Estes acessórios vão dentro da embalagem.

COLOCAÇÃO
Tanto a parede onde se instala o termo como as buchas e parafusos de fixação




                                                                                                                                            Mínimo 20 mm.
do mesmo devem suportar o peso do aparelho, cheio de água. No caso de
uma parede fina, devem utilizar-se contraplacas do lado oposto da parede.
NOTA.- O termo deve estar situado de forma a que a ficha do cabo de
alimentação esteja acessível.                                                                        Água quente         6        Marca
                                                                                                     Marca vermelha               azul
LOCALIZAÇÃO                                                                                                  A.Q.            1      2                       Água de
                                                                                                                                                            acumulador




                                                                                      80 cm.
É recomendável colocá-lo o mais próximo possível do ponto de utilização de                              Válvula de segurança       3
água quente; desta forma, evitam-se perdas de temperatura da água na                                                                                                   a.f.
tubagem.                                                                                                                                4                   5

Este termo só se instalará em posição vertical. É necesario deixar um espaço                                                                                        Esgoto
mínimo de 80 cm por baixo da saída dos tubos, para ter posterior acesso à
parte eléctrica e facilitar a sua manutenção e eventuais reparações.

INSTALAÇÃO HIDRÁULICA
Aviso ao instalador: os casquilhos isolantes fornecidos com o termo
                                                                                             1. Grupo de segurança hidráulica (fornecida com o termo)
devem ser colocados nos tubos de entrada e saída, para eliminar o risco                      2. Comando da válvula de drenagem
de formação de pares galvânicos, utilizando teflon na rosca dos tubos.                       3. Esgoto canalizado
                                                                                             4. Válvula de corte
O binário de aperto dos casquilhos é de 3,5 kgm.                                             5. Redutor de pressão: É necessário colocá-lo depois do
                                                                                                contador, na entrada da habitação (nunca próximo do
Antes de proceder à ligação hidráulica é indispensável limpar as tubagens                       termo) quando a pressão seja superior a 5 kg/cm2
de alimentação por forma a não introduzir partículas metálicas ou estranhas                  6. Casquilhos isolantes (fornecidos com o termo)
dentro do termo.
Instalar o termo segundo os esquemas da figura 1.
                                                                                           Fig. 1 - INSTALAÇÃO LIGAÇÕES INFERIORES
a) o termo tem obrigatoriamente de ser instalado com o grupo de segurança,
equipado com anti-retorno (fornecido com o termo).
Não deve instalar-se nenhum acessório hidráulico entre o grupo de segurança e o tubo de água fria (válvula de corte, anti-retorno,
etc.).
A saída do grupo de segurança deve ser ligada obrigatoriamente a uma tubagem de esgoto, que tenha um diâmetro pelo menos igual ao da
tubagem de ligação do termo, com uma inclinação constante e aberta à atmosfera, mantendo uma distância mínima de 20 mm como indica a
figura 1. Durante o período de aquecimento a água dilata, produzindo um gotejar (aproximadamente 3% da sua capacidade por cada
ciclo de aquecimento). Não se preocupe, é um fenómeno normal.
Para esvaziar o termo, é necessário actuar sobre o grupo de segurança, elevando a patilha, como se indica na figura 2.
Convém accionar esta patilha periodicamente para evitar que fique presa e comprovar o seu correcto funcionamento.
b) Quando a pressão da rede de abastecimento supere os 5 bar, é obrigatório instalar um redutor de pressão à entrada da rede, tarado para
um máximo de 4 bar.
c) Se se utilizarem tubagens de plástico para efectuar a instalação, é necessário ter em conta as condições de pressão e temperatura a que
irão estar submetidas. Pressão máxima de 9 bar e temperatura máxima de 70ºC em condições normais ou 110ºC em condições anormais de
corte do termóstato de segurança.

INSTALAÇÃO ELÉCTRICA
Os aparelhos são fornecidos para ligação à rede monofásica de 230V. Verificar com cuidado a
concordância entre a tensão de alimentação e a do aparelho. A instalação eléctrica do termo deve
respeitar os regulamentos eléctricos para baixa tensão em vigor na altura da instalação.
Para as instalações em quartos de banho, deverão ser levados em conta os seguintes volumes e
prescrições para cada um deles.
VOLUME DE PROIBIÇÃO: É o volume limitado pelos planos verticais tangentes às faces exteriores                              Fig. 2
da banheira ou duche e os horizontais formados pelo solo e por um plano situado a 2,25 metros acima
dos aparelhos ou do solo, no caso dos aparelhos estarem encastrados no chão.                                        ESVAIZAR EM VERTICAL
                                                                                                                    LIGAÇÕES INFERIORES
VOLUME DE PROTECÇÃO: é o volume compreendido entre os mesmos planos horizontais indicados
para o volume de proibição e outros verticais a 1,2 metros dos do citado volume.
Dentro do volume de proibição não se instalarão interruptores, tomadas de corrente ou aparelhos de iluminação.
Dentro do volume de protecção não se instalarão interruptores, mas poderão instalar-se tomadas de corrente, protegidas por disjuntores
diferenciais de ≤ 30 mA.
O termo deverá instalar-se fora do volume de proibição, com o fim de evitar projecções de água para o interior do aparelho.
No caso do termo ir sem a ficha de alimentação eléctrica deverá realizar-se através de um interruptor bipolar com abertura de contactos com
um mínimo de 3 mm. A instalação deve estar protegida com fusíveis de calibre correspondente à intensidade absorvida.
Uma ligação de terra deve existir em toda a instalação eléctrica. Para facilitar essa ligação, a ficha do termo possui esse contacto, pelo que
basta que a tomada tenha ligação de terra.
Deverá verificar-se que a instalação eléctrica do local esteja equipada com linha de terra.
Se não tiver linha de terra, recomendamos a instalação de um interruptor diferencial de ≤ 30 mA.
Este aparelho cumpre com o regulamento sobre perturbações radioeléctricas e interferências.
NOTA: Está absolutamente proibida toda a manipulação e substituição de peças (incluindo o cabo de alimentação eléctrica, sem ser
pelo Serviço de Assistência Técnica).



                                                                     – 10 –
P
UTILIZAÇÃO
COLOCAÇÃO EM FUNCIONAMENTO
Enchimento: Uma vez instalado o termo, abrir a válvula de corte. Abrir as torneiras de água quente. Quando a
água começar a sair pelas torneiras, o termo está cheio. Fechar então as torneiras de água quente e verificar
que não haja fugas na instalação.
Não ligar o termo á rede eléctrica, sem ter a certeza de que está cheio de água.
Ligação eléctrica: Ligar à rede e accionar o disjuntor geral para que o aparelho fique sob tensão. Nos modelos
com piloto, este acende-se ao funcionar a resistência.
Ao ser usada uma certa quantidade de água quente, o termóstato volta a accionar a resistência.
Regulação da temperatura da água: Nos modelos não equipados com comando exterior de temperatura, o
termóstato vem regulado de fábrica para 70ºC.



                                                                                   PILOTO DE FUNCIONAMENTO INVERNO




                                                                                         TECLA
    PILOTO DE FUNCIONAMENTO VERÃO




Se a temperatura de entrada da água proveniente do acumulador for inferior a 60°C põe-se em funcionamento a
resistencia superior acedendo-se o piloto de fundcionamento        , até alcanzar a temperatura de 70°C. Uma vez
atingida esta temperatura poderá ligar-se a resistência inferior sempre que o interruptor se encontre na posição
    , durante este tempo o piloto de funcionamento     permanecerá aceso. Desta forma, todo o termo alcançará
a temperatura de 70°C.
Recomenda-se que mantenha sempre o termo ligado à corrente, uma vez que o termóstato fará com que apenas
funcione quando seja necessário para manter a temperatura seleccionada e as perdas de calor são insignificantes
devido ao isolamento térmico de espuma de poliuretano.
Esvaziar: Em caso de não utilização prolongada, e se existe o risco de congelamento no local onde está instalado,
é recomendado esvaziar o termo. Pode fazer-se pela drenagem da válvula de segurança.
Em todo o caso:
– Cortar a corrente eléctrica
– Fechar a torneira de entrada de água na instalação
– Abrir a torneira de água quente




                                                    – 11 –
P
MANUTENÇÃO
O termo não necessita de nenhuma manutenção especial. Para limpá-lo basta usar um pano suave ou esponja
húmida. Não utilizar abrasivos nem detergentes.
O aquecimento excessivo por uma eventual falha do termóstato de trabalho é evitado pelo limitador de segurança
que corta as duas fases e deixa o termo sem tensão.
Neste caso, deverá chamar a Assistência Técnica para a sua reparação.
O fabricante reserva-se o direito de modificar as características e especificações dos seus produtos sem prévio
aviso.




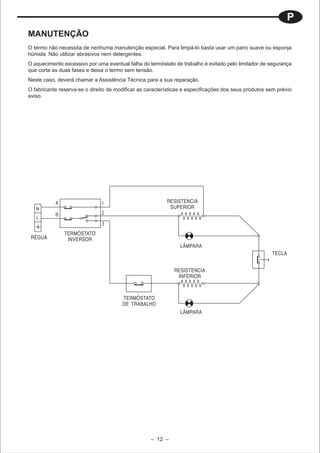
                                                          RESISTENCIA
                                                           SUPERIOR



               TERMÓSTATO
 RÉGUA          INVERSOR
                                                                LÂMPARA
                                                                                                      TECLA


                                                             RESISTENCIA
                                                              INFERIOR



                                       TERMÓSTATO
                                       DE TRABALHO
                                                                LÂMPARA




                                                   – 12 –
P

CONDIÇÕES GERAIS DA GARANTIA
A Fagor responde pelas faltas de conformidade do termo eléctrico que possam aparecer
durante os 2 primeiros anos desde a entrega, tal como estabelecido no DL 67/2003.
Adicionalmente, a Fagor oferece, às peças e componentes do termo eléctrico, uma garantia
de até 2 anos, sempre que estas sejam substituidas pelo Serviço de Assistência Técnica Oficial
da Fagor.
Garante-se durante 5 ANOS, a cuba do termo eléctrico, a partir da sua data de compra. Em
caso de avaria da cuba durante esse prazo de garantia, substituir-se-á o aparelho completo.
Para garantir a duração da cuba, é necessário que o utilizador inspeccione a cada 2 anos, o
desgaste do ânodo de magnésio e peça a sua substituição em caso de desgaste excesivo.
A nossa garantia aplica-se com a condição expressa de que o termo eléctrico tenha sido bem
instalado, com o grupo de segurança e os casquilhos protectores que fornecemos juntamente
com o aparelho.
A Fagor não se responsabiliza pelas faltas de conformidade que se possam apresentar na
instalação de que faz parte o termo eléctrico da sua marca.


MUITO IMPORTANTE: para ser credor desta garantia, é imprescindível que o utilizador
comprove ao serviço técnico oficial da marca, a data de compra mediante a factura de compra
do aparelho.
Todos os nossos técnicos dispõem do correspondente cartão que os acredita como Serviço
Oficial da Marca. Em seu próprio benefício exija a sua identificação.




EXCLUSÕES DA PRESENTE GARANTIA
Estão excluídos da cobertura da presente Garantia, e portanto será a cargo do utilizador o
custo total da reparação, o seguinte:
a) As avarias provocadas por negligência ou mau uso do aparelho por parte do cliente.
b) As avarias produzidas por causas fortuitas, força maior (fenómenos atmosféricos ou
   geológicos), congelação, sobrecargas de qualquer índole e causas externas ao aparelho.
c) As reparações derivadas da acumulação de calcário nos aparelho.
d) As intervenções que sejam originadas por uma incorrecta instalação do aparelho, de uma
   manipulação, modificação ou reparação realizada por pessoas não autorizadas ou serviços
   técnicos não oficiais ou de uma mantenção do mesmo não conforme com as recomendações
   de instalação e uso apresentadas nos Livros de Instruções ou Manual de Instalação, ou da
   legislação vigente.
e) O ressarcimento de danos e prejuízos, a substituição do aparelho e a devolução do preço
   da mesma.


A presente Garantia será válida unicamente em território Português, e exclusivamente com
respeito ao aparelho mencionado e otourgada por Fagor Lusitana Electrodomésticos,lda.
Avenida do Forte, nº 4 - Carnaxide.



                                             – 13 –
Fagor Electrodomésticos,
S. Coop.
División confort
Avda. de Cervantes. 45
48970 BASAURI (Bizkaia)
Tfno. 94 466 71 00
Fax 94 426 40 05
www.fagor.com
info@fagor.com


En servicios, Fagor le da más rapidez y calidad.



                                                                                                        SERVICIO
d i c h o              y    h e c h o                                                             TENCICO OFICIAL          N

                                                                  Servicio de                   Asistencia Técnica en 24 horas*.

902 10 50 10                  fagor.com
                                                               Consultas Técnicas
                                                               para Profesionales
                                                                                                       Si no lo cumplimos
                                                                                                  el desplazamiento es gratis.         es innovación
                                                        *   Sólo válido para usuarios que dispongan del Contrato de Garantía 5 años.




Fagor Lusitana
Electrodomésticos, Lda.
Avenida do Forte Nº 4
2794-031
CARNAXIDE (Portugal)
Tel. 21-424 74 00
Fax 21-424 74 50
www.fagor.com
info@fagor.com


Em serviços, a Fagor dá-lhe mais rapidez e qualidade.




       d i t o             e f e i t o                                                               GARANTIA            ANOS

                                                                          Serviço de                   Grátis todas as peças

707 20 50 10                  www.fagor.pt
                                                                      Consultas Técnicas
                                                                      para Proffissionais
                                                                                                    e componentes por 5 anos.
                                                                                                                                       é inovação

                                                                                            – 14 –
CERTIFICADO DE GARANTIA
     CERTIDÃO DE GARANTIA


    MOD.                                                           Gas

    Aparato                                                        Volt.
    Aparelho

    N.º Serie                                                      Cod.
    N.º Serie

    Fecha de compra                                      Sello distribuidor
    Data de compra                                       Carimbo do vendedor




    • Antes de instalar y usar el aparato lea cuidadosamente los manuales de instrucciones.
    • Antes de instalar e utilizar o aparelho, leia com atenção os manuais de instruções.




En este documento conocerá lo que debe hacer                  Preste atenção à informação que lhe iremos
en caso de detectar cualquier anomalía.                       transmitir, a fim de evitar futuros incómodos. Aqui
Primeramente le aconsejamos consulte el manual                poderá verificar o que terá de fazer em caso de
de instrucciones, solucionará muchas dudas y                  anomalia, mas não se preocupe, pois temos um
defectos aparentes inmediatamente.                            serviço de assistência técnica oficial, com técnicos
Seguidamente si no encuentra solución a su                    qualificados, muito próximo da sua residência.
problema ó duda, recurra a nuestro servicio                   No entanto, se nos permite um conselho, antes
técnico oficial, con la profesionalidad de los                de contactar os nossos serviços técnicos oficiais,
técnicos mejor cualificados. Un servicio rápido,              verifique bem a eventual anomalia do seu
fiable y cercano.                                             aparelho, pois pode ser que com o manuais de
                                                              instruções consiga solucionar a suposta avaria,
                                                              e assim evitar gastos desnecessários e poupar
                                                              tempo. Se tal não acontecer, não se preocupe,
                                                              pois tal como lhe dissemos, temos um serviço
                                                              de pós venda, rápido, fiável, e que está sempre
                                                              disponível para o ajudar.




                                                                                                         T07F037F0
                                                                                                         F407F3700
                                                     – 16 –

T07 f037f0 ________fagor____solasis - Servicio Técnico Fagor

  • 1.
    MANUAL DE INSTRUCCIONES Y UTILIZACION GARANTIA MANUAIS DE INSTRUÇÕES E UTILIZAÇÃO GARANTIA TERMOS ELÉCTRICOS DE APOYO A INSTALACIONES SOLARES TERMOS ELÉCTRICOS DE APOIO A INSTALAÇÕES SOLARES Calderín de Acero Protegido con Esmalte Vítreo Caldeira em Aço Revestido com Esmalte Vitrificado
  • 2.
    E FELICIDADES. Usted hadecidido adquirir un termo eléctrico FAGOR, una marca de prestigio, donde lo verdaderamente importante para nosotros es la satisfacción de las necesidades de nuestros clientes, adelantándonos a las mismas con productos tecnológicamente avanzados e innovadores. Nuestros especialistas han fabricado y comprobado con esmero todos nuestros termos eléctricos FAGOR para ofrecerles la máxima satisfacción a sus exigencias. Gracias por la confianza depositada en nosotros. El buen funcionamiento de su termo no depende sólo de la calidad del producto sino también de su correcta instalación por un profesional cualificado. Lea detenidamente este manual de instrucciones antes de instalar y utilizar su termo, para lograr un máximo rendimiento y prolongar su durabilidad. Guarde este manual para futuros usos. SEGURIDAD Y ADVERTENCIAS GENERALES – Compruebe que las especificaciones escritas en la placa de características del aparato coinciden con las del suministro eléctrico. – La instalación y puesta en marcha se debe realizar de acuerdo con estas instrucciones y sólo por parte de profesionales cualificados. – Los termos eléctricos de Fagor están fabricados y se prueban de acuerdo con regulaciones normativas válidas. – Este aparato no está destinado para ser usado por personas (incluidos niños) cuyas capacidades físicas, sensoriales o mentales estén reducidas, o carezcan de experiencia o conocimiento, salvo si han tenido supervisión o instrucciones relativas al uso del aparato por una persona responsable de su seguridad. Los niños deberían ser supervisados para asegurar que no juegan con el aparato. ECOLOGÍA El modelo de termo que usted ha elegido utiliza HFC 134 A, uno de los aislamientos más ecológicos existentes hoy en el mercado. Este aislamiento cuenta con un gran espesor y densidad (0% CFC), que permite reducir el consumo eléctrico en un 40%. INFORMACION PARA LA CORRECTA GESTION DE LOS RESIDUOS DE APARATOS ELECTRICOS Y ELECTRONICOS Al final de la vida útil del aparato, éste no debe eliminarse mezclado con los residuos domésticos generales. Puede entregarse, sin coste alguno, en centros específicos de recogida, diferenciados por las administraciones locales, o distribuidores que faciliten este servicio. Eliminar por separado un residuo de electrodoméstico, significa evitar posibles consecuencias negativas para el medio ambiente y la salud, derivadas de una eliminación inadecuada, y permite un tratamiento, y reciclado de los materiales que lo componen, obteniendo ahorros importantes de energía y recursos. Para subrayar la obligación de colaborar con una recogida selectiva, en el producto aparece el marcado que se muestra como advertencia de la no utilización de contenedores tradicionales para su eliminación. Para mas información, ponerse en contacto con la autoridad local o con la tienda donde adquirió el producto. FALLOS O AVERÍAS En el caso de que se produzca alguna avería en su termo, desconecte inmediatamente el aparato del suministro de energía eléctrica. Informe al Servicio de Asistencia Técnica (902 10 50 10). Para facilitar las tareas al Servicio de Asistencia técnica, les deberá de facilitar los siguientes datos: – Modelo de termo – Número de serie – Fecha de compra – Descripción del problema – Dirección y teléfono de su vivienda. – Nombre y apellidos de la persona de contacto. – 2 –
  • 3.
    E CARACTERISTICAS DE LOS TERMOS ELECTRICOS CONSUMO DIMENSIONES CAPACIDADES POTENCIA (W) MANTENIMIENTO MODELOS PESO (1) 230V ~ Kw/24 h. a 65ºC A B D E F G H I K REDONDO 75 1.600 0,93 230 175 738 440 280 250 500 522 752 28 VERTICAL 100 1.600 1,09 230 175 917 440 435 250 500 522 931 33 ESQUEMA DIMENSIONES MONTAJE DE LOS COMPONENTES DEL KIT SOLAR COLECTOR SOLAR TERMO SOLASIS ACUMULADOR – 3 –
  • 4.
    E INSTALACION ACCESORIOS El termo ocalentador de agua eléctrico por acumulación bajo presión, se suministra con los elementos básicos para su instalación, como son: – Casquillos aislantes. – Válvula de seguridad. Estos accesorios van dentro del embalaje. COLOCACION Tanto la pared donde se instale el termo como los tacos y tornillos de fijación del mismo deberán soportar el peso del aparato lleno de agua. En el caso de una pared delgada, deben utilizarse contraplacas por el otro lado de la pared. NOTA.- El termo debe estar situado de forma que la clavija del cable de alimentación sea accesible. 80 cm. LOCALIZACION Es recomendable situarlo lo más próximo posible al punto de utilización del agua caliente; con ello se evitan pérdidas de temperatura del agua en el recorrido por las tuberías. Este termo sólo se instalará en posición vertical. Es necesario dejar un espacio mínimo de 80 cm. por debajo de la salida de los tubos, para tener acceso a las partes eléctricas y hacer más fácil su mantenimiento y reparación. 1. Grupo de seguridad hidráulica (suministrada con INSTALACION HIDRAULICA el termo eléctrico). 2. Mando grifo vaciado. AVISO AL INSTALADOR: Los casquillos aislantes, suministrados con el 3. Desagüe conducido. termo, deben ser colocados a los tubos de entrada y salida, para eliminar 4. Llave de paso. riesgos de pares galvánicos, empleando teflón en la rosca de los tubos. 5. Reductor de presión: Es necesario colocarlo Par de apriete de los casquillos: 3,5 mkg. después del contador, en la entrada de la vivienda (nunca cerca del calentador cuando la presión Antes de proceder a la conexión hidráulica es indispensable limpiar las es superior a 5 Kg. / cm2). tuberías de alimentación con el objeto de no introducir partículas metálicas 6. Manguitos aislantes (suministrados con el termo o extrañas dentro del termo. eléctrico). Instalar el termo, según los esquemas de la figura 1. a) El termo debe ser instalado OBLIGATORIAMENTE con el grupo de Fig. 1 - INSTALACION TOMAS INFERIORES seguridad, dotado de antirretorno (suministrado con el termo). No debe instalarse ningún accesorio hidráulico entre el grupo de seguridad y el tubo de agua fría (llave de paso, antirretorno, etc.). La salida de vaciado del grupo de seguridad debe ser conectada OBLIGATORIAMENTE a una tubería de desagüe, que tenga un diámetro por lo menos igual al de la tubería de conexión del termo, con una inclinación continuada y abierta a la atmósfera manteniendo una distancia mínima de 20 mm. como se indica en la figura 1. Durante el período de calentamiento el agua se dilata produciendo un goteo (aproximadamente el 3% de su capacidad por cada ciclo de calentamiento). No se preocupe, es un fenómeno normal. Para vaciar el termo, es necesario actuar sobre el grupo de seguridad elevando la palanca, como se indica en la figura 2. Conviene actuar sobre dicha palanca periódicamente, para evitar que se bloquee y comprobar su correcto funcionamiento. b) Cuando la presión de la red de suministro supere los 5 bares, es OBLIGATORIO colocar un Reductor de Presión, en la acometida de la vivienda de 3 ó 4 bares. c) Si se utilizan tuberías de plástico para realizar la instalación hay que tener en cuenta las condiciones de presión y temperatura a los que van a estar sometidos. Presión máxima de 9 bares y temperatura máxima de 70ºC en condiciones normales o de 100ºC en condiciones anormales de corte del termostato de seguridad. INSTALACION ELECTRICA Los aparatos se suministran a 230 V. monofásico. Verificar con cuidado la concordancia entre la tensión de alimentación y la del aparato. El termo no precisa ninguna instalación fuera de lo normal; basta por tanto que se ajuste al Reglamento Electrotécnico para Baja tensión. Aunque es de sobra conocido por los instaladores, transcribimos algunas normas que son básicas: “Para las instalaciones en cuartos de baño o aseo, se tendrán en cuenta los siguientes volúmenes y prescripciones para cada uno de ellos”. VOLUMEN DE PROHIBICION. - Es el volumen limitado por los planos verticales tangentes a los bordes Fig. 2 exteriores de la bañera, baño-aseo o ducha, y los horizontales constituidos por el suelo y por un plano situado a 2,25 metros por encima del fondo de aquéllos o por encima del suelo, en el caso de que VACIADO EN VERTICAL TOMAS INFERIORES estos aparatos estuviesen empotrados en el mismo. VOLUMEN DE PROTECCION. - Es el comprendido entre los mismos planos horizontales señalados para el volumen de prohibición y otros verticales situados a 1,2 metros de los del citado volumen. En el volumen de PROHIBICION no se instalarán interruptores, tomas de corriente ni aparatos de iluminación. En el volumen de PROTECCION no se instalarán interruptores, pero podrán instalarse tomas de corriente de seguridad o protegidas por diferenciales de valor ≤ 30 mA. El termo deberá instalarse fuera del VOLUMEN DE PROHIBICION, con objeto de evitar las proyecciones de agua al interior del aparato. En caso de que el termo vaya sin clavija la alimentación eléctrica deberá realizarse a través de un interruptor bipolar con apertura de contactos con un mínimo de 3mm. La instalación debe protegerse con fusibles de calibre correspondiente a la intensidad absorbida. Una conexión a tierra debe preverse en toda instalación eléctrica. Para facilitar esa conexión, el enchufe del termo va provisto del oportuno contacto, por tanto basta que la base del enchufe sea la correspondiente al suministrado con el aparato. Deberá verificarse que la instalación eléctrica del local o vivienda esté equipada con la línea de “TIERRA”. Si no se dispone de la “TIERRA” reglamentaria, recomendamos instalar un interruptor diferencial de valor ≤ 30 mA. Este aparato cumple con el reglamento sobre perturbaciones radioeléctricas e interferencias. NOTA: Queda terminantemente prohibida toda manipulación y sustitución de piezas (incluído el cable de alimentación si no es por el Servicio de Asistencia Técnica). – 4 –
  • 5.
    E UTILIZACION PUESTA EN FUNCIONAMIENTO Llenado.Una vez instalado el termo, abrir la llave de paso. Abrir los grifos de agua caliente. Cuando el agua comience a salir por el mismo, el termo está lleno. Cerrar entonces los grifos de salida y asegurarse que no hay fugas en la instalación. No conectar el termo a la red eléctrica sin tener seguridad de que está lleno de agua. Conexión eléctrica. Enchufar a la red y accionar el interruptor general para quedar bajo tensión el aparato. En los modelos con piloto, éste se enciende al funcionar el elemento calefactor. Al ser usada una cierta cantidad de agua caliente, el termostato vuelve a conectar el elemento calefactor. Reglaje temperatura del agua. En los modelos no provistos de mando exterior de regulación de temperatura, el termostato viene regulado de fábrica a una temperatura de 70 ºC. PILOTO FUNCIONAMIENTO INVIERNO INTERRUPTOR PILOTO FUNCIONAMIENTO VERANO Si la temperatura de entrada de agua procedente del acumulador es inferior a 60°C se pondrá en funcionamiento la resistencia superior encendiendose el piloto de funcionamiento , hasta alcanzar la temperatura de 70°C. Una vez alcanzada esta temperatura podrá conectarse la resistencia inferior siempre que el interruptor se encuentre en posición , durante este tiempo estará encendido el piloto de funcionamiento . De esta forma todo el termo alcanzará la temperatura de 70°C. Es recomendable mantener enchufado el termo permanentemente, ya que el termostato hará que funcione sólo cuando sea necesario para mantener la temperatura seleccionada, y las insignificantes pérdidas caloríficas están garantizadas por el aislamiento térmico de espuma de poliuretano. Vaciado. En caso de no utilización prolongada, y si hay riesgo de heladas en el local donde está instalado, es recomendable vaciar el termo. El vaciado se puede hacer por el drenaje de la válvula de seguridad. En todo caso: – Cortar la corriente. – Cerrar el grifo entrada agua en la instalación. – Abrir el grifo de agua caliente. – 5 –
  • 6.
    E MANTENIMIENTO El termo nonecesita ningún mantenimiento especial. Para limpiarlo basta frotarlo con un paño suave o esponja húmeda. No usar abrasivos ni detergentes. El calentamiento excesivo por un eventual fallo del termostato de trabajo, queda protegido por el limitador de seguridad, que corta las dos fases y deja sin tensión el termo. En este caso deberá llamarse al Servicio Asistencia al Cliente para su reparación. EL FABRICANTE se reserva la facultad de modificar las características y especificaciones de sus productos sin previo aviso. RESISTENCIA SUPERIOR TERMOSTATO REGLETA INVERSOR LAMPARA PULSADOR RESISTENCIA INFERIOR TERMOSTATO TRABAJO LAMPARA – 6 –
  • 7.
    E CONDICIONES DE LAGARANTÍA PARA TERMOS FAGOR La Garantía para Termos Fagor es una garantía comercial que le c) Aquellas intervenciones que se deriven de una incorrecta instalación ofrecemos como fabricante de forma adicional e independiente del termo o de la falta de mantenimiento del mismo, de la puesta a los derechos que Usted tiene frente al vendedor derivados del en marcha realizada por un profesional sin la debida acreditación, contrato de compraventa de su termo, derechos que se encuentran todo ello de conformidad con las recomendaciones de instalación regulados en el título V del Real Decreto Legislativo 1/2007 de 16 de y uso recogidas en el Libro de Instrucciones y/o Manual de noviembre, siendo éstos independientes y compatibles con los Instalación. otorgados en la presente garantía comercial. d) Los desgastes y deterioros estéticos producidos por el uso, la El citado texto legal, cuyo contenido le recomendamos consulte, le faculta a Ud. como consumidor y usuario a elegir, en el caso de existir limpieza de acumulación de cal, la revisión y sustitución del ánodo una falta de conformidad del termo con el contrato, entre la reparación de magnesio así como otras operaciones de mantenimiento del o la sustitución totalmente gratuitas del termo, siempre que la opción termo. elegida no sea objetivamente imposible o económicamente Todos los termos deben de estar instalados de forma accesible para desproporcionada respecto de la otra. Por favor, en el caso de detectar nuestros técnicos, siendo por cuenta del usuario la disposición y los una falta de conformidad en el termo comuníquelo inmediatamente gastos que posibiliten el acceso al termo para su reparación y/o después de ser descubierto, para evitar inconvenientes mayores. Si sustitución. la reparación o la sustitución no hubiesen sido posibles o llevadas a cabo en un plazo razonable, podrá solicitar al vendedor la rebaja del MUY IMPORTANTE: para ser acreedor a esta garantía, es totalmente precio o la resolución del contrato, siempre que cualquiera de las 2 imprescindible que el usuario acredite ante el Servicio Técnico Oficial anteriores formas de subsanación no se hayan podido llevar a efecto. del garante, la fecha de compra mediante la factura o ticket emitido por el vendedor del termo. En el caso de termos suministrados en ¿QUE CUBRE LA GARANTÍA PARA TERMOS FAGOR? obras nuevas se deberá acreditar suficientemente la fecha de La Garantía para Termos Fagor que le ofrecemos como fabricante disposición para el uso del termo. cubre, durante un plazo de dos años a contar desde la entrega del Todos nuestros técnicos van equipados del correspondiente carnet aparato, el coste total de las reparaciones realizadas por el Servicio avalado por ANFEL (Asociación Nacional de Fabricantes de de Asistencia Técnica Oficial de Fagor, sobre las faltas de conformidad Electrodomesticos) que los acredita como Servicio Oficial de la Marca. que existan en el momento de la entrega del termo. Se entenderá que el aparato es conforme siempre que concurran los siguientes En su propio beneficio exija su identificación. requisitos: La presente Garantía será válida únicamente en territorio español y a) El aparato garantizado deberá corresponder a los que el fabricante es otorgada por Fagor Electrodomesticos, S.Coop. Nuestro domicilio destina expresamente para la venta e instalación en España social está en el Barrio San Andrés nº 18, Apdo. 20500 Mondragón- siguiendo todas las normativas aplicables vigentes. Gipuzkoa. b) Se ajuste a la descripción dada por Fagor en sus catálogos, web, manuales de instrucciones o de instalación. ANULACION DE LA PRESENTE GARANTIA c) Sea apto para los usos a los que ordinariamente se destinen Esta garantía quedará anulada y por tanto sin efecto alguno si el aparatos del mismo tipo. termo ha sido manipulado, modificado o reparado por personas no d) Presenten la calidad y prestaciones habituales de aparatos del autorizadas o servicios técnicos que no sean los oficiales de la marca. mismo tipo. Igualmente se anulará si el termo no está bien instalado con el grupo Las faltas de conformidad que se manifiesten en los primeros seis de seguridad y los casquillos protectores adecuados. meses posteriores a la entrega del termo, se presumen, salvo prueba en contrario, que existían en el momento de la entrega. Posteriormente, CONSULTAS y RECLAMACIONES y hasta los dos años, corresponderá al usuario probar que la falta de Para cualquier consulta, aclaración ó planteamiento de quejas y conformidad que se manifieste existía en el momento de la entrega reclamaciones en relación con esta garantía o en caso de avería de del aparato. su termo, contacte con el Centro de Información al Consumidor de Adicionalmente la garantía cubre durante los dos años a partir de la Fagor a través del teléfono de atención 902105010, la web compra el coste de los componentes sustituidos por el Servicio de www.fagor.com, correo electrónico info@fagor.com ó correo postal Asistencia Técnica Oficial FAGOR. enviándolo al Centro de Información al Consumidor, Apdo. Correos Asimismo se garantiza durante 5 años desde la fecha de compra, el nº 1 de Basauri (C.P. 48970). También podrá acudir a cualquier órgano calderín del termo eléctrico siempre que el Servicio Técnico Oficial o entidad correspondiente a las Comunidades Autónomas y de las revise anualmente el estado del ánodo de magnesio y lo sustituya en Corporaciones Locales competentes en materia de defensa de los caso de desgaste excesivo. consumidores y/o a los Juzgados y Tribunales competentes. Recuerde que mientras el termo está siendo reparado o cuando sea reemplazado, el periodo durante el que puede ejercer los derechos que tiene Usted frente al vendedor, como los que dispone con la Identificación del aparato garantía termos Fagor que le ofrecemos adicionalmente, queda suspendido temporalmente hasta la entrega del termo reparado o sustituto, momento a partir del cual dispondrá del periodo no consumido y en todo caso de 6 meses. EXCLUSIONES: Queda excluido de la cobertura de la presente garantía, y por tanto, el coste total de la reparación será a cargo del usuario, en los siguientes casos: a) Las averías provocadas por actos malintencionados, negligencia o mal uso del termo por parte del cliente o terceros. b) Las averías producidas por causas fortuitas, fuerza mayor (fenómenos atmosféricos o geológicos) y en general las averías Fecha de Compra: / / causadas por elementos ajenos al propio termo. – 7 –
  • 8.
    P FELICIDADES. Decidiu adquirirum termo eléctrico FAGOR, uma marca de prestígio, onde o verdadeiramente importante para nós é a satisfação das necessidades dos nossos clientes, atecipando as mesmas com produtos tecnologicamente avançados e inovadoras. Os nossos especialistas fabricaram e comprovaram com esmero todos os nossos termos eléctricos FAGOR para lhes oferecer a máxima satisfação para as suas exigências. Gratos pela confiança depositada em nós. O bom funcionamento do seu termo não depende apenas da qualidade do produto mas também da sua correcta instalação por um profissional qualificado. Leia atentamente este manuais de instruções antes de instalar e utilizar o seu termo, para conseguir o máximo rendimento e prolongar a sua durabilidade. Guarde este manual para uso futuro. SEGURANÇA E ADVERTÊNCIAS GERAIS – Comproeve que as especificações escritas na placa de características do aparelho coincidem com as do fornecimento eléctrico. – A instalação e colocação em serviço deve ser feita de acordo com estas instruções e apenas por canalizador ou profissionais qualificados. – Os termos eléctricos da Fagor são fabricados e estão de acordo com regulamentos e normas válidas. – Este aparelho não está destinado a ser utilizado por pessoas (incluindo crianças) cujas capacidades físicas, sensoriais ou mentais estejam reduzidas, ou careçam de experiência ou conhecimento, salvo se tenham tido supervisão ou instruções relativas ao uso do aparelho por uma pessoa responsável pela sua segurança. As crianças deveriam ser supervisionadas para assegurar que não brincam com o aparelho. ECOLOGIA O modelo de termo que seleccionou utiliza HFC 134 A, um dos isolamentos mais ecológicos existentes hoje em dia no mercado. Este Isolamento conta com uma grande espessura e densidade (0% CFC), que permite reduzir o consumo eléctrico em cerca de 40%. INFORMAÇÃO PARA A GESTÃO CORRECTA DOS RESÍDUOS DE APARELHOS ELÉCTRICOS E ELECTRÓNICOS Ao final da vida útil do aparelho, este não deve ser eliminado junto com os resíduos domésticos gerais. Pode entregar, sem qualquer tipo de custo, em centros específicos de recolha, diferenciados pelas administrações locais, ou distribuidores que facilitem este serviço. Eliminar um resíduo de electrodoméstico em separado representa evitar possíveis consequências negativas para o meio ambiente e para a saúde, provocadas por uma eliminação inadequada, e permite um tratamento e reciclagem dos materiais que o compõem, obtendo uma poupança importante de energia e recursos. Para evidenciar a obrigação de colaborar numa recolha selectiva, o produto aparece marcado tal como se mostra como advertência de não utilização de contentores tradicionais para a sua eliminação. Para mas informação, entre em contacto com a autoridade local ou com a loja onde tiver adquirido o produto. DEFEITOS OU AVARIAS No caso de surgir alguma avaria no seu termo, desligue-o imediatamente da corrente eléctrica. Informe o Serviço de Assistência Técnica (707 20 50 10). Para facilitar a tarefa do Serviço de Assistência técnica, deverá facultar-lhes os seguintes dados: – Modelo do termo – N.º de serie – Data de compra – Descrição do problema – Morada e telefone da sua habitação. – Nome e apelido da pessoa de contacto. – 8 –
  • 9.
    P CARACTERISTICAS DOS TERMOACUMULADORES ELÉCTRICOS CONSUMO DIMENSÕES CAPACIDADES POTÊNCIA (W) MANUTENÇÃO MODELOS PESO (l) 230V ~ Kw/24 h. a 65ºC A B D E F G H I K REDONDO 75 1.600 0,93 230 175 738 440 280 250 500 522 752 28 VERTICAL 100 1.600 1,09 230 175 917 440 435 250 500 522 931 33 ESQUEMA DE DIMENSÕES MONTAGEM DOS COMPONENTES DO KIT SOLAR COLECTOR SOLAR TERMO SOLASIS ACUMULADOR – 9 –
  • 10.
    P INSTALAÇÃO ACESSÓRIOS O termo ouaquecedor de água eléctrico por acumulação sob pressão é fornecido com os elementos básicos para a sua instalação, tais como: – Casquilhos isolantes – Válvula de segurança Estes acessórios vão dentro da embalagem. COLOCAÇÃO Tanto a parede onde se instala o termo como as buchas e parafusos de fixação Mínimo 20 mm. do mesmo devem suportar o peso do aparelho, cheio de água. No caso de uma parede fina, devem utilizar-se contraplacas do lado oposto da parede. NOTA.- O termo deve estar situado de forma a que a ficha do cabo de alimentação esteja acessível. Água quente 6 Marca Marca vermelha azul LOCALIZAÇÃO A.Q. 1 2 Água de acumulador 80 cm. É recomendável colocá-lo o mais próximo possível do ponto de utilização de Válvula de segurança 3 água quente; desta forma, evitam-se perdas de temperatura da água na a.f. tubagem. 4 5 Este termo só se instalará em posição vertical. É necesario deixar um espaço Esgoto mínimo de 80 cm por baixo da saída dos tubos, para ter posterior acesso à parte eléctrica e facilitar a sua manutenção e eventuais reparações. INSTALAÇÃO HIDRÁULICA Aviso ao instalador: os casquilhos isolantes fornecidos com o termo 1. Grupo de segurança hidráulica (fornecida com o termo) devem ser colocados nos tubos de entrada e saída, para eliminar o risco 2. Comando da válvula de drenagem de formação de pares galvânicos, utilizando teflon na rosca dos tubos. 3. Esgoto canalizado 4. Válvula de corte O binário de aperto dos casquilhos é de 3,5 kgm. 5. Redutor de pressão: É necessário colocá-lo depois do contador, na entrada da habitação (nunca próximo do Antes de proceder à ligação hidráulica é indispensável limpar as tubagens termo) quando a pressão seja superior a 5 kg/cm2 de alimentação por forma a não introduzir partículas metálicas ou estranhas 6. Casquilhos isolantes (fornecidos com o termo) dentro do termo. Instalar o termo segundo os esquemas da figura 1. Fig. 1 - INSTALAÇÃO LIGAÇÕES INFERIORES a) o termo tem obrigatoriamente de ser instalado com o grupo de segurança, equipado com anti-retorno (fornecido com o termo). Não deve instalar-se nenhum acessório hidráulico entre o grupo de segurança e o tubo de água fria (válvula de corte, anti-retorno, etc.). A saída do grupo de segurança deve ser ligada obrigatoriamente a uma tubagem de esgoto, que tenha um diâmetro pelo menos igual ao da tubagem de ligação do termo, com uma inclinação constante e aberta à atmosfera, mantendo uma distância mínima de 20 mm como indica a figura 1. Durante o período de aquecimento a água dilata, produzindo um gotejar (aproximadamente 3% da sua capacidade por cada ciclo de aquecimento). Não se preocupe, é um fenómeno normal. Para esvaziar o termo, é necessário actuar sobre o grupo de segurança, elevando a patilha, como se indica na figura 2. Convém accionar esta patilha periodicamente para evitar que fique presa e comprovar o seu correcto funcionamento. b) Quando a pressão da rede de abastecimento supere os 5 bar, é obrigatório instalar um redutor de pressão à entrada da rede, tarado para um máximo de 4 bar. c) Se se utilizarem tubagens de plástico para efectuar a instalação, é necessário ter em conta as condições de pressão e temperatura a que irão estar submetidas. Pressão máxima de 9 bar e temperatura máxima de 70ºC em condições normais ou 110ºC em condições anormais de corte do termóstato de segurança. INSTALAÇÃO ELÉCTRICA Os aparelhos são fornecidos para ligação à rede monofásica de 230V. Verificar com cuidado a concordância entre a tensão de alimentação e a do aparelho. A instalação eléctrica do termo deve respeitar os regulamentos eléctricos para baixa tensão em vigor na altura da instalação. Para as instalações em quartos de banho, deverão ser levados em conta os seguintes volumes e prescrições para cada um deles. VOLUME DE PROIBIÇÃO: É o volume limitado pelos planos verticais tangentes às faces exteriores Fig. 2 da banheira ou duche e os horizontais formados pelo solo e por um plano situado a 2,25 metros acima dos aparelhos ou do solo, no caso dos aparelhos estarem encastrados no chão. ESVAIZAR EM VERTICAL LIGAÇÕES INFERIORES VOLUME DE PROTECÇÃO: é o volume compreendido entre os mesmos planos horizontais indicados para o volume de proibição e outros verticais a 1,2 metros dos do citado volume. Dentro do volume de proibição não se instalarão interruptores, tomadas de corrente ou aparelhos de iluminação. Dentro do volume de protecção não se instalarão interruptores, mas poderão instalar-se tomadas de corrente, protegidas por disjuntores diferenciais de ≤ 30 mA. O termo deverá instalar-se fora do volume de proibição, com o fim de evitar projecções de água para o interior do aparelho. No caso do termo ir sem a ficha de alimentação eléctrica deverá realizar-se através de um interruptor bipolar com abertura de contactos com um mínimo de 3 mm. A instalação deve estar protegida com fusíveis de calibre correspondente à intensidade absorvida. Uma ligação de terra deve existir em toda a instalação eléctrica. Para facilitar essa ligação, a ficha do termo possui esse contacto, pelo que basta que a tomada tenha ligação de terra. Deverá verificar-se que a instalação eléctrica do local esteja equipada com linha de terra. Se não tiver linha de terra, recomendamos a instalação de um interruptor diferencial de ≤ 30 mA. Este aparelho cumpre com o regulamento sobre perturbações radioeléctricas e interferências. NOTA: Está absolutamente proibida toda a manipulação e substituição de peças (incluindo o cabo de alimentação eléctrica, sem ser pelo Serviço de Assistência Técnica). – 10 –
  • 11.
    P UTILIZAÇÃO COLOCAÇÃO EM FUNCIONAMENTO Enchimento:Uma vez instalado o termo, abrir a válvula de corte. Abrir as torneiras de água quente. Quando a água começar a sair pelas torneiras, o termo está cheio. Fechar então as torneiras de água quente e verificar que não haja fugas na instalação. Não ligar o termo á rede eléctrica, sem ter a certeza de que está cheio de água. Ligação eléctrica: Ligar à rede e accionar o disjuntor geral para que o aparelho fique sob tensão. Nos modelos com piloto, este acende-se ao funcionar a resistência. Ao ser usada uma certa quantidade de água quente, o termóstato volta a accionar a resistência. Regulação da temperatura da água: Nos modelos não equipados com comando exterior de temperatura, o termóstato vem regulado de fábrica para 70ºC. PILOTO DE FUNCIONAMENTO INVERNO TECLA PILOTO DE FUNCIONAMENTO VERÃO Se a temperatura de entrada da água proveniente do acumulador for inferior a 60°C põe-se em funcionamento a resistencia superior acedendo-se o piloto de fundcionamento , até alcanzar a temperatura de 70°C. Uma vez atingida esta temperatura poderá ligar-se a resistência inferior sempre que o interruptor se encontre na posição , durante este tempo o piloto de funcionamento permanecerá aceso. Desta forma, todo o termo alcançará a temperatura de 70°C. Recomenda-se que mantenha sempre o termo ligado à corrente, uma vez que o termóstato fará com que apenas funcione quando seja necessário para manter a temperatura seleccionada e as perdas de calor são insignificantes devido ao isolamento térmico de espuma de poliuretano. Esvaziar: Em caso de não utilização prolongada, e se existe o risco de congelamento no local onde está instalado, é recomendado esvaziar o termo. Pode fazer-se pela drenagem da válvula de segurança. Em todo o caso: – Cortar a corrente eléctrica – Fechar a torneira de entrada de água na instalação – Abrir a torneira de água quente – 11 –
  • 12.
    P MANUTENÇÃO O termo nãonecessita de nenhuma manutenção especial. Para limpá-lo basta usar um pano suave ou esponja húmida. Não utilizar abrasivos nem detergentes. O aquecimento excessivo por uma eventual falha do termóstato de trabalho é evitado pelo limitador de segurança que corta as duas fases e deixa o termo sem tensão. Neste caso, deverá chamar a Assistência Técnica para a sua reparação. O fabricante reserva-se o direito de modificar as características e especificações dos seus produtos sem prévio aviso. RESISTENCIA SUPERIOR TERMÓSTATO RÉGUA INVERSOR LÂMPARA TECLA RESISTENCIA INFERIOR TERMÓSTATO DE TRABALHO LÂMPARA – 12 –
  • 13.
    P CONDIÇÕES GERAIS DAGARANTIA A Fagor responde pelas faltas de conformidade do termo eléctrico que possam aparecer durante os 2 primeiros anos desde a entrega, tal como estabelecido no DL 67/2003. Adicionalmente, a Fagor oferece, às peças e componentes do termo eléctrico, uma garantia de até 2 anos, sempre que estas sejam substituidas pelo Serviço de Assistência Técnica Oficial da Fagor. Garante-se durante 5 ANOS, a cuba do termo eléctrico, a partir da sua data de compra. Em caso de avaria da cuba durante esse prazo de garantia, substituir-se-á o aparelho completo. Para garantir a duração da cuba, é necessário que o utilizador inspeccione a cada 2 anos, o desgaste do ânodo de magnésio e peça a sua substituição em caso de desgaste excesivo. A nossa garantia aplica-se com a condição expressa de que o termo eléctrico tenha sido bem instalado, com o grupo de segurança e os casquilhos protectores que fornecemos juntamente com o aparelho. A Fagor não se responsabiliza pelas faltas de conformidade que se possam apresentar na instalação de que faz parte o termo eléctrico da sua marca. MUITO IMPORTANTE: para ser credor desta garantia, é imprescindível que o utilizador comprove ao serviço técnico oficial da marca, a data de compra mediante a factura de compra do aparelho. Todos os nossos técnicos dispõem do correspondente cartão que os acredita como Serviço Oficial da Marca. Em seu próprio benefício exija a sua identificação. EXCLUSÕES DA PRESENTE GARANTIA Estão excluídos da cobertura da presente Garantia, e portanto será a cargo do utilizador o custo total da reparação, o seguinte: a) As avarias provocadas por negligência ou mau uso do aparelho por parte do cliente. b) As avarias produzidas por causas fortuitas, força maior (fenómenos atmosféricos ou geológicos), congelação, sobrecargas de qualquer índole e causas externas ao aparelho. c) As reparações derivadas da acumulação de calcário nos aparelho. d) As intervenções que sejam originadas por uma incorrecta instalação do aparelho, de uma manipulação, modificação ou reparação realizada por pessoas não autorizadas ou serviços técnicos não oficiais ou de uma mantenção do mesmo não conforme com as recomendações de instalação e uso apresentadas nos Livros de Instruções ou Manual de Instalação, ou da legislação vigente. e) O ressarcimento de danos e prejuízos, a substituição do aparelho e a devolução do preço da mesma. A presente Garantia será válida unicamente em território Português, e exclusivamente com respeito ao aparelho mencionado e otourgada por Fagor Lusitana Electrodomésticos,lda. Avenida do Forte, nº 4 - Carnaxide. – 13 –
  • 14.
    Fagor Electrodomésticos, S. Coop. Divisiónconfort Avda. de Cervantes. 45 48970 BASAURI (Bizkaia) Tfno. 94 466 71 00 Fax 94 426 40 05 www.fagor.com info@fagor.com En servicios, Fagor le da más rapidez y calidad. SERVICIO d i c h o y h e c h o TENCICO OFICIAL N Servicio de Asistencia Técnica en 24 horas*. 902 10 50 10 fagor.com Consultas Técnicas para Profesionales Si no lo cumplimos el desplazamiento es gratis. es innovación * Sólo válido para usuarios que dispongan del Contrato de Garantía 5 años. Fagor Lusitana Electrodomésticos, Lda. Avenida do Forte Nº 4 2794-031 CARNAXIDE (Portugal) Tel. 21-424 74 00 Fax 21-424 74 50 www.fagor.com info@fagor.com Em serviços, a Fagor dá-lhe mais rapidez e qualidade. d i t o e f e i t o GARANTIA ANOS Serviço de Grátis todas as peças 707 20 50 10 www.fagor.pt Consultas Técnicas para Proffissionais e componentes por 5 anos. é inovação – 14 –
  • 16.
    CERTIFICADO DE GARANTIA CERTIDÃO DE GARANTIA MOD. Gas Aparato Volt. Aparelho N.º Serie Cod. N.º Serie Fecha de compra Sello distribuidor Data de compra Carimbo do vendedor • Antes de instalar y usar el aparato lea cuidadosamente los manuales de instrucciones. • Antes de instalar e utilizar o aparelho, leia com atenção os manuais de instruções. En este documento conocerá lo que debe hacer Preste atenção à informação que lhe iremos en caso de detectar cualquier anomalía. transmitir, a fim de evitar futuros incómodos. Aqui Primeramente le aconsejamos consulte el manual poderá verificar o que terá de fazer em caso de de instrucciones, solucionará muchas dudas y anomalia, mas não se preocupe, pois temos um defectos aparentes inmediatamente. serviço de assistência técnica oficial, com técnicos Seguidamente si no encuentra solución a su qualificados, muito próximo da sua residência. problema ó duda, recurra a nuestro servicio No entanto, se nos permite um conselho, antes técnico oficial, con la profesionalidad de los de contactar os nossos serviços técnicos oficiais, técnicos mejor cualificados. Un servicio rápido, verifique bem a eventual anomalia do seu fiable y cercano. aparelho, pois pode ser que com o manuais de instruções consiga solucionar a suposta avaria, e assim evitar gastos desnecessários e poupar tempo. Se tal não acontecer, não se preocupe, pois tal como lhe dissemos, temos um serviço de pós venda, rápido, fiável, e que está sempre disponível para o ajudar. T07F037F0 F407F3700 – 16 –