CENTRO DE CAPACITACION PARA EL TRABAJO INDUSTRIAL No. 98 
CURSO: ISER SUBMOD. No. 02 REALIZAR LA IER. (ALUMB. FLUOR) INST. S y A 
GRUPO: 
FECHA: 
REVISO: PROFR. E. CANO M. 
REALIZO: 
INFORMACION TEC. 
E.C.M 
A veces también denominada tubo fluorescente, es una lámpara de vapor de mercurio a baja presión, utilizada para la iluminación doméstica e industrial. Su gran ventaja frente a otro tipo de lámparas, como las incandescentes, es su eficiencia energética. 
Lámpara fluorescente 
Está formada por un tubo o bulbo fino de vidrio revestido interiormente con una sustancia que contiene fósforo y otros elementos que emiten luz al recibir una radiación ultravioleta de onda corta. El tubo contiene una pequeña cantidad de vapor de mercurio y un gas inerte, habitualmente argon o neon, sometidos a una presión ligeramente inferior a la presión atmosférica. Asimismo, en los extremos del tubo existen dos filamentos hechos de tungsteno. 
Elementos necesarios para su funcionamiento 
En la se aprecian los elementos de que consta la instalación de una lámpara 
En esta figura se distinguen, aparte de la propia lámpara, dos elementos fundamentales: el cebador (arrancador) y la reactancia inductiva (balastro). 
El cebador (arrancador) está formado por una pequeña ampolla de cristal rellena de gas neón a baja presión y en cuyo interior se halla un contacto formado por láminas bimetálicas. En paralelo con este contacto se halla un condensador destinado a actuar de apaga chispas. 
El elemento de reactancia inductiva está constituido por una bobina arrollada sobre un núcleo de chapas de hierro, el cual recibe el nombre de balastra o balasto.
CENTRO DE CAPACITACION PARA EL TRABAJO INDUSTRIAL No. 98 
CURSO: ISER SUBMOD. No. 02 REALIZAR LA IER. (ALUMB. FLUOR) INST. S y A 
GRUPO: 
FECHA: 
REVISO: PROFR. E. CANO M. 
REALIZO: 
INFORMACION TEC. 
E.C.M 
Funcionamiento 
Al aplicar la tensión de alimentación, el gas contenido en la ampolla del cebador se ioniza con lo que aumenta su temperatura lo suficiente para que la lámina bimetálica se deforme cerrando el circuito, lo que hará que los filamentos de los extremos del tubo se enciendan. Al cerrarse el contacto el cebador se apaga y el gas vuelve a enfriarse, con lo que los contactos se abren nuevamente y se repite el proceso. De este modo la corriente aplicada a los filamentos es pulsatoria. 
La función del condensador, contenido en el cebador, es absorber los picos de tensión que se producen al abrir y cerrar el contacto, evitando su deterioro por las chispas que, en otro caso, se producirían. 
Los filamentos, al calentarse, desprenden electrones que ionizan el gas argón que llena el tubo, formando un plasma que conduce la electricidad. Este plasma excita los átomos del vapor de mercurio que, como consecuencia, emiten luz visible y ultravioleta. 
El revestimiento interior de la lámpara tiene la función de filtrar y convertir la luz ultravioleta en visible. La coloración de la luz emitida por la lámpara depende del material de dicho recubrimiento interno. 
Las lámparas fluorescentes son dispositivos con pendiente negativa de la resistencia eléctrica respecto de la tensión eléctrica. Esto significa que cuanto mayor sea la corriente que las atraviesa, mayor es el grado de ionización del gas y, por tanto, menor la resistencia que opone al paso de dicha corriente. Así, si se conecta la lámpara a una fuente de tensión prácticamente constante, como la suministrada por la red eléctrica, la lámpara se destruiría en pocos segundos. Para evitar esto, siempre se conectan a través de un elemento limitador de corriente para mantenerla dentro de límites tolerables. Este elemento limitador, en el caso de la instalación de la Figura 1, es la reactancia inductiva. 
Finalmente, la disminución de la resistencia interna del tubo una vez encendido, hace que la tensión entre los terminales del cebador sea insuficiente para ionizar el gas contenido en su ampolla y por tanto el contacto bimetálico queda inactivo cuando el tubo está encendido.
Funcionamiento de un Tubo Fluorescente 
Inicialmente las láminas del cebador están abiertas, al cerrar el circuito se ioniza el gas del cebador y se ceba un arco. El arco calienta las láminas, estas se deforman y hacen contacto. Se cierra el circuito y la corriente calienta los filamentos de la lámpara iniciándose una descarga oscura en el tubo. Como ahora no se produce descarga en el cebador, las láminas se enfrían y se abren, lo cual produce una sobretensión, a través de la reactancia, que enciende el tubo. Como en esta situación la tensión en bornes del cebador es menor a la de cebado del arco, el gas no se calienta y no se deforman las láminas. 
CENTRO DE CAPACITACION PARA EL TRABAJO INDUSTRIAL No. 98 
CURSO: ISER SUBMOD. No. 02 REALIZAR LA IER. (ALUMB. FLUOR) INST. S y A 
GRUPO: 
FECHA: 
REVISO: PROFR. E. CANO M. 
REALIZO: 
INFORMACION TEC.
CENTRO DE CAPACITACION PARA EL TRABAJO INDUSTRIAL No. 98 
CURSO: ISER SUBMOD. No. 02 REALIZAR LA IER. (ALUMB. FLUOR) INST. S y A 
GRUPO: 
FECHA: 
REVISO: PROFR. E. CANO M. 
REALIZO: 
PRACTICA No. 01 
E.C.M 
DIAGRAMA DE CONEXIÓN DE UNA LAMPARA FLUORESCENTE DE 20 WATTS (1 X 20 W) ENCENDIDO NORMAL. 
CONEXIÓN DE UNA LAMPARA FLUORESCENTE DE 1 X 20 W ENCENDIDO NORMAL, CONTROLADA DESDE DOS LUGARES DISTINTOS POR DOS APAGADORES DE TRES VIAS. 
S 
Arrancador 
Lámpara Fluorescente 
1x20w E.N 
Balastro 
Negro 
Negro 
127 V 
S 
Negro 
Negro 
+ 
+ 
F 
N
Lámp. Fluor. 
REVISO: PROFR. E. CANO M. 
E.C.M 
DIAGRAMA DE CONEXIÓN DE DOS LAMPARAS FLUORESCENTES DE 20 WATTS (2 X 20 W) ENCENDIDO NORMAL. 
CONEXIÓN DE UN EQUIPO FLUORESCENTE DE 2 X 20 W ENCENDIDO NORMAL CON LAS LAMPARAS SEPARADAS, CONTROLADA POR UN APAGADOR SENCILLO Y EN EL EXTREMO CONTRARIO DOS CONTACTOS SENCILLOS 
Arrancador 
Lámpara Fluorescente 
2x20w E.N 
Balastro 
Negro 
127 V 
S 
Lámpara Fluorescente 
S 
S 
Amarillo 
Café 
Rojo 
Azul 
S 
F 
N 
Azul 
Rojo 
Café 
CENTRO DE CAPACITACION PARA EL TRABAJO INDUSTRIAL No. 98 
GRUPO: 
FECHA: 
REALIZO: 
PRACTICA No. 02 
Negro 
Amarillo 
Lámp. Fluor. 
CURSO: ISER SUBMOD. No. 02 REALIZAR LA IER. (ALUMB. FLUOR) INST. S y A
Azul 
E.C.M 
DIAGRAMA DE CONEXIÓN DE UNA LAMPARA FLUORESCENTE DE 40 WATTS (1 X 40 W) ENCENDIDO NORMAL. 
CONEXIÓN DE UNA LAMPARA FLUORESCENTE DE 1 X 40 W ENCENDIDO NORMAL, CONTROLADA DESDE DOS LUGARES DISTINTOS POR DOS APAGADORES DE TRES VIAS QUE ESTAN JUNTO A UN CONTACTO SENCILLO CADA APAGADOR. 
S 
Arrancador 
Lámpara Fluorescente 
1x40w E.N 
Balastro 
Azul 
127 V 
S 
Negro 
Blanco 
Negro 
Blanco 
+ 
+ 
CENTRO DE CAPACITACION PARA EL TRABAJO INDUSTRIAL No. 98 
GRUPO: 
FECHA: 
REVISO: PROFR. E. CANO M. 
REALIZO: 
PRACTICA No. 03 
Lámp. Fluor. 
1X40 
CURSO: ISER SUBMOD. No. 02 REALIZAR LA IER. (ALUMB. FLUOR) INST. S y A
Lámp. Fluor. 
Negro 
Azul 
Amarillo 
E.C.M 
DIAGRAMA DE CONEXIÓN DE DOS LAMPARAS FLUORESCENTES DE 40 WATTS (2 X 40 W) ENCENDIDO NORMAL. 
CONEXIÓN DE UN EQUIPO FLUORESCENTE DE 2 X 40 W ENCENDIDO NORMAL CON LAS LAMPARAS SEPARADAS, CONTROLADA POR UN APAGADOR SENCILLO QUE ESTA JUNTO A UN CONTACTO SENCILLO. 
Arrancador 
Lámpara Fluorescente 
2x40w E.N 
Negro 
127 V 
S 
Lámpara Fluorescente 
S 
S 
Amarillo 
Azul 
S 
Blanco 
Blanco 
CENTRO DE CAPACITACION PARA EL TRABAJO INDUSTRIAL No. 98 
GRUPO: 
FECHA: 
REVISO: PROFR. E. CANO M. 
REALIZO: 
PRACTICA No. 04 
Lámp. Fluor. 
2X40 
CURSO: ISER SUBMOD. No. 02 REALIZAR LA IER. (ALUMB. FLUOR) INST. S y A
Blanco 
CENTRO DE CAPACITACION PARA EL TRABAJO INDUSTRIAL No. 98 
CURSO: ISER SUBMOD. No. 02 REALIZAR LA INST. ELECTRICA RESIDENCIAL 
GRUPO: 
FECHA: 
REVISO: PROFR. E. CANO M. 
REALIZO: 
PRACTICA No. 05 
E.C.M 
DIAGRAMA DE CONEXIÓN DE UNA LAMPARA FLUORESCENTE DE 17 WATTS T8 DE 2 PINES (1 X 17 W) ENCENDIDO ELECTRONICO (PHILLIPS). 
CONEXIÓN DE UNA LAMPARA FLUORESCENTE DE 17 W T8 DE 2 PINES ENCENDIDO ELECTRONICO, CONTROLADA DESDE DOS LUGARES DISTINTOS POR DOS APAGADORES DE TRES VIAS. 
Lámpara Fluorescente T8 2 Pines 
1ò2x17/25/32w 
E.E 
Balastro 
NEGRO 
AZUL (AISLAR) 
LINEA 
Negro 
+ 
+ 
F 
N 
BLANCO 
AZUL 
ROJO 
Rojo 
Azul 
Azul (aislar)
CENTRO DE CAPACITACION PARA EL TRABAJO INDUSTRIAL No. 98 
CURSO: ISER SUBMOD. No. 02 REALIZAR LA INST. ELECTRICA RESIDENCIAL 
GRUPO: 
FECHA: 
REVISO: PROFR. E. CANO M. 
REALIZO: 
PRACTICA No. 06 
E.C.M 
DIAGRAMA DE CONEXIÓN DE DOS LAMPARA FLUORESCENTES DE 17 WATTS T8 DE 2 PINES (2 X 17 W) ENCENDIDO ELECTRONICO (PHILLIPS). 
CONEXIÓN DE DOS LAMPARAS FLUORESCENTES DE 17 W T8 DE 2 PINES ENCENDIDO ELECTRONICO, CONTROLADA DESDE DOS LUGARES DISTINTOS POR DOS APAGADORES DE TRES VIAS. 
Lámpara Fluorescente T8 2 Pines 
1ò2x17/25/32w 
E.E 
Balastro 
NEGRO 
AZUL 
LINEA 
+ 
+ 
F 
N 
BLANCO 
AZUL 
ROJO 
Lámpara Fluorescente T8 2 Pines 
Blanco 
Negro 
Rojo 
Azul 
Azul
Blanco 
CENTRO DE CAPACITACION PARA EL TRABAJO INDUSTRIAL No. 98 
CURSO: ISER SUBMOD. No. 02 REALIZAR LA INST. ELECTRICA RESIDENCIAL 
GRUPO: 
FECHA: 
REVISO: PROFR. E. CANO M. 
REALIZO: 
PRACTICA No. 07 
E.C.M 
DIAGRAMA DE CONEXIÓN DE UNA LAMPARA FLUORESCENTE DE 25 WATTS T8 DE 2 PINES (1 X 25 W) ENCENDIDO ELECTRONICO (PHILLIPS). 
CONEXIÓN DE UNA LAMPARA FLUORESCENTE DE 25 W T8 DE 2 PINES ENCENDIDO ELECTRONICO, CONTROLADA DESDE DOS LUGARES DISTINTOS POR DOS APAGADORES DE TRES VIAS. 
Lámpara Fluorescente T8 2 Pines 
1ò2x17/25/32w 
E.E 
Balastro 
NEGRO 
AZUL (AISLAR) 
LINEA 
Negro 
+ 
+ 
F 
N 
BLANCO 
AZUL 
ROJO 
Rojo 
Azul 
Azul (aislar)
CENTRO DE CAPACITACION PARA EL TRABAJO INDUSTRIAL No. 98 
CURSO: ISER SUBMOD. No. 02 REALIZAR LA INST. ELECTRICA RESIDENCIAL 
GRUPO: 
FECHA: 
REVISO: PROFR. E. CANO M. 
REALIZO: 
PRACTICA No. 08 
E.C.M 
DIAGRAMA DE CONEXIÓN DE DOS LAMPARA FLUORESCENTE DE 25 WATTS T8 DE 2 PINES (2 X 25 W) ENCENDIDO ELECTRONICO (PHILLIPS). 
CONEXIÓN DE DOS LAMPARAS FLUORESCENTES DE 25 W T8 DE 2 PINES ENCENDIDO ELECTRONICO, CONTROLADA DESDE DOS LUGARES DISTINTOS POR DOS APAGADORES DE TRES VIAS. 
Lámpara Fluorescente T8 2 Pines 
1ò2x17/25/32w 
E.E 
Balastro 
NEGRO 
AZUL 
LINEA 
+ 
+ 
F 
N 
BLANCO 
AZUL 
ROJO 
Lámpara Fluorescente T8 2 Pines 
Blanco 
Negro 
Rojo 
Azul 
Azul
Blanco 
CENTRO DE CAPACITACION PARA EL TRABAJO INDUSTRIAL No. 98 
CURSO: ISER SUBMOD. No. 02 REALIZAR LA INST. ELECTRICA RESIDENCIAL 
GRUPO: 
FECHA: 
REVISO: PROFR. E. CANO M. 
REALIZO: 
PRACTICA No. 09 
E.C.M 
DIAGRAMA DE CONEXIÓN DE UNA LAMPARA FLUORESCENTE DE 32 WATTS T8 DE 2 PINES (1 X 32 W) ENCENDIDO ELECTRONICO (PHILLIPS). 
CONEXIÓN DE UNA LAMPARA FLUORESCENTE DE 32 W T8 DE 2 PINES ENCENDIDO ELECTRONICO, CONTROLADA DESDE DOS LUGARES DISTINTOS POR DOS APAGADORES DE TRES VIAS. 
Lámpara Fluorescente T8 2 Pines 
1ò2x17/25/32w 
E.E 
Balastro 
NEGRO 
AZUL (aislar) 
LINEA 
Negro 
+ 
+ 
F 
N 
BLANCO 
AZUL 
ROJO 
Rojo 
Azul 
Azul (aislar)
CENTRO DE CAPACITACION PARA EL TRABAJO INDUSTRIAL No. 98 
CURSO: ISER SUBMOD. No. 02 REALIZAR LA INST. ELECTRICA RESIDENCIAL 
GRUPO: 
FECHA: 
REVISO: PROFR. E. CANO M. 
REALIZO: 
PRACTICA No. 10 
E.C.M 
DIAGRAMA DE CONEXIÓN DE DOS LAMPARAS FLUORESCENTES DE 32 WATTS T8 DE 2 PINES (2 X 32 W) ENCENDIDO ELECTRONICO (PHILLIPS). 
CONEXIÓN DE DOS LAMPARAS FLUORESCENTES DE 32 W T8 DE 2 PINES ENCENDIDO ELECTRONICO, CONTROLADA DESDE DOS LUGARES DISTINTOS POR DOS APAGADORES DE TRES VIAS. 
Lámpara Fluorescente T8 2 Pines 
1ô2x17/25/32w 
E.E 
Balastro 
NEGRO 
AZUL 
LINEA 
+ 
+ 
F 
N 
BLANCO 
AZUL 
ROJO 
Lámpara Fluorescente T8 2 Pines 
Blanco 
Negro 
Rojo 
Azul 
Azul
+ 
Azul 
E.C.M 
DIAGRAMA DE CONEXIÓN DE UNA LAMPARA FLUORESCENTE DE 39 WATTS (1 X39 W) ENCENDIDO INSTANTANEO (BALASTRO ELECTRICO). 
CONEXIÓN DE UNA LAMPARA FLUORESCENTE DE 1 X 39 W ENCENDIDO INSTANTANEO, CONTROLADA DESDE DOS LUGARES DISTINTOS POR DOS APAGADORES DE TRES VIAS CONECTADOS EN CORTO CIRCUITO Y QUE ESTAN JUNTO A UN CONTACATO SENCILLO CADA APAGADOR. 
Lámpara Fluorescente 
1x39w E.I 
Negro 
Azul 
127 V 
Blanco 
Negro 
Blanco 
Puente 
+ 
CENTRO DE CAPACITACION PARA EL TRABAJO INDUSTRIAL No. 98 
GRUPO: 
FECHA: 
REVISO: PROFR. E. CANO M. 
REALIZO: 
PRACTICA No. 11 
Lámpara Fluorescente 
1x39w E.I 
Negro 
Azul 
127 V 
Blanco 
Puente 
OPCION 1 
OPCION 2 
Lámp. Fluor. 
1X39 
CURSO: ISER SUBMOD. No. 02 REALIZAR LA IER. (ALUMB. FLUOR) INST. S y A
2x39 
Rojo 
Azul 
Lámp. Fluor. 
Negro 
Lámp. Fluor. 
E.C.M 
DIAGRAMA DE CONEXIÓN DE D DOS LAMPARAS FLUORESCENTES DE 39 WATTS (2 X 39 W) ENCENDIDO INSTANTANEO. 
CONEXIÓN DE DOS LAMPARAS FLUORESCENTES DE 39 W ENCENDIDO INSTANTANEO QUE SE ENCUENTRAN SEPARADAS, CONTROLADAS POR UN APAGADOR SENCILLO QUE ESTA JUNTO A UN CONTACTO TAMBIEN SENCILLO 
Lámpara Fluorescente 
2x39w E.I 
Negro 
Azul 
127 V 
Blanco 
Lámpara Fluorescente 
Rojo 
Blanco 
CENTRO DE CAPACITACION PARA EL TRABAJO INDUSTRIAL No. 98 
GRUPO: 
FECHA: 
REVISO: PROFR. E. CANO M. 
REALIZO: 
PRACTICA No. 12 
Lámpara Fluorescente 
2x39w E.I 
Negro 
Azul 
127 V 
Blanco 
Lámpara Fluorescente 
Rojo 
PUENTE 
PUENTE 
OPCION 1 
OPCION 2 
CURSO: ISER SUBMOD. No. 02 REALIZAR LA IER. (ALUMB. FLUOR) INST. S y A
Rojo 
Lámp. Fluor. 
E.C.M 
DIAGRAMA DE CONEXIÓN DE UNA LAMPARA FLUORESCENTE DE 75 WATTS (1 X75 W) ENCENDIDO INSTANTANEO. 
CONEXIÓN DE UNA LAMPARA FLUORESCENTE DE 1 X 75 W ENCENDIDO INSTANTANEO, CONTROLADA DESDE DOS LUGARES DISTINTOS POR DOS APAGADORES DE TRES VIAS CONECTADOS EN CORTO CIRCUITO Y QUE ESTAN JUNTO AUN CONTACATO SENCILLO CADA APAGADOR. 
Lámpara Fluorescente 
1x75w E.I 
Negro 
Rojo 
127 V 
Blanco 
Negro 
Blanco 
+ 
+ 
CENTRO DE CAPACITACION PARA EL TRABAJO INDUSTRIAL No. 98 
GRUPO: 
FECHA: 
REVISO: PROFR. E. CANO M. 
REALIZO: 
PRACTICA No. 13 
Lámpara Fluorescente 
1x75w E.I 
Negro 
Rojo 
127 V 
Blanco 
PUENTE 
OPCION 1 
OPCION 2 
1X75 
CURSO: ISER SUBMOD. No. 02 REALIZAR LA IER. (ALUMB. FLUOR) INST. S y A
Azul 
Rojo 
Lámp. Fluor. 
E.C.M 
DIAGRAMA DE CONEXIÓN DE DOS LAMPARAS FLUORESCENTES DE 75 WATTS (2 X 75 W) ENCENDIDO INSTANTANEO. 
CONEXIÓN DE DOS LAMPARAS FLUORESCENTES DE 75 W ENCENDIDO INSTANTANEO QUE SE ENCUENTRAN SEPARADAS, CONTROLADAS POR UN APAGADOR SENCILLO QUE ESTA JUNTO A UN CONTACTO TAMBIEN SENCILLO 
Lámpara Fluorescente 
2x75w E.I 
Negro 
Azul 
127 V 
Blanco 
Lámpara Fluorescente 
Rojo 
Blanco 
Negro 
Lámpara Fluorescente 
2x75w E.I 
Negro 
Azul 
127 V 
Blanco 
Lámpara Fluorescente 
Rojo 
PUENTE 
PUENTE 
OPCION 1 
OPCION 2 
CENTRO DE CAPACITACION PARA EL TRABAJO INDUSTRIAL No. 98 
GRUPO: 
FECHA: 
REVISO: PROFR. E. CANO M. 
REALIZO: 
PRACTICA No. 14 
Lámp. Fluor. 
CURSO: ISER SUBMOD. No. 02 REALIZAR LA IER. (ALUMB. FLUOR) INST. S y A
E.C.M 
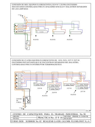
CONEXIÓN DE DOS EQUIPOS FLUORESCENTES (1X39 W Y 2X39W) ENCENDIDO INSTANTANEO CONTROLADAS POR UN APAGADOR SENCILLO Y BALASTROS SEPARADOS DE LAS LAMPARAS. 
CONEXIÓN DE CUATRO EQUIPOS FLUORESCENTES DE 1X39, 2X39, 1X75 Y 2X75 W ENCENDIDO INSTANTANEO QUE SE ENCUENTRAN SEPARADAS DEL BALASTRO, CONTROLADAS POR UN INTERRUPTOR TERMOMAGNETICO. 
F 
N 
2X39W 
1X39W 
N 
B 
B 
N 
1X75 
1X39 
2X75 
2X39 
CENTRO 
DE 
CARGA 
1 X 39 W 
PUENTE 
PUENTE 
N 
F 
PUENTE 
PUENTE 
2X75 W 
2X39 W 
1X75 W 
1X39 W 
PUENTE 
CENTRO DE CAPACITACION PARA EL TRABAJO INDUSTRIAL No. 98 
GRUPO: 
FECHA: 
REVISO: PROFR. E. CANO M. 
REALIZO: 
PRACTICA No. 15 Y 16 
Lámp. Fluor. 
Lámp. Fluor. 
Lámp. Fluor. 
Lámp. Fluor. 
Lámp. Fluor. 
Lámp. Fluor. 
CURSO: ISER SUBMOD. No. 02 REALIZAR LA IER. (ALUMB. FLUOR) INST. S y A
Lámpara Fluorescente 
1 ò 2x30w 
E.E 
Blanco 
Rojo 
127 V 
Negro 
Azul 
(Aislar)
Lámpara Fluorescente 
1 ò 2x60w 
E.E 
Negro 
Azul 
127 V 
Blanco 
(Aislar) 
Rojo
N 
F 
Lámp. Fluor. 
+ 
+ 
CONEXIÓN DE UNA LAMPARA FLUORESCENTE SLIM LINE DE X 39 W T8 ENCENDIDO ELECTRONICO, CONTROLADA DESDE DOS LUGARES DISTINTOS POR DOS APAGADORES DE TRES VIAS CONECTADOS EN CORTO CIRCUITO Y QUE ESTAN JUNTO A UN CONTACATO SENCILLO CADA APAGADOR. 
Negro 
Blanco 
Azul 
E.C.M 
DIAGRAMA DE CONEXIÓN DE UNA LAMPARA FLUORESCENTE SLIM LINE DE 30 WATTS T8 (1 X30 W) ENCENDIDO ELECTRONICO. 
Lámpara Slim Line T8 
1ò2x30/32/39w 
E.E 
Blanco 
Azul ò Rojo 
127 V 
Negro 
Puente 
CENTRO DE CAPACITACION PARA EL TRABAJO INDUSTRIAL No. 98 
GRUPO: 
FECHA: 
REVISO: PROFR. E. CANO M. 
REALIZO: 
PRACTICA No. 17 
Lámpara Slim line T8 
1ò2x30/32/39w 
E.E 
Blanco 
127 V 
Negro 
Puente 
OPCION 1 
OPCION 2 
CURSO: ISER SUBMOD. No. 02 REALIZAR LA INST. ELECTRICA RESIDENCIAL 
Rojo (aislar) 
Azul ò Rojo 
Rojo (aislar) 
Rojo (aislar)
2x30 
CONEXIÓN DE DOS LAMPARAS FLUORESCENTES SLIM LINE DE 30 W ENCENDIDO ELECTRONICO, QUE SE ENCUENTRAN SEPARADAS, CONTROLADAS POR UN APAGADOR SENCILLO QUE ESTA JUNTO A UN CONTACTO TAMBIEN SENCILLO 
DIAGRAMA DE CONEXIÓN DE DOS LAMPARAS FLUORESCENTES SLIM LINE DE 30 WATTS T8 (2 X 30 W) ENCENDIDO ELECTRONICO. 
Blanco 
Negro 
Azul 
Rojo 
E.C.M 
Lámpara Slim Line T8 
1ò2x30/32/39w 
E.E 
Negro 
Azul 
127 V 
Blanco 
Lámpara Slim Line T8 
Rojo 
Lámp. Fluor. 
Lámp. Fluor. 
Puente 
Puente 
F 
N 
CENTRO DE CAPACITACION PARA EL TRABAJO INDUSTRIAL No. 98 
GRUPO: 
FECHA: 
REVISO: PROFR. E. CANO M. 
REALIZO: 
PRACTICA No. 18 
Lámpara Slim Line T8 
1ò2x30/32/39w 
E.E 
Negro 
Azul 
127 V 
Blanco 
Lámpara Slim Line T8 
Rojo 
PUENTE 
PUENTE 
OPCION 1 
OPCION 2 
CURSO: ISER SUBMOD. No. 02 REALIZAR LA INST. ELECTRICA RESIDENCIAL
+ 
+ 
CONEXIÓN DE UNA LAMPARA FLUORESCENTE SLIM LINE DE 60 W T8 ENCENDIDO ELECTRONICO, CONTROLADA DESDE DOS LUGARES DISTINTOS POR DOS APAGADORES DE TRES VIAS CONECTADOS EN CORTO CIRCUITO Y QUE ESTAN JUNTO AUN CONTACATO SENCILLO CADA APAGADOR. 
DIAGRAMA DE CONEXIÓN DE UNA LAMPARA FLUORESCENTE SLIM LINE DE 60 WATTS T8 (1 X60 W) ENCENDIDO ELECTRONICO. 
Lámp. Slim Line 
Negro 
Blanco 
Rojo 
E.C.M 
Lámpara Slim Line T8 
1ò2x55/60/75w 
E.E 
Negro 
Rojo 
127 V 
Blanco 
F 
N 
Puente 
CENTRO DE CAPACITACION PARA EL TRABAJO INDUSTRIAL No. 98 
GRUPO: 
FECHA: 
REVISO: PROFR. E. CANO M. 
REALIZO: 
PRACTICA No. 19 
Lámpara Slim Line T8 
1ò2x55/60/75w 
E.E 
Negro 
Rojo 
127 V 
Blanco 
PUENTE 
OPCION 1 
OPCION 2 
CURSO: ISER SUBMOD. No. 02 REALIZAR LA INST. ELECTRICA RESIDENCIAL 
Azul (aislar) 
Azul (aislar) 
Azul (aislar)
2x60 
CONEXIÓN DE DOS LAMPARAS FLUORESCENTES SLIM LINE DE 60 W ENCENDIDO ELECTRONICO, QUE SE ENCUENTRAN SEPARADAS, CONTROLADAS POR UN APAGADOR SENCILLO QUE ESTA JUNTO A UN CONTACTO TAMBIEN SENCILLO 
DIAGRAMA DE CONEXIÓN DE DOS LAMPARAS FLUORESCENTES SLIM LINE DE 60 WATTS T8 (2 X 60 W) ENCENDIDO ELECTRONICO. 
Blanco 
Negro 
Azul 
Rojo 
E.C.M 
Lámpara Slim Line T8 
1ò2x55/60/75w 
E.E 
Negro 
Azul 
127 V 
Blanco 
Lámpara Slim Line T8 
Rojo 
Lámp. Fluor. 
Lámp. Fluor. 
Puente 
Puente 
F 
N 
CENTRO DE CAPACITACION PARA EL TRABAJO INDUSTRIAL No. 98 
GRUPO: 
FECHA: 
REVISO: PROFR. E. CANO M. 
REALIZO: 
PRACTICA No. 20 
Lámpara Slim Line T8 
1ò2x55/60/75w 
E.E 
Negro 
Azul 
127 V 
Blanco 
Lámpara Slim Line T8 
Rojo 
PUENTE 
PUENTE 
OPCION 1 
OPCION 2 
CURSO: ISER SUBMOD. No. 02 REALIZAR LA INST. ELECTRICA RESIDENCIAL

alumbrado fluorescente.iser

  • 2.
    CENTRO DE CAPACITACIONPARA EL TRABAJO INDUSTRIAL No. 98 CURSO: ISER SUBMOD. No. 02 REALIZAR LA IER. (ALUMB. FLUOR) INST. S y A GRUPO: FECHA: REVISO: PROFR. E. CANO M. REALIZO: INFORMACION TEC. E.C.M A veces también denominada tubo fluorescente, es una lámpara de vapor de mercurio a baja presión, utilizada para la iluminación doméstica e industrial. Su gran ventaja frente a otro tipo de lámparas, como las incandescentes, es su eficiencia energética. Lámpara fluorescente Está formada por un tubo o bulbo fino de vidrio revestido interiormente con una sustancia que contiene fósforo y otros elementos que emiten luz al recibir una radiación ultravioleta de onda corta. El tubo contiene una pequeña cantidad de vapor de mercurio y un gas inerte, habitualmente argon o neon, sometidos a una presión ligeramente inferior a la presión atmosférica. Asimismo, en los extremos del tubo existen dos filamentos hechos de tungsteno. Elementos necesarios para su funcionamiento En la se aprecian los elementos de que consta la instalación de una lámpara En esta figura se distinguen, aparte de la propia lámpara, dos elementos fundamentales: el cebador (arrancador) y la reactancia inductiva (balastro). El cebador (arrancador) está formado por una pequeña ampolla de cristal rellena de gas neón a baja presión y en cuyo interior se halla un contacto formado por láminas bimetálicas. En paralelo con este contacto se halla un condensador destinado a actuar de apaga chispas. El elemento de reactancia inductiva está constituido por una bobina arrollada sobre un núcleo de chapas de hierro, el cual recibe el nombre de balastra o balasto.
  • 3.
    CENTRO DE CAPACITACIONPARA EL TRABAJO INDUSTRIAL No. 98 CURSO: ISER SUBMOD. No. 02 REALIZAR LA IER. (ALUMB. FLUOR) INST. S y A GRUPO: FECHA: REVISO: PROFR. E. CANO M. REALIZO: INFORMACION TEC. E.C.M Funcionamiento Al aplicar la tensión de alimentación, el gas contenido en la ampolla del cebador se ioniza con lo que aumenta su temperatura lo suficiente para que la lámina bimetálica se deforme cerrando el circuito, lo que hará que los filamentos de los extremos del tubo se enciendan. Al cerrarse el contacto el cebador se apaga y el gas vuelve a enfriarse, con lo que los contactos se abren nuevamente y se repite el proceso. De este modo la corriente aplicada a los filamentos es pulsatoria. La función del condensador, contenido en el cebador, es absorber los picos de tensión que se producen al abrir y cerrar el contacto, evitando su deterioro por las chispas que, en otro caso, se producirían. Los filamentos, al calentarse, desprenden electrones que ionizan el gas argón que llena el tubo, formando un plasma que conduce la electricidad. Este plasma excita los átomos del vapor de mercurio que, como consecuencia, emiten luz visible y ultravioleta. El revestimiento interior de la lámpara tiene la función de filtrar y convertir la luz ultravioleta en visible. La coloración de la luz emitida por la lámpara depende del material de dicho recubrimiento interno. Las lámparas fluorescentes son dispositivos con pendiente negativa de la resistencia eléctrica respecto de la tensión eléctrica. Esto significa que cuanto mayor sea la corriente que las atraviesa, mayor es el grado de ionización del gas y, por tanto, menor la resistencia que opone al paso de dicha corriente. Así, si se conecta la lámpara a una fuente de tensión prácticamente constante, como la suministrada por la red eléctrica, la lámpara se destruiría en pocos segundos. Para evitar esto, siempre se conectan a través de un elemento limitador de corriente para mantenerla dentro de límites tolerables. Este elemento limitador, en el caso de la instalación de la Figura 1, es la reactancia inductiva. Finalmente, la disminución de la resistencia interna del tubo una vez encendido, hace que la tensión entre los terminales del cebador sea insuficiente para ionizar el gas contenido en su ampolla y por tanto el contacto bimetálico queda inactivo cuando el tubo está encendido.
  • 4.
    Funcionamiento de unTubo Fluorescente Inicialmente las láminas del cebador están abiertas, al cerrar el circuito se ioniza el gas del cebador y se ceba un arco. El arco calienta las láminas, estas se deforman y hacen contacto. Se cierra el circuito y la corriente calienta los filamentos de la lámpara iniciándose una descarga oscura en el tubo. Como ahora no se produce descarga en el cebador, las láminas se enfrían y se abren, lo cual produce una sobretensión, a través de la reactancia, que enciende el tubo. Como en esta situación la tensión en bornes del cebador es menor a la de cebado del arco, el gas no se calienta y no se deforman las láminas. CENTRO DE CAPACITACION PARA EL TRABAJO INDUSTRIAL No. 98 CURSO: ISER SUBMOD. No. 02 REALIZAR LA IER. (ALUMB. FLUOR) INST. S y A GRUPO: FECHA: REVISO: PROFR. E. CANO M. REALIZO: INFORMACION TEC.
  • 6.
    CENTRO DE CAPACITACIONPARA EL TRABAJO INDUSTRIAL No. 98 CURSO: ISER SUBMOD. No. 02 REALIZAR LA IER. (ALUMB. FLUOR) INST. S y A GRUPO: FECHA: REVISO: PROFR. E. CANO M. REALIZO: PRACTICA No. 01 E.C.M DIAGRAMA DE CONEXIÓN DE UNA LAMPARA FLUORESCENTE DE 20 WATTS (1 X 20 W) ENCENDIDO NORMAL. CONEXIÓN DE UNA LAMPARA FLUORESCENTE DE 1 X 20 W ENCENDIDO NORMAL, CONTROLADA DESDE DOS LUGARES DISTINTOS POR DOS APAGADORES DE TRES VIAS. S Arrancador Lámpara Fluorescente 1x20w E.N Balastro Negro Negro 127 V S Negro Negro + + F N
  • 7.
    Lámp. Fluor. REVISO:PROFR. E. CANO M. E.C.M DIAGRAMA DE CONEXIÓN DE DOS LAMPARAS FLUORESCENTES DE 20 WATTS (2 X 20 W) ENCENDIDO NORMAL. CONEXIÓN DE UN EQUIPO FLUORESCENTE DE 2 X 20 W ENCENDIDO NORMAL CON LAS LAMPARAS SEPARADAS, CONTROLADA POR UN APAGADOR SENCILLO Y EN EL EXTREMO CONTRARIO DOS CONTACTOS SENCILLOS Arrancador Lámpara Fluorescente 2x20w E.N Balastro Negro 127 V S Lámpara Fluorescente S S Amarillo Café Rojo Azul S F N Azul Rojo Café CENTRO DE CAPACITACION PARA EL TRABAJO INDUSTRIAL No. 98 GRUPO: FECHA: REALIZO: PRACTICA No. 02 Negro Amarillo Lámp. Fluor. CURSO: ISER SUBMOD. No. 02 REALIZAR LA IER. (ALUMB. FLUOR) INST. S y A
  • 8.
    Azul E.C.M DIAGRAMADE CONEXIÓN DE UNA LAMPARA FLUORESCENTE DE 40 WATTS (1 X 40 W) ENCENDIDO NORMAL. CONEXIÓN DE UNA LAMPARA FLUORESCENTE DE 1 X 40 W ENCENDIDO NORMAL, CONTROLADA DESDE DOS LUGARES DISTINTOS POR DOS APAGADORES DE TRES VIAS QUE ESTAN JUNTO A UN CONTACTO SENCILLO CADA APAGADOR. S Arrancador Lámpara Fluorescente 1x40w E.N Balastro Azul 127 V S Negro Blanco Negro Blanco + + CENTRO DE CAPACITACION PARA EL TRABAJO INDUSTRIAL No. 98 GRUPO: FECHA: REVISO: PROFR. E. CANO M. REALIZO: PRACTICA No. 03 Lámp. Fluor. 1X40 CURSO: ISER SUBMOD. No. 02 REALIZAR LA IER. (ALUMB. FLUOR) INST. S y A
  • 9.
    Lámp. Fluor. Negro Azul Amarillo E.C.M DIAGRAMA DE CONEXIÓN DE DOS LAMPARAS FLUORESCENTES DE 40 WATTS (2 X 40 W) ENCENDIDO NORMAL. CONEXIÓN DE UN EQUIPO FLUORESCENTE DE 2 X 40 W ENCENDIDO NORMAL CON LAS LAMPARAS SEPARADAS, CONTROLADA POR UN APAGADOR SENCILLO QUE ESTA JUNTO A UN CONTACTO SENCILLO. Arrancador Lámpara Fluorescente 2x40w E.N Negro 127 V S Lámpara Fluorescente S S Amarillo Azul S Blanco Blanco CENTRO DE CAPACITACION PARA EL TRABAJO INDUSTRIAL No. 98 GRUPO: FECHA: REVISO: PROFR. E. CANO M. REALIZO: PRACTICA No. 04 Lámp. Fluor. 2X40 CURSO: ISER SUBMOD. No. 02 REALIZAR LA IER. (ALUMB. FLUOR) INST. S y A
  • 10.
    Blanco CENTRO DECAPACITACION PARA EL TRABAJO INDUSTRIAL No. 98 CURSO: ISER SUBMOD. No. 02 REALIZAR LA INST. ELECTRICA RESIDENCIAL GRUPO: FECHA: REVISO: PROFR. E. CANO M. REALIZO: PRACTICA No. 05 E.C.M DIAGRAMA DE CONEXIÓN DE UNA LAMPARA FLUORESCENTE DE 17 WATTS T8 DE 2 PINES (1 X 17 W) ENCENDIDO ELECTRONICO (PHILLIPS). CONEXIÓN DE UNA LAMPARA FLUORESCENTE DE 17 W T8 DE 2 PINES ENCENDIDO ELECTRONICO, CONTROLADA DESDE DOS LUGARES DISTINTOS POR DOS APAGADORES DE TRES VIAS. Lámpara Fluorescente T8 2 Pines 1ò2x17/25/32w E.E Balastro NEGRO AZUL (AISLAR) LINEA Negro + + F N BLANCO AZUL ROJO Rojo Azul Azul (aislar)
  • 11.
    CENTRO DE CAPACITACIONPARA EL TRABAJO INDUSTRIAL No. 98 CURSO: ISER SUBMOD. No. 02 REALIZAR LA INST. ELECTRICA RESIDENCIAL GRUPO: FECHA: REVISO: PROFR. E. CANO M. REALIZO: PRACTICA No. 06 E.C.M DIAGRAMA DE CONEXIÓN DE DOS LAMPARA FLUORESCENTES DE 17 WATTS T8 DE 2 PINES (2 X 17 W) ENCENDIDO ELECTRONICO (PHILLIPS). CONEXIÓN DE DOS LAMPARAS FLUORESCENTES DE 17 W T8 DE 2 PINES ENCENDIDO ELECTRONICO, CONTROLADA DESDE DOS LUGARES DISTINTOS POR DOS APAGADORES DE TRES VIAS. Lámpara Fluorescente T8 2 Pines 1ò2x17/25/32w E.E Balastro NEGRO AZUL LINEA + + F N BLANCO AZUL ROJO Lámpara Fluorescente T8 2 Pines Blanco Negro Rojo Azul Azul
  • 12.
    Blanco CENTRO DECAPACITACION PARA EL TRABAJO INDUSTRIAL No. 98 CURSO: ISER SUBMOD. No. 02 REALIZAR LA INST. ELECTRICA RESIDENCIAL GRUPO: FECHA: REVISO: PROFR. E. CANO M. REALIZO: PRACTICA No. 07 E.C.M DIAGRAMA DE CONEXIÓN DE UNA LAMPARA FLUORESCENTE DE 25 WATTS T8 DE 2 PINES (1 X 25 W) ENCENDIDO ELECTRONICO (PHILLIPS). CONEXIÓN DE UNA LAMPARA FLUORESCENTE DE 25 W T8 DE 2 PINES ENCENDIDO ELECTRONICO, CONTROLADA DESDE DOS LUGARES DISTINTOS POR DOS APAGADORES DE TRES VIAS. Lámpara Fluorescente T8 2 Pines 1ò2x17/25/32w E.E Balastro NEGRO AZUL (AISLAR) LINEA Negro + + F N BLANCO AZUL ROJO Rojo Azul Azul (aislar)
  • 13.
    CENTRO DE CAPACITACIONPARA EL TRABAJO INDUSTRIAL No. 98 CURSO: ISER SUBMOD. No. 02 REALIZAR LA INST. ELECTRICA RESIDENCIAL GRUPO: FECHA: REVISO: PROFR. E. CANO M. REALIZO: PRACTICA No. 08 E.C.M DIAGRAMA DE CONEXIÓN DE DOS LAMPARA FLUORESCENTE DE 25 WATTS T8 DE 2 PINES (2 X 25 W) ENCENDIDO ELECTRONICO (PHILLIPS). CONEXIÓN DE DOS LAMPARAS FLUORESCENTES DE 25 W T8 DE 2 PINES ENCENDIDO ELECTRONICO, CONTROLADA DESDE DOS LUGARES DISTINTOS POR DOS APAGADORES DE TRES VIAS. Lámpara Fluorescente T8 2 Pines 1ò2x17/25/32w E.E Balastro NEGRO AZUL LINEA + + F N BLANCO AZUL ROJO Lámpara Fluorescente T8 2 Pines Blanco Negro Rojo Azul Azul
  • 14.
    Blanco CENTRO DECAPACITACION PARA EL TRABAJO INDUSTRIAL No. 98 CURSO: ISER SUBMOD. No. 02 REALIZAR LA INST. ELECTRICA RESIDENCIAL GRUPO: FECHA: REVISO: PROFR. E. CANO M. REALIZO: PRACTICA No. 09 E.C.M DIAGRAMA DE CONEXIÓN DE UNA LAMPARA FLUORESCENTE DE 32 WATTS T8 DE 2 PINES (1 X 32 W) ENCENDIDO ELECTRONICO (PHILLIPS). CONEXIÓN DE UNA LAMPARA FLUORESCENTE DE 32 W T8 DE 2 PINES ENCENDIDO ELECTRONICO, CONTROLADA DESDE DOS LUGARES DISTINTOS POR DOS APAGADORES DE TRES VIAS. Lámpara Fluorescente T8 2 Pines 1ò2x17/25/32w E.E Balastro NEGRO AZUL (aislar) LINEA Negro + + F N BLANCO AZUL ROJO Rojo Azul Azul (aislar)
  • 15.
    CENTRO DE CAPACITACIONPARA EL TRABAJO INDUSTRIAL No. 98 CURSO: ISER SUBMOD. No. 02 REALIZAR LA INST. ELECTRICA RESIDENCIAL GRUPO: FECHA: REVISO: PROFR. E. CANO M. REALIZO: PRACTICA No. 10 E.C.M DIAGRAMA DE CONEXIÓN DE DOS LAMPARAS FLUORESCENTES DE 32 WATTS T8 DE 2 PINES (2 X 32 W) ENCENDIDO ELECTRONICO (PHILLIPS). CONEXIÓN DE DOS LAMPARAS FLUORESCENTES DE 32 W T8 DE 2 PINES ENCENDIDO ELECTRONICO, CONTROLADA DESDE DOS LUGARES DISTINTOS POR DOS APAGADORES DE TRES VIAS. Lámpara Fluorescente T8 2 Pines 1ô2x17/25/32w E.E Balastro NEGRO AZUL LINEA + + F N BLANCO AZUL ROJO Lámpara Fluorescente T8 2 Pines Blanco Negro Rojo Azul Azul
  • 16.
    + Azul E.C.M DIAGRAMA DE CONEXIÓN DE UNA LAMPARA FLUORESCENTE DE 39 WATTS (1 X39 W) ENCENDIDO INSTANTANEO (BALASTRO ELECTRICO). CONEXIÓN DE UNA LAMPARA FLUORESCENTE DE 1 X 39 W ENCENDIDO INSTANTANEO, CONTROLADA DESDE DOS LUGARES DISTINTOS POR DOS APAGADORES DE TRES VIAS CONECTADOS EN CORTO CIRCUITO Y QUE ESTAN JUNTO A UN CONTACATO SENCILLO CADA APAGADOR. Lámpara Fluorescente 1x39w E.I Negro Azul 127 V Blanco Negro Blanco Puente + CENTRO DE CAPACITACION PARA EL TRABAJO INDUSTRIAL No. 98 GRUPO: FECHA: REVISO: PROFR. E. CANO M. REALIZO: PRACTICA No. 11 Lámpara Fluorescente 1x39w E.I Negro Azul 127 V Blanco Puente OPCION 1 OPCION 2 Lámp. Fluor. 1X39 CURSO: ISER SUBMOD. No. 02 REALIZAR LA IER. (ALUMB. FLUOR) INST. S y A
  • 17.
    2x39 Rojo Azul Lámp. Fluor. Negro Lámp. Fluor. E.C.M DIAGRAMA DE CONEXIÓN DE D DOS LAMPARAS FLUORESCENTES DE 39 WATTS (2 X 39 W) ENCENDIDO INSTANTANEO. CONEXIÓN DE DOS LAMPARAS FLUORESCENTES DE 39 W ENCENDIDO INSTANTANEO QUE SE ENCUENTRAN SEPARADAS, CONTROLADAS POR UN APAGADOR SENCILLO QUE ESTA JUNTO A UN CONTACTO TAMBIEN SENCILLO Lámpara Fluorescente 2x39w E.I Negro Azul 127 V Blanco Lámpara Fluorescente Rojo Blanco CENTRO DE CAPACITACION PARA EL TRABAJO INDUSTRIAL No. 98 GRUPO: FECHA: REVISO: PROFR. E. CANO M. REALIZO: PRACTICA No. 12 Lámpara Fluorescente 2x39w E.I Negro Azul 127 V Blanco Lámpara Fluorescente Rojo PUENTE PUENTE OPCION 1 OPCION 2 CURSO: ISER SUBMOD. No. 02 REALIZAR LA IER. (ALUMB. FLUOR) INST. S y A
  • 18.
    Rojo Lámp. Fluor. E.C.M DIAGRAMA DE CONEXIÓN DE UNA LAMPARA FLUORESCENTE DE 75 WATTS (1 X75 W) ENCENDIDO INSTANTANEO. CONEXIÓN DE UNA LAMPARA FLUORESCENTE DE 1 X 75 W ENCENDIDO INSTANTANEO, CONTROLADA DESDE DOS LUGARES DISTINTOS POR DOS APAGADORES DE TRES VIAS CONECTADOS EN CORTO CIRCUITO Y QUE ESTAN JUNTO AUN CONTACATO SENCILLO CADA APAGADOR. Lámpara Fluorescente 1x75w E.I Negro Rojo 127 V Blanco Negro Blanco + + CENTRO DE CAPACITACION PARA EL TRABAJO INDUSTRIAL No. 98 GRUPO: FECHA: REVISO: PROFR. E. CANO M. REALIZO: PRACTICA No. 13 Lámpara Fluorescente 1x75w E.I Negro Rojo 127 V Blanco PUENTE OPCION 1 OPCION 2 1X75 CURSO: ISER SUBMOD. No. 02 REALIZAR LA IER. (ALUMB. FLUOR) INST. S y A
  • 19.
    Azul Rojo Lámp.Fluor. E.C.M DIAGRAMA DE CONEXIÓN DE DOS LAMPARAS FLUORESCENTES DE 75 WATTS (2 X 75 W) ENCENDIDO INSTANTANEO. CONEXIÓN DE DOS LAMPARAS FLUORESCENTES DE 75 W ENCENDIDO INSTANTANEO QUE SE ENCUENTRAN SEPARADAS, CONTROLADAS POR UN APAGADOR SENCILLO QUE ESTA JUNTO A UN CONTACTO TAMBIEN SENCILLO Lámpara Fluorescente 2x75w E.I Negro Azul 127 V Blanco Lámpara Fluorescente Rojo Blanco Negro Lámpara Fluorescente 2x75w E.I Negro Azul 127 V Blanco Lámpara Fluorescente Rojo PUENTE PUENTE OPCION 1 OPCION 2 CENTRO DE CAPACITACION PARA EL TRABAJO INDUSTRIAL No. 98 GRUPO: FECHA: REVISO: PROFR. E. CANO M. REALIZO: PRACTICA No. 14 Lámp. Fluor. CURSO: ISER SUBMOD. No. 02 REALIZAR LA IER. (ALUMB. FLUOR) INST. S y A
  • 20.
    E.C.M CONEXIÓN DEDOS EQUIPOS FLUORESCENTES (1X39 W Y 2X39W) ENCENDIDO INSTANTANEO CONTROLADAS POR UN APAGADOR SENCILLO Y BALASTROS SEPARADOS DE LAS LAMPARAS. CONEXIÓN DE CUATRO EQUIPOS FLUORESCENTES DE 1X39, 2X39, 1X75 Y 2X75 W ENCENDIDO INSTANTANEO QUE SE ENCUENTRAN SEPARADAS DEL BALASTRO, CONTROLADAS POR UN INTERRUPTOR TERMOMAGNETICO. F N 2X39W 1X39W N B B N 1X75 1X39 2X75 2X39 CENTRO DE CARGA 1 X 39 W PUENTE PUENTE N F PUENTE PUENTE 2X75 W 2X39 W 1X75 W 1X39 W PUENTE CENTRO DE CAPACITACION PARA EL TRABAJO INDUSTRIAL No. 98 GRUPO: FECHA: REVISO: PROFR. E. CANO M. REALIZO: PRACTICA No. 15 Y 16 Lámp. Fluor. Lámp. Fluor. Lámp. Fluor. Lámp. Fluor. Lámp. Fluor. Lámp. Fluor. CURSO: ISER SUBMOD. No. 02 REALIZAR LA IER. (ALUMB. FLUOR) INST. S y A
  • 21.
    Lámpara Fluorescente 1ò 2x30w E.E Blanco Rojo 127 V Negro Azul (Aislar)
  • 22.
    Lámpara Fluorescente 1ò 2x60w E.E Negro Azul 127 V Blanco (Aislar) Rojo
  • 23.
    N F Lámp.Fluor. + + CONEXIÓN DE UNA LAMPARA FLUORESCENTE SLIM LINE DE X 39 W T8 ENCENDIDO ELECTRONICO, CONTROLADA DESDE DOS LUGARES DISTINTOS POR DOS APAGADORES DE TRES VIAS CONECTADOS EN CORTO CIRCUITO Y QUE ESTAN JUNTO A UN CONTACATO SENCILLO CADA APAGADOR. Negro Blanco Azul E.C.M DIAGRAMA DE CONEXIÓN DE UNA LAMPARA FLUORESCENTE SLIM LINE DE 30 WATTS T8 (1 X30 W) ENCENDIDO ELECTRONICO. Lámpara Slim Line T8 1ò2x30/32/39w E.E Blanco Azul ò Rojo 127 V Negro Puente CENTRO DE CAPACITACION PARA EL TRABAJO INDUSTRIAL No. 98 GRUPO: FECHA: REVISO: PROFR. E. CANO M. REALIZO: PRACTICA No. 17 Lámpara Slim line T8 1ò2x30/32/39w E.E Blanco 127 V Negro Puente OPCION 1 OPCION 2 CURSO: ISER SUBMOD. No. 02 REALIZAR LA INST. ELECTRICA RESIDENCIAL Rojo (aislar) Azul ò Rojo Rojo (aislar) Rojo (aislar)
  • 24.
    2x30 CONEXIÓN DEDOS LAMPARAS FLUORESCENTES SLIM LINE DE 30 W ENCENDIDO ELECTRONICO, QUE SE ENCUENTRAN SEPARADAS, CONTROLADAS POR UN APAGADOR SENCILLO QUE ESTA JUNTO A UN CONTACTO TAMBIEN SENCILLO DIAGRAMA DE CONEXIÓN DE DOS LAMPARAS FLUORESCENTES SLIM LINE DE 30 WATTS T8 (2 X 30 W) ENCENDIDO ELECTRONICO. Blanco Negro Azul Rojo E.C.M Lámpara Slim Line T8 1ò2x30/32/39w E.E Negro Azul 127 V Blanco Lámpara Slim Line T8 Rojo Lámp. Fluor. Lámp. Fluor. Puente Puente F N CENTRO DE CAPACITACION PARA EL TRABAJO INDUSTRIAL No. 98 GRUPO: FECHA: REVISO: PROFR. E. CANO M. REALIZO: PRACTICA No. 18 Lámpara Slim Line T8 1ò2x30/32/39w E.E Negro Azul 127 V Blanco Lámpara Slim Line T8 Rojo PUENTE PUENTE OPCION 1 OPCION 2 CURSO: ISER SUBMOD. No. 02 REALIZAR LA INST. ELECTRICA RESIDENCIAL
  • 25.
    + + CONEXIÓNDE UNA LAMPARA FLUORESCENTE SLIM LINE DE 60 W T8 ENCENDIDO ELECTRONICO, CONTROLADA DESDE DOS LUGARES DISTINTOS POR DOS APAGADORES DE TRES VIAS CONECTADOS EN CORTO CIRCUITO Y QUE ESTAN JUNTO AUN CONTACATO SENCILLO CADA APAGADOR. DIAGRAMA DE CONEXIÓN DE UNA LAMPARA FLUORESCENTE SLIM LINE DE 60 WATTS T8 (1 X60 W) ENCENDIDO ELECTRONICO. Lámp. Slim Line Negro Blanco Rojo E.C.M Lámpara Slim Line T8 1ò2x55/60/75w E.E Negro Rojo 127 V Blanco F N Puente CENTRO DE CAPACITACION PARA EL TRABAJO INDUSTRIAL No. 98 GRUPO: FECHA: REVISO: PROFR. E. CANO M. REALIZO: PRACTICA No. 19 Lámpara Slim Line T8 1ò2x55/60/75w E.E Negro Rojo 127 V Blanco PUENTE OPCION 1 OPCION 2 CURSO: ISER SUBMOD. No. 02 REALIZAR LA INST. ELECTRICA RESIDENCIAL Azul (aislar) Azul (aislar) Azul (aislar)
  • 26.
    2x60 CONEXIÓN DEDOS LAMPARAS FLUORESCENTES SLIM LINE DE 60 W ENCENDIDO ELECTRONICO, QUE SE ENCUENTRAN SEPARADAS, CONTROLADAS POR UN APAGADOR SENCILLO QUE ESTA JUNTO A UN CONTACTO TAMBIEN SENCILLO DIAGRAMA DE CONEXIÓN DE DOS LAMPARAS FLUORESCENTES SLIM LINE DE 60 WATTS T8 (2 X 60 W) ENCENDIDO ELECTRONICO. Blanco Negro Azul Rojo E.C.M Lámpara Slim Line T8 1ò2x55/60/75w E.E Negro Azul 127 V Blanco Lámpara Slim Line T8 Rojo Lámp. Fluor. Lámp. Fluor. Puente Puente F N CENTRO DE CAPACITACION PARA EL TRABAJO INDUSTRIAL No. 98 GRUPO: FECHA: REVISO: PROFR. E. CANO M. REALIZO: PRACTICA No. 20 Lámpara Slim Line T8 1ò2x55/60/75w E.E Negro Azul 127 V Blanco Lámpara Slim Line T8 Rojo PUENTE PUENTE OPCION 1 OPCION 2 CURSO: ISER SUBMOD. No. 02 REALIZAR LA INST. ELECTRICA RESIDENCIAL