Manual de Taller
Yumbo C110
Yumbo C110
ESPECIFICACIONES TÉCNICAS Yumbo C110
LARGO TOTAL 1945 mm
ANCHO TOTAL 670 mm
ALTURA TOTAL 1040mm
DIST. ENTRE EJES 1230mm
PESO VEHÍCULO 95 Kg
CARGA MAX PERMITIDA 150 Kg
TIPO MOTOR 4 tiempos, refr. Aire
DIÁMETRO PISTON 52.4 mm
CARRERA 49.5 mm
CILINDRADA 107 cc.
POTENCIA 8.0 HP/8500rpm
RPM MARCHA LENTA 1100 + - 100rpm
TRANSMISION 4 Marchas
LUZ ELECTRODO BUJÍA 0.6 a 0.7mm
LUZ DE VÁLVULAS A: 0.07, E: 0.08 mm
SISTEMA ARRANQUE Eléctrico y patada
ENCENDIDO Electrónico, CDI
GENERADOR Imán permanente AC
EMBRAGUE Automático, de tres elementos
CAPACIDAD TANQUE COMB 4.5 Litros
OCTANAJE MINIMO RECOM 95
CAPACIDAD CARTER ACEITE 0.9 Litros
SISTEMA LUBRICACIÓN Forzada por bomba
ACEITE RECOMENDADO SAE 10W 40
BATERIA 12V/5Ah
FUSIBLE 10 A
FARO PRINCIPAL 12V – 18/18 W
LUZ TRASERA/FRENO 12V 21/21W
SEÑALERO 12V 10 W
POSICIÓN 12V 10W
TESTIGOS SEÑALEROS Y TABLERO 12V 3.4W
INDICADOR DE CAMBIOS 12V 1.7W
NEUMÁTICO DEL. 2.75-18 / 180 Kpa
NEUMÁTICO TRAS 3.00-17 / 225 Kpa
ANGULO AVANCE 15° a 1.500 RPM
TABLA DE TORQUES
ITEM MEDIDA TORQUE – (N.m)
MOTOR
TAPA CILINDROS – TUERCA M7 25-28
ENGRANAJE ARBOL DE LEVAS M5 8-12
TAPA ARBOL DE LEVAS M6 10-14
TAPA MOTOR IZQUIERDA M6 10-14
TORNILLO ROTOR MAGNETO M10 40-42
PLACA BASE MAGNETO M6 10-14
TENSOR CADENA M6 8-12
TORNILLO TAPA DERECHA MOTOR M6 8-12
TORNILLO DRENAJE DE ACEITE M12 20-25
BOMBA ACEITE M6 8-12
TUERCA EMBRAGUE M14 40-50
RETENTOR SELECTOR CAMBIOS M6 8-12
TORNILLO CARTER M6 10-12
CARROCERÍA
TUERCA FIJACIÓN MANILLAR M22 60-80
EJE DELANTERO M10 40-50
EJE TRASERO M12 45-55
TUERCA EJE TRASERO M10 50-60
TUERCA PLATO TRANSM. M8 30-40
TORNILLOS Y TUERCAS NO ESPECIFICADOS
5mm 4.5-6
6mm 8-12
8mm 18-25
10mm 30-40
12mm 50-60
TABLA DE MANTENIMIENTO
PRIMEROS CADA CADA CADA
ITEM 1000km 4000km 8000km 12000km
SISTEMA COMBUSTIBLE INSPECCIONAR INSPECCIONAR INSPECCIONAR
FILTRO COMBUSTIBLE LIMPIAR SUSTITUIR SUSTITUIR SUSTITUIR
SISTEMA ACELERADOR INSPECCIONAR INSPECCIONAR INSPECCIONAR INSPECCIONAR
TOMA DE AIRE INSPECCIONAR INSPECCIONAR INSPECCIONAR
FILTRO AIRE LIMPIAR LIMPIAR LIMPIAR
BUJIA LIMPIAR/ AJUSTAR LIMPIAR/ AJUSTAR SUSTITUIR LIMPIAR/ AJUSTAR
LUZ DE VÁLVULAS INSPECCIONAR INSPECCIONAR INSPECCIONAR INSPECCIONAR
ACEITE MOTOR CAMBIAR CAMBIAR CADA 2 000 km.
FILTRO ACEITE LIMPIAR LIMPIAR
CADENA DISTRIBUCIÓN AJUSTAR AJUSTAR AJUSTAR AJUSTAR
MARCHA LENTA AJUSTAR AJUSTAR AJUSTAR AJUSTAR
CADENA TRANSMISIÓN INSPECCIONAR/ AJUSTAR Y LUBRICAR CADA 500 KM
BATERIA INSPECCIONAR INSPECCIONAR INSPECCIONAR INSPECCIONAR
ZAPATAS/ PASTILLAS FRENO INSPECCIONAR INSPECCIONAR INSPECCIONAR INSPECCIONAR
SISTEMA FRENOS INSPECCIONAR INSPECCIONAR INSPECCIONAR INSPECCIONAR
ALINEACIÓN FARO DELANTERO INSPECCIONAR INSPECCIONAR INSPECCIONAR INSPECCIONAR
FUNCIONAMIENTO LUCES INSPECCIONAR INSPECCIONAR INSPECCIONAR INSPECCIONAR
EMBRAGUE INSPECCIONAR INSPECCIONAR INSPECCIONAR INSPECCIONAR
PIE LATERAL INSPECCIONAR INSPECCIONAR INSPECCIONAR INSPECCIONAR
SUSPENSIÓN INSPECCIONAR INSPECCIONAR INSPECCIONAR INSPECCIONAR
APRETES EN GENERAL VERIFICAR VERIFICAR VERIFICAR VERIFICAR
RUEDAS INSPECCIONAR INSPECCIONAR INSPECCIONAR INSPECCIONAR
JUEGO HORQULLA INSPECCIONAR INSPECCIONAR INSPECCIONAR INSPECCIONAR
VERIFICACIONES Y AJUSTES PRINCIPALES
TAPA DE CILINDROS
Limite de planicidad 0.05 mm
Angulo asiento 45º
Ancho superficie de asiento 1.0 mm
Diámetro máximo guía válvulas 5.03 mm
CILINDRO
Planicidad superficie apoyo tapa 0.05 mm
Diámetro máximo admisible 50.06 mm (Medir en 3 alturas y tomar el máximo)
CIGÜEÑAL Y PISTON
Diámetro máximo pistón 49.90 mm (medido a 5mm borde inferior pollera)
Juego Pistón-Cilindro 0.010 - 0.040 mm
Luz máxima admisible abertura aros: Compresión 0.5 mm
Aceite 1.10 mm
Juego axial aros máximo 0.12 mm
Montaje aros: Compresión Aberturas separadas 120º
Aceite Rascadores girados 20 mm min. Respecto al resorte
Pino pistón, diámetro máximo 12.98 mm
Ojo menor biela, diámetro máximo 13.06 mm
DISTRIBUCIÓN
Luz válvulas 0.05 - 0.08 mm (motor frío)
Altura máxima de leva admisión - escape 26.25 mm – 26.02 mm
Diámetro máx. Orificio eje balancín 12.05mm
Diámetro máx. Eje balancín 11.95 mm
Diámetro interior max. Guía de válvulas 5.03 mm
SISTEMA DE VÁLVULAS
1.- Sello de válvula.
2.- Árbol de levas.
3.- Seguro unidireccional de rotación..
4.- Balancín.
5.- Eje de balancín.
6.- Válvula de admisión.
7.- Válvula de escape.
8.- Resorte exterior de válvula.
9.- Resorte interior de válvula.
10.- Platillo superior de válvula.
11.- Platillo inferior de válvula.
12.- Seguro de válvula.
13.- Tornillo regulador.
14.- Tuerca de regulador
DIAGRAMA MONTAJE CARTER
1.- Semicarter derecho.
2.- Junta de carter.
3.- Semicarter izquierdo.
4.- Caño respiradero.
5.- Abrazadera.
6.- Grapa de respiradero.
7.- Tornillo de cilindro A.
8.- Tornillo de cilindro B.
9.- Arandela.
10.- Guía de carter 10x14 mm.
11.- Tornillo tapón de drenaje de aceite M12x1.5 mm.
12.- Seguro.
13.- Tornillo M6x50mm.
14.- Tornillo M6x60mm.
15.- Tornillo M6x65mm.
CARBURADOR
Altura cuba: 10.7mm
1.- Juego de Juntas.
2.- Conjunto Aguja.
3.- Conjunto flotador.
4.- Tapa de aguja.
5.- Componentes de cuba.
6.- Regulador de aire.
7.- Resorte.
8.- Regulador de acelerador.
9.- Junta.
10.- Conjunto Pulmón.
11.- Capuchón de goma.
12.- Guardapolvo.
13.- Punzón.
14.- Surtidor principal.
15.- Tuerca de filtro.
16.- Filtro.
17.- Tubo de respiración.
18.- Tubo de drenaje de sobre nivel.
19.- Canilla de combustible.
20.- Tornillo M3x12mm.
22.- Arandela de presión.
23.- Seguro.
24.- Surtidor.
25.- Surtidor de baja #40.
BOMBA ACEITE
1.- Conjunto bomba de aceite. 2.- Junta. 3.- Cuerpo de bomba. 4.- Tapa. 5.- Junta de tapa. 6.- Rotor interior. 7.- Rotor interior. 8.- Eje.
9.- Buje. 10.- Tornillo M5x10mm. 11.- Filtro. 12.- Tornillo de tapa. 13.- Tornillo M6x16mm. 14.- Tornillo M6x22mm.
EMBRAGUE
1.-Campana. 2.- Plato. 3.- Sello de plato. 4.- Centrador. 5.- Casquillo. 6.-Disco de
fricción A. 7.- Plato inferior. 8.- Plato superior. 9.-Disco de fricción B. 10.- Placa
exterior. 11.- Resorte de desconexión. 12.- Resorte. 13.- Anillo. 15.- Anillo de placa
exterior. 16.- Seguro. 17.- Junta. 18.- Leva. 19.- Centrador. 20.- Rueda primaria.
21.- Tuerca especial. 22.- Arandela seguro. 23.- Arandela. 24.- Arandela 5.
25.- Tornillo M5x10. 26.- Tornillo M5x10. 27.- Engranaje primario. 28.- Seguro.
TRANSMISIÓN
Límite de servicio de diámetro exterior de tambor de cambios: 33.93mm.
Límite de servicio de puntas de fricción de horquilla: 4.60mm.
Límite de servicio de diámetro interior de horquilla: 34,14mm
TRANSMISIÓN PRIMARIA
1.- Eje principal.
2.- Eje secundario.
3.- Engranaje secundario de 1ra. 34 dientes.
4.- Casquillo 20x9mm.
5.- Engranaje principal de 2da. 17 dientes.
6.- Engranaje secundario de 2da. 29 dientes.
7.- Engranaje principal de 3ra. 21 dientes.
8.- Engranaje secundario de 3ra. 26 dientes.
9.- Engranaje principal de 4ta. 24 dientes.
10.- Engranaje secundario de 4ta. 23 dientes.
11.- Piñón.
12.- Fijador de piñón.
13.- Arandela.
14.- Arandela 20mm.
15.- Arandela 17mm.
16.- Arandela 20mm.
17.- Seguro 17mm.
18.- Seguro 20mm.
19.-Retén 17x29x5mm.
20.- Tornillo M6x8mm.
21.- Rodamiento 101.
22.- Rodamiento 102.
23.- Rodamiento 203.
SELECTOR DE CAMBIOS
1.- Horquilla.
2.- Pino guía.
3.- Seguro de pino.
4.- Tambor.
5.- Fijador.
6.- Pino.
7.- Placa.
8.- Resorte de placa.
9.- Eje de pedal selector.
10.- Selector.
11.- Resorte de selector.
12.- Resorte de retorno de selector.
13.- Tornillo.
14.- Tope de interruptor.
15.- Placa de indicador de cambios.
16.- Tornillo M6x12.
17.- Piño 0.3x7.3mm.
18.- Tornillo M6x16.
19.- Contacto.
20.- Ficha de indicador de cambios.
21.- Retén 11.6x24x10mm.
22.- Tornillo.
23.- Pino.
24.- O-Ring.
25.- Pedal de cambios.
26.- Goma de pedal.
27.- Tornillo M6x22mm.
28.- Leva.
TRANSMISIÓN SECUNDARIA
Verificación desgaste cadena. Tirar de la cadena como se muestra.
Si la luz es mayor que ½ diente, reemplazar
Verificación desgaste plato y piñón: Si la luz 1.- según figura es
mayor que ½ diente, reemplazar.
Ajuste cadena: Medir movimiento vertical de la cadena a la mitad de la distancia entre piñón y
plato. El juego debe estar entre 15 y 25mm
FRENOS
DELANTERO
Diámetro disco 220 mm
Espesor máximo permitido 3 mm (Reemplazar por debajo de este valor)
Superficie de contacto pastilla-disco máxima 75%
TRASERO
Diámetro máx. Tambor trasero: 102.4 mm
Espesor máximo patines 2 mm
Máxima área de contacto patín-tambor permitida 75 %
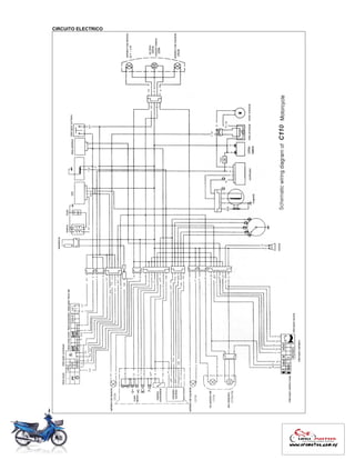
SISTEMA ELÉCTRICO
Código colores
W – Blanco
Y – Amarillo
R – Rojo
G – Gris
B - Azul
Sistema de carga e iluminación
1.- Bobina de luces. 2.- Regulador rectificador. 3.- Batería. 4.- Fusible. 5.- Interruptor de arranque. 6.- Interruptor de luces. 7.-
Resistencia. 8.- Lámpara de tablero. 9 y 10.- Lámparas de posición. 11.- Interruptor de luces. 12.- Indicador de luz alta. 13.- Lámpara
de semióptica. 14.- Lámpara.
CIRCUITO DE ARRANQUE
1.- Batería. 2.- Fusible. 3.- Interruptor. 4.- Interruptor de señalero. 5.- Arranque. 6.- Bobina. 7.- Bobina de arranque. 8.- Bujía.
CIRCUTO DE TESTIGOS
1.- Batería. 2.- Fusible. 3.- Interruptor de arranque. 4.- Relé de señalero. 5.- Indicador nivel combustible. 6.- Sensor de
combustible.
CIRCUITO ELECTRICO

Yumbo c110 manual servicios

  • 1.
    Manual de Taller YumboC110 Yumbo C110
  • 2.
    ESPECIFICACIONES TÉCNICAS YumboC110 LARGO TOTAL 1945 mm ANCHO TOTAL 670 mm ALTURA TOTAL 1040mm DIST. ENTRE EJES 1230mm PESO VEHÍCULO 95 Kg CARGA MAX PERMITIDA 150 Kg TIPO MOTOR 4 tiempos, refr. Aire DIÁMETRO PISTON 52.4 mm CARRERA 49.5 mm CILINDRADA 107 cc. POTENCIA 8.0 HP/8500rpm RPM MARCHA LENTA 1100 + - 100rpm TRANSMISION 4 Marchas LUZ ELECTRODO BUJÍA 0.6 a 0.7mm LUZ DE VÁLVULAS A: 0.07, E: 0.08 mm SISTEMA ARRANQUE Eléctrico y patada ENCENDIDO Electrónico, CDI GENERADOR Imán permanente AC EMBRAGUE Automático, de tres elementos CAPACIDAD TANQUE COMB 4.5 Litros OCTANAJE MINIMO RECOM 95 CAPACIDAD CARTER ACEITE 0.9 Litros SISTEMA LUBRICACIÓN Forzada por bomba ACEITE RECOMENDADO SAE 10W 40 BATERIA 12V/5Ah FUSIBLE 10 A FARO PRINCIPAL 12V – 18/18 W LUZ TRASERA/FRENO 12V 21/21W SEÑALERO 12V 10 W POSICIÓN 12V 10W TESTIGOS SEÑALEROS Y TABLERO 12V 3.4W INDICADOR DE CAMBIOS 12V 1.7W NEUMÁTICO DEL. 2.75-18 / 180 Kpa NEUMÁTICO TRAS 3.00-17 / 225 Kpa ANGULO AVANCE 15° a 1.500 RPM
  • 3.
    TABLA DE TORQUES ITEMMEDIDA TORQUE – (N.m) MOTOR TAPA CILINDROS – TUERCA M7 25-28 ENGRANAJE ARBOL DE LEVAS M5 8-12 TAPA ARBOL DE LEVAS M6 10-14 TAPA MOTOR IZQUIERDA M6 10-14 TORNILLO ROTOR MAGNETO M10 40-42 PLACA BASE MAGNETO M6 10-14 TENSOR CADENA M6 8-12 TORNILLO TAPA DERECHA MOTOR M6 8-12 TORNILLO DRENAJE DE ACEITE M12 20-25 BOMBA ACEITE M6 8-12 TUERCA EMBRAGUE M14 40-50 RETENTOR SELECTOR CAMBIOS M6 8-12 TORNILLO CARTER M6 10-12 CARROCERÍA TUERCA FIJACIÓN MANILLAR M22 60-80 EJE DELANTERO M10 40-50 EJE TRASERO M12 45-55 TUERCA EJE TRASERO M10 50-60 TUERCA PLATO TRANSM. M8 30-40 TORNILLOS Y TUERCAS NO ESPECIFICADOS 5mm 4.5-6 6mm 8-12 8mm 18-25 10mm 30-40 12mm 50-60
  • 4.
    TABLA DE MANTENIMIENTO PRIMEROSCADA CADA CADA ITEM 1000km 4000km 8000km 12000km SISTEMA COMBUSTIBLE INSPECCIONAR INSPECCIONAR INSPECCIONAR FILTRO COMBUSTIBLE LIMPIAR SUSTITUIR SUSTITUIR SUSTITUIR SISTEMA ACELERADOR INSPECCIONAR INSPECCIONAR INSPECCIONAR INSPECCIONAR TOMA DE AIRE INSPECCIONAR INSPECCIONAR INSPECCIONAR FILTRO AIRE LIMPIAR LIMPIAR LIMPIAR BUJIA LIMPIAR/ AJUSTAR LIMPIAR/ AJUSTAR SUSTITUIR LIMPIAR/ AJUSTAR LUZ DE VÁLVULAS INSPECCIONAR INSPECCIONAR INSPECCIONAR INSPECCIONAR ACEITE MOTOR CAMBIAR CAMBIAR CADA 2 000 km. FILTRO ACEITE LIMPIAR LIMPIAR CADENA DISTRIBUCIÓN AJUSTAR AJUSTAR AJUSTAR AJUSTAR MARCHA LENTA AJUSTAR AJUSTAR AJUSTAR AJUSTAR CADENA TRANSMISIÓN INSPECCIONAR/ AJUSTAR Y LUBRICAR CADA 500 KM BATERIA INSPECCIONAR INSPECCIONAR INSPECCIONAR INSPECCIONAR ZAPATAS/ PASTILLAS FRENO INSPECCIONAR INSPECCIONAR INSPECCIONAR INSPECCIONAR SISTEMA FRENOS INSPECCIONAR INSPECCIONAR INSPECCIONAR INSPECCIONAR ALINEACIÓN FARO DELANTERO INSPECCIONAR INSPECCIONAR INSPECCIONAR INSPECCIONAR FUNCIONAMIENTO LUCES INSPECCIONAR INSPECCIONAR INSPECCIONAR INSPECCIONAR EMBRAGUE INSPECCIONAR INSPECCIONAR INSPECCIONAR INSPECCIONAR PIE LATERAL INSPECCIONAR INSPECCIONAR INSPECCIONAR INSPECCIONAR SUSPENSIÓN INSPECCIONAR INSPECCIONAR INSPECCIONAR INSPECCIONAR APRETES EN GENERAL VERIFICAR VERIFICAR VERIFICAR VERIFICAR RUEDAS INSPECCIONAR INSPECCIONAR INSPECCIONAR INSPECCIONAR JUEGO HORQULLA INSPECCIONAR INSPECCIONAR INSPECCIONAR INSPECCIONAR
  • 5.
    VERIFICACIONES Y AJUSTESPRINCIPALES TAPA DE CILINDROS Limite de planicidad 0.05 mm Angulo asiento 45º Ancho superficie de asiento 1.0 mm Diámetro máximo guía válvulas 5.03 mm CILINDRO Planicidad superficie apoyo tapa 0.05 mm Diámetro máximo admisible 50.06 mm (Medir en 3 alturas y tomar el máximo) CIGÜEÑAL Y PISTON Diámetro máximo pistón 49.90 mm (medido a 5mm borde inferior pollera) Juego Pistón-Cilindro 0.010 - 0.040 mm Luz máxima admisible abertura aros: Compresión 0.5 mm Aceite 1.10 mm Juego axial aros máximo 0.12 mm Montaje aros: Compresión Aberturas separadas 120º Aceite Rascadores girados 20 mm min. Respecto al resorte Pino pistón, diámetro máximo 12.98 mm Ojo menor biela, diámetro máximo 13.06 mm DISTRIBUCIÓN Luz válvulas 0.05 - 0.08 mm (motor frío) Altura máxima de leva admisión - escape 26.25 mm – 26.02 mm Diámetro máx. Orificio eje balancín 12.05mm Diámetro máx. Eje balancín 11.95 mm Diámetro interior max. Guía de válvulas 5.03 mm
  • 6.
    SISTEMA DE VÁLVULAS 1.-Sello de válvula. 2.- Árbol de levas. 3.- Seguro unidireccional de rotación.. 4.- Balancín. 5.- Eje de balancín. 6.- Válvula de admisión. 7.- Válvula de escape. 8.- Resorte exterior de válvula. 9.- Resorte interior de válvula. 10.- Platillo superior de válvula. 11.- Platillo inferior de válvula. 12.- Seguro de válvula. 13.- Tornillo regulador. 14.- Tuerca de regulador DIAGRAMA MONTAJE CARTER 1.- Semicarter derecho. 2.- Junta de carter. 3.- Semicarter izquierdo. 4.- Caño respiradero. 5.- Abrazadera. 6.- Grapa de respiradero. 7.- Tornillo de cilindro A. 8.- Tornillo de cilindro B. 9.- Arandela. 10.- Guía de carter 10x14 mm. 11.- Tornillo tapón de drenaje de aceite M12x1.5 mm. 12.- Seguro. 13.- Tornillo M6x50mm. 14.- Tornillo M6x60mm. 15.- Tornillo M6x65mm.
  • 7.
    CARBURADOR Altura cuba: 10.7mm 1.-Juego de Juntas. 2.- Conjunto Aguja. 3.- Conjunto flotador. 4.- Tapa de aguja. 5.- Componentes de cuba. 6.- Regulador de aire. 7.- Resorte. 8.- Regulador de acelerador. 9.- Junta. 10.- Conjunto Pulmón. 11.- Capuchón de goma. 12.- Guardapolvo. 13.- Punzón. 14.- Surtidor principal. 15.- Tuerca de filtro. 16.- Filtro. 17.- Tubo de respiración. 18.- Tubo de drenaje de sobre nivel. 19.- Canilla de combustible. 20.- Tornillo M3x12mm. 22.- Arandela de presión. 23.- Seguro. 24.- Surtidor. 25.- Surtidor de baja #40. BOMBA ACEITE 1.- Conjunto bomba de aceite. 2.- Junta. 3.- Cuerpo de bomba. 4.- Tapa. 5.- Junta de tapa. 6.- Rotor interior. 7.- Rotor interior. 8.- Eje. 9.- Buje. 10.- Tornillo M5x10mm. 11.- Filtro. 12.- Tornillo de tapa. 13.- Tornillo M6x16mm. 14.- Tornillo M6x22mm.
  • 8.
    EMBRAGUE 1.-Campana. 2.- Plato.3.- Sello de plato. 4.- Centrador. 5.- Casquillo. 6.-Disco de fricción A. 7.- Plato inferior. 8.- Plato superior. 9.-Disco de fricción B. 10.- Placa exterior. 11.- Resorte de desconexión. 12.- Resorte. 13.- Anillo. 15.- Anillo de placa exterior. 16.- Seguro. 17.- Junta. 18.- Leva. 19.- Centrador. 20.- Rueda primaria. 21.- Tuerca especial. 22.- Arandela seguro. 23.- Arandela. 24.- Arandela 5. 25.- Tornillo M5x10. 26.- Tornillo M5x10. 27.- Engranaje primario. 28.- Seguro. TRANSMISIÓN Límite de servicio de diámetro exterior de tambor de cambios: 33.93mm. Límite de servicio de puntas de fricción de horquilla: 4.60mm. Límite de servicio de diámetro interior de horquilla: 34,14mm TRANSMISIÓN PRIMARIA 1.- Eje principal. 2.- Eje secundario. 3.- Engranaje secundario de 1ra. 34 dientes. 4.- Casquillo 20x9mm. 5.- Engranaje principal de 2da. 17 dientes. 6.- Engranaje secundario de 2da. 29 dientes. 7.- Engranaje principal de 3ra. 21 dientes. 8.- Engranaje secundario de 3ra. 26 dientes. 9.- Engranaje principal de 4ta. 24 dientes. 10.- Engranaje secundario de 4ta. 23 dientes. 11.- Piñón. 12.- Fijador de piñón. 13.- Arandela. 14.- Arandela 20mm. 15.- Arandela 17mm. 16.- Arandela 20mm. 17.- Seguro 17mm. 18.- Seguro 20mm. 19.-Retén 17x29x5mm. 20.- Tornillo M6x8mm. 21.- Rodamiento 101. 22.- Rodamiento 102. 23.- Rodamiento 203.
  • 9.
    SELECTOR DE CAMBIOS 1.-Horquilla. 2.- Pino guía. 3.- Seguro de pino. 4.- Tambor. 5.- Fijador. 6.- Pino. 7.- Placa. 8.- Resorte de placa. 9.- Eje de pedal selector. 10.- Selector. 11.- Resorte de selector. 12.- Resorte de retorno de selector. 13.- Tornillo. 14.- Tope de interruptor. 15.- Placa de indicador de cambios. 16.- Tornillo M6x12. 17.- Piño 0.3x7.3mm. 18.- Tornillo M6x16. 19.- Contacto. 20.- Ficha de indicador de cambios. 21.- Retén 11.6x24x10mm. 22.- Tornillo. 23.- Pino. 24.- O-Ring. 25.- Pedal de cambios. 26.- Goma de pedal. 27.- Tornillo M6x22mm. 28.- Leva. TRANSMISIÓN SECUNDARIA Verificación desgaste cadena. Tirar de la cadena como se muestra. Si la luz es mayor que ½ diente, reemplazar Verificación desgaste plato y piñón: Si la luz 1.- según figura es mayor que ½ diente, reemplazar. Ajuste cadena: Medir movimiento vertical de la cadena a la mitad de la distancia entre piñón y plato. El juego debe estar entre 15 y 25mm
  • 10.
    FRENOS DELANTERO Diámetro disco 220mm Espesor máximo permitido 3 mm (Reemplazar por debajo de este valor) Superficie de contacto pastilla-disco máxima 75% TRASERO Diámetro máx. Tambor trasero: 102.4 mm Espesor máximo patines 2 mm Máxima área de contacto patín-tambor permitida 75 % SISTEMA ELÉCTRICO Código colores W – Blanco Y – Amarillo R – Rojo G – Gris B - Azul Sistema de carga e iluminación 1.- Bobina de luces. 2.- Regulador rectificador. 3.- Batería. 4.- Fusible. 5.- Interruptor de arranque. 6.- Interruptor de luces. 7.- Resistencia. 8.- Lámpara de tablero. 9 y 10.- Lámparas de posición. 11.- Interruptor de luces. 12.- Indicador de luz alta. 13.- Lámpara de semióptica. 14.- Lámpara.
  • 11.
    CIRCUITO DE ARRANQUE 1.-Batería. 2.- Fusible. 3.- Interruptor. 4.- Interruptor de señalero. 5.- Arranque. 6.- Bobina. 7.- Bobina de arranque. 8.- Bujía. CIRCUTO DE TESTIGOS 1.- Batería. 2.- Fusible. 3.- Interruptor de arranque. 4.- Relé de señalero. 5.- Indicador nivel combustible. 6.- Sensor de combustible.
  • 12.