RX100 (5VA2) COLOMBIA
1A5VA−261SA
A3
RX100
PARTS CATALOGUE
E2002 by Yamaha Motor Co., Ltd.
1st Edition, Jul. 2002
All rights reserved.
Any reprinting or unauthorized use
without the written permission of
Yamaha Motor Co., Ltd.
is expressly prohibited.
Printed in Japan
RX100
CATALOGO DE REPUESTOS
E2002, Yamaha Motor Co., Ltd.
1ªedición, Julio 2002
Reservados todos los derechos.
Se prohíbe expresamente toda reimpresión
o utilización no autorizada de este manual
sin el consentimiento por escrito de
Yamaha Motor Co., Ltd.
Impreso en Japón
FOREWORD
This Parts Catalogue is related to the parts for the model(s) in the below frame. When you are
ordering replacement parts, please refer to this Parts Catalogue and quote both part numbers
and part names correctly.
RX100(5VA2)
1. Modifications or additions which have been made after issue of the Parts Catalogue
will be announced in the Yamaha Parts News.
It is advisable that you make necessary corrections to the Parts Catalogue according
to the Yamaha Parts News.
2. Abbreviations
The following abbreviations are used in this Parts Catalogue.
“UR” Use specified parts number.
“UN” Use as many as needed.
“AP” Alternate Parts
“LM” Local Made (Parts need to be ordered locally)
“F#” Frame No. (Applicable machine No.)
3. Parts, which are to be supplied in an assembly, are listed with a dot(.) in front of the
part name as shown below.
EXAMPLE
CARBURETOR ASSY
.JET, PILOT
.NOZZLE, MAIN
4. Number of component for assembly
The numeral appearing to the right of each component part indicates the quantity of
parts for each assembly unit.
EXAMPLE
PART NO. DESCRIPTION Q’TY REMARKS
2F5−83310−60 FRONT FLASHER LIGHT ASSY 2
115−83311−60 .BULB (6V−18W) 1
5. Applicable colors of graphics are represented in the “REMARKS” as shown below.
PART NO. DESCRIPTION Q’TY REMARKS
2N4−24110−00−X5 FUEL TANK COMP. 1 MXR
3J1−24240−10 .GRAPHIC, FUEL TANK 1 FOR MXR
6. Applicable Serial No. and Color Code
Frame Serial No.
Engine Serial No.
Color Code Color Name Abbreviation
00H9 BLACK GOLD BG
009V ADRIATIC CANDY BLUE ACB
0035 SILVER SL
7. Note that the illustration for reference in finding parts numbers, not to be used for as-
sembling. When assembling, please use the applicable service manual.
8. The asterisk (*) before a reference number indicates modification items after the first
edition.
PROLOGO
Este Catálogo de Respuetos corresponds a las piezas para el(los) modelo(s) del re-
cuadro siguiente. Al formular el pedido de repuestos, se ruega citar este Catálogo de
Repuestos y especificar correctamente los números de parte y los nombres de parte.
RX100(5VA2)
1. Las modificaciones y agregados que se hayan realizado después de la
edición de este Catálogo de Repuestos, serán anunciados en las Informa-
ciones de Recambios Yamaha.
2. Abreviaciones
En este. Catálogo de Repuestos se emplean las siguientes abreviaciones.
“UR” Usar el número de partes especificado
“UN” Usar la cantidad necesaria
“AP” Piezas sustitutivas
“LM” Fabricación local (Partes necesarias que se pedirán localmente)
“F#” No. de bastidor aplicable
3. Las piezas suministradas como conjunto se describen con un punto (.) que
precede al nombre de la pieza como se indica a continuación.
EJEMPLO
CONJUNTO CARBURADOR
.INYECTOR, piloto
.BOQUILLA, principal
4. Cantidad de componentes de un conjunto
La numeración que aparece a la derecha de cada descripción, indica la
cantidad de piezas por cada unidad de conjunto.
EJEMPLO
PIEZAS NO. DESCRIPCION CANT. OBSERVACION
2F5−83310−60 ENSAMBLAJE DE LA LUZ 2
115−83311−60 .BOMBILLA (6V−1 8W) 1
1M1−83309−60 .REFLECTOR 1
5. Los colores de los componentes se indican como sigue en la columna
de“OBSERVACIONES”.
EJEMPLO
PIEZAS NO. DESCRIPCION CANT. OBSERVACION
2N4−24110−00−X5 COMP. DEL TANQUE 1 MXR
3J1−24240−10 .GRAFICO, DEL TANQUE 1 PARA MXR
6. Números de Serie y Códigos de Color aplicables
No. de Serie del motor.
No. de Serie del bastidor
Código de Color Nombre del Color Abreviación
00H9 BLACK GOLD BG
009V ADRIATIC CANDY BLUE ACB
0035 SILVER SL
7. Debe tenerse en cuenta que las ilustraciones sirven como guia para la
búsqueda de las referencias y no deben usarse para el montaje. Durante
el montaje, se recomienda usar el manual de Taller correspondiente.
8. EL asterisco (*)antes del número de referencia indica los elementos modifi-
cados después de la primera edición.
CONTENTS
ENGINE
CYLINDER 1
. . . . . . . . . . . . . . . . . . . . . . . . . . . . . . . . . . . . . . . . .
CRANKSHAFT. PISTON 2
. . . . . . . . . . . . . . . . . . . . . . . . . . . . . .
OIL PUMP 3
. . . . . . . . . . . . . . . . . . . . . . . . . . . . . . . . . . . . . . . . . .
INTAKE 4
. . . . . . . . . . . . . . . . . . . . . . . . . . . . . . . . . . . . . . . . . . . .
CARBURETOR 5
. . . . . . . . . . . . . . . . . . . . . . . . . . . . . . . . . . . . .
EXHAUST 7
. . . . . . . . . . . . . . . . . . . . . . . . . . . . . . . . . . . . . . . . . .
CRANKCASE 8
. . . . . . . . . . . . . . . . . . . . . . . . . . . . . . . . . . . . . . .
CRANKCASE COVER 1 9
. . . . . . . . . . . . . . . . . . . . . . . . . . . . . .
STARTER 11
. . . . . . . . . . . . . . . . . . . . . . . . . . . . . . . . . . . . . . . . . .
CLUTCH 12
. . . . . . . . . . . . . . . . . . . . . . . . . . . . . . . . . . . . . . . . . . .
TRANSMISSION 13
. . . . . . . . . . . . . . . . . . . . . . . . . . . . . . . . . . . .
SHIFT CAM. FORK 14
. . . . . . . . . . . . . . . . . . . . . . . . . . . . . . . . . .
SHIFT SHAFT 15
. . . . . . . . . . . . . . . . . . . . . . . . . . . . . . . . . . . . . .
CHASSIS
FRAME 16
. . . . . . . . . . . . . . . . . . . . . . . . . . . . . . . . . . . . . . . . . . . .
FENDER 17
. . . . . . . . . . . . . . . . . . . . . . . . . . . . . . . . . . . . . . . . . . .
SIDE COVER 18
. . . . . . . . . . . . . . . . . . . . . . . . . . . . . . . . . . . . . . .
OIL TANK 19
. . . . . . . . . . . . . . . . . . . . . . . . . . . . . . . . . . . . . . . . . .
REAR ARM 20
. . . . . . . . . . . . . . . . . . . . . . . . . . . . . . . . . . . . . . . . .
STEERING 21
. . . . . . . . . . . . . . . . . . . . . . . . . . . . . . . . . . . . . . . . .
FRONT FORK 22
. . . . . . . . . . . . . . . . . . . . . . . . . . . . . . . . . . . . . .
FUEL TANK 24
. . . . . . . . . . . . . . . . . . . . . . . . . . . . . . . . . . . . . . . .
SEAT 26
. . . . . . . . . . . . . . . . . . . . . . . . . . . . . . . . . . . . . . . . . . . . . .
FRONT WHEEL 27
. . . . . . . . . . . . . . . . . . . . . . . . . . . . . . . . . . . . .
REAR WHEEL 29
. . . . . . . . . . . . . . . . . . . . . . . . . . . . . . . . . . . . . .
STEERING HANDLE. CABLE 31
. . . . . . . . . . . . . . . . . . . . . . . . .
STAND. FOOTREST 32
. . . . . . . . . . . . . . . . . . . . . . . . . . . . . . . . .
GENERATOR 34
. . . . . . . . . . . . . . . . . . . . . . . . . . . . . . . . . . . . . . .
FLASHER LIGHT 35
. . . . . . . . . . . . . . . . . . . . . . . . . . . . . . . . . . . .
METER 37
. . . . . . . . . . . . . . . . . . . . . . . . . . . . . . . . . . . . . . . . . . . .
HEADLIGHT 38
. . . . . . . . . . . . . . . . . . . . . . . . . . . . . . . . . . . . . . . .
TAILLIGHT 39
. . . . . . . . . . . . . . . . . . . . . . . . . . . . . . . . . . . . . . . . .
HANDLE SWITCH. LEVER 40
. . . . . . . . . . . . . . . . . . . . . . . . . . .
ELECTRICAL 1 41
. . . . . . . . . . . . . . . . . . . . . . . . . . . . . . . . . . . . .
ELECTRICAL 2 42
. . . . . . . . . . . . . . . . . . . . . . . . . . . . . . . . . . . . .
INDEX
NUMERICAL INDEX 43
. . . . . . . . . . . . . . . . . . . . . . . . . . . . . . . . .
CONTENIDO
MOTOR
CILINDRO 1
. . . . . . . . . . . . . . . . . . . . . . . . . . . . . . . . . . . . . . . . . .
CIGUENAL. PISTON 2
. . . . . . . . . . . . . . . . . . . . . . . . . . . . . . . . .
BOMBA DE ACEITE 3
. . . . . . . . . . . . . . . . . . . . . . . . . . . . . . . . .
ADMISION 4
. . . . . . . . . . . . . . . . . . . . . . . . . . . . . . . . . . . . . . . . .
CARBURADOR 5
. . . . . . . . . . . . . . . . . . . . . . . . . . . . . . . . . . . . .
DESCARGA 7
. . . . . . . . . . . . . . . . . . . . . . . . . . . . . . . . . . . . . . . .
CARTER 8
. . . . . . . . . . . . . . . . . . . . . . . . . . . . . . . . . . . . . . . . . . .
CUBIERTA DE CARTER 1 9
. . . . . . . . . . . . . . . . . . . . . . . . . . . .
ARRANQUE 11
. . . . . . . . . . . . . . . . . . . . . . . . . . . . . . . . . . . . . . . .
EMBRAGUE 12
. . . . . . . . . . . . . . . . . . . . . . . . . . . . . . . . . . . . . . . .
TRANSMISION 13
. . . . . . . . . . . . . . . . . . . . . . . . . . . . . . . . . . . . .
LEVA DE CAMBIO. HORQ 14
. . . . . . . . . . . . . . . . . . . . . . . . . . . .
EJE DE CAMBIO. PEDAL 15
. . . . . . . . . . . . . . . . . . . . . . . . . . . .
SHASIS
CUADRO 16
. . . . . . . . . . . . . . . . . . . . . . . . . . . . . . . . . . . . . . . . . . .
GUARDABARRO 17
. . . . . . . . . . . . . . . . . . . . . . . . . . . . . . . . . . . .
CUBIERTA LATERAL 18
. . . . . . . . . . . . . . . . . . . . . . . . . . . . . . . .
DEPOSITO DE ACEITE 19
. . . . . . . . . . . . . . . . . . . . . . . . . . . . . .
BRAZO TRASERO 20
. . . . . . . . . . . . . . . . . . . . . . . . . . . . . . . . . .
DIRECCION 21
. . . . . . . . . . . . . . . . . . . . . . . . . . . . . . . . . . . . . . . .
HORQUILLA DELANTERA 22
. . . . . . . . . . . . . . . . . . . . . . . . . . .
DEPOSITO DE COMBUSTIBLE 24
. . . . . . . . . . . . . . . . . . . . . . .
ASIENTO 26
. . . . . . . . . . . . . . . . . . . . . . . . . . . . . . . . . . . . . . . . . . .
RUEDA DELANTERA 27
. . . . . . . . . . . . . . . . . . . . . . . . . . . . . . . .
RUEDA TRASERA 29
. . . . . . . . . . . . . . . . . . . . . . . . . . . . . . . . . .
MANUBRIO. CABLE 31
. . . . . . . . . . . . . . . . . . . . . . . . . . . . . . . . .
SOPORTE. APOYAPIE 32
. . . . . . . . . . . . . . . . . . . . . . . . . . . . . . .
GENERADOR 34
. . . . . . . . . . . . . . . . . . . . . . . . . . . . . . . . . . . . . .
LUZ DE DESTELLADOR 35
. . . . . . . . . . . . . . . . . . . . . . . . . . . . .
MEDIDOR 37
. . . . . . . . . . . . . . . . . . . . . . . . . . . . . . . . . . . . . . . . . .
FARO DELANTERO 38
. . . . . . . . . . . . . . . . . . . . . . . . . . . . . . . . .
LUZ DE COLA 39
. . . . . . . . . . . . . . . . . . . . . . . . . . . . . . . . . . . . . .
INTERRUPTOR DE MANIJA. PALANCA 40
. . . . . . . . . . . . . . . .
EQUIPO ELECTRICO 1 41
. . . . . . . . . . . . . . . . . . . . . . . . . . . . . .
EQUIPO ELECTRICO 2 42
. . . . . . . . . . . . . . . . . . . . . . . . . . . . . .
INDICE
INDICE NUMERICO 43
. . . . . . . . . . . . . . . . . . . . . . . . . . . . . . . . .
1
FIG. 1 CYLINDER CILINDRO
1 94700−00812 PLUG, SPARK (NGK BP7HS) 1
BUJIA (NGK BP7HS)
2 36L−E1127−00 ABSORBER 3 6
AMORTIGUADOR 3
3 36L−E1128−00 ABSORBER 4 2
AMORTIGUADOR 4
4 36L−E1111−00 HEAD, CYLINDER 1 1
CULATA CILINDRO 1
5 36L−E1181−00 GASKET, CYLINDER HEAD 1 1
JUNTA, DE CULATA 1
6 90179−08823 NUT 4
TUERCA
7 90116−08393 BOLT, STUD 4
ESPARRAGO
8 36L−E1311−10 CYLINDER 1 1
CILINDRO 1
9 36L−E1161−00 ABSORBER 1 4
AMORTIGUADOR 1
10 36L−E1162−00 ABSORBER 2 4
AMORTIGUADOR 2
11 36L−E1351−00 GASKET, CYLINDER 1
JUNTA, DE CILINDRO
12 90179−10812 NUT 4
TUERCA
13 90116−10278 BOLT, STUD 4
ESPARRAGO
REF. PART NO. DESCRIPTION REMARKS
NO. CODIGO NO. DESCRIPTION OBSERVACION
5VA2
2
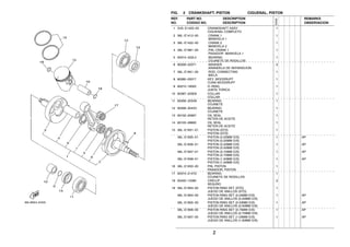
FIG. 2 CRANKSHAFT. PISTON CIGUENAL. PISTON
1 5VA−E1400−00 CRANKSHAFT ASSY 1
CIGUENAL COMPLETO
2 36L−E1412−00 .CRANK 1 1
.MANIVELA 1
3 36L−E1422−00 .CRANK 2 1
.MANIVELA 2
4 36L−E1681−00 .PIN, CRANK 1 1
.PASADOR MANIVELA 1
5 93310−422L0 .BEARING 1
.COJINETE DE RODILLOS
6 90209−22071 .WASHER 2
.ARANDELA DE SEPARACION
7 36L−E1651−00 .ROD, CONNECTING 1
.BIELA
8 90280−03017 KEY, WOODRUFF 1
CUNA WOODRUFF
9 93210−18023 O−RING 1
JUNTA TORICA
10 90387−205E9 COLLAR 1
COLLAR
11 93306−205X9 BEARING 1
COJINETE
12 93306−304X4 BEARING 1
COJINETE
13 93102−25807 OIL SEAL 1
RETEN DE ACEITE
14 93103−28800 OIL SEAL 1
RETEN DE ACEITE
15 36L−E1631−01 PISTON (STD) 1
PISTON (STD)
36L−E1635−01 PISTON (0.25MM O/S) 1 AP
PISTON (0.25MM O/S)
36L−E1636−01 PISTON (0.50MM O/S) 1 AP
PISTON (0.50MM O/S)
36L−E1637−01 PISTON (0.75MM O/S) 1 AP
PISTON (0.75MM O/S)
36L−E1638−01 PISTON (1.00MM O/S) 1 AP
PISTON (1.00MM O/S)
16 36L−E1633−00 PIN, PISTON 1
PASADOR, PISTON
17 93310−214Y2 BEARING 1
COJINETE DE RODILLOS
18 93450−15090 CIRCLIP 2
SEGURO
19 36L−E1603−00 PISTON RING SET (STD) 1
JUEGO DE ANILLOS (STD)
36L−E1604−00 PISTON RING SET (0.25MM O/S) 1 AP
JUEGO DE ANILLOS (0.25MM O/S)
36L−E1605−00 PISTON RING SET (0.50MM O/S) 1 AP
JUEGO DE ANILLOS (0.50MM O/S)
36L−E1606−00 PISTON RING SET (0.75MM O/S) 1 AP
JUEGO DE ANILLOS (0.75MM O/S)
36L−E1607−00 PISTON RING SET (1.00MM O/S) 1 AP
JUEGO DE ANILLOS (1.00MM O/S)
REF. PART NO. DESCRIPTION REMARKS
NO. CODIGO NO. DESCRIPTION OBSERVACION
5VA2
3
FIG. 3 OIL PUMP BOMBA DE ACEITE
1 36L−E3100−01 OIL PUMP ASSY 1
BOMBA DE ACEITE COMPLETA
2 36L−E3137−00−03 .SHIM, PLUNGER 1 UR
.ARANDELA DE REGLAJE
36L−E3137−00−05 .SHIM, PLUNGER 1 UR
.ARANDELA DE REGLAJE
36L−E3137−00−10 .SHIM, PLUNGER 1 UR
.ARANDELA DE REGLAJE
3 36L−E3138−00 .PLATE, ADJUSTING 1
.PLACA DE AJUSTE
4 9530N−05600 .NUT 1
.TUERCA
5 9290N−05100 .WASHER 1
.ARANDELA
6 9890N−04008 .SCREW, BIND 1
.TORNILLO DE LIGAR
7 90430−04004 .GASKET 1
.JUNTA
8 90468−02033 .CLIP 1
.PRESILLA
9 90445−05203 .HOSE (L330) 1
.TUBO (L330)
10 36L−E3146−00 COVER,ADJUST PULLEY 1
CUBIERTA DE POLEA DE AJUSTE
11 36L−E3175−01 SHAFT, WORM 1
EJE, SINFIN
12 90201−08624 WASHER, PLATE 1
ARANDELA PLANA
13 36L−E3116−00 GASKET, PUMP CASE 1
JUNTA, CAJA DE BOMBA
14 9850N−05014 SCREW, PAN HEAD 2
TORNILLO DE CABEZA CON PLANA
15 93101−10806 OIL SEAL 1
RETEN DE ACEITE
16 36L−E3176−00 METAL, WORM SHAFT OUTER 1
CASQVILLO, EXT.DE EJE SINFIN
17 36L−E3178−00 GEAR, PUMP DRIVE 1
ENGRANAJE TRACC.DE BOMBA
18 93603−22805 PIN, DOWEL 1
PASADOR DE CLAVIJA
19 93430−08810 CIRCLIP 1
SEGURO
20 36L−E3174−00 HOLDER, OIL PIPE 1
SOPORTE, TUBO DE ACEITE
21 90468−02033 CLIP 1
PRESILLA
22 90461−10071 CLAMP 1
GRAPA
REF. PART NO. DESCRIPTION REMARKS
NO. CODIGO NO. DESCRIPTION OBSERVACION
5VA2
4
FIG. 4 INTAKE ADMISION
1 36L−E3610−00 REED VALVE ASSY 1
VALVULA DE LAMINAS COMPLETA
2 36L−E3621−00 GASKET, REED VALVE 1
JUNTA, DE VALVULA DE LAMINAS
3 36L−E3565−00 JOINT, CARBURETOR 1
TOBERA, DE ADMISION
4 9750N−06525 BOLT, WITH WASHER 4
PERNO CON ARANDELA RONDELLE
5 90460−43053 CLAMP, HOSE 1
BRIDA, DE UNION
6 36L−E4453−00 JOINT, AIR CLEANER 1 1
UNION DEL FILTRO DEL AIRE 1
7 90460−51059 CLAMP, HOSE 2
BRIDA, DE UNION
8 36L−E4401−00 AIR CLEANER CASE ASSY 1
CAJA DE FILTRO DE AIRE COMPL.
9 36L−E4476−00 .SEAL 1
.SELLO
10 36L−E4424−00 .CLIP, CAP FITTING 1
.PRESILLA ACCESORIO DE TAPA
11 36L−E4451−00 ELEMENT, AIR CLEANER 1
ELEMENTO DEL FILTRO DEL AIRE
12 36L−E4402−00 CAP ASSY, AIR CLEANER 1
TAPA COMPLETO FILTRO DE AIRE
13 98507−06040 SCREW, PAN HEAD 3
TORNILLO DE CABEZA CON PLANA
14 92907−06200 WASHER 3
ARANDELA
15 90480−12053 GROMMET 1
TAPON
16 90480−14102 GROMMET 1
TAPON
17 90387−07390 COLLAR 1
COLLAR
18 90201−06827 WASHER, PLATE 1
ARANDELA PLANA
19 9700N−06025 BOLT 1
PERNO
20 9850N−06016 SCREW, PAN HEAD 1
TORNILLO DE CABEZA CON PLANA
REF. PART NO. DESCRIPTION REMARKS
NO. CODIGO NO. DESCRIPTION OBSERVACION
5VA2
5
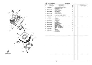
FIG. 5 CARBURETOR CARBURADOR
1 36L−E4101−00 CARBURETOR ASSY 1 1
CARBURADOR COMPLETO 1
2 36L−E4186−00 .PIN, FLOAT 1
.PASADOR DE LA BOYA
3 36L−E4184−00 .GASKET, FLOAT CHAMBER 1
.JUNTA, CAMARA DE FLOT
4 36L−E4185−00 .FLOAT 1
.BOYA
5 36L−E4146−00 .PLATE 1
.PLACA SOPORTE
6 36L−E4171−00 .PLUNGER, STARTER 1
.EMBOLO DE ARRANQUE
7 98517−04016 .SCREW, PAN HEAD 4
.TORNILLO DE CABEZA CON PLANA
8 92990−04100 .WASHER, SPRING 4
.ARANDELA, GROWER
9 36L−E4196−00 .PIPE 1
.TUBO DE DRENASE
10 36L−E4191−00 .PLUG, DRAIN 1
.TORNILLO, DE DRENAJE
11 36L−E4169−00 .CAP 1
.FUNDA
12 36L−E4145−00 .SETTER, NEEDLE JET 1
.ESPREA
13 36L−E4126−00 .GASKET 1
.EMPAQUE
14 36L−E4131−00 .SPRING, THROTTLE VALVE 1
.RESORTE VALVULA DE ACELERACIO
15 36L−E4197−00 .PIPE 1
.TUBO RESPIRADERO
16 36L−E4143−23 .JET, MAIN (#115) 1
.SURTIDOR, PRINCIPAL (#115)
17 36L−E4141−28 .NOZZLE, MAIN 1
.BOQUILLA PRINCIPAL
18 36L−E4112−20 .VALVE, THROTTLE 1 1
.VALVULA DE ACELERACION 1
19 36L−E4142−00 .JET, PILOT (# 20) 1
.SURTIDOR DE RALENTI (# 20)
20 36L−E4116−02 .NEEDLE 1
.AGUJA DE SURTIDOR
21 36L−E4123−00 .SCREW, AIR ADJUSTING 1
.TORNILLO DE AJUSTE DE AIRE
22 36L−E4190−20 .NEEDLE VALVE ASSY 1
.VALVULA DE OBTURACION
23 36L−E4195−00 .WASHER, NEEDLE VALVE 1
.ARANDELA DE VALVULA DE AGUJA
24 36L−E4133−00 .SPRING, THROTTLE STOP 1
.RESORTE TOPE DE ACELERACION
25 36L−E4122−00 .SCREW, THROTTLE 1
.TORNILLO DE OBTURACION
26 36L−E4134−00 .SPRING, AIR ADJUSTING 1
.RESORTE AJUSTE DE VALVULA
27 36L−E4147−10 .O−RING 1
.ANILLO O
REF. PART NO. DESCRIPTION REMARKS
NO. CODIGO NO. DESCRIPTION OBSERVACION
5VA2
6
FIG. 5 CARBURETOR CARBURADOR
28 36L−E4161−00 .NUT, CABLE ADJUSTING 1
.TUERCA AJUSTADOR DE CABLE
29 36L−E4124−00 .SCREW, CABLE ADJUSTING 1
.TORNILLO DE AJUSTE DE ALAMBR
30 36L−E4147−00 .O−RING 2
.ANILLO O
31 36L−E4137−00 .CLIP 1
.PRESILLA
32 36L−E4136−00 .SEAT, SPRING 1
.ASIENTO DE RESORTE
REF. PART NO. DESCRIPTION REMARKS
NO. CODIGO NO. DESCRIPTION OBSERVACION
5VA2
7
FIG. 6 EXHAUST DESCARGA
1 36L−E4611−00 PIPE, EXHAUST 1 1
TUBO DE ESCAPE 1
2 36L−E4612−00 NUT, RING 1
TUERCA ANILLO
3 36L−E4613−00 GASKET, EXHAUST PIPE 1
JUNTA, TUBO DE ESCAPE
4 90116−08166 BOLT, STUD 2
ESPARRAGO
5 90179−08823 NUT 2
TUERCA
6 5VA−E4710−00 MUFFLER ASSY 1 1
TUBO DE ESCAPE COMPLETO 1
7 36L−E4753−20 .SILENCER, EXHAUST 1
.SILENCIADOR DE ESCAPE
8 9760N−06112 .SCREW, PAN HEAD WITH WASHER 1
.TORNILLO CAB CON PLANA C/ARAN
9 36L−E4713−00 NUT, MUFFLER JOINT 1
TUERCA DE UNION SILENCIADOR
10 36L−E4714−00 GASKET, MUFFLER 1
EMPAQUE DE SILENCIADOR
11 9580N−08016 BOLT, FLANGE 1
TUERCA DE REBORDE
REF. PART NO. DESCRIPTION REMARKS
NO. CODIGO NO. DESCRIPTION OBSERVACION
5VA2
8
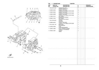
FIG. 7 CRANKCASE CARTER
1 36L−E5110−00 CRANKCASE ASSY 1 1
CARTER COMPLETO 1
2 9850N−06045 SCREW, PAN HEAD 6
TORNILLO DE CABEZA CON PLANA
3 9850N−06055 SCREW, PAN HEAD 2
TORNILLO DE CABEZA CON PLANA
4 9850N−06065 SCREW, PAN HEAD 5
TORNILLO DE CABEZA CON PLANA
5 91830−21014 PIN, DOWEL 1
PASADOR DE CLAVIJA
6 99530−14016 PIN, DOWEL 1
PASADOR, DE CLAVIJA
7 36L−E5128−00 HOLDER 1
SOPORTE
8 9850N−08010 SCREW, PAN HEAD 1
TORNILLO DE CABEZA CON PLANA
9 36L−E5371−00 BREATHER 1
RESPIRADERO
10 90446−07009 HOSE 1
TUBO RESEIRADERO
11 90340−12005 PLUG, STRAIGHT SCREW 1
TORNILLO, DE DRENAJE
12 90430−12207 GASKET 1
JUNTA
REF. PART NO. DESCRIPTION REMARKS
NO. CODIGO NO. DESCRIPTION OBSERVACION
5VA2
9
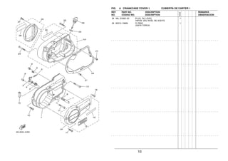
FIG. 8 CRANKCASE COVER 1 CUBIERTA DE CARTER 1
1 36L−E5411−00 COVER, CRANKCASE 1 1
CUBIERTA DE CARTER 1
2 36L−E6341−00 SCREW, PUSH 1
TORNILLO DE EMPUJE
3 36L−E6342−00 LEVER, PUSH 1
PALANCA DE EMPUJE
4 93104−11806 OIL SEAL 1
SELLO ACEITE
5 90506−10069 SPRING, TENSION 1
RESORTE DE TENSION
6 36L−E6346−00 HOOK, SPRING 1
GANCHO DE RESORTE
7 36L−E8188−00 AXLE, PAWL HOLDER 1
EJE DE SOSTEN DE SUJETADOR
8 93440−11029 CIRCLIP 1
SEGURO
9 91830−21014 PIN, DOWEL 2
PASADOR DE CLAVIJA
10 9850N−06030 SCREW, PAN HEAD 2
TORNILLO DE CABEZA CON PLANA
11 9850N−06045 SCREW, PAN HEAD 1
TORNILLO DE CABEZA CON PLANA
12 9850N−06055 SCREW, PAN HEAD 1
TORNILLO DE CABEZA CON PLANA
13 36L−E5357−00 GROMMET 1
ANILLO PROTECTOR
14 36L−E5420−00 CRANKCASE COVER ASSY 2 1
TAPA DE CARTER LATERAL 2
15 36L−E5435−00 .EMBLEM 1
.EMBLEMA
16 36L−E5443−00 .EMBLEM 1
.EMBLEMA
17 9850N−06025 SCREW, PAN HEAD 3
TORNILLO DE CABEZA CON PLANA
18 9850N−06016 SCREW, PAN HEAD 1
TORNILLO DE CABEZA CON PLANA
19 36L−WE542−00 COVER, CRANKCASE 3 1
CUBIERTA DE CARTER 3
20 36L−E5447−00 .EMBLEM 1
.EMBLEMA
21 91830−21014 PIN, DOWEL 1
PASADOR DE CLAVIJA
22 9850N−06035 SCREW, PAN HEAD 6
TORNILLO DE CABEZA CON PLANA
23 9850N−06055 SCREW, PAN HEAD 1
TORNILLO DE CABEZA CON PLANA
24 36L−E5451−00 GASKET, CRANKCASE COVER 1 1
EMPAQ DE CUBIERTA DE CARTER 1
25 36L−E5490−00 CRANKCASE COVER ASSY 3 1
CUBIERTA DE CARTER COMPL. 3
26 36L−E5435−00 .EMBLEM 1
.EMBLEMA
27 98507−06025 SCREW 3
TORNILLO DE CABEZA CON PLANA
REF. PART NO. DESCRIPTION REMARKS
NO. CODIGO NO. DESCRIPTION OBSERVACION
5VA2
10
FIG. 8 CRANKCASE COVER 1 CUBIERTA DE CARTER 1
28 36L−E5362−00 PLUG, OIL LEVEL 1
TAPON DEL NIVEL DE ACEITE
29 93210−19809 O−RING 1
JUNTA TORICA
REF. PART NO. DESCRIPTION REMARKS
NO. CODIGO NO. DESCRIPTION OBSERVACION
5VA2
11
FIG. 9 STARTER ARRANQUE
1 36L−E5651−00 GEAR, KICK IDLE 1
PINON LIBRE, PEDAL ARRANQUE
2 90201−15827 WASHER, PLATE 2
ARANDELA PLANA
3 93440−15802 CIRCLIP 2
SEGURO
4 36L−E5660−00 KICK AXLE ASSY 1
EJE DEL PEDAL DE ARRAN.COMPLET
5 36L−E5641−00 GEAR, KICK 1
ENGRANAJE PEDAL ARRANQUE
6 90468−26048 CLIP 1
PRESILLA
7 36L−E5676−00 COVER, SPRING 1
CUBIERTA DE RESORTE
8 90508−26484 SPRING, TORSION 1
RESORTE DE TORSION
9 36L−E5666−00 SPACER 1
SEPARADOR
10 93101−17807 OIL SEAL 1
RETEN DE ACEITE
11 36L−E5611−00 CRANK, KICK 1
MANIVELA DE PEDAL DE ARRANQUE
12 36L−E5621−00 BOSS, KICK CRANK 1
COPA DE MANIVELA DE PEDAL
13 93507−32819 BALL 1
ESFERA
14 90501−12081 SPRING, COMPRESSION 1
RESORTE DE COMPRESION
15 90201−15809 WASHER, PLATE 1
ARANDELA PLANA
16 93430−10811 CIRCLIP 1
SEGURO
17 5VA−E5618−00 COVER, KICK LEVER 1
GOMA PROTECTORA, PEDAL
18 9131N−08025 BOLT 1
PERNO
REF. PART NO. DESCRIPTION REMARKS
NO. CODIGO NO. DESCRIPTION OBSERVACION
5VA2
12
FIG. 10 CLUTCH EMBRAGUE
1 36L−E6150−00 PRIMARY DRIVEN GEAR COMP. 1
CAMPANA DE EMBRAGUE
2 36L−E6154−00 PLATE, THRUST 1 1
ARANDELA, DE EMPUJE 1
3 36L−E6371−00 BOSS, CLUTCH 1
CUBO, DE EMBRAGUE
4 36L−E6324−00 PLATE, CLUTCH 1 4
PLACA DE EMBRAGUE 1
5 36L−E6321−00 PLATE, FRICTION 5
PLACA DE FRICCION
6 36L−E6351−00 PLATE, PRESSURE 1 1
PLATO DE PRESION 1
7 90501−20568 SPRING, COMPRESSION 4
RESORTE DE COMPRESION
8 90119−05801 BOLT, WITH WASHER 4
TORNILLO CON ARANDELA
9 90170−12060 NUT 1
TUERCA
10 90208−12015 WASHER, CONICAL SPRING 1
ARANDELA DE RESORTE CONICO
11 36L−E6111−00 GEAR, PRIMARY DRIVE 1
ENGRANAJE TRACC.PRIMARIA
12 90282−05005 KEY, STRAIGHT 1
CHAVETA, RECTA
13 90179−12800 NUT 1
TUERCA
14 90208−12015 WASHER, CONICAL SPRING 1
ARANDELA DE RESORTE CONICO
15 90201−17558 WASHER, PLATE 1
ARANDELA PLANA
16 90560−17147 SPACER 1
SEPARADOR
17 36L−E6356−00 ROD, PUSH 1 1
VARILLA DE EMPUJE 1
18 93503−16806 BALL 1
ESFERA
19 36L−E6357−00 ROD, PUSH 2 1
VARILLA DE EMPUJE 2
20 93109−05804 O−RING 1
RETEN DE ACEITE
21 90113−06013 BOLT, SET 1
PERNO JUEGO
22 9530N−06600 NUT 1
TUERCA
REF. PART NO. DESCRIPTION REMARKS
NO. CODIGO NO. DESCRIPTION OBSERVACION
5VA2
13
FIG. 11 TRANSMISSION TRANSMISION
1 36L−E7411−00 AXLE, MAIN 1
EJE PRIMARIO
2 36L−E7121−00 GEAR, 2ND PINION (15T) 1
ENGRANAJE DE PINON DE 2DA (15T)
3 36L−E7131−00 GEAR, 3RD PINION (19T) 1
ENGRANAJE PINON DE 3RA (19T)
4 36L−E7141−00 GEAR, 4TH PINION (23T) 1
ENGRANAJE PINON DE 4TA (23T)
5 90201−20266 WASHER, PLATE (1.0T) 3
ARANDELA, PLACA(1.0T)
6 93410−20809 CIRCLIP 4
SEGURO
7 36L−E7421−00 AXLE, DRIVE 1
EJE SECUNDARIO
8 36L−E7211−01 GEAR, 1ST WHEEL (35T) 1
ENGRANAJE RUEDA DE 1 RA (35T)
9 93440−15802 CIRCLIP 1
SEGURO
10 90201−15828 WASHER, PLATE 1
ARANDELA PLANA
11 36L−E7221−00 GEAR, 2ND WHEEL (30T) 1
ENGRANAJE RUEDA DE 2DA (30T)
12 36L−E7231−00 GEAR, 3RD WHEEL (26T) 1
ENGRANAJE RUEDA DE 3RA (26T)
13 36L−E7241−00 GEAR, 4TH WHEEL (23T) 1
ENGRANAJE DE RUEDA 4TA (23T)
14 36L−E7285−00 CLUTCH, DOG 1
ENGRENAJE DE ENGATE
15 93311−315Y0 BALL BEARING 1
COJINETE DE RODILLOS
16 93306−303Y1 BEARING 1
COJINETE
17 36L−E7471−00 PLATE, COVER 1
PLACA, DE CUBIERTA
18 9850N−06012 SCREW, PAN HEAD 2
TORNILLO DE CABEZA CON PLANA
19 93306−304Y1 BEARING 1
COJINETE
20 93102−26805 OIL SEAL 1
RETEN DE ACEITE
21 93311−315Y0 BALL BEARING 1
COJINETE DE RODILLOS
22 93822−15065 SPROCKET,DRIVE (15T) 1
RUEDA DENTADA (15T)
23 90387−20491 COLLAR 1
COLLAR
24 90179−16226 NUT 1
TUERCA
25 90215−16127 WASHER, LOCK 1
ARANDELA DE CIERRE
26 90338−19802 PLUG 1
TAPON
REF. PART NO. DESCRIPTION REMARKS
NO. CODIGO NO. DESCRIPTION OBSERVACION
5VA2
14
FIG. 12 SHIFT CAM. FORK LEVA DE CAMBIO. HORQ
1 36L−E8540−02 SHIFT CAM ASSY 1
LEVADEL CAMBIO COMPLETA
2 93604−22806 .PIN, DOWEL 3
.PASADOR DE CLAVIJA
3 91609−40016 .PIN, SPRING 1
.PASADOR DE RESORTE
4 36L−E8561−00 .PLATE, SIDE 1 1
.PLACA LATERAL 1
5 9760N−05112 .SCREW, PAN HEAD WITH WASHER 1
.TORNILLO CAB CON PLANA C/ARAN
6 36L−E8542−00 .POINT, NEUTRAL 1
.PUNTO MVERTO
7 91609−50016 .PIN, SPRING 1
.PASADOR DE RESORTE
8 4TL−E8589−00 PLUG, BLIND 1
TAPON CIEGO
9 36L−E8579−00 GASKET, PLUG BLIND 1
EMPAQUE TAPON CIEGO
10 9850N−06008 SCREW, PAN HEAD 3
TORNILLO DE CABEZA CON PLANA
11 36L−E8511−00 FORK, SHIFT 1 1
HORQUILLA DEL CAMBIO 1
12 36L−E8512−00 FORK, SHIFT 2 1
HORQUILLA DEL CAMBIO 2
13 36L−E8513−00 FORK, SHIFT 3 1
HORQUILLA DE CAMBIO 3
14 36L−E8531−00 BAR, SHIFT FORK GUIDE 1 1
BARRA GUIA HORQ. CAMBIO 1
15 36L−E8535−00 BAR, SHIFT FORK GUIDE 2 1
BARRA GUIA HORQ.CAMBIO 2
16 90109−14385 BOLT 1
PERNO
17 36L−E5353−00 GASKET, DRAIN 1
JUNTA DE DRENAJE
18 90501−10353 SPRING, COMPRESSION 1
RESORTE DE COMPRESION
19 93505−16814 BALL 1
ESFERA
20 36L−E8140−00 STOPPER LEVER ASSY 1
PALANCA DE TOPE COMPLETA
21 90109−06806 BOLT 1
PERNO
22 90506−09809 SPRING, TENSION 1
RESORTE DE TENSION
REF. PART NO. DESCRIPTION REMARKS
NO. CODIGO NO. DESCRIPTION OBSERVACION
5VA2
15
FIG. 13 SHIFT SHAFT EJE DE CAMBIO. PEDAL
1 36L−E8101−00 SHIFT SHAFT ASSY 1
EJE SELECTOR COMPLETO
2 90506−08818 .SPRING, TENSION 1
.RESORTE DE TENSION
3 90508−32811 SPRING, TORSION 1
RESORTE DE TORSION
4 90149−08094 SCREW 1
TORNILLO DE REGLAJE
5 90170−08029 NUT 1
TUERCA
6 90215−08014 WASHER, LOCK 1
ARANDELA DE CIERRE
7 93109−14803 OIL SEAL 1
SELLO ACEITE
8 90201−14586 WASHER, PLATE 1
ARANDELA PLANA
9 93430−12812 CIRCLIP 1
SEGURO
10 5VA−E8111−00 PEDAL, SHIFT 1
PEDAL DEL CAMBIO
11 5VA−E8113−00 COVER, SHIFT PEDAL 1
FUNDA DEL PEDAL DEL CAMBIO
12 90240−08053 PIN, CLEVIS 2
PASADOR CON HOYO
13 90201−08819 WASHER, PLATE 2
ARANDELA PLANA
14 91401−16012 PIN, COTTER 2
CHAVETA
15 5VA−E8115−00 ROD, SHIFT 1
VARILLA DEL CANBIO
16 5VA−E8112−00 ARM, SHIFT 1
BRAZO DEL CANBIO
17 90201−122H2 WASHER, PLATE 1
ARANDELA PLANA
18 93430−10811 CIRCLIP 1
SEGURO
19 9702N−06020 BOLT 1
PERNO
REF. PART NO. DESCRIPTION REMARKS
NO. CODIGO NO. DESCRIPTION OBSERVACION
5VA2
16
FIG. 14 FRAME CUADRO
1 4TL−F1110−01 FRAME COMP. 1
ARMAZON COMPLETO
2 36L−F1398−V1 HANGER, HELMET 1
COLGADOR DE CASCO
3 90105−10809 BOLT, FLANGE 1
TORNILLO
4 90105−10040 BOLT, WASHER BASED 1
TORNILLO CON ARANDELA
5 9570N−08500 NUT, FLANGE 1
TUERCA DE BRIDA
6 95707−10500 NUT, FLANGE 1
TUERCA DE BRIDA
7 9290N−08100 WASHER 1
ARANDELA
8 92907−10100 WASHER, SPRING 2
ARANDELA
9 90209−08050 WASHER 2
ARANDELA DE SEPARACION
10 9870N−06030 SCREW, FLAT HEAD 1
TORNILLO DE CABEZA PLANA
11 5VA−F8100−00 TOOL KIT 1
JUEGO DE HERRAMIENTAS
12 90105−08099 BOLT, FLANGE 1
TORNILLO
REF. PART NO. DESCRIPTION REMARKS
NO. CODIGO NO. DESCRIPTION OBSERVACION
5VA2
17
FIG. 15 FENDER GUARDABARRO
1 36L−F1510−10 FRONT FENDER COMP. 1
GUARDABARRO DELANTERO COMPLETO
2 9580N−06016 BOLT, FLANGE 4
TUERCA DE REBORDE
3 36L−F1518−00 HOLDER, CABLE 1
SOPORTE DE CABLE
4 36L−F1521−00 FLAP, FRONT FENDER 1
CHARNELA DE GUARDABARRO
5 90201−05808 WASHER, PLATE 2
ARANDELA PLANA
6 97607−05212 SCREW,WITH WASHER 2
TORNILLO CAB CON PLANA C/ARAN
7 95307−05600 NUT 2
TUERCA
8 5VA−F1610−00 REAR FENDER COMP. 1
GUARDABARRO TRASERO COMPLETO
9 97007−08020 BOLT 2
PERNO
10 90119−06848 BOLT, WITH WASHER 2
TORNILLO CON ARANDELA
11 9290N−08100 WASHER 2
ARANDELA
12 9530N−08600 NUT 2
TUERCA
13 9580N−06012 BOLT, FLANGE 2
TUERCA DE REBORDE
14 36L−F1629−00 GUARD, MUD 1
GUARDABARRO INFERIOR
15 90464−08020 CLAMP 1
BRIDA
16 92907−08600 WASHER 1
ARANDELA
17 36L−F1621−01 FLAP 1
CHARNELA
18 9760N−05216 SCREW, PAN HEAD WITH WASHER 3
TORNILLO CAB CON PLANA C/ARAN
19 90201−05036 WASHER, PLATE 3
ARANDELA PLANA
20 95307−05600 NUT 3
TUERCA
REF. PART NO. DESCRIPTION REMARKS
NO. CODIGO NO. DESCRIPTION OBSERVACION
5VA2
18
FIG. 16 SIDE COVER CUBIERTA LATERAL
1 36L−F1711−01−H9 COVER, SIDE 1 1 UR BG
JUEGO DE GRAFICOS 1
36L−F1711−01−9V COVER, SIDE 1 1 UR ACB
JUEGO DE GRAFICOS 1
36L−F1711−01−35 COVER, SIDE 1 1 UR SL
JUEGO DE GRAFICOS 1
2 36L−F173E−60 GRAPHIC 1 1 UR FOR BG
GRAFICO 1
36L−F173E−80 GRAPHIC 1 1 UR FOR ACB
GRAFICO 1
36L−F173E−90 GRAPHIC 1 1 UR FOR SL
GRAFICO 1
3 36L−F1781−10 EMBLEM 1 1
EMBLEMA 1
4 90183−04047 NUT, SPRING 3
TUERCA DE RESORTE
5 36L−F1783−00 EMBLEM 3 1
EMBLEMA 3
6 90183−06018 NUT, SPRING 2
TUERCA DE RESORTE
7 90480−12053 GROMMET 2
TAPON
8 90201−06067 WASHER, PLATE 1
ARANDELA PLANA
9 90146−06009 SCREW, OVAL FILLISTER 1
TORNILLO CABEZA OVAL RANURADA
10 90179−06264 NUT 1
TUERCA
11 36L−F1721−01−H9 COVER, SIDE 2 1 UR BG
JUEGO DE GRAFICOS 2
36L−F1721−01−9V COVER, SIDE 2 1 UR ACB
JUEGO DE GRAFICOS 2
36L−F1721−01−35 COVER, SIDE 2 1 UR SL
JUEGO DE GRAFICOS 2
12 36L−F173F−60 GRAPHIC 2 1 UR FOR BG
GRAFICO 2
36L−F173F−80 GRAPHIC 2 1 UR FOR ACB
GRAFICO 2
36L−F173F−90 GRAPHIC 2 1 UR FOR SL
GRAFICO 2
13 36L−F1782−00 EMBLEM 2 1
EMBLEMA 2
14 90183−04047 NUT, SPRING 3
TUERCA DE RESORTE
15 36L−F1784−00 EMBLEM 4 1
EMBLEMA 4
16 90183−06018 NUT, SPRING 3
TUERCA DE RESORTE
17 90480−12053 GROMMET 2
TAPON
18 90119−06843 BOLT, WITH WASHER 1
TORNILLO CON ARANDELA
REF. PART NO. DESCRIPTION REMARKS
NO. CODIGO NO. DESCRIPTION OBSERVACION
5VA2
19
FIG. 17 OIL TANK DEPOSITO DE ACEITE
1 5VA−F1751−00 TANK, OIL 1
DEPOSITO DE ACEITE
2 36L−F176A−00 REFLECTOR, LEVEL GAUGE 1
REFLECTOR DE MEDIDOR DE NIVEL
3 36L−F1764−00 LENS, LEVEL GAUGE 1
LENTE DE MEDIDOR DE NIVEL
4 36L−F1763−00 GASKET, LEVEL GAUGE 1
EMPAQ MEDIDOR DE NIVEL
5 36L−F1771−00 BODY, CAP 1
TAPON DEPOSITO ACEITE
6 90385−24028 BUSH 1
BUJE
7 90480−18171 GROMMET 1
TAPON
8 90385−08029 BUSH 1
BUJE
9 36L−F1745−00 PIPE, OIL TANK BREATHER 1
TUBO RESP.DEP.DE ACEITE
10 90445−09017 HOSE 1
TUBO
11 9580N−06012 BOLT, FLANGE 2
TUERCA DE REBORDE
12 90467−09854 CLIP 2
PRESILLA
13 36L−F1155−00 BRACKET, OIL TANK 1
SOPORTE DE DEPOSITO DE ACEITE
14 36L−F1776−00 BAND, TANK FITTING 1
BANDA ACCESORIO DE DEPOSITO
REF. PART NO. DESCRIPTION REMARKS
NO. CODIGO NO. DESCRIPTION OBSERVACION
5VA2
20
FIG. 18 REAR ARM BRAZO TRASERO
1 36L−F2110−10 REAR ARM COMP. 1 YB
BRAZO TRASERO COMPLETO
2 36L−F2123−00 BUSH 1 2
BUJE 1
3 36L−F2141−01 SHAFT, PIVOT 1
EJE DEL BARCULANTE
4 90170−12065 NUT 1
TUERCA
5 9290N−12200 WASHER 1
ARANDELA
6 36L−F2151−00 SEAL, GUARD 1
SELLO DE GUARDA
7 5VA−F2310−00−35 CHAIN CASE ASSY 1
CAJA DE CADENA COMPLETA
8 97607−06212 SCREW,WITH WASHER 2
TORNILLO CAB CON PLANA C/ARAN
9 97607−06216 SCREW,WITH WASHER 2
TORNILLO CAB CON PLANA C/ARAN
10 36L−F2315−00 CAP 1
TAPA
11 36L−F2210−03−33 SHOCK ABSORBER ASSY, REAR 2 YB
AMORTIGUADOR TRASERO COMPLETO
12 90201−14218 WASHER, PLATE 2
ARANDELA PLANA
13 90201−106F2 WASHER, PLATE 4
ARANDELA PLANA
14 90176−10073 NUT, CROWN 4
TUERCA CORONA
REF. PART NO. DESCRIPTION REMARKS
NO. CODIGO NO. DESCRIPTION OBSERVACION
5VA2
21
FIG. 19 STEERING DIRECCION
1 36L−F3411−00 RACE, BALL 1 1
PISTA DE BOLAS 1
2 36L−F3412−00 RACE, BALL 2 1
PISTA DE BOLAS 2
3 36L−F3411−10 RACE, BALL 1 1
PISTA DE BOLAS 1
4 36L−F3412−10 RACE, BALL 2 1
PISTA DE BOLAS 2
5 93501−04805 BALL 19
ESFERA
6 93503−16806 BALL 22
ESFERA
7 36L−F3416−00 COVER, BALL RACE 2 1
CUBIERTA DE BASE DE BOLA 2
8 90179−25033 NUT 1
TUERCA
9 92907−05200 WASHER 1
ARANDELA
10 90208−04808 WASHER, CONICAL SPRING 1
ARANDELA DE RESORTE CONICO
11 36L−F3435−00 CROWN, HANDLE 1
PLATINA SUPERIOR
12 36L−F3395−00 EMBLEM 1
EMBLEMA
13 90176−08800 NUT, CROWN 2
TUERCA CORONA
14 9290N−08100 WASHER 2
ARANDELA
15 90101−10802 BOLT 1
TORNILLO
16 90209−10020 WASHER 1
ARANDELA DE SEPARACION
17 36L−F3441−10 HOLDER, HANDLE UPPER 2
SOPORTE DE MANUBRIO
18 5RA−F3437−00 COVER, CROWN 1
CUBIERTA DE CORONA
19 5MK−F8315−00 EMBLEM 1
EMBLEMA
20 98707−04012 SCREW, FLAT HEAD 2
TORNILLO DE CABEZA PLANA
21 95827−08050 BOLT, FLANGE 2
TUERCA DE REBORDE
22 9850N−05010 SCREW, PAN HEAD 2
TORNILLO DE CABEZA CON PLANA
23 90269−04003 RIVET 1
REMACHE
24 36L−F3484−00 CAP, HANDLE LOCK 1
TAPA DE CERRADURA DE MANUBRIO
25 95807−08035 BOLT, FLANGE 4
TUERCA DE REBORDE
26 90502−09024 SPRING, CONICAL 1
RESORTE CONICO
27 36L−F3480−00 STEERING LOCK ASSY 1
CERRADURA DE DIRECCION COMPL.
REF. PART NO. DESCRIPTION REMARKS
NO. CODIGO NO. DESCRIPTION OBSERVACION
5VA2
22
FIG. 20 FRONT FORK HORQUILLA DELANTERA
1 36L−F3102−01 FRONT FORK ASSY (L.H) 1
HORQUILLA DELANTERA COMPL.(MI)
2 36L−F3106−00 .OUTER TUBE COMP. (L.H) 1
.TUBO EXTERIOR COMPLETO (MI)
3 4LS−F3153−00 ..RING, SNAP 1
..ANILLO DE ENGANCHE
4 4LS−F3145−00 ..OIL SEAL 1
..RETEN DE ACEITE
5 36L−F3110−01 .INNER TUBE COMP.1 1
.TUBO INTERIOR COMPLETO 1
6 36L−F3170−00 .CYLINDER COMP., FRONT FORK 1
.CILINDRO COMPL DE HORQ DELAN
7 36L−F3173−00 .SPINDLE, TAPER 1
.VASTAGO AHUSADO
8 36L−F3158−00 .GASKET 1
.EMPAQUE
9 36L−F3181−00 .BOLT, HEXAGON SOCKET HEAD 1
.TORNILLO CABEZAHEXAGONAL
10 4LS−F3144−00 .SEAL, DUST 1
.GUARDAPOLVO
11 36L−F3141−00 .SPRING, FRONT FORK 1
.RESORTE HORQUILLA DELANT.
12 4LS−F3142−00 .SEAT, SPRING UPPER 1
.ASIENTO DEL MUELLE SUPERIOR
13 36L−F3118−00 .SPACER 1
.SEPARADOR
14 36L−F3111−00 .PLUG 1
.TAPON
15 36L−F3147−00 .O−RING 1
.ARO
16 36L−F3168−00 .CAP, FRONT FORK 1
.TAPA DE HORQUILLA DELANTERA
17 36L−F3103−01 FRONT FORK ASSY (R.H) 1
HORQUILLA DELANTERA COMPL.(MD)
18 36L−F3107−00 .OUTER TUBE COMP. (R.H) 1
.TUBO EXTERIOR COMPLETO (MD)
19 4LS−F3153−00 ..RING, SNAP 1
..ANILLO DE ENGANCHE
20 4LS−F3145−00 ..OIL SEAL 1
..RETEN DE ACEITE
21 36L−F3110−00 .INNER TUBE COMP.1 1
.TUBO INTERIOR COMPLETO 1
22 36L−F3170−00 .CYLINDER COMP., FRONT FORK 1
.CILINDRO COMPL DE HORQ DELAN
23 36L−F3173−00 .SPINDLE, TAPER 1
.VASTAGO AHUSADO
24 36L−F3158−00 .GASKET 1
.EMPAQUE
25 36L−F3181−00 .BOLT, HEXAGON SOCKET HEAD 1
.TORNILLO CABEZAHEXAGONAL
26 4LS−F3144−00 .SEAL, DUST 1
.GUARDAPOLVO
27 36L−F3141−00 .SPRING, FRONT FORK 1
.RESORTE HORQUILLA DELANT.
REF. PART NO. DESCRIPTION REMARKS
NO. CODIGO NO. DESCRIPTION OBSERVACION
5VA2
23
FIG. 20 FRONT FORK HORQUILLA DELANTERA
28 4LS−F3142−00 .SEAT, SPRING UPPER 1
.ASIENTO DEL MUELLE SUPERIOR
29 36L−F3118−00 .SPACER 1
.SEPARADOR
30 36L−F3111−00 .PLUG 1
.TAPON
31 36L−F3147−00 .O−RING 1
.ARO
32 36L−F3168−00 .CAP, FRONT FORK 1
.TAPA DE HORQUILLA DELANTERA
33 36L−F3340−00 UNDER BRACKET COMP. 1
PLATINA INFERIOR COMPLETA
34 36L−F3318−40 HOLDER, CABLE 1 1
SOSTEN DE CABLE 1
35 36L−F3346−01 BOLT 1 2
PERNO 1
36 5VA−F3131−00 COVER, UPPER 2 1
CUBIERTA SUPERIOR 2
37 5VA−F3121−00 COVER, UPPER 1 1
CUBIERTA SUPERIOR 1
REF. PART NO. DESCRIPTION REMARKS
NO. CODIGO NO. DESCRIPTION OBSERVACION
5VA2
24
FIG. 21 FUEL TANK DEPOSITO DE COMBUSTIBLE
1 5VA−F4100−00 FUEL TANK ASSY 1 UR BG
TANQUE COMBUSTIBLE COMPL.
5VA−F4100−10 FUEL TANK ASSY 1 UR ACB
TANQUE COMBUSTIBLE COMPL.
5VA−F4100−20 FUEL TANK ASSY 1 UR SL
TANQUE COMBUSTIBLE COMPL.
2 36L−F4240−90 .GRAPHIC SET 1 UR FOR BG
.JUEGO DE CALCOMANIAS
36L−F4240−B0 .GRAPHIC SET 1 UR FOR ACB
.JUEGO DE CALCOMANIAS
36L−F4240−C0 .GRAPHIC SET 1 UR FOR SL
.JUEGO DE CALCOMANIAS
3 5VA−F4181−00 DAMPER, LOCATING 1 2
AMORTIGUADOR DE MONTAJE 1
4 5VA−F4182−00 DAMPER, LOCATING 2 1
AMORTIGUADOR DE MONTAJE 2
5 90480−25189 GROMMET 1
TAPON
6 90201−08612 WASHER, PLATE 1
ARANDELA PLANA
7 9530N−08600 NUT 1
TUERCA
8 98507−05010 SCREW, PAN HEAD 1
TORNILLO DE CABEZA CON PLANA
9 98507−05008 SCREW, PAN HEAD 1
TORNILLO DE CABEZA CON PLANA
10 97607−06212 SCREW,WITH WASHER 1
TORNILLO CAB CON PLANA C/ARAN
11 97507−06612 BOLT, WITH WASHER 1
PERNO CON ARANDELA RONDELLE
12 92907−05100 WASHER, SPRING 1
ARANDELA
13 36L−F4500−02 FUEL COCK ASSY 1 1
GRIFO DE COMBUSTIBLE 1
14 36L−F4524−00 .LEVER, COCK 1
.LLAVE DEL GRIFO
15 36L−F4518−00 .WASHER, WAVE 1
.ARANDELA ONDULADA
16 36L−F4525−00 .PLATE, LEVER FITTING 1
.PLACA ACCESORIA DE PALANCA
17 36L−F4521−00 .CUP, FILTER 1
.COPA DE FILTRO
18 36L−F4523−00 .VALVE 1
.VALVULA
19 36L−F4531−00 .NUT 1
.TUERCA
20 36L−F4560−00 .FILTER ASSY 1
.FILTRO COMPLETO
21 98907−03008 .SCREW, BIND 2
.TORNILLO DE LIGAR
22 36L−F4515−00 .NET, FILTER 2 1
.RED DE FILTRO 2
23 36L−F4532−01 .GASKET 1
.EMPAQUE
REF. PART NO. DESCRIPTION REMARKS
NO. CODIGO NO. DESCRIPTION OBSERVACION
5VA2
25
FIG. 21 FUEL TANK DEPOSITO DE COMBUSTIBLE
24 36L−F4650−V1 CAP ASSY 1
TAPA COMPLETA
25 36L−F4161−10 EMBLEM 1 1
EMBLEMA 1
26 90152−04006 SCREW, COUNTERSUNK 2
TORNILLO EMBUTIDO
27 36L−F4162−10 EMBLEM 2 1
EMBLEMA 2
28 90152−04006 SCREW, COUNTERSUNK 2
TORNILLO EMBUTIDO
29 90445−09059 HOSE (L59) 2
TUBO (L59)
30 90467−09854 CLIP 4
PRESILLA
31 90445−09809 HOSE 1
TUBO
32 90202−04801 WASHER, PLATE 1
ARANDELA DE PLANA
33 2YA−F4568−00 BAND, FILTER 1
BANDA DE FILTO
34 36L−F4560−01 FILTER ASSY 1
FILTRO COMPLETO
REF. PART NO. DESCRIPTION REMARKS
NO. CODIGO NO. DESCRIPTION OBSERVACION
5VA2
26
FIG. 22 SEAT ASIENTO
1 5VA−F4730−00 DOUBLE SEAT ASSY 1
SILLIN DOBLE COMPLETO
2 5VA−F4731−00 .COVER, SEAT 1
.FUNDA DE SILLIN
3 5VA−F4741−00 .PAD, SEAT 4
.COJIN DE ASIENTO
4 9570N−08500 NUT, FLANGE 2
TUERCA DE BRIDA
5 5VA−F474A−00 ASSIST, GRIP 1
FIADOR DE EMPUNADURA
6 9580N−06012 BOLT, FLANGE 2
TUERCA DE REBORDE
7 9580N−06012 BOLT, FLANGE 2
TUERCA DE REBORDE
REF. PART NO. DESCRIPTION REMARKS
NO. CODIGO NO. DESCRIPTION OBSERVACION
5VA2
27
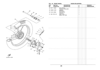
FIG. 23 FRONT WHEEL RUEDA DELANTERA
1 36L−F5111−10 HUB, FRONT 1
MASA DELANTERA
2 90560−12814 SPACER 1
SEPARADOR
3 93306−301Y3 BEARING 2
COJINETE
4 93102−18802 OIL SEAL 1
RETEN DE ACEITE
5 36L−F5121−10 PLATE, BRAKE SHOE 1
PLACA DE ZAPATA DE FRENO
6 36L−WF536−00 BRAKE SHOE SET 1
JUEGO DE ZAPATA DE FRENO
7 90506−16036 SPRING, TENSION 2
RESORTE DE TENSION
8 36L−F5135−11 GEAR, DRIVE 1
ENGRANAJE DE TRACCION
9 36L−F5136−00 BUSH 1
BUJE
10 36L−F5138−11 GEAR, METER 1
ENGRANAJE DE MEDIDOR
11 93104−07804 OIL SEAL 1
SELLO ACEITE
12 90201−07076 WASHER, PLATE 1
ARANDELA PLANA
13 90201−20269 WASHER, PLATE 2
ARANDELA PLANA
14 93410−20808 CIRCLIP 1
SEGURO
15 36L−F5155−00 LEVER, CAMSHAFT 1 1
PALANCA DE ARBOL DE LEVAS 1
16 90101−06814 BOLT 1
TORNILLO
17 9530N−06600 NUT 1
TUERCA
18 36L−F5351−00 CAMSHAFT 1
ARBOL DE LEVAS
19 93105−47801 OIL SEAL 1
RETEN DE ACEITE
20 36L−F513A−00 PLATE, INDICATOR 1
PLACA DE INDICADOR
21 36L−F5304−01 SPOKE SET, REAR 1
JUEGO DE RAYOS TRASEROS
22 94125−18838 TIRE (2.50−18) 1
NEUMATICO (2.50−18)
23 94225−18823 TUBE (2.50−18) 1
TUBO (2.50−18)
24 94325−18822 BAND, RIM (2.50−18) 1
BANDA DE ARO (2.50−18)
25 94416−18800 RIM (1.60−18) 1
ARO (1.60−18)
26 36L−F5118−00 COVER, HUB DUST 1
CUBIERTA DE MASA PARA POLVO
27 36L−F5181−00 AXLE, WHEEL 1
EJE DE LA RUEDA
REF. PART NO. DESCRIPTION REMARKS
NO. CODIGO NO. DESCRIPTION OBSERVACION
5VA2
28
FIG. 23 FRONT WHEEL RUEDA DELANTERA
28 90171−10803 NUT, CASTLE 1
TUERCA ENTALLADA
29 9290N−10200 WASHER 1
ARANDELA
30 91401−20020 PIN, COTTER 1
CHAVETA
31 36L−F5137−00 RING, STOP 1
ANILLO DE TOPE
REF. PART NO. DESCRIPTION REMARKS
NO. CODIGO NO. DESCRIPTION OBSERVACION
5VA2
29
FIG. 24 REAR WHEEL RUEDA TRASERA
1 36L−F5311−10 HUB, REAR 1
MASA TRASERA
2 90560−15136 SPACER 1
SEPARADOR
3 36L−F5315−00 FLANGE, SPACER 1
SEPARADOR
4 93306−202Y0 BEARING 1
COJINETE
5 93306−202Y1 BEARING 1
COJINETE
6 93104−22805 OIL SEAL 1
SELLO ACEITE
7 93210−42807 O−RING 1
JUNTA TORICA
8 5VA−F5364−00 DAMPER 4
AMORTIGUADOR
9 36L−F5321−11 PLATE, BRAKE SHOE 1
PLACA DE ZAPATA DE FRENO
10 36L−WF536−00 BRAKE SHOE SET 1
JUEGO DE ZAPATA DE FRENO
11 90506−16036 SPRING, TENSION 2
RESORTE DE TENSION
12 36L−F5351−00 CAMSHAFT 1
ARBOL DE LEVAS
13 36L−F5355−00 LEVER, CAMSHAFT 1
PALANCA DE ARBOL DE LEVAS
14 90101−06814 BOLT 1
TORNILLO
15 9530N−06600 NUT 1
TUERCA
16 36L−F533A−00 PLATE, INDICATOR 1
PLACA INDICADOR
17 36L−F5366−10 CLUTCH, HUB 1
EMBRAGUE DE MASA
18 93420−42801 CIRCLIP 1
BOLA
19 93306−004Y0 BEARING 1
COJINETE
20 93106−26801 OIL SEAL 1
RETEN DE ACEITE
21 5VA−F5387−00 SHAFT SPROCKET 1
EJE DE CORONA
22 5VA−F5439−00 SPROCKET, DRIVEN (39T) 1
CORONA (39T)
23 90109−08361 BOLT 4
PERNO
24 5VA−F5412−00 WASHER 2
ARANDELA
25 90179−08168 NUT 4
TUERCA
26 36L−F5304−01 SPOKE SET, REAR 1
JUEGO DE RAYOS TRASEROS
27 94127−18839 TIRE (2.75−18) 1
NEUMATICO (2.75−18)
REF. PART NO. DESCRIPTION REMARKS
NO. CODIGO NO. DESCRIPTION OBSERVACION
5VA2
30
FIG. 24 REAR WHEEL RUEDA TRASERA
28 94227−18824 TUBE (2.75−18) 1
TUBO (2.75−18)
29 94325−18822 BAND, RIM (2.50−18) 1
BANDA DE ARO (2.50−18)
30 94416−18800 RIM (1.60−18) 1
ARO (1.60−18)
31 5VA−F5371−00 BAR, TENSION 1
BARRA TENSORA
32 90109−08063 BOLT 1
PERNO
33 9530N−08600 NUT 1
TUERCA
34 90468−12007 CLIP 1
PRESILLA
35 90109−08368 BOLT 1
PERNO
36 9530N−08700 NUT 1
TUERCA
37 9290N−08100 WASHER 2
ARANDELA
38 91401−20012 PIN, COTTER 1
CHAVETA
39 36L−F5381−01 AXLE, WHEEL 1
EJE DE RUEDA
40 90170−20224 NUT 1
TUERCA
41 90387−158W7 COLLAR 1
COLLAR
42 90387−208W8 COLLAR 1
COLLAR
43 90171−14800 NUT, CASTLE 1
TUERCA ENTALLADA
44 91401−30030 PIN, COTTER 1
CHAVETA
45 5VA−F5388−00 PULLER, CHAIN 1 1
TIRADOR DE CADENA 1
46 5VA−F5389−00 PULLER, CHAIN 2 1
TIRADOR DE CADENA 2
47 90153−08011 SCREW, HEXAGON 2
TORNILLO HEXAGONAL
48 9530N−08700 NUT 2
TUERCA
49 94568−47108 CHAIN 1
CADENA
50 94608−04001 .JOINT, CHAIN 1
.CONECTOR DE CADENA
REF. PART NO. DESCRIPTION REMARKS
NO. CODIGO NO. DESCRIPTION OBSERVACION
5VA2
31
FIG. 25 STEERING HANDLE. CABLE MANUBRIO. CABLE
1 5VA−F6110−00 HANDLE COMP. 1
MANUBRIO COMPLETE
2 36L−F6260−00 CABLE ASSY, THROTTLE & PUMP 1
CABLE OBTURADOR Y BOMBA
3 36L−F6261−00 .CONNECTOR, CABLE 1
.CONECTOR DE CABLE
4 36L−F6268−00 .HOLDER, CABLE CONNECTOR 1
.SOPORTE DE CABLE CONECTOR
5 36L−F6311−00 .CABLE, THROTTLE 1 1
.CABLE DE ACELERADOR 1
6 36L−F6312−00 .CABLE, THROTTLE 2 1
.CABLE DE ACELERADOR 2
7 36L−F6321−00 .CABLE, PUMP 1
.CABLE DE BOMBA
8 36L−F6335−00 CABLE, CLUTCH 1
CABLE DE EMBRAGUE
9 36L−F6372−00 COVER, HANDLE LEVER 1 1
CUBIERTA DE PALANCA DE MANUB 1
10 36L−F6363−10 END, CABLE 1
EXTREMO DE CABLE
11 36L−F6341−00 CABLE, BRAKE 1
CABLE DE FRENO
12 36L−F6372−00 COVER, HANDLE LEVER 1 1
CUBIERTA DE PALANCA DE MANUB 1
13 90123−08805 BOLT 1
PERNO
14 90123−08804 BOLT 1
PERNO
15 90179−08810 NUT 2
TUERCA
16 90123−06801 BOLT 1
PERNO
17 90179−06810 NUT 1
TUERCA
18 5VA−F6241−00 GRIP 1
EMPUNADURA
19 5VA−F6242−00 GRIP (RIGHT) 1
EMPUNADURA (MD)
20 36L−F6243−00 TUBE, THROTTLE GUIDE 1
TUBO DE GUIA DE OBTURADOR
21 36L−F6249−00 RING, LEAF 1
ANILLO DE FLEJE
22 36L−F6281−10 CAP, GRIP UPPER 1
TAPA DE EMPUNADURA SUPERIOR
23 36L−F6282−10 CAP, GRIP LOWER 1
TAPA DE EMPUNADURA INFERIOR
24 9850N−05014 SCREW, PAN HEAD 2
TORNILLO DE CABEZA CON PLANA
25 5VA−F6290−10 REAR VIEW MIRROR ASSY (RIGHT) 1
ESPEJO COMPLETO (DERECHO)
26 5VA−F6290−00 REAR VIEW MIRROR ASSY (RIGHT) 1
ESPEJO COMPLETO (DERECHO)
REF. PART NO. DESCRIPTION REMARKS
NO. CODIGO NO. DESCRIPTION OBSERVACION
5VA2
32
FIG. 26 STAND. FOOTREST SOPORTE. APOYAPIE
1 5VA−F7111−00 STAND, MAIN 1
PUNTAL PRINCIPAL
2 5VA−F7112−00 SHAFT, MAIN STAND 1
EJE DE PUNTAL PRINCIPAL
3 5VA−F7115−00 LINK, MAIN STAND 1
CONEXION DE PUNTAL PRINCIPAL
4 90506−29054 SPRING, TENSION 1
RESORTE DE TENSION
5 5VA−F7114−00 STOPPER, MAIN STAND 1
TOPE DE PUNTAL PRINCIPAL
6 93430−12820 CIRCLIP 1
SEGURO
7 5VA−F7211−00 PEDAL, BRAKE 1
PEDAL DE FRENO
8 90508−32056 SPRING, TORSION 1
RESORTE DE TORSION
9 5VA−F7231−00 ROD, BRAKE 1
VARILLA DE FRENO
10 9290N−06600 WASHER 1
ARANDELA
11 91401−20012 PIN, COTTER 1
CHAVETA
12 92907−06600 WASHER 2
ARANDELA
13 90501−10245 SPRING, COMPRESSION 1
RESORTE DE COMPRESION
14 9024N−12008 PIN 1
PASADOR
15 90179−06806 NUT 1
TUERCA
16 5VA−F7411−00 FOOTREST 1 1
APOYAPIE 1
17 5VA−F7413−00 COVER, FOOTREST 2
CUBIERTA DE APOYAPIE
18 95807−08020 BOLT, FLANGE 2
TUERCA DE REBORDE
19 5VA−F7311−00 STAND, SIDE 1
PUNTAL LATERAL
20 90506−25047 SPRING, TENSION 1
RESORTE DE TENSION
21 90109−08032 BOLT 1
PERNO
22 95307−08700 NUT 1
TUERCA
23 5VA−F7432−00 BRACKET 1 1
SOPORTE 1
24 5VA−F7442−00 BRACKET 2 1
SOPORTE 2
25 5VA−F7431−00 FOOTREST, REAR 1 2
APOYAPIE POSTERIOR 1
26 5VA−F7433−00 COVER, REAR FOOTREST 2
CUBIERTA APOYAPIE TRASERO
27 5VA−F743E−00 STOPPER 2
TOPE
REF. PART NO. DESCRIPTION REMARKS
NO. CODIGO NO. DESCRIPTION OBSERVACION
5VA2
33
FIG. 26 STAND. FOOTREST SOPORTE. APOYAPIE
28 98707−06016 SCREW, FLAT HEAD 2
TORNILLO DE CABEZA PLANA
29 90201−20279 WASHER, PLATE 2
ARANDELA PLANA
30 90240−06052 PIN, CLEVIS 2
PASADOR CON HOYO
31 91401−16012 PIN, COTTER 2
CHAVETA
32 95807−08020 BOLT, FLANGE 2
TUERCA DE REBORDE
REF. PART NO. DESCRIPTION REMARKS
NO. CODIGO NO. DESCRIPTION OBSERVACION
5VA2
34
FIG. 27 GENERATOR GENERADOR
1 36L−H5560−V0 BASE ASSY 1
CONJUNTO BASE
2 36L−H5520−V0 .COIL, CHARGE 1
.BOBINA DE CARGA
3 36L−H1313−V0 .COIL, LIGHTING 1 1
.BOBINA DE ILUMINACION 1
4 36L−H5580−V0 .COIL, PULSER 1
.BOBINA DE PULSACION
5 36L−H131X−V0 .CORD ASSY 1
.CORDON COMPLETO
6 90461−05036 .CLAMP 1
.GRAPA
7 36L−H5569−V0 .TERMINAL, EARTH 2 1
.TERMINAL A TIERRA 2
8 97607−04016 .SCREW,WITH WASHER 2
.TORNILLO CAB CON PLANA C/ARAN
9 98507−04030 .SCREW 2
.TORNILLO DE CABEZA CON PLANA
10 97607−04110 .SCREW,WITH WASHER 1
.TORNILLO CAB CON PLANA C/ARAN
11 98517−04012 .SCREW, PAN HEAD 2
.TORNILLO DE CABEZA CON PLANA
12 92907−05100 .WASHER, SPRING 3
.ARANDELA
13 36L−H5550−V0 ROTOR ASSY 1
ROTOR COMPLETO
14 98707−06014 SCREW, FLAT HEAD 2
TORNILLO DE CABEZA PLANA
15 90462−05012 CLAMP 1
BRIDA
16 90201−12178 WASHER, PLATE 1
ARANDELA PLANA
17 92907−12100 WASHER 1
ARANDELA
18 90170−12347 NUT 1
TUERCA
REF. PART NO. DESCRIPTION REMARKS
NO. CODIGO NO. DESCRIPTION OBSERVACION
5VA2
35
FIG. 28 FLASHER LIGHT LUZ DE DESTELLADOR
1 5VA−H3310−00 FRONT FLASHER LIGHT ASSY 1 1
DESTELLADOR DE LUZ DELANT. 1
2 5VA−H3311−00 .BULB, FLASHER (6V−10W) 1
.BOMBILLA DE DESTELLADOR (6V−10W)
3 5VA−H3313−00 .GASKET, FLASHER LENS 1
.EMPAQUE DE LENTE DESTELLADOR
4 5VA−H3312−00 .LENS, FLASHER 1
.LENTE DE DESTELLADOR
5 97702−30520 .SCREW, TAPPING 2
.TORNILLO
6 9290N−10100 WASHER 1
ARANDELA
7 9530N−10600 NUT 1
TUERCA
8 5VA−H3320−00 FRONT FLASHER LIGHT ASSY 2 1
DESTELLADOR DE LUZ DELANT. 2
9 5VA−H3311−00 .BULB, FLASHER (6V−10W) 1
.BOMBILLA DE DESTELLADOR (6V−10W)
10 5VA−H3313−00 .GASKET, FLASHER LENS 1
.EMPAQUE DE LENTE DESTELLADOR
11 5VA−H3312−00 .LENS, FLASHER 1
.LENTE DE DESTELLADOR
12 97702−30520 .SCREW, TAPPING 2
.TORNILLO
13 9290N−10100 WASHER 1
ARANDELA
14 9530N−10600 NUT 1
TUERCA
15 36L−H3354−00 WIRE, EARTH LEAD 1 2
CABLE CONDUCTOR A TIERRA 1
16 5VA−H3330−00 REAR FLASHER LIGHT ASSY 1 1
DESTELLADOR DE LUZ TRAS.COMPL.
17 5VA−H3311−00 .BULB, FLASHER (6V−10W) 1
.BOMBILLA DE DESTELLADOR (6V−10W)
18 5VA−H3313−00 .GASKET, FLASHER LENS 1
.EMPAQUE DE LENTE DESTELLADOR
19 5VA−H3312−00 .LENS, FLASHER 1
.LENTE DE DESTELLADOR
20 97702−30520 .SCREW, TAPPING 2
.TORNILLO
21 9290N−10100 WASHER 1
ARANDELA
22 9530N−10600 NUT 1
TUERCA
23 5VA−H3340−00 FLASHER LIGHT ASSY 2 1
DESTELLADOR DE LUZ COMPL. 2
24 5VA−H3311−00 .BULB, FLASHER (6V−10W) 1
.BOMBILLA DE DESTELLADOR (6V−10W)
25 5VA−H3313−00 .GASKET, FLASHER LENS 1
.EMPAQUE DE LENTE DESTELLADOR
26 5VA−H3312−00 .LENS, FLASHER 1
.LENTE DE DESTELLADOR
27 97702−30520 .SCREW, TAPPING 2
.TORNILLO
REF. PART NO. DESCRIPTION REMARKS
NO. CODIGO NO. DESCRIPTION OBSERVACION
5VA2
36
FIG. 28 FLASHER LIGHT LUZ DE DESTELLADOR
28 9290N−10100 WASHER 1
ARANDELA
29 9530N−10600 NUT 1
TUERCA
REF. PART NO. DESCRIPTION REMARKS
NO. CODIGO NO. DESCRIPTION OBSERVACION
5VA2
37
FIG. 29 METER MEDIDOR
1 36L−H3510−V0 SPEEDOMETER ASSY 1
VELOCIMETRO COMPL.
2 36L−H3509−V0 .SOCKET CORD ASSY 1
.ENCASTRE DE CABLE COMPLETO
3 36L−H3516−V0 .BULB (6V−3W) 1
.AMPOLLETA (6V−3W)
4 36L−H3530−V0 PILOT LIGHT ASSY 1
LAMPARA PILOTO COMPLETA
5 36L−H3520−V0 .SOCKET CORD ASSY 1
.ENCASTRE COMPLETO
6 36L−H3516−V0 .BULB (6V−3W) 3
.AMPOLLETA (6V−3W)
7 36L−H3582−V0 PILOT LIGHT ASSY 1
LUZ PILOTO COMPLETO
8 36L−H355T−V0 .SOCKET CORD ASSY 1
.ENCASTRE COMPLETO
9 36L−H3516−V0 .BULB (6V−3W) 1
.AMPOLLETA (6V−3W)
10 36L−H3519−V0 BRACKET, METER 1
SOPORTE DE MEDIDOR
11 36L−H3523−V0 DAMPER 2
AMORTIGUADOR
12 36L−H3524−00 WASHER, SPECIAL 2
ARANDELA ESPECIAL
13 97607−04110 SCREW,WITH WASHER 4
TORNILLO CAB CON PLANA C/ARAN
14 95307−05600 NUT 2
TUERCA
15 36L−H3550−00 SPEEDOMETER CABLE ASSY 1
CABLE DE VELOCIMETRO COMPLETO
REF. PART NO. DESCRIPTION REMARKS
NO. CODIGO NO. DESCRIPTION OBSERVACION
5VA2
38
FIG. 30 HEADLIGHT FARO DELANTERO
1 36L−H4110−V0 HEADLIGHT UNIT ASSY 1
UNIDAD FARO DELANTERO COMPLETO
2 36L−H4115−V0 .RIM, HEADLIGHT 1
.ARO DE FARO DELANTERO
3 36L−H4121−00 .LENS, HEADLIGHT 1
.LENTES DE FARO DELANTERO
4 36L−H4114−V0 .BULB, HEADLIGHT (6V 25/25W) 1
.AMPOLLETA DE FARO DELANTERO
5 36L−H4140−V0 .SOCKET CORD ASSY 1
.ENCASTRE DE CABLE COMPLETO
6 36L−H4124−V0 .SPRING, SET 3
.JUEGO DE RESORTES
7 36L−H4150−V0 .SOCKET CORD ASSY 2 1
.ENCASTRE DE CABLE COMPLETO 2
8 36L−H4147−V0 .BULB, PILOT LIGHT (6V−3W) 1
.AMPOLLETA LUZ PILOTO (6V−3W)
9 97601−05112 SCREW, PAN HEAD WITH WASHER 2
TORNILLO CON RONDONA
10 36L−H4130−V0 BODY ASSY, HEADLIGHT 1
CUERPO COMPL FARO DELANTERO
11 36L−H3523−00 .DAMPER 2
.AMORTIGUADOR
12 36L−H4164−V0 .DAMPER 2
.AMORTIGUADOR
13 36L−H4145−V0 .COLLAR, BODY FITTING 2
.COLLAR ACCESORIO DE CUERPO
14 36L−H4127−V0 .WASHER, SPECIAL 2
.ARANDELA ESPECIAL
REF. PART NO. DESCRIPTION REMARKS
NO. CODIGO NO. DESCRIPTION OBSERVACION
5VA2
39
FIG. 31 TAILLIGHT LUZ DE COLA
1 5VA−H4510−00 TAILLIGHT UNIT ASSY 1
FARO TRASERO COMPLETO
2 5VA−H4514−00 .BULB (6V−17/5.3W) 1
.AMPOLLETA (6V−17/5.3W)
3 5VA−H4523−00 .GASKET, LENS 1
.EMPAQUE DE LENTE
4 5VA−H4521−00 .LENS, TAILLIGHT 1
.LENTE DE FARO TRASERO
5 9770N−40520 .SCREW, TAPPING 2
.TORNILLO ROSCA HEMBRA
6 5VA−H4551−00 BRACKET, LICENCE 1
SOPORTE DE LICENCIA
7 36L−H4553−V0 DAMPER 2
AMORTIGUADOR
8 36L−H4542−V0 SEAT, BASE 1
ASIENTO DE BASE
9 36L−H4557−V0 COLLAR 2
COLLAR
10 36L−H4554−V0 WASHER, SPECIAL 2
ARANDELA ESPECIAL
11 9530N−06600 NUT 2
TUERCA
REF. PART NO. DESCRIPTION REMARKS
NO. CODIGO NO. DESCRIPTION OBSERVACION
5VA2
40
FIG. 32 HANDLE SWITCH. LEVER INTERRUPTOR DE MANIJA. PALANCA
1 36L−H2921−V0 HOLDER, LEVER 2 1
SOPORTE DE LEVA 2
2 36L−H3922−V0 LEVER 2 1
PALANCA 2
3 36L−H3945−V0 BOLT, LEVER 1
PERNO DE PALANCA
4 90201−08085 WASHER, PLATE 1
ARANDELA PLANA
5 9570N−06300 NUT, FLANGE 1
TUERCA DE BRIDA
6 36L−H3980−V0 FRONT STOP SWITCH ASSY 1
INTERRUP.PARADA DELANTERO
7 9702N−06020 BOLT 1
PERNO
8 92907−06100 WASHER 1
ARANDELA
9 36L−H3972−V0 SWITCH, HANDLE 4 1
INTERRUPTOR DE MANIJA 4
10 98506−05035 .SCREW, PAN HEAD 1
.TORNILLO, DE CABEZA CRUZADA
11 9850N−05030 .SCREW, PAN HEAD 1
.TORNILLO DE CABEZA CON PLANA
12 36L−H2911−V0 HOLDER, LEVER 1 1
SOPORTE DE LEVA 1
13 36L−H3912−V0 LEVER 1 1
PALANCA 1
14 36L−H3929−V0 PLATE, SPRING 1
PLACA DE RESORTE
15 36L−H3945−V0 BOLT, LEVER 1
PERNO DE PALANCA
16 9570N−06300 NUT, FLANGE 1
TUERCA DE BRIDA
17 97507−06422 BOLT, WITH WASHER 1
PERNO CON ARANDELA RONDELLE
18 90201−08085 WASHER, PLATE 1
ARANDELA PLANA
19 36L−H3936−00 BAND, SWITCH CORD 2
BANDA DE CABLE DE INTERRUPTOR
REF. PART NO. DESCRIPTION REMARKS
NO. CODIGO NO. DESCRIPTION OBSERVACION
5VA2
41
FIG. 33 ELECTRICAL 1 EQUIPO ELECTRICO 1
1 36L−H2310−V0 IGNITION COIL ASSY 1
BOBINA DE ENCENDIDO COMPLETA
2 36L−H2316−00 .BRACKET, IGNITION COIL 1
.SOPORTE BOBINA ENCENDIDO
3 97607−06120 SCREW, PAN HEAD WITH WASHER 2
TORNILLO CAB CON PLANA C/ARAN
4 97607−06212 SCREW,WITH WASHER 2
TORNILLO CAB CON PLANA C/ARAN
5 36L−H2370−V0 PLUG CAP ASSY 1
TAPON DE BUJIA COMPLT
6 36L−H2540−V1 NEUTRAL SWITCH ASSY 1
INTERRUPTOR NEUTRAL COMPL
7 36L−H258H−V0 .GASKET 1
.EMPAQUETADURA
8 36L−H5540−10 C.D.I. UNIT ASSY 1 UR
UNIDAD C.D.I. COMPLETA
36L−H5540−00 C.D.I. UNIT ASSY 1 UR
UNIDAD C.D.I. COMPLETA
9 9760N−06120 SCREW, PAN HEAD WITH WASHER 3
TORNILLO CAB CON PLANA C/ARAN
10 36L−H3350−V0 FLASHER RELAY ASSY 1
RELE DE DESTELLADOR COMPL.
11 36L−H3371−V0 HORN 1
BOCINA
12 36L−H5110−V0 REFLECTOR ASSY 2
REFLECTOR COMPLETO
13 95707−05300 NUT, FLANGE 1
TUERCA DE BRIDA
14 90119−06843 BOLT, WITH WASHER 2
TORNILLO CON ARANDELA
REF. PART NO. DESCRIPTION REMARKS
NO. CODIGO NO. DESCRIPTION OBSERVACION
5VA2
42
FIG. 34 ELECTRICAL 2 EQUIP0 ELECTRICO 2
1 5VA−H2110−00 BATTERY ASSY 1
BATERIA COMPLETA
2 36L−H2131−00 BAND, BATTERY 1
TIRANTE DE BATERIA
3 36L−H2150−V0 FUSE HOLDER ASSY 1
PORTA−FUSIBLES COMPLETO
4 36L−H2151−V0 .FUSE (10A) 2
.FUSIBLE (10A)
5 9760N−06112 SCREW, PAN HEAD WITH WASHER 3
TORNILLO CAB CON PLANA C/ARAN
6 36L−H1960−V0 RECTIFIER & REGULATOR ASSY 1
RECTIFICADOR Y REGULADOR
7 97607−05330 SCREW, PAN HEAD WITH WASHER 2
TORNILLO CAB CON PLANA C/ARAN
8 36L−H2510−V1 MAIN SWITCH ASSY 1
CONJUNTO DE LLAVE IGNICION
9 97707−40510 SCREW, TAPPING 2
TORNILLO ROSCA HEMBRA
10 36L−H2530−V1 STOP SWITCH ASSY 1
INTERRUPTOR DE PARADA COMPLETO
11 5VA−H2590−00 WIRE HARNESS ASSY 1
CONJUNTO DE CABLES
12 90464−20031 CLAMP 4
BRIDA
13 36L−H2594−00 CLAMP 1
GRAMPA
14 98507−06016 SCREW, PAN HEAD 1
TORNILLO DE CABEZA CON PLANA
REF. PART NO. DESCRIPTION REMARKS
NO. CODIGO NO. DESCRIPTION OBSERVACION
5VA2
NUMERICAL INDEX
INDICE NUMERICO
PART NO.
CODIGO NO.
REF.
NO.
REF.
NO.
REF.
NO.
REF.
NO.
REF.
NO.
REF.
NO.
PART NO.
CODIGO NO.
PART NO.
CODIGO NO.
PART NO.
CODIGO NO.
PART NO.
CODIGO NO.
PART NO.
CODIGO NO.
43
36L−E1111−00 1 − 4
36L−E1127−00 1 − 2
36L−E1128−00 1 − 3
36L−E1161−00 1 − 9
36L−E1162−00 1 − 10
36L−E1181−00 1 − 5
36L−E1311−10 1 − 8
36L−E1351−00 1 − 11
5VA−E1400−00 2 − 1
36L−E1412−00 2 − 2
36L−E1422−00 2 − 3
36L−E1603−00 2 − 19
36L−E1604−00 2 − 19
36L−E1605−00 2 − 19
36L−E1606−00 2 − 19
36L−E1607−00 2 − 19
36L−E1631−01 2 − 15
36L−E1633−00 2 − 16
36L−E1635−01 2 − 15
36L−E1636−01 2 − 15
36L−E1637−01 2 − 15
36L−E1638−01 2 − 15
36L−E1651−00 2 − 7
36L−E1681−00 2 − 4
36L−E3100−01 3 − 1
36L−E3116−00 3 − 13
36L−E3137−00−03 3 − 2
36L−E3137−00−05 3 − 2
36L−E3137−00−10 3 − 2
36L−E3138−00 3 − 3
36L−E3146−00 3 − 10
36L−E3174−00 3 − 20
36L−E3175−01 3 − 11
36L−E3176−00 3 − 16
36L−E3178−00 3 − 17
36L−E3565−00 4 − 3
36L−E3610−00 4 − 1
36L−E3621−00 4 − 2
36L−E4101−00 5 − 1
36L−E4112−20 5 − 18
36L−E4116−02 5 − 20
36L−E4122−00 5 − 25
36L−E4123−00 5 − 21
36L−E4124−00 5 − 29
36L−E4126−00 5 − 13
36L−E4131−00 5 − 14
36L−E4133−00 5 − 24
36L−E4134−00 5 − 26
36L−E4136−00 5 − 32
36L−E4137−00 5 − 31
36L−E4141−28 5 − 17
36L−E4142−00 5 − 19
36L−E4143−23 5 − 16
36L−E4145−00 5 − 12
36L−E4146−00 5 − 5
36L−E4147−00 5 − 30
36L−E4147−10 5 − 27
36L−E4161−00 5 − 28
36L−E4169−00 5 − 11
36L−E4171−00 5 − 6
36L−E4184−00 5 − 3
36L−E4185−00 5 − 4
36L−E4186−00 5 − 2
36L−E4190−20 5 − 22
36L−E4191−00 5 − 10
36L−E4195−00 5 − 23
36L−E4196−00 5 − 9
36L−E4197−00 5 − 15
36L−E4401−00 4 − 8
36L−E4402−00 4 − 12
36L−E4424−00 4 − 10
36L−E4451−00 4 − 11
36L−E4453−00 4 − 6
36L−E4476−00 4 − 9
36L−E4611−00 6 − 1
36L−E4612−00 6 − 2
36L−E4613−00 6 − 3
5VA−E4710−00 6 − 6
36L−E4713−00 6 − 9
36L−E4714−00 6 − 10
36L−E4753−20 6 − 7
36L−E5110−00 7 − 1
36L−E5128−00 7 − 7
36L−E5353−00 12 − 17
36L−E5357−00 8 − 13
36L−E5362−00 8 − 28
36L−E5371−00 7 − 9
36L−E5411−00 8 − 1
36L−E5420−00 8 − 14
36L−E5435−00 8 − 15
8 − 26
36L−E5443−00 8 − 16
36L−E5447−00 8 − 20
36L−E5451−00 8 − 24
36L−E5490−00 8 − 25
36L−E5611−00 9 − 11
5VA−E5618−00 9 − 17
36L−E5621−00 9 − 12
36L−E5641−00 9 − 5
36L−E5651−00 9 − 1
36L−E5660−00 9 − 4
36L−E5666−00 9 − 9
36L−E5676−00 9 − 7
36L−E6111−00 10 − 11
36L−E6150−00 10 − 1
36L−E6154−00 10 − 2
36L−E6321−00 10 − 5
36L−E6324−00 10 − 4
36L−E6341−00 8 − 2
36L−E6342−00 8 − 3
36L−E6346−00 8 − 6
36L−E6351−00 10 − 6
36L−E6356−00 10 − 17
36L−E6357−00 10 − 19
36L−E6371−00 10 − 3
36L−E7121−00 11 − 2
36L−E7131−00 11 − 3
36L−E7141−00 11 − 4
36L−E7211−01 11 − 8
36L−E7221−00 11 − 11
36L−E7231−00 11 − 12
36L−E7241−00 11 − 13
36L−E7285−00 11 − 14
36L−E7411−00 11 − 1
36L−E7421−00 11 − 7
36L−E7471−00 11 − 17
36L−E8101−00 13 − 1
5VA−E8111−00 13 − 10
5VA−E8112−00 13 − 16
5VA−E8113−00 13 − 11
5VA−E8115−00 13 − 15
36L−E8140−00 12 − 20
36L−E8188−00 8 − 7
36L−E8511−00 12 − 11
36L−E8512−00 12 − 12
36L−E8513−00 12 − 13
36L−E8531−00 12 − 14
36L−E8535−00 12 − 15
36L−E8540−02 12 − 1
36L−E8542−00 12 − 6
36L−E8561−00 12 − 4
36L−E8579−00 12 − 9
4TL−E8589−00 12 − 8
4TL−F1110−01 14 − 1
36L−F1155−00 17 − 13
36L−F1398−V1 14 − 2
36L−F1510−10 15 − 1
36L−F1518−00 15 − 3
36L−F1521−00 15 − 4
5VA−F1610−00 15 − 8
36L−F1621−01 15 − 17
36L−F1629−00 15 − 14
36L−F1711−01−H9 16 − 1
36L−F1711−01−35 16 − 1
36L−F1711−01−9V 16 − 1
36L−F1721−01−H9 16 − 11
36L−F1721−01−35 16 − 11
36L−F1721−01−9V 16 − 11
36L−F173E−60 16 − 2
36L−F173E−80 16 − 2
36L−F173E−90 16 − 2
36L−F173F−60 16 − 12
36L−F173F−80 16 − 12
36L−F173F−90 16 − 12
36L−F1745−00 17 − 9
5VA−F1751−00 17 − 1
36L−F176A−00 17 − 2
36L−F1763−00 17 − 4
36L−F1764−00 17 − 3
36L−F1771−00 17 − 5
36L−F1776−00 17 − 14
36L−F1781−10 16 − 3
36L−F1782−00 16 − 13
36L−F1783−00 16 − 5
36L−F1784−00 16 − 15
36L−F2110−10 18 − 1
36L−F2123−00 18 − 2
36L−F2141−01 18 − 3
36L−F2151−00 18 − 6
36L−F2210−03−33 18 − 11
5VA−F2310−00−35 18 − 7
36L−F2315−00 18 − 10
36L−F3102−01 20 − 1
36L−F3103−01 20 − 17
36L−F3106−00 20 − 2
36L−F3107−00 20 − 18
36L−F3110−00 20 − 21
36L−F3110−01 20 − 5
36L−F3111−00 20 − 14
20 − 30
36L−F3118−00 20 − 13
20 − 29
5VA−F3121−00 20 − 37
5VA−F3131−00 20 − 36
36L−F3141−00 20 − 11
20 − 27
4LS−F3142−00 20 − 12
20 − 28
4LS−F3144−00 20 − 10
20 − 26
4LS−F3145−00 20 − 4
20 − 20
36L−F3147−00 20 − 15
20 − 31
4LS−F3153−00 20 − 3
20 − 19
36L−F3158−00 20 − 8
20 − 24
36L−F3168−00 20 − 16
20 − 32
36L−F3170−00 20 − 6
20 − 22
36L−F3173−00 20 − 7
20 − 23
36L−F3181−00 20 − 9
20 − 25
36L−F3318−40 20 − 34
36L−F3340−00 20 − 33
36L−F3346−01 20 − 35
36L−F3395−00 19 − 12
36L−F3411−00 19 − 1
36L−F3411−10 19 − 3
36L−F3412−00 19 − 2
36L−F3412−10 19 − 4
36L−F3416−00 19 − 7
36L−F3435−00 19 − 11
5RA−F3437−00 19 − 18
36L−F3441−10 19 − 17
36L−F3480−00 19 − 27
36L−F3484−00 19 − 24
5VA−F4100−00 21 − 1
5VA−F4100−10 21 − 1
5VA−F4100−20 21 − 1
36L−F4161−10 21 − 25
36L−F4162−10 21 − 27
5VA−F4181−00 21 − 3
5VA−F4182−00 21 − 4
36L−F4240−B0 21 − 2
36L−F4240−C0 21 − 2
36L−F4240−90 21 − 2
36L−F4500−02 21 − 13
36L−F4515−00 21 − 22
36L−F4518−00 21 − 15
36L−F4521−00 21 − 17
36L−F4523−00 21 − 18
36L−F4524−00 21 − 14
36L−F4525−00 21 − 16
36L−F4531−00 21 − 19
36L−F4532−01 21 − 23
36L−F4560−00 21 − 20
36L−F4560−01 21 − 34
2YA−F4568−00 21 − 33
36L−F4650−V1 21 − 24
5VA−F4730−00 22 − 1
5VA−F4731−00 22 − 2
5VA−F474A−00 22 − 5
5VA−F4741−00 22 − 3
36L−F5111−10 23 − 1
36L−F5118−00 23 − 26
36L−F5121−10 23 − 5
36L−F513A−00 23 − 20
36L−F5135−11 23 − 8
36L−F5136−00 23 − 9
36L−F5137−00 23 − 31
36L−F5138−11 23 − 10
36L−F5155−00 23 − 15
36L−F5181−00 23 − 27
36L−F5304−01 23 − 21
24 − 26
36L−F5311−10 24 − 1
36L−F5315−00 24 − 3
36L−F5321−11 24 − 9
36L−F533A−00 24 − 16
36L−F5351−00 23 − 18
24 − 12
36L−F5355−00 24 − 13
5VA−F5364−00 24 − 8
36L−F5366−10 24 − 17
5VA−F5371−00 24 − 31
36L−F5381−01 24 − 39
5VA−F5387−00 24 − 21
5VA−F5388−00 24 − 45
5VA−F5389−00 24 − 46
5VA−F5412−00 24 − 24
5VA−F5439−00 24 − 22
5VA−F6110−00 25 − 1
5VA−F6241−00 25 − 18
5VA−F6242−00 25 − 19
NUMERICAL INDEX
INDICE NUMERICO
PART NO.
CODIGO NO.
REF.
NO.
REF.
NO.
REF.
NO.
REF.
NO.
REF.
NO.
REF.
NO.
PART NO.
CODIGO NO.
PART NO.
CODIGO NO.
PART NO.
CODIGO NO.
PART NO.
CODIGO NO.
PART NO.
CODIGO NO.
44
36L−F6243−00 25 − 20
36L−F6249−00 25 − 21
36L−F6260−00 25 − 2
36L−F6261−00 25 − 3
36L−F6268−00 25 − 4
36L−F6281−10 25 − 22
36L−F6282−10 25 − 23
5VA−F6290−00 25 − 26
5VA−F6290−10 25 − 25
36L−F6311−00 25 − 5
36L−F6312−00 25 − 6
36L−F6321−00 25 − 7
36L−F6335−00 25 − 8
36L−F6341−00 25 − 11
36L−F6363−10 25 − 10
36L−F6372−00 25 − 9
25 − 12
5VA−F7111−00 26 − 1
5VA−F7112−00 26 − 2
5VA−F7114−00 26 − 5
5VA−F7115−00 26 − 3
5VA−F7211−00 26 − 7
5VA−F7231−00 26 − 9
5VA−F7311−00 26 − 19
5VA−F7411−00 26 − 16
5VA−F7413−00 26 − 17
5VA−F743E−00 26 − 27
5VA−F7431−00 26 − 25
5VA−F7432−00 26 − 23
5VA−F7433−00 26 − 26
5VA−F7442−00 26 − 24
5VA−F8100−00 14 − 11
5MK−F8315−00 19 − 19
36L−H131X−V0 27 − 5
36L−H1313−V0 27 − 3
36L−H1960−V0 34 − 6
5VA−H2110−00 34 − 1
36L−H2131−00 34 − 2
36L−H2150−V0 34 − 3
36L−H2151−V0 34 − 4
36L−H2310−V0 33 − 1
36L−H2316−00 33 − 2
36L−H2370−V0 33 − 5
36L−H2510−V1 34 − 8
36L−H2530−V1 34 − 10
36L−H2540−V1 33 − 6
36L−H258H−V0 33 − 7
5VA−H2590−00 34 − 11
36L−H2594−00 34 − 13
36L−H2911−V0 32 − 12
36L−H2921−V0 32 − 1
5VA−H3310−00 28 − 1
5VA−H3311−00 28 − 2
28 − 9
28 − 17
28 − 24
5VA−H3312−00 28 − 4
28 − 11
28 − 19
28 − 26
5VA−H3313−00 28 − 3
28 − 10
28 − 18
28 − 25
5VA−H3320−00 28 − 8
5VA−H3330−00 28 − 16
5VA−H3340−00 28 − 23
36L−H3350−V0 33 − 10
36L−H3354−00 28 − 15
36L−H3371−V0 33 − 11
36L−H3509−V0 29 − 2
36L−H3510−V0 29 − 1
36L−H3516−V0 29 − 3
29 − 6
29 − 9
36L−H3519−V0 29 − 10
36L−H3520−V0 29 − 5
36L−H3523−V0 29 − 11
36L−H3523−00 30 − 11
36L−H3524−00 29 − 12
36L−H3530−V0 29 − 4
36L−H355T−V0 29 − 8
36L−H3550−00 29 − 15
36L−H3582−V0 29 − 7
36L−H3912−V0 32 − 13
36L−H3922−V0 32 − 2
36L−H3929−V0 32 − 14
36L−H3936−00 32 − 19
36L−H3945−V0 32 − 3
32 − 15
36L−H3972−V0 32 − 9
36L−H3980−V0 32 − 6
36L−H4110−V0 30 − 1
36L−H4114−V0 30 − 4
36L−H4115−V0 30 − 2
36L−H4121−00 30 − 3
36L−H4124−V0 30 − 6
36L−H4127−V0 30 − 14
36L−H4130−V0 30 − 10
36L−H4140−V0 30 − 5
36L−H4145−V0 30 − 13
36L−H4147−V0 30 − 8
36L−H4150−V0 30 − 7
36L−H4164−V0 30 − 12
5VA−H4510−00 31 − 1
5VA−H4514−00 31 − 2
5VA−H4521−00 31 − 4
5VA−H4523−00 31 − 3
36L−H4542−V0 31 − 8
5VA−H4551−00 31 − 6
36L−H4553−V0 31 − 7
36L−H4554−V0 31 − 10
36L−H4557−V0 31 − 9
36L−H5110−V0 33 − 12
36L−H5520−V0 27 − 2
36L−H5540−00 33 − 8
36L−H5540−10 33 − 8
36L−H5550−V0 27 − 13
36L−H5560−V0 27 − 1
36L−H5569−V0 27 − 7
36L−H5580−V0 27 − 4
36L−WE542−00 8 − 19
36L−WF536−00 23 − 6
24 − 10
90101−06814 23 − 16
24 − 14
90101−10802 19 − 15
90105−08099 14 − 12
90105−10040 14 − 4
90105−10809 14 − 3
90109−06806 12 − 21
90109−08032 26 − 21
90109−08063 24 − 32
90109−08361 24 − 23
90109−08368 24 − 35
90109−14385 12 − 16
90113−06013 10 − 21
90116−08166 6 − 4
90116−08393 1 − 7
90116−10278 1 − 13
90119−05801 10 − 8
90119−06843 16 − 18
33 − 14
90119−06848 15 − 10
90123−06801 25 − 16
90123−08804 25 − 14
90123−08805 25 − 13
90146−06009 16 − 9
90149−08094 13 − 4
90152−04006 21 − 26
21 − 28
90153−08011 24 − 47
90170−08029 13 − 5
90170−12060 10 − 9
90170−12065 18 − 4
90170−12347 27 − 18
90170−20224 24 − 40
90171−10803 23 − 28
90171−14800 24 − 43
90176−08800 19 − 13
90176−10073 18 − 14
90179−06264 16 − 10
90179−06806 26 − 15
90179−06810 25 − 17
90179−08168 24 − 25
90179−08810 25 − 15
90179−08823 1 − 6
6 − 5
90179−10812 1 − 12
90179−12800 10 − 13
90179−16226 11 − 24
90179−25033 19 − 8
90183−04047 16 − 4
16 − 14
90183−06018 16 − 6
16 − 16
90201−05036 15 − 19
90201−05808 15 − 5
90201−06067 16 − 8
90201−06827 4 − 18
90201−07076 23 − 12
90201−08085 32 − 4
32 − 18
90201−08612 21 − 6
90201−08624 3 − 12
90201−08819 13 − 13
90201−106F2 18 − 13
90201−12178 27 − 16
90201−122H2 13 − 17
90201−14218 18 − 12
90201−14586 13 − 8
90201−15809 9 − 15
90201−15827 9 − 2
90201−15828 11 − 10
90201−17558 10 − 15
90201−20266 11 − 5
90201−20269 23 − 13
90201−20279 26 − 29
90202−04801 21 − 32
90208−04808 19 − 10
90208−12015 10 − 10
10 − 14
90209−08050 14 − 9
90209−10020 19 − 16
90209−22071 2 − 6
90215−08014 13 − 6
90215−16127 11 − 25
9024N−12008 26 − 14
90240−06052 26 − 30
90240−08053 13 − 12
90269−04003 19 − 23
90280−03017 2 − 8
90282−05005 10 − 12
90338−19802 11 − 26
90340−12005 7 − 11
90385−08029 17 − 8
90385−24028 17 − 6
90387−07390 4 − 17
90387−158W7 24 − 41
90387−20491 11 − 23
90387−205E9 2 − 10
90387−208W8 24 − 42
90430−04004 3 − 7
90430−12207 7 − 12
90445−05203 3 − 9
90445−09017 17 − 10
90445−09059 21 − 29
90445−09809 21 − 31
90446−07009 7 − 10
90460−43053 4 − 5
90460−51059 4 − 7
90461−05036 27 − 6
90461−10071 3 − 22
90462−05012 27 − 15
90464−08020 15 − 15
90464−20031 34 − 12
90467−09854 17 − 12
21 − 30
90468−02033 3 − 8
3 − 21
90468−12007 24 − 34
90468−26048 9 − 6
90480−12053 4 − 15
16 − 7
16 − 17
90480−14102 4 − 16
90480−18171 17 − 7
90480−25189 21 − 5
90501−10245 26 − 13
90501−10353 12 − 18
90501−12081 9 − 14
90501−20568 10 − 7
90502−09024 19 − 26
90506−08818 13 − 2
90506−09809 12 − 22
90506−10069 8 − 5
90506−16036 23 − 7
24 − 11
90506−25047 26 − 20
90506−29054 26 − 4
90508−26484 9 − 8
90508−32056 26 − 8
90508−32811 13 − 3
90560−12814 23 − 2
90560−15136 24 − 2
90560−17147 10 − 16
9131N−08025 9 − 18
91401−16012 13 − 14
26 − 31
91401−20012 24 − 38
26 − 11
91401−20020 23 − 30
91401−30030 24 − 44
91609−40016 12 − 3
91609−50016 12 − 7
91830−21014 7 − 5
8 − 9
8 − 21
9290N−05100 3 − 5
9290N−06600 26 − 10
9290N−08100 14 − 7
15 − 11
19 − 14
24 − 37
9290N−10100 28 − 6
28 − 13
28 − 21
28 − 28
NUMERICAL INDEX
INDICE NUMERICO
PART NO.
CODIGO NO.
REF.
NO.
REF.
NO.
REF.
NO.
REF.
NO.
REF.
NO.
REF.
NO.
PART NO.
CODIGO NO.
PART NO.
CODIGO NO.
PART NO.
CODIGO NO.
PART NO.
CODIGO NO.
PART NO.
CODIGO NO.
45
9290N−10200 23 − 29
9290N−12200 18 − 5
92907−05100 21 − 12
27 − 12
92907−05200 19 − 9
92907−06100 32 − 8
92907−06200 4 − 14
92907−06600 26 − 12
92907−08600 15 − 16
92907−10100 14 − 8
92907−12100 27 − 17
92990−04100 5 − 8
93101−10806 3 − 15
93101−17807 9 − 10
93102−18802 23 − 4
93102−25807 2 − 13
93102−26805 11 − 20
93103−28800 2 − 14
93104−07804 23 − 11
93104−11806 8 − 4
93104−22805 24 − 6
93105−47801 23 − 19
93106−26801 24 − 20
93109−05804 10 − 20
93109−14803 13 − 7
93210−18023 2 − 9
93210−19809 8 − 29
93210−42807 24 − 7
93306−004Y0 24 − 19
93306−202Y0 24 − 4
93306−202Y1 24 − 5
93306−205X9 2 − 11
93306−301Y3 23 − 3
93306−303Y1 11 − 16
93306−304X4 2 − 12
93306−304Y1 11 − 19
93310−214Y2 2 − 17
93310−422L0 2 − 5
93311−315Y0 11 − 15
11 − 21
93410−20808 23 − 14
93410−20809 11 − 6
93420−42801 24 − 18
93430−08810 3 − 19
93430−10811 9 − 16
13 − 18
93430−12812 13 − 9
93430−12820 26 − 6
93440−11029 8 − 8
93440−15802 9 − 3
11 − 9
93450−15090 2 − 18
93501−04805 19 − 5
93503−16806 10 − 18
19 − 6
93505−16814 12 − 19
93507−32819 9 − 13
93603−22805 3 − 18
93604−22806 12 − 2
93822−15065 11 − 22
94125−18838 23 − 22
94127−18839 24 − 27
94225−18823 23 − 23
94227−18824 24 − 28
94325−18822 23 − 24
24 − 29
94416−18800 23 − 25
24 − 30
94568−47108 24 − 49
94608−04001 24 − 50
94700−00812 1 − 1
9530N−05600 3 − 4
9530N−06600 10 − 22
23 − 17
24 − 15
31 − 11
9530N−08600 15 − 12
21 − 7
24 − 33
9530N−08700 24 − 36
24 − 48
9530N−10600 28 − 7
28 − 14
28 − 22
28 − 29
95307−05600 15 − 7
15 − 20
29 − 14
95307−08700 26 − 22
9570N−06300 32 − 5
32 − 16
9570N−08500 14 − 5
22 − 4
95707−05300 33 − 13
95707−10500 14 − 6
9580N−06012 15 − 13
9580N−06012 17 − 11
22 − 6
22 − 7
9580N−06016 15 − 2
9580N−08016 6 − 11
95807−08020 26 − 18
26 − 32
95807−08035 19 − 25
95827−08050 19 − 21
9700N−06025 4 − 19
97007−08020 15 − 9
9702N−06020 13 − 19
32 − 7
9750N−06525 4 − 4
97507−06422 32 − 17
97507−06612 21 − 11
9760N−05112 12 − 5
9760N−05216 15 − 18
9760N−06112 6 − 8
34 − 5
9760N−06120 33 − 9
97601−05112 30 − 9
97607−04016 27 − 8
97607−04110 27 − 10
29 − 13
97607−05212 15 − 6
97607−05330 34 − 7
97607−06120 33 − 3
97607−06212 18 − 8
21 − 10
33 − 4
97607−06216 18 − 9
9770N−40520 31 − 5
97702−30520 28 − 5
28 − 12
28 − 20
28 − 27
97707−40510 34 − 9
9850N−05010 19 − 22
9850N−05014 3 − 14
25 − 24
9850N−05030 32 − 11
9850N−06008 12 − 10
9850N−06012 11 − 18
9850N−06016 4 − 20
8 − 18
9850N−06025 8 − 17
9850N−06030 8 − 10
9850N−06035 8 − 22
9850N−06045 7 − 2
8 − 11
9850N−06055 7 − 3
8 − 12
8 − 23
9850N−06065 7 − 4
9850N−08010 7 − 8
98506−05035 32 − 10
98507−04030 27 − 9
98507−05008 21 − 9
98507−05010 21 − 8
98507−06016 34 − 14
98507−06025 8 − 27
98507−06040 4 − 13
98517−04012 27 − 11
98517−04016 5 − 7
9870N−06030 14 − 10
98707−04012 19 − 20
98707−06014 27 − 14
98707−06016 26 − 28
9890N−04008 3 − 6
98907−03008 21 − 21
99530−14016 7 − 6

Yamaha-rx-100-2003.pdf

  • 1.
  • 2.
    A3 RX100 PARTS CATALOGUE E2002 byYamaha Motor Co., Ltd. 1st Edition, Jul. 2002 All rights reserved. Any reprinting or unauthorized use without the written permission of Yamaha Motor Co., Ltd. is expressly prohibited. Printed in Japan RX100 CATALOGO DE REPUESTOS E2002, Yamaha Motor Co., Ltd. 1ªedición, Julio 2002 Reservados todos los derechos. Se prohíbe expresamente toda reimpresión o utilización no autorizada de este manual sin el consentimiento por escrito de Yamaha Motor Co., Ltd. Impreso en Japón
  • 3.
    FOREWORD This Parts Catalogueis related to the parts for the model(s) in the below frame. When you are ordering replacement parts, please refer to this Parts Catalogue and quote both part numbers and part names correctly. RX100(5VA2) 1. Modifications or additions which have been made after issue of the Parts Catalogue will be announced in the Yamaha Parts News. It is advisable that you make necessary corrections to the Parts Catalogue according to the Yamaha Parts News. 2. Abbreviations The following abbreviations are used in this Parts Catalogue. “UR” Use specified parts number. “UN” Use as many as needed. “AP” Alternate Parts “LM” Local Made (Parts need to be ordered locally) “F#” Frame No. (Applicable machine No.) 3. Parts, which are to be supplied in an assembly, are listed with a dot(.) in front of the part name as shown below. EXAMPLE CARBURETOR ASSY .JET, PILOT .NOZZLE, MAIN 4. Number of component for assembly The numeral appearing to the right of each component part indicates the quantity of parts for each assembly unit. EXAMPLE PART NO. DESCRIPTION Q’TY REMARKS 2F5−83310−60 FRONT FLASHER LIGHT ASSY 2 115−83311−60 .BULB (6V−18W) 1 5. Applicable colors of graphics are represented in the “REMARKS” as shown below. PART NO. DESCRIPTION Q’TY REMARKS 2N4−24110−00−X5 FUEL TANK COMP. 1 MXR 3J1−24240−10 .GRAPHIC, FUEL TANK 1 FOR MXR 6. Applicable Serial No. and Color Code Frame Serial No. Engine Serial No. Color Code Color Name Abbreviation 00H9 BLACK GOLD BG 009V ADRIATIC CANDY BLUE ACB 0035 SILVER SL 7. Note that the illustration for reference in finding parts numbers, not to be used for as- sembling. When assembling, please use the applicable service manual. 8. The asterisk (*) before a reference number indicates modification items after the first edition.
  • 4.
    PROLOGO Este Catálogo deRespuetos corresponds a las piezas para el(los) modelo(s) del re- cuadro siguiente. Al formular el pedido de repuestos, se ruega citar este Catálogo de Repuestos y especificar correctamente los números de parte y los nombres de parte. RX100(5VA2) 1. Las modificaciones y agregados que se hayan realizado después de la edición de este Catálogo de Repuestos, serán anunciados en las Informa- ciones de Recambios Yamaha. 2. Abreviaciones En este. Catálogo de Repuestos se emplean las siguientes abreviaciones. “UR” Usar el número de partes especificado “UN” Usar la cantidad necesaria “AP” Piezas sustitutivas “LM” Fabricación local (Partes necesarias que se pedirán localmente) “F#” No. de bastidor aplicable 3. Las piezas suministradas como conjunto se describen con un punto (.) que precede al nombre de la pieza como se indica a continuación. EJEMPLO CONJUNTO CARBURADOR .INYECTOR, piloto .BOQUILLA, principal 4. Cantidad de componentes de un conjunto La numeración que aparece a la derecha de cada descripción, indica la cantidad de piezas por cada unidad de conjunto. EJEMPLO PIEZAS NO. DESCRIPCION CANT. OBSERVACION 2F5−83310−60 ENSAMBLAJE DE LA LUZ 2 115−83311−60 .BOMBILLA (6V−1 8W) 1 1M1−83309−60 .REFLECTOR 1 5. Los colores de los componentes se indican como sigue en la columna de“OBSERVACIONES”. EJEMPLO PIEZAS NO. DESCRIPCION CANT. OBSERVACION 2N4−24110−00−X5 COMP. DEL TANQUE 1 MXR 3J1−24240−10 .GRAFICO, DEL TANQUE 1 PARA MXR 6. Números de Serie y Códigos de Color aplicables No. de Serie del motor. No. de Serie del bastidor Código de Color Nombre del Color Abreviación 00H9 BLACK GOLD BG 009V ADRIATIC CANDY BLUE ACB 0035 SILVER SL 7. Debe tenerse en cuenta que las ilustraciones sirven como guia para la búsqueda de las referencias y no deben usarse para el montaje. Durante el montaje, se recomienda usar el manual de Taller correspondiente. 8. EL asterisco (*)antes del número de referencia indica los elementos modifi- cados después de la primera edición.
  • 5.
    CONTENTS ENGINE CYLINDER 1 . .. . . . . . . . . . . . . . . . . . . . . . . . . . . . . . . . . . . . . . . CRANKSHAFT. PISTON 2 . . . . . . . . . . . . . . . . . . . . . . . . . . . . . . OIL PUMP 3 . . . . . . . . . . . . . . . . . . . . . . . . . . . . . . . . . . . . . . . . . . INTAKE 4 . . . . . . . . . . . . . . . . . . . . . . . . . . . . . . . . . . . . . . . . . . . . CARBURETOR 5 . . . . . . . . . . . . . . . . . . . . . . . . . . . . . . . . . . . . . EXHAUST 7 . . . . . . . . . . . . . . . . . . . . . . . . . . . . . . . . . . . . . . . . . . CRANKCASE 8 . . . . . . . . . . . . . . . . . . . . . . . . . . . . . . . . . . . . . . . CRANKCASE COVER 1 9 . . . . . . . . . . . . . . . . . . . . . . . . . . . . . . STARTER 11 . . . . . . . . . . . . . . . . . . . . . . . . . . . . . . . . . . . . . . . . . . CLUTCH 12 . . . . . . . . . . . . . . . . . . . . . . . . . . . . . . . . . . . . . . . . . . . TRANSMISSION 13 . . . . . . . . . . . . . . . . . . . . . . . . . . . . . . . . . . . . SHIFT CAM. FORK 14 . . . . . . . . . . . . . . . . . . . . . . . . . . . . . . . . . . SHIFT SHAFT 15 . . . . . . . . . . . . . . . . . . . . . . . . . . . . . . . . . . . . . . CHASSIS FRAME 16 . . . . . . . . . . . . . . . . . . . . . . . . . . . . . . . . . . . . . . . . . . . . FENDER 17 . . . . . . . . . . . . . . . . . . . . . . . . . . . . . . . . . . . . . . . . . . . SIDE COVER 18 . . . . . . . . . . . . . . . . . . . . . . . . . . . . . . . . . . . . . . . OIL TANK 19 . . . . . . . . . . . . . . . . . . . . . . . . . . . . . . . . . . . . . . . . . . REAR ARM 20 . . . . . . . . . . . . . . . . . . . . . . . . . . . . . . . . . . . . . . . . . STEERING 21 . . . . . . . . . . . . . . . . . . . . . . . . . . . . . . . . . . . . . . . . . FRONT FORK 22 . . . . . . . . . . . . . . . . . . . . . . . . . . . . . . . . . . . . . . FUEL TANK 24 . . . . . . . . . . . . . . . . . . . . . . . . . . . . . . . . . . . . . . . . SEAT 26 . . . . . . . . . . . . . . . . . . . . . . . . . . . . . . . . . . . . . . . . . . . . . . FRONT WHEEL 27 . . . . . . . . . . . . . . . . . . . . . . . . . . . . . . . . . . . . . REAR WHEEL 29 . . . . . . . . . . . . . . . . . . . . . . . . . . . . . . . . . . . . . . STEERING HANDLE. CABLE 31 . . . . . . . . . . . . . . . . . . . . . . . . . STAND. FOOTREST 32 . . . . . . . . . . . . . . . . . . . . . . . . . . . . . . . . . GENERATOR 34 . . . . . . . . . . . . . . . . . . . . . . . . . . . . . . . . . . . . . . . FLASHER LIGHT 35 . . . . . . . . . . . . . . . . . . . . . . . . . . . . . . . . . . . . METER 37 . . . . . . . . . . . . . . . . . . . . . . . . . . . . . . . . . . . . . . . . . . . . HEADLIGHT 38 . . . . . . . . . . . . . . . . . . . . . . . . . . . . . . . . . . . . . . . . TAILLIGHT 39 . . . . . . . . . . . . . . . . . . . . . . . . . . . . . . . . . . . . . . . . . HANDLE SWITCH. LEVER 40 . . . . . . . . . . . . . . . . . . . . . . . . . . . ELECTRICAL 1 41 . . . . . . . . . . . . . . . . . . . . . . . . . . . . . . . . . . . . . ELECTRICAL 2 42 . . . . . . . . . . . . . . . . . . . . . . . . . . . . . . . . . . . . . INDEX NUMERICAL INDEX 43 . . . . . . . . . . . . . . . . . . . . . . . . . . . . . . . . .
  • 6.
    CONTENIDO MOTOR CILINDRO 1 . .. . . . . . . . . . . . . . . . . . . . . . . . . . . . . . . . . . . . . . . . CIGUENAL. PISTON 2 . . . . . . . . . . . . . . . . . . . . . . . . . . . . . . . . . BOMBA DE ACEITE 3 . . . . . . . . . . . . . . . . . . . . . . . . . . . . . . . . . ADMISION 4 . . . . . . . . . . . . . . . . . . . . . . . . . . . . . . . . . . . . . . . . . CARBURADOR 5 . . . . . . . . . . . . . . . . . . . . . . . . . . . . . . . . . . . . . DESCARGA 7 . . . . . . . . . . . . . . . . . . . . . . . . . . . . . . . . . . . . . . . . CARTER 8 . . . . . . . . . . . . . . . . . . . . . . . . . . . . . . . . . . . . . . . . . . . CUBIERTA DE CARTER 1 9 . . . . . . . . . . . . . . . . . . . . . . . . . . . . ARRANQUE 11 . . . . . . . . . . . . . . . . . . . . . . . . . . . . . . . . . . . . . . . . EMBRAGUE 12 . . . . . . . . . . . . . . . . . . . . . . . . . . . . . . . . . . . . . . . . TRANSMISION 13 . . . . . . . . . . . . . . . . . . . . . . . . . . . . . . . . . . . . . LEVA DE CAMBIO. HORQ 14 . . . . . . . . . . . . . . . . . . . . . . . . . . . . EJE DE CAMBIO. PEDAL 15 . . . . . . . . . . . . . . . . . . . . . . . . . . . . SHASIS CUADRO 16 . . . . . . . . . . . . . . . . . . . . . . . . . . . . . . . . . . . . . . . . . . . GUARDABARRO 17 . . . . . . . . . . . . . . . . . . . . . . . . . . . . . . . . . . . . CUBIERTA LATERAL 18 . . . . . . . . . . . . . . . . . . . . . . . . . . . . . . . . DEPOSITO DE ACEITE 19 . . . . . . . . . . . . . . . . . . . . . . . . . . . . . . BRAZO TRASERO 20 . . . . . . . . . . . . . . . . . . . . . . . . . . . . . . . . . . DIRECCION 21 . . . . . . . . . . . . . . . . . . . . . . . . . . . . . . . . . . . . . . . . HORQUILLA DELANTERA 22 . . . . . . . . . . . . . . . . . . . . . . . . . . . DEPOSITO DE COMBUSTIBLE 24 . . . . . . . . . . . . . . . . . . . . . . . ASIENTO 26 . . . . . . . . . . . . . . . . . . . . . . . . . . . . . . . . . . . . . . . . . . . RUEDA DELANTERA 27 . . . . . . . . . . . . . . . . . . . . . . . . . . . . . . . . RUEDA TRASERA 29 . . . . . . . . . . . . . . . . . . . . . . . . . . . . . . . . . . MANUBRIO. CABLE 31 . . . . . . . . . . . . . . . . . . . . . . . . . . . . . . . . . SOPORTE. APOYAPIE 32 . . . . . . . . . . . . . . . . . . . . . . . . . . . . . . . GENERADOR 34 . . . . . . . . . . . . . . . . . . . . . . . . . . . . . . . . . . . . . . LUZ DE DESTELLADOR 35 . . . . . . . . . . . . . . . . . . . . . . . . . . . . . MEDIDOR 37 . . . . . . . . . . . . . . . . . . . . . . . . . . . . . . . . . . . . . . . . . . FARO DELANTERO 38 . . . . . . . . . . . . . . . . . . . . . . . . . . . . . . . . . LUZ DE COLA 39 . . . . . . . . . . . . . . . . . . . . . . . . . . . . . . . . . . . . . . INTERRUPTOR DE MANIJA. PALANCA 40 . . . . . . . . . . . . . . . . EQUIPO ELECTRICO 1 41 . . . . . . . . . . . . . . . . . . . . . . . . . . . . . . EQUIPO ELECTRICO 2 42 . . . . . . . . . . . . . . . . . . . . . . . . . . . . . . INDICE INDICE NUMERICO 43 . . . . . . . . . . . . . . . . . . . . . . . . . . . . . . . . .
  • 7.
    1 FIG. 1 CYLINDERCILINDRO 1 94700−00812 PLUG, SPARK (NGK BP7HS) 1 BUJIA (NGK BP7HS) 2 36L−E1127−00 ABSORBER 3 6 AMORTIGUADOR 3 3 36L−E1128−00 ABSORBER 4 2 AMORTIGUADOR 4 4 36L−E1111−00 HEAD, CYLINDER 1 1 CULATA CILINDRO 1 5 36L−E1181−00 GASKET, CYLINDER HEAD 1 1 JUNTA, DE CULATA 1 6 90179−08823 NUT 4 TUERCA 7 90116−08393 BOLT, STUD 4 ESPARRAGO 8 36L−E1311−10 CYLINDER 1 1 CILINDRO 1 9 36L−E1161−00 ABSORBER 1 4 AMORTIGUADOR 1 10 36L−E1162−00 ABSORBER 2 4 AMORTIGUADOR 2 11 36L−E1351−00 GASKET, CYLINDER 1 JUNTA, DE CILINDRO 12 90179−10812 NUT 4 TUERCA 13 90116−10278 BOLT, STUD 4 ESPARRAGO REF. PART NO. DESCRIPTION REMARKS NO. CODIGO NO. DESCRIPTION OBSERVACION 5VA2
  • 8.
    2 FIG. 2 CRANKSHAFT.PISTON CIGUENAL. PISTON 1 5VA−E1400−00 CRANKSHAFT ASSY 1 CIGUENAL COMPLETO 2 36L−E1412−00 .CRANK 1 1 .MANIVELA 1 3 36L−E1422−00 .CRANK 2 1 .MANIVELA 2 4 36L−E1681−00 .PIN, CRANK 1 1 .PASADOR MANIVELA 1 5 93310−422L0 .BEARING 1 .COJINETE DE RODILLOS 6 90209−22071 .WASHER 2 .ARANDELA DE SEPARACION 7 36L−E1651−00 .ROD, CONNECTING 1 .BIELA 8 90280−03017 KEY, WOODRUFF 1 CUNA WOODRUFF 9 93210−18023 O−RING 1 JUNTA TORICA 10 90387−205E9 COLLAR 1 COLLAR 11 93306−205X9 BEARING 1 COJINETE 12 93306−304X4 BEARING 1 COJINETE 13 93102−25807 OIL SEAL 1 RETEN DE ACEITE 14 93103−28800 OIL SEAL 1 RETEN DE ACEITE 15 36L−E1631−01 PISTON (STD) 1 PISTON (STD) 36L−E1635−01 PISTON (0.25MM O/S) 1 AP PISTON (0.25MM O/S) 36L−E1636−01 PISTON (0.50MM O/S) 1 AP PISTON (0.50MM O/S) 36L−E1637−01 PISTON (0.75MM O/S) 1 AP PISTON (0.75MM O/S) 36L−E1638−01 PISTON (1.00MM O/S) 1 AP PISTON (1.00MM O/S) 16 36L−E1633−00 PIN, PISTON 1 PASADOR, PISTON 17 93310−214Y2 BEARING 1 COJINETE DE RODILLOS 18 93450−15090 CIRCLIP 2 SEGURO 19 36L−E1603−00 PISTON RING SET (STD) 1 JUEGO DE ANILLOS (STD) 36L−E1604−00 PISTON RING SET (0.25MM O/S) 1 AP JUEGO DE ANILLOS (0.25MM O/S) 36L−E1605−00 PISTON RING SET (0.50MM O/S) 1 AP JUEGO DE ANILLOS (0.50MM O/S) 36L−E1606−00 PISTON RING SET (0.75MM O/S) 1 AP JUEGO DE ANILLOS (0.75MM O/S) 36L−E1607−00 PISTON RING SET (1.00MM O/S) 1 AP JUEGO DE ANILLOS (1.00MM O/S) REF. PART NO. DESCRIPTION REMARKS NO. CODIGO NO. DESCRIPTION OBSERVACION 5VA2
  • 9.
    3 FIG. 3 OILPUMP BOMBA DE ACEITE 1 36L−E3100−01 OIL PUMP ASSY 1 BOMBA DE ACEITE COMPLETA 2 36L−E3137−00−03 .SHIM, PLUNGER 1 UR .ARANDELA DE REGLAJE 36L−E3137−00−05 .SHIM, PLUNGER 1 UR .ARANDELA DE REGLAJE 36L−E3137−00−10 .SHIM, PLUNGER 1 UR .ARANDELA DE REGLAJE 3 36L−E3138−00 .PLATE, ADJUSTING 1 .PLACA DE AJUSTE 4 9530N−05600 .NUT 1 .TUERCA 5 9290N−05100 .WASHER 1 .ARANDELA 6 9890N−04008 .SCREW, BIND 1 .TORNILLO DE LIGAR 7 90430−04004 .GASKET 1 .JUNTA 8 90468−02033 .CLIP 1 .PRESILLA 9 90445−05203 .HOSE (L330) 1 .TUBO (L330) 10 36L−E3146−00 COVER,ADJUST PULLEY 1 CUBIERTA DE POLEA DE AJUSTE 11 36L−E3175−01 SHAFT, WORM 1 EJE, SINFIN 12 90201−08624 WASHER, PLATE 1 ARANDELA PLANA 13 36L−E3116−00 GASKET, PUMP CASE 1 JUNTA, CAJA DE BOMBA 14 9850N−05014 SCREW, PAN HEAD 2 TORNILLO DE CABEZA CON PLANA 15 93101−10806 OIL SEAL 1 RETEN DE ACEITE 16 36L−E3176−00 METAL, WORM SHAFT OUTER 1 CASQVILLO, EXT.DE EJE SINFIN 17 36L−E3178−00 GEAR, PUMP DRIVE 1 ENGRANAJE TRACC.DE BOMBA 18 93603−22805 PIN, DOWEL 1 PASADOR DE CLAVIJA 19 93430−08810 CIRCLIP 1 SEGURO 20 36L−E3174−00 HOLDER, OIL PIPE 1 SOPORTE, TUBO DE ACEITE 21 90468−02033 CLIP 1 PRESILLA 22 90461−10071 CLAMP 1 GRAPA REF. PART NO. DESCRIPTION REMARKS NO. CODIGO NO. DESCRIPTION OBSERVACION 5VA2
  • 10.
    4 FIG. 4 INTAKEADMISION 1 36L−E3610−00 REED VALVE ASSY 1 VALVULA DE LAMINAS COMPLETA 2 36L−E3621−00 GASKET, REED VALVE 1 JUNTA, DE VALVULA DE LAMINAS 3 36L−E3565−00 JOINT, CARBURETOR 1 TOBERA, DE ADMISION 4 9750N−06525 BOLT, WITH WASHER 4 PERNO CON ARANDELA RONDELLE 5 90460−43053 CLAMP, HOSE 1 BRIDA, DE UNION 6 36L−E4453−00 JOINT, AIR CLEANER 1 1 UNION DEL FILTRO DEL AIRE 1 7 90460−51059 CLAMP, HOSE 2 BRIDA, DE UNION 8 36L−E4401−00 AIR CLEANER CASE ASSY 1 CAJA DE FILTRO DE AIRE COMPL. 9 36L−E4476−00 .SEAL 1 .SELLO 10 36L−E4424−00 .CLIP, CAP FITTING 1 .PRESILLA ACCESORIO DE TAPA 11 36L−E4451−00 ELEMENT, AIR CLEANER 1 ELEMENTO DEL FILTRO DEL AIRE 12 36L−E4402−00 CAP ASSY, AIR CLEANER 1 TAPA COMPLETO FILTRO DE AIRE 13 98507−06040 SCREW, PAN HEAD 3 TORNILLO DE CABEZA CON PLANA 14 92907−06200 WASHER 3 ARANDELA 15 90480−12053 GROMMET 1 TAPON 16 90480−14102 GROMMET 1 TAPON 17 90387−07390 COLLAR 1 COLLAR 18 90201−06827 WASHER, PLATE 1 ARANDELA PLANA 19 9700N−06025 BOLT 1 PERNO 20 9850N−06016 SCREW, PAN HEAD 1 TORNILLO DE CABEZA CON PLANA REF. PART NO. DESCRIPTION REMARKS NO. CODIGO NO. DESCRIPTION OBSERVACION 5VA2
  • 11.
    5 FIG. 5 CARBURETORCARBURADOR 1 36L−E4101−00 CARBURETOR ASSY 1 1 CARBURADOR COMPLETO 1 2 36L−E4186−00 .PIN, FLOAT 1 .PASADOR DE LA BOYA 3 36L−E4184−00 .GASKET, FLOAT CHAMBER 1 .JUNTA, CAMARA DE FLOT 4 36L−E4185−00 .FLOAT 1 .BOYA 5 36L−E4146−00 .PLATE 1 .PLACA SOPORTE 6 36L−E4171−00 .PLUNGER, STARTER 1 .EMBOLO DE ARRANQUE 7 98517−04016 .SCREW, PAN HEAD 4 .TORNILLO DE CABEZA CON PLANA 8 92990−04100 .WASHER, SPRING 4 .ARANDELA, GROWER 9 36L−E4196−00 .PIPE 1 .TUBO DE DRENASE 10 36L−E4191−00 .PLUG, DRAIN 1 .TORNILLO, DE DRENAJE 11 36L−E4169−00 .CAP 1 .FUNDA 12 36L−E4145−00 .SETTER, NEEDLE JET 1 .ESPREA 13 36L−E4126−00 .GASKET 1 .EMPAQUE 14 36L−E4131−00 .SPRING, THROTTLE VALVE 1 .RESORTE VALVULA DE ACELERACIO 15 36L−E4197−00 .PIPE 1 .TUBO RESPIRADERO 16 36L−E4143−23 .JET, MAIN (#115) 1 .SURTIDOR, PRINCIPAL (#115) 17 36L−E4141−28 .NOZZLE, MAIN 1 .BOQUILLA PRINCIPAL 18 36L−E4112−20 .VALVE, THROTTLE 1 1 .VALVULA DE ACELERACION 1 19 36L−E4142−00 .JET, PILOT (# 20) 1 .SURTIDOR DE RALENTI (# 20) 20 36L−E4116−02 .NEEDLE 1 .AGUJA DE SURTIDOR 21 36L−E4123−00 .SCREW, AIR ADJUSTING 1 .TORNILLO DE AJUSTE DE AIRE 22 36L−E4190−20 .NEEDLE VALVE ASSY 1 .VALVULA DE OBTURACION 23 36L−E4195−00 .WASHER, NEEDLE VALVE 1 .ARANDELA DE VALVULA DE AGUJA 24 36L−E4133−00 .SPRING, THROTTLE STOP 1 .RESORTE TOPE DE ACELERACION 25 36L−E4122−00 .SCREW, THROTTLE 1 .TORNILLO DE OBTURACION 26 36L−E4134−00 .SPRING, AIR ADJUSTING 1 .RESORTE AJUSTE DE VALVULA 27 36L−E4147−10 .O−RING 1 .ANILLO O REF. PART NO. DESCRIPTION REMARKS NO. CODIGO NO. DESCRIPTION OBSERVACION 5VA2
  • 12.
    6 FIG. 5 CARBURETORCARBURADOR 28 36L−E4161−00 .NUT, CABLE ADJUSTING 1 .TUERCA AJUSTADOR DE CABLE 29 36L−E4124−00 .SCREW, CABLE ADJUSTING 1 .TORNILLO DE AJUSTE DE ALAMBR 30 36L−E4147−00 .O−RING 2 .ANILLO O 31 36L−E4137−00 .CLIP 1 .PRESILLA 32 36L−E4136−00 .SEAT, SPRING 1 .ASIENTO DE RESORTE REF. PART NO. DESCRIPTION REMARKS NO. CODIGO NO. DESCRIPTION OBSERVACION 5VA2
  • 13.
    7 FIG. 6 EXHAUSTDESCARGA 1 36L−E4611−00 PIPE, EXHAUST 1 1 TUBO DE ESCAPE 1 2 36L−E4612−00 NUT, RING 1 TUERCA ANILLO 3 36L−E4613−00 GASKET, EXHAUST PIPE 1 JUNTA, TUBO DE ESCAPE 4 90116−08166 BOLT, STUD 2 ESPARRAGO 5 90179−08823 NUT 2 TUERCA 6 5VA−E4710−00 MUFFLER ASSY 1 1 TUBO DE ESCAPE COMPLETO 1 7 36L−E4753−20 .SILENCER, EXHAUST 1 .SILENCIADOR DE ESCAPE 8 9760N−06112 .SCREW, PAN HEAD WITH WASHER 1 .TORNILLO CAB CON PLANA C/ARAN 9 36L−E4713−00 NUT, MUFFLER JOINT 1 TUERCA DE UNION SILENCIADOR 10 36L−E4714−00 GASKET, MUFFLER 1 EMPAQUE DE SILENCIADOR 11 9580N−08016 BOLT, FLANGE 1 TUERCA DE REBORDE REF. PART NO. DESCRIPTION REMARKS NO. CODIGO NO. DESCRIPTION OBSERVACION 5VA2
  • 14.
    8 FIG. 7 CRANKCASECARTER 1 36L−E5110−00 CRANKCASE ASSY 1 1 CARTER COMPLETO 1 2 9850N−06045 SCREW, PAN HEAD 6 TORNILLO DE CABEZA CON PLANA 3 9850N−06055 SCREW, PAN HEAD 2 TORNILLO DE CABEZA CON PLANA 4 9850N−06065 SCREW, PAN HEAD 5 TORNILLO DE CABEZA CON PLANA 5 91830−21014 PIN, DOWEL 1 PASADOR DE CLAVIJA 6 99530−14016 PIN, DOWEL 1 PASADOR, DE CLAVIJA 7 36L−E5128−00 HOLDER 1 SOPORTE 8 9850N−08010 SCREW, PAN HEAD 1 TORNILLO DE CABEZA CON PLANA 9 36L−E5371−00 BREATHER 1 RESPIRADERO 10 90446−07009 HOSE 1 TUBO RESEIRADERO 11 90340−12005 PLUG, STRAIGHT SCREW 1 TORNILLO, DE DRENAJE 12 90430−12207 GASKET 1 JUNTA REF. PART NO. DESCRIPTION REMARKS NO. CODIGO NO. DESCRIPTION OBSERVACION 5VA2
  • 15.
    9 FIG. 8 CRANKCASECOVER 1 CUBIERTA DE CARTER 1 1 36L−E5411−00 COVER, CRANKCASE 1 1 CUBIERTA DE CARTER 1 2 36L−E6341−00 SCREW, PUSH 1 TORNILLO DE EMPUJE 3 36L−E6342−00 LEVER, PUSH 1 PALANCA DE EMPUJE 4 93104−11806 OIL SEAL 1 SELLO ACEITE 5 90506−10069 SPRING, TENSION 1 RESORTE DE TENSION 6 36L−E6346−00 HOOK, SPRING 1 GANCHO DE RESORTE 7 36L−E8188−00 AXLE, PAWL HOLDER 1 EJE DE SOSTEN DE SUJETADOR 8 93440−11029 CIRCLIP 1 SEGURO 9 91830−21014 PIN, DOWEL 2 PASADOR DE CLAVIJA 10 9850N−06030 SCREW, PAN HEAD 2 TORNILLO DE CABEZA CON PLANA 11 9850N−06045 SCREW, PAN HEAD 1 TORNILLO DE CABEZA CON PLANA 12 9850N−06055 SCREW, PAN HEAD 1 TORNILLO DE CABEZA CON PLANA 13 36L−E5357−00 GROMMET 1 ANILLO PROTECTOR 14 36L−E5420−00 CRANKCASE COVER ASSY 2 1 TAPA DE CARTER LATERAL 2 15 36L−E5435−00 .EMBLEM 1 .EMBLEMA 16 36L−E5443−00 .EMBLEM 1 .EMBLEMA 17 9850N−06025 SCREW, PAN HEAD 3 TORNILLO DE CABEZA CON PLANA 18 9850N−06016 SCREW, PAN HEAD 1 TORNILLO DE CABEZA CON PLANA 19 36L−WE542−00 COVER, CRANKCASE 3 1 CUBIERTA DE CARTER 3 20 36L−E5447−00 .EMBLEM 1 .EMBLEMA 21 91830−21014 PIN, DOWEL 1 PASADOR DE CLAVIJA 22 9850N−06035 SCREW, PAN HEAD 6 TORNILLO DE CABEZA CON PLANA 23 9850N−06055 SCREW, PAN HEAD 1 TORNILLO DE CABEZA CON PLANA 24 36L−E5451−00 GASKET, CRANKCASE COVER 1 1 EMPAQ DE CUBIERTA DE CARTER 1 25 36L−E5490−00 CRANKCASE COVER ASSY 3 1 CUBIERTA DE CARTER COMPL. 3 26 36L−E5435−00 .EMBLEM 1 .EMBLEMA 27 98507−06025 SCREW 3 TORNILLO DE CABEZA CON PLANA REF. PART NO. DESCRIPTION REMARKS NO. CODIGO NO. DESCRIPTION OBSERVACION 5VA2
  • 16.
    10 FIG. 8 CRANKCASECOVER 1 CUBIERTA DE CARTER 1 28 36L−E5362−00 PLUG, OIL LEVEL 1 TAPON DEL NIVEL DE ACEITE 29 93210−19809 O−RING 1 JUNTA TORICA REF. PART NO. DESCRIPTION REMARKS NO. CODIGO NO. DESCRIPTION OBSERVACION 5VA2
  • 17.
    11 FIG. 9 STARTERARRANQUE 1 36L−E5651−00 GEAR, KICK IDLE 1 PINON LIBRE, PEDAL ARRANQUE 2 90201−15827 WASHER, PLATE 2 ARANDELA PLANA 3 93440−15802 CIRCLIP 2 SEGURO 4 36L−E5660−00 KICK AXLE ASSY 1 EJE DEL PEDAL DE ARRAN.COMPLET 5 36L−E5641−00 GEAR, KICK 1 ENGRANAJE PEDAL ARRANQUE 6 90468−26048 CLIP 1 PRESILLA 7 36L−E5676−00 COVER, SPRING 1 CUBIERTA DE RESORTE 8 90508−26484 SPRING, TORSION 1 RESORTE DE TORSION 9 36L−E5666−00 SPACER 1 SEPARADOR 10 93101−17807 OIL SEAL 1 RETEN DE ACEITE 11 36L−E5611−00 CRANK, KICK 1 MANIVELA DE PEDAL DE ARRANQUE 12 36L−E5621−00 BOSS, KICK CRANK 1 COPA DE MANIVELA DE PEDAL 13 93507−32819 BALL 1 ESFERA 14 90501−12081 SPRING, COMPRESSION 1 RESORTE DE COMPRESION 15 90201−15809 WASHER, PLATE 1 ARANDELA PLANA 16 93430−10811 CIRCLIP 1 SEGURO 17 5VA−E5618−00 COVER, KICK LEVER 1 GOMA PROTECTORA, PEDAL 18 9131N−08025 BOLT 1 PERNO REF. PART NO. DESCRIPTION REMARKS NO. CODIGO NO. DESCRIPTION OBSERVACION 5VA2
  • 18.
    12 FIG. 10 CLUTCHEMBRAGUE 1 36L−E6150−00 PRIMARY DRIVEN GEAR COMP. 1 CAMPANA DE EMBRAGUE 2 36L−E6154−00 PLATE, THRUST 1 1 ARANDELA, DE EMPUJE 1 3 36L−E6371−00 BOSS, CLUTCH 1 CUBO, DE EMBRAGUE 4 36L−E6324−00 PLATE, CLUTCH 1 4 PLACA DE EMBRAGUE 1 5 36L−E6321−00 PLATE, FRICTION 5 PLACA DE FRICCION 6 36L−E6351−00 PLATE, PRESSURE 1 1 PLATO DE PRESION 1 7 90501−20568 SPRING, COMPRESSION 4 RESORTE DE COMPRESION 8 90119−05801 BOLT, WITH WASHER 4 TORNILLO CON ARANDELA 9 90170−12060 NUT 1 TUERCA 10 90208−12015 WASHER, CONICAL SPRING 1 ARANDELA DE RESORTE CONICO 11 36L−E6111−00 GEAR, PRIMARY DRIVE 1 ENGRANAJE TRACC.PRIMARIA 12 90282−05005 KEY, STRAIGHT 1 CHAVETA, RECTA 13 90179−12800 NUT 1 TUERCA 14 90208−12015 WASHER, CONICAL SPRING 1 ARANDELA DE RESORTE CONICO 15 90201−17558 WASHER, PLATE 1 ARANDELA PLANA 16 90560−17147 SPACER 1 SEPARADOR 17 36L−E6356−00 ROD, PUSH 1 1 VARILLA DE EMPUJE 1 18 93503−16806 BALL 1 ESFERA 19 36L−E6357−00 ROD, PUSH 2 1 VARILLA DE EMPUJE 2 20 93109−05804 O−RING 1 RETEN DE ACEITE 21 90113−06013 BOLT, SET 1 PERNO JUEGO 22 9530N−06600 NUT 1 TUERCA REF. PART NO. DESCRIPTION REMARKS NO. CODIGO NO. DESCRIPTION OBSERVACION 5VA2
  • 19.
    13 FIG. 11 TRANSMISSIONTRANSMISION 1 36L−E7411−00 AXLE, MAIN 1 EJE PRIMARIO 2 36L−E7121−00 GEAR, 2ND PINION (15T) 1 ENGRANAJE DE PINON DE 2DA (15T) 3 36L−E7131−00 GEAR, 3RD PINION (19T) 1 ENGRANAJE PINON DE 3RA (19T) 4 36L−E7141−00 GEAR, 4TH PINION (23T) 1 ENGRANAJE PINON DE 4TA (23T) 5 90201−20266 WASHER, PLATE (1.0T) 3 ARANDELA, PLACA(1.0T) 6 93410−20809 CIRCLIP 4 SEGURO 7 36L−E7421−00 AXLE, DRIVE 1 EJE SECUNDARIO 8 36L−E7211−01 GEAR, 1ST WHEEL (35T) 1 ENGRANAJE RUEDA DE 1 RA (35T) 9 93440−15802 CIRCLIP 1 SEGURO 10 90201−15828 WASHER, PLATE 1 ARANDELA PLANA 11 36L−E7221−00 GEAR, 2ND WHEEL (30T) 1 ENGRANAJE RUEDA DE 2DA (30T) 12 36L−E7231−00 GEAR, 3RD WHEEL (26T) 1 ENGRANAJE RUEDA DE 3RA (26T) 13 36L−E7241−00 GEAR, 4TH WHEEL (23T) 1 ENGRANAJE DE RUEDA 4TA (23T) 14 36L−E7285−00 CLUTCH, DOG 1 ENGRENAJE DE ENGATE 15 93311−315Y0 BALL BEARING 1 COJINETE DE RODILLOS 16 93306−303Y1 BEARING 1 COJINETE 17 36L−E7471−00 PLATE, COVER 1 PLACA, DE CUBIERTA 18 9850N−06012 SCREW, PAN HEAD 2 TORNILLO DE CABEZA CON PLANA 19 93306−304Y1 BEARING 1 COJINETE 20 93102−26805 OIL SEAL 1 RETEN DE ACEITE 21 93311−315Y0 BALL BEARING 1 COJINETE DE RODILLOS 22 93822−15065 SPROCKET,DRIVE (15T) 1 RUEDA DENTADA (15T) 23 90387−20491 COLLAR 1 COLLAR 24 90179−16226 NUT 1 TUERCA 25 90215−16127 WASHER, LOCK 1 ARANDELA DE CIERRE 26 90338−19802 PLUG 1 TAPON REF. PART NO. DESCRIPTION REMARKS NO. CODIGO NO. DESCRIPTION OBSERVACION 5VA2
  • 20.
    14 FIG. 12 SHIFTCAM. FORK LEVA DE CAMBIO. HORQ 1 36L−E8540−02 SHIFT CAM ASSY 1 LEVADEL CAMBIO COMPLETA 2 93604−22806 .PIN, DOWEL 3 .PASADOR DE CLAVIJA 3 91609−40016 .PIN, SPRING 1 .PASADOR DE RESORTE 4 36L−E8561−00 .PLATE, SIDE 1 1 .PLACA LATERAL 1 5 9760N−05112 .SCREW, PAN HEAD WITH WASHER 1 .TORNILLO CAB CON PLANA C/ARAN 6 36L−E8542−00 .POINT, NEUTRAL 1 .PUNTO MVERTO 7 91609−50016 .PIN, SPRING 1 .PASADOR DE RESORTE 8 4TL−E8589−00 PLUG, BLIND 1 TAPON CIEGO 9 36L−E8579−00 GASKET, PLUG BLIND 1 EMPAQUE TAPON CIEGO 10 9850N−06008 SCREW, PAN HEAD 3 TORNILLO DE CABEZA CON PLANA 11 36L−E8511−00 FORK, SHIFT 1 1 HORQUILLA DEL CAMBIO 1 12 36L−E8512−00 FORK, SHIFT 2 1 HORQUILLA DEL CAMBIO 2 13 36L−E8513−00 FORK, SHIFT 3 1 HORQUILLA DE CAMBIO 3 14 36L−E8531−00 BAR, SHIFT FORK GUIDE 1 1 BARRA GUIA HORQ. CAMBIO 1 15 36L−E8535−00 BAR, SHIFT FORK GUIDE 2 1 BARRA GUIA HORQ.CAMBIO 2 16 90109−14385 BOLT 1 PERNO 17 36L−E5353−00 GASKET, DRAIN 1 JUNTA DE DRENAJE 18 90501−10353 SPRING, COMPRESSION 1 RESORTE DE COMPRESION 19 93505−16814 BALL 1 ESFERA 20 36L−E8140−00 STOPPER LEVER ASSY 1 PALANCA DE TOPE COMPLETA 21 90109−06806 BOLT 1 PERNO 22 90506−09809 SPRING, TENSION 1 RESORTE DE TENSION REF. PART NO. DESCRIPTION REMARKS NO. CODIGO NO. DESCRIPTION OBSERVACION 5VA2
  • 21.
    15 FIG. 13 SHIFTSHAFT EJE DE CAMBIO. PEDAL 1 36L−E8101−00 SHIFT SHAFT ASSY 1 EJE SELECTOR COMPLETO 2 90506−08818 .SPRING, TENSION 1 .RESORTE DE TENSION 3 90508−32811 SPRING, TORSION 1 RESORTE DE TORSION 4 90149−08094 SCREW 1 TORNILLO DE REGLAJE 5 90170−08029 NUT 1 TUERCA 6 90215−08014 WASHER, LOCK 1 ARANDELA DE CIERRE 7 93109−14803 OIL SEAL 1 SELLO ACEITE 8 90201−14586 WASHER, PLATE 1 ARANDELA PLANA 9 93430−12812 CIRCLIP 1 SEGURO 10 5VA−E8111−00 PEDAL, SHIFT 1 PEDAL DEL CAMBIO 11 5VA−E8113−00 COVER, SHIFT PEDAL 1 FUNDA DEL PEDAL DEL CAMBIO 12 90240−08053 PIN, CLEVIS 2 PASADOR CON HOYO 13 90201−08819 WASHER, PLATE 2 ARANDELA PLANA 14 91401−16012 PIN, COTTER 2 CHAVETA 15 5VA−E8115−00 ROD, SHIFT 1 VARILLA DEL CANBIO 16 5VA−E8112−00 ARM, SHIFT 1 BRAZO DEL CANBIO 17 90201−122H2 WASHER, PLATE 1 ARANDELA PLANA 18 93430−10811 CIRCLIP 1 SEGURO 19 9702N−06020 BOLT 1 PERNO REF. PART NO. DESCRIPTION REMARKS NO. CODIGO NO. DESCRIPTION OBSERVACION 5VA2
  • 22.
    16 FIG. 14 FRAMECUADRO 1 4TL−F1110−01 FRAME COMP. 1 ARMAZON COMPLETO 2 36L−F1398−V1 HANGER, HELMET 1 COLGADOR DE CASCO 3 90105−10809 BOLT, FLANGE 1 TORNILLO 4 90105−10040 BOLT, WASHER BASED 1 TORNILLO CON ARANDELA 5 9570N−08500 NUT, FLANGE 1 TUERCA DE BRIDA 6 95707−10500 NUT, FLANGE 1 TUERCA DE BRIDA 7 9290N−08100 WASHER 1 ARANDELA 8 92907−10100 WASHER, SPRING 2 ARANDELA 9 90209−08050 WASHER 2 ARANDELA DE SEPARACION 10 9870N−06030 SCREW, FLAT HEAD 1 TORNILLO DE CABEZA PLANA 11 5VA−F8100−00 TOOL KIT 1 JUEGO DE HERRAMIENTAS 12 90105−08099 BOLT, FLANGE 1 TORNILLO REF. PART NO. DESCRIPTION REMARKS NO. CODIGO NO. DESCRIPTION OBSERVACION 5VA2
  • 23.
    17 FIG. 15 FENDERGUARDABARRO 1 36L−F1510−10 FRONT FENDER COMP. 1 GUARDABARRO DELANTERO COMPLETO 2 9580N−06016 BOLT, FLANGE 4 TUERCA DE REBORDE 3 36L−F1518−00 HOLDER, CABLE 1 SOPORTE DE CABLE 4 36L−F1521−00 FLAP, FRONT FENDER 1 CHARNELA DE GUARDABARRO 5 90201−05808 WASHER, PLATE 2 ARANDELA PLANA 6 97607−05212 SCREW,WITH WASHER 2 TORNILLO CAB CON PLANA C/ARAN 7 95307−05600 NUT 2 TUERCA 8 5VA−F1610−00 REAR FENDER COMP. 1 GUARDABARRO TRASERO COMPLETO 9 97007−08020 BOLT 2 PERNO 10 90119−06848 BOLT, WITH WASHER 2 TORNILLO CON ARANDELA 11 9290N−08100 WASHER 2 ARANDELA 12 9530N−08600 NUT 2 TUERCA 13 9580N−06012 BOLT, FLANGE 2 TUERCA DE REBORDE 14 36L−F1629−00 GUARD, MUD 1 GUARDABARRO INFERIOR 15 90464−08020 CLAMP 1 BRIDA 16 92907−08600 WASHER 1 ARANDELA 17 36L−F1621−01 FLAP 1 CHARNELA 18 9760N−05216 SCREW, PAN HEAD WITH WASHER 3 TORNILLO CAB CON PLANA C/ARAN 19 90201−05036 WASHER, PLATE 3 ARANDELA PLANA 20 95307−05600 NUT 3 TUERCA REF. PART NO. DESCRIPTION REMARKS NO. CODIGO NO. DESCRIPTION OBSERVACION 5VA2
  • 24.
    18 FIG. 16 SIDECOVER CUBIERTA LATERAL 1 36L−F1711−01−H9 COVER, SIDE 1 1 UR BG JUEGO DE GRAFICOS 1 36L−F1711−01−9V COVER, SIDE 1 1 UR ACB JUEGO DE GRAFICOS 1 36L−F1711−01−35 COVER, SIDE 1 1 UR SL JUEGO DE GRAFICOS 1 2 36L−F173E−60 GRAPHIC 1 1 UR FOR BG GRAFICO 1 36L−F173E−80 GRAPHIC 1 1 UR FOR ACB GRAFICO 1 36L−F173E−90 GRAPHIC 1 1 UR FOR SL GRAFICO 1 3 36L−F1781−10 EMBLEM 1 1 EMBLEMA 1 4 90183−04047 NUT, SPRING 3 TUERCA DE RESORTE 5 36L−F1783−00 EMBLEM 3 1 EMBLEMA 3 6 90183−06018 NUT, SPRING 2 TUERCA DE RESORTE 7 90480−12053 GROMMET 2 TAPON 8 90201−06067 WASHER, PLATE 1 ARANDELA PLANA 9 90146−06009 SCREW, OVAL FILLISTER 1 TORNILLO CABEZA OVAL RANURADA 10 90179−06264 NUT 1 TUERCA 11 36L−F1721−01−H9 COVER, SIDE 2 1 UR BG JUEGO DE GRAFICOS 2 36L−F1721−01−9V COVER, SIDE 2 1 UR ACB JUEGO DE GRAFICOS 2 36L−F1721−01−35 COVER, SIDE 2 1 UR SL JUEGO DE GRAFICOS 2 12 36L−F173F−60 GRAPHIC 2 1 UR FOR BG GRAFICO 2 36L−F173F−80 GRAPHIC 2 1 UR FOR ACB GRAFICO 2 36L−F173F−90 GRAPHIC 2 1 UR FOR SL GRAFICO 2 13 36L−F1782−00 EMBLEM 2 1 EMBLEMA 2 14 90183−04047 NUT, SPRING 3 TUERCA DE RESORTE 15 36L−F1784−00 EMBLEM 4 1 EMBLEMA 4 16 90183−06018 NUT, SPRING 3 TUERCA DE RESORTE 17 90480−12053 GROMMET 2 TAPON 18 90119−06843 BOLT, WITH WASHER 1 TORNILLO CON ARANDELA REF. PART NO. DESCRIPTION REMARKS NO. CODIGO NO. DESCRIPTION OBSERVACION 5VA2
  • 25.
    19 FIG. 17 OILTANK DEPOSITO DE ACEITE 1 5VA−F1751−00 TANK, OIL 1 DEPOSITO DE ACEITE 2 36L−F176A−00 REFLECTOR, LEVEL GAUGE 1 REFLECTOR DE MEDIDOR DE NIVEL 3 36L−F1764−00 LENS, LEVEL GAUGE 1 LENTE DE MEDIDOR DE NIVEL 4 36L−F1763−00 GASKET, LEVEL GAUGE 1 EMPAQ MEDIDOR DE NIVEL 5 36L−F1771−00 BODY, CAP 1 TAPON DEPOSITO ACEITE 6 90385−24028 BUSH 1 BUJE 7 90480−18171 GROMMET 1 TAPON 8 90385−08029 BUSH 1 BUJE 9 36L−F1745−00 PIPE, OIL TANK BREATHER 1 TUBO RESP.DEP.DE ACEITE 10 90445−09017 HOSE 1 TUBO 11 9580N−06012 BOLT, FLANGE 2 TUERCA DE REBORDE 12 90467−09854 CLIP 2 PRESILLA 13 36L−F1155−00 BRACKET, OIL TANK 1 SOPORTE DE DEPOSITO DE ACEITE 14 36L−F1776−00 BAND, TANK FITTING 1 BANDA ACCESORIO DE DEPOSITO REF. PART NO. DESCRIPTION REMARKS NO. CODIGO NO. DESCRIPTION OBSERVACION 5VA2
  • 26.
    20 FIG. 18 REARARM BRAZO TRASERO 1 36L−F2110−10 REAR ARM COMP. 1 YB BRAZO TRASERO COMPLETO 2 36L−F2123−00 BUSH 1 2 BUJE 1 3 36L−F2141−01 SHAFT, PIVOT 1 EJE DEL BARCULANTE 4 90170−12065 NUT 1 TUERCA 5 9290N−12200 WASHER 1 ARANDELA 6 36L−F2151−00 SEAL, GUARD 1 SELLO DE GUARDA 7 5VA−F2310−00−35 CHAIN CASE ASSY 1 CAJA DE CADENA COMPLETA 8 97607−06212 SCREW,WITH WASHER 2 TORNILLO CAB CON PLANA C/ARAN 9 97607−06216 SCREW,WITH WASHER 2 TORNILLO CAB CON PLANA C/ARAN 10 36L−F2315−00 CAP 1 TAPA 11 36L−F2210−03−33 SHOCK ABSORBER ASSY, REAR 2 YB AMORTIGUADOR TRASERO COMPLETO 12 90201−14218 WASHER, PLATE 2 ARANDELA PLANA 13 90201−106F2 WASHER, PLATE 4 ARANDELA PLANA 14 90176−10073 NUT, CROWN 4 TUERCA CORONA REF. PART NO. DESCRIPTION REMARKS NO. CODIGO NO. DESCRIPTION OBSERVACION 5VA2
  • 27.
    21 FIG. 19 STEERINGDIRECCION 1 36L−F3411−00 RACE, BALL 1 1 PISTA DE BOLAS 1 2 36L−F3412−00 RACE, BALL 2 1 PISTA DE BOLAS 2 3 36L−F3411−10 RACE, BALL 1 1 PISTA DE BOLAS 1 4 36L−F3412−10 RACE, BALL 2 1 PISTA DE BOLAS 2 5 93501−04805 BALL 19 ESFERA 6 93503−16806 BALL 22 ESFERA 7 36L−F3416−00 COVER, BALL RACE 2 1 CUBIERTA DE BASE DE BOLA 2 8 90179−25033 NUT 1 TUERCA 9 92907−05200 WASHER 1 ARANDELA 10 90208−04808 WASHER, CONICAL SPRING 1 ARANDELA DE RESORTE CONICO 11 36L−F3435−00 CROWN, HANDLE 1 PLATINA SUPERIOR 12 36L−F3395−00 EMBLEM 1 EMBLEMA 13 90176−08800 NUT, CROWN 2 TUERCA CORONA 14 9290N−08100 WASHER 2 ARANDELA 15 90101−10802 BOLT 1 TORNILLO 16 90209−10020 WASHER 1 ARANDELA DE SEPARACION 17 36L−F3441−10 HOLDER, HANDLE UPPER 2 SOPORTE DE MANUBRIO 18 5RA−F3437−00 COVER, CROWN 1 CUBIERTA DE CORONA 19 5MK−F8315−00 EMBLEM 1 EMBLEMA 20 98707−04012 SCREW, FLAT HEAD 2 TORNILLO DE CABEZA PLANA 21 95827−08050 BOLT, FLANGE 2 TUERCA DE REBORDE 22 9850N−05010 SCREW, PAN HEAD 2 TORNILLO DE CABEZA CON PLANA 23 90269−04003 RIVET 1 REMACHE 24 36L−F3484−00 CAP, HANDLE LOCK 1 TAPA DE CERRADURA DE MANUBRIO 25 95807−08035 BOLT, FLANGE 4 TUERCA DE REBORDE 26 90502−09024 SPRING, CONICAL 1 RESORTE CONICO 27 36L−F3480−00 STEERING LOCK ASSY 1 CERRADURA DE DIRECCION COMPL. REF. PART NO. DESCRIPTION REMARKS NO. CODIGO NO. DESCRIPTION OBSERVACION 5VA2
  • 28.
    22 FIG. 20 FRONTFORK HORQUILLA DELANTERA 1 36L−F3102−01 FRONT FORK ASSY (L.H) 1 HORQUILLA DELANTERA COMPL.(MI) 2 36L−F3106−00 .OUTER TUBE COMP. (L.H) 1 .TUBO EXTERIOR COMPLETO (MI) 3 4LS−F3153−00 ..RING, SNAP 1 ..ANILLO DE ENGANCHE 4 4LS−F3145−00 ..OIL SEAL 1 ..RETEN DE ACEITE 5 36L−F3110−01 .INNER TUBE COMP.1 1 .TUBO INTERIOR COMPLETO 1 6 36L−F3170−00 .CYLINDER COMP., FRONT FORK 1 .CILINDRO COMPL DE HORQ DELAN 7 36L−F3173−00 .SPINDLE, TAPER 1 .VASTAGO AHUSADO 8 36L−F3158−00 .GASKET 1 .EMPAQUE 9 36L−F3181−00 .BOLT, HEXAGON SOCKET HEAD 1 .TORNILLO CABEZAHEXAGONAL 10 4LS−F3144−00 .SEAL, DUST 1 .GUARDAPOLVO 11 36L−F3141−00 .SPRING, FRONT FORK 1 .RESORTE HORQUILLA DELANT. 12 4LS−F3142−00 .SEAT, SPRING UPPER 1 .ASIENTO DEL MUELLE SUPERIOR 13 36L−F3118−00 .SPACER 1 .SEPARADOR 14 36L−F3111−00 .PLUG 1 .TAPON 15 36L−F3147−00 .O−RING 1 .ARO 16 36L−F3168−00 .CAP, FRONT FORK 1 .TAPA DE HORQUILLA DELANTERA 17 36L−F3103−01 FRONT FORK ASSY (R.H) 1 HORQUILLA DELANTERA COMPL.(MD) 18 36L−F3107−00 .OUTER TUBE COMP. (R.H) 1 .TUBO EXTERIOR COMPLETO (MD) 19 4LS−F3153−00 ..RING, SNAP 1 ..ANILLO DE ENGANCHE 20 4LS−F3145−00 ..OIL SEAL 1 ..RETEN DE ACEITE 21 36L−F3110−00 .INNER TUBE COMP.1 1 .TUBO INTERIOR COMPLETO 1 22 36L−F3170−00 .CYLINDER COMP., FRONT FORK 1 .CILINDRO COMPL DE HORQ DELAN 23 36L−F3173−00 .SPINDLE, TAPER 1 .VASTAGO AHUSADO 24 36L−F3158−00 .GASKET 1 .EMPAQUE 25 36L−F3181−00 .BOLT, HEXAGON SOCKET HEAD 1 .TORNILLO CABEZAHEXAGONAL 26 4LS−F3144−00 .SEAL, DUST 1 .GUARDAPOLVO 27 36L−F3141−00 .SPRING, FRONT FORK 1 .RESORTE HORQUILLA DELANT. REF. PART NO. DESCRIPTION REMARKS NO. CODIGO NO. DESCRIPTION OBSERVACION 5VA2
  • 29.
    23 FIG. 20 FRONTFORK HORQUILLA DELANTERA 28 4LS−F3142−00 .SEAT, SPRING UPPER 1 .ASIENTO DEL MUELLE SUPERIOR 29 36L−F3118−00 .SPACER 1 .SEPARADOR 30 36L−F3111−00 .PLUG 1 .TAPON 31 36L−F3147−00 .O−RING 1 .ARO 32 36L−F3168−00 .CAP, FRONT FORK 1 .TAPA DE HORQUILLA DELANTERA 33 36L−F3340−00 UNDER BRACKET COMP. 1 PLATINA INFERIOR COMPLETA 34 36L−F3318−40 HOLDER, CABLE 1 1 SOSTEN DE CABLE 1 35 36L−F3346−01 BOLT 1 2 PERNO 1 36 5VA−F3131−00 COVER, UPPER 2 1 CUBIERTA SUPERIOR 2 37 5VA−F3121−00 COVER, UPPER 1 1 CUBIERTA SUPERIOR 1 REF. PART NO. DESCRIPTION REMARKS NO. CODIGO NO. DESCRIPTION OBSERVACION 5VA2
  • 30.
    24 FIG. 21 FUELTANK DEPOSITO DE COMBUSTIBLE 1 5VA−F4100−00 FUEL TANK ASSY 1 UR BG TANQUE COMBUSTIBLE COMPL. 5VA−F4100−10 FUEL TANK ASSY 1 UR ACB TANQUE COMBUSTIBLE COMPL. 5VA−F4100−20 FUEL TANK ASSY 1 UR SL TANQUE COMBUSTIBLE COMPL. 2 36L−F4240−90 .GRAPHIC SET 1 UR FOR BG .JUEGO DE CALCOMANIAS 36L−F4240−B0 .GRAPHIC SET 1 UR FOR ACB .JUEGO DE CALCOMANIAS 36L−F4240−C0 .GRAPHIC SET 1 UR FOR SL .JUEGO DE CALCOMANIAS 3 5VA−F4181−00 DAMPER, LOCATING 1 2 AMORTIGUADOR DE MONTAJE 1 4 5VA−F4182−00 DAMPER, LOCATING 2 1 AMORTIGUADOR DE MONTAJE 2 5 90480−25189 GROMMET 1 TAPON 6 90201−08612 WASHER, PLATE 1 ARANDELA PLANA 7 9530N−08600 NUT 1 TUERCA 8 98507−05010 SCREW, PAN HEAD 1 TORNILLO DE CABEZA CON PLANA 9 98507−05008 SCREW, PAN HEAD 1 TORNILLO DE CABEZA CON PLANA 10 97607−06212 SCREW,WITH WASHER 1 TORNILLO CAB CON PLANA C/ARAN 11 97507−06612 BOLT, WITH WASHER 1 PERNO CON ARANDELA RONDELLE 12 92907−05100 WASHER, SPRING 1 ARANDELA 13 36L−F4500−02 FUEL COCK ASSY 1 1 GRIFO DE COMBUSTIBLE 1 14 36L−F4524−00 .LEVER, COCK 1 .LLAVE DEL GRIFO 15 36L−F4518−00 .WASHER, WAVE 1 .ARANDELA ONDULADA 16 36L−F4525−00 .PLATE, LEVER FITTING 1 .PLACA ACCESORIA DE PALANCA 17 36L−F4521−00 .CUP, FILTER 1 .COPA DE FILTRO 18 36L−F4523−00 .VALVE 1 .VALVULA 19 36L−F4531−00 .NUT 1 .TUERCA 20 36L−F4560−00 .FILTER ASSY 1 .FILTRO COMPLETO 21 98907−03008 .SCREW, BIND 2 .TORNILLO DE LIGAR 22 36L−F4515−00 .NET, FILTER 2 1 .RED DE FILTRO 2 23 36L−F4532−01 .GASKET 1 .EMPAQUE REF. PART NO. DESCRIPTION REMARKS NO. CODIGO NO. DESCRIPTION OBSERVACION 5VA2
  • 31.
    25 FIG. 21 FUELTANK DEPOSITO DE COMBUSTIBLE 24 36L−F4650−V1 CAP ASSY 1 TAPA COMPLETA 25 36L−F4161−10 EMBLEM 1 1 EMBLEMA 1 26 90152−04006 SCREW, COUNTERSUNK 2 TORNILLO EMBUTIDO 27 36L−F4162−10 EMBLEM 2 1 EMBLEMA 2 28 90152−04006 SCREW, COUNTERSUNK 2 TORNILLO EMBUTIDO 29 90445−09059 HOSE (L59) 2 TUBO (L59) 30 90467−09854 CLIP 4 PRESILLA 31 90445−09809 HOSE 1 TUBO 32 90202−04801 WASHER, PLATE 1 ARANDELA DE PLANA 33 2YA−F4568−00 BAND, FILTER 1 BANDA DE FILTO 34 36L−F4560−01 FILTER ASSY 1 FILTRO COMPLETO REF. PART NO. DESCRIPTION REMARKS NO. CODIGO NO. DESCRIPTION OBSERVACION 5VA2
  • 32.
    26 FIG. 22 SEATASIENTO 1 5VA−F4730−00 DOUBLE SEAT ASSY 1 SILLIN DOBLE COMPLETO 2 5VA−F4731−00 .COVER, SEAT 1 .FUNDA DE SILLIN 3 5VA−F4741−00 .PAD, SEAT 4 .COJIN DE ASIENTO 4 9570N−08500 NUT, FLANGE 2 TUERCA DE BRIDA 5 5VA−F474A−00 ASSIST, GRIP 1 FIADOR DE EMPUNADURA 6 9580N−06012 BOLT, FLANGE 2 TUERCA DE REBORDE 7 9580N−06012 BOLT, FLANGE 2 TUERCA DE REBORDE REF. PART NO. DESCRIPTION REMARKS NO. CODIGO NO. DESCRIPTION OBSERVACION 5VA2
  • 33.
    27 FIG. 23 FRONTWHEEL RUEDA DELANTERA 1 36L−F5111−10 HUB, FRONT 1 MASA DELANTERA 2 90560−12814 SPACER 1 SEPARADOR 3 93306−301Y3 BEARING 2 COJINETE 4 93102−18802 OIL SEAL 1 RETEN DE ACEITE 5 36L−F5121−10 PLATE, BRAKE SHOE 1 PLACA DE ZAPATA DE FRENO 6 36L−WF536−00 BRAKE SHOE SET 1 JUEGO DE ZAPATA DE FRENO 7 90506−16036 SPRING, TENSION 2 RESORTE DE TENSION 8 36L−F5135−11 GEAR, DRIVE 1 ENGRANAJE DE TRACCION 9 36L−F5136−00 BUSH 1 BUJE 10 36L−F5138−11 GEAR, METER 1 ENGRANAJE DE MEDIDOR 11 93104−07804 OIL SEAL 1 SELLO ACEITE 12 90201−07076 WASHER, PLATE 1 ARANDELA PLANA 13 90201−20269 WASHER, PLATE 2 ARANDELA PLANA 14 93410−20808 CIRCLIP 1 SEGURO 15 36L−F5155−00 LEVER, CAMSHAFT 1 1 PALANCA DE ARBOL DE LEVAS 1 16 90101−06814 BOLT 1 TORNILLO 17 9530N−06600 NUT 1 TUERCA 18 36L−F5351−00 CAMSHAFT 1 ARBOL DE LEVAS 19 93105−47801 OIL SEAL 1 RETEN DE ACEITE 20 36L−F513A−00 PLATE, INDICATOR 1 PLACA DE INDICADOR 21 36L−F5304−01 SPOKE SET, REAR 1 JUEGO DE RAYOS TRASEROS 22 94125−18838 TIRE (2.50−18) 1 NEUMATICO (2.50−18) 23 94225−18823 TUBE (2.50−18) 1 TUBO (2.50−18) 24 94325−18822 BAND, RIM (2.50−18) 1 BANDA DE ARO (2.50−18) 25 94416−18800 RIM (1.60−18) 1 ARO (1.60−18) 26 36L−F5118−00 COVER, HUB DUST 1 CUBIERTA DE MASA PARA POLVO 27 36L−F5181−00 AXLE, WHEEL 1 EJE DE LA RUEDA REF. PART NO. DESCRIPTION REMARKS NO. CODIGO NO. DESCRIPTION OBSERVACION 5VA2
  • 34.
    28 FIG. 23 FRONTWHEEL RUEDA DELANTERA 28 90171−10803 NUT, CASTLE 1 TUERCA ENTALLADA 29 9290N−10200 WASHER 1 ARANDELA 30 91401−20020 PIN, COTTER 1 CHAVETA 31 36L−F5137−00 RING, STOP 1 ANILLO DE TOPE REF. PART NO. DESCRIPTION REMARKS NO. CODIGO NO. DESCRIPTION OBSERVACION 5VA2
  • 35.
    29 FIG. 24 REARWHEEL RUEDA TRASERA 1 36L−F5311−10 HUB, REAR 1 MASA TRASERA 2 90560−15136 SPACER 1 SEPARADOR 3 36L−F5315−00 FLANGE, SPACER 1 SEPARADOR 4 93306−202Y0 BEARING 1 COJINETE 5 93306−202Y1 BEARING 1 COJINETE 6 93104−22805 OIL SEAL 1 SELLO ACEITE 7 93210−42807 O−RING 1 JUNTA TORICA 8 5VA−F5364−00 DAMPER 4 AMORTIGUADOR 9 36L−F5321−11 PLATE, BRAKE SHOE 1 PLACA DE ZAPATA DE FRENO 10 36L−WF536−00 BRAKE SHOE SET 1 JUEGO DE ZAPATA DE FRENO 11 90506−16036 SPRING, TENSION 2 RESORTE DE TENSION 12 36L−F5351−00 CAMSHAFT 1 ARBOL DE LEVAS 13 36L−F5355−00 LEVER, CAMSHAFT 1 PALANCA DE ARBOL DE LEVAS 14 90101−06814 BOLT 1 TORNILLO 15 9530N−06600 NUT 1 TUERCA 16 36L−F533A−00 PLATE, INDICATOR 1 PLACA INDICADOR 17 36L−F5366−10 CLUTCH, HUB 1 EMBRAGUE DE MASA 18 93420−42801 CIRCLIP 1 BOLA 19 93306−004Y0 BEARING 1 COJINETE 20 93106−26801 OIL SEAL 1 RETEN DE ACEITE 21 5VA−F5387−00 SHAFT SPROCKET 1 EJE DE CORONA 22 5VA−F5439−00 SPROCKET, DRIVEN (39T) 1 CORONA (39T) 23 90109−08361 BOLT 4 PERNO 24 5VA−F5412−00 WASHER 2 ARANDELA 25 90179−08168 NUT 4 TUERCA 26 36L−F5304−01 SPOKE SET, REAR 1 JUEGO DE RAYOS TRASEROS 27 94127−18839 TIRE (2.75−18) 1 NEUMATICO (2.75−18) REF. PART NO. DESCRIPTION REMARKS NO. CODIGO NO. DESCRIPTION OBSERVACION 5VA2
  • 36.
    30 FIG. 24 REARWHEEL RUEDA TRASERA 28 94227−18824 TUBE (2.75−18) 1 TUBO (2.75−18) 29 94325−18822 BAND, RIM (2.50−18) 1 BANDA DE ARO (2.50−18) 30 94416−18800 RIM (1.60−18) 1 ARO (1.60−18) 31 5VA−F5371−00 BAR, TENSION 1 BARRA TENSORA 32 90109−08063 BOLT 1 PERNO 33 9530N−08600 NUT 1 TUERCA 34 90468−12007 CLIP 1 PRESILLA 35 90109−08368 BOLT 1 PERNO 36 9530N−08700 NUT 1 TUERCA 37 9290N−08100 WASHER 2 ARANDELA 38 91401−20012 PIN, COTTER 1 CHAVETA 39 36L−F5381−01 AXLE, WHEEL 1 EJE DE RUEDA 40 90170−20224 NUT 1 TUERCA 41 90387−158W7 COLLAR 1 COLLAR 42 90387−208W8 COLLAR 1 COLLAR 43 90171−14800 NUT, CASTLE 1 TUERCA ENTALLADA 44 91401−30030 PIN, COTTER 1 CHAVETA 45 5VA−F5388−00 PULLER, CHAIN 1 1 TIRADOR DE CADENA 1 46 5VA−F5389−00 PULLER, CHAIN 2 1 TIRADOR DE CADENA 2 47 90153−08011 SCREW, HEXAGON 2 TORNILLO HEXAGONAL 48 9530N−08700 NUT 2 TUERCA 49 94568−47108 CHAIN 1 CADENA 50 94608−04001 .JOINT, CHAIN 1 .CONECTOR DE CADENA REF. PART NO. DESCRIPTION REMARKS NO. CODIGO NO. DESCRIPTION OBSERVACION 5VA2
  • 37.
    31 FIG. 25 STEERINGHANDLE. CABLE MANUBRIO. CABLE 1 5VA−F6110−00 HANDLE COMP. 1 MANUBRIO COMPLETE 2 36L−F6260−00 CABLE ASSY, THROTTLE & PUMP 1 CABLE OBTURADOR Y BOMBA 3 36L−F6261−00 .CONNECTOR, CABLE 1 .CONECTOR DE CABLE 4 36L−F6268−00 .HOLDER, CABLE CONNECTOR 1 .SOPORTE DE CABLE CONECTOR 5 36L−F6311−00 .CABLE, THROTTLE 1 1 .CABLE DE ACELERADOR 1 6 36L−F6312−00 .CABLE, THROTTLE 2 1 .CABLE DE ACELERADOR 2 7 36L−F6321−00 .CABLE, PUMP 1 .CABLE DE BOMBA 8 36L−F6335−00 CABLE, CLUTCH 1 CABLE DE EMBRAGUE 9 36L−F6372−00 COVER, HANDLE LEVER 1 1 CUBIERTA DE PALANCA DE MANUB 1 10 36L−F6363−10 END, CABLE 1 EXTREMO DE CABLE 11 36L−F6341−00 CABLE, BRAKE 1 CABLE DE FRENO 12 36L−F6372−00 COVER, HANDLE LEVER 1 1 CUBIERTA DE PALANCA DE MANUB 1 13 90123−08805 BOLT 1 PERNO 14 90123−08804 BOLT 1 PERNO 15 90179−08810 NUT 2 TUERCA 16 90123−06801 BOLT 1 PERNO 17 90179−06810 NUT 1 TUERCA 18 5VA−F6241−00 GRIP 1 EMPUNADURA 19 5VA−F6242−00 GRIP (RIGHT) 1 EMPUNADURA (MD) 20 36L−F6243−00 TUBE, THROTTLE GUIDE 1 TUBO DE GUIA DE OBTURADOR 21 36L−F6249−00 RING, LEAF 1 ANILLO DE FLEJE 22 36L−F6281−10 CAP, GRIP UPPER 1 TAPA DE EMPUNADURA SUPERIOR 23 36L−F6282−10 CAP, GRIP LOWER 1 TAPA DE EMPUNADURA INFERIOR 24 9850N−05014 SCREW, PAN HEAD 2 TORNILLO DE CABEZA CON PLANA 25 5VA−F6290−10 REAR VIEW MIRROR ASSY (RIGHT) 1 ESPEJO COMPLETO (DERECHO) 26 5VA−F6290−00 REAR VIEW MIRROR ASSY (RIGHT) 1 ESPEJO COMPLETO (DERECHO) REF. PART NO. DESCRIPTION REMARKS NO. CODIGO NO. DESCRIPTION OBSERVACION 5VA2
  • 38.
    32 FIG. 26 STAND.FOOTREST SOPORTE. APOYAPIE 1 5VA−F7111−00 STAND, MAIN 1 PUNTAL PRINCIPAL 2 5VA−F7112−00 SHAFT, MAIN STAND 1 EJE DE PUNTAL PRINCIPAL 3 5VA−F7115−00 LINK, MAIN STAND 1 CONEXION DE PUNTAL PRINCIPAL 4 90506−29054 SPRING, TENSION 1 RESORTE DE TENSION 5 5VA−F7114−00 STOPPER, MAIN STAND 1 TOPE DE PUNTAL PRINCIPAL 6 93430−12820 CIRCLIP 1 SEGURO 7 5VA−F7211−00 PEDAL, BRAKE 1 PEDAL DE FRENO 8 90508−32056 SPRING, TORSION 1 RESORTE DE TORSION 9 5VA−F7231−00 ROD, BRAKE 1 VARILLA DE FRENO 10 9290N−06600 WASHER 1 ARANDELA 11 91401−20012 PIN, COTTER 1 CHAVETA 12 92907−06600 WASHER 2 ARANDELA 13 90501−10245 SPRING, COMPRESSION 1 RESORTE DE COMPRESION 14 9024N−12008 PIN 1 PASADOR 15 90179−06806 NUT 1 TUERCA 16 5VA−F7411−00 FOOTREST 1 1 APOYAPIE 1 17 5VA−F7413−00 COVER, FOOTREST 2 CUBIERTA DE APOYAPIE 18 95807−08020 BOLT, FLANGE 2 TUERCA DE REBORDE 19 5VA−F7311−00 STAND, SIDE 1 PUNTAL LATERAL 20 90506−25047 SPRING, TENSION 1 RESORTE DE TENSION 21 90109−08032 BOLT 1 PERNO 22 95307−08700 NUT 1 TUERCA 23 5VA−F7432−00 BRACKET 1 1 SOPORTE 1 24 5VA−F7442−00 BRACKET 2 1 SOPORTE 2 25 5VA−F7431−00 FOOTREST, REAR 1 2 APOYAPIE POSTERIOR 1 26 5VA−F7433−00 COVER, REAR FOOTREST 2 CUBIERTA APOYAPIE TRASERO 27 5VA−F743E−00 STOPPER 2 TOPE REF. PART NO. DESCRIPTION REMARKS NO. CODIGO NO. DESCRIPTION OBSERVACION 5VA2
  • 39.
    33 FIG. 26 STAND.FOOTREST SOPORTE. APOYAPIE 28 98707−06016 SCREW, FLAT HEAD 2 TORNILLO DE CABEZA PLANA 29 90201−20279 WASHER, PLATE 2 ARANDELA PLANA 30 90240−06052 PIN, CLEVIS 2 PASADOR CON HOYO 31 91401−16012 PIN, COTTER 2 CHAVETA 32 95807−08020 BOLT, FLANGE 2 TUERCA DE REBORDE REF. PART NO. DESCRIPTION REMARKS NO. CODIGO NO. DESCRIPTION OBSERVACION 5VA2
  • 40.
    34 FIG. 27 GENERATORGENERADOR 1 36L−H5560−V0 BASE ASSY 1 CONJUNTO BASE 2 36L−H5520−V0 .COIL, CHARGE 1 .BOBINA DE CARGA 3 36L−H1313−V0 .COIL, LIGHTING 1 1 .BOBINA DE ILUMINACION 1 4 36L−H5580−V0 .COIL, PULSER 1 .BOBINA DE PULSACION 5 36L−H131X−V0 .CORD ASSY 1 .CORDON COMPLETO 6 90461−05036 .CLAMP 1 .GRAPA 7 36L−H5569−V0 .TERMINAL, EARTH 2 1 .TERMINAL A TIERRA 2 8 97607−04016 .SCREW,WITH WASHER 2 .TORNILLO CAB CON PLANA C/ARAN 9 98507−04030 .SCREW 2 .TORNILLO DE CABEZA CON PLANA 10 97607−04110 .SCREW,WITH WASHER 1 .TORNILLO CAB CON PLANA C/ARAN 11 98517−04012 .SCREW, PAN HEAD 2 .TORNILLO DE CABEZA CON PLANA 12 92907−05100 .WASHER, SPRING 3 .ARANDELA 13 36L−H5550−V0 ROTOR ASSY 1 ROTOR COMPLETO 14 98707−06014 SCREW, FLAT HEAD 2 TORNILLO DE CABEZA PLANA 15 90462−05012 CLAMP 1 BRIDA 16 90201−12178 WASHER, PLATE 1 ARANDELA PLANA 17 92907−12100 WASHER 1 ARANDELA 18 90170−12347 NUT 1 TUERCA REF. PART NO. DESCRIPTION REMARKS NO. CODIGO NO. DESCRIPTION OBSERVACION 5VA2
  • 41.
    35 FIG. 28 FLASHERLIGHT LUZ DE DESTELLADOR 1 5VA−H3310−00 FRONT FLASHER LIGHT ASSY 1 1 DESTELLADOR DE LUZ DELANT. 1 2 5VA−H3311−00 .BULB, FLASHER (6V−10W) 1 .BOMBILLA DE DESTELLADOR (6V−10W) 3 5VA−H3313−00 .GASKET, FLASHER LENS 1 .EMPAQUE DE LENTE DESTELLADOR 4 5VA−H3312−00 .LENS, FLASHER 1 .LENTE DE DESTELLADOR 5 97702−30520 .SCREW, TAPPING 2 .TORNILLO 6 9290N−10100 WASHER 1 ARANDELA 7 9530N−10600 NUT 1 TUERCA 8 5VA−H3320−00 FRONT FLASHER LIGHT ASSY 2 1 DESTELLADOR DE LUZ DELANT. 2 9 5VA−H3311−00 .BULB, FLASHER (6V−10W) 1 .BOMBILLA DE DESTELLADOR (6V−10W) 10 5VA−H3313−00 .GASKET, FLASHER LENS 1 .EMPAQUE DE LENTE DESTELLADOR 11 5VA−H3312−00 .LENS, FLASHER 1 .LENTE DE DESTELLADOR 12 97702−30520 .SCREW, TAPPING 2 .TORNILLO 13 9290N−10100 WASHER 1 ARANDELA 14 9530N−10600 NUT 1 TUERCA 15 36L−H3354−00 WIRE, EARTH LEAD 1 2 CABLE CONDUCTOR A TIERRA 1 16 5VA−H3330−00 REAR FLASHER LIGHT ASSY 1 1 DESTELLADOR DE LUZ TRAS.COMPL. 17 5VA−H3311−00 .BULB, FLASHER (6V−10W) 1 .BOMBILLA DE DESTELLADOR (6V−10W) 18 5VA−H3313−00 .GASKET, FLASHER LENS 1 .EMPAQUE DE LENTE DESTELLADOR 19 5VA−H3312−00 .LENS, FLASHER 1 .LENTE DE DESTELLADOR 20 97702−30520 .SCREW, TAPPING 2 .TORNILLO 21 9290N−10100 WASHER 1 ARANDELA 22 9530N−10600 NUT 1 TUERCA 23 5VA−H3340−00 FLASHER LIGHT ASSY 2 1 DESTELLADOR DE LUZ COMPL. 2 24 5VA−H3311−00 .BULB, FLASHER (6V−10W) 1 .BOMBILLA DE DESTELLADOR (6V−10W) 25 5VA−H3313−00 .GASKET, FLASHER LENS 1 .EMPAQUE DE LENTE DESTELLADOR 26 5VA−H3312−00 .LENS, FLASHER 1 .LENTE DE DESTELLADOR 27 97702−30520 .SCREW, TAPPING 2 .TORNILLO REF. PART NO. DESCRIPTION REMARKS NO. CODIGO NO. DESCRIPTION OBSERVACION 5VA2
  • 42.
    36 FIG. 28 FLASHERLIGHT LUZ DE DESTELLADOR 28 9290N−10100 WASHER 1 ARANDELA 29 9530N−10600 NUT 1 TUERCA REF. PART NO. DESCRIPTION REMARKS NO. CODIGO NO. DESCRIPTION OBSERVACION 5VA2
  • 43.
    37 FIG. 29 METERMEDIDOR 1 36L−H3510−V0 SPEEDOMETER ASSY 1 VELOCIMETRO COMPL. 2 36L−H3509−V0 .SOCKET CORD ASSY 1 .ENCASTRE DE CABLE COMPLETO 3 36L−H3516−V0 .BULB (6V−3W) 1 .AMPOLLETA (6V−3W) 4 36L−H3530−V0 PILOT LIGHT ASSY 1 LAMPARA PILOTO COMPLETA 5 36L−H3520−V0 .SOCKET CORD ASSY 1 .ENCASTRE COMPLETO 6 36L−H3516−V0 .BULB (6V−3W) 3 .AMPOLLETA (6V−3W) 7 36L−H3582−V0 PILOT LIGHT ASSY 1 LUZ PILOTO COMPLETO 8 36L−H355T−V0 .SOCKET CORD ASSY 1 .ENCASTRE COMPLETO 9 36L−H3516−V0 .BULB (6V−3W) 1 .AMPOLLETA (6V−3W) 10 36L−H3519−V0 BRACKET, METER 1 SOPORTE DE MEDIDOR 11 36L−H3523−V0 DAMPER 2 AMORTIGUADOR 12 36L−H3524−00 WASHER, SPECIAL 2 ARANDELA ESPECIAL 13 97607−04110 SCREW,WITH WASHER 4 TORNILLO CAB CON PLANA C/ARAN 14 95307−05600 NUT 2 TUERCA 15 36L−H3550−00 SPEEDOMETER CABLE ASSY 1 CABLE DE VELOCIMETRO COMPLETO REF. PART NO. DESCRIPTION REMARKS NO. CODIGO NO. DESCRIPTION OBSERVACION 5VA2
  • 44.
    38 FIG. 30 HEADLIGHTFARO DELANTERO 1 36L−H4110−V0 HEADLIGHT UNIT ASSY 1 UNIDAD FARO DELANTERO COMPLETO 2 36L−H4115−V0 .RIM, HEADLIGHT 1 .ARO DE FARO DELANTERO 3 36L−H4121−00 .LENS, HEADLIGHT 1 .LENTES DE FARO DELANTERO 4 36L−H4114−V0 .BULB, HEADLIGHT (6V 25/25W) 1 .AMPOLLETA DE FARO DELANTERO 5 36L−H4140−V0 .SOCKET CORD ASSY 1 .ENCASTRE DE CABLE COMPLETO 6 36L−H4124−V0 .SPRING, SET 3 .JUEGO DE RESORTES 7 36L−H4150−V0 .SOCKET CORD ASSY 2 1 .ENCASTRE DE CABLE COMPLETO 2 8 36L−H4147−V0 .BULB, PILOT LIGHT (6V−3W) 1 .AMPOLLETA LUZ PILOTO (6V−3W) 9 97601−05112 SCREW, PAN HEAD WITH WASHER 2 TORNILLO CON RONDONA 10 36L−H4130−V0 BODY ASSY, HEADLIGHT 1 CUERPO COMPL FARO DELANTERO 11 36L−H3523−00 .DAMPER 2 .AMORTIGUADOR 12 36L−H4164−V0 .DAMPER 2 .AMORTIGUADOR 13 36L−H4145−V0 .COLLAR, BODY FITTING 2 .COLLAR ACCESORIO DE CUERPO 14 36L−H4127−V0 .WASHER, SPECIAL 2 .ARANDELA ESPECIAL REF. PART NO. DESCRIPTION REMARKS NO. CODIGO NO. DESCRIPTION OBSERVACION 5VA2
  • 45.
    39 FIG. 31 TAILLIGHTLUZ DE COLA 1 5VA−H4510−00 TAILLIGHT UNIT ASSY 1 FARO TRASERO COMPLETO 2 5VA−H4514−00 .BULB (6V−17/5.3W) 1 .AMPOLLETA (6V−17/5.3W) 3 5VA−H4523−00 .GASKET, LENS 1 .EMPAQUE DE LENTE 4 5VA−H4521−00 .LENS, TAILLIGHT 1 .LENTE DE FARO TRASERO 5 9770N−40520 .SCREW, TAPPING 2 .TORNILLO ROSCA HEMBRA 6 5VA−H4551−00 BRACKET, LICENCE 1 SOPORTE DE LICENCIA 7 36L−H4553−V0 DAMPER 2 AMORTIGUADOR 8 36L−H4542−V0 SEAT, BASE 1 ASIENTO DE BASE 9 36L−H4557−V0 COLLAR 2 COLLAR 10 36L−H4554−V0 WASHER, SPECIAL 2 ARANDELA ESPECIAL 11 9530N−06600 NUT 2 TUERCA REF. PART NO. DESCRIPTION REMARKS NO. CODIGO NO. DESCRIPTION OBSERVACION 5VA2
  • 46.
    40 FIG. 32 HANDLESWITCH. LEVER INTERRUPTOR DE MANIJA. PALANCA 1 36L−H2921−V0 HOLDER, LEVER 2 1 SOPORTE DE LEVA 2 2 36L−H3922−V0 LEVER 2 1 PALANCA 2 3 36L−H3945−V0 BOLT, LEVER 1 PERNO DE PALANCA 4 90201−08085 WASHER, PLATE 1 ARANDELA PLANA 5 9570N−06300 NUT, FLANGE 1 TUERCA DE BRIDA 6 36L−H3980−V0 FRONT STOP SWITCH ASSY 1 INTERRUP.PARADA DELANTERO 7 9702N−06020 BOLT 1 PERNO 8 92907−06100 WASHER 1 ARANDELA 9 36L−H3972−V0 SWITCH, HANDLE 4 1 INTERRUPTOR DE MANIJA 4 10 98506−05035 .SCREW, PAN HEAD 1 .TORNILLO, DE CABEZA CRUZADA 11 9850N−05030 .SCREW, PAN HEAD 1 .TORNILLO DE CABEZA CON PLANA 12 36L−H2911−V0 HOLDER, LEVER 1 1 SOPORTE DE LEVA 1 13 36L−H3912−V0 LEVER 1 1 PALANCA 1 14 36L−H3929−V0 PLATE, SPRING 1 PLACA DE RESORTE 15 36L−H3945−V0 BOLT, LEVER 1 PERNO DE PALANCA 16 9570N−06300 NUT, FLANGE 1 TUERCA DE BRIDA 17 97507−06422 BOLT, WITH WASHER 1 PERNO CON ARANDELA RONDELLE 18 90201−08085 WASHER, PLATE 1 ARANDELA PLANA 19 36L−H3936−00 BAND, SWITCH CORD 2 BANDA DE CABLE DE INTERRUPTOR REF. PART NO. DESCRIPTION REMARKS NO. CODIGO NO. DESCRIPTION OBSERVACION 5VA2
  • 47.
    41 FIG. 33 ELECTRICAL1 EQUIPO ELECTRICO 1 1 36L−H2310−V0 IGNITION COIL ASSY 1 BOBINA DE ENCENDIDO COMPLETA 2 36L−H2316−00 .BRACKET, IGNITION COIL 1 .SOPORTE BOBINA ENCENDIDO 3 97607−06120 SCREW, PAN HEAD WITH WASHER 2 TORNILLO CAB CON PLANA C/ARAN 4 97607−06212 SCREW,WITH WASHER 2 TORNILLO CAB CON PLANA C/ARAN 5 36L−H2370−V0 PLUG CAP ASSY 1 TAPON DE BUJIA COMPLT 6 36L−H2540−V1 NEUTRAL SWITCH ASSY 1 INTERRUPTOR NEUTRAL COMPL 7 36L−H258H−V0 .GASKET 1 .EMPAQUETADURA 8 36L−H5540−10 C.D.I. UNIT ASSY 1 UR UNIDAD C.D.I. COMPLETA 36L−H5540−00 C.D.I. UNIT ASSY 1 UR UNIDAD C.D.I. COMPLETA 9 9760N−06120 SCREW, PAN HEAD WITH WASHER 3 TORNILLO CAB CON PLANA C/ARAN 10 36L−H3350−V0 FLASHER RELAY ASSY 1 RELE DE DESTELLADOR COMPL. 11 36L−H3371−V0 HORN 1 BOCINA 12 36L−H5110−V0 REFLECTOR ASSY 2 REFLECTOR COMPLETO 13 95707−05300 NUT, FLANGE 1 TUERCA DE BRIDA 14 90119−06843 BOLT, WITH WASHER 2 TORNILLO CON ARANDELA REF. PART NO. DESCRIPTION REMARKS NO. CODIGO NO. DESCRIPTION OBSERVACION 5VA2
  • 48.
    42 FIG. 34 ELECTRICAL2 EQUIP0 ELECTRICO 2 1 5VA−H2110−00 BATTERY ASSY 1 BATERIA COMPLETA 2 36L−H2131−00 BAND, BATTERY 1 TIRANTE DE BATERIA 3 36L−H2150−V0 FUSE HOLDER ASSY 1 PORTA−FUSIBLES COMPLETO 4 36L−H2151−V0 .FUSE (10A) 2 .FUSIBLE (10A) 5 9760N−06112 SCREW, PAN HEAD WITH WASHER 3 TORNILLO CAB CON PLANA C/ARAN 6 36L−H1960−V0 RECTIFIER & REGULATOR ASSY 1 RECTIFICADOR Y REGULADOR 7 97607−05330 SCREW, PAN HEAD WITH WASHER 2 TORNILLO CAB CON PLANA C/ARAN 8 36L−H2510−V1 MAIN SWITCH ASSY 1 CONJUNTO DE LLAVE IGNICION 9 97707−40510 SCREW, TAPPING 2 TORNILLO ROSCA HEMBRA 10 36L−H2530−V1 STOP SWITCH ASSY 1 INTERRUPTOR DE PARADA COMPLETO 11 5VA−H2590−00 WIRE HARNESS ASSY 1 CONJUNTO DE CABLES 12 90464−20031 CLAMP 4 BRIDA 13 36L−H2594−00 CLAMP 1 GRAMPA 14 98507−06016 SCREW, PAN HEAD 1 TORNILLO DE CABEZA CON PLANA REF. PART NO. DESCRIPTION REMARKS NO. CODIGO NO. DESCRIPTION OBSERVACION 5VA2
  • 49.
    NUMERICAL INDEX INDICE NUMERICO PARTNO. CODIGO NO. REF. NO. REF. NO. REF. NO. REF. NO. REF. NO. REF. NO. PART NO. CODIGO NO. PART NO. CODIGO NO. PART NO. CODIGO NO. PART NO. CODIGO NO. PART NO. CODIGO NO. 43 36L−E1111−00 1 − 4 36L−E1127−00 1 − 2 36L−E1128−00 1 − 3 36L−E1161−00 1 − 9 36L−E1162−00 1 − 10 36L−E1181−00 1 − 5 36L−E1311−10 1 − 8 36L−E1351−00 1 − 11 5VA−E1400−00 2 − 1 36L−E1412−00 2 − 2 36L−E1422−00 2 − 3 36L−E1603−00 2 − 19 36L−E1604−00 2 − 19 36L−E1605−00 2 − 19 36L−E1606−00 2 − 19 36L−E1607−00 2 − 19 36L−E1631−01 2 − 15 36L−E1633−00 2 − 16 36L−E1635−01 2 − 15 36L−E1636−01 2 − 15 36L−E1637−01 2 − 15 36L−E1638−01 2 − 15 36L−E1651−00 2 − 7 36L−E1681−00 2 − 4 36L−E3100−01 3 − 1 36L−E3116−00 3 − 13 36L−E3137−00−03 3 − 2 36L−E3137−00−05 3 − 2 36L−E3137−00−10 3 − 2 36L−E3138−00 3 − 3 36L−E3146−00 3 − 10 36L−E3174−00 3 − 20 36L−E3175−01 3 − 11 36L−E3176−00 3 − 16 36L−E3178−00 3 − 17 36L−E3565−00 4 − 3 36L−E3610−00 4 − 1 36L−E3621−00 4 − 2 36L−E4101−00 5 − 1 36L−E4112−20 5 − 18 36L−E4116−02 5 − 20 36L−E4122−00 5 − 25 36L−E4123−00 5 − 21 36L−E4124−00 5 − 29 36L−E4126−00 5 − 13 36L−E4131−00 5 − 14 36L−E4133−00 5 − 24 36L−E4134−00 5 − 26 36L−E4136−00 5 − 32 36L−E4137−00 5 − 31 36L−E4141−28 5 − 17 36L−E4142−00 5 − 19 36L−E4143−23 5 − 16 36L−E4145−00 5 − 12 36L−E4146−00 5 − 5 36L−E4147−00 5 − 30 36L−E4147−10 5 − 27 36L−E4161−00 5 − 28 36L−E4169−00 5 − 11 36L−E4171−00 5 − 6 36L−E4184−00 5 − 3 36L−E4185−00 5 − 4 36L−E4186−00 5 − 2 36L−E4190−20 5 − 22 36L−E4191−00 5 − 10 36L−E4195−00 5 − 23 36L−E4196−00 5 − 9 36L−E4197−00 5 − 15 36L−E4401−00 4 − 8 36L−E4402−00 4 − 12 36L−E4424−00 4 − 10 36L−E4451−00 4 − 11 36L−E4453−00 4 − 6 36L−E4476−00 4 − 9 36L−E4611−00 6 − 1 36L−E4612−00 6 − 2 36L−E4613−00 6 − 3 5VA−E4710−00 6 − 6 36L−E4713−00 6 − 9 36L−E4714−00 6 − 10 36L−E4753−20 6 − 7 36L−E5110−00 7 − 1 36L−E5128−00 7 − 7 36L−E5353−00 12 − 17 36L−E5357−00 8 − 13 36L−E5362−00 8 − 28 36L−E5371−00 7 − 9 36L−E5411−00 8 − 1 36L−E5420−00 8 − 14 36L−E5435−00 8 − 15 8 − 26 36L−E5443−00 8 − 16 36L−E5447−00 8 − 20 36L−E5451−00 8 − 24 36L−E5490−00 8 − 25 36L−E5611−00 9 − 11 5VA−E5618−00 9 − 17 36L−E5621−00 9 − 12 36L−E5641−00 9 − 5 36L−E5651−00 9 − 1 36L−E5660−00 9 − 4 36L−E5666−00 9 − 9 36L−E5676−00 9 − 7 36L−E6111−00 10 − 11 36L−E6150−00 10 − 1 36L−E6154−00 10 − 2 36L−E6321−00 10 − 5 36L−E6324−00 10 − 4 36L−E6341−00 8 − 2 36L−E6342−00 8 − 3 36L−E6346−00 8 − 6 36L−E6351−00 10 − 6 36L−E6356−00 10 − 17 36L−E6357−00 10 − 19 36L−E6371−00 10 − 3 36L−E7121−00 11 − 2 36L−E7131−00 11 − 3 36L−E7141−00 11 − 4 36L−E7211−01 11 − 8 36L−E7221−00 11 − 11 36L−E7231−00 11 − 12 36L−E7241−00 11 − 13 36L−E7285−00 11 − 14 36L−E7411−00 11 − 1 36L−E7421−00 11 − 7 36L−E7471−00 11 − 17 36L−E8101−00 13 − 1 5VA−E8111−00 13 − 10 5VA−E8112−00 13 − 16 5VA−E8113−00 13 − 11 5VA−E8115−00 13 − 15 36L−E8140−00 12 − 20 36L−E8188−00 8 − 7 36L−E8511−00 12 − 11 36L−E8512−00 12 − 12 36L−E8513−00 12 − 13 36L−E8531−00 12 − 14 36L−E8535−00 12 − 15 36L−E8540−02 12 − 1 36L−E8542−00 12 − 6 36L−E8561−00 12 − 4 36L−E8579−00 12 − 9 4TL−E8589−00 12 − 8 4TL−F1110−01 14 − 1 36L−F1155−00 17 − 13 36L−F1398−V1 14 − 2 36L−F1510−10 15 − 1 36L−F1518−00 15 − 3 36L−F1521−00 15 − 4 5VA−F1610−00 15 − 8 36L−F1621−01 15 − 17 36L−F1629−00 15 − 14 36L−F1711−01−H9 16 − 1 36L−F1711−01−35 16 − 1 36L−F1711−01−9V 16 − 1 36L−F1721−01−H9 16 − 11 36L−F1721−01−35 16 − 11 36L−F1721−01−9V 16 − 11 36L−F173E−60 16 − 2 36L−F173E−80 16 − 2 36L−F173E−90 16 − 2 36L−F173F−60 16 − 12 36L−F173F−80 16 − 12 36L−F173F−90 16 − 12 36L−F1745−00 17 − 9 5VA−F1751−00 17 − 1 36L−F176A−00 17 − 2 36L−F1763−00 17 − 4 36L−F1764−00 17 − 3 36L−F1771−00 17 − 5 36L−F1776−00 17 − 14 36L−F1781−10 16 − 3 36L−F1782−00 16 − 13 36L−F1783−00 16 − 5 36L−F1784−00 16 − 15 36L−F2110−10 18 − 1 36L−F2123−00 18 − 2 36L−F2141−01 18 − 3 36L−F2151−00 18 − 6 36L−F2210−03−33 18 − 11 5VA−F2310−00−35 18 − 7 36L−F2315−00 18 − 10 36L−F3102−01 20 − 1 36L−F3103−01 20 − 17 36L−F3106−00 20 − 2 36L−F3107−00 20 − 18 36L−F3110−00 20 − 21 36L−F3110−01 20 − 5 36L−F3111−00 20 − 14 20 − 30 36L−F3118−00 20 − 13 20 − 29 5VA−F3121−00 20 − 37 5VA−F3131−00 20 − 36 36L−F3141−00 20 − 11 20 − 27 4LS−F3142−00 20 − 12 20 − 28 4LS−F3144−00 20 − 10 20 − 26 4LS−F3145−00 20 − 4 20 − 20 36L−F3147−00 20 − 15 20 − 31 4LS−F3153−00 20 − 3 20 − 19 36L−F3158−00 20 − 8 20 − 24 36L−F3168−00 20 − 16 20 − 32 36L−F3170−00 20 − 6 20 − 22 36L−F3173−00 20 − 7 20 − 23 36L−F3181−00 20 − 9 20 − 25 36L−F3318−40 20 − 34 36L−F3340−00 20 − 33 36L−F3346−01 20 − 35 36L−F3395−00 19 − 12 36L−F3411−00 19 − 1 36L−F3411−10 19 − 3 36L−F3412−00 19 − 2 36L−F3412−10 19 − 4 36L−F3416−00 19 − 7 36L−F3435−00 19 − 11 5RA−F3437−00 19 − 18 36L−F3441−10 19 − 17 36L−F3480−00 19 − 27 36L−F3484−00 19 − 24 5VA−F4100−00 21 − 1 5VA−F4100−10 21 − 1 5VA−F4100−20 21 − 1 36L−F4161−10 21 − 25 36L−F4162−10 21 − 27 5VA−F4181−00 21 − 3 5VA−F4182−00 21 − 4 36L−F4240−B0 21 − 2 36L−F4240−C0 21 − 2 36L−F4240−90 21 − 2 36L−F4500−02 21 − 13 36L−F4515−00 21 − 22 36L−F4518−00 21 − 15 36L−F4521−00 21 − 17 36L−F4523−00 21 − 18 36L−F4524−00 21 − 14 36L−F4525−00 21 − 16 36L−F4531−00 21 − 19 36L−F4532−01 21 − 23 36L−F4560−00 21 − 20 36L−F4560−01 21 − 34 2YA−F4568−00 21 − 33 36L−F4650−V1 21 − 24 5VA−F4730−00 22 − 1 5VA−F4731−00 22 − 2 5VA−F474A−00 22 − 5 5VA−F4741−00 22 − 3 36L−F5111−10 23 − 1 36L−F5118−00 23 − 26 36L−F5121−10 23 − 5 36L−F513A−00 23 − 20 36L−F5135−11 23 − 8 36L−F5136−00 23 − 9 36L−F5137−00 23 − 31 36L−F5138−11 23 − 10 36L−F5155−00 23 − 15 36L−F5181−00 23 − 27 36L−F5304−01 23 − 21 24 − 26 36L−F5311−10 24 − 1 36L−F5315−00 24 − 3 36L−F5321−11 24 − 9 36L−F533A−00 24 − 16 36L−F5351−00 23 − 18 24 − 12 36L−F5355−00 24 − 13 5VA−F5364−00 24 − 8 36L−F5366−10 24 − 17 5VA−F5371−00 24 − 31 36L−F5381−01 24 − 39 5VA−F5387−00 24 − 21 5VA−F5388−00 24 − 45 5VA−F5389−00 24 − 46 5VA−F5412−00 24 − 24 5VA−F5439−00 24 − 22 5VA−F6110−00 25 − 1 5VA−F6241−00 25 − 18 5VA−F6242−00 25 − 19
  • 50.
    NUMERICAL INDEX INDICE NUMERICO PARTNO. CODIGO NO. REF. NO. REF. NO. REF. NO. REF. NO. REF. NO. REF. NO. PART NO. CODIGO NO. PART NO. CODIGO NO. PART NO. CODIGO NO. PART NO. CODIGO NO. PART NO. CODIGO NO. 44 36L−F6243−00 25 − 20 36L−F6249−00 25 − 21 36L−F6260−00 25 − 2 36L−F6261−00 25 − 3 36L−F6268−00 25 − 4 36L−F6281−10 25 − 22 36L−F6282−10 25 − 23 5VA−F6290−00 25 − 26 5VA−F6290−10 25 − 25 36L−F6311−00 25 − 5 36L−F6312−00 25 − 6 36L−F6321−00 25 − 7 36L−F6335−00 25 − 8 36L−F6341−00 25 − 11 36L−F6363−10 25 − 10 36L−F6372−00 25 − 9 25 − 12 5VA−F7111−00 26 − 1 5VA−F7112−00 26 − 2 5VA−F7114−00 26 − 5 5VA−F7115−00 26 − 3 5VA−F7211−00 26 − 7 5VA−F7231−00 26 − 9 5VA−F7311−00 26 − 19 5VA−F7411−00 26 − 16 5VA−F7413−00 26 − 17 5VA−F743E−00 26 − 27 5VA−F7431−00 26 − 25 5VA−F7432−00 26 − 23 5VA−F7433−00 26 − 26 5VA−F7442−00 26 − 24 5VA−F8100−00 14 − 11 5MK−F8315−00 19 − 19 36L−H131X−V0 27 − 5 36L−H1313−V0 27 − 3 36L−H1960−V0 34 − 6 5VA−H2110−00 34 − 1 36L−H2131−00 34 − 2 36L−H2150−V0 34 − 3 36L−H2151−V0 34 − 4 36L−H2310−V0 33 − 1 36L−H2316−00 33 − 2 36L−H2370−V0 33 − 5 36L−H2510−V1 34 − 8 36L−H2530−V1 34 − 10 36L−H2540−V1 33 − 6 36L−H258H−V0 33 − 7 5VA−H2590−00 34 − 11 36L−H2594−00 34 − 13 36L−H2911−V0 32 − 12 36L−H2921−V0 32 − 1 5VA−H3310−00 28 − 1 5VA−H3311−00 28 − 2 28 − 9 28 − 17 28 − 24 5VA−H3312−00 28 − 4 28 − 11 28 − 19 28 − 26 5VA−H3313−00 28 − 3 28 − 10 28 − 18 28 − 25 5VA−H3320−00 28 − 8 5VA−H3330−00 28 − 16 5VA−H3340−00 28 − 23 36L−H3350−V0 33 − 10 36L−H3354−00 28 − 15 36L−H3371−V0 33 − 11 36L−H3509−V0 29 − 2 36L−H3510−V0 29 − 1 36L−H3516−V0 29 − 3 29 − 6 29 − 9 36L−H3519−V0 29 − 10 36L−H3520−V0 29 − 5 36L−H3523−V0 29 − 11 36L−H3523−00 30 − 11 36L−H3524−00 29 − 12 36L−H3530−V0 29 − 4 36L−H355T−V0 29 − 8 36L−H3550−00 29 − 15 36L−H3582−V0 29 − 7 36L−H3912−V0 32 − 13 36L−H3922−V0 32 − 2 36L−H3929−V0 32 − 14 36L−H3936−00 32 − 19 36L−H3945−V0 32 − 3 32 − 15 36L−H3972−V0 32 − 9 36L−H3980−V0 32 − 6 36L−H4110−V0 30 − 1 36L−H4114−V0 30 − 4 36L−H4115−V0 30 − 2 36L−H4121−00 30 − 3 36L−H4124−V0 30 − 6 36L−H4127−V0 30 − 14 36L−H4130−V0 30 − 10 36L−H4140−V0 30 − 5 36L−H4145−V0 30 − 13 36L−H4147−V0 30 − 8 36L−H4150−V0 30 − 7 36L−H4164−V0 30 − 12 5VA−H4510−00 31 − 1 5VA−H4514−00 31 − 2 5VA−H4521−00 31 − 4 5VA−H4523−00 31 − 3 36L−H4542−V0 31 − 8 5VA−H4551−00 31 − 6 36L−H4553−V0 31 − 7 36L−H4554−V0 31 − 10 36L−H4557−V0 31 − 9 36L−H5110−V0 33 − 12 36L−H5520−V0 27 − 2 36L−H5540−00 33 − 8 36L−H5540−10 33 − 8 36L−H5550−V0 27 − 13 36L−H5560−V0 27 − 1 36L−H5569−V0 27 − 7 36L−H5580−V0 27 − 4 36L−WE542−00 8 − 19 36L−WF536−00 23 − 6 24 − 10 90101−06814 23 − 16 24 − 14 90101−10802 19 − 15 90105−08099 14 − 12 90105−10040 14 − 4 90105−10809 14 − 3 90109−06806 12 − 21 90109−08032 26 − 21 90109−08063 24 − 32 90109−08361 24 − 23 90109−08368 24 − 35 90109−14385 12 − 16 90113−06013 10 − 21 90116−08166 6 − 4 90116−08393 1 − 7 90116−10278 1 − 13 90119−05801 10 − 8 90119−06843 16 − 18 33 − 14 90119−06848 15 − 10 90123−06801 25 − 16 90123−08804 25 − 14 90123−08805 25 − 13 90146−06009 16 − 9 90149−08094 13 − 4 90152−04006 21 − 26 21 − 28 90153−08011 24 − 47 90170−08029 13 − 5 90170−12060 10 − 9 90170−12065 18 − 4 90170−12347 27 − 18 90170−20224 24 − 40 90171−10803 23 − 28 90171−14800 24 − 43 90176−08800 19 − 13 90176−10073 18 − 14 90179−06264 16 − 10 90179−06806 26 − 15 90179−06810 25 − 17 90179−08168 24 − 25 90179−08810 25 − 15 90179−08823 1 − 6 6 − 5 90179−10812 1 − 12 90179−12800 10 − 13 90179−16226 11 − 24 90179−25033 19 − 8 90183−04047 16 − 4 16 − 14 90183−06018 16 − 6 16 − 16 90201−05036 15 − 19 90201−05808 15 − 5 90201−06067 16 − 8 90201−06827 4 − 18 90201−07076 23 − 12 90201−08085 32 − 4 32 − 18 90201−08612 21 − 6 90201−08624 3 − 12 90201−08819 13 − 13 90201−106F2 18 − 13 90201−12178 27 − 16 90201−122H2 13 − 17 90201−14218 18 − 12 90201−14586 13 − 8 90201−15809 9 − 15 90201−15827 9 − 2 90201−15828 11 − 10 90201−17558 10 − 15 90201−20266 11 − 5 90201−20269 23 − 13 90201−20279 26 − 29 90202−04801 21 − 32 90208−04808 19 − 10 90208−12015 10 − 10 10 − 14 90209−08050 14 − 9 90209−10020 19 − 16 90209−22071 2 − 6 90215−08014 13 − 6 90215−16127 11 − 25 9024N−12008 26 − 14 90240−06052 26 − 30 90240−08053 13 − 12 90269−04003 19 − 23 90280−03017 2 − 8 90282−05005 10 − 12 90338−19802 11 − 26 90340−12005 7 − 11 90385−08029 17 − 8 90385−24028 17 − 6 90387−07390 4 − 17 90387−158W7 24 − 41 90387−20491 11 − 23 90387−205E9 2 − 10 90387−208W8 24 − 42 90430−04004 3 − 7 90430−12207 7 − 12 90445−05203 3 − 9 90445−09017 17 − 10 90445−09059 21 − 29 90445−09809 21 − 31 90446−07009 7 − 10 90460−43053 4 − 5 90460−51059 4 − 7 90461−05036 27 − 6 90461−10071 3 − 22 90462−05012 27 − 15 90464−08020 15 − 15 90464−20031 34 − 12 90467−09854 17 − 12 21 − 30 90468−02033 3 − 8 3 − 21 90468−12007 24 − 34 90468−26048 9 − 6 90480−12053 4 − 15 16 − 7 16 − 17 90480−14102 4 − 16 90480−18171 17 − 7 90480−25189 21 − 5 90501−10245 26 − 13 90501−10353 12 − 18 90501−12081 9 − 14 90501−20568 10 − 7 90502−09024 19 − 26 90506−08818 13 − 2 90506−09809 12 − 22 90506−10069 8 − 5 90506−16036 23 − 7 24 − 11 90506−25047 26 − 20 90506−29054 26 − 4 90508−26484 9 − 8 90508−32056 26 − 8 90508−32811 13 − 3 90560−12814 23 − 2 90560−15136 24 − 2 90560−17147 10 − 16 9131N−08025 9 − 18 91401−16012 13 − 14 26 − 31 91401−20012 24 − 38 26 − 11 91401−20020 23 − 30 91401−30030 24 − 44 91609−40016 12 − 3 91609−50016 12 − 7 91830−21014 7 − 5 8 − 9 8 − 21 9290N−05100 3 − 5 9290N−06600 26 − 10 9290N−08100 14 − 7 15 − 11 19 − 14 24 − 37 9290N−10100 28 − 6 28 − 13 28 − 21 28 − 28
  • 51.
    NUMERICAL INDEX INDICE NUMERICO PARTNO. CODIGO NO. REF. NO. REF. NO. REF. NO. REF. NO. REF. NO. REF. NO. PART NO. CODIGO NO. PART NO. CODIGO NO. PART NO. CODIGO NO. PART NO. CODIGO NO. PART NO. CODIGO NO. 45 9290N−10200 23 − 29 9290N−12200 18 − 5 92907−05100 21 − 12 27 − 12 92907−05200 19 − 9 92907−06100 32 − 8 92907−06200 4 − 14 92907−06600 26 − 12 92907−08600 15 − 16 92907−10100 14 − 8 92907−12100 27 − 17 92990−04100 5 − 8 93101−10806 3 − 15 93101−17807 9 − 10 93102−18802 23 − 4 93102−25807 2 − 13 93102−26805 11 − 20 93103−28800 2 − 14 93104−07804 23 − 11 93104−11806 8 − 4 93104−22805 24 − 6 93105−47801 23 − 19 93106−26801 24 − 20 93109−05804 10 − 20 93109−14803 13 − 7 93210−18023 2 − 9 93210−19809 8 − 29 93210−42807 24 − 7 93306−004Y0 24 − 19 93306−202Y0 24 − 4 93306−202Y1 24 − 5 93306−205X9 2 − 11 93306−301Y3 23 − 3 93306−303Y1 11 − 16 93306−304X4 2 − 12 93306−304Y1 11 − 19 93310−214Y2 2 − 17 93310−422L0 2 − 5 93311−315Y0 11 − 15 11 − 21 93410−20808 23 − 14 93410−20809 11 − 6 93420−42801 24 − 18 93430−08810 3 − 19 93430−10811 9 − 16 13 − 18 93430−12812 13 − 9 93430−12820 26 − 6 93440−11029 8 − 8 93440−15802 9 − 3 11 − 9 93450−15090 2 − 18 93501−04805 19 − 5 93503−16806 10 − 18 19 − 6 93505−16814 12 − 19 93507−32819 9 − 13 93603−22805 3 − 18 93604−22806 12 − 2 93822−15065 11 − 22 94125−18838 23 − 22 94127−18839 24 − 27 94225−18823 23 − 23 94227−18824 24 − 28 94325−18822 23 − 24 24 − 29 94416−18800 23 − 25 24 − 30 94568−47108 24 − 49 94608−04001 24 − 50 94700−00812 1 − 1 9530N−05600 3 − 4 9530N−06600 10 − 22 23 − 17 24 − 15 31 − 11 9530N−08600 15 − 12 21 − 7 24 − 33 9530N−08700 24 − 36 24 − 48 9530N−10600 28 − 7 28 − 14 28 − 22 28 − 29 95307−05600 15 − 7 15 − 20 29 − 14 95307−08700 26 − 22 9570N−06300 32 − 5 32 − 16 9570N−08500 14 − 5 22 − 4 95707−05300 33 − 13 95707−10500 14 − 6 9580N−06012 15 − 13 9580N−06012 17 − 11 22 − 6 22 − 7 9580N−06016 15 − 2 9580N−08016 6 − 11 95807−08020 26 − 18 26 − 32 95807−08035 19 − 25 95827−08050 19 − 21 9700N−06025 4 − 19 97007−08020 15 − 9 9702N−06020 13 − 19 32 − 7 9750N−06525 4 − 4 97507−06422 32 − 17 97507−06612 21 − 11 9760N−05112 12 − 5 9760N−05216 15 − 18 9760N−06112 6 − 8 34 − 5 9760N−06120 33 − 9 97601−05112 30 − 9 97607−04016 27 − 8 97607−04110 27 − 10 29 − 13 97607−05212 15 − 6 97607−05330 34 − 7 97607−06120 33 − 3 97607−06212 18 − 8 21 − 10 33 − 4 97607−06216 18 − 9 9770N−40520 31 − 5 97702−30520 28 − 5 28 − 12 28 − 20 28 − 27 97707−40510 34 − 9 9850N−05010 19 − 22 9850N−05014 3 − 14 25 − 24 9850N−05030 32 − 11 9850N−06008 12 − 10 9850N−06012 11 − 18 9850N−06016 4 − 20 8 − 18 9850N−06025 8 − 17 9850N−06030 8 − 10 9850N−06035 8 − 22 9850N−06045 7 − 2 8 − 11 9850N−06055 7 − 3 8 − 12 8 − 23 9850N−06065 7 − 4 9850N−08010 7 − 8 98506−05035 32 − 10 98507−04030 27 − 9 98507−05008 21 − 9 98507−05010 21 − 8 98507−06016 34 − 14 98507−06025 8 − 27 98507−06040 4 − 13 98517−04012 27 − 11 98517−04016 5 − 7 9870N−06030 14 − 10 98707−04012 19 − 20 98707−06014 27 − 14 98707−06016 26 − 28 9890N−04008 3 − 6 98907−03008 21 − 21 99530−14016 7 − 6