Training_2006_SEPA_ESP.pdf   7/10/05   8:05:58 PM




 C



 M



 Y



CM



MY



CY



CMY



 K
SolidWorks 2006                       ®




Conceptos básicos de
SolidWorks
Piezas y ensamblajes




SolidWorks Corporation
300 Baker Avenue
Concord, Massachusetts 01742 EE.UU.
© 1995-2005, SolidWorks Corporation                  SOFTWARE DE COMPUTADORA
300 Baker Avenue                                     COMERCIAL- PROPIETARIO
Concord, Massachusetts 01742 EE.UU.                  Derechos restringidos del gobierno de Estados
Todos los derechos reservados                        Unidos. La utilización, reproducción o divulgación
Patentes de Estados Unidos 5,815,154; 6,219,049;     por parte del gobierno está sujeta a las
6,219,055; 6,603,486; 6,611,725; y 6,844,877         restricciones establecidas en la FAR 52.227-19
además de otras patentes extranjeras, incluidas EP   "Commercial Computer Software - Restricted
1,116,190 y JP 3,517,643. Patentes                   Rights" (Software informático comercial -
estadounidenses y extranjeras en curso.              Derechos restringidos), en la DFARS 227.7202
                                                     "Commercial Computer Software and Commercial
SolidWorks Corporation es una compañía de            Computer Software Documentation" (Software
Dassault Systemes S.A. (Nasdaq:DASTY).               informático comercial y Documentación de
La información y el software analizados en este      software informático comercial) y en el contrato
documento están sujetos a cambios sin previo         de licencia, según corresponda.
aviso y no deben ser considerados como               Contratista/Fabricante:
compromisos por parte de SolidWorks                  SolidWorks Corporation, 300 Baker Avenue,
Corporation.                                         Concord, Massachusetts 01742 EE.UU.
Ningún material se puede reproducir o transmitir     Partes de este software © 1988, 2000
de modo o por medio alguno, ya sea electrónico o     Aladdin Enterprises.
mecánico, con ningún fin, sin la autorización
explícita por escrito de SolidWorks Corporation.     Partes de este software © 1996, 2001
                                                     Artifex Software, Inc.
El software descrito en este documento se
suministra bajo una licencia y sólo se puede         Partes de este software © 2001, artofcode LLC.
utilizar o copiar de acuerdo con los términos de     Partes de este software © 2005
esta licencia. Todas las garantías que SolidWorks    Bluebeam Software, Inc.
Corporation ofrece para el software y la             Partes de este software © 1999, 2002-2005
documentación se establecen en el Contrato de        ComponentOne.
licencia y Servicio de subscripción de SolidWorks
Corporation y nada de lo que afirme o implique       Partes de este software © 1990-2005
este documento o su contenido será considerado o     D-Cubed Limited.
visto como una modificación o enmienda de tales      Partes de este producto son distribuidas bajo
garantías.                                           licencia de DC Micro Development, Copyright ©
SolidWorks, PDMWorks, 3D PartStream.NET y el         1994-2002 DC Micro Development, Inc.
logotipo de eDrawings son marcas comerciales         Reservados todos los derechos.
registradas de SolidWorks Corporation.               Partes de este software © eHelp Corporation.
SolidWorks 2006 es un nombre de producto de          Reservados todos los derechos.
SolidWorks Corporation.                              Partes de este software © 1998-2005
COSMOSXpress, DWGeditor, DWGgateway,                 Geometric Software Solutions Co. Limited.
eDrawings, Feature Palette, PhotoWorks y             Partes de este software © 1986-2005 mental
XchangeWorks son marcas comerciales, 3D              images GmbH & Co. KG.
ContentCentral es una marca de servicio, y
FeatureManager es una marca registrada de            Partes de este software © 1996 Microsoft
copropiedad de SolidWorks Corporation.               Corporation. Reservados todos los derechos.
COSMOS, COSMOSWorks, COSMOSMotion y                  Partes de este software © 2004 Priware Limited.
COSMOSFloWorks son marcas comerciales de             Partes de este software © 2001, SIMULOG.
Structural Research and Analysis Corporation.
                                                     Partes de este software © 1995-2004 Spatial
FeatureWorks es una marca comercial registrada       Corporation.
de Geometric Software Solutions Co. Limited.
                                                     Partes de este software © 2003-2005,
ACIS es una marca comercial registrada de Spatial    Structural Research & Analysis Corp.
Corporation.
                                                     Partes de este software © 1997-2005
GLOBEtrotter y FLEXlm son marcas comerciales         Tech Soft America.
registradas de Globetrotter Software, Inc.
                                                     Partes de este software son copyright y propiedad
Otras marcas o nombres de productos son marcas       de UGS Corp. © 2005.
comerciales o marcas comerciales registradas de
sus respectivos propietarios.                        Partes de este software © 1999-2005
                                                     Viewpoint Corporation.
                                                     Partes de este software © 1994-2005,
                                                     Visual Kinematics, Inc.
                                                     Este software está basado en parte en el trabajo del
                                                     Independent JPEG Group.
Número de documento: PMT0070-ESP                     Reservados todos los derechos
Manual de formación SolidWorks 2006




                                                        Tabla de contenido




Lección 1:
Introducción
                        Informaciones sobre este curso. . . . . . . . . . . . . . . . . . . . . . . . . . . 3
                            Condiciones previas . . . . . . . . . . . . . . . . . . . . . . . . . . . . . . . . 3
                            Diseño del curso . . . . . . . . . . . . . . . . . . . . . . . . . . . . . . . . . . . 3
                            Cómo utilizar este manual . . . . . . . . . . . . . . . . . . . . . . . . . . . 3
                            Informaciones acerca del CD . . . . . . . . . . . . . . . . . . . . . . . . . 4
                            Windows® 2000 y Windows® XP. . . . . . . . . . . . . . . . . . . . . 4
                            Convenciones que se utilizan en este manual . . . . . . . . . . . . . 4
                            Utilización del color . . . . . . . . . . . . . . . . . . . . . . . . . . . . . . . . 4
                        ¿Qué es el software de SolidWorks?. . . . . . . . . . . . . . . . . . . . . . . 5
                        Intención del diseño . . . . . . . . . . . . . . . . . . . . . . . . . . . . . . . . . . . 8
                            Ejemplos de intenciones del diseño . . . . . . . . . . . . . . . . . . . . 8
                            Cómo las operaciones afectan la intención del diseño . . . . . . 9
                            Iconos que no se pueden seleccionar . . . . . . . . . . . . . . . . . . 10
                        La interfaz de usuario de SolidWorks . . . . . . . . . . . . . . . . . . . . . 10
                            Menús . . . . . . . . . . . . . . . . . . . . . . . . . . . . . . . . . . . . . . . . . . 11
                            Métodos abreviados del teclado . . . . . . . . . . . . . . . . . . . . . . 11
                            Barras de herramientas . . . . . . . . . . . . . . . . . . . . . . . . . . . . . 12
                            Cómo organizar las barras de herramientas . . . . . . . . . . . . . 14
                            Sugerencias rápidas. . . . . . . . . . . . . . . . . . . . . . . . . . . . . . . . 14
                            Gestor de diseño del FeatureManager . . . . . . . . . . . . . . . . . 15
                            Menús del PropertyManager. . . . . . . . . . . . . . . . . . . . . . . . . 15
                            Panel de tareas . . . . . . . . . . . . . . . . . . . . . . . . . . . . . . . . . . . 16
                            Botones del ratón . . . . . . . . . . . . . . . . . . . . . . . . . . . . . . . . . 17
                            Ayuda del sistema . . . . . . . . . . . . . . . . . . . . . . . . . . . . . . . . . 17
                            Opciones . . . . . . . . . . . . . . . . . . . . . . . . . . . . . . . . . . . . . . . . 17




                                                                                                                           i
Manual de formación SolidWorks 2006


Lección 2:
Introducción al croquizado
                      Croquizado en 2D . . . . . . . . . . . . . . . . . . . . . . . . . . . . . . . . . . . .            21
                      Etapas del proceso . . . . . . . . . . . . . . . . . . . . . . . . . . . . . . . . . . .            21
                      ¿Qué es lo que vamos a croquizar?. . . . . . . . . . . . . . . . . . . . . . .                      23
                      Croquizado . . . . . . . . . . . . . . . . . . . . . . . . . . . . . . . . . . . . . . . . .        23
                          Planos predeterminados . . . . . . . . . . . . . . . . . . . . . . . . . . . .                  23
                      Entidades de croquis . . . . . . . . . . . . . . . . . . . . . . . . . . . . . . . . . .            25
                          Geometría de croquis . . . . . . . . . . . . . . . . . . . . . . . . . . . . . .                25
                      Croquizado básico. . . . . . . . . . . . . . . . . . . . . . . . . . . . . . . . . . . .            26
                          Cómo funciona el croquizado . . . . . . . . . . . . . . . . . . . . . . . .                     26
                          Introducción: Relaciones de croquis. . . . . . . . . . . . . . . . . . .                        27
                          Líneas de inferencia (Relaciones automáticas). . . . . . . . . . .                              27
                          Ayuda del croquis . . . . . . . . . . . . . . . . . . . . . . . . . . . . . . . . .             29
                          Estado de un croquis . . . . . . . . . . . . . . . . . . . . . . . . . . . . . . .              30
                      Reglas que rigen los croquis . . . . . . . . . . . . . . . . . . . . . . . . . . . .                30
                      Intención del diseño . . . . . . . . . . . . . . . . . . . . . . . . . . . . . . . . . .            32
                          ¿Qué controla la intención del diseño? . . . . . . . . . . . . . . . . .                        32
                          Intención del diseño deseada . . . . . . . . . . . . . . . . . . . . . . . .                    33
                      Relaciones de croquis . . . . . . . . . . . . . . . . . . . . . . . . . . . . . . . . .             33
                          Relaciones de croquis automáticas . . . . . . . . . . . . . . . . . . . .                       33
                          Relaciones de croquis agregadas . . . . . . . . . . . . . . . . . . . . .                       33
                          Ejemplos de relaciones de croquis . . . . . . . . . . . . . . . . . . . .                       35
                          Cómo seleccionar objetos múltiples . . . . . . . . . . . . . . . . . . .                        38
                      Cotas . . . . . . . . . . . . . . . . . . . . . . . . . . . . . . . . . . . . . . . . . . . . . .   38
                          Acotar: Selección y vista previa . . . . . . . . . . . . . . . . . . . . . .                    39
                          Cotas angulares . . . . . . . . . . . . . . . . . . . . . . . . . . . . . . . . . . .           41
                      Redondeos de croquis . . . . . . . . . . . . . . . . . . . . . . . . . . . . . . . . .              41
                      Extruir . . . . . . . . . . . . . . . . . . . . . . . . . . . . . . . . . . . . . . . . . . . . .   42
                      Ejercicio 1: Croquizado de líneas verticales y horizontales . . . .                                 45
                      Ejercicio 2: Cómo croquizar líneas con inferencias . . . . . . . . . .                              46
                      Ejercicio 3: Cómo croquizar líneas. . . . . . . . . . . . . . . . . . . . . . .                     47
Lección 3:
Modelado básico de piezas
                      Modelado básico . . . . . . . . . . . . . . . . . . . . . . . . . . . . . . . . . . . . .           51
                          Etapas del proceso . . . . . . . . . . . . . . . . . . . . . . . . . . . . . . . .              51
                      Terminología . . . . . . . . . . . . . . . . . . . . . . . . . . . . . . . . . . . . . . . .        52
                          Operación . . . . . . . . . . . . . . . . . . . . . . . . . . . . . . . . . . . . . . .         52
                          Plano . . . . . . . . . . . . . . . . . . . . . . . . . . . . . . . . . . . . . . . . . . .     52
                          Extrusión. . . . . . . . . . . . . . . . . . . . . . . . . . . . . . . . . . . . . . . .        52
                          Croquis . . . . . . . . . . . . . . . . . . . . . . . . . . . . . . . . . . . . . . . . .       52
                          Saliente . . . . . . . . . . . . . . . . . . . . . . . . . . . . . . . . . . . . . . . . .      52
                          Corte . . . . . . . . . . . . . . . . . . . . . . . . . . . . . . . . . . . . . . . . . . .     52
                          Redondeos y redondos . . . . . . . . . . . . . . . . . . . . . . . . . . . . .                  52
                          Intención del diseño . . . . . . . . . . . . . . . . . . . . . . . . . . . . . . .              52
                      Cómo elegir el mejor perfil. . . . . . . . . . . . . . . . . . . . . . . . . . . . .                53
                      Cómo elegir el plano de croquis . . . . . . . . . . . . . . . . . . . . . . . . .                   54
                          Planos de referencia . . . . . . . . . . . . . . . . . . . . . . . . . . . . . . .              54
                          Ubicación del modelo . . . . . . . . . . . . . . . . . . . . . . . . . . . . . .                54
                      Detalles de la pieza . . . . . . . . . . . . . . . . . . . . . . . . . . . . . . . . . . .          56
                          Vistas estándar . . . . . . . . . . . . . . . . . . . . . . . . . . . . . . . . . . .           56


ii
Manual de formación SolidWorks 2006


                            Salientes principales . . . . . . . . . . . . . . . . . . . . . . . . . . . . . . .        56
                            Mejor perfil . . . . . . . . . . . . . . . . . . . . . . . . . . . . . . . . . . . . . .   57
                            Plano de croquis . . . . . . . . . . . . . . . . . . . . . . . . . . . . . . . . . .       57
                            Intención del diseño . . . . . . . . . . . . . . . . . . . . . . . . . . . . . . .         57
                            Cómo croquizar la primera operación . . . . . . . . . . . . . . . . .                      58
                            Opciones de extrusión. . . . . . . . . . . . . . . . . . . . . . . . . . . . . .           59
                            Cómo cambiar el nombre de las operaciones . . . . . . . . . . . .                          59
                        Operación Saliente . . . . . . . . . . . . . . . . . . . . . . . . . . . . . . . . . . .       60
                        Cómo croquizar en una cara plana . . . . . . . . . . . . . . . . . . . . . . .                 60
                            Croquizado . . . . . . . . . . . . . . . . . . . . . . . . . . . . . . . . . . . . . .     60
                            Zonas de destino del arco tangente . . . . . . . . . . . . . . . . . . . .                 61
                            Cómo realizar una transición automática entre
                            líneas y arcos. . . . . . . . . . . . . . . . . . . . . . . . . . . . . . . . . . . . .    61
                            Áreas de visualización . . . . . . . . . . . . . . . . . . . . . . . . . . . . .           63
                        Cómo utilizar el Asistente para taladro. . . . . . . . . . . . . . . . . . . .                 63
                            Cómo crear un taladro estándar . . . . . . . . . . . . . . . . . . . . . .                 64
                            Taladro de refrentado . . . . . . . . . . . . . . . . . . . . . . . . . . . . . .          66
                        Operación Cortar. . . . . . . . . . . . . . . . . . . . . . . . . . . . . . . . . . . . .      67
                            Cómo seleccionar objetos múltiples . . . . . . . . . . . . . . . . . . .                   67
                        Opciones de visualización . . . . . . . . . . . . . . . . . . . . . . . . . . . . .            68
                        Redondeos. . . . . . . . . . . . . . . . . . . . . . . . . . . . . . . . . . . . . . . . . .   68
                            Reglas de redondeo. . . . . . . . . . . . . . . . . . . . . . . . . . . . . . . .          69
                            Menú Comandos recientes . . . . . . . . . . . . . . . . . . . . . . . . . .                70
                            Propagación de redondeo . . . . . . . . . . . . . . . . . . . . . . . . . . .              70
                        Conceptos básicos de documentación. . . . . . . . . . . . . . . . . . . . .                    72
                            Configuraciones . . . . . . . . . . . . . . . . . . . . . . . . . . . . . . . . . .        73
                            Barras de herramientas . . . . . . . . . . . . . . . . . . . . . . . . . . . . .           73
                            Nuevo dibujo. . . . . . . . . . . . . . . . . . . . . . . . . . . . . . . . . . . . .      73
                        Vistas de dibujo. . . . . . . . . . . . . . . . . . . . . . . . . . . . . . . . . . . . . .    74
                            Cómo mover vistas . . . . . . . . . . . . . . . . . . . . . . . . . . . . . . . .          75
                        Centros de círculos . . . . . . . . . . . . . . . . . . . . . . . . . . . . . . . . . . .      76
                        Cotas del modelo . . . . . . . . . . . . . . . . . . . . . . . . . . . . . . . . . . . .       76
                            Cómo insertar todas las cotas del modelo. . . . . . . . . . . . . . .                      77
                            Cómo manipular cotas . . . . . . . . . . . . . . . . . . . . . . . . . . . . .             78
                            Cotas conducidas . . . . . . . . . . . . . . . . . . . . . . . . . . . . . . . . .         80
                            Asociatividad entre el modelo y el dibujo . . . . . . . . . . . . . .                      80
                        Cómo cambiar los parámetros . . . . . . . . . . . . . . . . . . . . . . . . . .                81
                            Cómo reconstruir el modelo . . . . . . . . . . . . . . . . . . . . . . . . .               81
                            Cómo actualizar la pantalla. . . . . . . . . . . . . . . . . . . . . . . . . .             81
                        Ejercicio 4: Chapa. . . . . . . . . . . . . . . . . . . . . . . . . . . . . . . . . . . .      85
                        Ejercicio 5: Cambios básicos . . . . . . . . . . . . . . . . . . . . . . . . . . .             86
                        Ejercicio 6: Soporte . . . . . . . . . . . . . . . . . . . . . . . . . . . . . . . . . .       88
                        Ejercicio 7: Cómo trabajar con fracciones . . . . . . . . . . . . . . . . .                    89
                        Ejercicio 8: Dibujos de la pieza . . . . . . . . . . . . . . . . . . . . . . . . .             92
                        Ejercicio 9: Guía . . . . . . . . . . . . . . . . . . . . . . . . . . . . . . . . . . . . .    93




                                                                                                                        iii
Manual de formación SolidWorks 2006


Lección 4:
Cómo modelar una pieza de fundición o forja
                    Estudio de casos: Trinquete . . . . . . . . . . . . . . . . . . . . . . . . . . . . 99
                        Etapas del proceso . . . . . . . . . . . . . . . . . . . . . . . . . . . . . . . . 99
                    Intención del diseño . . . . . . . . . . . . . . . . . . . . . . . . . . . . . . . . . 100
                    Operación Saliente con ángulo de salida . . . . . . . . . . . . . . . . . 101
                        Cómo construir el asa . . . . . . . . . . . . . . . . . . . . . . . . . . . . . 101
                        Intención del diseño del asa . . . . . . . . . . . . . . . . . . . . . . . . 101
                    Simetría en el croquis . . . . . . . . . . . . . . . . . . . . . . . . . . . . . . . . 103
                        Simetría mientras se croquiza . . . . . . . . . . . . . . . . . . . . . . . 103
                        Simetría después de croquizar . . . . . . . . . . . . . . . . . . . . . . 103
                        Acotación automática de croquis . . . . . . . . . . . . . . . . . . . . 104
                    Primera operación . . . . . . . . . . . . . . . . . . . . . . . . . . . . . . . . . . . 106
                    Croquizado dentro del modelo . . . . . . . . . . . . . . . . . . . . . . . . . 107
                        Intención del diseño de la transición. . . . . . . . . . . . . . . . . . 107
                        Perfil circular . . . . . . . . . . . . . . . . . . . . . . . . . . . . . . . . . . . 108
                        Cómo croquizar el círculo. . . . . . . . . . . . . . . . . . . . . . . . . . 109
                        Cómo cambiar la apariencia de las cotas . . . . . . . . . . . . . . 109
                        Cómo extruir hasta el siguiente . . . . . . . . . . . . . . . . . . . . . 110
                        Intención del diseño de la cabeza . . . . . . . . . . . . . . . . . . . . 111
                        Solucionar conflictos . . . . . . . . . . . . . . . . . . . . . . . . . . . . . 114
                    Opciones de visualización . . . . . . . . . . . . . . . . . . . . . . . . . . . . .115
                        Opciones de visualización . . . . . . . . . . . . . . . . . . . . . . . . . 117
                        Opciones de modificación . . . . . . . . . . . . . . . . . . . . . . . . . 117
                        Funciones del botón central del ratón . . . . . . . . . . . . . . . . . 118
                    Métodos abreviados del teclado . . . . . . . . . . . . . . . . . . . . . . . . .118
                    Cómo utilizar aristas del modelo en un croquis . . . . . . . . . . . . .119
                         Ampliar selección . . . . . . . . . . . . . . . . . . . . . . . . . . . . . . . 119
                        Cómo croquizar una equidistancia . . . . . . . . . . . . . . . . . . . 119
                    Cómo crear geometría de croquis recortada . . . . . . . . . . . . . . . 120
                        Recortar y extender . . . . . . . . . . . . . . . . . . . . . . . . . . . . . . . 121
                        Cómo modificar cotas . . . . . . . . . . . . . . . . . . . . . . . . . . . . . 124
                        Cómo medir . . . . . . . . . . . . . . . . . . . . . . . . . . . . . . . . . . . . 126
                    Cómo utilizar las operaciones Copiar y Pegar . . . . . . . . . . . . . 127
                        Cómo croquizar el taladro. . . . . . . . . . . . . . . . . . . . . . . . . . 127
                        Operaciones Copiar y Pegar . . . . . . . . . . . . . . . . . . . . . . . . 128
                        Relaciones colgantes. . . . . . . . . . . . . . . . . . . . . . . . . . . . . . 129
                        Cómo editar un croquis. . . . . . . . . . . . . . . . . . . . . . . . . . . . 129
                    Cómo editar operaciones . . . . . . . . . . . . . . . . . . . . . . . . . . . . . 131
                        Cómo editar el redondeo. . . . . . . . . . . . . . . . . . . . . . . . . . . 131
                    Ejercicio 10: Soporte base . . . . . . . . . . . . . . . . . . . . . . . . . . . . 133
                    Ejercicio 11: Cambios en el asa del trinquete. . . . . . . . . . . . . . 136
                    Ejercicio 12: Soporte de herramienta . . . . . . . . . . . . . . . . . . . . 138
                    Ejercicio 13: Brazo complementario . . . . . . . . . . . . . . . . . . . . 139
                    Ejercicio 14: Polea . . . . . . . . . . . . . . . . . . . . . . . . . . . . . . . . . . 141




iv
Manual de formación SolidWorks 2006


Lección 5:
Matrices
                                 ¿Por qué emplear matrices? . . . . . . . . . . . . . . . . . . . . . . . . . . .              145
                                     Comparación de matrices . . . . . . . . . . . . . . . . . . . . . . . . . .               145
                                     Opciones de matriz . . . . . . . . . . . . . . . . . . . . . . . . . . . . . . .          148
                                     Gestor de diseño del FeatureManager desplegable. . . . . . .                              149
                                 Matriz lineal . . . . . . . . . . . . . . . . . . . . . . . . . . . . . . . . . . . . . . .   149
                                     Cómo eliminar instancias . . . . . . . . . . . . . . . . . . . . . . . . . .              150
                                     Matrices de geometría. . . . . . . . . . . . . . . . . . . . . . . . . . . . .            151
                                 Matrices circulares . . . . . . . . . . . . . . . . . . . . . . . . . . . . . . . . . .       152
                                     Consideraciones acerca de los ejes . . . . . . . . . . . . . . . . . . .                  152
                                 Simetrías de matriz . . . . . . . . . . . . . . . . . . . . . . . . . . . . . . . . . .       153
                                 Cómo utilizar la opción Sólo matriz de operación a repetir . . .                              154
                                 Matrices conducidas por curva . . . . . . . . . . . . . . . . . . . . . . . . .               156
                                 Matrices conducidas por croquis y por tabla . . . . . . . . . . . . . .                       158
                                 Cómo utilizar Variar croquis. . . . . . . . . . . . . . . . . . . . . . . . . . .             161
                                 Crear una matriz de una matriz. . . . . . . . . . . . . . . . . . . . . . . . .               163
                                 Cómo crear matrices de caras . . . . . . . . . . . . . . . . . . . . . . . . . .              163
                                 Patrones de rayado . . . . . . . . . . . . . . . . . . . . . . . . . . . . . . . . . .        165
                                 Ejercicio 15: Matrices lineales . . . . . . . . . . . . . . . . . . . . . . . . .             169
                                 Ejercicio 16: Matrices conducidas por croquis o por tabla. . . .                              170
                                 Ejercicio 17: Cómo saltar instancias. . . . . . . . . . . . . . . . . . . . .                 171
                                 Ejercicio 18: Simetrías de matriz y lineales . . . . . . . . . . . . . . .                    172
                                 Ejercicio 19: Matrices conducidas por curva . . . . . . . . . . . . . .                       173
                                 Ejercicio 20: Cómo utilizar Variar croquis. . . . . . . . . . . . . . . .                     175
Lección 6:
Operaciones de revolución
                     Estudio de casos: Volante de maniobra. . . . . . . . . . . . . . . . . . .                                179
                         Etapas del proceso . . . . . . . . . . . . . . . . . . . . . . . . . . . . . . .                      179
                     Intención del diseño . . . . . . . . . . . . . . . . . . . . . . . . . . . . . . . . .                    180
                     Operaciones de revolución . . . . . . . . . . . . . . . . . . . . . . . . . . . .                         180
                         Geometría de croquis de la operación de revolución . . . . .                                          180
                         Reglas que rigen los croquis de operaciones
                         de revolución. . . . . . . . . . . . . . . . . . . . . . . . . . . . . . . . . . . .                  182
                         Cómo acotar el croquis . . . . . . . . . . . . . . . . . . . . . . . . . . . .                        182
                         Cotas de diámetro . . . . . . . . . . . . . . . . . . . . . . . . . . . . . . . .                     183
                         Cómo crear la operación de revolución . . . . . . . . . . . . . . .                                   184
                     Cómo construir el reborde . . . . . . . . . . . . . . . . . . . . . . . . . . . .                         186
                         Sólidos multicuerpo . . . . . . . . . . . . . . . . . . . . . . . . . . . . . .                       188
                     Cómo construir el radio . . . . . . . . . . . . . . . . . . . . . . . . . . . . . .                       189
                         Cómo completar los croquis de perfil y la ruta. . . . . . . . . .                                     190
                         Chaflanes . . . . . . . . . . . . . . . . . . . . . . . . . . . . . . . . . . . . . .                 192
                     Editar material. . . . . . . . . . . . . . . . . . . . . . . . . . . . . . . . . . . . . .                193
                         Gráficos RealView . . . . . . . . . . . . . . . . . . . . . . . . . . . . . . .                       193
                     Propiedades físicas . . . . . . . . . . . . . . . . . . . . . . . . . . . . . . . . . .                   195
                         Propiedades físicas como propiedades personalizadas . . . .                                           196
                     COSMOSXpress . . . . . . . . . . . . . . . . . . . . . . . . . . . . . . . . . . . .                      197
                         Vista general . . . . . . . . . . . . . . . . . . . . . . . . . . . . . . . . . . . .                 197
                         Malla . . . . . . . . . . . . . . . . . . . . . . . . . . . . . . . . . . . . . . . . . .             197
                         Resultados . . . . . . . . . . . . . . . . . . . . . . . . . . . . . . . . . . . . . .                197
                     Cómo utilizar el asistente . . . . . . . . . . . . . . . . . . . . . . . . . . . . .                      197


                                                                                                                                 v
Manual de formación SolidWorks 2006


                                    Fase 1: Opciones . . . . . . . . . . . . . . . . . . . . . . . . . . . . . . . . .           198
                                    Fase 2: Material . . . . . . . . . . . . . . . . . . . . . . . . . . . . . . . . .           198
                                    Fase 3: Restricción . . . . . . . . . . . . . . . . . . . . . . . . . . . . . . .            199
                                    Fase 4: Carga . . . . . . . . . . . . . . . . . . . . . . . . . . . . . . . . . . .          200
                                    Fase 5: Analizar . . . . . . . . . . . . . . . . . . . . . . . . . . . . . . . . .           202
                                    Fase 6: Resultados . . . . . . . . . . . . . . . . . . . . . . . . . . . . . . .             203
                                    Cómo actualizar el modelo . . . . . . . . . . . . . . . . . . . . . . . . .                  206
                                Ejercicio 21: Brida . . . . . . . . . . . . . . . . . . . . . . . . . . . . . . . . . .          211
                                Ejercicio 22: Rueda. . . . . . . . . . . . . . . . . . . . . . . . . . . . . . . . . .           212
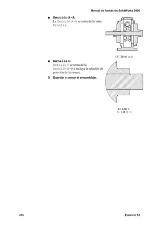
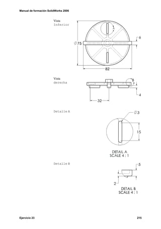
                                Ejercicio 23: Chapa de compresión . . . . . . . . . . . . . . . . . . . . .                      214
                                Ejercicio 24: Portaherramientas . . . . . . . . . . . . . . . . . . . . . . . .                  216
                                Ejercicio 25: Barridos . . . . . . . . . . . . . . . . . . . . . . . . . . . . . . . .           217
                                    Pasador de chaveta . . . . . . . . . . . . . . . . . . . . . . . . . . . . . . .             217
                                    Clip . . . . . . . . . . . . . . . . . . . . . . . . . . . . . . . . . . . . . . . . . . .   217
                                    Barrido de inglete . . . . . . . . . . . . . . . . . . . . . . . . . . . . . . . .           218
                                Ejercicio 26: COSMOSXpress . . . . . . . . . . . . . . . . . . . . . . . . .                     219
Lección 7:
Cómo editar: Reparaciones
                    Edición de piezas . . . . . . . . . . . . . . . . . . . . . . . . . . . . . . . . . . .                      223
                        Etapas del proceso . . . . . . . . . . . . . . . . . . . . . . . . . . . . . . .                         223
                    Temas de edición. . . . . . . . . . . . . . . . . . . . . . . . . . . . . . . . . . . .                      224
                        Información proveniente de un modelo . . . . . . . . . . . . . . .                                       224
                        Cómo encontrar y reparar problemas . . . . . . . . . . . . . . . . .                                     224
                        Diálogo ¿Qué errores hay? . . . . . . . . . . . . . . . . . . . . . . . . .                              225
                        Por dónde empezar . . . . . . . . . . . . . . . . . . . . . . . . . . . . . . .                          226
                    Comprobar croquis para operación. . . . . . . . . . . . . . . . . . . . . .                                  227
                        Designación por ventana. . . . . . . . . . . . . . . . . . . . . . . . . . .                             228
                        Cómo reparar el croquis . . . . . . . . . . . . . . . . . . . . . . . . . . .                            229
                    Información proveniente de un modelo . . . . . . . . . . . . . . . . . .                                     233
                        Retroceder a un croquis . . . . . . . . . . . . . . . . . . . . . . . . . . .                            238
                    Herramientas de reconstrucción . . . . . . . . . . . . . . . . . . . . . . . .                               241
                        Retroceder a operación . . . . . . . . . . . . . . . . . . . . . . . . . . . .                           241
                        Supresión de operaciones . . . . . . . . . . . . . . . . . . . . . . . . . .                             241
                        Interrupción e información de reconstrucción . . . . . . . . . .                                         241
                        Informe del tiempo de recálculo . . . . . . . . . . . . . . . . . . . . .                                241
                    Ejercicio 27: Errors1 . . . . . . . . . . . . . . . . . . . . . . . . . . . . . . . . .                      245
                    Ejercicio 28: Errors2 . . . . . . . . . . . . . . . . . . . . . . . . . . . . . . . . .                      246
                    Ejercicio 29: Copiar y relaciones colgantes . . . . . . . . . . . . . . .                                    247
Lección 8:
Cómo editar: Cambios en el diseño
                    Edición de piezas . . . . . . . . . . . . . . . . . . . . . . . . . . . . . . . . . . .                      251
                        Etapas del proceso . . . . . . . . . . . . . . . . . . . . . . . . . . . . . . .                         251
                    Cambios en el diseño . . . . . . . . . . . . . . . . . . . . . . . . . . . . . . . .                         251
                        Cambios requeridos . . . . . . . . . . . . . . . . . . . . . . . . . . . . . .                           252
                        Eliminaciones . . . . . . . . . . . . . . . . . . . . . . . . . . . . . . . . . . .                      252
                        Editar operación . . . . . . . . . . . . . . . . . . . . . . . . . . . . . . . . .                       253
                        Reordenar . . . . . . . . . . . . . . . . . . . . . . . . . . . . . . . . . . . . . .                    254
                        Editar croquis . . . . . . . . . . . . . . . . . . . . . . . . . . . . . . . . . . .                     255
                        Retroceder . . . . . . . . . . . . . . . . . . . . . . . . . . . . . . . . . . . . . .                   258
                    Contornos de croquis . . . . . . . . . . . . . . . . . . . . . . . . . . . . . . . .                         259


vi
Manual de formación SolidWorks 2006


                                     Contornos disponibles. . . . . . . . . . . . . . . . . . . . . . . . . . . . .             259
                                     Croquis compartidos . . . . . . . . . . . . . . . . . . . . . . . . . . . . . .            260
                                     Cómo copiar redondeos . . . . . . . . . . . . . . . . . . . . . . . . . . .                261
                                 Cómo agregar texturas . . . . . . . . . . . . . . . . . . . . . . . . . . . . . . .            264
                                 Ejercicio 30: Cambios. . . . . . . . . . . . . . . . . . . . . . . . . . . . . . . .           267
                                 Ejercicio 31: Cómo agregar ángulo de salida . . . . . . . . . . . . . .                        269
                                 Ejercicio 32: Cómo editar . . . . . . . . . . . . . . . . . . . . . . . . . . . . .            270
                                 Ejercicio 33: Croquis de contorno #1-#4 . . . . . . . . . . . . . . . . .                      271
                                 Ejercicio 34: Brazo de un asa . . . . . . . . . . . . . . . . . . . . . . . . . .              272
                                 Ejercicio 35: Bomba de aceite . . . . . . . . . . . . . . . . . . . . . . . . .                274
                                 Ejercicio 36: Cómo utilizar la herramienta de seleccionar
                                 contornos. . . . . . . . . . . . . . . . . . . . . . . . . . . . . . . . . . . . . . . . . .   276
Lección 9:
Configuraciones de las piezas
                     Configuraciones . . . . . . . . . . . . . . . . . . . . . . . . . . . . . . . . . . . .                    279
                         Terminología. . . . . . . . . . . . . . . . . . . . . . . . . . . . . . . . . . . .                    279
                     Utilización de configuraciones . . . . . . . . . . . . . . . . . . . . . . . . .                           280
                         Acceso al Configuration-Manager . . . . . . . . . . . . . . . . . . .                                  280
                         Cómo agregar nuevas configuraciones . . . . . . . . . . . . . . . .                                    281
                         Definición de la configuración . . . . . . . . . . . . . . . . . . . . . .                             282
                         Cómo cambiar configuraciones . . . . . . . . . . . . . . . . . . . . .                                 284
                         Cómo cambiar de nombre y copiar configuraciones . . . . .                                              284
                     Cómo editar piezas que tienen configuraciones . . . . . . . . . . . .                                      286
                     Biblioteca de diseño . . . . . . . . . . . . . . . . . . . . . . . . . . . . . . . . .                     288
                         La carpeta Operaciones. . . . . . . . . . . . . . . . . . . . . . . . . . . .                          288
                         Configuración predeterminada . . . . . . . . . . . . . . . . . . . . . .                               288
                         Referencias múltiples . . . . . . . . . . . . . . . . . . . . . . . . . . . . .                        289
                         Colocación en caras circulares . . . . . . . . . . . . . . . . . . . . . .                             290
                     Ejercicio 37: Configuraciones . . . . . . . . . . . . . . . . . . . . . . . . .                            293
                     Ejercicio 38: Más configuraciones . . . . . . . . . . . . . . . . . . . . . .                              295
                     Ejercicio 39: Cómo trabajar con configuraciones. . . . . . . . . . .                                       297
Lección 10:
Tablas de diseño y ecuaciones
                     Tablas de diseño . . . . . . . . . . . . . . . . . . . . . . . . . . . . . . . . . . . .                   303
                         Temas clave . . . . . . . . . . . . . . . . . . . . . . . . . . . . . . . . . . . .                    303
                     Vincular valores . . . . . . . . . . . . . . . . . . . . . . . . . . . . . . . . . . . .                   304
                     Ecuaciones . . . . . . . . . . . . . . . . . . . . . . . . . . . . . . . . . . . . . . . .                 305
                         Preparación para ecuaciones . . . . . . . . . . . . . . . . . . . . . . . .                            306
                         Funciones . . . . . . . . . . . . . . . . . . . . . . . . . . . . . . . . . . . . . .                  306
                         Formato de las ecuaciones . . . . . . . . . . . . . . . . . . . . . . . . .                            307
                         Algunas consideraciones finales sobre las ecuaciones . . . .                                           309
                     Tablas de diseño . . . . . . . . . . . . . . . . . . . . . . . . . . . . . . . . . . . .                   309
                         Crear una tabla de diseño automáticamente . . . . . . . . . . . .                                      309
                         Formatos de Excel . . . . . . . . . . . . . . . . . . . . . . . . . . . . . . .                        311
                         Anatomía de una tabla de diseño . . . . . . . . . . . . . . . . . . . .                                312
                         Agregar nuevos encabezados . . . . . . . . . . . . . . . . . . . . . . .                               313
                         Agregar configuraciones a la tabla . . . . . . . . . . . . . . . . . . .                               313
                     Tablas de diseño existentes . . . . . . . . . . . . . . . . . . . . . . . . . . . .                        315
                         Cómo insertar la tabla de diseño. . . . . . . . . . . . . . . . . . . . .                              316
                         Cómo insertar tablas de diseño en blanco. . . . . . . . . . . . . .                                    318



                                                                                                                                 vii
Manual de formación SolidWorks 2006


                                   Como guardar una tabla de diseño . . . . . . . . . . . . . . . . . . .                      318
                                   Otros usos de las configuraciones. . . . . . . . . . . . . . . . . . . .                    319
                               Estrategias de modelado para las configuraciones . . . . . . . . . .                            320
                               Otros aspectos acerca de cómo realizar dibujos . . . . . . . . . . . .                          321
                                   Propiedades de dibujo. . . . . . . . . . . . . . . . . . . . . . . . . . . . .              321
                                   Vista de sección simple. . . . . . . . . . . . . . . . . . . . . . . . . . . .              323
                                   Vistas de detalle . . . . . . . . . . . . . . . . . . . . . . . . . . . . . . . . .         323
                                   Anotaciones . . . . . . . . . . . . . . . . . . . . . . . . . . . . . . . . . . . .         325
                                   Cotas de coordenadas . . . . . . . . . . . . . . . . . . . . . . . . . . . . .              326
                                   Notas paramétricas . . . . . . . . . . . . . . . . . . . . . . . . . . . . . . .            327
                                   Área rayada . . . . . . . . . . . . . . . . . . . . . . . . . . . . . . . . . . . . .       329
                                   Tablas de diseño en un dibujo. . . . . . . . . . . . . . . . . . . . . . .                  330
                               En el curso avanzado... . . . . . . . . . . . . . . . . . . . . . . . . . . . . . . .           331
                               Ejercicio 40: Utilizar Vincular valores . . . . . . . . . . . . . . . . . . .                   333
                               Ejercicio 41: Utilizar ecuaciones . . . . . . . . . . . . . . . . . . . . . . .                 334
                               Ejercicio 42: Tablas de diseño de piezas . . . . . . . . . . . . . . . . .                      335
                               Ejercicio 43: Configuraciones existentes y tablas de diseño
                               vinculadas . . . . . . . . . . . . . . . . . . . . . . . . . . . . . . . . . . . . . . . . .    338
                               Ejercicio 44: Cómo diseñar configuraciones . . . . . . . . . . . . . .                          339
                               Ejercicio 45: Dibujos . . . . . . . . . . . . . . . . . . . . . . . . . . . . . . . .           343
Lección 11:
Vaciado y nervios
                               Vaciado y nervios . . . . . . . . . . . . . . . . . . . . . . . . . . . . . . . . . . .         347
                                   Etapas del proceso . . . . . . . . . . . . . . . . . . . . . . . . . . . . . . .            347
                               Cómo analizar y agregar ángulos de salida . . . . . . . . . . . . . . .                         347
                                   Análisis de ángulo de salida . . . . . . . . . . . . . . . . . . . . . . . .                348
                               Otras opciones de ángulo de salida. . . . . . . . . . . . . . . . . . . . . .                   349
                                   Ángulo de salida utilizando un plano neutro . . . . . . . . . . .                           350
                               Vaciado . . . . . . . . . . . . . . . . . . . . . . . . . . . . . . . . . . . . . . . . . . .   351
                                   Orden de operaciones . . . . . . . . . . . . . . . . . . . . . . . . . . . . .              351
                                   Selección de cara . . . . . . . . . . . . . . . . . . . . . . . . . . . . . . . .           351
                                   Planos de referencia . . . . . . . . . . . . . . . . . . . . . . . . . . . . . .            352
                               Nervios . . . . . . . . . . . . . . . . . . . . . . . . . . . . . . . . . . . . . . . . . . .   355
                                   Croquis de nervio . . . . . . . . . . . . . . . . . . . . . . . . . . . . . . . .           355
                               Redondeos completos . . . . . . . . . . . . . . . . . . . . . . . . . . . . . . . .             359
                               Operaciones lámina. . . . . . . . . . . . . . . . . . . . . . . . . . . . . . . . . .           360
                               Ejercicio 46: Tapa de bomba . . . . . . . . . . . . . . . . . . . . . . . . . .                 363
                               Ejercicio 47: Bola de ventilador de techo . . . . . . . . . . . . . . . . .                     365
                               Ejercicio 48: Blindaje de motor . . . . . . . . . . . . . . . . . . . . . . . .                 367
                               Ejercicio 49: Brazo . . . . . . . . . . . . . . . . . . . . . . . . . . . . . . . . . .         369
                               Ejercicio 50: Gancho . . . . . . . . . . . . . . . . . . . . . . . . . . . . . . . .            370
                               Ejercicio 51: Secador de cabello. . . . . . . . . . . . . . . . . . . . . . . .                 371
                               Ejercicio 52: Blindaje de cara . . . . . . . . . . . . . . . . . . . . . . . . . .              372
Lección 12:
Modelado de ensamblaje ascendente
                   Estudio de casos: Junta universal . . . . . . . . . . . . . . . . . . . . . . .                             377
                   Ensamblaje ascendente . . . . . . . . . . . . . . . . . . . . . . . . . . . . . . .                         377
                       Etapas del proceso . . . . . . . . . . . . . . . . . . . . . . . . . . . . . . .                        377
                       El ensamblaje . . . . . . . . . . . . . . . . . . . . . . . . . . . . . . . . . . .                     378
                   Cómo crear un nuevo ensamblaje . . . . . . . . . . . . . . . . . . . . . . .                                379
                   Posición del primer componente. . . . . . . . . . . . . . . . . . . . . . . .                               380


viii
Manual de formación SolidWorks 2006


                                Gestor de diseño y símbolos del FeatureManager . . . . . . . . . .                           380
                                    Grados de libertad. . . . . . . . . . . . . . . . . . . . . . . . . . . . . . . .        381
                                    Componentes . . . . . . . . . . . . . . . . . . . . . . . . . . . . . . . . . . .        381
                                    Anotaciones . . . . . . . . . . . . . . . . . . . . . . . . . . . . . . . . . . . .      382
                                    Marcador Retroceder . . . . . . . . . . . . . . . . . . . . . . . . . . . . .            382
                                    Reordenar . . . . . . . . . . . . . . . . . . . . . . . . . . . . . . . . . . . . . .    382
                                    Grupos de relaciones de posición . . . . . . . . . . . . . . . . . . . .                 382
                                Cómo agregar componentes . . . . . . . . . . . . . . . . . . . . . . . . . . .               383
                                    Insertar componente . . . . . . . . . . . . . . . . . . . . . . . . . . . . . .          383
                                    Cómo mover y girar componentes . . . . . . . . . . . . . . . . . . .                     384
                                    Establecer una relación de posición con otro componente .                                385
                                    Alineación y tipos de relaciones de posición . . . . . . . . . . .                       386
                                    Cómo establecer relaciones de posición concéntricas y
                                    coincidentes . . . . . . . . . . . . . . . . . . . . . . . . . . . . . . . . . . . .     388
                                    Relación de posición Ancho . . . . . . . . . . . . . . . . . . . . . . . .               392
                                    Relación de posición paralela . . . . . . . . . . . . . . . . . . . . . . .              396
                                    Cómo visualizar configuraciones de piezas en
                                    un ensamblaje . . . . . . . . . . . . . . . . . . . . . . . . . . . . . . . . . . .      396
                                    El pasador . . . . . . . . . . . . . . . . . . . . . . . . . . . . . . . . . . . . . .   396
                                Cómo utilizar configuraciones de piezas en ensamblajes. . . . .                              396
                                    El segundo Pasador . . . . . . . . . . . . . . . . . . . . . . . . . . . . . . .         398
                                    Cómo abrir un componente. . . . . . . . . . . . . . . . . . . . . . . . .                398
                                Cómo crear copias de instancias . . . . . . . . . . . . . . . . . . . . . . . .              400
                                Cómo ocultar componente y transparencia de componente . . .                                  400
                                Propiedades de componente . . . . . . . . . . . . . . . . . . . . . . . . . . .              402
                                Subensamblajes. . . . . . . . . . . . . . . . . . . . . . . . . . . . . . . . . . . . .      403
                                Smart Mates . . . . . . . . . . . . . . . . . . . . . . . . . . . . . . . . . . . . . . .    404
                                Cómo insertar subensamblajes . . . . . . . . . . . . . . . . . . . . . . . . .               405
                                    Cómo establecer relaciones de posición entre
                                    subensamblajes . . . . . . . . . . . . . . . . . . . . . . . . . . . . . . . . . .       406
                                    Relaciones de posición Distancia . . . . . . . . . . . . . . . . . . . .                 407
                                Ejercicio 53: Ensamblaje Caja de cambios. . . . . . . . . . . . . . . .                      411
                                Ejercicio 54: Tablas de diseño de piezas en un ensamblaje . . .                              415
                                Ejercicio 55: Relaciones de posición . . . . . . . . . . . . . . . . . . . .                 417
                                Ejercicio 56: Cambios en la junta en U . . . . . . . . . . . . . . . . . .                   418
                                Ejercicio 57: Molinillo . . . . . . . . . . . . . . . . . . . . . . . . . . . . . . .        420
Lección 13:
Cómo usar ensamblajes
                   Cómo usar ensamblajes . . . . . . . . . . . . . . . . . . . . . . . . . . . . . .                         425
                      Etapas del proceso . . . . . . . . . . . . . . . . . . . . . . . . . . . . . . .                       425
                   Cómo analizar el ensamblaje . . . . . . . . . . . . . . . . . . . . . . . . . .                           426
                      Cálculos de propiedades físicas . . . . . . . . . . . . . . . . . . . . .                              426
                      Cómo verificar la interferencia . . . . . . . . . . . . . . . . . . . . . .                            427
                      Detección de interferencias estática contra dinámica . . . . .                                         429
                      Consideraciones de rendimiento . . . . . . . . . . . . . . . . . . . . .                               430
                   Cómo cambiar los valores de las cotas . . . . . . . . . . . . . . . . . . .                               431
                   Cómo utilizar Cinemática con colisiones físicas . . . . . . . . . . .                                     433
                      Ejemplos . . . . . . . . . . . . . . . . . . . . . . . . . . . . . . . . . . . . . . .                 433
                      Sugerencias para trabajar con Cinemática con
                      colisiones físicas . . . . . . . . . . . . . . . . . . . . . . . . . . . . . . . . .                   435



                                                                                                                               ix
Manual de formación SolidWorks 2006


           Simulación física. . . . . . . . . . . . . . . . . . . . . . . . . . . . . . . . . . . .   435
               Barra de herramientas Simulación . . . . . . . . . . . . . . . . . . .                 435
               Opciones de la barra de herramientas . . . . . . . . . . . . . . . . .                 436
               Elementos de simulación . . . . . . . . . . . . . . . . . . . . . . . . . .            436
               Controlador de animaciones . . . . . . . . . . . . . . . . . . . . . . . .             437
               Opciones de reproducción . . . . . . . . . . . . . . . . . . . . . . . . .             437
               Gestor de diseño del FeatureManager . . . . . . . . . . . . . . . .                    437
           Ensamblajes explosionados . . . . . . . . . . . . . . . . . . . . . . . . . . .            439
               Configuración de la vista explosionada . . . . . . . . . . . . . . .                   439
               Explosión de un solo componente . . . . . . . . . . . . . . . . . . .                  441
               Explosión de varios componentes. . . . . . . . . . . . . . . . . . . .                 442
               Explosión de componentes de subensamblajes . . . . . . . . .                           443
               Espaciado automático . . . . . . . . . . . . . . . . . . . . . . . . . . . . .         443
               Reutilización de explosiones . . . . . . . . . . . . . . . . . . . . . . .             444
           Croquis con líneas de explosión . . . . . . . . . . . . . . . . . . . . . . . .            445
               Líneas de explosión . . . . . . . . . . . . . . . . . . . . . . . . . . . . . .        445
               Cómo animar vistas explosionadas. . . . . . . . . . . . . . . . . . .                  447
           Dibujos de ensamblajes . . . . . . . . . . . . . . . . . . . . . . . . . . . . . .         448
               Lista de materiales . . . . . . . . . . . . . . . . . . . . . . . . . . . . . . .      449
               Cómo agregar globos . . . . . . . . . . . . . . . . . . . . . . . . . . . . .          450
           En el curso Dibujos... . . . . . . . . . . . . . . . . . . . . . . . . . . . . . . . .     450
           Ejercicio 58: Cómo utilizar la detección de colisión . . . . . . . .                       451
           Ejercicio 59: Vistas explosionadas . . . . . . . . . . . . . . . . . . . . . .             452
           Ejercicio 60: Vistas explosionadas y dibujos de ensamblajes .                              453
Apéndice
           Configuración de Opciones . . . . . . . . . . . . . . . . . . . . . . . . . . .            457
              Cómo aplicar los cambios. . . . . . . . . . . . . . . . . . . . . . . . . .             457
              Cómo cambiar las opciones predeterminadas. . . . . . . . . . .                          457
              Configuración sugerida. . . . . . . . . . . . . . . . . . . . . . . . . . . .           457
           Plantillas de documento . . . . . . . . . . . . . . . . . . . . . . . . . . . . . .        458
              Cómo crear una plantilla de pieza. . . . . . . . . . . . . . . . . . . .                458
              Plantillas de dibujo y formatos de hoja. . . . . . . . . . . . . . . .                  461
              Cómo organizar sus plantillas. . . . . . . . . . . . . . . . . . . . . . .              461
              Plantillas predeterminadas . . . . . . . . . . . . . . . . . . . . . . . . .            461




x
Manual de formación SolidWorks 2006




                                                                 Lección 1
                                                             Introducción




                        Al finalizar esta lección, podrá:
                           Describir las características clave de un modelo sólido y
                           paramétrico basado en operaciones.
                           Distinguir entre las operaciones croquizadas y aplicadas.
                           Identificar los principales componentes de la interfaz de usuario
                           de SolidWorks.
                           Explicar cómo los diferentes métodos de acotación conducen a
                           diferentes interpretaciones de la intención de los diseños.




                                                                                           1
Lección 1      Manual de formación SolidWorks 2006
Introducción




2
Manual de formación SolidWorks 2006                                                  Lección 1
                                                                                     Introducción


Informaciones            El objetivo de este curso es enseñarle a utilizar el software de
sobre este               automatización de diseño mecánico para construir modelos
curso                    paramétricos de piezas y ensamblajes, así como el método para
                         realizar dibujos simples de esas piezas y ensamblajes.
                         SolidWorks 2006 es una aplicación tan sólida y tan rica en
                         operaciones que resulta poco práctico analizar minuciosamente
                         todos los aspectos y detalles en este curso. Aun así, la extensión del
                         curso es considerable. Por lo tanto, este curso se centra en las
                         funciones y los conceptos básicos que son cruciales para un uso
                         correcto de SolidWorks 2006. Debe considerar el manual del curso
                         de formación como un anexo de la documentación del sistema y la
                         ayuda en línea y no como un substituto de éstos. Una vez que haya
                         adquirido los conocimientos para utilizar las funciones básicas,
                         puede consultar la ayuda en línea para obtener información sobre
                         las opciones de comando que se utilizan con menor frecuencia.
Condiciones              Los estudiantes que asistan al curso deben:
previas                      Tener experiencia en el diseño mecánico.
                             Tener experiencia con el sistema operativo Windows™.
                             Leer el manual Introducción a SolidWorks. Se incluye una copia
                             de este manual junto con su software. O bien puede acceder a la
                             versión en línea de este manual haciendo clic en Ayuda,
                             Introducción a SolidWorks.
                             Haber realizado los tutoriales en línea integrados en el software
                             de SolidWorks. Puede acceder a los tutoriales en línea haciendo
                             clic en Ayuda, Tutorial en línea.
Diseño del curso         El curso se ha diseñado mediante un enfoque de aprendizaje que se
                         basa en las tareas o los procesos. A diferencia de los cursos que se
                         basan en las operaciones y las funciones, un curso de formación que
                         se basa en los procesos destaca los procesos y los procedimientos
                         que se deben seguir para llevar a cabo una determinada tarea.
                         Mediante la utilización de estudios de casos para ilustrar estos
                         procesos, usted aprenderá a utilizar los menús, las opciones y los
                         comandos necesarios para llevar a cabo una tarea de diseño.
Cómo utilizar este       Este manual de formación se ha concebido para que se utilice en un
manual                   aula con la asistencia de un instructor que tenga experiencia en
                         SolidWorks. No se ha concebido como tutorial autodidáctico. Los
                         ejemplos y los casos de estudio están diseñados para que el
                         instructor los realice “en directo”.
Ejercicios de            Los ejercicios de laboratorio le proporcionan la oportunidad de
laboratorio              aplicar y poner en práctica el material tratado en la lectura/
                         demostración práctica del curso. Se han concebido para representar
                         las situaciones de modelos y de diseño típicos, teniendo en cuenta
                         que deben ser lo suficientemente sencillos como para que se puedan
                         realizar durante las horas de clase. Tenga en cuenta que cada
                         estudiante tiene su propio ritmo de trabajo. En consecuencia, hemos
                         incluido más ejercicios de laboratorio de los que normalmente se
                         pueden realizar durante el curso. Con ello, se garantiza que ni
                         siquiera al estudiante más veloz le falten ejercicios.


Informaciones sobre este curso                                                                 3
Lección 1                                            Manual de formación SolidWorks 2006
Introducción


Consideraciones       Los dibujos y las cotas facilitadas en los ejercicios de laboratorio no
sobre las cotas       se han concebido para reflejar ningún estándar particular de
                      croquizado. De hecho, en algunas ocasiones las cotas se
                      proporcionan en una forma que el sector industrial nunca aceptaría.
                      La razón para ello es que los laboratorios están diseñados para
                      animarle a aplicar la información tratada en clase y para utilizar y
                      reforzar ciertas técnicas de modelado. En consecuencia, los dibujos y
                      las cotas de los ejercicios se han diseñado como complementos para
                      alcanzar este objetivo.
Informaciones         La tapa trasera contiene un CD con copias de los diferentes archivos
acerca del CD         que se utilizan a lo largo del curso. Las mismas se organizan por
                      número de lección. La carpeta Case Study (Estudio de casos)
                      incluida en cada lección contiene los archivos que su instructor
                      utiliza mientras presenta las lecciones. La carpeta Exercises
                      (Ejercicios) contiene todos los archivos necesarios para realizar los
                      ejercicios de laboratorio.
Windows® 2000 y       Las capturas de pantalla de este manual se hicieron con SolidWorks
Windows® XP           2006 en Windows® 2000 y Windows® XP. Es posible que observe
                      diferencias en el aspecto de los menús y las ventanas. Estas
                      diferencias no afectan al rendimiento del software.
Convenciones que      En este manual se utilizan las siguientes convenciones tipográficas:
se utilizan en este
manual                    Convención                          Significado
                       Sans Serif            Las opciones y los comandos de SolidWorks
                       Negrita               aparecen en este estilo. Por ejemplo,
                                             Insertar, Saliente significa escoger la
                                             opción Saliente del menú Insertar.
                       Fuente                Los nombres de las operaciones, así como el
                       máquina de            de los archivos, aparecen en este estilo. Por
                       escribir              ejemplo, Sketch1.
                                             Las líneas dobles se colocan antes y después
                       17 Realice este       de las secciones de los procedimientos. De
                       paso                  esta manera, se separan los pasos del
                                             procedimiento y los grandes bloques de
                                             explicaciones. Los pasos se numeran
                                             utilizando el estilo sans serif negrita.

Utilización del       En la interfaz de usuario de SolidWorks, se utilizan de forma
color                 extensa los colores para destacar la geometría seleccionada y para
                      proporcionar una ayuda visual. Con ello, se aumenta el grado de
                      intuición y la facilidad al utilizar el software de SolidWorks. Para
                      sacar el máximo provecho de ello, los materiales de formación se
                      han impreso en color.




4                                                           Informaciones sobre este curso
Manual de formación SolidWorks 2006                                                Lección 1
                                                                                   Introducción


                        Asimismo, en muchas ocasiones, se
                        han utilizado colores adicionales en
                        las ilustraciones para comunicar
                        conceptos, identificar operaciones
                        y, además, transmitir información
                        importante. Por ejemplo, es posible
                        que se muestren los resultados de
                        una operación de redondeo con los
                        redondeos en un color diferente, aunque de modo predeterminado el
                        software de SolidWorks no muestre los resultados de esa manera.
¿Qué es el              El software de automatización de diseño mecánico de SolidWorks
software de             es una herramienta de diseño de modelado sólido paramétrica y
SolidWorks?             basada en operaciones que aprovecha la facilidad de aprendizaje de
                        la interfaz gráfica de usuario de Windows™. Puede crear modelos
                        sólidos en 3D totalmente asociativos con o sin restricciones
                        mientras utiliza al mismo tiempo las relaciones automáticas o
                        definidas por el usuario para capturar la intención del diseño.
                        Los términos que aparecen en cursiva significan lo siguiente:
                        Basado en operaciones
                        Del mismo modo que un ensamblaje está compuesto por una serie
                        de piezas individuales, un modelo de SolidWorks también está
                        compuesto por elementos individuales. Dichos elementos se
                        denominan operaciones.
                        Cuando usted crea un modelo mediante el software de SolidWorks,
                        trabaja con operaciones geométricas inteligentes y fáciles de
                        entender, como salientes, cortes, taladros, nervios, redondeos,
                        chaflanes y ángulos de salida. A medida que se crean estas
                        operaciones, las mismas se aplican directamente a la pieza con la
                        que está trabajando.
                        Las operaciones se pueden clasificar como croquizadas o aplicadas.
                            Operaciones croquizadas: las que se basan en un croquis en 2D.
                            Generalmente, ese croquis se transforma en un sólido mediante
                            extrusión, rotación, barrido o recubrimiento.
                            Operaciones aplicadas: las que se crean directamente en el
                            modelo sólido. Los redondeos y los chaflanes son ejemplos de
                            este tipo de operación.
                        El software de SolidWorks muestra gráficamente la estructura
                        basada en operaciones del modelo en una ventana especial
                        denominada Gestor de diseño del FeatureManager®. El gestor de
                        diseño del FeatureManager no sólo muestra la secuencia en la que
                        se han creado las operaciones, sino que también le facilita el acceso
                        a toda la información relacionada subyacente. A lo largo de este
                        curso, aprenderá más cosas sobre el gestor de diseño del
                        FeatureManager.




¿Qué es el software de SolidWorks?                                                           5
Lección 1                                       Manual de formación SolidWorks 2006
Introducción


               Para ilustrar el concepto del
               modelado basado en
               operaciones, considere la
               pieza que se muestra en la
               parte derecha:



               Esta pieza se puede visualizar
               como una colección de
               diversas operaciones
               diferentes; algunas agregan
               material, como el saliente
               cilíndrico, y otras eliminan
               material, como el taladro
               hasta profundidad
               especificada.
               Si se tuvieran que asignar las
               operaciones individuales a su
               correspondiente lista en el gestor de diseño del FeatureManager, el
               resultado tendría un aspecto similar a éste:




               Paramétrico
               Las cotas y las relaciones utilizadas para crear una operación se
               capturan y se almacenan en el modelo. Gracias a ello, no sólo es
               posible la captura de la intención del diseño, sino que también se
               pueden realizar de manera rápida y sencilla cambios en el modelo.
                  Cotas conductoras: cotas utilizadas al crear una operación.
                  Incluyen las cotas relacionadas con la geometría de croquis, así
                  como las relacionadas con la operación en sí. Una operación
                  como un saliente cilíndrico sería un ejemplo simple de ello.
                  El diámetro del círculo del croquis controla el diámetro del


6                                                ¿Qué es el software de SolidWorks?
Manual de formación SolidWorks 2006                                                 Lección 1
                                                                                   Introducción


                            saliente. La profundidad a la que se realizó la extrusión del
                            círculo cuando se realizó la operación controla la altura del
                            saliente.
                            Relaciones: incluyen información del tipo paralelismo,
                            tangencia y concentricidad. Históricamente, este tipo de
                            información se ha comunicado en los dibujos a través de los
                            símbolos de control de las operaciones. Capturando esto en el
                            croquis, SolidWorks le permite capturar totalmente la intención
                            del diseño directamente en el modelo.
                        Modelado sólido
                        Un modelo sólido es el tipo más completo de modelo geométrico
                        utilizado en los sistemas de CAD. Contiene toda la geometría de
                        superficie y alámbrica necesaria para describir detalladamente las
                        aristas y las caras del modelo. Además de la información
                        geométrica, contiene toda la información denominada topológica
                        que interrelaciona la geometría. Un ejemplo de información
                        topológica sería qué caras (superficies) se encuentran en qué arista
                        (curva). La inteligencia hace que funciones como el redondeo
                        resulten tan fáciles como seleccionar una arista y especificar un
                        radio.
                        Totalmente asociativo
                        Un modelo de SolidWorks es totalmente asociativo a los dibujos y
                        ensamblajes a los que hace referencia. Los cambios efectuados en el
                        modelo se reflejan automáticamente en los dibujos y ensamblajes
                        relacionados. De un modo similar, puede efectuar modificaciones
                        en el contexto del dibujo o del ensamblaje y tener la certeza de que
                        esas modificaciones se reflejarán en el modelo
                        Restricciones
                        Las relaciones geométricas paralelas, perpendiculares, horizontales,
                        verticales, concéntricas y coincidentes son tan sólo algunas de las
                        restricciones que SolidWorks admite. Además, se pueden utilizar
                        ecuaciones para establecer relaciones matemáticas entre los
                        parámetros. Mediante las restricciones y las ecuaciones, puede
                        garantizar que se capturen y se mantengan los conceptos del diseño,
                        como los taladros o los radios iguales.
                        Intención del diseño
                        La intención del diseño es el plan que ha establecido con relación al
                        comportamiento que debe presentar el modelo al modificarlo. Por
                        ejemplo, si modela un saliente que contenga un taladro hasta
                        profundidad especificada, el taladro debería desplazarse al
                        desplazarse el saliente. De un modo similar, si modela una matriz de
                        taladro circular compuesta por seis taladros separados por una
                        distancia equitativa, el ángulo entre los taladros debe cambiar
                        automáticamente al cambiar el número de taladros de seis a ocho.
                        Las técnicas utilizadas para crear el modelo determinan cómo y qué
                        tipo de intención del diseño se captura.




¿Qué es el software de SolidWorks?                                                             7
Lección 1                                       Manual de formación SolidWorks 2006
Introducción


Intención del     Para utilizar con eficacia un modelador paramétrico como
diseño            SolidWorks, debe tener en cuenta la intención del diseño antes de
                  modelar. La intención del diseño es el plan que ha establecido con
                  relación al comportamiento que debe presentar el modelo al
                  modificarlo. La manera en que se ha creado el modelo regirá el
                  modo en que se modificará. Existen diversos factores que
                  contribuyen al modo en que se captura la intención del diseño:
                  Relaciones automáticas (croquis)
                  En función del croquis que se ha realizado de la geometría, estas
                  relaciones pueden proporcionar relaciones geométricas comunes
                  entre los objetos, como paralela, perpendicular, horizontal y
                  vertical.
                  Ecuaciones
                  Se utilizan para relacionar cotas en forma algebraica y proporcionan
                  una forma externa de forzar cambios.
                  Relaciones agregadas
                  Añadidas al modelo cuando éste se crea, las relaciones
                  proporcionan otra manera de conectar la geometría relacionada.
                  Algunas relaciones comunes son la concéntrica, tangente,
                  coincidente y colineal.
                  Acotación
                  La manera en la que se acote un croquis influirá en la intención del
                  diseño. Agregue las cotas de manera que reflejen cómo desea
                  modificarlas.
Ejemplos de       A continuación, le mostramos algunos ejemplos de intenciones de
intenciones del   diseño en un croquis.
diseño            Un croquis acotado de esta forma
                  mantendrá los taladros a 20 mm de
                  cada extremo, independientemente de
                  cómo se modifique el ancho total de
                  la chapa de 100 mm.



                  Cotas de línea base como las que se
                  presentan harán que los taladros se
                  coloquen en relación con la arista
                  izquierda de la chapa. Las
                  modificaciones en el ancho global de
                  la chapa no afectan las posiciones de
                  los taladros.




8                                                                 Intención del diseño
Manual de formación SolidWorks 2006                                                Lección 1
                                                                                   Introducción


                        Las acotaciones desde la arista y de
                        centro a centro mantendrán la
                        distancia entre los centros de los
                        taladros y permitirán que se
                        modifique de esta manera.




Cómo las                La intención del diseño se ve afectada
operaciones             por algo más que por la mera acotación
afectan la              de un croquis. También reviste
intención del           importancia la elección de las
diseño                  operaciones y la metodología de
                        modelado. Por ejemplo, considere el
                        caso de un eje único escalonado como se
                        muestra en la parte derecha. Podemos
                        construir una pieza como ésta de diversas maneras.
El enfoque "por         El enfoque "por capas" construye las partes de la pieza una a una,
capas"                  agregando cada capa, u operación, a la anterior, como se muestra a
                        continuación:




                        La modificación del grosor de una capa posee un efecto en espiral,
                        ya que modifica la posición del resto de las capas que se crearon
                        posteriormente.
El enfoque "torno de    El enfoque "torno de alfarero" construye la
alfarero"               pieza como una operación Revolución
                        simple. Un croquis simple que representa
                        la sección transversal incluye toda la
                        información y todas las cotas necesarias
                        para construir la pieza como una operación.
                        Aunque este enfoque pueda parecer muy
                        eficaz, el hecho de poseer toda la información sobre el diseño en
                        una operación simple limita la flexibilidad y puede complicar los
                        cambios.
El enfoque              El enfoque "fabricación" aplicado al modelado imita la forma en la
"fabricación"           que se fabricaría la pieza. Por ejemplo, si se gira un eje escalonado
                        en un torno, usted empezaría con una pieza de material de barra y
                        quitaría material mediante una serie de cortes.




Intención del diseño                                                                         9
Lección 1                                           Manual de formación SolidWorks 2006
Introducción


Iconos que no se     A veces se encontrará con comandos, iconos y opciones de menú
pueden               que aparecen atenuados y no se pueden seleccionar. Es posible que
seleccionar          esto ocurra por no trabajar en el entorno adecuado para acceder a
                     estas opciones. Por ejemplo, si trabaja en un croquis (modo Editar
                     croquis), tiene acceso a todas las herramientas de croquizar. No
                     obstante, no puede seleccionar los iconos como el redondeo o el
                     chaflán en la barra de herramientas Operaciones. De un modo
                     similar, si trabaja en modo Editar pieza, puede acceder a esos
                     iconos, pero las herramientas de croquizar aparecen atenuadas y no
                     se pueden seleccionar. Este diseño es útil para los usuarios con poca
                     experiencia, ya que limita las elecciones únicamente a aquéllas que
                     son adecuadas, atenuando las que no lo son.
¿Preseleccionar o    Por norma general, el software de SolidWorks no requiere la
no preseleccionar?   preselección de objetos antes de abrir un menú o un cuadro de
                     diálogo. Por ejemplo, si desea agregar redondeos a las arista del
                     modelo, tiene total libertad: puede seleccionar las aristas primero y
                     después hacer clic en la herramienta Redondeo o bien puede hacer
                     clic en Redondeo y a continuación seleccionar las aristas. Usted
                     elige.
La interfaz de       La interfaz de usuario de SolidWorks es una interfaz de Windows y,
usuario de           como tal, se comporta del mismo modo que el resto de las
SolidWorks           aplicaciones de Windows. A continuación, le presentamos algunos
                     de los aspectos más importantes de la interfaz.




                     Menús desplegables                    Barras
                                      Ventana          de herramientas
                                      Documento

                                             Zona de gráficos
                               Gestor de diseño
                               del FeatureManager
                                                   Panel de
                                                   tareas




                                           Área de estado




                                          Sistema de referencia




10                                                    La interfaz de usuario de SolidWorks
Manual de formación SolidWorks 2006                                             Lección 1
                                                                                Introducción


Menús                    Los menús proporcionan acceso a todos los
                         comandos que ofrece el software de
                         SolidWorks.
                         Cuando un elemento del menú tiene una
                         flecha que señala hacia la derecha, como la
                         siguiente:                , significa que
                         existe un submenú asociado a esa elección.
                         Cuando una serie de puntos precede un
                         elemento del menú, como en este caso:
                                        , significa que esa opción
                         abre un cuadro de diálogo con información o
                         elecciones adicionales.




                         Cuando se selecciona el elemento
                         Personalizar el menú, cada elemento
                         aparece con una casilla de verificación. Si
                         se desactiva la casilla de verificación, se
                         elimina el elemento asociado del menú.




Métodos                  Algunos elementos de menú indican un acceso directo del teclado
abreviados del           como el siguiente:              SolidWorks utiliza las
teclado                  convenciones estándar de Windows para los métodos abreviados,
                         como por ejemplo Ctrl+A para Archivo, Abrir; Ctrl+G para
                         Archivo, Guardar; Ctrl+Z para Edición, Deshacer, etcétera.
                         Además, puede personalizar SolidWorks creando sus propios
                         métodos abreviados.




La interfaz de usuario de SolidWorks                                                     11
Lección 1                                          Manual de formación SolidWorks 2006
Introducción


Barras de            Los menús de las barras de herramientas proporcionan accesos
herramientas         directos para acceder rápidamente a los comandos que se utilizan
                     con mayor frecuencia. Las barras de herramientas están organizadas
                     de acuerdo con la función y pueden personalizarse, eliminarse o
                     volverse a organizar según sus preferencias. Las opciones
                     individuales de las mismas se tratarán con más detalle a lo largo de
                     este curso.
Ejemplo de una       A continuación, se muestra un ejemplo de una barra de
barra de             herramientas; en este caso, se trata de la barra de herramientas
herramientas         Estándar. Esta barra de herramientas contiene funciones de uso
                     común como abrir documentos nuevos o existentes, guardar
                     documentos, imprimir, copiar y pegar objetos, deshacer, rehacer y
                     ayuda.




Mostrar las barras   Puede activar o desactivar barras de herramientas utilizando uno de
de herramientas      estos tres métodos:
                     Haga clic en Herramientas, Personalizar.
                     En la página Barras de herramientas, haga clic en las casillas de
                     verificación para seleccionar cada barra de herramientas que desea
                     mostrar. Borre las casillas de verificación de las barras de
                     herramientas que desea ocultar.




Nota                 Para acceder a Herramientas, Personalizar, debe tener un
                     documento abierto. Además, se puede utilizar la pestaña
                     Comandos para agregar o eliminar iconos de las barras de
                     herramientas.




12                                                  La interfaz de usuario de SolidWorks
Manual de formación SolidWorks 2006                                      Lección 1
                                                                         Introducción


Personalización          Las barras de herramientas se pueden activar
para flujo de trabajo    y desactivar en función del sector industrial
                         mediante la opción Personalización para
                         flujo de trabajo en la pestaña Opciones.
                         Hay varios sectores industriales disponibles.


                         Haga clic con el botón secundario de
                         ratón en el área de la barra de
                         herramientas de la ventana de
                         SolidWorks.
                         Las marcas de verificación indican las barras
                         de herramientas actualmente visibles. Borre
                         las marcas de verificación de las barras de
                         herramientas que desea ocultar.
                         Haga clic en Ver, Barras de herramientas.
                         De este modo, visualizará la misma lista de
                         barras de herramientas.




La interfaz de usuario de SolidWorks                                              13
Lección 1                                          Manual de formación SolidWorks 2006
Introducción


Cómo organizar   Las barras de herramientas, incluido el Administrador de
las barras de    comandos, pueden organizarse de muchas maneras. Pueden
herramientas     distribuirse alrededor de los cuatro bordes de la ventana de
                 SolidWorks o arrastrarse a las zonas de gráficos o del
                 FeatureManager. Estas posiciones se “recuerdan” al salir de
                 SolidWorks, de modo que la próxima vez que se inicie SolidWorks,
                 las barras de herramientas estarán donde las dejó. A continuación,
                 se muestra una de estas organizaciones.




                                           Barras de
                                          herramientas




                  Administrador
                  de comandos




Sugerencias      Las Sugerencias
rápidas          rápidas forman
                 parte del sistema de
                 ayuda en línea.
                 Preguntan "¿Qué le
                 gustaría hacer?" y
                 proporcionan
                 respuestas típicas
                 según la tarea actual.
                 Si hace clic en una
                 respuesta, se
                 resaltará la barra de           Activar y desactivar
                 herramientas y el               las sugerencias rápidas
                 icono necesarios                Activar/Desactivar
                 para realizar dicha
                 tarea.




14                                                   La interfaz de usuario de SolidWorks
Manual de formación SolidWorks 2006                                                  Lección 1
                                                                                    Introducción


Gestor de diseño         El gestor de diseño del FeatureManager es una pieza única del
del                      software de SolidWorks que muestra todas las operaciones de una
FeatureManager           pieza o un ensamblaje. Las operaciones se agregan al gestor de
                         diseño del FeatureManager a medida que se crean. Como resultado,
                         el gestor de diseño del FeatureManager representa la secuencia
                         cronológica de las operaciones de modelado. El gestor de diseño del
                         FeatureManager también permite el acceso a la edición de las
                         operaciones (objetos) que contiene.
Menús del                Muchos comandos de SolidWorks se ejecutan a través de los menús
PropertyManager          del PropertyManager. Los menús del PropertyManager ocupan la
                         misma posición en pantalla que el gestor de diseño del
                         FeatureManager y lo reemplazan cuando están en uso.
                         El esquema de color y el aspecto de los menús del PropertyManager
                         puede modificarse mediante Herramientas, Opciones, Colores.
                         Consulte la ayuda en línea de SolidWorks para obtener más
                         información.
                         La fila superior                   Aceptar
                         de botones                              Cancelar
                         contiene los                                Ayuda
                         botones
                         estándar
                         Aceptar,
                         Cancelar y                                                Icono Abrir
                         Ayuda.                                                    y Cerrar
                         Debajo de la      Cuadro de grupo
                         fila superior de Abierto y activo
                         botones se
                         encuentra uno o
                                           Cuadro de grupo
                         más Cuadros
                                           Cerrado e inactivo
                         de grupo que
                         contienen
                         opciones relacionadas. Los mismos pueden abrirse (expandirse) o
                         cerrarse (colapsarse) y en muchos casos activarse o desactivarse.
Consideraciones          El Administrador de comandos es
acerca del               un conjunto de barras de herramien-
Administrador de         tas diseñado para ayudar al usuario
comandos                 principiante, que trabaja solo, a rea-
                         lizar determinadas tareas. Por ejem-
                         plo, la versión de pieza de la barra de
                         herramientas tiene dos grupos prin-
                         cipales: Las Operaciones y los
                         Croquis aparecen como botones en
                         la parte superior.
                         En este manual no utilizará la barra
                         de herramientas Administrador de
                         comandos. En su lugar, se utilizará el conjunto de barras de
                         herramientas estándar generales. Para obtener más información,
                         consulte Barras de herramientas en la página 12.



La interfaz de usuario de SolidWorks                                                         15
Lección 1                                            Manual de formación SolidWorks 2006
Introducción


Panel de tareas        La ventana Panel de tareas se utiliza para albergar las opciones
                       Recursos de SolidWorks         , Biblioteca de diseño     y
                       Explorador de archivos . La ventana aparece a la derecha de
                       manera predeterminada pero se puede mover y su tamaño se puede
                       ajustar. Se puede abrir/cerrar , fijar o mover desde su posición
                       predeterminada en la parte derecha de la interfaz.




Cómo abrir             Puede abrir las piezas y ensamblajes necesa-
laboratorios con la    rios para los ejercicios de laboratorio con la
Biblioteca de diseño   biblioteca de diseño. Agregue los archivos
                       de clase a la biblioteca de diseño con este
                       procedimiento.
                          Abra el Panel de tareas y la Biblioteca
                          de diseño.
                          Haga clic en Agregar ubicación de
                          archivo     .
                          Seleccione la carpeta Essentials -
                          Parts (Conceptos básicos: Piezas) y
                          Assemblies (Ensamblajes) que se
                          utiliza para los archivos de clase.
                          Debería estar bajo la carpeta
                          SolidWorks 2006 Training Files.
                          Haga clic en Aceptar.
                       Haga doble clic en el icono de la pieza o ensamblaje de la
                       Biblioteca de diseño para abrirla.




16                                                     La interfaz de usuario de SolidWorks
Manual de formación SolidWorks 2006                                                 Lección 1
                                                                                   Introducción


Botones del ratón        Los botones izquierdo, derecho y central del ratón tienen distintos
                         significados en SolidWorks.
                         Izquierdo
                         Selecciona objetos como geometría, botones de menús y objetos en
                         el gestor de diseño del FeatureManager.
                         Derecho
                         Activa un menú contextual sensible al contexto. El contenido del
                         menú difiere según el objeto sobre el que se encuentra el cursor.
                         Estos menús también representan accesos directos a comandos
                         utilizados frecuentemente.
                         Central
                         Gira, traslada o aplica el zoom sobre una pieza o un ensamblaje.
                         Traslada un dibujo.
Ayuda del sistema        La ayuda se brinda como un símbolo asociado
                         a la flecha del cursor indicando lo que está             Vértice
                         seleccionando o lo que el sistema espera que             Arista
                         seleccione. A medida que el cursor flota por el
                         modelo, la ayuda vendrá en forma de símbolos,            Cara
                         al lado del cursor. La ilustración de la derecha
                         muestra algunos de los símbolos: vértices,               Cota
                         aristas, caras y cotas.
Opciones                 En el menú Herramientas, el cuadro de diálogo Opciones le
                         permite personalizar el software de SolidWorks para reflejar
                         elementos tales como estándares de croquizado al igual que sus
                         preferencias individuales y su entorno de trabajo.




La interfaz de usuario de SolidWorks                                                         17
Lección 1                                       Manual de formación SolidWorks 2006
Introducción


Personalización   Tiene diversos niveles de personalización. Estos objetos son:
                  Opciones de sistema
                  Las opciones agrupadas bajo el título Opciones de sistema se
                  guardan en su sistema y afectan cada documento abierto en su
                  sesión de SolidWorks. Los parámetros del sistema le permiten
                  controlar y personalizar su entorno de trabajo. Por ejemplo, es
                  posible que usted desee trabajar con una ventana de visualización a
                  color. Yo no lo deseo. Puesto que éste es un parámetro del sistema,
                  las piezas o los ensamblajes abiertos en su sistema tendrán una
                  ventana a color. Los mismos archivos abiertos en mi sistema no lo
                  tendrán.
                  Propiedades de documento
                  Ciertos parámetros se aplican al documento individual. Por
                  ejemplo, las unidades, los estándares de croquizado y las
                  propiedades del material (densidad) son parámetros de documento.
                  Se guardan con el documento y no cambian, independientemente
                  del sistema en el que se abre el documento.
                  Para obtener más información sobre los parámetros de opciones
                  utilizados en este curso, consulte Configuración de Opciones en la
                  página 457 en el Apéndice.
                  Plantillas de documentos
                  Las plantillas de documentos son documentos predefinidos
                  configurados con ciertos parámetros específicos. Por ejemplo, es
                  posible que desee dos plantillas diferentes para las piezas. Una con
                  parámetros en Inglés como estándares de croquizado ANSI y
                  unidades en pulgadas y una con parámetros métricos como
                  unidades en milímetros y estándares de croquizado ISO. Puede
                  configurar tantas plantillas de documentos como necesite. Pueden
                  organizarse en diferentes carpetas para tener un fácil acceso a las
                  mismas al abrir documentos nuevos. Puede crear plantillas de
                  documentos para piezas, ensamblajes y dibujos.
                  Para obtener instrucciones más detalladas sobre la creación de
                  plantillas de documentos, consulte Plantillas de documento en la
                  página 458 en el Apéndice.
                  Objeto
                  Muchas veces, las propiedades de un objeto individual pueden
                  cambiarse o editarse. Por ejemplo, puede cambiar la visualización
                  predeterminada de una cota para suprimir una o ambas líneas de
                  referencia o puede cambiar el color de una operación.




18                                               La interfaz de usuario de SolidWorks
Manual de formación SolidWorks 2006




                                             Lección 2
                            Introducción al croquizado




                        Al finalizar esta lección, podrá:
                           Crear una pieza nueva.
                           Insertar un nuevo croquis.
                           Agregar geometría de croquis.
                           Establecer relaciones de croquis entre piezas de geometría.
                           Entender el estado del croquis.
                           Utilizar herramientas de croquizar para agregar chaflanes y
                           redondeos.
                           Extruir el croquis para convertirlo en un sólido.




                                                                                         19
Lección 2                    Manual de formación SolidWorks 2006
Introducción al croquizado




20
Manual de formación SolidWorks 2006                                                  Lección 2
                                                                       Introducción al croquizado


Croquizado en           Esta lección presenta el croquizado en 2D, la base del modelado en
2D                      SolidWorks.




                        Los croquis se utilizan para todas las operaciones de croquizado en
                        SolidWorks, incluyendo:
                            Extrusiones                           Revoluciones
                            Barridos                              Recubrimientos
                        La ilustración a continuación muestra cómo un croquis dado puede
                        formar la base de varios tipos diferentes de operaciones.




                        Extrusión      Revolución            Barrido         Recubrimiento

                        En esta lección, se tratarán solamente las operaciones de extrusión.
                        Las demás serán explicadas en detalle en lecciones o cursos
                        posteriores.
Etapas del              Cada croquis posee diversas características que contribuyen a su
proceso                 forma, tamaño y orientación.
                        Nueva pieza
                        Las nuevas piezas pueden ser creadas en pulgadas, milímetros u
                        otras unidades. Las piezas son utilizadas para crear y contener al
                        modelo sólido.
                        Croquis
                        Los croquis son colecciones de geometría 2D que se utilizan para
                        crear operaciones sólidas.
                        Geometría de croquis
                        Tipos de geometrías 2D tales como líneas, círculos y rectángulos
                        que conforman el croquis.
                        Relaciones de croquis
                        Relaciones geométricas tales como horizontal y vertical se aplican a
                        la geometría de croquis. Las relaciones restringen el movimiento de
                        las entidades.



Croquizado en 2D                                                                              21
Lección 2                                                     Manual de formación SolidWorks 2006
Introducción al croquizado


                                 Estado del croquis
                                 Cada croquis posee un estado que determina si el mismo está listo o
                                 no para ser utilizado. El estado puede ser: completamente definido,
                                 insuficientemente definido o definido en exceso.
                                 Herramientas de croquizar
                                 Las herramientas pueden utilizarse para modificar la geometría de
                                 croquis que haya sido creada. Esto a menudo involucra el recorte o
                                 la extensión de las entidades.
                                 Cómo extruir el croquis
                                 La extrusión utiliza el croquis 2D para crear una operación
                                 sólida 3D.


Procedimiento                    El proceso en esta lección incluye croquizado y extrusiones.
                                 Para comenzar, se crea un archivo para una nueva pieza.
                             1   Nueva pieza.
                                 Haga clic en Nuevo     o haga clic en Archivo, Nuevo en la barra
                                 de herramientas Estándar. Haga clic en la plantilla Part_IN de la
                                 pestaña Training Templates (Plantillas de formación) en el cuadro
                                 de diálogo Nuevo documento de SolidWorks y haga clic en
                                 Aceptar.




                                 La pieza se crea con la configuración de la plantilla. Un parámetro
                                 clave es el dado por las unidades de la pieza. Como su nombre lo
                                 indica, esta plantilla de pieza utiliza pulgadas para las unidades.
                                 Usted puede crear y guardar la cantidad deseada de plantillas
                                 diferentes, todas con diferente configuración.




22                                                                                Etapas del proceso
Manual de formación SolidWorks 2006                                                   Lección 2
                                                                        Introducción al croquizado




                     2   Cómo guardar una pieza.
                         Utilice la opción Guardar del menú Archivo o seleccione el botón
                         Guardar      de la barra de herramientas Estándar para guardar la
                         pieza con el nombre Plate. La extensión, *.sldprt, se agrega
                         automáticamente. Haga clic en Guardar.




¿Qué es lo que           En esta sección se creará la primera operación de una pieza.
vamos a                  Tal operación inicial es simplemente la primera de muchas
croquizar?               operaciones necesarias para completar la pieza.




Croquizado               El croquizado es el acto de crear un perfil de 2 dimensiones
                         compuesto por geometrías de estructura alámbrica. Los tipos de
                         geometría más comunes son líneas, arcos, círculos y elipses. El
                         croquizado es dinámico, con información proporcionada por el
                         cursor para que la tarea sea más fácil.
Planos                   Para crear un croquis, debe elegir un plano sobre el cual croquizar.
predeterminados          El sistema proporciona tres planos iniciales de manera
                         predeterminada. Los mismos se denominan Alzado, Planta y
                         Vista lateral.
Introducción:            Cuando se crea un nuevo croquis, Insertar croquis abre el
Insertar croquis         croquizador sobre el plano o la cara plana seleccionada
                         actualmente. También puede utilizar Insertar croquis para editar
                         un croquis existente.


¿Qué es lo que vamos a croquizar?                                                              23
Lección 2                                                         Manual de formación SolidWorks 2006
Introducción al croquizado


                                 Debe seleccionar un plano de referencia o una cara plana del
                                 modelo después de hacer clic en Insertar, Croquis. El cursor
                                 aparece para indicar que debería seleccionar una cara o un plano.
Dónde encontrarlo                Puede acceder al comando Insertar croquis de varias maneras.
                                    En la barra de herramientas Croquis, haga clic en la
                                    herramienta .
                                    O, en el menú Insertar, haga clic en Croquis.
                                    O, con el cursor colocado sobre un plano o cara plana del
                                    modelo, haga clic con el botón secundario del ratón y elija
                                    Insertar croquis en el menú contextual.


                             3   Abrir un nuevo
                                 croquis.
                                 Abra el croquis haciendo
                                 clic en     o eligiendo
                                 Croquis en el menú
                                 Insertar. Se mostrarán
                                 los tres planos
                                 predeterminados para la
                                 selección con una
                                 orientación
                                 Trimétrica. Una
                                 vista Trimétrica es
                                 una orientación ilustrativa orientada de modo que los tres planos
                                 mutuamente perpendiculares aparezcan escorzados irregularmente.
                                 En la pantalla, elija el plano Alzado. El plano será resaltado y
                                 girará.
Nota                             El Sistema de referencia (esquina inferior izquierda)
                                 muestra la orientación de los ejes de coordenadas del
                                 modelo (rojo-X, verde-Y y azul-Z) en todo momento. Puede
                                 ser útil mostrar cómo la orientación de la vista se ha cambiado con
                                 relación al Alzado.
                             4   Croquis activo.
                                 El plano Alzado
                                 seleccionado gira hasta
                                 quedar paralelo a la pantalla.
                                 Esto sólo sucede en el primer
                                 croquis de cada pieza
                                 El símbolo      representa el
                                 origen del modelo de la pieza
                                 que es la intersección de los tres ejes X, Y y Z. Se muestra en color
                                 rojo, lo que indica que está activo.




24                                                                                        Croquizado
Manual de formación SolidWorks 2006                                                   Lección 2
                                                                        Introducción al croquizado


Introducción:           Cuando hay muchos comandos SolidWorks activos, un símbolo o
Esquina de              conjunto de símbolos aparece en la esquina superior derecha de la
confirmación            zona de gráficos. Esta área se denomina Esquina de
                        confirmación.
Indicador de croquis    Cuando un croquis está activo o abierto, la esquina de
                        confirmación muestra dos símbolos. Uno tiene el aspecto
                        de un croquis. El otro es una X roja. Estos símbolos
                        proporcionan un recordatorio visual de que usted está
                        activo en un croquis. Al hacer clic en el símbolo de croquis, saldrá
                        de este último y se guardará cualquier cambio realizado. Al hacer
                        clic en la X roja, saldrá del croquis y se descartará cualquier cambio
                        realizado.
                        Cuando otros comandos están activos, la esquina de
                        confirmación muestra una marca de verificación y una
                        X. La marca de verificación ejecuta el comando actual.
                        La X cancela el comando.
Entidades de            SolidWorks ofrece una completa variedad de herramientas de
croquis                 croquizar para la creación de geometría de perfiles. En esta lección,
                        se utilizará solamente una de las formas más básicas: Líneas.
Geometría de            El siguiente cuadro muestra las entidades básicas de croquis que
croquis                 están disponibles de manera predeterminada en la barra de
                        herramientas Croquis.

                                                 Botón de la
                            Entidad de
                                                  barra de          Ejemplo de geometría
                             croquis
                                                herramientas
                         Línea



                         Círculo



                         Arco centro
                         extremos
                         Arco tangente

                         Arco 3 puntos

                         Elipse


                         Elipse parcial




Entidades de croquis                                                                           25
Lección 2                                                 Manual de formación SolidWorks 2006
Introducción al croquizado



                                                     Botón de la
                                 Entidad de
                                                      barra de         Ejemplo de geometría
                                  croquis
                                                    herramientas
                              Parábola



                              Spline



                              Polígono


                              Rectángulo


                              Paralelogramo



                              Punto

                              Línea constructiva



Croquizado                   La mejor forma de comenzar un croquizado es mediante el uso de la
básico                       forma más elemental, la Línea.
Cómo funciona el             Existen dos técnicas que pueden ser utilizadas para croquizar
croquizado                   geometría:
                                Clic-clic
                                Ubique el cursor en el lugar donde desea iniciar la línea. Haga
                                clic (presione y suelte) con el botón izquierdo del ratón. Mueva
                                el cursor hasta el lugar donde desea que la línea finalice. Una
                                vista preliminar de la entidad de croquis seguirá al cursor como
                                una banda elástica. Haga clic en el botón izquierdo del ratón por
                                segunda vez.
                                Clic-arrastrar
                                Ubique el cursor en el lugar donde desea iniciar la línea.
                                Presione y mantenga presionado el botón izquierdo del ratón.
                                Arrastre el cursor hasta el lugar donde desea que la entidad de
                                croquis finalice. Una vista preliminar de la entidad de croquis
                                seguirá al cursor como una banda elástica. Suelte el botón
                                izquierdo del ratón.




26                                                                            Croquizado básico
Manual de formación SolidWorks 2006                                                  Lección 2
                                                                       Introducción al croquizado


Introducción:           La herramienta Línea crea segmentos de línea única en un croquis.
Insertar línea          Se pueden crear líneas horizontales y verticales durante el
                        croquizado observando los símbolos de ayuda del cursor.

Dónde encontrarlo          En el menú Herramientas, seleccione Entidades de croquis,
                           Línea.
                           O, con el cursor en la ventana de gráficos, haga clic con el botón
                           secundario del ratón y seleccione Línea en el menú contextual.
                           O, en la barra de herramientas Croquis, haga clic en Línea .
Introducción:           Relaciones de croquis se utiliza para forzar un comportamiento
Relaciones de           en un elemento de croquis, capturando así la intención del diseño.
croquis                 Las relaciones de croquis se describen en detalle en Relaciones de
                        croquis en la página 33.

                    1   Croquizar una línea.
                        Haga clic en la herramienta Línea      y
                        croquice una línea horizontal desde el origen.
                        En el cursor aparece el símbolo “ ”, que indica que una relación
                        Horizontal se está agregando automáticamente a la línea. El
                        número indica la longitud de la línea. Vuelva a hacer clic para
                        finalizar la línea.

Importante              No se preocupe demasiado tratando de darle la longitud exacta a la
                        línea. El software de SolidWorks trabaja con cotas conductoras: las
                        cotas controlan el tamaño de la geometría y no a la inversa. Dibuje
                        el croquis aproximadamente con el tamaño y la forma correctos y
                        luego utilice cotas para darle precisión.
                    2   Línea en ángulo.
                        Comenzando en el extremo de la
                        primera línea, croquice una línea en un
                        ángulo.




Líneas de               Además de los símbolos “ ” y “ ”, también aparecerán líneas de
inferencia              inferencia discontinuas para ayudarle con la alineación respecto de
(Relaciones             la geometría existente. Estas líneas incluyen vectores, líneas
automáticas)            perpendiculares, horizontales, verticales, tangentes y centros
                        existentes.




Croquizado básico                                                                             27
Lección 2                                                      Manual de formación SolidWorks 2006
Introducción al croquizado


                                 Observe que algunas líneas capturan las
                                 relaciones geométricas reales, mientras que
                                 otras simplemente actúan como guía o
                                 referencia mientras se croquiza. Una                             A
                                 diferencia en el color de las líneas de
                                 inferencia las distinguirá. En la imagen de la
                                 derecha, las líneas etiquetadas “A” son
                                 verde oliva y si la línea de croquis se
                                 engancha a ellas, capturará una relación               B
                                 tangente o perpendicular. La línea
                                 etiquetada “B” es azul. Sólo proporciona una referencia, vertical en
                                 este caso, al otro punto final. Si la línea de croquis se termina en
                                 este punto, no será capturada ninguna relación vertical.
Nota                             Se puede activar y desactivar la visualización de las relaciones de
                                 croquis que aparecen automáticamente mediante las opciones Ver,
                                 Relaciones de croquis. Las mismas permanecerán activas durante
                                 la fase inicial del croquizado.

                             3   Líneas de inferencia.
                                 Moverse en una dirección
                                 perpendicular a la línea anterior
                                 produce la visualización de las líneas
                                 de inferencia. Se crea una relación
                                 Perpendicular entre esta línea y la
                                 última.
                                 El símbolo del cursor indica que está
                                 capturando una relación perpendicular.
                                 Tenga en cuenta que el cursor de línea no se muestra por cuestiones
                                 de claridad.
                             4   Perpendicular.
                                 Se crea otra línea perpendicular desde el
                                 último punto final. Una vez más, se
                                 captura automáticamente una relación
                                 perpendicular.




                             5   Referencia.
                                 Algunas inferencias son estrictamente para
                                 referencia y no crean relaciones. Aparecen
                                 en azul. Esta referencia se utiliza para
                                 alinear verticalmente el punto final con el
                                 origen.




28                                                                                Croquizado básico
Manual de formación SolidWorks 2006                                                  Lección 2
                                                                       Introducción al croquizado


Ayuda del croquis       El croquizador tiene muchas
                        operaciones de ayuda. El cursor
                        cambiará para mostrar qué tipo
                        de entidad está creando.
                        También indicará las selecciones
                        en la geometría existente que se encuentran disponibles, como final,
                        coincidente (en) o punto medio, mediante un punto rojo cuando el
                        cursor se posicione sobre una de las mismas.
                        Tres de los símbolos de ayuda más comunes son:

                         Punto final                               Aparecen círculos
                                                                   concéntricos amarillos
                                                                   en el punto final
                                                                   cuando el cursor está
                                                                   sobre él.
                         Punto medio                               El punto medio aparece
                                                                   como un cuadrado.
                                                                   Pasa a ser de color rojo
                                                                   cuando el cursor está
                                                                   por encima de la línea.
                         Coincidente                               Los cuadrantes del
                         (en arista)                               círculo aparecen con un
                                                                   círculo concéntrico por
                                                                   encima del punto
                                                                   central.


                    6   Cerrar.
                        Cierre el croquis con una línea final
                        conectada al punto inicial de la primera
                        línea.




Desactivar              Desactive la herramienta activa utilizando una de estas técnicas:
herramientas
                           Presione la tecla Esc del teclado.
                           Haga clic en la herramienta Línea    por segunda vez.
                           Haga clic en la herramienta Seleccionar .
                           Haga clic con el botón secundario del ratón en la zona de
                           gráficos y elija Seleccionar en el menú contextual.




Croquizado básico                                                                             29
Lección 2                                                  Manual de formación SolidWorks 2006
Introducción al croquizado




Estado de un                 Los croquis pueden estar en uno de tres estados de definición en
croquis                      cualquier momento. El estado de un croquis depende de las
                             relaciones geométricas entre la geometría y las cotas que la definen.
                             Los tres estados son:
Insuficientemente            La definición del croquis es inadecuada, pero el croquis aún puede
definido                     ser utilizado para crear operaciones. Esto resulta útil porque muchas
                             veces en las primeras etapas del proceso de diseño, no hay
                             suficiente información disponible para definir el croquis
                             completamente. Cuando haya mayor información disponible, el
                             resto de la definición puede ser agregada posteriormente. La
                             geometría de croquis insuficientemente definida es de color azul
                             (de manera predeterminada).
Completamente                El croquis cuenta con información completa. La geometría
definido                     completamente definida es de color negro (de manera
                             predeterminada). Como regla general, cuando una pieza se entrega
                             para su fabricación, los croquis contenidos en ella deben estar
                             completamente definidos.
Definido en exceso           El croquis tiene cotas duplicadas o relaciones en conflicto y no debe
                             ser utilizado hasta que sea reparado. Las cotas y las relaciones
                             extrañas deben eliminarse. La geometría definida en exceso es de
                             color rojo (de manera predeterminada).
Colores adicionales          Existen varios colores y estados adicionales que pueden aparecer
                             para la geometría del croquis. Los estados Colgante (marrón),
                             No solucionado (rosa) y No válido (amarillo) indican errores que
                             deben ser reparados.
Reglas que                   Diferentes tipos de croquis producirán diferentes resultados.
rigen los                    Varios tipos diferentes se resumen en la tabla a continuación. Es
croquis                      importante observar que algunas de las técnicas que se muestran en
                             dicha tabla son técnicas avanzadas que se tratan más adelante en
                             este curso o en otros cursos avanzados.

 Tipo de croquis             Descripción           Consideraciones especiales
                             Un croquis            No se requiere ninguna.
                             “estándar” típico
                             que es un contorno
                             cerrado
                             correctamente.

                             Varios contornos      No se requiere ninguna.
                             anidados crean un
                             saliente con un
                             corte interno.




30                                                                   Reglas que rigen los croquis
Manual de formación SolidWorks 2006                                                   Lección 2
                                                                        Introducción al croquizado



                          Un contorno abierto   No se requiere ninguna. Para obtener más
                          crea una operación    información, consulte Operaciones lámina
                          lámina con espesor    en la página 360.
                          constante.
                          Las esquinas no       Utilice la Herramienta de seleccionar
                          están correctamente   contornos. Para obtener más información,
                          cerradas. Deberían    consulte Contornos de croquis en la
                          estarlo.              página 259.
                                                Si bien este croquis funcionará, representa
                                                una técnica deficiente y hábitos de trabajo
                                                descuidados. No proceda de esa manera.
                          El croquis contiene   Utilice la Herramienta de seleccionar
                          un contorno que se    contornos. Para obtener más información,
                          entrecruza.           consulte Contornos de croquis en la
                                                página 259. Si se seleccionan ambos
                                                contornos, este tipo de croquis creará un
                                                Sólido multicuerpo. Consulte el apartado
                                                Sólidos multicuerpo en el curso Modelado
                                                de piezas avanzado.
                                                Si bien esto funcionará, los sólidos
                                                multicuerpo constituyen una técnica de
                                                modelado avanzada que no debería utilizar
                                                hasta que tenga más experiencia.
                          El croquis de la      Este tipo de croquis puede crear un Sólido
                          primera operación     multicuerpo. Consulte el apartado Sólidos
                          contiene contornos    multicuerpo en el curso Modelado de piezas
                          desarticulados.       avanzado.
                                                Si bien esto funcionará, los sólidos
                                                multicuerpo constituyen una técnica de
                                                modelado avanzada que no debería utilizar
                                                hasta que tenga más experiencia.


                      7   Estado actual del croquis.
                          El croquis está Insuficientemente
                          definido porque parte de la geometría es
                          de color azul. Observe que los puntos
                          finales de una línea pueden poseer un
                          color y un estado diferentes de los de la
                          línea propiamente dicha. Por ejemplo, la
                          línea vertical en el origen es negra porque
                          (a) es vertical y (b) está asociada al
                          origen. Sin embargo, el punto final más elevado es azul porque la
                          longitud de la línea está insuficientemente definida.




Reglas que rigen los croquis                                                                   31
Lección 2                                                      Manual de formación SolidWorks 2006
Introducción al croquizado


                             8   Arrastrar.
                                 La geometría insuficientemente definida
                                 (azul) puede ser arrastrada a nuevas
                                 ubicaciones. La geometría completamente
                                 definida no lo permite. Arrastre el punto
                                 extremo más elevado para cambiar la forma
                                 del croquis. El punto final arrastrado
                                 aparece como un punto verde.
                             9   Deshacer el cambio.
                                 Deshaga el último comando haciendo clic
                                 en la opción Deshacer        . Puede ver una lista de los últimos
                                 comandos (y seleccionar en la misma) haciendo clic en el menú de
                                 la flecha abajo. El acceso directo del teclado para Deshacer es
                                 Ctrl+Z.

Sugerencia                       También puede Rehacer          un cambio para volver al estado
                                 anterior a deshacer. El acceso directo del teclado para rehacer es
                                 Ctrl+Y.


Intención del                    La intención del diseño, como ya se ha expuesto, gobierna la
diseño                           manera en que se construye la pieza y cómo la misma cambiará. En
                                 este ejemplo, debe permitirse que la forma del croquis cambie de
                                 estas maneras:




¿Qué controla la                 La intención del diseño en un croquis es capturada y controlada por
intención del                    la combinación de dos elementos:
diseño?                             Relaciones de croquis
                                    Crean relaciones geométricas como paralela, colineal,
                                    perpendicular o coincidente entre elementos de croquis.
                                    Cotas
                                    Las cotas se utilizan para definir el tamaño y la ubicación de la
                                    geometría de croquis. Pueden agregarse cotas lineales, radiales,
                                    de diámetro y angulares.
                                 Para definir completamente un croquis y capturar la intención del
                                 diseño deseada es necesario comprender y aplicar una combinación
                                 de relaciones y cotas.




32                                                                               Intención del diseño
Manual de formación SolidWorks 2006                                                   Lección 2
                                                                        Introducción al croquizado


Intención del           Para que el croquis pueda cambiar de manera apropiada, se
diseño deseada          requieren las relaciones y cotas correctas. A continuación, se detalla
                        la intención de diseño requerida:
                         Líneas horizontales y
                         verticales.




                         Valor del ángulo.




                         Valor de distancia paralela.




                         Esquinas con ángulo recto
                         o líneas perpendiculares.




                         Valor de la longitud total.




Relaciones de           Las Relaciones de croquis se utilizan para forzar un
croquis                 comportamiento en un elemento de croquis, capturando así la
                        intención del diseño. Algunas son automáticas y otras pueden ser
                        agregadas según se necesiten. En este ejemplo, veremos las
                        relaciones sobre una de las líneas y examinaremos cómo afectan la
                        intención del diseño del croquis.
Relaciones de           Las relaciones automáticas son agregadas a medida que la
croquis                 geometría es croquizada. Ya vimos esto mientras croquizábamos el
automáticas             contorno en los pasos anteriores. La información del croquis le
                        avisa cuando las relaciones automáticas están siendo creadas.
Relaciones de           Para aquellas relaciones que no pueden ser agregadas
croquis agregadas       automáticamente, existen herramientas para crear relaciones
                        basadas en la geometría seleccionada y agregar cotas.



Relaciones de croquis                                                                          33
Lección 2                                                     Manual de formación SolidWorks 2006
Introducción al croquizado


Introducción:                   Visualizar relaciones le muestra y opcionalmente le permite
Visualizar                      eliminar relaciones geométricas entre elementos de croquis.
relaciones

Dónde encontrarlo                  Haga doble clic en la entidad.
                                   Aparecen símbolos que indican qué relaciones están
                                   asociadas con esa identidad. En este ejemplo, la
                                   línea tiene dos relaciones: horizontal y tangente.
                                   El PropertyManager.
                                   Seleccione la entidad y el PropertyManager
                                   mostrará las relaciones asociadas a dicha
                                   entidad.


                                   Haga clic en Visualizar/eliminar
                                   relaciones      en la barra de herramientas
                                   Cotas/Relaciones.
                                   El PropertyManager mostrará una lista de
                                   todas las relaciones en el croquis.




                             10 Visualizar las relaciones asociadas con
                                una línea.
                                Haga doble clic en la línea con el ángulo
                                superior extremo. Aparecen símbolos que
                                identifican las líneas perpendiculares a la
                                línea que ha seleccionado.




                             11 PropertyManager.
                                Cuando usted hace doble clic en la línea, el
                                PropertyManager se abre. El cuadro Relaciones
                                en el PropertyManager también enumera las
                                relaciones geométricas asociadas con la línea
                                seleccionada.




34                                                                            Relaciones de croquis
Manual de formación SolidWorks 2006                                                       Lección 2
                                                                            Introducción al croquizado


                        12 Eliminar la relación.
                           Elimine la relación superior haciendo clic
                           en la misma, ya sea en el símbolo o en el
                           PropertyManager, y presionando la tecla
                           Supr. Si se selecciona el símbolo, el mismo
                           se vuelve de color amarillo y muestra la
                           entidad o las entidades que controla.


                        13 Arrastrar el punto final.
                           Dado que la línea ya no está limitada a ser
                           perpendicular, cuando arrastre el croquis éste
                           se comportará de forma diferente. Compare
                           esto con el comportamiento del croquis
                           cuando lo arrastró en el paso 8.




Ejemplos de                Existen diversos tipos de Relaciones de croquis. Cuáles de ellas
relaciones de              son válidas dependerá de la combinación de geometría que usted
croquis                    haya seleccionado. Las selecciones pueden ser la entidad misma,
                           los puntos finales o una combinación de ambos elementos. Según la
                           selección, se dispone de un conjunto limitado de opciones. El
                           cuadro siguiente muestra algunos ejemplos de relaciones de
                           croquis. No es un listado completo de todas las relaciones
                           geométricas. A lo largo del desarrollo de este curso se presentarán
                           ejemplos adicionales.


                              Relación                  Antes                    Después
                        Coincidente entre
                        una línea y un punto
                        final.




                        Fusionar entre dos
                        puntos finales.




Relaciones de croquis                                                                              35
Lección 2                                            Manual de formación SolidWorks 2006
Introducción al croquizado



                                   Relación         Antes               Después
                             Paralela entre dos
                             líneas.




                             Perpendicular entre
                             dos líneas.




                             Colineal entre dos
                             líneas.




                             Horizontal aplicado
                             a una o más líneas.




                             Horizontal entre dos
                             puntos finales.




                             Vertical aplicado a
                             una o más líneas.




36                                                                 Relaciones de croquis
Manual de formación SolidWorks 2006                                                       Lección 2
                                                                            Introducción al croquizado



                              Relación                    Antes                  Después
                        Vertical entre dos
                        puntos finales.




                        Igual entre dos
                        líneas.




                        Igual entre dos arcos
                        o círculos



                        Punto medio entre
                        una línea y un punto
                        final.




Introducción:              Agregar Relaciones se utiliza para crear una relación geométrica
Agregar relaciones         como paralela o colineal entre dos elementos del croquis.

Dónde encontrarlo                 Seleccione la entidad o las entidades del
                                  croquis y elija la relación apropiada en la
                                  sección Agregar Relaciones del
                                  PropertyManager.
                                  O haga clic con el botón secundario del ratón
                                  en la entidad o las entidades y seleccione Agregar relación en
                                  el menú contextual.
                                  O bien haga clic en Herramientas, Relaciones, Agregar...
                                  O, en la barra de herramientas Croquis, haga clic en Agregar
                                  relaciones    .




Relaciones de croquis                                                                              37
Lección 2                                                     Manual de formación SolidWorks 2006
Introducción al croquizado


Cómo seleccionar                Utilice el botón izquierdo del ratón para seleccionar objetos,
objetos múltiples               del modo que aprendió en la Lección 1. ¿Cómo se hace para
                                seleccionar más de un objeto a la vez? Cuando se seleccionan
                                objetos múltiples, SolidWorks respeta las convenciones
                                estándar de Microsoft® Windows: Ctrl-seleccionar.
                                Mantenga presionada la tecla Ctrl mientras selecciona los
                                objetos.

                             14 Agregar una relación.
                                Presione Ctrl y seleccione
                                las dos líneas. El
                                PropertyManager muestra
                                sólo aquellas relaciones
                                válidas para la geometría
                                seleccionada.




                                Haga clic en Perpendicular y en Aceptar       .
                             15 Arrastrar el croquis.
                                Arrastre el croquis hasta que vuelva
                                aproximadamente a su forma original.




Cotas                           Las cotas son otro modo de definir geometrías y capturar la
                                intención del diseño en el sistema de SolidWorks. La ventaja de
                                utilizar una cota reside en que la misma se utiliza tanto para
                                visualizar el valor actual como para cambiarlo.




38                                                                                               Cotas
Manual de formación SolidWorks 2006                                                   Lección 2
                                                                        Introducción al croquizado


Introducción:           La herramienta Cota inteligente determina el tipo apropiado de
Cotas inteligentes      cota basado en la geometría escogida, obteniendo una vista
                        preliminar de la cota antes de crearla. Por ejemplo, si usted escoge
                        un arco, el sistema creará una cota radial. Si escoge un círculo,
                        obtendrá una cota de diámetro, mientras que si selecciona dos líneas
                        paralelas creará una cota lineal entre ellas. En los casos en que la
                        herramienta Cota inteligente no sea lo suficientemente inteligente,
                        usted tendrá la opción de seleccionar puntos finales y mover la cota
                        a diferentes posiciones de medición.

Dónde encontrarlo          En el menú Herramientas, seleccione Cotas, Inteligente.
                           O haga clic con el botón secundario del ratón y seleccione Cota
                           inteligente en el menú contextual.
                           O, en la barra de herramientas Cotas/Relaciones, seleccione la
                           herramienta Cota inteligente .
Acotar: Selección       Cuando usted elige la geometría de croquis mediante la herramienta
y vista previa          de cota, el sistema crea una vista preliminar de la cota. Esta vista
                        preliminar le permite ver todas las opciones posibles moviendo
                        simplemente el ratón después de realizar las selecciones. Al hacer
                        clic con el botón izquierdo del ratón, la cota se ubica en su posición
                        y orientación actuales. Al hacer clic con el botón secundario del
                        ratón, se bloquea sólo la orientación, permitiéndole mover el texto
                        antes de colocarlo finalmente haciendo clic con el botón izquierdo
                        del ratón.
                        Con la herramienta de cota y dos puntos finales seleccionados, a
                        continuación se muestran tres orientaciones posibles para una cota
                        lineal. El valor se deriva de la distancia de punto a punto inicial y
                        podría cambiar en función de la orientación seleccionada.

                             Puntos
                             finales




Cotas                                                                                          39
Lección 2                                                     Manual de formación SolidWorks 2006
Introducción al croquizado




                             16 Cómo agregar una cota lineal.
                                Escoja la herramienta de cota
                                desde alguna fuente y haga clic
                                en la línea mostrada. Haga clic
                                una segunda vez para posicionar
                                el texto de la cota arriba y hacia
                                la derecha de la línea. La cota
                                aparece con una herramienta
                                Modificar mostrando la longitud
                                actual de la línea. El cuadro de
                                incremento y disminución se
                                utiliza para aumentar/disminuir por incrementos el valor. O, con el
                                texto resaltado, puede escribir un nuevo valor para cambiarlo
                                directamente.
La herramienta                  La herramienta Modificar, que aparece cuando se
Modificar                       crea o edita una cota (parámetro), tiene varias
                                opciones. Las opciones disponibles son:

                                    Aumentar o disminuir el valor en una cantidad preestablecida.
                                    Guardar el valor actual y salir del cuadro de diálogo.
                                    Restaurar el valor original y salir del cuadro de diálogo.
                                    Reconstruir el modelo con el valor actual.
                                    Cambiar el valor de paso incremental.
                                    Marcar la cota para importar el dibujo.
                             17 Establecer el valor.
                                Cambie el valor a 0.75 y haga clic en la
                                opción Guardar . La cota hace que la
                                longitud de la línea alcance 0.75
                                pulgadas.
Sugerencia                      Presionar Intro tiene el mismo efecto que
                                hacer clic en el botón Guardar .

                             18 Cotas lineales.
                                Agregue cotas lineales adicionales al
                                croquis, según se indica.
Sugerencia de
acotación                       Cuando acote un croquis,
                                comience primero con la cota más
                                pequeña y continúe con las demás
                                hasta llegar a la más grande.




40                                                                                               Cotas
Manual de formación SolidWorks 2006                                                     Lección 2
                                                                          Introducción al croquizado


Cotas angulares           Pueden crearse cotas angulares utilizando la misma herramienta de
                          cota que se utiliza para crear cotas lineales, de diámetro y radiales.
                          Seleccione dos líneas no colineales y no paralelas, o seleccione tres
                          puntos finales no colineales.
                          Según el lugar donde coloque la cota angular, usted puede obtener
                          el ángulo interior o el exterior, el ángulo agudo o el oblicuo.
                          Posibles opciones de ubicación:




                       19 Cota angular.
                          Utilizando la herramienta de cota,
                          cree la cota angular indicada y
                          establezca el valor en 125°.
                          El croquis está completamente
                          definido.




Redondeos de              Los redondeos de croquis se utilizan para redondear esquinas
croquis                   vivas de un croquis. Un redondeo de croquis puede ser aplicado a
                          un croquis que ya esté completamente definido.

Importante                No todos los redondeos deben agregarse necesariamente en el nivel
                          de croquis. Existe un comando de redondeo que trabaja
                          directamente en modelos sólidos cuyo uso puede ser más apropiado.
                          Aprenderá acerca del mismo en lecciones posteriores.


Redondeos de croquis                                                                             41
Lección 2                                                      Manual de formación SolidWorks 2006
Introducción al croquizado


Introducción:                   Redondeo de croquis se utiliza para crear un redondeo o una
Redondeo de                     curva en un croquis. El redondeo se crea como un arco ubicado
croquis                         tangencialmente con respecto a entidades adyacentes.
Dónde encontrarlo                  En el menú Herramientas, seleccione Herramientas de
                                   croquizar, Redondeo.
                                   O, en la barra de herramientas Croquis, haga clic en Redondeo
                                   de croquis      .

Nota                            La opción Redondeos de croquis no permite valores de radio 0.

                             20 Redondeos de croquis.
                                Haga clic en Redondeo de
                                croquis     y establezca el
                                Radio en 0.1875”. Seleccione
                                todos los puntos finales del
                                croquis.
                                Haga clic en Aceptar.




Nota                            Por cuestiones de claridad, las relaciones están ocultas en este
                                ejemplo y en el resto de la lección.
¿Por qué hay sólo               Aparece una cota solamente
una cota?                       en el primer redondeo que se
                                crea. Todos los redondeos
                                creados en una operación son
                                controlados por este valor de
                                cota. ¿Cómo se lleva esto a
                                cabo? Para obtener la
                                respuesta hay que visualizar
                                las relaciones en el primer
                                redondeo: el sistema agrega
                                automáticamente una relación
                                Igual a los otros redondeos de la serie.



Extruir                         Una vez que el croquis se haya completado, puede ser extruido para
                                crear la primera operación. Existen diversas opciones para extruir
                                un croquis incluyendo las condiciones finales, el ángulo de salida y
                                la profundidad de la extrusión, que se expondrán más
                                detalladamente en lecciones posteriores. Las extrusiones se realizan
                                en una dirección normal al plano del croquis, en este caso el plano
                                Alzado.


42                                                                                             Extruir
Manual de formación SolidWorks 2006                                                      Lección 2
                                                                         Introducción al croquizado


Dónde encontrarlo          En el menú: Insertar, Saliente/Base, Extruir...
                           O, en la barra de herramientas Operaciones, elija:        .

                    21 Menú Extruir.
                       Haga clic en Insertar, Saliente/Base, Extruir o en la
                        herramienta    de la barra de herramientas Operaciones para
                        acceder al comando.
                        En el menú Insertar, las opciones para otros métodos de creación
                        de operaciones base se enumeran junto con Extruir y Revolución.
                        Las mismas no se encuentran disponibles ya que este croquis no
                        cumple con las condiciones necesarias para crear estos tipos de
                        operaciones. Por ejemplo, una operación Barrer requiere croquis de
                        ruta y de perfil. Al haber sólo un croquis en este momento, la
                        opción Barrer no está disponible.
                    22 Vista preliminar de
                       gráficos.
                        La orientación de la vista
                        cambia automáticamente
                        a Trimétrica y se
                        muestra una vista
                        preliminar de la
                        operación con la
                        profundidad
                        predeterminada.

                        Las asas que aparecen
                        pueden ser utilizadas
                        para arrastrar la vista
                        preliminar a la
                        profundidad deseada. Las asas son rojas para las direcciones activas
                        y grises para las inactivas. Una anotación muestra el valor actual de
                        profundidad.

Sugerencia              Las configuraciones de color en SolidWorks se pueden modificar
                        mediante Herramientas, Opciones.
                    23 Configuración de la operación de extrusión.
                        Cambie la configuración como se indica.
                           Condición final = Hasta profundidad
                           especificada
                               (Profundidad) = 0.25”
                        Haga clic en Aceptar         para crear la operación.
Sugerencia              El botón Aceptar     es sólo un modo de aceptar
                        y completar el proceso.




Extruir                                                                                         43
Lección 2                                                    Manual de formación SolidWorks 2006
Introducción al croquizado


                                Un segundo método es el conjunto de botones Aceptar/
                                Cancelar en la esquina de confirmación de la zona de
                                gráficos.

                                Un tercer método consiste en hacer clic con el
                                botón secundario del ratón y seleccionar
                                Aceptar en el menú contextual.




                             24 Operación completa.
                                La operación completa es el
                                primer sólido u operación de la
                                pieza. El croquis está embebido en
                                la operación Extrude1
                                (Extruir1).
                             25 Guardar y cerrar.
                                Haga clic en Guardar      para
                                guardar el trabajo y en Cerrar
                                para cerrar la pieza.




44                                                                                       Extruir
Manual de formación SolidWorks 2006


Ejercicio 1:            Cree esta pieza utilizando la información y
Croquizado de           las cotas proporcionadas. Croquice y extruya
líneas verticales       perfiles para crear la pieza.
y horizontales          Este laboratorio refuerza las siguientes
                        funciones:
                            Croquizado.
                            Cotas.
                            Extrusión de una operación.
                    1   Nueva pieza.
                        Abra una nueva pieza utilizando la plantilla Part_IN.
                    2   Croquis.
                        Cree este croquis en el
                        Alzado utilizando
                        líneas, cotas y relaciones
                        automáticas.
                        Defina el croquis
                        completamente.

                    3   Extruir.
                        Extruya el croquis con
                        una profundidad de 1”.
                    4   Guardar y cerrar la
                        pieza.




Ejercicio 1                                                                     45
Manual de formación SolidWorks 2006


Ejercicio 2:         Cree esta pieza utilizando la información
Cómo croquizar       y las cotas proporcionadas. Croquice y
líneas con           extruya perfiles para crear la pieza.
inferencias          Este laboratorio refuerza las siguientes
                     funciones:
                        Croquizado.
                        Cotas.
                        Extrusión de una operación.
                 1   Nueva pieza.
                     Abra una nueva pieza utilizando la plantilla Part_IN.
                 2   Relaciones automáticas.
                     Cree este croquis en el Alzado utilizando líneas y relaciones
                     automáticas. Muestre las relaciones Perpendicular y Vertical.




                 3   Cotas.
                     Agregue cotas para definir
                     completamente el croquis.




                 4   Extruir.
                     Extruya el croquis 0.5”.
                 5   Guardar y cerrar la pieza.




46                                                                           Ejercicio 2
Manual de formación SolidWorks 2006


Ejercicio 3:            Cree esta pieza utilizando la información y
Cómo croquizar          las cotas proporcionadas. Croquice y
líneas                  extruya perfiles para crear la pieza.
                        Este laboratorio refuerza las siguientes
                        funciones:
                           Croquizado.
                           Cotas.
                           Extrusión de una operación.


                    1   Nueva pieza.
                        Abra una pieza nueva utilizando la plantilla Part_MM.
                    2   Croquizar y extruir.
                        Cree este croquis en el Alzado
                        utilizando líneas, cotas y relaciones
                        automáticas. Extruya el croquis con
                        una profundidad de 20 mm.




                    3   Guardar y cerrar la pieza.




Ejercicio 3                                                                     47
Manual de formación SolidWorks 2006




48                            Ejercicio 3
Manual de formación SolidWorks 2006




                                           Lección 3
                           Modelado básico de piezas




                        Al finalizar esta lección, podrá:
                           Elegir el mejor perfil para croquizar.
                           Seleccionar el plano de croquis apropiado.
                           Crear una pieza nueva.
                           Crear un croquis.
                           Extruir un croquis como un saliente.
                           Extruir un croquis como un corte.
                           Crear taladros con el Asistente para taladro.
                           Insertar redondeos en un sólido.
                           Realizar un dibujo básico de una pieza.
                           Realizar un cambio en una cota.
                           Demostrar la asociatividad entre el modelo y sus dibujos.




                                                                                       49
Lección 3                   Manual de formación SolidWorks 2006
Modelado básico de piezas




50
Manual de formación SolidWorks 2006                                                 Lección 3
                                                                       Modelado básico de piezas


Modelado                En esta lección se describen las
básico                  consideraciones que hay que tener
                        en cuenta antes de crear una pieza y
                        se muestra el proceso de creación
                        de una pieza sencilla.




Etapas del              Los pasos en la planificación y ejecución de la creación de esta
proceso                 pieza se enumeran a continuación.
                        Terminología
                        ¿Cuáles son los términos comúnmente utilizados al hablar de
                        modelado y utilizar el software de SolidWorks?
                        Elección del perfil
                        ¿Cuál de los perfiles es el mejor para elegir al comenzar el proceso
                        de modelado?
                        Elección del plano del croquis
                        Una vez que ha elegido el mejor perfil, ¿cómo afecta esto su
                        elección de plano del croquis?
                        Intención del diseño
                        ¿Qué es la intención del diseño y cómo afecta el proceso de
                        modelado?
                        Nueva pieza
                        El primer paso consiste en abrir la nueva pieza.
                        Primera operación
                        ¿Cuál es la primera operación?
                        Operaciones Saliente y Taladro
                        ¿Cómo puede usted modificar la primera operación mediante el
                        agregado de salientes y taladros?
                        Redondeos
                        Redondeo de las esquinas vivas – redondeo.
                        Cambios de cota
                        Si se realiza un cambio en una cota, se cambia la geometría del
                        modelo. ¿Cómo sucede esto?




Modelado básico                                                                              51
Lección 3                                                 Manual de formación SolidWorks 2006
Modelado básico de piezas


Terminología                La transición a 3D requiere algunos términos nuevos. El software
                            de SolidWorks emplea muchos términos con los cuales usted se
                            familiarizará a medida que utilice el producto. Muchos de ellos son
                            términos que usted reconocerá como provenientes del diseño y de la
                            fabricación, como cortes y salientes.
Operación                   Todos los cortes, salientes, planos y croquis que usted crea son
                            considerados Operaciones. Las operaciones de croquizado son
                            aquéllas basadas en croquis (saliente y corte); las operaciones
                            aplicadas están basadas en aristas o caras (redondeo).
Plano                       Los planos son superficies planas e infinitas. En la pantalla están
                            representados por aristas visibles. Se utilizan como la superficie
                            primaria de croquis para crear operaciones Saliente y Corte.
Extrusión                   A pesar de existir muchos
                            modos de crear operaciones
                            y dar forma al sólido, en
                            esta lección solamente se
                            analizarán las extrusiones.
                            Una extrusión extenderá
                            por una cierta distancia un
                            perfil a lo largo de un trayecto normal al plano del perfil. El
                            movimiento a lo largo de dicho trayecto se convierte en el modelo
                            sólido.
Croquis                     En el sistema de SolidWorks, el nombre utilizado
                            para describir un perfil 2D es croquis. Los croquis
                            son creados sobre caras planas y planos dentro del
                            modelo. Son generalmente utilizados como base
                            para salientes y cortes, aunque pueden existir de
                            manera independiente.
Saliente                    Los salientes se utilizan también para agregar material al modelo.
                            La operación crítica inicial siempre es un saliente. Después de la
                            primera operación, puede agregar tantos salientes como necesite
                            para completar el diseño. Del mismo modo que con la base, todos
                            los salientes comienzan con un croquis.
Corte                       Un Corte se utiliza para eliminar material del modelo. Es lo opuesto
                            al saliente. Del mismo modo que el saliente, los cortes comienzan
                            como croquis 2D y eliminan material por extrusión, revolución u
                            otros métodos acerca de los cuales aprenderá posteriormente.
Redondeos y                 Los Redondeos y redondos generalmente se agregan al sólido, no al
redondos                    croquis. Debido a la naturaleza de las caras adyacentes a la arista
                            seleccionada, el sistema sabe si debe crear una operación Redondo
                            (eliminando material) o Redondeo (agregando material).
Intención del               La Intención del diseño es el modo en que debe crearse y
diseño                      cambiarse el modelo. Tanto las relaciones entre las operaciones
                            como la secuencia de su creación contribuyen a la intención del
                            diseño.




52                                                                                 Terminología
Manual de formación SolidWorks 2006                                                   Lección 3
                                                                         Modelado básico de piezas


Cómo elegir el            Elija el “mejor” perfil. Cuando se extruye, este perfil genera más el
mejor perfil              modelo que ningún otro. Observe estos modelos de ejemplo.

                                        Pieza                     Mejor perfil extruido




Cómo elegir el mejor perfil                                                                    53
Lección 3                                                 Manual de formación SolidWorks 2006
Modelado básico de piezas


Cómo elegir el              Después de determinar el mejor perfil, el siguiente paso consiste en
plano de                    decidir qué vista se va a utilizar y seleccionar el plano con el mismo
croquis                     nombre para croquizarlo. El software de SolidWorks proporciona
                            tres planos de referencia, los cuales se describen a continuación.
Planos de                   Hay tres planos de referencia predeterminados, denominados
referencia                  Alzado, Planta y Vista lateral. Cada plano es infinito,
                            pero posee bordes de pantalla para poder verlos y seleccionarlos.
                            Además, cada plano pasa por el origen y todos son perpendiculares
                            entre sí.
                            Los planos pueden ser renombrados. En este curso, los nombres
                            Alzado, Planta y Vista lateral reemplazan a los
                            respectivos nombres predeterminados. Esta convención de nombres
                            se utiliza en otros sistemas de CAD y a muchos usuarios les resulta
                            conveniente.
                            Aunque los
                            planos son
                            infinitos, puede
                            resultar más fácil
                            pensar en ellos
                            como si formaran
                            una caja abierta,
                            conectándose en
                            el origen.
                            Utilizando esta
                            analogía, las
                            caras interiores de
                            la caja son los planos potenciales de croquis.
Ubicación del               La pieza se colocará en la caja tres veces. Cada vez el mejor perfil
modelo                      hará contacto o será paralelo a uno de los tres planos. Aunque
                            existen muchas combinaciones, las opciones en este ejercicio están
                            limitadas a tres.
                            Existen diversos aspectos a considerar cuando se elige el plano de
                            croquis. Dos de ellos son la apariencia y la orientación de la pieza
                            en un ensamblaje. La apariencia dictamina el modo en que la pieza
                            se orientará en las vistas estándar, como la vista Isométrica.
                            Esto también determina como pasará la mayor parte de su tiempo
                            observando el modelo a medida que lo crea.
                            La orientación de la pieza en un ensamblaje determina la posición
                            que adquirirá la misma respecto a otras piezas relacionadas.
Orientar el modelo          Otro aspecto que se debe tener en cuenta al decidir cual será el
para el dibujo              plano de croquis que se va a utilizar es el modo en que usted desea
                            que el modelo aparezca en el dibujo cuando lo documente. Debe
                            construir el modelo de manera tal que la vista Frontal sea igual a la
                            vista Frontal del dibujo final. Esto le ahorrará tiempo durante el
                            proceso de documentación dado que puede utilizar vistas
                            predefinidas.



54                                                               Cómo elegir el plano de croquis
Manual de formación SolidWorks 2006                                          Lección 3
                                                                Modelado básico de piezas


                         En el primer ejemplo, el mejor
                         perfil está en contacto con el plano
                         Planta.




                         En el segundo ejemplo, está
                         haciendo contacto con el plano
                         Alzado.




                         El último ejemplo muestra el
                         mejor perfil en contacto con el
                         plano Vista lateral.
Plano Elegido            La orientación del plano Planta
                         parece ser la mejor. Esto indica
                         que el mejor perfil debe
                         croquizarse en el plano Planta
                         del modelo.




Cómo se muestra en       Pensando
el dibujo                cuidadosamente qué
                         plano se utiliza para
                         croquizar el perfil, las
                         vistas apropiadas se
                         generan fácilmente en el
                         dibujo de detalle.




Cómo elegir el plano de croquis                                                       55
Lección 3                                                 Manual de formación SolidWorks 2006
Modelado básico de piezas


Detalles de la              La pieza que crearemos se muestra a la derecha. Hay dos
pieza                       operaciones Saliente principales, algunos cortes y redondeos.




Vistas estándar             La pieza se muestra aquí en cuatro vistas estándar.




Salientes                   Los dos salientes principales tienen
principales                 perfiles distintos en diferentes
                            planos. Están conectados según se
                            muestra en la vista explosionada a la
                            derecha.




56                                                                           Detalles de la pieza
Manual de formación SolidWorks 2006                                                 Lección 3
                                                                       Modelado básico de piezas


Mejor perfil            La primera operación del
                        modelo se crea a partir del
                        croquis rectangular que
                        aparece superpuesto sobre
                        el modelo. Éste es el mejor
                        perfil para comenzar el
                        modelo.
                        El rectángulo será entonces
                        extruido como un saliente
                        para crear la operación
                        sólida.
Plano de croquis        Al ubicar el modelo
                        “en la caja” se
                        determina qué plano
                        debe utilizarse para
                        croquizar. En este
                        caso, será el plano de
                        referencia Planta.




                                                  Plano de
                                                  croquis




Intención del           La intención del diseño de esta pieza describe cómo las relaciones
diseño                  de la pieza deben o no ser creadas. A medida que se hacen cambios
                        en el modelo, éste se irá comportando según lo deseado.




                           Todos los taladros son taladros pasantes.
                           Los taladros de la base son simétricos.
                           La ranura está alineada con la pestaña.

Procedimiento           El proceso de modelado incluye el croquizado y la creación de
                        salientes, cortes y redondeos. Para comenzar, se crea un nuevo
                        archivo de pieza.



Detalles de la pieza                                                                         57
Lección 3                                                      Manual de formación SolidWorks 2006
Modelado básico de piezas


                            1   Nueva pieza.
                                Haga clic en Nuevo       o en Archivo, Nuevo. Cree una nueva pieza
                                utilizando la plantilla Part_IN y proceda a Guardar dicha pieza
                                como Basic (Básica).
                            2   Seleccionar el plano de
                                croquis.
                                Inserte un nuevo croquis y elija el
                                plano Planta.




Sugerencia                      Para utilizar un plano, no es necesario que éste se muestre sino que
                                se puede seleccionar en el FeatureManager.


Cómo croquizar la               Cree la primera operación mediante la extrusión de un croquis en un
primera operación               saliente. Comience con la geometría del croquis, un rectángulo.
Introducción:                   Insertar rectángulo se utiliza para crear un rectángulo en un
Insertar rectángulo             croquis. El rectángulo está compuesto por cuatro líneas
                                (dos horizontales y dos verticales) conectadas en los vértices.
                                Se croquiza indicando las ubicaciones de dos esquinas en diagonal.
Dónde encontrarlo                  En la barra de herramientas Croquis, haga clic en
                                   Rectángulo      .
                                   O, en el menú Herramientas, seleccione Entidades de
                                   croquis, Rectángulo.


                            3   Croquizar un
                                rectángulo.
                                Haga clic en la
                                herramienta
                                Rectángulo       y
                                comience el
                                rectángulo en el origen.
                                Asegúrese de que el rectángulo esté bloqueado en el origen
                                observando el cursor del vértice a medida que comienza a
                                croquizar. No se preocupe por el tamaño del rectángulo. De
                                ello se encargará la acotación en el siguiente paso.
                            4   Croquis completamente
                                definido.
                                Agregue cotas al croquis. El
                                croquis está completamente
                                definido.




58                                                                               Detalles de la pieza
Manual de formación SolidWorks 2006                                                    Lección 3
                                                                          Modelado básico de piezas


Opciones de                Abajo se explican algunas de las opciones de Extrusión utilizadas
extrusión                  más frecuentemente. Otras opciones serán analizadas en lecciones
                           posteriores.
                           Tipo de condición final
                           Un croquis puede ser extruido en una o en dos direcciones. Una
                           o ambas direcciones pueden terminar en alguna profundidad
                           especificada, hasta alguna geometría del modelo o extenderse por
                           todo el modelo.
                           Profundidad
                           La distancia para una extrusión de profundidad especificada o de
                           plano medio. Por plano medio se entiende la profundidad total de la
                           extrusión. Eso significaría que una profundidad de 50 mm para una
                           extrusión de plano medio resultaría en 25 mm de cada lado del
                           plano del croquis.
                           Ángulo de salida
                           Aplica un ángulo de salida a la extrusión. El ángulo de salida de la
                           extrusión puede ser hacia dentro (el perfil se hace más pequeño al
                           extruirse) o hacia fuera.

                       5   Extruir.
                           Extruya el rectángulo
                           0.5” hacia arriba.




                           La operación terminada se
                           muestra a la derecha.




Cómo cambiar el            Es posible cambiar el nombre de cualquiera de las operaciones que
nombre de las              aparecen en el gestor de diseño del FeatureManager (al lado de la
operaciones                pieza en sí). Cambiar el nombre de las operaciones es una técnica
                           útil para buscar y editar operaciones en etapas posteriores del
                           modelo. Correctamente elegidos, los nombres lógicos le ayudan a
                           organizar su trabajo y facilitan la tarea cuando otra persona debe
                           editar o modificar su modelo.
                       6   Cambiar el nombre de la operación.
                           Es una buena práctica cambiar el nombre de las operaciones que
                           usted crea, asignándoles nombres con cierto significado. En el
                           gestor de diseño del FeatureManager, haga un doble clic muy lento
                           para editar la operación Extruir1. Cuando el nombre está
                           resaltado y puede editarse, escriba Chapa base (Baseplate) como
                           el nuevo nombre de la operación. Todas las operaciones del sistema
                           de SolidWorks pueden ser editadas del mismo modo.


Detalles de la pieza                                                                            59
Lección 3                                                      Manual de formación SolidWorks 2006
Modelado básico de piezas


Sugerencia                      En lugar de hacer un doble clic lento, puede seleccionar el nombre y
                                presionar F2.

Operación                       La siguiente operación será el
Saliente                        saliente con una parte superior
                                curvada. El plano del croquis para
                                esta operación no es un plano de
                                referencia existente, sino una cara
                                plana del modelo. La geometría del
                                croquis requerida se muestra
                                superpuesta sobre el modelo
                                terminado.
Sugerencia                      Las operaciones Cortar se crean del mismo modo que los salientes;
                                con un croquis y una extrusión. Eliminan el material, en lugar de
                                agregarlo.
Cómo croquizar                  Cada cara plana del modelo puede utilizarse como plano de croquis.
en una cara                     Simplemente seleccione la cara y elija la herramienta Croquis.
plana                           Cuando es difícil seleccionar las caras porque están en la parte
                                posterior del modelo o están oscurecidas por otras caras, la
                                herramienta Seleccionar otra puede utilizarse para elegir una cara
                                sin reorientar la vista. En este caso, se utiliza la cara plana en la
                                parte frontal de la pieza BasePlate.

                            7   Insertar nuevo croquis.
                                Cree un nuevo croquis
                                utilizando Insertar, Croquis
                                o haciendo clic en la
                                herramienta Croquis .
                                Seleccione la cara indicada.
                                                                  Plano de croquis


Croquizado                      SolidWorks ofrece una completa variedad de herramientas de
                                croquizar para la creación de geometría de perfiles. En este
                                ejemplo, Arco tangente se utiliza para crear un arco que comience
                                tangente a un punto final seleccionado en el croquis. Su otro punto
                                final puede ser ubicado en el espacio o en otra entidad de croquis.
Introducción:                   Insertar arco tangente se utiliza para crear arcos tangentes en un
Insertar arco                   croquis. En su inicio, el arco debe ser tangente a alguna otra
tangente                        entidad, línea o arco.

Dónde encontrarlo                  En el menú Herramientas, seleccione Entidades de croquis,
                                   Arco tangente
                                   O, con el cursor en la ventana de gráficos, haga clic con el
                                   botón secundario del ratón y seleccione Arco tangente.
                                   O, en la barra de herramientas Croquis, haga clic en Arco
                                   tangente     .




60                                                                                   Operación Saliente
Manual de formación SolidWorks 2006                                                   Lección 3
                                                                         Modelado básico de piezas


Zonas de destino         Cuando se croquiza un arco
del arco tangente        tangente, el software de
                         SolidWorks deduce a partir del
                         movimiento del cursor si se desea
                         un arco tangente o uno normal.
                         Existen cuatro zonas de destino,
                         con ocho resultados posibles
                         según se muestra.
                         Usted puede comenzar croquizando un arco tangente desde el punto
                         final de cualquier entidad de croquis existente (línea, arco, spline y
                         así sucesivamente). Aleje el cursor del punto final.
                             Al mover el cursor en una dirección tangencial, se crea una de
                             las cuatro posibilidades de arco tangente.
                             Al mover el cursor en una dirección normal, se crea una de las
                             cuatro posibilidades de arco normal.
                             Una vista preliminar muestra qué tipo de arco usted está
                             croquizando.
                             Puede cambiar de uno a otro haciendo que el cursor vuelva al
                             punto final y alejándolo en una dirección diferente.
Cómo realizar una        Cuando utiliza la herramienta Línea , puede pasar de croquizar
transición               una línea a croquizar un arco tangente y luego volver a croquizar
automática entre         una línea, sin seleccionar la herramienta Arco tangente. Puede
líneas y arcos           hacerlo moviendo el cursor como se ha descrito antes o presionando
                         la tecla A del teclado.

                     8   Línea vertical.
                         Haga clic en la herramienta de
                         línea     y comience la línea
                         vertical en la arista inferior
                         capturando una relación
                         Coincidente        en la arista
                         inferior y una relación
                         Vertical     .
                     9   Transición automática.
                         Presione la letra A del teclado.
                         Ahora usted está en el modo de arco tangente.
                     10 Arco tangente.
                         Croquice un arco de 180° tan-
                         gente a la línea vertical. Bus-
                         que la línea de inferencia que
                         indica que el punto final del
                         arco está alineado horizontal-
                         mente con el centro del arco.
                         Cuando termine de croquizar
                         el arco tangente, la
                         herramienta de croquis vuelve a cambiar automáticamente a la
                         herramienta Línea.


Cómo croquizar en una cara plana                                                               61
Lección 3                                                      Manual de formación SolidWorks 2006
Modelado básico de piezas


                            11 Líneas de acabado.
                               Cree una línea vertical desde
                               el extremo del arco hasta la
                               base y una línea más que
                               conecte los extremos
                               inferiores de las dos líneas
                               verticales.
                               Observe que la línea
                               horizontal es negra, pero sus
                               puntos finales no lo son.
                            12 Agregar cotas.
                               Agregue cotas lineales
                               y radiales al croquis.
                               A medida que agrega
                               las cotas, mueva el
                               cursor para ver las
                               diferentes
                               orientaciones posibles.
                               Siempre acote un arco
                               seleccionando
                               preferentemente su circunferencia, más que su centro. Esto hace
                               que otras opciones de cotas (mín. y máx.) estén disponibles.
                            13 Dirección de la
                               extrusión.
                               Haga clic en Insertar,
                               Saliente, Extruir y
                               establezca la
                               Profundidad en 0.5
                               pulgadas. Observe que
                               la vista preliminar
                               muestra la extrusión
                               dirigiéndose a la base,
                               en la dirección
                               apropiada.
                               Si la dirección de la vista preliminar se aleja de la base, haga clic en
                               el botón Invertir dirección .
                            14 Saliente completo.
                               El saliente se fusiona con la
                               base anterior para formar
                               un único sólido.
                               Cambie el nombre de la
                               operación a VertBoss
                               (SalVer).




62                                                                 Cómo croquizar en una cara plana
Manual de formación SolidWorks 2006                                                   Lección 3
                                                                         Modelado básico de piezas


Áreas de                  Las áreas de visualización se pueden utilizar para ver y editar un
visualización             modelo en varias orientaciones de vista al mismo tiempo. Los
                          iconos del área de visualización incluyen: Vista única , Dos
                          vistas        (horizontal y vertical), Cuatro vistas     y Vincular
                          vistas    . Vincular vistas une las vistas para aplicarles el zoom y
                          desplazarlas.
                          Todas las áreas de visualización contienen un menú emergente de la
                          vista en la esquina inferior izquierda. Este menú muestra la
                          orientación de vista actual (Personalizada para todo lo que no
                          sea una vista estándar) y contiene un menú para cambiar la
                          orientación de vista.
Nota                      La orientación predeterminada de las cuatro áreas de visualización,
                          primer ángulo o tercer ángulo, se establece mediante
                          Herramientas, Opciones, Opciones de sistema, Visualizar/
                          Selección, Tipo de proyección para área de visualización de
                          cuatro vistas.

Dónde encontrarlo             En la barra de herramientas Vistas estándar, haga clic en el
                              icono correspondiente.
                              O bien, haga clic en el menú emergente de la vista y seleccione
                              un icono.

                       15 Cuatro áreas de visualización.
                          Haga clic en Cuatro vistas   para dividir la ventana de gráficos
                          en cuatro áreas de visualización del mismo tamaño. El menú
                          emergente de la vista es azul en el área de visualización activa.




Cómo utilizar el          El Asistente para taladro se utiliza para crear taladros
Asistente para            especializados en un sólido. Puede crear taladros simples, cónicos,
taladro                   refrentados y avellanados utilizando un procedimiento paso a paso.
                          En este ejemplo, se utilizará el Asistente para taladro para crear
                          un taladro estándar.



Cómo utilizar el Asistente para taladro                                                        63
Lección 3                                                     Manual de formación SolidWorks 2006
Modelado básico de piezas


Cómo crear un                  Puede elegir la cara en la que va a insertar el taladro y luego definir
taladro estándar               las cotas del taladro y ubicarlo utilizando el Asistente para
                               taladro. Uno de los aspectos más intuitivos del Asistente para
                               taladro es que le permite especificar el tamaño del taladro mediante
                               el cierre que va dentro del mismo.
Sugerencia                     También puede colocar taladros en planos de referencia y caras no
                               planas. Por ejemplo, puede crear un taladro en una cara cilíndrica.
Introducción:                  El Asistente para taladro crea taladros con distintas formas, como
El Asistente para              taladros avellanados y refrentados. El proceso crea dos croquis.
taladro                        Uno define la forma del taladro. El otro, un punto, localiza el
                               centro.
Nota                           El Asistente para taladro requiere que se seleccione o preseleccione
                               una cara, no un croquis.

Dónde encontrarlo                 En el menú Insertar, escoja Operaciones, Asistente para
                                  taladro...
                                  O elija la herramienta Asistente para taladro         en la barra de
                                  herramientas Operaciones.

                            16 Seleccionar una cara.
                               Seleccione la parte superior, la
                               cara plana de la operación base y
                               haga clic en .

                                                                                    Seleccione esta cara

                            17 Tipo.
                               Aparece el cuadro de diálogo Especificación de
                               taladro. Configure las propiedades del taladro de
                               la siguiente manera:
                               Tipo: Taladro
                               Estándar: Pulgada Ansi
                               Tipo de tornillo: Todos los tamaños de
                               perforadores
                               Tamaño: 9/32
                               Condición final: Por todo
                               Haga clic en la pestaña Posiciones.




64                                                            Cómo utilizar el Asistente para taladro
Manual de formación SolidWorks 2006                                                  Lección 3
                                                                        Modelado básico de piezas


                       18 Posiciones.
                          Se colocará una vista previa del taladro y un
                          punto en la cara seleccionada cerca de donde la
                          seleccionó.
Sugerencia                Pueden crearse instancias múltiples del taladro
                          en un comando insertando puntos adicionales
                          en otras ubicaciones.


                       19 Cotas.
                          Agregue cotas entre
                          las aristas del modelo
                          y el punto tal como se
                          indica.



                       20 Punto adicional.
                          Haga clic para agregar
                          otro punto a la cara.
                          Agregue la cota que se
                          indica.



                       21 Relación horizontal.
                          Presione Esc para desactivar la herramienta de cota. Seleccione
                          ambos puntos y agregue una relación Horizontal entre ellos.
                       22 Área de
                          visualización
                          única.
                          Haga clic en Vista
                          única      para
                          volver a la vista
                          original y haga clic
                          en Aceptar.

                       23 Cambiar la orientación de vista.
                          Haga clic en la orientación de
                          vista y elija Isométrica para
                          cambiar la orientación de vista.




Cómo utilizar el Asistente para taladro                                                       65
Lección 3                                                    Manual de formación SolidWorks 2006
Modelado básico de piezas


Taladro de                     En este modelo es necesario un taladro de refrentado. Si se utiliza la
refrentado                     cara frontal del modelo y una relación, se podrá colocar el taladro.

                            24 Posición del taladro.
                               Nuevamente, se utilizará una cara
                               existente del modelo para ubicar la
                               geometría. Seleccione la cara
                               indicada y luego seleccione
                               Insertar, Operaciones, Taladro,
                               Asistente...


                                                                         Seleccione esta cara
                            25 Hacer clic en Refrentado.
                               Configure las propiedades del taladro de la
                               siguiente manera:
                               Estándar: Pulgada Ansi
                               Tipo de tornillo: Tornillo hexagonal
                               Tamaño: 1/4
                               Condición final: Por todo
                               Haga clic en la pestaña Posiciones.




                            26 Activar el punto central.
                               Desactive la herramienta Punto.
                               Arrastre el punto sobre la
                               circunferencia del arco grande.
                               No lo suelte.
                               Cuando aparezca el símbolo
                               Coincidente , el punto central
                               del arco grande se habrá “activado”
                               y convertido en un punto al cual puede enganchar elementos.
                               Suelte el punto encima del punto central del arco. Busque el
                               comentario que le indica que se está enganchando al centro del arco,
                               una relación coincidente. Haga clic en Aceptar.




66                                                            Cómo utilizar el Asistente para taladro
Manual de formación SolidWorks 2006                                                  Lección 3
                                                                        Modelado básico de piezas


Operación                Una de las dos operaciones Saliente principales se ha finalizado; es
Cortar                   el momento de crear un corte para representar la supresión de
                         material. Las operaciones Cortar se crean del mismo modo que los
                         salientes; en este caso, con un croquis y una extrusión.
Introducción:            El menú para crear una operación Cortar mediante extrusión es
Cortar Extruir           idéntico al utilizado para crear un saliente. La única diferencia es
                         que un corte elimina material mientras que un saliente lo agrega.
                         Fuera de esta distinción, los comandos son los mismos. Este corte
                         representa una ranura.

Dónde encontrarlo           En el menú Insertar, seleccione Cortar, Extruir...
                            O, en la barra de herramientas Operaciones, elija Extruir
                            corte    .

                     27 Rectángulo.
                         Presione la barra espaciadora
                         y haga doble clic en *Front
                         (Frontal). Comience un
                         croquis en esta cara grande y
                         agregue un rectángulo
                         Coincidente con la arista
                         inferior del modelo.
Cómo seleccionar         Como ha aprendido en la lección 2, al seleccionar múltiples objetos,
objetos múltiples        mantenga la tecla Ctrl presionada y, a continuación, seleccione los
                         objetos.
                    28   Relaciones.
                         Seleccione la línea de croquis
                         vertical y la arista del modelo
                         vertical. Agregue una relación
                         Colineal entre ellos. Repita el
                         proceso en el lado opuesto.


                     29 Cota.
                         Agregue una cota para definir
                         completamente el croquis.
                         Cambie la orientación de vista
                         a Isometric (Isométrica).




Operación Cortar                                                                              67
Lección 3                                                       Manual de formación SolidWorks 2006
Modelado básico de piezas


                            30 Corte Por todo.
                               Haga clic en Insertar, Cortar,
                               Extruir o elija la herramienta
                               Extruir corte      en la barra
                               de herramientas Operaciones.
                               Elija Por Todo y haga clic en
                               Aceptar. Este tipo de
                               condición final siempre realiza
                               un corte a través del modelo
                               entero, sin importar hasta
                               dónde. No fue necesario
                               configurar la profundidad.
                               Cambie el nombre de la operación por BottomSlot.


Opciones de                    SolidWorks le da la opción de elegir la representación de uno de
visualización                  sus modelos sólidos entre varias maneras diferentes. Aparecen a
                               continuación, con sus iconos:

                                        Sombreado

                                        Sombreado con aristas

                                        Sin líneas ocultas

                                        Líneas ocultas visibles

                                        Estructura alámbrica
                               Se muestran ejemplos de cada una en la siguiente ilustración.
                               Aprenderá más sobre la manipulación y la visualización de vista en
                               la Lección 4: Cómo modelar una pieza de fundición o forja.




     Sombreado         Sombreado con           Líneas ocultas      Líneas ocultas     Estructura
                          Aristas                Eliminar             Visibles        alámbrica
Redondeos                      Redondeo se refiere tanto a los redondeos como a los redondos.
                               La distinción está dada por las condiciones geométricas, no por el
                               comando en sí. Los redondeos se crean en las aristas seleccionadas.
                               Las aristas pueden ser seleccionadas de diversos modos. Existen
                               opciones para redondeos de radio variable o fijo y propagación de
                               arista tangente.
                               Tanto los redondeos (agregar volumen) como los redondos
                               (eliminar volumen) se crean con este comando. La orientación de la
                               arista o de la cara determina cuál se utiliza.




68                                                                         Opciones de visualización
Manual de formación SolidWorks 2006                                                   Lección 3
                                                                         Modelado básico de piezas


Reglas de               Algunas reglas generales de redondeo son:
redondeo                1. Deje los redondeos cosméticos para el final.
                        2. Cree redondeos múltiples que tendrán el mismo radio en el
                           mismo comando.
                        3. Cuando necesite redondeos de diferentes radios, generalmente
                           debe hacer primero los redondeos más grandes.
                        4. El orden de los redondeos es importante. Los redondeos crean
                           caras y aristas que pueden ser utilizadas para generar más
                           redondeos.

Dónde encontrarlo           En el menú Insertar, seleccione Operaciones, Redondeo/
                            Redondo…
                            Seleccione la herramienta       en la barra de herramientas
                            Operaciones.

                    31 Insertar redondeo.
                        Seleccione la opción Redondeo en uno de los
                        modos mencionados anteriormente. La opción
                        Redondeo aparece en el PropertyManager.
                        Establezca el valor del radio.
                                (Radio) = 0.25”
Vista preliminar        Usted puede elegir entre Vista preliminar
                        completa, Vista preliminar parcial y Ninguna
                        vista preliminar del redondeo. Vista preliminar
                        completa, según se muestra a continuación,
                        genera una vista preliminar de malla sobre cada
                        arista seleccionada. Vista preliminar parcial sólo
                        genera la vista preliminar sobre la primera arista
                        seleccionada. A medida que adquiera más
                        experiencia trabajando con redondeos,
                        probablemente deseará utilizar la Vista preliminar parcial o
                        Ninguna vista preliminar dado que es más rápida.
Sugerencia              Se puede cambiar la visualización a Líneas ocultas visibles para
                        facilitar la selección de las aristas. Las aristas se pueden seleccionar
                        "a través" del modelo sombreado como se muestra a continuación.
                    32 Selección de aristas.
                        Las aristas serán resaltadas en rojo
                        a medida que el cursor se mueva
                        sobre ellas y luego aparecerán en
                        verde a medida que se las
                        seleccione. Las aristas se filtran
                        automáticamente mediante el
                        comando Redondeo.
                        Aparecerá una anotación
                        sobre la primera arista que seleccione. Seleccione seis aristas en
                        total y haga clic en Aceptar.



Redondeos                                                                                      69
Lección 3                                                      Manual de formación SolidWorks 2006
Modelado básico de piezas


Consideraciones                Usted puede personalizar los colores de la interfaz de usuario de
acerca del color               SolidWorks. Esto se realiza mediante Herramientas, Opciones,
                               Opciones de sistema, Colores. Puede seleccionar esquemas de
                               colores predefinidos o crear el suyo propio. En algunos casos,
                               hemos alterado la configuración predeterminada de los colores para
                               mejorar la claridad y la calidad de reproducción. En consecuencia,
                               los colores en su sistema pueden no coincidir con los utilizados en
                               este manual.
Sugerencia                     También puede seleccionar
                               aristas utilizando una ventana.
                               Con el botón izquierdo del
                               ratón, arrastre una ventana
                               alrededor de una o más aristas.
                               Se seleccionarán aquellas
                               aristas que estén totalmente
                               incluidas dentro de la ventana.

                            33 Redondeos completos.
                               Los seis redondeos están controlados
                               por el mismo valor de cota. La
                               creación de estos redondeos ha
                               generado nuevas aristas adecuadas
                               para la próxima serie de redondeos.




Menú Comandos                  SolidWorks ofrece un búfer
recientes                      en el que se enumeran los
                               últimos comandos que se
                               acaban de utilizar para poder
                               volver a utilizarlos
                               fácilmente.




                            34 Comandos recientes.
                               Haga clic con el botón secundario del ratón en la zona de gráficos y
                               seleccione Comandos recientes y el comando Redondeo de la
                               lista desplegable para volver a utilizarlo.


Propagación de                 Una arista seleccionada que se conecta con otras de una forma
redondeo                       suave (mediante curvas tangentes) puede propagar una única
                               selección en muchas.




70                                                                                      Redondeos
Manual de formación SolidWorks 2006                                                Lección 3
                                                                      Modelado básico de piezas



                    35 Vista preliminar y propagación.
                        Agregue otro redondeo, con un
                        radio de 0.125”, utilizando la Vista
                        preliminar completa.
                        Seleccione la arista indicada para
                        ver las aristas seleccionadas y
                        realice una vista preliminar.

                    36 Selecciones adicionales.
                        Seleccione la arista del arco interior
                        para ver otra vista preliminar con
                        propagación.
Nota                    Una anotación aparece solamente en
                        la primera arista que selecciona.



                    37 Última selección.
                        Seleccione una arista final para
                        completar el redondeo. Debido a las
                        conexiones entre las aristas, se
                        produce una mayor propagación.
                        Haga clic en Aceptar.




Introducción:           Utilice Editar color para cambiar el color y las propiedades ópticas
Editar color            de los gráficos. También se pueden crear Muestras de color para
                        colores definidos por el usuario.

Dónde encontrarlo          Haga clic en Editar color      en la barra de herramientas
                           Estándar.
                           O haga clic con el botón secundario del ratón en una cara,
                           superficie o sólido y elija Apariencia, Color.




Redondeos                                                                                   71
Lección 3                                                     Manual de formación SolidWorks 2006
Modelado básico de piezas




                            38 Editar color.
                               Haga clic con el botón
                               secundario del ratón en la
                               operación de nivel superior del
                               FeatureManager, Básico, y
                               haga clic en Apariencia,
                               Color.




                            39 Seleccionar muestra.
                               Seleccione la muestra shiny
                               (brillante) y uno de los colores.
                               Haga clic en Aceptar.
                            40 Guardar los resultados.
                               Haga clic en Guardar    en la
                               barra de herramientas Estándar
                               o en Archivo, Guardar para guardar su trabajo.


Conceptos                      SolidWorks le permite
básicos de                     crear fácilmente dibujos
documentación                  a partir de piezas o
                               ensamblajes. Estos
                               dibujos están
                               completamente
                               asociados a las piezas y
                               a los ensamblajes a los
                               que hacen referencia. Si
                               usted cambia el modelo,
                               el dibujo se actualizará.
                               Varios temas
                               relacionados con la construcción de dibujos están integrados en
                               varias lecciones a lo largo de este manual. El material aquí
                               presentado es sólo el comienzo. Específicamente:
                                   Cómo crear un nuevo archivo y hoja de dibujo
                                   Cómo crear un modelo y vistas de proyección de dibujo
                                   Cómo insertar las cotas del modelo
                                   Cómo agregar cotas conductoras (modelo)
                                   Cómo agregar anotaciones
                               Un tratamiento exhaustivo de la documentación se brinda en el
                               curso Conceptos básicos de SolidWorks: Dibujos.


72                                                            Conceptos básicos de documentación
Manual de formación SolidWorks 2006                                                  Lección 3
                                                                        Modelado básico de piezas


Configuraciones         A las configuraciones se accede mediante Herramientas,
                        Opciones. Las configuraciones utilizadas en esta lección son:

                                                           Propiedades de documento
                         Opciones de sistema               (Configurar la plantilla de
                                                           dibujo en uso)

                         Dibujos, Estilo de                Documentación:
                         visualización:                    • Estándar de acotación = ANSI
                         • Visualizar el estilo para las   • Actualización automática de la
                           nuevas vistas = Líneas            LDM = Seleccionada
                           ocultas visibles                • Insertar automáticamente al
                         • Aristas tangentes en las          crear vista:
                           nuevas vistas = Eliminadas          Centros de círculos =
                                                               Seleccionada
                                                               Líneas constructivas =
                                                               Desactivada
                                                               Globos = Desactivada
                                                               Cotas marcadas para dibujo =
                                                               Desactivada

                         Colores:                          Documentación, Fuente de
                         • Dibujos, Aristas de modelo      anotaciones, Cota:
                           ocultas = Negro                 • Fuente = Century Gothic
                                                           • Altura = 12 puntos

                                                           Documentación, Cotas:
                                                           • Precisión, Unidades
                                                             primarias = 0.123

                                                           Unidades = Pulgadas

Barras de               Existen barras de herramientas que son específicas del proceso de
herramientas            documentación y realización de dibujos. Las mismas se detallan a
                        continuación:
                           Dibujo

                           Anotación

Nuevo dibujo            Los archivos de dibujo (*.SLDDRW) son archivos de SolidWorks
                        que contienen hojas de dibujo. Cada hoja es el equivalente a una
                        sola hoja de papel.
Introducción: Crear     Crear dibujo desde pieza toma la pieza actual y pasa a través de la
dibujo desde pieza      creación de un archivo de dibujo, un formato de hoja y vistas de
                        dibujo iniciales mediante esa pieza.

Dónde encontrarlo          Haga clic en Crear dibujo desde pieza/ensamblaje              en la
                           barra de herramientas Estándar.
                           O haga clic en Archivo, Crear dibujo desde pieza.




Conceptos básicos de documentación                                                            73
Lección 3                                                     Manual de formación SolidWorks 2006
Modelado básico de piezas




                            1   Crear dibujo.
                                Haga clic en el icono Crear dibujo desde Pieza/Ensamblaje y
                                elija A-Scale1to2 (Escala 1 a 2) en la pestaña Training
                                Templates.
                                El formato de hoja crea un dibujo A-Horizontal. Éste es un
                                dibujo de tamaño A (81/2” x 11”) con su arista más larga dispuesta
                                horizontalmente. El formato de la hoja incluye un borde, un bloque
                                de título y otros gráficos.
Sugerencia                      Al hacer doble clic en la plantilla lo abrirá automáticamente,
                                eliminando la necesidad de hacer clic en Aceptar.


Vistas de dibujo                La tarea inicial de la documentación es la creación de vistas.
                                Mediante la utilización de la herramienta Crear dibujo desde pieza
                                accederá a la hoja de dibujo y creará vistas Orientación de vista.
                                La opción Orientación de vista crea vistas de dibujo que coinciden
                                con las orientaciones de la pieza.
                                Estas opciones se tratan con detalle en el manual Conceptos básicos
                                de Solidworks: Dibujos.

                            2   Vistas de dibujo.
                                Haga clic en
                                Múltiples vistas,
                                Orientación de vista
                                y seleccione las cuatro
                                vistas estándar
                                (Frontal,
                                Superior,
                                Derecha e
                                Isométrica) tal
                                como se muestra.
                                En la pestaña Estilo
                                de visualización,
                                haga clic en el botón
                                Líneas ocultas
                                visibles.
                                Haga clic en Aceptar para crear las vistas de dibujo.
Nota                            La hoja de dibujo puede ser de cualquier color. El color se utiliza
                                aquí para distinguir la pieza del dibujo.




74                                                                                   Vistas de dibujo
Manual de formación SolidWorks 2006                                                  Lección 3
                                                                        Modelado básico de piezas


                    3   Vistas de dibujo.
                        Las vistas de dibujo se crean
                        en el dibujo.




Sugerencia              Utilice Ctrl-arrastrar para romper la alineación con ángulo prede-
                        terminado y suelte la vista isométrica en cualquier lugar del dibujo.
                        Establezca el Estilo de visualización para esta vista en
                        Sombreado con aristas.
Sugerencia              El documento de pieza todavía está abierto. Puede presionar
                        Ctrl+Tab para alternar entre ventanas de documento de pieza y de
                        dibujo.
                    4   Aristas tangentes.
                        Seleccione dentro de la vista de dibujo, entre
                        el modelo y el borde temporalmente
                        punteado, para visualizar el borde de la vista. Si hace doble clic, se
                        bloqueará el enfoque de vista de dicha vista.
                        Haga clic con el botón secundario del ratón en la vista Frontal y
                        seleccione Arista tangente, Sin aristas tangentes. Repita esta
                        operación para las vistas Superior y Derecha.
                    5   Estilo de visualización.
                        Seleccione la vista Isométrica y cambie el Estilo de
                        visualización a Sombreado.


Cómo mover              Las vistas de dibujo pueden ser reubicadas, arrastrándolas alrededor
vistas                  del dibujo. En la disposición de 3 vistas estándar, la vista Front
                        (Frontal) es la vista de origen. Esto significa que al mover la vista
                        frontal se mueven las tres vistas. Las vistas Top (Superior) y
                        Right (Derecha) se alinean con la vista Front (Frontal). Las
                        mismas sólo se mueven a lo largo de sus ejes de alineación.
                    6   Mover vistas alineadas.
                        Seleccione y mueva la vista
                        Frontal. Se puede mover
                        en cualquier dirección y las
                        otras vistas permanecen
                        alineadas.




Vistas de dibujo                                                                              75
Lección 3                                                      Manual de formación SolidWorks 2006
Modelado básico de piezas


                                 El movimiento de una de las vistas de proyección está
                                limitado por la alineación.



Sugerencia                      Utilice Alt-arrastrar para realizar una selección en cualquier punto
                                de la vista. Utilice Mayúsculas-arrastrar para mantener la
                                separación entre las vistas mientras se arrastre.
Nota                            Una vez que se ha seleccionado la vista de dibujo, la misma se
                                puede arrastrar con el ratón o mover con las teclas de flechas. La
                                distancia que se ha movido cada vez que se presiona una tecla de
                                fecha se establece en Herramientas, Opciones, Opciones de
                                sistema, Dibujos, Incremento de movimiento de teclado.




Centros de                      Se insertaron Centros de círculos
círculos                        automáticamente en las vistas de dibujo.
                                Usted puede activar o desactivar esta
                                opción. Establezca su preferencia
                                utilizando el menú Herramientas,
                                Opciones, Propiedades de documento, Documentación.


                            7   Propiedades de centros de
                                círculos.
                                Haga clic en el centro de círculo
                                del círculo de la vista frontal.
                                Verifique la opción Líneas
                                extendidas.




Cotas del                       Las cotas del modelo son simplemente cotas y parámetros que se
modelo                          utilizaron para crear la pieza y se insertaron en el dibujo. Estas cotas
                                son consideradas cotas conductoras. Las cotas conductoras pueden
                                ser utilizadas para realizar cambios en el modelo. Puede insertar
                                cotas del modelo en el dibujo de cuatro modos. Puede insertar
                                automáticamente todas las cotas asociadas con:
                                    Una vista seleccionada
                                    Operación u operaciones seleccionadas
                                    Componentes seleccionados en un ensamblaje
                                    Todas las vistas




76                                                                                 Centros de círculos
Manual de formación SolidWorks 2006                                                    Lección 3
                                                                          Modelado básico de piezas


Cómo insertar             Las cotas creadas en la pieza se utilizarán en el dibujo de detalle.
todas las cotas del       En este caso, se insertarán todas las cotas de todas las vistas.
modelo                    Cuando el sistema inserta cotas del modelo en todas las vistas,
                          comienza primero con las vistas de detalle y sección. Luego, agrega
                          las cotas restantes a las vistas restantes basándose en las vistas más
                          apropiadas para las operaciones que están siendo acotadas.
Introducción:             Insertar elementos del modelo le permite tomar las cotas que se
Insertar elementos        crearon durante el modelado e insertarlas en el dibujo. Las cotas
del modelo                importadas del modelo pueden ser utilizadas para cambiar el
                          modelo. Estas cotas se denominan cotas conductoras.

Dónde encontrarlo            En el menú seleccione Insertar, Elementos del modelo...
                             O, en la barra de herramientas Anotaciones, haga clic en .

                      8   Insertar elementos del modelo.
                          Haga clic en Insertar, Elementos del modelo
                          e Importar desde Todo el modelo.
                          Haga clic en las opciones para Marcado para
                          dibujo y Ubicaciones del Asistente para
                          taladro y haga clic en Importar elementos a
                          todas las vistas.




Sugerencia                La opción Marcado para dibujo selecciona aquellas cotas que se
                          marcaron en la pieza. La opción de marcado     aparece en la
                          herramienta Modificar donde se establecen los valores de cota.
                          De modo predeterminado, todas las cotas están marcadas para su
                          importación al dibujo. Las cotas no marcadas aparecen con texto
                          azul.
                      9   Cotas resultantes.
                          Las cotas se agregan al
                          dibujo, pero generalmente
                          no en sus ubicaciones
                          definitivas. Si ubica las
                          cotas cuidadosamente en el
                          modelo al croquizar,
                          ahorrará tiempo cuando las
                          importe al dibujo.
                          Una vez que las cotas se
                          insertan, las mismas se
                          asocian con esa vista y se mueven con ella a menos que usted
                          deliberadamente las mueva hacia otra vista o las elimine.




Cotas del modelo                                                                                77
Lección 3                                                     Manual de formación SolidWorks 2006
Modelado básico de piezas


Cómo manipular                 Una vez que las cotas se han agregado a una vista, existen varias
cotas                          opciones de manipulación de las mismas.
                               Arrástrelas hasta la posición deseada.
                               Arrastre las cotas por sus textos hasta nuevas ubicaciones.
                               Para alinearlas y colocarlas, utilice las líneas de inferencia.
                               Para facilitar la ubicación de cotas,
                               las configuraciones de Dibujos del
                               cuadro de diálogo Herramientas, Opciones, Opciones de
                               sistema tienen dos opciones de Enganche de elementos de
                               detalle. Las inferencias son visualizadas cuando usted arrastra una
                               cota o nota por su centro o esquina.
                               Ocúltelas.
                               Algunas cotas creadas en el modelo son de uso limitado en el
                               dibujo, de modo que usted puede ocultarlas si lo desea. Haga clic
                               con el botón secundario del ratón en el texto de la cota y seleccione
                               Ocultar en el menú contextual. La cota será eliminada de la hoja de
                               dibujo, pero no de la base de datos del modelo.
                               Muévalas o cópielas a otras vistas.
                               Muchas veces una operación puede ser acotada en más de una vista.
                               Puede suceder que la cota no aparezca automáticamente en la vista
                               que usted desea. Puede mover cotas entre vistas siempre y cuando la
                               vista de destino pueda mostrar dicha cota.
                               Para mover una cota, mantenga presionada la tecla Mayús y arrastre
                               la cota hasta otra vista. Para copiar la cota, mantenga presionada la
                               tecla Ctrl y arrástrela y colóquela en otra vista.

                            10 Cómo volver a colocar
                               cotas.
                               La vista superior contiene
                               varias cotas. Algunas de
                               ellas se volverán a colocar
                               en la vista derecha.

                            11 Cómo mover una cota.
                               En este caso, mueva la cota
                               1.500 desde la vista
                               superior a la vista lateral
                               derecha mediante la técnica
                               Mayús-arrastrar.




78                                                                                  Cotas del modelo
Manual de formación SolidWorks 2006                                               Lección 3
                                                                     Modelado básico de piezas


                    12 Eliminar cotas.
                        Elimine las cotas de diámetro que se muestran. Las mismas se
                        sustituirán por Anotaciones de taladro, un tipo de anotación que
                        es una cota conducida.




Nota                    La eliminación de una cota en el dibujo no la elimina del modelo.
                        Las cotas eliminadas se pueden volver a insertar desde el modelo.
                    13 Cotas después de mover y eliminar.
                        La ilustración a continuación muestra el resultado de mover otras
                        cotas hasta la vista del lado derecho. La misma también muestra el
                        resultado de reorganizar las cotas en la vista superior.




Cotas del modelo                                                                           79
Lección 3                                                      Manual de formación SolidWorks 2006
Modelado básico de piezas


Cotas conducidas               Es posible que no todas las cotas que usted necesite en un dibujo
                               estén presentes en el modelo. A veces, debido a cómo fue
                               construido el modelo, no hay cotas para importar al dibujo. Cuando
                               esto sucede, la cota debe ser insertada manualmente utilizando la
                               misma herramienta de cota que usted utiliza cuando croquiza. Este
                               tipo de cota se denomina cota conducida porque su valor está
                               conducido por el modelo. A diferencia de las cotas conductoras,
                               usted no puede cambiarle su valor y, por lo tanto, cambiar el
                               modelo.
Visualización de               De forma predeterminada, las cotas conducidas son visualizadas de
cota                           modo diferente de las cotas conductoras:
                               El valor está encerrado entre paréntesis. Ésta es una práctica
                               aceptada para cotas de referencia.
                               Las mismas son visualizadas en un color diferente, gris en este caso.

                            14 Cómo acotar.
                               Haga clic en Cota vertical      .
                               Acote la altura total del saliente vertical.
                               Vuelva a hacer clic en la herramienta para
                               desactivarla.


                            15 Opciones de
                               visualización.
                               La apariencia de una cota
                               puede ser cambiada de
                               diversos modos. Haga clic
                               con el botón secundario
                               del ratón en la cota y
                               desactive la opción
                               Opciones de
                               visualización, Mostrar
                               paréntesis.



Asociatividad                  En el software de SolidWorks, todo es asociativo. Si usted realiza
entre el modelo y              un cambio en una pieza individual, dicho cambio se propagará a
el dibujo                      todos los dibujos y ensamblajes que hagan referencia a esa pieza.


Procedimiento                  Para cambiar el tamaño de la operación BasePlate (Chapa base),
                               siga este procedimiento:
                            16 Alternar entre ventanas.
                               Presione Ctrl+Tab para volver a la ventana del documento de la
                               pieza.




80                                                                                Cotas del modelo
Manual de formación SolidWorks 2006                                                   Lección 3
                                                                         Modelado básico de piezas


Cómo cambiar            El software de automatización de diseño mecánico SolidWorks
los parámetros          facilita en gran parte la realización de cambios en las cotas de su
                        pieza. Esta facilidad de edición es uno de los beneficios principales
                        del modelado paramétrico. Es por eso también que es tan
                        importante capturar correctamente su intención del diseño. Si no
                        captura la intención del diseño correctamente, los cambios
                        realizados en las cotas pueden originar resultados bastante
                        imprevistos en su pieza.
Cómo reconstruir        Luego de realizar cambios en las cotas, debe reconstruir el modelo
el modelo               para que esos cambios tengan efecto.
Símbolo de              Si realiza cambios en un croquis o una pieza que requiere que la
reconstruir             pieza se reconstruya, aparece un símbolo de reconstruir al lado
                        del nombre de la pieza y superpuesto sobre el icono de la operación
                        que requiere la reconstrucción            . Busque también el icono
                        de reconstruir que se encuentra en la Barra de estado.
                        El símbolo de reconstruir también aparece al editar un croquis.
                        Al salir del croquis, la pieza se reconstruye automáticamente.
Introducción:           Reconstruir regenera el modelo con los cambios realizados.
Reconstruir
Dónde encontrarlo             Haga clic en Reconstruir       en la barra de herramientas
                              Estándar.
                              O, en el menú Edición, haga clic en Reconstruir.
                              Utilice el acceso directo de teclado Ctrl+B.
Cómo actualizar la      Si simplemente desea actualizar la pantalla, eliminando los
pantalla                artefactos gráficos que puedan quedar de operaciones anteriores,
                        debe utilizar Redibujar, no Reconstruir.
Introducción:           Actualiza la pantalla pero no reconstruye la pieza.
Redibujar
Dónde encontrarlo             O, en el menú Ver, haga clic en Redibujar.
                              Utilice el acceso directo de teclado Ctrl+R.
Reconstruir contra      Redibujar no activará los cambios realizados en las cotas. Por lo
Redibujar               tanto, es muy rápido. Reconstruir regenera el modelo. Según la
                        complejidad del modelo, este proceso puede demorar más tiempo.

                     17 Hacer doble clic en la
                        operación.
                        Puede hacer doble clic en la
                        operación BasePlate en el
                        gestor de diseño del
                        FeatureManager o en la ventana
                        de gráficos. Cuando usted hace
                        esto, aparecerán los parámetros
                        asociados con la operación.




Cómo cambiar los parámetros                                                                    81
Lección 3                                                     Manual de formación SolidWorks 2006
Modelado básico de piezas


                               Haga doble clic en la cota de 4 pulgadas indicada. Aparecerá el
                               cuadro de diálogo Modificar. Ingrese un nuevo valor escribiéndolo
                               directamente o mediante el uso de las flechas del cuadro de
                               aumento y disminución. Ingrese 6 pulgadas.
                            18 Reconstruir la pieza para
                               ver los resultados.
                               Puede Reconstruir la pieza
                               haciendo clic en la
                               herramienta Reconstruir
                               del cuadro Modificar o en la
                               barra de herramientas
                               Estándar. Si utiliza la que está
                               en el cuadro de diálogo
                               Modificar, el cuadro de diálogo permanecerá abierto de modo que
                               usted pueda realizar otro cambio más. Esto facilita la exploración de
                               los escenarios “qué sucede si”.
                            19 Actualizar el dibujo.
                               Regrese a la hoja de dibujo.
                               El dibujo se actualizará
                               automáticamente para
                               reflejar los cambios hechos
                               en el modelo.




Introducción:                  La herramienta Anotación de taladro se utiliza para agregar cotas
Anotaciones de                 conducidas por diámetro a taladros creados por el Asistente para
taladro                        taladro u operaciones Corte circular. Es una de las numerosas
                               anotaciones disponibles en SolidWorks.
                               Estas anotaciones se pueden agregar automáticamente mediante
                               Insertar elementos del modelo.
                                   Haga clic en Insertar, Anotaciones, Anotación de taladro.
                                   O, en la barra de herramientas Anotaciones, haga clic en .
                                   También puede hacer clic con el botón secundario del ratón en
                                   Anotaciones, Anotación de taladro.




82                                                                   Cómo cambiar los parámetros
Manual de formación SolidWorks 2006                                    Lección 3
                                                          Modelado básico de piezas



                    20 Agregar anotaciones de
                       taladro.
                        Haga clic en el taladro central
                        de la vista frontal y sitúe la
                        anotación en el dibujo.
                        Seleccione el taladro izquierdo
                        de los dos que hay en la vista
                        superior y sitúelo.
Nota                    El prefijo “2X” se agrega
                        automáticamente porque hay
                        dos taladros perforados.
                    21 Guardar y cerrar la pieza y
                       el dibujo.




Cómo cambiar los parámetros                                                     83
Lección 3                   Manual de formación SolidWorks 2006
Modelado básico de piezas




84                                 Cómo cambiar los parámetros
Manual de formación SolidWorks 2006


Ejercicio 4:            Cree esta pieza utilizando la
Chapa                   información y las cotas
                        proporcionadas. Croquice y
                        extruya perfiles para crear la
                        pieza. Este laboratorio
                        refuerza las siguientes
                        funciones:
                           Croquizado
                           Extrusión base
                           Extrusión del saliente
                           Asistente para taladro

Intención del           Utilice la intención del diseño para crear la pieza.
diseño                  1. La pieza no es simétrica.
                        2. El taladro es un taladro con tamaño de perforador Métrico -
                           ANSI.

Cotas                   Utilice los siguientes gráficos con la intención del diseño para crear
                        la pieza.




Ejercicio 4                                                                                 85
Manual de formación SolidWorks 2006


Ejercicio 5:        Realice cambios
Cambios             en la pieza creada
básicos             en la lección
                    anterior.
                    Este ejercicio
                    utiliza las
                    siguientes
                    funciones:
                       Cambio de los
                       valores de
                       cota.


Procedimiento       Abra una pieza existente en la carpeta Exercises (Ejercicios).
                1   Abrir la pieza
                    Basic-Changes
                    (Cambios básicos).
                    Se efectuarán varios cambios en
                    el modelo para ajustar su
                    tamaño y comprobar la
                    intención del diseño.




                2   Cota total.
                    Haga doble clic en la primera operación (Base Plate) en el
                    FeatureManager o en la pantalla para acceder a las cotas. Cambie la
                    cota de longitud a 6 pulgadas (la que se muestra en negrita y
                    subrayada debajo) y reconstruya el modelo.




86                                                                           Ejercicio 5
Manual de formación SolidWorks 2006


                    3   Saliente.
                        Haga doble clic en la operación Vert boss (Saliente vertical) y
                        cambie las cotas de diámetro y altura según se indica. Reconstruya
                        la pieza.




                    4   Ubicaciones de taladros.
                        Haga doble clic en la operación 9/32 Holes (Taladros 9/32) y
                        cambie las cotas de posición a 0.75 pulgadas cada una.
                        Reconstruya el modelo.




                    5   Centrar Vert Boss (Saliente vertical).
                        Determine el valor adecuado y cambie la cota que centra el
                        Vert Boss (Saliente vertical) en la base.




                    6   Guardar y cerrar la pieza.




Ejercicio 5                                                                             87
Manual de formación SolidWorks 2006


Ejercicio 6:    Cree esta pieza
Soporte         utilizando la información
                y las cotas
                proporcionadas.
                Croquice y extruya
                perfiles para crear la
                pieza.
                Este laboratorio refuerza
                las siguientes funciones:
                     Croquizado.
                     Salientes.
                     Taladros.

Intención del   La intención del diseño de esta pieza se muestra a continuación.
diseño          1. El saliente está centrado en el extremo redondeado de la base.
                2. El taladro es un taladro pasante y es concéntrico al saliente.
                Utilice la plantilla Part_MM.
Vista acotada   Utilice la intención del diseño y los gráficos siguientes para crear la
                pieza.




                Como ayuda para construir
                esta pieza, observe de qué
                modo la misma podría ser
                dividida en operaciones
                individuales.




88                                                                          Ejercicio 6
Manual de formación SolidWorks 2006


Ejercicio 7:            Cree esta pieza utilizando la
Cómo trabajar           información y las cotas de fracción
con fracciones          proporcionadas. Croquice y extruya
                        perfiles para crear la pieza. Este
                        laboratorio refuerza las siguientes
                        funciones:
                           Cómo introducir y visualizar
                           cotas como fracciones.
                           .Salientes
                           Cortes.
                           Redondeos.
                           Condiciones finales Hasta profundidad especificada y
                           Por todo.

Fracciones              Existen dos elementos a considerar cuando se trabaja con cotas
                        establecidas en fracciones:
                        1. La configuración de las unidades del documento en fracciones
                           en pulgadas.
                        2. La entrada de valores de cota como fracciones.
Unidades del            En el cuadro de diálogo Herramientas, Opciones, haga clic en la
documento               pestaña Propiedades de documentos y seleccione Unidades.
                        Los dos tipos de unidades de longitud que soportan Fracciones
                        son:
                           Pulgadas
                           Pies y pulgadas
                        Cuando usted elige
                        Fracciones, debe
                        especificar el Denominador
                        predeterminado. Las cotas
                        que pueden dividirse equitativamente por este denominador se
                        muestran como fracciones. La visualización de las cotas que no son
                        divisibles equitativamente depende de la selección de la opción
                        Redondear a la fracción más cercana.
                        Por ejemplo, si el Denominador se establece en 16 y usted ingresa
                        un valor de 3⁄64 este valor se visualizará como 1⁄16 si está
                        seleccionada la opción Redondear a la fracción más cercana. Si
                        la misma no está seleccionada, se mostrará 0.047.
Cómo ingresar           Puede ingresar cotas como fracciones sin importar si las unidades
cotas                   del documento están establecidas en fracciones. Para ingresar un
                        valor como 1 7⁄8”, escriba 1, presione la barra espaciadora, luego
                        escriba 7/8 y presione Intro.




Ejercicio 7                                                                              89
Manual de formación SolidWorks 2006


Intención del       La intención del diseño de esta pieza se muestra a continuación.
diseño              1. El corte de lado a lado está centrado en la esquina.
                    2. El corte desde el frente hacia atrás está centrado en el punto
                       medio de la arista.
                    Utilice la plantilla Part_IN.

Vistas              Utilice los gráficos siguientes
                    como ayuda para visualizar la
                    pieza.




                1   Nueva pieza.
                    Abra una nueva pieza utilizando la plantilla Part_IN.
                2   Primera operación.
                    Cree la primera
                    operación utilizando
                    un croquis y un
                    saliente extruido.
                    Puede utilizar el plano
                    de referencia
                    Alzado, Planta o
                    Vista lateral
                    para croquizar.




                3   Operación Cortar.
                    Utilizando un croquis que
                    contenga un círculo, cree
                    una operación Extruir
                    corte. El círculo está
                    centrado sobre la esquina
                    (vértice) de la primera
                    operación.




90                                                                            Ejercicio 7
Manual de formación SolidWorks 2006


                    4   Segunda operación
                        Cortar.
                        Cree una segunda
                        operación Extruir corte
                        utilizando un círculo. Este
                        círculo debe estar centrado
                        en el punto medio (a mitad
                        de camino de la arista).




                    5   Redondeo/Redondo.
                        Utilizando la arista creada por
                        cortes, cree una operación
                        Redondeo/Redondo.
                    6   Guardar y cerrar la pieza.




Ejercicio 7                                               91
Manual de formación SolidWorks 2006


Ejercicio 8:    Cree esta pieza utilizando la información
Dibujos de la   suministrada.
pieza           Este laboratorio refuerza las siguientes
                funciones:
                   Hojas de dibujo.
                   Vistas de dibujo.
                   Centros de círculo.
                   Cotas.
                   Anotaciones de taladro.
                Utilice la plantilla A-Scale1to2 (A-Escala 1 a 2) y la pieza
                construida Basic-Changes-Done (Cambios básicos
                realizados).

Vista acotada   Utilice los gráficos siguientes para crear el dibujo.




92                                                                      Ejercicio 8
Manual de formación SolidWorks 2006


Ejercicio 9:            Este laboratorio refuerza las
Guía                    siguientes funciones:
                           Redondeos, círculos,
                           arcos y líneas de
                           croquis.
                           Relaciones.
                           Extrusiones.
                           Operaciones Redondeo
                           y Redondo.

Intención del           Algunos aspectos de la
diseño                  intención del diseño para esta
                        pieza son:
                        1. La pieza no es simétrica.
                        2. El círculo grande es
                           tangente a la arista
                           exterior.
                        3. El círculo grande es
                           coincidente con la arista
                           del cuadro inferior.
                        4. Los espesores de chapa son iguales.

Procedimiento           Abra una pieza nueva utilizando la plantilla Part_MM.
                    1   Croquizar el perfil.
                        Utilizando el plano
                        Alzado, cree el
                        perfil.




                    2   Extrusión.
                        Extruya el croquis 10 mm.




Ejercicio 9                                                                     93
Manual de formación SolidWorks 2006


     3   Croquis
         superior.
         Comience un
         croquis en la
         cara superior
         del modelo. El
         círculo es
         tangente a una
         arista y
         coincidente con
         la otra.
     4   Extruir igual espesor.
         Extruya el círculo con el
         mismo espesor que la
         primera operación.




     5   Agregar dos
         redondeos.
         Agregue dos
         redondeos según
         se indica.




     6   Último
         redondeo.
         Cree un tercer
         redondeo con un
         radio de 20 mm.




94                                                            Ejercicio 9
Manual de formación SolidWorks 2006


                    7   Cortes.
                        Utilice simetría con líneas y arcos para crear un corte Por todo para
                        la forma de ranura. Utilice un círculo para crear otro corte
                        concéntrico con la arista del modelo.

Nota                    Este croquis requiere el uso de una relación Paralela. Consulte la
                        Ayuda, Temas de ayuda de SolidWorks para obtener más
                        información.




                    8   Guardar y cerrar la pieza.




Ejercicio 9                                                                                95
Manual de formación SolidWorks 2006




96                            Ejercicio 9
Manual de formación SolidWorks 2006




                                                        Lección 4
                                               Cómo modelar una
                                               pieza de fundición
                                                           o forja


                        Al finalizar esta lección, podrá:
                           Abrir una pieza de SolidWorks y guardar su trabajo.
                           Croquizar en un plano definido por el sistema o una cara plana
                           de un modelo.
                           Utilizar la visualización de vistas y los comandos de
                           modificación.
                           Crear croquis completamente definidos mediante el uso de cotas
                           y relaciones geométricas.
                           Crear operaciones Base y Saliente por extrusión.
                           Crear operaciones Cortar por extrusión.
                           Copiar y pegar operaciones.
                           Crear redondeos de radio constante.
                           Editar la definición y los parámetros de una operación y volver
                           a generar el modelo.
                           Utilizar las condiciones finales Hasta el siguiente y Plano
                           medio para captar la intención del diseño.
                           Utilizar simetría en el croquis.




                                                                                         97
Lección 4                                     Manual de formación SolidWorks 2006
Cómo modelar una pieza de fundición o forja




98
Manual de formación SolidWorks 2006                                                       Lección 4
                                                           Cómo modelar una pieza de fundición o forja


Estudio de               La pieza Ratchet (Trinquete)
casos:                   contiene gran parte de las
Trinquete                operaciones y los
                         procedimientos que utilizará
                         frecuentemente. Contiene
                         salientes, cortes, geometría de
                         croquis, redondeos y ángulo de
                         salida.
Etapas del               Algunas etapas importantes del proceso de modelado de esta pieza
proceso                  se muestran en la siguiente lista: Cada uno de estos temas consta de
                         una sección en la lección.
                         Intención del diseño
                         Se analiza la intención del diseño general para la pieza.
                         Operación Saliente con ángulo de salida
                         La primera porción del modelo que se creará es la pieza Handle
                         (Asa). La pieza Handle utiliza líneas croquizadas y se extruye en
                         dos direcciones con ángulo de salida formando un sólido. Es la
                         operación inicial de la pieza y demuestra el uso de simetría en el
                         croquis.
                         Condición final Hasta el siguiente
                         La segunda porción del modelo es la pieza Transition
                         (Transición). Utiliza la condición final Hasta el siguiente para
                         establecer una conexión con las caras de Handle.
                         Croquizado dentro de la pieza
                         El tercer saliente creado es la pieza Head (Cabeza). Se croquiza
                         dentro del sólido creado por la pieza Transition.
                         Cortar utilizando las aristas existentes
                         La operación Recess (Entrante) es la primera operación de tipo de
                         corte creada. Utiliza una equidistancia a partir de las aristas
                         existentes del modelo para crear el croquis. Se extruye como un
                         corte de equidistancia hasta una profundidad específica.
                         Cortar con geometría de croquis recortada
                         La operación Pocket es otra operación Cortar, esta vez utilizando
                         círculos recortados con la forma apropiada.
                         Cortar utilizando copiar y pegar
                         La operación Wheel Hole se copiará y pegará.
                         Redondeos
                         Se agregan redondeos al sólido utilizando diversas técnicas
                         diferentes.
                         Cómo editar la definición de una operación
                         Las operaciones que ya existen pueden cambiarse utilizando el
                         comando Editar operación. Los redondeos se editarán de esta
                         manera.




Estudio de casos: Trinquete                                                                        99
Lección 4                                                     Manual de formación SolidWorks 2006
Cómo modelar una pieza de fundición o forja



Intención del                  En la siguiente ilustración y lista se muestra un resumen de la intención
diseño                         del diseño de la pieza Ratchet. Se analiza la intención del diseño
                               específica para cada porción de la pieza por separado.


                                                                   Handle (Asa)

                                                 Head (Cabeza)



                                                                     Transition (Transición)
                                                    Pocket (Cavidad) Recess (Entrante)




                                                   Thru Holes (Taladros pasantes)




                                   Centrado: Las operaciones Head, Handle y Transition están
                                   centradas con respecto a un eje.
                                   Simetría: La pieza es simétrica, tanto con respecto a la línea
                                   constructiva como con respecto al plano de separación.




100                                                                             Intención del diseño
Manual de formación SolidWorks 2006                                                       Lección 4
                                                           Cómo modelar una pieza de fundición o forja


Operación                La primera parte de la pieza Ratchet que modelaremos es
Saliente con             Handle. A veces se hace referencia a la primera operación de
ángulo de                cualquier modelo como la operación Base. Todas las demás
salida                   operaciones se construyen sobre la primera operación.

Cómo construir el        La pieza Handle
asa                      (Asa) posee una
                         sección transversal       Sección de la
                         rectangular. Está         pieza Handle
                         extruida con un
                         ángulo de salida a
                         igual distancia en
                         direcciones opuestas
                         desde el plano de
                         croquis.

Intención del            La pieza Handle es una operación Croquis
diseño del asa           que utiliza líneas y simetría para formar el
                         esquema o perfil básico. El perfil se extruye en
                         direcciones opuestas, equitativamente, con el
                         ángulo de salida. El croquis crea una sección
                         transversal rectangular que se extruye por
                         igual en direcciones opuestas, con el ángulo de salida.
                             Ángulo de salida: El ángulo de salida es igual a ambos lados
                             del plano de separación
                             Simetría: La operación es simétrica con respecto al plano de
                             separación y al eje de la línea constructiva de la pieza Handle
                         Se utilizará una línea constructiva, una pieza de geometría de
                         referencia, para ubicar y realizar el croquis de Handle.
                         La línea constructiva representa la distancia desde el final del
                         asa hasta el centro del taladro más lejano y también se utiliza
                         para realizar la simetría de geometría de croquis.




Operación Saliente con ángulo de salida                                                          101
Lección 4                                                     Manual de formación SolidWorks 2006
Cómo modelar una pieza de fundición o forja




Procedimiento                  Empiece siguiendo este procedimiento:
                           1   Nueva pieza.
                               Abra una nueva pieza utilizando la plantilla Part_MM de la pestaña
                               Training Templates (Plantillas de formación). Guarde la
                               pieza y asígnele el nombre Ratchet.
                           2   Desactivar la visualización.
                               Desactive la visualización de las relaciones mediante las opciones
                               Ver, Relaciones de croquis.
Nota                           En las lecciones siguientes se dará por sentado que Ver, Relaciones
                               de croquis está desactivado.
                           3   Plano de croquis.
                               Seleccione el plano de referencia Planta como plano de croquis.
                               Cambie la vista a una vista Top (Superior).

Introducción:                  Insertar línea constructiva se utiliza para crear una línea de
Insertar línea                 referencia en un croquis. La línea constructiva puede ser vertical,
constructiva                   horizontal o tener un ángulo arbitrario dependiendo de cómo se
                               utilicen las inferencias. Debido a que la línea constructiva es
                               considerada una geometría de referencia, no es necesario que esté
                               completamente definida en el croquis.
Dónde encontrarlo                   Haga clic en Herramientas, Entidad de croquis, Línea
                                    constructiva.
                                    O, en la barra de herramientas Croquis, haga clic en Línea
                                    constructiva      .
Nota                           Cualquier parte de la geometría de croquis puede convertirse en
                               geometría de construcción y viceversa. Seleccione la geometría y
                               haga clic en la herramienta Geometría constructiva      en la barra
                               de herramientas Croquis.
                               El PropertyManager puede también utilizarse para
                               cambiar la geometría de croquis a geometría
                               constructiva. Seleccione la geometría y haga clic
                               en Para construcción.

                           4   Croquizar una línea constructiva.
                               Croquice una línea constructiva en dirección vertical desde el
                               origen. La longitud no es importante.




102                                                        Operación Saliente con ángulo de salida
Manual de formación SolidWorks 2006                                                          Lección 4
                                                              Cómo modelar una pieza de fundición o forja


Simetría en el               La geometría simétrica en un croquis puede crearse más fácilmente
croquis                      utilizando la opción Simetría. Puede realizar una simetría a medida
                             que croquiza: simetría en tiempo real. O, puede seleccionar
                             geometría ya croquizada y realizar la simetría: después del hecho de
                             simetría. También se pueden añadir relaciones Simétricas a la
                             geometría después de croquizar.
                             En cualquier caso, la simetría crea copias que se relacionan con los
                             originales mediante la relación Simétrica. En el caso de líneas, la
                             relación simétrica se aplica a los puntos finales de las líneas. En el
                             caso de arcos y círculos, la relación simétrica se aplica a la entidad
                             en sí misma. A continuación, se muestran los tres métodos.
                                Simetría mientras se croquiza
                                Simetría después de croquizar
                                Simetría mediante relaciones
Introducción:                Para crear simetría, es necesario una línea, una arista lineal o una
Simetría dinámica            línea constructiva. La línea se activa antes de croquizar la geometría
                             a partir de la cual se va a crear simetría.

Dónde encontrarlo               En el menú Herramientas, seleccione: Herramientas de
                                croquizar, Simetría dinámica.
                                O, en la barra de herramientas Croquis, haga clic en Simetría
                                dinámica      .
Simetría mientras se         La geometría simétrica se puede crear en tiempo real mientras se
croquiza                     croquiza. El método Simetría dinámica permite crear simetría
                             antes de croquizar.
Simetría después             La simetría se puede crear mediante el croquizado de una mitad de
de croquizar                 la geometría y la utilización de la simetría para crear la otra mitad.
                             La simetría se aplica después de croquizar.

                         5   Simetría dinámica.
                             Seleccione la línea constructiva y haga clic en la herramienta
                             Simetría dinámica. El símbolo de Simetría dinámica
                             aparece en los dos extremos de la línea constructiva.




                         6   Croquizar línea.
                             Croquice una línea a partir del extremo superior de la línea
                             constructiva moviéndola a la derecha. Se crea una imagen
                             simétrica de la línea en el lado opuesto de la línea
                             constructiva.




Simetría en el croquis                                                                              103
Lección 4                                                    Manual de formación SolidWorks 2006
Cómo modelar una pieza de fundición o forja


                           7   Completar el croquis.
                               Agregue una línea en dirección vertical y, a continuación,
                               en dirección horizontal, deteniéndose en la línea
                               constructiva. Desactivar la herramienta de simetría.
Sugerencia                     No cruce la línea constructiva mientras esté croquizando en
                               el modo Simetría automática. Si lo hace, podría crearse
                               una geometría duplicada. Detenerse en la línea constructiva
                               hace que las líneas simétricas se fusionen en una sola línea.


Acotación                      Acotar automáticamente crea cotas en un croquis. Se admiten
automática de                  diversos estilos de cotas, como línea base, cadena y coordenada.
croquis                        Pueden establecerse los puntos iniciales para conjuntos horizontales
                               y verticales. Esta herramienta no agrega relaciones geométricas al
                               croquis.
Introducción:                  Acotar automáticamente tiene opciones para el tipo de cota,
Acotación                      las entidades que se van a acotar y los puntos iniciales.
automática
                                Croquis
                                insuficientemente
                                definido con relaciones
                                geométricas.

                                Opción Cadena
                                seleccionada con puntos
                                iniciales en el origen.
                                Nota: Algunas cotas se
                                han movido para obtener
                                mayor claridad.

                                Opción Línea base
                                seleccionada con puntos
                                iniciales en el origen.




                                Opción Coordenada
                                seleccionada con puntos
                                iniciales en el origen.




Nota                           Aparece una opción especial denominada Línea constructiva
                               cuando se utiliza geometría de línea constructiva en el croquis.
                               Las cotas pueden basarse en la línea constructiva.


104                                                                            Simetría en el croquis
Manual de formación SolidWorks 2006                                                          Lección 4
                                                              Cómo modelar una pieza de fundición o forja


Dónde encontrarlo               Haga clic en Herramientas, Cotas, Acotar
                                automáticamente....
                                O, en la barra de herramientas Cotas/Relaciones, haga clic en la
                                herramienta Acotar automáticamente .

                         8   Configuración de acotación
                             automática.
                             Haga clic en la herramienta Acotar
                             automáticamente        .
                             Haga clic en el campo Referencia para
                             obtener las Cotas horizontales y
                             seleccione la línea constructiva vertical.
                             Para obtener las Cotas verticales,
                             seleccione el punto final de la línea
                             constructiva.
                             Establezca ambos Esquemas en la
                             Línea base.




                         9   Cotas.
                             Las cotas se agregan, se cambian y se mueven
                             para mayor claridad.




Nota                         Los croquis acotados con la herramienta Acotar automáticamente
                             están totalmente definidos, pero quizás no estén acotados
                             exactamente del modo deseado. Puede eliminar y reemplazar las
                             cotas si es necesario.




Simetría en el croquis                                                                              105
Lección 4                                                    Manual de formación SolidWorks 2006
Cómo modelar una pieza de fundición o forja


Primera                        La primera operación, siempre un saliente, es la primera operación
operación                      sólida creada en toda pieza. En esta pieza, la primera operación
                               creada es una extrusión Plano medio.
                           10 Extrusión de saliente/base.
                              Haga clic en la herramienta Extruir saliente/base    en la barra de
                              herramientas Operaciones o haga clic en Extruir saliente/base en
                              el menú Insertar.

                           11 Extrusión.
                               Elija la opción Plano
                               medio de la lista y
                               especifique una
                               profundidad de 15 mm.
                               Haga clic en Ángulo de
                               salida      y establezca el
                               ángulo en 8º. Debe
                               anularse la selección de
                               la casilla de verificación
                               Ángulo de salida hacia
                               afuera.
                               Haga clic en Aceptar
                               para crear la operación.
                           12 Operación completa.
                               La operación completa se muestra a la
                               derecha. Denomine la operación
                               Handle.




106                                                                            Primera operación
Manual de formación SolidWorks 2006                                                     Lección 4
                                                         Cómo modelar una pieza de fundición o forja


Croquizado              La segunda operación de la pieza es Transition, otro saliente
dentro del              que conectará la operación Head con la operación Handle.
modelo                  El croquis para esta operación se crea en un plano de referencia
                        estándar.




                                                   Sección de transición




Intención del           La operación Transition
diseño de la            (Transición) es un perfil circular
transición              simple que se extruye hasta la
                        operación Handle (Asa)
                        existente.
                           Centrado: El perfil circular
                           está centrado en la operación
                           Head.
                           Longitud: La longitud de la
                           sección se determina
                           utilizando las ubicaciones
                           existentes.

                    13 Cómo mostrar el Alzado.
                        Cambie a una vista isométrica y
                        seleccione el Alzado en el gestor
                        de diseño del FeatureManager. El
                        mismo se resaltará en la pantalla.
                        Para asegurarse de que el plano
                        continúe visible, haga clic con el
                        botón secundario del ratón en
                        Alzado en el gestor de diseño del FeatureManager y seleccione
                        Mostrar en el menú. El plano aparecerá sombreado y transparente.
                    14 Configuración y cambios de plano.
                        Existen configuraciones para determinar cómo aparecerán los
                        planos en la pantalla. Para planos sombreados, haga clic en
                        Herramientas, Opciones, Opciones de sistema, Visualizar/
                        Selección y seleccione la casilla de verificación Mostrar planos
                        sombreados. Establezca el color del plano utilizando
                        Herramientas, Opciones, Propiedades de documento,
                        Visualización de planos.




Croquizado dentro del modelo                                                                   107
Lección 4                                                    Manual de formación SolidWorks 2006
Cómo modelar una pieza de fundición o forja


                               Puede ajustar el tamaño de cualquier plano,
                               generado por el sistema o el usuario, arrastrando
                               sus asas. Ajuste el tamaño de este plano de modo
                               que sus bordes queden cercanos a los límites de la
                               operación.
                               El tamaño de los planos también puede ajustarse
                               automáticamente al modelo. Haga clic con el
                               botón secundario del ratón y elija Ajuste
                               automático de tamaño.

Perfil circular                El croquis para la operación Transition tiene una geometría y
                               relaciones muy simples. Se croquiza un círculo y se lo relaciona con
                               una posición en la operación anterior para definirlo. Esta relación
                               mantendrá la operación Transition centrada en la operación
                               Handle.

                           15 Abrir un croquis nuevo.
                               Con la opción Alzado aún seleccionada, haga clic en la
                               herramienta Croquis . El plano ahora es un plano de croquis.


Introducción: Vista            La opción Vista normal a se utiliza para cambiar la orientación
normal a                       de vista de una dirección normal a una cara plana seleccionada.
                               La geometría puede ser un plano de referencia, un croquis, una
                               cara plana o una operación que contiene un croquis.
Sugerencia                     Al hacer clic en el icono Normal a por segunda vez, invertirá la
                               orientación a la cara opuesta del plano.

Dónde encontrarlo                   Haga clic en Normal a    en la barra de herramientas Vistas
                                    estándar.
                                    O presione la Barra espaciadora y haga doble clic en
                                    Normal a.


                           16 Orientación de vista Normal a.
                               Utilizando el cuadro de diálogo
                               Orientación de vista, cambie la
                               orientación a Normal a. Para hacerlo,
                               seleccione Alzado y haga doble clic
                               en la opción Normal a del cuadro de
                               diálogo Orientación de vista. Esto
                               orienta la vista de modo que se pueda
                               ver el tamaño y la forma reales del plano, facilitando el croquizado.
Sugerencia                     También puede seleccionar el plano y hacer clic en la herramienta
                               Normal a    de la barra de herramientas Vistas estándar.




108                                                                  Croquizado dentro del modelo
Manual de formación SolidWorks 2006                                                       Lección 4
                                                           Cómo modelar una pieza de fundición o forja


Introducción:           La herramienta Círculo se utiliza en la creación de círculos para
Círculos                cortes y salientes en un croquis. El círculo se define mediante la
croquizados             creación de un Centro o un Perímetro. El centro requiere dos
                        ubicaciones: el centro y una ubicación sobre su circunferencia.
                        El perímetro requiere ubicaciones que representen dos (o de
                        manera opcional tres) ubicaciones en el perímetro.

Dónde encontrarlo          En el menú Herramientas, seleccione Entidades de croquis,
                           Círculo o Círculo perimetral.
                           O, en la barra de herramientas Croquis, haga clic en Círculo
                           o Círculo perimetral .


Cómo croquizar el       Pueden utilizarse muchos puntos de inferencia para ubicar círculos.
círculo                 Puede utilizar el centro de círculos creados previamente, el origen
                        y demás ubicaciones de puntos para localizar el centro del círculo.
                        En este ejemplo, capturaremos automáticamente una relación
                        coincidente con el origen mediante el croquizado del centro del
                        círculo sobre la misma.
                    17 Agregar un círculo y acotarlo.
                       Con la Herramienta Círculo,
                        agregue el círculo en el origen.
                        Agregue la cota de diámetro para
                        definir completamente el croquis.
                        Establezca el valor en 12 mm. El
                        croquis está completamente definido.



Cómo cambiar la         Con el estándar de acotación en uso actualmente, las cotas de
apariencia de las       diámetro se visualizan con una flecha fuera del círculo. Puede
cotas                   cambiar la visualización de modo que dos flechas queden dentro del
                        círculo.

                    18 Hacer clic en la cota.
                        Dos puntos verdes pequeños
                        aparecerán en las flechas de la cota.




Croquizado dentro del modelo                                                                     109
Lección 4                                                    Manual de formación SolidWorks 2006
Cómo modelar una pieza de fundición o forja


                           19 Activar o desactivar las flechas.
                               Haga clic en uno de los puntos verdes
                               para activar o desactivar las flechas
                               hacia el interior del círculo. Esto
                               funciona en todas las cotas, no sólo en
                               las cotas de diámetro.
                               Haga clic de nuevo para situar las
                               flechas en el exterior.
                           20 Ocultar la opción Alzado.

                           21 Cambiar a vista
                              Isométrica.
                               A diferencia de lo que sucede al
                               crear la primera operación, el
                               sistema no cambiará las
                               orientaciones de vista
                               automáticamente para ningún
                               otro saliente o corte. Utilice el
                               cuadro de diálogo Orientación de vista o la barra de herramientas
                               Vistas estándar para cambiar a una vista Isométrica.


Cómo extruir                   El croquis será extruido hasta la o las siguientes caras que encuentre
hasta el siguiente             a lo largo de su trayecto. Es importante observar los gráficos de
                               vista preliminar para determinar si el saliente se orienta en la
                               dirección adecuada, invirtiendo dicha dirección si fuera necesario.

                           22 Extrusión Hasta el
                              siguiente.
                              Haga clic en Insertar,
                              Saliente/Base, Extruir... y
                               observe la visualización de la
                               vista preliminar. Cambie la
                               dirección de modo que la vista
                               preliminar muestre la
                               extrusión que se dirige hacia
                               la operación Handle.
                               Cambie la condición final por Hasta el siguiente.
                               Haga clic en Aceptar.
                               Cambie el nombre de la operación
                               por Transition.




110                                                                   Croquizado dentro del modelo
Manual de formación SolidWorks 2006                                                     Lección 4
                                                         Cómo modelar una pieza de fundición o forja


Hasta el siguiente      Las condiciones finales Hasta el siguiente y Hasta la superficie
en comparación con      generan resultados diferentes en muchos casos. La imagen de la
Hasta la superficie     izquierda es para Hasta la superficie cuando se selecciona la cara
                        con ángulo (roja). La superficie selecciona da la forma a la
                        extrusión. Sólo se permite una selección de superficie. La imagen
                        de la derecha es para Hasta el siguiente. Todas las caras de la ruta de
                        la extrusión se utilizan para dar forma a la extrusión.




Intención del           La operaciónHead (Cabeza) es una operación Croquis que utiliza
diseño de la            líneas y arcos tangentes para formar el esquema o perfil básico.
cabeza                  El perfil se extruye en direcciones opuestas, equitativamente, con
                        el ángulo de salida. Esta operación es la operación clave de la pieza.
                        Contendrá cavidades y taladros utilizados para la ubicación de otras
                        piezas.
                        La intención del diseño de Head se detalla a continuación:
                           Centros del
                           arco: Los
                           centros de los
                           dos arcos en el
                           esquema
                           (perfil)                                       Línea de
                           se alinean                                     separación
                           verticalmente
                           en una
                           orientación
                           de vista Top
                           (Superior). Los radios no son iguales y pueden cambiar a
                           cualquier valor.
                           Ubicación del perfil: La geometría de croquis se ubica en el
                           plano de separación del sólido con el arco mayor centrado con
                           respecto al origen del modelo.
                           Ángulo de salida: El ángulo de salida aplicado es igual a ambos
                           lados del plano de separación.
                           Espesor: El espesor de la pieza es igual a ambos lados de la
                           línea de separación.




Croquizado dentro del modelo                                                                   111
Lección 4                                                     Manual de formación SolidWorks 2006
Cómo modelar una pieza de fundición o forja


                                    Simetría: La
                                    geometría es
                                    simétrica.


                                                    Sección de la
                                                    cabeza




                           23 Línea constructiva.
                               Seleccione el plano de referencia Planta como plano de
                               croquis. Oriente la vista en la misma dirección. Empiece el
                               croquis con una línea constructiva como se indica.




Introducción:                  Arco centro extremos crea un arco basado en un centro, un punto
Arco centro                    inicial y un punto final.
extremos

Dónde encontrarlo                   En el menú Herramientas, elija Entidades de croquis,
                                    Arco centro extremos....
                                    O, haga clic con el botón secundario del ratón en la zona de
                                    gráficos y seleccione Arco centro extremos.
                                    O, en la barra de herramientas Croquis, seleccione la
                                    herramienta Arco centro extremos .

                           24 Croquizar un arco centro extremos.
                              Seleccione la herramienta Arco centro
                               extremos       y haga clic primero en el
                               origen (1).
                                                                           3
                               Muévase hacia fuera para establecer el
                               radio y el punto inicial y vuelva a hacer
                               clic (2).
                               Muévase para establecer el punto final y
                                                                                        1
                               haga clic en un tiempo final (3).              2
                               Repita el procedimiento para un arco situado en el extremo abierto
                               de la línea constructiva.




112                                                                   Croquizado dentro del modelo
Manual de formación SolidWorks 2006                                                       Lección 4
                                                           Cómo modelar una pieza de fundición o forja


                    25 Completar el croquis.
                        Croquice una línea de punto final a punto
                        final. Observe que los puntos finales no son
                        tangentes a la línea. Agregue estas relaciones:
                           Tangente entre la línea y cada arco.
                           Coincidente entre la línea constructiva
                           y cada punto final de arco abierto.




                    26 Agregar cotas.
                        Agregue una cota lineal y dos radiales al croquis.




Introducción:           Para crear simetría, es necesario una línea, una arista lineal o una
Simetría de             línea constructiva. Esta línea define el plano de simetría que es
entidades               siempre normal con respecto al plano de croquis y atraviesa la línea
                        constructiva seleccionada.

Dónde encontrarlo          En el menú Herramientas, seleccione: Herramientas de
                           croquizar, Simetría.
                           O, en la barra de herramientas Croquis, haga clic en Simetría
                           de entidades      .

                    27 Simetría.
                        Haga clic en la herramienta
                        Simetría     . Seleccione los
                        dos arcos y la línea de conexión
                        como Entidades para
                        simetría.
                        Haga clic en Con respecto a y
                        seleccione la línea
                        constructiva.
                        Se creará simetría de la
                        geometría con respecto a la
                        línea constructiva.




Croquizado dentro del modelo                                                                     113
Lección 4                                                    Manual de formación SolidWorks 2006
Cómo modelar una pieza de fundición o forja


Cotas conducidas               En cualquier croquis, pueden crearse Cotas de referencia o
                               conducidas. SolidWorks le guía hacia la creación de este tipo
                               siempre y cuando las cotas se agreguen a geometría que ya esté
                               completamente definida. Una cota Conducida se indica mediante
                               una diferencia de color. La cota conducida siempre mostrará el
                               valor apropiado pero nunca podrá utilizarse para forzar un cambio
                               en el modelo.
Croquis definidos              Si el estado de los cambios del croquis pasa a ser de completamente
en exceso                      definido a definido en exceso (consulte Estado de un croquis en la
                               página 30), aparecerá una herramienta de diagnóstico. Esta
                               herramienta se puede utilizar para reparar el croquis. Asimismo, se
                               pueden reparar otros estados inadecuados.

                           28 Cota angular.
                               Haga clic en la herramienta Cota y seleccione
                               el par de líneas en ángulo. Coloque el texto de
                               cota debajo del croquis, entre las líneas.
                           29 Mensaje conducido.
                               El siguiente mensaje le brinda la opción de
                               establecer la cota como conductora o
                               conducida. La selección predeterminada,
                               Hacer cota conducida, se controla mediante
                               Herramientas, Opciones. Seleccione Dejar
                               cota como conductora y haga clic en Aceptar. El croquis pasa a
                               ser Definido en exceso.

Solucionar                     La opción Solucionar conflictos se utiliza para reparar las
conflictos                     condiciones Definido en exceso, No se ha encontrado una solución
                               o Se ha encontrado una solución inválida en el croquis.
Nota                           Las reparaciones y la edición de piezas generales se describe
                               en Lección 7: Cómo editar: Reparaciones.

Dónde encontrarlo                   Haga clic en el botón Definido en exceso (u otra condición) en
                                    la esquina inferior derecha.

                           30 Definido en exceso.
                               Cuando el croquis pasa a ser
                               Definido en exceso, aparece
                               un mensaje en la esquina
                               inferior derecha de la
                               pantalla. Haga clic en el botón Definido en exceso.




114                                                                  Croquizado dentro del modelo
Manual de formación SolidWorks 2006                                                         Lección 4
                                                             Cómo modelar una pieza de fundición o forja


                     31 Diagnosticar.
                        Haga clic en Diagnosticar para determinar los
                            posibles conjuntos de soluciones con el fin de
                            resolver el estado definido en exceso.
                            La eliminación de uno de estos conjuntos
                            suprimirá el estado definido en exceso.
                     32 Eliminar.
                            Seleccione la relaciónDistance1
                            (Distancia1) y haga clic en Eliminar.




                     33 Conflicto solucionado.
                            Establezca la cota de ángulo en 20 grados.




                     34 La extrusión.
                            Cambie a una vista
                            Isométrica y haga clic en
                            Insertar, Saliente/Base,
                            Extruir... del menú. Establezca el
                            tipo en Plano medio, la
                            profundidad en 20 mm y el
                            ángulo de salida en 6º. Asigne a la
                            última operación el nombre Head.
                            Las tres operaciones principales que componen la forma general de
                            la pieza están ahora completas.


Opciones de                 El software de SolidWorks le proporciona muchas opciones para
visualización               controlar y manipular cómo se visualizan los modelos en su
                            pantalla. En general, estas opciones de visualización pueden
                            dividirse en dos grupos. Estos grupos corresponden a los dos
                            submenús disponibles en el menú Ver y los dos grupos de
                            herramientas en la barra de herramientas Ver.
Nota                        Estas opciones de visualización están disponibles para su uso en
                            situaciones de áreas de visualización únicas y múltiples. Para
                            obtener más información, consulte Áreas de visualización en la
                            página 63.




Opciones de visualización                                                                          115
Lección 4                                                  Manual de formación SolidWorks 2006
Cómo modelar una pieza de fundición o forja


                               Opciones de visualización




                               Opciones de modificación




116                                                                   Opciones de visualización
Manual de formación SolidWorks 2006                                                         Lección 4
                                                             Cómo modelar una pieza de fundición o forja


Opciones de                 En las siguientes ilustraciones de Ratchet, se muestran los
visualización               diferentes tipos de opciones de visualización.




                            Estructura alámbrica Líneas ocultas visibles       Sin líneas ocultas




                                Sombreado               Perspectiva                  Sección




                                 Franjas               Sombras en                   Sombreado
                                 de cebra             modo sombreado                con aristas

Nota                        Las opciones de vista Perspectiva y Sección pueden aplicarse a
                            cualquier tipo de vista: estructura alámbrica, línea oculta o
                            sombreado. La herramienta SLO/LOV Calidad de borrador
                            puede estar activa con todos los tipos de vista pero afecta sólo a las
                            opciones Sin líneas ocultas y Líneas ocultas visibles haciendo
                            que la visualización sea facetada y más fácil de manipular.
Opciones de                 Las opciones de modificación se enumeran a continuación al lado
modificación                de sus herramientas correspondientes. Su instructor realizará una
                            demostración de estas opciones durante la clase.
Nota                        Resulta particularmente difícil ilustrar algo tan dinámico como la
                            rotación de vista mediante un medio tan estático como un manual
                            impreso. Por lo tanto, aquí solo se enumeran y resumen las
                            diferentes opciones de vista. Su instructor demostrará estas
                            opciones durante la clase.

                                 Zoom ajustar: Se aplica el zoom acercar o alejar de modo que
                                 todo el modelo esté visible.

                                 Zoom encuadre: Se aplica un zoom acercar a una parte
                                 seleccionada de la vista arrastrando un cuadro delimitador.
                                 El centro del cuadro se indica con un signo más (+).

                                 Zoom acercar/alejar: Aplica un zoom acercar a medida que
                                 usted presiona y mantiene presionado el botón izquierdo del
                                 ratón y arrastra el ratón hacia arriba. Aplica un zoom alejar a
                                 medida que usted arrastra el ratón hacia abajo.



Opciones de visualización                                                                          117
Lección 4                                                              Manual de formación SolidWorks 2006
Cómo modelar una pieza de fundición o forja



                                      Ampliar selección: Amplía el tamaño de una entidad
                                      seleccionada.

                                      Girar vista: Gira la vista a medida que usted presiona y
                                      mantiene presionado el botón izquierdo del ratón, arrastrando
                                      el ratón por la pantalla.

                                      Trasladar vista: Desplaza la vista de modo que el modelo se
                                      mueva a medida que usted arrastra el ratón.
Funciones del                  El botón central del ratón en un ratón de tres botones puede
botón central del              utilizarse para manipular la visualización dinámicamente. Si utiliza
ratón                          el botón central del ratón, podrá:
                               Girar la vista
                               Presione y mantenga presionado el botón central del ratón. Mientras
                               mueve el ratón, la vista gira libremente.

Sugerencia                     Para girar sobre un vértice, arista, eje o eje temporal:
                               Haga clic con el botón central del ratón sobre la geometría.
                               Mientras mueve el ratón, la vista gira sobre la geometría
                               seleccionada.
                               Trasladar o desplazar la vista
                               Presione y mantenga presionada la tecla Ctrl juntamente con el
                               botón central del ratón. La vista se desplazará a medida que usted
                               arrastra el ratón.
                               Aplicar zoom a la vista
                               Presione y mantenga presionada la tecla Mayús juntamente con el
                               botón central del ratón. Se aplicará el zoom acercar a la vista al
                               mover el ratón hacia arriba; se aplicará el zoom alejar al mover el
                               ratón hacia abajo.
Nota                           En un dibujo, sólo puede utilizar las funciones Zoom y Trasladar.
Métodos                        A continuación, se enumeran los métodos abreviados de teclado
abreviados del                 predefinidos para las opciones de vista:
teclado                             Teclas de flechas . . . . . . .Girar la vista
                                    Mayús+Teclas de flechas .Girar la vista en incrementos de 90º
                                    Alt+Teclas de flecha
                                    izquierda o derecha . . . . .Girar en torno a normal a la
                                    pantalla
                                    Ctrl+Teclas de flechas . . . Mover la vista
                                    Mayús+z . . . . . . . . . . . . . . . Zoom acercar
                                    z . . . . . . . . . . . . . . . . . . . . . .Zoom alejar
                                    f . . . . . . . . . . . . . . . . . . . . . .Zoom ajustar
                                    Ctrl+1 . . . . . . . . . . . . . . . . .Orientación frontal
                                    Ctrl+2 . . . . . . . . . . . . . . . . .Orientación posterior




118                                                                             Métodos abreviados del teclado
Manual de formación SolidWorks 2006                                                            Lección 4
                                                                Cómo modelar una pieza de fundición o forja


                             Ctrl+3 . . . . . . . . . . . . . . . . .Orientación izquierda
                             Ctrl+4 . . . . . . . . . . . . . . . . .Orientación derecha
                             Ctrl+5 . . . . . . . . . . . . . . . . .Orientación superior
                             Ctrl+6 . . . . . . . . . . . . . . . . .Orientación inferior
                             Ctrl+7 . . . . . . . . . . . . . . . . .Orientación isométrica
                             Ctrl+8 . . . . . . . . . . . . . . . . .Ver normal a
                             Barra espaciadora. . . . . . .Cuadro de diálogo Orientación de
                             vista

Cómo utilizar             La primera operación Cortar que se agregará es Recess
aristas del               (Entrante), una cavidad extruida desde la cara superior de Head
modelo en un              (Cabeza). Esta operación permite la colocación de una cubierta
croquis                   sobre el mecanismo del trinquete. Debido a que la cubierta posee la
                          misma forma general que la cara superior, sería útil aprovechar las
                          aristas de la pieza Head al croquizar el perfil para el corte Recess.
                          Lo haremos mediante la realización de una Equidistancia de las
                          aristas de Head.
Ampliar selección         La opción Ampliar selección aplica el zoom acercar a una entidad
                          seleccionada, haciendo que complete la pantalla.

                      35 Seleccionar la cara y el
                         zoom.
                          Seleccione la cara superior de
                          Head y haga clic en Ampliar
                          selección . La cara
                          completará la ventana de
                          gráficos.




Cómo croquizar            Las equidistancias en un croquis se basan en las aristas de modelos
una equidistancia         existentes o entidades de croquis de otro croquis. En este ejemplo,
                          utilizaremos las aristas del modelo de la pieza Head. Estas aristas
                          pueden elegirse individualmente o como el límite de toda una cara.
                          Cuando sea posible, es una buena idea seleccionar la cara porque el
                          croquis se regenerará mejor si los cambios posteriores agregan o
                          eliminan aristas de la cara.
                          Las aristas se proyectan sobre el plano del croquis, sin importar si
                          las mismas se apoyan o no sobre dicho plano.
Introducción:             El comando Equidistanciar entidades se utiliza para crear copias
Equidistanciar            de las aristas del modelo en un croquis. Estas copias se
entidades                 equidistancian del original en alguna cantidad especificada.



Cómo utilizar aristas del modelo en un croquis                                                        119
Lección 4                                                       Manual de formación SolidWorks 2006
Cómo modelar una pieza de fundición o forja


Dónde encontrarlo                   En el menú Herramientas, seleccione Herramientas de
                                    croquizar, Equidistanciar entidades...
                                    O, en la barra de herramientas Croquis, haga clic en
                                    Equidistanciar entidades       .

                           36 Equidistanciar los límites
                              de la cara.
                               Seleccione la cara superior y
                               haga clic en la herramienta
                               Croquis. Con la cara todavía
                               seleccionada, haga clic en la
                               herramienta Equidistanciar
                               en la barra de herramientas.
                               Establezca el valor de la
                               distancia en 2 mm e Invierta
                               la dirección de ser necesario,
                               moviendo la equidistancia
                               hacia el interior.
                           37 Equidistancia resultante.
                               La equidistancia crea dos líneas y dos arcos.
                               Esta geometría depende de la cara sólida de
                               la que proviene y cambiará con el sólido. El
                               croquis se define completamente en forma
                               automática y queda listo para una extrusión
                               como corte.
                           38 Configuración para el corte.
                              Elija un corte Hasta profundidad
                              especificada con 2 mm para el valor de la
                              profundidad y haga clic en Aceptar.
                           39 Cambiar el nombre de la operación.
                               Cambie el nombre de la operación por
                               Entrante.


Cómo crear                     La operación Pocket (Cavidad) es otra operación Cortar, aplicada
geometría de                   a una superficie plana del modelo. Este croquis utiliza círculos
croquis                        superpuestos que se recortan para crear un contorno simple. Los
recortada                      centros de los círculos están relacionados con puntos centrales
                               circulares existentes.




120                                                     Cómo crear geometría de croquis recortada
Manual de formación SolidWorks 2006                                                     Lección 4
                                                         Cómo modelar una pieza de fundición o forja




                     40 Croquizar círculos.
                        Seleccione la cara interior superior creada por
                        la última operación como plano de croquis. Con
                        la herramienta Círculo , cree un círculo
                        utilizando la ubicación del punto central
                        existente como el origen del círculo. El
                        enganche con esta ubicación relacionará el
                        círculo con la misma automáticamente. Cree un
                        segundo círculo lejos del lado del modelo.
                     41 Relacionar los centros.
                        Haga clic en la herramienta Agregar
                        relación      para abrir el PropertyManager
                        Agregar relaciones. Seleccione el segundo
                        círculo y la arista del corte. Elija la opción
                        Concéntrica y haga clic en Aceptar. La
                        opción Concéntrica fuerza los dos arcos (el
                        círculo y la arista circular) para que
                        compartan un centro común. Esto arrastrará
                        el círculo a su posición.



Recortar y              Las entidades de croquis pueden recortarse utilizando la opción
extender                Recortar. En este ejemplo, las porciones superpuestas de los
                        círculos se eliminarán. Hay varias opciones de recorte: Recorte
                        inteligente, Esquina, Recortar dentro de límite, Recortar fuera
                        de límite y Recortar hasta más cercano. También se pueden
                        alargar utilizando la opción Extender. Estas opciones se explican a
                        continuación.
Introducción:           La opción Recortar puede utilizarse para acortar la geometría de
Recortar                croquis.

Dónde encontrarlo           En el menú Herramientas, seleccione Herramientas de
                            croquizar, Recortar.
                            O, en la barra de herramientas Croquis, haga clic en Recortar
                            entidades      .

                          La opción Recorte
                          inteligente
                          elimina la parte de
                          una entidad que se
                          arrastra entre
                          intersecciones o
                          hasta un punto final.




Cómo crear geometría de croquis recortada                                                      121
Lección 4                                                    Manual de formación SolidWorks 2006
Cómo modelar una pieza de fundición o forja



                                 La opción
                                 Esquina        se
                                 utiliza para recortar
                                 manteniendo la
                                 geometría
                                 seleccionada en una
                                 intersección común.
                                 Utilice la opción                     B
                                 Recortar fuera de
                                 límite      para
                                 mantener las partes
                                                               T
                                 internas si la
                                                                   T        B
                                 geometría está
                                 contra un límite.
                                 Seleccione los dos
                                 límites (B) primero
                                 y, a continuación,
                                 las piezas de
                                 geometría que se
                                 van a recortar (T).
                                 Utilice la opción                     B
                                 Recortar dentro de
                                 límite      para
                                 mantener las partes
                                                               T
                                 externas si la
                                                                   T        B
                                 geometría está
                                 contra un límite.
                                 Seleccione los dos
                                 límites (B) primero
                                 y, a continuación,
                                 las piezas de
                                 geometría que se
                                 van a recortar (T).
                                 Utilice la opción
                                 Recortar hasta
                                 más cercano
                                 para recortar la
                                 geometría
                                                                   T
                                 seleccionada hasta
                                 la intersección más
                                 cercana o eliminar
                                 una parte de la
                                 geometría que
                                 aparece entre los
                                 límites.



122                                                      Cómo crear geometría de croquis recortada
Manual de formación SolidWorks 2006                                                      Lección 4
                                                          Cómo modelar una pieza de fundición o forja


Introducción:           La opción Extender puede utilizarse para alargar la geometría de
Extender                croquis.

Dónde encontrarlo           En el menú Herramientas, seleccione Herramientas de
                            croquizar, Extender.
                            O, en la barra de herramientas Croquis, haga clic en Extender
                            entidades       .

                          Seleccione el punto
                          más cercano al
                          extremo y haga clic
                          para extenderlo
                          hasta la siguiente
                          intersección.
                          Arrastre el punto
                          final más cercano y
                          colóquelo en la
                          entidad de
                          intersección para
                          extenderlo.


                     42 Recortar los círculos.
                        Haga clic en la herramienta
                        Recortar y seleccione la opción
                        Recorte inteligente.
Regla                   Arrastre las porciones de las
                        entidades de croquis que desea
                        eliminar.
                        El sistema buscará las
                        intersecciones entre los círculos y
                        eliminará el exceso.
                     43 Agregar cotas.
                        Agregue cotas a los arcos. Esto definirá
                        completamente el croquis.
                     44 Desactivar la herramienta de cota.
                        Una forma fácil de desactivar la herramienta
                        de cota consiste simplemente en presionar la
                        tecla Esc del teclado.




Cómo crear geometría de croquis recortada                                                       123
Lección 4                                                    Manual de formación SolidWorks 2006
Cómo modelar una pieza de fundición o forja


Cómo modificar                 Debido a que las entidades de croquis son arcos, el sistema creó
cotas                          automáticamente cotas radiales. Si prefiere las cotas de diámetro,
                               puede cambiar rápidamente las opciones de visualización. Para
                               realizar cambios más profundos en las cotas, haga clic con el botón
                               secundario del ratón en la cota y seleccione Propiedades.


                           45 Cotas de diámetro.
                               Seleccione las cotas, haga clic con el botón
                               secundario del ratón y elija Opciones de
                               visualización, Visualizar como cota de
                               diámetro.




Introducción:                  La condición final Equidistante
Equidistante de la             de la superficie se utiliza para
superficie                     ubicar el extremo de una extrusión
                               como una medida desde un plano,
                               cara o superficie, en lugar del
                               plano de croquis de la operación.
                               En este ejemplo, el extremo de la
                               extrusión se mide desde la cara
                               inferior de la pieza.
                               La opción Trasladar superficie
                               puede activarse o desactivarse. Su
                               significado se explica a
                               continuación.
Qué hace la opción             La opción Trasladar superficie de la
Trasladar superficie:          condición final Equidistante de la
                               superficie está desactivada en forma
                               predeterminada.
                               En la imagen de la derecha, ambas
                               columnas están ubicadas bajo dos
                               superficies de referencia
                               semicirculares idénticas. Ambas
                               columnas se extruyen de modo que la
                               parte superior de cada una está 1.4” por
                               debajo de las superficies de referencia.
                               La columna de la izquierda fue
                               extruida con la opción Trasladar superficie activada. La columna
                               de la derecha fue extruida con la opción desactivada.




124                                                     Cómo crear geometría de croquis recortada
Manual de formación SolidWorks 2006                                                       Lección 4
                                                           Cómo modelar una pieza de fundición o forja


                         La opción Equidistante de la
                         superficie de la opción Trasladar
                         superficie define la condición
                         final al trasladar linealmente una
                         copia de la superficie en la
                         dirección de la extrusión. Sin ella,
                         la superficie copiada se crea
                         mediante la proyección normal en
                         la superficie original. De ahí los
                         dos resultados diferentes.
Nota                     En este ejemplo, la posición de la cara plana seleccionada indica
                         que ambas opciones obtienen el mismo resultado.

                      46 Equidistante de la superficie.
                         Haga clic en el icono Extruir corte y elija la condición final Equi-
                         distante de la superficie. Establezca la Equidistancia en 5mm.


Introducción:            Seleccionar otra se utiliza para seleccionar caras ocultas del
Seleccionar otra         modelo sin necesidad de volver a orientarlo.
Procedimiento de la      Para seleccionar caras ocultas u oscurecidas, puede utilizar la
opción Seleccionar       opción Seleccionar otra. Al colocar el cursor en la zona de una
otra                     cara y presionar el botón secundario del ratón, Seleccionar otra
                         queda disponible como opción en el menú contextual. La cara más
                         cercana al cursor se oculta y se muestra como 1. en el cuadro de
                         diálogo en --Caras ocultas--. En el cuadro de diálogo, se numeran y
                         aparecen otras caras visibles. Si se mueve por encima de ellas en el
                         cuadro de diálogo, las mismas se resaltan en la pantalla.
                         La razón por la cual el sistema oculta la cara más cercana es que,
                         como dicha cara era visible, si hubiera deseado seleccionarla
                         simplemente la hubiera elegido con el botón izquierdo del ratón.

                      47 Selección de cara.
                         Haga clic con el botón secundario del ratón
                         sobre la cara inferior oculta y elija
                         Seleccionar otra. Mueva el cursor hacia
                         arriba y hacia abajo en la lista Seleccionar otra
                         para resaltar las posibles selecciones de caras.
                         Utilice el botón izquierdo del ratón para
                         seleccionar la cara directamente o seleccione
                         la opción 2. Cara de la lista.
                         Cambie el nombre de la operación por Pocket.

Sugerencia               Se pueden agregar otras caras a la lista -- Caras ocultas --. Haga clic
                         con el botón secundario del ratón en una cara para ocultarla.
                         Presione Mayús y haga clic con el botón secundario del ratón para
                         hacerla visible y eliminarla de la lista.




Cómo crear geometría de croquis recortada                                                        125
Lección 4                                                    Manual de formación SolidWorks 2006
Cómo modelar una pieza de fundición o forja


Cómo medir                     La opción Medir puede utilizarse para muchas tareas de medición.
                               Aquí se utiliza para medir la distancia más corta entre una arista y
                               un plano. Puede medir la geometría incluidos vértices, aristas y
                               caras.
Introducción:                  El comando Medir puede calcular distancias, longitudes, áreas de
Medir                          superficie, ángulos, círculos y ubicaciones X, Y, Z de vértices
                               seleccionados. En el caso de círculos y arcos, están disponibles las
                               cotas centrales, mínimas y máximas tal como se muestra a
                               continuación.




126                                                     Cómo crear geometría de croquis recortada
Manual de formación SolidWorks 2006                                                      Lección 4
                                                          Cómo modelar una pieza de fundición o forja


Dónde encontrarlo            En la barra Herramientas, haga clic en la herramienta Medir            .
                             O en el menú Herramientas, elija Medir...

                      48 Medir entre la cara y el
                         vértice.
                         Haga clic en la
                         herramienta Medir       y
                         seleccione la cara y el
                         vértice que se muestran.
                         La Distancia normal es
                         5mm. Se visualiza
                         información de las
                         selecciones combinadas.



Sugerencia               La Barra de estado situada en la parte inferior de la ventana de
                         SolidWorks muestra información similar cuando la herramienta
                         Medir está desactivada. Si se seleccionara una arista circular, la
                         barra de estado mostraría el Radio y Centro.




Cómo utilizar            La pieza Ratchet requiere dos taladros pasantes de diferentes
las operaciones          diámetros. Crearemos un taladro, copiándolo y pegándolo para
Copiar y Pegar           realizar el segundo.

Cómo croquizar el        Los taladros circulares son muy fáciles de crear. Todo lo que
taladro                  necesita es un círculo de croquis relacionado con el modelo y
                         acotado. El Asistente para taladro también podría utilizarse para
                         crear este taladro.

                      49 Abrir un croquis.
                         Haga clic en la cara inferior interior del
                         “número ocho” y abra un nuevo croquis.




                      50 Crear un taladro circular.
                         Croquice un círculo centrado en la marca
                         superior central y agregue una cota. Establezca
                         el diámetro en 9 mm y cree un corte Por todo.
                         Denomine la operación Wheel Hole.




Cómo utilizar las operaciones Copiar y Pegar                                                    127
Lección 4                                                     Manual de formación SolidWorks 2006
Cómo modelar una pieza de fundición o forja


Operaciones                    Las operaciones croquizadas sencillas y algunas operaciones
Copiar y Pegar                 aplicadas pueden copiarse y luego pegarse en una cara plana.
                               Las operaciones de múltiples croquis tales como barridos y
                               recubrimientos no se pueden copiar. Igualmente, ciertas
                               operaciones aplicadas como ángulo de salida no se pueden copiar,
                               aunque los redondeos y los chaflanes sí pueden copiarse.
                               Una vez pegada, la copia no tiene vinculaciones ni asociación con el
                               original. Tanto la operación como su croquis pueden cambiarse de
                               manera independiente.
Cómo copiar una                Copie operaciones seleccionándolas y utilizando el acceso directo
operación                      estándar de Windows Ctrl+C o seleccionando la herramienta
                               Copiar      en la barra de herramientas Estándar. También puede
                               seleccionar Copiar en el menú Editar. Finalmente, puede emplear
                               la técnica estándar de Windows “arrastrar y colocar” mientras
                               mantiene presionada la tecla Ctrl.

                           51 Identificar la operación a copiar.
                               La operación que se copiará debe identificarse
                               en el gestor de diseño del FeatureManager o
                               en el modelo. Para este ejemplo, seleccione la
                               operación Wheel Hole seleccionándola en
                               el gestor de diseño del FeatureManager. A
                               continuación, cópiela en el portapapeles
                               utilizando la opción Copiar     de la barra de herramientas
                               Estándar.
Nota                           También puede utilizar Ctrl+C o Editar, Copiar para crear una
                               copia en el portapapeles.
                           52 Seleccionar la cara en la cual pegar.
                               La operación copiada debe copiarse en una cara
                               plana. Seleccione la cara inferior interior, la
                               misma utilizada para el plano de croquis de
                               Wheel Hole.
                           53 Pegar la operación.
                               Pegue la copia utilizando la herramienta Pegar
                                 , la tecla de acceso directo Ctrl+V o Editar, Pegar.
                           54 Confirmación de copia.
                               La operación Wheel Hole era Concéntrica con respecto al
                               extremo más pequeño de la cara del “número ocho”. La copia lleva
                               esa relación Concéntrica consigo, sólo que el sistema ahora tiene
                               un pequeño problema. No sabe con respecto a qué arista la misma
                               debe ser concéntrica. Por lo tanto, tenemos tres opciones:
                                    Eliminar la relación.
                                    Mantenerla aunque no se resuelva (colgante).
                                    Cancelar la operación de copia en su totalidad.
                           55 Hacer clic en Eliminar.




128                                                    Cómo utilizar las operaciones Copiar y Pegar
Manual de formación SolidWorks 2006                                                      Lección 4
                                                          Cómo modelar una pieza de fundición o forja


Relaciones               Las cotas y las relaciones se consideran colgantes si hacen
colgantes                referencia a algo que ha sido eliminado o no está resuelto. Las
                         relaciones colgantes generalmente pueden repararse mediante una o
                         más técnicas. Analizaremos la reparación de las relaciones
                         colgantes más adelante en el curso en la Lección 7: Cómo editar:
                         Reparaciones.

                      56 Operación pegada.
                         La operación y su croquis se agregan al gestor de
                         diseño del FeatureManager y al modelo. Observe
                         que la operación no está centrada. Esto se debe a
                         que su croquis está, de hecho, insuficientemente
                         definido.

                      57 Buscar el croquis.
                         Haga clic en el signo que precede a la
                         operación pegada en el gestor de diseño del
                         FeatureManager.




Cómo editar un           Una vez creados, los croquis pueden cambiarse utilizando Editar
croquis.                 croquis. Esto abre el croquis seleccionado de modo que usted
                         pueda cambiar cualquier cosa: los valores de cota, las cotas
                         propiamente dichas, la geometría o las relaciones geométricas.
Introducción:            Editar croquis le permite acceder a un croquis y realizar cambios
Editar croquis           en cualquier aspecto del mismo. Durante la edición, el modelo
                         “retrocede” al estado en el que se encontraba al crearse el croquis.
                         El modelo será reconstruido al salir del croquis.

Dónde encontrarlo            En el menú Editar, elija Croquis.
                             O haga clic con el botón secundario del ratón en la operación
                             cuyo croquis desee editar y seleccione Editar croquis.
Relacionar y             Debido a que la copia no tiene relaciones con el origen o la
cambiar el croquis       geometría del modelo, el croquis está insuficientemente definido y
                         debe llevarse a un estado completamente definido. Utilice
                         relaciones geométricas para hacerlo.

                      58 Editar el croquis de la operación copiada.
                         La operación copiada incluye tanto la operación como su croquis.
                         El croquis define la forma y el tamaño del perfil así como la
                         ubicación. Haga clic con el botón secundario del ratón en la
                         operación o su croquis y seleccione Editar croquis.




Cómo utilizar las operaciones Copiar y Pegar                                                    129
Lección 4                                                     Manual de formación SolidWorks 2006
Cómo modelar una pieza de fundición o forja


                           59 Relación y cota.
                               El círculo y la cota de diámetro están en el
                               croquis. No existe ninguna otra relación o
                               cota para localizar el círculo. Elimine la
                               cota.
                               Haga clic en Agregar relación .
                               Seleccione la arista del círculo y la arista
                               del sólido y use Concéntrica. O utilice
                               Coincidente para alinear el punto central
                               del círculo y el origen. El croquis está
                               ahora completamente definido.
                               Agregue una Cota de círculo
                               concéntrico acotando el círculo y la arista.
                           60 Reconstruir el modelo.
                               Para hacer que los cambios entren en vigor en el
                               croquis, reconstruya el modelo haciendo clic en
                               la herramienta Reconstruir .
                               Cambie el nombre de la operación por
                               Ratchet Hole (Taladro de trinquete).

                           61 Redondeos.
                               Agregue redondeos en las aristas y caras tal como se muestra a
                               continuación.

                            R = 3mm
                            Nombre = Handle Fillets
                            (Redondeos de asas)




                            R = 1mm
                            Nombre = H End Fillets
                            (Redondeos de extremos de asas).




                            R = 2mm
                            Nombre T-H Fillets
                            (Redondeos de asas de transición).




130                                                    Cómo utilizar las operaciones Copiar y Pegar
Manual de formación SolidWorks 2006                                                       Lección 4
                                                           Cómo modelar una pieza de fundición o forja


Cómo editar               El último redondeo que se creará se encuentra alrededor de las
operaciones               aristas superior e inferior de Head (Cabeza). Como este redondeo
                          tiene el mismo radio que el redondeo en los extremos de Handle
                          (Asa), editaremos este redondeo existente para incluir las aristas en
                          Head. Ésta es una mejor técnica que crear un nuevo redondeo e
                          intentar descubrir cómo mantener sus radios iguales. Para hacerlo,
                          editaremos la definición de H End Fillets (Redondeos de
                          extremos de asas).
Introducción:             Editar operación cambia la manera de aplicar una operación al
Editar operación          modelo. Cada operación tiene información específica que puede
                          cambiarse o completarse, según el tipo de operación del que se
                          trate. Como regla general, el cuadro de diálogo que se utiliza para
                          crear una operación también se utiliza para editar dicha operación.

Dónde encontrarlo            Haga clic con el botón secundario del ratón en la operación que
                             desea editar, ya sea en el gestor de diseño del FeatureManager o
                             en la ventana de gráficos, y seleccione Editar operación.


Cómo editar el            Edite la operación H End Fillets para incluir aristas adicionales.
redondeo
                    62 Seleccionar y editar el
                       redondeo.
                          Haga clic con el botón secundario
                          del ratón en la operación H End
                          Fillets y seleccione Editar
                          operación. Seleccione las aristas
                          adicionales alrededor de las aristas
                          superior e inferior de Head
                          (Cabeza). La lista de selección
                          debería indicar ahora un total de 6
                          aristas seleccionadas.
                    63 Guardar y cerrar la pieza.




Cómo editar operaciones                                                                          131
Lección 4                                     Manual de formación SolidWorks 2006
Cómo modelar una pieza de fundición o forja




132                                                       Cómo editar operaciones
Manual de formación SolidWorks 2006


Ejercicio 10:           Este laboratorio refuerza las
Soporte base            siguientes funciones:
                           Cómo croquizar líneas.
                           Cómo agregar relaciones
                           geométricas.
                           Cómo croquizar en planos
                           estándar.
                           Cómo croquizar en caras planas.
                           Cómo crear redondeos.
                           Cómo crear cortes, taladros y
                           salientes.

Intención del           Algunos aspectos de la intención del diseño para esta pieza son:
diseño                  1. El espesor de las                   Operación
                           operaciones Upper                   Upper (Superior)
                           (Superior) y Lower
                           (Inferior) es igual.
                        2. Los taladros en la
                           operación Lower son de            Operación
                                                             Lower (Inferior)
                           igual diámetro y
                           permanecerán sin
                           cambios.
                        3. Las operaciones Upper
                           (Superior) y Lower (Inferior) están en el mismo nivel en el
                           lado posterior y derecho.
Procedimiento           Abra una pieza nueva utilizando la plantilla Part_MM.
                    1   Crear la operación Lower (Inferior).
                        Utilice líneas para croquizar este perfil. Agregue cotas para definir
                        completamente el croquis.




Ejercicio 10                                                                               133
Manual de formación SolidWorks 2006


      2   Seleccionar una cara
          como plano de croquis.
          Seleccione la cara posterior
          que se encuentra oculta por
          la cara superior del modelo
          como plano de croquis.
          Utilice Seleccionar otra o
          gire la vista para
          seleccionarla.



      3   Crear la operación
          Saliente Upper
          (Superior).
          Croquice las líneas y
          relaciónelas con las aristas
          existentes en donde sean
          coincidentes.




      4   Extruir.
          Extruya en la primera operación
          una profundidad de 20 mm.




134                                                              Ejercicio 10
Manual de formación SolidWorks 2006


                    5   Crear
                        redondeos y
                        redondos.
                        Agregue los
                        redondeos en la
                        menor cantidad
                        de pasos posible.
                        Cambie el
                        nombre de las
                        operaciones
                        según el tamaño
                        del redondeo.


                    6   Taladros.
                                                                                    18 mm
                        Agregue los taladros
                        utilizando la menor
                        cantidad de
                        operaciones posible. 20 mm
                        Asegúrese de que
                        queden concéntricos
                        a los radios de
                        redondeo.
                        Para el Asistente
                        para taladro, utilice los tamaños del perforador Métrico - ANSI.
                    7   Guardar y cerrar la pieza.




Ejercicio 10                                                                               135
Manual de formación SolidWorks 2006


Ejercicio 11:       Realice cambios en la
Cambios en el       pieza creada en la
asa del             lección anterior.
trinquete           Este ejercicio utiliza
                    las siguientes
                    funciones:
                        Edición de croquis.
                        Edición de
                        operaciones.

Intención del       Algunos aspectos de la intención del diseño para esta pieza son:
diseño              1. La pieza debe permanecer
                       simétrica en torno al
                       plano de referencia
                       Right (Derecho).
                    2. La operación
                       Transition
                       (Transición) requiere que
                       las caras planas sean
                       conducidas por la
                       distancia entre ellas.
Procedimiento       Abra una pieza existente.
                1   Abrir la pieza
                    Ratchet Handle    Transition
                    Changes (Cambios (Transición)
                    en el asa del
                    trinquete).
                    El cambio se efectuará
                    en la forma de la
                    operación
                    Transition.


                2   Editar el croquis.
                    Haga clic con el
                    botón secundario
                    del ratón en la
                    operación
                    Transition en
                    la pantalla y elija
                    Editar croquis.
                    Modifique el
                    croquis para
                    agregar las caras
                    planas horizontales con una separación uniforme de 8 mm.
                    Salga del croquis.




136                                                                         Ejercicio 11
Manual de formación SolidWorks 2006


                    3   Editar operación.
                        Edite la operación H End
                        Fillets (Redondeos de
                        extremos de asas) para incluir
                        más aristas. Seleccione las
                        cuatro aristas nuevas creadas
                        por las caras planas. Haga clic
                        en Aceptar.




                    4   Redondeos resultantes.
                        Las nuevas aristas pasan a
                        formar parte de la operación
                        Redondeo, originando la
                        actualización de la forma de la
                        siguiente operación Redondeo.
                    5   Guardar y cerrar la pieza.




Ejercicio 11                                              137
Manual de formación SolidWorks 2006


Ejercicio 12:     Este laboratorio refuerza las
Soporte de        siguientes funciones:
herramienta          Croquizado.
                     Cómo agregar relaciones
                     geométricas.
                     Cómo recortar.
                     Redondeos.
                     Cómo crear cortes, taladros y
                     salientes.

Intención del     Algunos aspectos de la intención del diseño para esta pieza son:
diseño            1. Todos los redondeos y redondos son de 0.0625”, a menos que se
                     indique lo contrario.
                  2. Las aristas circulares del mismo diámetro/radio deben
                     permanecer igual.
Vistas acotadas   Utilice los siguientes gráficos con la intención del diseño para crear
                  la pieza.




138                                                                         Ejercicio 12
Manual de formación SolidWorks 2006


Ejercicio 13:           Cree esta pieza utilizando las cotas
Brazo comple-           suministradas. Utilice relaciones y ecuaciones
mentario                donde corresponda para mantener la intención
                        del diseño. Considere cuidadosamente la mejor
                        ubicación para el origen.
                        Esta pieza puede construirse utilizando sólo los
                        planos de referencia Planta, Alzado y
                        Vista lateral.
                        Este laboratorio utiliza las siguientes funciones:
                           Croquizar con simetría.
                           Extrusiones Plano medio y Por todo
                           Redondeos.
                        Unidades: pulgadas o mm



Intención del           La intención del diseño de esta pieza se
diseño                  muestra a continuación:
                        1. La pieza es simétrica.
                        2. Los taladros frontales están en la línea
                           constructiva.
                        3. Todos los redondeos y redondos (resaltados
                           en rojo) son R 0.125” o R 3mm a no ser
                           que se indique lo contrario.
                        4. Los taladros centrales en los planos
                           Alzado y Vista lateral comparten
                           un punto central común.




Ejercicio 13                                                                 139
Manual de formación SolidWorks 2006


Vistas acotadas   Utilice los siguientes gráficos con la intención del diseño para crear
                  la pieza en pulgadas o mm. Los valores métricos se han modificado
                  y han pasado a ser valores numéricos.
                  Cotas en pulgadas:




                  Cotas en mm:




140                                                                         Ejercicio 13
Manual de formación SolidWorks 2006


Ejercicio 14:           Este laboratorio refuerza las siguientes
Polea                   funciones:
                           Creación de ángulo de salida durante la
                           extrusión.
                           Extrusiones de Plano medio.
                           Redondeos.




Intención del           Algunos aspectos de la intención del diseño para esta pieza son:
diseño                  1. Todos los redondeos son de 1 mm a menos que se indique lo
                           contrario.
                        2. El ángulo de salida es de 6° tanto en el sólido como en el
                           soporte para colgar.

Procedimiento           Abra la pieza existente denominada Pulley (Polea).
                    1   Extrusión con ángulo de
                        salida.
                        Extruya el croquis Base
                        (rojo) de 10 mm utilizando la
                        condición final Plano medio
                        y 6° de ángulo de salida.




                    2   Soporte para colgar.
                        Utilice el croquis Soporte para colgar
                        (azul) y otra extrusión de Plano medio de 4
                        mm con el mismo ángulo de salida.




Ejercicio 14                                                                               141
Manual de formación SolidWorks 2006


      3   Corte y taladro.
          Cree un corte utilizando el croquis Center
          Cut (Corte central) (verde). El corte es Por
          todo en ambas direcciones.
          Agregue un taladro de 5 mm de diámetro.
          Agregue el redondeo (1 mm) a las aristas
          inferiores después del corte.




          Cree un tercer corte Por todo de 3 mm,
          centrado por encima del origen.




      4   Redondeos.
          Agregue redondeos
          de 0.5 mm y 1 mm
          según se indica.
          Observe que estos
          redondeos dependen
          del orden; los
          redondeos de 1 mm                                      0.5 mm
          deben preceder a los
          de 0.5 mm.
      5   Guardar y cerrar la
          pieza.
                                          1 mm




142                                                            Ejercicio 14
Manual de formación SolidWorks 2006




                                                                    Lección 5
                                                                     Matrices




                        Al finalizar esta lección, podrá:
                           Utilizar diferentes tipos de matrices.
                           Utilizar matrices de geometría correctamente.
                           Utilizar la opción Variar croquis.




                                                                           143
Lección 5   Manual de formación SolidWorks 2006
Matrices




144
Manual de formación SolidWorks 2006                                                   Lección 5
                                                                                           Matrices


¿Por qué                  Las matrices son el mejor método para crear múltiples instancias de
emplear                   una o más operaciones. El uso de matrices resulta más conveniente
matrices?                 que otros métodos, por varias razones.
                          Reutilización de geometría
                          La operación a repetir u original se crea sólo una vez. Las
                          Instancias de la operación a repetir se crean y se sitúan, con
                          referencias a la operación a repetir.
                          Cambios
                          Debido a la relación a repetir/instancia, las modificaciones en la
                          operación a repetir se pasan automáticamente a las instancias.
                          Utilización de las matrices de
                          componentes de ensamblajes
                          Las matrices creadas en el nivel de
                          pieza son reutilizables en el nivel del
                          ensamblaje como Matrices
                          conducidas por operaciones.
                          La matriz se puede utilizar para
                          ubicar subensamblajes o piezas del
                          componente.
                          Smart Fasteners
                          Una de las últimas ventajas de Smart
                          Fasteners es la incorporación auto-
                          mática de cierres al ensamblaje. Los
                          mismos son específicos de los tala-
                          dros.
Comparación de            Hay muchos tipos de matrices disponibles en SolidWorks y esta
matrices                  tabla pretende resaltar los usos más habituales de cada tipo.
                          A repetir
                          La opción A repetir es la geometría a partir de la cual se desea crear
                          la matriz. Puede tratarse de una o varias operaciones, sólidos o
                          caras.
                          Instancia de matriz
                          La Instancia de matriz (o simplemente Instancia) es la “copia” de
                          la operación a repetir creada por la matriz. De hecho, es mucho más
                          que una copia, ya que proviene de la operación a repetir y de los
                          cambios de esta operación.
 Tipo de matriz:           Uso habitual:                     Clave:
                                                             A repetir =
                                                             Instancia de matriz =
                           Matriz unidireccional con
 Lineal . . . . . . . .    separación igual.




¿Por qué emplear matrices?                                                                     145
Lección 5                                                Manual de formación SolidWorks 2006
Matrices


                          Matriz bidireccional con
 Lineal . . . . . . . .   separación igual.




                          Matriz bidireccional; sólo
 Lineal . . . . . . . .   matriz de operación a repetir.




                          Matriz unidireccional o
 Lineal . . . . . . . .   bidireccional. Instancias
                          seleccionadas eliminadas.




                          Matriz circular con
 Circular . . . . . . .   separación igual alrededor de
                          un centro.




                          Matriz circular con
 Circular . . . . . . .   separación constante
                          alrededor de un centro.
                          Instancias seleccionadas
                          eliminadas o ángulo inferior
                          a 360°.

                          Orientación simétrica con
 Simetría . . . . . .     respecto a un plano
                          seleccionado. Puede utilizar
                          las operaciones
                          seleccionadas o todo el
                          sólido.




146                                                               ¿Por qué emplear matrices?
Manual de formación SolidWorks 2006                    Lección 5
                                                         Matrices


 Conducida               Disposición basada en una
                         tabla de ubicaciones XY de
 por tabla . . . . . .   un sistema de coordenadas.




 Conducida               Disposición basada en la
                         posición de puntos en un
 por croquis. . . .      croquis.




 Conducida               Disposición basada en la
                         geometría de una curva.
 por curva . . . . .




 Conducida               Disposición de una ruta
                         parcial o completamente
 por curva . . . . .     circular.




 Conducida               Disposición basada en la
                         geometría de una curva
 por curva . . . . .     proyectada.



                         Disposición de instancias
 Rellenar . . . . . .    para crear matrices basadas
                         en una cara.




                         Disposición de formas para
 Rellenar . . . . . .    crear matrices basadas en
                         una cara.




¿Por qué emplear matrices?                                  147
Lección 5                                              Manual de formación SolidWorks 2006
Matrices


Opciones de              Las operaciones de matriz comparten varias opciones. Son
matriz                   exclusivas de este tipo de operación y se tratarán con detalle más
                         adelante, en esta misma lección.
  Opera-    Selec-     Propagar        Sólo        Saltar   Matriz de     Variar     Usar
  ción de   cionar     propieda-    matriz de     instan-   geometría    croquis    formas
  matriz    opera-     des visua-   operación       cias
            ciones,       les        a repetir
            sólidos
            o caras
 Lineal



 Circular



 Simetría



 Condu-
 cida por
 tabla



 Condu-
 cida por
 croquis



 Condu-
 cida por
 curva



            Sólo
 Rellenar
            opera-
            ciones y
            caras




148                                                              ¿Por qué emplear matrices?
Manual de formación SolidWorks 2006                                                Lección 5
                                                                                      Matrices


Gestor de diseño        El gestor de diseño del
del                     FeatureManager
FeatureManager          desplegable le permite
desplegable             ver el gestor de diseño del
                        FeatureManager y el
                        PropertyManager al
                        mismo tiempo. Esto le
                        permite seleccionar
                        operaciones desde el
                        FeatureManager que, de
                        otro modo, quedaría
                        oculto por el
                        PropertyManager.
                        También es transparente, superponiendo las piezas gráficas.
                        El gestor de diseño del FeatureManager desplegable se activa
                        automáticamente con el PropertyManager. Podría aparecer
                        colapsado y se puede expandir haciendo clic en el signo más “+”.
Nota                    Las opciones Matriz lineal de croquis y Matriz circular de
                        croquis se pueden utilizar sin un croquis para crear copias de
                        geometría de croquis. Estas opciones no crean operaciones de
                        matriz.
Matriz lineal           La Matriz lineal crea copias, o instancias, en una matriz lineal
                        controlada por una dirección, una distancia y el número de copias.
                        Las instancias dependen de los originales. Los cambios realizados
                        en los originales pasan a las operaciones con instancias.
Introducción:           La matriz lineal crea instancias múltiples en matrices
Matriz lineal           unidireccionales o bidireccionales. El eje puede ser una arista, un
                        eje, un eje temporal o una cota lineal.

Dónde encontrarlo          En la barra de herramientas Operaciones, haga clic en la
                           herramienta Matriz lineal .
                           En el menú Insertar, elija: Matriz/Simetría, Matriz lineal...


                    1   Abrir la pieza
                        denominada Grate.
                        La pieza contiene la
                        operación a repetir que se
                        utilizará en la matriz.




Matriz lineal                                                                              149
Lección 5                                          Manual de formación SolidWorks 2006
Matrices


                2   Dirección 1.
                    Haga clic en
                    Insertar, Matriz/
                    Simetría, Matriz
                    lineal.
                    Seleccione la arista
                    lineal de la pieza y
                    haga clic en Invertir
                    dirección , si
                    fuera necesario, para
                    establecer la
                    dirección mostrada.
                    Seleccione las tres operaciones que se muestran en Operaciones
                    para la matriz.
                    Establezca la Separación en 2” y las Instancias en 5.
Nota                La etiqueta de la matriz está asociada a la
                    geometría utilizada para definir el eje o la
                    dirección de la matriz. Contiene la
                    configuración clave para la Separación y
                    las Instancias y es editable. Haga doble
                    clic en la configuración para modificar y
                    volver a escribir el valor.
                    Haga clic con el botón secundario del ratón
                    en la etiqueta para acceder a otros
                    comandos de la matriz, como Invertir
                    dirección y Matriz de geometría.
                3   Dirección 2.
                    Expanda el cuadro de grupo Dirección 2 y
                    seleccione otra arista lineal.




Cómo eliminar       Las instancias generadas por la matriz se pueden eliminar si se
instancias          selecciona un marcador en el centro de gravedad de la instancia que
                    se muestra en la vista preliminar de la matriz. Cada instancia se
                    enumera en formato de matriz (2,3) para su identificación.



150                                                                         Matriz lineal
Manual de formación SolidWorks 2006                                                   Lección 5
                                                                                        Matrices


                        No se puede eliminar la operación a repetir.

                    4   Instancias a
                        saltar.
                        Expanda el
                        cuadro de
                        grupo
                        Instancias a
                        saltar y
                        seleccione los
                        seis marcadores
                        de instancia
                        central. La
                        información
                        sobre herramientas muestra una ubicación de matriz que se agrega a
                        la lista al seleccionarse.
                    5   Matriz
                        completa.
                        Haga clic en
                        Aceptar para
                        agregar la
                        operación de
                        matriz
                        LPattern1
                        (MatrizL1).




Matrices de             La opción Matriz de geometría se utiliza para minimizar el tiempo
geometría               de reconstrucción mediante el uso de geometría A repetir en todas
                        las Instancias de la matriz. Sólo se debería emplear cuando la
                        geometría de la operación a repetir y las instancias tienen una forma
                        idéntica o similar.
                        Sin matriz de
                        geometría
                        Si la opción
                        Matriz de
                        geometría está
                        desactivada, la
                        condición final
                        de la operación a
                        repetir se utiliza
                        en las instancias.
                        En este ejemplo,
                        la condición final
                        Equidistante de
                        la superficie de la operación a repetir azul se aplica a las instancias
                        naranjas, obligándolas a utilizar la misma condición final.


Matriz lineal                                                                              151
Lección 5                                                Manual de formación SolidWorks 2006
Matrices


                         Con matriz de
                         geometría
                         Si la opción
                         Matriz de
                         geometría está
                         activada, se
                         utiliza la
                         geometría de la
                         operación a
                         repetir. La
                         geometría se
                         copia a lo largo
                         de la matriz,
                         ignorando la condición final.


                     6   Matriz de geometría.
                         Haga clic con el botón secundario del ratón en la
                         operación Matriz lineal y elija Editar operación.
                         Seleccione la opción Matriz de geometría.
                         Debido al espesor constante de la chapa, la
                         geometría resultante tendrá la misma apariencia.


Matrices                 La Matriz circular crea copias o instancias en una matriz circular
circulares               controlada por un centro de rotación, un ángulo y el número de
                         copias. Las instancias dependen de los originales. Los cambios
                         realizados en los originales pasan a las operaciones con instancias.
Introducción:            Matriz circular crea múltiples instancias de una o más operaciones
Matriz circular          colocadas alrededor de un eje. El eje puede ser una arista, un eje, un
                         eje temporal o una cota angular.
Dónde encontrarlo           En la barra de herramientas Operaciones, haga clic en la
                            herramienta Matriz circular .
                            En el menú Insertar, elija: Matriz/Simetría, Matriz circular...
Consideraciones          Los Ejes son tipos de Geometría de referencia que se pueden
acerca de los ejes       emplear con muchas operaciones de matriz para definir los ejes
                         direccionales o rotativos. Hay dos tipos: Ejes temporales y Ejes.
Ejes temporales          Cada operación cilíndrica y cónica tiene un eje asociado. Vea los
                         ejes temporales de la pieza utilizando Ver, Ejes temporales. Un eje
                         se visualiza a través de cada cara circular en el modelo.
Ejes                     Los ejes son operaciones que se deben crear utilizando uno de los
                         diferentes métodos. Las ventajas de crear un eje radican en que se
                         puede cambiar el nombre del mismo, seleccionarlo por su nombre
                         en el FeatureManager y otorgarle un tamaño. Los Ejes temporales
                         se pueden hacer permanentes y recibir nombres exclusivos
                         mediante la opción Una línea/Arista/Eje. Consulte el manual
                         Modelado de piezas avanzado para obtener más información sobre
                         la creación de ejes.


152                                                                        Matrices circulares
Manual de formación SolidWorks 2006                                                Lección 5
                                                                                      Matrices




                      1   Abrir la pieza denominada
                          Circular_Pattern.

                      2   Ejes temporales.
                          Haga clic en Ver, Ejes temporales
                          para ver los ejes generados
                          automáticamente para las
                          operaciones circulares. Seleccione
                          uno de los ejes temporales.




                      3   Configuración.
                          Haga clic en
                          Insertar, Matriz/
                          Simetría, Matriz
                          circular...
                          Seleccione las tres
                          operaciones que
                          se muestran en
                          Operaciones
                          para la matriz.
                          Cambie el
                          Ángulo a 360° y
                          4 instancias.
                          Haga clic en
                          Separación igual
                          y en Matriz de
                          geometría.

Nota                      La opción
                          Invertir
                          dirección       es
                          significativa sólo
                          si se utiliza un
                          ángulo distinto de
                          360°.




Simetrías de              La Simetría de matriz crea una copia, o instancia, a través de un
matriz                    plano o cara plana. La instancia depende del original. Los cambios
                          realizados en el original pasan a las operaciones con instancias.



Simetrías de matriz                                                                      153
Lección 5                                             Manual de formación SolidWorks 2006
Matrices


Introducción:            La opción Simetría de matriz crea una instancia de una o más
Simetría de matriz       operaciones o un sólido a través de un plano. El plano puede ser un
                         plano de referencia o una cara plana.

Dónde encontrarlo           En la barra de herramientas Operaciones, haga clic en la
                            herramienta Simetría de matriz .
                            En el menú Insertar, elija: Matriz/Simetría, Simetría...
Nota                     Para crear toda la simetría de una pieza con respecto a una cara
                         común, seleccione la cara común como Simetría de cara/plano y
                         el sólido como Sólidos para hacer simetría. La cara común debe
                         ser plana.

                     1   Abrir la pieza denominada Mirror_Pattern.
                     2   Simetría.
                         Haga clic en Insertar,
                         Matriz/Simetría,
                         Simetría y en Vista
                         lateral. Seleccione la
                         operación de
                         biblioteca en
                         Operaciones para
                         hacer simetría.
                         Haga clic en Aceptar.
Recuerde que la          Matriz de geometría
                         también se puede usar con esta
                         operación.




Cómo utilizar la         La opción Sólo matriz de operación a repetir se utiliza cuando se
opción Sólo              crea una matriz bidireccional. La segunda dirección está
matriz de                predeterminada para crear matrices de toda la geometría creada por
operación a              la primera dirección, a menos que se utilice Sólo matriz de
                         operación a repetir para crear únicamente la matriz de la
repetir                  geometría original o a repetir. Se usa frecuentemente para evitar
                         resultados superpuestos cuando las dos direcciones emplean el
                         mismo vector.

                     1   Abrir la pieza denominada Seed_Pattern.




154                                                   Cómo utilizar la opción Sólo matriz de
Manual de formación SolidWorks 2006                                                  Lección 5
                                                                                       Matrices


                      2   Dirección 1.
                          Haga clic en Inser-
                          tar, Matriz/Sime-
                          tría, Matriz
                          lineal.... Selec-
                          cione la arista lineal
                          como la Dirección
                          de matriz, 30 mm
                          como la Separa-
                          ción y 2 como el
                          Número de instan-
                          cias.

                          En el caso de Operaciones para la matriz, seleccione la operación
                          de biblioteca.
                      3   Dirección 2.
                          Para la Dirección 2,
                          seleccione la arista lineal
                          en el lado opuesto de la
                          dirección, invirtiendo la
                          flecha. Establezca las
                          instancias en 2 y la
                          separación en 50 mm.




Nota                      Como se ve en la vista preliminar, se crea la matriz de la operación
                          original (a repetir) en ambas direcciones.
                      4   Sólo matriz de
                          operación a
                          repetir.
                          Haga clic en Sólo
                          matriz de
                          operación a repetir
                          para eliminar la
                          instancia extra.
                          Establezca la
                          Separación de
                          dirección 2 en 30
                          mm.




Cómo utilizar la opción Sólo matriz de operación a repetir                                 155
Lección 5                                               Manual de formación SolidWorks 2006
Matrices


Matrices                  La Matriz conducida por curva crea copias, o instancias, en una
conducidas por            matriz lineal controlada por una curva. Las instancias dependen de
curva                     los originales. Los cambios realizados en los originales pasan a las
                          operaciones con instancias. La curva puede ser un croquis
                          completo, una arista o una sencilla entidad de croquis. Este ejemplo
                          utilizará un croquis que contiene varias aristas del modelo
                          convertidas.
Sugerencia                Se puede utilizar una curva 3D para conducir la matriz. Es necesaria
                          una selección de caras adicional para la Cara normal.

                      1   Abrir la pieza denominada Curve_Pattern.



Introducción:             Convertir entidades le permite copiar aristas del modelo en su
Convertir entidades       croquis activo. Estos elementos de croquis se definen
                          completamente de forma automática y se restringen con una
                          relación En arista.

Dónde encontrarlo             En el menú Herramientas, haga clic en Herramientas de
                              croquizar, Convertir entidades.
                          O, en la barra de herramientas Croquis, haga clic en Convertir
                          entidades     .

                      2   Seleccionar tangencia.
                          Seleccione la cara superior y cree
                          un nuevo croquis. Haga clic con el
                          botón secundario del ratón en la
                          arista externa y seleccione
                          Seleccionar tangencia.
                          Haga clic en Convertir entidades
                             para copiar las aristas al
                          croquis.
                          Cierre el croquis.




156                                                            Matrices conducidas por curva
Manual de formación SolidWorks 2006                   Lección 5
                                                        Matrices


                     3   Matriz conducida por
                         curva.
                         Haga clic en Insertar,
                         Matriz/Simetría, Matriz
                         conducida por curva...
                         Seleccione el croquis con
                         las aristas convertidas
                         como la Dirección de
                         matriz y la operación de
                         biblioteca como una de
                         las Operaciones para la
                         matriz.
                         Haga clic en Separación
                         igual y establezca el
                         número de instancias en
                         5.
                         Las opciones
                         Transformar curva y
                         Alinear con curva a
                         repetir se utilizan como
                         valores predeterminados.
                     4   Curva de equidistancia.
                         Haga clic en Método de
                         curva, Curva de
                         equidistancia para ubicar
                         las instancias mediante el
                         uso de la misma
                         equidistancia que la
                         operación a repetir.




Matrices conducidas por curva                              157
Lección 5                                              Manual de formación SolidWorks 2006
Matrices


                   5   Alinear con curva a
                       repetir.
                       Alinear con curva a
                       repetir (ilustración del
                       extremo izquierdo)
                       traslada la geometría por
                       la dirección de curva sin
                       girar las instancias.
                       Tangente a la curva
                       (ilustración del extremo
                       derecho) gira la
                       geometría con cambios
                       en la dirección de la
                       curva.
                   6   Matriz completa.
                       Haga clic en Tangente a la
                       curva y en Aceptar. Recuerde
                       que la última instancia se
                       extiende sobre la arista del
                       sólido.




Matrices               La opción Matrices conducidas por croquis y por tabla crea
conducidas por         copias, o instancias, en una disposición lineal controlada por puntos
croquis y por          de croquis o una tabla de valores XY (Tabla de taladros). Las
tabla                  instancias dependen de los originales. Los cambios realizados en los
                       originales pasan a las operaciones con instancias.




Introducción:          La opción Matriz conducida por croquis crea múltiples instancias
Matriz conducida       basadas en puntos en un croquis seleccionado. El croquis debe
por croquis            existir antes de que se cree la matriz.


158                                               Matrices conducidas por croquis y por tabla
Manual de formación SolidWorks 2006                                                  Lección 5
                                                                                        Matrices


Dónde encontrarlo            En la barra de herramientas Operaciones, haga clic en la
                             herramienta Matriz conducida por croquis .
                             En el menú Insertar, elija: Matriz/Simetría, Matriz conducida
                             por croquis...
Sugerencia                La matriz conducida por croquis sólo utiliza geometría de puntos.
                          Se puede utilizar otra geometría, como las líneas de construcción,
                          pero la matriz no las tendrá en cuenta.

                      1   Abrir Table&Sketch_Driven.


                      2   Croquis.
                          Abra un nuevo croquis en la cara y
                          cree una línea de construcción que
                          comience en el centro de la operación
                          D25.
                          Agregue puntos al croquis y hágalos
                          coincidir con la línea.
                          Acote y defina completamente el
                          croquis.
                          Cierre el croquis.
                      3   Matriz conducida por
                          croquis.
                          Haga clic en Matriz/Simetría,
                          Matriz conducida por
                          croquis... y seleccione el nuevo
                          croquis y la opción Centro de
                          gravedad. En Operaciones
                          para la matriz, seleccione la
                          operación D25.




Sugerencia                La opción Centro de gravedad ubica las instancias basadas en el
                          centro de gravedad de la operación a repetir. Si la geometría de la
                          operación a repetir es asimétrica o está formada por múltiples
                          operaciones, utilice la opción Punto seleccionado y seleccione
                          una posición para utilizarla cuando esté ubicando las instancias.




Matrices conducidas por croquis y por tabla                                                159
Lección 5                                              Manual de formación SolidWorks 2006
Matrices


Introducción:           La opción Matriz conducida por tabla crea instancias múltiples
Matriz conducida        basadas en una tabla de valores XY. Las ubicaciones XY están
por tabla               basadas en una operación seleccionada del Sistema de
                        coordenadas. El sistema de coordenadas debe existir antes de que
                        se cree la matriz.

Dónde encontrarlo          En la barra de herramientas Operaciones, haga clic en la
                           herramienta Matriz conducida por tabla .
                           En el menú Insertar, elija: Matriz/Simetría, Matriz conducida
                           por tabla...
Sugerencia              La tabla utilizada en la matriz puede: haberse escrito dentro de las
                        celdas del cuadro o haberse tomado de una tabla existente. El tipo
                        de archivo de la tabla puede tener una extensión *.sldtab o
                        *.txt.
Introducción:           Los Sistemas de coordenadas crean sistemas de coordenadas
Sistema de              cartesianas que pueden utilizarse para propiedades, medidas o
coordenadas             salida de exportación.

Dónde encontrarlo          En el menú Insertar, elija Geometría de referencia, Sistema
                           de coordenadas...
                           O haga clic en Sistema de coordenadas           en la barra de
                           herramientas Geometría de referencia.

                    4   Sistema de coordenadas.
                        Haga clic en Insertar, Geometría
                        de referencia, Sistema de
                        coordenadas y seleccione la
                        arista horizontal de la pieza como
                        eje X. Seleccione la arista vertical
                        como eje Y y utilice los botones
                        de inversión, si fuese necesario,
                        para invertir las direcciones del
                        eje. Haga clic en Aceptar y
                        cambie el nombre de la operación
                        por XY.




160                                              Matrices conducidas por croquis y por tabla
Manual de formación SolidWorks 2006                                                 Lección 5
                                                                                       Matrices


                      5   Matriz conducida por tabla.
                          Haga clic en Insertar, Matriz/Simetría, Matriz conducida por
                          tabla... y seleccione el sistema de coordenadas XY y la operación
                          D35. Escriba los valores de X e Y en los Puntos 1, 2, 3 y 4 (0 es la
                          operación a repetir).




Cómo utilizar             La opción Variar croquis es un caso especial de la Matriz lineal
Variar croquis            que permite a las instancias cambiar de tamaño basándose en
                          condiciones geométricas. Requiere que la cota lineal que conduce la
                          forma esté seleccionada como dirección de la matriz.

                      1   Abrir la pieza
                          denominada
                          Vary_Sketch.
                          Edite el croquis de
                          la operación
                          Cortar. Haga doble
                          clic y modifique la
                          cota 2”,
                          advirtiendo que la
                          misma conduce el
                          tamaño de la
                          geometría.
                          Restablezca el
                          valor de la cota.




Cómo utilizar Variar croquis                                                               161
Lección 5                                     Manual de formación SolidWorks 2006
Matrices


            2   Matriz lineal.
                Cree una
                matriz lineal
                de la
                operación
                Cortar.
                Seleccione la
                cota 2” para
                Dirección 1.
                La flecha de
                dirección no
                debe señalar el
                centro.
                Especifique 0.75” como Separación y 7 como Número de
                instancias.
                La vista preliminar muestra que la matriz está creada a lo largo de la
                dirección de medida de la cota. El tamaño del corte no cambia.
            3   Seleccionar la
                opción Variar
                croquis.
                La opción Variar
                croquis modifica
                la forma a lo largo
                del vector de
                dirección.
Nota            El croquis se ha
                mostrado en
                pantalla para
                obtener mayor
                claridad.




162                                                      Cómo utilizar Variar croquis
Manual de formación SolidWorks 2006                                                 Lección 5
                                                                                       Matrices


Crear una                 Las operaciones de matriz existentes se pueden emplear en nuevas
matriz de una             matrices. Las instancias originales y las instancias de todas las
matriz                    matrices se utilizan cuando se selecciona la operación de matriz.


                      4   Matriz circular.
                          Haga doble clic en la
                          operación Cortar para
                          exponer sus cotas. Inserte
                          una Matriz circular.
                          Seleccione la cota de 30°
                          como Eje de matriz.




                      5   Operación de matriz.
                          Seleccione la operación Matriz
                          lineal como una de las
                          Operaciones para la matriz.
                          Establezca las Instancias en 6
                          con Separación igual.




Cómo crear                Las piezas que se han importado a través de IGES, STEP u otro
matrices de               método suelen aparecer como una operación Imported
caras                     (Importada) individual. Las mismas no tienen los elementos
                          individuales de la geometría SolidWorks nativa.
                          Mediante la selección de Caras para crear matriz, las caras se
                          pueden seleccionar y utilizar como si fuesen operaciones
                          individuales. Las caras seleccionadas, junto con otras piezas de
                          geometría, deben formar un límite cerrado. El resultado puede
                          agregar o eliminar material.
Sugerencia                Se pueden crear matrices de los sólidos con el cuadro de diálogo
                          Sólidos para crear matriz.




Crear una matriz de una matriz                                                               163
Lección 5                                      Manual de formación SolidWorks 2006
Matrices




             1   Abrir la pieza existente Using
                 Faces in Patterns.
                 La pieza contiene geometría importada.




             2   Matriz circular.
                 Haga clic en Ver, Ejes temporales y seleccione
                 el eje central como Eje de matriz.
                 Cierre la opción Operaciones para la matriz
                 y abra Caras para crear matriz.
                 Establezca la matriz en Separación igual con
                 4 instancias.




             3   Selecciones.
                 Seleccione todas las caras del objeto, incluidas
                 las caras ocultas.
             4   Vista preliminar.
                 La vista preliminar muestra 4 instancias.
                 Haga clic en Aceptar para agregar la
                 operación de matriz.




Sugerencia       La selección de cara se puede emplear con cualquier tipo de matriz.
                 Las instancias se pueden saltar.
             5   Matriz de “taladros”.
                 Cree una segunda matriz utilizando la
                 cara del "taladro" cilíndrico de 8
                 instancias.
                 Una sección muestra cómo las matrices
                 han cambiado la geometría.




164                                                      Cómo crear matrices de caras
Manual de formación SolidWorks 2006                                                Lección 5
                                                                                       Matrices




Patrones de             El Patrón de rayado utiliza las operaciones existentes o formas
rayado                  estándar para rellenar una cara límite. La configuración se utiliza
                        para determinar el diseño de matriz, el ángulo, la distancia y las
                        distancias de los márgenes.
Selecciones             Las selecciones topológicas incluyen                    Operación para
                                                                                crear matriz
topológicas             las caras para rellenar, la dirección y
                        las operaciones para crear matriz.
                           Cara(s) para rellenar
                        La cara o caras (coplanares) a cuyo
                        contorno se adaptará la matriz y
                        además rellenará. No se crearán
                        matrices de los bucles de la cara.                        Cara para
                           Dirección de matriz                                    rellenar
                                                                              Dirección de
                        Una arista del modelo, eje o línea de                 matriz
                        croquis que define la dirección de la
                        matriz.
                           Operaciones para crear matriz
                        La operación u operaciones
                        seleccionadas para crear matriz.


Nota                    Se pueden crear matrices de las formas
                        predefinidas (círculos, cuadrados, diamantes o
                        polígonos) en lugar de la geometría existente.




Patrones de rayado                                                                        165
Lección 5                                           Manual de formación SolidWorks 2006
Matrices


Diseño de matriz   La opción Diseño de matriz se utiliza para seleccionar y ordenar el
                   estilo de matriz. Con cada diseño la configuración numérica de
                   separación y distancia adopta significados diferentes.

                    Perforación                      Circular




                    Cuadrado                                 Polígono




Configuración      La configuración numérica
numérica           determina las separaciones,
                   los escalones y las distancias
                   de arista mínimas que utiliza
                   la matriz mientras se rellena.
                   Esta configuración numérica
                   es para la matriz
                   Perforación que se utiliza
                   en el siguiente ejemplo.
                       Ángulo de incidencia
                   El ángulo entre la Dirección de matriz seleccionada y las filas
                   de instancias.
                      Separación
                   La distancia mínima entre filas de instancias similares.
                      Margen
                   La distancia mínima entre la arista de la cara y una instancia.




166                                                                  Patrones de rayado
Manual de formación SolidWorks 2006                                             Lección 5
                                                                                  Matrices




                     1   Abrir la pieza existente Perforation Area Pattern.


                     2   Cara y dirección.
                         Haga clic en Patrón
                         de rayado      y
                         seleccione la cara
                         superior del modelo.
                         Haga clic en la arista
                         que se muestra como
                         la dirección
                         (Dirección 1).
                         Además, seleccione el
                         botón    Diseño de
                         la matriz de
                         perforación.

                     3   Configuración.
                         Seleccione 1/8
                         (0.125)
                         Diameter Hole1
                         como la operación
                         para crear matriz.
                         Establezca la
                         Separación, los
                         Márgenes y el
                         Ángulo de
                         incidencia con los
                         valores que se
                         indican.
Nota                     El Patrón de
                         rayado incluye la
                         opción Instancias a saltar como las demás matrices. Se puede
                         utilizar para eliminar las instancias no deseadas.
                     4   Cambios.
                         Elimine la matriz.
                         Agregue una Matriz
                         lineal para copiar el
                         corte
                         rectangular
                         como se indica.
                         Vuelva a crear la
                         matriz con las mismas
                         selecciones. La matriz
                         se crea alrededor del
                         taladro nuevo de la
                         cara.



Patrones de rayado                                                                      167
Lección 5                                  Manual de formación SolidWorks 2006
Matrices


Sugerencia   En vez de eliminar la operación, se podría utilizar la operación
             Retroceder para insertar la matriz lineal antes de la matriz. La
             opción Retroceder se describe en Cómo editar: Reparaciones,
             Retroceder a operación en la página 241.




168                                                           Patrones de rayado
Manual de formación SolidWorks 2006


Ejercicio 15:           Cree matrices de operaciones en
Matrices                esta pieza mediante una matriz
lineales                lineal.
                        Este laboratorio utiliza las
                        siguientes funciones:
                            Matrices lineales.
                            Eliminación de instancias de
                            matrices.

Procedimiento           Abra una pieza existente.

Nota                    Esta pieza se ha copiado para su uso en matrices conducidas por
                        croquis, conducidas por tabla y lineales.
                    1   Abrir la pieza Matriz
                        lineal.
                        La pieza incluye la
                        operación “a repetir”
                        utilizada en las matrices.




                    2   Matriz lineal.
                        Cree una matriz mediante la operación a repetir. Utilice las
                        siguientes cotas.




                    3   Guardar y cerrar la pieza.




Ejercicio 15                                                                              169
Manual de formación SolidWorks 2006


Ejercicio 16:        Cree matrices de operaciones en
Matrices             esta pieza mediante una Matriz
conducidas por       conducida por tabla.
croquis o por        Este laboratorio utiliza las
tabla                siguientes funciones:
                         Sistemas de coordenadas.
                         Matrices conducidas por
                         tabla.
                         Matrices conducidas por croquis.
                         Archivos de tabla.
Procedimiento        Abra una pieza existente.
                 1   Abrir la pieza
                     Table Driven
                     Pattern.
                     La pieza incluye la
                     operación “a repetir”
                     utilizada en las matrices.



                 2   Matriz conducida por croquis o por tabla.
                     Utilice las siguientes cotas para definir el croquis utilizado con la
                     matriz conducida por croquis.




                     -o-
                     Cree un sistema de coordenadas
                     en el centro de la operación
                     pattern hole y utilice los
                     archivos
                     pattern file.sldptab o
                     pattern file.txt para
                     definir la matriz conducida por
                     tabla. Cree una matriz mediante
                     la operación a repetir.
                 3   Guardar y cerrar la pieza.




170                                                                             Ejercicio 16
Manual de formación SolidWorks 2006


Ejercicio 17:           Complete esta pieza utilizando la
Cómo saltar             información y las cotas
instancias              proporcionadas.
                        Este laboratorio refuerza las
                        siguientes funciones:
                           Creación de una matriz
                           lineal.
                           Omisión de instancias.
                           Creación de la matriz de una matriz.
                           Edición de una operación.
Procedimiento           Cree una nueva pieza con unidades en Pulgadas.
                    1   Operación Base.
                        Cree un bloque de 3” x
                        12” x 0.75”. Sería útil
                        tener un plano de
                        referencia centrado con respecto a la dirección larga.
                    2   A repetir.
                        Cree la operación a repetir mediante
                        el Asistente para taladro y un
                        perforador de pulgadas ANSI.



                    3   Matriz.
                        Cree la matriz del taladro, saltando
                        las instancias según se indica en el siguiente diagrama.




                    4   Crear la matriz de una matriz.
                        Cree la matriz de una matriz para crear una disposición simétrica de
                        taladros.




                    5   Cambiar.
                        Cambie el taladro a un diámetro de 5/16” y reconstruya.
                    6   Guardar y cerrar la pieza.




Ejercicio 17                                                                             171
Manual de formación SolidWorks 2006


Ejercicio 18:           Complete esta pieza utilizando la información y
Simetrías de            las cotas proporcionadas.
matriz y lineales       Este laboratorio refuerza las siguientes
                        funciones:
                           Creación de una matriz lineal.
                           Creación de una simetría de matriz
                           mediante operaciones.
                           Cómo crear una simetría de matriz
                           mediante un sólido.

Procedimiento           Abra la pieza existente Linear & Mirror (Lineal y Simetría).
                    1   Matriz lineal.
                        Mediante la utilización de la operación existente,
                        cree una Matriz lineal que resulte en tres ranuras
                        que estén separadas a una distancia de 0.20”.




                2       Simetría de operaciones.
                        Mediante la utilización de una sola operación de
                        matriz, cree el saliente duplicado y corte según
                        se indica.




                    3   Simetría.
                        Utilice una tercera operación de matriz para
                        crear el modelo completo a partir de la mitad
                        del modelo.
                    4   Guardar y cerrar la pieza.




172                                                                           Ejercicio 18
Manual de formación SolidWorks 2006


Ejercicio 19:           Cree matrices de
Matrices                operaciones en esta pieza
conducidas por          mediante una Matriz
curva                   conducida por curva.
                        Este laboratorio utiliza
                        las siguientes funciones:
                           Curva de
                           equidistancia.
                           Cómo utilizar el
                           asistente para taladro.
                           Matrices conducidas por curva.

Procedimiento           Abra una pieza existente.
                    1   Abrir la pieza
                        Curve Driven
                        Pattern.




                    2   Croquis.
                        Abra un croquis
                        en la cara frontal
                        de la leva y cree
                        una
                        equidistancia de
                        5.5 mm del
                        perfil exterior.
                        Cambie el
                        nombre del
                        croquis por
                        Curve
                        Sketch
                        (Croquis de curva).




Ejercicio 19                                                173
Manual de formación SolidWorks 2006


      3   Asistente para
          taladro
          Agregue un
          avellanado con las
          siguientes opciones:
             Métrico-Ansi
             Tornillo de
             cabeza plana
             M3.5
             Por todo
          Agregue dos
          relaciones geométricas de la siguiente manera:
             Horizontal con respecto al origen.
             Coincidente con la operación Curve Sketch (Croquis de
             curva).
      4   Matriz conducida por
          curva.
          Haga la matriz de la
          operación con el
          Número de instancias
          en 20 y Separación
          igual.
      5   Guardar y cerrar la
          pieza.




174                                                            Ejercicio 19
Manual de formación SolidWorks 2006


Ejercicio 20:           Edite una matriz en esta pieza para
Cómo utilizar           utilizar Variar croquis.
Variar croquis          Este laboratorio utiliza las
                        siguientes funciones:
                            Editar operación.
                            Utilización de la opción
                            Variar croquis.


Procedimiento           Abra una pieza existente.
                    1   Abrir la pieza
                        Vary Sketch Lab.
                        La pieza incluye la
                        operación “a repetir”
                        utilizada en las matrices.



                    2   Editar matriz.
                        Edite la operación de
                        matriz y haga cambios para
                        utilizar la opción Variar
                        croquis según se indica.



                    3   Cambios.
                        Cambie la separación a
                        0.375” y el número de
                        instancias a 7.
                    4   Guardar y cerrar la pieza.




Ejercicio 20                                                  175
Manual de formación SolidWorks 2006




176                           Ejercicio 20
Manual de formación SolidWorks 2006




                                           Lección 6
                           Operaciones de revolución



                        Al finalizar esta lección, podrá:
                           Crear operaciones de revolución.
                           Aplicar técnicas de acotación especiales a croquis para
                           operaciones de revolución.
                           Utilizar la técnica de sólidos multicuerpo.
                           Crear una operación Barrer.
                           Crear matrices circulares de operaciones.
                           Calcular las propiedades físicas de una pieza.
                           Realizar un análisis de esfuerzo preliminar y rudimentario.




                                                                                         177
Lección 6                   Manual de formación SolidWorks 2006
Operaciones de revolución




178
Manual de formación SolidWorks 2006                                                 Lección 6
                                                                       Operaciones de revolución


Estudio de
casos: Volante
de maniobra




Etapas del              Algunas etapas importantes del proceso de modelado de esta pieza
proceso                 se muestran en la siguiente lista:
                        Intención del diseño
                        Se describe y se explica la intención del diseño de la pieza.
                        Operaciones de revolución
                        El centro de la pieza es la operación Hub (Parte central), una forma
                        de revolución. Se creará a partir de un croquis con una línea de
                        construcción como el eje de revolución.
                        Sólidos multicuerpo
                        Cree dos sólidos individuales, Hub (Parte central) y Rim (Reborde),
                        conectándolos y fusionándolos mediante un tercer sólido, Spoke
                        (Radio).
                        Operaciones Barrer
                        La operación Radio se crea mediante una operación Barrer, una
                        combinación de dos croquis que definen un perfil de barrido que se
                        mueve a lo largo de una ruta de barrido.
                        Matrices circulares
                        En lugar de modelar el mismo radio varias veces, crearemos una
                        matriz de Spokes (Radios) dispuestos a la misma distancia
                        alrededor de la línea constructiva de la operación Hub.
                        Análisis
                        Con las herramientas incluidas en el software de SolidWorks, puede
                        llevar a cabo funciones de análisis básicas como cálculos de
                        propiedades físicas y análisis de esfuerzo preliminares. Según los
                        resultados, puede realizar cambios en el diseño de la pieza.




Estudio de casos: Volante de maniobra                                                      179
Lección 6                                                     Manual de formación SolidWorks 2006
Operaciones de revolución


Intención del                   La intención del diseño de esta pieza se muestra a continuación:
diseño                            Parte                                 Diámetro
                                  central                               del volante
                                                                        de maniobra




                                                                    Reborde
                                Radio

                                   Los radios deben estar a la misma distancia.
                                   El centro del reborde del volante de maniobra se encuentra en el
                                   extremo del radio.
                                   Los radios pasan a través del centro de la parte central.
Operaciones de                  La operación Hub (Parte central) es una operación de revolución.
revolución                      Es la primera operación creada por geometría de revolución
                                alrededor de un eje. Las operaciones de revolución requieren
                                geometría simétrica de eje y una línea constructiva (usada como el
                                eje) en el croquis. Esta operación de revolución se utilizará como el
                                centro del volante de maniobra. Si se dan las circunstancias
                                adecuadas, también se puede utilizar una línea croquizada como
                                línea constructiva.


Procedimiento                   Para comenzar este estudio de caso:
                            1   Abrir una pieza nueva utilizando la plantilla Part_MM.
Geometría de                    La geometría para la operación de revolución se crea utilizando las
croquis de la                   mismas herramientas y los mismos métodos que las operaciones
operación de                    extruidas. En este caso, las líneas se utilizarán para formar la forma
revolución                      (un cilindro con una arista con chaflán). La línea constructiva se
                                utiliza como el eje de revolución y para localizar geometría.




180                                                                              Intención del diseño
Manual de formación SolidWorks 2006                                                    Lección 6
                                                                          Operaciones de revolución


                     2   Rectángulo.
                         Haga clic con el botón secundario del ratón en la
                         Vista lateral y seleccione Insertar croquis.
                         Cree un rectángulo desde el origen de
                         aproximadamente 50 mm de alto por 30 mm de
                         ancho.


                     3   Convertir en construcción.
                         Seleccione la línea vertical que se muestra y haga
                         clic en Geometría constructiva       en la barra de
                         herramientas Croquis. La línea se convierte en una
                         línea de construcción.




Introducción:            La opción Arco 3 puntos le permite crear un arco basándose en
Arco 3 puntos            tres puntos, los dos puntos finales seguido por un punto en la curva.

Dónde encontrarlo           En el menú Herramientas, elija Entidades de croquis, Arco 3
                            puntos.
                            O, en la barra de herramientas Croquis, haga clic en Arco 3
                            puntos     .

                     4   Insertar arco 3 puntos.
                         Comience el arco colocando
                         el cursor en la línea vertical
                         izquierda y arrastrando hacia
                         abajo a lo largo de dicha
                         arista. Suelte el botón del
                         ratón y luego seleccione y
                         arrastre el punto sobre la
                         curva, fuera del croquis.
                     5   Cómo recortar.
                         Utilice la opción Recortar con el Recorte
                         inteligente y recorte la parte de la línea que
                         queda dentro del arco.




Operaciones de revolución                                                                     181
Lección 6                                                      Manual de formación SolidWorks 2006
Operaciones de revolución


Reglas que rigen                Además de las reglas generales que rigen los croquis
los croquis de                  incluidos en la Lección 2: Introducción al croquizado,
operaciones                     se aplican algunas reglas especiales a croquis de
de revolución                   operaciones de revolución:
                                   Se debe especificar una línea constructiva o línea
                                   croquizada como eje de revolución.
                                   El croquis no debe cruzar el eje.                         No válido

                                El eje de revolución de la revolución se debe
                                seleccionar antes de crear la operación de revolución.
                                Recuerde que en este ejemplo, la línea croquizada vertical derecha
                                se podría emplear como eje de revolución.
Cómo acotar el                  La geometría de revolución se acota como cualquier otra con una
croquis                         opción adicional. Las cotas que miden diámetros en la operación
                                terminada pueden cambiar de cotas lineales a cotas de diámetro.

                            6   Cota de arco.
                                Acote el arco seleccionando en la
                                circunferencia del arco y la línea vertical
                                sobre la que éste se asienta. El resultado es
                                una cota entre la línea y la tangente del
                                arco.



                            7   Cota finalizada.
                                Cambie el Valor a 4 mm.




                            8   Cotas verticales.
                                Mediante la utilización de la herramienta
                                Cota vertical     , cree las cotas lineales
                                verticales que se muestran a la derecha.
                                También puede utilizar el icono Cota
                                inteligente.




182                                                                           Operaciones de revolución
Manual de formación SolidWorks 2006                                                  Lección 6
                                                                        Operaciones de revolución


Cotas de diámetro        Algunas cotas deben ser cotas de diámetro en la operación de
                         revolución finalizada. Para estas cotas, siempre seleccione la línea
                         constructiva (eje de revolución) como una de las elecciones. Elija
                         entonces una cota de radio o de diámetro, según dónde coloque el
                         texto de cota. Si no escoge la línea constructiva, no podrá cambiar
                         la cota a un diámetro.

Nota                     Esta opción sólo está disponible si se usa una línea constructiva
                         como eje de revolución. El uso de las cotas de diámetro no se
                         restringe a los croquis de operaciones de revolución.
                     9   Acotar a la línea constructiva.
                         Acote entre la línea constructiva y la
                         arista vertical exterior para crear una cota
                         lineal horizontal.
                         No haga clic para colocar el texto de cota
                         todavía.
                         Observe la vista preliminar. Si coloca el
                         texto ahora, obtendrá una cota de radio.




                     10 Mover el cursor.
                         Mueva el cursor a la derecha
                         de la línea constructiva. La
                         vista preliminar cambia a una
                         cota de diámetro.




                     11 Cota resultante.
                         Haga clic para colocar el texto de cota.
                         Cambie el valor por 25 mm y presione
                         Intro.
                         Normalmente, una cota de diámetro
                         debe tener un símbolo de diámetro que
                         la precede:       . Cuando la operación
                         de revolución se crea a partir del
                         croquis, el sistema agregará
                         automáticamente el símbolo de
                         diámetro a la cota 25 mm.




Operaciones de revolución                                                                    183
Lección 6                                                    Manual de formación SolidWorks 2006
Operaciones de revolución


Nota                           Si coloca el texto de cota en el lugar incorrecto involuntariamente y
                               obtiene una cota de radio en vez de un diámetro, puede
                               solucionarlo. Haga clic con el botón secundario del ratón en la cota
                               y seleccione Propiedades... Haga clic en la casilla de verificación
                               Cota de diámetro para transformar la cota en una cota de diámetro.


Cómo crear la                  Una vez que el croquis se completa, puede transformarse en una
operación de                   operación de revolución. El proceso es simple y una revolución
revolución                     completa (360°) es casi automática.
Introducción:                  La opción Revolución le permite crear una operación a partir de un
Operación de                   croquis simétrico al eje y un eje. Esta operación puede ser una
revolución                     operación Base, Saliente o Corte. El eje puede ser una línea
                               constructiva, una línea, una arista lineal, un eje o un eje temporal.
                               Si sólo hay presente una selección de eje, se utilizará
                               automáticamente. Si hay más de una selección presente, deberá
                               seleccionarla.

Dónde encontrarlo                  En el menú Insertar, elija Saliente/Base o Corte,
                                   Revolución....
                                   O bien utilice la barra de herramientas Operación:    .

                            12 Realizar la operación.
                               Haga clic en Saliente/Base, Revolución... en el menú Insertar.
                               Aparecerá un mensaje en el que se indica que el croquis es un
                               contorno abierto y se le pregunta si desea cerrar el contorno
                               automáticamente. Haga clic en Sí.
                               El PropertyManager
                               aparece con estas
                               condiciones finales
                               predeterminadas:
                               Una dirección
                               Ángulo de 360°
                               Acepte estos valores
                               predeterminados haciendo
                               clic en Aceptar.




184                                                                      Operaciones de revolución
Manual de formación SolidWorks 2006                                                 Lección 6
                                                                       Operaciones de revolución


                     13 Operación finalizada.
                        La operación de revolución sólida se crea como la
                        primera operación de la pieza.
                        Cambie su nombre a Hub (Parte central).




                     14 Editar el croquis.
                        Haga clic con el botón secundario del ratón en Hub
                        y seleccione Editar croquis.
Nota                    También puede hacer clic con el botón secundario
                        del ratón en la operación en el gestor de diseño del
                        FeatureManager y obtener el mismo resultado.



                     15 Normal a.
                        Haga clic en Normal a      en la barra de herramientas Vistas
                        estándar para cambiar la vista a fin de poder ver su tamaño y forma
                        reales.
                     16 Configuración de redondeo.
                        Seleccione la herramienta   y establezca el
                        valor en 5 mm. Asegúrese de que la opción
                        Mantener esquinas restringidas se encuentre
                        seleccionada.

                     17 Selecciones.                            Seleccione aquí
                        Seleccione ambos puntos finales del
                        arco, según se indica. Cuando ambos
                        estén seleccionados, aparecerá el
                        redondeo. La cota conduce a ambos
                        pero sólo aparece una vez, en la
                        primera selección.




Operaciones de revolución                                                                  185
Lección 6                                                   Manual de formación SolidWorks 2006
Operaciones de revolución


                               Puesto que los puntos finales
                               redondeados tienen cotas, se agregan
                               símbolos de Intersección virtual en el
                               lugar donde estaban las esquinas. Estos
                               símbolos representan las esquinas que
                               faltan y pueden acotarse o utilizarse
                               dentro de las relaciones.
Nota                           Observe la cota de 25 mm. Como se
                               mencionó en el paso 11 en la página 183,
                               un símbolo de diámetro ahora precede la
                               cota.
                               Cierre el PropertyManager.
                            18 Reconstruir el modelo.
                               Para que los cambios se apliquen, haga clic en la
                               herramienta Reconstruir .




Cómo construir                 La operación Rim
el reborde                     (Reborde) de Hand-
                               wheel (Volante de
                               maniobra) es otra opera-
                               ción de revolución. Tam-
                               bién tiene una revolución
                               de 360°. El perfil de Rim
                               es una forma oval com-
                               puesta por dos arcos de
                               180° y dos líneas.
                               El Rim se creará como un sólido individual, no fusionado con la
                               operación Hub.

                            19 Croquis.
                               Cree un croquis nuevo en el plano de referencia Vista lateral.
                               Oriente el modelo en la misma dirección.
                            20 Línea constructiva horizontal.
                               Croquice una línea constructiva
                               horizontal corta en algún lugar
                               fuera del modelo.




186                                                                       Cómo construir el reborde
Manual de formación SolidWorks 2006                                                      Lección 6
                                                                            Operaciones de revolución


                      21 Equidistancia con tapas en
                         extremos.
                         La herramienta Equidistanciar
                         entidades tiene una opción Tapas
                         en extremos que crea Arcos para
                            cerrar los extremos de una
                            equidistancia Bidireccional.
                            Seleccione la línea constructiva y la
                            equidistancia mediante las opciones
                            que se muestran.

                      22 Agregar cotas.
                            Acote el croquis según se indica en la ilustración de
                            la derecha.



Introducción: Punto         La entidad de croquis Punto se puede utilizar para ubicar una
                            posición en un croquis, mientras que no es posible utilizar otros
                            elementos geométricos (por ejemplo los puntos finales) para tal fin.

Dónde encontrarlo              Haga clic en Punto   en la barra de herramientas Croquis.
                               O en el menú Herramientas, haga clic en Entidad de croquis,
                               Punto.

                      23 Agregar un punto.
                         Haga clic en Punto         y agregue un punto en
                            el punto medio de la línea constructiva.




                      24 Eje de rotación.
                            Agregue una línea
                            constructiva con la
                            herramienta Línea
                            constructiva      ,y
                            seleccione Vertical e
                            Longitud infinita.
                            Coloque la línea en el
                            origen. Éste será el eje
                            de la revolución de la
                            operación de revolución.




Cómo construir el reborde                                                                       187
Lección 6                                                   Manual de formación SolidWorks 2006
Operaciones de revolución


                            25 Agregar cotas.
                               Agregue cotas desde
                               la línea constructiva
                               al punto y desde el
                               centro del arco a la
                               arista de Hub.
                               El croquis está ahora
                               completamente
                               definido.
                            26 Ambigüedad
                               potencial.
                               Este croquis contiene dos líneas constructivas. El sistema no sabrá
                               qué línea constructiva debe ser el eje de revolución. La línea
                               constructiva que se usará se puede seleccionar antes o después de
                               seleccionar la herramienta Revolución.
                            27 Operación completa.
                               Seleccione la línea
                               constructiva vertical
                               infinita. En el menú
                               Insertar, escoja
                               Saliente/Base,
                               Revolución... Utilice
                               un ángulo de 360°.
                               Cambie el nombre de
                               la operación a Rim
                               (Reborde).


Sólidos                        Los sólidos multicuerpo se producen
multicuerpo                    cuando hay más de un sólido en una
                               pieza. En los casos en que haya
                               elementos individuales separados por
                               cierta distancia, puede ser el método más
                               eficaz para diseñar una pieza.
                               La carpeta Solid Bodies (Sólidos) contiene los
                               sólidos y también una lista en la que aparecen los
                               sólidos almacenados actualmente en la carpeta (2).
                               Los cuerpos pueden fusionarse o combinarse más
                               tarde para crear un sólido único.
                               Para obtener más información sobre las piezas
                               multicuerpo, consulte el manual de formación
                               Modelado de piezas avanzado.




188                                                                        Cómo construir el reborde
Manual de formación SolidWorks 2006                                                   Lección 6
                                                                         Operaciones de revolución


Cómo construir            La operación Spoke (Radio) se crea utilizando una operación
el radio                  Barrer. El barrido crea un perfil de contorno cerrado a lo largo de
                          una ruta de contorno abierto. La Ruta se croquiza mediante líneas y
                          arcos tangentes. A continuación se croquiza el perfil mediante un
                          círculo. La operación unirá el espacio entre las operaciones Hub y
                          Rim existentes y los combinará en un sólido único.
                          La operación Spoke es importante porque servirá como matriz
                          para crear un número indeterminado de radios colocados a la misma
                          distancia.

                      28 Configuración.
                          Configuración para croquizar:
                             Cree un croquis nuevo utilizando el plano de referencia
                             Vista lateral.
                             Muestre los croquis de Hub y Rim.
                             Modifique la vista a Líneas ocultas visibles.
                      29 Croquizar línea.
                         Croquice una Línea
                          horizontal que vaya desde
                          la línea constructiva
                          dentro de los límites de
                          Hub.



                      30 Arco tangente.
                         Cree un Arco tangente
                          desde el punto final de la
                          línea en la dirección que se
                          muestra. Los valores
                          reales no son importantes
                          cuando croquiza. Los
                          mismos serán definidos
                          por las cotas posteriormente.
                      31 Cómo conectar el arco
                         tangente.
                         Con el Arco tangente aún
                          seleccionado, continúe
                          croquizando mediante la
                          utilización del punto final
                          del arco anterior como
                          punto de inicio. Croquice
                          este arco tangente al
                          primero, finalizando en una posición de tangencia horizontal.
Sugerencia                Cuando la línea de inferencia vertical coincide con el centro del
                          arco, la tangente del arco es horizontal.



Cómo construir el radio                                                                       189
Lección 6                                                    Manual de formación SolidWorks 2006
Operaciones de revolución


                            32 Línea horizontal.
                               Croquice una Línea
                               final. Es horizontal y su
                               longitud se determinará
                               por la acotación.




                            33 Relaciones.
                               Arrastre y coloque el punto
                               final izquierdo de la línea
                               en el punto del croquis de
                               Rim. Se agrega una
                               relación Coincidente.
                               Agregue otra relación
                               entre la línea situada en el
                               extremo opuesto y el punto central del arco.
                            34 Volver a una visualización sombreada.


Cómo completar                 La geometría croquizada actuará como “línea constructiva” del
los croquis de                 croquis de perfil.
perfil y la ruta
                            35 Agregar cotas.
                               Agregue una relación
                               Igual a los arcos. Las
                               cotas se agregan para
                               definir la forma. La
                               selección de puntos
                               finales y puntos centrales
                               permite más opciones
                               que la creación de las
                               cotas.
                            36 Salir del croquis.
                               Haga clic con el botón secundario del ratón en el croquis y
                               seleccione Salir del croquis para cerrar el croquis sin utilizarlo en
                               una operación.
                            37 Perfil.
                               Croquice un
                               círculo en el plano
                               Alzado y acote
                               el diámetro.




190                                                                           Cómo construir el radio
Manual de formación SolidWorks 2006                                                   Lección 6
                                                                        Operaciones de revolución


                      38 Arrastrar relación.
                          Arrastre el punto central del
                          círculo y colóquelo en el
                          punto final de la línea en el
                          croquis anterior. Se agregará
                          una relación coincidente
                          entre ellos. Salga del croquis.



Introducción:             Insertar, Saliente, Barrer crea una operación a partir de dos
Insertar, Saliente,       croquis: una sección de barrido y una ruta de barrido. La sección se
Barrer                    mueve a lo largo de la ruta y crea la operación.

Dónde encontrarlo            Haga clic en Saliente/Base barrido      en la barra de
                             herramientas Operaciones.
                             O, haga clic en Insertar, Base/Saliente, Barrer.

Nota                      El comando Barrer se describe en detalle en el curso Modelado de
                          piezas avanzado.

                      39 Barrido.
                          Haga clic en el icono
                          Barrer     y seleccione el
                          croquis de contorno
                          cerrado como el Perfil y
                          el croquis de contorno
                          abierto como la Ruta.



                      40 Resultados.
                          Asigne a la operación
                          nueva el nombre Spoke
                          (Radio). La carpeta
                          Solid Bodies(1)
                          [Sólidos (1)] refleja la
                          fusión de sólidos en uno.


                      41 Ejes temporales.
                          Visualice los ejes temporales mediante
                          Ver, Ejes temporales.




Cómo construir el radio                                                                     191
Lección 6                                                      Manual de formación SolidWorks 2006
Operaciones de revolución


                            42 Crear la matriz de la pieza Spoke.
                               Haga clic en Matriz circular . Seleccione
                               el eje temporal como centro de rotación de
                               la matriz.
                               Haga clic en la lista Operaciones para la
                               matriz para activarla. Seleccione la pieza Spoke.
                               Fije el Número de instancias en 3 con Separación igual.


Girar vista                    La herramienta Girar vista        le permite girar la vista del modelo
                               libremente. Para restringir dicho movimiento, puede elegir un eje,
                               una línea o arista, un vértice o un plano. Haga clic en la herramienta
                               Girar vista y en el eje central.
                               Se puede obtener el mismo resultado mediante la rotación del botón
                               central del ratón. Seleccione el eje temporal y arrastre utilizando el
                               botón central del ratón.

Nota                           Si desactivó los ejes temporales después de realizar la matriz circular,
                               tendrá que volverlos a activar o mostrar el croquis de Rim para tener
                               un eje o una línea (línea constructiva) alrededor de la cual girar.

                            43 Girar.
                               Gire sobre el eje arrastrando el ratón.
                               Cambie los ejes simplemente haciendo clic
                               en otro eje u otra opción aceptable.
                               Desactive los ejes temporales.
                            44 Agregar redondeos.
                               Para completar el modelo, se
                               agregan redondeos de 3 mm
                               a las caras resaltadas del
                               modelo. Si se selecciona una
                               cara se seleccionan todas las
                               aristas de dicha cara.
                               Las selecciones de caras
                               hacen que el modelo esté
                               mejor preparado para
                               soportar los cambios de
                               cotas.


Chaflanes                      Los chaflanes crean un bisel en la arista de un modelo. En muchas
                               formas, los chaflanes son similares a los redondeos porque se
                               seleccionan aristas y/o caras de la misma manera.
Introducción:                  Chaflán crea una operación de bisel en una o más aristas o uno o
Chaflán                        más vértices. La forma puede definirse por dos distancias o una
                               distancia y un ángulo.



192                                                                           Cómo construir el radio
Manual de formación SolidWorks 2006                                                 Lección 6
                                                                       Operaciones de revolución


Nota                    Croquizar chaflanes puede agregarse al croquis en lugar de
                        agregarse a las caras y aristas del modelo sólido.

Dónde encontrarlo           En el menú Insertar, escoja Operaciones, Chaflán...
                            O, en la barra de herramientas Operaciones, seleccione la
                            herramienta Chaflán .

                    45 Chaflán.
                        Agregue una
                        operación
                        Chaflán
                        mediante la
                        arista superior de
                        la operación
                        Hub. Establezca
                        las distancias
                        con los valores
                        que se muestran
                        a la derecha.




Editar material         El cuadro de diálogo Editar material se utiliza para agregar y editar
                        el material asociado con una pieza. El material se utiliza para
                        cálculos que se basan en propiedades de material, incluidas las
                        Propiedades físicas y COSMOSXpress. El material puede variar
                        según la configuración. Para obtener más información sobre las
                        configuraciones, consulte Lección 9: Configuraciones de las piezas.

Dónde encontrarlo           Haga clic en Editar material     en la barra de herramientas
                            Estándar.
Gráficos RealView       Si tiene un acelerador gráfico NVIDIA, quizás pueda utilizar la
                        opción Gráficos RealView. Proporciona shaders de material de alta
                        calidad, en tiempo real, cuando están disponibles.

Sugerencia              Las plantillas de pieza (*.prtdot) pueden incluir material
                        predefinido.

Dónde encontrarlo           Haga clic en RealView      en la barra de herramientas Ver.

Nota                    Si Gráficos RealView no está disponible, el icono aparecerá
                        atenuado.

                    46 Abrir HW_Analysis.
                        Cierre la pieza actual y abra la pieza HW_Analysis. Esta pieza
                        tiene operaciones adicionales necesarias para su utilización en la
                        sección de análisis de esta lección.


Editar material                                                                            193
Lección 6                                                   Manual de formación SolidWorks 2006
Operaciones de revolución


                            47 Materiales.
                               Haga clic en el icono Editar material   y, en el
                               cuadro de grupo Materiales, seleccione Cobre y
                               sus aleaciones, Bronce de aluminio.




                            48 Propiedades físicas.
                               Las Propiedades físicas son las que asigna el
                               material elegido.




                            49 Propiedades visuales.
                               Las Propiedades visuales son las que asigna el
                               material elegido. Incluyen Color de material,
                               Textura y Rayado de material asociado.
                               Si los gráficos RealView no están disponibles, la
                               opción, en Gráficos avanzados, aparece
                               atenuada y la opción Estándar aparece
                               seleccionada.




                               Un cambio en el material
                               cambia el color de la
                               pieza, a menos que la
                               opción Utilizar color de
                               material esté desactivada.
                               El nombre del material
                               también se actualiza en el FeatureManager.




194                                                                                Editar material
Manual de formación SolidWorks 2006                                                 Lección 6
                                                                       Operaciones de revolución


Propiedades              Uno de los beneficios de trabajar con un modelo sólido es la
físicas                  facilidad con la que puede realizar cálculos de ingeniería como el
                         cálculo de masa, centro de masa y momentos de inercia. El software
                         de SolidWorks hace todo esto por usted con un simple clic del ratón.

Nota                     Las Propiedades de sección también pueden generarse a partir de
                         una cara plana o un croquis de un modelo. El croquis puede ser
                         activo o seleccionado.
Introducción:            Propiedades físicas se utiliza para generar las propiedades físicas
Propiedades físicas      de todo el sólido. Las propiedades incluyen masa, volumen y una
                         visualización temporal de los principales ejes.

Dónde encontrarlo           En la barra Herramientas, haga clic en la herramienta
                            Propiedades físicas     .
                            En el menú Herramientas, elija Propiedades físicas...

                      50 Propiedades físicas.
                         Seleccione la opción
                         Propiedades físicas... en
                         el menú Herramientas.
                         Se utiliza la Densidad
                         establecida en Editar
                         materiales.
                         Los resultados de los
                         cálculos se visualizan en
                         el cuadro de diálogo.




Nota                     En el caso de aquellas
                         piezas que no posean una
                         descripción física
                         precisa, puede utilizar
                         Asignar propiedades
                         físicas. Los parámetros
                         de esta opción incluyen
                         Masa y la ubicación del
                         Centro de gravedad
                         (XYZ).




Propiedades físicas                                                                        195
Lección 6                                                   Manual de formación SolidWorks 2006
Operaciones de revolución


                            51 Cambiar la configuración.
                               Para cambiar la configuración, haga
                               clic en el botón Opciones... y
                               configure las Propiedades de
                               material.
                               Esto sólo cambiaría las propiedades
                               físicas en este cálculo, no las
                               propiedades de material reales
                               establecidas en el Editor
                               de material. Haga clic en Cancelar.
                            52 Editor de material.
                               Para cambiar las Propiedades de
                               material, utilice Editar material.
                               Consulte Editar material en la
                               página 193.


Propiedades                    Los componentes de las Propiedades físicas de una pieza pueden
físicas como                   acompañar a la pieza como una Propiedad personalizada. Esta
propiedades                    información puede extraerse mediante un informe de Lista de
personalizadas                 materiales.

                            53 Propiedades de archivo.
                               Haga clic en Archivo, Propiedades y en la pestaña Personalizar.
                               Escriba el Nombre mass (masa). El Tipo Text (Texto) aparece
                               automáticamente. Asigne el componente de propiedad física
                               seleccionando Mass en la lista desplegable Valor / Expresión de
                               texto. Se crea una propiedad especial de SolidWorks y un Valor
                               evaluado.




Nota                           También puede utilizarse la pestaña Específica a la
                               configuración. Esto permitiría que la propiedad variara por
                               configuración. Las configuraciones se analizarán en la Lección
                               9: Configuraciones de las piezas.




196                                                                           Propiedades físicas
Manual de formación SolidWorks 2006                                                   Lección 6
                                                                         Operaciones de revolución


COSMOSXpress            COSMOSXpress es una herramienta de análisis de esfuerzo
                        preliminar para usuarios de SolidWorks. Le ayuda a juzgar si su
                        pieza soportará la carga que recibirá en condiciones reales.
                        COSMOSXpress es una derivación del producto COSMOSWorks.
Vista general           COSMOSXpress utiliza un             Restricción
                        asistente para proporcionar
                        un método paso a paso fácil
                        de utilizar para realizar aná-
                        lisis de diseño. El asistente
                        requiere diversos tipos de
                        información para analizar la
                        pieza: materiales, restric-
                        ciones y cargas. Esta infor-
                        mación representa la pieza
                        durante su utilización. Por
                        ejemplo, considere lo que
                                                           Carga aplicada externamente
                        sucede cuando usted gira el
                        volante de maniobra. La parte central está unida a algo que resiste el
                        giro. Esto se representa mediante una restricción - la parte central
                        está restringida, por lo cual no se mueve. Se aplica una fuerza al
                        taladro en el reborde mientras usted intenta girar el volante de
                        maniobra. Ésta es una carga. ¿Qué sucede con los radios? ¿Se
                        doblan? ¿Se romperán? Esto depende de la fuerza del material con
                        el que está hecho el volante de maniobra, el tamaño físico y la
                        forma de los radios, además del tamaño de la carga.
Malla                   Para analizar el modelo, COSMOSXpress
                        realiza una malla del modelo, dividiéndolo
                        en partes más pequeñas y más fáciles de
                        analizar. Estas partes se denominan
                        elementos.
                        Si bien usted nunca ve los elementos, puede
                        configurar la rugosidad de la malla antes del
                        análisis.
Resultados              El análisis produce resultados en las formas de Factor de
                        seguridad, Distribución de esfuerzo y Forma deformada.
Cómo utilizar el        El asistente de análisis de diseño lo lleva por los pasos del análisis,
asistente               desde Opciones a Resultados. Los pasos son:
                        Opciones
                        Configure el tipo de unidades que se utilizan habitualmente para
                        materiales, cargas y resultados.
                        Material
                        Elija un material para la pieza desde la biblioteca estándar o ingrese
                        uno propio.
                        Restricción
                        Seleccione caras de la pieza que permanezcan en su lugar (fijas)
                        durante el análisis. Las mismas a veces se denominan restricciones.




COSMOSXpress                                                                                 197
Lección 6                                                     Manual de formación SolidWorks 2006
Operaciones de revolución


                                Carga
                                Agregue cargas externas como fuerza y presiones para inducir el
                                esfuerzo y deformar la pieza.
                                Analizar
                                Ejecute el análisis, configurando opcionalmente la rugosidad de la
                                malla utilizada.
                                Resultados
                                Vea los resultados del análisis: Factor de seguridad (FOS, Factor of
                                Safety), esfuerzo y deformaciones. En algunas ocasiones, esto se
                                denomina posprocesamiento.
Dónde encontrarlo                  En el menú Herramientas, seleccione COSMOSXpress...

                            1   Iniciar
                                COSMOSXpress.
                                Haga clic en
                                Herramientas,
                                COSMOSXpress...
                                Aparece el asistente
                                de análisis.




Fase 1: Opciones                El cuadro de diálogo Opciones contiene valores para el Sistema
                                de unidades y la Ubicación de resultados.
                            2   Hacer clic en
                                Opciones...
                                Establezca las
                                unidades en Inglés
                                (IPS) y compruebe
                                Visualizar
                                anotaciones para el
                                máximo y el mínimo
                                en el trazado de
                                esfuerzos.
                                Haga clic en
                                Siguiente.
Fase 2: Material                El asistente avanza automáticamente a la siguiente fase cuando
                                usted completa la anterior. A medida que completa cada fase en el
                                asistente, se agrega una marca de verificación verde a la pestaña.
                                La siguiente fase consiste en seleccionar el Material. Puede elegir
                                en bibliotecas de materiales estándar o agregar su propio material.




198                                                                        Cómo utilizar el asistente
Manual de formación SolidWorks 2006                                                       Lección 6
                                                                             Operaciones de revolución


                       3     Material actual.
                             El material actual,
                             seleccionado en
                             SolidWorks, debe ser
                             Bronce de aluminio
                             de la lista Cobre y
                             sus aleaciones.
                             Para cambiar el
                             material, selecciónelo
                             en la lista. Es la
                             misma lista que
                             aparece cuando se
                             utiliza Editar material.
                             Haga clic en Siguiente.

Fase 3:                      Las restricciones se utilizan para “fijar” caras del modelo que no
Restricción                  deben moverse durante el análisis. Debe restringir al menos una
                             cara de la pieza para evitar que se produzca un error en el análisis
                             debido al movimiento rígido del sólido.
                       4     Pantalla de
                             introducción.
                             Haga clic en los
                             hipervínculos azules
                             (como Restricciones)
                             para obtener ayuda
                             en línea.
                             Haga clic en
                             Siguiente.



                       5     Selección de cara.
                             Seleccione la cara
                             cilíndrica y la cara
                             plana que forman el
                             taladro en forma de
                             D.
                             Haga clic en Mostrar
                             símbolo para
                             visualizar las
                             restricciones.




Cómo utilizar el asistente                                                                       199
Lección 6                                                     Manual de formación SolidWorks 2006
Operaciones de revolución


                                Haga clic en Siguiente.




                            6   Restricción
                                agregada.
                                Puede Agregar,
                                Editar o Eliminar
                                conjuntos de
                                restricciones desde
                                este menú.
                                Si bien
                                COSMOSXpress le
                                permite crear
                                múltiples conjuntos
                                de restricciones, no
                                tiene mucho sentido hacerlo porque los conjuntos se combinan
                                durante el análisis. En el producto COSMOSWorks completo, los
                                conjuntos de restricciones múltiples son más útiles. Le permiten
                                crear diferentes casos de análisis utilizando diferentes conjuntos de
                                restricciones y cargas.
                                Haga clic en Siguiente.
Fase 4: Carga                   La pestaña Carga se utiliza para agregar fuerzas y presiones
                                externas a caras de la pieza. Fuerza implica una fuerza total, por
                                ejemplo 200 libras, aplicadas a una cara en una dirección
                                específica. Presión implica que la fuerza se distribuye en forma
                                uniforme en la cara, por ejemplo, 300 psi, y se aplica en posición
                                normal a la misma.

Nota                            El valor de fuerza especificado se aplica a cada cara. Por ejemplo,
                                si selecciona 3 caras y especifica una fuerza de 50 libras,
                                COSMOSXpress aplica una fuerza total de 150 libras. (50 libras
                                en cada cara).




200                                                                        Cómo utilizar el asistente
Manual de formación SolidWorks 2006                                                       Lección 6
                                                                             Operaciones de revolución


                       7     Pantalla de
                             introducción.
                             En este ejemplo,
                             utilizaremos una
                             carga de tipo Fuerza.
                             Haga clic en
                             Siguiente.




                       8     Tipo de carga.
                             Haga clic en Fuerza
                             como el tipo de carga
                             y luego en Siguiente.




                       9     Seleccionar la cara.
                             Seleccione la cara cilíndrica según se indica y haga clic en
                             Siguiente.




                       10 Dirección de la fuerza.
                          Haga clic en Normal a un plano de referencia y seleccione el
                             plano Vista lateral. Establezca el valor de la fuerza en
                             1000 libras.
                             Haga clic en Mostrar símbolo para asegurarse de que la carga se
                             aplique en la dirección deseada. Si no es así, haga clic en Invertir
                             dirección. En este ejemplo, la dirección no tiene importancia.




Cómo utilizar el asistente                                                                       201
Lección 6                                                  Manual de formación SolidWorks 2006
Operaciones de revolución




                               Haga clic enSiguiente.
                            11 Conjunto de cargas
                               completo.
                               El conjunto de cargas
                               completo se incluye
                               como Load1
                               (Carga1). Como los
                               conjuntos de
                               restricciones, éstos
                               pueden editarse o
                               eliminarse desde este
                               cuadro de diálogo.
                               Haga clic en
                               Siguiente.
Fase 5: Analizar               COSMOSXpress prepara el modelo para análisis y luego calcula los
                               desplazamientos, las tensiones y los esfuerzos.
                            12 Pantalla Analizar.
                               Se ha suministrado la
                               información
                               requerida y el
                               analizador está listo.
                               Haga clic en Sí y
                               luego en Siguiente.
Nota                           Haga clic en No si
                               desea configurar el
                               tamaño de los
                               elementos. Si
                               especifica un tamaño de elemento menor, obtendrá resultados más
                               precisos pero se requerirá más tiempo y recursos.




202                                                                    Cómo utilizar el asistente
Manual de formación SolidWorks 2006                                                      Lección 6
                                                                            Operaciones de revolución


                       13 Iniciar el análisis.
                             Haga clic en
                             Ejecutar para
                             comenzar el análisis.
                             Aparece una ventana
                             de estado. Las etapas
                             del proceso de
                             análisis se visualizan
                             con el tiempo
                             transcurrido.

Fase 6:                      La pestaña Resultados se utiliza para visualizar los resultados de
Resultados                   los análisis. El primer resultado es el Factor de seguridad (Factor
                             of Safety, FOS) que compara el resultado de la resistencia del
                             material con los esfuerzos reales.
Factor de seguridad          COSMOSXpress utiliza el criterio de esfuerzo von Mises máximo
                             para calcular la distribución del factor de seguridad. Este criterio
                             indica que un material dúctil comienza a ceder cuando el esfuerzo
                             equivalente (esfuerzo von Mises) alcanza la resistencia del material.
                             La resistencia del material (SIGYLD) se define como una
                             propiedad del material. COSMOSXpress calcula el factor de
                             seguridad en un punto dividiendo la resistencia del material por el
                             esfuerzo equivalente en dicho punto.
                             En cualquier ubicación, un factor de seguridad que es:
                                Menor que 1, indica que el material que se encuentra en dicha
                                ubicación ha cedido y que el diseño no es seguro.
                                Igual a 1, indica que el material en dicha ubicación acaba de
                                comenzar a ceder.
                                Mayor que 1, indica que el material en dicha ubicación no ha
                                cedido.




Cómo utilizar el asistente                                                                      203
Lección 6                                                   Manual de formación SolidWorks 2006
Operaciones de revolución


                            14 Factor de
                               seguridad.
                               El FOS aparece como
                               menor que 1. Esto
                               indica que hay áreas
                               de la pieza que
                               soportan demasiada
                               tensión y fallarán.
                               Haga clic en Mostrar
                               para visualizar una
                               imagen a color que
                               represente el factor
                               de seguridad. Las
                               áreas rojas indican
                               los lugares donde el
                               factor de seguridad es
                               menor que uno.
                               Haga clic en
                               Siguiente.

                            15 Tipos de resultado.
                               Hay diversas formas
                               de mirar los
                               resultados: esfuerzo,
                               desplazamiento y
                               deformación.




                               Los siguientes son algunos ejemplos de las diferentes formas de
                               visualizar los resultados. Los gráficos de Distribución de esfuerzo
                               y Forma deformada pueden animarse y guardarse como archivos
                               *.avi. Su instructor demostrará estas animaciones en clase.

Nota                           Las visualizaciones se exageran mediante la escala de deformación.




204                                                                      Cómo utilizar el asistente
Manual de formación SolidWorks 2006                                                      Lección 6
                                                                            Operaciones de revolución


                             Distribución de esfuerzo




                             Distribución de desplazamiento




                             Forma deformada
                             Esto se ve mejor al visualizar la animación.




Cómo utilizar el asistente                                                                      205
Lección 6                                                    Manual de formación SolidWorks 2006
Operaciones de revolución


                               Informe HTML




                               eDrawings de resultados del análisis




                            16 Cerrar y Guardar.
                               Haga clic en el botón Cerrar. Aparecerá un mensaje preguntándole
                               si desea guardar los datos de COSMOSXpress. Haga clic en Sí.


Cómo actualizar el             COSMOSXpress detecta los cambios realizados en SolidWorks. Se
modelo                         pueden hacer cambios en el modelo, los materiales, las restricciones
                               o las cargas. El análisis existente puede Actualizarse para mostrar
                               los resultados más recientes.




206                                                                       Cómo utilizar el asistente
Manual de formación SolidWorks 2006                                                      Lección 6
                                                                            Operaciones de revolución




                       17 Editar el croquis de
                          perfil.
                             Amplíe la operación
                             Spoke (Radio) y
                             edite el croquis de
                             perfil. Seleccione el
                             círculo y haga clic en
                             Para construcción.



Introducción:                Croquizar una elipse es parecido a croquizar un círculo. Coloque el
Insertar elipse              cursor donde desea que esté el centro y arrastre el ratón para
                             establecer la longitud del eje mayor. A continuación, suelte el botón
                             del ratón. Después, arrastre el esquema de la elipse para establecer
                             la longitud del eje menor.

Importante                   Para definir completamente una elipse debe acotar o restringir las
                             longitudes de los ejes mayor y menor. También debe restringir la
                             orientación de uno de los dos ejes. Para hacerlo, puede utilizar una
                             relación Horizontal entre el centro de la elipse y el extremo del eje
                             mayor.

Dónde encontrarlo               Haga clic en Herramientas, Entidad de croquis, Elipse.
                                O haga clic en Elipse  en la barra Herramientas de croquizar.

                       18 Elipse.
                             Haga clic en Elipse
                                y coloque el punto
                             central en el punto
                             central del círculo.
                             Apártese del centro y
                             coloque los ejes mayor
                             y menor haciendo clic
                             un par de veces más.
                       19 Relaciones y cotas.
                             Agregue relaciones
                             para hacer que el eje
                             mayor apunte en
                             dirección horizontal y
                             uno de los ejes
                             menores apunte en
                             dirección coincidente
                             con el círculo.
                             Agregue la cota como se muestra.




Cómo utilizar el asistente                                                                      207
Lección 6                                                     Manual de formación SolidWorks 2006
Operaciones de revolución


                            20 Reconstruir la pieza.
                               El perfil de barrido editado se
                               utiliza con la misma ruta para
                               producir un resultado diferente.




                            21 Cambiar material.
                               Cambie el material
                               mediante la función
                               Editar material que
                               aparece al hacer clic
                               con el botón
                               secundario del ratón.
                               Seleccione
                               Aleaciones de
                               aluminio, Aleación
                               2018.
                               Las Propiedades
                               visuales del material
                               también se aplican de
                               forma predeterminada. Si está utilizando Gráficos avanzados y
                               RealView, la pieza será similar a la que se muestra aquí.
                            22 Errores.
                               Vuelva a iniciar
                               COSMOSXpress y
                               observe los cambios
                               en el asistente. Las
                               pestañas Analizar y
                               Resultados tienen
                               marcadores de error.
                               También pueden
                               realizarse otros
                               cambios en este
                               punto (cargas,
                               restricciones) antes de volver a analizar la pieza.




208                                                                        Cómo utilizar el asistente
Manual de formación SolidWorks 2006                                                      Lección 6
                                                                          Operaciones de revolución


                       23 Cambiar el valor de la carga.
                          Haga clic en la pestaña Carga y en Editar.
                             Haga clic en Siguiente y cambie el valor de fuerza a 500.




                       24 Actualizar.
                             Haga clic en Siguiente y, a continuación, en Actualizar.
                       25 Resultados.
                             El factor de seguridad ha aumentado con el cambio en la geometría.
                             La pieza ya no tiene un exceso de esfuerzo.




Cómo utilizar el asistente                                                                    209
Lección 6                                                   Manual de formación SolidWorks 2006
Operaciones de revolución


                            26 Esfuerzo reducido.
                               Junto con el aumento en el factor de seguridad viene la disminución
                               prevista en el esfuerzo. La deformación también es menor.




210                                                                      Cómo utilizar el asistente
Manual de formación SolidWorks 2006


Ejercicio 21:           Cree esta pieza utilizando las cotas
Brida                   suministradas. Utilice bien las relaciones para
                        mantener la intención del diseño.
                        Este laboratorio utiliza las siguientes
                        funciones:
                           Operaciones de revolución.
                           Cómo crear matrices circulares.
                        Unidades: pulgadas

Intención del           La intención del diseño de esta pieza se muestra a continuación.
diseño                  1. Los taladros en la matriz están a la misma distancia.
                        2. Los taladros son de igual diámetro.
                        3. Todos los redondeos son iguales y tienen un radio de 0.25”.
                        Observe que los círculos de construcción pueden crearse utilizando
                        las Propiedades de un círculo.

Vistas acotadas         Utilice los siguientes gráficos con la descripción de la intención del
                        diseño para crear la pieza.


                                 Vista Superior




                                Vista Frontal




Ejercicio 21                                                                               211
Manual de formación SolidWorks 2006


Ejercicio 22:        Cree esta pieza utilizando
Rueda                las cotas suministradas.
                     Utilice bien las relaciones
                     para mantener la intención
                     del diseño.
                     Este laboratorio utiliza las
                     siguientes funciones:
                         Operaciones de
                         revolución.
                         Opcional: Texto en un
                         croquis.
                     Unidades: milímetros




Intención del        La intención del diseño de esta pieza se muestra a continuación.
diseño               1. La pieza es simétrica con relación al eje de la parte central.
                     2. La parte central tiene ángulo de salida.

Vistas acotadas      Utilice los siguientes gráficos con la descripción de la intención del
                     diseño para crear la pieza.
                     Vistas Frontal y Superior y Sección A-A de la vista
                     Frontal.




Opcional: Texto en   Puede agregarse texto a un croquis y extruirlo para formar un corte
un croquis           o un saliente. El texto puede colocarse libremente, ubicarse
                     utilizando cotas o relaciones geométricas o realizarse para seguir la
                     geometría de croquis o las aristas del modelo.


212                                                                            Ejercicio 22
Manual de formación SolidWorks 2006


Introducción:           La herramienta Texto le permite insertar texto en un croquis y
Herramienta Texto       utilizarlo para crear una operación Extruir saliente o Corte. Puesto
                        que el software de SolidWorks es en realidad una aplicación de
                        Windows, el mismo admite las fuentes instaladas en su sistema.

Dónde encontrarlo          Haga clic en Herramientas, Entidades de croquis, Texto...
                           O, en la barra de herramientas Croquis, haga clic en Texto .

                    1   Geometría constructiva.
                        Croquice en la cara frontal
                        y agregue líneas
                        constructivas y arcos según
                        se indica.
Sugerencia              Utilice relaciones
                        Simétricas entre los
                        puntos finales de los arcos
                        y la línea constructiva
                        vertical.




                    2   Texto en una curva.
                        Cree dos secciones de
                        texto, cada una asociada a
                        cada arco. Las mismas
                        tienen las siguientes
                        propiedades:
                           Texto: Se diseñó
                           utilizando
                           Fuente: Courier New
                           de 11 puntos
                           Alineación: Centrada
                           Factor de ancho:
                           100%
                           Separación: 100%

                           Texto: SolidWorks
                           Fuente: Arial Black de 20 puntos.
                           Alineación: Justificación completa
                           Factor de ancho: 100%
                           Separación: no corresponde cuando se utiliza la
                           Justificación completa
                    3   Extruir.
                        Extruya un saliente con una Profundidad de 1 mm y un Ángulo de
                        salida de 1°.
                    4   Guardar y cerrar la pieza.




Ejercicio 22                                                                              213
Manual de formación SolidWorks 2006


Ejercicio 23:     Cree esta pieza utilizando las
Chapa de          cotas suministradas. Utilice
compresión        bien las relaciones para
                  mantener la intención del
                  diseño.
                  Este laboratorio utiliza las
                  siguientes funciones:
                      Croquizado.
                      Operaciones de
                      revolución.
                      Simetría.
                  Unidades: milímetros




Intención del     La intención del diseño de esta pieza se muestra a continuación.
diseño            1. La pieza es simétrica.
                  2. Los nervios están a la misma distancia.
                  3. Todos los redondeos son de 1 mm.
Vistas acotadas   Utilice los siguientes gráficos con la intención del diseño para crear
                  la pieza.
                  Vista
                  Superior




                  Vista
                  Frontal




214                                                                         Ejercicio 23
Manual de formación SolidWorks 2006


                        Vista
                        Inferior




                        Vista
                        derecha




                        Detalle A




                        Detalle B




Ejercicio 23                          215
Manual de formación SolidWorks 2006


Ejercicio 24:     Cree esta pieza utilizando las
Portaherramien-   cotas suministradas. Utilice
tas               bien las relaciones para
                  mantener la intención del
                  diseño.
                  Este laboratorio utiliza las
                  siguientes funciones:
                      Croquizado.
                      Operaciones de
                      revolución.
                      Equidistancias de croquis.
                  Unidades: pulgadas
Intención del     La intención del diseño de esta pieza se muestra a continuación.
diseño            1. La pieza es simétrica.
                  2. El taladro central recorre toda la pieza.
Vistas acotadas   Utilice los siguientes gráficos con la intención del diseño para crear
                  la pieza.
                  Vista
                  Superior




                  Vista
                  Frontal




                  Sección A-A
                  de la vista
                  Frontal




216                                                                         Ejercicio 24
Manual de formación SolidWorks 2006


Ejercicio 25:           Cree estas tres piezas mediante operaciones de barrido. Es necesario
Barridos                una ruta y una sección.
                        Unidades: milímetros
Pasador de              La pieza Pasador de chaveta utiliza una ruta que describe la
chaveta                 arista interior del barrido.




Clip                    La pieza Clip se define mediante una ruta que describe la línea
                        constructiva del barrido.




                         Agradecemos a Paul Gimbel, TriMech Solutions, LLC el envío de estos ejemplos.




Ejercicio 25                                                                                             217
Manual de formación SolidWorks 2006


Barrido de inglete   El Barrido de inglete se define mediante una ruta que
                     describe la arista exterior del barrido.




218                                                                   Ejercicio 25
Manual de formación SolidWorks 2006


Ejercicio 26:           Realice un análisis
COSMOSXpress            de esfuerzo
                        preliminar en una
                        pieza existente.
                        Ese laboratorio
                        utiliza las siguientes
                        funciones de
                        COSMOSXpress:
                            Asignación de
                            propiedades de
                            material.
                            Definición de restricciones.
                            Definición de cargas.
                            Ejecución de un análisis.
                            Visualización de los resultados.
                        Unidades: pulgadas
                    1   Abrir la pieza Pump Cover
                        (Cubierta de bomba).
                        Esta pieza representa una tapa
                        que se llenará con aceite a alta
                        presión.
                        Inicie el asistente de
                        COSMOSXpress.




                    2   Establecer las unidades.
                        Haga clic en Opciones..., establezca las unidades en Inglés (IPS) y
                        seleccione Visualizar anotaciones para el máximo y el mínimo
                        en el trazado de esfuerzos. Haga clic en Siguiente.
                    3   Especificar el material.
                        Seleccione Aleaciones de aluminio y Aleación 2014 en la lista.
                    4   Definir el conjunto de
                        restricciones.
                        Seleccione las caras superiores
                        de las cuatro pestañas y las caras
                        cilíndricas de los cuatro taladros
                        de pernos.




Ejercicio 26                                                                            219
Manual de formación SolidWorks 2006


      5   Definir el conjunto de cargas.
          Seleccione Presión para el tipo
          de carga. Haga clic con el botón
          secundario del ratón en una de las
          caras en el interior de la pieza
          Pump Cover. Seleccione
          Seleccionar tangencia en el
          menú contextual.
      6   Configurar el valor y la
          dirección de la presión.
          Establezca el valor de la presión en 500 psi. Haga clic en Mostrar
          símbolo y verifique que las flechas apunten en la dirección
          correcta.
      7   Ejecutar el análisis.
          Utilice la configuración de malla predeterminada.
      8   Resultados.
          El factor de seguridad es menor
          que 1, lo que indica que la pieza
          tiene un exceso de esfuerzo.




      9   Distribución del
          esfuerzo y
          deformación.
          Visualice la
          distribución del
          esfuerzo en el
          modelo. Reproduzca
          la animación de la
          deformación.
      10 Cambiar el material.
          Cambie el material a
          Hierro dúctil.
      11 Actualizar.
          Haga clic en Actualizar para volver a ejecutar el análisis utilizando
          el material nuevo.
      12 Factor de seguridad.
          El nuevo factor de seguridad es superior a 1.
      13 Cerrar y guardar.
         Haga clic en Cerrar. Haga clic en Sí para guardar los datos de
          COSMOSXpress.
      14 Guardar y cerrar la pieza.




220                                                                Ejercicio 26
Manual de formación SolidWorks 2006




                                           Lección 7
                           Cómo editar: Reparaciones




                        Al finalizar esta lección, podrá:
                           Diagnosticar diversos problemas en una pieza y repararlos.
                           Utilizar todas las herramientas disponibles para editar y realizar
                           cambios en una pieza.




                                                                                          221
Lección 7                   Manual de formación SolidWorks 2006
Cómo editar: Reparaciones




222
Manual de formación SolidWorks 2006                                                 Lección 7
                                                                       Cómo editar: Reparaciones


Edición de              El software SolidWorks proporciona la capacidad de editar
piezas                  virtualmente cualquier elemento en cualquier momento. Con el fin
                        de enfatizar dicho punto, las herramientas más importantes para la
                        edición de piezas están descriptas y revisadas aquí en una lección.
Etapas del              Algunas etapas clave del proceso de modificación de esta pieza se
proceso                 muestran en la siguiente lista. Cada uno de estos temas consta de
                        una sección en la lección.
                        Agregar y eliminar relaciones
                        A veces las relaciones en un croquis deben eliminarse o cambiarse
                        debido a cambios en el diseño.
                        ¿Qué errores hay?
                        Cuando se producen errores, la opción ¿Qué errores hay? puede
                        utilizarse para investigar e identificar con precisión el problema.
                        Editar croquis
                        Los cambios en la geometría y las relaciones de cualquier croquis
                        pueden realizarse mediante Editar croquis.
                        Comprobar croquis para operación
                        Comprobar croquis puede comprobar si existen problemas en un
                        croquis, verificando si es adecuado para ser utilizado en una
                        operación. Debe Editar croquis antes de utilizar Comprobar
                        croquis para operación.
                        Editar operación
                        Los cambios en el modo de creación de una operación se realizan
                        mediante Editar operación. El mismo cuadro de diálogo utilizado
                        para crear una operación se utiliza para editarla.
                        Editar plano de croquis
                        ¿Croquizado en el plano Alzado en lugar de en el plano Planta?
                        Utilice Editar plano de croquis para transferir el croquis desde el
                        plano actual a un plano o cara diferente.
                        Cambiar el orden
                        Las operaciones que hayan sido creadas en el orden equivocado
                        pueden reordenarse simplemente arrastrándolas en el gestor de
                        diseño del FeatureManager.
                        Retroceder
                        Retroceder y avanzar hacia adelante se utilizan para visitar etapas
                        previas del modelo. Esto le permite ver el modelo en versiones
                        anteriores y agregar operaciones faltantes.
                        Cambiar valor de cota
                        Éste es probablemente uno de los cambios más típicos. Si la
                        intención del diseño se captó apropiadamente, los cambios en las
                        cotas generan cambios en el tamaño de las operaciones individuales
                        y por último en el modelo entero.




Edición de piezas                                                                          223
Lección 7                                                     Manual de formación SolidWorks 2006
Cómo editar: Reparaciones


Temas de                        La edición cubre un amplio rango de temas: desde cómo arreglar
edición                         croquis rotos hasta cómo volver a ordenar elementos en el gestor de
                                diseño del FeatureManager. Estos temas pueden resumirse en:
                                reparación de errores, interrogación de pieza y cambio del diseño de
                                la pieza. Cada uno se describe a continuación.
Información                     Las pruebas no destructivas de un modelo pueden brindar muchos
proveniente de un               conocimientos importantes en cuanto a cómo se creó el modelo, las
modelo                          relaciones que se establecieron y los cambios que pueden
                                incorporarse. Esta sección se centrará en cómo utilizar herramientas
                                de edición en conjunto con retrocesos para “interrogar” el modelo.
Cómo encontrar y                Cómo encontrar y reparar problemas en una pieza es una habilidad
reparar problemas               clave en el modelado sólido. Muchos cambios que se realizan en
                                una pieza dada (Editar operación, Editar croquis y Volver a
                                ordenar, por nombrar algunos) pueden ocasionar el fallo de las
                                operaciones siguientes. En esta sección se analizará la
                                determinación precisa de la zona del problema y el encuentro de la
                                solución.
                                Los problemas pueden ocurrir en croquis o en cualquier otra
                                operación de la pieza. Aunque existen muchos tipos de errores,
                                existen algunos que ocurren más a menudo que otros. Las
                                relaciones y las cotas colgantes son muy comunes, como lo es la
                                geometría extraña en los croquis. Utilizando algunas de las
                                herramientas disponibles en el software SolidWorks, los problemas
                                pueden diagnosticarse y solucionarse con facilidad.
                                Abrir una pieza que tenga errores puede ser confuso. Un error cerca
                                del comienzo del proceso puede a menudo ocasionar que muchas
                                operaciones posteriores fallen con él. Reparar ese error inicial
                                también podría corregir el resto de los errores. Algunas
                                reparaciones serán realizadas en este modelo antes de interrogarlo y
                                cambiarlo.
Procedimiento                   Comenzaremos abriendo una pieza existente.

                            1   Abrir la pieza denominada Editing CS (Edición CS).
                                Esta pieza fue construida y guardada con numerosos errores.
                            2   Errores de reconstrucción.
                                Después de abrirla, el sistema
                                muestra un cuadro de mensaje,
                                etiquetado con el nombre de la
                                pieza y la frase ¿Qué errores
                                hay?. Cada error se enumera por
                                nombre de operación en el cuadro
                                de diálogo que se desplaza.
                                Sólo una porción del modelo es
                                visible; los errores han ocasionado que algunas operaciones fallen.




224                                                                               Temas de edición
Manual de formación SolidWorks 2006                                                 Lección 7
                                                                       Cómo editar: Reparaciones


Diálogo ¿Qué            El diálogo ¿Qué errores hay? muestra todos los errores de la
errores hay?            pieza. Los errores se dividen en Errores que impiden que se creen
                        operaciones y Advertencias que no lo impiden. Las otras columnas
                        ofrecen ayuda para diagnosticar el problema incluida una vista
                        preliminar en algunos casos.




Sugerencia              Las columnas del diálogo se pueden ordenar por los encabezados de
                        las columnas. Haga clic en el encabezado Tipo para ordenar por los
                        tipos Error y Advertencia.




Sugerencia              Haga clic en el interrogante   para abrir la ayuda en línea referente
                        a este tipo de error.


Nota                    La visualización de este cuadro de diálogo de error está controlada
                        por la opción Mostrar errores en cada reconstrucción en el
                        menú Herramientas, Opciones, Opciones del sistema, General.
                        Esta opción debe ser activada para que aparezca este mensaje. Hay
                        varios controles:
                           Mediante el cuadro de diálogo Herramientas, Opciones....
                           Mediante el cuadro de diálogo del mensaje en sí mismo:
                           Visualizar errores en cada reconstrucción
                           Mediante el cuadro de diálogo del mensaje en sí mismo:
                           visualización sólo de errores (Mostrar errores), sólo
                           advertencias (Mostrar advertencias) o ambas



Temas de edición                                                                           225
Lección 7                                                     Manual de formación SolidWorks 2006
Cómo editar: Reparaciones




                            3   Gestor de diseño del FeatureManager.
                                El gestor de diseño del FeatureManager
                                enumera muchos errores indicados con
                                marcadores. Los marcadores situados al lado de
                                las operaciones tienen significados específicos:
                                   Error de nivel superior
                                El marcador de Error de nivel superior
                                marca un error en el árbol que aparece a
                                continuación. Resulta útil en los ensamblajes y
                                dibujos para ver los errores de las piezas.
                                   Expandir
                                Un marcador de Expandir       se sitúa junto a
                                una operación que tiene un error o una
                                advertencia en la operación debajo de ella.
                                Expanda la operación para ver el problema.
                                El texto de la operación se muestra en verde.
                                   Error
                                Un marcador de Error       se sitúa junto a una
                                operación que tiene un problema y no puede
                                crear geometría. El texto de la operación se
                                muestra en rojo.
                                   Advertencia
                                Un marcador de Advertencia         se sitúa junto
                                a una operación que tiene un problema, pero
                                puede crear geometría. Es común para las relaciones y la geometría
                                “colgante”. El texto de la operación se muestra en verde.
                                   Operaciones normales
                                Las operaciones normales que no tienen advertencias o errores
                                aparecen con textonegro.


Por dónde                       Las operaciones se reconstruyen en secuencia desde la parte
empezar                         superior del árbol. El mejor lugar para comenzar es en la primera
                                operación (base) con un error, en este caso es la operación
                                Base_Plate (Chapa base). Un error en la operación base podría
                                causar una serie de errores en las operaciones derivadas.




226                                                                                Temas de edición
Manual de formación SolidWorks 2006                                                 Lección 7
                                                                       Cómo editar: Reparaciones


                    4   ¿Qué errores hay?
                        La opción ¿Qué errores hay? se utiliza para resaltar un mensaje de
                        error para una operación seleccionada. Haga clic con el botón
                        secundario del ratón en la operación Base_Plate y seleccione
                        ¿Qué errores hay?. El mensaje indica que el croquis no puede uti-
                        lizarse para la operación porque un punto final se comparte de
                        manera indebida.




                    5   Editar el croquis.
                        El mensaje ¿Qué errores hay? ha indicado que el croquis
                        (Sketch1 -Croquis 1) es el problema. Edite el croquis de la
                        operación.
Sugerencia              Para obtener información sobre los problemas de los croquis
                        definidos en exceso, consulte Croquis definidos en exceso en la
                        página 114 de Cómo modelar una pieza de fundición o forja en el
                        Volumen 1.


Comprobar               Comprobar croquis para operación le permite verificar la validez
croquis para            de un croquis para su uso en una operación. Esto puede llevarse a
operación               cabo antes de que se cree la operación o, como en este ejemplo,
                        después. Dado que operaciones diferentes poseen diferentes
                        requisitos de croquis – por ejemplo, las operaciones de revolución
                        requieren un eje de revolución – usted selecciona el tipo de operación
                        para el cual debe evaluarse el croquis. Cualquier geometría que
                        impida la creación de esa operación será resaltada. También
                        comprobará la existencia de geometría faltante o inadecuada.
Dónde encontrarlo          En el menú Herramientas, seleccione Herramientas de
                           croquizar, Comprobar croquis para operación....


                    6   Comprobar croquis.
                        El comando Comprobar
                        croquis para
                        operación... verifica la
                        existencia de geometría
                        incorrecta en el croquis, comparándola con la requerida por el Tipo
                        de contorno. En este caso, el Uso de la operación se establece en
                        Extruir base porque ése es el tipo de operación al cual pertenece
                        este croquis. El Tipo de contorno se determina a partir del tipo de
                        operación.
                        Haga clic en Comprobar.


Comprobar croquis para operación                                                           227
Lección 7                                                     Manual de formación SolidWorks 2006
Cómo editar: Reparaciones


                            7   Mensaje.
                                Aparece un mensaje que
                                enuncia el mismo mensaje que
                                obtuvimos desde ¿Qué
                                errores hay? y el sistema
                                resalta la geometría del
                                problema, en este caso, una de
                                las tres líneas que comparten
                                un punto final común.

                                Haga clic en Aceptar para cerrar esta ventana de mensaje y haga
                                clic en Cerrar para cerrar el cuadro de diálogo Comprobar croquis
                                para operación.


Designación por                 La Designación por ventana le permite seleccionar varias
ventana                         entidades de croquis con una ventana de arrastrar. Las entidades se
                                seleccionan en función de si la ventana se arrastra de derecha a
                                izquierda o de izquierda a derecha. La selección incluye cotas.
                                De izquierda a derecha:
                                Sólo se selecciona la
                                geometría que está
                                completamente dentro de la
                                ventana (la línea corta).




                                De derecha a izquierda: Se
                                selecciona la geometría que se
                                encuentra dentro de la
                                ventana y la cruza (línea corta
                                y dos líneas largas).
                                Esto también se denomina
                                designación por captura.




Sugerencia                      Si se utiliza Mayús con la designación por ventana se mantienen
                                todas las selecciones anteriores. Si se utiliza Control con la
                                designación por ventana se borran todas las selecciones anteriores.
                                Estos métodos de selección no se utilizarán en este ejemplo.
                                En su lugar, se utilizará un método de reparación automática.




228                                                               Comprobar croquis para operación
Manual de formación SolidWorks 2006                                                Lección 7
                                                                      Cómo editar: Reparaciones


Cómo reparar el         Las reparaciones de un croquis pueden realizarse de diversos
croquis                 modos. En un caso simple como éste, una sola línea está
                        ocasionando el error. Esa línea fue resaltada por Comprobar
                        croquis para operación. La línea puede simplemente eliminarse y
                        el comando Comprobar croquis para operación puede utilizarse
                        nuevamente para confirmar que el croquis no contenga errores.
                        Puede utilizarse un método más automatizado mediante Reparar
                        croquis para solucionar los errores.
Introducción:           Reparar croquis se utiliza para analizar los errores en un croquis y
Reparar croquis         repararlos. Puede utilizarse para reparar errores que nazcan de
                        pequeñas separaciones, superponiendo geometría y varios
                        segmentos cortos.
Dónde encontrarlo          En el menú Herramientas, seleccione Herramientas de
                           croquizar, Reparar croquis.
                           O, en la barra de herramientas 2D a 3D, haga clic en la
                           herramienta Reparar croquis .

                    8   Reparar.
                        Haga clic en Herramientas, Herramientas de croquizar, Reparar
                        croquis. El sistema elimina la línea que está en infracción.
                    9   Buscar nuevamente.
                        Utilice Comprobar croquis para operación nuevamente para ver
                        el resultado de la reparación. El cuadro de diálogo no muestra
                        problemas con el croquis.
                    10 Agregar cotas y relaciones.
                        Las cotas y las relaciones pueden eliminarse durante el proceso de
                        reparación de un croquis. Agregue relaciones y cotas de reemplazo
                        y abandone el croquis.
                    11 Errores restantes.
                        Todos los errores y las advertencias restantes se enumeran en el
                        cuadro de diálogo. Para no ver este cuadro de diálogo de mensaje
                        cada vez que realice una corrección, desactive la opción Visualizar
                        errores en cada reconstrucción. Aparece más del modelo.
                    12 Siguiente error.
                        El primer error de la lista es para Sketch2 (Croquis 2) en la
                        operación Vertical_Plate (Chapa vertical). Contiene
                        Entidades de croquis colgantes según el mensaje. Se encuentran
                        entidades de croquis colgantes cuando las cotas o las relaciones
                        hacen referencia a elementos que ya no existen.

Nota                    Las cotas y las relaciones
                        colgantes pueden ocultarse de la
                        vista. La opción Ocultar las
                        colgantes y anotaciones
                        colgantes puede encontrarse en
                        Herramientas, Opciones, Propiedades de documento,
                        Visualización de anotaciones.


Comprobar croquis para operación                                                          229
Lección 7                                                     Manual de formación SolidWorks 2006
Cómo editar: Reparaciones


                            13 Editar el croquis.
                               Edite el croquis de la
                               operación
                               Vertical_Plate.
                               Observe que la cota de
                               85 mm es de un color
                               diferente a las demás
                               cotas. Éste es el color
                               que se utiliza para las cotas y las relaciones colgantes. La cota está
                               intentando asociarse a geometría que ya no existe, y por lo tanto se
                               considera colgante.


Volver a asociar               Las cotas y las relaciones colgantes pueden repararse rápidamente
cotas                          volviendo a asociarlas al modelo.

                            14 Seleccionar la cota.
                               Haga clic en la cota de
                               85 mm para ver las
                               asas de arrastre. El
                               extremo marcado en
                               rojo es el colgante. Las
                               relaciones colgantes en
                               la geometría están
                               marcadas de manera similar.
                            15 Arrastrar y colocar.
                               Arrastre el asa roja y
                               colóquela sobre la
                               arista inferior de la
                               pieza cuando aparezca
                               el cursor de la arista.
                               Si intenta colocarla en
                               una ubicación
                               inadecuada, el cursor mostrará el símbolo . Tanto la cota como la
                               geometría vuelven a sus colores normales. El valor de la cota se
                               actualiza para reflejar el tamaño de la geometría. Si necesita
                               cambiar la cota, haga doble clic en ella.
                            16 Salir del croquis para reconstruir el modelo.
                            17 Errores restantes.
                               Quedan algunos
                               errores/algunas
                               advertencias.
                               La operación
                               Rib_Under (Nervio
                               debajo) será
                               desarrollada a
                               continuación.
                               Edite el croquis de esa operación.


230                                                              Comprobar croquis para operación
Manual de formación SolidWorks 2006                                                  Lección 7
                                                                        Cómo editar: Reparaciones


                      18 Relaciones
                         colgantes.
                         Una línea del croquis
                         se muestra en el color
                         correspondiente a
                         colgante. Haga clic en
                         esa línea para
                         seleccionarla y mostrar
                         sus asas de arrastre. El
                         asa roja puede utilizarse en un procedimiento de
                         arrastrar y soltar, de manera similar a lo que se
                         realizó para la cota colgante.
                         Cuando hace clic en la línea, sus relaciones se
                         muestran en el PropertyManager. La relación que
                         está colgante posee el mismo código de color que la entidad de
                         croquis en sí misma.

Nota                     Si hace doble clic en la entidad colgante, también aparecen
                         anotaciones en la ventana de gráficos.


                      19 Volver a asociar.
                         Arrastre el asa roja
                         sobre la línea vertical
                         más hacia la derecha
                         de la Base_Plate
                         (Chapa base). El
                         sistema transfiere la
                         relación colineal
                         desde la entidad
                         faltante (el plano
                         eliminado) a la arista del modelo. La pieza ya no es colgante.


Cómo reparar             Algunas relaciones, como puntos coincidentes, sólo pueden
relaciones               repararse mediante el comando Visualizar/eliminar relaciones.
utilizando               Esta opción le permite revisar todas las relaciones de un croquis.
Visualizar/eliminar
relaciones
Introducción:            Visualizar/eliminar relaciones proporciona una forma de
Visualizar/eliminar      consultar sistemáticamente todas las entidades en un croquis.
relaciones               Además, puede visualizar las relaciones basadas en criterios tales
                         como colgantes o definidos en exceso. También puede utilizar
                         Visualizar/eliminar relaciones para reparar relaciones colgantes.

Dónde encontrarlo           Haga clic en Herramientas, Relaciones, Visualizar/
                            eliminar....
                            Haga clic con el botón secundario del ratón en el croquis y
                            seleccione Visualizar/eliminar relaciones.


Comprobar croquis para operación                                                            231
Lección 7                                                       Manual de formación SolidWorks 2006
Cómo editar: Reparaciones


                                   Haga clic en Visualizar/eliminar relaciones       en la barra de
                                   herramientas Croquis.

                            20 Deshacer.
                               Haga clic en Deshacer para quitar el último evento, la reparación
                               de la relación colgante.
                            21 Visualizar/eliminar
                               relaciones.
                               Haga clic con el botón
                               secundario del ratón y
                               seleccione Visualizar/
                               eliminar relaciones.
                               En la lista Filtro, seleccione
                               Colgante. Esto muestra sólo
                               las relaciones colgantes.
                               Seleccione la relación
                               Colineal.


                            22 Sección de entidades.
                               Observe la sección inferior del
                               PropertyManager. Existe una lista de las
                               entidades utilizas por esta relación. Una entidad
                               tiene un estado Completamente definido, la
                               otra es Colgante.
                               Seleccione la entidad marcada como Colgante.


                            23 Reemplazo.
                               Seleccione la arista
                               vertical de la
                               Base_Plate.
Sugerencia                     Seleccionar otra
                               puede utilizarse
                               para elegir la arista.
                               Haga clic en
                               Reemplazar y
                               luego haga clic en
                               Aceptar.
                            24 Salga del croquis.
                               Salga del croquis
                               para ver el error restante. El marcador está ubicado en la operación
                               Rib_Fillet (Redondeo nervio) Utilice ¿Qué errores hay? en la
                               operación Rib_Fillet.




232                                                               Comprobar croquis para operación
Manual de formación SolidWorks 2006                                                  Lección 7
                                                                        Cómo editar: Reparaciones


Cómo resaltar áreas      Determinados mensaje de error contienen el símbolo de vista
de problemas             preliminar    . Si hace clic en ese marcador, el sistema resaltará el
                         área problemática del modelo. Si utiliza ¿Qué errores hay?
                         directamente en la operación, automáticamente resalta la zona del
                         problema.
                      25 Resaltar mensaje.
                         Haga clic en el símbolo de vista preliminar para mostrar
                         visualmente la zona en la cual se produce el error.




                      26 Visualización de error
                         gráfico.
                         La zona en donde se
                         produce el error está
                         resaltada con un patrón
                         de malla. El redondeo
                         falla en esta zona. Cierre
                         el cuadro de diálogo del
                         mensaje.
                      27 Cambiar el valor.
                         Utilizando la información
                         gráfica y de texto suministrada por el sistema, es claro que el
                         problema reside en el valor de radio del redondeo. Establezca el
                         valor reduciéndolo en gran manera, por ejemplo 5 mm y
                         reconstruya.
                      28 Modelo reconstruido.
                         El modelo ahora se reconstruye sin ningún error ni advertencia.


Información              La pieza tiene algunos problemas
proveniente de           incorporados relacionados con la
un modelo                secuencia de operaciones. Estos pro-
                         blemas se volverán evidentes cuando
                         llegue el momento de realizar cambios
                         de diseño. Para poder comprender la
                         forma en que se construyó esta pieza,
                         recorreremos los pasos de construc-
                         ción y presentaremos algunas de las herramientas que se utilizarán.
                         La intención del diseño de la pieza se revelará ya que las operacio-
                         nes se reconstruyen una por vez.




Información proveniente de un modelo                                                        233
Lección 7                                                    Manual de formación SolidWorks 2006
Cómo editar: Reparaciones


Introducción: Ir a             La opción Ir a... puede utilizarse para buscar en el texto del
                               FeatureManager una palabra o conjunto de caracteres específicos.
                               Las operaciones se expanden para mostrar cualquier operación
                               encontrada.
Dónde encontrarlo                  Haga clic con el botón secundario del ratón en la operación de
                                   nivel superior y seleccione Ir a....

                            29 Ir a.
                               Haga clic con el botón
                               secundario del ratón en la
                               operación de nivel
                               superior y seleccione Ir
                               a.... Escriba el croquis de nombre parcial y haga clic en
                               Empezar por el principio.
                            30 Buscar siguiente.
                               Haga clic en Buscar siguiente hasta que se
                               halla encontrado la última ocurrencia.
                               Aparecerá el mensaje No se encontró este
                               elemento.
                               La búsqueda expandió todas las operaciones
                               que tienen croquis de modo que los croquis
                               están visibles.
Sugerencia                     Para cerrar todas las operaciones expandidas,
                               haga clic con el botón secundario del ratón en
                               el FeatureManager y elija Contraer
                               operaciones.




Introducción: La               Puede retroceder una pieza utilizando la Barra de retroceder en el
barra de retroceder            gestor de diseño del FeatureManager. La barra de retroceder es una
                               ancha línea amarilla que se vuelve azul al seleccionarse. Arrastre la
                               barra hacia arriba o hacia abajo en el gestor de diseño del
                               FeatureManager para avanzar o retroceder por la secuencia de
                               regeneración.

Dónde encontrarlo                  Arrastre la barra de retroceder en el gestor de diseño del
                                   FeatureManager.
                                   O, haga clic con el botón secundario del ratón en una operación,
                                   y seleccione Retroceder en el menú contextual. Esto coloca la
                                   barra antes de la operación seleccionada.
                                   O, haga clic con el botón secundario del ratón en el
                                   FeatureManager y seleccione Retroceder al anterior para
                                   moverse a la última posición de la barra de retroceder.
                                   Seleccione Avanzar al final para mover la barra hasta después
                                   de la última operación en el árbol.


234                                                          Información proveniente de un modelo
Manual de formación SolidWorks 2006                                                  Lección 7
                                                                        Cómo editar: Reparaciones


                            O haga clic en Herramientas, Opciones, Opciones de
                            sistema, FeatureManager y haga clic en Navegación con
                            teclas de flechas. Esto permite que las teclas de flecha muevan
                            la barra de retroceder.
                        Debe establecerse el énfasis en
                        la barra de retroceder haciendo
                        clic en ella. Si se establece el
                        énfasis en la zona de gráficos,
                        las flechas de dirección girarán
                        el modelo.

Nota                    La herramienta Retroceder también es útil al editar piezas grandes
                        para limitar la reconstrucción. Retroceda a la posición justo después
                        de la operación que usted está editando. Cuando la edición esté
                        completa, la pieza se reconstruirá sólo hasta la barra de retroceder.
                        Esto evita que toda la pieza se reconstruya.


                     31 Retroceder la pieza al comienzo.
                        Utilizando Retroceder, coloque la barra en la
                        primera operación en el gestor de diseño del
                        FeatureManager. Esto coloca la barra de
                        retroceder después de la operación
                        Base_Plate. Luego se podrá avanzar hacia
                        adelante una operación a la vez.




                     32 Operación Base_Plate.
                        La Base_Plate se creó a partir de un
                        rectángulo y se extruyó. Para investigar
                        esto aún más, utilice Editar operación en
                        la operación.




Información proveniente de un modelo                                                        235
Lección 7                                                   Manual de formación SolidWorks 2006
Cómo editar: Reparaciones


                            33 Editar operación.
                               Los gráficos muestran la geometría
                               de croquis y la vista preliminar.
                               Cancele el cuadro de diálogo.
                               Avance hacia adelante una
                               operación arrastrando el marcador
                               o moviéndolo hacia abajo con la
                               tecla flecha.

                            34 Operación Base_Fillet (Redondeo
                               base).
                               Se agregan redondeos de igual radio a las
                               esquinas frontales en esta operación.
                               Avance hacia adelante a una posición justo
                               antes de la operación Vertical_Plate
                               (Chapa vertical).
                            35 Operación Vertical_Plate.
                               Esta operación fue croquizada en la cara
                               posterior del modelo y extruida hacia el
                               frente.




                            36 Editar croquis.
                               Edite el croquis de la operación
                               Vertical_Plate para ver la
                               geometría y sus puntos de
                               conexiones.




236                                                         Información proveniente de un modelo
Manual de formación SolidWorks 2006                                                   Lección 7
                                                                         Cómo editar: Reparaciones


                     37 Visualizar/eliminar relaciones.
                        Haga clic en Visualizar/eliminar relaciones .
                        Establezca el Filtro en Todo en este croquis y
                        haga clic en las relaciones individuales de la lista
                        para explorar todas las relaciones geométricas en
                        las entidades de croquis. Las relaciones
                        explicarán cómo las entidades se asocian entre sí
                        y con el resto del modelo.
                        Cierre el cuadro de diálogo y cierre el croquis sin
                        hacer ningún cambio.




                     38 Geometría del croquis.
                        Para ver la geometría de croquis
                        con más claridad, haga clic con
                        el botón secundario del ratón en
                        Sketch2 (Croquis2) y
                        seleccione Visualizar croquis.
                        El icono del croquis aparece en
                        color cuando se está mostrando.
                        Utilizando Sin líneas ocultas,
                        la posición del croquis es clara.
                        Avance hacia adelante a una posición justo antes de la operación
                        Circular_Plane (Plano circular)
                     39 Circular_Plane.
                        El plano se creó para croquizar
                        la siguiente operación, un
                        saliente circular. Está detrás de
                        Sketch2.




                     40 Relaciones dePadre/Hijo.
                        Compruebe las relaciones en el
                        plano. Haga clic con el botón
                        secundario del ratón en el
                        plano y seleccione Padre/
                        hijo.... El Padre del plano es la
                        operación Base_Plate, de la
                        cual depende el plano. Los
                        Hijos son Sketch3 (Croquis
                        3) y Circular_Boss
                        (Saliente circular); dependen
                        del plano.
                        Haga clic en Cerrar y avance hacia adelante.


Información proveniente de un modelo                                                         237
Lección 7                                                    Manual de formación SolidWorks 2006
Cómo editar: Reparaciones



                            41 Operación Circular_Boss.
                               Circular_Plane (Plano circular)
                               se utilizó para croquizar
                               Circular_Boss. El croquis fue
                               extruido a través de la pieza desde la
                               parte posterior.
                               Avance hacia adelante a una posición
                               justo antes de la operación Wall_Thickness (Espesor pared).
                            42 Operación Rib_Under.
                               Esta operación fue croquizada como un
                               rectángulo y extruida en el
                               Circular_Boss.




Retroceder a un                Si la barra de retroceder se arrastra y coloca entre un croquis
croquis                        absorbido y su operación, aparece un cuadro de diálogo. El cuadro
                               de diálogo le comunica que ha elegido retroceder a una operación
                               absorbida y que la operación dejará de estar absorbida
                               temporalmente de modo que pueda editarse. Esto cambia la
                               secuencia de modo que el croquis preceda a la operación.

                            43 Retroceder a
                               Sketch4
                               (Croquis 4).
                               Mueva la barra de
                               retroceder a una
                               posición entre la
                               operación
                               Rib_Under y su
                               croquis Sketch4.
                               Haga clic en Aceptar
                               cuando aparezca el
                               mensaje.
Sugerencia                     Esta técnica es muy
                               útil cuando se está
                               editando operaciones
                               que poseen múltiples
                               croquis como
                               operaciones Barrer y
                               Recubrir.
                               Las operaciones
                               Barrer y Recubrir
                               están descriptas en el curso Modelado de piezas avanzado.



238                                                         Información proveniente de un modelo
Manual de formación SolidWorks 2006                                                  Lección 7
                                                                        Cómo editar: Reparaciones


                       44 Avanzar hacia adelante.
                          Avance hacia adelante hasta alcanzar una
                          posición después de Sketch4.




Introducción: Editar      Editar plano de croquis le permite cambiar el plano o la cara sobre
plano de croquis          la que está creado un croquis específico. El plano de croquis nuevo
                          no debe ser paralelo al original.

Dónde encontrarlo            En el menú Editar, seleccione Plano de croquis....
                             O haga clic con el botón secundario del ratón en el croquis y
                             seleccione Editar plano de croquis....

                       45 Editar plano de croquis.
                          Haga clic con el botón secundario del
                          ratón en la operación Sketch4 y
                          elija la opción Editar plano de
                          croquis para determinar qué plano de
                          croquis se utilizó. La cara resaltada
                          identifica el plano de croquis.
                          Haga clic en Cancelar y avance hacia
                          adelante hasta alcanzar una posición
                          después de la operación
                          Wall_Thickness.

Nota                      La selección de Plano/cara de croquis se puede desactivar para
                          hacer que la referencia del plano de croquis cuelgue. En ese caso
                          aparece un mensaje de confirmación.
                          No hay una selección para la referencia del plano
                          de croquis. Seleccione Aceptar si desea
                          convertirla en una referencia colgante.




Información proveniente de un modelo                                                         239
Lección 7                                                     Manual de formación SolidWorks 2006
Cómo editar: Reparaciones


                            46 Operación Wall_Thickness.
                               El modelo se vació dejando ambas
                               caras circulares y la cara inferior
                               abiertas. Consulte el corte de sección a
                               la derecha para conocer más detalles.
                               Avance hacia adelante hasta alcanzar
                               una posición después de la operación
                               CounterBore (Refrentado).




                            47 Operación CounterBore.
                               El Asistente para taladro se utilizó
                               para crear un taladro de refrentado en la
                               cara plana superior. Sin embargo,
                               debido a la pared delgada, aparece
                               como un simple corte.
                               Avance hacia adelante hasta alcanzar
                               una posición después de la operación LPattern1 (Matriz L 1).
                            48 Operación de matriz.
                               La matriz del CounterBore fue
                               realizada utilizando una matriz lineal,
                               LPattern1.
                               Avance hacia adelante hasta alcanzar
                               una posición después de la operación
                               Rib_Fillet (Redondeo nervio).
                            49 Operación Rib_Fillet.
                               La operación Rib_Fillet crea
                               redondeos grandes en donde
                               Rib_Under se une con
                               Circular_Boss y Base_Plate.
                               Haga clic con el botón secundario del
                               ratón y seleccione Avanzar al final.

                            50 Operación Circ_Fillet
                               (Redondeo circ.).
                               Esta operación crea pequeños redondeos
                               a ambos lados del Vertical_Plate.




240                                                          Información proveniente de un modelo
Manual de formación SolidWorks 2006                                                 Lección 7
                                                                       Cómo editar: Reparaciones


Herramientas            Reconstruir un modelo incorpora los cambios que usted haya hecho.
de                      Los tiempos de reconstrucción lentos pueden demorar el proceso de
reconstrucción          modelado de manera significativa. Existen algunas herramientas
                        disponibles para optimizar los tiempos de reconstrucción.
Retroceder a            Retroceder puede utilizarse para limitar el
operación               tiempo de reconstrucción retrocediendo a la
                        operación que se está editando. Por ejemplo, si
                        Vertical_Plate se está editando, retroceda
                        hasta alcanzar una posición justo después de
                        dicha operación.
                        Se realizan cambios en la operación y se
                        reconstruye. Debido a la posición de retroceso,
                        sólo las operaciones que se encuentran antes de la
                        barra se reconstruyen, limitando el alcance de la
                        reconstrucción. El resto de la pieza se
                        reconstruirá cuando la barra se mueva o cuando se guarde la pieza.
Supresión de            Supresión de operaciones es un método más
operaciones             permanente para limitar el tiempo de
                        reconstrucción. Las operaciones que se suprimen
                        no se reconstruyen. Las configuraciones pueden
                        utilizarse para disponer combinaciones de
                        operaciones suprimidas.




Interrupción e          Durante una reconstrucción, se muestra una barra de progreso y el
información de          estado en la barra inferior de la ventana de SolidWorks. La
reconstrucción          reconstrucción puede detenerse presionando la tecla Esc (Escape).


Informe del tiempo      Informe del tiempo de recálculo es una herramienta que muestra
de recálculo            la cantidad de tiempo que lleva reconstruir cada operación en una
                        pieza. Utilice esta herramienta para identificar las operaciones que
                        llevan mucho tiempo para reconstruirse. Una vez identificadas, es
                        posible editarlas para aumentar la eficiencia o suprimirlas si no son
                        cruciales para el proceso de edición.
Introducción:           El cuadro de diálogo Informe del tiempo de recálculo muestra
Informe del tiempo      una lista de todas las operaciones y sus tiempos de reconstrucción
de recálculo            en orden descendente.
                            Orden de operaciones
                        Enumere cada elemento en el gestor de diseño del FeatureManager:
                        operaciones, croquis y planos derivados. Utilice el menú contextual
                        para Editar la operación, Suprimir operaciones y así
                        sucesivamente.



Herramientas de reconstrucción                                                             241
Lección 7                                                     Manual de formación SolidWorks 2006
Cómo editar: Reparaciones


                                  % de tiempo
                               Muestra el porcentaje del tiempo total de reconstrucción de la pieza
                               empleado en regenerar cada elemento.
                                  Tiempo
                               Muestra la cantidad de tiempo en segundos que lleva reconstruir
                               cada elemento.
Dónde encontrarlo                 En el menú, seleccione Herramientas, Informe del tiempo de
                                  recálculo....


                            51 Informe del tiempo de
                               recálculo.
                               Haga clic en Herramientas,
                               Informe del tiempo de
                               recálculo....
                               Las operaciones aparecen en
                               orden descendente según la
                               cantidad de tiempo requerido
                               para regenerarlas.




Cómo interpretar los           La primera cosa a tener en cuenta es que el tiempo de
datos                          reconstrucción total para la pieza es de aproximadamente 1/3
                               segundos, de modo que es improbable que un cambio en cualquier
                               operación genere una diferencia significativa.
                               Lo segundo es el número de dígitos significativos y error de
                               redondeo. Por ejemplo, Feature1 (Operación 1) podría emplear
                               el doble de tiempo en reconstruirse que Feature2 (Operación 2),
                               0.02 segundos frente a 0.01 segundos. ¿Indica esto un problema con
                               Feature1? No necesariamente. Es bastante posible que
                               Feature1 tarde 0.0151 segundos mientras que Feature2 tarde
                               0.0149 segundos, una diferencia de tan sólo 0.0002 segundos.
                               Utilice Informe del tiempo de recálculo para identificar
                               operaciones que produzcan un impacto significativo en el tiempo de
                               reconstrucción. Luego:
                                  Suprima operaciones para mejorar el desempeño.
                                  Analice y modifique operaciones para mejorar el desempeño.
¿Qué afecta el                 Las operaciones pueden ser analizadas para determinar por qué se
tiempo de                      comportan de la manera en que lo hacen. Según el tipo de operación
reconstrucción?                y cómo se utiliza, las razones serán diversas.
                               Para operaciones croquizadas, busque relaciones externas y
                               condiciones finales que hagan referencia a otras operaciones.
                               Mantenga estas relaciones asociadas a la primera operación posible.
                               Haga lo mismo para los planos de croquis.


242                                                                Herramientas de reconstrucción
Manual de formación SolidWorks 2006                                               Lección 7
                                                                     Cómo editar: Reparaciones


Sugerencia              En general, cuantos más padres tenga una operación, más lenta será
                        su reconstrucción.
                        Consulte Cómo reparar relaciones utilizando Visualizar/eliminar
                        relaciones en la página 231 para ver un ejemplo de cómo cambiar
                        relaciones en un croquis.
                        Para las operaciones aplicadas a aristas o caras, compruebe las
                        opciones de las operaciones y la posición de la operación en el
                        FeatureManager. Consulte Editar operación en la página 253 para
                        ver un ejemplo de cómo cambiar relaciones en una operación.
                        En general, hay cuatro herramientas disponibles para modificar
                        operaciones:
                            Editar operaciones
                            Editar croquis
                            Editar plano de croquis
                            Eliminar operación




Herramientas de reconstrucción                                                           243
Lección 7                   Manual de formación SolidWorks 2006
Cómo editar: Reparaciones




244                              Herramientas de reconstrucción
Manual de formación SolidWorks 2006


Ejercicio 27:           Edite esta pieza
Errors1                 utilizando la
                        información y las
                        cotas
                        proporcionadas
                        para reparar los
                        errores y completar
                        la pieza.                 Antes
                        Este laboratorio
                        refuerza las
                        siguientes
                        funciones:
                           Cómo utilizar
                           ¿Qué errores
                           hay?
                           Editar el
                           croquis.
                           Cómo agregar            Después
                           relaciones
                           geométricas.
                           Editar operación.
                           Solucionar errores de reconstrucción.
Procedimiento           Abra la pieza existente Errors1 (Errores 1) y realice varias
                        ediciones para eliminar los errores y advertencias de la pieza.
                        Utilice el dibujo a continuación como una guía.




Sugerencia              Utilice Fusionar sólidos en la operación Mirror1.
                        La pieza completada debería ser un sólido simple.




Ejercicio 27                                                                              245
Manual de formación SolidWorks 2006


Ejercicio 28:   Edite esta pieza
Errors2         utilizando la
                información y las cotas
                proporcionadas para
                reparar los errores y
                completar la pieza.
                Este laboratorio
                refuerza las siguientes            Antes
                funciones:
                   Cómo utilizar
                   ¿Qué errores
                   hay?
                   Editar el croquis.
                   Incorporar y
                   eliminar relaciones
                   geométricas.                  Después
                   Editar operación.
                   Solucionar errores de reconstrucción.
Procedimiento   Abra la pieza existente Errors2 (Errores 2) y realice varias
                ediciones para eliminar los errores y advertencias de la pieza.
                Utilice el dibujo a continuación como una guía.




246                                                                      Ejercicio 28
Manual de formación SolidWorks 2006


Ejercicio 29:           Complete esta pieza
Copiar y                copiando operaciones y
relaciones              realizando reparaciones.
colgantes               Este laboratorio utiliza las
                        siguientes funciones:
                            Copiar operaciones
                            entre piezas.
                            Editar croquis para
                            reparar relaciones
                            colgantes.
                        Unidades: milímetros
Procedimiento           Abra las piezas existentes.
                    1   Abrir las piezas BoneWrench y HexCut.
                        Abra los dos archivos y haga clic en Ventana, Mosaico vertical.




                    2   Copiar la operación Hex.
                        Mientras pulsa la tecla Control arrastre una cara de la operación
                        Hex y colóquela sobre la cara plana superior de la pieza
                        BoneWrench tal como se muestra.




                        Haga clic en el botón Colgar del cuadro de diálogo Confirmación
                        de copia.




Ejercicio 29                                                                                247
Manual de formación SolidWorks 2006


                3   Reparar.
                    Edite el croquis que
                    contenga el error y
                    seleccione el círculo
                    de construcción
                    interno.
                    Arrastre y coloque el
                    marcador rojo en una
                    referencia de
                    reemplazo adecuada.
                    Ajuste el tamaño del
                    hexágono como se
                    indica a continuación.

Ubicaciones         Utilice el gráfico
                    siguiente para
                    localizar y ajustar el
                    tamaño de un total de
                    4 cortes copiados
                    mediante la
                    condición final Por
                    todo.




                4   Redondeos cosméticos (opcional).
                    Si lo desea, puede agregar los siguientes redondeos y redondos:

         R2mm                         R1mm                         R0.5mm




                5   Guardar las piezas y cerrarlas.




248                                                                        Ejercicio 29
2006Manual de formación SolidWorks 2006




                                         Lección 8
                         Cómo editar: Cambios en el
                                            diseño




                       Al finalizar esta lección, podrá:
                           Comprender cómo las técnicas de modelado ejercen influencia
                           sobre la capacidad de modificar una pieza.
                           Utilice contornos de croquis para definir la forma de una
                           operación.




                                                                                       249
Lección 8                           Manual de formación SolidWorks 2006
Cómo editar: Cambios en el diseño




250
Manual de formación SolidWorks 2006                                                   Lección 8
                                                                 Cómo editar: Cambios en el diseño


Edición de              El software SolidWorks proporciona la capacidad de editar
piezas                  virtualmente cualquier elemento en cualquier momento. Para
                        destacar esta capacidad, en este capítulo se utilizan las principales
                        herramientas de edición de piezas para crear un cambio en el
                        diseño.
Etapas del              Algunas etapas clave del proceso de modificación de esta pieza se
proceso                 muestran en la siguiente lista. Cada uno de estos temas consta de
                        una sección en la lección.
                        Eliminar y cambiar el nombre de la operación
                        La tecla Eliminar es una de las herramientas de edición más
                        directas. Cambiar los nombres de las operaciones es útil para el uso
                        posterior de la pieza.
                        Utilizar herramientas de edición
                        Utilice herramientas de edición comunes como Editar operación,
                        Reordenar y Editar croquis para modificar la geometría y la
                        intención del diseño.
                        Contornos de croquis
                        Se puede utilizar un croquis simple para crear varias operaciones
                        utilizando los contornos dentro del croquis.
                        Cómo agregar texturas
                        Se pueden agregar mapas de textura a toda la pieza o a caras
                        seleccionadas para ofrecer una apariencia realista de materiales o
                        roscas.
Cambios en el           Deben realizarse algunos cambios en el modelo. Algunos
diseño                  cambiarán la estructura del modelo, otros sólo los valores de cota.
                        Realizar cambios de diseño en un modelo puede ser tan simple
                        como cambiar el valor de una cota y tan difícil como eliminar las
                        referencias externas. Esta sección pasa a través de una serie de
                        cambios en un modelo. El énfasis está puesto en la edición de
                        operaciones más que en la eliminación y la reinserción de las
                        mismas. La edición le permite mantener referencias a dibujos,
                        ensamblajes u otras piezas que se perderían si usted eliminara la
                        operación.
Procedimiento           Seguiremos editando la pieza que se reparó en la lección anterior.




Edición de piezas                                                                            251
Lección 8                                                     Manual de formación SolidWorks 2006
Cómo editar: Cambios en el diseño


Cambios                        Los cambios en el
requeridos                     modelo son de la
                               siguiente manera:
                                    El saliente circular
                                    está centrado sobre el
                                    nervio.
                                    El nervio está
                                    redondeado en el
                                    extremo.
                                    El saliente circular es
                                    tangente a la arista
                                    derecha.
                                    La parte recortada
                                    con taladros se
                                    agrega a la base.
                                    Ambos taladros
                                    poseen igual radio.
                                    Sólo se vacía la base.
Eliminaciones                  Cualquier operación puede eliminarse del modelo. Debe
                               considerarse qué otras operaciones, distintas de la seleccionada,
                               deben eliminarse con ella. El cuadro de diálogo Confirmar
                               eliminación muestra una lista de los Elementos dependientes
                               que se eliminarán con la operación seleccionada. Los croquis de la
                               mayoría de las operaciones no se eliminan automáticamente. Sin
                               embargo, los croquis asociados con las operaciones del Asistente
                               para taladro se eliminan automáticamente cuando se elimina el
                               taladro. Para otras operaciones dependientes, si se elimina el padre
                               se eliminarán los hijos.

                          1    Abrir la pieza Editing CS Repaired (Edición CS
                               reparada).


                          2    Eliminar operación.
                               Seleccione y elimine la
                               operación
                               CounterBore
                               (Refrentado). La casilla
                               de verificación, Eliminar
                               también todas las
                               operaciones hijas, ya
                               está activada. El cuadro
                               de diálogo indica que la
                               operación LPattern1 (Matriz L 1) también se eliminará porque
                               es hijo de la operación CounterBore.
                               Haga clic en Sí para confirmar la eliminación.




252                                                                             Cambios en el diseño
Manual de formación SolidWorks 2006                                                      Lección 8
                                                                    Cómo editar: Cambios en el diseño


                       3   Intentar cambiar el orden.
                           Intente cambiar la operación de vaciado, Wall_Thickness
                           (Espesor pared) a una posición inmediatamente posterior a la
                           Base_Fillet (Redondeo base). El cursor muestra un símbolo de
                           “no mover”      y aparece un cuadro de diálogo que le indica que no
                           puede cambiar el orden debido a relaciones de padre/hijo. No puede
                           colocar un hijo antes del padre.
                           Haga clic en Aceptar.
                       4   Padre/hijo.
                           Seleccione la operación
                           Wall_Thickness y haga
                           clic en Padre/hijo... en el
                           menú del botón secundario
                           del ratón. El cuadro de
                           diálogo muestra que los
                           padres de la operación Wall_Thickness son Base_Plate
                           (Chapa base) y Circular_Boss (Saliente circular).
                           Las referencias de la operación Circular_Boss deben
                           eliminarse para que podamos cambiar el orden de la operación.

Editar operación           Editar operación le permite cambiar una operación utilizando el
                           mismo cuadro de diálogo y la misma interfaz de usuario que utilizó
                           para crearla. Los cambios simples, como direcciones o valores de
                           cota, pueden realizarse juntamente con cambios más complejos
                           como la eliminación o el agregado de selecciones.

                       5   Editar operación.
                           Haga clic con el botón
                           secundario del ratón en
                           la operación
                           Wall_Thickness del
                           cuadro de diálogo
                           Padre/Hijo... y
                           seleccione Editar
                           operación



                           Seleccione ambas caras
                           circulares resaltadas.
                           La lista de selección
                           Caras a eliminar sólo
                           mostrará una única
                           cara.
                           Cuando usted vuelve a
                           seleccionar una cara ya
                           seleccionada, se
                           desactiva la selección; es decir, la cara queda sin seleccionar.


Cambios en el diseño                                                                            253
Lección 8                                                     Manual de formación SolidWorks 2006
Cómo editar: Cambios en el diseño


                               Como alternativa, puede hacer clic en un elemento de la lista de
                               selección y desactivar su selección presionando la tecla Suprimir
                               del teclado. A veces esto puede ser confuso, porque es probable que
                               no en todas las oportunidades usted sepa qué cara está etiquetada
                               como Face<2> (Cara 2).
                          6    Cambios en padre/hijo.
                               Si se edita la operación
                               Wall_Thickness se
                               produce un cambio en la
                               Relación de padre/hijo. La
                               sección Padres muestra
                               ahora sólo una operación, la
                               Base_Plate.


Reordenar                      Cambiar el orden permite efectuar cambios en la secuencia de
                               operaciones del modelo. Los cambios de secuencia están limitados
                               por las relaciones de padre/hijo que existan.

                          7    Cambiar el orden.
                               Arrastre la operación Wall_Thickness y
                               reacomódela colocándola en la operación
                               Base_Fillet. Está ubicada después de la
                               operación Base_Fillet.




                          8    Resultados.
                               Ahora la operación de vaciado afecta sólo a la primera y a la
                               segunda operación de la pieza.




254                                                                          Cambios en el diseño
Manual de formación SolidWorks 2006                                                     Lección 8
                                                                   Cómo editar: Cambios en el diseño


Editar croquis             Editar croquis abre el croquis de la operación para que puedan
                           efectuarse cambios en los valores de cotas, las cotas y las
                           relaciones. Además, puede eliminarse o agregarse geometría al
                           croquis.

                       9   Cómo editar el
                           croquis.
                           Edite el croquis de
                           la operación
                           Vertical_Pla
                           te (Chapa
                           vertical).
                       10 Eliminar cota.
                           Elimine la cota lineal horizontal. Esto hará que el croquis quede
                           insuficientemente definido.
                       11 Agregar nueva
                          relación.
                           Mantenga presionada
                           la tecla Ctrl y
                           seleccione la línea
                           vertical más hacia la
                           derecha y el arco.
                           Haga clic con el botón
                           secundario del ratón y seleccione Tangente Esto agrega una relación
                           Tangente entre la línea y el arco.
                       12 Salga del croquis.


                       13 Modelo resultante.
                           Esto mueve el
                           Circular_Boss
                           de modo que su cara
                           cilíndrica sea
                           tangente a la arista
                           exterior de
                           la operación
                           Base_Plate. Los
                           redondeos se
                           actualizan en las
                           nuevas posiciones.
                       14 Editar el croquis
                          Rib_Under (Nervio debajo)
                           El croquis Rib_Under aún
                           está vinculado a sus relaciones
                           originales, la arista exterior
                           de Base_Plate.
                       15 Editar el croquis.



Cambios en el diseño                                                                           255
Lección 8                                                      Manual de formación SolidWorks 2006
Cómo editar: Cambios en el diseño


                          16 Visualizar relaciones.
                               Muestre todas las relaciones
                               geométricas en el croquis
                               utilizando la opción Todas en
                               este croquis. Para poder volver
                               a colocar el nervio, debe
                               eliminar la mayoría de las
                               relaciones.
                               Seleccione y elimine estas relaciones utilizando el botón Eliminar:
                                    Relación Colineal a la arista vertical de Base_Plate.
                                    Ambas relaciones de Distancia (las dos cotas).
                               Mantenga la relación Colineal a Vertical_Plate y la relación
                               Vertical en la línea que se encuentra a la izquierda.
                          17 Nueva geometría.
                               Elimine la línea inferior del
                               rectángulo y agregue un arco
                               tangente. Acote el croquis
                               según se indica.




                          18 Relación vertical.
                               Si elimina la relación
                               Colineal la línea vertical
                               derecha queda sin ninguna
                               relación para mantenerse
                               vertical. Para solucionarlo,
                               agregue una relación
                               Vertical a la línea que se
                               encuentra más hacia la
                               derecha.
                          19 Gráficos temporales.
                               Active la visualización de
                               Ejes temporales y relacione
                               el centro del arco con el eje
                               temporal. Esto centrará el
                               nervio sobre el saliente
                               circular.




256                                                                           Cambios en el diseño
Manual de formación SolidWorks 2006                                                    Lección 8
                                                                  Cómo editar: Cambios en el diseño


                       20 Resultado.
                          La operación Rib_Under ahora
                          está centrada bajo
                          Circular_Boss. Posee una arista
                          frontal redondeada y también está, en
                          una pequeña proporción, en el
                          interior de la arista del saliente.

                       21 Editar plano de croquis.
                          Expanda el listado de la operación
                          Circular_Boss. Haga clic con el
                          botón secundario del ratón en el
                          croquis y seleccione Editar plano de
                          croquis en el menú contextual.
                          No tiene que editar el croquis.


                       22 Selección de cara o plano.
                          El plano utilizado actualmente
                          en el croquis está resaltado
                          junto con la geometría de
                          croquis. Ahora puede elegir un
                          nuevo plano de croquis.
                          Seleccione la cara posterior del
                          modelo y haga clic en Aceptar.




                       23 Plano de croquis editado.
                          La operación Circular_Boss
                          ha sido editada. El croquis ahora
                          hace referencia a una cara del
                          modelo en lugar de a un plano.




                       24 Eliminar el plano.
                          Compruebe las Relaciones de padre/hijo del plano. La operación
                          Circular_Plane ahora no tiene hijos.
                          Elimine el plano.




Cambios en el diseño                                                                          257
Lección 8                                                       Manual de formación SolidWorks 2006
Cómo editar: Cambios en el diseño


                          25 Editar operación.
                             Edite la operación
                               Circ_Fillet
                               (Redondeo circ.). Agregue la
                               arista mostrada y haga clic
                               en Aplicar.




                          26 Resultado.
                               La arista adicional posee un
                               redondeo como parte de la
                               operación Circ_Fillet.
                          27 Guardar y Cerrar.
                               Se utilizará una pieza
                               existente para el recordatorio
                               del estudio de caso.




Retroceder                     Retroceder es una herramienta que tiene muchos usos.
                               Anteriormente, se utilizaba para “recorrer” un modelo, mostrando
                               los pasos que se siguieron para construirlo. También es útil para
                               agregar operaciones en un punto específico en la historia de la
                               pieza.

                          28 Abrir Partial_Editing CS (Edición CS parcial).
                               Abra una pieza existente que es idéntica excepto para un croquis
                               adicional, Contour Selection (Selección de contorno). El
                               croquis contiene dos círculos contenidos dentro de un rectángulo.
                          29 Reordenar y retroceder.
                             Reordene el croquis de
                               Contour Selection en
                               una posición entre las
                               operaciones Base Fillet y
                               Wall_Thickness.
                               Retroceda a una posición
                               entre el croquis Contour
                               Selection y la operación
                               Wall_Thickness.




258                                                                            Cambios en el diseño
Manual de formación SolidWorks 2006                                                   Lección 8
                                                                 Cómo editar: Cambios en el diseño


Contornos de            Los Contornos de croquis le permiten seleccionar partes de un
croquis                 croquis generadas por la intersección de geometría y crear
                        operaciones. De esta forma puede utilizar un croquis parcial para
                        crear operaciones.
                        Otra ventaja de este método es que el croquis puede volver a
                        utilizarse, creando operaciones distintas a partir de diferentes
                        porciones del croquis.
                        Se utilizan dos comandos, Herramienta de seleccionar
                        contornos y Finalizar la selección de contornos, para iniciar y
                        finalizar el proceso de selección de contornos.
Contornos               Generalmente hay múltiples Contornos de croquis disponibles
disponibles             dentro de un croquis individual. Todo límite generado por la
                        intersección de geometría de croquis puede utilizarse
                        individualmente o en combinación con otros contornos.
                        Utilizando este croquis como ejemplo, hay diversos contornos,
                        regiones y combinaciones posibles disponibles para su utilización.
                       Individuales
                       Regiones




                       Contornos
                       individuales




                       Selección de
                       contornos
                       combinados




Introducción:           La Herramienta de seleccionar contornos se utiliza para
Herramienta de          seleccionar uno o más contornos con el fin de utilizarlos en una
seleccionar
                        operación. El cursor tiene este aspecto:   cuando la Herramienta
contornos
                        de seleccionar contornos se encuentra activa.



Contornos de croquis                                                                         259
Lección 8                                                     Manual de formación SolidWorks 2006
Cómo editar: Cambios en el diseño


Dónde encontrarlo                   Haga clic con el botón secundario del ratón en la zona de
                                    gráficos y elija la Herramienta de seleccionar contornos.
                                    Haga clic con el botón secundario del ratón en un croquis y elija
                                    Herramienta de seleccionar contornos.
Introducción:                  Finalizar la selección de contornos se utiliza para finalizar la
Finalizar la                   selección de los contornos.
selección
de contornos
Dónde encontrarlo                   Haga clic con el botón secundario del ratón en la zona de
                                    gráficos o en el croquis en el gestor de diseño del
                                    FeatureManager y elija Finalizar la selección de contornos.

                                    Haga clic en el símbolo de la esquina de confirmación          .


                          30 Extruir un corte.
                             Utilice la Herramienta de
                             seleccionar contornos para
                               seleccionar la región rectangular
                               del croquis.
                               Cree un corte hasta una
                               profundidad especificada de
                               10 mm en el modelo.
                               Cambie el nombre de la operación
                               a Hole_Mtg (M. Taladro).


Croquis                        Un croquis puede utilizarse más de una vez para crear varias
compartidos                    operaciones.
                               Cuando crea una operación, el croquis se absorbe en la operación y
                               se oculta de la vista. Al activar la Herramienta de seleccionar
                               contornos, el croquis se hace visible automáticamente.


                          31 Agregar más cortes.
                               Seleccione el croquis de la
                               operación Hole_Mtg y
                               haga clic en Extruir
                               corte     en la barra de
                               herramientas Operaciones.
                               Expanda la lista Contornos
                               seleccionados y
                               seleccione las dos regiones
                               circulares del croquis.
                               Extruya las regiones utilizando la condición final Por Todo.
                               Cambie el nombre de los cortes a Thru_Holes
                               (Taladros pasantes).


260                                                                            Contornos de croquis
Manual de formación SolidWorks 2006                                                    Lección 8
                                                                  Cómo editar: Cambios en el diseño


                       32 Avanzar al final.
                          Haga clic con el botón
                          secundario del ratón
                          en el gestor de diseño
                          del FeatureManager y
                          seleccione Avanzar al
                          final. Observe que los
                          taladros de corte se
                          utilizan en la opera-
                          ción de vaciado para
                          crear caras adiciona-
                          les, innecesarias.
                       33 Reordenar.
                          Cambie el orden de la operación
                          Thru_Holes, llevándola a una posición
                          después de la operación
                          Wall_Thickness. El resultado es que
                          la operación Thru_Holes no se ve
                          afectada por el vaciado.
                       34 Cambiar el espesor de la pared.
                          Cambie el espesor de la pared a 6 mm y
                          reconstruya para completar el modelo.




Cómo copiar               Una forma rápida y fácil de crear un nuevo redondeo es copiarlo
redondeos                 desde una operación existente. El nuevo redondeo es del mismo tipo
                          y tamaño pero no está relacionado con el original.
                       35 Copiar.
                          Mantenga presionada la tecla Ctrl y arrastre la operación
                          Circ_Fillet sobre la arista del modelo. Suelte el botón del
                          ratón.
                          El redondeo puede copiarse desde el gestor de diseño del
                          FeatureManager o directamente desde el modelo.




Contornos de croquis                                                                          261
Lección 8                                                     Manual de formación SolidWorks 2006
Cómo editar: Cambios en el diseño


                          36 Nueva operación Redondeo.
                               Se crea una nueva operación Redondeo en la arista.
                               Edite el redondeo y agregue la arista en el lado opuesto. Cambie el
                               valor del radio a 3 mm.
                               Los chaflanes pueden copiarse utilizando el mismo procedimiento.




                          37 Vista trimétrica.
                               Cambie la orientación de la vista a
                               una vista Trimétrica.




Introducción: Vista            La Vista de sección corta la vista utilizando uno o más planos de
de sección                     sección. Los planos pueden ser arrastrados de forma dinámica.
                               Se pueden utilizar planos de referencia o caras planas.

Dónde encontrarlo                   Haga clic en Vista de la sección     en la barra de herramientas
                                    Ver.
                                    O, haga clic en Ver, Visualizar, Vista de sección.

                          38 Seleccionar una cara.
                               Seleccione la cara plana indicada. Se
                               utilizará para definir el plano de sección.
Nota                           No tiene que preseleccionar el plano de
                               sección. Si no lo hace, el sistema utilizará un
                               plano de sección predeterminado, por lo
                               general el Alzado.




262                                                                              Contornos de croquis
Manual de formación SolidWorks 2006                                               Lección 8
                                                             Cómo editar: Cambios en el diseño


                       39 Vista de sección.
                          Haga clic en Vista de
                          sección      para utilizar
                          la cara seleccionada como
                          el plano de sección.
                          El cuadro de grupo
                          Sección 1 incluye
                          opciones del Plano de
                          sección de referencia,
                          Dirección de sección,
                          Equidistancia y
                          Ángulos.




                       40 Arrastrar el plano.
                          Mediante las flechas, arrastre
                          en una dirección normal al
                          plano y colóquela.
                          El ángulo del plano se puede
                          cambiar si se arrastran las
                          aristas del plano de sección.




                       41 Invertir dirección de sección.
                          Haga clic en Invertir dirección
                          de sección      para invertir la
                          dirección de la sección.
                          Haga clic en Cancelar para
                          cerrar el cuadro de diálogo.




Contornos de croquis                                                                     263
Lección 8                                                     Manual de formación SolidWorks 2006
Cómo editar: Cambios en el diseño


Cómo agregar                   Haga que el modelo tenga una apariencia más realista añadiendo
texturas                       Texturas a las caras, las superficies, los sólidos, las operaciones y
                               los componentes. La calidad de la textura está influenciada por el
                               adaptador de gráficos. Para obtener más información, consulte
                               Gráficos RealView en la página 193.

Dónde encontrarlo                   Haga clic en Editar textura     en la barra de herramientas
                                    Estándar.
                                    O, haga clic con el botón secundario del ratón en una cara,
                                    operación o pieza y elija Apariencia, Textura....

Nota                           Las texturas están divididas en carpetas como Metal (Metal),
                               Plastic (Plástico) y Stone (Piedra) con subcarpetas.


                          42 Selección de geometría.
                               Haga clic con el botón derecho del ratón en la
                               operación de nivel superior (nombre de la pieza)
                               y elija Apariencia, Textura....




                          43 Selección de
                             textura.
                               Haga clic en las
                               carpetas Metal
                               (Metal) y Cast
                               (Fundición).
                               Seleccione la
                               textura Fundido
                               rugoso de la lista
                               de Selección de
                               textura.
                               La vista preliminar
                               de la textura está
                               en el cuadro de
                               grupo
                               Propiedades de
                               textura.
                               Todas las caras seleccionadas del sólido comparten la misma
                               textura.




264                                                                          Cómo agregar texturas
Manual de formación SolidWorks 2006                                                  Lección 8
                                                                Cómo editar: Cambios en el diseño


                   44   Textura de
                        rosca.
                        Seleccione las
                        dos caras del
                        “taladro” y haga
                        clic con el botón
                        secundario del
                        ratón en
                        Apariencia,
                        Textura....
                        Elija la carpeta
                        Thread y la
                        textura
                        Thread1.
                        Ajuste la
                        Escala de la
                        textura
                        mediante el control deslizante Escala    .




Cómo agregar texturas                                                                       265
Lección 8                           Manual de formación SolidWorks 2006
Cómo editar: Cambios en el diseño




266                                               Cómo agregar texturas
Manual de formación SolidWorks 2006


Ejercicio 30:           Realice cambios en la pieza creada
Cambios                 en la lección anterior.
                        Este ejercicio utiliza las siguientes
                        funciones:
                            Eliminar operaciones.
                            Utilizar Vincular valores.
                            Reordenar operaciones.

Procedimiento           Utilizar el siguiente procedimiento:
                    1   Abrir la pieza Changes.
                        Se realizarán diversos cambios e
                        incorporaciones al modelo.




                    2   Eliminar.
                        Elimine los taladros de montaje, las
                        partes recortadas y el vaciado
                        (Cut-Extrude1,
                        Wall_Thickness y Cut-
                        Extrude2) del modelo.




                    3   Igual espesor.
                        Establezca el espesor de
                        Base_Plate (Chapa base) y
                        Vertical_Plate (Chapa
                        vertical) en el mismo valor, 12 mm,
                        utilizando Vincular valores.




Ejercicio 30                                                    267
Manual de formación SolidWorks 2006


      4   Cortar.
          Elimine la porción de
          Vert_Plate (Chapa vert.) en el
          lado derecho de
          Circular_Boss (Saliente
          circ.) y Rib_Under (Nervio
          debajo).
          Edite y reordene las operaciones
          donde sea necesario para
          mantener el redondeo.




      5   Redondeo.
          Agregue otro redondeo del mismo
          radio que Circ_Fillet
          (Redondeo circ.).




      6   Taladros de refrentado.
          Agregue dos taladros de refrentado
          del siguiente tamaño:
          ANSI Métrico
          Tornillo de cabeza hexagonal M6
          Por todo
          Reordene las operaciones donde
          sea necesario para evitar
          socavaciones.
      7   Guardar y cerrar la pieza.




268                                                            Ejercicio 30
Manual de formación SolidWorks 2006


Ejercicio 31:           Edite esta pieza utilizando la
Cómo agregar            información y las cotas
ángulo de               proporcionadas. Utilice las técnicas
salida                  de edición para mantener la intención
                        del diseño.
                        Este laboratorio refuerza las
                        siguientes funciones:
                           Editar el croquis.
                           Incorporar y eliminar
                           relaciones geométricas.
                           Editar operación.
                           Editar plano de croquis.


Procedimiento           Abra la pieza existente Add Draft (Agregar ángulo de salida) y
                        realice diversas ediciones utilizando el dibujo final que aparece a
                        continuación. Cambie el modelo de modo tal que se agregue un
                        ángulo de salida de 5°.




Ejercicio 31                                                                             269
Manual de formación SolidWorks 2006


Ejercicio 32:   Edite esta pieza utilizando la información y las cotas
Cómo editar     proporcionadas. Utilice ecuaciones, relaciones o valores de vínculo
                para mantener la intención del diseño.




                Este laboratorio refuerza las siguientes funciones:
                   Editar croquis y Editar plano de croquis.
                   Incorporar y eliminar relaciones geométricas.
                   Editar operación.
                   Reordenar.
                   Insertar cotas.
Procedimiento   Abra la pieza existente Editing (Edición) y realice diversas
                ediciones:
                Cambie la pieza existente, editando y agregando geometría y
                relaciones, para hacerla coincidir con la versión que se muestra a
                continuación.




270                                                                      Ejercicio 32
Manual de formación SolidWorks 2006


Ejercicio 33:           Cree esta pieza utilizando la información suministrada.
Croquis de              Extruya los perfiles para crear las piezas.
contorno #1-#4          Las piezas existentes son Contour Sketches #1-#4
                        (Croquis de contornos 1 y 4).



 #1
 Profundidad:
 50 mm y
 30 mm




 #2
 Profundidad:
 3.5”, 1” y 2.5”




 #3
 Profundidad:
 30 mm y
 10 mm




 #4
 Profundidad:
 1.5” y 0.5”




Ejercicio 33                                                                      271
Manual de formación SolidWorks 2006


Ejercicio 34:         Cree esta pieza utilizando la
Brazo de un asa       información y el croquis
                      provistos. Extruya los perfiles
                      para crear la pieza.
                      Este laboratorio refuerza las
                      siguientes funciones:
                          Selección de contorno.
                          Extrusiones.
Procedimiento         Abra una pieza existente.
                  1   Abra la pieza denominada Handle Arm (Brazo de asa).
                      Contiene un único croquis.
                  2   Primera operación.
                      Utilizando la Herramienta de seleccionar
                      contornos, seleccione la geometría apropiada
                      y realice la extrusión.
                      Profundidad = 0.75”.




                  3   Operación
                      Saliente.
                      Utilizando el
                      mismo croquis,
                      seleccione
                      contornos y
                      realice la
                      extrusión.
                      Profundidad =
                      0.25”.


                  4   Saliente
                      cilíndrico.
                      Utilizando el
                      mismo croquis,
                      seleccione
                      contornos y
                      realice la
                      extrusión.
                      Profundidad =
                      0.5”.




272                                                                           Ejercicio 34
Manual de formación SolidWorks 2006


                    5   Redondeos.
                        Agregue
                        redondeos de
                        radio 1/8”.




                    6   Redondos.
                        Agregue
                        redondos de
                        radio 1/32”.
                    7   Guardar y
                        cerrar la pieza.




Ejercicio 34                               273
Manual de formación SolidWorks 2006


Ejercicio 35:       Cree esta pieza utilizando la
Bomba de            información y el croquis provistos.
aceite              Extruya los perfiles para crear la pieza.
                    Este laboratorio refuerza las siguientes
                    funciones:
                       Selección de contorno.
                       Extrusiones.


Procedimiento       Abra una pieza existente.
                1   Abra la pieza denominada Oil Pump (Bomba de aceite).
                    Contiene un único croquis.
                2   Operación Saliente.
                    Utilice la Herramienta de
                    seleccionar contornos y
                    seleccione el círculo exterior.
                    Extrúyalo una profundidad de
                    32 mm para formar la operación
                    base.
                    Extruya la operación saliente en
                    la pantalla para que el croquis
                    quede en la cara frontal.

                3   Extruir un corte.
                    Seleccione el contorno de la figura-8
                    y extruya un corte una profundidad
                    de 22 mm.




                4   Cortes Por todo.
                    Hay seis círculos que representan
                    taladros pasantes.
Sugerencia          Para seleccionar múltiples contornos,
                    mantenga presionada la tecla Ctrl y
                    seleccione cada uno de los contornos.
Pregunta            ¿Estos taladros deben crearse como
                    una sola operación? ¿O deben
                    efectuarse como tres operaciones
                    separadas, una para cada tamaño de
                    taladro?




274                                                                        Ejercicio 35
Manual de formación SolidWorks 2006


                    5   Últimos dos cortes.
                        Extruya los dos últimos contornos a
                        una profundidad de 19 mm.
                    6   Ocultar el croquis.


                    7   Guardar y cerrar la pieza.




Ejercicio 35                                                  275
Manual de formación SolidWorks 2006


Ejercicio 36:          Cree esta pieza utilizando la información y el
Cómo utilizar la       croquis provistos. Extruya los perfiles para crear la
herramienta de         pieza.
seleccionar            Este laboratorio refuerza las siguientes funciones:
contornos                 Herramienta de seleccionar contornos.
                          Extrusiones.
                          Redondeos.




Procedimiento          Abra una pieza existente.
                   1   Abrir la pieza denominada
                       Idler_Arm_Contour_Selection.
                       Contiene tres croquis. Muestre todos los croquis.
                   2   Primera operación.
                       Haga clic con el botón
                       secundario del ratón en
                       Herramienta de seleccionar
                       contornos y seleccione la
                       geometría indicada.
                   3   Extruir.
                       Haga clic en la herramienta
                       Extruir y cree el saliente
                       utilizando el Plano medio y una
                       Profundidad de 55 mm.
                   4   Salientes y cortes.
                       Con el mismo procedimiento, cree
                       los salientes y cortes restantes
                       como se indica.
                   5   Operaciones Redondeo y
                       Redondo.
                       Utilice redondeos y redondos de
                       3mm.
                   6   Guardar y cerrar la pieza.




276                                                                            Ejercicio 36
Manual de formación SolidWorks 2006




                                                  Lección 9
                                      Configuraciones de las
                                                     piezas




                        Al finalizar esta lección, podrá:
                           Utilizar las configuraciones para representar diferentes
                           versiones de una pieza en un único archivo de SolidWorks.
                           Suprimir y desactivar la supresión de operaciones.
                           Modificar los valores de cotas por configuración.
                           Suprimir operaciones por configuración.
                           Comprender las consecuencias de realizar cambios en piezas
                           que poseen configuraciones.




                                                                                       277
Lección 9                       Manual de formación SolidWorks 2006
Configuraciones de las piezas




278
Manual de formación SolidWorks 2006                                                   Lección 9
                                                                     Configuraciones de las piezas


Configuracio-           Las configuraciones le permiten representar más de una versión de
nes                     la pieza en el mismo archivo. Por ejemplo, al suprimir las
                        operaciones mecanizadas (taladros, chaflanes, cavidades, etc.) y
                        cambiar los valores de cotas de las piezas en la parte superior de la
                        ilustración, puede representar la pieza tosca de forja que se muestra
                        a continuación.




                        Esta lección describe la utilización de las configuraciones de piezas.
                        Las configuraciones de ensamblaje se describen en otra lección.
Terminología            A continuación se explican algunos de los términos utilizados
                        cuando se describen las configuraciones y se trabaja con ellas.
Nombre de la            El Nombre de configuración aparece en el
configuración           ConfigurationManager. Se utiliza para diferenciar las
                        configuraciones dentro de la misma pieza o ensamblaje de la pieza,
                        ensamblaje o nivel de dibujo.
                        Se pueden crear directamente o bien indirectamente mediante una
                        tabla de diseño.
Suprimir/desactivar     Suprimir se utiliza para eliminar una operación de manera
supresión de            temporal. Cuando se suprime una operación, el sistema la trata
operaciones             como si no existiera. Esto quiere decir que también se suprimirán
                        las operaciones que dependan de la operación suprimida. Además,
                        las operaciones suprimidas se eliminan de la memoria, lo que libera
                        los recursos del sistema. Se puede desactivar la supresión de las
                        operaciones suprimidas en cualquier momento.
Otros elementos         Además de las operaciones, se puede suprimir y desactivar la
configurables           supresión de otros elementos mediante la utilización de
                        configuraciones:
                           Ecuaciones
                           Restricciones de los croquis
                           Relaciones externas de los croquis
                           Cotas de croquis
                           Colores




Configuraciones                                                                              279
Lección 9                                                      Manual de formación SolidWorks 2006
Configuraciones de las piezas


                                Planos de croquis y la extrusión de las Condiciones finales se
                                pueden establecer de manera diferente configuración por
                                configuración.
Utilización de                  Tanto las piezas como los ensamblajes pueden tener
configuracio-                   configuraciones. Los dibujos no tienen configuraciones propias,
nes                             pero las vistas de dibujo pueden mostrar diferentes configuraciones
                                de los archivos a los que hacen referencia.
                                Las Tablas de diseño utilizan métodos más automatizados en la
                                creación de configuraciones. Para obtener más información sobre
                                las tablas de diseño, consulte Tablas de diseño en la página 303.


Procedimiento                   En esta lección aprenderá a utilizar las configuraciones de un
                                archivo de pieza. En Lección 12: Modelado de ensamblaje
                                ascendente, analizará cómo utilizar las configuraciones junto con
                                ensamblajes.
                                Empiece este ejemplo llevando a cabo el siguiente procedimiento:
                           1    Abrir la pieza Ratchet Body (Caja del trinquete).
                                Esta pieza es una copia de la que se creó en una lección anterior.


Acceso al                       Las configuraciones se gestionan
Configuration-                  desde la misma ventana que ocupa el
Manager                         gestor de diseño del FeatureManager. Para cambiar la visualización
                                de esta ventana, utilice las pestañas situadas en la parte superior del
                                panel de la ventana. Si hace clic en la      pestaña se visualizará el
                                ConfigurationManager (que se muestra en la parte superior
                                derecha) con la configuración predeterminada. La configuración
                                predeterminada se denomina Default (Predeterminada). (¿Quién
                                dice que no tenemos sentido del humor?) Esta configuración
                                representa la pieza tal como la modeló, sin suprimir ni cambiar
                                nada. Cuando desee regresar a la visualización del FeatureManager,
                                haga clic en la pestaña      .




280                                                                    Utilización de configuraciones
Manual de formación SolidWorks 2006                                                     Lección 9
                                                                       Configuraciones de las piezas


División de la            A menudo, resulta eficaz poder
ventana del               acceder a la vez tanto al gestor
FeatureManager            de diseño del FeatureManager
                          como al ConfigurationManager.
                          Esto es especialmente cierto
                          cuando se trabaja con configura-
                          ciones. En vez de moverse ade-
                          lante y atrás utilizando las
                          pestañas, puede dividir la ven-
                          tana del FeatureManager de
                          arriba hacia abajo, con lo que se
                          crean dos paneles. Un panel
                          puede mostrar el gestor de
                          diseño del FeatureManager y el
                          otro puede mostrar el Configu-
                          rationManager.
                          Para subdividir la ventana del
                          FeatureManager en dos paneles,
                          arrastre la barra de división
                          hacia abajo desde la parte
                          superior de la ventana. Utilice las pestañas para controlar lo que se
                          visualiza en cada panel.


Cómo agregar              Cada pieza (y ensamblaje) debe tener como mínimo una
nuevas                    configuración, y varias configuraciones son comunes. Hay varias
configuraciones           opciones que puede establecer aparte del Nombre de la
                          configuración.
Opciones de Lista         Cuando la pieza se utiliza en un ensamblaje y más, una lista de
de materiales             materiales establece el nombre que debe aparecer en Número de
                          pieza.
Opciones                  Las opciones avanzadas incluyen normas para la creación de nuevas
avanzadas                 operaciones y configuraciones de color. Las opciones de Padre/hijo
                          sólo son para los ensamblajes.
                             Suprimir operaciones
                             Esta opción controla lo que sucede en las operaciones que se
                             acaban de crear cuando otras configuraciones están activas y
                             esta configuración está inactiva. Si se seleccionan, las nuevas
                             operaciones agregadas con otras configuraciones activas se
                             suprimen en ésta.
                             Utilizar el color específico de la configuración
                             Permite que haya diferentes colores para cada configuración
                             utilizando la paleta de colores. Materiales diferentes pueden
                             introducir colores diferentes.




Utilización de configuraciones                                                                 281
Lección 9                                                     Manual de formación SolidWorks 2006
Configuraciones de las piezas




                           2    Cómo agregar una nueva configuración.
                                Coloque el cursor dentro del Configuration-
                                Manager y en el menú que aparece al hacer clic
                                con el botón secundario del ratón, seleccione Agregar
                                configuración...
                                Cuando agrega una configuración, ésta se convierte en la
                                configuración activa. Cualquier cambio posterior que se realice en
                                la pieza (como suprimir operaciones) se almacena como parte de la
                                configuración.
Sugerencia                      El nombre de la configuración no puede contener caracteres
                                especiales como la barra inclinada (/).
                           3    Agregar configuración.
                                El Property Manager Agregar configuración
                                se utiliza para agregar configuraciones a la
                                pieza. Asigne a la configuración el nombre
                                Forged, Long (Forjada, larga) y, de manera
                                opcional, agregue un comentario.
                                Haga clic en Aceptar.




                           4    Agregado a la lista.
                                La nueva configuración se
                                agrega a la lista y
                                automáticamente se convierte en la configuración activa. Observe
                                que el nombre de la configuración activa se muestra entre
                                paréntesis, anexada al icono del nombre de la pieza.


Definición de la                Define la configuración al desactivar o suprimir las operaciones
configuración                   seleccionadas de la pieza. Cuando se suprime una operación, ésta
                                todavía aparece en el gestor de diseño del FeatureManager pero de
                                manera atenuada. Esta versión de la pieza se guarda o almacena en
                                la configuración activa. Puede crear muchas configuraciones
                                diferentes de una pieza. A continuación, puede cambiar fácilmente
                                de configuración utilizando el ConfigurationManager.
Introducción:                   La opción Padre/Hijo se utiliza para visualizar las dependencias
Relaciones de                   entre las operaciones. Se visualizan tanto las operaciones de las que
padre/hijo                      depende (Padres) como las operaciones que dependen de ésta
                                (Hijos).




282                                                                   Utilización de configuraciones
Manual de formación SolidWorks 2006                                                    Lección 9
                                                                      Configuraciones de las piezas


Dónde encontrarlo            Con el botón secundario del ratón por encima de una operación
                             haga clic en Padre/Hijo.
Introducción:             Suprimir se utiliza para eliminar una operación de la memoria, con
Suprimir                  lo que se elimina básicamente del modelo. Se utiliza para eliminar
                          operaciones seleccionadas del modelo y crear “versiones”
                          diferentes de ese modelo. Se suprimen todos los hijos de una
                          operación suprimida.
                          Desactivar supresión y Desactivar supresión con
                          dependientes se utilizan para deshacer la supresión de una
                          (desactivar supresión) o más (desactivar supresión con
                          dependientes) operaciones.
Dónde encontrarlo            En el menú que aparece al presionar el botón secundario del
                             ratón, haga clic en Suprimir.
                             O haga clic en la herramienta Suprimir     en la barra de
                             herramientas Operaciones.
                             O seleccione Editar, Suprimir en el menú desplegable.
                             O haga clic en Suprimido en el cuadro de diálogo Propiedades
                             de operación.


                      5   Seleccione Padre/Hijo.
                          Haga clic con el botón
                          secundario del ratón en la
                          operación Recess (Entrante)
                          y seleccione Padre/Hijo.
                          Expanda la operación
                          Pocket (Cavidad) en la
                          sección Hijos para ver las
                          otras operaciones de hijos.



                      6   Suprimir la operación Recess.
                          En el gestor de diseño del FeatureManager,
                          seleccione la operación Recess. Haga clic con el
                          botón secundario del ratón en Suprimir.
                          El sistema no sólo suprime la operación Recess
                          (Entrante) sino también la operación Pocket
                          (Cavidad), la operación Wheel Hole (Taladro de
                          rueda) y la operación Ratchet Hole (Taladro
                          de trinquete). ¿Por qué?
                          Porque las operaciones Pocket, Wheel Hole y
                          Ratchet Hole son todas hijas de la operación Recess. Si
                          recuerda, el croquis de la Pocket se hizo en la cara inferior del
                          Recess. A continuación, se hizo el croquis de dos taladros en la
                          cara inferior de la Pocket. Esto es lo que estableció las relaciones
                          padre-hijo entre ellos.



Utilización de configuraciones                                                                283
Lección 9                                                    Manual de formación SolidWorks 2006
Configuraciones de las piezas


Regla                           Al suprimir una operación se suprimen automáticamente sus hijos.
                                Cuando se suprimen las operaciones
                                del gestor de diseño del
                                FeatureManager, se suprime también
                                la geometría correspondiente del
                                modelo.
Cómo cambiar                    Para pasar a una configuración diferente, simplemente haga doble
configuraciones                 clic en la configuración a la que desea pasar.
                           7    Regresar a la configuración Default
                                (Predeterminada).
                                Sitúe el cursor sobre el icono de configuración
                                Default y haga doble clic en él.
                                El sistema desactiva la supresión de las
                                operaciones Recess, Pocket, Wheel Hole y
                                Ratchet Body y las hace visibles tanto en el
                                gestor de diseño del FeatureManager como en las
                                ventanas de gráficos.




Cómo cambiar de                 Ahora tenemos dos configuraciones: Default (Predeterminada)
nombre y copiar                 y Forged, Long (Forjada, Larga) La configuración
configuraciones                 Defaultrepresenta la pieza en su estado mecanizado.
                                Sin embargo, el nombre Default no tiene demasiado sentido.
                                Se puede cambiar el nombre de las configuraciones de la misma
                                manera que el de las operaciones. Sin embargo, si otro documento
                                de SolidWorks hace referencia a una configuración, cambiar el
                                nombre de esa configuración puede causar algunos problemas.
Un mejor enfoque                En vez de cambiar el nombre de la configuración predeterminada
                                haremos una copia de dicha configuración y, a continuación,
                                cambiaremos el nombre de la copia.




284                                                                   Utilización de configuraciones
Manual de formación SolidWorks 2006                                                   Lección 9
                                                                     Configuraciones de las piezas




                      8   Copiar la configuración
                          Predeterminada.
                          Seleccione la configuración
                          Default y cópiela
                          utilizando cualquiera de las
                          técnicas estándares para
                          copiar una operación: Ctrl+C,
                          Edición, Copiar o la
                          herramienta .
                          Pegue la configuración utilizando Ctrl+V, Edición, Pegar o la
                          herramienta .
                          Cambie el nombre de la copia por Machined, (Mecanizada)
                          Long (Larga).
                          Ahora tiene configuraciones que representan la Ratchet Body
                          (Caja del trinquete) en sus estados forjado y mecanizado.
                      9   Crear más configuraciones.
                          Con el mismo procedimiento, copie y pegue la configuración
                          Forged, Long (Forjada, Larga). Cambie su nombre a Forged,
                          Short (Forjada, Corta). Copie y pegue la configuración
                          Machined, Long (Mecanizada, Larga) y cambie su nombre a
                          Machined, Short (Mecanizada, Corta).


Cambio de los             Las configuraciones también se pueden utilizar para controlar el
valores de cota           valor de una cota. Cada configuración se puede utilizar para
                          cambiar la cota a un valor diferente. El cambio se puede configurar
                          para las configuraciones activas, específicas o para todas las
                          configuraciones.
                          En este ejemplo, las configuraciones denominadas “Short”
                          tendrán una longitud de asa ligeramente inferior.

                      10 Cota clave.
                          Haga doble clic en
                          Machined,
                          Short
                          (Mecanizada, Corta)
                          para convertirla en la
                          configuración activa.
                          Haga doble clic en la
                          operación Handle
                          (Asa) para exponer
                          las cotas del croquis.




Utilización de configuraciones                                                               285
Lección 9                                                     Manual de formación SolidWorks 2006
Configuraciones de las piezas


                                Configurar la cota.
                                Haga doble clic en la cota de 220
                                mm y cámbiela a 180 mm. En la lista
                                desplegable, seleccione Especificar
                                configuraciones. Haga clic en
                                Aceptar.
                                Seleccione únicamente las
                                configuraciones Forged, Short
                                (Forjada, Corta) y Machined,
                                Short (Mecanizada, Corta) de la
                                lista y haga clic en Aceptar.




Nota                            Se puede suprimir y desactivar la
                                supresión de las operaciones en las
                                configuraciones activas, especificadas, o
                                en todas las configuraciones mediante la
                                opción Propiedades.
                                Haga clic con el botón secundario del
                                ratón en la operación y seleccione
                                Propiedades de operación. Active o
                                desactive la opción Suprimida y
                                seleccione las configuraciones utilizando la lista desplegable.
                           11 Cambios.
                                Reconstruya el modelo para ver
                                los cambios en la configuración
                                actual.




Cómo editar                     Cuando se agregan configuraciones a una pieza, las operaciones
piezas que tie-                 pueden suprimirse automáticamente, los cuadros de diálogo
nen configura-                  enumeran opciones adicionales y demás cosas extrañas pueden
ciones                          suceder. Esta sección muestra lo que sucede cuando existen
                                múltiples configuraciones en la pieza que se está editando.
                                Cada configuración en una pieza contiene las mismas operaciones.
                                Sin embargo, en diferentes configuraciones, esas operaciones
                                pueden tener diferentes estados de supresión, diferentes valores de
                                cota, diferentes condiciones finales o incluso diferentes planos de
                                croquis.




286                                                                   Cómo editar piezas que tienen
Manual de formación SolidWorks 2006                                                   Lección 9
                                                                     Configuraciones de las piezas


                         La tabla que aparece a continuación enumera opciones que pueden
                         controlarse utilizando configuraciones.
                          Tipo                    Posibilidades
                          Operación               Suprimir/desactivar supresión por
                                                  configuración
                          Ecuaciones              Suprimir/desactivar supresión por
                                                  configuración
                          Relaciones de           Suprimir/desactivar supresión por
                          croquis                 configuración
                          Relaciones externas     Suprimir/desactivar supresión por
                          de los croquis          configuración
                          Cotas de croquis        Suprimir/desactivar supresión por
                                                  configuración
                          Condiciones finales     Condición final diferente para cada
                                                  configuración
                          Planos de croquis       Plano de croquis diferente por
                                                  configuración

Nota                     Los colores, las texturas y los materiales también se pueden
                         configurar.

                     1   Abrir la pieza.
                         Abra la pieza WorkingConfigs
                         (Configs trabajo). Esta pieza tiene una
                         configuración: Default
                         (Predeterminada). Las
                         configuraciones y las nuevas
                         operaciones se agregarán a la pieza.

                     2   Cómo crear nuevas configuraciones.
                         Cambie al Configuration Manager y haga clic con el botón
                         secundario del ratón en Agregar configuración. Cree una nueva
                         configuración denominada keyseat.
                     3   Copiar y pegar.
                         Copie y pegue keyseat para crear otra configuración nueva.
                         Denomínela ports y haga que sea la configuración activa.
                         De manera predeterminada se selecciona la opción Suprimir
                         operaciones. Esto significa que a medida que se agregan nuevas
                         operaciones, se suprimen en todas las configuraciones excepto en la
                         activa.




Cómo editar piezas que tienen configuraciones                                                287
Lección 9                                                     Manual de formación SolidWorks 2006
Configuraciones de las piezas


                           4    Configuración activa.
                                Asegúrese de que la configuración
                                denominada ports esté activa. En
                                este momento, las tres
                                configuraciones son iguales.
Sugerencia                      Copiar y pegar realiza un duplicado de la configuración copiada.
                                Observe que el nombre entre corchetes es el nombre que aparecerá
                                en una LDM. Esto puede cambiarse modificando la configuración
                                para la opción El número de pieza se visualiza cuando se utiliza
                                en una lista de materiales en el cuadro de diálogo Propiedades
                                de configuración.


Biblioteca de                   La Biblioteca de diseño es una recopilación de operaciones,
diseño                          piezas y archivos de ensamblaje que se encuentra dentro del Panel
                                de tareas. Los archivos se pueden insertar en las piezas y
                                ensamblajes para reutilizar los datos existentes. En este ejemplo se
                                utilizará la carpeta features (operaciones).
La carpeta                      La carpeta features (operaciones) contiene los archivos de la
Operaciones                     Operación de biblioteca (*.sldlfp). Se pueden agregar a una
                                pieza simplemente arrastrándolos y soltándolos en una cara plana
                                del modelo. Las referencias que necesita la operación se
                                seleccionan y se agregan las cotas y las relaciones. Las referencias
                                van seguidas de las opciones de cambio de tamaño y posición para
                                establecer los valores de las dimensiones de la operación.
Configuración                   La primera de las tres operaciones de biblioteca se insertará con la
predeterminada                  configuración predeterminada para la ubicación y el tamaño.

                           5    Carpetas.
                                Haga clic en la Biblioteca de diseño y
                                en la chincheta.
                                Expanda la carpeta features
                                (operaciones).
                                Expanda la carpeta inch (pulgada).
                                Haga clic en la carpeta fluid power
                                ports (puertos de potencia de fluido).




288                                                                             Biblioteca de diseño
Manual de formación SolidWorks 2006                                                    Lección 9
                                                                      Configuraciones de las piezas


                       6   Arrastrar y colocar.
                           Arrastre y coloque la operación sae
                           j1926-1 (circular face) en la cara
                           plana del modelo tal como se indica. La
                           cara de colocación es el Plano de
                           colocación para la operación.
                       7   Configuración y
                           selecciones.
                           Seleccione la
                           configuración 516-
                           24 de la lista.
                           Seleccione la
                           referencia Edge1
                           (arista circular) como
                           se indica en la
                           ventana de vista
                           preliminar.
                           La opción Vincular a
                           pieza de biblioteca
                           creará un vínculo para
                           actualizar esta pieza a
                           partir de los cambios
                           en la operación de
                           biblioteca.
                           Si se selecciona la
                           opción Sobrescribir valores de cota se podrán cambiar los
                           valores de cotas internas de la operación.
                       8   Operación.
                           La operación de biblioteca
                           se agrega al FeatureManager
                           como una operación de
                           biblioteca compuesta de
                           croquis, un plano y un corte.

Nota                       Las etiquetas “L” que se superponen a los iconos de la operación
                           indican una operación de biblioteca.


Referencias                Muchas operaciones contienen referencias múltiples para las caras,
múltiples                  aristas o planos. Se utilizan para adjuntar cotas y establecer
                           relaciones en la geometría.
                           Si las referencias no se adjuntan correctamente a la geometría del
                           modelo, se convertirán en colgantes. Para obtener más información,
                           consulte Volver a asociar cotas en la página 230.




Biblioteca de diseño                                                                          289
Lección 9                                                      Manual de formación SolidWorks 2006
Configuraciones de las piezas




                           9    Referencias.
                                Arrastre y coloque la operación sae
                                j1926-1 (rectangular
                                face) en la cara plana. Esta
                                operación requiere la selección de
                                dos referencias y que cada una de
                                ellas sea una arista lineal del modelo.
                                Seleccione la configuración 716-
                                20. Para las dos Referencias, seleccione la que se muestra en la
                                arista verde seguida de la roja.
                           10 Valores de cota.
                              Establezca cada Cota de
                              ubicación en 0.5”
                                haciendo clic en la celda y
                                especificando ese valor.
                                Haga clic en Aceptar.


                           11 Comprobar las configuraciones.
                                Las nuevas operaciones poseen su supresión desactivada en la
                                configuración activa (ports) y están suprimidas en todas las
                                demás.




                           12 Configuración activa.
                                Convierta la configuración keyseat en la configuración activa.


Colocación en                   Algunas operaciones se adjuntan a las caras circulares del modelo
caras circulares                de destino y requieren que la primera cara de "colocación" sea dicha
                                cara. En estos casos, el plano de colocación se selecciona después
                                de la colocación.




290                                                                             Biblioteca de diseño
Manual de formación SolidWorks 2006                                              Lección 9
                                                                Configuraciones de las piezas




                       13 Operación.
                          Abra la carpeta
                          keyways
                          (ranuras de
                          chaveta) en la
                          biblioteca de
                          diseño. Arrastre y
                          coloque la
                          operación
                          rectangular
                          keyseat sobre
                          la cara circular
                          del eje.
                          Seleccione la configuración ∅ 0.6875 W=0.1875 y el extremo
                          de la cara plana como el Plano de colocación.
                       14 Referencia.
                          Seleccione la arista circular de la
                          cara extrema como la Referencia.




                       15 Cotas de ubicación.
                          Establezca las Cotas
                          de ubicación en los
                          valores que se
                          muestran.




Biblioteca de diseño                                                                    291
Lección 9                                                   Manual de formación SolidWorks 2006
Configuraciones de las piezas


                           16 Comprobar las configuraciones.
                                La nueva operación posee su supresión desactivada en la
                                configuración activa (keyseat) pero está suprimida en todas las
                                demás.




                           17 Guardar y cerrar el archivo.




292                                                                          Biblioteca de diseño
Manual de formación SolidWorks 2006


Ejercicio 37:           Utilice una pieza existente como base
Configuracio-           de una serie de configuraciones. Cree
nes                     otras versiones suprimiendo diversas
                        operaciones en cada configuración.
                        Este laboratorio refuerza las siguientes
                        funciones:
                           Crear configuraciones.
                           Suprimir operaciones.

¿Qué es esto?           La pieza utilizada en este ejemplo
                        es el componente pasador doble
                        de un juguete que dispara cohetes
                        de goma espuma.




Procedimiento           Abra la pieza existente config part (pieza config).
                    1   Crear nuevas configuraciones.
                        Cree manualmente nuevas configuraciones que coincidan con las
                        condiciones y los nombres que aparecen a continuación. Agregue
                        operaciones al modelo donde se requiera.
                           Mejor modelo – Incluye el    Soporte para
                           soporte para municiones y la municiones
                           mira.                          Mira




                           Modelo mejorado – Incluye
                           sólo la mira.




Ejercicio 37                                                                        293
Manual de formación SolidWorks 2006


              Modelo estándar –
              No incluye el soporte para
              municiones ni la mira.




              Modelo de sección –
              Muestra un corte de sección a
              través del modelo estándar.




Nota       La configuración de Sección se crea utilizando una operación
           Cortar. Para crear la operación Cortar, active la configuración de
           Estándar. Luego, utilice el plano de referencia Alzado y el
           comando Insertar, Cortar, Con superficie... para cortar el modelo.
       2   Guardar y cerrar la pieza.




294                                                              Ejercicio 37
Manual de formación SolidWorks 2006


Ejercicio 38:           Utilice una pieza existente y cree configuraciones.
Más configura-          Cree nuevas operaciones controladas por las
ciones                  configuraciones.
                        Este laboratorio refuerza las siguientes funciones:
                           Agregar configuraciones.
                           Suprimir operaciones.
                        Las configuraciones permiten que la forma de la
                        pieza difiera según las operaciones que se
                        visualizan.

                         Serie 100              Serie 200
                         100CF        100SF     200CF       200SF




Procedimiento           Abra la pieza existente Speaker (Altavoz).
                    1   Crear nuevas configuraciones.
                        Cree cuatro configuraciones en la pieza utilizando los nombres que
                        aparecen a continuación. Representan dos variaciones del altavoz y
                        su función.
                        (C = Control, S = Esclavo y F = Frontal).
                           100CF
                           100SF
                           200CF
                           200SF
                    2   Valores de configuración para el control de volumen.
                        Agregue la operación Volume control (Control de volumen).
                        Suprima y/o desactive la supresión de operaciones para obtener la
                        forma que se muestra aquí para las configuraciones anteriores.
                    3   Valores de configuración para rounded tweeter (bafle de
                        agudos redondeado).
                        Agregue la operación Rounded tweeter. Suprima la operación
                        en las dos configuraciones de la serie 200.
                    4   Configuración 200CF.
                        Cambie a la configuración 200CF en el ConfigurationManager.




Ejercicio 38                                                                           295
Manual de formación SolidWorks 2006


      5   Nuevo corte.
          Haga clic con el botón
          secundario del ratón en el
          croquis opening
          locations
          (ubicaciones de apertura)
          y seleccione Mostrar.
          Agregue un nuevo corte
          utilizando la geometría
          que se muestra. Agregue valores de cota para Todas las
          configuraciones.
          Cambie el nombre de la operación a Tweeter.
          Establezca el estado en supresión para
          la configuración de la serie 100 y en
          supresión desactivada para la de la
          serie 200.




      6   Guardar y cerrar la pieza.




296                                                             Ejercicio 38
Manual de formación SolidWorks 2006


Ejercicio 39:           Agregue nuevas operaciones y
Cómo trabajar           modifique otras utilizando una
con configura-          pieza existente con
ciones                  configuraciones.
                        Este laboratorio refuerza las
                        siguientes funciones:
                           Suprimir una operación
                           utilizando propiedades de la
                           operación.
                           Editar condiciones finales de
                           extrusión por configuración.
                           Incorporar operaciones nuevas en un entorno de múltiples
                           configuraciones.
Procedimiento           Abra la pieza existente Working with Configurations
                        (Trabajar con configuraciones).
                    1   Configuraciones.
                        La pieza contiene siete (7) configuraciones. Son las siguientes:
                           Default (Predeterminada)
                           doublewall (pared doble)
                           doublewall.simple (pared doble simple)
                           singlewall (pared única)
                           singlewall.simple (pared única simple)
                           stepped (escalonada)
                           stepped.simple (escalonada simple)
                        Para comenzar, diremos que todas las configuraciones son iguales,
                        copias de la configuración Default (Predeterminada).
                    2   Seleccionar las operaciones Redondeo y Chaflán.
                        Modifique las tres configuraciones simplificadas para suprimir
                        todos los redondeos y los chaflanes dentro de las mismas. Presione
                        Mayús y seleccione las operaciones fill060.vert,
                        fill060.tb y cham025.
                    3   Propiedades de operación.
                        Haga clic en Editar, Propiedades.
                        Haga clic en Suprimida, Especificar
                        configuraciones y haga clic en
                        Aceptar.




Ejercicio 39                                                                               297
Manual de formación SolidWorks 2006


      4   Selección de configuración.
          Seleccione
          doublewall.simple,
          singlewall.simple y
          stepped.simple en la lista.
          Desactive la selección de las demás y
          haga clic en Aceptar.




      5   Cambios.
          Las tres operaciones se
          suprimen sólo en las
          configuraciones
          seleccionadas
          (simplificadas).
      6   Configuración activa.
          Establezca
          singlewall como la
          configuración activa.



      7   Modificar las condiciones
          finales.
          Edite la definición de la
          operación center hole
          (taladro central).
          Establezca las
          Configuraciones en
          Especificar
          configuraciones y elija:
             singlewall
             (pared única)
             singlewall.simple
             (pared única
             simple)
             stepped
             (escalonada)
             stepped.simple (escalonada simple)
          Elija Hasta el siguiente como la condición final y haga clic en
          Aceptar.




298                                                              Ejercicio 39
Manual de formación SolidWorks 2006


                    8   Agregar una nueva operación.
                        Establezca la configuración activa en
                        stepped.
                        Cree un croquis nuevo en la cara frontal
                        del modelo y cree un círculo concéntrico
                        a center hole. Agregue una cota de
                        0.75” para Todas las configuraciones.




                    9   Cortar.
                        Cree una operación Cortar utilizando la
                        condición final Hasta el siguiente.
                        La operación se agrega a todas las
                        configuraciones, suprimiéndose en todas
                        excepto la activa.
                        Asigne a la operación el nombre step
                        cut (corte escalonado).
                    10 Propiedades de operación.
                        Haga clic con el botón secundario del
                        ratón en la operación nueva y seleccione
                        Propiedades de operación....
                        Asegúrese de que la casilla de verificación Suprimida se encuentre
                        desactivada.
                        Seleccione Especificar configuraciones y haga clic en Aceptar.
                        Seleccione las configuraciones stepped y stepped.simple y
                        haga clic en Aceptar.

Sugerencia              Las configuraciones también pueden diferenciarse por color. Utilice
                        el cuadro de grupo Configuraciones en el cuadro de diálogo Editar
                        Color.
                    11 Guardar y cerrar la pieza.




Ejercicio 39                                                                            299
Manual de formación SolidWorks 2006




300                           Ejercicio 39
2006Manual de formación SolidWorks 2006




                                                       Lección 10
                                               Tablas de diseño y
                                                      ecuaciones




                       Al finalizar esta lección, podrá:
                           Vincular valores de cotas para captar la intención del diseño.
                           Crear ecuaciones.
                           Crear automáticamente tablas de diseño.
                           Utilizar tablas de diseño existentes para crear familias de piezas.
                           Realizar dibujos de detalle utilizando tipos más avanzados de
                           vistas de dibujo.




                                                                                          301
Lección 10                      Manual de formación SolidWorks 2006
Tablas de diseño y ecuaciones




302
Manual de formación SolidWorks 2006                                                 Lección 10
                                                                    Tablas de diseño y ecuaciones


Tablas de               LasTablas de diseño son la
diseño                  mejor manera de crear
                        configuraciones de piezas. Se
                        utilizan para controlar los valores
                        de cota de familias de piezas, y
                        los estados de supresión de las
                        operaciones. Las tablas de diseño
                        se pueden utilizar para crear una
                        familia de piezas a partir de un
                        único diseño de pieza. Puesto
                        que el software SolidWorks es una aplicación OLE/2, se utiliza una
                        hoja de cálculo de Excel para disponer la tabla de diseño de manera
                        que se pueda importar al documento de SolidWorks.
Temas clave             En la siguiente lista aparecen los temas clave que se describen en
                        esta lección.
                        Vincular valores
                        La opción Vincular valores se utiliza para establecer dos o más
                        cotas iguales.
                        Ecuaciones
                        Las ecuaciones se pueden utilizar para crear relaciones algebraicas
                        entre cotas que usan funciones y operadores matemáticos.
                        Crear una tabla de diseño automáticamente
                        Las tablas de diseño se pueden crear y editar automáticamente una
                        vez insertadas. Las tablas de diseño se pueden configurar de modo
                        que no se pueda cambiar el modelo si estos cambios actualizasen la
                        tabla de diseño.
                        Cómo hacer cambios
                        Se pueden hacer cambios a la tabla de diseño existente si se edita la
                        tabla para agregar configuraciones, cotas u operaciones.
                        Cambios bidireccionales
                        Cotas que aparecen en la tabla de diseño y están conducidas por
                        ella. Los cambios hechos a las cotas en el modelo provocan el
                        cambio correspondiente en la tabla de diseño.
                        Cómo insertar tablas de diseño en blanco
                        Las tablas de diseño en blanco son útiles para muchas tareas,
                        incluidas las vistas explosionadas y posiciones múltiples de un
                        componente en un ensamblaje.
                        Dibujos con configuraciones
                        Los dibujos con piezas que tienen configuraciones proporcionan
                        muchas opciones para su visualización. Se puede visualizar
                        cualquier configuración disponible en una vista del modelo.




Tablas de diseño                                                                            303
Lección 10                                                   Manual de formación SolidWorks 2006
Tablas de diseño y ecuaciones




                          1     Abrir Socket.
                                La pieza
                                Socket
                                (Portalámparas)
                                (que aparece aquí
                                con las opciones
                                Visualizar cotas
                                de operación y
                                Visualizar
                                nombres de
                                cotas activadas)
                                contiene dos
                                operaciones de
                                corte que
                                representan los cortes hexagonales que se superponen. Éstas
                                mantienen sus nombres originales.
                          2     Cambiar el valor.
                                Haga doble clic en el croquis de la operación 6
                                Point (6 puntos) y en la cota 0.5”. Agregue 1/
                                32” al valor nominal tal como se muestra.
                                Reconstruya el modelo.


Vincular valores                Vincular valores puede utilizarse para equiparar una serie de cotas
                                asignándoles el mismo nombre. Si cambia el valor de una de las
                                cotas vinculadas, cambiará el valor de las demás. La vinculación
                                puede eliminarse utilizando Deshacer vínculo del valor. Esta
                                opción es superior a las ecuaciones para equiparar diversos valores
                                entre sí.
                                En este ejemplo, hay dos cotas lineales: una en cada uno de los
                                cortes con forma hexagonal. Se utilizará el comando Vincular
                                valores para relacionarlas.

Dónde encontrarlo                  En el cuadro de diálogo para modificar cotas, seleccione
                                   Vincular valor.
                                   Haga clic con el botón secundario del ratón en una o varias
                                   cotas y seleccione Vincular valores.
Nota                            Las cotas que se relacionen deben ser del mismo tipo. Vincule cotas
                                angulares con otras cotas angulares y así sucesivamente.

                          3     Acceder a los valores de vínculo.
                                Haga doble clic en la misma cota como si fuera
                                a cambiar el valor. Con el menú desplegable,
                                seleccione Vincular valor.




304                                                                                Vincular valores
Manual de formación SolidWorks 2006                                                  Lección 10
                                                                     Tablas de diseño y ecuaciones


                    4   Asignar un
                        nombre al
                        valor de
                        vínculo.
                        En el cuadro de
                        diálogo
                        Valores compartidos, escriba el nombre AcrossFlats (Sup.
                        planas) y haga clic en Aceptar.
                    5   Valor de vínculo agregado.
                        Se agrega el valor de vínculo y se utiliza
                        como el nombre de cota. También se
                        agrega un símbolo de prefijo para
                        identificar que esta cota se ha
                        relacionado.
                        Reconstruya el modelo.




                    6   Carpeta Equations.
                        El valor de vínculo aparece en la carpeta
                        Equations (Ecuaciones) del
                        FeatureManager.




                    7   Agregar valor de vínculo.
                        Haga doble clic en el croquis de la operación 12 Point
                        (12 puntos) y en la cota 0.5”. Seleccione el valor de vínculo
                        AcrossFlats en el menú desplegable. El valor del vínculo
                        existente se asigna a esta cota. Reconstruya el modelo.
Nota                    Un valor de vínculo seguirá asociado a una cota a no ser que se
                        elimine haciendo clic con el botón secundario del ratón en
                        Deshacer vínculo del valor. Si se cambia el valor de cualquier
                        cota vinculada, cambiará el valor de todas las cotas vinculadas.


Ecuaciones              Muchas veces es necesario establecer una relación entre parámetros
                        que no puede lograrse utilizando relaciones geométricas o técnicas
                        de modelado.
                        Por ejemplo, puede utilizar ecuaciones para establecer relaciones
                        matemáticas entre cotas en el modelo. Esto es lo que haremos a
                        continuación.



Ecuaciones                                                                                   305
Lección 10                                                    Manual de formación SolidWorks 2006
Tablas de diseño y ecuaciones


                                Esta ecuación establecerá una relación entre el diámetro del cilindro
                                y la distancia a través de las caras planas del hexágono. El diámetro
                                aumentará a medida que aumente la distancia entre las caras planas.
Nota                            Las instrucciones de igualdad simples dentro de una pieza pueden
                                crearse con mayor facilidad mediante Vincular valores que
                                mediante ecuaciones.
Preparación para                Si bien puede comenzar escribiendo ecuaciones y aplicándolas al
ecuaciones                      modelo con poca o ninguna preparación, resulta mucho más
                                práctico realizar una pequeña inversión de tiempo a futuro para
                                lograr un beneficio agregado después. Debe considerar lo siguiente:
                                Cambiar el nombre de las cotas
                                El sistema crea las cotas con nombres predeterminados algo
                                crípticos. Para facilitarle a otras personas la interpretación de las
                                ecuaciones y la comprensión de qué es exactamente lo que
                                controlan, debe cambiar el nombre de las cotas, proporcionándoles
                                nombres más lógicos y fáciles de comprender. Haga clic con el
                                botón secundario del ratón en una cota y seleccione Propiedades
                                para cambiarle el nombre.
Nota                            Cuando las ecuaciones se utilizan en un ensamblaje, el nombre
                                completo se escribe de esta forma:
                                Nombre@Nombredeoperación@Nombredepieza.
                                Dependiente contra independiente
                                El software de SolidWorks utiliza ecuaciones con la forma
                                Dependiente = Independiente. Esto significa que en la ecuación A =
                                B, el sistema soluciona A cuando se le proporciona B. Puede editar
                                el parámetro B directamente y cambiarlo. Una vez escrita y aplicada
                                la ecuación, no puede cambiar directamente el parámetro A. Antes
                                de empezar a escribir ecuaciones, es necesario decidir qué
                                parámetro conducirá la ecuación (el independiente) y qué
                                parámetro será conducido por la ecuación (el dependiente).
                                ¿Qué cota conduce el diseño?
                                En este ejemplo, controlaremos el diámetro del cilindro en función
                                de la distancia a través de las caras planas del hexágono. Esto
                                significa que la distancia plana es el parámetro conductor o
                                independiente y el diámetro es el conducido o dependiente. El
                                tamaño del hexágono conduce el diseño.
Funciones                       Las funciones que aparecen como botones en el cuadro de diálogo
                                Agregar ecuación incluyen operadores básicos, funciones
                                trigonométricas y muchas otras funciones.




306                                                                                       Ecuaciones
Manual de formación SolidWorks 2006                                                  Lección 10
                                                                     Tablas de diseño y ecuaciones


Formato de las          La ecuación necesaria en este ejemplo utiliza la distancia a través de
ecuaciones              las caras planas del hexágono como la cota conductora. Esto
                        provoca cambios en el diámetro del cilindro, una operación que la
                        precede. El formato es:
                        Cota conducida = Cota conductora + Constante
                        donde:
                        Cota conducida = CylinderDiameter@Sketch1
                        Cota conductora = AcrossFlats@Sketch2
                        Constante = 0.25
Introducción:           El cuadro de diálogo Ecuaciones se puede utilizar para agregar,
Ecuaciones              editar, eliminar y configurar ecuaciones.

Dónde encontrarlo          Haga clic en Ecuaciones      en la barra Herramientas.
                           O, en el menú Herramientas, haga clic en Ecuaciones.
                           O haga clic con el botón secundario del ratón en la carpeta
                           Equations y seleccione una opción.
                           O en el cuadro de diálogo para modificar cotas, seleccione
                           Agregar ecuación.


                    8   Agregar ecuación.
                        Haga doble clic en la operación
                        Cylinder (Cilindro) y en la cota
                        de diámetro (1”). En el cuadro de
                        diálogo, seleccione Agregar
                        ecuación en la lista desplegable.




                    9   Cota agregada.
                        La cota se agrega a la
                        nueva ecuación a la
                        izquierda del signo
                        igual.




Ecuaciones                                                                                   307
Lección 10                                                    Manual de formación SolidWorks 2006
Tablas de diseño y ecuaciones


                          10 Completar ecuación.
                                Haga clic en cualquiera
                                de las cotas de valor de
                                vínculo y agregue “+
                                0.25” para completar la
                                ecuación.
                                Haga clic en Aceptar
                                para agregar la
                                ecuación.


                          11 Lista.
                                La lista actual de
                                ecuaciones,
                                incluidos los valores
                                de vínculo      , se
                                muestra en una lista
                                en el cuadro de
                                diálogo
                                Ecuaciones. Haga
                                clic en Aceptar y reconstruya el modelo.
                                La columna Evaluar a se
                                refiere al valor de la cota
                                CylinderDiameter@
                                Sketch1. Los cambios
                                en la cota
                                AcrossFlats@Sketc
                                h2 hacen que la
                                evaluación cambie.




Sugerencia                      Si sus ecuaciones utilizan cotas angulares, seleccione Radianes o
                                Grados como Unidades de ángulo para ecuaciones.
Nota                            La cota conducida en este caso,
                                CylinderDiameter@Sketch1, no se puede
                                cambiar directamente. Si se hace doble clic en
                                ella, el cuadro de diálogo Modificar aparecerá
                                atenuado.
Variables globales              Se pueden agregar y utilizar Variables globales (o variables
                                independientes) en las ecuaciones para representar la resistencia del
                                material, el coeficiente de Poisson u otras constantes. Se pueden
                                utilizar dentro de las ecuaciones.




308                                                                                      Ecuaciones
Manual de formación SolidWorks 2006                                                 Lección 10
                                                                    Tablas de diseño y ecuaciones


Algunas                 Las ecuacio-
consideraciones         nes se resuel-
finales sobre las       ven en el orden
ecuaciones              en que se enu-
                        meran. Si cam-
                        bia una cota y
                        descubre que
                        la misma nece-
                        sita dos
                        reconstruccio-
                        nes para actualizar toda la geometría de la pieza, esto puede indicar
                        que sus ecuaciones están mal ordenadas. Edite las ecuaciones y uti-
                        lice la lista para volver a ordenarlas. Considere este ejemplo:
                        Dadas tres ecuaciones: A=B, C=D y D=B/2, considere lo que
                        sucede si cambia el valor de B. Primero, el sistema calculará un
                        valor nuevo para A. Cuando evalúe la segunda ecuación, nada se
                        modificará. Cuando se evalúe la tercera ecuación, el valor
                        modificado de B dará como resultado un nuevo valor para D. Sin
                        embargo, este nuevo valor de D no se usa para calcular un nuevo
                        valor para C hasta la segunda reconstrucción. Al reordenar las
                        ecuaciones de esta manera: A=B, D=B/2 y C=D se resolverá el
                        problema.


Tablas de               Las tablas de diseño son la mejor manera de crear configuraciones
diseño                  de piezas. Se utilizan para controlar los valores de cota de familias
                        de piezas y los estados de supresión de las operaciones.
Crear una tabla de      La manera más sencilla de crear una Tabla de diseño en una pieza
diseño                  es crearla automáticamente por medio de las cotas, operaciones y
automáticamente         configuraciones existentes. La información existente se formatea en
                        una hoja de cálculo de Excel y se actualiza automáticamente, de
                        manera predeterminada bidireccionalmente.
Introducción:           Al insertar una tabla de diseño, la ventana de SolidWorks cambia a
Insertar tabla de       Excel. Es decir, mientras la tabla está activa, las barras de
diseño                  herramientas se transforman en barras de herramientas de Excel en
                        lugar de barras de herramientas de SolidWorks.
                        Sólo puede haber una tabla de diseño en cada pieza. Está
                        almacenada en el documento de pieza, a menos que se utilice una
                        tabla de diseño vinculada.
Dónde encontrarlo          Haga clic en Insertar, Tabla de diseño....
                           O haga clic en la herramienta Tabla de diseño        en la barra
                           Herramientas.
Gestor de diseño del    Cuando se agrega una tabla de diseño a una pieza o ensamblaje, este
FeatureManager          símbolo                    aparece en el gestor de diseño del Featu-
                        reManager.




Tablas de diseño                                                                            309
Lección 10                                                    Manual de formación SolidWorks 2006
Tablas de diseño y ecuaciones




                          12 Insertar una nueva tabla de diseño.
                             Haga clic en Insertar, Tabla de diseño.... En el
                             Origen, seleccione Creación automática para
                                automatizar la creación de la tabla de diseño.
                                    El Origen determina de dónde proviene la
                                    información. En blanco crea una nueva tabla
                                    de diseño en blanco. Las cotas y las
                                    operaciones pueden agregarse a la tabla de
                                    diseño haciendo doble clic en ellas.
                                    Creación automática genera una tabla de
                                    diseño a partir de cotas, operaciones y
                                    configuraciones existentes. Desde archivo
                                    importa una hoja de cálculo de Microsoft
                                    Excel para utilizarla como tabla de diseño.
                                    Haga clic en Examinar para localizar la
                                    tabla. También puede seleccionar la casilla
                                    de verificación Vincular a archivo, que
                                    vincula la hoja de cálculo al modelo.
                                    Editar control controla la capacidad de hacer cambios
                                    bidireccionales. Si se selecciona la opción Permitir que las
                                    actualizaciones al modelo actualicen la tabla de diseño se
                                    podrán realizar cambios fuera de la tabla y ésta todavía se podrá
                                    actualizar.
                                    Opciones determina de qué manera trata la información nueva
                                    la tabla de diseño. Si se establece en bidireccional, los cambios
                                    en las nuevas operaciones, configuraciones y cotas harán que la
                                    tabla de diseño se actualice.
Sugerencia                      Las cotas que están conducidas por la tabla de diseño aparecen en
                                un esquema de color diferente. Puede cambiar el color de las cotas
                                que están controladas por la tabla de diseño para facilitar su
                                identificación.
                                Haga clic en Herramientas, Opciones, Opciones de sistema,
                                Colores.
                                Seleccione la opción Cota, Controlada por tabla de diseño y
                                edite el color.




310                                                                                 Tablas de diseño
Manual de formación SolidWorks 2006                                                 Lección 10
                                                                    Tablas de diseño y ecuaciones




                    13 Cotas que se agregarán.
                       La opción Creación automática
                        genera una lista de las cotas de la pieza
                        que se pueden agregar a la tabla de
                        diseño.
                        Presione Ctrl y seleccione estas cuatro
                        cotas:
                        CylinderDepth@Cylinder
                        AcrossFlats@Sketch2
                        HexDepth@6 Point
                        DriveSquare@Sketch4
Sugerencia              Los nombres de las cotas que se utilizarán en la tabla deben
                        cambiarse por nombres más significativos que los nombres
                        predeterminados.
                    14 Tabla de diseño.
                        Las cotas seleccionadas se agregan
                        a la tabla de diseño con sus valores
                        asociados. Observe que los nombres
                        largos de cota se giran
                        verticalmente de forma automática.




Formatos de Excel       Las celdas de la hoja de cálculo aparecen con formateado estándar
                        pero pueden cambiarse en cualquier momento. Aproveche las
                        capacidades de Excel para lograr que la tabla de diseño sea más
                        fácil de leer y de utilizar. Puede:
                            Cambiar colores y bordes de celda
                            Cambiar color, orientación y fuente del texto
                            Definir funciones entre celdas
                        Todos estos cambios pueden hacer que la tabla de diseño sea más
                        útil o simplemente más fácil de leer.




Tablas de diseño                                                                            311
Lección 10                                                     Manual de formación SolidWorks 2006
Tablas de diseño y ecuaciones


Anatomía de una                 La tabla de diseño contiene filas y columnas de información que se
tabla de diseño                 establece en celdas predefinidas de la hoja de cálculo de Excel.

                                         Título


                                  Propiedades




                                          Configuración                  Valores de celda

Propiedades                     Las Propiedades contenidas en la Fila 2 de la tabla de diseño se
utilizadas en la tabla          pueden utilizar para fijar un valor de cota, suprimir o desactivar la
de diseño                       supresión de una operación o agregar un comentario. El siguiente
                                gráfico resume las propiedades disponibles y los valores de celda
                                válidos.

                   Ejemplo de
  Propiedad                                    Valor de celda             Descripción
                   encabezado

  Cota             D3@Sketch2                  Número                     El valor debe ser
                                                                          apropiado para la cota.
  Tolerancia       $TOLERANCE@D1@              Tipo de tolerancia         El formato establece el
                   Sketch1                     (texto); Variación         tipo y los valores
                                               máxima (número);           separados por punto y
                                               Variación mínima           coma (;) para una sola
                                               (número)                   cota.
  Estado           $STATE@Fillet5              Sup, SupD, Suprimido,      Fija el estado de una
                                               Supresión desactivada,     operación para su
                                               o en blanco.               supresión o la
                                               En blanco = Supresión      desactivación de su
                                               desactivada                supresión.
  Color            $COLOR                      Número entero de 32        El valor de color proviene
                                               bits.                      del material o color de la
                                                                          paleta.
  Padre            $PARENT                     Texto                      Nombre de la
                                                                          configuración de padre.
  Comentario       $COMMENT                    Texto                      Alfanumérico.
  Notas del        $USER_NOTES                 Texto                      Alfanumérico.
  usuario*                                                                * Se puede utilizar como
                                                                          un encabezado de fila o
                                                                          columna.




312                                                                                  Tablas de diseño
Manual de formación SolidWorks 2006                                                 Lección 10
                                                                    Tablas de diseño y ecuaciones



               Ejemplo de
 Propiedad                             Valor de celda             Descripción
               encabezado
 Propiedad     $prp@prop_name          Texto                      Un nombre de propiedad
                                                                  personalizada
                                                                  prop_name creado en
                                                                  la tabla o mediante
                                                                  Archivo, Propiedades.

Agregar nuevos          Si se hace doble clic se pueden agregar a la tabla nuevos
encabezados             encabezados de propiedades, basados en operaciones o cotas.
                        En el caso de una operación, haga doble clic sobre ella en el
                        FeatureManager o en la pantalla. El resultado es una propiedad
                        $STATE (consulte Propiedades utilizadas en la tabla de diseño en
                        la página 312). En el caso de una cota, haga doble clic en ella en la
                        zona de gráficos.
Nota                    Se debe seleccionar la siguiente celda disponible en la fila 2 antes
                        de hacer doble clic.

                    15 Agregar operación.
                        Haga doble clic en la
                        operación 12 Point en
                        el FeatureManager. Se
                        agrega a la tabla de
                        diseño con el prefijo
                        $STATE@. El estado
                        actual,
                        UNSUPPRESSED,
                        también se agrega.
                        Cambie el valor UNSUPPRESSED por la abreviatura U.
Nota                    Las celdas UNSUPPRESSED se pueden abreviar como U.
                        Las celdas SUPPRESSED se pueden abreviar como S.
                        Si u o s están en minúsculas, pasarían a ser mayúsculas.


Agregar                 Una vez se haya establecido la tabla de diseño, las configuraciones
configuraciones a       y los valores de celda asociados se pueden agregar escribiéndolos.
la tabla                En este ejemplo, se creará y se copiará un nuevo nombre de
                        configuración para generar más.
                    16 Agregar una nueva
                       configuración.
                        Sustituya el nombre de
                        configuración Default por
                        0.5 Short 12 en la celda A3.
                        Cierre la tabla.




Tablas de diseño                                                                            313
Lección 10                                                    Manual de formación SolidWorks 2006
Tablas de diseño y ecuaciones


                          17 Eliminar configuración.
                                Salga de la tabla de diseño confirmando la
                                creación de una nueva configuración.
                                En el Configuration Manager, active la nueva configuración y
                                elimine Default.
                          18 Agregar más
                             configuraciones.
                                Haga clic con el botón
                                secundario del ratón en la
                                operación Design Table
                                (Tabla de diseño) y
                                seleccione Editar tabla.
                                Agregue más configuraciones
                                de manera rápida
                                seleccionando las celdas A3-
                                F3 y arrastrando el margen inferior derecho del cuadro de selección
                                hasta la fila 5. Modifique algunas de las celdas tal como se muestra.
                          19 Configuraciones agregadas.
                                Cierre la tabla de diseño para agregar nuevas configuraciones.
                                Aparece un mensaje en el que se indican los nombres de las nuevas
                                configuraciones que se han agregado.
Sugerencia                      Si las configuraciones no están en la lista, hay un problema en la
                                tabla de diseño. Con frecuencia, el problema es un valor de celda
                                inapropiado. Si es así, aparecerá un mensaje que enuncia que un
                                valor no es válido.
                          20 Configuraciones resultantes.
                                Pase al Configuration Manager y haga doble clic en cada
                                configuración para activarla.




                                0.5 Short 12         0.625 Short 12 0.75 Short 12
                                Sólo puede haber una configuración activa a la vez.




314                                                                                Tablas de diseño
Manual de formación SolidWorks 2006                                                 Lección 10
                                                                    Tablas de diseño y ecuaciones


                     21 Agregar configuraciones y
                        comentarios.
                         Mediante los comandos
                         Copiar y Pegar incluidos en
                         Edición, puede crear tantas
                         configuraciones y formatos
                         adicionales como el tiempo
                         le permita.




                     22 Configuraciones creadas.
                         Si se crean todas las
                         configuraciones, habrá 6. Para
                         cada tamaño hay una versión de
                         6 y 12 puntos.




Tablas de                Otra forma de agregar una tabla de diseño es crear la tabla de Excel
diseño                   e insertarla en la pieza. Aquí hay algunas sugerencias para utilizar
existentes               este método:

                         Cambiar el nombre de las cotas
                         Como se mencionó previamente, los nombres de cotas
                         predeterminados generalmente no son descriptivos. Cámbieles el
                         nombre editando las Propiedades de la cota y modifique el campo
                         Nombre.
                         Copiar nombres de operación y cota
                         La tabla de diseño es muy sensible en cuanto a la ortografía y el
                         caso de los nombres de cotas y operaciones. Utilice copiar y pegar
                         para extraer el Nombre completo de la cota del cuadro de diálogo
                         Propiedades y agregarlo a la celda. Para las operaciones, también
                         utilice el cuadro de diálogo Propiedades.
                         Completar todas las celdas
                         Todas las celdas dentro de las filas y columnas que usted crea deben
                         tener el tipo de datos adecuados en ellas.




Tablas de diseño existentes                                                                 315
Lección 10                                                    Manual de formación SolidWorks 2006
Tablas de diseño y ecuaciones




                          1     Abra la pieza denominada Part_DT (TD pieza).
                                La pieza, Part_DT, se volverá a utilizar para demostrar las
                                capacidades de las tablas de diseño existentes.
                                La pieza tiene operaciones tanto de revolución como de extrusión.
                                Observe que se utilizan múltiples operaciones en donde podría
                                utilizarse una operación de revolución. Esto permite la supresión de
                                las operaciones individuales.
                          2     Cotas clave.
                                Utilizando
                                propiedades,
                                algunas cotas clave
                                han cambiado sus
                                nombres
                                predeterminados
                                por nombres más
                                descriptivos. Sólo
                                aquéllos que
                                aparecen en la tabla
                                de diseño deben cambiarse.
                                Si se utilizan los nombres predeterminados, pueden agregarse
                                comentarios a la tabla de diseño para describir la cota aún más.
Sugerencia                      Cuando llegue el momento de copiar los nombres de cota en la hoja
                                de cálculo, será más fácil seleccionar los nombres si no tienen
                                espacios incrustados.
Cómo insertar la                Después de crear la tabla de diseño, debe insertarse en la pieza
tabla de diseño                 apropiada de SolidWorks. Para hacerlo, utilice el siguiente
                                procedimiento:
                          3     Insertar la tabla de diseño en la pieza.
                                Haga clic en Tabla de diseño      o en Insertar,
                                Tabla de diseño.... Como Origen seleccione
                                Desde archivo.
                                Seleccione Vincular a archivo para establecer
                                un vínculo entre el archivo externo y la pieza.
                                Haga clic en Examinar... y seleccione el archivo
                                de Excel Part_DT.xls y haga clic en Aceptar.
Nota                            Si Vincular a archivo no se utiliza, la hoja de cálculo se copiará en
                                el documento de pieza y se almacenará allí.




316                                                                      Tablas de diseño existentes
Manual de formación SolidWorks 2006                                                   Lección 10
                                                                      Tablas de diseño y ecuaciones


                     4   Tabla de diseño en pantalla.
                         La hoja de cálculo de la tabla de diseño se vincula a la pieza. Si hace
                         clic en la parte exterior de la hoja de cálculo en la ventana de
                         gráficos se cerrará.
                         En este ejemplo, la tabla de diseño existente tiene el mismo nombre
                         que la pieza: Part_DT.




                     5   Configuraciones satisfactorias.
                         Un proceso satisfactorio incluirá un cuadro de diálogo que enumere
                         las configuraciones creadas.
                         Haga clic en Aceptar.
                     6   Acceso al ConfigurationManager.
                         Acceda al ConfigurationManager y
                         elija Visualizar configuración... para
                         cada una de las configuraciones
                         nuevas.
                         Observe que las configuraciones no
                         están enumeradas en el orden en que
                         se encontraban en la hoja de cálculo.
                         Se enumeran alfanuméricamente.
                         También observe que la configuración Default tiene un icono
                         diferente al resto.
                     7   Cómo eliminar una configuración.
                         Para eliminar una configuración, Default en este caso, no debe
                         estar activa. Haga clic en el nombre y presione la tecla Eliminar.
                         Haga clic en Sí en el cuadro de diálogo para confirmar la
                         eliminación de la configuración.
                     8   Guardar.
                         Cuando se guarda la pieza, aparece un mensaje indicando que la
                         tabla de diseño también se está guardando.




Tablas de diseño existentes                                                                   317
Lección 10                                                    Manual de formación SolidWorks 2006
Tablas de diseño y ecuaciones


                          9     Configuraciones establecidas.
                                Hay seis configuraciones establecidas para la pieza. Cada una se
                                muestra a continuación. La configuración de la parte
                                eliminada es la única que no suprime la operación Parte
                                eliminada.




                                   parte
                                 eliminada          w7-225             w7-25               w8-3




                                                ensamblaje                dibujo


Cómo insertar                   La opción En blanco es útil cuando se necesitan configuraciones
tablas de diseño                para otros objetivos además de la supresión de operaciones o la
en blanco                       configuración de valores de cota. Algunos ejemplos serían:
                                   En la tabla sólo se requieren Comentarios (fila o columna).
                                   Vistas explosionadas múltiples de un ensamblaje.
                                   Posiciones múltiples de un componente en un ensamblaje.
                                   Las operaciones y las cotas se agregarán manualmente.
Sugerencia                      En general, si las cotas y las operaciones se van a controlar en la
                                tabla, la opción Creación automática es mejor. Las
                                configuraciones también se pueden crear fuera de una tabla,
                                consulte Definición de la configuración en la página 282.

Como guardar una                Cuando crea automáticamente o inserta una tabla de diseño en
tabla de diseño                 blanco, el único lugar en que existe la tabla está incrustado en la
                                pieza de SolidWorks. Es muy posible que existan casos en los
                                cuales usted desee guardar la tabla incrustada como una hoja de
                                cálculo de Excel.
Introducción:                   Guardar tabla le permite guardar una tabla de diseño incrustada
Guardar tabla                   como una hoja de cálculo de Excel.
Dónde encontrarlo                  Haga clic con el botón secundario del ratón en la tabla de diseño
                                                  y seleccione Guardar tabla....




318                                                                      Tablas de diseño existentes
Manual de formación SolidWorks 2006                                                  Lección 10
                                                                     Tablas de diseño y ecuaciones


Otros usos de las        Las configuraciones de las piezas tienen numerosas aplicaciones y
configuraciones          usos. Entre los motivos de la creación de diferentes configuraciones
                         se incluyen los siguientes:
                              Requisitos específicos de la aplicación.
                              Diferentes especificaciones de un producto como, por ejemplo,
                              la versión militar y civil de una pieza.
                              Consideraciones de rendimiento.
                              Consideraciones de ensamblaje.
Requisitos               Muchas veces, el
específicos de la        modelo de la pieza
aplicación               finalizada contiene
                         pequeños detalles
                         como, por ejemplo,
                         operaciones Redon-
                         deo y Redondo.
                         Cuando prepare una pieza como la que aparece en la parte derecha
                         para el análisis de elementos finitos (FEA), sería recomendable que
                         simplificara la pieza. Al suprimir las operaciones de detalles inne-
                         cesarios podrá crear una configuración específica para el análisis de
                         elementos finitos.
                         Otra aplicación que podría necesitar una representación
                         especializada del modelo sería el prototipo rápido.
Consideraciones de       Las piezas con una geometría compleja como, por ejemplo, las
rendimiento              operaciones de barrer y de recubrir, los redondeos con radio
                         variable y los vaciados con múltiples espesores, tienen tendencia a
                         agotar los recursos del sistema. Debería considerar la definición de
                         una configuración que suprima alguna de estas operaciones. Esto le
                         permitirá mejorar el rendimiento del sistema cuando trabaje en otras
                         áreas no relacionadas del modelo. Sin embargo, cuando haga esto,
                         asegúrese de tener en cuenta las relaciones de padre/hijo. No puede
                         acceder, utilizar o hacer referencia a operaciones suprimidas y, por
                         lo tanto, no le pueden servir de padres.
Consideraciones de       Cuando trabaje en ensamblajes complejos que contengan un gran
ensamblaje               número de piezas, podrá mejorar el rendimiento del sistema si
                         utiliza representaciones simplificadas de esas piezas. Considere la
                         supresión de detalles innecesarios como, por ejemplo, los
                         redondeos, y deje sólo la geometría imprescindible para la relación
                         de posición, la verificación de interferencias y la definición de
                         ajuste exacto y función. Cuando agrega un componente a un
                         ensamblaje, el navegador Insertar, Componente, Desde
                         archivo... le permite escoger la configuración de la pieza que hay
                         que mostrar. Para poder sacar partido de esto, tiene que planear con
                         antelación, definiendo y guardando la configuración cuando
                         construya el componente.




Tablas de diseño existentes                                                                  319
Lección 10                                                   Manual de formación SolidWorks 2006
Tablas de diseño y ecuaciones


                                Se pueden definir como
                                diferentes configuraciones y
                                utilizar en el mismo
                                ensamblaje piezas similares
                                que tengan la misma forma
                                básica. La pieza que aparece
                                a la derecha tiene dos
                                configuraciones. Para
                                obtener un ejemplo sobre
                                cómo utilizar dos
                                configuraciones diferentes de
                                una pieza en un ensamblaje,
                                consulte Cómo utilizar
                                configuraciones de piezas en ensamblajes en la página 396.
Estrategias de                  Cuando usted modela una pieza que se utilizará con
modelado para                   configuraciones (sea no o conducida por una tabla de diseño), debe
las configura-                  pensar qué elementos desea que sean controlados por las
ciones                          configuraciones. Considere, por ejemplo, la pieza utilizada en la
                                lección anterior.
                                Una forma de modelar una pieza semejante es realizar un croquis
                                único del perfil y construir la pieza como una única operación de
                                revolución.




                                Si bien dicho abordaje parece eficiente, tener toda la información
                                contenida en una operación única y monolítica realmente limita su
                                flexibilidad. Dividiendo la pieza en operaciones individuales más
                                pequeñas, usted gana la flexibilidad de poder suprimir operaciones
                                tales como redondeos o cortes.




320                                                               Estrategias de modelado para las
Manual de formación SolidWorks 2006                                                  Lección 10
                                                                     Tablas de diseño y ecuaciones


Otros aspectos           Los dibujos se presentaron por primera vez en la Lección 3. En esta
acerca de cómo           sección exploraremos algunos temas de la documentación
realizar dibujos         adicional. Estos temas incluyen: Vistas etiquetadas, Vistas de
                         sección, Vistas de detalle y Cotas de coordenadas.


                     1   Abrir el dibujo denominado
                         Part_DT.




Propiedades de           Las propiedades de dibujo controlan muchas características de cada
dibujo                   hoja de dibujo. Las configuraciones pueden ser diferentes para cada
                         hoja de dibujo.
Introducción:            La escala de vista, el tamaño del papel, el formato de hoja y el tipo
Propiedades de           de proyección se configuran o cambian en su totalidad a través del
dibujo                   cuadro de diálogo Configuración de hoja.
Dónde encontrarlo            Con el cursor sobre el dibujo, haga clic con el botón secundario
                             del ratón y seleccione Propiedades....
                             O, haga clic con el botón secundario del ratón en el icono de la
                             hoja              en el FeatureManager y seleccione
                             Propiedades....


                     2   Configurar
                         hoja.
                         Haga clic con el
                         botón
                         secundario del
                         ratón en la hoja
                         y seleccione
                         Propiedades....
                         Establezca el
                         Tamaño de
                         hoja estándar
                         en
                         B-
                         Horizontal,
                         Escala en 1:2 y
                         desactive Visualizar formato de hoja. Haga clic en Aceptar.




Otros aspectos acerca de cómo realizar dibujos                                               321
Lección 10                                                    Manual de formación SolidWorks 2006
Tablas de diseño y ecuaciones


                          3     Visualizar escala.
                                Cambia a la escala de la vista de hoja que afecta todas las vistas que
                                no utilizan una escala personalizada.




                          4     Modificar la
                                configuración.
                                Haga clic en la vista de
                                dibujo y seleccione
                                Más propiedades...
                                en el PropertyManager
                                Vista del modelo.
                                Haga clic en Utilizar
                                configuración
                                etiquetada y
                                seleccione la
                                configuración w7-
                                225.




                          5     Aristas tangentes.
                                Haga clic con el botón secundario del ratón en
                                la vista de dibujo y seleccione Arista tangente,
                                Sin aristas tangentes.




322                                                          Otros aspectos acerca de cómo realizar
Manual de formación SolidWorks 2006                                                      Lección 10
                                                                         Tablas de diseño y ecuaciones


Vista de sección         Puede crear varias vistas de tipos de sección. La vista de sección
simple                   simple utiliza una única línea para formar el plano de corte.
Introducción:            Vista de sección crea una vista de sección total o parcial sobre la
Vista de sección         base de una línea cortante y una dirección. Se utiliza una única línea
                         de croquis para la línea de sección.
                         La forma más rápida de crear la sección es haciendo clic primero en
                         la herramienta. Esto activa la herramienta línea para croquizar la
                         línea de sección. Cuando se completa la línea, aparece la vista
                         preliminar de la vista de sección.

Dónde encontrarlo            En el menú haga clic en Insertar, Vista de dibujo, Sección.
                             O, en la barra de herramientas Dibujo, haga clic en la
                             herramienta Vista de sección .

                     6   Hacer clic en la herramienta Vista de
                         sección.
                         Haga clic en Vista de sección . En la
                         vista Superior, croquice una línea
                         vertical que atraviese el centro de la pieza.
                         Utilice la información del cursor para
                         alinear la línea con el eje que atraviesa el
                         centro de la pieza. La línea debería
                         extenderse más allá de las dimensiones de
                         la pieza.
                     7   Colocar la vista de sección.
                         Mueva el cursor hacia la izquierda de
                         la vista y coloque la vista de sección
                         haciendo clic con el botón izquierdo
                         del ratón.
                         La vista de dibujo Sección A-A está
                         alineada con la vista de origen y viene
                         con una etiqueta debajo. El patrón de
                         rayado es automático y refleja el tipo especificado en el documento
                         de pieza en Herramientas, Opciones, Opciones de sistema,
                         Dibujos, Área rayada/Rellenar.


Vistas de detalle        Vistas de detalle pueden crearse utilizando una forma croquizada
                         cerrada en una vista de origen activada. El detalle puede utilizar un
                         multiplicador de escala para realizarlo a escala n veces más grande
                         que su origen, el valor predeterminado es 2x. El contenido de la
                         vista de detalle está determinado por los elementos que se
                         encuentran contenidos dentro del croquis. El croquis debe ser un
                         contorno cerrado pero puede construirse a partir de cualquier tipo
                         de geometría de croquis.




Otros aspectos acerca de cómo realizar dibujos                                                   323
Lección 10                                                     Manual de formación SolidWorks 2006
Tablas de diseño y ecuaciones


Introducción:                   Vista de detalle crea una nueva vista de un área encerrada por un
Vista de detalle                conjunto de geometría de croquis cerrado.
                                La forma más rápida de crear el detalle es haciendo clic primero en
                                la herramienta. Esto activa la herramienta Círculo para croquizar el
                                círculo de detalle. Cuando el círculo está completo, aparece el
                                detalle.
Dónde encontrarlo                   En el menú haga clic en Insertar, Vista de dibujo, Detalle.
                                    O, en la barra de herramientas Dibujo, haga clic en la
                                    herramienta .

                          8     Croquizar el círculo de detalle.
                                Haga clic en la herramienta Detalle.
                                En la vista de Sección, croquice un
                                círculo según se indica.
                                Utilice la información del cursor para
                                colocar el centro del círculo en el
                                punto final de una arista. Arrastre el
                                diámetro del círculo para encerrar la
                                porción inferior de la pieza.
                          9     Colocar el detalle.
                                Coloque la vista sobre el dibujo
                                haciendo clic con el botón izquierdo del
                                ratón. Establezca el estado de vista
                                detalle en Sin líneas ocultas.




                          10 Insertar elementos del modelo.
                                Los elementos del modelo pueden agregarse a
                                todas las vistas, a las vistas seleccionadas o a las
                                operaciones seleccionadas dentro de una vista.
                                Seleccione la vista de sección, y haga clic en
                                Insertar, Elementos del modelo....
                                Seleccione Marcadas para dibujo, Importar
                                desde: Todo el modelo y Vista(s) de destino
                                (vista seleccionada).
                                Haga clic en Aceptar.




324                                                           Otros aspectos acerca de cómo realizar
Manual de formación SolidWorks 2006                                              Lección 10
                                                                 Tablas de diseño y ecuaciones


                     11 Cotas en la vista de sección.
                         Todas las cotas correspondientes se
                         agregan a la vista de sección.




                     12 Cómo eliminar cotas.
                         Las cotas eliminadas en el
                         nivel del dibujo no se
                         eliminan del modelo.
                         Elimine las cotas para la
                         profundidad de la pieza.




Anotaciones              Pueden agregarse muchos símbolos de anotación a un dibujo.
                         Éstos incluyen:
                             Indicaciones de referencia
                             Símbolos de tolerancia geométrica
                             Notas
                             Acabados de superficie
                             Símbolos de soldadura
                             Anotaciones de taladro
                             Globos
                             Roscas cosméticas
Introducción:            El Símbolo de indicaciones de referencia puede asociarse a las
Símbolo de               aristas del modelo en las vistas de dibujo.
indicación de
referencia

Dónde encontrarlo            En la barra de herramientas Anotaciones, haga clic en
                             Indicación de referencia     .
                             O haga clic en Insertar, Anotaciones, Símbolo de indicación
                             de referencia....




Otros aspectos acerca de cómo realizar dibujos                                           325
Lección 10                                                    Manual de formación SolidWorks 2006
Tablas de diseño y ecuaciones




                          13 Agregar un símbolo de indicación de
                             referencia.
                             Inserte una Indicación de referencia con la
                             Etiqueta A. Seleccione la arista del modelo
                                vertical más hacia la izquierda en la vista de
                                sección.
                                Haga clic en Aceptar.




Cotas de                        En la Lección 3, vio que puede agregar cotas manualmente en el
coordenadas                     documento de dibujo. Éstas son cotas de referencia, y son
                                conducidas. Esto significa que usted no puede editar el valor de las
                                cotas de referencia para cambiar el modelo. Sin embargo, cambiar
                                una cota del modelo actualiza la cota conducida en el dibujo.
                                SolidWorks admite varias clases de cotas incluyendo Cotas de
                                coordenadas. Las cotas de coordenadas son un conjunto de cotas
                                medidas desde una coordenada cero en un dibujo o croquis. Se
                                miden desde el eje que seleccionó primero. El tipo de cota de
                                coordenada (horizontal, vertical o angular) está definido por la
                                orientación de los puntos que usted selecciona.
                                Las cotas coordenadas se agrupan automáticamente para mantener
                                la alineación. Cuando usted arrastra cualquier integrante del grupo,
                                todos los integrantes se mueven conjuntamente. Para desconectar
                                una cota del grupo de alineación, haga clic con el botón secundario
                                del ratón y seleccione Romper alineación.
                                Si cotas adyacentes se encuentran muy juntas, las líneas indicativas
                                se quiebran de manera automática según sea necesario para evitar
                                que el texto se superponga. Las asas de arrastre se muestran en los
                                pliegues cuando usted selecciona una cota de coordenada con una
                                línea indicativa plegada. Puede quitar el pliegue o agregar un
                                pliegue a una cota de coordenada diferente.
Dónde encontrarlo                  Haga clic en Cota de coordenadas horizontal    en la barra
                                   de herramientas Cotas/Relaciones.
                                   Haga clic en Herramientas, Cotas, y Coordinada horizontal.


326                                                          Otros aspectos acerca de cómo realizar
Manual de formación SolidWorks 2006                                                     Lección 10
                                                                        Tablas de diseño y ecuaciones




                     14 Agregar cotas de coordenadas a la vista de
                        detalle.
                        Haga clic en Cota de coordenadas horizontal               en
                         la barra de herramientas Cotas/Relaciones.
                         Seleccione la arista extrema izquierda de la pieza.
                         Haga clic para colocar la cota 0.
                         Haga clic en las aristas restantes que desee acotar.
                         Mientras lo hace, cada nueva cota de coordenada se
                         colocará automáticamente en el dibujo.

Notas                    Utilizando notas, usted puede agregar texto a un dibujo. Una nota
paramétricas             puede flotar libremente o colocarse con una línea indicativa
                         señalando una cara, una arista o un vértice del dibujo. La nota puede
                         contener texto simple, símbolos, texto paramétrico e hipervínculos.
                         La línea indicativa puede ser recta o doblada.
                         Una nota paramétrica es una que está vinculada al valor de una
                         propiedad de documento, una propiedad personalizada o una
                         propiedad específica de la configuración. Si el valor de la propiedad
                         cambia, el texto de la nota cambia automáticamente.
Dónde encontrarlo            Haga clic en Nota     en la barra de herramientas Anotaciones.
                             Haga clic en Insertar, Anotaciones, Nota....

                     15 Seleccionar la vista de dibujo.
                         La nota debe asociarse con la vista de dibujo. Para lograrlo, haga
                         doble clic en la vista del modelo antes de crear la nota.
                     16 Insertar nota.
                        Haga clic en Nota       en la barra de
                         herramientas Anotaciones. En el
                         PropertyManager, en Línea indicativa,
                         haga clic en Sin línea indicativa      para
                         crear el texto sin ninguna línea indicativa.
                         Haga clic debajo de la línea de sección y
                         escriba: Nº de modelo
                         Asegúrese de dejar un espacio después del carácter Nº.
                     17 Vincular a propiedad.
                        Haga clic en Vincular a
                        propiedad      en el
                        PropertyManager Nota.
                         Haga clic en Modelo en
                         vista al cual se asocia la
                         anotación.
                         Seleccione SW-Nombre
                         de configuración en la lista y haga clic en Aceptar.



Otros aspectos acerca de cómo realizar dibujos                                                  327
Lección 10                                                    Manual de formación SolidWorks 2006
Tablas de diseño y ecuaciones


                          18 Fuente.
                                Seleccione la fuente para que tenga un tamaño de 11 puntos y
                                seleccione también el icono Centrar. Haga clic en Aceptar.



                          19 Texto de propiedad.
                                La nota muestra el valor de la propiedad, el
                                nombre de configuración actual, de inmediato.
                                Es una visualización WYSIWYG de la nota
                                finalizada.



                          20 Cambiar la configuración.
                                Haga clic con el botón secundario del ratón en Drawing View1
                                (Vista del dibujo 1) y elija Propiedades.... En el PropertyManager
                                Vista del modelo, haga clic en Más Propiedades.... En
                                Información de configuración, haga clic en Utilizar
                                configuración etiquetada y seleccione w8-3 de la lista. Las tres
                                vistas se actualizan para reflejar la configuración seleccionada
                                recientemente. Las cotas también se actualizan para reflejar el
                                cambio efectuado en el tamaño del modelo. El texto de la nota
                                también se actualiza, mostrando el nombre de configuración actual.




Introducción:                   Vistas del modelo son vistas que toman su orientación y nombre
Vista del modelo                del cuadro de diálogo Orientación de vista en piezas y
                                ensamblajes. Todas las vistas estándar, las vistas definidas por el
                                usuario y la vista actual pueden elegirse para ser utilizadas como
                                una vista etiquetada en una hoja de dibujo.
                                Si la vista seleccionada en el modelo es una vista de perspectiva, esa
                                información también pasa a la vista del dibujo.

Dónde encontrarlo                  Haga clic en Vista del modelo       en la barra de herramientas
                                   Dibujo.
                                   O, haga clic en Insertar, Vista de dibujo, Modelo....




328                                                          Otros aspectos acerca de cómo realizar
Manual de formación SolidWorks 2006                                                  Lección 10
                                                                     Tablas de diseño y ecuaciones




                     21 Agregar una vista del modelo.
                        Haga clic en Vista del modelo       en la barra de herramientas
                         Dibujo.
                         Para identificar qué modelo debería aparecer en la vista, haga clic
                         en el interior de la vista Superior (Drawing View1).
                         Seleccione *Isometric (Isométrica) en la Orientación de vista
                         y coloque la vista en el dibujo. Seleccione cutaway (parte
                         eliminada) como la configuración utilizada en la vista.




Área rayada              Cuando creamos la vista de sección, el software agregó el rayado
                         automáticamente. También puede aplicar un patrón de rayado
                         manualmente a una cara sólida.

Dónde encontrarlo            Haga clic en Área rayada/Rellenar     en la barra de
                             herramientas Dibujo.
                             O haga clic en Insertar, Anotaciones, Área rayada/Rellenar.
Nota                     Éste es uno de los pocos comandos en SolidWorks que requiere que
                         usted preseleccione la geometría. Primero debe seleccionar la cara.
                         De lo contrario, el comando permanece no disponible.




Otros aspectos acerca de cómo realizar dibujos                                               329
Lección 10                                                     Manual de formación SolidWorks 2006
Tablas de diseño y ecuaciones




                          22 Área rayada.
                                Seleccione las dos caras cortadas del modelo en la vista isométrica.
                                O haga clic en Área rayada/Rellenar         .
                                Aparece el cuadro de diálogo Área rayada/Rellenar. Esto le
                                permite cambiar el estilo del patrón de rayado.
                                Haga clic en Aceptar.




                          23 Editar el patrón de rayado.
                                Haga clic en la sección situada en el extremo izquierdo del área
                                rayada. Cambie el Ángulo a 90° y haga clic en Aceptar.
                                Esto le otorga una apariencia más agradable al área de rayado.




Tablas de diseño                La tabla de diseño de
en un dibujo                    una pieza puede
                                mostrarse en una hoja
                                de dibujo. Después
                                de seleccionar una
                                vista de la pieza,
                                haga clic en Insertar,
                                tablas, Tabla de
                                diseño... y colóquela
                                en el dibujo. Si hace doble clic en la tabla abre la pieza de referencia
                                y la tabla de diseño dentro de la misma.




330                                                           Otros aspectos acerca de cómo realizar
Manual de formación SolidWorks 2006                                                   Lección 10
                                                                      Tablas de diseño y ecuaciones




                      24 Insertar la tabla de diseño.
                          Haga clic en el interior de una de las vistas de dibujo. Dado que un
                          dibujo puede contener vistas de diversos modelos diferentes, debe
                          identificar desde qué pieza se insertará la tabla de diseño.
                          Haga clic en Tabla de diseño       o haga clic en Insertar, Tablas,
                          Tabla de diseño....
                          La tabla de diseño aparece en la esquina superior izquierda del
                          dibujo. Arrástrela a donde la desea en el dibujo.
                          Para obtener más información sobre la realización de dibujos en
                          SolidWorks, debe realizar el curso Conceptos básicos de
                          SolidWorks: Dibujos.

En el curso               En el curso avanzado Modelado de ensamblaje avanzado, el
avanzado...               concepto de Configuraciones pasa a los ensamblajes.
                          Los ensamblajes pueden tener configuraciones que se crean
                          manualmente o a través de una tabla de diseño. Mientras que las
                          configuraciones de piezas se centran en operaciones, las
                          configuraciones de ensamblajes se centran en componentes,
                          relaciones de posición u operaciones de ensamblaje. Las
                          configuraciones de ensamblaje pueden utilizarse para controlar:
                              Operaciones de ensamblaje
                              Componentes
                              Relaciones de posición y sus cotas




                          También pueden utilizarse tablas de diseño. En el nivel del
                          ensamblaje, hay más opciones disponibles para controlar una o más
                          instancias de componentes.




En el curso avanzado...                                                                       331
Lección 10                      Manual de formación SolidWorks 2006
Tablas de diseño y ecuaciones




332                                          En el curso avanzado...
Manual de formación SolidWorks 2006


Ejercicio 40:           Cree los valores de vínculo en una pieza existente y
Utilizar Vincular       pruébela.
valores                 Este laboratorio refuerza las siguientes funciones:
                           Creación de valores de vínculo.




Procedimiento           Abra la pieza existente denominada Link Values (Vincular
                        valores). Cree un valor de vínculo que haga que todos los valores de
                        operación de redondeo sean iguales.
                    1   Crear valor de vínculo.
                        Cree y aplique un valor de vínculo
                        denominado All_fillets&rounds
                        (Todos los redondeos y redondos) a la cota
                        de la operación Rounds (Redondos).
                    2   Aplicar el valor de vínculo.
                        Aplique el valor de vínculo a las tres
                        operaciones de redondeo restantes:
                        Fillets.1
                        Fillets.2
                        Fillets.3
                    3   Probar.
                        Pruebe los vínculos cambiando
                        cualquiera de los cuatro a 0.125” y
                        reconstruyéndolo.
                    4   Guardar y cerrar la pieza.




Ejercicio 40                                                                             333
Manual de formación SolidWorks 2006


Ejercicio 41:       Cree una ecuación utilizando en
Utilizar            una pieza existente y pruébela.
                                                                                   A
ecuaciones          Este laboratorio refuerza las
                    siguientes funciones:                     B
                       Creación de ecuaciones.




                                                         C
Procedimiento       Abra la pieza existente denominada Using Equations
                    (Utilizar ecuaciones). Las cotas A, B y C que se muestran arriba
                    se utilizarán para definir la ecuación.
                1   Escribir la ecuación.
                    Escriba una ecuación que
                    mantenga el diámetro de círculo
                    del perno (A) centrado entre las
                    aristas externas de la parte
                    central (B) y la brida (C).
                    El valor (A) debe ser conducido.




                2   Probar la ecuación.
                    Pruebe la ecuación
                    cambiando el diámetro de
                    brida a 12” y reconstruyendo
                    el modelo. Puede probar
                    otros valores si los desea.
                3   Guardar y cerrar la pieza.




Sugerencia          Si tiene problemas, el formato de la ecuación debería ser:
                    A=(C-B)/2+B.




334                                                                         Ejercicio 41
Manual de formación SolidWorks 2006


Ejercicio 42:           Utilice una pieza existente
Tablas de               como base de una tabla de
diseño de               diseño. Utilice las cotas y
piezas                  agréguelas a una nueva tabla
                        de diseño.
                        Este laboratorio refuerza las
                        siguientes funciones:
                           Insertar tablas de diseño.
                           Editar tablas de diseño.
                           Agregar propiedades.
                           Utilizar configuraciones.
Procedimiento           Abra la pieza existente Part Design Table (Tabla de diseño
                        de pieza).
                    1   Tabla de diseño.
                        Cree una tabla de diseño por medio de Creación automática y
                        edítela según se indica.
                    2   Agregar cotas.
                        Seleccione por medio de la tecla
                        CTRL todas las cotas, excepto
                        D1@Main, en el cuadro de diálogo
                        Cotas.
                        Agréguelas a la tabla de diseño.
                        Los valores actuales se agregan de
                        modo automático.
                    3   Agregar operación.
                        Haga doble clic en la operación
                        Holes (Taladros) para
                        agregarla a la tabla de diseño.
                        El estado actual se agrega
                        automáticamente.


                    4   Agregar configuración.
                        Escriba el nombre de
                        configuración Size1 (Tamaño
                        1) según se indica. Copie las
                        celdas como se indica.




Ejercicio 42                                                                          335
Manual de formación SolidWorks 2006


          Copie la fila, incluida la
          configuración, para agregar
          configuraciones adicionales.




      5   Editar celdas.
          Edite las celdas de
          las configuraciones
          Size2 a Size5.
          Los cambios se
          muestran en texto
          rojo y en negrita.




      6   Cerrar la tabla de diseño.
          Haga clic fuera de la tabla de
          diseño para cerrarla. Debe
          crear cinco configuraciones
          nuevas. Los nombres son los
          mismos nombres que
          aparecen en la columna A de
          la hoja de cálculo.
      7   Probar las configuraciones.
          Elija cada una de las configuraciones en el ConfigurationManager y
          pruébelas.
      8   Editar la tabla de diseño.
          Edite la tabla de diseño
          mediante Editar Tabla....
          Establezca el estado en
          supresión para la operación
          Holes en la configuración
          Size5. Haga clic fuera de
          la tabla de diseño para
          aplicar los cambios.
      9   Probar la configuración
          editada.
          Pruebe las configuraciones, concentrándose en Size5.
          La operación Holes debe suprimirse en dicha configuración.




336                                                                Ejercicio 42
Manual de formación SolidWorks 2006


                    10 (Opcional) Agregar
                       funciones de hoja
                       de cálculo.
                       Edite la Tabla de
                       diseño para
                        establecer relaciones
                        entre celdas de la
                        hoja de cálculo.
                        Establezca el Radio
                        lateral (SideR) de
                        modo que el mismo
                        sea igual a la mitad
                        de la distancia del centro al centro (CtoC). Por ejemplo, la celda C3
                        será = D3/2; la celda C4 será = D4/2 y así sucesivamente.
                        Puede agregarse una entrada USER_NOTE para explicar las
                        relaciones entre las columnas.
                    11 Cambios (opcionales).
                        Active la configuración Size3. Haga doble clic
                        en la operación Holes y cambie el valor de la
                        cota BoltH a 0.375” para Esta configuración.
                        Haga clic en Aceptar en el cuadro de mensaje.
                    12 Cambios
                       bidireccionales.
                        El cambio se realiza
                        en la configuración
                        activa para dicha
                        cota. El cambio en el
                        modelo fuerza un
                        cambio en la tabla de
                        diseño.
                    13 Guardar y cerrar la
                       pieza.




Ejercicio 42                                                                             337
Manual de formación SolidWorks 2006


Ejercicio 43:             Utilice piezas existentes para crear tablas de diseño
Configuracio-             automáticamente y vincularlas a hojas de cálculo de
nes existentes y          Excel externas.
tablas de                 Este laboratorio refuerza las siguientes funciones:
diseño vincula-              Crear automáticamente tablas de diseño a partir de
das                          configuraciones existentes.
                             Insertar tablas de diseño.
                             Vincular a tablas de diseño externas.
Creación automática       Abra la pieza existente denominada Auto-Create (Creación
                          automática). Contiene diversas configuraciones pero ninguna tabla
                          de diseño.
                      1   Creación automática.
                          Inserte una tabla de diseño
                          utilizando la opción Creación
                          automática.
                      2   Tabla de diseño.
                          Una tabla de diseño se genera a
                          partir de las configuraciones
                          existentes.
                      3   Guardar y cerrar la pieza.
Vincular a hoja de        Abra la pieza existente Linked. La misma no contiene
cálculo de Excel          configuraciones excepto la configuración Default
externa                   (Predeterminada).
                      4   Desde archivo.
                          Inserte una tabla de diseño utilizando la opción Desde archivo.
                          Seleccione el archivo Design Table.xls (Tabla de diseño).
                          Seleccione la opción Vincular a archivo.
                      5   Editar el archivo de Excel.
                          Abra el archivo de Excel
                          vinculado Design
                          Table.xls y agregue una
                          nueva configuración G6 según
                          se indica.
                      6   Regresar a la pieza.
                          Guarde y cierre la hoja de
                          cálculo. Regrese a la pieza
                          para ver las actualizaciones.
                      7   Guardar y cerrar la pieza.




338                                                                               Ejercicio 43
Manual de formación SolidWorks 2006


Ejercicio 44:           Cree una pieza y una tabla de
Cómo diseñar            diseño nuevas. Diseñe la pieza con
configuracio-           el uso de las configuraciones y las
nes                     tablas de diseño en mente.
                        Este laboratorio refuerza las
                        siguientes funciones:
                           Modelar configuraciones.
                           Crear tablas de diseño en Excel o dentro de SolidWorks.
                           Utilizar configuraciones.
                           Opciones de Excel.
Procedimiento           Cree una nueva pieza utilizando la plantilla Part_IN.
                        Asigne a la pieza el nombre Design for Configs (Diseño para
                        configuraciones).
                    1   Configuración Default (Predeterminada).
                        Cree la forma básica de la pieza como una operación de revolución
                        utilizando las cotas que aparecen a continuación.




                    2   Nombres de las cotas.
                        Cambie el nombre de la cota de diámetro total (5”) a Main_OD
                        (DT principal).
                    3   Operación Ranura.
                        Cree una operación Corte para representar la ranura. Asigne a la
                        operación el nombre Groove (Ranura).
                        Cambie el nombre de las cotas de la ranura a Groove_ID,
                        Groove_OD y Groove_Depth (Profundidad de la ranura).




Ejercicio 44                                                                               339
Manual de formación SolidWorks 2006


      4   Taladro de refrentado.
          Utilice el Asistente para taladro para crear un taladro de
          refrentado para un tornillo de cabeza hexagonal de 1/2”.
          El Asistente para taladro genera cotas con nombres descriptivos.
          Los nombres C'Bore Dia.@Sketch3, C'Bore
          Depth@Sketch3, Thru Hole Depth@Sketch3 y Thru
          Hole Dia.@Sketch3 se generan automáticamente.




      5   Tabla de diseño.
          Utilice Insertar, Tabla de diseño con la opción Creación
          automática para crear una tabla de diseño dentro de la pieza.
          Utilice métodos automatizados y de doble clic para crear la tabla
          que se muestra a continuación. Reorganice las columnas si fuese
          necesario.




340                                                                  Ejercicio 44
Manual de formación SolidWorks 2006


                    6   Editar la tabla de diseño.
                        Continúe editando la tabla de diseño, modificándola para incluir los
                        valores y las configuraciones adicionales que se muestran a
                        continuación. Agregue tres configuraciones de Groove más,
                        suprimiendo todas las operaciones Cbore.




                        Observe que la configuración Default se ha substituido.
                    7   Probar las configuraciones.
                        Compruebe las cuatro
                        configuraciones de Groove
                        para ver si funcionan
                        correctamente. Mientras una de
                        las configuraciones Groove
                        esté activa, elimine la
                        configuración Default.

Nota                    Puede agregar comentarios y otros datos a la hoja de cálculo,
                        dejando simplemente una columna en blanco entre los datos de la
                        tabla de diseño y los comentarios. También puede agregar color a
                        los bloques de celdas para facilitar el reconocimiento y la
                        asociación de grupos de datos.




Ejercicio 44                                                                             341
Manual de formación SolidWorks 2006


      8   Agregar más configuraciones.
          Edite la tabla de diseño nuevamente y agregue cuatro
          configuraciones más para Cbore. El amarillo indica la información
          copiada, el rojo con negrita los cambios.




      9   Guardar la pieza.




342                                                             Ejercicio 44
Manual de formación SolidWorks 2006


Ejercicio 45:           Cree un dibujo de la pieza
Dibujos                 construida en el ejercicio anterior.
                        Este laboratorio refuerza las
                        siguientes funciones:
                           Crear vistas etiquetadas.
                           Crear una vista de sección.
                           Visualizar diferentes configuraciones de una pieza en vistas de
                           dibujo.
                           Crear una nota paramétrica.
                           Incorporar cotas y anotaciones.
                           Incorporar anotaciones de taladro.
                           Insertar una tabla de diseño en un dibujo.
Procedimiento           Crear un dibujo de tamaño A similar al que se muestra a
                        continuación.




Ejercicio 45                                                                           343
Manual de formación SolidWorks 2006




344                           Ejercicio 45
Manual de formación SolidWorks 2006




                                                        Lección 11
                                                  Vaciado y nervios




                        Al finalizar esta lección, podrá:
                           Aplicar ángulo de salida a caras del modelo.
                           Utilizar la barra de retroceder.
                           Realizar operaciones Vaciado para eliminar el material del
                           interior de una pieza.
                           Crear planos de referencia.
                           Utilizar la herramienta Nervio.
                           Crear operaciones lámina.




                                                                                        345
Lección 11          Manual de formación SolidWorks 2006
Vaciado y nervios




346
Manual de formación SolidWorks 2006                                               Lección 11
                                                                              Vaciado y nervios


Vaciado y               La creación de piezas con paredes lámina
nervios                 involucra algunas secuencias y
                        operaciones, según se trate de un
                        modelado fundido o a inyección. Se
                        utilizan el vaciado y el ángulo de salida,
                        así como los nervios. Este ejemplo
                        recorrerá los pasos para el agregado de
                        ángulo de salida, la creación de planos, el
                        vaciado y la creación de nervios.


Etapas del              Algunas etapas importantes del proceso de modelado de esta pieza
proceso                 se proporcionan en la siguiente lista:
                        Ángulo de salida con un plano de referencia
                        El ángulo de salida puede definirse en relación con un plano y una
                        dirección de referencia.
                        Cómo utilizar planos
                        Esta pieza contiene diversas operaciones alineadas a la línea
                        constructiva de la pieza misma. Un plano centrado se utiliza para
                        localizar operaciones.
                        Vaciado
                        El vaciado es el proceso de eliminar material del interior de una
                        pieza. Tiene la opción de eliminar una o más caras de la pieza. Una
                        operación Vaciado es un tipo de operación aplicada.
                        Herramienta Nervio
                        La herramienta Nervio puede utilizarse para crear rápidamente
                        nervios individuales o múltiples. Con una geometría de croquis
                        mínima, el nervio se crea entre las caras delimitadoras del modelo.
                        Operaciones lámina.
                        La opción Operación lámina crea revoluciones, extrusiones,
                        barridos y recubrimientos con paredes lámina de espesor constante.


Cómo analizar y         Se requieren ángulos de salida para piezas de un modelado fundido
agregar                 o a inyección. Debido a que los ángulos de salida se pueden crear de
ángulos de              varias maneras, es importante ser capaz de comprobar el ángulo de
salida                  salida en una pieza y, si fuese necesario, agregar más.




Vaciado y nervios                                                                         347
Lección 11                                              Manual de formación SolidWorks 2006
Vaciado y nervios




                     1   Abra la pieza Shelling&Ribs
                         (Vaciado y nervios).




Análisis de ángulo       La herramienta Análisis de ángulo de salida es útil para
de salida                determinar si la pieza tiene un ángulo de salida suficiente como para
                         ser eliminada del molde basado en un ángulo de salida establecido.

Dónde encontrarlo           Haga clic en Análisis de ángulo de salida    en la barra
                            Herramientas de moldes.
                            O, haga clic en Herramientas, Análisis de ángulo de
                            salida....

                     2   Haga clic en
                         Herramientas,
                         Análisis de ángulo de
                         salida.


                     3   Dirección de
                         desmoldeo.
                         Seleccione la cara plana
                         posterior como la
                         Dirección de
                         desmoldeo. Haga clic
                         en Invertir dirección,
                         de modo que la flecha
                         de dirección de
                         desmoldeo apunte
                         según se indica.
                         Fije el Ángulo en 3° y haga clic en Calcular.




348                                                 Cómo analizar y agregar ángulos de salida
Manual de formación SolidWorks 2006                                                  Lección 11
                                                                                 Vaciado y nervios


                     4     Resultados.
                           Los colores se asignan a las caras de acuerdo con la naturaleza de su
                           ángulo de salida.




                            Ángulo de             Clasificación             Buscar caras
                         salida necesario          de caras                  empinadas
                           Las opciones Clasificación de caras y Buscar caras empinadas
                           producen resultados más específicos. Haga clic en Aceptar para
                           completar el comando. El ángulo de salida es insuficiente.
                     5     Retroceder.
                           Se debe agregar el ángulo de salida en una etapa
                           anterior del modelado. Retroceda a una posición
                           entre las operaciones lower cut (corte inferior)
                           y Fillet1 (Redondeo1).
                           Consulte Introducción: La barra de retroceder en
                           la página 234 para obtener información sobre la
                           barra de retroceder.




Otras opciones             Hasta ahora hemos visto un método para crear operaciones con
de ángulo de               ángulo de salida:
salida                        Mediante la opción Ángulo de salida del comando Insertar,
                              Saliente/Base, Extruir....
                           Hay veces que este método no se aplica a su situación específica.
                           Por ejemplo, por la manera en que se realizó el modelado de la
                           primera operación, no hay ningún ángulo de salida en ella.
                           Claramente, debe existir una manera de agregar ángulos de salida a
                           las caras después de crearlas.
Introducción:              Insertar ángulo de salida le permite agregar ángulos de salida a
Insertar ángulo de         caras del modelo con respecto a un plano neutro o una línea de
salida                     separación.

Dónde encontrarlo             En el menú Insertar, escoja Operaciones, Ángulo de salida....
                              O, en la barra de herramientas Operaciones, haga clic en la
                              herramienta Ángulo de salida .



Otras opciones de ángulo de salida                                                           349
Lección 11                                           Manual de formación SolidWorks 2006
Vaciado y nervios


Ángulo de salida        El proceso de agregar ángulos de salida requiere la selección de un
utilizando un           Plano neutro y una o más Caras en las cuales aplicar el ángulo
plano neutro            de salida.


                    6   Ángulo de salida de
                        plano neutro.
                        Haga clic en Insertar,
                        Operaciones,
                        Ángulo de salida... y
                        seleccione Plano
                        neutro como el Tipo
                        de ángulo de salida.
                        Seleccione la cara
                        plana posterior como
                        Plano neutro.
                        Establezca el Ángulo
                        de salida en
                        3 grados.


                    7   Caras en las
                        cuales aplicar
                        el ángulo de
                        salida.
                        Seleccione las
                        ocho caras en
                        las que aplicar
                        el ángulo de
                        salida según se
                        indica a la
                        derecha.
                        Si es necesario,
                        haga clic en
                        Invertir
                        dirección para
                        que la flecha
                        señale en la
                        dirección
                        mostrada.

                    8   Ángulo de
                        salida
                        completo.
                        Utilice
                        Avanzar al
                        final para
                        reconstruir
                        todas las
                        operaciones del modelo. Las caras del ángulo de salida mostradas
                        antes (izquierda) y después (derecha) retroceden.


350                                                     Otras opciones de ángulo de salida
Manual de formación SolidWorks 2006                                               Lección 11
                                                                              Vaciado y nervios


                    9   Volver a comprobar el análisis de ángulo de salida.
                        Vuelva a comprobar el Análisis de ángulo de salida utilizando la
                        misma Dirección de desmoldeo y el mismo Ángulo de salida.




Vaciado                 Una operación Vaciado se utiliza para “ahuecar” un sólido. Puede
                        aplicar diferentes espesores de pared a caras seleccionadas. Puede
                        seleccionar caras a eliminar. En este ejemplo, todas las paredes
                        tienen el mismo espesor: 2 mm.
Orden de                La mayoría de las piezas plásticas tienen esquinas redondeadas.
operaciones             Si agrega redondeos a las aristas antes del vaciado y el radio de
                        redondeo es mayor que el espesor de pared, las esquinas interiores
                        de la pieza se redondearán automáticamente. El radio de las
                        esquinas interiores será igual al radio de redondeo menos el espesor
                        de pared. Esto puede aprovecharse para eliminar la tediosa tarea de
                        redondear las esquinas interiores.
                        Si el espesor de pared es mayor que el radio de redondeo, las
                        esquinas interiores serán nítidas.
Introducción:           El comando Insertar vaciado elimina las caras seleccionadas y
Insertar vaciado        agrega espesor a otras para crear un sólido de pared lámina. Puede
                        crear múltiples espesores en el mismo comando de vaciado.
Dónde encontrarlo           En el menú Insertar, escoja Operaciones, Vaciado....
                            O, en la barra de herramientas Operaciones, haga clic en
                            Vaciado      .
Selección de cara       El vaciado puede eliminar una o más caras del modelo o crear un
                        lugar vacío completamente encerrado. Aquí hay algunos ejemplos:

                         Una cara
                         seleccionada.




                         Una cara
                         seleccionada.




Vaciado                                                                                   351
Lección 11                                            Manual de formación SolidWorks 2006
Vaciado y nervios


                        Múltiples caras
                        seleccionadas.




                        No se han
                        seleccionado caras.
                        Nota: Los
                        resultados se
                        muestran
                        seccionados,
                        utilizando el
                        comando Vista de
                        sección.


                    10 Vaciado.
                       Haga clic en Insertar,
                       Operaciones,
                       Vaciado... y establezca
                       el Espesor en 2 mm.
                       Seleccione las 4 caras
                       mostradas como las
                       Caras a eliminar y
                       seleccione Mostrar
                       vista preliminar.
                       Haga clic en Aceptar.




Sugerencia             Desactive la opción Mostrar vista preliminar antes de seleccionar
                       las caras, de lo contrario la vista preliminar se actualizará con cada
                       selección y ralentizará la operación.


Planos de              El Asistente para planos puede utilizarse para crear una variedad
referencia             de planos de referencia utilizando una geometría diferente. Pueden
                       utilizarse planos, caras, aristas, vértices, superficies y geometría de
                       croquis.

Dónde encontrarlo         Haga clic en Plano     en la barra de herramientas Geometría de
                          referencia.
                          O, haga clic en Insertar, Geometría de referencia, Plano....



352                                                                                   Vaciado
Manual de formación SolidWorks 2006                                                Lección 11
                                                                               Vaciado y nervios


Método abreviado        Presione Ctrl y arrastre un plano de referencia existente para crear
                        un plano equidistante.
                        Aquí hay algunos ejemplos:


                         Seleccione una cara
                         plana o un plano del
                         modelo.



                         Opcionalmente, cree
                         una serie de planos
                         paralelos separados
                         por esta distancia.


                         Seleccione una cara
                         plana (o un plano),
                         una arista o un eje del
                         modelo.

                         Opcionalmente, cree
                         una serie de planos en
                         ángulo separados por
                         este ángulo.


                         Seleccione tres
                         vértices...




                         o una línea y un
                         vértice.




Vaciado                                                                                    353
Lección 11                                  Manual de formación SolidWorks 2006
Vaciado y nervios




                    Seleccione una cara y
                    un vértice.




                    Seleccione una línea
                    croquizada y un punto
                    final.




                    Método abreviado
                    para lo anterior:
                    Seleccione una arista
                    y haga clic en
                    Insertar, Croquis.




                    Seleccione una cara
                    cilíndrica y un plano
                    de referencia.




354                                                                    Vaciado
Manual de formación SolidWorks 2006                                               Lección 11
                                                                              Vaciado y nervios




                    11 Paralelo al
                       plano en un
                       punto.
                        Muestre el
                        croquis de la
                        operación
                        Stand Offs
                        (puntos
                        muertos). Haga
                        clic en Insertar,
                        Geometría de
                        referencia,
                        Plano... y en
                        Plano paralelo
                        en punto. Seleccione el plano Planta y el punto indicado.
                        Cambie el nombre del plano por medio del punto muerto.


Nervios                 La herramienta Nervio, Insertar, Operaciones, Nervio..., le
                        permite crear nervios utilizando una geometría de croquis mínima.
                        La herramienta solicita el espesor, la dirección del material de
                        nervio, cuánto desea extender el croquis si fuera necesario y si
                        desea ángulo de salida.
Croquis de nervio       El croquis de nervio puede ser simple o complejo. Puede ser tan
                        simple como una sola línea croquizada que forma la línea
                        constructiva del nervio o puede ser más elaborado. Según la
                        naturaleza del croquis de nervio, el nervio puede extruirse en forma
                        paralela o normal al plano del croquis. Los croquis simples pueden
                        extruirse en forma paralela o normal al plano del croquis. Los
                        croquis complejos sólo pueden extruirse en forma normal al plano
                        del croquis. Aquí hay algunos ejemplos:
                         Croquis simple
                         extruido en
                         forma paralela
                         al plano del
                         croquis.




Nervios                                                                                   355
Lección 11                                           Manual de formación SolidWorks 2006
Vaciado y nervios


                        Croquis simple
                        extruido en
                        forma normal al
                        plano del
                        croquis.




                        Croquis
                        complejo
                        extruido en
                        forma normal al
                        plano del
                        croquis.




Introducción:          Insertar Nervio crea un nervio con la parte superior plana, con o sin
Insertar nervio        ángulo de salida. El nervio se basa en un contorno croquizado que
                       define la ruta del nervio. Se puede agregar un redondeo completo
                       para redondear el nervio.

Dónde encontrarlo         En el menú Insertar, escoja Operaciones, Nervio....
                          O escoja la herramienta Nervio   en la barra de herramientas
                          Operaciones.

                    12 Línea croquizada.
                       Cree un croquis nuevo en
                       el plano thru standoff
                       (por medio del punto muerto).
                       Haga clic en la vista Normal a
                       y utilice la combinación de
                       teclas Alt +Flecha (izquierda
                       y derecha) para girar la vista.
                       Croquice una línea,
                       insuficientemente definida y
                       acotada según se indica. Observe que la línea es Vertical.


356                                                                                 Nervios
Manual de formación SolidWorks 2006                                                Lección 11
                                                                               Vaciado y nervios


                    13 Herramienta
                       Nervio.
                        Haga clic en la
                        herramienta
                        Nervio y
                        configure los
                        parámetros que se
                        muestran:
                           Espesor: 2
                           mm.
                           Crear nervios
                           en ambos
                           lados del
                           croquis
                           Dirección de
                           extrusión:
                           Paralelo a croquis
                           Ángulo de salida          : 3° hacia fuera
                        Observe la flecha de Invertir lado del material que indica la
                        dirección de extrusión del nervio. Si fuese necesario, invierta la
                        dirección.
                    14 Vista preliminar
                       detallada.
                       Haga clic en Vista
                       preliminar detallada y
                       desactive Resaltar caras
                       nuevas o modificadas
                        para obtener una vista
                        preliminar del nervio.
                        El nervio finalizado se
                        extiende hacia abajo a la
                        cara inferior y a lo largo
                        de ambos extremos de la
                        línea croquizada.
                        Haga clic en Aceptar.

                    15 Plano equidistante.
                        Seleccione el
                        espesor de la cara y
                        utilice la
                        herramienta Plano
                        para crear un nuevo
                        plano de referencia
                        con Equidistancia
                        de 2 mm hacia el
                        interior. Cambie el nombre al plano lin_patt.



Nervios                                                                                      357
Lección 11                                           Manual de formación SolidWorks 2006
Vaciado y nervios



                    16 Línea croquizada.
                       Mediante el nuevo plano,
                       croquice una línea vertical para
                       representar un nervio. Agregue
                       la cota, pero deje el croquis
                       insuficientemente definido.




Matrices de            Puede crear matrices de entidades de croquis en una matriz circular
croquis                o lineal. Esto se conoce como matriz (“step and repeat”). Una vez
                       que usted crea la matriz, las entidades de croquis se relacionan con
                       una relación de Matriz. Puede editar la definición de una matriz una
                       vez creada la misma.
Introducción:          Las matrices de croquis son una manera eficiente de efectuar una
Matriz lineal y        réplica de la geometría de croquis sin tener que dibujar cada
circular               entidad. Resultan particularmente útiles para operaciones como
                       nervios o como la base de una matriz de operaciones.
Dónde encontrarlo         En la barra de herramientas Croquis, haga clic en Matriz lineal
                             o en Matriz circular .
                          O haga clic en Herramientas, Herramientas de croquizar,
                          Matriz lineal... o Matriz circular....


                    17 Copias.
                       Haga clic en Matriz
                       lineal y Agregar
                       cota. Agregue 4
                       copias de la línea
                       con una Separación
                       de 18 mm. La cota
                       se agrega
                       automáticamente.




358                                                                                Nervios
Manual de formación SolidWorks 2006                                                    Lección 11
                                                                                 Vaciado y nervios


                      18 Nervio.
                         Haga clic en la
                         herramienta Nervio.
                         Haga clic en la
                         opción Normal al
                         croquis y apunte
                         con la flecha al
                         material. En las
                         opciones restantes,
                         repita las utilizadas
                         en la operación
                         Nervio anterior.




Redondeos                La opción Redondeo completo crea un redondeo tangente a tres
completos                conjuntos de caras adyacentes. Cada conjunto de caras contiene más
                         de una cara. Sin embargo, dentro de cada conjunto de caras, las
                         caras deben ser tangentes sin interrupción.
Introducción:            Un redondeo completo no necesita un valor de radio. El radio se
Redondeos                determina por la forma de las caras seleccionadas.
completos

                                                       La cara central
                                                       se elimina




                                                                 Las caras laterales
                                                                 se recortan




Redondeos completos                                                                          359
Lección 11                                           Manual de formación SolidWorks 2006
Vaciado y nervios


Dónde encontrarlo         En el menú Insertar, elija Operaciones,
                          Redondeo/Redondo...
                          O haga clic en Redondeo        en la barra de
                          herramientas Operaciones.

                    19 Redondeo
                       completo.
                       Haga clic en el
                       icono
                       Redondeo y en
                       la opción
                       Redondeo
                       completo. En
                       Elementos a
                       redondear,
                       seleccione una
                       cara en cada
                       conjunto como
                       se indica.
                    20 Guardar y
                       cerrar el
                       archivo.




Operaciones            Las Operaciones lámina se realizan utilizando un perfil de croquis
lámina                 abierto y aplicando un espesor de pared. El espesor se puede aplicar
                       al interior o exterior del croquis, de la misma manera en los dos
                       lados del croquis o bien de manera diferente en cada lado. La
                       creación de operaciones lámina se convoca automáticamente para
                       contornos abiertos extruidos o de revolución. Los contornos
                       cerrados también pueden utilizarse para crear operaciones lámina.
                       Las operaciones lámina pueden crearse para extrusiones,
                       revoluciones, barridos y recubrimientos.




                         Revolución, abierta




                         Revolución, cerrada




360                                                                       Operaciones lámina
Manual de formación SolidWorks 2006                            Lección 11
                                                           Vaciado y nervios




                            Extrusión, abierta




                            Extrusión, cerrada




                     1   Abrir Thin_Features.
                     2   Revolución lámina.
                         Seleccione el croquis del
                         strainer (colador) y la
                         herramienta Revolución.
                         Cuando el sistema le pregunte
                         si el croquis se debe cerrar de
                         manera automática, haga clic
                         en No.
                         Establezca el Espesor de
                         dirección 1 en 0.20” y la
                         dirección hacia el exterior.




                     3   Extrusión lámina.
                         Seleccione el croquis del
                         bracket (soporte) y la
                         herramienta Extruir.
                         Establézcala en el Plano
                         medio y en 0.20”. Haga clic
                         en Redondeo automático de
                         esquinas y fije el Radio de
                         redondeo en 0.125”.




Operaciones lámina                                                     361
Lección 11                                              Manual de formación SolidWorks 2006
Vaciado y nervios


                    4   Vista preliminar.
                        Haga clic en Vista preliminar
                        detallada       para ver los
                        redondeos automáticos. Vuelva a
                        hacer clic en el botón para salir de
                        la vista preliminar.




                    5   Dirección.
                        Establezca la dirección de la
                        extrusión hacia la operación
                        base y utilice Hasta el
                        siguiente. Haga clic en
                        Aceptar.




Nota                    En este ejemplo se ofrece otra
                        comparación entre Hasta la
                        superficie (superior) y Hasta el
                        siguiente (inferior).




362                                                                     Operaciones lámina
Manual de formación SolidWorks 2006


Ejercicio 46:           Cree esta pieza
Tapa de bomba           utilizando las cotas
                        suministradas. Utilice
                        bien las relaciones
                        para mantener la
                        intención del diseño.
                        Este laboratorio utiliza
                        las siguientes
                        funciones:
                             Croquizado.
                             Extrusiones.
                             Vaciado.
                             Cómo aplicar
                             simetría a las operaciones.
                        Unidades: pulgadas

Intención del           La intención del diseño de esta pieza se muestra a continuación:
diseño                  1.   Las pestañas son de igual tamaño y forma.
                        2.   Los taladros en las pestañas son todos iguales.
                        3.   Todos los redondeos son iguales con un radio de 0.12”.
                        4.   El espesor de pared es constante.
                        5.   La ranura está centrada sobre la arista.
                        6.   La pieza es simétrica sobre dos ejes, excepto la ranura.

Vistas acotadas         Utilice los siguientes gráficos con la intención del diseño para crear
                        la pieza.
                        Vista Frontal




                        Sección A-A
                        Detalle de ranura.




Ejercicio 46                                                                               363
Manual de formación SolidWorks 2006


      Vista Superior




      Isométrica
      invertida




364                                            Ejercicio 46
Manual de formación SolidWorks 2006


Ejercicio 47:           Cree esta pieza
Bola de                 utilizando la
ventilador de           información y las
techo                   cotas que se
                        proporcionan.
                        Este laboratorio
                        refuerza las
                        siguientes funciones:
                           Cómo crear
                           planos de
                           referencia.
                           Cortar con
                           superficie.
                           Equidistanciar
                           entidades.
                           Convertir
                           entidades.
                           Salientes y cortes de revolución.
Procedimiento           Utilice la plantilla Part_MM.
                    1   Abrir una nueva pieza.


                    2   Esfera.
                        Cree una esfera mediante un croquis y
                        una operación de revolución.




                    3   Planos equidistantes.
                        Cree nuevos planos
                        equidistantes de referencia
                        desde Superior.




                    4   Cortar con superficie.
                        Cree una operación de corte
                        para cada uno de los planos
                        de referencia creados.




Ejercicio 47                                                    365
Manual de formación SolidWorks 2006


      5   Equidistanciar entidades.
          Equidistancie desde la arista del
          corte y cree un corte mediante
          geometría.




      6   Polígono y
          convertir
          entidades.
          Utilice la
          herramienta
          Polígono para
          crear un
          hexágono y
          modificarlo
          utilizando
          Convertir
          Entidades.
          Crear un Corte.
      7   Arista convertida.
          Convierta la arista creada por cortar con
          superficie para crear un Corte por
          todo.




      8   Corte de
          revolución.
          Utilice aristas
          convertidas y
          equidistantes para
          crear un perfil de
          croquis.
          Haga girar el
          croquis por medio
          del Plano medio y
          un ángulo de 180°.
      9   Guardar y cerrar la pieza.




366                                                             Ejercicio 47
Manual de formación SolidWorks 2006


Ejercicio 48:           Cree esta pieza utilizando las
Blindaje de             cotas suministradas. Utilice
motor                   bien las relaciones para
                        mantener la intención del
                        diseño.
                        Este laboratorio utiliza las
                        siguientes funciones:
                            Croquizado.
                            Extrusiones.
                            Vaciado.
                        Unidades: milímetros

Vistas acotadas         Utilice los siguientes gráficos con la intención del diseño para crear
                        la pieza.
                        Vista derecha:
                        Radios y
                        Diámetros




                        Vista derecha:
                        Ubicaciones




Ejercicio 48                                                                              367
Manual de formación SolidWorks 2006


      Vista derecha:
      Cortes interiores




      Vista
      Superior




368                                               Ejercicio 48
Manual de formación SolidWorks 2006


Ejercicio 49:           Cree esta pieza utilizando
Brazo                   las cotas suministradas.
                        Utilice bien las relaciones
                        para mantener la intención
                        del diseño.
                        Este laboratorio utiliza las
                        siguientes funciones:
                            Croquizar con simetría.
                            Operaciones lámina.
                            Creación de
                            Redondeos
                            completos.
                            Utilización de la
                            condición final Equidistante de la superficie.
                        Unidades: pulgadas

Intención del           La intención del diseño de esta pieza se muestra a continuación.
diseño                  1. La pieza es simétrica.
                        2. Todos los redondeos son de 1/16".

Vistas acotadas         Utilice los siguientes gráficos con la intención del diseño para crear
                        la pieza.




Ejercicio 49                                                                               369
Manual de formación SolidWorks 2006


Ejercicio 50:     Cree esta pieza utilizando
Gancho            las cotas suministradas.
                  Utilice bien las relaciones
                  para mantener la intención
                  del diseño.
                  Este laboratorio utiliza las
                  siguientes funciones:
                      Hasta la superficie.
                     Operaciones lámina.
                     Redondeos
                     completos.
                  Unidades: mm

Intención del     La intención del diseño de esta pieza se muestra a continuación.
diseño            1. El espesor del metal es constante.
                  2. Todos los chaflanes son de 2 mm X 2 mm.

Vistas acotadas   Utilice los siguientes gráficos con la intención del diseño para crear
                  la pieza.




370                                                                         Ejercicio 50
Manual de formación SolidWorks 2006


Ejercicio 51:           Cree esta pieza siguiendo los pasos según
Secador de              se indica.
cabello                 Este laboratorio utiliza las siguientes
                        funciones:
                            Vaciado.
                            Herramienta Nervio.
                            Ángulo de salida.
                            Retroceder.
                            Matrices lineales.
                            Redondeos completos.
                            Asistente para taladro.
Procedimiento           Abra una pieza existente en la carpeta Exercises (Ejercicios).
                    1   Abrir la pieza Blow Dryer.
                    2   Completar la pieza.
                        Complete la pieza con las siguientes pautas.
                            El espesor de pared es constante.
                            Los orificios de ventilación y los nervios son del mismo tamaño.
                            Todos los redondeos y redondos tienen 1 mm excepto los
                            redondos completos en los nervios.
                            El ángulo de salida es de 2 grados. No hay ángulo de salida en la
                            cara de salida.




Nota                    La operación Ángulo de salida debe preceder los redondeos
                        existentes en la pieza.
                    3   Guardar y cerrar la pieza.




Ejercicio 51                                                                             371
Manual de formación SolidWorks 2006


Ejercicio 52:          Cree esta pieza utilizando la información
Blindaje de cara       y las cotas proporcionadas.
                       Este laboratorio refuerza las siguientes
                       funciones:
                          Retroceder.
                          Cómo crear planos de referencia.
                          Cómo crear ejes de referencia.
                          Cortar con superficie.
                          Taladros con el Asistente para
                          taladro.
Procedimiento          Abra una pieza existente en la carpeta Exercises (Ejercicios).
                   1   Abrir la pieza Face Shield.
                   2   Retroceder.
                       Arrastre la barra de retroceder hasta
                       una posición anterior a la operación
                       Initial Glass (Vidrio inicial).
                       La nueva geometría de referencia
                       se puede colocar antes o después de
                       la operación. Se colocarán en la
                       posición más anterior posible, antes
                       de la operación.




                   3   Axis1.
                       Cree Axis1 (Eje1) como la intersección de
                       los planos Front (Alzado) y Right
                       (Vista lateral).




                   4   Plane1.
                       Cree un nuevo plano de referencia
                       En el ángulo de 20° a partir de
                       Front (Alzado) y alrededor de
                       Axis1 (Eje1).




372                                                                           Ejercicio 52
Manual de formación SolidWorks 2006


                    5   Plane2.
                        Cree el plano de referencia Plane2
                        (Plano2) utilizando un procedimiento
                        similar al plano anterior.




                    6   Cortes con planos.
                        Corte la geometría del
                        modelo en orden
                        utilizando los planos de
                        referencia Plane1
                        (Plano1) y Plane2
                        (Plano2).




                    7   Equidistanciar plano y eje.
                        Cree el Plane3 (Plano3) como una equidistancia de Top (Planta).
                        Utilice Front (Alzado) y Plane3 (Plano3) para crear Axis2
                        (Eje2).




Ejercicio 52                                                                        373
Manual de formación SolidWorks 2006


      8   Plane4.
          Cree el Plane4 (Plano4)
          como un ángulo de 25° a
          partir de Plane3 (Plano3)
          alrededor de Axis2
          (Eje2). Corte el modelo
          utilizando dicho plano.




      9   Redondos.
          Agregue redondos de 1” de
          radio a las cuatro esquinas.




      10 Asistente para taladro.
          Cree los planos de referencia Plane5 (Plano5) y Plane6
          (Plano6) tal como se muestra. Agregue el 7/16 (0.4375)
          Diameter Hole (Taladro de diámetro 7/16 (0.4375)) a la cara
          exterior y ubique el centro utilizando los planos nuevos. Cree la
          simetría de la operación de taladro.




      11 Guardar y cerrar la pieza.




374                                                               Ejercicio 52
Manual de formación SolidWorks 2006




                                              Lección 12
                                 Modelado de ensamblaje
                                             ascendente




                        Al finalizar esta lección, podrá:
                           Crear un nuevo ensamblaje.
                           Insertar componentes en un ensamblaje utilizando todas las
                           técnicas disponibles.
                           Agregar relaciones de posición entre componentes.
                           Utilizar los aspectos específicos de ensamblaje del gestor de
                           diseño del FeatureManager para manipular y manejar el
                           ensamblaje.
                           Insertar subensamblajes.
                           Utilizar configuraciones de piezas en un ensamblaje.




                                                                                           375
Lección 12                          Manual de formación SolidWorks 2006
Modelado de ensamblaje ascendente




376
Manual de formación SolidWorks 2006                                                 Lección 12
                                                                Modelado de ensamblaje ascendente


Estudio de               Esta lección examinará el modelado de ensamblajes mediante la
casos: Junta             construcción de una junta universal. La junta consiste en diversos
universal                componentes y un subensamblaje.

Ensamblaje               Los ensamblajes ascendentes se crean agregando y orientando
ascendente               piezas existentes en un ensamblaje. Las piezas agregadas al
                         ensamblaje aparecen como Piezas de componente. Las piezas de
                         componente se orientan y posicionan en el ensamblaje mediante las
                         Relaciones de posición. Las relaciones de posición relacionan
                         caras y aristas de piezas de componentes con planos y otras caras/
                         aristas.
Etapas del               Algunas etapas importantes del proceso de modelado de esta pieza
proceso                  se muestran en la siguiente lista: Cada uno de estos temas consta de
                         una sección en la lección.
                         Cómo crear un nuevo ensamblaje
                         Los ensamblajes nuevos se crean mediante el mismo método
                         utilizado en las piezas nuevas.
                         Cómo agregar el primer componente
                         Los componentes pueden agregarse de diversas maneras. Pueden
                         arrastrarse y colocarse desde una ventana de pieza abierta o abrirse
                         desde un examinador estándar.
                         Posición del primer componente
                         El componente inicial agregado al ensamblaje se fija
                         automáticamente al agregarse. Otros componentes pueden
                         posicionarse después de agregarse.
                         Gestor de diseño y símbolos del FeatureManager
                         El FeatureManager incluye muchos símbolos, prefijos y sufijos que
                         brindan información sobre el ensamblaje y sus componentes.
                         Cómo establecer relaciones de posición entre componentes
                         Las relaciones de posición se utilizan para colocar y orientar
                         componentes respecto a sí mismos. Las relaciones de posición
                         eliminan grados de libertad de los componentes.
                         Subensamblajes
                         Los ensamblajes se pueden crear e insertar en el ensamblaje actual.
                         Se consideran componentes del subensamblaje.




Estudio de casos: Junta universal                                                            377
Lección 12                                                Manual de formación SolidWorks 2006
Modelado de ensamblaje ascendente


El ensamblaje                En esta lección, realizaremos un ensamblaje utilizando
                             componentes existentes. El ensamblaje es una junta universal y se
                             compone de un número de piezas individuales y un subensamblaje
                             según se indica a continuación:




                                                          crank sub

                                                          Yoke_male
                                                          Bracket

                                                          pin[short]
                                                          (2 copias)

                                                          pin[long]

                                                          Spider

                                                          Yoke_female




                         1   Abrir una pieza existente.
                             Abra la pieza bracket (abrazadera).
                             Se creará un nuevo ensamblaje por medio
                             de esta pieza.
                             El primer componente agregado a un
                             ensamblaje debe ser una pieza que
                             permanezca inmóvil. Al fijarse el primer
                             componente, los demás pueden tener una
                             relación de posición con el mismo sin
                             peligro de que éste se mueva.




378                                                                     Ensamblaje ascendente
Manual de formación SolidWorks 2006                                               Lección 12
                                                              Modelado de ensamblaje ascendente


Cómo crear un           Se pueden crear nuevos ensamblajes directamente o hacerlos a
nuevo                   partir de un ensamblaje o una pieza abierta. El nuevo ensamblaje
ensamblaje              contiene un origen, los tres planos estándar de referencia y una
                        operación especial.
Introducción:           Utilice la opción Crear ensamblaje desde pieza/ensamblaje para
Crear ensamblaje        generar un nuevo ensamblaje desde una pieza abierta. La parte se
desde pieza/            utiliza como el primer componente en el nuevo ensamblaje y se
ensamblaje              encuentra fija en el espacio.
Dónde encontrarlo          Haga clic en Crear ensamblaje desde pieza/ensamblaje
                           en la barra de herramientas estándar.
                           O, haga clic en Archivo, Crear ensamblaje desde pieza.
Introducción:           Cree un nuevo archivo de ensamblaje por medio de una plantilla.
Nuevo ensamblaje
Dónde encontrarlo          Haga clic en Nuevo     en la barra de herramientas Estándar.
                           O, haga clic en Archivo, Nuevo....

                    2   Elegir plantilla.
                        Haga clic en Archivo, Crear ensamblaje desde pieza y
                        seleccione el botón Avanzado del cuadro de diálogo Nuevo
                        documento de SolidWorks. Seleccione la plantilla de formación
                        Assembly_IN.




Acceso directo          Haga doble clic en la plantilla deseada para abrir automáticamente
                        un nuevo documento de ensamblaje utilizando dicha plantilla.
Nota                    Las unidades del ensamblaje pueden ser diferentes de las unidades
                        de las piezas. Por ejemplo, puede ensamblar una combinación de
                        piezas en pulgadas y milímetros en un ensamblaje cuyas unidades
                        sean pies. Sin embargo, al editar las cotas de cualquiera de las
                        piezas en el contexto del ensamblaje, las mismas aparecerán en las
                        unidades del ensamblaje y no en las de la pieza propiamente dicha.
                        Puede verificar las unidades del ensamblaje y cambiarlas si lo
                        desea, utilizando Herramientas, Opciones....




Cómo crear un nuevo ensamblaje                                                             379
Lección 12                                                  Manual de formación SolidWorks 2006
Modelado de ensamblaje ascendente


                         3   Localizar componente.
                             Sitúe el componente en el
                             origen utilizando el
                             cursor      sobre el símbolo
                             del origen. La pieza
                             aparecerá en el gestor de
                             diseño del FeatureManager
                             correspondiente al
                             ensamblaje como Fija (f).
                         4   Guardar.
                             Guarde el ensamblaje con el
                             nombre Universal
                             Joint (Junta universal).
                             Los archivos de ensamblajes
                             tienen la extensión
                             *.sldasm.
                             Cierre el archivo de pieza
                             bracket.



Posición del                 El componente inicial agregado al ensamblaje es, en forma
primer                       predeterminada, Fijo. Los componentes fijos no pueden moverse y
componente                   se bloquean en el lugar donde usted los deja caer en el ensamblaje.
                             Mediante la utilización del cursor    durante la colocación, el
                             origen del componente se encuentra en la posición original del
                             ensamblaje. Esto también significa que los planos de referencia del
                             componente coinciden con los planos del ensamblaje y el
                             componente se encuentra totalmente definido.
                             Considere el ensamblaje de una lavadora. El primer componente
                             sería lógicamente el marco sobre el cual se monta todo lo demás.
                             Al alinear este componente con los planos de referencia del
                             ensamblaje, estableceríamos lo que podría llamarse el “espacio del
                             producto”. Los fabricantes de automóviles se refieren a esto como
                             el “espacio del vehículo”. Este espacio crea una estructura lógica
                             para colocar los demás componentes en sus correspondientes
                             posiciones.
Gestor de                    Dentro del gestor de diseño del FeatureManager de un ensamblaje,
diseño y                     las carpetas y los símbolos difieren levemente de los que se
símbolos del                 encuentran en una pieza. También hay algunos términos que son
FeatureManager               exclusivos del ensamblaje. Ahora se describirán algunas piezas y
                             relaciones de posición que se enumeran aquí.




380                                                              Posición del primer componente
Manual de formación SolidWorks 2006                                                Lección 12
                                                               Modelado de ensamblaje ascendente


Grados de libertad      Hay seis grados de libertad para todo
                        componente que se agrega al ensam-
                        blaje antes de que el mismo se fije o
                        reciba una relación de posición: trasla-
                        ción a lo largo de los ejes X, Y y Z y
                        rotación alrededor de los mismos ejes.
                        La capacidad de movimiento de un
                        componente en el ensamblaje se deter-
                        mina por sus grados de libertad. Las
                        opciones Fijar e Insertar relación de posición se utilizan para eli-
                        minar grados de libertad.
Componentes             Las piezas que se insertan en
                        el ensamblaje, como la pieza
                        bracket, se representan
                        mediante el mismo icono de
                        nivel superior utilizado en el
                        entorno de la pieza. Los
                        ensamblajes también pueden
                        insertarse y aparecen con un
                        icono individual. Sin embargo,
                        cuando se expande la lista de
                        estos iconos, los componentes
                        individuales e incluso las ope-
                        raciones del componente se
                        incluyen en una lista y puede
                        accederse a los mismos.
                            Estado del componente.
                            La pieza puede estar com-
                            pletamente definida, defi-
                            nida en exceso o
                            insuficientemente definida.
                            Un signo (+) o (-) entre paréntesis precederá el nombre si la
                            misma se encuentra Definida en exceso o Insuficientemente
                            definida. Las piezas que están insuficientemente definidas tie-
                            nen algunos grados de libertad disponibles. Las que están com-
                            pletamente definidas no tienen ninguno. El estado Fijo (f) indica
                            que un componente se encuentra fijo en su posición actual, pero
                            sin una relación de posición. El símbolo de signo de interroga-
                            ción (?) se utiliza para componentes No solucionados. Estos
                            componentes no pueden colocarse utilizando la información
                            proporcionada.
                            Número de instancia.
                            El número de instancia indica cuántas copias de una
                            determinada pieza de componente se encuentran en el
                            ensamblaje. El nombre bracket<1> indica que ésta es la
                            primera instancia de la pieza bracket.
                            Carpeta Component Part (Pieza de componente).
                            Cada pieza de componente contiene todo el contenido de la
                            pieza, incluyendo todas las operaciones, los planos y los ejes.



Gestor de diseño y símbolos del FeatureManager                                              381
Lección 12                                                    Manual de formación SolidWorks 2006
Modelado de ensamblaje ascendente


Anotaciones                  La operación Annotations (Anotaciones) se utiliza con el
                             mismo propósito que en una pieza. Pueden agregarse anotaciones al
                             nivel del ensamblaje e importarse a un dibujo. Su visualización
                             también se controla mediante la opción Detalles.
Marcador                     El marcador Retroceder puede utilizarse en un ensamblaje para
Retroceder                   retroceder:
                                    Planos, ejes y croquis del ensamblaje
                                    Carpeta Mates
                                    Matrices de ensamblaje
                                    Operaciones de piezas en contexto
                                    Operaciones de ensamblaje
                             Todas las operaciones que se encuentran debajo del marcador se
                             suprimen. Los componentes individuales no pueden retrocederse.
Reordenar                    Se puede reordenar ciertos objetos en un ensamblaje.
                             Estos objetos son:
                                    Componentes
                                    Planos, ejes y croquis del ensamblaje
                                    Matrices de ensamblaje
                                    Operaciones de piezas en contexto
                                    Relaciones de posición dentro de la carpeta Mates
                                    (Relaciones de posición)
                                    Operaciones de ensamblaje
Grupos de                    Las relaciones de posición
relaciones de                en los ensamblajes se
posición                     agrupan en una Carpeta
                             de relaciones de posi-
                             ción denominada Mates. Un grupo de relaciones de posición es un
                             conjunto de relaciones de posición que se solucionan en el orden en
                             que se enumeran. Todos los ensamblajes tendrán un grupo de rela-
                             ciones de posición.
                                    Carpeta Mates
                                    La carpeta utilizada para guardar las relaciones de posición que
                                    se solucionan juntas. Se identifica por un icono de clip doble
                                       .
                                    Relación de posición
                                    Las relaciones entre caras, aristas, planos, ejes o geometría de
                                    croquis que definen la ubicación y orientación de los compo-
                                    nentes. Son versiones 3D de las relaciones geométricas 2D en
                                    un croquis. Las relaciones de posición pueden utilizarse para
                                    definir completamente un componente que no se mueve o defi-
                                    nir insuficientemente uno que se desea mover. Un componente
                                    no debe definirse en exceso bajo ningún concepto. Los posibles
                                    estados para una relación de posición son Insuficientemente
                                    definido, Definido en exceso, Completamente definido o No
                                    solucionado.




382                                                                 Gestor de diseño y símbolos del
Manual de formación SolidWorks 2006                                                Lección 12
                                                               Modelado de ensamblaje ascendente


Cómo agregar            Una vez que el primer componente se ha insertado y definido
componentes             completamente, pueden agregarse otras piezas y establecerse
                        relaciones de posición entre éstas y el componente. En este ejemplo,
                        se insertará la pieza Yoke_male (horquilla macho) y se
                        establecerá una relación de posición con la misma. Esta pieza debe
                        estar insuficientemente definida para que pueda girar libremente.
                        Existen diversas maneras de agregar componentes al ensamblaje:
                           Utilice el cuadro de diálogo Insertar.
                           Arrástrelos desde el Explorador.
                           Arrástrelos desde un documento abierto.
                        Todos estos métodos se demostrarán en esta lección, comenzando
                        con el uso de Insertar componente. Es el mismo cuadro de diálogo
                        que aparece automáticamente cuando se utiliza Crear ensamblaje
                        desde pieza.
Insertar                El cuadro de diálogo Insertar componente se utiliza para
componente              encontrar, tener una vista previa y agregar componentes al
                        ensamblaje actual. Haga clic en el botón Mantener visible
                        (tachuela) para agregar múltiples componentes o múltiples
                        instancias del mismo componente.
Dónde encontrarlo          Haga clic en Pieza/Ensamblaje existente     en la barra de
                           herramientas Ensamblaje.
                           O, haga clic en Insertar, Componente, Pieza/Ensamblaje
                           existente....

                    5   Insertar
                        Yoke_male.
                        Haga clic en Insertar,
                        Componente, Pieza/
                        Ensamblaje
                        existente... y
                        seleccione el
                        componente
                        Yoke_male con el
                        botón Examinar....
                        Coloque el
                        componente en la
                        pantalla y haga clic
                        para situarlo.
                        El nuevo componente
                        se incluye como:
                        Yoke_male <1>
                        Esto significa que el
                        componente es la pri-
                        mera instancia del archivo Yoke_male y que el mismo se encuen-
                        tra insuficientemente definido. Aún tiene los seis grados de libertad.




Cómo agregar componentes                                                                    383
Lección 12                                                   Manual de formación SolidWorks 2006
Modelado de ensamblaje ascendente


                         6   Resaltado.
                             Si hace clic en un componente en el
                             gestor de diseño del FeatureManager,
                             dicho componente se resaltará (verde
                             claro). Si mueve el cursor hacia un
                             componente en la ventana de gráficos,
                             también aparecerá el nombre de la
                             operación.



Cómo mover y                 Uno o más componentes seleccionados pueden moverse o girarse a
girar componentes            fin de cambiar su posición para establecer una relación de posición
                             utilizando el ratón o los comandos Mover y Girar componente.
                             Además, el movimiento de componentes insuficientemente
                             definidos estimula el movimiento de un mecanismo a través del
                             movimiento de ensamblaje dinámico.

Dónde encontrarlo            Por medio del ratón:
                                Arrastre y coloque un componente.
                                Haga clic con el botón secundario del ratón en un
                                componente y seleccione Mover con sistema de
                                referencia. Utilice el sistema de referencia para
                                mover o girar los componentes a lo largo o alrededor
                                de los ejes. Pasar el ratón sobre la flecha: arrastre hacia
                                la izquierda para moverse a lo largo del eje, arrastre
                                hacia la derecha para girar sobre el eje.
                             Por medio de menús:
                                    En el menú desplegable, elija: Herramientas, Componente,
                                    Girar o Mover.
                                    Haga clic con el botón secundario del ratón en el componente y
                                    seleccione Mover....
                                    O, en la barra de herramientas Ensamblaje, seleccione una de
                                    estas herramientas:
                                 Mueve un componente. También puede utilizarse para girar
                             componentes que tienen grados de libertad de rotación.
                                   Gira el componente de diversas maneras: alrededor de su
                             punto central, alrededor de una entidad como una arista o un eje o
                             por algún valor angular alrededor de los ejes X, Y o Z.
Nota                         Mover componente y Girar
                             componente funcionan
                             como un único comando
                             unificado. Al expandir las
                             opciones de Girar o Mover,
                             puede alternar entre los dos
                             comandos sin siquiera cerrar
                             el PropertyManager.


384                                                                    Cómo agregar componentes
Manual de formación SolidWorks 2006                                                   Lección 12
                                                                  Modelado de ensamblaje ascendente


                           La herramienta Mover tiene diversas opciones
                           para definir el tipo de movimiento. La opción A
                           lo largo de la entidad tiene un cuadro de
                           selección; A lo largo de XYZ del ensamblaje,
                           Por Delta XYZ y A posición XYZ requieren
                           valores de coordenadas.
                           La herramienta Girar también tiene opciones
                           para definir la forma de rotación del componente.



                       7   Mover.
                           Haga clic en el componente y arrástrelo para
                           acercarlo al lugar donde se establecerá una
                           relación con él.
                           Otras opciones para mover y girar el
                           componente se tratarán más adelante en esta
                           misma lección.

Establecer una             Obviamente, la acción de arrastrar un componente no es suficiente-
relación de                mente precisa para elaborar un ensamblaje. Utilice caras y aristas
posición con otro          para establecer relaciones de posición entre componentes. Las pie-
componente                 zas incluidas dentro de bracket (abrazadera) están destinadas a
                           moverse, así que asegúrese de que dispongan de un adecuado grado
                           de libertad.
Nota                       Las Relaciones de posición estándar se tratan en esta misma
                           lección. Las Relaciones de posición avanzadas (Relaciones de
                           posición simétricas, de leva, de engranajes y de límite de distancia/
                           ángulo) se tratan en el manual Modelo de ensamblaje avanzado.
Introducción:              Insertar relación de posición crea relaciones entre piezas de
Insertar relación de       componentes o entre una pieza y el ensamblaje. Dos de las
posición                   relaciones de posición más utilizadas son Coincidente y
                           Concéntrica.
                           Las relaciones de posición pueden crearse utilizando diferentes
                           objetos. Puede utilizar:
                               Caras
                               Planos
                               Aristas
                               Vértices
                               Puntos y líneas de croquis
                               Ejes y orígenes
                           Las relaciones de posición se establecen entre un par de objetos.
Dónde encontrarlo             En el menú Insertar, seleccione Relación de posición....
                              O, en la barra de herramientas Ensamblaje, haga clic en
                              Relación de posición .
                              O, haga clic con el botón secundario del ratón en un
                              componente y elija Agregar/Editar relaciones de posición.




Cómo agregar componentes                                                                       385
Lección 12                                                 Manual de formación SolidWorks 2006
Modelado de ensamblaje ascendente


Alineación y tipos           Las relaciones de posición se utilizan para crear relaciones entre
de relaciones de             componentes. Las caras son la geometría más utilizada en las rela-
posición                     ciones de posición. El tipo de relación de posición, en combinación
                             con las condiciones Alineación inversa o Alineada determinan el
                             resultado.



                                                                 Alineación
                                                                                  Alineadas
                                                                  inversa



                              Coincidente
                              (las caras están sobre el mismo
                              plano imaginario infinito)



                              Paralela




                              Perpendicular
                              Las condiciones Alineada y
                              Alineación inversa no se aplican
                              a Perpendicular.


                              Distancia




                              Ángulo




386                                                                 Cómo agregar componentes
Manual de formación SolidWorks 2006                                               Lección 12
                                                              Modelado de ensamblaje ascendente


                        Hay menos opciones disponibles con las caras cilíndricas pero éstas
                        son muy importantes.

                                                            Alineación
                                                                               Alineadas
                                                             inversa

                         Concéntricas




                         Tangentes




Botones comunes         Hay tres botones comunes a todos los controles:
                              es Deshacer
                              es Invertir alineación de relaciones de posición
                              es Aceptar o Agregar/Finalizar relación de posición.
                        Además de estos botones, el cuadro de diálogo Relación de
                        posición en sí mismo tiene controles de alineación de relación de
                        posición específicos,   y .
Elementos con los       Hay muchos tipos de topología y geometría que se pueden utilizar
que se pueden           en las relaciones de posición. Las selecciones pueden crear muchos
establecer              tipos de relaciones de posición.
relaciones de
posición
                        Topología/
                                              Selecciones          Relación de posición
                        Geometría
                      Caras o
                      superficie




Cómo agregar componentes                                                                   387
Lección 12                                                Manual de formación SolidWorks 2006
Modelado de ensamblaje ascendente



                             Topología/
                                                   Selecciones         Relación de posición
                             Geometría
                           Línea o arista
                           lineal




                           Plano




                           Eje o eje
                           temporal




                           Punto, vértice
                           u origen




                           Arco o arista
                           circular




Sugerencia                   A pesar de que los planos se pueden seleccionar en la pantalla si
                             están visibles, con frecuencia es más fácil seleccionarlos por su
                             nombre a través del FeatureManager. Haga clic en el signo “+” para
                             ver el árbol y expanda las operaciones y los componentes
                             individuales.
Cómo establecer              Se va a establecer una relación de posición para el componente
relaciones de                Yoke_male para que su eje se alinee con el taladro y la cara plana
posición                     haga contacto con la cara interna de la pieza bracket. Se
concéntricas y               utilizarán relaciones de posición Concéntricas y Coincidentes.
coincidentes




388                                                                Cómo agregar componentes
Manual de formación SolidWorks 2006                                                 Lección 12
                                                                Modelado de ensamblaje ascendente




                    8   Filtro de selección.
                        La opción de filtro de selección resulta de mucha utilidad en el
                        establecimiento de relaciones de posición. Puesto que muchas
                        relaciones de posición requieren selecciones de caras, establezca la
                        opción Seleccionar en caras . Observe que este filtro se
                        mantendrá en efecto hasta salir de SolidWorks o la pieza o hasta que
                        el filtro se cambie.
                    9   PropertyManager Relación de posición.
                        Haga clic en la herramienta Insertar relación de
                        posición      para acceder al PropertyManager.
                        Si el PropertyManager está abierto, puede
                        seleccionar las caras sin utilizar la tecla Ctrl.




Opciones de             Hay diversas opciones de relaciones de posición disponibles para
relaciones de           todas las relaciones de posición:
posición
                           Agregar a nueva carpeta
                        Crea una nueva carpeta para contener todas las
                        relaciones de posición creadas mientras la
                        herramienta Relación de posición está activa.
                        La carpeta se encuentra en la carpeta Mates y
                        se le puede cambiar el nombre.
                           Mostrar la barra de herramientas desplegable
                        Activa y desactiva la barra de herramientas desplegable de Relación
                        de posición.
                           Mostrar vista preliminar
                        Muestra la posición creada por la relación de posición en cuanto se
                        hace la segunda selección. No se completa hasta que se hace clic en
                        el cuadro de diálogo Aceptar.
                           Utilizar sólo para colocar
                        Esta opción se puede utilizar para colocar geometría sin restringirla.
                        No se agrega relación de posición.




Cómo agregar componentes                                                                     389
Lección 12                                                 Manual de formación SolidWorks 2006
Modelado de ensamblaje ascendente


Introducción:                La barra de herramientas emergente
Barra de                     Relación de posición se utiliza para
herramientas                 efectuar selecciones de un modo más sencillo al visualizar en la
desplegable de               pantalla los tipos de relaciones de posición disponibles. Los tipos de
Relación de                  relaciones de posición disponibles varían según la simetría y la
posición                     selección de geometría que aparecen en el PropertyManager. El
                             cuadro de diálogo aparece en los gráficos, pero se puede arrastrar a
                             cualquier sitio.
                             Se puede utilizar tanto el cuadro de diálogo en pantalla como el del
                             PropertyManager. Esta lección utiliza el cuadro de diálogo en
                             pantalla. Todos los tipos están enumerados en el gráfico Alineación
                             y tipos de relaciones de posición en la página 386.

                         10 Selecciones y vista previa.
                             Seleccione las caras de Yoke_male y
                             bracket según se indica.
                             Al seleccionar la segunda cara, se muestra
                             la barra de herramientas emergente
                             Relación de posición.
                             Concéntrica está seleccionada como
                             predeterminada y se muestra la vista
                             preliminar de Relación de posición.
                         11 Agregar una relación de posición.
                             Las caras se enumeran en la lista
                             Configuraciones de la relación de posición.
                             Aparecerán exactamente dos elementos en la lista.
                             Acepte la relación de posición Concéntrica y
                             haga clic en Agregar/Finalizar relación de
                             posición (marca de verificación).


                         12 Cara plana.
                             Seleccione la cara plana superior del componente
                             Yoke_male.




390                                                                   Cómo agregar componentes
Manual de formación SolidWorks 2006                                               Lección 12
                                                              Modelado de ensamblaje ascendente


                    13 Seleccionar otra.
                       Utilice Seleccionar otra para
                        seleccionar la cara oculta de la
                        pieza bracket en la parte
                        inferior de la brida superior.
                        Agregue una relación de
                        posición Coincidente para
                        que las caras seleccionadas
                        entren en contacto.
                    14 Relaciones de posición en la lista.
                        Las relaciones de posición, concéntricas y
                        coincidentes, permanecen en la lista en el cuadro
                        de grupo Relaciones de posición. Se agregarán
                        a la carpeta Relaciones de posición
                        cuando se haga clic en el botón Aceptar del cuadro de diálogo del
                        PropertyManager. También se pueden eliminar de este cuadro de
                        grupo de modo que no se agreguen. Haga clic en Aceptar.
                    15 Estado de restricción.
                        El componente Yoke_male se enumera como
                        componente bajo restricción. Aún puede moverse
                        girándolo alrededor del eje de su superficie
                        cilíndrica.
                        Compruebe el comportamiento de Yoke_male
                        arrastrándolo.

                    16 Agregar la pieza spider (araña).
                       Utilice Insertar componente para agregar el
                        componente spider.




                    17 Relación de posición concéntrica para spider.
                        Agregue una relación de posición entre spider y Yoke_male.
                        Agregue una relación de posición Concéntrica
                        entre las dos caras cilíndricas.
                        Desactive el Filtro de Selección de la cara.




Cómo agregar componentes                                                                   391
Lección 12                                                Manual de formación SolidWorks 2006
Modelado de ensamblaje ascendente


Relación de                  La relación de posición Ancho es la primera de las Relac. de
posición Ancho               posición avanzadas del cuadro de diálogo Relación de posición.
                             Las selecciones incluyen un par de Selecciones de ancho y un par
                             de Selecciones de pestaña. Las caras Pestaña se centran entre
                             las caras Ancho para localizar el componente. El componente
                             spider (araña) se debe centrar dentro de los componentes
                             Yoke_male y Yoke_female.
Nota                         Las relaciones de posición avanzadas restantes se describen en el
                             manual Modelo de ensamblaje avanzado.
Referencias de               Las selecciones Ancho forman las caras “externas”, que se utilizan
ancho                        para contener el otro componente.
Referencias de               Las selecciones Pestaña forman las caras “internas”, que se
pestaña                      utilizan para localizar el componente.

                                    Selecciones de     Selecciones de
                                                                                Resultado
                                        ancho             pestaña




                                                                               (Vista frontal)




                                                       (selección única)


                                                                               (Vista frontal)




                                                                               (Vista frontal)




392                                                                   Cómo agregar componentes
Manual de formación SolidWorks 2006                                           Lección 12
                                                          Modelado de ensamblaje ascendente




                    18 Relación de posición plano
                       a plano.
                       Haga clic en Insertar,
                       Relación de posición y
                       seleccione la pestaña Relac.
                       de posición avanzadas.
                        Haga clic en la relación de
                        posición Ancho       y
                        seleccione las Selecciones
                        de ancho y las Selecciones
                        de pestaña tal como se
                        muestra.




                    19 Resultados.
                        La relación de posición mantiene el componente
                        spider (araña) centrado dentro del componente
                        Yoke_male con las mismas separaciones en cada
                        lado.




Cómo agregar componentes                                                               393
Lección 12                                               Manual de formación SolidWorks 2006
Modelado de ensamblaje ascendente


                         20 Relaciones de
                            posición por
                            componente.
                             Expanda el componente
                             spider en el
                             FeatureManager. Una
                             carpeta denominada
                             Mates en
                             Universal Joint se
                             agrega a cada
                             componente con el que
                             se establece una
                             relación de posición. La
                             carpeta contiene las
                             relaciones de posición
                             que utilizan la
                             geometría de ese
                             componente.
                             La carpeta es un
                             subconjunto de la
                             carpeta Mates que
                             contiene todas las
                             relaciones de posición.




Cómo agregar                 Otra manera de agregar componentes al ensamblaje es a través del
componentes por              Explorador de Windows o de Mi PC. Los archivos de ensamblaje o
medio del                    pieza se pueden arrastrar y colocar en el ensamblaje activo.
Explorador de
Windows




394                                                               Cómo agregar componentes
Manual de formación SolidWorks 2006                                                Lección 12
                                                               Modelado de ensamblaje ascendente


                    21 Abrir el Explorador.
                        Ajuste el tamaño de la
                        ventana del Explorador de
                        modo que se pueda ver la
                        zona de gráficos de
                        SolidWorks. Puesto que
                        SolidWorks es una
                        aplicación nativa de
                        Windows, admite técnicas
                        de Windows estándar como
                        “arrastrar y colocar”. Los
                        archivos de piezas pueden
                        arrastrarse desde la ventana
                        del Explorador al
                        ensamblaje para agregarlos.
                        Arrastre y coloque el
                        archivo Yoke_female en
                        la zona de gráficos.
                    22 Relación de posición Concéntrica.
                        Seleccione las caras cilíndricas según se indica
                        y agregue una relación de posición
                        Concéntrica entre ellas.




                    23 Relación de posición plano a plano.
                       Agregue una relación de posición Ancho entre
                        los componentes spider y Yoke_female.
                        El spider está centrado en el componente
                        Yoke_female.


                    24 Condición potencial definida en exceso.
                        Seleccione las caras de Yoke_female y
                        bracket según se indica. Debido a la
                        distancia entre Yoke_female y bracket,
                        una relación de posición Coincidente no podría
                        resolverse. La separación evita la coincidencia.
                        Si se seleccionase una relación de posición
                        Coincidente, aparecería un cuadro de diálogo
                        de advertencia:
                        Advertencia: Esta relación de posición define
                        en exceso el ensamblaje. Considere la idea de
                        eliminar algunas de las relaciones de posición
                        que definen en exceso.




Cómo agregar componentes                                                                    395
Lección 12                                                   Manual de formación SolidWorks 2006
Modelado de ensamblaje ascendente


Relación de                  Una relación de posición Paralela mantiene las caras planas
posición paralela            seleccionadas o los planos paralelos el uno al otro sin forzar el
                             contacto entre ellos.

                         25 Establecer en Paralelo.
                             Seleccione la relación de posición
                             Paralela para mantener la
                             separación de las caras.




                         26 Movimiento de ensamblaje dinámico.
                             Arrastre cualquiera de los componentes
                             insuficientemente definidos para girarlos todos.




Cómo visualizar              Cuando usted agrega una pieza a un ensamblaje, puede elegir cuál
configuraciones              de sus configuraciones se visualiza.
de piezas en                 O, una vez que la pieza se inserta y tiene una relación de posición,
un ensamblaje                puede cambiar su configuración.
El pasador                   La pieza denominada pin
                             (pasador) tiene dos
                             configuraciones: SHORT               LONG
                             (CORTA) y LONG (LARGA).
                             Se puede utilizar cualquier
                             configuración en el
                             ensamblaje. En este caso, dos
                             instancias utilizarán SHORT y
                             una utilizará LONG.
                                                                                            SHORT
Cómo utilizar                Pueden utilizarse múltiples instancias de la misma pieza en un
configuracio-                ensamblaje y cada instancia puede hacer referencia a una
nes de piezas                configuración diferente. Utilizaremos múltiples instancias de una
en ensamblajes               pieza con diferentes configuraciones en este ensamblaje.
                             Hay dos maneras de crear este tipo de configuración dentro de una
                             pieza:




396                                                    Cómo utilizar configuraciones de piezas en
Manual de formación SolidWorks 2006                                                Lección 12
                                                               Modelado de ensamblaje ascendente


                            Mediante la aplicación de
                            valores de cotas diferentes
                            a configuraciones
                            individuales según se
                            indica a la derecha.
                            Tablas de diseño.
Arrastrar y colocar      La pieza pin se insertará arrastrándola desde una ventana de un
desde un                 documento abierto hasta el ensamblaje.
documento abierto
Nota                     Si la ventana bracket todavía está abierta, ciérrela antes del
                         siguiente paso.
                      27 Arrastrar y colocar.
                         Abra la pieza pin y coloque las ventanas del ensamblaje y la pieza
                         en mosaico. Arrastre y coloque la pieza pin en la ventana del
                         ensamblaje arrastrando el componente de nivel superior
                         (           ) del Feature-Manager. Se agrega una instancia de la
                         pieza pin al ensamblaje.




Importante               El pin es un componente
                         que contiene configuraciones
                         múltiples. Los componentes
                         como este muestran la
                         configuración que utilizan
                         como parte del nombre de
                         componente. En este caso, la
                         configuración utilizada por la
                         instancia <1> es LONG. Cada
                         instancia puede utilizar una
                         configuración diferente.




Cómo utilizar configuraciones de piezas en ensamblajes                                      397
Lección 12                                                 Manual de formación SolidWorks 2006
Modelado de ensamblaje ascendente




                         28 Relación de posición Concéntrica.
                            Agregue una relación de posición Concéntrica
                             entre la cara cilíndrica del Yoke_female y el
                             pin.




                             El pasador se puede arrastrar mientras se utiliza
                             el cuadro de diálogo de relación de posición.
                             Arrástrelo por el medio, como se indica.




                         29 Relación de posición Tangente.
                             Agregue una posición de relación
                             Tangente entre el extremo de la cara
                             plana del pin y la cara cilíndrica del
                             Yoke_female.




El segundo                   Se necesita otra instancia de la pieza pin. Ésta será la versión más
Pasador                      corta, SHORT. Abriremos la pieza pin, pondremos las ventanas de
                             la pieza y el ensamblaje en mosaico y visualizaremos el
                             ConfigurationManager de la pieza.
Cómo abrir un                Cuando necesite acceder a un componente mientras esté trabajando
componente                   en un ensamblaje, puede abrirlo directamente, sin tener que utilizar
                             el menú Archivo, Abrir. El componente puede ser una pieza o un
                             subensamblaje.


                         30 Disponer las ventanas en cascada.
                            Haga clic en Ventana, Cascada para ver tanto la ventana de pieza
                             como la de ensamblaje.
                             Cambie al ConfigurationManager de pin.




398                                                   Cómo utilizar configuraciones de piezas en
Manual de formación SolidWorks 2006                                                Lección 12
                                                               Modelado de ensamblaje ascendente


                     31 Arrastrar y colocar una configuración.
                         Arrastre y coloque la configuración SHORT en la ventana de
                         gráficos del ensamblaje. Puede arrastrar y colocar cualquier
                         configuración desde el ConfigurationManager y no sólo la
                         configuración activa.




Otros métodos para       Para obtener el mismo resultado mediante Insertar componente,
la selección de          examine para encontrar la pieza y la configuración asociada.
configuraciones
                         Cuando utilice el Explorador, las piezas
                         que contienen configuraciones ofrecen
                         un cuadro de mensaje cuando se
                         arrastran y se colocan. Seleccione la
                         configuración deseada de la lista.


                     32 Segunda instancia.
                         Se agrega la segunda instancia del
                         componente pin, esta vez utilizando la
                         configuración SHORT. El componente se
                         agrega y muestra el nombre de la
                         configuración adecuada en el gestor de diseño
                         del FeatureManager.
                     33 Establecer relaciones de posición entre los
                        componentes.
                        Agregue relaciones de posición Concéntricas y
                        Tangentes para establecer la relación de
                         posición en la segunda instancia del pin.




Cómo utilizar configuraciones de piezas en ensamblajes                                      399
Lección 12                                                   Manual de formación SolidWorks 2006
Modelado de ensamblaje ascendente


Cómo crear                   Muchas veces, las piezas y los subensamblajes se utilizan más de
copias de                    una vez en un ensamblaje. Para crear varias instancias o copias de
instancias                   los componentes, copie y pegue los componentes existentes en el
                             ensamblaje.

                         34 Cierre el documento pin y maximice la ventana del
                            ensamblaje.
                         35 Arrastrar una copia.
                             Cree otra copia del componente pin
                             manteniendo presionada la tecla Ctrl mientras
                             arrastra la instancia con la configuración
                             SHORT desde el gestor de diseño del
                             FeatureManager correspondiente al
                             ensamblaje. El resultado es otra instancia que
                             utiliza la configuración SHORT, puesto que la
                             misma se copió a partir de un componente con dicha configuración.
                             También puede arrastrar una copia seleccionando el componente en
                             la ventana de gráficos.


Cómo ocultar                 Al ocultar un componente temporalmente, se eliminarán los
componente y                 gráficos del componente pero el mismo quedará activo dentro del
transparencia                ensamblaje. Un componente oculto aún reside en la memoria, tiene
de componente                sus relaciones de posición solucionadas y se considera en
                             operaciones como los cálculos de propiedades físicas.
                             Otra opción es cambiar la transparencia del componente. A través
                             de los componentes se pueden seleccionar otros detrás de ellos.
Introducción:                Ocultar componente desactiva la visualización de un
Ocultar componente           componente, facilitando la visualización de otras piezas
Mostrar                      del ensamblaje. Cuando un componente se encuentra
componente                   oculto, su icono en el gestor de diseño del
                             FeatureManager aparece en forma de esquema de esta
                             forma:           .
                             La opción Mostrar componente vuelve a activar la
                             visualización.

Dónde encontrarlo                   Haga clic en Ocultar/visualizar componentes         en la barra
                                    de herramientas Ensamblaje. Esto permite alternar entre las dos
                                    opciones. Si el componente se visualiza, lo ocultará. Si el
                                    componente está oculto, lo mostrará.
                                    Haga clic con el botón secundario del ratón en el componente y
                                    seleccione Ocultar o Mostrar.
                                    Haga clic con el botón secundario del ratón en el componente y
                                    seleccione Propiedades de componente... en la lista de
                                    Componentes. Seleccione la casilla de verificación
                                    Ocultar componente.
                                    Desde el menú desplegable, elija Edición, Ocultar o Edición,
                                    Visualizar.


400                                                                Cómo crear copias de instancias
Manual de formación SolidWorks 2006                                                 Lección 12
                                                                Modelado de ensamblaje ascendente


Introducción:           La opción Cambiar transparencia
Cambiar                 establece la transparencia del componente
transparencia           en el 75% y vuelve al 0%. Las selecciones
                        cruzan el componente transparente a menos
                        que se presione la tecla Mayús durante la
                        selección. El icono del FeatureManager no
                        cambia cuando un componente es
                        transparente.


Dónde encontrarlo          Haga clic en Cambiar transparencia        en la barra de
                           herramientas Ensamblaje. Esto permite alternar entre las dos
                           opciones.
                           Haga clic con el botón secundario del ratón en el componente y
                           seleccione Cambiar transparencia.

                    36 Ocultar el componente bracket.
                        Cambie la orientación de vista presionando
                        Mayús+Flecha izquierda una vez. Haga clic en el
                        componente bracket y ocúltelo utilizando la
                        herramienta Ocultar/visualizar componente .
                        Al ocultarlo, se eliminarán temporalmente los gráficos
                        del mismo pero las relaciones de posición quedarán
                        intactas. El gestor de diseño del FeatureManager
                        muestra el componente en el esquema cuando está
                        oculto           .
Importante              Utilice Ocultar componente y no Ocultar sólido. Ocultar sólido
                        ocultará el sólido dentro de la pieza.
                    37 Completar la relación de posición.
                        Complete la relación de posición de este componente
                        agregando las relaciones de posición Concéntrica y
                        Tangente mediante Insertar relación de posición.



                    38 Visualizar componente.
                        Vuelva a seleccionar el componente bracket
                        y haga clic en Ocultar/Mostrar
                        componente para volver a activar los
                        gráficos.
                    39 Regresar a la vista previa.
                        Los estados de la vista previa pueden
                        convocarse utilizando el botón Vista previa
                            en la barra de herramientas Ver. Cada vez que presiona el botón,
                        la pantalla de la vista retrocede en la lista de visualización, ya sea
                        que el estado de la vista se haya guardado o no. Haga clic una vez
                        para regresar a la vista Isométrica previa.




Cómo ocultar componente y transparencia de componente                                        401
Lección 12                                                 Manual de formación SolidWorks 2006
Modelado de ensamblaje ascendente




Propiedades de               El cuadro de diálogo Propiedades de componente controla
componente                   diversos aspectos de una instancia de componente.




                             Ruta de acceso al documento del modelo
                             Muestra el archivo de pieza que utiliza la instancia. Para reemplazar
                             el archivo al que la instancia hace referencia con otro archivo,
                             utilice Archivo, Reemplazar....
                             Visibilidad
                             Oculta o visualiza el componente. También le permite cambiar el
                             color del componente que aparece en el ensamblaje.
                             Estado de supresión
                             Suprima, resuelva o establezca el componente para aligerar el
                             estado.
                             Solucionar como
                             Permite que el subensamblaje sea rígido o flexible. Así, el
                             movimiento de ensamblaje dinámico podrá solucionar el
                             movimiento en el nivel del subensamblaje.
                             Configuración de referencia
                             Determina la configuración del componente que se está utilizando.




402                                                                  Propiedades de componente
Manual de formación SolidWorks 2006                                               Lección 12
                                                              Modelado de ensamblaje ascendente


                    40 Propiedades de componente.
                        Haga clic con el botón secundario del ratón en el componente
                        pin<3> y seleccione Propiedades de componente... de la lista
                        Componente. Se selecciona la opción Utilizar la configuración
                        etiquetada y la misma se establece en SHORT. Este cuadro de
                        diálogo puede utilizarse para suprimir, ocultar o cambiar la
                        configuración de una instancia. Si Configuración de referencia se
                        establece en Utilizar la configuración del componente “en uso”
                        o la última guardada, se visualizará la configuración guardada.
                        Haga clic en Cancelar.


Subensambla-            Los ensamblajes existentes también pueden insertarse en el
jes                     ensamblaje actual mediante la acción de arrastrar. Cuando un
                        archivo de ensamblaje se agrega a un ensamblaje existente, nos
                        referimos al mismo como un subensamblaje. Sin embargo, para el
                        software de SolidWorks, aún es un archivo de ensamblaje
                        (*.sldasm).
                        El subensamblaje y todas las piezas de sus componentes se agregan
                        al gestor de diseño del FeatureManager. El subensamblaje debe
                        tener una relación de posición con el ensamblaje mediante una de
                        las piezas de componente o los planos de referencia. El
                        subensamblaje se considera un componente individual,
                        independientemente de cuántos componentes incluya.
                        Se creará un nuevo ensamblaje para los componentes de la
                        manivela. Se utilizará como subensamblaje.

                    41 Nuevo ensamblaje.
                        Cree un ensamblaje nuevo utilizando la plantilla
                        Assembly_IN. Haga clic en Mantener Visible          en la
                        opción Insertar componente del PropertyManager y
                        agregue el componente crank-shaft (eje de la
                        manivela). Ubíquelo en el origen del ensamblaje. Está
                        Fijo.
                        Asigne al ensamblaje el nombre crank sub (sub. manivela).
                    42 Agregar componentes.
                        Por medio del mismo diálogo,
                        agregue los componentes
                        crank-arm (brazo de
                        manivela) y crank-knob
                        (perilla de manivela).
                        Cierre el cuadro de diálogo.




Subensamblajes                                                                             403
Lección 12                                                  Manual de formación SolidWorks 2006
Modelado de ensamblaje ascendente


Smart Mates                  Se pueden agregar relaciones de posición entre componentes
                             mientras se arrastran y colocan. Este método, llamado Smart
                             Mates, utiliza la tecla Alt junto con técnicas estándar de arrastrar y
                             colocar.
                             Estas relaciones de posición utilizan la misma barra de herramientas
                             emergente Relación de posición que utiliza la herramienta
                             Relación de posición para establecer el tipo y otros atributos.
                             Todos los tipos de relaciones de posición se pueden crear con este
                             método.
                             Hay ciertas técnicas que generan múltiples relaciones de posición y
                             no utilizan la barra de herramientas. Requieren el uso de la tecla
                             Tab para cambiar la alineación de la relación de posición.


                       43    Smart Mate concéntrica.
                             Siga estos pasos para agregar una relación de posición Concéntrica
                             a través de la técnica Smart Mate:
                             1. Haga clic y mantenga
                                presionado el botón del
                                ratón en la cara circular
                                del crank-arm.
                             2. Pulse y mantenga
                                presionada la tecla Alt
                                mientras arrastra el
                                componente.
                             3. Mueva el componente
                                sobre la cara circular del
                                componente crank-
                                shaft.
                             4. Coloque el componente cuando aparezca la sugerencia      ,
                                indicando una relación de posición concéntrica.
                             5. Confirme el tipo Concéntrico de la barra de herramientas
                                desplegable de Relación posición.
                             Una relación de posición Concéntrica se agrega entre los
                             componentes crank-arm y crank-shaft.
                         44 Smart Mate paralela.
                             Gire el crank-arm de modo
                             que la cara plana se pueda
                             seleccionar mediante el
                             arrastre. Seleccione la cara
                             plana y presione Alt mientras
                             la arrastra a la cara plana del
                             crank-shaft. Coloque el
                             componente cuando aparezca el
                             símbolo      , lo que indica una
                             relación de posición
                             Coincidente entre caras
                             planas.



404                                                                                   Smart Mates
Manual de formación SolidWorks 2006                                                 Lección 12
                                                                Modelado de ensamblaje ascendente


                        Utilice la barra de herramientas emergente Relación de posición
                        para cambiar a una relación de posición Paralela.
                    45 Coincidente.
                        Seleccione la arista del crank-arm y
                        presione Alt mientras la arrastra a la cara
                        plana del crank-shaft. Coloque el
                        componente cuando aparezca el símbolo ,
                        lo que indica una relación de posición
                        Coincidente entre la arista y una cara plana.
                        Utilice la barra de herramientas emergente
                        Relación de posición para confirmar la
                        relación de posición Coincidente.


                    46 “Clavija en taladro”.
                        La opción “Clavija en
                        taladro” es un caso
                        especial de la Smart
                        Mate que crea dos
                        relaciones de posición a
                        partir de una acción de
                        arrastrar y colocar. Esta
                        operación es más fácil si
                        se ha girado el crank-
                        knob.
                        Seleccione la arista
                        circular del componente
                        crank-knob. Presione
                        Alt y arrástrelo a la arista
                        circular que se encuentra
                        en la parte superior del
                        componente crank-arm.
                        Suelte la tecla Alt cuando aparezca el símbolo , que indica que se
                        agregarán tanto la relación de posición Coincidente como la
                        Concéntrica.
                        Si es necesario, presione la tecla Tab para invertir la alineación.
                        Coloque el componente.
                    47 Guardar.
                        Guarde el ensamblaje pero déjelo abierto.


Cómo insertar           Los subensamblajes son ensamblajes existentes que se agregan al
subensambla-            ensamblaje activo. Todos los componentes y relaciones de posición
jes                     actúan como un único componente.




Cómo insertar subensamblajes                                                                  405
Lección 12                                                Manual de formación SolidWorks 2006
Modelado de ensamblaje ascendente




                         48 Seleccionar el subensamblaje.
                            Mediante Insertar componente, se fija el
                             cuadro de diálogo para que enumere cualquier
                             pieza o ensamblaje abierto en Documentos
                             abiertos. El componente crank sub aparece
                             y está seleccionado.




                         49 Situar el
                            subensamblaje.
                             Sitúe el subensamblaje
                             cerca de la parte superior
                             del componente
                             Yoke_male.
                             Si expande el icono de
                             componente del
                             subensamblaje,
                             aparecerán todas las
                             piezas de componente que
                             se encuentran dentro del
                             mismo, incluyendo su
                             propio grupo de relaciones de posición.


Cómo establecer              Los subensamblajes siguen las mismas normas que las piezas para
relaciones de                el establecimiento de relaciones de posición. Se consideran
posición entre               componentes y se pueden establecer relaciones de posición entre
subensamblajes               ellos mediante la herramienta Relación de posición, mediante la
                             tecla Alt+arrastrar o mediante una combinación de las dos.




406                                                              Cómo insertar subensamblajes
Manual de formación SolidWorks 2006                                               Lección 12
                                                              Modelado de ensamblaje ascendente


                     50 Smart Mate concéntrica.
                        Agregue una relación de posición
                        Concéntrica, mediante Alt+arrastrar, entre
                        las superficies cilíndricas del puntal en la
                        parte superior de Yoke_male y crank-
                        shaft.




                     51 Relación de posición Paralela.
                        Establezca una relación de posición entre la
                        cara plana del Yoke_male y la cara plana del
                        Taladro-D del crank-shaft mediante la
                        herramienta Relación de posición y una relación
                        de posición Paralela.




                     52 Alineación.
                        Haga clic en el botón Invertir
                        alineación de relaciones de
                        posición para probar
                        Alineación inversa (arriba) y
                        Alineada (derecha). Utilice la
                        condición alineación inversa
                        para esta relación de posición.



                        Pregunta: ¿Por qué no utilizaría una relación de posición
                        Coincidente aquí?
                        coincidente definiría el ensamblaje en exceso.
                        sean exactamente iguales, una relación de posición
                        planas y las cotas del eje y el taladro correspondiente
                        Respuesta: Porque a menos que las cotas de las caras

Relaciones de           Las relaciones de posición Distancia permiten las separaciones
posición Distancia      entre componentes con una relación de posición. Puede
                        considerarlas como relaciones de posición paralelas con una
                        equidistancia. Como generalmente hay más de una solución, se
                        utilizan las opciones Invertir alineación de relaciones de
                        posición, e Invertir cota para determinar cómo se mide la distancia
                        y en qué lado se encuentra.




Cómo insertar subensamblajes                                                               407
Lección 12                                                 Manual de formación SolidWorks 2006
Modelado de ensamblaje ascendente


                         53 Seleccionar las caras.
                             Seleccione la cara superior de bracket y la cara
                             inferior del componente crank-shaft para crear
                             la relación de posición.




                         54 Agregar una relación de posición
                            Distancia.
                            Especifique una distancia de 1 mm.
Nota                         Si bien las unidades de este ensamblaje y todos sus componentes se
                             encuentran en pulgadas, puede especificar valores métricos en los
                             cuadros de incremento. Tan sólo escriba mm luego del número.
                             El sistema lo convertirá automáticamente en 0.039 pulgadas.
                             Haga clic en Vista preliminar.
                             Si crank-shaft penetra en bracket seleccione el botón
                             Invertir cota .
                             Haga clic en Aceptar para crear la relación de posición.

Sugerencia                   Si hace doble clic en la relación de
                             posición de Distancia o Ángulo en
                             el FeatureManager, se visualiza en la
                             pantalla. El valor se muestra en las
                             unidades del ensamblaje, en este
                             caso pulgadas.
                         55 Seleccionar en el FeatureManager.
                             Seleccione el subensamblaje crank sub en el
                             gestor de diseño del FeatureManager. Todos los
                             componentes del subensamblaje se seleccionarán y
                             se resaltarán en verde claro.


                         56 Movimiento de ensamblaje dinámico.
                            Utilice Cambiar transparencia en las horquillas y
                             pasadores. Mueva el asa para ver el movimiento
                             del spider.



Utilizar sólo para           La opción de relación de posición Utilizar sólo para colocar se
colocar                      puede utilizar para ubicar la geometría sin agregar la restricción de
                             una relación de posición. Es un método útil para configurar una
                             vista de dibujo.


408                                                                  Cómo insertar subensamblajes
Manual de formación SolidWorks 2006                                             Lección 12
                                                            Modelado de ensamblaje ascendente


                    57 Relación de posición.
                        Haga clic en la herramienta
                        Relación de posición y
                        seleccione Utilizar sólo para
                        colocar. Seleccione las caras
                        planas que se muestran y una
                        relación de posición Paralela.
                        Haga clic en Aceptar.
                        La geometría se ubica como una condición de relación de posición
                        paralela, pero no se agrega ninguna relación de posición.
                    58 Guardar y cerrar.




Cómo insertar subensamblajes                                                             409
Lección 12                          Manual de formación SolidWorks 2006
Modelado de ensamblaje ascendente




410                                       Cómo insertar subensamblajes
Manual de formación SolidWorks 2006


Ejercicio 53:           Cree este ensamblaje utilizando
Ensamblaje              relaciones de posición solamente.
Caja de                 No se proporciona cota alguna.
cambios                 Este laboratorio utiliza las
                        siguientes funciones:
                            Creación de ensamblaje
                            ascendente.
                            Incorporar componentes a un
                            ensamblaje.
                            Crear relaciones de posición
                            entre componentes utilizando
                            Insertar relación de posición.
                        Unidades: pulgadas
Intención del           La intención del diseño de esta pieza se muestra a continuación.
diseño                  1. Los archivos se encuentran en la carpeta Gearbox Assy
                           (Ensamb. Caja de cambios).
                        2. Las piezas de componentes tienen relaciones de posición como
                           se muestra en los detalles.
                        3. Se requieren dos instancias de Cover_Pl&Lug
                           (Ch. cubierta y agarradera).
Diseño de pieza         Utilice los siguientes gráficos junto con la intención del diseño para
                        determinar la forma y las relaciones dentro del ensamblaje.

                             Cover Plate                              Worm Gear Shaft




                         Worm Gear                                         Offset Shaft




                                                                           Main Housing
                                   Cover_Pl&Lug (2 req'd)




Ejercicio 53                                                                               411
Manual de formación SolidWorks 2006


Procedimiento       Abra un ensamblaje nuevo utilizando la plantilla Assembly_IN.
                1   Agregar los componentes.
                    Arrastre las piezas de componentes a un nuevo documento de
                    ensamblaje.
                2   Establecer relaciones de posición entre los componentes.
                    Establezca una relación de posición entre el componente Housing
                    (Alojamiento) y el origen del ensamblaje. Establezca una relación
                    de posición de los demás componentes y Housing y de los
                    componentes entre sí.
                3   Parte recortada del ensamblaje.
                    Esta parte recortada muestra los
                    componentes internos del
                    ensamblaje. Utilice éste y los
                    siguientes detalles para establecer
                    relaciones de posición entre
                    componentes en el ensamblaje.




                4   Orientación de componentes.
                    Los componentes Cover_Pl&Lug se orientan de manera diferente
                    en la parte frontal y posterior. Observe la posición de la agarradera
                    en estas vistas.




Nota                No necesita crear estas vistas de sección. Sólo se proporcionan con
                    fines informativos.




412                                                                          Ejercicio 53
Manual de formación SolidWorks 2006


                        Vista Superior.
                        Esta vista muestra
                        la línea de corte de
                        la Sección B-B.




                        Sección B-B.
                        La Sección B-B se
                        corta de la vista
                        Superior.




                        Vista Frontal.
                        Esta vista muestra la línea de
                        corte de la Sección A-A.




Ejercicio 53                                             413
Manual de formación SolidWorks 2006

          Sección A-A.
          La Sección A-A se corta de la vista
          Frontal.




          Detalle C.
          Detalle C se toma de la
          Sección B-B e incluye la relación de
          posición de la ranura.
      5   Guardar y cerrar el ensamblaje.




414                                                          Ejercicio 53
Manual de formación SolidWorks 2006


Ejercicio 54:           Complete este
Tablas de               ensamblaje
diseño de               ascendente
piezas en un            utilizando las piezas
                        incluidas. Utilice
ensamblaje              diversas
                        configuraciones de
                        la misma pieza en el
                        ensamblaje para
                        crear un conjunto de
                        llaves Allen.
                        Este laboratorio refuerza las siguientes funciones:
                           Configuraciones en una pieza.
                           Configuraciones de piezas en ensamblajes.
                           Editar tablas de diseño.
                           Diseño de ensamblaje ascendente.
                           Vistas explosionadas y líneas de explosión.
Procedimiento           Abra un ensamblaje existente.
                    1   Ensamblaje
                        existente.
                        Abra el ensamblaje
                        existente
                        denominado part
                        configs (configs.
                        de pieza).
                        Se encuentra en la
                        carpeta denominada
                        Part DT (DT
                        pieza) en Assy
                        (Ensamb.).
                        El ensamblaje
                        contiene tres
                        componentes, dos de
                        los cuales tienen
                        múltiples instancias.
                        Un componente,
                        Allen Wrench (Llave Allen) utiliza una configuración diferente
                        para cada instancia.
                    2   Abrir pieza.
                        Seleccione cualquier
                        instancia del componente
                        Allen Wrench y abra la
                        pieza.




Ejercicio 54                                                                        415
Manual de formación SolidWorks 2006


             3   Tabla de diseño.
                 Edite la tabla de diseño incrustada allí. Cambie los valores de la
                 columna Length@Sketch1 solamente.

                                   Length@Sketch1

                  Size01         50
                  Size02         60
                  Size03         70
                  Size04         80
                  Size05         90
                  Size06         100
                  Size07         100
                  Size08         90
                  Size09         80
                  Size10         100

             4   Agregar y establecer relaciones de
                 posición entre componentes.
                 Agregue y establezca relaciones de
                 posición entre tres componentes más,
                 observando las configuraciones de las
                 piezas de Allen Wrench. Los tamaños,
                 las posiciones y los nombres de las piezas
                 se detallan en las ilustraciones incluidas.
Sugerencia       Con la pieza y el ensamblaje abiertos,
                 coloque las ventanas en mosaico. Cambie
                 al ConfigurationManager en la pieza y
                 arrastre sólo las configuraciones
                 necesarias.
             5   Guardar y cerrar el ensamblaje y la pieza.




416                                                                        Ejercicio 54
Manual de formación SolidWorks 2006


Ejercicio 55:           Cree este ensamblaje agregando
Relaciones de           componentes a un ensamblaje nuevo y
posición                utilizando Insertar relación de
                        posición.
                        Este laboratorio utiliza las siguientes
                        funciones:
                             Creación de ensamblaje ascendente.
                             Incorporar componentes a un
                             ensamblaje.
                             Crear relaciones de posición entre componentes utilizando
                             Insertar relación de posición.
                        Unidades: pulgadas
Intención del           La intención del diseño de
diseño                  esta pieza se muestra a
                        continuación:
                        1. Los archivos se
                           encuentran en la carpeta
                           Mates (Relaciones de
                           posición).
                        2. Las piezas de
                           componentes tienen
                           relaciones de posición
                           como se muestra en los
                           detalles.
                        3. Se requieren dos
                           instancias de los componentes Brace (Cuadro) y
                           EndConnect (Conexión extremos).
                        4. Cada componente Brace se centra sobre el taladro en el
                           componente EndConnect.
Sugerencia              Las relaciones de posición entre planos pueden utilizarse para
                        centrar componentes.
Diseño de pieza         Utilice los siguientes gráficos junto con la intención del diseño para
                        determinar la forma y las relaciones dentro del ensamblaje.


                                                                       Brace(2req'd)




                         RectPlate



                                  EndConnect(2req'd)




Ejercicio 55                                                                              417
Manual de formación SolidWorks 2006


Ejercicio 56:       Realice cambios en el ensamblaje creado en la
Cambios en la       lección anterior.
junta en U          Este ejercicio utiliza las siguientes funciones:
                       Abrir piezas desde el ensamblaje.
                       Cambiar cotas de pieza.
                       Incorporar y eliminar relaciones de posición.
                       Incorporar componentes.




Procedimiento       Abra un ensamblaje existente.
                1   Abra el ensamblaje existente
                    denominado Changes
                    (Cambios).
                    El ensamblaje se encuentra en la        Bracket
                    carpeta U-Joint Changes
                    (Cambios de junta universal).
                2   Abrir el componente bracket
                    (abrazadera).
                    En el FeatureManager o en la
                    pantalla, abra el componente
                    bracket<1> para edición.
                3   Cambios.
                    Haga doble clic en la primera
                    operación y cambie las cotas que se
                    muestran en negrita y subrayadas.
                    Reconstruya la pieza.
                4   Cerrar y guardar.
                    Cierre la pieza bracket guardando
                    los cambios realizados. Responda Sí
                    para reconstruir el ensamblaje.

                5   Cambios.
                    Los cambios realizados en la pieza también
                    aparecen en el ensamblaje.
                6   Girar la manivela.
                    La manivela debe girar libremente, girando las
                    dos horquillas, la estrella y los pasadores con el
                    mismo.
                7   Eliminar relación de posición.
                    Expanda el grupo de relaciones de posición y
                    elimine la relación de posición Parallel2
                    (Paralela 2).




418                                                                        Ejercicio 56
Manual de formación SolidWorks 2006


                    8   Girar la manivela.
                        La manivela debe girar libremente pero
                        ya no se conecta con las horquillas y la
                        estrella.




                    9   Insertar un componente set
                        screw (tornillo prisionero).
                        Inserte el componente existente
                        denominado set screw. Establezca una
                        relación de posición con el taladro pequeño
                        en el componente crank-shaft (eje de
                        la manivela) con una relación de posición
                        Concéntrica.




                    10 Ocultar componente.
                        Oculte el componente crank-shaft.
                        Agregue una relación de posición
                        Coincidente entre las caras planas de set
                        screw y Yoke_Male (Horquilla macho).
                    11 Visualizar componente.
                        Visualice el componente crank-shaft.
                    12 Girar la manivela.
                        La manivela debe girar libremente y una
                        vez más, las dos horquillas, la
                        estrella y los pasadores deben girar
                        con él.
                    13 Guardar y cerrar el ensamblaje.




Ejercicio 56                                                          419
Manual de formación SolidWorks 2006


Ejercicio 57:       Ensamble este
Molinillo           dispositivo siguiendo
                    los pasos como se
                    muestra.
                    Este laboratorio
                    utiliza las siguientes
                    funciones:
                        Modelado de
                        ensamblaje
                        ascendente.
                        Movimiento de
                        ensamblaje dinámico.
                        Configuraciones de piezas en un ensamblaje.
Procedimiento       Abra un ensamblaje nuevo utilizando la plantilla Assembly_IN.
                1   Agregar el componente Base.
                    Las piezas de este ensamblaje se
                    encuentran en la carpeta denominada
                    Grinder Assy (Ensamb.
                    molinillo).
                    Arrastre el componente Base al
                    ensamblaje y restrínjalo
                    completamente al origen del ensamblaje.
                2   Agregar el componente Slider
                    (Control deslizante).
                    Agregue el componente Slider al
                    ensamblaje. Establezca una relación
                    de posición entre el mismo y una de
                    las ranuras del ensamblado a cola de
                    milano. Es necesario una relación de
                    posición Ancho y Coincidente.
                3   Agregar una segunda copia del
                    componente Slider.
                    Establezca una relación de
                    posición entre el mismo y la otra
                    ranura del ensamblado a cola de
                    milano. Ambos componentes
                    Sliders deben moverse
                    libremente hacia delante y hacia
                    atrás en sus respectivas ranuras.




420                                                                       Ejercicio 57
Manual de formación SolidWorks 2006


                    4   Ensamblaje Crank (Manivela).
                        Abra un ensamblaje nuevo utilizando
                        la plantilla Assembly_IN.
                        Construya el ensamblaje Crank
                        como se muestra a la derecha. El
                        ensamblaje Crank se muestra en
                        estados explosionados y colapsados.
                        El ensamblaje Crank se compone
                        de:
                           Handle (Asa) (1)
                           Knob (Perilla) (1)
                           Truss Head Screw (1)
                           configuración
                           [#8-32 (.5” de largo)]
                           RH Machine Screw (2)
                           configuración
                           [#4-40 (.625” de largo)]
Nota                    Ambos tornillos de la máquina
                        contienen configuraciones múltiples. Asegúrese de utilizar las
                        correctas.
                    5   Insertar el ensamblaje Crank en
                        el ensamblaje principal.
                        Coloque las dos ventanas del
                        ensamblaje en mosaico y arrastre y
                        coloque el subensamblaje en el
                        ensamblaje principal.




                    6   Establecer una relación de
                        posición entre el ensamblaje
                        Crank y los componentes
                        Sliders.
                        Los dos RH Machine Screws
                        van dentro de los taladros en los
                        componentes Sliders. La parte
                        inferior del componente Handle
                        tiene una relación de posición con la cara superior de uno de los
                        componentes Sliders.
                    7   Girar el componente Crank (Manivela).
                        El movimiento de la pieza Knob (Perilla) sigue un trayecto elíptico.
                        El movimiento de cada componente Slider traza los ejes mayor y
                        menor de dicha elipse.




Ejercicio 57                                                                                421
Manual de formación SolidWorks 2006




422                           Ejercicio 57
Manual de formación SolidWorks 2006




                                             Lección 13
                                  Cómo usar ensamblajes




                        Al finalizar esta lección, podrá:
                           Realizar cálculos de propiedades físicas y detección de
                           inferencias.
                           Crear una vista explosionada de un ensamblaje.
                           Agregar líneas de explosión.
                           Generar una lista de materiales para un ensamblaje.




                                                                                     423
Lección 13              Manual de formación SolidWorks 2006
Cómo usar ensamblajes




424
Manual de formación SolidWorks 2006                                              Lección 13
                                                                        Cómo usar ensamblajes


Cómo usar               En esta lección analizará otros aspectos del modelado de
ensamblajes             ensamblajes utilizando una versión del ensamblaje de junta
                        universal. El ensamblaje completo se analizará, editará y mostrará
                        en un estado explosionado.
Etapas del              Algunas etapas importantes del proceso de análisis de esta pieza se
proceso                 muestran en la siguiente lista. Cada uno de estos temas consta de
                        una sección en la lección.
                        Cómo analizar el ensamblaje
                        Puede realizar cálculos de propiedades físicas en ensamblajes
                        completos. También puede realizar detección de interferencias
                        estática o dinámica.
                        Cómo editar el ensamblaje
                        Las piezas individuales pueden editarse mientras se encuentran en
                        el ensamblaje. Esto significa que puede realizar cambios en los
                        valores de las cotas de una pieza mientras la misma se encuentra
                        activa en el ensamblaje.
                        Ensamblajes explosionados
                        Las vistas explosionadas del ensamblaje pueden crearse
                        seleccionando los componentes y la dirección/distancia del
                        movimiento.
                        Lista de materiales
                        Se puede generar una tabla de LDM a partir del ensamblaje y
                        colocarla en la hoja de dibujo. Se pueden agregar globos asociados
                        para identificar los elementos.




Cómo usar ensamblajes                                                                    425
Lección 13                                                Manual de formación SolidWorks 2006
Cómo usar ensamblajes


Cómo analizar               Hay diversos tipos de análisis que pueden realizarse en un
el ensamblaje               ensamblaje. Entre ellos se incluyen el cálculo de las propiedades
                            físicas del ensamblaje y la verificación de interferencias.
Cálculos de                 Los cálculos de propiedades físicas se presentaron en la Lección
propiedades                 6: Operaciones de revolución. Cuando se trabaja con ensamblajes,
físicas                     es importante recordar que las propiedades materiales de cada
                            componente se controlan de manera individual a través de la
                            operación Material de la pieza. Las propiedades materiales también
                            se pueden configurar mediante la opción Editar material.
                            Para revisar las propiedades materiales, consulte Editar material en
                            la página 193. Para revisar los cálculos de propiedades físicas,
                            consulte Propiedades físicas en la página 195.

                        1   Abrir un ensamblaje existente.
                            Abra el ensamblaje existente UJ_for_INT (JU para INT).
                        2   Propiedades físicas.
                            Haga clic en Propiedades físicas       en la barra Herramientas.
                        3   Resultados.
                            El sistema realiza los cálculos y muestra los resultados en una
                            ventana de informe. El sistema también muestra los Ejes
                            principales como gráficos temporales. Se puede utilizar Opciones
                            para cambiar las unidades de los cálculos.
                            Haga clic en Cerrar.




                            Los símbolos representan:
                             Sistema de                       Ejes principales
                             coordenadas de                   en el Centro de
                             salida                           masa




426                                                                Cómo analizar el ensamblaje
Manual de formación SolidWorks 2006                                               Lección 13
                                                                         Cómo usar ensamblajes


Cómo verificar la        La opción Detección de interferencias se utiliza para buscar
interferencia            interferencias entre componentes estáticos en el ensamblaje. Esta
                         opción toma una lista de componentes y busca las interferencias
                         entre ellos. Las interferencias se enumeran por componentes pares
                         que incluyen una representación gráfica de la interferencia. Las
                         interferencias individuales se pueden ignorar.
Introducción:            La Detección de interferencias se utiliza para buscar
Detección de             interferencias (choques) entre piezas de componentes en un
interferencias           ensamblaje. Puede dirigirse para verificar todos los componentes en
                         el ensamblaje o tan sólo los seleccionados.

Dónde encontrarlo             Haga clic en Detección de interferencias   en la barra de
                              herramientas Ensamblaje.
                              En el menú Herramientas, seleccione: Detección de
                              interferencias....


                     4   Haga clic en Herramientas, Detección de interferencias....
                         Se abre el PropertyManager Detección de interferencias.
                     5   Detección de interferencias.
                         Seleccione el componente de nivel superior
                         UJ_for_INT para verificar todos los
                         componentes en el ensamblaje. El ensamblaje
                         UJ_for_INT.SLDASM aparece en la lista
                         Componentes seleccionados.
                         Haga clic en Calcular.
                     6   Interferencias.




Cómo analizar el ensamblaje                                                               427
Lección 13                                                 Manual de formación SolidWorks 2006
Cómo usar ensamblajes


                             El análisis ha encontrado tres interferencias entre las entidades
                             seleccionadas. Las listas Interference1, Interference2 e
                             Interference3 se muestran en la lista Resultados seguida de
                             un volumen de interferencia. La interferencia se indica en la
                             ventana de gráficos mediante un volumen que se muestra en rojo.
                             De forma predeterminada, los componentes de la interferencia son
                             transparentes y el resto de los componentes permanecen opacos.
                             Haga clic en Aceptar.

                              Interference1           Interference2           Interference3




                            bracket                Yoke_male               Yoke_male
                            crank-shaft            crank-shaft             crank-shaft

                        7    Métodos visuales.
                             A veces, las áreas de interferencia se
                             pueden determinar visualmente. Se
                             pueden utilizar las visualizaciones
                             Sombreado (sin aristas) y Líneas
                             ocultas visibles.
                             En este caso, el volumen de crank-
                             shaft (eje de la manivela) se superpone
                             con el del bracket (abrazadera).




                        8    Editar operación.
                             Haga clic con el botón
                             secundario del ratón en la
                             relación de posición
                             Distancia1 y seleccione
                             Editar operación.
                             Haga clic en la opción Invertir
                             cota y después en Aceptar.




428                                                                   Cómo analizar el ensamblaje
Manual de formación SolidWorks 2006                                                Lección 13
                                                                          Cómo usar ensamblajes


                     9   Volver a comprobar las interferencias.
                         Seleccione los componentes bracket,
                         crank-shaft y Yoke_male (Horquilla
                         macho) y haga clic en Detección de
                         interferencias. Como es de esperar, el
                         resultado es No Interference.




Detección de             El problema con un método estático de detección de interferencias
interferencias           es que los componentes de un ensamblaje sólo pueden interferir en
estática contra          ciertas condiciones. Se necesita entonces una manera de detectar las
dinámica                 colisiones en forma dinámica, mientras un ensamblaje se mueve.
Introducción:            Detección de colisión analiza los componentes seleccionados en
Detección de             el ensamblaje durante el movimiento de ensamblaje dinámico,
colisión                 alertándolo cuando las caras chocan o colisionan. Tiene las
                         opciones de detener el movimiento en colisión, resaltando las caras
                         en colisión y generando un sonido de sistema.

Dónde encontrarlo             En los PropertyManager Mover componente         o Girar
                              componente      , seleccione Detección de colisión.

                     10 Detección de colisión.
                        Haga clic en Mover componente
                              y seleccione Detección de
                         colisión.
                         Seleccione Todos los
                         componentes y Detener al
                         colisionar.
                         Gire la junta en U arrastrando el
                         asa de la manivela. Cuando las
                         aristas interiores de las dos
                         yokes (horquillas) colisionan, el
                         sistema le avisa resaltando las
                         caras y generando un sonido del
                         sistema.




Cómo analizar el ensamblaje                                                                429
Lección 13                                               Manual de formación SolidWorks 2006
Cómo usar ensamblajes


                        11 Delimitar la selección.
                           La opción Todos los componentes significa
                           que se detectan las colisiones con todos los
                           componentes del ensamblaje. Esto exige más a
                           los recursos del sistema, especialmente en un
                           ensamblaje grande. Si elige Estos
                           componentes, sólo se detectan las colisiones
                           con un grupo de componentes de ensamblaje
                           seleccionados.
                           Haga clic en Estos componentes y
                           seleccione los componentes Yoke_female
                           (Horquilla hembra) y Yoke_male (Horquilla
                           macho).
                           Haga clic en Detener al colisionar y, a continuación, en
                           Reanudar arrastre.
                        12 Desactivar la detección de colisión.
                           Haga clic en Aceptar para cerrar el PropertyManager.


Consideraciones            Hay un número de opciones y técnicas que puede utilizar para
de rendimiento             mejorar el rendimiento del sistema durante la Detección de
                           colisión dinámica:
                               Haga clic en Estos componentes, en vez de en Todos los
                               componentes. En general, el rendimiento puede mejorarse si
                               minimiza el número de componentes que el sistema tiene que
                               evaluar. Sin embargo, tenga cuidado de no pasar por alto un
                               componente que realmente interfiera.
                               Asegúrese de que la opción Sólo pieza arrastrada se encuentre
                               seleccionada. Esto significa que sólo se detectan las colisiones
                               con el componente que está arrastrando. Si no se encuentra
                               seleccionada, se detectan colisiones para el componente en
                               movimiento y los componentes que se mueven como resultado
                               de relaciones de posición correspondientes al componente en
                               movimiento.
                               Si es posible, utilice Ignorar superficies complejas.
Nota                       La opción Distancia dinámica puede utilizarse
                           para mostrar la distancia real entre componentes
                           mientras éstos se mueven. Aparece una cota entre
                           los componentes seleccionados que se actualiza a
                           medida que la distancia mínima entre los mismos
                           cambia.


Cómo corregir la           El redondeo o la aplicación de un chaflán a las aristas de las
interferencia              horquillas eliminará la interferencia.




430                                                                Cómo analizar el ensamblaje
Manual de formación SolidWorks 2006                                                 Lección 13
                                                                           Cómo usar ensamblajes




                     13 Abrir pieza.
                         En el gestor de diseño del
                         FeatureManager, haga clic con el botón
                         secundario del ratón en Yoke_female y
                         seleccione Abrir pieza.
                         Agregue un chaflán de 0.05” x 45 a las
                         aristas tal como se indica. Guarde los cambios.
                     14 Regresar al ensamblaje.
                        Haga clic en Ventana, UJ_for_INT.SLDASM o bien utilice las
                        teclas Ctrl+Tab.
                         Cuando el software detecte el cambio en la pieza, un mensaje le
                         pedirá si desea reconstruir el ensamblaje.
                         Haga clic en No en respuesta al mensaje hasta que se hayan
                         realizado todos los cambios.
                     15 Corregir el componente Yoke_male.
                         Abra el componente Yoke_male mediante
                         la opción Abrir pieza. Agregue un chaflán de
                         la misma manera que en el componente
                         Yoke_female.
                         Guarde los cambios y vuelva al ensamblaje
                         haciendo clic en Sí en el mensaje
                         Reconstruir ensamblaje.
                     16 Buscar interferencia.
                        Haga clic en Mover componente. Haga clic en estas opciones:
                            Detección de colisión
                            Todos los componentes
                            Detener al colisionar
                         Pruebe la interferencia girando la manivela. No se detectan
                         colisiones.
                     17 Desactivar la herramienta Mover componente.




Cómo cambiar             El cambio del valor de una cota en el ensamblaje funciona
los valores de           exactamente igual que el cambio de esa cota en una pieza: haga
las cotas                doble clic en la operación y luego haga doble clic en la cota.
                         SolidWorks utiliza la misma pieza en el ensamblaje o el dibujo, así
                         que si cambia dicha pieza en un lugar, la misma cambiará en todos
                         los lugares.
                         Se puede hacer doble clic en la operación desde el FeatureManager
                         o la pantalla, pero la cota siempre aparecerá en la pantalla.




Cómo cambiar los valores de las cotas                                                       431
Lección 13                                               Manual de formación SolidWorks 2006
Cómo usar ensamblajes




                        18 Editar la pieza crank-arm (brazo de
                           la manivela).
                           Haga doble clic en el gráfico de la pieza
                           crank-arm para acceder a sus cotas.
                           Éstas son las cotas utilizadas para
                           construir la pieza.
                           Cambie la longitud a 4”.




                        19 Editar la pieza crank-shaft.
                           Cambie el valor de la longitud a 2.5”.
                           Observe que no sólo se reconstruyen las
                           piezas y se actualiza el ensamblaje sino que
                           las relaciones de posición garantizan que la
                           pieza crank-arm se mueva hacia arriba
                           cuando la pieza crank-shaft gane altura
                           y la pieza crank-knob (perilla de la
                           manivela) se mueva cuando la pieza
                           crank-arm gane longitud.



                        20 Abrir la pieza crank-shaft.
                           Haga clic con el botón secundario del ratón en crank-shaft y
                           seleccione Abrir pieza desde el menú contextual.
                        21 Cambios en el nivel de pieza.
                           El cambio de una pieza en el nivel de ensamblaje
                           la cambia en el nivel de pieza y viceversa. Eso es
                           porque se trata de la misma pieza y no de una
                           copia.
                           Vuelva a cambiar el valor a 1.5” y cierre la pieza,
                           guardando los cambios.
                        22 Actualización del ensamblaje.
                           Se han realizado cambios en una referencia del ensamblaje, en este
                           caso el tamaño de una pieza. Al volver a ingresar el ensamblaje,
                           SolidWorks pregunta si desea reconstruir. Haga clic en Sí.
                        23 Volver a cambiar valores.
                           Seleccione y vuelva a cambiar la cota de crank-arm a 3” y
                           reconstruya.




432                                                      Cómo cambiar los valores de las cotas
Manual de formación SolidWorks 2006                                                  Lección 13
                                                                            Cómo usar ensamblajes


Cómo utilizar             Cinemática con colisiones físicas es un método para visualizar el
Cinemática con            movimiento del ensamblaje en una forma más realista. Al ampliar
colisiones                los recursos de la detección de colisión dinámica, la Cinemática
                          con colisiones físicas permite que un objeto actúe sobre otro.
físicas
                          Cuando dos objetos colisionan, uno moverá al otro según los grados
                          de libertad disponibles. La Cinemática con colisiones físicas se
                          propaga en todo el ensamblaje. El componente arrastrado puede
                          desalojar un componente, que a su vez se mueve y desaloja otro
                          componente y así sucesivamente.
Nota                      No confunda la Cinemática con colisiones físicas con una
                          aplicación de análisis cinemática como COSMOSMotion. Con la
                          Cinemática con colisiones físicas, las características como
                          momento, fricción, elasticidad o falta de elasticidad de la colisión
                          no se tienen en cuenta.

Dónde encontrarlo             En el PropertyManager Mover componente, haga clic en
                              Cinemática con colisiones físicas.
¿Qué es esto?             Cuando arrastra un componente con la opción Cinemática con
                          colisiones físicas activada, aparece un pequeño símbolo        en el
                          componente. Esto representa el centro de masa. La Cinemática con
                          colisiones físicas utiliza las propiedades físicas para calcular
                          cómo afectarán al componente las fuerzas que actúan en él cuando
                          colisione con otros componentes. La acción de arrastrar un
                          componente por su centro de masa exhibe un movimiento diferente
                          que cuando el componente se arrastra por un punto.
Ejemplos                  En la carpeta Physical Dynamics (Cinemática con colisiones
                          físicas) se encuentran algunos ejemplos. Los mismos se ilustran en
                          el gráfico a continuación.

                            Elemento de simulación                       Descripción
                               Nested Slides                  Mientras arrastra la diapositiva
                             (Dispositivas anidadas)          más profunda, se hace contacto
                                                              con la siguiente dispositiva y
                                                              se estira lo más lejos posible.




                               Clock (Reloj)                  Al arrastrar el minutero, se
                                                              mueve la manecilla de las
                                                              horas.




Cómo utilizar Cinemática con colisiones físicas                                              433
Lección 13                                        Manual de formación SolidWorks 2006
Cómo usar ensamblajes



                         Elemento de simulación                   Descripción
                            Geneva Wheel                Al girar la rueda de entrada, el
                           (Rueda de Ginebra)           pasador engancha y
                                                        desengancha las ranuras en la
                                                        rueda de salida.




                          Limit Mechanism               Gire la rueda de la leva en
                          (Mecanismo límite).           sentido contrario a las agujas
                                                        del reloj y la palanca de
                                                        funcionamiento con forma de
                                                        Y oscilará hacia delante y
                                                        hacia atrás.




                            Bevel Gears                 Gire la manija en un
                          (Engranajes cónicos)          mecanismo y el otro
                                                        mecanismo girará.




                        Rolling Balls (Esferas)         Arrastre las esferas
                                                        individuales para que
                                                        colisionen entre sí.




434                                              Cómo utilizar Cinemática con colisiones
Manual de formación SolidWorks 2006                                               Lección 13
                                                                         Cómo usar ensamblajes


Sugerencias para        Cuando trabaje con Cinemática con colisiones físicas, debe
trabajar con            considerar algunas cuestiones.
Cinemática con          1. La Cinemática con colisiones físicas depende de la detección
colisiones físicas         de colisión. No funcionará si el ensamblaje contiene
                           interferencias. Si el elemento que usted arrastra interfiere con
                           otro componente, la fuente de la interferencia se pone
                           transparente. Utilice Herramientas, Detección de
                           interferencias para buscar y eliminar interferencias antes de
                           utilizar la Cinemática con colisiones físicas.
                        2. Utilice las relaciones de posición adecuadas para definir el
                           ensamblaje. Los ensamblajes con un nivel muy bajo de
                           restricción tienen menos probabilidades de resultar exitosos.
                           No dependen de la Cinemática con colisiones físicas para
                           solucionar todo. Por ejemplo, en el ensamblaje Nested
                           Slides, las relaciones de posición se utilizaron para relacionar
                           slide1 y slide2 para que cada uno tenga un grado de
                           libertad. A continuación se utilizó la Cinemática con
                           colisiones físicas para controlar la interacción de los
                           pasadores y las ranuras.
                        3. La Cinemática con colisiones físicas no funciona en
                           ensamblajes que tengan relaciones de posición simétricas.
                           Para obtener más información sobre las relaciones de posición
                           simétricas, consulte el curso avanzado Modelo de ensamblaje
                           avanzado.
                        4. La Cinemática con colisiones físicas puede ser intensiva
                           desde el punto de vista del cálculo. Limite el alcance
                           seleccionando componentes en el cuadro Elementos
                           seleccionados y luego haga clic en Reanudar arrastre.
                           Los elementos que no se encuentran en la lista se ignoran.
Simulación              La opción Simulación física le permite simular los efectos de
física                  motores, resortes y gravedad en sus ensamblajes. La Simulación
                        física combina elementos de simulación con herramientas de
                        SolidWorks como relaciones de posición y Cinemática con
                        colisiones físicas para mover componentes alrededor de su
                        ensamblaje. Utilice un ensamblaje que tenga las relaciones de
                        posición para dar soporte a los efectos de simulación.
Nota                    No confunda Simulación física con una aplicación de análisis
                        cinemática. Con Simulación física, las características como
                        momento, fricción, elasticidad o falta de elasticidad de la colisión
                        no se consideran.
Barra de                Los comandos para Simulación física se encuentran en la barra de
herramientas            herramientas Simulación. Las herramientas individuales se
Simulación              explicarán más adelante en esta lección.



Dónde encontrarlo          Haga clic en Barra de herramientas Simulación           en la
                           barra de herramientas Ensamblaje.


Simulación física                                                                          435
Lección 13                                              Manual de formación SolidWorks 2006
Cómo usar ensamblajes


                              O haga clic en Ver, Barras de herramientas y seleccione
                              Simulación.
Opciones de la            Hay diversas opciones para crear la simulación:
barra de
herramientas                    Detener grabación o                Calcular simulación
                                reproducción
                                Restablecer componentes            Reproducir simulación
Elementos de              Hay muchos elementos de simulación que mueven los componentes
simulación                en el ensamblaje.

 Elemento de
                                                    Descripción
 simulación

      Motor lineal      Los motores lineales mueven los componentes a lo largo de un
                        trayecto de línea recta.

      Motor rotatorio   Los motores rotatorios mueven los componentes alrededor de un eje
                        seleccionado, pero no son fuerzas. La potencia del motor no varía
                        según el tamaño o la masa del componente. Por ejemplo, un
                        componente pequeño se mueve a la misma velocidad que un
                        componente grande si el control deslizante de Velocidad se establece
                        al mismo valor. No debe agregar más de un motor del mismo tipo al
                        mismo componente.

      Resorte lineal    Los resortes aplican una fuerza a un componente. Un resorte con una
                        constante de resorte más alta moverá un componente más rápido que
                        un resorte con una constante de resorte más baja. Además, un
                        componente con una masa menor se moverá más rápido que un
                        componente con una masa mayor si actúa sobre resortes de igual
                        resistencia.
                        El movimiento producido por un resorte se detiene cuando el resorte
                        alcanza su longitud libre.
                        El movimiento producido por los motores reemplaza el movimiento
                        producido por los resortes. Si tiene un motor que mueve un
                        componente hacia la izquierda y un resorte que tira de un
                        componente hacia la derecha, el componente se mueve hacia la
                        izquierda.

      Gravedad          Sólo se puede definir un elemento de simulación de gravedad por
                        ensamblaje.
                        Todos los componentes se mueven a la misma velocidad bajo el
                        efecto de la gravedad, independientemente de su masa.
                        El movimiento producido por los motores reemplaza el movimiento
                        producido por la gravedad. Si tiene un motor que mueve un
                        componente hacia arriba y la gravedad lo mueve hacia abajo, el
                        componente se mueve hacia arriba sin ningún movimiento hacia
                        abajo.




436                                                                          Simulación física
Manual de formación SolidWorks 2006                                                Lección 13
                                                                          Cómo usar ensamblajes


Controlador de          El Controlador de animaciones
animaciones             se invoca mediante el botón
                        Reproducir simulación
                        situado en la barra de herramientas Simulación.
Opciones de             Hay diversas opciones para reproducir la simulación:
reproducción
                             Iniciar                  Rebobinar             Reproducir
                             Avance rápido            Finalizar             Pausa
                             Detener                  Guardar como          Normal
                                                      archivo AVI
                             Bucle                    Reproducción          Reproducción
                                                      alternativa           lenta
                             Reproducción acelerada
                                                          Barra de progreso
Gestor de diseño        Cuando agrega elementos de simulación a un
del                     ensamblaje, se agrega una operación Simulation
FeatureManager          (Simulación) al FeatureManager. Si hace clic con el botón
                        secundario del ratón en la operación Simulation, puede:
                           Eliminar la operación Simulation, incluyendo todos los
                           elementos de simulación.
                           Eliminar la reproducción de la simulación. Esto deja los
                           elementos de simulación intactos.
                           Restablecer los componentes a sus posiciones previas a la
                           simulación.

                    1   Agregar un motor
                        rotatorio.
                        Haga clic en Motor
                        rotatorio      y seleccione
                        la arista circular de
                        crank-shaft como la
                        Dirección del motor.
Sugerencia              Si se hace clic en la opción
                        Numérica podrá
                        establecer un valor real
                        para la velocidad angular
                        en las unidades actuales. En este ejemplo sería grados por segundo.
                    2   Carpeta de simulaciones.
                        Cuando se agrega el Motor rotatorio, se agrega
                        también una nueva carpeta Simulation para contenerlo.
                    3   Calcular la simulación.
                        Haga clic en Calcular simulación   en la barra de herramientas
                        Simulación. Grabe aproximadamente dos revoluciones completas
                        del crank-assy (ensamb. manivela).




Simulación física                                                                          437
Lección 13                                                 Manual de formación SolidWorks 2006
Cómo usar ensamblajes


Nota                        Cuando graba una simulación, los componentes se mueven, en
                            realidad, dentro de sus grados de libertad según los elementos de
                            simulación. Los grados de libertad se determinan por las relaciones
                            de posición en los componentes y las colisiones con otros
                            componentes.
                        4   Detener la grabación.
                            Haga clic en Detener grabación o reproducción          en la barra de
                            herramientas Simulación.
                        5   Reproducir la simulación.
                            Haga clic en Reproducir simulación          en la barra de
                            herramientas Simulación para acceder al Controlador de
                            animaciones. Utilice una de las opciones del controlador para
                            acelerar, ralentizar, crear bucles o reproducir de manera alternativa
                            la reproducción.
                        6   Guardar y cerrar.



Otro ejemplo                En la siguiente sección se ofrece otro ejemplo de simulación física
                            en la que el motor se aplica a un componente y ese movimiento
                            afecta a muchos otros componentes.

                        1   Abrir un ensamblaje.
                            Abra el ensamblaje
                            machine.sldasm
                            ubicado en la carpeta
                            Sarrus Mechanism
                            (Mecanismo de Sarrus).




                        2   Ocultar componente.
                            Cambie a la vista Back
                            Iso (Posterior iso.) y
                            oculte el componente
                            Mount (Montaje).
                            Esto facilitará la
                            incorporación de un motor
                            rotatorio al eje de la pieza
                            Wheel (Rueda).




438                                                                             Simulación física
Manual de formación SolidWorks 2006                                               Lección 13
                                                                         Cómo usar ensamblajes


                    3   Motor rotatorio.
                        Haga clic en Motor
                        rotatorio    en la barra de
                        herramientas Simulación.
                        Seleccione la cara
                        cilíndrica del eje de la
                        pieza Wheel.
                        Haga clic en Invertir
                        selección y luego en Aceptar.

                    4   Visualizar componente.
                        Vuelva a cambiar a la
                        vista My Iso (Mi iso.) y
                        muestre el componente
                        Mount. Grabe, detenga y
                        reproduzca la simulación
                        de la misma manera que la
                        anterior.


Otros ejemplos          Puede utilizar cualquiera de los ensamblajes de la carpeta
                        Physical Dynamics para probar la simulación física.


Ensamblajes             Puede realizar Vistas explosionadas de ensamblajes
explosionados           automáticamente o explosionando el componente del ensamblaje
                        por componente. El ensamblaje puede alternar entre estados de vista
                        normal y explosionada. Una vez creada, la Vista explosionada
                        puede editarse y utilizarse dentro de un dibujo. Las Vistas
                        explosionadas se guardan con la configuración activa.
Configuración de        Antes de agregar la Vista explosionada, hay algunos pasos del
la vista                proceso de configuración que facilitarán el acceso a la vista
explosionada            explosionada. Es una buena práctica crear una configuración para
                        almacenar una Vista explosionada y también agregar una relación
                        de posición que mantenga al ensamblaje en una “posición de
                        inicio”.

                    1   Abrir un ensamblaje.
                        Abra el ensamblaje Launcher.sldasm
                        que se encuentra en la carpeta Exploded
                        View (Vista explosionada).




Ensamblajes explosionados                                                                 439
Lección 13                                                 Manual de formación SolidWorks 2006
Cómo usar ensamblajes


                        2   Agregar una nueva configuración.
                            Pase al ConfigurationManager, haga clic con el
                            botón secundario del ratón y seleccione
                            Agregar configuración.
                            Escriba el nombre Exploded (Explosionada)
                            y agregue la configuración.




                            La nueva configuración es la que está activa.
                            Para obtener más información sobre Configuraciones de
                            ensamblaje, consulte el manual Modelo de ensamblaje avanzado.


Introducción:               La opción Vista explosionada se utiliza para mover uno o varios
Vista explosionada          componentes a lo largo de un brazo de Mover con sistema de
                            referencia    . Cada distancia y dirección de movimiento se
                            almacena como un paso.

Dónde encontrarlo              Desde el menú Insertar, seleccione Vista explosionada....
                               O bien, haga clic en Vista explosionada     en la barra de
                               herramientas Ensamblaje.

                        3   Haga clic en Insertar, Vista
                            explosionada.
                            Aparece el cuadro de diálogo
                            Vista explosionada. Pasos
                            de explosión permite el
                            movimiento individual de
                            cada componente.
                            El cuadro de grupo
                            Configuraciones muestra los
                            componentes explosionados
                            en el paso junto con la
                            dirección y la distancia.
                            El cuadro de grupo Opciones
                            incluye las opciones de
                            subensamblaje y espaciado
                            automático de
                            automatización.




440                                                                 Ensamblajes explosionados
Manual de formación SolidWorks 2006                                                Lección 13
                                                                          Cómo usar ensamblajes


Explosión de un          Se pueden mover uno o varios componentes en una o varias direc-
solo componente          ciones. Cada movimiento (uno o varios componentes) establecido
                         mediante una distancia y dirección se considera un paso.

                     4   Seleccionar componente.
                         Seleccione el componente Arrow<3>
                         (Flecha 3) que aparece en la pantalla.
                         Aparece Mover con sistema de referencia
                         en el centro del cuadro delimitador del
                         componente. Mover con sistema de
                         referencia se alinea con el eje x a lo largo
                         de la longitud de la cara cilíndrica.
                     5   Arrastrar explosión.
                         Explosione el componente
                         arrastrando el eje rojo y
                         apartándola del ensamblaje.
                         Se agrega la operación
                         Explode Step1 (Paso de
                         explosión 1) El componente
                         aparece debajo.
                         Haga clic en el componente
                         para finalizar el paso.

Sugerencia               Si se selecciona el paso por nombre en el cuadro de diálogo, se
                         muestran los componentes en amarillo con la flecha azul.


Mover con sistema        Los ejes de Mover con sistema
de referencia y          de referencia se utilizan como
flecha de arrastre       vectores para el paso de
                         explosión. Una vez creados, la
                         distancia del paso se puede
                         modificar arrastrando la flecha
                         azul a lo largo de la línea de
                         explosión.
                         Si los ejes de Mover con sistema
                         de referencia no señalan en las direcciones deseadas, se puede
                         cambiar su orientación. Arrastre el origen del manipulador y
                         suéltelo sobre una arista, eje, cara o plano para reorientarlo.




Ensamblajes explosionados                                                                  441
Lección 13                                                   Manual de formación SolidWorks 2006
Cómo usar ensamblajes


Explosión de                Se pueden explosionar varios componentes a lo largo del mismo
varios                      trayecto o de varios trayectos. En el caso de selecciones de varios
componentes                 componentes, el último componente seleccionado determina la
                            orientación de Mover con sistema de referencia.

                        6   Selección.
                            Seleccione primero el
                            componente Arrow<1>
                            (Flecha 1) seguido del
                            componente Arrow (Flecha)
                            y los componentes Nozzle
                            (Inyector) restantes.
Sugerencia                  Se pueden seleccionar varios componentes haciendo clic en cada
                            uno de ellos o utilizando una ventana de arrastrar-seleccionar.
                        7   Trayectos.
                            Mueva los componentes a lo
                            largo del eje rojo tal como se
                            muestra.




                            Vuelva a seleccionar los
                            mismos componentes y
                            agregue otro paso.




                            Agregue otro paso sólo
                            para los componentes
                            Arrow.




442                                                                   Ensamblajes explosionados
Manual de formación SolidWorks 2006                                               Lección 13
                                                                         Cómo usar ensamblajes


Explosión de            Los subensamblajes se pueden tratar de varias maneras. Como
componentes de          componentes únicos, se pueden mover en bloque. Como
subensamblajes          componentes individuales, cada uno de ellos se puede mover de
                        manera independiente. Si ya existe una vista explosionada de dicho
                        ensamblaje, se puede agregar a la vista explosionada actual.

                    8   Subensamblaje como
                        componente.
                        Seleccione el componente
                        SUB_trigger
                        (Desencadenador SUB) superior
                        y muévalo con dos pasos tal
                        como se muestra.




Espaciado               La opción Espaciar componentes automáticamente después
automático              de arrastrar se utiliza para distribuir una serie de componentes a lo
                        largo de un solo paso axial. El espaciado se puede establecer con un
                        control deslizante y cambiar después de su creación.
                        La opción Seleccionar las piezas del subensamblaje considera
                        cada componente del subensamblaje como un componente
                        individual.

                    9   Espaciado automático.
                        Haga clic en Seleccionar las
                        piezas del subensamblaje y en
                        Espaciar componentes
                        automáticamente después de
                        arrastrar. Seleccione los tres
                        componentes del subensamblaje de
                        manera individual. Arrastre a lo
                        largo del eje rojo y suelte para
                        espaciar los componentes. Se agrega
                        un paso Cadena.




Ensamblajes explosionados                                                                 443
Lección 13                                                 Manual de formación SolidWorks 2006
Cómo usar ensamblajes


                        10 Ajustar.
                           Arrastre el componente End Cap
                           (Tapa en extremo) utilizando la
                           flecha azul y suéltelo entre los otros
                           dos componentes. La separación
                           permanece con un orden diferente.




Reutilización de           Las vistas explosionadas que se crean dentro de los subensamblajes
explosiones                se pueden importar y volver a utilizar.

                        11 Mover subensamblaje.
                           Desactive las opciones Seleccionar las piezas del
                           subensamblaje y Espaciar componentes automáticamente
                           después de arrastrar. Arrastre el subensamblaje SUB_trigger
                           inferior tal como se muestra.




444                                                                 Ensamblajes explosionados
Manual de formación SolidWorks 2006                                                Lección 13
                                                                          Cómo usar ensamblajes


                     12 Reutilizar la explosión del subensamblaje.
                        Seleccione el subensamblaje y haga clic en Reutilizar explosión
                        de subensamblaje.




Croquis con              Cree líneas como rutas para la vista explosionada utilizando Líneas
líneas de                de explosión. Un tipo de croquis 3D denominado Croquis con
explosión                líneas de explosión se utiliza para crear y visualizar las líneas. Se
                         pueden utilizar las herramientas Croquis con líneas de explosión
                         y Quebrar cota de línea para crear y modificar las líneas.
Líneas de                Se pueden agregar Líneas de explosión al croquis con líneas de
explosión                explosión para representar la ruta de explosión de los componentes.
Introducción:            Un Croquis con líneas de explosión le permite crear líneas de
Croquis con líneas       explosión en forma semiautomática. Para hacerlo, seleccione
de explosión             geometría de modelo como caras, aristas o vértices y el sistema
                         generará las líneas de explosión.

Dónde encontrarlo            En el menú Insertar, haga clic en Croquis con líneas de
                             explosión.
                             O bien, haga clic en Croquis con líneas de explosión    en la
                             barra de herramientas Ensamblaje.
Introducción:            Quebrar cota de línea se utiliza
Quebrar cota de          para romper una línea existente
línea                    y crear una serie de líneas de
                         90°. Las líneas con quiebre de
                                                             Antes              Después
                         cota se restringen
                         automáticamente para ser perpendiculares y paralelas a las líneas
                         originales.

Dónde encontrarlo            En el menú Herramientas, haga clic en Herramientas de
                             croquizar, Quebrar cota de línea.
                             O haga clic en Quebrar cota de línea   en la barra de
                             herramientas Explosionar croquis.


Croquis con líneas de explosión                                                            445
Lección 13                                                Manual de formación SolidWorks 2006
Cómo usar ensamblajes




                        13 Línea de recorrido.
                           Haga clic en Croquis con líneas de
                           explosión para iniciar el croquis 3D.
                           Seleccione las aristas del círculo y del
                           arco tal como se muestra para crear una
                           línea de recorrido entre ellas. Se pueden
                           utilizar diferentes combinaciones de las Opciones para obtener
                           distintos resultados.
                           Haga clic en Aceptar.
                        14 Explosionar a través de
                           componente.
                           Seleccione (en orden) la arista
                           circular de Main Body<1>
                           (Cuerpo principal 1), la cara
                           cilíndrica de Nozzle<1> y la
                           arista circular de Arrow<1>.
                           Se creará una serie continua de
                           líneas de explosión.


                        15 Editar líneas de explosión.
                           Mueva los segmentos de líneas
                           individuales arrastrando las
                           flechas pequeñas tal como se
                           muestra. También puede hacer
                           clic en las pequeñas flechas 3D
                               en los extremos de las líneas
                           de explosión para invertir su
                           dirección. Haga clic con el
                           botón secundario del ratón en
                           Aceptar.




446                                                            Croquis con líneas de explosión
Manual de formación SolidWorks 2006                                                Lección 13
                                                                          Cómo usar ensamblajes


                     16 Líneas adicionales.
                         Agregue grupos de líneas de explosión para conectar todos los
                         componentes restantes.




Cómo personalizar        Las herramientas Línea de recorrido y Quebrar cota de
las barras de            línea se encuentran en la barra de herramientas Explosionar
herramientas             croquis de forma predeterminada. Quizás decida que es más
                         conveniente agregar estas dos herramientas a una barra de
                         herramientas existente, como la barra de herramientas Herramientas
                         de croquizar o Ensamblaje. Puede llevarlo a cabo haciendo clic en
                         Herramientas, Personalizar... y seleccionando la pestaña
                         Comandos. Seleccione Explosionar croquis en la lista
                         Categorías y arrastre los botones a la barra de herramientas
                         deseada.
Cómo animar              Se puede utilizar el Controlador de animaciones para animar la
vistas                   explosión o colapsar el movimiento.
explosionadas

Dónde encontrarlo            Haga clic con el botón secundario del ratón en Colapsar
                             animación en la operación ExplodeView1 (Explosionar
                             vista 1).
                             Si la vista explosionada está colapsada, haga clic con el botón
                             secundario del ratón en Explosionar animación en la
                             operación ExplodeView1.

                     17 Barra de herramientas
                        Animación.
                         Haga clic con el botón
                         secundario del ratón en ExplView1 (Expl. Vista 1) y seleccione
                         Colapsar animación.
                         El diálogo utiliza controles estándar semejantes a los de un vídeo
                         incluida la opción     Reproducir.


Croquis con líneas de explosión                                                            447
Lección 13                                                 Manual de formación SolidWorks 2006
Cómo usar ensamblajes


                            Para obtener más información sobre las otras opciones, consulte
                            Controlador de animaciones en la página 437.
                        18 Guardar y cerrar.
                            Colapse el ensamblaje. Guarde y cierre el ensamblaje.


Dibujos de                  Los ensamblajes tienen diversos requisitos únicos cuando se trata
ensamblajes                 de realizar dibujos detallados de los mismos. Además de las vistas
                            especializadas, los ensamblajes requieren una Lista de materiales y
                            Globos para documentar completamente el ensamblaje.

                        1   Dibujo nuevo.
                            Utilice Crear dibujo desde pieza/ensamblaje   para crear un
                            nuevo dibujo con la plantilla A-Scale1to2 (A-Escala1a2).
                        2   Vista etiquetada.
                            Con el diálogo automático Vista del modelo, agregue una vista
                            etiquetada del ensamblaje Launcher (Lanzador). Establezca la
                            orientación en *Isometric (Isométrica) con Scale 1:4 (Escala
                            1:4) y colóquela en el dibujo. Esta vista se utilizará para visualizar
                            una vista explosionada.




448                                                                       Dibujos de ensamblajes
Manual de formación SolidWorks 2006                                                 Lección 13
                                                                           Cómo usar ensamblajes


                      3   Propiedades de vista.
                          Haga clic en Más
                          propiedades para ver
                          que se hayan seleccionado
                          la configuración
                          Explosionada y
                          Visualizar en estado
                          explosionado.
Nota                      La opción Visualizar en
                          estado explosionado
                          aparecerá sólo si hay una
                          vista explosionada
                          existente en la
                          configuración
                          seleccionada.

Lista de materiales       En un dibujo de ensamblaje, un informe de lista de materiales puede
                          crearse e insertarse automáticamente en la hoja de dibujo.
Dónde encontrarlo            Haga clic en Lista de materiales     en la barra de
                             herramientas Tabla.
                             O bien, en el menú Insertar, seleccione Tablas, Lista de
                             materiales....

                      4   Configuración de la LDM.
                          Haga clic en la vista explosionada y haga clic en
                          Insertar, Tablas, Lista de materiales....
                          Seleccione bom-standard como la Plantilla de
                          tabla, Sólo piezas como el Tipo de LDM y
                          Exploded como la Configuración.
                          Puesto que ambas configuraciones contienen los
                          mismos componentes, cualquiera de las dos
                          funcionará.




                      5   Lista de materiales.
                          La LDM aparecerá en la pantalla donde hizo clic al seleccionar la
                          vista.




                          Puede volver a ajustar el tamaño de la LDM arrastrándola. También
                          se puede mover la LDM.




Dibujos de ensamblajes                                                                      449
Lección 13                                                Manual de formación SolidWorks 2006
Cómo usar ensamblajes


Cómo agregar                Los números de elementos asignados a la lista de materiales pueden
globos                      agregarse al dibujo utilizando Globos. Estos globos asignarán el
                            número de elemento correcto al insertarse en aristas, vértices o
                            caras.
Introducción:               El comando Globo automático se utiliza para etiquetar
Globos automáticos          automáticamente los componentes de un dibujo de ensamblaje por
                            número de elemento y, opcionalmente, por cantidad. Hay muchas
                            formas de globos diferentes.
Dónde encontrarlo              En la barra de herramientas Anotaciones, haga clic en Globo
                               automático      .
                               O bien, en el menú Insertar, haga clic en Anotaciones, Globo
                               automático....


                        6   Insertar globos.
                            Haga clic en la herramienta Globo automático        y seleccione el
                            dibujo Cuadrado. Se agregan los globos con los números de
                            elementos correctos. Cuando arrastre el globo del elemento 1 más
                            cerca de la vista, se moverán todos.




                        7   Guarde y cierre el dibujo y cualquier otro archivo abierto.


En el curso                 Las tres secciones sobre dibujos tratadas en este curso son tan sólo
Dibujos...                  una introducción al arte de la documentación. En el curso
                            Conceptos básicos de SolidWorks: Dibujos, aprenderá sobre todos
                            los aspectos de la realización de dibujos detallados de piezas y
                            ensamblajes.




450                                                                        En el curso Dibujos...
Manual de formación SolidWorks 2006


Ejercicio 58:           Mediante el ensamblaje
Cómo utilizar la        proporcionado,
detección de            determine el rango de
colisión                movimiento del asa de
                        sujeción.
                        Este laboratorio
                        refuerza las siguientes
                        funciones:
                           Detección de
                           colisión.
                           Acotación o utilización del comando Medir.
Procedimiento           Abra un ensamblaje existente.
                    1   Ensamblaje existente.
                        Abra el ensamblaje denominado Collision
                        (Colisión) de la carpeta Collision
                        (Colisión).




                    2   Ubicaciones de colisión.
                        El link (vínculo) detiene el movimiento del ensamblaje en dos
                        lugares. Mueva el ensamblaje al punto de colisión y mida el ángulo
                        formado mediante Medir o las cotas en una vista de dibujo.
                        ÁNGULO “A”- Al hacer retroceder el componentehandle sub-
                        assy (subensamb. asa) el link lo golpea.
                        ÁNGULO “B”- Al hacer avanzar el handle sub-assy, el link
                        golpea el componente hold-down sub-assy (subensamb.
                        sujetar).
                        Medidas: (redondeadas)
                        Ángulo “A” = 38°                 Ángulo “B” = 90°




Ejercicio 58                                                                           451
Manual de formación SolidWorks 2006


Ejercicio 59:   Mediante los ensamblajes existentes, agregue vistas explosionadas
Vistas          y líneas de explosión.
explosionadas   Los archivos se encuentran en la carpeta Flashlight
                (Linterna eléctrica).

Ensamblaje:
Flashlight
(Linterna
eléctrica)




Sugerencia      Muchos de los
                componentes se colocan
                en un ángulo y requieren
                que el sistema de
                referencia se arrastre y
                suelte para establecer la
                dirección de explosión
                adecuada. El sistema de
                referencia se puede
                colocar en una arista o
                cara.




452                                                                   Ejercicio 59
Manual de formación SolidWorks 2006


Ejercicio 60:           Mediante los ensamblajes existentes, agregue vistas explosionadas
Vistas                  y líneas de explosión. Utilice las vistas explosionadas para generar
explosionadas           dibujos con globos y una LDM. Utilice la plantilla A-Scale1to2
y dibujos de            (A-Escala1a2).
ensamblajes             Los archivos se encuentran en la carpeta Exploded Views
                        (Vistas explosionadas).

Ensamblaje:
part configs
(configs. de pieza)




Ensamblaje:
Ensamblaje
Caja de
cambios




Ejercicio 60                                                                             453
Manual de formación SolidWorks 2006




454                           Ejercicio 60
Manual de formación SolidWorks 2006




                                                                     Apéndice




                        El material de este apéndice complementa el material tratado en las
                        lecciones. Fue eliminado de las lecciones para no extenderlas
                        demasiado y se incluye aquí para su referencia.
                           Configuración de Herramientas, Opciones utilizada en este
                           curso.
                           Cómo crear una plantilla de documento personalizada para las
                           piezas.
                           Cómo organizar sus plantillas de documentos.




                                                                                        455
Manual de formación SolidWorks 2006




456
Manual de formación SolidWorks 2006


Configuración           El cuadro de diálogo Herramientas, Opciones es el medio por el
de Opciones             cual se modifica la configuración predeterminada de SolidWorks.
                        Contiene parámetros que se aplican a documentos individuales y
                        que se guardan con dichos documentos, al igual que parámetros que
                        se aplican sólo a su sistema y a su entorno de trabajo.
                        El cuadro de diálogo Herramientas, Opciones contiene dos
                        pestañas denominadas Opciones de sistema y Propiedades de
                        documento.
Cómo aplicar los        Hay pestañas dentro de Opciones que permiten realizar cambios en
cambios                 el sistema o las propiedades del documento. Esto le permite
                        controlar la aplicación de la configuración. Sus opciones son:
                        Opciones de sistema
                        Los cambios realizados en las opciones de sistema personalizan su
                        entorno de trabajo. Los mismos no se guardan con un documento
                        específico. En cambio, cada documento abierto en su sistema refle-
                        jará esta configuración. Por ejemplo, es posible que desee que su
                        cuadro de aumento predeterminado sea de 0.25 pulgadas. Habitual-
                        mente, yo trabajo en pequeñas piezas y desearía un cuadro de
                        aumento predeterminado de sólo 0.0625 pulgadas. Las opciones de
                        sistema nos permiten personalizar nuestro entorno de trabajo según
                        nuestras necesidades.
                        Propiedades de documento
                        Los cambios sólo afectarán el documento actualmente abierto. La
                        configuración predeterminada del sistema no cambia.
Cómo cambiar las        Para cambiar las Opciones predeterminadas, siga este
opciones                procedimiento:
predeterminadas         1. En el menú Herramientas, elija Opciones
                        2. Seleccione la pestaña correspondiente a la configuración que
                           desea cambiar.
                        3. Cuando termine, haga clic en Aceptar.
Nota                    Sólo puede acceder a las propiedades del documento cuando un
                        documento está abierto.
Configuración           Para obtener una lista completa de todas las configuraciones
sugerida                disponibles a través del cuadro de diálogo Herramientas,
                        Opciones, consulte la ayuda en línea.
                        Las Opciones de sistema importantes utilizadas en este manual
                        son:
                        General
                        Escribir valor de cota: Activada
                        Maximizar el documento al abrir: Activada
                        Croquis
                        Visualizar plano cuando está en modo sombreado: Desactivada
                        Plantillas predeterminadas
                        Siempre utilizar estas plantillas de documento predeterminadas:
                        Activada


Configuración de Opciones                                                                 457
Manual de formación SolidWorks 2006


Plantillas de            Con un archivo de Plantilla de documento (*.prtdot,
documento                *.asmdot, *.drwdot) puede guardar las propiedades del
                         documento para utilizarlas en documentos nuevos. Puede crear una
                         nueva plantilla que sólo contenga la configuración que desea.
                         Cuando desee crear un documento nuevo, seleccione la plantilla que
                         desea y el documento heredará la configuración de la plantilla.
Cómo crear una           La creación de una plantilla personalizada es un procedimiento
plantilla de pieza       simple. Abra un documento nuevo utilizando la plantilla
                         personalizada existente. A continuación, utilice el cuadro de
                         diálogo Herramientas, Opciones para modificar la configuración
                         del documento. Luego, guarde el documento como un archivo de
                         plantilla. Puede configurar las carpetas para que las mismas
                         contengan y organicen sus plantillas.
                         En esta sección, crearemos una plantilla de pieza personalizada.
                     1   Abrir una nueva pieza.
                         Abra una pieza utilizando la plantilla de pieza predeterminada.
                         La pieza se utilizará para formar la plantilla y luego se descartará.
                     2   Elegir una plantilla.
                         Haga clic en Archivo, Nuevo y en la pestaña Plantillas del cuadro
                         de diálogo. Haga clic en la plantilla Part y en Aceptar




Nota                     No utilice la configuración Principiante en el cuadro de diálogo
                         cuando esté guardando una plantilla de documento. La plantilla
                         resultante no podría verse.




458                                                                   Plantillas de documento
Manual de formación SolidWorks 2006


                     3    Propiedades.
                          Verifique y, si es necesario, establezca las siguientes Propiedades
                          de documento:
                             Documentación
                             Estándar de acotación: ANSI
                             Documentación, Fuente de anotaciones
                             Cota: Century Gothic; Altura = 12 puntos
                             Detalle: Century Gothic; Altura = 12 puntos
                             Sección: Century Gothic; Altura = 12 puntos
                             Nota/Globo: Century Gothic; Altura = 12 puntos
                             Documentación, Cotas
                             Precisión, Unidades primarias, Valor: 3
                             Documentación, Visualización de anotaciones
                             Siempre visualizar el texto en el mismo tamaño Activada
                             Rejilla/Enganchar
                             Visualizar rejilla - Desactivada
                             Enganchar a punto - Desactivada
                             Unidades
                             Unidades lineales - Milímetros
                             Propiedades de material
                             Las propiedades de material son específicas del documento.
                             Utilice Editar material para establecer el material apropiado
                             para la pieza. Es buena idea crear una plantilla de pieza para
                             cada material utilizado habitualmente. Esto le ahorrará tiempo y
                             garantizará resultados precisos al realizar cálculos de
                             propiedades físicas y vistas de sección en dibujos.
                             Geometría de referencia
                             Los nombres predeterminados para los tres planos de referencia
                             del sistema no se controlan mediante Herramientas, Opciones.
                             Se controlan mediante la plantilla de documento. Puesto que se
                             puede cambiar el nombre de una operación, también se puede
                             cambiar el nombre de los planos. Cuando la pieza se guarde
                             como una plantilla, los nombres de los planos se guardarán en el
                             archivo de plantillas. Luego, las piezas nuevas creadas con esta
                             plantilla heredarán automáticamente los nombres de los planos.
                             Si lo desea, cambie el nombre de los planos de referencia. Por
                             ejemplo, quizás prefiera XY, XZ y YZ en vez de los nombres
                             predeterminados.




Plantillas de documento                                                                   459
Manual de formación SolidWorks 2006


      4   Guardar una plantilla.
          Haga clic en Archivo, Guardar como.
          Para Guardar como tipo, seleccione Plantillas de pieza.
          Asigne a la plantilla el nombre mm_part y navegue al directorio
          donde desea guardar sus plantillas personalizadas. En este ejemplo,
          simplemente guardaremos la plantilla en el directorio de instalación
          de SolidWorks en la carpeta DataTemplates.
          Haga clic en Guardar.




      5   Utilizar la plantilla.
          Cierre la pieza actual sin guardarla. Abra una pieza nueva utilizando
          la plantilla mm_part que aparece en el cuadro de diálogo debajo de
          la pestaña Plantillas. Verifique que la configuración se haya
          incluido.




460                                                   Plantillas de documento
Manual de formación SolidWorks 2006


Plantillas de             Las plantillas de dibujo y los formatos de hoja tienen muchas más
dibujo y formatos         opciones que las plantillas de pieza o ensamblaje. En el curso
de hoja                   Conceptos esenciales de SolidWorks se brinda un tratamiento
                          exhaustivo de la creación y personalización de plantillas de dibujo
                          y formatos de hoja: Dibujos.
Cómo organizar            Como regla general, no es conveniente guardar sus plantillas
sus plantillas            personalizadas en el directorio de instalación de SolidWorks. El
                          motivo es que al instalar una nueva versión de SolidWorks, el
                          directorio de instalación se sobrescribe. Esto podría sobrescribir sus
                          plantillas personalizadas.
                          Una mejor estrategia consiste en configurar un directorio individual
                          para plantillas, como lo haría para operaciones Biblioteca y
                          bibliotecas de piezas estándar.
                          Puede controlar dónde SolidWorks busca las plantillas mediante
                          Herramientas, Opciones, Opciones de sistema, Ubicaciones
                          de archivos. El cuadro Mostrar carpetas para muestra rutas de
                          búsqueda de diversos tipos, incluyendo plantillas de documento.
                          Las carpetas se buscan en el orden que tienen en la lista. Puede
                          agregar nuevas carpetas, eliminar carpetas existentes o mover
                          carpetas hacia arriba o hacia abajo para cambiar el orden de
                          búsqueda.
Plantillas                Ciertas operaciones en SolidWorks crean automáticamente un
predeterminadas           nuevo documento de pieza, ensamblaje o dibujo. Algunos ejemplos
                          son:
                             Insertar, Pieza simétrica
                             Insertar, Componente, Pieza nueva
                             Insertar, Componente, Ensamblaje nuevo
                             Formar subensamblaje nuevo aquí
                             Archivo, Derivar pieza de componente
                          En estas situaciones, tiene la opción de especificar el uso de una
                          plantilla o dejar que el sistema utilice una plantilla predeterminada.
                          Esta opción se controla mediante Herramientas, Opciones,
                          Opciones de sistema, Plantillas predeterminadas.




Plantillas de documento                                                                      461
Manual de formación SolidWorks 2006




      Si seleccionó Avisar al usuario para seleccionar la plantilla de
      documento, aparecerá el cuadro de diálogo Nuevo documento de
      SolidWorks y podrá elegir la plantilla que desea utilizar. Si
      seleccionó Siempre utilizar estas plantillas de documento
      predeterminadas, se creará el archivo correspondiente mediante la
      plantilla predeterminada. Esta sección del menú Herramientas,
      Opciones también le permite definir los archivos de plantillas que
      el sistema debe utilizar en forma predeterminada.




462                                             Plantillas de documento
Manual de formación SolidWorks 2006                                                                           Indice




                                                                                                   Indice


A                                         área, Consulte medir                  cómo cambiar el tamaño de un
a repetir 154                                Consulte también propiedades de              plano 107
abrir componente 398                              sección                       cómo colocar componentes 385
acotar croquis automáticamente 104–       áreas de visualización 63             cómo consultar una pieza 233
            105                           arrastrar y colocar                   cómo croquizar
activar inferencias 66                       cambiar el orden de                  ayuda 17
Administrador de comandos 15                      operaciones 253–254, 261        cursores 17
análisis                                     cómo copiar cotas 78               cómo editar piezas 221, 249–292
   de ensamblajes 426–439                    cómo copiar redondeos 261          cómo eliminar material del interior de
   esfuerzo 197–210                          cómo mover cotas 78                          una pieza, Consulte cómo
   factor de seguridad 203                   configuraciones 399                          vaciar una pieza
   propiedades físicas 195–196               volver a asociar cotas 230         cómo fijar
análisis de esfuerzo 197–210              asas de arrastre, Consulte croquis,     componentes 380
ángulo de salida                                     arrastrar                    piezas 380
   análisis 347–351                          Consulte también arrastrar y       cómo guardar
   en operaciones extruidas 106                   colocar; cotas, mover           su trabajo 23
   formas de crear 119, 349               asistente para taladro 63               tablas de diseño 318
   operación 349                          asociatividad 80–82                   cómo guardar en un archivo, Consulte
   plano neutro 350                       avellanado, Consulte asistente para             cómo guardar su trabajo
ángulo de salida de plano neutro 350                 taladro                    cómo interrogar una pieza 233
animar vistas explosionadas 447           ayuda                                 cómo modificar cotas
anotaciones 69, 450                          croquis 29                           apariencia 109, 124
   anotaciones de taladro 82              ayuda del sistema 17                    de una pieza 81
   centros de círculos 76                                                         en un ensamblaje 431
   en ensamblajes 382                     B                                     cómo mover vistas 75
   globos 450                             barras de herramientas 12–14, 73      cómo seleccionar elementos
   notas 327                                 controlador de animaciones 437       designación por captura 228
   notas paramétricas 327                    relaciones de posición 390           designación por ventana 228
   símbolos de indicación de                 simulación 435                       elementos ocultos 125
         referencia 325                   barrer 191                              filtros 389
anotaciones de globos 450                 bisel, Consulte chaflanes               objetos múltiples 38, 67, 70
anotaciones de taladro 82                 borrar, Consulte eliminar               selección de contorno 259–260
apariencia                                botón central del ratón 118           cómo solucionar
   color 71–72                            botones del ratón 17                    Consulte también errores
   cómo ocultar componentes 400                                                 cómo vaciar una pieza 351
   de cotas 109                           C                                     componentes
   gráficos RealView 193                  centros de círculos 76                  cómo abrir 398
   intersecciones virtuales 186           chaflanes 192                           cómo agregar 380, 383, 394–395,
   roscas 265                             círculos 25, 109                              397, 399, 403
   texturas 264                              perímetro 109                        cómo colocar 385
   transparencia de                       círculos perimetrales 109               cómo copiar 400
         componentes 400–401              colgantes                               cómo establecer relaciones de
arcos                                        cómo reparar 230                           posición 385
   3 puntos 25, 181                          cotas 230                            cómo girar 384, 391, 396
   centro extremos 25                        relaciones 129, 231                  cómo mover 384, 391, 396
   cómo acotar mínimas/                   color 4, 15, 18, 28, 71, 310–311        cómo ocultar 400
         máximas 182                         cómo editar 71                       cómo visualizar 401
   normal 60                              cómo actualizar la pantalla 81          número de instancia 381
   tangente 25, 60, 189                   cómo agregar                            propiedades 402–403
   transición automática entre líneas y      componentes a un ensamblaje 383,   comprobar croquis para
         arcos 61                                 394                                     operación 227
   zonas de destino tangentes 61          cómo ajustar el tamaño de un          condiciones finales
arcos 3 puntos 25                                    plano 107                    hasta el siguiente 110
arcos centro extremos 25                  cómo cambiar el nombre de las           hasta profundidad especificada 43
área rayada 329                                      operaciones 59               operaciones de revolución 184



Conceptos esenciales de SolidWorks                                                                                   1
Indice                                                               Manual de formación SolidWorks 2006


  plano medio 106                       inteligente 38                         desactivar supresión de
  por todo 68                           lineales 40                                        operaciones 279, 283
configuración de hoja 321               operaciones de revolución 183          deshacer 32
configuración del sistema 457           propiedades 124                           vista 401
configuraciones 279                     punto a punto 39                       desplazar 116–118
  cómo agregar 282                      radial 62                              detección de colisión 429
  cómo cambiar 284, 314                 vista preliminar 39                       consideraciones de
  cómo cambiar el nombre 284, 314       volver a asociar 230                            rendimiento 430
  cómo copiar 284, 314                cotas angulares 41                       detección de colisión dinámica 429
  cómo crear 282                      cotas conducidas 80, 114                    consideraciones de
  cómo editar piezas que tienen       cotas de coordenadas 326                          rendimiento 430
       configuraciones 286–292        cotas lineales 40                        detección de distancia 430
  cómo eliminar 317                   cotas radiales 62                        detección de distancia dinámica 430
  cómo utilizar en dibujos 321        croquis                                  detección de interferencias
  ConfigurationManager 280              acotación automática 104–105              consideraciones de
  consideraciones de                    activar inferencias 66                          rendimiento 430
       ensamblaje 319–320, 331,         arcos 25, 58, 60, 181                     dinámica 429
       396, 399                         arcos 3 puntos 25                         estáticas 427
  consideraciones de                    arcos centro extremos 25               dibujos 72, 321–331, 448–450
       rendimiento 319                  arcos tangentes 25                        área rayada 329
  de piezas en ensamblajes 319–320,     arrastrar 35                              barras de herramientas 73
       331, 396, 399                    arrastre 32                               centros de círculos 76
  definir 311                           ayuda 29                                  cómo acotar 78
  estrategias de modelado para 320      cara plana 60                             cómo crear un nuevo dibujo 73
  tablas de diseño 312                  círculos 25, 109                          formatos de hoja 74
  terminología 279                      círculos perimetrales 109                 herramientas, opciones 73
  usos de 319                           cómo editar 129, 255                      notas 327
ConfigurationManager 280                cómo recortar 120–122                     notas paramétricas 327
confirmar eliminación 252               cómo reparar 229                          propiedades 321
consideraciones de rendimiento 319,     comprobar para operación 227              tablas de diseño, cómo
          430                           contornos 259–260                               imprimir 330
copiar                                  convertir entidades 156                   vistas de detalle 323
  componentes en un ensamblaje 400      crear nuevo 23                            vistas de sección 323
  configuración 284, 314                croquis compartidos 260                dibujos de ensamblajes 448–450
  operación 127–128                     definición de 52                          anotaciones de globos 450
  redondeos 261                         editar plano 239                          líneas de explosión 445
corte                                   elipse 25, 207                            lista de materiales 449
  definición de 52                      elipse, parcial 25                     diseño impulsado por tablas, Consulte
   Consulte también operaciones         entidades 25                                       tablas de diseño
COSMOSXpress 197–210                    equidistanciar entidades 119           distancia, Consulte medir
cotas                                   estado de 30                           documentación 72, 321–331, 448–
  acotación automática de               extender geometría 123                             450
       croquis 104–105                  geometría 25                              Consulte también dibujos
  alineada 39                           indicador 25
  angulares 41                          insertar 23                            E
  círculos concéntricos 130             introducción 23                        ecuaciones 305–309
  colgantes 230                         líneas 25, 27, 58                         variables globales 308
  cómo cambiar el nombre 306            líneas constructivas 26, 102           editar
  cómo cambiar su apariencia 109,       líneas de explosión 445                   color 71
       124                              líneas de inferencia 189                  croquis 129, 255
  cómo cambiar su valor 81, 431         parábolas 26                              definición 131, 253
  cómo copiar 78                        paralelogramos 26                         material 193
  cómo mover 78                         polígonos 26                              operaciones 131, 253
  cómo realizar diversas cotas          puntos 26, 187                            plano de croquis 239
       iguales 304, 306                 rectángulos 26, 58                        tabla de diseño 314
  cómo vincular 304, 306                redondeos 41                              textura 264
  condiciones mínimas/máximas 182       reglas que rigen 30, 182               ejes temporales 152, 256
  conducidas 80, 114                    relaciones 33, 102                     ejes X-Y, Consulte sistemas de
  conducidas por tablas de              simetría 103                                      coordenadas
       diseño 310                       splines 26                             ejes, temporales 152, 256
  conductoras 6                         transición automática entre líneas y   elementos ocultos, cómo
  coordenada 326                              arcos 61                                    seleccionar 125
  diámetro 183                          zonas de destino del arco              eliminar
  dibujos 78                                  tangente 61                         configuraciones 317
  flechas 110                         croquis compartidos 260                     cuadro de diálogo de
  fracciones 89                       cursores 17                                      confirmación 252
  fuente 73                                                                       operaciones 252
  herramienta de cota 38              D                                           relaciones 35, 128, 256
  herramienta modificar 40            densidad 193, 196                           relaciones de posición 418




2                                                                     Conceptos esenciales de SolidWorks
Manual de formación SolidWorks 2006                                                                            Indice


elipse 25, 207                           SLDDRW 73                                 componente 380, 383, 394–395,
   parcial 25                            SLDPRT 23                                      397, 399, 403
enganche                               extruir                                     croquis 3D 445
   cómo mover cotas 78                   con ángulo de salida 106                  elipse 207
   Consulte también líneas de            condiciones finales 59                    líneas de explosión 445
         inferencia                      cortar 67                                 saliente, barrer 191
ensamblajes 375–409, 423–450             operación lámina 360                      tabla de diseño 309–310, 316
   análisis 426–439                      saliente 42, 60                        insertar elementos del modelo 77
   animar vistas explosionadas 447     extrusión                                instancia
   cómo abrir un componente 398          definición de 52                          copiar en un ensamblaje 400
   cómo agregar componentes 380,                                                   número 381
         383, 394–395, 397, 399, 403   F                                        intención del diseño 7–9, 32–33, 38,
   cómo agregar subensamblajes 403     familias de piezas, Consulte tablas de              51–52, 57, 81, 100–101,
   Cómo copiar componentes 400                    diseño                                   107, 111, 180
   cómo crear nuevos 379               filtros de selección 389                    ejemplos de 8
   cómo establecer relaciones de       flechas                                  interfaz de usuario 10–18
         posición con                     activar o desactivar adentro,            anotaciones 69
         componentes 385                        afuera 110                         ayuda 17
   cómo girar componentes 384, 391,    formatos de hoja 74, 321                    barras de herramientas 12
         396                           fracciones 89                               botones del ratón 17
   cómo modificar cotas 431            fuente                                      cómo personalizar 12
   cómo mover componentes 384,            texto 73                                 cursores 17
         391, 396                      Funcionalidad ¿Qué errores                  menús 11
   cómo ocultar componentes 400                   hay? 225–227                     métodos abreviados del teclado 11
   cómo reordenar objetos 382          fusiones, Consulteredondeo               interrumpir reconstrucción 241
   cómo utilizar configuraciones de                                             intersecciones virtuales 186
         piezas 319–320, 331, 396,     G                                        invertir cota, relación de posición
         399                           geometría de construcción 102                       distancia 408
   cómo visualizar componentes 401     geometría, croquis 25
   configuraciones 319–320, 331,          arcos 3 puntos 25                     L
         396, 399                         arcos centro extremos 25              LDM, Consulte lista de materiales
   detección de colisión 429              arcos tangentes 25                    líneas 25, 27
   detección de interferencias 427,       círculos 25                              quebrar cota 445
         429                              elipse 25                                transición automática entre líneas y
   diseño ascendente 377, 425             elipse, parcial 25                             arcos 61
   gestor de diseño del                   líneas 25                             líneas constructivas 26, 102
         FeatureManager 380               líneas constructivas 26                  operaciones de revolución 182
   líneas de explosión 445                parábolas 26                          líneas de explosión 445
   movimiento dinámico 384                paralelogramos 26                        quebrar cota 445
   retroceder 382                         polígonos 26                          líneas de inferencia 189
   transparencia de componentes 401       puntos 26, 187                        lista de materiales 449
   vistas explosionadas 439–448           rectángulos 26                           globos 450
ensamblajes explosionados                 splines 26
   líneas de explosión 445             gestor de diseño del                     M
entidades, croquis 25                             FeatureManager 5–6, 10,       material
equidistanciar                                    15                              cómo editar 193
   entidades de croquis 119               cómo dividir la ventana 281           materiales
errores                                   desplegable 149                         editar 193
   ¿Qué errores hay? 225–227              en ensamblajes 380                    matrices 145, 169–175
   cómo reparar 224–233                   marcadores de error 226                 circulares 146, 152–153
   cómo resaltar áreas de                 navegación con teclas de                cómo crear matrices de caras 163
         problemas 233                         flechas 235                        cómo saltar instancias 171
   mensajes 225                           tablas de diseño 309                    conducidas por croquis 147, 158–
   reconstrucción 224                  girar                                           161, 170
esquina de confirmación 25                componente 384, 391, 396                conducidas por curva 147, 156–
estadísticas, operaciones 241             vista 116–118, 192                           158, 173
estirar, Consulte croquis, arrastrar   grados de libertad 381                     conducidas por tabla 147, 158–
examinador                             grupos de relaciones de posición 382            161, 170
   cómo guardar su trabajo 23                                                     crear una matriz de una matriz 163
   insertar componente 319, 383        H                                          lineales 145–146, 149–152, 169,
Excel, cómo personalizar tablas de     herramienta de seleccionar                      172
            diseño 311                          contornos 259–260                 opción variar croquis 161, 175
explorador de archivos 16              herramientas, opciones 15, 17, 70, 73,     rellenar 147
extender geometría en un croquis 123            76, 78, 89, 107, 114, 225,        relleno de área 147
extensiones de archivo                          229, 235, 310, 323, 379,          simetría 146, 153, 172
   ASMDOT 458                                   457, 459, 461                     sólo matriz de operación a
   DRWDOT 458                                                                          repetir 154
   PRTDOT 458                          I                                        matrices circulares 146, 152–153
   SLDASM 380                          insertar



Conceptos esenciales de SolidWorks                                                                                    3
Indice                                                                   Manual de formación SolidWorks 2006


matrices conducidas por croquis 147,        líneas constructivas múltiples 188     propiedades personalizadas 196
          158–161, 170                      reglas de croquis 182                  puntos 26, 187
matrices conducidas por curva 147,       operaciones lámina 360
          156–158, 173                   origen 24, 54                             Q
matrices conducidas por tabla 147,                                                 quebrar cota, línea en un croquis 445
          158–161, 170                   P
matrices lineales 145–146, 149–152,      parábolas 26                              R
          169, 172                       paralelogramos 26                         rayado 194, 329
matriz, Consulte matrices                parámetros, Consulte cotas                reconstrucción 81, 186
medir 126–127                            patrones de rayado 147                       errores 224
  Consulte también propiedades de        patrones de rayado de áreas 147              interrupción 241
        sección                          pegar                                     recortar, en un croquis 120–122
métodos abreviados del teclado 11,          configuración 314                      rectángulos 26, 58
          32, 75, 80–81, 118                operación 127–128                      redibujar 81
modelado basado en operaciones 5         perforador, Consulte asistente para       redondeos 52, 68
modelado paramétrico 6                              taladro                           cómo copiar 261
modificar                                personalización 11–14, 18                    completos 359
  operaciones 131                        piezas                                       croquis 41
mover                                       cómo crear nuevas 22, 58                  propagación de arista 71
  componente 384, 391, 396                  cómo editar 221, 249–292                  reglas 69
movimiento de ensamblaje 384, 391,          cómo guardar 23                        redondeos completos 359
          396, 435–439                      cómo interrogar 233                    redondos, Consulte redondeos
movimiento de ensamblaje                    cómo reparar errores 224–233           refrentado, Consulte asistente para
          dinámico 384, 391, 396            copiar en un ensamblaje 400                        taladro
movimiento, ensamblaje 384, 391,            plantilla 458                          regenerar, Consulte reconstruir
          396, 435–439                   piezas de paredes lámina, Consulte        rehacer 32
                                                    cómo vaciar una pieza          relación de asociación 7
N                                        plano de croquis 60                       relaciones de croquis 33, 102
navegación con teclas de flechas 235        cómo elegir 54                         relaciones de padre/hijo 237, 253–
nervios 355–360                             editar 239                                         254, 257, 282, 319
notas 327                                plano de referencia, Consulte planos      relaciones de posición
  vinculado a propiedades 327            plano de trabajo, Consulte planos            a planos de referencia 388
notas paramétricas 327                   plano indicativo, Consulte planos            alineación 386, 407
                                         planos                                       barra de herramientas 390
O                                           como ajustar el tamaño 107                coincidentes 388, 407
ocultar                                     crear 352–354                             cómo agregar 385
  componentes 400                           croquis 60                                cómo eliminar 418
opciones 15, 17, 70, 73, 76, 78, 89,        definición de 52                          concéntricas 388
          107, 114, 225, 229, 235,          establecer relaciones de posición en      definición 382
          310, 323, 379, 457, 459, 461            ensamblajes 388                     distancia 407
operaciones                                 neutro 350                                   invertir cota 408
  ángulo de salida 349                      predeterminados 54                        grupos de relaciones de
  aplicadas 5                            plantillas                                         posición 382
  barrer 191                                cómo crear 458                            inteligente 404
  chaflán 192                               cómo organizar 461                        paralela 396, 407
  cómo cambiar el nombre 59                 documento 18, 458–462                     tangente 398
  cómo editar 131, 253                      predeterminadas 461                       utilizar sólo para colocar 408
  comprobar croquis 227                  plantillas de documento 458–462           relaciones geométricas 7, 33, 35, 37,
  copiar y pegar 127–128                    cómo crear 458                                     102
  cortar 67                                 cómo organizar 461                        agregar 37
  croquizadas 5                             predeterminadas 461                       automáticas 8, 28
  definición de 52                       plantillas de documentos 18                  coincidentes 130
  desactivar supresión 279, 283          polígonos 26                                 colgantes 129, 231
  eliminar 252                           preferencias, Consulte opciones              colineal 256
  estadísticas 241                       PropertyManager 15, 34, 102                  concéntricas 121
  extruir 42                             propiedades                                  ejemplos, tabla de 35, 37
  lámina 360                                archivo 196                               eliminar 35
  nervios 355–360                           componente 402–403                        horizontal 38
  propiedades 279, 283                      cota 124                                  simétrica 103
  redondeo 52, 68                           físicas 195–196, 426                      tangente 113, 255
  reordenar 253–254, 261                    material 193, 196                         vertical 256
  revolución 180, 184                       operación 279, 283                        visualizar/eliminar 33, 102, 256
  saliente 60                               personalizadas 196                     relaciones, Consulte relaciones
  suprimir 279, 283                         suprimir 279, 283                                  geométricas
  taladros 63                               vinculado a notas 327                  relaciones, padre/hijo 237, 253–254,
  vaciado 351                            propiedades de archivo 196                            257, 282, 319
operaciones de revolución 180, 184       propiedades de dibujo 321                 reordenar
  cómo acotar 183                        propiedades de material 193, 196             en ensamblajes 382
  condiciones finales 184                propiedades físicas 195–196, 426             operaciones 253–254, 261



4                                                                         Conceptos esenciales de SolidWorks
Manual de formación SolidWorks 2006                                                                             Indice


reparar                                   tapón roscado, Consulte asistente          comando orientación de vista 119
   cotas colgantes 230                               para taladro                    isométrica 110
   croquis 229                            tecla Ctrl                              vistas explosionadas de
repintar, Consulte redibujar                 alternar documentos (Ctrl+Tab) 75,              ensamblajes 439–448
restricciones, Consulte relaciones                80                                 animar 447
           geométricas                       cómo copiar cotas 78                 vistas isométricas, Consulte vistas
retroceder                                   cómo copiar redondeos 261                       estándar
   a un croquis 238                          cómo seleccionar objetos             vistas ortográficas, Consulte vistas
   a una operación 241                            múltiples 38, 67                           estándar
   en ensamblajes 382                        con el botón central del ratón 118   vistas, dibujo
   en piezas 235, 258                        copiar (Ctrl+C) 127–128                 3 vistas estándar 74
reutilización de datos 127                   pegar (Ctrl+V) 127–128                  cómo mover 75
   Consulte también operaciones de           reconstruir (Ctrl+B) 81                 detalle 323
        biblioteca                           reconstruir (Ctrl+R) 81                 sección 323
                                          tecla Esc 123                           visualizar
S                                         terminología 52                            componente 401
saliente, definición de 52                texto                                      opciones 117
    Consulte también operaciones             en relieve o grabado en una          visualizar relaciones 33, 102
seleccionar otra 125                              pieza 212
símbolos                                     fuente 73                            Z
   centros de círculos 76                 texturas                                zoom
   globos 450                                agregar o aplicar 264                  a área 117
símbolos de indicación de                    cómo editar 264                        a selección 117
           referencia 325                    roscas 265                             acercar/alejar 117
simetría                                  transparencia 401                         ajustar 117
   croquis 103                            trasladar 116–118                         cómo utilizar el botón central del
   dinámica 103                                                                          ratón 118
   en un croquis 103                      U                                         selección 119
   matriz 146                             unidades
simetría dinámica 103                       cómo convertir unidades en cuadros
simetrías de matriz 153, 172                     de diálogo 408
simulación física 435–439                   configuración 89
simulación, física 435–439                  en ensamblajes 379
sin líneas ocultas (SLO) 68, 117            fracciones 89
sistemas de coordenadas 160                 pies y pulgadas 89
Smart Mates (Relaciones de posición
           inteligentes) 404              V
sólidos multicuerpo 188                   variables
splines 26                                   Consulte también ecuaciones;
sujeciones, Consulte croquis, arrastrar            vincular valores
   Consulte también arrastrar y              dependiente contra
        colocar; cotas, mover                      independiente 306
suprimir operación 279, 283                  globales 308
                                          varias vistas 63
T                                         versiones, Consulte configuraciones
tablas de diseño 309–318                  vincular valores 304, 306
   agregar configuraciones 313            vista
   agregar nuevos encabezados 313            deshacer 401
   anatomía de 312                           explosionadas 439–448
   cambios bidireccionales 310               girar 118, 192
   cómo editar 314                           opciones de modificación 116–118
   cómo guardar 318                          opciones de visualización 68, 116–
   cómo imprimir en dibujos 330                    117
   cómo insertar 309–310, 316                orientación 119
   cómo personalizar con Excel 311              normal a 108, 185
   cómo proteger 310                            vista isométrica 110
   cómo vincular 310, 316                 vista alámbrica 68, 117
   controles 310                          vista sombreada 68, 117
   creación automática 309–310            vistas
   formato 311                               sección 262–263
   opciones 310                           vistas de detalle 323
   símbolo en el gestor de diseño del     vistas de dibujo
        FeatureManager 309                   3 vistas estándar 74
tangente                                     cómo mover 75
   arcos 25, 60, 189                         detalle 323
   relaciones de posición 398                sección 323
   relaciones geométricas 113, 255        vistas de perspectiva 117
   zonas de destino 61                    vistas de sección 117, 262–263, 323
                                          vistas estándar



Conceptos esenciales de SolidWorks                                                                                       5
Indice   Manual de formación SolidWorks 2006




6         Conceptos esenciales de SolidWorks
Pregunta: ¿Cómo se llama a un usuario de SolidWorks de élite?




Respuesta: Un profesional de SolidWorks certificado.



  Prepárese, preséntese al examen y únase a nuestra comunidad internacional
                              de talento probado.

              Consulte el reverso para obtener más información.
03 01-conceptos basicos-de_solid_works-piezas_y_ensamblajes

03 01-conceptos basicos-de_solid_works-piezas_y_ensamblajes

  • 1.
    Training_2006_SEPA_ESP.pdf 7/10/05 8:05:58 PM C M Y CM MY CY CMY K
  • 2.
    SolidWorks 2006 ® Conceptos básicos de SolidWorks Piezas y ensamblajes SolidWorks Corporation 300 Baker Avenue Concord, Massachusetts 01742 EE.UU.
  • 3.
    © 1995-2005, SolidWorksCorporation SOFTWARE DE COMPUTADORA 300 Baker Avenue COMERCIAL- PROPIETARIO Concord, Massachusetts 01742 EE.UU. Derechos restringidos del gobierno de Estados Todos los derechos reservados Unidos. La utilización, reproducción o divulgación Patentes de Estados Unidos 5,815,154; 6,219,049; por parte del gobierno está sujeta a las 6,219,055; 6,603,486; 6,611,725; y 6,844,877 restricciones establecidas en la FAR 52.227-19 además de otras patentes extranjeras, incluidas EP "Commercial Computer Software - Restricted 1,116,190 y JP 3,517,643. Patentes Rights" (Software informático comercial - estadounidenses y extranjeras en curso. Derechos restringidos), en la DFARS 227.7202 "Commercial Computer Software and Commercial SolidWorks Corporation es una compañía de Computer Software Documentation" (Software Dassault Systemes S.A. (Nasdaq:DASTY). informático comercial y Documentación de La información y el software analizados en este software informático comercial) y en el contrato documento están sujetos a cambios sin previo de licencia, según corresponda. aviso y no deben ser considerados como Contratista/Fabricante: compromisos por parte de SolidWorks SolidWorks Corporation, 300 Baker Avenue, Corporation. Concord, Massachusetts 01742 EE.UU. Ningún material se puede reproducir o transmitir Partes de este software © 1988, 2000 de modo o por medio alguno, ya sea electrónico o Aladdin Enterprises. mecánico, con ningún fin, sin la autorización explícita por escrito de SolidWorks Corporation. Partes de este software © 1996, 2001 Artifex Software, Inc. El software descrito en este documento se suministra bajo una licencia y sólo se puede Partes de este software © 2001, artofcode LLC. utilizar o copiar de acuerdo con los términos de Partes de este software © 2005 esta licencia. Todas las garantías que SolidWorks Bluebeam Software, Inc. Corporation ofrece para el software y la Partes de este software © 1999, 2002-2005 documentación se establecen en el Contrato de ComponentOne. licencia y Servicio de subscripción de SolidWorks Corporation y nada de lo que afirme o implique Partes de este software © 1990-2005 este documento o su contenido será considerado o D-Cubed Limited. visto como una modificación o enmienda de tales Partes de este producto son distribuidas bajo garantías. licencia de DC Micro Development, Copyright © SolidWorks, PDMWorks, 3D PartStream.NET y el 1994-2002 DC Micro Development, Inc. logotipo de eDrawings son marcas comerciales Reservados todos los derechos. registradas de SolidWorks Corporation. Partes de este software © eHelp Corporation. SolidWorks 2006 es un nombre de producto de Reservados todos los derechos. SolidWorks Corporation. Partes de este software © 1998-2005 COSMOSXpress, DWGeditor, DWGgateway, Geometric Software Solutions Co. Limited. eDrawings, Feature Palette, PhotoWorks y Partes de este software © 1986-2005 mental XchangeWorks son marcas comerciales, 3D images GmbH & Co. KG. ContentCentral es una marca de servicio, y FeatureManager es una marca registrada de Partes de este software © 1996 Microsoft copropiedad de SolidWorks Corporation. Corporation. Reservados todos los derechos. COSMOS, COSMOSWorks, COSMOSMotion y Partes de este software © 2004 Priware Limited. COSMOSFloWorks son marcas comerciales de Partes de este software © 2001, SIMULOG. Structural Research and Analysis Corporation. Partes de este software © 1995-2004 Spatial FeatureWorks es una marca comercial registrada Corporation. de Geometric Software Solutions Co. Limited. Partes de este software © 2003-2005, ACIS es una marca comercial registrada de Spatial Structural Research & Analysis Corp. Corporation. Partes de este software © 1997-2005 GLOBEtrotter y FLEXlm son marcas comerciales Tech Soft America. registradas de Globetrotter Software, Inc. Partes de este software son copyright y propiedad Otras marcas o nombres de productos son marcas de UGS Corp. © 2005. comerciales o marcas comerciales registradas de sus respectivos propietarios. Partes de este software © 1999-2005 Viewpoint Corporation. Partes de este software © 1994-2005, Visual Kinematics, Inc. Este software está basado en parte en el trabajo del Independent JPEG Group. Número de documento: PMT0070-ESP Reservados todos los derechos
  • 4.
    Manual de formaciónSolidWorks 2006 Tabla de contenido Lección 1: Introducción Informaciones sobre este curso. . . . . . . . . . . . . . . . . . . . . . . . . . . 3 Condiciones previas . . . . . . . . . . . . . . . . . . . . . . . . . . . . . . . . 3 Diseño del curso . . . . . . . . . . . . . . . . . . . . . . . . . . . . . . . . . . . 3 Cómo utilizar este manual . . . . . . . . . . . . . . . . . . . . . . . . . . . 3 Informaciones acerca del CD . . . . . . . . . . . . . . . . . . . . . . . . . 4 Windows® 2000 y Windows® XP. . . . . . . . . . . . . . . . . . . . . 4 Convenciones que se utilizan en este manual . . . . . . . . . . . . . 4 Utilización del color . . . . . . . . . . . . . . . . . . . . . . . . . . . . . . . . 4 ¿Qué es el software de SolidWorks?. . . . . . . . . . . . . . . . . . . . . . . 5 Intención del diseño . . . . . . . . . . . . . . . . . . . . . . . . . . . . . . . . . . . 8 Ejemplos de intenciones del diseño . . . . . . . . . . . . . . . . . . . . 8 Cómo las operaciones afectan la intención del diseño . . . . . . 9 Iconos que no se pueden seleccionar . . . . . . . . . . . . . . . . . . 10 La interfaz de usuario de SolidWorks . . . . . . . . . . . . . . . . . . . . . 10 Menús . . . . . . . . . . . . . . . . . . . . . . . . . . . . . . . . . . . . . . . . . . 11 Métodos abreviados del teclado . . . . . . . . . . . . . . . . . . . . . . 11 Barras de herramientas . . . . . . . . . . . . . . . . . . . . . . . . . . . . . 12 Cómo organizar las barras de herramientas . . . . . . . . . . . . . 14 Sugerencias rápidas. . . . . . . . . . . . . . . . . . . . . . . . . . . . . . . . 14 Gestor de diseño del FeatureManager . . . . . . . . . . . . . . . . . 15 Menús del PropertyManager. . . . . . . . . . . . . . . . . . . . . . . . . 15 Panel de tareas . . . . . . . . . . . . . . . . . . . . . . . . . . . . . . . . . . . 16 Botones del ratón . . . . . . . . . . . . . . . . . . . . . . . . . . . . . . . . . 17 Ayuda del sistema . . . . . . . . . . . . . . . . . . . . . . . . . . . . . . . . . 17 Opciones . . . . . . . . . . . . . . . . . . . . . . . . . . . . . . . . . . . . . . . . 17 i
  • 5.
    Manual de formaciónSolidWorks 2006 Lección 2: Introducción al croquizado Croquizado en 2D . . . . . . . . . . . . . . . . . . . . . . . . . . . . . . . . . . . . 21 Etapas del proceso . . . . . . . . . . . . . . . . . . . . . . . . . . . . . . . . . . . 21 ¿Qué es lo que vamos a croquizar?. . . . . . . . . . . . . . . . . . . . . . . 23 Croquizado . . . . . . . . . . . . . . . . . . . . . . . . . . . . . . . . . . . . . . . . . 23 Planos predeterminados . . . . . . . . . . . . . . . . . . . . . . . . . . . . 23 Entidades de croquis . . . . . . . . . . . . . . . . . . . . . . . . . . . . . . . . . . 25 Geometría de croquis . . . . . . . . . . . . . . . . . . . . . . . . . . . . . . 25 Croquizado básico. . . . . . . . . . . . . . . . . . . . . . . . . . . . . . . . . . . . 26 Cómo funciona el croquizado . . . . . . . . . . . . . . . . . . . . . . . . 26 Introducción: Relaciones de croquis. . . . . . . . . . . . . . . . . . . 27 Líneas de inferencia (Relaciones automáticas). . . . . . . . . . . 27 Ayuda del croquis . . . . . . . . . . . . . . . . . . . . . . . . . . . . . . . . . 29 Estado de un croquis . . . . . . . . . . . . . . . . . . . . . . . . . . . . . . . 30 Reglas que rigen los croquis . . . . . . . . . . . . . . . . . . . . . . . . . . . . 30 Intención del diseño . . . . . . . . . . . . . . . . . . . . . . . . . . . . . . . . . . 32 ¿Qué controla la intención del diseño? . . . . . . . . . . . . . . . . . 32 Intención del diseño deseada . . . . . . . . . . . . . . . . . . . . . . . . 33 Relaciones de croquis . . . . . . . . . . . . . . . . . . . . . . . . . . . . . . . . . 33 Relaciones de croquis automáticas . . . . . . . . . . . . . . . . . . . . 33 Relaciones de croquis agregadas . . . . . . . . . . . . . . . . . . . . . 33 Ejemplos de relaciones de croquis . . . . . . . . . . . . . . . . . . . . 35 Cómo seleccionar objetos múltiples . . . . . . . . . . . . . . . . . . . 38 Cotas . . . . . . . . . . . . . . . . . . . . . . . . . . . . . . . . . . . . . . . . . . . . . . 38 Acotar: Selección y vista previa . . . . . . . . . . . . . . . . . . . . . . 39 Cotas angulares . . . . . . . . . . . . . . . . . . . . . . . . . . . . . . . . . . . 41 Redondeos de croquis . . . . . . . . . . . . . . . . . . . . . . . . . . . . . . . . . 41 Extruir . . . . . . . . . . . . . . . . . . . . . . . . . . . . . . . . . . . . . . . . . . . . . 42 Ejercicio 1: Croquizado de líneas verticales y horizontales . . . . 45 Ejercicio 2: Cómo croquizar líneas con inferencias . . . . . . . . . . 46 Ejercicio 3: Cómo croquizar líneas. . . . . . . . . . . . . . . . . . . . . . . 47 Lección 3: Modelado básico de piezas Modelado básico . . . . . . . . . . . . . . . . . . . . . . . . . . . . . . . . . . . . . 51 Etapas del proceso . . . . . . . . . . . . . . . . . . . . . . . . . . . . . . . . 51 Terminología . . . . . . . . . . . . . . . . . . . . . . . . . . . . . . . . . . . . . . . . 52 Operación . . . . . . . . . . . . . . . . . . . . . . . . . . . . . . . . . . . . . . . 52 Plano . . . . . . . . . . . . . . . . . . . . . . . . . . . . . . . . . . . . . . . . . . . 52 Extrusión. . . . . . . . . . . . . . . . . . . . . . . . . . . . . . . . . . . . . . . . 52 Croquis . . . . . . . . . . . . . . . . . . . . . . . . . . . . . . . . . . . . . . . . . 52 Saliente . . . . . . . . . . . . . . . . . . . . . . . . . . . . . . . . . . . . . . . . . 52 Corte . . . . . . . . . . . . . . . . . . . . . . . . . . . . . . . . . . . . . . . . . . . 52 Redondeos y redondos . . . . . . . . . . . . . . . . . . . . . . . . . . . . . 52 Intención del diseño . . . . . . . . . . . . . . . . . . . . . . . . . . . . . . . 52 Cómo elegir el mejor perfil. . . . . . . . . . . . . . . . . . . . . . . . . . . . . 53 Cómo elegir el plano de croquis . . . . . . . . . . . . . . . . . . . . . . . . . 54 Planos de referencia . . . . . . . . . . . . . . . . . . . . . . . . . . . . . . . 54 Ubicación del modelo . . . . . . . . . . . . . . . . . . . . . . . . . . . . . . 54 Detalles de la pieza . . . . . . . . . . . . . . . . . . . . . . . . . . . . . . . . . . . 56 Vistas estándar . . . . . . . . . . . . . . . . . . . . . . . . . . . . . . . . . . . 56 ii
  • 6.
    Manual de formaciónSolidWorks 2006 Salientes principales . . . . . . . . . . . . . . . . . . . . . . . . . . . . . . . 56 Mejor perfil . . . . . . . . . . . . . . . . . . . . . . . . . . . . . . . . . . . . . . 57 Plano de croquis . . . . . . . . . . . . . . . . . . . . . . . . . . . . . . . . . . 57 Intención del diseño . . . . . . . . . . . . . . . . . . . . . . . . . . . . . . . 57 Cómo croquizar la primera operación . . . . . . . . . . . . . . . . . 58 Opciones de extrusión. . . . . . . . . . . . . . . . . . . . . . . . . . . . . . 59 Cómo cambiar el nombre de las operaciones . . . . . . . . . . . . 59 Operación Saliente . . . . . . . . . . . . . . . . . . . . . . . . . . . . . . . . . . . 60 Cómo croquizar en una cara plana . . . . . . . . . . . . . . . . . . . . . . . 60 Croquizado . . . . . . . . . . . . . . . . . . . . . . . . . . . . . . . . . . . . . . 60 Zonas de destino del arco tangente . . . . . . . . . . . . . . . . . . . . 61 Cómo realizar una transición automática entre líneas y arcos. . . . . . . . . . . . . . . . . . . . . . . . . . . . . . . . . . . . . 61 Áreas de visualización . . . . . . . . . . . . . . . . . . . . . . . . . . . . . 63 Cómo utilizar el Asistente para taladro. . . . . . . . . . . . . . . . . . . . 63 Cómo crear un taladro estándar . . . . . . . . . . . . . . . . . . . . . . 64 Taladro de refrentado . . . . . . . . . . . . . . . . . . . . . . . . . . . . . . 66 Operación Cortar. . . . . . . . . . . . . . . . . . . . . . . . . . . . . . . . . . . . . 67 Cómo seleccionar objetos múltiples . . . . . . . . . . . . . . . . . . . 67 Opciones de visualización . . . . . . . . . . . . . . . . . . . . . . . . . . . . . 68 Redondeos. . . . . . . . . . . . . . . . . . . . . . . . . . . . . . . . . . . . . . . . . . 68 Reglas de redondeo. . . . . . . . . . . . . . . . . . . . . . . . . . . . . . . . 69 Menú Comandos recientes . . . . . . . . . . . . . . . . . . . . . . . . . . 70 Propagación de redondeo . . . . . . . . . . . . . . . . . . . . . . . . . . . 70 Conceptos básicos de documentación. . . . . . . . . . . . . . . . . . . . . 72 Configuraciones . . . . . . . . . . . . . . . . . . . . . . . . . . . . . . . . . . 73 Barras de herramientas . . . . . . . . . . . . . . . . . . . . . . . . . . . . . 73 Nuevo dibujo. . . . . . . . . . . . . . . . . . . . . . . . . . . . . . . . . . . . . 73 Vistas de dibujo. . . . . . . . . . . . . . . . . . . . . . . . . . . . . . . . . . . . . . 74 Cómo mover vistas . . . . . . . . . . . . . . . . . . . . . . . . . . . . . . . . 75 Centros de círculos . . . . . . . . . . . . . . . . . . . . . . . . . . . . . . . . . . . 76 Cotas del modelo . . . . . . . . . . . . . . . . . . . . . . . . . . . . . . . . . . . . 76 Cómo insertar todas las cotas del modelo. . . . . . . . . . . . . . . 77 Cómo manipular cotas . . . . . . . . . . . . . . . . . . . . . . . . . . . . . 78 Cotas conducidas . . . . . . . . . . . . . . . . . . . . . . . . . . . . . . . . . 80 Asociatividad entre el modelo y el dibujo . . . . . . . . . . . . . . 80 Cómo cambiar los parámetros . . . . . . . . . . . . . . . . . . . . . . . . . . 81 Cómo reconstruir el modelo . . . . . . . . . . . . . . . . . . . . . . . . . 81 Cómo actualizar la pantalla. . . . . . . . . . . . . . . . . . . . . . . . . . 81 Ejercicio 4: Chapa. . . . . . . . . . . . . . . . . . . . . . . . . . . . . . . . . . . . 85 Ejercicio 5: Cambios básicos . . . . . . . . . . . . . . . . . . . . . . . . . . . 86 Ejercicio 6: Soporte . . . . . . . . . . . . . . . . . . . . . . . . . . . . . . . . . . 88 Ejercicio 7: Cómo trabajar con fracciones . . . . . . . . . . . . . . . . . 89 Ejercicio 8: Dibujos de la pieza . . . . . . . . . . . . . . . . . . . . . . . . . 92 Ejercicio 9: Guía . . . . . . . . . . . . . . . . . . . . . . . . . . . . . . . . . . . . . 93 iii
  • 7.
    Manual de formaciónSolidWorks 2006 Lección 4: Cómo modelar una pieza de fundición o forja Estudio de casos: Trinquete . . . . . . . . . . . . . . . . . . . . . . . . . . . . 99 Etapas del proceso . . . . . . . . . . . . . . . . . . . . . . . . . . . . . . . . 99 Intención del diseño . . . . . . . . . . . . . . . . . . . . . . . . . . . . . . . . . 100 Operación Saliente con ángulo de salida . . . . . . . . . . . . . . . . . 101 Cómo construir el asa . . . . . . . . . . . . . . . . . . . . . . . . . . . . . 101 Intención del diseño del asa . . . . . . . . . . . . . . . . . . . . . . . . 101 Simetría en el croquis . . . . . . . . . . . . . . . . . . . . . . . . . . . . . . . . 103 Simetría mientras se croquiza . . . . . . . . . . . . . . . . . . . . . . . 103 Simetría después de croquizar . . . . . . . . . . . . . . . . . . . . . . 103 Acotación automática de croquis . . . . . . . . . . . . . . . . . . . . 104 Primera operación . . . . . . . . . . . . . . . . . . . . . . . . . . . . . . . . . . . 106 Croquizado dentro del modelo . . . . . . . . . . . . . . . . . . . . . . . . . 107 Intención del diseño de la transición. . . . . . . . . . . . . . . . . . 107 Perfil circular . . . . . . . . . . . . . . . . . . . . . . . . . . . . . . . . . . . 108 Cómo croquizar el círculo. . . . . . . . . . . . . . . . . . . . . . . . . . 109 Cómo cambiar la apariencia de las cotas . . . . . . . . . . . . . . 109 Cómo extruir hasta el siguiente . . . . . . . . . . . . . . . . . . . . . 110 Intención del diseño de la cabeza . . . . . . . . . . . . . . . . . . . . 111 Solucionar conflictos . . . . . . . . . . . . . . . . . . . . . . . . . . . . . 114 Opciones de visualización . . . . . . . . . . . . . . . . . . . . . . . . . . . . .115 Opciones de visualización . . . . . . . . . . . . . . . . . . . . . . . . . 117 Opciones de modificación . . . . . . . . . . . . . . . . . . . . . . . . . 117 Funciones del botón central del ratón . . . . . . . . . . . . . . . . . 118 Métodos abreviados del teclado . . . . . . . . . . . . . . . . . . . . . . . . .118 Cómo utilizar aristas del modelo en un croquis . . . . . . . . . . . . .119 Ampliar selección . . . . . . . . . . . . . . . . . . . . . . . . . . . . . . . 119 Cómo croquizar una equidistancia . . . . . . . . . . . . . . . . . . . 119 Cómo crear geometría de croquis recortada . . . . . . . . . . . . . . . 120 Recortar y extender . . . . . . . . . . . . . . . . . . . . . . . . . . . . . . . 121 Cómo modificar cotas . . . . . . . . . . . . . . . . . . . . . . . . . . . . . 124 Cómo medir . . . . . . . . . . . . . . . . . . . . . . . . . . . . . . . . . . . . 126 Cómo utilizar las operaciones Copiar y Pegar . . . . . . . . . . . . . 127 Cómo croquizar el taladro. . . . . . . . . . . . . . . . . . . . . . . . . . 127 Operaciones Copiar y Pegar . . . . . . . . . . . . . . . . . . . . . . . . 128 Relaciones colgantes. . . . . . . . . . . . . . . . . . . . . . . . . . . . . . 129 Cómo editar un croquis. . . . . . . . . . . . . . . . . . . . . . . . . . . . 129 Cómo editar operaciones . . . . . . . . . . . . . . . . . . . . . . . . . . . . . 131 Cómo editar el redondeo. . . . . . . . . . . . . . . . . . . . . . . . . . . 131 Ejercicio 10: Soporte base . . . . . . . . . . . . . . . . . . . . . . . . . . . . 133 Ejercicio 11: Cambios en el asa del trinquete. . . . . . . . . . . . . . 136 Ejercicio 12: Soporte de herramienta . . . . . . . . . . . . . . . . . . . . 138 Ejercicio 13: Brazo complementario . . . . . . . . . . . . . . . . . . . . 139 Ejercicio 14: Polea . . . . . . . . . . . . . . . . . . . . . . . . . . . . . . . . . . 141 iv
  • 8.
    Manual de formaciónSolidWorks 2006 Lección 5: Matrices ¿Por qué emplear matrices? . . . . . . . . . . . . . . . . . . . . . . . . . . . 145 Comparación de matrices . . . . . . . . . . . . . . . . . . . . . . . . . . 145 Opciones de matriz . . . . . . . . . . . . . . . . . . . . . . . . . . . . . . . 148 Gestor de diseño del FeatureManager desplegable. . . . . . . 149 Matriz lineal . . . . . . . . . . . . . . . . . . . . . . . . . . . . . . . . . . . . . . . 149 Cómo eliminar instancias . . . . . . . . . . . . . . . . . . . . . . . . . . 150 Matrices de geometría. . . . . . . . . . . . . . . . . . . . . . . . . . . . . 151 Matrices circulares . . . . . . . . . . . . . . . . . . . . . . . . . . . . . . . . . . 152 Consideraciones acerca de los ejes . . . . . . . . . . . . . . . . . . . 152 Simetrías de matriz . . . . . . . . . . . . . . . . . . . . . . . . . . . . . . . . . . 153 Cómo utilizar la opción Sólo matriz de operación a repetir . . . 154 Matrices conducidas por curva . . . . . . . . . . . . . . . . . . . . . . . . . 156 Matrices conducidas por croquis y por tabla . . . . . . . . . . . . . . 158 Cómo utilizar Variar croquis. . . . . . . . . . . . . . . . . . . . . . . . . . . 161 Crear una matriz de una matriz. . . . . . . . . . . . . . . . . . . . . . . . . 163 Cómo crear matrices de caras . . . . . . . . . . . . . . . . . . . . . . . . . . 163 Patrones de rayado . . . . . . . . . . . . . . . . . . . . . . . . . . . . . . . . . . 165 Ejercicio 15: Matrices lineales . . . . . . . . . . . . . . . . . . . . . . . . . 169 Ejercicio 16: Matrices conducidas por croquis o por tabla. . . . 170 Ejercicio 17: Cómo saltar instancias. . . . . . . . . . . . . . . . . . . . . 171 Ejercicio 18: Simetrías de matriz y lineales . . . . . . . . . . . . . . . 172 Ejercicio 19: Matrices conducidas por curva . . . . . . . . . . . . . . 173 Ejercicio 20: Cómo utilizar Variar croquis. . . . . . . . . . . . . . . . 175 Lección 6: Operaciones de revolución Estudio de casos: Volante de maniobra. . . . . . . . . . . . . . . . . . . 179 Etapas del proceso . . . . . . . . . . . . . . . . . . . . . . . . . . . . . . . 179 Intención del diseño . . . . . . . . . . . . . . . . . . . . . . . . . . . . . . . . . 180 Operaciones de revolución . . . . . . . . . . . . . . . . . . . . . . . . . . . . 180 Geometría de croquis de la operación de revolución . . . . . 180 Reglas que rigen los croquis de operaciones de revolución. . . . . . . . . . . . . . . . . . . . . . . . . . . . . . . . . . . . 182 Cómo acotar el croquis . . . . . . . . . . . . . . . . . . . . . . . . . . . . 182 Cotas de diámetro . . . . . . . . . . . . . . . . . . . . . . . . . . . . . . . . 183 Cómo crear la operación de revolución . . . . . . . . . . . . . . . 184 Cómo construir el reborde . . . . . . . . . . . . . . . . . . . . . . . . . . . . 186 Sólidos multicuerpo . . . . . . . . . . . . . . . . . . . . . . . . . . . . . . 188 Cómo construir el radio . . . . . . . . . . . . . . . . . . . . . . . . . . . . . . 189 Cómo completar los croquis de perfil y la ruta. . . . . . . . . . 190 Chaflanes . . . . . . . . . . . . . . . . . . . . . . . . . . . . . . . . . . . . . . 192 Editar material. . . . . . . . . . . . . . . . . . . . . . . . . . . . . . . . . . . . . . 193 Gráficos RealView . . . . . . . . . . . . . . . . . . . . . . . . . . . . . . . 193 Propiedades físicas . . . . . . . . . . . . . . . . . . . . . . . . . . . . . . . . . . 195 Propiedades físicas como propiedades personalizadas . . . . 196 COSMOSXpress . . . . . . . . . . . . . . . . . . . . . . . . . . . . . . . . . . . . 197 Vista general . . . . . . . . . . . . . . . . . . . . . . . . . . . . . . . . . . . . 197 Malla . . . . . . . . . . . . . . . . . . . . . . . . . . . . . . . . . . . . . . . . . . 197 Resultados . . . . . . . . . . . . . . . . . . . . . . . . . . . . . . . . . . . . . . 197 Cómo utilizar el asistente . . . . . . . . . . . . . . . . . . . . . . . . . . . . . 197 v
  • 9.
    Manual de formaciónSolidWorks 2006 Fase 1: Opciones . . . . . . . . . . . . . . . . . . . . . . . . . . . . . . . . . 198 Fase 2: Material . . . . . . . . . . . . . . . . . . . . . . . . . . . . . . . . . 198 Fase 3: Restricción . . . . . . . . . . . . . . . . . . . . . . . . . . . . . . . 199 Fase 4: Carga . . . . . . . . . . . . . . . . . . . . . . . . . . . . . . . . . . . 200 Fase 5: Analizar . . . . . . . . . . . . . . . . . . . . . . . . . . . . . . . . . 202 Fase 6: Resultados . . . . . . . . . . . . . . . . . . . . . . . . . . . . . . . 203 Cómo actualizar el modelo . . . . . . . . . . . . . . . . . . . . . . . . . 206 Ejercicio 21: Brida . . . . . . . . . . . . . . . . . . . . . . . . . . . . . . . . . . 211 Ejercicio 22: Rueda. . . . . . . . . . . . . . . . . . . . . . . . . . . . . . . . . . 212 Ejercicio 23: Chapa de compresión . . . . . . . . . . . . . . . . . . . . . 214 Ejercicio 24: Portaherramientas . . . . . . . . . . . . . . . . . . . . . . . . 216 Ejercicio 25: Barridos . . . . . . . . . . . . . . . . . . . . . . . . . . . . . . . . 217 Pasador de chaveta . . . . . . . . . . . . . . . . . . . . . . . . . . . . . . . 217 Clip . . . . . . . . . . . . . . . . . . . . . . . . . . . . . . . . . . . . . . . . . . . 217 Barrido de inglete . . . . . . . . . . . . . . . . . . . . . . . . . . . . . . . . 218 Ejercicio 26: COSMOSXpress . . . . . . . . . . . . . . . . . . . . . . . . . 219 Lección 7: Cómo editar: Reparaciones Edición de piezas . . . . . . . . . . . . . . . . . . . . . . . . . . . . . . . . . . . 223 Etapas del proceso . . . . . . . . . . . . . . . . . . . . . . . . . . . . . . . 223 Temas de edición. . . . . . . . . . . . . . . . . . . . . . . . . . . . . . . . . . . . 224 Información proveniente de un modelo . . . . . . . . . . . . . . . 224 Cómo encontrar y reparar problemas . . . . . . . . . . . . . . . . . 224 Diálogo ¿Qué errores hay? . . . . . . . . . . . . . . . . . . . . . . . . . 225 Por dónde empezar . . . . . . . . . . . . . . . . . . . . . . . . . . . . . . . 226 Comprobar croquis para operación. . . . . . . . . . . . . . . . . . . . . . 227 Designación por ventana. . . . . . . . . . . . . . . . . . . . . . . . . . . 228 Cómo reparar el croquis . . . . . . . . . . . . . . . . . . . . . . . . . . . 229 Información proveniente de un modelo . . . . . . . . . . . . . . . . . . 233 Retroceder a un croquis . . . . . . . . . . . . . . . . . . . . . . . . . . . 238 Herramientas de reconstrucción . . . . . . . . . . . . . . . . . . . . . . . . 241 Retroceder a operación . . . . . . . . . . . . . . . . . . . . . . . . . . . . 241 Supresión de operaciones . . . . . . . . . . . . . . . . . . . . . . . . . . 241 Interrupción e información de reconstrucción . . . . . . . . . . 241 Informe del tiempo de recálculo . . . . . . . . . . . . . . . . . . . . . 241 Ejercicio 27: Errors1 . . . . . . . . . . . . . . . . . . . . . . . . . . . . . . . . . 245 Ejercicio 28: Errors2 . . . . . . . . . . . . . . . . . . . . . . . . . . . . . . . . . 246 Ejercicio 29: Copiar y relaciones colgantes . . . . . . . . . . . . . . . 247 Lección 8: Cómo editar: Cambios en el diseño Edición de piezas . . . . . . . . . . . . . . . . . . . . . . . . . . . . . . . . . . . 251 Etapas del proceso . . . . . . . . . . . . . . . . . . . . . . . . . . . . . . . 251 Cambios en el diseño . . . . . . . . . . . . . . . . . . . . . . . . . . . . . . . . 251 Cambios requeridos . . . . . . . . . . . . . . . . . . . . . . . . . . . . . . 252 Eliminaciones . . . . . . . . . . . . . . . . . . . . . . . . . . . . . . . . . . . 252 Editar operación . . . . . . . . . . . . . . . . . . . . . . . . . . . . . . . . . 253 Reordenar . . . . . . . . . . . . . . . . . . . . . . . . . . . . . . . . . . . . . . 254 Editar croquis . . . . . . . . . . . . . . . . . . . . . . . . . . . . . . . . . . . 255 Retroceder . . . . . . . . . . . . . . . . . . . . . . . . . . . . . . . . . . . . . . 258 Contornos de croquis . . . . . . . . . . . . . . . . . . . . . . . . . . . . . . . . 259 vi
  • 10.
    Manual de formaciónSolidWorks 2006 Contornos disponibles. . . . . . . . . . . . . . . . . . . . . . . . . . . . . 259 Croquis compartidos . . . . . . . . . . . . . . . . . . . . . . . . . . . . . . 260 Cómo copiar redondeos . . . . . . . . . . . . . . . . . . . . . . . . . . . 261 Cómo agregar texturas . . . . . . . . . . . . . . . . . . . . . . . . . . . . . . . 264 Ejercicio 30: Cambios. . . . . . . . . . . . . . . . . . . . . . . . . . . . . . . . 267 Ejercicio 31: Cómo agregar ángulo de salida . . . . . . . . . . . . . . 269 Ejercicio 32: Cómo editar . . . . . . . . . . . . . . . . . . . . . . . . . . . . . 270 Ejercicio 33: Croquis de contorno #1-#4 . . . . . . . . . . . . . . . . . 271 Ejercicio 34: Brazo de un asa . . . . . . . . . . . . . . . . . . . . . . . . . . 272 Ejercicio 35: Bomba de aceite . . . . . . . . . . . . . . . . . . . . . . . . . 274 Ejercicio 36: Cómo utilizar la herramienta de seleccionar contornos. . . . . . . . . . . . . . . . . . . . . . . . . . . . . . . . . . . . . . . . . . 276 Lección 9: Configuraciones de las piezas Configuraciones . . . . . . . . . . . . . . . . . . . . . . . . . . . . . . . . . . . . 279 Terminología. . . . . . . . . . . . . . . . . . . . . . . . . . . . . . . . . . . . 279 Utilización de configuraciones . . . . . . . . . . . . . . . . . . . . . . . . . 280 Acceso al Configuration-Manager . . . . . . . . . . . . . . . . . . . 280 Cómo agregar nuevas configuraciones . . . . . . . . . . . . . . . . 281 Definición de la configuración . . . . . . . . . . . . . . . . . . . . . . 282 Cómo cambiar configuraciones . . . . . . . . . . . . . . . . . . . . . 284 Cómo cambiar de nombre y copiar configuraciones . . . . . 284 Cómo editar piezas que tienen configuraciones . . . . . . . . . . . . 286 Biblioteca de diseño . . . . . . . . . . . . . . . . . . . . . . . . . . . . . . . . . 288 La carpeta Operaciones. . . . . . . . . . . . . . . . . . . . . . . . . . . . 288 Configuración predeterminada . . . . . . . . . . . . . . . . . . . . . . 288 Referencias múltiples . . . . . . . . . . . . . . . . . . . . . . . . . . . . . 289 Colocación en caras circulares . . . . . . . . . . . . . . . . . . . . . . 290 Ejercicio 37: Configuraciones . . . . . . . . . . . . . . . . . . . . . . . . . 293 Ejercicio 38: Más configuraciones . . . . . . . . . . . . . . . . . . . . . . 295 Ejercicio 39: Cómo trabajar con configuraciones. . . . . . . . . . . 297 Lección 10: Tablas de diseño y ecuaciones Tablas de diseño . . . . . . . . . . . . . . . . . . . . . . . . . . . . . . . . . . . . 303 Temas clave . . . . . . . . . . . . . . . . . . . . . . . . . . . . . . . . . . . . 303 Vincular valores . . . . . . . . . . . . . . . . . . . . . . . . . . . . . . . . . . . . 304 Ecuaciones . . . . . . . . . . . . . . . . . . . . . . . . . . . . . . . . . . . . . . . . 305 Preparación para ecuaciones . . . . . . . . . . . . . . . . . . . . . . . . 306 Funciones . . . . . . . . . . . . . . . . . . . . . . . . . . . . . . . . . . . . . . 306 Formato de las ecuaciones . . . . . . . . . . . . . . . . . . . . . . . . . 307 Algunas consideraciones finales sobre las ecuaciones . . . . 309 Tablas de diseño . . . . . . . . . . . . . . . . . . . . . . . . . . . . . . . . . . . . 309 Crear una tabla de diseño automáticamente . . . . . . . . . . . . 309 Formatos de Excel . . . . . . . . . . . . . . . . . . . . . . . . . . . . . . . 311 Anatomía de una tabla de diseño . . . . . . . . . . . . . . . . . . . . 312 Agregar nuevos encabezados . . . . . . . . . . . . . . . . . . . . . . . 313 Agregar configuraciones a la tabla . . . . . . . . . . . . . . . . . . . 313 Tablas de diseño existentes . . . . . . . . . . . . . . . . . . . . . . . . . . . . 315 Cómo insertar la tabla de diseño. . . . . . . . . . . . . . . . . . . . . 316 Cómo insertar tablas de diseño en blanco. . . . . . . . . . . . . . 318 vii
  • 11.
    Manual de formaciónSolidWorks 2006 Como guardar una tabla de diseño . . . . . . . . . . . . . . . . . . . 318 Otros usos de las configuraciones. . . . . . . . . . . . . . . . . . . . 319 Estrategias de modelado para las configuraciones . . . . . . . . . . 320 Otros aspectos acerca de cómo realizar dibujos . . . . . . . . . . . . 321 Propiedades de dibujo. . . . . . . . . . . . . . . . . . . . . . . . . . . . . 321 Vista de sección simple. . . . . . . . . . . . . . . . . . . . . . . . . . . . 323 Vistas de detalle . . . . . . . . . . . . . . . . . . . . . . . . . . . . . . . . . 323 Anotaciones . . . . . . . . . . . . . . . . . . . . . . . . . . . . . . . . . . . . 325 Cotas de coordenadas . . . . . . . . . . . . . . . . . . . . . . . . . . . . . 326 Notas paramétricas . . . . . . . . . . . . . . . . . . . . . . . . . . . . . . . 327 Área rayada . . . . . . . . . . . . . . . . . . . . . . . . . . . . . . . . . . . . . 329 Tablas de diseño en un dibujo. . . . . . . . . . . . . . . . . . . . . . . 330 En el curso avanzado... . . . . . . . . . . . . . . . . . . . . . . . . . . . . . . . 331 Ejercicio 40: Utilizar Vincular valores . . . . . . . . . . . . . . . . . . . 333 Ejercicio 41: Utilizar ecuaciones . . . . . . . . . . . . . . . . . . . . . . . 334 Ejercicio 42: Tablas de diseño de piezas . . . . . . . . . . . . . . . . . 335 Ejercicio 43: Configuraciones existentes y tablas de diseño vinculadas . . . . . . . . . . . . . . . . . . . . . . . . . . . . . . . . . . . . . . . . . 338 Ejercicio 44: Cómo diseñar configuraciones . . . . . . . . . . . . . . 339 Ejercicio 45: Dibujos . . . . . . . . . . . . . . . . . . . . . . . . . . . . . . . . 343 Lección 11: Vaciado y nervios Vaciado y nervios . . . . . . . . . . . . . . . . . . . . . . . . . . . . . . . . . . . 347 Etapas del proceso . . . . . . . . . . . . . . . . . . . . . . . . . . . . . . . 347 Cómo analizar y agregar ángulos de salida . . . . . . . . . . . . . . . 347 Análisis de ángulo de salida . . . . . . . . . . . . . . . . . . . . . . . . 348 Otras opciones de ángulo de salida. . . . . . . . . . . . . . . . . . . . . . 349 Ángulo de salida utilizando un plano neutro . . . . . . . . . . . 350 Vaciado . . . . . . . . . . . . . . . . . . . . . . . . . . . . . . . . . . . . . . . . . . . 351 Orden de operaciones . . . . . . . . . . . . . . . . . . . . . . . . . . . . . 351 Selección de cara . . . . . . . . . . . . . . . . . . . . . . . . . . . . . . . . 351 Planos de referencia . . . . . . . . . . . . . . . . . . . . . . . . . . . . . . 352 Nervios . . . . . . . . . . . . . . . . . . . . . . . . . . . . . . . . . . . . . . . . . . . 355 Croquis de nervio . . . . . . . . . . . . . . . . . . . . . . . . . . . . . . . . 355 Redondeos completos . . . . . . . . . . . . . . . . . . . . . . . . . . . . . . . . 359 Operaciones lámina. . . . . . . . . . . . . . . . . . . . . . . . . . . . . . . . . . 360 Ejercicio 46: Tapa de bomba . . . . . . . . . . . . . . . . . . . . . . . . . . 363 Ejercicio 47: Bola de ventilador de techo . . . . . . . . . . . . . . . . . 365 Ejercicio 48: Blindaje de motor . . . . . . . . . . . . . . . . . . . . . . . . 367 Ejercicio 49: Brazo . . . . . . . . . . . . . . . . . . . . . . . . . . . . . . . . . . 369 Ejercicio 50: Gancho . . . . . . . . . . . . . . . . . . . . . . . . . . . . . . . . 370 Ejercicio 51: Secador de cabello. . . . . . . . . . . . . . . . . . . . . . . . 371 Ejercicio 52: Blindaje de cara . . . . . . . . . . . . . . . . . . . . . . . . . . 372 Lección 12: Modelado de ensamblaje ascendente Estudio de casos: Junta universal . . . . . . . . . . . . . . . . . . . . . . . 377 Ensamblaje ascendente . . . . . . . . . . . . . . . . . . . . . . . . . . . . . . . 377 Etapas del proceso . . . . . . . . . . . . . . . . . . . . . . . . . . . . . . . 377 El ensamblaje . . . . . . . . . . . . . . . . . . . . . . . . . . . . . . . . . . . 378 Cómo crear un nuevo ensamblaje . . . . . . . . . . . . . . . . . . . . . . . 379 Posición del primer componente. . . . . . . . . . . . . . . . . . . . . . . . 380 viii
  • 12.
    Manual de formaciónSolidWorks 2006 Gestor de diseño y símbolos del FeatureManager . . . . . . . . . . 380 Grados de libertad. . . . . . . . . . . . . . . . . . . . . . . . . . . . . . . . 381 Componentes . . . . . . . . . . . . . . . . . . . . . . . . . . . . . . . . . . . 381 Anotaciones . . . . . . . . . . . . . . . . . . . . . . . . . . . . . . . . . . . . 382 Marcador Retroceder . . . . . . . . . . . . . . . . . . . . . . . . . . . . . 382 Reordenar . . . . . . . . . . . . . . . . . . . . . . . . . . . . . . . . . . . . . . 382 Grupos de relaciones de posición . . . . . . . . . . . . . . . . . . . . 382 Cómo agregar componentes . . . . . . . . . . . . . . . . . . . . . . . . . . . 383 Insertar componente . . . . . . . . . . . . . . . . . . . . . . . . . . . . . . 383 Cómo mover y girar componentes . . . . . . . . . . . . . . . . . . . 384 Establecer una relación de posición con otro componente . 385 Alineación y tipos de relaciones de posición . . . . . . . . . . . 386 Cómo establecer relaciones de posición concéntricas y coincidentes . . . . . . . . . . . . . . . . . . . . . . . . . . . . . . . . . . . . 388 Relación de posición Ancho . . . . . . . . . . . . . . . . . . . . . . . . 392 Relación de posición paralela . . . . . . . . . . . . . . . . . . . . . . . 396 Cómo visualizar configuraciones de piezas en un ensamblaje . . . . . . . . . . . . . . . . . . . . . . . . . . . . . . . . . . . 396 El pasador . . . . . . . . . . . . . . . . . . . . . . . . . . . . . . . . . . . . . . 396 Cómo utilizar configuraciones de piezas en ensamblajes. . . . . 396 El segundo Pasador . . . . . . . . . . . . . . . . . . . . . . . . . . . . . . . 398 Cómo abrir un componente. . . . . . . . . . . . . . . . . . . . . . . . . 398 Cómo crear copias de instancias . . . . . . . . . . . . . . . . . . . . . . . . 400 Cómo ocultar componente y transparencia de componente . . . 400 Propiedades de componente . . . . . . . . . . . . . . . . . . . . . . . . . . . 402 Subensamblajes. . . . . . . . . . . . . . . . . . . . . . . . . . . . . . . . . . . . . 403 Smart Mates . . . . . . . . . . . . . . . . . . . . . . . . . . . . . . . . . . . . . . . 404 Cómo insertar subensamblajes . . . . . . . . . . . . . . . . . . . . . . . . . 405 Cómo establecer relaciones de posición entre subensamblajes . . . . . . . . . . . . . . . . . . . . . . . . . . . . . . . . . . 406 Relaciones de posición Distancia . . . . . . . . . . . . . . . . . . . . 407 Ejercicio 53: Ensamblaje Caja de cambios. . . . . . . . . . . . . . . . 411 Ejercicio 54: Tablas de diseño de piezas en un ensamblaje . . . 415 Ejercicio 55: Relaciones de posición . . . . . . . . . . . . . . . . . . . . 417 Ejercicio 56: Cambios en la junta en U . . . . . . . . . . . . . . . . . . 418 Ejercicio 57: Molinillo . . . . . . . . . . . . . . . . . . . . . . . . . . . . . . . 420 Lección 13: Cómo usar ensamblajes Cómo usar ensamblajes . . . . . . . . . . . . . . . . . . . . . . . . . . . . . . 425 Etapas del proceso . . . . . . . . . . . . . . . . . . . . . . . . . . . . . . . 425 Cómo analizar el ensamblaje . . . . . . . . . . . . . . . . . . . . . . . . . . 426 Cálculos de propiedades físicas . . . . . . . . . . . . . . . . . . . . . 426 Cómo verificar la interferencia . . . . . . . . . . . . . . . . . . . . . . 427 Detección de interferencias estática contra dinámica . . . . . 429 Consideraciones de rendimiento . . . . . . . . . . . . . . . . . . . . . 430 Cómo cambiar los valores de las cotas . . . . . . . . . . . . . . . . . . . 431 Cómo utilizar Cinemática con colisiones físicas . . . . . . . . . . . 433 Ejemplos . . . . . . . . . . . . . . . . . . . . . . . . . . . . . . . . . . . . . . . 433 Sugerencias para trabajar con Cinemática con colisiones físicas . . . . . . . . . . . . . . . . . . . . . . . . . . . . . . . . . 435 ix
  • 13.
    Manual de formaciónSolidWorks 2006 Simulación física. . . . . . . . . . . . . . . . . . . . . . . . . . . . . . . . . . . . 435 Barra de herramientas Simulación . . . . . . . . . . . . . . . . . . . 435 Opciones de la barra de herramientas . . . . . . . . . . . . . . . . . 436 Elementos de simulación . . . . . . . . . . . . . . . . . . . . . . . . . . 436 Controlador de animaciones . . . . . . . . . . . . . . . . . . . . . . . . 437 Opciones de reproducción . . . . . . . . . . . . . . . . . . . . . . . . . 437 Gestor de diseño del FeatureManager . . . . . . . . . . . . . . . . 437 Ensamblajes explosionados . . . . . . . . . . . . . . . . . . . . . . . . . . . 439 Configuración de la vista explosionada . . . . . . . . . . . . . . . 439 Explosión de un solo componente . . . . . . . . . . . . . . . . . . . 441 Explosión de varios componentes. . . . . . . . . . . . . . . . . . . . 442 Explosión de componentes de subensamblajes . . . . . . . . . 443 Espaciado automático . . . . . . . . . . . . . . . . . . . . . . . . . . . . . 443 Reutilización de explosiones . . . . . . . . . . . . . . . . . . . . . . . 444 Croquis con líneas de explosión . . . . . . . . . . . . . . . . . . . . . . . . 445 Líneas de explosión . . . . . . . . . . . . . . . . . . . . . . . . . . . . . . 445 Cómo animar vistas explosionadas. . . . . . . . . . . . . . . . . . . 447 Dibujos de ensamblajes . . . . . . . . . . . . . . . . . . . . . . . . . . . . . . 448 Lista de materiales . . . . . . . . . . . . . . . . . . . . . . . . . . . . . . . 449 Cómo agregar globos . . . . . . . . . . . . . . . . . . . . . . . . . . . . . 450 En el curso Dibujos... . . . . . . . . . . . . . . . . . . . . . . . . . . . . . . . . 450 Ejercicio 58: Cómo utilizar la detección de colisión . . . . . . . . 451 Ejercicio 59: Vistas explosionadas . . . . . . . . . . . . . . . . . . . . . . 452 Ejercicio 60: Vistas explosionadas y dibujos de ensamblajes . 453 Apéndice Configuración de Opciones . . . . . . . . . . . . . . . . . . . . . . . . . . . 457 Cómo aplicar los cambios. . . . . . . . . . . . . . . . . . . . . . . . . . 457 Cómo cambiar las opciones predeterminadas. . . . . . . . . . . 457 Configuración sugerida. . . . . . . . . . . . . . . . . . . . . . . . . . . . 457 Plantillas de documento . . . . . . . . . . . . . . . . . . . . . . . . . . . . . . 458 Cómo crear una plantilla de pieza. . . . . . . . . . . . . . . . . . . . 458 Plantillas de dibujo y formatos de hoja. . . . . . . . . . . . . . . . 461 Cómo organizar sus plantillas. . . . . . . . . . . . . . . . . . . . . . . 461 Plantillas predeterminadas . . . . . . . . . . . . . . . . . . . . . . . . . 461 x
  • 14.
    Manual de formaciónSolidWorks 2006 Lección 1 Introducción Al finalizar esta lección, podrá: Describir las características clave de un modelo sólido y paramétrico basado en operaciones. Distinguir entre las operaciones croquizadas y aplicadas. Identificar los principales componentes de la interfaz de usuario de SolidWorks. Explicar cómo los diferentes métodos de acotación conducen a diferentes interpretaciones de la intención de los diseños. 1
  • 15.
    Lección 1 Manual de formación SolidWorks 2006 Introducción 2
  • 16.
    Manual de formaciónSolidWorks 2006 Lección 1 Introducción Informaciones El objetivo de este curso es enseñarle a utilizar el software de sobre este automatización de diseño mecánico para construir modelos curso paramétricos de piezas y ensamblajes, así como el método para realizar dibujos simples de esas piezas y ensamblajes. SolidWorks 2006 es una aplicación tan sólida y tan rica en operaciones que resulta poco práctico analizar minuciosamente todos los aspectos y detalles en este curso. Aun así, la extensión del curso es considerable. Por lo tanto, este curso se centra en las funciones y los conceptos básicos que son cruciales para un uso correcto de SolidWorks 2006. Debe considerar el manual del curso de formación como un anexo de la documentación del sistema y la ayuda en línea y no como un substituto de éstos. Una vez que haya adquirido los conocimientos para utilizar las funciones básicas, puede consultar la ayuda en línea para obtener información sobre las opciones de comando que se utilizan con menor frecuencia. Condiciones Los estudiantes que asistan al curso deben: previas Tener experiencia en el diseño mecánico. Tener experiencia con el sistema operativo Windows™. Leer el manual Introducción a SolidWorks. Se incluye una copia de este manual junto con su software. O bien puede acceder a la versión en línea de este manual haciendo clic en Ayuda, Introducción a SolidWorks. Haber realizado los tutoriales en línea integrados en el software de SolidWorks. Puede acceder a los tutoriales en línea haciendo clic en Ayuda, Tutorial en línea. Diseño del curso El curso se ha diseñado mediante un enfoque de aprendizaje que se basa en las tareas o los procesos. A diferencia de los cursos que se basan en las operaciones y las funciones, un curso de formación que se basa en los procesos destaca los procesos y los procedimientos que se deben seguir para llevar a cabo una determinada tarea. Mediante la utilización de estudios de casos para ilustrar estos procesos, usted aprenderá a utilizar los menús, las opciones y los comandos necesarios para llevar a cabo una tarea de diseño. Cómo utilizar este Este manual de formación se ha concebido para que se utilice en un manual aula con la asistencia de un instructor que tenga experiencia en SolidWorks. No se ha concebido como tutorial autodidáctico. Los ejemplos y los casos de estudio están diseñados para que el instructor los realice “en directo”. Ejercicios de Los ejercicios de laboratorio le proporcionan la oportunidad de laboratorio aplicar y poner en práctica el material tratado en la lectura/ demostración práctica del curso. Se han concebido para representar las situaciones de modelos y de diseño típicos, teniendo en cuenta que deben ser lo suficientemente sencillos como para que se puedan realizar durante las horas de clase. Tenga en cuenta que cada estudiante tiene su propio ritmo de trabajo. En consecuencia, hemos incluido más ejercicios de laboratorio de los que normalmente se pueden realizar durante el curso. Con ello, se garantiza que ni siquiera al estudiante más veloz le falten ejercicios. Informaciones sobre este curso 3
  • 17.
    Lección 1 Manual de formación SolidWorks 2006 Introducción Consideraciones Los dibujos y las cotas facilitadas en los ejercicios de laboratorio no sobre las cotas se han concebido para reflejar ningún estándar particular de croquizado. De hecho, en algunas ocasiones las cotas se proporcionan en una forma que el sector industrial nunca aceptaría. La razón para ello es que los laboratorios están diseñados para animarle a aplicar la información tratada en clase y para utilizar y reforzar ciertas técnicas de modelado. En consecuencia, los dibujos y las cotas de los ejercicios se han diseñado como complementos para alcanzar este objetivo. Informaciones La tapa trasera contiene un CD con copias de los diferentes archivos acerca del CD que se utilizan a lo largo del curso. Las mismas se organizan por número de lección. La carpeta Case Study (Estudio de casos) incluida en cada lección contiene los archivos que su instructor utiliza mientras presenta las lecciones. La carpeta Exercises (Ejercicios) contiene todos los archivos necesarios para realizar los ejercicios de laboratorio. Windows® 2000 y Las capturas de pantalla de este manual se hicieron con SolidWorks Windows® XP 2006 en Windows® 2000 y Windows® XP. Es posible que observe diferencias en el aspecto de los menús y las ventanas. Estas diferencias no afectan al rendimiento del software. Convenciones que En este manual se utilizan las siguientes convenciones tipográficas: se utilizan en este manual Convención Significado Sans Serif Las opciones y los comandos de SolidWorks Negrita aparecen en este estilo. Por ejemplo, Insertar, Saliente significa escoger la opción Saliente del menú Insertar. Fuente Los nombres de las operaciones, así como el máquina de de los archivos, aparecen en este estilo. Por escribir ejemplo, Sketch1. Las líneas dobles se colocan antes y después 17 Realice este de las secciones de los procedimientos. De paso esta manera, se separan los pasos del procedimiento y los grandes bloques de explicaciones. Los pasos se numeran utilizando el estilo sans serif negrita. Utilización del En la interfaz de usuario de SolidWorks, se utilizan de forma color extensa los colores para destacar la geometría seleccionada y para proporcionar una ayuda visual. Con ello, se aumenta el grado de intuición y la facilidad al utilizar el software de SolidWorks. Para sacar el máximo provecho de ello, los materiales de formación se han impreso en color. 4 Informaciones sobre este curso
  • 18.
    Manual de formaciónSolidWorks 2006 Lección 1 Introducción Asimismo, en muchas ocasiones, se han utilizado colores adicionales en las ilustraciones para comunicar conceptos, identificar operaciones y, además, transmitir información importante. Por ejemplo, es posible que se muestren los resultados de una operación de redondeo con los redondeos en un color diferente, aunque de modo predeterminado el software de SolidWorks no muestre los resultados de esa manera. ¿Qué es el El software de automatización de diseño mecánico de SolidWorks software de es una herramienta de diseño de modelado sólido paramétrica y SolidWorks? basada en operaciones que aprovecha la facilidad de aprendizaje de la interfaz gráfica de usuario de Windows™. Puede crear modelos sólidos en 3D totalmente asociativos con o sin restricciones mientras utiliza al mismo tiempo las relaciones automáticas o definidas por el usuario para capturar la intención del diseño. Los términos que aparecen en cursiva significan lo siguiente: Basado en operaciones Del mismo modo que un ensamblaje está compuesto por una serie de piezas individuales, un modelo de SolidWorks también está compuesto por elementos individuales. Dichos elementos se denominan operaciones. Cuando usted crea un modelo mediante el software de SolidWorks, trabaja con operaciones geométricas inteligentes y fáciles de entender, como salientes, cortes, taladros, nervios, redondeos, chaflanes y ángulos de salida. A medida que se crean estas operaciones, las mismas se aplican directamente a la pieza con la que está trabajando. Las operaciones se pueden clasificar como croquizadas o aplicadas. Operaciones croquizadas: las que se basan en un croquis en 2D. Generalmente, ese croquis se transforma en un sólido mediante extrusión, rotación, barrido o recubrimiento. Operaciones aplicadas: las que se crean directamente en el modelo sólido. Los redondeos y los chaflanes son ejemplos de este tipo de operación. El software de SolidWorks muestra gráficamente la estructura basada en operaciones del modelo en una ventana especial denominada Gestor de diseño del FeatureManager®. El gestor de diseño del FeatureManager no sólo muestra la secuencia en la que se han creado las operaciones, sino que también le facilita el acceso a toda la información relacionada subyacente. A lo largo de este curso, aprenderá más cosas sobre el gestor de diseño del FeatureManager. ¿Qué es el software de SolidWorks? 5
  • 19.
    Lección 1 Manual de formación SolidWorks 2006 Introducción Para ilustrar el concepto del modelado basado en operaciones, considere la pieza que se muestra en la parte derecha: Esta pieza se puede visualizar como una colección de diversas operaciones diferentes; algunas agregan material, como el saliente cilíndrico, y otras eliminan material, como el taladro hasta profundidad especificada. Si se tuvieran que asignar las operaciones individuales a su correspondiente lista en el gestor de diseño del FeatureManager, el resultado tendría un aspecto similar a éste: Paramétrico Las cotas y las relaciones utilizadas para crear una operación se capturan y se almacenan en el modelo. Gracias a ello, no sólo es posible la captura de la intención del diseño, sino que también se pueden realizar de manera rápida y sencilla cambios en el modelo. Cotas conductoras: cotas utilizadas al crear una operación. Incluyen las cotas relacionadas con la geometría de croquis, así como las relacionadas con la operación en sí. Una operación como un saliente cilíndrico sería un ejemplo simple de ello. El diámetro del círculo del croquis controla el diámetro del 6 ¿Qué es el software de SolidWorks?
  • 20.
    Manual de formaciónSolidWorks 2006 Lección 1 Introducción saliente. La profundidad a la que se realizó la extrusión del círculo cuando se realizó la operación controla la altura del saliente. Relaciones: incluyen información del tipo paralelismo, tangencia y concentricidad. Históricamente, este tipo de información se ha comunicado en los dibujos a través de los símbolos de control de las operaciones. Capturando esto en el croquis, SolidWorks le permite capturar totalmente la intención del diseño directamente en el modelo. Modelado sólido Un modelo sólido es el tipo más completo de modelo geométrico utilizado en los sistemas de CAD. Contiene toda la geometría de superficie y alámbrica necesaria para describir detalladamente las aristas y las caras del modelo. Además de la información geométrica, contiene toda la información denominada topológica que interrelaciona la geometría. Un ejemplo de información topológica sería qué caras (superficies) se encuentran en qué arista (curva). La inteligencia hace que funciones como el redondeo resulten tan fáciles como seleccionar una arista y especificar un radio. Totalmente asociativo Un modelo de SolidWorks es totalmente asociativo a los dibujos y ensamblajes a los que hace referencia. Los cambios efectuados en el modelo se reflejan automáticamente en los dibujos y ensamblajes relacionados. De un modo similar, puede efectuar modificaciones en el contexto del dibujo o del ensamblaje y tener la certeza de que esas modificaciones se reflejarán en el modelo Restricciones Las relaciones geométricas paralelas, perpendiculares, horizontales, verticales, concéntricas y coincidentes son tan sólo algunas de las restricciones que SolidWorks admite. Además, se pueden utilizar ecuaciones para establecer relaciones matemáticas entre los parámetros. Mediante las restricciones y las ecuaciones, puede garantizar que se capturen y se mantengan los conceptos del diseño, como los taladros o los radios iguales. Intención del diseño La intención del diseño es el plan que ha establecido con relación al comportamiento que debe presentar el modelo al modificarlo. Por ejemplo, si modela un saliente que contenga un taladro hasta profundidad especificada, el taladro debería desplazarse al desplazarse el saliente. De un modo similar, si modela una matriz de taladro circular compuesta por seis taladros separados por una distancia equitativa, el ángulo entre los taladros debe cambiar automáticamente al cambiar el número de taladros de seis a ocho. Las técnicas utilizadas para crear el modelo determinan cómo y qué tipo de intención del diseño se captura. ¿Qué es el software de SolidWorks? 7
  • 21.
    Lección 1 Manual de formación SolidWorks 2006 Introducción Intención del Para utilizar con eficacia un modelador paramétrico como diseño SolidWorks, debe tener en cuenta la intención del diseño antes de modelar. La intención del diseño es el plan que ha establecido con relación al comportamiento que debe presentar el modelo al modificarlo. La manera en que se ha creado el modelo regirá el modo en que se modificará. Existen diversos factores que contribuyen al modo en que se captura la intención del diseño: Relaciones automáticas (croquis) En función del croquis que se ha realizado de la geometría, estas relaciones pueden proporcionar relaciones geométricas comunes entre los objetos, como paralela, perpendicular, horizontal y vertical. Ecuaciones Se utilizan para relacionar cotas en forma algebraica y proporcionan una forma externa de forzar cambios. Relaciones agregadas Añadidas al modelo cuando éste se crea, las relaciones proporcionan otra manera de conectar la geometría relacionada. Algunas relaciones comunes son la concéntrica, tangente, coincidente y colineal. Acotación La manera en la que se acote un croquis influirá en la intención del diseño. Agregue las cotas de manera que reflejen cómo desea modificarlas. Ejemplos de A continuación, le mostramos algunos ejemplos de intenciones de intenciones del diseño en un croquis. diseño Un croquis acotado de esta forma mantendrá los taladros a 20 mm de cada extremo, independientemente de cómo se modifique el ancho total de la chapa de 100 mm. Cotas de línea base como las que se presentan harán que los taladros se coloquen en relación con la arista izquierda de la chapa. Las modificaciones en el ancho global de la chapa no afectan las posiciones de los taladros. 8 Intención del diseño
  • 22.
    Manual de formaciónSolidWorks 2006 Lección 1 Introducción Las acotaciones desde la arista y de centro a centro mantendrán la distancia entre los centros de los taladros y permitirán que se modifique de esta manera. Cómo las La intención del diseño se ve afectada operaciones por algo más que por la mera acotación afectan la de un croquis. También reviste intención del importancia la elección de las diseño operaciones y la metodología de modelado. Por ejemplo, considere el caso de un eje único escalonado como se muestra en la parte derecha. Podemos construir una pieza como ésta de diversas maneras. El enfoque "por El enfoque "por capas" construye las partes de la pieza una a una, capas" agregando cada capa, u operación, a la anterior, como se muestra a continuación: La modificación del grosor de una capa posee un efecto en espiral, ya que modifica la posición del resto de las capas que se crearon posteriormente. El enfoque "torno de El enfoque "torno de alfarero" construye la alfarero" pieza como una operación Revolución simple. Un croquis simple que representa la sección transversal incluye toda la información y todas las cotas necesarias para construir la pieza como una operación. Aunque este enfoque pueda parecer muy eficaz, el hecho de poseer toda la información sobre el diseño en una operación simple limita la flexibilidad y puede complicar los cambios. El enfoque El enfoque "fabricación" aplicado al modelado imita la forma en la "fabricación" que se fabricaría la pieza. Por ejemplo, si se gira un eje escalonado en un torno, usted empezaría con una pieza de material de barra y quitaría material mediante una serie de cortes. Intención del diseño 9
  • 23.
    Lección 1 Manual de formación SolidWorks 2006 Introducción Iconos que no se A veces se encontrará con comandos, iconos y opciones de menú pueden que aparecen atenuados y no se pueden seleccionar. Es posible que seleccionar esto ocurra por no trabajar en el entorno adecuado para acceder a estas opciones. Por ejemplo, si trabaja en un croquis (modo Editar croquis), tiene acceso a todas las herramientas de croquizar. No obstante, no puede seleccionar los iconos como el redondeo o el chaflán en la barra de herramientas Operaciones. De un modo similar, si trabaja en modo Editar pieza, puede acceder a esos iconos, pero las herramientas de croquizar aparecen atenuadas y no se pueden seleccionar. Este diseño es útil para los usuarios con poca experiencia, ya que limita las elecciones únicamente a aquéllas que son adecuadas, atenuando las que no lo son. ¿Preseleccionar o Por norma general, el software de SolidWorks no requiere la no preseleccionar? preselección de objetos antes de abrir un menú o un cuadro de diálogo. Por ejemplo, si desea agregar redondeos a las arista del modelo, tiene total libertad: puede seleccionar las aristas primero y después hacer clic en la herramienta Redondeo o bien puede hacer clic en Redondeo y a continuación seleccionar las aristas. Usted elige. La interfaz de La interfaz de usuario de SolidWorks es una interfaz de Windows y, usuario de como tal, se comporta del mismo modo que el resto de las SolidWorks aplicaciones de Windows. A continuación, le presentamos algunos de los aspectos más importantes de la interfaz. Menús desplegables Barras Ventana de herramientas Documento Zona de gráficos Gestor de diseño del FeatureManager Panel de tareas Área de estado Sistema de referencia 10 La interfaz de usuario de SolidWorks
  • 24.
    Manual de formaciónSolidWorks 2006 Lección 1 Introducción Menús Los menús proporcionan acceso a todos los comandos que ofrece el software de SolidWorks. Cuando un elemento del menú tiene una flecha que señala hacia la derecha, como la siguiente: , significa que existe un submenú asociado a esa elección. Cuando una serie de puntos precede un elemento del menú, como en este caso: , significa que esa opción abre un cuadro de diálogo con información o elecciones adicionales. Cuando se selecciona el elemento Personalizar el menú, cada elemento aparece con una casilla de verificación. Si se desactiva la casilla de verificación, se elimina el elemento asociado del menú. Métodos Algunos elementos de menú indican un acceso directo del teclado abreviados del como el siguiente: SolidWorks utiliza las teclado convenciones estándar de Windows para los métodos abreviados, como por ejemplo Ctrl+A para Archivo, Abrir; Ctrl+G para Archivo, Guardar; Ctrl+Z para Edición, Deshacer, etcétera. Además, puede personalizar SolidWorks creando sus propios métodos abreviados. La interfaz de usuario de SolidWorks 11
  • 25.
    Lección 1 Manual de formación SolidWorks 2006 Introducción Barras de Los menús de las barras de herramientas proporcionan accesos herramientas directos para acceder rápidamente a los comandos que se utilizan con mayor frecuencia. Las barras de herramientas están organizadas de acuerdo con la función y pueden personalizarse, eliminarse o volverse a organizar según sus preferencias. Las opciones individuales de las mismas se tratarán con más detalle a lo largo de este curso. Ejemplo de una A continuación, se muestra un ejemplo de una barra de barra de herramientas; en este caso, se trata de la barra de herramientas herramientas Estándar. Esta barra de herramientas contiene funciones de uso común como abrir documentos nuevos o existentes, guardar documentos, imprimir, copiar y pegar objetos, deshacer, rehacer y ayuda. Mostrar las barras Puede activar o desactivar barras de herramientas utilizando uno de de herramientas estos tres métodos: Haga clic en Herramientas, Personalizar. En la página Barras de herramientas, haga clic en las casillas de verificación para seleccionar cada barra de herramientas que desea mostrar. Borre las casillas de verificación de las barras de herramientas que desea ocultar. Nota Para acceder a Herramientas, Personalizar, debe tener un documento abierto. Además, se puede utilizar la pestaña Comandos para agregar o eliminar iconos de las barras de herramientas. 12 La interfaz de usuario de SolidWorks
  • 26.
    Manual de formaciónSolidWorks 2006 Lección 1 Introducción Personalización Las barras de herramientas se pueden activar para flujo de trabajo y desactivar en función del sector industrial mediante la opción Personalización para flujo de trabajo en la pestaña Opciones. Hay varios sectores industriales disponibles. Haga clic con el botón secundario de ratón en el área de la barra de herramientas de la ventana de SolidWorks. Las marcas de verificación indican las barras de herramientas actualmente visibles. Borre las marcas de verificación de las barras de herramientas que desea ocultar. Haga clic en Ver, Barras de herramientas. De este modo, visualizará la misma lista de barras de herramientas. La interfaz de usuario de SolidWorks 13
  • 27.
    Lección 1 Manual de formación SolidWorks 2006 Introducción Cómo organizar Las barras de herramientas, incluido el Administrador de las barras de comandos, pueden organizarse de muchas maneras. Pueden herramientas distribuirse alrededor de los cuatro bordes de la ventana de SolidWorks o arrastrarse a las zonas de gráficos o del FeatureManager. Estas posiciones se “recuerdan” al salir de SolidWorks, de modo que la próxima vez que se inicie SolidWorks, las barras de herramientas estarán donde las dejó. A continuación, se muestra una de estas organizaciones. Barras de herramientas Administrador de comandos Sugerencias Las Sugerencias rápidas rápidas forman parte del sistema de ayuda en línea. Preguntan "¿Qué le gustaría hacer?" y proporcionan respuestas típicas según la tarea actual. Si hace clic en una respuesta, se resaltará la barra de Activar y desactivar herramientas y el las sugerencias rápidas icono necesarios Activar/Desactivar para realizar dicha tarea. 14 La interfaz de usuario de SolidWorks
  • 28.
    Manual de formaciónSolidWorks 2006 Lección 1 Introducción Gestor de diseño El gestor de diseño del FeatureManager es una pieza única del del software de SolidWorks que muestra todas las operaciones de una FeatureManager pieza o un ensamblaje. Las operaciones se agregan al gestor de diseño del FeatureManager a medida que se crean. Como resultado, el gestor de diseño del FeatureManager representa la secuencia cronológica de las operaciones de modelado. El gestor de diseño del FeatureManager también permite el acceso a la edición de las operaciones (objetos) que contiene. Menús del Muchos comandos de SolidWorks se ejecutan a través de los menús PropertyManager del PropertyManager. Los menús del PropertyManager ocupan la misma posición en pantalla que el gestor de diseño del FeatureManager y lo reemplazan cuando están en uso. El esquema de color y el aspecto de los menús del PropertyManager puede modificarse mediante Herramientas, Opciones, Colores. Consulte la ayuda en línea de SolidWorks para obtener más información. La fila superior Aceptar de botones Cancelar contiene los Ayuda botones estándar Aceptar, Cancelar y Icono Abrir Ayuda. y Cerrar Debajo de la Cuadro de grupo fila superior de Abierto y activo botones se encuentra uno o Cuadro de grupo más Cuadros Cerrado e inactivo de grupo que contienen opciones relacionadas. Los mismos pueden abrirse (expandirse) o cerrarse (colapsarse) y en muchos casos activarse o desactivarse. Consideraciones El Administrador de comandos es acerca del un conjunto de barras de herramien- Administrador de tas diseñado para ayudar al usuario comandos principiante, que trabaja solo, a rea- lizar determinadas tareas. Por ejem- plo, la versión de pieza de la barra de herramientas tiene dos grupos prin- cipales: Las Operaciones y los Croquis aparecen como botones en la parte superior. En este manual no utilizará la barra de herramientas Administrador de comandos. En su lugar, se utilizará el conjunto de barras de herramientas estándar generales. Para obtener más información, consulte Barras de herramientas en la página 12. La interfaz de usuario de SolidWorks 15
  • 29.
    Lección 1 Manual de formación SolidWorks 2006 Introducción Panel de tareas La ventana Panel de tareas se utiliza para albergar las opciones Recursos de SolidWorks , Biblioteca de diseño y Explorador de archivos . La ventana aparece a la derecha de manera predeterminada pero se puede mover y su tamaño se puede ajustar. Se puede abrir/cerrar , fijar o mover desde su posición predeterminada en la parte derecha de la interfaz. Cómo abrir Puede abrir las piezas y ensamblajes necesa- laboratorios con la rios para los ejercicios de laboratorio con la Biblioteca de diseño biblioteca de diseño. Agregue los archivos de clase a la biblioteca de diseño con este procedimiento. Abra el Panel de tareas y la Biblioteca de diseño. Haga clic en Agregar ubicación de archivo . Seleccione la carpeta Essentials - Parts (Conceptos básicos: Piezas) y Assemblies (Ensamblajes) que se utiliza para los archivos de clase. Debería estar bajo la carpeta SolidWorks 2006 Training Files. Haga clic en Aceptar. Haga doble clic en el icono de la pieza o ensamblaje de la Biblioteca de diseño para abrirla. 16 La interfaz de usuario de SolidWorks
  • 30.
    Manual de formaciónSolidWorks 2006 Lección 1 Introducción Botones del ratón Los botones izquierdo, derecho y central del ratón tienen distintos significados en SolidWorks. Izquierdo Selecciona objetos como geometría, botones de menús y objetos en el gestor de diseño del FeatureManager. Derecho Activa un menú contextual sensible al contexto. El contenido del menú difiere según el objeto sobre el que se encuentra el cursor. Estos menús también representan accesos directos a comandos utilizados frecuentemente. Central Gira, traslada o aplica el zoom sobre una pieza o un ensamblaje. Traslada un dibujo. Ayuda del sistema La ayuda se brinda como un símbolo asociado a la flecha del cursor indicando lo que está Vértice seleccionando o lo que el sistema espera que Arista seleccione. A medida que el cursor flota por el modelo, la ayuda vendrá en forma de símbolos, Cara al lado del cursor. La ilustración de la derecha muestra algunos de los símbolos: vértices, Cota aristas, caras y cotas. Opciones En el menú Herramientas, el cuadro de diálogo Opciones le permite personalizar el software de SolidWorks para reflejar elementos tales como estándares de croquizado al igual que sus preferencias individuales y su entorno de trabajo. La interfaz de usuario de SolidWorks 17
  • 31.
    Lección 1 Manual de formación SolidWorks 2006 Introducción Personalización Tiene diversos niveles de personalización. Estos objetos son: Opciones de sistema Las opciones agrupadas bajo el título Opciones de sistema se guardan en su sistema y afectan cada documento abierto en su sesión de SolidWorks. Los parámetros del sistema le permiten controlar y personalizar su entorno de trabajo. Por ejemplo, es posible que usted desee trabajar con una ventana de visualización a color. Yo no lo deseo. Puesto que éste es un parámetro del sistema, las piezas o los ensamblajes abiertos en su sistema tendrán una ventana a color. Los mismos archivos abiertos en mi sistema no lo tendrán. Propiedades de documento Ciertos parámetros se aplican al documento individual. Por ejemplo, las unidades, los estándares de croquizado y las propiedades del material (densidad) son parámetros de documento. Se guardan con el documento y no cambian, independientemente del sistema en el que se abre el documento. Para obtener más información sobre los parámetros de opciones utilizados en este curso, consulte Configuración de Opciones en la página 457 en el Apéndice. Plantillas de documentos Las plantillas de documentos son documentos predefinidos configurados con ciertos parámetros específicos. Por ejemplo, es posible que desee dos plantillas diferentes para las piezas. Una con parámetros en Inglés como estándares de croquizado ANSI y unidades en pulgadas y una con parámetros métricos como unidades en milímetros y estándares de croquizado ISO. Puede configurar tantas plantillas de documentos como necesite. Pueden organizarse en diferentes carpetas para tener un fácil acceso a las mismas al abrir documentos nuevos. Puede crear plantillas de documentos para piezas, ensamblajes y dibujos. Para obtener instrucciones más detalladas sobre la creación de plantillas de documentos, consulte Plantillas de documento en la página 458 en el Apéndice. Objeto Muchas veces, las propiedades de un objeto individual pueden cambiarse o editarse. Por ejemplo, puede cambiar la visualización predeterminada de una cota para suprimir una o ambas líneas de referencia o puede cambiar el color de una operación. 18 La interfaz de usuario de SolidWorks
  • 32.
    Manual de formaciónSolidWorks 2006 Lección 2 Introducción al croquizado Al finalizar esta lección, podrá: Crear una pieza nueva. Insertar un nuevo croquis. Agregar geometría de croquis. Establecer relaciones de croquis entre piezas de geometría. Entender el estado del croquis. Utilizar herramientas de croquizar para agregar chaflanes y redondeos. Extruir el croquis para convertirlo en un sólido. 19
  • 33.
    Lección 2 Manual de formación SolidWorks 2006 Introducción al croquizado 20
  • 34.
    Manual de formaciónSolidWorks 2006 Lección 2 Introducción al croquizado Croquizado en Esta lección presenta el croquizado en 2D, la base del modelado en 2D SolidWorks. Los croquis se utilizan para todas las operaciones de croquizado en SolidWorks, incluyendo: Extrusiones Revoluciones Barridos Recubrimientos La ilustración a continuación muestra cómo un croquis dado puede formar la base de varios tipos diferentes de operaciones. Extrusión Revolución Barrido Recubrimiento En esta lección, se tratarán solamente las operaciones de extrusión. Las demás serán explicadas en detalle en lecciones o cursos posteriores. Etapas del Cada croquis posee diversas características que contribuyen a su proceso forma, tamaño y orientación. Nueva pieza Las nuevas piezas pueden ser creadas en pulgadas, milímetros u otras unidades. Las piezas son utilizadas para crear y contener al modelo sólido. Croquis Los croquis son colecciones de geometría 2D que se utilizan para crear operaciones sólidas. Geometría de croquis Tipos de geometrías 2D tales como líneas, círculos y rectángulos que conforman el croquis. Relaciones de croquis Relaciones geométricas tales como horizontal y vertical se aplican a la geometría de croquis. Las relaciones restringen el movimiento de las entidades. Croquizado en 2D 21
  • 35.
    Lección 2 Manual de formación SolidWorks 2006 Introducción al croquizado Estado del croquis Cada croquis posee un estado que determina si el mismo está listo o no para ser utilizado. El estado puede ser: completamente definido, insuficientemente definido o definido en exceso. Herramientas de croquizar Las herramientas pueden utilizarse para modificar la geometría de croquis que haya sido creada. Esto a menudo involucra el recorte o la extensión de las entidades. Cómo extruir el croquis La extrusión utiliza el croquis 2D para crear una operación sólida 3D. Procedimiento El proceso en esta lección incluye croquizado y extrusiones. Para comenzar, se crea un archivo para una nueva pieza. 1 Nueva pieza. Haga clic en Nuevo o haga clic en Archivo, Nuevo en la barra de herramientas Estándar. Haga clic en la plantilla Part_IN de la pestaña Training Templates (Plantillas de formación) en el cuadro de diálogo Nuevo documento de SolidWorks y haga clic en Aceptar. La pieza se crea con la configuración de la plantilla. Un parámetro clave es el dado por las unidades de la pieza. Como su nombre lo indica, esta plantilla de pieza utiliza pulgadas para las unidades. Usted puede crear y guardar la cantidad deseada de plantillas diferentes, todas con diferente configuración. 22 Etapas del proceso
  • 36.
    Manual de formaciónSolidWorks 2006 Lección 2 Introducción al croquizado 2 Cómo guardar una pieza. Utilice la opción Guardar del menú Archivo o seleccione el botón Guardar de la barra de herramientas Estándar para guardar la pieza con el nombre Plate. La extensión, *.sldprt, se agrega automáticamente. Haga clic en Guardar. ¿Qué es lo que En esta sección se creará la primera operación de una pieza. vamos a Tal operación inicial es simplemente la primera de muchas croquizar? operaciones necesarias para completar la pieza. Croquizado El croquizado es el acto de crear un perfil de 2 dimensiones compuesto por geometrías de estructura alámbrica. Los tipos de geometría más comunes son líneas, arcos, círculos y elipses. El croquizado es dinámico, con información proporcionada por el cursor para que la tarea sea más fácil. Planos Para crear un croquis, debe elegir un plano sobre el cual croquizar. predeterminados El sistema proporciona tres planos iniciales de manera predeterminada. Los mismos se denominan Alzado, Planta y Vista lateral. Introducción: Cuando se crea un nuevo croquis, Insertar croquis abre el Insertar croquis croquizador sobre el plano o la cara plana seleccionada actualmente. También puede utilizar Insertar croquis para editar un croquis existente. ¿Qué es lo que vamos a croquizar? 23
  • 37.
    Lección 2 Manual de formación SolidWorks 2006 Introducción al croquizado Debe seleccionar un plano de referencia o una cara plana del modelo después de hacer clic en Insertar, Croquis. El cursor aparece para indicar que debería seleccionar una cara o un plano. Dónde encontrarlo Puede acceder al comando Insertar croquis de varias maneras. En la barra de herramientas Croquis, haga clic en la herramienta . O, en el menú Insertar, haga clic en Croquis. O, con el cursor colocado sobre un plano o cara plana del modelo, haga clic con el botón secundario del ratón y elija Insertar croquis en el menú contextual. 3 Abrir un nuevo croquis. Abra el croquis haciendo clic en o eligiendo Croquis en el menú Insertar. Se mostrarán los tres planos predeterminados para la selección con una orientación Trimétrica. Una vista Trimétrica es una orientación ilustrativa orientada de modo que los tres planos mutuamente perpendiculares aparezcan escorzados irregularmente. En la pantalla, elija el plano Alzado. El plano será resaltado y girará. Nota El Sistema de referencia (esquina inferior izquierda) muestra la orientación de los ejes de coordenadas del modelo (rojo-X, verde-Y y azul-Z) en todo momento. Puede ser útil mostrar cómo la orientación de la vista se ha cambiado con relación al Alzado. 4 Croquis activo. El plano Alzado seleccionado gira hasta quedar paralelo a la pantalla. Esto sólo sucede en el primer croquis de cada pieza El símbolo representa el origen del modelo de la pieza que es la intersección de los tres ejes X, Y y Z. Se muestra en color rojo, lo que indica que está activo. 24 Croquizado
  • 38.
    Manual de formaciónSolidWorks 2006 Lección 2 Introducción al croquizado Introducción: Cuando hay muchos comandos SolidWorks activos, un símbolo o Esquina de conjunto de símbolos aparece en la esquina superior derecha de la confirmación zona de gráficos. Esta área se denomina Esquina de confirmación. Indicador de croquis Cuando un croquis está activo o abierto, la esquina de confirmación muestra dos símbolos. Uno tiene el aspecto de un croquis. El otro es una X roja. Estos símbolos proporcionan un recordatorio visual de que usted está activo en un croquis. Al hacer clic en el símbolo de croquis, saldrá de este último y se guardará cualquier cambio realizado. Al hacer clic en la X roja, saldrá del croquis y se descartará cualquier cambio realizado. Cuando otros comandos están activos, la esquina de confirmación muestra una marca de verificación y una X. La marca de verificación ejecuta el comando actual. La X cancela el comando. Entidades de SolidWorks ofrece una completa variedad de herramientas de croquis croquizar para la creación de geometría de perfiles. En esta lección, se utilizará solamente una de las formas más básicas: Líneas. Geometría de El siguiente cuadro muestra las entidades básicas de croquis que croquis están disponibles de manera predeterminada en la barra de herramientas Croquis. Botón de la Entidad de barra de Ejemplo de geometría croquis herramientas Línea Círculo Arco centro extremos Arco tangente Arco 3 puntos Elipse Elipse parcial Entidades de croquis 25
  • 39.
    Lección 2 Manual de formación SolidWorks 2006 Introducción al croquizado Botón de la Entidad de barra de Ejemplo de geometría croquis herramientas Parábola Spline Polígono Rectángulo Paralelogramo Punto Línea constructiva Croquizado La mejor forma de comenzar un croquizado es mediante el uso de la básico forma más elemental, la Línea. Cómo funciona el Existen dos técnicas que pueden ser utilizadas para croquizar croquizado geometría: Clic-clic Ubique el cursor en el lugar donde desea iniciar la línea. Haga clic (presione y suelte) con el botón izquierdo del ratón. Mueva el cursor hasta el lugar donde desea que la línea finalice. Una vista preliminar de la entidad de croquis seguirá al cursor como una banda elástica. Haga clic en el botón izquierdo del ratón por segunda vez. Clic-arrastrar Ubique el cursor en el lugar donde desea iniciar la línea. Presione y mantenga presionado el botón izquierdo del ratón. Arrastre el cursor hasta el lugar donde desea que la entidad de croquis finalice. Una vista preliminar de la entidad de croquis seguirá al cursor como una banda elástica. Suelte el botón izquierdo del ratón. 26 Croquizado básico
  • 40.
    Manual de formaciónSolidWorks 2006 Lección 2 Introducción al croquizado Introducción: La herramienta Línea crea segmentos de línea única en un croquis. Insertar línea Se pueden crear líneas horizontales y verticales durante el croquizado observando los símbolos de ayuda del cursor. Dónde encontrarlo En el menú Herramientas, seleccione Entidades de croquis, Línea. O, con el cursor en la ventana de gráficos, haga clic con el botón secundario del ratón y seleccione Línea en el menú contextual. O, en la barra de herramientas Croquis, haga clic en Línea . Introducción: Relaciones de croquis se utiliza para forzar un comportamiento Relaciones de en un elemento de croquis, capturando así la intención del diseño. croquis Las relaciones de croquis se describen en detalle en Relaciones de croquis en la página 33. 1 Croquizar una línea. Haga clic en la herramienta Línea y croquice una línea horizontal desde el origen. En el cursor aparece el símbolo “ ”, que indica que una relación Horizontal se está agregando automáticamente a la línea. El número indica la longitud de la línea. Vuelva a hacer clic para finalizar la línea. Importante No se preocupe demasiado tratando de darle la longitud exacta a la línea. El software de SolidWorks trabaja con cotas conductoras: las cotas controlan el tamaño de la geometría y no a la inversa. Dibuje el croquis aproximadamente con el tamaño y la forma correctos y luego utilice cotas para darle precisión. 2 Línea en ángulo. Comenzando en el extremo de la primera línea, croquice una línea en un ángulo. Líneas de Además de los símbolos “ ” y “ ”, también aparecerán líneas de inferencia inferencia discontinuas para ayudarle con la alineación respecto de (Relaciones la geometría existente. Estas líneas incluyen vectores, líneas automáticas) perpendiculares, horizontales, verticales, tangentes y centros existentes. Croquizado básico 27
  • 41.
    Lección 2 Manual de formación SolidWorks 2006 Introducción al croquizado Observe que algunas líneas capturan las relaciones geométricas reales, mientras que otras simplemente actúan como guía o referencia mientras se croquiza. Una A diferencia en el color de las líneas de inferencia las distinguirá. En la imagen de la derecha, las líneas etiquetadas “A” son verde oliva y si la línea de croquis se engancha a ellas, capturará una relación B tangente o perpendicular. La línea etiquetada “B” es azul. Sólo proporciona una referencia, vertical en este caso, al otro punto final. Si la línea de croquis se termina en este punto, no será capturada ninguna relación vertical. Nota Se puede activar y desactivar la visualización de las relaciones de croquis que aparecen automáticamente mediante las opciones Ver, Relaciones de croquis. Las mismas permanecerán activas durante la fase inicial del croquizado. 3 Líneas de inferencia. Moverse en una dirección perpendicular a la línea anterior produce la visualización de las líneas de inferencia. Se crea una relación Perpendicular entre esta línea y la última. El símbolo del cursor indica que está capturando una relación perpendicular. Tenga en cuenta que el cursor de línea no se muestra por cuestiones de claridad. 4 Perpendicular. Se crea otra línea perpendicular desde el último punto final. Una vez más, se captura automáticamente una relación perpendicular. 5 Referencia. Algunas inferencias son estrictamente para referencia y no crean relaciones. Aparecen en azul. Esta referencia se utiliza para alinear verticalmente el punto final con el origen. 28 Croquizado básico
  • 42.
    Manual de formaciónSolidWorks 2006 Lección 2 Introducción al croquizado Ayuda del croquis El croquizador tiene muchas operaciones de ayuda. El cursor cambiará para mostrar qué tipo de entidad está creando. También indicará las selecciones en la geometría existente que se encuentran disponibles, como final, coincidente (en) o punto medio, mediante un punto rojo cuando el cursor se posicione sobre una de las mismas. Tres de los símbolos de ayuda más comunes son: Punto final Aparecen círculos concéntricos amarillos en el punto final cuando el cursor está sobre él. Punto medio El punto medio aparece como un cuadrado. Pasa a ser de color rojo cuando el cursor está por encima de la línea. Coincidente Los cuadrantes del (en arista) círculo aparecen con un círculo concéntrico por encima del punto central. 6 Cerrar. Cierre el croquis con una línea final conectada al punto inicial de la primera línea. Desactivar Desactive la herramienta activa utilizando una de estas técnicas: herramientas Presione la tecla Esc del teclado. Haga clic en la herramienta Línea por segunda vez. Haga clic en la herramienta Seleccionar . Haga clic con el botón secundario del ratón en la zona de gráficos y elija Seleccionar en el menú contextual. Croquizado básico 29
  • 43.
    Lección 2 Manual de formación SolidWorks 2006 Introducción al croquizado Estado de un Los croquis pueden estar en uno de tres estados de definición en croquis cualquier momento. El estado de un croquis depende de las relaciones geométricas entre la geometría y las cotas que la definen. Los tres estados son: Insuficientemente La definición del croquis es inadecuada, pero el croquis aún puede definido ser utilizado para crear operaciones. Esto resulta útil porque muchas veces en las primeras etapas del proceso de diseño, no hay suficiente información disponible para definir el croquis completamente. Cuando haya mayor información disponible, el resto de la definición puede ser agregada posteriormente. La geometría de croquis insuficientemente definida es de color azul (de manera predeterminada). Completamente El croquis cuenta con información completa. La geometría definido completamente definida es de color negro (de manera predeterminada). Como regla general, cuando una pieza se entrega para su fabricación, los croquis contenidos en ella deben estar completamente definidos. Definido en exceso El croquis tiene cotas duplicadas o relaciones en conflicto y no debe ser utilizado hasta que sea reparado. Las cotas y las relaciones extrañas deben eliminarse. La geometría definida en exceso es de color rojo (de manera predeterminada). Colores adicionales Existen varios colores y estados adicionales que pueden aparecer para la geometría del croquis. Los estados Colgante (marrón), No solucionado (rosa) y No válido (amarillo) indican errores que deben ser reparados. Reglas que Diferentes tipos de croquis producirán diferentes resultados. rigen los Varios tipos diferentes se resumen en la tabla a continuación. Es croquis importante observar que algunas de las técnicas que se muestran en dicha tabla son técnicas avanzadas que se tratan más adelante en este curso o en otros cursos avanzados. Tipo de croquis Descripción Consideraciones especiales Un croquis No se requiere ninguna. “estándar” típico que es un contorno cerrado correctamente. Varios contornos No se requiere ninguna. anidados crean un saliente con un corte interno. 30 Reglas que rigen los croquis
  • 44.
    Manual de formaciónSolidWorks 2006 Lección 2 Introducción al croquizado Un contorno abierto No se requiere ninguna. Para obtener más crea una operación información, consulte Operaciones lámina lámina con espesor en la página 360. constante. Las esquinas no Utilice la Herramienta de seleccionar están correctamente contornos. Para obtener más información, cerradas. Deberían consulte Contornos de croquis en la estarlo. página 259. Si bien este croquis funcionará, representa una técnica deficiente y hábitos de trabajo descuidados. No proceda de esa manera. El croquis contiene Utilice la Herramienta de seleccionar un contorno que se contornos. Para obtener más información, entrecruza. consulte Contornos de croquis en la página 259. Si se seleccionan ambos contornos, este tipo de croquis creará un Sólido multicuerpo. Consulte el apartado Sólidos multicuerpo en el curso Modelado de piezas avanzado. Si bien esto funcionará, los sólidos multicuerpo constituyen una técnica de modelado avanzada que no debería utilizar hasta que tenga más experiencia. El croquis de la Este tipo de croquis puede crear un Sólido primera operación multicuerpo. Consulte el apartado Sólidos contiene contornos multicuerpo en el curso Modelado de piezas desarticulados. avanzado. Si bien esto funcionará, los sólidos multicuerpo constituyen una técnica de modelado avanzada que no debería utilizar hasta que tenga más experiencia. 7 Estado actual del croquis. El croquis está Insuficientemente definido porque parte de la geometría es de color azul. Observe que los puntos finales de una línea pueden poseer un color y un estado diferentes de los de la línea propiamente dicha. Por ejemplo, la línea vertical en el origen es negra porque (a) es vertical y (b) está asociada al origen. Sin embargo, el punto final más elevado es azul porque la longitud de la línea está insuficientemente definida. Reglas que rigen los croquis 31
  • 45.
    Lección 2 Manual de formación SolidWorks 2006 Introducción al croquizado 8 Arrastrar. La geometría insuficientemente definida (azul) puede ser arrastrada a nuevas ubicaciones. La geometría completamente definida no lo permite. Arrastre el punto extremo más elevado para cambiar la forma del croquis. El punto final arrastrado aparece como un punto verde. 9 Deshacer el cambio. Deshaga el último comando haciendo clic en la opción Deshacer . Puede ver una lista de los últimos comandos (y seleccionar en la misma) haciendo clic en el menú de la flecha abajo. El acceso directo del teclado para Deshacer es Ctrl+Z. Sugerencia También puede Rehacer un cambio para volver al estado anterior a deshacer. El acceso directo del teclado para rehacer es Ctrl+Y. Intención del La intención del diseño, como ya se ha expuesto, gobierna la diseño manera en que se construye la pieza y cómo la misma cambiará. En este ejemplo, debe permitirse que la forma del croquis cambie de estas maneras: ¿Qué controla la La intención del diseño en un croquis es capturada y controlada por intención del la combinación de dos elementos: diseño? Relaciones de croquis Crean relaciones geométricas como paralela, colineal, perpendicular o coincidente entre elementos de croquis. Cotas Las cotas se utilizan para definir el tamaño y la ubicación de la geometría de croquis. Pueden agregarse cotas lineales, radiales, de diámetro y angulares. Para definir completamente un croquis y capturar la intención del diseño deseada es necesario comprender y aplicar una combinación de relaciones y cotas. 32 Intención del diseño
  • 46.
    Manual de formaciónSolidWorks 2006 Lección 2 Introducción al croquizado Intención del Para que el croquis pueda cambiar de manera apropiada, se diseño deseada requieren las relaciones y cotas correctas. A continuación, se detalla la intención de diseño requerida: Líneas horizontales y verticales. Valor del ángulo. Valor de distancia paralela. Esquinas con ángulo recto o líneas perpendiculares. Valor de la longitud total. Relaciones de Las Relaciones de croquis se utilizan para forzar un croquis comportamiento en un elemento de croquis, capturando así la intención del diseño. Algunas son automáticas y otras pueden ser agregadas según se necesiten. En este ejemplo, veremos las relaciones sobre una de las líneas y examinaremos cómo afectan la intención del diseño del croquis. Relaciones de Las relaciones automáticas son agregadas a medida que la croquis geometría es croquizada. Ya vimos esto mientras croquizábamos el automáticas contorno en los pasos anteriores. La información del croquis le avisa cuando las relaciones automáticas están siendo creadas. Relaciones de Para aquellas relaciones que no pueden ser agregadas croquis agregadas automáticamente, existen herramientas para crear relaciones basadas en la geometría seleccionada y agregar cotas. Relaciones de croquis 33
  • 47.
    Lección 2 Manual de formación SolidWorks 2006 Introducción al croquizado Introducción: Visualizar relaciones le muestra y opcionalmente le permite Visualizar eliminar relaciones geométricas entre elementos de croquis. relaciones Dónde encontrarlo Haga doble clic en la entidad. Aparecen símbolos que indican qué relaciones están asociadas con esa identidad. En este ejemplo, la línea tiene dos relaciones: horizontal y tangente. El PropertyManager. Seleccione la entidad y el PropertyManager mostrará las relaciones asociadas a dicha entidad. Haga clic en Visualizar/eliminar relaciones en la barra de herramientas Cotas/Relaciones. El PropertyManager mostrará una lista de todas las relaciones en el croquis. 10 Visualizar las relaciones asociadas con una línea. Haga doble clic en la línea con el ángulo superior extremo. Aparecen símbolos que identifican las líneas perpendiculares a la línea que ha seleccionado. 11 PropertyManager. Cuando usted hace doble clic en la línea, el PropertyManager se abre. El cuadro Relaciones en el PropertyManager también enumera las relaciones geométricas asociadas con la línea seleccionada. 34 Relaciones de croquis
  • 48.
    Manual de formaciónSolidWorks 2006 Lección 2 Introducción al croquizado 12 Eliminar la relación. Elimine la relación superior haciendo clic en la misma, ya sea en el símbolo o en el PropertyManager, y presionando la tecla Supr. Si se selecciona el símbolo, el mismo se vuelve de color amarillo y muestra la entidad o las entidades que controla. 13 Arrastrar el punto final. Dado que la línea ya no está limitada a ser perpendicular, cuando arrastre el croquis éste se comportará de forma diferente. Compare esto con el comportamiento del croquis cuando lo arrastró en el paso 8. Ejemplos de Existen diversos tipos de Relaciones de croquis. Cuáles de ellas relaciones de son válidas dependerá de la combinación de geometría que usted croquis haya seleccionado. Las selecciones pueden ser la entidad misma, los puntos finales o una combinación de ambos elementos. Según la selección, se dispone de un conjunto limitado de opciones. El cuadro siguiente muestra algunos ejemplos de relaciones de croquis. No es un listado completo de todas las relaciones geométricas. A lo largo del desarrollo de este curso se presentarán ejemplos adicionales. Relación Antes Después Coincidente entre una línea y un punto final. Fusionar entre dos puntos finales. Relaciones de croquis 35
  • 49.
    Lección 2 Manual de formación SolidWorks 2006 Introducción al croquizado Relación Antes Después Paralela entre dos líneas. Perpendicular entre dos líneas. Colineal entre dos líneas. Horizontal aplicado a una o más líneas. Horizontal entre dos puntos finales. Vertical aplicado a una o más líneas. 36 Relaciones de croquis
  • 50.
    Manual de formaciónSolidWorks 2006 Lección 2 Introducción al croquizado Relación Antes Después Vertical entre dos puntos finales. Igual entre dos líneas. Igual entre dos arcos o círculos Punto medio entre una línea y un punto final. Introducción: Agregar Relaciones se utiliza para crear una relación geométrica Agregar relaciones como paralela o colineal entre dos elementos del croquis. Dónde encontrarlo Seleccione la entidad o las entidades del croquis y elija la relación apropiada en la sección Agregar Relaciones del PropertyManager. O haga clic con el botón secundario del ratón en la entidad o las entidades y seleccione Agregar relación en el menú contextual. O bien haga clic en Herramientas, Relaciones, Agregar... O, en la barra de herramientas Croquis, haga clic en Agregar relaciones . Relaciones de croquis 37
  • 51.
    Lección 2 Manual de formación SolidWorks 2006 Introducción al croquizado Cómo seleccionar Utilice el botón izquierdo del ratón para seleccionar objetos, objetos múltiples del modo que aprendió en la Lección 1. ¿Cómo se hace para seleccionar más de un objeto a la vez? Cuando se seleccionan objetos múltiples, SolidWorks respeta las convenciones estándar de Microsoft® Windows: Ctrl-seleccionar. Mantenga presionada la tecla Ctrl mientras selecciona los objetos. 14 Agregar una relación. Presione Ctrl y seleccione las dos líneas. El PropertyManager muestra sólo aquellas relaciones válidas para la geometría seleccionada. Haga clic en Perpendicular y en Aceptar . 15 Arrastrar el croquis. Arrastre el croquis hasta que vuelva aproximadamente a su forma original. Cotas Las cotas son otro modo de definir geometrías y capturar la intención del diseño en el sistema de SolidWorks. La ventaja de utilizar una cota reside en que la misma se utiliza tanto para visualizar el valor actual como para cambiarlo. 38 Cotas
  • 52.
    Manual de formaciónSolidWorks 2006 Lección 2 Introducción al croquizado Introducción: La herramienta Cota inteligente determina el tipo apropiado de Cotas inteligentes cota basado en la geometría escogida, obteniendo una vista preliminar de la cota antes de crearla. Por ejemplo, si usted escoge un arco, el sistema creará una cota radial. Si escoge un círculo, obtendrá una cota de diámetro, mientras que si selecciona dos líneas paralelas creará una cota lineal entre ellas. En los casos en que la herramienta Cota inteligente no sea lo suficientemente inteligente, usted tendrá la opción de seleccionar puntos finales y mover la cota a diferentes posiciones de medición. Dónde encontrarlo En el menú Herramientas, seleccione Cotas, Inteligente. O haga clic con el botón secundario del ratón y seleccione Cota inteligente en el menú contextual. O, en la barra de herramientas Cotas/Relaciones, seleccione la herramienta Cota inteligente . Acotar: Selección Cuando usted elige la geometría de croquis mediante la herramienta y vista previa de cota, el sistema crea una vista preliminar de la cota. Esta vista preliminar le permite ver todas las opciones posibles moviendo simplemente el ratón después de realizar las selecciones. Al hacer clic con el botón izquierdo del ratón, la cota se ubica en su posición y orientación actuales. Al hacer clic con el botón secundario del ratón, se bloquea sólo la orientación, permitiéndole mover el texto antes de colocarlo finalmente haciendo clic con el botón izquierdo del ratón. Con la herramienta de cota y dos puntos finales seleccionados, a continuación se muestran tres orientaciones posibles para una cota lineal. El valor se deriva de la distancia de punto a punto inicial y podría cambiar en función de la orientación seleccionada. Puntos finales Cotas 39
  • 53.
    Lección 2 Manual de formación SolidWorks 2006 Introducción al croquizado 16 Cómo agregar una cota lineal. Escoja la herramienta de cota desde alguna fuente y haga clic en la línea mostrada. Haga clic una segunda vez para posicionar el texto de la cota arriba y hacia la derecha de la línea. La cota aparece con una herramienta Modificar mostrando la longitud actual de la línea. El cuadro de incremento y disminución se utiliza para aumentar/disminuir por incrementos el valor. O, con el texto resaltado, puede escribir un nuevo valor para cambiarlo directamente. La herramienta La herramienta Modificar, que aparece cuando se Modificar crea o edita una cota (parámetro), tiene varias opciones. Las opciones disponibles son: Aumentar o disminuir el valor en una cantidad preestablecida. Guardar el valor actual y salir del cuadro de diálogo. Restaurar el valor original y salir del cuadro de diálogo. Reconstruir el modelo con el valor actual. Cambiar el valor de paso incremental. Marcar la cota para importar el dibujo. 17 Establecer el valor. Cambie el valor a 0.75 y haga clic en la opción Guardar . La cota hace que la longitud de la línea alcance 0.75 pulgadas. Sugerencia Presionar Intro tiene el mismo efecto que hacer clic en el botón Guardar . 18 Cotas lineales. Agregue cotas lineales adicionales al croquis, según se indica. Sugerencia de acotación Cuando acote un croquis, comience primero con la cota más pequeña y continúe con las demás hasta llegar a la más grande. 40 Cotas
  • 54.
    Manual de formaciónSolidWorks 2006 Lección 2 Introducción al croquizado Cotas angulares Pueden crearse cotas angulares utilizando la misma herramienta de cota que se utiliza para crear cotas lineales, de diámetro y radiales. Seleccione dos líneas no colineales y no paralelas, o seleccione tres puntos finales no colineales. Según el lugar donde coloque la cota angular, usted puede obtener el ángulo interior o el exterior, el ángulo agudo o el oblicuo. Posibles opciones de ubicación: 19 Cota angular. Utilizando la herramienta de cota, cree la cota angular indicada y establezca el valor en 125°. El croquis está completamente definido. Redondeos de Los redondeos de croquis se utilizan para redondear esquinas croquis vivas de un croquis. Un redondeo de croquis puede ser aplicado a un croquis que ya esté completamente definido. Importante No todos los redondeos deben agregarse necesariamente en el nivel de croquis. Existe un comando de redondeo que trabaja directamente en modelos sólidos cuyo uso puede ser más apropiado. Aprenderá acerca del mismo en lecciones posteriores. Redondeos de croquis 41
  • 55.
    Lección 2 Manual de formación SolidWorks 2006 Introducción al croquizado Introducción: Redondeo de croquis se utiliza para crear un redondeo o una Redondeo de curva en un croquis. El redondeo se crea como un arco ubicado croquis tangencialmente con respecto a entidades adyacentes. Dónde encontrarlo En el menú Herramientas, seleccione Herramientas de croquizar, Redondeo. O, en la barra de herramientas Croquis, haga clic en Redondeo de croquis . Nota La opción Redondeos de croquis no permite valores de radio 0. 20 Redondeos de croquis. Haga clic en Redondeo de croquis y establezca el Radio en 0.1875”. Seleccione todos los puntos finales del croquis. Haga clic en Aceptar. Nota Por cuestiones de claridad, las relaciones están ocultas en este ejemplo y en el resto de la lección. ¿Por qué hay sólo Aparece una cota solamente una cota? en el primer redondeo que se crea. Todos los redondeos creados en una operación son controlados por este valor de cota. ¿Cómo se lleva esto a cabo? Para obtener la respuesta hay que visualizar las relaciones en el primer redondeo: el sistema agrega automáticamente una relación Igual a los otros redondeos de la serie. Extruir Una vez que el croquis se haya completado, puede ser extruido para crear la primera operación. Existen diversas opciones para extruir un croquis incluyendo las condiciones finales, el ángulo de salida y la profundidad de la extrusión, que se expondrán más detalladamente en lecciones posteriores. Las extrusiones se realizan en una dirección normal al plano del croquis, en este caso el plano Alzado. 42 Extruir
  • 56.
    Manual de formaciónSolidWorks 2006 Lección 2 Introducción al croquizado Dónde encontrarlo En el menú: Insertar, Saliente/Base, Extruir... O, en la barra de herramientas Operaciones, elija: . 21 Menú Extruir. Haga clic en Insertar, Saliente/Base, Extruir o en la herramienta de la barra de herramientas Operaciones para acceder al comando. En el menú Insertar, las opciones para otros métodos de creación de operaciones base se enumeran junto con Extruir y Revolución. Las mismas no se encuentran disponibles ya que este croquis no cumple con las condiciones necesarias para crear estos tipos de operaciones. Por ejemplo, una operación Barrer requiere croquis de ruta y de perfil. Al haber sólo un croquis en este momento, la opción Barrer no está disponible. 22 Vista preliminar de gráficos. La orientación de la vista cambia automáticamente a Trimétrica y se muestra una vista preliminar de la operación con la profundidad predeterminada. Las asas que aparecen pueden ser utilizadas para arrastrar la vista preliminar a la profundidad deseada. Las asas son rojas para las direcciones activas y grises para las inactivas. Una anotación muestra el valor actual de profundidad. Sugerencia Las configuraciones de color en SolidWorks se pueden modificar mediante Herramientas, Opciones. 23 Configuración de la operación de extrusión. Cambie la configuración como se indica. Condición final = Hasta profundidad especificada (Profundidad) = 0.25” Haga clic en Aceptar para crear la operación. Sugerencia El botón Aceptar es sólo un modo de aceptar y completar el proceso. Extruir 43
  • 57.
    Lección 2 Manual de formación SolidWorks 2006 Introducción al croquizado Un segundo método es el conjunto de botones Aceptar/ Cancelar en la esquina de confirmación de la zona de gráficos. Un tercer método consiste en hacer clic con el botón secundario del ratón y seleccionar Aceptar en el menú contextual. 24 Operación completa. La operación completa es el primer sólido u operación de la pieza. El croquis está embebido en la operación Extrude1 (Extruir1). 25 Guardar y cerrar. Haga clic en Guardar para guardar el trabajo y en Cerrar para cerrar la pieza. 44 Extruir
  • 58.
    Manual de formaciónSolidWorks 2006 Ejercicio 1: Cree esta pieza utilizando la información y Croquizado de las cotas proporcionadas. Croquice y extruya líneas verticales perfiles para crear la pieza. y horizontales Este laboratorio refuerza las siguientes funciones: Croquizado. Cotas. Extrusión de una operación. 1 Nueva pieza. Abra una nueva pieza utilizando la plantilla Part_IN. 2 Croquis. Cree este croquis en el Alzado utilizando líneas, cotas y relaciones automáticas. Defina el croquis completamente. 3 Extruir. Extruya el croquis con una profundidad de 1”. 4 Guardar y cerrar la pieza. Ejercicio 1 45
  • 59.
    Manual de formaciónSolidWorks 2006 Ejercicio 2: Cree esta pieza utilizando la información Cómo croquizar y las cotas proporcionadas. Croquice y líneas con extruya perfiles para crear la pieza. inferencias Este laboratorio refuerza las siguientes funciones: Croquizado. Cotas. Extrusión de una operación. 1 Nueva pieza. Abra una nueva pieza utilizando la plantilla Part_IN. 2 Relaciones automáticas. Cree este croquis en el Alzado utilizando líneas y relaciones automáticas. Muestre las relaciones Perpendicular y Vertical. 3 Cotas. Agregue cotas para definir completamente el croquis. 4 Extruir. Extruya el croquis 0.5”. 5 Guardar y cerrar la pieza. 46 Ejercicio 2
  • 60.
    Manual de formaciónSolidWorks 2006 Ejercicio 3: Cree esta pieza utilizando la información y Cómo croquizar las cotas proporcionadas. Croquice y líneas extruya perfiles para crear la pieza. Este laboratorio refuerza las siguientes funciones: Croquizado. Cotas. Extrusión de una operación. 1 Nueva pieza. Abra una pieza nueva utilizando la plantilla Part_MM. 2 Croquizar y extruir. Cree este croquis en el Alzado utilizando líneas, cotas y relaciones automáticas. Extruya el croquis con una profundidad de 20 mm. 3 Guardar y cerrar la pieza. Ejercicio 3 47
  • 61.
    Manual de formaciónSolidWorks 2006 48 Ejercicio 3
  • 62.
    Manual de formaciónSolidWorks 2006 Lección 3 Modelado básico de piezas Al finalizar esta lección, podrá: Elegir el mejor perfil para croquizar. Seleccionar el plano de croquis apropiado. Crear una pieza nueva. Crear un croquis. Extruir un croquis como un saliente. Extruir un croquis como un corte. Crear taladros con el Asistente para taladro. Insertar redondeos en un sólido. Realizar un dibujo básico de una pieza. Realizar un cambio en una cota. Demostrar la asociatividad entre el modelo y sus dibujos. 49
  • 63.
    Lección 3 Manual de formación SolidWorks 2006 Modelado básico de piezas 50
  • 64.
    Manual de formaciónSolidWorks 2006 Lección 3 Modelado básico de piezas Modelado En esta lección se describen las básico consideraciones que hay que tener en cuenta antes de crear una pieza y se muestra el proceso de creación de una pieza sencilla. Etapas del Los pasos en la planificación y ejecución de la creación de esta proceso pieza se enumeran a continuación. Terminología ¿Cuáles son los términos comúnmente utilizados al hablar de modelado y utilizar el software de SolidWorks? Elección del perfil ¿Cuál de los perfiles es el mejor para elegir al comenzar el proceso de modelado? Elección del plano del croquis Una vez que ha elegido el mejor perfil, ¿cómo afecta esto su elección de plano del croquis? Intención del diseño ¿Qué es la intención del diseño y cómo afecta el proceso de modelado? Nueva pieza El primer paso consiste en abrir la nueva pieza. Primera operación ¿Cuál es la primera operación? Operaciones Saliente y Taladro ¿Cómo puede usted modificar la primera operación mediante el agregado de salientes y taladros? Redondeos Redondeo de las esquinas vivas – redondeo. Cambios de cota Si se realiza un cambio en una cota, se cambia la geometría del modelo. ¿Cómo sucede esto? Modelado básico 51
  • 65.
    Lección 3 Manual de formación SolidWorks 2006 Modelado básico de piezas Terminología La transición a 3D requiere algunos términos nuevos. El software de SolidWorks emplea muchos términos con los cuales usted se familiarizará a medida que utilice el producto. Muchos de ellos son términos que usted reconocerá como provenientes del diseño y de la fabricación, como cortes y salientes. Operación Todos los cortes, salientes, planos y croquis que usted crea son considerados Operaciones. Las operaciones de croquizado son aquéllas basadas en croquis (saliente y corte); las operaciones aplicadas están basadas en aristas o caras (redondeo). Plano Los planos son superficies planas e infinitas. En la pantalla están representados por aristas visibles. Se utilizan como la superficie primaria de croquis para crear operaciones Saliente y Corte. Extrusión A pesar de existir muchos modos de crear operaciones y dar forma al sólido, en esta lección solamente se analizarán las extrusiones. Una extrusión extenderá por una cierta distancia un perfil a lo largo de un trayecto normal al plano del perfil. El movimiento a lo largo de dicho trayecto se convierte en el modelo sólido. Croquis En el sistema de SolidWorks, el nombre utilizado para describir un perfil 2D es croquis. Los croquis son creados sobre caras planas y planos dentro del modelo. Son generalmente utilizados como base para salientes y cortes, aunque pueden existir de manera independiente. Saliente Los salientes se utilizan también para agregar material al modelo. La operación crítica inicial siempre es un saliente. Después de la primera operación, puede agregar tantos salientes como necesite para completar el diseño. Del mismo modo que con la base, todos los salientes comienzan con un croquis. Corte Un Corte se utiliza para eliminar material del modelo. Es lo opuesto al saliente. Del mismo modo que el saliente, los cortes comienzan como croquis 2D y eliminan material por extrusión, revolución u otros métodos acerca de los cuales aprenderá posteriormente. Redondeos y Los Redondeos y redondos generalmente se agregan al sólido, no al redondos croquis. Debido a la naturaleza de las caras adyacentes a la arista seleccionada, el sistema sabe si debe crear una operación Redondo (eliminando material) o Redondeo (agregando material). Intención del La Intención del diseño es el modo en que debe crearse y diseño cambiarse el modelo. Tanto las relaciones entre las operaciones como la secuencia de su creación contribuyen a la intención del diseño. 52 Terminología
  • 66.
    Manual de formaciónSolidWorks 2006 Lección 3 Modelado básico de piezas Cómo elegir el Elija el “mejor” perfil. Cuando se extruye, este perfil genera más el mejor perfil modelo que ningún otro. Observe estos modelos de ejemplo. Pieza Mejor perfil extruido Cómo elegir el mejor perfil 53
  • 67.
    Lección 3 Manual de formación SolidWorks 2006 Modelado básico de piezas Cómo elegir el Después de determinar el mejor perfil, el siguiente paso consiste en plano de decidir qué vista se va a utilizar y seleccionar el plano con el mismo croquis nombre para croquizarlo. El software de SolidWorks proporciona tres planos de referencia, los cuales se describen a continuación. Planos de Hay tres planos de referencia predeterminados, denominados referencia Alzado, Planta y Vista lateral. Cada plano es infinito, pero posee bordes de pantalla para poder verlos y seleccionarlos. Además, cada plano pasa por el origen y todos son perpendiculares entre sí. Los planos pueden ser renombrados. En este curso, los nombres Alzado, Planta y Vista lateral reemplazan a los respectivos nombres predeterminados. Esta convención de nombres se utiliza en otros sistemas de CAD y a muchos usuarios les resulta conveniente. Aunque los planos son infinitos, puede resultar más fácil pensar en ellos como si formaran una caja abierta, conectándose en el origen. Utilizando esta analogía, las caras interiores de la caja son los planos potenciales de croquis. Ubicación del La pieza se colocará en la caja tres veces. Cada vez el mejor perfil modelo hará contacto o será paralelo a uno de los tres planos. Aunque existen muchas combinaciones, las opciones en este ejercicio están limitadas a tres. Existen diversos aspectos a considerar cuando se elige el plano de croquis. Dos de ellos son la apariencia y la orientación de la pieza en un ensamblaje. La apariencia dictamina el modo en que la pieza se orientará en las vistas estándar, como la vista Isométrica. Esto también determina como pasará la mayor parte de su tiempo observando el modelo a medida que lo crea. La orientación de la pieza en un ensamblaje determina la posición que adquirirá la misma respecto a otras piezas relacionadas. Orientar el modelo Otro aspecto que se debe tener en cuenta al decidir cual será el para el dibujo plano de croquis que se va a utilizar es el modo en que usted desea que el modelo aparezca en el dibujo cuando lo documente. Debe construir el modelo de manera tal que la vista Frontal sea igual a la vista Frontal del dibujo final. Esto le ahorrará tiempo durante el proceso de documentación dado que puede utilizar vistas predefinidas. 54 Cómo elegir el plano de croquis
  • 68.
    Manual de formaciónSolidWorks 2006 Lección 3 Modelado básico de piezas En el primer ejemplo, el mejor perfil está en contacto con el plano Planta. En el segundo ejemplo, está haciendo contacto con el plano Alzado. El último ejemplo muestra el mejor perfil en contacto con el plano Vista lateral. Plano Elegido La orientación del plano Planta parece ser la mejor. Esto indica que el mejor perfil debe croquizarse en el plano Planta del modelo. Cómo se muestra en Pensando el dibujo cuidadosamente qué plano se utiliza para croquizar el perfil, las vistas apropiadas se generan fácilmente en el dibujo de detalle. Cómo elegir el plano de croquis 55
  • 69.
    Lección 3 Manual de formación SolidWorks 2006 Modelado básico de piezas Detalles de la La pieza que crearemos se muestra a la derecha. Hay dos pieza operaciones Saliente principales, algunos cortes y redondeos. Vistas estándar La pieza se muestra aquí en cuatro vistas estándar. Salientes Los dos salientes principales tienen principales perfiles distintos en diferentes planos. Están conectados según se muestra en la vista explosionada a la derecha. 56 Detalles de la pieza
  • 70.
    Manual de formaciónSolidWorks 2006 Lección 3 Modelado básico de piezas Mejor perfil La primera operación del modelo se crea a partir del croquis rectangular que aparece superpuesto sobre el modelo. Éste es el mejor perfil para comenzar el modelo. El rectángulo será entonces extruido como un saliente para crear la operación sólida. Plano de croquis Al ubicar el modelo “en la caja” se determina qué plano debe utilizarse para croquizar. En este caso, será el plano de referencia Planta. Plano de croquis Intención del La intención del diseño de esta pieza describe cómo las relaciones diseño de la pieza deben o no ser creadas. A medida que se hacen cambios en el modelo, éste se irá comportando según lo deseado. Todos los taladros son taladros pasantes. Los taladros de la base son simétricos. La ranura está alineada con la pestaña. Procedimiento El proceso de modelado incluye el croquizado y la creación de salientes, cortes y redondeos. Para comenzar, se crea un nuevo archivo de pieza. Detalles de la pieza 57
  • 71.
    Lección 3 Manual de formación SolidWorks 2006 Modelado básico de piezas 1 Nueva pieza. Haga clic en Nuevo o en Archivo, Nuevo. Cree una nueva pieza utilizando la plantilla Part_IN y proceda a Guardar dicha pieza como Basic (Básica). 2 Seleccionar el plano de croquis. Inserte un nuevo croquis y elija el plano Planta. Sugerencia Para utilizar un plano, no es necesario que éste se muestre sino que se puede seleccionar en el FeatureManager. Cómo croquizar la Cree la primera operación mediante la extrusión de un croquis en un primera operación saliente. Comience con la geometría del croquis, un rectángulo. Introducción: Insertar rectángulo se utiliza para crear un rectángulo en un Insertar rectángulo croquis. El rectángulo está compuesto por cuatro líneas (dos horizontales y dos verticales) conectadas en los vértices. Se croquiza indicando las ubicaciones de dos esquinas en diagonal. Dónde encontrarlo En la barra de herramientas Croquis, haga clic en Rectángulo . O, en el menú Herramientas, seleccione Entidades de croquis, Rectángulo. 3 Croquizar un rectángulo. Haga clic en la herramienta Rectángulo y comience el rectángulo en el origen. Asegúrese de que el rectángulo esté bloqueado en el origen observando el cursor del vértice a medida que comienza a croquizar. No se preocupe por el tamaño del rectángulo. De ello se encargará la acotación en el siguiente paso. 4 Croquis completamente definido. Agregue cotas al croquis. El croquis está completamente definido. 58 Detalles de la pieza
  • 72.
    Manual de formaciónSolidWorks 2006 Lección 3 Modelado básico de piezas Opciones de Abajo se explican algunas de las opciones de Extrusión utilizadas extrusión más frecuentemente. Otras opciones serán analizadas en lecciones posteriores. Tipo de condición final Un croquis puede ser extruido en una o en dos direcciones. Una o ambas direcciones pueden terminar en alguna profundidad especificada, hasta alguna geometría del modelo o extenderse por todo el modelo. Profundidad La distancia para una extrusión de profundidad especificada o de plano medio. Por plano medio se entiende la profundidad total de la extrusión. Eso significaría que una profundidad de 50 mm para una extrusión de plano medio resultaría en 25 mm de cada lado del plano del croquis. Ángulo de salida Aplica un ángulo de salida a la extrusión. El ángulo de salida de la extrusión puede ser hacia dentro (el perfil se hace más pequeño al extruirse) o hacia fuera. 5 Extruir. Extruya el rectángulo 0.5” hacia arriba. La operación terminada se muestra a la derecha. Cómo cambiar el Es posible cambiar el nombre de cualquiera de las operaciones que nombre de las aparecen en el gestor de diseño del FeatureManager (al lado de la operaciones pieza en sí). Cambiar el nombre de las operaciones es una técnica útil para buscar y editar operaciones en etapas posteriores del modelo. Correctamente elegidos, los nombres lógicos le ayudan a organizar su trabajo y facilitan la tarea cuando otra persona debe editar o modificar su modelo. 6 Cambiar el nombre de la operación. Es una buena práctica cambiar el nombre de las operaciones que usted crea, asignándoles nombres con cierto significado. En el gestor de diseño del FeatureManager, haga un doble clic muy lento para editar la operación Extruir1. Cuando el nombre está resaltado y puede editarse, escriba Chapa base (Baseplate) como el nuevo nombre de la operación. Todas las operaciones del sistema de SolidWorks pueden ser editadas del mismo modo. Detalles de la pieza 59
  • 73.
    Lección 3 Manual de formación SolidWorks 2006 Modelado básico de piezas Sugerencia En lugar de hacer un doble clic lento, puede seleccionar el nombre y presionar F2. Operación La siguiente operación será el Saliente saliente con una parte superior curvada. El plano del croquis para esta operación no es un plano de referencia existente, sino una cara plana del modelo. La geometría del croquis requerida se muestra superpuesta sobre el modelo terminado. Sugerencia Las operaciones Cortar se crean del mismo modo que los salientes; con un croquis y una extrusión. Eliminan el material, en lugar de agregarlo. Cómo croquizar Cada cara plana del modelo puede utilizarse como plano de croquis. en una cara Simplemente seleccione la cara y elija la herramienta Croquis. plana Cuando es difícil seleccionar las caras porque están en la parte posterior del modelo o están oscurecidas por otras caras, la herramienta Seleccionar otra puede utilizarse para elegir una cara sin reorientar la vista. En este caso, se utiliza la cara plana en la parte frontal de la pieza BasePlate. 7 Insertar nuevo croquis. Cree un nuevo croquis utilizando Insertar, Croquis o haciendo clic en la herramienta Croquis . Seleccione la cara indicada. Plano de croquis Croquizado SolidWorks ofrece una completa variedad de herramientas de croquizar para la creación de geometría de perfiles. En este ejemplo, Arco tangente se utiliza para crear un arco que comience tangente a un punto final seleccionado en el croquis. Su otro punto final puede ser ubicado en el espacio o en otra entidad de croquis. Introducción: Insertar arco tangente se utiliza para crear arcos tangentes en un Insertar arco croquis. En su inicio, el arco debe ser tangente a alguna otra tangente entidad, línea o arco. Dónde encontrarlo En el menú Herramientas, seleccione Entidades de croquis, Arco tangente O, con el cursor en la ventana de gráficos, haga clic con el botón secundario del ratón y seleccione Arco tangente. O, en la barra de herramientas Croquis, haga clic en Arco tangente . 60 Operación Saliente
  • 74.
    Manual de formaciónSolidWorks 2006 Lección 3 Modelado básico de piezas Zonas de destino Cuando se croquiza un arco del arco tangente tangente, el software de SolidWorks deduce a partir del movimiento del cursor si se desea un arco tangente o uno normal. Existen cuatro zonas de destino, con ocho resultados posibles según se muestra. Usted puede comenzar croquizando un arco tangente desde el punto final de cualquier entidad de croquis existente (línea, arco, spline y así sucesivamente). Aleje el cursor del punto final. Al mover el cursor en una dirección tangencial, se crea una de las cuatro posibilidades de arco tangente. Al mover el cursor en una dirección normal, se crea una de las cuatro posibilidades de arco normal. Una vista preliminar muestra qué tipo de arco usted está croquizando. Puede cambiar de uno a otro haciendo que el cursor vuelva al punto final y alejándolo en una dirección diferente. Cómo realizar una Cuando utiliza la herramienta Línea , puede pasar de croquizar transición una línea a croquizar un arco tangente y luego volver a croquizar automática entre una línea, sin seleccionar la herramienta Arco tangente. Puede líneas y arcos hacerlo moviendo el cursor como se ha descrito antes o presionando la tecla A del teclado. 8 Línea vertical. Haga clic en la herramienta de línea y comience la línea vertical en la arista inferior capturando una relación Coincidente en la arista inferior y una relación Vertical . 9 Transición automática. Presione la letra A del teclado. Ahora usted está en el modo de arco tangente. 10 Arco tangente. Croquice un arco de 180° tan- gente a la línea vertical. Bus- que la línea de inferencia que indica que el punto final del arco está alineado horizontal- mente con el centro del arco. Cuando termine de croquizar el arco tangente, la herramienta de croquis vuelve a cambiar automáticamente a la herramienta Línea. Cómo croquizar en una cara plana 61
  • 75.
    Lección 3 Manual de formación SolidWorks 2006 Modelado básico de piezas 11 Líneas de acabado. Cree una línea vertical desde el extremo del arco hasta la base y una línea más que conecte los extremos inferiores de las dos líneas verticales. Observe que la línea horizontal es negra, pero sus puntos finales no lo son. 12 Agregar cotas. Agregue cotas lineales y radiales al croquis. A medida que agrega las cotas, mueva el cursor para ver las diferentes orientaciones posibles. Siempre acote un arco seleccionando preferentemente su circunferencia, más que su centro. Esto hace que otras opciones de cotas (mín. y máx.) estén disponibles. 13 Dirección de la extrusión. Haga clic en Insertar, Saliente, Extruir y establezca la Profundidad en 0.5 pulgadas. Observe que la vista preliminar muestra la extrusión dirigiéndose a la base, en la dirección apropiada. Si la dirección de la vista preliminar se aleja de la base, haga clic en el botón Invertir dirección . 14 Saliente completo. El saliente se fusiona con la base anterior para formar un único sólido. Cambie el nombre de la operación a VertBoss (SalVer). 62 Cómo croquizar en una cara plana
  • 76.
    Manual de formaciónSolidWorks 2006 Lección 3 Modelado básico de piezas Áreas de Las áreas de visualización se pueden utilizar para ver y editar un visualización modelo en varias orientaciones de vista al mismo tiempo. Los iconos del área de visualización incluyen: Vista única , Dos vistas (horizontal y vertical), Cuatro vistas y Vincular vistas . Vincular vistas une las vistas para aplicarles el zoom y desplazarlas. Todas las áreas de visualización contienen un menú emergente de la vista en la esquina inferior izquierda. Este menú muestra la orientación de vista actual (Personalizada para todo lo que no sea una vista estándar) y contiene un menú para cambiar la orientación de vista. Nota La orientación predeterminada de las cuatro áreas de visualización, primer ángulo o tercer ángulo, se establece mediante Herramientas, Opciones, Opciones de sistema, Visualizar/ Selección, Tipo de proyección para área de visualización de cuatro vistas. Dónde encontrarlo En la barra de herramientas Vistas estándar, haga clic en el icono correspondiente. O bien, haga clic en el menú emergente de la vista y seleccione un icono. 15 Cuatro áreas de visualización. Haga clic en Cuatro vistas para dividir la ventana de gráficos en cuatro áreas de visualización del mismo tamaño. El menú emergente de la vista es azul en el área de visualización activa. Cómo utilizar el El Asistente para taladro se utiliza para crear taladros Asistente para especializados en un sólido. Puede crear taladros simples, cónicos, taladro refrentados y avellanados utilizando un procedimiento paso a paso. En este ejemplo, se utilizará el Asistente para taladro para crear un taladro estándar. Cómo utilizar el Asistente para taladro 63
  • 77.
    Lección 3 Manual de formación SolidWorks 2006 Modelado básico de piezas Cómo crear un Puede elegir la cara en la que va a insertar el taladro y luego definir taladro estándar las cotas del taladro y ubicarlo utilizando el Asistente para taladro. Uno de los aspectos más intuitivos del Asistente para taladro es que le permite especificar el tamaño del taladro mediante el cierre que va dentro del mismo. Sugerencia También puede colocar taladros en planos de referencia y caras no planas. Por ejemplo, puede crear un taladro en una cara cilíndrica. Introducción: El Asistente para taladro crea taladros con distintas formas, como El Asistente para taladros avellanados y refrentados. El proceso crea dos croquis. taladro Uno define la forma del taladro. El otro, un punto, localiza el centro. Nota El Asistente para taladro requiere que se seleccione o preseleccione una cara, no un croquis. Dónde encontrarlo En el menú Insertar, escoja Operaciones, Asistente para taladro... O elija la herramienta Asistente para taladro en la barra de herramientas Operaciones. 16 Seleccionar una cara. Seleccione la parte superior, la cara plana de la operación base y haga clic en . Seleccione esta cara 17 Tipo. Aparece el cuadro de diálogo Especificación de taladro. Configure las propiedades del taladro de la siguiente manera: Tipo: Taladro Estándar: Pulgada Ansi Tipo de tornillo: Todos los tamaños de perforadores Tamaño: 9/32 Condición final: Por todo Haga clic en la pestaña Posiciones. 64 Cómo utilizar el Asistente para taladro
  • 78.
    Manual de formaciónSolidWorks 2006 Lección 3 Modelado básico de piezas 18 Posiciones. Se colocará una vista previa del taladro y un punto en la cara seleccionada cerca de donde la seleccionó. Sugerencia Pueden crearse instancias múltiples del taladro en un comando insertando puntos adicionales en otras ubicaciones. 19 Cotas. Agregue cotas entre las aristas del modelo y el punto tal como se indica. 20 Punto adicional. Haga clic para agregar otro punto a la cara. Agregue la cota que se indica. 21 Relación horizontal. Presione Esc para desactivar la herramienta de cota. Seleccione ambos puntos y agregue una relación Horizontal entre ellos. 22 Área de visualización única. Haga clic en Vista única para volver a la vista original y haga clic en Aceptar. 23 Cambiar la orientación de vista. Haga clic en la orientación de vista y elija Isométrica para cambiar la orientación de vista. Cómo utilizar el Asistente para taladro 65
  • 79.
    Lección 3 Manual de formación SolidWorks 2006 Modelado básico de piezas Taladro de En este modelo es necesario un taladro de refrentado. Si se utiliza la refrentado cara frontal del modelo y una relación, se podrá colocar el taladro. 24 Posición del taladro. Nuevamente, se utilizará una cara existente del modelo para ubicar la geometría. Seleccione la cara indicada y luego seleccione Insertar, Operaciones, Taladro, Asistente... Seleccione esta cara 25 Hacer clic en Refrentado. Configure las propiedades del taladro de la siguiente manera: Estándar: Pulgada Ansi Tipo de tornillo: Tornillo hexagonal Tamaño: 1/4 Condición final: Por todo Haga clic en la pestaña Posiciones. 26 Activar el punto central. Desactive la herramienta Punto. Arrastre el punto sobre la circunferencia del arco grande. No lo suelte. Cuando aparezca el símbolo Coincidente , el punto central del arco grande se habrá “activado” y convertido en un punto al cual puede enganchar elementos. Suelte el punto encima del punto central del arco. Busque el comentario que le indica que se está enganchando al centro del arco, una relación coincidente. Haga clic en Aceptar. 66 Cómo utilizar el Asistente para taladro
  • 80.
    Manual de formaciónSolidWorks 2006 Lección 3 Modelado básico de piezas Operación Una de las dos operaciones Saliente principales se ha finalizado; es Cortar el momento de crear un corte para representar la supresión de material. Las operaciones Cortar se crean del mismo modo que los salientes; en este caso, con un croquis y una extrusión. Introducción: El menú para crear una operación Cortar mediante extrusión es Cortar Extruir idéntico al utilizado para crear un saliente. La única diferencia es que un corte elimina material mientras que un saliente lo agrega. Fuera de esta distinción, los comandos son los mismos. Este corte representa una ranura. Dónde encontrarlo En el menú Insertar, seleccione Cortar, Extruir... O, en la barra de herramientas Operaciones, elija Extruir corte . 27 Rectángulo. Presione la barra espaciadora y haga doble clic en *Front (Frontal). Comience un croquis en esta cara grande y agregue un rectángulo Coincidente con la arista inferior del modelo. Cómo seleccionar Como ha aprendido en la lección 2, al seleccionar múltiples objetos, objetos múltiples mantenga la tecla Ctrl presionada y, a continuación, seleccione los objetos. 28 Relaciones. Seleccione la línea de croquis vertical y la arista del modelo vertical. Agregue una relación Colineal entre ellos. Repita el proceso en el lado opuesto. 29 Cota. Agregue una cota para definir completamente el croquis. Cambie la orientación de vista a Isometric (Isométrica). Operación Cortar 67
  • 81.
    Lección 3 Manual de formación SolidWorks 2006 Modelado básico de piezas 30 Corte Por todo. Haga clic en Insertar, Cortar, Extruir o elija la herramienta Extruir corte en la barra de herramientas Operaciones. Elija Por Todo y haga clic en Aceptar. Este tipo de condición final siempre realiza un corte a través del modelo entero, sin importar hasta dónde. No fue necesario configurar la profundidad. Cambie el nombre de la operación por BottomSlot. Opciones de SolidWorks le da la opción de elegir la representación de uno de visualización sus modelos sólidos entre varias maneras diferentes. Aparecen a continuación, con sus iconos: Sombreado Sombreado con aristas Sin líneas ocultas Líneas ocultas visibles Estructura alámbrica Se muestran ejemplos de cada una en la siguiente ilustración. Aprenderá más sobre la manipulación y la visualización de vista en la Lección 4: Cómo modelar una pieza de fundición o forja. Sombreado Sombreado con Líneas ocultas Líneas ocultas Estructura Aristas Eliminar Visibles alámbrica Redondeos Redondeo se refiere tanto a los redondeos como a los redondos. La distinción está dada por las condiciones geométricas, no por el comando en sí. Los redondeos se crean en las aristas seleccionadas. Las aristas pueden ser seleccionadas de diversos modos. Existen opciones para redondeos de radio variable o fijo y propagación de arista tangente. Tanto los redondeos (agregar volumen) como los redondos (eliminar volumen) se crean con este comando. La orientación de la arista o de la cara determina cuál se utiliza. 68 Opciones de visualización
  • 82.
    Manual de formaciónSolidWorks 2006 Lección 3 Modelado básico de piezas Reglas de Algunas reglas generales de redondeo son: redondeo 1. Deje los redondeos cosméticos para el final. 2. Cree redondeos múltiples que tendrán el mismo radio en el mismo comando. 3. Cuando necesite redondeos de diferentes radios, generalmente debe hacer primero los redondeos más grandes. 4. El orden de los redondeos es importante. Los redondeos crean caras y aristas que pueden ser utilizadas para generar más redondeos. Dónde encontrarlo En el menú Insertar, seleccione Operaciones, Redondeo/ Redondo… Seleccione la herramienta en la barra de herramientas Operaciones. 31 Insertar redondeo. Seleccione la opción Redondeo en uno de los modos mencionados anteriormente. La opción Redondeo aparece en el PropertyManager. Establezca el valor del radio. (Radio) = 0.25” Vista preliminar Usted puede elegir entre Vista preliminar completa, Vista preliminar parcial y Ninguna vista preliminar del redondeo. Vista preliminar completa, según se muestra a continuación, genera una vista preliminar de malla sobre cada arista seleccionada. Vista preliminar parcial sólo genera la vista preliminar sobre la primera arista seleccionada. A medida que adquiera más experiencia trabajando con redondeos, probablemente deseará utilizar la Vista preliminar parcial o Ninguna vista preliminar dado que es más rápida. Sugerencia Se puede cambiar la visualización a Líneas ocultas visibles para facilitar la selección de las aristas. Las aristas se pueden seleccionar "a través" del modelo sombreado como se muestra a continuación. 32 Selección de aristas. Las aristas serán resaltadas en rojo a medida que el cursor se mueva sobre ellas y luego aparecerán en verde a medida que se las seleccione. Las aristas se filtran automáticamente mediante el comando Redondeo. Aparecerá una anotación sobre la primera arista que seleccione. Seleccione seis aristas en total y haga clic en Aceptar. Redondeos 69
  • 83.
    Lección 3 Manual de formación SolidWorks 2006 Modelado básico de piezas Consideraciones Usted puede personalizar los colores de la interfaz de usuario de acerca del color SolidWorks. Esto se realiza mediante Herramientas, Opciones, Opciones de sistema, Colores. Puede seleccionar esquemas de colores predefinidos o crear el suyo propio. En algunos casos, hemos alterado la configuración predeterminada de los colores para mejorar la claridad y la calidad de reproducción. En consecuencia, los colores en su sistema pueden no coincidir con los utilizados en este manual. Sugerencia También puede seleccionar aristas utilizando una ventana. Con el botón izquierdo del ratón, arrastre una ventana alrededor de una o más aristas. Se seleccionarán aquellas aristas que estén totalmente incluidas dentro de la ventana. 33 Redondeos completos. Los seis redondeos están controlados por el mismo valor de cota. La creación de estos redondeos ha generado nuevas aristas adecuadas para la próxima serie de redondeos. Menú Comandos SolidWorks ofrece un búfer recientes en el que se enumeran los últimos comandos que se acaban de utilizar para poder volver a utilizarlos fácilmente. 34 Comandos recientes. Haga clic con el botón secundario del ratón en la zona de gráficos y seleccione Comandos recientes y el comando Redondeo de la lista desplegable para volver a utilizarlo. Propagación de Una arista seleccionada que se conecta con otras de una forma redondeo suave (mediante curvas tangentes) puede propagar una única selección en muchas. 70 Redondeos
  • 84.
    Manual de formaciónSolidWorks 2006 Lección 3 Modelado básico de piezas 35 Vista preliminar y propagación. Agregue otro redondeo, con un radio de 0.125”, utilizando la Vista preliminar completa. Seleccione la arista indicada para ver las aristas seleccionadas y realice una vista preliminar. 36 Selecciones adicionales. Seleccione la arista del arco interior para ver otra vista preliminar con propagación. Nota Una anotación aparece solamente en la primera arista que selecciona. 37 Última selección. Seleccione una arista final para completar el redondeo. Debido a las conexiones entre las aristas, se produce una mayor propagación. Haga clic en Aceptar. Introducción: Utilice Editar color para cambiar el color y las propiedades ópticas Editar color de los gráficos. También se pueden crear Muestras de color para colores definidos por el usuario. Dónde encontrarlo Haga clic en Editar color en la barra de herramientas Estándar. O haga clic con el botón secundario del ratón en una cara, superficie o sólido y elija Apariencia, Color. Redondeos 71
  • 85.
    Lección 3 Manual de formación SolidWorks 2006 Modelado básico de piezas 38 Editar color. Haga clic con el botón secundario del ratón en la operación de nivel superior del FeatureManager, Básico, y haga clic en Apariencia, Color. 39 Seleccionar muestra. Seleccione la muestra shiny (brillante) y uno de los colores. Haga clic en Aceptar. 40 Guardar los resultados. Haga clic en Guardar en la barra de herramientas Estándar o en Archivo, Guardar para guardar su trabajo. Conceptos SolidWorks le permite básicos de crear fácilmente dibujos documentación a partir de piezas o ensamblajes. Estos dibujos están completamente asociados a las piezas y a los ensamblajes a los que hacen referencia. Si usted cambia el modelo, el dibujo se actualizará. Varios temas relacionados con la construcción de dibujos están integrados en varias lecciones a lo largo de este manual. El material aquí presentado es sólo el comienzo. Específicamente: Cómo crear un nuevo archivo y hoja de dibujo Cómo crear un modelo y vistas de proyección de dibujo Cómo insertar las cotas del modelo Cómo agregar cotas conductoras (modelo) Cómo agregar anotaciones Un tratamiento exhaustivo de la documentación se brinda en el curso Conceptos básicos de SolidWorks: Dibujos. 72 Conceptos básicos de documentación
  • 86.
    Manual de formaciónSolidWorks 2006 Lección 3 Modelado básico de piezas Configuraciones A las configuraciones se accede mediante Herramientas, Opciones. Las configuraciones utilizadas en esta lección son: Propiedades de documento Opciones de sistema (Configurar la plantilla de dibujo en uso) Dibujos, Estilo de Documentación: visualización: • Estándar de acotación = ANSI • Visualizar el estilo para las • Actualización automática de la nuevas vistas = Líneas LDM = Seleccionada ocultas visibles • Insertar automáticamente al • Aristas tangentes en las crear vista: nuevas vistas = Eliminadas Centros de círculos = Seleccionada Líneas constructivas = Desactivada Globos = Desactivada Cotas marcadas para dibujo = Desactivada Colores: Documentación, Fuente de • Dibujos, Aristas de modelo anotaciones, Cota: ocultas = Negro • Fuente = Century Gothic • Altura = 12 puntos Documentación, Cotas: • Precisión, Unidades primarias = 0.123 Unidades = Pulgadas Barras de Existen barras de herramientas que son específicas del proceso de herramientas documentación y realización de dibujos. Las mismas se detallan a continuación: Dibujo Anotación Nuevo dibujo Los archivos de dibujo (*.SLDDRW) son archivos de SolidWorks que contienen hojas de dibujo. Cada hoja es el equivalente a una sola hoja de papel. Introducción: Crear Crear dibujo desde pieza toma la pieza actual y pasa a través de la dibujo desde pieza creación de un archivo de dibujo, un formato de hoja y vistas de dibujo iniciales mediante esa pieza. Dónde encontrarlo Haga clic en Crear dibujo desde pieza/ensamblaje en la barra de herramientas Estándar. O haga clic en Archivo, Crear dibujo desde pieza. Conceptos básicos de documentación 73
  • 87.
    Lección 3 Manual de formación SolidWorks 2006 Modelado básico de piezas 1 Crear dibujo. Haga clic en el icono Crear dibujo desde Pieza/Ensamblaje y elija A-Scale1to2 (Escala 1 a 2) en la pestaña Training Templates. El formato de hoja crea un dibujo A-Horizontal. Éste es un dibujo de tamaño A (81/2” x 11”) con su arista más larga dispuesta horizontalmente. El formato de la hoja incluye un borde, un bloque de título y otros gráficos. Sugerencia Al hacer doble clic en la plantilla lo abrirá automáticamente, eliminando la necesidad de hacer clic en Aceptar. Vistas de dibujo La tarea inicial de la documentación es la creación de vistas. Mediante la utilización de la herramienta Crear dibujo desde pieza accederá a la hoja de dibujo y creará vistas Orientación de vista. La opción Orientación de vista crea vistas de dibujo que coinciden con las orientaciones de la pieza. Estas opciones se tratan con detalle en el manual Conceptos básicos de Solidworks: Dibujos. 2 Vistas de dibujo. Haga clic en Múltiples vistas, Orientación de vista y seleccione las cuatro vistas estándar (Frontal, Superior, Derecha e Isométrica) tal como se muestra. En la pestaña Estilo de visualización, haga clic en el botón Líneas ocultas visibles. Haga clic en Aceptar para crear las vistas de dibujo. Nota La hoja de dibujo puede ser de cualquier color. El color se utiliza aquí para distinguir la pieza del dibujo. 74 Vistas de dibujo
  • 88.
    Manual de formaciónSolidWorks 2006 Lección 3 Modelado básico de piezas 3 Vistas de dibujo. Las vistas de dibujo se crean en el dibujo. Sugerencia Utilice Ctrl-arrastrar para romper la alineación con ángulo prede- terminado y suelte la vista isométrica en cualquier lugar del dibujo. Establezca el Estilo de visualización para esta vista en Sombreado con aristas. Sugerencia El documento de pieza todavía está abierto. Puede presionar Ctrl+Tab para alternar entre ventanas de documento de pieza y de dibujo. 4 Aristas tangentes. Seleccione dentro de la vista de dibujo, entre el modelo y el borde temporalmente punteado, para visualizar el borde de la vista. Si hace doble clic, se bloqueará el enfoque de vista de dicha vista. Haga clic con el botón secundario del ratón en la vista Frontal y seleccione Arista tangente, Sin aristas tangentes. Repita esta operación para las vistas Superior y Derecha. 5 Estilo de visualización. Seleccione la vista Isométrica y cambie el Estilo de visualización a Sombreado. Cómo mover Las vistas de dibujo pueden ser reubicadas, arrastrándolas alrededor vistas del dibujo. En la disposición de 3 vistas estándar, la vista Front (Frontal) es la vista de origen. Esto significa que al mover la vista frontal se mueven las tres vistas. Las vistas Top (Superior) y Right (Derecha) se alinean con la vista Front (Frontal). Las mismas sólo se mueven a lo largo de sus ejes de alineación. 6 Mover vistas alineadas. Seleccione y mueva la vista Frontal. Se puede mover en cualquier dirección y las otras vistas permanecen alineadas. Vistas de dibujo 75
  • 89.
    Lección 3 Manual de formación SolidWorks 2006 Modelado básico de piezas El movimiento de una de las vistas de proyección está limitado por la alineación. Sugerencia Utilice Alt-arrastrar para realizar una selección en cualquier punto de la vista. Utilice Mayúsculas-arrastrar para mantener la separación entre las vistas mientras se arrastre. Nota Una vez que se ha seleccionado la vista de dibujo, la misma se puede arrastrar con el ratón o mover con las teclas de flechas. La distancia que se ha movido cada vez que se presiona una tecla de fecha se establece en Herramientas, Opciones, Opciones de sistema, Dibujos, Incremento de movimiento de teclado. Centros de Se insertaron Centros de círculos círculos automáticamente en las vistas de dibujo. Usted puede activar o desactivar esta opción. Establezca su preferencia utilizando el menú Herramientas, Opciones, Propiedades de documento, Documentación. 7 Propiedades de centros de círculos. Haga clic en el centro de círculo del círculo de la vista frontal. Verifique la opción Líneas extendidas. Cotas del Las cotas del modelo son simplemente cotas y parámetros que se modelo utilizaron para crear la pieza y se insertaron en el dibujo. Estas cotas son consideradas cotas conductoras. Las cotas conductoras pueden ser utilizadas para realizar cambios en el modelo. Puede insertar cotas del modelo en el dibujo de cuatro modos. Puede insertar automáticamente todas las cotas asociadas con: Una vista seleccionada Operación u operaciones seleccionadas Componentes seleccionados en un ensamblaje Todas las vistas 76 Centros de círculos
  • 90.
    Manual de formaciónSolidWorks 2006 Lección 3 Modelado básico de piezas Cómo insertar Las cotas creadas en la pieza se utilizarán en el dibujo de detalle. todas las cotas del En este caso, se insertarán todas las cotas de todas las vistas. modelo Cuando el sistema inserta cotas del modelo en todas las vistas, comienza primero con las vistas de detalle y sección. Luego, agrega las cotas restantes a las vistas restantes basándose en las vistas más apropiadas para las operaciones que están siendo acotadas. Introducción: Insertar elementos del modelo le permite tomar las cotas que se Insertar elementos crearon durante el modelado e insertarlas en el dibujo. Las cotas del modelo importadas del modelo pueden ser utilizadas para cambiar el modelo. Estas cotas se denominan cotas conductoras. Dónde encontrarlo En el menú seleccione Insertar, Elementos del modelo... O, en la barra de herramientas Anotaciones, haga clic en . 8 Insertar elementos del modelo. Haga clic en Insertar, Elementos del modelo e Importar desde Todo el modelo. Haga clic en las opciones para Marcado para dibujo y Ubicaciones del Asistente para taladro y haga clic en Importar elementos a todas las vistas. Sugerencia La opción Marcado para dibujo selecciona aquellas cotas que se marcaron en la pieza. La opción de marcado aparece en la herramienta Modificar donde se establecen los valores de cota. De modo predeterminado, todas las cotas están marcadas para su importación al dibujo. Las cotas no marcadas aparecen con texto azul. 9 Cotas resultantes. Las cotas se agregan al dibujo, pero generalmente no en sus ubicaciones definitivas. Si ubica las cotas cuidadosamente en el modelo al croquizar, ahorrará tiempo cuando las importe al dibujo. Una vez que las cotas se insertan, las mismas se asocian con esa vista y se mueven con ella a menos que usted deliberadamente las mueva hacia otra vista o las elimine. Cotas del modelo 77
  • 91.
    Lección 3 Manual de formación SolidWorks 2006 Modelado básico de piezas Cómo manipular Una vez que las cotas se han agregado a una vista, existen varias cotas opciones de manipulación de las mismas. Arrástrelas hasta la posición deseada. Arrastre las cotas por sus textos hasta nuevas ubicaciones. Para alinearlas y colocarlas, utilice las líneas de inferencia. Para facilitar la ubicación de cotas, las configuraciones de Dibujos del cuadro de diálogo Herramientas, Opciones, Opciones de sistema tienen dos opciones de Enganche de elementos de detalle. Las inferencias son visualizadas cuando usted arrastra una cota o nota por su centro o esquina. Ocúltelas. Algunas cotas creadas en el modelo son de uso limitado en el dibujo, de modo que usted puede ocultarlas si lo desea. Haga clic con el botón secundario del ratón en el texto de la cota y seleccione Ocultar en el menú contextual. La cota será eliminada de la hoja de dibujo, pero no de la base de datos del modelo. Muévalas o cópielas a otras vistas. Muchas veces una operación puede ser acotada en más de una vista. Puede suceder que la cota no aparezca automáticamente en la vista que usted desea. Puede mover cotas entre vistas siempre y cuando la vista de destino pueda mostrar dicha cota. Para mover una cota, mantenga presionada la tecla Mayús y arrastre la cota hasta otra vista. Para copiar la cota, mantenga presionada la tecla Ctrl y arrástrela y colóquela en otra vista. 10 Cómo volver a colocar cotas. La vista superior contiene varias cotas. Algunas de ellas se volverán a colocar en la vista derecha. 11 Cómo mover una cota. En este caso, mueva la cota 1.500 desde la vista superior a la vista lateral derecha mediante la técnica Mayús-arrastrar. 78 Cotas del modelo
  • 92.
    Manual de formaciónSolidWorks 2006 Lección 3 Modelado básico de piezas 12 Eliminar cotas. Elimine las cotas de diámetro que se muestran. Las mismas se sustituirán por Anotaciones de taladro, un tipo de anotación que es una cota conducida. Nota La eliminación de una cota en el dibujo no la elimina del modelo. Las cotas eliminadas se pueden volver a insertar desde el modelo. 13 Cotas después de mover y eliminar. La ilustración a continuación muestra el resultado de mover otras cotas hasta la vista del lado derecho. La misma también muestra el resultado de reorganizar las cotas en la vista superior. Cotas del modelo 79
  • 93.
    Lección 3 Manual de formación SolidWorks 2006 Modelado básico de piezas Cotas conducidas Es posible que no todas las cotas que usted necesite en un dibujo estén presentes en el modelo. A veces, debido a cómo fue construido el modelo, no hay cotas para importar al dibujo. Cuando esto sucede, la cota debe ser insertada manualmente utilizando la misma herramienta de cota que usted utiliza cuando croquiza. Este tipo de cota se denomina cota conducida porque su valor está conducido por el modelo. A diferencia de las cotas conductoras, usted no puede cambiarle su valor y, por lo tanto, cambiar el modelo. Visualización de De forma predeterminada, las cotas conducidas son visualizadas de cota modo diferente de las cotas conductoras: El valor está encerrado entre paréntesis. Ésta es una práctica aceptada para cotas de referencia. Las mismas son visualizadas en un color diferente, gris en este caso. 14 Cómo acotar. Haga clic en Cota vertical . Acote la altura total del saliente vertical. Vuelva a hacer clic en la herramienta para desactivarla. 15 Opciones de visualización. La apariencia de una cota puede ser cambiada de diversos modos. Haga clic con el botón secundario del ratón en la cota y desactive la opción Opciones de visualización, Mostrar paréntesis. Asociatividad En el software de SolidWorks, todo es asociativo. Si usted realiza entre el modelo y un cambio en una pieza individual, dicho cambio se propagará a el dibujo todos los dibujos y ensamblajes que hagan referencia a esa pieza. Procedimiento Para cambiar el tamaño de la operación BasePlate (Chapa base), siga este procedimiento: 16 Alternar entre ventanas. Presione Ctrl+Tab para volver a la ventana del documento de la pieza. 80 Cotas del modelo
  • 94.
    Manual de formaciónSolidWorks 2006 Lección 3 Modelado básico de piezas Cómo cambiar El software de automatización de diseño mecánico SolidWorks los parámetros facilita en gran parte la realización de cambios en las cotas de su pieza. Esta facilidad de edición es uno de los beneficios principales del modelado paramétrico. Es por eso también que es tan importante capturar correctamente su intención del diseño. Si no captura la intención del diseño correctamente, los cambios realizados en las cotas pueden originar resultados bastante imprevistos en su pieza. Cómo reconstruir Luego de realizar cambios en las cotas, debe reconstruir el modelo el modelo para que esos cambios tengan efecto. Símbolo de Si realiza cambios en un croquis o una pieza que requiere que la reconstruir pieza se reconstruya, aparece un símbolo de reconstruir al lado del nombre de la pieza y superpuesto sobre el icono de la operación que requiere la reconstrucción . Busque también el icono de reconstruir que se encuentra en la Barra de estado. El símbolo de reconstruir también aparece al editar un croquis. Al salir del croquis, la pieza se reconstruye automáticamente. Introducción: Reconstruir regenera el modelo con los cambios realizados. Reconstruir Dónde encontrarlo Haga clic en Reconstruir en la barra de herramientas Estándar. O, en el menú Edición, haga clic en Reconstruir. Utilice el acceso directo de teclado Ctrl+B. Cómo actualizar la Si simplemente desea actualizar la pantalla, eliminando los pantalla artefactos gráficos que puedan quedar de operaciones anteriores, debe utilizar Redibujar, no Reconstruir. Introducción: Actualiza la pantalla pero no reconstruye la pieza. Redibujar Dónde encontrarlo O, en el menú Ver, haga clic en Redibujar. Utilice el acceso directo de teclado Ctrl+R. Reconstruir contra Redibujar no activará los cambios realizados en las cotas. Por lo Redibujar tanto, es muy rápido. Reconstruir regenera el modelo. Según la complejidad del modelo, este proceso puede demorar más tiempo. 17 Hacer doble clic en la operación. Puede hacer doble clic en la operación BasePlate en el gestor de diseño del FeatureManager o en la ventana de gráficos. Cuando usted hace esto, aparecerán los parámetros asociados con la operación. Cómo cambiar los parámetros 81
  • 95.
    Lección 3 Manual de formación SolidWorks 2006 Modelado básico de piezas Haga doble clic en la cota de 4 pulgadas indicada. Aparecerá el cuadro de diálogo Modificar. Ingrese un nuevo valor escribiéndolo directamente o mediante el uso de las flechas del cuadro de aumento y disminución. Ingrese 6 pulgadas. 18 Reconstruir la pieza para ver los resultados. Puede Reconstruir la pieza haciendo clic en la herramienta Reconstruir del cuadro Modificar o en la barra de herramientas Estándar. Si utiliza la que está en el cuadro de diálogo Modificar, el cuadro de diálogo permanecerá abierto de modo que usted pueda realizar otro cambio más. Esto facilita la exploración de los escenarios “qué sucede si”. 19 Actualizar el dibujo. Regrese a la hoja de dibujo. El dibujo se actualizará automáticamente para reflejar los cambios hechos en el modelo. Introducción: La herramienta Anotación de taladro se utiliza para agregar cotas Anotaciones de conducidas por diámetro a taladros creados por el Asistente para taladro taladro u operaciones Corte circular. Es una de las numerosas anotaciones disponibles en SolidWorks. Estas anotaciones se pueden agregar automáticamente mediante Insertar elementos del modelo. Haga clic en Insertar, Anotaciones, Anotación de taladro. O, en la barra de herramientas Anotaciones, haga clic en . También puede hacer clic con el botón secundario del ratón en Anotaciones, Anotación de taladro. 82 Cómo cambiar los parámetros
  • 96.
    Manual de formaciónSolidWorks 2006 Lección 3 Modelado básico de piezas 20 Agregar anotaciones de taladro. Haga clic en el taladro central de la vista frontal y sitúe la anotación en el dibujo. Seleccione el taladro izquierdo de los dos que hay en la vista superior y sitúelo. Nota El prefijo “2X” se agrega automáticamente porque hay dos taladros perforados. 21 Guardar y cerrar la pieza y el dibujo. Cómo cambiar los parámetros 83
  • 97.
    Lección 3 Manual de formación SolidWorks 2006 Modelado básico de piezas 84 Cómo cambiar los parámetros
  • 98.
    Manual de formaciónSolidWorks 2006 Ejercicio 4: Cree esta pieza utilizando la Chapa información y las cotas proporcionadas. Croquice y extruya perfiles para crear la pieza. Este laboratorio refuerza las siguientes funciones: Croquizado Extrusión base Extrusión del saliente Asistente para taladro Intención del Utilice la intención del diseño para crear la pieza. diseño 1. La pieza no es simétrica. 2. El taladro es un taladro con tamaño de perforador Métrico - ANSI. Cotas Utilice los siguientes gráficos con la intención del diseño para crear la pieza. Ejercicio 4 85
  • 99.
    Manual de formaciónSolidWorks 2006 Ejercicio 5: Realice cambios Cambios en la pieza creada básicos en la lección anterior. Este ejercicio utiliza las siguientes funciones: Cambio de los valores de cota. Procedimiento Abra una pieza existente en la carpeta Exercises (Ejercicios). 1 Abrir la pieza Basic-Changes (Cambios básicos). Se efectuarán varios cambios en el modelo para ajustar su tamaño y comprobar la intención del diseño. 2 Cota total. Haga doble clic en la primera operación (Base Plate) en el FeatureManager o en la pantalla para acceder a las cotas. Cambie la cota de longitud a 6 pulgadas (la que se muestra en negrita y subrayada debajo) y reconstruya el modelo. 86 Ejercicio 5
  • 100.
    Manual de formaciónSolidWorks 2006 3 Saliente. Haga doble clic en la operación Vert boss (Saliente vertical) y cambie las cotas de diámetro y altura según se indica. Reconstruya la pieza. 4 Ubicaciones de taladros. Haga doble clic en la operación 9/32 Holes (Taladros 9/32) y cambie las cotas de posición a 0.75 pulgadas cada una. Reconstruya el modelo. 5 Centrar Vert Boss (Saliente vertical). Determine el valor adecuado y cambie la cota que centra el Vert Boss (Saliente vertical) en la base. 6 Guardar y cerrar la pieza. Ejercicio 5 87
  • 101.
    Manual de formaciónSolidWorks 2006 Ejercicio 6: Cree esta pieza Soporte utilizando la información y las cotas proporcionadas. Croquice y extruya perfiles para crear la pieza. Este laboratorio refuerza las siguientes funciones: Croquizado. Salientes. Taladros. Intención del La intención del diseño de esta pieza se muestra a continuación. diseño 1. El saliente está centrado en el extremo redondeado de la base. 2. El taladro es un taladro pasante y es concéntrico al saliente. Utilice la plantilla Part_MM. Vista acotada Utilice la intención del diseño y los gráficos siguientes para crear la pieza. Como ayuda para construir esta pieza, observe de qué modo la misma podría ser dividida en operaciones individuales. 88 Ejercicio 6
  • 102.
    Manual de formaciónSolidWorks 2006 Ejercicio 7: Cree esta pieza utilizando la Cómo trabajar información y las cotas de fracción con fracciones proporcionadas. Croquice y extruya perfiles para crear la pieza. Este laboratorio refuerza las siguientes funciones: Cómo introducir y visualizar cotas como fracciones. .Salientes Cortes. Redondeos. Condiciones finales Hasta profundidad especificada y Por todo. Fracciones Existen dos elementos a considerar cuando se trabaja con cotas establecidas en fracciones: 1. La configuración de las unidades del documento en fracciones en pulgadas. 2. La entrada de valores de cota como fracciones. Unidades del En el cuadro de diálogo Herramientas, Opciones, haga clic en la documento pestaña Propiedades de documentos y seleccione Unidades. Los dos tipos de unidades de longitud que soportan Fracciones son: Pulgadas Pies y pulgadas Cuando usted elige Fracciones, debe especificar el Denominador predeterminado. Las cotas que pueden dividirse equitativamente por este denominador se muestran como fracciones. La visualización de las cotas que no son divisibles equitativamente depende de la selección de la opción Redondear a la fracción más cercana. Por ejemplo, si el Denominador se establece en 16 y usted ingresa un valor de 3⁄64 este valor se visualizará como 1⁄16 si está seleccionada la opción Redondear a la fracción más cercana. Si la misma no está seleccionada, se mostrará 0.047. Cómo ingresar Puede ingresar cotas como fracciones sin importar si las unidades cotas del documento están establecidas en fracciones. Para ingresar un valor como 1 7⁄8”, escriba 1, presione la barra espaciadora, luego escriba 7/8 y presione Intro. Ejercicio 7 89
  • 103.
    Manual de formaciónSolidWorks 2006 Intención del La intención del diseño de esta pieza se muestra a continuación. diseño 1. El corte de lado a lado está centrado en la esquina. 2. El corte desde el frente hacia atrás está centrado en el punto medio de la arista. Utilice la plantilla Part_IN. Vistas Utilice los gráficos siguientes como ayuda para visualizar la pieza. 1 Nueva pieza. Abra una nueva pieza utilizando la plantilla Part_IN. 2 Primera operación. Cree la primera operación utilizando un croquis y un saliente extruido. Puede utilizar el plano de referencia Alzado, Planta o Vista lateral para croquizar. 3 Operación Cortar. Utilizando un croquis que contenga un círculo, cree una operación Extruir corte. El círculo está centrado sobre la esquina (vértice) de la primera operación. 90 Ejercicio 7
  • 104.
    Manual de formaciónSolidWorks 2006 4 Segunda operación Cortar. Cree una segunda operación Extruir corte utilizando un círculo. Este círculo debe estar centrado en el punto medio (a mitad de camino de la arista). 5 Redondeo/Redondo. Utilizando la arista creada por cortes, cree una operación Redondeo/Redondo. 6 Guardar y cerrar la pieza. Ejercicio 7 91
  • 105.
    Manual de formaciónSolidWorks 2006 Ejercicio 8: Cree esta pieza utilizando la información Dibujos de la suministrada. pieza Este laboratorio refuerza las siguientes funciones: Hojas de dibujo. Vistas de dibujo. Centros de círculo. Cotas. Anotaciones de taladro. Utilice la plantilla A-Scale1to2 (A-Escala 1 a 2) y la pieza construida Basic-Changes-Done (Cambios básicos realizados). Vista acotada Utilice los gráficos siguientes para crear el dibujo. 92 Ejercicio 8
  • 106.
    Manual de formaciónSolidWorks 2006 Ejercicio 9: Este laboratorio refuerza las Guía siguientes funciones: Redondeos, círculos, arcos y líneas de croquis. Relaciones. Extrusiones. Operaciones Redondeo y Redondo. Intención del Algunos aspectos de la diseño intención del diseño para esta pieza son: 1. La pieza no es simétrica. 2. El círculo grande es tangente a la arista exterior. 3. El círculo grande es coincidente con la arista del cuadro inferior. 4. Los espesores de chapa son iguales. Procedimiento Abra una pieza nueva utilizando la plantilla Part_MM. 1 Croquizar el perfil. Utilizando el plano Alzado, cree el perfil. 2 Extrusión. Extruya el croquis 10 mm. Ejercicio 9 93
  • 107.
    Manual de formaciónSolidWorks 2006 3 Croquis superior. Comience un croquis en la cara superior del modelo. El círculo es tangente a una arista y coincidente con la otra. 4 Extruir igual espesor. Extruya el círculo con el mismo espesor que la primera operación. 5 Agregar dos redondeos. Agregue dos redondeos según se indica. 6 Último redondeo. Cree un tercer redondeo con un radio de 20 mm. 94 Ejercicio 9
  • 108.
    Manual de formaciónSolidWorks 2006 7 Cortes. Utilice simetría con líneas y arcos para crear un corte Por todo para la forma de ranura. Utilice un círculo para crear otro corte concéntrico con la arista del modelo. Nota Este croquis requiere el uso de una relación Paralela. Consulte la Ayuda, Temas de ayuda de SolidWorks para obtener más información. 8 Guardar y cerrar la pieza. Ejercicio 9 95
  • 109.
    Manual de formaciónSolidWorks 2006 96 Ejercicio 9
  • 110.
    Manual de formaciónSolidWorks 2006 Lección 4 Cómo modelar una pieza de fundición o forja Al finalizar esta lección, podrá: Abrir una pieza de SolidWorks y guardar su trabajo. Croquizar en un plano definido por el sistema o una cara plana de un modelo. Utilizar la visualización de vistas y los comandos de modificación. Crear croquis completamente definidos mediante el uso de cotas y relaciones geométricas. Crear operaciones Base y Saliente por extrusión. Crear operaciones Cortar por extrusión. Copiar y pegar operaciones. Crear redondeos de radio constante. Editar la definición y los parámetros de una operación y volver a generar el modelo. Utilizar las condiciones finales Hasta el siguiente y Plano medio para captar la intención del diseño. Utilizar simetría en el croquis. 97
  • 111.
    Lección 4 Manual de formación SolidWorks 2006 Cómo modelar una pieza de fundición o forja 98
  • 112.
    Manual de formaciónSolidWorks 2006 Lección 4 Cómo modelar una pieza de fundición o forja Estudio de La pieza Ratchet (Trinquete) casos: contiene gran parte de las Trinquete operaciones y los procedimientos que utilizará frecuentemente. Contiene salientes, cortes, geometría de croquis, redondeos y ángulo de salida. Etapas del Algunas etapas importantes del proceso de modelado de esta pieza proceso se muestran en la siguiente lista: Cada uno de estos temas consta de una sección en la lección. Intención del diseño Se analiza la intención del diseño general para la pieza. Operación Saliente con ángulo de salida La primera porción del modelo que se creará es la pieza Handle (Asa). La pieza Handle utiliza líneas croquizadas y se extruye en dos direcciones con ángulo de salida formando un sólido. Es la operación inicial de la pieza y demuestra el uso de simetría en el croquis. Condición final Hasta el siguiente La segunda porción del modelo es la pieza Transition (Transición). Utiliza la condición final Hasta el siguiente para establecer una conexión con las caras de Handle. Croquizado dentro de la pieza El tercer saliente creado es la pieza Head (Cabeza). Se croquiza dentro del sólido creado por la pieza Transition. Cortar utilizando las aristas existentes La operación Recess (Entrante) es la primera operación de tipo de corte creada. Utiliza una equidistancia a partir de las aristas existentes del modelo para crear el croquis. Se extruye como un corte de equidistancia hasta una profundidad específica. Cortar con geometría de croquis recortada La operación Pocket es otra operación Cortar, esta vez utilizando círculos recortados con la forma apropiada. Cortar utilizando copiar y pegar La operación Wheel Hole se copiará y pegará. Redondeos Se agregan redondeos al sólido utilizando diversas técnicas diferentes. Cómo editar la definición de una operación Las operaciones que ya existen pueden cambiarse utilizando el comando Editar operación. Los redondeos se editarán de esta manera. Estudio de casos: Trinquete 99
  • 113.
    Lección 4 Manual de formación SolidWorks 2006 Cómo modelar una pieza de fundición o forja Intención del En la siguiente ilustración y lista se muestra un resumen de la intención diseño del diseño de la pieza Ratchet. Se analiza la intención del diseño específica para cada porción de la pieza por separado. Handle (Asa) Head (Cabeza) Transition (Transición) Pocket (Cavidad) Recess (Entrante) Thru Holes (Taladros pasantes) Centrado: Las operaciones Head, Handle y Transition están centradas con respecto a un eje. Simetría: La pieza es simétrica, tanto con respecto a la línea constructiva como con respecto al plano de separación. 100 Intención del diseño
  • 114.
    Manual de formaciónSolidWorks 2006 Lección 4 Cómo modelar una pieza de fundición o forja Operación La primera parte de la pieza Ratchet que modelaremos es Saliente con Handle. A veces se hace referencia a la primera operación de ángulo de cualquier modelo como la operación Base. Todas las demás salida operaciones se construyen sobre la primera operación. Cómo construir el La pieza Handle asa (Asa) posee una sección transversal Sección de la rectangular. Está pieza Handle extruida con un ángulo de salida a igual distancia en direcciones opuestas desde el plano de croquis. Intención del La pieza Handle es una operación Croquis diseño del asa que utiliza líneas y simetría para formar el esquema o perfil básico. El perfil se extruye en direcciones opuestas, equitativamente, con el ángulo de salida. El croquis crea una sección transversal rectangular que se extruye por igual en direcciones opuestas, con el ángulo de salida. Ángulo de salida: El ángulo de salida es igual a ambos lados del plano de separación Simetría: La operación es simétrica con respecto al plano de separación y al eje de la línea constructiva de la pieza Handle Se utilizará una línea constructiva, una pieza de geometría de referencia, para ubicar y realizar el croquis de Handle. La línea constructiva representa la distancia desde el final del asa hasta el centro del taladro más lejano y también se utiliza para realizar la simetría de geometría de croquis. Operación Saliente con ángulo de salida 101
  • 115.
    Lección 4 Manual de formación SolidWorks 2006 Cómo modelar una pieza de fundición o forja Procedimiento Empiece siguiendo este procedimiento: 1 Nueva pieza. Abra una nueva pieza utilizando la plantilla Part_MM de la pestaña Training Templates (Plantillas de formación). Guarde la pieza y asígnele el nombre Ratchet. 2 Desactivar la visualización. Desactive la visualización de las relaciones mediante las opciones Ver, Relaciones de croquis. Nota En las lecciones siguientes se dará por sentado que Ver, Relaciones de croquis está desactivado. 3 Plano de croquis. Seleccione el plano de referencia Planta como plano de croquis. Cambie la vista a una vista Top (Superior). Introducción: Insertar línea constructiva se utiliza para crear una línea de Insertar línea referencia en un croquis. La línea constructiva puede ser vertical, constructiva horizontal o tener un ángulo arbitrario dependiendo de cómo se utilicen las inferencias. Debido a que la línea constructiva es considerada una geometría de referencia, no es necesario que esté completamente definida en el croquis. Dónde encontrarlo Haga clic en Herramientas, Entidad de croquis, Línea constructiva. O, en la barra de herramientas Croquis, haga clic en Línea constructiva . Nota Cualquier parte de la geometría de croquis puede convertirse en geometría de construcción y viceversa. Seleccione la geometría y haga clic en la herramienta Geometría constructiva en la barra de herramientas Croquis. El PropertyManager puede también utilizarse para cambiar la geometría de croquis a geometría constructiva. Seleccione la geometría y haga clic en Para construcción. 4 Croquizar una línea constructiva. Croquice una línea constructiva en dirección vertical desde el origen. La longitud no es importante. 102 Operación Saliente con ángulo de salida
  • 116.
    Manual de formaciónSolidWorks 2006 Lección 4 Cómo modelar una pieza de fundición o forja Simetría en el La geometría simétrica en un croquis puede crearse más fácilmente croquis utilizando la opción Simetría. Puede realizar una simetría a medida que croquiza: simetría en tiempo real. O, puede seleccionar geometría ya croquizada y realizar la simetría: después del hecho de simetría. También se pueden añadir relaciones Simétricas a la geometría después de croquizar. En cualquier caso, la simetría crea copias que se relacionan con los originales mediante la relación Simétrica. En el caso de líneas, la relación simétrica se aplica a los puntos finales de las líneas. En el caso de arcos y círculos, la relación simétrica se aplica a la entidad en sí misma. A continuación, se muestran los tres métodos. Simetría mientras se croquiza Simetría después de croquizar Simetría mediante relaciones Introducción: Para crear simetría, es necesario una línea, una arista lineal o una Simetría dinámica línea constructiva. La línea se activa antes de croquizar la geometría a partir de la cual se va a crear simetría. Dónde encontrarlo En el menú Herramientas, seleccione: Herramientas de croquizar, Simetría dinámica. O, en la barra de herramientas Croquis, haga clic en Simetría dinámica . Simetría mientras se La geometría simétrica se puede crear en tiempo real mientras se croquiza croquiza. El método Simetría dinámica permite crear simetría antes de croquizar. Simetría después La simetría se puede crear mediante el croquizado de una mitad de de croquizar la geometría y la utilización de la simetría para crear la otra mitad. La simetría se aplica después de croquizar. 5 Simetría dinámica. Seleccione la línea constructiva y haga clic en la herramienta Simetría dinámica. El símbolo de Simetría dinámica aparece en los dos extremos de la línea constructiva. 6 Croquizar línea. Croquice una línea a partir del extremo superior de la línea constructiva moviéndola a la derecha. Se crea una imagen simétrica de la línea en el lado opuesto de la línea constructiva. Simetría en el croquis 103
  • 117.
    Lección 4 Manual de formación SolidWorks 2006 Cómo modelar una pieza de fundición o forja 7 Completar el croquis. Agregue una línea en dirección vertical y, a continuación, en dirección horizontal, deteniéndose en la línea constructiva. Desactivar la herramienta de simetría. Sugerencia No cruce la línea constructiva mientras esté croquizando en el modo Simetría automática. Si lo hace, podría crearse una geometría duplicada. Detenerse en la línea constructiva hace que las líneas simétricas se fusionen en una sola línea. Acotación Acotar automáticamente crea cotas en un croquis. Se admiten automática de diversos estilos de cotas, como línea base, cadena y coordenada. croquis Pueden establecerse los puntos iniciales para conjuntos horizontales y verticales. Esta herramienta no agrega relaciones geométricas al croquis. Introducción: Acotar automáticamente tiene opciones para el tipo de cota, Acotación las entidades que se van a acotar y los puntos iniciales. automática Croquis insuficientemente definido con relaciones geométricas. Opción Cadena seleccionada con puntos iniciales en el origen. Nota: Algunas cotas se han movido para obtener mayor claridad. Opción Línea base seleccionada con puntos iniciales en el origen. Opción Coordenada seleccionada con puntos iniciales en el origen. Nota Aparece una opción especial denominada Línea constructiva cuando se utiliza geometría de línea constructiva en el croquis. Las cotas pueden basarse en la línea constructiva. 104 Simetría en el croquis
  • 118.
    Manual de formaciónSolidWorks 2006 Lección 4 Cómo modelar una pieza de fundición o forja Dónde encontrarlo Haga clic en Herramientas, Cotas, Acotar automáticamente.... O, en la barra de herramientas Cotas/Relaciones, haga clic en la herramienta Acotar automáticamente . 8 Configuración de acotación automática. Haga clic en la herramienta Acotar automáticamente . Haga clic en el campo Referencia para obtener las Cotas horizontales y seleccione la línea constructiva vertical. Para obtener las Cotas verticales, seleccione el punto final de la línea constructiva. Establezca ambos Esquemas en la Línea base. 9 Cotas. Las cotas se agregan, se cambian y se mueven para mayor claridad. Nota Los croquis acotados con la herramienta Acotar automáticamente están totalmente definidos, pero quizás no estén acotados exactamente del modo deseado. Puede eliminar y reemplazar las cotas si es necesario. Simetría en el croquis 105
  • 119.
    Lección 4 Manual de formación SolidWorks 2006 Cómo modelar una pieza de fundición o forja Primera La primera operación, siempre un saliente, es la primera operación operación sólida creada en toda pieza. En esta pieza, la primera operación creada es una extrusión Plano medio. 10 Extrusión de saliente/base. Haga clic en la herramienta Extruir saliente/base en la barra de herramientas Operaciones o haga clic en Extruir saliente/base en el menú Insertar. 11 Extrusión. Elija la opción Plano medio de la lista y especifique una profundidad de 15 mm. Haga clic en Ángulo de salida y establezca el ángulo en 8º. Debe anularse la selección de la casilla de verificación Ángulo de salida hacia afuera. Haga clic en Aceptar para crear la operación. 12 Operación completa. La operación completa se muestra a la derecha. Denomine la operación Handle. 106 Primera operación
  • 120.
    Manual de formaciónSolidWorks 2006 Lección 4 Cómo modelar una pieza de fundición o forja Croquizado La segunda operación de la pieza es Transition, otro saliente dentro del que conectará la operación Head con la operación Handle. modelo El croquis para esta operación se crea en un plano de referencia estándar. Sección de transición Intención del La operación Transition diseño de la (Transición) es un perfil circular transición simple que se extruye hasta la operación Handle (Asa) existente. Centrado: El perfil circular está centrado en la operación Head. Longitud: La longitud de la sección se determina utilizando las ubicaciones existentes. 13 Cómo mostrar el Alzado. Cambie a una vista isométrica y seleccione el Alzado en el gestor de diseño del FeatureManager. El mismo se resaltará en la pantalla. Para asegurarse de que el plano continúe visible, haga clic con el botón secundario del ratón en Alzado en el gestor de diseño del FeatureManager y seleccione Mostrar en el menú. El plano aparecerá sombreado y transparente. 14 Configuración y cambios de plano. Existen configuraciones para determinar cómo aparecerán los planos en la pantalla. Para planos sombreados, haga clic en Herramientas, Opciones, Opciones de sistema, Visualizar/ Selección y seleccione la casilla de verificación Mostrar planos sombreados. Establezca el color del plano utilizando Herramientas, Opciones, Propiedades de documento, Visualización de planos. Croquizado dentro del modelo 107
  • 121.
    Lección 4 Manual de formación SolidWorks 2006 Cómo modelar una pieza de fundición o forja Puede ajustar el tamaño de cualquier plano, generado por el sistema o el usuario, arrastrando sus asas. Ajuste el tamaño de este plano de modo que sus bordes queden cercanos a los límites de la operación. El tamaño de los planos también puede ajustarse automáticamente al modelo. Haga clic con el botón secundario del ratón y elija Ajuste automático de tamaño. Perfil circular El croquis para la operación Transition tiene una geometría y relaciones muy simples. Se croquiza un círculo y se lo relaciona con una posición en la operación anterior para definirlo. Esta relación mantendrá la operación Transition centrada en la operación Handle. 15 Abrir un croquis nuevo. Con la opción Alzado aún seleccionada, haga clic en la herramienta Croquis . El plano ahora es un plano de croquis. Introducción: Vista La opción Vista normal a se utiliza para cambiar la orientación normal a de vista de una dirección normal a una cara plana seleccionada. La geometría puede ser un plano de referencia, un croquis, una cara plana o una operación que contiene un croquis. Sugerencia Al hacer clic en el icono Normal a por segunda vez, invertirá la orientación a la cara opuesta del plano. Dónde encontrarlo Haga clic en Normal a en la barra de herramientas Vistas estándar. O presione la Barra espaciadora y haga doble clic en Normal a. 16 Orientación de vista Normal a. Utilizando el cuadro de diálogo Orientación de vista, cambie la orientación a Normal a. Para hacerlo, seleccione Alzado y haga doble clic en la opción Normal a del cuadro de diálogo Orientación de vista. Esto orienta la vista de modo que se pueda ver el tamaño y la forma reales del plano, facilitando el croquizado. Sugerencia También puede seleccionar el plano y hacer clic en la herramienta Normal a de la barra de herramientas Vistas estándar. 108 Croquizado dentro del modelo
  • 122.
    Manual de formaciónSolidWorks 2006 Lección 4 Cómo modelar una pieza de fundición o forja Introducción: La herramienta Círculo se utiliza en la creación de círculos para Círculos cortes y salientes en un croquis. El círculo se define mediante la croquizados creación de un Centro o un Perímetro. El centro requiere dos ubicaciones: el centro y una ubicación sobre su circunferencia. El perímetro requiere ubicaciones que representen dos (o de manera opcional tres) ubicaciones en el perímetro. Dónde encontrarlo En el menú Herramientas, seleccione Entidades de croquis, Círculo o Círculo perimetral. O, en la barra de herramientas Croquis, haga clic en Círculo o Círculo perimetral . Cómo croquizar el Pueden utilizarse muchos puntos de inferencia para ubicar círculos. círculo Puede utilizar el centro de círculos creados previamente, el origen y demás ubicaciones de puntos para localizar el centro del círculo. En este ejemplo, capturaremos automáticamente una relación coincidente con el origen mediante el croquizado del centro del círculo sobre la misma. 17 Agregar un círculo y acotarlo. Con la Herramienta Círculo, agregue el círculo en el origen. Agregue la cota de diámetro para definir completamente el croquis. Establezca el valor en 12 mm. El croquis está completamente definido. Cómo cambiar la Con el estándar de acotación en uso actualmente, las cotas de apariencia de las diámetro se visualizan con una flecha fuera del círculo. Puede cotas cambiar la visualización de modo que dos flechas queden dentro del círculo. 18 Hacer clic en la cota. Dos puntos verdes pequeños aparecerán en las flechas de la cota. Croquizado dentro del modelo 109
  • 123.
    Lección 4 Manual de formación SolidWorks 2006 Cómo modelar una pieza de fundición o forja 19 Activar o desactivar las flechas. Haga clic en uno de los puntos verdes para activar o desactivar las flechas hacia el interior del círculo. Esto funciona en todas las cotas, no sólo en las cotas de diámetro. Haga clic de nuevo para situar las flechas en el exterior. 20 Ocultar la opción Alzado. 21 Cambiar a vista Isométrica. A diferencia de lo que sucede al crear la primera operación, el sistema no cambiará las orientaciones de vista automáticamente para ningún otro saliente o corte. Utilice el cuadro de diálogo Orientación de vista o la barra de herramientas Vistas estándar para cambiar a una vista Isométrica. Cómo extruir El croquis será extruido hasta la o las siguientes caras que encuentre hasta el siguiente a lo largo de su trayecto. Es importante observar los gráficos de vista preliminar para determinar si el saliente se orienta en la dirección adecuada, invirtiendo dicha dirección si fuera necesario. 22 Extrusión Hasta el siguiente. Haga clic en Insertar, Saliente/Base, Extruir... y observe la visualización de la vista preliminar. Cambie la dirección de modo que la vista preliminar muestre la extrusión que se dirige hacia la operación Handle. Cambie la condición final por Hasta el siguiente. Haga clic en Aceptar. Cambie el nombre de la operación por Transition. 110 Croquizado dentro del modelo
  • 124.
    Manual de formaciónSolidWorks 2006 Lección 4 Cómo modelar una pieza de fundición o forja Hasta el siguiente Las condiciones finales Hasta el siguiente y Hasta la superficie en comparación con generan resultados diferentes en muchos casos. La imagen de la Hasta la superficie izquierda es para Hasta la superficie cuando se selecciona la cara con ángulo (roja). La superficie selecciona da la forma a la extrusión. Sólo se permite una selección de superficie. La imagen de la derecha es para Hasta el siguiente. Todas las caras de la ruta de la extrusión se utilizan para dar forma a la extrusión. Intención del La operaciónHead (Cabeza) es una operación Croquis que utiliza diseño de la líneas y arcos tangentes para formar el esquema o perfil básico. cabeza El perfil se extruye en direcciones opuestas, equitativamente, con el ángulo de salida. Esta operación es la operación clave de la pieza. Contendrá cavidades y taladros utilizados para la ubicación de otras piezas. La intención del diseño de Head se detalla a continuación: Centros del arco: Los centros de los dos arcos en el esquema (perfil) Línea de se alinean separación verticalmente en una orientación de vista Top (Superior). Los radios no son iguales y pueden cambiar a cualquier valor. Ubicación del perfil: La geometría de croquis se ubica en el plano de separación del sólido con el arco mayor centrado con respecto al origen del modelo. Ángulo de salida: El ángulo de salida aplicado es igual a ambos lados del plano de separación. Espesor: El espesor de la pieza es igual a ambos lados de la línea de separación. Croquizado dentro del modelo 111
  • 125.
    Lección 4 Manual de formación SolidWorks 2006 Cómo modelar una pieza de fundición o forja Simetría: La geometría es simétrica. Sección de la cabeza 23 Línea constructiva. Seleccione el plano de referencia Planta como plano de croquis. Oriente la vista en la misma dirección. Empiece el croquis con una línea constructiva como se indica. Introducción: Arco centro extremos crea un arco basado en un centro, un punto Arco centro inicial y un punto final. extremos Dónde encontrarlo En el menú Herramientas, elija Entidades de croquis, Arco centro extremos.... O, haga clic con el botón secundario del ratón en la zona de gráficos y seleccione Arco centro extremos. O, en la barra de herramientas Croquis, seleccione la herramienta Arco centro extremos . 24 Croquizar un arco centro extremos. Seleccione la herramienta Arco centro extremos y haga clic primero en el origen (1). 3 Muévase hacia fuera para establecer el radio y el punto inicial y vuelva a hacer clic (2). Muévase para establecer el punto final y 1 haga clic en un tiempo final (3). 2 Repita el procedimiento para un arco situado en el extremo abierto de la línea constructiva. 112 Croquizado dentro del modelo
  • 126.
    Manual de formaciónSolidWorks 2006 Lección 4 Cómo modelar una pieza de fundición o forja 25 Completar el croquis. Croquice una línea de punto final a punto final. Observe que los puntos finales no son tangentes a la línea. Agregue estas relaciones: Tangente entre la línea y cada arco. Coincidente entre la línea constructiva y cada punto final de arco abierto. 26 Agregar cotas. Agregue una cota lineal y dos radiales al croquis. Introducción: Para crear simetría, es necesario una línea, una arista lineal o una Simetría de línea constructiva. Esta línea define el plano de simetría que es entidades siempre normal con respecto al plano de croquis y atraviesa la línea constructiva seleccionada. Dónde encontrarlo En el menú Herramientas, seleccione: Herramientas de croquizar, Simetría. O, en la barra de herramientas Croquis, haga clic en Simetría de entidades . 27 Simetría. Haga clic en la herramienta Simetría . Seleccione los dos arcos y la línea de conexión como Entidades para simetría. Haga clic en Con respecto a y seleccione la línea constructiva. Se creará simetría de la geometría con respecto a la línea constructiva. Croquizado dentro del modelo 113
  • 127.
    Lección 4 Manual de formación SolidWorks 2006 Cómo modelar una pieza de fundición o forja Cotas conducidas En cualquier croquis, pueden crearse Cotas de referencia o conducidas. SolidWorks le guía hacia la creación de este tipo siempre y cuando las cotas se agreguen a geometría que ya esté completamente definida. Una cota Conducida se indica mediante una diferencia de color. La cota conducida siempre mostrará el valor apropiado pero nunca podrá utilizarse para forzar un cambio en el modelo. Croquis definidos Si el estado de los cambios del croquis pasa a ser de completamente en exceso definido a definido en exceso (consulte Estado de un croquis en la página 30), aparecerá una herramienta de diagnóstico. Esta herramienta se puede utilizar para reparar el croquis. Asimismo, se pueden reparar otros estados inadecuados. 28 Cota angular. Haga clic en la herramienta Cota y seleccione el par de líneas en ángulo. Coloque el texto de cota debajo del croquis, entre las líneas. 29 Mensaje conducido. El siguiente mensaje le brinda la opción de establecer la cota como conductora o conducida. La selección predeterminada, Hacer cota conducida, se controla mediante Herramientas, Opciones. Seleccione Dejar cota como conductora y haga clic en Aceptar. El croquis pasa a ser Definido en exceso. Solucionar La opción Solucionar conflictos se utiliza para reparar las conflictos condiciones Definido en exceso, No se ha encontrado una solución o Se ha encontrado una solución inválida en el croquis. Nota Las reparaciones y la edición de piezas generales se describe en Lección 7: Cómo editar: Reparaciones. Dónde encontrarlo Haga clic en el botón Definido en exceso (u otra condición) en la esquina inferior derecha. 30 Definido en exceso. Cuando el croquis pasa a ser Definido en exceso, aparece un mensaje en la esquina inferior derecha de la pantalla. Haga clic en el botón Definido en exceso. 114 Croquizado dentro del modelo
  • 128.
    Manual de formaciónSolidWorks 2006 Lección 4 Cómo modelar una pieza de fundición o forja 31 Diagnosticar. Haga clic en Diagnosticar para determinar los posibles conjuntos de soluciones con el fin de resolver el estado definido en exceso. La eliminación de uno de estos conjuntos suprimirá el estado definido en exceso. 32 Eliminar. Seleccione la relaciónDistance1 (Distancia1) y haga clic en Eliminar. 33 Conflicto solucionado. Establezca la cota de ángulo en 20 grados. 34 La extrusión. Cambie a una vista Isométrica y haga clic en Insertar, Saliente/Base, Extruir... del menú. Establezca el tipo en Plano medio, la profundidad en 20 mm y el ángulo de salida en 6º. Asigne a la última operación el nombre Head. Las tres operaciones principales que componen la forma general de la pieza están ahora completas. Opciones de El software de SolidWorks le proporciona muchas opciones para visualización controlar y manipular cómo se visualizan los modelos en su pantalla. En general, estas opciones de visualización pueden dividirse en dos grupos. Estos grupos corresponden a los dos submenús disponibles en el menú Ver y los dos grupos de herramientas en la barra de herramientas Ver. Nota Estas opciones de visualización están disponibles para su uso en situaciones de áreas de visualización únicas y múltiples. Para obtener más información, consulte Áreas de visualización en la página 63. Opciones de visualización 115
  • 129.
    Lección 4 Manual de formación SolidWorks 2006 Cómo modelar una pieza de fundición o forja Opciones de visualización Opciones de modificación 116 Opciones de visualización
  • 130.
    Manual de formaciónSolidWorks 2006 Lección 4 Cómo modelar una pieza de fundición o forja Opciones de En las siguientes ilustraciones de Ratchet, se muestran los visualización diferentes tipos de opciones de visualización. Estructura alámbrica Líneas ocultas visibles Sin líneas ocultas Sombreado Perspectiva Sección Franjas Sombras en Sombreado de cebra modo sombreado con aristas Nota Las opciones de vista Perspectiva y Sección pueden aplicarse a cualquier tipo de vista: estructura alámbrica, línea oculta o sombreado. La herramienta SLO/LOV Calidad de borrador puede estar activa con todos los tipos de vista pero afecta sólo a las opciones Sin líneas ocultas y Líneas ocultas visibles haciendo que la visualización sea facetada y más fácil de manipular. Opciones de Las opciones de modificación se enumeran a continuación al lado modificación de sus herramientas correspondientes. Su instructor realizará una demostración de estas opciones durante la clase. Nota Resulta particularmente difícil ilustrar algo tan dinámico como la rotación de vista mediante un medio tan estático como un manual impreso. Por lo tanto, aquí solo se enumeran y resumen las diferentes opciones de vista. Su instructor demostrará estas opciones durante la clase. Zoom ajustar: Se aplica el zoom acercar o alejar de modo que todo el modelo esté visible. Zoom encuadre: Se aplica un zoom acercar a una parte seleccionada de la vista arrastrando un cuadro delimitador. El centro del cuadro se indica con un signo más (+). Zoom acercar/alejar: Aplica un zoom acercar a medida que usted presiona y mantiene presionado el botón izquierdo del ratón y arrastra el ratón hacia arriba. Aplica un zoom alejar a medida que usted arrastra el ratón hacia abajo. Opciones de visualización 117
  • 131.
    Lección 4 Manual de formación SolidWorks 2006 Cómo modelar una pieza de fundición o forja Ampliar selección: Amplía el tamaño de una entidad seleccionada. Girar vista: Gira la vista a medida que usted presiona y mantiene presionado el botón izquierdo del ratón, arrastrando el ratón por la pantalla. Trasladar vista: Desplaza la vista de modo que el modelo se mueva a medida que usted arrastra el ratón. Funciones del El botón central del ratón en un ratón de tres botones puede botón central del utilizarse para manipular la visualización dinámicamente. Si utiliza ratón el botón central del ratón, podrá: Girar la vista Presione y mantenga presionado el botón central del ratón. Mientras mueve el ratón, la vista gira libremente. Sugerencia Para girar sobre un vértice, arista, eje o eje temporal: Haga clic con el botón central del ratón sobre la geometría. Mientras mueve el ratón, la vista gira sobre la geometría seleccionada. Trasladar o desplazar la vista Presione y mantenga presionada la tecla Ctrl juntamente con el botón central del ratón. La vista se desplazará a medida que usted arrastra el ratón. Aplicar zoom a la vista Presione y mantenga presionada la tecla Mayús juntamente con el botón central del ratón. Se aplicará el zoom acercar a la vista al mover el ratón hacia arriba; se aplicará el zoom alejar al mover el ratón hacia abajo. Nota En un dibujo, sólo puede utilizar las funciones Zoom y Trasladar. Métodos A continuación, se enumeran los métodos abreviados de teclado abreviados del predefinidos para las opciones de vista: teclado Teclas de flechas . . . . . . .Girar la vista Mayús+Teclas de flechas .Girar la vista en incrementos de 90º Alt+Teclas de flecha izquierda o derecha . . . . .Girar en torno a normal a la pantalla Ctrl+Teclas de flechas . . . Mover la vista Mayús+z . . . . . . . . . . . . . . . Zoom acercar z . . . . . . . . . . . . . . . . . . . . . .Zoom alejar f . . . . . . . . . . . . . . . . . . . . . .Zoom ajustar Ctrl+1 . . . . . . . . . . . . . . . . .Orientación frontal Ctrl+2 . . . . . . . . . . . . . . . . .Orientación posterior 118 Métodos abreviados del teclado
  • 132.
    Manual de formaciónSolidWorks 2006 Lección 4 Cómo modelar una pieza de fundición o forja Ctrl+3 . . . . . . . . . . . . . . . . .Orientación izquierda Ctrl+4 . . . . . . . . . . . . . . . . .Orientación derecha Ctrl+5 . . . . . . . . . . . . . . . . .Orientación superior Ctrl+6 . . . . . . . . . . . . . . . . .Orientación inferior Ctrl+7 . . . . . . . . . . . . . . . . .Orientación isométrica Ctrl+8 . . . . . . . . . . . . . . . . .Ver normal a Barra espaciadora. . . . . . .Cuadro de diálogo Orientación de vista Cómo utilizar La primera operación Cortar que se agregará es Recess aristas del (Entrante), una cavidad extruida desde la cara superior de Head modelo en un (Cabeza). Esta operación permite la colocación de una cubierta croquis sobre el mecanismo del trinquete. Debido a que la cubierta posee la misma forma general que la cara superior, sería útil aprovechar las aristas de la pieza Head al croquizar el perfil para el corte Recess. Lo haremos mediante la realización de una Equidistancia de las aristas de Head. Ampliar selección La opción Ampliar selección aplica el zoom acercar a una entidad seleccionada, haciendo que complete la pantalla. 35 Seleccionar la cara y el zoom. Seleccione la cara superior de Head y haga clic en Ampliar selección . La cara completará la ventana de gráficos. Cómo croquizar Las equidistancias en un croquis se basan en las aristas de modelos una equidistancia existentes o entidades de croquis de otro croquis. En este ejemplo, utilizaremos las aristas del modelo de la pieza Head. Estas aristas pueden elegirse individualmente o como el límite de toda una cara. Cuando sea posible, es una buena idea seleccionar la cara porque el croquis se regenerará mejor si los cambios posteriores agregan o eliminan aristas de la cara. Las aristas se proyectan sobre el plano del croquis, sin importar si las mismas se apoyan o no sobre dicho plano. Introducción: El comando Equidistanciar entidades se utiliza para crear copias Equidistanciar de las aristas del modelo en un croquis. Estas copias se entidades equidistancian del original en alguna cantidad especificada. Cómo utilizar aristas del modelo en un croquis 119
  • 133.
    Lección 4 Manual de formación SolidWorks 2006 Cómo modelar una pieza de fundición o forja Dónde encontrarlo En el menú Herramientas, seleccione Herramientas de croquizar, Equidistanciar entidades... O, en la barra de herramientas Croquis, haga clic en Equidistanciar entidades . 36 Equidistanciar los límites de la cara. Seleccione la cara superior y haga clic en la herramienta Croquis. Con la cara todavía seleccionada, haga clic en la herramienta Equidistanciar en la barra de herramientas. Establezca el valor de la distancia en 2 mm e Invierta la dirección de ser necesario, moviendo la equidistancia hacia el interior. 37 Equidistancia resultante. La equidistancia crea dos líneas y dos arcos. Esta geometría depende de la cara sólida de la que proviene y cambiará con el sólido. El croquis se define completamente en forma automática y queda listo para una extrusión como corte. 38 Configuración para el corte. Elija un corte Hasta profundidad especificada con 2 mm para el valor de la profundidad y haga clic en Aceptar. 39 Cambiar el nombre de la operación. Cambie el nombre de la operación por Entrante. Cómo crear La operación Pocket (Cavidad) es otra operación Cortar, aplicada geometría de a una superficie plana del modelo. Este croquis utiliza círculos croquis superpuestos que se recortan para crear un contorno simple. Los recortada centros de los círculos están relacionados con puntos centrales circulares existentes. 120 Cómo crear geometría de croquis recortada
  • 134.
    Manual de formaciónSolidWorks 2006 Lección 4 Cómo modelar una pieza de fundición o forja 40 Croquizar círculos. Seleccione la cara interior superior creada por la última operación como plano de croquis. Con la herramienta Círculo , cree un círculo utilizando la ubicación del punto central existente como el origen del círculo. El enganche con esta ubicación relacionará el círculo con la misma automáticamente. Cree un segundo círculo lejos del lado del modelo. 41 Relacionar los centros. Haga clic en la herramienta Agregar relación para abrir el PropertyManager Agregar relaciones. Seleccione el segundo círculo y la arista del corte. Elija la opción Concéntrica y haga clic en Aceptar. La opción Concéntrica fuerza los dos arcos (el círculo y la arista circular) para que compartan un centro común. Esto arrastrará el círculo a su posición. Recortar y Las entidades de croquis pueden recortarse utilizando la opción extender Recortar. En este ejemplo, las porciones superpuestas de los círculos se eliminarán. Hay varias opciones de recorte: Recorte inteligente, Esquina, Recortar dentro de límite, Recortar fuera de límite y Recortar hasta más cercano. También se pueden alargar utilizando la opción Extender. Estas opciones se explican a continuación. Introducción: La opción Recortar puede utilizarse para acortar la geometría de Recortar croquis. Dónde encontrarlo En el menú Herramientas, seleccione Herramientas de croquizar, Recortar. O, en la barra de herramientas Croquis, haga clic en Recortar entidades . La opción Recorte inteligente elimina la parte de una entidad que se arrastra entre intersecciones o hasta un punto final. Cómo crear geometría de croquis recortada 121
  • 135.
    Lección 4 Manual de formación SolidWorks 2006 Cómo modelar una pieza de fundición o forja La opción Esquina se utiliza para recortar manteniendo la geometría seleccionada en una intersección común. Utilice la opción B Recortar fuera de límite para mantener las partes T internas si la T B geometría está contra un límite. Seleccione los dos límites (B) primero y, a continuación, las piezas de geometría que se van a recortar (T). Utilice la opción B Recortar dentro de límite para mantener las partes T externas si la T B geometría está contra un límite. Seleccione los dos límites (B) primero y, a continuación, las piezas de geometría que se van a recortar (T). Utilice la opción Recortar hasta más cercano para recortar la geometría T seleccionada hasta la intersección más cercana o eliminar una parte de la geometría que aparece entre los límites. 122 Cómo crear geometría de croquis recortada
  • 136.
    Manual de formaciónSolidWorks 2006 Lección 4 Cómo modelar una pieza de fundición o forja Introducción: La opción Extender puede utilizarse para alargar la geometría de Extender croquis. Dónde encontrarlo En el menú Herramientas, seleccione Herramientas de croquizar, Extender. O, en la barra de herramientas Croquis, haga clic en Extender entidades . Seleccione el punto más cercano al extremo y haga clic para extenderlo hasta la siguiente intersección. Arrastre el punto final más cercano y colóquelo en la entidad de intersección para extenderlo. 42 Recortar los círculos. Haga clic en la herramienta Recortar y seleccione la opción Recorte inteligente. Regla Arrastre las porciones de las entidades de croquis que desea eliminar. El sistema buscará las intersecciones entre los círculos y eliminará el exceso. 43 Agregar cotas. Agregue cotas a los arcos. Esto definirá completamente el croquis. 44 Desactivar la herramienta de cota. Una forma fácil de desactivar la herramienta de cota consiste simplemente en presionar la tecla Esc del teclado. Cómo crear geometría de croquis recortada 123
  • 137.
    Lección 4 Manual de formación SolidWorks 2006 Cómo modelar una pieza de fundición o forja Cómo modificar Debido a que las entidades de croquis son arcos, el sistema creó cotas automáticamente cotas radiales. Si prefiere las cotas de diámetro, puede cambiar rápidamente las opciones de visualización. Para realizar cambios más profundos en las cotas, haga clic con el botón secundario del ratón en la cota y seleccione Propiedades. 45 Cotas de diámetro. Seleccione las cotas, haga clic con el botón secundario del ratón y elija Opciones de visualización, Visualizar como cota de diámetro. Introducción: La condición final Equidistante Equidistante de la de la superficie se utiliza para superficie ubicar el extremo de una extrusión como una medida desde un plano, cara o superficie, en lugar del plano de croquis de la operación. En este ejemplo, el extremo de la extrusión se mide desde la cara inferior de la pieza. La opción Trasladar superficie puede activarse o desactivarse. Su significado se explica a continuación. Qué hace la opción La opción Trasladar superficie de la Trasladar superficie: condición final Equidistante de la superficie está desactivada en forma predeterminada. En la imagen de la derecha, ambas columnas están ubicadas bajo dos superficies de referencia semicirculares idénticas. Ambas columnas se extruyen de modo que la parte superior de cada una está 1.4” por debajo de las superficies de referencia. La columna de la izquierda fue extruida con la opción Trasladar superficie activada. La columna de la derecha fue extruida con la opción desactivada. 124 Cómo crear geometría de croquis recortada
  • 138.
    Manual de formaciónSolidWorks 2006 Lección 4 Cómo modelar una pieza de fundición o forja La opción Equidistante de la superficie de la opción Trasladar superficie define la condición final al trasladar linealmente una copia de la superficie en la dirección de la extrusión. Sin ella, la superficie copiada se crea mediante la proyección normal en la superficie original. De ahí los dos resultados diferentes. Nota En este ejemplo, la posición de la cara plana seleccionada indica que ambas opciones obtienen el mismo resultado. 46 Equidistante de la superficie. Haga clic en el icono Extruir corte y elija la condición final Equi- distante de la superficie. Establezca la Equidistancia en 5mm. Introducción: Seleccionar otra se utiliza para seleccionar caras ocultas del Seleccionar otra modelo sin necesidad de volver a orientarlo. Procedimiento de la Para seleccionar caras ocultas u oscurecidas, puede utilizar la opción Seleccionar opción Seleccionar otra. Al colocar el cursor en la zona de una otra cara y presionar el botón secundario del ratón, Seleccionar otra queda disponible como opción en el menú contextual. La cara más cercana al cursor se oculta y se muestra como 1. en el cuadro de diálogo en --Caras ocultas--. En el cuadro de diálogo, se numeran y aparecen otras caras visibles. Si se mueve por encima de ellas en el cuadro de diálogo, las mismas se resaltan en la pantalla. La razón por la cual el sistema oculta la cara más cercana es que, como dicha cara era visible, si hubiera deseado seleccionarla simplemente la hubiera elegido con el botón izquierdo del ratón. 47 Selección de cara. Haga clic con el botón secundario del ratón sobre la cara inferior oculta y elija Seleccionar otra. Mueva el cursor hacia arriba y hacia abajo en la lista Seleccionar otra para resaltar las posibles selecciones de caras. Utilice el botón izquierdo del ratón para seleccionar la cara directamente o seleccione la opción 2. Cara de la lista. Cambie el nombre de la operación por Pocket. Sugerencia Se pueden agregar otras caras a la lista -- Caras ocultas --. Haga clic con el botón secundario del ratón en una cara para ocultarla. Presione Mayús y haga clic con el botón secundario del ratón para hacerla visible y eliminarla de la lista. Cómo crear geometría de croquis recortada 125
  • 139.
    Lección 4 Manual de formación SolidWorks 2006 Cómo modelar una pieza de fundición o forja Cómo medir La opción Medir puede utilizarse para muchas tareas de medición. Aquí se utiliza para medir la distancia más corta entre una arista y un plano. Puede medir la geometría incluidos vértices, aristas y caras. Introducción: El comando Medir puede calcular distancias, longitudes, áreas de Medir superficie, ángulos, círculos y ubicaciones X, Y, Z de vértices seleccionados. En el caso de círculos y arcos, están disponibles las cotas centrales, mínimas y máximas tal como se muestra a continuación. 126 Cómo crear geometría de croquis recortada
  • 140.
    Manual de formaciónSolidWorks 2006 Lección 4 Cómo modelar una pieza de fundición o forja Dónde encontrarlo En la barra Herramientas, haga clic en la herramienta Medir . O en el menú Herramientas, elija Medir... 48 Medir entre la cara y el vértice. Haga clic en la herramienta Medir y seleccione la cara y el vértice que se muestran. La Distancia normal es 5mm. Se visualiza información de las selecciones combinadas. Sugerencia La Barra de estado situada en la parte inferior de la ventana de SolidWorks muestra información similar cuando la herramienta Medir está desactivada. Si se seleccionara una arista circular, la barra de estado mostraría el Radio y Centro. Cómo utilizar La pieza Ratchet requiere dos taladros pasantes de diferentes las operaciones diámetros. Crearemos un taladro, copiándolo y pegándolo para Copiar y Pegar realizar el segundo. Cómo croquizar el Los taladros circulares son muy fáciles de crear. Todo lo que taladro necesita es un círculo de croquis relacionado con el modelo y acotado. El Asistente para taladro también podría utilizarse para crear este taladro. 49 Abrir un croquis. Haga clic en la cara inferior interior del “número ocho” y abra un nuevo croquis. 50 Crear un taladro circular. Croquice un círculo centrado en la marca superior central y agregue una cota. Establezca el diámetro en 9 mm y cree un corte Por todo. Denomine la operación Wheel Hole. Cómo utilizar las operaciones Copiar y Pegar 127
  • 141.
    Lección 4 Manual de formación SolidWorks 2006 Cómo modelar una pieza de fundición o forja Operaciones Las operaciones croquizadas sencillas y algunas operaciones Copiar y Pegar aplicadas pueden copiarse y luego pegarse en una cara plana. Las operaciones de múltiples croquis tales como barridos y recubrimientos no se pueden copiar. Igualmente, ciertas operaciones aplicadas como ángulo de salida no se pueden copiar, aunque los redondeos y los chaflanes sí pueden copiarse. Una vez pegada, la copia no tiene vinculaciones ni asociación con el original. Tanto la operación como su croquis pueden cambiarse de manera independiente. Cómo copiar una Copie operaciones seleccionándolas y utilizando el acceso directo operación estándar de Windows Ctrl+C o seleccionando la herramienta Copiar en la barra de herramientas Estándar. También puede seleccionar Copiar en el menú Editar. Finalmente, puede emplear la técnica estándar de Windows “arrastrar y colocar” mientras mantiene presionada la tecla Ctrl. 51 Identificar la operación a copiar. La operación que se copiará debe identificarse en el gestor de diseño del FeatureManager o en el modelo. Para este ejemplo, seleccione la operación Wheel Hole seleccionándola en el gestor de diseño del FeatureManager. A continuación, cópiela en el portapapeles utilizando la opción Copiar de la barra de herramientas Estándar. Nota También puede utilizar Ctrl+C o Editar, Copiar para crear una copia en el portapapeles. 52 Seleccionar la cara en la cual pegar. La operación copiada debe copiarse en una cara plana. Seleccione la cara inferior interior, la misma utilizada para el plano de croquis de Wheel Hole. 53 Pegar la operación. Pegue la copia utilizando la herramienta Pegar , la tecla de acceso directo Ctrl+V o Editar, Pegar. 54 Confirmación de copia. La operación Wheel Hole era Concéntrica con respecto al extremo más pequeño de la cara del “número ocho”. La copia lleva esa relación Concéntrica consigo, sólo que el sistema ahora tiene un pequeño problema. No sabe con respecto a qué arista la misma debe ser concéntrica. Por lo tanto, tenemos tres opciones: Eliminar la relación. Mantenerla aunque no se resuelva (colgante). Cancelar la operación de copia en su totalidad. 55 Hacer clic en Eliminar. 128 Cómo utilizar las operaciones Copiar y Pegar
  • 142.
    Manual de formaciónSolidWorks 2006 Lección 4 Cómo modelar una pieza de fundición o forja Relaciones Las cotas y las relaciones se consideran colgantes si hacen colgantes referencia a algo que ha sido eliminado o no está resuelto. Las relaciones colgantes generalmente pueden repararse mediante una o más técnicas. Analizaremos la reparación de las relaciones colgantes más adelante en el curso en la Lección 7: Cómo editar: Reparaciones. 56 Operación pegada. La operación y su croquis se agregan al gestor de diseño del FeatureManager y al modelo. Observe que la operación no está centrada. Esto se debe a que su croquis está, de hecho, insuficientemente definido. 57 Buscar el croquis. Haga clic en el signo que precede a la operación pegada en el gestor de diseño del FeatureManager. Cómo editar un Una vez creados, los croquis pueden cambiarse utilizando Editar croquis. croquis. Esto abre el croquis seleccionado de modo que usted pueda cambiar cualquier cosa: los valores de cota, las cotas propiamente dichas, la geometría o las relaciones geométricas. Introducción: Editar croquis le permite acceder a un croquis y realizar cambios Editar croquis en cualquier aspecto del mismo. Durante la edición, el modelo “retrocede” al estado en el que se encontraba al crearse el croquis. El modelo será reconstruido al salir del croquis. Dónde encontrarlo En el menú Editar, elija Croquis. O haga clic con el botón secundario del ratón en la operación cuyo croquis desee editar y seleccione Editar croquis. Relacionar y Debido a que la copia no tiene relaciones con el origen o la cambiar el croquis geometría del modelo, el croquis está insuficientemente definido y debe llevarse a un estado completamente definido. Utilice relaciones geométricas para hacerlo. 58 Editar el croquis de la operación copiada. La operación copiada incluye tanto la operación como su croquis. El croquis define la forma y el tamaño del perfil así como la ubicación. Haga clic con el botón secundario del ratón en la operación o su croquis y seleccione Editar croquis. Cómo utilizar las operaciones Copiar y Pegar 129
  • 143.
    Lección 4 Manual de formación SolidWorks 2006 Cómo modelar una pieza de fundición o forja 59 Relación y cota. El círculo y la cota de diámetro están en el croquis. No existe ninguna otra relación o cota para localizar el círculo. Elimine la cota. Haga clic en Agregar relación . Seleccione la arista del círculo y la arista del sólido y use Concéntrica. O utilice Coincidente para alinear el punto central del círculo y el origen. El croquis está ahora completamente definido. Agregue una Cota de círculo concéntrico acotando el círculo y la arista. 60 Reconstruir el modelo. Para hacer que los cambios entren en vigor en el croquis, reconstruya el modelo haciendo clic en la herramienta Reconstruir . Cambie el nombre de la operación por Ratchet Hole (Taladro de trinquete). 61 Redondeos. Agregue redondeos en las aristas y caras tal como se muestra a continuación. R = 3mm Nombre = Handle Fillets (Redondeos de asas) R = 1mm Nombre = H End Fillets (Redondeos de extremos de asas). R = 2mm Nombre T-H Fillets (Redondeos de asas de transición). 130 Cómo utilizar las operaciones Copiar y Pegar
  • 144.
    Manual de formaciónSolidWorks 2006 Lección 4 Cómo modelar una pieza de fundición o forja Cómo editar El último redondeo que se creará se encuentra alrededor de las operaciones aristas superior e inferior de Head (Cabeza). Como este redondeo tiene el mismo radio que el redondeo en los extremos de Handle (Asa), editaremos este redondeo existente para incluir las aristas en Head. Ésta es una mejor técnica que crear un nuevo redondeo e intentar descubrir cómo mantener sus radios iguales. Para hacerlo, editaremos la definición de H End Fillets (Redondeos de extremos de asas). Introducción: Editar operación cambia la manera de aplicar una operación al Editar operación modelo. Cada operación tiene información específica que puede cambiarse o completarse, según el tipo de operación del que se trate. Como regla general, el cuadro de diálogo que se utiliza para crear una operación también se utiliza para editar dicha operación. Dónde encontrarlo Haga clic con el botón secundario del ratón en la operación que desea editar, ya sea en el gestor de diseño del FeatureManager o en la ventana de gráficos, y seleccione Editar operación. Cómo editar el Edite la operación H End Fillets para incluir aristas adicionales. redondeo 62 Seleccionar y editar el redondeo. Haga clic con el botón secundario del ratón en la operación H End Fillets y seleccione Editar operación. Seleccione las aristas adicionales alrededor de las aristas superior e inferior de Head (Cabeza). La lista de selección debería indicar ahora un total de 6 aristas seleccionadas. 63 Guardar y cerrar la pieza. Cómo editar operaciones 131
  • 145.
    Lección 4 Manual de formación SolidWorks 2006 Cómo modelar una pieza de fundición o forja 132 Cómo editar operaciones
  • 146.
    Manual de formaciónSolidWorks 2006 Ejercicio 10: Este laboratorio refuerza las Soporte base siguientes funciones: Cómo croquizar líneas. Cómo agregar relaciones geométricas. Cómo croquizar en planos estándar. Cómo croquizar en caras planas. Cómo crear redondeos. Cómo crear cortes, taladros y salientes. Intención del Algunos aspectos de la intención del diseño para esta pieza son: diseño 1. El espesor de las Operación operaciones Upper Upper (Superior) (Superior) y Lower (Inferior) es igual. 2. Los taladros en la operación Lower son de Operación Lower (Inferior) igual diámetro y permanecerán sin cambios. 3. Las operaciones Upper (Superior) y Lower (Inferior) están en el mismo nivel en el lado posterior y derecho. Procedimiento Abra una pieza nueva utilizando la plantilla Part_MM. 1 Crear la operación Lower (Inferior). Utilice líneas para croquizar este perfil. Agregue cotas para definir completamente el croquis. Ejercicio 10 133
  • 147.
    Manual de formaciónSolidWorks 2006 2 Seleccionar una cara como plano de croquis. Seleccione la cara posterior que se encuentra oculta por la cara superior del modelo como plano de croquis. Utilice Seleccionar otra o gire la vista para seleccionarla. 3 Crear la operación Saliente Upper (Superior). Croquice las líneas y relaciónelas con las aristas existentes en donde sean coincidentes. 4 Extruir. Extruya en la primera operación una profundidad de 20 mm. 134 Ejercicio 10
  • 148.
    Manual de formaciónSolidWorks 2006 5 Crear redondeos y redondos. Agregue los redondeos en la menor cantidad de pasos posible. Cambie el nombre de las operaciones según el tamaño del redondeo. 6 Taladros. 18 mm Agregue los taladros utilizando la menor cantidad de operaciones posible. 20 mm Asegúrese de que queden concéntricos a los radios de redondeo. Para el Asistente para taladro, utilice los tamaños del perforador Métrico - ANSI. 7 Guardar y cerrar la pieza. Ejercicio 10 135
  • 149.
    Manual de formaciónSolidWorks 2006 Ejercicio 11: Realice cambios en la Cambios en el pieza creada en la asa del lección anterior. trinquete Este ejercicio utiliza las siguientes funciones: Edición de croquis. Edición de operaciones. Intención del Algunos aspectos de la intención del diseño para esta pieza son: diseño 1. La pieza debe permanecer simétrica en torno al plano de referencia Right (Derecho). 2. La operación Transition (Transición) requiere que las caras planas sean conducidas por la distancia entre ellas. Procedimiento Abra una pieza existente. 1 Abrir la pieza Ratchet Handle Transition Changes (Cambios (Transición) en el asa del trinquete). El cambio se efectuará en la forma de la operación Transition. 2 Editar el croquis. Haga clic con el botón secundario del ratón en la operación Transition en la pantalla y elija Editar croquis. Modifique el croquis para agregar las caras planas horizontales con una separación uniforme de 8 mm. Salga del croquis. 136 Ejercicio 11
  • 150.
    Manual de formaciónSolidWorks 2006 3 Editar operación. Edite la operación H End Fillets (Redondeos de extremos de asas) para incluir más aristas. Seleccione las cuatro aristas nuevas creadas por las caras planas. Haga clic en Aceptar. 4 Redondeos resultantes. Las nuevas aristas pasan a formar parte de la operación Redondeo, originando la actualización de la forma de la siguiente operación Redondeo. 5 Guardar y cerrar la pieza. Ejercicio 11 137
  • 151.
    Manual de formaciónSolidWorks 2006 Ejercicio 12: Este laboratorio refuerza las Soporte de siguientes funciones: herramienta Croquizado. Cómo agregar relaciones geométricas. Cómo recortar. Redondeos. Cómo crear cortes, taladros y salientes. Intención del Algunos aspectos de la intención del diseño para esta pieza son: diseño 1. Todos los redondeos y redondos son de 0.0625”, a menos que se indique lo contrario. 2. Las aristas circulares del mismo diámetro/radio deben permanecer igual. Vistas acotadas Utilice los siguientes gráficos con la intención del diseño para crear la pieza. 138 Ejercicio 12
  • 152.
    Manual de formaciónSolidWorks 2006 Ejercicio 13: Cree esta pieza utilizando las cotas Brazo comple- suministradas. Utilice relaciones y ecuaciones mentario donde corresponda para mantener la intención del diseño. Considere cuidadosamente la mejor ubicación para el origen. Esta pieza puede construirse utilizando sólo los planos de referencia Planta, Alzado y Vista lateral. Este laboratorio utiliza las siguientes funciones: Croquizar con simetría. Extrusiones Plano medio y Por todo Redondeos. Unidades: pulgadas o mm Intención del La intención del diseño de esta pieza se diseño muestra a continuación: 1. La pieza es simétrica. 2. Los taladros frontales están en la línea constructiva. 3. Todos los redondeos y redondos (resaltados en rojo) son R 0.125” o R 3mm a no ser que se indique lo contrario. 4. Los taladros centrales en los planos Alzado y Vista lateral comparten un punto central común. Ejercicio 13 139
  • 153.
    Manual de formaciónSolidWorks 2006 Vistas acotadas Utilice los siguientes gráficos con la intención del diseño para crear la pieza en pulgadas o mm. Los valores métricos se han modificado y han pasado a ser valores numéricos. Cotas en pulgadas: Cotas en mm: 140 Ejercicio 13
  • 154.
    Manual de formaciónSolidWorks 2006 Ejercicio 14: Este laboratorio refuerza las siguientes Polea funciones: Creación de ángulo de salida durante la extrusión. Extrusiones de Plano medio. Redondeos. Intención del Algunos aspectos de la intención del diseño para esta pieza son: diseño 1. Todos los redondeos son de 1 mm a menos que se indique lo contrario. 2. El ángulo de salida es de 6° tanto en el sólido como en el soporte para colgar. Procedimiento Abra la pieza existente denominada Pulley (Polea). 1 Extrusión con ángulo de salida. Extruya el croquis Base (rojo) de 10 mm utilizando la condición final Plano medio y 6° de ángulo de salida. 2 Soporte para colgar. Utilice el croquis Soporte para colgar (azul) y otra extrusión de Plano medio de 4 mm con el mismo ángulo de salida. Ejercicio 14 141
  • 155.
    Manual de formaciónSolidWorks 2006 3 Corte y taladro. Cree un corte utilizando el croquis Center Cut (Corte central) (verde). El corte es Por todo en ambas direcciones. Agregue un taladro de 5 mm de diámetro. Agregue el redondeo (1 mm) a las aristas inferiores después del corte. Cree un tercer corte Por todo de 3 mm, centrado por encima del origen. 4 Redondeos. Agregue redondeos de 0.5 mm y 1 mm según se indica. Observe que estos redondeos dependen del orden; los redondeos de 1 mm 0.5 mm deben preceder a los de 0.5 mm. 5 Guardar y cerrar la pieza. 1 mm 142 Ejercicio 14
  • 156.
    Manual de formaciónSolidWorks 2006 Lección 5 Matrices Al finalizar esta lección, podrá: Utilizar diferentes tipos de matrices. Utilizar matrices de geometría correctamente. Utilizar la opción Variar croquis. 143
  • 157.
    Lección 5 Manual de formación SolidWorks 2006 Matrices 144
  • 158.
    Manual de formaciónSolidWorks 2006 Lección 5 Matrices ¿Por qué Las matrices son el mejor método para crear múltiples instancias de emplear una o más operaciones. El uso de matrices resulta más conveniente matrices? que otros métodos, por varias razones. Reutilización de geometría La operación a repetir u original se crea sólo una vez. Las Instancias de la operación a repetir se crean y se sitúan, con referencias a la operación a repetir. Cambios Debido a la relación a repetir/instancia, las modificaciones en la operación a repetir se pasan automáticamente a las instancias. Utilización de las matrices de componentes de ensamblajes Las matrices creadas en el nivel de pieza son reutilizables en el nivel del ensamblaje como Matrices conducidas por operaciones. La matriz se puede utilizar para ubicar subensamblajes o piezas del componente. Smart Fasteners Una de las últimas ventajas de Smart Fasteners es la incorporación auto- mática de cierres al ensamblaje. Los mismos son específicos de los tala- dros. Comparación de Hay muchos tipos de matrices disponibles en SolidWorks y esta matrices tabla pretende resaltar los usos más habituales de cada tipo. A repetir La opción A repetir es la geometría a partir de la cual se desea crear la matriz. Puede tratarse de una o varias operaciones, sólidos o caras. Instancia de matriz La Instancia de matriz (o simplemente Instancia) es la “copia” de la operación a repetir creada por la matriz. De hecho, es mucho más que una copia, ya que proviene de la operación a repetir y de los cambios de esta operación. Tipo de matriz: Uso habitual: Clave: A repetir = Instancia de matriz = Matriz unidireccional con Lineal . . . . . . . . separación igual. ¿Por qué emplear matrices? 145
  • 159.
    Lección 5 Manual de formación SolidWorks 2006 Matrices Matriz bidireccional con Lineal . . . . . . . . separación igual. Matriz bidireccional; sólo Lineal . . . . . . . . matriz de operación a repetir. Matriz unidireccional o Lineal . . . . . . . . bidireccional. Instancias seleccionadas eliminadas. Matriz circular con Circular . . . . . . . separación igual alrededor de un centro. Matriz circular con Circular . . . . . . . separación constante alrededor de un centro. Instancias seleccionadas eliminadas o ángulo inferior a 360°. Orientación simétrica con Simetría . . . . . . respecto a un plano seleccionado. Puede utilizar las operaciones seleccionadas o todo el sólido. 146 ¿Por qué emplear matrices?
  • 160.
    Manual de formaciónSolidWorks 2006 Lección 5 Matrices Conducida Disposición basada en una tabla de ubicaciones XY de por tabla . . . . . . un sistema de coordenadas. Conducida Disposición basada en la posición de puntos en un por croquis. . . . croquis. Conducida Disposición basada en la geometría de una curva. por curva . . . . . Conducida Disposición de una ruta parcial o completamente por curva . . . . . circular. Conducida Disposición basada en la geometría de una curva por curva . . . . . proyectada. Disposición de instancias Rellenar . . . . . . para crear matrices basadas en una cara. Disposición de formas para Rellenar . . . . . . crear matrices basadas en una cara. ¿Por qué emplear matrices? 147
  • 161.
    Lección 5 Manual de formación SolidWorks 2006 Matrices Opciones de Las operaciones de matriz comparten varias opciones. Son matriz exclusivas de este tipo de operación y se tratarán con detalle más adelante, en esta misma lección. Opera- Selec- Propagar Sólo Saltar Matriz de Variar Usar ción de cionar propieda- matriz de instan- geometría croquis formas matriz opera- des visua- operación cias ciones, les a repetir sólidos o caras Lineal Circular Simetría Condu- cida por tabla Condu- cida por croquis Condu- cida por curva Sólo Rellenar opera- ciones y caras 148 ¿Por qué emplear matrices?
  • 162.
    Manual de formaciónSolidWorks 2006 Lección 5 Matrices Gestor de diseño El gestor de diseño del del FeatureManager FeatureManager desplegable le permite desplegable ver el gestor de diseño del FeatureManager y el PropertyManager al mismo tiempo. Esto le permite seleccionar operaciones desde el FeatureManager que, de otro modo, quedaría oculto por el PropertyManager. También es transparente, superponiendo las piezas gráficas. El gestor de diseño del FeatureManager desplegable se activa automáticamente con el PropertyManager. Podría aparecer colapsado y se puede expandir haciendo clic en el signo más “+”. Nota Las opciones Matriz lineal de croquis y Matriz circular de croquis se pueden utilizar sin un croquis para crear copias de geometría de croquis. Estas opciones no crean operaciones de matriz. Matriz lineal La Matriz lineal crea copias, o instancias, en una matriz lineal controlada por una dirección, una distancia y el número de copias. Las instancias dependen de los originales. Los cambios realizados en los originales pasan a las operaciones con instancias. Introducción: La matriz lineal crea instancias múltiples en matrices Matriz lineal unidireccionales o bidireccionales. El eje puede ser una arista, un eje, un eje temporal o una cota lineal. Dónde encontrarlo En la barra de herramientas Operaciones, haga clic en la herramienta Matriz lineal . En el menú Insertar, elija: Matriz/Simetría, Matriz lineal... 1 Abrir la pieza denominada Grate. La pieza contiene la operación a repetir que se utilizará en la matriz. Matriz lineal 149
  • 163.
    Lección 5 Manual de formación SolidWorks 2006 Matrices 2 Dirección 1. Haga clic en Insertar, Matriz/ Simetría, Matriz lineal. Seleccione la arista lineal de la pieza y haga clic en Invertir dirección , si fuera necesario, para establecer la dirección mostrada. Seleccione las tres operaciones que se muestran en Operaciones para la matriz. Establezca la Separación en 2” y las Instancias en 5. Nota La etiqueta de la matriz está asociada a la geometría utilizada para definir el eje o la dirección de la matriz. Contiene la configuración clave para la Separación y las Instancias y es editable. Haga doble clic en la configuración para modificar y volver a escribir el valor. Haga clic con el botón secundario del ratón en la etiqueta para acceder a otros comandos de la matriz, como Invertir dirección y Matriz de geometría. 3 Dirección 2. Expanda el cuadro de grupo Dirección 2 y seleccione otra arista lineal. Cómo eliminar Las instancias generadas por la matriz se pueden eliminar si se instancias selecciona un marcador en el centro de gravedad de la instancia que se muestra en la vista preliminar de la matriz. Cada instancia se enumera en formato de matriz (2,3) para su identificación. 150 Matriz lineal
  • 164.
    Manual de formaciónSolidWorks 2006 Lección 5 Matrices No se puede eliminar la operación a repetir. 4 Instancias a saltar. Expanda el cuadro de grupo Instancias a saltar y seleccione los seis marcadores de instancia central. La información sobre herramientas muestra una ubicación de matriz que se agrega a la lista al seleccionarse. 5 Matriz completa. Haga clic en Aceptar para agregar la operación de matriz LPattern1 (MatrizL1). Matrices de La opción Matriz de geometría se utiliza para minimizar el tiempo geometría de reconstrucción mediante el uso de geometría A repetir en todas las Instancias de la matriz. Sólo se debería emplear cuando la geometría de la operación a repetir y las instancias tienen una forma idéntica o similar. Sin matriz de geometría Si la opción Matriz de geometría está desactivada, la condición final de la operación a repetir se utiliza en las instancias. En este ejemplo, la condición final Equidistante de la superficie de la operación a repetir azul se aplica a las instancias naranjas, obligándolas a utilizar la misma condición final. Matriz lineal 151
  • 165.
    Lección 5 Manual de formación SolidWorks 2006 Matrices Con matriz de geometría Si la opción Matriz de geometría está activada, se utiliza la geometría de la operación a repetir. La geometría se copia a lo largo de la matriz, ignorando la condición final. 6 Matriz de geometría. Haga clic con el botón secundario del ratón en la operación Matriz lineal y elija Editar operación. Seleccione la opción Matriz de geometría. Debido al espesor constante de la chapa, la geometría resultante tendrá la misma apariencia. Matrices La Matriz circular crea copias o instancias en una matriz circular circulares controlada por un centro de rotación, un ángulo y el número de copias. Las instancias dependen de los originales. Los cambios realizados en los originales pasan a las operaciones con instancias. Introducción: Matriz circular crea múltiples instancias de una o más operaciones Matriz circular colocadas alrededor de un eje. El eje puede ser una arista, un eje, un eje temporal o una cota angular. Dónde encontrarlo En la barra de herramientas Operaciones, haga clic en la herramienta Matriz circular . En el menú Insertar, elija: Matriz/Simetría, Matriz circular... Consideraciones Los Ejes son tipos de Geometría de referencia que se pueden acerca de los ejes emplear con muchas operaciones de matriz para definir los ejes direccionales o rotativos. Hay dos tipos: Ejes temporales y Ejes. Ejes temporales Cada operación cilíndrica y cónica tiene un eje asociado. Vea los ejes temporales de la pieza utilizando Ver, Ejes temporales. Un eje se visualiza a través de cada cara circular en el modelo. Ejes Los ejes son operaciones que se deben crear utilizando uno de los diferentes métodos. Las ventajas de crear un eje radican en que se puede cambiar el nombre del mismo, seleccionarlo por su nombre en el FeatureManager y otorgarle un tamaño. Los Ejes temporales se pueden hacer permanentes y recibir nombres exclusivos mediante la opción Una línea/Arista/Eje. Consulte el manual Modelado de piezas avanzado para obtener más información sobre la creación de ejes. 152 Matrices circulares
  • 166.
    Manual de formaciónSolidWorks 2006 Lección 5 Matrices 1 Abrir la pieza denominada Circular_Pattern. 2 Ejes temporales. Haga clic en Ver, Ejes temporales para ver los ejes generados automáticamente para las operaciones circulares. Seleccione uno de los ejes temporales. 3 Configuración. Haga clic en Insertar, Matriz/ Simetría, Matriz circular... Seleccione las tres operaciones que se muestran en Operaciones para la matriz. Cambie el Ángulo a 360° y 4 instancias. Haga clic en Separación igual y en Matriz de geometría. Nota La opción Invertir dirección es significativa sólo si se utiliza un ángulo distinto de 360°. Simetrías de La Simetría de matriz crea una copia, o instancia, a través de un matriz plano o cara plana. La instancia depende del original. Los cambios realizados en el original pasan a las operaciones con instancias. Simetrías de matriz 153
  • 167.
    Lección 5 Manual de formación SolidWorks 2006 Matrices Introducción: La opción Simetría de matriz crea una instancia de una o más Simetría de matriz operaciones o un sólido a través de un plano. El plano puede ser un plano de referencia o una cara plana. Dónde encontrarlo En la barra de herramientas Operaciones, haga clic en la herramienta Simetría de matriz . En el menú Insertar, elija: Matriz/Simetría, Simetría... Nota Para crear toda la simetría de una pieza con respecto a una cara común, seleccione la cara común como Simetría de cara/plano y el sólido como Sólidos para hacer simetría. La cara común debe ser plana. 1 Abrir la pieza denominada Mirror_Pattern. 2 Simetría. Haga clic en Insertar, Matriz/Simetría, Simetría y en Vista lateral. Seleccione la operación de biblioteca en Operaciones para hacer simetría. Haga clic en Aceptar. Recuerde que la Matriz de geometría también se puede usar con esta operación. Cómo utilizar la La opción Sólo matriz de operación a repetir se utiliza cuando se opción Sólo crea una matriz bidireccional. La segunda dirección está matriz de predeterminada para crear matrices de toda la geometría creada por operación a la primera dirección, a menos que se utilice Sólo matriz de operación a repetir para crear únicamente la matriz de la repetir geometría original o a repetir. Se usa frecuentemente para evitar resultados superpuestos cuando las dos direcciones emplean el mismo vector. 1 Abrir la pieza denominada Seed_Pattern. 154 Cómo utilizar la opción Sólo matriz de
  • 168.
    Manual de formaciónSolidWorks 2006 Lección 5 Matrices 2 Dirección 1. Haga clic en Inser- tar, Matriz/Sime- tría, Matriz lineal.... Selec- cione la arista lineal como la Dirección de matriz, 30 mm como la Separa- ción y 2 como el Número de instan- cias. En el caso de Operaciones para la matriz, seleccione la operación de biblioteca. 3 Dirección 2. Para la Dirección 2, seleccione la arista lineal en el lado opuesto de la dirección, invirtiendo la flecha. Establezca las instancias en 2 y la separación en 50 mm. Nota Como se ve en la vista preliminar, se crea la matriz de la operación original (a repetir) en ambas direcciones. 4 Sólo matriz de operación a repetir. Haga clic en Sólo matriz de operación a repetir para eliminar la instancia extra. Establezca la Separación de dirección 2 en 30 mm. Cómo utilizar la opción Sólo matriz de operación a repetir 155
  • 169.
    Lección 5 Manual de formación SolidWorks 2006 Matrices Matrices La Matriz conducida por curva crea copias, o instancias, en una conducidas por matriz lineal controlada por una curva. Las instancias dependen de curva los originales. Los cambios realizados en los originales pasan a las operaciones con instancias. La curva puede ser un croquis completo, una arista o una sencilla entidad de croquis. Este ejemplo utilizará un croquis que contiene varias aristas del modelo convertidas. Sugerencia Se puede utilizar una curva 3D para conducir la matriz. Es necesaria una selección de caras adicional para la Cara normal. 1 Abrir la pieza denominada Curve_Pattern. Introducción: Convertir entidades le permite copiar aristas del modelo en su Convertir entidades croquis activo. Estos elementos de croquis se definen completamente de forma automática y se restringen con una relación En arista. Dónde encontrarlo En el menú Herramientas, haga clic en Herramientas de croquizar, Convertir entidades. O, en la barra de herramientas Croquis, haga clic en Convertir entidades . 2 Seleccionar tangencia. Seleccione la cara superior y cree un nuevo croquis. Haga clic con el botón secundario del ratón en la arista externa y seleccione Seleccionar tangencia. Haga clic en Convertir entidades para copiar las aristas al croquis. Cierre el croquis. 156 Matrices conducidas por curva
  • 170.
    Manual de formaciónSolidWorks 2006 Lección 5 Matrices 3 Matriz conducida por curva. Haga clic en Insertar, Matriz/Simetría, Matriz conducida por curva... Seleccione el croquis con las aristas convertidas como la Dirección de matriz y la operación de biblioteca como una de las Operaciones para la matriz. Haga clic en Separación igual y establezca el número de instancias en 5. Las opciones Transformar curva y Alinear con curva a repetir se utilizan como valores predeterminados. 4 Curva de equidistancia. Haga clic en Método de curva, Curva de equidistancia para ubicar las instancias mediante el uso de la misma equidistancia que la operación a repetir. Matrices conducidas por curva 157
  • 171.
    Lección 5 Manual de formación SolidWorks 2006 Matrices 5 Alinear con curva a repetir. Alinear con curva a repetir (ilustración del extremo izquierdo) traslada la geometría por la dirección de curva sin girar las instancias. Tangente a la curva (ilustración del extremo derecho) gira la geometría con cambios en la dirección de la curva. 6 Matriz completa. Haga clic en Tangente a la curva y en Aceptar. Recuerde que la última instancia se extiende sobre la arista del sólido. Matrices La opción Matrices conducidas por croquis y por tabla crea conducidas por copias, o instancias, en una disposición lineal controlada por puntos croquis y por de croquis o una tabla de valores XY (Tabla de taladros). Las tabla instancias dependen de los originales. Los cambios realizados en los originales pasan a las operaciones con instancias. Introducción: La opción Matriz conducida por croquis crea múltiples instancias Matriz conducida basadas en puntos en un croquis seleccionado. El croquis debe por croquis existir antes de que se cree la matriz. 158 Matrices conducidas por croquis y por tabla
  • 172.
    Manual de formaciónSolidWorks 2006 Lección 5 Matrices Dónde encontrarlo En la barra de herramientas Operaciones, haga clic en la herramienta Matriz conducida por croquis . En el menú Insertar, elija: Matriz/Simetría, Matriz conducida por croquis... Sugerencia La matriz conducida por croquis sólo utiliza geometría de puntos. Se puede utilizar otra geometría, como las líneas de construcción, pero la matriz no las tendrá en cuenta. 1 Abrir Table&Sketch_Driven. 2 Croquis. Abra un nuevo croquis en la cara y cree una línea de construcción que comience en el centro de la operación D25. Agregue puntos al croquis y hágalos coincidir con la línea. Acote y defina completamente el croquis. Cierre el croquis. 3 Matriz conducida por croquis. Haga clic en Matriz/Simetría, Matriz conducida por croquis... y seleccione el nuevo croquis y la opción Centro de gravedad. En Operaciones para la matriz, seleccione la operación D25. Sugerencia La opción Centro de gravedad ubica las instancias basadas en el centro de gravedad de la operación a repetir. Si la geometría de la operación a repetir es asimétrica o está formada por múltiples operaciones, utilice la opción Punto seleccionado y seleccione una posición para utilizarla cuando esté ubicando las instancias. Matrices conducidas por croquis y por tabla 159
  • 173.
    Lección 5 Manual de formación SolidWorks 2006 Matrices Introducción: La opción Matriz conducida por tabla crea instancias múltiples Matriz conducida basadas en una tabla de valores XY. Las ubicaciones XY están por tabla basadas en una operación seleccionada del Sistema de coordenadas. El sistema de coordenadas debe existir antes de que se cree la matriz. Dónde encontrarlo En la barra de herramientas Operaciones, haga clic en la herramienta Matriz conducida por tabla . En el menú Insertar, elija: Matriz/Simetría, Matriz conducida por tabla... Sugerencia La tabla utilizada en la matriz puede: haberse escrito dentro de las celdas del cuadro o haberse tomado de una tabla existente. El tipo de archivo de la tabla puede tener una extensión *.sldtab o *.txt. Introducción: Los Sistemas de coordenadas crean sistemas de coordenadas Sistema de cartesianas que pueden utilizarse para propiedades, medidas o coordenadas salida de exportación. Dónde encontrarlo En el menú Insertar, elija Geometría de referencia, Sistema de coordenadas... O haga clic en Sistema de coordenadas en la barra de herramientas Geometría de referencia. 4 Sistema de coordenadas. Haga clic en Insertar, Geometría de referencia, Sistema de coordenadas y seleccione la arista horizontal de la pieza como eje X. Seleccione la arista vertical como eje Y y utilice los botones de inversión, si fuese necesario, para invertir las direcciones del eje. Haga clic en Aceptar y cambie el nombre de la operación por XY. 160 Matrices conducidas por croquis y por tabla
  • 174.
    Manual de formaciónSolidWorks 2006 Lección 5 Matrices 5 Matriz conducida por tabla. Haga clic en Insertar, Matriz/Simetría, Matriz conducida por tabla... y seleccione el sistema de coordenadas XY y la operación D35. Escriba los valores de X e Y en los Puntos 1, 2, 3 y 4 (0 es la operación a repetir). Cómo utilizar La opción Variar croquis es un caso especial de la Matriz lineal Variar croquis que permite a las instancias cambiar de tamaño basándose en condiciones geométricas. Requiere que la cota lineal que conduce la forma esté seleccionada como dirección de la matriz. 1 Abrir la pieza denominada Vary_Sketch. Edite el croquis de la operación Cortar. Haga doble clic y modifique la cota 2”, advirtiendo que la misma conduce el tamaño de la geometría. Restablezca el valor de la cota. Cómo utilizar Variar croquis 161
  • 175.
    Lección 5 Manual de formación SolidWorks 2006 Matrices 2 Matriz lineal. Cree una matriz lineal de la operación Cortar. Seleccione la cota 2” para Dirección 1. La flecha de dirección no debe señalar el centro. Especifique 0.75” como Separación y 7 como Número de instancias. La vista preliminar muestra que la matriz está creada a lo largo de la dirección de medida de la cota. El tamaño del corte no cambia. 3 Seleccionar la opción Variar croquis. La opción Variar croquis modifica la forma a lo largo del vector de dirección. Nota El croquis se ha mostrado en pantalla para obtener mayor claridad. 162 Cómo utilizar Variar croquis
  • 176.
    Manual de formaciónSolidWorks 2006 Lección 5 Matrices Crear una Las operaciones de matriz existentes se pueden emplear en nuevas matriz de una matrices. Las instancias originales y las instancias de todas las matriz matrices se utilizan cuando se selecciona la operación de matriz. 4 Matriz circular. Haga doble clic en la operación Cortar para exponer sus cotas. Inserte una Matriz circular. Seleccione la cota de 30° como Eje de matriz. 5 Operación de matriz. Seleccione la operación Matriz lineal como una de las Operaciones para la matriz. Establezca las Instancias en 6 con Separación igual. Cómo crear Las piezas que se han importado a través de IGES, STEP u otro matrices de método suelen aparecer como una operación Imported caras (Importada) individual. Las mismas no tienen los elementos individuales de la geometría SolidWorks nativa. Mediante la selección de Caras para crear matriz, las caras se pueden seleccionar y utilizar como si fuesen operaciones individuales. Las caras seleccionadas, junto con otras piezas de geometría, deben formar un límite cerrado. El resultado puede agregar o eliminar material. Sugerencia Se pueden crear matrices de los sólidos con el cuadro de diálogo Sólidos para crear matriz. Crear una matriz de una matriz 163
  • 177.
    Lección 5 Manual de formación SolidWorks 2006 Matrices 1 Abrir la pieza existente Using Faces in Patterns. La pieza contiene geometría importada. 2 Matriz circular. Haga clic en Ver, Ejes temporales y seleccione el eje central como Eje de matriz. Cierre la opción Operaciones para la matriz y abra Caras para crear matriz. Establezca la matriz en Separación igual con 4 instancias. 3 Selecciones. Seleccione todas las caras del objeto, incluidas las caras ocultas. 4 Vista preliminar. La vista preliminar muestra 4 instancias. Haga clic en Aceptar para agregar la operación de matriz. Sugerencia La selección de cara se puede emplear con cualquier tipo de matriz. Las instancias se pueden saltar. 5 Matriz de “taladros”. Cree una segunda matriz utilizando la cara del "taladro" cilíndrico de 8 instancias. Una sección muestra cómo las matrices han cambiado la geometría. 164 Cómo crear matrices de caras
  • 178.
    Manual de formaciónSolidWorks 2006 Lección 5 Matrices Patrones de El Patrón de rayado utiliza las operaciones existentes o formas rayado estándar para rellenar una cara límite. La configuración se utiliza para determinar el diseño de matriz, el ángulo, la distancia y las distancias de los márgenes. Selecciones Las selecciones topológicas incluyen Operación para crear matriz topológicas las caras para rellenar, la dirección y las operaciones para crear matriz. Cara(s) para rellenar La cara o caras (coplanares) a cuyo contorno se adaptará la matriz y además rellenará. No se crearán matrices de los bucles de la cara. Cara para Dirección de matriz rellenar Dirección de Una arista del modelo, eje o línea de matriz croquis que define la dirección de la matriz. Operaciones para crear matriz La operación u operaciones seleccionadas para crear matriz. Nota Se pueden crear matrices de las formas predefinidas (círculos, cuadrados, diamantes o polígonos) en lugar de la geometría existente. Patrones de rayado 165
  • 179.
    Lección 5 Manual de formación SolidWorks 2006 Matrices Diseño de matriz La opción Diseño de matriz se utiliza para seleccionar y ordenar el estilo de matriz. Con cada diseño la configuración numérica de separación y distancia adopta significados diferentes. Perforación Circular Cuadrado Polígono Configuración La configuración numérica numérica determina las separaciones, los escalones y las distancias de arista mínimas que utiliza la matriz mientras se rellena. Esta configuración numérica es para la matriz Perforación que se utiliza en el siguiente ejemplo. Ángulo de incidencia El ángulo entre la Dirección de matriz seleccionada y las filas de instancias. Separación La distancia mínima entre filas de instancias similares. Margen La distancia mínima entre la arista de la cara y una instancia. 166 Patrones de rayado
  • 180.
    Manual de formaciónSolidWorks 2006 Lección 5 Matrices 1 Abrir la pieza existente Perforation Area Pattern. 2 Cara y dirección. Haga clic en Patrón de rayado y seleccione la cara superior del modelo. Haga clic en la arista que se muestra como la dirección (Dirección 1). Además, seleccione el botón Diseño de la matriz de perforación. 3 Configuración. Seleccione 1/8 (0.125) Diameter Hole1 como la operación para crear matriz. Establezca la Separación, los Márgenes y el Ángulo de incidencia con los valores que se indican. Nota El Patrón de rayado incluye la opción Instancias a saltar como las demás matrices. Se puede utilizar para eliminar las instancias no deseadas. 4 Cambios. Elimine la matriz. Agregue una Matriz lineal para copiar el corte rectangular como se indica. Vuelva a crear la matriz con las mismas selecciones. La matriz se crea alrededor del taladro nuevo de la cara. Patrones de rayado 167
  • 181.
    Lección 5 Manual de formación SolidWorks 2006 Matrices Sugerencia En vez de eliminar la operación, se podría utilizar la operación Retroceder para insertar la matriz lineal antes de la matriz. La opción Retroceder se describe en Cómo editar: Reparaciones, Retroceder a operación en la página 241. 168 Patrones de rayado
  • 182.
    Manual de formaciónSolidWorks 2006 Ejercicio 15: Cree matrices de operaciones en Matrices esta pieza mediante una matriz lineales lineal. Este laboratorio utiliza las siguientes funciones: Matrices lineales. Eliminación de instancias de matrices. Procedimiento Abra una pieza existente. Nota Esta pieza se ha copiado para su uso en matrices conducidas por croquis, conducidas por tabla y lineales. 1 Abrir la pieza Matriz lineal. La pieza incluye la operación “a repetir” utilizada en las matrices. 2 Matriz lineal. Cree una matriz mediante la operación a repetir. Utilice las siguientes cotas. 3 Guardar y cerrar la pieza. Ejercicio 15 169
  • 183.
    Manual de formaciónSolidWorks 2006 Ejercicio 16: Cree matrices de operaciones en Matrices esta pieza mediante una Matriz conducidas por conducida por tabla. croquis o por Este laboratorio utiliza las tabla siguientes funciones: Sistemas de coordenadas. Matrices conducidas por tabla. Matrices conducidas por croquis. Archivos de tabla. Procedimiento Abra una pieza existente. 1 Abrir la pieza Table Driven Pattern. La pieza incluye la operación “a repetir” utilizada en las matrices. 2 Matriz conducida por croquis o por tabla. Utilice las siguientes cotas para definir el croquis utilizado con la matriz conducida por croquis. -o- Cree un sistema de coordenadas en el centro de la operación pattern hole y utilice los archivos pattern file.sldptab o pattern file.txt para definir la matriz conducida por tabla. Cree una matriz mediante la operación a repetir. 3 Guardar y cerrar la pieza. 170 Ejercicio 16
  • 184.
    Manual de formaciónSolidWorks 2006 Ejercicio 17: Complete esta pieza utilizando la Cómo saltar información y las cotas instancias proporcionadas. Este laboratorio refuerza las siguientes funciones: Creación de una matriz lineal. Omisión de instancias. Creación de la matriz de una matriz. Edición de una operación. Procedimiento Cree una nueva pieza con unidades en Pulgadas. 1 Operación Base. Cree un bloque de 3” x 12” x 0.75”. Sería útil tener un plano de referencia centrado con respecto a la dirección larga. 2 A repetir. Cree la operación a repetir mediante el Asistente para taladro y un perforador de pulgadas ANSI. 3 Matriz. Cree la matriz del taladro, saltando las instancias según se indica en el siguiente diagrama. 4 Crear la matriz de una matriz. Cree la matriz de una matriz para crear una disposición simétrica de taladros. 5 Cambiar. Cambie el taladro a un diámetro de 5/16” y reconstruya. 6 Guardar y cerrar la pieza. Ejercicio 17 171
  • 185.
    Manual de formaciónSolidWorks 2006 Ejercicio 18: Complete esta pieza utilizando la información y Simetrías de las cotas proporcionadas. matriz y lineales Este laboratorio refuerza las siguientes funciones: Creación de una matriz lineal. Creación de una simetría de matriz mediante operaciones. Cómo crear una simetría de matriz mediante un sólido. Procedimiento Abra la pieza existente Linear & Mirror (Lineal y Simetría). 1 Matriz lineal. Mediante la utilización de la operación existente, cree una Matriz lineal que resulte en tres ranuras que estén separadas a una distancia de 0.20”. 2 Simetría de operaciones. Mediante la utilización de una sola operación de matriz, cree el saliente duplicado y corte según se indica. 3 Simetría. Utilice una tercera operación de matriz para crear el modelo completo a partir de la mitad del modelo. 4 Guardar y cerrar la pieza. 172 Ejercicio 18
  • 186.
    Manual de formaciónSolidWorks 2006 Ejercicio 19: Cree matrices de Matrices operaciones en esta pieza conducidas por mediante una Matriz curva conducida por curva. Este laboratorio utiliza las siguientes funciones: Curva de equidistancia. Cómo utilizar el asistente para taladro. Matrices conducidas por curva. Procedimiento Abra una pieza existente. 1 Abrir la pieza Curve Driven Pattern. 2 Croquis. Abra un croquis en la cara frontal de la leva y cree una equidistancia de 5.5 mm del perfil exterior. Cambie el nombre del croquis por Curve Sketch (Croquis de curva). Ejercicio 19 173
  • 187.
    Manual de formaciónSolidWorks 2006 3 Asistente para taladro Agregue un avellanado con las siguientes opciones: Métrico-Ansi Tornillo de cabeza plana M3.5 Por todo Agregue dos relaciones geométricas de la siguiente manera: Horizontal con respecto al origen. Coincidente con la operación Curve Sketch (Croquis de curva). 4 Matriz conducida por curva. Haga la matriz de la operación con el Número de instancias en 20 y Separación igual. 5 Guardar y cerrar la pieza. 174 Ejercicio 19
  • 188.
    Manual de formaciónSolidWorks 2006 Ejercicio 20: Edite una matriz en esta pieza para Cómo utilizar utilizar Variar croquis. Variar croquis Este laboratorio utiliza las siguientes funciones: Editar operación. Utilización de la opción Variar croquis. Procedimiento Abra una pieza existente. 1 Abrir la pieza Vary Sketch Lab. La pieza incluye la operación “a repetir” utilizada en las matrices. 2 Editar matriz. Edite la operación de matriz y haga cambios para utilizar la opción Variar croquis según se indica. 3 Cambios. Cambie la separación a 0.375” y el número de instancias a 7. 4 Guardar y cerrar la pieza. Ejercicio 20 175
  • 189.
    Manual de formaciónSolidWorks 2006 176 Ejercicio 20
  • 190.
    Manual de formaciónSolidWorks 2006 Lección 6 Operaciones de revolución Al finalizar esta lección, podrá: Crear operaciones de revolución. Aplicar técnicas de acotación especiales a croquis para operaciones de revolución. Utilizar la técnica de sólidos multicuerpo. Crear una operación Barrer. Crear matrices circulares de operaciones. Calcular las propiedades físicas de una pieza. Realizar un análisis de esfuerzo preliminar y rudimentario. 177
  • 191.
    Lección 6 Manual de formación SolidWorks 2006 Operaciones de revolución 178
  • 192.
    Manual de formaciónSolidWorks 2006 Lección 6 Operaciones de revolución Estudio de casos: Volante de maniobra Etapas del Algunas etapas importantes del proceso de modelado de esta pieza proceso se muestran en la siguiente lista: Intención del diseño Se describe y se explica la intención del diseño de la pieza. Operaciones de revolución El centro de la pieza es la operación Hub (Parte central), una forma de revolución. Se creará a partir de un croquis con una línea de construcción como el eje de revolución. Sólidos multicuerpo Cree dos sólidos individuales, Hub (Parte central) y Rim (Reborde), conectándolos y fusionándolos mediante un tercer sólido, Spoke (Radio). Operaciones Barrer La operación Radio se crea mediante una operación Barrer, una combinación de dos croquis que definen un perfil de barrido que se mueve a lo largo de una ruta de barrido. Matrices circulares En lugar de modelar el mismo radio varias veces, crearemos una matriz de Spokes (Radios) dispuestos a la misma distancia alrededor de la línea constructiva de la operación Hub. Análisis Con las herramientas incluidas en el software de SolidWorks, puede llevar a cabo funciones de análisis básicas como cálculos de propiedades físicas y análisis de esfuerzo preliminares. Según los resultados, puede realizar cambios en el diseño de la pieza. Estudio de casos: Volante de maniobra 179
  • 193.
    Lección 6 Manual de formación SolidWorks 2006 Operaciones de revolución Intención del La intención del diseño de esta pieza se muestra a continuación: diseño Parte Diámetro central del volante de maniobra Reborde Radio Los radios deben estar a la misma distancia. El centro del reborde del volante de maniobra se encuentra en el extremo del radio. Los radios pasan a través del centro de la parte central. Operaciones de La operación Hub (Parte central) es una operación de revolución. revolución Es la primera operación creada por geometría de revolución alrededor de un eje. Las operaciones de revolución requieren geometría simétrica de eje y una línea constructiva (usada como el eje) en el croquis. Esta operación de revolución se utilizará como el centro del volante de maniobra. Si se dan las circunstancias adecuadas, también se puede utilizar una línea croquizada como línea constructiva. Procedimiento Para comenzar este estudio de caso: 1 Abrir una pieza nueva utilizando la plantilla Part_MM. Geometría de La geometría para la operación de revolución se crea utilizando las croquis de la mismas herramientas y los mismos métodos que las operaciones operación de extruidas. En este caso, las líneas se utilizarán para formar la forma revolución (un cilindro con una arista con chaflán). La línea constructiva se utiliza como el eje de revolución y para localizar geometría. 180 Intención del diseño
  • 194.
    Manual de formaciónSolidWorks 2006 Lección 6 Operaciones de revolución 2 Rectángulo. Haga clic con el botón secundario del ratón en la Vista lateral y seleccione Insertar croquis. Cree un rectángulo desde el origen de aproximadamente 50 mm de alto por 30 mm de ancho. 3 Convertir en construcción. Seleccione la línea vertical que se muestra y haga clic en Geometría constructiva en la barra de herramientas Croquis. La línea se convierte en una línea de construcción. Introducción: La opción Arco 3 puntos le permite crear un arco basándose en Arco 3 puntos tres puntos, los dos puntos finales seguido por un punto en la curva. Dónde encontrarlo En el menú Herramientas, elija Entidades de croquis, Arco 3 puntos. O, en la barra de herramientas Croquis, haga clic en Arco 3 puntos . 4 Insertar arco 3 puntos. Comience el arco colocando el cursor en la línea vertical izquierda y arrastrando hacia abajo a lo largo de dicha arista. Suelte el botón del ratón y luego seleccione y arrastre el punto sobre la curva, fuera del croquis. 5 Cómo recortar. Utilice la opción Recortar con el Recorte inteligente y recorte la parte de la línea que queda dentro del arco. Operaciones de revolución 181
  • 195.
    Lección 6 Manual de formación SolidWorks 2006 Operaciones de revolución Reglas que rigen Además de las reglas generales que rigen los croquis los croquis de incluidos en la Lección 2: Introducción al croquizado, operaciones se aplican algunas reglas especiales a croquis de de revolución operaciones de revolución: Se debe especificar una línea constructiva o línea croquizada como eje de revolución. El croquis no debe cruzar el eje. No válido El eje de revolución de la revolución se debe seleccionar antes de crear la operación de revolución. Recuerde que en este ejemplo, la línea croquizada vertical derecha se podría emplear como eje de revolución. Cómo acotar el La geometría de revolución se acota como cualquier otra con una croquis opción adicional. Las cotas que miden diámetros en la operación terminada pueden cambiar de cotas lineales a cotas de diámetro. 6 Cota de arco. Acote el arco seleccionando en la circunferencia del arco y la línea vertical sobre la que éste se asienta. El resultado es una cota entre la línea y la tangente del arco. 7 Cota finalizada. Cambie el Valor a 4 mm. 8 Cotas verticales. Mediante la utilización de la herramienta Cota vertical , cree las cotas lineales verticales que se muestran a la derecha. También puede utilizar el icono Cota inteligente. 182 Operaciones de revolución
  • 196.
    Manual de formaciónSolidWorks 2006 Lección 6 Operaciones de revolución Cotas de diámetro Algunas cotas deben ser cotas de diámetro en la operación de revolución finalizada. Para estas cotas, siempre seleccione la línea constructiva (eje de revolución) como una de las elecciones. Elija entonces una cota de radio o de diámetro, según dónde coloque el texto de cota. Si no escoge la línea constructiva, no podrá cambiar la cota a un diámetro. Nota Esta opción sólo está disponible si se usa una línea constructiva como eje de revolución. El uso de las cotas de diámetro no se restringe a los croquis de operaciones de revolución. 9 Acotar a la línea constructiva. Acote entre la línea constructiva y la arista vertical exterior para crear una cota lineal horizontal. No haga clic para colocar el texto de cota todavía. Observe la vista preliminar. Si coloca el texto ahora, obtendrá una cota de radio. 10 Mover el cursor. Mueva el cursor a la derecha de la línea constructiva. La vista preliminar cambia a una cota de diámetro. 11 Cota resultante. Haga clic para colocar el texto de cota. Cambie el valor por 25 mm y presione Intro. Normalmente, una cota de diámetro debe tener un símbolo de diámetro que la precede: . Cuando la operación de revolución se crea a partir del croquis, el sistema agregará automáticamente el símbolo de diámetro a la cota 25 mm. Operaciones de revolución 183
  • 197.
    Lección 6 Manual de formación SolidWorks 2006 Operaciones de revolución Nota Si coloca el texto de cota en el lugar incorrecto involuntariamente y obtiene una cota de radio en vez de un diámetro, puede solucionarlo. Haga clic con el botón secundario del ratón en la cota y seleccione Propiedades... Haga clic en la casilla de verificación Cota de diámetro para transformar la cota en una cota de diámetro. Cómo crear la Una vez que el croquis se completa, puede transformarse en una operación de operación de revolución. El proceso es simple y una revolución revolución completa (360°) es casi automática. Introducción: La opción Revolución le permite crear una operación a partir de un Operación de croquis simétrico al eje y un eje. Esta operación puede ser una revolución operación Base, Saliente o Corte. El eje puede ser una línea constructiva, una línea, una arista lineal, un eje o un eje temporal. Si sólo hay presente una selección de eje, se utilizará automáticamente. Si hay más de una selección presente, deberá seleccionarla. Dónde encontrarlo En el menú Insertar, elija Saliente/Base o Corte, Revolución.... O bien utilice la barra de herramientas Operación: . 12 Realizar la operación. Haga clic en Saliente/Base, Revolución... en el menú Insertar. Aparecerá un mensaje en el que se indica que el croquis es un contorno abierto y se le pregunta si desea cerrar el contorno automáticamente. Haga clic en Sí. El PropertyManager aparece con estas condiciones finales predeterminadas: Una dirección Ángulo de 360° Acepte estos valores predeterminados haciendo clic en Aceptar. 184 Operaciones de revolución
  • 198.
    Manual de formaciónSolidWorks 2006 Lección 6 Operaciones de revolución 13 Operación finalizada. La operación de revolución sólida se crea como la primera operación de la pieza. Cambie su nombre a Hub (Parte central). 14 Editar el croquis. Haga clic con el botón secundario del ratón en Hub y seleccione Editar croquis. Nota También puede hacer clic con el botón secundario del ratón en la operación en el gestor de diseño del FeatureManager y obtener el mismo resultado. 15 Normal a. Haga clic en Normal a en la barra de herramientas Vistas estándar para cambiar la vista a fin de poder ver su tamaño y forma reales. 16 Configuración de redondeo. Seleccione la herramienta y establezca el valor en 5 mm. Asegúrese de que la opción Mantener esquinas restringidas se encuentre seleccionada. 17 Selecciones. Seleccione aquí Seleccione ambos puntos finales del arco, según se indica. Cuando ambos estén seleccionados, aparecerá el redondeo. La cota conduce a ambos pero sólo aparece una vez, en la primera selección. Operaciones de revolución 185
  • 199.
    Lección 6 Manual de formación SolidWorks 2006 Operaciones de revolución Puesto que los puntos finales redondeados tienen cotas, se agregan símbolos de Intersección virtual en el lugar donde estaban las esquinas. Estos símbolos representan las esquinas que faltan y pueden acotarse o utilizarse dentro de las relaciones. Nota Observe la cota de 25 mm. Como se mencionó en el paso 11 en la página 183, un símbolo de diámetro ahora precede la cota. Cierre el PropertyManager. 18 Reconstruir el modelo. Para que los cambios se apliquen, haga clic en la herramienta Reconstruir . Cómo construir La operación Rim el reborde (Reborde) de Hand- wheel (Volante de maniobra) es otra opera- ción de revolución. Tam- bién tiene una revolución de 360°. El perfil de Rim es una forma oval com- puesta por dos arcos de 180° y dos líneas. El Rim se creará como un sólido individual, no fusionado con la operación Hub. 19 Croquis. Cree un croquis nuevo en el plano de referencia Vista lateral. Oriente el modelo en la misma dirección. 20 Línea constructiva horizontal. Croquice una línea constructiva horizontal corta en algún lugar fuera del modelo. 186 Cómo construir el reborde
  • 200.
    Manual de formaciónSolidWorks 2006 Lección 6 Operaciones de revolución 21 Equidistancia con tapas en extremos. La herramienta Equidistanciar entidades tiene una opción Tapas en extremos que crea Arcos para cerrar los extremos de una equidistancia Bidireccional. Seleccione la línea constructiva y la equidistancia mediante las opciones que se muestran. 22 Agregar cotas. Acote el croquis según se indica en la ilustración de la derecha. Introducción: Punto La entidad de croquis Punto se puede utilizar para ubicar una posición en un croquis, mientras que no es posible utilizar otros elementos geométricos (por ejemplo los puntos finales) para tal fin. Dónde encontrarlo Haga clic en Punto en la barra de herramientas Croquis. O en el menú Herramientas, haga clic en Entidad de croquis, Punto. 23 Agregar un punto. Haga clic en Punto y agregue un punto en el punto medio de la línea constructiva. 24 Eje de rotación. Agregue una línea constructiva con la herramienta Línea constructiva ,y seleccione Vertical e Longitud infinita. Coloque la línea en el origen. Éste será el eje de la revolución de la operación de revolución. Cómo construir el reborde 187
  • 201.
    Lección 6 Manual de formación SolidWorks 2006 Operaciones de revolución 25 Agregar cotas. Agregue cotas desde la línea constructiva al punto y desde el centro del arco a la arista de Hub. El croquis está ahora completamente definido. 26 Ambigüedad potencial. Este croquis contiene dos líneas constructivas. El sistema no sabrá qué línea constructiva debe ser el eje de revolución. La línea constructiva que se usará se puede seleccionar antes o después de seleccionar la herramienta Revolución. 27 Operación completa. Seleccione la línea constructiva vertical infinita. En el menú Insertar, escoja Saliente/Base, Revolución... Utilice un ángulo de 360°. Cambie el nombre de la operación a Rim (Reborde). Sólidos Los sólidos multicuerpo se producen multicuerpo cuando hay más de un sólido en una pieza. En los casos en que haya elementos individuales separados por cierta distancia, puede ser el método más eficaz para diseñar una pieza. La carpeta Solid Bodies (Sólidos) contiene los sólidos y también una lista en la que aparecen los sólidos almacenados actualmente en la carpeta (2). Los cuerpos pueden fusionarse o combinarse más tarde para crear un sólido único. Para obtener más información sobre las piezas multicuerpo, consulte el manual de formación Modelado de piezas avanzado. 188 Cómo construir el reborde
  • 202.
    Manual de formaciónSolidWorks 2006 Lección 6 Operaciones de revolución Cómo construir La operación Spoke (Radio) se crea utilizando una operación el radio Barrer. El barrido crea un perfil de contorno cerrado a lo largo de una ruta de contorno abierto. La Ruta se croquiza mediante líneas y arcos tangentes. A continuación se croquiza el perfil mediante un círculo. La operación unirá el espacio entre las operaciones Hub y Rim existentes y los combinará en un sólido único. La operación Spoke es importante porque servirá como matriz para crear un número indeterminado de radios colocados a la misma distancia. 28 Configuración. Configuración para croquizar: Cree un croquis nuevo utilizando el plano de referencia Vista lateral. Muestre los croquis de Hub y Rim. Modifique la vista a Líneas ocultas visibles. 29 Croquizar línea. Croquice una Línea horizontal que vaya desde la línea constructiva dentro de los límites de Hub. 30 Arco tangente. Cree un Arco tangente desde el punto final de la línea en la dirección que se muestra. Los valores reales no son importantes cuando croquiza. Los mismos serán definidos por las cotas posteriormente. 31 Cómo conectar el arco tangente. Con el Arco tangente aún seleccionado, continúe croquizando mediante la utilización del punto final del arco anterior como punto de inicio. Croquice este arco tangente al primero, finalizando en una posición de tangencia horizontal. Sugerencia Cuando la línea de inferencia vertical coincide con el centro del arco, la tangente del arco es horizontal. Cómo construir el radio 189
  • 203.
    Lección 6 Manual de formación SolidWorks 2006 Operaciones de revolución 32 Línea horizontal. Croquice una Línea final. Es horizontal y su longitud se determinará por la acotación. 33 Relaciones. Arrastre y coloque el punto final izquierdo de la línea en el punto del croquis de Rim. Se agrega una relación Coincidente. Agregue otra relación entre la línea situada en el extremo opuesto y el punto central del arco. 34 Volver a una visualización sombreada. Cómo completar La geometría croquizada actuará como “línea constructiva” del los croquis de croquis de perfil. perfil y la ruta 35 Agregar cotas. Agregue una relación Igual a los arcos. Las cotas se agregan para definir la forma. La selección de puntos finales y puntos centrales permite más opciones que la creación de las cotas. 36 Salir del croquis. Haga clic con el botón secundario del ratón en el croquis y seleccione Salir del croquis para cerrar el croquis sin utilizarlo en una operación. 37 Perfil. Croquice un círculo en el plano Alzado y acote el diámetro. 190 Cómo construir el radio
  • 204.
    Manual de formaciónSolidWorks 2006 Lección 6 Operaciones de revolución 38 Arrastrar relación. Arrastre el punto central del círculo y colóquelo en el punto final de la línea en el croquis anterior. Se agregará una relación coincidente entre ellos. Salga del croquis. Introducción: Insertar, Saliente, Barrer crea una operación a partir de dos Insertar, Saliente, croquis: una sección de barrido y una ruta de barrido. La sección se Barrer mueve a lo largo de la ruta y crea la operación. Dónde encontrarlo Haga clic en Saliente/Base barrido en la barra de herramientas Operaciones. O, haga clic en Insertar, Base/Saliente, Barrer. Nota El comando Barrer se describe en detalle en el curso Modelado de piezas avanzado. 39 Barrido. Haga clic en el icono Barrer y seleccione el croquis de contorno cerrado como el Perfil y el croquis de contorno abierto como la Ruta. 40 Resultados. Asigne a la operación nueva el nombre Spoke (Radio). La carpeta Solid Bodies(1) [Sólidos (1)] refleja la fusión de sólidos en uno. 41 Ejes temporales. Visualice los ejes temporales mediante Ver, Ejes temporales. Cómo construir el radio 191
  • 205.
    Lección 6 Manual de formación SolidWorks 2006 Operaciones de revolución 42 Crear la matriz de la pieza Spoke. Haga clic en Matriz circular . Seleccione el eje temporal como centro de rotación de la matriz. Haga clic en la lista Operaciones para la matriz para activarla. Seleccione la pieza Spoke. Fije el Número de instancias en 3 con Separación igual. Girar vista La herramienta Girar vista le permite girar la vista del modelo libremente. Para restringir dicho movimiento, puede elegir un eje, una línea o arista, un vértice o un plano. Haga clic en la herramienta Girar vista y en el eje central. Se puede obtener el mismo resultado mediante la rotación del botón central del ratón. Seleccione el eje temporal y arrastre utilizando el botón central del ratón. Nota Si desactivó los ejes temporales después de realizar la matriz circular, tendrá que volverlos a activar o mostrar el croquis de Rim para tener un eje o una línea (línea constructiva) alrededor de la cual girar. 43 Girar. Gire sobre el eje arrastrando el ratón. Cambie los ejes simplemente haciendo clic en otro eje u otra opción aceptable. Desactive los ejes temporales. 44 Agregar redondeos. Para completar el modelo, se agregan redondeos de 3 mm a las caras resaltadas del modelo. Si se selecciona una cara se seleccionan todas las aristas de dicha cara. Las selecciones de caras hacen que el modelo esté mejor preparado para soportar los cambios de cotas. Chaflanes Los chaflanes crean un bisel en la arista de un modelo. En muchas formas, los chaflanes son similares a los redondeos porque se seleccionan aristas y/o caras de la misma manera. Introducción: Chaflán crea una operación de bisel en una o más aristas o uno o Chaflán más vértices. La forma puede definirse por dos distancias o una distancia y un ángulo. 192 Cómo construir el radio
  • 206.
    Manual de formaciónSolidWorks 2006 Lección 6 Operaciones de revolución Nota Croquizar chaflanes puede agregarse al croquis en lugar de agregarse a las caras y aristas del modelo sólido. Dónde encontrarlo En el menú Insertar, escoja Operaciones, Chaflán... O, en la barra de herramientas Operaciones, seleccione la herramienta Chaflán . 45 Chaflán. Agregue una operación Chaflán mediante la arista superior de la operación Hub. Establezca las distancias con los valores que se muestran a la derecha. Editar material El cuadro de diálogo Editar material se utiliza para agregar y editar el material asociado con una pieza. El material se utiliza para cálculos que se basan en propiedades de material, incluidas las Propiedades físicas y COSMOSXpress. El material puede variar según la configuración. Para obtener más información sobre las configuraciones, consulte Lección 9: Configuraciones de las piezas. Dónde encontrarlo Haga clic en Editar material en la barra de herramientas Estándar. Gráficos RealView Si tiene un acelerador gráfico NVIDIA, quizás pueda utilizar la opción Gráficos RealView. Proporciona shaders de material de alta calidad, en tiempo real, cuando están disponibles. Sugerencia Las plantillas de pieza (*.prtdot) pueden incluir material predefinido. Dónde encontrarlo Haga clic en RealView en la barra de herramientas Ver. Nota Si Gráficos RealView no está disponible, el icono aparecerá atenuado. 46 Abrir HW_Analysis. Cierre la pieza actual y abra la pieza HW_Analysis. Esta pieza tiene operaciones adicionales necesarias para su utilización en la sección de análisis de esta lección. Editar material 193
  • 207.
    Lección 6 Manual de formación SolidWorks 2006 Operaciones de revolución 47 Materiales. Haga clic en el icono Editar material y, en el cuadro de grupo Materiales, seleccione Cobre y sus aleaciones, Bronce de aluminio. 48 Propiedades físicas. Las Propiedades físicas son las que asigna el material elegido. 49 Propiedades visuales. Las Propiedades visuales son las que asigna el material elegido. Incluyen Color de material, Textura y Rayado de material asociado. Si los gráficos RealView no están disponibles, la opción, en Gráficos avanzados, aparece atenuada y la opción Estándar aparece seleccionada. Un cambio en el material cambia el color de la pieza, a menos que la opción Utilizar color de material esté desactivada. El nombre del material también se actualiza en el FeatureManager. 194 Editar material
  • 208.
    Manual de formaciónSolidWorks 2006 Lección 6 Operaciones de revolución Propiedades Uno de los beneficios de trabajar con un modelo sólido es la físicas facilidad con la que puede realizar cálculos de ingeniería como el cálculo de masa, centro de masa y momentos de inercia. El software de SolidWorks hace todo esto por usted con un simple clic del ratón. Nota Las Propiedades de sección también pueden generarse a partir de una cara plana o un croquis de un modelo. El croquis puede ser activo o seleccionado. Introducción: Propiedades físicas se utiliza para generar las propiedades físicas Propiedades físicas de todo el sólido. Las propiedades incluyen masa, volumen y una visualización temporal de los principales ejes. Dónde encontrarlo En la barra Herramientas, haga clic en la herramienta Propiedades físicas . En el menú Herramientas, elija Propiedades físicas... 50 Propiedades físicas. Seleccione la opción Propiedades físicas... en el menú Herramientas. Se utiliza la Densidad establecida en Editar materiales. Los resultados de los cálculos se visualizan en el cuadro de diálogo. Nota En el caso de aquellas piezas que no posean una descripción física precisa, puede utilizar Asignar propiedades físicas. Los parámetros de esta opción incluyen Masa y la ubicación del Centro de gravedad (XYZ). Propiedades físicas 195
  • 209.
    Lección 6 Manual de formación SolidWorks 2006 Operaciones de revolución 51 Cambiar la configuración. Para cambiar la configuración, haga clic en el botón Opciones... y configure las Propiedades de material. Esto sólo cambiaría las propiedades físicas en este cálculo, no las propiedades de material reales establecidas en el Editor de material. Haga clic en Cancelar. 52 Editor de material. Para cambiar las Propiedades de material, utilice Editar material. Consulte Editar material en la página 193. Propiedades Los componentes de las Propiedades físicas de una pieza pueden físicas como acompañar a la pieza como una Propiedad personalizada. Esta propiedades información puede extraerse mediante un informe de Lista de personalizadas materiales. 53 Propiedades de archivo. Haga clic en Archivo, Propiedades y en la pestaña Personalizar. Escriba el Nombre mass (masa). El Tipo Text (Texto) aparece automáticamente. Asigne el componente de propiedad física seleccionando Mass en la lista desplegable Valor / Expresión de texto. Se crea una propiedad especial de SolidWorks y un Valor evaluado. Nota También puede utilizarse la pestaña Específica a la configuración. Esto permitiría que la propiedad variara por configuración. Las configuraciones se analizarán en la Lección 9: Configuraciones de las piezas. 196 Propiedades físicas
  • 210.
    Manual de formaciónSolidWorks 2006 Lección 6 Operaciones de revolución COSMOSXpress COSMOSXpress es una herramienta de análisis de esfuerzo preliminar para usuarios de SolidWorks. Le ayuda a juzgar si su pieza soportará la carga que recibirá en condiciones reales. COSMOSXpress es una derivación del producto COSMOSWorks. Vista general COSMOSXpress utiliza un Restricción asistente para proporcionar un método paso a paso fácil de utilizar para realizar aná- lisis de diseño. El asistente requiere diversos tipos de información para analizar la pieza: materiales, restric- ciones y cargas. Esta infor- mación representa la pieza durante su utilización. Por ejemplo, considere lo que Carga aplicada externamente sucede cuando usted gira el volante de maniobra. La parte central está unida a algo que resiste el giro. Esto se representa mediante una restricción - la parte central está restringida, por lo cual no se mueve. Se aplica una fuerza al taladro en el reborde mientras usted intenta girar el volante de maniobra. Ésta es una carga. ¿Qué sucede con los radios? ¿Se doblan? ¿Se romperán? Esto depende de la fuerza del material con el que está hecho el volante de maniobra, el tamaño físico y la forma de los radios, además del tamaño de la carga. Malla Para analizar el modelo, COSMOSXpress realiza una malla del modelo, dividiéndolo en partes más pequeñas y más fáciles de analizar. Estas partes se denominan elementos. Si bien usted nunca ve los elementos, puede configurar la rugosidad de la malla antes del análisis. Resultados El análisis produce resultados en las formas de Factor de seguridad, Distribución de esfuerzo y Forma deformada. Cómo utilizar el El asistente de análisis de diseño lo lleva por los pasos del análisis, asistente desde Opciones a Resultados. Los pasos son: Opciones Configure el tipo de unidades que se utilizan habitualmente para materiales, cargas y resultados. Material Elija un material para la pieza desde la biblioteca estándar o ingrese uno propio. Restricción Seleccione caras de la pieza que permanezcan en su lugar (fijas) durante el análisis. Las mismas a veces se denominan restricciones. COSMOSXpress 197
  • 211.
    Lección 6 Manual de formación SolidWorks 2006 Operaciones de revolución Carga Agregue cargas externas como fuerza y presiones para inducir el esfuerzo y deformar la pieza. Analizar Ejecute el análisis, configurando opcionalmente la rugosidad de la malla utilizada. Resultados Vea los resultados del análisis: Factor de seguridad (FOS, Factor of Safety), esfuerzo y deformaciones. En algunas ocasiones, esto se denomina posprocesamiento. Dónde encontrarlo En el menú Herramientas, seleccione COSMOSXpress... 1 Iniciar COSMOSXpress. Haga clic en Herramientas, COSMOSXpress... Aparece el asistente de análisis. Fase 1: Opciones El cuadro de diálogo Opciones contiene valores para el Sistema de unidades y la Ubicación de resultados. 2 Hacer clic en Opciones... Establezca las unidades en Inglés (IPS) y compruebe Visualizar anotaciones para el máximo y el mínimo en el trazado de esfuerzos. Haga clic en Siguiente. Fase 2: Material El asistente avanza automáticamente a la siguiente fase cuando usted completa la anterior. A medida que completa cada fase en el asistente, se agrega una marca de verificación verde a la pestaña. La siguiente fase consiste en seleccionar el Material. Puede elegir en bibliotecas de materiales estándar o agregar su propio material. 198 Cómo utilizar el asistente
  • 212.
    Manual de formaciónSolidWorks 2006 Lección 6 Operaciones de revolución 3 Material actual. El material actual, seleccionado en SolidWorks, debe ser Bronce de aluminio de la lista Cobre y sus aleaciones. Para cambiar el material, selecciónelo en la lista. Es la misma lista que aparece cuando se utiliza Editar material. Haga clic en Siguiente. Fase 3: Las restricciones se utilizan para “fijar” caras del modelo que no Restricción deben moverse durante el análisis. Debe restringir al menos una cara de la pieza para evitar que se produzca un error en el análisis debido al movimiento rígido del sólido. 4 Pantalla de introducción. Haga clic en los hipervínculos azules (como Restricciones) para obtener ayuda en línea. Haga clic en Siguiente. 5 Selección de cara. Seleccione la cara cilíndrica y la cara plana que forman el taladro en forma de D. Haga clic en Mostrar símbolo para visualizar las restricciones. Cómo utilizar el asistente 199
  • 213.
    Lección 6 Manual de formación SolidWorks 2006 Operaciones de revolución Haga clic en Siguiente. 6 Restricción agregada. Puede Agregar, Editar o Eliminar conjuntos de restricciones desde este menú. Si bien COSMOSXpress le permite crear múltiples conjuntos de restricciones, no tiene mucho sentido hacerlo porque los conjuntos se combinan durante el análisis. En el producto COSMOSWorks completo, los conjuntos de restricciones múltiples son más útiles. Le permiten crear diferentes casos de análisis utilizando diferentes conjuntos de restricciones y cargas. Haga clic en Siguiente. Fase 4: Carga La pestaña Carga se utiliza para agregar fuerzas y presiones externas a caras de la pieza. Fuerza implica una fuerza total, por ejemplo 200 libras, aplicadas a una cara en una dirección específica. Presión implica que la fuerza se distribuye en forma uniforme en la cara, por ejemplo, 300 psi, y se aplica en posición normal a la misma. Nota El valor de fuerza especificado se aplica a cada cara. Por ejemplo, si selecciona 3 caras y especifica una fuerza de 50 libras, COSMOSXpress aplica una fuerza total de 150 libras. (50 libras en cada cara). 200 Cómo utilizar el asistente
  • 214.
    Manual de formaciónSolidWorks 2006 Lección 6 Operaciones de revolución 7 Pantalla de introducción. En este ejemplo, utilizaremos una carga de tipo Fuerza. Haga clic en Siguiente. 8 Tipo de carga. Haga clic en Fuerza como el tipo de carga y luego en Siguiente. 9 Seleccionar la cara. Seleccione la cara cilíndrica según se indica y haga clic en Siguiente. 10 Dirección de la fuerza. Haga clic en Normal a un plano de referencia y seleccione el plano Vista lateral. Establezca el valor de la fuerza en 1000 libras. Haga clic en Mostrar símbolo para asegurarse de que la carga se aplique en la dirección deseada. Si no es así, haga clic en Invertir dirección. En este ejemplo, la dirección no tiene importancia. Cómo utilizar el asistente 201
  • 215.
    Lección 6 Manual de formación SolidWorks 2006 Operaciones de revolución Haga clic enSiguiente. 11 Conjunto de cargas completo. El conjunto de cargas completo se incluye como Load1 (Carga1). Como los conjuntos de restricciones, éstos pueden editarse o eliminarse desde este cuadro de diálogo. Haga clic en Siguiente. Fase 5: Analizar COSMOSXpress prepara el modelo para análisis y luego calcula los desplazamientos, las tensiones y los esfuerzos. 12 Pantalla Analizar. Se ha suministrado la información requerida y el analizador está listo. Haga clic en Sí y luego en Siguiente. Nota Haga clic en No si desea configurar el tamaño de los elementos. Si especifica un tamaño de elemento menor, obtendrá resultados más precisos pero se requerirá más tiempo y recursos. 202 Cómo utilizar el asistente
  • 216.
    Manual de formaciónSolidWorks 2006 Lección 6 Operaciones de revolución 13 Iniciar el análisis. Haga clic en Ejecutar para comenzar el análisis. Aparece una ventana de estado. Las etapas del proceso de análisis se visualizan con el tiempo transcurrido. Fase 6: La pestaña Resultados se utiliza para visualizar los resultados de Resultados los análisis. El primer resultado es el Factor de seguridad (Factor of Safety, FOS) que compara el resultado de la resistencia del material con los esfuerzos reales. Factor de seguridad COSMOSXpress utiliza el criterio de esfuerzo von Mises máximo para calcular la distribución del factor de seguridad. Este criterio indica que un material dúctil comienza a ceder cuando el esfuerzo equivalente (esfuerzo von Mises) alcanza la resistencia del material. La resistencia del material (SIGYLD) se define como una propiedad del material. COSMOSXpress calcula el factor de seguridad en un punto dividiendo la resistencia del material por el esfuerzo equivalente en dicho punto. En cualquier ubicación, un factor de seguridad que es: Menor que 1, indica que el material que se encuentra en dicha ubicación ha cedido y que el diseño no es seguro. Igual a 1, indica que el material en dicha ubicación acaba de comenzar a ceder. Mayor que 1, indica que el material en dicha ubicación no ha cedido. Cómo utilizar el asistente 203
  • 217.
    Lección 6 Manual de formación SolidWorks 2006 Operaciones de revolución 14 Factor de seguridad. El FOS aparece como menor que 1. Esto indica que hay áreas de la pieza que soportan demasiada tensión y fallarán. Haga clic en Mostrar para visualizar una imagen a color que represente el factor de seguridad. Las áreas rojas indican los lugares donde el factor de seguridad es menor que uno. Haga clic en Siguiente. 15 Tipos de resultado. Hay diversas formas de mirar los resultados: esfuerzo, desplazamiento y deformación. Los siguientes son algunos ejemplos de las diferentes formas de visualizar los resultados. Los gráficos de Distribución de esfuerzo y Forma deformada pueden animarse y guardarse como archivos *.avi. Su instructor demostrará estas animaciones en clase. Nota Las visualizaciones se exageran mediante la escala de deformación. 204 Cómo utilizar el asistente
  • 218.
    Manual de formaciónSolidWorks 2006 Lección 6 Operaciones de revolución Distribución de esfuerzo Distribución de desplazamiento Forma deformada Esto se ve mejor al visualizar la animación. Cómo utilizar el asistente 205
  • 219.
    Lección 6 Manual de formación SolidWorks 2006 Operaciones de revolución Informe HTML eDrawings de resultados del análisis 16 Cerrar y Guardar. Haga clic en el botón Cerrar. Aparecerá un mensaje preguntándole si desea guardar los datos de COSMOSXpress. Haga clic en Sí. Cómo actualizar el COSMOSXpress detecta los cambios realizados en SolidWorks. Se modelo pueden hacer cambios en el modelo, los materiales, las restricciones o las cargas. El análisis existente puede Actualizarse para mostrar los resultados más recientes. 206 Cómo utilizar el asistente
  • 220.
    Manual de formaciónSolidWorks 2006 Lección 6 Operaciones de revolución 17 Editar el croquis de perfil. Amplíe la operación Spoke (Radio) y edite el croquis de perfil. Seleccione el círculo y haga clic en Para construcción. Introducción: Croquizar una elipse es parecido a croquizar un círculo. Coloque el Insertar elipse cursor donde desea que esté el centro y arrastre el ratón para establecer la longitud del eje mayor. A continuación, suelte el botón del ratón. Después, arrastre el esquema de la elipse para establecer la longitud del eje menor. Importante Para definir completamente una elipse debe acotar o restringir las longitudes de los ejes mayor y menor. También debe restringir la orientación de uno de los dos ejes. Para hacerlo, puede utilizar una relación Horizontal entre el centro de la elipse y el extremo del eje mayor. Dónde encontrarlo Haga clic en Herramientas, Entidad de croquis, Elipse. O haga clic en Elipse en la barra Herramientas de croquizar. 18 Elipse. Haga clic en Elipse y coloque el punto central en el punto central del círculo. Apártese del centro y coloque los ejes mayor y menor haciendo clic un par de veces más. 19 Relaciones y cotas. Agregue relaciones para hacer que el eje mayor apunte en dirección horizontal y uno de los ejes menores apunte en dirección coincidente con el círculo. Agregue la cota como se muestra. Cómo utilizar el asistente 207
  • 221.
    Lección 6 Manual de formación SolidWorks 2006 Operaciones de revolución 20 Reconstruir la pieza. El perfil de barrido editado se utiliza con la misma ruta para producir un resultado diferente. 21 Cambiar material. Cambie el material mediante la función Editar material que aparece al hacer clic con el botón secundario del ratón. Seleccione Aleaciones de aluminio, Aleación 2018. Las Propiedades visuales del material también se aplican de forma predeterminada. Si está utilizando Gráficos avanzados y RealView, la pieza será similar a la que se muestra aquí. 22 Errores. Vuelva a iniciar COSMOSXpress y observe los cambios en el asistente. Las pestañas Analizar y Resultados tienen marcadores de error. También pueden realizarse otros cambios en este punto (cargas, restricciones) antes de volver a analizar la pieza. 208 Cómo utilizar el asistente
  • 222.
    Manual de formaciónSolidWorks 2006 Lección 6 Operaciones de revolución 23 Cambiar el valor de la carga. Haga clic en la pestaña Carga y en Editar. Haga clic en Siguiente y cambie el valor de fuerza a 500. 24 Actualizar. Haga clic en Siguiente y, a continuación, en Actualizar. 25 Resultados. El factor de seguridad ha aumentado con el cambio en la geometría. La pieza ya no tiene un exceso de esfuerzo. Cómo utilizar el asistente 209
  • 223.
    Lección 6 Manual de formación SolidWorks 2006 Operaciones de revolución 26 Esfuerzo reducido. Junto con el aumento en el factor de seguridad viene la disminución prevista en el esfuerzo. La deformación también es menor. 210 Cómo utilizar el asistente
  • 224.
    Manual de formaciónSolidWorks 2006 Ejercicio 21: Cree esta pieza utilizando las cotas Brida suministradas. Utilice bien las relaciones para mantener la intención del diseño. Este laboratorio utiliza las siguientes funciones: Operaciones de revolución. Cómo crear matrices circulares. Unidades: pulgadas Intención del La intención del diseño de esta pieza se muestra a continuación. diseño 1. Los taladros en la matriz están a la misma distancia. 2. Los taladros son de igual diámetro. 3. Todos los redondeos son iguales y tienen un radio de 0.25”. Observe que los círculos de construcción pueden crearse utilizando las Propiedades de un círculo. Vistas acotadas Utilice los siguientes gráficos con la descripción de la intención del diseño para crear la pieza. Vista Superior Vista Frontal Ejercicio 21 211
  • 225.
    Manual de formaciónSolidWorks 2006 Ejercicio 22: Cree esta pieza utilizando Rueda las cotas suministradas. Utilice bien las relaciones para mantener la intención del diseño. Este laboratorio utiliza las siguientes funciones: Operaciones de revolución. Opcional: Texto en un croquis. Unidades: milímetros Intención del La intención del diseño de esta pieza se muestra a continuación. diseño 1. La pieza es simétrica con relación al eje de la parte central. 2. La parte central tiene ángulo de salida. Vistas acotadas Utilice los siguientes gráficos con la descripción de la intención del diseño para crear la pieza. Vistas Frontal y Superior y Sección A-A de la vista Frontal. Opcional: Texto en Puede agregarse texto a un croquis y extruirlo para formar un corte un croquis o un saliente. El texto puede colocarse libremente, ubicarse utilizando cotas o relaciones geométricas o realizarse para seguir la geometría de croquis o las aristas del modelo. 212 Ejercicio 22
  • 226.
    Manual de formaciónSolidWorks 2006 Introducción: La herramienta Texto le permite insertar texto en un croquis y Herramienta Texto utilizarlo para crear una operación Extruir saliente o Corte. Puesto que el software de SolidWorks es en realidad una aplicación de Windows, el mismo admite las fuentes instaladas en su sistema. Dónde encontrarlo Haga clic en Herramientas, Entidades de croquis, Texto... O, en la barra de herramientas Croquis, haga clic en Texto . 1 Geometría constructiva. Croquice en la cara frontal y agregue líneas constructivas y arcos según se indica. Sugerencia Utilice relaciones Simétricas entre los puntos finales de los arcos y la línea constructiva vertical. 2 Texto en una curva. Cree dos secciones de texto, cada una asociada a cada arco. Las mismas tienen las siguientes propiedades: Texto: Se diseñó utilizando Fuente: Courier New de 11 puntos Alineación: Centrada Factor de ancho: 100% Separación: 100% Texto: SolidWorks Fuente: Arial Black de 20 puntos. Alineación: Justificación completa Factor de ancho: 100% Separación: no corresponde cuando se utiliza la Justificación completa 3 Extruir. Extruya un saliente con una Profundidad de 1 mm y un Ángulo de salida de 1°. 4 Guardar y cerrar la pieza. Ejercicio 22 213
  • 227.
    Manual de formaciónSolidWorks 2006 Ejercicio 23: Cree esta pieza utilizando las Chapa de cotas suministradas. Utilice compresión bien las relaciones para mantener la intención del diseño. Este laboratorio utiliza las siguientes funciones: Croquizado. Operaciones de revolución. Simetría. Unidades: milímetros Intención del La intención del diseño de esta pieza se muestra a continuación. diseño 1. La pieza es simétrica. 2. Los nervios están a la misma distancia. 3. Todos los redondeos son de 1 mm. Vistas acotadas Utilice los siguientes gráficos con la intención del diseño para crear la pieza. Vista Superior Vista Frontal 214 Ejercicio 23
  • 228.
    Manual de formaciónSolidWorks 2006 Vista Inferior Vista derecha Detalle A Detalle B Ejercicio 23 215
  • 229.
    Manual de formaciónSolidWorks 2006 Ejercicio 24: Cree esta pieza utilizando las Portaherramien- cotas suministradas. Utilice tas bien las relaciones para mantener la intención del diseño. Este laboratorio utiliza las siguientes funciones: Croquizado. Operaciones de revolución. Equidistancias de croquis. Unidades: pulgadas Intención del La intención del diseño de esta pieza se muestra a continuación. diseño 1. La pieza es simétrica. 2. El taladro central recorre toda la pieza. Vistas acotadas Utilice los siguientes gráficos con la intención del diseño para crear la pieza. Vista Superior Vista Frontal Sección A-A de la vista Frontal 216 Ejercicio 24
  • 230.
    Manual de formaciónSolidWorks 2006 Ejercicio 25: Cree estas tres piezas mediante operaciones de barrido. Es necesario Barridos una ruta y una sección. Unidades: milímetros Pasador de La pieza Pasador de chaveta utiliza una ruta que describe la chaveta arista interior del barrido. Clip La pieza Clip se define mediante una ruta que describe la línea constructiva del barrido. Agradecemos a Paul Gimbel, TriMech Solutions, LLC el envío de estos ejemplos. Ejercicio 25 217
  • 231.
    Manual de formaciónSolidWorks 2006 Barrido de inglete El Barrido de inglete se define mediante una ruta que describe la arista exterior del barrido. 218 Ejercicio 25
  • 232.
    Manual de formaciónSolidWorks 2006 Ejercicio 26: Realice un análisis COSMOSXpress de esfuerzo preliminar en una pieza existente. Ese laboratorio utiliza las siguientes funciones de COSMOSXpress: Asignación de propiedades de material. Definición de restricciones. Definición de cargas. Ejecución de un análisis. Visualización de los resultados. Unidades: pulgadas 1 Abrir la pieza Pump Cover (Cubierta de bomba). Esta pieza representa una tapa que se llenará con aceite a alta presión. Inicie el asistente de COSMOSXpress. 2 Establecer las unidades. Haga clic en Opciones..., establezca las unidades en Inglés (IPS) y seleccione Visualizar anotaciones para el máximo y el mínimo en el trazado de esfuerzos. Haga clic en Siguiente. 3 Especificar el material. Seleccione Aleaciones de aluminio y Aleación 2014 en la lista. 4 Definir el conjunto de restricciones. Seleccione las caras superiores de las cuatro pestañas y las caras cilíndricas de los cuatro taladros de pernos. Ejercicio 26 219
  • 233.
    Manual de formaciónSolidWorks 2006 5 Definir el conjunto de cargas. Seleccione Presión para el tipo de carga. Haga clic con el botón secundario del ratón en una de las caras en el interior de la pieza Pump Cover. Seleccione Seleccionar tangencia en el menú contextual. 6 Configurar el valor y la dirección de la presión. Establezca el valor de la presión en 500 psi. Haga clic en Mostrar símbolo y verifique que las flechas apunten en la dirección correcta. 7 Ejecutar el análisis. Utilice la configuración de malla predeterminada. 8 Resultados. El factor de seguridad es menor que 1, lo que indica que la pieza tiene un exceso de esfuerzo. 9 Distribución del esfuerzo y deformación. Visualice la distribución del esfuerzo en el modelo. Reproduzca la animación de la deformación. 10 Cambiar el material. Cambie el material a Hierro dúctil. 11 Actualizar. Haga clic en Actualizar para volver a ejecutar el análisis utilizando el material nuevo. 12 Factor de seguridad. El nuevo factor de seguridad es superior a 1. 13 Cerrar y guardar. Haga clic en Cerrar. Haga clic en Sí para guardar los datos de COSMOSXpress. 14 Guardar y cerrar la pieza. 220 Ejercicio 26
  • 234.
    Manual de formaciónSolidWorks 2006 Lección 7 Cómo editar: Reparaciones Al finalizar esta lección, podrá: Diagnosticar diversos problemas en una pieza y repararlos. Utilizar todas las herramientas disponibles para editar y realizar cambios en una pieza. 221
  • 235.
    Lección 7 Manual de formación SolidWorks 2006 Cómo editar: Reparaciones 222
  • 236.
    Manual de formaciónSolidWorks 2006 Lección 7 Cómo editar: Reparaciones Edición de El software SolidWorks proporciona la capacidad de editar piezas virtualmente cualquier elemento en cualquier momento. Con el fin de enfatizar dicho punto, las herramientas más importantes para la edición de piezas están descriptas y revisadas aquí en una lección. Etapas del Algunas etapas clave del proceso de modificación de esta pieza se proceso muestran en la siguiente lista. Cada uno de estos temas consta de una sección en la lección. Agregar y eliminar relaciones A veces las relaciones en un croquis deben eliminarse o cambiarse debido a cambios en el diseño. ¿Qué errores hay? Cuando se producen errores, la opción ¿Qué errores hay? puede utilizarse para investigar e identificar con precisión el problema. Editar croquis Los cambios en la geometría y las relaciones de cualquier croquis pueden realizarse mediante Editar croquis. Comprobar croquis para operación Comprobar croquis puede comprobar si existen problemas en un croquis, verificando si es adecuado para ser utilizado en una operación. Debe Editar croquis antes de utilizar Comprobar croquis para operación. Editar operación Los cambios en el modo de creación de una operación se realizan mediante Editar operación. El mismo cuadro de diálogo utilizado para crear una operación se utiliza para editarla. Editar plano de croquis ¿Croquizado en el plano Alzado en lugar de en el plano Planta? Utilice Editar plano de croquis para transferir el croquis desde el plano actual a un plano o cara diferente. Cambiar el orden Las operaciones que hayan sido creadas en el orden equivocado pueden reordenarse simplemente arrastrándolas en el gestor de diseño del FeatureManager. Retroceder Retroceder y avanzar hacia adelante se utilizan para visitar etapas previas del modelo. Esto le permite ver el modelo en versiones anteriores y agregar operaciones faltantes. Cambiar valor de cota Éste es probablemente uno de los cambios más típicos. Si la intención del diseño se captó apropiadamente, los cambios en las cotas generan cambios en el tamaño de las operaciones individuales y por último en el modelo entero. Edición de piezas 223
  • 237.
    Lección 7 Manual de formación SolidWorks 2006 Cómo editar: Reparaciones Temas de La edición cubre un amplio rango de temas: desde cómo arreglar edición croquis rotos hasta cómo volver a ordenar elementos en el gestor de diseño del FeatureManager. Estos temas pueden resumirse en: reparación de errores, interrogación de pieza y cambio del diseño de la pieza. Cada uno se describe a continuación. Información Las pruebas no destructivas de un modelo pueden brindar muchos proveniente de un conocimientos importantes en cuanto a cómo se creó el modelo, las modelo relaciones que se establecieron y los cambios que pueden incorporarse. Esta sección se centrará en cómo utilizar herramientas de edición en conjunto con retrocesos para “interrogar” el modelo. Cómo encontrar y Cómo encontrar y reparar problemas en una pieza es una habilidad reparar problemas clave en el modelado sólido. Muchos cambios que se realizan en una pieza dada (Editar operación, Editar croquis y Volver a ordenar, por nombrar algunos) pueden ocasionar el fallo de las operaciones siguientes. En esta sección se analizará la determinación precisa de la zona del problema y el encuentro de la solución. Los problemas pueden ocurrir en croquis o en cualquier otra operación de la pieza. Aunque existen muchos tipos de errores, existen algunos que ocurren más a menudo que otros. Las relaciones y las cotas colgantes son muy comunes, como lo es la geometría extraña en los croquis. Utilizando algunas de las herramientas disponibles en el software SolidWorks, los problemas pueden diagnosticarse y solucionarse con facilidad. Abrir una pieza que tenga errores puede ser confuso. Un error cerca del comienzo del proceso puede a menudo ocasionar que muchas operaciones posteriores fallen con él. Reparar ese error inicial también podría corregir el resto de los errores. Algunas reparaciones serán realizadas en este modelo antes de interrogarlo y cambiarlo. Procedimiento Comenzaremos abriendo una pieza existente. 1 Abrir la pieza denominada Editing CS (Edición CS). Esta pieza fue construida y guardada con numerosos errores. 2 Errores de reconstrucción. Después de abrirla, el sistema muestra un cuadro de mensaje, etiquetado con el nombre de la pieza y la frase ¿Qué errores hay?. Cada error se enumera por nombre de operación en el cuadro de diálogo que se desplaza. Sólo una porción del modelo es visible; los errores han ocasionado que algunas operaciones fallen. 224 Temas de edición
  • 238.
    Manual de formaciónSolidWorks 2006 Lección 7 Cómo editar: Reparaciones Diálogo ¿Qué El diálogo ¿Qué errores hay? muestra todos los errores de la errores hay? pieza. Los errores se dividen en Errores que impiden que se creen operaciones y Advertencias que no lo impiden. Las otras columnas ofrecen ayuda para diagnosticar el problema incluida una vista preliminar en algunos casos. Sugerencia Las columnas del diálogo se pueden ordenar por los encabezados de las columnas. Haga clic en el encabezado Tipo para ordenar por los tipos Error y Advertencia. Sugerencia Haga clic en el interrogante para abrir la ayuda en línea referente a este tipo de error. Nota La visualización de este cuadro de diálogo de error está controlada por la opción Mostrar errores en cada reconstrucción en el menú Herramientas, Opciones, Opciones del sistema, General. Esta opción debe ser activada para que aparezca este mensaje. Hay varios controles: Mediante el cuadro de diálogo Herramientas, Opciones.... Mediante el cuadro de diálogo del mensaje en sí mismo: Visualizar errores en cada reconstrucción Mediante el cuadro de diálogo del mensaje en sí mismo: visualización sólo de errores (Mostrar errores), sólo advertencias (Mostrar advertencias) o ambas Temas de edición 225
  • 239.
    Lección 7 Manual de formación SolidWorks 2006 Cómo editar: Reparaciones 3 Gestor de diseño del FeatureManager. El gestor de diseño del FeatureManager enumera muchos errores indicados con marcadores. Los marcadores situados al lado de las operaciones tienen significados específicos: Error de nivel superior El marcador de Error de nivel superior marca un error en el árbol que aparece a continuación. Resulta útil en los ensamblajes y dibujos para ver los errores de las piezas. Expandir Un marcador de Expandir se sitúa junto a una operación que tiene un error o una advertencia en la operación debajo de ella. Expanda la operación para ver el problema. El texto de la operación se muestra en verde. Error Un marcador de Error se sitúa junto a una operación que tiene un problema y no puede crear geometría. El texto de la operación se muestra en rojo. Advertencia Un marcador de Advertencia se sitúa junto a una operación que tiene un problema, pero puede crear geometría. Es común para las relaciones y la geometría “colgante”. El texto de la operación se muestra en verde. Operaciones normales Las operaciones normales que no tienen advertencias o errores aparecen con textonegro. Por dónde Las operaciones se reconstruyen en secuencia desde la parte empezar superior del árbol. El mejor lugar para comenzar es en la primera operación (base) con un error, en este caso es la operación Base_Plate (Chapa base). Un error en la operación base podría causar una serie de errores en las operaciones derivadas. 226 Temas de edición
  • 240.
    Manual de formaciónSolidWorks 2006 Lección 7 Cómo editar: Reparaciones 4 ¿Qué errores hay? La opción ¿Qué errores hay? se utiliza para resaltar un mensaje de error para una operación seleccionada. Haga clic con el botón secundario del ratón en la operación Base_Plate y seleccione ¿Qué errores hay?. El mensaje indica que el croquis no puede uti- lizarse para la operación porque un punto final se comparte de manera indebida. 5 Editar el croquis. El mensaje ¿Qué errores hay? ha indicado que el croquis (Sketch1 -Croquis 1) es el problema. Edite el croquis de la operación. Sugerencia Para obtener información sobre los problemas de los croquis definidos en exceso, consulte Croquis definidos en exceso en la página 114 de Cómo modelar una pieza de fundición o forja en el Volumen 1. Comprobar Comprobar croquis para operación le permite verificar la validez croquis para de un croquis para su uso en una operación. Esto puede llevarse a operación cabo antes de que se cree la operación o, como en este ejemplo, después. Dado que operaciones diferentes poseen diferentes requisitos de croquis – por ejemplo, las operaciones de revolución requieren un eje de revolución – usted selecciona el tipo de operación para el cual debe evaluarse el croquis. Cualquier geometría que impida la creación de esa operación será resaltada. También comprobará la existencia de geometría faltante o inadecuada. Dónde encontrarlo En el menú Herramientas, seleccione Herramientas de croquizar, Comprobar croquis para operación.... 6 Comprobar croquis. El comando Comprobar croquis para operación... verifica la existencia de geometría incorrecta en el croquis, comparándola con la requerida por el Tipo de contorno. En este caso, el Uso de la operación se establece en Extruir base porque ése es el tipo de operación al cual pertenece este croquis. El Tipo de contorno se determina a partir del tipo de operación. Haga clic en Comprobar. Comprobar croquis para operación 227
  • 241.
    Lección 7 Manual de formación SolidWorks 2006 Cómo editar: Reparaciones 7 Mensaje. Aparece un mensaje que enuncia el mismo mensaje que obtuvimos desde ¿Qué errores hay? y el sistema resalta la geometría del problema, en este caso, una de las tres líneas que comparten un punto final común. Haga clic en Aceptar para cerrar esta ventana de mensaje y haga clic en Cerrar para cerrar el cuadro de diálogo Comprobar croquis para operación. Designación por La Designación por ventana le permite seleccionar varias ventana entidades de croquis con una ventana de arrastrar. Las entidades se seleccionan en función de si la ventana se arrastra de derecha a izquierda o de izquierda a derecha. La selección incluye cotas. De izquierda a derecha: Sólo se selecciona la geometría que está completamente dentro de la ventana (la línea corta). De derecha a izquierda: Se selecciona la geometría que se encuentra dentro de la ventana y la cruza (línea corta y dos líneas largas). Esto también se denomina designación por captura. Sugerencia Si se utiliza Mayús con la designación por ventana se mantienen todas las selecciones anteriores. Si se utiliza Control con la designación por ventana se borran todas las selecciones anteriores. Estos métodos de selección no se utilizarán en este ejemplo. En su lugar, se utilizará un método de reparación automática. 228 Comprobar croquis para operación
  • 242.
    Manual de formaciónSolidWorks 2006 Lección 7 Cómo editar: Reparaciones Cómo reparar el Las reparaciones de un croquis pueden realizarse de diversos croquis modos. En un caso simple como éste, una sola línea está ocasionando el error. Esa línea fue resaltada por Comprobar croquis para operación. La línea puede simplemente eliminarse y el comando Comprobar croquis para operación puede utilizarse nuevamente para confirmar que el croquis no contenga errores. Puede utilizarse un método más automatizado mediante Reparar croquis para solucionar los errores. Introducción: Reparar croquis se utiliza para analizar los errores en un croquis y Reparar croquis repararlos. Puede utilizarse para reparar errores que nazcan de pequeñas separaciones, superponiendo geometría y varios segmentos cortos. Dónde encontrarlo En el menú Herramientas, seleccione Herramientas de croquizar, Reparar croquis. O, en la barra de herramientas 2D a 3D, haga clic en la herramienta Reparar croquis . 8 Reparar. Haga clic en Herramientas, Herramientas de croquizar, Reparar croquis. El sistema elimina la línea que está en infracción. 9 Buscar nuevamente. Utilice Comprobar croquis para operación nuevamente para ver el resultado de la reparación. El cuadro de diálogo no muestra problemas con el croquis. 10 Agregar cotas y relaciones. Las cotas y las relaciones pueden eliminarse durante el proceso de reparación de un croquis. Agregue relaciones y cotas de reemplazo y abandone el croquis. 11 Errores restantes. Todos los errores y las advertencias restantes se enumeran en el cuadro de diálogo. Para no ver este cuadro de diálogo de mensaje cada vez que realice una corrección, desactive la opción Visualizar errores en cada reconstrucción. Aparece más del modelo. 12 Siguiente error. El primer error de la lista es para Sketch2 (Croquis 2) en la operación Vertical_Plate (Chapa vertical). Contiene Entidades de croquis colgantes según el mensaje. Se encuentran entidades de croquis colgantes cuando las cotas o las relaciones hacen referencia a elementos que ya no existen. Nota Las cotas y las relaciones colgantes pueden ocultarse de la vista. La opción Ocultar las colgantes y anotaciones colgantes puede encontrarse en Herramientas, Opciones, Propiedades de documento, Visualización de anotaciones. Comprobar croquis para operación 229
  • 243.
    Lección 7 Manual de formación SolidWorks 2006 Cómo editar: Reparaciones 13 Editar el croquis. Edite el croquis de la operación Vertical_Plate. Observe que la cota de 85 mm es de un color diferente a las demás cotas. Éste es el color que se utiliza para las cotas y las relaciones colgantes. La cota está intentando asociarse a geometría que ya no existe, y por lo tanto se considera colgante. Volver a asociar Las cotas y las relaciones colgantes pueden repararse rápidamente cotas volviendo a asociarlas al modelo. 14 Seleccionar la cota. Haga clic en la cota de 85 mm para ver las asas de arrastre. El extremo marcado en rojo es el colgante. Las relaciones colgantes en la geometría están marcadas de manera similar. 15 Arrastrar y colocar. Arrastre el asa roja y colóquela sobre la arista inferior de la pieza cuando aparezca el cursor de la arista. Si intenta colocarla en una ubicación inadecuada, el cursor mostrará el símbolo . Tanto la cota como la geometría vuelven a sus colores normales. El valor de la cota se actualiza para reflejar el tamaño de la geometría. Si necesita cambiar la cota, haga doble clic en ella. 16 Salir del croquis para reconstruir el modelo. 17 Errores restantes. Quedan algunos errores/algunas advertencias. La operación Rib_Under (Nervio debajo) será desarrollada a continuación. Edite el croquis de esa operación. 230 Comprobar croquis para operación
  • 244.
    Manual de formaciónSolidWorks 2006 Lección 7 Cómo editar: Reparaciones 18 Relaciones colgantes. Una línea del croquis se muestra en el color correspondiente a colgante. Haga clic en esa línea para seleccionarla y mostrar sus asas de arrastre. El asa roja puede utilizarse en un procedimiento de arrastrar y soltar, de manera similar a lo que se realizó para la cota colgante. Cuando hace clic en la línea, sus relaciones se muestran en el PropertyManager. La relación que está colgante posee el mismo código de color que la entidad de croquis en sí misma. Nota Si hace doble clic en la entidad colgante, también aparecen anotaciones en la ventana de gráficos. 19 Volver a asociar. Arrastre el asa roja sobre la línea vertical más hacia la derecha de la Base_Plate (Chapa base). El sistema transfiere la relación colineal desde la entidad faltante (el plano eliminado) a la arista del modelo. La pieza ya no es colgante. Cómo reparar Algunas relaciones, como puntos coincidentes, sólo pueden relaciones repararse mediante el comando Visualizar/eliminar relaciones. utilizando Esta opción le permite revisar todas las relaciones de un croquis. Visualizar/eliminar relaciones Introducción: Visualizar/eliminar relaciones proporciona una forma de Visualizar/eliminar consultar sistemáticamente todas las entidades en un croquis. relaciones Además, puede visualizar las relaciones basadas en criterios tales como colgantes o definidos en exceso. También puede utilizar Visualizar/eliminar relaciones para reparar relaciones colgantes. Dónde encontrarlo Haga clic en Herramientas, Relaciones, Visualizar/ eliminar.... Haga clic con el botón secundario del ratón en el croquis y seleccione Visualizar/eliminar relaciones. Comprobar croquis para operación 231
  • 245.
    Lección 7 Manual de formación SolidWorks 2006 Cómo editar: Reparaciones Haga clic en Visualizar/eliminar relaciones en la barra de herramientas Croquis. 20 Deshacer. Haga clic en Deshacer para quitar el último evento, la reparación de la relación colgante. 21 Visualizar/eliminar relaciones. Haga clic con el botón secundario del ratón y seleccione Visualizar/ eliminar relaciones. En la lista Filtro, seleccione Colgante. Esto muestra sólo las relaciones colgantes. Seleccione la relación Colineal. 22 Sección de entidades. Observe la sección inferior del PropertyManager. Existe una lista de las entidades utilizas por esta relación. Una entidad tiene un estado Completamente definido, la otra es Colgante. Seleccione la entidad marcada como Colgante. 23 Reemplazo. Seleccione la arista vertical de la Base_Plate. Sugerencia Seleccionar otra puede utilizarse para elegir la arista. Haga clic en Reemplazar y luego haga clic en Aceptar. 24 Salga del croquis. Salga del croquis para ver el error restante. El marcador está ubicado en la operación Rib_Fillet (Redondeo nervio) Utilice ¿Qué errores hay? en la operación Rib_Fillet. 232 Comprobar croquis para operación
  • 246.
    Manual de formaciónSolidWorks 2006 Lección 7 Cómo editar: Reparaciones Cómo resaltar áreas Determinados mensaje de error contienen el símbolo de vista de problemas preliminar . Si hace clic en ese marcador, el sistema resaltará el área problemática del modelo. Si utiliza ¿Qué errores hay? directamente en la operación, automáticamente resalta la zona del problema. 25 Resaltar mensaje. Haga clic en el símbolo de vista preliminar para mostrar visualmente la zona en la cual se produce el error. 26 Visualización de error gráfico. La zona en donde se produce el error está resaltada con un patrón de malla. El redondeo falla en esta zona. Cierre el cuadro de diálogo del mensaje. 27 Cambiar el valor. Utilizando la información gráfica y de texto suministrada por el sistema, es claro que el problema reside en el valor de radio del redondeo. Establezca el valor reduciéndolo en gran manera, por ejemplo 5 mm y reconstruya. 28 Modelo reconstruido. El modelo ahora se reconstruye sin ningún error ni advertencia. Información La pieza tiene algunos problemas proveniente de incorporados relacionados con la un modelo secuencia de operaciones. Estos pro- blemas se volverán evidentes cuando llegue el momento de realizar cambios de diseño. Para poder comprender la forma en que se construyó esta pieza, recorreremos los pasos de construc- ción y presentaremos algunas de las herramientas que se utilizarán. La intención del diseño de la pieza se revelará ya que las operacio- nes se reconstruyen una por vez. Información proveniente de un modelo 233
  • 247.
    Lección 7 Manual de formación SolidWorks 2006 Cómo editar: Reparaciones Introducción: Ir a La opción Ir a... puede utilizarse para buscar en el texto del FeatureManager una palabra o conjunto de caracteres específicos. Las operaciones se expanden para mostrar cualquier operación encontrada. Dónde encontrarlo Haga clic con el botón secundario del ratón en la operación de nivel superior y seleccione Ir a.... 29 Ir a. Haga clic con el botón secundario del ratón en la operación de nivel superior y seleccione Ir a.... Escriba el croquis de nombre parcial y haga clic en Empezar por el principio. 30 Buscar siguiente. Haga clic en Buscar siguiente hasta que se halla encontrado la última ocurrencia. Aparecerá el mensaje No se encontró este elemento. La búsqueda expandió todas las operaciones que tienen croquis de modo que los croquis están visibles. Sugerencia Para cerrar todas las operaciones expandidas, haga clic con el botón secundario del ratón en el FeatureManager y elija Contraer operaciones. Introducción: La Puede retroceder una pieza utilizando la Barra de retroceder en el barra de retroceder gestor de diseño del FeatureManager. La barra de retroceder es una ancha línea amarilla que se vuelve azul al seleccionarse. Arrastre la barra hacia arriba o hacia abajo en el gestor de diseño del FeatureManager para avanzar o retroceder por la secuencia de regeneración. Dónde encontrarlo Arrastre la barra de retroceder en el gestor de diseño del FeatureManager. O, haga clic con el botón secundario del ratón en una operación, y seleccione Retroceder en el menú contextual. Esto coloca la barra antes de la operación seleccionada. O, haga clic con el botón secundario del ratón en el FeatureManager y seleccione Retroceder al anterior para moverse a la última posición de la barra de retroceder. Seleccione Avanzar al final para mover la barra hasta después de la última operación en el árbol. 234 Información proveniente de un modelo
  • 248.
    Manual de formaciónSolidWorks 2006 Lección 7 Cómo editar: Reparaciones O haga clic en Herramientas, Opciones, Opciones de sistema, FeatureManager y haga clic en Navegación con teclas de flechas. Esto permite que las teclas de flecha muevan la barra de retroceder. Debe establecerse el énfasis en la barra de retroceder haciendo clic en ella. Si se establece el énfasis en la zona de gráficos, las flechas de dirección girarán el modelo. Nota La herramienta Retroceder también es útil al editar piezas grandes para limitar la reconstrucción. Retroceda a la posición justo después de la operación que usted está editando. Cuando la edición esté completa, la pieza se reconstruirá sólo hasta la barra de retroceder. Esto evita que toda la pieza se reconstruya. 31 Retroceder la pieza al comienzo. Utilizando Retroceder, coloque la barra en la primera operación en el gestor de diseño del FeatureManager. Esto coloca la barra de retroceder después de la operación Base_Plate. Luego se podrá avanzar hacia adelante una operación a la vez. 32 Operación Base_Plate. La Base_Plate se creó a partir de un rectángulo y se extruyó. Para investigar esto aún más, utilice Editar operación en la operación. Información proveniente de un modelo 235
  • 249.
    Lección 7 Manual de formación SolidWorks 2006 Cómo editar: Reparaciones 33 Editar operación. Los gráficos muestran la geometría de croquis y la vista preliminar. Cancele el cuadro de diálogo. Avance hacia adelante una operación arrastrando el marcador o moviéndolo hacia abajo con la tecla flecha. 34 Operación Base_Fillet (Redondeo base). Se agregan redondeos de igual radio a las esquinas frontales en esta operación. Avance hacia adelante a una posición justo antes de la operación Vertical_Plate (Chapa vertical). 35 Operación Vertical_Plate. Esta operación fue croquizada en la cara posterior del modelo y extruida hacia el frente. 36 Editar croquis. Edite el croquis de la operación Vertical_Plate para ver la geometría y sus puntos de conexiones. 236 Información proveniente de un modelo
  • 250.
    Manual de formaciónSolidWorks 2006 Lección 7 Cómo editar: Reparaciones 37 Visualizar/eliminar relaciones. Haga clic en Visualizar/eliminar relaciones . Establezca el Filtro en Todo en este croquis y haga clic en las relaciones individuales de la lista para explorar todas las relaciones geométricas en las entidades de croquis. Las relaciones explicarán cómo las entidades se asocian entre sí y con el resto del modelo. Cierre el cuadro de diálogo y cierre el croquis sin hacer ningún cambio. 38 Geometría del croquis. Para ver la geometría de croquis con más claridad, haga clic con el botón secundario del ratón en Sketch2 (Croquis2) y seleccione Visualizar croquis. El icono del croquis aparece en color cuando se está mostrando. Utilizando Sin líneas ocultas, la posición del croquis es clara. Avance hacia adelante a una posición justo antes de la operación Circular_Plane (Plano circular) 39 Circular_Plane. El plano se creó para croquizar la siguiente operación, un saliente circular. Está detrás de Sketch2. 40 Relaciones dePadre/Hijo. Compruebe las relaciones en el plano. Haga clic con el botón secundario del ratón en el plano y seleccione Padre/ hijo.... El Padre del plano es la operación Base_Plate, de la cual depende el plano. Los Hijos son Sketch3 (Croquis 3) y Circular_Boss (Saliente circular); dependen del plano. Haga clic en Cerrar y avance hacia adelante. Información proveniente de un modelo 237
  • 251.
    Lección 7 Manual de formación SolidWorks 2006 Cómo editar: Reparaciones 41 Operación Circular_Boss. Circular_Plane (Plano circular) se utilizó para croquizar Circular_Boss. El croquis fue extruido a través de la pieza desde la parte posterior. Avance hacia adelante a una posición justo antes de la operación Wall_Thickness (Espesor pared). 42 Operación Rib_Under. Esta operación fue croquizada como un rectángulo y extruida en el Circular_Boss. Retroceder a un Si la barra de retroceder se arrastra y coloca entre un croquis croquis absorbido y su operación, aparece un cuadro de diálogo. El cuadro de diálogo le comunica que ha elegido retroceder a una operación absorbida y que la operación dejará de estar absorbida temporalmente de modo que pueda editarse. Esto cambia la secuencia de modo que el croquis preceda a la operación. 43 Retroceder a Sketch4 (Croquis 4). Mueva la barra de retroceder a una posición entre la operación Rib_Under y su croquis Sketch4. Haga clic en Aceptar cuando aparezca el mensaje. Sugerencia Esta técnica es muy útil cuando se está editando operaciones que poseen múltiples croquis como operaciones Barrer y Recubrir. Las operaciones Barrer y Recubrir están descriptas en el curso Modelado de piezas avanzado. 238 Información proveniente de un modelo
  • 252.
    Manual de formaciónSolidWorks 2006 Lección 7 Cómo editar: Reparaciones 44 Avanzar hacia adelante. Avance hacia adelante hasta alcanzar una posición después de Sketch4. Introducción: Editar Editar plano de croquis le permite cambiar el plano o la cara sobre plano de croquis la que está creado un croquis específico. El plano de croquis nuevo no debe ser paralelo al original. Dónde encontrarlo En el menú Editar, seleccione Plano de croquis.... O haga clic con el botón secundario del ratón en el croquis y seleccione Editar plano de croquis.... 45 Editar plano de croquis. Haga clic con el botón secundario del ratón en la operación Sketch4 y elija la opción Editar plano de croquis para determinar qué plano de croquis se utilizó. La cara resaltada identifica el plano de croquis. Haga clic en Cancelar y avance hacia adelante hasta alcanzar una posición después de la operación Wall_Thickness. Nota La selección de Plano/cara de croquis se puede desactivar para hacer que la referencia del plano de croquis cuelgue. En ese caso aparece un mensaje de confirmación. No hay una selección para la referencia del plano de croquis. Seleccione Aceptar si desea convertirla en una referencia colgante. Información proveniente de un modelo 239
  • 253.
    Lección 7 Manual de formación SolidWorks 2006 Cómo editar: Reparaciones 46 Operación Wall_Thickness. El modelo se vació dejando ambas caras circulares y la cara inferior abiertas. Consulte el corte de sección a la derecha para conocer más detalles. Avance hacia adelante hasta alcanzar una posición después de la operación CounterBore (Refrentado). 47 Operación CounterBore. El Asistente para taladro se utilizó para crear un taladro de refrentado en la cara plana superior. Sin embargo, debido a la pared delgada, aparece como un simple corte. Avance hacia adelante hasta alcanzar una posición después de la operación LPattern1 (Matriz L 1). 48 Operación de matriz. La matriz del CounterBore fue realizada utilizando una matriz lineal, LPattern1. Avance hacia adelante hasta alcanzar una posición después de la operación Rib_Fillet (Redondeo nervio). 49 Operación Rib_Fillet. La operación Rib_Fillet crea redondeos grandes en donde Rib_Under se une con Circular_Boss y Base_Plate. Haga clic con el botón secundario del ratón y seleccione Avanzar al final. 50 Operación Circ_Fillet (Redondeo circ.). Esta operación crea pequeños redondeos a ambos lados del Vertical_Plate. 240 Información proveniente de un modelo
  • 254.
    Manual de formaciónSolidWorks 2006 Lección 7 Cómo editar: Reparaciones Herramientas Reconstruir un modelo incorpora los cambios que usted haya hecho. de Los tiempos de reconstrucción lentos pueden demorar el proceso de reconstrucción modelado de manera significativa. Existen algunas herramientas disponibles para optimizar los tiempos de reconstrucción. Retroceder a Retroceder puede utilizarse para limitar el operación tiempo de reconstrucción retrocediendo a la operación que se está editando. Por ejemplo, si Vertical_Plate se está editando, retroceda hasta alcanzar una posición justo después de dicha operación. Se realizan cambios en la operación y se reconstruye. Debido a la posición de retroceso, sólo las operaciones que se encuentran antes de la barra se reconstruyen, limitando el alcance de la reconstrucción. El resto de la pieza se reconstruirá cuando la barra se mueva o cuando se guarde la pieza. Supresión de Supresión de operaciones es un método más operaciones permanente para limitar el tiempo de reconstrucción. Las operaciones que se suprimen no se reconstruyen. Las configuraciones pueden utilizarse para disponer combinaciones de operaciones suprimidas. Interrupción e Durante una reconstrucción, se muestra una barra de progreso y el información de estado en la barra inferior de la ventana de SolidWorks. La reconstrucción reconstrucción puede detenerse presionando la tecla Esc (Escape). Informe del tiempo Informe del tiempo de recálculo es una herramienta que muestra de recálculo la cantidad de tiempo que lleva reconstruir cada operación en una pieza. Utilice esta herramienta para identificar las operaciones que llevan mucho tiempo para reconstruirse. Una vez identificadas, es posible editarlas para aumentar la eficiencia o suprimirlas si no son cruciales para el proceso de edición. Introducción: El cuadro de diálogo Informe del tiempo de recálculo muestra Informe del tiempo una lista de todas las operaciones y sus tiempos de reconstrucción de recálculo en orden descendente. Orden de operaciones Enumere cada elemento en el gestor de diseño del FeatureManager: operaciones, croquis y planos derivados. Utilice el menú contextual para Editar la operación, Suprimir operaciones y así sucesivamente. Herramientas de reconstrucción 241
  • 255.
    Lección 7 Manual de formación SolidWorks 2006 Cómo editar: Reparaciones % de tiempo Muestra el porcentaje del tiempo total de reconstrucción de la pieza empleado en regenerar cada elemento. Tiempo Muestra la cantidad de tiempo en segundos que lleva reconstruir cada elemento. Dónde encontrarlo En el menú, seleccione Herramientas, Informe del tiempo de recálculo.... 51 Informe del tiempo de recálculo. Haga clic en Herramientas, Informe del tiempo de recálculo.... Las operaciones aparecen en orden descendente según la cantidad de tiempo requerido para regenerarlas. Cómo interpretar los La primera cosa a tener en cuenta es que el tiempo de datos reconstrucción total para la pieza es de aproximadamente 1/3 segundos, de modo que es improbable que un cambio en cualquier operación genere una diferencia significativa. Lo segundo es el número de dígitos significativos y error de redondeo. Por ejemplo, Feature1 (Operación 1) podría emplear el doble de tiempo en reconstruirse que Feature2 (Operación 2), 0.02 segundos frente a 0.01 segundos. ¿Indica esto un problema con Feature1? No necesariamente. Es bastante posible que Feature1 tarde 0.0151 segundos mientras que Feature2 tarde 0.0149 segundos, una diferencia de tan sólo 0.0002 segundos. Utilice Informe del tiempo de recálculo para identificar operaciones que produzcan un impacto significativo en el tiempo de reconstrucción. Luego: Suprima operaciones para mejorar el desempeño. Analice y modifique operaciones para mejorar el desempeño. ¿Qué afecta el Las operaciones pueden ser analizadas para determinar por qué se tiempo de comportan de la manera en que lo hacen. Según el tipo de operación reconstrucción? y cómo se utiliza, las razones serán diversas. Para operaciones croquizadas, busque relaciones externas y condiciones finales que hagan referencia a otras operaciones. Mantenga estas relaciones asociadas a la primera operación posible. Haga lo mismo para los planos de croquis. 242 Herramientas de reconstrucción
  • 256.
    Manual de formaciónSolidWorks 2006 Lección 7 Cómo editar: Reparaciones Sugerencia En general, cuantos más padres tenga una operación, más lenta será su reconstrucción. Consulte Cómo reparar relaciones utilizando Visualizar/eliminar relaciones en la página 231 para ver un ejemplo de cómo cambiar relaciones en un croquis. Para las operaciones aplicadas a aristas o caras, compruebe las opciones de las operaciones y la posición de la operación en el FeatureManager. Consulte Editar operación en la página 253 para ver un ejemplo de cómo cambiar relaciones en una operación. En general, hay cuatro herramientas disponibles para modificar operaciones: Editar operaciones Editar croquis Editar plano de croquis Eliminar operación Herramientas de reconstrucción 243
  • 257.
    Lección 7 Manual de formación SolidWorks 2006 Cómo editar: Reparaciones 244 Herramientas de reconstrucción
  • 258.
    Manual de formaciónSolidWorks 2006 Ejercicio 27: Edite esta pieza Errors1 utilizando la información y las cotas proporcionadas para reparar los errores y completar la pieza. Antes Este laboratorio refuerza las siguientes funciones: Cómo utilizar ¿Qué errores hay? Editar el croquis. Cómo agregar Después relaciones geométricas. Editar operación. Solucionar errores de reconstrucción. Procedimiento Abra la pieza existente Errors1 (Errores 1) y realice varias ediciones para eliminar los errores y advertencias de la pieza. Utilice el dibujo a continuación como una guía. Sugerencia Utilice Fusionar sólidos en la operación Mirror1. La pieza completada debería ser un sólido simple. Ejercicio 27 245
  • 259.
    Manual de formaciónSolidWorks 2006 Ejercicio 28: Edite esta pieza Errors2 utilizando la información y las cotas proporcionadas para reparar los errores y completar la pieza. Este laboratorio refuerza las siguientes Antes funciones: Cómo utilizar ¿Qué errores hay? Editar el croquis. Incorporar y eliminar relaciones geométricas. Después Editar operación. Solucionar errores de reconstrucción. Procedimiento Abra la pieza existente Errors2 (Errores 2) y realice varias ediciones para eliminar los errores y advertencias de la pieza. Utilice el dibujo a continuación como una guía. 246 Ejercicio 28
  • 260.
    Manual de formaciónSolidWorks 2006 Ejercicio 29: Complete esta pieza Copiar y copiando operaciones y relaciones realizando reparaciones. colgantes Este laboratorio utiliza las siguientes funciones: Copiar operaciones entre piezas. Editar croquis para reparar relaciones colgantes. Unidades: milímetros Procedimiento Abra las piezas existentes. 1 Abrir las piezas BoneWrench y HexCut. Abra los dos archivos y haga clic en Ventana, Mosaico vertical. 2 Copiar la operación Hex. Mientras pulsa la tecla Control arrastre una cara de la operación Hex y colóquela sobre la cara plana superior de la pieza BoneWrench tal como se muestra. Haga clic en el botón Colgar del cuadro de diálogo Confirmación de copia. Ejercicio 29 247
  • 261.
    Manual de formaciónSolidWorks 2006 3 Reparar. Edite el croquis que contenga el error y seleccione el círculo de construcción interno. Arrastre y coloque el marcador rojo en una referencia de reemplazo adecuada. Ajuste el tamaño del hexágono como se indica a continuación. Ubicaciones Utilice el gráfico siguiente para localizar y ajustar el tamaño de un total de 4 cortes copiados mediante la condición final Por todo. 4 Redondeos cosméticos (opcional). Si lo desea, puede agregar los siguientes redondeos y redondos: R2mm R1mm R0.5mm 5 Guardar las piezas y cerrarlas. 248 Ejercicio 29
  • 262.
    2006Manual de formaciónSolidWorks 2006 Lección 8 Cómo editar: Cambios en el diseño Al finalizar esta lección, podrá: Comprender cómo las técnicas de modelado ejercen influencia sobre la capacidad de modificar una pieza. Utilice contornos de croquis para definir la forma de una operación. 249
  • 263.
    Lección 8 Manual de formación SolidWorks 2006 Cómo editar: Cambios en el diseño 250
  • 264.
    Manual de formaciónSolidWorks 2006 Lección 8 Cómo editar: Cambios en el diseño Edición de El software SolidWorks proporciona la capacidad de editar piezas virtualmente cualquier elemento en cualquier momento. Para destacar esta capacidad, en este capítulo se utilizan las principales herramientas de edición de piezas para crear un cambio en el diseño. Etapas del Algunas etapas clave del proceso de modificación de esta pieza se proceso muestran en la siguiente lista. Cada uno de estos temas consta de una sección en la lección. Eliminar y cambiar el nombre de la operación La tecla Eliminar es una de las herramientas de edición más directas. Cambiar los nombres de las operaciones es útil para el uso posterior de la pieza. Utilizar herramientas de edición Utilice herramientas de edición comunes como Editar operación, Reordenar y Editar croquis para modificar la geometría y la intención del diseño. Contornos de croquis Se puede utilizar un croquis simple para crear varias operaciones utilizando los contornos dentro del croquis. Cómo agregar texturas Se pueden agregar mapas de textura a toda la pieza o a caras seleccionadas para ofrecer una apariencia realista de materiales o roscas. Cambios en el Deben realizarse algunos cambios en el modelo. Algunos diseño cambiarán la estructura del modelo, otros sólo los valores de cota. Realizar cambios de diseño en un modelo puede ser tan simple como cambiar el valor de una cota y tan difícil como eliminar las referencias externas. Esta sección pasa a través de una serie de cambios en un modelo. El énfasis está puesto en la edición de operaciones más que en la eliminación y la reinserción de las mismas. La edición le permite mantener referencias a dibujos, ensamblajes u otras piezas que se perderían si usted eliminara la operación. Procedimiento Seguiremos editando la pieza que se reparó en la lección anterior. Edición de piezas 251
  • 265.
    Lección 8 Manual de formación SolidWorks 2006 Cómo editar: Cambios en el diseño Cambios Los cambios en el requeridos modelo son de la siguiente manera: El saliente circular está centrado sobre el nervio. El nervio está redondeado en el extremo. El saliente circular es tangente a la arista derecha. La parte recortada con taladros se agrega a la base. Ambos taladros poseen igual radio. Sólo se vacía la base. Eliminaciones Cualquier operación puede eliminarse del modelo. Debe considerarse qué otras operaciones, distintas de la seleccionada, deben eliminarse con ella. El cuadro de diálogo Confirmar eliminación muestra una lista de los Elementos dependientes que se eliminarán con la operación seleccionada. Los croquis de la mayoría de las operaciones no se eliminan automáticamente. Sin embargo, los croquis asociados con las operaciones del Asistente para taladro se eliminan automáticamente cuando se elimina el taladro. Para otras operaciones dependientes, si se elimina el padre se eliminarán los hijos. 1 Abrir la pieza Editing CS Repaired (Edición CS reparada). 2 Eliminar operación. Seleccione y elimine la operación CounterBore (Refrentado). La casilla de verificación, Eliminar también todas las operaciones hijas, ya está activada. El cuadro de diálogo indica que la operación LPattern1 (Matriz L 1) también se eliminará porque es hijo de la operación CounterBore. Haga clic en Sí para confirmar la eliminación. 252 Cambios en el diseño
  • 266.
    Manual de formaciónSolidWorks 2006 Lección 8 Cómo editar: Cambios en el diseño 3 Intentar cambiar el orden. Intente cambiar la operación de vaciado, Wall_Thickness (Espesor pared) a una posición inmediatamente posterior a la Base_Fillet (Redondeo base). El cursor muestra un símbolo de “no mover” y aparece un cuadro de diálogo que le indica que no puede cambiar el orden debido a relaciones de padre/hijo. No puede colocar un hijo antes del padre. Haga clic en Aceptar. 4 Padre/hijo. Seleccione la operación Wall_Thickness y haga clic en Padre/hijo... en el menú del botón secundario del ratón. El cuadro de diálogo muestra que los padres de la operación Wall_Thickness son Base_Plate (Chapa base) y Circular_Boss (Saliente circular). Las referencias de la operación Circular_Boss deben eliminarse para que podamos cambiar el orden de la operación. Editar operación Editar operación le permite cambiar una operación utilizando el mismo cuadro de diálogo y la misma interfaz de usuario que utilizó para crearla. Los cambios simples, como direcciones o valores de cota, pueden realizarse juntamente con cambios más complejos como la eliminación o el agregado de selecciones. 5 Editar operación. Haga clic con el botón secundario del ratón en la operación Wall_Thickness del cuadro de diálogo Padre/Hijo... y seleccione Editar operación Seleccione ambas caras circulares resaltadas. La lista de selección Caras a eliminar sólo mostrará una única cara. Cuando usted vuelve a seleccionar una cara ya seleccionada, se desactiva la selección; es decir, la cara queda sin seleccionar. Cambios en el diseño 253
  • 267.
    Lección 8 Manual de formación SolidWorks 2006 Cómo editar: Cambios en el diseño Como alternativa, puede hacer clic en un elemento de la lista de selección y desactivar su selección presionando la tecla Suprimir del teclado. A veces esto puede ser confuso, porque es probable que no en todas las oportunidades usted sepa qué cara está etiquetada como Face<2> (Cara 2). 6 Cambios en padre/hijo. Si se edita la operación Wall_Thickness se produce un cambio en la Relación de padre/hijo. La sección Padres muestra ahora sólo una operación, la Base_Plate. Reordenar Cambiar el orden permite efectuar cambios en la secuencia de operaciones del modelo. Los cambios de secuencia están limitados por las relaciones de padre/hijo que existan. 7 Cambiar el orden. Arrastre la operación Wall_Thickness y reacomódela colocándola en la operación Base_Fillet. Está ubicada después de la operación Base_Fillet. 8 Resultados. Ahora la operación de vaciado afecta sólo a la primera y a la segunda operación de la pieza. 254 Cambios en el diseño
  • 268.
    Manual de formaciónSolidWorks 2006 Lección 8 Cómo editar: Cambios en el diseño Editar croquis Editar croquis abre el croquis de la operación para que puedan efectuarse cambios en los valores de cotas, las cotas y las relaciones. Además, puede eliminarse o agregarse geometría al croquis. 9 Cómo editar el croquis. Edite el croquis de la operación Vertical_Pla te (Chapa vertical). 10 Eliminar cota. Elimine la cota lineal horizontal. Esto hará que el croquis quede insuficientemente definido. 11 Agregar nueva relación. Mantenga presionada la tecla Ctrl y seleccione la línea vertical más hacia la derecha y el arco. Haga clic con el botón secundario del ratón y seleccione Tangente Esto agrega una relación Tangente entre la línea y el arco. 12 Salga del croquis. 13 Modelo resultante. Esto mueve el Circular_Boss de modo que su cara cilíndrica sea tangente a la arista exterior de la operación Base_Plate. Los redondeos se actualizan en las nuevas posiciones. 14 Editar el croquis Rib_Under (Nervio debajo) El croquis Rib_Under aún está vinculado a sus relaciones originales, la arista exterior de Base_Plate. 15 Editar el croquis. Cambios en el diseño 255
  • 269.
    Lección 8 Manual de formación SolidWorks 2006 Cómo editar: Cambios en el diseño 16 Visualizar relaciones. Muestre todas las relaciones geométricas en el croquis utilizando la opción Todas en este croquis. Para poder volver a colocar el nervio, debe eliminar la mayoría de las relaciones. Seleccione y elimine estas relaciones utilizando el botón Eliminar: Relación Colineal a la arista vertical de Base_Plate. Ambas relaciones de Distancia (las dos cotas). Mantenga la relación Colineal a Vertical_Plate y la relación Vertical en la línea que se encuentra a la izquierda. 17 Nueva geometría. Elimine la línea inferior del rectángulo y agregue un arco tangente. Acote el croquis según se indica. 18 Relación vertical. Si elimina la relación Colineal la línea vertical derecha queda sin ninguna relación para mantenerse vertical. Para solucionarlo, agregue una relación Vertical a la línea que se encuentra más hacia la derecha. 19 Gráficos temporales. Active la visualización de Ejes temporales y relacione el centro del arco con el eje temporal. Esto centrará el nervio sobre el saliente circular. 256 Cambios en el diseño
  • 270.
    Manual de formaciónSolidWorks 2006 Lección 8 Cómo editar: Cambios en el diseño 20 Resultado. La operación Rib_Under ahora está centrada bajo Circular_Boss. Posee una arista frontal redondeada y también está, en una pequeña proporción, en el interior de la arista del saliente. 21 Editar plano de croquis. Expanda el listado de la operación Circular_Boss. Haga clic con el botón secundario del ratón en el croquis y seleccione Editar plano de croquis en el menú contextual. No tiene que editar el croquis. 22 Selección de cara o plano. El plano utilizado actualmente en el croquis está resaltado junto con la geometría de croquis. Ahora puede elegir un nuevo plano de croquis. Seleccione la cara posterior del modelo y haga clic en Aceptar. 23 Plano de croquis editado. La operación Circular_Boss ha sido editada. El croquis ahora hace referencia a una cara del modelo en lugar de a un plano. 24 Eliminar el plano. Compruebe las Relaciones de padre/hijo del plano. La operación Circular_Plane ahora no tiene hijos. Elimine el plano. Cambios en el diseño 257
  • 271.
    Lección 8 Manual de formación SolidWorks 2006 Cómo editar: Cambios en el diseño 25 Editar operación. Edite la operación Circ_Fillet (Redondeo circ.). Agregue la arista mostrada y haga clic en Aplicar. 26 Resultado. La arista adicional posee un redondeo como parte de la operación Circ_Fillet. 27 Guardar y Cerrar. Se utilizará una pieza existente para el recordatorio del estudio de caso. Retroceder Retroceder es una herramienta que tiene muchos usos. Anteriormente, se utilizaba para “recorrer” un modelo, mostrando los pasos que se siguieron para construirlo. También es útil para agregar operaciones en un punto específico en la historia de la pieza. 28 Abrir Partial_Editing CS (Edición CS parcial). Abra una pieza existente que es idéntica excepto para un croquis adicional, Contour Selection (Selección de contorno). El croquis contiene dos círculos contenidos dentro de un rectángulo. 29 Reordenar y retroceder. Reordene el croquis de Contour Selection en una posición entre las operaciones Base Fillet y Wall_Thickness. Retroceda a una posición entre el croquis Contour Selection y la operación Wall_Thickness. 258 Cambios en el diseño
  • 272.
    Manual de formaciónSolidWorks 2006 Lección 8 Cómo editar: Cambios en el diseño Contornos de Los Contornos de croquis le permiten seleccionar partes de un croquis croquis generadas por la intersección de geometría y crear operaciones. De esta forma puede utilizar un croquis parcial para crear operaciones. Otra ventaja de este método es que el croquis puede volver a utilizarse, creando operaciones distintas a partir de diferentes porciones del croquis. Se utilizan dos comandos, Herramienta de seleccionar contornos y Finalizar la selección de contornos, para iniciar y finalizar el proceso de selección de contornos. Contornos Generalmente hay múltiples Contornos de croquis disponibles disponibles dentro de un croquis individual. Todo límite generado por la intersección de geometría de croquis puede utilizarse individualmente o en combinación con otros contornos. Utilizando este croquis como ejemplo, hay diversos contornos, regiones y combinaciones posibles disponibles para su utilización. Individuales Regiones Contornos individuales Selección de contornos combinados Introducción: La Herramienta de seleccionar contornos se utiliza para Herramienta de seleccionar uno o más contornos con el fin de utilizarlos en una seleccionar operación. El cursor tiene este aspecto: cuando la Herramienta contornos de seleccionar contornos se encuentra activa. Contornos de croquis 259
  • 273.
    Lección 8 Manual de formación SolidWorks 2006 Cómo editar: Cambios en el diseño Dónde encontrarlo Haga clic con el botón secundario del ratón en la zona de gráficos y elija la Herramienta de seleccionar contornos. Haga clic con el botón secundario del ratón en un croquis y elija Herramienta de seleccionar contornos. Introducción: Finalizar la selección de contornos se utiliza para finalizar la Finalizar la selección de los contornos. selección de contornos Dónde encontrarlo Haga clic con el botón secundario del ratón en la zona de gráficos o en el croquis en el gestor de diseño del FeatureManager y elija Finalizar la selección de contornos. Haga clic en el símbolo de la esquina de confirmación . 30 Extruir un corte. Utilice la Herramienta de seleccionar contornos para seleccionar la región rectangular del croquis. Cree un corte hasta una profundidad especificada de 10 mm en el modelo. Cambie el nombre de la operación a Hole_Mtg (M. Taladro). Croquis Un croquis puede utilizarse más de una vez para crear varias compartidos operaciones. Cuando crea una operación, el croquis se absorbe en la operación y se oculta de la vista. Al activar la Herramienta de seleccionar contornos, el croquis se hace visible automáticamente. 31 Agregar más cortes. Seleccione el croquis de la operación Hole_Mtg y haga clic en Extruir corte en la barra de herramientas Operaciones. Expanda la lista Contornos seleccionados y seleccione las dos regiones circulares del croquis. Extruya las regiones utilizando la condición final Por Todo. Cambie el nombre de los cortes a Thru_Holes (Taladros pasantes). 260 Contornos de croquis
  • 274.
    Manual de formaciónSolidWorks 2006 Lección 8 Cómo editar: Cambios en el diseño 32 Avanzar al final. Haga clic con el botón secundario del ratón en el gestor de diseño del FeatureManager y seleccione Avanzar al final. Observe que los taladros de corte se utilizan en la opera- ción de vaciado para crear caras adiciona- les, innecesarias. 33 Reordenar. Cambie el orden de la operación Thru_Holes, llevándola a una posición después de la operación Wall_Thickness. El resultado es que la operación Thru_Holes no se ve afectada por el vaciado. 34 Cambiar el espesor de la pared. Cambie el espesor de la pared a 6 mm y reconstruya para completar el modelo. Cómo copiar Una forma rápida y fácil de crear un nuevo redondeo es copiarlo redondeos desde una operación existente. El nuevo redondeo es del mismo tipo y tamaño pero no está relacionado con el original. 35 Copiar. Mantenga presionada la tecla Ctrl y arrastre la operación Circ_Fillet sobre la arista del modelo. Suelte el botón del ratón. El redondeo puede copiarse desde el gestor de diseño del FeatureManager o directamente desde el modelo. Contornos de croquis 261
  • 275.
    Lección 8 Manual de formación SolidWorks 2006 Cómo editar: Cambios en el diseño 36 Nueva operación Redondeo. Se crea una nueva operación Redondeo en la arista. Edite el redondeo y agregue la arista en el lado opuesto. Cambie el valor del radio a 3 mm. Los chaflanes pueden copiarse utilizando el mismo procedimiento. 37 Vista trimétrica. Cambie la orientación de la vista a una vista Trimétrica. Introducción: Vista La Vista de sección corta la vista utilizando uno o más planos de de sección sección. Los planos pueden ser arrastrados de forma dinámica. Se pueden utilizar planos de referencia o caras planas. Dónde encontrarlo Haga clic en Vista de la sección en la barra de herramientas Ver. O, haga clic en Ver, Visualizar, Vista de sección. 38 Seleccionar una cara. Seleccione la cara plana indicada. Se utilizará para definir el plano de sección. Nota No tiene que preseleccionar el plano de sección. Si no lo hace, el sistema utilizará un plano de sección predeterminado, por lo general el Alzado. 262 Contornos de croquis
  • 276.
    Manual de formaciónSolidWorks 2006 Lección 8 Cómo editar: Cambios en el diseño 39 Vista de sección. Haga clic en Vista de sección para utilizar la cara seleccionada como el plano de sección. El cuadro de grupo Sección 1 incluye opciones del Plano de sección de referencia, Dirección de sección, Equidistancia y Ángulos. 40 Arrastrar el plano. Mediante las flechas, arrastre en una dirección normal al plano y colóquela. El ángulo del plano se puede cambiar si se arrastran las aristas del plano de sección. 41 Invertir dirección de sección. Haga clic en Invertir dirección de sección para invertir la dirección de la sección. Haga clic en Cancelar para cerrar el cuadro de diálogo. Contornos de croquis 263
  • 277.
    Lección 8 Manual de formación SolidWorks 2006 Cómo editar: Cambios en el diseño Cómo agregar Haga que el modelo tenga una apariencia más realista añadiendo texturas Texturas a las caras, las superficies, los sólidos, las operaciones y los componentes. La calidad de la textura está influenciada por el adaptador de gráficos. Para obtener más información, consulte Gráficos RealView en la página 193. Dónde encontrarlo Haga clic en Editar textura en la barra de herramientas Estándar. O, haga clic con el botón secundario del ratón en una cara, operación o pieza y elija Apariencia, Textura.... Nota Las texturas están divididas en carpetas como Metal (Metal), Plastic (Plástico) y Stone (Piedra) con subcarpetas. 42 Selección de geometría. Haga clic con el botón derecho del ratón en la operación de nivel superior (nombre de la pieza) y elija Apariencia, Textura.... 43 Selección de textura. Haga clic en las carpetas Metal (Metal) y Cast (Fundición). Seleccione la textura Fundido rugoso de la lista de Selección de textura. La vista preliminar de la textura está en el cuadro de grupo Propiedades de textura. Todas las caras seleccionadas del sólido comparten la misma textura. 264 Cómo agregar texturas
  • 278.
    Manual de formaciónSolidWorks 2006 Lección 8 Cómo editar: Cambios en el diseño 44 Textura de rosca. Seleccione las dos caras del “taladro” y haga clic con el botón secundario del ratón en Apariencia, Textura.... Elija la carpeta Thread y la textura Thread1. Ajuste la Escala de la textura mediante el control deslizante Escala . Cómo agregar texturas 265
  • 279.
    Lección 8 Manual de formación SolidWorks 2006 Cómo editar: Cambios en el diseño 266 Cómo agregar texturas
  • 280.
    Manual de formaciónSolidWorks 2006 Ejercicio 30: Realice cambios en la pieza creada Cambios en la lección anterior. Este ejercicio utiliza las siguientes funciones: Eliminar operaciones. Utilizar Vincular valores. Reordenar operaciones. Procedimiento Utilizar el siguiente procedimiento: 1 Abrir la pieza Changes. Se realizarán diversos cambios e incorporaciones al modelo. 2 Eliminar. Elimine los taladros de montaje, las partes recortadas y el vaciado (Cut-Extrude1, Wall_Thickness y Cut- Extrude2) del modelo. 3 Igual espesor. Establezca el espesor de Base_Plate (Chapa base) y Vertical_Plate (Chapa vertical) en el mismo valor, 12 mm, utilizando Vincular valores. Ejercicio 30 267
  • 281.
    Manual de formaciónSolidWorks 2006 4 Cortar. Elimine la porción de Vert_Plate (Chapa vert.) en el lado derecho de Circular_Boss (Saliente circ.) y Rib_Under (Nervio debajo). Edite y reordene las operaciones donde sea necesario para mantener el redondeo. 5 Redondeo. Agregue otro redondeo del mismo radio que Circ_Fillet (Redondeo circ.). 6 Taladros de refrentado. Agregue dos taladros de refrentado del siguiente tamaño: ANSI Métrico Tornillo de cabeza hexagonal M6 Por todo Reordene las operaciones donde sea necesario para evitar socavaciones. 7 Guardar y cerrar la pieza. 268 Ejercicio 30
  • 282.
    Manual de formaciónSolidWorks 2006 Ejercicio 31: Edite esta pieza utilizando la Cómo agregar información y las cotas ángulo de proporcionadas. Utilice las técnicas salida de edición para mantener la intención del diseño. Este laboratorio refuerza las siguientes funciones: Editar el croquis. Incorporar y eliminar relaciones geométricas. Editar operación. Editar plano de croquis. Procedimiento Abra la pieza existente Add Draft (Agregar ángulo de salida) y realice diversas ediciones utilizando el dibujo final que aparece a continuación. Cambie el modelo de modo tal que se agregue un ángulo de salida de 5°. Ejercicio 31 269
  • 283.
    Manual de formaciónSolidWorks 2006 Ejercicio 32: Edite esta pieza utilizando la información y las cotas Cómo editar proporcionadas. Utilice ecuaciones, relaciones o valores de vínculo para mantener la intención del diseño. Este laboratorio refuerza las siguientes funciones: Editar croquis y Editar plano de croquis. Incorporar y eliminar relaciones geométricas. Editar operación. Reordenar. Insertar cotas. Procedimiento Abra la pieza existente Editing (Edición) y realice diversas ediciones: Cambie la pieza existente, editando y agregando geometría y relaciones, para hacerla coincidir con la versión que se muestra a continuación. 270 Ejercicio 32
  • 284.
    Manual de formaciónSolidWorks 2006 Ejercicio 33: Cree esta pieza utilizando la información suministrada. Croquis de Extruya los perfiles para crear las piezas. contorno #1-#4 Las piezas existentes son Contour Sketches #1-#4 (Croquis de contornos 1 y 4). #1 Profundidad: 50 mm y 30 mm #2 Profundidad: 3.5”, 1” y 2.5” #3 Profundidad: 30 mm y 10 mm #4 Profundidad: 1.5” y 0.5” Ejercicio 33 271
  • 285.
    Manual de formaciónSolidWorks 2006 Ejercicio 34: Cree esta pieza utilizando la Brazo de un asa información y el croquis provistos. Extruya los perfiles para crear la pieza. Este laboratorio refuerza las siguientes funciones: Selección de contorno. Extrusiones. Procedimiento Abra una pieza existente. 1 Abra la pieza denominada Handle Arm (Brazo de asa). Contiene un único croquis. 2 Primera operación. Utilizando la Herramienta de seleccionar contornos, seleccione la geometría apropiada y realice la extrusión. Profundidad = 0.75”. 3 Operación Saliente. Utilizando el mismo croquis, seleccione contornos y realice la extrusión. Profundidad = 0.25”. 4 Saliente cilíndrico. Utilizando el mismo croquis, seleccione contornos y realice la extrusión. Profundidad = 0.5”. 272 Ejercicio 34
  • 286.
    Manual de formaciónSolidWorks 2006 5 Redondeos. Agregue redondeos de radio 1/8”. 6 Redondos. Agregue redondos de radio 1/32”. 7 Guardar y cerrar la pieza. Ejercicio 34 273
  • 287.
    Manual de formaciónSolidWorks 2006 Ejercicio 35: Cree esta pieza utilizando la Bomba de información y el croquis provistos. aceite Extruya los perfiles para crear la pieza. Este laboratorio refuerza las siguientes funciones: Selección de contorno. Extrusiones. Procedimiento Abra una pieza existente. 1 Abra la pieza denominada Oil Pump (Bomba de aceite). Contiene un único croquis. 2 Operación Saliente. Utilice la Herramienta de seleccionar contornos y seleccione el círculo exterior. Extrúyalo una profundidad de 32 mm para formar la operación base. Extruya la operación saliente en la pantalla para que el croquis quede en la cara frontal. 3 Extruir un corte. Seleccione el contorno de la figura-8 y extruya un corte una profundidad de 22 mm. 4 Cortes Por todo. Hay seis círculos que representan taladros pasantes. Sugerencia Para seleccionar múltiples contornos, mantenga presionada la tecla Ctrl y seleccione cada uno de los contornos. Pregunta ¿Estos taladros deben crearse como una sola operación? ¿O deben efectuarse como tres operaciones separadas, una para cada tamaño de taladro? 274 Ejercicio 35
  • 288.
    Manual de formaciónSolidWorks 2006 5 Últimos dos cortes. Extruya los dos últimos contornos a una profundidad de 19 mm. 6 Ocultar el croquis. 7 Guardar y cerrar la pieza. Ejercicio 35 275
  • 289.
    Manual de formaciónSolidWorks 2006 Ejercicio 36: Cree esta pieza utilizando la información y el Cómo utilizar la croquis provistos. Extruya los perfiles para crear la herramienta de pieza. seleccionar Este laboratorio refuerza las siguientes funciones: contornos Herramienta de seleccionar contornos. Extrusiones. Redondeos. Procedimiento Abra una pieza existente. 1 Abrir la pieza denominada Idler_Arm_Contour_Selection. Contiene tres croquis. Muestre todos los croquis. 2 Primera operación. Haga clic con el botón secundario del ratón en Herramienta de seleccionar contornos y seleccione la geometría indicada. 3 Extruir. Haga clic en la herramienta Extruir y cree el saliente utilizando el Plano medio y una Profundidad de 55 mm. 4 Salientes y cortes. Con el mismo procedimiento, cree los salientes y cortes restantes como se indica. 5 Operaciones Redondeo y Redondo. Utilice redondeos y redondos de 3mm. 6 Guardar y cerrar la pieza. 276 Ejercicio 36
  • 290.
    Manual de formaciónSolidWorks 2006 Lección 9 Configuraciones de las piezas Al finalizar esta lección, podrá: Utilizar las configuraciones para representar diferentes versiones de una pieza en un único archivo de SolidWorks. Suprimir y desactivar la supresión de operaciones. Modificar los valores de cotas por configuración. Suprimir operaciones por configuración. Comprender las consecuencias de realizar cambios en piezas que poseen configuraciones. 277
  • 291.
    Lección 9 Manual de formación SolidWorks 2006 Configuraciones de las piezas 278
  • 292.
    Manual de formaciónSolidWorks 2006 Lección 9 Configuraciones de las piezas Configuracio- Las configuraciones le permiten representar más de una versión de nes la pieza en el mismo archivo. Por ejemplo, al suprimir las operaciones mecanizadas (taladros, chaflanes, cavidades, etc.) y cambiar los valores de cotas de las piezas en la parte superior de la ilustración, puede representar la pieza tosca de forja que se muestra a continuación. Esta lección describe la utilización de las configuraciones de piezas. Las configuraciones de ensamblaje se describen en otra lección. Terminología A continuación se explican algunos de los términos utilizados cuando se describen las configuraciones y se trabaja con ellas. Nombre de la El Nombre de configuración aparece en el configuración ConfigurationManager. Se utiliza para diferenciar las configuraciones dentro de la misma pieza o ensamblaje de la pieza, ensamblaje o nivel de dibujo. Se pueden crear directamente o bien indirectamente mediante una tabla de diseño. Suprimir/desactivar Suprimir se utiliza para eliminar una operación de manera supresión de temporal. Cuando se suprime una operación, el sistema la trata operaciones como si no existiera. Esto quiere decir que también se suprimirán las operaciones que dependan de la operación suprimida. Además, las operaciones suprimidas se eliminan de la memoria, lo que libera los recursos del sistema. Se puede desactivar la supresión de las operaciones suprimidas en cualquier momento. Otros elementos Además de las operaciones, se puede suprimir y desactivar la configurables supresión de otros elementos mediante la utilización de configuraciones: Ecuaciones Restricciones de los croquis Relaciones externas de los croquis Cotas de croquis Colores Configuraciones 279
  • 293.
    Lección 9 Manual de formación SolidWorks 2006 Configuraciones de las piezas Planos de croquis y la extrusión de las Condiciones finales se pueden establecer de manera diferente configuración por configuración. Utilización de Tanto las piezas como los ensamblajes pueden tener configuracio- configuraciones. Los dibujos no tienen configuraciones propias, nes pero las vistas de dibujo pueden mostrar diferentes configuraciones de los archivos a los que hacen referencia. Las Tablas de diseño utilizan métodos más automatizados en la creación de configuraciones. Para obtener más información sobre las tablas de diseño, consulte Tablas de diseño en la página 303. Procedimiento En esta lección aprenderá a utilizar las configuraciones de un archivo de pieza. En Lección 12: Modelado de ensamblaje ascendente, analizará cómo utilizar las configuraciones junto con ensamblajes. Empiece este ejemplo llevando a cabo el siguiente procedimiento: 1 Abrir la pieza Ratchet Body (Caja del trinquete). Esta pieza es una copia de la que se creó en una lección anterior. Acceso al Las configuraciones se gestionan Configuration- desde la misma ventana que ocupa el Manager gestor de diseño del FeatureManager. Para cambiar la visualización de esta ventana, utilice las pestañas situadas en la parte superior del panel de la ventana. Si hace clic en la pestaña se visualizará el ConfigurationManager (que se muestra en la parte superior derecha) con la configuración predeterminada. La configuración predeterminada se denomina Default (Predeterminada). (¿Quién dice que no tenemos sentido del humor?) Esta configuración representa la pieza tal como la modeló, sin suprimir ni cambiar nada. Cuando desee regresar a la visualización del FeatureManager, haga clic en la pestaña . 280 Utilización de configuraciones
  • 294.
    Manual de formaciónSolidWorks 2006 Lección 9 Configuraciones de las piezas División de la A menudo, resulta eficaz poder ventana del acceder a la vez tanto al gestor FeatureManager de diseño del FeatureManager como al ConfigurationManager. Esto es especialmente cierto cuando se trabaja con configura- ciones. En vez de moverse ade- lante y atrás utilizando las pestañas, puede dividir la ven- tana del FeatureManager de arriba hacia abajo, con lo que se crean dos paneles. Un panel puede mostrar el gestor de diseño del FeatureManager y el otro puede mostrar el Configu- rationManager. Para subdividir la ventana del FeatureManager en dos paneles, arrastre la barra de división hacia abajo desde la parte superior de la ventana. Utilice las pestañas para controlar lo que se visualiza en cada panel. Cómo agregar Cada pieza (y ensamblaje) debe tener como mínimo una nuevas configuración, y varias configuraciones son comunes. Hay varias configuraciones opciones que puede establecer aparte del Nombre de la configuración. Opciones de Lista Cuando la pieza se utiliza en un ensamblaje y más, una lista de de materiales materiales establece el nombre que debe aparecer en Número de pieza. Opciones Las opciones avanzadas incluyen normas para la creación de nuevas avanzadas operaciones y configuraciones de color. Las opciones de Padre/hijo sólo son para los ensamblajes. Suprimir operaciones Esta opción controla lo que sucede en las operaciones que se acaban de crear cuando otras configuraciones están activas y esta configuración está inactiva. Si se seleccionan, las nuevas operaciones agregadas con otras configuraciones activas se suprimen en ésta. Utilizar el color específico de la configuración Permite que haya diferentes colores para cada configuración utilizando la paleta de colores. Materiales diferentes pueden introducir colores diferentes. Utilización de configuraciones 281
  • 295.
    Lección 9 Manual de formación SolidWorks 2006 Configuraciones de las piezas 2 Cómo agregar una nueva configuración. Coloque el cursor dentro del Configuration- Manager y en el menú que aparece al hacer clic con el botón secundario del ratón, seleccione Agregar configuración... Cuando agrega una configuración, ésta se convierte en la configuración activa. Cualquier cambio posterior que se realice en la pieza (como suprimir operaciones) se almacena como parte de la configuración. Sugerencia El nombre de la configuración no puede contener caracteres especiales como la barra inclinada (/). 3 Agregar configuración. El Property Manager Agregar configuración se utiliza para agregar configuraciones a la pieza. Asigne a la configuración el nombre Forged, Long (Forjada, larga) y, de manera opcional, agregue un comentario. Haga clic en Aceptar. 4 Agregado a la lista. La nueva configuración se agrega a la lista y automáticamente se convierte en la configuración activa. Observe que el nombre de la configuración activa se muestra entre paréntesis, anexada al icono del nombre de la pieza. Definición de la Define la configuración al desactivar o suprimir las operaciones configuración seleccionadas de la pieza. Cuando se suprime una operación, ésta todavía aparece en el gestor de diseño del FeatureManager pero de manera atenuada. Esta versión de la pieza se guarda o almacena en la configuración activa. Puede crear muchas configuraciones diferentes de una pieza. A continuación, puede cambiar fácilmente de configuración utilizando el ConfigurationManager. Introducción: La opción Padre/Hijo se utiliza para visualizar las dependencias Relaciones de entre las operaciones. Se visualizan tanto las operaciones de las que padre/hijo depende (Padres) como las operaciones que dependen de ésta (Hijos). 282 Utilización de configuraciones
  • 296.
    Manual de formaciónSolidWorks 2006 Lección 9 Configuraciones de las piezas Dónde encontrarlo Con el botón secundario del ratón por encima de una operación haga clic en Padre/Hijo. Introducción: Suprimir se utiliza para eliminar una operación de la memoria, con Suprimir lo que se elimina básicamente del modelo. Se utiliza para eliminar operaciones seleccionadas del modelo y crear “versiones” diferentes de ese modelo. Se suprimen todos los hijos de una operación suprimida. Desactivar supresión y Desactivar supresión con dependientes se utilizan para deshacer la supresión de una (desactivar supresión) o más (desactivar supresión con dependientes) operaciones. Dónde encontrarlo En el menú que aparece al presionar el botón secundario del ratón, haga clic en Suprimir. O haga clic en la herramienta Suprimir en la barra de herramientas Operaciones. O seleccione Editar, Suprimir en el menú desplegable. O haga clic en Suprimido en el cuadro de diálogo Propiedades de operación. 5 Seleccione Padre/Hijo. Haga clic con el botón secundario del ratón en la operación Recess (Entrante) y seleccione Padre/Hijo. Expanda la operación Pocket (Cavidad) en la sección Hijos para ver las otras operaciones de hijos. 6 Suprimir la operación Recess. En el gestor de diseño del FeatureManager, seleccione la operación Recess. Haga clic con el botón secundario del ratón en Suprimir. El sistema no sólo suprime la operación Recess (Entrante) sino también la operación Pocket (Cavidad), la operación Wheel Hole (Taladro de rueda) y la operación Ratchet Hole (Taladro de trinquete). ¿Por qué? Porque las operaciones Pocket, Wheel Hole y Ratchet Hole son todas hijas de la operación Recess. Si recuerda, el croquis de la Pocket se hizo en la cara inferior del Recess. A continuación, se hizo el croquis de dos taladros en la cara inferior de la Pocket. Esto es lo que estableció las relaciones padre-hijo entre ellos. Utilización de configuraciones 283
  • 297.
    Lección 9 Manual de formación SolidWorks 2006 Configuraciones de las piezas Regla Al suprimir una operación se suprimen automáticamente sus hijos. Cuando se suprimen las operaciones del gestor de diseño del FeatureManager, se suprime también la geometría correspondiente del modelo. Cómo cambiar Para pasar a una configuración diferente, simplemente haga doble configuraciones clic en la configuración a la que desea pasar. 7 Regresar a la configuración Default (Predeterminada). Sitúe el cursor sobre el icono de configuración Default y haga doble clic en él. El sistema desactiva la supresión de las operaciones Recess, Pocket, Wheel Hole y Ratchet Body y las hace visibles tanto en el gestor de diseño del FeatureManager como en las ventanas de gráficos. Cómo cambiar de Ahora tenemos dos configuraciones: Default (Predeterminada) nombre y copiar y Forged, Long (Forjada, Larga) La configuración configuraciones Defaultrepresenta la pieza en su estado mecanizado. Sin embargo, el nombre Default no tiene demasiado sentido. Se puede cambiar el nombre de las configuraciones de la misma manera que el de las operaciones. Sin embargo, si otro documento de SolidWorks hace referencia a una configuración, cambiar el nombre de esa configuración puede causar algunos problemas. Un mejor enfoque En vez de cambiar el nombre de la configuración predeterminada haremos una copia de dicha configuración y, a continuación, cambiaremos el nombre de la copia. 284 Utilización de configuraciones
  • 298.
    Manual de formaciónSolidWorks 2006 Lección 9 Configuraciones de las piezas 8 Copiar la configuración Predeterminada. Seleccione la configuración Default y cópiela utilizando cualquiera de las técnicas estándares para copiar una operación: Ctrl+C, Edición, Copiar o la herramienta . Pegue la configuración utilizando Ctrl+V, Edición, Pegar o la herramienta . Cambie el nombre de la copia por Machined, (Mecanizada) Long (Larga). Ahora tiene configuraciones que representan la Ratchet Body (Caja del trinquete) en sus estados forjado y mecanizado. 9 Crear más configuraciones. Con el mismo procedimiento, copie y pegue la configuración Forged, Long (Forjada, Larga). Cambie su nombre a Forged, Short (Forjada, Corta). Copie y pegue la configuración Machined, Long (Mecanizada, Larga) y cambie su nombre a Machined, Short (Mecanizada, Corta). Cambio de los Las configuraciones también se pueden utilizar para controlar el valores de cota valor de una cota. Cada configuración se puede utilizar para cambiar la cota a un valor diferente. El cambio se puede configurar para las configuraciones activas, específicas o para todas las configuraciones. En este ejemplo, las configuraciones denominadas “Short” tendrán una longitud de asa ligeramente inferior. 10 Cota clave. Haga doble clic en Machined, Short (Mecanizada, Corta) para convertirla en la configuración activa. Haga doble clic en la operación Handle (Asa) para exponer las cotas del croquis. Utilización de configuraciones 285
  • 299.
    Lección 9 Manual de formación SolidWorks 2006 Configuraciones de las piezas Configurar la cota. Haga doble clic en la cota de 220 mm y cámbiela a 180 mm. En la lista desplegable, seleccione Especificar configuraciones. Haga clic en Aceptar. Seleccione únicamente las configuraciones Forged, Short (Forjada, Corta) y Machined, Short (Mecanizada, Corta) de la lista y haga clic en Aceptar. Nota Se puede suprimir y desactivar la supresión de las operaciones en las configuraciones activas, especificadas, o en todas las configuraciones mediante la opción Propiedades. Haga clic con el botón secundario del ratón en la operación y seleccione Propiedades de operación. Active o desactive la opción Suprimida y seleccione las configuraciones utilizando la lista desplegable. 11 Cambios. Reconstruya el modelo para ver los cambios en la configuración actual. Cómo editar Cuando se agregan configuraciones a una pieza, las operaciones piezas que tie- pueden suprimirse automáticamente, los cuadros de diálogo nen configura- enumeran opciones adicionales y demás cosas extrañas pueden ciones suceder. Esta sección muestra lo que sucede cuando existen múltiples configuraciones en la pieza que se está editando. Cada configuración en una pieza contiene las mismas operaciones. Sin embargo, en diferentes configuraciones, esas operaciones pueden tener diferentes estados de supresión, diferentes valores de cota, diferentes condiciones finales o incluso diferentes planos de croquis. 286 Cómo editar piezas que tienen
  • 300.
    Manual de formaciónSolidWorks 2006 Lección 9 Configuraciones de las piezas La tabla que aparece a continuación enumera opciones que pueden controlarse utilizando configuraciones. Tipo Posibilidades Operación Suprimir/desactivar supresión por configuración Ecuaciones Suprimir/desactivar supresión por configuración Relaciones de Suprimir/desactivar supresión por croquis configuración Relaciones externas Suprimir/desactivar supresión por de los croquis configuración Cotas de croquis Suprimir/desactivar supresión por configuración Condiciones finales Condición final diferente para cada configuración Planos de croquis Plano de croquis diferente por configuración Nota Los colores, las texturas y los materiales también se pueden configurar. 1 Abrir la pieza. Abra la pieza WorkingConfigs (Configs trabajo). Esta pieza tiene una configuración: Default (Predeterminada). Las configuraciones y las nuevas operaciones se agregarán a la pieza. 2 Cómo crear nuevas configuraciones. Cambie al Configuration Manager y haga clic con el botón secundario del ratón en Agregar configuración. Cree una nueva configuración denominada keyseat. 3 Copiar y pegar. Copie y pegue keyseat para crear otra configuración nueva. Denomínela ports y haga que sea la configuración activa. De manera predeterminada se selecciona la opción Suprimir operaciones. Esto significa que a medida que se agregan nuevas operaciones, se suprimen en todas las configuraciones excepto en la activa. Cómo editar piezas que tienen configuraciones 287
  • 301.
    Lección 9 Manual de formación SolidWorks 2006 Configuraciones de las piezas 4 Configuración activa. Asegúrese de que la configuración denominada ports esté activa. En este momento, las tres configuraciones son iguales. Sugerencia Copiar y pegar realiza un duplicado de la configuración copiada. Observe que el nombre entre corchetes es el nombre que aparecerá en una LDM. Esto puede cambiarse modificando la configuración para la opción El número de pieza se visualiza cuando se utiliza en una lista de materiales en el cuadro de diálogo Propiedades de configuración. Biblioteca de La Biblioteca de diseño es una recopilación de operaciones, diseño piezas y archivos de ensamblaje que se encuentra dentro del Panel de tareas. Los archivos se pueden insertar en las piezas y ensamblajes para reutilizar los datos existentes. En este ejemplo se utilizará la carpeta features (operaciones). La carpeta La carpeta features (operaciones) contiene los archivos de la Operaciones Operación de biblioteca (*.sldlfp). Se pueden agregar a una pieza simplemente arrastrándolos y soltándolos en una cara plana del modelo. Las referencias que necesita la operación se seleccionan y se agregan las cotas y las relaciones. Las referencias van seguidas de las opciones de cambio de tamaño y posición para establecer los valores de las dimensiones de la operación. Configuración La primera de las tres operaciones de biblioteca se insertará con la predeterminada configuración predeterminada para la ubicación y el tamaño. 5 Carpetas. Haga clic en la Biblioteca de diseño y en la chincheta. Expanda la carpeta features (operaciones). Expanda la carpeta inch (pulgada). Haga clic en la carpeta fluid power ports (puertos de potencia de fluido). 288 Biblioteca de diseño
  • 302.
    Manual de formaciónSolidWorks 2006 Lección 9 Configuraciones de las piezas 6 Arrastrar y colocar. Arrastre y coloque la operación sae j1926-1 (circular face) en la cara plana del modelo tal como se indica. La cara de colocación es el Plano de colocación para la operación. 7 Configuración y selecciones. Seleccione la configuración 516- 24 de la lista. Seleccione la referencia Edge1 (arista circular) como se indica en la ventana de vista preliminar. La opción Vincular a pieza de biblioteca creará un vínculo para actualizar esta pieza a partir de los cambios en la operación de biblioteca. Si se selecciona la opción Sobrescribir valores de cota se podrán cambiar los valores de cotas internas de la operación. 8 Operación. La operación de biblioteca se agrega al FeatureManager como una operación de biblioteca compuesta de croquis, un plano y un corte. Nota Las etiquetas “L” que se superponen a los iconos de la operación indican una operación de biblioteca. Referencias Muchas operaciones contienen referencias múltiples para las caras, múltiples aristas o planos. Se utilizan para adjuntar cotas y establecer relaciones en la geometría. Si las referencias no se adjuntan correctamente a la geometría del modelo, se convertirán en colgantes. Para obtener más información, consulte Volver a asociar cotas en la página 230. Biblioteca de diseño 289
  • 303.
    Lección 9 Manual de formación SolidWorks 2006 Configuraciones de las piezas 9 Referencias. Arrastre y coloque la operación sae j1926-1 (rectangular face) en la cara plana. Esta operación requiere la selección de dos referencias y que cada una de ellas sea una arista lineal del modelo. Seleccione la configuración 716- 20. Para las dos Referencias, seleccione la que se muestra en la arista verde seguida de la roja. 10 Valores de cota. Establezca cada Cota de ubicación en 0.5” haciendo clic en la celda y especificando ese valor. Haga clic en Aceptar. 11 Comprobar las configuraciones. Las nuevas operaciones poseen su supresión desactivada en la configuración activa (ports) y están suprimidas en todas las demás. 12 Configuración activa. Convierta la configuración keyseat en la configuración activa. Colocación en Algunas operaciones se adjuntan a las caras circulares del modelo caras circulares de destino y requieren que la primera cara de "colocación" sea dicha cara. En estos casos, el plano de colocación se selecciona después de la colocación. 290 Biblioteca de diseño
  • 304.
    Manual de formaciónSolidWorks 2006 Lección 9 Configuraciones de las piezas 13 Operación. Abra la carpeta keyways (ranuras de chaveta) en la biblioteca de diseño. Arrastre y coloque la operación rectangular keyseat sobre la cara circular del eje. Seleccione la configuración ∅ 0.6875 W=0.1875 y el extremo de la cara plana como el Plano de colocación. 14 Referencia. Seleccione la arista circular de la cara extrema como la Referencia. 15 Cotas de ubicación. Establezca las Cotas de ubicación en los valores que se muestran. Biblioteca de diseño 291
  • 305.
    Lección 9 Manual de formación SolidWorks 2006 Configuraciones de las piezas 16 Comprobar las configuraciones. La nueva operación posee su supresión desactivada en la configuración activa (keyseat) pero está suprimida en todas las demás. 17 Guardar y cerrar el archivo. 292 Biblioteca de diseño
  • 306.
    Manual de formaciónSolidWorks 2006 Ejercicio 37: Utilice una pieza existente como base Configuracio- de una serie de configuraciones. Cree nes otras versiones suprimiendo diversas operaciones en cada configuración. Este laboratorio refuerza las siguientes funciones: Crear configuraciones. Suprimir operaciones. ¿Qué es esto? La pieza utilizada en este ejemplo es el componente pasador doble de un juguete que dispara cohetes de goma espuma. Procedimiento Abra la pieza existente config part (pieza config). 1 Crear nuevas configuraciones. Cree manualmente nuevas configuraciones que coincidan con las condiciones y los nombres que aparecen a continuación. Agregue operaciones al modelo donde se requiera. Mejor modelo – Incluye el Soporte para soporte para municiones y la municiones mira. Mira Modelo mejorado – Incluye sólo la mira. Ejercicio 37 293
  • 307.
    Manual de formaciónSolidWorks 2006 Modelo estándar – No incluye el soporte para municiones ni la mira. Modelo de sección – Muestra un corte de sección a través del modelo estándar. Nota La configuración de Sección se crea utilizando una operación Cortar. Para crear la operación Cortar, active la configuración de Estándar. Luego, utilice el plano de referencia Alzado y el comando Insertar, Cortar, Con superficie... para cortar el modelo. 2 Guardar y cerrar la pieza. 294 Ejercicio 37
  • 308.
    Manual de formaciónSolidWorks 2006 Ejercicio 38: Utilice una pieza existente y cree configuraciones. Más configura- Cree nuevas operaciones controladas por las ciones configuraciones. Este laboratorio refuerza las siguientes funciones: Agregar configuraciones. Suprimir operaciones. Las configuraciones permiten que la forma de la pieza difiera según las operaciones que se visualizan. Serie 100 Serie 200 100CF 100SF 200CF 200SF Procedimiento Abra la pieza existente Speaker (Altavoz). 1 Crear nuevas configuraciones. Cree cuatro configuraciones en la pieza utilizando los nombres que aparecen a continuación. Representan dos variaciones del altavoz y su función. (C = Control, S = Esclavo y F = Frontal). 100CF 100SF 200CF 200SF 2 Valores de configuración para el control de volumen. Agregue la operación Volume control (Control de volumen). Suprima y/o desactive la supresión de operaciones para obtener la forma que se muestra aquí para las configuraciones anteriores. 3 Valores de configuración para rounded tweeter (bafle de agudos redondeado). Agregue la operación Rounded tweeter. Suprima la operación en las dos configuraciones de la serie 200. 4 Configuración 200CF. Cambie a la configuración 200CF en el ConfigurationManager. Ejercicio 38 295
  • 309.
    Manual de formaciónSolidWorks 2006 5 Nuevo corte. Haga clic con el botón secundario del ratón en el croquis opening locations (ubicaciones de apertura) y seleccione Mostrar. Agregue un nuevo corte utilizando la geometría que se muestra. Agregue valores de cota para Todas las configuraciones. Cambie el nombre de la operación a Tweeter. Establezca el estado en supresión para la configuración de la serie 100 y en supresión desactivada para la de la serie 200. 6 Guardar y cerrar la pieza. 296 Ejercicio 38
  • 310.
    Manual de formaciónSolidWorks 2006 Ejercicio 39: Agregue nuevas operaciones y Cómo trabajar modifique otras utilizando una con configura- pieza existente con ciones configuraciones. Este laboratorio refuerza las siguientes funciones: Suprimir una operación utilizando propiedades de la operación. Editar condiciones finales de extrusión por configuración. Incorporar operaciones nuevas en un entorno de múltiples configuraciones. Procedimiento Abra la pieza existente Working with Configurations (Trabajar con configuraciones). 1 Configuraciones. La pieza contiene siete (7) configuraciones. Son las siguientes: Default (Predeterminada) doublewall (pared doble) doublewall.simple (pared doble simple) singlewall (pared única) singlewall.simple (pared única simple) stepped (escalonada) stepped.simple (escalonada simple) Para comenzar, diremos que todas las configuraciones son iguales, copias de la configuración Default (Predeterminada). 2 Seleccionar las operaciones Redondeo y Chaflán. Modifique las tres configuraciones simplificadas para suprimir todos los redondeos y los chaflanes dentro de las mismas. Presione Mayús y seleccione las operaciones fill060.vert, fill060.tb y cham025. 3 Propiedades de operación. Haga clic en Editar, Propiedades. Haga clic en Suprimida, Especificar configuraciones y haga clic en Aceptar. Ejercicio 39 297
  • 311.
    Manual de formaciónSolidWorks 2006 4 Selección de configuración. Seleccione doublewall.simple, singlewall.simple y stepped.simple en la lista. Desactive la selección de las demás y haga clic en Aceptar. 5 Cambios. Las tres operaciones se suprimen sólo en las configuraciones seleccionadas (simplificadas). 6 Configuración activa. Establezca singlewall como la configuración activa. 7 Modificar las condiciones finales. Edite la definición de la operación center hole (taladro central). Establezca las Configuraciones en Especificar configuraciones y elija: singlewall (pared única) singlewall.simple (pared única simple) stepped (escalonada) stepped.simple (escalonada simple) Elija Hasta el siguiente como la condición final y haga clic en Aceptar. 298 Ejercicio 39
  • 312.
    Manual de formaciónSolidWorks 2006 8 Agregar una nueva operación. Establezca la configuración activa en stepped. Cree un croquis nuevo en la cara frontal del modelo y cree un círculo concéntrico a center hole. Agregue una cota de 0.75” para Todas las configuraciones. 9 Cortar. Cree una operación Cortar utilizando la condición final Hasta el siguiente. La operación se agrega a todas las configuraciones, suprimiéndose en todas excepto la activa. Asigne a la operación el nombre step cut (corte escalonado). 10 Propiedades de operación. Haga clic con el botón secundario del ratón en la operación nueva y seleccione Propiedades de operación.... Asegúrese de que la casilla de verificación Suprimida se encuentre desactivada. Seleccione Especificar configuraciones y haga clic en Aceptar. Seleccione las configuraciones stepped y stepped.simple y haga clic en Aceptar. Sugerencia Las configuraciones también pueden diferenciarse por color. Utilice el cuadro de grupo Configuraciones en el cuadro de diálogo Editar Color. 11 Guardar y cerrar la pieza. Ejercicio 39 299
  • 313.
    Manual de formaciónSolidWorks 2006 300 Ejercicio 39
  • 314.
    2006Manual de formaciónSolidWorks 2006 Lección 10 Tablas de diseño y ecuaciones Al finalizar esta lección, podrá: Vincular valores de cotas para captar la intención del diseño. Crear ecuaciones. Crear automáticamente tablas de diseño. Utilizar tablas de diseño existentes para crear familias de piezas. Realizar dibujos de detalle utilizando tipos más avanzados de vistas de dibujo. 301
  • 315.
    Lección 10 Manual de formación SolidWorks 2006 Tablas de diseño y ecuaciones 302
  • 316.
    Manual de formaciónSolidWorks 2006 Lección 10 Tablas de diseño y ecuaciones Tablas de LasTablas de diseño son la diseño mejor manera de crear configuraciones de piezas. Se utilizan para controlar los valores de cota de familias de piezas, y los estados de supresión de las operaciones. Las tablas de diseño se pueden utilizar para crear una familia de piezas a partir de un único diseño de pieza. Puesto que el software SolidWorks es una aplicación OLE/2, se utiliza una hoja de cálculo de Excel para disponer la tabla de diseño de manera que se pueda importar al documento de SolidWorks. Temas clave En la siguiente lista aparecen los temas clave que se describen en esta lección. Vincular valores La opción Vincular valores se utiliza para establecer dos o más cotas iguales. Ecuaciones Las ecuaciones se pueden utilizar para crear relaciones algebraicas entre cotas que usan funciones y operadores matemáticos. Crear una tabla de diseño automáticamente Las tablas de diseño se pueden crear y editar automáticamente una vez insertadas. Las tablas de diseño se pueden configurar de modo que no se pueda cambiar el modelo si estos cambios actualizasen la tabla de diseño. Cómo hacer cambios Se pueden hacer cambios a la tabla de diseño existente si se edita la tabla para agregar configuraciones, cotas u operaciones. Cambios bidireccionales Cotas que aparecen en la tabla de diseño y están conducidas por ella. Los cambios hechos a las cotas en el modelo provocan el cambio correspondiente en la tabla de diseño. Cómo insertar tablas de diseño en blanco Las tablas de diseño en blanco son útiles para muchas tareas, incluidas las vistas explosionadas y posiciones múltiples de un componente en un ensamblaje. Dibujos con configuraciones Los dibujos con piezas que tienen configuraciones proporcionan muchas opciones para su visualización. Se puede visualizar cualquier configuración disponible en una vista del modelo. Tablas de diseño 303
  • 317.
    Lección 10 Manual de formación SolidWorks 2006 Tablas de diseño y ecuaciones 1 Abrir Socket. La pieza Socket (Portalámparas) (que aparece aquí con las opciones Visualizar cotas de operación y Visualizar nombres de cotas activadas) contiene dos operaciones de corte que representan los cortes hexagonales que se superponen. Éstas mantienen sus nombres originales. 2 Cambiar el valor. Haga doble clic en el croquis de la operación 6 Point (6 puntos) y en la cota 0.5”. Agregue 1/ 32” al valor nominal tal como se muestra. Reconstruya el modelo. Vincular valores Vincular valores puede utilizarse para equiparar una serie de cotas asignándoles el mismo nombre. Si cambia el valor de una de las cotas vinculadas, cambiará el valor de las demás. La vinculación puede eliminarse utilizando Deshacer vínculo del valor. Esta opción es superior a las ecuaciones para equiparar diversos valores entre sí. En este ejemplo, hay dos cotas lineales: una en cada uno de los cortes con forma hexagonal. Se utilizará el comando Vincular valores para relacionarlas. Dónde encontrarlo En el cuadro de diálogo para modificar cotas, seleccione Vincular valor. Haga clic con el botón secundario del ratón en una o varias cotas y seleccione Vincular valores. Nota Las cotas que se relacionen deben ser del mismo tipo. Vincule cotas angulares con otras cotas angulares y así sucesivamente. 3 Acceder a los valores de vínculo. Haga doble clic en la misma cota como si fuera a cambiar el valor. Con el menú desplegable, seleccione Vincular valor. 304 Vincular valores
  • 318.
    Manual de formaciónSolidWorks 2006 Lección 10 Tablas de diseño y ecuaciones 4 Asignar un nombre al valor de vínculo. En el cuadro de diálogo Valores compartidos, escriba el nombre AcrossFlats (Sup. planas) y haga clic en Aceptar. 5 Valor de vínculo agregado. Se agrega el valor de vínculo y se utiliza como el nombre de cota. También se agrega un símbolo de prefijo para identificar que esta cota se ha relacionado. Reconstruya el modelo. 6 Carpeta Equations. El valor de vínculo aparece en la carpeta Equations (Ecuaciones) del FeatureManager. 7 Agregar valor de vínculo. Haga doble clic en el croquis de la operación 12 Point (12 puntos) y en la cota 0.5”. Seleccione el valor de vínculo AcrossFlats en el menú desplegable. El valor del vínculo existente se asigna a esta cota. Reconstruya el modelo. Nota Un valor de vínculo seguirá asociado a una cota a no ser que se elimine haciendo clic con el botón secundario del ratón en Deshacer vínculo del valor. Si se cambia el valor de cualquier cota vinculada, cambiará el valor de todas las cotas vinculadas. Ecuaciones Muchas veces es necesario establecer una relación entre parámetros que no puede lograrse utilizando relaciones geométricas o técnicas de modelado. Por ejemplo, puede utilizar ecuaciones para establecer relaciones matemáticas entre cotas en el modelo. Esto es lo que haremos a continuación. Ecuaciones 305
  • 319.
    Lección 10 Manual de formación SolidWorks 2006 Tablas de diseño y ecuaciones Esta ecuación establecerá una relación entre el diámetro del cilindro y la distancia a través de las caras planas del hexágono. El diámetro aumentará a medida que aumente la distancia entre las caras planas. Nota Las instrucciones de igualdad simples dentro de una pieza pueden crearse con mayor facilidad mediante Vincular valores que mediante ecuaciones. Preparación para Si bien puede comenzar escribiendo ecuaciones y aplicándolas al ecuaciones modelo con poca o ninguna preparación, resulta mucho más práctico realizar una pequeña inversión de tiempo a futuro para lograr un beneficio agregado después. Debe considerar lo siguiente: Cambiar el nombre de las cotas El sistema crea las cotas con nombres predeterminados algo crípticos. Para facilitarle a otras personas la interpretación de las ecuaciones y la comprensión de qué es exactamente lo que controlan, debe cambiar el nombre de las cotas, proporcionándoles nombres más lógicos y fáciles de comprender. Haga clic con el botón secundario del ratón en una cota y seleccione Propiedades para cambiarle el nombre. Nota Cuando las ecuaciones se utilizan en un ensamblaje, el nombre completo se escribe de esta forma: Nombre@Nombredeoperación@Nombredepieza. Dependiente contra independiente El software de SolidWorks utiliza ecuaciones con la forma Dependiente = Independiente. Esto significa que en la ecuación A = B, el sistema soluciona A cuando se le proporciona B. Puede editar el parámetro B directamente y cambiarlo. Una vez escrita y aplicada la ecuación, no puede cambiar directamente el parámetro A. Antes de empezar a escribir ecuaciones, es necesario decidir qué parámetro conducirá la ecuación (el independiente) y qué parámetro será conducido por la ecuación (el dependiente). ¿Qué cota conduce el diseño? En este ejemplo, controlaremos el diámetro del cilindro en función de la distancia a través de las caras planas del hexágono. Esto significa que la distancia plana es el parámetro conductor o independiente y el diámetro es el conducido o dependiente. El tamaño del hexágono conduce el diseño. Funciones Las funciones que aparecen como botones en el cuadro de diálogo Agregar ecuación incluyen operadores básicos, funciones trigonométricas y muchas otras funciones. 306 Ecuaciones
  • 320.
    Manual de formaciónSolidWorks 2006 Lección 10 Tablas de diseño y ecuaciones Formato de las La ecuación necesaria en este ejemplo utiliza la distancia a través de ecuaciones las caras planas del hexágono como la cota conductora. Esto provoca cambios en el diámetro del cilindro, una operación que la precede. El formato es: Cota conducida = Cota conductora + Constante donde: Cota conducida = CylinderDiameter@Sketch1 Cota conductora = AcrossFlats@Sketch2 Constante = 0.25 Introducción: El cuadro de diálogo Ecuaciones se puede utilizar para agregar, Ecuaciones editar, eliminar y configurar ecuaciones. Dónde encontrarlo Haga clic en Ecuaciones en la barra Herramientas. O, en el menú Herramientas, haga clic en Ecuaciones. O haga clic con el botón secundario del ratón en la carpeta Equations y seleccione una opción. O en el cuadro de diálogo para modificar cotas, seleccione Agregar ecuación. 8 Agregar ecuación. Haga doble clic en la operación Cylinder (Cilindro) y en la cota de diámetro (1”). En el cuadro de diálogo, seleccione Agregar ecuación en la lista desplegable. 9 Cota agregada. La cota se agrega a la nueva ecuación a la izquierda del signo igual. Ecuaciones 307
  • 321.
    Lección 10 Manual de formación SolidWorks 2006 Tablas de diseño y ecuaciones 10 Completar ecuación. Haga clic en cualquiera de las cotas de valor de vínculo y agregue “+ 0.25” para completar la ecuación. Haga clic en Aceptar para agregar la ecuación. 11 Lista. La lista actual de ecuaciones, incluidos los valores de vínculo , se muestra en una lista en el cuadro de diálogo Ecuaciones. Haga clic en Aceptar y reconstruya el modelo. La columna Evaluar a se refiere al valor de la cota CylinderDiameter@ Sketch1. Los cambios en la cota AcrossFlats@Sketc h2 hacen que la evaluación cambie. Sugerencia Si sus ecuaciones utilizan cotas angulares, seleccione Radianes o Grados como Unidades de ángulo para ecuaciones. Nota La cota conducida en este caso, CylinderDiameter@Sketch1, no se puede cambiar directamente. Si se hace doble clic en ella, el cuadro de diálogo Modificar aparecerá atenuado. Variables globales Se pueden agregar y utilizar Variables globales (o variables independientes) en las ecuaciones para representar la resistencia del material, el coeficiente de Poisson u otras constantes. Se pueden utilizar dentro de las ecuaciones. 308 Ecuaciones
  • 322.
    Manual de formaciónSolidWorks 2006 Lección 10 Tablas de diseño y ecuaciones Algunas Las ecuacio- consideraciones nes se resuel- finales sobre las ven en el orden ecuaciones en que se enu- meran. Si cam- bia una cota y descubre que la misma nece- sita dos reconstruccio- nes para actualizar toda la geometría de la pieza, esto puede indicar que sus ecuaciones están mal ordenadas. Edite las ecuaciones y uti- lice la lista para volver a ordenarlas. Considere este ejemplo: Dadas tres ecuaciones: A=B, C=D y D=B/2, considere lo que sucede si cambia el valor de B. Primero, el sistema calculará un valor nuevo para A. Cuando evalúe la segunda ecuación, nada se modificará. Cuando se evalúe la tercera ecuación, el valor modificado de B dará como resultado un nuevo valor para D. Sin embargo, este nuevo valor de D no se usa para calcular un nuevo valor para C hasta la segunda reconstrucción. Al reordenar las ecuaciones de esta manera: A=B, D=B/2 y C=D se resolverá el problema. Tablas de Las tablas de diseño son la mejor manera de crear configuraciones diseño de piezas. Se utilizan para controlar los valores de cota de familias de piezas y los estados de supresión de las operaciones. Crear una tabla de La manera más sencilla de crear una Tabla de diseño en una pieza diseño es crearla automáticamente por medio de las cotas, operaciones y automáticamente configuraciones existentes. La información existente se formatea en una hoja de cálculo de Excel y se actualiza automáticamente, de manera predeterminada bidireccionalmente. Introducción: Al insertar una tabla de diseño, la ventana de SolidWorks cambia a Insertar tabla de Excel. Es decir, mientras la tabla está activa, las barras de diseño herramientas se transforman en barras de herramientas de Excel en lugar de barras de herramientas de SolidWorks. Sólo puede haber una tabla de diseño en cada pieza. Está almacenada en el documento de pieza, a menos que se utilice una tabla de diseño vinculada. Dónde encontrarlo Haga clic en Insertar, Tabla de diseño.... O haga clic en la herramienta Tabla de diseño en la barra Herramientas. Gestor de diseño del Cuando se agrega una tabla de diseño a una pieza o ensamblaje, este FeatureManager símbolo aparece en el gestor de diseño del Featu- reManager. Tablas de diseño 309
  • 323.
    Lección 10 Manual de formación SolidWorks 2006 Tablas de diseño y ecuaciones 12 Insertar una nueva tabla de diseño. Haga clic en Insertar, Tabla de diseño.... En el Origen, seleccione Creación automática para automatizar la creación de la tabla de diseño. El Origen determina de dónde proviene la información. En blanco crea una nueva tabla de diseño en blanco. Las cotas y las operaciones pueden agregarse a la tabla de diseño haciendo doble clic en ellas. Creación automática genera una tabla de diseño a partir de cotas, operaciones y configuraciones existentes. Desde archivo importa una hoja de cálculo de Microsoft Excel para utilizarla como tabla de diseño. Haga clic en Examinar para localizar la tabla. También puede seleccionar la casilla de verificación Vincular a archivo, que vincula la hoja de cálculo al modelo. Editar control controla la capacidad de hacer cambios bidireccionales. Si se selecciona la opción Permitir que las actualizaciones al modelo actualicen la tabla de diseño se podrán realizar cambios fuera de la tabla y ésta todavía se podrá actualizar. Opciones determina de qué manera trata la información nueva la tabla de diseño. Si se establece en bidireccional, los cambios en las nuevas operaciones, configuraciones y cotas harán que la tabla de diseño se actualice. Sugerencia Las cotas que están conducidas por la tabla de diseño aparecen en un esquema de color diferente. Puede cambiar el color de las cotas que están controladas por la tabla de diseño para facilitar su identificación. Haga clic en Herramientas, Opciones, Opciones de sistema, Colores. Seleccione la opción Cota, Controlada por tabla de diseño y edite el color. 310 Tablas de diseño
  • 324.
    Manual de formaciónSolidWorks 2006 Lección 10 Tablas de diseño y ecuaciones 13 Cotas que se agregarán. La opción Creación automática genera una lista de las cotas de la pieza que se pueden agregar a la tabla de diseño. Presione Ctrl y seleccione estas cuatro cotas: CylinderDepth@Cylinder AcrossFlats@Sketch2 HexDepth@6 Point DriveSquare@Sketch4 Sugerencia Los nombres de las cotas que se utilizarán en la tabla deben cambiarse por nombres más significativos que los nombres predeterminados. 14 Tabla de diseño. Las cotas seleccionadas se agregan a la tabla de diseño con sus valores asociados. Observe que los nombres largos de cota se giran verticalmente de forma automática. Formatos de Excel Las celdas de la hoja de cálculo aparecen con formateado estándar pero pueden cambiarse en cualquier momento. Aproveche las capacidades de Excel para lograr que la tabla de diseño sea más fácil de leer y de utilizar. Puede: Cambiar colores y bordes de celda Cambiar color, orientación y fuente del texto Definir funciones entre celdas Todos estos cambios pueden hacer que la tabla de diseño sea más útil o simplemente más fácil de leer. Tablas de diseño 311
  • 325.
    Lección 10 Manual de formación SolidWorks 2006 Tablas de diseño y ecuaciones Anatomía de una La tabla de diseño contiene filas y columnas de información que se tabla de diseño establece en celdas predefinidas de la hoja de cálculo de Excel. Título Propiedades Configuración Valores de celda Propiedades Las Propiedades contenidas en la Fila 2 de la tabla de diseño se utilizadas en la tabla pueden utilizar para fijar un valor de cota, suprimir o desactivar la de diseño supresión de una operación o agregar un comentario. El siguiente gráfico resume las propiedades disponibles y los valores de celda válidos. Ejemplo de Propiedad Valor de celda Descripción encabezado Cota D3@Sketch2 Número El valor debe ser apropiado para la cota. Tolerancia $TOLERANCE@D1@ Tipo de tolerancia El formato establece el Sketch1 (texto); Variación tipo y los valores máxima (número); separados por punto y Variación mínima coma (;) para una sola (número) cota. Estado $STATE@Fillet5 Sup, SupD, Suprimido, Fija el estado de una Supresión desactivada, operación para su o en blanco. supresión o la En blanco = Supresión desactivación de su desactivada supresión. Color $COLOR Número entero de 32 El valor de color proviene bits. del material o color de la paleta. Padre $PARENT Texto Nombre de la configuración de padre. Comentario $COMMENT Texto Alfanumérico. Notas del $USER_NOTES Texto Alfanumérico. usuario* * Se puede utilizar como un encabezado de fila o columna. 312 Tablas de diseño
  • 326.
    Manual de formaciónSolidWorks 2006 Lección 10 Tablas de diseño y ecuaciones Ejemplo de Propiedad Valor de celda Descripción encabezado Propiedad $prp@prop_name Texto Un nombre de propiedad personalizada prop_name creado en la tabla o mediante Archivo, Propiedades. Agregar nuevos Si se hace doble clic se pueden agregar a la tabla nuevos encabezados encabezados de propiedades, basados en operaciones o cotas. En el caso de una operación, haga doble clic sobre ella en el FeatureManager o en la pantalla. El resultado es una propiedad $STATE (consulte Propiedades utilizadas en la tabla de diseño en la página 312). En el caso de una cota, haga doble clic en ella en la zona de gráficos. Nota Se debe seleccionar la siguiente celda disponible en la fila 2 antes de hacer doble clic. 15 Agregar operación. Haga doble clic en la operación 12 Point en el FeatureManager. Se agrega a la tabla de diseño con el prefijo $STATE@. El estado actual, UNSUPPRESSED, también se agrega. Cambie el valor UNSUPPRESSED por la abreviatura U. Nota Las celdas UNSUPPRESSED se pueden abreviar como U. Las celdas SUPPRESSED se pueden abreviar como S. Si u o s están en minúsculas, pasarían a ser mayúsculas. Agregar Una vez se haya establecido la tabla de diseño, las configuraciones configuraciones a y los valores de celda asociados se pueden agregar escribiéndolos. la tabla En este ejemplo, se creará y se copiará un nuevo nombre de configuración para generar más. 16 Agregar una nueva configuración. Sustituya el nombre de configuración Default por 0.5 Short 12 en la celda A3. Cierre la tabla. Tablas de diseño 313
  • 327.
    Lección 10 Manual de formación SolidWorks 2006 Tablas de diseño y ecuaciones 17 Eliminar configuración. Salga de la tabla de diseño confirmando la creación de una nueva configuración. En el Configuration Manager, active la nueva configuración y elimine Default. 18 Agregar más configuraciones. Haga clic con el botón secundario del ratón en la operación Design Table (Tabla de diseño) y seleccione Editar tabla. Agregue más configuraciones de manera rápida seleccionando las celdas A3- F3 y arrastrando el margen inferior derecho del cuadro de selección hasta la fila 5. Modifique algunas de las celdas tal como se muestra. 19 Configuraciones agregadas. Cierre la tabla de diseño para agregar nuevas configuraciones. Aparece un mensaje en el que se indican los nombres de las nuevas configuraciones que se han agregado. Sugerencia Si las configuraciones no están en la lista, hay un problema en la tabla de diseño. Con frecuencia, el problema es un valor de celda inapropiado. Si es así, aparecerá un mensaje que enuncia que un valor no es válido. 20 Configuraciones resultantes. Pase al Configuration Manager y haga doble clic en cada configuración para activarla. 0.5 Short 12 0.625 Short 12 0.75 Short 12 Sólo puede haber una configuración activa a la vez. 314 Tablas de diseño
  • 328.
    Manual de formaciónSolidWorks 2006 Lección 10 Tablas de diseño y ecuaciones 21 Agregar configuraciones y comentarios. Mediante los comandos Copiar y Pegar incluidos en Edición, puede crear tantas configuraciones y formatos adicionales como el tiempo le permita. 22 Configuraciones creadas. Si se crean todas las configuraciones, habrá 6. Para cada tamaño hay una versión de 6 y 12 puntos. Tablas de Otra forma de agregar una tabla de diseño es crear la tabla de Excel diseño e insertarla en la pieza. Aquí hay algunas sugerencias para utilizar existentes este método: Cambiar el nombre de las cotas Como se mencionó previamente, los nombres de cotas predeterminados generalmente no son descriptivos. Cámbieles el nombre editando las Propiedades de la cota y modifique el campo Nombre. Copiar nombres de operación y cota La tabla de diseño es muy sensible en cuanto a la ortografía y el caso de los nombres de cotas y operaciones. Utilice copiar y pegar para extraer el Nombre completo de la cota del cuadro de diálogo Propiedades y agregarlo a la celda. Para las operaciones, también utilice el cuadro de diálogo Propiedades. Completar todas las celdas Todas las celdas dentro de las filas y columnas que usted crea deben tener el tipo de datos adecuados en ellas. Tablas de diseño existentes 315
  • 329.
    Lección 10 Manual de formación SolidWorks 2006 Tablas de diseño y ecuaciones 1 Abra la pieza denominada Part_DT (TD pieza). La pieza, Part_DT, se volverá a utilizar para demostrar las capacidades de las tablas de diseño existentes. La pieza tiene operaciones tanto de revolución como de extrusión. Observe que se utilizan múltiples operaciones en donde podría utilizarse una operación de revolución. Esto permite la supresión de las operaciones individuales. 2 Cotas clave. Utilizando propiedades, algunas cotas clave han cambiado sus nombres predeterminados por nombres más descriptivos. Sólo aquéllos que aparecen en la tabla de diseño deben cambiarse. Si se utilizan los nombres predeterminados, pueden agregarse comentarios a la tabla de diseño para describir la cota aún más. Sugerencia Cuando llegue el momento de copiar los nombres de cota en la hoja de cálculo, será más fácil seleccionar los nombres si no tienen espacios incrustados. Cómo insertar la Después de crear la tabla de diseño, debe insertarse en la pieza tabla de diseño apropiada de SolidWorks. Para hacerlo, utilice el siguiente procedimiento: 3 Insertar la tabla de diseño en la pieza. Haga clic en Tabla de diseño o en Insertar, Tabla de diseño.... Como Origen seleccione Desde archivo. Seleccione Vincular a archivo para establecer un vínculo entre el archivo externo y la pieza. Haga clic en Examinar... y seleccione el archivo de Excel Part_DT.xls y haga clic en Aceptar. Nota Si Vincular a archivo no se utiliza, la hoja de cálculo se copiará en el documento de pieza y se almacenará allí. 316 Tablas de diseño existentes
  • 330.
    Manual de formaciónSolidWorks 2006 Lección 10 Tablas de diseño y ecuaciones 4 Tabla de diseño en pantalla. La hoja de cálculo de la tabla de diseño se vincula a la pieza. Si hace clic en la parte exterior de la hoja de cálculo en la ventana de gráficos se cerrará. En este ejemplo, la tabla de diseño existente tiene el mismo nombre que la pieza: Part_DT. 5 Configuraciones satisfactorias. Un proceso satisfactorio incluirá un cuadro de diálogo que enumere las configuraciones creadas. Haga clic en Aceptar. 6 Acceso al ConfigurationManager. Acceda al ConfigurationManager y elija Visualizar configuración... para cada una de las configuraciones nuevas. Observe que las configuraciones no están enumeradas en el orden en que se encontraban en la hoja de cálculo. Se enumeran alfanuméricamente. También observe que la configuración Default tiene un icono diferente al resto. 7 Cómo eliminar una configuración. Para eliminar una configuración, Default en este caso, no debe estar activa. Haga clic en el nombre y presione la tecla Eliminar. Haga clic en Sí en el cuadro de diálogo para confirmar la eliminación de la configuración. 8 Guardar. Cuando se guarda la pieza, aparece un mensaje indicando que la tabla de diseño también se está guardando. Tablas de diseño existentes 317
  • 331.
    Lección 10 Manual de formación SolidWorks 2006 Tablas de diseño y ecuaciones 9 Configuraciones establecidas. Hay seis configuraciones establecidas para la pieza. Cada una se muestra a continuación. La configuración de la parte eliminada es la única que no suprime la operación Parte eliminada. parte eliminada w7-225 w7-25 w8-3 ensamblaje dibujo Cómo insertar La opción En blanco es útil cuando se necesitan configuraciones tablas de diseño para otros objetivos además de la supresión de operaciones o la en blanco configuración de valores de cota. Algunos ejemplos serían: En la tabla sólo se requieren Comentarios (fila o columna). Vistas explosionadas múltiples de un ensamblaje. Posiciones múltiples de un componente en un ensamblaje. Las operaciones y las cotas se agregarán manualmente. Sugerencia En general, si las cotas y las operaciones se van a controlar en la tabla, la opción Creación automática es mejor. Las configuraciones también se pueden crear fuera de una tabla, consulte Definición de la configuración en la página 282. Como guardar una Cuando crea automáticamente o inserta una tabla de diseño en tabla de diseño blanco, el único lugar en que existe la tabla está incrustado en la pieza de SolidWorks. Es muy posible que existan casos en los cuales usted desee guardar la tabla incrustada como una hoja de cálculo de Excel. Introducción: Guardar tabla le permite guardar una tabla de diseño incrustada Guardar tabla como una hoja de cálculo de Excel. Dónde encontrarlo Haga clic con el botón secundario del ratón en la tabla de diseño y seleccione Guardar tabla.... 318 Tablas de diseño existentes
  • 332.
    Manual de formaciónSolidWorks 2006 Lección 10 Tablas de diseño y ecuaciones Otros usos de las Las configuraciones de las piezas tienen numerosas aplicaciones y configuraciones usos. Entre los motivos de la creación de diferentes configuraciones se incluyen los siguientes: Requisitos específicos de la aplicación. Diferentes especificaciones de un producto como, por ejemplo, la versión militar y civil de una pieza. Consideraciones de rendimiento. Consideraciones de ensamblaje. Requisitos Muchas veces, el específicos de la modelo de la pieza aplicación finalizada contiene pequeños detalles como, por ejemplo, operaciones Redon- deo y Redondo. Cuando prepare una pieza como la que aparece en la parte derecha para el análisis de elementos finitos (FEA), sería recomendable que simplificara la pieza. Al suprimir las operaciones de detalles inne- cesarios podrá crear una configuración específica para el análisis de elementos finitos. Otra aplicación que podría necesitar una representación especializada del modelo sería el prototipo rápido. Consideraciones de Las piezas con una geometría compleja como, por ejemplo, las rendimiento operaciones de barrer y de recubrir, los redondeos con radio variable y los vaciados con múltiples espesores, tienen tendencia a agotar los recursos del sistema. Debería considerar la definición de una configuración que suprima alguna de estas operaciones. Esto le permitirá mejorar el rendimiento del sistema cuando trabaje en otras áreas no relacionadas del modelo. Sin embargo, cuando haga esto, asegúrese de tener en cuenta las relaciones de padre/hijo. No puede acceder, utilizar o hacer referencia a operaciones suprimidas y, por lo tanto, no le pueden servir de padres. Consideraciones de Cuando trabaje en ensamblajes complejos que contengan un gran ensamblaje número de piezas, podrá mejorar el rendimiento del sistema si utiliza representaciones simplificadas de esas piezas. Considere la supresión de detalles innecesarios como, por ejemplo, los redondeos, y deje sólo la geometría imprescindible para la relación de posición, la verificación de interferencias y la definición de ajuste exacto y función. Cuando agrega un componente a un ensamblaje, el navegador Insertar, Componente, Desde archivo... le permite escoger la configuración de la pieza que hay que mostrar. Para poder sacar partido de esto, tiene que planear con antelación, definiendo y guardando la configuración cuando construya el componente. Tablas de diseño existentes 319
  • 333.
    Lección 10 Manual de formación SolidWorks 2006 Tablas de diseño y ecuaciones Se pueden definir como diferentes configuraciones y utilizar en el mismo ensamblaje piezas similares que tengan la misma forma básica. La pieza que aparece a la derecha tiene dos configuraciones. Para obtener un ejemplo sobre cómo utilizar dos configuraciones diferentes de una pieza en un ensamblaje, consulte Cómo utilizar configuraciones de piezas en ensamblajes en la página 396. Estrategias de Cuando usted modela una pieza que se utilizará con modelado para configuraciones (sea no o conducida por una tabla de diseño), debe las configura- pensar qué elementos desea que sean controlados por las ciones configuraciones. Considere, por ejemplo, la pieza utilizada en la lección anterior. Una forma de modelar una pieza semejante es realizar un croquis único del perfil y construir la pieza como una única operación de revolución. Si bien dicho abordaje parece eficiente, tener toda la información contenida en una operación única y monolítica realmente limita su flexibilidad. Dividiendo la pieza en operaciones individuales más pequeñas, usted gana la flexibilidad de poder suprimir operaciones tales como redondeos o cortes. 320 Estrategias de modelado para las
  • 334.
    Manual de formaciónSolidWorks 2006 Lección 10 Tablas de diseño y ecuaciones Otros aspectos Los dibujos se presentaron por primera vez en la Lección 3. En esta acerca de cómo sección exploraremos algunos temas de la documentación realizar dibujos adicional. Estos temas incluyen: Vistas etiquetadas, Vistas de sección, Vistas de detalle y Cotas de coordenadas. 1 Abrir el dibujo denominado Part_DT. Propiedades de Las propiedades de dibujo controlan muchas características de cada dibujo hoja de dibujo. Las configuraciones pueden ser diferentes para cada hoja de dibujo. Introducción: La escala de vista, el tamaño del papel, el formato de hoja y el tipo Propiedades de de proyección se configuran o cambian en su totalidad a través del dibujo cuadro de diálogo Configuración de hoja. Dónde encontrarlo Con el cursor sobre el dibujo, haga clic con el botón secundario del ratón y seleccione Propiedades.... O, haga clic con el botón secundario del ratón en el icono de la hoja en el FeatureManager y seleccione Propiedades.... 2 Configurar hoja. Haga clic con el botón secundario del ratón en la hoja y seleccione Propiedades.... Establezca el Tamaño de hoja estándar en B- Horizontal, Escala en 1:2 y desactive Visualizar formato de hoja. Haga clic en Aceptar. Otros aspectos acerca de cómo realizar dibujos 321
  • 335.
    Lección 10 Manual de formación SolidWorks 2006 Tablas de diseño y ecuaciones 3 Visualizar escala. Cambia a la escala de la vista de hoja que afecta todas las vistas que no utilizan una escala personalizada. 4 Modificar la configuración. Haga clic en la vista de dibujo y seleccione Más propiedades... en el PropertyManager Vista del modelo. Haga clic en Utilizar configuración etiquetada y seleccione la configuración w7- 225. 5 Aristas tangentes. Haga clic con el botón secundario del ratón en la vista de dibujo y seleccione Arista tangente, Sin aristas tangentes. 322 Otros aspectos acerca de cómo realizar
  • 336.
    Manual de formaciónSolidWorks 2006 Lección 10 Tablas de diseño y ecuaciones Vista de sección Puede crear varias vistas de tipos de sección. La vista de sección simple simple utiliza una única línea para formar el plano de corte. Introducción: Vista de sección crea una vista de sección total o parcial sobre la Vista de sección base de una línea cortante y una dirección. Se utiliza una única línea de croquis para la línea de sección. La forma más rápida de crear la sección es haciendo clic primero en la herramienta. Esto activa la herramienta línea para croquizar la línea de sección. Cuando se completa la línea, aparece la vista preliminar de la vista de sección. Dónde encontrarlo En el menú haga clic en Insertar, Vista de dibujo, Sección. O, en la barra de herramientas Dibujo, haga clic en la herramienta Vista de sección . 6 Hacer clic en la herramienta Vista de sección. Haga clic en Vista de sección . En la vista Superior, croquice una línea vertical que atraviese el centro de la pieza. Utilice la información del cursor para alinear la línea con el eje que atraviesa el centro de la pieza. La línea debería extenderse más allá de las dimensiones de la pieza. 7 Colocar la vista de sección. Mueva el cursor hacia la izquierda de la vista y coloque la vista de sección haciendo clic con el botón izquierdo del ratón. La vista de dibujo Sección A-A está alineada con la vista de origen y viene con una etiqueta debajo. El patrón de rayado es automático y refleja el tipo especificado en el documento de pieza en Herramientas, Opciones, Opciones de sistema, Dibujos, Área rayada/Rellenar. Vistas de detalle Vistas de detalle pueden crearse utilizando una forma croquizada cerrada en una vista de origen activada. El detalle puede utilizar un multiplicador de escala para realizarlo a escala n veces más grande que su origen, el valor predeterminado es 2x. El contenido de la vista de detalle está determinado por los elementos que se encuentran contenidos dentro del croquis. El croquis debe ser un contorno cerrado pero puede construirse a partir de cualquier tipo de geometría de croquis. Otros aspectos acerca de cómo realizar dibujos 323
  • 337.
    Lección 10 Manual de formación SolidWorks 2006 Tablas de diseño y ecuaciones Introducción: Vista de detalle crea una nueva vista de un área encerrada por un Vista de detalle conjunto de geometría de croquis cerrado. La forma más rápida de crear el detalle es haciendo clic primero en la herramienta. Esto activa la herramienta Círculo para croquizar el círculo de detalle. Cuando el círculo está completo, aparece el detalle. Dónde encontrarlo En el menú haga clic en Insertar, Vista de dibujo, Detalle. O, en la barra de herramientas Dibujo, haga clic en la herramienta . 8 Croquizar el círculo de detalle. Haga clic en la herramienta Detalle. En la vista de Sección, croquice un círculo según se indica. Utilice la información del cursor para colocar el centro del círculo en el punto final de una arista. Arrastre el diámetro del círculo para encerrar la porción inferior de la pieza. 9 Colocar el detalle. Coloque la vista sobre el dibujo haciendo clic con el botón izquierdo del ratón. Establezca el estado de vista detalle en Sin líneas ocultas. 10 Insertar elementos del modelo. Los elementos del modelo pueden agregarse a todas las vistas, a las vistas seleccionadas o a las operaciones seleccionadas dentro de una vista. Seleccione la vista de sección, y haga clic en Insertar, Elementos del modelo.... Seleccione Marcadas para dibujo, Importar desde: Todo el modelo y Vista(s) de destino (vista seleccionada). Haga clic en Aceptar. 324 Otros aspectos acerca de cómo realizar
  • 338.
    Manual de formaciónSolidWorks 2006 Lección 10 Tablas de diseño y ecuaciones 11 Cotas en la vista de sección. Todas las cotas correspondientes se agregan a la vista de sección. 12 Cómo eliminar cotas. Las cotas eliminadas en el nivel del dibujo no se eliminan del modelo. Elimine las cotas para la profundidad de la pieza. Anotaciones Pueden agregarse muchos símbolos de anotación a un dibujo. Éstos incluyen: Indicaciones de referencia Símbolos de tolerancia geométrica Notas Acabados de superficie Símbolos de soldadura Anotaciones de taladro Globos Roscas cosméticas Introducción: El Símbolo de indicaciones de referencia puede asociarse a las Símbolo de aristas del modelo en las vistas de dibujo. indicación de referencia Dónde encontrarlo En la barra de herramientas Anotaciones, haga clic en Indicación de referencia . O haga clic en Insertar, Anotaciones, Símbolo de indicación de referencia.... Otros aspectos acerca de cómo realizar dibujos 325
  • 339.
    Lección 10 Manual de formación SolidWorks 2006 Tablas de diseño y ecuaciones 13 Agregar un símbolo de indicación de referencia. Inserte una Indicación de referencia con la Etiqueta A. Seleccione la arista del modelo vertical más hacia la izquierda en la vista de sección. Haga clic en Aceptar. Cotas de En la Lección 3, vio que puede agregar cotas manualmente en el coordenadas documento de dibujo. Éstas son cotas de referencia, y son conducidas. Esto significa que usted no puede editar el valor de las cotas de referencia para cambiar el modelo. Sin embargo, cambiar una cota del modelo actualiza la cota conducida en el dibujo. SolidWorks admite varias clases de cotas incluyendo Cotas de coordenadas. Las cotas de coordenadas son un conjunto de cotas medidas desde una coordenada cero en un dibujo o croquis. Se miden desde el eje que seleccionó primero. El tipo de cota de coordenada (horizontal, vertical o angular) está definido por la orientación de los puntos que usted selecciona. Las cotas coordenadas se agrupan automáticamente para mantener la alineación. Cuando usted arrastra cualquier integrante del grupo, todos los integrantes se mueven conjuntamente. Para desconectar una cota del grupo de alineación, haga clic con el botón secundario del ratón y seleccione Romper alineación. Si cotas adyacentes se encuentran muy juntas, las líneas indicativas se quiebran de manera automática según sea necesario para evitar que el texto se superponga. Las asas de arrastre se muestran en los pliegues cuando usted selecciona una cota de coordenada con una línea indicativa plegada. Puede quitar el pliegue o agregar un pliegue a una cota de coordenada diferente. Dónde encontrarlo Haga clic en Cota de coordenadas horizontal en la barra de herramientas Cotas/Relaciones. Haga clic en Herramientas, Cotas, y Coordinada horizontal. 326 Otros aspectos acerca de cómo realizar
  • 340.
    Manual de formaciónSolidWorks 2006 Lección 10 Tablas de diseño y ecuaciones 14 Agregar cotas de coordenadas a la vista de detalle. Haga clic en Cota de coordenadas horizontal en la barra de herramientas Cotas/Relaciones. Seleccione la arista extrema izquierda de la pieza. Haga clic para colocar la cota 0. Haga clic en las aristas restantes que desee acotar. Mientras lo hace, cada nueva cota de coordenada se colocará automáticamente en el dibujo. Notas Utilizando notas, usted puede agregar texto a un dibujo. Una nota paramétricas puede flotar libremente o colocarse con una línea indicativa señalando una cara, una arista o un vértice del dibujo. La nota puede contener texto simple, símbolos, texto paramétrico e hipervínculos. La línea indicativa puede ser recta o doblada. Una nota paramétrica es una que está vinculada al valor de una propiedad de documento, una propiedad personalizada o una propiedad específica de la configuración. Si el valor de la propiedad cambia, el texto de la nota cambia automáticamente. Dónde encontrarlo Haga clic en Nota en la barra de herramientas Anotaciones. Haga clic en Insertar, Anotaciones, Nota.... 15 Seleccionar la vista de dibujo. La nota debe asociarse con la vista de dibujo. Para lograrlo, haga doble clic en la vista del modelo antes de crear la nota. 16 Insertar nota. Haga clic en Nota en la barra de herramientas Anotaciones. En el PropertyManager, en Línea indicativa, haga clic en Sin línea indicativa para crear el texto sin ninguna línea indicativa. Haga clic debajo de la línea de sección y escriba: Nº de modelo Asegúrese de dejar un espacio después del carácter Nº. 17 Vincular a propiedad. Haga clic en Vincular a propiedad en el PropertyManager Nota. Haga clic en Modelo en vista al cual se asocia la anotación. Seleccione SW-Nombre de configuración en la lista y haga clic en Aceptar. Otros aspectos acerca de cómo realizar dibujos 327
  • 341.
    Lección 10 Manual de formación SolidWorks 2006 Tablas de diseño y ecuaciones 18 Fuente. Seleccione la fuente para que tenga un tamaño de 11 puntos y seleccione también el icono Centrar. Haga clic en Aceptar. 19 Texto de propiedad. La nota muestra el valor de la propiedad, el nombre de configuración actual, de inmediato. Es una visualización WYSIWYG de la nota finalizada. 20 Cambiar la configuración. Haga clic con el botón secundario del ratón en Drawing View1 (Vista del dibujo 1) y elija Propiedades.... En el PropertyManager Vista del modelo, haga clic en Más Propiedades.... En Información de configuración, haga clic en Utilizar configuración etiquetada y seleccione w8-3 de la lista. Las tres vistas se actualizan para reflejar la configuración seleccionada recientemente. Las cotas también se actualizan para reflejar el cambio efectuado en el tamaño del modelo. El texto de la nota también se actualiza, mostrando el nombre de configuración actual. Introducción: Vistas del modelo son vistas que toman su orientación y nombre Vista del modelo del cuadro de diálogo Orientación de vista en piezas y ensamblajes. Todas las vistas estándar, las vistas definidas por el usuario y la vista actual pueden elegirse para ser utilizadas como una vista etiquetada en una hoja de dibujo. Si la vista seleccionada en el modelo es una vista de perspectiva, esa información también pasa a la vista del dibujo. Dónde encontrarlo Haga clic en Vista del modelo en la barra de herramientas Dibujo. O, haga clic en Insertar, Vista de dibujo, Modelo.... 328 Otros aspectos acerca de cómo realizar
  • 342.
    Manual de formaciónSolidWorks 2006 Lección 10 Tablas de diseño y ecuaciones 21 Agregar una vista del modelo. Haga clic en Vista del modelo en la barra de herramientas Dibujo. Para identificar qué modelo debería aparecer en la vista, haga clic en el interior de la vista Superior (Drawing View1). Seleccione *Isometric (Isométrica) en la Orientación de vista y coloque la vista en el dibujo. Seleccione cutaway (parte eliminada) como la configuración utilizada en la vista. Área rayada Cuando creamos la vista de sección, el software agregó el rayado automáticamente. También puede aplicar un patrón de rayado manualmente a una cara sólida. Dónde encontrarlo Haga clic en Área rayada/Rellenar en la barra de herramientas Dibujo. O haga clic en Insertar, Anotaciones, Área rayada/Rellenar. Nota Éste es uno de los pocos comandos en SolidWorks que requiere que usted preseleccione la geometría. Primero debe seleccionar la cara. De lo contrario, el comando permanece no disponible. Otros aspectos acerca de cómo realizar dibujos 329
  • 343.
    Lección 10 Manual de formación SolidWorks 2006 Tablas de diseño y ecuaciones 22 Área rayada. Seleccione las dos caras cortadas del modelo en la vista isométrica. O haga clic en Área rayada/Rellenar . Aparece el cuadro de diálogo Área rayada/Rellenar. Esto le permite cambiar el estilo del patrón de rayado. Haga clic en Aceptar. 23 Editar el patrón de rayado. Haga clic en la sección situada en el extremo izquierdo del área rayada. Cambie el Ángulo a 90° y haga clic en Aceptar. Esto le otorga una apariencia más agradable al área de rayado. Tablas de diseño La tabla de diseño de en un dibujo una pieza puede mostrarse en una hoja de dibujo. Después de seleccionar una vista de la pieza, haga clic en Insertar, tablas, Tabla de diseño... y colóquela en el dibujo. Si hace doble clic en la tabla abre la pieza de referencia y la tabla de diseño dentro de la misma. 330 Otros aspectos acerca de cómo realizar
  • 344.
    Manual de formaciónSolidWorks 2006 Lección 10 Tablas de diseño y ecuaciones 24 Insertar la tabla de diseño. Haga clic en el interior de una de las vistas de dibujo. Dado que un dibujo puede contener vistas de diversos modelos diferentes, debe identificar desde qué pieza se insertará la tabla de diseño. Haga clic en Tabla de diseño o haga clic en Insertar, Tablas, Tabla de diseño.... La tabla de diseño aparece en la esquina superior izquierda del dibujo. Arrástrela a donde la desea en el dibujo. Para obtener más información sobre la realización de dibujos en SolidWorks, debe realizar el curso Conceptos básicos de SolidWorks: Dibujos. En el curso En el curso avanzado Modelado de ensamblaje avanzado, el avanzado... concepto de Configuraciones pasa a los ensamblajes. Los ensamblajes pueden tener configuraciones que se crean manualmente o a través de una tabla de diseño. Mientras que las configuraciones de piezas se centran en operaciones, las configuraciones de ensamblajes se centran en componentes, relaciones de posición u operaciones de ensamblaje. Las configuraciones de ensamblaje pueden utilizarse para controlar: Operaciones de ensamblaje Componentes Relaciones de posición y sus cotas También pueden utilizarse tablas de diseño. En el nivel del ensamblaje, hay más opciones disponibles para controlar una o más instancias de componentes. En el curso avanzado... 331
  • 345.
    Lección 10 Manual de formación SolidWorks 2006 Tablas de diseño y ecuaciones 332 En el curso avanzado...
  • 346.
    Manual de formaciónSolidWorks 2006 Ejercicio 40: Cree los valores de vínculo en una pieza existente y Utilizar Vincular pruébela. valores Este laboratorio refuerza las siguientes funciones: Creación de valores de vínculo. Procedimiento Abra la pieza existente denominada Link Values (Vincular valores). Cree un valor de vínculo que haga que todos los valores de operación de redondeo sean iguales. 1 Crear valor de vínculo. Cree y aplique un valor de vínculo denominado All_fillets&rounds (Todos los redondeos y redondos) a la cota de la operación Rounds (Redondos). 2 Aplicar el valor de vínculo. Aplique el valor de vínculo a las tres operaciones de redondeo restantes: Fillets.1 Fillets.2 Fillets.3 3 Probar. Pruebe los vínculos cambiando cualquiera de los cuatro a 0.125” y reconstruyéndolo. 4 Guardar y cerrar la pieza. Ejercicio 40 333
  • 347.
    Manual de formaciónSolidWorks 2006 Ejercicio 41: Cree una ecuación utilizando en Utilizar una pieza existente y pruébela. A ecuaciones Este laboratorio refuerza las siguientes funciones: B Creación de ecuaciones. C Procedimiento Abra la pieza existente denominada Using Equations (Utilizar ecuaciones). Las cotas A, B y C que se muestran arriba se utilizarán para definir la ecuación. 1 Escribir la ecuación. Escriba una ecuación que mantenga el diámetro de círculo del perno (A) centrado entre las aristas externas de la parte central (B) y la brida (C). El valor (A) debe ser conducido. 2 Probar la ecuación. Pruebe la ecuación cambiando el diámetro de brida a 12” y reconstruyendo el modelo. Puede probar otros valores si los desea. 3 Guardar y cerrar la pieza. Sugerencia Si tiene problemas, el formato de la ecuación debería ser: A=(C-B)/2+B. 334 Ejercicio 41
  • 348.
    Manual de formaciónSolidWorks 2006 Ejercicio 42: Utilice una pieza existente Tablas de como base de una tabla de diseño de diseño. Utilice las cotas y piezas agréguelas a una nueva tabla de diseño. Este laboratorio refuerza las siguientes funciones: Insertar tablas de diseño. Editar tablas de diseño. Agregar propiedades. Utilizar configuraciones. Procedimiento Abra la pieza existente Part Design Table (Tabla de diseño de pieza). 1 Tabla de diseño. Cree una tabla de diseño por medio de Creación automática y edítela según se indica. 2 Agregar cotas. Seleccione por medio de la tecla CTRL todas las cotas, excepto D1@Main, en el cuadro de diálogo Cotas. Agréguelas a la tabla de diseño. Los valores actuales se agregan de modo automático. 3 Agregar operación. Haga doble clic en la operación Holes (Taladros) para agregarla a la tabla de diseño. El estado actual se agrega automáticamente. 4 Agregar configuración. Escriba el nombre de configuración Size1 (Tamaño 1) según se indica. Copie las celdas como se indica. Ejercicio 42 335
  • 349.
    Manual de formaciónSolidWorks 2006 Copie la fila, incluida la configuración, para agregar configuraciones adicionales. 5 Editar celdas. Edite las celdas de las configuraciones Size2 a Size5. Los cambios se muestran en texto rojo y en negrita. 6 Cerrar la tabla de diseño. Haga clic fuera de la tabla de diseño para cerrarla. Debe crear cinco configuraciones nuevas. Los nombres son los mismos nombres que aparecen en la columna A de la hoja de cálculo. 7 Probar las configuraciones. Elija cada una de las configuraciones en el ConfigurationManager y pruébelas. 8 Editar la tabla de diseño. Edite la tabla de diseño mediante Editar Tabla.... Establezca el estado en supresión para la operación Holes en la configuración Size5. Haga clic fuera de la tabla de diseño para aplicar los cambios. 9 Probar la configuración editada. Pruebe las configuraciones, concentrándose en Size5. La operación Holes debe suprimirse en dicha configuración. 336 Ejercicio 42
  • 350.
    Manual de formaciónSolidWorks 2006 10 (Opcional) Agregar funciones de hoja de cálculo. Edite la Tabla de diseño para establecer relaciones entre celdas de la hoja de cálculo. Establezca el Radio lateral (SideR) de modo que el mismo sea igual a la mitad de la distancia del centro al centro (CtoC). Por ejemplo, la celda C3 será = D3/2; la celda C4 será = D4/2 y así sucesivamente. Puede agregarse una entrada USER_NOTE para explicar las relaciones entre las columnas. 11 Cambios (opcionales). Active la configuración Size3. Haga doble clic en la operación Holes y cambie el valor de la cota BoltH a 0.375” para Esta configuración. Haga clic en Aceptar en el cuadro de mensaje. 12 Cambios bidireccionales. El cambio se realiza en la configuración activa para dicha cota. El cambio en el modelo fuerza un cambio en la tabla de diseño. 13 Guardar y cerrar la pieza. Ejercicio 42 337
  • 351.
    Manual de formaciónSolidWorks 2006 Ejercicio 43: Utilice piezas existentes para crear tablas de diseño Configuracio- automáticamente y vincularlas a hojas de cálculo de nes existentes y Excel externas. tablas de Este laboratorio refuerza las siguientes funciones: diseño vincula- Crear automáticamente tablas de diseño a partir de das configuraciones existentes. Insertar tablas de diseño. Vincular a tablas de diseño externas. Creación automática Abra la pieza existente denominada Auto-Create (Creación automática). Contiene diversas configuraciones pero ninguna tabla de diseño. 1 Creación automática. Inserte una tabla de diseño utilizando la opción Creación automática. 2 Tabla de diseño. Una tabla de diseño se genera a partir de las configuraciones existentes. 3 Guardar y cerrar la pieza. Vincular a hoja de Abra la pieza existente Linked. La misma no contiene cálculo de Excel configuraciones excepto la configuración Default externa (Predeterminada). 4 Desde archivo. Inserte una tabla de diseño utilizando la opción Desde archivo. Seleccione el archivo Design Table.xls (Tabla de diseño). Seleccione la opción Vincular a archivo. 5 Editar el archivo de Excel. Abra el archivo de Excel vinculado Design Table.xls y agregue una nueva configuración G6 según se indica. 6 Regresar a la pieza. Guarde y cierre la hoja de cálculo. Regrese a la pieza para ver las actualizaciones. 7 Guardar y cerrar la pieza. 338 Ejercicio 43
  • 352.
    Manual de formaciónSolidWorks 2006 Ejercicio 44: Cree una pieza y una tabla de Cómo diseñar diseño nuevas. Diseñe la pieza con configuracio- el uso de las configuraciones y las nes tablas de diseño en mente. Este laboratorio refuerza las siguientes funciones: Modelar configuraciones. Crear tablas de diseño en Excel o dentro de SolidWorks. Utilizar configuraciones. Opciones de Excel. Procedimiento Cree una nueva pieza utilizando la plantilla Part_IN. Asigne a la pieza el nombre Design for Configs (Diseño para configuraciones). 1 Configuración Default (Predeterminada). Cree la forma básica de la pieza como una operación de revolución utilizando las cotas que aparecen a continuación. 2 Nombres de las cotas. Cambie el nombre de la cota de diámetro total (5”) a Main_OD (DT principal). 3 Operación Ranura. Cree una operación Corte para representar la ranura. Asigne a la operación el nombre Groove (Ranura). Cambie el nombre de las cotas de la ranura a Groove_ID, Groove_OD y Groove_Depth (Profundidad de la ranura). Ejercicio 44 339
  • 353.
    Manual de formaciónSolidWorks 2006 4 Taladro de refrentado. Utilice el Asistente para taladro para crear un taladro de refrentado para un tornillo de cabeza hexagonal de 1/2”. El Asistente para taladro genera cotas con nombres descriptivos. Los nombres C'Bore Dia.@Sketch3, C'Bore Depth@Sketch3, Thru Hole Depth@Sketch3 y Thru Hole Dia.@Sketch3 se generan automáticamente. 5 Tabla de diseño. Utilice Insertar, Tabla de diseño con la opción Creación automática para crear una tabla de diseño dentro de la pieza. Utilice métodos automatizados y de doble clic para crear la tabla que se muestra a continuación. Reorganice las columnas si fuese necesario. 340 Ejercicio 44
  • 354.
    Manual de formaciónSolidWorks 2006 6 Editar la tabla de diseño. Continúe editando la tabla de diseño, modificándola para incluir los valores y las configuraciones adicionales que se muestran a continuación. Agregue tres configuraciones de Groove más, suprimiendo todas las operaciones Cbore. Observe que la configuración Default se ha substituido. 7 Probar las configuraciones. Compruebe las cuatro configuraciones de Groove para ver si funcionan correctamente. Mientras una de las configuraciones Groove esté activa, elimine la configuración Default. Nota Puede agregar comentarios y otros datos a la hoja de cálculo, dejando simplemente una columna en blanco entre los datos de la tabla de diseño y los comentarios. También puede agregar color a los bloques de celdas para facilitar el reconocimiento y la asociación de grupos de datos. Ejercicio 44 341
  • 355.
    Manual de formaciónSolidWorks 2006 8 Agregar más configuraciones. Edite la tabla de diseño nuevamente y agregue cuatro configuraciones más para Cbore. El amarillo indica la información copiada, el rojo con negrita los cambios. 9 Guardar la pieza. 342 Ejercicio 44
  • 356.
    Manual de formaciónSolidWorks 2006 Ejercicio 45: Cree un dibujo de la pieza Dibujos construida en el ejercicio anterior. Este laboratorio refuerza las siguientes funciones: Crear vistas etiquetadas. Crear una vista de sección. Visualizar diferentes configuraciones de una pieza en vistas de dibujo. Crear una nota paramétrica. Incorporar cotas y anotaciones. Incorporar anotaciones de taladro. Insertar una tabla de diseño en un dibujo. Procedimiento Crear un dibujo de tamaño A similar al que se muestra a continuación. Ejercicio 45 343
  • 357.
    Manual de formaciónSolidWorks 2006 344 Ejercicio 45
  • 358.
    Manual de formaciónSolidWorks 2006 Lección 11 Vaciado y nervios Al finalizar esta lección, podrá: Aplicar ángulo de salida a caras del modelo. Utilizar la barra de retroceder. Realizar operaciones Vaciado para eliminar el material del interior de una pieza. Crear planos de referencia. Utilizar la herramienta Nervio. Crear operaciones lámina. 345
  • 359.
    Lección 11 Manual de formación SolidWorks 2006 Vaciado y nervios 346
  • 360.
    Manual de formaciónSolidWorks 2006 Lección 11 Vaciado y nervios Vaciado y La creación de piezas con paredes lámina nervios involucra algunas secuencias y operaciones, según se trate de un modelado fundido o a inyección. Se utilizan el vaciado y el ángulo de salida, así como los nervios. Este ejemplo recorrerá los pasos para el agregado de ángulo de salida, la creación de planos, el vaciado y la creación de nervios. Etapas del Algunas etapas importantes del proceso de modelado de esta pieza proceso se proporcionan en la siguiente lista: Ángulo de salida con un plano de referencia El ángulo de salida puede definirse en relación con un plano y una dirección de referencia. Cómo utilizar planos Esta pieza contiene diversas operaciones alineadas a la línea constructiva de la pieza misma. Un plano centrado se utiliza para localizar operaciones. Vaciado El vaciado es el proceso de eliminar material del interior de una pieza. Tiene la opción de eliminar una o más caras de la pieza. Una operación Vaciado es un tipo de operación aplicada. Herramienta Nervio La herramienta Nervio puede utilizarse para crear rápidamente nervios individuales o múltiples. Con una geometría de croquis mínima, el nervio se crea entre las caras delimitadoras del modelo. Operaciones lámina. La opción Operación lámina crea revoluciones, extrusiones, barridos y recubrimientos con paredes lámina de espesor constante. Cómo analizar y Se requieren ángulos de salida para piezas de un modelado fundido agregar o a inyección. Debido a que los ángulos de salida se pueden crear de ángulos de varias maneras, es importante ser capaz de comprobar el ángulo de salida salida en una pieza y, si fuese necesario, agregar más. Vaciado y nervios 347
  • 361.
    Lección 11 Manual de formación SolidWorks 2006 Vaciado y nervios 1 Abra la pieza Shelling&Ribs (Vaciado y nervios). Análisis de ángulo La herramienta Análisis de ángulo de salida es útil para de salida determinar si la pieza tiene un ángulo de salida suficiente como para ser eliminada del molde basado en un ángulo de salida establecido. Dónde encontrarlo Haga clic en Análisis de ángulo de salida en la barra Herramientas de moldes. O, haga clic en Herramientas, Análisis de ángulo de salida.... 2 Haga clic en Herramientas, Análisis de ángulo de salida. 3 Dirección de desmoldeo. Seleccione la cara plana posterior como la Dirección de desmoldeo. Haga clic en Invertir dirección, de modo que la flecha de dirección de desmoldeo apunte según se indica. Fije el Ángulo en 3° y haga clic en Calcular. 348 Cómo analizar y agregar ángulos de salida
  • 362.
    Manual de formaciónSolidWorks 2006 Lección 11 Vaciado y nervios 4 Resultados. Los colores se asignan a las caras de acuerdo con la naturaleza de su ángulo de salida. Ángulo de Clasificación Buscar caras salida necesario de caras empinadas Las opciones Clasificación de caras y Buscar caras empinadas producen resultados más específicos. Haga clic en Aceptar para completar el comando. El ángulo de salida es insuficiente. 5 Retroceder. Se debe agregar el ángulo de salida en una etapa anterior del modelado. Retroceda a una posición entre las operaciones lower cut (corte inferior) y Fillet1 (Redondeo1). Consulte Introducción: La barra de retroceder en la página 234 para obtener información sobre la barra de retroceder. Otras opciones Hasta ahora hemos visto un método para crear operaciones con de ángulo de ángulo de salida: salida Mediante la opción Ángulo de salida del comando Insertar, Saliente/Base, Extruir.... Hay veces que este método no se aplica a su situación específica. Por ejemplo, por la manera en que se realizó el modelado de la primera operación, no hay ningún ángulo de salida en ella. Claramente, debe existir una manera de agregar ángulos de salida a las caras después de crearlas. Introducción: Insertar ángulo de salida le permite agregar ángulos de salida a Insertar ángulo de caras del modelo con respecto a un plano neutro o una línea de salida separación. Dónde encontrarlo En el menú Insertar, escoja Operaciones, Ángulo de salida.... O, en la barra de herramientas Operaciones, haga clic en la herramienta Ángulo de salida . Otras opciones de ángulo de salida 349
  • 363.
    Lección 11 Manual de formación SolidWorks 2006 Vaciado y nervios Ángulo de salida El proceso de agregar ángulos de salida requiere la selección de un utilizando un Plano neutro y una o más Caras en las cuales aplicar el ángulo plano neutro de salida. 6 Ángulo de salida de plano neutro. Haga clic en Insertar, Operaciones, Ángulo de salida... y seleccione Plano neutro como el Tipo de ángulo de salida. Seleccione la cara plana posterior como Plano neutro. Establezca el Ángulo de salida en 3 grados. 7 Caras en las cuales aplicar el ángulo de salida. Seleccione las ocho caras en las que aplicar el ángulo de salida según se indica a la derecha. Si es necesario, haga clic en Invertir dirección para que la flecha señale en la dirección mostrada. 8 Ángulo de salida completo. Utilice Avanzar al final para reconstruir todas las operaciones del modelo. Las caras del ángulo de salida mostradas antes (izquierda) y después (derecha) retroceden. 350 Otras opciones de ángulo de salida
  • 364.
    Manual de formaciónSolidWorks 2006 Lección 11 Vaciado y nervios 9 Volver a comprobar el análisis de ángulo de salida. Vuelva a comprobar el Análisis de ángulo de salida utilizando la misma Dirección de desmoldeo y el mismo Ángulo de salida. Vaciado Una operación Vaciado se utiliza para “ahuecar” un sólido. Puede aplicar diferentes espesores de pared a caras seleccionadas. Puede seleccionar caras a eliminar. En este ejemplo, todas las paredes tienen el mismo espesor: 2 mm. Orden de La mayoría de las piezas plásticas tienen esquinas redondeadas. operaciones Si agrega redondeos a las aristas antes del vaciado y el radio de redondeo es mayor que el espesor de pared, las esquinas interiores de la pieza se redondearán automáticamente. El radio de las esquinas interiores será igual al radio de redondeo menos el espesor de pared. Esto puede aprovecharse para eliminar la tediosa tarea de redondear las esquinas interiores. Si el espesor de pared es mayor que el radio de redondeo, las esquinas interiores serán nítidas. Introducción: El comando Insertar vaciado elimina las caras seleccionadas y Insertar vaciado agrega espesor a otras para crear un sólido de pared lámina. Puede crear múltiples espesores en el mismo comando de vaciado. Dónde encontrarlo En el menú Insertar, escoja Operaciones, Vaciado.... O, en la barra de herramientas Operaciones, haga clic en Vaciado . Selección de cara El vaciado puede eliminar una o más caras del modelo o crear un lugar vacío completamente encerrado. Aquí hay algunos ejemplos: Una cara seleccionada. Una cara seleccionada. Vaciado 351
  • 365.
    Lección 11 Manual de formación SolidWorks 2006 Vaciado y nervios Múltiples caras seleccionadas. No se han seleccionado caras. Nota: Los resultados se muestran seccionados, utilizando el comando Vista de sección. 10 Vaciado. Haga clic en Insertar, Operaciones, Vaciado... y establezca el Espesor en 2 mm. Seleccione las 4 caras mostradas como las Caras a eliminar y seleccione Mostrar vista preliminar. Haga clic en Aceptar. Sugerencia Desactive la opción Mostrar vista preliminar antes de seleccionar las caras, de lo contrario la vista preliminar se actualizará con cada selección y ralentizará la operación. Planos de El Asistente para planos puede utilizarse para crear una variedad referencia de planos de referencia utilizando una geometría diferente. Pueden utilizarse planos, caras, aristas, vértices, superficies y geometría de croquis. Dónde encontrarlo Haga clic en Plano en la barra de herramientas Geometría de referencia. O, haga clic en Insertar, Geometría de referencia, Plano.... 352 Vaciado
  • 366.
    Manual de formaciónSolidWorks 2006 Lección 11 Vaciado y nervios Método abreviado Presione Ctrl y arrastre un plano de referencia existente para crear un plano equidistante. Aquí hay algunos ejemplos: Seleccione una cara plana o un plano del modelo. Opcionalmente, cree una serie de planos paralelos separados por esta distancia. Seleccione una cara plana (o un plano), una arista o un eje del modelo. Opcionalmente, cree una serie de planos en ángulo separados por este ángulo. Seleccione tres vértices... o una línea y un vértice. Vaciado 353
  • 367.
    Lección 11 Manual de formación SolidWorks 2006 Vaciado y nervios Seleccione una cara y un vértice. Seleccione una línea croquizada y un punto final. Método abreviado para lo anterior: Seleccione una arista y haga clic en Insertar, Croquis. Seleccione una cara cilíndrica y un plano de referencia. 354 Vaciado
  • 368.
    Manual de formaciónSolidWorks 2006 Lección 11 Vaciado y nervios 11 Paralelo al plano en un punto. Muestre el croquis de la operación Stand Offs (puntos muertos). Haga clic en Insertar, Geometría de referencia, Plano... y en Plano paralelo en punto. Seleccione el plano Planta y el punto indicado. Cambie el nombre del plano por medio del punto muerto. Nervios La herramienta Nervio, Insertar, Operaciones, Nervio..., le permite crear nervios utilizando una geometría de croquis mínima. La herramienta solicita el espesor, la dirección del material de nervio, cuánto desea extender el croquis si fuera necesario y si desea ángulo de salida. Croquis de nervio El croquis de nervio puede ser simple o complejo. Puede ser tan simple como una sola línea croquizada que forma la línea constructiva del nervio o puede ser más elaborado. Según la naturaleza del croquis de nervio, el nervio puede extruirse en forma paralela o normal al plano del croquis. Los croquis simples pueden extruirse en forma paralela o normal al plano del croquis. Los croquis complejos sólo pueden extruirse en forma normal al plano del croquis. Aquí hay algunos ejemplos: Croquis simple extruido en forma paralela al plano del croquis. Nervios 355
  • 369.
    Lección 11 Manual de formación SolidWorks 2006 Vaciado y nervios Croquis simple extruido en forma normal al plano del croquis. Croquis complejo extruido en forma normal al plano del croquis. Introducción: Insertar Nervio crea un nervio con la parte superior plana, con o sin Insertar nervio ángulo de salida. El nervio se basa en un contorno croquizado que define la ruta del nervio. Se puede agregar un redondeo completo para redondear el nervio. Dónde encontrarlo En el menú Insertar, escoja Operaciones, Nervio.... O escoja la herramienta Nervio en la barra de herramientas Operaciones. 12 Línea croquizada. Cree un croquis nuevo en el plano thru standoff (por medio del punto muerto). Haga clic en la vista Normal a y utilice la combinación de teclas Alt +Flecha (izquierda y derecha) para girar la vista. Croquice una línea, insuficientemente definida y acotada según se indica. Observe que la línea es Vertical. 356 Nervios
  • 370.
    Manual de formaciónSolidWorks 2006 Lección 11 Vaciado y nervios 13 Herramienta Nervio. Haga clic en la herramienta Nervio y configure los parámetros que se muestran: Espesor: 2 mm. Crear nervios en ambos lados del croquis Dirección de extrusión: Paralelo a croquis Ángulo de salida : 3° hacia fuera Observe la flecha de Invertir lado del material que indica la dirección de extrusión del nervio. Si fuese necesario, invierta la dirección. 14 Vista preliminar detallada. Haga clic en Vista preliminar detallada y desactive Resaltar caras nuevas o modificadas para obtener una vista preliminar del nervio. El nervio finalizado se extiende hacia abajo a la cara inferior y a lo largo de ambos extremos de la línea croquizada. Haga clic en Aceptar. 15 Plano equidistante. Seleccione el espesor de la cara y utilice la herramienta Plano para crear un nuevo plano de referencia con Equidistancia de 2 mm hacia el interior. Cambie el nombre al plano lin_patt. Nervios 357
  • 371.
    Lección 11 Manual de formación SolidWorks 2006 Vaciado y nervios 16 Línea croquizada. Mediante el nuevo plano, croquice una línea vertical para representar un nervio. Agregue la cota, pero deje el croquis insuficientemente definido. Matrices de Puede crear matrices de entidades de croquis en una matriz circular croquis o lineal. Esto se conoce como matriz (“step and repeat”). Una vez que usted crea la matriz, las entidades de croquis se relacionan con una relación de Matriz. Puede editar la definición de una matriz una vez creada la misma. Introducción: Las matrices de croquis son una manera eficiente de efectuar una Matriz lineal y réplica de la geometría de croquis sin tener que dibujar cada circular entidad. Resultan particularmente útiles para operaciones como nervios o como la base de una matriz de operaciones. Dónde encontrarlo En la barra de herramientas Croquis, haga clic en Matriz lineal o en Matriz circular . O haga clic en Herramientas, Herramientas de croquizar, Matriz lineal... o Matriz circular.... 17 Copias. Haga clic en Matriz lineal y Agregar cota. Agregue 4 copias de la línea con una Separación de 18 mm. La cota se agrega automáticamente. 358 Nervios
  • 372.
    Manual de formaciónSolidWorks 2006 Lección 11 Vaciado y nervios 18 Nervio. Haga clic en la herramienta Nervio. Haga clic en la opción Normal al croquis y apunte con la flecha al material. En las opciones restantes, repita las utilizadas en la operación Nervio anterior. Redondeos La opción Redondeo completo crea un redondeo tangente a tres completos conjuntos de caras adyacentes. Cada conjunto de caras contiene más de una cara. Sin embargo, dentro de cada conjunto de caras, las caras deben ser tangentes sin interrupción. Introducción: Un redondeo completo no necesita un valor de radio. El radio se Redondeos determina por la forma de las caras seleccionadas. completos La cara central se elimina Las caras laterales se recortan Redondeos completos 359
  • 373.
    Lección 11 Manual de formación SolidWorks 2006 Vaciado y nervios Dónde encontrarlo En el menú Insertar, elija Operaciones, Redondeo/Redondo... O haga clic en Redondeo en la barra de herramientas Operaciones. 19 Redondeo completo. Haga clic en el icono Redondeo y en la opción Redondeo completo. En Elementos a redondear, seleccione una cara en cada conjunto como se indica. 20 Guardar y cerrar el archivo. Operaciones Las Operaciones lámina se realizan utilizando un perfil de croquis lámina abierto y aplicando un espesor de pared. El espesor se puede aplicar al interior o exterior del croquis, de la misma manera en los dos lados del croquis o bien de manera diferente en cada lado. La creación de operaciones lámina se convoca automáticamente para contornos abiertos extruidos o de revolución. Los contornos cerrados también pueden utilizarse para crear operaciones lámina. Las operaciones lámina pueden crearse para extrusiones, revoluciones, barridos y recubrimientos. Revolución, abierta Revolución, cerrada 360 Operaciones lámina
  • 374.
    Manual de formaciónSolidWorks 2006 Lección 11 Vaciado y nervios Extrusión, abierta Extrusión, cerrada 1 Abrir Thin_Features. 2 Revolución lámina. Seleccione el croquis del strainer (colador) y la herramienta Revolución. Cuando el sistema le pregunte si el croquis se debe cerrar de manera automática, haga clic en No. Establezca el Espesor de dirección 1 en 0.20” y la dirección hacia el exterior. 3 Extrusión lámina. Seleccione el croquis del bracket (soporte) y la herramienta Extruir. Establézcala en el Plano medio y en 0.20”. Haga clic en Redondeo automático de esquinas y fije el Radio de redondeo en 0.125”. Operaciones lámina 361
  • 375.
    Lección 11 Manual de formación SolidWorks 2006 Vaciado y nervios 4 Vista preliminar. Haga clic en Vista preliminar detallada para ver los redondeos automáticos. Vuelva a hacer clic en el botón para salir de la vista preliminar. 5 Dirección. Establezca la dirección de la extrusión hacia la operación base y utilice Hasta el siguiente. Haga clic en Aceptar. Nota En este ejemplo se ofrece otra comparación entre Hasta la superficie (superior) y Hasta el siguiente (inferior). 362 Operaciones lámina
  • 376.
    Manual de formaciónSolidWorks 2006 Ejercicio 46: Cree esta pieza Tapa de bomba utilizando las cotas suministradas. Utilice bien las relaciones para mantener la intención del diseño. Este laboratorio utiliza las siguientes funciones: Croquizado. Extrusiones. Vaciado. Cómo aplicar simetría a las operaciones. Unidades: pulgadas Intención del La intención del diseño de esta pieza se muestra a continuación: diseño 1. Las pestañas son de igual tamaño y forma. 2. Los taladros en las pestañas son todos iguales. 3. Todos los redondeos son iguales con un radio de 0.12”. 4. El espesor de pared es constante. 5. La ranura está centrada sobre la arista. 6. La pieza es simétrica sobre dos ejes, excepto la ranura. Vistas acotadas Utilice los siguientes gráficos con la intención del diseño para crear la pieza. Vista Frontal Sección A-A Detalle de ranura. Ejercicio 46 363
  • 377.
    Manual de formaciónSolidWorks 2006 Vista Superior Isométrica invertida 364 Ejercicio 46
  • 378.
    Manual de formaciónSolidWorks 2006 Ejercicio 47: Cree esta pieza Bola de utilizando la ventilador de información y las techo cotas que se proporcionan. Este laboratorio refuerza las siguientes funciones: Cómo crear planos de referencia. Cortar con superficie. Equidistanciar entidades. Convertir entidades. Salientes y cortes de revolución. Procedimiento Utilice la plantilla Part_MM. 1 Abrir una nueva pieza. 2 Esfera. Cree una esfera mediante un croquis y una operación de revolución. 3 Planos equidistantes. Cree nuevos planos equidistantes de referencia desde Superior. 4 Cortar con superficie. Cree una operación de corte para cada uno de los planos de referencia creados. Ejercicio 47 365
  • 379.
    Manual de formaciónSolidWorks 2006 5 Equidistanciar entidades. Equidistancie desde la arista del corte y cree un corte mediante geometría. 6 Polígono y convertir entidades. Utilice la herramienta Polígono para crear un hexágono y modificarlo utilizando Convertir Entidades. Crear un Corte. 7 Arista convertida. Convierta la arista creada por cortar con superficie para crear un Corte por todo. 8 Corte de revolución. Utilice aristas convertidas y equidistantes para crear un perfil de croquis. Haga girar el croquis por medio del Plano medio y un ángulo de 180°. 9 Guardar y cerrar la pieza. 366 Ejercicio 47
  • 380.
    Manual de formaciónSolidWorks 2006 Ejercicio 48: Cree esta pieza utilizando las Blindaje de cotas suministradas. Utilice motor bien las relaciones para mantener la intención del diseño. Este laboratorio utiliza las siguientes funciones: Croquizado. Extrusiones. Vaciado. Unidades: milímetros Vistas acotadas Utilice los siguientes gráficos con la intención del diseño para crear la pieza. Vista derecha: Radios y Diámetros Vista derecha: Ubicaciones Ejercicio 48 367
  • 381.
    Manual de formaciónSolidWorks 2006 Vista derecha: Cortes interiores Vista Superior 368 Ejercicio 48
  • 382.
    Manual de formaciónSolidWorks 2006 Ejercicio 49: Cree esta pieza utilizando Brazo las cotas suministradas. Utilice bien las relaciones para mantener la intención del diseño. Este laboratorio utiliza las siguientes funciones: Croquizar con simetría. Operaciones lámina. Creación de Redondeos completos. Utilización de la condición final Equidistante de la superficie. Unidades: pulgadas Intención del La intención del diseño de esta pieza se muestra a continuación. diseño 1. La pieza es simétrica. 2. Todos los redondeos son de 1/16". Vistas acotadas Utilice los siguientes gráficos con la intención del diseño para crear la pieza. Ejercicio 49 369
  • 383.
    Manual de formaciónSolidWorks 2006 Ejercicio 50: Cree esta pieza utilizando Gancho las cotas suministradas. Utilice bien las relaciones para mantener la intención del diseño. Este laboratorio utiliza las siguientes funciones: Hasta la superficie. Operaciones lámina. Redondeos completos. Unidades: mm Intención del La intención del diseño de esta pieza se muestra a continuación. diseño 1. El espesor del metal es constante. 2. Todos los chaflanes son de 2 mm X 2 mm. Vistas acotadas Utilice los siguientes gráficos con la intención del diseño para crear la pieza. 370 Ejercicio 50
  • 384.
    Manual de formaciónSolidWorks 2006 Ejercicio 51: Cree esta pieza siguiendo los pasos según Secador de se indica. cabello Este laboratorio utiliza las siguientes funciones: Vaciado. Herramienta Nervio. Ángulo de salida. Retroceder. Matrices lineales. Redondeos completos. Asistente para taladro. Procedimiento Abra una pieza existente en la carpeta Exercises (Ejercicios). 1 Abrir la pieza Blow Dryer. 2 Completar la pieza. Complete la pieza con las siguientes pautas. El espesor de pared es constante. Los orificios de ventilación y los nervios son del mismo tamaño. Todos los redondeos y redondos tienen 1 mm excepto los redondos completos en los nervios. El ángulo de salida es de 2 grados. No hay ángulo de salida en la cara de salida. Nota La operación Ángulo de salida debe preceder los redondeos existentes en la pieza. 3 Guardar y cerrar la pieza. Ejercicio 51 371
  • 385.
    Manual de formaciónSolidWorks 2006 Ejercicio 52: Cree esta pieza utilizando la información Blindaje de cara y las cotas proporcionadas. Este laboratorio refuerza las siguientes funciones: Retroceder. Cómo crear planos de referencia. Cómo crear ejes de referencia. Cortar con superficie. Taladros con el Asistente para taladro. Procedimiento Abra una pieza existente en la carpeta Exercises (Ejercicios). 1 Abrir la pieza Face Shield. 2 Retroceder. Arrastre la barra de retroceder hasta una posición anterior a la operación Initial Glass (Vidrio inicial). La nueva geometría de referencia se puede colocar antes o después de la operación. Se colocarán en la posición más anterior posible, antes de la operación. 3 Axis1. Cree Axis1 (Eje1) como la intersección de los planos Front (Alzado) y Right (Vista lateral). 4 Plane1. Cree un nuevo plano de referencia En el ángulo de 20° a partir de Front (Alzado) y alrededor de Axis1 (Eje1). 372 Ejercicio 52
  • 386.
    Manual de formaciónSolidWorks 2006 5 Plane2. Cree el plano de referencia Plane2 (Plano2) utilizando un procedimiento similar al plano anterior. 6 Cortes con planos. Corte la geometría del modelo en orden utilizando los planos de referencia Plane1 (Plano1) y Plane2 (Plano2). 7 Equidistanciar plano y eje. Cree el Plane3 (Plano3) como una equidistancia de Top (Planta). Utilice Front (Alzado) y Plane3 (Plano3) para crear Axis2 (Eje2). Ejercicio 52 373
  • 387.
    Manual de formaciónSolidWorks 2006 8 Plane4. Cree el Plane4 (Plano4) como un ángulo de 25° a partir de Plane3 (Plano3) alrededor de Axis2 (Eje2). Corte el modelo utilizando dicho plano. 9 Redondos. Agregue redondos de 1” de radio a las cuatro esquinas. 10 Asistente para taladro. Cree los planos de referencia Plane5 (Plano5) y Plane6 (Plano6) tal como se muestra. Agregue el 7/16 (0.4375) Diameter Hole (Taladro de diámetro 7/16 (0.4375)) a la cara exterior y ubique el centro utilizando los planos nuevos. Cree la simetría de la operación de taladro. 11 Guardar y cerrar la pieza. 374 Ejercicio 52
  • 388.
    Manual de formaciónSolidWorks 2006 Lección 12 Modelado de ensamblaje ascendente Al finalizar esta lección, podrá: Crear un nuevo ensamblaje. Insertar componentes en un ensamblaje utilizando todas las técnicas disponibles. Agregar relaciones de posición entre componentes. Utilizar los aspectos específicos de ensamblaje del gestor de diseño del FeatureManager para manipular y manejar el ensamblaje. Insertar subensamblajes. Utilizar configuraciones de piezas en un ensamblaje. 375
  • 389.
    Lección 12 Manual de formación SolidWorks 2006 Modelado de ensamblaje ascendente 376
  • 390.
    Manual de formaciónSolidWorks 2006 Lección 12 Modelado de ensamblaje ascendente Estudio de Esta lección examinará el modelado de ensamblajes mediante la casos: Junta construcción de una junta universal. La junta consiste en diversos universal componentes y un subensamblaje. Ensamblaje Los ensamblajes ascendentes se crean agregando y orientando ascendente piezas existentes en un ensamblaje. Las piezas agregadas al ensamblaje aparecen como Piezas de componente. Las piezas de componente se orientan y posicionan en el ensamblaje mediante las Relaciones de posición. Las relaciones de posición relacionan caras y aristas de piezas de componentes con planos y otras caras/ aristas. Etapas del Algunas etapas importantes del proceso de modelado de esta pieza proceso se muestran en la siguiente lista: Cada uno de estos temas consta de una sección en la lección. Cómo crear un nuevo ensamblaje Los ensamblajes nuevos se crean mediante el mismo método utilizado en las piezas nuevas. Cómo agregar el primer componente Los componentes pueden agregarse de diversas maneras. Pueden arrastrarse y colocarse desde una ventana de pieza abierta o abrirse desde un examinador estándar. Posición del primer componente El componente inicial agregado al ensamblaje se fija automáticamente al agregarse. Otros componentes pueden posicionarse después de agregarse. Gestor de diseño y símbolos del FeatureManager El FeatureManager incluye muchos símbolos, prefijos y sufijos que brindan información sobre el ensamblaje y sus componentes. Cómo establecer relaciones de posición entre componentes Las relaciones de posición se utilizan para colocar y orientar componentes respecto a sí mismos. Las relaciones de posición eliminan grados de libertad de los componentes. Subensamblajes Los ensamblajes se pueden crear e insertar en el ensamblaje actual. Se consideran componentes del subensamblaje. Estudio de casos: Junta universal 377
  • 391.
    Lección 12 Manual de formación SolidWorks 2006 Modelado de ensamblaje ascendente El ensamblaje En esta lección, realizaremos un ensamblaje utilizando componentes existentes. El ensamblaje es una junta universal y se compone de un número de piezas individuales y un subensamblaje según se indica a continuación: crank sub Yoke_male Bracket pin[short] (2 copias) pin[long] Spider Yoke_female 1 Abrir una pieza existente. Abra la pieza bracket (abrazadera). Se creará un nuevo ensamblaje por medio de esta pieza. El primer componente agregado a un ensamblaje debe ser una pieza que permanezca inmóvil. Al fijarse el primer componente, los demás pueden tener una relación de posición con el mismo sin peligro de que éste se mueva. 378 Ensamblaje ascendente
  • 392.
    Manual de formaciónSolidWorks 2006 Lección 12 Modelado de ensamblaje ascendente Cómo crear un Se pueden crear nuevos ensamblajes directamente o hacerlos a nuevo partir de un ensamblaje o una pieza abierta. El nuevo ensamblaje ensamblaje contiene un origen, los tres planos estándar de referencia y una operación especial. Introducción: Utilice la opción Crear ensamblaje desde pieza/ensamblaje para Crear ensamblaje generar un nuevo ensamblaje desde una pieza abierta. La parte se desde pieza/ utiliza como el primer componente en el nuevo ensamblaje y se ensamblaje encuentra fija en el espacio. Dónde encontrarlo Haga clic en Crear ensamblaje desde pieza/ensamblaje en la barra de herramientas estándar. O, haga clic en Archivo, Crear ensamblaje desde pieza. Introducción: Cree un nuevo archivo de ensamblaje por medio de una plantilla. Nuevo ensamblaje Dónde encontrarlo Haga clic en Nuevo en la barra de herramientas Estándar. O, haga clic en Archivo, Nuevo.... 2 Elegir plantilla. Haga clic en Archivo, Crear ensamblaje desde pieza y seleccione el botón Avanzado del cuadro de diálogo Nuevo documento de SolidWorks. Seleccione la plantilla de formación Assembly_IN. Acceso directo Haga doble clic en la plantilla deseada para abrir automáticamente un nuevo documento de ensamblaje utilizando dicha plantilla. Nota Las unidades del ensamblaje pueden ser diferentes de las unidades de las piezas. Por ejemplo, puede ensamblar una combinación de piezas en pulgadas y milímetros en un ensamblaje cuyas unidades sean pies. Sin embargo, al editar las cotas de cualquiera de las piezas en el contexto del ensamblaje, las mismas aparecerán en las unidades del ensamblaje y no en las de la pieza propiamente dicha. Puede verificar las unidades del ensamblaje y cambiarlas si lo desea, utilizando Herramientas, Opciones.... Cómo crear un nuevo ensamblaje 379
  • 393.
    Lección 12 Manual de formación SolidWorks 2006 Modelado de ensamblaje ascendente 3 Localizar componente. Sitúe el componente en el origen utilizando el cursor sobre el símbolo del origen. La pieza aparecerá en el gestor de diseño del FeatureManager correspondiente al ensamblaje como Fija (f). 4 Guardar. Guarde el ensamblaje con el nombre Universal Joint (Junta universal). Los archivos de ensamblajes tienen la extensión *.sldasm. Cierre el archivo de pieza bracket. Posición del El componente inicial agregado al ensamblaje es, en forma primer predeterminada, Fijo. Los componentes fijos no pueden moverse y componente se bloquean en el lugar donde usted los deja caer en el ensamblaje. Mediante la utilización del cursor durante la colocación, el origen del componente se encuentra en la posición original del ensamblaje. Esto también significa que los planos de referencia del componente coinciden con los planos del ensamblaje y el componente se encuentra totalmente definido. Considere el ensamblaje de una lavadora. El primer componente sería lógicamente el marco sobre el cual se monta todo lo demás. Al alinear este componente con los planos de referencia del ensamblaje, estableceríamos lo que podría llamarse el “espacio del producto”. Los fabricantes de automóviles se refieren a esto como el “espacio del vehículo”. Este espacio crea una estructura lógica para colocar los demás componentes en sus correspondientes posiciones. Gestor de Dentro del gestor de diseño del FeatureManager de un ensamblaje, diseño y las carpetas y los símbolos difieren levemente de los que se símbolos del encuentran en una pieza. También hay algunos términos que son FeatureManager exclusivos del ensamblaje. Ahora se describirán algunas piezas y relaciones de posición que se enumeran aquí. 380 Posición del primer componente
  • 394.
    Manual de formaciónSolidWorks 2006 Lección 12 Modelado de ensamblaje ascendente Grados de libertad Hay seis grados de libertad para todo componente que se agrega al ensam- blaje antes de que el mismo se fije o reciba una relación de posición: trasla- ción a lo largo de los ejes X, Y y Z y rotación alrededor de los mismos ejes. La capacidad de movimiento de un componente en el ensamblaje se deter- mina por sus grados de libertad. Las opciones Fijar e Insertar relación de posición se utilizan para eli- minar grados de libertad. Componentes Las piezas que se insertan en el ensamblaje, como la pieza bracket, se representan mediante el mismo icono de nivel superior utilizado en el entorno de la pieza. Los ensamblajes también pueden insertarse y aparecen con un icono individual. Sin embargo, cuando se expande la lista de estos iconos, los componentes individuales e incluso las ope- raciones del componente se incluyen en una lista y puede accederse a los mismos. Estado del componente. La pieza puede estar com- pletamente definida, defi- nida en exceso o insuficientemente definida. Un signo (+) o (-) entre paréntesis precederá el nombre si la misma se encuentra Definida en exceso o Insuficientemente definida. Las piezas que están insuficientemente definidas tie- nen algunos grados de libertad disponibles. Las que están com- pletamente definidas no tienen ninguno. El estado Fijo (f) indica que un componente se encuentra fijo en su posición actual, pero sin una relación de posición. El símbolo de signo de interroga- ción (?) se utiliza para componentes No solucionados. Estos componentes no pueden colocarse utilizando la información proporcionada. Número de instancia. El número de instancia indica cuántas copias de una determinada pieza de componente se encuentran en el ensamblaje. El nombre bracket<1> indica que ésta es la primera instancia de la pieza bracket. Carpeta Component Part (Pieza de componente). Cada pieza de componente contiene todo el contenido de la pieza, incluyendo todas las operaciones, los planos y los ejes. Gestor de diseño y símbolos del FeatureManager 381
  • 395.
    Lección 12 Manual de formación SolidWorks 2006 Modelado de ensamblaje ascendente Anotaciones La operación Annotations (Anotaciones) se utiliza con el mismo propósito que en una pieza. Pueden agregarse anotaciones al nivel del ensamblaje e importarse a un dibujo. Su visualización también se controla mediante la opción Detalles. Marcador El marcador Retroceder puede utilizarse en un ensamblaje para Retroceder retroceder: Planos, ejes y croquis del ensamblaje Carpeta Mates Matrices de ensamblaje Operaciones de piezas en contexto Operaciones de ensamblaje Todas las operaciones que se encuentran debajo del marcador se suprimen. Los componentes individuales no pueden retrocederse. Reordenar Se puede reordenar ciertos objetos en un ensamblaje. Estos objetos son: Componentes Planos, ejes y croquis del ensamblaje Matrices de ensamblaje Operaciones de piezas en contexto Relaciones de posición dentro de la carpeta Mates (Relaciones de posición) Operaciones de ensamblaje Grupos de Las relaciones de posición relaciones de en los ensamblajes se posición agrupan en una Carpeta de relaciones de posi- ción denominada Mates. Un grupo de relaciones de posición es un conjunto de relaciones de posición que se solucionan en el orden en que se enumeran. Todos los ensamblajes tendrán un grupo de rela- ciones de posición. Carpeta Mates La carpeta utilizada para guardar las relaciones de posición que se solucionan juntas. Se identifica por un icono de clip doble . Relación de posición Las relaciones entre caras, aristas, planos, ejes o geometría de croquis que definen la ubicación y orientación de los compo- nentes. Son versiones 3D de las relaciones geométricas 2D en un croquis. Las relaciones de posición pueden utilizarse para definir completamente un componente que no se mueve o defi- nir insuficientemente uno que se desea mover. Un componente no debe definirse en exceso bajo ningún concepto. Los posibles estados para una relación de posición son Insuficientemente definido, Definido en exceso, Completamente definido o No solucionado. 382 Gestor de diseño y símbolos del
  • 396.
    Manual de formaciónSolidWorks 2006 Lección 12 Modelado de ensamblaje ascendente Cómo agregar Una vez que el primer componente se ha insertado y definido componentes completamente, pueden agregarse otras piezas y establecerse relaciones de posición entre éstas y el componente. En este ejemplo, se insertará la pieza Yoke_male (horquilla macho) y se establecerá una relación de posición con la misma. Esta pieza debe estar insuficientemente definida para que pueda girar libremente. Existen diversas maneras de agregar componentes al ensamblaje: Utilice el cuadro de diálogo Insertar. Arrástrelos desde el Explorador. Arrástrelos desde un documento abierto. Todos estos métodos se demostrarán en esta lección, comenzando con el uso de Insertar componente. Es el mismo cuadro de diálogo que aparece automáticamente cuando se utiliza Crear ensamblaje desde pieza. Insertar El cuadro de diálogo Insertar componente se utiliza para componente encontrar, tener una vista previa y agregar componentes al ensamblaje actual. Haga clic en el botón Mantener visible (tachuela) para agregar múltiples componentes o múltiples instancias del mismo componente. Dónde encontrarlo Haga clic en Pieza/Ensamblaje existente en la barra de herramientas Ensamblaje. O, haga clic en Insertar, Componente, Pieza/Ensamblaje existente.... 5 Insertar Yoke_male. Haga clic en Insertar, Componente, Pieza/ Ensamblaje existente... y seleccione el componente Yoke_male con el botón Examinar.... Coloque el componente en la pantalla y haga clic para situarlo. El nuevo componente se incluye como: Yoke_male <1> Esto significa que el componente es la pri- mera instancia del archivo Yoke_male y que el mismo se encuen- tra insuficientemente definido. Aún tiene los seis grados de libertad. Cómo agregar componentes 383
  • 397.
    Lección 12 Manual de formación SolidWorks 2006 Modelado de ensamblaje ascendente 6 Resaltado. Si hace clic en un componente en el gestor de diseño del FeatureManager, dicho componente se resaltará (verde claro). Si mueve el cursor hacia un componente en la ventana de gráficos, también aparecerá el nombre de la operación. Cómo mover y Uno o más componentes seleccionados pueden moverse o girarse a girar componentes fin de cambiar su posición para establecer una relación de posición utilizando el ratón o los comandos Mover y Girar componente. Además, el movimiento de componentes insuficientemente definidos estimula el movimiento de un mecanismo a través del movimiento de ensamblaje dinámico. Dónde encontrarlo Por medio del ratón: Arrastre y coloque un componente. Haga clic con el botón secundario del ratón en un componente y seleccione Mover con sistema de referencia. Utilice el sistema de referencia para mover o girar los componentes a lo largo o alrededor de los ejes. Pasar el ratón sobre la flecha: arrastre hacia la izquierda para moverse a lo largo del eje, arrastre hacia la derecha para girar sobre el eje. Por medio de menús: En el menú desplegable, elija: Herramientas, Componente, Girar o Mover. Haga clic con el botón secundario del ratón en el componente y seleccione Mover.... O, en la barra de herramientas Ensamblaje, seleccione una de estas herramientas: Mueve un componente. También puede utilizarse para girar componentes que tienen grados de libertad de rotación. Gira el componente de diversas maneras: alrededor de su punto central, alrededor de una entidad como una arista o un eje o por algún valor angular alrededor de los ejes X, Y o Z. Nota Mover componente y Girar componente funcionan como un único comando unificado. Al expandir las opciones de Girar o Mover, puede alternar entre los dos comandos sin siquiera cerrar el PropertyManager. 384 Cómo agregar componentes
  • 398.
    Manual de formaciónSolidWorks 2006 Lección 12 Modelado de ensamblaje ascendente La herramienta Mover tiene diversas opciones para definir el tipo de movimiento. La opción A lo largo de la entidad tiene un cuadro de selección; A lo largo de XYZ del ensamblaje, Por Delta XYZ y A posición XYZ requieren valores de coordenadas. La herramienta Girar también tiene opciones para definir la forma de rotación del componente. 7 Mover. Haga clic en el componente y arrástrelo para acercarlo al lugar donde se establecerá una relación con él. Otras opciones para mover y girar el componente se tratarán más adelante en esta misma lección. Establecer una Obviamente, la acción de arrastrar un componente no es suficiente- relación de mente precisa para elaborar un ensamblaje. Utilice caras y aristas posición con otro para establecer relaciones de posición entre componentes. Las pie- componente zas incluidas dentro de bracket (abrazadera) están destinadas a moverse, así que asegúrese de que dispongan de un adecuado grado de libertad. Nota Las Relaciones de posición estándar se tratan en esta misma lección. Las Relaciones de posición avanzadas (Relaciones de posición simétricas, de leva, de engranajes y de límite de distancia/ ángulo) se tratan en el manual Modelo de ensamblaje avanzado. Introducción: Insertar relación de posición crea relaciones entre piezas de Insertar relación de componentes o entre una pieza y el ensamblaje. Dos de las posición relaciones de posición más utilizadas son Coincidente y Concéntrica. Las relaciones de posición pueden crearse utilizando diferentes objetos. Puede utilizar: Caras Planos Aristas Vértices Puntos y líneas de croquis Ejes y orígenes Las relaciones de posición se establecen entre un par de objetos. Dónde encontrarlo En el menú Insertar, seleccione Relación de posición.... O, en la barra de herramientas Ensamblaje, haga clic en Relación de posición . O, haga clic con el botón secundario del ratón en un componente y elija Agregar/Editar relaciones de posición. Cómo agregar componentes 385
  • 399.
    Lección 12 Manual de formación SolidWorks 2006 Modelado de ensamblaje ascendente Alineación y tipos Las relaciones de posición se utilizan para crear relaciones entre de relaciones de componentes. Las caras son la geometría más utilizada en las rela- posición ciones de posición. El tipo de relación de posición, en combinación con las condiciones Alineación inversa o Alineada determinan el resultado. Alineación Alineadas inversa Coincidente (las caras están sobre el mismo plano imaginario infinito) Paralela Perpendicular Las condiciones Alineada y Alineación inversa no se aplican a Perpendicular. Distancia Ángulo 386 Cómo agregar componentes
  • 400.
    Manual de formaciónSolidWorks 2006 Lección 12 Modelado de ensamblaje ascendente Hay menos opciones disponibles con las caras cilíndricas pero éstas son muy importantes. Alineación Alineadas inversa Concéntricas Tangentes Botones comunes Hay tres botones comunes a todos los controles: es Deshacer es Invertir alineación de relaciones de posición es Aceptar o Agregar/Finalizar relación de posición. Además de estos botones, el cuadro de diálogo Relación de posición en sí mismo tiene controles de alineación de relación de posición específicos, y . Elementos con los Hay muchos tipos de topología y geometría que se pueden utilizar que se pueden en las relaciones de posición. Las selecciones pueden crear muchos establecer tipos de relaciones de posición. relaciones de posición Topología/ Selecciones Relación de posición Geometría Caras o superficie Cómo agregar componentes 387
  • 401.
    Lección 12 Manual de formación SolidWorks 2006 Modelado de ensamblaje ascendente Topología/ Selecciones Relación de posición Geometría Línea o arista lineal Plano Eje o eje temporal Punto, vértice u origen Arco o arista circular Sugerencia A pesar de que los planos se pueden seleccionar en la pantalla si están visibles, con frecuencia es más fácil seleccionarlos por su nombre a través del FeatureManager. Haga clic en el signo “+” para ver el árbol y expanda las operaciones y los componentes individuales. Cómo establecer Se va a establecer una relación de posición para el componente relaciones de Yoke_male para que su eje se alinee con el taladro y la cara plana posición haga contacto con la cara interna de la pieza bracket. Se concéntricas y utilizarán relaciones de posición Concéntricas y Coincidentes. coincidentes 388 Cómo agregar componentes
  • 402.
    Manual de formaciónSolidWorks 2006 Lección 12 Modelado de ensamblaje ascendente 8 Filtro de selección. La opción de filtro de selección resulta de mucha utilidad en el establecimiento de relaciones de posición. Puesto que muchas relaciones de posición requieren selecciones de caras, establezca la opción Seleccionar en caras . Observe que este filtro se mantendrá en efecto hasta salir de SolidWorks o la pieza o hasta que el filtro se cambie. 9 PropertyManager Relación de posición. Haga clic en la herramienta Insertar relación de posición para acceder al PropertyManager. Si el PropertyManager está abierto, puede seleccionar las caras sin utilizar la tecla Ctrl. Opciones de Hay diversas opciones de relaciones de posición disponibles para relaciones de todas las relaciones de posición: posición Agregar a nueva carpeta Crea una nueva carpeta para contener todas las relaciones de posición creadas mientras la herramienta Relación de posición está activa. La carpeta se encuentra en la carpeta Mates y se le puede cambiar el nombre. Mostrar la barra de herramientas desplegable Activa y desactiva la barra de herramientas desplegable de Relación de posición. Mostrar vista preliminar Muestra la posición creada por la relación de posición en cuanto se hace la segunda selección. No se completa hasta que se hace clic en el cuadro de diálogo Aceptar. Utilizar sólo para colocar Esta opción se puede utilizar para colocar geometría sin restringirla. No se agrega relación de posición. Cómo agregar componentes 389
  • 403.
    Lección 12 Manual de formación SolidWorks 2006 Modelado de ensamblaje ascendente Introducción: La barra de herramientas emergente Barra de Relación de posición se utiliza para herramientas efectuar selecciones de un modo más sencillo al visualizar en la desplegable de pantalla los tipos de relaciones de posición disponibles. Los tipos de Relación de relaciones de posición disponibles varían según la simetría y la posición selección de geometría que aparecen en el PropertyManager. El cuadro de diálogo aparece en los gráficos, pero se puede arrastrar a cualquier sitio. Se puede utilizar tanto el cuadro de diálogo en pantalla como el del PropertyManager. Esta lección utiliza el cuadro de diálogo en pantalla. Todos los tipos están enumerados en el gráfico Alineación y tipos de relaciones de posición en la página 386. 10 Selecciones y vista previa. Seleccione las caras de Yoke_male y bracket según se indica. Al seleccionar la segunda cara, se muestra la barra de herramientas emergente Relación de posición. Concéntrica está seleccionada como predeterminada y se muestra la vista preliminar de Relación de posición. 11 Agregar una relación de posición. Las caras se enumeran en la lista Configuraciones de la relación de posición. Aparecerán exactamente dos elementos en la lista. Acepte la relación de posición Concéntrica y haga clic en Agregar/Finalizar relación de posición (marca de verificación). 12 Cara plana. Seleccione la cara plana superior del componente Yoke_male. 390 Cómo agregar componentes
  • 404.
    Manual de formaciónSolidWorks 2006 Lección 12 Modelado de ensamblaje ascendente 13 Seleccionar otra. Utilice Seleccionar otra para seleccionar la cara oculta de la pieza bracket en la parte inferior de la brida superior. Agregue una relación de posición Coincidente para que las caras seleccionadas entren en contacto. 14 Relaciones de posición en la lista. Las relaciones de posición, concéntricas y coincidentes, permanecen en la lista en el cuadro de grupo Relaciones de posición. Se agregarán a la carpeta Relaciones de posición cuando se haga clic en el botón Aceptar del cuadro de diálogo del PropertyManager. También se pueden eliminar de este cuadro de grupo de modo que no se agreguen. Haga clic en Aceptar. 15 Estado de restricción. El componente Yoke_male se enumera como componente bajo restricción. Aún puede moverse girándolo alrededor del eje de su superficie cilíndrica. Compruebe el comportamiento de Yoke_male arrastrándolo. 16 Agregar la pieza spider (araña). Utilice Insertar componente para agregar el componente spider. 17 Relación de posición concéntrica para spider. Agregue una relación de posición entre spider y Yoke_male. Agregue una relación de posición Concéntrica entre las dos caras cilíndricas. Desactive el Filtro de Selección de la cara. Cómo agregar componentes 391
  • 405.
    Lección 12 Manual de formación SolidWorks 2006 Modelado de ensamblaje ascendente Relación de La relación de posición Ancho es la primera de las Relac. de posición Ancho posición avanzadas del cuadro de diálogo Relación de posición. Las selecciones incluyen un par de Selecciones de ancho y un par de Selecciones de pestaña. Las caras Pestaña se centran entre las caras Ancho para localizar el componente. El componente spider (araña) se debe centrar dentro de los componentes Yoke_male y Yoke_female. Nota Las relaciones de posición avanzadas restantes se describen en el manual Modelo de ensamblaje avanzado. Referencias de Las selecciones Ancho forman las caras “externas”, que se utilizan ancho para contener el otro componente. Referencias de Las selecciones Pestaña forman las caras “internas”, que se pestaña utilizan para localizar el componente. Selecciones de Selecciones de Resultado ancho pestaña (Vista frontal) (selección única) (Vista frontal) (Vista frontal) 392 Cómo agregar componentes
  • 406.
    Manual de formaciónSolidWorks 2006 Lección 12 Modelado de ensamblaje ascendente 18 Relación de posición plano a plano. Haga clic en Insertar, Relación de posición y seleccione la pestaña Relac. de posición avanzadas. Haga clic en la relación de posición Ancho y seleccione las Selecciones de ancho y las Selecciones de pestaña tal como se muestra. 19 Resultados. La relación de posición mantiene el componente spider (araña) centrado dentro del componente Yoke_male con las mismas separaciones en cada lado. Cómo agregar componentes 393
  • 407.
    Lección 12 Manual de formación SolidWorks 2006 Modelado de ensamblaje ascendente 20 Relaciones de posición por componente. Expanda el componente spider en el FeatureManager. Una carpeta denominada Mates en Universal Joint se agrega a cada componente con el que se establece una relación de posición. La carpeta contiene las relaciones de posición que utilizan la geometría de ese componente. La carpeta es un subconjunto de la carpeta Mates que contiene todas las relaciones de posición. Cómo agregar Otra manera de agregar componentes al ensamblaje es a través del componentes por Explorador de Windows o de Mi PC. Los archivos de ensamblaje o medio del pieza se pueden arrastrar y colocar en el ensamblaje activo. Explorador de Windows 394 Cómo agregar componentes
  • 408.
    Manual de formaciónSolidWorks 2006 Lección 12 Modelado de ensamblaje ascendente 21 Abrir el Explorador. Ajuste el tamaño de la ventana del Explorador de modo que se pueda ver la zona de gráficos de SolidWorks. Puesto que SolidWorks es una aplicación nativa de Windows, admite técnicas de Windows estándar como “arrastrar y colocar”. Los archivos de piezas pueden arrastrarse desde la ventana del Explorador al ensamblaje para agregarlos. Arrastre y coloque el archivo Yoke_female en la zona de gráficos. 22 Relación de posición Concéntrica. Seleccione las caras cilíndricas según se indica y agregue una relación de posición Concéntrica entre ellas. 23 Relación de posición plano a plano. Agregue una relación de posición Ancho entre los componentes spider y Yoke_female. El spider está centrado en el componente Yoke_female. 24 Condición potencial definida en exceso. Seleccione las caras de Yoke_female y bracket según se indica. Debido a la distancia entre Yoke_female y bracket, una relación de posición Coincidente no podría resolverse. La separación evita la coincidencia. Si se seleccionase una relación de posición Coincidente, aparecería un cuadro de diálogo de advertencia: Advertencia: Esta relación de posición define en exceso el ensamblaje. Considere la idea de eliminar algunas de las relaciones de posición que definen en exceso. Cómo agregar componentes 395
  • 409.
    Lección 12 Manual de formación SolidWorks 2006 Modelado de ensamblaje ascendente Relación de Una relación de posición Paralela mantiene las caras planas posición paralela seleccionadas o los planos paralelos el uno al otro sin forzar el contacto entre ellos. 25 Establecer en Paralelo. Seleccione la relación de posición Paralela para mantener la separación de las caras. 26 Movimiento de ensamblaje dinámico. Arrastre cualquiera de los componentes insuficientemente definidos para girarlos todos. Cómo visualizar Cuando usted agrega una pieza a un ensamblaje, puede elegir cuál configuraciones de sus configuraciones se visualiza. de piezas en O, una vez que la pieza se inserta y tiene una relación de posición, un ensamblaje puede cambiar su configuración. El pasador La pieza denominada pin (pasador) tiene dos configuraciones: SHORT LONG (CORTA) y LONG (LARGA). Se puede utilizar cualquier configuración en el ensamblaje. En este caso, dos instancias utilizarán SHORT y una utilizará LONG. SHORT Cómo utilizar Pueden utilizarse múltiples instancias de la misma pieza en un configuracio- ensamblaje y cada instancia puede hacer referencia a una nes de piezas configuración diferente. Utilizaremos múltiples instancias de una en ensamblajes pieza con diferentes configuraciones en este ensamblaje. Hay dos maneras de crear este tipo de configuración dentro de una pieza: 396 Cómo utilizar configuraciones de piezas en
  • 410.
    Manual de formaciónSolidWorks 2006 Lección 12 Modelado de ensamblaje ascendente Mediante la aplicación de valores de cotas diferentes a configuraciones individuales según se indica a la derecha. Tablas de diseño. Arrastrar y colocar La pieza pin se insertará arrastrándola desde una ventana de un desde un documento abierto hasta el ensamblaje. documento abierto Nota Si la ventana bracket todavía está abierta, ciérrela antes del siguiente paso. 27 Arrastrar y colocar. Abra la pieza pin y coloque las ventanas del ensamblaje y la pieza en mosaico. Arrastre y coloque la pieza pin en la ventana del ensamblaje arrastrando el componente de nivel superior ( ) del Feature-Manager. Se agrega una instancia de la pieza pin al ensamblaje. Importante El pin es un componente que contiene configuraciones múltiples. Los componentes como este muestran la configuración que utilizan como parte del nombre de componente. En este caso, la configuración utilizada por la instancia <1> es LONG. Cada instancia puede utilizar una configuración diferente. Cómo utilizar configuraciones de piezas en ensamblajes 397
  • 411.
    Lección 12 Manual de formación SolidWorks 2006 Modelado de ensamblaje ascendente 28 Relación de posición Concéntrica. Agregue una relación de posición Concéntrica entre la cara cilíndrica del Yoke_female y el pin. El pasador se puede arrastrar mientras se utiliza el cuadro de diálogo de relación de posición. Arrástrelo por el medio, como se indica. 29 Relación de posición Tangente. Agregue una posición de relación Tangente entre el extremo de la cara plana del pin y la cara cilíndrica del Yoke_female. El segundo Se necesita otra instancia de la pieza pin. Ésta será la versión más Pasador corta, SHORT. Abriremos la pieza pin, pondremos las ventanas de la pieza y el ensamblaje en mosaico y visualizaremos el ConfigurationManager de la pieza. Cómo abrir un Cuando necesite acceder a un componente mientras esté trabajando componente en un ensamblaje, puede abrirlo directamente, sin tener que utilizar el menú Archivo, Abrir. El componente puede ser una pieza o un subensamblaje. 30 Disponer las ventanas en cascada. Haga clic en Ventana, Cascada para ver tanto la ventana de pieza como la de ensamblaje. Cambie al ConfigurationManager de pin. 398 Cómo utilizar configuraciones de piezas en
  • 412.
    Manual de formaciónSolidWorks 2006 Lección 12 Modelado de ensamblaje ascendente 31 Arrastrar y colocar una configuración. Arrastre y coloque la configuración SHORT en la ventana de gráficos del ensamblaje. Puede arrastrar y colocar cualquier configuración desde el ConfigurationManager y no sólo la configuración activa. Otros métodos para Para obtener el mismo resultado mediante Insertar componente, la selección de examine para encontrar la pieza y la configuración asociada. configuraciones Cuando utilice el Explorador, las piezas que contienen configuraciones ofrecen un cuadro de mensaje cuando se arrastran y se colocan. Seleccione la configuración deseada de la lista. 32 Segunda instancia. Se agrega la segunda instancia del componente pin, esta vez utilizando la configuración SHORT. El componente se agrega y muestra el nombre de la configuración adecuada en el gestor de diseño del FeatureManager. 33 Establecer relaciones de posición entre los componentes. Agregue relaciones de posición Concéntricas y Tangentes para establecer la relación de posición en la segunda instancia del pin. Cómo utilizar configuraciones de piezas en ensamblajes 399
  • 413.
    Lección 12 Manual de formación SolidWorks 2006 Modelado de ensamblaje ascendente Cómo crear Muchas veces, las piezas y los subensamblajes se utilizan más de copias de una vez en un ensamblaje. Para crear varias instancias o copias de instancias los componentes, copie y pegue los componentes existentes en el ensamblaje. 34 Cierre el documento pin y maximice la ventana del ensamblaje. 35 Arrastrar una copia. Cree otra copia del componente pin manteniendo presionada la tecla Ctrl mientras arrastra la instancia con la configuración SHORT desde el gestor de diseño del FeatureManager correspondiente al ensamblaje. El resultado es otra instancia que utiliza la configuración SHORT, puesto que la misma se copió a partir de un componente con dicha configuración. También puede arrastrar una copia seleccionando el componente en la ventana de gráficos. Cómo ocultar Al ocultar un componente temporalmente, se eliminarán los componente y gráficos del componente pero el mismo quedará activo dentro del transparencia ensamblaje. Un componente oculto aún reside en la memoria, tiene de componente sus relaciones de posición solucionadas y se considera en operaciones como los cálculos de propiedades físicas. Otra opción es cambiar la transparencia del componente. A través de los componentes se pueden seleccionar otros detrás de ellos. Introducción: Ocultar componente desactiva la visualización de un Ocultar componente componente, facilitando la visualización de otras piezas Mostrar del ensamblaje. Cuando un componente se encuentra componente oculto, su icono en el gestor de diseño del FeatureManager aparece en forma de esquema de esta forma: . La opción Mostrar componente vuelve a activar la visualización. Dónde encontrarlo Haga clic en Ocultar/visualizar componentes en la barra de herramientas Ensamblaje. Esto permite alternar entre las dos opciones. Si el componente se visualiza, lo ocultará. Si el componente está oculto, lo mostrará. Haga clic con el botón secundario del ratón en el componente y seleccione Ocultar o Mostrar. Haga clic con el botón secundario del ratón en el componente y seleccione Propiedades de componente... en la lista de Componentes. Seleccione la casilla de verificación Ocultar componente. Desde el menú desplegable, elija Edición, Ocultar o Edición, Visualizar. 400 Cómo crear copias de instancias
  • 414.
    Manual de formaciónSolidWorks 2006 Lección 12 Modelado de ensamblaje ascendente Introducción: La opción Cambiar transparencia Cambiar establece la transparencia del componente transparencia en el 75% y vuelve al 0%. Las selecciones cruzan el componente transparente a menos que se presione la tecla Mayús durante la selección. El icono del FeatureManager no cambia cuando un componente es transparente. Dónde encontrarlo Haga clic en Cambiar transparencia en la barra de herramientas Ensamblaje. Esto permite alternar entre las dos opciones. Haga clic con el botón secundario del ratón en el componente y seleccione Cambiar transparencia. 36 Ocultar el componente bracket. Cambie la orientación de vista presionando Mayús+Flecha izquierda una vez. Haga clic en el componente bracket y ocúltelo utilizando la herramienta Ocultar/visualizar componente . Al ocultarlo, se eliminarán temporalmente los gráficos del mismo pero las relaciones de posición quedarán intactas. El gestor de diseño del FeatureManager muestra el componente en el esquema cuando está oculto . Importante Utilice Ocultar componente y no Ocultar sólido. Ocultar sólido ocultará el sólido dentro de la pieza. 37 Completar la relación de posición. Complete la relación de posición de este componente agregando las relaciones de posición Concéntrica y Tangente mediante Insertar relación de posición. 38 Visualizar componente. Vuelva a seleccionar el componente bracket y haga clic en Ocultar/Mostrar componente para volver a activar los gráficos. 39 Regresar a la vista previa. Los estados de la vista previa pueden convocarse utilizando el botón Vista previa en la barra de herramientas Ver. Cada vez que presiona el botón, la pantalla de la vista retrocede en la lista de visualización, ya sea que el estado de la vista se haya guardado o no. Haga clic una vez para regresar a la vista Isométrica previa. Cómo ocultar componente y transparencia de componente 401
  • 415.
    Lección 12 Manual de formación SolidWorks 2006 Modelado de ensamblaje ascendente Propiedades de El cuadro de diálogo Propiedades de componente controla componente diversos aspectos de una instancia de componente. Ruta de acceso al documento del modelo Muestra el archivo de pieza que utiliza la instancia. Para reemplazar el archivo al que la instancia hace referencia con otro archivo, utilice Archivo, Reemplazar.... Visibilidad Oculta o visualiza el componente. También le permite cambiar el color del componente que aparece en el ensamblaje. Estado de supresión Suprima, resuelva o establezca el componente para aligerar el estado. Solucionar como Permite que el subensamblaje sea rígido o flexible. Así, el movimiento de ensamblaje dinámico podrá solucionar el movimiento en el nivel del subensamblaje. Configuración de referencia Determina la configuración del componente que se está utilizando. 402 Propiedades de componente
  • 416.
    Manual de formaciónSolidWorks 2006 Lección 12 Modelado de ensamblaje ascendente 40 Propiedades de componente. Haga clic con el botón secundario del ratón en el componente pin<3> y seleccione Propiedades de componente... de la lista Componente. Se selecciona la opción Utilizar la configuración etiquetada y la misma se establece en SHORT. Este cuadro de diálogo puede utilizarse para suprimir, ocultar o cambiar la configuración de una instancia. Si Configuración de referencia se establece en Utilizar la configuración del componente “en uso” o la última guardada, se visualizará la configuración guardada. Haga clic en Cancelar. Subensambla- Los ensamblajes existentes también pueden insertarse en el jes ensamblaje actual mediante la acción de arrastrar. Cuando un archivo de ensamblaje se agrega a un ensamblaje existente, nos referimos al mismo como un subensamblaje. Sin embargo, para el software de SolidWorks, aún es un archivo de ensamblaje (*.sldasm). El subensamblaje y todas las piezas de sus componentes se agregan al gestor de diseño del FeatureManager. El subensamblaje debe tener una relación de posición con el ensamblaje mediante una de las piezas de componente o los planos de referencia. El subensamblaje se considera un componente individual, independientemente de cuántos componentes incluya. Se creará un nuevo ensamblaje para los componentes de la manivela. Se utilizará como subensamblaje. 41 Nuevo ensamblaje. Cree un ensamblaje nuevo utilizando la plantilla Assembly_IN. Haga clic en Mantener Visible en la opción Insertar componente del PropertyManager y agregue el componente crank-shaft (eje de la manivela). Ubíquelo en el origen del ensamblaje. Está Fijo. Asigne al ensamblaje el nombre crank sub (sub. manivela). 42 Agregar componentes. Por medio del mismo diálogo, agregue los componentes crank-arm (brazo de manivela) y crank-knob (perilla de manivela). Cierre el cuadro de diálogo. Subensamblajes 403
  • 417.
    Lección 12 Manual de formación SolidWorks 2006 Modelado de ensamblaje ascendente Smart Mates Se pueden agregar relaciones de posición entre componentes mientras se arrastran y colocan. Este método, llamado Smart Mates, utiliza la tecla Alt junto con técnicas estándar de arrastrar y colocar. Estas relaciones de posición utilizan la misma barra de herramientas emergente Relación de posición que utiliza la herramienta Relación de posición para establecer el tipo y otros atributos. Todos los tipos de relaciones de posición se pueden crear con este método. Hay ciertas técnicas que generan múltiples relaciones de posición y no utilizan la barra de herramientas. Requieren el uso de la tecla Tab para cambiar la alineación de la relación de posición. 43 Smart Mate concéntrica. Siga estos pasos para agregar una relación de posición Concéntrica a través de la técnica Smart Mate: 1. Haga clic y mantenga presionado el botón del ratón en la cara circular del crank-arm. 2. Pulse y mantenga presionada la tecla Alt mientras arrastra el componente. 3. Mueva el componente sobre la cara circular del componente crank- shaft. 4. Coloque el componente cuando aparezca la sugerencia , indicando una relación de posición concéntrica. 5. Confirme el tipo Concéntrico de la barra de herramientas desplegable de Relación posición. Una relación de posición Concéntrica se agrega entre los componentes crank-arm y crank-shaft. 44 Smart Mate paralela. Gire el crank-arm de modo que la cara plana se pueda seleccionar mediante el arrastre. Seleccione la cara plana y presione Alt mientras la arrastra a la cara plana del crank-shaft. Coloque el componente cuando aparezca el símbolo , lo que indica una relación de posición Coincidente entre caras planas. 404 Smart Mates
  • 418.
    Manual de formaciónSolidWorks 2006 Lección 12 Modelado de ensamblaje ascendente Utilice la barra de herramientas emergente Relación de posición para cambiar a una relación de posición Paralela. 45 Coincidente. Seleccione la arista del crank-arm y presione Alt mientras la arrastra a la cara plana del crank-shaft. Coloque el componente cuando aparezca el símbolo , lo que indica una relación de posición Coincidente entre la arista y una cara plana. Utilice la barra de herramientas emergente Relación de posición para confirmar la relación de posición Coincidente. 46 “Clavija en taladro”. La opción “Clavija en taladro” es un caso especial de la Smart Mate que crea dos relaciones de posición a partir de una acción de arrastrar y colocar. Esta operación es más fácil si se ha girado el crank- knob. Seleccione la arista circular del componente crank-knob. Presione Alt y arrástrelo a la arista circular que se encuentra en la parte superior del componente crank-arm. Suelte la tecla Alt cuando aparezca el símbolo , que indica que se agregarán tanto la relación de posición Coincidente como la Concéntrica. Si es necesario, presione la tecla Tab para invertir la alineación. Coloque el componente. 47 Guardar. Guarde el ensamblaje pero déjelo abierto. Cómo insertar Los subensamblajes son ensamblajes existentes que se agregan al subensambla- ensamblaje activo. Todos los componentes y relaciones de posición jes actúan como un único componente. Cómo insertar subensamblajes 405
  • 419.
    Lección 12 Manual de formación SolidWorks 2006 Modelado de ensamblaje ascendente 48 Seleccionar el subensamblaje. Mediante Insertar componente, se fija el cuadro de diálogo para que enumere cualquier pieza o ensamblaje abierto en Documentos abiertos. El componente crank sub aparece y está seleccionado. 49 Situar el subensamblaje. Sitúe el subensamblaje cerca de la parte superior del componente Yoke_male. Si expande el icono de componente del subensamblaje, aparecerán todas las piezas de componente que se encuentran dentro del mismo, incluyendo su propio grupo de relaciones de posición. Cómo establecer Los subensamblajes siguen las mismas normas que las piezas para relaciones de el establecimiento de relaciones de posición. Se consideran posición entre componentes y se pueden establecer relaciones de posición entre subensamblajes ellos mediante la herramienta Relación de posición, mediante la tecla Alt+arrastrar o mediante una combinación de las dos. 406 Cómo insertar subensamblajes
  • 420.
    Manual de formaciónSolidWorks 2006 Lección 12 Modelado de ensamblaje ascendente 50 Smart Mate concéntrica. Agregue una relación de posición Concéntrica, mediante Alt+arrastrar, entre las superficies cilíndricas del puntal en la parte superior de Yoke_male y crank- shaft. 51 Relación de posición Paralela. Establezca una relación de posición entre la cara plana del Yoke_male y la cara plana del Taladro-D del crank-shaft mediante la herramienta Relación de posición y una relación de posición Paralela. 52 Alineación. Haga clic en el botón Invertir alineación de relaciones de posición para probar Alineación inversa (arriba) y Alineada (derecha). Utilice la condición alineación inversa para esta relación de posición. Pregunta: ¿Por qué no utilizaría una relación de posición Coincidente aquí? coincidente definiría el ensamblaje en exceso. sean exactamente iguales, una relación de posición planas y las cotas del eje y el taladro correspondiente Respuesta: Porque a menos que las cotas de las caras Relaciones de Las relaciones de posición Distancia permiten las separaciones posición Distancia entre componentes con una relación de posición. Puede considerarlas como relaciones de posición paralelas con una equidistancia. Como generalmente hay más de una solución, se utilizan las opciones Invertir alineación de relaciones de posición, e Invertir cota para determinar cómo se mide la distancia y en qué lado se encuentra. Cómo insertar subensamblajes 407
  • 421.
    Lección 12 Manual de formación SolidWorks 2006 Modelado de ensamblaje ascendente 53 Seleccionar las caras. Seleccione la cara superior de bracket y la cara inferior del componente crank-shaft para crear la relación de posición. 54 Agregar una relación de posición Distancia. Especifique una distancia de 1 mm. Nota Si bien las unidades de este ensamblaje y todos sus componentes se encuentran en pulgadas, puede especificar valores métricos en los cuadros de incremento. Tan sólo escriba mm luego del número. El sistema lo convertirá automáticamente en 0.039 pulgadas. Haga clic en Vista preliminar. Si crank-shaft penetra en bracket seleccione el botón Invertir cota . Haga clic en Aceptar para crear la relación de posición. Sugerencia Si hace doble clic en la relación de posición de Distancia o Ángulo en el FeatureManager, se visualiza en la pantalla. El valor se muestra en las unidades del ensamblaje, en este caso pulgadas. 55 Seleccionar en el FeatureManager. Seleccione el subensamblaje crank sub en el gestor de diseño del FeatureManager. Todos los componentes del subensamblaje se seleccionarán y se resaltarán en verde claro. 56 Movimiento de ensamblaje dinámico. Utilice Cambiar transparencia en las horquillas y pasadores. Mueva el asa para ver el movimiento del spider. Utilizar sólo para La opción de relación de posición Utilizar sólo para colocar se colocar puede utilizar para ubicar la geometría sin agregar la restricción de una relación de posición. Es un método útil para configurar una vista de dibujo. 408 Cómo insertar subensamblajes
  • 422.
    Manual de formaciónSolidWorks 2006 Lección 12 Modelado de ensamblaje ascendente 57 Relación de posición. Haga clic en la herramienta Relación de posición y seleccione Utilizar sólo para colocar. Seleccione las caras planas que se muestran y una relación de posición Paralela. Haga clic en Aceptar. La geometría se ubica como una condición de relación de posición paralela, pero no se agrega ninguna relación de posición. 58 Guardar y cerrar. Cómo insertar subensamblajes 409
  • 423.
    Lección 12 Manual de formación SolidWorks 2006 Modelado de ensamblaje ascendente 410 Cómo insertar subensamblajes
  • 424.
    Manual de formaciónSolidWorks 2006 Ejercicio 53: Cree este ensamblaje utilizando Ensamblaje relaciones de posición solamente. Caja de No se proporciona cota alguna. cambios Este laboratorio utiliza las siguientes funciones: Creación de ensamblaje ascendente. Incorporar componentes a un ensamblaje. Crear relaciones de posición entre componentes utilizando Insertar relación de posición. Unidades: pulgadas Intención del La intención del diseño de esta pieza se muestra a continuación. diseño 1. Los archivos se encuentran en la carpeta Gearbox Assy (Ensamb. Caja de cambios). 2. Las piezas de componentes tienen relaciones de posición como se muestra en los detalles. 3. Se requieren dos instancias de Cover_Pl&Lug (Ch. cubierta y agarradera). Diseño de pieza Utilice los siguientes gráficos junto con la intención del diseño para determinar la forma y las relaciones dentro del ensamblaje. Cover Plate Worm Gear Shaft Worm Gear Offset Shaft Main Housing Cover_Pl&Lug (2 req'd) Ejercicio 53 411
  • 425.
    Manual de formaciónSolidWorks 2006 Procedimiento Abra un ensamblaje nuevo utilizando la plantilla Assembly_IN. 1 Agregar los componentes. Arrastre las piezas de componentes a un nuevo documento de ensamblaje. 2 Establecer relaciones de posición entre los componentes. Establezca una relación de posición entre el componente Housing (Alojamiento) y el origen del ensamblaje. Establezca una relación de posición de los demás componentes y Housing y de los componentes entre sí. 3 Parte recortada del ensamblaje. Esta parte recortada muestra los componentes internos del ensamblaje. Utilice éste y los siguientes detalles para establecer relaciones de posición entre componentes en el ensamblaje. 4 Orientación de componentes. Los componentes Cover_Pl&Lug se orientan de manera diferente en la parte frontal y posterior. Observe la posición de la agarradera en estas vistas. Nota No necesita crear estas vistas de sección. Sólo se proporcionan con fines informativos. 412 Ejercicio 53
  • 426.
    Manual de formaciónSolidWorks 2006 Vista Superior. Esta vista muestra la línea de corte de la Sección B-B. Sección B-B. La Sección B-B se corta de la vista Superior. Vista Frontal. Esta vista muestra la línea de corte de la Sección A-A. Ejercicio 53 413
  • 427.
    Manual de formaciónSolidWorks 2006 Sección A-A. La Sección A-A se corta de la vista Frontal. Detalle C. Detalle C se toma de la Sección B-B e incluye la relación de posición de la ranura. 5 Guardar y cerrar el ensamblaje. 414 Ejercicio 53
  • 428.
    Manual de formaciónSolidWorks 2006 Ejercicio 54: Complete este Tablas de ensamblaje diseño de ascendente piezas en un utilizando las piezas incluidas. Utilice ensamblaje diversas configuraciones de la misma pieza en el ensamblaje para crear un conjunto de llaves Allen. Este laboratorio refuerza las siguientes funciones: Configuraciones en una pieza. Configuraciones de piezas en ensamblajes. Editar tablas de diseño. Diseño de ensamblaje ascendente. Vistas explosionadas y líneas de explosión. Procedimiento Abra un ensamblaje existente. 1 Ensamblaje existente. Abra el ensamblaje existente denominado part configs (configs. de pieza). Se encuentra en la carpeta denominada Part DT (DT pieza) en Assy (Ensamb.). El ensamblaje contiene tres componentes, dos de los cuales tienen múltiples instancias. Un componente, Allen Wrench (Llave Allen) utiliza una configuración diferente para cada instancia. 2 Abrir pieza. Seleccione cualquier instancia del componente Allen Wrench y abra la pieza. Ejercicio 54 415
  • 429.
    Manual de formaciónSolidWorks 2006 3 Tabla de diseño. Edite la tabla de diseño incrustada allí. Cambie los valores de la columna Length@Sketch1 solamente. Length@Sketch1 Size01 50 Size02 60 Size03 70 Size04 80 Size05 90 Size06 100 Size07 100 Size08 90 Size09 80 Size10 100 4 Agregar y establecer relaciones de posición entre componentes. Agregue y establezca relaciones de posición entre tres componentes más, observando las configuraciones de las piezas de Allen Wrench. Los tamaños, las posiciones y los nombres de las piezas se detallan en las ilustraciones incluidas. Sugerencia Con la pieza y el ensamblaje abiertos, coloque las ventanas en mosaico. Cambie al ConfigurationManager en la pieza y arrastre sólo las configuraciones necesarias. 5 Guardar y cerrar el ensamblaje y la pieza. 416 Ejercicio 54
  • 430.
    Manual de formaciónSolidWorks 2006 Ejercicio 55: Cree este ensamblaje agregando Relaciones de componentes a un ensamblaje nuevo y posición utilizando Insertar relación de posición. Este laboratorio utiliza las siguientes funciones: Creación de ensamblaje ascendente. Incorporar componentes a un ensamblaje. Crear relaciones de posición entre componentes utilizando Insertar relación de posición. Unidades: pulgadas Intención del La intención del diseño de diseño esta pieza se muestra a continuación: 1. Los archivos se encuentran en la carpeta Mates (Relaciones de posición). 2. Las piezas de componentes tienen relaciones de posición como se muestra en los detalles. 3. Se requieren dos instancias de los componentes Brace (Cuadro) y EndConnect (Conexión extremos). 4. Cada componente Brace se centra sobre el taladro en el componente EndConnect. Sugerencia Las relaciones de posición entre planos pueden utilizarse para centrar componentes. Diseño de pieza Utilice los siguientes gráficos junto con la intención del diseño para determinar la forma y las relaciones dentro del ensamblaje. Brace(2req'd) RectPlate EndConnect(2req'd) Ejercicio 55 417
  • 431.
    Manual de formaciónSolidWorks 2006 Ejercicio 56: Realice cambios en el ensamblaje creado en la Cambios en la lección anterior. junta en U Este ejercicio utiliza las siguientes funciones: Abrir piezas desde el ensamblaje. Cambiar cotas de pieza. Incorporar y eliminar relaciones de posición. Incorporar componentes. Procedimiento Abra un ensamblaje existente. 1 Abra el ensamblaje existente denominado Changes (Cambios). El ensamblaje se encuentra en la Bracket carpeta U-Joint Changes (Cambios de junta universal). 2 Abrir el componente bracket (abrazadera). En el FeatureManager o en la pantalla, abra el componente bracket<1> para edición. 3 Cambios. Haga doble clic en la primera operación y cambie las cotas que se muestran en negrita y subrayadas. Reconstruya la pieza. 4 Cerrar y guardar. Cierre la pieza bracket guardando los cambios realizados. Responda Sí para reconstruir el ensamblaje. 5 Cambios. Los cambios realizados en la pieza también aparecen en el ensamblaje. 6 Girar la manivela. La manivela debe girar libremente, girando las dos horquillas, la estrella y los pasadores con el mismo. 7 Eliminar relación de posición. Expanda el grupo de relaciones de posición y elimine la relación de posición Parallel2 (Paralela 2). 418 Ejercicio 56
  • 432.
    Manual de formaciónSolidWorks 2006 8 Girar la manivela. La manivela debe girar libremente pero ya no se conecta con las horquillas y la estrella. 9 Insertar un componente set screw (tornillo prisionero). Inserte el componente existente denominado set screw. Establezca una relación de posición con el taladro pequeño en el componente crank-shaft (eje de la manivela) con una relación de posición Concéntrica. 10 Ocultar componente. Oculte el componente crank-shaft. Agregue una relación de posición Coincidente entre las caras planas de set screw y Yoke_Male (Horquilla macho). 11 Visualizar componente. Visualice el componente crank-shaft. 12 Girar la manivela. La manivela debe girar libremente y una vez más, las dos horquillas, la estrella y los pasadores deben girar con él. 13 Guardar y cerrar el ensamblaje. Ejercicio 56 419
  • 433.
    Manual de formaciónSolidWorks 2006 Ejercicio 57: Ensamble este Molinillo dispositivo siguiendo los pasos como se muestra. Este laboratorio utiliza las siguientes funciones: Modelado de ensamblaje ascendente. Movimiento de ensamblaje dinámico. Configuraciones de piezas en un ensamblaje. Procedimiento Abra un ensamblaje nuevo utilizando la plantilla Assembly_IN. 1 Agregar el componente Base. Las piezas de este ensamblaje se encuentran en la carpeta denominada Grinder Assy (Ensamb. molinillo). Arrastre el componente Base al ensamblaje y restrínjalo completamente al origen del ensamblaje. 2 Agregar el componente Slider (Control deslizante). Agregue el componente Slider al ensamblaje. Establezca una relación de posición entre el mismo y una de las ranuras del ensamblado a cola de milano. Es necesario una relación de posición Ancho y Coincidente. 3 Agregar una segunda copia del componente Slider. Establezca una relación de posición entre el mismo y la otra ranura del ensamblado a cola de milano. Ambos componentes Sliders deben moverse libremente hacia delante y hacia atrás en sus respectivas ranuras. 420 Ejercicio 57
  • 434.
    Manual de formaciónSolidWorks 2006 4 Ensamblaje Crank (Manivela). Abra un ensamblaje nuevo utilizando la plantilla Assembly_IN. Construya el ensamblaje Crank como se muestra a la derecha. El ensamblaje Crank se muestra en estados explosionados y colapsados. El ensamblaje Crank se compone de: Handle (Asa) (1) Knob (Perilla) (1) Truss Head Screw (1) configuración [#8-32 (.5” de largo)] RH Machine Screw (2) configuración [#4-40 (.625” de largo)] Nota Ambos tornillos de la máquina contienen configuraciones múltiples. Asegúrese de utilizar las correctas. 5 Insertar el ensamblaje Crank en el ensamblaje principal. Coloque las dos ventanas del ensamblaje en mosaico y arrastre y coloque el subensamblaje en el ensamblaje principal. 6 Establecer una relación de posición entre el ensamblaje Crank y los componentes Sliders. Los dos RH Machine Screws van dentro de los taladros en los componentes Sliders. La parte inferior del componente Handle tiene una relación de posición con la cara superior de uno de los componentes Sliders. 7 Girar el componente Crank (Manivela). El movimiento de la pieza Knob (Perilla) sigue un trayecto elíptico. El movimiento de cada componente Slider traza los ejes mayor y menor de dicha elipse. Ejercicio 57 421
  • 435.
    Manual de formaciónSolidWorks 2006 422 Ejercicio 57
  • 436.
    Manual de formaciónSolidWorks 2006 Lección 13 Cómo usar ensamblajes Al finalizar esta lección, podrá: Realizar cálculos de propiedades físicas y detección de inferencias. Crear una vista explosionada de un ensamblaje. Agregar líneas de explosión. Generar una lista de materiales para un ensamblaje. 423
  • 437.
    Lección 13 Manual de formación SolidWorks 2006 Cómo usar ensamblajes 424
  • 438.
    Manual de formaciónSolidWorks 2006 Lección 13 Cómo usar ensamblajes Cómo usar En esta lección analizará otros aspectos del modelado de ensamblajes ensamblajes utilizando una versión del ensamblaje de junta universal. El ensamblaje completo se analizará, editará y mostrará en un estado explosionado. Etapas del Algunas etapas importantes del proceso de análisis de esta pieza se proceso muestran en la siguiente lista. Cada uno de estos temas consta de una sección en la lección. Cómo analizar el ensamblaje Puede realizar cálculos de propiedades físicas en ensamblajes completos. También puede realizar detección de interferencias estática o dinámica. Cómo editar el ensamblaje Las piezas individuales pueden editarse mientras se encuentran en el ensamblaje. Esto significa que puede realizar cambios en los valores de las cotas de una pieza mientras la misma se encuentra activa en el ensamblaje. Ensamblajes explosionados Las vistas explosionadas del ensamblaje pueden crearse seleccionando los componentes y la dirección/distancia del movimiento. Lista de materiales Se puede generar una tabla de LDM a partir del ensamblaje y colocarla en la hoja de dibujo. Se pueden agregar globos asociados para identificar los elementos. Cómo usar ensamblajes 425
  • 439.
    Lección 13 Manual de formación SolidWorks 2006 Cómo usar ensamblajes Cómo analizar Hay diversos tipos de análisis que pueden realizarse en un el ensamblaje ensamblaje. Entre ellos se incluyen el cálculo de las propiedades físicas del ensamblaje y la verificación de interferencias. Cálculos de Los cálculos de propiedades físicas se presentaron en la Lección propiedades 6: Operaciones de revolución. Cuando se trabaja con ensamblajes, físicas es importante recordar que las propiedades materiales de cada componente se controlan de manera individual a través de la operación Material de la pieza. Las propiedades materiales también se pueden configurar mediante la opción Editar material. Para revisar las propiedades materiales, consulte Editar material en la página 193. Para revisar los cálculos de propiedades físicas, consulte Propiedades físicas en la página 195. 1 Abrir un ensamblaje existente. Abra el ensamblaje existente UJ_for_INT (JU para INT). 2 Propiedades físicas. Haga clic en Propiedades físicas en la barra Herramientas. 3 Resultados. El sistema realiza los cálculos y muestra los resultados en una ventana de informe. El sistema también muestra los Ejes principales como gráficos temporales. Se puede utilizar Opciones para cambiar las unidades de los cálculos. Haga clic en Cerrar. Los símbolos representan: Sistema de Ejes principales coordenadas de en el Centro de salida masa 426 Cómo analizar el ensamblaje
  • 440.
    Manual de formaciónSolidWorks 2006 Lección 13 Cómo usar ensamblajes Cómo verificar la La opción Detección de interferencias se utiliza para buscar interferencia interferencias entre componentes estáticos en el ensamblaje. Esta opción toma una lista de componentes y busca las interferencias entre ellos. Las interferencias se enumeran por componentes pares que incluyen una representación gráfica de la interferencia. Las interferencias individuales se pueden ignorar. Introducción: La Detección de interferencias se utiliza para buscar Detección de interferencias (choques) entre piezas de componentes en un interferencias ensamblaje. Puede dirigirse para verificar todos los componentes en el ensamblaje o tan sólo los seleccionados. Dónde encontrarlo Haga clic en Detección de interferencias en la barra de herramientas Ensamblaje. En el menú Herramientas, seleccione: Detección de interferencias.... 4 Haga clic en Herramientas, Detección de interferencias.... Se abre el PropertyManager Detección de interferencias. 5 Detección de interferencias. Seleccione el componente de nivel superior UJ_for_INT para verificar todos los componentes en el ensamblaje. El ensamblaje UJ_for_INT.SLDASM aparece en la lista Componentes seleccionados. Haga clic en Calcular. 6 Interferencias. Cómo analizar el ensamblaje 427
  • 441.
    Lección 13 Manual de formación SolidWorks 2006 Cómo usar ensamblajes El análisis ha encontrado tres interferencias entre las entidades seleccionadas. Las listas Interference1, Interference2 e Interference3 se muestran en la lista Resultados seguida de un volumen de interferencia. La interferencia se indica en la ventana de gráficos mediante un volumen que se muestra en rojo. De forma predeterminada, los componentes de la interferencia son transparentes y el resto de los componentes permanecen opacos. Haga clic en Aceptar. Interference1 Interference2 Interference3 bracket Yoke_male Yoke_male crank-shaft crank-shaft crank-shaft 7 Métodos visuales. A veces, las áreas de interferencia se pueden determinar visualmente. Se pueden utilizar las visualizaciones Sombreado (sin aristas) y Líneas ocultas visibles. En este caso, el volumen de crank- shaft (eje de la manivela) se superpone con el del bracket (abrazadera). 8 Editar operación. Haga clic con el botón secundario del ratón en la relación de posición Distancia1 y seleccione Editar operación. Haga clic en la opción Invertir cota y después en Aceptar. 428 Cómo analizar el ensamblaje
  • 442.
    Manual de formaciónSolidWorks 2006 Lección 13 Cómo usar ensamblajes 9 Volver a comprobar las interferencias. Seleccione los componentes bracket, crank-shaft y Yoke_male (Horquilla macho) y haga clic en Detección de interferencias. Como es de esperar, el resultado es No Interference. Detección de El problema con un método estático de detección de interferencias interferencias es que los componentes de un ensamblaje sólo pueden interferir en estática contra ciertas condiciones. Se necesita entonces una manera de detectar las dinámica colisiones en forma dinámica, mientras un ensamblaje se mueve. Introducción: Detección de colisión analiza los componentes seleccionados en Detección de el ensamblaje durante el movimiento de ensamblaje dinámico, colisión alertándolo cuando las caras chocan o colisionan. Tiene las opciones de detener el movimiento en colisión, resaltando las caras en colisión y generando un sonido de sistema. Dónde encontrarlo En los PropertyManager Mover componente o Girar componente , seleccione Detección de colisión. 10 Detección de colisión. Haga clic en Mover componente y seleccione Detección de colisión. Seleccione Todos los componentes y Detener al colisionar. Gire la junta en U arrastrando el asa de la manivela. Cuando las aristas interiores de las dos yokes (horquillas) colisionan, el sistema le avisa resaltando las caras y generando un sonido del sistema. Cómo analizar el ensamblaje 429
  • 443.
    Lección 13 Manual de formación SolidWorks 2006 Cómo usar ensamblajes 11 Delimitar la selección. La opción Todos los componentes significa que se detectan las colisiones con todos los componentes del ensamblaje. Esto exige más a los recursos del sistema, especialmente en un ensamblaje grande. Si elige Estos componentes, sólo se detectan las colisiones con un grupo de componentes de ensamblaje seleccionados. Haga clic en Estos componentes y seleccione los componentes Yoke_female (Horquilla hembra) y Yoke_male (Horquilla macho). Haga clic en Detener al colisionar y, a continuación, en Reanudar arrastre. 12 Desactivar la detección de colisión. Haga clic en Aceptar para cerrar el PropertyManager. Consideraciones Hay un número de opciones y técnicas que puede utilizar para de rendimiento mejorar el rendimiento del sistema durante la Detección de colisión dinámica: Haga clic en Estos componentes, en vez de en Todos los componentes. En general, el rendimiento puede mejorarse si minimiza el número de componentes que el sistema tiene que evaluar. Sin embargo, tenga cuidado de no pasar por alto un componente que realmente interfiera. Asegúrese de que la opción Sólo pieza arrastrada se encuentre seleccionada. Esto significa que sólo se detectan las colisiones con el componente que está arrastrando. Si no se encuentra seleccionada, se detectan colisiones para el componente en movimiento y los componentes que se mueven como resultado de relaciones de posición correspondientes al componente en movimiento. Si es posible, utilice Ignorar superficies complejas. Nota La opción Distancia dinámica puede utilizarse para mostrar la distancia real entre componentes mientras éstos se mueven. Aparece una cota entre los componentes seleccionados que se actualiza a medida que la distancia mínima entre los mismos cambia. Cómo corregir la El redondeo o la aplicación de un chaflán a las aristas de las interferencia horquillas eliminará la interferencia. 430 Cómo analizar el ensamblaje
  • 444.
    Manual de formaciónSolidWorks 2006 Lección 13 Cómo usar ensamblajes 13 Abrir pieza. En el gestor de diseño del FeatureManager, haga clic con el botón secundario del ratón en Yoke_female y seleccione Abrir pieza. Agregue un chaflán de 0.05” x 45 a las aristas tal como se indica. Guarde los cambios. 14 Regresar al ensamblaje. Haga clic en Ventana, UJ_for_INT.SLDASM o bien utilice las teclas Ctrl+Tab. Cuando el software detecte el cambio en la pieza, un mensaje le pedirá si desea reconstruir el ensamblaje. Haga clic en No en respuesta al mensaje hasta que se hayan realizado todos los cambios. 15 Corregir el componente Yoke_male. Abra el componente Yoke_male mediante la opción Abrir pieza. Agregue un chaflán de la misma manera que en el componente Yoke_female. Guarde los cambios y vuelva al ensamblaje haciendo clic en Sí en el mensaje Reconstruir ensamblaje. 16 Buscar interferencia. Haga clic en Mover componente. Haga clic en estas opciones: Detección de colisión Todos los componentes Detener al colisionar Pruebe la interferencia girando la manivela. No se detectan colisiones. 17 Desactivar la herramienta Mover componente. Cómo cambiar El cambio del valor de una cota en el ensamblaje funciona los valores de exactamente igual que el cambio de esa cota en una pieza: haga las cotas doble clic en la operación y luego haga doble clic en la cota. SolidWorks utiliza la misma pieza en el ensamblaje o el dibujo, así que si cambia dicha pieza en un lugar, la misma cambiará en todos los lugares. Se puede hacer doble clic en la operación desde el FeatureManager o la pantalla, pero la cota siempre aparecerá en la pantalla. Cómo cambiar los valores de las cotas 431
  • 445.
    Lección 13 Manual de formación SolidWorks 2006 Cómo usar ensamblajes 18 Editar la pieza crank-arm (brazo de la manivela). Haga doble clic en el gráfico de la pieza crank-arm para acceder a sus cotas. Éstas son las cotas utilizadas para construir la pieza. Cambie la longitud a 4”. 19 Editar la pieza crank-shaft. Cambie el valor de la longitud a 2.5”. Observe que no sólo se reconstruyen las piezas y se actualiza el ensamblaje sino que las relaciones de posición garantizan que la pieza crank-arm se mueva hacia arriba cuando la pieza crank-shaft gane altura y la pieza crank-knob (perilla de la manivela) se mueva cuando la pieza crank-arm gane longitud. 20 Abrir la pieza crank-shaft. Haga clic con el botón secundario del ratón en crank-shaft y seleccione Abrir pieza desde el menú contextual. 21 Cambios en el nivel de pieza. El cambio de una pieza en el nivel de ensamblaje la cambia en el nivel de pieza y viceversa. Eso es porque se trata de la misma pieza y no de una copia. Vuelva a cambiar el valor a 1.5” y cierre la pieza, guardando los cambios. 22 Actualización del ensamblaje. Se han realizado cambios en una referencia del ensamblaje, en este caso el tamaño de una pieza. Al volver a ingresar el ensamblaje, SolidWorks pregunta si desea reconstruir. Haga clic en Sí. 23 Volver a cambiar valores. Seleccione y vuelva a cambiar la cota de crank-arm a 3” y reconstruya. 432 Cómo cambiar los valores de las cotas
  • 446.
    Manual de formaciónSolidWorks 2006 Lección 13 Cómo usar ensamblajes Cómo utilizar Cinemática con colisiones físicas es un método para visualizar el Cinemática con movimiento del ensamblaje en una forma más realista. Al ampliar colisiones los recursos de la detección de colisión dinámica, la Cinemática con colisiones físicas permite que un objeto actúe sobre otro. físicas Cuando dos objetos colisionan, uno moverá al otro según los grados de libertad disponibles. La Cinemática con colisiones físicas se propaga en todo el ensamblaje. El componente arrastrado puede desalojar un componente, que a su vez se mueve y desaloja otro componente y así sucesivamente. Nota No confunda la Cinemática con colisiones físicas con una aplicación de análisis cinemática como COSMOSMotion. Con la Cinemática con colisiones físicas, las características como momento, fricción, elasticidad o falta de elasticidad de la colisión no se tienen en cuenta. Dónde encontrarlo En el PropertyManager Mover componente, haga clic en Cinemática con colisiones físicas. ¿Qué es esto? Cuando arrastra un componente con la opción Cinemática con colisiones físicas activada, aparece un pequeño símbolo en el componente. Esto representa el centro de masa. La Cinemática con colisiones físicas utiliza las propiedades físicas para calcular cómo afectarán al componente las fuerzas que actúan en él cuando colisione con otros componentes. La acción de arrastrar un componente por su centro de masa exhibe un movimiento diferente que cuando el componente se arrastra por un punto. Ejemplos En la carpeta Physical Dynamics (Cinemática con colisiones físicas) se encuentran algunos ejemplos. Los mismos se ilustran en el gráfico a continuación. Elemento de simulación Descripción Nested Slides Mientras arrastra la diapositiva (Dispositivas anidadas) más profunda, se hace contacto con la siguiente dispositiva y se estira lo más lejos posible. Clock (Reloj) Al arrastrar el minutero, se mueve la manecilla de las horas. Cómo utilizar Cinemática con colisiones físicas 433
  • 447.
    Lección 13 Manual de formación SolidWorks 2006 Cómo usar ensamblajes Elemento de simulación Descripción Geneva Wheel Al girar la rueda de entrada, el (Rueda de Ginebra) pasador engancha y desengancha las ranuras en la rueda de salida. Limit Mechanism Gire la rueda de la leva en (Mecanismo límite). sentido contrario a las agujas del reloj y la palanca de funcionamiento con forma de Y oscilará hacia delante y hacia atrás. Bevel Gears Gire la manija en un (Engranajes cónicos) mecanismo y el otro mecanismo girará. Rolling Balls (Esferas) Arrastre las esferas individuales para que colisionen entre sí. 434 Cómo utilizar Cinemática con colisiones
  • 448.
    Manual de formaciónSolidWorks 2006 Lección 13 Cómo usar ensamblajes Sugerencias para Cuando trabaje con Cinemática con colisiones físicas, debe trabajar con considerar algunas cuestiones. Cinemática con 1. La Cinemática con colisiones físicas depende de la detección colisiones físicas de colisión. No funcionará si el ensamblaje contiene interferencias. Si el elemento que usted arrastra interfiere con otro componente, la fuente de la interferencia se pone transparente. Utilice Herramientas, Detección de interferencias para buscar y eliminar interferencias antes de utilizar la Cinemática con colisiones físicas. 2. Utilice las relaciones de posición adecuadas para definir el ensamblaje. Los ensamblajes con un nivel muy bajo de restricción tienen menos probabilidades de resultar exitosos. No dependen de la Cinemática con colisiones físicas para solucionar todo. Por ejemplo, en el ensamblaje Nested Slides, las relaciones de posición se utilizaron para relacionar slide1 y slide2 para que cada uno tenga un grado de libertad. A continuación se utilizó la Cinemática con colisiones físicas para controlar la interacción de los pasadores y las ranuras. 3. La Cinemática con colisiones físicas no funciona en ensamblajes que tengan relaciones de posición simétricas. Para obtener más información sobre las relaciones de posición simétricas, consulte el curso avanzado Modelo de ensamblaje avanzado. 4. La Cinemática con colisiones físicas puede ser intensiva desde el punto de vista del cálculo. Limite el alcance seleccionando componentes en el cuadro Elementos seleccionados y luego haga clic en Reanudar arrastre. Los elementos que no se encuentran en la lista se ignoran. Simulación La opción Simulación física le permite simular los efectos de física motores, resortes y gravedad en sus ensamblajes. La Simulación física combina elementos de simulación con herramientas de SolidWorks como relaciones de posición y Cinemática con colisiones físicas para mover componentes alrededor de su ensamblaje. Utilice un ensamblaje que tenga las relaciones de posición para dar soporte a los efectos de simulación. Nota No confunda Simulación física con una aplicación de análisis cinemática. Con Simulación física, las características como momento, fricción, elasticidad o falta de elasticidad de la colisión no se consideran. Barra de Los comandos para Simulación física se encuentran en la barra de herramientas herramientas Simulación. Las herramientas individuales se Simulación explicarán más adelante en esta lección. Dónde encontrarlo Haga clic en Barra de herramientas Simulación en la barra de herramientas Ensamblaje. Simulación física 435
  • 449.
    Lección 13 Manual de formación SolidWorks 2006 Cómo usar ensamblajes O haga clic en Ver, Barras de herramientas y seleccione Simulación. Opciones de la Hay diversas opciones para crear la simulación: barra de herramientas Detener grabación o Calcular simulación reproducción Restablecer componentes Reproducir simulación Elementos de Hay muchos elementos de simulación que mueven los componentes simulación en el ensamblaje. Elemento de Descripción simulación Motor lineal Los motores lineales mueven los componentes a lo largo de un trayecto de línea recta. Motor rotatorio Los motores rotatorios mueven los componentes alrededor de un eje seleccionado, pero no son fuerzas. La potencia del motor no varía según el tamaño o la masa del componente. Por ejemplo, un componente pequeño se mueve a la misma velocidad que un componente grande si el control deslizante de Velocidad se establece al mismo valor. No debe agregar más de un motor del mismo tipo al mismo componente. Resorte lineal Los resortes aplican una fuerza a un componente. Un resorte con una constante de resorte más alta moverá un componente más rápido que un resorte con una constante de resorte más baja. Además, un componente con una masa menor se moverá más rápido que un componente con una masa mayor si actúa sobre resortes de igual resistencia. El movimiento producido por un resorte se detiene cuando el resorte alcanza su longitud libre. El movimiento producido por los motores reemplaza el movimiento producido por los resortes. Si tiene un motor que mueve un componente hacia la izquierda y un resorte que tira de un componente hacia la derecha, el componente se mueve hacia la izquierda. Gravedad Sólo se puede definir un elemento de simulación de gravedad por ensamblaje. Todos los componentes se mueven a la misma velocidad bajo el efecto de la gravedad, independientemente de su masa. El movimiento producido por los motores reemplaza el movimiento producido por la gravedad. Si tiene un motor que mueve un componente hacia arriba y la gravedad lo mueve hacia abajo, el componente se mueve hacia arriba sin ningún movimiento hacia abajo. 436 Simulación física
  • 450.
    Manual de formaciónSolidWorks 2006 Lección 13 Cómo usar ensamblajes Controlador de El Controlador de animaciones animaciones se invoca mediante el botón Reproducir simulación situado en la barra de herramientas Simulación. Opciones de Hay diversas opciones para reproducir la simulación: reproducción Iniciar Rebobinar Reproducir Avance rápido Finalizar Pausa Detener Guardar como Normal archivo AVI Bucle Reproducción Reproducción alternativa lenta Reproducción acelerada Barra de progreso Gestor de diseño Cuando agrega elementos de simulación a un del ensamblaje, se agrega una operación Simulation FeatureManager (Simulación) al FeatureManager. Si hace clic con el botón secundario del ratón en la operación Simulation, puede: Eliminar la operación Simulation, incluyendo todos los elementos de simulación. Eliminar la reproducción de la simulación. Esto deja los elementos de simulación intactos. Restablecer los componentes a sus posiciones previas a la simulación. 1 Agregar un motor rotatorio. Haga clic en Motor rotatorio y seleccione la arista circular de crank-shaft como la Dirección del motor. Sugerencia Si se hace clic en la opción Numérica podrá establecer un valor real para la velocidad angular en las unidades actuales. En este ejemplo sería grados por segundo. 2 Carpeta de simulaciones. Cuando se agrega el Motor rotatorio, se agrega también una nueva carpeta Simulation para contenerlo. 3 Calcular la simulación. Haga clic en Calcular simulación en la barra de herramientas Simulación. Grabe aproximadamente dos revoluciones completas del crank-assy (ensamb. manivela). Simulación física 437
  • 451.
    Lección 13 Manual de formación SolidWorks 2006 Cómo usar ensamblajes Nota Cuando graba una simulación, los componentes se mueven, en realidad, dentro de sus grados de libertad según los elementos de simulación. Los grados de libertad se determinan por las relaciones de posición en los componentes y las colisiones con otros componentes. 4 Detener la grabación. Haga clic en Detener grabación o reproducción en la barra de herramientas Simulación. 5 Reproducir la simulación. Haga clic en Reproducir simulación en la barra de herramientas Simulación para acceder al Controlador de animaciones. Utilice una de las opciones del controlador para acelerar, ralentizar, crear bucles o reproducir de manera alternativa la reproducción. 6 Guardar y cerrar. Otro ejemplo En la siguiente sección se ofrece otro ejemplo de simulación física en la que el motor se aplica a un componente y ese movimiento afecta a muchos otros componentes. 1 Abrir un ensamblaje. Abra el ensamblaje machine.sldasm ubicado en la carpeta Sarrus Mechanism (Mecanismo de Sarrus). 2 Ocultar componente. Cambie a la vista Back Iso (Posterior iso.) y oculte el componente Mount (Montaje). Esto facilitará la incorporación de un motor rotatorio al eje de la pieza Wheel (Rueda). 438 Simulación física
  • 452.
    Manual de formaciónSolidWorks 2006 Lección 13 Cómo usar ensamblajes 3 Motor rotatorio. Haga clic en Motor rotatorio en la barra de herramientas Simulación. Seleccione la cara cilíndrica del eje de la pieza Wheel. Haga clic en Invertir selección y luego en Aceptar. 4 Visualizar componente. Vuelva a cambiar a la vista My Iso (Mi iso.) y muestre el componente Mount. Grabe, detenga y reproduzca la simulación de la misma manera que la anterior. Otros ejemplos Puede utilizar cualquiera de los ensamblajes de la carpeta Physical Dynamics para probar la simulación física. Ensamblajes Puede realizar Vistas explosionadas de ensamblajes explosionados automáticamente o explosionando el componente del ensamblaje por componente. El ensamblaje puede alternar entre estados de vista normal y explosionada. Una vez creada, la Vista explosionada puede editarse y utilizarse dentro de un dibujo. Las Vistas explosionadas se guardan con la configuración activa. Configuración de Antes de agregar la Vista explosionada, hay algunos pasos del la vista proceso de configuración que facilitarán el acceso a la vista explosionada explosionada. Es una buena práctica crear una configuración para almacenar una Vista explosionada y también agregar una relación de posición que mantenga al ensamblaje en una “posición de inicio”. 1 Abrir un ensamblaje. Abra el ensamblaje Launcher.sldasm que se encuentra en la carpeta Exploded View (Vista explosionada). Ensamblajes explosionados 439
  • 453.
    Lección 13 Manual de formación SolidWorks 2006 Cómo usar ensamblajes 2 Agregar una nueva configuración. Pase al ConfigurationManager, haga clic con el botón secundario del ratón y seleccione Agregar configuración. Escriba el nombre Exploded (Explosionada) y agregue la configuración. La nueva configuración es la que está activa. Para obtener más información sobre Configuraciones de ensamblaje, consulte el manual Modelo de ensamblaje avanzado. Introducción: La opción Vista explosionada se utiliza para mover uno o varios Vista explosionada componentes a lo largo de un brazo de Mover con sistema de referencia . Cada distancia y dirección de movimiento se almacena como un paso. Dónde encontrarlo Desde el menú Insertar, seleccione Vista explosionada.... O bien, haga clic en Vista explosionada en la barra de herramientas Ensamblaje. 3 Haga clic en Insertar, Vista explosionada. Aparece el cuadro de diálogo Vista explosionada. Pasos de explosión permite el movimiento individual de cada componente. El cuadro de grupo Configuraciones muestra los componentes explosionados en el paso junto con la dirección y la distancia. El cuadro de grupo Opciones incluye las opciones de subensamblaje y espaciado automático de automatización. 440 Ensamblajes explosionados
  • 454.
    Manual de formaciónSolidWorks 2006 Lección 13 Cómo usar ensamblajes Explosión de un Se pueden mover uno o varios componentes en una o varias direc- solo componente ciones. Cada movimiento (uno o varios componentes) establecido mediante una distancia y dirección se considera un paso. 4 Seleccionar componente. Seleccione el componente Arrow<3> (Flecha 3) que aparece en la pantalla. Aparece Mover con sistema de referencia en el centro del cuadro delimitador del componente. Mover con sistema de referencia se alinea con el eje x a lo largo de la longitud de la cara cilíndrica. 5 Arrastrar explosión. Explosione el componente arrastrando el eje rojo y apartándola del ensamblaje. Se agrega la operación Explode Step1 (Paso de explosión 1) El componente aparece debajo. Haga clic en el componente para finalizar el paso. Sugerencia Si se selecciona el paso por nombre en el cuadro de diálogo, se muestran los componentes en amarillo con la flecha azul. Mover con sistema Los ejes de Mover con sistema de referencia y de referencia se utilizan como flecha de arrastre vectores para el paso de explosión. Una vez creados, la distancia del paso se puede modificar arrastrando la flecha azul a lo largo de la línea de explosión. Si los ejes de Mover con sistema de referencia no señalan en las direcciones deseadas, se puede cambiar su orientación. Arrastre el origen del manipulador y suéltelo sobre una arista, eje, cara o plano para reorientarlo. Ensamblajes explosionados 441
  • 455.
    Lección 13 Manual de formación SolidWorks 2006 Cómo usar ensamblajes Explosión de Se pueden explosionar varios componentes a lo largo del mismo varios trayecto o de varios trayectos. En el caso de selecciones de varios componentes componentes, el último componente seleccionado determina la orientación de Mover con sistema de referencia. 6 Selección. Seleccione primero el componente Arrow<1> (Flecha 1) seguido del componente Arrow (Flecha) y los componentes Nozzle (Inyector) restantes. Sugerencia Se pueden seleccionar varios componentes haciendo clic en cada uno de ellos o utilizando una ventana de arrastrar-seleccionar. 7 Trayectos. Mueva los componentes a lo largo del eje rojo tal como se muestra. Vuelva a seleccionar los mismos componentes y agregue otro paso. Agregue otro paso sólo para los componentes Arrow. 442 Ensamblajes explosionados
  • 456.
    Manual de formaciónSolidWorks 2006 Lección 13 Cómo usar ensamblajes Explosión de Los subensamblajes se pueden tratar de varias maneras. Como componentes de componentes únicos, se pueden mover en bloque. Como subensamblajes componentes individuales, cada uno de ellos se puede mover de manera independiente. Si ya existe una vista explosionada de dicho ensamblaje, se puede agregar a la vista explosionada actual. 8 Subensamblaje como componente. Seleccione el componente SUB_trigger (Desencadenador SUB) superior y muévalo con dos pasos tal como se muestra. Espaciado La opción Espaciar componentes automáticamente después automático de arrastrar se utiliza para distribuir una serie de componentes a lo largo de un solo paso axial. El espaciado se puede establecer con un control deslizante y cambiar después de su creación. La opción Seleccionar las piezas del subensamblaje considera cada componente del subensamblaje como un componente individual. 9 Espaciado automático. Haga clic en Seleccionar las piezas del subensamblaje y en Espaciar componentes automáticamente después de arrastrar. Seleccione los tres componentes del subensamblaje de manera individual. Arrastre a lo largo del eje rojo y suelte para espaciar los componentes. Se agrega un paso Cadena. Ensamblajes explosionados 443
  • 457.
    Lección 13 Manual de formación SolidWorks 2006 Cómo usar ensamblajes 10 Ajustar. Arrastre el componente End Cap (Tapa en extremo) utilizando la flecha azul y suéltelo entre los otros dos componentes. La separación permanece con un orden diferente. Reutilización de Las vistas explosionadas que se crean dentro de los subensamblajes explosiones se pueden importar y volver a utilizar. 11 Mover subensamblaje. Desactive las opciones Seleccionar las piezas del subensamblaje y Espaciar componentes automáticamente después de arrastrar. Arrastre el subensamblaje SUB_trigger inferior tal como se muestra. 444 Ensamblajes explosionados
  • 458.
    Manual de formaciónSolidWorks 2006 Lección 13 Cómo usar ensamblajes 12 Reutilizar la explosión del subensamblaje. Seleccione el subensamblaje y haga clic en Reutilizar explosión de subensamblaje. Croquis con Cree líneas como rutas para la vista explosionada utilizando Líneas líneas de de explosión. Un tipo de croquis 3D denominado Croquis con explosión líneas de explosión se utiliza para crear y visualizar las líneas. Se pueden utilizar las herramientas Croquis con líneas de explosión y Quebrar cota de línea para crear y modificar las líneas. Líneas de Se pueden agregar Líneas de explosión al croquis con líneas de explosión explosión para representar la ruta de explosión de los componentes. Introducción: Un Croquis con líneas de explosión le permite crear líneas de Croquis con líneas explosión en forma semiautomática. Para hacerlo, seleccione de explosión geometría de modelo como caras, aristas o vértices y el sistema generará las líneas de explosión. Dónde encontrarlo En el menú Insertar, haga clic en Croquis con líneas de explosión. O bien, haga clic en Croquis con líneas de explosión en la barra de herramientas Ensamblaje. Introducción: Quebrar cota de línea se utiliza Quebrar cota de para romper una línea existente línea y crear una serie de líneas de 90°. Las líneas con quiebre de Antes Después cota se restringen automáticamente para ser perpendiculares y paralelas a las líneas originales. Dónde encontrarlo En el menú Herramientas, haga clic en Herramientas de croquizar, Quebrar cota de línea. O haga clic en Quebrar cota de línea en la barra de herramientas Explosionar croquis. Croquis con líneas de explosión 445
  • 459.
    Lección 13 Manual de formación SolidWorks 2006 Cómo usar ensamblajes 13 Línea de recorrido. Haga clic en Croquis con líneas de explosión para iniciar el croquis 3D. Seleccione las aristas del círculo y del arco tal como se muestra para crear una línea de recorrido entre ellas. Se pueden utilizar diferentes combinaciones de las Opciones para obtener distintos resultados. Haga clic en Aceptar. 14 Explosionar a través de componente. Seleccione (en orden) la arista circular de Main Body<1> (Cuerpo principal 1), la cara cilíndrica de Nozzle<1> y la arista circular de Arrow<1>. Se creará una serie continua de líneas de explosión. 15 Editar líneas de explosión. Mueva los segmentos de líneas individuales arrastrando las flechas pequeñas tal como se muestra. También puede hacer clic en las pequeñas flechas 3D en los extremos de las líneas de explosión para invertir su dirección. Haga clic con el botón secundario del ratón en Aceptar. 446 Croquis con líneas de explosión
  • 460.
    Manual de formaciónSolidWorks 2006 Lección 13 Cómo usar ensamblajes 16 Líneas adicionales. Agregue grupos de líneas de explosión para conectar todos los componentes restantes. Cómo personalizar Las herramientas Línea de recorrido y Quebrar cota de las barras de línea se encuentran en la barra de herramientas Explosionar herramientas croquis de forma predeterminada. Quizás decida que es más conveniente agregar estas dos herramientas a una barra de herramientas existente, como la barra de herramientas Herramientas de croquizar o Ensamblaje. Puede llevarlo a cabo haciendo clic en Herramientas, Personalizar... y seleccionando la pestaña Comandos. Seleccione Explosionar croquis en la lista Categorías y arrastre los botones a la barra de herramientas deseada. Cómo animar Se puede utilizar el Controlador de animaciones para animar la vistas explosión o colapsar el movimiento. explosionadas Dónde encontrarlo Haga clic con el botón secundario del ratón en Colapsar animación en la operación ExplodeView1 (Explosionar vista 1). Si la vista explosionada está colapsada, haga clic con el botón secundario del ratón en Explosionar animación en la operación ExplodeView1. 17 Barra de herramientas Animación. Haga clic con el botón secundario del ratón en ExplView1 (Expl. Vista 1) y seleccione Colapsar animación. El diálogo utiliza controles estándar semejantes a los de un vídeo incluida la opción Reproducir. Croquis con líneas de explosión 447
  • 461.
    Lección 13 Manual de formación SolidWorks 2006 Cómo usar ensamblajes Para obtener más información sobre las otras opciones, consulte Controlador de animaciones en la página 437. 18 Guardar y cerrar. Colapse el ensamblaje. Guarde y cierre el ensamblaje. Dibujos de Los ensamblajes tienen diversos requisitos únicos cuando se trata ensamblajes de realizar dibujos detallados de los mismos. Además de las vistas especializadas, los ensamblajes requieren una Lista de materiales y Globos para documentar completamente el ensamblaje. 1 Dibujo nuevo. Utilice Crear dibujo desde pieza/ensamblaje para crear un nuevo dibujo con la plantilla A-Scale1to2 (A-Escala1a2). 2 Vista etiquetada. Con el diálogo automático Vista del modelo, agregue una vista etiquetada del ensamblaje Launcher (Lanzador). Establezca la orientación en *Isometric (Isométrica) con Scale 1:4 (Escala 1:4) y colóquela en el dibujo. Esta vista se utilizará para visualizar una vista explosionada. 448 Dibujos de ensamblajes
  • 462.
    Manual de formaciónSolidWorks 2006 Lección 13 Cómo usar ensamblajes 3 Propiedades de vista. Haga clic en Más propiedades para ver que se hayan seleccionado la configuración Explosionada y Visualizar en estado explosionado. Nota La opción Visualizar en estado explosionado aparecerá sólo si hay una vista explosionada existente en la configuración seleccionada. Lista de materiales En un dibujo de ensamblaje, un informe de lista de materiales puede crearse e insertarse automáticamente en la hoja de dibujo. Dónde encontrarlo Haga clic en Lista de materiales en la barra de herramientas Tabla. O bien, en el menú Insertar, seleccione Tablas, Lista de materiales.... 4 Configuración de la LDM. Haga clic en la vista explosionada y haga clic en Insertar, Tablas, Lista de materiales.... Seleccione bom-standard como la Plantilla de tabla, Sólo piezas como el Tipo de LDM y Exploded como la Configuración. Puesto que ambas configuraciones contienen los mismos componentes, cualquiera de las dos funcionará. 5 Lista de materiales. La LDM aparecerá en la pantalla donde hizo clic al seleccionar la vista. Puede volver a ajustar el tamaño de la LDM arrastrándola. También se puede mover la LDM. Dibujos de ensamblajes 449
  • 463.
    Lección 13 Manual de formación SolidWorks 2006 Cómo usar ensamblajes Cómo agregar Los números de elementos asignados a la lista de materiales pueden globos agregarse al dibujo utilizando Globos. Estos globos asignarán el número de elemento correcto al insertarse en aristas, vértices o caras. Introducción: El comando Globo automático se utiliza para etiquetar Globos automáticos automáticamente los componentes de un dibujo de ensamblaje por número de elemento y, opcionalmente, por cantidad. Hay muchas formas de globos diferentes. Dónde encontrarlo En la barra de herramientas Anotaciones, haga clic en Globo automático . O bien, en el menú Insertar, haga clic en Anotaciones, Globo automático.... 6 Insertar globos. Haga clic en la herramienta Globo automático y seleccione el dibujo Cuadrado. Se agregan los globos con los números de elementos correctos. Cuando arrastre el globo del elemento 1 más cerca de la vista, se moverán todos. 7 Guarde y cierre el dibujo y cualquier otro archivo abierto. En el curso Las tres secciones sobre dibujos tratadas en este curso son tan sólo Dibujos... una introducción al arte de la documentación. En el curso Conceptos básicos de SolidWorks: Dibujos, aprenderá sobre todos los aspectos de la realización de dibujos detallados de piezas y ensamblajes. 450 En el curso Dibujos...
  • 464.
    Manual de formaciónSolidWorks 2006 Ejercicio 58: Mediante el ensamblaje Cómo utilizar la proporcionado, detección de determine el rango de colisión movimiento del asa de sujeción. Este laboratorio refuerza las siguientes funciones: Detección de colisión. Acotación o utilización del comando Medir. Procedimiento Abra un ensamblaje existente. 1 Ensamblaje existente. Abra el ensamblaje denominado Collision (Colisión) de la carpeta Collision (Colisión). 2 Ubicaciones de colisión. El link (vínculo) detiene el movimiento del ensamblaje en dos lugares. Mueva el ensamblaje al punto de colisión y mida el ángulo formado mediante Medir o las cotas en una vista de dibujo. ÁNGULO “A”- Al hacer retroceder el componentehandle sub- assy (subensamb. asa) el link lo golpea. ÁNGULO “B”- Al hacer avanzar el handle sub-assy, el link golpea el componente hold-down sub-assy (subensamb. sujetar). Medidas: (redondeadas) Ángulo “A” = 38° Ángulo “B” = 90° Ejercicio 58 451
  • 465.
    Manual de formaciónSolidWorks 2006 Ejercicio 59: Mediante los ensamblajes existentes, agregue vistas explosionadas Vistas y líneas de explosión. explosionadas Los archivos se encuentran en la carpeta Flashlight (Linterna eléctrica). Ensamblaje: Flashlight (Linterna eléctrica) Sugerencia Muchos de los componentes se colocan en un ángulo y requieren que el sistema de referencia se arrastre y suelte para establecer la dirección de explosión adecuada. El sistema de referencia se puede colocar en una arista o cara. 452 Ejercicio 59
  • 466.
    Manual de formaciónSolidWorks 2006 Ejercicio 60: Mediante los ensamblajes existentes, agregue vistas explosionadas Vistas y líneas de explosión. Utilice las vistas explosionadas para generar explosionadas dibujos con globos y una LDM. Utilice la plantilla A-Scale1to2 y dibujos de (A-Escala1a2). ensamblajes Los archivos se encuentran en la carpeta Exploded Views (Vistas explosionadas). Ensamblaje: part configs (configs. de pieza) Ensamblaje: Ensamblaje Caja de cambios Ejercicio 60 453
  • 467.
    Manual de formaciónSolidWorks 2006 454 Ejercicio 60
  • 468.
    Manual de formaciónSolidWorks 2006 Apéndice El material de este apéndice complementa el material tratado en las lecciones. Fue eliminado de las lecciones para no extenderlas demasiado y se incluye aquí para su referencia. Configuración de Herramientas, Opciones utilizada en este curso. Cómo crear una plantilla de documento personalizada para las piezas. Cómo organizar sus plantillas de documentos. 455
  • 469.
    Manual de formaciónSolidWorks 2006 456
  • 470.
    Manual de formaciónSolidWorks 2006 Configuración El cuadro de diálogo Herramientas, Opciones es el medio por el de Opciones cual se modifica la configuración predeterminada de SolidWorks. Contiene parámetros que se aplican a documentos individuales y que se guardan con dichos documentos, al igual que parámetros que se aplican sólo a su sistema y a su entorno de trabajo. El cuadro de diálogo Herramientas, Opciones contiene dos pestañas denominadas Opciones de sistema y Propiedades de documento. Cómo aplicar los Hay pestañas dentro de Opciones que permiten realizar cambios en cambios el sistema o las propiedades del documento. Esto le permite controlar la aplicación de la configuración. Sus opciones son: Opciones de sistema Los cambios realizados en las opciones de sistema personalizan su entorno de trabajo. Los mismos no se guardan con un documento específico. En cambio, cada documento abierto en su sistema refle- jará esta configuración. Por ejemplo, es posible que desee que su cuadro de aumento predeterminado sea de 0.25 pulgadas. Habitual- mente, yo trabajo en pequeñas piezas y desearía un cuadro de aumento predeterminado de sólo 0.0625 pulgadas. Las opciones de sistema nos permiten personalizar nuestro entorno de trabajo según nuestras necesidades. Propiedades de documento Los cambios sólo afectarán el documento actualmente abierto. La configuración predeterminada del sistema no cambia. Cómo cambiar las Para cambiar las Opciones predeterminadas, siga este opciones procedimiento: predeterminadas 1. En el menú Herramientas, elija Opciones 2. Seleccione la pestaña correspondiente a la configuración que desea cambiar. 3. Cuando termine, haga clic en Aceptar. Nota Sólo puede acceder a las propiedades del documento cuando un documento está abierto. Configuración Para obtener una lista completa de todas las configuraciones sugerida disponibles a través del cuadro de diálogo Herramientas, Opciones, consulte la ayuda en línea. Las Opciones de sistema importantes utilizadas en este manual son: General Escribir valor de cota: Activada Maximizar el documento al abrir: Activada Croquis Visualizar plano cuando está en modo sombreado: Desactivada Plantillas predeterminadas Siempre utilizar estas plantillas de documento predeterminadas: Activada Configuración de Opciones 457
  • 471.
    Manual de formaciónSolidWorks 2006 Plantillas de Con un archivo de Plantilla de documento (*.prtdot, documento *.asmdot, *.drwdot) puede guardar las propiedades del documento para utilizarlas en documentos nuevos. Puede crear una nueva plantilla que sólo contenga la configuración que desea. Cuando desee crear un documento nuevo, seleccione la plantilla que desea y el documento heredará la configuración de la plantilla. Cómo crear una La creación de una plantilla personalizada es un procedimiento plantilla de pieza simple. Abra un documento nuevo utilizando la plantilla personalizada existente. A continuación, utilice el cuadro de diálogo Herramientas, Opciones para modificar la configuración del documento. Luego, guarde el documento como un archivo de plantilla. Puede configurar las carpetas para que las mismas contengan y organicen sus plantillas. En esta sección, crearemos una plantilla de pieza personalizada. 1 Abrir una nueva pieza. Abra una pieza utilizando la plantilla de pieza predeterminada. La pieza se utilizará para formar la plantilla y luego se descartará. 2 Elegir una plantilla. Haga clic en Archivo, Nuevo y en la pestaña Plantillas del cuadro de diálogo. Haga clic en la plantilla Part y en Aceptar Nota No utilice la configuración Principiante en el cuadro de diálogo cuando esté guardando una plantilla de documento. La plantilla resultante no podría verse. 458 Plantillas de documento
  • 472.
    Manual de formaciónSolidWorks 2006 3 Propiedades. Verifique y, si es necesario, establezca las siguientes Propiedades de documento: Documentación Estándar de acotación: ANSI Documentación, Fuente de anotaciones Cota: Century Gothic; Altura = 12 puntos Detalle: Century Gothic; Altura = 12 puntos Sección: Century Gothic; Altura = 12 puntos Nota/Globo: Century Gothic; Altura = 12 puntos Documentación, Cotas Precisión, Unidades primarias, Valor: 3 Documentación, Visualización de anotaciones Siempre visualizar el texto en el mismo tamaño Activada Rejilla/Enganchar Visualizar rejilla - Desactivada Enganchar a punto - Desactivada Unidades Unidades lineales - Milímetros Propiedades de material Las propiedades de material son específicas del documento. Utilice Editar material para establecer el material apropiado para la pieza. Es buena idea crear una plantilla de pieza para cada material utilizado habitualmente. Esto le ahorrará tiempo y garantizará resultados precisos al realizar cálculos de propiedades físicas y vistas de sección en dibujos. Geometría de referencia Los nombres predeterminados para los tres planos de referencia del sistema no se controlan mediante Herramientas, Opciones. Se controlan mediante la plantilla de documento. Puesto que se puede cambiar el nombre de una operación, también se puede cambiar el nombre de los planos. Cuando la pieza se guarde como una plantilla, los nombres de los planos se guardarán en el archivo de plantillas. Luego, las piezas nuevas creadas con esta plantilla heredarán automáticamente los nombres de los planos. Si lo desea, cambie el nombre de los planos de referencia. Por ejemplo, quizás prefiera XY, XZ y YZ en vez de los nombres predeterminados. Plantillas de documento 459
  • 473.
    Manual de formaciónSolidWorks 2006 4 Guardar una plantilla. Haga clic en Archivo, Guardar como. Para Guardar como tipo, seleccione Plantillas de pieza. Asigne a la plantilla el nombre mm_part y navegue al directorio donde desea guardar sus plantillas personalizadas. En este ejemplo, simplemente guardaremos la plantilla en el directorio de instalación de SolidWorks en la carpeta DataTemplates. Haga clic en Guardar. 5 Utilizar la plantilla. Cierre la pieza actual sin guardarla. Abra una pieza nueva utilizando la plantilla mm_part que aparece en el cuadro de diálogo debajo de la pestaña Plantillas. Verifique que la configuración se haya incluido. 460 Plantillas de documento
  • 474.
    Manual de formaciónSolidWorks 2006 Plantillas de Las plantillas de dibujo y los formatos de hoja tienen muchas más dibujo y formatos opciones que las plantillas de pieza o ensamblaje. En el curso de hoja Conceptos esenciales de SolidWorks se brinda un tratamiento exhaustivo de la creación y personalización de plantillas de dibujo y formatos de hoja: Dibujos. Cómo organizar Como regla general, no es conveniente guardar sus plantillas sus plantillas personalizadas en el directorio de instalación de SolidWorks. El motivo es que al instalar una nueva versión de SolidWorks, el directorio de instalación se sobrescribe. Esto podría sobrescribir sus plantillas personalizadas. Una mejor estrategia consiste en configurar un directorio individual para plantillas, como lo haría para operaciones Biblioteca y bibliotecas de piezas estándar. Puede controlar dónde SolidWorks busca las plantillas mediante Herramientas, Opciones, Opciones de sistema, Ubicaciones de archivos. El cuadro Mostrar carpetas para muestra rutas de búsqueda de diversos tipos, incluyendo plantillas de documento. Las carpetas se buscan en el orden que tienen en la lista. Puede agregar nuevas carpetas, eliminar carpetas existentes o mover carpetas hacia arriba o hacia abajo para cambiar el orden de búsqueda. Plantillas Ciertas operaciones en SolidWorks crean automáticamente un predeterminadas nuevo documento de pieza, ensamblaje o dibujo. Algunos ejemplos son: Insertar, Pieza simétrica Insertar, Componente, Pieza nueva Insertar, Componente, Ensamblaje nuevo Formar subensamblaje nuevo aquí Archivo, Derivar pieza de componente En estas situaciones, tiene la opción de especificar el uso de una plantilla o dejar que el sistema utilice una plantilla predeterminada. Esta opción se controla mediante Herramientas, Opciones, Opciones de sistema, Plantillas predeterminadas. Plantillas de documento 461
  • 475.
    Manual de formaciónSolidWorks 2006 Si seleccionó Avisar al usuario para seleccionar la plantilla de documento, aparecerá el cuadro de diálogo Nuevo documento de SolidWorks y podrá elegir la plantilla que desea utilizar. Si seleccionó Siempre utilizar estas plantillas de documento predeterminadas, se creará el archivo correspondiente mediante la plantilla predeterminada. Esta sección del menú Herramientas, Opciones también le permite definir los archivos de plantillas que el sistema debe utilizar en forma predeterminada. 462 Plantillas de documento
  • 476.
    Manual de formaciónSolidWorks 2006 Indice Indice A área, Consulte medir cómo cambiar el tamaño de un a repetir 154 Consulte también propiedades de plano 107 abrir componente 398 sección cómo colocar componentes 385 acotar croquis automáticamente 104– áreas de visualización 63 cómo consultar una pieza 233 105 arrastrar y colocar cómo croquizar activar inferencias 66 cambiar el orden de ayuda 17 Administrador de comandos 15 operaciones 253–254, 261 cursores 17 análisis cómo copiar cotas 78 cómo editar piezas 221, 249–292 de ensamblajes 426–439 cómo copiar redondeos 261 cómo eliminar material del interior de esfuerzo 197–210 cómo mover cotas 78 una pieza, Consulte cómo factor de seguridad 203 configuraciones 399 vaciar una pieza propiedades físicas 195–196 volver a asociar cotas 230 cómo fijar análisis de esfuerzo 197–210 asas de arrastre, Consulte croquis, componentes 380 ángulo de salida arrastrar piezas 380 análisis 347–351 Consulte también arrastrar y cómo guardar en operaciones extruidas 106 colocar; cotas, mover su trabajo 23 formas de crear 119, 349 asistente para taladro 63 tablas de diseño 318 operación 349 asociatividad 80–82 cómo guardar en un archivo, Consulte plano neutro 350 avellanado, Consulte asistente para cómo guardar su trabajo ángulo de salida de plano neutro 350 taladro cómo interrogar una pieza 233 animar vistas explosionadas 447 ayuda cómo modificar cotas anotaciones 69, 450 croquis 29 apariencia 109, 124 anotaciones de taladro 82 ayuda del sistema 17 de una pieza 81 centros de círculos 76 en un ensamblaje 431 en ensamblajes 382 B cómo mover vistas 75 globos 450 barras de herramientas 12–14, 73 cómo seleccionar elementos notas 327 controlador de animaciones 437 designación por captura 228 notas paramétricas 327 relaciones de posición 390 designación por ventana 228 símbolos de indicación de simulación 435 elementos ocultos 125 referencia 325 barrer 191 filtros 389 anotaciones de globos 450 bisel, Consulte chaflanes objetos múltiples 38, 67, 70 anotaciones de taladro 82 borrar, Consulte eliminar selección de contorno 259–260 apariencia botón central del ratón 118 cómo solucionar color 71–72 botones del ratón 17 Consulte también errores cómo ocultar componentes 400 cómo vaciar una pieza 351 de cotas 109 C componentes gráficos RealView 193 centros de círculos 76 cómo abrir 398 intersecciones virtuales 186 chaflanes 192 cómo agregar 380, 383, 394–395, roscas 265 círculos 25, 109 397, 399, 403 texturas 264 perímetro 109 cómo colocar 385 transparencia de círculos perimetrales 109 cómo copiar 400 componentes 400–401 colgantes cómo establecer relaciones de arcos cómo reparar 230 posición 385 3 puntos 25, 181 cotas 230 cómo girar 384, 391, 396 centro extremos 25 relaciones 129, 231 cómo mover 384, 391, 396 cómo acotar mínimas/ color 4, 15, 18, 28, 71, 310–311 cómo ocultar 400 máximas 182 cómo editar 71 cómo visualizar 401 normal 60 cómo actualizar la pantalla 81 número de instancia 381 tangente 25, 60, 189 cómo agregar propiedades 402–403 transición automática entre líneas y componentes a un ensamblaje 383, comprobar croquis para arcos 61 394 operación 227 zonas de destino tangentes 61 cómo ajustar el tamaño de un condiciones finales arcos 3 puntos 25 plano 107 hasta el siguiente 110 arcos centro extremos 25 cómo cambiar el nombre de las hasta profundidad especificada 43 área rayada 329 operaciones 59 operaciones de revolución 184 Conceptos esenciales de SolidWorks 1
  • 477.
    Indice Manual de formación SolidWorks 2006 plano medio 106 inteligente 38 desactivar supresión de por todo 68 lineales 40 operaciones 279, 283 configuración de hoja 321 operaciones de revolución 183 deshacer 32 configuración del sistema 457 propiedades 124 vista 401 configuraciones 279 punto a punto 39 desplazar 116–118 cómo agregar 282 radial 62 detección de colisión 429 cómo cambiar 284, 314 vista preliminar 39 consideraciones de cómo cambiar el nombre 284, 314 volver a asociar 230 rendimiento 430 cómo copiar 284, 314 cotas angulares 41 detección de colisión dinámica 429 cómo crear 282 cotas conducidas 80, 114 consideraciones de cómo editar piezas que tienen cotas de coordenadas 326 rendimiento 430 configuraciones 286–292 cotas lineales 40 detección de distancia 430 cómo eliminar 317 cotas radiales 62 detección de distancia dinámica 430 cómo utilizar en dibujos 321 croquis detección de interferencias ConfigurationManager 280 acotación automática 104–105 consideraciones de consideraciones de activar inferencias 66 rendimiento 430 ensamblaje 319–320, 331, arcos 25, 58, 60, 181 dinámica 429 396, 399 arcos 3 puntos 25 estáticas 427 consideraciones de arcos centro extremos 25 dibujos 72, 321–331, 448–450 rendimiento 319 arcos tangentes 25 área rayada 329 de piezas en ensamblajes 319–320, arrastrar 35 barras de herramientas 73 331, 396, 399 arrastre 32 centros de círculos 76 definir 311 ayuda 29 cómo acotar 78 estrategias de modelado para 320 cara plana 60 cómo crear un nuevo dibujo 73 tablas de diseño 312 círculos 25, 109 formatos de hoja 74 terminología 279 círculos perimetrales 109 herramientas, opciones 73 usos de 319 cómo editar 129, 255 notas 327 ConfigurationManager 280 cómo recortar 120–122 notas paramétricas 327 confirmar eliminación 252 cómo reparar 229 propiedades 321 consideraciones de rendimiento 319, comprobar para operación 227 tablas de diseño, cómo 430 contornos 259–260 imprimir 330 copiar convertir entidades 156 vistas de detalle 323 componentes en un ensamblaje 400 crear nuevo 23 vistas de sección 323 configuración 284, 314 croquis compartidos 260 dibujos de ensamblajes 448–450 operación 127–128 definición de 52 anotaciones de globos 450 redondeos 261 editar plano 239 líneas de explosión 445 corte elipse 25, 207 lista de materiales 449 definición de 52 elipse, parcial 25 diseño impulsado por tablas, Consulte Consulte también operaciones entidades 25 tablas de diseño COSMOSXpress 197–210 equidistanciar entidades 119 distancia, Consulte medir cotas estado de 30 documentación 72, 321–331, 448– acotación automática de extender geometría 123 450 croquis 104–105 geometría 25 Consulte también dibujos alineada 39 indicador 25 angulares 41 insertar 23 E círculos concéntricos 130 introducción 23 ecuaciones 305–309 colgantes 230 líneas 25, 27, 58 variables globales 308 cómo cambiar el nombre 306 líneas constructivas 26, 102 editar cómo cambiar su apariencia 109, líneas de explosión 445 color 71 124 líneas de inferencia 189 croquis 129, 255 cómo cambiar su valor 81, 431 parábolas 26 definición 131, 253 cómo copiar 78 paralelogramos 26 material 193 cómo mover 78 polígonos 26 operaciones 131, 253 cómo realizar diversas cotas puntos 26, 187 plano de croquis 239 iguales 304, 306 rectángulos 26, 58 tabla de diseño 314 cómo vincular 304, 306 redondeos 41 textura 264 condiciones mínimas/máximas 182 reglas que rigen 30, 182 ejes temporales 152, 256 conducidas 80, 114 relaciones 33, 102 ejes X-Y, Consulte sistemas de conducidas por tablas de simetría 103 coordenadas diseño 310 splines 26 ejes, temporales 152, 256 conductoras 6 transición automática entre líneas y elementos ocultos, cómo coordenada 326 arcos 61 seleccionar 125 diámetro 183 zonas de destino del arco eliminar dibujos 78 tangente 61 configuraciones 317 flechas 110 croquis compartidos 260 cuadro de diálogo de fracciones 89 cursores 17 confirmación 252 fuente 73 operaciones 252 herramienta de cota 38 D relaciones 35, 128, 256 herramienta modificar 40 densidad 193, 196 relaciones de posición 418 2 Conceptos esenciales de SolidWorks
  • 478.
    Manual de formaciónSolidWorks 2006 Indice elipse 25, 207 SLDDRW 73 componente 380, 383, 394–395, parcial 25 SLDPRT 23 397, 399, 403 enganche extruir croquis 3D 445 cómo mover cotas 78 con ángulo de salida 106 elipse 207 Consulte también líneas de condiciones finales 59 líneas de explosión 445 inferencia cortar 67 saliente, barrer 191 ensamblajes 375–409, 423–450 operación lámina 360 tabla de diseño 309–310, 316 análisis 426–439 saliente 42, 60 insertar elementos del modelo 77 animar vistas explosionadas 447 extrusión instancia cómo abrir un componente 398 definición de 52 copiar en un ensamblaje 400 cómo agregar componentes 380, número 381 383, 394–395, 397, 399, 403 F intención del diseño 7–9, 32–33, 38, cómo agregar subensamblajes 403 familias de piezas, Consulte tablas de 51–52, 57, 81, 100–101, Cómo copiar componentes 400 diseño 107, 111, 180 cómo crear nuevos 379 filtros de selección 389 ejemplos de 8 cómo establecer relaciones de flechas interfaz de usuario 10–18 posición con activar o desactivar adentro, anotaciones 69 componentes 385 afuera 110 ayuda 17 cómo girar componentes 384, 391, formatos de hoja 74, 321 barras de herramientas 12 396 fracciones 89 botones del ratón 17 cómo modificar cotas 431 fuente cómo personalizar 12 cómo mover componentes 384, texto 73 cursores 17 391, 396 Funcionalidad ¿Qué errores menús 11 cómo ocultar componentes 400 hay? 225–227 métodos abreviados del teclado 11 cómo reordenar objetos 382 fusiones, Consulteredondeo interrumpir reconstrucción 241 cómo utilizar configuraciones de intersecciones virtuales 186 piezas 319–320, 331, 396, G invertir cota, relación de posición 399 geometría de construcción 102 distancia 408 cómo visualizar componentes 401 geometría, croquis 25 configuraciones 319–320, 331, arcos 3 puntos 25 L 396, 399 arcos centro extremos 25 LDM, Consulte lista de materiales detección de colisión 429 arcos tangentes 25 líneas 25, 27 detección de interferencias 427, círculos 25 quebrar cota 445 429 elipse 25 transición automática entre líneas y diseño ascendente 377, 425 elipse, parcial 25 arcos 61 gestor de diseño del líneas 25 líneas constructivas 26, 102 FeatureManager 380 líneas constructivas 26 operaciones de revolución 182 líneas de explosión 445 parábolas 26 líneas de explosión 445 movimiento dinámico 384 paralelogramos 26 quebrar cota 445 retroceder 382 polígonos 26 líneas de inferencia 189 transparencia de componentes 401 puntos 26, 187 lista de materiales 449 vistas explosionadas 439–448 rectángulos 26 globos 450 ensamblajes explosionados splines 26 líneas de explosión 445 gestor de diseño del M entidades, croquis 25 FeatureManager 5–6, 10, material equidistanciar 15 cómo editar 193 entidades de croquis 119 cómo dividir la ventana 281 materiales errores desplegable 149 editar 193 ¿Qué errores hay? 225–227 en ensamblajes 380 matrices 145, 169–175 cómo reparar 224–233 marcadores de error 226 circulares 146, 152–153 cómo resaltar áreas de navegación con teclas de cómo crear matrices de caras 163 problemas 233 flechas 235 cómo saltar instancias 171 mensajes 225 tablas de diseño 309 conducidas por croquis 147, 158– reconstrucción 224 girar 161, 170 esquina de confirmación 25 componente 384, 391, 396 conducidas por curva 147, 156– estadísticas, operaciones 241 vista 116–118, 192 158, 173 estirar, Consulte croquis, arrastrar grados de libertad 381 conducidas por tabla 147, 158– examinador grupos de relaciones de posición 382 161, 170 cómo guardar su trabajo 23 crear una matriz de una matriz 163 insertar componente 319, 383 H lineales 145–146, 149–152, 169, Excel, cómo personalizar tablas de herramienta de seleccionar 172 diseño 311 contornos 259–260 opción variar croquis 161, 175 explorador de archivos 16 herramientas, opciones 15, 17, 70, 73, rellenar 147 extender geometría en un croquis 123 76, 78, 89, 107, 114, 225, relleno de área 147 extensiones de archivo 229, 235, 310, 323, 379, simetría 146, 153, 172 ASMDOT 458 457, 459, 461 sólo matriz de operación a DRWDOT 458 repetir 154 PRTDOT 458 I matrices circulares 146, 152–153 SLDASM 380 insertar Conceptos esenciales de SolidWorks 3
  • 479.
    Indice Manual de formación SolidWorks 2006 matrices conducidas por croquis 147, líneas constructivas múltiples 188 propiedades personalizadas 196 158–161, 170 reglas de croquis 182 puntos 26, 187 matrices conducidas por curva 147, operaciones lámina 360 156–158, 173 origen 24, 54 Q matrices conducidas por tabla 147, quebrar cota, línea en un croquis 445 158–161, 170 P matrices lineales 145–146, 149–152, parábolas 26 R 169, 172 paralelogramos 26 rayado 194, 329 matriz, Consulte matrices parámetros, Consulte cotas reconstrucción 81, 186 medir 126–127 patrones de rayado 147 errores 224 Consulte también propiedades de patrones de rayado de áreas 147 interrupción 241 sección pegar recortar, en un croquis 120–122 métodos abreviados del teclado 11, configuración 314 rectángulos 26, 58 32, 75, 80–81, 118 operación 127–128 redibujar 81 modelado basado en operaciones 5 perforador, Consulte asistente para redondeos 52, 68 modelado paramétrico 6 taladro cómo copiar 261 modificar personalización 11–14, 18 completos 359 operaciones 131 piezas croquis 41 mover cómo crear nuevas 22, 58 propagación de arista 71 componente 384, 391, 396 cómo editar 221, 249–292 reglas 69 movimiento de ensamblaje 384, 391, cómo guardar 23 redondeos completos 359 396, 435–439 cómo interrogar 233 redondos, Consulte redondeos movimiento de ensamblaje cómo reparar errores 224–233 refrentado, Consulte asistente para dinámico 384, 391, 396 copiar en un ensamblaje 400 taladro movimiento, ensamblaje 384, 391, plantilla 458 regenerar, Consulte reconstruir 396, 435–439 piezas de paredes lámina, Consulte rehacer 32 cómo vaciar una pieza relación de asociación 7 N plano de croquis 60 relaciones de croquis 33, 102 navegación con teclas de flechas 235 cómo elegir 54 relaciones de padre/hijo 237, 253– nervios 355–360 editar 239 254, 257, 282, 319 notas 327 plano de referencia, Consulte planos relaciones de posición vinculado a propiedades 327 plano de trabajo, Consulte planos a planos de referencia 388 notas paramétricas 327 plano indicativo, Consulte planos alineación 386, 407 planos barra de herramientas 390 O como ajustar el tamaño 107 coincidentes 388, 407 ocultar crear 352–354 cómo agregar 385 componentes 400 croquis 60 cómo eliminar 418 opciones 15, 17, 70, 73, 76, 78, 89, definición de 52 concéntricas 388 107, 114, 225, 229, 235, establecer relaciones de posición en definición 382 310, 323, 379, 457, 459, 461 ensamblajes 388 distancia 407 operaciones neutro 350 invertir cota 408 ángulo de salida 349 predeterminados 54 grupos de relaciones de aplicadas 5 plantillas posición 382 barrer 191 cómo crear 458 inteligente 404 chaflán 192 cómo organizar 461 paralela 396, 407 cómo cambiar el nombre 59 documento 18, 458–462 tangente 398 cómo editar 131, 253 predeterminadas 461 utilizar sólo para colocar 408 comprobar croquis 227 plantillas de documento 458–462 relaciones geométricas 7, 33, 35, 37, copiar y pegar 127–128 cómo crear 458 102 cortar 67 cómo organizar 461 agregar 37 croquizadas 5 predeterminadas 461 automáticas 8, 28 definición de 52 plantillas de documentos 18 coincidentes 130 desactivar supresión 279, 283 polígonos 26 colgantes 129, 231 eliminar 252 preferencias, Consulte opciones colineal 256 estadísticas 241 PropertyManager 15, 34, 102 concéntricas 121 extruir 42 propiedades ejemplos, tabla de 35, 37 lámina 360 archivo 196 eliminar 35 nervios 355–360 componente 402–403 horizontal 38 propiedades 279, 283 cota 124 simétrica 103 redondeo 52, 68 físicas 195–196, 426 tangente 113, 255 reordenar 253–254, 261 material 193, 196 vertical 256 revolución 180, 184 operación 279, 283 visualizar/eliminar 33, 102, 256 saliente 60 personalizadas 196 relaciones, Consulte relaciones suprimir 279, 283 suprimir 279, 283 geométricas taladros 63 vinculado a notas 327 relaciones, padre/hijo 237, 253–254, vaciado 351 propiedades de archivo 196 257, 282, 319 operaciones de revolución 180, 184 propiedades de dibujo 321 reordenar cómo acotar 183 propiedades de material 193, 196 en ensamblajes 382 condiciones finales 184 propiedades físicas 195–196, 426 operaciones 253–254, 261 4 Conceptos esenciales de SolidWorks
  • 480.
    Manual de formaciónSolidWorks 2006 Indice reparar tapón roscado, Consulte asistente comando orientación de vista 119 cotas colgantes 230 para taladro isométrica 110 croquis 229 tecla Ctrl vistas explosionadas de repintar, Consulte redibujar alternar documentos (Ctrl+Tab) 75, ensamblajes 439–448 restricciones, Consulte relaciones 80 animar 447 geométricas cómo copiar cotas 78 vistas isométricas, Consulte vistas retroceder cómo copiar redondeos 261 estándar a un croquis 238 cómo seleccionar objetos vistas ortográficas, Consulte vistas a una operación 241 múltiples 38, 67 estándar en ensamblajes 382 con el botón central del ratón 118 vistas, dibujo en piezas 235, 258 copiar (Ctrl+C) 127–128 3 vistas estándar 74 reutilización de datos 127 pegar (Ctrl+V) 127–128 cómo mover 75 Consulte también operaciones de reconstruir (Ctrl+B) 81 detalle 323 biblioteca reconstruir (Ctrl+R) 81 sección 323 tecla Esc 123 visualizar S terminología 52 componente 401 saliente, definición de 52 texto opciones 117 Consulte también operaciones en relieve o grabado en una visualizar relaciones 33, 102 seleccionar otra 125 pieza 212 símbolos fuente 73 Z centros de círculos 76 texturas zoom globos 450 agregar o aplicar 264 a área 117 símbolos de indicación de cómo editar 264 a selección 117 referencia 325 roscas 265 acercar/alejar 117 simetría transparencia 401 ajustar 117 croquis 103 trasladar 116–118 cómo utilizar el botón central del dinámica 103 ratón 118 en un croquis 103 U selección 119 matriz 146 unidades simetría dinámica 103 cómo convertir unidades en cuadros simetrías de matriz 153, 172 de diálogo 408 simulación física 435–439 configuración 89 simulación, física 435–439 en ensamblajes 379 sin líneas ocultas (SLO) 68, 117 fracciones 89 sistemas de coordenadas 160 pies y pulgadas 89 Smart Mates (Relaciones de posición inteligentes) 404 V sólidos multicuerpo 188 variables splines 26 Consulte también ecuaciones; sujeciones, Consulte croquis, arrastrar vincular valores Consulte también arrastrar y dependiente contra colocar; cotas, mover independiente 306 suprimir operación 279, 283 globales 308 varias vistas 63 T versiones, Consulte configuraciones tablas de diseño 309–318 vincular valores 304, 306 agregar configuraciones 313 vista agregar nuevos encabezados 313 deshacer 401 anatomía de 312 explosionadas 439–448 cambios bidireccionales 310 girar 118, 192 cómo editar 314 opciones de modificación 116–118 cómo guardar 318 opciones de visualización 68, 116– cómo imprimir en dibujos 330 117 cómo insertar 309–310, 316 orientación 119 cómo personalizar con Excel 311 normal a 108, 185 cómo proteger 310 vista isométrica 110 cómo vincular 310, 316 vista alámbrica 68, 117 controles 310 vista sombreada 68, 117 creación automática 309–310 vistas formato 311 sección 262–263 opciones 310 vistas de detalle 323 símbolo en el gestor de diseño del vistas de dibujo FeatureManager 309 3 vistas estándar 74 tangente cómo mover 75 arcos 25, 60, 189 detalle 323 relaciones de posición 398 sección 323 relaciones geométricas 113, 255 vistas de perspectiva 117 zonas de destino 61 vistas de sección 117, 262–263, 323 vistas estándar Conceptos esenciales de SolidWorks 5
  • 481.
    Indice Manual de formación SolidWorks 2006 6 Conceptos esenciales de SolidWorks
  • 482.
    Pregunta: ¿Cómo sellama a un usuario de SolidWorks de élite? Respuesta: Un profesional de SolidWorks certificado. Prepárese, preséntese al examen y únase a nuestra comunidad internacional de talento probado. Consulte el reverso para obtener más información.