C
M
Y
CM
MY
CY
CMY
K
Training_2006_SEPA_ESP.pdf 7/10/05 8:05:58 PMTraining_2006_SEPA_ESP.pdf 7/10/05 8:05:58 PM
SolidWorks®
2006
Conceptos básicos de
SolidWorks
Piezas y ensamblajes
SolidWorks Corporation
300 Baker Avenue
Concord, Massachusetts 01742 EE.UU.
© 1995-2005, SolidWorks Corporation
300 Baker Avenue
Concord, Massachusetts 01742 EE.UU.
Todos los derechos reservados
Patentes de Estados Unidos 5,815,154; 6,219,049;
6,219,055; 6,603,486; 6,611,725; y 6,844,877
además de otras patentes extranjeras, incluidas EP
1,116,190 y JP 3,517,643. Patentes
estadounidenses y extranjeras en curso.
SolidWorks Corporation es una compañía de
Dassault Systemes S.A. (Nasdaq:DASTY).
La información y el software analizados en este
documento están sujetos a cambios sin previo
aviso y no deben ser considerados como
compromisos por parte de SolidWorks
Corporation.
Ningún material se puede reproducir o transmitir
de modo o por medio alguno, ya sea electrónico o
mecánico, con ningún fin, sin la autorización
explícita por escrito de SolidWorks Corporation.
El software descrito en este documento se
suministra bajo una licencia y sólo se puede
utilizar o copiar de acuerdo con los términos de
esta licencia. Todas las garantías que SolidWorks
Corporation ofrece para el software y la
documentación se establecen en el Contrato de
licencia y Servicio de subscripción de SolidWorks
Corporation y nada de lo que afirme o implique
este documento o su contenido será considerado o
visto como una modificación o enmienda de tales
garantías.
SolidWorks, PDMWorks, 3D PartStream.NET y el
logotipo de eDrawings son marcas comerciales
registradas de SolidWorks Corporation.
SolidWorks 2006 es un nombre de producto de
SolidWorks Corporation.
COSMOSXpress, DWGeditor, DWGgateway,
eDrawings, Feature Palette, PhotoWorks y
XchangeWorks son marcas comerciales, 3D
ContentCentral es una marca de servicio, y
FeatureManager es una marca registrada de
copropiedad de SolidWorks Corporation.
COSMOS, COSMOSWorks, COSMOSMotion y
COSMOSFloWorks son marcas comerciales de
Structural Research and Analysis Corporation.
FeatureWorks es una marca comercial registrada
de Geometric Software Solutions Co. Limited.
ACIS es una marca comercial registrada de Spatial
Corporation.
GLOBEtrotter y FLEXlm son marcas comerciales
registradas de Globetrotter Software, Inc.
Otras marcas o nombres de productos son marcas
comerciales o marcas comerciales registradas de
sus respectivos propietarios.
Número de documento: PMT0070-ESP
SOFTWARE DE COMPUTADORA
COMERCIAL- PROPIETARIO
Derechos restringidos del gobierno de Estados
Unidos. La utilización, reproducción o divulgación
por parte del gobierno está sujeta a las
restricciones establecidas en la FAR 52.227-19
"Commercial Computer Software - Restricted
Rights" (Software informático comercial -
Derechos restringidos), en la DFARS 227.7202
"Commercial Computer Software and Commercial
Computer Software Documentation" (Software
informático comercial y Documentación de
software informático comercial) y en el contrato
de licencia, según corresponda.
Contratista/Fabricante:
SolidWorks Corporation, 300 Baker Avenue,
Concord, Massachusetts 01742 EE.UU.
Partes de este software © 1988, 2000
Aladdin Enterprises.
Partes de este software © 1996, 2001
Artifex Software, Inc.
Partes de este software © 2001, artofcode LLC.
Partes de este software © 2005
Bluebeam Software, Inc.
Partes de este software © 1999, 2002-2005
ComponentOne.
Partes de este software © 1990-2005
D-Cubed Limited.
Partes de este producto son distribuidas bajo
licencia de DC Micro Development, Copyright ©
1994-2002 DC Micro Development, Inc.
Reservados todos los derechos.
Partes de este software © eHelp Corporation.
Reservados todos los derechos.
Partes de este software © 1998-2005
Geometric Software Solutions Co. Limited.
Partes de este software © 1986-2005 mental
images GmbH & Co. KG.
Partes de este software © 1996 Microsoft
Corporation. Reservados todos los derechos.
Partes de este software © 2004 Priware Limited.
Partes de este software © 2001, SIMULOG.
Partes de este software © 1995-2004 Spatial
Corporation.
Partes de este software © 2003-2005,
Structural Research & Analysis Corp.
Partes de este software © 1997-2005
Tech Soft America.
Partes de este software son copyright y propiedad
de UGS Corp. © 2005.
Partes de este software © 1999-2005
Viewpoint Corporation.
Partes de este software © 1994-2005,
Visual Kinematics, Inc.
Este software está basado en parte en el trabajo del
Independent JPEG Group.
Reservados todos los derechos
Manual de formación SolidWorks 2006
i
Tabla de contenido
Lección 1:
Introducción
Informaciones sobre este curso. . . . . . . . . . . . . . . . . . . . . . . . . . . 3
Condiciones previas . . . . . . . . . . . . . . . . . . . . . . . . . . . . . . . . 3
Diseño del curso . . . . . . . . . . . . . . . . . . . . . . . . . . . . . . . . . . . 3
Cómo utilizar este manual . . . . . . . . . . . . . . . . . . . . . . . . . . . 3
Informaciones acerca del CD . . . . . . . . . . . . . . . . . . . . . . . . . 4
Windows® 2000 y Windows® XP. . . . . . . . . . . . . . . . . . . . . 4
Convenciones que se utilizan en este manual. . . . . . . . . . . . . 4
Utilización del color . . . . . . . . . . . . . . . . . . . . . . . . . . . . . . . . 4
¿Qué es el software de SolidWorks?. . . . . . . . . . . . . . . . . . . . . . . 5
Intención del diseño . . . . . . . . . . . . . . . . . . . . . . . . . . . . . . . . . . . 8
Ejemplos de intenciones del diseño . . . . . . . . . . . . . . . . . . . . 8
Cómo las operaciones afectan la intención del diseño . . . . . . 9
Iconos que no se pueden seleccionar . . . . . . . . . . . . . . . . . . 10
La interfaz de usuario de SolidWorks. . . . . . . . . . . . . . . . . . . . . 10
Menús . . . . . . . . . . . . . . . . . . . . . . . . . . . . . . . . . . . . . . . . . . 11
Métodos abreviados del teclado . . . . . . . . . . . . . . . . . . . . . . 11
Barras de herramientas . . . . . . . . . . . . . . . . . . . . . . . . . . . . . 12
Cómo organizar las barras de herramientas . . . . . . . . . . . . . 14
Sugerencias rápidas. . . . . . . . . . . . . . . . . . . . . . . . . . . . . . . . 14
Gestor de diseño del FeatureManager . . . . . . . . . . . . . . . . . 15
Menús del PropertyManager. . . . . . . . . . . . . . . . . . . . . . . . . 15
Panel de tareas . . . . . . . . . . . . . . . . . . . . . . . . . . . . . . . . . . . 16
Botones del ratón . . . . . . . . . . . . . . . . . . . . . . . . . . . . . . . . . 17
Ayuda del sistema. . . . . . . . . . . . . . . . . . . . . . . . . . . . . . . . . 17
Opciones . . . . . . . . . . . . . . . . . . . . . . . . . . . . . . . . . . . . . . . . 17
Manual de formación SolidWorks 2006
ii
Lección 2:
Introducción al croquizado
Croquizado en 2D . . . . . . . . . . . . . . . . . . . . . . . . . . . . . . . . . . . . 21
Etapas del proceso . . . . . . . . . . . . . . . . . . . . . . . . . . . . . . . . . . . 21
¿Qué es lo que vamos a croquizar?. . . . . . . . . . . . . . . . . . . . . . . 23
Croquizado . . . . . . . . . . . . . . . . . . . . . . . . . . . . . . . . . . . . . . . . . 23
Planos predeterminados . . . . . . . . . . . . . . . . . . . . . . . . . . . . 23
Entidades de croquis . . . . . . . . . . . . . . . . . . . . . . . . . . . . . . . . . . 25
Geometría de croquis . . . . . . . . . . . . . . . . . . . . . . . . . . . . . . 25
Croquizado básico. . . . . . . . . . . . . . . . . . . . . . . . . . . . . . . . . . . . 26
Cómo funciona el croquizado. . . . . . . . . . . . . . . . . . . . . . . . 26
Introducción: Relaciones de croquis. . . . . . . . . . . . . . . . . . . 27
Líneas de inferencia (Relaciones automáticas). . . . . . . . . . . 27
Ayuda del croquis . . . . . . . . . . . . . . . . . . . . . . . . . . . . . . . . . 29
Estado de un croquis. . . . . . . . . . . . . . . . . . . . . . . . . . . . . . . 30
Reglas que rigen los croquis . . . . . . . . . . . . . . . . . . . . . . . . . . . . 30
Intención del diseño . . . . . . . . . . . . . . . . . . . . . . . . . . . . . . . . . . 32
¿Qué controla la intención del diseño?. . . . . . . . . . . . . . . . . 32
Intención del diseño deseada . . . . . . . . . . . . . . . . . . . . . . . . 33
Relaciones de croquis . . . . . . . . . . . . . . . . . . . . . . . . . . . . . . . . . 33
Relaciones de croquis automáticas . . . . . . . . . . . . . . . . . . . . 33
Relaciones de croquis agregadas . . . . . . . . . . . . . . . . . . . . . 33
Ejemplos de relaciones de croquis . . . . . . . . . . . . . . . . . . . . 35
Cómo seleccionar objetos múltiples . . . . . . . . . . . . . . . . . . . 38
Cotas . . . . . . . . . . . . . . . . . . . . . . . . . . . . . . . . . . . . . . . . . . . . . . 38
Acotar: Selección y vista previa . . . . . . . . . . . . . . . . . . . . . . 39
Cotas angulares. . . . . . . . . . . . . . . . . . . . . . . . . . . . . . . . . . . 41
Redondeos de croquis . . . . . . . . . . . . . . . . . . . . . . . . . . . . . . . . . 41
Extruir . . . . . . . . . . . . . . . . . . . . . . . . . . . . . . . . . . . . . . . . . . . . . 42
Ejercicio 1: Croquizado de líneas verticales y horizontales . . . . 45
Ejercicio 2: Cómo croquizar líneas con inferencias . . . . . . . . . . 46
Ejercicio 3: Cómo croquizar líneas. . . . . . . . . . . . . . . . . . . . . . . 47
Lección 3:
Modelado básico de piezas
Modelado básico. . . . . . . . . . . . . . . . . . . . . . . . . . . . . . . . . . . . . 51
Etapas del proceso . . . . . . . . . . . . . . . . . . . . . . . . . . . . . . . . 51
Terminología. . . . . . . . . . . . . . . . . . . . . . . . . . . . . . . . . . . . . . . . 52
Operación . . . . . . . . . . . . . . . . . . . . . . . . . . . . . . . . . . . . . . . 52
Plano . . . . . . . . . . . . . . . . . . . . . . . . . . . . . . . . . . . . . . . . . . . 52
Extrusión. . . . . . . . . . . . . . . . . . . . . . . . . . . . . . . . . . . . . . . . 52
Croquis . . . . . . . . . . . . . . . . . . . . . . . . . . . . . . . . . . . . . . . . . 52
Saliente . . . . . . . . . . . . . . . . . . . . . . . . . . . . . . . . . . . . . . . . . 52
Corte . . . . . . . . . . . . . . . . . . . . . . . . . . . . . . . . . . . . . . . . . . . 52
Redondeos y redondos . . . . . . . . . . . . . . . . . . . . . . . . . . . . . 52
Intención del diseño . . . . . . . . . . . . . . . . . . . . . . . . . . . . . . . 52
Cómo elegir el mejor perfil. . . . . . . . . . . . . . . . . . . . . . . . . . . . . 53
Cómo elegir el plano de croquis . . . . . . . . . . . . . . . . . . . . . . . . . 54
Planos de referencia . . . . . . . . . . . . . . . . . . . . . . . . . . . . . . . 54
Ubicación del modelo . . . . . . . . . . . . . . . . . . . . . . . . . . . . . . 54
Detalles de la pieza . . . . . . . . . . . . . . . . . . . . . . . . . . . . . . . . . . . 56
Vistas estándar . . . . . . . . . . . . . . . . . . . . . . . . . . . . . . . . . . . 56
Manual de formación SolidWorks 2006
iii
Salientes principales . . . . . . . . . . . . . . . . . . . . . . . . . . . . . . . 56
Mejor perfil. . . . . . . . . . . . . . . . . . . . . . . . . . . . . . . . . . . . . . 57
Plano de croquis . . . . . . . . . . . . . . . . . . . . . . . . . . . . . . . . . . 57
Intención del diseño . . . . . . . . . . . . . . . . . . . . . . . . . . . . . . . 57
Cómo croquizar la primera operación . . . . . . . . . . . . . . . . . 58
Opciones de extrusión. . . . . . . . . . . . . . . . . . . . . . . . . . . . . . 59
Cómo cambiar el nombre de las operaciones . . . . . . . . . . . . 59
Operación Saliente . . . . . . . . . . . . . . . . . . . . . . . . . . . . . . . . . . . 60
Cómo croquizar en una cara plana . . . . . . . . . . . . . . . . . . . . . . . 60
Croquizado . . . . . . . . . . . . . . . . . . . . . . . . . . . . . . . . . . . . . . 60
Zonas de destino del arco tangente. . . . . . . . . . . . . . . . . . . . 61
Cómo realizar una transición automática entre
líneas y arcos. . . . . . . . . . . . . . . . . . . . . . . . . . . . . . . . . . . . . 61
Áreas de visualización . . . . . . . . . . . . . . . . . . . . . . . . . . . . . 63
Cómo utilizar el Asistente para taladro. . . . . . . . . . . . . . . . . . . . 63
Cómo crear un taladro estándar . . . . . . . . . . . . . . . . . . . . . . 64
Taladro de refrentado . . . . . . . . . . . . . . . . . . . . . . . . . . . . . . 66
Operación Cortar. . . . . . . . . . . . . . . . . . . . . . . . . . . . . . . . . . . . . 67
Cómo seleccionar objetos múltiples . . . . . . . . . . . . . . . . . . . 67
Opciones de visualización . . . . . . . . . . . . . . . . . . . . . . . . . . . . . 68
Redondeos. . . . . . . . . . . . . . . . . . . . . . . . . . . . . . . . . . . . . . . . . . 68
Reglas de redondeo. . . . . . . . . . . . . . . . . . . . . . . . . . . . . . . . 69
Menú Comandos recientes . . . . . . . . . . . . . . . . . . . . . . . . . . 70
Propagación de redondeo . . . . . . . . . . . . . . . . . . . . . . . . . . . 70
Conceptos básicos de documentación. . . . . . . . . . . . . . . . . . . . . 72
Configuraciones . . . . . . . . . . . . . . . . . . . . . . . . . . . . . . . . . . 73
Barras de herramientas . . . . . . . . . . . . . . . . . . . . . . . . . . . . . 73
Nuevo dibujo. . . . . . . . . . . . . . . . . . . . . . . . . . . . . . . . . . . . . 73
Vistas de dibujo. . . . . . . . . . . . . . . . . . . . . . . . . . . . . . . . . . . . . . 74
Cómo mover vistas . . . . . . . . . . . . . . . . . . . . . . . . . . . . . . . . 75
Centros de círculos . . . . . . . . . . . . . . . . . . . . . . . . . . . . . . . . . . . 76
Cotas del modelo . . . . . . . . . . . . . . . . . . . . . . . . . . . . . . . . . . . . 76
Cómo insertar todas las cotas del modelo. . . . . . . . . . . . . . . 77
Cómo manipular cotas . . . . . . . . . . . . . . . . . . . . . . . . . . . . . 78
Cotas conducidas . . . . . . . . . . . . . . . . . . . . . . . . . . . . . . . . . 80
Asociatividad entre el modelo y el dibujo . . . . . . . . . . . . . . 80
Cómo cambiar los parámetros . . . . . . . . . . . . . . . . . . . . . . . . . . 81
Cómo reconstruir el modelo . . . . . . . . . . . . . . . . . . . . . . . . . 81
Cómo actualizar la pantalla. . . . . . . . . . . . . . . . . . . . . . . . . . 81
Ejercicio 4: Chapa. . . . . . . . . . . . . . . . . . . . . . . . . . . . . . . . . . . . 85
Ejercicio 5: Cambios básicos . . . . . . . . . . . . . . . . . . . . . . . . . . . 86
Ejercicio 6: Soporte . . . . . . . . . . . . . . . . . . . . . . . . . . . . . . . . . . 88
Ejercicio 7: Cómo trabajar con fracciones . . . . . . . . . . . . . . . . . 89
Ejercicio 8: Dibujos de la pieza . . . . . . . . . . . . . . . . . . . . . . . . . 92
Ejercicio 9: Guía . . . . . . . . . . . . . . . . . . . . . . . . . . . . . . . . . . . . . 93
Manual de formación SolidWorks 2006
iv
Lección 4:
Cómo modelar una pieza de fundición o forja
Estudio de casos: Trinquete . . . . . . . . . . . . . . . . . . . . . . . . . . . . 99
Etapas del proceso . . . . . . . . . . . . . . . . . . . . . . . . . . . . . . . . 99
Intención del diseño . . . . . . . . . . . . . . . . . . . . . . . . . . . . . . . . . 100
Operación Saliente con ángulo de salida . . . . . . . . . . . . . . . . . 101
Cómo construir el asa . . . . . . . . . . . . . . . . . . . . . . . . . . . . . 101
Intención del diseño del asa . . . . . . . . . . . . . . . . . . . . . . . . 101
Simetría en el croquis . . . . . . . . . . . . . . . . . . . . . . . . . . . . . . . . 103
Simetría mientras se croquiza. . . . . . . . . . . . . . . . . . . . . . . 103
Simetría después de croquizar . . . . . . . . . . . . . . . . . . . . . . 103
Acotación automática de croquis . . . . . . . . . . . . . . . . . . . . 104
Primera operación. . . . . . . . . . . . . . . . . . . . . . . . . . . . . . . . . . . 106
Croquizado dentro del modelo . . . . . . . . . . . . . . . . . . . . . . . . . 107
Intención del diseño de la transición. . . . . . . . . . . . . . . . . . 107
Perfil circular . . . . . . . . . . . . . . . . . . . . . . . . . . . . . . . . . . . 108
Cómo croquizar el círculo. . . . . . . . . . . . . . . . . . . . . . . . . . 109
Cómo cambiar la apariencia de las cotas . . . . . . . . . . . . . . 109
Cómo extruir hasta el siguiente . . . . . . . . . . . . . . . . . . . . . 110
Intención del diseño de la cabeza . . . . . . . . . . . . . . . . . . . . 111
Solucionar conflictos . . . . . . . . . . . . . . . . . . . . . . . . . . . . . 114
Opciones de visualización . . . . . . . . . . . . . . . . . . . . . . . . . . . . .115
Opciones de visualización . . . . . . . . . . . . . . . . . . . . . . . . . 117
Opciones de modificación . . . . . . . . . . . . . . . . . . . . . . . . . 117
Funciones del botón central del ratón. . . . . . . . . . . . . . . . . 118
Métodos abreviados del teclado . . . . . . . . . . . . . . . . . . . . . . . . .118
Cómo utilizar aristas del modelo en un croquis . . . . . . . . . . . . .119
Ampliar selección . . . . . . . . . . . . . . . . . . . . . . . . . . . . . . . 119
Cómo croquizar una equidistancia . . . . . . . . . . . . . . . . . . . 119
Cómo crear geometría de croquis recortada . . . . . . . . . . . . . . . 120
Recortar y extender. . . . . . . . . . . . . . . . . . . . . . . . . . . . . . . 121
Cómo modificar cotas. . . . . . . . . . . . . . . . . . . . . . . . . . . . . 124
Cómo medir . . . . . . . . . . . . . . . . . . . . . . . . . . . . . . . . . . . . 126
Cómo utilizar las operaciones Copiar y Pegar . . . . . . . . . . . . . 127
Cómo croquizar el taladro. . . . . . . . . . . . . . . . . . . . . . . . . . 127
Operaciones Copiar y Pegar . . . . . . . . . . . . . . . . . . . . . . . . 128
Relaciones colgantes. . . . . . . . . . . . . . . . . . . . . . . . . . . . . . 129
Cómo editar un croquis. . . . . . . . . . . . . . . . . . . . . . . . . . . . 129
Cómo editar operaciones . . . . . . . . . . . . . . . . . . . . . . . . . . . . . 131
Cómo editar el redondeo. . . . . . . . . . . . . . . . . . . . . . . . . . . 131
Ejercicio 10: Soporte base . . . . . . . . . . . . . . . . . . . . . . . . . . . . 133
Ejercicio 11: Cambios en el asa del trinquete. . . . . . . . . . . . . . 136
Ejercicio 12: Soporte de herramienta . . . . . . . . . . . . . . . . . . . . 138
Ejercicio 13: Brazo complementario . . . . . . . . . . . . . . . . . . . . 139
Ejercicio 14: Polea . . . . . . . . . . . . . . . . . . . . . . . . . . . . . . . . . . 141
Manual de formación SolidWorks 2006
v
Lección 5:
Matrices
¿Por qué emplear matrices? . . . . . . . . . . . . . . . . . . . . . . . . . . . 145
Comparación de matrices . . . . . . . . . . . . . . . . . . . . . . . . . . 145
Opciones de matriz . . . . . . . . . . . . . . . . . . . . . . . . . . . . . . . 148
Gestor de diseño del FeatureManager desplegable. . . . . . . 149
Matriz lineal . . . . . . . . . . . . . . . . . . . . . . . . . . . . . . . . . . . . . . . 149
Cómo eliminar instancias . . . . . . . . . . . . . . . . . . . . . . . . . . 150
Matrices de geometría. . . . . . . . . . . . . . . . . . . . . . . . . . . . . 151
Matrices circulares . . . . . . . . . . . . . . . . . . . . . . . . . . . . . . . . . . 152
Consideraciones acerca de los ejes . . . . . . . . . . . . . . . . . . . 152
Simetrías de matriz . . . . . . . . . . . . . . . . . . . . . . . . . . . . . . . . . . 153
Cómo utilizar la opción Sólo matriz de operación a repetir . . . 154
Matrices conducidas por curva . . . . . . . . . . . . . . . . . . . . . . . . . 156
Matrices conducidas por croquis y por tabla . . . . . . . . . . . . . . 158
Cómo utilizar Variar croquis. . . . . . . . . . . . . . . . . . . . . . . . . . . 161
Crear una matriz de una matriz. . . . . . . . . . . . . . . . . . . . . . . . . 163
Cómo crear matrices de caras . . . . . . . . . . . . . . . . . . . . . . . . . . 163
Patrones de rayado . . . . . . . . . . . . . . . . . . . . . . . . . . . . . . . . . . 165
Ejercicio 15: Matrices lineales . . . . . . . . . . . . . . . . . . . . . . . . . 169
Ejercicio 16: Matrices conducidas por croquis o por tabla. . . . 170
Ejercicio 17: Cómo saltar instancias. . . . . . . . . . . . . . . . . . . . . 171
Ejercicio 18: Simetrías de matriz y lineales . . . . . . . . . . . . . . . 172
Ejercicio 19: Matrices conducidas por curva . . . . . . . . . . . . . . 173
Ejercicio 20: Cómo utilizar Variar croquis. . . . . . . . . . . . . . . . 175
Lección 6:
Operaciones de revolución
Estudio de casos: Volante de maniobra. . . . . . . . . . . . . . . . . . . 179
Etapas del proceso . . . . . . . . . . . . . . . . . . . . . . . . . . . . . . . 179
Intención del diseño . . . . . . . . . . . . . . . . . . . . . . . . . . . . . . . . . 180
Operaciones de revolución . . . . . . . . . . . . . . . . . . . . . . . . . . . . 180
Geometría de croquis de la operación de revolución . . . . . 180
Reglas que rigen los croquis de operaciones
de revolución. . . . . . . . . . . . . . . . . . . . . . . . . . . . . . . . . . . . 182
Cómo acotar el croquis . . . . . . . . . . . . . . . . . . . . . . . . . . . . 182
Cotas de diámetro . . . . . . . . . . . . . . . . . . . . . . . . . . . . . . . . 183
Cómo crear la operación de revolución . . . . . . . . . . . . . . . 184
Cómo construir el reborde . . . . . . . . . . . . . . . . . . . . . . . . . . . . 186
Sólidos multicuerpo . . . . . . . . . . . . . . . . . . . . . . . . . . . . . . 188
Cómo construir el radio . . . . . . . . . . . . . . . . . . . . . . . . . . . . . . 189
Cómo completar los croquis de perfil y la ruta. . . . . . . . . . 190
Chaflanes . . . . . . . . . . . . . . . . . . . . . . . . . . . . . . . . . . . . . . 192
Editar material. . . . . . . . . . . . . . . . . . . . . . . . . . . . . . . . . . . . . . 193
Gráficos RealView . . . . . . . . . . . . . . . . . . . . . . . . . . . . . . . 193
Propiedades físicas . . . . . . . . . . . . . . . . . . . . . . . . . . . . . . . . . . 195
Propiedades físicas como propiedades personalizadas. . . . 196
COSMOSXpress. . . . . . . . . . . . . . . . . . . . . . . . . . . . . . . . . . . . 197
Vista general . . . . . . . . . . . . . . . . . . . . . . . . . . . . . . . . . . . . 197
Malla . . . . . . . . . . . . . . . . . . . . . . . . . . . . . . . . . . . . . . . . . . 197
Resultados. . . . . . . . . . . . . . . . . . . . . . . . . . . . . . . . . . . . . . 197
Cómo utilizar el asistente . . . . . . . . . . . . . . . . . . . . . . . . . . . . . 197
Manual de formación SolidWorks 2006
vi
Fase 1: Opciones. . . . . . . . . . . . . . . . . . . . . . . . . . . . . . . . . 198
Fase 2: Material . . . . . . . . . . . . . . . . . . . . . . . . . . . . . . . . . 198
Fase 3: Restricción . . . . . . . . . . . . . . . . . . . . . . . . . . . . . . . 199
Fase 4: Carga . . . . . . . . . . . . . . . . . . . . . . . . . . . . . . . . . . . 200
Fase 5: Analizar . . . . . . . . . . . . . . . . . . . . . . . . . . . . . . . . . 202
Fase 6: Resultados . . . . . . . . . . . . . . . . . . . . . . . . . . . . . . . 203
Cómo actualizar el modelo . . . . . . . . . . . . . . . . . . . . . . . . . 206
Ejercicio 21: Brida . . . . . . . . . . . . . . . . . . . . . . . . . . . . . . . . . . 211
Ejercicio 22: Rueda. . . . . . . . . . . . . . . . . . . . . . . . . . . . . . . . . . 212
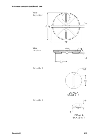
Ejercicio 23: Chapa de compresión . . . . . . . . . . . . . . . . . . . . . 214
Ejercicio 24: Portaherramientas . . . . . . . . . . . . . . . . . . . . . . . . 216
Ejercicio 25: Barridos . . . . . . . . . . . . . . . . . . . . . . . . . . . . . . . . 217
Pasador de chaveta . . . . . . . . . . . . . . . . . . . . . . . . . . . . . . . 217
Clip . . . . . . . . . . . . . . . . . . . . . . . . . . . . . . . . . . . . . . . . . . . 217
Barrido de inglete . . . . . . . . . . . . . . . . . . . . . . . . . . . . . . . . 218
Ejercicio 26: COSMOSXpress . . . . . . . . . . . . . . . . . . . . . . . . . 219
Lección 7:
Cómo editar: Reparaciones
Edición de piezas . . . . . . . . . . . . . . . . . . . . . . . . . . . . . . . . . . . 223
Etapas del proceso . . . . . . . . . . . . . . . . . . . . . . . . . . . . . . . 223
Temas de edición. . . . . . . . . . . . . . . . . . . . . . . . . . . . . . . . . . . . 224
Información proveniente de un modelo . . . . . . . . . . . . . . . 224
Cómo encontrar y reparar problemas . . . . . . . . . . . . . . . . . 224
Diálogo ¿Qué errores hay? . . . . . . . . . . . . . . . . . . . . . . . . . 225
Por dónde empezar . . . . . . . . . . . . . . . . . . . . . . . . . . . . . . . 226
Comprobar croquis para operación. . . . . . . . . . . . . . . . . . . . . . 227
Designación por ventana. . . . . . . . . . . . . . . . . . . . . . . . . . . 228
Cómo reparar el croquis . . . . . . . . . . . . . . . . . . . . . . . . . . . 229
Información proveniente de un modelo . . . . . . . . . . . . . . . . . . 233
Retroceder a un croquis . . . . . . . . . . . . . . . . . . . . . . . . . . . 238
Herramientas de reconstrucción . . . . . . . . . . . . . . . . . . . . . . . . 241
Retroceder a operación . . . . . . . . . . . . . . . . . . . . . . . . . . . . 241
Supresión de operaciones . . . . . . . . . . . . . . . . . . . . . . . . . . 241
Interrupción e información de reconstrucción . . . . . . . . . . 241
Informe del tiempo de recálculo . . . . . . . . . . . . . . . . . . . . . 241
Ejercicio 27: Errors1. . . . . . . . . . . . . . . . . . . . . . . . . . . . . . . . . 245
Ejercicio 28: Errors2. . . . . . . . . . . . . . . . . . . . . . . . . . . . . . . . . 246
Ejercicio 29: Copiar y relaciones colgantes . . . . . . . . . . . . . . . 247
Lección 8:
Cómo editar: Cambios en el diseño
Edición de piezas . . . . . . . . . . . . . . . . . . . . . . . . . . . . . . . . . . . 251
Etapas del proceso . . . . . . . . . . . . . . . . . . . . . . . . . . . . . . . 251
Cambios en el diseño . . . . . . . . . . . . . . . . . . . . . . . . . . . . . . . . 251
Cambios requeridos . . . . . . . . . . . . . . . . . . . . . . . . . . . . . . 252
Eliminaciones . . . . . . . . . . . . . . . . . . . . . . . . . . . . . . . . . . . 252
Editar operación . . . . . . . . . . . . . . . . . . . . . . . . . . . . . . . . . 253
Reordenar . . . . . . . . . . . . . . . . . . . . . . . . . . . . . . . . . . . . . . 254
Editar croquis . . . . . . . . . . . . . . . . . . . . . . . . . . . . . . . . . . . 255
Retroceder. . . . . . . . . . . . . . . . . . . . . . . . . . . . . . . . . . . . . . 258
Contornos de croquis . . . . . . . . . . . . . . . . . . . . . . . . . . . . . . . . 259
Manual de formación SolidWorks 2006
vii
Contornos disponibles. . . . . . . . . . . . . . . . . . . . . . . . . . . . . 259
Croquis compartidos. . . . . . . . . . . . . . . . . . . . . . . . . . . . . . 260
Cómo copiar redondeos . . . . . . . . . . . . . . . . . . . . . . . . . . . 261
Cómo agregar texturas . . . . . . . . . . . . . . . . . . . . . . . . . . . . . . . 264
Ejercicio 30: Cambios. . . . . . . . . . . . . . . . . . . . . . . . . . . . . . . . 267
Ejercicio 31: Cómo agregar ángulo de salida . . . . . . . . . . . . . . 269
Ejercicio 32: Cómo editar. . . . . . . . . . . . . . . . . . . . . . . . . . . . . 270
Ejercicio 33: Croquis de contorno #1-#4 . . . . . . . . . . . . . . . . . 271
Ejercicio 34: Brazo de un asa . . . . . . . . . . . . . . . . . . . . . . . . . . 272
Ejercicio 35: Bomba de aceite . . . . . . . . . . . . . . . . . . . . . . . . . 274
Ejercicio 36: Cómo utilizar la herramienta de seleccionar
contornos. . . . . . . . . . . . . . . . . . . . . . . . . . . . . . . . . . . . . . . . . . 276
Lección 9:
Configuraciones de las piezas
Configuraciones . . . . . . . . . . . . . . . . . . . . . . . . . . . . . . . . . . . . 279
Terminología. . . . . . . . . . . . . . . . . . . . . . . . . . . . . . . . . . . . 279
Utilización de configuraciones . . . . . . . . . . . . . . . . . . . . . . . . . 280
Acceso al Configuration-Manager . . . . . . . . . . . . . . . . . . . 280
Cómo agregar nuevas configuraciones. . . . . . . . . . . . . . . . 281
Definición de la configuración . . . . . . . . . . . . . . . . . . . . . . 282
Cómo cambiar configuraciones . . . . . . . . . . . . . . . . . . . . . 284
Cómo cambiar de nombre y copiar configuraciones . . . . . 284
Cómo editar piezas que tienen configuraciones . . . . . . . . . . . . 286
Biblioteca de diseño . . . . . . . . . . . . . . . . . . . . . . . . . . . . . . . . . 288
La carpeta Operaciones. . . . . . . . . . . . . . . . . . . . . . . . . . . . 288
Configuración predeterminada . . . . . . . . . . . . . . . . . . . . . . 288
Referencias múltiples . . . . . . . . . . . . . . . . . . . . . . . . . . . . . 289
Colocación en caras circulares . . . . . . . . . . . . . . . . . . . . . . 290
Ejercicio 37: Configuraciones . . . . . . . . . . . . . . . . . . . . . . . . . 293
Ejercicio 38: Más configuraciones . . . . . . . . . . . . . . . . . . . . . . 295
Ejercicio 39: Cómo trabajar con configuraciones. . . . . . . . . . . 297
Lección 10:
Tablas de diseño y ecuaciones
Tablas de diseño . . . . . . . . . . . . . . . . . . . . . . . . . . . . . . . . . . . . 303
Temas clave . . . . . . . . . . . . . . . . . . . . . . . . . . . . . . . . . . . . 303
Vincular valores . . . . . . . . . . . . . . . . . . . . . . . . . . . . . . . . . . . . 304
Ecuaciones . . . . . . . . . . . . . . . . . . . . . . . . . . . . . . . . . . . . . . . . 305
Preparación para ecuaciones. . . . . . . . . . . . . . . . . . . . . . . . 306
Funciones . . . . . . . . . . . . . . . . . . . . . . . . . . . . . . . . . . . . . . 306
Formato de las ecuaciones . . . . . . . . . . . . . . . . . . . . . . . . . 307
Algunas consideraciones finales sobre las ecuaciones . . . . 309
Tablas de diseño . . . . . . . . . . . . . . . . . . . . . . . . . . . . . . . . . . . . 309
Crear una tabla de diseño automáticamente . . . . . . . . . . . . 309
Formatos de Excel . . . . . . . . . . . . . . . . . . . . . . . . . . . . . . . 311
Anatomía de una tabla de diseño . . . . . . . . . . . . . . . . . . . . 312
Agregar nuevos encabezados . . . . . . . . . . . . . . . . . . . . . . . 313
Agregar configuraciones a la tabla . . . . . . . . . . . . . . . . . . . 313
Tablas de diseño existentes. . . . . . . . . . . . . . . . . . . . . . . . . . . . 315
Cómo insertar la tabla de diseño. . . . . . . . . . . . . . . . . . . . . 316
Cómo insertar tablas de diseño en blanco. . . . . . . . . . . . . . 318
Manual de formación SolidWorks 2006
viii
Como guardar una tabla de diseño . . . . . . . . . . . . . . . . . . . 318
Otros usos de las configuraciones. . . . . . . . . . . . . . . . . . . . 319
Estrategias de modelado para las configuraciones . . . . . . . . . . 320
Otros aspectos acerca de cómo realizar dibujos . . . . . . . . . . . . 321
Propiedades de dibujo. . . . . . . . . . . . . . . . . . . . . . . . . . . . . 321
Vista de sección simple. . . . . . . . . . . . . . . . . . . . . . . . . . . . 323
Vistas de detalle . . . . . . . . . . . . . . . . . . . . . . . . . . . . . . . . . 323
Anotaciones . . . . . . . . . . . . . . . . . . . . . . . . . . . . . . . . . . . . 325
Cotas de coordenadas . . . . . . . . . . . . . . . . . . . . . . . . . . . . . 326
Notas paramétricas . . . . . . . . . . . . . . . . . . . . . . . . . . . . . . . 327
Área rayada. . . . . . . . . . . . . . . . . . . . . . . . . . . . . . . . . . . . . 329
Tablas de diseño en un dibujo. . . . . . . . . . . . . . . . . . . . . . . 330
En el curso avanzado... . . . . . . . . . . . . . . . . . . . . . . . . . . . . . . . 331
Ejercicio 40: Utilizar Vincular valores . . . . . . . . . . . . . . . . . . . 333
Ejercicio 41: Utilizar ecuaciones . . . . . . . . . . . . . . . . . . . . . . . 334
Ejercicio 42: Tablas de diseño de piezas . . . . . . . . . . . . . . . . . 335
Ejercicio 43: Configuraciones existentes y tablas de diseño
vinculadas . . . . . . . . . . . . . . . . . . . . . . . . . . . . . . . . . . . . . . . . . 338
Ejercicio 44: Cómo diseñar configuraciones . . . . . . . . . . . . . . 339
Ejercicio 45: Dibujos . . . . . . . . . . . . . . . . . . . . . . . . . . . . . . . . 343
Lección 11:
Vaciado y nervios
Vaciado y nervios . . . . . . . . . . . . . . . . . . . . . . . . . . . . . . . . . . . 347
Etapas del proceso . . . . . . . . . . . . . . . . . . . . . . . . . . . . . . . 347
Cómo analizar y agregar ángulos de salida . . . . . . . . . . . . . . . 347
Análisis de ángulo de salida . . . . . . . . . . . . . . . . . . . . . . . . 348
Otras opciones de ángulo de salida. . . . . . . . . . . . . . . . . . . . . . 349
Ángulo de salida utilizando un plano neutro . . . . . . . . . . . 350
Vaciado . . . . . . . . . . . . . . . . . . . . . . . . . . . . . . . . . . . . . . . . . . . 351
Orden de operaciones . . . . . . . . . . . . . . . . . . . . . . . . . . . . . 351
Selección de cara . . . . . . . . . . . . . . . . . . . . . . . . . . . . . . . . 351
Planos de referencia . . . . . . . . . . . . . . . . . . . . . . . . . . . . . . 352
Nervios . . . . . . . . . . . . . . . . . . . . . . . . . . . . . . . . . . . . . . . . . . . 355
Croquis de nervio . . . . . . . . . . . . . . . . . . . . . . . . . . . . . . . . 355
Redondeos completos . . . . . . . . . . . . . . . . . . . . . . . . . . . . . . . . 359
Operaciones lámina. . . . . . . . . . . . . . . . . . . . . . . . . . . . . . . . . . 360
Ejercicio 46: Tapa de bomba . . . . . . . . . . . . . . . . . . . . . . . . . . 363
Ejercicio 47: Bola de ventilador de techo. . . . . . . . . . . . . . . . . 365
Ejercicio 48: Blindaje de motor . . . . . . . . . . . . . . . . . . . . . . . . 367
Ejercicio 49: Brazo . . . . . . . . . . . . . . . . . . . . . . . . . . . . . . . . . . 369
Ejercicio 50: Gancho . . . . . . . . . . . . . . . . . . . . . . . . . . . . . . . . 370
Ejercicio 51: Secador de cabello. . . . . . . . . . . . . . . . . . . . . . . . 371
Ejercicio 52: Blindaje de cara. . . . . . . . . . . . . . . . . . . . . . . . . . 372
Lección 12:
Modelado de ensamblaje ascendente
Estudio de casos: Junta universal . . . . . . . . . . . . . . . . . . . . . . . 377
Ensamblaje ascendente . . . . . . . . . . . . . . . . . . . . . . . . . . . . . . . 377
Etapas del proceso . . . . . . . . . . . . . . . . . . . . . . . . . . . . . . . 377
El ensamblaje . . . . . . . . . . . . . . . . . . . . . . . . . . . . . . . . . . . 378
Cómo crear un nuevo ensamblaje. . . . . . . . . . . . . . . . . . . . . . . 379
Posición del primer componente. . . . . . . . . . . . . . . . . . . . . . . . 380
Manual de formación SolidWorks 2006
ix
Gestor de diseño y símbolos del FeatureManager . . . . . . . . . . 380
Grados de libertad. . . . . . . . . . . . . . . . . . . . . . . . . . . . . . . . 381
Componentes . . . . . . . . . . . . . . . . . . . . . . . . . . . . . . . . . . . 381
Anotaciones . . . . . . . . . . . . . . . . . . . . . . . . . . . . . . . . . . . . 382
Marcador Retroceder . . . . . . . . . . . . . . . . . . . . . . . . . . . . . 382
Reordenar . . . . . . . . . . . . . . . . . . . . . . . . . . . . . . . . . . . . . . 382
Grupos de relaciones de posición . . . . . . . . . . . . . . . . . . . . 382
Cómo agregar componentes . . . . . . . . . . . . . . . . . . . . . . . . . . . 383
Insertar componente . . . . . . . . . . . . . . . . . . . . . . . . . . . . . . 383
Cómo mover y girar componentes . . . . . . . . . . . . . . . . . . . 384
Establecer una relación de posición con otro componente. 385
Alineación y tipos de relaciones de posición . . . . . . . . . . . 386
Cómo establecer relaciones de posición concéntricas y
coincidentes . . . . . . . . . . . . . . . . . . . . . . . . . . . . . . . . . . . . 388
Relación de posición Ancho . . . . . . . . . . . . . . . . . . . . . . . . 392
Relación de posición paralela . . . . . . . . . . . . . . . . . . . . . . . 396
Cómo visualizar configuraciones de piezas en
un ensamblaje . . . . . . . . . . . . . . . . . . . . . . . . . . . . . . . . . . . 396
El pasador . . . . . . . . . . . . . . . . . . . . . . . . . . . . . . . . . . . . . . 396
Cómo utilizar configuraciones de piezas en ensamblajes. . . . . 396
El segundo Pasador. . . . . . . . . . . . . . . . . . . . . . . . . . . . . . . 398
Cómo abrir un componente. . . . . . . . . . . . . . . . . . . . . . . . . 398
Cómo crear copias de instancias. . . . . . . . . . . . . . . . . . . . . . . . 400
Cómo ocultar componente y transparencia de componente . . . 400
Propiedades de componente . . . . . . . . . . . . . . . . . . . . . . . . . . . 402
Subensamblajes. . . . . . . . . . . . . . . . . . . . . . . . . . . . . . . . . . . . . 403
Smart Mates . . . . . . . . . . . . . . . . . . . . . . . . . . . . . . . . . . . . . . . 404
Cómo insertar subensamblajes . . . . . . . . . . . . . . . . . . . . . . . . . 405
Cómo establecer relaciones de posición entre
subensamblajes . . . . . . . . . . . . . . . . . . . . . . . . . . . . . . . . . . 406
Relaciones de posición Distancia . . . . . . . . . . . . . . . . . . . . 407
Ejercicio 53: Ensamblaje Caja de cambios. . . . . . . . . . . . . . . . 411
Ejercicio 54: Tablas de diseño de piezas en un ensamblaje . . . 415
Ejercicio 55: Relaciones de posición . . . . . . . . . . . . . . . . . . . . 417
Ejercicio 56: Cambios en la junta en U . . . . . . . . . . . . . . . . . . 418
Ejercicio 57: Molinillo . . . . . . . . . . . . . . . . . . . . . . . . . . . . . . . 420
Lección 13:
Cómo usar ensamblajes
Cómo usar ensamblajes . . . . . . . . . . . . . . . . . . . . . . . . . . . . . . 425
Etapas del proceso . . . . . . . . . . . . . . . . . . . . . . . . . . . . . . . 425
Cómo analizar el ensamblaje . . . . . . . . . . . . . . . . . . . . . . . . . . 426
Cálculos de propiedades físicas . . . . . . . . . . . . . . . . . . . . . 426
Cómo verificar la interferencia. . . . . . . . . . . . . . . . . . . . . . 427
Detección de interferencias estática contra dinámica. . . . . 429
Consideraciones de rendimiento. . . . . . . . . . . . . . . . . . . . . 430
Cómo cambiar los valores de las cotas . . . . . . . . . . . . . . . . . . . 431
Cómo utilizar Cinemática con colisiones físicas . . . . . . . . . . . 433
Ejemplos . . . . . . . . . . . . . . . . . . . . . . . . . . . . . . . . . . . . . . . 433
Sugerencias para trabajar con Cinemática con
colisiones físicas . . . . . . . . . . . . . . . . . . . . . . . . . . . . . . . . . 435
Manual de formación SolidWorks 2006
x
Simulación física. . . . . . . . . . . . . . . . . . . . . . . . . . . . . . . . . . . . 435
Barra de herramientas Simulación . . . . . . . . . . . . . . . . . . . 435
Opciones de la barra de herramientas. . . . . . . . . . . . . . . . . 436
Elementos de simulación . . . . . . . . . . . . . . . . . . . . . . . . . . 436
Controlador de animaciones . . . . . . . . . . . . . . . . . . . . . . . . 437
Opciones de reproducción . . . . . . . . . . . . . . . . . . . . . . . . . 437
Gestor de diseño del FeatureManager . . . . . . . . . . . . . . . . 437
Ensamblajes explosionados . . . . . . . . . . . . . . . . . . . . . . . . . . . 439
Configuración de la vista explosionada . . . . . . . . . . . . . . . 439
Explosión de un solo componente . . . . . . . . . . . . . . . . . . . 441
Explosión de varios componentes. . . . . . . . . . . . . . . . . . . . 442
Explosión de componentes de subensamblajes . . . . . . . . . 443
Espaciado automático . . . . . . . . . . . . . . . . . . . . . . . . . . . . . 443
Reutilización de explosiones . . . . . . . . . . . . . . . . . . . . . . . 444
Croquis con líneas de explosión . . . . . . . . . . . . . . . . . . . . . . . . 445
Líneas de explosión . . . . . . . . . . . . . . . . . . . . . . . . . . . . . . 445
Cómo animar vistas explosionadas. . . . . . . . . . . . . . . . . . . 447
Dibujos de ensamblajes . . . . . . . . . . . . . . . . . . . . . . . . . . . . . . 448
Lista de materiales . . . . . . . . . . . . . . . . . . . . . . . . . . . . . . . 449
Cómo agregar globos . . . . . . . . . . . . . . . . . . . . . . . . . . . . . 450
En el curso Dibujos... . . . . . . . . . . . . . . . . . . . . . . . . . . . . . . . . 450
Ejercicio 58: Cómo utilizar la detección de colisión . . . . . . . . 451
Ejercicio 59: Vistas explosionadas . . . . . . . . . . . . . . . . . . . . . . 452
Ejercicio 60: Vistas explosionadas y dibujos de ensamblajes . 453
Apéndice
Configuración de Opciones . . . . . . . . . . . . . . . . . . . . . . . . . . . 457
Cómo aplicar los cambios. . . . . . . . . . . . . . . . . . . . . . . . . . 457
Cómo cambiar las opciones predeterminadas. . . . . . . . . . . 457
Configuración sugerida. . . . . . . . . . . . . . . . . . . . . . . . . . . . 457
Plantillas de documento . . . . . . . . . . . . . . . . . . . . . . . . . . . . . . 458
Cómo crear una plantilla de pieza. . . . . . . . . . . . . . . . . . . . 458
Plantillas de dibujo y formatos de hoja. . . . . . . . . . . . . . . . 461
Cómo organizar sus plantillas. . . . . . . . . . . . . . . . . . . . . . . 461
Plantillas predeterminadas . . . . . . . . . . . . . . . . . . . . . . . . . 461
Manual de formación SolidWorks 2006
1
Lección 1
Introducción
Al finalizar esta lección, podrá:
Describir las características clave de un modelo sólido y
paramétrico basado en operaciones.
Distinguir entre las operaciones croquizadas y aplicadas.
Identificar los principales componentes de la interfaz de usuario
de SolidWorks.
Explicar cómo los diferentes métodos de acotación conducen a
diferentes interpretaciones de la intención de los diseños.
Lección 1 Manual de formación SolidWorks 2006
Introducción
2
Manual de formación SolidWorks 2006 Lección 1
Introducción
Informaciones sobre este curso 3
Informaciones
sobre este
curso
El objetivo de este curso es enseñarle a utilizar el software de
automatización de diseño mecánico para construir modelos
paramétricos de piezas y ensamblajes, así como el método para
realizar dibujos simples de esas piezas y ensamblajes.
SolidWorks 2006 es una aplicación tan sólida y tan rica en
operaciones que resulta poco práctico analizar minuciosamente
todos los aspectos y detalles en este curso. Aun así, la extensión del
curso es considerable. Por lo tanto, este curso se centra en las
funciones y los conceptos básicos que son cruciales para un uso
correcto de SolidWorks 2006. Debe considerar el manual del curso
de formación como un anexo de la documentación del sistema y la
ayuda en línea y no como un substituto de éstos. Una vez que haya
adquirido los conocimientos para utilizar las funciones básicas,
puede consultar la ayuda en línea para obtener información sobre
las opciones de comando que se utilizan con menor frecuencia.
Condiciones
previas
Los estudiantes que asistan al curso deben:
Tener experiencia en el diseño mecánico.
Tener experiencia con el sistema operativo Windows™.
Leer el manual Introducción a SolidWorks. Se incluye una copia
de este manual junto con su software. O bien puede acceder a la
versión en línea de este manual haciendo clic en Ayuda,
Introducción a SolidWorks.
Haber realizado los tutoriales en línea integrados en el software
de SolidWorks. Puede acceder a los tutoriales en línea haciendo
clic en Ayuda, Tutorial en línea.
Diseño del curso El curso se ha diseñado mediante un enfoque de aprendizaje que se
basa en las tareas o los procesos. A diferencia de los cursos que se
basan en las operaciones y las funciones, un curso de formación que
se basa en los procesos destaca los procesos y los procedimientos
que se deben seguir para llevar a cabo una determinada tarea.
Mediante la utilización de estudios de casos para ilustrar estos
procesos, usted aprenderá a utilizar los menús, las opciones y los
comandos necesarios para llevar a cabo una tarea de diseño.
Cómo utilizar este
manual
Este manual de formación se ha concebido para que se utilice en un
aula con la asistencia de un instructor que tenga experiencia en
SolidWorks. No se ha concebido como tutorial autodidáctico. Los
ejemplos y los casos de estudio están diseñados para que el
instructor los realice “en directo”.
Ejercicios de
laboratorio
Los ejercicios de laboratorio le proporcionan la oportunidad de
aplicar y poner en práctica el material tratado en la lectura/
demostración práctica del curso. Se han concebido para representar
las situaciones de modelos y de diseño típicos, teniendo en cuenta
que deben ser lo suficientemente sencillos como para que se puedan
realizar durante las horas de clase. Tenga en cuenta que cada
estudiante tiene su propio ritmo de trabajo. En consecuencia, hemos
incluido más ejercicios de laboratorio de los que normalmente se
pueden realizar durante el curso. Con ello, se garantiza que ni
siquiera al estudiante más veloz le falten ejercicios.
Lección 1 Manual de formación SolidWorks 2006
Introducción
4 Informaciones sobre este curso
Consideraciones
sobre las cotas
Los dibujos y las cotas facilitadas en los ejercicios de laboratorio no
se han concebido para reflejar ningún estándar particular de
croquizado. De hecho, en algunas ocasiones las cotas se
proporcionan en una forma que el sector industrial nunca aceptaría.
La razón para ello es que los laboratorios están diseñados para
animarle a aplicar la información tratada en clase y para utilizar y
reforzar ciertas técnicas de modelado. En consecuencia, los dibujos y
las cotas de los ejercicios se han diseñado como complementos para
alcanzar este objetivo.
Informaciones
acerca del CD
La tapa trasera contiene un CD con copias de los diferentes archivos
que se utilizan a lo largo del curso. Las mismas se organizan por
número de lección. La carpeta Case Study (Estudio de casos)
incluida en cada lección contiene los archivos que su instructor
utiliza mientras presenta las lecciones. La carpeta Exercises
(Ejercicios) contiene todos los archivos necesarios para realizar los
ejercicios de laboratorio.
Windows® 2000 y
Windows®
XP
Las capturas de pantalla de este manual se hicieron con SolidWorks
2006 en Windows®
2000 y Windows®
XP. Es posible que observe
diferencias en el aspecto de los menús y las ventanas. Estas
diferencias no afectan al rendimiento del software.
Convenciones que
se utilizan en este
manual
En este manual se utilizan las siguientes convenciones tipográficas:
Utilización del
color
En la interfaz de usuario de SolidWorks, se utilizan de forma
extensa los colores para destacar la geometría seleccionada y para
proporcionar una ayuda visual. Con ello, se aumenta el grado de
intuición y la facilidad al utilizar el software de SolidWorks. Para
sacar el máximo provecho de ello, los materiales de formación se
han impreso en color.
Convención Significado
Sans Serif
Negrita
Las opciones y los comandos de SolidWorks
aparecen en este estilo. Por ejemplo,
Insertar, Saliente significa escoger la
opción Saliente del menú Insertar.
Fuente
máquina de
escribir
Los nombres de las operaciones, así como el
de los archivos, aparecen en este estilo. Por
ejemplo, Sketch1.
17 Realice este
paso
Las líneas dobles se colocan antes y después
de las secciones de los procedimientos. De
esta manera, se separan los pasos del
procedimiento y los grandes bloques de
explicaciones. Los pasos se numeran
utilizando el estilo sans serif negrita.
Manual de formación SolidWorks 2006 Lección 1
Introducción
¿Qué es el software de SolidWorks? 5
Asimismo, en muchas ocasiones, se
han utilizado colores adicionales en
las ilustraciones para comunicar
conceptos, identificar operaciones
y, además, transmitir información
importante. Por ejemplo, es posible
que se muestren los resultados de
una operación de redondeo con los
redondeos en un color diferente, aunque de modo predeterminado el
software de SolidWorks no muestre los resultados de esa manera.
¿Qué es el
software de
SolidWorks?
El software de automatización de diseño mecánico de SolidWorks
es una herramienta de diseño de modelado sólido paramétrica y
basada en operaciones que aprovecha la facilidad de aprendizaje de
la interfaz gráfica de usuario de Windows™. Puede crear modelos
sólidos en 3D totalmente asociativos con o sin restricciones
mientras utiliza al mismo tiempo las relaciones automáticas o
definidas por el usuario para capturar la intención del diseño.
Los términos que aparecen en cursiva significan lo siguiente:
Basado en operaciones
Del mismo modo que un ensamblaje está compuesto por una serie
de piezas individuales, un modelo de SolidWorks también está
compuesto por elementos individuales. Dichos elementos se
denominan operaciones.
Cuando usted crea un modelo mediante el software de SolidWorks,
trabaja con operaciones geométricas inteligentes y fáciles de
entender, como salientes, cortes, taladros, nervios, redondeos,
chaflanes y ángulos de salida. A medida que se crean estas
operaciones, las mismas se aplican directamente a la pieza con la
que está trabajando.
Las operaciones se pueden clasificar como croquizadas o aplicadas.
Operaciones croquizadas: las que se basan en un croquis en 2D.
Generalmente, ese croquis se transforma en un sólido mediante
extrusión, rotación, barrido o recubrimiento.
Operaciones aplicadas: las que se crean directamente en el
modelo sólido. Los redondeos y los chaflanes son ejemplos de
este tipo de operación.
El software de SolidWorks muestra gráficamente la estructura
basada en operaciones del modelo en una ventana especial
denominada Gestor de diseño del FeatureManager®. El gestor de
diseño del FeatureManager no sólo muestra la secuencia en la que
se han creado las operaciones, sino que también le facilita el acceso
a toda la información relacionada subyacente. A lo largo de este
curso, aprenderá más cosas sobre el gestor de diseño del
FeatureManager.
Lección 1 Manual de formación SolidWorks 2006
Introducción
6 ¿Qué es el software de SolidWorks?
Para ilustrar el concepto del
modelado basado en
operaciones, considere la
pieza que se muestra en la
parte derecha:
Esta pieza se puede visualizar
como una colección de
diversas operaciones
diferentes; algunas agregan
material, como el saliente
cilíndrico, y otras eliminan
material, como el taladro
hasta profundidad
especificada.
Si se tuvieran que asignar las
operaciones individuales a su
correspondiente lista en el gestor de diseño del FeatureManager, el
resultado tendría un aspecto similar a éste:
Paramétrico
Las cotas y las relaciones utilizadas para crear una operación se
capturan y se almacenan en el modelo. Gracias a ello, no sólo es
posible la captura de la intención del diseño, sino que también se
pueden realizar de manera rápida y sencilla cambios en el modelo.
Cotas conductoras: cotas utilizadas al crear una operación.
Incluyen las cotas relacionadas con la geometría de croquis, así
como las relacionadas con la operación en sí. Una operación
como un saliente cilíndrico sería un ejemplo simple de ello.
El diámetro del círculo del croquis controla el diámetro del
Manual de formación SolidWorks 2006 Lección 1
Introducción
¿Qué es el software de SolidWorks? 7
saliente. La profundidad a la que se realizó la extrusión del
círculo cuando se realizó la operación controla la altura del
saliente.
Relaciones: incluyen información del tipo paralelismo,
tangencia y concentricidad. Históricamente, este tipo de
información se ha comunicado en los dibujos a través de los
símbolos de control de las operaciones. Capturando esto en el
croquis, SolidWorks le permite capturar totalmente la intención
del diseño directamente en el modelo.
Modelado sólido
Un modelo sólido es el tipo más completo de modelo geométrico
utilizado en los sistemas de CAD. Contiene toda la geometría de
superficie y alámbrica necesaria para describir detalladamente las
aristas y las caras del modelo. Además de la información
geométrica, contiene toda la información denominada topológica
que interrelaciona la geometría. Un ejemplo de información
topológica sería qué caras (superficies) se encuentran en qué arista
(curva). La inteligencia hace que funciones como el redondeo
resulten tan fáciles como seleccionar una arista y especificar un
radio.
Totalmente asociativo
Un modelo de SolidWorks es totalmente asociativo a los dibujos y
ensamblajes a los que hace referencia. Los cambios efectuados en el
modelo se reflejan automáticamente en los dibujos y ensamblajes
relacionados. De un modo similar, puede efectuar modificaciones
en el contexto del dibujo o del ensamblaje y tener la certeza de que
esas modificaciones se reflejarán en el modelo
Restricciones
Las relaciones geométricas paralelas, perpendiculares, horizontales,
verticales, concéntricas y coincidentes son tan sólo algunas de las
restricciones que SolidWorks admite. Además, se pueden utilizar
ecuaciones para establecer relaciones matemáticas entre los
parámetros. Mediante las restricciones y las ecuaciones, puede
garantizar que se capturen y se mantengan los conceptos del diseño,
como los taladros o los radios iguales.
Intención del diseño
La intención del diseño es el plan que ha establecido con relación al
comportamiento que debe presentar el modelo al modificarlo. Por
ejemplo, si modela un saliente que contenga un taladro hasta
profundidad especificada, el taladro debería desplazarse al
desplazarse el saliente. De un modo similar, si modela una matriz de
taladro circular compuesta por seis taladros separados por una
distancia equitativa, el ángulo entre los taladros debe cambiar
automáticamente al cambiar el número de taladros de seis a ocho.
Las técnicas utilizadas para crear el modelo determinan cómo y qué
tipo de intención del diseño se captura.
Lección 1 Manual de formación SolidWorks 2006
Introducción
8 Intención del diseño
Intención del
diseño
Para utilizar con eficacia un modelador paramétrico como
SolidWorks, debe tener en cuenta la intención del diseño antes de
modelar. La intención del diseño es el plan que ha establecido con
relación al comportamiento que debe presentar el modelo al
modificarlo. La manera en que se ha creado el modelo regirá el
modo en que se modificará. Existen diversos factores que
contribuyen al modo en que se captura la intención del diseño:
Relaciones automáticas (croquis)
En función del croquis que se ha realizado de la geometría, estas
relaciones pueden proporcionar relaciones geométricas comunes
entre los objetos, como paralela, perpendicular, horizontal y
vertical.
Ecuaciones
Se utilizan para relacionar cotas en forma algebraica y proporcionan
una forma externa de forzar cambios.
Relaciones agregadas
Añadidas al modelo cuando éste se crea, las relaciones
proporcionan otra manera de conectar la geometría relacionada.
Algunas relaciones comunes son la concéntrica, tangente,
coincidente y colineal.
Acotación
La manera en la que se acote un croquis influirá en la intención del
diseño. Agregue las cotas de manera que reflejen cómo desea
modificarlas.
Ejemplos de
intenciones del
diseño
A continuación, le mostramos algunos ejemplos de intenciones de
diseño en un croquis.
Un croquis acotado de esta forma
mantendrá los taladros a 20 mm de
cada extremo, independientemente de
cómo se modifique el ancho total de
la chapa de 100 mm.
Cotas de línea base como las que se
presentan harán que los taladros se
coloquen en relación con la arista
izquierda de la chapa. Las
modificaciones en el ancho global de
la chapa no afectan las posiciones de
los taladros.
Manual de formación SolidWorks 2006 Lección 1
Introducción
Intención del diseño 9
Las acotaciones desde la arista y de
centro a centro mantendrán la
distancia entre los centros de los
taladros y permitirán que se
modifique de esta manera.
Cómo las
operaciones
afectan la
intención del
diseño
La intención del diseño se ve afectada
por algo más que por la mera acotación
de un croquis. También reviste
importancia la elección de las
operaciones y la metodología de
modelado. Por ejemplo, considere el
caso de un eje único escalonado como se
muestra en la parte derecha. Podemos
construir una pieza como ésta de diversas maneras.
El enfoque "por
capas"
El enfoque "por capas" construye las partes de la pieza una a una,
agregando cada capa, u operación, a la anterior, como se muestra a
continuación:
La modificación del grosor de una capa posee un efecto en espiral,
ya que modifica la posición del resto de las capas que se crearon
posteriormente.
El enfoque "torno de
alfarero"
El enfoque "torno de alfarero" construye la
pieza como una operación Revolución
simple. Un croquis simple que representa
la sección transversal incluye toda la
información y todas las cotas necesarias
para construir la pieza como una operación.
Aunque este enfoque pueda parecer muy
eficaz, el hecho de poseer toda la información sobre el diseño en
una operación simple limita la flexibilidad y puede complicar los
cambios.
El enfoque
"fabricación"
El enfoque "fabricación" aplicado al modelado imita la forma en la
que se fabricaría la pieza. Por ejemplo, si se gira un eje escalonado
en un torno, usted empezaría con una pieza de material de barra y
quitaría material mediante una serie de cortes.
Lección 1 Manual de formación SolidWorks 2006
Introducción
10 La interfaz de usuario de SolidWorks
Iconos que no se
pueden
seleccionar
A veces se encontrará con comandos, iconos y opciones de menú
que aparecen atenuados y no se pueden seleccionar. Es posible que
esto ocurra por no trabajar en el entorno adecuado para acceder a
estas opciones. Por ejemplo, si trabaja en un croquis (modo Editar
croquis), tiene acceso a todas las herramientas de croquizar. No
obstante, no puede seleccionar los iconos como el redondeo o el
chaflán en la barra de herramientas Operaciones. De un modo
similar, si trabaja en modo Editar pieza, puede acceder a esos
iconos, pero las herramientas de croquizar aparecen atenuadas y no
se pueden seleccionar. Este diseño es útil para los usuarios con poca
experiencia, ya que limita las elecciones únicamente a aquéllas que
son adecuadas, atenuando las que no lo son.
¿Preseleccionar o
no preseleccionar?
Por norma general, el software de SolidWorks no requiere la
preselección de objetos antes de abrir un menú o un cuadro de
diálogo. Por ejemplo, si desea agregar redondeos a las arista del
modelo, tiene total libertad: puede seleccionar las aristas primero y
después hacer clic en la herramienta Redondeo o bien puede hacer
clic en Redondeo y a continuación seleccionar las aristas. Usted
elige.
La interfaz de
usuario de
SolidWorks
La interfaz de usuario de SolidWorks es una interfaz de Windows y,
como tal, se comporta del mismo modo que el resto de las
aplicaciones de Windows. A continuación, le presentamos algunos
de los aspectos más importantes de la interfaz.
Menús desplegables
Zona de gráficos
Ventana
Sistema de referencia
Barras
Gestor de diseño
del FeatureManager
Área de estado
Panel de
Documento
de herramientas
tareas
Manual de formación SolidWorks 2006 Lección 1
Introducción
La interfaz de usuario de SolidWorks 11
Menús Los menús proporcionan acceso a todos los
comandos que ofrece el software de
SolidWorks.
Cuando un elemento del menú tiene una
flecha que señala hacia la derecha, como la
siguiente: , significa que
existe un submenú asociado a esa elección.
Cuando una serie de puntos precede un
elemento del menú, como en este caso:
, significa que esa opción
abre un cuadro de diálogo con información o
elecciones adicionales.
Cuando se selecciona el elemento
Personalizar el menú, cada elemento
aparece con una casilla de verificación. Si
se desactiva la casilla de verificación, se
elimina el elemento asociado del menú.
Métodos
abreviados del
teclado
Algunos elementos de menú indican un acceso directo del teclado
como el siguiente: SolidWorks utiliza las
convenciones estándar de Windows para los métodos abreviados,
como por ejemplo Ctrl+A para Archivo, Abrir; Ctrl+G para
Archivo, Guardar; Ctrl+Z para Edición, Deshacer, etcétera.
Además, puede personalizar SolidWorks creando sus propios
métodos abreviados.
Lección 1 Manual de formación SolidWorks 2006
Introducción
12 La interfaz de usuario de SolidWorks
Barras de
herramientas
Los menús de las barras de herramientas proporcionan accesos
directos para acceder rápidamente a los comandos que se utilizan
con mayor frecuencia. Las barras de herramientas están organizadas
de acuerdo con la función y pueden personalizarse, eliminarse o
volverse a organizar según sus preferencias. Las opciones
individuales de las mismas se tratarán con más detalle a lo largo de
este curso.
Ejemplo de una
barra de
herramientas
A continuación, se muestra un ejemplo de una barra de
herramientas; en este caso, se trata de la barra de herramientas
Estándar. Esta barra de herramientas contiene funciones de uso
común como abrir documentos nuevos o existentes, guardar
documentos, imprimir, copiar y pegar objetos, deshacer, rehacer y
ayuda.
Mostrar las barras
de herramientas
Puede activar o desactivar barras de herramientas utilizando uno de
estos tres métodos:
Haga clic en Herramientas, Personalizar.
En la página Barras de herramientas, haga clic en las casillas de
verificación para seleccionar cada barra de herramientas que desea
mostrar. Borre las casillas de verificación de las barras de
herramientas que desea ocultar.
Nota Para acceder a Herramientas, Personalizar, debe tener un
documento abierto. Además, se puede utilizar la pestaña
Comandos para agregar o eliminar iconos de las barras de
herramientas.
Manual de formación SolidWorks 2006 Lección 1
Introducción
La interfaz de usuario de SolidWorks 13
Personalización
para flujo de trabajo
Las barras de herramientas se pueden activar
y desactivar en función del sector industrial
mediante la opción Personalización para
flujo de trabajo en la pestaña Opciones.
Hay varios sectores industriales disponibles.
Haga clic con el botón secundario de
ratón en el área de la barra de
herramientas de la ventana de
SolidWorks.
Las marcas de verificación indican las barras
de herramientas actualmente visibles. Borre
las marcas de verificación de las barras de
herramientas que desea ocultar.
Haga clic en Ver, Barras de herramientas.
De este modo, visualizará la misma lista de
barras de herramientas.
Lección 1 Manual de formación SolidWorks 2006
Introducción
14 La interfaz de usuario de SolidWorks
Cómo organizar
las barras de
herramientas
Las barras de herramientas, incluido el Administrador de
comandos, pueden organizarse de muchas maneras. Pueden
distribuirse alrededor de los cuatro bordes de la ventana de
SolidWorks o arrastrarse a las zonas de gráficos o del
FeatureManager. Estas posiciones se “recuerdan” al salir de
SolidWorks, de modo que la próxima vez que se inicie SolidWorks,
las barras de herramientas estarán donde las dejó. A continuación,
se muestra una de estas organizaciones.
Sugerencias
rápidas
Las Sugerencias
rápidas forman
parte del sistema de
ayuda en línea.
Preguntan "¿Qué le
gustaría hacer?" y
proporcionan
respuestas típicas
según la tarea actual.
Si hace clic en una
respuesta, se
resaltará la barra de
herramientas y el
icono necesarios
para realizar dicha
tarea.
Barras de
Administrador
de comandos
herramientas
Activar y desactivar
las sugerencias rápidas
Activar/Desactivar
Manual de formación SolidWorks 2006 Lección 1
Introducción
La interfaz de usuario de SolidWorks 15
Gestor de diseño
del
FeatureManager
El gestor de diseño del FeatureManager es una pieza única del
software de SolidWorks que muestra todas las operaciones de una
pieza o un ensamblaje. Las operaciones se agregan al gestor de
diseño del FeatureManager a medida que se crean. Como resultado,
el gestor de diseño del FeatureManager representa la secuencia
cronológica de las operaciones de modelado. El gestor de diseño del
FeatureManager también permite el acceso a la edición de las
operaciones (objetos) que contiene.
Menús del
PropertyManager
Muchos comandos de SolidWorks se ejecutan a través de los menús
del PropertyManager. Los menús del PropertyManager ocupan la
misma posición en pantalla que el gestor de diseño del
FeatureManager y lo reemplazan cuando están en uso.
El esquema de color y el aspecto de los menús del PropertyManager
puede modificarse mediante Herramientas, Opciones, Colores.
Consulte la ayuda en línea de SolidWorks para obtener más
información.
La fila superior
de botones
contiene los
botones
estándar
Aceptar,
Cancelar y
Ayuda.
Debajo de la
fila superior de
botones se
encuentra uno o
más Cuadros
de grupo que
contienen
opciones relacionadas. Los mismos pueden abrirse (expandirse) o
cerrarse (colapsarse) y en muchos casos activarse o desactivarse.
Consideraciones
acerca del
Administrador de
comandos
El Administrador de comandos es
un conjunto de barras de herramien-
tas diseñado para ayudar al usuario
principiante, que trabaja solo, a rea-
lizar determinadas tareas. Por ejem-
plo, la versión de pieza de la barra de
herramientas tiene dos grupos prin-
cipales: Las Operaciones y los
Croquis aparecen como botones en
la parte superior.
En este manual no utilizará la barra
de herramientas Administrador de
comandos. En su lugar, se utilizará el conjunto de barras de
herramientas estándar generales. Para obtener más información,
consulte Barras de herramientas en la página 12.
Aceptar
Cancelar
Ayuda
Cuadro de grupo
Abierto y activo
Cuadro de grupo
Cerrado e inactivo
Icono Abrir
y Cerrar
Lección 1 Manual de formación SolidWorks 2006
Introducción
16 La interfaz de usuario de SolidWorks
Panel de tareas La ventana Panel de tareas se utiliza para albergar las opciones
Recursos de SolidWorks , Biblioteca de diseño y
Explorador de archivos . La ventana aparece a la derecha de
manera predeterminada pero se puede mover y su tamaño se puede
ajustar. Se puede abrir/cerrar , fijar o mover desde su posición
predeterminada en la parte derecha de la interfaz.
Cómo abrir
laboratorios con la
Biblioteca de diseño
Puede abrir las piezas y ensamblajes necesa-
rios para los ejercicios de laboratorio con la
biblioteca de diseño. Agregue los archivos
de clase a la biblioteca de diseño con este
procedimiento.
Abra el Panel de tareas y la Biblioteca
de diseño.
Haga clic en Agregar ubicación de
archivo .
Seleccione la carpeta Essentials -
Parts (Conceptos básicos: Piezas) y
Assemblies (Ensamblajes) que se
utiliza para los archivos de clase.
Debería estar bajo la carpeta
SolidWorks 2006 Training Files.
Haga clic en Aceptar.
Haga doble clic en el icono de la pieza o ensamblaje de la
Biblioteca de diseño para abrirla.
Manual de formación SolidWorks 2006 Lección 1
Introducción
La interfaz de usuario de SolidWorks 17
Botones del ratón Los botones izquierdo, derecho y central del ratón tienen distintos
significados en SolidWorks.
Izquierdo
Selecciona objetos como geometría, botones de menús y objetos en
el gestor de diseño del FeatureManager.
Derecho
Activa un menú contextual sensible al contexto. El contenido del
menú difiere según el objeto sobre el que se encuentra el cursor.
Estos menús también representan accesos directos a comandos
utilizados frecuentemente.
Central
Gira, traslada o aplica el zoom sobre una pieza o un ensamblaje.
Traslada un dibujo.
Ayuda del sistema La ayuda se brinda como un símbolo asociado
a la flecha del cursor indicando lo que está
seleccionando o lo que el sistema espera que
seleccione. A medida que el cursor flota por el
modelo, la ayuda vendrá en forma de símbolos,
al lado del cursor. La ilustración de la derecha
muestra algunos de los símbolos: vértices,
aristas, caras y cotas.
Opciones En el menú Herramientas, el cuadro de diálogo Opciones le
permite personalizar el software de SolidWorks para reflejar
elementos tales como estándares de croquizado al igual que sus
preferencias individuales y su entorno de trabajo.
Vértice
Cara
Cota
Arista
Lección 1 Manual de formación SolidWorks 2006
Introducción
18 La interfaz de usuario de SolidWorks
Personalización Tiene diversos niveles de personalización. Estos objetos son:
Opciones de sistema
Las opciones agrupadas bajo el título Opciones de sistema se
guardan en su sistema y afectan cada documento abierto en su
sesión de SolidWorks. Los parámetros del sistema le permiten
controlar y personalizar su entorno de trabajo. Por ejemplo, es
posible que usted desee trabajar con una ventana de visualización a
color. Yo no lo deseo. Puesto que éste es un parámetro del sistema,
las piezas o los ensamblajes abiertos en su sistema tendrán una
ventana a color. Los mismos archivos abiertos en mi sistema no lo
tendrán.
Propiedades de documento
Ciertos parámetros se aplican al documento individual. Por
ejemplo, las unidades, los estándares de croquizado y las
propiedades del material (densidad) son parámetros de documento.
Se guardan con el documento y no cambian, independientemente
del sistema en el que se abre el documento.
Para obtener más información sobre los parámetros de opciones
utilizados en este curso, consulte Configuración de Opciones en la
página 457 en el Apéndice.
Plantillas de documentos
Las plantillas de documentos son documentos predefinidos
configurados con ciertos parámetros específicos. Por ejemplo, es
posible que desee dos plantillas diferentes para las piezas. Una con
parámetros en Inglés como estándares de croquizado ANSI y
unidades en pulgadas y una con parámetros métricos como
unidades en milímetros y estándares de croquizado ISO. Puede
configurar tantas plantillas de documentos como necesite. Pueden
organizarse en diferentes carpetas para tener un fácil acceso a las
mismas al abrir documentos nuevos. Puede crear plantillas de
documentos para piezas, ensamblajes y dibujos.
Para obtener instrucciones más detalladas sobre la creación de
plantillas de documentos, consulte Plantillas de documento en la
página 458 en el Apéndice.
Objeto
Muchas veces, las propiedades de un objeto individual pueden
cambiarse o editarse. Por ejemplo, puede cambiar la visualización
predeterminada de una cota para suprimir una o ambas líneas de
referencia o puede cambiar el color de una operación.
Manual de formación SolidWorks 2006
19
Lección 2
Introducción al croquizado
Al finalizar esta lección, podrá:
Crear una pieza nueva.
Insertar un nuevo croquis.
Agregar geometría de croquis.
Establecer relaciones de croquis entre piezas de geometría.
Entender el estado del croquis.
Utilizar herramientas de croquizar para agregar chaflanes y
redondeos.
Extruir el croquis para convertirlo en un sólido.
Lección 2 Manual de formación SolidWorks 2006
Introducción al croquizado
20
Manual de formación SolidWorks 2006 Lección 2
Introducción al croquizado
Croquizado en 2D 21
Croquizado en
2D
Esta lección presenta el croquizado en 2D, la base del modelado en
SolidWorks.
Los croquis se utilizan para todas las operaciones de croquizado en
SolidWorks, incluyendo:
Extrusiones Revoluciones
Barridos Recubrimientos
La ilustración a continuación muestra cómo un croquis dado puede
formar la base de varios tipos diferentes de operaciones.
En esta lección, se tratarán solamente las operaciones de extrusión.
Las demás serán explicadas en detalle en lecciones o cursos
posteriores.
Etapas del
proceso
Cada croquis posee diversas características que contribuyen a su
forma, tamaño y orientación.
Nueva pieza
Las nuevas piezas pueden ser creadas en pulgadas, milímetros u
otras unidades. Las piezas son utilizadas para crear y contener al
modelo sólido.
Croquis
Los croquis son colecciones de geometría 2D que se utilizan para
crear operaciones sólidas.
Geometría de croquis
Tipos de geometrías 2D tales como líneas, círculos y rectángulos
que conforman el croquis.
Relaciones de croquis
Relaciones geométricas tales como horizontal y vertical se aplican a
la geometría de croquis. Las relaciones restringen el movimiento de
las entidades.
Extrusión Revolución Barrido Recubrimiento
Lección 2 Manual de formación SolidWorks 2006
Introducción al croquizado
22 Etapas del proceso
Estado del croquis
Cada croquis posee un estado que determina si el mismo está listo o
no para ser utilizado. El estado puede ser: completamente definido,
insuficientemente definido o definido en exceso.
Herramientas de croquizar
Las herramientas pueden utilizarse para modificar la geometría de
croquis que haya sido creada. Esto a menudo involucra el recorte o
la extensión de las entidades.
Cómo extruir el croquis
La extrusión utiliza el croquis 2D para crear una operación
sólida 3D.
Procedimiento El proceso en esta lección incluye croquizado y extrusiones.
Para comenzar, se crea un archivo para una nueva pieza.
1 Nueva pieza.
Haga clic en Nuevo o haga clic en Archivo, Nuevo en la barra
de herramientas Estándar. Haga clic en la plantilla Part_IN de la
pestaña Training Templates (Plantillas de formación) en el cuadro
de diálogo Nuevo documento de SolidWorks y haga clic en
Aceptar.
La pieza se crea con la configuración de la plantilla. Un parámetro
clave es el dado por las unidades de la pieza. Como su nombre lo
indica, esta plantilla de pieza utiliza pulgadas para las unidades.
Usted puede crear y guardar la cantidad deseada de plantillas
diferentes, todas con diferente configuración.
Manual de formación SolidWorks 2006 Lección 2
Introducción al croquizado
¿Qué es lo que vamos a croquizar? 23
2 Cómo guardar una pieza.
Utilice la opción Guardar del menú Archivo o seleccione el botón
Guardar de la barra de herramientas Estándar para guardar la
pieza con el nombre Plate. La extensión, *.sldprt, se agrega
automáticamente. Haga clic en Guardar.
¿Qué es lo que
vamos a
croquizar?
En esta sección se creará la primera operación de una pieza.
Tal operación inicial es simplemente la primera de muchas
operaciones necesarias para completar la pieza.
Croquizado El croquizado es el acto de crear un perfil de 2 dimensiones
compuesto por geometrías de estructura alámbrica. Los tipos de
geometría más comunes son líneas, arcos, círculos y elipses. El
croquizado es dinámico, con información proporcionada por el
cursor para que la tarea sea más fácil.
Planos
predeterminados
Para crear un croquis, debe elegir un plano sobre el cual croquizar.
El sistema proporciona tres planos iniciales de manera
predeterminada. Los mismos se denominan Alzado, Planta y
Vista lateral.
Introducción:
Insertar croquis
Cuando se crea un nuevo croquis, Insertar croquis abre el
croquizador sobre el plano o la cara plana seleccionada
actualmente. También puede utilizar Insertar croquis para editar
un croquis existente.
Lección 2 Manual de formación SolidWorks 2006
Introducción al croquizado
24 Croquizado
Debe seleccionar un plano de referencia o una cara plana del
modelo después de hacer clic en Insertar, Croquis. El cursor
aparece para indicar que debería seleccionar una cara o un plano.
Dónde encontrarlo Puede acceder al comando Insertar croquis de varias maneras.
En la barra de herramientas Croquis, haga clic en la
herramienta .
O, en el menú Insertar, haga clic en Croquis.
O, con el cursor colocado sobre un plano o cara plana del
modelo, haga clic con el botón secundario del ratón y elija
Insertar croquis en el menú contextual.
3 Abrir un nuevo
croquis.
Abra el croquis haciendo
clic en o eligiendo
Croquis en el menú
Insertar. Se mostrarán
los tres planos
predeterminados para la
selección con una
orientación
Trimétrica. Una
vista Trimétrica es
una orientación ilustrativa orientada de modo que los tres planos
mutuamente perpendiculares aparezcan escorzados irregularmente.
En la pantalla, elija el plano Alzado. El plano será resaltado y
girará.
Nota El Sistema de referencia (esquina inferior izquierda)
muestra la orientación de los ejes de coordenadas del
modelo (rojo-X, verde-Y y azul-Z) en todo momento. Puede
ser útil mostrar cómo la orientación de la vista se ha cambiado con
relación al Alzado.
4 Croquis activo.
El plano Alzado
seleccionado gira hasta
quedar paralelo a la pantalla.
Esto sólo sucede en el primer
croquis de cada pieza
El símbolo representa el
origen del modelo de la pieza
que es la intersección de los tres ejes X, Y y Z. Se muestra en color
rojo, lo que indica que está activo.
Manual de formación SolidWorks 2006 Lección 2
Introducción al croquizado
Entidades de croquis 25
Introducción:
Esquina de
confirmación
Cuando hay muchos comandos SolidWorks activos, un símbolo o
conjunto de símbolos aparece en la esquina superior derecha de la
zona de gráficos. Esta área se denomina Esquina de
confirmación.
Indicador de croquis Cuando un croquis está activo o abierto, la esquina de
confirmación muestra dos símbolos. Uno tiene el aspecto
de un croquis. El otro es una X roja. Estos símbolos
proporcionan un recordatorio visual de que usted está
activo en un croquis. Al hacer clic en el símbolo de croquis, saldrá
de este último y se guardará cualquier cambio realizado. Al hacer
clic en la X roja, saldrá del croquis y se descartará cualquier cambio
realizado.
Cuando otros comandos están activos, la esquina de
confirmación muestra una marca de verificación y una
X. La marca de verificación ejecuta el comando actual.
La X cancela el comando.
Entidades de
croquis
SolidWorks ofrece una completa variedad de herramientas de
croquizar para la creación de geometría de perfiles. En esta lección,
se utilizará solamente una de las formas más básicas: Líneas.
Geometría de
croquis
El siguiente cuadro muestra las entidades básicas de croquis que
están disponibles de manera predeterminada en la barra de
herramientas Croquis.
Entidad de
croquis
Botón de la
barra de
herramientas
Ejemplo de geometría
Línea
Círculo
Arco centro
extremos
Arco tangente
Arco 3 puntos
Elipse
Elipse parcial
Lección 2 Manual de formación SolidWorks 2006
Introducción al croquizado
26 Croquizado básico
Croquizado
básico
La mejor forma de comenzar un croquizado es mediante el uso de la
forma más elemental, la Línea.
Cómo funciona el
croquizado
Existen dos técnicas que pueden ser utilizadas para croquizar
geometría:
Clic-clic
Ubique el cursor en el lugar donde desea iniciar la línea. Haga
clic (presione y suelte) con el botón izquierdo del ratón. Mueva
el cursor hasta el lugar donde desea que la línea finalice. Una
vista preliminar de la entidad de croquis seguirá al cursor como
una banda elástica. Haga clic en el botón izquierdo del ratón por
segunda vez.
Clic-arrastrar
Ubique el cursor en el lugar donde desea iniciar la línea.
Presione y mantenga presionado el botón izquierdo del ratón.
Arrastre el cursor hasta el lugar donde desea que la entidad de
croquis finalice. Una vista preliminar de la entidad de croquis
seguirá al cursor como una banda elástica. Suelte el botón
izquierdo del ratón.
Parábola
Spline
Polígono
Rectángulo
Paralelogramo
Punto
Línea constructiva
Entidad de
croquis
Botón de la
barra de
herramientas
Ejemplo de geometría
Manual de formación SolidWorks 2006 Lección 2
Introducción al croquizado
Croquizado básico 27
Introducción:
Insertar línea
La herramienta Línea crea segmentos de línea única en un croquis.
Se pueden crear líneas horizontales y verticales durante el
croquizado observando los símbolos de ayuda del cursor.
Dónde encontrarlo En el menú Herramientas, seleccione Entidades de croquis,
Línea.
O, con el cursor en la ventana de gráficos, haga clic con el botón
secundario del ratón y seleccione Línea en el menú contextual.
O, en la barra de herramientas Croquis, haga clic en Línea .
Introducción:
Relaciones de
croquis
Relaciones de croquis se utiliza para forzar un comportamiento
en un elemento de croquis, capturando así la intención del diseño.
Las relaciones de croquis se describen en detalle en Relaciones de
croquis en la página 33.
1 Croquizar una línea.
Haga clic en la herramienta Línea y
croquice una línea horizontal desde el origen.
En el cursor aparece el símbolo “ ”, que indica que una relación
Horizontal se está agregando automáticamente a la línea. El
número indica la longitud de la línea. Vuelva a hacer clic para
finalizar la línea.
Importante No se preocupe demasiado tratando de darle la longitud exacta a la
línea. El software de SolidWorks trabaja con cotas conductoras: las
cotas controlan el tamaño de la geometría y no a la inversa. Dibuje
el croquis aproximadamente con el tamaño y la forma correctos y
luego utilice cotas para darle precisión.
2 Línea en ángulo.
Comenzando en el extremo de la
primera línea, croquice una línea en un
ángulo.
Líneas de
inferencia
(Relaciones
automáticas)
Además de los símbolos “ ” y “ ”, también aparecerán líneas de
inferencia discontinuas para ayudarle con la alineación respecto de
la geometría existente. Estas líneas incluyen vectores, líneas
perpendiculares, horizontales, verticales, tangentes y centros
existentes.
Lección 2 Manual de formación SolidWorks 2006
Introducción al croquizado
28 Croquizado básico
Observe que algunas líneas capturan las
relaciones geométricas reales, mientras que
otras simplemente actúan como guía o
referencia mientras se croquiza. Una
diferencia en el color de las líneas de
inferencia las distinguirá. En la imagen de la
derecha, las líneas etiquetadas “A” son
verde oliva y si la línea de croquis se
engancha a ellas, capturará una relación
tangente o perpendicular. La línea
etiquetada “B” es azul. Sólo proporciona una referencia, vertical en
este caso, al otro punto final. Si la línea de croquis se termina en
este punto, no será capturada ninguna relación vertical.
Nota Se puede activar y desactivar la visualización de las relaciones de
croquis que aparecen automáticamente mediante las opciones Ver,
Relaciones de croquis. Las mismas permanecerán activas durante
la fase inicial del croquizado.
3 Líneas de inferencia.
Moverse en una dirección
perpendicular a la línea anterior
produce la visualización de las líneas
de inferencia. Se crea una relación
Perpendicular entre esta línea y la
última.
El símbolo del cursor indica que está
capturando una relación perpendicular.
Tenga en cuenta que el cursor de línea no se muestra por cuestiones
de claridad.
4 Perpendicular.
Se crea otra línea perpendicular desde el
último punto final. Una vez más, se
captura automáticamente una relación
perpendicular.
5 Referencia.
Algunas inferencias son estrictamente para
referencia y no crean relaciones. Aparecen
en azul. Esta referencia se utiliza para
alinear verticalmente el punto final con el
origen.
A
B
Manual de formación SolidWorks 2006 Lección 2
Introducción al croquizado
Croquizado básico 29
Ayuda del croquis El croquizador tiene muchas
operaciones de ayuda. El cursor
cambiará para mostrar qué tipo
de entidad está creando.
También indicará las selecciones
en la geometría existente que se encuentran disponibles, como final,
coincidente (en) o punto medio, mediante un punto rojo cuando el
cursor se posicione sobre una de las mismas.
Tres de los símbolos de ayuda más comunes son:
6 Cerrar.
Cierre el croquis con una línea final
conectada al punto inicial de la primera
línea.
Desactivar
herramientas
Desactive la herramienta activa utilizando una de estas técnicas:
Presione la tecla Esc del teclado.
Haga clic en la herramienta Línea por segunda vez.
Haga clic en la herramienta Seleccionar .
Haga clic con el botón secundario del ratón en la zona de
gráficos y elija Seleccionar en el menú contextual.
Punto final Aparecen círculos
concéntricos amarillos
en el punto final
cuando el cursor está
sobre él.
Punto medio El punto medio aparece
como un cuadrado.
Pasa a ser de color rojo
cuando el cursor está
por encima de la línea.
Coincidente
(en arista)
Los cuadrantes del
círculo aparecen con un
círculo concéntrico por
encima del punto
central.
Lección 2 Manual de formación SolidWorks 2006
Introducción al croquizado
30 Reglas que rigen los croquis
Estado de un
croquis
Los croquis pueden estar en uno de tres estados de definición en
cualquier momento. El estado de un croquis depende de las
relaciones geométricas entre la geometría y las cotas que la definen.
Los tres estados son:
Insuficientemente
definido
La definición del croquis es inadecuada, pero el croquis aún puede
ser utilizado para crear operaciones. Esto resulta útil porque muchas
veces en las primeras etapas del proceso de diseño, no hay
suficiente información disponible para definir el croquis
completamente. Cuando haya mayor información disponible, el
resto de la definición puede ser agregada posteriormente. La
geometría de croquis insuficientemente definida es de color azul
(de manera predeterminada).
Completamente
definido
El croquis cuenta con información completa. La geometría
completamente definida es de color negro (de manera
predeterminada). Como regla general, cuando una pieza se entrega
para su fabricación, los croquis contenidos en ella deben estar
completamente definidos.
Definido en exceso El croquis tiene cotas duplicadas o relaciones en conflicto y no debe
ser utilizado hasta que sea reparado. Las cotas y las relaciones
extrañas deben eliminarse. La geometría definida en exceso es de
color rojo (de manera predeterminada).
Colores adicionales Existen varios colores y estados adicionales que pueden aparecer
para la geometría del croquis. Los estados Colgante (marrón),
No solucionado (rosa) y No válido (amarillo) indican errores que
deben ser reparados.
Reglas que
rigen los
croquis
Diferentes tipos de croquis producirán diferentes resultados.
Varios tipos diferentes se resumen en la tabla a continuación. Es
importante observar que algunas de las técnicas que se muestran en
dicha tabla son técnicas avanzadas que se tratan más adelante en
este curso o en otros cursos avanzados.
Tipo de croquis Descripción Consideraciones especiales
Un croquis
“estándar” típico
que es un contorno
cerrado
correctamente.
No se requiere ninguna.
Varios contornos
anidados crean un
saliente con un
corte interno.
No se requiere ninguna.
Manual de formación SolidWorks 2006 Lección 2
Introducción al croquizado
Reglas que rigen los croquis 31
7 Estado actual del croquis.
El croquis está Insuficientemente
definido porque parte de la geometría es
de color azul. Observe que los puntos
finales de una línea pueden poseer un
color y un estado diferentes de los de la
línea propiamente dicha. Por ejemplo, la
línea vertical en el origen es negra porque
(a) es vertical y (b) está asociada al
origen. Sin embargo, el punto final más elevado es azul porque la
longitud de la línea está insuficientemente definida.
Un contorno abierto
crea una operación
lámina con espesor
constante.
No se requiere ninguna. Para obtener más
información, consulte Operaciones lámina
en la página 360.
Las esquinas no
están correctamente
cerradas. Deberían
estarlo.
Utilice la Herramienta de seleccionar
contornos. Para obtener más información,
consulte Contornos de croquis en la
página 259.
Si bien este croquis funcionará, representa
una técnica deficiente y hábitos de trabajo
descuidados. No proceda de esa manera.
El croquis contiene
un contorno que se
entrecruza.
Utilice la Herramienta de seleccionar
contornos. Para obtener más información,
consulte Contornos de croquis en la
página 259. Si se seleccionan ambos
contornos, este tipo de croquis creará un
Sólido multicuerpo. Consulte el apartado
Sólidos multicuerpo en el curso Modelado
de piezas avanzado.
Si bien esto funcionará, los sólidos
multicuerpo constituyen una técnica de
modelado avanzada que no debería utilizar
hasta que tenga más experiencia.
El croquis de la
primera operación
contiene contornos
desarticulados.
Este tipo de croquis puede crear un Sólido
multicuerpo. Consulte el apartado Sólidos
multicuerpo en el curso Modelado de piezas
avanzado.
Si bien esto funcionará, los sólidos
multicuerpo constituyen una técnica de
modelado avanzada que no debería utilizar
hasta que tenga más experiencia.
Lección 2 Manual de formación SolidWorks 2006
Introducción al croquizado
32 Intención del diseño
8 Arrastrar.
La geometría insuficientemente definida
(azul) puede ser arrastrada a nuevas
ubicaciones. La geometría completamente
definida no lo permite. Arrastre el punto
extremo más elevado para cambiar la forma
del croquis. El punto final arrastrado
aparece como un punto verde.
9 Deshacer el cambio.
Deshaga el último comando haciendo clic
en la opción Deshacer . Puede ver una lista de los últimos
comandos (y seleccionar en la misma) haciendo clic en el menú de
la flecha abajo. El acceso directo del teclado para Deshacer es
Ctrl+Z.
Sugerencia También puede Rehacer un cambio para volver al estado
anterior a deshacer. El acceso directo del teclado para rehacer es
Ctrl+Y.
Intención del
diseño
La intención del diseño, como ya se ha expuesto, gobierna la
manera en que se construye la pieza y cómo la misma cambiará. En
este ejemplo, debe permitirse que la forma del croquis cambie de
estas maneras:
¿Qué controla la
intención del
diseño?
La intención del diseño en un croquis es capturada y controlada por
la combinación de dos elementos:
Relaciones de croquis
Crean relaciones geométricas como paralela, colineal,
perpendicular o coincidente entre elementos de croquis.
Cotas
Las cotas se utilizan para definir el tamaño y la ubicación de la
geometría de croquis. Pueden agregarse cotas lineales, radiales,
de diámetro y angulares.
Para definir completamente un croquis y capturar la intención del
diseño deseada es necesario comprender y aplicar una combinación
de relaciones y cotas.
Manual de formación SolidWorks 2006 Lección 2
Introducción al croquizado
Relaciones de croquis 33
Intención del
diseño deseada
Para que el croquis pueda cambiar de manera apropiada, se
requieren las relaciones y cotas correctas. A continuación, se detalla
la intención de diseño requerida:
Relaciones de
croquis
Las Relaciones de croquis se utilizan para forzar un
comportamiento en un elemento de croquis, capturando así la
intención del diseño. Algunas son automáticas y otras pueden ser
agregadas según se necesiten. En este ejemplo, veremos las
relaciones sobre una de las líneas y examinaremos cómo afectan la
intención del diseño del croquis.
Relaciones de
croquis
automáticas
Las relaciones automáticas son agregadas a medida que la
geometría es croquizada. Ya vimos esto mientras croquizábamos el
contorno en los pasos anteriores. La información del croquis le
avisa cuando las relaciones automáticas están siendo creadas.
Relaciones de
croquis agregadas
Para aquellas relaciones que no pueden ser agregadas
automáticamente, existen herramientas para crear relaciones
basadas en la geometría seleccionada y agregar cotas.
Líneas horizontales y
verticales.
Valor del ángulo.
Valor de distancia paralela.
Esquinas con ángulo recto
o líneas perpendiculares.
Valor de la longitud total.
Lección 2 Manual de formación SolidWorks 2006
Introducción al croquizado
34 Relaciones de croquis
Introducción:
Visualizar
relaciones
Visualizar relaciones le muestra y opcionalmente le permite
eliminar relaciones geométricas entre elementos de croquis.
Dónde encontrarlo Haga doble clic en la entidad.
Aparecen símbolos que indican qué relaciones están
asociadas con esa identidad. En este ejemplo, la
línea tiene dos relaciones: horizontal y tangente.
El PropertyManager.
Seleccione la entidad y el PropertyManager
mostrará las relaciones asociadas a dicha
entidad.
Haga clic en Visualizar/eliminar
relaciones en la barra de herramientas
Cotas/Relaciones.
El PropertyManager mostrará una lista de
todas las relaciones en el croquis.
10 Visualizar las relaciones asociadas con
una línea.
Haga doble clic en la línea con el ángulo
superior extremo. Aparecen símbolos que
identifican las líneas perpendiculares a la
línea que ha seleccionado.
11 PropertyManager.
Cuando usted hace doble clic en la línea, el
PropertyManager se abre. El cuadro Relaciones
en el PropertyManager también enumera las
relaciones geométricas asociadas con la línea
seleccionada.
Manual de formación SolidWorks 2006 Lección 2
Introducción al croquizado
Relaciones de croquis 35
12 Eliminar la relación.
Elimine la relación superior haciendo clic
en la misma, ya sea en el símbolo o en el
PropertyManager, y presionando la tecla
Supr. Si se selecciona el símbolo, el mismo
se vuelve de color amarillo y muestra la
entidad o las entidades que controla.
13 Arrastrar el punto final.
Dado que la línea ya no está limitada a ser
perpendicular, cuando arrastre el croquis éste
se comportará de forma diferente. Compare
esto con el comportamiento del croquis
cuando lo arrastró en el paso 8.
Ejemplos de
relaciones de
croquis
Existen diversos tipos de Relaciones de croquis. Cuáles de ellas
son válidas dependerá de la combinación de geometría que usted
haya seleccionado. Las selecciones pueden ser la entidad misma,
los puntos finales o una combinación de ambos elementos. Según la
selección, se dispone de un conjunto limitado de opciones. El
cuadro siguiente muestra algunos ejemplos de relaciones de
croquis. No es un listado completo de todas las relaciones
geométricas. A lo largo del desarrollo de este curso se presentarán
ejemplos adicionales.
Relación Antes Después
Coincidente entre
una línea y un punto
final.
Fusionar entre dos
puntos finales.
Lección 2 Manual de formación SolidWorks 2006
Introducción al croquizado
36 Relaciones de croquis
Paralela entre dos
líneas.
Perpendicular entre
dos líneas.
Colineal entre dos
líneas.
Horizontal aplicado
a una o más líneas.
Horizontal entre dos
puntos finales.
Vertical aplicado a
una o más líneas.
Relación Antes Después
Manual de formación SolidWorks 2006 Lección 2
Introducción al croquizado
Relaciones de croquis 37
Introducción:
Agregar relaciones
Agregar Relaciones se utiliza para crear una relación geométrica
como paralela o colineal entre dos elementos del croquis.
Dónde encontrarlo Seleccione la entidad o las entidades del
croquis y elija la relación apropiada en la
sección Agregar Relaciones del
PropertyManager.
O haga clic con el botón secundario del ratón
en la entidad o las entidades y seleccione Agregar relación en
el menú contextual.
O bien haga clic en Herramientas, Relaciones, Agregar...
O, en la barra de herramientas Croquis, haga clic en Agregar
relaciones .
Vertical entre dos
puntos finales.
Igual entre dos
líneas.
Igual entre dos arcos
o círculos
Punto medio entre
una línea y un punto
final.
Relación Antes Después
Lección 2 Manual de formación SolidWorks 2006
Introducción al croquizado
38 Cotas
Cómo seleccionar
objetos múltiples
Utilice el botón izquierdo del ratón para seleccionar objetos,
del modo que aprendió en la Lección 1. ¿Cómo se hace para
seleccionar más de un objeto a la vez? Cuando se seleccionan
objetos múltiples, SolidWorks respeta las convenciones
estándar de Microsoft® Windows: Ctrl-seleccionar.
Mantenga presionada la tecla Ctrl mientras selecciona los
objetos.
14 Agregar una relación.
Presione Ctrl y seleccione
las dos líneas. El
PropertyManager muestra
sólo aquellas relaciones
válidas para la geometría
seleccionada.
Haga clic en Perpendicular y en Aceptar .
15 Arrastrar el croquis.
Arrastre el croquis hasta que vuelva
aproximadamente a su forma original.
Cotas Las cotas son otro modo de definir geometrías y capturar la
intención del diseño en el sistema de SolidWorks. La ventaja de
utilizar una cota reside en que la misma se utiliza tanto para
visualizar el valor actual como para cambiarlo.
Manual de formación SolidWorks 2006 Lección 2
Introducción al croquizado
Cotas 39
Introducción:
Cotas inteligentes
La herramienta Cota inteligente determina el tipo apropiado de
cota basado en la geometría escogida, obteniendo una vista
preliminar de la cota antes de crearla. Por ejemplo, si usted escoge
un arco, el sistema creará una cota radial. Si escoge un círculo,
obtendrá una cota de diámetro, mientras que si selecciona dos líneas
paralelas creará una cota lineal entre ellas. En los casos en que la
herramienta Cota inteligente no sea lo suficientemente inteligente,
usted tendrá la opción de seleccionar puntos finales y mover la cota
a diferentes posiciones de medición.
Dónde encontrarlo En el menú Herramientas, seleccione Cotas, Inteligente.
O haga clic con el botón secundario del ratón y seleccione Cota
inteligente en el menú contextual.
O, en la barra de herramientas Cotas/Relaciones, seleccione la
herramienta Cota inteligente .
Acotar: Selección
y vista previa
Cuando usted elige la geometría de croquis mediante la herramienta
de cota, el sistema crea una vista preliminar de la cota. Esta vista
preliminar le permite ver todas las opciones posibles moviendo
simplemente el ratón después de realizar las selecciones. Al hacer
clic con el botón izquierdo del ratón, la cota se ubica en su posición
y orientación actuales. Al hacer clic con el botón secundario del
ratón, se bloquea sólo la orientación, permitiéndole mover el texto
antes de colocarlo finalmente haciendo clic con el botón izquierdo
del ratón.
Con la herramienta de cota y dos puntos finales seleccionados, a
continuación se muestran tres orientaciones posibles para una cota
lineal. El valor se deriva de la distancia de punto a punto inicial y
podría cambiar en función de la orientación seleccionada.
Puntos
finales
Lección 2 Manual de formación SolidWorks 2006
Introducción al croquizado
40 Cotas
16 Cómo agregar una cota lineal.
Escoja la herramienta de cota
desde alguna fuente y haga clic
en la línea mostrada. Haga clic
una segunda vez para posicionar
el texto de la cota arriba y hacia
la derecha de la línea. La cota
aparece con una herramienta
Modificar mostrando la longitud
actual de la línea. El cuadro de
incremento y disminución se
utiliza para aumentar/disminuir por incrementos el valor. O, con el
texto resaltado, puede escribir un nuevo valor para cambiarlo
directamente.
La herramienta
Modificar
La herramienta Modificar, que aparece cuando se
crea o edita una cota (parámetro), tiene varias
opciones. Las opciones disponibles son:
Aumentar o disminuir el valor en una cantidad preestablecida.
Guardar el valor actual y salir del cuadro de diálogo.
Restaurar el valor original y salir del cuadro de diálogo.
Reconstruir el modelo con el valor actual.
Cambiar el valor de paso incremental.
Marcar la cota para importar el dibujo.
17 Establecer el valor.
Cambie el valor a 0.75 y haga clic en la
opción Guardar . La cota hace que la
longitud de la línea alcance 0.75
pulgadas.
Sugerencia Presionar Intro tiene el mismo efecto que
hacer clic en el botón Guardar .
18 Cotas lineales.
Agregue cotas lineales adicionales al
croquis, según se indica.
Sugerencia de
acotación Cuando acote un croquis,
comience primero con la cota más
pequeña y continúe con las demás
hasta llegar a la más grande.
Manual de formación SolidWorks 2006 Lección 2
Introducción al croquizado
Redondeos de croquis 41
Cotas angulares Pueden crearse cotas angulares utilizando la misma herramienta de
cota que se utiliza para crear cotas lineales, de diámetro y radiales.
Seleccione dos líneas no colineales y no paralelas, o seleccione tres
puntos finales no colineales.
Según el lugar donde coloque la cota angular, usted puede obtener
el ángulo interior o el exterior, el ángulo agudo o el oblicuo.
Posibles opciones de ubicación:
19 Cota angular.
Utilizando la herramienta de cota,
cree la cota angular indicada y
establezca el valor en 125°.
El croquis está completamente
definido.
Redondeos de
croquis
Los redondeos de croquis se utilizan para redondear esquinas
vivas de un croquis. Un redondeo de croquis puede ser aplicado a
un croquis que ya esté completamente definido.
Importante No todos los redondeos deben agregarse necesariamente en el nivel
de croquis. Existe un comando de redondeo que trabaja
directamente en modelos sólidos cuyo uso puede ser más apropiado.
Aprenderá acerca del mismo en lecciones posteriores.
Lección 2 Manual de formación SolidWorks 2006
Introducción al croquizado
42 Extruir
Introducción:
Redondeo de
croquis
Redondeo de croquis se utiliza para crear un redondeo o una
curva en un croquis. El redondeo se crea como un arco ubicado
tangencialmente con respecto a entidades adyacentes.
Dónde encontrarlo En el menú Herramientas, seleccione Herramientas de
croquizar, Redondeo.
O, en la barra de herramientas Croquis, haga clic en Redondeo
de croquis .
Nota La opción Redondeos de croquis no permite valores de radio 0.
20 Redondeos de croquis.
Haga clic en Redondeo de
croquis y establezca el
Radio en 0.1875”. Seleccione
todos los puntos finales del
croquis.
Haga clic en Aceptar.
Nota Por cuestiones de claridad, las relaciones están ocultas en este
ejemplo y en el resto de la lección.
¿Por qué hay sólo
una cota?
Aparece una cota solamente
en el primer redondeo que se
crea. Todos los redondeos
creados en una operación son
controlados por este valor de
cota. ¿Cómo se lleva esto a
cabo? Para obtener la
respuesta hay que visualizar
las relaciones en el primer
redondeo: el sistema agrega
automáticamente una relación
Igual a los otros redondeos de la serie.
Extruir Una vez que el croquis se haya completado, puede ser extruido para
crear la primera operación. Existen diversas opciones para extruir
un croquis incluyendo las condiciones finales, el ángulo de salida y
la profundidad de la extrusión, que se expondrán más
detalladamente en lecciones posteriores. Las extrusiones se realizan
en una dirección normal al plano del croquis, en este caso el plano
Alzado.
Manual de formación SolidWorks 2006 Lección 2
Introducción al croquizado
Extruir 43
Dónde encontrarlo En el menú: Insertar, Saliente/Base, Extruir...
O, en la barra de herramientas Operaciones, elija: .
21 Menú Extruir.
Haga clic en Insertar, Saliente/Base, Extruir o en la
herramienta de la barra de herramientas Operaciones para
acceder al comando.
En el menú Insertar, las opciones para otros métodos de creación
de operaciones base se enumeran junto con Extruir y Revolución.
Las mismas no se encuentran disponibles ya que este croquis no
cumple con las condiciones necesarias para crear estos tipos de
operaciones. Por ejemplo, una operación Barrer requiere croquis de
ruta y de perfil. Al haber sólo un croquis en este momento, la
opción Barrer no está disponible.
22 Vista preliminar de
gráficos.
La orientación de la vista
cambia automáticamente
a Trimétrica y se
muestra una vista
preliminar de la
operación con la
profundidad
predeterminada.
Las asas que aparecen
pueden ser utilizadas
para arrastrar la vista
preliminar a la
profundidad deseada. Las asas son rojas para las direcciones activas
y grises para las inactivas. Una anotación muestra el valor actual de
profundidad.
Sugerencia Las configuraciones de color en SolidWorks se pueden modificar
mediante Herramientas, Opciones.
23 Configuración de la operación de extrusión.
Cambie la configuración como se indica.
Condición final = Hasta profundidad
especificada
(Profundidad) = 0.25”
Haga clic en Aceptar para crear la operación.
Sugerencia El botón Aceptar es sólo un modo de aceptar
y completar el proceso.
Lección 2 Manual de formación SolidWorks 2006
Introducción al croquizado
44 Extruir
Un segundo método es el conjunto de botones Aceptar/
Cancelar en la esquina de confirmación de la zona de
gráficos.
Un tercer método consiste en hacer clic con el
botón secundario del ratón y seleccionar
Aceptar en el menú contextual.
24 Operación completa.
La operación completa es el
primer sólido u operación de la
pieza. El croquis está embebido en
la operación Extrude1
(Extruir1).
25 Guardar y cerrar.
Haga clic en Guardar para
guardar el trabajo y en Cerrar
para cerrar la pieza.
Manual de formación SolidWorks 2006
Ejercicio 1 45
Ejercicio 1:
Croquizado de
líneasverticales
y horizontales
Cree esta pieza utilizando la información y
las cotas proporcionadas. Croquice y extruya
perfiles para crear la pieza.
Este laboratorio refuerza las siguientes
funciones:
Croquizado.
Cotas.
Extrusión de una operación.
1 Nueva pieza.
Abra una nueva pieza utilizando la plantilla Part_IN.
2 Croquis.
Cree este croquis en el
Alzado utilizando
líneas, cotas y relaciones
automáticas.
Defina el croquis
completamente.
3 Extruir.
Extruya el croquis con
una profundidad de 1”.
4 Guardar y cerrar la
pieza.
Manual de formación SolidWorks 2006
46 Ejercicio 2
Ejercicio 2:
Cómo croquizar
líneas con
inferencias
Cree esta pieza utilizando la información
y las cotas proporcionadas. Croquice y
extruya perfiles para crear la pieza.
Este laboratorio refuerza las siguientes
funciones:
Croquizado.
Cotas.
Extrusión de una operación.
1 Nueva pieza.
Abra una nueva pieza utilizando la plantilla Part_IN.
2 Relaciones automáticas.
Cree este croquis en el Alzado utilizando líneas y relaciones
automáticas. Muestre las relaciones Perpendicular y Vertical.
3 Cotas.
Agregue cotas para definir
completamente el croquis.
4 Extruir.
Extruya el croquis 0.5”.
5 Guardar y cerrar la pieza.
Manual de formación SolidWorks 2006
Ejercicio 3 47
Ejercicio 3:
Cómo croquizar
líneas
Cree esta pieza utilizando la información y
las cotas proporcionadas. Croquice y
extruya perfiles para crear la pieza.
Este laboratorio refuerza las siguientes
funciones:
Croquizado.
Cotas.
Extrusión de una operación.
1 Nueva pieza.
Abra una pieza nueva utilizando la plantilla Part_MM.
2 Croquizar y extruir.
Cree este croquis en el Alzado
utilizando líneas, cotas y relaciones
automáticas. Extruya el croquis con
una profundidad de 20 mm.
3 Guardar y cerrar la pieza.
Manual de formación SolidWorks 2006
48 Ejercicio 3
Manual de formación SolidWorks 2006
49
Lección 3
Modelado básico de piezas
Al finalizar esta lección, podrá:
Elegir el mejor perfil para croquizar.
Seleccionar el plano de croquis apropiado.
Crear una pieza nueva.
Crear un croquis.
Extruir un croquis como un saliente.
Extruir un croquis como un corte.
Crear taladros con el Asistente para taladro.
Insertar redondeos en un sólido.
Realizar un dibujo básico de una pieza.
Realizar un cambio en una cota.
Demostrar la asociatividad entre el modelo y sus dibujos.
Lección 3 Manual de formación SolidWorks 2006
Modelado básico de piezas
50
Manual de formación SolidWorks 2006 Lección 3
Modelado básico de piezas
Modelado básico 51
Modelado
básico
En esta lección se describen las
consideraciones que hay que tener
en cuenta antes de crear una pieza y
se muestra el proceso de creación
de una pieza sencilla.
Etapas del
proceso
Los pasos en la planificación y ejecución de la creación de esta
pieza se enumeran a continuación.
Terminología
¿Cuáles son los términos comúnmente utilizados al hablar de
modelado y utilizar el software de SolidWorks?
Elección del perfil
¿Cuál de los perfiles es el mejor para elegir al comenzar el proceso
de modelado?
Elección del plano del croquis
Una vez que ha elegido el mejor perfil, ¿cómo afecta esto su
elección de plano del croquis?
Intención del diseño
¿Qué es la intención del diseño y cómo afecta el proceso de
modelado?
Nueva pieza
El primer paso consiste en abrir la nueva pieza.
Primera operación
¿Cuál es la primera operación?
Operaciones Saliente y Taladro
¿Cómo puede usted modificar la primera operación mediante el
agregado de salientes y taladros?
Redondeos
Redondeo de las esquinas vivas – redondeo.
Cambios de cota
Si se realiza un cambio en una cota, se cambia la geometría del
modelo. ¿Cómo sucede esto?
Lección 3 Manual de formación SolidWorks 2006
Modelado básico de piezas
52 Terminología
Terminología La transición a 3D requiere algunos términos nuevos. El software
de SolidWorks emplea muchos términos con los cuales usted se
familiarizará a medida que utilice el producto. Muchos de ellos son
términos que usted reconocerá como provenientes del diseño y de la
fabricación, como cortes y salientes.
Operación Todos los cortes, salientes, planos y croquis que usted crea son
considerados Operaciones. Las operaciones de croquizado son
aquéllas basadas en croquis (saliente y corte); las operaciones
aplicadas están basadas en aristas o caras (redondeo).
Plano Los planos son superficies planas e infinitas. En la pantalla están
representados por aristas visibles. Se utilizan como la superficie
primaria de croquis para crear operaciones Saliente y Corte.
Extrusión A pesar de existir muchos
modos de crear operaciones
y dar forma al sólido, en
esta lección solamente se
analizarán las extrusiones.
Una extrusión extenderá
por una cierta distancia un
perfil a lo largo de un trayecto normal al plano del perfil. El
movimiento a lo largo de dicho trayecto se convierte en el modelo
sólido.
Croquis En el sistema de SolidWorks, el nombre utilizado
para describir un perfil 2D es croquis. Los croquis
son creados sobre caras planas y planos dentro del
modelo. Son generalmente utilizados como base
para salientes y cortes, aunque pueden existir de
manera independiente.
Saliente Los salientes se utilizan también para agregar material al modelo.
La operación crítica inicial siempre es un saliente. Después de la
primera operación, puede agregar tantos salientes como necesite
para completar el diseño. Del mismo modo que con la base, todos
los salientes comienzan con un croquis.
Corte Un Corte se utiliza para eliminar material del modelo. Es lo opuesto
al saliente. Del mismo modo que el saliente, los cortes comienzan
como croquis 2D y eliminan material por extrusión, revolución u
otros métodos acerca de los cuales aprenderá posteriormente.
Redondeos y
redondos
Los Redondeos y redondos generalmente se agregan al sólido, no al
croquis. Debido a la naturaleza de las caras adyacentes a la arista
seleccionada, el sistema sabe si debe crear una operación Redondo
(eliminando material) o Redondeo (agregando material).
Intención del
diseño
La Intención del diseño es el modo en que debe crearse y
cambiarse el modelo. Tanto las relaciones entre las operaciones
como la secuencia de su creación contribuyen a la intención del
diseño.
Manual de formación SolidWorks 2006 Lección 3
Modelado básico de piezas
Cómo elegir el mejor perfil 53
Cómo elegir el
mejor perfil
Elija el “mejor” perfil. Cuando se extruye, este perfil genera más el
modelo que ningún otro. Observe estos modelos de ejemplo.
Pieza Mejor perfil extruido
Lección 3 Manual de formación SolidWorks 2006
Modelado básico de piezas
54 Cómo elegir el plano de croquis
Cómo elegir el
plano de
croquis
Después de determinar el mejor perfil, el siguiente paso consiste en
decidir qué vista se va a utilizar y seleccionar el plano con el mismo
nombre para croquizarlo. El software de SolidWorks proporciona
tres planos de referencia, los cuales se describen a continuación.
Planos de
referencia
Hay tres planos de referencia predeterminados, denominados
Alzado, Planta y Vista lateral. Cada plano es infinito,
pero posee bordes de pantalla para poder verlos y seleccionarlos.
Además, cada plano pasa por el origen y todos son perpendiculares
entre sí.
Los planos pueden ser renombrados. En este curso, los nombres
Alzado, Planta y Vista lateral reemplazan a los
respectivos nombres predeterminados. Esta convención de nombres
se utiliza en otros sistemas de CAD y a muchos usuarios les resulta
conveniente.
Aunque los
planos son
infinitos, puede
resultar más fácil
pensar en ellos
como si formaran
una caja abierta,
conectándose en
el origen.
Utilizando esta
analogía, las
caras interiores de
la caja son los planos potenciales de croquis.
Ubicación del
modelo
La pieza se colocará en la caja tres veces. Cada vez el mejor perfil
hará contacto o será paralelo a uno de los tres planos. Aunque
existen muchas combinaciones, las opciones en este ejercicio están
limitadas a tres.
Existen diversos aspectos a considerar cuando se elige el plano de
croquis. Dos de ellos son la apariencia y la orientación de la pieza
en un ensamblaje. La apariencia dictamina el modo en que la pieza
se orientará en las vistas estándar, como la vista Isométrica.
Esto también determina como pasará la mayor parte de su tiempo
observando el modelo a medida que lo crea.
La orientación de la pieza en un ensamblaje determina la posición
que adquirirá la misma respecto a otras piezas relacionadas.
Orientar el modelo
para el dibujo
Otro aspecto que se debe tener en cuenta al decidir cual será el
plano de croquis que se va a utilizar es el modo en que usted desea
que el modelo aparezca en el dibujo cuando lo documente. Debe
construir el modelo de manera tal que la vista Frontal sea igual a la
vista Frontal del dibujo final. Esto le ahorrará tiempo durante el
proceso de documentación dado que puede utilizar vistas
predefinidas.
Manual de formación SolidWorks 2006 Lección 3
Modelado básico de piezas
Cómo elegir el plano de croquis 55
En el primer ejemplo, el mejor
perfil está en contacto con el plano
Planta.
En el segundo ejemplo, está
haciendo contacto con el plano
Alzado.
El último ejemplo muestra el
mejor perfil en contacto con el
plano Vista lateral.
Plano Elegido La orientación del plano Planta
parece ser la mejor. Esto indica
que el mejor perfil debe
croquizarse en el plano Planta
del modelo.
Cómo se muestra en
el dibujo
Pensando
cuidadosamente qué
plano se utiliza para
croquizar el perfil, las
vistas apropiadas se
generan fácilmente en el
dibujo de detalle.
Lección 3 Manual de formación SolidWorks 2006
Modelado básico de piezas
56 Detalles de la pieza
Detalles de la
pieza
La pieza que crearemos se muestra a la derecha. Hay dos
operaciones Saliente principales, algunos cortes y redondeos.
Vistas estándar La pieza se muestra aquí en cuatro vistas estándar.
Salientes
principales
Los dos salientes principales tienen
perfiles distintos en diferentes
planos. Están conectados según se
muestra en la vista explosionada a la
derecha.
Manual de formación SolidWorks 2006 Lección 3
Modelado básico de piezas
Detalles de la pieza 57
Mejor perfil La primera operación del
modelo se crea a partir del
croquis rectangular que
aparece superpuesto sobre
el modelo. Éste es el mejor
perfil para comenzar el
modelo.
El rectángulo será entonces
extruido como un saliente
para crear la operación
sólida.
Plano de croquis Al ubicar el modelo
“en la caja” se
determina qué plano
debe utilizarse para
croquizar. En este
caso, será el plano de
referencia Planta.
Intención del
diseño
La intención del diseño de esta pieza describe cómo las relaciones
de la pieza deben o no ser creadas. A medida que se hacen cambios
en el modelo, éste se irá comportando según lo deseado.
Todos los taladros son taladros pasantes.
Los taladros de la base son simétricos.
La ranura está alineada con la pestaña.
Procedimiento El proceso de modelado incluye el croquizado y la creación de
salientes, cortes y redondeos. Para comenzar, se crea un nuevo
archivo de pieza.
Plano de
croquis
Lección 3 Manual de formación SolidWorks 2006
Modelado básico de piezas
58 Detalles de la pieza
1 Nueva pieza.
Haga clic en Nuevo o en Archivo, Nuevo. Cree una nueva pieza
utilizando la plantilla Part_IN y proceda a Guardar dicha pieza
como Basic (Básica).
2 Seleccionar el plano de
croquis.
Inserte un nuevo croquis y elija el
plano Planta.
Sugerencia Para utilizar un plano, no es necesario que éste se muestre sino que
se puede seleccionar en el FeatureManager.
Cómo croquizar la
primera operación
Cree la primera operación mediante la extrusión de un croquis en un
saliente. Comience con la geometría del croquis, un rectángulo.
Introducción:
Insertar rectángulo
Insertar rectángulo se utiliza para crear un rectángulo en un
croquis. El rectángulo está compuesto por cuatro líneas
(dos horizontales y dos verticales) conectadas en los vértices.
Se croquiza indicando las ubicaciones de dos esquinas en diagonal.
Dónde encontrarlo En la barra de herramientas Croquis, haga clic en
Rectángulo .
O, en el menú Herramientas, seleccione Entidades de
croquis, Rectángulo.
3 Croquizar un
rectángulo.
Haga clic en la
herramienta
Rectángulo y
comience el
rectángulo en el origen.
Asegúrese de que el rectángulo esté bloqueado en el origen
observando el cursor del vértice a medida que comienza a
croquizar. No se preocupe por el tamaño del rectángulo. De
ello se encargará la acotación en el siguiente paso.
4 Croquis completamente
definido.
Agregue cotas al croquis. El
croquis está completamente
definido.
Manual de formación SolidWorks 2006 Lección 3
Modelado básico de piezas
Detalles de la pieza 59
Opciones de
extrusión
Abajo se explican algunas de las opciones de Extrusión utilizadas
más frecuentemente. Otras opciones serán analizadas en lecciones
posteriores.
Tipo de condición final
Un croquis puede ser extruido en una o en dos direcciones. Una
o ambas direcciones pueden terminar en alguna profundidad
especificada, hasta alguna geometría del modelo o extenderse por
todo el modelo.
Profundidad
La distancia para una extrusión de profundidad especificada o de
plano medio. Por plano medio se entiende la profundidad total de la
extrusión. Eso significaría que una profundidad de 50 mm para una
extrusión de plano medio resultaría en 25 mm de cada lado del
plano del croquis.
Ángulo de salida
Aplica un ángulo de salida a la extrusión. El ángulo de salida de la
extrusión puede ser hacia dentro (el perfil se hace más pequeño al
extruirse) o hacia fuera.
5 Extruir.
Extruya el rectángulo
0.5” hacia arriba.
La operación terminada se
muestra a la derecha.
Cómo cambiar el
nombre de las
operaciones
Es posible cambiar el nombre de cualquiera de las operaciones que
aparecen en el gestor de diseño del FeatureManager (al lado de la
pieza en sí). Cambiar el nombre de las operaciones es una técnica
útil para buscar y editar operaciones en etapas posteriores del
modelo. Correctamente elegidos, los nombres lógicos le ayudan a
organizar su trabajo y facilitan la tarea cuando otra persona debe
editar o modificar su modelo.
6 Cambiar el nombre de la operación.
Es una buena práctica cambiar el nombre de las operaciones que
usted crea, asignándoles nombres con cierto significado. En el
gestor de diseño del FeatureManager, haga un doble clic muy lento
para editar la operación Extruir1. Cuando el nombre está
resaltado y puede editarse, escriba Chapa base (Baseplate) como
el nuevo nombre de la operación. Todas las operaciones del sistema
de SolidWorks pueden ser editadas del mismo modo.
Lección 3 Manual de formación SolidWorks 2006
Modelado básico de piezas
60 Operación Saliente
Sugerencia En lugar de hacer un doble clic lento, puede seleccionar el nombre y
presionar F2.
Operación
Saliente
La siguiente operación será el
saliente con una parte superior
curvada. El plano del croquis para
esta operación no es un plano de
referencia existente, sino una cara
plana del modelo. La geometría del
croquis requerida se muestra
superpuesta sobre el modelo
terminado.
Sugerencia Las operaciones Cortar se crean del mismo modo que los salientes;
con un croquis y una extrusión. Eliminan el material, en lugar de
agregarlo.
Cómo croquizar
en una cara
plana
Cada cara plana del modelo puede utilizarse como plano de croquis.
Simplemente seleccione la cara y elija la herramienta Croquis.
Cuando es difícil seleccionar las caras porque están en la parte
posterior del modelo o están oscurecidas por otras caras, la
herramienta Seleccionar otra puede utilizarse para elegir una cara
sin reorientar la vista. En este caso, se utiliza la cara plana en la
parte frontal de la pieza BasePlate.
7 Insertar nuevo croquis.
Cree un nuevo croquis
utilizando Insertar, Croquis
o haciendo clic en la
herramienta Croquis .
Seleccione la cara indicada.
Croquizado SolidWorks ofrece una completa variedad de herramientas de
croquizar para la creación de geometría de perfiles. En este
ejemplo, Arco tangente se utiliza para crear un arco que comience
tangente a un punto final seleccionado en el croquis. Su otro punto
final puede ser ubicado en el espacio o en otra entidad de croquis.
Introducción:
Insertar arco
tangente
Insertar arco tangente se utiliza para crear arcos tangentes en un
croquis. En su inicio, el arco debe ser tangente a alguna otra
entidad, línea o arco.
Dónde encontrarlo En el menú Herramientas, seleccione Entidades de croquis,
Arco tangente
O, con el cursor en la ventana de gráficos, haga clic con el
botón secundario del ratón y seleccione Arco tangente.
O, en la barra de herramientas Croquis, haga clic en Arco
tangente .
Plano de croquis
Manual de formación SolidWorks 2006 Lección 3
Modelado básico de piezas
Cómo croquizar en una cara plana 61
Zonas de destino
del arco tangente
Cuando se croquiza un arco
tangente, el software de
SolidWorks deduce a partir del
movimiento del cursor si se desea
un arco tangente o uno normal.
Existen cuatro zonas de destino,
con ocho resultados posibles
según se muestra.
Usted puede comenzar croquizando un arco tangente desde el punto
final de cualquier entidad de croquis existente (línea, arco, spline y
así sucesivamente). Aleje el cursor del punto final.
Al mover el cursor en una dirección tangencial, se crea una de
las cuatro posibilidades de arco tangente.
Al mover el cursor en una dirección normal, se crea una de las
cuatro posibilidades de arco normal.
Una vista preliminar muestra qué tipo de arco usted está
croquizando.
Puede cambiar de uno a otro haciendo que el cursor vuelva al
punto final y alejándolo en una dirección diferente.
Cómo realizar una
transición
automática entre
líneas y arcos
Cuando utiliza la herramienta Línea , puede pasar de croquizar
una línea a croquizar un arco tangente y luego volver a croquizar
una línea, sin seleccionar la herramienta Arco tangente. Puede
hacerlo moviendo el cursor como se ha descrito antes o presionando
la tecla A del teclado.
8 Línea vertical.
Haga clic en la herramienta de
línea y comience la línea
vertical en la arista inferior
capturando una relación
Coincidente en la arista
inferior y una relación
Vertical .
9 Transición automática.
Presione la letra A del teclado.
Ahora usted está en el modo de arco tangente.
10 Arco tangente.
Croquice un arco de 180° tan-
gente a la línea vertical. Bus-
que la línea de inferencia que
indica que el punto final del
arco está alineado horizontal-
mente con el centro del arco.
Cuando termine de croquizar
el arco tangente, la
herramienta de croquis vuelve a cambiar automáticamente a la
herramienta Línea.
Lección 3 Manual de formación SolidWorks 2006
Modelado básico de piezas
62 Cómo croquizar en una cara plana
11 Líneas de acabado.
Cree una línea vertical desde
el extremo del arco hasta la
base y una línea más que
conecte los extremos
inferiores de las dos líneas
verticales.
Observe que la línea
horizontal es negra, pero sus
puntos finales no lo son.
12 Agregar cotas.
Agregue cotas lineales
y radiales al croquis.
A medida que agrega
las cotas, mueva el
cursor para ver las
diferentes
orientaciones posibles.
Siempre acote un arco
seleccionando
preferentemente su circunferencia, más que su centro. Esto hace
que otras opciones de cotas (mín. y máx.) estén disponibles.
13 Dirección de la
extrusión.
Haga clic en Insertar,
Saliente, Extruir y
establezca la
Profundidad en 0.5
pulgadas. Observe que
la vista preliminar
muestra la extrusión
dirigiéndose a la base,
en la dirección
apropiada.
Si la dirección de la vista preliminar se aleja de la base, haga clic en
el botón Invertir dirección .
14 Saliente completo.
El saliente se fusiona con la
base anterior para formar
un único sólido.
Cambie el nombre de la
operación a VertBoss
(SalVer).
Manual de formación SolidWorks 2006 Lección 3
Modelado básico de piezas
Cómo utilizar el Asistente para taladro 63
Áreas de
visualización
Las áreas de visualización se pueden utilizar para ver y editar un
modelo en varias orientaciones de vista al mismo tiempo. Los
iconos del área de visualización incluyen: Vista única , Dos
vistas (horizontal y vertical), Cuatro vistas y Vincular
vistas . Vincular vistas une las vistas para aplicarles el zoom y
desplazarlas.
Todas las áreas de visualización contienen un menú emergente de la
vista en la esquina inferior izquierda. Este menú muestra la
orientación de vista actual (Personalizada para todo lo que no
sea una vista estándar) y contiene un menú para cambiar la
orientación de vista.
Nota La orientación predeterminada de las cuatro áreas de visualización,
primer ángulo o tercer ángulo, se establece mediante
Herramientas, Opciones, Opciones de sistema, Visualizar/
Selección, Tipo de proyección para área de visualización de
cuatro vistas.
Dónde encontrarlo En la barra de herramientas Vistas estándar, haga clic en el
icono correspondiente.
O bien, haga clic en el menú emergente de la vista y seleccione
un icono.
15 Cuatro áreas de visualización.
Haga clic en Cuatro vistas para dividir la ventana de gráficos
en cuatro áreas de visualización del mismo tamaño. El menú
emergente de la vista es azul en el área de visualización activa.
Cómo utilizar el
Asistente para
taladro
El Asistente para taladro se utiliza para crear taladros
especializados en un sólido. Puede crear taladros simples, cónicos,
refrentados y avellanados utilizando un procedimiento paso a paso.
En este ejemplo, se utilizará el Asistente para taladro para crear
un taladro estándar.
Lección 3 Manual de formación SolidWorks 2006
Modelado básico de piezas
64 Cómo utilizar el Asistente para taladro
Cómo crear un
taladro estándar
Puede elegir la cara en la que va a insertar el taladro y luego definir
las cotas del taladro y ubicarlo utilizando el Asistente para
taladro. Uno de los aspectos más intuitivos del Asistente para
taladro es que le permite especificar el tamaño del taladro mediante
el cierre que va dentro del mismo.
Sugerencia También puede colocar taladros en planos de referencia y caras no
planas. Por ejemplo, puede crear un taladro en una cara cilíndrica.
Introducción:
El Asistente para
taladro
El Asistente para taladro crea taladros con distintas formas, como
taladros avellanados y refrentados. El proceso crea dos croquis.
Uno define la forma del taladro. El otro, un punto, localiza el
centro.
Nota El Asistente para taladro requiere que se seleccione o preseleccione
una cara, no un croquis.
Dónde encontrarlo En el menú Insertar, escoja Operaciones, Asistente para
taladro...
O elija la herramienta Asistente para taladro en la barra de
herramientas Operaciones.
16 Seleccionar una cara.
Seleccione la parte superior, la
cara plana de la operación base y
haga clic en .
17 Tipo.
Aparece el cuadro de diálogo Especificación de
taladro. Configure las propiedades del taladro de
la siguiente manera:
Tipo: Taladro
Estándar: Pulgada Ansi
Tipo de tornillo: Todos los tamaños de
perforadores
Tamaño: 9/32
Condición final: Por todo
Haga clic en la pestaña Posiciones.
Seleccione esta cara
Manual de formación SolidWorks 2006 Lección 3
Modelado básico de piezas
Cómo utilizar el Asistente para taladro 65
18 Posiciones.
Se colocará una vista previa del taladro y un
punto en la cara seleccionada cerca de donde la
seleccionó.
Sugerencia Pueden crearse instancias múltiples del taladro
en un comando insertando puntos adicionales
en otras ubicaciones.
19 Cotas.
Agregue cotas entre
las aristas del modelo
y el punto tal como se
indica.
20 Punto adicional.
Haga clic para agregar
otro punto a la cara.
Agregue la cota que se
indica.
21 Relación horizontal.
Presione Esc para desactivar la herramienta de cota. Seleccione
ambos puntos y agregue una relación Horizontal entre ellos.
22 Área de
visualización
única.
Haga clic en Vista
única para
volver a la vista
original y haga clic
en Aceptar.
23 Cambiar la orientación de vista.
Haga clic en la orientación de
vista y elija Isométrica para
cambiar la orientación de vista.
Lección 3 Manual de formación SolidWorks 2006
Modelado básico de piezas
66 Cómo utilizar el Asistente para taladro
Taladro de
refrentado
En este modelo es necesario un taladro de refrentado. Si se utiliza la
cara frontal del modelo y una relación, se podrá colocar el taladro.
24 Posición del taladro.
Nuevamente, se utilizará una cara
existente del modelo para ubicar la
geometría. Seleccione la cara
indicada y luego seleccione
Insertar, Operaciones, Taladro,
Asistente...
25 Hacer clic en Refrentado.
Configure las propiedades del taladro de la
siguiente manera:
Estándar: Pulgada Ansi
Tipo de tornillo: Tornillo hexagonal
Tamaño: 1/4
Condición final: Por todo
Haga clic en la pestaña Posiciones.
26 Activar el punto central.
Desactive la herramienta Punto.
Arrastre el punto sobre la
circunferencia del arco grande.
No lo suelte.
Cuando aparezca el símbolo
Coincidente , el punto central
del arco grande se habrá “activado”
y convertido en un punto al cual puede enganchar elementos.
Suelte el punto encima del punto central del arco. Busque el
comentario que le indica que se está enganchando al centro del arco,
una relación coincidente. Haga clic en Aceptar.
Seleccione esta cara
Manual de formación SolidWorks 2006 Lección 3
Modelado básico de piezas
Operación Cortar 67
Operación
Cortar
Una de las dos operaciones Saliente principales se ha finalizado; es
el momento de crear un corte para representar la supresión de
material. Las operaciones Cortar se crean del mismo modo que los
salientes; en este caso, con un croquis y una extrusión.
Introducción:
Cortar Extruir
El menú para crear una operación Cortar mediante extrusión es
idéntico al utilizado para crear un saliente. La única diferencia es
que un corte elimina material mientras que un saliente lo agrega.
Fuera de esta distinción, los comandos son los mismos. Este corte
representa una ranura.
Dónde encontrarlo En el menú Insertar, seleccione Cortar, Extruir...
O, en la barra de herramientas Operaciones, elija Extruir
corte .
27 Rectángulo.
Presione la barra espaciadora
y haga doble clic en *Front
(Frontal). Comience un
croquis en esta cara grande y
agregue un rectángulo
Coincidente con la arista
inferior del modelo.
Cómo seleccionar
objetos múltiples
Como ha aprendido en la lección 2, al seleccionar múltiples objetos,
mantenga la tecla Ctrl presionada y, a continuación, seleccione los
objetos.
28 Relaciones.
Seleccione la línea de croquis
vertical y la arista del modelo
vertical. Agregue una relación
Colineal entre ellos. Repita el
proceso en el lado opuesto.
29 Cota.
Agregue una cota para definir
completamente el croquis.
Cambie la orientación de vista
a Isometric (Isométrica).
Lección 3 Manual de formación SolidWorks 2006
Modelado básico de piezas
68 Opciones de visualización
30 Corte Por todo.
Haga clic en Insertar, Cortar,
Extruir o elija la herramienta
Extruir corte en la barra
de herramientas Operaciones.
Elija Por Todo y haga clic en
Aceptar. Este tipo de
condición final siempre realiza
un corte a través del modelo
entero, sin importar hasta
dónde. No fue necesario
configurar la profundidad.
Cambie el nombre de la operación por BottomSlot.
Opciones de
visualización
SolidWorks le da la opción de elegir la representación de uno de
sus modelos sólidos entre varias maneras diferentes. Aparecen a
continuación, con sus iconos:
Sombreado
Sombreado con aristas
Sin líneas ocultas
Líneas ocultas visibles
Estructura alámbrica
Se muestran ejemplos de cada una en la siguiente ilustración.
Aprenderá más sobre la manipulación y la visualización de vista en
la Lección 4: Cómo modelar una pieza de fundición o forja.
Redondeos Redondeo se refiere tanto a los redondeos como a los redondos.
La distinción está dada por las condiciones geométricas, no por el
comando en sí. Los redondeos se crean en las aristas seleccionadas.
Las aristas pueden ser seleccionadas de diversos modos. Existen
opciones para redondeos de radio variable o fijo y propagación de
arista tangente.
Tanto los redondeos (agregar volumen) como los redondos
(eliminar volumen) se crean con este comando. La orientación de la
arista o de la cara determina cuál se utiliza.
Sombreado Líneas ocultas Líneas ocultas EstructuraSombreado con
Eliminar VisiblesAristas alámbrica
Manual de formación SolidWorks 2006 Lección 3
Modelado básico de piezas
Redondeos 69
Reglas de
redondeo
Algunas reglas generales de redondeo son:
1. Deje los redondeos cosméticos para el final.
2. Cree redondeos múltiples que tendrán el mismo radio en el
mismo comando.
3. Cuando necesite redondeos de diferentes radios, generalmente
debe hacer primero los redondeos más grandes.
4. El orden de los redondeos es importante. Los redondeos crean
caras y aristas que pueden ser utilizadas para generar más
redondeos.
Dónde encontrarlo En el menú Insertar, seleccione Operaciones, Redondeo/
Redondo…
Seleccione la herramienta en la barra de herramientas
Operaciones.
31 Insertar redondeo.
Seleccione la opción Redondeo en uno de los
modos mencionados anteriormente. La opción
Redondeo aparece en el PropertyManager.
Establezca el valor del radio.
(Radio) = 0.25”
Vista preliminar Usted puede elegir entre Vista preliminar
completa, Vista preliminar parcial y Ninguna
vista preliminar del redondeo. Vista preliminar
completa, según se muestra a continuación,
genera una vista preliminar de malla sobre cada
arista seleccionada. Vista preliminar parcial sólo
genera la vista preliminar sobre la primera arista
seleccionada. A medida que adquiera más
experiencia trabajando con redondeos,
probablemente deseará utilizar la Vista preliminar parcial o
Ninguna vista preliminar dado que es más rápida.
Sugerencia Se puede cambiar la visualización a Líneas ocultas visibles para
facilitar la selección de las aristas. Las aristas se pueden seleccionar
"a través" del modelo sombreado como se muestra a continuación.
32 Selección de aristas.
Las aristas serán resaltadas en rojo
a medida que el cursor se mueva
sobre ellas y luego aparecerán en
verde a medida que se las
seleccione. Las aristas se filtran
automáticamente mediante el
comando Redondeo.
Aparecerá una anotación
sobre la primera arista que seleccione. Seleccione seis aristas en
total y haga clic en Aceptar.
Lección 3 Manual de formación SolidWorks 2006
Modelado básico de piezas
70 Redondeos
Consideraciones
acerca del color
Usted puede personalizar los colores de la interfaz de usuario de
SolidWorks. Esto se realiza mediante Herramientas, Opciones,
Opciones de sistema, Colores. Puede seleccionar esquemas de
colores predefinidos o crear el suyo propio. En algunos casos,
hemos alterado la configuración predeterminada de los colores para
mejorar la claridad y la calidad de reproducción. En consecuencia,
los colores en su sistema pueden no coincidir con los utilizados en
este manual.
Sugerencia También puede seleccionar
aristas utilizando una ventana.
Con el botón izquierdo del
ratón, arrastre una ventana
alrededor de una o más aristas.
Se seleccionarán aquellas
aristas que estén totalmente
incluidas dentro de la ventana.
33 Redondeos completos.
Los seis redondeos están controlados
por el mismo valor de cota. La
creación de estos redondeos ha
generado nuevas aristas adecuadas
para la próxima serie de redondeos.
Menú Comandos
recientes
SolidWorks ofrece un búfer
en el que se enumeran los
últimos comandos que se
acaban de utilizar para poder
volver a utilizarlos
fácilmente.
34 Comandos recientes.
Haga clic con el botón secundario del ratón en la zona de gráficos y
seleccione Comandos recientes y el comando Redondeo de la
lista desplegable para volver a utilizarlo.
Propagación de
redondeo
Una arista seleccionada que se conecta con otras de una forma
suave (mediante curvas tangentes) puede propagar una única
selección en muchas.
Manual de formación SolidWorks 2006 Lección 3
Modelado básico de piezas
Redondeos 71
35 Vista preliminar y propagación.
Agregue otro redondeo, con un
radio de 0.125”, utilizando la Vista
preliminar completa.
Seleccione la arista indicada para
ver las aristas seleccionadas y
realice una vista preliminar.
36 Selecciones adicionales.
Seleccione la arista del arco interior
para ver otra vista preliminar con
propagación.
Nota Una anotación aparece solamente en
la primera arista que selecciona.
37 Última selección.
Seleccione una arista final para
completar el redondeo. Debido a las
conexiones entre las aristas, se
produce una mayor propagación.
Haga clic en Aceptar.
Introducción:
Editar color
Utilice Editar color para cambiar el color y las propiedades ópticas
de los gráficos. También se pueden crear Muestras de color para
colores definidos por el usuario.
Dónde encontrarlo Haga clic en Editar color en la barra de herramientas
Estándar.
O haga clic con el botón secundario del ratón en una cara,
superficie o sólido y elija Apariencia, Color.
Lección 3 Manual de formación SolidWorks 2006
Modelado básico de piezas
72 Conceptos básicos de documentación
38 Editar color.
Haga clic con el botón
secundario del ratón en la
operación de nivel superior del
FeatureManager, Básico, y
haga clic en Apariencia,
Color.
39 Seleccionar muestra.
Seleccione la muestra shiny
(brillante) y uno de los colores.
Haga clic en Aceptar.
40 Guardar los resultados.
Haga clic en Guardar en la
barra de herramientas Estándar
o en Archivo, Guardar para guardar su trabajo.
Conceptos
básicos de
documentación
SolidWorks le permite
crear fácilmente dibujos
a partir de piezas o
ensamblajes. Estos
dibujos están
completamente
asociados a las piezas y
a los ensamblajes a los
que hacen referencia. Si
usted cambia el modelo,
el dibujo se actualizará.
Varios temas
relacionados con la construcción de dibujos están integrados en
varias lecciones a lo largo de este manual. El material aquí
presentado es sólo el comienzo. Específicamente:
Cómo crear un nuevo archivo y hoja de dibujo
Cómo crear un modelo y vistas de proyección de dibujo
Cómo insertar las cotas del modelo
Cómo agregar cotas conductoras (modelo)
Cómo agregar anotaciones
Un tratamiento exhaustivo de la documentación se brinda en el
curso Conceptos básicos de SolidWorks: Dibujos.
Manual de formación SolidWorks 2006 Lección 3
Modelado básico de piezas
Conceptos básicos de documentación 73
Configuraciones A las configuraciones se accede mediante Herramientas,
Opciones. Las configuraciones utilizadas en esta lección son:
Barras de
herramientas
Existen barras de herramientas que son específicas del proceso de
documentación y realización de dibujos. Las mismas se detallan a
continuación:
Dibujo
Anotación
Nuevo dibujo Los archivos de dibujo (*.SLDDRW) son archivos de SolidWorks
que contienen hojas de dibujo. Cada hoja es el equivalente a una
sola hoja de papel.
Introducción: Crear
dibujo desde pieza
Crear dibujo desde pieza toma la pieza actual y pasa a través de la
creación de un archivo de dibujo, un formato de hoja y vistas de
dibujo iniciales mediante esa pieza.
Dónde encontrarlo Haga clic en Crear dibujo desde pieza/ensamblaje en la
barra de herramientas Estándar.
O haga clic en Archivo, Crear dibujo desde pieza.
Opciones de sistema
Propiedades de documento
(Configurar la plantilla de
dibujo en uso)
Dibujos, Estilo de
visualización:
• Visualizar el estilo para las
nuevas vistas = Líneas
ocultas visibles
• Aristas tangentes en las
nuevas vistas = Eliminadas
Documentación:
• Estándar de acotación = ANSI
• Actualización automática de la
LDM = Seleccionada
• Insertar automáticamente al
crear vista:
Centros de círculos =
Seleccionada
Líneas constructivas =
Desactivada
Globos = Desactivada
Cotas marcadas para dibujo =
Desactivada
Colores:
• Dibujos, Aristas de modelo
ocultas = Negro
Documentación, Fuente de
anotaciones, Cota:
• Fuente = Century Gothic
• Altura = 12 puntos
Documentación, Cotas:
• Precisión, Unidades
primarias = 0.123
Unidades = Pulgadas
Lección 3 Manual de formación SolidWorks 2006
Modelado básico de piezas
74 Vistas de dibujo
1 Crear dibujo.
Haga clic en el icono Crear dibujo desde Pieza/Ensamblaje y
elija A-Scale1to2 (Escala 1 a 2) en la pestaña Training
Templates.
El formato de hoja crea un dibujo A-Horizontal. Éste es un
dibujo de tamaño A (81
/2” x 11”) con su arista más larga dispuesta
horizontalmente. El formato de la hoja incluye un borde, un bloque
de título y otros gráficos.
Sugerencia Al hacer doble clic en la plantilla lo abrirá automáticamente,
eliminando la necesidad de hacer clic en Aceptar.
Vistas de dibujo La tarea inicial de la documentación es la creación de vistas.
Mediante la utilización de la herramienta Crear dibujo desde pieza
accederá a la hoja de dibujo y creará vistas Orientación de vista.
La opción Orientación de vista crea vistas de dibujo que coinciden
con las orientaciones de la pieza.
Estas opciones se tratan con detalle en el manual Conceptos básicos
de Solidworks: Dibujos.
2 Vistas de dibujo.
Haga clic en
Múltiples vistas,
Orientación de vista
y seleccione las cuatro
vistas estándar
(Frontal,
Superior,
Derecha e
Isométrica) tal
como se muestra.
En la pestaña Estilo
de visualización,
haga clic en el botón
Líneas ocultas
visibles.
Haga clic en Aceptar para crear las vistas de dibujo.
Nota La hoja de dibujo puede ser de cualquier color. El color se utiliza
aquí para distinguir la pieza del dibujo.
Manual de formación SolidWorks 2006 Lección 3
Modelado básico de piezas
Vistas de dibujo 75
3 Vistas de dibujo.
Las vistas de dibujo se crean
en el dibujo.
Sugerencia Utilice Ctrl-arrastrar para romper la alineación con ángulo prede-
terminado y suelte la vista isométrica en cualquier lugar del dibujo.
Establezca el Estilo de visualización para esta vista en
Sombreado con aristas.
Sugerencia El documento de pieza todavía está abierto. Puede presionar
Ctrl+Tab para alternar entre ventanas de documento de pieza y de
dibujo.
4 Aristas tangentes.
Seleccione dentro de la vista de dibujo, entre
el modelo y el borde temporalmente
punteado, para visualizar el borde de la vista. Si hace doble clic, se
bloqueará el enfoque de vista de dicha vista.
Haga clic con el botón secundario del ratón en la vista Frontal y
seleccione Arista tangente, Sin aristas tangentes. Repita esta
operación para las vistas Superior y Derecha.
5 Estilo de visualización.
Seleccione la vista Isométrica y cambie el Estilo de
visualización a Sombreado.
Cómo mover
vistas
Las vistas de dibujo pueden ser reubicadas, arrastrándolas alrededor
del dibujo. En la disposición de 3 vistas estándar, la vista Front
(Frontal) es la vista de origen. Esto significa que al mover la vista
frontal se mueven las tres vistas. Las vistas Top (Superior) y
Right (Derecha) se alinean con la vista Front (Frontal). Las
mismas sólo se mueven a lo largo de sus ejes de alineación.
6 Mover vistas alineadas.
Seleccione y mueva la vista
Frontal. Se puede mover
en cualquier dirección y las
otras vistas permanecen
alineadas.
Lección 3 Manual de formación SolidWorks 2006
Modelado básico de piezas
76 Centros de círculos
El movimiento de una de las vistas de proyección está
limitado por la alineación.
Sugerencia Utilice Alt-arrastrar para realizar una selección en cualquier punto
de la vista. Utilice Mayúsculas-arrastrar para mantener la
separación entre las vistas mientras se arrastre.
Nota Una vez que se ha seleccionado la vista de dibujo, la misma se
puede arrastrar con el ratón o mover con las teclas de flechas. La
distancia que se ha movido cada vez que se presiona una tecla de
fecha se establece en Herramientas, Opciones, Opciones de
sistema, Dibujos, Incremento de movimiento de teclado.
Centros de
círculos
Se insertaron Centros de círculos
automáticamente en las vistas de dibujo.
Usted puede activar o desactivar esta
opción. Establezca su preferencia
utilizando el menú Herramientas,
Opciones, Propiedades de documento, Documentación.
7 Propiedades de centros de
círculos.
Haga clic en el centro de círculo
del círculo de la vista frontal.
Verifique la opción Líneas
extendidas.
Cotas del
modelo
Las cotas del modelo son simplemente cotas y parámetros que se
utilizaron para crear la pieza y se insertaron en el dibujo. Estas cotas
son consideradas cotas conductoras. Las cotas conductoras pueden
ser utilizadas para realizar cambios en el modelo. Puede insertar
cotas del modelo en el dibujo de cuatro modos. Puede insertar
automáticamente todas las cotas asociadas con:
Una vista seleccionada
Operación u operaciones seleccionadas
Componentes seleccionados en un ensamblaje
Todas las vistas
Manual de formación SolidWorks 2006 Lección 3
Modelado básico de piezas
Cotas del modelo 77
Cómo insertar
todas las cotas del
modelo
Las cotas creadas en la pieza se utilizarán en el dibujo de detalle.
En este caso, se insertarán todas las cotas de todas las vistas.
Cuando el sistema inserta cotas del modelo en todas las vistas,
comienza primero con las vistas de detalle y sección. Luego, agrega
las cotas restantes a las vistas restantes basándose en las vistas más
apropiadas para las operaciones que están siendo acotadas.
Introducción:
Insertar elementos
del modelo
Insertar elementos del modelo le permite tomar las cotas que se
crearon durante el modelado e insertarlas en el dibujo. Las cotas
importadas del modelo pueden ser utilizadas para cambiar el
modelo. Estas cotas se denominan cotas conductoras.
Dónde encontrarlo En el menú seleccione Insertar, Elementos del modelo...
O, en la barra de herramientas Anotaciones, haga clic en .
8 Insertar elementos del modelo.
Haga clic en Insertar, Elementos del modelo
e Importar desde Todo el modelo.
Haga clic en las opciones para Marcado para
dibujo y Ubicaciones del Asistente para
taladro y haga clic en Importar elementos a
todas las vistas.
Sugerencia La opción Marcado para dibujo selecciona aquellas cotas que se
marcaron en la pieza. La opción de marcado aparece en la
herramienta Modificar donde se establecen los valores de cota.
De modo predeterminado, todas las cotas están marcadas para su
importación al dibujo. Las cotas no marcadas aparecen con texto
azul.
9 Cotas resultantes.
Las cotas se agregan al
dibujo, pero generalmente
no en sus ubicaciones
definitivas. Si ubica las
cotas cuidadosamente en el
modelo al croquizar,
ahorrará tiempo cuando las
importe al dibujo.
Una vez que las cotas se
insertan, las mismas se
asocian con esa vista y se mueven con ella a menos que usted
deliberadamente las mueva hacia otra vista o las elimine.
Lección 3 Manual de formación SolidWorks 2006
Modelado básico de piezas
78 Cotas del modelo
Cómo manipular
cotas
Una vez que las cotas se han agregado a una vista, existen varias
opciones de manipulación de las mismas.
Arrástrelas hasta la posición deseada.
Arrastre las cotas por sus textos hasta nuevas ubicaciones.
Para alinearlas y colocarlas, utilice las líneas de inferencia.
Para facilitar la ubicación de cotas,
las configuraciones de Dibujos del
cuadro de diálogo Herramientas, Opciones, Opciones de
sistema tienen dos opciones de Enganche de elementos de
detalle. Las inferencias son visualizadas cuando usted arrastra una
cota o nota por su centro o esquina.
Ocúltelas.
Algunas cotas creadas en el modelo son de uso limitado en el
dibujo, de modo que usted puede ocultarlas si lo desea. Haga clic
con el botón secundario del ratón en el texto de la cota y seleccione
Ocultar en el menú contextual. La cota será eliminada de la hoja de
dibujo, pero no de la base de datos del modelo.
Muévalas o cópielas a otras vistas.
Muchas veces una operación puede ser acotada en más de una vista.
Puede suceder que la cota no aparezca automáticamente en la vista
que usted desea. Puede mover cotas entre vistas siempre y cuando la
vista de destino pueda mostrar dicha cota.
Para mover una cota, mantenga presionada la tecla Mayús y arrastre
la cota hasta otra vista. Para copiar la cota, mantenga presionada la
tecla Ctrl y arrástrela y colóquela en otra vista.
10 Cómo volver a colocar
cotas.
La vista superior contiene
varias cotas. Algunas de
ellas se volverán a colocar
en la vista derecha.
11 Cómo mover una cota.
En este caso, mueva la cota
1.500 desde la vista
superior a la vista lateral
derecha mediante la técnica
Mayús-arrastrar.
Manual de formación SolidWorks 2006 Lección 3
Modelado básico de piezas
Cotas del modelo 79
12 Eliminar cotas.
Elimine las cotas de diámetro que se muestran. Las mismas se
sustituirán por Anotaciones de taladro, un tipo de anotación que
es una cota conducida.
Nota La eliminación de una cota en el dibujo no la elimina del modelo.
Las cotas eliminadas se pueden volver a insertar desde el modelo.
13 Cotas después de mover y eliminar.
La ilustración a continuación muestra el resultado de mover otras
cotas hasta la vista del lado derecho. La misma también muestra el
resultado de reorganizar las cotas en la vista superior.
Lección 3 Manual de formación SolidWorks 2006
Modelado básico de piezas
80 Cotas del modelo
Cotas conducidas Es posible que no todas las cotas que usted necesite en un dibujo
estén presentes en el modelo. A veces, debido a cómo fue
construido el modelo, no hay cotas para importar al dibujo. Cuando
esto sucede, la cota debe ser insertada manualmente utilizando la
misma herramienta de cota que usted utiliza cuando croquiza. Este
tipo de cota se denomina cota conducida porque su valor está
conducido por el modelo. A diferencia de las cotas conductoras,
usted no puede cambiarle su valor y, por lo tanto, cambiar el
modelo.
Visualización de
cota
De forma predeterminada, las cotas conducidas son visualizadas de
modo diferente de las cotas conductoras:
El valor está encerrado entre paréntesis. Ésta es una práctica
aceptada para cotas de referencia.
Las mismas son visualizadas en un color diferente, gris en este caso.
14 Cómo acotar.
Haga clic en Cota vertical .
Acote la altura total del saliente vertical.
Vuelva a hacer clic en la herramienta para
desactivarla.
15 Opciones de
visualización.
La apariencia de una cota
puede ser cambiada de
diversos modos. Haga clic
con el botón secundario
del ratón en la cota y
desactive la opción
Opciones de
visualización, Mostrar
paréntesis.
Asociatividad
entre el modelo y
el dibujo
En el software de SolidWorks, todo es asociativo. Si usted realiza
un cambio en una pieza individual, dicho cambio se propagará a
todos los dibujos y ensamblajes que hagan referencia a esa pieza.
Procedimiento Para cambiar el tamaño de la operación BasePlate (Chapa base),
siga este procedimiento:
16 Alternar entre ventanas.
Presione Ctrl+Tab para volver a la ventana del documento de la
pieza.
Manual de formación SolidWorks 2006 Lección 3
Modelado básico de piezas
Cómo cambiar los parámetros 81
Cómo cambiar
los parámetros
El software de automatización de diseño mecánico SolidWorks
facilita en gran parte la realización de cambios en las cotas de su
pieza. Esta facilidad de edición es uno de los beneficios principales
del modelado paramétrico. Es por eso también que es tan
importante capturar correctamente su intención del diseño. Si no
captura la intención del diseño correctamente, los cambios
realizados en las cotas pueden originar resultados bastante
imprevistos en su pieza.
Cómo reconstruir
el modelo
Luego de realizar cambios en las cotas, debe reconstruir el modelo
para que esos cambios tengan efecto.
Símbolo de
reconstruir
Si realiza cambios en un croquis o una pieza que requiere que la
pieza se reconstruya, aparece un símbolo de reconstruir al lado
del nombre de la pieza y superpuesto sobre el icono de la operación
que requiere la reconstrucción . Busque también el icono
de reconstruir que se encuentra en la Barra de estado.
El símbolo de reconstruir también aparece al editar un croquis.
Al salir del croquis, la pieza se reconstruye automáticamente.
Introducción:
Reconstruir
Reconstruir regenera el modelo con los cambios realizados.
Dónde encontrarlo Haga clic en Reconstruir en la barra de herramientas
Estándar.
O, en el menú Edición, haga clic en Reconstruir.
Utilice el acceso directo de teclado Ctrl+B.
Cómo actualizar la
pantalla
Si simplemente desea actualizar la pantalla, eliminando los
artefactos gráficos que puedan quedar de operaciones anteriores,
debe utilizar Redibujar, no Reconstruir.
Introducción:
Redibujar
Actualiza la pantalla pero no reconstruye la pieza.
Dónde encontrarlo O, en el menú Ver, haga clic en Redibujar.
Utilice el acceso directo de teclado Ctrl+R.
Reconstruir contra
Redibujar
Redibujar no activará los cambios realizados en las cotas. Por lo
tanto, es muy rápido. Reconstruir regenera el modelo. Según la
complejidad del modelo, este proceso puede demorar más tiempo.
17 Hacer doble clic en la
operación.
Puede hacer doble clic en la
operación BasePlate en el
gestor de diseño del
FeatureManager o en la ventana
de gráficos. Cuando usted hace
esto, aparecerán los parámetros
asociados con la operación.
Lección 3 Manual de formación SolidWorks 2006
Modelado básico de piezas
82 Cómo cambiar los parámetros
Haga doble clic en la cota de 4 pulgadas indicada. Aparecerá el
cuadro de diálogo Modificar. Ingrese un nuevo valor escribiéndolo
directamente o mediante el uso de las flechas del cuadro de
aumento y disminución. Ingrese 6 pulgadas.
18 Reconstruir la pieza para
ver los resultados.
Puede Reconstruir la pieza
haciendo clic en la
herramienta Reconstruir
del cuadro Modificar o en la
barra de herramientas
Estándar. Si utiliza la que está
en el cuadro de diálogo
Modificar, el cuadro de diálogo permanecerá abierto de modo que
usted pueda realizar otro cambio más. Esto facilita la exploración de
los escenarios “qué sucede si”.
19 Actualizar el dibujo.
Regrese a la hoja de dibujo.
El dibujo se actualizará
automáticamente para
reflejar los cambios hechos
en el modelo.
Introducción:
Anotaciones de
taladro
La herramienta Anotación de taladro se utiliza para agregar cotas
conducidas por diámetro a taladros creados por el Asistente para
taladro u operaciones Corte circular. Es una de las numerosas
anotaciones disponibles en SolidWorks.
Estas anotaciones se pueden agregar automáticamente mediante
Insertar elementos del modelo.
Haga clic en Insertar, Anotaciones, Anotación de taladro.
O, en la barra de herramientas Anotaciones, haga clic en .
También puede hacer clic con el botón secundario del ratón en
Anotaciones, Anotación de taladro.
Manual de formación SolidWorks 2006 Lección 3
Modelado básico de piezas
Cómo cambiar los parámetros 83
20 Agregar anotaciones de
taladro.
Haga clic en el taladro central
de la vista frontal y sitúe la
anotación en el dibujo.
Seleccione el taladro izquierdo
de los dos que hay en la vista
superior y sitúelo.
Nota El prefijo “2X” se agrega
automáticamente porque hay
dos taladros perforados.
21 Guardar y cerrar la pieza y
el dibujo.
Lección 3 Manual de formación SolidWorks 2006
Modelado básico de piezas
84 Cómo cambiar los parámetros
Manual de formación SolidWorks 2006
Ejercicio 4 85
Ejercicio 4:
Chapa
Cree esta pieza utilizando la
información y las cotas
proporcionadas. Croquice y
extruya perfiles para crear la
pieza. Este laboratorio
refuerza las siguientes
funciones:
Croquizado
Extrusión base
Extrusión del saliente
Asistente para taladro
Intención del
diseño
Utilice la intención del diseño para crear la pieza.
1. La pieza no es simétrica.
2. El taladro es un taladro con tamaño de perforador Métrico -
ANSI.
Cotas Utilice los siguientes gráficos con la intención del diseño para crear
la pieza.
Manual de formación SolidWorks 2006
86 Ejercicio 5
Ejercicio 5:
Cambios
básicos
Realice cambios
en la pieza creada
en la lección
anterior.
Este ejercicio
utiliza las
siguientes
funciones:
Cambio de los
valores de
cota.
Procedimiento Abra una pieza existente en la carpeta Exercises (Ejercicios).
1 Abrir la pieza
Basic-Changes
(Cambios básicos).
Se efectuarán varios cambios en
el modelo para ajustar su
tamaño y comprobar la
intención del diseño.
2 Cota total.
Haga doble clic en la primera operación (Base Plate) en el
FeatureManager o en la pantalla para acceder a las cotas. Cambie la
cota de longitud a 6 pulgadas (la que se muestra en negrita y
subrayada debajo) y reconstruya el modelo.
Manual de formación SolidWorks 2006
Ejercicio 5 87
3 Saliente.
Haga doble clic en la operación Vert boss (Saliente vertical) y
cambie las cotas de diámetro y altura según se indica. Reconstruya
la pieza.
4 Ubicaciones de taladros.
Haga doble clic en la operación 9/32 Holes (Taladros 9/32) y
cambie las cotas de posición a 0.75 pulgadas cada una.
Reconstruya el modelo.
5 Centrar Vert Boss (Saliente vertical).
Determine el valor adecuado y cambie la cota que centra el
Vert Boss (Saliente vertical) en la base.
6 Guardar y cerrar la pieza.
Manual de formación SolidWorks 2006
88 Ejercicio 6
Ejercicio 6:
Soporte
Cree esta pieza
utilizando la información
y las cotas
proporcionadas.
Croquice y extruya
perfiles para crear la
pieza.
Este laboratorio refuerza
las siguientes funciones:
Croquizado.
Salientes.
Taladros.
Intención del
diseño
La intención del diseño de esta pieza se muestra a continuación.
1. El saliente está centrado en el extremo redondeado de la base.
2. El taladro es un taladro pasante y es concéntrico al saliente.
Utilice la plantilla Part_MM.
Vista acotada Utilice la intención del diseño y los gráficos siguientes para crear la
pieza.
Como ayuda para construir
esta pieza, observe de qué
modo la misma podría ser
dividida en operaciones
individuales.
Manual de formación SolidWorks 2006
Ejercicio 7 89
Ejercicio 7:
Cómo trabajar
con fracciones
Cree esta pieza utilizando la
información y las cotas de fracción
proporcionadas. Croquice y extruya
perfiles para crear la pieza. Este
laboratorio refuerza las siguientes
funciones:
Cómo introducir y visualizar
cotas como fracciones.
.Salientes
Cortes.
Redondeos.
Condiciones finales Hasta profundidad especificada y
Por todo.
Fracciones Existen dos elementos a considerar cuando se trabaja con cotas
establecidas en fracciones:
1. La configuración de las unidades del documento en fracciones
en pulgadas.
2. La entrada de valores de cota como fracciones.
Unidades del
documento
En el cuadro de diálogo Herramientas, Opciones, haga clic en la
pestaña Propiedades de documentos y seleccione Unidades.
Los dos tipos de unidades de longitud que soportan Fracciones
son:
Pulgadas
Pies y pulgadas
Cuando usted elige
Fracciones, debe
especificar el Denominador
predeterminado. Las cotas
que pueden dividirse equitativamente por este denominador se
muestran como fracciones. La visualización de las cotas que no son
divisibles equitativamente depende de la selección de la opción
Redondear a la fracción más cercana.
Por ejemplo, si el Denominador se establece en 16 y usted ingresa
un valor de 3⁄64 este valor se visualizará como 1⁄16 si está
seleccionada la opción Redondear a la fracción más cercana. Si
la misma no está seleccionada, se mostrará 0.047.
Cómo ingresar
cotas
Puede ingresar cotas como fracciones sin importar si las unidades
del documento están establecidas en fracciones. Para ingresar un
valor como 1 7⁄8”, escriba 1, presione la barra espaciadora, luego
escriba 7/8 y presione Intro.
Manual de formación SolidWorks 2006
90 Ejercicio 7
Intención del
diseño
La intención del diseño de esta pieza se muestra a continuación.
1. El corte de lado a lado está centrado en la esquina.
2. El corte desde el frente hacia atrás está centrado en el punto
medio de la arista.
Utilice la plantilla Part_IN.
Vistas Utilice los gráficos siguientes
como ayuda para visualizar la
pieza.
1 Nueva pieza.
Abra una nueva pieza utilizando la plantilla Part_IN.
2 Primera operación.
Cree la primera
operación utilizando
un croquis y un
saliente extruido.
Puede utilizar el plano
de referencia
Alzado, Planta o
Vista lateral
para croquizar.
3 Operación Cortar.
Utilizando un croquis que
contenga un círculo, cree
una operación Extruir
corte. El círculo está
centrado sobre la esquina
(vértice) de la primera
operación.
Manual de formación SolidWorks 2006
Ejercicio 7 91
4 Segunda operación
Cortar.
Cree una segunda
operación Extruir corte
utilizando un círculo. Este
círculo debe estar centrado
en el punto medio (a mitad
de camino de la arista).
5 Redondeo/Redondo.
Utilizando la arista creada por
cortes, cree una operación
Redondeo/Redondo.
6 Guardar y cerrar la pieza.
Manual de formación SolidWorks 2006
92 Ejercicio 8
Ejercicio 8:
Dibujos de la
pieza
Cree esta pieza utilizando la información
suministrada.
Este laboratorio refuerza las siguientes
funciones:
Hojas de dibujo.
Vistas de dibujo.
Centros de círculo.
Cotas.
Anotaciones de taladro.
Utilice la plantilla A-Scale1to2 (A-Escala 1 a 2) y la pieza
construida Basic-Changes-Done (Cambios básicos
realizados).
Vista acotada Utilice los gráficos siguientes para crear el dibujo.
Manual de formación SolidWorks 2006
Ejercicio 9 93
Ejercicio 9:
Guía
Este laboratorio refuerza las
siguientes funciones:
Redondeos, círculos,
arcos y líneas de
croquis.
Relaciones.
Extrusiones.
Operaciones Redondeo
y Redondo.
Intención del
diseño
Algunos aspectos de la
intención del diseño para esta
pieza son:
1. La pieza no es simétrica.
2. El círculo grande es
tangente a la arista
exterior.
3. El círculo grande es
coincidente con la arista
del cuadro inferior.
4. Los espesores de chapa son iguales.
Procedimiento Abra una pieza nueva utilizando la plantilla Part_MM.
1 Croquizar el perfil.
Utilizando el plano
Alzado, cree el
perfil.
2 Extrusión.
Extruya el croquis 10 mm.
Manual de formación SolidWorks 2006
94 Ejercicio 9
3 Croquis
superior.
Comience un
croquis en la
cara superior
del modelo. El
círculo es
tangente a una
arista y
coincidente con
la otra.
4 Extruir igual espesor.
Extruya el círculo con el
mismo espesor que la
primera operación.
5 Agregar dos
redondeos.
Agregue dos
redondeos según
se indica.
6 Último
redondeo.
Cree un tercer
redondeo con un
radio de 20 mm.
Manual de formación SolidWorks 2006
Ejercicio 9 95
7 Cortes.
Utilice simetría con líneas y arcos para crear un corte Por todo para
la forma de ranura. Utilice un círculo para crear otro corte
concéntrico con la arista del modelo.
Nota Este croquis requiere el uso de una relación Paralela. Consulte la
Ayuda, Temas de ayuda de SolidWorks para obtener más
información.
8 Guardar y cerrar la pieza.
Manual de formación SolidWorks 2006
96 Ejercicio 9
Manual de formación SolidWorks 2006
97
Lección 4
Cómo modelar una
pieza de fundición
o forja
Al finalizar esta lección, podrá:
Abrir una pieza de SolidWorks y guardar su trabajo.
Croquizar en un plano definido por el sistema o una cara plana
de un modelo.
Utilizar la visualización de vistas y los comandos de
modificación.
Crear croquis completamente definidos mediante el uso de cotas
y relaciones geométricas.
Crear operaciones Base y Saliente por extrusión.
Crear operaciones Cortar por extrusión.
Copiar y pegar operaciones.
Crear redondeos de radio constante.
Editar la definición y los parámetros de una operación y volver
a generar el modelo.
Utilizar las condiciones finales Hasta el siguiente y Plano
medio para captar la intención del diseño.
Utilizar simetría en el croquis.
Lección 4 Manual de formación SolidWorks 2006
Cómo modelar una pieza de fundición o forja
98
Manual de formación SolidWorks 2006 Lección 4
Cómo modelar una pieza de fundición o forja
Estudio de casos: Trinquete 99
Estudio de
casos:
Trinquete
La pieza Ratchet (Trinquete)
contiene gran parte de las
operaciones y los
procedimientos que utilizará
frecuentemente. Contiene
salientes, cortes, geometría de
croquis, redondeos y ángulo de
salida.
Etapas del
proceso
Algunas etapas importantes del proceso de modelado de esta pieza
se muestran en la siguiente lista: Cada uno de estos temas consta de
una sección en la lección.
Intención del diseño
Se analiza la intención del diseño general para la pieza.
Operación Saliente con ángulo de salida
La primera porción del modelo que se creará es la pieza Handle
(Asa). La pieza Handle utiliza líneas croquizadas y se extruye en
dos direcciones con ángulo de salida formando un sólido. Es la
operación inicial de la pieza y demuestra el uso de simetría en el
croquis.
Condición final Hasta el siguiente
La segunda porción del modelo es la pieza Transition
(Transición). Utiliza la condición final Hasta el siguiente para
establecer una conexión con las caras de Handle.
Croquizado dentro de la pieza
El tercer saliente creado es la pieza Head (Cabeza). Se croquiza
dentro del sólido creado por la pieza Transition.
Cortar utilizando las aristas existentes
La operación Recess (Entrante) es la primera operación de tipo de
corte creada. Utiliza una equidistancia a partir de las aristas
existentes del modelo para crear el croquis. Se extruye como un
corte de equidistancia hasta una profundidad específica.
Cortar con geometría de croquis recortada
La operación Pocket es otra operación Cortar, esta vez utilizando
círculos recortados con la forma apropiada.
Cortar utilizando copiar y pegar
La operación Wheel Hole se copiará y pegará.
Redondeos
Se agregan redondeos al sólido utilizando diversas técnicas
diferentes.
Cómo editar la definición de una operación
Las operaciones que ya existen pueden cambiarse utilizando el
comando Editar operación. Los redondeos se editarán de esta
manera.
Lección 4 Manual de formación SolidWorks 2006
Cómo modelar una pieza de fundición o forja
100 Intención del diseño
Intención del
diseño
En la siguiente ilustración y lista se muestra un resumen de la intención
del diseño de la pieza Ratchet. Se analiza la intención del diseño
específica para cada porción de la pieza por separado.
Centrado: Las operaciones Head, Handle y Transition están
centradas con respecto a un eje.
Simetría: La pieza es simétrica, tanto con respecto a la línea
constructiva como con respecto al plano de separación.
Head (Cabeza)
Handle (Asa)
Transition (Transición)
Pocket (Cavidad)
Recess (Entrante)
Thru Holes (Taladros pasantes)
Manual de formación SolidWorks 2006 Lección 4
Cómo modelar una pieza de fundición o forja
Operación Saliente con ángulo de salida 101
Operación
Saliente con
ángulo de
salida
La primera parte de la pieza Ratchet que modelaremos es
Handle. A veces se hace referencia a la primera operación de
cualquier modelo como la operación Base. Todas las demás
operaciones se construyen sobre la primera operación.
Cómo construir el
asa
La pieza Handle
(Asa) posee una
sección transversal
rectangular. Está
extruida con un
ángulo de salida a
igual distancia en
direcciones opuestas
desde el plano de
croquis.
Intención del
diseño del asa
La pieza Handle es una operación Croquis
que utiliza líneas y simetría para formar el
esquema o perfil básico. El perfil se extruye en
direcciones opuestas, equitativamente, con el
ángulo de salida. El croquis crea una sección
transversal rectangular que se extruye por
igual en direcciones opuestas, con el ángulo de salida.
Ángulo de salida: El ángulo de salida es igual a ambos lados
del plano de separación
Simetría: La operación es simétrica con respecto al plano de
separación y al eje de la línea constructiva de la pieza Handle
Se utilizará una línea constructiva, una pieza de geometría de
referencia, para ubicar y realizar el croquis de Handle.
La línea constructiva representa la distancia desde el final del
asa hasta el centro del taladro más lejano y también se utiliza
para realizar la simetría de geometría de croquis.
Sección de la
pieza Handle
Lección 4 Manual de formación SolidWorks 2006
Cómo modelar una pieza de fundición o forja
102 Operación Saliente con ángulo de salida
Procedimiento Empiece siguiendo este procedimiento:
1 Nueva pieza.
Abra una nueva pieza utilizando la plantilla Part_MM de la pestaña
Training Templates (Plantillas de formación). Guarde la
pieza y asígnele el nombre Ratchet.
2 Desactivar la visualización.
Desactive la visualización de las relaciones mediante las opciones
Ver, Relaciones de croquis.
Nota En las lecciones siguientes se dará por sentado que Ver, Relaciones
de croquis está desactivado.
3 Plano de croquis.
Seleccione el plano de referencia Planta como plano de croquis.
Cambie la vista a una vista Top (Superior).
Introducción:
Insertar línea
constructiva
Insertar línea constructiva se utiliza para crear una línea de
referencia en un croquis. La línea constructiva puede ser vertical,
horizontal o tener un ángulo arbitrario dependiendo de cómo se
utilicen las inferencias. Debido a que la línea constructiva es
considerada una geometría de referencia, no es necesario que esté
completamente definida en el croquis.
Dónde encontrarlo Haga clic en Herramientas, Entidad de croquis, Línea
constructiva.
O, en la barra de herramientas Croquis, haga clic en Línea
constructiva .
Nota Cualquier parte de la geometría de croquis puede convertirse en
geometría de construcción y viceversa. Seleccione la geometría y
haga clic en la herramienta Geometría constructiva en la barra
de herramientas Croquis.
El PropertyManager puede también utilizarse para
cambiar la geometría de croquis a geometría
constructiva. Seleccione la geometría y haga clic
en Para construcción.
4 Croquizar una línea constructiva.
Croquice una línea constructiva en dirección vertical desde el
origen. La longitud no es importante.
Manual de formación SolidWorks 2006 Lección 4
Cómo modelar una pieza de fundición o forja
Simetría en el croquis 103
Simetría en el
croquis
La geometría simétrica en un croquis puede crearse más fácilmente
utilizando la opción Simetría. Puede realizar una simetría a medida
que croquiza: simetría en tiempo real. O, puede seleccionar
geometría ya croquizada y realizar la simetría: después del hecho de
simetría. También se pueden añadir relaciones Simétricas a la
geometría después de croquizar.
En cualquier caso, la simetría crea copias que se relacionan con los
originales mediante la relación Simétrica. En el caso de líneas, la
relación simétrica se aplica a los puntos finales de las líneas. En el
caso de arcos y círculos, la relación simétrica se aplica a la entidad
en sí misma. A continuación, se muestran los tres métodos.
Simetría mientras se croquiza
Simetría después de croquizar
Simetría mediante relaciones
Introducción:
Simetría dinámica
Para crear simetría, es necesario una línea, una arista lineal o una
línea constructiva. La línea se activa antes de croquizar la geometría
a partir de la cual se va a crear simetría.
Dónde encontrarlo En el menú Herramientas, seleccione: Herramientas de
croquizar, Simetría dinámica.
O, en la barra de herramientas Croquis, haga clic en Simetría
dinámica .
Simetría mientras se
croquiza
La geometría simétrica se puede crear en tiempo real mientras se
croquiza. El método Simetría dinámica permite crear simetría
antes de croquizar.
Simetría después
de croquizar
La simetría se puede crear mediante el croquizado de una mitad de
la geometría y la utilización de la simetría para crear la otra mitad.
La simetría se aplica después de croquizar.
5 Simetría dinámica.
Seleccione la línea constructiva y haga clic en la herramienta
Simetría dinámica. El símbolo de Simetría dinámica
aparece en los dos extremos de la línea constructiva.
6 Croquizar línea.
Croquice una línea a partir del extremo superior de la línea
constructiva moviéndola a la derecha. Se crea una imagen
simétrica de la línea en el lado opuesto de la línea
constructiva.
Lección 4 Manual de formación SolidWorks 2006
Cómo modelar una pieza de fundición o forja
104 Simetría en el croquis
7 Completar el croquis.
Agregue una línea en dirección vertical y, a continuación,
en dirección horizontal, deteniéndose en la línea
constructiva. Desactivar la herramienta de simetría.
Sugerencia No cruce la línea constructiva mientras esté croquizando en
el modo Simetría automática. Si lo hace, podría crearse
una geometría duplicada. Detenerse en la línea constructiva
hace que las líneas simétricas se fusionen en una sola línea.
Acotación
automática de
croquis
Acotar automáticamente crea cotas en un croquis. Se admiten
diversos estilos de cotas, como línea base, cadena y coordenada.
Pueden establecerse los puntos iniciales para conjuntos horizontales
y verticales. Esta herramienta no agrega relaciones geométricas al
croquis.
Introducción:
Acotación
automática
Acotar automáticamente tiene opciones para el tipo de cota,
las entidades que se van a acotar y los puntos iniciales.
Nota Aparece una opción especial denominada Línea constructiva
cuando se utiliza geometría de línea constructiva en el croquis.
Las cotas pueden basarse en la línea constructiva.
Croquis
insuficientemente
definido con relaciones
geométricas.
Opción Cadena
seleccionada con puntos
iniciales en el origen.
Nota: Algunas cotas se
han movido para obtener
mayor claridad.
Opción Línea base
seleccionada con puntos
iniciales en el origen.
Opción Coordenada
seleccionada con puntos
iniciales en el origen.
Manual de formación SolidWorks 2006 Lección 4
Cómo modelar una pieza de fundición o forja
Simetría en el croquis 105
Dónde encontrarlo Haga clic en Herramientas, Cotas, Acotar
automáticamente....
O, en la barra de herramientas Cotas/Relaciones, haga clic en la
herramienta Acotar automáticamente .
8 Configuración de acotación
automática.
Haga clic en la herramienta Acotar
automáticamente .
Haga clic en el campo Referencia para
obtener las Cotas horizontales y
seleccione la línea constructiva vertical.
Para obtener las Cotas verticales,
seleccione el punto final de la línea
constructiva.
Establezca ambos Esquemas en la
Línea base.
9 Cotas.
Las cotas se agregan, se cambian y se mueven
para mayor claridad.
Nota Los croquis acotados con la herramienta Acotar automáticamente
están totalmente definidos, pero quizás no estén acotados
exactamente del modo deseado. Puede eliminar y reemplazar las
cotas si es necesario.
Lección 4 Manual de formación SolidWorks 2006
Cómo modelar una pieza de fundición o forja
106 Primera operación
Primera
operación
La primera operación, siempre un saliente, es la primera operación
sólida creada en toda pieza. En esta pieza, la primera operación
creada es una extrusión Plano medio.
10 Extrusión de saliente/base.
Haga clic en la herramienta Extruir saliente/base en la barra de
herramientas Operaciones o haga clic en Extruir saliente/base en
el menú Insertar.
11 Extrusión.
Elija la opción Plano
medio de la lista y
especifique una
profundidad de 15 mm.
Haga clic en Ángulo de
salida y establezca el
ángulo en 8º. Debe
anularse la selección de
la casilla de verificación
Ángulo de salida hacia
afuera.
Haga clic en Aceptar
para crear la operación.
12 Operación completa.
La operación completa se muestra a la
derecha. Denomine la operación
Handle.
Manual de formación SolidWorks 2006 Lección 4
Cómo modelar una pieza de fundición o forja
Croquizado dentro del modelo 107
Croquizado
dentro del
modelo
La segunda operación de la pieza es Transition, otro saliente
que conectará la operación Head con la operación Handle.
El croquis para esta operación se crea en un plano de referencia
estándar.
Intención del
diseño de la
transición
La operación Transition
(Transición) es un perfil circular
simple que se extruye hasta la
operación Handle (Asa)
existente.
Centrado: El perfil circular
está centrado en la operación
Head.
Longitud: La longitud de la
sección se determina
utilizando las ubicaciones
existentes.
13 Cómo mostrar el Alzado.
Cambie a una vista isométrica y
seleccione el Alzado en el gestor
de diseño del FeatureManager. El
mismo se resaltará en la pantalla.
Para asegurarse de que el plano
continúe visible, haga clic con el
botón secundario del ratón en
Alzado en el gestor de diseño del FeatureManager y seleccione
Mostrar en el menú. El plano aparecerá sombreado y transparente.
14 Configuración y cambios de plano.
Existen configuraciones para determinar cómo aparecerán los
planos en la pantalla. Para planos sombreados, haga clic en
Herramientas, Opciones, Opciones de sistema, Visualizar/
Selección y seleccione la casilla de verificación Mostrar planos
sombreados. Establezca el color del plano utilizando
Herramientas, Opciones, Propiedades de documento,
Visualización de planos.
Sección de transición
Lección 4 Manual de formación SolidWorks 2006
Cómo modelar una pieza de fundición o forja
108 Croquizado dentro del modelo
Puede ajustar el tamaño de cualquier plano,
generado por el sistema o el usuario, arrastrando
sus asas. Ajuste el tamaño de este plano de modo
que sus bordes queden cercanos a los límites de la
operación.
El tamaño de los planos también puede ajustarse
automáticamente al modelo. Haga clic con el
botón secundario del ratón y elija Ajuste
automático de tamaño.
Perfil circular El croquis para la operación Transition tiene una geometría y
relaciones muy simples. Se croquiza un círculo y se lo relaciona con
una posición en la operación anterior para definirlo. Esta relación
mantendrá la operación Transition centrada en la operación
Handle.
15 Abrir un croquis nuevo.
Con la opción Alzado aún seleccionada, haga clic en la
herramienta Croquis . El plano ahora es un plano de croquis.
Introducción: Vista
normal a
La opción Vista normal a se utiliza para cambiar la orientación
de vista de una dirección normal a una cara plana seleccionada.
La geometría puede ser un plano de referencia, un croquis, una
cara plana o una operación que contiene un croquis.
Sugerencia Al hacer clic en el icono Normal a por segunda vez, invertirá la
orientación a la cara opuesta del plano.
Dónde encontrarlo Haga clic en Normal a en la barra de herramientas Vistas
estándar.
O presione la Barra espaciadora y haga doble clic en
Normal a.
16 Orientación de vista Normal a.
Utilizando el cuadro de diálogo
Orientación de vista, cambie la
orientación a Normal a. Para hacerlo,
seleccione Alzado y haga doble clic
en la opción Normal a del cuadro de
diálogo Orientación de vista. Esto
orienta la vista de modo que se pueda
ver el tamaño y la forma reales del plano, facilitando el croquizado.
Sugerencia También puede seleccionar el plano y hacer clic en la herramienta
Normal a de la barra de herramientas Vistas estándar.
Manual de formación SolidWorks 2006 Lección 4
Cómo modelar una pieza de fundición o forja
Croquizado dentro del modelo 109
Introducción:
Círculos
croquizados
La herramienta Círculo se utiliza en la creación de círculos para
cortes y salientes en un croquis. El círculo se define mediante la
creación de un Centro o un Perímetro. El centro requiere dos
ubicaciones: el centro y una ubicación sobre su circunferencia.
El perímetro requiere ubicaciones que representen dos (o de
manera opcional tres) ubicaciones en el perímetro.
Dónde encontrarlo En el menú Herramientas, seleccione Entidades de croquis,
Círculo o Círculo perimetral.
O, en la barra de herramientas Croquis, haga clic en Círculo
o Círculo perimetral .
Cómo croquizar el
círculo
Pueden utilizarse muchos puntos de inferencia para ubicar círculos.
Puede utilizar el centro de círculos creados previamente, el origen
y demás ubicaciones de puntos para localizar el centro del círculo.
En este ejemplo, capturaremos automáticamente una relación
coincidente con el origen mediante el croquizado del centro del
círculo sobre la misma.
17 Agregar un círculo y acotarlo.
Con la Herramienta Círculo,
agregue el círculo en el origen.
Agregue la cota de diámetro para
definir completamente el croquis.
Establezca el valor en 12 mm. El
croquis está completamente definido.
Cómo cambiar la
apariencia de las
cotas
Con el estándar de acotación en uso actualmente, las cotas de
diámetro se visualizan con una flecha fuera del círculo. Puede
cambiar la visualización de modo que dos flechas queden dentro del
círculo.
18 Hacer clic en la cota.
Dos puntos verdes pequeños
aparecerán en las flechas de la cota.
Lección 4 Manual de formación SolidWorks 2006
Cómo modelar una pieza de fundición o forja
110 Croquizado dentro del modelo
19 Activar o desactivar las flechas.
Haga clic en uno de los puntos verdes
para activar o desactivar las flechas
hacia el interior del círculo. Esto
funciona en todas las cotas, no sólo en
las cotas de diámetro.
Haga clic de nuevo para situar las
flechas en el exterior.
20 Ocultar la opción Alzado.
21 Cambiar a vista
Isométrica.
A diferencia de lo que sucede al
crear la primera operación, el
sistema no cambiará las
orientaciones de vista
automáticamente para ningún
otro saliente o corte. Utilice el
cuadro de diálogo Orientación de vista o la barra de herramientas
Vistas estándar para cambiar a una vista Isométrica.
Cómo extruir
hasta el siguiente
El croquis será extruido hasta la o las siguientes caras que encuentre
a lo largo de su trayecto. Es importante observar los gráficos de
vista preliminar para determinar si el saliente se orienta en la
dirección adecuada, invirtiendo dicha dirección si fuera necesario.
22 Extrusión Hasta el
siguiente.
Haga clic en Insertar,
Saliente/Base, Extruir... y
observe la visualización de la
vista preliminar. Cambie la
dirección de modo que la vista
preliminar muestre la
extrusión que se dirige hacia
la operación Handle.
Cambie la condición final por Hasta el siguiente.
Haga clic en Aceptar.
Cambie el nombre de la operación
por Transition.
Manual de formación SolidWorks 2006 Lección 4
Cómo modelar una pieza de fundición o forja
Croquizado dentro del modelo 111
Hasta el siguiente
en comparación con
Hasta la superficie
Las condiciones finales Hasta el siguiente y Hasta la superficie
generan resultados diferentes en muchos casos. La imagen de la
izquierda es para Hasta la superficie cuando se selecciona la cara
con ángulo (roja). La superficie selecciona da la forma a la
extrusión. Sólo se permite una selección de superficie. La imagen
de la derecha es para Hasta el siguiente. Todas las caras de la ruta de
la extrusión se utilizan para dar forma a la extrusión.
Intención del
diseño de la
cabeza
La operaciónHead (Cabeza) es una operación Croquis que utiliza
líneas y arcos tangentes para formar el esquema o perfil básico.
El perfil se extruye en direcciones opuestas, equitativamente, con
el ángulo de salida. Esta operación es la operación clave de la pieza.
Contendrá cavidades y taladros utilizados para la ubicación de otras
piezas.
La intención del diseño de Head se detalla a continuación:
Centros del
arco: Los
centros de los
dos arcos en el
esquema
(perfil)
se alinean
verticalmente
en una
orientación
de vista Top
(Superior). Los radios no son iguales y pueden cambiar a
cualquier valor.
Ubicación del perfil: La geometría de croquis se ubica en el
plano de separación del sólido con el arco mayor centrado con
respecto al origen del modelo.
Ángulo de salida: El ángulo de salida aplicado es igual a ambos
lados del plano de separación.
Espesor: El espesor de la pieza es igual a ambos lados de la
línea de separación.
Línea de
separación
Lección 4 Manual de formación SolidWorks 2006
Cómo modelar una pieza de fundición o forja
112 Croquizado dentro del modelo
Simetría: La
geometría es
simétrica.
23 Línea constructiva.
Seleccione el plano de referencia Planta como plano de
croquis. Oriente la vista en la misma dirección. Empiece el
croquis con una línea constructiva como se indica.
Introducción:
Arco centro
extremos
Arco centro extremos crea un arco basado en un centro, un punto
inicial y un punto final.
Dónde encontrarlo En el menú Herramientas, elija Entidades de croquis,
Arco centro extremos....
O, haga clic con el botón secundario del ratón en la zona de
gráficos y seleccione Arco centro extremos.
O, en la barra de herramientas Croquis, seleccione la
herramienta Arco centro extremos .
24 Croquizar un arco centro extremos.
Seleccione la herramienta Arco centro
extremos y haga clic primero en el
origen (1).
Muévase hacia fuera para establecer el
radio y el punto inicial y vuelva a hacer
clic (2).
Muévase para establecer el punto final y
haga clic en un tiempo final (3).
Repita el procedimiento para un arco situado en el extremo abierto
de la línea constructiva.
Sección de la
cabeza
1
2
3
Manual de formación SolidWorks 2006 Lección 4
Cómo modelar una pieza de fundición o forja
Croquizado dentro del modelo 113
25 Completar el croquis.
Croquice una línea de punto final a punto
final. Observe que los puntos finales no son
tangentes a la línea. Agregue estas relaciones:
Tangente entre la línea y cada arco.
Coincidente entre la línea constructiva
y cada punto final de arco abierto.
26 Agregar cotas.
Agregue una cota lineal y dos radiales al croquis.
Introducción:
Simetría de
entidades
Para crear simetría, es necesario una línea, una arista lineal o una
línea constructiva. Esta línea define el plano de simetría que es
siempre normal con respecto al plano de croquis y atraviesa la línea
constructiva seleccionada.
Dónde encontrarlo En el menú Herramientas, seleccione: Herramientas de
croquizar, Simetría.
O, en la barra de herramientas Croquis, haga clic en Simetría
de entidades .
27 Simetría.
Haga clic en la herramienta
Simetría . Seleccione los
dos arcos y la línea de conexión
como Entidades para
simetría.
Haga clic en Con respecto a y
seleccione la línea
constructiva.
Se creará simetría de la
geometría con respecto a la
línea constructiva.
Lección 4 Manual de formación SolidWorks 2006
Cómo modelar una pieza de fundición o forja
114 Croquizado dentro del modelo
Cotas conducidas En cualquier croquis, pueden crearse Cotas de referencia o
conducidas. SolidWorks le guía hacia la creación de este tipo
siempre y cuando las cotas se agreguen a geometría que ya esté
completamente definida. Una cota Conducida se indica mediante
una diferencia de color. La cota conducida siempre mostrará el
valor apropiado pero nunca podrá utilizarse para forzar un cambio
en el modelo.
Croquis definidos
en exceso
Si el estado de los cambios del croquis pasa a ser de completamente
definido a definido en exceso (consulte Estado de un croquis en la
página 30), aparecerá una herramienta de diagnóstico. Esta
herramienta se puede utilizar para reparar el croquis. Asimismo, se
pueden reparar otros estados inadecuados.
28 Cota angular.
Haga clic en la herramienta Cota y seleccione
el par de líneas en ángulo. Coloque el texto de
cota debajo del croquis, entre las líneas.
29 Mensaje conducido.
El siguiente mensaje le brinda la opción de
establecer la cota como conductora o
conducida. La selección predeterminada,
Hacer cota conducida, se controla mediante
Herramientas, Opciones. Seleccione Dejar
cota como conductora y haga clic en Aceptar. El croquis pasa a
ser Definido en exceso.
Solucionar
conflictos
La opción Solucionar conflictos se utiliza para reparar las
condiciones Definido en exceso, No se ha encontrado una solución
o Se ha encontrado una solución inválida en el croquis.
Nota Las reparaciones y la edición de piezas generales se describe
en Lección 7: Cómo editar: Reparaciones.
Dónde encontrarlo Haga clic en el botón Definido en exceso (u otra condición) en
la esquina inferior derecha.
30 Definido en exceso.
Cuando el croquis pasa a ser
Definido en exceso, aparece
un mensaje en la esquina
inferior derecha de la
pantalla. Haga clic en el botón Definido en exceso.
Manual de formación SolidWorks 2006 Lección 4
Cómo modelar una pieza de fundición o forja
Opciones de visualización 115
31 Diagnosticar.
Haga clic en Diagnosticar para determinar los
posibles conjuntos de soluciones con el fin de
resolver el estado definido en exceso.
La eliminación de uno de estos conjuntos
suprimirá el estado definido en exceso.
32 Eliminar.
Seleccione la relaciónDistance1
(Distancia1) y haga clic en Eliminar.
33 Conflicto solucionado.
Establezca la cota de ángulo en 20 grados.
34 La extrusión.
Cambie a una vista
Isométrica y haga clic en
Insertar, Saliente/Base,
Extruir... del menú. Establezca el
tipo en Plano medio, la
profundidad en 20 mm y el
ángulo de salida en 6º. Asigne a la
última operación el nombre Head.
Las tres operaciones principales que componen la forma general de
la pieza están ahora completas.
Opciones de
visualización
El software de SolidWorks le proporciona muchas opciones para
controlar y manipular cómo se visualizan los modelos en su
pantalla. En general, estas opciones de visualización pueden
dividirse en dos grupos. Estos grupos corresponden a los dos
submenús disponibles en el menú Ver y los dos grupos de
herramientas en la barra de herramientas Ver.
Nota Estas opciones de visualización están disponibles para su uso en
situaciones de áreas de visualización únicas y múltiples. Para
obtener más información, consulte Áreas de visualización en la
página 63.
Lección 4 Manual de formación SolidWorks 2006
Cómo modelar una pieza de fundición o forja
116 Opciones de visualización
Opciones de visualización
Opciones de modificación
Manual de formación SolidWorks 2006 Lección 4
Cómo modelar una pieza de fundición o forja
Opciones de visualización 117
Opciones de
visualización
En las siguientes ilustraciones de Ratchet, se muestran los
diferentes tipos de opciones de visualización.
Nota Las opciones de vista Perspectiva y Sección pueden aplicarse a
cualquier tipo de vista: estructura alámbrica, línea oculta o
sombreado. La herramienta SLO/LOV Calidad de borrador
puede estar activa con todos los tipos de vista pero afecta sólo a las
opciones Sin líneas ocultas y Líneas ocultas visibles haciendo
que la visualización sea facetada y más fácil de manipular.
Opciones de
modificación
Las opciones de modificación se enumeran a continuación al lado
de sus herramientas correspondientes. Su instructor realizará una
demostración de estas opciones durante la clase.
Nota Resulta particularmente difícil ilustrar algo tan dinámico como la
rotación de vista mediante un medio tan estático como un manual
impreso. Por lo tanto, aquí solo se enumeran y resumen las
diferentes opciones de vista. Su instructor demostrará estas
opciones durante la clase.
Zoom ajustar: Se aplica el zoom acercar o alejar de modo que
todo el modelo esté visible.
Zoom encuadre: Se aplica un zoom acercar a una parte
seleccionada de la vista arrastrando un cuadro delimitador.
El centro del cuadro se indica con un signo más (+).
Zoom acercar/alejar: Aplica un zoom acercar a medida que
usted presiona y mantiene presionado el botón izquierdo del
ratón y arrastra el ratón hacia arriba. Aplica un zoom alejar a
medida que usted arrastra el ratón hacia abajo.
Estructura alámbrica Líneas ocultas visibles Sin líneas ocultas
Sombreado Perspectiva Sección
Sombras enFranjas Sombreado
de cebra modo sombreado con aristas
Lección 4 Manual de formación SolidWorks 2006
Cómo modelar una pieza de fundición o forja
118 Métodos abreviados del teclado
Ampliar selección: Amplía el tamaño de una entidad
seleccionada.
Girar vista: Gira la vista a medida que usted presiona y
mantiene presionado el botón izquierdo del ratón, arrastrando
el ratón por la pantalla.
Trasladar vista: Desplaza la vista de modo que el modelo se
mueva a medida que usted arrastra el ratón.
Funciones del
botón central del
ratón
El botón central del ratón en un ratón de tres botones puede
utilizarse para manipular la visualización dinámicamente. Si utiliza
el botón central del ratón, podrá:
Girar la vista
Presione y mantenga presionado el botón central del ratón. Mientras
mueve el ratón, la vista gira libremente.
Sugerencia Para girar sobre un vértice, arista, eje o eje temporal:
Haga clic con el botón central del ratón sobre la geometría.
Mientras mueve el ratón, la vista gira sobre la geometría
seleccionada.
Trasladar o desplazar la vista
Presione y mantenga presionada la tecla Ctrl juntamente con el
botón central del ratón. La vista se desplazará a medida que usted
arrastra el ratón.
Aplicar zoom a la vista
Presione y mantenga presionada la tecla Mayús juntamente con el
botón central del ratón. Se aplicará el zoom acercar a la vista al
mover el ratón hacia arriba; se aplicará el zoom alejar al mover el
ratón hacia abajo.
Nota En un dibujo, sólo puede utilizar las funciones Zoom y Trasladar.
Métodos
abreviados del
teclado
A continuación, se enumeran los métodos abreviados de teclado
predefinidos para las opciones de vista:
Teclas de flechas . . . . . . .Girar la vista
Mayús+Teclas de flechas.Girar la vista en incrementos de 90º
Alt+Teclas de flecha
izquierda o derecha . . . . .Girar en torno a normal a la
pantalla
Ctrl+Teclas de flechas . . .Mover la vista
Mayús+z . . . . . . . . . . . . . . .Zoom acercar
z. . . . . . . . . . . . . . . . . . . . . .Zoom alejar
f . . . . . . . . . . . . . . . . . . . . . .Zoom ajustar
Ctrl+1 . . . . . . . . . . . . . . . . .Orientación frontal
Ctrl+2 . . . . . . . . . . . . . . . . .Orientación posterior
Manual de formación SolidWorks 2006 Lección 4
Cómo modelar una pieza de fundición o forja
Cómo utilizar aristas del modelo en un croquis 119
Ctrl+3 . . . . . . . . . . . . . . . . .Orientación izquierda
Ctrl+4 . . . . . . . . . . . . . . . . .Orientación derecha
Ctrl+5 . . . . . . . . . . . . . . . . .Orientación superior
Ctrl+6 . . . . . . . . . . . . . . . . .Orientación inferior
Ctrl+7 . . . . . . . . . . . . . . . . .Orientación isométrica
Ctrl+8 . . . . . . . . . . . . . . . . .Ver normal a
Barra espaciadora. . . . . . .Cuadro de diálogo Orientación de
vista
Cómo utilizar
aristas del
modelo en un
croquis
La primera operación Cortar que se agregará es Recess
(Entrante), una cavidad extruida desde la cara superior de Head
(Cabeza). Esta operación permite la colocación de una cubierta
sobre el mecanismo del trinquete. Debido a que la cubierta posee la
misma forma general que la cara superior, sería útil aprovechar las
aristas de la pieza Head al croquizar el perfil para el corte Recess.
Lo haremos mediante la realización de una Equidistancia de las
aristas de Head.
Ampliar selección La opción Ampliar selección aplica el zoom acercar a una entidad
seleccionada, haciendo que complete la pantalla.
35 Seleccionar la cara y el
zoom.
Seleccione la cara superior de
Head y haga clic en Ampliar
selección . La cara
completará la ventana de
gráficos.
Cómo croquizar
una equidistancia
Las equidistancias en un croquis se basan en las aristas de modelos
existentes o entidades de croquis de otro croquis. En este ejemplo,
utilizaremos las aristas del modelo de la pieza Head. Estas aristas
pueden elegirse individualmente o como el límite de toda una cara.
Cuando sea posible, es una buena idea seleccionar la cara porque el
croquis se regenerará mejor si los cambios posteriores agregan o
eliminan aristas de la cara.
Las aristas se proyectan sobre el plano del croquis, sin importar si
las mismas se apoyan o no sobre dicho plano.
Introducción:
Equidistanciar
entidades
El comando Equidistanciar entidades se utiliza para crear copias
de las aristas del modelo en un croquis. Estas copias se
equidistancian del original en alguna cantidad especificada.
Lección 4 Manual de formación SolidWorks 2006
Cómo modelar una pieza de fundición o forja
120 Cómo crear geometría de croquis recortada
Dónde encontrarlo En el menú Herramientas, seleccione Herramientas de
croquizar, Equidistanciar entidades...
O, en la barra de herramientas Croquis, haga clic en
Equidistanciar entidades .
36 Equidistanciar los límites
de la cara.
Seleccione la cara superior y
haga clic en la herramienta
Croquis. Con la cara todavía
seleccionada, haga clic en la
herramienta Equidistanciar
en la barra de herramientas.
Establezca el valor de la
distancia en 2 mm e Invierta
la dirección de ser necesario,
moviendo la equidistancia
hacia el interior.
37 Equidistancia resultante.
La equidistancia crea dos líneas y dos arcos.
Esta geometría depende de la cara sólida de
la que proviene y cambiará con el sólido. El
croquis se define completamente en forma
automática y queda listo para una extrusión
como corte.
38 Configuración para el corte.
Elija un corte Hasta profundidad
especificada con 2 mm para el valor de la
profundidad y haga clic en Aceptar.
39 Cambiar el nombre de la operación.
Cambie el nombre de la operación por
Entrante.
Cómo crear
geometría de
croquis
recortada
La operación Pocket (Cavidad) es otra operación Cortar, aplicada
a una superficie plana del modelo. Este croquis utiliza círculos
superpuestos que se recortan para crear un contorno simple. Los
centros de los círculos están relacionados con puntos centrales
circulares existentes.
Manual de formación SolidWorks 2006 Lección 4
Cómo modelar una pieza de fundición o forja
Cómo crear geometría de croquis recortada 121
40 Croquizar círculos.
Seleccione la cara interior superior creada por
la última operación como plano de croquis. Con
la herramienta Círculo , cree un círculo
utilizando la ubicación del punto central
existente como el origen del círculo. El
enganche con esta ubicación relacionará el
círculo con la misma automáticamente. Cree un
segundo círculo lejos del lado del modelo.
41 Relacionar los centros.
Haga clic en la herramienta Agregar
relación para abrir el PropertyManager
Agregar relaciones. Seleccione el segundo
círculo y la arista del corte. Elija la opción
Concéntrica y haga clic en Aceptar. La
opción Concéntrica fuerza los dos arcos (el
círculo y la arista circular) para que
compartan un centro común. Esto arrastrará
el círculo a su posición.
Recortar y
extender
Las entidades de croquis pueden recortarse utilizando la opción
Recortar. En este ejemplo, las porciones superpuestas de los
círculos se eliminarán. Hay varias opciones de recorte: Recorte
inteligente, Esquina, Recortar dentro de límite, Recortar fuera
de límite y Recortar hasta más cercano. También se pueden
alargar utilizando la opción Extender. Estas opciones se explican a
continuación.
Introducción:
Recortar
La opción Recortar puede utilizarse para acortar la geometría de
croquis.
Dónde encontrarlo En el menú Herramientas, seleccione Herramientas de
croquizar, Recortar.
O, en la barra de herramientas Croquis, haga clic en Recortar
entidades .
La opción Recorte
inteligente
elimina la parte de
una entidad que se
arrastra entre
intersecciones o
hasta un punto final.
Lección 4 Manual de formación SolidWorks 2006
Cómo modelar una pieza de fundición o forja
122 Cómo crear geometría de croquis recortada
La opción
Esquina se
utiliza para recortar
manteniendo la
geometría
seleccionada en una
intersección común.
Utilice la opción
Recortar fuera de
límite para
mantener las partes
internas si la
geometría está
contra un límite.
Seleccione los dos
límites (B) primero
y, a continuación,
las piezas de
geometría que se
van a recortar (T).
Utilice la opción
Recortar dentro de
límite para
mantener las partes
externas si la
geometría está
contra un límite.
Seleccione los dos
límites (B) primero
y, a continuación,
las piezas de
geometría que se
van a recortar (T).
Utilice la opción
Recortar hasta
más cercano
para recortar la
geometría
seleccionada hasta
la intersección más
cercana o eliminar
una parte de la
geometría que
aparece entre los
límites.
B
B
T
T
B
B
T
T
T
Manual de formación SolidWorks 2006 Lección 4
Cómo modelar una pieza de fundición o forja
Cómo crear geometría de croquis recortada 123
Introducción:
Extender
La opción Extender puede utilizarse para alargar la geometría de
croquis.
Dónde encontrarlo En el menú Herramientas, seleccione Herramientas de
croquizar, Extender.
O, en la barra de herramientas Croquis, haga clic en Extender
entidades .
42 Recortar los círculos.
Haga clic en la herramienta
Recortar y seleccione la opción
Recorte inteligente.
Regla Arrastre las porciones de las
entidades de croquis que desea
eliminar.
El sistema buscará las
intersecciones entre los círculos y
eliminará el exceso.
43 Agregar cotas.
Agregue cotas a los arcos. Esto definirá
completamente el croquis.
44 Desactivar la herramienta de cota.
Una forma fácil de desactivar la herramienta
de cota consiste simplemente en presionar la
tecla Esc del teclado.
Seleccione el punto
más cercano al
extremo y haga clic
para extenderlo
hasta la siguiente
intersección.
Arrastre el punto
final más cercano y
colóquelo en la
entidad de
intersección para
extenderlo.
Lección 4 Manual de formación SolidWorks 2006
Cómo modelar una pieza de fundición o forja
124 Cómo crear geometría de croquis recortada
Cómo modificar
cotas
Debido a que las entidades de croquis son arcos, el sistema creó
automáticamente cotas radiales. Si prefiere las cotas de diámetro,
puede cambiar rápidamente las opciones de visualización. Para
realizar cambios más profundos en las cotas, haga clic con el botón
secundario del ratón en la cota y seleccione Propiedades.
45 Cotas de diámetro.
Seleccione las cotas, haga clic con el botón
secundario del ratón y elija Opciones de
visualización, Visualizar como cota de
diámetro.
Introducción:
Equidistante de la
superficie
La condición final Equidistante
de la superficie se utiliza para
ubicar el extremo de una extrusión
como una medida desde un plano,
cara o superficie, en lugar del
plano de croquis de la operación.
En este ejemplo, el extremo de la
extrusión se mide desde la cara
inferior de la pieza.
La opción Trasladar superficie
puede activarse o desactivarse. Su
significado se explica a
continuación.
Qué hace la opción
Trasladar superficie:
La opción Trasladar superficie de la
condición final Equidistante de la
superficie está desactivada en forma
predeterminada.
En la imagen de la derecha, ambas
columnas están ubicadas bajo dos
superficies de referencia
semicirculares idénticas. Ambas
columnas se extruyen de modo que la
parte superior de cada una está 1.4” por
debajo de las superficies de referencia.
La columna de la izquierda fue
extruida con la opción Trasladar superficie activada. La columna
de la derecha fue extruida con la opción desactivada.
Manual de formación SolidWorks 2006 Lección 4
Cómo modelar una pieza de fundición o forja
Cómo crear geometría de croquis recortada 125
La opción Equidistante de la
superficie de la opción Trasladar
superficie define la condición
final al trasladar linealmente una
copia de la superficie en la
dirección de la extrusión. Sin ella,
la superficie copiada se crea
mediante la proyección normal en
la superficie original. De ahí los
dos resultados diferentes.
Nota En este ejemplo, la posición de la cara plana seleccionada indica
que ambas opciones obtienen el mismo resultado.
46 Equidistante de la superficie.
Haga clic en el icono Extruir corte y elija la condición final Equi-
distante de la superficie. Establezca la Equidistancia en 5mm.
Introducción:
Seleccionar otra
Seleccionar otra se utiliza para seleccionar caras ocultas del
modelo sin necesidad de volver a orientarlo.
Procedimiento de la
opción Seleccionar
otra
Para seleccionar caras ocultas u oscurecidas, puede utilizar la
opción Seleccionar otra. Al colocar el cursor en la zona de una
cara y presionar el botón secundario del ratón, Seleccionar otra
queda disponible como opción en el menú contextual. La cara más
cercana al cursor se oculta y se muestra como 1. en el cuadro de
diálogo en --Caras ocultas--. En el cuadro de diálogo, se numeran y
aparecen otras caras visibles. Si se mueve por encima de ellas en el
cuadro de diálogo, las mismas se resaltan en la pantalla.
La razón por la cual el sistema oculta la cara más cercana es que,
como dicha cara era visible, si hubiera deseado seleccionarla
simplemente la hubiera elegido con el botón izquierdo del ratón.
47 Selección de cara.
Haga clic con el botón secundario del ratón
sobre la cara inferior oculta y elija
Seleccionar otra. Mueva el cursor hacia
arriba y hacia abajo en la lista Seleccionar otra
para resaltar las posibles selecciones de caras.
Utilice el botón izquierdo del ratón para
seleccionar la cara directamente o seleccione
la opción 2. Cara de la lista.
Cambie el nombre de la operación por Pocket.
Sugerencia Se pueden agregar otras caras a la lista -- Caras ocultas --. Haga clic
con el botón secundario del ratón en una cara para ocultarla.
Presione Mayús y haga clic con el botón secundario del ratón para
hacerla visible y eliminarla de la lista.
Lección 4 Manual de formación SolidWorks 2006
Cómo modelar una pieza de fundición o forja
126 Cómo crear geometría de croquis recortada
Cómo medir La opción Medir puede utilizarse para muchas tareas de medición.
Aquí se utiliza para medir la distancia más corta entre una arista y
un plano. Puede medir la geometría incluidos vértices, aristas y
caras.
Introducción:
Medir
El comando Medir puede calcular distancias, longitudes, áreas de
superficie, ángulos, círculos y ubicaciones X, Y, Z de vértices
seleccionados. En el caso de círculos y arcos, están disponibles las
cotas centrales, mínimas y máximas tal como se muestra a
continuación.
Manual de formación SolidWorks 2006 Lección 4
Cómo modelar una pieza de fundición o forja
Cómo utilizar las operaciones Copiar y Pegar 127
Dónde encontrarlo En la barra Herramientas, haga clic en la herramienta Medir .
O en el menú Herramientas, elija Medir...
48 Medir entre la cara y el
vértice.
Haga clic en la
herramienta Medir y
seleccione la cara y el
vértice que se muestran.
La Distancia normal es
5mm. Se visualiza
información de las
selecciones combinadas.
Sugerencia La Barra de estado situada en la parte inferior de la ventana de
SolidWorks muestra información similar cuando la herramienta
Medir está desactivada. Si se seleccionara una arista circular, la
barra de estado mostraría el Radio y Centro.
Cómo utilizar
las operaciones
Copiar y Pegar
La pieza Ratchet requiere dos taladros pasantes de diferentes
diámetros. Crearemos un taladro, copiándolo y pegándolo para
realizar el segundo.
Cómo croquizar el
taladro
Los taladros circulares son muy fáciles de crear. Todo lo que
necesita es un círculo de croquis relacionado con el modelo y
acotado. El Asistente para taladro también podría utilizarse para
crear este taladro.
49 Abrir un croquis.
Haga clic en la cara inferior interior del
“número ocho” y abra un nuevo croquis.
50 Crear un taladro circular.
Croquice un círculo centrado en la marca
superior central y agregue una cota. Establezca
el diámetro en 9 mm y cree un corte Por todo.
Denomine la operación Wheel Hole.
Lección 4 Manual de formación SolidWorks 2006
Cómo modelar una pieza de fundición o forja
128 Cómo utilizar las operaciones Copiar y Pegar
Operaciones
Copiar y Pegar
Las operaciones croquizadas sencillas y algunas operaciones
aplicadas pueden copiarse y luego pegarse en una cara plana.
Las operaciones de múltiples croquis tales como barridos y
recubrimientos no se pueden copiar. Igualmente, ciertas
operaciones aplicadas como ángulo de salida no se pueden copiar,
aunque los redondeos y los chaflanes sí pueden copiarse.
Una vez pegada, la copia no tiene vinculaciones ni asociación con el
original. Tanto la operación como su croquis pueden cambiarse de
manera independiente.
Cómo copiar una
operación
Copie operaciones seleccionándolas y utilizando el acceso directo
estándar de Windows Ctrl+C o seleccionando la herramienta
Copiar en la barra de herramientas Estándar. También puede
seleccionar Copiar en el menú Editar. Finalmente, puede emplear
la técnica estándar de Windows “arrastrar y colocar” mientras
mantiene presionada la tecla Ctrl.
51 Identificar la operación a copiar.
La operación que se copiará debe identificarse
en el gestor de diseño del FeatureManager o
en el modelo. Para este ejemplo, seleccione la
operación Wheel Hole seleccionándola en
el gestor de diseño del FeatureManager. A
continuación, cópiela en el portapapeles
utilizando la opción Copiar de la barra de herramientas
Estándar.
Nota También puede utilizar Ctrl+C o Editar, Copiar para crear una
copia en el portapapeles.
52 Seleccionar la cara en la cual pegar.
La operación copiada debe copiarse en una cara
plana. Seleccione la cara inferior interior, la
misma utilizada para el plano de croquis de
Wheel Hole.
53 Pegar la operación.
Pegue la copia utilizando la herramienta Pegar
, la tecla de acceso directo Ctrl+V o Editar, Pegar.
54 Confirmación de copia.
La operación Wheel Hole era Concéntrica con respecto al
extremo más pequeño de la cara del “número ocho”. La copia lleva
esa relación Concéntrica consigo, sólo que el sistema ahora tiene
un pequeño problema. No sabe con respecto a qué arista la misma
debe ser concéntrica. Por lo tanto, tenemos tres opciones:
Eliminar la relación.
Mantenerla aunque no se resuelva (colgante).
Cancelar la operación de copia en su totalidad.
55 Hacer clic en Eliminar.
Manual de formación SolidWorks 2006 Lección 4
Cómo modelar una pieza de fundición o forja
Cómo utilizar las operaciones Copiar y Pegar 129
Relaciones
colgantes
Las cotas y las relaciones se consideran colgantes si hacen
referencia a algo que ha sido eliminado o no está resuelto. Las
relaciones colgantes generalmente pueden repararse mediante una o
más técnicas. Analizaremos la reparación de las relaciones
colgantes más adelante en el curso en la Lección 7: Cómo editar:
Reparaciones.
56 Operación pegada.
La operación y su croquis se agregan al gestor de
diseño del FeatureManager y al modelo. Observe
que la operación no está centrada. Esto se debe a
que su croquis está, de hecho, insuficientemente
definido.
57 Buscar el croquis.
Haga clic en el signo que precede a la
operación pegada en el gestor de diseño del
FeatureManager.
Cómo editar un
croquis.
Una vez creados, los croquis pueden cambiarse utilizando Editar
croquis. Esto abre el croquis seleccionado de modo que usted
pueda cambiar cualquier cosa: los valores de cota, las cotas
propiamente dichas, la geometría o las relaciones geométricas.
Introducción:
Editar croquis
Editar croquis le permite acceder a un croquis y realizar cambios
en cualquier aspecto del mismo. Durante la edición, el modelo
“retrocede” al estado en el que se encontraba al crearse el croquis.
El modelo será reconstruido al salir del croquis.
Dónde encontrarlo En el menú Editar, elija Croquis.
O haga clic con el botón secundario del ratón en la operación
cuyo croquis desee editar y seleccione Editar croquis.
Relacionar y
cambiar el croquis
Debido a que la copia no tiene relaciones con el origen o la
geometría del modelo, el croquis está insuficientemente definido y
debe llevarse a un estado completamente definido. Utilice
relaciones geométricas para hacerlo.
58 Editar el croquis de la operación copiada.
La operación copiada incluye tanto la operación como su croquis.
El croquis define la forma y el tamaño del perfil así como la
ubicación. Haga clic con el botón secundario del ratón en la
operación o su croquis y seleccione Editar croquis.
Lección 4 Manual de formación SolidWorks 2006
Cómo modelar una pieza de fundición o forja
130 Cómo utilizar las operaciones Copiar y Pegar
59 Relación y cota.
El círculo y la cota de diámetro están en el
croquis. No existe ninguna otra relación o
cota para localizar el círculo. Elimine la
cota.
Haga clic en Agregar relación .
Seleccione la arista del círculo y la arista
del sólido y use Concéntrica. O utilice
Coincidente para alinear el punto central
del círculo y el origen. El croquis está
ahora completamente definido.
Agregue una Cota de círculo
concéntrico acotando el círculo y la arista.
60 Reconstruir el modelo.
Para hacer que los cambios entren en vigor en el
croquis, reconstruya el modelo haciendo clic en
la herramienta Reconstruir .
Cambie el nombre de la operación por
Ratchet Hole (Taladro de trinquete).
61 Redondeos.
Agregue redondeos en las aristas y caras tal como se muestra a
continuación.
R = 3mm
Nombre = Handle Fillets
(Redondeos de asas)
R = 1mm
Nombre = H End Fillets
(Redondeos de extremos de asas).
R = 2mm
Nombre T-H Fillets
(Redondeos de asas de transición).
Manual de formación SolidWorks 2006 Lección 4
Cómo modelar una pieza de fundición o forja
Cómo editar operaciones 131
Cómo editar
operaciones
El último redondeo que se creará se encuentra alrededor de las
aristas superior e inferior de Head (Cabeza). Como este redondeo
tiene el mismo radio que el redondeo en los extremos de Handle
(Asa), editaremos este redondeo existente para incluir las aristas en
Head. Ésta es una mejor técnica que crear un nuevo redondeo e
intentar descubrir cómo mantener sus radios iguales. Para hacerlo,
editaremos la definición de H End Fillets (Redondeos de
extremos de asas).
Introducción:
Editar operación
Editar operación cambia la manera de aplicar una operación al
modelo. Cada operación tiene información específica que puede
cambiarse o completarse, según el tipo de operación del que se
trate. Como regla general, el cuadro de diálogo que se utiliza para
crear una operación también se utiliza para editar dicha operación.
Dónde encontrarlo Haga clic con el botón secundario del ratón en la operación que
desea editar, ya sea en el gestor de diseño del FeatureManager o
en la ventana de gráficos, y seleccione Editar operación.
Cómo editar el
redondeo
Edite la operación H End Fillets para incluir aristas adicionales.
62 Seleccionar y editar el
redondeo.
Haga clic con el botón secundario
del ratón en la operación H End
Fillets y seleccione Editar
operación. Seleccione las aristas
adicionales alrededor de las aristas
superior e inferior de Head
(Cabeza). La lista de selección
debería indicar ahora un total de 6
aristas seleccionadas.
63 Guardar y cerrar la pieza.
Lección 4 Manual de formación SolidWorks 2006
Cómo modelar una pieza de fundición o forja
132 Cómo editar operaciones
Manual de formación SolidWorks 2006
Ejercicio 10 133
Ejercicio 10:
Soporte base
Este laboratorio refuerza las
siguientes funciones:
Cómo croquizar líneas.
Cómo agregar relaciones
geométricas.
Cómo croquizar en planos
estándar.
Cómo croquizar en caras planas.
Cómo crear redondeos.
Cómo crear cortes, taladros y
salientes.
Intención del
diseño
Algunos aspectos de la intención del diseño para esta pieza son:
1. El espesor de las
operaciones Upper
(Superior) y Lower
(Inferior) es igual.
2. Los taladros en la
operación Lower son de
igual diámetro y
permanecerán sin
cambios.
3. Las operaciones Upper
(Superior) y Lower (Inferior) están en el mismo nivel en el
lado posterior y derecho.
Procedimiento Abra una pieza nueva utilizando la plantilla Part_MM.
1 Crear la operación Lower (Inferior).
Utilice líneas para croquizar este perfil. Agregue cotas para definir
completamente el croquis.
Operación
Lower (Inferior)
Operación
Upper (Superior)
Manual de formación SolidWorks 2006
134 Ejercicio 10
2 Seleccionar una cara
como plano de croquis.
Seleccione la cara posterior
que se encuentra oculta por
la cara superior del modelo
como plano de croquis.
Utilice Seleccionar otra o
gire la vista para
seleccionarla.
3 Crear la operación
Saliente Upper
(Superior).
Croquice las líneas y
relaciónelas con las aristas
existentes en donde sean
coincidentes.
4 Extruir.
Extruya en la primera operación
una profundidad de 20 mm.
Manual de formación SolidWorks 2006
Ejercicio 10 135
5 Crear
redondeos y
redondos.
Agregue los
redondeos en la
menor cantidad
de pasos posible.
Cambie el
nombre de las
operaciones
según el tamaño
del redondeo.
6 Taladros.
Agregue los taladros
utilizando la menor
cantidad de
operaciones posible.
Asegúrese de que
queden concéntricos
a los radios de
redondeo.
Para el Asistente
para taladro, utilice los tamaños del perforador Métrico - ANSI.
7 Guardar y cerrar la pieza.
20 mm
18 mm
Manual de formación SolidWorks 2006
136 Ejercicio 11
Ejercicio 11:
Cambios en el
asa del
trinquete
Realice cambios en la
pieza creada en la
lección anterior.
Este ejercicio utiliza
las siguientes
funciones:
Edición de croquis.
Edición de
operaciones.
Intención del
diseño
Algunos aspectos de la intención del diseño para esta pieza son:
1. La pieza debe permanecer
simétrica en torno al
plano de referencia
Right (Derecho).
2. La operación
Transition
(Transición) requiere que
las caras planas sean
conducidas por la
distancia entre ellas.
Procedimiento Abra una pieza existente.
1 Abrir la pieza
Ratchet Handle
Changes (Cambios
en el asa del
trinquete).
El cambio se efectuará
en la forma de la
operación
Transition.
2 Editar el croquis.
Haga clic con el
botón secundario
del ratón en la
operación
Transition en
la pantalla y elija
Editar croquis.
Modifique el
croquis para
agregar las caras
planas horizontales con una separación uniforme de 8 mm.
Salga del croquis.
Transition
(Transición)
Manual de formación SolidWorks 2006
Ejercicio 11 137
3 Editar operación.
Edite la operación H End
Fillets (Redondeos de
extremos de asas) para incluir
más aristas. Seleccione las
cuatro aristas nuevas creadas
por las caras planas. Haga clic
en Aceptar.
4 Redondeos resultantes.
Las nuevas aristas pasan a
formar parte de la operación
Redondeo, originando la
actualización de la forma de la
siguiente operación Redondeo.
5 Guardar y cerrar la pieza.
Manual de formación SolidWorks 2006
138 Ejercicio 12
Ejercicio 12:
Soporte de
herramienta
Este laboratorio refuerza las
siguientes funciones:
Croquizado.
Cómo agregar relaciones
geométricas.
Cómo recortar.
Redondeos.
Cómo crear cortes, taladros y
salientes.
Intención del
diseño
Algunos aspectos de la intención del diseño para esta pieza son:
1. Todos los redondeos y redondos son de 0.0625”, a menos que se
indique lo contrario.
2. Las aristas circulares del mismo diámetro/radio deben
permanecer igual.
Vistas acotadas Utilice los siguientes gráficos con la intención del diseño para crear
la pieza.
Manual de formación SolidWorks 2006
Ejercicio 13 139
Ejercicio 13:
Brazo comple-
mentario
Cree esta pieza utilizando las cotas
suministradas. Utilice relaciones y ecuaciones
donde corresponda para mantener la intención
del diseño. Considere cuidadosamente la mejor
ubicación para el origen.
Esta pieza puede construirse utilizando sólo los
planos de referencia Planta, Alzado y
Vista lateral.
Este laboratorio utiliza las siguientes funciones:
Croquizar con simetría.
Extrusiones Plano medio y Por todo
Redondeos.
Unidades: pulgadas o mm
Intención del
diseño
La intención del diseño de esta pieza se
muestra a continuación:
1. La pieza es simétrica.
2. Los taladros frontales están en la línea
constructiva.
3. Todos los redondeos y redondos (resaltados
en rojo) son R 0.125” o R 3mm a no ser
que se indique lo contrario.
4. Los taladros centrales en los planos
Alzado y Vista lateral comparten
un punto central común.
Manual de formación SolidWorks 2006
140 Ejercicio 13
Vistas acotadas Utilice los siguientes gráficos con la intención del diseño para crear
la pieza en pulgadas o mm. Los valores métricos se han modificado
y han pasado a ser valores numéricos.
Cotas en pulgadas:
Cotas en mm:
Manual de formación SolidWorks 2006
Ejercicio 14 141
Ejercicio 14:
Polea
Este laboratorio refuerza las siguientes
funciones:
Creación de ángulo de salida durante la
extrusión.
Extrusiones de Plano medio.
Redondeos.
Intención del
diseño
Algunos aspectos de la intención del diseño para esta pieza son:
1. Todos los redondeos son de 1 mm a menos que se indique lo
contrario.
2. El ángulo de salida es de 6° tanto en el sólido como en el
soporte para colgar.
Procedimiento Abra la pieza existente denominada Pulley (Polea).
1 Extrusión con ángulo de
salida.
Extruya el croquis Base
(rojo) de 10 mm utilizando la
condición final Plano medio
y 6° de ángulo de salida.
2 Soporte para colgar.
Utilice el croquis Soporte para colgar
(azul) y otra extrusión de Plano medio de 4
mm con el mismo ángulo de salida.
Manual de formación SolidWorks 2006
142 Ejercicio 14
3 Corte y taladro.
Cree un corte utilizando el croquis Center
Cut (Corte central) (verde). El corte es Por
todo en ambas direcciones.
Agregue un taladro de 5 mm de diámetro.
Agregue el redondeo (1 mm) a las aristas
inferiores después del corte.
Cree un tercer corte Por todo de 3 mm,
centrado por encima del origen.
4 Redondeos.
Agregue redondeos
de 0.5 mm y 1 mm
según se indica.
Observe que estos
redondeos dependen
del orden; los
redondeos de 1 mm
deben preceder a los
de 0.5 mm.
5 Guardar y cerrar la
pieza.
0.5 mm
1 mm
Manual de formación SolidWorks 2006
143
Lección 5
Matrices
Al finalizar esta lección, podrá:
Utilizar diferentes tipos de matrices.
Utilizar matrices de geometría correctamente.
Utilizar la opción Variar croquis.
Lección 5 Manual de formación SolidWorks 2006
Matrices
144
Manual de formación SolidWorks 2006 Lección 5
Matrices
¿Por qué emplear matrices? 145
¿Por qué
emplear
matrices?
Las matrices son el mejor método para crear múltiples instancias de
una o más operaciones. El uso de matrices resulta más conveniente
que otros métodos, por varias razones.
Reutilización de geometría
La operación a repetir u original se crea sólo una vez. Las
Instancias de la operación a repetir se crean y se sitúan, con
referencias a la operación a repetir.
Cambios
Debido a la relación a repetir/instancia, las modificaciones en la
operación a repetir se pasan automáticamente a las instancias.
Utilización de las matrices de
componentes de ensamblajes
Las matrices creadas en el nivel de
pieza son reutilizables en el nivel del
ensamblaje como Matrices
conducidas por operaciones.
La matriz se puede utilizar para
ubicar subensamblajes o piezas del
componente.
Smart Fasteners
Una de las últimas ventajas de Smart
Fasteners es la incorporación auto-
mática de cierres al ensamblaje. Los
mismos son específicos de los tala-
dros.
Comparación de
matrices
Hay muchos tipos de matrices disponibles en SolidWorks y esta
tabla pretende resaltar los usos más habituales de cada tipo.
A repetir
La opción A repetir es la geometría a partir de la cual se desea crear
la matriz. Puede tratarse de una o varias operaciones, sólidos o
caras.
Instancia de matriz
La Instancia de matriz (o simplemente Instancia) es la “copia” de
la operación a repetir creada por la matriz. De hecho, es mucho más
que una copia, ya que proviene de la operación a repetir y de los
cambios de esta operación.
Tipo de matriz: Uso habitual: Clave:
A repetir =
Instancia de matriz =
Lineal . . . . . . . .
Matriz unidireccional con
separación igual.
Lección 5 Manual de formación SolidWorks 2006
Matrices
146 ¿Por qué emplear matrices?
Lineal . . . . . . . .
Matriz bidireccional con
separación igual.
Lineal . . . . . . . .
Matriz bidireccional; sólo
matriz de operación a repetir.
Lineal . . . . . . . .
Matriz unidireccional o
bidireccional. Instancias
seleccionadas eliminadas.
Circular. . . . . . .
Matriz circular con
separación igual alrededor de
un centro.
Circular. . . . . . .
Matriz circular con
separación constante
alrededor de un centro.
Instancias seleccionadas
eliminadas o ángulo inferior
a 360°.
Simetría . . . . . .
Orientación simétrica con
respecto a un plano
seleccionado. Puede utilizar
las operaciones
seleccionadas o todo el
sólido.
Manual de formación SolidWorks 2006 Lección 5
Matrices
¿Por qué emplear matrices? 147
Conducida
por tabla . . . . . .
Disposición basada en una
tabla de ubicaciones XY de
un sistema de coordenadas.
Conducida
por croquis. . . .
Disposición basada en la
posición de puntos en un
croquis.
Conducida
por curva . . . . .
Disposición basada en la
geometría de una curva.
Conducida
por curva . . . . .
Disposición de una ruta
parcial o completamente
circular.
Conducida
por curva . . . . .
Disposición basada en la
geometría de una curva
proyectada.
Rellenar . . . . . .
Disposición de instancias
para crear matrices basadas
en una cara.
Rellenar . . . . . .
Disposición de formas para
crear matrices basadas en
una cara.
Lección 5 Manual de formación SolidWorks 2006
Matrices
148 ¿Por qué emplear matrices?
Opciones de
matriz
Las operaciones de matriz comparten varias opciones. Son
exclusivas de este tipo de operación y se tratarán con detalle más
adelante, en esta misma lección.
Opera-
ción de
matriz
Selec-
cionar
opera-
ciones,
sólidos
o caras
Propagar
propieda-
des visua-
les
Sólo
matriz de
operación
a repetir
Saltar
instan-
cias
Matriz de
geometría
Variar
croquis
Usar
formas
Lineal
Circular
Simetría
Condu-
cida por
tabla
Condu-
cida por
croquis
Condu-
cida por
curva
Rellenar
Sólo
opera-
ciones y
caras
Manual de formación SolidWorks 2006 Lección 5
Matrices
Matriz lineal 149
Gestor de diseño
del
FeatureManager
desplegable
El gestor de diseño del
FeatureManager
desplegable le permite
ver el gestor de diseño del
FeatureManager y el
PropertyManager al
mismo tiempo. Esto le
permite seleccionar
operaciones desde el
FeatureManager que, de
otro modo, quedaría
oculto por el
PropertyManager.
También es transparente, superponiendo las piezas gráficas.
El gestor de diseño del FeatureManager desplegable se activa
automáticamente con el PropertyManager. Podría aparecer
colapsado y se puede expandir haciendo clic en el signo más “+”.
Nota Las opciones Matriz lineal de croquis y Matriz circular de
croquis se pueden utilizar sin un croquis para crear copias de
geometría de croquis. Estas opciones no crean operaciones de
matriz.
Matriz lineal La Matriz lineal crea copias, o instancias, en una matriz lineal
controlada por una dirección, una distancia y el número de copias.
Las instancias dependen de los originales. Los cambios realizados
en los originales pasan a las operaciones con instancias.
Introducción:
Matriz lineal
La matriz lineal crea instancias múltiples en matrices
unidireccionales o bidireccionales. El eje puede ser una arista, un
eje, un eje temporal o una cota lineal.
Dónde encontrarlo En la barra de herramientas Operaciones, haga clic en la
herramienta Matriz lineal .
En el menú Insertar, elija: Matriz/Simetría, Matriz lineal...
1 Abrir la pieza
denominada Grate.
La pieza contiene la
operación a repetir que se
utilizará en la matriz.
Lección 5 Manual de formación SolidWorks 2006
Matrices
150 Matriz lineal
2 Dirección 1.
Haga clic en
Insertar, Matriz/
Simetría, Matriz
lineal.
Seleccione la arista
lineal de la pieza y
haga clic en Invertir
dirección , si
fuera necesario, para
establecer la
dirección mostrada.
Seleccione las tres operaciones que se muestran en Operaciones
para la matriz.
Establezca la Separación en 2” y las Instancias en 5.
Nota La etiqueta de la matriz está asociada a la
geometría utilizada para definir el eje o la
dirección de la matriz. Contiene la
configuración clave para la Separación y
las Instancias y es editable. Haga doble
clic en la configuración para modificar y
volver a escribir el valor.
Haga clic con el botón secundario del ratón
en la etiqueta para acceder a otros
comandos de la matriz, como Invertir
dirección y Matriz de geometría.
3 Dirección 2.
Expanda el cuadro de grupo Dirección 2 y
seleccione otra arista lineal.
Cómo eliminar
instancias
Las instancias generadas por la matriz se pueden eliminar si se
selecciona un marcador en el centro de gravedad de la instancia que
se muestra en la vista preliminar de la matriz. Cada instancia se
enumera en formato de matriz (2,3) para su identificación.
Manual de formación SolidWorks 2006 Lección 5
Matrices
Matriz lineal 151
No se puede eliminar la operación a repetir.
4 Instancias a
saltar.
Expanda el
cuadro de
grupo
Instancias a
saltar y
seleccione los
seismarcadores
de instancia
central. La
información
sobre herramientas muestra una ubicación de matriz que se agrega a
la lista al seleccionarse.
5 Matriz
completa.
Haga clic en
Aceptar para
agregar la
operación de
matriz
LPattern1
(MatrizL1).
Matrices de
geometría
La opción Matriz de geometría se utiliza para minimizar el tiempo
de reconstrucción mediante el uso de geometría A repetir en todas
las Instancias de la matriz. Sólo se debería emplear cuando la
geometría de la operación a repetir y las instancias tienen una forma
idéntica o similar.
Sin matriz de
geometría
Si la opción
Matriz de
geometría está
desactivada, la
condición final
de la operación a
repetir se utiliza
en las instancias.
En este ejemplo,
la condición final
Equidistante de
la superficie de la operación a repetir azul se aplica a las instancias
naranjas, obligándolas a utilizar la misma condición final.
Lección 5 Manual de formación SolidWorks 2006
Matrices
152 Matrices circulares
Con matriz de
geometría
Si la opción
Matriz de
geometría está
activada, se
utiliza la
geometría de la
operación a
repetir. La
geometría se
copia a lo largo
de la matriz,
ignorando la condición final.
6 Matriz de geometría.
Haga clic con el botón secundario del ratón en la
operación Matriz lineal y elija Editar operación.
Seleccione la opción Matriz de geometría.
Debido al espesor constante de la chapa, la
geometría resultante tendrá la misma apariencia.
Matrices
circulares
La Matriz circular crea copias o instancias en una matriz circular
controlada por un centro de rotación, un ángulo y el número de
copias. Las instancias dependen de los originales. Los cambios
realizados en los originales pasan a las operaciones con instancias.
Introducción:
Matriz circular
Matriz circular crea múltiples instancias de una o más operaciones
colocadas alrededor de un eje. El eje puede ser una arista, un eje, un
eje temporal o una cota angular.
Dónde encontrarlo En la barra de herramientas Operaciones, haga clic en la
herramienta Matriz circular .
En el menú Insertar, elija: Matriz/Simetría, Matriz circular...
Consideraciones
acerca de los ejes
Los Ejes son tipos de Geometría de referencia que se pueden
emplear con muchas operaciones de matriz para definir los ejes
direccionales o rotativos. Hay dos tipos: Ejes temporales y Ejes.
Ejes temporales Cada operación cilíndrica y cónica tiene un eje asociado. Vea los
ejes temporales de la pieza utilizando Ver, Ejes temporales. Un eje
se visualiza a través de cada cara circular en el modelo.
Ejes Los ejes son operaciones que se deben crear utilizando uno de los
diferentes métodos. Las ventajas de crear un eje radican en que se
puede cambiar el nombre del mismo, seleccionarlo por su nombre
en el FeatureManager y otorgarle un tamaño. Los Ejes temporales
se pueden hacer permanentes y recibir nombres exclusivos
mediante la opción Una línea/Arista/Eje. Consulte el manual
Modelado de piezas avanzado para obtener más información sobre
la creación de ejes.
Manual de formación SolidWorks 2006 Lección 5
Matrices
Simetrías de matriz 153
1 Abrir la pieza denominada
Circular_Pattern.
2 Ejes temporales.
Haga clic en Ver, Ejes temporales
para ver los ejes generados
automáticamente para las
operaciones circulares. Seleccione
uno de los ejes temporales.
3 Configuración.
Haga clic en
Insertar, Matriz/
Simetría, Matriz
circular...
Seleccione las tres
operaciones que
se muestran en
Operaciones
para la matriz.
Cambie el
Ángulo a 360° y
4 instancias.
Haga clic en
Separación igual
y en Matriz de
geometría.
Nota La opción
Invertir
dirección es
significativa sólo
si se utiliza un
ángulo distinto de
360°.
Simetrías de
matriz
La Simetría de matriz crea una copia, o instancia, a través de un
plano o cara plana. La instancia depende del original. Los cambios
realizados en el original pasan a las operaciones con instancias.
Lección 5 Manual de formación SolidWorks 2006
Matrices
154 Cómo utilizar la opción Sólo matriz de
Introducción:
Simetría de matriz
La opción Simetría de matriz crea una instancia de una o más
operaciones o un sólido a través de un plano. El plano puede ser un
plano de referencia o una cara plana.
Dónde encontrarlo En la barra de herramientas Operaciones, haga clic en la
herramienta Simetría de matriz .
En el menú Insertar, elija: Matriz/Simetría, Simetría...
Nota Para crear toda la simetría de una pieza con respecto a una cara
común, seleccione la cara común como Simetría de cara/plano y
el sólido como Sólidos para hacer simetría. La cara común debe
ser plana.
1 Abrir la pieza denominada Mirror_Pattern.
2 Simetría.
Haga clic en Insertar,
Matriz/Simetría,
Simetría y en Vista
lateral. Seleccione la
operación de
biblioteca en
Operaciones para
hacer simetría.
Haga clic en Aceptar.
Recuerde que la Matriz de geometría
también se puede usar con esta
operación.
Cómo utilizar la
opción Sólo
matriz de
operación a
repetir
La opción Sólo matriz de operación a repetir se utiliza cuando se
crea una matriz bidireccional. La segunda dirección está
predeterminada para crear matrices de toda la geometría creada por
la primera dirección, a menos que se utilice Sólo matriz de
operación a repetir para crear únicamente la matriz de la
geometría original o a repetir. Se usa frecuentemente para evitar
resultados superpuestos cuando las dos direcciones emplean el
mismo vector.
1 Abrir la pieza denominada Seed_Pattern.
Manual de formación SolidWorks 2006 Lección 5
Matrices
Cómo utilizar la opción Sólo matriz de operación a repetir 155
2 Dirección 1.
Haga clic en Inser-
tar, Matriz/Sime-
tría, Matriz
lineal.... Selec-
cione la arista lineal
como la Dirección
de matriz, 30 mm
como la Separa-
ción y 2 como el
Número de instan-
cias.
En el caso de Operaciones para la matriz, seleccione la operación
de biblioteca.
3 Dirección 2.
Para la Dirección 2,
seleccione la arista lineal
en el lado opuesto de la
dirección, invirtiendo la
flecha. Establezca las
instancias en 2 y la
separación en 50 mm.
Nota Como se ve en la vista preliminar, se crea la matriz de la operación
original (a repetir) en ambas direcciones.
4 Sólo matriz de
operación a
repetir.
Haga clic en Sólo
matriz de
operación a repetir
para eliminar la
instancia extra.
Establezca la
Separación de
dirección 2 en 30
mm.
Lección 5 Manual de formación SolidWorks 2006
Matrices
156 Matrices conducidas por curva
Matrices
conducidas por
curva
La Matriz conducida por curva crea copias, o instancias, en una
matriz lineal controlada por una curva. Las instancias dependen de
los originales. Los cambios realizados en los originales pasan a las
operaciones con instancias. La curva puede ser un croquis
completo, una arista o una sencilla entidad de croquis. Este ejemplo
utilizará un croquis que contiene varias aristas del modelo
convertidas.
Sugerencia Se puede utilizar una curva 3D para conducir la matriz. Es necesaria
una selección de caras adicional para la Cara normal.
1 Abrir la pieza denominada Curve_Pattern.
Introducción:
Convertir entidades
Convertir entidades le permite copiar aristas del modelo en su
croquis activo. Estos elementos de croquis se definen
completamente de forma automática y se restringen con una
relación En arista.
Dónde encontrarlo En el menú Herramientas, haga clic en Herramientas de
croquizar, Convertir entidades.
O, en la barra de herramientas Croquis, haga clic en Convertir
entidades .
2 Seleccionar tangencia.
Seleccione la cara superior y cree
un nuevo croquis. Haga clic con el
botón secundario del ratón en la
arista externa y seleccione
Seleccionar tangencia.
Haga clic en Convertir entidades
para copiar las aristas al
croquis.
Cierre el croquis.
Manual de formación SolidWorks 2006 Lección 5
Matrices
Matrices conducidas por curva 157
3 Matriz conducida por
curva.
Haga clic en Insertar,
Matriz/Simetría, Matriz
conducida por curva...
Seleccione el croquis con
las aristas convertidas
como la Dirección de
matriz y la operación de
biblioteca como una de
las Operaciones para la
matriz.
Haga clic en Separación
igual y establezca el
número de instancias en
5.
Las opciones
Transformar curva y
Alinear con curva a
repetir se utilizan como
valores predeterminados.
4 Curva de equidistancia.
Haga clic en Método de
curva, Curva de
equidistancia para ubicar
las instancias mediante el
uso de la misma
equidistancia que la
operación a repetir.
Lección 5 Manual de formación SolidWorks 2006
Matrices
158 Matrices conducidas por croquis y por tabla
5 Alinear con curva a
repetir.
Alinear con curva a
repetir (ilustración del
extremo izquierdo)
traslada la geometría por
la dirección de curva sin
girar las instancias.
Tangente a la curva
(ilustración del extremo
derecho) gira la
geometría con cambios
en la dirección de la
curva.
6 Matriz completa.
Haga clic en Tangente a la
curva y en Aceptar. Recuerde
que la última instancia se
extiende sobre la arista del
sólido.
Matrices
conducidas por
croquis y por
tabla
La opción Matrices conducidas por croquis y por tabla crea
copias, o instancias, en una disposición lineal controlada por puntos
de croquis o una tabla de valores XY (Tabla de taladros). Las
instancias dependen de los originales. Los cambios realizados en los
originales pasan a las operaciones con instancias.
Introducción:
Matriz conducida
por croquis
La opción Matriz conducida por croquis crea múltiples instancias
basadas en puntos en un croquis seleccionado. El croquis debe
existir antes de que se cree la matriz.
Manual de formación SolidWorks 2006 Lección 5
Matrices
Matrices conducidas por croquis y por tabla 159
Dónde encontrarlo En la barra de herramientas Operaciones, haga clic en la
herramienta Matriz conducida por croquis .
En el menú Insertar, elija: Matriz/Simetría, Matriz conducida
por croquis...
Sugerencia La matriz conducida por croquis sólo utiliza geometría de puntos.
Se puede utilizar otra geometría, como las líneas de construcción,
pero la matriz no las tendrá en cuenta.
1 Abrir Table&Sketch_Driven.
2 Croquis.
Abra un nuevo croquis en la cara y
cree una línea de construcción que
comience en el centro de la operación
D25.
Agregue puntos al croquis y hágalos
coincidir con la línea.
Acote y defina completamente el
croquis.
Cierre el croquis.
3 Matriz conducida por
croquis.
Haga clic en Matriz/Simetría,
Matriz conducida por
croquis... y seleccione el nuevo
croquis y la opción Centro de
gravedad. En Operaciones
para la matriz, seleccione la
operación D25.
Sugerencia La opción Centro de gravedad ubica las instancias basadas en el
centro de gravedad de la operación a repetir. Si la geometría de la
operación a repetir es asimétrica o está formada por múltiples
operaciones, utilice la opción Punto seleccionado y seleccione
una posición para utilizarla cuando esté ubicando las instancias.
Lección 5 Manual de formación SolidWorks 2006
Matrices
160 Matrices conducidas por croquis y por tabla
Introducción:
Matriz conducida
por tabla
La opción Matriz conducida por tabla crea instancias múltiples
basadas en una tabla de valores XY. Las ubicaciones XY están
basadas en una operación seleccionada del Sistema de
coordenadas. El sistema de coordenadas debe existir antes de que
se cree la matriz.
Dónde encontrarlo En la barra de herramientas Operaciones, haga clic en la
herramienta Matriz conducida por tabla .
En el menú Insertar, elija: Matriz/Simetría, Matriz conducida
por tabla...
Sugerencia La tabla utilizada en la matriz puede: haberse escrito dentro de las
celdas del cuadro o haberse tomado de una tabla existente. El tipo
de archivo de la tabla puede tener una extensión *.sldtab o
*.txt.
Introducción:
Sistema de
coordenadas
Los Sistemas de coordenadas crean sistemas de coordenadas
cartesianas que pueden utilizarse para propiedades, medidas o
salida de exportación.
Dónde encontrarlo En el menú Insertar, elija Geometría de referencia, Sistema
de coordenadas...
O haga clic en Sistema de coordenadas en la barra de
herramientas Geometría de referencia.
4 Sistema de coordenadas.
Haga clic en Insertar, Geometría
de referencia, Sistema de
coordenadas y seleccione la
arista horizontal de la pieza como
eje X. Seleccione la arista vertical
como eje Y y utilice los botones
de inversión, si fuese necesario,
para invertir las direcciones del
eje. Haga clic en Aceptar y
cambie el nombre de la operación
por XY.
Manual de formación SolidWorks 2006 Lección 5
Matrices
Cómo utilizar Variar croquis 161
5 Matriz conducida por tabla.
Haga clic en Insertar, Matriz/Simetría, Matriz conducida por
tabla... y seleccione el sistema de coordenadas XY y la operación
D35. Escriba los valores de X e Y en los Puntos 1, 2, 3 y 4 (0 es la
operación a repetir).
Cómo utilizar
Variar croquis
La opción Variar croquis es un caso especial de la Matriz lineal
que permite a las instancias cambiar de tamaño basándose en
condiciones geométricas. Requiere que la cota lineal que conduce la
forma esté seleccionada como dirección de la matriz.
1 Abrir la pieza
denominada
Vary_Sketch.
Edite el croquis de
la operación
Cortar. Haga doble
clic y modifique la
cota 2”,
advirtiendo que la
misma conduce el
tamaño de la
geometría.
Restablezca el
valor de la cota.
Lección 5 Manual de formación SolidWorks 2006
Matrices
162 Cómo utilizar Variar croquis
2 Matriz lineal.
Cree una
matriz lineal
de la
operación
Cortar.
Seleccione la
cota 2” para
Dirección 1.
La flecha de
dirección no
debe señalar el
centro.
Especifique 0.75” como Separación y 7 como Número de
instancias.
La vista preliminar muestra que la matriz está creada a lo largo de la
dirección de medida de la cota. El tamaño del corte no cambia.
3 Seleccionar la
opción Variar
croquis.
La opción Variar
croquis modifica
la forma a lo largo
del vector de
dirección.
Nota El croquis se ha
mostrado en
pantalla para
obtener mayor
claridad.
Manual de formación SolidWorks 2006 Lección 5
Matrices
Crear una matriz de una matriz 163
Crear una
matriz de una
matriz
Las operaciones de matriz existentes se pueden emplear en nuevas
matrices. Las instancias originales y las instancias de todas las
matrices se utilizan cuando se selecciona la operación de matriz.
4 Matriz circular.
Haga doble clic en la
operación Cortar para
exponer sus cotas. Inserte
una Matriz circular.
Seleccione la cota de 30°
como Eje de matriz.
5 Operación de matriz.
Seleccione la operación Matriz
lineal como una de las
Operaciones para la matriz.
Establezca las Instancias en 6
con Separación igual.
Cómo crear
matrices de
caras
Las piezas que se han importado a través de IGES, STEP u otro
método suelen aparecer como una operación Imported
(Importada) individual. Las mismas no tienen los elementos
individuales de la geometría SolidWorks nativa.
Mediante la selección de Caras para crear matriz, las caras se
pueden seleccionar y utilizar como si fuesen operaciones
individuales. Las caras seleccionadas, junto con otras piezas de
geometría, deben formar un límite cerrado. El resultado puede
agregar o eliminar material.
Sugerencia Se pueden crear matrices de los sólidos con el cuadro de diálogo
Sólidos para crear matriz.
Lección 5 Manual de formación SolidWorks 2006
Matrices
164 Cómo crear matrices de caras
1 Abrir la pieza existente Using
Faces in Patterns.
La pieza contiene geometría importada.
2 Matriz circular.
Haga clic en Ver, Ejes temporales y seleccione
el eje central como Eje de matriz.
Cierre la opción Operaciones para la matriz
y abra Caras para crear matriz.
Establezca la matriz en Separación igual con
4 instancias.
3 Selecciones.
Seleccione todas las caras del objeto, incluidas
las caras ocultas.
4 Vista preliminar.
La vista preliminar muestra 4 instancias.
Haga clic en Aceptar para agregar la
operación de matriz.
Sugerencia La selección de cara se puede emplear con cualquier tipo de matriz.
Las instancias se pueden saltar.
5 Matriz de “taladros”.
Cree una segunda matriz utilizando la
cara del "taladro" cilíndrico de 8
instancias.
Una sección muestra cómo las matrices
han cambiado la geometría.
Manual de formación SolidWorks 2006 Lección 5
Matrices
Patrones de rayado 165
Patrones de
rayado
El Patrón de rayado utiliza las operaciones existentes o formas
estándar para rellenar una cara límite. La configuración se utiliza
para determinar el diseño de matriz, el ángulo, la distancia y las
distancias de los márgenes.
Selecciones
topológicas
Las selecciones topológicas incluyen
las caras para rellenar, la dirección y
las operaciones para crear matriz.
Cara(s) para rellenar
La cara o caras (coplanares) a cuyo
contorno se adaptará la matriz y
además rellenará. No se crearán
matrices de los bucles de la cara.
Dirección de matriz
Una arista del modelo, eje o línea de
croquis que define la dirección de la
matriz.
Operaciones para crear matriz
La operación u operaciones
seleccionadas para crear matriz.
Nota Se pueden crear matrices de las formas
predefinidas (círculos, cuadrados, diamantes o
polígonos) en lugar de la geometría existente.
Operación para
Cara para
Dirección de
crear matriz
rellenar
matriz
Lección 5 Manual de formación SolidWorks 2006
Matrices
166 Patrones de rayado
Diseño de matriz La opción Diseño de matriz se utiliza para seleccionar y ordenar el
estilo de matriz. Con cada diseño la configuración numérica de
separación y distancia adopta significados diferentes.
Configuración
numérica
La configuración numérica
determina las separaciones,
los escalones y las distancias
de arista mínimas que utiliza
la matriz mientras se rellena.
Esta configuración numérica
es para la matriz
Perforación que se utiliza
en el siguiente ejemplo.
Ángulo de incidencia
El ángulo entre la Dirección de matriz seleccionada y las filas
de instancias.
Separación
La distancia mínima entre filas de instancias similares.
Margen
La distancia mínima entre la arista de la cara y una instancia.
Perforación Circular
Cuadrado Polígono
Manual de formación SolidWorks 2006 Lección 5
Matrices
Patrones de rayado 167
1 Abrir la pieza existente Perforation Area Pattern.
2 Cara y dirección.
Haga clic en Patrón
de rayado y
seleccione la cara
superior del modelo.
Haga clic en la arista
que se muestra como
la dirección
(Dirección 1).
Además, seleccione el
botón Diseño de
la matriz de
perforación.
3 Configuración.
Seleccione 1/8
(0.125)
DiameterHole1
como la operación
para crear matriz.
Establezca la
Separación, los
Márgenes y el
Ángulo de
incidencia con los
valores que se
indican.
Nota El Patrón de
rayado incluye la
opción Instancias a saltar como las demás matrices. Se puede
utilizar para eliminar las instancias no deseadas.
4 Cambios.
Elimine la matriz.
Agregue una Matriz
lineal para copiar el
corte
rectangular
como se indica.
Vuelva a crear la
matriz con las mismas
selecciones. La matriz
se crea alrededor del
taladro nuevo de la
cara.
Lección 5 Manual de formación SolidWorks 2006
Matrices
168 Patrones de rayado
Sugerencia En vez de eliminar la operación, se podría utilizar la operación
Retroceder para insertar la matriz lineal antes de la matriz. La
opción Retroceder se describe en Cómo editar: Reparaciones,
Retroceder a operación en la página 241.
Manual de formación SolidWorks 2006
Ejercicio 15 169
Ejercicio 15:
Matrices
lineales
Cree matrices de operaciones en
esta pieza mediante una matriz
lineal.
Este laboratorio utiliza las
siguientes funciones:
Matrices lineales.
Eliminación de instancias de
matrices.
Procedimiento Abra una pieza existente.
Nota Esta pieza se ha copiado para su uso en matrices conducidas por
croquis, conducidas por tabla y lineales.
1 Abrir la pieza Matriz
lineal.
La pieza incluye la
operación “a repetir”
utilizada en las matrices.
2 Matriz lineal.
Cree una matriz mediante la operación a repetir. Utilice las
siguientes cotas.
3 Guardar y cerrar la pieza.
Manual de formación SolidWorks 2006
170 Ejercicio 16
Ejercicio 16:
Matrices
conducidas por
croquis o por
tabla
Cree matrices de operaciones en
esta pieza mediante una Matriz
conducida por tabla.
Este laboratorio utiliza las
siguientes funciones:
Sistemas de coordenadas.
Matrices conducidas por
tabla.
Matrices conducidas por croquis.
Archivos de tabla.
Procedimiento Abra una pieza existente.
1 Abrir la pieza
Table Driven
Pattern.
La pieza incluye la
operación “a repetir”
utilizada en las matrices.
2 Matriz conducida por croquis o por tabla.
Utilice las siguientes cotas para definir el croquis utilizado con la
matriz conducida por croquis.
-o-
Cree un sistema de coordenadas
en el centro de la operación
pattern hole y utilice los
archivos
pattern file.sldptab o
pattern file.txt para
definir la matriz conducida por
tabla. Cree una matriz mediante
la operación a repetir.
3 Guardar y cerrar la pieza.
Manual de formación SolidWorks 2006
Ejercicio 17 171
Ejercicio 17:
Cómo saltar
instancias
Complete esta pieza utilizando la
información y las cotas
proporcionadas.
Este laboratorio refuerza las
siguientes funciones:
Creación de una matriz
lineal.
Omisión de instancias.
Creación de la matriz de una matriz.
Edición de una operación.
Procedimiento Cree una nueva pieza con unidades en Pulgadas.
1 Operación Base.
Cree un bloque de 3” x
12” x 0.75”. Sería útil
tener un plano de
referencia centrado con respecto a la dirección larga.
2 A repetir.
Cree la operación a repetir mediante
el Asistente para taladro y un
perforador de pulgadas ANSI.
3 Matriz.
Cree la matriz del taladro, saltando
las instancias según se indica en el siguiente diagrama.
4 Crear la matriz de una matriz.
Cree la matriz de una matriz para crear una disposición simétrica de
taladros.
5 Cambiar.
Cambie el taladro a un diámetro de 5/16” y reconstruya.
6 Guardar y cerrar la pieza.
Manual de formación SolidWorks 2006
172 Ejercicio 18
Ejercicio 18:
Simetrías de
matriz y lineales
Complete esta pieza utilizando la información y
las cotas proporcionadas.
Este laboratorio refuerza las siguientes
funciones:
Creación de una matriz lineal.
Creación de una simetría de matriz
mediante operaciones.
Cómo crear una simetría de matriz
mediante un sólido.
Procedimiento Abra la pieza existente Linear & Mirror (Lineal y Simetría).
1 Matriz lineal.
Mediante la utilización de la operación existente,
cree una Matriz lineal que resulte en tres ranuras
que estén separadas a una distancia de 0.20”.
2 Simetría de operaciones.
Mediante la utilización de una sola operación de
matriz, cree el saliente duplicado y corte según
se indica.
3 Simetría.
Utilice una tercera operación de matriz para
crear el modelo completo a partir de la mitad
del modelo.
4 Guardar y cerrar la pieza.
Manual de formación SolidWorks 2006
Ejercicio 19 173
Ejercicio 19:
Matrices
conducidas por
curva
Cree matrices de
operaciones en esta pieza
mediante una Matriz
conducida por curva.
Este laboratorio utiliza
las siguientes funciones:
Curva de
equidistancia.
Cómo utilizar el
asistente para taladro.
Matrices conducidas por curva.
Procedimiento Abra una pieza existente.
1 Abrir la pieza
Curve Driven
Pattern.
2 Croquis.
Abra un croquis
en la cara frontal
de la leva y cree
una
equidistancia de
5.5 mm del
perfil exterior.
Cambie el
nombre del
croquis por
Curve
Sketch
(Croquis de curva).
Manual de formación SolidWorks 2006
174 Ejercicio 19
3 Asistente para
taladro
Agregue un
avellanado con las
siguientes opciones:
Métrico-Ansi
Tornillo de
cabeza plana
M3.5
Por todo
Agregue dos
relaciones geométricas de la siguiente manera:
Horizontal con respecto al origen.
Coincidente con la operación Curve Sketch (Croquis de
curva).
4 Matriz conducida por
curva.
Haga la matriz de la
operación con el
Número de instancias
en 20 y Separación
igual.
5 Guardar y cerrar la
pieza.
Manual de formación SolidWorks 2006
Ejercicio 20 175
Ejercicio 20:
Cómo utilizar
Variar croquis
Edite una matriz en esta pieza para
utilizar Variar croquis.
Este laboratorio utiliza las
siguientes funciones:
Editar operación.
Utilización de la opción
Variar croquis.
Procedimiento Abra una pieza existente.
1 Abrir la pieza
Vary Sketch Lab.
La pieza incluye la
operación “a repetir”
utilizada en las matrices.
2 Editar matriz.
Edite la operación de
matriz y haga cambios para
utilizar la opción Variar
croquis según se indica.
3 Cambios.
Cambie la separación a
0.375” y el número de
instancias a 7.
4 Guardar y cerrar la pieza.
Manual de formación SolidWorks 2006
176 Ejercicio 20
Manual de formación SolidWorks 2006
177
Lección 6
Operaciones de revolución
Al finalizar esta lección, podrá:
Crear operaciones de revolución.
Aplicar técnicas de acotación especiales a croquis para
operaciones de revolución.
Utilizar la técnica de sólidos multicuerpo.
Crear una operación Barrer.
Crear matrices circulares de operaciones.
Calcular las propiedades físicas de una pieza.
Realizar un análisis de esfuerzo preliminar y rudimentario.
Lección 6 Manual de formación SolidWorks 2006
Operaciones de revolución
178
Manual de formación SolidWorks 2006 Lección 6
Operaciones de revolución
Estudio de casos: Volante de maniobra 179
Estudio de
casos: Volante
de maniobra
Etapas del
proceso
Algunas etapas importantes del proceso de modelado de esta pieza
se muestran en la siguiente lista:
Intención del diseño
Se describe y se explica la intención del diseño de la pieza.
Operaciones de revolución
El centro de la pieza es la operación Hub (Parte central), una forma
de revolución. Se creará a partir de un croquis con una línea de
construcción como el eje de revolución.
Sólidos multicuerpo
Cree dos sólidos individuales, Hub (Parte central) y Rim (Reborde),
conectándolos y fusionándolos mediante un tercer sólido, Spoke
(Radio).
Operaciones Barrer
La operación Radio se crea mediante una operación Barrer, una
combinación de dos croquis que definen un perfil de barrido que se
mueve a lo largo de una ruta de barrido.
Matrices circulares
En lugar de modelar el mismo radio varias veces, crearemos una
matriz de Spokes (Radios) dispuestos a la misma distancia
alrededor de la línea constructiva de la operación Hub.
Análisis
Con las herramientas incluidas en el software de SolidWorks, puede
llevar a cabo funciones de análisis básicas como cálculos de
propiedades físicas y análisis de esfuerzo preliminares. Según los
resultados, puede realizar cambios en el diseño de la pieza.
Lección 6 Manual de formación SolidWorks 2006
Operaciones de revolución
180 Intención del diseño
Intención del
diseño
La intención del diseño de esta pieza se muestra a continuación:
Los radios deben estar a la misma distancia.
El centro del reborde del volante de maniobra se encuentra en el
extremo del radio.
Los radios pasan a través del centro de la parte central.
Operaciones de
revolución
La operación Hub (Parte central) es una operación de revolución.
Es la primera operación creada por geometría de revolución
alrededor de un eje. Las operaciones de revolución requieren
geometría simétrica de eje y una línea constructiva (usada como el
eje) en el croquis. Esta operación de revolución se utilizará como el
centro del volante de maniobra. Si se dan las circunstancias
adecuadas, también se puede utilizar una línea croquizada como
línea constructiva.
Procedimiento Para comenzar este estudio de caso:
1 Abrir una pieza nueva utilizando la plantilla Part_MM.
Geometría de
croquis de la
operación de
revolución
La geometría para la operación de revolución se crea utilizando las
mismas herramientas y los mismos métodos que las operaciones
extruidas. En este caso, las líneas se utilizarán para formar la forma
(un cilindro con una arista con chaflán). La línea constructiva se
utiliza como el eje de revolución y para localizar geometría.
Reborde
DiámetroParte
Radio
del volante
de maniobra
central
Manual de formación SolidWorks 2006 Lección 6
Operaciones de revolución
Operaciones de revolución 181
2 Rectángulo.
Haga clic con el botón secundario del ratón en la
Vista lateral y seleccione Insertar croquis.
Cree un rectángulo desde el origen de
aproximadamente 50 mm de alto por 30 mm de
ancho.
3 Convertir en construcción.
Seleccione la línea vertical que se muestra y haga
clic en Geometría constructiva en la barra de
herramientas Croquis. La línea se convierte en una
línea de construcción.
Introducción:
Arco 3 puntos
La opción Arco 3 puntos le permite crear un arco basándose en
tres puntos, los dos puntos finales seguido por un punto en la curva.
Dónde encontrarlo En el menú Herramientas, elija Entidades de croquis, Arco 3
puntos.
O, en la barra de herramientas Croquis, haga clic en Arco 3
puntos .
4 Insertar arco 3 puntos.
Comience el arco colocando
el cursor en la línea vertical
izquierda y arrastrando hacia
abajo a lo largo de dicha
arista. Suelte el botón del
ratón y luego seleccione y
arrastre el punto sobre la
curva, fuera del croquis.
5 Cómo recortar.
Utilice la opción Recortar con el Recorte
inteligente y recorte la parte de la línea que
queda dentro del arco.
Lección 6 Manual de formación SolidWorks 2006
Operaciones de revolución
182 Operaciones de revolución
Reglas que rigen
los croquis de
operaciones
de revolución
Además de las reglas generales que rigen los croquis
incluidos en la Lección 2: Introducción al croquizado,
se aplican algunas reglas especiales a croquis de
operaciones de revolución:
Se debe especificar una línea constructiva o línea
croquizada como eje de revolución.
El croquis no debe cruzar el eje.
El eje de revolución de la revolución se debe
seleccionar antes de crear la operación de revolución.
Recuerde que en este ejemplo, la línea croquizada vertical derecha
se podría emplear como eje de revolución.
Cómo acotar el
croquis
La geometría de revolución se acota como cualquier otra con una
opción adicional. Las cotas que miden diámetros en la operación
terminada pueden cambiar de cotas lineales a cotas de diámetro.
6 Cota de arco.
Acote el arco seleccionando en la
circunferencia del arco y la línea vertical
sobre la que éste se asienta. El resultado es
una cota entre la línea y la tangente del
arco.
7 Cota finalizada.
Cambie el Valor a 4 mm.
8 Cotas verticales.
Mediante la utilización de la herramienta
Cota vertical , cree las cotas lineales
verticales que se muestran a la derecha.
También puede utilizar el icono Cota
inteligente.
No válido
Manual de formación SolidWorks 2006 Lección 6
Operaciones de revolución
Operaciones de revolución 183
Cotas de diámetro Algunas cotas deben ser cotas de diámetro en la operación de
revolución finalizada. Para estas cotas, siempre seleccione la línea
constructiva (eje de revolución) como una de las elecciones. Elija
entonces una cota de radio o de diámetro, según dónde coloque el
texto de cota. Si no escoge la línea constructiva, no podrá cambiar
la cota a un diámetro.
Nota Esta opción sólo está disponible si se usa una línea constructiva
como eje de revolución. El uso de las cotas de diámetro no se
restringe a los croquis de operaciones de revolución.
9 Acotar a la línea constructiva.
Acote entre la línea constructiva y la
arista vertical exterior para crear una cota
lineal horizontal.
No haga clic para colocar el texto de cota
todavía.
Observe la vista preliminar. Si coloca el
texto ahora, obtendrá una cota de radio.
10 Mover el cursor.
Mueva el cursor a la derecha
de la línea constructiva. La
vista preliminar cambia a una
cota de diámetro.
11 Cota resultante.
Haga clic para colocar el texto de cota.
Cambie el valor por 25 mm y presione
Intro.
Normalmente, una cota de diámetro
debe tener un símbolo de diámetro que
la precede: . Cuando la operación
de revolución se crea a partir del
croquis, el sistema agregará
automáticamente el símbolo de
diámetro a la cota 25 mm.
Lección 6 Manual de formación SolidWorks 2006
Operaciones de revolución
184 Operaciones de revolución
Nota Si coloca el texto de cota en el lugar incorrecto involuntariamente y
obtiene una cota de radio en vez de un diámetro, puede
solucionarlo. Haga clic con el botón secundario del ratón en la cota
y seleccione Propiedades... Haga clic en la casilla de verificación
Cota de diámetro para transformar la cota en una cota de diámetro.
Cómo crear la
operación de
revolución
Una vez que el croquis se completa, puede transformarse en una
operación de revolución. El proceso es simple y una revolución
completa (360°) es casi automática.
Introducción:
Operación de
revolución
La opción Revolución le permite crear una operación a partir de un
croquis simétrico al eje y un eje. Esta operación puede ser una
operación Base, Saliente o Corte. El eje puede ser una línea
constructiva, una línea, una arista lineal, un eje o un eje temporal.
Si sólo hay presente una selección de eje, se utilizará
automáticamente. Si hay más de una selección presente, deberá
seleccionarla.
Dónde encontrarlo En el menú Insertar, elija Saliente/Base o Corte,
Revolución....
O bien utilice la barra de herramientas Operación: .
12 Realizar la operación.
Haga clic en Saliente/Base, Revolución... en el menú Insertar.
Aparecerá un mensaje en el que se indica que el croquis es un
contorno abierto y se le pregunta si desea cerrar el contorno
automáticamente. Haga clic en Sí.
El PropertyManager
aparece con estas
condiciones finales
predeterminadas:
Una dirección
Ángulo de 360°
Acepte estos valores
predeterminados haciendo
clic en Aceptar.
Manual de formación SolidWorks 2006 Lección 6
Operaciones de revolución
Operaciones de revolución 185
13 Operación finalizada.
La operación de revolución sólida se crea como la
primera operación de la pieza.
Cambie su nombre a Hub (Parte central).
14 Editar el croquis.
Haga clic con el botón secundario del ratón en Hub
y seleccione Editar croquis.
Nota También puede hacer clic con el botón secundario
del ratón en la operación en el gestor de diseño del
FeatureManager y obtener el mismo resultado.
15 Normal a.
Haga clic en Normal a en la barra de herramientas Vistas
estándar para cambiar la vista a fin de poder ver su tamaño y forma
reales.
16 Configuración de redondeo.
Seleccione la herramienta y establezca el
valor en 5 mm. Asegúrese de que la opción
Mantener esquinas restringidas se encuentre
seleccionada.
17 Selecciones.
Seleccione ambos puntos finales del
arco, según se indica. Cuando ambos
estén seleccionados, aparecerá el
redondeo. La cota conduce a ambos
pero sólo aparece una vez, en la
primera selección.
Seleccione aquí
Lección 6 Manual de formación SolidWorks 2006
Operaciones de revolución
186 Cómo construir el reborde
Puesto que los puntos finales
redondeados tienen cotas, se agregan
símbolos de Intersección virtual en el
lugar donde estaban las esquinas. Estos
símbolos representan las esquinas que
faltan y pueden acotarse o utilizarse
dentro de las relaciones.
Nota Observe la cota de 25 mm. Como se
mencionó en el paso 11 en la página 183,
un símbolo de diámetro ahora precede la
cota.
Cierre el PropertyManager.
18 Reconstruir el modelo.
Para que los cambios se apliquen, haga clic en la
herramienta Reconstruir .
Cómo construir
el reborde
La operación Rim
(Reborde) de Hand-
wheel (Volante de
maniobra) es otra opera-
ción de revolución. Tam-
bién tiene una revolución
de 360°. El perfil de Rim
es una forma oval com-
puesta por dos arcos de
180° y dos líneas.
El Rim se creará como un sólido individual, no fusionado con la
operación Hub.
19 Croquis.
Cree un croquis nuevo en el plano de referencia Vista lateral.
Oriente el modelo en la misma dirección.
20 Línea constructiva horizontal.
Croquice una línea constructiva
horizontal corta en algún lugar
fuera del modelo.
Manual de formación SolidWorks 2006 Lección 6
Operaciones de revolución
Cómo construir el reborde 187
21 Equidistancia con tapas en
extremos.
La herramienta Equidistanciar
entidades tiene una opción Tapas
en extremos que crea Arcos para
cerrar los extremos de una
equidistancia Bidireccional.
Seleccione la línea constructiva y la
equidistancia mediante las opciones
que se muestran.
22 Agregar cotas.
Acote el croquis según se indica en la ilustración de
la derecha.
Introducción: Punto La entidad de croquis Punto se puede utilizar para ubicar una
posición en un croquis, mientras que no es posible utilizar otros
elementos geométricos (por ejemplo los puntos finales) para tal fin.
Dónde encontrarlo Haga clic en Punto en la barra de herramientas Croquis.
O en el menú Herramientas, haga clic en Entidad de croquis,
Punto.
23 Agregar un punto.
Haga clic en Punto y agregue un punto en
el punto medio de la línea constructiva.
24 Eje de rotación.
Agregue una línea
constructiva con la
herramienta Línea
constructiva , y
seleccione Vertical e
Longitud infinita.
Coloque la línea en el
origen. Éste será el eje
de la revolución de la
operación de revolución.
Lección 6 Manual de formación SolidWorks 2006
Operaciones de revolución
188 Cómo construir el reborde
25 Agregar cotas.
Agregue cotas desde
la línea constructiva
al punto y desde el
centro del arco a la
arista de Hub.
El croquis está ahora
completamente
definido.
26 Ambigüedad
potencial.
Este croquis contiene dos líneas constructivas. El sistema no sabrá
qué línea constructiva debe ser el eje de revolución. La línea
constructiva que se usará se puede seleccionar antes o después de
seleccionar la herramienta Revolución.
27 Operación completa.
Seleccione la línea
constructiva vertical
infinita. En el menú
Insertar, escoja
Saliente/Base,
Revolución... Utilice
un ángulo de 360°.
Cambie el nombre de
la operación a Rim
(Reborde).
Sólidos
multicuerpo
Los sólidos multicuerpo se producen
cuando hay más de un sólido en una
pieza. En los casos en que haya
elementos individuales separados por
cierta distancia, puede ser el método más
eficaz para diseñar una pieza.
La carpeta Solid Bodies (Sólidos) contiene los
sólidos y también una lista en la que aparecen los
sólidos almacenados actualmente en la carpeta (2).
Los cuerpos pueden fusionarse o combinarse más
tarde para crear un sólido único.
Para obtener más información sobre las piezas
multicuerpo, consulte el manual de formación
Modelado de piezas avanzado.
Manual de formación SolidWorks 2006 Lección 6
Operaciones de revolución
Cómo construir el radio 189
Cómo construir
el radio
La operación Spoke (Radio) se crea utilizando una operación
Barrer. El barrido crea un perfil de contorno cerrado a lo largo de
una ruta de contorno abierto. La Ruta se croquiza mediante líneas y
arcos tangentes. A continuación se croquiza el perfil mediante un
círculo. La operación unirá el espacio entre las operaciones Hub y
Rim existentes y los combinará en un sólido único.
La operación Spoke es importante porque servirá como matriz
para crear un número indeterminado de radios colocados a la misma
distancia.
28 Configuración.
Configuración para croquizar:
Cree un croquis nuevo utilizando el plano de referencia
Vista lateral.
Muestre los croquis de Hub y Rim.
Modifique la vista a Líneas ocultas visibles.
29 Croquizar línea.
Croquice una Línea
horizontal que vaya desde
la línea constructiva
dentro de los límites de
Hub.
30 Arco tangente.
Cree un Arco tangente
desde el punto final de la
línea en la dirección que se
muestra. Los valores
reales no son importantes
cuando croquiza. Los
mismos serán definidos
por las cotas posteriormente.
31 Cómo conectar el arco
tangente.
Con el Arco tangente aún
seleccionado, continúe
croquizando mediante la
utilización del punto final
del arco anterior como
punto de inicio. Croquice
este arco tangente al
primero, finalizando en una posición de tangencia horizontal.
Sugerencia Cuando la línea de inferencia vertical coincide con el centro del
arco, la tangente del arco es horizontal.
Lección 6 Manual de formación SolidWorks 2006
Operaciones de revolución
190 Cómo construir el radio
32 Línea horizontal.
Croquice una Línea
final. Es horizontal y su
longitud se determinará
por la acotación.
33 Relaciones.
Arrastre y coloque el punto
final izquierdo de la línea
en el punto del croquis de
Rim. Se agrega una
relación Coincidente.
Agregue otra relación
entre la línea situada en el
extremo opuesto y el punto central del arco.
34 Volver a una visualización sombreada.
Cómo completar
los croquis de
perfil y la ruta
La geometría croquizada actuará como “línea constructiva” del
croquis de perfil.
35 Agregar cotas.
Agregue una relación
Igual a los arcos. Las
cotas se agregan para
definir la forma. La
selección de puntos
finales y puntos centrales
permite más opciones
que la creación de las
cotas.
36 Salir del croquis.
Haga clic con el botón secundario del ratón en el croquis y
seleccione Salir del croquis para cerrar el croquis sin utilizarlo en
una operación.
37 Perfil.
Croquice un
círculo en el plano
Alzado y acote
el diámetro.
Manual de formación SolidWorks 2006 Lección 6
Operaciones de revolución
Cómo construir el radio 191
38 Arrastrar relación.
Arrastre el punto central del
círculo y colóquelo en el
punto final de la línea en el
croquis anterior. Se agregará
una relación coincidente
entre ellos. Salga del croquis.
Introducción:
Insertar, Saliente,
Barrer
Insertar, Saliente, Barrer crea una operación a partir de dos
croquis: una sección de barrido y una ruta de barrido. La sección se
mueve a lo largo de la ruta y crea la operación.
Dónde encontrarlo Haga clic en Saliente/Base barrido en la barra de
herramientas Operaciones.
O, haga clic en Insertar, Base/Saliente, Barrer.
Nota El comando Barrer se describe en detalle en el curso Modelado de
piezas avanzado.
39 Barrido.
Haga clic en el icono
Barrer y seleccione el
croquis de contorno
cerrado como el Perfil y
el croquis de contorno
abierto como la Ruta.
40 Resultados.
Asigne a la operación
nueva el nombre Spoke
(Radio). La carpeta
Solid Bodies(1)
[Sólidos (1)] refleja la
fusión de sólidos en uno.
41 Ejes temporales.
Visualice los ejes temporales mediante
Ver, Ejes temporales.
Lección 6 Manual de formación SolidWorks 2006
Operaciones de revolución
192 Cómo construir el radio
42 Crear la matriz de la pieza Spoke.
Haga clic en Matriz circular . Seleccione
el eje temporal como centro de rotación de
la matriz.
Haga clic en la lista Operaciones para la
matriz para activarla. Seleccione la pieza Spoke.
Fije el Número de instancias en 3 con Separación igual.
Girar vista La herramienta Girar vista le permite girar la vista del modelo
libremente. Para restringir dicho movimiento, puede elegir un eje,
una línea o arista, un vértice o un plano. Haga clic en la herramienta
Girar vista y en el eje central.
Se puede obtener el mismo resultado mediante la rotación del botón
central del ratón. Seleccione el eje temporal y arrastre utilizando el
botón central del ratón.
Nota Si desactivó los ejes temporales después de realizar la matriz circular,
tendrá que volverlos a activar o mostrar el croquis de Rim para tener
un eje o una línea (línea constructiva) alrededor de la cual girar.
43 Girar.
Gire sobre el eje arrastrando el ratón.
Cambie los ejes simplemente haciendo clic
en otro eje u otra opción aceptable.
Desactive los ejes temporales.
44 Agregar redondeos.
Para completar el modelo, se
agregan redondeos de 3 mm
a las caras resaltadas del
modelo. Si se selecciona una
cara se seleccionan todas las
aristas de dicha cara.
Las selecciones de caras
hacen que el modelo esté
mejor preparado para
soportar los cambios de
cotas.
Chaflanes Los chaflanes crean un bisel en la arista de un modelo. En muchas
formas, los chaflanes son similares a los redondeos porque se
seleccionan aristas y/o caras de la misma manera.
Introducción:
Chaflán
Chaflán crea una operación de bisel en una o más aristas o uno o
más vértices. La forma puede definirse por dos distancias o una
distancia y un ángulo.
Manual de formación SolidWorks 2006 Lección 6
Operaciones de revolución
Editar material 193
Nota Croquizar chaflanes puede agregarse al croquis en lugar de
agregarse a las caras y aristas del modelo sólido.
Dónde encontrarlo En el menú Insertar, escoja Operaciones, Chaflán...
O, en la barra de herramientas Operaciones, seleccione la
herramienta Chaflán .
45 Chaflán.
Agregue una
operación
Chaflán
mediante la
arista superior de
la operación
Hub. Establezca
las distancias
con los valores
que se muestran
a la derecha.
Editar material El cuadro de diálogo Editar material se utiliza para agregar y editar
el material asociado con una pieza. El material se utiliza para
cálculos que se basan en propiedades de material, incluidas las
Propiedades físicas y COSMOSXpress. El material puede variar
según la configuración. Para obtener más información sobre las
configuraciones, consulte Lección 9: Configuraciones de las piezas.
Dónde encontrarlo Haga clic en Editar material en la barra de herramientas
Estándar.
Gráficos RealView Si tiene un acelerador gráfico NVIDIA, quizás pueda utilizar la
opción Gráficos RealView. Proporciona shaders de material de alta
calidad, en tiempo real, cuando están disponibles.
Sugerencia Las plantillas de pieza (*.prtdot) pueden incluir material
predefinido.
Dónde encontrarlo Haga clic en RealView en la barra de herramientas Ver.
Nota Si Gráficos RealView no está disponible, el icono aparecerá
atenuado.
46 Abrir HW_Analysis.
Cierre la pieza actual y abra la pieza HW_Analysis. Esta pieza
tiene operaciones adicionales necesarias para su utilización en la
sección de análisis de esta lección.
Lección 6 Manual de formación SolidWorks 2006
Operaciones de revolución
194 Editar material
47 Materiales.
Haga clic en el icono Editar material y, en el
cuadro de grupo Materiales, seleccione Cobre y
sus aleaciones, Bronce de aluminio.
48 Propiedades físicas.
Las Propiedades físicas son las que asigna el
material elegido.
49 Propiedades visuales.
Las Propiedades visuales son las que asigna el
material elegido. Incluyen Color de material,
Textura y Rayado de material asociado.
Si los gráficos RealView no están disponibles, la
opción, en Gráficos avanzados, aparece
atenuada y la opción Estándar aparece
seleccionada.
Un cambio en el material
cambia el color de la
pieza, a menos que la
opción Utilizar color de
material esté desactivada.
El nombre del material
también se actualiza en el FeatureManager.
Manual de formación SolidWorks 2006 Lección 6
Operaciones de revolución
Propiedades físicas 195
Propiedades
físicas
Uno de los beneficios de trabajar con un modelo sólido es la
facilidad con la que puede realizar cálculos de ingeniería como el
cálculo de masa, centro de masa y momentos de inercia. El software
de SolidWorks hace todo esto por usted con un simple clic del ratón.
Nota Las Propiedades de sección también pueden generarse a partir de
una cara plana o un croquis de un modelo. El croquis puede ser
activo o seleccionado.
Introducción:
Propiedades físicas
Propiedades físicas se utiliza para generar las propiedades físicas
de todo el sólido. Las propiedades incluyen masa, volumen y una
visualización temporal de los principales ejes.
Dónde encontrarlo En la barra Herramientas, haga clic en la herramienta
Propiedades físicas .
En el menú Herramientas, elija Propiedades físicas...
50 Propiedades físicas.
Seleccione la opción
Propiedades físicas... en
el menú Herramientas.
Se utiliza la Densidad
establecida en Editar
materiales.
Los resultados de los
cálculos se visualizan en
el cuadro de diálogo.
Nota En el caso de aquellas
piezas que no posean una
descripción física
precisa, puede utilizar
Asignar propiedades
físicas. Los parámetros
de esta opción incluyen
Masa y la ubicación del
Centro de gravedad
(XYZ).
Lección 6 Manual de formación SolidWorks 2006
Operaciones de revolución
196 Propiedades físicas
51 Cambiar la configuración.
Para cambiar la configuración, haga
clic en el botón Opciones... y
configure las Propiedades de
material.
Esto sólo cambiaría las propiedades
físicas en este cálculo, no las
propiedades de material reales
establecidas en el Editor
de material. Haga clic en Cancelar.
52 Editor de material.
Para cambiar las Propiedades de
material, utilice Editar material.
Consulte Editar material en la
página 193.
Propiedades
físicas como
propiedades
personalizadas
Los componentes de las Propiedades físicas de una pieza pueden
acompañar a la pieza como una Propiedad personalizada. Esta
información puede extraerse mediante un informe de Lista de
materiales.
53 Propiedades de archivo.
Haga clic en Archivo, Propiedades y en la pestaña Personalizar.
Escriba el Nombre mass (masa). El Tipo Text (Texto) aparece
automáticamente. Asigne el componente de propiedad física
seleccionando Mass en la lista desplegable Valor / Expresión de
texto. Se crea una propiedad especial de SolidWorks y un Valor
evaluado.
Nota También puede utilizarse la pestaña Específica a la
configuración. Esto permitiría que la propiedad variara por
configuración. Las configuraciones se analizarán en la Lección
9: Configuraciones de las piezas.
Manual de formación SolidWorks 2006 Lección 6
Operaciones de revolución
COSMOSXpress 197
COSMOSXpress COSMOSXpress es una herramienta de análisis de esfuerzo
preliminar para usuarios de SolidWorks. Le ayuda a juzgar si su
pieza soportará la carga que recibirá en condiciones reales.
COSMOSXpress es una derivación del producto COSMOSWorks.
Vista general COSMOSXpress utiliza un
asistente para proporcionar
un método paso a paso fácil
de utilizar para realizar aná-
lisis de diseño. El asistente
requiere diversos tipos de
información para analizar la
pieza: materiales, restric-
ciones y cargas. Esta infor-
mación representa la pieza
durante su utilización. Por
ejemplo, considere lo que
sucede cuando usted gira el
volante de maniobra. La parte central está unida a algo que resiste el
giro. Esto se representa mediante una restricción - la parte central
está restringida, por lo cual no se mueve. Se aplica una fuerza al
taladro en el reborde mientras usted intenta girar el volante de
maniobra. Ésta es una carga. ¿Qué sucede con los radios? ¿Se
doblan? ¿Se romperán? Esto depende de la fuerza del material con
el que está hecho el volante de maniobra, el tamaño físico y la
forma de los radios, además del tamaño de la carga.
Malla Para analizar el modelo, COSMOSXpress
realiza una malla del modelo, dividiéndolo
en partes más pequeñas y más fáciles de
analizar. Estas partes se denominan
elementos.
Si bien usted nunca ve los elementos, puede
configurar la rugosidad de la malla antes del
análisis.
Resultados El análisis produce resultados en las formas de Factor de
seguridad, Distribución de esfuerzo y Forma deformada.
Cómo utilizar el
asistente
El asistente de análisis de diseño lo lleva por los pasos del análisis,
desde Opciones a Resultados. Los pasos son:
Opciones
Configure el tipo de unidades que se utilizan habitualmente para
materiales, cargas y resultados.
Material
Elija un material para la pieza desde la biblioteca estándar o ingrese
uno propio.
Restricción
Seleccione caras de la pieza que permanezcan en su lugar (fijas)
durante el análisis. Las mismas a veces se denominan restricciones.
Carga aplicada externamente
Restricción
Lección 6 Manual de formación SolidWorks 2006
Operaciones de revolución
198 Cómo utilizar el asistente
Carga
Agregue cargas externas como fuerza y presiones para inducir el
esfuerzo y deformar la pieza.
Analizar
Ejecute el análisis, configurando opcionalmente la rugosidad de la
malla utilizada.
Resultados
Vea los resultados del análisis: Factor de seguridad (FOS, Factor of
Safety), esfuerzo y deformaciones. En algunas ocasiones, esto se
denomina posprocesamiento.
Dónde encontrarlo En el menú Herramientas, seleccione COSMOSXpress...
1 Iniciar
COSMOSXpress.
Haga clic en
Herramientas,
COSMOSXpress...
Aparece el asistente
de análisis.
Fase 1: Opciones El cuadro de diálogo Opciones contiene valores para el Sistema
de unidades y la Ubicación de resultados.
2 Hacer clic en
Opciones...
Establezca las
unidades en Inglés
(IPS) y compruebe
Visualizar
anotaciones para el
máximo y el mínimo
en el trazado de
esfuerzos.
Haga clic en
Siguiente.
Fase 2: Material El asistente avanza automáticamente a la siguiente fase cuando
usted completa la anterior. A medida que completa cada fase en el
asistente, se agrega una marca de verificación verde a la pestaña.
La siguiente fase consiste en seleccionar el Material. Puede elegir
en bibliotecas de materiales estándar o agregar su propio material.
Manual de formación SolidWorks 2006 Lección 6
Operaciones de revolución
Cómo utilizar el asistente 199
3 Material actual.
El material actual,
seleccionado en
SolidWorks, debe ser
Bronce de aluminio
de la lista Cobre y
sus aleaciones.
Para cambiar el
material,selecciónelo
en la lista. Es la
misma lista que
aparece cuando se
utiliza Editar material.
Haga clic en Siguiente.
Fase 3:
Restricción
Las restricciones se utilizan para “fijar” caras del modelo que no
deben moverse durante el análisis. Debe restringir al menos una
cara de la pieza para evitar que se produzca un error en el análisis
debido al movimiento rígido del sólido.
4 Pantalla de
introducción.
Haga clic en los
hipervínculos azules
(como Restricciones)
para obtener ayuda
en línea.
Haga clic en
Siguiente.
5 Selección de cara.
Seleccione la cara
cilíndrica y la cara
plana que forman el
taladro en forma de
D.
Haga clic en Mostrar
símbolo para
visualizar las
restricciones.
Lección 6 Manual de formación SolidWorks 2006
Operaciones de revolución
200 Cómo utilizar el asistente
Haga clic en Siguiente.
6 Restricción
agregada.
Puede Agregar,
Editar o Eliminar
conjuntos de
restricciones desde
este menú.
Si bien
COSMOSXpress le
permite crear
múltiples conjuntos
de restricciones, no
tiene mucho sentido hacerlo porque los conjuntos se combinan
durante el análisis. En el producto COSMOSWorks completo, los
conjuntos de restricciones múltiples son más útiles. Le permiten
crear diferentes casos de análisis utilizando diferentes conjuntos de
restricciones y cargas.
Haga clic en Siguiente.
Fase 4: Carga La pestaña Carga se utiliza para agregar fuerzas y presiones
externas a caras de la pieza. Fuerza implica una fuerza total, por
ejemplo 200 libras, aplicadas a una cara en una dirección
específica. Presión implica que la fuerza se distribuye en forma
uniforme en la cara, por ejemplo, 300 psi, y se aplica en posición
normal a la misma.
Nota El valor de fuerza especificado se aplica a cada cara. Por ejemplo,
si selecciona 3 caras y especifica una fuerza de 50 libras,
COSMOSXpress aplica una fuerza total de 150 libras. (50 libras
en cada cara).
Manual de formación SolidWorks 2006 Lección 6
Operaciones de revolución
Cómo utilizar el asistente 201
7 Pantalla de
introducción.
En este ejemplo,
utilizaremos una
carga de tipo Fuerza.
Haga clic en
Siguiente.
8 Tipo de carga.
Haga clic en Fuerza
como el tipo de carga
y luego en Siguiente.
9 Seleccionar la cara.
Seleccione la cara cilíndrica según se indica y haga clic en
Siguiente.
10 Dirección de la fuerza.
Haga clic en Normal a un plano de referencia y seleccione el
plano Vista lateral. Establezca el valor de la fuerza en
1000 libras.
Haga clic en Mostrar símbolo para asegurarse de que la carga se
aplique en la dirección deseada. Si no es así, haga clic en Invertir
dirección. En este ejemplo, la dirección no tiene importancia.
Lección 6 Manual de formación SolidWorks 2006
Operaciones de revolución
202 Cómo utilizar el asistente
Haga clic enSiguiente.
11 Conjunto de cargas
completo.
El conjunto de cargas
completo se incluye
como Load1
(Carga1). Como los
conjuntos de
restricciones, éstos
pueden editarse o
eliminarse desde este
cuadro de diálogo.
Haga clic en
Siguiente.
Fase 5: Analizar COSMOSXpress prepara el modelo para análisis y luego calcula los
desplazamientos, las tensiones y los esfuerzos.
12 Pantalla Analizar.
Se ha suministrado la
información
requerida y el
analizador está listo.
Haga clic en Sí y
luego en Siguiente.
Nota Haga clic en No si
desea configurar el
tamaño de los
elementos. Si
especifica un tamaño de elemento menor, obtendrá resultados más
precisos pero se requerirá más tiempo y recursos.
Manual de formación SolidWorks 2006 Lección 6
Operaciones de revolución
Cómo utilizar el asistente 203
13 Iniciar el análisis.
Haga clic en
Ejecutar para
comenzar el análisis.
Aparece una ventana
de estado. Las etapas
del proceso de
análisis se visualizan
con el tiempo
transcurrido.
Fase 6:
Resultados
La pestaña Resultados se utiliza para visualizar los resultados de
los análisis. El primer resultado es el Factor de seguridad (Factor
of Safety, FOS) que compara el resultado de la resistencia del
material con los esfuerzos reales.
Factor de seguridad COSMOSXpress utiliza el criterio de esfuerzo von Mises máximo
para calcular la distribución del factor de seguridad. Este criterio
indica que un material dúctil comienza a ceder cuando el esfuerzo
equivalente (esfuerzo von Mises) alcanza la resistencia del material.
La resistencia del material (SIGYLD) se define como una
propiedad del material. COSMOSXpress calcula el factor de
seguridad en un punto dividiendo la resistencia del material por el
esfuerzo equivalente en dicho punto.
En cualquier ubicación, un factor de seguridad que es:
Menor que 1, indica que el material que se encuentra en dicha
ubicación ha cedido y que el diseño no es seguro.
Igual a 1, indica que el material en dicha ubicación acaba de
comenzar a ceder.
Mayor que 1, indica que el material en dicha ubicación no ha
cedido.
Lección 6 Manual de formación SolidWorks 2006
Operaciones de revolución
204 Cómo utilizar el asistente
14 Factor de
seguridad.
El FOS aparece como
menor que 1. Esto
indica que hay áreas
de la pieza que
soportan demasiada
tensión y fallarán.
Haga clic en Mostrar
para visualizar una
imagen a color que
represente el factor
de seguridad. Las
áreas rojas indican
los lugares donde el
factor de seguridad es
menor que uno.
Haga clic en
Siguiente.
15 Tipos de resultado.
Hay diversas formas
de mirar los
resultados: esfuerzo,
desplazamiento y
deformación.
Los siguientes son algunos ejemplos de las diferentes formas de
visualizar los resultados. Los gráficos de Distribución de esfuerzo
y Forma deformada pueden animarse y guardarse como archivos
*.avi. Su instructor demostrará estas animaciones en clase.
Nota Las visualizaciones se exageran mediante la escala de deformación.
Manual de formación SolidWorks 2006 Lección 6
Operaciones de revolución
Cómo utilizar el asistente 205
Distribución de esfuerzo
Distribución de desplazamiento
Forma deformada
Esto se ve mejor al visualizar la animación.
Lección 6 Manual de formación SolidWorks 2006
Operaciones de revolución
206 Cómo utilizar el asistente
Informe HTML
eDrawings de resultados del análisis
16 Cerrar y Guardar.
Haga clic en el botón Cerrar. Aparecerá un mensaje preguntándole
si desea guardar los datos de COSMOSXpress. Haga clic en Sí.
Cómo actualizar el
modelo
COSMOSXpress detecta los cambios realizados en SolidWorks. Se
pueden hacer cambios en el modelo, los materiales, las restricciones
o las cargas. El análisis existente puede Actualizarse para mostrar
los resultados más recientes.
Manual de formación SolidWorks 2006 Lección 6
Operaciones de revolución
Cómo utilizar el asistente 207
17 Editar el croquis de
perfil.
Amplíe la operación
Spoke (Radio) y
edite el croquis de
perfil. Seleccione el
círculo y haga clic en
Para construcción.
Introducción:
Insertar elipse
Croquizar una elipse es parecido a croquizar un círculo. Coloque el
cursor donde desea que esté el centro y arrastre el ratón para
establecer la longitud del eje mayor. A continuación, suelte el botón
del ratón. Después, arrastre el esquema de la elipse para establecer
la longitud del eje menor.
Importante Para definir completamente una elipse debe acotar o restringir las
longitudes de los ejes mayor y menor. También debe restringir la
orientación de uno de los dos ejes. Para hacerlo, puede utilizar una
relación Horizontal entre el centro de la elipse y el extremo del eje
mayor.
Dónde encontrarlo Haga clic en Herramientas, Entidad de croquis, Elipse.
O haga clic en Elipse en la barra Herramientas de croquizar.
18 Elipse.
Haga clic en Elipse
y coloque el punto
central en el punto
central del círculo.
Apártese del centro y
coloque los ejes mayor
y menor haciendo clic
un par de veces más.
19 Relaciones y cotas.
Agregue relaciones
para hacer que el eje
mayor apunte en
dirección horizontal y
uno de los ejes
menores apunte en
dirección coincidente
con el círculo.
Agregue la cota como se muestra.
Lección 6 Manual de formación SolidWorks 2006
Operaciones de revolución
208 Cómo utilizar el asistente
20 Reconstruir la pieza.
El perfil de barrido editado se
utiliza con la misma ruta para
producir un resultado diferente.
21 Cambiar material.
Cambie el material
mediante la función
Editar material que
aparece al hacer clic
con el botón
secundario del ratón.
Seleccione
Aleaciones de
aluminio, Aleación
2018.
Las Propiedades
visuales del material
también se aplican de
forma predeterminada. Si está utilizando Gráficos avanzados y
RealView, la pieza será similar a la que se muestra aquí.
22 Errores.
Vuelva a iniciar
COSMOSXpress y
observe los cambios
en el asistente. Las
pestañas Analizar y
Resultados tienen
marcadores de error.
También pueden
realizarse otros
cambios en este
punto (cargas,
restricciones) antes de volver a analizar la pieza.
Manual de formación SolidWorks 2006 Lección 6
Operaciones de revolución
Cómo utilizar el asistente 209
23 Cambiar el valor de la carga.
Haga clic en la pestaña Carga y en Editar.
Haga clic en Siguiente y cambie el valor de fuerza a 500.
24 Actualizar.
Haga clic en Siguiente y, a continuación, en Actualizar.
25 Resultados.
El factor de seguridad ha aumentado con el cambio en la geometría.
La pieza ya no tiene un exceso de esfuerzo.
Lección 6 Manual de formación SolidWorks 2006
Operaciones de revolución
210 Cómo utilizar el asistente
26 Esfuerzo reducido.
Junto con el aumento en el factor de seguridad viene la disminución
prevista en el esfuerzo. La deformación también es menor.
Manual de formación SolidWorks 2006
Ejercicio 21 211
Ejercicio 21:
Brida
Cree esta pieza utilizando las cotas
suministradas. Utilice bien las relaciones para
mantener la intención del diseño.
Este laboratorio utiliza las siguientes
funciones:
Operaciones de revolución.
Cómo crear matrices circulares.
Unidades: pulgadas
Intención del
diseño
La intención del diseño de esta pieza se muestra a continuación.
1. Los taladros en la matriz están a la misma distancia.
2. Los taladros son de igual diámetro.
3. Todos los redondeos son iguales y tienen un radio de 0.25”.
Observe que los círculos de construcción pueden crearse utilizando
las Propiedades de un círculo.
Vistas acotadas Utilice los siguientes gráficos con la descripción de la intención del
diseño para crear la pieza.
Vista Superior
Vista Frontal
Manual de formación SolidWorks 2006
212 Ejercicio 22
Ejercicio 22:
Rueda
Cree esta pieza utilizando
las cotas suministradas.
Utilice bien las relaciones
para mantener la intención
del diseño.
Este laboratorio utiliza las
siguientes funciones:
Operaciones de
revolución.
Opcional: Texto en un
croquis.
Unidades: milímetros
Intención del
diseño
La intención del diseño de esta pieza se muestra a continuación.
1. La pieza es simétrica con relación al eje de la parte central.
2. La parte central tiene ángulo de salida.
Vistas acotadas Utilice los siguientes gráficos con la descripción de la intención del
diseño para crear la pieza.
Vistas Frontal y Superior y Sección A-A de la vista
Frontal.
Opcional: Texto en
un croquis
Puede agregarse texto a un croquis y extruirlo para formar un corte
o un saliente. El texto puede colocarse libremente, ubicarse
utilizando cotas o relaciones geométricas o realizarse para seguir la
geometría de croquis o las aristas del modelo.
Manual de formación SolidWorks 2006
Ejercicio 22 213
Introducción:
Herramienta Texto
La herramienta Texto le permite insertar texto en un croquis y
utilizarlo para crear una operación Extruir saliente o Corte. Puesto
que el software de SolidWorks es en realidad una aplicación de
Windows, el mismo admite las fuentes instaladas en su sistema.
Dónde encontrarlo Haga clic en Herramientas, Entidades de croquis, Texto...
O, en la barra de herramientas Croquis, haga clic en Texto .
1 Geometría constructiva.
Croquice en la cara frontal
y agregue líneas
constructivas y arcos según
se indica.
Sugerencia Utilice relaciones
Simétricas entre los
puntos finales de los arcos
y la línea constructiva
vertical.
2 Texto en una curva.
Cree dos secciones de
texto, cada una asociada a
cada arco. Las mismas
tienen las siguientes
propiedades:
Texto: Se diseñó
utilizando
Fuente: Courier New
de 11 puntos
Alineación: Centrada
Factor de ancho:
100%
Separación: 100%
Texto: SolidWorks
Fuente: Arial Black de 20 puntos.
Alineación: Justificación completa
Factor de ancho: 100%
Separación: no corresponde cuando se utiliza la
Justificación completa
3 Extruir.
Extruya un saliente con una Profundidad de 1 mm y un Ángulo de
salida de 1°.
4 Guardar y cerrar la pieza.
Manual de formación SolidWorks 2006
214 Ejercicio 23
Ejercicio 23:
Chapa de
compresión
Cree esta pieza utilizando las
cotas suministradas. Utilice
bien las relaciones para
mantener la intención del
diseño.
Este laboratorio utiliza las
siguientes funciones:
Croquizado.
Operaciones de
revolución.
Simetría.
Unidades: milímetros
Intención del
diseño
La intención del diseño de esta pieza se muestra a continuación.
1. La pieza es simétrica.
2. Los nervios están a la misma distancia.
3. Todos los redondeos son de 1 mm.
Vistas acotadas Utilice los siguientes gráficos con la intención del diseño para crear
la pieza.
Vista
Superior
Vista
Frontal
Manual de formación SolidWorks 2006
Ejercicio 23 215
Vista
Inferior
Vista
derecha
Detalle A
Detalle B
Manual de formación SolidWorks 2006
216 Ejercicio 24
Ejercicio 24:
Portaherramien-
tas
Cree esta pieza utilizando las
cotas suministradas. Utilice
bien las relaciones para
mantener la intención del
diseño.
Este laboratorio utiliza las
siguientes funciones:
Croquizado.
Operaciones de
revolución.
Equidistancias de croquis.
Unidades: pulgadas
Intención del
diseño
La intención del diseño de esta pieza se muestra a continuación.
1. La pieza es simétrica.
2. El taladro central recorre toda la pieza.
Vistas acotadas Utilice los siguientes gráficos con la intención del diseño para crear
la pieza.
Vista
Superior
Vista
Frontal
Sección A-A
de la vista
Frontal
Manual de formación SolidWorks 2006
Ejercicio 25 217
Ejercicio 25:
Barridos
Cree estas tres piezas mediante operaciones de barrido. Es necesario
una ruta y una sección.
Unidades: milímetros
Pasador de
chaveta
La pieza Pasador de chaveta utiliza una ruta que describe la
arista interior del barrido.
Clip La pieza Clip se define mediante una ruta que describe la línea
constructiva del barrido.
Agradecemos a Paul Gimbel, TriMech Solutions, LLC el envío de estos ejemplos.
Manual de formación SolidWorks 2006
218 Ejercicio 25
Barrido de inglete El Barrido de inglete se define mediante una ruta que
describe la arista exterior del barrido.
Manual de formación SolidWorks 2006
Ejercicio 26 219
Ejercicio 26:
COSMOSXpress
Realice un análisis
de esfuerzo
preliminar en una
pieza existente.
Ese laboratorio
utiliza las siguientes
funciones de
COSMOSXpress:
Asignación de
propiedades de
material.
Definición de restricciones.
Definición de cargas.
Ejecución de un análisis.
Visualización de los resultados.
Unidades: pulgadas
1 Abrir la pieza Pump Cover
(Cubierta de bomba).
Esta pieza representa una tapa
que se llenará con aceite a alta
presión.
Inicie el asistente de
COSMOSXpress.
2 Establecer las unidades.
Haga clic en Opciones..., establezca las unidades en Inglés (IPS) y
seleccione Visualizar anotaciones para el máximo y el mínimo
en el trazado de esfuerzos. Haga clic en Siguiente.
3 Especificar el material.
Seleccione Aleaciones de aluminio y Aleación 2014 en la lista.
4 Definir el conjunto de
restricciones.
Seleccione las caras superiores
de las cuatro pestañas y las caras
cilíndricas de los cuatro taladros
de pernos.
Manual de formación SolidWorks 2006
220 Ejercicio 26
5 Definir el conjunto de cargas.
Seleccione Presión para el tipo
de carga. Haga clic con el botón
secundario del ratón en una de las
caras en el interior de la pieza
Pump Cover. Seleccione
Seleccionar tangencia en el
menú contextual.
6 Configurar el valor y la
dirección de la presión.
Establezca el valor de la presión en 500 psi. Haga clic en Mostrar
símbolo y verifique que las flechas apunten en la dirección
correcta.
7 Ejecutar el análisis.
Utilice la configuración de malla predeterminada.
8 Resultados.
El factor de seguridad es menor
que 1, lo que indica que la pieza
tiene un exceso de esfuerzo.
9 Distribución del
esfuerzo y
deformación.
Visualice la
distribución del
esfuerzo en el
modelo. Reproduzca
la animación de la
deformación.
10 Cambiar el material.
Cambie el material a
Hierro dúctil.
11 Actualizar.
Haga clic en Actualizar para volver a ejecutar el análisis utilizando
el material nuevo.
12 Factor de seguridad.
El nuevo factor de seguridad es superior a 1.
13 Cerrar y guardar.
Haga clic en Cerrar. Haga clic en Sí para guardar los datos de
COSMOSXpress.
14 Guardar y cerrar la pieza.
Manual de formación SolidWorks 2006
221
Lección 7
Cómo editar: Reparaciones
Al finalizar esta lección, podrá:
Diagnosticar diversos problemas en una pieza y repararlos.
Utilizar todas las herramientas disponibles para editar y realizar
cambios en una pieza.
Lección 7 Manual de formación SolidWorks 2006
Cómo editar: Reparaciones
222
Manual de formación SolidWorks 2006 Lección 7
Cómo editar: Reparaciones
Edición de piezas 223
Edición de
piezas
El software SolidWorks proporciona la capacidad de editar
virtualmente cualquier elemento en cualquier momento. Con el fin
de enfatizar dicho punto, las herramientas más importantes para la
edición de piezas están descriptas y revisadas aquí en una lección.
Etapas del
proceso
Algunas etapas clave del proceso de modificación de esta pieza se
muestran en la siguiente lista. Cada uno de estos temas consta de
una sección en la lección.
Agregar y eliminar relaciones
A veces las relaciones en un croquis deben eliminarse o cambiarse
debido a cambios en el diseño.
¿Qué errores hay?
Cuando se producen errores, la opción ¿Qué errores hay? puede
utilizarse para investigar e identificar con precisión el problema.
Editar croquis
Los cambios en la geometría y las relaciones de cualquier croquis
pueden realizarse mediante Editar croquis.
Comprobar croquis para operación
Comprobar croquis puede comprobar si existen problemas en un
croquis, verificando si es adecuado para ser utilizado en una
operación. Debe Editar croquis antes de utilizar Comprobar
croquis para operación.
Editar operación
Los cambios en el modo de creación de una operación se realizan
mediante Editar operación. El mismo cuadro de diálogo utilizado
para crear una operación se utiliza para editarla.
Editar plano de croquis
¿Croquizado en el plano Alzado en lugar de en el plano Planta?
Utilice Editar plano de croquis para transferir el croquis desde el
plano actual a un plano o cara diferente.
Cambiar el orden
Las operaciones que hayan sido creadas en el orden equivocado
pueden reordenarse simplemente arrastrándolas en el gestor de
diseño del FeatureManager.
Retroceder
Retroceder y avanzar hacia adelante se utilizan para visitar etapas
previas del modelo. Esto le permite ver el modelo en versiones
anteriores y agregar operaciones faltantes.
Cambiar valor de cota
Éste es probablemente uno de los cambios más típicos. Si la
intención del diseño se captó apropiadamente, los cambios en las
cotas generan cambios en el tamaño de las operaciones individuales
y por último en el modelo entero.
Lección 7 Manual de formación SolidWorks 2006
Cómo editar: Reparaciones
224 Temas de edición
Temas de
edición
La edición cubre un amplio rango de temas: desde cómo arreglar
croquis rotos hasta cómo volver a ordenar elementos en el gestor de
diseño del FeatureManager. Estos temas pueden resumirse en:
reparación de errores, interrogación de pieza y cambio del diseño de
la pieza. Cada uno se describe a continuación.
Información
proveniente de un
modelo
Las pruebas no destructivas de un modelo pueden brindar muchos
conocimientos importantes en cuanto a cómo se creó el modelo, las
relaciones que se establecieron y los cambios que pueden
incorporarse. Esta sección se centrará en cómo utilizar herramientas
de edición en conjunto con retrocesos para “interrogar” el modelo.
Cómo encontrar y
reparar problemas
Cómo encontrar y reparar problemas en una pieza es una habilidad
clave en el modelado sólido. Muchos cambios que se realizan en
una pieza dada (Editar operación, Editar croquis y Volver a
ordenar, por nombrar algunos) pueden ocasionar el fallo de las
operaciones siguientes. En esta sección se analizará la
determinación precisa de la zona del problema y el encuentro de la
solución.
Los problemas pueden ocurrir en croquis o en cualquier otra
operación de la pieza. Aunque existen muchos tipos de errores,
existen algunos que ocurren más a menudo que otros. Las
relaciones y las cotas colgantes son muy comunes, como lo es la
geometría extraña en los croquis. Utilizando algunas de las
herramientas disponibles en el software SolidWorks, los problemas
pueden diagnosticarse y solucionarse con facilidad.
Abrir una pieza que tenga errores puede ser confuso. Un error cerca
del comienzo del proceso puede a menudo ocasionar que muchas
operaciones posteriores fallen con él. Reparar ese error inicial
también podría corregir el resto de los errores. Algunas
reparaciones serán realizadas en este modelo antes de interrogarlo y
cambiarlo.
Procedimiento Comenzaremos abriendo una pieza existente.
1 Abrir la pieza denominada Editing CS (Edición CS).
Esta pieza fue construida y guardada con numerosos errores.
2 Errores de reconstrucción.
Después de abrirla, el sistema
muestra un cuadro de mensaje,
etiquetado con el nombre de la
pieza y la frase ¿Qué errores
hay?. Cada error se enumera por
nombre de operación en el cuadro
de diálogo que se desplaza.
Sólo una porción del modelo es
visible; los errores han ocasionado que algunas operaciones fallen.
Manual de formación SolidWorks 2006 Lección 7
Cómo editar: Reparaciones
Temas de edición 225
Diálogo ¿Qué
errores hay?
El diálogo ¿Qué errores hay? muestra todos los errores de la
pieza. Los errores se dividen en Errores que impiden que se creen
operaciones y Advertencias que no lo impiden. Las otras columnas
ofrecen ayuda para diagnosticar el problema incluida una vista
preliminar en algunos casos.
Sugerencia Las columnas del diálogo se pueden ordenar por los encabezados de
las columnas. Haga clic en el encabezado Tipo para ordenar por los
tipos Error y Advertencia.
Sugerencia Haga clic en el interrogante para abrir la ayuda en línea referente
a este tipo de error.
Nota La visualización de este cuadro de diálogo de error está controlada
por la opción Mostrar errores en cada reconstrucción en el
menú Herramientas, Opciones, Opciones del sistema, General.
Esta opción debe ser activada para que aparezca este mensaje. Hay
varios controles:
Mediante el cuadro de diálogo Herramientas, Opciones....
Mediante el cuadro de diálogo del mensaje en sí mismo:
Visualizar errores en cada reconstrucción
Mediante el cuadro de diálogo del mensaje en sí mismo:
visualización sólo de errores (Mostrar errores), sólo
advertencias (Mostrar advertencias) o ambas
Lección 7 Manual de formación SolidWorks 2006
Cómo editar: Reparaciones
226 Temas de edición
3 Gestor de diseño del FeatureManager.
El gestor de diseño del FeatureManager
enumera muchos errores indicados con
marcadores. Los marcadores situados al lado de
las operaciones tienen significados específicos:
Error de nivel superior
El marcador de Error de nivel superior
marca un error en el árbol que aparece a
continuación. Resulta útil en los ensamblajes y
dibujos para ver los errores de las piezas.
Expandir
Un marcador de Expandir se sitúa junto a
una operación que tiene un error o una
advertencia en la operación debajo de ella.
Expanda la operación para ver el problema.
El texto de la operación se muestra en verde.
Error
Un marcador de Error se sitúa junto a una
operación que tiene un problema y no puede
crear geometría. El texto de la operación se
muestra en rojo.
Advertencia
Un marcador de Advertencia se sitúa junto
a una operación que tiene un problema, pero
puede crear geometría. Es común para las relaciones y la geometría
“colgante”. El texto de la operación se muestra en verde.
Operaciones normales
Las operaciones normales que no tienen advertencias o errores
aparecen con textonegro.
Por dónde
empezar
Las operaciones se reconstruyen en secuencia desde la parte
superior del árbol. El mejor lugar para comenzar es en la primera
operación (base) con un error, en este caso es la operación
Base_Plate (Chapa base). Un error en la operación base podría
causar una serie de errores en las operaciones derivadas.
Manual de formación SolidWorks 2006 Lección 7
Cómo editar: Reparaciones
Comprobar croquis para operación 227
4 ¿Qué errores hay?
La opción ¿Qué errores hay? se utiliza para resaltar un mensaje de
error para una operación seleccionada. Haga clic con el botón
secundario del ratón en la operación Base_Plate y seleccione
¿Qué errores hay?. El mensaje indica que el croquis no puede uti-
lizarse para la operación porque un punto final se comparte de
manera indebida.
5 Editar el croquis.
El mensaje ¿Qué errores hay? ha indicado que el croquis
(Sketch1 -Croquis 1) es el problema. Edite el croquis de la
operación.
Sugerencia Para obtener información sobre los problemas de los croquis
definidos en exceso, consulte Croquis definidos en exceso en la
página 114 de Cómo modelar una pieza de fundición o forja en el
Volumen 1.
Comprobar
croquis para
operación
Comprobar croquis para operación le permite verificar la validez
de un croquis para su uso en una operación. Esto puede llevarse a
cabo antes de que se cree la operación o, como en este ejemplo,
después. Dado que operaciones diferentes poseen diferentes
requisitos de croquis – por ejemplo, las operaciones de revolución
requieren un eje de revolución – usted selecciona el tipo de operación
para el cual debe evaluarse el croquis. Cualquier geometría que
impida la creación de esa operación será resaltada. También
comprobará la existencia de geometría faltante o inadecuada.
Dónde encontrarlo En el menú Herramientas, seleccione Herramientas de
croquizar, Comprobar croquis para operación....
6 Comprobar croquis.
El comando Comprobar
croquis para
operación... verifica la
existencia de geometría
incorrecta en el croquis, comparándola con la requerida por el Tipo
de contorno. En este caso, el Uso de la operación se establece en
Extruir base porque ése es el tipo de operación al cual pertenece
este croquis. El Tipo de contorno se determina a partir del tipo de
operación.
Haga clic en Comprobar.
Lección 7 Manual de formación SolidWorks 2006
Cómo editar: Reparaciones
228 Comprobar croquis para operación
7 Mensaje.
Aparece un mensaje que
enuncia el mismo mensaje que
obtuvimos desde ¿Qué
errores hay? y el sistema
resalta la geometría del
problema, en este caso, una de
las tres líneas que comparten
un punto final común.
Haga clic en Aceptar para cerrar esta ventana de mensaje y haga
clic en Cerrar para cerrar el cuadro de diálogo Comprobar croquis
para operación.
Designación por
ventana
La Designación por ventana le permite seleccionar varias
entidades de croquis con una ventana de arrastrar. Las entidades se
seleccionan en función de si la ventana se arrastra de derecha a
izquierda o de izquierda a derecha. La selección incluye cotas.
De izquierda a derecha:
Sólo se selecciona la
geometría que está
completamente dentro de la
ventana (la línea corta).
De derecha a izquierda: Se
selecciona la geometría que se
encuentra dentro de la
ventana y la cruza (línea corta
y dos líneas largas).
Esto también se denomina
designación por captura.
Sugerencia Si se utiliza Mayús con la designación por ventana se mantienen
todas las selecciones anteriores. Si se utiliza Control con la
designación por ventana se borran todas las selecciones anteriores.
Estos métodos de selección no se utilizarán en este ejemplo.
En su lugar, se utilizará un método de reparación automática.
Manual de formación SolidWorks 2006 Lección 7
Cómo editar: Reparaciones
Comprobar croquis para operación 229
Cómo reparar el
croquis
Las reparaciones de un croquis pueden realizarse de diversos
modos. En un caso simple como éste, una sola línea está
ocasionando el error. Esa línea fue resaltada por Comprobar
croquis para operación. La línea puede simplemente eliminarse y
el comando Comprobar croquis para operación puede utilizarse
nuevamente para confirmar que el croquis no contenga errores.
Puede utilizarse un método más automatizado mediante Reparar
croquis para solucionar los errores.
Introducción:
Reparar croquis
Reparar croquis se utiliza para analizar los errores en un croquis y
repararlos. Puede utilizarse para reparar errores que nazcan de
pequeñas separaciones, superponiendo geometría y varios
segmentos cortos.
Dónde encontrarlo En el menú Herramientas, seleccione Herramientas de
croquizar, Reparar croquis.
O, en la barra de herramientas 2D a 3D, haga clic en la
herramienta Reparar croquis .
8 Reparar.
Haga clic en Herramientas, Herramientas de croquizar, Reparar
croquis. El sistema elimina la línea que está en infracción.
9 Buscar nuevamente.
Utilice Comprobar croquis para operación nuevamente para ver
el resultado de la reparación. El cuadro de diálogo no muestra
problemas con el croquis.
10 Agregar cotas y relaciones.
Las cotas y las relaciones pueden eliminarse durante el proceso de
reparación de un croquis. Agregue relaciones y cotas de reemplazo
y abandone el croquis.
11 Errores restantes.
Todos los errores y las advertencias restantes se enumeran en el
cuadro de diálogo. Para no ver este cuadro de diálogo de mensaje
cada vez que realice una corrección, desactive la opción Visualizar
errores en cada reconstrucción. Aparece más del modelo.
12 Siguiente error.
El primer error de la lista es para Sketch2 (Croquis 2) en la
operación Vertical_Plate (Chapa vertical). Contiene
Entidades de croquis colgantes según el mensaje. Se encuentran
entidades de croquis colgantes cuando las cotas o las relaciones
hacen referencia a elementos que ya no existen.
Nota Las cotas y las relaciones
colgantes pueden ocultarse de la
vista. La opción Ocultar las
colgantes y anotaciones
colgantes puede encontrarse en
Herramientas, Opciones, Propiedades de documento,
Visualización de anotaciones.
Lección 7 Manual de formación SolidWorks 2006
Cómo editar: Reparaciones
230 Comprobar croquis para operación
13 Editar el croquis.
Edite el croquis de la
operación
Vertical_Plate.
Observe que la cota de
85 mm es de un color
diferente a las demás
cotas. Éste es el color
que se utiliza para las cotas y las relaciones colgantes. La cota está
intentando asociarse a geometría que ya no existe, y por lo tanto se
considera colgante.
Volver a asociar
cotas
Las cotas y las relaciones colgantes pueden repararse rápidamente
volviendo a asociarlas al modelo.
14 Seleccionar la cota.
Haga clic en la cota de
85 mm para ver las
asas de arrastre. El
extremo marcado en
rojo es el colgante. Las
relaciones colgantes en
la geometría están
marcadas de manera similar.
15 Arrastrar y colocar.
Arrastre el asa roja y
colóquela sobre la
arista inferior de la
pieza cuando aparezca
el cursor de la arista.
Si intenta colocarla en
una ubicación
inadecuada, el cursor mostrará el símbolo . Tanto la cota como la
geometría vuelven a sus colores normales. El valor de la cota se
actualiza para reflejar el tamaño de la geometría. Si necesita
cambiar la cota, haga doble clic en ella.
16 Salir del croquis para reconstruir el modelo.
17 Errores restantes.
Quedan algunos
errores/algunas
advertencias.
La operación
Rib_Under (Nervio
debajo) será
desarrollada a
continuación.
Edite el croquis de esa operación.
Manual de formación SolidWorks 2006 Lección 7
Cómo editar: Reparaciones
Comprobar croquis para operación 231
18 Relaciones
colgantes.
Una línea del croquis
se muestra en el color
correspondiente a
colgante. Haga clic en
esa línea para
seleccionarla y mostrar
sus asas de arrastre. El
asa roja puede utilizarse en un procedimiento de
arrastrar y soltar, de manera similar a lo que se
realizó para la cota colgante.
Cuando hace clic en la línea, sus relaciones se
muestran en el PropertyManager. La relación que
está colgante posee el mismo código de color que la entidad de
croquis en sí misma.
Nota Si hace doble clic en la entidad colgante, también aparecen
anotaciones en la ventana de gráficos.
19 Volver a asociar.
Arrastre el asa roja
sobre la línea vertical
más hacia la derecha
de la Base_Plate
(Chapa base). El
sistema transfiere la
relación colineal
desde la entidad
faltante (el plano
eliminado) a la arista del modelo. La pieza ya no es colgante.
Cómo reparar
relaciones
utilizando
Visualizar/eliminar
relaciones
Algunas relaciones, como puntos coincidentes, sólo pueden
repararse mediante el comando Visualizar/eliminar relaciones.
Esta opción le permite revisar todas las relaciones de un croquis.
Introducción:
Visualizar/eliminar
relaciones
Visualizar/eliminar relaciones proporciona una forma de
consultar sistemáticamente todas las entidades en un croquis.
Además, puede visualizar las relaciones basadas en criterios tales
como colgantes o definidos en exceso. También puede utilizar
Visualizar/eliminar relaciones para reparar relaciones colgantes.
Dónde encontrarlo Haga clic en Herramientas, Relaciones, Visualizar/
eliminar....
Haga clic con el botón secundario del ratón en el croquis y
seleccione Visualizar/eliminar relaciones.
Lección 7 Manual de formación SolidWorks 2006
Cómo editar: Reparaciones
232 Comprobar croquis para operación
Haga clic en Visualizar/eliminar relaciones en la barra de
herramientas Croquis.
20 Deshacer.
Haga clic en Deshacer para quitar el último evento, la reparación
de la relación colgante.
21 Visualizar/eliminar
relaciones.
Haga clic con el botón
secundario del ratón y
seleccione Visualizar/
eliminar relaciones.
En la lista Filtro, seleccione
Colgante. Esto muestra sólo
las relaciones colgantes.
Seleccione la relación
Colineal.
22 Sección de entidades.
Observe la sección inferior del
PropertyManager. Existe una lista de las
entidades utilizas por esta relación. Una entidad
tiene un estado Completamente definido, la
otra es Colgante.
Seleccione la entidad marcada como Colgante.
23 Reemplazo.
Seleccione la arista
vertical de la
Base_Plate.
Sugerencia Seleccionar otra
puede utilizarse
para elegir la arista.
Haga clic en
Reemplazar y
luego haga clic en
Aceptar.
24 Salga del croquis.
Salga del croquis
para ver el error restante. El marcador está ubicado en la operación
Rib_Fillet (Redondeo nervio) Utilice ¿Qué errores hay? en la
operación Rib_Fillet.
Manual de formación SolidWorks 2006 Lección 7
Cómo editar: Reparaciones
Información proveniente de un modelo 233
Cómo resaltar áreas
de problemas
Determinados mensaje de error contienen el símbolo de vista
preliminar . Si hace clic en ese marcador, el sistema resaltará el
área problemática del modelo. Si utiliza ¿Qué errores hay?
directamente en la operación, automáticamente resalta la zona del
problema.
25 Resaltar mensaje.
Haga clic en el símbolo de vista preliminar para mostrar
visualmente la zona en la cual se produce el error.
26 Visualización de error
gráfico.
La zona en donde se
produce el error está
resaltada con un patrón
de malla. El redondeo
falla en esta zona. Cierre
el cuadro de diálogo del
mensaje.
27 Cambiar el valor.
Utilizando la información
gráfica y de texto suministrada por el sistema, es claro que el
problema reside en el valor de radio del redondeo. Establezca el
valor reduciéndolo en gran manera, por ejemplo 5 mm y
reconstruya.
28 Modelo reconstruido.
El modelo ahora se reconstruye sin ningún error ni advertencia.
Información
proveniente de
un modelo
La pieza tiene algunos problemas
incorporados relacionados con la
secuencia de operaciones. Estos pro-
blemas se volverán evidentes cuando
llegue el momento de realizar cambios
de diseño. Para poder comprender la
forma en que se construyó esta pieza,
recorreremos los pasos de construc-
ción y presentaremos algunas de las herramientas que se utilizarán.
La intención del diseño de la pieza se revelará ya que las operacio-
nes se reconstruyen una por vez.
Lección 7 Manual de formación SolidWorks 2006
Cómo editar: Reparaciones
234 Información proveniente de un modelo
Introducción: Ir a La opción Ir a... puede utilizarse para buscar en el texto del
FeatureManager una palabra o conjunto de caracteres específicos.
Las operaciones se expanden para mostrar cualquier operación
encontrada.
Dónde encontrarlo Haga clic con el botón secundario del ratón en la operación de
nivel superior y seleccione Ir a....
29 Ir a.
Haga clic con el botón
secundario del ratón en la
operación de nivel
superior y seleccione Ir
a.... Escriba el croquis de nombre parcial y haga clic en
Empezar por el principio.
30 Buscar siguiente.
Haga clic en Buscar siguiente hasta que se
halla encontrado la última ocurrencia.
Aparecerá el mensaje No se encontró este
elemento.
La búsqueda expandió todas las operaciones
que tienen croquis de modo que los croquis
están visibles.
Sugerencia Para cerrar todas las operaciones expandidas,
haga clic con el botón secundario del ratón en
el FeatureManager y elija Contraer
operaciones.
Introducción: La
barra de retroceder
Puede retroceder una pieza utilizando la Barra de retroceder en el
gestor de diseño del FeatureManager. La barra de retroceder es una
ancha línea amarilla que se vuelve azul al seleccionarse. Arrastre la
barra hacia arriba o hacia abajo en el gestor de diseño del
FeatureManager para avanzar o retroceder por la secuencia de
regeneración.
Dónde encontrarlo Arrastre la barra de retroceder en el gestor de diseño del
FeatureManager.
O, haga clic con el botón secundario del ratón en una operación,
y seleccione Retroceder en el menú contextual. Esto coloca la
barra antes de la operación seleccionada.
O, haga clic con el botón secundario del ratón en el
FeatureManager y seleccione Retroceder al anterior para
moverse a la última posición de la barra de retroceder.
Seleccione Avanzar al final para mover la barra hasta después
de la última operación en el árbol.
Manual de formación SolidWorks 2006 Lección 7
Cómo editar: Reparaciones
Información proveniente de un modelo 235
O haga clic en Herramientas, Opciones, Opciones de
sistema, FeatureManager y haga clic en Navegación con
teclas de flechas. Esto permite que las teclas de flecha muevan
la barra de retroceder.
Debe establecerse el énfasis en
la barra de retroceder haciendo
clic en ella. Si se establece el
énfasis en la zona de gráficos,
las flechas de dirección girarán
el modelo.
Nota La herramienta Retroceder también es útil al editar piezas grandes
para limitar la reconstrucción. Retroceda a la posición justo después
de la operación que usted está editando. Cuando la edición esté
completa, la pieza se reconstruirá sólo hasta la barra de retroceder.
Esto evita que toda la pieza se reconstruya.
31 Retroceder la pieza al comienzo.
Utilizando Retroceder, coloque la barra en la
primera operación en el gestor de diseño del
FeatureManager. Esto coloca la barra de
retroceder después de la operación
Base_Plate. Luego se podrá avanzar hacia
adelante una operación a la vez.
32 Operación Base_Plate.
La Base_Plate se creó a partir de un
rectángulo y se extruyó. Para investigar
esto aún más, utilice Editar operación en
la operación.
Lección 7 Manual de formación SolidWorks 2006
Cómo editar: Reparaciones
236 Información proveniente de un modelo
33 Editar operación.
Los gráficos muestran la geometría
de croquis y la vista preliminar.
Cancele el cuadro de diálogo.
Avance hacia adelante una
operación arrastrando el marcador
o moviéndolo hacia abajo con la
tecla flecha.
34 Operación Base_Fillet (Redondeo
base).
Se agregan redondeos de igual radio a las
esquinas frontales en esta operación.
Avance hacia adelante a una posición justo
antes de la operación Vertical_Plate
(Chapa vertical).
35 Operación Vertical_Plate.
Esta operación fue croquizada en la cara
posterior del modelo y extruida hacia el
frente.
36 Editar croquis.
Edite el croquis de la operación
Vertical_Plate para ver la
geometría y sus puntos de
conexiones.
Manual de formación SolidWorks 2006 Lección 7
Cómo editar: Reparaciones
Información proveniente de un modelo 237
37 Visualizar/eliminar relaciones.
Haga clic en Visualizar/eliminar relaciones .
Establezca el Filtro en Todo en este croquis y
haga clic en las relaciones individuales de la lista
para explorar todas las relaciones geométricas en
las entidades de croquis. Las relaciones
explicarán cómo las entidades se asocian entre sí
y con el resto del modelo.
Cierre el cuadro de diálogo y cierre el croquis sin
hacer ningún cambio.
38 Geometría del croquis.
Para ver la geometría de croquis
con más claridad, haga clic con
el botón secundario del ratón en
Sketch2 (Croquis2) y
seleccione Visualizar croquis.
El icono del croquis aparece en
color cuando se está mostrando.
Utilizando Sin líneas ocultas,
la posición del croquis es clara.
Avance hacia adelante a una posición justo antes de la operación
Circular_Plane (Plano circular)
39 Circular_Plane.
El plano se creó para croquizar
la siguiente operación, un
saliente circular. Está detrás de
Sketch2.
40 Relaciones dePadre/Hijo.
Compruebe las relaciones en el
plano. Haga clic con el botón
secundario del ratón en el
plano y seleccione Padre/
hijo.... El Padre del plano es la
operación Base_Plate, de la
cual depende el plano. Los
Hijos son Sketch3 (Croquis
3) y Circular_Boss
(Saliente circular); dependen
del plano.
Haga clic en Cerrar y avance hacia adelante.
Lección 7 Manual de formación SolidWorks 2006
Cómo editar: Reparaciones
238 Información proveniente de un modelo
41 Operación Circular_Boss.
Circular_Plane (Plano circular)
se utilizó para croquizar
Circular_Boss. El croquis fue
extruido a través de la pieza desde la
parte posterior.
Avance hacia adelante a una posición
justo antes de la operación Wall_Thickness (Espesor pared).
42 Operación Rib_Under.
Esta operación fue croquizada como un
rectángulo y extruida en el
Circular_Boss.
Retroceder a un
croquis
Si la barra de retroceder se arrastra y coloca entre un croquis
absorbido y su operación, aparece un cuadro de diálogo. El cuadro
de diálogo le comunica que ha elegido retroceder a una operación
absorbida y que la operación dejará de estar absorbida
temporalmente de modo que pueda editarse. Esto cambia la
secuencia de modo que el croquis preceda a la operación.
43 Retroceder a
Sketch4
(Croquis 4).
Mueva la barra de
retroceder a una
posición entre la
operación
Rib_Under y su
croquis Sketch4.
Haga clic en Aceptar
cuando aparezca el
mensaje.
Sugerencia Esta técnica es muy
útil cuando se está
editando operaciones
que poseen múltiples
croquis como
operaciones Barrer y
Recubrir.
Las operaciones
Barrer y Recubrir
están descriptas en el curso Modelado de piezas avanzado.
Manual de formación SolidWorks 2006 Lección 7
Cómo editar: Reparaciones
Información proveniente de un modelo 239
44 Avanzar hacia adelante.
Avance hacia adelante hasta alcanzar una
posición después de Sketch4.
Introducción: Editar
plano de croquis
Editar plano de croquis le permite cambiar el plano o la cara sobre
la que está creado un croquis específico. El plano de croquis nuevo
no debe ser paralelo al original.
Dónde encontrarlo En el menú Editar, seleccione Plano de croquis....
O haga clic con el botón secundario del ratón en el croquis y
seleccione Editar plano de croquis....
45 Editar plano de croquis.
Haga clic con el botón secundario del
ratón en la operación Sketch4 y
elija la opción Editar plano de
croquis para determinar qué plano de
croquis se utilizó. La cara resaltada
identifica el plano de croquis.
Haga clic en Cancelar y avance hacia
adelante hasta alcanzar una posición
después de la operación
Wall_Thickness.
Nota La selección de Plano/cara de croquis se puede desactivar para
hacer que la referencia del plano de croquis cuelgue. En ese caso
aparece un mensaje de confirmación.
No hay una selección para la referencia del plano
de croquis. Seleccione Aceptar si desea
convertirla en una referencia colgante.
Lección 7 Manual de formación SolidWorks 2006
Cómo editar: Reparaciones
240 Información proveniente de un modelo
46 Operación Wall_Thickness.
El modelo se vació dejando ambas
caras circulares y la cara inferior
abiertas. Consulte el corte de sección a
la derecha para conocer más detalles.
Avance hacia adelante hasta alcanzar
una posición después de la operación
CounterBore (Refrentado).
47 Operación CounterBore.
El Asistente para taladro se utilizó
para crear un taladro de refrentado en la
cara plana superior. Sin embargo,
debido a la pared delgada, aparece
como un simple corte.
Avance hacia adelante hasta alcanzar
una posición después de la operación LPattern1 (Matriz L 1).
48 Operación de matriz.
La matriz del CounterBore fue
realizada utilizando una matriz lineal,
LPattern1.
Avance hacia adelante hasta alcanzar
una posición después de la operación
Rib_Fillet (Redondeo nervio).
49 Operación Rib_Fillet.
La operación Rib_Fillet crea
redondeos grandes en donde
Rib_Under se une con
Circular_Boss y Base_Plate.
Haga clic con el botón secundario del
ratón y seleccione Avanzar al final.
50 Operación Circ_Fillet
(Redondeo circ.).
Esta operación crea pequeños redondeos
a ambos lados del Vertical_Plate.
Manual de formación SolidWorks 2006 Lección 7
Cómo editar: Reparaciones
Herramientas de reconstrucción 241
Herramientas
de
reconstrucción
Reconstruir un modelo incorpora los cambios que usted haya hecho.
Los tiempos de reconstrucción lentos pueden demorar el proceso de
modelado de manera significativa. Existen algunas herramientas
disponibles para optimizar los tiempos de reconstrucción.
Retroceder a
operación
Retroceder puede utilizarse para limitar el
tiempo de reconstrucción retrocediendo a la
operación que se está editando. Por ejemplo, si
Vertical_Plate se está editando, retroceda
hasta alcanzar una posición justo después de
dicha operación.
Se realizan cambios en la operación y se
reconstruye. Debido a la posición de retroceso,
sólo las operaciones que se encuentran antes de la
barra se reconstruyen, limitando el alcance de la
reconstrucción. El resto de la pieza se
reconstruirá cuando la barra se mueva o cuando se guarde la pieza.
Supresión de
operaciones
Supresión de operaciones es un método más
permanente para limitar el tiempo de
reconstrucción. Las operaciones que se suprimen
no se reconstruyen. Las configuraciones pueden
utilizarse para disponer combinaciones de
operaciones suprimidas.
Interrupción e
información de
reconstrucción
Durante una reconstrucción, se muestra una barra de progreso y el
estado en la barra inferior de la ventana de SolidWorks. La
reconstrucción puede detenerse presionando la tecla Esc (Escape).
Informe del tiempo
de recálculo
Informe del tiempo de recálculo es una herramienta que muestra
la cantidad de tiempo que lleva reconstruir cada operación en una
pieza. Utilice esta herramienta para identificar las operaciones que
llevan mucho tiempo para reconstruirse. Una vez identificadas, es
posible editarlas para aumentar la eficiencia o suprimirlas si no son
cruciales para el proceso de edición.
Introducción:
Informe del tiempo
de recálculo
El cuadro de diálogo Informe del tiempo de recálculo muestra
una lista de todas las operaciones y sus tiempos de reconstrucción
en orden descendente.
Orden de operaciones
Enumere cada elemento en el gestor de diseño del FeatureManager:
operaciones, croquis y planos derivados. Utilice el menú contextual
para Editar la operación, Suprimir operaciones y así
sucesivamente.
Lección 7 Manual de formación SolidWorks 2006
Cómo editar: Reparaciones
242 Herramientas de reconstrucción
% de tiempo
Muestra el porcentaje del tiempo total de reconstrucción de la pieza
empleado en regenerar cada elemento.
Tiempo
Muestra la cantidad de tiempo en segundos que lleva reconstruir
cada elemento.
Dónde encontrarlo En el menú, seleccione Herramientas, Informe del tiempo de
recálculo....
51 Informe del tiempo de
recálculo.
Haga clic en Herramientas,
Informe del tiempo de
recálculo....
Las operaciones aparecen en
orden descendente según la
cantidad de tiempo requerido
para regenerarlas.
Cómo interpretar los
datos
La primera cosa a tener en cuenta es que el tiempo de
reconstrucción total para la pieza es de aproximadamente 1
/3
segundos, de modo que es improbable que un cambio en cualquier
operación genere una diferencia significativa.
Lo segundo es el número de dígitos significativos y error de
redondeo. Por ejemplo, Feature1 (Operación 1) podría emplear
el doble de tiempo en reconstruirse que Feature2 (Operación 2),
0.02 segundos frente a 0.01 segundos. ¿Indica esto un problema con
Feature1? No necesariamente. Es bastante posible que
Feature1 tarde 0.0151 segundos mientras que Feature2 tarde
0.0149 segundos, una diferencia de tan sólo 0.0002 segundos.
Utilice Informe del tiempo de recálculo para identificar
operaciones que produzcan un impacto significativo en el tiempo de
reconstrucción. Luego:
Suprima operaciones para mejorar el desempeño.
Analice y modifique operaciones para mejorar el desempeño.
¿Qué afecta el
tiempo de
reconstrucción?
Las operaciones pueden ser analizadas para determinar por qué se
comportan de la manera en que lo hacen. Según el tipo de operación
y cómo se utiliza, las razones serán diversas.
Para operaciones croquizadas, busque relaciones externas y
condiciones finales que hagan referencia a otras operaciones.
Mantenga estas relaciones asociadas a la primera operación posible.
Haga lo mismo para los planos de croquis.
Manual de formación SolidWorks 2006 Lección 7
Cómo editar: Reparaciones
Herramientas de reconstrucción 243
Sugerencia En general, cuantos más padres tenga una operación, más lenta será
su reconstrucción.
Consulte Cómo reparar relaciones utilizando Visualizar/eliminar
relaciones en la página 231 para ver un ejemplo de cómo cambiar
relaciones en un croquis.
Para las operaciones aplicadas a aristas o caras, compruebe las
opciones de las operaciones y la posición de la operación en el
FeatureManager. Consulte Editar operación en la página 253 para
ver un ejemplo de cómo cambiar relaciones en una operación.
En general, hay cuatro herramientas disponibles para modificar
operaciones:
Editar operaciones
Editar croquis
Editar plano de croquis
Eliminar operación
Lección 7 Manual de formación SolidWorks 2006
Cómo editar: Reparaciones
244 Herramientas de reconstrucción
Manual de formación SolidWorks 2006
Ejercicio 27 245
Ejercicio 27:
Errors1
Edite esta pieza
utilizando la
información y las
cotas
proporcionadas
para reparar los
errores y completar
la pieza.
Este laboratorio
refuerza las
siguientes
funciones:
Cómo utilizar
¿Qué errores
hay?
Editar el
croquis.
Cómo agregar
relaciones
geométricas.
Editar operación.
Solucionar errores de reconstrucción.
Procedimiento Abra la pieza existente Errors1 (Errores 1) y realice varias
ediciones para eliminar los errores y advertencias de la pieza.
Utilice el dibujo a continuación como una guía.
Sugerencia Utilice Fusionar sólidos en la operación Mirror1.
La pieza completada debería ser un sólido simple.
Antes
Después
Manual de formación SolidWorks 2006
246 Ejercicio 28
Ejercicio 28:
Errors2
Edite esta pieza
utilizando la
información y las cotas
proporcionadas para
reparar los errores y
completar la pieza.
Este laboratorio
refuerza las siguientes
funciones:
Cómo utilizar
¿Qué errores
hay?
Editar el croquis.
Incorporar y
eliminar relaciones
geométricas.
Editar operación.
Solucionar errores de reconstrucción.
Procedimiento Abra la pieza existente Errors2 (Errores 2) y realice varias
ediciones para eliminar los errores y advertencias de la pieza.
Utilice el dibujo a continuación como una guía.
Antes
Después
Manual de formación SolidWorks 2006
Ejercicio 29 247
Ejercicio 29:
Copiar y
relaciones
colgantes
Complete esta pieza
copiando operaciones y
realizando reparaciones.
Este laboratorio utiliza las
siguientes funciones:
Copiar operaciones
entre piezas.
Editar croquis para
reparar relaciones
colgantes.
Unidades: milímetros
Procedimiento Abra las piezas existentes.
1 Abrir las piezas BoneWrench y HexCut.
Abra los dos archivos y haga clic en Ventana, Mosaico vertical.
2 Copiar la operación Hex.
Mientras pulsa la tecla Control arrastre una cara de la operación
Hex y colóquela sobre la cara plana superior de la pieza
BoneWrench tal como se muestra.
Haga clic en el botón Colgar del cuadro de diálogo Confirmación
de copia.
Manual de formación SolidWorks 2006
248 Ejercicio 29
3 Reparar.
Edite el croquis que
contenga el error y
seleccione el círculo
de construcción
interno.
Arrastre y coloque el
marcador rojo en una
referencia de
reemplazo adecuada.
Ajuste el tamaño del
hexágono como se
indica a continuación.
Ubicaciones Utilice el gráfico
siguiente para
localizar y ajustar el
tamaño de un total de
4 cortes copiados
mediante la
condición final Por
todo.
4 Redondeos cosméticos (opcional).
Si lo desea, puede agregar los siguientes redondeos y redondos:
5 Guardar las piezas y cerrarlas.
R2mm R1mm R0.5mm
2006Manual de formación SolidWorks 2006
249
Lección 8
Cómo editar: Cambios en el
diseño
Al finalizar esta lección, podrá:
Comprender cómo las técnicas de modelado ejercen influencia
sobre la capacidad de modificar una pieza.
Utilice contornos de croquis para definir la forma de una
operación.
Lección 8 Manual de formación SolidWorks 2006
Cómo editar: Cambios en el diseño
250
Manual de formación SolidWorks 2006 Lección 8
Cómo editar: Cambios en el diseño
Edición de piezas 251
Edición de
piezas
El software SolidWorks proporciona la capacidad de editar
virtualmente cualquier elemento en cualquier momento. Para
destacar esta capacidad, en este capítulo se utilizan las principales
herramientas de edición de piezas para crear un cambio en el
diseño.
Etapas del
proceso
Algunas etapas clave del proceso de modificación de esta pieza se
muestran en la siguiente lista. Cada uno de estos temas consta de
una sección en la lección.
Eliminar y cambiar el nombre de la operación
La tecla Eliminar es una de las herramientas de edición más
directas. Cambiar los nombres de las operaciones es útil para el uso
posterior de la pieza.
Utilizar herramientas de edición
Utilice herramientas de edición comunes como Editar operación,
Reordenar y Editar croquis para modificar la geometría y la
intención del diseño.
Contornos de croquis
Se puede utilizar un croquis simple para crear varias operaciones
utilizando los contornos dentro del croquis.
Cómo agregar texturas
Se pueden agregar mapas de textura a toda la pieza o a caras
seleccionadas para ofrecer una apariencia realista de materiales o
roscas.
Cambios en el
diseño
Deben realizarse algunos cambios en el modelo. Algunos
cambiarán la estructura del modelo, otros sólo los valores de cota.
Realizar cambios de diseño en un modelo puede ser tan simple
como cambiar el valor de una cota y tan difícil como eliminar las
referencias externas. Esta sección pasa a través de una serie de
cambios en un modelo. El énfasis está puesto en la edición de
operaciones más que en la eliminación y la reinserción de las
mismas. La edición le permite mantener referencias a dibujos,
ensamblajes u otras piezas que se perderían si usted eliminara la
operación.
Procedimiento Seguiremos editando la pieza que se reparó en la lección anterior.
Lección 8 Manual de formación SolidWorks 2006
Cómo editar: Cambios en el diseño
252 Cambios en el diseño
Cambios
requeridos
Los cambios en el
modelo son de la
siguiente manera:
El saliente circular
está centrado sobre el
nervio.
El nervio está
redondeado en el
extremo.
El saliente circular es
tangente a la arista
derecha.
La parte recortada
con taladros se
agrega a la base.
Ambos taladros
poseen igual radio.
Sólo se vacía la base.
Eliminaciones Cualquier operación puede eliminarse del modelo. Debe
considerarse qué otras operaciones, distintas de la seleccionada,
deben eliminarse con ella. El cuadro de diálogo Confirmar
eliminación muestra una lista de los Elementos dependientes
que se eliminarán con la operación seleccionada. Los croquis de la
mayoría de las operaciones no se eliminan automáticamente. Sin
embargo, los croquis asociados con las operaciones del Asistente
para taladro se eliminan automáticamente cuando se elimina el
taladro. Para otras operaciones dependientes, si se elimina el padre
se eliminarán los hijos.
1 Abrir la pieza Editing CS Repaired (Edición CS
reparada).
2 Eliminar operación.
Seleccione y elimine la
operación
CounterBore
(Refrentado). La casilla
de verificación, Eliminar
también todas las
operaciones hijas, ya
está activada. El cuadro
de diálogo indica que la
operación LPattern1 (Matriz L 1) también se eliminará porque
es hijo de la operación CounterBore.
Haga clic en Sí para confirmar la eliminación.
Manual de formación SolidWorks 2006 Lección 8
Cómo editar: Cambios en el diseño
Cambios en el diseño 253
3 Intentar cambiar el orden.
Intente cambiar la operación de vaciado, Wall_Thickness
(Espesor pared) a una posición inmediatamente posterior a la
Base_Fillet (Redondeo base). El cursor muestra un símbolo de
“no mover” y aparece un cuadro de diálogo que le indica que no
puede cambiar el orden debido a relaciones de padre/hijo. No puede
colocar un hijo antes del padre.
Haga clic en Aceptar.
4 Padre/hijo.
Seleccione la operación
Wall_Thickness y haga
clic en Padre/hijo... en el
menú del botón secundario
del ratón. El cuadro de
diálogo muestra que los
padres de la operación Wall_Thickness son Base_Plate
(Chapa base) y Circular_Boss (Saliente circular).
Las referencias de la operación Circular_Boss deben
eliminarse para que podamos cambiar el orden de la operación.
Editar operación Editar operación le permite cambiar una operación utilizando el
mismo cuadro de diálogo y la misma interfaz de usuario que utilizó
para crearla. Los cambios simples, como direcciones o valores de
cota, pueden realizarse juntamente con cambios más complejos
como la eliminación o el agregado de selecciones.
5 Editar operación.
Haga clic con el botón
secundario del ratón en
la operación
Wall_Thickness del
cuadro de diálogo
Padre/Hijo... y
seleccione Editar
operación
Seleccione ambas caras
circulares resaltadas.
La lista de selección
Caras a eliminar sólo
mostrará una única
cara.
Cuando usted vuelve a
seleccionar una cara ya
seleccionada, se
desactiva la selección; es decir, la cara queda sin seleccionar.
Lección 8 Manual de formación SolidWorks 2006
Cómo editar: Cambios en el diseño
254 Cambios en el diseño
Como alternativa, puede hacer clic en un elemento de la lista de
selección y desactivar su selección presionando la tecla Suprimir
del teclado. A veces esto puede ser confuso, porque es probable que
no en todas las oportunidades usted sepa qué cara está etiquetada
como Face<2> (Cara 2).
6 Cambios en padre/hijo.
Si se edita la operación
Wall_Thickness se
produce un cambio en la
Relación de padre/hijo. La
sección Padres muestra
ahora sólo una operación, la
Base_Plate.
Reordenar Cambiar el orden permite efectuar cambios en la secuencia de
operaciones del modelo. Los cambios de secuencia están limitados
por las relaciones de padre/hijo que existan.
7 Cambiar el orden.
Arrastre la operación Wall_Thickness y
reacomódela colocándola en la operación
Base_Fillet. Está ubicada después de la
operación Base_Fillet.
8 Resultados.
Ahora la operación de vaciado afecta sólo a la primera y a la
segunda operación de la pieza.
Manual de formación SolidWorks 2006 Lección 8
Cómo editar: Cambios en el diseño
Cambios en el diseño 255
Editar croquis Editar croquis abre el croquis de la operación para que puedan
efectuarse cambios en los valores de cotas, las cotas y las
relaciones. Además, puede eliminarse o agregarse geometría al
croquis.
9 Cómo editar el
croquis.
Edite el croquis de
la operación
Vertical_Pla
te (Chapa
vertical).
10 Eliminar cota.
Elimine la cota lineal horizontal. Esto hará que el croquis quede
insuficientemente definido.
11 Agregar nueva
relación.
Mantenga presionada
la tecla Ctrl y
seleccione la línea
vertical más hacia la
derecha y el arco.
Haga clic con el botón
secundario del ratón y seleccione Tangente Esto agrega una relación
Tangente entre la línea y el arco.
12 Salga del croquis.
13 Modelo resultante.
Esto mueve el
Circular_Boss
de modo que su cara
cilíndrica sea
tangente a la arista
exterior de
la operación
Base_Plate. Los
redondeos se
actualizan en las
nuevas posiciones.
14 Editar el croquis
Rib_Under (Nervio debajo)
El croquis Rib_Under aún
está vinculado a sus relaciones
originales, la arista exterior
de Base_Plate.
15 Editar el croquis.
Lección 8 Manual de formación SolidWorks 2006
Cómo editar: Cambios en el diseño
256 Cambios en el diseño
16 Visualizar relaciones.
Muestre todas las relaciones
geométricas en el croquis
utilizando la opción Todas en
este croquis. Para poder volver
a colocar el nervio, debe
eliminar la mayoría de las
relaciones.
Seleccione y elimine estas relaciones utilizando el botón Eliminar:
Relación Colineal a la arista vertical de Base_Plate.
Ambas relaciones de Distancia (las dos cotas).
Mantenga la relación Colineal a Vertical_Plate y la relación
Vertical en la línea que se encuentra a la izquierda.
17 Nueva geometría.
Elimine la línea inferior del
rectángulo y agregue un arco
tangente. Acote el croquis
según se indica.
18 Relación vertical.
Si elimina la relación
Colineal la línea vertical
derecha queda sin ninguna
relación para mantenerse
vertical. Para solucionarlo,
agregue una relación
Vertical a la línea que se
encuentra más hacia la
derecha.
19 Gráficos temporales.
Active la visualización de
Ejes temporales y relacione
el centro del arco con el eje
temporal. Esto centrará el
nervio sobre el saliente
circular.
Manual de formación SolidWorks 2006 Lección 8
Cómo editar: Cambios en el diseño
Cambios en el diseño 257
20 Resultado.
La operación Rib_Under ahora
está centrada bajo
Circular_Boss. Posee una arista
frontal redondeada y también está, en
una pequeña proporción, en el
interior de la arista del saliente.
21 Editar plano de croquis.
Expanda el listado de la operación
Circular_Boss. Haga clic con el
botón secundario del ratón en el
croquis y seleccione Editar plano de
croquis en el menú contextual.
No tiene que editar el croquis.
22 Selección de cara o plano.
El plano utilizado actualmente
en el croquis está resaltado
junto con la geometría de
croquis. Ahora puede elegir un
nuevo plano de croquis.
Seleccione la cara posterior del
modelo y haga clic en Aceptar.
23 Plano de croquis editado.
La operación Circular_Boss
ha sido editada. El croquis ahora
hace referencia a una cara del
modelo en lugar de a un plano.
24 Eliminar el plano.
Compruebe las Relaciones de padre/hijo del plano. La operación
Circular_Plane ahora no tiene hijos.
Elimine el plano.
Lección 8 Manual de formación SolidWorks 2006
Cómo editar: Cambios en el diseño
258 Cambios en el diseño
25 Editar operación.
Edite la operación
Circ_Fillet
(Redondeo circ.). Agregue la
arista mostrada y haga clic
en Aplicar.
26 Resultado.
La arista adicional posee un
redondeo como parte de la
operación Circ_Fillet.
27 Guardar y Cerrar.
Se utilizará una pieza
existente para el recordatorio
del estudio de caso.
Retroceder Retroceder es una herramienta que tiene muchos usos.
Anteriormente, se utilizaba para “recorrer” un modelo, mostrando
los pasos que se siguieron para construirlo. También es útil para
agregar operaciones en un punto específico en la historia de la
pieza.
28 Abrir Partial_Editing CS (Edición CS parcial).
Abra una pieza existente que es idéntica excepto para un croquis
adicional, Contour Selection (Selección de contorno). El
croquis contiene dos círculos contenidos dentro de un rectángulo.
29 Reordenar y retroceder.
Reordene el croquis de
Contour Selection en
una posición entre las
operaciones Base Fillet y
Wall_Thickness.
Retroceda a una posición
entre el croquis Contour
Selection y la operación
Wall_Thickness.
Manual de formación SolidWorks 2006 Lección 8
Cómo editar: Cambios en el diseño
Contornos de croquis 259
Contornos de
croquis
Los Contornos de croquis le permiten seleccionar partes de un
croquis generadas por la intersección de geometría y crear
operaciones. De esta forma puede utilizar un croquis parcial para
crear operaciones.
Otra ventaja de este método es que el croquis puede volver a
utilizarse, creando operaciones distintas a partir de diferentes
porciones del croquis.
Se utilizan dos comandos, Herramienta de seleccionar
contornos y Finalizar la selección de contornos, para iniciar y
finalizar el proceso de selección de contornos.
Contornos
disponibles
Generalmente hay múltiples Contornos de croquis disponibles
dentro de un croquis individual. Todo límite generado por la
intersección de geometría de croquis puede utilizarse
individualmente o en combinación con otros contornos.
Utilizando este croquis como ejemplo, hay diversos contornos,
regiones y combinaciones posibles disponibles para su utilización.
Introducción:
Herramienta de
seleccionar
contornos
La Herramienta de seleccionar contornos se utiliza para
seleccionar uno o más contornos con el fin de utilizarlos en una
operación. El cursor tiene este aspecto: cuando la Herramienta
de seleccionar contornos se encuentra activa.
Individuales
Regiones
Contornos
individuales
Selección de
contornos
combinados
Lección 8 Manual de formación SolidWorks 2006
Cómo editar: Cambios en el diseño
260 Contornos de croquis
Dónde encontrarlo Haga clic con el botón secundario del ratón en la zona de
gráficos y elija la Herramienta de seleccionar contornos.
Haga clic con el botón secundario del ratón en un croquis y elija
Herramienta de seleccionar contornos.
Introducción:
Finalizar la
selección
de contornos
Finalizar la selección de contornos se utiliza para finalizar la
selección de los contornos.
Dónde encontrarlo Haga clic con el botón secundario del ratón en la zona de
gráficos o en el croquis en el gestor de diseño del
FeatureManager y elija Finalizar la selección de contornos.
Haga clic en el símbolo de la esquina de confirmación .
30 Extruir un corte.
Utilice la Herramienta de
seleccionar contornos para
seleccionar la región rectangular
del croquis.
Cree un corte hasta una
profundidad especificada de
10 mm en el modelo.
Cambie el nombre de la operación
a Hole_Mtg (M. Taladro).
Croquis
compartidos
Un croquis puede utilizarse más de una vez para crear varias
operaciones.
Cuando crea una operación, el croquis se absorbe en la operación y
se oculta de la vista. Al activar la Herramienta de seleccionar
contornos, el croquis se hace visible automáticamente.
31 Agregar más cortes.
Seleccione el croquis de la
operación Hole_Mtg y
haga clic en Extruir
corte en la barra de
herramientas Operaciones.
Expanda la lista Contornos
seleccionados y
seleccione las dos regiones
circulares del croquis.
Extruya las regiones utilizando la condición final Por Todo.
Cambie el nombre de los cortes a Thru_Holes
(Taladros pasantes).
Manual de formación SolidWorks 2006 Lección 8
Cómo editar: Cambios en el diseño
Contornos de croquis 261
32 Avanzar al final.
Haga clic con el botón
secundario del ratón
en el gestor de diseño
del FeatureManager y
seleccione Avanzar al
final. Observe que los
taladros de corte se
utilizan en la opera-
ción de vaciado para
crear caras adiciona-
les, innecesarias.
33 Reordenar.
Cambie el orden de la operación
Thru_Holes, llevándola a una posición
después de la operación
Wall_Thickness. El resultado es que
la operación Thru_Holes no se ve
afectada por el vaciado.
34 Cambiar el espesor de la pared.
Cambie el espesor de la pared a 6 mm y
reconstruya para completar el modelo.
Cómo copiar
redondeos
Una forma rápida y fácil de crear un nuevo redondeo es copiarlo
desde una operación existente. El nuevo redondeo es del mismo tipo
y tamaño pero no está relacionado con el original.
35 Copiar.
Mantenga presionada la tecla Ctrl y arrastre la operación
Circ_Fillet sobre la arista del modelo. Suelte el botón del
ratón.
El redondeo puede copiarse desde el gestor de diseño del
FeatureManager o directamente desde el modelo.
Lección 8 Manual de formación SolidWorks 2006
Cómo editar: Cambios en el diseño
262 Contornos de croquis
36 Nueva operación Redondeo.
Se crea una nueva operación Redondeo en la arista.
Edite el redondeo y agregue la arista en el lado opuesto. Cambie el
valor del radio a 3 mm.
Los chaflanes pueden copiarse utilizando el mismo procedimiento.
37 Vista trimétrica.
Cambie la orientación de la vista a
una vista Trimétrica.
Introducción: Vista
de sección
La Vista de sección corta la vista utilizando uno o más planos de
sección. Los planos pueden ser arrastrados de forma dinámica.
Se pueden utilizar planos de referencia o caras planas.
Dónde encontrarlo Haga clic en Vista de la sección en la barra de herramientas
Ver.
O, haga clic en Ver, Visualizar, Vista de sección.
38 Seleccionar una cara.
Seleccione la cara plana indicada. Se
utilizará para definir el plano de sección.
Nota No tiene que preseleccionar el plano de
sección. Si no lo hace, el sistema utilizará un
plano de sección predeterminado, por lo
general el Alzado.
Manual de formación SolidWorks 2006 Lección 8
Cómo editar: Cambios en el diseño
Contornos de croquis 263
39 Vista de sección.
Haga clic en Vista de
sección para utilizar
la cara seleccionada como
el plano de sección.
El cuadro de grupo
Sección 1 incluye
opciones del Plano de
sección de referencia,
Dirección de sección,
Equidistancia y
Ángulos.
40 Arrastrar el plano.
Mediante las flechas, arrastre
en una dirección normal al
plano y colóquela.
El ángulo del plano se puede
cambiar si se arrastran las
aristas del plano de sección.
41 Invertir dirección de sección.
Haga clic en Invertir dirección
de sección para invertir la
dirección de la sección.
Haga clic en Cancelar para
cerrar el cuadro de diálogo.
Lección 8 Manual de formación SolidWorks 2006
Cómo editar: Cambios en el diseño
264 Cómo agregar texturas
Cómo agregar
texturas
Haga que el modelo tenga una apariencia más realista añadiendo
Texturas a las caras, las superficies, los sólidos, las operaciones y
los componentes. La calidad de la textura está influenciada por el
adaptador de gráficos. Para obtener más información, consulte
Gráficos RealView en la página 193.
Dónde encontrarlo Haga clic en Editar textura en la barra de herramientas
Estándar.
O, haga clic con el botón secundario del ratón en una cara,
operación o pieza y elija Apariencia, Textura....
Nota Las texturas están divididas en carpetas como Metal (Metal),
Plastic (Plástico) y Stone (Piedra) con subcarpetas.
42 Selección de geometría.
Haga clic con el botón derecho del ratón en la
operación de nivel superior (nombre de la pieza)
y elija Apariencia, Textura....
43 Selección de
textura.
Haga clic en las
carpetas Metal
(Metal) y Cast
(Fundición).
Seleccione la
textura Fundido
rugoso de la lista
de Selección de
textura.
La vista preliminar
de la textura está
en el cuadro de
grupo
Propiedades de
textura.
Todas las caras seleccionadas del sólido comparten la misma
textura.
Manual de formación SolidWorks 2006 Lección 8
Cómo editar: Cambios en el diseño
Cómo agregar texturas 265
44 Textura de
rosca.
Seleccione las
dos caras del
“taladro” y haga
clic con el botón
secundario del
ratón en
Apariencia,
Textura....
Elija la carpeta
Thread y la
textura
Thread1.
Ajuste la
Escala de la
textura
mediante el control deslizante Escala .
Lección 8 Manual de formación SolidWorks 2006
Cómo editar: Cambios en el diseño
266 Cómo agregar texturas
Manual de formación SolidWorks 2006
Ejercicio 30 267
Ejercicio 30:
Cambios
Realice cambios en la pieza creada
en la lección anterior.
Este ejercicio utiliza las siguientes
funciones:
Eliminar operaciones.
Utilizar Vincular valores.
Reordenar operaciones.
Procedimiento Utilizar el siguiente procedimiento:
1 Abrir la pieza Changes.
Se realizarán diversos cambios e
incorporaciones al modelo.
2 Eliminar.
Elimine los taladros de montaje, las
partes recortadas y el vaciado
(Cut-Extrude1,
Wall_Thickness y Cut-
Extrude2) del modelo.
3 Igual espesor.
Establezca el espesor de
Base_Plate (Chapa base) y
Vertical_Plate (Chapa
vertical) en el mismo valor, 12 mm,
utilizando Vincular valores.
Manual de formación SolidWorks 2006
268 Ejercicio 30
4 Cortar.
Elimine la porción de
Vert_Plate (Chapa vert.) en el
lado derecho de
Circular_Boss (Saliente
circ.) y Rib_Under (Nervio
debajo).
Edite y reordene las operaciones
donde sea necesario para
mantener el redondeo.
5 Redondeo.
Agregue otro redondeo del mismo
radio que Circ_Fillet
(Redondeo circ.).
6 Taladros de refrentado.
Agregue dos taladros de refrentado
del siguiente tamaño:
ANSI Métrico
Tornillo de cabeza hexagonal M6
Por todo
Reordene las operaciones donde
sea necesario para evitar
socavaciones.
7 Guardar y cerrar la pieza.
Manual de formación SolidWorks 2006
Ejercicio 31 269
Ejercicio 31:
Cómo agregar
ángulo de
salida
Edite esta pieza utilizando la
información y las cotas
proporcionadas. Utilice las técnicas
de edición para mantener la intención
del diseño.
Este laboratorio refuerza las
siguientes funciones:
Editar el croquis.
Incorporar y eliminar
relaciones geométricas.
Editar operación.
Editar plano de croquis.
Procedimiento Abra la pieza existente Add Draft (Agregar ángulo de salida) y
realice diversas ediciones utilizando el dibujo final que aparece a
continuación. Cambie el modelo de modo tal que se agregue un
ángulo de salida de 5°.
Manual de formación SolidWorks 2006
270 Ejercicio 32
Ejercicio 32:
Cómo editar
Edite esta pieza utilizando la información y las cotas
proporcionadas. Utilice ecuaciones, relaciones o valores de vínculo
para mantener la intención del diseño.
Este laboratorio refuerza las siguientes funciones:
Editar croquis y Editar plano de croquis.
Incorporar y eliminar relaciones geométricas.
Editar operación.
Reordenar.
Insertar cotas.
Procedimiento Abra la pieza existente Editing (Edición) y realice diversas
ediciones:
Cambie la pieza existente, editando y agregando geometría y
relaciones, para hacerla coincidir con la versión que se muestra a
continuación.
Manual de formación SolidWorks 2006
Ejercicio 33 271
Ejercicio 33:
Croquis de
contorno #1-#4
Cree esta pieza utilizando la información suministrada.
Extruya los perfiles para crear las piezas.
Las piezas existentes son Contour Sketches #1-#4
(Croquis de contornos 1 y 4).
#1
Profundidad:
50 mm y
30 mm
#2
Profundidad:
3.5”, 1” y 2.5”
#3
Profundidad:
30 mm y
10 mm
#4
Profundidad:
1.5” y 0.5”
Manual de formación SolidWorks 2006
272 Ejercicio 34
Ejercicio 34:
Brazo de un asa
Cree esta pieza utilizando la
información y el croquis
provistos. Extruya los perfiles
para crear la pieza.
Este laboratorio refuerza las
siguientes funciones:
Selección de contorno.
Extrusiones.
Procedimiento Abra una pieza existente.
1 Abra la pieza denominada Handle Arm (Brazo de asa).
Contiene un único croquis.
2 Primera operación.
Utilizando la Herramienta de seleccionar
contornos, seleccione la geometría apropiada
y realice la extrusión.
Profundidad = 0.75”.
3 Operación
Saliente.
Utilizando el
mismo croquis,
seleccione
contornos y
realice la
extrusión.
Profundidad =
0.25”.
4 Saliente
cilíndrico.
Utilizando el
mismo croquis,
seleccione
contornos y
realice la
extrusión.
Profundidad =
0.5”.
Manual de formación SolidWorks 2006
Ejercicio 34 273
5 Redondeos.
Agregue
redondeos de
radio 1/8”.
6 Redondos.
Agregue
redondos de
radio 1/32”.
7 Guardar y
cerrar la pieza.
Manual de formación SolidWorks 2006
274 Ejercicio 35
Ejercicio 35:
Bomba de
aceite
Cree esta pieza utilizando la
información y el croquis provistos.
Extruya los perfiles para crear la pieza.
Este laboratorio refuerza las siguientes
funciones:
Selección de contorno.
Extrusiones.
Procedimiento Abra una pieza existente.
1 Abra la pieza denominada Oil Pump (Bomba de aceite).
Contiene un único croquis.
2 Operación Saliente.
Utilice la Herramienta de
seleccionar contornos y
seleccione el círculo exterior.
Extrúyalo una profundidad de
32 mm para formar la operación
base.
Extruya la operación saliente en
la pantalla para que el croquis
quede en la cara frontal.
3 Extruir un corte.
Seleccione el contorno de la figura-8
y extruya un corte una profundidad
de 22 mm.
4 Cortes Por todo.
Hay seis círculos que representan
taladros pasantes.
Sugerencia Para seleccionar múltiples contornos,
mantenga presionada la tecla Ctrl y
seleccione cada uno de los contornos.
Pregunta ¿Estos taladros deben crearse como
una sola operación? ¿O deben
efectuarse como tres operaciones
separadas, una para cada tamaño de
taladro?
Manual de formación SolidWorks 2006
Ejercicio 35 275
5 Últimos dos cortes.
Extruya los dos últimos contornos a
una profundidad de 19 mm.
6 Ocultar el croquis.
7 Guardar y cerrar la pieza.
Manual de formación SolidWorks 2006
276 Ejercicio 36
Ejercicio 36:
Cómo utilizar la
herramienta de
seleccionar
contornos
Cree esta pieza utilizando la información y el
croquis provistos. Extruya los perfiles para crear la
pieza.
Este laboratorio refuerza las siguientes funciones:
Herramienta de seleccionar contornos.
Extrusiones.
Redondeos.
Procedimiento Abra una pieza existente.
1 Abrir la pieza denominada
Idler_Arm_Contour_Selection.
Contiene tres croquis. Muestre todos los croquis.
2 Primera operación.
Haga clic con el botón
secundario del ratón en
Herramienta de seleccionar
contornos y seleccione la
geometría indicada.
3 Extruir.
Haga clic en la herramienta
Extruir y cree el saliente
utilizando el Plano medio y una
Profundidad de 55 mm.
4 Salientes y cortes.
Con el mismo procedimiento, cree
los salientes y cortes restantes
como se indica.
5 Operaciones Redondeo y
Redondo.
Utilice redondeos y redondos de
3mm.
6 Guardar y cerrar la pieza.
Manual de formación SolidWorks 2006
277
Lección 9
Configuraciones de las
piezas
Al finalizar esta lección, podrá:
Utilizar las configuraciones para representar diferentes
versiones de una pieza en un único archivo de SolidWorks.
Suprimir y desactivar la supresión de operaciones.
Modificar los valores de cotas por configuración.
Suprimir operaciones por configuración.
Comprender las consecuencias de realizar cambios en piezas
que poseen configuraciones.
Lección 9 Manual de formación SolidWorks 2006
Configuraciones de las piezas
278
Manual de formación SolidWorks 2006 Lección 9
Configuraciones de las piezas
Configuraciones 279
Configuracio-
nes
Las configuraciones le permiten representar más de una versión de
la pieza en el mismo archivo. Por ejemplo, al suprimir las
operaciones mecanizadas (taladros, chaflanes, cavidades, etc.) y
cambiar los valores de cotas de las piezas en la parte superior de la
ilustración, puede representar la pieza tosca de forja que se muestra
a continuación.
Esta lección describe la utilización de las configuraciones de piezas.
Las configuraciones de ensamblaje se describen en otra lección.
Terminología A continuación se explican algunos de los términos utilizados
cuando se describen las configuraciones y se trabaja con ellas.
Nombre de la
configuración
El Nombre de configuración aparece en el
ConfigurationManager. Se utiliza para diferenciar las
configuraciones dentro de la misma pieza o ensamblaje de la pieza,
ensamblaje o nivel de dibujo.
Se pueden crear directamente o bien indirectamente mediante una
tabla de diseño.
Suprimir/desactivar
supresión de
operaciones
Suprimir se utiliza para eliminar una operación de manera
temporal. Cuando se suprime una operación, el sistema la trata
como si no existiera. Esto quiere decir que también se suprimirán
las operaciones que dependan de la operación suprimida. Además,
las operaciones suprimidas se eliminan de la memoria, lo que libera
los recursos del sistema. Se puede desactivar la supresión de las
operaciones suprimidas en cualquier momento.
Otros elementos
configurables
Además de las operaciones, se puede suprimir y desactivar la
supresión de otros elementos mediante la utilización de
configuraciones:
Ecuaciones
Restricciones de los croquis
Relaciones externas de los croquis
Cotas de croquis
Colores
Lección 9 Manual de formación SolidWorks 2006
Configuraciones de las piezas
280 Utilización de configuraciones
Planos de croquis y la extrusión de las Condiciones finales se
pueden establecer de manera diferente configuración por
configuración.
Utilización de
configuracio-
nes
Tanto las piezas como los ensamblajes pueden tener
configuraciones. Los dibujos no tienen configuraciones propias,
pero las vistas de dibujo pueden mostrar diferentes configuraciones
de los archivos a los que hacen referencia.
Las Tablas de diseño utilizan métodos más automatizados en la
creación de configuraciones. Para obtener más información sobre
las tablas de diseño, consulte Tablas de diseño en la página 303.
Procedimiento En esta lección aprenderá a utilizar las configuraciones de un
archivo de pieza. En Lección 12: Modelado de ensamblaje
ascendente, analizará cómo utilizar las configuraciones junto con
ensamblajes.
Empiece este ejemplo llevando a cabo el siguiente procedimiento:
1 Abrir la pieza Ratchet Body (Caja del trinquete).
Esta pieza es una copia de la que se creó en una lección anterior.
Acceso al
Configuration-
Manager
Las configuraciones se gestionan
desde la misma ventana que ocupa el
gestor de diseño del FeatureManager. Para cambiar la visualización
de esta ventana, utilice las pestañas situadas en la parte superior del
panel de la ventana. Si hace clic en la pestaña se visualizará el
ConfigurationManager (que se muestra en la parte superior
derecha) con la configuración predeterminada. La configuración
predeterminada se denomina Default (Predeterminada). (¿Quién
dice que no tenemos sentido del humor?) Esta configuración
representa la pieza tal como la modeló, sin suprimir ni cambiar
nada. Cuando desee regresar a la visualización del FeatureManager,
haga clic en la pestaña .
Manual de formación SolidWorks 2006 Lección 9
Configuraciones de las piezas
Utilización de configuraciones 281
División de la
ventana del
FeatureManager
A menudo, resulta eficaz poder
acceder a la vez tanto al gestor
de diseño del FeatureManager
como al ConfigurationManager.
Esto es especialmente cierto
cuando se trabaja con configura-
ciones. En vez de moverse ade-
lante y atrás utilizando las
pestañas, puede dividir la ven-
tana del FeatureManager de
arriba hacia abajo, con lo que se
crean dos paneles. Un panel
puede mostrar el gestor de
diseño del FeatureManager y el
otro puede mostrar el Configu-
rationManager.
Para subdividir la ventana del
FeatureManager en dos paneles,
arrastre la barra de división
hacia abajo desde la parte
superior de la ventana. Utilice las pestañas para controlar lo que se
visualiza en cada panel.
Cómo agregar
nuevas
configuraciones
Cada pieza (y ensamblaje) debe tener como mínimo una
configuración, y varias configuraciones son comunes. Hay varias
opciones que puede establecer aparte del Nombre de la
configuración.
Opciones de Lista
de materiales
Cuando la pieza se utiliza en un ensamblaje y más, una lista de
materiales establece el nombre que debe aparecer en Número de
pieza.
Opciones
avanzadas
Las opciones avanzadas incluyen normas para la creación de nuevas
operaciones y configuraciones de color. Las opciones de Padre/hijo
sólo son para los ensamblajes.
Suprimir operaciones
Esta opción controla lo que sucede en las operaciones que se
acaban de crear cuando otras configuraciones están activas y
esta configuración está inactiva. Si se seleccionan, las nuevas
operaciones agregadas con otras configuraciones activas se
suprimen en ésta.
Utilizar el color específico de la configuración
Permite que haya diferentes colores para cada configuración
utilizando la paleta de colores. Materiales diferentes pueden
introducir colores diferentes.
Lección 9 Manual de formación SolidWorks 2006
Configuraciones de las piezas
282 Utilización de configuraciones
2 Cómo agregar una nueva configuración.
Coloque el cursor dentro del Configuration-
Manager y en el menú que aparece al hacer clic
con el botón secundario del ratón, seleccione Agregar
configuración...
Cuando agrega una configuración, ésta se convierte en la
configuración activa. Cualquier cambio posterior que se realice en
la pieza (como suprimir operaciones) se almacena como parte de la
configuración.
Sugerencia El nombre de la configuración no puede contener caracteres
especiales como la barra inclinada (/).
3 Agregar configuración.
El Property Manager Agregar configuración
se utiliza para agregar configuraciones a la
pieza. Asigne a la configuración el nombre
Forged, Long (Forjada, larga) y, de manera
opcional, agregue un comentario.
Haga clic en Aceptar.
4 Agregado a la lista.
La nueva configuración se
agrega a la lista y
automáticamente se convierte en la configuración activa. Observe
que el nombre de la configuración activa se muestra entre
paréntesis, anexada al icono del nombre de la pieza.
Definición de la
configuración
Define la configuración al desactivar o suprimir las operaciones
seleccionadas de la pieza. Cuando se suprime una operación, ésta
todavía aparece en el gestor de diseño del FeatureManager pero de
manera atenuada. Esta versión de la pieza se guarda o almacena en
la configuración activa. Puede crear muchas configuraciones
diferentes de una pieza. A continuación, puede cambiar fácilmente
de configuración utilizando el ConfigurationManager.
Introducción:
Relaciones de
padre/hijo
La opción Padre/Hijo se utiliza para visualizar las dependencias
entre las operaciones. Se visualizan tanto las operaciones de las que
depende (Padres) como las operaciones que dependen de ésta
(Hijos).
Manual de formación SolidWorks 2006 Lección 9
Configuraciones de las piezas
Utilización de configuraciones 283
Dónde encontrarlo Con el botón secundario del ratón por encima de una operación
haga clic en Padre/Hijo.
Introducción:
Suprimir
Suprimir se utiliza para eliminar una operación de la memoria, con
lo que se elimina básicamente del modelo. Se utiliza para eliminar
operaciones seleccionadas del modelo y crear “versiones”
diferentes de ese modelo. Se suprimen todos los hijos de una
operación suprimida.
Desactivar supresión y Desactivar supresión con
dependientes se utilizan para deshacer la supresión de una
(desactivar supresión) o más (desactivar supresión con
dependientes) operaciones.
Dónde encontrarlo En el menú que aparece al presionar el botón secundario del
ratón, haga clic en Suprimir.
O haga clic en la herramienta Suprimir en la barra de
herramientas Operaciones.
O seleccione Editar, Suprimir en el menú desplegable.
O haga clic en Suprimido en el cuadro de diálogo Propiedades
de operación.
5 Seleccione Padre/Hijo.
Haga clic con el botón
secundario del ratón en la
operación Recess (Entrante)
y seleccione Padre/Hijo.
Expanda la operación
Pocket (Cavidad) en la
sección Hijos para ver las
otras operaciones de hijos.
6 Suprimir la operación Recess.
En el gestor de diseño del FeatureManager,
seleccione la operación Recess. Haga clic con el
botón secundario del ratón en Suprimir.
El sistema no sólo suprime la operación Recess
(Entrante) sino también la operación Pocket
(Cavidad), la operación Wheel Hole (Taladro de
rueda) y la operación Ratchet Hole (Taladro
de trinquete). ¿Por qué?
Porque las operaciones Pocket, Wheel Hole y
Ratchet Hole son todas hijas de la operación Recess. Si
recuerda, el croquis de la Pocket se hizo en la cara inferior del
Recess. A continuación, se hizo el croquis de dos taladros en la
cara inferior de la Pocket. Esto es lo que estableció las relaciones
padre-hijo entre ellos.
Lección 9 Manual de formación SolidWorks 2006
Configuraciones de las piezas
284 Utilización de configuraciones
Regla Al suprimir una operación se suprimen automáticamente sus hijos.
Cuando se suprimen las operaciones
del gestor de diseño del
FeatureManager, se suprime también
la geometría correspondiente del
modelo.
Cómo cambiar
configuraciones
Para pasar a una configuración diferente, simplemente haga doble
clic en la configuración a la que desea pasar.
7 Regresar a la configuración Default
(Predeterminada).
Sitúe el cursor sobre el icono de configuración
Default y haga doble clic en él.
El sistema desactiva la supresión de las
operaciones Recess, Pocket, Wheel Hole y
Ratchet Body y las hace visibles tanto en el
gestor de diseño del FeatureManager como en las
ventanas de gráficos.
Cómo cambiar de
nombre y copiar
configuraciones
Ahora tenemos dos configuraciones: Default (Predeterminada)
y Forged, Long (Forjada, Larga) La configuración
Defaultrepresenta la pieza en su estado mecanizado.
Sin embargo, el nombre Default no tiene demasiado sentido.
Se puede cambiar el nombre de las configuraciones de la misma
manera que el de las operaciones. Sin embargo, si otro documento
de SolidWorks hace referencia a una configuración, cambiar el
nombre de esa configuración puede causar algunos problemas.
Un mejor enfoque En vez de cambiar el nombre de la configuración predeterminada
haremos una copia de dicha configuración y, a continuación,
cambiaremos el nombre de la copia.
Manual de formación SolidWorks 2006 Lección 9
Configuraciones de las piezas
Utilización de configuraciones 285
8 Copiar la configuración
Predeterminada.
Seleccione la configuración
Default y cópiela
utilizando cualquiera de las
técnicas estándares para
copiar una operación: Ctrl+C,
Edición, Copiar o la
herramienta .
Pegue la configuración utilizando Ctrl+V, Edición, Pegar o la
herramienta .
Cambie el nombre de la copia por Machined, (Mecanizada)
Long (Larga).
Ahora tiene configuraciones que representan la Ratchet Body
(Caja del trinquete) en sus estados forjado y mecanizado.
9 Crear más configuraciones.
Con el mismo procedimiento, copie y pegue la configuración
Forged, Long (Forjada, Larga). Cambie su nombre a Forged,
Short (Forjada, Corta). Copie y pegue la configuración
Machined, Long (Mecanizada, Larga) y cambie su nombre a
Machined, Short (Mecanizada, Corta).
Cambio de los
valores de cota
Las configuraciones también se pueden utilizar para controlar el
valor de una cota. Cada configuración se puede utilizar para
cambiar la cota a un valor diferente. El cambio se puede configurar
para las configuraciones activas, específicas o para todas las
configuraciones.
En este ejemplo, las configuraciones denominadas “Short”
tendrán una longitud de asa ligeramente inferior.
10 Cota clave.
Haga doble clic en
Machined,
Short
(Mecanizada, Corta)
para convertirla en la
configuración activa.
Haga doble clic en la
operación Handle
(Asa) para exponer
las cotas del croquis.
Lección 9 Manual de formación SolidWorks 2006
Configuraciones de las piezas
286 Cómo editar piezas que tienen
Configurar la cota.
Haga doble clic en la cota de 220
mm y cámbiela a 180 mm. En la lista
desplegable, seleccione Especificar
configuraciones. Haga clic en
Aceptar.
Seleccione únicamente las
configuraciones Forged, Short
(Forjada, Corta) y Machined,
Short (Mecanizada, Corta) de la
lista y haga clic en Aceptar.
Nota Se puede suprimir y desactivar la
supresión de las operaciones en las
configuraciones activas, especificadas, o
en todas las configuraciones mediante la
opción Propiedades.
Haga clic con el botón secundario del
ratón en la operación y seleccione
Propiedades de operación. Active o
desactive la opción Suprimida y
seleccione las configuraciones utilizando la lista desplegable.
11 Cambios.
Reconstruya el modelo para ver
los cambios en la configuración
actual.
Cómo editar
piezas que tie-
nen configura-
ciones
Cuando se agregan configuraciones a una pieza, las operaciones
pueden suprimirse automáticamente, los cuadros de diálogo
enumeran opciones adicionales y demás cosas extrañas pueden
suceder. Esta sección muestra lo que sucede cuando existen
múltiples configuraciones en la pieza que se está editando.
Cada configuración en una pieza contiene las mismas operaciones.
Sin embargo, en diferentes configuraciones, esas operaciones
pueden tener diferentes estados de supresión, diferentes valores de
cota, diferentes condiciones finales o incluso diferentes planos de
croquis.
Manual de formación SolidWorks 2006 Lección 9
Configuraciones de las piezas
Cómo editar piezas que tienen configuraciones 287
La tabla que aparece a continuación enumera opciones que pueden
controlarse utilizando configuraciones.
Nota Los colores, las texturas y los materiales también se pueden
configurar.
1 Abrir la pieza.
Abra la pieza WorkingConfigs
(Configs trabajo). Esta pieza tiene una
configuración: Default
(Predeterminada). Las
configuraciones y las nuevas
operaciones se agregarán a la pieza.
2 Cómo crear nuevas configuraciones.
Cambie al Configuration Manager y haga clic con el botón
secundario del ratón en Agregar configuración. Cree una nueva
configuración denominada keyseat.
3 Copiar y pegar.
Copie y pegue keyseat para crear otra configuración nueva.
Denomínela ports y haga que sea la configuración activa.
De manera predeterminada se selecciona la opción Suprimir
operaciones. Esto significa que a medida que se agregan nuevas
operaciones, se suprimen en todas las configuraciones excepto en la
activa.
Tipo Posibilidades
Operación Suprimir/desactivar supresión por
configuración
Ecuaciones Suprimir/desactivar supresión por
configuración
Relaciones de
croquis
Suprimir/desactivar supresión por
configuración
Relaciones externas
de los croquis
Suprimir/desactivar supresión por
configuración
Cotas de croquis Suprimir/desactivar supresión por
configuración
Condiciones finales Condición final diferente para cada
configuración
Planos de croquis Plano de croquis diferente por
configuración
Lección 9 Manual de formación SolidWorks 2006
Configuraciones de las piezas
288 Biblioteca de diseño
4 Configuración activa.
Asegúrese de que la configuración
denominada ports esté activa. En
este momento, las tres
configuraciones son iguales.
Sugerencia Copiar y pegar realiza un duplicado de la configuración copiada.
Observe que el nombre entre corchetes es el nombre que aparecerá
en una LDM. Esto puede cambiarse modificando la configuración
para la opción El número de pieza se visualiza cuando se utiliza
en una lista de materiales en el cuadro de diálogo Propiedades
de configuración.
Biblioteca de
diseño
La Biblioteca de diseño es una recopilación de operaciones,
piezas y archivos de ensamblaje que se encuentra dentro del Panel
de tareas. Los archivos se pueden insertar en las piezas y
ensamblajes para reutilizar los datos existentes. En este ejemplo se
utilizará la carpeta features (operaciones).
La carpeta
Operaciones
La carpeta features (operaciones) contiene los archivos de la
Operación de biblioteca (*.sldlfp). Se pueden agregar a una
pieza simplemente arrastrándolos y soltándolos en una cara plana
del modelo. Las referencias que necesita la operación se
seleccionan y se agregan las cotas y las relaciones. Las referencias
van seguidas de las opciones de cambio de tamaño y posición para
establecer los valores de las dimensiones de la operación.
Configuración
predeterminada
La primera de las tres operaciones de biblioteca se insertará con la
configuración predeterminada para la ubicación y el tamaño.
5 Carpetas.
Haga clic en la Biblioteca de diseño y
en la chincheta.
Expanda la carpeta features
(operaciones).
Expanda la carpeta inch (pulgada).
Haga clic en la carpeta fluid power
ports (puertos de potencia de fluido).
Manual de formación SolidWorks 2006 Lección 9
Configuraciones de las piezas
Biblioteca de diseño 289
6 Arrastrar y colocar.
Arrastre y coloque la operación sae
j1926-1 (circular face) en la cara
plana del modelo tal como se indica. La
cara de colocación es el Plano de
colocación para la operación.
7 Configuración y
selecciones.
Seleccione la
configuración 516-
24 de la lista.
Seleccione la
referencia Edge1
(arista circular) como
se indica en la
ventana de vista
preliminar.
La opción Vincular a
pieza de biblioteca
creará un vínculo para
actualizar esta pieza a
partir de los cambios
en la operación de
biblioteca.
Si se selecciona la
opción Sobrescribir valores de cota se podrán cambiar los
valores de cotas internas de la operación.
8 Operación.
La operación de biblioteca
se agrega al FeatureManager
como una operación de
biblioteca compuesta de
croquis, un plano y un corte.
Nota Las etiquetas “L” que se superponen a los iconos de la operación
indican una operación de biblioteca.
Referencias
múltiples
Muchas operaciones contienen referencias múltiples para las caras,
aristas o planos. Se utilizan para adjuntar cotas y establecer
relaciones en la geometría.
Si las referencias no se adjuntan correctamente a la geometría del
modelo, se convertirán en colgantes. Para obtener más información,
consulte Volver a asociar cotas en la página 230.
Lección 9 Manual de formación SolidWorks 2006
Configuraciones de las piezas
290 Biblioteca de diseño
9 Referencias.
Arrastre y coloque la operación sae
j1926-1 (rectangular
face) en la cara plana. Esta
operación requiere la selección de
dos referencias y que cada una de
ellas sea una arista lineal del modelo.
Seleccione la configuración 716-
20. Para las dos Referencias, seleccione la que se muestra en la
arista verde seguida de la roja.
10 Valores de cota.
Establezca cada Cota de
ubicación en 0.5”
haciendo clic en la celda y
especificando ese valor.
Haga clic en Aceptar.
11 Comprobar las configuraciones.
Las nuevas operaciones poseen su supresión desactivada en la
configuración activa (ports) y están suprimidas en todas las
demás.
12 Configuración activa.
Convierta la configuración keyseat en la configuración activa.
Colocación en
caras circulares
Algunas operaciones se adjuntan a las caras circulares del modelo
de destino y requieren que la primera cara de "colocación" sea dicha
cara. En estos casos, el plano de colocación se selecciona después
de la colocación.
Manual de formación SolidWorks 2006 Lección 9
Configuraciones de las piezas
Biblioteca de diseño 291
13 Operación.
Abra la carpeta
keyways
(ranuras de
chaveta) en la
biblioteca de
diseño. Arrastre y
coloque la
operación
rectangular
keyseat sobre
la cara circular
del eje.
Seleccione la configuración ∅ 0.6875 W=0.1875 y el extremo
de la cara plana como el Plano de colocación.
14 Referencia.
Seleccione la arista circular de la
cara extrema como la Referencia.
15 Cotas de ubicación.
Establezca las Cotas
de ubicación en los
valores que se
muestran.
Lección 9 Manual de formación SolidWorks 2006
Configuraciones de las piezas
292 Biblioteca de diseño
16 Comprobar las configuraciones.
La nueva operación posee su supresión desactivada en la
configuración activa (keyseat) pero está suprimida en todas las
demás.
17 Guardar y cerrar el archivo.
Manual de formación SolidWorks 2006
Ejercicio 37 293
Ejercicio 37:
Configuracio-
nes
Utilice una pieza existente como base
de una serie de configuraciones. Cree
otras versiones suprimiendo diversas
operaciones en cada configuración.
Este laboratorio refuerza las siguientes
funciones:
Crear configuraciones.
Suprimir operaciones.
¿Qué es esto? La pieza utilizada en este ejemplo
es el componente pasador doble
de un juguete que dispara cohetes
de goma espuma.
Procedimiento Abra la pieza existente config part (pieza config).
1 Crear nuevas configuraciones.
Cree manualmente nuevas configuraciones que coincidan con las
condiciones y los nombres que aparecen a continuación. Agregue
operaciones al modelo donde se requiera.
Mejor modelo – Incluye el
soporte para municiones y la
mira.
Modelo mejorado – Incluye
sólo la mira.
Soporte para
Mira
municiones
Manual de formación SolidWorks 2006
294 Ejercicio 37
Modelo estándar –
No incluye el soporte para
municiones ni la mira.
Modelo de sección –
Muestra un corte de sección a
través del modelo estándar.
Nota La configuración de Sección se crea utilizando una operación
Cortar. Para crear la operación Cortar, active la configuración de
Estándar. Luego, utilice el plano de referencia Alzado y el
comando Insertar, Cortar, Con superficie... para cortar el modelo.
2 Guardar y cerrar la pieza.
Manual de formación SolidWorks 2006
Ejercicio 38 295
Ejercicio 38:
Más configura-
ciones
Utilice una pieza existente y cree configuraciones.
Cree nuevas operaciones controladas por las
configuraciones.
Este laboratorio refuerza las siguientes funciones:
Agregar configuraciones.
Suprimir operaciones.
Las configuraciones permiten que la forma de la
pieza difiera según las operaciones que se
visualizan.
Procedimiento Abra la pieza existente Speaker (Altavoz).
1 Crear nuevas configuraciones.
Cree cuatro configuraciones en la pieza utilizando los nombres que
aparecen a continuación. Representan dos variaciones del altavoz y
su función.
(C = Control, S = Esclavo y F = Frontal).
100CF
100SF
200CF
200SF
2 Valores de configuración para el control de volumen.
Agregue la operación Volume control (Control de volumen).
Suprima y/o desactive la supresión de operaciones para obtener la
forma que se muestra aquí para las configuraciones anteriores.
3 Valores de configuración para rounded tweeter (bafle de
agudos redondeado).
Agregue la operación Rounded tweeter. Suprima la operación
en las dos configuraciones de la serie 200.
4 Configuración 200CF.
Cambie a la configuración 200CF en el ConfigurationManager.
Serie 100 Serie 200
100CF 100SF 200CF 200SF
Manual de formación SolidWorks 2006
296 Ejercicio 38
5 Nuevo corte.
Haga clic con el botón
secundario del ratón en el
croquis opening
locations
(ubicaciones de apertura)
y seleccione Mostrar.
Agregue un nuevo corte
utilizando la geometría
que se muestra. Agregue valores de cota para Todas las
configuraciones.
Cambie el nombre de la operación a Tweeter.
Establezca el estado en supresión para
la configuración de la serie 100 y en
supresión desactivada para la de la
serie 200.
6 Guardar y cerrar la pieza.
Manual de formación SolidWorks 2006
Ejercicio 39 297
Ejercicio 39:
Cómo trabajar
con configura-
ciones
Agregue nuevas operaciones y
modifique otras utilizando una
pieza existente con
configuraciones.
Este laboratorio refuerza las
siguientes funciones:
Suprimir una operación
utilizando propiedades de la
operación.
Editar condiciones finales de
extrusión por configuración.
Incorporar operaciones nuevas en un entorno de múltiples
configuraciones.
Procedimiento Abra la pieza existente Working with Configurations
(Trabajar con configuraciones).
1 Configuraciones.
La pieza contiene siete (7) configuraciones. Son las siguientes:
Default (Predeterminada)
doublewall (pared doble)
doublewall.simple (pared doble simple)
singlewall (pared única)
singlewall.simple (pared única simple)
stepped (escalonada)
stepped.simple (escalonada simple)
Para comenzar, diremos que todas las configuraciones son iguales,
copias de la configuración Default (Predeterminada).
2 Seleccionar las operaciones Redondeo y Chaflán.
Modifique las tres configuraciones simplificadas para suprimir
todos los redondeos y los chaflanes dentro de las mismas. Presione
Mayús y seleccione las operaciones fill060.vert,
fill060.tb y cham025.
3 Propiedades de operación.
Haga clic en Editar, Propiedades.
Haga clic en Suprimida, Especificar
configuraciones y haga clic en
Aceptar.
Manual de formación SolidWorks 2006
298 Ejercicio 39
4 Selección de configuración.
Seleccione
doublewall.simple,
singlewall.simple y
stepped.simple en la lista.
Desactive la selección de las demás y
haga clic en Aceptar.
5 Cambios.
Las tres operaciones se
suprimen sólo en las
configuraciones
seleccionadas
(simplificadas).
6 Configuración activa.
Establezca
singlewall como la
configuración activa.
7 Modificar las condiciones
finales.
Edite la definición de la
operación center hole
(taladro central).
Establezca las
Configuraciones en
Especificar
configuraciones y elija:
singlewall
(pared única)
singlewall.simple
(pared única
simple)
stepped
(escalonada)
stepped.simple (escalonada simple)
Elija Hasta el siguiente como la condición final y haga clic en
Aceptar.
Manual de formación SolidWorks 2006
Ejercicio 39 299
8 Agregar una nueva operación.
Establezca la configuración activa en
stepped.
Cree un croquis nuevo en la cara frontal
del modelo y cree un círculo concéntrico
a center hole. Agregue una cota de
0.75” para Todas las configuraciones.
9 Cortar.
Cree una operación Cortar utilizando la
condición final Hasta el siguiente.
La operación se agrega a todas las
configuraciones, suprimiéndose en todas
excepto la activa.
Asigne a la operación el nombre step
cut (corte escalonado).
10 Propiedades de operación.
Haga clic con el botón secundario del
ratón en la operación nueva y seleccione
Propiedades de operación....
Asegúrese de que la casilla de verificación Suprimida se encuentre
desactivada.
Seleccione Especificar configuraciones y haga clic en Aceptar.
Seleccione las configuraciones stepped y stepped.simple y
haga clic en Aceptar.
Sugerencia Las configuraciones también pueden diferenciarse por color. Utilice
el cuadro de grupo Configuraciones en el cuadro de diálogo Editar
Color.
11 Guardar y cerrar la pieza.
Manual de formación SolidWorks 2006
300 Ejercicio 39
2006Manual de formación SolidWorks 2006
301
Lección 10
Tablas de diseño y
ecuaciones
Al finalizar esta lección, podrá:
Vincular valores de cotas para captar la intención del diseño.
Crear ecuaciones.
Crear automáticamente tablas de diseño.
Utilizar tablas de diseño existentes para crear familias de piezas.
Realizar dibujos de detalle utilizando tipos más avanzados de
vistas de dibujo.
Lección 10 Manual de formación SolidWorks 2006
Tablas de diseño y ecuaciones
302
Manual de formación SolidWorks 2006 Lección 10
Tablas de diseño y ecuaciones
Tablas de diseño 303
Tablas de
diseño
LasTablas de diseño son la
mejor manera de crear
configuraciones de piezas. Se
utilizan para controlar los valores
de cota de familias de piezas, y
los estados de supresión de las
operaciones. Las tablas de diseño
se pueden utilizar para crear una
familia de piezas a partir de un
único diseño de pieza. Puesto
que el software SolidWorks es una aplicación OLE/2, se utiliza una
hoja de cálculo de Excel para disponer la tabla de diseño de manera
que se pueda importar al documento de SolidWorks.
Temas clave En la siguiente lista aparecen los temas clave que se describen en
esta lección.
Vincular valores
La opción Vincular valores se utiliza para establecer dos o más
cotas iguales.
Ecuaciones
Las ecuaciones se pueden utilizar para crear relaciones algebraicas
entre cotas que usan funciones y operadores matemáticos.
Crear una tabla de diseño automáticamente
Las tablas de diseño se pueden crear y editar automáticamente una
vez insertadas. Las tablas de diseño se pueden configurar de modo
que no se pueda cambiar el modelo si estos cambios actualizasen la
tabla de diseño.
Cómo hacer cambios
Se pueden hacer cambios a la tabla de diseño existente si se edita la
tabla para agregar configuraciones, cotas u operaciones.
Cambios bidireccionales
Cotas que aparecen en la tabla de diseño y están conducidas por
ella. Los cambios hechos a las cotas en el modelo provocan el
cambio correspondiente en la tabla de diseño.
Cómo insertar tablas de diseño en blanco
Las tablas de diseño en blanco son útiles para muchas tareas,
incluidas las vistas explosionadas y posiciones múltiples de un
componente en un ensamblaje.
Dibujos con configuraciones
Los dibujos con piezas que tienen configuraciones proporcionan
muchas opciones para su visualización. Se puede visualizar
cualquier configuración disponible en una vista del modelo.
Lección 10 Manual de formación SolidWorks 2006
Tablas de diseño y ecuaciones
304 Vincular valores
1 Abrir Socket.
La pieza
Socket
(Portalámparas)
(que aparece aquí
con las opciones
Visualizar cotas
de operación y
Visualizar
nombres de
cotas activadas)
contiene dos
operaciones de
corte que
representan los cortes hexagonales que se superponen. Éstas
mantienen sus nombres originales.
2 Cambiar el valor.
Haga doble clic en el croquis de la operación 6
Point (6 puntos) y en la cota 0.5”. Agregue 1/
32” al valor nominal tal como se muestra.
Reconstruya el modelo.
Vincular valores Vincular valores puede utilizarse para equiparar una serie de cotas
asignándoles el mismo nombre. Si cambia el valor de una de las
cotas vinculadas, cambiará el valor de las demás. La vinculación
puede eliminarse utilizando Deshacer vínculo del valor. Esta
opción es superior a las ecuaciones para equiparar diversos valores
entre sí.
En este ejemplo, hay dos cotas lineales: una en cada uno de los
cortes con forma hexagonal. Se utilizará el comando Vincular
valores para relacionarlas.
Dónde encontrarlo En el cuadro de diálogo para modificar cotas, seleccione
Vincular valor.
Haga clic con el botón secundario del ratón en una o varias
cotas y seleccione Vincular valores.
Nota Las cotas que se relacionen deben ser del mismo tipo. Vincule cotas
angulares con otras cotas angulares y así sucesivamente.
3 Acceder a los valores de vínculo.
Haga doble clic en la misma cota como si fuera
a cambiar el valor. Con el menú desplegable,
seleccione Vincular valor.
Manual de formación SolidWorks 2006 Lección 10
Tablas de diseño y ecuaciones
Ecuaciones 305
4 Asignar un
nombre al
valor de
vínculo.
En el cuadro de
diálogo
Valores compartidos, escriba el nombre AcrossFlats (Sup.
planas) y haga clic en Aceptar.
5 Valor de vínculo agregado.
Se agrega el valor de vínculo y se utiliza
como el nombre de cota. También se
agrega un símbolo de prefijo para
identificar que esta cota se ha
relacionado.
Reconstruya el modelo.
6 Carpeta Equations.
El valor de vínculo aparece en la carpeta
Equations (Ecuaciones) del
FeatureManager.
7 Agregar valor de vínculo.
Haga doble clic en el croquis de la operación 12 Point
(12 puntos) y en la cota 0.5”. Seleccione el valor de vínculo
AcrossFlats en el menú desplegable. El valor del vínculo
existente se asigna a esta cota. Reconstruya el modelo.
Nota Un valor de vínculo seguirá asociado a una cota a no ser que se
elimine haciendo clic con el botón secundario del ratón en
Deshacer vínculo del valor. Si se cambia el valor de cualquier
cota vinculada, cambiará el valor de todas las cotas vinculadas.
Ecuaciones Muchas veces es necesario establecer una relación entre parámetros
que no puede lograrse utilizando relaciones geométricas o técnicas
de modelado.
Por ejemplo, puede utilizar ecuaciones para establecer relaciones
matemáticas entre cotas en el modelo. Esto es lo que haremos a
continuación.
Lección 10 Manual de formación SolidWorks 2006
Tablas de diseño y ecuaciones
306 Ecuaciones
Esta ecuación establecerá una relación entre el diámetro del cilindro
y la distancia a través de las caras planas del hexágono. El diámetro
aumentará a medida que aumente la distancia entre las caras planas.
Nota Las instrucciones de igualdad simples dentro de una pieza pueden
crearse con mayor facilidad mediante Vincular valores que
mediante ecuaciones.
Preparación para
ecuaciones
Si bien puede comenzar escribiendo ecuaciones y aplicándolas al
modelo con poca o ninguna preparación, resulta mucho más
práctico realizar una pequeña inversión de tiempo a futuro para
lograr un beneficio agregado después. Debe considerar lo siguiente:
Cambiar el nombre de las cotas
El sistema crea las cotas con nombres predeterminados algo
crípticos. Para facilitarle a otras personas la interpretación de las
ecuaciones y la comprensión de qué es exactamente lo que
controlan, debe cambiar el nombre de las cotas, proporcionándoles
nombres más lógicos y fáciles de comprender. Haga clic con el
botón secundario del ratón en una cota y seleccione Propiedades
para cambiarle el nombre.
Nota Cuando las ecuaciones se utilizan en un ensamblaje, el nombre
completo se escribe de esta forma:
Nombre@Nombredeoperación@Nombredepieza.
Dependiente contra independiente
El software de SolidWorks utiliza ecuaciones con la forma
Dependiente = Independiente. Esto significa que en la ecuación A =
B, el sistema soluciona A cuando se le proporciona B. Puede editar
el parámetro B directamente y cambiarlo. Una vez escrita y aplicada
la ecuación, no puede cambiar directamente el parámetro A. Antes
de empezar a escribir ecuaciones, es necesario decidir qué
parámetro conducirá la ecuación (el independiente) y qué
parámetro será conducido por la ecuación (el dependiente).
¿Qué cota conduce el diseño?
En este ejemplo, controlaremos el diámetro del cilindro en función
de la distancia a través de las caras planas del hexágono. Esto
significa que la distancia plana es el parámetro conductor o
independiente y el diámetro es el conducido o dependiente. El
tamaño del hexágono conduce el diseño.
Funciones Las funciones que aparecen como botones en el cuadro de diálogo
Agregar ecuación incluyen operadores básicos, funciones
trigonométricas y muchas otras funciones.
Manual de formación SolidWorks 2006 Lección 10
Tablas de diseño y ecuaciones
Ecuaciones 307
Formato de las
ecuaciones
La ecuación necesaria en este ejemplo utiliza la distancia a través de
las caras planas del hexágono como la cota conductora. Esto
provoca cambios en el diámetro del cilindro, una operación que la
precede. El formato es:
Cota conducida = Cota conductora + Constante
donde:
Cota conducida = CylinderDiameter@Sketch1
Cota conductora = AcrossFlats@Sketch2
Constante = 0.25
Introducción:
Ecuaciones
El cuadro de diálogo Ecuaciones se puede utilizar para agregar,
editar, eliminar y configurar ecuaciones.
Dónde encontrarlo Haga clic en Ecuaciones en la barra Herramientas.
O, en el menú Herramientas, haga clic en Ecuaciones.
O haga clic con el botón secundario del ratón en la carpeta
Equations y seleccione una opción.
O en el cuadro de diálogo para modificar cotas, seleccione
Agregar ecuación.
8 Agregar ecuación.
Haga doble clic en la operación
Cylinder (Cilindro) y en la cota
de diámetro (1”). En el cuadro de
diálogo, seleccione Agregar
ecuación en la lista desplegable.
9 Cota agregada.
La cota se agrega a la
nueva ecuación a la
izquierda del signo
igual.
Lección 10 Manual de formación SolidWorks 2006
Tablas de diseño y ecuaciones
308 Ecuaciones
10 Completar ecuación.
Haga clic en cualquiera
de las cotas de valor de
vínculo y agregue “+
0.25” para completar la
ecuación.
Haga clic en Aceptar
para agregar la
ecuación.
11 Lista.
La lista actual de
ecuaciones,
incluidos los valores
de vínculo , se
muestra en una lista
en el cuadro de
diálogo
Ecuaciones. Haga
clic en Aceptar y reconstruya el modelo.
La columna Evaluar a se
refiere al valor de la cota
CylinderDiameter@
Sketch1. Los cambios
en la cota
AcrossFlats@Sketc
h2 hacen que la
evaluación cambie.
Sugerencia Si sus ecuaciones utilizan cotas angulares, seleccione Radianes o
Grados como Unidades de ángulo para ecuaciones.
Nota La cota conducida en este caso,
CylinderDiameter@Sketch1, no se puede
cambiar directamente. Si se hace doble clic en
ella, el cuadro de diálogo Modificar aparecerá
atenuado.
Variables globales Se pueden agregar y utilizar Variables globales (o variables
independientes) en las ecuaciones para representar la resistencia del
material, el coeficiente de Poisson u otras constantes. Se pueden
utilizar dentro de las ecuaciones.
Manual de formación SolidWorks 2006 Lección 10
Tablas de diseño y ecuaciones
Tablas de diseño 309
Algunas
consideraciones
finales sobre las
ecuaciones
Las ecuacio-
nes se resuel-
ven en el orden
en que se enu-
meran. Si cam-
bia una cota y
descubre que
la misma nece-
sita dos
reconstruccio-
nes para actualizar toda la geometría de la pieza, esto puede indicar
que sus ecuaciones están mal ordenadas. Edite las ecuaciones y uti-
lice la lista para volver a ordenarlas. Considere este ejemplo:
Dadas tres ecuaciones: A=B, C=D y D=B/2, considere lo que
sucede si cambia el valor de B. Primero, el sistema calculará un
valor nuevo para A. Cuando evalúe la segunda ecuación, nada se
modificará. Cuando se evalúe la tercera ecuación, el valor
modificado de B dará como resultado un nuevo valor para D. Sin
embargo, este nuevo valor de D no se usa para calcular un nuevo
valor para C hasta la segunda reconstrucción. Al reordenar las
ecuaciones de esta manera: A=B, D=B/2 y C=D se resolverá el
problema.
Tablas de
diseño
Las tablas de diseño son la mejor manera de crear configuraciones
de piezas. Se utilizan para controlar los valores de cota de familias
de piezas y los estados de supresión de las operaciones.
Crear una tabla de
diseño
automáticamente
La manera más sencilla de crear una Tabla de diseño en una pieza
es crearla automáticamente por medio de las cotas, operaciones y
configuraciones existentes. La información existente se formatea en
una hoja de cálculo de Excel y se actualiza automáticamente, de
manera predeterminada bidireccionalmente.
Introducción:
Insertar tabla de
diseño
Al insertar una tabla de diseño, la ventana de SolidWorks cambia a
Excel. Es decir, mientras la tabla está activa, las barras de
herramientas se transforman en barras de herramientas de Excel en
lugar de barras de herramientas de SolidWorks.
Sólo puede haber una tabla de diseño en cada pieza. Está
almacenada en el documento de pieza, a menos que se utilice una
tabla de diseño vinculada.
Dónde encontrarlo Haga clic en Insertar, Tabla de diseño....
O haga clic en la herramienta Tabla de diseño en la barra
Herramientas.
Gestor de diseño del
FeatureManager
Cuando se agrega una tabla de diseño a una pieza o ensamblaje, este
símbolo aparece en el gestor de diseño del Featu-
reManager.
Lección 10 Manual de formación SolidWorks 2006
Tablas de diseño y ecuaciones
310 Tablas de diseño
12 Insertar una nueva tabla de diseño.
Haga clic en Insertar, Tabla de diseño.... En el
Origen, seleccione Creación automática para
automatizar la creación de la tabla de diseño.
El Origen determina de dónde proviene la
información. En blanco crea una nueva tabla
de diseño en blanco. Las cotas y las
operaciones pueden agregarse a la tabla de
diseño haciendo doble clic en ellas.
Creación automática genera una tabla de
diseño a partir de cotas, operaciones y
configuraciones existentes. Desde archivo
importa una hoja de cálculo de Microsoft
Excel para utilizarla como tabla de diseño.
Haga clic en Examinar para localizar la
tabla. También puede seleccionar la casilla
de verificación Vincular a archivo, que
vincula la hoja de cálculo al modelo.
Editar control controla la capacidad de hacer cambios
bidireccionales. Si se selecciona la opción Permitir que las
actualizaciones al modelo actualicen la tabla de diseño se
podrán realizar cambios fuera de la tabla y ésta todavía se podrá
actualizar.
Opciones determina de qué manera trata la información nueva
la tabla de diseño. Si se establece en bidireccional, los cambios
en las nuevas operaciones, configuraciones y cotas harán que la
tabla de diseño se actualice.
Sugerencia Las cotas que están conducidas por la tabla de diseño aparecen en
un esquema de color diferente. Puede cambiar el color de las cotas
que están controladas por la tabla de diseño para facilitar su
identificación.
Haga clic en Herramientas, Opciones, Opciones de sistema,
Colores.
Seleccione la opción Cota, Controlada por tabla de diseño y
edite el color.
Manual de formación SolidWorks 2006 Lección 10
Tablas de diseño y ecuaciones
Tablas de diseño 311
13 Cotas que se agregarán.
La opción Creación automática
genera una lista de las cotas de la pieza
que se pueden agregar a la tabla de
diseño.
Presione Ctrl y seleccione estas cuatro
cotas:
CylinderDepth@Cylinder
AcrossFlats@Sketch2
HexDepth@6 Point
DriveSquare@Sketch4
Sugerencia Los nombres de las cotas que se utilizarán en la tabla deben
cambiarse por nombres más significativos que los nombres
predeterminados.
14 Tabla de diseño.
Las cotas seleccionadas se agregan
a la tabla de diseño con sus valores
asociados. Observe que los nombres
largos de cota se giran
verticalmente de forma automática.
Formatos de Excel Las celdas de la hoja de cálculo aparecen con formateado estándar
pero pueden cambiarse en cualquier momento. Aproveche las
capacidades de Excel para lograr que la tabla de diseño sea más
fácil de leer y de utilizar. Puede:
Cambiar colores y bordes de celda
Cambiar color, orientación y fuente del texto
Definir funciones entre celdas
Todos estos cambios pueden hacer que la tabla de diseño sea más
útil o simplemente más fácil de leer.
Lección 10 Manual de formación SolidWorks 2006
Tablas de diseño y ecuaciones
312 Tablas de diseño
Anatomía de una
tabla de diseño
La tabla de diseño contiene filas y columnas de información que se
establece en celdas predefinidas de la hoja de cálculo de Excel.
Propiedades
utilizadas en la tabla
de diseño
Las Propiedades contenidas en la Fila 2 de la tabla de diseño se
pueden utilizar para fijar un valor de cota, suprimir o desactivar la
supresión de una operación o agregar un comentario. El siguiente
gráfico resume las propiedades disponibles y los valores de celda
válidos.
Título
Propiedades
Configuración Valores de celda
Propiedad
Ejemplo de
encabezado
Valor de celda Descripción
Cota D3@Sketch2 Número El valor debe ser
apropiado para la cota.
Tolerancia $TOLERANCE@D1@
Sketch1
Tipo de tolerancia
(texto); Variación
máxima (número);
Variación mínima
(número)
El formato establece el
tipo y los valores
separados por punto y
coma (;) para una sola
cota.
Estado $STATE@Fillet5 Sup,SupD,Suprimido,
Supresión desactivada,
o en blanco.
En blanco = Supresión
desactivada
Fija el estado de una
operación para su
supresión o la
desactivación de su
supresión.
Color $COLOR Número entero de 32
bits.
El valor de color proviene
del material o color de la
paleta.
Padre $PARENT Texto Nombre de la
configuración de padre.
Comentario $COMMENT Texto Alfanumérico.
Notas del
usuario*
$USER_NOTES Texto Alfanumérico.
* Se puede utilizar como
un encabezado de fila o
columna.
Manual de formación SolidWorks 2006 Lección 10
Tablas de diseño y ecuaciones
Tablas de diseño 313
Agregar nuevos
encabezados
Si se hace doble clic se pueden agregar a la tabla nuevos
encabezados de propiedades, basados en operaciones o cotas.
En el caso de una operación, haga doble clic sobre ella en el
FeatureManager o en la pantalla. El resultado es una propiedad
$STATE (consulte Propiedades utilizadas en la tabla de diseño en
la página 312). En el caso de una cota, haga doble clic en ella en la
zona de gráficos.
Nota Se debe seleccionar la siguiente celda disponible en la fila 2 antes
de hacer doble clic.
15 Agregar operación.
Haga doble clic en la
operación 12 Point en
el FeatureManager. Se
agrega a la tabla de
diseño con el prefijo
$STATE@. El estado
actual,
UNSUPPRESSED,
también se agrega.
Cambie el valor UNSUPPRESSED por la abreviatura U.
Nota Las celdas UNSUPPRESSED se pueden abreviar como U.
Las celdas SUPPRESSED se pueden abreviar como S.
Si u o s están en minúsculas, pasarían a ser mayúsculas.
Agregar
configuraciones a
la tabla
Una vez se haya establecido la tabla de diseño, las configuraciones
y los valores de celda asociados se pueden agregar escribiéndolos.
En este ejemplo, se creará y se copiará un nuevo nombre de
configuración para generar más.
16 Agregar una nueva
configuración.
Sustituya el nombre de
configuración Default por
0.5 Short 12 en la celda A3.
Cierre la tabla.
Propiedad $prp@prop_name Texto Un nombre de propiedad
personalizada
prop_name creado en
la tabla o mediante
Archivo, Propiedades.
Propiedad
Ejemplo de
encabezado
Valor de celda Descripción
Lección 10 Manual de formación SolidWorks 2006
Tablas de diseño y ecuaciones
314 Tablas de diseño
17 Eliminar configuración.
Salga de la tabla de diseño confirmando la
creación de una nueva configuración.
En el Configuration Manager, active la nueva configuración y
elimine Default.
18 Agregar más
configuraciones.
Haga clic con el botón
secundario del ratón en la
operación Design Table
(Tabla de diseño) y
seleccione Editar tabla.
Agregue más configuraciones
de manera rápida
seleccionando las celdas A3-
F3 y arrastrando el margen inferior derecho del cuadro de selección
hasta la fila 5. Modifique algunas de las celdas tal como se muestra.
19 Configuraciones agregadas.
Cierre la tabla de diseño para agregar nuevas configuraciones.
Aparece un mensaje en el que se indican los nombres de las nuevas
configuraciones que se han agregado.
Sugerencia Si las configuraciones no están en la lista, hay un problema en la
tabla de diseño. Con frecuencia, el problema es un valor de celda
inapropiado. Si es así, aparecerá un mensaje que enuncia que un
valor no es válido.
20 Configuraciones resultantes.
Pase al Configuration Manager y haga doble clic en cada
configuración para activarla.
Sólo puede haber una configuración activa a la vez.
0.5 Short 12 0.625 Short 12 0.75 Short 12
Manual de formación SolidWorks 2006 Lección 10
Tablas de diseño y ecuaciones
Tablas de diseño existentes 315
21 Agregar configuraciones y
comentarios.
Mediante los comandos
Copiar y Pegar incluidos en
Edición, puede crear tantas
configuraciones y formatos
adicionales como el tiempo
le permita.
22 Configuraciones creadas.
Si se crean todas las
configuraciones, habrá 6. Para
cada tamaño hay una versión de
6 y 12 puntos.
Tablas de
diseño
existentes
Otra forma de agregar una tabla de diseño es crear la tabla de Excel
e insertarla en la pieza. Aquí hay algunas sugerencias para utilizar
este método:
Cambiar el nombre de las cotas
Como se mencionó previamente, los nombres de cotas
predeterminados generalmente no son descriptivos. Cámbieles el
nombre editando las Propiedades de la cota y modifique el campo
Nombre.
Copiar nombres de operación y cota
La tabla de diseño es muy sensible en cuanto a la ortografía y el
caso de los nombres de cotas y operaciones. Utilice copiar y pegar
para extraer el Nombre completo de la cota del cuadro de diálogo
Propiedades y agregarlo a la celda. Para las operaciones, también
utilice el cuadro de diálogo Propiedades.
Completar todas las celdas
Todas las celdas dentro de las filas y columnas que usted crea deben
tener el tipo de datos adecuados en ellas.
Lección 10 Manual de formación SolidWorks 2006
Tablas de diseño y ecuaciones
316 Tablas de diseño existentes
1 Abra la pieza denominada Part_DT (TD pieza).
La pieza, Part_DT, se volverá a utilizar para demostrar las
capacidades de las tablas de diseño existentes.
La pieza tiene operaciones tanto de revolución como de extrusión.
Observe que se utilizan múltiples operaciones en donde podría
utilizarse una operación de revolución. Esto permite la supresión de
las operaciones individuales.
2 Cotas clave.
Utilizando
propiedades,
algunas cotas clave
han cambiado sus
nombres
predeterminados
por nombres más
descriptivos. Sólo
aquéllos que
aparecen en la tabla
de diseño deben cambiarse.
Si se utilizan los nombres predeterminados, pueden agregarse
comentarios a la tabla de diseño para describir la cota aún más.
Sugerencia Cuando llegue el momento de copiar los nombres de cota en la hoja
de cálculo, será más fácil seleccionar los nombres si no tienen
espacios incrustados.
Cómo insertar la
tabla de diseño
Después de crear la tabla de diseño, debe insertarse en la pieza
apropiada de SolidWorks. Para hacerlo, utilice el siguiente
procedimiento:
3 Insertar la tabla de diseño en la pieza.
Haga clic en Tabla de diseño o en Insertar,
Tabla de diseño.... Como Origen seleccione
Desde archivo.
Seleccione Vincular a archivo para establecer
un vínculo entre el archivo externo y la pieza.
Haga clic en Examinar... y seleccione el archivo
de Excel Part_DT.xls y haga clic en Aceptar.
Nota Si Vincular a archivo no se utiliza, la hoja de cálculo se copiará en
el documento de pieza y se almacenará allí.
Manual de formación SolidWorks 2006 Lección 10
Tablas de diseño y ecuaciones
Tablas de diseño existentes 317
4 Tabla de diseño en pantalla.
La hoja de cálculo de la tabla de diseño se vincula a la pieza. Si hace
clic en la parte exterior de la hoja de cálculo en la ventana de
gráficos se cerrará.
En este ejemplo, la tabla de diseño existente tiene el mismo nombre
que la pieza: Part_DT.
5 Configuraciones satisfactorias.
Un proceso satisfactorio incluirá un cuadro de diálogo que enumere
las configuraciones creadas.
Haga clic en Aceptar.
6 Acceso al ConfigurationManager.
Acceda al ConfigurationManager y
elija Visualizar configuración... para
cada una de las configuraciones
nuevas.
Observe que las configuraciones no
están enumeradas en el orden en que
se encontraban en la hoja de cálculo.
Se enumeran alfanuméricamente.
También observe que la configuración Default tiene un icono
diferente al resto.
7 Cómo eliminar una configuración.
Para eliminar una configuración, Default en este caso, no debe
estar activa. Haga clic en el nombre y presione la tecla Eliminar.
Haga clic en Sí en el cuadro de diálogo para confirmar la
eliminación de la configuración.
8 Guardar.
Cuando se guarda la pieza, aparece un mensaje indicando que la
tabla de diseño también se está guardando.
Lección 10 Manual de formación SolidWorks 2006
Tablas de diseño y ecuaciones
318 Tablas de diseño existentes
9 Configuraciones establecidas.
Hay seis configuraciones establecidas para la pieza. Cada una se
muestra a continuación. La configuración de la parte
eliminada es la única que no suprime la operación Parte
eliminada.
Cómo insertar
tablas de diseño
en blanco
La opción En blanco es útil cuando se necesitan configuraciones
para otros objetivos además de la supresión de operaciones o la
configuración de valores de cota. Algunos ejemplos serían:
En la tabla sólo se requieren Comentarios (fila o columna).
Vistas explosionadas múltiples de un ensamblaje.
Posiciones múltiples de un componente en un ensamblaje.
Las operaciones y las cotas se agregarán manualmente.
Sugerencia En general, si las cotas y las operaciones se van a controlar en la
tabla, la opción Creación automática es mejor. Las
configuraciones también se pueden crear fuera de una tabla,
consulte Definición de la configuración en la página 282.
Como guardar una
tabla de diseño
Cuando crea automáticamente o inserta una tabla de diseño en
blanco, el único lugar en que existe la tabla está incrustado en la
pieza de SolidWorks. Es muy posible que existan casos en los
cuales usted desee guardar la tabla incrustada como una hoja de
cálculo de Excel.
Introducción:
Guardar tabla
Guardar tabla le permite guardar una tabla de diseño incrustada
como una hoja de cálculo de Excel.
Dónde encontrarlo Haga clic con el botón secundario del ratón en la tabla de diseño
y seleccione Guardar tabla....
parte
w7-225 w7-25 w8-3
ensamblaje dibujo
eliminada
Manual de formación SolidWorks 2006 Lección 10
Tablas de diseño y ecuaciones
Tablas de diseño existentes 319
Otros usos de las
configuraciones
Las configuraciones de las piezas tienen numerosas aplicaciones y
usos. Entre los motivos de la creación de diferentes configuraciones
se incluyen los siguientes:
Requisitos específicos de la aplicación.
Diferentes especificaciones de un producto como, por ejemplo,
la versión militar y civil de una pieza.
Consideraciones de rendimiento.
Consideraciones de ensamblaje.
Requisitos
específicos de la
aplicación
Muchas veces, el
modelo de la pieza
finalizada contiene
pequeños detalles
como, por ejemplo,
operaciones Redon-
deo y Redondo.
Cuando prepare una pieza como la que aparece en la parte derecha
para el análisis de elementos finitos (FEA), sería recomendable que
simplificara la pieza. Al suprimir las operaciones de detalles inne-
cesarios podrá crear una configuración específica para el análisis de
elementos finitos.
Otra aplicación que podría necesitar una representación
especializada del modelo sería el prototipo rápido.
Consideraciones de
rendimiento
Las piezas con una geometría compleja como, por ejemplo, las
operaciones de barrer y de recubrir, los redondeos con radio
variable y los vaciados con múltiples espesores, tienen tendencia a
agotar los recursos del sistema. Debería considerar la definición de
una configuración que suprima alguna de estas operaciones. Esto le
permitirá mejorar el rendimiento del sistema cuando trabaje en otras
áreas no relacionadas del modelo. Sin embargo, cuando haga esto,
asegúrese de tener en cuenta las relaciones de padre/hijo. No puede
acceder, utilizar o hacer referencia a operaciones suprimidas y, por
lo tanto, no le pueden servir de padres.
Consideraciones de
ensamblaje
Cuando trabaje en ensamblajes complejos que contengan un gran
número de piezas, podrá mejorar el rendimiento del sistema si
utiliza representaciones simplificadas de esas piezas. Considere la
supresión de detalles innecesarios como, por ejemplo, los
redondeos, y deje sólo la geometría imprescindible para la relación
de posición, la verificación de interferencias y la definición de
ajuste exacto y función. Cuando agrega un componente a un
ensamblaje, el navegador Insertar, Componente, Desde
archivo... le permite escoger la configuración de la pieza que hay
que mostrar. Para poder sacar partido de esto, tiene que planear con
antelación, definiendo y guardando la configuración cuando
construya el componente.
Lección 10 Manual de formación SolidWorks 2006
Tablas de diseño y ecuaciones
320 Estrategias de modelado para las
Se pueden definir como
diferentes configuraciones y
utilizar en el mismo
ensamblaje piezas similares
que tengan la misma forma
básica. La pieza que aparece
a la derecha tiene dos
configuraciones. Para
obtener un ejemplo sobre
cómo utilizar dos
configuraciones diferentes de
una pieza en un ensamblaje,
consulte Cómo utilizar
configuraciones de piezas en ensamblajes en la página 396.
Estrategias de
modelado para
las configura-
ciones
Cuando usted modela una pieza que se utilizará con
configuraciones (sea no o conducida por una tabla de diseño), debe
pensar qué elementos desea que sean controlados por las
configuraciones. Considere, por ejemplo, la pieza utilizada en la
lección anterior.
Una forma de modelar una pieza semejante es realizar un croquis
único del perfil y construir la pieza como una única operación de
revolución.
Si bien dicho abordaje parece eficiente, tener toda la información
contenida en una operación única y monolítica realmente limita su
flexibilidad. Dividiendo la pieza en operaciones individuales más
pequeñas, usted gana la flexibilidad de poder suprimir operaciones
tales como redondeos o cortes.
Manual de formación SolidWorks 2006 Lección 10
Tablas de diseño y ecuaciones
Otros aspectos acerca de cómo realizar dibujos 321
Otros aspectos
acerca de cómo
realizar dibujos
Los dibujos se presentaron por primera vez en la Lección 3. En esta
sección exploraremos algunos temas de la documentación
adicional. Estos temas incluyen: Vistas etiquetadas, Vistas de
sección, Vistas de detalle y Cotas de coordenadas.
1 Abrir el dibujo denominado
Part_DT.
Propiedades de
dibujo
Las propiedades de dibujo controlan muchas características de cada
hoja de dibujo. Las configuraciones pueden ser diferentes para cada
hoja de dibujo.
Introducción:
Propiedades de
dibujo
La escala de vista, el tamaño del papel, el formato de hoja y el tipo
de proyección se configuran o cambian en su totalidad a través del
cuadro de diálogo Configuración de hoja.
Dónde encontrarlo Con el cursor sobre el dibujo, haga clic con el botón secundario
del ratón y seleccione Propiedades....
O, haga clic con el botón secundario del ratón en el icono de la
hoja en el FeatureManager y seleccione
Propiedades....
2 Configurar
hoja.
Haga clic con el
botón
secundario del
ratón en la hoja
y seleccione
Propiedades....
Establezca el
Tamaño de
hoja estándar
en
B-
Horizontal,
Escala en 1:2 y
desactive Visualizar formato de hoja. Haga clic en Aceptar.
Lección 10 Manual de formación SolidWorks 2006
Tablas de diseño y ecuaciones
322 Otros aspectos acerca de cómo realizar
3 Visualizar escala.
Cambia a la escala de la vista de hoja que afecta todas las vistas que
no utilizan una escala personalizada.
4 Modificar la
configuración.
Haga clic en la vista de
dibujo y seleccione
Más propiedades...
en el PropertyManager
Vista del modelo.
Haga clic en Utilizar
configuración
etiquetada y
seleccione la
configuración w7-
225.
5 Aristas tangentes.
Haga clic con el botón secundario del ratón en
la vista de dibujo y seleccione Arista tangente,
Sin aristas tangentes.
Manual de formación SolidWorks 2006 Lección 10
Tablas de diseño y ecuaciones
Otros aspectos acerca de cómo realizar dibujos 323
Vista de sección
simple
Puede crear varias vistas de tipos de sección. La vista de sección
simple utiliza una única línea para formar el plano de corte.
Introducción:
Vista de sección
Vista de sección crea una vista de sección total o parcial sobre la
base de una línea cortante y una dirección. Se utiliza una única línea
de croquis para la línea de sección.
La forma más rápida de crear la sección es haciendo clic primero en
la herramienta. Esto activa la herramienta línea para croquizar la
línea de sección. Cuando se completa la línea, aparece la vista
preliminar de la vista de sección.
Dónde encontrarlo En el menú haga clic en Insertar, Vista de dibujo, Sección.
O, en la barra de herramientas Dibujo, haga clic en la
herramienta Vista de sección .
6 Hacer clic en la herramienta Vista de
sección.
Haga clic en Vista de sección . En la
vista Superior, croquice una línea
vertical que atraviese el centro de la pieza.
Utilice la información del cursor para
alinear la línea con el eje que atraviesa el
centro de la pieza. La línea debería
extenderse más allá de las dimensiones de
la pieza.
7 Colocar la vista de sección.
Mueva el cursor hacia la izquierda de
la vista y coloque la vista de sección
haciendo clic con el botón izquierdo
del ratón.
La vista de dibujo Sección A-A está
alineada con la vista de origen y viene
con una etiqueta debajo. El patrón de
rayado es automático y refleja el tipo especificado en el documento
de pieza en Herramientas, Opciones, Opciones de sistema,
Dibujos, Área rayada/Rellenar.
Vistas de detalle Vistas de detalle pueden crearse utilizando una forma croquizada
cerrada en una vista de origen activada. El detalle puede utilizar un
multiplicador de escala para realizarlo a escala n veces más grande
que su origen, el valor predeterminado es 2x. El contenido de la
vista de detalle está determinado por los elementos que se
encuentran contenidos dentro del croquis. El croquis debe ser un
contorno cerrado pero puede construirse a partir de cualquier tipo
de geometría de croquis.
Lección 10 Manual de formación SolidWorks 2006
Tablas de diseño y ecuaciones
324 Otros aspectos acerca de cómo realizar
Introducción:
Vista de detalle
Vista de detalle crea una nueva vista de un área encerrada por un
conjunto de geometría de croquis cerrado.
La forma más rápida de crear el detalle es haciendo clic primero en
la herramienta. Esto activa la herramienta Círculo para croquizar el
círculo de detalle. Cuando el círculo está completo, aparece el
detalle.
Dónde encontrarlo En el menú haga clic en Insertar, Vista de dibujo, Detalle.
O, en la barra de herramientas Dibujo, haga clic en la
herramienta .
8 Croquizar el círculo de detalle.
Haga clic en la herramienta Detalle.
En la vista de Sección, croquice un
círculo según se indica.
Utilice la información del cursor para
colocar el centro del círculo en el
punto final de una arista. Arrastre el
diámetro del círculo para encerrar la
porción inferior de la pieza.
9 Colocar el detalle.
Coloque la vista sobre el dibujo
haciendo clic con el botón izquierdo del
ratón. Establezca el estado de vista
detalle en Sin líneas ocultas.
10 Insertar elementos del modelo.
Los elementos del modelo pueden agregarse a
todas las vistas, a las vistas seleccionadas o a las
operaciones seleccionadas dentro de una vista.
Seleccione la vista de sección, y haga clic en
Insertar, Elementos del modelo....
Seleccione Marcadas para dibujo, Importar
desde: Todo el modelo y Vista(s) de destino
(vista seleccionada).
Haga clic en Aceptar.
Manual de formación SolidWorks 2006 Lección 10
Tablas de diseño y ecuaciones
Otros aspectos acerca de cómo realizar dibujos 325
11 Cotas en la vista de sección.
Todas las cotas correspondientes se
agregan a la vista de sección.
12 Cómo eliminar cotas.
Las cotas eliminadas en el
nivel del dibujo no se
eliminan del modelo.
Elimine las cotas para la
profundidad de la pieza.
Anotaciones Pueden agregarse muchos símbolos de anotación a un dibujo.
Éstos incluyen:
Indicaciones de referencia
Símbolos de tolerancia geométrica
Notas
Acabados de superficie
Símbolos de soldadura
Anotaciones de taladro
Globos
Roscas cosméticas
Introducción:
Símbolo de
indicación de
referencia
El Símbolo de indicaciones de referencia puede asociarse a las
aristas del modelo en las vistas de dibujo.
Dónde encontrarlo En la barra de herramientas Anotaciones, haga clic en
Indicación de referencia .
O haga clic en Insertar, Anotaciones, Símbolo de indicación
de referencia....
Lección 10 Manual de formación SolidWorks 2006
Tablas de diseño y ecuaciones
326 Otros aspectos acerca de cómo realizar
13 Agregar un símbolo de indicación de
referencia.
Inserte una Indicación de referencia con la
Etiqueta A. Seleccione la arista del modelo
vertical más hacia la izquierda en la vista de
sección.
Haga clic en Aceptar.
Cotas de
coordenadas
En la Lección 3, vio que puede agregar cotas manualmente en el
documento de dibujo. Éstas son cotas de referencia, y son
conducidas. Esto significa que usted no puede editar el valor de las
cotas de referencia para cambiar el modelo. Sin embargo, cambiar
una cota del modelo actualiza la cota conducida en el dibujo.
SolidWorks admite varias clases de cotas incluyendo Cotas de
coordenadas. Las cotas de coordenadas son un conjunto de cotas
medidas desde una coordenada cero en un dibujo o croquis. Se
miden desde el eje que seleccionó primero. El tipo de cota de
coordenada (horizontal, vertical o angular) está definido por la
orientación de los puntos que usted selecciona.
Las cotas coordenadas se agrupan automáticamente para mantener
la alineación. Cuando usted arrastra cualquier integrante del grupo,
todos los integrantes se mueven conjuntamente. Para desconectar
una cota del grupo de alineación, haga clic con el botón secundario
del ratón y seleccione Romper alineación.
Si cotas adyacentes se encuentran muy juntas, las líneas indicativas
se quiebran de manera automática según sea necesario para evitar
que el texto se superponga. Las asas de arrastre se muestran en los
pliegues cuando usted selecciona una cota de coordenada con una
línea indicativa plegada. Puede quitar el pliegue o agregar un
pliegue a una cota de coordenada diferente.
Dónde encontrarlo Haga clic en Cota de coordenadas horizontal en la barra
de herramientas Cotas/Relaciones.
Haga clic en Herramientas, Cotas, y Coordinada horizontal.
Manual de formación SolidWorks 2006 Lección 10
Tablas de diseño y ecuaciones
Otros aspectos acerca de cómo realizar dibujos 327
14 Agregar cotas de coordenadas a la vista de
detalle.
Haga clic en Cota de coordenadas horizontal en
la barra de herramientas Cotas/Relaciones.
Seleccione la arista extrema izquierda de la pieza.
Haga clic para colocar la cota 0.
Haga clic en las aristas restantes que desee acotar.
Mientras lo hace, cada nueva cota de coordenada se
colocará automáticamente en el dibujo.
Notas
paramétricas
Utilizando notas, usted puede agregar texto a un dibujo. Una nota
puede flotar libremente o colocarse con una línea indicativa
señalando una cara, una arista o un vértice del dibujo. La nota puede
contener texto simple, símbolos, texto paramétrico e hipervínculos.
La línea indicativa puede ser recta o doblada.
Una nota paramétrica es una que está vinculada al valor de una
propiedad de documento, una propiedad personalizada o una
propiedad específica de la configuración. Si el valor de la propiedad
cambia, el texto de la nota cambia automáticamente.
Dónde encontrarlo Haga clic en Nota en la barra de herramientas Anotaciones.
Haga clic en Insertar, Anotaciones, Nota....
15 Seleccionar la vista de dibujo.
La nota debe asociarse con la vista de dibujo. Para lograrlo, haga
doble clic en la vista del modelo antes de crear la nota.
16 Insertar nota.
Haga clic en Nota en la barra de
herramientas Anotaciones. En el
PropertyManager, en Línea indicativa,
haga clic en Sin línea indicativa para
crear el texto sin ninguna línea indicativa.
Haga clic debajo de la línea de sección y
escriba: Nº de modelo
Asegúrese de dejar un espacio después del carácter Nº.
17 Vincular a propiedad.
Haga clic en Vincular a
propiedad en el
PropertyManager Nota.
Haga clic en Modelo en
vista al cual se asocia la
anotación.
Seleccione SW-Nombre
de configuración en la lista y haga clic en Aceptar.
Lección 10 Manual de formación SolidWorks 2006
Tablas de diseño y ecuaciones
328 Otros aspectos acerca de cómo realizar
18 Fuente.
Seleccione la fuente para que tenga un tamaño de 11 puntos y
seleccione también el icono Centrar. Haga clic en Aceptar.
19 Texto de propiedad.
La nota muestra el valor de la propiedad, el
nombre de configuración actual, de inmediato.
Es una visualización WYSIWYG de la nota
finalizada.
20 Cambiar la configuración.
Haga clic con el botón secundario del ratón en Drawing View1
(Vista del dibujo 1) y elija Propiedades.... En el PropertyManager
Vista del modelo, haga clic en Más Propiedades.... En
Información de configuración, haga clic en Utilizar
configuración etiquetada y seleccione w8-3 de la lista. Las tres
vistas se actualizan para reflejar la configuración seleccionada
recientemente. Las cotas también se actualizan para reflejar el
cambio efectuado en el tamaño del modelo. El texto de la nota
también se actualiza, mostrando el nombre de configuración actual.
Introducción:
Vista del modelo
Vistas del modelo son vistas que toman su orientación y nombre
del cuadro de diálogo Orientación de vista en piezas y
ensamblajes. Todas las vistas estándar, las vistas definidas por el
usuario y la vista actual pueden elegirse para ser utilizadas como
una vista etiquetada en una hoja de dibujo.
Si la vista seleccionada en el modelo es una vista de perspectiva, esa
información también pasa a la vista del dibujo.
Dónde encontrarlo Haga clic en Vista del modelo en la barra de herramientas
Dibujo.
O, haga clic en Insertar, Vista de dibujo, Modelo....
Manual de formación SolidWorks 2006 Lección 10
Tablas de diseño y ecuaciones
Otros aspectos acerca de cómo realizar dibujos 329
21 Agregar una vista del modelo.
Haga clic en Vista del modelo en la barra de herramientas
Dibujo.
Para identificar qué modelo debería aparecer en la vista, haga clic
en el interior de la vista Superior (Drawing View1).
Seleccione *Isometric (Isométrica) en la Orientación de vista
y coloque la vista en el dibujo. Seleccione cutaway (parte
eliminada) como la configuración utilizada en la vista.
Área rayada Cuando creamos la vista de sección, el software agregó el rayado
automáticamente. También puede aplicar un patrón de rayado
manualmente a una cara sólida.
Dónde encontrarlo Haga clic en Área rayada/Rellenar en la barra de
herramientas Dibujo.
O haga clic en Insertar, Anotaciones, Área rayada/Rellenar.
Nota Éste es uno de los pocos comandos en SolidWorks que requiere que
usted preseleccione la geometría. Primero debe seleccionar la cara.
De lo contrario, el comando permanece no disponible.
Lección 10 Manual de formación SolidWorks 2006
Tablas de diseño y ecuaciones
330 Otros aspectos acerca de cómo realizar
22 Área rayada.
Seleccione las dos caras cortadas del modelo en la vista isométrica.
O haga clic en Área rayada/Rellenar .
Aparece el cuadro de diálogo Área rayada/Rellenar. Esto le
permite cambiar el estilo del patrón de rayado.
Haga clic en Aceptar.
23 Editar el patrón de rayado.
Haga clic en la sección situada en el extremo izquierdo del área
rayada. Cambie el Ángulo a 90° y haga clic en Aceptar.
Esto le otorga una apariencia más agradable al área de rayado.
Tablas de diseño
en un dibujo
La tabla de diseño de
una pieza puede
mostrarse en una hoja
de dibujo. Después
de seleccionar una
vista de la pieza,
haga clic en Insertar,
tablas, Tabla de
diseño... y colóquela
en el dibujo. Si hace doble clic en la tabla abre la pieza de referencia
y la tabla de diseño dentro de la misma.
Manual de formación SolidWorks 2006 Lección 10
Tablas de diseño y ecuaciones
En el curso avanzado... 331
24 Insertar la tabla de diseño.
Haga clic en el interior de una de las vistas de dibujo. Dado que un
dibujo puede contener vistas de diversos modelos diferentes, debe
identificar desde qué pieza se insertará la tabla de diseño.
Haga clic en Tabla de diseño o haga clic en Insertar, Tablas,
Tabla de diseño....
La tabla de diseño aparece en la esquina superior izquierda del
dibujo. Arrástrela a donde la desea en el dibujo.
Para obtener más información sobre la realización de dibujos en
SolidWorks, debe realizar el curso Conceptos básicos de
SolidWorks: Dibujos.
En el curso
avanzado...
En el curso avanzado Modelado de ensamblaje avanzado, el
concepto de Configuraciones pasa a los ensamblajes.
Los ensamblajes pueden tener configuraciones que se crean
manualmente o a través de una tabla de diseño. Mientras que las
configuraciones de piezas se centran en operaciones, las
configuraciones de ensamblajes se centran en componentes,
relaciones de posición u operaciones de ensamblaje. Las
configuraciones de ensamblaje pueden utilizarse para controlar:
Operaciones de ensamblaje
Componentes
Relaciones de posición y sus cotas
También pueden utilizarse tablas de diseño. En el nivel del
ensamblaje, hay más opciones disponibles para controlar una o más
instancias de componentes.
Lección 10 Manual de formación SolidWorks 2006
Tablas de diseño y ecuaciones
332 En el curso avanzado...
Manual de formación SolidWorks 2006
Ejercicio 40 333
Ejercicio 40:
Utilizar Vincular
valores
Cree los valores de vínculo en una pieza existente y
pruébela.
Este laboratorio refuerza las siguientes funciones:
Creación de valores de vínculo.
Procedimiento Abra la pieza existente denominada Link Values (Vincular
valores). Cree un valor de vínculo que haga que todos los valores de
operación de redondeo sean iguales.
1 Crear valor de vínculo.
Cree y aplique un valor de vínculo
denominado All_fillets&rounds
(Todos los redondeos y redondos) a la cota
de la operación Rounds (Redondos).
2 Aplicar el valor de vínculo.
Aplique el valor de vínculo a las tres
operaciones de redondeo restantes:
Fillets.1
Fillets.2
Fillets.3
3 Probar.
Pruebe los vínculos cambiando
cualquiera de los cuatro a 0.125” y
reconstruyéndolo.
4 Guardar y cerrar la pieza.
Manual de formación SolidWorks 2006
334 Ejercicio 41
Ejercicio 41:
Utilizar
ecuaciones
Cree una ecuación utilizando en
una pieza existente y pruébela.
Este laboratorio refuerza las
siguientes funciones:
Creación de ecuaciones.
Procedimiento Abra la pieza existente denominada Using Equations
(Utilizar ecuaciones). Las cotas A, B y C que se muestran arriba
se utilizarán para definir la ecuación.
1 Escribir la ecuación.
Escriba una ecuación que
mantenga el diámetro de círculo
del perno (A) centrado entre las
aristas externas de la parte
central (B) y la brida (C).
El valor (A) debe ser conducido.
2 Probar la ecuación.
Pruebe la ecuación
cambiando el diámetro de
brida a 12” y reconstruyendo
el modelo. Puede probar
otros valores si los desea.
3 Guardar y cerrar la pieza.
Sugerencia Si tiene problemas, el formato de la ecuación debería ser:
A=(C-B)/2+B.
A
B
C
Manual de formación SolidWorks 2006
Ejercicio 42 335
Ejercicio 42:
Tablas de
diseño de
piezas
Utilice una pieza existente
como base de una tabla de
diseño. Utilice las cotas y
agréguelas a una nueva tabla
de diseño.
Este laboratorio refuerza las
siguientes funciones:
Insertar tablas de diseño.
Editar tablas de diseño.
Agregar propiedades.
Utilizar configuraciones.
Procedimiento Abra la pieza existente Part Design Table (Tabla de diseño
de pieza).
1 Tabla de diseño.
Cree una tabla de diseño por medio de Creación automática y
edítela según se indica.
2 Agregar cotas.
Seleccione por medio de la tecla
CTRL todas las cotas, excepto
D1@Main, en el cuadro de diálogo
Cotas.
Agréguelas a la tabla de diseño.
Los valores actuales se agregan de
modo automático.
3 Agregar operación.
Haga doble clic en la operación
Holes (Taladros) para
agregarla a la tabla de diseño.
El estado actual se agrega
automáticamente.
4 Agregar configuración.
Escriba el nombre de
configuración Size1 (Tamaño
1) según se indica. Copie las
celdas como se indica.
Manual de formación SolidWorks 2006
336 Ejercicio 42
Copie la fila, incluida la
configuración, para agregar
configuraciones adicionales.
5 Editar celdas.
Edite las celdas de
las configuraciones
Size2 a Size5.
Los cambios se
muestran en texto
rojo y en negrita.
6 Cerrar la tabla de diseño.
Haga clic fuera de la tabla de
diseño para cerrarla. Debe
crear cinco configuraciones
nuevas. Los nombres son los
mismos nombres que
aparecen en la columna A de
la hoja de cálculo.
7 Probar las configuraciones.
Elija cada una de las configuraciones en el ConfigurationManager y
pruébelas.
8 Editar la tabla de diseño.
Edite la tabla de diseño
mediante Editar Tabla....
Establezca el estado en
supresión para la operación
Holes en la configuración
Size5. Haga clic fuera de
la tabla de diseño para
aplicar los cambios.
9 Probar la configuración
editada.
Pruebe las configuraciones, concentrándose en Size5.
La operación Holes debe suprimirse en dicha configuración.
Manual de formación SolidWorks 2006
Ejercicio 42 337
10 (Opcional) Agregar
funciones de hoja
de cálculo.
Edite la Tabla de
diseño para
establecer relaciones
entre celdas de la
hoja de cálculo.
Establezca el Radio
lateral (SideR) de
modo que el mismo
sea igual a la mitad
de la distancia del centro al centro (CtoC). Por ejemplo, la celda C3
será = D3/2; la celda C4 será = D4/2 y así sucesivamente.
Puede agregarse una entrada USER_NOTE para explicar las
relaciones entre las columnas.
11 Cambios (opcionales).
Active la configuración Size3. Haga doble clic
en la operación Holes y cambie el valor de la
cota BoltH a 0.375” para Esta configuración.
Haga clic en Aceptar en el cuadro de mensaje.
12 Cambios
bidireccionales.
El cambio se realiza
en la configuración
activa para dicha
cota. El cambio en el
modelo fuerza un
cambio en la tabla de
diseño.
13 Guardar y cerrar la
pieza.
Manual de formación SolidWorks 2006
338 Ejercicio 43
Ejercicio 43:
Configuracio-
nes existentes y
tablas de
diseño vincula-
das
Utilice piezas existentes para crear tablas de diseño
automáticamente y vincularlas a hojas de cálculo de
Excel externas.
Este laboratorio refuerza las siguientes funciones:
Crear automáticamente tablas de diseño a partir de
configuraciones existentes.
Insertar tablas de diseño.
Vincular a tablas de diseño externas.
Creación automática Abra la pieza existente denominada Auto-Create (Creación
automática). Contiene diversas configuraciones pero ninguna tabla
de diseño.
1 Creación automática.
Inserte una tabla de diseño
utilizando la opción Creación
automática.
2 Tabla de diseño.
Una tabla de diseño se genera a
partir de las configuraciones
existentes.
3 Guardar y cerrar la pieza.
Vincular a hoja de
cálculo de Excel
externa
Abra la pieza existente Linked. La misma no contiene
configuraciones excepto la configuración Default
(Predeterminada).
4 Desde archivo.
Inserte una tabla de diseño utilizando la opción Desde archivo.
Seleccione el archivo Design Table.xls (Tabla de diseño).
Seleccione la opción Vincular a archivo.
5 Editar el archivo de Excel.
Abra el archivo de Excel
vinculado Design
Table.xls y agregue una
nueva configuración G6 según
se indica.
6 Regresar a la pieza.
Guarde y cierre la hoja de
cálculo. Regrese a la pieza
para ver las actualizaciones.
7 Guardar y cerrar la pieza.
Manual de formación SolidWorks 2006
Ejercicio 44 339
Ejercicio 44:
Cómo diseñar
configuracio-
nes
Cree una pieza y una tabla de
diseño nuevas. Diseñe la pieza con
el uso de las configuraciones y las
tablas de diseño en mente.
Este laboratorio refuerza las
siguientes funciones:
Modelar configuraciones.
Crear tablas de diseño en Excel o dentro de SolidWorks.
Utilizar configuraciones.
Opciones de Excel.
Procedimiento Cree una nueva pieza utilizando la plantilla Part_IN.
Asigne a la pieza el nombre Design for Configs (Diseño para
configuraciones).
1 Configuración Default (Predeterminada).
Cree la forma básica de la pieza como una operación de revolución
utilizando las cotas que aparecen a continuación.
2 Nombres de las cotas.
Cambie el nombre de la cota de diámetro total (5”) a Main_OD
(DT principal).
3 Operación Ranura.
Cree una operación Corte para representar la ranura. Asigne a la
operación el nombre Groove (Ranura).
Cambie el nombre de las cotas de la ranura a Groove_ID,
Groove_OD y Groove_Depth (Profundidad de la ranura).
Manual de formación SolidWorks 2006
340 Ejercicio 44
4 Taladro de refrentado.
Utilice el Asistente para taladro para crear un taladro de
refrentado para un tornillo de cabeza hexagonal de 1/2”.
El Asistente para taladro genera cotas con nombres descriptivos.
Los nombres C'Bore Dia.@Sketch3, C'Bore
Depth@Sketch3, Thru Hole Depth@Sketch3 y Thru
Hole Dia.@Sketch3 se generan automáticamente.
5 Tabla de diseño.
Utilice Insertar, Tabla de diseño con la opción Creación
automática para crear una tabla de diseño dentro de la pieza.
Utilice métodos automatizados y de doble clic para crear la tabla
que se muestra a continuación. Reorganice las columnas si fuese
necesario.
Manual de formación SolidWorks 2006
Ejercicio 44 341
6 Editar la tabla de diseño.
Continúe editando la tabla de diseño, modificándola para incluir los
valores y las configuraciones adicionales que se muestran a
continuación. Agregue tres configuraciones de Groove más,
suprimiendo todas las operaciones Cbore.
Observe que la configuración Default se ha substituido.
7 Probar las configuraciones.
Compruebe las cuatro
configuraciones de Groove
para ver si funcionan
correctamente. Mientras una de
las configuraciones Groove
esté activa, elimine la
configuración Default.
Nota Puede agregar comentarios y otros datos a la hoja de cálculo,
dejando simplemente una columna en blanco entre los datos de la
tabla de diseño y los comentarios. También puede agregar color a
los bloques de celdas para facilitar el reconocimiento y la
asociación de grupos de datos.
Manual de formación SolidWorks 2006
342 Ejercicio 44
8 Agregar más configuraciones.
Edite la tabla de diseño nuevamente y agregue cuatro
configuraciones más para Cbore. El amarillo indica la información
copiada, el rojo con negrita los cambios.
9 Guardar la pieza.
Manual de formación SolidWorks 2006
Ejercicio 45 343
Ejercicio 45:
Dibujos
Cree un dibujo de la pieza
construida en el ejercicio anterior.
Este laboratorio refuerza las
siguientes funciones:
Crear vistas etiquetadas.
Crear una vista de sección.
Visualizar diferentes configuraciones de una pieza en vistas de
dibujo.
Crear una nota paramétrica.
Incorporar cotas y anotaciones.
Incorporar anotaciones de taladro.
Insertar una tabla de diseño en un dibujo.
Procedimiento Crear un dibujo de tamaño A similar al que se muestra a
continuación.
Manual de formación SolidWorks 2006
344 Ejercicio 45
Manual de formación SolidWorks 2006
345
Lección 11
Vaciado y nervios
Al finalizar esta lección, podrá:
Aplicar ángulo de salida a caras del modelo.
Utilizar la barra de retroceder.
Realizar operaciones Vaciado para eliminar el material del
interior de una pieza.
Crear planos de referencia.
Utilizar la herramienta Nervio.
Crear operaciones lámina.
Lección 11 Manual de formación SolidWorks 2006
Vaciado y nervios
346
Manual de formación SolidWorks 2006 Lección 11
Vaciado y nervios
Vaciado y nervios 347
Vaciado y
nervios
La creación de piezas con paredes lámina
involucra algunas secuencias y
operaciones, según se trate de un
modelado fundido o a inyección. Se
utilizan el vaciado y el ángulo de salida,
así como los nervios. Este ejemplo
recorrerá los pasos para el agregado de
ángulo de salida, la creación de planos, el
vaciado y la creación de nervios.
Etapas del
proceso
Algunas etapas importantes del proceso de modelado de esta pieza
se proporcionan en la siguiente lista:
Ángulo de salida con un plano de referencia
El ángulo de salida puede definirse en relación con un plano y una
dirección de referencia.
Cómo utilizar planos
Esta pieza contiene diversas operaciones alineadas a la línea
constructiva de la pieza misma. Un plano centrado se utiliza para
localizar operaciones.
Vaciado
El vaciado es el proceso de eliminar material del interior de una
pieza. Tiene la opción de eliminar una o más caras de la pieza. Una
operación Vaciado es un tipo de operación aplicada.
Herramienta Nervio
La herramienta Nervio puede utilizarse para crear rápidamente
nervios individuales o múltiples. Con una geometría de croquis
mínima, el nervio se crea entre las caras delimitadoras del modelo.
Operaciones lámina.
La opción Operación lámina crea revoluciones, extrusiones,
barridos y recubrimientos con paredes lámina de espesor constante.
Cómo analizar y
agregar
ángulos de
salida
Se requieren ángulos de salida para piezas de un modelado fundido
o a inyección. Debido a que los ángulos de salida se pueden crear de
varias maneras, es importante ser capaz de comprobar el ángulo de
salida en una pieza y, si fuese necesario, agregar más.
Lección 11 Manual de formación SolidWorks 2006
Vaciado y nervios
348 Cómo analizar y agregar ángulos de salida
1 Abra la pieza Shelling&Ribs
(Vaciado y nervios).
Análisis de ángulo
de salida
La herramienta Análisis de ángulo de salida es útil para
determinar si la pieza tiene un ángulo de salida suficiente como para
ser eliminada del molde basado en un ángulo de salida establecido.
Dónde encontrarlo Haga clic en Análisis de ángulo de salida en la barra
Herramientas de moldes.
O, haga clic en Herramientas, Análisis de ángulo de
salida....
2 Haga clic en
Herramientas,
Análisis de ángulo de
salida.
3 Dirección de
desmoldeo.
Seleccione la cara plana
posterior como la
Dirección de
desmoldeo. Haga clic
en Invertir dirección,
de modo que la flecha
de dirección de
desmoldeo apunte
según se indica.
Fije el Ángulo en 3° y haga clic en Calcular.
Manual de formación SolidWorks 2006 Lección 11
Vaciado y nervios
Otras opciones de ángulo de salida 349
4 Resultados.
Los colores se asignan a las caras de acuerdo con la naturaleza de su
ángulo de salida.
Las opciones Clasificación de caras y Buscar caras empinadas
producen resultados más específicos. Haga clic en Aceptar para
completar el comando. El ángulo de salida es insuficiente.
5 Retroceder.
Se debe agregar el ángulo de salida en una etapa
anterior del modelado. Retroceda a una posición
entre las operaciones lower cut (corte inferior)
y Fillet1 (Redondeo1).
Consulte Introducción: La barra de retroceder en
la página 234 para obtener información sobre la
barra de retroceder.
Otras opciones
de ángulo de
salida
Hasta ahora hemos visto un método para crear operaciones con
ángulo de salida:
Mediante la opción Ángulo de salida del comando Insertar,
Saliente/Base, Extruir....
Hay veces que este método no se aplica a su situación específica.
Por ejemplo, por la manera en que se realizó el modelado de la
primera operación, no hay ningún ángulo de salida en ella.
Claramente, debe existir una manera de agregar ángulos de salida a
las caras después de crearlas.
Introducción:
Insertar ángulo de
salida
Insertar ángulo de salida le permite agregar ángulos de salida a
caras del modelo con respecto a un plano neutro o una línea de
separación.
Dónde encontrarlo En el menú Insertar, escoja Operaciones, Ángulo de salida....
O, en la barra de herramientas Operaciones, haga clic en la
herramienta Ángulo de salida .
Buscar carasClasificaciónÁngulo de
salida necesario de caras empinadas
Lección 11 Manual de formación SolidWorks 2006
Vaciado y nervios
350 Otras opciones de ángulo de salida
Ángulo de salida
utilizando un
plano neutro
El proceso de agregar ángulos de salida requiere la selección de un
Plano neutro y una o más Caras en las cuales aplicar el ángulo
de salida.
6 Ángulo de salida de
plano neutro.
Haga clic en Insertar,
Operaciones,
Ángulo de salida... y
seleccione Plano
neutro como el Tipo
de ángulo de salida.
Seleccione la cara
plana posterior como
Plano neutro.
Establezca el Ángulo
de salida en
3 grados.
7 Caras en las
cuales aplicar
el ángulo de
salida.
Seleccione las
ocho caras en
las que aplicar
el ángulo de
salida según se
indica a la
derecha.
Si es necesario,
haga clic en
Invertir
dirección para
que la flecha
señale en la
dirección
mostrada.
8 Ángulo de
salida
completo.
Utilice
Avanzar al
final para
reconstruir
todas las
operaciones del modelo. Las caras del ángulo de salida mostradas
antes (izquierda) y después (derecha) retroceden.
Manual de formación SolidWorks 2006 Lección 11
Vaciado y nervios
Vaciado 351
9 Volver a comprobar el análisis de ángulo de salida.
Vuelva a comprobar el Análisis de ángulo de salida utilizando la
misma Dirección de desmoldeo y el mismo Ángulo de salida.
Vaciado Una operación Vaciado se utiliza para “ahuecar” un sólido. Puede
aplicar diferentes espesores de pared a caras seleccionadas. Puede
seleccionar caras a eliminar. En este ejemplo, todas las paredes
tienen el mismo espesor: 2 mm.
Orden de
operaciones
La mayoría de las piezas plásticas tienen esquinas redondeadas.
Si agrega redondeos a las aristas antes del vaciado y el radio de
redondeo es mayor que el espesor de pared, las esquinas interiores
de la pieza se redondearán automáticamente. El radio de las
esquinas interiores será igual al radio de redondeo menos el espesor
de pared. Esto puede aprovecharse para eliminar la tediosa tarea de
redondear las esquinas interiores.
Si el espesor de pared es mayor que el radio de redondeo, las
esquinas interiores serán nítidas.
Introducción:
Insertar vaciado
El comando Insertar vaciado elimina las caras seleccionadas y
agrega espesor a otras para crear un sólido de pared lámina. Puede
crear múltiples espesores en el mismo comando de vaciado.
Dónde encontrarlo En el menú Insertar, escoja Operaciones, Vaciado....
O, en la barra de herramientas Operaciones, haga clic en
Vaciado .
Selección de cara El vaciado puede eliminar una o más caras del modelo o crear un
lugar vacío completamente encerrado. Aquí hay algunos ejemplos:
Una cara
seleccionada.
Una cara
seleccionada.
Lección 11 Manual de formación SolidWorks 2006
Vaciado y nervios
352 Vaciado
10 Vaciado.
Haga clic en Insertar,
Operaciones,
Vaciado... y establezca
el Espesor en 2 mm.
Seleccione las 4 caras
mostradas como las
Caras a eliminar y
seleccione Mostrar
vista preliminar.
Haga clic en Aceptar.
Sugerencia Desactive la opción Mostrar vista preliminar antes de seleccionar
las caras, de lo contrario la vista preliminar se actualizará con cada
selección y ralentizará la operación.
Planos de
referencia
El Asistente para planos puede utilizarse para crear una variedad
de planos de referencia utilizando una geometría diferente. Pueden
utilizarse planos, caras, aristas, vértices, superficies y geometría de
croquis.
Dónde encontrarlo Haga clic en Plano en la barra de herramientas Geometría de
referencia.
O, haga clic en Insertar, Geometría de referencia, Plano....
Múltiples caras
seleccionadas.
No se han
seleccionado caras.
Nota: Los
resultados se
muestran
seccionados,
utilizando el
comando Vista de
sección.
Manual de formación SolidWorks 2006 Lección 11
Vaciado y nervios
Vaciado 353
Método abreviado Presione Ctrl y arrastre un plano de referencia existente para crear
un plano equidistante.
Aquí hay algunos ejemplos:
Seleccione una cara
plana o un plano del
modelo.
Opcionalmente, cree
una serie de planos
paralelos separados
por esta distancia.
Seleccione una cara
plana (o un plano),
una arista o un eje del
modelo.
Opcionalmente, cree
una serie de planos en
ángulo separados por
este ángulo.
Seleccione tres
vértices...
o una línea y un
vértice.
Lección 11 Manual de formación SolidWorks 2006
Vaciado y nervios
354 Vaciado
Seleccione una cara y
un vértice.
Seleccione una línea
croquizada y un punto
final.
Método abreviado
para lo anterior:
Seleccione una arista
y haga clic en
Insertar, Croquis.
Seleccione una cara
cilíndrica y un plano
de referencia.
Manual de formación SolidWorks 2006 Lección 11
Vaciado y nervios
Nervios 355
11 Paralelo al
plano en un
punto.
Muestre el
croquis de la
operación
Stand Offs
(puntos
muertos). Haga
clic en Insertar,
Geometría de
referencia,
Plano... y en
Plano paralelo
en punto. Seleccione el plano Planta y el punto indicado.
Cambie el nombre del plano por medio del punto muerto.
Nervios La herramienta Nervio, Insertar, Operaciones, Nervio..., le
permite crear nervios utilizando una geometría de croquis mínima.
La herramienta solicita el espesor, la dirección del material de
nervio, cuánto desea extender el croquis si fuera necesario y si
desea ángulo de salida.
Croquis de nervio El croquis de nervio puede ser simple o complejo. Puede ser tan
simple como una sola línea croquizada que forma la línea
constructiva del nervio o puede ser más elaborado. Según la
naturaleza del croquis de nervio, el nervio puede extruirse en forma
paralela o normal al plano del croquis. Los croquis simples pueden
extruirse en forma paralela o normal al plano del croquis. Los
croquis complejos sólo pueden extruirse en forma normal al plano
del croquis. Aquí hay algunos ejemplos:
Croquis simple
extruido en
forma paralela
al plano del
croquis.
Lección 11 Manual de formación SolidWorks 2006
Vaciado y nervios
356 Nervios
Introducción:
Insertar nervio
Insertar Nervio crea un nervio con la parte superior plana, con o sin
ángulo de salida. El nervio se basa en un contorno croquizado que
define la ruta del nervio. Se puede agregar un redondeo completo
para redondear el nervio.
Dónde encontrarlo En el menú Insertar, escoja Operaciones, Nervio....
O escoja la herramienta Nervio en la barra de herramientas
Operaciones.
12 Línea croquizada.
Cree un croquis nuevo en
el plano thru standoff
(por medio del punto muerto).
Haga clic en la vista Normal a
y utilice la combinación de
teclas Alt +Flecha (izquierda
y derecha) para girar la vista.
Croquice una línea,
insuficientemente definida y
acotada según se indica. Observe que la línea es Vertical.
Croquis simple
extruido en
forma normal al
plano del
croquis.
Croquis
complejo
extruido en
forma normal al
plano del
croquis.
Manual de formación SolidWorks 2006 Lección 11
Vaciado y nervios
Nervios 357
13 Herramienta
Nervio.
Haga clic en la
herramienta
Nervio y
configure los
parámetros que se
muestran:
Espesor: 2
mm.
Crear nervios
en ambos
lados del
croquis
Dirección de
extrusión:
Paralelo a croquis
Ángulo de salida : 3° hacia fuera
Observe la flecha de Invertir lado del material que indica la
dirección de extrusión del nervio. Si fuese necesario, invierta la
dirección.
14 Vista preliminar
detallada.
Haga clic en Vista
preliminar detallada y
desactive Resaltar caras
nuevas o modificadas
para obtener una vista
preliminar del nervio.
El nervio finalizado se
extiende hacia abajo a la
cara inferior y a lo largo
de ambos extremos de la
línea croquizada.
Haga clic en Aceptar.
15 Plano equidistante.
Seleccione el
espesor de la cara y
utilice la
herramienta Plano
para crear un nuevo
plano de referencia
con Equidistancia
de 2 mm hacia el
interior. Cambie el nombre al plano lin_patt.
Lección 11 Manual de formación SolidWorks 2006
Vaciado y nervios
358 Nervios
16 Línea croquizada.
Mediante el nuevo plano,
croquice una línea vertical para
representar un nervio. Agregue
la cota, pero deje el croquis
insuficientemente definido.
Matrices de
croquis
Puede crear matrices de entidades de croquis en una matriz circular
o lineal. Esto se conoce como matriz (“step and repeat”). Una vez
que usted crea la matriz, las entidades de croquis se relacionan con
una relación de Matriz. Puede editar la definición de una matriz una
vez creada la misma.
Introducción:
Matriz lineal y
circular
Las matrices de croquis son una manera eficiente de efectuar una
réplica de la geometría de croquis sin tener que dibujar cada
entidad. Resultan particularmente útiles para operaciones como
nervios o como la base de una matriz de operaciones.
Dónde encontrarlo En la barra de herramientas Croquis, haga clic en Matriz lineal
o en Matriz circular .
O haga clic en Herramientas, Herramientas de croquizar,
Matriz lineal... o Matriz circular....
17 Copias.
Haga clic en Matriz
lineal y Agregar
cota. Agregue 4
copias de la línea
con una Separación
de 18 mm. La cota
se agrega
automáticamente.
Manual de formación SolidWorks 2006 Lección 11
Vaciado y nervios
Redondeos completos 359
18 Nervio.
Haga clic en la
herramientaNervio.
Haga clic en la
opción Normal al
croquis y apunte
con la flecha al
material. En las
opciones restantes,
repita las utilizadas
en la operación
Nervio anterior.
Redondeos
completos
La opción Redondeo completo crea un redondeo tangente a tres
conjuntos de caras adyacentes. Cada conjunto de caras contiene más
de una cara. Sin embargo, dentro de cada conjunto de caras, las
caras deben ser tangentes sin interrupción.
Introducción:
Redondeos
completos
Un redondeo completo no necesita un valor de radio. El radio se
determina por la forma de las caras seleccionadas.
La cara central
Las caras laterales
se recortan
se elimina
Lección 11 Manual de formación SolidWorks 2006
Vaciado y nervios
360 Operaciones lámina
Dónde encontrarlo En el menú Insertar, elija Operaciones,
Redondeo/Redondo...
O haga clic en Redondeo en la barra de
herramientas Operaciones.
19 Redondeo
completo.
Haga clic en el
icono
Redondeo y en
la opción
Redondeo
completo. En
Elementos a
redondear,
seleccione una
cara en cada
conjunto como
se indica.
20 Guardar y
cerrar el
archivo.
Operaciones
lámina
Las Operaciones lámina se realizan utilizando un perfil de croquis
abierto y aplicando un espesor de pared. El espesor se puede aplicar
al interior o exterior del croquis, de la misma manera en los dos
lados del croquis o bien de manera diferente en cada lado. La
creación de operaciones lámina se convoca automáticamente para
contornos abiertos extruidos o de revolución. Los contornos
cerrados también pueden utilizarse para crear operaciones lámina.
Las operaciones lámina pueden crearse para extrusiones,
revoluciones, barridos y recubrimientos.
Revolución, abierta
Revolución, cerrada
Manual de formación SolidWorks 2006 Lección 11
Vaciado y nervios
Operaciones lámina 361
1 Abrir Thin_Features.
2 Revolución lámina.
Seleccione el croquis del
strainer (colador) y la
herramienta Revolución.
Cuando el sistema le pregunte
si el croquis se debe cerrar de
manera automática, haga clic
en No.
Establezca el Espesor de
dirección 1 en 0.20” y la
dirección hacia el exterior.
3 Extrusión lámina.
Seleccione el croquis del
bracket (soporte) y la
herramienta Extruir.
Establézcala en el Plano
medio y en 0.20”. Haga clic
en Redondeo automático de
esquinas y fije el Radio de
redondeo en 0.125”.
Extrusión, abierta
Extrusión, cerrada
Lección 11 Manual de formación SolidWorks 2006
Vaciado y nervios
362 Operaciones lámina
4 Vista preliminar.
Haga clic en Vista preliminar
detallada para ver los
redondeos automáticos. Vuelva a
hacer clic en el botón para salir de
la vista preliminar.
5 Dirección.
Establezca la dirección de la
extrusión hacia la operación
base y utilice Hasta el
siguiente. Haga clic en
Aceptar.
Nota En este ejemplo se ofrece otra
comparación entre Hasta la
superficie (superior) y Hasta el
siguiente (inferior).
Manual de formación SolidWorks 2006
Ejercicio 46 363
Ejercicio 46:
Tapa de bomba
Cree esta pieza
utilizando las cotas
suministradas. Utilice
bien las relaciones
para mantener la
intención del diseño.
Este laboratorio utiliza
las siguientes
funciones:
Croquizado.
Extrusiones.
Vaciado.
Cómo aplicar
simetría a las operaciones.
Unidades: pulgadas
Intención del
diseño
La intención del diseño de esta pieza se muestra a continuación:
1. Las pestañas son de igual tamaño y forma.
2. Los taladros en las pestañas son todos iguales.
3. Todos los redondeos son iguales con un radio de 0.12”.
4. El espesor de pared es constante.
5. La ranura está centrada sobre la arista.
6. La pieza es simétrica sobre dos ejes, excepto la ranura.
Vistas acotadas Utilice los siguientes gráficos con la intención del diseño para crear
la pieza.
Vista Frontal
Sección A-A
Detalle de ranura.
Manual de formación SolidWorks 2006
364 Ejercicio 46
Vista Superior
Isométrica
invertida
Manual de formación SolidWorks 2006
Ejercicio 47 365
Ejercicio 47:
Bola de
ventilador de
techo
Cree esta pieza
utilizando la
información y las
cotas que se
proporcionan.
Este laboratorio
refuerza las
siguientes funciones:
Cómo crear
planos de
referencia.
Cortar con
superficie.
Equidistanciar
entidades.
Convertir
entidades.
Salientes y cortes de revolución.
Procedimiento Utilice la plantilla Part_MM.
1 Abrir una nueva pieza.
2 Esfera.
Cree una esfera mediante un croquis y
una operación de revolución.
3 Planos equidistantes.
Cree nuevos planos
equidistantes de referencia
desde Superior.
4 Cortar con superficie.
Cree una operación de corte
para cada uno de los planos
de referencia creados.
Manual de formación SolidWorks 2006
366 Ejercicio 47
5 Equidistanciar entidades.
Equidistancie desde la arista del
corte y cree un corte mediante
geometría.
6 Polígono y
convertir
entidades.
Utilice la
herramienta
Polígono para
crear un
hexágono y
modificarlo
utilizando
Convertir
Entidades.
Crear un Corte.
7 Arista convertida.
Convierta la arista creada por cortar con
superficie para crear un Corte por
todo.
8 Corte de
revolución.
Utilice aristas
convertidas y
equidistantes para
crear un perfil de
croquis.
Haga girar el
croquis por medio
del Plano medio y
un ángulo de 180°.
9 Guardar y cerrar la pieza.
Manual de formación SolidWorks 2006
Ejercicio 48 367
Ejercicio 48:
Blindaje de
motor
Cree esta pieza utilizando las
cotas suministradas. Utilice
bien las relaciones para
mantener la intención del
diseño.
Este laboratorio utiliza las
siguientes funciones:
Croquizado.
Extrusiones.
Vaciado.
Unidades: milímetros
Vistas acotadas Utilice los siguientes gráficos con la intención del diseño para crear
la pieza.
Vista derecha:
Radios y
Diámetros
Vista derecha:
Ubicaciones
Manual de formación SolidWorks 2006
368 Ejercicio 48
Vista derecha:
Cortes interiores
Vista
Superior
Manual de formación SolidWorks 2006
Ejercicio 49 369
Ejercicio 49:
Brazo
Cree esta pieza utilizando
las cotas suministradas.
Utilice bien las relaciones
para mantener la intención
del diseño.
Este laboratorio utiliza las
siguientes funciones:
Croquizar con simetría.
Operaciones lámina.
Creación de
Redondeos
completos.
Utilización de la
condición final Equidistante de la superficie.
Unidades: pulgadas
Intención del
diseño
La intención del diseño de esta pieza se muestra a continuación.
1. La pieza es simétrica.
2. Todos los redondeos son de 1/16".
Vistas acotadas Utilice los siguientes gráficos con la intención del diseño para crear
la pieza.
Manual de formación SolidWorks 2006
370 Ejercicio 50
Ejercicio 50:
Gancho
Cree esta pieza utilizando
las cotas suministradas.
Utilice bien las relaciones
para mantener la intención
del diseño.
Este laboratorio utiliza las
siguientes funciones:
Hasta la superficie.
Operaciones lámina.
Redondeos
completos.
Unidades: mm
Intención del
diseño
La intención del diseño de esta pieza se muestra a continuación.
1. El espesor del metal es constante.
2. Todos los chaflanes son de 2 mm X 2 mm.
Vistas acotadas Utilice los siguientes gráficos con la intención del diseño para crear
la pieza.
Manual de formación SolidWorks 2006
Ejercicio 51 371
Ejercicio 51:
Secador de
cabello
Cree esta pieza siguiendo los pasos según
se indica.
Este laboratorio utiliza las siguientes
funciones:
Vaciado.
Herramienta Nervio.
Ángulo de salida.
Retroceder.
Matrices lineales.
Redondeos completos.
Asistente para taladro.
Procedimiento Abra una pieza existente en la carpeta Exercises (Ejercicios).
1 Abrir la pieza Blow Dryer.
2 Completar la pieza.
Complete la pieza con las siguientes pautas.
El espesor de pared es constante.
Los orificios de ventilación y los nervios son del mismo tamaño.
Todos los redondeos y redondos tienen 1 mm excepto los
redondos completos en los nervios.
El ángulo de salida es de 2 grados. No hay ángulo de salida en la
cara de salida.
Nota La operación Ángulo de salida debe preceder los redondeos
existentes en la pieza.
3 Guardar y cerrar la pieza.
Manual de formación SolidWorks 2006
372 Ejercicio 52
Ejercicio 52:
Blindaje de cara
Cree esta pieza utilizando la información
y las cotas proporcionadas.
Este laboratorio refuerza las siguientes
funciones:
Retroceder.
Cómo crear planos de referencia.
Cómo crear ejes de referencia.
Cortar con superficie.
Taladros con el Asistente para
taladro.
Procedimiento Abra una pieza existente en la carpeta Exercises (Ejercicios).
1 Abrir la pieza Face Shield.
2 Retroceder.
Arrastre la barra de retroceder hasta
una posición anterior a la operación
Initial Glass (Vidrio inicial).
La nueva geometría de referencia
se puede colocar antes o después de
la operación. Se colocarán en la
posición más anterior posible, antes
de la operación.
3 Axis1.
Cree Axis1 (Eje1) como la intersección de
los planos Front (Alzado) y Right
(Vista lateral).
4 Plane1.
Cree un nuevo plano de referencia
En el ángulo de 20° a partir de
Front (Alzado) y alrededor de
Axis1 (Eje1).
Manual de formación SolidWorks 2006
Ejercicio 52 373
5 Plane2.
Cree el plano de referencia Plane2
(Plano2) utilizando un procedimiento
similar al plano anterior.
6 Cortes con planos.
Corte la geometría del
modelo en orden
utilizando los planos de
referencia Plane1
(Plano1) y Plane2
(Plano2).
7 Equidistanciar plano y eje.
Cree el Plane3 (Plano3) como una equidistancia de Top (Planta).
Utilice Front (Alzado) y Plane3 (Plano3) para crear Axis2
(Eje2).
Manual de formación SolidWorks 2006
374 Ejercicio 52
8 Plane4.
Cree el Plane4 (Plano4)
como un ángulo de 25° a
partir de Plane3 (Plano3)
alrededor de Axis2
(Eje2). Corte el modelo
utilizando dicho plano.
9 Redondos.
Agregue redondos de 1” de
radio a las cuatro esquinas.
10 Asistente para taladro.
Cree los planos de referencia Plane5 (Plano5) y Plane6
(Plano6) tal como se muestra. Agregue el 7/16 (0.4375)
Diameter Hole (Taladro de diámetro 7/16 (0.4375)) a la cara
exterior y ubique el centro utilizando los planos nuevos. Cree la
simetría de la operación de taladro.
11 Guardar y cerrar la pieza.
Manual de formación SolidWorks 2006
375
Lección 12
Modelado de ensamblaje
ascendente
Al finalizar esta lección, podrá:
Crear un nuevo ensamblaje.
Insertar componentes en un ensamblaje utilizando todas las
técnicas disponibles.
Agregar relaciones de posición entre componentes.
Utilizar los aspectos específicos de ensamblaje del gestor de
diseño del FeatureManager para manipular y manejar el
ensamblaje.
Insertar subensamblajes.
Utilizar configuraciones de piezas en un ensamblaje.
Lección 12 Manual de formación SolidWorks 2006
Modelado de ensamblaje ascendente
376
Manual de formación SolidWorks 2006 Lección 12
Modelado de ensamblaje ascendente
Estudio de casos: Junta universal 377
Estudio de
casos: Junta
universal
Esta lección examinará el modelado de ensamblajes mediante la
construcción de una junta universal. La junta consiste en diversos
componentes y un subensamblaje.
Ensamblaje
ascendente
Los ensamblajes ascendentes se crean agregando y orientando
piezas existentes en un ensamblaje. Las piezas agregadas al
ensamblaje aparecen como Piezas de componente. Las piezas de
componente se orientan y posicionan en el ensamblaje mediante las
Relaciones de posición. Las relaciones de posición relacionan
caras y aristas de piezas de componentes con planos y otras caras/
aristas.
Etapas del
proceso
Algunas etapas importantes del proceso de modelado de esta pieza
se muestran en la siguiente lista: Cada uno de estos temas consta de
una sección en la lección.
Cómo crear un nuevo ensamblaje
Los ensamblajes nuevos se crean mediante el mismo método
utilizado en las piezas nuevas.
Cómo agregar el primer componente
Los componentes pueden agregarse de diversas maneras. Pueden
arrastrarse y colocarse desde una ventana de pieza abierta o abrirse
desde un examinador estándar.
Posición del primer componente
El componente inicial agregado al ensamblaje se fija
automáticamente al agregarse. Otros componentes pueden
posicionarse después de agregarse.
Gestor de diseño y símbolos del FeatureManager
El FeatureManager incluye muchos símbolos, prefijos y sufijos que
brindan información sobre el ensamblaje y sus componentes.
Cómo establecer relaciones de posición entre componentes
Las relaciones de posición se utilizan para colocar y orientar
componentes respecto a sí mismos. Las relaciones de posición
eliminan grados de libertad de los componentes.
Subensamblajes
Los ensamblajes se pueden crear e insertar en el ensamblaje actual.
Se consideran componentes del subensamblaje.
Lección 12 Manual de formación SolidWorks 2006
Modelado de ensamblaje ascendente
378 Ensamblaje ascendente
El ensamblaje En esta lección, realizaremos un ensamblaje utilizando
componentes existentes. El ensamblaje es una junta universal y se
compone de un número de piezas individuales y un subensamblaje
según se indica a continuación:
1 Abrir una pieza existente.
Abra la pieza bracket (abrazadera).
Se creará un nuevo ensamblaje por medio
de esta pieza.
El primer componente agregado a un
ensamblaje debe ser una pieza que
permanezca inmóvil. Al fijarse el primer
componente, los demás pueden tener una
relación de posición con el mismo sin
peligro de que éste se mueva.
crank sub
Yoke_male
Bracket
pin[long]
pin[short]
(2 copias)
Spider
Yoke_female
Manual de formación SolidWorks 2006 Lección 12
Modelado de ensamblaje ascendente
Cómo crear un nuevo ensamblaje 379
Cómo crear un
nuevo
ensamblaje
Se pueden crear nuevos ensamblajes directamente o hacerlos a
partir de un ensamblaje o una pieza abierta. El nuevo ensamblaje
contiene un origen, los tres planos estándar de referencia y una
operación especial.
Introducción:
Crear ensamblaje
desde pieza/
ensamblaje
Utilice la opción Crear ensamblaje desde pieza/ensamblaje para
generar un nuevo ensamblaje desde una pieza abierta. La parte se
utiliza como el primer componente en el nuevo ensamblaje y se
encuentra fija en el espacio.
Dónde encontrarlo Haga clic en Crear ensamblaje desde pieza/ensamblaje
en la barra de herramientas estándar.
O, haga clic en Archivo, Crear ensamblaje desde pieza.
Introducción:
Nuevo ensamblaje
Cree un nuevo archivo de ensamblaje por medio de una plantilla.
Dónde encontrarlo Haga clic en Nuevo en la barra de herramientas Estándar.
O, haga clic en Archivo, Nuevo....
2 Elegir plantilla.
Haga clic en Archivo, Crear ensamblaje desde pieza y
seleccione el botón Avanzado del cuadro de diálogo Nuevo
documento de SolidWorks. Seleccione la plantilla de formación
Assembly_IN.
Acceso directo Haga doble clic en la plantilla deseada para abrir automáticamente
un nuevo documento de ensamblaje utilizando dicha plantilla.
Nota Las unidades del ensamblaje pueden ser diferentes de las unidades
de las piezas. Por ejemplo, puede ensamblar una combinación de
piezas en pulgadas y milímetros en un ensamblaje cuyas unidades
sean pies. Sin embargo, al editar las cotas de cualquiera de las
piezas en el contexto del ensamblaje, las mismas aparecerán en las
unidades del ensamblaje y no en las de la pieza propiamente dicha.
Puede verificar las unidades del ensamblaje y cambiarlas si lo
desea, utilizando Herramientas, Opciones....
Lección 12 Manual de formación SolidWorks 2006
Modelado de ensamblaje ascendente
380 Posición del primer componente
3 Localizar componente.
Sitúe el componente en el
origen utilizando el
cursor sobre el símbolo
del origen. La pieza
aparecerá en el gestor de
diseño del FeatureManager
correspondiente al
ensamblaje como Fija (f).
4 Guardar.
Guarde el ensamblaje con el
nombre Universal
Joint (Junta universal).
Los archivos de ensamblajes
tienen la extensión
*.sldasm.
Cierre el archivo de pieza
bracket.
Posición del
primer
componente
El componente inicial agregado al ensamblaje es, en forma
predeterminada, Fijo. Los componentes fijos no pueden moverse y
se bloquean en el lugar donde usted los deja caer en el ensamblaje.
Mediante la utilización del cursor durante la colocación, el
origen del componente se encuentra en la posición original del
ensamblaje. Esto también significa que los planos de referencia del
componente coinciden con los planos del ensamblaje y el
componente se encuentra totalmente definido.
Considere el ensamblaje de una lavadora. El primer componente
sería lógicamente el marco sobre el cual se monta todo lo demás.
Al alinear este componente con los planos de referencia del
ensamblaje, estableceríamos lo que podría llamarse el “espacio del
producto”. Los fabricantes de automóviles se refieren a esto como
el “espacio del vehículo”. Este espacio crea una estructura lógica
para colocar los demás componentes en sus correspondientes
posiciones.
Gestor de
diseño y
símbolos del
FeatureManager
Dentro del gestor de diseño del FeatureManager de un ensamblaje,
las carpetas y los símbolos difieren levemente de los que se
encuentran en una pieza. También hay algunos términos que son
exclusivos del ensamblaje. Ahora se describirán algunas piezas y
relaciones de posición que se enumeran aquí.
Manual de formación SolidWorks 2006 Lección 12
Modelado de ensamblaje ascendente
Gestor de diseño y símbolos del FeatureManager 381
Grados de libertad Hay seis grados de libertad para todo
componente que se agrega al ensam-
blaje antes de que el mismo se fije o
reciba una relación de posición: trasla-
ción a lo largo de los ejes X, Y y Z y
rotación alrededor de los mismos ejes.
La capacidad de movimiento de un
componente en el ensamblaje se deter-
mina por sus grados de libertad. Las
opciones Fijar e Insertar relación de posición se utilizan para eli-
minar grados de libertad.
Componentes Las piezas que se insertan en
el ensamblaje, como la pieza
bracket, se representan
mediante el mismo icono de
nivel superior utilizado en el
entorno de la pieza. Los
ensamblajes también pueden
insertarse y aparecen con un
icono individual. Sin embargo,
cuando se expande la lista de
estos iconos, los componentes
individuales e incluso las ope-
raciones del componente se
incluyen en una lista y puede
accederse a los mismos.
Estado del componente.
La pieza puede estar com-
pletamente definida, defi-
nida en exceso o
insuficientementedefinida.
Un signo (+) o (-) entre paréntesis precederá el nombre si la
misma se encuentra Definida en exceso o Insuficientemente
definida. Las piezas que están insuficientemente definidas tie-
nen algunos grados de libertad disponibles. Las que están com-
pletamente definidas no tienen ninguno. El estado Fijo (f) indica
que un componente se encuentra fijo en su posición actual, pero
sin una relación de posición. El símbolo de signo de interroga-
ción (?) se utiliza para componentes No solucionados. Estos
componentes no pueden colocarse utilizando la información
proporcionada.
Número de instancia.
El número de instancia indica cuántas copias de una
determinada pieza de componente se encuentran en el
ensamblaje. El nombre bracket<1> indica que ésta es la
primera instancia de la pieza bracket.
Carpeta Component Part (Pieza de componente).
Cada pieza de componente contiene todo el contenido de la
pieza, incluyendo todas las operaciones, los planos y los ejes.
Lección 12 Manual de formación SolidWorks 2006
Modelado de ensamblaje ascendente
382 Gestor de diseño y símbolos del
Anotaciones La operación Annotations (Anotaciones) se utiliza con el
mismo propósito que en una pieza. Pueden agregarse anotaciones al
nivel del ensamblaje e importarse a un dibujo. Su visualización
también se controla mediante la opción Detalles.
Marcador
Retroceder
El marcador Retroceder puede utilizarse en un ensamblaje para
retroceder:
Planos, ejes y croquis del ensamblaje
Carpeta Mates
Matrices de ensamblaje
Operaciones de piezas en contexto
Operaciones de ensamblaje
Todas las operaciones que se encuentran debajo del marcador se
suprimen. Los componentes individuales no pueden retrocederse.
Reordenar Se puede reordenar ciertos objetos en un ensamblaje.
Estos objetos son:
Componentes
Planos, ejes y croquis del ensamblaje
Matrices de ensamblaje
Operaciones de piezas en contexto
Relaciones de posición dentro de la carpeta Mates
(Relaciones de posición)
Operaciones de ensamblaje
Grupos de
relaciones de
posición
Las relaciones de posición
en los ensamblajes se
agrupan en una Carpeta
de relaciones de posi-
ción denominada Mates. Un grupo de relaciones de posición es un
conjunto de relaciones de posición que se solucionan en el orden en
que se enumeran. Todos los ensamblajes tendrán un grupo de rela-
ciones de posición.
Carpeta Mates
La carpeta utilizada para guardar las relaciones de posición que
se solucionan juntas. Se identifica por un icono de clip doble
.
Relación de posición
Las relaciones entre caras, aristas, planos, ejes o geometría de
croquis que definen la ubicación y orientación de los compo-
nentes. Son versiones 3D de las relaciones geométricas 2D en
un croquis. Las relaciones de posición pueden utilizarse para
definir completamente un componente que no se mueve o defi-
nir insuficientemente uno que se desea mover. Un componente
no debe definirse en exceso bajo ningún concepto. Los posibles
estados para una relación de posición son Insuficientemente
definido, Definido en exceso, Completamente definido o No
solucionado.
Manual de formación SolidWorks 2006 Lección 12
Modelado de ensamblaje ascendente
Cómo agregar componentes 383
Cómo agregar
componentes
Una vez que el primer componente se ha insertado y definido
completamente, pueden agregarse otras piezas y establecerse
relaciones de posición entre éstas y el componente. En este ejemplo,
se insertará la pieza Yoke_male (horquilla macho) y se
establecerá una relación de posición con la misma. Esta pieza debe
estar insuficientemente definida para que pueda girar libremente.
Existen diversas maneras de agregar componentes al ensamblaje:
Utilice el cuadro de diálogo Insertar.
Arrástrelos desde el Explorador.
Arrástrelos desde un documento abierto.
Todos estos métodos se demostrarán en esta lección, comenzando
con el uso de Insertar componente. Es el mismo cuadro de diálogo
que aparece automáticamente cuando se utiliza Crear ensamblaje
desde pieza.
Insertar
componente
El cuadro de diálogo Insertar componente se utiliza para
encontrar, tener una vista previa y agregar componentes al
ensamblaje actual. Haga clic en el botón Mantener visible
(tachuela) para agregar múltiples componentes o múltiples
instancias del mismo componente.
Dónde encontrarlo Haga clic en Pieza/Ensamblaje existente en la barra de
herramientas Ensamblaje.
O, haga clic en Insertar, Componente, Pieza/Ensamblaje
existente....
5 Insertar
Yoke_male.
Haga clic en Insertar,
Componente, Pieza/
Ensamblaje
existente... y
seleccione el
componente
Yoke_male con el
botón Examinar....
Coloque el
componente en la
pantalla y haga clic
para situarlo.
El nuevo componente
se incluye como:
Yoke_male <1>
Esto significa que el
componente es la pri-
mera instancia del archivo Yoke_male y que el mismo se encuen-
tra insuficientemente definido. Aún tiene los seis grados de libertad.
Lección 12 Manual de formación SolidWorks 2006
Modelado de ensamblaje ascendente
384 Cómo agregar componentes
6 Resaltado.
Si hace clic en un componente en el
gestor de diseño del FeatureManager,
dicho componente se resaltará (verde
claro). Si mueve el cursor hacia un
componente en la ventana de gráficos,
también aparecerá el nombre de la
operación.
Cómo mover y
girar componentes
Uno o más componentes seleccionados pueden moverse o girarse a
fin de cambiar su posición para establecer una relación de posición
utilizando el ratón o los comandos Mover y Girar componente.
Además, el movimiento de componentes insuficientemente
definidos estimula el movimiento de un mecanismo a través del
movimiento de ensamblaje dinámico.
Dónde encontrarlo Por medio del ratón:
Arrastre y coloque un componente.
Haga clic con el botón secundario del ratón en un
componente y seleccione Mover con sistema de
referencia. Utilice el sistema de referencia para
mover o girar los componentes a lo largo o alrededor
de los ejes. Pasar el ratón sobre la flecha: arrastre hacia
la izquierda para moverse a lo largo del eje, arrastre
hacia la derecha para girar sobre el eje.
Por medio de menús:
En el menú desplegable, elija: Herramientas, Componente,
Girar o Mover.
Haga clic con el botón secundario del ratón en el componente y
seleccione Mover....
O, en la barra de herramientas Ensamblaje, seleccione una de
estas herramientas:
Mueve un componente. También puede utilizarse para girar
componentes que tienen grados de libertad de rotación.
Gira el componente de diversas maneras: alrededor de su
punto central, alrededor de una entidad como una arista o un eje o
por algún valor angular alrededor de los ejes X, Y o Z.
Nota Mover componente y Girar
componente funcionan
como un único comando
unificado. Al expandir las
opciones de Girar o Mover,
puede alternar entre los dos
comandos sin siquiera cerrar
el PropertyManager.
Manual de formación SolidWorks 2006 Lección 12
Modelado de ensamblaje ascendente
Cómo agregar componentes 385
La herramienta Mover tiene diversas opciones
para definir el tipo de movimiento. La opción A
lo largo de la entidad tiene un cuadro de
selección; A lo largo de XYZ del ensamblaje,
Por Delta XYZ y A posición XYZ requieren
valores de coordenadas.
La herramienta Girar también tiene opciones
para definir la forma de rotación del componente.
7 Mover.
Haga clic en el componente y arrástrelo para
acercarlo al lugar donde se establecerá una
relación con él.
Otras opciones para mover y girar el
componente se tratarán más adelante en esta
misma lección.
Establecer una
relación de
posición con otro
componente
Obviamente, la acción de arrastrar un componente no es suficiente-
mente precisa para elaborar un ensamblaje. Utilice caras y aristas
para establecer relaciones de posición entre componentes. Las pie-
zas incluidas dentro de bracket (abrazadera) están destinadas a
moverse, así que asegúrese de que dispongan de un adecuado grado
de libertad.
Nota Las Relaciones de posición estándar se tratan en esta misma
lección. Las Relaciones de posición avanzadas (Relaciones de
posición simétricas, de leva, de engranajes y de límite de distancia/
ángulo) se tratan en el manual Modelo de ensamblaje avanzado.
Introducción:
Insertar relación de
posición
Insertar relación de posición crea relaciones entre piezas de
componentes o entre una pieza y el ensamblaje. Dos de las
relaciones de posición más utilizadas son Coincidente y
Concéntrica.
Las relaciones de posición pueden crearse utilizando diferentes
objetos. Puede utilizar:
Caras
Planos
Aristas
Vértices
Puntos y líneas de croquis
Ejes y orígenes
Las relaciones de posición se establecen entre un par de objetos.
Dónde encontrarlo En el menú Insertar, seleccione Relación de posición....
O, en la barra de herramientas Ensamblaje, haga clic en
Relación de posición .
O, haga clic con el botón secundario del ratón en un
componente y elija Agregar/Editar relaciones de posición.
Lección 12 Manual de formación SolidWorks 2006
Modelado de ensamblaje ascendente
386 Cómo agregar componentes
Alineación y tipos
de relaciones de
posición
Las relaciones de posición se utilizan para crear relaciones entre
componentes. Las caras son la geometría más utilizada en las rela-
ciones de posición. El tipo de relación de posición, en combinación
con las condiciones Alineación inversa o Alineada determinan el
resultado.
Alineación
inversa
Alineadas
Coincidente
(las caras están sobre el mismo
plano imaginario infinito)
Paralela
Perpendicular
Las condiciones Alineada y
Alineación inversa no se aplican
a Perpendicular.
Distancia
Ángulo
Manual de formación SolidWorks 2006 Lección 12
Modelado de ensamblaje ascendente
Cómo agregar componentes 387
Hay menos opciones disponibles con las caras cilíndricas pero éstas
son muy importantes.
Botones comunes Hay tres botones comunes a todos los controles:
es Deshacer
es Invertir alineación de relaciones de posición
es Aceptar o Agregar/Finalizar relación de posición.
Además de estos botones, el cuadro de diálogo Relación de
posición en sí mismo tiene controles de alineación de relación de
posición específicos, y .
Elementos con los
que se pueden
establecer
relaciones de
posición
Hay muchos tipos de topología y geometría que se pueden utilizar
en las relaciones de posición. Las selecciones pueden crear muchos
tipos de relaciones de posición.
Alineación
inversa
Alineadas
Concéntricas
Tangentes
Topología/
Geometría
Selecciones Relación de posición
Caras o
superficie
Lección 12 Manual de formación SolidWorks 2006
Modelado de ensamblaje ascendente
388 Cómo agregar componentes
Sugerencia A pesar de que los planos se pueden seleccionar en la pantalla si
están visibles, con frecuencia es más fácil seleccionarlos por su
nombre a través del FeatureManager. Haga clic en el signo “+” para
ver el árbol y expanda las operaciones y los componentes
individuales.
Cómo establecer
relaciones de
posición
concéntricas y
coincidentes
Se va a establecer una relación de posición para el componente
Yoke_male para que su eje se alinee con el taladro y la cara plana
haga contacto con la cara interna de la pieza bracket. Se
utilizarán relaciones de posición Concéntricas y Coincidentes.
Línea o arista
lineal
Plano
Eje o eje
temporal
Punto, vértice
u origen
Arco o arista
circular
Topología/
Geometría
Selecciones Relación de posición
Manual de formación SolidWorks 2006 Lección 12
Modelado de ensamblaje ascendente
Cómo agregar componentes 389
8 Filtro de selección.
La opción de filtro de selección resulta de mucha utilidad en el
establecimiento de relaciones de posición. Puesto que muchas
relaciones de posición requieren selecciones de caras, establezca la
opción Seleccionar en caras . Observe que este filtro se
mantendrá en efecto hasta salir de SolidWorks o la pieza o hasta que
el filtro se cambie.
9 PropertyManager Relación de posición.
Haga clic en la herramienta Insertar relación de
posición para acceder al PropertyManager.
Si el PropertyManager está abierto, puede
seleccionar las caras sin utilizar la tecla Ctrl.
Opciones de
relaciones de
posición
Hay diversas opciones de relaciones de posición disponibles para
todas las relaciones de posición:
Agregar a nueva carpeta
Crea una nueva carpeta para contener todas las
relaciones de posición creadas mientras la
herramienta Relación de posición está activa.
La carpeta se encuentra en la carpeta Mates y
se le puede cambiar el nombre.
Mostrar la barra de herramientas desplegable
Activa y desactiva la barra de herramientas desplegable de Relación
de posición.
Mostrar vista preliminar
Muestra la posición creada por la relación de posición en cuanto se
hace la segunda selección. No se completa hasta que se hace clic en
el cuadro de diálogo Aceptar.
Utilizar sólo para colocar
Esta opción se puede utilizar para colocar geometría sin restringirla.
No se agrega relación de posición.
Lección 12 Manual de formación SolidWorks 2006
Modelado de ensamblaje ascendente
390 Cómo agregar componentes
Introducción:
Barra de
herramientas
desplegable de
Relación de
posición
La barra de herramientas emergente
Relación de posición se utiliza para
efectuar selecciones de un modo más sencillo al visualizar en la
pantalla los tipos de relaciones de posición disponibles. Los tipos de
relaciones de posición disponibles varían según la simetría y la
selección de geometría que aparecen en el PropertyManager. El
cuadro de diálogo aparece en los gráficos, pero se puede arrastrar a
cualquier sitio.
Se puede utilizar tanto el cuadro de diálogo en pantalla como el del
PropertyManager. Esta lección utiliza el cuadro de diálogo en
pantalla. Todos los tipos están enumerados en el gráfico Alineación
y tipos de relaciones de posición en la página 386.
10 Selecciones y vista previa.
Seleccione las caras de Yoke_male y
bracket según se indica.
Al seleccionar la segunda cara, se muestra
la barra de herramientas emergente
Relación de posición.
Concéntrica está seleccionada como
predeterminada y se muestra la vista
preliminar de Relación de posición.
11 Agregar una relación de posición.
Las caras se enumeran en la lista
Configuraciones de la relación de posición.
Aparecerán exactamente dos elementos en la lista.
Acepte la relación de posición Concéntrica y
haga clic en Agregar/Finalizar relación de
posición (marca de verificación).
12 Cara plana.
Seleccione la cara plana superior del componente
Yoke_male.
Manual de formación SolidWorks 2006 Lección 12
Modelado de ensamblaje ascendente
Cómo agregar componentes 391
13 Seleccionar otra.
Utilice Seleccionar otra para
seleccionar la cara oculta de la
pieza bracket en la parte
inferior de la brida superior.
Agregue una relación de
posición Coincidente para
que las caras seleccionadas
entren en contacto.
14 Relaciones de posición en la lista.
Las relaciones de posición, concéntricas y
coincidentes, permanecen en la lista en el cuadro
de grupo Relaciones de posición. Se agregarán
a la carpeta Relaciones de posición
cuando se haga clic en el botón Aceptar del cuadro de diálogo del
PropertyManager. También se pueden eliminar de este cuadro de
grupo de modo que no se agreguen. Haga clic en Aceptar.
15 Estado de restricción.
El componente Yoke_male se enumera como
componente bajo restricción. Aún puede moverse
girándolo alrededor del eje de su superficie
cilíndrica.
Compruebe el comportamiento de Yoke_male
arrastrándolo.
16 Agregar la pieza spider (araña).
Utilice Insertar componente para agregar el
componente spider.
17 Relación de posición concéntrica para spider.
Agregue una relación de posición entre spider y Yoke_male.
Agregue una relación de posición Concéntrica
entre las dos caras cilíndricas.
Desactive el Filtro de Selección de la cara.
Lección 12 Manual de formación SolidWorks 2006
Modelado de ensamblaje ascendente
392 Cómo agregar componentes
Relación de
posición Ancho
La relación de posición Ancho es la primera de las Relac. de
posición avanzadas del cuadro de diálogo Relación de posición.
Las selecciones incluyen un par de Selecciones de ancho y un par
de Selecciones de pestaña. Las caras Pestaña se centran entre
las caras Ancho para localizar el componente. El componente
spider (araña) se debe centrar dentro de los componentes
Yoke_male y Yoke_female.
Nota Las relaciones de posición avanzadas restantes se describen en el
manual Modelo de ensamblaje avanzado.
Referencias de
ancho
Las selecciones Ancho forman las caras “externas”, que se utilizan
para contener el otro componente.
Referencias de
pestaña
Las selecciones Pestaña forman las caras “internas”, que se
utilizan para localizar el componente.
Selecciones de
ancho
Selecciones de
pestaña
Resultado
(Vista frontal)
(selección única)
(Vista frontal)
(Vista frontal)
Manual de formación SolidWorks 2006 Lección 12
Modelado de ensamblaje ascendente
Cómo agregar componentes 393
18 Relación de posición plano
a plano.
Haga clic en Insertar,
Relación de posición y
seleccione la pestaña Relac.
de posición avanzadas.
Haga clic en la relación de
posición Ancho y
seleccione las Selecciones
de ancho y las Selecciones
de pestaña tal como se
muestra.
19 Resultados.
La relación de posición mantiene el componente
spider (araña) centrado dentro del componente
Yoke_male con las mismas separaciones en cada
lado.
Lección 12 Manual de formación SolidWorks 2006
Modelado de ensamblaje ascendente
394 Cómo agregar componentes
20 Relaciones de
posición por
componente.
Expanda el componente
spider en el
FeatureManager. Una
carpeta denominada
Mates en
Universal Joint se
agrega a cada
componente con el que
se establece una
relación de posición. La
carpeta contiene las
relaciones de posición
que utilizan la
geometría de ese
componente.
La carpeta es un
subconjunto de la
carpeta Mates que
contiene todas las
relaciones de posición.
Cómo agregar
componentes por
medio del
Explorador de
Windows
Otra manera de agregar componentes al ensamblaje es a través del
Explorador de Windows o de Mi PC. Los archivos de ensamblaje o
pieza se pueden arrastrar y colocar en el ensamblaje activo.
Manual de formación SolidWorks 2006 Lección 12
Modelado de ensamblaje ascendente
Cómo agregar componentes 395
21 Abrir el Explorador.
Ajuste el tamaño de la
ventana del Explorador de
modo que se pueda ver la
zona de gráficos de
SolidWorks. Puesto que
SolidWorks es una
aplicación nativa de
Windows, admite técnicas
de Windows estándar como
“arrastrar y colocar”. Los
archivos de piezas pueden
arrastrarse desde la ventana
del Explorador al
ensamblaje para agregarlos.
Arrastre y coloque el
archivo Yoke_female en
la zona de gráficos.
22 Relación de posición Concéntrica.
Seleccione las caras cilíndricas según se indica
y agregue una relación de posición
Concéntrica entre ellas.
23 Relación de posición plano a plano.
Agregue una relación de posición Ancho entre
los componentes spider y Yoke_female.
El spider está centrado en el componente
Yoke_female.
24 Condición potencial definida en exceso.
Seleccione las caras de Yoke_female y
bracket según se indica. Debido a la
distancia entre Yoke_female y bracket,
una relación de posición Coincidente no podría
resolverse. La separación evita la coincidencia.
Si se seleccionase una relación de posición
Coincidente, aparecería un cuadro de diálogo
de advertencia:
Advertencia: Esta relación de posición define
en exceso el ensamblaje. Considere la idea de
eliminar algunas de las relaciones de posición
que definen en exceso.
Lección 12 Manual de formación SolidWorks 2006
Modelado de ensamblaje ascendente
396 Cómo utilizar configuraciones de piezas en
Relación de
posición paralela
Una relación de posición Paralela mantiene las caras planas
seleccionadas o los planos paralelos el uno al otro sin forzar el
contacto entre ellos.
25 Establecer en Paralelo.
Seleccione la relación de posición
Paralela para mantener la
separación de las caras.
26 Movimiento de ensamblaje dinámico.
Arrastre cualquiera de los componentes
insuficientemente definidos para girarlos todos.
Cómo visualizar
configuraciones
de piezas en
un ensamblaje
Cuando usted agrega una pieza a un ensamblaje, puede elegir cuál
de sus configuraciones se visualiza.
O, una vez que la pieza se inserta y tiene una relación de posición,
puede cambiar su configuración.
El pasador La pieza denominada pin
(pasador) tiene dos
configuraciones: SHORT
(CORTA) y LONG (LARGA).
Se puede utilizar cualquier
configuración en el
ensamblaje. En este caso, dos
instancias utilizarán SHORT y
una utilizará LONG.
Cómo utilizar
configuracio-
nes de piezas
en ensamblajes
Pueden utilizarse múltiples instancias de la misma pieza en un
ensamblaje y cada instancia puede hacer referencia a una
configuración diferente. Utilizaremos múltiples instancias de una
pieza con diferentes configuraciones en este ensamblaje.
Hay dos maneras de crear este tipo de configuración dentro de una
pieza:
LONG
SHORT
Manual de formación SolidWorks 2006 Lección 12
Modelado de ensamblaje ascendente
Cómo utilizar configuraciones de piezas en ensamblajes 397
Mediante la aplicación de
valores de cotas diferentes
a configuraciones
individuales según se
indica a la derecha.
Tablas de diseño.
Arrastrar y colocar
desde un
documento abierto
La pieza pin se insertará arrastrándola desde una ventana de un
documento abierto hasta el ensamblaje.
Nota Si la ventana bracket todavía está abierta, ciérrela antes del
siguiente paso.
27 Arrastrar y colocar.
Abra la pieza pin y coloque las ventanas del ensamblaje y la pieza
en mosaico. Arrastre y coloque la pieza pin en la ventana del
ensamblaje arrastrando el componente de nivel superior
( ) del Feature-Manager. Se agrega una instancia de la
pieza pin al ensamblaje.
Importante El pin es un componente
que contiene configuraciones
múltiples. Los componentes
como este muestran la
configuración que utilizan
como parte del nombre de
componente. En este caso, la
configuración utilizada por la
instancia <1> es LONG. Cada
instancia puede utilizar una
configuración diferente.
Lección 12 Manual de formación SolidWorks 2006
Modelado de ensamblaje ascendente
398 Cómo utilizar configuraciones de piezas en
28 Relación de posición Concéntrica.
Agregue una relación de posición Concéntrica
entre la cara cilíndrica del Yoke_female y el
pin.
El pasador se puede arrastrar mientras se utiliza
el cuadro de diálogo de relación de posición.
Arrástrelo por el medio, como se indica.
29 Relación de posición Tangente.
Agregue una posición de relación
Tangente entre el extremo de la cara
plana del pin y la cara cilíndrica del
Yoke_female.
El segundo
Pasador
Se necesita otra instancia de la pieza pin. Ésta será la versión más
corta, SHORT. Abriremos la pieza pin, pondremos las ventanas de
la pieza y el ensamblaje en mosaico y visualizaremos el
ConfigurationManager de la pieza.
Cómo abrir un
componente
Cuando necesite acceder a un componente mientras esté trabajando
en un ensamblaje, puede abrirlo directamente, sin tener que utilizar
el menú Archivo, Abrir. El componente puede ser una pieza o un
subensamblaje.
30 Disponer las ventanas en cascada.
Haga clic en Ventana, Cascada para ver tanto la ventana de pieza
como la de ensamblaje.
Cambie al ConfigurationManager de pin.
Manual de formación SolidWorks 2006 Lección 12
Modelado de ensamblaje ascendente
Cómo utilizar configuraciones de piezas en ensamblajes 399
31 Arrastrar y colocar una configuración.
Arrastre y coloque la configuración SHORT en la ventana de
gráficos del ensamblaje. Puede arrastrar y colocar cualquier
configuración desde el ConfigurationManager y no sólo la
configuración activa.
Otros métodos para
la selección de
configuraciones
Para obtener el mismo resultado mediante Insertar componente,
examine para encontrar la pieza y la configuración asociada.
Cuando utilice el Explorador, las piezas
que contienen configuraciones ofrecen
un cuadro de mensaje cuando se
arrastran y se colocan. Seleccione la
configuración deseada de la lista.
32 Segunda instancia.
Se agrega la segunda instancia del
componente pin, esta vez utilizando la
configuración SHORT. El componente se
agrega y muestra el nombre de la
configuración adecuada en el gestor de diseño
del FeatureManager.
33 Establecer relaciones de posición entre los
componentes.
Agregue relaciones de posición Concéntricas y
Tangentes para establecer la relación de
posición en la segunda instancia del pin.
Lección 12 Manual de formación SolidWorks 2006
Modelado de ensamblaje ascendente
400 Cómo crear copias de instancias
Cómo crear
copias de
instancias
Muchas veces, las piezas y los subensamblajes se utilizan más de
una vez en un ensamblaje. Para crear varias instancias o copias de
los componentes, copie y pegue los componentes existentes en el
ensamblaje.
34 Cierre el documento pin y maximice la ventana del
ensamblaje.
35 Arrastrar una copia.
Cree otra copia del componente pin
manteniendo presionada la tecla Ctrl mientras
arrastra la instancia con la configuración
SHORT desde el gestor de diseño del
FeatureManager correspondiente al
ensamblaje. El resultado es otra instancia que
utiliza la configuración SHORT, puesto que la
misma se copió a partir de un componente con dicha configuración.
También puede arrastrar una copia seleccionando el componente en
la ventana de gráficos.
Cómo ocultar
componente y
transparencia
de componente
Al ocultar un componente temporalmente, se eliminarán los
gráficos del componente pero el mismo quedará activo dentro del
ensamblaje. Un componente oculto aún reside en la memoria, tiene
sus relaciones de posición solucionadas y se considera en
operaciones como los cálculos de propiedades físicas.
Otra opción es cambiar la transparencia del componente. A través
de los componentes se pueden seleccionar otros detrás de ellos.
Introducción:
Ocultar componente
Mostrar
componente
Ocultar componente desactiva la visualización de un
componente, facilitando la visualización de otras piezas
del ensamblaje. Cuando un componente se encuentra
oculto, su icono en el gestor de diseño del
FeatureManager aparece en forma de esquema de esta
forma: .
La opción Mostrar componente vuelve a activar la
visualización.
Dónde encontrarlo Haga clic en Ocultar/visualizar componentes en la barra
de herramientas Ensamblaje. Esto permite alternar entre las dos
opciones. Si el componente se visualiza, lo ocultará. Si el
componente está oculto, lo mostrará.
Haga clic con el botón secundario del ratón en el componente y
seleccione Ocultar o Mostrar.
Haga clic con el botón secundario del ratón en el componente y
seleccione Propiedades de componente... en la lista de
Componentes. Seleccione la casilla de verificación
Ocultar componente.
Desde el menú desplegable, elija Edición, Ocultar o Edición,
Visualizar.
Manual de formación SolidWorks 2006 Lección 12
Modelado de ensamblaje ascendente
Cómo ocultar componente y transparencia de componente 401
Introducción:
Cambiar
transparencia
La opción Cambiar transparencia
establece la transparencia del componente
en el 75% y vuelve al 0%. Las selecciones
cruzan el componente transparente a menos
que se presione la tecla Mayús durante la
selección. El icono del FeatureManager no
cambia cuando un componente es
transparente.
Dónde encontrarlo Haga clic en Cambiar transparencia en la barra de
herramientas Ensamblaje. Esto permite alternar entre las dos
opciones.
Haga clic con el botón secundario del ratón en el componente y
seleccione Cambiar transparencia.
36 Ocultar el componente bracket.
Cambie la orientación de vista presionando
Mayús+Flecha izquierda una vez. Haga clic en el
componente bracket y ocúltelo utilizando la
herramienta Ocultar/visualizar componente .
Al ocultarlo, se eliminarán temporalmente los gráficos
del mismo pero las relaciones de posición quedarán
intactas. El gestor de diseño del FeatureManager
muestra el componente en el esquema cuando está
oculto .
Importante Utilice Ocultar componente y no Ocultar sólido. Ocultar sólido
ocultará el sólido dentro de la pieza.
37 Completar la relación de posición.
Complete la relación de posición de este componente
agregando las relaciones de posición Concéntrica y
Tangente mediante Insertar relación de posición.
38 Visualizar componente.
Vuelva a seleccionar el componente bracket
y haga clic en Ocultar/Mostrar
componente para volver a activar los
gráficos.
39 Regresar a la vista previa.
Los estados de la vista previa pueden
convocarse utilizando el botón Vista previa
en la barra de herramientas Ver. Cada vez que presiona el botón,
la pantalla de la vista retrocede en la lista de visualización, ya sea
que el estado de la vista se haya guardado o no. Haga clic una vez
para regresar a la vista Isométrica previa.
Lección 12 Manual de formación SolidWorks 2006
Modelado de ensamblaje ascendente
402 Propiedades de componente
Propiedades de
componente
El cuadro de diálogo Propiedades de componente controla
diversos aspectos de una instancia de componente.
Ruta de acceso al documento del modelo
Muestra el archivo de pieza que utiliza la instancia. Para reemplazar
el archivo al que la instancia hace referencia con otro archivo,
utilice Archivo, Reemplazar....
Visibilidad
Oculta o visualiza el componente. También le permite cambiar el
color del componente que aparece en el ensamblaje.
Estado de supresión
Suprima, resuelva o establezca el componente para aligerar el
estado.
Solucionar como
Permite que el subensamblaje sea rígido o flexible. Así, el
movimiento de ensamblaje dinámico podrá solucionar el
movimiento en el nivel del subensamblaje.
Configuración de referencia
Determina la configuración del componente que se está utilizando.
Manual de formación SolidWorks 2006 Lección 12
Modelado de ensamblaje ascendente
Subensamblajes 403
40 Propiedades de componente.
Haga clic con el botón secundario del ratón en el componente
pin<3> y seleccione Propiedades de componente... de la lista
Componente. Se selecciona la opción Utilizar la configuración
etiquetada y la misma se establece en SHORT. Este cuadro de
diálogo puede utilizarse para suprimir, ocultar o cambiar la
configuración de una instancia. Si Configuración de referencia se
establece en Utilizar la configuración del componente “en uso”
o la última guardada, se visualizará la configuración guardada.
Haga clic en Cancelar.
Subensambla-
jes
Los ensamblajes existentes también pueden insertarse en el
ensamblaje actual mediante la acción de arrastrar. Cuando un
archivo de ensamblaje se agrega a un ensamblaje existente, nos
referimos al mismo como un subensamblaje. Sin embargo, para el
software de SolidWorks, aún es un archivo de ensamblaje
(*.sldasm).
El subensamblaje y todas las piezas de sus componentes se agregan
al gestor de diseño del FeatureManager. El subensamblaje debe
tener una relación de posición con el ensamblaje mediante una de
las piezas de componente o los planos de referencia. El
subensamblaje se considera un componente individual,
independientemente de cuántos componentes incluya.
Se creará un nuevo ensamblaje para los componentes de la
manivela. Se utilizará como subensamblaje.
41 Nuevo ensamblaje.
Cree un ensamblaje nuevo utilizando la plantilla
Assembly_IN. Haga clic en Mantener Visible en la
opción Insertar componente del PropertyManager y
agregue el componente crank-shaft (eje de la
manivela). Ubíquelo en el origen del ensamblaje. Está
Fijo.
Asigne al ensamblaje el nombre crank sub (sub. manivela).
42 Agregar componentes.
Por medio del mismo diálogo,
agregue los componentes
crank-arm (brazo de
manivela) y crank-knob
(perilla de manivela).
Cierre el cuadro de diálogo.
Lección 12 Manual de formación SolidWorks 2006
Modelado de ensamblaje ascendente
404 Smart Mates
Smart Mates Se pueden agregar relaciones de posición entre componentes
mientras se arrastran y colocan. Este método, llamado Smart
Mates, utiliza la tecla Alt junto con técnicas estándar de arrastrar y
colocar.
Estas relaciones de posición utilizan la misma barra de herramientas
emergente Relación de posición que utiliza la herramienta
Relación de posición para establecer el tipo y otros atributos.
Todos los tipos de relaciones de posición se pueden crear con este
método.
Hay ciertas técnicas que generan múltiples relaciones de posición y
no utilizan la barra de herramientas. Requieren el uso de la tecla
Tab para cambiar la alineación de la relación de posición.
43 Smart Mate concéntrica.
Siga estos pasos para agregar una relación de posición Concéntrica
a través de la técnica Smart Mate:
1. Haga clic y mantenga
presionado el botón del
ratón en la cara circular
del crank-arm.
2. Pulse y mantenga
presionada la tecla Alt
mientras arrastra el
componente.
3. Mueva el componente
sobre la cara circular del
componente crank-
shaft.
4. Coloque el componente cuando aparezca la sugerencia ,
indicando una relación de posición concéntrica.
5. Confirme el tipo Concéntrico de la barra de herramientas
desplegable de Relación posición.
Una relación de posición Concéntrica se agrega entre los
componentes crank-arm y crank-shaft.
44 Smart Mate paralela.
Gire el crank-arm de modo
que la cara plana se pueda
seleccionar mediante el
arrastre. Seleccione la cara
plana y presione Alt mientras
la arrastra a la cara plana del
crank-shaft. Coloque el
componente cuando aparezca el
símbolo , lo que indica una
relación de posición
Coincidente entre caras
planas.
Manual de formación SolidWorks 2006 Lección 12
Modelado de ensamblaje ascendente
Cómo insertar subensamblajes 405
Utilice la barra de herramientas emergente Relación de posición
para cambiar a una relación de posición Paralela.
45 Coincidente.
Seleccione la arista del crank-arm y
presione Alt mientras la arrastra a la cara
plana del crank-shaft. Coloque el
componente cuando aparezca el símbolo ,
lo que indica una relación de posición
Coincidente entre la arista y una cara plana.
Utilice la barra de herramientas emergente
Relación de posición para confirmar la
relación de posición Coincidente.
46 “Clavija en taladro”.
La opción “Clavija en
taladro” es un caso
especial de la Smart
Mate que crea dos
relaciones de posición a
partir de una acción de
arrastrar y colocar. Esta
operación es más fácil si
se ha girado el crank-
knob.
Seleccione la arista
circular del componente
crank-knob. Presione
Alt y arrástrelo a la arista
circular que se encuentra
en la parte superior del
componente crank-arm.
Suelte la tecla Alt cuando aparezca el símbolo , que indica que se
agregarán tanto la relación de posición Coincidente como la
Concéntrica.
Si es necesario, presione la tecla Tab para invertir la alineación.
Coloque el componente.
47 Guardar.
Guarde el ensamblaje pero déjelo abierto.
Cómo insertar
subensambla-
jes
Los subensamblajes son ensamblajes existentes que se agregan al
ensamblaje activo. Todos los componentes y relaciones de posición
actúan como un único componente.
Lección 12 Manual de formación SolidWorks 2006
Modelado de ensamblaje ascendente
406 Cómo insertar subensamblajes
48 Seleccionar el subensamblaje.
Mediante Insertar componente, se fija el
cuadro de diálogo para que enumere cualquier
pieza o ensamblaje abierto en Documentos
abiertos. El componente crank sub aparece
y está seleccionado.
49 Situar el
subensamblaje.
Sitúe el subensamblaje
cerca de la parte superior
del componente
Yoke_male.
Si expande el icono de
componente del
subensamblaje,
aparecerán todas las
piezas de componente que
se encuentran dentro del
mismo, incluyendo su
propio grupo de relaciones de posición.
Cómo establecer
relaciones de
posición entre
subensamblajes
Los subensamblajes siguen las mismas normas que las piezas para
el establecimiento de relaciones de posición. Se consideran
componentes y se pueden establecer relaciones de posición entre
ellos mediante la herramienta Relación de posición, mediante la
tecla Alt+arrastrar o mediante una combinación de las dos.
Manual de formación SolidWorks 2006 Lección 12
Modelado de ensamblaje ascendente
Cómo insertar subensamblajes 407
50 Smart Mate concéntrica.
Agregue una relación de posición
Concéntrica, mediante Alt+arrastrar, entre
las superficies cilíndricas del puntal en la
parte superior de Yoke_male y crank-
shaft.
51 Relación de posición Paralela.
Establezca una relación de posición entre la
cara plana del Yoke_male y la cara plana del
Taladro-D del crank-shaft mediante la
herramienta Relación de posición y una relación
de posición Paralela.
52 Alineación.
Haga clic en el botón Invertir
alineación de relaciones de
posición para probar
Alineación inversa (arriba) y
Alineada (derecha). Utilice la
condición alineación inversa
para esta relación de posición.
Pregunta: ¿Por qué no utilizaría una relación de posición
Coincidente aquí?
Relaciones de
posición Distancia
Las relaciones de posición Distancia permiten las separaciones
entre componentes con una relación de posición. Puede
considerarlas como relaciones de posición paralelas con una
equidistancia. Como generalmente hay más de una solución, se
utilizan las opciones Invertir alineación de relaciones de
posición, e Invertir cota para determinar cómo se mide la distancia
y en qué lado se encuentra.
Respuesta:Porqueamenosquelascotasdelascaras
planasylascotasdelejeyeltaladrocorrespondiente
seanexactamenteiguales,unarelacióndeposición
coincidentedefiniríaelensamblajeenexceso.
Lección 12 Manual de formación SolidWorks 2006
Modelado de ensamblaje ascendente
408 Cómo insertar subensamblajes
53 Seleccionar las caras.
Seleccione la cara superior de bracket y la cara
inferior del componente crank-shaft para crear
la relación de posición.
54 Agregar una relación de posición
Distancia.
Especifique una distancia de 1 mm.
Nota Si bien las unidades de este ensamblaje y todos sus componentes se
encuentran en pulgadas, puede especificar valores métricos en los
cuadros de incremento. Tan sólo escriba mm luego del número.
El sistema lo convertirá automáticamente en 0.039 pulgadas.
Haga clic en Vista preliminar.
Si crank-shaft penetra en bracket seleccione el botón
Invertir cota .
Haga clic en Aceptar para crear la relación de posición.
Sugerencia Si hace doble clic en la relación de
posición de Distancia o Ángulo en
el FeatureManager, se visualiza en la
pantalla. El valor se muestra en las
unidades del ensamblaje, en este
caso pulgadas.
55 Seleccionar en el FeatureManager.
Seleccione el subensamblaje crank sub en el
gestor de diseño del FeatureManager. Todos los
componentes del subensamblaje se seleccionarán y
se resaltarán en verde claro.
56 Movimiento de ensamblaje dinámico.
Utilice Cambiar transparencia en las horquillas y
pasadores. Mueva el asa para ver el movimiento
del spider.
Utilizar sólo para
colocar
La opción de relación de posición Utilizar sólo para colocar se
puede utilizar para ubicar la geometría sin agregar la restricción de
una relación de posición. Es un método útil para configurar una
vista de dibujo.
Manual de formación SolidWorks 2006 Lección 12
Modelado de ensamblaje ascendente
Cómo insertar subensamblajes 409
57 Relación de posición.
Haga clic en la herramienta
Relación de posición y
seleccione Utilizar sólo para
colocar. Seleccione las caras
planas que se muestran y una
relación de posición Paralela.
Haga clic en Aceptar.
La geometría se ubica como una condición de relación de posición
paralela, pero no se agrega ninguna relación de posición.
58 Guardar y cerrar.
Lección 12 Manual de formación SolidWorks 2006
Modelado de ensamblaje ascendente
410 Cómo insertar subensamblajes
Manual de formación SolidWorks 2006
Ejercicio 53 411
Ejercicio 53:
Ensamblaje
Caja de
cambios
Cree este ensamblaje utilizando
relaciones de posición solamente.
No se proporciona cota alguna.
Este laboratorio utiliza las
siguientes funciones:
Creación de ensamblaje
ascendente.
Incorporar componentes a un
ensamblaje.
Crear relaciones de posición
entre componentes utilizando
Insertar relación de posición.
Unidades: pulgadas
Intención del
diseño
La intención del diseño de esta pieza se muestra a continuación.
1. Los archivos se encuentran en la carpeta Gearbox Assy
(Ensamb. Caja de cambios).
2. Las piezas de componentes tienen relaciones de posición como
se muestra en los detalles.
3. Se requieren dos instancias de Cover_Pl&Lug
(Ch. cubierta y agarradera).
Diseño de pieza Utilice los siguientes gráficos junto con la intención del diseño para
determinar la forma y las relaciones dentro del ensamblaje.
Cover Plate
Main Housing
Offset Shaft
Cover_Pl&Lug (2 req'd)
Worm Gear Shaft
Worm Gear
Manual de formación SolidWorks 2006
412 Ejercicio 53
Procedimiento Abra un ensamblaje nuevo utilizando la plantilla Assembly_IN.
1 Agregar los componentes.
Arrastre las piezas de componentes a un nuevo documento de
ensamblaje.
2 Establecer relaciones de posición entre los componentes.
Establezca una relación de posición entre el componente Housing
(Alojamiento) y el origen del ensamblaje. Establezca una relación
de posición de los demás componentes y Housing y de los
componentes entre sí.
3 Parte recortada del ensamblaje.
Esta parte recortada muestra los
componentes internos del
ensamblaje. Utilice éste y los
siguientes detalles para establecer
relaciones de posición entre
componentes en el ensamblaje.
4 Orientación de componentes.
Los componentes Cover_Pl&Lug se orientan de manera diferente
en la parte frontal y posterior. Observe la posición de la agarradera
en estas vistas.
Nota No necesita crear estas vistas de sección. Sólo se proporcionan con
fines informativos.
Manual de formación SolidWorks 2006
Ejercicio 53 413
Vista Superior.
Esta vista muestra
la línea de corte de
la Sección B-B.
Sección B-B.
La Sección B-B se
corta de la vista
Superior.
Vista Frontal.
Esta vista muestra la línea de
corte de la Sección A-A.
Manual de formación SolidWorks 2006
414 Ejercicio 53
Sección A-A.
La Sección A-A se corta de la vista
Frontal.
Detalle C.
Detalle C se toma de la
Sección B-B e incluye la relación de
posición de la ranura.
5 Guardar y cerrar el ensamblaje.
Manual de formación SolidWorks 2006
Ejercicio 54 415
Ejercicio 54:
Tablas de
diseño de
piezas en un
ensamblaje
Complete este
ensamblaje
ascendente
utilizando las piezas
incluidas. Utilice
diversas
configuraciones de
la misma pieza en el
ensamblaje para
crear un conjunto de
llaves Allen.
Este laboratorio refuerza las siguientes funciones:
Configuraciones en una pieza.
Configuraciones de piezas en ensamblajes.
Editar tablas de diseño.
Diseño de ensamblaje ascendente.
Vistas explosionadas y líneas de explosión.
Procedimiento Abra un ensamblaje existente.
1 Ensamblaje
existente.
Abra el ensamblaje
existente
denominado part
configs (configs.
de pieza).
Se encuentra en la
carpeta denominada
Part DT (DT
pieza) en Assy
(Ensamb.).
El ensamblaje
contiene tres
componentes, dos de
los cuales tienen
múltiples instancias.
Un componente,
Allen Wrench (Llave Allen) utiliza una configuración diferente
para cada instancia.
2 Abrir pieza.
Seleccione cualquier
instancia del componente
Allen Wrench y abra la
pieza.
Manual de formación SolidWorks 2006
416 Ejercicio 54
3 Tabla de diseño.
Edite la tabla de diseño incrustada allí. Cambie los valores de la
columna Length@Sketch1 solamente.
4 Agregar y establecer relaciones de
posición entre componentes.
Agregue y establezca relaciones de
posición entre tres componentes más,
observando las configuraciones de las
piezas de Allen Wrench. Los tamaños,
las posiciones y los nombres de las piezas
se detallan en las ilustraciones incluidas.
Sugerencia Con la pieza y el ensamblaje abiertos,
coloque las ventanas en mosaico. Cambie
al ConfigurationManager en la pieza y
arrastre sólo las configuraciones
necesarias.
5 Guardar y cerrar el ensamblaje y la pieza.
Length@Sketch1
Size01 50
Size02 60
Size03 70
Size04 80
Size05 90
Size06 100
Size07 100
Size08 90
Size09 80
Size10 100
Manual de formación SolidWorks 2006
Ejercicio 55 417
Ejercicio 55:
Relaciones de
posición
Cree este ensamblaje agregando
componentes a un ensamblaje nuevo y
utilizando Insertar relación de
posición.
Este laboratorio utiliza las siguientes
funciones:
Creación de ensamblaje ascendente.
Incorporar componentes a un
ensamblaje.
Crear relaciones de posición entre componentes utilizando
Insertar relación de posición.
Unidades: pulgadas
Intención del
diseño
La intención del diseño de
esta pieza se muestra a
continuación:
1. Los archivos se
encuentran en la carpeta
Mates (Relaciones de
posición).
2. Las piezas de
componentes tienen
relaciones de posición
como se muestra en los
detalles.
3. Se requieren dos
instancias de los componentes Brace (Cuadro) y
EndConnect (Conexión extremos).
4. Cada componente Brace se centra sobre el taladro en el
componente EndConnect.
Sugerencia Las relaciones de posición entre planos pueden utilizarse para
centrar componentes.
Diseño de pieza Utilice los siguientes gráficos junto con la intención del diseño para
determinar la forma y las relaciones dentro del ensamblaje.
Brace(2req'd)
RectPlate
EndConnect(2req'd)
Manual de formación SolidWorks 2006
418 Ejercicio 56
Ejercicio 56:
Cambios en la
junta en U
Realice cambios en el ensamblaje creado en la
lección anterior.
Este ejercicio utiliza las siguientes funciones:
Abrir piezas desde el ensamblaje.
Cambiar cotas de pieza.
Incorporar y eliminar relaciones de posición.
Incorporar componentes.
Procedimiento Abra un ensamblaje existente.
1 Abra el ensamblaje existente
denominado Changes
(Cambios).
El ensamblaje se encuentra en la
carpeta U-Joint Changes
(Cambios de junta universal).
2 Abrir el componente bracket
(abrazadera).
En el FeatureManager o en la
pantalla, abra el componente
bracket<1> para edición.
3 Cambios.
Haga doble clic en la primera
operación y cambie las cotas que se
muestran en negrita y subrayadas.
Reconstruya la pieza.
4 Cerrar y guardar.
Cierre la pieza bracket guardando
los cambios realizados. Responda Sí
para reconstruir el ensamblaje.
5 Cambios.
Los cambios realizados en la pieza también
aparecen en el ensamblaje.
6 Girar la manivela.
La manivela debe girar libremente, girando las
dos horquillas, la estrella y los pasadores con el
mismo.
7 Eliminar relación de posición.
Expanda el grupo de relaciones de posición y
elimine la relación de posición Parallel2
(Paralela 2).
Bracket
Manual de formación SolidWorks 2006
Ejercicio 56 419
8 Girar la manivela.
La manivela debe girar libremente pero
ya no se conecta con las horquillas y la
estrella.
9 Insertar un componente set
screw (tornillo prisionero).
Inserte el componente existente
denominado set screw. Establezca una
relación de posición con el taladro pequeño
en el componente crank-shaft (eje de
la manivela) con una relación de posición
Concéntrica.
10 Ocultar componente.
Oculte el componente crank-shaft.
Agregue una relación de posición
Coincidente entre las caras planas de set
screw y Yoke_Male (Horquilla macho).
11 Visualizar componente.
Visualice el componente crank-shaft.
12 Girar la manivela.
La manivela debe girar libremente y una
vez más, las dos horquillas, la
estrella y los pasadores deben girar
con él.
13 Guardar y cerrar el ensamblaje.
Manual de formación SolidWorks 2006
420 Ejercicio 57
Ejercicio 57:
Molinillo
Ensamble este
dispositivo siguiendo
los pasos como se
muestra.
Este laboratorio
utiliza las siguientes
funciones:
Modelado de
ensamblaje
ascendente.
Movimiento de
ensamblaje dinámico.
Configuraciones de piezas en un ensamblaje.
Procedimiento Abra un ensamblaje nuevo utilizando la plantilla Assembly_IN.
1 Agregar el componente Base.
Las piezas de este ensamblaje se
encuentran en la carpeta denominada
Grinder Assy (Ensamb.
molinillo).
Arrastre el componente Base al
ensamblaje y restrínjalo
completamente al origen del ensamblaje.
2 Agregar el componente Slider
(Control deslizante).
Agregue el componente Slider al
ensamblaje. Establezca una relación
de posición entre el mismo y una de
las ranuras del ensamblado a cola de
milano. Es necesario una relación de
posición Ancho y Coincidente.
3 Agregar una segunda copia del
componente Slider.
Establezca una relación de
posición entre el mismo y la otra
ranura del ensamblado a cola de
milano. Ambos componentes
Sliders deben moverse
libremente hacia delante y hacia
atrás en sus respectivas ranuras.
Manual de formación SolidWorks 2006
Ejercicio 57 421
4 Ensamblaje Crank (Manivela).
Abra un ensamblaje nuevo utilizando
la plantilla Assembly_IN.
Construya el ensamblaje Crank
como se muestra a la derecha. El
ensamblaje Crank se muestra en
estados explosionados y colapsados.
El ensamblaje Crank se compone
de:
Handle (Asa) (1)
Knob (Perilla) (1)
Truss Head Screw (1)
configuración
[#8-32 (.5” de largo)]
RH Machine Screw (2)
configuración
[#4-40 (.625” de largo)]
Nota Ambos tornillos de la máquina
contienen configuraciones múltiples. Asegúrese de utilizar las
correctas.
5 Insertar el ensamblaje Crank en
el ensamblaje principal.
Coloque las dos ventanas del
ensamblaje en mosaico y arrastre y
coloque el subensamblaje en el
ensamblaje principal.
6 Establecer una relación de
posición entre el ensamblaje
Crank y los componentes
Sliders.
Los dos RH Machine Screws
van dentro de los taladros en los
componentes Sliders. La parte
inferior del componente Handle
tiene una relación de posición con la cara superior de uno de los
componentes Sliders.
7 Girar el componente Crank (Manivela).
El movimiento de la pieza Knob (Perilla) sigue un trayecto elíptico.
El movimiento de cada componente Slider traza los ejes mayor y
menor de dicha elipse.
Manual de formación SolidWorks 2006
422 Ejercicio 57
Manual de formación SolidWorks 2006
423
Lección 13
Cómo usar ensamblajes
Al finalizar esta lección, podrá:
Realizar cálculos de propiedades físicas y detección de
inferencias.
Crear una vista explosionada de un ensamblaje.
Agregar líneas de explosión.
Generar una lista de materiales para un ensamblaje.
Lección 13 Manual de formación SolidWorks 2006
Cómo usar ensamblajes
424
Manual de formación SolidWorks 2006 Lección 13
Cómo usar ensamblajes
Cómo usar ensamblajes 425
Cómo usar
ensamblajes
En esta lección analizará otros aspectos del modelado de
ensamblajes utilizando una versión del ensamblaje de junta
universal. El ensamblaje completo se analizará, editará y mostrará
en un estado explosionado.
Etapas del
proceso
Algunas etapas importantes del proceso de análisis de esta pieza se
muestran en la siguiente lista. Cada uno de estos temas consta de
una sección en la lección.
Cómo analizar el ensamblaje
Puede realizar cálculos de propiedades físicas en ensamblajes
completos. También puede realizar detección de interferencias
estática o dinámica.
Cómo editar el ensamblaje
Las piezas individuales pueden editarse mientras se encuentran en
el ensamblaje. Esto significa que puede realizar cambios en los
valores de las cotas de una pieza mientras la misma se encuentra
activa en el ensamblaje.
Ensamblajes explosionados
Las vistas explosionadas del ensamblaje pueden crearse
seleccionando los componentes y la dirección/distancia del
movimiento.
Lista de materiales
Se puede generar una tabla de LDM a partir del ensamblaje y
colocarla en la hoja de dibujo. Se pueden agregar globos asociados
para identificar los elementos.
Lección 13 Manual de formación SolidWorks 2006
Cómo usar ensamblajes
426 Cómo analizar el ensamblaje
Cómo analizar
el ensamblaje
Hay diversos tipos de análisis que pueden realizarse en un
ensamblaje. Entre ellos se incluyen el cálculo de las propiedades
físicas del ensamblaje y la verificación de interferencias.
Cálculos de
propiedades
físicas
Los cálculos de propiedades físicas se presentaron en la Lección
6: Operaciones de revolución. Cuando se trabaja con ensamblajes,
es importante recordar que las propiedades materiales de cada
componente se controlan de manera individual a través de la
operación Material de la pieza. Las propiedades materiales también
se pueden configurar mediante la opción Editar material.
Para revisar las propiedades materiales, consulte Editar material en
la página 193. Para revisar los cálculos de propiedades físicas,
consulte Propiedades físicas en la página 195.
1 Abrir un ensamblaje existente.
Abra el ensamblaje existente UJ_for_INT (JU para INT).
2 Propiedades físicas.
Haga clic en Propiedades físicas en la barra Herramientas.
3 Resultados.
El sistema realiza los cálculos y muestra los resultados en una
ventana de informe. El sistema también muestra los Ejes
principales como gráficos temporales. Se puede utilizar Opciones
para cambiar las unidades de los cálculos.
Haga clic en Cerrar.
Los símbolos representan:
Sistema de
coordenadas de
salida
Ejes principales
en el Centro de
masa
Manual de formación SolidWorks 2006 Lección 13
Cómo usar ensamblajes
Cómo analizar el ensamblaje 427
Cómo verificar la
interferencia
La opción Detección de interferencias se utiliza para buscar
interferencias entre componentes estáticos en el ensamblaje. Esta
opción toma una lista de componentes y busca las interferencias
entre ellos. Las interferencias se enumeran por componentes pares
que incluyen una representación gráfica de la interferencia. Las
interferencias individuales se pueden ignorar.
Introducción:
Detección de
interferencias
La Detección de interferencias se utiliza para buscar
interferencias (choques) entre piezas de componentes en un
ensamblaje. Puede dirigirse para verificar todos los componentes en
el ensamblaje o tan sólo los seleccionados.
Dónde encontrarlo Haga clic en Detección de interferencias en la barra de
herramientas Ensamblaje.
En el menú Herramientas, seleccione: Detección de
interferencias....
4 Haga clic en Herramientas, Detección de interferencias....
Se abre el PropertyManager Detección de interferencias.
5 Detección de interferencias.
Seleccione el componente de nivel superior
UJ_for_INT para verificar todos los
componentes en el ensamblaje. El ensamblaje
UJ_for_INT.SLDASM aparece en la lista
Componentes seleccionados.
Haga clic en Calcular.
6 Interferencias.
Lección 13 Manual de formación SolidWorks 2006
Cómo usar ensamblajes
428 Cómo analizar el ensamblaje
El análisis ha encontrado tres interferencias entre las entidades
seleccionadas. Las listas Interference1, Interference2 e
Interference3 se muestran en la lista Resultados seguida de
un volumen de interferencia. La interferencia se indica en la
ventana de gráficos mediante un volumen que se muestra en rojo.
De forma predeterminada, los componentes de la interferencia son
transparentes y el resto de los componentes permanecen opacos.
Haga clic en Aceptar.
7 Métodos visuales.
A veces, las áreas de interferencia se
pueden determinar visualmente. Se
pueden utilizar las visualizaciones
Sombreado (sin aristas) y Líneas
ocultas visibles.
En este caso, el volumen de crank-
shaft (eje de la manivela) se superpone
con el del bracket (abrazadera).
8 Editar operación.
Haga clic con el botón
secundario del ratón en la
relación de posición
Distancia1 y seleccione
Editar operación.
Haga clic en la opción Invertir
cota y después en Aceptar.
Interference1 Interference2 Interference3
bracket Yoke_male Yoke_male
crank-shaft crank-shaft crank-shaft
Manual de formación SolidWorks 2006 Lección 13
Cómo usar ensamblajes
Cómo analizar el ensamblaje 429
9 Volver a comprobar las interferencias.
Seleccione los componentes bracket,
crank-shaft y Yoke_male (Horquilla
macho) y haga clic en Detección de
interferencias. Como es de esperar, el
resultado es No Interference.
Detección de
interferencias
estática contra
dinámica
El problema con un método estático de detección de interferencias
es que los componentes de un ensamblaje sólo pueden interferir en
ciertas condiciones. Se necesita entonces una manera de detectar las
colisiones en forma dinámica, mientras un ensamblaje se mueve.
Introducción:
Detección de
colisión
Detección de colisión analiza los componentes seleccionados en
el ensamblaje durante el movimiento de ensamblaje dinámico,
alertándolo cuando las caras chocan o colisionan. Tiene las
opciones de detener el movimiento en colisión, resaltando las caras
en colisión y generando un sonido de sistema.
Dónde encontrarlo En los PropertyManager Mover componente o Girar
componente , seleccione Detección de colisión.
10 Detección de colisión.
Haga clic en Mover componente
y seleccione Detección de
colisión.
Seleccione Todos los
componentes y Detener al
colisionar.
Gire la junta en U arrastrando el
asa de la manivela. Cuando las
aristas interiores de las dos
yokes (horquillas) colisionan, el
sistema le avisa resaltando las
caras y generando un sonido del
sistema.
Lección 13 Manual de formación SolidWorks 2006
Cómo usar ensamblajes
430 Cómo analizar el ensamblaje
11 Delimitar la selección.
La opción Todos los componentes significa
que se detectan las colisiones con todos los
componentes del ensamblaje. Esto exige más a
los recursos del sistema, especialmente en un
ensamblaje grande. Si elige Estos
componentes, sólo se detectan las colisiones
con un grupo de componentes de ensamblaje
seleccionados.
Haga clic en Estos componentes y
seleccione los componentes Yoke_female
(Horquilla hembra) y Yoke_male (Horquilla
macho).
Haga clic en Detener al colisionar y, a continuación, en
Reanudar arrastre.
12 Desactivar la detección de colisión.
Haga clic en Aceptar para cerrar el PropertyManager.
Consideraciones
de rendimiento
Hay un número de opciones y técnicas que puede utilizar para
mejorar el rendimiento del sistema durante la Detección de
colisión dinámica:
Haga clic en Estos componentes, en vez de en Todos los
componentes. En general, el rendimiento puede mejorarse si
minimiza el número de componentes que el sistema tiene que
evaluar. Sin embargo, tenga cuidado de no pasar por alto un
componente que realmente interfiera.
Asegúrese de que la opción Sólo pieza arrastrada se encuentre
seleccionada. Esto significa que sólo se detectan las colisiones
con el componente que está arrastrando. Si no se encuentra
seleccionada, se detectan colisiones para el componente en
movimiento y los componentes que se mueven como resultado
de relaciones de posición correspondientes al componente en
movimiento.
Si es posible, utilice Ignorar superficies complejas.
Nota La opción Distancia dinámica puede utilizarse
para mostrar la distancia real entre componentes
mientras éstos se mueven. Aparece una cota entre
los componentes seleccionados que se actualiza a
medida que la distancia mínima entre los mismos
cambia.
Cómo corregir la
interferencia
El redondeo o la aplicación de un chaflán a las aristas de las
horquillas eliminará la interferencia.
Manual de formación SolidWorks 2006 Lección 13
Cómo usar ensamblajes
Cómo cambiar los valores de las cotas 431
13 Abrir pieza.
En el gestor de diseño del
FeatureManager, haga clic con el botón
secundario del ratón en Yoke_female y
seleccione Abrir pieza.
Agregue un chaflán de 0.05” x 45 a las
aristas tal como se indica. Guarde los cambios.
14 Regresar al ensamblaje.
Haga clic en Ventana, UJ_for_INT.SLDASM o bien utilice las
teclas Ctrl+Tab.
Cuando el software detecte el cambio en la pieza, un mensaje le
pedirá si desea reconstruir el ensamblaje.
Haga clic en No en respuesta al mensaje hasta que se hayan
realizado todos los cambios.
15 Corregir el componente Yoke_male.
Abra el componente Yoke_male mediante
la opción Abrir pieza. Agregue un chaflán de
la misma manera que en el componente
Yoke_female.
Guarde los cambios y vuelva al ensamblaje
haciendo clic en Sí en el mensaje
Reconstruir ensamblaje.
16 Buscar interferencia.
Haga clic en Mover componente. Haga clic en estas opciones:
Detección de colisión
Todos los componentes
Detener al colisionar
Pruebe la interferencia girando la manivela. No se detectan
colisiones.
17 Desactivar la herramienta Mover componente.
Cómo cambiar
los valores de
las cotas
El cambio del valor de una cota en el ensamblaje funciona
exactamente igual que el cambio de esa cota en una pieza: haga
doble clic en la operación y luego haga doble clic en la cota.
SolidWorks utiliza la misma pieza en el ensamblaje o el dibujo, así
que si cambia dicha pieza en un lugar, la misma cambiará en todos
los lugares.
Se puede hacer doble clic en la operación desde el FeatureManager
o la pantalla, pero la cota siempre aparecerá en la pantalla.
Lección 13 Manual de formación SolidWorks 2006
Cómo usar ensamblajes
432 Cómo cambiar los valores de las cotas
18 Editar la pieza crank-arm (brazo de
la manivela).
Haga doble clic en el gráfico de la pieza
crank-arm para acceder a sus cotas.
Éstas son las cotas utilizadas para
construir la pieza.
Cambie la longitud a 4”.
19 Editar la pieza crank-shaft.
Cambie el valor de la longitud a 2.5”.
Observe que no sólo se reconstruyen las
piezas y se actualiza el ensamblaje sino que
las relaciones de posición garantizan que la
pieza crank-arm se mueva hacia arriba
cuando la pieza crank-shaft gane altura
y la pieza crank-knob (perilla de la
manivela) se mueva cuando la pieza
crank-arm gane longitud.
20 Abrir la pieza crank-shaft.
Haga clic con el botón secundario del ratón en crank-shaft y
seleccione Abrir pieza desde el menú contextual.
21 Cambios en el nivel de pieza.
El cambio de una pieza en el nivel de ensamblaje
la cambia en el nivel de pieza y viceversa. Eso es
porque se trata de la misma pieza y no de una
copia.
Vuelva a cambiar el valor a 1.5” y cierre la pieza,
guardando los cambios.
22 Actualización del ensamblaje.
Se han realizado cambios en una referencia del ensamblaje, en este
caso el tamaño de una pieza. Al volver a ingresar el ensamblaje,
SolidWorks pregunta si desea reconstruir. Haga clic en Sí.
23 Volver a cambiar valores.
Seleccione y vuelva a cambiar la cota de crank-arm a 3” y
reconstruya.
Manual de formación SolidWorks 2006 Lección 13
Cómo usar ensamblajes
Cómo utilizar Cinemática con colisiones físicas 433
Cómo utilizar
Cinemática con
colisiones
físicas
Cinemática con colisiones físicas es un método para visualizar el
movimiento del ensamblaje en una forma más realista. Al ampliar
los recursos de la detección de colisión dinámica, la Cinemática
con colisiones físicas permite que un objeto actúe sobre otro.
Cuando dos objetos colisionan, uno moverá al otro según los grados
de libertad disponibles. La Cinemática con colisiones físicas se
propaga en todo el ensamblaje. El componente arrastrado puede
desalojar un componente, que a su vez se mueve y desaloja otro
componente y así sucesivamente.
Nota No confunda la Cinemática con colisiones físicas con una
aplicación de análisis cinemática como COSMOSMotion. Con la
Cinemática con colisiones físicas, las características como
momento, fricción, elasticidad o falta de elasticidad de la colisión
no se tienen en cuenta.
Dónde encontrarlo En el PropertyManager Mover componente, haga clic en
Cinemática con colisiones físicas.
¿Qué es esto? Cuando arrastra un componente con la opción Cinemática con
colisiones físicas activada, aparece un pequeño símbolo en el
componente. Esto representa el centro de masa. La Cinemática con
colisiones físicas utiliza las propiedades físicas para calcular
cómo afectarán al componente las fuerzas que actúan en él cuando
colisione con otros componentes. La acción de arrastrar un
componente por su centro de masa exhibe un movimiento diferente
que cuando el componente se arrastra por un punto.
Ejemplos En la carpeta Physical Dynamics (Cinemática con colisiones
físicas) se encuentran algunos ejemplos. Los mismos se ilustran en
el gráfico a continuación.
Elemento de simulación Descripción
Nested Slides
(Dispositivas anidadas)
Mientras arrastra la diapositiva
más profunda, se hace contacto
con la siguiente dispositiva y
se estira lo más lejos posible.
Clock (Reloj) Al arrastrar el minutero, se
mueve la manecilla de las
horas.
Lección 13 Manual de formación SolidWorks 2006
Cómo usar ensamblajes
434 Cómo utilizar Cinemática con colisiones
Geneva Wheel
(Rueda de Ginebra)
Al girar la rueda de entrada, el
pasador engancha y
desengancha las ranuras en la
rueda de salida.
Limit Mechanism
(Mecanismo límite).
Gire la rueda de la leva en
sentido contrario a las agujas
del reloj y la palanca de
funcionamiento con forma de
Y oscilará hacia delante y
hacia atrás.
Bevel Gears
(Engranajes cónicos)
Gire la manija en un
mecanismo y el otro
mecanismo girará.
Rolling Balls (Esferas) Arrastre las esferas
individuales para que
colisionen entre sí.
Elemento de simulación Descripción
Manual de formación SolidWorks 2006 Lección 13
Cómo usar ensamblajes
Simulación física 435
Sugerencias para
trabajar con
Cinemática con
colisiones físicas
Cuando trabaje con Cinemática con colisiones físicas, debe
considerar algunas cuestiones.
1. La Cinemática con colisiones físicas depende de la detección
de colisión. No funcionará si el ensamblaje contiene
interferencias. Si el elemento que usted arrastra interfiere con
otro componente, la fuente de la interferencia se pone
transparente. Utilice Herramientas, Detección de
interferencias para buscar y eliminar interferencias antes de
utilizar la Cinemática con colisiones físicas.
2. Utilice las relaciones de posición adecuadas para definir el
ensamblaje. Los ensamblajes con un nivel muy bajo de
restricción tienen menos probabilidades de resultar exitosos.
No dependen de la Cinemática con colisiones físicas para
solucionar todo. Por ejemplo, en el ensamblaje Nested
Slides, las relaciones de posición se utilizaron para relacionar
slide1 y slide2 para que cada uno tenga un grado de
libertad. A continuación se utilizó la Cinemática con
colisiones físicas para controlar la interacción de los
pasadores y las ranuras.
3. La Cinemática con colisiones físicas no funciona en
ensamblajes que tengan relaciones de posición simétricas.
Para obtener más información sobre las relaciones de posición
simétricas, consulte el curso avanzado Modelo de ensamblaje
avanzado.
4. La Cinemática con colisiones físicas puede ser intensiva
desde el punto de vista del cálculo. Limite el alcance
seleccionando componentes en el cuadro Elementos
seleccionados y luego haga clic en Reanudar arrastre.
Los elementos que no se encuentran en la lista se ignoran.
Simulación
física
La opción Simulación física le permite simular los efectos de
motores, resortes y gravedad en sus ensamblajes. La Simulación
física combina elementos de simulación con herramientas de
SolidWorks como relaciones de posición y Cinemática con
colisiones físicas para mover componentes alrededor de su
ensamblaje. Utilice un ensamblaje que tenga las relaciones de
posición para dar soporte a los efectos de simulación.
Nota No confunda Simulación física con una aplicación de análisis
cinemática. Con Simulación física, las características como
momento, fricción, elasticidad o falta de elasticidad de la colisión
no se consideran.
Barra de
herramientas
Simulación
Los comandos para Simulación física se encuentran en la barra de
herramientas Simulación. Las herramientas individuales se
explicarán más adelante en esta lección.
Dónde encontrarlo Haga clic en Barra de herramientas Simulación en la
barra de herramientas Ensamblaje.
Lección 13 Manual de formación SolidWorks 2006
Cómo usar ensamblajes
436 Simulación física
O haga clic en Ver, Barras de herramientas y seleccione
Simulación.
Opciones de la
barra de
herramientas
Hay diversas opciones para crear la simulación:
Detener grabación o Calcular simulación
reproducción
Restablecer componentes Reproducir simulación
Elementos de
simulación
Hay muchos elementos de simulación que mueven los componentes
en el ensamblaje.
Elemento de
simulación
Descripción
Motor lineal Los motores lineales mueven los componentes a lo largo de un
trayecto de línea recta.
Motor rotatorio Los motores rotatorios mueven los componentes alrededor de un eje
seleccionado, pero no son fuerzas. La potencia del motor no varía
según el tamaño o la masa del componente. Por ejemplo, un
componente pequeño se mueve a la misma velocidad que un
componente grande si el control deslizante de Velocidad se establece
al mismo valor. No debe agregar más de un motor del mismo tipo al
mismo componente.
Resorte lineal Los resortes aplican una fuerza a un componente. Un resorte con una
constante de resorte más alta moverá un componente más rápido que
un resorte con una constante de resorte más baja. Además, un
componente con una masa menor se moverá más rápido que un
componente con una masa mayor si actúa sobre resortes de igual
resistencia.
El movimiento producido por un resorte se detiene cuando el resorte
alcanza su longitud libre.
El movimiento producido por los motores reemplaza el movimiento
producido por los resortes. Si tiene un motor que mueve un
componente hacia la izquierda y un resorte que tira de un
componente hacia la derecha, el componente se mueve hacia la
izquierda.
Gravedad Sólo se puede definir un elemento de simulación de gravedad por
ensamblaje.
Todos los componentes se mueven a la misma velocidad bajo el
efecto de la gravedad, independientemente de su masa.
El movimiento producido por los motores reemplaza el movimiento
producido por la gravedad. Si tiene un motor que mueve un
componente hacia arriba y la gravedad lo mueve hacia abajo, el
componente se mueve hacia arriba sin ningún movimiento hacia
abajo.
Manual de formación SolidWorks 2006 Lección 13
Cómo usar ensamblajes
Simulación física 437
Controlador de
animaciones
El Controlador de animaciones
se invoca mediante el botón
Reproducir simulación
situado en la barra de herramientas Simulación.
Opciones de
reproducción
Hay diversas opciones para reproducir la simulación:
Iniciar Rebobinar Reproducir
Avance rápido Finalizar Pausa
Detener Guardar como Normal
archivo AVI
Bucle Reproducción Reproducción
alternativa lenta
Reproducción acelerada
Barra de progreso
Gestor de diseño
del
FeatureManager
Cuando agrega elementos de simulación a un
ensamblaje, se agrega una operación Simulation
(Simulación) al FeatureManager. Si hace clic con el botón
secundario del ratón en la operación Simulation, puede:
Eliminar la operación Simulation, incluyendo todos los
elementos de simulación.
Eliminar la reproducción de la simulación. Esto deja los
elementos de simulación intactos.
Restablecer los componentes a sus posiciones previas a la
simulación.
1 Agregar un motor
rotatorio.
Haga clic en Motor
rotatorio y seleccione
la arista circular de
crank-shaft como la
Dirección del motor.
Sugerencia Si se hace clic en la opción
Numérica podrá
establecer un valor real
para la velocidad angular
en las unidades actuales. En este ejemplo sería grados por segundo.
2 Carpeta de simulaciones.
Cuando se agrega el Motor rotatorio, se agrega
también una nueva carpeta Simulation para contenerlo.
3 Calcular la simulación.
Haga clic en Calcular simulación en la barra de herramientas
Simulación. Grabe aproximadamente dos revoluciones completas
del crank-assy (ensamb. manivela).
Lección 13 Manual de formación SolidWorks 2006
Cómo usar ensamblajes
438 Simulación física
Nota Cuando graba una simulación, los componentes se mueven, en
realidad, dentro de sus grados de libertad según los elementos de
simulación. Los grados de libertad se determinan por las relaciones
de posición en los componentes y las colisiones con otros
componentes.
4 Detener la grabación.
Haga clic en Detener grabación o reproducción en la barra de
herramientas Simulación.
5 Reproducir la simulación.
Haga clic en Reproducir simulación en la barra de
herramientas Simulación para acceder al Controlador de
animaciones. Utilice una de las opciones del controlador para
acelerar, ralentizar, crear bucles o reproducir de manera alternativa
la reproducción.
6 Guardar y cerrar.
Otro ejemplo En la siguiente sección se ofrece otro ejemplo de simulación física
en la que el motor se aplica a un componente y ese movimiento
afecta a muchos otros componentes.
1 Abrir un ensamblaje.
Abra el ensamblaje
machine.sldasm
ubicado en la carpeta
Sarrus Mechanism
(Mecanismo de Sarrus).
2 Ocultar componente.
Cambie a la vista Back
Iso (Posterior iso.) y
oculte el componente
Mount (Montaje).
Esto facilitará la
incorporación de un motor
rotatorio al eje de la pieza
Wheel (Rueda).
Manual de formación SolidWorks 2006 Lección 13
Cómo usar ensamblajes
Ensamblajes explosionados 439
3 Motor rotatorio.
Haga clic en Motor
rotatorio en la barra de
herramientas Simulación.
Seleccione la cara
cilíndrica del eje de la
pieza Wheel.
Haga clic en Invertir
selección y luego en Aceptar.
4 Visualizar componente.
Vuelva a cambiar a la
vista My Iso (Mi iso.) y
muestre el componente
Mount. Grabe, detenga y
reproduzca la simulación
de la misma manera que la
anterior.
Otros ejemplos Puede utilizar cualquiera de los ensamblajes de la carpeta
Physical Dynamics para probar la simulación física.
Ensamblajes
explosionados
Puede realizar Vistas explosionadas de ensamblajes
automáticamente o explosionando el componente del ensamblaje
por componente. El ensamblaje puede alternar entre estados de vista
normal y explosionada. Una vez creada, la Vista explosionada
puede editarse y utilizarse dentro de un dibujo. Las Vistas
explosionadas se guardan con la configuración activa.
Configuración de
la vista
explosionada
Antes de agregar la Vista explosionada, hay algunos pasos del
proceso de configuración que facilitarán el acceso a la vista
explosionada. Es una buena práctica crear una configuración para
almacenar una Vista explosionada y también agregar una relación
de posición que mantenga al ensamblaje en una “posición de
inicio”.
1 Abrir un ensamblaje.
Abra el ensamblaje Launcher.sldasm
que se encuentra en la carpeta Exploded
View (Vista explosionada).
Lección 13 Manual de formación SolidWorks 2006
Cómo usar ensamblajes
440 Ensamblajes explosionados
2 Agregar una nueva configuración.
Pase al ConfigurationManager, haga clic con el
botón secundario del ratón y seleccione
Agregar configuración.
Escriba el nombre Exploded (Explosionada)
y agregue la configuración.
La nueva configuración es la que está activa.
Para obtener más información sobre Configuraciones de
ensamblaje, consulte el manual Modelo de ensamblaje avanzado.
Introducción:
Vista explosionada
La opción Vista explosionada se utiliza para mover uno o varios
componentes a lo largo de un brazo de Mover con sistema de
referencia . Cada distancia y dirección de movimiento se
almacena como un paso.
Dónde encontrarlo Desde el menú Insertar, seleccione Vista explosionada....
O bien, haga clic en Vista explosionada en la barra de
herramientas Ensamblaje.
3 Haga clic en Insertar, Vista
explosionada.
Aparece el cuadro de diálogo
Vista explosionada. Pasos
de explosión permite el
movimiento individual de
cada componente.
El cuadro de grupo
Configuraciones muestra los
componentes explosionados
en el paso junto con la
dirección y la distancia.
El cuadro de grupo Opciones
incluye las opciones de
subensamblaje y espaciado
automático de
automatización.
Manual de formación SolidWorks 2006 Lección 13
Cómo usar ensamblajes
Ensamblajes explosionados 441
Explosión de un
solo componente
Se pueden mover uno o varios componentes en una o varias direc-
ciones. Cada movimiento (uno o varios componentes) establecido
mediante una distancia y dirección se considera un paso.
4 Seleccionar componente.
Seleccione el componente Arrow<3>
(Flecha 3) que aparece en la pantalla.
Aparece Mover con sistema de referencia
en el centro del cuadro delimitador del
componente. Mover con sistema de
referencia se alinea con el eje x a lo largo
de la longitud de la cara cilíndrica.
5 Arrastrar explosión.
Explosione el componente
arrastrando el eje rojo y
apartándola del ensamblaje.
Se agrega la operación
Explode Step1 (Paso de
explosión 1) El componente
aparece debajo.
Haga clic en el componente
para finalizar el paso.
Sugerencia Si se selecciona el paso por nombre en el cuadro de diálogo, se
muestran los componentes en amarillo con la flecha azul.
Mover con sistema
de referencia y
flecha de arrastre
Los ejes de Mover con sistema
de referencia se utilizan como
vectores para el paso de
explosión. Una vez creados, la
distancia del paso se puede
modificar arrastrando la flecha
azul a lo largo de la línea de
explosión.
Si los ejes de Mover con sistema
de referencia no señalan en las direcciones deseadas, se puede
cambiar su orientación. Arrastre el origen del manipulador y
suéltelo sobre una arista, eje, cara o plano para reorientarlo.
Lección 13 Manual de formación SolidWorks 2006
Cómo usar ensamblajes
442 Ensamblajes explosionados
Explosión de
varios
componentes
Se pueden explosionar varios componentes a lo largo del mismo
trayecto o de varios trayectos. En el caso de selecciones de varios
componentes, el último componente seleccionado determina la
orientación de Mover con sistema de referencia.
6 Selección.
Seleccione primero el
componente Arrow<1>
(Flecha 1) seguido del
componente Arrow (Flecha)
y los componentes Nozzle
(Inyector) restantes.
Sugerencia Se pueden seleccionar varios componentes haciendo clic en cada
uno de ellos o utilizando una ventana de arrastrar-seleccionar.
7 Trayectos.
Mueva los componentes a lo
largo del eje rojo tal como se
muestra.
Vuelva a seleccionar los
mismos componentes y
agregue otro paso.
Agregue otro paso sólo
para los componentes
Arrow.
Manual de formación SolidWorks 2006 Lección 13
Cómo usar ensamblajes
Ensamblajes explosionados 443
Explosión de
componentes de
subensamblajes
Los subensamblajes se pueden tratar de varias maneras. Como
componentes únicos, se pueden mover en bloque. Como
componentes individuales, cada uno de ellos se puede mover de
manera independiente. Si ya existe una vista explosionada de dicho
ensamblaje, se puede agregar a la vista explosionada actual.
8 Subensamblaje como
componente.
Seleccione el componente
SUB_trigger
(Desencadenador SUB) superior
y muévalo con dos pasos tal
como se muestra.
Espaciado
automático
La opción Espaciar componentes automáticamente después
de arrastrar se utiliza para distribuir una serie de componentes a lo
largo de un solo paso axial. El espaciado se puede establecer con un
control deslizante y cambiar después de su creación.
La opción Seleccionar las piezas del subensamblaje considera
cada componente del subensamblaje como un componente
individual.
9 Espaciado automático.
Haga clic en Seleccionar las
piezas del subensamblaje y en
Espaciar componentes
automáticamente después de
arrastrar. Seleccione los tres
componentes del subensamblaje de
manera individual. Arrastre a lo
largo del eje rojo y suelte para
espaciar los componentes. Se agrega
un paso Cadena.
Lección 13 Manual de formación SolidWorks 2006
Cómo usar ensamblajes
444 Ensamblajes explosionados
10 Ajustar.
Arrastre el componente End Cap
(Tapa en extremo) utilizando la
flecha azul y suéltelo entre los otros
dos componentes. La separación
permanece con un orden diferente.
Reutilización de
explosiones
Las vistas explosionadas que se crean dentro de los subensamblajes
se pueden importar y volver a utilizar.
11 Mover subensamblaje.
Desactive las opciones Seleccionar las piezas del
subensamblaje y Espaciar componentes automáticamente
después de arrastrar. Arrastre el subensamblaje SUB_trigger
inferior tal como se muestra.
Manual de formación SolidWorks 2006 Lección 13
Cómo usar ensamblajes
Croquis con líneas de explosión 445
12 Reutilizar la explosión del subensamblaje.
Seleccione el subensamblaje y haga clic en Reutilizar explosión
de subensamblaje.
Croquis con
líneas de
explosión
Cree líneas como rutas para la vista explosionada utilizando Líneas
de explosión. Un tipo de croquis 3D denominado Croquis con
líneas de explosión se utiliza para crear y visualizar las líneas. Se
pueden utilizar las herramientas Croquis con líneas de explosión
y Quebrar cota de línea para crear y modificar las líneas.
Líneas de
explosión
Se pueden agregar Líneas de explosión al croquis con líneas de
explosión para representar la ruta de explosión de los componentes.
Introducción:
Croquis con líneas
de explosión
Un Croquis con líneas de explosión le permite crear líneas de
explosión en forma semiautomática. Para hacerlo, seleccione
geometría de modelo como caras, aristas o vértices y el sistema
generará las líneas de explosión.
Dónde encontrarlo En el menú Insertar, haga clic en Croquis con líneas de
explosión.
O bien, haga clic en Croquis con líneas de explosión en la
barra de herramientas Ensamblaje.
Introducción:
Quebrar cota de
línea
Quebrar cota de línea se utiliza
para romper una línea existente
y crear una serie de líneas de
90°. Las líneas con quiebre de
cota se restringen
automáticamente para ser perpendiculares y paralelas a las líneas
originales.
Dónde encontrarlo En el menú Herramientas, haga clic en Herramientas de
croquizar, Quebrar cota de línea.
O haga clic en Quebrar cota de línea en la barra de
herramientas Explosionar croquis.
Antes Después
Lección 13 Manual de formación SolidWorks 2006
Cómo usar ensamblajes
446 Croquis con líneas de explosión
13 Línea de recorrido.
Haga clic en Croquis con líneas de
explosión para iniciar el croquis 3D.
Seleccione las aristas del círculo y del
arco tal como se muestra para crear una
línea de recorrido entre ellas. Se pueden
utilizar diferentes combinaciones de las Opciones para obtener
distintos resultados.
Haga clic en Aceptar.
14 Explosionar a través de
componente.
Seleccione (en orden) la arista
circular de Main Body<1>
(Cuerpo principal 1), la cara
cilíndrica de Nozzle<1> y la
arista circular de Arrow<1>.
Se creará una serie continua de
líneas de explosión.
15 Editar líneas de explosión.
Mueva los segmentos de líneas
individuales arrastrando las
flechas pequeñas tal como se
muestra. También puede hacer
clic en las pequeñas flechas 3D
en los extremos de las líneas
de explosión para invertir su
dirección. Haga clic con el
botón secundario del ratón en
Aceptar.
Manual de formación SolidWorks 2006 Lección 13
Cómo usar ensamblajes
Croquis con líneas de explosión 447
16 Líneas adicionales.
Agregue grupos de líneas de explosión para conectar todos los
componentes restantes.
Cómo personalizar
las barras de
herramientas
Las herramientas Línea de recorrido y Quebrar cota de
línea se encuentran en la barra de herramientas Explosionar
croquis de forma predeterminada. Quizás decida que es más
conveniente agregar estas dos herramientas a una barra de
herramientas existente, como la barra de herramientas Herramientas
de croquizar o Ensamblaje. Puede llevarlo a cabo haciendo clic en
Herramientas, Personalizar... y seleccionando la pestaña
Comandos. Seleccione Explosionar croquis en la lista
Categorías y arrastre los botones a la barra de herramientas
deseada.
Cómo animar
vistas
explosionadas
Se puede utilizar el Controlador de animaciones para animar la
explosión o colapsar el movimiento.
Dónde encontrarlo Haga clic con el botón secundario del ratón en Colapsar
animación en la operación ExplodeView1 (Explosionar
vista 1).
Si la vista explosionada está colapsada, haga clic con el botón
secundario del ratón en Explosionar animación en la
operación ExplodeView1.
17 Barra de herramientas
Animación.
Haga clic con el botón
secundario del ratón en ExplView1 (Expl. Vista 1) y seleccione
Colapsar animación.
El diálogo utiliza controles estándar semejantes a los de un vídeo
incluida la opción Reproducir.
Lección 13 Manual de formación SolidWorks 2006
Cómo usar ensamblajes
448 Dibujos de ensamblajes
Para obtener más información sobre las otras opciones, consulte
Controlador de animaciones en la página 437.
18 Guardar y cerrar.
Colapse el ensamblaje. Guarde y cierre el ensamblaje.
Dibujos de
ensamblajes
Los ensamblajes tienen diversos requisitos únicos cuando se trata
de realizar dibujos detallados de los mismos. Además de las vistas
especializadas, los ensamblajes requieren una Lista de materiales y
Globos para documentar completamente el ensamblaje.
1 Dibujo nuevo.
Utilice Crear dibujo desde pieza/ensamblaje para crear un
nuevo dibujo con la plantilla A-Scale1to2 (A-Escala1a2).
2 Vista etiquetada.
Con el diálogo automático Vista del modelo, agregue una vista
etiquetada del ensamblaje Launcher (Lanzador). Establezca la
orientación en *Isometric (Isométrica) con Scale 1:4 (Escala
1:4) y colóquela en el dibujo. Esta vista se utilizará para visualizar
una vista explosionada.
Manual de formación SolidWorks 2006 Lección 13
Cómo usar ensamblajes
Dibujos de ensamblajes 449
3 Propiedades de vista.
Haga clic en Más
propiedades para ver
que se hayan seleccionado
la configuración
Explosionada y
Visualizar en estado
explosionado.
Nota La opción Visualizar en
estado explosionado
aparecerá sólo si hay una
vista explosionada
existente en la
configuración
seleccionada.
Lista de materiales En un dibujo de ensamblaje, un informe de lista de materiales puede
crearse e insertarse automáticamente en la hoja de dibujo.
Dónde encontrarlo Haga clic en Lista de materiales en la barra de
herramientas Tabla.
O bien, en el menú Insertar, seleccione Tablas, Lista de
materiales....
4 Configuración de la LDM.
Haga clic en la vista explosionada y haga clic en
Insertar, Tablas, Lista de materiales....
Seleccione bom-standard como la Plantilla de
tabla, Sólo piezas como el Tipo de LDM y
Exploded como la Configuración.
Puesto que ambas configuraciones contienen los
mismos componentes, cualquiera de las dos
funcionará.
5 Lista de materiales.
La LDM aparecerá en la pantalla donde hizo clic al seleccionar la
vista.
Puede volver a ajustar el tamaño de la LDM arrastrándola. También
se puede mover la LDM.
Lección 13 Manual de formación SolidWorks 2006
Cómo usar ensamblajes
450 En el curso Dibujos...
Cómo agregar
globos
Los números de elementos asignados a la lista de materiales pueden
agregarse al dibujo utilizando Globos. Estos globos asignarán el
número de elemento correcto al insertarse en aristas, vértices o
caras.
Introducción:
Globos automáticos
El comando Globo automático se utiliza para etiquetar
automáticamente los componentes de un dibujo de ensamblaje por
número de elemento y, opcionalmente, por cantidad. Hay muchas
formas de globos diferentes.
Dónde encontrarlo En la barra de herramientas Anotaciones, haga clic en Globo
automático .
O bien, en el menú Insertar, haga clic en Anotaciones, Globo
automático....
6 Insertar globos.
Haga clic en la herramienta Globo automático y seleccione el
dibujo Cuadrado. Se agregan los globos con los números de
elementos correctos. Cuando arrastre el globo del elemento 1 más
cerca de la vista, se moverán todos.
7 Guarde y cierre el dibujo y cualquier otro archivo abierto.
En el curso
Dibujos...
Las tres secciones sobre dibujos tratadas en este curso son tan sólo
una introducción al arte de la documentación. En el curso
Conceptos básicos de SolidWorks: Dibujos, aprenderá sobre todos
los aspectos de la realización de dibujos detallados de piezas y
ensamblajes.
Manual de formación SolidWorks 2006
Ejercicio 58 451
Ejercicio 58:
Cómo utilizar la
detección de
colisión
Mediante el ensamblaje
proporcionado,
determine el rango de
movimiento del asa de
sujeción.
Este laboratorio
refuerza las siguientes
funciones:
Detección de
colisión.
Acotación o utilización del comando Medir.
Procedimiento Abra un ensamblaje existente.
1 Ensamblaje existente.
Abra el ensamblaje denominado Collision
(Colisión) de la carpeta Collision
(Colisión).
2 Ubicaciones de colisión.
El link (vínculo) detiene el movimiento del ensamblaje en dos
lugares. Mueva el ensamblaje al punto de colisión y mida el ángulo
formado mediante Medir o las cotas en una vista de dibujo.
ÁNGULO “A”- Al hacer retroceder el componentehandle sub-
assy (subensamb. asa) el link lo golpea.
ÁNGULO “B”- Al hacer avanzar el handle sub-assy, el link
golpea el componente hold-down sub-assy (subensamb.
sujetar).
Medidas: (redondeadas)
Ángulo “A” = 38° Ángulo “B” = 90°
Manual de formación SolidWorks 2006
452 Ejercicio 59
Ejercicio 59:
Vistas
explosionadas
Mediante los ensamblajes existentes, agregue vistas explosionadas
y líneas de explosión.
Los archivos se encuentran en la carpeta Flashlight
(Linterna eléctrica).
Ensamblaje:
Flashlight
(Linterna
eléctrica)
Sugerencia Muchos de los
componentes se colocan
en un ángulo y requieren
que el sistema de
referencia se arrastre y
suelte para establecer la
dirección de explosión
adecuada. El sistema de
referencia se puede
colocar en una arista o
cara.
Manual de formación SolidWorks 2006
Ejercicio 60 453
Ejercicio 60:
Vistas
explosionadas
y dibujos de
ensamblajes
Mediante los ensamblajes existentes, agregue vistas explosionadas
y líneas de explosión. Utilice las vistas explosionadas para generar
dibujos con globos y una LDM. Utilice la plantilla A-Scale1to2
(A-Escala1a2).
Los archivos se encuentran en la carpeta Exploded Views
(Vistas explosionadas).
Ensamblaje:
part configs
(configs. de pieza)
Ensamblaje:
Ensamblaje
Caja de
cambios
Manual de formación SolidWorks 2006
454 Ejercicio 60
Manual de formación SolidWorks 2006
455
Apéndice
El material de este apéndice complementa el material tratado en las
lecciones. Fue eliminado de las lecciones para no extenderlas
demasiado y se incluye aquí para su referencia.
Configuración de Herramientas, Opciones utilizada en este
curso.
Cómo crear una plantilla de documento personalizada para las
piezas.
Cómo organizar sus plantillas de documentos.
Manual de formación SolidWorks 2006
456
Manual de formación SolidWorks 2006
Configuración de Opciones 457
Configuración
de Opciones
El cuadro de diálogo Herramientas, Opciones es el medio por el
cual se modifica la configuración predeterminada de SolidWorks.
Contiene parámetros que se aplican a documentos individuales y
que se guardan con dichos documentos, al igual que parámetros que
se aplican sólo a su sistema y a su entorno de trabajo.
El cuadro de diálogo Herramientas, Opciones contiene dos
pestañas denominadas Opciones de sistema y Propiedades de
documento.
Cómo aplicar los
cambios
Hay pestañas dentro de Opciones que permiten realizar cambios en
el sistema o las propiedades del documento. Esto le permite
controlar la aplicación de la configuración. Sus opciones son:
Opciones de sistema
Los cambios realizados en las opciones de sistema personalizan su
entorno de trabajo. Los mismos no se guardan con un documento
específico. En cambio, cada documento abierto en su sistema refle-
jará esta configuración. Por ejemplo, es posible que desee que su
cuadro de aumento predeterminado sea de 0.25 pulgadas. Habitual-
mente, yo trabajo en pequeñas piezas y desearía un cuadro de
aumento predeterminado de sólo 0.0625 pulgadas. Las opciones de
sistema nos permiten personalizar nuestro entorno de trabajo según
nuestras necesidades.
Propiedades de documento
Los cambios sólo afectarán el documento actualmente abierto. La
configuración predeterminada del sistema no cambia.
Cómo cambiar las
opciones
predeterminadas
Para cambiar las Opciones predeterminadas, siga este
procedimiento:
1. En el menú Herramientas, elija Opciones
2. Seleccione la pestaña correspondiente a la configuración que
desea cambiar.
3. Cuando termine, haga clic en Aceptar.
Nota Sólo puede acceder a las propiedades del documento cuando un
documento está abierto.
Configuración
sugerida
Para obtener una lista completa de todas las configuraciones
disponibles a través del cuadro de diálogo Herramientas,
Opciones, consulte la ayuda en línea.
Las Opciones de sistema importantes utilizadas en este manual
son:
General
Escribir valor de cota: Activada
Maximizar el documento al abrir: Activada
Croquis
Visualizar plano cuando está en modo sombreado: Desactivada
Plantillas predeterminadas
Siempre utilizar estas plantillas de documento predeterminadas:
Activada
Manual de formación SolidWorks 2006
458 Plantillas de documento
Plantillas de
documento
Con un archivo de Plantilla de documento (*.prtdot,
*.asmdot, *.drwdot) puede guardar las propiedades del
documento para utilizarlas en documentos nuevos. Puede crear una
nueva plantilla que sólo contenga la configuración que desea.
Cuando desee crear un documento nuevo, seleccione la plantilla que
desea y el documento heredará la configuración de la plantilla.
Cómo crear una
plantilla de pieza
La creación de una plantilla personalizada es un procedimiento
simple. Abra un documento nuevo utilizando la plantilla
personalizada existente. A continuación, utilice el cuadro de
diálogo Herramientas, Opciones para modificar la configuración
del documento. Luego, guarde el documento como un archivo de
plantilla. Puede configurar las carpetas para que las mismas
contengan y organicen sus plantillas.
En esta sección, crearemos una plantilla de pieza personalizada.
1 Abrir una nueva pieza.
Abra una pieza utilizando la plantilla de pieza predeterminada.
La pieza se utilizará para formar la plantilla y luego se descartará.
2 Elegir una plantilla.
Haga clic en Archivo, Nuevo y en la pestaña Plantillas del cuadro
de diálogo. Haga clic en la plantilla Part y en Aceptar
Nota No utilice la configuración Principiante en el cuadro de diálogo
cuando esté guardando una plantilla de documento. La plantilla
resultante no podría verse.
Manual de formación SolidWorks 2006
Plantillas de documento 459
3 Propiedades.
Verifique y, si es necesario, establezca las siguientes Propiedades
de documento:
Documentación
Estándar de acotación: ANSI
Documentación, Fuente de anotaciones
Cota: Century Gothic; Altura = 12 puntos
Detalle: Century Gothic; Altura = 12 puntos
Sección: Century Gothic; Altura = 12 puntos
Nota/Globo: Century Gothic; Altura = 12 puntos
Documentación, Cotas
Precisión, Unidades primarias, Valor: 3
Documentación, Visualización de anotaciones
Siempre visualizar el texto en el mismo tamaño Activada
Rejilla/Enganchar
Visualizar rejilla - Desactivada
Enganchar a punto - Desactivada
Unidades
Unidades lineales - Milímetros
Propiedades de material
Las propiedades de material son específicas del documento.
Utilice Editar material para establecer el material apropiado
para la pieza. Es buena idea crear una plantilla de pieza para
cada material utilizado habitualmente. Esto le ahorrará tiempo y
garantizará resultados precisos al realizar cálculos de
propiedades físicas y vistas de sección en dibujos.
Geometría de referencia
Los nombres predeterminados para los tres planos de referencia
del sistema no se controlan mediante Herramientas, Opciones.
Se controlan mediante la plantilla de documento. Puesto que se
puede cambiar el nombre de una operación, también se puede
cambiar el nombre de los planos. Cuando la pieza se guarde
como una plantilla, los nombres de los planos se guardarán en el
archivo de plantillas. Luego, las piezas nuevas creadas con esta
plantilla heredarán automáticamente los nombres de los planos.
Si lo desea, cambie el nombre de los planos de referencia. Por
ejemplo, quizás prefiera XY, XZ y YZ en vez de los nombres
predeterminados.
Manual de formación SolidWorks 2006
460 Plantillas de documento
4 Guardar una plantilla.
Haga clic en Archivo, Guardar como.
Para Guardar como tipo, seleccione Plantillas de pieza.
Asigne a la plantilla el nombre mm_part y navegue al directorio
donde desea guardar sus plantillas personalizadas. En este ejemplo,
simplemente guardaremos la plantilla en el directorio de instalación
de SolidWorks en la carpeta DataTemplates.
Haga clic en Guardar.
5 Utilizar la plantilla.
Cierre la pieza actual sin guardarla. Abra una pieza nueva utilizando
la plantilla mm_part que aparece en el cuadro de diálogo debajo de
la pestaña Plantillas. Verifique que la configuración se haya
incluido.
Manual de formación SolidWorks 2006
Plantillas de documento 461
Plantillas de
dibujo y formatos
de hoja
Las plantillas de dibujo y los formatos de hoja tienen muchas más
opciones que las plantillas de pieza o ensamblaje. En el curso
Conceptos esenciales de SolidWorks se brinda un tratamiento
exhaustivo de la creación y personalización de plantillas de dibujo
y formatos de hoja: Dibujos.
Cómo organizar
sus plantillas
Como regla general, no es conveniente guardar sus plantillas
personalizadas en el directorio de instalación de SolidWorks. El
motivo es que al instalar una nueva versión de SolidWorks, el
directorio de instalación se sobrescribe. Esto podría sobrescribir sus
plantillas personalizadas.
Una mejor estrategia consiste en configurar un directorio individual
para plantillas, como lo haría para operaciones Biblioteca y
bibliotecas de piezas estándar.
Puede controlar dónde SolidWorks busca las plantillas mediante
Herramientas, Opciones, Opciones de sistema, Ubicaciones
de archivos. El cuadro Mostrar carpetas para muestra rutas de
búsqueda de diversos tipos, incluyendo plantillas de documento.
Las carpetas se buscan en el orden que tienen en la lista. Puede
agregar nuevas carpetas, eliminar carpetas existentes o mover
carpetas hacia arriba o hacia abajo para cambiar el orden de
búsqueda.
Plantillas
predeterminadas
Ciertas operaciones en SolidWorks crean automáticamente un
nuevo documento de pieza, ensamblaje o dibujo. Algunos ejemplos
son:
Insertar, Pieza simétrica
Insertar, Componente, Pieza nueva
Insertar, Componente, Ensamblaje nuevo
Formar subensamblaje nuevo aquí
Archivo, Derivar pieza de componente
En estas situaciones, tiene la opción de especificar el uso de una
plantilla o dejar que el sistema utilice una plantilla predeterminada.
Esta opción se controla mediante Herramientas, Opciones,
Opciones de sistema, Plantillas predeterminadas.
Manual de formación SolidWorks 2006
462 Plantillas de documento
Si seleccionó Avisar al usuario para seleccionar la plantilla de
documento, aparecerá el cuadro de diálogo Nuevo documento de
SolidWorks y podrá elegir la plantilla que desea utilizar. Si
seleccionó Siempre utilizar estas plantillas de documento
predeterminadas, se creará el archivo correspondiente mediante la
plantilla predeterminada. Esta sección del menú Herramientas,
Opciones también le permite definir los archivos de plantillas que
el sistema debe utilizar en forma predeterminada.
Manual de formación SolidWorks 2006 Indice
Conceptos esenciales de SolidWorks 1
Indice
A
a repetir 154
abrir componente 398
acotar croquis automáticamente 104–
105
activar inferencias 66
Administrador de comandos 15
análisis
de ensamblajes 426–439
esfuerzo 197–210
factor de seguridad 203
propiedades físicas 195–196
análisis de esfuerzo 197–210
ángulo de salida
análisis 347–351
en operaciones extruidas 106
formas de crear 119, 349
operación 349
plano neutro 350
ángulo de salida de plano neutro 350
animar vistas explosionadas 447
anotaciones 69, 450
anotaciones de taladro 82
centros de círculos 76
en ensamblajes 382
globos 450
notas 327
notas paramétricas 327
símbolos de indicación de
referencia 325
anotaciones de globos 450
anotaciones de taladro 82
apariencia
color 71–72
cómo ocultar componentes 400
de cotas 109
gráficos RealView 193
intersecciones virtuales 186
roscas 265
texturas 264
transparencia de
componentes 400–401
arcos
3 puntos 25, 181
centro extremos 25
cómo acotar mínimas/
máximas 182
normal 60
tangente 25, 60, 189
transición automática entre líneas y
arcos 61
zonas de destino tangentes 61
arcos 3 puntos 25
arcos centro extremos 25
área rayada 329
área, Consulte medir
Consulte también propiedades de
sección
áreas de visualización 63
arrastrar y colocar
cambiar el orden de
operaciones 253–254, 261
cómo copiar cotas 78
cómo copiar redondeos 261
cómo mover cotas 78
configuraciones 399
volver a asociar cotas 230
asas de arrastre, Consulte croquis,
arrastrar
Consulte también arrastrar y
colocar; cotas, mover
asistente para taladro 63
asociatividad 80–82
avellanado, Consulte asistente para
taladro
ayuda
croquis 29
ayuda del sistema 17
B
barras de herramientas 12–14, 73
controlador de animaciones 437
relaciones de posición 390
simulación 435
barrer 191
bisel, Consulte chaflanes
borrar, Consulte eliminar
botón central del ratón 118
botones del ratón 17
C
centros de círculos 76
chaflanes 192
círculos 25, 109
perímetro 109
círculos perimetrales 109
colgantes
cómo reparar 230
cotas 230
relaciones 129, 231
color 4, 15, 18, 28, 71, 310–311
cómo editar 71
cómo actualizar la pantalla 81
cómo agregar
componentes a un ensamblaje 383,
394
cómo ajustar el tamaño de un
plano 107
cómo cambiar el nombre de las
operaciones 59
cómo cambiar el tamaño de un
plano 107
cómo colocar componentes 385
cómo consultar una pieza 233
cómo croquizar
ayuda 17
cursores 17
cómo editar piezas 221, 249–292
cómo eliminar material del interior de
una pieza, Consulte cómo
vaciar una pieza
cómo fijar
componentes 380
piezas 380
cómo guardar
su trabajo 23
tablas de diseño 318
cómo guardar en un archivo, Consulte
cómo guardar su trabajo
cómo interrogar una pieza 233
cómo modificar cotas
apariencia 109, 124
de una pieza 81
en un ensamblaje 431
cómo mover vistas 75
cómo seleccionar elementos
designación por captura 228
designación por ventana 228
elementos ocultos 125
filtros 389
objetos múltiples 38, 67, 70
selección de contorno 259–260
cómo solucionar
Consulte también errores
cómo vaciar una pieza 351
componentes
cómo abrir 398
cómo agregar 380, 383, 394–395,
397, 399, 403
cómo colocar 385
cómo copiar 400
cómo establecer relaciones de
posición 385
cómo girar 384, 391, 396
cómo mover 384, 391, 396
cómo ocultar 400
cómo visualizar 401
número de instancia 381
propiedades 402–403
comprobar croquis para
operación 227
condiciones finales
hasta el siguiente 110
hasta profundidad especificada 43
operaciones de revolución 184
Indice Manual de formación SolidWorks 2006
2 Conceptos esenciales de SolidWorks
plano medio 106
por todo 68
configuración de hoja 321
configuración del sistema 457
configuraciones 279
cómo agregar 282
cómo cambiar 284, 314
cómo cambiar el nombre 284, 314
cómo copiar 284, 314
cómo crear 282
cómo editar piezas que tienen
configuraciones 286–292
cómo eliminar 317
cómo utilizar en dibujos 321
ConfigurationManager 280
consideraciones de
ensamblaje 319–320, 331,
396, 399
consideraciones de
rendimiento 319
de piezas en ensamblajes 319–320,
331, 396, 399
definir 311
estrategias de modelado para 320
tablas de diseño 312
terminología 279
usos de 319
ConfigurationManager 280
confirmar eliminación 252
consideraciones de rendimiento 319,
430
copiar
componentes en un ensamblaje 400
configuración 284, 314
operación 127–128
redondeos 261
corte
definición de 52
Consulte también operaciones
COSMOSXpress 197–210
cotas
acotación automática de
croquis 104–105
alineada 39
angulares 41
círculos concéntricos 130
colgantes 230
cómo cambiar el nombre 306
cómo cambiar su apariencia 109,
124
cómo cambiar su valor 81, 431
cómo copiar 78
cómo mover 78
cómo realizar diversas cotas
iguales 304, 306
cómo vincular 304, 306
condiciones mínimas/máximas 182
conducidas 80, 114
conducidas por tablas de
diseño 310
conductoras 6
coordenada 326
diámetro 183
dibujos 78
flechas 110
fracciones 89
fuente 73
herramienta de cota 38
herramienta modificar 40
inteligente 38
lineales 40
operaciones de revolución 183
propiedades 124
punto a punto 39
radial 62
vista preliminar 39
volver a asociar 230
cotas angulares 41
cotas conducidas 80, 114
cotas de coordenadas 326
cotas lineales 40
cotas radiales 62
croquis
acotación automática 104–105
activar inferencias 66
arcos 25, 58, 60, 181
arcos 3 puntos 25
arcos centro extremos 25
arcos tangentes 25
arrastrar 35
arrastre 32
ayuda 29
cara plana 60
círculos 25, 109
círculos perimetrales 109
cómo editar 129, 255
cómo recortar 120–122
cómo reparar 229
comprobar para operación 227
contornos 259–260
convertir entidades 156
crear nuevo 23
croquis compartidos 260
definición de 52
editar plano 239
elipse 25, 207
elipse, parcial 25
entidades 25
equidistanciar entidades 119
estado de 30
extender geometría 123
geometría 25
indicador 25
insertar 23
introducción 23
líneas 25, 27, 58
líneas constructivas 26, 102
líneas de explosión 445
líneas de inferencia 189
parábolas 26
paralelogramos 26
polígonos 26
puntos 26, 187
rectángulos 26, 58
redondeos 41
reglas que rigen 30, 182
relaciones 33, 102
simetría 103
splines 26
transición automática entre líneas y
arcos 61
zonas de destino del arco
tangente 61
croquis compartidos 260
cursores 17
D
densidad 193, 196
desactivar supresión de
operaciones 279, 283
deshacer 32
vista 401
desplazar 116–118
detección de colisión 429
consideraciones de
rendimiento 430
detección de colisión dinámica 429
consideraciones de
rendimiento 430
detección de distancia 430
detección de distancia dinámica 430
detección de interferencias
consideraciones de
rendimiento 430
dinámica 429
estáticas 427
dibujos 72, 321–331, 448–450
área rayada 329
barras de herramientas 73
centros de círculos 76
cómo acotar 78
cómo crear un nuevo dibujo 73
formatos de hoja 74
herramientas, opciones 73
notas 327
notas paramétricas 327
propiedades 321
tablas de diseño, cómo
imprimir 330
vistas de detalle 323
vistas de sección 323
dibujos de ensamblajes 448–450
anotaciones de globos 450
líneas de explosión 445
lista de materiales 449
diseño impulsado por tablas, Consulte
tablas de diseño
distancia, Consulte medir
documentación 72, 321–331, 448–
450
Consulte también dibujos
E
ecuaciones 305–309
variables globales 308
editar
color 71
croquis 129, 255
definición 131, 253
material 193
operaciones 131, 253
plano de croquis 239
tabla de diseño 314
textura 264
ejes temporales 152, 256
ejes X-Y, Consulte sistemas de
coordenadas
ejes, temporales 152, 256
elementos ocultos, cómo
seleccionar 125
eliminar
configuraciones 317
cuadro de diálogo de
confirmación 252
operaciones 252
relaciones 35, 128, 256
relaciones de posición 418
Manual de formación SolidWorks 2006 Indice
Conceptos esenciales de SolidWorks 3
elipse 25, 207
parcial 25
enganche
cómo mover cotas 78
Consulte también líneas de
inferencia
ensamblajes 375–409, 423–450
análisis 426–439
animar vistas explosionadas 447
cómo abrir un componente 398
cómo agregar componentes 380,
383, 394–395, 397, 399, 403
cómo agregar subensamblajes 403
Cómo copiar componentes 400
cómo crear nuevos 379
cómo establecer relaciones de
posición con
componentes 385
cómo girar componentes 384, 391,
396
cómo modificar cotas 431
cómo mover componentes 384,
391, 396
cómo ocultar componentes 400
cómo reordenar objetos 382
cómo utilizar configuraciones de
piezas 319–320, 331, 396,
399
cómo visualizar componentes 401
configuraciones 319–320, 331,
396, 399
detección de colisión 429
detección de interferencias 427,
429
diseño ascendente 377, 425
gestor de diseño del
FeatureManager 380
líneas de explosión 445
movimiento dinámico 384
retroceder 382
transparencia de componentes 401
vistas explosionadas 439–448
ensamblajes explosionados
líneas de explosión 445
entidades, croquis 25
equidistanciar
entidades de croquis 119
errores
¿Qué errores hay? 225–227
cómo reparar 224–233
cómo resaltar áreas de
problemas 233
mensajes 225
reconstrucción 224
esquina de confirmación 25
estadísticas, operaciones 241
estirar, Consulte croquis, arrastrar
examinador
cómo guardar su trabajo 23
insertar componente 319, 383
Excel, cómo personalizar tablas de
diseño 311
explorador de archivos 16
extender geometría en un croquis 123
extensiones de archivo
ASMDOT 458
DRWDOT 458
PRTDOT 458
SLDASM 380
SLDDRW 73
SLDPRT 23
extruir
con ángulo de salida 106
condiciones finales 59
cortar 67
operación lámina 360
saliente 42, 60
extrusión
definición de 52
F
familias de piezas, Consulte tablas de
diseño
filtros de selección 389
flechas
activar o desactivar adentro,
afuera 110
formatos de hoja 74, 321
fracciones 89
fuente
texto 73
Funcionalidad ¿Qué errores
hay? 225–227
fusiones, Consulteredondeo
G
geometría de construcción 102
geometría, croquis 25
arcos 3 puntos 25
arcos centro extremos 25
arcos tangentes 25
círculos 25
elipse 25
elipse, parcial 25
líneas 25
líneas constructivas 26
parábolas 26
paralelogramos 26
polígonos 26
puntos 26, 187
rectángulos 26
splines 26
gestor de diseño del
FeatureManager 5–6, 10,
15
cómo dividir la ventana 281
desplegable 149
en ensamblajes 380
marcadores de error 226
navegación con teclas de
flechas 235
tablas de diseño 309
girar
componente 384, 391, 396
vista 116–118, 192
grados de libertad 381
grupos de relaciones de posición 382
H
herramienta de seleccionar
contornos 259–260
herramientas, opciones 15, 17, 70, 73,
76, 78, 89, 107, 114, 225,
229, 235, 310, 323, 379,
457, 459, 461
I
insertar
componente 380, 383, 394–395,
397, 399, 403
croquis 3D 445
elipse 207
líneas de explosión 445
saliente, barrer 191
tabla de diseño 309–310, 316
insertar elementos del modelo 77
instancia
copiar en un ensamblaje 400
número 381
intención del diseño 7–9, 32–33, 38,
51–52, 57, 81, 100–101,
107, 111, 180
ejemplos de 8
interfaz de usuario 10–18
anotaciones 69
ayuda 17
barras de herramientas 12
botones del ratón 17
cómo personalizar 12
cursores 17
menús 11
métodos abreviados del teclado 11
interrumpir reconstrucción 241
intersecciones virtuales 186
invertir cota, relación de posición
distancia 408
L
LDM, Consulte lista de materiales
líneas 25, 27
quebrar cota 445
transición automática entre líneas y
arcos 61
líneas constructivas 26, 102
operaciones de revolución 182
líneas de explosión 445
quebrar cota 445
líneas de inferencia 189
lista de materiales 449
globos 450
M
material
cómo editar 193
materiales
editar 193
matrices 145, 169–175
circulares 146, 152–153
cómo crear matrices de caras 163
cómo saltar instancias 171
conducidas por croquis 147, 158–
161, 170
conducidas por curva 147, 156–
158, 173
conducidas por tabla 147, 158–
161, 170
crear una matriz de una matriz 163
lineales 145–146, 149–152, 169,
172
opción variar croquis 161, 175
rellenar 147
relleno de área 147
simetría 146, 153, 172
sólo matriz de operación a
repetir 154
matrices circulares 146, 152–153
Indice Manual de formación SolidWorks 2006
4 Conceptos esenciales de SolidWorks
matrices conducidas por croquis 147,
158–161, 170
matrices conducidas por curva 147,
156–158, 173
matrices conducidas por tabla 147,
158–161, 170
matrices lineales 145–146, 149–152,
169, 172
matriz, Consulte matrices
medir 126–127
Consulte también propiedades de
sección
métodos abreviados del teclado 11,
32, 75, 80–81, 118
modelado basado en operaciones 5
modelado paramétrico 6
modificar
operaciones 131
mover
componente 384, 391, 396
movimiento de ensamblaje 384, 391,
396, 435–439
movimiento de ensamblaje
dinámico 384, 391, 396
movimiento, ensamblaje 384, 391,
396, 435–439
N
navegación con teclas de flechas 235
nervios 355–360
notas 327
vinculado a propiedades 327
notas paramétricas 327
O
ocultar
componentes 400
opciones 15, 17, 70, 73, 76, 78, 89,
107, 114, 225, 229, 235,
310, 323, 379, 457, 459, 461
operaciones
ángulo de salida 349
aplicadas 5
barrer 191
chaflán 192
cómo cambiar el nombre 59
cómo editar 131, 253
comprobar croquis 227
copiar y pegar 127–128
cortar 67
croquizadas 5
definición de 52
desactivar supresión 279, 283
eliminar 252
estadísticas 241
extruir 42
lámina 360
nervios 355–360
propiedades 279, 283
redondeo 52, 68
reordenar 253–254, 261
revolución 180, 184
saliente 60
suprimir 279, 283
taladros 63
vaciado 351
operaciones de revolución 180, 184
cómo acotar 183
condiciones finales 184
líneas constructivas múltiples 188
reglas de croquis 182
operaciones lámina 360
origen 24, 54
P
parábolas 26
paralelogramos 26
parámetros, Consulte cotas
patrones de rayado 147
patrones de rayado de áreas 147
pegar
configuración 314
operación 127–128
perforador, Consulte asistente para
taladro
personalización 11–14, 18
piezas
cómo crear nuevas 22, 58
cómo editar 221, 249–292
cómo guardar 23
cómo interrogar 233
cómo reparar errores 224–233
copiar en un ensamblaje 400
plantilla 458
piezas de paredes lámina, Consulte
cómo vaciar una pieza
plano de croquis 60
cómo elegir 54
editar 239
plano de referencia, Consulte planos
plano de trabajo, Consulte planos
plano indicativo, Consulte planos
planos
como ajustar el tamaño 107
crear 352–354
croquis 60
definición de 52
establecer relaciones de posición en
ensamblajes 388
neutro 350
predeterminados 54
plantillas
cómo crear 458
cómo organizar 461
documento 18, 458–462
predeterminadas 461
plantillas de documento 458–462
cómo crear 458
cómo organizar 461
predeterminadas 461
plantillas de documentos 18
polígonos 26
preferencias, Consulte opciones
PropertyManager 15, 34, 102
propiedades
archivo 196
componente 402–403
cota 124
físicas 195–196, 426
material 193, 196
operación 279, 283
personalizadas 196
suprimir 279, 283
vinculado a notas 327
propiedades de archivo 196
propiedades de dibujo 321
propiedades de material 193, 196
propiedades físicas 195–196, 426
propiedades personalizadas 196
puntos 26, 187
Q
quebrar cota, línea en un croquis 445
R
rayado 194, 329
reconstrucción 81, 186
errores 224
interrupción 241
recortar, en un croquis 120–122
rectángulos 26, 58
redibujar 81
redondeos 52, 68
cómo copiar 261
completos 359
croquis 41
propagación de arista 71
reglas 69
redondeos completos 359
redondos, Consulte redondeos
refrentado, Consulte asistente para
taladro
regenerar, Consulte reconstruir
rehacer 32
relación de asociación 7
relaciones de croquis 33, 102
relaciones de padre/hijo 237, 253–
254, 257, 282, 319
relaciones de posición
a planos de referencia 388
alineación 386, 407
barra de herramientas 390
coincidentes 388, 407
cómo agregar 385
cómo eliminar 418
concéntricas 388
definición 382
distancia 407
invertir cota 408
grupos de relaciones de
posición 382
inteligente 404
paralela 396, 407
tangente 398
utilizar sólo para colocar 408
relaciones geométricas 7, 33, 35, 37,
102
agregar 37
automáticas 8, 28
coincidentes 130
colgantes 129, 231
colineal 256
concéntricas 121
ejemplos, tabla de 35, 37
eliminar 35
horizontal 38
simétrica 103
tangente 113, 255
vertical 256
visualizar/eliminar 33, 102, 256
relaciones, Consulte relaciones
geométricas
relaciones, padre/hijo 237, 253–254,
257, 282, 319
reordenar
en ensamblajes 382
operaciones 253–254, 261
Manual de formación SolidWorks 2006 Indice
Conceptos esenciales de SolidWorks 5
reparar
cotas colgantes 230
croquis 229
repintar, Consulte redibujar
restricciones, Consulte relaciones
geométricas
retroceder
a un croquis 238
a una operación 241
en ensamblajes 382
en piezas 235, 258
reutilización de datos 127
Consulte también operaciones de
biblioteca
S
saliente, definición de 52
Consulte también operaciones
seleccionar otra 125
símbolos
centros de círculos 76
globos 450
símbolos de indicación de
referencia 325
simetría
croquis 103
dinámica 103
en un croquis 103
matriz 146
simetría dinámica 103
simetrías de matriz 153, 172
simulación física 435–439
simulación, física 435–439
sin líneas ocultas (SLO) 68, 117
sistemas de coordenadas 160
Smart Mates (Relaciones de posición
inteligentes) 404
sólidos multicuerpo 188
splines 26
sujeciones, Consulte croquis, arrastrar
Consulte también arrastrar y
colocar; cotas, mover
suprimir operación 279, 283
T
tablas de diseño 309–318
agregar configuraciones 313
agregar nuevos encabezados 313
anatomía de 312
cambios bidireccionales 310
cómo editar 314
cómo guardar 318
cómo imprimir en dibujos 330
cómo insertar 309–310, 316
cómo personalizar con Excel 311
cómo proteger 310
cómo vincular 310, 316
controles 310
creación automática 309–310
formato 311
opciones 310
símbolo en el gestor de diseño del
FeatureManager 309
tangente
arcos 25, 60, 189
relaciones de posición 398
relaciones geométricas 113, 255
zonas de destino 61
tapón roscado, Consulte asistente
para taladro
tecla Ctrl
alternar documentos (Ctrl+Tab) 75,
80
cómo copiar cotas 78
cómo copiar redondeos 261
cómo seleccionar objetos
múltiples 38, 67
con el botón central del ratón 118
copiar (Ctrl+C) 127–128
pegar (Ctrl+V) 127–128
reconstruir (Ctrl+B) 81
reconstruir (Ctrl+R) 81
tecla Esc 123
terminología 52
texto
en relieve o grabado en una
pieza 212
fuente 73
texturas
agregar o aplicar 264
cómo editar 264
roscas 265
transparencia 401
trasladar 116–118
U
unidades
cómo convertir unidades en cuadros
de diálogo 408
configuración 89
en ensamblajes 379
fracciones 89
pies y pulgadas 89
V
variables
Consulte también ecuaciones;
vincular valores
dependiente contra
independiente 306
globales 308
varias vistas 63
versiones, Consulte configuraciones
vincular valores 304, 306
vista
deshacer 401
explosionadas 439–448
girar 118, 192
opciones de modificación 116–118
opciones de visualización 68, 116–
117
orientación 119
normal a 108, 185
vista isométrica 110
vista alámbrica 68, 117
vista sombreada 68, 117
vistas
sección 262–263
vistas de detalle 323
vistas de dibujo
3 vistas estándar 74
cómo mover 75
detalle 323
sección 323
vistas de perspectiva 117
vistas de sección 117, 262–263, 323
vistas estándar
comando orientación de vista 119
isométrica 110
vistas explosionadas de
ensamblajes 439–448
animar 447
vistas isométricas, Consulte vistas
estándar
vistas ortográficas, Consulte vistas
estándar
vistas, dibujo
3 vistas estándar 74
cómo mover 75
detalle 323
sección 323
visualizar
componente 401
opciones 117
visualizar relaciones 33, 102
Z
zoom
a área 117
a selección 117
acercar/alejar 117
ajustar 117
cómo utilizar el botón central del
ratón 118
selección 119
Indice Manual de formación SolidWorks 2006
6 Conceptos esenciales de SolidWorks
Pregunta: ¿Cómo se llama a un usuario de SolidWorks de élite?
Respuesta: Un profesional de SolidWorks certificado.
Prepárese, preséntese al examen y únase a nuestra comunidad internacional
de talento probado.
Consulte el reverso para obtener más información.
01  conceptos basicos de solid works-piezas y ensamblajes

01 conceptos basicos de solid works-piezas y ensamblajes

  • 1.
    C M Y CM MY CY CMY K Training_2006_SEPA_ESP.pdf 7/10/05 8:05:58PMTraining_2006_SEPA_ESP.pdf 7/10/05 8:05:58 PM
  • 2.
    SolidWorks® 2006 Conceptos básicos de SolidWorks Piezasy ensamblajes SolidWorks Corporation 300 Baker Avenue Concord, Massachusetts 01742 EE.UU.
  • 3.
    © 1995-2005, SolidWorksCorporation 300 Baker Avenue Concord, Massachusetts 01742 EE.UU. Todos los derechos reservados Patentes de Estados Unidos 5,815,154; 6,219,049; 6,219,055; 6,603,486; 6,611,725; y 6,844,877 además de otras patentes extranjeras, incluidas EP 1,116,190 y JP 3,517,643. Patentes estadounidenses y extranjeras en curso. SolidWorks Corporation es una compañía de Dassault Systemes S.A. (Nasdaq:DASTY). La información y el software analizados en este documento están sujetos a cambios sin previo aviso y no deben ser considerados como compromisos por parte de SolidWorks Corporation. Ningún material se puede reproducir o transmitir de modo o por medio alguno, ya sea electrónico o mecánico, con ningún fin, sin la autorización explícita por escrito de SolidWorks Corporation. El software descrito en este documento se suministra bajo una licencia y sólo se puede utilizar o copiar de acuerdo con los términos de esta licencia. Todas las garantías que SolidWorks Corporation ofrece para el software y la documentación se establecen en el Contrato de licencia y Servicio de subscripción de SolidWorks Corporation y nada de lo que afirme o implique este documento o su contenido será considerado o visto como una modificación o enmienda de tales garantías. SolidWorks, PDMWorks, 3D PartStream.NET y el logotipo de eDrawings son marcas comerciales registradas de SolidWorks Corporation. SolidWorks 2006 es un nombre de producto de SolidWorks Corporation. COSMOSXpress, DWGeditor, DWGgateway, eDrawings, Feature Palette, PhotoWorks y XchangeWorks son marcas comerciales, 3D ContentCentral es una marca de servicio, y FeatureManager es una marca registrada de copropiedad de SolidWorks Corporation. COSMOS, COSMOSWorks, COSMOSMotion y COSMOSFloWorks son marcas comerciales de Structural Research and Analysis Corporation. FeatureWorks es una marca comercial registrada de Geometric Software Solutions Co. Limited. ACIS es una marca comercial registrada de Spatial Corporation. GLOBEtrotter y FLEXlm son marcas comerciales registradas de Globetrotter Software, Inc. Otras marcas o nombres de productos son marcas comerciales o marcas comerciales registradas de sus respectivos propietarios. Número de documento: PMT0070-ESP SOFTWARE DE COMPUTADORA COMERCIAL- PROPIETARIO Derechos restringidos del gobierno de Estados Unidos. La utilización, reproducción o divulgación por parte del gobierno está sujeta a las restricciones establecidas en la FAR 52.227-19 "Commercial Computer Software - Restricted Rights" (Software informático comercial - Derechos restringidos), en la DFARS 227.7202 "Commercial Computer Software and Commercial Computer Software Documentation" (Software informático comercial y Documentación de software informático comercial) y en el contrato de licencia, según corresponda. Contratista/Fabricante: SolidWorks Corporation, 300 Baker Avenue, Concord, Massachusetts 01742 EE.UU. Partes de este software © 1988, 2000 Aladdin Enterprises. Partes de este software © 1996, 2001 Artifex Software, Inc. Partes de este software © 2001, artofcode LLC. Partes de este software © 2005 Bluebeam Software, Inc. Partes de este software © 1999, 2002-2005 ComponentOne. Partes de este software © 1990-2005 D-Cubed Limited. Partes de este producto son distribuidas bajo licencia de DC Micro Development, Copyright © 1994-2002 DC Micro Development, Inc. Reservados todos los derechos. Partes de este software © eHelp Corporation. Reservados todos los derechos. Partes de este software © 1998-2005 Geometric Software Solutions Co. Limited. Partes de este software © 1986-2005 mental images GmbH & Co. KG. Partes de este software © 1996 Microsoft Corporation. Reservados todos los derechos. Partes de este software © 2004 Priware Limited. Partes de este software © 2001, SIMULOG. Partes de este software © 1995-2004 Spatial Corporation. Partes de este software © 2003-2005, Structural Research & Analysis Corp. Partes de este software © 1997-2005 Tech Soft America. Partes de este software son copyright y propiedad de UGS Corp. © 2005. Partes de este software © 1999-2005 Viewpoint Corporation. Partes de este software © 1994-2005, Visual Kinematics, Inc. Este software está basado en parte en el trabajo del Independent JPEG Group. Reservados todos los derechos
  • 4.
    Manual de formaciónSolidWorks 2006 i Tabla de contenido Lección 1: Introducción Informaciones sobre este curso. . . . . . . . . . . . . . . . . . . . . . . . . . . 3 Condiciones previas . . . . . . . . . . . . . . . . . . . . . . . . . . . . . . . . 3 Diseño del curso . . . . . . . . . . . . . . . . . . . . . . . . . . . . . . . . . . . 3 Cómo utilizar este manual . . . . . . . . . . . . . . . . . . . . . . . . . . . 3 Informaciones acerca del CD . . . . . . . . . . . . . . . . . . . . . . . . . 4 Windows® 2000 y Windows® XP. . . . . . . . . . . . . . . . . . . . . 4 Convenciones que se utilizan en este manual. . . . . . . . . . . . . 4 Utilización del color . . . . . . . . . . . . . . . . . . . . . . . . . . . . . . . . 4 ¿Qué es el software de SolidWorks?. . . . . . . . . . . . . . . . . . . . . . . 5 Intención del diseño . . . . . . . . . . . . . . . . . . . . . . . . . . . . . . . . . . . 8 Ejemplos de intenciones del diseño . . . . . . . . . . . . . . . . . . . . 8 Cómo las operaciones afectan la intención del diseño . . . . . . 9 Iconos que no se pueden seleccionar . . . . . . . . . . . . . . . . . . 10 La interfaz de usuario de SolidWorks. . . . . . . . . . . . . . . . . . . . . 10 Menús . . . . . . . . . . . . . . . . . . . . . . . . . . . . . . . . . . . . . . . . . . 11 Métodos abreviados del teclado . . . . . . . . . . . . . . . . . . . . . . 11 Barras de herramientas . . . . . . . . . . . . . . . . . . . . . . . . . . . . . 12 Cómo organizar las barras de herramientas . . . . . . . . . . . . . 14 Sugerencias rápidas. . . . . . . . . . . . . . . . . . . . . . . . . . . . . . . . 14 Gestor de diseño del FeatureManager . . . . . . . . . . . . . . . . . 15 Menús del PropertyManager. . . . . . . . . . . . . . . . . . . . . . . . . 15 Panel de tareas . . . . . . . . . . . . . . . . . . . . . . . . . . . . . . . . . . . 16 Botones del ratón . . . . . . . . . . . . . . . . . . . . . . . . . . . . . . . . . 17 Ayuda del sistema. . . . . . . . . . . . . . . . . . . . . . . . . . . . . . . . . 17 Opciones . . . . . . . . . . . . . . . . . . . . . . . . . . . . . . . . . . . . . . . . 17
  • 5.
    Manual de formaciónSolidWorks 2006 ii Lección 2: Introducción al croquizado Croquizado en 2D . . . . . . . . . . . . . . . . . . . . . . . . . . . . . . . . . . . . 21 Etapas del proceso . . . . . . . . . . . . . . . . . . . . . . . . . . . . . . . . . . . 21 ¿Qué es lo que vamos a croquizar?. . . . . . . . . . . . . . . . . . . . . . . 23 Croquizado . . . . . . . . . . . . . . . . . . . . . . . . . . . . . . . . . . . . . . . . . 23 Planos predeterminados . . . . . . . . . . . . . . . . . . . . . . . . . . . . 23 Entidades de croquis . . . . . . . . . . . . . . . . . . . . . . . . . . . . . . . . . . 25 Geometría de croquis . . . . . . . . . . . . . . . . . . . . . . . . . . . . . . 25 Croquizado básico. . . . . . . . . . . . . . . . . . . . . . . . . . . . . . . . . . . . 26 Cómo funciona el croquizado. . . . . . . . . . . . . . . . . . . . . . . . 26 Introducción: Relaciones de croquis. . . . . . . . . . . . . . . . . . . 27 Líneas de inferencia (Relaciones automáticas). . . . . . . . . . . 27 Ayuda del croquis . . . . . . . . . . . . . . . . . . . . . . . . . . . . . . . . . 29 Estado de un croquis. . . . . . . . . . . . . . . . . . . . . . . . . . . . . . . 30 Reglas que rigen los croquis . . . . . . . . . . . . . . . . . . . . . . . . . . . . 30 Intención del diseño . . . . . . . . . . . . . . . . . . . . . . . . . . . . . . . . . . 32 ¿Qué controla la intención del diseño?. . . . . . . . . . . . . . . . . 32 Intención del diseño deseada . . . . . . . . . . . . . . . . . . . . . . . . 33 Relaciones de croquis . . . . . . . . . . . . . . . . . . . . . . . . . . . . . . . . . 33 Relaciones de croquis automáticas . . . . . . . . . . . . . . . . . . . . 33 Relaciones de croquis agregadas . . . . . . . . . . . . . . . . . . . . . 33 Ejemplos de relaciones de croquis . . . . . . . . . . . . . . . . . . . . 35 Cómo seleccionar objetos múltiples . . . . . . . . . . . . . . . . . . . 38 Cotas . . . . . . . . . . . . . . . . . . . . . . . . . . . . . . . . . . . . . . . . . . . . . . 38 Acotar: Selección y vista previa . . . . . . . . . . . . . . . . . . . . . . 39 Cotas angulares. . . . . . . . . . . . . . . . . . . . . . . . . . . . . . . . . . . 41 Redondeos de croquis . . . . . . . . . . . . . . . . . . . . . . . . . . . . . . . . . 41 Extruir . . . . . . . . . . . . . . . . . . . . . . . . . . . . . . . . . . . . . . . . . . . . . 42 Ejercicio 1: Croquizado de líneas verticales y horizontales . . . . 45 Ejercicio 2: Cómo croquizar líneas con inferencias . . . . . . . . . . 46 Ejercicio 3: Cómo croquizar líneas. . . . . . . . . . . . . . . . . . . . . . . 47 Lección 3: Modelado básico de piezas Modelado básico. . . . . . . . . . . . . . . . . . . . . . . . . . . . . . . . . . . . . 51 Etapas del proceso . . . . . . . . . . . . . . . . . . . . . . . . . . . . . . . . 51 Terminología. . . . . . . . . . . . . . . . . . . . . . . . . . . . . . . . . . . . . . . . 52 Operación . . . . . . . . . . . . . . . . . . . . . . . . . . . . . . . . . . . . . . . 52 Plano . . . . . . . . . . . . . . . . . . . . . . . . . . . . . . . . . . . . . . . . . . . 52 Extrusión. . . . . . . . . . . . . . . . . . . . . . . . . . . . . . . . . . . . . . . . 52 Croquis . . . . . . . . . . . . . . . . . . . . . . . . . . . . . . . . . . . . . . . . . 52 Saliente . . . . . . . . . . . . . . . . . . . . . . . . . . . . . . . . . . . . . . . . . 52 Corte . . . . . . . . . . . . . . . . . . . . . . . . . . . . . . . . . . . . . . . . . . . 52 Redondeos y redondos . . . . . . . . . . . . . . . . . . . . . . . . . . . . . 52 Intención del diseño . . . . . . . . . . . . . . . . . . . . . . . . . . . . . . . 52 Cómo elegir el mejor perfil. . . . . . . . . . . . . . . . . . . . . . . . . . . . . 53 Cómo elegir el plano de croquis . . . . . . . . . . . . . . . . . . . . . . . . . 54 Planos de referencia . . . . . . . . . . . . . . . . . . . . . . . . . . . . . . . 54 Ubicación del modelo . . . . . . . . . . . . . . . . . . . . . . . . . . . . . . 54 Detalles de la pieza . . . . . . . . . . . . . . . . . . . . . . . . . . . . . . . . . . . 56 Vistas estándar . . . . . . . . . . . . . . . . . . . . . . . . . . . . . . . . . . . 56
  • 6.
    Manual de formaciónSolidWorks 2006 iii Salientes principales . . . . . . . . . . . . . . . . . . . . . . . . . . . . . . . 56 Mejor perfil. . . . . . . . . . . . . . . . . . . . . . . . . . . . . . . . . . . . . . 57 Plano de croquis . . . . . . . . . . . . . . . . . . . . . . . . . . . . . . . . . . 57 Intención del diseño . . . . . . . . . . . . . . . . . . . . . . . . . . . . . . . 57 Cómo croquizar la primera operación . . . . . . . . . . . . . . . . . 58 Opciones de extrusión. . . . . . . . . . . . . . . . . . . . . . . . . . . . . . 59 Cómo cambiar el nombre de las operaciones . . . . . . . . . . . . 59 Operación Saliente . . . . . . . . . . . . . . . . . . . . . . . . . . . . . . . . . . . 60 Cómo croquizar en una cara plana . . . . . . . . . . . . . . . . . . . . . . . 60 Croquizado . . . . . . . . . . . . . . . . . . . . . . . . . . . . . . . . . . . . . . 60 Zonas de destino del arco tangente. . . . . . . . . . . . . . . . . . . . 61 Cómo realizar una transición automática entre líneas y arcos. . . . . . . . . . . . . . . . . . . . . . . . . . . . . . . . . . . . . 61 Áreas de visualización . . . . . . . . . . . . . . . . . . . . . . . . . . . . . 63 Cómo utilizar el Asistente para taladro. . . . . . . . . . . . . . . . . . . . 63 Cómo crear un taladro estándar . . . . . . . . . . . . . . . . . . . . . . 64 Taladro de refrentado . . . . . . . . . . . . . . . . . . . . . . . . . . . . . . 66 Operación Cortar. . . . . . . . . . . . . . . . . . . . . . . . . . . . . . . . . . . . . 67 Cómo seleccionar objetos múltiples . . . . . . . . . . . . . . . . . . . 67 Opciones de visualización . . . . . . . . . . . . . . . . . . . . . . . . . . . . . 68 Redondeos. . . . . . . . . . . . . . . . . . . . . . . . . . . . . . . . . . . . . . . . . . 68 Reglas de redondeo. . . . . . . . . . . . . . . . . . . . . . . . . . . . . . . . 69 Menú Comandos recientes . . . . . . . . . . . . . . . . . . . . . . . . . . 70 Propagación de redondeo . . . . . . . . . . . . . . . . . . . . . . . . . . . 70 Conceptos básicos de documentación. . . . . . . . . . . . . . . . . . . . . 72 Configuraciones . . . . . . . . . . . . . . . . . . . . . . . . . . . . . . . . . . 73 Barras de herramientas . . . . . . . . . . . . . . . . . . . . . . . . . . . . . 73 Nuevo dibujo. . . . . . . . . . . . . . . . . . . . . . . . . . . . . . . . . . . . . 73 Vistas de dibujo. . . . . . . . . . . . . . . . . . . . . . . . . . . . . . . . . . . . . . 74 Cómo mover vistas . . . . . . . . . . . . . . . . . . . . . . . . . . . . . . . . 75 Centros de círculos . . . . . . . . . . . . . . . . . . . . . . . . . . . . . . . . . . . 76 Cotas del modelo . . . . . . . . . . . . . . . . . . . . . . . . . . . . . . . . . . . . 76 Cómo insertar todas las cotas del modelo. . . . . . . . . . . . . . . 77 Cómo manipular cotas . . . . . . . . . . . . . . . . . . . . . . . . . . . . . 78 Cotas conducidas . . . . . . . . . . . . . . . . . . . . . . . . . . . . . . . . . 80 Asociatividad entre el modelo y el dibujo . . . . . . . . . . . . . . 80 Cómo cambiar los parámetros . . . . . . . . . . . . . . . . . . . . . . . . . . 81 Cómo reconstruir el modelo . . . . . . . . . . . . . . . . . . . . . . . . . 81 Cómo actualizar la pantalla. . . . . . . . . . . . . . . . . . . . . . . . . . 81 Ejercicio 4: Chapa. . . . . . . . . . . . . . . . . . . . . . . . . . . . . . . . . . . . 85 Ejercicio 5: Cambios básicos . . . . . . . . . . . . . . . . . . . . . . . . . . . 86 Ejercicio 6: Soporte . . . . . . . . . . . . . . . . . . . . . . . . . . . . . . . . . . 88 Ejercicio 7: Cómo trabajar con fracciones . . . . . . . . . . . . . . . . . 89 Ejercicio 8: Dibujos de la pieza . . . . . . . . . . . . . . . . . . . . . . . . . 92 Ejercicio 9: Guía . . . . . . . . . . . . . . . . . . . . . . . . . . . . . . . . . . . . . 93
  • 7.
    Manual de formaciónSolidWorks 2006 iv Lección 4: Cómo modelar una pieza de fundición o forja Estudio de casos: Trinquete . . . . . . . . . . . . . . . . . . . . . . . . . . . . 99 Etapas del proceso . . . . . . . . . . . . . . . . . . . . . . . . . . . . . . . . 99 Intención del diseño . . . . . . . . . . . . . . . . . . . . . . . . . . . . . . . . . 100 Operación Saliente con ángulo de salida . . . . . . . . . . . . . . . . . 101 Cómo construir el asa . . . . . . . . . . . . . . . . . . . . . . . . . . . . . 101 Intención del diseño del asa . . . . . . . . . . . . . . . . . . . . . . . . 101 Simetría en el croquis . . . . . . . . . . . . . . . . . . . . . . . . . . . . . . . . 103 Simetría mientras se croquiza. . . . . . . . . . . . . . . . . . . . . . . 103 Simetría después de croquizar . . . . . . . . . . . . . . . . . . . . . . 103 Acotación automática de croquis . . . . . . . . . . . . . . . . . . . . 104 Primera operación. . . . . . . . . . . . . . . . . . . . . . . . . . . . . . . . . . . 106 Croquizado dentro del modelo . . . . . . . . . . . . . . . . . . . . . . . . . 107 Intención del diseño de la transición. . . . . . . . . . . . . . . . . . 107 Perfil circular . . . . . . . . . . . . . . . . . . . . . . . . . . . . . . . . . . . 108 Cómo croquizar el círculo. . . . . . . . . . . . . . . . . . . . . . . . . . 109 Cómo cambiar la apariencia de las cotas . . . . . . . . . . . . . . 109 Cómo extruir hasta el siguiente . . . . . . . . . . . . . . . . . . . . . 110 Intención del diseño de la cabeza . . . . . . . . . . . . . . . . . . . . 111 Solucionar conflictos . . . . . . . . . . . . . . . . . . . . . . . . . . . . . 114 Opciones de visualización . . . . . . . . . . . . . . . . . . . . . . . . . . . . .115 Opciones de visualización . . . . . . . . . . . . . . . . . . . . . . . . . 117 Opciones de modificación . . . . . . . . . . . . . . . . . . . . . . . . . 117 Funciones del botón central del ratón. . . . . . . . . . . . . . . . . 118 Métodos abreviados del teclado . . . . . . . . . . . . . . . . . . . . . . . . .118 Cómo utilizar aristas del modelo en un croquis . . . . . . . . . . . . .119 Ampliar selección . . . . . . . . . . . . . . . . . . . . . . . . . . . . . . . 119 Cómo croquizar una equidistancia . . . . . . . . . . . . . . . . . . . 119 Cómo crear geometría de croquis recortada . . . . . . . . . . . . . . . 120 Recortar y extender. . . . . . . . . . . . . . . . . . . . . . . . . . . . . . . 121 Cómo modificar cotas. . . . . . . . . . . . . . . . . . . . . . . . . . . . . 124 Cómo medir . . . . . . . . . . . . . . . . . . . . . . . . . . . . . . . . . . . . 126 Cómo utilizar las operaciones Copiar y Pegar . . . . . . . . . . . . . 127 Cómo croquizar el taladro. . . . . . . . . . . . . . . . . . . . . . . . . . 127 Operaciones Copiar y Pegar . . . . . . . . . . . . . . . . . . . . . . . . 128 Relaciones colgantes. . . . . . . . . . . . . . . . . . . . . . . . . . . . . . 129 Cómo editar un croquis. . . . . . . . . . . . . . . . . . . . . . . . . . . . 129 Cómo editar operaciones . . . . . . . . . . . . . . . . . . . . . . . . . . . . . 131 Cómo editar el redondeo. . . . . . . . . . . . . . . . . . . . . . . . . . . 131 Ejercicio 10: Soporte base . . . . . . . . . . . . . . . . . . . . . . . . . . . . 133 Ejercicio 11: Cambios en el asa del trinquete. . . . . . . . . . . . . . 136 Ejercicio 12: Soporte de herramienta . . . . . . . . . . . . . . . . . . . . 138 Ejercicio 13: Brazo complementario . . . . . . . . . . . . . . . . . . . . 139 Ejercicio 14: Polea . . . . . . . . . . . . . . . . . . . . . . . . . . . . . . . . . . 141
  • 8.
    Manual de formaciónSolidWorks 2006 v Lección 5: Matrices ¿Por qué emplear matrices? . . . . . . . . . . . . . . . . . . . . . . . . . . . 145 Comparación de matrices . . . . . . . . . . . . . . . . . . . . . . . . . . 145 Opciones de matriz . . . . . . . . . . . . . . . . . . . . . . . . . . . . . . . 148 Gestor de diseño del FeatureManager desplegable. . . . . . . 149 Matriz lineal . . . . . . . . . . . . . . . . . . . . . . . . . . . . . . . . . . . . . . . 149 Cómo eliminar instancias . . . . . . . . . . . . . . . . . . . . . . . . . . 150 Matrices de geometría. . . . . . . . . . . . . . . . . . . . . . . . . . . . . 151 Matrices circulares . . . . . . . . . . . . . . . . . . . . . . . . . . . . . . . . . . 152 Consideraciones acerca de los ejes . . . . . . . . . . . . . . . . . . . 152 Simetrías de matriz . . . . . . . . . . . . . . . . . . . . . . . . . . . . . . . . . . 153 Cómo utilizar la opción Sólo matriz de operación a repetir . . . 154 Matrices conducidas por curva . . . . . . . . . . . . . . . . . . . . . . . . . 156 Matrices conducidas por croquis y por tabla . . . . . . . . . . . . . . 158 Cómo utilizar Variar croquis. . . . . . . . . . . . . . . . . . . . . . . . . . . 161 Crear una matriz de una matriz. . . . . . . . . . . . . . . . . . . . . . . . . 163 Cómo crear matrices de caras . . . . . . . . . . . . . . . . . . . . . . . . . . 163 Patrones de rayado . . . . . . . . . . . . . . . . . . . . . . . . . . . . . . . . . . 165 Ejercicio 15: Matrices lineales . . . . . . . . . . . . . . . . . . . . . . . . . 169 Ejercicio 16: Matrices conducidas por croquis o por tabla. . . . 170 Ejercicio 17: Cómo saltar instancias. . . . . . . . . . . . . . . . . . . . . 171 Ejercicio 18: Simetrías de matriz y lineales . . . . . . . . . . . . . . . 172 Ejercicio 19: Matrices conducidas por curva . . . . . . . . . . . . . . 173 Ejercicio 20: Cómo utilizar Variar croquis. . . . . . . . . . . . . . . . 175 Lección 6: Operaciones de revolución Estudio de casos: Volante de maniobra. . . . . . . . . . . . . . . . . . . 179 Etapas del proceso . . . . . . . . . . . . . . . . . . . . . . . . . . . . . . . 179 Intención del diseño . . . . . . . . . . . . . . . . . . . . . . . . . . . . . . . . . 180 Operaciones de revolución . . . . . . . . . . . . . . . . . . . . . . . . . . . . 180 Geometría de croquis de la operación de revolución . . . . . 180 Reglas que rigen los croquis de operaciones de revolución. . . . . . . . . . . . . . . . . . . . . . . . . . . . . . . . . . . . 182 Cómo acotar el croquis . . . . . . . . . . . . . . . . . . . . . . . . . . . . 182 Cotas de diámetro . . . . . . . . . . . . . . . . . . . . . . . . . . . . . . . . 183 Cómo crear la operación de revolución . . . . . . . . . . . . . . . 184 Cómo construir el reborde . . . . . . . . . . . . . . . . . . . . . . . . . . . . 186 Sólidos multicuerpo . . . . . . . . . . . . . . . . . . . . . . . . . . . . . . 188 Cómo construir el radio . . . . . . . . . . . . . . . . . . . . . . . . . . . . . . 189 Cómo completar los croquis de perfil y la ruta. . . . . . . . . . 190 Chaflanes . . . . . . . . . . . . . . . . . . . . . . . . . . . . . . . . . . . . . . 192 Editar material. . . . . . . . . . . . . . . . . . . . . . . . . . . . . . . . . . . . . . 193 Gráficos RealView . . . . . . . . . . . . . . . . . . . . . . . . . . . . . . . 193 Propiedades físicas . . . . . . . . . . . . . . . . . . . . . . . . . . . . . . . . . . 195 Propiedades físicas como propiedades personalizadas. . . . 196 COSMOSXpress. . . . . . . . . . . . . . . . . . . . . . . . . . . . . . . . . . . . 197 Vista general . . . . . . . . . . . . . . . . . . . . . . . . . . . . . . . . . . . . 197 Malla . . . . . . . . . . . . . . . . . . . . . . . . . . . . . . . . . . . . . . . . . . 197 Resultados. . . . . . . . . . . . . . . . . . . . . . . . . . . . . . . . . . . . . . 197 Cómo utilizar el asistente . . . . . . . . . . . . . . . . . . . . . . . . . . . . . 197
  • 9.
    Manual de formaciónSolidWorks 2006 vi Fase 1: Opciones. . . . . . . . . . . . . . . . . . . . . . . . . . . . . . . . . 198 Fase 2: Material . . . . . . . . . . . . . . . . . . . . . . . . . . . . . . . . . 198 Fase 3: Restricción . . . . . . . . . . . . . . . . . . . . . . . . . . . . . . . 199 Fase 4: Carga . . . . . . . . . . . . . . . . . . . . . . . . . . . . . . . . . . . 200 Fase 5: Analizar . . . . . . . . . . . . . . . . . . . . . . . . . . . . . . . . . 202 Fase 6: Resultados . . . . . . . . . . . . . . . . . . . . . . . . . . . . . . . 203 Cómo actualizar el modelo . . . . . . . . . . . . . . . . . . . . . . . . . 206 Ejercicio 21: Brida . . . . . . . . . . . . . . . . . . . . . . . . . . . . . . . . . . 211 Ejercicio 22: Rueda. . . . . . . . . . . . . . . . . . . . . . . . . . . . . . . . . . 212 Ejercicio 23: Chapa de compresión . . . . . . . . . . . . . . . . . . . . . 214 Ejercicio 24: Portaherramientas . . . . . . . . . . . . . . . . . . . . . . . . 216 Ejercicio 25: Barridos . . . . . . . . . . . . . . . . . . . . . . . . . . . . . . . . 217 Pasador de chaveta . . . . . . . . . . . . . . . . . . . . . . . . . . . . . . . 217 Clip . . . . . . . . . . . . . . . . . . . . . . . . . . . . . . . . . . . . . . . . . . . 217 Barrido de inglete . . . . . . . . . . . . . . . . . . . . . . . . . . . . . . . . 218 Ejercicio 26: COSMOSXpress . . . . . . . . . . . . . . . . . . . . . . . . . 219 Lección 7: Cómo editar: Reparaciones Edición de piezas . . . . . . . . . . . . . . . . . . . . . . . . . . . . . . . . . . . 223 Etapas del proceso . . . . . . . . . . . . . . . . . . . . . . . . . . . . . . . 223 Temas de edición. . . . . . . . . . . . . . . . . . . . . . . . . . . . . . . . . . . . 224 Información proveniente de un modelo . . . . . . . . . . . . . . . 224 Cómo encontrar y reparar problemas . . . . . . . . . . . . . . . . . 224 Diálogo ¿Qué errores hay? . . . . . . . . . . . . . . . . . . . . . . . . . 225 Por dónde empezar . . . . . . . . . . . . . . . . . . . . . . . . . . . . . . . 226 Comprobar croquis para operación. . . . . . . . . . . . . . . . . . . . . . 227 Designación por ventana. . . . . . . . . . . . . . . . . . . . . . . . . . . 228 Cómo reparar el croquis . . . . . . . . . . . . . . . . . . . . . . . . . . . 229 Información proveniente de un modelo . . . . . . . . . . . . . . . . . . 233 Retroceder a un croquis . . . . . . . . . . . . . . . . . . . . . . . . . . . 238 Herramientas de reconstrucción . . . . . . . . . . . . . . . . . . . . . . . . 241 Retroceder a operación . . . . . . . . . . . . . . . . . . . . . . . . . . . . 241 Supresión de operaciones . . . . . . . . . . . . . . . . . . . . . . . . . . 241 Interrupción e información de reconstrucción . . . . . . . . . . 241 Informe del tiempo de recálculo . . . . . . . . . . . . . . . . . . . . . 241 Ejercicio 27: Errors1. . . . . . . . . . . . . . . . . . . . . . . . . . . . . . . . . 245 Ejercicio 28: Errors2. . . . . . . . . . . . . . . . . . . . . . . . . . . . . . . . . 246 Ejercicio 29: Copiar y relaciones colgantes . . . . . . . . . . . . . . . 247 Lección 8: Cómo editar: Cambios en el diseño Edición de piezas . . . . . . . . . . . . . . . . . . . . . . . . . . . . . . . . . . . 251 Etapas del proceso . . . . . . . . . . . . . . . . . . . . . . . . . . . . . . . 251 Cambios en el diseño . . . . . . . . . . . . . . . . . . . . . . . . . . . . . . . . 251 Cambios requeridos . . . . . . . . . . . . . . . . . . . . . . . . . . . . . . 252 Eliminaciones . . . . . . . . . . . . . . . . . . . . . . . . . . . . . . . . . . . 252 Editar operación . . . . . . . . . . . . . . . . . . . . . . . . . . . . . . . . . 253 Reordenar . . . . . . . . . . . . . . . . . . . . . . . . . . . . . . . . . . . . . . 254 Editar croquis . . . . . . . . . . . . . . . . . . . . . . . . . . . . . . . . . . . 255 Retroceder. . . . . . . . . . . . . . . . . . . . . . . . . . . . . . . . . . . . . . 258 Contornos de croquis . . . . . . . . . . . . . . . . . . . . . . . . . . . . . . . . 259
  • 10.
    Manual de formaciónSolidWorks 2006 vii Contornos disponibles. . . . . . . . . . . . . . . . . . . . . . . . . . . . . 259 Croquis compartidos. . . . . . . . . . . . . . . . . . . . . . . . . . . . . . 260 Cómo copiar redondeos . . . . . . . . . . . . . . . . . . . . . . . . . . . 261 Cómo agregar texturas . . . . . . . . . . . . . . . . . . . . . . . . . . . . . . . 264 Ejercicio 30: Cambios. . . . . . . . . . . . . . . . . . . . . . . . . . . . . . . . 267 Ejercicio 31: Cómo agregar ángulo de salida . . . . . . . . . . . . . . 269 Ejercicio 32: Cómo editar. . . . . . . . . . . . . . . . . . . . . . . . . . . . . 270 Ejercicio 33: Croquis de contorno #1-#4 . . . . . . . . . . . . . . . . . 271 Ejercicio 34: Brazo de un asa . . . . . . . . . . . . . . . . . . . . . . . . . . 272 Ejercicio 35: Bomba de aceite . . . . . . . . . . . . . . . . . . . . . . . . . 274 Ejercicio 36: Cómo utilizar la herramienta de seleccionar contornos. . . . . . . . . . . . . . . . . . . . . . . . . . . . . . . . . . . . . . . . . . 276 Lección 9: Configuraciones de las piezas Configuraciones . . . . . . . . . . . . . . . . . . . . . . . . . . . . . . . . . . . . 279 Terminología. . . . . . . . . . . . . . . . . . . . . . . . . . . . . . . . . . . . 279 Utilización de configuraciones . . . . . . . . . . . . . . . . . . . . . . . . . 280 Acceso al Configuration-Manager . . . . . . . . . . . . . . . . . . . 280 Cómo agregar nuevas configuraciones. . . . . . . . . . . . . . . . 281 Definición de la configuración . . . . . . . . . . . . . . . . . . . . . . 282 Cómo cambiar configuraciones . . . . . . . . . . . . . . . . . . . . . 284 Cómo cambiar de nombre y copiar configuraciones . . . . . 284 Cómo editar piezas que tienen configuraciones . . . . . . . . . . . . 286 Biblioteca de diseño . . . . . . . . . . . . . . . . . . . . . . . . . . . . . . . . . 288 La carpeta Operaciones. . . . . . . . . . . . . . . . . . . . . . . . . . . . 288 Configuración predeterminada . . . . . . . . . . . . . . . . . . . . . . 288 Referencias múltiples . . . . . . . . . . . . . . . . . . . . . . . . . . . . . 289 Colocación en caras circulares . . . . . . . . . . . . . . . . . . . . . . 290 Ejercicio 37: Configuraciones . . . . . . . . . . . . . . . . . . . . . . . . . 293 Ejercicio 38: Más configuraciones . . . . . . . . . . . . . . . . . . . . . . 295 Ejercicio 39: Cómo trabajar con configuraciones. . . . . . . . . . . 297 Lección 10: Tablas de diseño y ecuaciones Tablas de diseño . . . . . . . . . . . . . . . . . . . . . . . . . . . . . . . . . . . . 303 Temas clave . . . . . . . . . . . . . . . . . . . . . . . . . . . . . . . . . . . . 303 Vincular valores . . . . . . . . . . . . . . . . . . . . . . . . . . . . . . . . . . . . 304 Ecuaciones . . . . . . . . . . . . . . . . . . . . . . . . . . . . . . . . . . . . . . . . 305 Preparación para ecuaciones. . . . . . . . . . . . . . . . . . . . . . . . 306 Funciones . . . . . . . . . . . . . . . . . . . . . . . . . . . . . . . . . . . . . . 306 Formato de las ecuaciones . . . . . . . . . . . . . . . . . . . . . . . . . 307 Algunas consideraciones finales sobre las ecuaciones . . . . 309 Tablas de diseño . . . . . . . . . . . . . . . . . . . . . . . . . . . . . . . . . . . . 309 Crear una tabla de diseño automáticamente . . . . . . . . . . . . 309 Formatos de Excel . . . . . . . . . . . . . . . . . . . . . . . . . . . . . . . 311 Anatomía de una tabla de diseño . . . . . . . . . . . . . . . . . . . . 312 Agregar nuevos encabezados . . . . . . . . . . . . . . . . . . . . . . . 313 Agregar configuraciones a la tabla . . . . . . . . . . . . . . . . . . . 313 Tablas de diseño existentes. . . . . . . . . . . . . . . . . . . . . . . . . . . . 315 Cómo insertar la tabla de diseño. . . . . . . . . . . . . . . . . . . . . 316 Cómo insertar tablas de diseño en blanco. . . . . . . . . . . . . . 318
  • 11.
    Manual de formaciónSolidWorks 2006 viii Como guardar una tabla de diseño . . . . . . . . . . . . . . . . . . . 318 Otros usos de las configuraciones. . . . . . . . . . . . . . . . . . . . 319 Estrategias de modelado para las configuraciones . . . . . . . . . . 320 Otros aspectos acerca de cómo realizar dibujos . . . . . . . . . . . . 321 Propiedades de dibujo. . . . . . . . . . . . . . . . . . . . . . . . . . . . . 321 Vista de sección simple. . . . . . . . . . . . . . . . . . . . . . . . . . . . 323 Vistas de detalle . . . . . . . . . . . . . . . . . . . . . . . . . . . . . . . . . 323 Anotaciones . . . . . . . . . . . . . . . . . . . . . . . . . . . . . . . . . . . . 325 Cotas de coordenadas . . . . . . . . . . . . . . . . . . . . . . . . . . . . . 326 Notas paramétricas . . . . . . . . . . . . . . . . . . . . . . . . . . . . . . . 327 Área rayada. . . . . . . . . . . . . . . . . . . . . . . . . . . . . . . . . . . . . 329 Tablas de diseño en un dibujo. . . . . . . . . . . . . . . . . . . . . . . 330 En el curso avanzado... . . . . . . . . . . . . . . . . . . . . . . . . . . . . . . . 331 Ejercicio 40: Utilizar Vincular valores . . . . . . . . . . . . . . . . . . . 333 Ejercicio 41: Utilizar ecuaciones . . . . . . . . . . . . . . . . . . . . . . . 334 Ejercicio 42: Tablas de diseño de piezas . . . . . . . . . . . . . . . . . 335 Ejercicio 43: Configuraciones existentes y tablas de diseño vinculadas . . . . . . . . . . . . . . . . . . . . . . . . . . . . . . . . . . . . . . . . . 338 Ejercicio 44: Cómo diseñar configuraciones . . . . . . . . . . . . . . 339 Ejercicio 45: Dibujos . . . . . . . . . . . . . . . . . . . . . . . . . . . . . . . . 343 Lección 11: Vaciado y nervios Vaciado y nervios . . . . . . . . . . . . . . . . . . . . . . . . . . . . . . . . . . . 347 Etapas del proceso . . . . . . . . . . . . . . . . . . . . . . . . . . . . . . . 347 Cómo analizar y agregar ángulos de salida . . . . . . . . . . . . . . . 347 Análisis de ángulo de salida . . . . . . . . . . . . . . . . . . . . . . . . 348 Otras opciones de ángulo de salida. . . . . . . . . . . . . . . . . . . . . . 349 Ángulo de salida utilizando un plano neutro . . . . . . . . . . . 350 Vaciado . . . . . . . . . . . . . . . . . . . . . . . . . . . . . . . . . . . . . . . . . . . 351 Orden de operaciones . . . . . . . . . . . . . . . . . . . . . . . . . . . . . 351 Selección de cara . . . . . . . . . . . . . . . . . . . . . . . . . . . . . . . . 351 Planos de referencia . . . . . . . . . . . . . . . . . . . . . . . . . . . . . . 352 Nervios . . . . . . . . . . . . . . . . . . . . . . . . . . . . . . . . . . . . . . . . . . . 355 Croquis de nervio . . . . . . . . . . . . . . . . . . . . . . . . . . . . . . . . 355 Redondeos completos . . . . . . . . . . . . . . . . . . . . . . . . . . . . . . . . 359 Operaciones lámina. . . . . . . . . . . . . . . . . . . . . . . . . . . . . . . . . . 360 Ejercicio 46: Tapa de bomba . . . . . . . . . . . . . . . . . . . . . . . . . . 363 Ejercicio 47: Bola de ventilador de techo. . . . . . . . . . . . . . . . . 365 Ejercicio 48: Blindaje de motor . . . . . . . . . . . . . . . . . . . . . . . . 367 Ejercicio 49: Brazo . . . . . . . . . . . . . . . . . . . . . . . . . . . . . . . . . . 369 Ejercicio 50: Gancho . . . . . . . . . . . . . . . . . . . . . . . . . . . . . . . . 370 Ejercicio 51: Secador de cabello. . . . . . . . . . . . . . . . . . . . . . . . 371 Ejercicio 52: Blindaje de cara. . . . . . . . . . . . . . . . . . . . . . . . . . 372 Lección 12: Modelado de ensamblaje ascendente Estudio de casos: Junta universal . . . . . . . . . . . . . . . . . . . . . . . 377 Ensamblaje ascendente . . . . . . . . . . . . . . . . . . . . . . . . . . . . . . . 377 Etapas del proceso . . . . . . . . . . . . . . . . . . . . . . . . . . . . . . . 377 El ensamblaje . . . . . . . . . . . . . . . . . . . . . . . . . . . . . . . . . . . 378 Cómo crear un nuevo ensamblaje. . . . . . . . . . . . . . . . . . . . . . . 379 Posición del primer componente. . . . . . . . . . . . . . . . . . . . . . . . 380
  • 12.
    Manual de formaciónSolidWorks 2006 ix Gestor de diseño y símbolos del FeatureManager . . . . . . . . . . 380 Grados de libertad. . . . . . . . . . . . . . . . . . . . . . . . . . . . . . . . 381 Componentes . . . . . . . . . . . . . . . . . . . . . . . . . . . . . . . . . . . 381 Anotaciones . . . . . . . . . . . . . . . . . . . . . . . . . . . . . . . . . . . . 382 Marcador Retroceder . . . . . . . . . . . . . . . . . . . . . . . . . . . . . 382 Reordenar . . . . . . . . . . . . . . . . . . . . . . . . . . . . . . . . . . . . . . 382 Grupos de relaciones de posición . . . . . . . . . . . . . . . . . . . . 382 Cómo agregar componentes . . . . . . . . . . . . . . . . . . . . . . . . . . . 383 Insertar componente . . . . . . . . . . . . . . . . . . . . . . . . . . . . . . 383 Cómo mover y girar componentes . . . . . . . . . . . . . . . . . . . 384 Establecer una relación de posición con otro componente. 385 Alineación y tipos de relaciones de posición . . . . . . . . . . . 386 Cómo establecer relaciones de posición concéntricas y coincidentes . . . . . . . . . . . . . . . . . . . . . . . . . . . . . . . . . . . . 388 Relación de posición Ancho . . . . . . . . . . . . . . . . . . . . . . . . 392 Relación de posición paralela . . . . . . . . . . . . . . . . . . . . . . . 396 Cómo visualizar configuraciones de piezas en un ensamblaje . . . . . . . . . . . . . . . . . . . . . . . . . . . . . . . . . . . 396 El pasador . . . . . . . . . . . . . . . . . . . . . . . . . . . . . . . . . . . . . . 396 Cómo utilizar configuraciones de piezas en ensamblajes. . . . . 396 El segundo Pasador. . . . . . . . . . . . . . . . . . . . . . . . . . . . . . . 398 Cómo abrir un componente. . . . . . . . . . . . . . . . . . . . . . . . . 398 Cómo crear copias de instancias. . . . . . . . . . . . . . . . . . . . . . . . 400 Cómo ocultar componente y transparencia de componente . . . 400 Propiedades de componente . . . . . . . . . . . . . . . . . . . . . . . . . . . 402 Subensamblajes. . . . . . . . . . . . . . . . . . . . . . . . . . . . . . . . . . . . . 403 Smart Mates . . . . . . . . . . . . . . . . . . . . . . . . . . . . . . . . . . . . . . . 404 Cómo insertar subensamblajes . . . . . . . . . . . . . . . . . . . . . . . . . 405 Cómo establecer relaciones de posición entre subensamblajes . . . . . . . . . . . . . . . . . . . . . . . . . . . . . . . . . . 406 Relaciones de posición Distancia . . . . . . . . . . . . . . . . . . . . 407 Ejercicio 53: Ensamblaje Caja de cambios. . . . . . . . . . . . . . . . 411 Ejercicio 54: Tablas de diseño de piezas en un ensamblaje . . . 415 Ejercicio 55: Relaciones de posición . . . . . . . . . . . . . . . . . . . . 417 Ejercicio 56: Cambios en la junta en U . . . . . . . . . . . . . . . . . . 418 Ejercicio 57: Molinillo . . . . . . . . . . . . . . . . . . . . . . . . . . . . . . . 420 Lección 13: Cómo usar ensamblajes Cómo usar ensamblajes . . . . . . . . . . . . . . . . . . . . . . . . . . . . . . 425 Etapas del proceso . . . . . . . . . . . . . . . . . . . . . . . . . . . . . . . 425 Cómo analizar el ensamblaje . . . . . . . . . . . . . . . . . . . . . . . . . . 426 Cálculos de propiedades físicas . . . . . . . . . . . . . . . . . . . . . 426 Cómo verificar la interferencia. . . . . . . . . . . . . . . . . . . . . . 427 Detección de interferencias estática contra dinámica. . . . . 429 Consideraciones de rendimiento. . . . . . . . . . . . . . . . . . . . . 430 Cómo cambiar los valores de las cotas . . . . . . . . . . . . . . . . . . . 431 Cómo utilizar Cinemática con colisiones físicas . . . . . . . . . . . 433 Ejemplos . . . . . . . . . . . . . . . . . . . . . . . . . . . . . . . . . . . . . . . 433 Sugerencias para trabajar con Cinemática con colisiones físicas . . . . . . . . . . . . . . . . . . . . . . . . . . . . . . . . . 435
  • 13.
    Manual de formaciónSolidWorks 2006 x Simulación física. . . . . . . . . . . . . . . . . . . . . . . . . . . . . . . . . . . . 435 Barra de herramientas Simulación . . . . . . . . . . . . . . . . . . . 435 Opciones de la barra de herramientas. . . . . . . . . . . . . . . . . 436 Elementos de simulación . . . . . . . . . . . . . . . . . . . . . . . . . . 436 Controlador de animaciones . . . . . . . . . . . . . . . . . . . . . . . . 437 Opciones de reproducción . . . . . . . . . . . . . . . . . . . . . . . . . 437 Gestor de diseño del FeatureManager . . . . . . . . . . . . . . . . 437 Ensamblajes explosionados . . . . . . . . . . . . . . . . . . . . . . . . . . . 439 Configuración de la vista explosionada . . . . . . . . . . . . . . . 439 Explosión de un solo componente . . . . . . . . . . . . . . . . . . . 441 Explosión de varios componentes. . . . . . . . . . . . . . . . . . . . 442 Explosión de componentes de subensamblajes . . . . . . . . . 443 Espaciado automático . . . . . . . . . . . . . . . . . . . . . . . . . . . . . 443 Reutilización de explosiones . . . . . . . . . . . . . . . . . . . . . . . 444 Croquis con líneas de explosión . . . . . . . . . . . . . . . . . . . . . . . . 445 Líneas de explosión . . . . . . . . . . . . . . . . . . . . . . . . . . . . . . 445 Cómo animar vistas explosionadas. . . . . . . . . . . . . . . . . . . 447 Dibujos de ensamblajes . . . . . . . . . . . . . . . . . . . . . . . . . . . . . . 448 Lista de materiales . . . . . . . . . . . . . . . . . . . . . . . . . . . . . . . 449 Cómo agregar globos . . . . . . . . . . . . . . . . . . . . . . . . . . . . . 450 En el curso Dibujos... . . . . . . . . . . . . . . . . . . . . . . . . . . . . . . . . 450 Ejercicio 58: Cómo utilizar la detección de colisión . . . . . . . . 451 Ejercicio 59: Vistas explosionadas . . . . . . . . . . . . . . . . . . . . . . 452 Ejercicio 60: Vistas explosionadas y dibujos de ensamblajes . 453 Apéndice Configuración de Opciones . . . . . . . . . . . . . . . . . . . . . . . . . . . 457 Cómo aplicar los cambios. . . . . . . . . . . . . . . . . . . . . . . . . . 457 Cómo cambiar las opciones predeterminadas. . . . . . . . . . . 457 Configuración sugerida. . . . . . . . . . . . . . . . . . . . . . . . . . . . 457 Plantillas de documento . . . . . . . . . . . . . . . . . . . . . . . . . . . . . . 458 Cómo crear una plantilla de pieza. . . . . . . . . . . . . . . . . . . . 458 Plantillas de dibujo y formatos de hoja. . . . . . . . . . . . . . . . 461 Cómo organizar sus plantillas. . . . . . . . . . . . . . . . . . . . . . . 461 Plantillas predeterminadas . . . . . . . . . . . . . . . . . . . . . . . . . 461
  • 14.
    Manual de formaciónSolidWorks 2006 1 Lección 1 Introducción Al finalizar esta lección, podrá: Describir las características clave de un modelo sólido y paramétrico basado en operaciones. Distinguir entre las operaciones croquizadas y aplicadas. Identificar los principales componentes de la interfaz de usuario de SolidWorks. Explicar cómo los diferentes métodos de acotación conducen a diferentes interpretaciones de la intención de los diseños.
  • 15.
    Lección 1 Manualde formación SolidWorks 2006 Introducción 2
  • 16.
    Manual de formaciónSolidWorks 2006 Lección 1 Introducción Informaciones sobre este curso 3 Informaciones sobre este curso El objetivo de este curso es enseñarle a utilizar el software de automatización de diseño mecánico para construir modelos paramétricos de piezas y ensamblajes, así como el método para realizar dibujos simples de esas piezas y ensamblajes. SolidWorks 2006 es una aplicación tan sólida y tan rica en operaciones que resulta poco práctico analizar minuciosamente todos los aspectos y detalles en este curso. Aun así, la extensión del curso es considerable. Por lo tanto, este curso se centra en las funciones y los conceptos básicos que son cruciales para un uso correcto de SolidWorks 2006. Debe considerar el manual del curso de formación como un anexo de la documentación del sistema y la ayuda en línea y no como un substituto de éstos. Una vez que haya adquirido los conocimientos para utilizar las funciones básicas, puede consultar la ayuda en línea para obtener información sobre las opciones de comando que se utilizan con menor frecuencia. Condiciones previas Los estudiantes que asistan al curso deben: Tener experiencia en el diseño mecánico. Tener experiencia con el sistema operativo Windows™. Leer el manual Introducción a SolidWorks. Se incluye una copia de este manual junto con su software. O bien puede acceder a la versión en línea de este manual haciendo clic en Ayuda, Introducción a SolidWorks. Haber realizado los tutoriales en línea integrados en el software de SolidWorks. Puede acceder a los tutoriales en línea haciendo clic en Ayuda, Tutorial en línea. Diseño del curso El curso se ha diseñado mediante un enfoque de aprendizaje que se basa en las tareas o los procesos. A diferencia de los cursos que se basan en las operaciones y las funciones, un curso de formación que se basa en los procesos destaca los procesos y los procedimientos que se deben seguir para llevar a cabo una determinada tarea. Mediante la utilización de estudios de casos para ilustrar estos procesos, usted aprenderá a utilizar los menús, las opciones y los comandos necesarios para llevar a cabo una tarea de diseño. Cómo utilizar este manual Este manual de formación se ha concebido para que se utilice en un aula con la asistencia de un instructor que tenga experiencia en SolidWorks. No se ha concebido como tutorial autodidáctico. Los ejemplos y los casos de estudio están diseñados para que el instructor los realice “en directo”. Ejercicios de laboratorio Los ejercicios de laboratorio le proporcionan la oportunidad de aplicar y poner en práctica el material tratado en la lectura/ demostración práctica del curso. Se han concebido para representar las situaciones de modelos y de diseño típicos, teniendo en cuenta que deben ser lo suficientemente sencillos como para que se puedan realizar durante las horas de clase. Tenga en cuenta que cada estudiante tiene su propio ritmo de trabajo. En consecuencia, hemos incluido más ejercicios de laboratorio de los que normalmente se pueden realizar durante el curso. Con ello, se garantiza que ni siquiera al estudiante más veloz le falten ejercicios.
  • 17.
    Lección 1 Manualde formación SolidWorks 2006 Introducción 4 Informaciones sobre este curso Consideraciones sobre las cotas Los dibujos y las cotas facilitadas en los ejercicios de laboratorio no se han concebido para reflejar ningún estándar particular de croquizado. De hecho, en algunas ocasiones las cotas se proporcionan en una forma que el sector industrial nunca aceptaría. La razón para ello es que los laboratorios están diseñados para animarle a aplicar la información tratada en clase y para utilizar y reforzar ciertas técnicas de modelado. En consecuencia, los dibujos y las cotas de los ejercicios se han diseñado como complementos para alcanzar este objetivo. Informaciones acerca del CD La tapa trasera contiene un CD con copias de los diferentes archivos que se utilizan a lo largo del curso. Las mismas se organizan por número de lección. La carpeta Case Study (Estudio de casos) incluida en cada lección contiene los archivos que su instructor utiliza mientras presenta las lecciones. La carpeta Exercises (Ejercicios) contiene todos los archivos necesarios para realizar los ejercicios de laboratorio. Windows® 2000 y Windows® XP Las capturas de pantalla de este manual se hicieron con SolidWorks 2006 en Windows® 2000 y Windows® XP. Es posible que observe diferencias en el aspecto de los menús y las ventanas. Estas diferencias no afectan al rendimiento del software. Convenciones que se utilizan en este manual En este manual se utilizan las siguientes convenciones tipográficas: Utilización del color En la interfaz de usuario de SolidWorks, se utilizan de forma extensa los colores para destacar la geometría seleccionada y para proporcionar una ayuda visual. Con ello, se aumenta el grado de intuición y la facilidad al utilizar el software de SolidWorks. Para sacar el máximo provecho de ello, los materiales de formación se han impreso en color. Convención Significado Sans Serif Negrita Las opciones y los comandos de SolidWorks aparecen en este estilo. Por ejemplo, Insertar, Saliente significa escoger la opción Saliente del menú Insertar. Fuente máquina de escribir Los nombres de las operaciones, así como el de los archivos, aparecen en este estilo. Por ejemplo, Sketch1. 17 Realice este paso Las líneas dobles se colocan antes y después de las secciones de los procedimientos. De esta manera, se separan los pasos del procedimiento y los grandes bloques de explicaciones. Los pasos se numeran utilizando el estilo sans serif negrita.
  • 18.
    Manual de formaciónSolidWorks 2006 Lección 1 Introducción ¿Qué es el software de SolidWorks? 5 Asimismo, en muchas ocasiones, se han utilizado colores adicionales en las ilustraciones para comunicar conceptos, identificar operaciones y, además, transmitir información importante. Por ejemplo, es posible que se muestren los resultados de una operación de redondeo con los redondeos en un color diferente, aunque de modo predeterminado el software de SolidWorks no muestre los resultados de esa manera. ¿Qué es el software de SolidWorks? El software de automatización de diseño mecánico de SolidWorks es una herramienta de diseño de modelado sólido paramétrica y basada en operaciones que aprovecha la facilidad de aprendizaje de la interfaz gráfica de usuario de Windows™. Puede crear modelos sólidos en 3D totalmente asociativos con o sin restricciones mientras utiliza al mismo tiempo las relaciones automáticas o definidas por el usuario para capturar la intención del diseño. Los términos que aparecen en cursiva significan lo siguiente: Basado en operaciones Del mismo modo que un ensamblaje está compuesto por una serie de piezas individuales, un modelo de SolidWorks también está compuesto por elementos individuales. Dichos elementos se denominan operaciones. Cuando usted crea un modelo mediante el software de SolidWorks, trabaja con operaciones geométricas inteligentes y fáciles de entender, como salientes, cortes, taladros, nervios, redondeos, chaflanes y ángulos de salida. A medida que se crean estas operaciones, las mismas se aplican directamente a la pieza con la que está trabajando. Las operaciones se pueden clasificar como croquizadas o aplicadas. Operaciones croquizadas: las que se basan en un croquis en 2D. Generalmente, ese croquis se transforma en un sólido mediante extrusión, rotación, barrido o recubrimiento. Operaciones aplicadas: las que se crean directamente en el modelo sólido. Los redondeos y los chaflanes son ejemplos de este tipo de operación. El software de SolidWorks muestra gráficamente la estructura basada en operaciones del modelo en una ventana especial denominada Gestor de diseño del FeatureManager®. El gestor de diseño del FeatureManager no sólo muestra la secuencia en la que se han creado las operaciones, sino que también le facilita el acceso a toda la información relacionada subyacente. A lo largo de este curso, aprenderá más cosas sobre el gestor de diseño del FeatureManager.
  • 19.
    Lección 1 Manualde formación SolidWorks 2006 Introducción 6 ¿Qué es el software de SolidWorks? Para ilustrar el concepto del modelado basado en operaciones, considere la pieza que se muestra en la parte derecha: Esta pieza se puede visualizar como una colección de diversas operaciones diferentes; algunas agregan material, como el saliente cilíndrico, y otras eliminan material, como el taladro hasta profundidad especificada. Si se tuvieran que asignar las operaciones individuales a su correspondiente lista en el gestor de diseño del FeatureManager, el resultado tendría un aspecto similar a éste: Paramétrico Las cotas y las relaciones utilizadas para crear una operación se capturan y se almacenan en el modelo. Gracias a ello, no sólo es posible la captura de la intención del diseño, sino que también se pueden realizar de manera rápida y sencilla cambios en el modelo. Cotas conductoras: cotas utilizadas al crear una operación. Incluyen las cotas relacionadas con la geometría de croquis, así como las relacionadas con la operación en sí. Una operación como un saliente cilíndrico sería un ejemplo simple de ello. El diámetro del círculo del croquis controla el diámetro del
  • 20.
    Manual de formaciónSolidWorks 2006 Lección 1 Introducción ¿Qué es el software de SolidWorks? 7 saliente. La profundidad a la que se realizó la extrusión del círculo cuando se realizó la operación controla la altura del saliente. Relaciones: incluyen información del tipo paralelismo, tangencia y concentricidad. Históricamente, este tipo de información se ha comunicado en los dibujos a través de los símbolos de control de las operaciones. Capturando esto en el croquis, SolidWorks le permite capturar totalmente la intención del diseño directamente en el modelo. Modelado sólido Un modelo sólido es el tipo más completo de modelo geométrico utilizado en los sistemas de CAD. Contiene toda la geometría de superficie y alámbrica necesaria para describir detalladamente las aristas y las caras del modelo. Además de la información geométrica, contiene toda la información denominada topológica que interrelaciona la geometría. Un ejemplo de información topológica sería qué caras (superficies) se encuentran en qué arista (curva). La inteligencia hace que funciones como el redondeo resulten tan fáciles como seleccionar una arista y especificar un radio. Totalmente asociativo Un modelo de SolidWorks es totalmente asociativo a los dibujos y ensamblajes a los que hace referencia. Los cambios efectuados en el modelo se reflejan automáticamente en los dibujos y ensamblajes relacionados. De un modo similar, puede efectuar modificaciones en el contexto del dibujo o del ensamblaje y tener la certeza de que esas modificaciones se reflejarán en el modelo Restricciones Las relaciones geométricas paralelas, perpendiculares, horizontales, verticales, concéntricas y coincidentes son tan sólo algunas de las restricciones que SolidWorks admite. Además, se pueden utilizar ecuaciones para establecer relaciones matemáticas entre los parámetros. Mediante las restricciones y las ecuaciones, puede garantizar que se capturen y se mantengan los conceptos del diseño, como los taladros o los radios iguales. Intención del diseño La intención del diseño es el plan que ha establecido con relación al comportamiento que debe presentar el modelo al modificarlo. Por ejemplo, si modela un saliente que contenga un taladro hasta profundidad especificada, el taladro debería desplazarse al desplazarse el saliente. De un modo similar, si modela una matriz de taladro circular compuesta por seis taladros separados por una distancia equitativa, el ángulo entre los taladros debe cambiar automáticamente al cambiar el número de taladros de seis a ocho. Las técnicas utilizadas para crear el modelo determinan cómo y qué tipo de intención del diseño se captura.
  • 21.
    Lección 1 Manualde formación SolidWorks 2006 Introducción 8 Intención del diseño Intención del diseño Para utilizar con eficacia un modelador paramétrico como SolidWorks, debe tener en cuenta la intención del diseño antes de modelar. La intención del diseño es el plan que ha establecido con relación al comportamiento que debe presentar el modelo al modificarlo. La manera en que se ha creado el modelo regirá el modo en que se modificará. Existen diversos factores que contribuyen al modo en que se captura la intención del diseño: Relaciones automáticas (croquis) En función del croquis que se ha realizado de la geometría, estas relaciones pueden proporcionar relaciones geométricas comunes entre los objetos, como paralela, perpendicular, horizontal y vertical. Ecuaciones Se utilizan para relacionar cotas en forma algebraica y proporcionan una forma externa de forzar cambios. Relaciones agregadas Añadidas al modelo cuando éste se crea, las relaciones proporcionan otra manera de conectar la geometría relacionada. Algunas relaciones comunes son la concéntrica, tangente, coincidente y colineal. Acotación La manera en la que se acote un croquis influirá en la intención del diseño. Agregue las cotas de manera que reflejen cómo desea modificarlas. Ejemplos de intenciones del diseño A continuación, le mostramos algunos ejemplos de intenciones de diseño en un croquis. Un croquis acotado de esta forma mantendrá los taladros a 20 mm de cada extremo, independientemente de cómo se modifique el ancho total de la chapa de 100 mm. Cotas de línea base como las que se presentan harán que los taladros se coloquen en relación con la arista izquierda de la chapa. Las modificaciones en el ancho global de la chapa no afectan las posiciones de los taladros.
  • 22.
    Manual de formaciónSolidWorks 2006 Lección 1 Introducción Intención del diseño 9 Las acotaciones desde la arista y de centro a centro mantendrán la distancia entre los centros de los taladros y permitirán que se modifique de esta manera. Cómo las operaciones afectan la intención del diseño La intención del diseño se ve afectada por algo más que por la mera acotación de un croquis. También reviste importancia la elección de las operaciones y la metodología de modelado. Por ejemplo, considere el caso de un eje único escalonado como se muestra en la parte derecha. Podemos construir una pieza como ésta de diversas maneras. El enfoque "por capas" El enfoque "por capas" construye las partes de la pieza una a una, agregando cada capa, u operación, a la anterior, como se muestra a continuación: La modificación del grosor de una capa posee un efecto en espiral, ya que modifica la posición del resto de las capas que se crearon posteriormente. El enfoque "torno de alfarero" El enfoque "torno de alfarero" construye la pieza como una operación Revolución simple. Un croquis simple que representa la sección transversal incluye toda la información y todas las cotas necesarias para construir la pieza como una operación. Aunque este enfoque pueda parecer muy eficaz, el hecho de poseer toda la información sobre el diseño en una operación simple limita la flexibilidad y puede complicar los cambios. El enfoque "fabricación" El enfoque "fabricación" aplicado al modelado imita la forma en la que se fabricaría la pieza. Por ejemplo, si se gira un eje escalonado en un torno, usted empezaría con una pieza de material de barra y quitaría material mediante una serie de cortes.
  • 23.
    Lección 1 Manualde formación SolidWorks 2006 Introducción 10 La interfaz de usuario de SolidWorks Iconos que no se pueden seleccionar A veces se encontrará con comandos, iconos y opciones de menú que aparecen atenuados y no se pueden seleccionar. Es posible que esto ocurra por no trabajar en el entorno adecuado para acceder a estas opciones. Por ejemplo, si trabaja en un croquis (modo Editar croquis), tiene acceso a todas las herramientas de croquizar. No obstante, no puede seleccionar los iconos como el redondeo o el chaflán en la barra de herramientas Operaciones. De un modo similar, si trabaja en modo Editar pieza, puede acceder a esos iconos, pero las herramientas de croquizar aparecen atenuadas y no se pueden seleccionar. Este diseño es útil para los usuarios con poca experiencia, ya que limita las elecciones únicamente a aquéllas que son adecuadas, atenuando las que no lo son. ¿Preseleccionar o no preseleccionar? Por norma general, el software de SolidWorks no requiere la preselección de objetos antes de abrir un menú o un cuadro de diálogo. Por ejemplo, si desea agregar redondeos a las arista del modelo, tiene total libertad: puede seleccionar las aristas primero y después hacer clic en la herramienta Redondeo o bien puede hacer clic en Redondeo y a continuación seleccionar las aristas. Usted elige. La interfaz de usuario de SolidWorks La interfaz de usuario de SolidWorks es una interfaz de Windows y, como tal, se comporta del mismo modo que el resto de las aplicaciones de Windows. A continuación, le presentamos algunos de los aspectos más importantes de la interfaz. Menús desplegables Zona de gráficos Ventana Sistema de referencia Barras Gestor de diseño del FeatureManager Área de estado Panel de Documento de herramientas tareas
  • 24.
    Manual de formaciónSolidWorks 2006 Lección 1 Introducción La interfaz de usuario de SolidWorks 11 Menús Los menús proporcionan acceso a todos los comandos que ofrece el software de SolidWorks. Cuando un elemento del menú tiene una flecha que señala hacia la derecha, como la siguiente: , significa que existe un submenú asociado a esa elección. Cuando una serie de puntos precede un elemento del menú, como en este caso: , significa que esa opción abre un cuadro de diálogo con información o elecciones adicionales. Cuando se selecciona el elemento Personalizar el menú, cada elemento aparece con una casilla de verificación. Si se desactiva la casilla de verificación, se elimina el elemento asociado del menú. Métodos abreviados del teclado Algunos elementos de menú indican un acceso directo del teclado como el siguiente: SolidWorks utiliza las convenciones estándar de Windows para los métodos abreviados, como por ejemplo Ctrl+A para Archivo, Abrir; Ctrl+G para Archivo, Guardar; Ctrl+Z para Edición, Deshacer, etcétera. Además, puede personalizar SolidWorks creando sus propios métodos abreviados.
  • 25.
    Lección 1 Manualde formación SolidWorks 2006 Introducción 12 La interfaz de usuario de SolidWorks Barras de herramientas Los menús de las barras de herramientas proporcionan accesos directos para acceder rápidamente a los comandos que se utilizan con mayor frecuencia. Las barras de herramientas están organizadas de acuerdo con la función y pueden personalizarse, eliminarse o volverse a organizar según sus preferencias. Las opciones individuales de las mismas se tratarán con más detalle a lo largo de este curso. Ejemplo de una barra de herramientas A continuación, se muestra un ejemplo de una barra de herramientas; en este caso, se trata de la barra de herramientas Estándar. Esta barra de herramientas contiene funciones de uso común como abrir documentos nuevos o existentes, guardar documentos, imprimir, copiar y pegar objetos, deshacer, rehacer y ayuda. Mostrar las barras de herramientas Puede activar o desactivar barras de herramientas utilizando uno de estos tres métodos: Haga clic en Herramientas, Personalizar. En la página Barras de herramientas, haga clic en las casillas de verificación para seleccionar cada barra de herramientas que desea mostrar. Borre las casillas de verificación de las barras de herramientas que desea ocultar. Nota Para acceder a Herramientas, Personalizar, debe tener un documento abierto. Además, se puede utilizar la pestaña Comandos para agregar o eliminar iconos de las barras de herramientas.
  • 26.
    Manual de formaciónSolidWorks 2006 Lección 1 Introducción La interfaz de usuario de SolidWorks 13 Personalización para flujo de trabajo Las barras de herramientas se pueden activar y desactivar en función del sector industrial mediante la opción Personalización para flujo de trabajo en la pestaña Opciones. Hay varios sectores industriales disponibles. Haga clic con el botón secundario de ratón en el área de la barra de herramientas de la ventana de SolidWorks. Las marcas de verificación indican las barras de herramientas actualmente visibles. Borre las marcas de verificación de las barras de herramientas que desea ocultar. Haga clic en Ver, Barras de herramientas. De este modo, visualizará la misma lista de barras de herramientas.
  • 27.
    Lección 1 Manualde formación SolidWorks 2006 Introducción 14 La interfaz de usuario de SolidWorks Cómo organizar las barras de herramientas Las barras de herramientas, incluido el Administrador de comandos, pueden organizarse de muchas maneras. Pueden distribuirse alrededor de los cuatro bordes de la ventana de SolidWorks o arrastrarse a las zonas de gráficos o del FeatureManager. Estas posiciones se “recuerdan” al salir de SolidWorks, de modo que la próxima vez que se inicie SolidWorks, las barras de herramientas estarán donde las dejó. A continuación, se muestra una de estas organizaciones. Sugerencias rápidas Las Sugerencias rápidas forman parte del sistema de ayuda en línea. Preguntan "¿Qué le gustaría hacer?" y proporcionan respuestas típicas según la tarea actual. Si hace clic en una respuesta, se resaltará la barra de herramientas y el icono necesarios para realizar dicha tarea. Barras de Administrador de comandos herramientas Activar y desactivar las sugerencias rápidas Activar/Desactivar
  • 28.
    Manual de formaciónSolidWorks 2006 Lección 1 Introducción La interfaz de usuario de SolidWorks 15 Gestor de diseño del FeatureManager El gestor de diseño del FeatureManager es una pieza única del software de SolidWorks que muestra todas las operaciones de una pieza o un ensamblaje. Las operaciones se agregan al gestor de diseño del FeatureManager a medida que se crean. Como resultado, el gestor de diseño del FeatureManager representa la secuencia cronológica de las operaciones de modelado. El gestor de diseño del FeatureManager también permite el acceso a la edición de las operaciones (objetos) que contiene. Menús del PropertyManager Muchos comandos de SolidWorks se ejecutan a través de los menús del PropertyManager. Los menús del PropertyManager ocupan la misma posición en pantalla que el gestor de diseño del FeatureManager y lo reemplazan cuando están en uso. El esquema de color y el aspecto de los menús del PropertyManager puede modificarse mediante Herramientas, Opciones, Colores. Consulte la ayuda en línea de SolidWorks para obtener más información. La fila superior de botones contiene los botones estándar Aceptar, Cancelar y Ayuda. Debajo de la fila superior de botones se encuentra uno o más Cuadros de grupo que contienen opciones relacionadas. Los mismos pueden abrirse (expandirse) o cerrarse (colapsarse) y en muchos casos activarse o desactivarse. Consideraciones acerca del Administrador de comandos El Administrador de comandos es un conjunto de barras de herramien- tas diseñado para ayudar al usuario principiante, que trabaja solo, a rea- lizar determinadas tareas. Por ejem- plo, la versión de pieza de la barra de herramientas tiene dos grupos prin- cipales: Las Operaciones y los Croquis aparecen como botones en la parte superior. En este manual no utilizará la barra de herramientas Administrador de comandos. En su lugar, se utilizará el conjunto de barras de herramientas estándar generales. Para obtener más información, consulte Barras de herramientas en la página 12. Aceptar Cancelar Ayuda Cuadro de grupo Abierto y activo Cuadro de grupo Cerrado e inactivo Icono Abrir y Cerrar
  • 29.
    Lección 1 Manualde formación SolidWorks 2006 Introducción 16 La interfaz de usuario de SolidWorks Panel de tareas La ventana Panel de tareas se utiliza para albergar las opciones Recursos de SolidWorks , Biblioteca de diseño y Explorador de archivos . La ventana aparece a la derecha de manera predeterminada pero se puede mover y su tamaño se puede ajustar. Se puede abrir/cerrar , fijar o mover desde su posición predeterminada en la parte derecha de la interfaz. Cómo abrir laboratorios con la Biblioteca de diseño Puede abrir las piezas y ensamblajes necesa- rios para los ejercicios de laboratorio con la biblioteca de diseño. Agregue los archivos de clase a la biblioteca de diseño con este procedimiento. Abra el Panel de tareas y la Biblioteca de diseño. Haga clic en Agregar ubicación de archivo . Seleccione la carpeta Essentials - Parts (Conceptos básicos: Piezas) y Assemblies (Ensamblajes) que se utiliza para los archivos de clase. Debería estar bajo la carpeta SolidWorks 2006 Training Files. Haga clic en Aceptar. Haga doble clic en el icono de la pieza o ensamblaje de la Biblioteca de diseño para abrirla.
  • 30.
    Manual de formaciónSolidWorks 2006 Lección 1 Introducción La interfaz de usuario de SolidWorks 17 Botones del ratón Los botones izquierdo, derecho y central del ratón tienen distintos significados en SolidWorks. Izquierdo Selecciona objetos como geometría, botones de menús y objetos en el gestor de diseño del FeatureManager. Derecho Activa un menú contextual sensible al contexto. El contenido del menú difiere según el objeto sobre el que se encuentra el cursor. Estos menús también representan accesos directos a comandos utilizados frecuentemente. Central Gira, traslada o aplica el zoom sobre una pieza o un ensamblaje. Traslada un dibujo. Ayuda del sistema La ayuda se brinda como un símbolo asociado a la flecha del cursor indicando lo que está seleccionando o lo que el sistema espera que seleccione. A medida que el cursor flota por el modelo, la ayuda vendrá en forma de símbolos, al lado del cursor. La ilustración de la derecha muestra algunos de los símbolos: vértices, aristas, caras y cotas. Opciones En el menú Herramientas, el cuadro de diálogo Opciones le permite personalizar el software de SolidWorks para reflejar elementos tales como estándares de croquizado al igual que sus preferencias individuales y su entorno de trabajo. Vértice Cara Cota Arista
  • 31.
    Lección 1 Manualde formación SolidWorks 2006 Introducción 18 La interfaz de usuario de SolidWorks Personalización Tiene diversos niveles de personalización. Estos objetos son: Opciones de sistema Las opciones agrupadas bajo el título Opciones de sistema se guardan en su sistema y afectan cada documento abierto en su sesión de SolidWorks. Los parámetros del sistema le permiten controlar y personalizar su entorno de trabajo. Por ejemplo, es posible que usted desee trabajar con una ventana de visualización a color. Yo no lo deseo. Puesto que éste es un parámetro del sistema, las piezas o los ensamblajes abiertos en su sistema tendrán una ventana a color. Los mismos archivos abiertos en mi sistema no lo tendrán. Propiedades de documento Ciertos parámetros se aplican al documento individual. Por ejemplo, las unidades, los estándares de croquizado y las propiedades del material (densidad) son parámetros de documento. Se guardan con el documento y no cambian, independientemente del sistema en el que se abre el documento. Para obtener más información sobre los parámetros de opciones utilizados en este curso, consulte Configuración de Opciones en la página 457 en el Apéndice. Plantillas de documentos Las plantillas de documentos son documentos predefinidos configurados con ciertos parámetros específicos. Por ejemplo, es posible que desee dos plantillas diferentes para las piezas. Una con parámetros en Inglés como estándares de croquizado ANSI y unidades en pulgadas y una con parámetros métricos como unidades en milímetros y estándares de croquizado ISO. Puede configurar tantas plantillas de documentos como necesite. Pueden organizarse en diferentes carpetas para tener un fácil acceso a las mismas al abrir documentos nuevos. Puede crear plantillas de documentos para piezas, ensamblajes y dibujos. Para obtener instrucciones más detalladas sobre la creación de plantillas de documentos, consulte Plantillas de documento en la página 458 en el Apéndice. Objeto Muchas veces, las propiedades de un objeto individual pueden cambiarse o editarse. Por ejemplo, puede cambiar la visualización predeterminada de una cota para suprimir una o ambas líneas de referencia o puede cambiar el color de una operación.
  • 32.
    Manual de formaciónSolidWorks 2006 19 Lección 2 Introducción al croquizado Al finalizar esta lección, podrá: Crear una pieza nueva. Insertar un nuevo croquis. Agregar geometría de croquis. Establecer relaciones de croquis entre piezas de geometría. Entender el estado del croquis. Utilizar herramientas de croquizar para agregar chaflanes y redondeos. Extruir el croquis para convertirlo en un sólido.
  • 33.
    Lección 2 Manualde formación SolidWorks 2006 Introducción al croquizado 20
  • 34.
    Manual de formaciónSolidWorks 2006 Lección 2 Introducción al croquizado Croquizado en 2D 21 Croquizado en 2D Esta lección presenta el croquizado en 2D, la base del modelado en SolidWorks. Los croquis se utilizan para todas las operaciones de croquizado en SolidWorks, incluyendo: Extrusiones Revoluciones Barridos Recubrimientos La ilustración a continuación muestra cómo un croquis dado puede formar la base de varios tipos diferentes de operaciones. En esta lección, se tratarán solamente las operaciones de extrusión. Las demás serán explicadas en detalle en lecciones o cursos posteriores. Etapas del proceso Cada croquis posee diversas características que contribuyen a su forma, tamaño y orientación. Nueva pieza Las nuevas piezas pueden ser creadas en pulgadas, milímetros u otras unidades. Las piezas son utilizadas para crear y contener al modelo sólido. Croquis Los croquis son colecciones de geometría 2D que se utilizan para crear operaciones sólidas. Geometría de croquis Tipos de geometrías 2D tales como líneas, círculos y rectángulos que conforman el croquis. Relaciones de croquis Relaciones geométricas tales como horizontal y vertical se aplican a la geometría de croquis. Las relaciones restringen el movimiento de las entidades. Extrusión Revolución Barrido Recubrimiento
  • 35.
    Lección 2 Manualde formación SolidWorks 2006 Introducción al croquizado 22 Etapas del proceso Estado del croquis Cada croquis posee un estado que determina si el mismo está listo o no para ser utilizado. El estado puede ser: completamente definido, insuficientemente definido o definido en exceso. Herramientas de croquizar Las herramientas pueden utilizarse para modificar la geometría de croquis que haya sido creada. Esto a menudo involucra el recorte o la extensión de las entidades. Cómo extruir el croquis La extrusión utiliza el croquis 2D para crear una operación sólida 3D. Procedimiento El proceso en esta lección incluye croquizado y extrusiones. Para comenzar, se crea un archivo para una nueva pieza. 1 Nueva pieza. Haga clic en Nuevo o haga clic en Archivo, Nuevo en la barra de herramientas Estándar. Haga clic en la plantilla Part_IN de la pestaña Training Templates (Plantillas de formación) en el cuadro de diálogo Nuevo documento de SolidWorks y haga clic en Aceptar. La pieza se crea con la configuración de la plantilla. Un parámetro clave es el dado por las unidades de la pieza. Como su nombre lo indica, esta plantilla de pieza utiliza pulgadas para las unidades. Usted puede crear y guardar la cantidad deseada de plantillas diferentes, todas con diferente configuración.
  • 36.
    Manual de formaciónSolidWorks 2006 Lección 2 Introducción al croquizado ¿Qué es lo que vamos a croquizar? 23 2 Cómo guardar una pieza. Utilice la opción Guardar del menú Archivo o seleccione el botón Guardar de la barra de herramientas Estándar para guardar la pieza con el nombre Plate. La extensión, *.sldprt, se agrega automáticamente. Haga clic en Guardar. ¿Qué es lo que vamos a croquizar? En esta sección se creará la primera operación de una pieza. Tal operación inicial es simplemente la primera de muchas operaciones necesarias para completar la pieza. Croquizado El croquizado es el acto de crear un perfil de 2 dimensiones compuesto por geometrías de estructura alámbrica. Los tipos de geometría más comunes son líneas, arcos, círculos y elipses. El croquizado es dinámico, con información proporcionada por el cursor para que la tarea sea más fácil. Planos predeterminados Para crear un croquis, debe elegir un plano sobre el cual croquizar. El sistema proporciona tres planos iniciales de manera predeterminada. Los mismos se denominan Alzado, Planta y Vista lateral. Introducción: Insertar croquis Cuando se crea un nuevo croquis, Insertar croquis abre el croquizador sobre el plano o la cara plana seleccionada actualmente. También puede utilizar Insertar croquis para editar un croquis existente.
  • 37.
    Lección 2 Manualde formación SolidWorks 2006 Introducción al croquizado 24 Croquizado Debe seleccionar un plano de referencia o una cara plana del modelo después de hacer clic en Insertar, Croquis. El cursor aparece para indicar que debería seleccionar una cara o un plano. Dónde encontrarlo Puede acceder al comando Insertar croquis de varias maneras. En la barra de herramientas Croquis, haga clic en la herramienta . O, en el menú Insertar, haga clic en Croquis. O, con el cursor colocado sobre un plano o cara plana del modelo, haga clic con el botón secundario del ratón y elija Insertar croquis en el menú contextual. 3 Abrir un nuevo croquis. Abra el croquis haciendo clic en o eligiendo Croquis en el menú Insertar. Se mostrarán los tres planos predeterminados para la selección con una orientación Trimétrica. Una vista Trimétrica es una orientación ilustrativa orientada de modo que los tres planos mutuamente perpendiculares aparezcan escorzados irregularmente. En la pantalla, elija el plano Alzado. El plano será resaltado y girará. Nota El Sistema de referencia (esquina inferior izquierda) muestra la orientación de los ejes de coordenadas del modelo (rojo-X, verde-Y y azul-Z) en todo momento. Puede ser útil mostrar cómo la orientación de la vista se ha cambiado con relación al Alzado. 4 Croquis activo. El plano Alzado seleccionado gira hasta quedar paralelo a la pantalla. Esto sólo sucede en el primer croquis de cada pieza El símbolo representa el origen del modelo de la pieza que es la intersección de los tres ejes X, Y y Z. Se muestra en color rojo, lo que indica que está activo.
  • 38.
    Manual de formaciónSolidWorks 2006 Lección 2 Introducción al croquizado Entidades de croquis 25 Introducción: Esquina de confirmación Cuando hay muchos comandos SolidWorks activos, un símbolo o conjunto de símbolos aparece en la esquina superior derecha de la zona de gráficos. Esta área se denomina Esquina de confirmación. Indicador de croquis Cuando un croquis está activo o abierto, la esquina de confirmación muestra dos símbolos. Uno tiene el aspecto de un croquis. El otro es una X roja. Estos símbolos proporcionan un recordatorio visual de que usted está activo en un croquis. Al hacer clic en el símbolo de croquis, saldrá de este último y se guardará cualquier cambio realizado. Al hacer clic en la X roja, saldrá del croquis y se descartará cualquier cambio realizado. Cuando otros comandos están activos, la esquina de confirmación muestra una marca de verificación y una X. La marca de verificación ejecuta el comando actual. La X cancela el comando. Entidades de croquis SolidWorks ofrece una completa variedad de herramientas de croquizar para la creación de geometría de perfiles. En esta lección, se utilizará solamente una de las formas más básicas: Líneas. Geometría de croquis El siguiente cuadro muestra las entidades básicas de croquis que están disponibles de manera predeterminada en la barra de herramientas Croquis. Entidad de croquis Botón de la barra de herramientas Ejemplo de geometría Línea Círculo Arco centro extremos Arco tangente Arco 3 puntos Elipse Elipse parcial
  • 39.
    Lección 2 Manualde formación SolidWorks 2006 Introducción al croquizado 26 Croquizado básico Croquizado básico La mejor forma de comenzar un croquizado es mediante el uso de la forma más elemental, la Línea. Cómo funciona el croquizado Existen dos técnicas que pueden ser utilizadas para croquizar geometría: Clic-clic Ubique el cursor en el lugar donde desea iniciar la línea. Haga clic (presione y suelte) con el botón izquierdo del ratón. Mueva el cursor hasta el lugar donde desea que la línea finalice. Una vista preliminar de la entidad de croquis seguirá al cursor como una banda elástica. Haga clic en el botón izquierdo del ratón por segunda vez. Clic-arrastrar Ubique el cursor en el lugar donde desea iniciar la línea. Presione y mantenga presionado el botón izquierdo del ratón. Arrastre el cursor hasta el lugar donde desea que la entidad de croquis finalice. Una vista preliminar de la entidad de croquis seguirá al cursor como una banda elástica. Suelte el botón izquierdo del ratón. Parábola Spline Polígono Rectángulo Paralelogramo Punto Línea constructiva Entidad de croquis Botón de la barra de herramientas Ejemplo de geometría
  • 40.
    Manual de formaciónSolidWorks 2006 Lección 2 Introducción al croquizado Croquizado básico 27 Introducción: Insertar línea La herramienta Línea crea segmentos de línea única en un croquis. Se pueden crear líneas horizontales y verticales durante el croquizado observando los símbolos de ayuda del cursor. Dónde encontrarlo En el menú Herramientas, seleccione Entidades de croquis, Línea. O, con el cursor en la ventana de gráficos, haga clic con el botón secundario del ratón y seleccione Línea en el menú contextual. O, en la barra de herramientas Croquis, haga clic en Línea . Introducción: Relaciones de croquis Relaciones de croquis se utiliza para forzar un comportamiento en un elemento de croquis, capturando así la intención del diseño. Las relaciones de croquis se describen en detalle en Relaciones de croquis en la página 33. 1 Croquizar una línea. Haga clic en la herramienta Línea y croquice una línea horizontal desde el origen. En el cursor aparece el símbolo “ ”, que indica que una relación Horizontal se está agregando automáticamente a la línea. El número indica la longitud de la línea. Vuelva a hacer clic para finalizar la línea. Importante No se preocupe demasiado tratando de darle la longitud exacta a la línea. El software de SolidWorks trabaja con cotas conductoras: las cotas controlan el tamaño de la geometría y no a la inversa. Dibuje el croquis aproximadamente con el tamaño y la forma correctos y luego utilice cotas para darle precisión. 2 Línea en ángulo. Comenzando en el extremo de la primera línea, croquice una línea en un ángulo. Líneas de inferencia (Relaciones automáticas) Además de los símbolos “ ” y “ ”, también aparecerán líneas de inferencia discontinuas para ayudarle con la alineación respecto de la geometría existente. Estas líneas incluyen vectores, líneas perpendiculares, horizontales, verticales, tangentes y centros existentes.
  • 41.
    Lección 2 Manualde formación SolidWorks 2006 Introducción al croquizado 28 Croquizado básico Observe que algunas líneas capturan las relaciones geométricas reales, mientras que otras simplemente actúan como guía o referencia mientras se croquiza. Una diferencia en el color de las líneas de inferencia las distinguirá. En la imagen de la derecha, las líneas etiquetadas “A” son verde oliva y si la línea de croquis se engancha a ellas, capturará una relación tangente o perpendicular. La línea etiquetada “B” es azul. Sólo proporciona una referencia, vertical en este caso, al otro punto final. Si la línea de croquis se termina en este punto, no será capturada ninguna relación vertical. Nota Se puede activar y desactivar la visualización de las relaciones de croquis que aparecen automáticamente mediante las opciones Ver, Relaciones de croquis. Las mismas permanecerán activas durante la fase inicial del croquizado. 3 Líneas de inferencia. Moverse en una dirección perpendicular a la línea anterior produce la visualización de las líneas de inferencia. Se crea una relación Perpendicular entre esta línea y la última. El símbolo del cursor indica que está capturando una relación perpendicular. Tenga en cuenta que el cursor de línea no se muestra por cuestiones de claridad. 4 Perpendicular. Se crea otra línea perpendicular desde el último punto final. Una vez más, se captura automáticamente una relación perpendicular. 5 Referencia. Algunas inferencias son estrictamente para referencia y no crean relaciones. Aparecen en azul. Esta referencia se utiliza para alinear verticalmente el punto final con el origen. A B
  • 42.
    Manual de formaciónSolidWorks 2006 Lección 2 Introducción al croquizado Croquizado básico 29 Ayuda del croquis El croquizador tiene muchas operaciones de ayuda. El cursor cambiará para mostrar qué tipo de entidad está creando. También indicará las selecciones en la geometría existente que se encuentran disponibles, como final, coincidente (en) o punto medio, mediante un punto rojo cuando el cursor se posicione sobre una de las mismas. Tres de los símbolos de ayuda más comunes son: 6 Cerrar. Cierre el croquis con una línea final conectada al punto inicial de la primera línea. Desactivar herramientas Desactive la herramienta activa utilizando una de estas técnicas: Presione la tecla Esc del teclado. Haga clic en la herramienta Línea por segunda vez. Haga clic en la herramienta Seleccionar . Haga clic con el botón secundario del ratón en la zona de gráficos y elija Seleccionar en el menú contextual. Punto final Aparecen círculos concéntricos amarillos en el punto final cuando el cursor está sobre él. Punto medio El punto medio aparece como un cuadrado. Pasa a ser de color rojo cuando el cursor está por encima de la línea. Coincidente (en arista) Los cuadrantes del círculo aparecen con un círculo concéntrico por encima del punto central.
  • 43.
    Lección 2 Manualde formación SolidWorks 2006 Introducción al croquizado 30 Reglas que rigen los croquis Estado de un croquis Los croquis pueden estar en uno de tres estados de definición en cualquier momento. El estado de un croquis depende de las relaciones geométricas entre la geometría y las cotas que la definen. Los tres estados son: Insuficientemente definido La definición del croquis es inadecuada, pero el croquis aún puede ser utilizado para crear operaciones. Esto resulta útil porque muchas veces en las primeras etapas del proceso de diseño, no hay suficiente información disponible para definir el croquis completamente. Cuando haya mayor información disponible, el resto de la definición puede ser agregada posteriormente. La geometría de croquis insuficientemente definida es de color azul (de manera predeterminada). Completamente definido El croquis cuenta con información completa. La geometría completamente definida es de color negro (de manera predeterminada). Como regla general, cuando una pieza se entrega para su fabricación, los croquis contenidos en ella deben estar completamente definidos. Definido en exceso El croquis tiene cotas duplicadas o relaciones en conflicto y no debe ser utilizado hasta que sea reparado. Las cotas y las relaciones extrañas deben eliminarse. La geometría definida en exceso es de color rojo (de manera predeterminada). Colores adicionales Existen varios colores y estados adicionales que pueden aparecer para la geometría del croquis. Los estados Colgante (marrón), No solucionado (rosa) y No válido (amarillo) indican errores que deben ser reparados. Reglas que rigen los croquis Diferentes tipos de croquis producirán diferentes resultados. Varios tipos diferentes se resumen en la tabla a continuación. Es importante observar que algunas de las técnicas que se muestran en dicha tabla son técnicas avanzadas que se tratan más adelante en este curso o en otros cursos avanzados. Tipo de croquis Descripción Consideraciones especiales Un croquis “estándar” típico que es un contorno cerrado correctamente. No se requiere ninguna. Varios contornos anidados crean un saliente con un corte interno. No se requiere ninguna.
  • 44.
    Manual de formaciónSolidWorks 2006 Lección 2 Introducción al croquizado Reglas que rigen los croquis 31 7 Estado actual del croquis. El croquis está Insuficientemente definido porque parte de la geometría es de color azul. Observe que los puntos finales de una línea pueden poseer un color y un estado diferentes de los de la línea propiamente dicha. Por ejemplo, la línea vertical en el origen es negra porque (a) es vertical y (b) está asociada al origen. Sin embargo, el punto final más elevado es azul porque la longitud de la línea está insuficientemente definida. Un contorno abierto crea una operación lámina con espesor constante. No se requiere ninguna. Para obtener más información, consulte Operaciones lámina en la página 360. Las esquinas no están correctamente cerradas. Deberían estarlo. Utilice la Herramienta de seleccionar contornos. Para obtener más información, consulte Contornos de croquis en la página 259. Si bien este croquis funcionará, representa una técnica deficiente y hábitos de trabajo descuidados. No proceda de esa manera. El croquis contiene un contorno que se entrecruza. Utilice la Herramienta de seleccionar contornos. Para obtener más información, consulte Contornos de croquis en la página 259. Si se seleccionan ambos contornos, este tipo de croquis creará un Sólido multicuerpo. Consulte el apartado Sólidos multicuerpo en el curso Modelado de piezas avanzado. Si bien esto funcionará, los sólidos multicuerpo constituyen una técnica de modelado avanzada que no debería utilizar hasta que tenga más experiencia. El croquis de la primera operación contiene contornos desarticulados. Este tipo de croquis puede crear un Sólido multicuerpo. Consulte el apartado Sólidos multicuerpo en el curso Modelado de piezas avanzado. Si bien esto funcionará, los sólidos multicuerpo constituyen una técnica de modelado avanzada que no debería utilizar hasta que tenga más experiencia.
  • 45.
    Lección 2 Manualde formación SolidWorks 2006 Introducción al croquizado 32 Intención del diseño 8 Arrastrar. La geometría insuficientemente definida (azul) puede ser arrastrada a nuevas ubicaciones. La geometría completamente definida no lo permite. Arrastre el punto extremo más elevado para cambiar la forma del croquis. El punto final arrastrado aparece como un punto verde. 9 Deshacer el cambio. Deshaga el último comando haciendo clic en la opción Deshacer . Puede ver una lista de los últimos comandos (y seleccionar en la misma) haciendo clic en el menú de la flecha abajo. El acceso directo del teclado para Deshacer es Ctrl+Z. Sugerencia También puede Rehacer un cambio para volver al estado anterior a deshacer. El acceso directo del teclado para rehacer es Ctrl+Y. Intención del diseño La intención del diseño, como ya se ha expuesto, gobierna la manera en que se construye la pieza y cómo la misma cambiará. En este ejemplo, debe permitirse que la forma del croquis cambie de estas maneras: ¿Qué controla la intención del diseño? La intención del diseño en un croquis es capturada y controlada por la combinación de dos elementos: Relaciones de croquis Crean relaciones geométricas como paralela, colineal, perpendicular o coincidente entre elementos de croquis. Cotas Las cotas se utilizan para definir el tamaño y la ubicación de la geometría de croquis. Pueden agregarse cotas lineales, radiales, de diámetro y angulares. Para definir completamente un croquis y capturar la intención del diseño deseada es necesario comprender y aplicar una combinación de relaciones y cotas.
  • 46.
    Manual de formaciónSolidWorks 2006 Lección 2 Introducción al croquizado Relaciones de croquis 33 Intención del diseño deseada Para que el croquis pueda cambiar de manera apropiada, se requieren las relaciones y cotas correctas. A continuación, se detalla la intención de diseño requerida: Relaciones de croquis Las Relaciones de croquis se utilizan para forzar un comportamiento en un elemento de croquis, capturando así la intención del diseño. Algunas son automáticas y otras pueden ser agregadas según se necesiten. En este ejemplo, veremos las relaciones sobre una de las líneas y examinaremos cómo afectan la intención del diseño del croquis. Relaciones de croquis automáticas Las relaciones automáticas son agregadas a medida que la geometría es croquizada. Ya vimos esto mientras croquizábamos el contorno en los pasos anteriores. La información del croquis le avisa cuando las relaciones automáticas están siendo creadas. Relaciones de croquis agregadas Para aquellas relaciones que no pueden ser agregadas automáticamente, existen herramientas para crear relaciones basadas en la geometría seleccionada y agregar cotas. Líneas horizontales y verticales. Valor del ángulo. Valor de distancia paralela. Esquinas con ángulo recto o líneas perpendiculares. Valor de la longitud total.
  • 47.
    Lección 2 Manualde formación SolidWorks 2006 Introducción al croquizado 34 Relaciones de croquis Introducción: Visualizar relaciones Visualizar relaciones le muestra y opcionalmente le permite eliminar relaciones geométricas entre elementos de croquis. Dónde encontrarlo Haga doble clic en la entidad. Aparecen símbolos que indican qué relaciones están asociadas con esa identidad. En este ejemplo, la línea tiene dos relaciones: horizontal y tangente. El PropertyManager. Seleccione la entidad y el PropertyManager mostrará las relaciones asociadas a dicha entidad. Haga clic en Visualizar/eliminar relaciones en la barra de herramientas Cotas/Relaciones. El PropertyManager mostrará una lista de todas las relaciones en el croquis. 10 Visualizar las relaciones asociadas con una línea. Haga doble clic en la línea con el ángulo superior extremo. Aparecen símbolos que identifican las líneas perpendiculares a la línea que ha seleccionado. 11 PropertyManager. Cuando usted hace doble clic en la línea, el PropertyManager se abre. El cuadro Relaciones en el PropertyManager también enumera las relaciones geométricas asociadas con la línea seleccionada.
  • 48.
    Manual de formaciónSolidWorks 2006 Lección 2 Introducción al croquizado Relaciones de croquis 35 12 Eliminar la relación. Elimine la relación superior haciendo clic en la misma, ya sea en el símbolo o en el PropertyManager, y presionando la tecla Supr. Si se selecciona el símbolo, el mismo se vuelve de color amarillo y muestra la entidad o las entidades que controla. 13 Arrastrar el punto final. Dado que la línea ya no está limitada a ser perpendicular, cuando arrastre el croquis éste se comportará de forma diferente. Compare esto con el comportamiento del croquis cuando lo arrastró en el paso 8. Ejemplos de relaciones de croquis Existen diversos tipos de Relaciones de croquis. Cuáles de ellas son válidas dependerá de la combinación de geometría que usted haya seleccionado. Las selecciones pueden ser la entidad misma, los puntos finales o una combinación de ambos elementos. Según la selección, se dispone de un conjunto limitado de opciones. El cuadro siguiente muestra algunos ejemplos de relaciones de croquis. No es un listado completo de todas las relaciones geométricas. A lo largo del desarrollo de este curso se presentarán ejemplos adicionales. Relación Antes Después Coincidente entre una línea y un punto final. Fusionar entre dos puntos finales.
  • 49.
    Lección 2 Manualde formación SolidWorks 2006 Introducción al croquizado 36 Relaciones de croquis Paralela entre dos líneas. Perpendicular entre dos líneas. Colineal entre dos líneas. Horizontal aplicado a una o más líneas. Horizontal entre dos puntos finales. Vertical aplicado a una o más líneas. Relación Antes Después
  • 50.
    Manual de formaciónSolidWorks 2006 Lección 2 Introducción al croquizado Relaciones de croquis 37 Introducción: Agregar relaciones Agregar Relaciones se utiliza para crear una relación geométrica como paralela o colineal entre dos elementos del croquis. Dónde encontrarlo Seleccione la entidad o las entidades del croquis y elija la relación apropiada en la sección Agregar Relaciones del PropertyManager. O haga clic con el botón secundario del ratón en la entidad o las entidades y seleccione Agregar relación en el menú contextual. O bien haga clic en Herramientas, Relaciones, Agregar... O, en la barra de herramientas Croquis, haga clic en Agregar relaciones . Vertical entre dos puntos finales. Igual entre dos líneas. Igual entre dos arcos o círculos Punto medio entre una línea y un punto final. Relación Antes Después
  • 51.
    Lección 2 Manualde formación SolidWorks 2006 Introducción al croquizado 38 Cotas Cómo seleccionar objetos múltiples Utilice el botón izquierdo del ratón para seleccionar objetos, del modo que aprendió en la Lección 1. ¿Cómo se hace para seleccionar más de un objeto a la vez? Cuando se seleccionan objetos múltiples, SolidWorks respeta las convenciones estándar de Microsoft® Windows: Ctrl-seleccionar. Mantenga presionada la tecla Ctrl mientras selecciona los objetos. 14 Agregar una relación. Presione Ctrl y seleccione las dos líneas. El PropertyManager muestra sólo aquellas relaciones válidas para la geometría seleccionada. Haga clic en Perpendicular y en Aceptar . 15 Arrastrar el croquis. Arrastre el croquis hasta que vuelva aproximadamente a su forma original. Cotas Las cotas son otro modo de definir geometrías y capturar la intención del diseño en el sistema de SolidWorks. La ventaja de utilizar una cota reside en que la misma se utiliza tanto para visualizar el valor actual como para cambiarlo.
  • 52.
    Manual de formaciónSolidWorks 2006 Lección 2 Introducción al croquizado Cotas 39 Introducción: Cotas inteligentes La herramienta Cota inteligente determina el tipo apropiado de cota basado en la geometría escogida, obteniendo una vista preliminar de la cota antes de crearla. Por ejemplo, si usted escoge un arco, el sistema creará una cota radial. Si escoge un círculo, obtendrá una cota de diámetro, mientras que si selecciona dos líneas paralelas creará una cota lineal entre ellas. En los casos en que la herramienta Cota inteligente no sea lo suficientemente inteligente, usted tendrá la opción de seleccionar puntos finales y mover la cota a diferentes posiciones de medición. Dónde encontrarlo En el menú Herramientas, seleccione Cotas, Inteligente. O haga clic con el botón secundario del ratón y seleccione Cota inteligente en el menú contextual. O, en la barra de herramientas Cotas/Relaciones, seleccione la herramienta Cota inteligente . Acotar: Selección y vista previa Cuando usted elige la geometría de croquis mediante la herramienta de cota, el sistema crea una vista preliminar de la cota. Esta vista preliminar le permite ver todas las opciones posibles moviendo simplemente el ratón después de realizar las selecciones. Al hacer clic con el botón izquierdo del ratón, la cota se ubica en su posición y orientación actuales. Al hacer clic con el botón secundario del ratón, se bloquea sólo la orientación, permitiéndole mover el texto antes de colocarlo finalmente haciendo clic con el botón izquierdo del ratón. Con la herramienta de cota y dos puntos finales seleccionados, a continuación se muestran tres orientaciones posibles para una cota lineal. El valor se deriva de la distancia de punto a punto inicial y podría cambiar en función de la orientación seleccionada. Puntos finales
  • 53.
    Lección 2 Manualde formación SolidWorks 2006 Introducción al croquizado 40 Cotas 16 Cómo agregar una cota lineal. Escoja la herramienta de cota desde alguna fuente y haga clic en la línea mostrada. Haga clic una segunda vez para posicionar el texto de la cota arriba y hacia la derecha de la línea. La cota aparece con una herramienta Modificar mostrando la longitud actual de la línea. El cuadro de incremento y disminución se utiliza para aumentar/disminuir por incrementos el valor. O, con el texto resaltado, puede escribir un nuevo valor para cambiarlo directamente. La herramienta Modificar La herramienta Modificar, que aparece cuando se crea o edita una cota (parámetro), tiene varias opciones. Las opciones disponibles son: Aumentar o disminuir el valor en una cantidad preestablecida. Guardar el valor actual y salir del cuadro de diálogo. Restaurar el valor original y salir del cuadro de diálogo. Reconstruir el modelo con el valor actual. Cambiar el valor de paso incremental. Marcar la cota para importar el dibujo. 17 Establecer el valor. Cambie el valor a 0.75 y haga clic en la opción Guardar . La cota hace que la longitud de la línea alcance 0.75 pulgadas. Sugerencia Presionar Intro tiene el mismo efecto que hacer clic en el botón Guardar . 18 Cotas lineales. Agregue cotas lineales adicionales al croquis, según se indica. Sugerencia de acotación Cuando acote un croquis, comience primero con la cota más pequeña y continúe con las demás hasta llegar a la más grande.
  • 54.
    Manual de formaciónSolidWorks 2006 Lección 2 Introducción al croquizado Redondeos de croquis 41 Cotas angulares Pueden crearse cotas angulares utilizando la misma herramienta de cota que se utiliza para crear cotas lineales, de diámetro y radiales. Seleccione dos líneas no colineales y no paralelas, o seleccione tres puntos finales no colineales. Según el lugar donde coloque la cota angular, usted puede obtener el ángulo interior o el exterior, el ángulo agudo o el oblicuo. Posibles opciones de ubicación: 19 Cota angular. Utilizando la herramienta de cota, cree la cota angular indicada y establezca el valor en 125°. El croquis está completamente definido. Redondeos de croquis Los redondeos de croquis se utilizan para redondear esquinas vivas de un croquis. Un redondeo de croquis puede ser aplicado a un croquis que ya esté completamente definido. Importante No todos los redondeos deben agregarse necesariamente en el nivel de croquis. Existe un comando de redondeo que trabaja directamente en modelos sólidos cuyo uso puede ser más apropiado. Aprenderá acerca del mismo en lecciones posteriores.
  • 55.
    Lección 2 Manualde formación SolidWorks 2006 Introducción al croquizado 42 Extruir Introducción: Redondeo de croquis Redondeo de croquis se utiliza para crear un redondeo o una curva en un croquis. El redondeo se crea como un arco ubicado tangencialmente con respecto a entidades adyacentes. Dónde encontrarlo En el menú Herramientas, seleccione Herramientas de croquizar, Redondeo. O, en la barra de herramientas Croquis, haga clic en Redondeo de croquis . Nota La opción Redondeos de croquis no permite valores de radio 0. 20 Redondeos de croquis. Haga clic en Redondeo de croquis y establezca el Radio en 0.1875”. Seleccione todos los puntos finales del croquis. Haga clic en Aceptar. Nota Por cuestiones de claridad, las relaciones están ocultas en este ejemplo y en el resto de la lección. ¿Por qué hay sólo una cota? Aparece una cota solamente en el primer redondeo que se crea. Todos los redondeos creados en una operación son controlados por este valor de cota. ¿Cómo se lleva esto a cabo? Para obtener la respuesta hay que visualizar las relaciones en el primer redondeo: el sistema agrega automáticamente una relación Igual a los otros redondeos de la serie. Extruir Una vez que el croquis se haya completado, puede ser extruido para crear la primera operación. Existen diversas opciones para extruir un croquis incluyendo las condiciones finales, el ángulo de salida y la profundidad de la extrusión, que se expondrán más detalladamente en lecciones posteriores. Las extrusiones se realizan en una dirección normal al plano del croquis, en este caso el plano Alzado.
  • 56.
    Manual de formaciónSolidWorks 2006 Lección 2 Introducción al croquizado Extruir 43 Dónde encontrarlo En el menú: Insertar, Saliente/Base, Extruir... O, en la barra de herramientas Operaciones, elija: . 21 Menú Extruir. Haga clic en Insertar, Saliente/Base, Extruir o en la herramienta de la barra de herramientas Operaciones para acceder al comando. En el menú Insertar, las opciones para otros métodos de creación de operaciones base se enumeran junto con Extruir y Revolución. Las mismas no se encuentran disponibles ya que este croquis no cumple con las condiciones necesarias para crear estos tipos de operaciones. Por ejemplo, una operación Barrer requiere croquis de ruta y de perfil. Al haber sólo un croquis en este momento, la opción Barrer no está disponible. 22 Vista preliminar de gráficos. La orientación de la vista cambia automáticamente a Trimétrica y se muestra una vista preliminar de la operación con la profundidad predeterminada. Las asas que aparecen pueden ser utilizadas para arrastrar la vista preliminar a la profundidad deseada. Las asas son rojas para las direcciones activas y grises para las inactivas. Una anotación muestra el valor actual de profundidad. Sugerencia Las configuraciones de color en SolidWorks se pueden modificar mediante Herramientas, Opciones. 23 Configuración de la operación de extrusión. Cambie la configuración como se indica. Condición final = Hasta profundidad especificada (Profundidad) = 0.25” Haga clic en Aceptar para crear la operación. Sugerencia El botón Aceptar es sólo un modo de aceptar y completar el proceso.
  • 57.
    Lección 2 Manualde formación SolidWorks 2006 Introducción al croquizado 44 Extruir Un segundo método es el conjunto de botones Aceptar/ Cancelar en la esquina de confirmación de la zona de gráficos. Un tercer método consiste en hacer clic con el botón secundario del ratón y seleccionar Aceptar en el menú contextual. 24 Operación completa. La operación completa es el primer sólido u operación de la pieza. El croquis está embebido en la operación Extrude1 (Extruir1). 25 Guardar y cerrar. Haga clic en Guardar para guardar el trabajo y en Cerrar para cerrar la pieza.
  • 58.
    Manual de formaciónSolidWorks 2006 Ejercicio 1 45 Ejercicio 1: Croquizado de líneasverticales y horizontales Cree esta pieza utilizando la información y las cotas proporcionadas. Croquice y extruya perfiles para crear la pieza. Este laboratorio refuerza las siguientes funciones: Croquizado. Cotas. Extrusión de una operación. 1 Nueva pieza. Abra una nueva pieza utilizando la plantilla Part_IN. 2 Croquis. Cree este croquis en el Alzado utilizando líneas, cotas y relaciones automáticas. Defina el croquis completamente. 3 Extruir. Extruya el croquis con una profundidad de 1”. 4 Guardar y cerrar la pieza.
  • 59.
    Manual de formaciónSolidWorks 2006 46 Ejercicio 2 Ejercicio 2: Cómo croquizar líneas con inferencias Cree esta pieza utilizando la información y las cotas proporcionadas. Croquice y extruya perfiles para crear la pieza. Este laboratorio refuerza las siguientes funciones: Croquizado. Cotas. Extrusión de una operación. 1 Nueva pieza. Abra una nueva pieza utilizando la plantilla Part_IN. 2 Relaciones automáticas. Cree este croquis en el Alzado utilizando líneas y relaciones automáticas. Muestre las relaciones Perpendicular y Vertical. 3 Cotas. Agregue cotas para definir completamente el croquis. 4 Extruir. Extruya el croquis 0.5”. 5 Guardar y cerrar la pieza.
  • 60.
    Manual de formaciónSolidWorks 2006 Ejercicio 3 47 Ejercicio 3: Cómo croquizar líneas Cree esta pieza utilizando la información y las cotas proporcionadas. Croquice y extruya perfiles para crear la pieza. Este laboratorio refuerza las siguientes funciones: Croquizado. Cotas. Extrusión de una operación. 1 Nueva pieza. Abra una pieza nueva utilizando la plantilla Part_MM. 2 Croquizar y extruir. Cree este croquis en el Alzado utilizando líneas, cotas y relaciones automáticas. Extruya el croquis con una profundidad de 20 mm. 3 Guardar y cerrar la pieza.
  • 61.
    Manual de formaciónSolidWorks 2006 48 Ejercicio 3
  • 62.
    Manual de formaciónSolidWorks 2006 49 Lección 3 Modelado básico de piezas Al finalizar esta lección, podrá: Elegir el mejor perfil para croquizar. Seleccionar el plano de croquis apropiado. Crear una pieza nueva. Crear un croquis. Extruir un croquis como un saliente. Extruir un croquis como un corte. Crear taladros con el Asistente para taladro. Insertar redondeos en un sólido. Realizar un dibujo básico de una pieza. Realizar un cambio en una cota. Demostrar la asociatividad entre el modelo y sus dibujos.
  • 63.
    Lección 3 Manualde formación SolidWorks 2006 Modelado básico de piezas 50
  • 64.
    Manual de formaciónSolidWorks 2006 Lección 3 Modelado básico de piezas Modelado básico 51 Modelado básico En esta lección se describen las consideraciones que hay que tener en cuenta antes de crear una pieza y se muestra el proceso de creación de una pieza sencilla. Etapas del proceso Los pasos en la planificación y ejecución de la creación de esta pieza se enumeran a continuación. Terminología ¿Cuáles son los términos comúnmente utilizados al hablar de modelado y utilizar el software de SolidWorks? Elección del perfil ¿Cuál de los perfiles es el mejor para elegir al comenzar el proceso de modelado? Elección del plano del croquis Una vez que ha elegido el mejor perfil, ¿cómo afecta esto su elección de plano del croquis? Intención del diseño ¿Qué es la intención del diseño y cómo afecta el proceso de modelado? Nueva pieza El primer paso consiste en abrir la nueva pieza. Primera operación ¿Cuál es la primera operación? Operaciones Saliente y Taladro ¿Cómo puede usted modificar la primera operación mediante el agregado de salientes y taladros? Redondeos Redondeo de las esquinas vivas – redondeo. Cambios de cota Si se realiza un cambio en una cota, se cambia la geometría del modelo. ¿Cómo sucede esto?
  • 65.
    Lección 3 Manualde formación SolidWorks 2006 Modelado básico de piezas 52 Terminología Terminología La transición a 3D requiere algunos términos nuevos. El software de SolidWorks emplea muchos términos con los cuales usted se familiarizará a medida que utilice el producto. Muchos de ellos son términos que usted reconocerá como provenientes del diseño y de la fabricación, como cortes y salientes. Operación Todos los cortes, salientes, planos y croquis que usted crea son considerados Operaciones. Las operaciones de croquizado son aquéllas basadas en croquis (saliente y corte); las operaciones aplicadas están basadas en aristas o caras (redondeo). Plano Los planos son superficies planas e infinitas. En la pantalla están representados por aristas visibles. Se utilizan como la superficie primaria de croquis para crear operaciones Saliente y Corte. Extrusión A pesar de existir muchos modos de crear operaciones y dar forma al sólido, en esta lección solamente se analizarán las extrusiones. Una extrusión extenderá por una cierta distancia un perfil a lo largo de un trayecto normal al plano del perfil. El movimiento a lo largo de dicho trayecto se convierte en el modelo sólido. Croquis En el sistema de SolidWorks, el nombre utilizado para describir un perfil 2D es croquis. Los croquis son creados sobre caras planas y planos dentro del modelo. Son generalmente utilizados como base para salientes y cortes, aunque pueden existir de manera independiente. Saliente Los salientes se utilizan también para agregar material al modelo. La operación crítica inicial siempre es un saliente. Después de la primera operación, puede agregar tantos salientes como necesite para completar el diseño. Del mismo modo que con la base, todos los salientes comienzan con un croquis. Corte Un Corte se utiliza para eliminar material del modelo. Es lo opuesto al saliente. Del mismo modo que el saliente, los cortes comienzan como croquis 2D y eliminan material por extrusión, revolución u otros métodos acerca de los cuales aprenderá posteriormente. Redondeos y redondos Los Redondeos y redondos generalmente se agregan al sólido, no al croquis. Debido a la naturaleza de las caras adyacentes a la arista seleccionada, el sistema sabe si debe crear una operación Redondo (eliminando material) o Redondeo (agregando material). Intención del diseño La Intención del diseño es el modo en que debe crearse y cambiarse el modelo. Tanto las relaciones entre las operaciones como la secuencia de su creación contribuyen a la intención del diseño.
  • 66.
    Manual de formaciónSolidWorks 2006 Lección 3 Modelado básico de piezas Cómo elegir el mejor perfil 53 Cómo elegir el mejor perfil Elija el “mejor” perfil. Cuando se extruye, este perfil genera más el modelo que ningún otro. Observe estos modelos de ejemplo. Pieza Mejor perfil extruido
  • 67.
    Lección 3 Manualde formación SolidWorks 2006 Modelado básico de piezas 54 Cómo elegir el plano de croquis Cómo elegir el plano de croquis Después de determinar el mejor perfil, el siguiente paso consiste en decidir qué vista se va a utilizar y seleccionar el plano con el mismo nombre para croquizarlo. El software de SolidWorks proporciona tres planos de referencia, los cuales se describen a continuación. Planos de referencia Hay tres planos de referencia predeterminados, denominados Alzado, Planta y Vista lateral. Cada plano es infinito, pero posee bordes de pantalla para poder verlos y seleccionarlos. Además, cada plano pasa por el origen y todos son perpendiculares entre sí. Los planos pueden ser renombrados. En este curso, los nombres Alzado, Planta y Vista lateral reemplazan a los respectivos nombres predeterminados. Esta convención de nombres se utiliza en otros sistemas de CAD y a muchos usuarios les resulta conveniente. Aunque los planos son infinitos, puede resultar más fácil pensar en ellos como si formaran una caja abierta, conectándose en el origen. Utilizando esta analogía, las caras interiores de la caja son los planos potenciales de croquis. Ubicación del modelo La pieza se colocará en la caja tres veces. Cada vez el mejor perfil hará contacto o será paralelo a uno de los tres planos. Aunque existen muchas combinaciones, las opciones en este ejercicio están limitadas a tres. Existen diversos aspectos a considerar cuando se elige el plano de croquis. Dos de ellos son la apariencia y la orientación de la pieza en un ensamblaje. La apariencia dictamina el modo en que la pieza se orientará en las vistas estándar, como la vista Isométrica. Esto también determina como pasará la mayor parte de su tiempo observando el modelo a medida que lo crea. La orientación de la pieza en un ensamblaje determina la posición que adquirirá la misma respecto a otras piezas relacionadas. Orientar el modelo para el dibujo Otro aspecto que se debe tener en cuenta al decidir cual será el plano de croquis que se va a utilizar es el modo en que usted desea que el modelo aparezca en el dibujo cuando lo documente. Debe construir el modelo de manera tal que la vista Frontal sea igual a la vista Frontal del dibujo final. Esto le ahorrará tiempo durante el proceso de documentación dado que puede utilizar vistas predefinidas.
  • 68.
    Manual de formaciónSolidWorks 2006 Lección 3 Modelado básico de piezas Cómo elegir el plano de croquis 55 En el primer ejemplo, el mejor perfil está en contacto con el plano Planta. En el segundo ejemplo, está haciendo contacto con el plano Alzado. El último ejemplo muestra el mejor perfil en contacto con el plano Vista lateral. Plano Elegido La orientación del plano Planta parece ser la mejor. Esto indica que el mejor perfil debe croquizarse en el plano Planta del modelo. Cómo se muestra en el dibujo Pensando cuidadosamente qué plano se utiliza para croquizar el perfil, las vistas apropiadas se generan fácilmente en el dibujo de detalle.
  • 69.
    Lección 3 Manualde formación SolidWorks 2006 Modelado básico de piezas 56 Detalles de la pieza Detalles de la pieza La pieza que crearemos se muestra a la derecha. Hay dos operaciones Saliente principales, algunos cortes y redondeos. Vistas estándar La pieza se muestra aquí en cuatro vistas estándar. Salientes principales Los dos salientes principales tienen perfiles distintos en diferentes planos. Están conectados según se muestra en la vista explosionada a la derecha.
  • 70.
    Manual de formaciónSolidWorks 2006 Lección 3 Modelado básico de piezas Detalles de la pieza 57 Mejor perfil La primera operación del modelo se crea a partir del croquis rectangular que aparece superpuesto sobre el modelo. Éste es el mejor perfil para comenzar el modelo. El rectángulo será entonces extruido como un saliente para crear la operación sólida. Plano de croquis Al ubicar el modelo “en la caja” se determina qué plano debe utilizarse para croquizar. En este caso, será el plano de referencia Planta. Intención del diseño La intención del diseño de esta pieza describe cómo las relaciones de la pieza deben o no ser creadas. A medida que se hacen cambios en el modelo, éste se irá comportando según lo deseado. Todos los taladros son taladros pasantes. Los taladros de la base son simétricos. La ranura está alineada con la pestaña. Procedimiento El proceso de modelado incluye el croquizado y la creación de salientes, cortes y redondeos. Para comenzar, se crea un nuevo archivo de pieza. Plano de croquis
  • 71.
    Lección 3 Manualde formación SolidWorks 2006 Modelado básico de piezas 58 Detalles de la pieza 1 Nueva pieza. Haga clic en Nuevo o en Archivo, Nuevo. Cree una nueva pieza utilizando la plantilla Part_IN y proceda a Guardar dicha pieza como Basic (Básica). 2 Seleccionar el plano de croquis. Inserte un nuevo croquis y elija el plano Planta. Sugerencia Para utilizar un plano, no es necesario que éste se muestre sino que se puede seleccionar en el FeatureManager. Cómo croquizar la primera operación Cree la primera operación mediante la extrusión de un croquis en un saliente. Comience con la geometría del croquis, un rectángulo. Introducción: Insertar rectángulo Insertar rectángulo se utiliza para crear un rectángulo en un croquis. El rectángulo está compuesto por cuatro líneas (dos horizontales y dos verticales) conectadas en los vértices. Se croquiza indicando las ubicaciones de dos esquinas en diagonal. Dónde encontrarlo En la barra de herramientas Croquis, haga clic en Rectángulo . O, en el menú Herramientas, seleccione Entidades de croquis, Rectángulo. 3 Croquizar un rectángulo. Haga clic en la herramienta Rectángulo y comience el rectángulo en el origen. Asegúrese de que el rectángulo esté bloqueado en el origen observando el cursor del vértice a medida que comienza a croquizar. No se preocupe por el tamaño del rectángulo. De ello se encargará la acotación en el siguiente paso. 4 Croquis completamente definido. Agregue cotas al croquis. El croquis está completamente definido.
  • 72.
    Manual de formaciónSolidWorks 2006 Lección 3 Modelado básico de piezas Detalles de la pieza 59 Opciones de extrusión Abajo se explican algunas de las opciones de Extrusión utilizadas más frecuentemente. Otras opciones serán analizadas en lecciones posteriores. Tipo de condición final Un croquis puede ser extruido en una o en dos direcciones. Una o ambas direcciones pueden terminar en alguna profundidad especificada, hasta alguna geometría del modelo o extenderse por todo el modelo. Profundidad La distancia para una extrusión de profundidad especificada o de plano medio. Por plano medio se entiende la profundidad total de la extrusión. Eso significaría que una profundidad de 50 mm para una extrusión de plano medio resultaría en 25 mm de cada lado del plano del croquis. Ángulo de salida Aplica un ángulo de salida a la extrusión. El ángulo de salida de la extrusión puede ser hacia dentro (el perfil se hace más pequeño al extruirse) o hacia fuera. 5 Extruir. Extruya el rectángulo 0.5” hacia arriba. La operación terminada se muestra a la derecha. Cómo cambiar el nombre de las operaciones Es posible cambiar el nombre de cualquiera de las operaciones que aparecen en el gestor de diseño del FeatureManager (al lado de la pieza en sí). Cambiar el nombre de las operaciones es una técnica útil para buscar y editar operaciones en etapas posteriores del modelo. Correctamente elegidos, los nombres lógicos le ayudan a organizar su trabajo y facilitan la tarea cuando otra persona debe editar o modificar su modelo. 6 Cambiar el nombre de la operación. Es una buena práctica cambiar el nombre de las operaciones que usted crea, asignándoles nombres con cierto significado. En el gestor de diseño del FeatureManager, haga un doble clic muy lento para editar la operación Extruir1. Cuando el nombre está resaltado y puede editarse, escriba Chapa base (Baseplate) como el nuevo nombre de la operación. Todas las operaciones del sistema de SolidWorks pueden ser editadas del mismo modo.
  • 73.
    Lección 3 Manualde formación SolidWorks 2006 Modelado básico de piezas 60 Operación Saliente Sugerencia En lugar de hacer un doble clic lento, puede seleccionar el nombre y presionar F2. Operación Saliente La siguiente operación será el saliente con una parte superior curvada. El plano del croquis para esta operación no es un plano de referencia existente, sino una cara plana del modelo. La geometría del croquis requerida se muestra superpuesta sobre el modelo terminado. Sugerencia Las operaciones Cortar se crean del mismo modo que los salientes; con un croquis y una extrusión. Eliminan el material, en lugar de agregarlo. Cómo croquizar en una cara plana Cada cara plana del modelo puede utilizarse como plano de croquis. Simplemente seleccione la cara y elija la herramienta Croquis. Cuando es difícil seleccionar las caras porque están en la parte posterior del modelo o están oscurecidas por otras caras, la herramienta Seleccionar otra puede utilizarse para elegir una cara sin reorientar la vista. En este caso, se utiliza la cara plana en la parte frontal de la pieza BasePlate. 7 Insertar nuevo croquis. Cree un nuevo croquis utilizando Insertar, Croquis o haciendo clic en la herramienta Croquis . Seleccione la cara indicada. Croquizado SolidWorks ofrece una completa variedad de herramientas de croquizar para la creación de geometría de perfiles. En este ejemplo, Arco tangente se utiliza para crear un arco que comience tangente a un punto final seleccionado en el croquis. Su otro punto final puede ser ubicado en el espacio o en otra entidad de croquis. Introducción: Insertar arco tangente Insertar arco tangente se utiliza para crear arcos tangentes en un croquis. En su inicio, el arco debe ser tangente a alguna otra entidad, línea o arco. Dónde encontrarlo En el menú Herramientas, seleccione Entidades de croquis, Arco tangente O, con el cursor en la ventana de gráficos, haga clic con el botón secundario del ratón y seleccione Arco tangente. O, en la barra de herramientas Croquis, haga clic en Arco tangente . Plano de croquis
  • 74.
    Manual de formaciónSolidWorks 2006 Lección 3 Modelado básico de piezas Cómo croquizar en una cara plana 61 Zonas de destino del arco tangente Cuando se croquiza un arco tangente, el software de SolidWorks deduce a partir del movimiento del cursor si se desea un arco tangente o uno normal. Existen cuatro zonas de destino, con ocho resultados posibles según se muestra. Usted puede comenzar croquizando un arco tangente desde el punto final de cualquier entidad de croquis existente (línea, arco, spline y así sucesivamente). Aleje el cursor del punto final. Al mover el cursor en una dirección tangencial, se crea una de las cuatro posibilidades de arco tangente. Al mover el cursor en una dirección normal, se crea una de las cuatro posibilidades de arco normal. Una vista preliminar muestra qué tipo de arco usted está croquizando. Puede cambiar de uno a otro haciendo que el cursor vuelva al punto final y alejándolo en una dirección diferente. Cómo realizar una transición automática entre líneas y arcos Cuando utiliza la herramienta Línea , puede pasar de croquizar una línea a croquizar un arco tangente y luego volver a croquizar una línea, sin seleccionar la herramienta Arco tangente. Puede hacerlo moviendo el cursor como se ha descrito antes o presionando la tecla A del teclado. 8 Línea vertical. Haga clic en la herramienta de línea y comience la línea vertical en la arista inferior capturando una relación Coincidente en la arista inferior y una relación Vertical . 9 Transición automática. Presione la letra A del teclado. Ahora usted está en el modo de arco tangente. 10 Arco tangente. Croquice un arco de 180° tan- gente a la línea vertical. Bus- que la línea de inferencia que indica que el punto final del arco está alineado horizontal- mente con el centro del arco. Cuando termine de croquizar el arco tangente, la herramienta de croquis vuelve a cambiar automáticamente a la herramienta Línea.
  • 75.
    Lección 3 Manualde formación SolidWorks 2006 Modelado básico de piezas 62 Cómo croquizar en una cara plana 11 Líneas de acabado. Cree una línea vertical desde el extremo del arco hasta la base y una línea más que conecte los extremos inferiores de las dos líneas verticales. Observe que la línea horizontal es negra, pero sus puntos finales no lo son. 12 Agregar cotas. Agregue cotas lineales y radiales al croquis. A medida que agrega las cotas, mueva el cursor para ver las diferentes orientaciones posibles. Siempre acote un arco seleccionando preferentemente su circunferencia, más que su centro. Esto hace que otras opciones de cotas (mín. y máx.) estén disponibles. 13 Dirección de la extrusión. Haga clic en Insertar, Saliente, Extruir y establezca la Profundidad en 0.5 pulgadas. Observe que la vista preliminar muestra la extrusión dirigiéndose a la base, en la dirección apropiada. Si la dirección de la vista preliminar se aleja de la base, haga clic en el botón Invertir dirección . 14 Saliente completo. El saliente se fusiona con la base anterior para formar un único sólido. Cambie el nombre de la operación a VertBoss (SalVer).
  • 76.
    Manual de formaciónSolidWorks 2006 Lección 3 Modelado básico de piezas Cómo utilizar el Asistente para taladro 63 Áreas de visualización Las áreas de visualización se pueden utilizar para ver y editar un modelo en varias orientaciones de vista al mismo tiempo. Los iconos del área de visualización incluyen: Vista única , Dos vistas (horizontal y vertical), Cuatro vistas y Vincular vistas . Vincular vistas une las vistas para aplicarles el zoom y desplazarlas. Todas las áreas de visualización contienen un menú emergente de la vista en la esquina inferior izquierda. Este menú muestra la orientación de vista actual (Personalizada para todo lo que no sea una vista estándar) y contiene un menú para cambiar la orientación de vista. Nota La orientación predeterminada de las cuatro áreas de visualización, primer ángulo o tercer ángulo, se establece mediante Herramientas, Opciones, Opciones de sistema, Visualizar/ Selección, Tipo de proyección para área de visualización de cuatro vistas. Dónde encontrarlo En la barra de herramientas Vistas estándar, haga clic en el icono correspondiente. O bien, haga clic en el menú emergente de la vista y seleccione un icono. 15 Cuatro áreas de visualización. Haga clic en Cuatro vistas para dividir la ventana de gráficos en cuatro áreas de visualización del mismo tamaño. El menú emergente de la vista es azul en el área de visualización activa. Cómo utilizar el Asistente para taladro El Asistente para taladro se utiliza para crear taladros especializados en un sólido. Puede crear taladros simples, cónicos, refrentados y avellanados utilizando un procedimiento paso a paso. En este ejemplo, se utilizará el Asistente para taladro para crear un taladro estándar.
  • 77.
    Lección 3 Manualde formación SolidWorks 2006 Modelado básico de piezas 64 Cómo utilizar el Asistente para taladro Cómo crear un taladro estándar Puede elegir la cara en la que va a insertar el taladro y luego definir las cotas del taladro y ubicarlo utilizando el Asistente para taladro. Uno de los aspectos más intuitivos del Asistente para taladro es que le permite especificar el tamaño del taladro mediante el cierre que va dentro del mismo. Sugerencia También puede colocar taladros en planos de referencia y caras no planas. Por ejemplo, puede crear un taladro en una cara cilíndrica. Introducción: El Asistente para taladro El Asistente para taladro crea taladros con distintas formas, como taladros avellanados y refrentados. El proceso crea dos croquis. Uno define la forma del taladro. El otro, un punto, localiza el centro. Nota El Asistente para taladro requiere que se seleccione o preseleccione una cara, no un croquis. Dónde encontrarlo En el menú Insertar, escoja Operaciones, Asistente para taladro... O elija la herramienta Asistente para taladro en la barra de herramientas Operaciones. 16 Seleccionar una cara. Seleccione la parte superior, la cara plana de la operación base y haga clic en . 17 Tipo. Aparece el cuadro de diálogo Especificación de taladro. Configure las propiedades del taladro de la siguiente manera: Tipo: Taladro Estándar: Pulgada Ansi Tipo de tornillo: Todos los tamaños de perforadores Tamaño: 9/32 Condición final: Por todo Haga clic en la pestaña Posiciones. Seleccione esta cara
  • 78.
    Manual de formaciónSolidWorks 2006 Lección 3 Modelado básico de piezas Cómo utilizar el Asistente para taladro 65 18 Posiciones. Se colocará una vista previa del taladro y un punto en la cara seleccionada cerca de donde la seleccionó. Sugerencia Pueden crearse instancias múltiples del taladro en un comando insertando puntos adicionales en otras ubicaciones. 19 Cotas. Agregue cotas entre las aristas del modelo y el punto tal como se indica. 20 Punto adicional. Haga clic para agregar otro punto a la cara. Agregue la cota que se indica. 21 Relación horizontal. Presione Esc para desactivar la herramienta de cota. Seleccione ambos puntos y agregue una relación Horizontal entre ellos. 22 Área de visualización única. Haga clic en Vista única para volver a la vista original y haga clic en Aceptar. 23 Cambiar la orientación de vista. Haga clic en la orientación de vista y elija Isométrica para cambiar la orientación de vista.
  • 79.
    Lección 3 Manualde formación SolidWorks 2006 Modelado básico de piezas 66 Cómo utilizar el Asistente para taladro Taladro de refrentado En este modelo es necesario un taladro de refrentado. Si se utiliza la cara frontal del modelo y una relación, se podrá colocar el taladro. 24 Posición del taladro. Nuevamente, se utilizará una cara existente del modelo para ubicar la geometría. Seleccione la cara indicada y luego seleccione Insertar, Operaciones, Taladro, Asistente... 25 Hacer clic en Refrentado. Configure las propiedades del taladro de la siguiente manera: Estándar: Pulgada Ansi Tipo de tornillo: Tornillo hexagonal Tamaño: 1/4 Condición final: Por todo Haga clic en la pestaña Posiciones. 26 Activar el punto central. Desactive la herramienta Punto. Arrastre el punto sobre la circunferencia del arco grande. No lo suelte. Cuando aparezca el símbolo Coincidente , el punto central del arco grande se habrá “activado” y convertido en un punto al cual puede enganchar elementos. Suelte el punto encima del punto central del arco. Busque el comentario que le indica que se está enganchando al centro del arco, una relación coincidente. Haga clic en Aceptar. Seleccione esta cara
  • 80.
    Manual de formaciónSolidWorks 2006 Lección 3 Modelado básico de piezas Operación Cortar 67 Operación Cortar Una de las dos operaciones Saliente principales se ha finalizado; es el momento de crear un corte para representar la supresión de material. Las operaciones Cortar se crean del mismo modo que los salientes; en este caso, con un croquis y una extrusión. Introducción: Cortar Extruir El menú para crear una operación Cortar mediante extrusión es idéntico al utilizado para crear un saliente. La única diferencia es que un corte elimina material mientras que un saliente lo agrega. Fuera de esta distinción, los comandos son los mismos. Este corte representa una ranura. Dónde encontrarlo En el menú Insertar, seleccione Cortar, Extruir... O, en la barra de herramientas Operaciones, elija Extruir corte . 27 Rectángulo. Presione la barra espaciadora y haga doble clic en *Front (Frontal). Comience un croquis en esta cara grande y agregue un rectángulo Coincidente con la arista inferior del modelo. Cómo seleccionar objetos múltiples Como ha aprendido en la lección 2, al seleccionar múltiples objetos, mantenga la tecla Ctrl presionada y, a continuación, seleccione los objetos. 28 Relaciones. Seleccione la línea de croquis vertical y la arista del modelo vertical. Agregue una relación Colineal entre ellos. Repita el proceso en el lado opuesto. 29 Cota. Agregue una cota para definir completamente el croquis. Cambie la orientación de vista a Isometric (Isométrica).
  • 81.
    Lección 3 Manualde formación SolidWorks 2006 Modelado básico de piezas 68 Opciones de visualización 30 Corte Por todo. Haga clic en Insertar, Cortar, Extruir o elija la herramienta Extruir corte en la barra de herramientas Operaciones. Elija Por Todo y haga clic en Aceptar. Este tipo de condición final siempre realiza un corte a través del modelo entero, sin importar hasta dónde. No fue necesario configurar la profundidad. Cambie el nombre de la operación por BottomSlot. Opciones de visualización SolidWorks le da la opción de elegir la representación de uno de sus modelos sólidos entre varias maneras diferentes. Aparecen a continuación, con sus iconos: Sombreado Sombreado con aristas Sin líneas ocultas Líneas ocultas visibles Estructura alámbrica Se muestran ejemplos de cada una en la siguiente ilustración. Aprenderá más sobre la manipulación y la visualización de vista en la Lección 4: Cómo modelar una pieza de fundición o forja. Redondeos Redondeo se refiere tanto a los redondeos como a los redondos. La distinción está dada por las condiciones geométricas, no por el comando en sí. Los redondeos se crean en las aristas seleccionadas. Las aristas pueden ser seleccionadas de diversos modos. Existen opciones para redondeos de radio variable o fijo y propagación de arista tangente. Tanto los redondeos (agregar volumen) como los redondos (eliminar volumen) se crean con este comando. La orientación de la arista o de la cara determina cuál se utiliza. Sombreado Líneas ocultas Líneas ocultas EstructuraSombreado con Eliminar VisiblesAristas alámbrica
  • 82.
    Manual de formaciónSolidWorks 2006 Lección 3 Modelado básico de piezas Redondeos 69 Reglas de redondeo Algunas reglas generales de redondeo son: 1. Deje los redondeos cosméticos para el final. 2. Cree redondeos múltiples que tendrán el mismo radio en el mismo comando. 3. Cuando necesite redondeos de diferentes radios, generalmente debe hacer primero los redondeos más grandes. 4. El orden de los redondeos es importante. Los redondeos crean caras y aristas que pueden ser utilizadas para generar más redondeos. Dónde encontrarlo En el menú Insertar, seleccione Operaciones, Redondeo/ Redondo… Seleccione la herramienta en la barra de herramientas Operaciones. 31 Insertar redondeo. Seleccione la opción Redondeo en uno de los modos mencionados anteriormente. La opción Redondeo aparece en el PropertyManager. Establezca el valor del radio. (Radio) = 0.25” Vista preliminar Usted puede elegir entre Vista preliminar completa, Vista preliminar parcial y Ninguna vista preliminar del redondeo. Vista preliminar completa, según se muestra a continuación, genera una vista preliminar de malla sobre cada arista seleccionada. Vista preliminar parcial sólo genera la vista preliminar sobre la primera arista seleccionada. A medida que adquiera más experiencia trabajando con redondeos, probablemente deseará utilizar la Vista preliminar parcial o Ninguna vista preliminar dado que es más rápida. Sugerencia Se puede cambiar la visualización a Líneas ocultas visibles para facilitar la selección de las aristas. Las aristas se pueden seleccionar "a través" del modelo sombreado como se muestra a continuación. 32 Selección de aristas. Las aristas serán resaltadas en rojo a medida que el cursor se mueva sobre ellas y luego aparecerán en verde a medida que se las seleccione. Las aristas se filtran automáticamente mediante el comando Redondeo. Aparecerá una anotación sobre la primera arista que seleccione. Seleccione seis aristas en total y haga clic en Aceptar.
  • 83.
    Lección 3 Manualde formación SolidWorks 2006 Modelado básico de piezas 70 Redondeos Consideraciones acerca del color Usted puede personalizar los colores de la interfaz de usuario de SolidWorks. Esto se realiza mediante Herramientas, Opciones, Opciones de sistema, Colores. Puede seleccionar esquemas de colores predefinidos o crear el suyo propio. En algunos casos, hemos alterado la configuración predeterminada de los colores para mejorar la claridad y la calidad de reproducción. En consecuencia, los colores en su sistema pueden no coincidir con los utilizados en este manual. Sugerencia También puede seleccionar aristas utilizando una ventana. Con el botón izquierdo del ratón, arrastre una ventana alrededor de una o más aristas. Se seleccionarán aquellas aristas que estén totalmente incluidas dentro de la ventana. 33 Redondeos completos. Los seis redondeos están controlados por el mismo valor de cota. La creación de estos redondeos ha generado nuevas aristas adecuadas para la próxima serie de redondeos. Menú Comandos recientes SolidWorks ofrece un búfer en el que se enumeran los últimos comandos que se acaban de utilizar para poder volver a utilizarlos fácilmente. 34 Comandos recientes. Haga clic con el botón secundario del ratón en la zona de gráficos y seleccione Comandos recientes y el comando Redondeo de la lista desplegable para volver a utilizarlo. Propagación de redondeo Una arista seleccionada que se conecta con otras de una forma suave (mediante curvas tangentes) puede propagar una única selección en muchas.
  • 84.
    Manual de formaciónSolidWorks 2006 Lección 3 Modelado básico de piezas Redondeos 71 35 Vista preliminar y propagación. Agregue otro redondeo, con un radio de 0.125”, utilizando la Vista preliminar completa. Seleccione la arista indicada para ver las aristas seleccionadas y realice una vista preliminar. 36 Selecciones adicionales. Seleccione la arista del arco interior para ver otra vista preliminar con propagación. Nota Una anotación aparece solamente en la primera arista que selecciona. 37 Última selección. Seleccione una arista final para completar el redondeo. Debido a las conexiones entre las aristas, se produce una mayor propagación. Haga clic en Aceptar. Introducción: Editar color Utilice Editar color para cambiar el color y las propiedades ópticas de los gráficos. También se pueden crear Muestras de color para colores definidos por el usuario. Dónde encontrarlo Haga clic en Editar color en la barra de herramientas Estándar. O haga clic con el botón secundario del ratón en una cara, superficie o sólido y elija Apariencia, Color.
  • 85.
    Lección 3 Manualde formación SolidWorks 2006 Modelado básico de piezas 72 Conceptos básicos de documentación 38 Editar color. Haga clic con el botón secundario del ratón en la operación de nivel superior del FeatureManager, Básico, y haga clic en Apariencia, Color. 39 Seleccionar muestra. Seleccione la muestra shiny (brillante) y uno de los colores. Haga clic en Aceptar. 40 Guardar los resultados. Haga clic en Guardar en la barra de herramientas Estándar o en Archivo, Guardar para guardar su trabajo. Conceptos básicos de documentación SolidWorks le permite crear fácilmente dibujos a partir de piezas o ensamblajes. Estos dibujos están completamente asociados a las piezas y a los ensamblajes a los que hacen referencia. Si usted cambia el modelo, el dibujo se actualizará. Varios temas relacionados con la construcción de dibujos están integrados en varias lecciones a lo largo de este manual. El material aquí presentado es sólo el comienzo. Específicamente: Cómo crear un nuevo archivo y hoja de dibujo Cómo crear un modelo y vistas de proyección de dibujo Cómo insertar las cotas del modelo Cómo agregar cotas conductoras (modelo) Cómo agregar anotaciones Un tratamiento exhaustivo de la documentación se brinda en el curso Conceptos básicos de SolidWorks: Dibujos.
  • 86.
    Manual de formaciónSolidWorks 2006 Lección 3 Modelado básico de piezas Conceptos básicos de documentación 73 Configuraciones A las configuraciones se accede mediante Herramientas, Opciones. Las configuraciones utilizadas en esta lección son: Barras de herramientas Existen barras de herramientas que son específicas del proceso de documentación y realización de dibujos. Las mismas se detallan a continuación: Dibujo Anotación Nuevo dibujo Los archivos de dibujo (*.SLDDRW) son archivos de SolidWorks que contienen hojas de dibujo. Cada hoja es el equivalente a una sola hoja de papel. Introducción: Crear dibujo desde pieza Crear dibujo desde pieza toma la pieza actual y pasa a través de la creación de un archivo de dibujo, un formato de hoja y vistas de dibujo iniciales mediante esa pieza. Dónde encontrarlo Haga clic en Crear dibujo desde pieza/ensamblaje en la barra de herramientas Estándar. O haga clic en Archivo, Crear dibujo desde pieza. Opciones de sistema Propiedades de documento (Configurar la plantilla de dibujo en uso) Dibujos, Estilo de visualización: • Visualizar el estilo para las nuevas vistas = Líneas ocultas visibles • Aristas tangentes en las nuevas vistas = Eliminadas Documentación: • Estándar de acotación = ANSI • Actualización automática de la LDM = Seleccionada • Insertar automáticamente al crear vista: Centros de círculos = Seleccionada Líneas constructivas = Desactivada Globos = Desactivada Cotas marcadas para dibujo = Desactivada Colores: • Dibujos, Aristas de modelo ocultas = Negro Documentación, Fuente de anotaciones, Cota: • Fuente = Century Gothic • Altura = 12 puntos Documentación, Cotas: • Precisión, Unidades primarias = 0.123 Unidades = Pulgadas
  • 87.
    Lección 3 Manualde formación SolidWorks 2006 Modelado básico de piezas 74 Vistas de dibujo 1 Crear dibujo. Haga clic en el icono Crear dibujo desde Pieza/Ensamblaje y elija A-Scale1to2 (Escala 1 a 2) en la pestaña Training Templates. El formato de hoja crea un dibujo A-Horizontal. Éste es un dibujo de tamaño A (81 /2” x 11”) con su arista más larga dispuesta horizontalmente. El formato de la hoja incluye un borde, un bloque de título y otros gráficos. Sugerencia Al hacer doble clic en la plantilla lo abrirá automáticamente, eliminando la necesidad de hacer clic en Aceptar. Vistas de dibujo La tarea inicial de la documentación es la creación de vistas. Mediante la utilización de la herramienta Crear dibujo desde pieza accederá a la hoja de dibujo y creará vistas Orientación de vista. La opción Orientación de vista crea vistas de dibujo que coinciden con las orientaciones de la pieza. Estas opciones se tratan con detalle en el manual Conceptos básicos de Solidworks: Dibujos. 2 Vistas de dibujo. Haga clic en Múltiples vistas, Orientación de vista y seleccione las cuatro vistas estándar (Frontal, Superior, Derecha e Isométrica) tal como se muestra. En la pestaña Estilo de visualización, haga clic en el botón Líneas ocultas visibles. Haga clic en Aceptar para crear las vistas de dibujo. Nota La hoja de dibujo puede ser de cualquier color. El color se utiliza aquí para distinguir la pieza del dibujo.
  • 88.
    Manual de formaciónSolidWorks 2006 Lección 3 Modelado básico de piezas Vistas de dibujo 75 3 Vistas de dibujo. Las vistas de dibujo se crean en el dibujo. Sugerencia Utilice Ctrl-arrastrar para romper la alineación con ángulo prede- terminado y suelte la vista isométrica en cualquier lugar del dibujo. Establezca el Estilo de visualización para esta vista en Sombreado con aristas. Sugerencia El documento de pieza todavía está abierto. Puede presionar Ctrl+Tab para alternar entre ventanas de documento de pieza y de dibujo. 4 Aristas tangentes. Seleccione dentro de la vista de dibujo, entre el modelo y el borde temporalmente punteado, para visualizar el borde de la vista. Si hace doble clic, se bloqueará el enfoque de vista de dicha vista. Haga clic con el botón secundario del ratón en la vista Frontal y seleccione Arista tangente, Sin aristas tangentes. Repita esta operación para las vistas Superior y Derecha. 5 Estilo de visualización. Seleccione la vista Isométrica y cambie el Estilo de visualización a Sombreado. Cómo mover vistas Las vistas de dibujo pueden ser reubicadas, arrastrándolas alrededor del dibujo. En la disposición de 3 vistas estándar, la vista Front (Frontal) es la vista de origen. Esto significa que al mover la vista frontal se mueven las tres vistas. Las vistas Top (Superior) y Right (Derecha) se alinean con la vista Front (Frontal). Las mismas sólo se mueven a lo largo de sus ejes de alineación. 6 Mover vistas alineadas. Seleccione y mueva la vista Frontal. Se puede mover en cualquier dirección y las otras vistas permanecen alineadas.
  • 89.
    Lección 3 Manualde formación SolidWorks 2006 Modelado básico de piezas 76 Centros de círculos El movimiento de una de las vistas de proyección está limitado por la alineación. Sugerencia Utilice Alt-arrastrar para realizar una selección en cualquier punto de la vista. Utilice Mayúsculas-arrastrar para mantener la separación entre las vistas mientras se arrastre. Nota Una vez que se ha seleccionado la vista de dibujo, la misma se puede arrastrar con el ratón o mover con las teclas de flechas. La distancia que se ha movido cada vez que se presiona una tecla de fecha se establece en Herramientas, Opciones, Opciones de sistema, Dibujos, Incremento de movimiento de teclado. Centros de círculos Se insertaron Centros de círculos automáticamente en las vistas de dibujo. Usted puede activar o desactivar esta opción. Establezca su preferencia utilizando el menú Herramientas, Opciones, Propiedades de documento, Documentación. 7 Propiedades de centros de círculos. Haga clic en el centro de círculo del círculo de la vista frontal. Verifique la opción Líneas extendidas. Cotas del modelo Las cotas del modelo son simplemente cotas y parámetros que se utilizaron para crear la pieza y se insertaron en el dibujo. Estas cotas son consideradas cotas conductoras. Las cotas conductoras pueden ser utilizadas para realizar cambios en el modelo. Puede insertar cotas del modelo en el dibujo de cuatro modos. Puede insertar automáticamente todas las cotas asociadas con: Una vista seleccionada Operación u operaciones seleccionadas Componentes seleccionados en un ensamblaje Todas las vistas
  • 90.
    Manual de formaciónSolidWorks 2006 Lección 3 Modelado básico de piezas Cotas del modelo 77 Cómo insertar todas las cotas del modelo Las cotas creadas en la pieza se utilizarán en el dibujo de detalle. En este caso, se insertarán todas las cotas de todas las vistas. Cuando el sistema inserta cotas del modelo en todas las vistas, comienza primero con las vistas de detalle y sección. Luego, agrega las cotas restantes a las vistas restantes basándose en las vistas más apropiadas para las operaciones que están siendo acotadas. Introducción: Insertar elementos del modelo Insertar elementos del modelo le permite tomar las cotas que se crearon durante el modelado e insertarlas en el dibujo. Las cotas importadas del modelo pueden ser utilizadas para cambiar el modelo. Estas cotas se denominan cotas conductoras. Dónde encontrarlo En el menú seleccione Insertar, Elementos del modelo... O, en la barra de herramientas Anotaciones, haga clic en . 8 Insertar elementos del modelo. Haga clic en Insertar, Elementos del modelo e Importar desde Todo el modelo. Haga clic en las opciones para Marcado para dibujo y Ubicaciones del Asistente para taladro y haga clic en Importar elementos a todas las vistas. Sugerencia La opción Marcado para dibujo selecciona aquellas cotas que se marcaron en la pieza. La opción de marcado aparece en la herramienta Modificar donde se establecen los valores de cota. De modo predeterminado, todas las cotas están marcadas para su importación al dibujo. Las cotas no marcadas aparecen con texto azul. 9 Cotas resultantes. Las cotas se agregan al dibujo, pero generalmente no en sus ubicaciones definitivas. Si ubica las cotas cuidadosamente en el modelo al croquizar, ahorrará tiempo cuando las importe al dibujo. Una vez que las cotas se insertan, las mismas se asocian con esa vista y se mueven con ella a menos que usted deliberadamente las mueva hacia otra vista o las elimine.
  • 91.
    Lección 3 Manualde formación SolidWorks 2006 Modelado básico de piezas 78 Cotas del modelo Cómo manipular cotas Una vez que las cotas se han agregado a una vista, existen varias opciones de manipulación de las mismas. Arrástrelas hasta la posición deseada. Arrastre las cotas por sus textos hasta nuevas ubicaciones. Para alinearlas y colocarlas, utilice las líneas de inferencia. Para facilitar la ubicación de cotas, las configuraciones de Dibujos del cuadro de diálogo Herramientas, Opciones, Opciones de sistema tienen dos opciones de Enganche de elementos de detalle. Las inferencias son visualizadas cuando usted arrastra una cota o nota por su centro o esquina. Ocúltelas. Algunas cotas creadas en el modelo son de uso limitado en el dibujo, de modo que usted puede ocultarlas si lo desea. Haga clic con el botón secundario del ratón en el texto de la cota y seleccione Ocultar en el menú contextual. La cota será eliminada de la hoja de dibujo, pero no de la base de datos del modelo. Muévalas o cópielas a otras vistas. Muchas veces una operación puede ser acotada en más de una vista. Puede suceder que la cota no aparezca automáticamente en la vista que usted desea. Puede mover cotas entre vistas siempre y cuando la vista de destino pueda mostrar dicha cota. Para mover una cota, mantenga presionada la tecla Mayús y arrastre la cota hasta otra vista. Para copiar la cota, mantenga presionada la tecla Ctrl y arrástrela y colóquela en otra vista. 10 Cómo volver a colocar cotas. La vista superior contiene varias cotas. Algunas de ellas se volverán a colocar en la vista derecha. 11 Cómo mover una cota. En este caso, mueva la cota 1.500 desde la vista superior a la vista lateral derecha mediante la técnica Mayús-arrastrar.
  • 92.
    Manual de formaciónSolidWorks 2006 Lección 3 Modelado básico de piezas Cotas del modelo 79 12 Eliminar cotas. Elimine las cotas de diámetro que se muestran. Las mismas se sustituirán por Anotaciones de taladro, un tipo de anotación que es una cota conducida. Nota La eliminación de una cota en el dibujo no la elimina del modelo. Las cotas eliminadas se pueden volver a insertar desde el modelo. 13 Cotas después de mover y eliminar. La ilustración a continuación muestra el resultado de mover otras cotas hasta la vista del lado derecho. La misma también muestra el resultado de reorganizar las cotas en la vista superior.
  • 93.
    Lección 3 Manualde formación SolidWorks 2006 Modelado básico de piezas 80 Cotas del modelo Cotas conducidas Es posible que no todas las cotas que usted necesite en un dibujo estén presentes en el modelo. A veces, debido a cómo fue construido el modelo, no hay cotas para importar al dibujo. Cuando esto sucede, la cota debe ser insertada manualmente utilizando la misma herramienta de cota que usted utiliza cuando croquiza. Este tipo de cota se denomina cota conducida porque su valor está conducido por el modelo. A diferencia de las cotas conductoras, usted no puede cambiarle su valor y, por lo tanto, cambiar el modelo. Visualización de cota De forma predeterminada, las cotas conducidas son visualizadas de modo diferente de las cotas conductoras: El valor está encerrado entre paréntesis. Ésta es una práctica aceptada para cotas de referencia. Las mismas son visualizadas en un color diferente, gris en este caso. 14 Cómo acotar. Haga clic en Cota vertical . Acote la altura total del saliente vertical. Vuelva a hacer clic en la herramienta para desactivarla. 15 Opciones de visualización. La apariencia de una cota puede ser cambiada de diversos modos. Haga clic con el botón secundario del ratón en la cota y desactive la opción Opciones de visualización, Mostrar paréntesis. Asociatividad entre el modelo y el dibujo En el software de SolidWorks, todo es asociativo. Si usted realiza un cambio en una pieza individual, dicho cambio se propagará a todos los dibujos y ensamblajes que hagan referencia a esa pieza. Procedimiento Para cambiar el tamaño de la operación BasePlate (Chapa base), siga este procedimiento: 16 Alternar entre ventanas. Presione Ctrl+Tab para volver a la ventana del documento de la pieza.
  • 94.
    Manual de formaciónSolidWorks 2006 Lección 3 Modelado básico de piezas Cómo cambiar los parámetros 81 Cómo cambiar los parámetros El software de automatización de diseño mecánico SolidWorks facilita en gran parte la realización de cambios en las cotas de su pieza. Esta facilidad de edición es uno de los beneficios principales del modelado paramétrico. Es por eso también que es tan importante capturar correctamente su intención del diseño. Si no captura la intención del diseño correctamente, los cambios realizados en las cotas pueden originar resultados bastante imprevistos en su pieza. Cómo reconstruir el modelo Luego de realizar cambios en las cotas, debe reconstruir el modelo para que esos cambios tengan efecto. Símbolo de reconstruir Si realiza cambios en un croquis o una pieza que requiere que la pieza se reconstruya, aparece un símbolo de reconstruir al lado del nombre de la pieza y superpuesto sobre el icono de la operación que requiere la reconstrucción . Busque también el icono de reconstruir que se encuentra en la Barra de estado. El símbolo de reconstruir también aparece al editar un croquis. Al salir del croquis, la pieza se reconstruye automáticamente. Introducción: Reconstruir Reconstruir regenera el modelo con los cambios realizados. Dónde encontrarlo Haga clic en Reconstruir en la barra de herramientas Estándar. O, en el menú Edición, haga clic en Reconstruir. Utilice el acceso directo de teclado Ctrl+B. Cómo actualizar la pantalla Si simplemente desea actualizar la pantalla, eliminando los artefactos gráficos que puedan quedar de operaciones anteriores, debe utilizar Redibujar, no Reconstruir. Introducción: Redibujar Actualiza la pantalla pero no reconstruye la pieza. Dónde encontrarlo O, en el menú Ver, haga clic en Redibujar. Utilice el acceso directo de teclado Ctrl+R. Reconstruir contra Redibujar Redibujar no activará los cambios realizados en las cotas. Por lo tanto, es muy rápido. Reconstruir regenera el modelo. Según la complejidad del modelo, este proceso puede demorar más tiempo. 17 Hacer doble clic en la operación. Puede hacer doble clic en la operación BasePlate en el gestor de diseño del FeatureManager o en la ventana de gráficos. Cuando usted hace esto, aparecerán los parámetros asociados con la operación.
  • 95.
    Lección 3 Manualde formación SolidWorks 2006 Modelado básico de piezas 82 Cómo cambiar los parámetros Haga doble clic en la cota de 4 pulgadas indicada. Aparecerá el cuadro de diálogo Modificar. Ingrese un nuevo valor escribiéndolo directamente o mediante el uso de las flechas del cuadro de aumento y disminución. Ingrese 6 pulgadas. 18 Reconstruir la pieza para ver los resultados. Puede Reconstruir la pieza haciendo clic en la herramienta Reconstruir del cuadro Modificar o en la barra de herramientas Estándar. Si utiliza la que está en el cuadro de diálogo Modificar, el cuadro de diálogo permanecerá abierto de modo que usted pueda realizar otro cambio más. Esto facilita la exploración de los escenarios “qué sucede si”. 19 Actualizar el dibujo. Regrese a la hoja de dibujo. El dibujo se actualizará automáticamente para reflejar los cambios hechos en el modelo. Introducción: Anotaciones de taladro La herramienta Anotación de taladro se utiliza para agregar cotas conducidas por diámetro a taladros creados por el Asistente para taladro u operaciones Corte circular. Es una de las numerosas anotaciones disponibles en SolidWorks. Estas anotaciones se pueden agregar automáticamente mediante Insertar elementos del modelo. Haga clic en Insertar, Anotaciones, Anotación de taladro. O, en la barra de herramientas Anotaciones, haga clic en . También puede hacer clic con el botón secundario del ratón en Anotaciones, Anotación de taladro.
  • 96.
    Manual de formaciónSolidWorks 2006 Lección 3 Modelado básico de piezas Cómo cambiar los parámetros 83 20 Agregar anotaciones de taladro. Haga clic en el taladro central de la vista frontal y sitúe la anotación en el dibujo. Seleccione el taladro izquierdo de los dos que hay en la vista superior y sitúelo. Nota El prefijo “2X” se agrega automáticamente porque hay dos taladros perforados. 21 Guardar y cerrar la pieza y el dibujo.
  • 97.
    Lección 3 Manualde formación SolidWorks 2006 Modelado básico de piezas 84 Cómo cambiar los parámetros
  • 98.
    Manual de formaciónSolidWorks 2006 Ejercicio 4 85 Ejercicio 4: Chapa Cree esta pieza utilizando la información y las cotas proporcionadas. Croquice y extruya perfiles para crear la pieza. Este laboratorio refuerza las siguientes funciones: Croquizado Extrusión base Extrusión del saliente Asistente para taladro Intención del diseño Utilice la intención del diseño para crear la pieza. 1. La pieza no es simétrica. 2. El taladro es un taladro con tamaño de perforador Métrico - ANSI. Cotas Utilice los siguientes gráficos con la intención del diseño para crear la pieza.
  • 99.
    Manual de formaciónSolidWorks 2006 86 Ejercicio 5 Ejercicio 5: Cambios básicos Realice cambios en la pieza creada en la lección anterior. Este ejercicio utiliza las siguientes funciones: Cambio de los valores de cota. Procedimiento Abra una pieza existente en la carpeta Exercises (Ejercicios). 1 Abrir la pieza Basic-Changes (Cambios básicos). Se efectuarán varios cambios en el modelo para ajustar su tamaño y comprobar la intención del diseño. 2 Cota total. Haga doble clic en la primera operación (Base Plate) en el FeatureManager o en la pantalla para acceder a las cotas. Cambie la cota de longitud a 6 pulgadas (la que se muestra en negrita y subrayada debajo) y reconstruya el modelo.
  • 100.
    Manual de formaciónSolidWorks 2006 Ejercicio 5 87 3 Saliente. Haga doble clic en la operación Vert boss (Saliente vertical) y cambie las cotas de diámetro y altura según se indica. Reconstruya la pieza. 4 Ubicaciones de taladros. Haga doble clic en la operación 9/32 Holes (Taladros 9/32) y cambie las cotas de posición a 0.75 pulgadas cada una. Reconstruya el modelo. 5 Centrar Vert Boss (Saliente vertical). Determine el valor adecuado y cambie la cota que centra el Vert Boss (Saliente vertical) en la base. 6 Guardar y cerrar la pieza.
  • 101.
    Manual de formaciónSolidWorks 2006 88 Ejercicio 6 Ejercicio 6: Soporte Cree esta pieza utilizando la información y las cotas proporcionadas. Croquice y extruya perfiles para crear la pieza. Este laboratorio refuerza las siguientes funciones: Croquizado. Salientes. Taladros. Intención del diseño La intención del diseño de esta pieza se muestra a continuación. 1. El saliente está centrado en el extremo redondeado de la base. 2. El taladro es un taladro pasante y es concéntrico al saliente. Utilice la plantilla Part_MM. Vista acotada Utilice la intención del diseño y los gráficos siguientes para crear la pieza. Como ayuda para construir esta pieza, observe de qué modo la misma podría ser dividida en operaciones individuales.
  • 102.
    Manual de formaciónSolidWorks 2006 Ejercicio 7 89 Ejercicio 7: Cómo trabajar con fracciones Cree esta pieza utilizando la información y las cotas de fracción proporcionadas. Croquice y extruya perfiles para crear la pieza. Este laboratorio refuerza las siguientes funciones: Cómo introducir y visualizar cotas como fracciones. .Salientes Cortes. Redondeos. Condiciones finales Hasta profundidad especificada y Por todo. Fracciones Existen dos elementos a considerar cuando se trabaja con cotas establecidas en fracciones: 1. La configuración de las unidades del documento en fracciones en pulgadas. 2. La entrada de valores de cota como fracciones. Unidades del documento En el cuadro de diálogo Herramientas, Opciones, haga clic en la pestaña Propiedades de documentos y seleccione Unidades. Los dos tipos de unidades de longitud que soportan Fracciones son: Pulgadas Pies y pulgadas Cuando usted elige Fracciones, debe especificar el Denominador predeterminado. Las cotas que pueden dividirse equitativamente por este denominador se muestran como fracciones. La visualización de las cotas que no son divisibles equitativamente depende de la selección de la opción Redondear a la fracción más cercana. Por ejemplo, si el Denominador se establece en 16 y usted ingresa un valor de 3⁄64 este valor se visualizará como 1⁄16 si está seleccionada la opción Redondear a la fracción más cercana. Si la misma no está seleccionada, se mostrará 0.047. Cómo ingresar cotas Puede ingresar cotas como fracciones sin importar si las unidades del documento están establecidas en fracciones. Para ingresar un valor como 1 7⁄8”, escriba 1, presione la barra espaciadora, luego escriba 7/8 y presione Intro.
  • 103.
    Manual de formaciónSolidWorks 2006 90 Ejercicio 7 Intención del diseño La intención del diseño de esta pieza se muestra a continuación. 1. El corte de lado a lado está centrado en la esquina. 2. El corte desde el frente hacia atrás está centrado en el punto medio de la arista. Utilice la plantilla Part_IN. Vistas Utilice los gráficos siguientes como ayuda para visualizar la pieza. 1 Nueva pieza. Abra una nueva pieza utilizando la plantilla Part_IN. 2 Primera operación. Cree la primera operación utilizando un croquis y un saliente extruido. Puede utilizar el plano de referencia Alzado, Planta o Vista lateral para croquizar. 3 Operación Cortar. Utilizando un croquis que contenga un círculo, cree una operación Extruir corte. El círculo está centrado sobre la esquina (vértice) de la primera operación.
  • 104.
    Manual de formaciónSolidWorks 2006 Ejercicio 7 91 4 Segunda operación Cortar. Cree una segunda operación Extruir corte utilizando un círculo. Este círculo debe estar centrado en el punto medio (a mitad de camino de la arista). 5 Redondeo/Redondo. Utilizando la arista creada por cortes, cree una operación Redondeo/Redondo. 6 Guardar y cerrar la pieza.
  • 105.
    Manual de formaciónSolidWorks 2006 92 Ejercicio 8 Ejercicio 8: Dibujos de la pieza Cree esta pieza utilizando la información suministrada. Este laboratorio refuerza las siguientes funciones: Hojas de dibujo. Vistas de dibujo. Centros de círculo. Cotas. Anotaciones de taladro. Utilice la plantilla A-Scale1to2 (A-Escala 1 a 2) y la pieza construida Basic-Changes-Done (Cambios básicos realizados). Vista acotada Utilice los gráficos siguientes para crear el dibujo.
  • 106.
    Manual de formaciónSolidWorks 2006 Ejercicio 9 93 Ejercicio 9: Guía Este laboratorio refuerza las siguientes funciones: Redondeos, círculos, arcos y líneas de croquis. Relaciones. Extrusiones. Operaciones Redondeo y Redondo. Intención del diseño Algunos aspectos de la intención del diseño para esta pieza son: 1. La pieza no es simétrica. 2. El círculo grande es tangente a la arista exterior. 3. El círculo grande es coincidente con la arista del cuadro inferior. 4. Los espesores de chapa son iguales. Procedimiento Abra una pieza nueva utilizando la plantilla Part_MM. 1 Croquizar el perfil. Utilizando el plano Alzado, cree el perfil. 2 Extrusión. Extruya el croquis 10 mm.
  • 107.
    Manual de formaciónSolidWorks 2006 94 Ejercicio 9 3 Croquis superior. Comience un croquis en la cara superior del modelo. El círculo es tangente a una arista y coincidente con la otra. 4 Extruir igual espesor. Extruya el círculo con el mismo espesor que la primera operación. 5 Agregar dos redondeos. Agregue dos redondeos según se indica. 6 Último redondeo. Cree un tercer redondeo con un radio de 20 mm.
  • 108.
    Manual de formaciónSolidWorks 2006 Ejercicio 9 95 7 Cortes. Utilice simetría con líneas y arcos para crear un corte Por todo para la forma de ranura. Utilice un círculo para crear otro corte concéntrico con la arista del modelo. Nota Este croquis requiere el uso de una relación Paralela. Consulte la Ayuda, Temas de ayuda de SolidWorks para obtener más información. 8 Guardar y cerrar la pieza.
  • 109.
    Manual de formaciónSolidWorks 2006 96 Ejercicio 9
  • 110.
    Manual de formaciónSolidWorks 2006 97 Lección 4 Cómo modelar una pieza de fundición o forja Al finalizar esta lección, podrá: Abrir una pieza de SolidWorks y guardar su trabajo. Croquizar en un plano definido por el sistema o una cara plana de un modelo. Utilizar la visualización de vistas y los comandos de modificación. Crear croquis completamente definidos mediante el uso de cotas y relaciones geométricas. Crear operaciones Base y Saliente por extrusión. Crear operaciones Cortar por extrusión. Copiar y pegar operaciones. Crear redondeos de radio constante. Editar la definición y los parámetros de una operación y volver a generar el modelo. Utilizar las condiciones finales Hasta el siguiente y Plano medio para captar la intención del diseño. Utilizar simetría en el croquis.
  • 111.
    Lección 4 Manualde formación SolidWorks 2006 Cómo modelar una pieza de fundición o forja 98
  • 112.
    Manual de formaciónSolidWorks 2006 Lección 4 Cómo modelar una pieza de fundición o forja Estudio de casos: Trinquete 99 Estudio de casos: Trinquete La pieza Ratchet (Trinquete) contiene gran parte de las operaciones y los procedimientos que utilizará frecuentemente. Contiene salientes, cortes, geometría de croquis, redondeos y ángulo de salida. Etapas del proceso Algunas etapas importantes del proceso de modelado de esta pieza se muestran en la siguiente lista: Cada uno de estos temas consta de una sección en la lección. Intención del diseño Se analiza la intención del diseño general para la pieza. Operación Saliente con ángulo de salida La primera porción del modelo que se creará es la pieza Handle (Asa). La pieza Handle utiliza líneas croquizadas y se extruye en dos direcciones con ángulo de salida formando un sólido. Es la operación inicial de la pieza y demuestra el uso de simetría en el croquis. Condición final Hasta el siguiente La segunda porción del modelo es la pieza Transition (Transición). Utiliza la condición final Hasta el siguiente para establecer una conexión con las caras de Handle. Croquizado dentro de la pieza El tercer saliente creado es la pieza Head (Cabeza). Se croquiza dentro del sólido creado por la pieza Transition. Cortar utilizando las aristas existentes La operación Recess (Entrante) es la primera operación de tipo de corte creada. Utiliza una equidistancia a partir de las aristas existentes del modelo para crear el croquis. Se extruye como un corte de equidistancia hasta una profundidad específica. Cortar con geometría de croquis recortada La operación Pocket es otra operación Cortar, esta vez utilizando círculos recortados con la forma apropiada. Cortar utilizando copiar y pegar La operación Wheel Hole se copiará y pegará. Redondeos Se agregan redondeos al sólido utilizando diversas técnicas diferentes. Cómo editar la definición de una operación Las operaciones que ya existen pueden cambiarse utilizando el comando Editar operación. Los redondeos se editarán de esta manera.
  • 113.
    Lección 4 Manualde formación SolidWorks 2006 Cómo modelar una pieza de fundición o forja 100 Intención del diseño Intención del diseño En la siguiente ilustración y lista se muestra un resumen de la intención del diseño de la pieza Ratchet. Se analiza la intención del diseño específica para cada porción de la pieza por separado. Centrado: Las operaciones Head, Handle y Transition están centradas con respecto a un eje. Simetría: La pieza es simétrica, tanto con respecto a la línea constructiva como con respecto al plano de separación. Head (Cabeza) Handle (Asa) Transition (Transición) Pocket (Cavidad) Recess (Entrante) Thru Holes (Taladros pasantes)
  • 114.
    Manual de formaciónSolidWorks 2006 Lección 4 Cómo modelar una pieza de fundición o forja Operación Saliente con ángulo de salida 101 Operación Saliente con ángulo de salida La primera parte de la pieza Ratchet que modelaremos es Handle. A veces se hace referencia a la primera operación de cualquier modelo como la operación Base. Todas las demás operaciones se construyen sobre la primera operación. Cómo construir el asa La pieza Handle (Asa) posee una sección transversal rectangular. Está extruida con un ángulo de salida a igual distancia en direcciones opuestas desde el plano de croquis. Intención del diseño del asa La pieza Handle es una operación Croquis que utiliza líneas y simetría para formar el esquema o perfil básico. El perfil se extruye en direcciones opuestas, equitativamente, con el ángulo de salida. El croquis crea una sección transversal rectangular que se extruye por igual en direcciones opuestas, con el ángulo de salida. Ángulo de salida: El ángulo de salida es igual a ambos lados del plano de separación Simetría: La operación es simétrica con respecto al plano de separación y al eje de la línea constructiva de la pieza Handle Se utilizará una línea constructiva, una pieza de geometría de referencia, para ubicar y realizar el croquis de Handle. La línea constructiva representa la distancia desde el final del asa hasta el centro del taladro más lejano y también se utiliza para realizar la simetría de geometría de croquis. Sección de la pieza Handle
  • 115.
    Lección 4 Manualde formación SolidWorks 2006 Cómo modelar una pieza de fundición o forja 102 Operación Saliente con ángulo de salida Procedimiento Empiece siguiendo este procedimiento: 1 Nueva pieza. Abra una nueva pieza utilizando la plantilla Part_MM de la pestaña Training Templates (Plantillas de formación). Guarde la pieza y asígnele el nombre Ratchet. 2 Desactivar la visualización. Desactive la visualización de las relaciones mediante las opciones Ver, Relaciones de croquis. Nota En las lecciones siguientes se dará por sentado que Ver, Relaciones de croquis está desactivado. 3 Plano de croquis. Seleccione el plano de referencia Planta como plano de croquis. Cambie la vista a una vista Top (Superior). Introducción: Insertar línea constructiva Insertar línea constructiva se utiliza para crear una línea de referencia en un croquis. La línea constructiva puede ser vertical, horizontal o tener un ángulo arbitrario dependiendo de cómo se utilicen las inferencias. Debido a que la línea constructiva es considerada una geometría de referencia, no es necesario que esté completamente definida en el croquis. Dónde encontrarlo Haga clic en Herramientas, Entidad de croquis, Línea constructiva. O, en la barra de herramientas Croquis, haga clic en Línea constructiva . Nota Cualquier parte de la geometría de croquis puede convertirse en geometría de construcción y viceversa. Seleccione la geometría y haga clic en la herramienta Geometría constructiva en la barra de herramientas Croquis. El PropertyManager puede también utilizarse para cambiar la geometría de croquis a geometría constructiva. Seleccione la geometría y haga clic en Para construcción. 4 Croquizar una línea constructiva. Croquice una línea constructiva en dirección vertical desde el origen. La longitud no es importante.
  • 116.
    Manual de formaciónSolidWorks 2006 Lección 4 Cómo modelar una pieza de fundición o forja Simetría en el croquis 103 Simetría en el croquis La geometría simétrica en un croquis puede crearse más fácilmente utilizando la opción Simetría. Puede realizar una simetría a medida que croquiza: simetría en tiempo real. O, puede seleccionar geometría ya croquizada y realizar la simetría: después del hecho de simetría. También se pueden añadir relaciones Simétricas a la geometría después de croquizar. En cualquier caso, la simetría crea copias que se relacionan con los originales mediante la relación Simétrica. En el caso de líneas, la relación simétrica se aplica a los puntos finales de las líneas. En el caso de arcos y círculos, la relación simétrica se aplica a la entidad en sí misma. A continuación, se muestran los tres métodos. Simetría mientras se croquiza Simetría después de croquizar Simetría mediante relaciones Introducción: Simetría dinámica Para crear simetría, es necesario una línea, una arista lineal o una línea constructiva. La línea se activa antes de croquizar la geometría a partir de la cual se va a crear simetría. Dónde encontrarlo En el menú Herramientas, seleccione: Herramientas de croquizar, Simetría dinámica. O, en la barra de herramientas Croquis, haga clic en Simetría dinámica . Simetría mientras se croquiza La geometría simétrica se puede crear en tiempo real mientras se croquiza. El método Simetría dinámica permite crear simetría antes de croquizar. Simetría después de croquizar La simetría se puede crear mediante el croquizado de una mitad de la geometría y la utilización de la simetría para crear la otra mitad. La simetría se aplica después de croquizar. 5 Simetría dinámica. Seleccione la línea constructiva y haga clic en la herramienta Simetría dinámica. El símbolo de Simetría dinámica aparece en los dos extremos de la línea constructiva. 6 Croquizar línea. Croquice una línea a partir del extremo superior de la línea constructiva moviéndola a la derecha. Se crea una imagen simétrica de la línea en el lado opuesto de la línea constructiva.
  • 117.
    Lección 4 Manualde formación SolidWorks 2006 Cómo modelar una pieza de fundición o forja 104 Simetría en el croquis 7 Completar el croquis. Agregue una línea en dirección vertical y, a continuación, en dirección horizontal, deteniéndose en la línea constructiva. Desactivar la herramienta de simetría. Sugerencia No cruce la línea constructiva mientras esté croquizando en el modo Simetría automática. Si lo hace, podría crearse una geometría duplicada. Detenerse en la línea constructiva hace que las líneas simétricas se fusionen en una sola línea. Acotación automática de croquis Acotar automáticamente crea cotas en un croquis. Se admiten diversos estilos de cotas, como línea base, cadena y coordenada. Pueden establecerse los puntos iniciales para conjuntos horizontales y verticales. Esta herramienta no agrega relaciones geométricas al croquis. Introducción: Acotación automática Acotar automáticamente tiene opciones para el tipo de cota, las entidades que se van a acotar y los puntos iniciales. Nota Aparece una opción especial denominada Línea constructiva cuando se utiliza geometría de línea constructiva en el croquis. Las cotas pueden basarse en la línea constructiva. Croquis insuficientemente definido con relaciones geométricas. Opción Cadena seleccionada con puntos iniciales en el origen. Nota: Algunas cotas se han movido para obtener mayor claridad. Opción Línea base seleccionada con puntos iniciales en el origen. Opción Coordenada seleccionada con puntos iniciales en el origen.
  • 118.
    Manual de formaciónSolidWorks 2006 Lección 4 Cómo modelar una pieza de fundición o forja Simetría en el croquis 105 Dónde encontrarlo Haga clic en Herramientas, Cotas, Acotar automáticamente.... O, en la barra de herramientas Cotas/Relaciones, haga clic en la herramienta Acotar automáticamente . 8 Configuración de acotación automática. Haga clic en la herramienta Acotar automáticamente . Haga clic en el campo Referencia para obtener las Cotas horizontales y seleccione la línea constructiva vertical. Para obtener las Cotas verticales, seleccione el punto final de la línea constructiva. Establezca ambos Esquemas en la Línea base. 9 Cotas. Las cotas se agregan, se cambian y se mueven para mayor claridad. Nota Los croquis acotados con la herramienta Acotar automáticamente están totalmente definidos, pero quizás no estén acotados exactamente del modo deseado. Puede eliminar y reemplazar las cotas si es necesario.
  • 119.
    Lección 4 Manualde formación SolidWorks 2006 Cómo modelar una pieza de fundición o forja 106 Primera operación Primera operación La primera operación, siempre un saliente, es la primera operación sólida creada en toda pieza. En esta pieza, la primera operación creada es una extrusión Plano medio. 10 Extrusión de saliente/base. Haga clic en la herramienta Extruir saliente/base en la barra de herramientas Operaciones o haga clic en Extruir saliente/base en el menú Insertar. 11 Extrusión. Elija la opción Plano medio de la lista y especifique una profundidad de 15 mm. Haga clic en Ángulo de salida y establezca el ángulo en 8º. Debe anularse la selección de la casilla de verificación Ángulo de salida hacia afuera. Haga clic en Aceptar para crear la operación. 12 Operación completa. La operación completa se muestra a la derecha. Denomine la operación Handle.
  • 120.
    Manual de formaciónSolidWorks 2006 Lección 4 Cómo modelar una pieza de fundición o forja Croquizado dentro del modelo 107 Croquizado dentro del modelo La segunda operación de la pieza es Transition, otro saliente que conectará la operación Head con la operación Handle. El croquis para esta operación se crea en un plano de referencia estándar. Intención del diseño de la transición La operación Transition (Transición) es un perfil circular simple que se extruye hasta la operación Handle (Asa) existente. Centrado: El perfil circular está centrado en la operación Head. Longitud: La longitud de la sección se determina utilizando las ubicaciones existentes. 13 Cómo mostrar el Alzado. Cambie a una vista isométrica y seleccione el Alzado en el gestor de diseño del FeatureManager. El mismo se resaltará en la pantalla. Para asegurarse de que el plano continúe visible, haga clic con el botón secundario del ratón en Alzado en el gestor de diseño del FeatureManager y seleccione Mostrar en el menú. El plano aparecerá sombreado y transparente. 14 Configuración y cambios de plano. Existen configuraciones para determinar cómo aparecerán los planos en la pantalla. Para planos sombreados, haga clic en Herramientas, Opciones, Opciones de sistema, Visualizar/ Selección y seleccione la casilla de verificación Mostrar planos sombreados. Establezca el color del plano utilizando Herramientas, Opciones, Propiedades de documento, Visualización de planos. Sección de transición
  • 121.
    Lección 4 Manualde formación SolidWorks 2006 Cómo modelar una pieza de fundición o forja 108 Croquizado dentro del modelo Puede ajustar el tamaño de cualquier plano, generado por el sistema o el usuario, arrastrando sus asas. Ajuste el tamaño de este plano de modo que sus bordes queden cercanos a los límites de la operación. El tamaño de los planos también puede ajustarse automáticamente al modelo. Haga clic con el botón secundario del ratón y elija Ajuste automático de tamaño. Perfil circular El croquis para la operación Transition tiene una geometría y relaciones muy simples. Se croquiza un círculo y se lo relaciona con una posición en la operación anterior para definirlo. Esta relación mantendrá la operación Transition centrada en la operación Handle. 15 Abrir un croquis nuevo. Con la opción Alzado aún seleccionada, haga clic en la herramienta Croquis . El plano ahora es un plano de croquis. Introducción: Vista normal a La opción Vista normal a se utiliza para cambiar la orientación de vista de una dirección normal a una cara plana seleccionada. La geometría puede ser un plano de referencia, un croquis, una cara plana o una operación que contiene un croquis. Sugerencia Al hacer clic en el icono Normal a por segunda vez, invertirá la orientación a la cara opuesta del plano. Dónde encontrarlo Haga clic en Normal a en la barra de herramientas Vistas estándar. O presione la Barra espaciadora y haga doble clic en Normal a. 16 Orientación de vista Normal a. Utilizando el cuadro de diálogo Orientación de vista, cambie la orientación a Normal a. Para hacerlo, seleccione Alzado y haga doble clic en la opción Normal a del cuadro de diálogo Orientación de vista. Esto orienta la vista de modo que se pueda ver el tamaño y la forma reales del plano, facilitando el croquizado. Sugerencia También puede seleccionar el plano y hacer clic en la herramienta Normal a de la barra de herramientas Vistas estándar.
  • 122.
    Manual de formaciónSolidWorks 2006 Lección 4 Cómo modelar una pieza de fundición o forja Croquizado dentro del modelo 109 Introducción: Círculos croquizados La herramienta Círculo se utiliza en la creación de círculos para cortes y salientes en un croquis. El círculo se define mediante la creación de un Centro o un Perímetro. El centro requiere dos ubicaciones: el centro y una ubicación sobre su circunferencia. El perímetro requiere ubicaciones que representen dos (o de manera opcional tres) ubicaciones en el perímetro. Dónde encontrarlo En el menú Herramientas, seleccione Entidades de croquis, Círculo o Círculo perimetral. O, en la barra de herramientas Croquis, haga clic en Círculo o Círculo perimetral . Cómo croquizar el círculo Pueden utilizarse muchos puntos de inferencia para ubicar círculos. Puede utilizar el centro de círculos creados previamente, el origen y demás ubicaciones de puntos para localizar el centro del círculo. En este ejemplo, capturaremos automáticamente una relación coincidente con el origen mediante el croquizado del centro del círculo sobre la misma. 17 Agregar un círculo y acotarlo. Con la Herramienta Círculo, agregue el círculo en el origen. Agregue la cota de diámetro para definir completamente el croquis. Establezca el valor en 12 mm. El croquis está completamente definido. Cómo cambiar la apariencia de las cotas Con el estándar de acotación en uso actualmente, las cotas de diámetro se visualizan con una flecha fuera del círculo. Puede cambiar la visualización de modo que dos flechas queden dentro del círculo. 18 Hacer clic en la cota. Dos puntos verdes pequeños aparecerán en las flechas de la cota.
  • 123.
    Lección 4 Manualde formación SolidWorks 2006 Cómo modelar una pieza de fundición o forja 110 Croquizado dentro del modelo 19 Activar o desactivar las flechas. Haga clic en uno de los puntos verdes para activar o desactivar las flechas hacia el interior del círculo. Esto funciona en todas las cotas, no sólo en las cotas de diámetro. Haga clic de nuevo para situar las flechas en el exterior. 20 Ocultar la opción Alzado. 21 Cambiar a vista Isométrica. A diferencia de lo que sucede al crear la primera operación, el sistema no cambiará las orientaciones de vista automáticamente para ningún otro saliente o corte. Utilice el cuadro de diálogo Orientación de vista o la barra de herramientas Vistas estándar para cambiar a una vista Isométrica. Cómo extruir hasta el siguiente El croquis será extruido hasta la o las siguientes caras que encuentre a lo largo de su trayecto. Es importante observar los gráficos de vista preliminar para determinar si el saliente se orienta en la dirección adecuada, invirtiendo dicha dirección si fuera necesario. 22 Extrusión Hasta el siguiente. Haga clic en Insertar, Saliente/Base, Extruir... y observe la visualización de la vista preliminar. Cambie la dirección de modo que la vista preliminar muestre la extrusión que se dirige hacia la operación Handle. Cambie la condición final por Hasta el siguiente. Haga clic en Aceptar. Cambie el nombre de la operación por Transition.
  • 124.
    Manual de formaciónSolidWorks 2006 Lección 4 Cómo modelar una pieza de fundición o forja Croquizado dentro del modelo 111 Hasta el siguiente en comparación con Hasta la superficie Las condiciones finales Hasta el siguiente y Hasta la superficie generan resultados diferentes en muchos casos. La imagen de la izquierda es para Hasta la superficie cuando se selecciona la cara con ángulo (roja). La superficie selecciona da la forma a la extrusión. Sólo se permite una selección de superficie. La imagen de la derecha es para Hasta el siguiente. Todas las caras de la ruta de la extrusión se utilizan para dar forma a la extrusión. Intención del diseño de la cabeza La operaciónHead (Cabeza) es una operación Croquis que utiliza líneas y arcos tangentes para formar el esquema o perfil básico. El perfil se extruye en direcciones opuestas, equitativamente, con el ángulo de salida. Esta operación es la operación clave de la pieza. Contendrá cavidades y taladros utilizados para la ubicación de otras piezas. La intención del diseño de Head se detalla a continuación: Centros del arco: Los centros de los dos arcos en el esquema (perfil) se alinean verticalmente en una orientación de vista Top (Superior). Los radios no son iguales y pueden cambiar a cualquier valor. Ubicación del perfil: La geometría de croquis se ubica en el plano de separación del sólido con el arco mayor centrado con respecto al origen del modelo. Ángulo de salida: El ángulo de salida aplicado es igual a ambos lados del plano de separación. Espesor: El espesor de la pieza es igual a ambos lados de la línea de separación. Línea de separación
  • 125.
    Lección 4 Manualde formación SolidWorks 2006 Cómo modelar una pieza de fundición o forja 112 Croquizado dentro del modelo Simetría: La geometría es simétrica. 23 Línea constructiva. Seleccione el plano de referencia Planta como plano de croquis. Oriente la vista en la misma dirección. Empiece el croquis con una línea constructiva como se indica. Introducción: Arco centro extremos Arco centro extremos crea un arco basado en un centro, un punto inicial y un punto final. Dónde encontrarlo En el menú Herramientas, elija Entidades de croquis, Arco centro extremos.... O, haga clic con el botón secundario del ratón en la zona de gráficos y seleccione Arco centro extremos. O, en la barra de herramientas Croquis, seleccione la herramienta Arco centro extremos . 24 Croquizar un arco centro extremos. Seleccione la herramienta Arco centro extremos y haga clic primero en el origen (1). Muévase hacia fuera para establecer el radio y el punto inicial y vuelva a hacer clic (2). Muévase para establecer el punto final y haga clic en un tiempo final (3). Repita el procedimiento para un arco situado en el extremo abierto de la línea constructiva. Sección de la cabeza 1 2 3
  • 126.
    Manual de formaciónSolidWorks 2006 Lección 4 Cómo modelar una pieza de fundición o forja Croquizado dentro del modelo 113 25 Completar el croquis. Croquice una línea de punto final a punto final. Observe que los puntos finales no son tangentes a la línea. Agregue estas relaciones: Tangente entre la línea y cada arco. Coincidente entre la línea constructiva y cada punto final de arco abierto. 26 Agregar cotas. Agregue una cota lineal y dos radiales al croquis. Introducción: Simetría de entidades Para crear simetría, es necesario una línea, una arista lineal o una línea constructiva. Esta línea define el plano de simetría que es siempre normal con respecto al plano de croquis y atraviesa la línea constructiva seleccionada. Dónde encontrarlo En el menú Herramientas, seleccione: Herramientas de croquizar, Simetría. O, en la barra de herramientas Croquis, haga clic en Simetría de entidades . 27 Simetría. Haga clic en la herramienta Simetría . Seleccione los dos arcos y la línea de conexión como Entidades para simetría. Haga clic en Con respecto a y seleccione la línea constructiva. Se creará simetría de la geometría con respecto a la línea constructiva.
  • 127.
    Lección 4 Manualde formación SolidWorks 2006 Cómo modelar una pieza de fundición o forja 114 Croquizado dentro del modelo Cotas conducidas En cualquier croquis, pueden crearse Cotas de referencia o conducidas. SolidWorks le guía hacia la creación de este tipo siempre y cuando las cotas se agreguen a geometría que ya esté completamente definida. Una cota Conducida se indica mediante una diferencia de color. La cota conducida siempre mostrará el valor apropiado pero nunca podrá utilizarse para forzar un cambio en el modelo. Croquis definidos en exceso Si el estado de los cambios del croquis pasa a ser de completamente definido a definido en exceso (consulte Estado de un croquis en la página 30), aparecerá una herramienta de diagnóstico. Esta herramienta se puede utilizar para reparar el croquis. Asimismo, se pueden reparar otros estados inadecuados. 28 Cota angular. Haga clic en la herramienta Cota y seleccione el par de líneas en ángulo. Coloque el texto de cota debajo del croquis, entre las líneas. 29 Mensaje conducido. El siguiente mensaje le brinda la opción de establecer la cota como conductora o conducida. La selección predeterminada, Hacer cota conducida, se controla mediante Herramientas, Opciones. Seleccione Dejar cota como conductora y haga clic en Aceptar. El croquis pasa a ser Definido en exceso. Solucionar conflictos La opción Solucionar conflictos se utiliza para reparar las condiciones Definido en exceso, No se ha encontrado una solución o Se ha encontrado una solución inválida en el croquis. Nota Las reparaciones y la edición de piezas generales se describe en Lección 7: Cómo editar: Reparaciones. Dónde encontrarlo Haga clic en el botón Definido en exceso (u otra condición) en la esquina inferior derecha. 30 Definido en exceso. Cuando el croquis pasa a ser Definido en exceso, aparece un mensaje en la esquina inferior derecha de la pantalla. Haga clic en el botón Definido en exceso.
  • 128.
    Manual de formaciónSolidWorks 2006 Lección 4 Cómo modelar una pieza de fundición o forja Opciones de visualización 115 31 Diagnosticar. Haga clic en Diagnosticar para determinar los posibles conjuntos de soluciones con el fin de resolver el estado definido en exceso. La eliminación de uno de estos conjuntos suprimirá el estado definido en exceso. 32 Eliminar. Seleccione la relaciónDistance1 (Distancia1) y haga clic en Eliminar. 33 Conflicto solucionado. Establezca la cota de ángulo en 20 grados. 34 La extrusión. Cambie a una vista Isométrica y haga clic en Insertar, Saliente/Base, Extruir... del menú. Establezca el tipo en Plano medio, la profundidad en 20 mm y el ángulo de salida en 6º. Asigne a la última operación el nombre Head. Las tres operaciones principales que componen la forma general de la pieza están ahora completas. Opciones de visualización El software de SolidWorks le proporciona muchas opciones para controlar y manipular cómo se visualizan los modelos en su pantalla. En general, estas opciones de visualización pueden dividirse en dos grupos. Estos grupos corresponden a los dos submenús disponibles en el menú Ver y los dos grupos de herramientas en la barra de herramientas Ver. Nota Estas opciones de visualización están disponibles para su uso en situaciones de áreas de visualización únicas y múltiples. Para obtener más información, consulte Áreas de visualización en la página 63.
  • 129.
    Lección 4 Manualde formación SolidWorks 2006 Cómo modelar una pieza de fundición o forja 116 Opciones de visualización Opciones de visualización Opciones de modificación
  • 130.
    Manual de formaciónSolidWorks 2006 Lección 4 Cómo modelar una pieza de fundición o forja Opciones de visualización 117 Opciones de visualización En las siguientes ilustraciones de Ratchet, se muestran los diferentes tipos de opciones de visualización. Nota Las opciones de vista Perspectiva y Sección pueden aplicarse a cualquier tipo de vista: estructura alámbrica, línea oculta o sombreado. La herramienta SLO/LOV Calidad de borrador puede estar activa con todos los tipos de vista pero afecta sólo a las opciones Sin líneas ocultas y Líneas ocultas visibles haciendo que la visualización sea facetada y más fácil de manipular. Opciones de modificación Las opciones de modificación se enumeran a continuación al lado de sus herramientas correspondientes. Su instructor realizará una demostración de estas opciones durante la clase. Nota Resulta particularmente difícil ilustrar algo tan dinámico como la rotación de vista mediante un medio tan estático como un manual impreso. Por lo tanto, aquí solo se enumeran y resumen las diferentes opciones de vista. Su instructor demostrará estas opciones durante la clase. Zoom ajustar: Se aplica el zoom acercar o alejar de modo que todo el modelo esté visible. Zoom encuadre: Se aplica un zoom acercar a una parte seleccionada de la vista arrastrando un cuadro delimitador. El centro del cuadro se indica con un signo más (+). Zoom acercar/alejar: Aplica un zoom acercar a medida que usted presiona y mantiene presionado el botón izquierdo del ratón y arrastra el ratón hacia arriba. Aplica un zoom alejar a medida que usted arrastra el ratón hacia abajo. Estructura alámbrica Líneas ocultas visibles Sin líneas ocultas Sombreado Perspectiva Sección Sombras enFranjas Sombreado de cebra modo sombreado con aristas
  • 131.
    Lección 4 Manualde formación SolidWorks 2006 Cómo modelar una pieza de fundición o forja 118 Métodos abreviados del teclado Ampliar selección: Amplía el tamaño de una entidad seleccionada. Girar vista: Gira la vista a medida que usted presiona y mantiene presionado el botón izquierdo del ratón, arrastrando el ratón por la pantalla. Trasladar vista: Desplaza la vista de modo que el modelo se mueva a medida que usted arrastra el ratón. Funciones del botón central del ratón El botón central del ratón en un ratón de tres botones puede utilizarse para manipular la visualización dinámicamente. Si utiliza el botón central del ratón, podrá: Girar la vista Presione y mantenga presionado el botón central del ratón. Mientras mueve el ratón, la vista gira libremente. Sugerencia Para girar sobre un vértice, arista, eje o eje temporal: Haga clic con el botón central del ratón sobre la geometría. Mientras mueve el ratón, la vista gira sobre la geometría seleccionada. Trasladar o desplazar la vista Presione y mantenga presionada la tecla Ctrl juntamente con el botón central del ratón. La vista se desplazará a medida que usted arrastra el ratón. Aplicar zoom a la vista Presione y mantenga presionada la tecla Mayús juntamente con el botón central del ratón. Se aplicará el zoom acercar a la vista al mover el ratón hacia arriba; se aplicará el zoom alejar al mover el ratón hacia abajo. Nota En un dibujo, sólo puede utilizar las funciones Zoom y Trasladar. Métodos abreviados del teclado A continuación, se enumeran los métodos abreviados de teclado predefinidos para las opciones de vista: Teclas de flechas . . . . . . .Girar la vista Mayús+Teclas de flechas.Girar la vista en incrementos de 90º Alt+Teclas de flecha izquierda o derecha . . . . .Girar en torno a normal a la pantalla Ctrl+Teclas de flechas . . .Mover la vista Mayús+z . . . . . . . . . . . . . . .Zoom acercar z. . . . . . . . . . . . . . . . . . . . . .Zoom alejar f . . . . . . . . . . . . . . . . . . . . . .Zoom ajustar Ctrl+1 . . . . . . . . . . . . . . . . .Orientación frontal Ctrl+2 . . . . . . . . . . . . . . . . .Orientación posterior
  • 132.
    Manual de formaciónSolidWorks 2006 Lección 4 Cómo modelar una pieza de fundición o forja Cómo utilizar aristas del modelo en un croquis 119 Ctrl+3 . . . . . . . . . . . . . . . . .Orientación izquierda Ctrl+4 . . . . . . . . . . . . . . . . .Orientación derecha Ctrl+5 . . . . . . . . . . . . . . . . .Orientación superior Ctrl+6 . . . . . . . . . . . . . . . . .Orientación inferior Ctrl+7 . . . . . . . . . . . . . . . . .Orientación isométrica Ctrl+8 . . . . . . . . . . . . . . . . .Ver normal a Barra espaciadora. . . . . . .Cuadro de diálogo Orientación de vista Cómo utilizar aristas del modelo en un croquis La primera operación Cortar que se agregará es Recess (Entrante), una cavidad extruida desde la cara superior de Head (Cabeza). Esta operación permite la colocación de una cubierta sobre el mecanismo del trinquete. Debido a que la cubierta posee la misma forma general que la cara superior, sería útil aprovechar las aristas de la pieza Head al croquizar el perfil para el corte Recess. Lo haremos mediante la realización de una Equidistancia de las aristas de Head. Ampliar selección La opción Ampliar selección aplica el zoom acercar a una entidad seleccionada, haciendo que complete la pantalla. 35 Seleccionar la cara y el zoom. Seleccione la cara superior de Head y haga clic en Ampliar selección . La cara completará la ventana de gráficos. Cómo croquizar una equidistancia Las equidistancias en un croquis se basan en las aristas de modelos existentes o entidades de croquis de otro croquis. En este ejemplo, utilizaremos las aristas del modelo de la pieza Head. Estas aristas pueden elegirse individualmente o como el límite de toda una cara. Cuando sea posible, es una buena idea seleccionar la cara porque el croquis se regenerará mejor si los cambios posteriores agregan o eliminan aristas de la cara. Las aristas se proyectan sobre el plano del croquis, sin importar si las mismas se apoyan o no sobre dicho plano. Introducción: Equidistanciar entidades El comando Equidistanciar entidades se utiliza para crear copias de las aristas del modelo en un croquis. Estas copias se equidistancian del original en alguna cantidad especificada.
  • 133.
    Lección 4 Manualde formación SolidWorks 2006 Cómo modelar una pieza de fundición o forja 120 Cómo crear geometría de croquis recortada Dónde encontrarlo En el menú Herramientas, seleccione Herramientas de croquizar, Equidistanciar entidades... O, en la barra de herramientas Croquis, haga clic en Equidistanciar entidades . 36 Equidistanciar los límites de la cara. Seleccione la cara superior y haga clic en la herramienta Croquis. Con la cara todavía seleccionada, haga clic en la herramienta Equidistanciar en la barra de herramientas. Establezca el valor de la distancia en 2 mm e Invierta la dirección de ser necesario, moviendo la equidistancia hacia el interior. 37 Equidistancia resultante. La equidistancia crea dos líneas y dos arcos. Esta geometría depende de la cara sólida de la que proviene y cambiará con el sólido. El croquis se define completamente en forma automática y queda listo para una extrusión como corte. 38 Configuración para el corte. Elija un corte Hasta profundidad especificada con 2 mm para el valor de la profundidad y haga clic en Aceptar. 39 Cambiar el nombre de la operación. Cambie el nombre de la operación por Entrante. Cómo crear geometría de croquis recortada La operación Pocket (Cavidad) es otra operación Cortar, aplicada a una superficie plana del modelo. Este croquis utiliza círculos superpuestos que se recortan para crear un contorno simple. Los centros de los círculos están relacionados con puntos centrales circulares existentes.
  • 134.
    Manual de formaciónSolidWorks 2006 Lección 4 Cómo modelar una pieza de fundición o forja Cómo crear geometría de croquis recortada 121 40 Croquizar círculos. Seleccione la cara interior superior creada por la última operación como plano de croquis. Con la herramienta Círculo , cree un círculo utilizando la ubicación del punto central existente como el origen del círculo. El enganche con esta ubicación relacionará el círculo con la misma automáticamente. Cree un segundo círculo lejos del lado del modelo. 41 Relacionar los centros. Haga clic en la herramienta Agregar relación para abrir el PropertyManager Agregar relaciones. Seleccione el segundo círculo y la arista del corte. Elija la opción Concéntrica y haga clic en Aceptar. La opción Concéntrica fuerza los dos arcos (el círculo y la arista circular) para que compartan un centro común. Esto arrastrará el círculo a su posición. Recortar y extender Las entidades de croquis pueden recortarse utilizando la opción Recortar. En este ejemplo, las porciones superpuestas de los círculos se eliminarán. Hay varias opciones de recorte: Recorte inteligente, Esquina, Recortar dentro de límite, Recortar fuera de límite y Recortar hasta más cercano. También se pueden alargar utilizando la opción Extender. Estas opciones se explican a continuación. Introducción: Recortar La opción Recortar puede utilizarse para acortar la geometría de croquis. Dónde encontrarlo En el menú Herramientas, seleccione Herramientas de croquizar, Recortar. O, en la barra de herramientas Croquis, haga clic en Recortar entidades . La opción Recorte inteligente elimina la parte de una entidad que se arrastra entre intersecciones o hasta un punto final.
  • 135.
    Lección 4 Manualde formación SolidWorks 2006 Cómo modelar una pieza de fundición o forja 122 Cómo crear geometría de croquis recortada La opción Esquina se utiliza para recortar manteniendo la geometría seleccionada en una intersección común. Utilice la opción Recortar fuera de límite para mantener las partes internas si la geometría está contra un límite. Seleccione los dos límites (B) primero y, a continuación, las piezas de geometría que se van a recortar (T). Utilice la opción Recortar dentro de límite para mantener las partes externas si la geometría está contra un límite. Seleccione los dos límites (B) primero y, a continuación, las piezas de geometría que se van a recortar (T). Utilice la opción Recortar hasta más cercano para recortar la geometría seleccionada hasta la intersección más cercana o eliminar una parte de la geometría que aparece entre los límites. B B T T B B T T T
  • 136.
    Manual de formaciónSolidWorks 2006 Lección 4 Cómo modelar una pieza de fundición o forja Cómo crear geometría de croquis recortada 123 Introducción: Extender La opción Extender puede utilizarse para alargar la geometría de croquis. Dónde encontrarlo En el menú Herramientas, seleccione Herramientas de croquizar, Extender. O, en la barra de herramientas Croquis, haga clic en Extender entidades . 42 Recortar los círculos. Haga clic en la herramienta Recortar y seleccione la opción Recorte inteligente. Regla Arrastre las porciones de las entidades de croquis que desea eliminar. El sistema buscará las intersecciones entre los círculos y eliminará el exceso. 43 Agregar cotas. Agregue cotas a los arcos. Esto definirá completamente el croquis. 44 Desactivar la herramienta de cota. Una forma fácil de desactivar la herramienta de cota consiste simplemente en presionar la tecla Esc del teclado. Seleccione el punto más cercano al extremo y haga clic para extenderlo hasta la siguiente intersección. Arrastre el punto final más cercano y colóquelo en la entidad de intersección para extenderlo.
  • 137.
    Lección 4 Manualde formación SolidWorks 2006 Cómo modelar una pieza de fundición o forja 124 Cómo crear geometría de croquis recortada Cómo modificar cotas Debido a que las entidades de croquis son arcos, el sistema creó automáticamente cotas radiales. Si prefiere las cotas de diámetro, puede cambiar rápidamente las opciones de visualización. Para realizar cambios más profundos en las cotas, haga clic con el botón secundario del ratón en la cota y seleccione Propiedades. 45 Cotas de diámetro. Seleccione las cotas, haga clic con el botón secundario del ratón y elija Opciones de visualización, Visualizar como cota de diámetro. Introducción: Equidistante de la superficie La condición final Equidistante de la superficie se utiliza para ubicar el extremo de una extrusión como una medida desde un plano, cara o superficie, en lugar del plano de croquis de la operación. En este ejemplo, el extremo de la extrusión se mide desde la cara inferior de la pieza. La opción Trasladar superficie puede activarse o desactivarse. Su significado se explica a continuación. Qué hace la opción Trasladar superficie: La opción Trasladar superficie de la condición final Equidistante de la superficie está desactivada en forma predeterminada. En la imagen de la derecha, ambas columnas están ubicadas bajo dos superficies de referencia semicirculares idénticas. Ambas columnas se extruyen de modo que la parte superior de cada una está 1.4” por debajo de las superficies de referencia. La columna de la izquierda fue extruida con la opción Trasladar superficie activada. La columna de la derecha fue extruida con la opción desactivada.
  • 138.
    Manual de formaciónSolidWorks 2006 Lección 4 Cómo modelar una pieza de fundición o forja Cómo crear geometría de croquis recortada 125 La opción Equidistante de la superficie de la opción Trasladar superficie define la condición final al trasladar linealmente una copia de la superficie en la dirección de la extrusión. Sin ella, la superficie copiada se crea mediante la proyección normal en la superficie original. De ahí los dos resultados diferentes. Nota En este ejemplo, la posición de la cara plana seleccionada indica que ambas opciones obtienen el mismo resultado. 46 Equidistante de la superficie. Haga clic en el icono Extruir corte y elija la condición final Equi- distante de la superficie. Establezca la Equidistancia en 5mm. Introducción: Seleccionar otra Seleccionar otra se utiliza para seleccionar caras ocultas del modelo sin necesidad de volver a orientarlo. Procedimiento de la opción Seleccionar otra Para seleccionar caras ocultas u oscurecidas, puede utilizar la opción Seleccionar otra. Al colocar el cursor en la zona de una cara y presionar el botón secundario del ratón, Seleccionar otra queda disponible como opción en el menú contextual. La cara más cercana al cursor se oculta y se muestra como 1. en el cuadro de diálogo en --Caras ocultas--. En el cuadro de diálogo, se numeran y aparecen otras caras visibles. Si se mueve por encima de ellas en el cuadro de diálogo, las mismas se resaltan en la pantalla. La razón por la cual el sistema oculta la cara más cercana es que, como dicha cara era visible, si hubiera deseado seleccionarla simplemente la hubiera elegido con el botón izquierdo del ratón. 47 Selección de cara. Haga clic con el botón secundario del ratón sobre la cara inferior oculta y elija Seleccionar otra. Mueva el cursor hacia arriba y hacia abajo en la lista Seleccionar otra para resaltar las posibles selecciones de caras. Utilice el botón izquierdo del ratón para seleccionar la cara directamente o seleccione la opción 2. Cara de la lista. Cambie el nombre de la operación por Pocket. Sugerencia Se pueden agregar otras caras a la lista -- Caras ocultas --. Haga clic con el botón secundario del ratón en una cara para ocultarla. Presione Mayús y haga clic con el botón secundario del ratón para hacerla visible y eliminarla de la lista.
  • 139.
    Lección 4 Manualde formación SolidWorks 2006 Cómo modelar una pieza de fundición o forja 126 Cómo crear geometría de croquis recortada Cómo medir La opción Medir puede utilizarse para muchas tareas de medición. Aquí se utiliza para medir la distancia más corta entre una arista y un plano. Puede medir la geometría incluidos vértices, aristas y caras. Introducción: Medir El comando Medir puede calcular distancias, longitudes, áreas de superficie, ángulos, círculos y ubicaciones X, Y, Z de vértices seleccionados. En el caso de círculos y arcos, están disponibles las cotas centrales, mínimas y máximas tal como se muestra a continuación.
  • 140.
    Manual de formaciónSolidWorks 2006 Lección 4 Cómo modelar una pieza de fundición o forja Cómo utilizar las operaciones Copiar y Pegar 127 Dónde encontrarlo En la barra Herramientas, haga clic en la herramienta Medir . O en el menú Herramientas, elija Medir... 48 Medir entre la cara y el vértice. Haga clic en la herramienta Medir y seleccione la cara y el vértice que se muestran. La Distancia normal es 5mm. Se visualiza información de las selecciones combinadas. Sugerencia La Barra de estado situada en la parte inferior de la ventana de SolidWorks muestra información similar cuando la herramienta Medir está desactivada. Si se seleccionara una arista circular, la barra de estado mostraría el Radio y Centro. Cómo utilizar las operaciones Copiar y Pegar La pieza Ratchet requiere dos taladros pasantes de diferentes diámetros. Crearemos un taladro, copiándolo y pegándolo para realizar el segundo. Cómo croquizar el taladro Los taladros circulares son muy fáciles de crear. Todo lo que necesita es un círculo de croquis relacionado con el modelo y acotado. El Asistente para taladro también podría utilizarse para crear este taladro. 49 Abrir un croquis. Haga clic en la cara inferior interior del “número ocho” y abra un nuevo croquis. 50 Crear un taladro circular. Croquice un círculo centrado en la marca superior central y agregue una cota. Establezca el diámetro en 9 mm y cree un corte Por todo. Denomine la operación Wheel Hole.
  • 141.
    Lección 4 Manualde formación SolidWorks 2006 Cómo modelar una pieza de fundición o forja 128 Cómo utilizar las operaciones Copiar y Pegar Operaciones Copiar y Pegar Las operaciones croquizadas sencillas y algunas operaciones aplicadas pueden copiarse y luego pegarse en una cara plana. Las operaciones de múltiples croquis tales como barridos y recubrimientos no se pueden copiar. Igualmente, ciertas operaciones aplicadas como ángulo de salida no se pueden copiar, aunque los redondeos y los chaflanes sí pueden copiarse. Una vez pegada, la copia no tiene vinculaciones ni asociación con el original. Tanto la operación como su croquis pueden cambiarse de manera independiente. Cómo copiar una operación Copie operaciones seleccionándolas y utilizando el acceso directo estándar de Windows Ctrl+C o seleccionando la herramienta Copiar en la barra de herramientas Estándar. También puede seleccionar Copiar en el menú Editar. Finalmente, puede emplear la técnica estándar de Windows “arrastrar y colocar” mientras mantiene presionada la tecla Ctrl. 51 Identificar la operación a copiar. La operación que se copiará debe identificarse en el gestor de diseño del FeatureManager o en el modelo. Para este ejemplo, seleccione la operación Wheel Hole seleccionándola en el gestor de diseño del FeatureManager. A continuación, cópiela en el portapapeles utilizando la opción Copiar de la barra de herramientas Estándar. Nota También puede utilizar Ctrl+C o Editar, Copiar para crear una copia en el portapapeles. 52 Seleccionar la cara en la cual pegar. La operación copiada debe copiarse en una cara plana. Seleccione la cara inferior interior, la misma utilizada para el plano de croquis de Wheel Hole. 53 Pegar la operación. Pegue la copia utilizando la herramienta Pegar , la tecla de acceso directo Ctrl+V o Editar, Pegar. 54 Confirmación de copia. La operación Wheel Hole era Concéntrica con respecto al extremo más pequeño de la cara del “número ocho”. La copia lleva esa relación Concéntrica consigo, sólo que el sistema ahora tiene un pequeño problema. No sabe con respecto a qué arista la misma debe ser concéntrica. Por lo tanto, tenemos tres opciones: Eliminar la relación. Mantenerla aunque no se resuelva (colgante). Cancelar la operación de copia en su totalidad. 55 Hacer clic en Eliminar.
  • 142.
    Manual de formaciónSolidWorks 2006 Lección 4 Cómo modelar una pieza de fundición o forja Cómo utilizar las operaciones Copiar y Pegar 129 Relaciones colgantes Las cotas y las relaciones se consideran colgantes si hacen referencia a algo que ha sido eliminado o no está resuelto. Las relaciones colgantes generalmente pueden repararse mediante una o más técnicas. Analizaremos la reparación de las relaciones colgantes más adelante en el curso en la Lección 7: Cómo editar: Reparaciones. 56 Operación pegada. La operación y su croquis se agregan al gestor de diseño del FeatureManager y al modelo. Observe que la operación no está centrada. Esto se debe a que su croquis está, de hecho, insuficientemente definido. 57 Buscar el croquis. Haga clic en el signo que precede a la operación pegada en el gestor de diseño del FeatureManager. Cómo editar un croquis. Una vez creados, los croquis pueden cambiarse utilizando Editar croquis. Esto abre el croquis seleccionado de modo que usted pueda cambiar cualquier cosa: los valores de cota, las cotas propiamente dichas, la geometría o las relaciones geométricas. Introducción: Editar croquis Editar croquis le permite acceder a un croquis y realizar cambios en cualquier aspecto del mismo. Durante la edición, el modelo “retrocede” al estado en el que se encontraba al crearse el croquis. El modelo será reconstruido al salir del croquis. Dónde encontrarlo En el menú Editar, elija Croquis. O haga clic con el botón secundario del ratón en la operación cuyo croquis desee editar y seleccione Editar croquis. Relacionar y cambiar el croquis Debido a que la copia no tiene relaciones con el origen o la geometría del modelo, el croquis está insuficientemente definido y debe llevarse a un estado completamente definido. Utilice relaciones geométricas para hacerlo. 58 Editar el croquis de la operación copiada. La operación copiada incluye tanto la operación como su croquis. El croquis define la forma y el tamaño del perfil así como la ubicación. Haga clic con el botón secundario del ratón en la operación o su croquis y seleccione Editar croquis.
  • 143.
    Lección 4 Manualde formación SolidWorks 2006 Cómo modelar una pieza de fundición o forja 130 Cómo utilizar las operaciones Copiar y Pegar 59 Relación y cota. El círculo y la cota de diámetro están en el croquis. No existe ninguna otra relación o cota para localizar el círculo. Elimine la cota. Haga clic en Agregar relación . Seleccione la arista del círculo y la arista del sólido y use Concéntrica. O utilice Coincidente para alinear el punto central del círculo y el origen. El croquis está ahora completamente definido. Agregue una Cota de círculo concéntrico acotando el círculo y la arista. 60 Reconstruir el modelo. Para hacer que los cambios entren en vigor en el croquis, reconstruya el modelo haciendo clic en la herramienta Reconstruir . Cambie el nombre de la operación por Ratchet Hole (Taladro de trinquete). 61 Redondeos. Agregue redondeos en las aristas y caras tal como se muestra a continuación. R = 3mm Nombre = Handle Fillets (Redondeos de asas) R = 1mm Nombre = H End Fillets (Redondeos de extremos de asas). R = 2mm Nombre T-H Fillets (Redondeos de asas de transición).
  • 144.
    Manual de formaciónSolidWorks 2006 Lección 4 Cómo modelar una pieza de fundición o forja Cómo editar operaciones 131 Cómo editar operaciones El último redondeo que se creará se encuentra alrededor de las aristas superior e inferior de Head (Cabeza). Como este redondeo tiene el mismo radio que el redondeo en los extremos de Handle (Asa), editaremos este redondeo existente para incluir las aristas en Head. Ésta es una mejor técnica que crear un nuevo redondeo e intentar descubrir cómo mantener sus radios iguales. Para hacerlo, editaremos la definición de H End Fillets (Redondeos de extremos de asas). Introducción: Editar operación Editar operación cambia la manera de aplicar una operación al modelo. Cada operación tiene información específica que puede cambiarse o completarse, según el tipo de operación del que se trate. Como regla general, el cuadro de diálogo que se utiliza para crear una operación también se utiliza para editar dicha operación. Dónde encontrarlo Haga clic con el botón secundario del ratón en la operación que desea editar, ya sea en el gestor de diseño del FeatureManager o en la ventana de gráficos, y seleccione Editar operación. Cómo editar el redondeo Edite la operación H End Fillets para incluir aristas adicionales. 62 Seleccionar y editar el redondeo. Haga clic con el botón secundario del ratón en la operación H End Fillets y seleccione Editar operación. Seleccione las aristas adicionales alrededor de las aristas superior e inferior de Head (Cabeza). La lista de selección debería indicar ahora un total de 6 aristas seleccionadas. 63 Guardar y cerrar la pieza.
  • 145.
    Lección 4 Manualde formación SolidWorks 2006 Cómo modelar una pieza de fundición o forja 132 Cómo editar operaciones
  • 146.
    Manual de formaciónSolidWorks 2006 Ejercicio 10 133 Ejercicio 10: Soporte base Este laboratorio refuerza las siguientes funciones: Cómo croquizar líneas. Cómo agregar relaciones geométricas. Cómo croquizar en planos estándar. Cómo croquizar en caras planas. Cómo crear redondeos. Cómo crear cortes, taladros y salientes. Intención del diseño Algunos aspectos de la intención del diseño para esta pieza son: 1. El espesor de las operaciones Upper (Superior) y Lower (Inferior) es igual. 2. Los taladros en la operación Lower son de igual diámetro y permanecerán sin cambios. 3. Las operaciones Upper (Superior) y Lower (Inferior) están en el mismo nivel en el lado posterior y derecho. Procedimiento Abra una pieza nueva utilizando la plantilla Part_MM. 1 Crear la operación Lower (Inferior). Utilice líneas para croquizar este perfil. Agregue cotas para definir completamente el croquis. Operación Lower (Inferior) Operación Upper (Superior)
  • 147.
    Manual de formaciónSolidWorks 2006 134 Ejercicio 10 2 Seleccionar una cara como plano de croquis. Seleccione la cara posterior que se encuentra oculta por la cara superior del modelo como plano de croquis. Utilice Seleccionar otra o gire la vista para seleccionarla. 3 Crear la operación Saliente Upper (Superior). Croquice las líneas y relaciónelas con las aristas existentes en donde sean coincidentes. 4 Extruir. Extruya en la primera operación una profundidad de 20 mm.
  • 148.
    Manual de formaciónSolidWorks 2006 Ejercicio 10 135 5 Crear redondeos y redondos. Agregue los redondeos en la menor cantidad de pasos posible. Cambie el nombre de las operaciones según el tamaño del redondeo. 6 Taladros. Agregue los taladros utilizando la menor cantidad de operaciones posible. Asegúrese de que queden concéntricos a los radios de redondeo. Para el Asistente para taladro, utilice los tamaños del perforador Métrico - ANSI. 7 Guardar y cerrar la pieza. 20 mm 18 mm
  • 149.
    Manual de formaciónSolidWorks 2006 136 Ejercicio 11 Ejercicio 11: Cambios en el asa del trinquete Realice cambios en la pieza creada en la lección anterior. Este ejercicio utiliza las siguientes funciones: Edición de croquis. Edición de operaciones. Intención del diseño Algunos aspectos de la intención del diseño para esta pieza son: 1. La pieza debe permanecer simétrica en torno al plano de referencia Right (Derecho). 2. La operación Transition (Transición) requiere que las caras planas sean conducidas por la distancia entre ellas. Procedimiento Abra una pieza existente. 1 Abrir la pieza Ratchet Handle Changes (Cambios en el asa del trinquete). El cambio se efectuará en la forma de la operación Transition. 2 Editar el croquis. Haga clic con el botón secundario del ratón en la operación Transition en la pantalla y elija Editar croquis. Modifique el croquis para agregar las caras planas horizontales con una separación uniforme de 8 mm. Salga del croquis. Transition (Transición)
  • 150.
    Manual de formaciónSolidWorks 2006 Ejercicio 11 137 3 Editar operación. Edite la operación H End Fillets (Redondeos de extremos de asas) para incluir más aristas. Seleccione las cuatro aristas nuevas creadas por las caras planas. Haga clic en Aceptar. 4 Redondeos resultantes. Las nuevas aristas pasan a formar parte de la operación Redondeo, originando la actualización de la forma de la siguiente operación Redondeo. 5 Guardar y cerrar la pieza.
  • 151.
    Manual de formaciónSolidWorks 2006 138 Ejercicio 12 Ejercicio 12: Soporte de herramienta Este laboratorio refuerza las siguientes funciones: Croquizado. Cómo agregar relaciones geométricas. Cómo recortar. Redondeos. Cómo crear cortes, taladros y salientes. Intención del diseño Algunos aspectos de la intención del diseño para esta pieza son: 1. Todos los redondeos y redondos son de 0.0625”, a menos que se indique lo contrario. 2. Las aristas circulares del mismo diámetro/radio deben permanecer igual. Vistas acotadas Utilice los siguientes gráficos con la intención del diseño para crear la pieza.
  • 152.
    Manual de formaciónSolidWorks 2006 Ejercicio 13 139 Ejercicio 13: Brazo comple- mentario Cree esta pieza utilizando las cotas suministradas. Utilice relaciones y ecuaciones donde corresponda para mantener la intención del diseño. Considere cuidadosamente la mejor ubicación para el origen. Esta pieza puede construirse utilizando sólo los planos de referencia Planta, Alzado y Vista lateral. Este laboratorio utiliza las siguientes funciones: Croquizar con simetría. Extrusiones Plano medio y Por todo Redondeos. Unidades: pulgadas o mm Intención del diseño La intención del diseño de esta pieza se muestra a continuación: 1. La pieza es simétrica. 2. Los taladros frontales están en la línea constructiva. 3. Todos los redondeos y redondos (resaltados en rojo) son R 0.125” o R 3mm a no ser que se indique lo contrario. 4. Los taladros centrales en los planos Alzado y Vista lateral comparten un punto central común.
  • 153.
    Manual de formaciónSolidWorks 2006 140 Ejercicio 13 Vistas acotadas Utilice los siguientes gráficos con la intención del diseño para crear la pieza en pulgadas o mm. Los valores métricos se han modificado y han pasado a ser valores numéricos. Cotas en pulgadas: Cotas en mm:
  • 154.
    Manual de formaciónSolidWorks 2006 Ejercicio 14 141 Ejercicio 14: Polea Este laboratorio refuerza las siguientes funciones: Creación de ángulo de salida durante la extrusión. Extrusiones de Plano medio. Redondeos. Intención del diseño Algunos aspectos de la intención del diseño para esta pieza son: 1. Todos los redondeos son de 1 mm a menos que se indique lo contrario. 2. El ángulo de salida es de 6° tanto en el sólido como en el soporte para colgar. Procedimiento Abra la pieza existente denominada Pulley (Polea). 1 Extrusión con ángulo de salida. Extruya el croquis Base (rojo) de 10 mm utilizando la condición final Plano medio y 6° de ángulo de salida. 2 Soporte para colgar. Utilice el croquis Soporte para colgar (azul) y otra extrusión de Plano medio de 4 mm con el mismo ángulo de salida.
  • 155.
    Manual de formaciónSolidWorks 2006 142 Ejercicio 14 3 Corte y taladro. Cree un corte utilizando el croquis Center Cut (Corte central) (verde). El corte es Por todo en ambas direcciones. Agregue un taladro de 5 mm de diámetro. Agregue el redondeo (1 mm) a las aristas inferiores después del corte. Cree un tercer corte Por todo de 3 mm, centrado por encima del origen. 4 Redondeos. Agregue redondeos de 0.5 mm y 1 mm según se indica. Observe que estos redondeos dependen del orden; los redondeos de 1 mm deben preceder a los de 0.5 mm. 5 Guardar y cerrar la pieza. 0.5 mm 1 mm
  • 156.
    Manual de formaciónSolidWorks 2006 143 Lección 5 Matrices Al finalizar esta lección, podrá: Utilizar diferentes tipos de matrices. Utilizar matrices de geometría correctamente. Utilizar la opción Variar croquis.
  • 157.
    Lección 5 Manualde formación SolidWorks 2006 Matrices 144
  • 158.
    Manual de formaciónSolidWorks 2006 Lección 5 Matrices ¿Por qué emplear matrices? 145 ¿Por qué emplear matrices? Las matrices son el mejor método para crear múltiples instancias de una o más operaciones. El uso de matrices resulta más conveniente que otros métodos, por varias razones. Reutilización de geometría La operación a repetir u original se crea sólo una vez. Las Instancias de la operación a repetir se crean y se sitúan, con referencias a la operación a repetir. Cambios Debido a la relación a repetir/instancia, las modificaciones en la operación a repetir se pasan automáticamente a las instancias. Utilización de las matrices de componentes de ensamblajes Las matrices creadas en el nivel de pieza son reutilizables en el nivel del ensamblaje como Matrices conducidas por operaciones. La matriz se puede utilizar para ubicar subensamblajes o piezas del componente. Smart Fasteners Una de las últimas ventajas de Smart Fasteners es la incorporación auto- mática de cierres al ensamblaje. Los mismos son específicos de los tala- dros. Comparación de matrices Hay muchos tipos de matrices disponibles en SolidWorks y esta tabla pretende resaltar los usos más habituales de cada tipo. A repetir La opción A repetir es la geometría a partir de la cual se desea crear la matriz. Puede tratarse de una o varias operaciones, sólidos o caras. Instancia de matriz La Instancia de matriz (o simplemente Instancia) es la “copia” de la operación a repetir creada por la matriz. De hecho, es mucho más que una copia, ya que proviene de la operación a repetir y de los cambios de esta operación. Tipo de matriz: Uso habitual: Clave: A repetir = Instancia de matriz = Lineal . . . . . . . . Matriz unidireccional con separación igual.
  • 159.
    Lección 5 Manualde formación SolidWorks 2006 Matrices 146 ¿Por qué emplear matrices? Lineal . . . . . . . . Matriz bidireccional con separación igual. Lineal . . . . . . . . Matriz bidireccional; sólo matriz de operación a repetir. Lineal . . . . . . . . Matriz unidireccional o bidireccional. Instancias seleccionadas eliminadas. Circular. . . . . . . Matriz circular con separación igual alrededor de un centro. Circular. . . . . . . Matriz circular con separación constante alrededor de un centro. Instancias seleccionadas eliminadas o ángulo inferior a 360°. Simetría . . . . . . Orientación simétrica con respecto a un plano seleccionado. Puede utilizar las operaciones seleccionadas o todo el sólido.
  • 160.
    Manual de formaciónSolidWorks 2006 Lección 5 Matrices ¿Por qué emplear matrices? 147 Conducida por tabla . . . . . . Disposición basada en una tabla de ubicaciones XY de un sistema de coordenadas. Conducida por croquis. . . . Disposición basada en la posición de puntos en un croquis. Conducida por curva . . . . . Disposición basada en la geometría de una curva. Conducida por curva . . . . . Disposición de una ruta parcial o completamente circular. Conducida por curva . . . . . Disposición basada en la geometría de una curva proyectada. Rellenar . . . . . . Disposición de instancias para crear matrices basadas en una cara. Rellenar . . . . . . Disposición de formas para crear matrices basadas en una cara.
  • 161.
    Lección 5 Manualde formación SolidWorks 2006 Matrices 148 ¿Por qué emplear matrices? Opciones de matriz Las operaciones de matriz comparten varias opciones. Son exclusivas de este tipo de operación y se tratarán con detalle más adelante, en esta misma lección. Opera- ción de matriz Selec- cionar opera- ciones, sólidos o caras Propagar propieda- des visua- les Sólo matriz de operación a repetir Saltar instan- cias Matriz de geometría Variar croquis Usar formas Lineal Circular Simetría Condu- cida por tabla Condu- cida por croquis Condu- cida por curva Rellenar Sólo opera- ciones y caras
  • 162.
    Manual de formaciónSolidWorks 2006 Lección 5 Matrices Matriz lineal 149 Gestor de diseño del FeatureManager desplegable El gestor de diseño del FeatureManager desplegable le permite ver el gestor de diseño del FeatureManager y el PropertyManager al mismo tiempo. Esto le permite seleccionar operaciones desde el FeatureManager que, de otro modo, quedaría oculto por el PropertyManager. También es transparente, superponiendo las piezas gráficas. El gestor de diseño del FeatureManager desplegable se activa automáticamente con el PropertyManager. Podría aparecer colapsado y se puede expandir haciendo clic en el signo más “+”. Nota Las opciones Matriz lineal de croquis y Matriz circular de croquis se pueden utilizar sin un croquis para crear copias de geometría de croquis. Estas opciones no crean operaciones de matriz. Matriz lineal La Matriz lineal crea copias, o instancias, en una matriz lineal controlada por una dirección, una distancia y el número de copias. Las instancias dependen de los originales. Los cambios realizados en los originales pasan a las operaciones con instancias. Introducción: Matriz lineal La matriz lineal crea instancias múltiples en matrices unidireccionales o bidireccionales. El eje puede ser una arista, un eje, un eje temporal o una cota lineal. Dónde encontrarlo En la barra de herramientas Operaciones, haga clic en la herramienta Matriz lineal . En el menú Insertar, elija: Matriz/Simetría, Matriz lineal... 1 Abrir la pieza denominada Grate. La pieza contiene la operación a repetir que se utilizará en la matriz.
  • 163.
    Lección 5 Manualde formación SolidWorks 2006 Matrices 150 Matriz lineal 2 Dirección 1. Haga clic en Insertar, Matriz/ Simetría, Matriz lineal. Seleccione la arista lineal de la pieza y haga clic en Invertir dirección , si fuera necesario, para establecer la dirección mostrada. Seleccione las tres operaciones que se muestran en Operaciones para la matriz. Establezca la Separación en 2” y las Instancias en 5. Nota La etiqueta de la matriz está asociada a la geometría utilizada para definir el eje o la dirección de la matriz. Contiene la configuración clave para la Separación y las Instancias y es editable. Haga doble clic en la configuración para modificar y volver a escribir el valor. Haga clic con el botón secundario del ratón en la etiqueta para acceder a otros comandos de la matriz, como Invertir dirección y Matriz de geometría. 3 Dirección 2. Expanda el cuadro de grupo Dirección 2 y seleccione otra arista lineal. Cómo eliminar instancias Las instancias generadas por la matriz se pueden eliminar si se selecciona un marcador en el centro de gravedad de la instancia que se muestra en la vista preliminar de la matriz. Cada instancia se enumera en formato de matriz (2,3) para su identificación.
  • 164.
    Manual de formaciónSolidWorks 2006 Lección 5 Matrices Matriz lineal 151 No se puede eliminar la operación a repetir. 4 Instancias a saltar. Expanda el cuadro de grupo Instancias a saltar y seleccione los seismarcadores de instancia central. La información sobre herramientas muestra una ubicación de matriz que se agrega a la lista al seleccionarse. 5 Matriz completa. Haga clic en Aceptar para agregar la operación de matriz LPattern1 (MatrizL1). Matrices de geometría La opción Matriz de geometría se utiliza para minimizar el tiempo de reconstrucción mediante el uso de geometría A repetir en todas las Instancias de la matriz. Sólo se debería emplear cuando la geometría de la operación a repetir y las instancias tienen una forma idéntica o similar. Sin matriz de geometría Si la opción Matriz de geometría está desactivada, la condición final de la operación a repetir se utiliza en las instancias. En este ejemplo, la condición final Equidistante de la superficie de la operación a repetir azul se aplica a las instancias naranjas, obligándolas a utilizar la misma condición final.
  • 165.
    Lección 5 Manualde formación SolidWorks 2006 Matrices 152 Matrices circulares Con matriz de geometría Si la opción Matriz de geometría está activada, se utiliza la geometría de la operación a repetir. La geometría se copia a lo largo de la matriz, ignorando la condición final. 6 Matriz de geometría. Haga clic con el botón secundario del ratón en la operación Matriz lineal y elija Editar operación. Seleccione la opción Matriz de geometría. Debido al espesor constante de la chapa, la geometría resultante tendrá la misma apariencia. Matrices circulares La Matriz circular crea copias o instancias en una matriz circular controlada por un centro de rotación, un ángulo y el número de copias. Las instancias dependen de los originales. Los cambios realizados en los originales pasan a las operaciones con instancias. Introducción: Matriz circular Matriz circular crea múltiples instancias de una o más operaciones colocadas alrededor de un eje. El eje puede ser una arista, un eje, un eje temporal o una cota angular. Dónde encontrarlo En la barra de herramientas Operaciones, haga clic en la herramienta Matriz circular . En el menú Insertar, elija: Matriz/Simetría, Matriz circular... Consideraciones acerca de los ejes Los Ejes son tipos de Geometría de referencia que se pueden emplear con muchas operaciones de matriz para definir los ejes direccionales o rotativos. Hay dos tipos: Ejes temporales y Ejes. Ejes temporales Cada operación cilíndrica y cónica tiene un eje asociado. Vea los ejes temporales de la pieza utilizando Ver, Ejes temporales. Un eje se visualiza a través de cada cara circular en el modelo. Ejes Los ejes son operaciones que se deben crear utilizando uno de los diferentes métodos. Las ventajas de crear un eje radican en que se puede cambiar el nombre del mismo, seleccionarlo por su nombre en el FeatureManager y otorgarle un tamaño. Los Ejes temporales se pueden hacer permanentes y recibir nombres exclusivos mediante la opción Una línea/Arista/Eje. Consulte el manual Modelado de piezas avanzado para obtener más información sobre la creación de ejes.
  • 166.
    Manual de formaciónSolidWorks 2006 Lección 5 Matrices Simetrías de matriz 153 1 Abrir la pieza denominada Circular_Pattern. 2 Ejes temporales. Haga clic en Ver, Ejes temporales para ver los ejes generados automáticamente para las operaciones circulares. Seleccione uno de los ejes temporales. 3 Configuración. Haga clic en Insertar, Matriz/ Simetría, Matriz circular... Seleccione las tres operaciones que se muestran en Operaciones para la matriz. Cambie el Ángulo a 360° y 4 instancias. Haga clic en Separación igual y en Matriz de geometría. Nota La opción Invertir dirección es significativa sólo si se utiliza un ángulo distinto de 360°. Simetrías de matriz La Simetría de matriz crea una copia, o instancia, a través de un plano o cara plana. La instancia depende del original. Los cambios realizados en el original pasan a las operaciones con instancias.
  • 167.
    Lección 5 Manualde formación SolidWorks 2006 Matrices 154 Cómo utilizar la opción Sólo matriz de Introducción: Simetría de matriz La opción Simetría de matriz crea una instancia de una o más operaciones o un sólido a través de un plano. El plano puede ser un plano de referencia o una cara plana. Dónde encontrarlo En la barra de herramientas Operaciones, haga clic en la herramienta Simetría de matriz . En el menú Insertar, elija: Matriz/Simetría, Simetría... Nota Para crear toda la simetría de una pieza con respecto a una cara común, seleccione la cara común como Simetría de cara/plano y el sólido como Sólidos para hacer simetría. La cara común debe ser plana. 1 Abrir la pieza denominada Mirror_Pattern. 2 Simetría. Haga clic en Insertar, Matriz/Simetría, Simetría y en Vista lateral. Seleccione la operación de biblioteca en Operaciones para hacer simetría. Haga clic en Aceptar. Recuerde que la Matriz de geometría también se puede usar con esta operación. Cómo utilizar la opción Sólo matriz de operación a repetir La opción Sólo matriz de operación a repetir se utiliza cuando se crea una matriz bidireccional. La segunda dirección está predeterminada para crear matrices de toda la geometría creada por la primera dirección, a menos que se utilice Sólo matriz de operación a repetir para crear únicamente la matriz de la geometría original o a repetir. Se usa frecuentemente para evitar resultados superpuestos cuando las dos direcciones emplean el mismo vector. 1 Abrir la pieza denominada Seed_Pattern.
  • 168.
    Manual de formaciónSolidWorks 2006 Lección 5 Matrices Cómo utilizar la opción Sólo matriz de operación a repetir 155 2 Dirección 1. Haga clic en Inser- tar, Matriz/Sime- tría, Matriz lineal.... Selec- cione la arista lineal como la Dirección de matriz, 30 mm como la Separa- ción y 2 como el Número de instan- cias. En el caso de Operaciones para la matriz, seleccione la operación de biblioteca. 3 Dirección 2. Para la Dirección 2, seleccione la arista lineal en el lado opuesto de la dirección, invirtiendo la flecha. Establezca las instancias en 2 y la separación en 50 mm. Nota Como se ve en la vista preliminar, se crea la matriz de la operación original (a repetir) en ambas direcciones. 4 Sólo matriz de operación a repetir. Haga clic en Sólo matriz de operación a repetir para eliminar la instancia extra. Establezca la Separación de dirección 2 en 30 mm.
  • 169.
    Lección 5 Manualde formación SolidWorks 2006 Matrices 156 Matrices conducidas por curva Matrices conducidas por curva La Matriz conducida por curva crea copias, o instancias, en una matriz lineal controlada por una curva. Las instancias dependen de los originales. Los cambios realizados en los originales pasan a las operaciones con instancias. La curva puede ser un croquis completo, una arista o una sencilla entidad de croquis. Este ejemplo utilizará un croquis que contiene varias aristas del modelo convertidas. Sugerencia Se puede utilizar una curva 3D para conducir la matriz. Es necesaria una selección de caras adicional para la Cara normal. 1 Abrir la pieza denominada Curve_Pattern. Introducción: Convertir entidades Convertir entidades le permite copiar aristas del modelo en su croquis activo. Estos elementos de croquis se definen completamente de forma automática y se restringen con una relación En arista. Dónde encontrarlo En el menú Herramientas, haga clic en Herramientas de croquizar, Convertir entidades. O, en la barra de herramientas Croquis, haga clic en Convertir entidades . 2 Seleccionar tangencia. Seleccione la cara superior y cree un nuevo croquis. Haga clic con el botón secundario del ratón en la arista externa y seleccione Seleccionar tangencia. Haga clic en Convertir entidades para copiar las aristas al croquis. Cierre el croquis.
  • 170.
    Manual de formaciónSolidWorks 2006 Lección 5 Matrices Matrices conducidas por curva 157 3 Matriz conducida por curva. Haga clic en Insertar, Matriz/Simetría, Matriz conducida por curva... Seleccione el croquis con las aristas convertidas como la Dirección de matriz y la operación de biblioteca como una de las Operaciones para la matriz. Haga clic en Separación igual y establezca el número de instancias en 5. Las opciones Transformar curva y Alinear con curva a repetir se utilizan como valores predeterminados. 4 Curva de equidistancia. Haga clic en Método de curva, Curva de equidistancia para ubicar las instancias mediante el uso de la misma equidistancia que la operación a repetir.
  • 171.
    Lección 5 Manualde formación SolidWorks 2006 Matrices 158 Matrices conducidas por croquis y por tabla 5 Alinear con curva a repetir. Alinear con curva a repetir (ilustración del extremo izquierdo) traslada la geometría por la dirección de curva sin girar las instancias. Tangente a la curva (ilustración del extremo derecho) gira la geometría con cambios en la dirección de la curva. 6 Matriz completa. Haga clic en Tangente a la curva y en Aceptar. Recuerde que la última instancia se extiende sobre la arista del sólido. Matrices conducidas por croquis y por tabla La opción Matrices conducidas por croquis y por tabla crea copias, o instancias, en una disposición lineal controlada por puntos de croquis o una tabla de valores XY (Tabla de taladros). Las instancias dependen de los originales. Los cambios realizados en los originales pasan a las operaciones con instancias. Introducción: Matriz conducida por croquis La opción Matriz conducida por croquis crea múltiples instancias basadas en puntos en un croquis seleccionado. El croquis debe existir antes de que se cree la matriz.
  • 172.
    Manual de formaciónSolidWorks 2006 Lección 5 Matrices Matrices conducidas por croquis y por tabla 159 Dónde encontrarlo En la barra de herramientas Operaciones, haga clic en la herramienta Matriz conducida por croquis . En el menú Insertar, elija: Matriz/Simetría, Matriz conducida por croquis... Sugerencia La matriz conducida por croquis sólo utiliza geometría de puntos. Se puede utilizar otra geometría, como las líneas de construcción, pero la matriz no las tendrá en cuenta. 1 Abrir Table&Sketch_Driven. 2 Croquis. Abra un nuevo croquis en la cara y cree una línea de construcción que comience en el centro de la operación D25. Agregue puntos al croquis y hágalos coincidir con la línea. Acote y defina completamente el croquis. Cierre el croquis. 3 Matriz conducida por croquis. Haga clic en Matriz/Simetría, Matriz conducida por croquis... y seleccione el nuevo croquis y la opción Centro de gravedad. En Operaciones para la matriz, seleccione la operación D25. Sugerencia La opción Centro de gravedad ubica las instancias basadas en el centro de gravedad de la operación a repetir. Si la geometría de la operación a repetir es asimétrica o está formada por múltiples operaciones, utilice la opción Punto seleccionado y seleccione una posición para utilizarla cuando esté ubicando las instancias.
  • 173.
    Lección 5 Manualde formación SolidWorks 2006 Matrices 160 Matrices conducidas por croquis y por tabla Introducción: Matriz conducida por tabla La opción Matriz conducida por tabla crea instancias múltiples basadas en una tabla de valores XY. Las ubicaciones XY están basadas en una operación seleccionada del Sistema de coordenadas. El sistema de coordenadas debe existir antes de que se cree la matriz. Dónde encontrarlo En la barra de herramientas Operaciones, haga clic en la herramienta Matriz conducida por tabla . En el menú Insertar, elija: Matriz/Simetría, Matriz conducida por tabla... Sugerencia La tabla utilizada en la matriz puede: haberse escrito dentro de las celdas del cuadro o haberse tomado de una tabla existente. El tipo de archivo de la tabla puede tener una extensión *.sldtab o *.txt. Introducción: Sistema de coordenadas Los Sistemas de coordenadas crean sistemas de coordenadas cartesianas que pueden utilizarse para propiedades, medidas o salida de exportación. Dónde encontrarlo En el menú Insertar, elija Geometría de referencia, Sistema de coordenadas... O haga clic en Sistema de coordenadas en la barra de herramientas Geometría de referencia. 4 Sistema de coordenadas. Haga clic en Insertar, Geometría de referencia, Sistema de coordenadas y seleccione la arista horizontal de la pieza como eje X. Seleccione la arista vertical como eje Y y utilice los botones de inversión, si fuese necesario, para invertir las direcciones del eje. Haga clic en Aceptar y cambie el nombre de la operación por XY.
  • 174.
    Manual de formaciónSolidWorks 2006 Lección 5 Matrices Cómo utilizar Variar croquis 161 5 Matriz conducida por tabla. Haga clic en Insertar, Matriz/Simetría, Matriz conducida por tabla... y seleccione el sistema de coordenadas XY y la operación D35. Escriba los valores de X e Y en los Puntos 1, 2, 3 y 4 (0 es la operación a repetir). Cómo utilizar Variar croquis La opción Variar croquis es un caso especial de la Matriz lineal que permite a las instancias cambiar de tamaño basándose en condiciones geométricas. Requiere que la cota lineal que conduce la forma esté seleccionada como dirección de la matriz. 1 Abrir la pieza denominada Vary_Sketch. Edite el croquis de la operación Cortar. Haga doble clic y modifique la cota 2”, advirtiendo que la misma conduce el tamaño de la geometría. Restablezca el valor de la cota.
  • 175.
    Lección 5 Manualde formación SolidWorks 2006 Matrices 162 Cómo utilizar Variar croquis 2 Matriz lineal. Cree una matriz lineal de la operación Cortar. Seleccione la cota 2” para Dirección 1. La flecha de dirección no debe señalar el centro. Especifique 0.75” como Separación y 7 como Número de instancias. La vista preliminar muestra que la matriz está creada a lo largo de la dirección de medida de la cota. El tamaño del corte no cambia. 3 Seleccionar la opción Variar croquis. La opción Variar croquis modifica la forma a lo largo del vector de dirección. Nota El croquis se ha mostrado en pantalla para obtener mayor claridad.
  • 176.
    Manual de formaciónSolidWorks 2006 Lección 5 Matrices Crear una matriz de una matriz 163 Crear una matriz de una matriz Las operaciones de matriz existentes se pueden emplear en nuevas matrices. Las instancias originales y las instancias de todas las matrices se utilizan cuando se selecciona la operación de matriz. 4 Matriz circular. Haga doble clic en la operación Cortar para exponer sus cotas. Inserte una Matriz circular. Seleccione la cota de 30° como Eje de matriz. 5 Operación de matriz. Seleccione la operación Matriz lineal como una de las Operaciones para la matriz. Establezca las Instancias en 6 con Separación igual. Cómo crear matrices de caras Las piezas que se han importado a través de IGES, STEP u otro método suelen aparecer como una operación Imported (Importada) individual. Las mismas no tienen los elementos individuales de la geometría SolidWorks nativa. Mediante la selección de Caras para crear matriz, las caras se pueden seleccionar y utilizar como si fuesen operaciones individuales. Las caras seleccionadas, junto con otras piezas de geometría, deben formar un límite cerrado. El resultado puede agregar o eliminar material. Sugerencia Se pueden crear matrices de los sólidos con el cuadro de diálogo Sólidos para crear matriz.
  • 177.
    Lección 5 Manualde formación SolidWorks 2006 Matrices 164 Cómo crear matrices de caras 1 Abrir la pieza existente Using Faces in Patterns. La pieza contiene geometría importada. 2 Matriz circular. Haga clic en Ver, Ejes temporales y seleccione el eje central como Eje de matriz. Cierre la opción Operaciones para la matriz y abra Caras para crear matriz. Establezca la matriz en Separación igual con 4 instancias. 3 Selecciones. Seleccione todas las caras del objeto, incluidas las caras ocultas. 4 Vista preliminar. La vista preliminar muestra 4 instancias. Haga clic en Aceptar para agregar la operación de matriz. Sugerencia La selección de cara se puede emplear con cualquier tipo de matriz. Las instancias se pueden saltar. 5 Matriz de “taladros”. Cree una segunda matriz utilizando la cara del "taladro" cilíndrico de 8 instancias. Una sección muestra cómo las matrices han cambiado la geometría.
  • 178.
    Manual de formaciónSolidWorks 2006 Lección 5 Matrices Patrones de rayado 165 Patrones de rayado El Patrón de rayado utiliza las operaciones existentes o formas estándar para rellenar una cara límite. La configuración se utiliza para determinar el diseño de matriz, el ángulo, la distancia y las distancias de los márgenes. Selecciones topológicas Las selecciones topológicas incluyen las caras para rellenar, la dirección y las operaciones para crear matriz. Cara(s) para rellenar La cara o caras (coplanares) a cuyo contorno se adaptará la matriz y además rellenará. No se crearán matrices de los bucles de la cara. Dirección de matriz Una arista del modelo, eje o línea de croquis que define la dirección de la matriz. Operaciones para crear matriz La operación u operaciones seleccionadas para crear matriz. Nota Se pueden crear matrices de las formas predefinidas (círculos, cuadrados, diamantes o polígonos) en lugar de la geometría existente. Operación para Cara para Dirección de crear matriz rellenar matriz
  • 179.
    Lección 5 Manualde formación SolidWorks 2006 Matrices 166 Patrones de rayado Diseño de matriz La opción Diseño de matriz se utiliza para seleccionar y ordenar el estilo de matriz. Con cada diseño la configuración numérica de separación y distancia adopta significados diferentes. Configuración numérica La configuración numérica determina las separaciones, los escalones y las distancias de arista mínimas que utiliza la matriz mientras se rellena. Esta configuración numérica es para la matriz Perforación que se utiliza en el siguiente ejemplo. Ángulo de incidencia El ángulo entre la Dirección de matriz seleccionada y las filas de instancias. Separación La distancia mínima entre filas de instancias similares. Margen La distancia mínima entre la arista de la cara y una instancia. Perforación Circular Cuadrado Polígono
  • 180.
    Manual de formaciónSolidWorks 2006 Lección 5 Matrices Patrones de rayado 167 1 Abrir la pieza existente Perforation Area Pattern. 2 Cara y dirección. Haga clic en Patrón de rayado y seleccione la cara superior del modelo. Haga clic en la arista que se muestra como la dirección (Dirección 1). Además, seleccione el botón Diseño de la matriz de perforación. 3 Configuración. Seleccione 1/8 (0.125) DiameterHole1 como la operación para crear matriz. Establezca la Separación, los Márgenes y el Ángulo de incidencia con los valores que se indican. Nota El Patrón de rayado incluye la opción Instancias a saltar como las demás matrices. Se puede utilizar para eliminar las instancias no deseadas. 4 Cambios. Elimine la matriz. Agregue una Matriz lineal para copiar el corte rectangular como se indica. Vuelva a crear la matriz con las mismas selecciones. La matriz se crea alrededor del taladro nuevo de la cara.
  • 181.
    Lección 5 Manualde formación SolidWorks 2006 Matrices 168 Patrones de rayado Sugerencia En vez de eliminar la operación, se podría utilizar la operación Retroceder para insertar la matriz lineal antes de la matriz. La opción Retroceder se describe en Cómo editar: Reparaciones, Retroceder a operación en la página 241.
  • 182.
    Manual de formaciónSolidWorks 2006 Ejercicio 15 169 Ejercicio 15: Matrices lineales Cree matrices de operaciones en esta pieza mediante una matriz lineal. Este laboratorio utiliza las siguientes funciones: Matrices lineales. Eliminación de instancias de matrices. Procedimiento Abra una pieza existente. Nota Esta pieza se ha copiado para su uso en matrices conducidas por croquis, conducidas por tabla y lineales. 1 Abrir la pieza Matriz lineal. La pieza incluye la operación “a repetir” utilizada en las matrices. 2 Matriz lineal. Cree una matriz mediante la operación a repetir. Utilice las siguientes cotas. 3 Guardar y cerrar la pieza.
  • 183.
    Manual de formaciónSolidWorks 2006 170 Ejercicio 16 Ejercicio 16: Matrices conducidas por croquis o por tabla Cree matrices de operaciones en esta pieza mediante una Matriz conducida por tabla. Este laboratorio utiliza las siguientes funciones: Sistemas de coordenadas. Matrices conducidas por tabla. Matrices conducidas por croquis. Archivos de tabla. Procedimiento Abra una pieza existente. 1 Abrir la pieza Table Driven Pattern. La pieza incluye la operación “a repetir” utilizada en las matrices. 2 Matriz conducida por croquis o por tabla. Utilice las siguientes cotas para definir el croquis utilizado con la matriz conducida por croquis. -o- Cree un sistema de coordenadas en el centro de la operación pattern hole y utilice los archivos pattern file.sldptab o pattern file.txt para definir la matriz conducida por tabla. Cree una matriz mediante la operación a repetir. 3 Guardar y cerrar la pieza.
  • 184.
    Manual de formaciónSolidWorks 2006 Ejercicio 17 171 Ejercicio 17: Cómo saltar instancias Complete esta pieza utilizando la información y las cotas proporcionadas. Este laboratorio refuerza las siguientes funciones: Creación de una matriz lineal. Omisión de instancias. Creación de la matriz de una matriz. Edición de una operación. Procedimiento Cree una nueva pieza con unidades en Pulgadas. 1 Operación Base. Cree un bloque de 3” x 12” x 0.75”. Sería útil tener un plano de referencia centrado con respecto a la dirección larga. 2 A repetir. Cree la operación a repetir mediante el Asistente para taladro y un perforador de pulgadas ANSI. 3 Matriz. Cree la matriz del taladro, saltando las instancias según se indica en el siguiente diagrama. 4 Crear la matriz de una matriz. Cree la matriz de una matriz para crear una disposición simétrica de taladros. 5 Cambiar. Cambie el taladro a un diámetro de 5/16” y reconstruya. 6 Guardar y cerrar la pieza.
  • 185.
    Manual de formaciónSolidWorks 2006 172 Ejercicio 18 Ejercicio 18: Simetrías de matriz y lineales Complete esta pieza utilizando la información y las cotas proporcionadas. Este laboratorio refuerza las siguientes funciones: Creación de una matriz lineal. Creación de una simetría de matriz mediante operaciones. Cómo crear una simetría de matriz mediante un sólido. Procedimiento Abra la pieza existente Linear & Mirror (Lineal y Simetría). 1 Matriz lineal. Mediante la utilización de la operación existente, cree una Matriz lineal que resulte en tres ranuras que estén separadas a una distancia de 0.20”. 2 Simetría de operaciones. Mediante la utilización de una sola operación de matriz, cree el saliente duplicado y corte según se indica. 3 Simetría. Utilice una tercera operación de matriz para crear el modelo completo a partir de la mitad del modelo. 4 Guardar y cerrar la pieza.
  • 186.
    Manual de formaciónSolidWorks 2006 Ejercicio 19 173 Ejercicio 19: Matrices conducidas por curva Cree matrices de operaciones en esta pieza mediante una Matriz conducida por curva. Este laboratorio utiliza las siguientes funciones: Curva de equidistancia. Cómo utilizar el asistente para taladro. Matrices conducidas por curva. Procedimiento Abra una pieza existente. 1 Abrir la pieza Curve Driven Pattern. 2 Croquis. Abra un croquis en la cara frontal de la leva y cree una equidistancia de 5.5 mm del perfil exterior. Cambie el nombre del croquis por Curve Sketch (Croquis de curva).
  • 187.
    Manual de formaciónSolidWorks 2006 174 Ejercicio 19 3 Asistente para taladro Agregue un avellanado con las siguientes opciones: Métrico-Ansi Tornillo de cabeza plana M3.5 Por todo Agregue dos relaciones geométricas de la siguiente manera: Horizontal con respecto al origen. Coincidente con la operación Curve Sketch (Croquis de curva). 4 Matriz conducida por curva. Haga la matriz de la operación con el Número de instancias en 20 y Separación igual. 5 Guardar y cerrar la pieza.
  • 188.
    Manual de formaciónSolidWorks 2006 Ejercicio 20 175 Ejercicio 20: Cómo utilizar Variar croquis Edite una matriz en esta pieza para utilizar Variar croquis. Este laboratorio utiliza las siguientes funciones: Editar operación. Utilización de la opción Variar croquis. Procedimiento Abra una pieza existente. 1 Abrir la pieza Vary Sketch Lab. La pieza incluye la operación “a repetir” utilizada en las matrices. 2 Editar matriz. Edite la operación de matriz y haga cambios para utilizar la opción Variar croquis según se indica. 3 Cambios. Cambie la separación a 0.375” y el número de instancias a 7. 4 Guardar y cerrar la pieza.
  • 189.
    Manual de formaciónSolidWorks 2006 176 Ejercicio 20
  • 190.
    Manual de formaciónSolidWorks 2006 177 Lección 6 Operaciones de revolución Al finalizar esta lección, podrá: Crear operaciones de revolución. Aplicar técnicas de acotación especiales a croquis para operaciones de revolución. Utilizar la técnica de sólidos multicuerpo. Crear una operación Barrer. Crear matrices circulares de operaciones. Calcular las propiedades físicas de una pieza. Realizar un análisis de esfuerzo preliminar y rudimentario.
  • 191.
    Lección 6 Manualde formación SolidWorks 2006 Operaciones de revolución 178
  • 192.
    Manual de formaciónSolidWorks 2006 Lección 6 Operaciones de revolución Estudio de casos: Volante de maniobra 179 Estudio de casos: Volante de maniobra Etapas del proceso Algunas etapas importantes del proceso de modelado de esta pieza se muestran en la siguiente lista: Intención del diseño Se describe y se explica la intención del diseño de la pieza. Operaciones de revolución El centro de la pieza es la operación Hub (Parte central), una forma de revolución. Se creará a partir de un croquis con una línea de construcción como el eje de revolución. Sólidos multicuerpo Cree dos sólidos individuales, Hub (Parte central) y Rim (Reborde), conectándolos y fusionándolos mediante un tercer sólido, Spoke (Radio). Operaciones Barrer La operación Radio se crea mediante una operación Barrer, una combinación de dos croquis que definen un perfil de barrido que se mueve a lo largo de una ruta de barrido. Matrices circulares En lugar de modelar el mismo radio varias veces, crearemos una matriz de Spokes (Radios) dispuestos a la misma distancia alrededor de la línea constructiva de la operación Hub. Análisis Con las herramientas incluidas en el software de SolidWorks, puede llevar a cabo funciones de análisis básicas como cálculos de propiedades físicas y análisis de esfuerzo preliminares. Según los resultados, puede realizar cambios en el diseño de la pieza.
  • 193.
    Lección 6 Manualde formación SolidWorks 2006 Operaciones de revolución 180 Intención del diseño Intención del diseño La intención del diseño de esta pieza se muestra a continuación: Los radios deben estar a la misma distancia. El centro del reborde del volante de maniobra se encuentra en el extremo del radio. Los radios pasan a través del centro de la parte central. Operaciones de revolución La operación Hub (Parte central) es una operación de revolución. Es la primera operación creada por geometría de revolución alrededor de un eje. Las operaciones de revolución requieren geometría simétrica de eje y una línea constructiva (usada como el eje) en el croquis. Esta operación de revolución se utilizará como el centro del volante de maniobra. Si se dan las circunstancias adecuadas, también se puede utilizar una línea croquizada como línea constructiva. Procedimiento Para comenzar este estudio de caso: 1 Abrir una pieza nueva utilizando la plantilla Part_MM. Geometría de croquis de la operación de revolución La geometría para la operación de revolución se crea utilizando las mismas herramientas y los mismos métodos que las operaciones extruidas. En este caso, las líneas se utilizarán para formar la forma (un cilindro con una arista con chaflán). La línea constructiva se utiliza como el eje de revolución y para localizar geometría. Reborde DiámetroParte Radio del volante de maniobra central
  • 194.
    Manual de formaciónSolidWorks 2006 Lección 6 Operaciones de revolución Operaciones de revolución 181 2 Rectángulo. Haga clic con el botón secundario del ratón en la Vista lateral y seleccione Insertar croquis. Cree un rectángulo desde el origen de aproximadamente 50 mm de alto por 30 mm de ancho. 3 Convertir en construcción. Seleccione la línea vertical que se muestra y haga clic en Geometría constructiva en la barra de herramientas Croquis. La línea se convierte en una línea de construcción. Introducción: Arco 3 puntos La opción Arco 3 puntos le permite crear un arco basándose en tres puntos, los dos puntos finales seguido por un punto en la curva. Dónde encontrarlo En el menú Herramientas, elija Entidades de croquis, Arco 3 puntos. O, en la barra de herramientas Croquis, haga clic en Arco 3 puntos . 4 Insertar arco 3 puntos. Comience el arco colocando el cursor en la línea vertical izquierda y arrastrando hacia abajo a lo largo de dicha arista. Suelte el botón del ratón y luego seleccione y arrastre el punto sobre la curva, fuera del croquis. 5 Cómo recortar. Utilice la opción Recortar con el Recorte inteligente y recorte la parte de la línea que queda dentro del arco.
  • 195.
    Lección 6 Manualde formación SolidWorks 2006 Operaciones de revolución 182 Operaciones de revolución Reglas que rigen los croquis de operaciones de revolución Además de las reglas generales que rigen los croquis incluidos en la Lección 2: Introducción al croquizado, se aplican algunas reglas especiales a croquis de operaciones de revolución: Se debe especificar una línea constructiva o línea croquizada como eje de revolución. El croquis no debe cruzar el eje. El eje de revolución de la revolución se debe seleccionar antes de crear la operación de revolución. Recuerde que en este ejemplo, la línea croquizada vertical derecha se podría emplear como eje de revolución. Cómo acotar el croquis La geometría de revolución se acota como cualquier otra con una opción adicional. Las cotas que miden diámetros en la operación terminada pueden cambiar de cotas lineales a cotas de diámetro. 6 Cota de arco. Acote el arco seleccionando en la circunferencia del arco y la línea vertical sobre la que éste se asienta. El resultado es una cota entre la línea y la tangente del arco. 7 Cota finalizada. Cambie el Valor a 4 mm. 8 Cotas verticales. Mediante la utilización de la herramienta Cota vertical , cree las cotas lineales verticales que se muestran a la derecha. También puede utilizar el icono Cota inteligente. No válido
  • 196.
    Manual de formaciónSolidWorks 2006 Lección 6 Operaciones de revolución Operaciones de revolución 183 Cotas de diámetro Algunas cotas deben ser cotas de diámetro en la operación de revolución finalizada. Para estas cotas, siempre seleccione la línea constructiva (eje de revolución) como una de las elecciones. Elija entonces una cota de radio o de diámetro, según dónde coloque el texto de cota. Si no escoge la línea constructiva, no podrá cambiar la cota a un diámetro. Nota Esta opción sólo está disponible si se usa una línea constructiva como eje de revolución. El uso de las cotas de diámetro no se restringe a los croquis de operaciones de revolución. 9 Acotar a la línea constructiva. Acote entre la línea constructiva y la arista vertical exterior para crear una cota lineal horizontal. No haga clic para colocar el texto de cota todavía. Observe la vista preliminar. Si coloca el texto ahora, obtendrá una cota de radio. 10 Mover el cursor. Mueva el cursor a la derecha de la línea constructiva. La vista preliminar cambia a una cota de diámetro. 11 Cota resultante. Haga clic para colocar el texto de cota. Cambie el valor por 25 mm y presione Intro. Normalmente, una cota de diámetro debe tener un símbolo de diámetro que la precede: . Cuando la operación de revolución se crea a partir del croquis, el sistema agregará automáticamente el símbolo de diámetro a la cota 25 mm.
  • 197.
    Lección 6 Manualde formación SolidWorks 2006 Operaciones de revolución 184 Operaciones de revolución Nota Si coloca el texto de cota en el lugar incorrecto involuntariamente y obtiene una cota de radio en vez de un diámetro, puede solucionarlo. Haga clic con el botón secundario del ratón en la cota y seleccione Propiedades... Haga clic en la casilla de verificación Cota de diámetro para transformar la cota en una cota de diámetro. Cómo crear la operación de revolución Una vez que el croquis se completa, puede transformarse en una operación de revolución. El proceso es simple y una revolución completa (360°) es casi automática. Introducción: Operación de revolución La opción Revolución le permite crear una operación a partir de un croquis simétrico al eje y un eje. Esta operación puede ser una operación Base, Saliente o Corte. El eje puede ser una línea constructiva, una línea, una arista lineal, un eje o un eje temporal. Si sólo hay presente una selección de eje, se utilizará automáticamente. Si hay más de una selección presente, deberá seleccionarla. Dónde encontrarlo En el menú Insertar, elija Saliente/Base o Corte, Revolución.... O bien utilice la barra de herramientas Operación: . 12 Realizar la operación. Haga clic en Saliente/Base, Revolución... en el menú Insertar. Aparecerá un mensaje en el que se indica que el croquis es un contorno abierto y se le pregunta si desea cerrar el contorno automáticamente. Haga clic en Sí. El PropertyManager aparece con estas condiciones finales predeterminadas: Una dirección Ángulo de 360° Acepte estos valores predeterminados haciendo clic en Aceptar.
  • 198.
    Manual de formaciónSolidWorks 2006 Lección 6 Operaciones de revolución Operaciones de revolución 185 13 Operación finalizada. La operación de revolución sólida se crea como la primera operación de la pieza. Cambie su nombre a Hub (Parte central). 14 Editar el croquis. Haga clic con el botón secundario del ratón en Hub y seleccione Editar croquis. Nota También puede hacer clic con el botón secundario del ratón en la operación en el gestor de diseño del FeatureManager y obtener el mismo resultado. 15 Normal a. Haga clic en Normal a en la barra de herramientas Vistas estándar para cambiar la vista a fin de poder ver su tamaño y forma reales. 16 Configuración de redondeo. Seleccione la herramienta y establezca el valor en 5 mm. Asegúrese de que la opción Mantener esquinas restringidas se encuentre seleccionada. 17 Selecciones. Seleccione ambos puntos finales del arco, según se indica. Cuando ambos estén seleccionados, aparecerá el redondeo. La cota conduce a ambos pero sólo aparece una vez, en la primera selección. Seleccione aquí
  • 199.
    Lección 6 Manualde formación SolidWorks 2006 Operaciones de revolución 186 Cómo construir el reborde Puesto que los puntos finales redondeados tienen cotas, se agregan símbolos de Intersección virtual en el lugar donde estaban las esquinas. Estos símbolos representan las esquinas que faltan y pueden acotarse o utilizarse dentro de las relaciones. Nota Observe la cota de 25 mm. Como se mencionó en el paso 11 en la página 183, un símbolo de diámetro ahora precede la cota. Cierre el PropertyManager. 18 Reconstruir el modelo. Para que los cambios se apliquen, haga clic en la herramienta Reconstruir . Cómo construir el reborde La operación Rim (Reborde) de Hand- wheel (Volante de maniobra) es otra opera- ción de revolución. Tam- bién tiene una revolución de 360°. El perfil de Rim es una forma oval com- puesta por dos arcos de 180° y dos líneas. El Rim se creará como un sólido individual, no fusionado con la operación Hub. 19 Croquis. Cree un croquis nuevo en el plano de referencia Vista lateral. Oriente el modelo en la misma dirección. 20 Línea constructiva horizontal. Croquice una línea constructiva horizontal corta en algún lugar fuera del modelo.
  • 200.
    Manual de formaciónSolidWorks 2006 Lección 6 Operaciones de revolución Cómo construir el reborde 187 21 Equidistancia con tapas en extremos. La herramienta Equidistanciar entidades tiene una opción Tapas en extremos que crea Arcos para cerrar los extremos de una equidistancia Bidireccional. Seleccione la línea constructiva y la equidistancia mediante las opciones que se muestran. 22 Agregar cotas. Acote el croquis según se indica en la ilustración de la derecha. Introducción: Punto La entidad de croquis Punto se puede utilizar para ubicar una posición en un croquis, mientras que no es posible utilizar otros elementos geométricos (por ejemplo los puntos finales) para tal fin. Dónde encontrarlo Haga clic en Punto en la barra de herramientas Croquis. O en el menú Herramientas, haga clic en Entidad de croquis, Punto. 23 Agregar un punto. Haga clic en Punto y agregue un punto en el punto medio de la línea constructiva. 24 Eje de rotación. Agregue una línea constructiva con la herramienta Línea constructiva , y seleccione Vertical e Longitud infinita. Coloque la línea en el origen. Éste será el eje de la revolución de la operación de revolución.
  • 201.
    Lección 6 Manualde formación SolidWorks 2006 Operaciones de revolución 188 Cómo construir el reborde 25 Agregar cotas. Agregue cotas desde la línea constructiva al punto y desde el centro del arco a la arista de Hub. El croquis está ahora completamente definido. 26 Ambigüedad potencial. Este croquis contiene dos líneas constructivas. El sistema no sabrá qué línea constructiva debe ser el eje de revolución. La línea constructiva que se usará se puede seleccionar antes o después de seleccionar la herramienta Revolución. 27 Operación completa. Seleccione la línea constructiva vertical infinita. En el menú Insertar, escoja Saliente/Base, Revolución... Utilice un ángulo de 360°. Cambie el nombre de la operación a Rim (Reborde). Sólidos multicuerpo Los sólidos multicuerpo se producen cuando hay más de un sólido en una pieza. En los casos en que haya elementos individuales separados por cierta distancia, puede ser el método más eficaz para diseñar una pieza. La carpeta Solid Bodies (Sólidos) contiene los sólidos y también una lista en la que aparecen los sólidos almacenados actualmente en la carpeta (2). Los cuerpos pueden fusionarse o combinarse más tarde para crear un sólido único. Para obtener más información sobre las piezas multicuerpo, consulte el manual de formación Modelado de piezas avanzado.
  • 202.
    Manual de formaciónSolidWorks 2006 Lección 6 Operaciones de revolución Cómo construir el radio 189 Cómo construir el radio La operación Spoke (Radio) se crea utilizando una operación Barrer. El barrido crea un perfil de contorno cerrado a lo largo de una ruta de contorno abierto. La Ruta se croquiza mediante líneas y arcos tangentes. A continuación se croquiza el perfil mediante un círculo. La operación unirá el espacio entre las operaciones Hub y Rim existentes y los combinará en un sólido único. La operación Spoke es importante porque servirá como matriz para crear un número indeterminado de radios colocados a la misma distancia. 28 Configuración. Configuración para croquizar: Cree un croquis nuevo utilizando el plano de referencia Vista lateral. Muestre los croquis de Hub y Rim. Modifique la vista a Líneas ocultas visibles. 29 Croquizar línea. Croquice una Línea horizontal que vaya desde la línea constructiva dentro de los límites de Hub. 30 Arco tangente. Cree un Arco tangente desde el punto final de la línea en la dirección que se muestra. Los valores reales no son importantes cuando croquiza. Los mismos serán definidos por las cotas posteriormente. 31 Cómo conectar el arco tangente. Con el Arco tangente aún seleccionado, continúe croquizando mediante la utilización del punto final del arco anterior como punto de inicio. Croquice este arco tangente al primero, finalizando en una posición de tangencia horizontal. Sugerencia Cuando la línea de inferencia vertical coincide con el centro del arco, la tangente del arco es horizontal.
  • 203.
    Lección 6 Manualde formación SolidWorks 2006 Operaciones de revolución 190 Cómo construir el radio 32 Línea horizontal. Croquice una Línea final. Es horizontal y su longitud se determinará por la acotación. 33 Relaciones. Arrastre y coloque el punto final izquierdo de la línea en el punto del croquis de Rim. Se agrega una relación Coincidente. Agregue otra relación entre la línea situada en el extremo opuesto y el punto central del arco. 34 Volver a una visualización sombreada. Cómo completar los croquis de perfil y la ruta La geometría croquizada actuará como “línea constructiva” del croquis de perfil. 35 Agregar cotas. Agregue una relación Igual a los arcos. Las cotas se agregan para definir la forma. La selección de puntos finales y puntos centrales permite más opciones que la creación de las cotas. 36 Salir del croquis. Haga clic con el botón secundario del ratón en el croquis y seleccione Salir del croquis para cerrar el croquis sin utilizarlo en una operación. 37 Perfil. Croquice un círculo en el plano Alzado y acote el diámetro.
  • 204.
    Manual de formaciónSolidWorks 2006 Lección 6 Operaciones de revolución Cómo construir el radio 191 38 Arrastrar relación. Arrastre el punto central del círculo y colóquelo en el punto final de la línea en el croquis anterior. Se agregará una relación coincidente entre ellos. Salga del croquis. Introducción: Insertar, Saliente, Barrer Insertar, Saliente, Barrer crea una operación a partir de dos croquis: una sección de barrido y una ruta de barrido. La sección se mueve a lo largo de la ruta y crea la operación. Dónde encontrarlo Haga clic en Saliente/Base barrido en la barra de herramientas Operaciones. O, haga clic en Insertar, Base/Saliente, Barrer. Nota El comando Barrer se describe en detalle en el curso Modelado de piezas avanzado. 39 Barrido. Haga clic en el icono Barrer y seleccione el croquis de contorno cerrado como el Perfil y el croquis de contorno abierto como la Ruta. 40 Resultados. Asigne a la operación nueva el nombre Spoke (Radio). La carpeta Solid Bodies(1) [Sólidos (1)] refleja la fusión de sólidos en uno. 41 Ejes temporales. Visualice los ejes temporales mediante Ver, Ejes temporales.
  • 205.
    Lección 6 Manualde formación SolidWorks 2006 Operaciones de revolución 192 Cómo construir el radio 42 Crear la matriz de la pieza Spoke. Haga clic en Matriz circular . Seleccione el eje temporal como centro de rotación de la matriz. Haga clic en la lista Operaciones para la matriz para activarla. Seleccione la pieza Spoke. Fije el Número de instancias en 3 con Separación igual. Girar vista La herramienta Girar vista le permite girar la vista del modelo libremente. Para restringir dicho movimiento, puede elegir un eje, una línea o arista, un vértice o un plano. Haga clic en la herramienta Girar vista y en el eje central. Se puede obtener el mismo resultado mediante la rotación del botón central del ratón. Seleccione el eje temporal y arrastre utilizando el botón central del ratón. Nota Si desactivó los ejes temporales después de realizar la matriz circular, tendrá que volverlos a activar o mostrar el croquis de Rim para tener un eje o una línea (línea constructiva) alrededor de la cual girar. 43 Girar. Gire sobre el eje arrastrando el ratón. Cambie los ejes simplemente haciendo clic en otro eje u otra opción aceptable. Desactive los ejes temporales. 44 Agregar redondeos. Para completar el modelo, se agregan redondeos de 3 mm a las caras resaltadas del modelo. Si se selecciona una cara se seleccionan todas las aristas de dicha cara. Las selecciones de caras hacen que el modelo esté mejor preparado para soportar los cambios de cotas. Chaflanes Los chaflanes crean un bisel en la arista de un modelo. En muchas formas, los chaflanes son similares a los redondeos porque se seleccionan aristas y/o caras de la misma manera. Introducción: Chaflán Chaflán crea una operación de bisel en una o más aristas o uno o más vértices. La forma puede definirse por dos distancias o una distancia y un ángulo.
  • 206.
    Manual de formaciónSolidWorks 2006 Lección 6 Operaciones de revolución Editar material 193 Nota Croquizar chaflanes puede agregarse al croquis en lugar de agregarse a las caras y aristas del modelo sólido. Dónde encontrarlo En el menú Insertar, escoja Operaciones, Chaflán... O, en la barra de herramientas Operaciones, seleccione la herramienta Chaflán . 45 Chaflán. Agregue una operación Chaflán mediante la arista superior de la operación Hub. Establezca las distancias con los valores que se muestran a la derecha. Editar material El cuadro de diálogo Editar material se utiliza para agregar y editar el material asociado con una pieza. El material se utiliza para cálculos que se basan en propiedades de material, incluidas las Propiedades físicas y COSMOSXpress. El material puede variar según la configuración. Para obtener más información sobre las configuraciones, consulte Lección 9: Configuraciones de las piezas. Dónde encontrarlo Haga clic en Editar material en la barra de herramientas Estándar. Gráficos RealView Si tiene un acelerador gráfico NVIDIA, quizás pueda utilizar la opción Gráficos RealView. Proporciona shaders de material de alta calidad, en tiempo real, cuando están disponibles. Sugerencia Las plantillas de pieza (*.prtdot) pueden incluir material predefinido. Dónde encontrarlo Haga clic en RealView en la barra de herramientas Ver. Nota Si Gráficos RealView no está disponible, el icono aparecerá atenuado. 46 Abrir HW_Analysis. Cierre la pieza actual y abra la pieza HW_Analysis. Esta pieza tiene operaciones adicionales necesarias para su utilización en la sección de análisis de esta lección.
  • 207.
    Lección 6 Manualde formación SolidWorks 2006 Operaciones de revolución 194 Editar material 47 Materiales. Haga clic en el icono Editar material y, en el cuadro de grupo Materiales, seleccione Cobre y sus aleaciones, Bronce de aluminio. 48 Propiedades físicas. Las Propiedades físicas son las que asigna el material elegido. 49 Propiedades visuales. Las Propiedades visuales son las que asigna el material elegido. Incluyen Color de material, Textura y Rayado de material asociado. Si los gráficos RealView no están disponibles, la opción, en Gráficos avanzados, aparece atenuada y la opción Estándar aparece seleccionada. Un cambio en el material cambia el color de la pieza, a menos que la opción Utilizar color de material esté desactivada. El nombre del material también se actualiza en el FeatureManager.
  • 208.
    Manual de formaciónSolidWorks 2006 Lección 6 Operaciones de revolución Propiedades físicas 195 Propiedades físicas Uno de los beneficios de trabajar con un modelo sólido es la facilidad con la que puede realizar cálculos de ingeniería como el cálculo de masa, centro de masa y momentos de inercia. El software de SolidWorks hace todo esto por usted con un simple clic del ratón. Nota Las Propiedades de sección también pueden generarse a partir de una cara plana o un croquis de un modelo. El croquis puede ser activo o seleccionado. Introducción: Propiedades físicas Propiedades físicas se utiliza para generar las propiedades físicas de todo el sólido. Las propiedades incluyen masa, volumen y una visualización temporal de los principales ejes. Dónde encontrarlo En la barra Herramientas, haga clic en la herramienta Propiedades físicas . En el menú Herramientas, elija Propiedades físicas... 50 Propiedades físicas. Seleccione la opción Propiedades físicas... en el menú Herramientas. Se utiliza la Densidad establecida en Editar materiales. Los resultados de los cálculos se visualizan en el cuadro de diálogo. Nota En el caso de aquellas piezas que no posean una descripción física precisa, puede utilizar Asignar propiedades físicas. Los parámetros de esta opción incluyen Masa y la ubicación del Centro de gravedad (XYZ).
  • 209.
    Lección 6 Manualde formación SolidWorks 2006 Operaciones de revolución 196 Propiedades físicas 51 Cambiar la configuración. Para cambiar la configuración, haga clic en el botón Opciones... y configure las Propiedades de material. Esto sólo cambiaría las propiedades físicas en este cálculo, no las propiedades de material reales establecidas en el Editor de material. Haga clic en Cancelar. 52 Editor de material. Para cambiar las Propiedades de material, utilice Editar material. Consulte Editar material en la página 193. Propiedades físicas como propiedades personalizadas Los componentes de las Propiedades físicas de una pieza pueden acompañar a la pieza como una Propiedad personalizada. Esta información puede extraerse mediante un informe de Lista de materiales. 53 Propiedades de archivo. Haga clic en Archivo, Propiedades y en la pestaña Personalizar. Escriba el Nombre mass (masa). El Tipo Text (Texto) aparece automáticamente. Asigne el componente de propiedad física seleccionando Mass en la lista desplegable Valor / Expresión de texto. Se crea una propiedad especial de SolidWorks y un Valor evaluado. Nota También puede utilizarse la pestaña Específica a la configuración. Esto permitiría que la propiedad variara por configuración. Las configuraciones se analizarán en la Lección 9: Configuraciones de las piezas.
  • 210.
    Manual de formaciónSolidWorks 2006 Lección 6 Operaciones de revolución COSMOSXpress 197 COSMOSXpress COSMOSXpress es una herramienta de análisis de esfuerzo preliminar para usuarios de SolidWorks. Le ayuda a juzgar si su pieza soportará la carga que recibirá en condiciones reales. COSMOSXpress es una derivación del producto COSMOSWorks. Vista general COSMOSXpress utiliza un asistente para proporcionar un método paso a paso fácil de utilizar para realizar aná- lisis de diseño. El asistente requiere diversos tipos de información para analizar la pieza: materiales, restric- ciones y cargas. Esta infor- mación representa la pieza durante su utilización. Por ejemplo, considere lo que sucede cuando usted gira el volante de maniobra. La parte central está unida a algo que resiste el giro. Esto se representa mediante una restricción - la parte central está restringida, por lo cual no se mueve. Se aplica una fuerza al taladro en el reborde mientras usted intenta girar el volante de maniobra. Ésta es una carga. ¿Qué sucede con los radios? ¿Se doblan? ¿Se romperán? Esto depende de la fuerza del material con el que está hecho el volante de maniobra, el tamaño físico y la forma de los radios, además del tamaño de la carga. Malla Para analizar el modelo, COSMOSXpress realiza una malla del modelo, dividiéndolo en partes más pequeñas y más fáciles de analizar. Estas partes se denominan elementos. Si bien usted nunca ve los elementos, puede configurar la rugosidad de la malla antes del análisis. Resultados El análisis produce resultados en las formas de Factor de seguridad, Distribución de esfuerzo y Forma deformada. Cómo utilizar el asistente El asistente de análisis de diseño lo lleva por los pasos del análisis, desde Opciones a Resultados. Los pasos son: Opciones Configure el tipo de unidades que se utilizan habitualmente para materiales, cargas y resultados. Material Elija un material para la pieza desde la biblioteca estándar o ingrese uno propio. Restricción Seleccione caras de la pieza que permanezcan en su lugar (fijas) durante el análisis. Las mismas a veces se denominan restricciones. Carga aplicada externamente Restricción
  • 211.
    Lección 6 Manualde formación SolidWorks 2006 Operaciones de revolución 198 Cómo utilizar el asistente Carga Agregue cargas externas como fuerza y presiones para inducir el esfuerzo y deformar la pieza. Analizar Ejecute el análisis, configurando opcionalmente la rugosidad de la malla utilizada. Resultados Vea los resultados del análisis: Factor de seguridad (FOS, Factor of Safety), esfuerzo y deformaciones. En algunas ocasiones, esto se denomina posprocesamiento. Dónde encontrarlo En el menú Herramientas, seleccione COSMOSXpress... 1 Iniciar COSMOSXpress. Haga clic en Herramientas, COSMOSXpress... Aparece el asistente de análisis. Fase 1: Opciones El cuadro de diálogo Opciones contiene valores para el Sistema de unidades y la Ubicación de resultados. 2 Hacer clic en Opciones... Establezca las unidades en Inglés (IPS) y compruebe Visualizar anotaciones para el máximo y el mínimo en el trazado de esfuerzos. Haga clic en Siguiente. Fase 2: Material El asistente avanza automáticamente a la siguiente fase cuando usted completa la anterior. A medida que completa cada fase en el asistente, se agrega una marca de verificación verde a la pestaña. La siguiente fase consiste en seleccionar el Material. Puede elegir en bibliotecas de materiales estándar o agregar su propio material.
  • 212.
    Manual de formaciónSolidWorks 2006 Lección 6 Operaciones de revolución Cómo utilizar el asistente 199 3 Material actual. El material actual, seleccionado en SolidWorks, debe ser Bronce de aluminio de la lista Cobre y sus aleaciones. Para cambiar el material,selecciónelo en la lista. Es la misma lista que aparece cuando se utiliza Editar material. Haga clic en Siguiente. Fase 3: Restricción Las restricciones se utilizan para “fijar” caras del modelo que no deben moverse durante el análisis. Debe restringir al menos una cara de la pieza para evitar que se produzca un error en el análisis debido al movimiento rígido del sólido. 4 Pantalla de introducción. Haga clic en los hipervínculos azules (como Restricciones) para obtener ayuda en línea. Haga clic en Siguiente. 5 Selección de cara. Seleccione la cara cilíndrica y la cara plana que forman el taladro en forma de D. Haga clic en Mostrar símbolo para visualizar las restricciones.
  • 213.
    Lección 6 Manualde formación SolidWorks 2006 Operaciones de revolución 200 Cómo utilizar el asistente Haga clic en Siguiente. 6 Restricción agregada. Puede Agregar, Editar o Eliminar conjuntos de restricciones desde este menú. Si bien COSMOSXpress le permite crear múltiples conjuntos de restricciones, no tiene mucho sentido hacerlo porque los conjuntos se combinan durante el análisis. En el producto COSMOSWorks completo, los conjuntos de restricciones múltiples son más útiles. Le permiten crear diferentes casos de análisis utilizando diferentes conjuntos de restricciones y cargas. Haga clic en Siguiente. Fase 4: Carga La pestaña Carga se utiliza para agregar fuerzas y presiones externas a caras de la pieza. Fuerza implica una fuerza total, por ejemplo 200 libras, aplicadas a una cara en una dirección específica. Presión implica que la fuerza se distribuye en forma uniforme en la cara, por ejemplo, 300 psi, y se aplica en posición normal a la misma. Nota El valor de fuerza especificado se aplica a cada cara. Por ejemplo, si selecciona 3 caras y especifica una fuerza de 50 libras, COSMOSXpress aplica una fuerza total de 150 libras. (50 libras en cada cara).
  • 214.
    Manual de formaciónSolidWorks 2006 Lección 6 Operaciones de revolución Cómo utilizar el asistente 201 7 Pantalla de introducción. En este ejemplo, utilizaremos una carga de tipo Fuerza. Haga clic en Siguiente. 8 Tipo de carga. Haga clic en Fuerza como el tipo de carga y luego en Siguiente. 9 Seleccionar la cara. Seleccione la cara cilíndrica según se indica y haga clic en Siguiente. 10 Dirección de la fuerza. Haga clic en Normal a un plano de referencia y seleccione el plano Vista lateral. Establezca el valor de la fuerza en 1000 libras. Haga clic en Mostrar símbolo para asegurarse de que la carga se aplique en la dirección deseada. Si no es así, haga clic en Invertir dirección. En este ejemplo, la dirección no tiene importancia.
  • 215.
    Lección 6 Manualde formación SolidWorks 2006 Operaciones de revolución 202 Cómo utilizar el asistente Haga clic enSiguiente. 11 Conjunto de cargas completo. El conjunto de cargas completo se incluye como Load1 (Carga1). Como los conjuntos de restricciones, éstos pueden editarse o eliminarse desde este cuadro de diálogo. Haga clic en Siguiente. Fase 5: Analizar COSMOSXpress prepara el modelo para análisis y luego calcula los desplazamientos, las tensiones y los esfuerzos. 12 Pantalla Analizar. Se ha suministrado la información requerida y el analizador está listo. Haga clic en Sí y luego en Siguiente. Nota Haga clic en No si desea configurar el tamaño de los elementos. Si especifica un tamaño de elemento menor, obtendrá resultados más precisos pero se requerirá más tiempo y recursos.
  • 216.
    Manual de formaciónSolidWorks 2006 Lección 6 Operaciones de revolución Cómo utilizar el asistente 203 13 Iniciar el análisis. Haga clic en Ejecutar para comenzar el análisis. Aparece una ventana de estado. Las etapas del proceso de análisis se visualizan con el tiempo transcurrido. Fase 6: Resultados La pestaña Resultados se utiliza para visualizar los resultados de los análisis. El primer resultado es el Factor de seguridad (Factor of Safety, FOS) que compara el resultado de la resistencia del material con los esfuerzos reales. Factor de seguridad COSMOSXpress utiliza el criterio de esfuerzo von Mises máximo para calcular la distribución del factor de seguridad. Este criterio indica que un material dúctil comienza a ceder cuando el esfuerzo equivalente (esfuerzo von Mises) alcanza la resistencia del material. La resistencia del material (SIGYLD) se define como una propiedad del material. COSMOSXpress calcula el factor de seguridad en un punto dividiendo la resistencia del material por el esfuerzo equivalente en dicho punto. En cualquier ubicación, un factor de seguridad que es: Menor que 1, indica que el material que se encuentra en dicha ubicación ha cedido y que el diseño no es seguro. Igual a 1, indica que el material en dicha ubicación acaba de comenzar a ceder. Mayor que 1, indica que el material en dicha ubicación no ha cedido.
  • 217.
    Lección 6 Manualde formación SolidWorks 2006 Operaciones de revolución 204 Cómo utilizar el asistente 14 Factor de seguridad. El FOS aparece como menor que 1. Esto indica que hay áreas de la pieza que soportan demasiada tensión y fallarán. Haga clic en Mostrar para visualizar una imagen a color que represente el factor de seguridad. Las áreas rojas indican los lugares donde el factor de seguridad es menor que uno. Haga clic en Siguiente. 15 Tipos de resultado. Hay diversas formas de mirar los resultados: esfuerzo, desplazamiento y deformación. Los siguientes son algunos ejemplos de las diferentes formas de visualizar los resultados. Los gráficos de Distribución de esfuerzo y Forma deformada pueden animarse y guardarse como archivos *.avi. Su instructor demostrará estas animaciones en clase. Nota Las visualizaciones se exageran mediante la escala de deformación.
  • 218.
    Manual de formaciónSolidWorks 2006 Lección 6 Operaciones de revolución Cómo utilizar el asistente 205 Distribución de esfuerzo Distribución de desplazamiento Forma deformada Esto se ve mejor al visualizar la animación.
  • 219.
    Lección 6 Manualde formación SolidWorks 2006 Operaciones de revolución 206 Cómo utilizar el asistente Informe HTML eDrawings de resultados del análisis 16 Cerrar y Guardar. Haga clic en el botón Cerrar. Aparecerá un mensaje preguntándole si desea guardar los datos de COSMOSXpress. Haga clic en Sí. Cómo actualizar el modelo COSMOSXpress detecta los cambios realizados en SolidWorks. Se pueden hacer cambios en el modelo, los materiales, las restricciones o las cargas. El análisis existente puede Actualizarse para mostrar los resultados más recientes.
  • 220.
    Manual de formaciónSolidWorks 2006 Lección 6 Operaciones de revolución Cómo utilizar el asistente 207 17 Editar el croquis de perfil. Amplíe la operación Spoke (Radio) y edite el croquis de perfil. Seleccione el círculo y haga clic en Para construcción. Introducción: Insertar elipse Croquizar una elipse es parecido a croquizar un círculo. Coloque el cursor donde desea que esté el centro y arrastre el ratón para establecer la longitud del eje mayor. A continuación, suelte el botón del ratón. Después, arrastre el esquema de la elipse para establecer la longitud del eje menor. Importante Para definir completamente una elipse debe acotar o restringir las longitudes de los ejes mayor y menor. También debe restringir la orientación de uno de los dos ejes. Para hacerlo, puede utilizar una relación Horizontal entre el centro de la elipse y el extremo del eje mayor. Dónde encontrarlo Haga clic en Herramientas, Entidad de croquis, Elipse. O haga clic en Elipse en la barra Herramientas de croquizar. 18 Elipse. Haga clic en Elipse y coloque el punto central en el punto central del círculo. Apártese del centro y coloque los ejes mayor y menor haciendo clic un par de veces más. 19 Relaciones y cotas. Agregue relaciones para hacer que el eje mayor apunte en dirección horizontal y uno de los ejes menores apunte en dirección coincidente con el círculo. Agregue la cota como se muestra.
  • 221.
    Lección 6 Manualde formación SolidWorks 2006 Operaciones de revolución 208 Cómo utilizar el asistente 20 Reconstruir la pieza. El perfil de barrido editado se utiliza con la misma ruta para producir un resultado diferente. 21 Cambiar material. Cambie el material mediante la función Editar material que aparece al hacer clic con el botón secundario del ratón. Seleccione Aleaciones de aluminio, Aleación 2018. Las Propiedades visuales del material también se aplican de forma predeterminada. Si está utilizando Gráficos avanzados y RealView, la pieza será similar a la que se muestra aquí. 22 Errores. Vuelva a iniciar COSMOSXpress y observe los cambios en el asistente. Las pestañas Analizar y Resultados tienen marcadores de error. También pueden realizarse otros cambios en este punto (cargas, restricciones) antes de volver a analizar la pieza.
  • 222.
    Manual de formaciónSolidWorks 2006 Lección 6 Operaciones de revolución Cómo utilizar el asistente 209 23 Cambiar el valor de la carga. Haga clic en la pestaña Carga y en Editar. Haga clic en Siguiente y cambie el valor de fuerza a 500. 24 Actualizar. Haga clic en Siguiente y, a continuación, en Actualizar. 25 Resultados. El factor de seguridad ha aumentado con el cambio en la geometría. La pieza ya no tiene un exceso de esfuerzo.
  • 223.
    Lección 6 Manualde formación SolidWorks 2006 Operaciones de revolución 210 Cómo utilizar el asistente 26 Esfuerzo reducido. Junto con el aumento en el factor de seguridad viene la disminución prevista en el esfuerzo. La deformación también es menor.
  • 224.
    Manual de formaciónSolidWorks 2006 Ejercicio 21 211 Ejercicio 21: Brida Cree esta pieza utilizando las cotas suministradas. Utilice bien las relaciones para mantener la intención del diseño. Este laboratorio utiliza las siguientes funciones: Operaciones de revolución. Cómo crear matrices circulares. Unidades: pulgadas Intención del diseño La intención del diseño de esta pieza se muestra a continuación. 1. Los taladros en la matriz están a la misma distancia. 2. Los taladros son de igual diámetro. 3. Todos los redondeos son iguales y tienen un radio de 0.25”. Observe que los círculos de construcción pueden crearse utilizando las Propiedades de un círculo. Vistas acotadas Utilice los siguientes gráficos con la descripción de la intención del diseño para crear la pieza. Vista Superior Vista Frontal
  • 225.
    Manual de formaciónSolidWorks 2006 212 Ejercicio 22 Ejercicio 22: Rueda Cree esta pieza utilizando las cotas suministradas. Utilice bien las relaciones para mantener la intención del diseño. Este laboratorio utiliza las siguientes funciones: Operaciones de revolución. Opcional: Texto en un croquis. Unidades: milímetros Intención del diseño La intención del diseño de esta pieza se muestra a continuación. 1. La pieza es simétrica con relación al eje de la parte central. 2. La parte central tiene ángulo de salida. Vistas acotadas Utilice los siguientes gráficos con la descripción de la intención del diseño para crear la pieza. Vistas Frontal y Superior y Sección A-A de la vista Frontal. Opcional: Texto en un croquis Puede agregarse texto a un croquis y extruirlo para formar un corte o un saliente. El texto puede colocarse libremente, ubicarse utilizando cotas o relaciones geométricas o realizarse para seguir la geometría de croquis o las aristas del modelo.
  • 226.
    Manual de formaciónSolidWorks 2006 Ejercicio 22 213 Introducción: Herramienta Texto La herramienta Texto le permite insertar texto en un croquis y utilizarlo para crear una operación Extruir saliente o Corte. Puesto que el software de SolidWorks es en realidad una aplicación de Windows, el mismo admite las fuentes instaladas en su sistema. Dónde encontrarlo Haga clic en Herramientas, Entidades de croquis, Texto... O, en la barra de herramientas Croquis, haga clic en Texto . 1 Geometría constructiva. Croquice en la cara frontal y agregue líneas constructivas y arcos según se indica. Sugerencia Utilice relaciones Simétricas entre los puntos finales de los arcos y la línea constructiva vertical. 2 Texto en una curva. Cree dos secciones de texto, cada una asociada a cada arco. Las mismas tienen las siguientes propiedades: Texto: Se diseñó utilizando Fuente: Courier New de 11 puntos Alineación: Centrada Factor de ancho: 100% Separación: 100% Texto: SolidWorks Fuente: Arial Black de 20 puntos. Alineación: Justificación completa Factor de ancho: 100% Separación: no corresponde cuando se utiliza la Justificación completa 3 Extruir. Extruya un saliente con una Profundidad de 1 mm y un Ángulo de salida de 1°. 4 Guardar y cerrar la pieza.
  • 227.
    Manual de formaciónSolidWorks 2006 214 Ejercicio 23 Ejercicio 23: Chapa de compresión Cree esta pieza utilizando las cotas suministradas. Utilice bien las relaciones para mantener la intención del diseño. Este laboratorio utiliza las siguientes funciones: Croquizado. Operaciones de revolución. Simetría. Unidades: milímetros Intención del diseño La intención del diseño de esta pieza se muestra a continuación. 1. La pieza es simétrica. 2. Los nervios están a la misma distancia. 3. Todos los redondeos son de 1 mm. Vistas acotadas Utilice los siguientes gráficos con la intención del diseño para crear la pieza. Vista Superior Vista Frontal
  • 228.
    Manual de formaciónSolidWorks 2006 Ejercicio 23 215 Vista Inferior Vista derecha Detalle A Detalle B
  • 229.
    Manual de formaciónSolidWorks 2006 216 Ejercicio 24 Ejercicio 24: Portaherramien- tas Cree esta pieza utilizando las cotas suministradas. Utilice bien las relaciones para mantener la intención del diseño. Este laboratorio utiliza las siguientes funciones: Croquizado. Operaciones de revolución. Equidistancias de croquis. Unidades: pulgadas Intención del diseño La intención del diseño de esta pieza se muestra a continuación. 1. La pieza es simétrica. 2. El taladro central recorre toda la pieza. Vistas acotadas Utilice los siguientes gráficos con la intención del diseño para crear la pieza. Vista Superior Vista Frontal Sección A-A de la vista Frontal
  • 230.
    Manual de formaciónSolidWorks 2006 Ejercicio 25 217 Ejercicio 25: Barridos Cree estas tres piezas mediante operaciones de barrido. Es necesario una ruta y una sección. Unidades: milímetros Pasador de chaveta La pieza Pasador de chaveta utiliza una ruta que describe la arista interior del barrido. Clip La pieza Clip se define mediante una ruta que describe la línea constructiva del barrido. Agradecemos a Paul Gimbel, TriMech Solutions, LLC el envío de estos ejemplos.
  • 231.
    Manual de formaciónSolidWorks 2006 218 Ejercicio 25 Barrido de inglete El Barrido de inglete se define mediante una ruta que describe la arista exterior del barrido.
  • 232.
    Manual de formaciónSolidWorks 2006 Ejercicio 26 219 Ejercicio 26: COSMOSXpress Realice un análisis de esfuerzo preliminar en una pieza existente. Ese laboratorio utiliza las siguientes funciones de COSMOSXpress: Asignación de propiedades de material. Definición de restricciones. Definición de cargas. Ejecución de un análisis. Visualización de los resultados. Unidades: pulgadas 1 Abrir la pieza Pump Cover (Cubierta de bomba). Esta pieza representa una tapa que se llenará con aceite a alta presión. Inicie el asistente de COSMOSXpress. 2 Establecer las unidades. Haga clic en Opciones..., establezca las unidades en Inglés (IPS) y seleccione Visualizar anotaciones para el máximo y el mínimo en el trazado de esfuerzos. Haga clic en Siguiente. 3 Especificar el material. Seleccione Aleaciones de aluminio y Aleación 2014 en la lista. 4 Definir el conjunto de restricciones. Seleccione las caras superiores de las cuatro pestañas y las caras cilíndricas de los cuatro taladros de pernos.
  • 233.
    Manual de formaciónSolidWorks 2006 220 Ejercicio 26 5 Definir el conjunto de cargas. Seleccione Presión para el tipo de carga. Haga clic con el botón secundario del ratón en una de las caras en el interior de la pieza Pump Cover. Seleccione Seleccionar tangencia en el menú contextual. 6 Configurar el valor y la dirección de la presión. Establezca el valor de la presión en 500 psi. Haga clic en Mostrar símbolo y verifique que las flechas apunten en la dirección correcta. 7 Ejecutar el análisis. Utilice la configuración de malla predeterminada. 8 Resultados. El factor de seguridad es menor que 1, lo que indica que la pieza tiene un exceso de esfuerzo. 9 Distribución del esfuerzo y deformación. Visualice la distribución del esfuerzo en el modelo. Reproduzca la animación de la deformación. 10 Cambiar el material. Cambie el material a Hierro dúctil. 11 Actualizar. Haga clic en Actualizar para volver a ejecutar el análisis utilizando el material nuevo. 12 Factor de seguridad. El nuevo factor de seguridad es superior a 1. 13 Cerrar y guardar. Haga clic en Cerrar. Haga clic en Sí para guardar los datos de COSMOSXpress. 14 Guardar y cerrar la pieza.
  • 234.
    Manual de formaciónSolidWorks 2006 221 Lección 7 Cómo editar: Reparaciones Al finalizar esta lección, podrá: Diagnosticar diversos problemas en una pieza y repararlos. Utilizar todas las herramientas disponibles para editar y realizar cambios en una pieza.
  • 235.
    Lección 7 Manualde formación SolidWorks 2006 Cómo editar: Reparaciones 222
  • 236.
    Manual de formaciónSolidWorks 2006 Lección 7 Cómo editar: Reparaciones Edición de piezas 223 Edición de piezas El software SolidWorks proporciona la capacidad de editar virtualmente cualquier elemento en cualquier momento. Con el fin de enfatizar dicho punto, las herramientas más importantes para la edición de piezas están descriptas y revisadas aquí en una lección. Etapas del proceso Algunas etapas clave del proceso de modificación de esta pieza se muestran en la siguiente lista. Cada uno de estos temas consta de una sección en la lección. Agregar y eliminar relaciones A veces las relaciones en un croquis deben eliminarse o cambiarse debido a cambios en el diseño. ¿Qué errores hay? Cuando se producen errores, la opción ¿Qué errores hay? puede utilizarse para investigar e identificar con precisión el problema. Editar croquis Los cambios en la geometría y las relaciones de cualquier croquis pueden realizarse mediante Editar croquis. Comprobar croquis para operación Comprobar croquis puede comprobar si existen problemas en un croquis, verificando si es adecuado para ser utilizado en una operación. Debe Editar croquis antes de utilizar Comprobar croquis para operación. Editar operación Los cambios en el modo de creación de una operación se realizan mediante Editar operación. El mismo cuadro de diálogo utilizado para crear una operación se utiliza para editarla. Editar plano de croquis ¿Croquizado en el plano Alzado en lugar de en el plano Planta? Utilice Editar plano de croquis para transferir el croquis desde el plano actual a un plano o cara diferente. Cambiar el orden Las operaciones que hayan sido creadas en el orden equivocado pueden reordenarse simplemente arrastrándolas en el gestor de diseño del FeatureManager. Retroceder Retroceder y avanzar hacia adelante se utilizan para visitar etapas previas del modelo. Esto le permite ver el modelo en versiones anteriores y agregar operaciones faltantes. Cambiar valor de cota Éste es probablemente uno de los cambios más típicos. Si la intención del diseño se captó apropiadamente, los cambios en las cotas generan cambios en el tamaño de las operaciones individuales y por último en el modelo entero.
  • 237.
    Lección 7 Manualde formación SolidWorks 2006 Cómo editar: Reparaciones 224 Temas de edición Temas de edición La edición cubre un amplio rango de temas: desde cómo arreglar croquis rotos hasta cómo volver a ordenar elementos en el gestor de diseño del FeatureManager. Estos temas pueden resumirse en: reparación de errores, interrogación de pieza y cambio del diseño de la pieza. Cada uno se describe a continuación. Información proveniente de un modelo Las pruebas no destructivas de un modelo pueden brindar muchos conocimientos importantes en cuanto a cómo se creó el modelo, las relaciones que se establecieron y los cambios que pueden incorporarse. Esta sección se centrará en cómo utilizar herramientas de edición en conjunto con retrocesos para “interrogar” el modelo. Cómo encontrar y reparar problemas Cómo encontrar y reparar problemas en una pieza es una habilidad clave en el modelado sólido. Muchos cambios que se realizan en una pieza dada (Editar operación, Editar croquis y Volver a ordenar, por nombrar algunos) pueden ocasionar el fallo de las operaciones siguientes. En esta sección se analizará la determinación precisa de la zona del problema y el encuentro de la solución. Los problemas pueden ocurrir en croquis o en cualquier otra operación de la pieza. Aunque existen muchos tipos de errores, existen algunos que ocurren más a menudo que otros. Las relaciones y las cotas colgantes son muy comunes, como lo es la geometría extraña en los croquis. Utilizando algunas de las herramientas disponibles en el software SolidWorks, los problemas pueden diagnosticarse y solucionarse con facilidad. Abrir una pieza que tenga errores puede ser confuso. Un error cerca del comienzo del proceso puede a menudo ocasionar que muchas operaciones posteriores fallen con él. Reparar ese error inicial también podría corregir el resto de los errores. Algunas reparaciones serán realizadas en este modelo antes de interrogarlo y cambiarlo. Procedimiento Comenzaremos abriendo una pieza existente. 1 Abrir la pieza denominada Editing CS (Edición CS). Esta pieza fue construida y guardada con numerosos errores. 2 Errores de reconstrucción. Después de abrirla, el sistema muestra un cuadro de mensaje, etiquetado con el nombre de la pieza y la frase ¿Qué errores hay?. Cada error se enumera por nombre de operación en el cuadro de diálogo que se desplaza. Sólo una porción del modelo es visible; los errores han ocasionado que algunas operaciones fallen.
  • 238.
    Manual de formaciónSolidWorks 2006 Lección 7 Cómo editar: Reparaciones Temas de edición 225 Diálogo ¿Qué errores hay? El diálogo ¿Qué errores hay? muestra todos los errores de la pieza. Los errores se dividen en Errores que impiden que se creen operaciones y Advertencias que no lo impiden. Las otras columnas ofrecen ayuda para diagnosticar el problema incluida una vista preliminar en algunos casos. Sugerencia Las columnas del diálogo se pueden ordenar por los encabezados de las columnas. Haga clic en el encabezado Tipo para ordenar por los tipos Error y Advertencia. Sugerencia Haga clic en el interrogante para abrir la ayuda en línea referente a este tipo de error. Nota La visualización de este cuadro de diálogo de error está controlada por la opción Mostrar errores en cada reconstrucción en el menú Herramientas, Opciones, Opciones del sistema, General. Esta opción debe ser activada para que aparezca este mensaje. Hay varios controles: Mediante el cuadro de diálogo Herramientas, Opciones.... Mediante el cuadro de diálogo del mensaje en sí mismo: Visualizar errores en cada reconstrucción Mediante el cuadro de diálogo del mensaje en sí mismo: visualización sólo de errores (Mostrar errores), sólo advertencias (Mostrar advertencias) o ambas
  • 239.
    Lección 7 Manualde formación SolidWorks 2006 Cómo editar: Reparaciones 226 Temas de edición 3 Gestor de diseño del FeatureManager. El gestor de diseño del FeatureManager enumera muchos errores indicados con marcadores. Los marcadores situados al lado de las operaciones tienen significados específicos: Error de nivel superior El marcador de Error de nivel superior marca un error en el árbol que aparece a continuación. Resulta útil en los ensamblajes y dibujos para ver los errores de las piezas. Expandir Un marcador de Expandir se sitúa junto a una operación que tiene un error o una advertencia en la operación debajo de ella. Expanda la operación para ver el problema. El texto de la operación se muestra en verde. Error Un marcador de Error se sitúa junto a una operación que tiene un problema y no puede crear geometría. El texto de la operación se muestra en rojo. Advertencia Un marcador de Advertencia se sitúa junto a una operación que tiene un problema, pero puede crear geometría. Es común para las relaciones y la geometría “colgante”. El texto de la operación se muestra en verde. Operaciones normales Las operaciones normales que no tienen advertencias o errores aparecen con textonegro. Por dónde empezar Las operaciones se reconstruyen en secuencia desde la parte superior del árbol. El mejor lugar para comenzar es en la primera operación (base) con un error, en este caso es la operación Base_Plate (Chapa base). Un error en la operación base podría causar una serie de errores en las operaciones derivadas.
  • 240.
    Manual de formaciónSolidWorks 2006 Lección 7 Cómo editar: Reparaciones Comprobar croquis para operación 227 4 ¿Qué errores hay? La opción ¿Qué errores hay? se utiliza para resaltar un mensaje de error para una operación seleccionada. Haga clic con el botón secundario del ratón en la operación Base_Plate y seleccione ¿Qué errores hay?. El mensaje indica que el croquis no puede uti- lizarse para la operación porque un punto final se comparte de manera indebida. 5 Editar el croquis. El mensaje ¿Qué errores hay? ha indicado que el croquis (Sketch1 -Croquis 1) es el problema. Edite el croquis de la operación. Sugerencia Para obtener información sobre los problemas de los croquis definidos en exceso, consulte Croquis definidos en exceso en la página 114 de Cómo modelar una pieza de fundición o forja en el Volumen 1. Comprobar croquis para operación Comprobar croquis para operación le permite verificar la validez de un croquis para su uso en una operación. Esto puede llevarse a cabo antes de que se cree la operación o, como en este ejemplo, después. Dado que operaciones diferentes poseen diferentes requisitos de croquis – por ejemplo, las operaciones de revolución requieren un eje de revolución – usted selecciona el tipo de operación para el cual debe evaluarse el croquis. Cualquier geometría que impida la creación de esa operación será resaltada. También comprobará la existencia de geometría faltante o inadecuada. Dónde encontrarlo En el menú Herramientas, seleccione Herramientas de croquizar, Comprobar croquis para operación.... 6 Comprobar croquis. El comando Comprobar croquis para operación... verifica la existencia de geometría incorrecta en el croquis, comparándola con la requerida por el Tipo de contorno. En este caso, el Uso de la operación se establece en Extruir base porque ése es el tipo de operación al cual pertenece este croquis. El Tipo de contorno se determina a partir del tipo de operación. Haga clic en Comprobar.
  • 241.
    Lección 7 Manualde formación SolidWorks 2006 Cómo editar: Reparaciones 228 Comprobar croquis para operación 7 Mensaje. Aparece un mensaje que enuncia el mismo mensaje que obtuvimos desde ¿Qué errores hay? y el sistema resalta la geometría del problema, en este caso, una de las tres líneas que comparten un punto final común. Haga clic en Aceptar para cerrar esta ventana de mensaje y haga clic en Cerrar para cerrar el cuadro de diálogo Comprobar croquis para operación. Designación por ventana La Designación por ventana le permite seleccionar varias entidades de croquis con una ventana de arrastrar. Las entidades se seleccionan en función de si la ventana se arrastra de derecha a izquierda o de izquierda a derecha. La selección incluye cotas. De izquierda a derecha: Sólo se selecciona la geometría que está completamente dentro de la ventana (la línea corta). De derecha a izquierda: Se selecciona la geometría que se encuentra dentro de la ventana y la cruza (línea corta y dos líneas largas). Esto también se denomina designación por captura. Sugerencia Si se utiliza Mayús con la designación por ventana se mantienen todas las selecciones anteriores. Si se utiliza Control con la designación por ventana se borran todas las selecciones anteriores. Estos métodos de selección no se utilizarán en este ejemplo. En su lugar, se utilizará un método de reparación automática.
  • 242.
    Manual de formaciónSolidWorks 2006 Lección 7 Cómo editar: Reparaciones Comprobar croquis para operación 229 Cómo reparar el croquis Las reparaciones de un croquis pueden realizarse de diversos modos. En un caso simple como éste, una sola línea está ocasionando el error. Esa línea fue resaltada por Comprobar croquis para operación. La línea puede simplemente eliminarse y el comando Comprobar croquis para operación puede utilizarse nuevamente para confirmar que el croquis no contenga errores. Puede utilizarse un método más automatizado mediante Reparar croquis para solucionar los errores. Introducción: Reparar croquis Reparar croquis se utiliza para analizar los errores en un croquis y repararlos. Puede utilizarse para reparar errores que nazcan de pequeñas separaciones, superponiendo geometría y varios segmentos cortos. Dónde encontrarlo En el menú Herramientas, seleccione Herramientas de croquizar, Reparar croquis. O, en la barra de herramientas 2D a 3D, haga clic en la herramienta Reparar croquis . 8 Reparar. Haga clic en Herramientas, Herramientas de croquizar, Reparar croquis. El sistema elimina la línea que está en infracción. 9 Buscar nuevamente. Utilice Comprobar croquis para operación nuevamente para ver el resultado de la reparación. El cuadro de diálogo no muestra problemas con el croquis. 10 Agregar cotas y relaciones. Las cotas y las relaciones pueden eliminarse durante el proceso de reparación de un croquis. Agregue relaciones y cotas de reemplazo y abandone el croquis. 11 Errores restantes. Todos los errores y las advertencias restantes se enumeran en el cuadro de diálogo. Para no ver este cuadro de diálogo de mensaje cada vez que realice una corrección, desactive la opción Visualizar errores en cada reconstrucción. Aparece más del modelo. 12 Siguiente error. El primer error de la lista es para Sketch2 (Croquis 2) en la operación Vertical_Plate (Chapa vertical). Contiene Entidades de croquis colgantes según el mensaje. Se encuentran entidades de croquis colgantes cuando las cotas o las relaciones hacen referencia a elementos que ya no existen. Nota Las cotas y las relaciones colgantes pueden ocultarse de la vista. La opción Ocultar las colgantes y anotaciones colgantes puede encontrarse en Herramientas, Opciones, Propiedades de documento, Visualización de anotaciones.
  • 243.
    Lección 7 Manualde formación SolidWorks 2006 Cómo editar: Reparaciones 230 Comprobar croquis para operación 13 Editar el croquis. Edite el croquis de la operación Vertical_Plate. Observe que la cota de 85 mm es de un color diferente a las demás cotas. Éste es el color que se utiliza para las cotas y las relaciones colgantes. La cota está intentando asociarse a geometría que ya no existe, y por lo tanto se considera colgante. Volver a asociar cotas Las cotas y las relaciones colgantes pueden repararse rápidamente volviendo a asociarlas al modelo. 14 Seleccionar la cota. Haga clic en la cota de 85 mm para ver las asas de arrastre. El extremo marcado en rojo es el colgante. Las relaciones colgantes en la geometría están marcadas de manera similar. 15 Arrastrar y colocar. Arrastre el asa roja y colóquela sobre la arista inferior de la pieza cuando aparezca el cursor de la arista. Si intenta colocarla en una ubicación inadecuada, el cursor mostrará el símbolo . Tanto la cota como la geometría vuelven a sus colores normales. El valor de la cota se actualiza para reflejar el tamaño de la geometría. Si necesita cambiar la cota, haga doble clic en ella. 16 Salir del croquis para reconstruir el modelo. 17 Errores restantes. Quedan algunos errores/algunas advertencias. La operación Rib_Under (Nervio debajo) será desarrollada a continuación. Edite el croquis de esa operación.
  • 244.
    Manual de formaciónSolidWorks 2006 Lección 7 Cómo editar: Reparaciones Comprobar croquis para operación 231 18 Relaciones colgantes. Una línea del croquis se muestra en el color correspondiente a colgante. Haga clic en esa línea para seleccionarla y mostrar sus asas de arrastre. El asa roja puede utilizarse en un procedimiento de arrastrar y soltar, de manera similar a lo que se realizó para la cota colgante. Cuando hace clic en la línea, sus relaciones se muestran en el PropertyManager. La relación que está colgante posee el mismo código de color que la entidad de croquis en sí misma. Nota Si hace doble clic en la entidad colgante, también aparecen anotaciones en la ventana de gráficos. 19 Volver a asociar. Arrastre el asa roja sobre la línea vertical más hacia la derecha de la Base_Plate (Chapa base). El sistema transfiere la relación colineal desde la entidad faltante (el plano eliminado) a la arista del modelo. La pieza ya no es colgante. Cómo reparar relaciones utilizando Visualizar/eliminar relaciones Algunas relaciones, como puntos coincidentes, sólo pueden repararse mediante el comando Visualizar/eliminar relaciones. Esta opción le permite revisar todas las relaciones de un croquis. Introducción: Visualizar/eliminar relaciones Visualizar/eliminar relaciones proporciona una forma de consultar sistemáticamente todas las entidades en un croquis. Además, puede visualizar las relaciones basadas en criterios tales como colgantes o definidos en exceso. También puede utilizar Visualizar/eliminar relaciones para reparar relaciones colgantes. Dónde encontrarlo Haga clic en Herramientas, Relaciones, Visualizar/ eliminar.... Haga clic con el botón secundario del ratón en el croquis y seleccione Visualizar/eliminar relaciones.
  • 245.
    Lección 7 Manualde formación SolidWorks 2006 Cómo editar: Reparaciones 232 Comprobar croquis para operación Haga clic en Visualizar/eliminar relaciones en la barra de herramientas Croquis. 20 Deshacer. Haga clic en Deshacer para quitar el último evento, la reparación de la relación colgante. 21 Visualizar/eliminar relaciones. Haga clic con el botón secundario del ratón y seleccione Visualizar/ eliminar relaciones. En la lista Filtro, seleccione Colgante. Esto muestra sólo las relaciones colgantes. Seleccione la relación Colineal. 22 Sección de entidades. Observe la sección inferior del PropertyManager. Existe una lista de las entidades utilizas por esta relación. Una entidad tiene un estado Completamente definido, la otra es Colgante. Seleccione la entidad marcada como Colgante. 23 Reemplazo. Seleccione la arista vertical de la Base_Plate. Sugerencia Seleccionar otra puede utilizarse para elegir la arista. Haga clic en Reemplazar y luego haga clic en Aceptar. 24 Salga del croquis. Salga del croquis para ver el error restante. El marcador está ubicado en la operación Rib_Fillet (Redondeo nervio) Utilice ¿Qué errores hay? en la operación Rib_Fillet.
  • 246.
    Manual de formaciónSolidWorks 2006 Lección 7 Cómo editar: Reparaciones Información proveniente de un modelo 233 Cómo resaltar áreas de problemas Determinados mensaje de error contienen el símbolo de vista preliminar . Si hace clic en ese marcador, el sistema resaltará el área problemática del modelo. Si utiliza ¿Qué errores hay? directamente en la operación, automáticamente resalta la zona del problema. 25 Resaltar mensaje. Haga clic en el símbolo de vista preliminar para mostrar visualmente la zona en la cual se produce el error. 26 Visualización de error gráfico. La zona en donde se produce el error está resaltada con un patrón de malla. El redondeo falla en esta zona. Cierre el cuadro de diálogo del mensaje. 27 Cambiar el valor. Utilizando la información gráfica y de texto suministrada por el sistema, es claro que el problema reside en el valor de radio del redondeo. Establezca el valor reduciéndolo en gran manera, por ejemplo 5 mm y reconstruya. 28 Modelo reconstruido. El modelo ahora se reconstruye sin ningún error ni advertencia. Información proveniente de un modelo La pieza tiene algunos problemas incorporados relacionados con la secuencia de operaciones. Estos pro- blemas se volverán evidentes cuando llegue el momento de realizar cambios de diseño. Para poder comprender la forma en que se construyó esta pieza, recorreremos los pasos de construc- ción y presentaremos algunas de las herramientas que se utilizarán. La intención del diseño de la pieza se revelará ya que las operacio- nes se reconstruyen una por vez.
  • 247.
    Lección 7 Manualde formación SolidWorks 2006 Cómo editar: Reparaciones 234 Información proveniente de un modelo Introducción: Ir a La opción Ir a... puede utilizarse para buscar en el texto del FeatureManager una palabra o conjunto de caracteres específicos. Las operaciones se expanden para mostrar cualquier operación encontrada. Dónde encontrarlo Haga clic con el botón secundario del ratón en la operación de nivel superior y seleccione Ir a.... 29 Ir a. Haga clic con el botón secundario del ratón en la operación de nivel superior y seleccione Ir a.... Escriba el croquis de nombre parcial y haga clic en Empezar por el principio. 30 Buscar siguiente. Haga clic en Buscar siguiente hasta que se halla encontrado la última ocurrencia. Aparecerá el mensaje No se encontró este elemento. La búsqueda expandió todas las operaciones que tienen croquis de modo que los croquis están visibles. Sugerencia Para cerrar todas las operaciones expandidas, haga clic con el botón secundario del ratón en el FeatureManager y elija Contraer operaciones. Introducción: La barra de retroceder Puede retroceder una pieza utilizando la Barra de retroceder en el gestor de diseño del FeatureManager. La barra de retroceder es una ancha línea amarilla que se vuelve azul al seleccionarse. Arrastre la barra hacia arriba o hacia abajo en el gestor de diseño del FeatureManager para avanzar o retroceder por la secuencia de regeneración. Dónde encontrarlo Arrastre la barra de retroceder en el gestor de diseño del FeatureManager. O, haga clic con el botón secundario del ratón en una operación, y seleccione Retroceder en el menú contextual. Esto coloca la barra antes de la operación seleccionada. O, haga clic con el botón secundario del ratón en el FeatureManager y seleccione Retroceder al anterior para moverse a la última posición de la barra de retroceder. Seleccione Avanzar al final para mover la barra hasta después de la última operación en el árbol.
  • 248.
    Manual de formaciónSolidWorks 2006 Lección 7 Cómo editar: Reparaciones Información proveniente de un modelo 235 O haga clic en Herramientas, Opciones, Opciones de sistema, FeatureManager y haga clic en Navegación con teclas de flechas. Esto permite que las teclas de flecha muevan la barra de retroceder. Debe establecerse el énfasis en la barra de retroceder haciendo clic en ella. Si se establece el énfasis en la zona de gráficos, las flechas de dirección girarán el modelo. Nota La herramienta Retroceder también es útil al editar piezas grandes para limitar la reconstrucción. Retroceda a la posición justo después de la operación que usted está editando. Cuando la edición esté completa, la pieza se reconstruirá sólo hasta la barra de retroceder. Esto evita que toda la pieza se reconstruya. 31 Retroceder la pieza al comienzo. Utilizando Retroceder, coloque la barra en la primera operación en el gestor de diseño del FeatureManager. Esto coloca la barra de retroceder después de la operación Base_Plate. Luego se podrá avanzar hacia adelante una operación a la vez. 32 Operación Base_Plate. La Base_Plate se creó a partir de un rectángulo y se extruyó. Para investigar esto aún más, utilice Editar operación en la operación.
  • 249.
    Lección 7 Manualde formación SolidWorks 2006 Cómo editar: Reparaciones 236 Información proveniente de un modelo 33 Editar operación. Los gráficos muestran la geometría de croquis y la vista preliminar. Cancele el cuadro de diálogo. Avance hacia adelante una operación arrastrando el marcador o moviéndolo hacia abajo con la tecla flecha. 34 Operación Base_Fillet (Redondeo base). Se agregan redondeos de igual radio a las esquinas frontales en esta operación. Avance hacia adelante a una posición justo antes de la operación Vertical_Plate (Chapa vertical). 35 Operación Vertical_Plate. Esta operación fue croquizada en la cara posterior del modelo y extruida hacia el frente. 36 Editar croquis. Edite el croquis de la operación Vertical_Plate para ver la geometría y sus puntos de conexiones.
  • 250.
    Manual de formaciónSolidWorks 2006 Lección 7 Cómo editar: Reparaciones Información proveniente de un modelo 237 37 Visualizar/eliminar relaciones. Haga clic en Visualizar/eliminar relaciones . Establezca el Filtro en Todo en este croquis y haga clic en las relaciones individuales de la lista para explorar todas las relaciones geométricas en las entidades de croquis. Las relaciones explicarán cómo las entidades se asocian entre sí y con el resto del modelo. Cierre el cuadro de diálogo y cierre el croquis sin hacer ningún cambio. 38 Geometría del croquis. Para ver la geometría de croquis con más claridad, haga clic con el botón secundario del ratón en Sketch2 (Croquis2) y seleccione Visualizar croquis. El icono del croquis aparece en color cuando se está mostrando. Utilizando Sin líneas ocultas, la posición del croquis es clara. Avance hacia adelante a una posición justo antes de la operación Circular_Plane (Plano circular) 39 Circular_Plane. El plano se creó para croquizar la siguiente operación, un saliente circular. Está detrás de Sketch2. 40 Relaciones dePadre/Hijo. Compruebe las relaciones en el plano. Haga clic con el botón secundario del ratón en el plano y seleccione Padre/ hijo.... El Padre del plano es la operación Base_Plate, de la cual depende el plano. Los Hijos son Sketch3 (Croquis 3) y Circular_Boss (Saliente circular); dependen del plano. Haga clic en Cerrar y avance hacia adelante.
  • 251.
    Lección 7 Manualde formación SolidWorks 2006 Cómo editar: Reparaciones 238 Información proveniente de un modelo 41 Operación Circular_Boss. Circular_Plane (Plano circular) se utilizó para croquizar Circular_Boss. El croquis fue extruido a través de la pieza desde la parte posterior. Avance hacia adelante a una posición justo antes de la operación Wall_Thickness (Espesor pared). 42 Operación Rib_Under. Esta operación fue croquizada como un rectángulo y extruida en el Circular_Boss. Retroceder a un croquis Si la barra de retroceder se arrastra y coloca entre un croquis absorbido y su operación, aparece un cuadro de diálogo. El cuadro de diálogo le comunica que ha elegido retroceder a una operación absorbida y que la operación dejará de estar absorbida temporalmente de modo que pueda editarse. Esto cambia la secuencia de modo que el croquis preceda a la operación. 43 Retroceder a Sketch4 (Croquis 4). Mueva la barra de retroceder a una posición entre la operación Rib_Under y su croquis Sketch4. Haga clic en Aceptar cuando aparezca el mensaje. Sugerencia Esta técnica es muy útil cuando se está editando operaciones que poseen múltiples croquis como operaciones Barrer y Recubrir. Las operaciones Barrer y Recubrir están descriptas en el curso Modelado de piezas avanzado.
  • 252.
    Manual de formaciónSolidWorks 2006 Lección 7 Cómo editar: Reparaciones Información proveniente de un modelo 239 44 Avanzar hacia adelante. Avance hacia adelante hasta alcanzar una posición después de Sketch4. Introducción: Editar plano de croquis Editar plano de croquis le permite cambiar el plano o la cara sobre la que está creado un croquis específico. El plano de croquis nuevo no debe ser paralelo al original. Dónde encontrarlo En el menú Editar, seleccione Plano de croquis.... O haga clic con el botón secundario del ratón en el croquis y seleccione Editar plano de croquis.... 45 Editar plano de croquis. Haga clic con el botón secundario del ratón en la operación Sketch4 y elija la opción Editar plano de croquis para determinar qué plano de croquis se utilizó. La cara resaltada identifica el plano de croquis. Haga clic en Cancelar y avance hacia adelante hasta alcanzar una posición después de la operación Wall_Thickness. Nota La selección de Plano/cara de croquis se puede desactivar para hacer que la referencia del plano de croquis cuelgue. En ese caso aparece un mensaje de confirmación. No hay una selección para la referencia del plano de croquis. Seleccione Aceptar si desea convertirla en una referencia colgante.
  • 253.
    Lección 7 Manualde formación SolidWorks 2006 Cómo editar: Reparaciones 240 Información proveniente de un modelo 46 Operación Wall_Thickness. El modelo se vació dejando ambas caras circulares y la cara inferior abiertas. Consulte el corte de sección a la derecha para conocer más detalles. Avance hacia adelante hasta alcanzar una posición después de la operación CounterBore (Refrentado). 47 Operación CounterBore. El Asistente para taladro se utilizó para crear un taladro de refrentado en la cara plana superior. Sin embargo, debido a la pared delgada, aparece como un simple corte. Avance hacia adelante hasta alcanzar una posición después de la operación LPattern1 (Matriz L 1). 48 Operación de matriz. La matriz del CounterBore fue realizada utilizando una matriz lineal, LPattern1. Avance hacia adelante hasta alcanzar una posición después de la operación Rib_Fillet (Redondeo nervio). 49 Operación Rib_Fillet. La operación Rib_Fillet crea redondeos grandes en donde Rib_Under se une con Circular_Boss y Base_Plate. Haga clic con el botón secundario del ratón y seleccione Avanzar al final. 50 Operación Circ_Fillet (Redondeo circ.). Esta operación crea pequeños redondeos a ambos lados del Vertical_Plate.
  • 254.
    Manual de formaciónSolidWorks 2006 Lección 7 Cómo editar: Reparaciones Herramientas de reconstrucción 241 Herramientas de reconstrucción Reconstruir un modelo incorpora los cambios que usted haya hecho. Los tiempos de reconstrucción lentos pueden demorar el proceso de modelado de manera significativa. Existen algunas herramientas disponibles para optimizar los tiempos de reconstrucción. Retroceder a operación Retroceder puede utilizarse para limitar el tiempo de reconstrucción retrocediendo a la operación que se está editando. Por ejemplo, si Vertical_Plate se está editando, retroceda hasta alcanzar una posición justo después de dicha operación. Se realizan cambios en la operación y se reconstruye. Debido a la posición de retroceso, sólo las operaciones que se encuentran antes de la barra se reconstruyen, limitando el alcance de la reconstrucción. El resto de la pieza se reconstruirá cuando la barra se mueva o cuando se guarde la pieza. Supresión de operaciones Supresión de operaciones es un método más permanente para limitar el tiempo de reconstrucción. Las operaciones que se suprimen no se reconstruyen. Las configuraciones pueden utilizarse para disponer combinaciones de operaciones suprimidas. Interrupción e información de reconstrucción Durante una reconstrucción, se muestra una barra de progreso y el estado en la barra inferior de la ventana de SolidWorks. La reconstrucción puede detenerse presionando la tecla Esc (Escape). Informe del tiempo de recálculo Informe del tiempo de recálculo es una herramienta que muestra la cantidad de tiempo que lleva reconstruir cada operación en una pieza. Utilice esta herramienta para identificar las operaciones que llevan mucho tiempo para reconstruirse. Una vez identificadas, es posible editarlas para aumentar la eficiencia o suprimirlas si no son cruciales para el proceso de edición. Introducción: Informe del tiempo de recálculo El cuadro de diálogo Informe del tiempo de recálculo muestra una lista de todas las operaciones y sus tiempos de reconstrucción en orden descendente. Orden de operaciones Enumere cada elemento en el gestor de diseño del FeatureManager: operaciones, croquis y planos derivados. Utilice el menú contextual para Editar la operación, Suprimir operaciones y así sucesivamente.
  • 255.
    Lección 7 Manualde formación SolidWorks 2006 Cómo editar: Reparaciones 242 Herramientas de reconstrucción % de tiempo Muestra el porcentaje del tiempo total de reconstrucción de la pieza empleado en regenerar cada elemento. Tiempo Muestra la cantidad de tiempo en segundos que lleva reconstruir cada elemento. Dónde encontrarlo En el menú, seleccione Herramientas, Informe del tiempo de recálculo.... 51 Informe del tiempo de recálculo. Haga clic en Herramientas, Informe del tiempo de recálculo.... Las operaciones aparecen en orden descendente según la cantidad de tiempo requerido para regenerarlas. Cómo interpretar los datos La primera cosa a tener en cuenta es que el tiempo de reconstrucción total para la pieza es de aproximadamente 1 /3 segundos, de modo que es improbable que un cambio en cualquier operación genere una diferencia significativa. Lo segundo es el número de dígitos significativos y error de redondeo. Por ejemplo, Feature1 (Operación 1) podría emplear el doble de tiempo en reconstruirse que Feature2 (Operación 2), 0.02 segundos frente a 0.01 segundos. ¿Indica esto un problema con Feature1? No necesariamente. Es bastante posible que Feature1 tarde 0.0151 segundos mientras que Feature2 tarde 0.0149 segundos, una diferencia de tan sólo 0.0002 segundos. Utilice Informe del tiempo de recálculo para identificar operaciones que produzcan un impacto significativo en el tiempo de reconstrucción. Luego: Suprima operaciones para mejorar el desempeño. Analice y modifique operaciones para mejorar el desempeño. ¿Qué afecta el tiempo de reconstrucción? Las operaciones pueden ser analizadas para determinar por qué se comportan de la manera en que lo hacen. Según el tipo de operación y cómo se utiliza, las razones serán diversas. Para operaciones croquizadas, busque relaciones externas y condiciones finales que hagan referencia a otras operaciones. Mantenga estas relaciones asociadas a la primera operación posible. Haga lo mismo para los planos de croquis.
  • 256.
    Manual de formaciónSolidWorks 2006 Lección 7 Cómo editar: Reparaciones Herramientas de reconstrucción 243 Sugerencia En general, cuantos más padres tenga una operación, más lenta será su reconstrucción. Consulte Cómo reparar relaciones utilizando Visualizar/eliminar relaciones en la página 231 para ver un ejemplo de cómo cambiar relaciones en un croquis. Para las operaciones aplicadas a aristas o caras, compruebe las opciones de las operaciones y la posición de la operación en el FeatureManager. Consulte Editar operación en la página 253 para ver un ejemplo de cómo cambiar relaciones en una operación. En general, hay cuatro herramientas disponibles para modificar operaciones: Editar operaciones Editar croquis Editar plano de croquis Eliminar operación
  • 257.
    Lección 7 Manualde formación SolidWorks 2006 Cómo editar: Reparaciones 244 Herramientas de reconstrucción
  • 258.
    Manual de formaciónSolidWorks 2006 Ejercicio 27 245 Ejercicio 27: Errors1 Edite esta pieza utilizando la información y las cotas proporcionadas para reparar los errores y completar la pieza. Este laboratorio refuerza las siguientes funciones: Cómo utilizar ¿Qué errores hay? Editar el croquis. Cómo agregar relaciones geométricas. Editar operación. Solucionar errores de reconstrucción. Procedimiento Abra la pieza existente Errors1 (Errores 1) y realice varias ediciones para eliminar los errores y advertencias de la pieza. Utilice el dibujo a continuación como una guía. Sugerencia Utilice Fusionar sólidos en la operación Mirror1. La pieza completada debería ser un sólido simple. Antes Después
  • 259.
    Manual de formaciónSolidWorks 2006 246 Ejercicio 28 Ejercicio 28: Errors2 Edite esta pieza utilizando la información y las cotas proporcionadas para reparar los errores y completar la pieza. Este laboratorio refuerza las siguientes funciones: Cómo utilizar ¿Qué errores hay? Editar el croquis. Incorporar y eliminar relaciones geométricas. Editar operación. Solucionar errores de reconstrucción. Procedimiento Abra la pieza existente Errors2 (Errores 2) y realice varias ediciones para eliminar los errores y advertencias de la pieza. Utilice el dibujo a continuación como una guía. Antes Después
  • 260.
    Manual de formaciónSolidWorks 2006 Ejercicio 29 247 Ejercicio 29: Copiar y relaciones colgantes Complete esta pieza copiando operaciones y realizando reparaciones. Este laboratorio utiliza las siguientes funciones: Copiar operaciones entre piezas. Editar croquis para reparar relaciones colgantes. Unidades: milímetros Procedimiento Abra las piezas existentes. 1 Abrir las piezas BoneWrench y HexCut. Abra los dos archivos y haga clic en Ventana, Mosaico vertical. 2 Copiar la operación Hex. Mientras pulsa la tecla Control arrastre una cara de la operación Hex y colóquela sobre la cara plana superior de la pieza BoneWrench tal como se muestra. Haga clic en el botón Colgar del cuadro de diálogo Confirmación de copia.
  • 261.
    Manual de formaciónSolidWorks 2006 248 Ejercicio 29 3 Reparar. Edite el croquis que contenga el error y seleccione el círculo de construcción interno. Arrastre y coloque el marcador rojo en una referencia de reemplazo adecuada. Ajuste el tamaño del hexágono como se indica a continuación. Ubicaciones Utilice el gráfico siguiente para localizar y ajustar el tamaño de un total de 4 cortes copiados mediante la condición final Por todo. 4 Redondeos cosméticos (opcional). Si lo desea, puede agregar los siguientes redondeos y redondos: 5 Guardar las piezas y cerrarlas. R2mm R1mm R0.5mm
  • 262.
    2006Manual de formaciónSolidWorks 2006 249 Lección 8 Cómo editar: Cambios en el diseño Al finalizar esta lección, podrá: Comprender cómo las técnicas de modelado ejercen influencia sobre la capacidad de modificar una pieza. Utilice contornos de croquis para definir la forma de una operación.
  • 263.
    Lección 8 Manualde formación SolidWorks 2006 Cómo editar: Cambios en el diseño 250
  • 264.
    Manual de formaciónSolidWorks 2006 Lección 8 Cómo editar: Cambios en el diseño Edición de piezas 251 Edición de piezas El software SolidWorks proporciona la capacidad de editar virtualmente cualquier elemento en cualquier momento. Para destacar esta capacidad, en este capítulo se utilizan las principales herramientas de edición de piezas para crear un cambio en el diseño. Etapas del proceso Algunas etapas clave del proceso de modificación de esta pieza se muestran en la siguiente lista. Cada uno de estos temas consta de una sección en la lección. Eliminar y cambiar el nombre de la operación La tecla Eliminar es una de las herramientas de edición más directas. Cambiar los nombres de las operaciones es útil para el uso posterior de la pieza. Utilizar herramientas de edición Utilice herramientas de edición comunes como Editar operación, Reordenar y Editar croquis para modificar la geometría y la intención del diseño. Contornos de croquis Se puede utilizar un croquis simple para crear varias operaciones utilizando los contornos dentro del croquis. Cómo agregar texturas Se pueden agregar mapas de textura a toda la pieza o a caras seleccionadas para ofrecer una apariencia realista de materiales o roscas. Cambios en el diseño Deben realizarse algunos cambios en el modelo. Algunos cambiarán la estructura del modelo, otros sólo los valores de cota. Realizar cambios de diseño en un modelo puede ser tan simple como cambiar el valor de una cota y tan difícil como eliminar las referencias externas. Esta sección pasa a través de una serie de cambios en un modelo. El énfasis está puesto en la edición de operaciones más que en la eliminación y la reinserción de las mismas. La edición le permite mantener referencias a dibujos, ensamblajes u otras piezas que se perderían si usted eliminara la operación. Procedimiento Seguiremos editando la pieza que se reparó en la lección anterior.
  • 265.
    Lección 8 Manualde formación SolidWorks 2006 Cómo editar: Cambios en el diseño 252 Cambios en el diseño Cambios requeridos Los cambios en el modelo son de la siguiente manera: El saliente circular está centrado sobre el nervio. El nervio está redondeado en el extremo. El saliente circular es tangente a la arista derecha. La parte recortada con taladros se agrega a la base. Ambos taladros poseen igual radio. Sólo se vacía la base. Eliminaciones Cualquier operación puede eliminarse del modelo. Debe considerarse qué otras operaciones, distintas de la seleccionada, deben eliminarse con ella. El cuadro de diálogo Confirmar eliminación muestra una lista de los Elementos dependientes que se eliminarán con la operación seleccionada. Los croquis de la mayoría de las operaciones no se eliminan automáticamente. Sin embargo, los croquis asociados con las operaciones del Asistente para taladro se eliminan automáticamente cuando se elimina el taladro. Para otras operaciones dependientes, si se elimina el padre se eliminarán los hijos. 1 Abrir la pieza Editing CS Repaired (Edición CS reparada). 2 Eliminar operación. Seleccione y elimine la operación CounterBore (Refrentado). La casilla de verificación, Eliminar también todas las operaciones hijas, ya está activada. El cuadro de diálogo indica que la operación LPattern1 (Matriz L 1) también se eliminará porque es hijo de la operación CounterBore. Haga clic en Sí para confirmar la eliminación.
  • 266.
    Manual de formaciónSolidWorks 2006 Lección 8 Cómo editar: Cambios en el diseño Cambios en el diseño 253 3 Intentar cambiar el orden. Intente cambiar la operación de vaciado, Wall_Thickness (Espesor pared) a una posición inmediatamente posterior a la Base_Fillet (Redondeo base). El cursor muestra un símbolo de “no mover” y aparece un cuadro de diálogo que le indica que no puede cambiar el orden debido a relaciones de padre/hijo. No puede colocar un hijo antes del padre. Haga clic en Aceptar. 4 Padre/hijo. Seleccione la operación Wall_Thickness y haga clic en Padre/hijo... en el menú del botón secundario del ratón. El cuadro de diálogo muestra que los padres de la operación Wall_Thickness son Base_Plate (Chapa base) y Circular_Boss (Saliente circular). Las referencias de la operación Circular_Boss deben eliminarse para que podamos cambiar el orden de la operación. Editar operación Editar operación le permite cambiar una operación utilizando el mismo cuadro de diálogo y la misma interfaz de usuario que utilizó para crearla. Los cambios simples, como direcciones o valores de cota, pueden realizarse juntamente con cambios más complejos como la eliminación o el agregado de selecciones. 5 Editar operación. Haga clic con el botón secundario del ratón en la operación Wall_Thickness del cuadro de diálogo Padre/Hijo... y seleccione Editar operación Seleccione ambas caras circulares resaltadas. La lista de selección Caras a eliminar sólo mostrará una única cara. Cuando usted vuelve a seleccionar una cara ya seleccionada, se desactiva la selección; es decir, la cara queda sin seleccionar.
  • 267.
    Lección 8 Manualde formación SolidWorks 2006 Cómo editar: Cambios en el diseño 254 Cambios en el diseño Como alternativa, puede hacer clic en un elemento de la lista de selección y desactivar su selección presionando la tecla Suprimir del teclado. A veces esto puede ser confuso, porque es probable que no en todas las oportunidades usted sepa qué cara está etiquetada como Face<2> (Cara 2). 6 Cambios en padre/hijo. Si se edita la operación Wall_Thickness se produce un cambio en la Relación de padre/hijo. La sección Padres muestra ahora sólo una operación, la Base_Plate. Reordenar Cambiar el orden permite efectuar cambios en la secuencia de operaciones del modelo. Los cambios de secuencia están limitados por las relaciones de padre/hijo que existan. 7 Cambiar el orden. Arrastre la operación Wall_Thickness y reacomódela colocándola en la operación Base_Fillet. Está ubicada después de la operación Base_Fillet. 8 Resultados. Ahora la operación de vaciado afecta sólo a la primera y a la segunda operación de la pieza.
  • 268.
    Manual de formaciónSolidWorks 2006 Lección 8 Cómo editar: Cambios en el diseño Cambios en el diseño 255 Editar croquis Editar croquis abre el croquis de la operación para que puedan efectuarse cambios en los valores de cotas, las cotas y las relaciones. Además, puede eliminarse o agregarse geometría al croquis. 9 Cómo editar el croquis. Edite el croquis de la operación Vertical_Pla te (Chapa vertical). 10 Eliminar cota. Elimine la cota lineal horizontal. Esto hará que el croquis quede insuficientemente definido. 11 Agregar nueva relación. Mantenga presionada la tecla Ctrl y seleccione la línea vertical más hacia la derecha y el arco. Haga clic con el botón secundario del ratón y seleccione Tangente Esto agrega una relación Tangente entre la línea y el arco. 12 Salga del croquis. 13 Modelo resultante. Esto mueve el Circular_Boss de modo que su cara cilíndrica sea tangente a la arista exterior de la operación Base_Plate. Los redondeos se actualizan en las nuevas posiciones. 14 Editar el croquis Rib_Under (Nervio debajo) El croquis Rib_Under aún está vinculado a sus relaciones originales, la arista exterior de Base_Plate. 15 Editar el croquis.
  • 269.
    Lección 8 Manualde formación SolidWorks 2006 Cómo editar: Cambios en el diseño 256 Cambios en el diseño 16 Visualizar relaciones. Muestre todas las relaciones geométricas en el croquis utilizando la opción Todas en este croquis. Para poder volver a colocar el nervio, debe eliminar la mayoría de las relaciones. Seleccione y elimine estas relaciones utilizando el botón Eliminar: Relación Colineal a la arista vertical de Base_Plate. Ambas relaciones de Distancia (las dos cotas). Mantenga la relación Colineal a Vertical_Plate y la relación Vertical en la línea que se encuentra a la izquierda. 17 Nueva geometría. Elimine la línea inferior del rectángulo y agregue un arco tangente. Acote el croquis según se indica. 18 Relación vertical. Si elimina la relación Colineal la línea vertical derecha queda sin ninguna relación para mantenerse vertical. Para solucionarlo, agregue una relación Vertical a la línea que se encuentra más hacia la derecha. 19 Gráficos temporales. Active la visualización de Ejes temporales y relacione el centro del arco con el eje temporal. Esto centrará el nervio sobre el saliente circular.
  • 270.
    Manual de formaciónSolidWorks 2006 Lección 8 Cómo editar: Cambios en el diseño Cambios en el diseño 257 20 Resultado. La operación Rib_Under ahora está centrada bajo Circular_Boss. Posee una arista frontal redondeada y también está, en una pequeña proporción, en el interior de la arista del saliente. 21 Editar plano de croquis. Expanda el listado de la operación Circular_Boss. Haga clic con el botón secundario del ratón en el croquis y seleccione Editar plano de croquis en el menú contextual. No tiene que editar el croquis. 22 Selección de cara o plano. El plano utilizado actualmente en el croquis está resaltado junto con la geometría de croquis. Ahora puede elegir un nuevo plano de croquis. Seleccione la cara posterior del modelo y haga clic en Aceptar. 23 Plano de croquis editado. La operación Circular_Boss ha sido editada. El croquis ahora hace referencia a una cara del modelo en lugar de a un plano. 24 Eliminar el plano. Compruebe las Relaciones de padre/hijo del plano. La operación Circular_Plane ahora no tiene hijos. Elimine el plano.
  • 271.
    Lección 8 Manualde formación SolidWorks 2006 Cómo editar: Cambios en el diseño 258 Cambios en el diseño 25 Editar operación. Edite la operación Circ_Fillet (Redondeo circ.). Agregue la arista mostrada y haga clic en Aplicar. 26 Resultado. La arista adicional posee un redondeo como parte de la operación Circ_Fillet. 27 Guardar y Cerrar. Se utilizará una pieza existente para el recordatorio del estudio de caso. Retroceder Retroceder es una herramienta que tiene muchos usos. Anteriormente, se utilizaba para “recorrer” un modelo, mostrando los pasos que se siguieron para construirlo. También es útil para agregar operaciones en un punto específico en la historia de la pieza. 28 Abrir Partial_Editing CS (Edición CS parcial). Abra una pieza existente que es idéntica excepto para un croquis adicional, Contour Selection (Selección de contorno). El croquis contiene dos círculos contenidos dentro de un rectángulo. 29 Reordenar y retroceder. Reordene el croquis de Contour Selection en una posición entre las operaciones Base Fillet y Wall_Thickness. Retroceda a una posición entre el croquis Contour Selection y la operación Wall_Thickness.
  • 272.
    Manual de formaciónSolidWorks 2006 Lección 8 Cómo editar: Cambios en el diseño Contornos de croquis 259 Contornos de croquis Los Contornos de croquis le permiten seleccionar partes de un croquis generadas por la intersección de geometría y crear operaciones. De esta forma puede utilizar un croquis parcial para crear operaciones. Otra ventaja de este método es que el croquis puede volver a utilizarse, creando operaciones distintas a partir de diferentes porciones del croquis. Se utilizan dos comandos, Herramienta de seleccionar contornos y Finalizar la selección de contornos, para iniciar y finalizar el proceso de selección de contornos. Contornos disponibles Generalmente hay múltiples Contornos de croquis disponibles dentro de un croquis individual. Todo límite generado por la intersección de geometría de croquis puede utilizarse individualmente o en combinación con otros contornos. Utilizando este croquis como ejemplo, hay diversos contornos, regiones y combinaciones posibles disponibles para su utilización. Introducción: Herramienta de seleccionar contornos La Herramienta de seleccionar contornos se utiliza para seleccionar uno o más contornos con el fin de utilizarlos en una operación. El cursor tiene este aspecto: cuando la Herramienta de seleccionar contornos se encuentra activa. Individuales Regiones Contornos individuales Selección de contornos combinados
  • 273.
    Lección 8 Manualde formación SolidWorks 2006 Cómo editar: Cambios en el diseño 260 Contornos de croquis Dónde encontrarlo Haga clic con el botón secundario del ratón en la zona de gráficos y elija la Herramienta de seleccionar contornos. Haga clic con el botón secundario del ratón en un croquis y elija Herramienta de seleccionar contornos. Introducción: Finalizar la selección de contornos Finalizar la selección de contornos se utiliza para finalizar la selección de los contornos. Dónde encontrarlo Haga clic con el botón secundario del ratón en la zona de gráficos o en el croquis en el gestor de diseño del FeatureManager y elija Finalizar la selección de contornos. Haga clic en el símbolo de la esquina de confirmación . 30 Extruir un corte. Utilice la Herramienta de seleccionar contornos para seleccionar la región rectangular del croquis. Cree un corte hasta una profundidad especificada de 10 mm en el modelo. Cambie el nombre de la operación a Hole_Mtg (M. Taladro). Croquis compartidos Un croquis puede utilizarse más de una vez para crear varias operaciones. Cuando crea una operación, el croquis se absorbe en la operación y se oculta de la vista. Al activar la Herramienta de seleccionar contornos, el croquis se hace visible automáticamente. 31 Agregar más cortes. Seleccione el croquis de la operación Hole_Mtg y haga clic en Extruir corte en la barra de herramientas Operaciones. Expanda la lista Contornos seleccionados y seleccione las dos regiones circulares del croquis. Extruya las regiones utilizando la condición final Por Todo. Cambie el nombre de los cortes a Thru_Holes (Taladros pasantes).
  • 274.
    Manual de formaciónSolidWorks 2006 Lección 8 Cómo editar: Cambios en el diseño Contornos de croquis 261 32 Avanzar al final. Haga clic con el botón secundario del ratón en el gestor de diseño del FeatureManager y seleccione Avanzar al final. Observe que los taladros de corte se utilizan en la opera- ción de vaciado para crear caras adiciona- les, innecesarias. 33 Reordenar. Cambie el orden de la operación Thru_Holes, llevándola a una posición después de la operación Wall_Thickness. El resultado es que la operación Thru_Holes no se ve afectada por el vaciado. 34 Cambiar el espesor de la pared. Cambie el espesor de la pared a 6 mm y reconstruya para completar el modelo. Cómo copiar redondeos Una forma rápida y fácil de crear un nuevo redondeo es copiarlo desde una operación existente. El nuevo redondeo es del mismo tipo y tamaño pero no está relacionado con el original. 35 Copiar. Mantenga presionada la tecla Ctrl y arrastre la operación Circ_Fillet sobre la arista del modelo. Suelte el botón del ratón. El redondeo puede copiarse desde el gestor de diseño del FeatureManager o directamente desde el modelo.
  • 275.
    Lección 8 Manualde formación SolidWorks 2006 Cómo editar: Cambios en el diseño 262 Contornos de croquis 36 Nueva operación Redondeo. Se crea una nueva operación Redondeo en la arista. Edite el redondeo y agregue la arista en el lado opuesto. Cambie el valor del radio a 3 mm. Los chaflanes pueden copiarse utilizando el mismo procedimiento. 37 Vista trimétrica. Cambie la orientación de la vista a una vista Trimétrica. Introducción: Vista de sección La Vista de sección corta la vista utilizando uno o más planos de sección. Los planos pueden ser arrastrados de forma dinámica. Se pueden utilizar planos de referencia o caras planas. Dónde encontrarlo Haga clic en Vista de la sección en la barra de herramientas Ver. O, haga clic en Ver, Visualizar, Vista de sección. 38 Seleccionar una cara. Seleccione la cara plana indicada. Se utilizará para definir el plano de sección. Nota No tiene que preseleccionar el plano de sección. Si no lo hace, el sistema utilizará un plano de sección predeterminado, por lo general el Alzado.
  • 276.
    Manual de formaciónSolidWorks 2006 Lección 8 Cómo editar: Cambios en el diseño Contornos de croquis 263 39 Vista de sección. Haga clic en Vista de sección para utilizar la cara seleccionada como el plano de sección. El cuadro de grupo Sección 1 incluye opciones del Plano de sección de referencia, Dirección de sección, Equidistancia y Ángulos. 40 Arrastrar el plano. Mediante las flechas, arrastre en una dirección normal al plano y colóquela. El ángulo del plano se puede cambiar si se arrastran las aristas del plano de sección. 41 Invertir dirección de sección. Haga clic en Invertir dirección de sección para invertir la dirección de la sección. Haga clic en Cancelar para cerrar el cuadro de diálogo.
  • 277.
    Lección 8 Manualde formación SolidWorks 2006 Cómo editar: Cambios en el diseño 264 Cómo agregar texturas Cómo agregar texturas Haga que el modelo tenga una apariencia más realista añadiendo Texturas a las caras, las superficies, los sólidos, las operaciones y los componentes. La calidad de la textura está influenciada por el adaptador de gráficos. Para obtener más información, consulte Gráficos RealView en la página 193. Dónde encontrarlo Haga clic en Editar textura en la barra de herramientas Estándar. O, haga clic con el botón secundario del ratón en una cara, operación o pieza y elija Apariencia, Textura.... Nota Las texturas están divididas en carpetas como Metal (Metal), Plastic (Plástico) y Stone (Piedra) con subcarpetas. 42 Selección de geometría. Haga clic con el botón derecho del ratón en la operación de nivel superior (nombre de la pieza) y elija Apariencia, Textura.... 43 Selección de textura. Haga clic en las carpetas Metal (Metal) y Cast (Fundición). Seleccione la textura Fundido rugoso de la lista de Selección de textura. La vista preliminar de la textura está en el cuadro de grupo Propiedades de textura. Todas las caras seleccionadas del sólido comparten la misma textura.
  • 278.
    Manual de formaciónSolidWorks 2006 Lección 8 Cómo editar: Cambios en el diseño Cómo agregar texturas 265 44 Textura de rosca. Seleccione las dos caras del “taladro” y haga clic con el botón secundario del ratón en Apariencia, Textura.... Elija la carpeta Thread y la textura Thread1. Ajuste la Escala de la textura mediante el control deslizante Escala .
  • 279.
    Lección 8 Manualde formación SolidWorks 2006 Cómo editar: Cambios en el diseño 266 Cómo agregar texturas
  • 280.
    Manual de formaciónSolidWorks 2006 Ejercicio 30 267 Ejercicio 30: Cambios Realice cambios en la pieza creada en la lección anterior. Este ejercicio utiliza las siguientes funciones: Eliminar operaciones. Utilizar Vincular valores. Reordenar operaciones. Procedimiento Utilizar el siguiente procedimiento: 1 Abrir la pieza Changes. Se realizarán diversos cambios e incorporaciones al modelo. 2 Eliminar. Elimine los taladros de montaje, las partes recortadas y el vaciado (Cut-Extrude1, Wall_Thickness y Cut- Extrude2) del modelo. 3 Igual espesor. Establezca el espesor de Base_Plate (Chapa base) y Vertical_Plate (Chapa vertical) en el mismo valor, 12 mm, utilizando Vincular valores.
  • 281.
    Manual de formaciónSolidWorks 2006 268 Ejercicio 30 4 Cortar. Elimine la porción de Vert_Plate (Chapa vert.) en el lado derecho de Circular_Boss (Saliente circ.) y Rib_Under (Nervio debajo). Edite y reordene las operaciones donde sea necesario para mantener el redondeo. 5 Redondeo. Agregue otro redondeo del mismo radio que Circ_Fillet (Redondeo circ.). 6 Taladros de refrentado. Agregue dos taladros de refrentado del siguiente tamaño: ANSI Métrico Tornillo de cabeza hexagonal M6 Por todo Reordene las operaciones donde sea necesario para evitar socavaciones. 7 Guardar y cerrar la pieza.
  • 282.
    Manual de formaciónSolidWorks 2006 Ejercicio 31 269 Ejercicio 31: Cómo agregar ángulo de salida Edite esta pieza utilizando la información y las cotas proporcionadas. Utilice las técnicas de edición para mantener la intención del diseño. Este laboratorio refuerza las siguientes funciones: Editar el croquis. Incorporar y eliminar relaciones geométricas. Editar operación. Editar plano de croquis. Procedimiento Abra la pieza existente Add Draft (Agregar ángulo de salida) y realice diversas ediciones utilizando el dibujo final que aparece a continuación. Cambie el modelo de modo tal que se agregue un ángulo de salida de 5°.
  • 283.
    Manual de formaciónSolidWorks 2006 270 Ejercicio 32 Ejercicio 32: Cómo editar Edite esta pieza utilizando la información y las cotas proporcionadas. Utilice ecuaciones, relaciones o valores de vínculo para mantener la intención del diseño. Este laboratorio refuerza las siguientes funciones: Editar croquis y Editar plano de croquis. Incorporar y eliminar relaciones geométricas. Editar operación. Reordenar. Insertar cotas. Procedimiento Abra la pieza existente Editing (Edición) y realice diversas ediciones: Cambie la pieza existente, editando y agregando geometría y relaciones, para hacerla coincidir con la versión que se muestra a continuación.
  • 284.
    Manual de formaciónSolidWorks 2006 Ejercicio 33 271 Ejercicio 33: Croquis de contorno #1-#4 Cree esta pieza utilizando la información suministrada. Extruya los perfiles para crear las piezas. Las piezas existentes son Contour Sketches #1-#4 (Croquis de contornos 1 y 4). #1 Profundidad: 50 mm y 30 mm #2 Profundidad: 3.5”, 1” y 2.5” #3 Profundidad: 30 mm y 10 mm #4 Profundidad: 1.5” y 0.5”
  • 285.
    Manual de formaciónSolidWorks 2006 272 Ejercicio 34 Ejercicio 34: Brazo de un asa Cree esta pieza utilizando la información y el croquis provistos. Extruya los perfiles para crear la pieza. Este laboratorio refuerza las siguientes funciones: Selección de contorno. Extrusiones. Procedimiento Abra una pieza existente. 1 Abra la pieza denominada Handle Arm (Brazo de asa). Contiene un único croquis. 2 Primera operación. Utilizando la Herramienta de seleccionar contornos, seleccione la geometría apropiada y realice la extrusión. Profundidad = 0.75”. 3 Operación Saliente. Utilizando el mismo croquis, seleccione contornos y realice la extrusión. Profundidad = 0.25”. 4 Saliente cilíndrico. Utilizando el mismo croquis, seleccione contornos y realice la extrusión. Profundidad = 0.5”.
  • 286.
    Manual de formaciónSolidWorks 2006 Ejercicio 34 273 5 Redondeos. Agregue redondeos de radio 1/8”. 6 Redondos. Agregue redondos de radio 1/32”. 7 Guardar y cerrar la pieza.
  • 287.
    Manual de formaciónSolidWorks 2006 274 Ejercicio 35 Ejercicio 35: Bomba de aceite Cree esta pieza utilizando la información y el croquis provistos. Extruya los perfiles para crear la pieza. Este laboratorio refuerza las siguientes funciones: Selección de contorno. Extrusiones. Procedimiento Abra una pieza existente. 1 Abra la pieza denominada Oil Pump (Bomba de aceite). Contiene un único croquis. 2 Operación Saliente. Utilice la Herramienta de seleccionar contornos y seleccione el círculo exterior. Extrúyalo una profundidad de 32 mm para formar la operación base. Extruya la operación saliente en la pantalla para que el croquis quede en la cara frontal. 3 Extruir un corte. Seleccione el contorno de la figura-8 y extruya un corte una profundidad de 22 mm. 4 Cortes Por todo. Hay seis círculos que representan taladros pasantes. Sugerencia Para seleccionar múltiples contornos, mantenga presionada la tecla Ctrl y seleccione cada uno de los contornos. Pregunta ¿Estos taladros deben crearse como una sola operación? ¿O deben efectuarse como tres operaciones separadas, una para cada tamaño de taladro?
  • 288.
    Manual de formaciónSolidWorks 2006 Ejercicio 35 275 5 Últimos dos cortes. Extruya los dos últimos contornos a una profundidad de 19 mm. 6 Ocultar el croquis. 7 Guardar y cerrar la pieza.
  • 289.
    Manual de formaciónSolidWorks 2006 276 Ejercicio 36 Ejercicio 36: Cómo utilizar la herramienta de seleccionar contornos Cree esta pieza utilizando la información y el croquis provistos. Extruya los perfiles para crear la pieza. Este laboratorio refuerza las siguientes funciones: Herramienta de seleccionar contornos. Extrusiones. Redondeos. Procedimiento Abra una pieza existente. 1 Abrir la pieza denominada Idler_Arm_Contour_Selection. Contiene tres croquis. Muestre todos los croquis. 2 Primera operación. Haga clic con el botón secundario del ratón en Herramienta de seleccionar contornos y seleccione la geometría indicada. 3 Extruir. Haga clic en la herramienta Extruir y cree el saliente utilizando el Plano medio y una Profundidad de 55 mm. 4 Salientes y cortes. Con el mismo procedimiento, cree los salientes y cortes restantes como se indica. 5 Operaciones Redondeo y Redondo. Utilice redondeos y redondos de 3mm. 6 Guardar y cerrar la pieza.
  • 290.
    Manual de formaciónSolidWorks 2006 277 Lección 9 Configuraciones de las piezas Al finalizar esta lección, podrá: Utilizar las configuraciones para representar diferentes versiones de una pieza en un único archivo de SolidWorks. Suprimir y desactivar la supresión de operaciones. Modificar los valores de cotas por configuración. Suprimir operaciones por configuración. Comprender las consecuencias de realizar cambios en piezas que poseen configuraciones.
  • 291.
    Lección 9 Manualde formación SolidWorks 2006 Configuraciones de las piezas 278
  • 292.
    Manual de formaciónSolidWorks 2006 Lección 9 Configuraciones de las piezas Configuraciones 279 Configuracio- nes Las configuraciones le permiten representar más de una versión de la pieza en el mismo archivo. Por ejemplo, al suprimir las operaciones mecanizadas (taladros, chaflanes, cavidades, etc.) y cambiar los valores de cotas de las piezas en la parte superior de la ilustración, puede representar la pieza tosca de forja que se muestra a continuación. Esta lección describe la utilización de las configuraciones de piezas. Las configuraciones de ensamblaje se describen en otra lección. Terminología A continuación se explican algunos de los términos utilizados cuando se describen las configuraciones y se trabaja con ellas. Nombre de la configuración El Nombre de configuración aparece en el ConfigurationManager. Se utiliza para diferenciar las configuraciones dentro de la misma pieza o ensamblaje de la pieza, ensamblaje o nivel de dibujo. Se pueden crear directamente o bien indirectamente mediante una tabla de diseño. Suprimir/desactivar supresión de operaciones Suprimir se utiliza para eliminar una operación de manera temporal. Cuando se suprime una operación, el sistema la trata como si no existiera. Esto quiere decir que también se suprimirán las operaciones que dependan de la operación suprimida. Además, las operaciones suprimidas se eliminan de la memoria, lo que libera los recursos del sistema. Se puede desactivar la supresión de las operaciones suprimidas en cualquier momento. Otros elementos configurables Además de las operaciones, se puede suprimir y desactivar la supresión de otros elementos mediante la utilización de configuraciones: Ecuaciones Restricciones de los croquis Relaciones externas de los croquis Cotas de croquis Colores
  • 293.
    Lección 9 Manualde formación SolidWorks 2006 Configuraciones de las piezas 280 Utilización de configuraciones Planos de croquis y la extrusión de las Condiciones finales se pueden establecer de manera diferente configuración por configuración. Utilización de configuracio- nes Tanto las piezas como los ensamblajes pueden tener configuraciones. Los dibujos no tienen configuraciones propias, pero las vistas de dibujo pueden mostrar diferentes configuraciones de los archivos a los que hacen referencia. Las Tablas de diseño utilizan métodos más automatizados en la creación de configuraciones. Para obtener más información sobre las tablas de diseño, consulte Tablas de diseño en la página 303. Procedimiento En esta lección aprenderá a utilizar las configuraciones de un archivo de pieza. En Lección 12: Modelado de ensamblaje ascendente, analizará cómo utilizar las configuraciones junto con ensamblajes. Empiece este ejemplo llevando a cabo el siguiente procedimiento: 1 Abrir la pieza Ratchet Body (Caja del trinquete). Esta pieza es una copia de la que se creó en una lección anterior. Acceso al Configuration- Manager Las configuraciones se gestionan desde la misma ventana que ocupa el gestor de diseño del FeatureManager. Para cambiar la visualización de esta ventana, utilice las pestañas situadas en la parte superior del panel de la ventana. Si hace clic en la pestaña se visualizará el ConfigurationManager (que se muestra en la parte superior derecha) con la configuración predeterminada. La configuración predeterminada se denomina Default (Predeterminada). (¿Quién dice que no tenemos sentido del humor?) Esta configuración representa la pieza tal como la modeló, sin suprimir ni cambiar nada. Cuando desee regresar a la visualización del FeatureManager, haga clic en la pestaña .
  • 294.
    Manual de formaciónSolidWorks 2006 Lección 9 Configuraciones de las piezas Utilización de configuraciones 281 División de la ventana del FeatureManager A menudo, resulta eficaz poder acceder a la vez tanto al gestor de diseño del FeatureManager como al ConfigurationManager. Esto es especialmente cierto cuando se trabaja con configura- ciones. En vez de moverse ade- lante y atrás utilizando las pestañas, puede dividir la ven- tana del FeatureManager de arriba hacia abajo, con lo que se crean dos paneles. Un panel puede mostrar el gestor de diseño del FeatureManager y el otro puede mostrar el Configu- rationManager. Para subdividir la ventana del FeatureManager en dos paneles, arrastre la barra de división hacia abajo desde la parte superior de la ventana. Utilice las pestañas para controlar lo que se visualiza en cada panel. Cómo agregar nuevas configuraciones Cada pieza (y ensamblaje) debe tener como mínimo una configuración, y varias configuraciones son comunes. Hay varias opciones que puede establecer aparte del Nombre de la configuración. Opciones de Lista de materiales Cuando la pieza se utiliza en un ensamblaje y más, una lista de materiales establece el nombre que debe aparecer en Número de pieza. Opciones avanzadas Las opciones avanzadas incluyen normas para la creación de nuevas operaciones y configuraciones de color. Las opciones de Padre/hijo sólo son para los ensamblajes. Suprimir operaciones Esta opción controla lo que sucede en las operaciones que se acaban de crear cuando otras configuraciones están activas y esta configuración está inactiva. Si se seleccionan, las nuevas operaciones agregadas con otras configuraciones activas se suprimen en ésta. Utilizar el color específico de la configuración Permite que haya diferentes colores para cada configuración utilizando la paleta de colores. Materiales diferentes pueden introducir colores diferentes.
  • 295.
    Lección 9 Manualde formación SolidWorks 2006 Configuraciones de las piezas 282 Utilización de configuraciones 2 Cómo agregar una nueva configuración. Coloque el cursor dentro del Configuration- Manager y en el menú que aparece al hacer clic con el botón secundario del ratón, seleccione Agregar configuración... Cuando agrega una configuración, ésta se convierte en la configuración activa. Cualquier cambio posterior que se realice en la pieza (como suprimir operaciones) se almacena como parte de la configuración. Sugerencia El nombre de la configuración no puede contener caracteres especiales como la barra inclinada (/). 3 Agregar configuración. El Property Manager Agregar configuración se utiliza para agregar configuraciones a la pieza. Asigne a la configuración el nombre Forged, Long (Forjada, larga) y, de manera opcional, agregue un comentario. Haga clic en Aceptar. 4 Agregado a la lista. La nueva configuración se agrega a la lista y automáticamente se convierte en la configuración activa. Observe que el nombre de la configuración activa se muestra entre paréntesis, anexada al icono del nombre de la pieza. Definición de la configuración Define la configuración al desactivar o suprimir las operaciones seleccionadas de la pieza. Cuando se suprime una operación, ésta todavía aparece en el gestor de diseño del FeatureManager pero de manera atenuada. Esta versión de la pieza se guarda o almacena en la configuración activa. Puede crear muchas configuraciones diferentes de una pieza. A continuación, puede cambiar fácilmente de configuración utilizando el ConfigurationManager. Introducción: Relaciones de padre/hijo La opción Padre/Hijo se utiliza para visualizar las dependencias entre las operaciones. Se visualizan tanto las operaciones de las que depende (Padres) como las operaciones que dependen de ésta (Hijos).
  • 296.
    Manual de formaciónSolidWorks 2006 Lección 9 Configuraciones de las piezas Utilización de configuraciones 283 Dónde encontrarlo Con el botón secundario del ratón por encima de una operación haga clic en Padre/Hijo. Introducción: Suprimir Suprimir se utiliza para eliminar una operación de la memoria, con lo que se elimina básicamente del modelo. Se utiliza para eliminar operaciones seleccionadas del modelo y crear “versiones” diferentes de ese modelo. Se suprimen todos los hijos de una operación suprimida. Desactivar supresión y Desactivar supresión con dependientes se utilizan para deshacer la supresión de una (desactivar supresión) o más (desactivar supresión con dependientes) operaciones. Dónde encontrarlo En el menú que aparece al presionar el botón secundario del ratón, haga clic en Suprimir. O haga clic en la herramienta Suprimir en la barra de herramientas Operaciones. O seleccione Editar, Suprimir en el menú desplegable. O haga clic en Suprimido en el cuadro de diálogo Propiedades de operación. 5 Seleccione Padre/Hijo. Haga clic con el botón secundario del ratón en la operación Recess (Entrante) y seleccione Padre/Hijo. Expanda la operación Pocket (Cavidad) en la sección Hijos para ver las otras operaciones de hijos. 6 Suprimir la operación Recess. En el gestor de diseño del FeatureManager, seleccione la operación Recess. Haga clic con el botón secundario del ratón en Suprimir. El sistema no sólo suprime la operación Recess (Entrante) sino también la operación Pocket (Cavidad), la operación Wheel Hole (Taladro de rueda) y la operación Ratchet Hole (Taladro de trinquete). ¿Por qué? Porque las operaciones Pocket, Wheel Hole y Ratchet Hole son todas hijas de la operación Recess. Si recuerda, el croquis de la Pocket se hizo en la cara inferior del Recess. A continuación, se hizo el croquis de dos taladros en la cara inferior de la Pocket. Esto es lo que estableció las relaciones padre-hijo entre ellos.
  • 297.
    Lección 9 Manualde formación SolidWorks 2006 Configuraciones de las piezas 284 Utilización de configuraciones Regla Al suprimir una operación se suprimen automáticamente sus hijos. Cuando se suprimen las operaciones del gestor de diseño del FeatureManager, se suprime también la geometría correspondiente del modelo. Cómo cambiar configuraciones Para pasar a una configuración diferente, simplemente haga doble clic en la configuración a la que desea pasar. 7 Regresar a la configuración Default (Predeterminada). Sitúe el cursor sobre el icono de configuración Default y haga doble clic en él. El sistema desactiva la supresión de las operaciones Recess, Pocket, Wheel Hole y Ratchet Body y las hace visibles tanto en el gestor de diseño del FeatureManager como en las ventanas de gráficos. Cómo cambiar de nombre y copiar configuraciones Ahora tenemos dos configuraciones: Default (Predeterminada) y Forged, Long (Forjada, Larga) La configuración Defaultrepresenta la pieza en su estado mecanizado. Sin embargo, el nombre Default no tiene demasiado sentido. Se puede cambiar el nombre de las configuraciones de la misma manera que el de las operaciones. Sin embargo, si otro documento de SolidWorks hace referencia a una configuración, cambiar el nombre de esa configuración puede causar algunos problemas. Un mejor enfoque En vez de cambiar el nombre de la configuración predeterminada haremos una copia de dicha configuración y, a continuación, cambiaremos el nombre de la copia.
  • 298.
    Manual de formaciónSolidWorks 2006 Lección 9 Configuraciones de las piezas Utilización de configuraciones 285 8 Copiar la configuración Predeterminada. Seleccione la configuración Default y cópiela utilizando cualquiera de las técnicas estándares para copiar una operación: Ctrl+C, Edición, Copiar o la herramienta . Pegue la configuración utilizando Ctrl+V, Edición, Pegar o la herramienta . Cambie el nombre de la copia por Machined, (Mecanizada) Long (Larga). Ahora tiene configuraciones que representan la Ratchet Body (Caja del trinquete) en sus estados forjado y mecanizado. 9 Crear más configuraciones. Con el mismo procedimiento, copie y pegue la configuración Forged, Long (Forjada, Larga). Cambie su nombre a Forged, Short (Forjada, Corta). Copie y pegue la configuración Machined, Long (Mecanizada, Larga) y cambie su nombre a Machined, Short (Mecanizada, Corta). Cambio de los valores de cota Las configuraciones también se pueden utilizar para controlar el valor de una cota. Cada configuración se puede utilizar para cambiar la cota a un valor diferente. El cambio se puede configurar para las configuraciones activas, específicas o para todas las configuraciones. En este ejemplo, las configuraciones denominadas “Short” tendrán una longitud de asa ligeramente inferior. 10 Cota clave. Haga doble clic en Machined, Short (Mecanizada, Corta) para convertirla en la configuración activa. Haga doble clic en la operación Handle (Asa) para exponer las cotas del croquis.
  • 299.
    Lección 9 Manualde formación SolidWorks 2006 Configuraciones de las piezas 286 Cómo editar piezas que tienen Configurar la cota. Haga doble clic en la cota de 220 mm y cámbiela a 180 mm. En la lista desplegable, seleccione Especificar configuraciones. Haga clic en Aceptar. Seleccione únicamente las configuraciones Forged, Short (Forjada, Corta) y Machined, Short (Mecanizada, Corta) de la lista y haga clic en Aceptar. Nota Se puede suprimir y desactivar la supresión de las operaciones en las configuraciones activas, especificadas, o en todas las configuraciones mediante la opción Propiedades. Haga clic con el botón secundario del ratón en la operación y seleccione Propiedades de operación. Active o desactive la opción Suprimida y seleccione las configuraciones utilizando la lista desplegable. 11 Cambios. Reconstruya el modelo para ver los cambios en la configuración actual. Cómo editar piezas que tie- nen configura- ciones Cuando se agregan configuraciones a una pieza, las operaciones pueden suprimirse automáticamente, los cuadros de diálogo enumeran opciones adicionales y demás cosas extrañas pueden suceder. Esta sección muestra lo que sucede cuando existen múltiples configuraciones en la pieza que se está editando. Cada configuración en una pieza contiene las mismas operaciones. Sin embargo, en diferentes configuraciones, esas operaciones pueden tener diferentes estados de supresión, diferentes valores de cota, diferentes condiciones finales o incluso diferentes planos de croquis.
  • 300.
    Manual de formaciónSolidWorks 2006 Lección 9 Configuraciones de las piezas Cómo editar piezas que tienen configuraciones 287 La tabla que aparece a continuación enumera opciones que pueden controlarse utilizando configuraciones. Nota Los colores, las texturas y los materiales también se pueden configurar. 1 Abrir la pieza. Abra la pieza WorkingConfigs (Configs trabajo). Esta pieza tiene una configuración: Default (Predeterminada). Las configuraciones y las nuevas operaciones se agregarán a la pieza. 2 Cómo crear nuevas configuraciones. Cambie al Configuration Manager y haga clic con el botón secundario del ratón en Agregar configuración. Cree una nueva configuración denominada keyseat. 3 Copiar y pegar. Copie y pegue keyseat para crear otra configuración nueva. Denomínela ports y haga que sea la configuración activa. De manera predeterminada se selecciona la opción Suprimir operaciones. Esto significa que a medida que se agregan nuevas operaciones, se suprimen en todas las configuraciones excepto en la activa. Tipo Posibilidades Operación Suprimir/desactivar supresión por configuración Ecuaciones Suprimir/desactivar supresión por configuración Relaciones de croquis Suprimir/desactivar supresión por configuración Relaciones externas de los croquis Suprimir/desactivar supresión por configuración Cotas de croquis Suprimir/desactivar supresión por configuración Condiciones finales Condición final diferente para cada configuración Planos de croquis Plano de croquis diferente por configuración
  • 301.
    Lección 9 Manualde formación SolidWorks 2006 Configuraciones de las piezas 288 Biblioteca de diseño 4 Configuración activa. Asegúrese de que la configuración denominada ports esté activa. En este momento, las tres configuraciones son iguales. Sugerencia Copiar y pegar realiza un duplicado de la configuración copiada. Observe que el nombre entre corchetes es el nombre que aparecerá en una LDM. Esto puede cambiarse modificando la configuración para la opción El número de pieza se visualiza cuando se utiliza en una lista de materiales en el cuadro de diálogo Propiedades de configuración. Biblioteca de diseño La Biblioteca de diseño es una recopilación de operaciones, piezas y archivos de ensamblaje que se encuentra dentro del Panel de tareas. Los archivos se pueden insertar en las piezas y ensamblajes para reutilizar los datos existentes. En este ejemplo se utilizará la carpeta features (operaciones). La carpeta Operaciones La carpeta features (operaciones) contiene los archivos de la Operación de biblioteca (*.sldlfp). Se pueden agregar a una pieza simplemente arrastrándolos y soltándolos en una cara plana del modelo. Las referencias que necesita la operación se seleccionan y se agregan las cotas y las relaciones. Las referencias van seguidas de las opciones de cambio de tamaño y posición para establecer los valores de las dimensiones de la operación. Configuración predeterminada La primera de las tres operaciones de biblioteca se insertará con la configuración predeterminada para la ubicación y el tamaño. 5 Carpetas. Haga clic en la Biblioteca de diseño y en la chincheta. Expanda la carpeta features (operaciones). Expanda la carpeta inch (pulgada). Haga clic en la carpeta fluid power ports (puertos de potencia de fluido).
  • 302.
    Manual de formaciónSolidWorks 2006 Lección 9 Configuraciones de las piezas Biblioteca de diseño 289 6 Arrastrar y colocar. Arrastre y coloque la operación sae j1926-1 (circular face) en la cara plana del modelo tal como se indica. La cara de colocación es el Plano de colocación para la operación. 7 Configuración y selecciones. Seleccione la configuración 516- 24 de la lista. Seleccione la referencia Edge1 (arista circular) como se indica en la ventana de vista preliminar. La opción Vincular a pieza de biblioteca creará un vínculo para actualizar esta pieza a partir de los cambios en la operación de biblioteca. Si se selecciona la opción Sobrescribir valores de cota se podrán cambiar los valores de cotas internas de la operación. 8 Operación. La operación de biblioteca se agrega al FeatureManager como una operación de biblioteca compuesta de croquis, un plano y un corte. Nota Las etiquetas “L” que se superponen a los iconos de la operación indican una operación de biblioteca. Referencias múltiples Muchas operaciones contienen referencias múltiples para las caras, aristas o planos. Se utilizan para adjuntar cotas y establecer relaciones en la geometría. Si las referencias no se adjuntan correctamente a la geometría del modelo, se convertirán en colgantes. Para obtener más información, consulte Volver a asociar cotas en la página 230.
  • 303.
    Lección 9 Manualde formación SolidWorks 2006 Configuraciones de las piezas 290 Biblioteca de diseño 9 Referencias. Arrastre y coloque la operación sae j1926-1 (rectangular face) en la cara plana. Esta operación requiere la selección de dos referencias y que cada una de ellas sea una arista lineal del modelo. Seleccione la configuración 716- 20. Para las dos Referencias, seleccione la que se muestra en la arista verde seguida de la roja. 10 Valores de cota. Establezca cada Cota de ubicación en 0.5” haciendo clic en la celda y especificando ese valor. Haga clic en Aceptar. 11 Comprobar las configuraciones. Las nuevas operaciones poseen su supresión desactivada en la configuración activa (ports) y están suprimidas en todas las demás. 12 Configuración activa. Convierta la configuración keyseat en la configuración activa. Colocación en caras circulares Algunas operaciones se adjuntan a las caras circulares del modelo de destino y requieren que la primera cara de "colocación" sea dicha cara. En estos casos, el plano de colocación se selecciona después de la colocación.
  • 304.
    Manual de formaciónSolidWorks 2006 Lección 9 Configuraciones de las piezas Biblioteca de diseño 291 13 Operación. Abra la carpeta keyways (ranuras de chaveta) en la biblioteca de diseño. Arrastre y coloque la operación rectangular keyseat sobre la cara circular del eje. Seleccione la configuración ∅ 0.6875 W=0.1875 y el extremo de la cara plana como el Plano de colocación. 14 Referencia. Seleccione la arista circular de la cara extrema como la Referencia. 15 Cotas de ubicación. Establezca las Cotas de ubicación en los valores que se muestran.
  • 305.
    Lección 9 Manualde formación SolidWorks 2006 Configuraciones de las piezas 292 Biblioteca de diseño 16 Comprobar las configuraciones. La nueva operación posee su supresión desactivada en la configuración activa (keyseat) pero está suprimida en todas las demás. 17 Guardar y cerrar el archivo.
  • 306.
    Manual de formaciónSolidWorks 2006 Ejercicio 37 293 Ejercicio 37: Configuracio- nes Utilice una pieza existente como base de una serie de configuraciones. Cree otras versiones suprimiendo diversas operaciones en cada configuración. Este laboratorio refuerza las siguientes funciones: Crear configuraciones. Suprimir operaciones. ¿Qué es esto? La pieza utilizada en este ejemplo es el componente pasador doble de un juguete que dispara cohetes de goma espuma. Procedimiento Abra la pieza existente config part (pieza config). 1 Crear nuevas configuraciones. Cree manualmente nuevas configuraciones que coincidan con las condiciones y los nombres que aparecen a continuación. Agregue operaciones al modelo donde se requiera. Mejor modelo – Incluye el soporte para municiones y la mira. Modelo mejorado – Incluye sólo la mira. Soporte para Mira municiones
  • 307.
    Manual de formaciónSolidWorks 2006 294 Ejercicio 37 Modelo estándar – No incluye el soporte para municiones ni la mira. Modelo de sección – Muestra un corte de sección a través del modelo estándar. Nota La configuración de Sección se crea utilizando una operación Cortar. Para crear la operación Cortar, active la configuración de Estándar. Luego, utilice el plano de referencia Alzado y el comando Insertar, Cortar, Con superficie... para cortar el modelo. 2 Guardar y cerrar la pieza.
  • 308.
    Manual de formaciónSolidWorks 2006 Ejercicio 38 295 Ejercicio 38: Más configura- ciones Utilice una pieza existente y cree configuraciones. Cree nuevas operaciones controladas por las configuraciones. Este laboratorio refuerza las siguientes funciones: Agregar configuraciones. Suprimir operaciones. Las configuraciones permiten que la forma de la pieza difiera según las operaciones que se visualizan. Procedimiento Abra la pieza existente Speaker (Altavoz). 1 Crear nuevas configuraciones. Cree cuatro configuraciones en la pieza utilizando los nombres que aparecen a continuación. Representan dos variaciones del altavoz y su función. (C = Control, S = Esclavo y F = Frontal). 100CF 100SF 200CF 200SF 2 Valores de configuración para el control de volumen. Agregue la operación Volume control (Control de volumen). Suprima y/o desactive la supresión de operaciones para obtener la forma que se muestra aquí para las configuraciones anteriores. 3 Valores de configuración para rounded tweeter (bafle de agudos redondeado). Agregue la operación Rounded tweeter. Suprima la operación en las dos configuraciones de la serie 200. 4 Configuración 200CF. Cambie a la configuración 200CF en el ConfigurationManager. Serie 100 Serie 200 100CF 100SF 200CF 200SF
  • 309.
    Manual de formaciónSolidWorks 2006 296 Ejercicio 38 5 Nuevo corte. Haga clic con el botón secundario del ratón en el croquis opening locations (ubicaciones de apertura) y seleccione Mostrar. Agregue un nuevo corte utilizando la geometría que se muestra. Agregue valores de cota para Todas las configuraciones. Cambie el nombre de la operación a Tweeter. Establezca el estado en supresión para la configuración de la serie 100 y en supresión desactivada para la de la serie 200. 6 Guardar y cerrar la pieza.
  • 310.
    Manual de formaciónSolidWorks 2006 Ejercicio 39 297 Ejercicio 39: Cómo trabajar con configura- ciones Agregue nuevas operaciones y modifique otras utilizando una pieza existente con configuraciones. Este laboratorio refuerza las siguientes funciones: Suprimir una operación utilizando propiedades de la operación. Editar condiciones finales de extrusión por configuración. Incorporar operaciones nuevas en un entorno de múltiples configuraciones. Procedimiento Abra la pieza existente Working with Configurations (Trabajar con configuraciones). 1 Configuraciones. La pieza contiene siete (7) configuraciones. Son las siguientes: Default (Predeterminada) doublewall (pared doble) doublewall.simple (pared doble simple) singlewall (pared única) singlewall.simple (pared única simple) stepped (escalonada) stepped.simple (escalonada simple) Para comenzar, diremos que todas las configuraciones son iguales, copias de la configuración Default (Predeterminada). 2 Seleccionar las operaciones Redondeo y Chaflán. Modifique las tres configuraciones simplificadas para suprimir todos los redondeos y los chaflanes dentro de las mismas. Presione Mayús y seleccione las operaciones fill060.vert, fill060.tb y cham025. 3 Propiedades de operación. Haga clic en Editar, Propiedades. Haga clic en Suprimida, Especificar configuraciones y haga clic en Aceptar.
  • 311.
    Manual de formaciónSolidWorks 2006 298 Ejercicio 39 4 Selección de configuración. Seleccione doublewall.simple, singlewall.simple y stepped.simple en la lista. Desactive la selección de las demás y haga clic en Aceptar. 5 Cambios. Las tres operaciones se suprimen sólo en las configuraciones seleccionadas (simplificadas). 6 Configuración activa. Establezca singlewall como la configuración activa. 7 Modificar las condiciones finales. Edite la definición de la operación center hole (taladro central). Establezca las Configuraciones en Especificar configuraciones y elija: singlewall (pared única) singlewall.simple (pared única simple) stepped (escalonada) stepped.simple (escalonada simple) Elija Hasta el siguiente como la condición final y haga clic en Aceptar.
  • 312.
    Manual de formaciónSolidWorks 2006 Ejercicio 39 299 8 Agregar una nueva operación. Establezca la configuración activa en stepped. Cree un croquis nuevo en la cara frontal del modelo y cree un círculo concéntrico a center hole. Agregue una cota de 0.75” para Todas las configuraciones. 9 Cortar. Cree una operación Cortar utilizando la condición final Hasta el siguiente. La operación se agrega a todas las configuraciones, suprimiéndose en todas excepto la activa. Asigne a la operación el nombre step cut (corte escalonado). 10 Propiedades de operación. Haga clic con el botón secundario del ratón en la operación nueva y seleccione Propiedades de operación.... Asegúrese de que la casilla de verificación Suprimida se encuentre desactivada. Seleccione Especificar configuraciones y haga clic en Aceptar. Seleccione las configuraciones stepped y stepped.simple y haga clic en Aceptar. Sugerencia Las configuraciones también pueden diferenciarse por color. Utilice el cuadro de grupo Configuraciones en el cuadro de diálogo Editar Color. 11 Guardar y cerrar la pieza.
  • 313.
    Manual de formaciónSolidWorks 2006 300 Ejercicio 39
  • 314.
    2006Manual de formaciónSolidWorks 2006 301 Lección 10 Tablas de diseño y ecuaciones Al finalizar esta lección, podrá: Vincular valores de cotas para captar la intención del diseño. Crear ecuaciones. Crear automáticamente tablas de diseño. Utilizar tablas de diseño existentes para crear familias de piezas. Realizar dibujos de detalle utilizando tipos más avanzados de vistas de dibujo.
  • 315.
    Lección 10 Manualde formación SolidWorks 2006 Tablas de diseño y ecuaciones 302
  • 316.
    Manual de formaciónSolidWorks 2006 Lección 10 Tablas de diseño y ecuaciones Tablas de diseño 303 Tablas de diseño LasTablas de diseño son la mejor manera de crear configuraciones de piezas. Se utilizan para controlar los valores de cota de familias de piezas, y los estados de supresión de las operaciones. Las tablas de diseño se pueden utilizar para crear una familia de piezas a partir de un único diseño de pieza. Puesto que el software SolidWorks es una aplicación OLE/2, se utiliza una hoja de cálculo de Excel para disponer la tabla de diseño de manera que se pueda importar al documento de SolidWorks. Temas clave En la siguiente lista aparecen los temas clave que se describen en esta lección. Vincular valores La opción Vincular valores se utiliza para establecer dos o más cotas iguales. Ecuaciones Las ecuaciones se pueden utilizar para crear relaciones algebraicas entre cotas que usan funciones y operadores matemáticos. Crear una tabla de diseño automáticamente Las tablas de diseño se pueden crear y editar automáticamente una vez insertadas. Las tablas de diseño se pueden configurar de modo que no se pueda cambiar el modelo si estos cambios actualizasen la tabla de diseño. Cómo hacer cambios Se pueden hacer cambios a la tabla de diseño existente si se edita la tabla para agregar configuraciones, cotas u operaciones. Cambios bidireccionales Cotas que aparecen en la tabla de diseño y están conducidas por ella. Los cambios hechos a las cotas en el modelo provocan el cambio correspondiente en la tabla de diseño. Cómo insertar tablas de diseño en blanco Las tablas de diseño en blanco son útiles para muchas tareas, incluidas las vistas explosionadas y posiciones múltiples de un componente en un ensamblaje. Dibujos con configuraciones Los dibujos con piezas que tienen configuraciones proporcionan muchas opciones para su visualización. Se puede visualizar cualquier configuración disponible en una vista del modelo.
  • 317.
    Lección 10 Manualde formación SolidWorks 2006 Tablas de diseño y ecuaciones 304 Vincular valores 1 Abrir Socket. La pieza Socket (Portalámparas) (que aparece aquí con las opciones Visualizar cotas de operación y Visualizar nombres de cotas activadas) contiene dos operaciones de corte que representan los cortes hexagonales que se superponen. Éstas mantienen sus nombres originales. 2 Cambiar el valor. Haga doble clic en el croquis de la operación 6 Point (6 puntos) y en la cota 0.5”. Agregue 1/ 32” al valor nominal tal como se muestra. Reconstruya el modelo. Vincular valores Vincular valores puede utilizarse para equiparar una serie de cotas asignándoles el mismo nombre. Si cambia el valor de una de las cotas vinculadas, cambiará el valor de las demás. La vinculación puede eliminarse utilizando Deshacer vínculo del valor. Esta opción es superior a las ecuaciones para equiparar diversos valores entre sí. En este ejemplo, hay dos cotas lineales: una en cada uno de los cortes con forma hexagonal. Se utilizará el comando Vincular valores para relacionarlas. Dónde encontrarlo En el cuadro de diálogo para modificar cotas, seleccione Vincular valor. Haga clic con el botón secundario del ratón en una o varias cotas y seleccione Vincular valores. Nota Las cotas que se relacionen deben ser del mismo tipo. Vincule cotas angulares con otras cotas angulares y así sucesivamente. 3 Acceder a los valores de vínculo. Haga doble clic en la misma cota como si fuera a cambiar el valor. Con el menú desplegable, seleccione Vincular valor.
  • 318.
    Manual de formaciónSolidWorks 2006 Lección 10 Tablas de diseño y ecuaciones Ecuaciones 305 4 Asignar un nombre al valor de vínculo. En el cuadro de diálogo Valores compartidos, escriba el nombre AcrossFlats (Sup. planas) y haga clic en Aceptar. 5 Valor de vínculo agregado. Se agrega el valor de vínculo y se utiliza como el nombre de cota. También se agrega un símbolo de prefijo para identificar que esta cota se ha relacionado. Reconstruya el modelo. 6 Carpeta Equations. El valor de vínculo aparece en la carpeta Equations (Ecuaciones) del FeatureManager. 7 Agregar valor de vínculo. Haga doble clic en el croquis de la operación 12 Point (12 puntos) y en la cota 0.5”. Seleccione el valor de vínculo AcrossFlats en el menú desplegable. El valor del vínculo existente se asigna a esta cota. Reconstruya el modelo. Nota Un valor de vínculo seguirá asociado a una cota a no ser que se elimine haciendo clic con el botón secundario del ratón en Deshacer vínculo del valor. Si se cambia el valor de cualquier cota vinculada, cambiará el valor de todas las cotas vinculadas. Ecuaciones Muchas veces es necesario establecer una relación entre parámetros que no puede lograrse utilizando relaciones geométricas o técnicas de modelado. Por ejemplo, puede utilizar ecuaciones para establecer relaciones matemáticas entre cotas en el modelo. Esto es lo que haremos a continuación.
  • 319.
    Lección 10 Manualde formación SolidWorks 2006 Tablas de diseño y ecuaciones 306 Ecuaciones Esta ecuación establecerá una relación entre el diámetro del cilindro y la distancia a través de las caras planas del hexágono. El diámetro aumentará a medida que aumente la distancia entre las caras planas. Nota Las instrucciones de igualdad simples dentro de una pieza pueden crearse con mayor facilidad mediante Vincular valores que mediante ecuaciones. Preparación para ecuaciones Si bien puede comenzar escribiendo ecuaciones y aplicándolas al modelo con poca o ninguna preparación, resulta mucho más práctico realizar una pequeña inversión de tiempo a futuro para lograr un beneficio agregado después. Debe considerar lo siguiente: Cambiar el nombre de las cotas El sistema crea las cotas con nombres predeterminados algo crípticos. Para facilitarle a otras personas la interpretación de las ecuaciones y la comprensión de qué es exactamente lo que controlan, debe cambiar el nombre de las cotas, proporcionándoles nombres más lógicos y fáciles de comprender. Haga clic con el botón secundario del ratón en una cota y seleccione Propiedades para cambiarle el nombre. Nota Cuando las ecuaciones se utilizan en un ensamblaje, el nombre completo se escribe de esta forma: Nombre@Nombredeoperación@Nombredepieza. Dependiente contra independiente El software de SolidWorks utiliza ecuaciones con la forma Dependiente = Independiente. Esto significa que en la ecuación A = B, el sistema soluciona A cuando se le proporciona B. Puede editar el parámetro B directamente y cambiarlo. Una vez escrita y aplicada la ecuación, no puede cambiar directamente el parámetro A. Antes de empezar a escribir ecuaciones, es necesario decidir qué parámetro conducirá la ecuación (el independiente) y qué parámetro será conducido por la ecuación (el dependiente). ¿Qué cota conduce el diseño? En este ejemplo, controlaremos el diámetro del cilindro en función de la distancia a través de las caras planas del hexágono. Esto significa que la distancia plana es el parámetro conductor o independiente y el diámetro es el conducido o dependiente. El tamaño del hexágono conduce el diseño. Funciones Las funciones que aparecen como botones en el cuadro de diálogo Agregar ecuación incluyen operadores básicos, funciones trigonométricas y muchas otras funciones.
  • 320.
    Manual de formaciónSolidWorks 2006 Lección 10 Tablas de diseño y ecuaciones Ecuaciones 307 Formato de las ecuaciones La ecuación necesaria en este ejemplo utiliza la distancia a través de las caras planas del hexágono como la cota conductora. Esto provoca cambios en el diámetro del cilindro, una operación que la precede. El formato es: Cota conducida = Cota conductora + Constante donde: Cota conducida = CylinderDiameter@Sketch1 Cota conductora = AcrossFlats@Sketch2 Constante = 0.25 Introducción: Ecuaciones El cuadro de diálogo Ecuaciones se puede utilizar para agregar, editar, eliminar y configurar ecuaciones. Dónde encontrarlo Haga clic en Ecuaciones en la barra Herramientas. O, en el menú Herramientas, haga clic en Ecuaciones. O haga clic con el botón secundario del ratón en la carpeta Equations y seleccione una opción. O en el cuadro de diálogo para modificar cotas, seleccione Agregar ecuación. 8 Agregar ecuación. Haga doble clic en la operación Cylinder (Cilindro) y en la cota de diámetro (1”). En el cuadro de diálogo, seleccione Agregar ecuación en la lista desplegable. 9 Cota agregada. La cota se agrega a la nueva ecuación a la izquierda del signo igual.
  • 321.
    Lección 10 Manualde formación SolidWorks 2006 Tablas de diseño y ecuaciones 308 Ecuaciones 10 Completar ecuación. Haga clic en cualquiera de las cotas de valor de vínculo y agregue “+ 0.25” para completar la ecuación. Haga clic en Aceptar para agregar la ecuación. 11 Lista. La lista actual de ecuaciones, incluidos los valores de vínculo , se muestra en una lista en el cuadro de diálogo Ecuaciones. Haga clic en Aceptar y reconstruya el modelo. La columna Evaluar a se refiere al valor de la cota CylinderDiameter@ Sketch1. Los cambios en la cota AcrossFlats@Sketc h2 hacen que la evaluación cambie. Sugerencia Si sus ecuaciones utilizan cotas angulares, seleccione Radianes o Grados como Unidades de ángulo para ecuaciones. Nota La cota conducida en este caso, CylinderDiameter@Sketch1, no se puede cambiar directamente. Si se hace doble clic en ella, el cuadro de diálogo Modificar aparecerá atenuado. Variables globales Se pueden agregar y utilizar Variables globales (o variables independientes) en las ecuaciones para representar la resistencia del material, el coeficiente de Poisson u otras constantes. Se pueden utilizar dentro de las ecuaciones.
  • 322.
    Manual de formaciónSolidWorks 2006 Lección 10 Tablas de diseño y ecuaciones Tablas de diseño 309 Algunas consideraciones finales sobre las ecuaciones Las ecuacio- nes se resuel- ven en el orden en que se enu- meran. Si cam- bia una cota y descubre que la misma nece- sita dos reconstruccio- nes para actualizar toda la geometría de la pieza, esto puede indicar que sus ecuaciones están mal ordenadas. Edite las ecuaciones y uti- lice la lista para volver a ordenarlas. Considere este ejemplo: Dadas tres ecuaciones: A=B, C=D y D=B/2, considere lo que sucede si cambia el valor de B. Primero, el sistema calculará un valor nuevo para A. Cuando evalúe la segunda ecuación, nada se modificará. Cuando se evalúe la tercera ecuación, el valor modificado de B dará como resultado un nuevo valor para D. Sin embargo, este nuevo valor de D no se usa para calcular un nuevo valor para C hasta la segunda reconstrucción. Al reordenar las ecuaciones de esta manera: A=B, D=B/2 y C=D se resolverá el problema. Tablas de diseño Las tablas de diseño son la mejor manera de crear configuraciones de piezas. Se utilizan para controlar los valores de cota de familias de piezas y los estados de supresión de las operaciones. Crear una tabla de diseño automáticamente La manera más sencilla de crear una Tabla de diseño en una pieza es crearla automáticamente por medio de las cotas, operaciones y configuraciones existentes. La información existente se formatea en una hoja de cálculo de Excel y se actualiza automáticamente, de manera predeterminada bidireccionalmente. Introducción: Insertar tabla de diseño Al insertar una tabla de diseño, la ventana de SolidWorks cambia a Excel. Es decir, mientras la tabla está activa, las barras de herramientas se transforman en barras de herramientas de Excel en lugar de barras de herramientas de SolidWorks. Sólo puede haber una tabla de diseño en cada pieza. Está almacenada en el documento de pieza, a menos que se utilice una tabla de diseño vinculada. Dónde encontrarlo Haga clic en Insertar, Tabla de diseño.... O haga clic en la herramienta Tabla de diseño en la barra Herramientas. Gestor de diseño del FeatureManager Cuando se agrega una tabla de diseño a una pieza o ensamblaje, este símbolo aparece en el gestor de diseño del Featu- reManager.
  • 323.
    Lección 10 Manualde formación SolidWorks 2006 Tablas de diseño y ecuaciones 310 Tablas de diseño 12 Insertar una nueva tabla de diseño. Haga clic en Insertar, Tabla de diseño.... En el Origen, seleccione Creación automática para automatizar la creación de la tabla de diseño. El Origen determina de dónde proviene la información. En blanco crea una nueva tabla de diseño en blanco. Las cotas y las operaciones pueden agregarse a la tabla de diseño haciendo doble clic en ellas. Creación automática genera una tabla de diseño a partir de cotas, operaciones y configuraciones existentes. Desde archivo importa una hoja de cálculo de Microsoft Excel para utilizarla como tabla de diseño. Haga clic en Examinar para localizar la tabla. También puede seleccionar la casilla de verificación Vincular a archivo, que vincula la hoja de cálculo al modelo. Editar control controla la capacidad de hacer cambios bidireccionales. Si se selecciona la opción Permitir que las actualizaciones al modelo actualicen la tabla de diseño se podrán realizar cambios fuera de la tabla y ésta todavía se podrá actualizar. Opciones determina de qué manera trata la información nueva la tabla de diseño. Si se establece en bidireccional, los cambios en las nuevas operaciones, configuraciones y cotas harán que la tabla de diseño se actualice. Sugerencia Las cotas que están conducidas por la tabla de diseño aparecen en un esquema de color diferente. Puede cambiar el color de las cotas que están controladas por la tabla de diseño para facilitar su identificación. Haga clic en Herramientas, Opciones, Opciones de sistema, Colores. Seleccione la opción Cota, Controlada por tabla de diseño y edite el color.
  • 324.
    Manual de formaciónSolidWorks 2006 Lección 10 Tablas de diseño y ecuaciones Tablas de diseño 311 13 Cotas que se agregarán. La opción Creación automática genera una lista de las cotas de la pieza que se pueden agregar a la tabla de diseño. Presione Ctrl y seleccione estas cuatro cotas: CylinderDepth@Cylinder AcrossFlats@Sketch2 HexDepth@6 Point DriveSquare@Sketch4 Sugerencia Los nombres de las cotas que se utilizarán en la tabla deben cambiarse por nombres más significativos que los nombres predeterminados. 14 Tabla de diseño. Las cotas seleccionadas se agregan a la tabla de diseño con sus valores asociados. Observe que los nombres largos de cota se giran verticalmente de forma automática. Formatos de Excel Las celdas de la hoja de cálculo aparecen con formateado estándar pero pueden cambiarse en cualquier momento. Aproveche las capacidades de Excel para lograr que la tabla de diseño sea más fácil de leer y de utilizar. Puede: Cambiar colores y bordes de celda Cambiar color, orientación y fuente del texto Definir funciones entre celdas Todos estos cambios pueden hacer que la tabla de diseño sea más útil o simplemente más fácil de leer.
  • 325.
    Lección 10 Manualde formación SolidWorks 2006 Tablas de diseño y ecuaciones 312 Tablas de diseño Anatomía de una tabla de diseño La tabla de diseño contiene filas y columnas de información que se establece en celdas predefinidas de la hoja de cálculo de Excel. Propiedades utilizadas en la tabla de diseño Las Propiedades contenidas en la Fila 2 de la tabla de diseño se pueden utilizar para fijar un valor de cota, suprimir o desactivar la supresión de una operación o agregar un comentario. El siguiente gráfico resume las propiedades disponibles y los valores de celda válidos. Título Propiedades Configuración Valores de celda Propiedad Ejemplo de encabezado Valor de celda Descripción Cota D3@Sketch2 Número El valor debe ser apropiado para la cota. Tolerancia $TOLERANCE@D1@ Sketch1 Tipo de tolerancia (texto); Variación máxima (número); Variación mínima (número) El formato establece el tipo y los valores separados por punto y coma (;) para una sola cota. Estado $STATE@Fillet5 Sup,SupD,Suprimido, Supresión desactivada, o en blanco. En blanco = Supresión desactivada Fija el estado de una operación para su supresión o la desactivación de su supresión. Color $COLOR Número entero de 32 bits. El valor de color proviene del material o color de la paleta. Padre $PARENT Texto Nombre de la configuración de padre. Comentario $COMMENT Texto Alfanumérico. Notas del usuario* $USER_NOTES Texto Alfanumérico. * Se puede utilizar como un encabezado de fila o columna.
  • 326.
    Manual de formaciónSolidWorks 2006 Lección 10 Tablas de diseño y ecuaciones Tablas de diseño 313 Agregar nuevos encabezados Si se hace doble clic se pueden agregar a la tabla nuevos encabezados de propiedades, basados en operaciones o cotas. En el caso de una operación, haga doble clic sobre ella en el FeatureManager o en la pantalla. El resultado es una propiedad $STATE (consulte Propiedades utilizadas en la tabla de diseño en la página 312). En el caso de una cota, haga doble clic en ella en la zona de gráficos. Nota Se debe seleccionar la siguiente celda disponible en la fila 2 antes de hacer doble clic. 15 Agregar operación. Haga doble clic en la operación 12 Point en el FeatureManager. Se agrega a la tabla de diseño con el prefijo $STATE@. El estado actual, UNSUPPRESSED, también se agrega. Cambie el valor UNSUPPRESSED por la abreviatura U. Nota Las celdas UNSUPPRESSED se pueden abreviar como U. Las celdas SUPPRESSED se pueden abreviar como S. Si u o s están en minúsculas, pasarían a ser mayúsculas. Agregar configuraciones a la tabla Una vez se haya establecido la tabla de diseño, las configuraciones y los valores de celda asociados se pueden agregar escribiéndolos. En este ejemplo, se creará y se copiará un nuevo nombre de configuración para generar más. 16 Agregar una nueva configuración. Sustituya el nombre de configuración Default por 0.5 Short 12 en la celda A3. Cierre la tabla. Propiedad $prp@prop_name Texto Un nombre de propiedad personalizada prop_name creado en la tabla o mediante Archivo, Propiedades. Propiedad Ejemplo de encabezado Valor de celda Descripción
  • 327.
    Lección 10 Manualde formación SolidWorks 2006 Tablas de diseño y ecuaciones 314 Tablas de diseño 17 Eliminar configuración. Salga de la tabla de diseño confirmando la creación de una nueva configuración. En el Configuration Manager, active la nueva configuración y elimine Default. 18 Agregar más configuraciones. Haga clic con el botón secundario del ratón en la operación Design Table (Tabla de diseño) y seleccione Editar tabla. Agregue más configuraciones de manera rápida seleccionando las celdas A3- F3 y arrastrando el margen inferior derecho del cuadro de selección hasta la fila 5. Modifique algunas de las celdas tal como se muestra. 19 Configuraciones agregadas. Cierre la tabla de diseño para agregar nuevas configuraciones. Aparece un mensaje en el que se indican los nombres de las nuevas configuraciones que se han agregado. Sugerencia Si las configuraciones no están en la lista, hay un problema en la tabla de diseño. Con frecuencia, el problema es un valor de celda inapropiado. Si es así, aparecerá un mensaje que enuncia que un valor no es válido. 20 Configuraciones resultantes. Pase al Configuration Manager y haga doble clic en cada configuración para activarla. Sólo puede haber una configuración activa a la vez. 0.5 Short 12 0.625 Short 12 0.75 Short 12
  • 328.
    Manual de formaciónSolidWorks 2006 Lección 10 Tablas de diseño y ecuaciones Tablas de diseño existentes 315 21 Agregar configuraciones y comentarios. Mediante los comandos Copiar y Pegar incluidos en Edición, puede crear tantas configuraciones y formatos adicionales como el tiempo le permita. 22 Configuraciones creadas. Si se crean todas las configuraciones, habrá 6. Para cada tamaño hay una versión de 6 y 12 puntos. Tablas de diseño existentes Otra forma de agregar una tabla de diseño es crear la tabla de Excel e insertarla en la pieza. Aquí hay algunas sugerencias para utilizar este método: Cambiar el nombre de las cotas Como se mencionó previamente, los nombres de cotas predeterminados generalmente no son descriptivos. Cámbieles el nombre editando las Propiedades de la cota y modifique el campo Nombre. Copiar nombres de operación y cota La tabla de diseño es muy sensible en cuanto a la ortografía y el caso de los nombres de cotas y operaciones. Utilice copiar y pegar para extraer el Nombre completo de la cota del cuadro de diálogo Propiedades y agregarlo a la celda. Para las operaciones, también utilice el cuadro de diálogo Propiedades. Completar todas las celdas Todas las celdas dentro de las filas y columnas que usted crea deben tener el tipo de datos adecuados en ellas.
  • 329.
    Lección 10 Manualde formación SolidWorks 2006 Tablas de diseño y ecuaciones 316 Tablas de diseño existentes 1 Abra la pieza denominada Part_DT (TD pieza). La pieza, Part_DT, se volverá a utilizar para demostrar las capacidades de las tablas de diseño existentes. La pieza tiene operaciones tanto de revolución como de extrusión. Observe que se utilizan múltiples operaciones en donde podría utilizarse una operación de revolución. Esto permite la supresión de las operaciones individuales. 2 Cotas clave. Utilizando propiedades, algunas cotas clave han cambiado sus nombres predeterminados por nombres más descriptivos. Sólo aquéllos que aparecen en la tabla de diseño deben cambiarse. Si se utilizan los nombres predeterminados, pueden agregarse comentarios a la tabla de diseño para describir la cota aún más. Sugerencia Cuando llegue el momento de copiar los nombres de cota en la hoja de cálculo, será más fácil seleccionar los nombres si no tienen espacios incrustados. Cómo insertar la tabla de diseño Después de crear la tabla de diseño, debe insertarse en la pieza apropiada de SolidWorks. Para hacerlo, utilice el siguiente procedimiento: 3 Insertar la tabla de diseño en la pieza. Haga clic en Tabla de diseño o en Insertar, Tabla de diseño.... Como Origen seleccione Desde archivo. Seleccione Vincular a archivo para establecer un vínculo entre el archivo externo y la pieza. Haga clic en Examinar... y seleccione el archivo de Excel Part_DT.xls y haga clic en Aceptar. Nota Si Vincular a archivo no se utiliza, la hoja de cálculo se copiará en el documento de pieza y se almacenará allí.
  • 330.
    Manual de formaciónSolidWorks 2006 Lección 10 Tablas de diseño y ecuaciones Tablas de diseño existentes 317 4 Tabla de diseño en pantalla. La hoja de cálculo de la tabla de diseño se vincula a la pieza. Si hace clic en la parte exterior de la hoja de cálculo en la ventana de gráficos se cerrará. En este ejemplo, la tabla de diseño existente tiene el mismo nombre que la pieza: Part_DT. 5 Configuraciones satisfactorias. Un proceso satisfactorio incluirá un cuadro de diálogo que enumere las configuraciones creadas. Haga clic en Aceptar. 6 Acceso al ConfigurationManager. Acceda al ConfigurationManager y elija Visualizar configuración... para cada una de las configuraciones nuevas. Observe que las configuraciones no están enumeradas en el orden en que se encontraban en la hoja de cálculo. Se enumeran alfanuméricamente. También observe que la configuración Default tiene un icono diferente al resto. 7 Cómo eliminar una configuración. Para eliminar una configuración, Default en este caso, no debe estar activa. Haga clic en el nombre y presione la tecla Eliminar. Haga clic en Sí en el cuadro de diálogo para confirmar la eliminación de la configuración. 8 Guardar. Cuando se guarda la pieza, aparece un mensaje indicando que la tabla de diseño también se está guardando.
  • 331.
    Lección 10 Manualde formación SolidWorks 2006 Tablas de diseño y ecuaciones 318 Tablas de diseño existentes 9 Configuraciones establecidas. Hay seis configuraciones establecidas para la pieza. Cada una se muestra a continuación. La configuración de la parte eliminada es la única que no suprime la operación Parte eliminada. Cómo insertar tablas de diseño en blanco La opción En blanco es útil cuando se necesitan configuraciones para otros objetivos además de la supresión de operaciones o la configuración de valores de cota. Algunos ejemplos serían: En la tabla sólo se requieren Comentarios (fila o columna). Vistas explosionadas múltiples de un ensamblaje. Posiciones múltiples de un componente en un ensamblaje. Las operaciones y las cotas se agregarán manualmente. Sugerencia En general, si las cotas y las operaciones se van a controlar en la tabla, la opción Creación automática es mejor. Las configuraciones también se pueden crear fuera de una tabla, consulte Definición de la configuración en la página 282. Como guardar una tabla de diseño Cuando crea automáticamente o inserta una tabla de diseño en blanco, el único lugar en que existe la tabla está incrustado en la pieza de SolidWorks. Es muy posible que existan casos en los cuales usted desee guardar la tabla incrustada como una hoja de cálculo de Excel. Introducción: Guardar tabla Guardar tabla le permite guardar una tabla de diseño incrustada como una hoja de cálculo de Excel. Dónde encontrarlo Haga clic con el botón secundario del ratón en la tabla de diseño y seleccione Guardar tabla.... parte w7-225 w7-25 w8-3 ensamblaje dibujo eliminada
  • 332.
    Manual de formaciónSolidWorks 2006 Lección 10 Tablas de diseño y ecuaciones Tablas de diseño existentes 319 Otros usos de las configuraciones Las configuraciones de las piezas tienen numerosas aplicaciones y usos. Entre los motivos de la creación de diferentes configuraciones se incluyen los siguientes: Requisitos específicos de la aplicación. Diferentes especificaciones de un producto como, por ejemplo, la versión militar y civil de una pieza. Consideraciones de rendimiento. Consideraciones de ensamblaje. Requisitos específicos de la aplicación Muchas veces, el modelo de la pieza finalizada contiene pequeños detalles como, por ejemplo, operaciones Redon- deo y Redondo. Cuando prepare una pieza como la que aparece en la parte derecha para el análisis de elementos finitos (FEA), sería recomendable que simplificara la pieza. Al suprimir las operaciones de detalles inne- cesarios podrá crear una configuración específica para el análisis de elementos finitos. Otra aplicación que podría necesitar una representación especializada del modelo sería el prototipo rápido. Consideraciones de rendimiento Las piezas con una geometría compleja como, por ejemplo, las operaciones de barrer y de recubrir, los redondeos con radio variable y los vaciados con múltiples espesores, tienen tendencia a agotar los recursos del sistema. Debería considerar la definición de una configuración que suprima alguna de estas operaciones. Esto le permitirá mejorar el rendimiento del sistema cuando trabaje en otras áreas no relacionadas del modelo. Sin embargo, cuando haga esto, asegúrese de tener en cuenta las relaciones de padre/hijo. No puede acceder, utilizar o hacer referencia a operaciones suprimidas y, por lo tanto, no le pueden servir de padres. Consideraciones de ensamblaje Cuando trabaje en ensamblajes complejos que contengan un gran número de piezas, podrá mejorar el rendimiento del sistema si utiliza representaciones simplificadas de esas piezas. Considere la supresión de detalles innecesarios como, por ejemplo, los redondeos, y deje sólo la geometría imprescindible para la relación de posición, la verificación de interferencias y la definición de ajuste exacto y función. Cuando agrega un componente a un ensamblaje, el navegador Insertar, Componente, Desde archivo... le permite escoger la configuración de la pieza que hay que mostrar. Para poder sacar partido de esto, tiene que planear con antelación, definiendo y guardando la configuración cuando construya el componente.
  • 333.
    Lección 10 Manualde formación SolidWorks 2006 Tablas de diseño y ecuaciones 320 Estrategias de modelado para las Se pueden definir como diferentes configuraciones y utilizar en el mismo ensamblaje piezas similares que tengan la misma forma básica. La pieza que aparece a la derecha tiene dos configuraciones. Para obtener un ejemplo sobre cómo utilizar dos configuraciones diferentes de una pieza en un ensamblaje, consulte Cómo utilizar configuraciones de piezas en ensamblajes en la página 396. Estrategias de modelado para las configura- ciones Cuando usted modela una pieza que se utilizará con configuraciones (sea no o conducida por una tabla de diseño), debe pensar qué elementos desea que sean controlados por las configuraciones. Considere, por ejemplo, la pieza utilizada en la lección anterior. Una forma de modelar una pieza semejante es realizar un croquis único del perfil y construir la pieza como una única operación de revolución. Si bien dicho abordaje parece eficiente, tener toda la información contenida en una operación única y monolítica realmente limita su flexibilidad. Dividiendo la pieza en operaciones individuales más pequeñas, usted gana la flexibilidad de poder suprimir operaciones tales como redondeos o cortes.
  • 334.
    Manual de formaciónSolidWorks 2006 Lección 10 Tablas de diseño y ecuaciones Otros aspectos acerca de cómo realizar dibujos 321 Otros aspectos acerca de cómo realizar dibujos Los dibujos se presentaron por primera vez en la Lección 3. En esta sección exploraremos algunos temas de la documentación adicional. Estos temas incluyen: Vistas etiquetadas, Vistas de sección, Vistas de detalle y Cotas de coordenadas. 1 Abrir el dibujo denominado Part_DT. Propiedades de dibujo Las propiedades de dibujo controlan muchas características de cada hoja de dibujo. Las configuraciones pueden ser diferentes para cada hoja de dibujo. Introducción: Propiedades de dibujo La escala de vista, el tamaño del papel, el formato de hoja y el tipo de proyección se configuran o cambian en su totalidad a través del cuadro de diálogo Configuración de hoja. Dónde encontrarlo Con el cursor sobre el dibujo, haga clic con el botón secundario del ratón y seleccione Propiedades.... O, haga clic con el botón secundario del ratón en el icono de la hoja en el FeatureManager y seleccione Propiedades.... 2 Configurar hoja. Haga clic con el botón secundario del ratón en la hoja y seleccione Propiedades.... Establezca el Tamaño de hoja estándar en B- Horizontal, Escala en 1:2 y desactive Visualizar formato de hoja. Haga clic en Aceptar.
  • 335.
    Lección 10 Manualde formación SolidWorks 2006 Tablas de diseño y ecuaciones 322 Otros aspectos acerca de cómo realizar 3 Visualizar escala. Cambia a la escala de la vista de hoja que afecta todas las vistas que no utilizan una escala personalizada. 4 Modificar la configuración. Haga clic en la vista de dibujo y seleccione Más propiedades... en el PropertyManager Vista del modelo. Haga clic en Utilizar configuración etiquetada y seleccione la configuración w7- 225. 5 Aristas tangentes. Haga clic con el botón secundario del ratón en la vista de dibujo y seleccione Arista tangente, Sin aristas tangentes.
  • 336.
    Manual de formaciónSolidWorks 2006 Lección 10 Tablas de diseño y ecuaciones Otros aspectos acerca de cómo realizar dibujos 323 Vista de sección simple Puede crear varias vistas de tipos de sección. La vista de sección simple utiliza una única línea para formar el plano de corte. Introducción: Vista de sección Vista de sección crea una vista de sección total o parcial sobre la base de una línea cortante y una dirección. Se utiliza una única línea de croquis para la línea de sección. La forma más rápida de crear la sección es haciendo clic primero en la herramienta. Esto activa la herramienta línea para croquizar la línea de sección. Cuando se completa la línea, aparece la vista preliminar de la vista de sección. Dónde encontrarlo En el menú haga clic en Insertar, Vista de dibujo, Sección. O, en la barra de herramientas Dibujo, haga clic en la herramienta Vista de sección . 6 Hacer clic en la herramienta Vista de sección. Haga clic en Vista de sección . En la vista Superior, croquice una línea vertical que atraviese el centro de la pieza. Utilice la información del cursor para alinear la línea con el eje que atraviesa el centro de la pieza. La línea debería extenderse más allá de las dimensiones de la pieza. 7 Colocar la vista de sección. Mueva el cursor hacia la izquierda de la vista y coloque la vista de sección haciendo clic con el botón izquierdo del ratón. La vista de dibujo Sección A-A está alineada con la vista de origen y viene con una etiqueta debajo. El patrón de rayado es automático y refleja el tipo especificado en el documento de pieza en Herramientas, Opciones, Opciones de sistema, Dibujos, Área rayada/Rellenar. Vistas de detalle Vistas de detalle pueden crearse utilizando una forma croquizada cerrada en una vista de origen activada. El detalle puede utilizar un multiplicador de escala para realizarlo a escala n veces más grande que su origen, el valor predeterminado es 2x. El contenido de la vista de detalle está determinado por los elementos que se encuentran contenidos dentro del croquis. El croquis debe ser un contorno cerrado pero puede construirse a partir de cualquier tipo de geometría de croquis.
  • 337.
    Lección 10 Manualde formación SolidWorks 2006 Tablas de diseño y ecuaciones 324 Otros aspectos acerca de cómo realizar Introducción: Vista de detalle Vista de detalle crea una nueva vista de un área encerrada por un conjunto de geometría de croquis cerrado. La forma más rápida de crear el detalle es haciendo clic primero en la herramienta. Esto activa la herramienta Círculo para croquizar el círculo de detalle. Cuando el círculo está completo, aparece el detalle. Dónde encontrarlo En el menú haga clic en Insertar, Vista de dibujo, Detalle. O, en la barra de herramientas Dibujo, haga clic en la herramienta . 8 Croquizar el círculo de detalle. Haga clic en la herramienta Detalle. En la vista de Sección, croquice un círculo según se indica. Utilice la información del cursor para colocar el centro del círculo en el punto final de una arista. Arrastre el diámetro del círculo para encerrar la porción inferior de la pieza. 9 Colocar el detalle. Coloque la vista sobre el dibujo haciendo clic con el botón izquierdo del ratón. Establezca el estado de vista detalle en Sin líneas ocultas. 10 Insertar elementos del modelo. Los elementos del modelo pueden agregarse a todas las vistas, a las vistas seleccionadas o a las operaciones seleccionadas dentro de una vista. Seleccione la vista de sección, y haga clic en Insertar, Elementos del modelo.... Seleccione Marcadas para dibujo, Importar desde: Todo el modelo y Vista(s) de destino (vista seleccionada). Haga clic en Aceptar.
  • 338.
    Manual de formaciónSolidWorks 2006 Lección 10 Tablas de diseño y ecuaciones Otros aspectos acerca de cómo realizar dibujos 325 11 Cotas en la vista de sección. Todas las cotas correspondientes se agregan a la vista de sección. 12 Cómo eliminar cotas. Las cotas eliminadas en el nivel del dibujo no se eliminan del modelo. Elimine las cotas para la profundidad de la pieza. Anotaciones Pueden agregarse muchos símbolos de anotación a un dibujo. Éstos incluyen: Indicaciones de referencia Símbolos de tolerancia geométrica Notas Acabados de superficie Símbolos de soldadura Anotaciones de taladro Globos Roscas cosméticas Introducción: Símbolo de indicación de referencia El Símbolo de indicaciones de referencia puede asociarse a las aristas del modelo en las vistas de dibujo. Dónde encontrarlo En la barra de herramientas Anotaciones, haga clic en Indicación de referencia . O haga clic en Insertar, Anotaciones, Símbolo de indicación de referencia....
  • 339.
    Lección 10 Manualde formación SolidWorks 2006 Tablas de diseño y ecuaciones 326 Otros aspectos acerca de cómo realizar 13 Agregar un símbolo de indicación de referencia. Inserte una Indicación de referencia con la Etiqueta A. Seleccione la arista del modelo vertical más hacia la izquierda en la vista de sección. Haga clic en Aceptar. Cotas de coordenadas En la Lección 3, vio que puede agregar cotas manualmente en el documento de dibujo. Éstas son cotas de referencia, y son conducidas. Esto significa que usted no puede editar el valor de las cotas de referencia para cambiar el modelo. Sin embargo, cambiar una cota del modelo actualiza la cota conducida en el dibujo. SolidWorks admite varias clases de cotas incluyendo Cotas de coordenadas. Las cotas de coordenadas son un conjunto de cotas medidas desde una coordenada cero en un dibujo o croquis. Se miden desde el eje que seleccionó primero. El tipo de cota de coordenada (horizontal, vertical o angular) está definido por la orientación de los puntos que usted selecciona. Las cotas coordenadas se agrupan automáticamente para mantener la alineación. Cuando usted arrastra cualquier integrante del grupo, todos los integrantes se mueven conjuntamente. Para desconectar una cota del grupo de alineación, haga clic con el botón secundario del ratón y seleccione Romper alineación. Si cotas adyacentes se encuentran muy juntas, las líneas indicativas se quiebran de manera automática según sea necesario para evitar que el texto se superponga. Las asas de arrastre se muestran en los pliegues cuando usted selecciona una cota de coordenada con una línea indicativa plegada. Puede quitar el pliegue o agregar un pliegue a una cota de coordenada diferente. Dónde encontrarlo Haga clic en Cota de coordenadas horizontal en la barra de herramientas Cotas/Relaciones. Haga clic en Herramientas, Cotas, y Coordinada horizontal.
  • 340.
    Manual de formaciónSolidWorks 2006 Lección 10 Tablas de diseño y ecuaciones Otros aspectos acerca de cómo realizar dibujos 327 14 Agregar cotas de coordenadas a la vista de detalle. Haga clic en Cota de coordenadas horizontal en la barra de herramientas Cotas/Relaciones. Seleccione la arista extrema izquierda de la pieza. Haga clic para colocar la cota 0. Haga clic en las aristas restantes que desee acotar. Mientras lo hace, cada nueva cota de coordenada se colocará automáticamente en el dibujo. Notas paramétricas Utilizando notas, usted puede agregar texto a un dibujo. Una nota puede flotar libremente o colocarse con una línea indicativa señalando una cara, una arista o un vértice del dibujo. La nota puede contener texto simple, símbolos, texto paramétrico e hipervínculos. La línea indicativa puede ser recta o doblada. Una nota paramétrica es una que está vinculada al valor de una propiedad de documento, una propiedad personalizada o una propiedad específica de la configuración. Si el valor de la propiedad cambia, el texto de la nota cambia automáticamente. Dónde encontrarlo Haga clic en Nota en la barra de herramientas Anotaciones. Haga clic en Insertar, Anotaciones, Nota.... 15 Seleccionar la vista de dibujo. La nota debe asociarse con la vista de dibujo. Para lograrlo, haga doble clic en la vista del modelo antes de crear la nota. 16 Insertar nota. Haga clic en Nota en la barra de herramientas Anotaciones. En el PropertyManager, en Línea indicativa, haga clic en Sin línea indicativa para crear el texto sin ninguna línea indicativa. Haga clic debajo de la línea de sección y escriba: Nº de modelo Asegúrese de dejar un espacio después del carácter Nº. 17 Vincular a propiedad. Haga clic en Vincular a propiedad en el PropertyManager Nota. Haga clic en Modelo en vista al cual se asocia la anotación. Seleccione SW-Nombre de configuración en la lista y haga clic en Aceptar.
  • 341.
    Lección 10 Manualde formación SolidWorks 2006 Tablas de diseño y ecuaciones 328 Otros aspectos acerca de cómo realizar 18 Fuente. Seleccione la fuente para que tenga un tamaño de 11 puntos y seleccione también el icono Centrar. Haga clic en Aceptar. 19 Texto de propiedad. La nota muestra el valor de la propiedad, el nombre de configuración actual, de inmediato. Es una visualización WYSIWYG de la nota finalizada. 20 Cambiar la configuración. Haga clic con el botón secundario del ratón en Drawing View1 (Vista del dibujo 1) y elija Propiedades.... En el PropertyManager Vista del modelo, haga clic en Más Propiedades.... En Información de configuración, haga clic en Utilizar configuración etiquetada y seleccione w8-3 de la lista. Las tres vistas se actualizan para reflejar la configuración seleccionada recientemente. Las cotas también se actualizan para reflejar el cambio efectuado en el tamaño del modelo. El texto de la nota también se actualiza, mostrando el nombre de configuración actual. Introducción: Vista del modelo Vistas del modelo son vistas que toman su orientación y nombre del cuadro de diálogo Orientación de vista en piezas y ensamblajes. Todas las vistas estándar, las vistas definidas por el usuario y la vista actual pueden elegirse para ser utilizadas como una vista etiquetada en una hoja de dibujo. Si la vista seleccionada en el modelo es una vista de perspectiva, esa información también pasa a la vista del dibujo. Dónde encontrarlo Haga clic en Vista del modelo en la barra de herramientas Dibujo. O, haga clic en Insertar, Vista de dibujo, Modelo....
  • 342.
    Manual de formaciónSolidWorks 2006 Lección 10 Tablas de diseño y ecuaciones Otros aspectos acerca de cómo realizar dibujos 329 21 Agregar una vista del modelo. Haga clic en Vista del modelo en la barra de herramientas Dibujo. Para identificar qué modelo debería aparecer en la vista, haga clic en el interior de la vista Superior (Drawing View1). Seleccione *Isometric (Isométrica) en la Orientación de vista y coloque la vista en el dibujo. Seleccione cutaway (parte eliminada) como la configuración utilizada en la vista. Área rayada Cuando creamos la vista de sección, el software agregó el rayado automáticamente. También puede aplicar un patrón de rayado manualmente a una cara sólida. Dónde encontrarlo Haga clic en Área rayada/Rellenar en la barra de herramientas Dibujo. O haga clic en Insertar, Anotaciones, Área rayada/Rellenar. Nota Éste es uno de los pocos comandos en SolidWorks que requiere que usted preseleccione la geometría. Primero debe seleccionar la cara. De lo contrario, el comando permanece no disponible.
  • 343.
    Lección 10 Manualde formación SolidWorks 2006 Tablas de diseño y ecuaciones 330 Otros aspectos acerca de cómo realizar 22 Área rayada. Seleccione las dos caras cortadas del modelo en la vista isométrica. O haga clic en Área rayada/Rellenar . Aparece el cuadro de diálogo Área rayada/Rellenar. Esto le permite cambiar el estilo del patrón de rayado. Haga clic en Aceptar. 23 Editar el patrón de rayado. Haga clic en la sección situada en el extremo izquierdo del área rayada. Cambie el Ángulo a 90° y haga clic en Aceptar. Esto le otorga una apariencia más agradable al área de rayado. Tablas de diseño en un dibujo La tabla de diseño de una pieza puede mostrarse en una hoja de dibujo. Después de seleccionar una vista de la pieza, haga clic en Insertar, tablas, Tabla de diseño... y colóquela en el dibujo. Si hace doble clic en la tabla abre la pieza de referencia y la tabla de diseño dentro de la misma.
  • 344.
    Manual de formaciónSolidWorks 2006 Lección 10 Tablas de diseño y ecuaciones En el curso avanzado... 331 24 Insertar la tabla de diseño. Haga clic en el interior de una de las vistas de dibujo. Dado que un dibujo puede contener vistas de diversos modelos diferentes, debe identificar desde qué pieza se insertará la tabla de diseño. Haga clic en Tabla de diseño o haga clic en Insertar, Tablas, Tabla de diseño.... La tabla de diseño aparece en la esquina superior izquierda del dibujo. Arrástrela a donde la desea en el dibujo. Para obtener más información sobre la realización de dibujos en SolidWorks, debe realizar el curso Conceptos básicos de SolidWorks: Dibujos. En el curso avanzado... En el curso avanzado Modelado de ensamblaje avanzado, el concepto de Configuraciones pasa a los ensamblajes. Los ensamblajes pueden tener configuraciones que se crean manualmente o a través de una tabla de diseño. Mientras que las configuraciones de piezas se centran en operaciones, las configuraciones de ensamblajes se centran en componentes, relaciones de posición u operaciones de ensamblaje. Las configuraciones de ensamblaje pueden utilizarse para controlar: Operaciones de ensamblaje Componentes Relaciones de posición y sus cotas También pueden utilizarse tablas de diseño. En el nivel del ensamblaje, hay más opciones disponibles para controlar una o más instancias de componentes.
  • 345.
    Lección 10 Manualde formación SolidWorks 2006 Tablas de diseño y ecuaciones 332 En el curso avanzado...
  • 346.
    Manual de formaciónSolidWorks 2006 Ejercicio 40 333 Ejercicio 40: Utilizar Vincular valores Cree los valores de vínculo en una pieza existente y pruébela. Este laboratorio refuerza las siguientes funciones: Creación de valores de vínculo. Procedimiento Abra la pieza existente denominada Link Values (Vincular valores). Cree un valor de vínculo que haga que todos los valores de operación de redondeo sean iguales. 1 Crear valor de vínculo. Cree y aplique un valor de vínculo denominado All_fillets&rounds (Todos los redondeos y redondos) a la cota de la operación Rounds (Redondos). 2 Aplicar el valor de vínculo. Aplique el valor de vínculo a las tres operaciones de redondeo restantes: Fillets.1 Fillets.2 Fillets.3 3 Probar. Pruebe los vínculos cambiando cualquiera de los cuatro a 0.125” y reconstruyéndolo. 4 Guardar y cerrar la pieza.
  • 347.
    Manual de formaciónSolidWorks 2006 334 Ejercicio 41 Ejercicio 41: Utilizar ecuaciones Cree una ecuación utilizando en una pieza existente y pruébela. Este laboratorio refuerza las siguientes funciones: Creación de ecuaciones. Procedimiento Abra la pieza existente denominada Using Equations (Utilizar ecuaciones). Las cotas A, B y C que se muestran arriba se utilizarán para definir la ecuación. 1 Escribir la ecuación. Escriba una ecuación que mantenga el diámetro de círculo del perno (A) centrado entre las aristas externas de la parte central (B) y la brida (C). El valor (A) debe ser conducido. 2 Probar la ecuación. Pruebe la ecuación cambiando el diámetro de brida a 12” y reconstruyendo el modelo. Puede probar otros valores si los desea. 3 Guardar y cerrar la pieza. Sugerencia Si tiene problemas, el formato de la ecuación debería ser: A=(C-B)/2+B. A B C
  • 348.
    Manual de formaciónSolidWorks 2006 Ejercicio 42 335 Ejercicio 42: Tablas de diseño de piezas Utilice una pieza existente como base de una tabla de diseño. Utilice las cotas y agréguelas a una nueva tabla de diseño. Este laboratorio refuerza las siguientes funciones: Insertar tablas de diseño. Editar tablas de diseño. Agregar propiedades. Utilizar configuraciones. Procedimiento Abra la pieza existente Part Design Table (Tabla de diseño de pieza). 1 Tabla de diseño. Cree una tabla de diseño por medio de Creación automática y edítela según se indica. 2 Agregar cotas. Seleccione por medio de la tecla CTRL todas las cotas, excepto D1@Main, en el cuadro de diálogo Cotas. Agréguelas a la tabla de diseño. Los valores actuales se agregan de modo automático. 3 Agregar operación. Haga doble clic en la operación Holes (Taladros) para agregarla a la tabla de diseño. El estado actual se agrega automáticamente. 4 Agregar configuración. Escriba el nombre de configuración Size1 (Tamaño 1) según se indica. Copie las celdas como se indica.
  • 349.
    Manual de formaciónSolidWorks 2006 336 Ejercicio 42 Copie la fila, incluida la configuración, para agregar configuraciones adicionales. 5 Editar celdas. Edite las celdas de las configuraciones Size2 a Size5. Los cambios se muestran en texto rojo y en negrita. 6 Cerrar la tabla de diseño. Haga clic fuera de la tabla de diseño para cerrarla. Debe crear cinco configuraciones nuevas. Los nombres son los mismos nombres que aparecen en la columna A de la hoja de cálculo. 7 Probar las configuraciones. Elija cada una de las configuraciones en el ConfigurationManager y pruébelas. 8 Editar la tabla de diseño. Edite la tabla de diseño mediante Editar Tabla.... Establezca el estado en supresión para la operación Holes en la configuración Size5. Haga clic fuera de la tabla de diseño para aplicar los cambios. 9 Probar la configuración editada. Pruebe las configuraciones, concentrándose en Size5. La operación Holes debe suprimirse en dicha configuración.
  • 350.
    Manual de formaciónSolidWorks 2006 Ejercicio 42 337 10 (Opcional) Agregar funciones de hoja de cálculo. Edite la Tabla de diseño para establecer relaciones entre celdas de la hoja de cálculo. Establezca el Radio lateral (SideR) de modo que el mismo sea igual a la mitad de la distancia del centro al centro (CtoC). Por ejemplo, la celda C3 será = D3/2; la celda C4 será = D4/2 y así sucesivamente. Puede agregarse una entrada USER_NOTE para explicar las relaciones entre las columnas. 11 Cambios (opcionales). Active la configuración Size3. Haga doble clic en la operación Holes y cambie el valor de la cota BoltH a 0.375” para Esta configuración. Haga clic en Aceptar en el cuadro de mensaje. 12 Cambios bidireccionales. El cambio se realiza en la configuración activa para dicha cota. El cambio en el modelo fuerza un cambio en la tabla de diseño. 13 Guardar y cerrar la pieza.
  • 351.
    Manual de formaciónSolidWorks 2006 338 Ejercicio 43 Ejercicio 43: Configuracio- nes existentes y tablas de diseño vincula- das Utilice piezas existentes para crear tablas de diseño automáticamente y vincularlas a hojas de cálculo de Excel externas. Este laboratorio refuerza las siguientes funciones: Crear automáticamente tablas de diseño a partir de configuraciones existentes. Insertar tablas de diseño. Vincular a tablas de diseño externas. Creación automática Abra la pieza existente denominada Auto-Create (Creación automática). Contiene diversas configuraciones pero ninguna tabla de diseño. 1 Creación automática. Inserte una tabla de diseño utilizando la opción Creación automática. 2 Tabla de diseño. Una tabla de diseño se genera a partir de las configuraciones existentes. 3 Guardar y cerrar la pieza. Vincular a hoja de cálculo de Excel externa Abra la pieza existente Linked. La misma no contiene configuraciones excepto la configuración Default (Predeterminada). 4 Desde archivo. Inserte una tabla de diseño utilizando la opción Desde archivo. Seleccione el archivo Design Table.xls (Tabla de diseño). Seleccione la opción Vincular a archivo. 5 Editar el archivo de Excel. Abra el archivo de Excel vinculado Design Table.xls y agregue una nueva configuración G6 según se indica. 6 Regresar a la pieza. Guarde y cierre la hoja de cálculo. Regrese a la pieza para ver las actualizaciones. 7 Guardar y cerrar la pieza.
  • 352.
    Manual de formaciónSolidWorks 2006 Ejercicio 44 339 Ejercicio 44: Cómo diseñar configuracio- nes Cree una pieza y una tabla de diseño nuevas. Diseñe la pieza con el uso de las configuraciones y las tablas de diseño en mente. Este laboratorio refuerza las siguientes funciones: Modelar configuraciones. Crear tablas de diseño en Excel o dentro de SolidWorks. Utilizar configuraciones. Opciones de Excel. Procedimiento Cree una nueva pieza utilizando la plantilla Part_IN. Asigne a la pieza el nombre Design for Configs (Diseño para configuraciones). 1 Configuración Default (Predeterminada). Cree la forma básica de la pieza como una operación de revolución utilizando las cotas que aparecen a continuación. 2 Nombres de las cotas. Cambie el nombre de la cota de diámetro total (5”) a Main_OD (DT principal). 3 Operación Ranura. Cree una operación Corte para representar la ranura. Asigne a la operación el nombre Groove (Ranura). Cambie el nombre de las cotas de la ranura a Groove_ID, Groove_OD y Groove_Depth (Profundidad de la ranura).
  • 353.
    Manual de formaciónSolidWorks 2006 340 Ejercicio 44 4 Taladro de refrentado. Utilice el Asistente para taladro para crear un taladro de refrentado para un tornillo de cabeza hexagonal de 1/2”. El Asistente para taladro genera cotas con nombres descriptivos. Los nombres C'Bore Dia.@Sketch3, C'Bore Depth@Sketch3, Thru Hole Depth@Sketch3 y Thru Hole Dia.@Sketch3 se generan automáticamente. 5 Tabla de diseño. Utilice Insertar, Tabla de diseño con la opción Creación automática para crear una tabla de diseño dentro de la pieza. Utilice métodos automatizados y de doble clic para crear la tabla que se muestra a continuación. Reorganice las columnas si fuese necesario.
  • 354.
    Manual de formaciónSolidWorks 2006 Ejercicio 44 341 6 Editar la tabla de diseño. Continúe editando la tabla de diseño, modificándola para incluir los valores y las configuraciones adicionales que se muestran a continuación. Agregue tres configuraciones de Groove más, suprimiendo todas las operaciones Cbore. Observe que la configuración Default se ha substituido. 7 Probar las configuraciones. Compruebe las cuatro configuraciones de Groove para ver si funcionan correctamente. Mientras una de las configuraciones Groove esté activa, elimine la configuración Default. Nota Puede agregar comentarios y otros datos a la hoja de cálculo, dejando simplemente una columna en blanco entre los datos de la tabla de diseño y los comentarios. También puede agregar color a los bloques de celdas para facilitar el reconocimiento y la asociación de grupos de datos.
  • 355.
    Manual de formaciónSolidWorks 2006 342 Ejercicio 44 8 Agregar más configuraciones. Edite la tabla de diseño nuevamente y agregue cuatro configuraciones más para Cbore. El amarillo indica la información copiada, el rojo con negrita los cambios. 9 Guardar la pieza.
  • 356.
    Manual de formaciónSolidWorks 2006 Ejercicio 45 343 Ejercicio 45: Dibujos Cree un dibujo de la pieza construida en el ejercicio anterior. Este laboratorio refuerza las siguientes funciones: Crear vistas etiquetadas. Crear una vista de sección. Visualizar diferentes configuraciones de una pieza en vistas de dibujo. Crear una nota paramétrica. Incorporar cotas y anotaciones. Incorporar anotaciones de taladro. Insertar una tabla de diseño en un dibujo. Procedimiento Crear un dibujo de tamaño A similar al que se muestra a continuación.
  • 357.
    Manual de formaciónSolidWorks 2006 344 Ejercicio 45
  • 358.
    Manual de formaciónSolidWorks 2006 345 Lección 11 Vaciado y nervios Al finalizar esta lección, podrá: Aplicar ángulo de salida a caras del modelo. Utilizar la barra de retroceder. Realizar operaciones Vaciado para eliminar el material del interior de una pieza. Crear planos de referencia. Utilizar la herramienta Nervio. Crear operaciones lámina.
  • 359.
    Lección 11 Manualde formación SolidWorks 2006 Vaciado y nervios 346
  • 360.
    Manual de formaciónSolidWorks 2006 Lección 11 Vaciado y nervios Vaciado y nervios 347 Vaciado y nervios La creación de piezas con paredes lámina involucra algunas secuencias y operaciones, según se trate de un modelado fundido o a inyección. Se utilizan el vaciado y el ángulo de salida, así como los nervios. Este ejemplo recorrerá los pasos para el agregado de ángulo de salida, la creación de planos, el vaciado y la creación de nervios. Etapas del proceso Algunas etapas importantes del proceso de modelado de esta pieza se proporcionan en la siguiente lista: Ángulo de salida con un plano de referencia El ángulo de salida puede definirse en relación con un plano y una dirección de referencia. Cómo utilizar planos Esta pieza contiene diversas operaciones alineadas a la línea constructiva de la pieza misma. Un plano centrado se utiliza para localizar operaciones. Vaciado El vaciado es el proceso de eliminar material del interior de una pieza. Tiene la opción de eliminar una o más caras de la pieza. Una operación Vaciado es un tipo de operación aplicada. Herramienta Nervio La herramienta Nervio puede utilizarse para crear rápidamente nervios individuales o múltiples. Con una geometría de croquis mínima, el nervio se crea entre las caras delimitadoras del modelo. Operaciones lámina. La opción Operación lámina crea revoluciones, extrusiones, barridos y recubrimientos con paredes lámina de espesor constante. Cómo analizar y agregar ángulos de salida Se requieren ángulos de salida para piezas de un modelado fundido o a inyección. Debido a que los ángulos de salida se pueden crear de varias maneras, es importante ser capaz de comprobar el ángulo de salida en una pieza y, si fuese necesario, agregar más.
  • 361.
    Lección 11 Manualde formación SolidWorks 2006 Vaciado y nervios 348 Cómo analizar y agregar ángulos de salida 1 Abra la pieza Shelling&Ribs (Vaciado y nervios). Análisis de ángulo de salida La herramienta Análisis de ángulo de salida es útil para determinar si la pieza tiene un ángulo de salida suficiente como para ser eliminada del molde basado en un ángulo de salida establecido. Dónde encontrarlo Haga clic en Análisis de ángulo de salida en la barra Herramientas de moldes. O, haga clic en Herramientas, Análisis de ángulo de salida.... 2 Haga clic en Herramientas, Análisis de ángulo de salida. 3 Dirección de desmoldeo. Seleccione la cara plana posterior como la Dirección de desmoldeo. Haga clic en Invertir dirección, de modo que la flecha de dirección de desmoldeo apunte según se indica. Fije el Ángulo en 3° y haga clic en Calcular.
  • 362.
    Manual de formaciónSolidWorks 2006 Lección 11 Vaciado y nervios Otras opciones de ángulo de salida 349 4 Resultados. Los colores se asignan a las caras de acuerdo con la naturaleza de su ángulo de salida. Las opciones Clasificación de caras y Buscar caras empinadas producen resultados más específicos. Haga clic en Aceptar para completar el comando. El ángulo de salida es insuficiente. 5 Retroceder. Se debe agregar el ángulo de salida en una etapa anterior del modelado. Retroceda a una posición entre las operaciones lower cut (corte inferior) y Fillet1 (Redondeo1). Consulte Introducción: La barra de retroceder en la página 234 para obtener información sobre la barra de retroceder. Otras opciones de ángulo de salida Hasta ahora hemos visto un método para crear operaciones con ángulo de salida: Mediante la opción Ángulo de salida del comando Insertar, Saliente/Base, Extruir.... Hay veces que este método no se aplica a su situación específica. Por ejemplo, por la manera en que se realizó el modelado de la primera operación, no hay ningún ángulo de salida en ella. Claramente, debe existir una manera de agregar ángulos de salida a las caras después de crearlas. Introducción: Insertar ángulo de salida Insertar ángulo de salida le permite agregar ángulos de salida a caras del modelo con respecto a un plano neutro o una línea de separación. Dónde encontrarlo En el menú Insertar, escoja Operaciones, Ángulo de salida.... O, en la barra de herramientas Operaciones, haga clic en la herramienta Ángulo de salida . Buscar carasClasificaciónÁngulo de salida necesario de caras empinadas
  • 363.
    Lección 11 Manualde formación SolidWorks 2006 Vaciado y nervios 350 Otras opciones de ángulo de salida Ángulo de salida utilizando un plano neutro El proceso de agregar ángulos de salida requiere la selección de un Plano neutro y una o más Caras en las cuales aplicar el ángulo de salida. 6 Ángulo de salida de plano neutro. Haga clic en Insertar, Operaciones, Ángulo de salida... y seleccione Plano neutro como el Tipo de ángulo de salida. Seleccione la cara plana posterior como Plano neutro. Establezca el Ángulo de salida en 3 grados. 7 Caras en las cuales aplicar el ángulo de salida. Seleccione las ocho caras en las que aplicar el ángulo de salida según se indica a la derecha. Si es necesario, haga clic en Invertir dirección para que la flecha señale en la dirección mostrada. 8 Ángulo de salida completo. Utilice Avanzar al final para reconstruir todas las operaciones del modelo. Las caras del ángulo de salida mostradas antes (izquierda) y después (derecha) retroceden.
  • 364.
    Manual de formaciónSolidWorks 2006 Lección 11 Vaciado y nervios Vaciado 351 9 Volver a comprobar el análisis de ángulo de salida. Vuelva a comprobar el Análisis de ángulo de salida utilizando la misma Dirección de desmoldeo y el mismo Ángulo de salida. Vaciado Una operación Vaciado se utiliza para “ahuecar” un sólido. Puede aplicar diferentes espesores de pared a caras seleccionadas. Puede seleccionar caras a eliminar. En este ejemplo, todas las paredes tienen el mismo espesor: 2 mm. Orden de operaciones La mayoría de las piezas plásticas tienen esquinas redondeadas. Si agrega redondeos a las aristas antes del vaciado y el radio de redondeo es mayor que el espesor de pared, las esquinas interiores de la pieza se redondearán automáticamente. El radio de las esquinas interiores será igual al radio de redondeo menos el espesor de pared. Esto puede aprovecharse para eliminar la tediosa tarea de redondear las esquinas interiores. Si el espesor de pared es mayor que el radio de redondeo, las esquinas interiores serán nítidas. Introducción: Insertar vaciado El comando Insertar vaciado elimina las caras seleccionadas y agrega espesor a otras para crear un sólido de pared lámina. Puede crear múltiples espesores en el mismo comando de vaciado. Dónde encontrarlo En el menú Insertar, escoja Operaciones, Vaciado.... O, en la barra de herramientas Operaciones, haga clic en Vaciado . Selección de cara El vaciado puede eliminar una o más caras del modelo o crear un lugar vacío completamente encerrado. Aquí hay algunos ejemplos: Una cara seleccionada. Una cara seleccionada.
  • 365.
    Lección 11 Manualde formación SolidWorks 2006 Vaciado y nervios 352 Vaciado 10 Vaciado. Haga clic en Insertar, Operaciones, Vaciado... y establezca el Espesor en 2 mm. Seleccione las 4 caras mostradas como las Caras a eliminar y seleccione Mostrar vista preliminar. Haga clic en Aceptar. Sugerencia Desactive la opción Mostrar vista preliminar antes de seleccionar las caras, de lo contrario la vista preliminar se actualizará con cada selección y ralentizará la operación. Planos de referencia El Asistente para planos puede utilizarse para crear una variedad de planos de referencia utilizando una geometría diferente. Pueden utilizarse planos, caras, aristas, vértices, superficies y geometría de croquis. Dónde encontrarlo Haga clic en Plano en la barra de herramientas Geometría de referencia. O, haga clic en Insertar, Geometría de referencia, Plano.... Múltiples caras seleccionadas. No se han seleccionado caras. Nota: Los resultados se muestran seccionados, utilizando el comando Vista de sección.
  • 366.
    Manual de formaciónSolidWorks 2006 Lección 11 Vaciado y nervios Vaciado 353 Método abreviado Presione Ctrl y arrastre un plano de referencia existente para crear un plano equidistante. Aquí hay algunos ejemplos: Seleccione una cara plana o un plano del modelo. Opcionalmente, cree una serie de planos paralelos separados por esta distancia. Seleccione una cara plana (o un plano), una arista o un eje del modelo. Opcionalmente, cree una serie de planos en ángulo separados por este ángulo. Seleccione tres vértices... o una línea y un vértice.
  • 367.
    Lección 11 Manualde formación SolidWorks 2006 Vaciado y nervios 354 Vaciado Seleccione una cara y un vértice. Seleccione una línea croquizada y un punto final. Método abreviado para lo anterior: Seleccione una arista y haga clic en Insertar, Croquis. Seleccione una cara cilíndrica y un plano de referencia.
  • 368.
    Manual de formaciónSolidWorks 2006 Lección 11 Vaciado y nervios Nervios 355 11 Paralelo al plano en un punto. Muestre el croquis de la operación Stand Offs (puntos muertos). Haga clic en Insertar, Geometría de referencia, Plano... y en Plano paralelo en punto. Seleccione el plano Planta y el punto indicado. Cambie el nombre del plano por medio del punto muerto. Nervios La herramienta Nervio, Insertar, Operaciones, Nervio..., le permite crear nervios utilizando una geometría de croquis mínima. La herramienta solicita el espesor, la dirección del material de nervio, cuánto desea extender el croquis si fuera necesario y si desea ángulo de salida. Croquis de nervio El croquis de nervio puede ser simple o complejo. Puede ser tan simple como una sola línea croquizada que forma la línea constructiva del nervio o puede ser más elaborado. Según la naturaleza del croquis de nervio, el nervio puede extruirse en forma paralela o normal al plano del croquis. Los croquis simples pueden extruirse en forma paralela o normal al plano del croquis. Los croquis complejos sólo pueden extruirse en forma normal al plano del croquis. Aquí hay algunos ejemplos: Croquis simple extruido en forma paralela al plano del croquis.
  • 369.
    Lección 11 Manualde formación SolidWorks 2006 Vaciado y nervios 356 Nervios Introducción: Insertar nervio Insertar Nervio crea un nervio con la parte superior plana, con o sin ángulo de salida. El nervio se basa en un contorno croquizado que define la ruta del nervio. Se puede agregar un redondeo completo para redondear el nervio. Dónde encontrarlo En el menú Insertar, escoja Operaciones, Nervio.... O escoja la herramienta Nervio en la barra de herramientas Operaciones. 12 Línea croquizada. Cree un croquis nuevo en el plano thru standoff (por medio del punto muerto). Haga clic en la vista Normal a y utilice la combinación de teclas Alt +Flecha (izquierda y derecha) para girar la vista. Croquice una línea, insuficientemente definida y acotada según se indica. Observe que la línea es Vertical. Croquis simple extruido en forma normal al plano del croquis. Croquis complejo extruido en forma normal al plano del croquis.
  • 370.
    Manual de formaciónSolidWorks 2006 Lección 11 Vaciado y nervios Nervios 357 13 Herramienta Nervio. Haga clic en la herramienta Nervio y configure los parámetros que se muestran: Espesor: 2 mm. Crear nervios en ambos lados del croquis Dirección de extrusión: Paralelo a croquis Ángulo de salida : 3° hacia fuera Observe la flecha de Invertir lado del material que indica la dirección de extrusión del nervio. Si fuese necesario, invierta la dirección. 14 Vista preliminar detallada. Haga clic en Vista preliminar detallada y desactive Resaltar caras nuevas o modificadas para obtener una vista preliminar del nervio. El nervio finalizado se extiende hacia abajo a la cara inferior y a lo largo de ambos extremos de la línea croquizada. Haga clic en Aceptar. 15 Plano equidistante. Seleccione el espesor de la cara y utilice la herramienta Plano para crear un nuevo plano de referencia con Equidistancia de 2 mm hacia el interior. Cambie el nombre al plano lin_patt.
  • 371.
    Lección 11 Manualde formación SolidWorks 2006 Vaciado y nervios 358 Nervios 16 Línea croquizada. Mediante el nuevo plano, croquice una línea vertical para representar un nervio. Agregue la cota, pero deje el croquis insuficientemente definido. Matrices de croquis Puede crear matrices de entidades de croquis en una matriz circular o lineal. Esto se conoce como matriz (“step and repeat”). Una vez que usted crea la matriz, las entidades de croquis se relacionan con una relación de Matriz. Puede editar la definición de una matriz una vez creada la misma. Introducción: Matriz lineal y circular Las matrices de croquis son una manera eficiente de efectuar una réplica de la geometría de croquis sin tener que dibujar cada entidad. Resultan particularmente útiles para operaciones como nervios o como la base de una matriz de operaciones. Dónde encontrarlo En la barra de herramientas Croquis, haga clic en Matriz lineal o en Matriz circular . O haga clic en Herramientas, Herramientas de croquizar, Matriz lineal... o Matriz circular.... 17 Copias. Haga clic en Matriz lineal y Agregar cota. Agregue 4 copias de la línea con una Separación de 18 mm. La cota se agrega automáticamente.
  • 372.
    Manual de formaciónSolidWorks 2006 Lección 11 Vaciado y nervios Redondeos completos 359 18 Nervio. Haga clic en la herramientaNervio. Haga clic en la opción Normal al croquis y apunte con la flecha al material. En las opciones restantes, repita las utilizadas en la operación Nervio anterior. Redondeos completos La opción Redondeo completo crea un redondeo tangente a tres conjuntos de caras adyacentes. Cada conjunto de caras contiene más de una cara. Sin embargo, dentro de cada conjunto de caras, las caras deben ser tangentes sin interrupción. Introducción: Redondeos completos Un redondeo completo no necesita un valor de radio. El radio se determina por la forma de las caras seleccionadas. La cara central Las caras laterales se recortan se elimina
  • 373.
    Lección 11 Manualde formación SolidWorks 2006 Vaciado y nervios 360 Operaciones lámina Dónde encontrarlo En el menú Insertar, elija Operaciones, Redondeo/Redondo... O haga clic en Redondeo en la barra de herramientas Operaciones. 19 Redondeo completo. Haga clic en el icono Redondeo y en la opción Redondeo completo. En Elementos a redondear, seleccione una cara en cada conjunto como se indica. 20 Guardar y cerrar el archivo. Operaciones lámina Las Operaciones lámina se realizan utilizando un perfil de croquis abierto y aplicando un espesor de pared. El espesor se puede aplicar al interior o exterior del croquis, de la misma manera en los dos lados del croquis o bien de manera diferente en cada lado. La creación de operaciones lámina se convoca automáticamente para contornos abiertos extruidos o de revolución. Los contornos cerrados también pueden utilizarse para crear operaciones lámina. Las operaciones lámina pueden crearse para extrusiones, revoluciones, barridos y recubrimientos. Revolución, abierta Revolución, cerrada
  • 374.
    Manual de formaciónSolidWorks 2006 Lección 11 Vaciado y nervios Operaciones lámina 361 1 Abrir Thin_Features. 2 Revolución lámina. Seleccione el croquis del strainer (colador) y la herramienta Revolución. Cuando el sistema le pregunte si el croquis se debe cerrar de manera automática, haga clic en No. Establezca el Espesor de dirección 1 en 0.20” y la dirección hacia el exterior. 3 Extrusión lámina. Seleccione el croquis del bracket (soporte) y la herramienta Extruir. Establézcala en el Plano medio y en 0.20”. Haga clic en Redondeo automático de esquinas y fije el Radio de redondeo en 0.125”. Extrusión, abierta Extrusión, cerrada
  • 375.
    Lección 11 Manualde formación SolidWorks 2006 Vaciado y nervios 362 Operaciones lámina 4 Vista preliminar. Haga clic en Vista preliminar detallada para ver los redondeos automáticos. Vuelva a hacer clic en el botón para salir de la vista preliminar. 5 Dirección. Establezca la dirección de la extrusión hacia la operación base y utilice Hasta el siguiente. Haga clic en Aceptar. Nota En este ejemplo se ofrece otra comparación entre Hasta la superficie (superior) y Hasta el siguiente (inferior).
  • 376.
    Manual de formaciónSolidWorks 2006 Ejercicio 46 363 Ejercicio 46: Tapa de bomba Cree esta pieza utilizando las cotas suministradas. Utilice bien las relaciones para mantener la intención del diseño. Este laboratorio utiliza las siguientes funciones: Croquizado. Extrusiones. Vaciado. Cómo aplicar simetría a las operaciones. Unidades: pulgadas Intención del diseño La intención del diseño de esta pieza se muestra a continuación: 1. Las pestañas son de igual tamaño y forma. 2. Los taladros en las pestañas son todos iguales. 3. Todos los redondeos son iguales con un radio de 0.12”. 4. El espesor de pared es constante. 5. La ranura está centrada sobre la arista. 6. La pieza es simétrica sobre dos ejes, excepto la ranura. Vistas acotadas Utilice los siguientes gráficos con la intención del diseño para crear la pieza. Vista Frontal Sección A-A Detalle de ranura.
  • 377.
    Manual de formaciónSolidWorks 2006 364 Ejercicio 46 Vista Superior Isométrica invertida
  • 378.
    Manual de formaciónSolidWorks 2006 Ejercicio 47 365 Ejercicio 47: Bola de ventilador de techo Cree esta pieza utilizando la información y las cotas que se proporcionan. Este laboratorio refuerza las siguientes funciones: Cómo crear planos de referencia. Cortar con superficie. Equidistanciar entidades. Convertir entidades. Salientes y cortes de revolución. Procedimiento Utilice la plantilla Part_MM. 1 Abrir una nueva pieza. 2 Esfera. Cree una esfera mediante un croquis y una operación de revolución. 3 Planos equidistantes. Cree nuevos planos equidistantes de referencia desde Superior. 4 Cortar con superficie. Cree una operación de corte para cada uno de los planos de referencia creados.
  • 379.
    Manual de formaciónSolidWorks 2006 366 Ejercicio 47 5 Equidistanciar entidades. Equidistancie desde la arista del corte y cree un corte mediante geometría. 6 Polígono y convertir entidades. Utilice la herramienta Polígono para crear un hexágono y modificarlo utilizando Convertir Entidades. Crear un Corte. 7 Arista convertida. Convierta la arista creada por cortar con superficie para crear un Corte por todo. 8 Corte de revolución. Utilice aristas convertidas y equidistantes para crear un perfil de croquis. Haga girar el croquis por medio del Plano medio y un ángulo de 180°. 9 Guardar y cerrar la pieza.
  • 380.
    Manual de formaciónSolidWorks 2006 Ejercicio 48 367 Ejercicio 48: Blindaje de motor Cree esta pieza utilizando las cotas suministradas. Utilice bien las relaciones para mantener la intención del diseño. Este laboratorio utiliza las siguientes funciones: Croquizado. Extrusiones. Vaciado. Unidades: milímetros Vistas acotadas Utilice los siguientes gráficos con la intención del diseño para crear la pieza. Vista derecha: Radios y Diámetros Vista derecha: Ubicaciones
  • 381.
    Manual de formaciónSolidWorks 2006 368 Ejercicio 48 Vista derecha: Cortes interiores Vista Superior
  • 382.
    Manual de formaciónSolidWorks 2006 Ejercicio 49 369 Ejercicio 49: Brazo Cree esta pieza utilizando las cotas suministradas. Utilice bien las relaciones para mantener la intención del diseño. Este laboratorio utiliza las siguientes funciones: Croquizar con simetría. Operaciones lámina. Creación de Redondeos completos. Utilización de la condición final Equidistante de la superficie. Unidades: pulgadas Intención del diseño La intención del diseño de esta pieza se muestra a continuación. 1. La pieza es simétrica. 2. Todos los redondeos son de 1/16". Vistas acotadas Utilice los siguientes gráficos con la intención del diseño para crear la pieza.
  • 383.
    Manual de formaciónSolidWorks 2006 370 Ejercicio 50 Ejercicio 50: Gancho Cree esta pieza utilizando las cotas suministradas. Utilice bien las relaciones para mantener la intención del diseño. Este laboratorio utiliza las siguientes funciones: Hasta la superficie. Operaciones lámina. Redondeos completos. Unidades: mm Intención del diseño La intención del diseño de esta pieza se muestra a continuación. 1. El espesor del metal es constante. 2. Todos los chaflanes son de 2 mm X 2 mm. Vistas acotadas Utilice los siguientes gráficos con la intención del diseño para crear la pieza.
  • 384.
    Manual de formaciónSolidWorks 2006 Ejercicio 51 371 Ejercicio 51: Secador de cabello Cree esta pieza siguiendo los pasos según se indica. Este laboratorio utiliza las siguientes funciones: Vaciado. Herramienta Nervio. Ángulo de salida. Retroceder. Matrices lineales. Redondeos completos. Asistente para taladro. Procedimiento Abra una pieza existente en la carpeta Exercises (Ejercicios). 1 Abrir la pieza Blow Dryer. 2 Completar la pieza. Complete la pieza con las siguientes pautas. El espesor de pared es constante. Los orificios de ventilación y los nervios son del mismo tamaño. Todos los redondeos y redondos tienen 1 mm excepto los redondos completos en los nervios. El ángulo de salida es de 2 grados. No hay ángulo de salida en la cara de salida. Nota La operación Ángulo de salida debe preceder los redondeos existentes en la pieza. 3 Guardar y cerrar la pieza.
  • 385.
    Manual de formaciónSolidWorks 2006 372 Ejercicio 52 Ejercicio 52: Blindaje de cara Cree esta pieza utilizando la información y las cotas proporcionadas. Este laboratorio refuerza las siguientes funciones: Retroceder. Cómo crear planos de referencia. Cómo crear ejes de referencia. Cortar con superficie. Taladros con el Asistente para taladro. Procedimiento Abra una pieza existente en la carpeta Exercises (Ejercicios). 1 Abrir la pieza Face Shield. 2 Retroceder. Arrastre la barra de retroceder hasta una posición anterior a la operación Initial Glass (Vidrio inicial). La nueva geometría de referencia se puede colocar antes o después de la operación. Se colocarán en la posición más anterior posible, antes de la operación. 3 Axis1. Cree Axis1 (Eje1) como la intersección de los planos Front (Alzado) y Right (Vista lateral). 4 Plane1. Cree un nuevo plano de referencia En el ángulo de 20° a partir de Front (Alzado) y alrededor de Axis1 (Eje1).
  • 386.
    Manual de formaciónSolidWorks 2006 Ejercicio 52 373 5 Plane2. Cree el plano de referencia Plane2 (Plano2) utilizando un procedimiento similar al plano anterior. 6 Cortes con planos. Corte la geometría del modelo en orden utilizando los planos de referencia Plane1 (Plano1) y Plane2 (Plano2). 7 Equidistanciar plano y eje. Cree el Plane3 (Plano3) como una equidistancia de Top (Planta). Utilice Front (Alzado) y Plane3 (Plano3) para crear Axis2 (Eje2).
  • 387.
    Manual de formaciónSolidWorks 2006 374 Ejercicio 52 8 Plane4. Cree el Plane4 (Plano4) como un ángulo de 25° a partir de Plane3 (Plano3) alrededor de Axis2 (Eje2). Corte el modelo utilizando dicho plano. 9 Redondos. Agregue redondos de 1” de radio a las cuatro esquinas. 10 Asistente para taladro. Cree los planos de referencia Plane5 (Plano5) y Plane6 (Plano6) tal como se muestra. Agregue el 7/16 (0.4375) Diameter Hole (Taladro de diámetro 7/16 (0.4375)) a la cara exterior y ubique el centro utilizando los planos nuevos. Cree la simetría de la operación de taladro. 11 Guardar y cerrar la pieza.
  • 388.
    Manual de formaciónSolidWorks 2006 375 Lección 12 Modelado de ensamblaje ascendente Al finalizar esta lección, podrá: Crear un nuevo ensamblaje. Insertar componentes en un ensamblaje utilizando todas las técnicas disponibles. Agregar relaciones de posición entre componentes. Utilizar los aspectos específicos de ensamblaje del gestor de diseño del FeatureManager para manipular y manejar el ensamblaje. Insertar subensamblajes. Utilizar configuraciones de piezas en un ensamblaje.
  • 389.
    Lección 12 Manualde formación SolidWorks 2006 Modelado de ensamblaje ascendente 376
  • 390.
    Manual de formaciónSolidWorks 2006 Lección 12 Modelado de ensamblaje ascendente Estudio de casos: Junta universal 377 Estudio de casos: Junta universal Esta lección examinará el modelado de ensamblajes mediante la construcción de una junta universal. La junta consiste en diversos componentes y un subensamblaje. Ensamblaje ascendente Los ensamblajes ascendentes se crean agregando y orientando piezas existentes en un ensamblaje. Las piezas agregadas al ensamblaje aparecen como Piezas de componente. Las piezas de componente se orientan y posicionan en el ensamblaje mediante las Relaciones de posición. Las relaciones de posición relacionan caras y aristas de piezas de componentes con planos y otras caras/ aristas. Etapas del proceso Algunas etapas importantes del proceso de modelado de esta pieza se muestran en la siguiente lista: Cada uno de estos temas consta de una sección en la lección. Cómo crear un nuevo ensamblaje Los ensamblajes nuevos se crean mediante el mismo método utilizado en las piezas nuevas. Cómo agregar el primer componente Los componentes pueden agregarse de diversas maneras. Pueden arrastrarse y colocarse desde una ventana de pieza abierta o abrirse desde un examinador estándar. Posición del primer componente El componente inicial agregado al ensamblaje se fija automáticamente al agregarse. Otros componentes pueden posicionarse después de agregarse. Gestor de diseño y símbolos del FeatureManager El FeatureManager incluye muchos símbolos, prefijos y sufijos que brindan información sobre el ensamblaje y sus componentes. Cómo establecer relaciones de posición entre componentes Las relaciones de posición se utilizan para colocar y orientar componentes respecto a sí mismos. Las relaciones de posición eliminan grados de libertad de los componentes. Subensamblajes Los ensamblajes se pueden crear e insertar en el ensamblaje actual. Se consideran componentes del subensamblaje.
  • 391.
    Lección 12 Manualde formación SolidWorks 2006 Modelado de ensamblaje ascendente 378 Ensamblaje ascendente El ensamblaje En esta lección, realizaremos un ensamblaje utilizando componentes existentes. El ensamblaje es una junta universal y se compone de un número de piezas individuales y un subensamblaje según se indica a continuación: 1 Abrir una pieza existente. Abra la pieza bracket (abrazadera). Se creará un nuevo ensamblaje por medio de esta pieza. El primer componente agregado a un ensamblaje debe ser una pieza que permanezca inmóvil. Al fijarse el primer componente, los demás pueden tener una relación de posición con el mismo sin peligro de que éste se mueva. crank sub Yoke_male Bracket pin[long] pin[short] (2 copias) Spider Yoke_female
  • 392.
    Manual de formaciónSolidWorks 2006 Lección 12 Modelado de ensamblaje ascendente Cómo crear un nuevo ensamblaje 379 Cómo crear un nuevo ensamblaje Se pueden crear nuevos ensamblajes directamente o hacerlos a partir de un ensamblaje o una pieza abierta. El nuevo ensamblaje contiene un origen, los tres planos estándar de referencia y una operación especial. Introducción: Crear ensamblaje desde pieza/ ensamblaje Utilice la opción Crear ensamblaje desde pieza/ensamblaje para generar un nuevo ensamblaje desde una pieza abierta. La parte se utiliza como el primer componente en el nuevo ensamblaje y se encuentra fija en el espacio. Dónde encontrarlo Haga clic en Crear ensamblaje desde pieza/ensamblaje en la barra de herramientas estándar. O, haga clic en Archivo, Crear ensamblaje desde pieza. Introducción: Nuevo ensamblaje Cree un nuevo archivo de ensamblaje por medio de una plantilla. Dónde encontrarlo Haga clic en Nuevo en la barra de herramientas Estándar. O, haga clic en Archivo, Nuevo.... 2 Elegir plantilla. Haga clic en Archivo, Crear ensamblaje desde pieza y seleccione el botón Avanzado del cuadro de diálogo Nuevo documento de SolidWorks. Seleccione la plantilla de formación Assembly_IN. Acceso directo Haga doble clic en la plantilla deseada para abrir automáticamente un nuevo documento de ensamblaje utilizando dicha plantilla. Nota Las unidades del ensamblaje pueden ser diferentes de las unidades de las piezas. Por ejemplo, puede ensamblar una combinación de piezas en pulgadas y milímetros en un ensamblaje cuyas unidades sean pies. Sin embargo, al editar las cotas de cualquiera de las piezas en el contexto del ensamblaje, las mismas aparecerán en las unidades del ensamblaje y no en las de la pieza propiamente dicha. Puede verificar las unidades del ensamblaje y cambiarlas si lo desea, utilizando Herramientas, Opciones....
  • 393.
    Lección 12 Manualde formación SolidWorks 2006 Modelado de ensamblaje ascendente 380 Posición del primer componente 3 Localizar componente. Sitúe el componente en el origen utilizando el cursor sobre el símbolo del origen. La pieza aparecerá en el gestor de diseño del FeatureManager correspondiente al ensamblaje como Fija (f). 4 Guardar. Guarde el ensamblaje con el nombre Universal Joint (Junta universal). Los archivos de ensamblajes tienen la extensión *.sldasm. Cierre el archivo de pieza bracket. Posición del primer componente El componente inicial agregado al ensamblaje es, en forma predeterminada, Fijo. Los componentes fijos no pueden moverse y se bloquean en el lugar donde usted los deja caer en el ensamblaje. Mediante la utilización del cursor durante la colocación, el origen del componente se encuentra en la posición original del ensamblaje. Esto también significa que los planos de referencia del componente coinciden con los planos del ensamblaje y el componente se encuentra totalmente definido. Considere el ensamblaje de una lavadora. El primer componente sería lógicamente el marco sobre el cual se monta todo lo demás. Al alinear este componente con los planos de referencia del ensamblaje, estableceríamos lo que podría llamarse el “espacio del producto”. Los fabricantes de automóviles se refieren a esto como el “espacio del vehículo”. Este espacio crea una estructura lógica para colocar los demás componentes en sus correspondientes posiciones. Gestor de diseño y símbolos del FeatureManager Dentro del gestor de diseño del FeatureManager de un ensamblaje, las carpetas y los símbolos difieren levemente de los que se encuentran en una pieza. También hay algunos términos que son exclusivos del ensamblaje. Ahora se describirán algunas piezas y relaciones de posición que se enumeran aquí.
  • 394.
    Manual de formaciónSolidWorks 2006 Lección 12 Modelado de ensamblaje ascendente Gestor de diseño y símbolos del FeatureManager 381 Grados de libertad Hay seis grados de libertad para todo componente que se agrega al ensam- blaje antes de que el mismo se fije o reciba una relación de posición: trasla- ción a lo largo de los ejes X, Y y Z y rotación alrededor de los mismos ejes. La capacidad de movimiento de un componente en el ensamblaje se deter- mina por sus grados de libertad. Las opciones Fijar e Insertar relación de posición se utilizan para eli- minar grados de libertad. Componentes Las piezas que se insertan en el ensamblaje, como la pieza bracket, se representan mediante el mismo icono de nivel superior utilizado en el entorno de la pieza. Los ensamblajes también pueden insertarse y aparecen con un icono individual. Sin embargo, cuando se expande la lista de estos iconos, los componentes individuales e incluso las ope- raciones del componente se incluyen en una lista y puede accederse a los mismos. Estado del componente. La pieza puede estar com- pletamente definida, defi- nida en exceso o insuficientementedefinida. Un signo (+) o (-) entre paréntesis precederá el nombre si la misma se encuentra Definida en exceso o Insuficientemente definida. Las piezas que están insuficientemente definidas tie- nen algunos grados de libertad disponibles. Las que están com- pletamente definidas no tienen ninguno. El estado Fijo (f) indica que un componente se encuentra fijo en su posición actual, pero sin una relación de posición. El símbolo de signo de interroga- ción (?) se utiliza para componentes No solucionados. Estos componentes no pueden colocarse utilizando la información proporcionada. Número de instancia. El número de instancia indica cuántas copias de una determinada pieza de componente se encuentran en el ensamblaje. El nombre bracket<1> indica que ésta es la primera instancia de la pieza bracket. Carpeta Component Part (Pieza de componente). Cada pieza de componente contiene todo el contenido de la pieza, incluyendo todas las operaciones, los planos y los ejes.
  • 395.
    Lección 12 Manualde formación SolidWorks 2006 Modelado de ensamblaje ascendente 382 Gestor de diseño y símbolos del Anotaciones La operación Annotations (Anotaciones) se utiliza con el mismo propósito que en una pieza. Pueden agregarse anotaciones al nivel del ensamblaje e importarse a un dibujo. Su visualización también se controla mediante la opción Detalles. Marcador Retroceder El marcador Retroceder puede utilizarse en un ensamblaje para retroceder: Planos, ejes y croquis del ensamblaje Carpeta Mates Matrices de ensamblaje Operaciones de piezas en contexto Operaciones de ensamblaje Todas las operaciones que se encuentran debajo del marcador se suprimen. Los componentes individuales no pueden retrocederse. Reordenar Se puede reordenar ciertos objetos en un ensamblaje. Estos objetos son: Componentes Planos, ejes y croquis del ensamblaje Matrices de ensamblaje Operaciones de piezas en contexto Relaciones de posición dentro de la carpeta Mates (Relaciones de posición) Operaciones de ensamblaje Grupos de relaciones de posición Las relaciones de posición en los ensamblajes se agrupan en una Carpeta de relaciones de posi- ción denominada Mates. Un grupo de relaciones de posición es un conjunto de relaciones de posición que se solucionan en el orden en que se enumeran. Todos los ensamblajes tendrán un grupo de rela- ciones de posición. Carpeta Mates La carpeta utilizada para guardar las relaciones de posición que se solucionan juntas. Se identifica por un icono de clip doble . Relación de posición Las relaciones entre caras, aristas, planos, ejes o geometría de croquis que definen la ubicación y orientación de los compo- nentes. Son versiones 3D de las relaciones geométricas 2D en un croquis. Las relaciones de posición pueden utilizarse para definir completamente un componente que no se mueve o defi- nir insuficientemente uno que se desea mover. Un componente no debe definirse en exceso bajo ningún concepto. Los posibles estados para una relación de posición son Insuficientemente definido, Definido en exceso, Completamente definido o No solucionado.
  • 396.
    Manual de formaciónSolidWorks 2006 Lección 12 Modelado de ensamblaje ascendente Cómo agregar componentes 383 Cómo agregar componentes Una vez que el primer componente se ha insertado y definido completamente, pueden agregarse otras piezas y establecerse relaciones de posición entre éstas y el componente. En este ejemplo, se insertará la pieza Yoke_male (horquilla macho) y se establecerá una relación de posición con la misma. Esta pieza debe estar insuficientemente definida para que pueda girar libremente. Existen diversas maneras de agregar componentes al ensamblaje: Utilice el cuadro de diálogo Insertar. Arrástrelos desde el Explorador. Arrástrelos desde un documento abierto. Todos estos métodos se demostrarán en esta lección, comenzando con el uso de Insertar componente. Es el mismo cuadro de diálogo que aparece automáticamente cuando se utiliza Crear ensamblaje desde pieza. Insertar componente El cuadro de diálogo Insertar componente se utiliza para encontrar, tener una vista previa y agregar componentes al ensamblaje actual. Haga clic en el botón Mantener visible (tachuela) para agregar múltiples componentes o múltiples instancias del mismo componente. Dónde encontrarlo Haga clic en Pieza/Ensamblaje existente en la barra de herramientas Ensamblaje. O, haga clic en Insertar, Componente, Pieza/Ensamblaje existente.... 5 Insertar Yoke_male. Haga clic en Insertar, Componente, Pieza/ Ensamblaje existente... y seleccione el componente Yoke_male con el botón Examinar.... Coloque el componente en la pantalla y haga clic para situarlo. El nuevo componente se incluye como: Yoke_male <1> Esto significa que el componente es la pri- mera instancia del archivo Yoke_male y que el mismo se encuen- tra insuficientemente definido. Aún tiene los seis grados de libertad.
  • 397.
    Lección 12 Manualde formación SolidWorks 2006 Modelado de ensamblaje ascendente 384 Cómo agregar componentes 6 Resaltado. Si hace clic en un componente en el gestor de diseño del FeatureManager, dicho componente se resaltará (verde claro). Si mueve el cursor hacia un componente en la ventana de gráficos, también aparecerá el nombre de la operación. Cómo mover y girar componentes Uno o más componentes seleccionados pueden moverse o girarse a fin de cambiar su posición para establecer una relación de posición utilizando el ratón o los comandos Mover y Girar componente. Además, el movimiento de componentes insuficientemente definidos estimula el movimiento de un mecanismo a través del movimiento de ensamblaje dinámico. Dónde encontrarlo Por medio del ratón: Arrastre y coloque un componente. Haga clic con el botón secundario del ratón en un componente y seleccione Mover con sistema de referencia. Utilice el sistema de referencia para mover o girar los componentes a lo largo o alrededor de los ejes. Pasar el ratón sobre la flecha: arrastre hacia la izquierda para moverse a lo largo del eje, arrastre hacia la derecha para girar sobre el eje. Por medio de menús: En el menú desplegable, elija: Herramientas, Componente, Girar o Mover. Haga clic con el botón secundario del ratón en el componente y seleccione Mover.... O, en la barra de herramientas Ensamblaje, seleccione una de estas herramientas: Mueve un componente. También puede utilizarse para girar componentes que tienen grados de libertad de rotación. Gira el componente de diversas maneras: alrededor de su punto central, alrededor de una entidad como una arista o un eje o por algún valor angular alrededor de los ejes X, Y o Z. Nota Mover componente y Girar componente funcionan como un único comando unificado. Al expandir las opciones de Girar o Mover, puede alternar entre los dos comandos sin siquiera cerrar el PropertyManager.
  • 398.
    Manual de formaciónSolidWorks 2006 Lección 12 Modelado de ensamblaje ascendente Cómo agregar componentes 385 La herramienta Mover tiene diversas opciones para definir el tipo de movimiento. La opción A lo largo de la entidad tiene un cuadro de selección; A lo largo de XYZ del ensamblaje, Por Delta XYZ y A posición XYZ requieren valores de coordenadas. La herramienta Girar también tiene opciones para definir la forma de rotación del componente. 7 Mover. Haga clic en el componente y arrástrelo para acercarlo al lugar donde se establecerá una relación con él. Otras opciones para mover y girar el componente se tratarán más adelante en esta misma lección. Establecer una relación de posición con otro componente Obviamente, la acción de arrastrar un componente no es suficiente- mente precisa para elaborar un ensamblaje. Utilice caras y aristas para establecer relaciones de posición entre componentes. Las pie- zas incluidas dentro de bracket (abrazadera) están destinadas a moverse, así que asegúrese de que dispongan de un adecuado grado de libertad. Nota Las Relaciones de posición estándar se tratan en esta misma lección. Las Relaciones de posición avanzadas (Relaciones de posición simétricas, de leva, de engranajes y de límite de distancia/ ángulo) se tratan en el manual Modelo de ensamblaje avanzado. Introducción: Insertar relación de posición Insertar relación de posición crea relaciones entre piezas de componentes o entre una pieza y el ensamblaje. Dos de las relaciones de posición más utilizadas son Coincidente y Concéntrica. Las relaciones de posición pueden crearse utilizando diferentes objetos. Puede utilizar: Caras Planos Aristas Vértices Puntos y líneas de croquis Ejes y orígenes Las relaciones de posición se establecen entre un par de objetos. Dónde encontrarlo En el menú Insertar, seleccione Relación de posición.... O, en la barra de herramientas Ensamblaje, haga clic en Relación de posición . O, haga clic con el botón secundario del ratón en un componente y elija Agregar/Editar relaciones de posición.
  • 399.
    Lección 12 Manualde formación SolidWorks 2006 Modelado de ensamblaje ascendente 386 Cómo agregar componentes Alineación y tipos de relaciones de posición Las relaciones de posición se utilizan para crear relaciones entre componentes. Las caras son la geometría más utilizada en las rela- ciones de posición. El tipo de relación de posición, en combinación con las condiciones Alineación inversa o Alineada determinan el resultado. Alineación inversa Alineadas Coincidente (las caras están sobre el mismo plano imaginario infinito) Paralela Perpendicular Las condiciones Alineada y Alineación inversa no se aplican a Perpendicular. Distancia Ángulo
  • 400.
    Manual de formaciónSolidWorks 2006 Lección 12 Modelado de ensamblaje ascendente Cómo agregar componentes 387 Hay menos opciones disponibles con las caras cilíndricas pero éstas son muy importantes. Botones comunes Hay tres botones comunes a todos los controles: es Deshacer es Invertir alineación de relaciones de posición es Aceptar o Agregar/Finalizar relación de posición. Además de estos botones, el cuadro de diálogo Relación de posición en sí mismo tiene controles de alineación de relación de posición específicos, y . Elementos con los que se pueden establecer relaciones de posición Hay muchos tipos de topología y geometría que se pueden utilizar en las relaciones de posición. Las selecciones pueden crear muchos tipos de relaciones de posición. Alineación inversa Alineadas Concéntricas Tangentes Topología/ Geometría Selecciones Relación de posición Caras o superficie
  • 401.
    Lección 12 Manualde formación SolidWorks 2006 Modelado de ensamblaje ascendente 388 Cómo agregar componentes Sugerencia A pesar de que los planos se pueden seleccionar en la pantalla si están visibles, con frecuencia es más fácil seleccionarlos por su nombre a través del FeatureManager. Haga clic en el signo “+” para ver el árbol y expanda las operaciones y los componentes individuales. Cómo establecer relaciones de posición concéntricas y coincidentes Se va a establecer una relación de posición para el componente Yoke_male para que su eje se alinee con el taladro y la cara plana haga contacto con la cara interna de la pieza bracket. Se utilizarán relaciones de posición Concéntricas y Coincidentes. Línea o arista lineal Plano Eje o eje temporal Punto, vértice u origen Arco o arista circular Topología/ Geometría Selecciones Relación de posición
  • 402.
    Manual de formaciónSolidWorks 2006 Lección 12 Modelado de ensamblaje ascendente Cómo agregar componentes 389 8 Filtro de selección. La opción de filtro de selección resulta de mucha utilidad en el establecimiento de relaciones de posición. Puesto que muchas relaciones de posición requieren selecciones de caras, establezca la opción Seleccionar en caras . Observe que este filtro se mantendrá en efecto hasta salir de SolidWorks o la pieza o hasta que el filtro se cambie. 9 PropertyManager Relación de posición. Haga clic en la herramienta Insertar relación de posición para acceder al PropertyManager. Si el PropertyManager está abierto, puede seleccionar las caras sin utilizar la tecla Ctrl. Opciones de relaciones de posición Hay diversas opciones de relaciones de posición disponibles para todas las relaciones de posición: Agregar a nueva carpeta Crea una nueva carpeta para contener todas las relaciones de posición creadas mientras la herramienta Relación de posición está activa. La carpeta se encuentra en la carpeta Mates y se le puede cambiar el nombre. Mostrar la barra de herramientas desplegable Activa y desactiva la barra de herramientas desplegable de Relación de posición. Mostrar vista preliminar Muestra la posición creada por la relación de posición en cuanto se hace la segunda selección. No se completa hasta que se hace clic en el cuadro de diálogo Aceptar. Utilizar sólo para colocar Esta opción se puede utilizar para colocar geometría sin restringirla. No se agrega relación de posición.
  • 403.
    Lección 12 Manualde formación SolidWorks 2006 Modelado de ensamblaje ascendente 390 Cómo agregar componentes Introducción: Barra de herramientas desplegable de Relación de posición La barra de herramientas emergente Relación de posición se utiliza para efectuar selecciones de un modo más sencillo al visualizar en la pantalla los tipos de relaciones de posición disponibles. Los tipos de relaciones de posición disponibles varían según la simetría y la selección de geometría que aparecen en el PropertyManager. El cuadro de diálogo aparece en los gráficos, pero se puede arrastrar a cualquier sitio. Se puede utilizar tanto el cuadro de diálogo en pantalla como el del PropertyManager. Esta lección utiliza el cuadro de diálogo en pantalla. Todos los tipos están enumerados en el gráfico Alineación y tipos de relaciones de posición en la página 386. 10 Selecciones y vista previa. Seleccione las caras de Yoke_male y bracket según se indica. Al seleccionar la segunda cara, se muestra la barra de herramientas emergente Relación de posición. Concéntrica está seleccionada como predeterminada y se muestra la vista preliminar de Relación de posición. 11 Agregar una relación de posición. Las caras se enumeran en la lista Configuraciones de la relación de posición. Aparecerán exactamente dos elementos en la lista. Acepte la relación de posición Concéntrica y haga clic en Agregar/Finalizar relación de posición (marca de verificación). 12 Cara plana. Seleccione la cara plana superior del componente Yoke_male.
  • 404.
    Manual de formaciónSolidWorks 2006 Lección 12 Modelado de ensamblaje ascendente Cómo agregar componentes 391 13 Seleccionar otra. Utilice Seleccionar otra para seleccionar la cara oculta de la pieza bracket en la parte inferior de la brida superior. Agregue una relación de posición Coincidente para que las caras seleccionadas entren en contacto. 14 Relaciones de posición en la lista. Las relaciones de posición, concéntricas y coincidentes, permanecen en la lista en el cuadro de grupo Relaciones de posición. Se agregarán a la carpeta Relaciones de posición cuando se haga clic en el botón Aceptar del cuadro de diálogo del PropertyManager. También se pueden eliminar de este cuadro de grupo de modo que no se agreguen. Haga clic en Aceptar. 15 Estado de restricción. El componente Yoke_male se enumera como componente bajo restricción. Aún puede moverse girándolo alrededor del eje de su superficie cilíndrica. Compruebe el comportamiento de Yoke_male arrastrándolo. 16 Agregar la pieza spider (araña). Utilice Insertar componente para agregar el componente spider. 17 Relación de posición concéntrica para spider. Agregue una relación de posición entre spider y Yoke_male. Agregue una relación de posición Concéntrica entre las dos caras cilíndricas. Desactive el Filtro de Selección de la cara.
  • 405.
    Lección 12 Manualde formación SolidWorks 2006 Modelado de ensamblaje ascendente 392 Cómo agregar componentes Relación de posición Ancho La relación de posición Ancho es la primera de las Relac. de posición avanzadas del cuadro de diálogo Relación de posición. Las selecciones incluyen un par de Selecciones de ancho y un par de Selecciones de pestaña. Las caras Pestaña se centran entre las caras Ancho para localizar el componente. El componente spider (araña) se debe centrar dentro de los componentes Yoke_male y Yoke_female. Nota Las relaciones de posición avanzadas restantes se describen en el manual Modelo de ensamblaje avanzado. Referencias de ancho Las selecciones Ancho forman las caras “externas”, que se utilizan para contener el otro componente. Referencias de pestaña Las selecciones Pestaña forman las caras “internas”, que se utilizan para localizar el componente. Selecciones de ancho Selecciones de pestaña Resultado (Vista frontal) (selección única) (Vista frontal) (Vista frontal)
  • 406.
    Manual de formaciónSolidWorks 2006 Lección 12 Modelado de ensamblaje ascendente Cómo agregar componentes 393 18 Relación de posición plano a plano. Haga clic en Insertar, Relación de posición y seleccione la pestaña Relac. de posición avanzadas. Haga clic en la relación de posición Ancho y seleccione las Selecciones de ancho y las Selecciones de pestaña tal como se muestra. 19 Resultados. La relación de posición mantiene el componente spider (araña) centrado dentro del componente Yoke_male con las mismas separaciones en cada lado.
  • 407.
    Lección 12 Manualde formación SolidWorks 2006 Modelado de ensamblaje ascendente 394 Cómo agregar componentes 20 Relaciones de posición por componente. Expanda el componente spider en el FeatureManager. Una carpeta denominada Mates en Universal Joint se agrega a cada componente con el que se establece una relación de posición. La carpeta contiene las relaciones de posición que utilizan la geometría de ese componente. La carpeta es un subconjunto de la carpeta Mates que contiene todas las relaciones de posición. Cómo agregar componentes por medio del Explorador de Windows Otra manera de agregar componentes al ensamblaje es a través del Explorador de Windows o de Mi PC. Los archivos de ensamblaje o pieza se pueden arrastrar y colocar en el ensamblaje activo.
  • 408.
    Manual de formaciónSolidWorks 2006 Lección 12 Modelado de ensamblaje ascendente Cómo agregar componentes 395 21 Abrir el Explorador. Ajuste el tamaño de la ventana del Explorador de modo que se pueda ver la zona de gráficos de SolidWorks. Puesto que SolidWorks es una aplicación nativa de Windows, admite técnicas de Windows estándar como “arrastrar y colocar”. Los archivos de piezas pueden arrastrarse desde la ventana del Explorador al ensamblaje para agregarlos. Arrastre y coloque el archivo Yoke_female en la zona de gráficos. 22 Relación de posición Concéntrica. Seleccione las caras cilíndricas según se indica y agregue una relación de posición Concéntrica entre ellas. 23 Relación de posición plano a plano. Agregue una relación de posición Ancho entre los componentes spider y Yoke_female. El spider está centrado en el componente Yoke_female. 24 Condición potencial definida en exceso. Seleccione las caras de Yoke_female y bracket según se indica. Debido a la distancia entre Yoke_female y bracket, una relación de posición Coincidente no podría resolverse. La separación evita la coincidencia. Si se seleccionase una relación de posición Coincidente, aparecería un cuadro de diálogo de advertencia: Advertencia: Esta relación de posición define en exceso el ensamblaje. Considere la idea de eliminar algunas de las relaciones de posición que definen en exceso.
  • 409.
    Lección 12 Manualde formación SolidWorks 2006 Modelado de ensamblaje ascendente 396 Cómo utilizar configuraciones de piezas en Relación de posición paralela Una relación de posición Paralela mantiene las caras planas seleccionadas o los planos paralelos el uno al otro sin forzar el contacto entre ellos. 25 Establecer en Paralelo. Seleccione la relación de posición Paralela para mantener la separación de las caras. 26 Movimiento de ensamblaje dinámico. Arrastre cualquiera de los componentes insuficientemente definidos para girarlos todos. Cómo visualizar configuraciones de piezas en un ensamblaje Cuando usted agrega una pieza a un ensamblaje, puede elegir cuál de sus configuraciones se visualiza. O, una vez que la pieza se inserta y tiene una relación de posición, puede cambiar su configuración. El pasador La pieza denominada pin (pasador) tiene dos configuraciones: SHORT (CORTA) y LONG (LARGA). Se puede utilizar cualquier configuración en el ensamblaje. En este caso, dos instancias utilizarán SHORT y una utilizará LONG. Cómo utilizar configuracio- nes de piezas en ensamblajes Pueden utilizarse múltiples instancias de la misma pieza en un ensamblaje y cada instancia puede hacer referencia a una configuración diferente. Utilizaremos múltiples instancias de una pieza con diferentes configuraciones en este ensamblaje. Hay dos maneras de crear este tipo de configuración dentro de una pieza: LONG SHORT
  • 410.
    Manual de formaciónSolidWorks 2006 Lección 12 Modelado de ensamblaje ascendente Cómo utilizar configuraciones de piezas en ensamblajes 397 Mediante la aplicación de valores de cotas diferentes a configuraciones individuales según se indica a la derecha. Tablas de diseño. Arrastrar y colocar desde un documento abierto La pieza pin se insertará arrastrándola desde una ventana de un documento abierto hasta el ensamblaje. Nota Si la ventana bracket todavía está abierta, ciérrela antes del siguiente paso. 27 Arrastrar y colocar. Abra la pieza pin y coloque las ventanas del ensamblaje y la pieza en mosaico. Arrastre y coloque la pieza pin en la ventana del ensamblaje arrastrando el componente de nivel superior ( ) del Feature-Manager. Se agrega una instancia de la pieza pin al ensamblaje. Importante El pin es un componente que contiene configuraciones múltiples. Los componentes como este muestran la configuración que utilizan como parte del nombre de componente. En este caso, la configuración utilizada por la instancia <1> es LONG. Cada instancia puede utilizar una configuración diferente.
  • 411.
    Lección 12 Manualde formación SolidWorks 2006 Modelado de ensamblaje ascendente 398 Cómo utilizar configuraciones de piezas en 28 Relación de posición Concéntrica. Agregue una relación de posición Concéntrica entre la cara cilíndrica del Yoke_female y el pin. El pasador se puede arrastrar mientras se utiliza el cuadro de diálogo de relación de posición. Arrástrelo por el medio, como se indica. 29 Relación de posición Tangente. Agregue una posición de relación Tangente entre el extremo de la cara plana del pin y la cara cilíndrica del Yoke_female. El segundo Pasador Se necesita otra instancia de la pieza pin. Ésta será la versión más corta, SHORT. Abriremos la pieza pin, pondremos las ventanas de la pieza y el ensamblaje en mosaico y visualizaremos el ConfigurationManager de la pieza. Cómo abrir un componente Cuando necesite acceder a un componente mientras esté trabajando en un ensamblaje, puede abrirlo directamente, sin tener que utilizar el menú Archivo, Abrir. El componente puede ser una pieza o un subensamblaje. 30 Disponer las ventanas en cascada. Haga clic en Ventana, Cascada para ver tanto la ventana de pieza como la de ensamblaje. Cambie al ConfigurationManager de pin.
  • 412.
    Manual de formaciónSolidWorks 2006 Lección 12 Modelado de ensamblaje ascendente Cómo utilizar configuraciones de piezas en ensamblajes 399 31 Arrastrar y colocar una configuración. Arrastre y coloque la configuración SHORT en la ventana de gráficos del ensamblaje. Puede arrastrar y colocar cualquier configuración desde el ConfigurationManager y no sólo la configuración activa. Otros métodos para la selección de configuraciones Para obtener el mismo resultado mediante Insertar componente, examine para encontrar la pieza y la configuración asociada. Cuando utilice el Explorador, las piezas que contienen configuraciones ofrecen un cuadro de mensaje cuando se arrastran y se colocan. Seleccione la configuración deseada de la lista. 32 Segunda instancia. Se agrega la segunda instancia del componente pin, esta vez utilizando la configuración SHORT. El componente se agrega y muestra el nombre de la configuración adecuada en el gestor de diseño del FeatureManager. 33 Establecer relaciones de posición entre los componentes. Agregue relaciones de posición Concéntricas y Tangentes para establecer la relación de posición en la segunda instancia del pin.
  • 413.
    Lección 12 Manualde formación SolidWorks 2006 Modelado de ensamblaje ascendente 400 Cómo crear copias de instancias Cómo crear copias de instancias Muchas veces, las piezas y los subensamblajes se utilizan más de una vez en un ensamblaje. Para crear varias instancias o copias de los componentes, copie y pegue los componentes existentes en el ensamblaje. 34 Cierre el documento pin y maximice la ventana del ensamblaje. 35 Arrastrar una copia. Cree otra copia del componente pin manteniendo presionada la tecla Ctrl mientras arrastra la instancia con la configuración SHORT desde el gestor de diseño del FeatureManager correspondiente al ensamblaje. El resultado es otra instancia que utiliza la configuración SHORT, puesto que la misma se copió a partir de un componente con dicha configuración. También puede arrastrar una copia seleccionando el componente en la ventana de gráficos. Cómo ocultar componente y transparencia de componente Al ocultar un componente temporalmente, se eliminarán los gráficos del componente pero el mismo quedará activo dentro del ensamblaje. Un componente oculto aún reside en la memoria, tiene sus relaciones de posición solucionadas y se considera en operaciones como los cálculos de propiedades físicas. Otra opción es cambiar la transparencia del componente. A través de los componentes se pueden seleccionar otros detrás de ellos. Introducción: Ocultar componente Mostrar componente Ocultar componente desactiva la visualización de un componente, facilitando la visualización de otras piezas del ensamblaje. Cuando un componente se encuentra oculto, su icono en el gestor de diseño del FeatureManager aparece en forma de esquema de esta forma: . La opción Mostrar componente vuelve a activar la visualización. Dónde encontrarlo Haga clic en Ocultar/visualizar componentes en la barra de herramientas Ensamblaje. Esto permite alternar entre las dos opciones. Si el componente se visualiza, lo ocultará. Si el componente está oculto, lo mostrará. Haga clic con el botón secundario del ratón en el componente y seleccione Ocultar o Mostrar. Haga clic con el botón secundario del ratón en el componente y seleccione Propiedades de componente... en la lista de Componentes. Seleccione la casilla de verificación Ocultar componente. Desde el menú desplegable, elija Edición, Ocultar o Edición, Visualizar.
  • 414.
    Manual de formaciónSolidWorks 2006 Lección 12 Modelado de ensamblaje ascendente Cómo ocultar componente y transparencia de componente 401 Introducción: Cambiar transparencia La opción Cambiar transparencia establece la transparencia del componente en el 75% y vuelve al 0%. Las selecciones cruzan el componente transparente a menos que se presione la tecla Mayús durante la selección. El icono del FeatureManager no cambia cuando un componente es transparente. Dónde encontrarlo Haga clic en Cambiar transparencia en la barra de herramientas Ensamblaje. Esto permite alternar entre las dos opciones. Haga clic con el botón secundario del ratón en el componente y seleccione Cambiar transparencia. 36 Ocultar el componente bracket. Cambie la orientación de vista presionando Mayús+Flecha izquierda una vez. Haga clic en el componente bracket y ocúltelo utilizando la herramienta Ocultar/visualizar componente . Al ocultarlo, se eliminarán temporalmente los gráficos del mismo pero las relaciones de posición quedarán intactas. El gestor de diseño del FeatureManager muestra el componente en el esquema cuando está oculto . Importante Utilice Ocultar componente y no Ocultar sólido. Ocultar sólido ocultará el sólido dentro de la pieza. 37 Completar la relación de posición. Complete la relación de posición de este componente agregando las relaciones de posición Concéntrica y Tangente mediante Insertar relación de posición. 38 Visualizar componente. Vuelva a seleccionar el componente bracket y haga clic en Ocultar/Mostrar componente para volver a activar los gráficos. 39 Regresar a la vista previa. Los estados de la vista previa pueden convocarse utilizando el botón Vista previa en la barra de herramientas Ver. Cada vez que presiona el botón, la pantalla de la vista retrocede en la lista de visualización, ya sea que el estado de la vista se haya guardado o no. Haga clic una vez para regresar a la vista Isométrica previa.
  • 415.
    Lección 12 Manualde formación SolidWorks 2006 Modelado de ensamblaje ascendente 402 Propiedades de componente Propiedades de componente El cuadro de diálogo Propiedades de componente controla diversos aspectos de una instancia de componente. Ruta de acceso al documento del modelo Muestra el archivo de pieza que utiliza la instancia. Para reemplazar el archivo al que la instancia hace referencia con otro archivo, utilice Archivo, Reemplazar.... Visibilidad Oculta o visualiza el componente. También le permite cambiar el color del componente que aparece en el ensamblaje. Estado de supresión Suprima, resuelva o establezca el componente para aligerar el estado. Solucionar como Permite que el subensamblaje sea rígido o flexible. Así, el movimiento de ensamblaje dinámico podrá solucionar el movimiento en el nivel del subensamblaje. Configuración de referencia Determina la configuración del componente que se está utilizando.
  • 416.
    Manual de formaciónSolidWorks 2006 Lección 12 Modelado de ensamblaje ascendente Subensamblajes 403 40 Propiedades de componente. Haga clic con el botón secundario del ratón en el componente pin<3> y seleccione Propiedades de componente... de la lista Componente. Se selecciona la opción Utilizar la configuración etiquetada y la misma se establece en SHORT. Este cuadro de diálogo puede utilizarse para suprimir, ocultar o cambiar la configuración de una instancia. Si Configuración de referencia se establece en Utilizar la configuración del componente “en uso” o la última guardada, se visualizará la configuración guardada. Haga clic en Cancelar. Subensambla- jes Los ensamblajes existentes también pueden insertarse en el ensamblaje actual mediante la acción de arrastrar. Cuando un archivo de ensamblaje se agrega a un ensamblaje existente, nos referimos al mismo como un subensamblaje. Sin embargo, para el software de SolidWorks, aún es un archivo de ensamblaje (*.sldasm). El subensamblaje y todas las piezas de sus componentes se agregan al gestor de diseño del FeatureManager. El subensamblaje debe tener una relación de posición con el ensamblaje mediante una de las piezas de componente o los planos de referencia. El subensamblaje se considera un componente individual, independientemente de cuántos componentes incluya. Se creará un nuevo ensamblaje para los componentes de la manivela. Se utilizará como subensamblaje. 41 Nuevo ensamblaje. Cree un ensamblaje nuevo utilizando la plantilla Assembly_IN. Haga clic en Mantener Visible en la opción Insertar componente del PropertyManager y agregue el componente crank-shaft (eje de la manivela). Ubíquelo en el origen del ensamblaje. Está Fijo. Asigne al ensamblaje el nombre crank sub (sub. manivela). 42 Agregar componentes. Por medio del mismo diálogo, agregue los componentes crank-arm (brazo de manivela) y crank-knob (perilla de manivela). Cierre el cuadro de diálogo.
  • 417.
    Lección 12 Manualde formación SolidWorks 2006 Modelado de ensamblaje ascendente 404 Smart Mates Smart Mates Se pueden agregar relaciones de posición entre componentes mientras se arrastran y colocan. Este método, llamado Smart Mates, utiliza la tecla Alt junto con técnicas estándar de arrastrar y colocar. Estas relaciones de posición utilizan la misma barra de herramientas emergente Relación de posición que utiliza la herramienta Relación de posición para establecer el tipo y otros atributos. Todos los tipos de relaciones de posición se pueden crear con este método. Hay ciertas técnicas que generan múltiples relaciones de posición y no utilizan la barra de herramientas. Requieren el uso de la tecla Tab para cambiar la alineación de la relación de posición. 43 Smart Mate concéntrica. Siga estos pasos para agregar una relación de posición Concéntrica a través de la técnica Smart Mate: 1. Haga clic y mantenga presionado el botón del ratón en la cara circular del crank-arm. 2. Pulse y mantenga presionada la tecla Alt mientras arrastra el componente. 3. Mueva el componente sobre la cara circular del componente crank- shaft. 4. Coloque el componente cuando aparezca la sugerencia , indicando una relación de posición concéntrica. 5. Confirme el tipo Concéntrico de la barra de herramientas desplegable de Relación posición. Una relación de posición Concéntrica se agrega entre los componentes crank-arm y crank-shaft. 44 Smart Mate paralela. Gire el crank-arm de modo que la cara plana se pueda seleccionar mediante el arrastre. Seleccione la cara plana y presione Alt mientras la arrastra a la cara plana del crank-shaft. Coloque el componente cuando aparezca el símbolo , lo que indica una relación de posición Coincidente entre caras planas.
  • 418.
    Manual de formaciónSolidWorks 2006 Lección 12 Modelado de ensamblaje ascendente Cómo insertar subensamblajes 405 Utilice la barra de herramientas emergente Relación de posición para cambiar a una relación de posición Paralela. 45 Coincidente. Seleccione la arista del crank-arm y presione Alt mientras la arrastra a la cara plana del crank-shaft. Coloque el componente cuando aparezca el símbolo , lo que indica una relación de posición Coincidente entre la arista y una cara plana. Utilice la barra de herramientas emergente Relación de posición para confirmar la relación de posición Coincidente. 46 “Clavija en taladro”. La opción “Clavija en taladro” es un caso especial de la Smart Mate que crea dos relaciones de posición a partir de una acción de arrastrar y colocar. Esta operación es más fácil si se ha girado el crank- knob. Seleccione la arista circular del componente crank-knob. Presione Alt y arrástrelo a la arista circular que se encuentra en la parte superior del componente crank-arm. Suelte la tecla Alt cuando aparezca el símbolo , que indica que se agregarán tanto la relación de posición Coincidente como la Concéntrica. Si es necesario, presione la tecla Tab para invertir la alineación. Coloque el componente. 47 Guardar. Guarde el ensamblaje pero déjelo abierto. Cómo insertar subensambla- jes Los subensamblajes son ensamblajes existentes que se agregan al ensamblaje activo. Todos los componentes y relaciones de posición actúan como un único componente.
  • 419.
    Lección 12 Manualde formación SolidWorks 2006 Modelado de ensamblaje ascendente 406 Cómo insertar subensamblajes 48 Seleccionar el subensamblaje. Mediante Insertar componente, se fija el cuadro de diálogo para que enumere cualquier pieza o ensamblaje abierto en Documentos abiertos. El componente crank sub aparece y está seleccionado. 49 Situar el subensamblaje. Sitúe el subensamblaje cerca de la parte superior del componente Yoke_male. Si expande el icono de componente del subensamblaje, aparecerán todas las piezas de componente que se encuentran dentro del mismo, incluyendo su propio grupo de relaciones de posición. Cómo establecer relaciones de posición entre subensamblajes Los subensamblajes siguen las mismas normas que las piezas para el establecimiento de relaciones de posición. Se consideran componentes y se pueden establecer relaciones de posición entre ellos mediante la herramienta Relación de posición, mediante la tecla Alt+arrastrar o mediante una combinación de las dos.
  • 420.
    Manual de formaciónSolidWorks 2006 Lección 12 Modelado de ensamblaje ascendente Cómo insertar subensamblajes 407 50 Smart Mate concéntrica. Agregue una relación de posición Concéntrica, mediante Alt+arrastrar, entre las superficies cilíndricas del puntal en la parte superior de Yoke_male y crank- shaft. 51 Relación de posición Paralela. Establezca una relación de posición entre la cara plana del Yoke_male y la cara plana del Taladro-D del crank-shaft mediante la herramienta Relación de posición y una relación de posición Paralela. 52 Alineación. Haga clic en el botón Invertir alineación de relaciones de posición para probar Alineación inversa (arriba) y Alineada (derecha). Utilice la condición alineación inversa para esta relación de posición. Pregunta: ¿Por qué no utilizaría una relación de posición Coincidente aquí? Relaciones de posición Distancia Las relaciones de posición Distancia permiten las separaciones entre componentes con una relación de posición. Puede considerarlas como relaciones de posición paralelas con una equidistancia. Como generalmente hay más de una solución, se utilizan las opciones Invertir alineación de relaciones de posición, e Invertir cota para determinar cómo se mide la distancia y en qué lado se encuentra. Respuesta:Porqueamenosquelascotasdelascaras planasylascotasdelejeyeltaladrocorrespondiente seanexactamenteiguales,unarelacióndeposición coincidentedefiniríaelensamblajeenexceso.
  • 421.
    Lección 12 Manualde formación SolidWorks 2006 Modelado de ensamblaje ascendente 408 Cómo insertar subensamblajes 53 Seleccionar las caras. Seleccione la cara superior de bracket y la cara inferior del componente crank-shaft para crear la relación de posición. 54 Agregar una relación de posición Distancia. Especifique una distancia de 1 mm. Nota Si bien las unidades de este ensamblaje y todos sus componentes se encuentran en pulgadas, puede especificar valores métricos en los cuadros de incremento. Tan sólo escriba mm luego del número. El sistema lo convertirá automáticamente en 0.039 pulgadas. Haga clic en Vista preliminar. Si crank-shaft penetra en bracket seleccione el botón Invertir cota . Haga clic en Aceptar para crear la relación de posición. Sugerencia Si hace doble clic en la relación de posición de Distancia o Ángulo en el FeatureManager, se visualiza en la pantalla. El valor se muestra en las unidades del ensamblaje, en este caso pulgadas. 55 Seleccionar en el FeatureManager. Seleccione el subensamblaje crank sub en el gestor de diseño del FeatureManager. Todos los componentes del subensamblaje se seleccionarán y se resaltarán en verde claro. 56 Movimiento de ensamblaje dinámico. Utilice Cambiar transparencia en las horquillas y pasadores. Mueva el asa para ver el movimiento del spider. Utilizar sólo para colocar La opción de relación de posición Utilizar sólo para colocar se puede utilizar para ubicar la geometría sin agregar la restricción de una relación de posición. Es un método útil para configurar una vista de dibujo.
  • 422.
    Manual de formaciónSolidWorks 2006 Lección 12 Modelado de ensamblaje ascendente Cómo insertar subensamblajes 409 57 Relación de posición. Haga clic en la herramienta Relación de posición y seleccione Utilizar sólo para colocar. Seleccione las caras planas que se muestran y una relación de posición Paralela. Haga clic en Aceptar. La geometría se ubica como una condición de relación de posición paralela, pero no se agrega ninguna relación de posición. 58 Guardar y cerrar.
  • 423.
    Lección 12 Manualde formación SolidWorks 2006 Modelado de ensamblaje ascendente 410 Cómo insertar subensamblajes
  • 424.
    Manual de formaciónSolidWorks 2006 Ejercicio 53 411 Ejercicio 53: Ensamblaje Caja de cambios Cree este ensamblaje utilizando relaciones de posición solamente. No se proporciona cota alguna. Este laboratorio utiliza las siguientes funciones: Creación de ensamblaje ascendente. Incorporar componentes a un ensamblaje. Crear relaciones de posición entre componentes utilizando Insertar relación de posición. Unidades: pulgadas Intención del diseño La intención del diseño de esta pieza se muestra a continuación. 1. Los archivos se encuentran en la carpeta Gearbox Assy (Ensamb. Caja de cambios). 2. Las piezas de componentes tienen relaciones de posición como se muestra en los detalles. 3. Se requieren dos instancias de Cover_Pl&Lug (Ch. cubierta y agarradera). Diseño de pieza Utilice los siguientes gráficos junto con la intención del diseño para determinar la forma y las relaciones dentro del ensamblaje. Cover Plate Main Housing Offset Shaft Cover_Pl&Lug (2 req'd) Worm Gear Shaft Worm Gear
  • 425.
    Manual de formaciónSolidWorks 2006 412 Ejercicio 53 Procedimiento Abra un ensamblaje nuevo utilizando la plantilla Assembly_IN. 1 Agregar los componentes. Arrastre las piezas de componentes a un nuevo documento de ensamblaje. 2 Establecer relaciones de posición entre los componentes. Establezca una relación de posición entre el componente Housing (Alojamiento) y el origen del ensamblaje. Establezca una relación de posición de los demás componentes y Housing y de los componentes entre sí. 3 Parte recortada del ensamblaje. Esta parte recortada muestra los componentes internos del ensamblaje. Utilice éste y los siguientes detalles para establecer relaciones de posición entre componentes en el ensamblaje. 4 Orientación de componentes. Los componentes Cover_Pl&Lug se orientan de manera diferente en la parte frontal y posterior. Observe la posición de la agarradera en estas vistas. Nota No necesita crear estas vistas de sección. Sólo se proporcionan con fines informativos.
  • 426.
    Manual de formaciónSolidWorks 2006 Ejercicio 53 413 Vista Superior. Esta vista muestra la línea de corte de la Sección B-B. Sección B-B. La Sección B-B se corta de la vista Superior. Vista Frontal. Esta vista muestra la línea de corte de la Sección A-A.
  • 427.
    Manual de formaciónSolidWorks 2006 414 Ejercicio 53 Sección A-A. La Sección A-A se corta de la vista Frontal. Detalle C. Detalle C se toma de la Sección B-B e incluye la relación de posición de la ranura. 5 Guardar y cerrar el ensamblaje.
  • 428.
    Manual de formaciónSolidWorks 2006 Ejercicio 54 415 Ejercicio 54: Tablas de diseño de piezas en un ensamblaje Complete este ensamblaje ascendente utilizando las piezas incluidas. Utilice diversas configuraciones de la misma pieza en el ensamblaje para crear un conjunto de llaves Allen. Este laboratorio refuerza las siguientes funciones: Configuraciones en una pieza. Configuraciones de piezas en ensamblajes. Editar tablas de diseño. Diseño de ensamblaje ascendente. Vistas explosionadas y líneas de explosión. Procedimiento Abra un ensamblaje existente. 1 Ensamblaje existente. Abra el ensamblaje existente denominado part configs (configs. de pieza). Se encuentra en la carpeta denominada Part DT (DT pieza) en Assy (Ensamb.). El ensamblaje contiene tres componentes, dos de los cuales tienen múltiples instancias. Un componente, Allen Wrench (Llave Allen) utiliza una configuración diferente para cada instancia. 2 Abrir pieza. Seleccione cualquier instancia del componente Allen Wrench y abra la pieza.
  • 429.
    Manual de formaciónSolidWorks 2006 416 Ejercicio 54 3 Tabla de diseño. Edite la tabla de diseño incrustada allí. Cambie los valores de la columna Length@Sketch1 solamente. 4 Agregar y establecer relaciones de posición entre componentes. Agregue y establezca relaciones de posición entre tres componentes más, observando las configuraciones de las piezas de Allen Wrench. Los tamaños, las posiciones y los nombres de las piezas se detallan en las ilustraciones incluidas. Sugerencia Con la pieza y el ensamblaje abiertos, coloque las ventanas en mosaico. Cambie al ConfigurationManager en la pieza y arrastre sólo las configuraciones necesarias. 5 Guardar y cerrar el ensamblaje y la pieza. Length@Sketch1 Size01 50 Size02 60 Size03 70 Size04 80 Size05 90 Size06 100 Size07 100 Size08 90 Size09 80 Size10 100
  • 430.
    Manual de formaciónSolidWorks 2006 Ejercicio 55 417 Ejercicio 55: Relaciones de posición Cree este ensamblaje agregando componentes a un ensamblaje nuevo y utilizando Insertar relación de posición. Este laboratorio utiliza las siguientes funciones: Creación de ensamblaje ascendente. Incorporar componentes a un ensamblaje. Crear relaciones de posición entre componentes utilizando Insertar relación de posición. Unidades: pulgadas Intención del diseño La intención del diseño de esta pieza se muestra a continuación: 1. Los archivos se encuentran en la carpeta Mates (Relaciones de posición). 2. Las piezas de componentes tienen relaciones de posición como se muestra en los detalles. 3. Se requieren dos instancias de los componentes Brace (Cuadro) y EndConnect (Conexión extremos). 4. Cada componente Brace se centra sobre el taladro en el componente EndConnect. Sugerencia Las relaciones de posición entre planos pueden utilizarse para centrar componentes. Diseño de pieza Utilice los siguientes gráficos junto con la intención del diseño para determinar la forma y las relaciones dentro del ensamblaje. Brace(2req'd) RectPlate EndConnect(2req'd)
  • 431.
    Manual de formaciónSolidWorks 2006 418 Ejercicio 56 Ejercicio 56: Cambios en la junta en U Realice cambios en el ensamblaje creado en la lección anterior. Este ejercicio utiliza las siguientes funciones: Abrir piezas desde el ensamblaje. Cambiar cotas de pieza. Incorporar y eliminar relaciones de posición. Incorporar componentes. Procedimiento Abra un ensamblaje existente. 1 Abra el ensamblaje existente denominado Changes (Cambios). El ensamblaje se encuentra en la carpeta U-Joint Changes (Cambios de junta universal). 2 Abrir el componente bracket (abrazadera). En el FeatureManager o en la pantalla, abra el componente bracket<1> para edición. 3 Cambios. Haga doble clic en la primera operación y cambie las cotas que se muestran en negrita y subrayadas. Reconstruya la pieza. 4 Cerrar y guardar. Cierre la pieza bracket guardando los cambios realizados. Responda Sí para reconstruir el ensamblaje. 5 Cambios. Los cambios realizados en la pieza también aparecen en el ensamblaje. 6 Girar la manivela. La manivela debe girar libremente, girando las dos horquillas, la estrella y los pasadores con el mismo. 7 Eliminar relación de posición. Expanda el grupo de relaciones de posición y elimine la relación de posición Parallel2 (Paralela 2). Bracket
  • 432.
    Manual de formaciónSolidWorks 2006 Ejercicio 56 419 8 Girar la manivela. La manivela debe girar libremente pero ya no se conecta con las horquillas y la estrella. 9 Insertar un componente set screw (tornillo prisionero). Inserte el componente existente denominado set screw. Establezca una relación de posición con el taladro pequeño en el componente crank-shaft (eje de la manivela) con una relación de posición Concéntrica. 10 Ocultar componente. Oculte el componente crank-shaft. Agregue una relación de posición Coincidente entre las caras planas de set screw y Yoke_Male (Horquilla macho). 11 Visualizar componente. Visualice el componente crank-shaft. 12 Girar la manivela. La manivela debe girar libremente y una vez más, las dos horquillas, la estrella y los pasadores deben girar con él. 13 Guardar y cerrar el ensamblaje.
  • 433.
    Manual de formaciónSolidWorks 2006 420 Ejercicio 57 Ejercicio 57: Molinillo Ensamble este dispositivo siguiendo los pasos como se muestra. Este laboratorio utiliza las siguientes funciones: Modelado de ensamblaje ascendente. Movimiento de ensamblaje dinámico. Configuraciones de piezas en un ensamblaje. Procedimiento Abra un ensamblaje nuevo utilizando la plantilla Assembly_IN. 1 Agregar el componente Base. Las piezas de este ensamblaje se encuentran en la carpeta denominada Grinder Assy (Ensamb. molinillo). Arrastre el componente Base al ensamblaje y restrínjalo completamente al origen del ensamblaje. 2 Agregar el componente Slider (Control deslizante). Agregue el componente Slider al ensamblaje. Establezca una relación de posición entre el mismo y una de las ranuras del ensamblado a cola de milano. Es necesario una relación de posición Ancho y Coincidente. 3 Agregar una segunda copia del componente Slider. Establezca una relación de posición entre el mismo y la otra ranura del ensamblado a cola de milano. Ambos componentes Sliders deben moverse libremente hacia delante y hacia atrás en sus respectivas ranuras.
  • 434.
    Manual de formaciónSolidWorks 2006 Ejercicio 57 421 4 Ensamblaje Crank (Manivela). Abra un ensamblaje nuevo utilizando la plantilla Assembly_IN. Construya el ensamblaje Crank como se muestra a la derecha. El ensamblaje Crank se muestra en estados explosionados y colapsados. El ensamblaje Crank se compone de: Handle (Asa) (1) Knob (Perilla) (1) Truss Head Screw (1) configuración [#8-32 (.5” de largo)] RH Machine Screw (2) configuración [#4-40 (.625” de largo)] Nota Ambos tornillos de la máquina contienen configuraciones múltiples. Asegúrese de utilizar las correctas. 5 Insertar el ensamblaje Crank en el ensamblaje principal. Coloque las dos ventanas del ensamblaje en mosaico y arrastre y coloque el subensamblaje en el ensamblaje principal. 6 Establecer una relación de posición entre el ensamblaje Crank y los componentes Sliders. Los dos RH Machine Screws van dentro de los taladros en los componentes Sliders. La parte inferior del componente Handle tiene una relación de posición con la cara superior de uno de los componentes Sliders. 7 Girar el componente Crank (Manivela). El movimiento de la pieza Knob (Perilla) sigue un trayecto elíptico. El movimiento de cada componente Slider traza los ejes mayor y menor de dicha elipse.
  • 435.
    Manual de formaciónSolidWorks 2006 422 Ejercicio 57
  • 436.
    Manual de formaciónSolidWorks 2006 423 Lección 13 Cómo usar ensamblajes Al finalizar esta lección, podrá: Realizar cálculos de propiedades físicas y detección de inferencias. Crear una vista explosionada de un ensamblaje. Agregar líneas de explosión. Generar una lista de materiales para un ensamblaje.
  • 437.
    Lección 13 Manualde formación SolidWorks 2006 Cómo usar ensamblajes 424
  • 438.
    Manual de formaciónSolidWorks 2006 Lección 13 Cómo usar ensamblajes Cómo usar ensamblajes 425 Cómo usar ensamblajes En esta lección analizará otros aspectos del modelado de ensamblajes utilizando una versión del ensamblaje de junta universal. El ensamblaje completo se analizará, editará y mostrará en un estado explosionado. Etapas del proceso Algunas etapas importantes del proceso de análisis de esta pieza se muestran en la siguiente lista. Cada uno de estos temas consta de una sección en la lección. Cómo analizar el ensamblaje Puede realizar cálculos de propiedades físicas en ensamblajes completos. También puede realizar detección de interferencias estática o dinámica. Cómo editar el ensamblaje Las piezas individuales pueden editarse mientras se encuentran en el ensamblaje. Esto significa que puede realizar cambios en los valores de las cotas de una pieza mientras la misma se encuentra activa en el ensamblaje. Ensamblajes explosionados Las vistas explosionadas del ensamblaje pueden crearse seleccionando los componentes y la dirección/distancia del movimiento. Lista de materiales Se puede generar una tabla de LDM a partir del ensamblaje y colocarla en la hoja de dibujo. Se pueden agregar globos asociados para identificar los elementos.
  • 439.
    Lección 13 Manualde formación SolidWorks 2006 Cómo usar ensamblajes 426 Cómo analizar el ensamblaje Cómo analizar el ensamblaje Hay diversos tipos de análisis que pueden realizarse en un ensamblaje. Entre ellos se incluyen el cálculo de las propiedades físicas del ensamblaje y la verificación de interferencias. Cálculos de propiedades físicas Los cálculos de propiedades físicas se presentaron en la Lección 6: Operaciones de revolución. Cuando se trabaja con ensamblajes, es importante recordar que las propiedades materiales de cada componente se controlan de manera individual a través de la operación Material de la pieza. Las propiedades materiales también se pueden configurar mediante la opción Editar material. Para revisar las propiedades materiales, consulte Editar material en la página 193. Para revisar los cálculos de propiedades físicas, consulte Propiedades físicas en la página 195. 1 Abrir un ensamblaje existente. Abra el ensamblaje existente UJ_for_INT (JU para INT). 2 Propiedades físicas. Haga clic en Propiedades físicas en la barra Herramientas. 3 Resultados. El sistema realiza los cálculos y muestra los resultados en una ventana de informe. El sistema también muestra los Ejes principales como gráficos temporales. Se puede utilizar Opciones para cambiar las unidades de los cálculos. Haga clic en Cerrar. Los símbolos representan: Sistema de coordenadas de salida Ejes principales en el Centro de masa
  • 440.
    Manual de formaciónSolidWorks 2006 Lección 13 Cómo usar ensamblajes Cómo analizar el ensamblaje 427 Cómo verificar la interferencia La opción Detección de interferencias se utiliza para buscar interferencias entre componentes estáticos en el ensamblaje. Esta opción toma una lista de componentes y busca las interferencias entre ellos. Las interferencias se enumeran por componentes pares que incluyen una representación gráfica de la interferencia. Las interferencias individuales se pueden ignorar. Introducción: Detección de interferencias La Detección de interferencias se utiliza para buscar interferencias (choques) entre piezas de componentes en un ensamblaje. Puede dirigirse para verificar todos los componentes en el ensamblaje o tan sólo los seleccionados. Dónde encontrarlo Haga clic en Detección de interferencias en la barra de herramientas Ensamblaje. En el menú Herramientas, seleccione: Detección de interferencias.... 4 Haga clic en Herramientas, Detección de interferencias.... Se abre el PropertyManager Detección de interferencias. 5 Detección de interferencias. Seleccione el componente de nivel superior UJ_for_INT para verificar todos los componentes en el ensamblaje. El ensamblaje UJ_for_INT.SLDASM aparece en la lista Componentes seleccionados. Haga clic en Calcular. 6 Interferencias.
  • 441.
    Lección 13 Manualde formación SolidWorks 2006 Cómo usar ensamblajes 428 Cómo analizar el ensamblaje El análisis ha encontrado tres interferencias entre las entidades seleccionadas. Las listas Interference1, Interference2 e Interference3 se muestran en la lista Resultados seguida de un volumen de interferencia. La interferencia se indica en la ventana de gráficos mediante un volumen que se muestra en rojo. De forma predeterminada, los componentes de la interferencia son transparentes y el resto de los componentes permanecen opacos. Haga clic en Aceptar. 7 Métodos visuales. A veces, las áreas de interferencia se pueden determinar visualmente. Se pueden utilizar las visualizaciones Sombreado (sin aristas) y Líneas ocultas visibles. En este caso, el volumen de crank- shaft (eje de la manivela) se superpone con el del bracket (abrazadera). 8 Editar operación. Haga clic con el botón secundario del ratón en la relación de posición Distancia1 y seleccione Editar operación. Haga clic en la opción Invertir cota y después en Aceptar. Interference1 Interference2 Interference3 bracket Yoke_male Yoke_male crank-shaft crank-shaft crank-shaft
  • 442.
    Manual de formaciónSolidWorks 2006 Lección 13 Cómo usar ensamblajes Cómo analizar el ensamblaje 429 9 Volver a comprobar las interferencias. Seleccione los componentes bracket, crank-shaft y Yoke_male (Horquilla macho) y haga clic en Detección de interferencias. Como es de esperar, el resultado es No Interference. Detección de interferencias estática contra dinámica El problema con un método estático de detección de interferencias es que los componentes de un ensamblaje sólo pueden interferir en ciertas condiciones. Se necesita entonces una manera de detectar las colisiones en forma dinámica, mientras un ensamblaje se mueve. Introducción: Detección de colisión Detección de colisión analiza los componentes seleccionados en el ensamblaje durante el movimiento de ensamblaje dinámico, alertándolo cuando las caras chocan o colisionan. Tiene las opciones de detener el movimiento en colisión, resaltando las caras en colisión y generando un sonido de sistema. Dónde encontrarlo En los PropertyManager Mover componente o Girar componente , seleccione Detección de colisión. 10 Detección de colisión. Haga clic en Mover componente y seleccione Detección de colisión. Seleccione Todos los componentes y Detener al colisionar. Gire la junta en U arrastrando el asa de la manivela. Cuando las aristas interiores de las dos yokes (horquillas) colisionan, el sistema le avisa resaltando las caras y generando un sonido del sistema.
  • 443.
    Lección 13 Manualde formación SolidWorks 2006 Cómo usar ensamblajes 430 Cómo analizar el ensamblaje 11 Delimitar la selección. La opción Todos los componentes significa que se detectan las colisiones con todos los componentes del ensamblaje. Esto exige más a los recursos del sistema, especialmente en un ensamblaje grande. Si elige Estos componentes, sólo se detectan las colisiones con un grupo de componentes de ensamblaje seleccionados. Haga clic en Estos componentes y seleccione los componentes Yoke_female (Horquilla hembra) y Yoke_male (Horquilla macho). Haga clic en Detener al colisionar y, a continuación, en Reanudar arrastre. 12 Desactivar la detección de colisión. Haga clic en Aceptar para cerrar el PropertyManager. Consideraciones de rendimiento Hay un número de opciones y técnicas que puede utilizar para mejorar el rendimiento del sistema durante la Detección de colisión dinámica: Haga clic en Estos componentes, en vez de en Todos los componentes. En general, el rendimiento puede mejorarse si minimiza el número de componentes que el sistema tiene que evaluar. Sin embargo, tenga cuidado de no pasar por alto un componente que realmente interfiera. Asegúrese de que la opción Sólo pieza arrastrada se encuentre seleccionada. Esto significa que sólo se detectan las colisiones con el componente que está arrastrando. Si no se encuentra seleccionada, se detectan colisiones para el componente en movimiento y los componentes que se mueven como resultado de relaciones de posición correspondientes al componente en movimiento. Si es posible, utilice Ignorar superficies complejas. Nota La opción Distancia dinámica puede utilizarse para mostrar la distancia real entre componentes mientras éstos se mueven. Aparece una cota entre los componentes seleccionados que se actualiza a medida que la distancia mínima entre los mismos cambia. Cómo corregir la interferencia El redondeo o la aplicación de un chaflán a las aristas de las horquillas eliminará la interferencia.
  • 444.
    Manual de formaciónSolidWorks 2006 Lección 13 Cómo usar ensamblajes Cómo cambiar los valores de las cotas 431 13 Abrir pieza. En el gestor de diseño del FeatureManager, haga clic con el botón secundario del ratón en Yoke_female y seleccione Abrir pieza. Agregue un chaflán de 0.05” x 45 a las aristas tal como se indica. Guarde los cambios. 14 Regresar al ensamblaje. Haga clic en Ventana, UJ_for_INT.SLDASM o bien utilice las teclas Ctrl+Tab. Cuando el software detecte el cambio en la pieza, un mensaje le pedirá si desea reconstruir el ensamblaje. Haga clic en No en respuesta al mensaje hasta que se hayan realizado todos los cambios. 15 Corregir el componente Yoke_male. Abra el componente Yoke_male mediante la opción Abrir pieza. Agregue un chaflán de la misma manera que en el componente Yoke_female. Guarde los cambios y vuelva al ensamblaje haciendo clic en Sí en el mensaje Reconstruir ensamblaje. 16 Buscar interferencia. Haga clic en Mover componente. Haga clic en estas opciones: Detección de colisión Todos los componentes Detener al colisionar Pruebe la interferencia girando la manivela. No se detectan colisiones. 17 Desactivar la herramienta Mover componente. Cómo cambiar los valores de las cotas El cambio del valor de una cota en el ensamblaje funciona exactamente igual que el cambio de esa cota en una pieza: haga doble clic en la operación y luego haga doble clic en la cota. SolidWorks utiliza la misma pieza en el ensamblaje o el dibujo, así que si cambia dicha pieza en un lugar, la misma cambiará en todos los lugares. Se puede hacer doble clic en la operación desde el FeatureManager o la pantalla, pero la cota siempre aparecerá en la pantalla.
  • 445.
    Lección 13 Manualde formación SolidWorks 2006 Cómo usar ensamblajes 432 Cómo cambiar los valores de las cotas 18 Editar la pieza crank-arm (brazo de la manivela). Haga doble clic en el gráfico de la pieza crank-arm para acceder a sus cotas. Éstas son las cotas utilizadas para construir la pieza. Cambie la longitud a 4”. 19 Editar la pieza crank-shaft. Cambie el valor de la longitud a 2.5”. Observe que no sólo se reconstruyen las piezas y se actualiza el ensamblaje sino que las relaciones de posición garantizan que la pieza crank-arm se mueva hacia arriba cuando la pieza crank-shaft gane altura y la pieza crank-knob (perilla de la manivela) se mueva cuando la pieza crank-arm gane longitud. 20 Abrir la pieza crank-shaft. Haga clic con el botón secundario del ratón en crank-shaft y seleccione Abrir pieza desde el menú contextual. 21 Cambios en el nivel de pieza. El cambio de una pieza en el nivel de ensamblaje la cambia en el nivel de pieza y viceversa. Eso es porque se trata de la misma pieza y no de una copia. Vuelva a cambiar el valor a 1.5” y cierre la pieza, guardando los cambios. 22 Actualización del ensamblaje. Se han realizado cambios en una referencia del ensamblaje, en este caso el tamaño de una pieza. Al volver a ingresar el ensamblaje, SolidWorks pregunta si desea reconstruir. Haga clic en Sí. 23 Volver a cambiar valores. Seleccione y vuelva a cambiar la cota de crank-arm a 3” y reconstruya.
  • 446.
    Manual de formaciónSolidWorks 2006 Lección 13 Cómo usar ensamblajes Cómo utilizar Cinemática con colisiones físicas 433 Cómo utilizar Cinemática con colisiones físicas Cinemática con colisiones físicas es un método para visualizar el movimiento del ensamblaje en una forma más realista. Al ampliar los recursos de la detección de colisión dinámica, la Cinemática con colisiones físicas permite que un objeto actúe sobre otro. Cuando dos objetos colisionan, uno moverá al otro según los grados de libertad disponibles. La Cinemática con colisiones físicas se propaga en todo el ensamblaje. El componente arrastrado puede desalojar un componente, que a su vez se mueve y desaloja otro componente y así sucesivamente. Nota No confunda la Cinemática con colisiones físicas con una aplicación de análisis cinemática como COSMOSMotion. Con la Cinemática con colisiones físicas, las características como momento, fricción, elasticidad o falta de elasticidad de la colisión no se tienen en cuenta. Dónde encontrarlo En el PropertyManager Mover componente, haga clic en Cinemática con colisiones físicas. ¿Qué es esto? Cuando arrastra un componente con la opción Cinemática con colisiones físicas activada, aparece un pequeño símbolo en el componente. Esto representa el centro de masa. La Cinemática con colisiones físicas utiliza las propiedades físicas para calcular cómo afectarán al componente las fuerzas que actúan en él cuando colisione con otros componentes. La acción de arrastrar un componente por su centro de masa exhibe un movimiento diferente que cuando el componente se arrastra por un punto. Ejemplos En la carpeta Physical Dynamics (Cinemática con colisiones físicas) se encuentran algunos ejemplos. Los mismos se ilustran en el gráfico a continuación. Elemento de simulación Descripción Nested Slides (Dispositivas anidadas) Mientras arrastra la diapositiva más profunda, se hace contacto con la siguiente dispositiva y se estira lo más lejos posible. Clock (Reloj) Al arrastrar el minutero, se mueve la manecilla de las horas.
  • 447.
    Lección 13 Manualde formación SolidWorks 2006 Cómo usar ensamblajes 434 Cómo utilizar Cinemática con colisiones Geneva Wheel (Rueda de Ginebra) Al girar la rueda de entrada, el pasador engancha y desengancha las ranuras en la rueda de salida. Limit Mechanism (Mecanismo límite). Gire la rueda de la leva en sentido contrario a las agujas del reloj y la palanca de funcionamiento con forma de Y oscilará hacia delante y hacia atrás. Bevel Gears (Engranajes cónicos) Gire la manija en un mecanismo y el otro mecanismo girará. Rolling Balls (Esferas) Arrastre las esferas individuales para que colisionen entre sí. Elemento de simulación Descripción
  • 448.
    Manual de formaciónSolidWorks 2006 Lección 13 Cómo usar ensamblajes Simulación física 435 Sugerencias para trabajar con Cinemática con colisiones físicas Cuando trabaje con Cinemática con colisiones físicas, debe considerar algunas cuestiones. 1. La Cinemática con colisiones físicas depende de la detección de colisión. No funcionará si el ensamblaje contiene interferencias. Si el elemento que usted arrastra interfiere con otro componente, la fuente de la interferencia se pone transparente. Utilice Herramientas, Detección de interferencias para buscar y eliminar interferencias antes de utilizar la Cinemática con colisiones físicas. 2. Utilice las relaciones de posición adecuadas para definir el ensamblaje. Los ensamblajes con un nivel muy bajo de restricción tienen menos probabilidades de resultar exitosos. No dependen de la Cinemática con colisiones físicas para solucionar todo. Por ejemplo, en el ensamblaje Nested Slides, las relaciones de posición se utilizaron para relacionar slide1 y slide2 para que cada uno tenga un grado de libertad. A continuación se utilizó la Cinemática con colisiones físicas para controlar la interacción de los pasadores y las ranuras. 3. La Cinemática con colisiones físicas no funciona en ensamblajes que tengan relaciones de posición simétricas. Para obtener más información sobre las relaciones de posición simétricas, consulte el curso avanzado Modelo de ensamblaje avanzado. 4. La Cinemática con colisiones físicas puede ser intensiva desde el punto de vista del cálculo. Limite el alcance seleccionando componentes en el cuadro Elementos seleccionados y luego haga clic en Reanudar arrastre. Los elementos que no se encuentran en la lista se ignoran. Simulación física La opción Simulación física le permite simular los efectos de motores, resortes y gravedad en sus ensamblajes. La Simulación física combina elementos de simulación con herramientas de SolidWorks como relaciones de posición y Cinemática con colisiones físicas para mover componentes alrededor de su ensamblaje. Utilice un ensamblaje que tenga las relaciones de posición para dar soporte a los efectos de simulación. Nota No confunda Simulación física con una aplicación de análisis cinemática. Con Simulación física, las características como momento, fricción, elasticidad o falta de elasticidad de la colisión no se consideran. Barra de herramientas Simulación Los comandos para Simulación física se encuentran en la barra de herramientas Simulación. Las herramientas individuales se explicarán más adelante en esta lección. Dónde encontrarlo Haga clic en Barra de herramientas Simulación en la barra de herramientas Ensamblaje.
  • 449.
    Lección 13 Manualde formación SolidWorks 2006 Cómo usar ensamblajes 436 Simulación física O haga clic en Ver, Barras de herramientas y seleccione Simulación. Opciones de la barra de herramientas Hay diversas opciones para crear la simulación: Detener grabación o Calcular simulación reproducción Restablecer componentes Reproducir simulación Elementos de simulación Hay muchos elementos de simulación que mueven los componentes en el ensamblaje. Elemento de simulación Descripción Motor lineal Los motores lineales mueven los componentes a lo largo de un trayecto de línea recta. Motor rotatorio Los motores rotatorios mueven los componentes alrededor de un eje seleccionado, pero no son fuerzas. La potencia del motor no varía según el tamaño o la masa del componente. Por ejemplo, un componente pequeño se mueve a la misma velocidad que un componente grande si el control deslizante de Velocidad se establece al mismo valor. No debe agregar más de un motor del mismo tipo al mismo componente. Resorte lineal Los resortes aplican una fuerza a un componente. Un resorte con una constante de resorte más alta moverá un componente más rápido que un resorte con una constante de resorte más baja. Además, un componente con una masa menor se moverá más rápido que un componente con una masa mayor si actúa sobre resortes de igual resistencia. El movimiento producido por un resorte se detiene cuando el resorte alcanza su longitud libre. El movimiento producido por los motores reemplaza el movimiento producido por los resortes. Si tiene un motor que mueve un componente hacia la izquierda y un resorte que tira de un componente hacia la derecha, el componente se mueve hacia la izquierda. Gravedad Sólo se puede definir un elemento de simulación de gravedad por ensamblaje. Todos los componentes se mueven a la misma velocidad bajo el efecto de la gravedad, independientemente de su masa. El movimiento producido por los motores reemplaza el movimiento producido por la gravedad. Si tiene un motor que mueve un componente hacia arriba y la gravedad lo mueve hacia abajo, el componente se mueve hacia arriba sin ningún movimiento hacia abajo.
  • 450.
    Manual de formaciónSolidWorks 2006 Lección 13 Cómo usar ensamblajes Simulación física 437 Controlador de animaciones El Controlador de animaciones se invoca mediante el botón Reproducir simulación situado en la barra de herramientas Simulación. Opciones de reproducción Hay diversas opciones para reproducir la simulación: Iniciar Rebobinar Reproducir Avance rápido Finalizar Pausa Detener Guardar como Normal archivo AVI Bucle Reproducción Reproducción alternativa lenta Reproducción acelerada Barra de progreso Gestor de diseño del FeatureManager Cuando agrega elementos de simulación a un ensamblaje, se agrega una operación Simulation (Simulación) al FeatureManager. Si hace clic con el botón secundario del ratón en la operación Simulation, puede: Eliminar la operación Simulation, incluyendo todos los elementos de simulación. Eliminar la reproducción de la simulación. Esto deja los elementos de simulación intactos. Restablecer los componentes a sus posiciones previas a la simulación. 1 Agregar un motor rotatorio. Haga clic en Motor rotatorio y seleccione la arista circular de crank-shaft como la Dirección del motor. Sugerencia Si se hace clic en la opción Numérica podrá establecer un valor real para la velocidad angular en las unidades actuales. En este ejemplo sería grados por segundo. 2 Carpeta de simulaciones. Cuando se agrega el Motor rotatorio, se agrega también una nueva carpeta Simulation para contenerlo. 3 Calcular la simulación. Haga clic en Calcular simulación en la barra de herramientas Simulación. Grabe aproximadamente dos revoluciones completas del crank-assy (ensamb. manivela).
  • 451.
    Lección 13 Manualde formación SolidWorks 2006 Cómo usar ensamblajes 438 Simulación física Nota Cuando graba una simulación, los componentes se mueven, en realidad, dentro de sus grados de libertad según los elementos de simulación. Los grados de libertad se determinan por las relaciones de posición en los componentes y las colisiones con otros componentes. 4 Detener la grabación. Haga clic en Detener grabación o reproducción en la barra de herramientas Simulación. 5 Reproducir la simulación. Haga clic en Reproducir simulación en la barra de herramientas Simulación para acceder al Controlador de animaciones. Utilice una de las opciones del controlador para acelerar, ralentizar, crear bucles o reproducir de manera alternativa la reproducción. 6 Guardar y cerrar. Otro ejemplo En la siguiente sección se ofrece otro ejemplo de simulación física en la que el motor se aplica a un componente y ese movimiento afecta a muchos otros componentes. 1 Abrir un ensamblaje. Abra el ensamblaje machine.sldasm ubicado en la carpeta Sarrus Mechanism (Mecanismo de Sarrus). 2 Ocultar componente. Cambie a la vista Back Iso (Posterior iso.) y oculte el componente Mount (Montaje). Esto facilitará la incorporación de un motor rotatorio al eje de la pieza Wheel (Rueda).
  • 452.
    Manual de formaciónSolidWorks 2006 Lección 13 Cómo usar ensamblajes Ensamblajes explosionados 439 3 Motor rotatorio. Haga clic en Motor rotatorio en la barra de herramientas Simulación. Seleccione la cara cilíndrica del eje de la pieza Wheel. Haga clic en Invertir selección y luego en Aceptar. 4 Visualizar componente. Vuelva a cambiar a la vista My Iso (Mi iso.) y muestre el componente Mount. Grabe, detenga y reproduzca la simulación de la misma manera que la anterior. Otros ejemplos Puede utilizar cualquiera de los ensamblajes de la carpeta Physical Dynamics para probar la simulación física. Ensamblajes explosionados Puede realizar Vistas explosionadas de ensamblajes automáticamente o explosionando el componente del ensamblaje por componente. El ensamblaje puede alternar entre estados de vista normal y explosionada. Una vez creada, la Vista explosionada puede editarse y utilizarse dentro de un dibujo. Las Vistas explosionadas se guardan con la configuración activa. Configuración de la vista explosionada Antes de agregar la Vista explosionada, hay algunos pasos del proceso de configuración que facilitarán el acceso a la vista explosionada. Es una buena práctica crear una configuración para almacenar una Vista explosionada y también agregar una relación de posición que mantenga al ensamblaje en una “posición de inicio”. 1 Abrir un ensamblaje. Abra el ensamblaje Launcher.sldasm que se encuentra en la carpeta Exploded View (Vista explosionada).
  • 453.
    Lección 13 Manualde formación SolidWorks 2006 Cómo usar ensamblajes 440 Ensamblajes explosionados 2 Agregar una nueva configuración. Pase al ConfigurationManager, haga clic con el botón secundario del ratón y seleccione Agregar configuración. Escriba el nombre Exploded (Explosionada) y agregue la configuración. La nueva configuración es la que está activa. Para obtener más información sobre Configuraciones de ensamblaje, consulte el manual Modelo de ensamblaje avanzado. Introducción: Vista explosionada La opción Vista explosionada se utiliza para mover uno o varios componentes a lo largo de un brazo de Mover con sistema de referencia . Cada distancia y dirección de movimiento se almacena como un paso. Dónde encontrarlo Desde el menú Insertar, seleccione Vista explosionada.... O bien, haga clic en Vista explosionada en la barra de herramientas Ensamblaje. 3 Haga clic en Insertar, Vista explosionada. Aparece el cuadro de diálogo Vista explosionada. Pasos de explosión permite el movimiento individual de cada componente. El cuadro de grupo Configuraciones muestra los componentes explosionados en el paso junto con la dirección y la distancia. El cuadro de grupo Opciones incluye las opciones de subensamblaje y espaciado automático de automatización.
  • 454.
    Manual de formaciónSolidWorks 2006 Lección 13 Cómo usar ensamblajes Ensamblajes explosionados 441 Explosión de un solo componente Se pueden mover uno o varios componentes en una o varias direc- ciones. Cada movimiento (uno o varios componentes) establecido mediante una distancia y dirección se considera un paso. 4 Seleccionar componente. Seleccione el componente Arrow<3> (Flecha 3) que aparece en la pantalla. Aparece Mover con sistema de referencia en el centro del cuadro delimitador del componente. Mover con sistema de referencia se alinea con el eje x a lo largo de la longitud de la cara cilíndrica. 5 Arrastrar explosión. Explosione el componente arrastrando el eje rojo y apartándola del ensamblaje. Se agrega la operación Explode Step1 (Paso de explosión 1) El componente aparece debajo. Haga clic en el componente para finalizar el paso. Sugerencia Si se selecciona el paso por nombre en el cuadro de diálogo, se muestran los componentes en amarillo con la flecha azul. Mover con sistema de referencia y flecha de arrastre Los ejes de Mover con sistema de referencia se utilizan como vectores para el paso de explosión. Una vez creados, la distancia del paso se puede modificar arrastrando la flecha azul a lo largo de la línea de explosión. Si los ejes de Mover con sistema de referencia no señalan en las direcciones deseadas, se puede cambiar su orientación. Arrastre el origen del manipulador y suéltelo sobre una arista, eje, cara o plano para reorientarlo.
  • 455.
    Lección 13 Manualde formación SolidWorks 2006 Cómo usar ensamblajes 442 Ensamblajes explosionados Explosión de varios componentes Se pueden explosionar varios componentes a lo largo del mismo trayecto o de varios trayectos. En el caso de selecciones de varios componentes, el último componente seleccionado determina la orientación de Mover con sistema de referencia. 6 Selección. Seleccione primero el componente Arrow<1> (Flecha 1) seguido del componente Arrow (Flecha) y los componentes Nozzle (Inyector) restantes. Sugerencia Se pueden seleccionar varios componentes haciendo clic en cada uno de ellos o utilizando una ventana de arrastrar-seleccionar. 7 Trayectos. Mueva los componentes a lo largo del eje rojo tal como se muestra. Vuelva a seleccionar los mismos componentes y agregue otro paso. Agregue otro paso sólo para los componentes Arrow.
  • 456.
    Manual de formaciónSolidWorks 2006 Lección 13 Cómo usar ensamblajes Ensamblajes explosionados 443 Explosión de componentes de subensamblajes Los subensamblajes se pueden tratar de varias maneras. Como componentes únicos, se pueden mover en bloque. Como componentes individuales, cada uno de ellos se puede mover de manera independiente. Si ya existe una vista explosionada de dicho ensamblaje, se puede agregar a la vista explosionada actual. 8 Subensamblaje como componente. Seleccione el componente SUB_trigger (Desencadenador SUB) superior y muévalo con dos pasos tal como se muestra. Espaciado automático La opción Espaciar componentes automáticamente después de arrastrar se utiliza para distribuir una serie de componentes a lo largo de un solo paso axial. El espaciado se puede establecer con un control deslizante y cambiar después de su creación. La opción Seleccionar las piezas del subensamblaje considera cada componente del subensamblaje como un componente individual. 9 Espaciado automático. Haga clic en Seleccionar las piezas del subensamblaje y en Espaciar componentes automáticamente después de arrastrar. Seleccione los tres componentes del subensamblaje de manera individual. Arrastre a lo largo del eje rojo y suelte para espaciar los componentes. Se agrega un paso Cadena.
  • 457.
    Lección 13 Manualde formación SolidWorks 2006 Cómo usar ensamblajes 444 Ensamblajes explosionados 10 Ajustar. Arrastre el componente End Cap (Tapa en extremo) utilizando la flecha azul y suéltelo entre los otros dos componentes. La separación permanece con un orden diferente. Reutilización de explosiones Las vistas explosionadas que se crean dentro de los subensamblajes se pueden importar y volver a utilizar. 11 Mover subensamblaje. Desactive las opciones Seleccionar las piezas del subensamblaje y Espaciar componentes automáticamente después de arrastrar. Arrastre el subensamblaje SUB_trigger inferior tal como se muestra.
  • 458.
    Manual de formaciónSolidWorks 2006 Lección 13 Cómo usar ensamblajes Croquis con líneas de explosión 445 12 Reutilizar la explosión del subensamblaje. Seleccione el subensamblaje y haga clic en Reutilizar explosión de subensamblaje. Croquis con líneas de explosión Cree líneas como rutas para la vista explosionada utilizando Líneas de explosión. Un tipo de croquis 3D denominado Croquis con líneas de explosión se utiliza para crear y visualizar las líneas. Se pueden utilizar las herramientas Croquis con líneas de explosión y Quebrar cota de línea para crear y modificar las líneas. Líneas de explosión Se pueden agregar Líneas de explosión al croquis con líneas de explosión para representar la ruta de explosión de los componentes. Introducción: Croquis con líneas de explosión Un Croquis con líneas de explosión le permite crear líneas de explosión en forma semiautomática. Para hacerlo, seleccione geometría de modelo como caras, aristas o vértices y el sistema generará las líneas de explosión. Dónde encontrarlo En el menú Insertar, haga clic en Croquis con líneas de explosión. O bien, haga clic en Croquis con líneas de explosión en la barra de herramientas Ensamblaje. Introducción: Quebrar cota de línea Quebrar cota de línea se utiliza para romper una línea existente y crear una serie de líneas de 90°. Las líneas con quiebre de cota se restringen automáticamente para ser perpendiculares y paralelas a las líneas originales. Dónde encontrarlo En el menú Herramientas, haga clic en Herramientas de croquizar, Quebrar cota de línea. O haga clic en Quebrar cota de línea en la barra de herramientas Explosionar croquis. Antes Después
  • 459.
    Lección 13 Manualde formación SolidWorks 2006 Cómo usar ensamblajes 446 Croquis con líneas de explosión 13 Línea de recorrido. Haga clic en Croquis con líneas de explosión para iniciar el croquis 3D. Seleccione las aristas del círculo y del arco tal como se muestra para crear una línea de recorrido entre ellas. Se pueden utilizar diferentes combinaciones de las Opciones para obtener distintos resultados. Haga clic en Aceptar. 14 Explosionar a través de componente. Seleccione (en orden) la arista circular de Main Body<1> (Cuerpo principal 1), la cara cilíndrica de Nozzle<1> y la arista circular de Arrow<1>. Se creará una serie continua de líneas de explosión. 15 Editar líneas de explosión. Mueva los segmentos de líneas individuales arrastrando las flechas pequeñas tal como se muestra. También puede hacer clic en las pequeñas flechas 3D en los extremos de las líneas de explosión para invertir su dirección. Haga clic con el botón secundario del ratón en Aceptar.
  • 460.
    Manual de formaciónSolidWorks 2006 Lección 13 Cómo usar ensamblajes Croquis con líneas de explosión 447 16 Líneas adicionales. Agregue grupos de líneas de explosión para conectar todos los componentes restantes. Cómo personalizar las barras de herramientas Las herramientas Línea de recorrido y Quebrar cota de línea se encuentran en la barra de herramientas Explosionar croquis de forma predeterminada. Quizás decida que es más conveniente agregar estas dos herramientas a una barra de herramientas existente, como la barra de herramientas Herramientas de croquizar o Ensamblaje. Puede llevarlo a cabo haciendo clic en Herramientas, Personalizar... y seleccionando la pestaña Comandos. Seleccione Explosionar croquis en la lista Categorías y arrastre los botones a la barra de herramientas deseada. Cómo animar vistas explosionadas Se puede utilizar el Controlador de animaciones para animar la explosión o colapsar el movimiento. Dónde encontrarlo Haga clic con el botón secundario del ratón en Colapsar animación en la operación ExplodeView1 (Explosionar vista 1). Si la vista explosionada está colapsada, haga clic con el botón secundario del ratón en Explosionar animación en la operación ExplodeView1. 17 Barra de herramientas Animación. Haga clic con el botón secundario del ratón en ExplView1 (Expl. Vista 1) y seleccione Colapsar animación. El diálogo utiliza controles estándar semejantes a los de un vídeo incluida la opción Reproducir.
  • 461.
    Lección 13 Manualde formación SolidWorks 2006 Cómo usar ensamblajes 448 Dibujos de ensamblajes Para obtener más información sobre las otras opciones, consulte Controlador de animaciones en la página 437. 18 Guardar y cerrar. Colapse el ensamblaje. Guarde y cierre el ensamblaje. Dibujos de ensamblajes Los ensamblajes tienen diversos requisitos únicos cuando se trata de realizar dibujos detallados de los mismos. Además de las vistas especializadas, los ensamblajes requieren una Lista de materiales y Globos para documentar completamente el ensamblaje. 1 Dibujo nuevo. Utilice Crear dibujo desde pieza/ensamblaje para crear un nuevo dibujo con la plantilla A-Scale1to2 (A-Escala1a2). 2 Vista etiquetada. Con el diálogo automático Vista del modelo, agregue una vista etiquetada del ensamblaje Launcher (Lanzador). Establezca la orientación en *Isometric (Isométrica) con Scale 1:4 (Escala 1:4) y colóquela en el dibujo. Esta vista se utilizará para visualizar una vista explosionada.
  • 462.
    Manual de formaciónSolidWorks 2006 Lección 13 Cómo usar ensamblajes Dibujos de ensamblajes 449 3 Propiedades de vista. Haga clic en Más propiedades para ver que se hayan seleccionado la configuración Explosionada y Visualizar en estado explosionado. Nota La opción Visualizar en estado explosionado aparecerá sólo si hay una vista explosionada existente en la configuración seleccionada. Lista de materiales En un dibujo de ensamblaje, un informe de lista de materiales puede crearse e insertarse automáticamente en la hoja de dibujo. Dónde encontrarlo Haga clic en Lista de materiales en la barra de herramientas Tabla. O bien, en el menú Insertar, seleccione Tablas, Lista de materiales.... 4 Configuración de la LDM. Haga clic en la vista explosionada y haga clic en Insertar, Tablas, Lista de materiales.... Seleccione bom-standard como la Plantilla de tabla, Sólo piezas como el Tipo de LDM y Exploded como la Configuración. Puesto que ambas configuraciones contienen los mismos componentes, cualquiera de las dos funcionará. 5 Lista de materiales. La LDM aparecerá en la pantalla donde hizo clic al seleccionar la vista. Puede volver a ajustar el tamaño de la LDM arrastrándola. También se puede mover la LDM.
  • 463.
    Lección 13 Manualde formación SolidWorks 2006 Cómo usar ensamblajes 450 En el curso Dibujos... Cómo agregar globos Los números de elementos asignados a la lista de materiales pueden agregarse al dibujo utilizando Globos. Estos globos asignarán el número de elemento correcto al insertarse en aristas, vértices o caras. Introducción: Globos automáticos El comando Globo automático se utiliza para etiquetar automáticamente los componentes de un dibujo de ensamblaje por número de elemento y, opcionalmente, por cantidad. Hay muchas formas de globos diferentes. Dónde encontrarlo En la barra de herramientas Anotaciones, haga clic en Globo automático . O bien, en el menú Insertar, haga clic en Anotaciones, Globo automático.... 6 Insertar globos. Haga clic en la herramienta Globo automático y seleccione el dibujo Cuadrado. Se agregan los globos con los números de elementos correctos. Cuando arrastre el globo del elemento 1 más cerca de la vista, se moverán todos. 7 Guarde y cierre el dibujo y cualquier otro archivo abierto. En el curso Dibujos... Las tres secciones sobre dibujos tratadas en este curso son tan sólo una introducción al arte de la documentación. En el curso Conceptos básicos de SolidWorks: Dibujos, aprenderá sobre todos los aspectos de la realización de dibujos detallados de piezas y ensamblajes.
  • 464.
    Manual de formaciónSolidWorks 2006 Ejercicio 58 451 Ejercicio 58: Cómo utilizar la detección de colisión Mediante el ensamblaje proporcionado, determine el rango de movimiento del asa de sujeción. Este laboratorio refuerza las siguientes funciones: Detección de colisión. Acotación o utilización del comando Medir. Procedimiento Abra un ensamblaje existente. 1 Ensamblaje existente. Abra el ensamblaje denominado Collision (Colisión) de la carpeta Collision (Colisión). 2 Ubicaciones de colisión. El link (vínculo) detiene el movimiento del ensamblaje en dos lugares. Mueva el ensamblaje al punto de colisión y mida el ángulo formado mediante Medir o las cotas en una vista de dibujo. ÁNGULO “A”- Al hacer retroceder el componentehandle sub- assy (subensamb. asa) el link lo golpea. ÁNGULO “B”- Al hacer avanzar el handle sub-assy, el link golpea el componente hold-down sub-assy (subensamb. sujetar). Medidas: (redondeadas) Ángulo “A” = 38° Ángulo “B” = 90°
  • 465.
    Manual de formaciónSolidWorks 2006 452 Ejercicio 59 Ejercicio 59: Vistas explosionadas Mediante los ensamblajes existentes, agregue vistas explosionadas y líneas de explosión. Los archivos se encuentran en la carpeta Flashlight (Linterna eléctrica). Ensamblaje: Flashlight (Linterna eléctrica) Sugerencia Muchos de los componentes se colocan en un ángulo y requieren que el sistema de referencia se arrastre y suelte para establecer la dirección de explosión adecuada. El sistema de referencia se puede colocar en una arista o cara.
  • 466.
    Manual de formaciónSolidWorks 2006 Ejercicio 60 453 Ejercicio 60: Vistas explosionadas y dibujos de ensamblajes Mediante los ensamblajes existentes, agregue vistas explosionadas y líneas de explosión. Utilice las vistas explosionadas para generar dibujos con globos y una LDM. Utilice la plantilla A-Scale1to2 (A-Escala1a2). Los archivos se encuentran en la carpeta Exploded Views (Vistas explosionadas). Ensamblaje: part configs (configs. de pieza) Ensamblaje: Ensamblaje Caja de cambios
  • 467.
    Manual de formaciónSolidWorks 2006 454 Ejercicio 60
  • 468.
    Manual de formaciónSolidWorks 2006 455 Apéndice El material de este apéndice complementa el material tratado en las lecciones. Fue eliminado de las lecciones para no extenderlas demasiado y se incluye aquí para su referencia. Configuración de Herramientas, Opciones utilizada en este curso. Cómo crear una plantilla de documento personalizada para las piezas. Cómo organizar sus plantillas de documentos.
  • 469.
    Manual de formaciónSolidWorks 2006 456
  • 470.
    Manual de formaciónSolidWorks 2006 Configuración de Opciones 457 Configuración de Opciones El cuadro de diálogo Herramientas, Opciones es el medio por el cual se modifica la configuración predeterminada de SolidWorks. Contiene parámetros que se aplican a documentos individuales y que se guardan con dichos documentos, al igual que parámetros que se aplican sólo a su sistema y a su entorno de trabajo. El cuadro de diálogo Herramientas, Opciones contiene dos pestañas denominadas Opciones de sistema y Propiedades de documento. Cómo aplicar los cambios Hay pestañas dentro de Opciones que permiten realizar cambios en el sistema o las propiedades del documento. Esto le permite controlar la aplicación de la configuración. Sus opciones son: Opciones de sistema Los cambios realizados en las opciones de sistema personalizan su entorno de trabajo. Los mismos no se guardan con un documento específico. En cambio, cada documento abierto en su sistema refle- jará esta configuración. Por ejemplo, es posible que desee que su cuadro de aumento predeterminado sea de 0.25 pulgadas. Habitual- mente, yo trabajo en pequeñas piezas y desearía un cuadro de aumento predeterminado de sólo 0.0625 pulgadas. Las opciones de sistema nos permiten personalizar nuestro entorno de trabajo según nuestras necesidades. Propiedades de documento Los cambios sólo afectarán el documento actualmente abierto. La configuración predeterminada del sistema no cambia. Cómo cambiar las opciones predeterminadas Para cambiar las Opciones predeterminadas, siga este procedimiento: 1. En el menú Herramientas, elija Opciones 2. Seleccione la pestaña correspondiente a la configuración que desea cambiar. 3. Cuando termine, haga clic en Aceptar. Nota Sólo puede acceder a las propiedades del documento cuando un documento está abierto. Configuración sugerida Para obtener una lista completa de todas las configuraciones disponibles a través del cuadro de diálogo Herramientas, Opciones, consulte la ayuda en línea. Las Opciones de sistema importantes utilizadas en este manual son: General Escribir valor de cota: Activada Maximizar el documento al abrir: Activada Croquis Visualizar plano cuando está en modo sombreado: Desactivada Plantillas predeterminadas Siempre utilizar estas plantillas de documento predeterminadas: Activada
  • 471.
    Manual de formaciónSolidWorks 2006 458 Plantillas de documento Plantillas de documento Con un archivo de Plantilla de documento (*.prtdot, *.asmdot, *.drwdot) puede guardar las propiedades del documento para utilizarlas en documentos nuevos. Puede crear una nueva plantilla que sólo contenga la configuración que desea. Cuando desee crear un documento nuevo, seleccione la plantilla que desea y el documento heredará la configuración de la plantilla. Cómo crear una plantilla de pieza La creación de una plantilla personalizada es un procedimiento simple. Abra un documento nuevo utilizando la plantilla personalizada existente. A continuación, utilice el cuadro de diálogo Herramientas, Opciones para modificar la configuración del documento. Luego, guarde el documento como un archivo de plantilla. Puede configurar las carpetas para que las mismas contengan y organicen sus plantillas. En esta sección, crearemos una plantilla de pieza personalizada. 1 Abrir una nueva pieza. Abra una pieza utilizando la plantilla de pieza predeterminada. La pieza se utilizará para formar la plantilla y luego se descartará. 2 Elegir una plantilla. Haga clic en Archivo, Nuevo y en la pestaña Plantillas del cuadro de diálogo. Haga clic en la plantilla Part y en Aceptar Nota No utilice la configuración Principiante en el cuadro de diálogo cuando esté guardando una plantilla de documento. La plantilla resultante no podría verse.
  • 472.
    Manual de formaciónSolidWorks 2006 Plantillas de documento 459 3 Propiedades. Verifique y, si es necesario, establezca las siguientes Propiedades de documento: Documentación Estándar de acotación: ANSI Documentación, Fuente de anotaciones Cota: Century Gothic; Altura = 12 puntos Detalle: Century Gothic; Altura = 12 puntos Sección: Century Gothic; Altura = 12 puntos Nota/Globo: Century Gothic; Altura = 12 puntos Documentación, Cotas Precisión, Unidades primarias, Valor: 3 Documentación, Visualización de anotaciones Siempre visualizar el texto en el mismo tamaño Activada Rejilla/Enganchar Visualizar rejilla - Desactivada Enganchar a punto - Desactivada Unidades Unidades lineales - Milímetros Propiedades de material Las propiedades de material son específicas del documento. Utilice Editar material para establecer el material apropiado para la pieza. Es buena idea crear una plantilla de pieza para cada material utilizado habitualmente. Esto le ahorrará tiempo y garantizará resultados precisos al realizar cálculos de propiedades físicas y vistas de sección en dibujos. Geometría de referencia Los nombres predeterminados para los tres planos de referencia del sistema no se controlan mediante Herramientas, Opciones. Se controlan mediante la plantilla de documento. Puesto que se puede cambiar el nombre de una operación, también se puede cambiar el nombre de los planos. Cuando la pieza se guarde como una plantilla, los nombres de los planos se guardarán en el archivo de plantillas. Luego, las piezas nuevas creadas con esta plantilla heredarán automáticamente los nombres de los planos. Si lo desea, cambie el nombre de los planos de referencia. Por ejemplo, quizás prefiera XY, XZ y YZ en vez de los nombres predeterminados.
  • 473.
    Manual de formaciónSolidWorks 2006 460 Plantillas de documento 4 Guardar una plantilla. Haga clic en Archivo, Guardar como. Para Guardar como tipo, seleccione Plantillas de pieza. Asigne a la plantilla el nombre mm_part y navegue al directorio donde desea guardar sus plantillas personalizadas. En este ejemplo, simplemente guardaremos la plantilla en el directorio de instalación de SolidWorks en la carpeta DataTemplates. Haga clic en Guardar. 5 Utilizar la plantilla. Cierre la pieza actual sin guardarla. Abra una pieza nueva utilizando la plantilla mm_part que aparece en el cuadro de diálogo debajo de la pestaña Plantillas. Verifique que la configuración se haya incluido.
  • 474.
    Manual de formaciónSolidWorks 2006 Plantillas de documento 461 Plantillas de dibujo y formatos de hoja Las plantillas de dibujo y los formatos de hoja tienen muchas más opciones que las plantillas de pieza o ensamblaje. En el curso Conceptos esenciales de SolidWorks se brinda un tratamiento exhaustivo de la creación y personalización de plantillas de dibujo y formatos de hoja: Dibujos. Cómo organizar sus plantillas Como regla general, no es conveniente guardar sus plantillas personalizadas en el directorio de instalación de SolidWorks. El motivo es que al instalar una nueva versión de SolidWorks, el directorio de instalación se sobrescribe. Esto podría sobrescribir sus plantillas personalizadas. Una mejor estrategia consiste en configurar un directorio individual para plantillas, como lo haría para operaciones Biblioteca y bibliotecas de piezas estándar. Puede controlar dónde SolidWorks busca las plantillas mediante Herramientas, Opciones, Opciones de sistema, Ubicaciones de archivos. El cuadro Mostrar carpetas para muestra rutas de búsqueda de diversos tipos, incluyendo plantillas de documento. Las carpetas se buscan en el orden que tienen en la lista. Puede agregar nuevas carpetas, eliminar carpetas existentes o mover carpetas hacia arriba o hacia abajo para cambiar el orden de búsqueda. Plantillas predeterminadas Ciertas operaciones en SolidWorks crean automáticamente un nuevo documento de pieza, ensamblaje o dibujo. Algunos ejemplos son: Insertar, Pieza simétrica Insertar, Componente, Pieza nueva Insertar, Componente, Ensamblaje nuevo Formar subensamblaje nuevo aquí Archivo, Derivar pieza de componente En estas situaciones, tiene la opción de especificar el uso de una plantilla o dejar que el sistema utilice una plantilla predeterminada. Esta opción se controla mediante Herramientas, Opciones, Opciones de sistema, Plantillas predeterminadas.
  • 475.
    Manual de formaciónSolidWorks 2006 462 Plantillas de documento Si seleccionó Avisar al usuario para seleccionar la plantilla de documento, aparecerá el cuadro de diálogo Nuevo documento de SolidWorks y podrá elegir la plantilla que desea utilizar. Si seleccionó Siempre utilizar estas plantillas de documento predeterminadas, se creará el archivo correspondiente mediante la plantilla predeterminada. Esta sección del menú Herramientas, Opciones también le permite definir los archivos de plantillas que el sistema debe utilizar en forma predeterminada.
  • 476.
    Manual de formaciónSolidWorks 2006 Indice Conceptos esenciales de SolidWorks 1 Indice A a repetir 154 abrir componente 398 acotar croquis automáticamente 104– 105 activar inferencias 66 Administrador de comandos 15 análisis de ensamblajes 426–439 esfuerzo 197–210 factor de seguridad 203 propiedades físicas 195–196 análisis de esfuerzo 197–210 ángulo de salida análisis 347–351 en operaciones extruidas 106 formas de crear 119, 349 operación 349 plano neutro 350 ángulo de salida de plano neutro 350 animar vistas explosionadas 447 anotaciones 69, 450 anotaciones de taladro 82 centros de círculos 76 en ensamblajes 382 globos 450 notas 327 notas paramétricas 327 símbolos de indicación de referencia 325 anotaciones de globos 450 anotaciones de taladro 82 apariencia color 71–72 cómo ocultar componentes 400 de cotas 109 gráficos RealView 193 intersecciones virtuales 186 roscas 265 texturas 264 transparencia de componentes 400–401 arcos 3 puntos 25, 181 centro extremos 25 cómo acotar mínimas/ máximas 182 normal 60 tangente 25, 60, 189 transición automática entre líneas y arcos 61 zonas de destino tangentes 61 arcos 3 puntos 25 arcos centro extremos 25 área rayada 329 área, Consulte medir Consulte también propiedades de sección áreas de visualización 63 arrastrar y colocar cambiar el orden de operaciones 253–254, 261 cómo copiar cotas 78 cómo copiar redondeos 261 cómo mover cotas 78 configuraciones 399 volver a asociar cotas 230 asas de arrastre, Consulte croquis, arrastrar Consulte también arrastrar y colocar; cotas, mover asistente para taladro 63 asociatividad 80–82 avellanado, Consulte asistente para taladro ayuda croquis 29 ayuda del sistema 17 B barras de herramientas 12–14, 73 controlador de animaciones 437 relaciones de posición 390 simulación 435 barrer 191 bisel, Consulte chaflanes borrar, Consulte eliminar botón central del ratón 118 botones del ratón 17 C centros de círculos 76 chaflanes 192 círculos 25, 109 perímetro 109 círculos perimetrales 109 colgantes cómo reparar 230 cotas 230 relaciones 129, 231 color 4, 15, 18, 28, 71, 310–311 cómo editar 71 cómo actualizar la pantalla 81 cómo agregar componentes a un ensamblaje 383, 394 cómo ajustar el tamaño de un plano 107 cómo cambiar el nombre de las operaciones 59 cómo cambiar el tamaño de un plano 107 cómo colocar componentes 385 cómo consultar una pieza 233 cómo croquizar ayuda 17 cursores 17 cómo editar piezas 221, 249–292 cómo eliminar material del interior de una pieza, Consulte cómo vaciar una pieza cómo fijar componentes 380 piezas 380 cómo guardar su trabajo 23 tablas de diseño 318 cómo guardar en un archivo, Consulte cómo guardar su trabajo cómo interrogar una pieza 233 cómo modificar cotas apariencia 109, 124 de una pieza 81 en un ensamblaje 431 cómo mover vistas 75 cómo seleccionar elementos designación por captura 228 designación por ventana 228 elementos ocultos 125 filtros 389 objetos múltiples 38, 67, 70 selección de contorno 259–260 cómo solucionar Consulte también errores cómo vaciar una pieza 351 componentes cómo abrir 398 cómo agregar 380, 383, 394–395, 397, 399, 403 cómo colocar 385 cómo copiar 400 cómo establecer relaciones de posición 385 cómo girar 384, 391, 396 cómo mover 384, 391, 396 cómo ocultar 400 cómo visualizar 401 número de instancia 381 propiedades 402–403 comprobar croquis para operación 227 condiciones finales hasta el siguiente 110 hasta profundidad especificada 43 operaciones de revolución 184
  • 477.
    Indice Manual deformación SolidWorks 2006 2 Conceptos esenciales de SolidWorks plano medio 106 por todo 68 configuración de hoja 321 configuración del sistema 457 configuraciones 279 cómo agregar 282 cómo cambiar 284, 314 cómo cambiar el nombre 284, 314 cómo copiar 284, 314 cómo crear 282 cómo editar piezas que tienen configuraciones 286–292 cómo eliminar 317 cómo utilizar en dibujos 321 ConfigurationManager 280 consideraciones de ensamblaje 319–320, 331, 396, 399 consideraciones de rendimiento 319 de piezas en ensamblajes 319–320, 331, 396, 399 definir 311 estrategias de modelado para 320 tablas de diseño 312 terminología 279 usos de 319 ConfigurationManager 280 confirmar eliminación 252 consideraciones de rendimiento 319, 430 copiar componentes en un ensamblaje 400 configuración 284, 314 operación 127–128 redondeos 261 corte definición de 52 Consulte también operaciones COSMOSXpress 197–210 cotas acotación automática de croquis 104–105 alineada 39 angulares 41 círculos concéntricos 130 colgantes 230 cómo cambiar el nombre 306 cómo cambiar su apariencia 109, 124 cómo cambiar su valor 81, 431 cómo copiar 78 cómo mover 78 cómo realizar diversas cotas iguales 304, 306 cómo vincular 304, 306 condiciones mínimas/máximas 182 conducidas 80, 114 conducidas por tablas de diseño 310 conductoras 6 coordenada 326 diámetro 183 dibujos 78 flechas 110 fracciones 89 fuente 73 herramienta de cota 38 herramienta modificar 40 inteligente 38 lineales 40 operaciones de revolución 183 propiedades 124 punto a punto 39 radial 62 vista preliminar 39 volver a asociar 230 cotas angulares 41 cotas conducidas 80, 114 cotas de coordenadas 326 cotas lineales 40 cotas radiales 62 croquis acotación automática 104–105 activar inferencias 66 arcos 25, 58, 60, 181 arcos 3 puntos 25 arcos centro extremos 25 arcos tangentes 25 arrastrar 35 arrastre 32 ayuda 29 cara plana 60 círculos 25, 109 círculos perimetrales 109 cómo editar 129, 255 cómo recortar 120–122 cómo reparar 229 comprobar para operación 227 contornos 259–260 convertir entidades 156 crear nuevo 23 croquis compartidos 260 definición de 52 editar plano 239 elipse 25, 207 elipse, parcial 25 entidades 25 equidistanciar entidades 119 estado de 30 extender geometría 123 geometría 25 indicador 25 insertar 23 introducción 23 líneas 25, 27, 58 líneas constructivas 26, 102 líneas de explosión 445 líneas de inferencia 189 parábolas 26 paralelogramos 26 polígonos 26 puntos 26, 187 rectángulos 26, 58 redondeos 41 reglas que rigen 30, 182 relaciones 33, 102 simetría 103 splines 26 transición automática entre líneas y arcos 61 zonas de destino del arco tangente 61 croquis compartidos 260 cursores 17 D densidad 193, 196 desactivar supresión de operaciones 279, 283 deshacer 32 vista 401 desplazar 116–118 detección de colisión 429 consideraciones de rendimiento 430 detección de colisión dinámica 429 consideraciones de rendimiento 430 detección de distancia 430 detección de distancia dinámica 430 detección de interferencias consideraciones de rendimiento 430 dinámica 429 estáticas 427 dibujos 72, 321–331, 448–450 área rayada 329 barras de herramientas 73 centros de círculos 76 cómo acotar 78 cómo crear un nuevo dibujo 73 formatos de hoja 74 herramientas, opciones 73 notas 327 notas paramétricas 327 propiedades 321 tablas de diseño, cómo imprimir 330 vistas de detalle 323 vistas de sección 323 dibujos de ensamblajes 448–450 anotaciones de globos 450 líneas de explosión 445 lista de materiales 449 diseño impulsado por tablas, Consulte tablas de diseño distancia, Consulte medir documentación 72, 321–331, 448– 450 Consulte también dibujos E ecuaciones 305–309 variables globales 308 editar color 71 croquis 129, 255 definición 131, 253 material 193 operaciones 131, 253 plano de croquis 239 tabla de diseño 314 textura 264 ejes temporales 152, 256 ejes X-Y, Consulte sistemas de coordenadas ejes, temporales 152, 256 elementos ocultos, cómo seleccionar 125 eliminar configuraciones 317 cuadro de diálogo de confirmación 252 operaciones 252 relaciones 35, 128, 256 relaciones de posición 418
  • 478.
    Manual de formaciónSolidWorks 2006 Indice Conceptos esenciales de SolidWorks 3 elipse 25, 207 parcial 25 enganche cómo mover cotas 78 Consulte también líneas de inferencia ensamblajes 375–409, 423–450 análisis 426–439 animar vistas explosionadas 447 cómo abrir un componente 398 cómo agregar componentes 380, 383, 394–395, 397, 399, 403 cómo agregar subensamblajes 403 Cómo copiar componentes 400 cómo crear nuevos 379 cómo establecer relaciones de posición con componentes 385 cómo girar componentes 384, 391, 396 cómo modificar cotas 431 cómo mover componentes 384, 391, 396 cómo ocultar componentes 400 cómo reordenar objetos 382 cómo utilizar configuraciones de piezas 319–320, 331, 396, 399 cómo visualizar componentes 401 configuraciones 319–320, 331, 396, 399 detección de colisión 429 detección de interferencias 427, 429 diseño ascendente 377, 425 gestor de diseño del FeatureManager 380 líneas de explosión 445 movimiento dinámico 384 retroceder 382 transparencia de componentes 401 vistas explosionadas 439–448 ensamblajes explosionados líneas de explosión 445 entidades, croquis 25 equidistanciar entidades de croquis 119 errores ¿Qué errores hay? 225–227 cómo reparar 224–233 cómo resaltar áreas de problemas 233 mensajes 225 reconstrucción 224 esquina de confirmación 25 estadísticas, operaciones 241 estirar, Consulte croquis, arrastrar examinador cómo guardar su trabajo 23 insertar componente 319, 383 Excel, cómo personalizar tablas de diseño 311 explorador de archivos 16 extender geometría en un croquis 123 extensiones de archivo ASMDOT 458 DRWDOT 458 PRTDOT 458 SLDASM 380 SLDDRW 73 SLDPRT 23 extruir con ángulo de salida 106 condiciones finales 59 cortar 67 operación lámina 360 saliente 42, 60 extrusión definición de 52 F familias de piezas, Consulte tablas de diseño filtros de selección 389 flechas activar o desactivar adentro, afuera 110 formatos de hoja 74, 321 fracciones 89 fuente texto 73 Funcionalidad ¿Qué errores hay? 225–227 fusiones, Consulteredondeo G geometría de construcción 102 geometría, croquis 25 arcos 3 puntos 25 arcos centro extremos 25 arcos tangentes 25 círculos 25 elipse 25 elipse, parcial 25 líneas 25 líneas constructivas 26 parábolas 26 paralelogramos 26 polígonos 26 puntos 26, 187 rectángulos 26 splines 26 gestor de diseño del FeatureManager 5–6, 10, 15 cómo dividir la ventana 281 desplegable 149 en ensamblajes 380 marcadores de error 226 navegación con teclas de flechas 235 tablas de diseño 309 girar componente 384, 391, 396 vista 116–118, 192 grados de libertad 381 grupos de relaciones de posición 382 H herramienta de seleccionar contornos 259–260 herramientas, opciones 15, 17, 70, 73, 76, 78, 89, 107, 114, 225, 229, 235, 310, 323, 379, 457, 459, 461 I insertar componente 380, 383, 394–395, 397, 399, 403 croquis 3D 445 elipse 207 líneas de explosión 445 saliente, barrer 191 tabla de diseño 309–310, 316 insertar elementos del modelo 77 instancia copiar en un ensamblaje 400 número 381 intención del diseño 7–9, 32–33, 38, 51–52, 57, 81, 100–101, 107, 111, 180 ejemplos de 8 interfaz de usuario 10–18 anotaciones 69 ayuda 17 barras de herramientas 12 botones del ratón 17 cómo personalizar 12 cursores 17 menús 11 métodos abreviados del teclado 11 interrumpir reconstrucción 241 intersecciones virtuales 186 invertir cota, relación de posición distancia 408 L LDM, Consulte lista de materiales líneas 25, 27 quebrar cota 445 transición automática entre líneas y arcos 61 líneas constructivas 26, 102 operaciones de revolución 182 líneas de explosión 445 quebrar cota 445 líneas de inferencia 189 lista de materiales 449 globos 450 M material cómo editar 193 materiales editar 193 matrices 145, 169–175 circulares 146, 152–153 cómo crear matrices de caras 163 cómo saltar instancias 171 conducidas por croquis 147, 158– 161, 170 conducidas por curva 147, 156– 158, 173 conducidas por tabla 147, 158– 161, 170 crear una matriz de una matriz 163 lineales 145–146, 149–152, 169, 172 opción variar croquis 161, 175 rellenar 147 relleno de área 147 simetría 146, 153, 172 sólo matriz de operación a repetir 154 matrices circulares 146, 152–153
  • 479.
    Indice Manual deformación SolidWorks 2006 4 Conceptos esenciales de SolidWorks matrices conducidas por croquis 147, 158–161, 170 matrices conducidas por curva 147, 156–158, 173 matrices conducidas por tabla 147, 158–161, 170 matrices lineales 145–146, 149–152, 169, 172 matriz, Consulte matrices medir 126–127 Consulte también propiedades de sección métodos abreviados del teclado 11, 32, 75, 80–81, 118 modelado basado en operaciones 5 modelado paramétrico 6 modificar operaciones 131 mover componente 384, 391, 396 movimiento de ensamblaje 384, 391, 396, 435–439 movimiento de ensamblaje dinámico 384, 391, 396 movimiento, ensamblaje 384, 391, 396, 435–439 N navegación con teclas de flechas 235 nervios 355–360 notas 327 vinculado a propiedades 327 notas paramétricas 327 O ocultar componentes 400 opciones 15, 17, 70, 73, 76, 78, 89, 107, 114, 225, 229, 235, 310, 323, 379, 457, 459, 461 operaciones ángulo de salida 349 aplicadas 5 barrer 191 chaflán 192 cómo cambiar el nombre 59 cómo editar 131, 253 comprobar croquis 227 copiar y pegar 127–128 cortar 67 croquizadas 5 definición de 52 desactivar supresión 279, 283 eliminar 252 estadísticas 241 extruir 42 lámina 360 nervios 355–360 propiedades 279, 283 redondeo 52, 68 reordenar 253–254, 261 revolución 180, 184 saliente 60 suprimir 279, 283 taladros 63 vaciado 351 operaciones de revolución 180, 184 cómo acotar 183 condiciones finales 184 líneas constructivas múltiples 188 reglas de croquis 182 operaciones lámina 360 origen 24, 54 P parábolas 26 paralelogramos 26 parámetros, Consulte cotas patrones de rayado 147 patrones de rayado de áreas 147 pegar configuración 314 operación 127–128 perforador, Consulte asistente para taladro personalización 11–14, 18 piezas cómo crear nuevas 22, 58 cómo editar 221, 249–292 cómo guardar 23 cómo interrogar 233 cómo reparar errores 224–233 copiar en un ensamblaje 400 plantilla 458 piezas de paredes lámina, Consulte cómo vaciar una pieza plano de croquis 60 cómo elegir 54 editar 239 plano de referencia, Consulte planos plano de trabajo, Consulte planos plano indicativo, Consulte planos planos como ajustar el tamaño 107 crear 352–354 croquis 60 definición de 52 establecer relaciones de posición en ensamblajes 388 neutro 350 predeterminados 54 plantillas cómo crear 458 cómo organizar 461 documento 18, 458–462 predeterminadas 461 plantillas de documento 458–462 cómo crear 458 cómo organizar 461 predeterminadas 461 plantillas de documentos 18 polígonos 26 preferencias, Consulte opciones PropertyManager 15, 34, 102 propiedades archivo 196 componente 402–403 cota 124 físicas 195–196, 426 material 193, 196 operación 279, 283 personalizadas 196 suprimir 279, 283 vinculado a notas 327 propiedades de archivo 196 propiedades de dibujo 321 propiedades de material 193, 196 propiedades físicas 195–196, 426 propiedades personalizadas 196 puntos 26, 187 Q quebrar cota, línea en un croquis 445 R rayado 194, 329 reconstrucción 81, 186 errores 224 interrupción 241 recortar, en un croquis 120–122 rectángulos 26, 58 redibujar 81 redondeos 52, 68 cómo copiar 261 completos 359 croquis 41 propagación de arista 71 reglas 69 redondeos completos 359 redondos, Consulte redondeos refrentado, Consulte asistente para taladro regenerar, Consulte reconstruir rehacer 32 relación de asociación 7 relaciones de croquis 33, 102 relaciones de padre/hijo 237, 253– 254, 257, 282, 319 relaciones de posición a planos de referencia 388 alineación 386, 407 barra de herramientas 390 coincidentes 388, 407 cómo agregar 385 cómo eliminar 418 concéntricas 388 definición 382 distancia 407 invertir cota 408 grupos de relaciones de posición 382 inteligente 404 paralela 396, 407 tangente 398 utilizar sólo para colocar 408 relaciones geométricas 7, 33, 35, 37, 102 agregar 37 automáticas 8, 28 coincidentes 130 colgantes 129, 231 colineal 256 concéntricas 121 ejemplos, tabla de 35, 37 eliminar 35 horizontal 38 simétrica 103 tangente 113, 255 vertical 256 visualizar/eliminar 33, 102, 256 relaciones, Consulte relaciones geométricas relaciones, padre/hijo 237, 253–254, 257, 282, 319 reordenar en ensamblajes 382 operaciones 253–254, 261
  • 480.
    Manual de formaciónSolidWorks 2006 Indice Conceptos esenciales de SolidWorks 5 reparar cotas colgantes 230 croquis 229 repintar, Consulte redibujar restricciones, Consulte relaciones geométricas retroceder a un croquis 238 a una operación 241 en ensamblajes 382 en piezas 235, 258 reutilización de datos 127 Consulte también operaciones de biblioteca S saliente, definición de 52 Consulte también operaciones seleccionar otra 125 símbolos centros de círculos 76 globos 450 símbolos de indicación de referencia 325 simetría croquis 103 dinámica 103 en un croquis 103 matriz 146 simetría dinámica 103 simetrías de matriz 153, 172 simulación física 435–439 simulación, física 435–439 sin líneas ocultas (SLO) 68, 117 sistemas de coordenadas 160 Smart Mates (Relaciones de posición inteligentes) 404 sólidos multicuerpo 188 splines 26 sujeciones, Consulte croquis, arrastrar Consulte también arrastrar y colocar; cotas, mover suprimir operación 279, 283 T tablas de diseño 309–318 agregar configuraciones 313 agregar nuevos encabezados 313 anatomía de 312 cambios bidireccionales 310 cómo editar 314 cómo guardar 318 cómo imprimir en dibujos 330 cómo insertar 309–310, 316 cómo personalizar con Excel 311 cómo proteger 310 cómo vincular 310, 316 controles 310 creación automática 309–310 formato 311 opciones 310 símbolo en el gestor de diseño del FeatureManager 309 tangente arcos 25, 60, 189 relaciones de posición 398 relaciones geométricas 113, 255 zonas de destino 61 tapón roscado, Consulte asistente para taladro tecla Ctrl alternar documentos (Ctrl+Tab) 75, 80 cómo copiar cotas 78 cómo copiar redondeos 261 cómo seleccionar objetos múltiples 38, 67 con el botón central del ratón 118 copiar (Ctrl+C) 127–128 pegar (Ctrl+V) 127–128 reconstruir (Ctrl+B) 81 reconstruir (Ctrl+R) 81 tecla Esc 123 terminología 52 texto en relieve o grabado en una pieza 212 fuente 73 texturas agregar o aplicar 264 cómo editar 264 roscas 265 transparencia 401 trasladar 116–118 U unidades cómo convertir unidades en cuadros de diálogo 408 configuración 89 en ensamblajes 379 fracciones 89 pies y pulgadas 89 V variables Consulte también ecuaciones; vincular valores dependiente contra independiente 306 globales 308 varias vistas 63 versiones, Consulte configuraciones vincular valores 304, 306 vista deshacer 401 explosionadas 439–448 girar 118, 192 opciones de modificación 116–118 opciones de visualización 68, 116– 117 orientación 119 normal a 108, 185 vista isométrica 110 vista alámbrica 68, 117 vista sombreada 68, 117 vistas sección 262–263 vistas de detalle 323 vistas de dibujo 3 vistas estándar 74 cómo mover 75 detalle 323 sección 323 vistas de perspectiva 117 vistas de sección 117, 262–263, 323 vistas estándar comando orientación de vista 119 isométrica 110 vistas explosionadas de ensamblajes 439–448 animar 447 vistas isométricas, Consulte vistas estándar vistas ortográficas, Consulte vistas estándar vistas, dibujo 3 vistas estándar 74 cómo mover 75 detalle 323 sección 323 visualizar componente 401 opciones 117 visualizar relaciones 33, 102 Z zoom a área 117 a selección 117 acercar/alejar 117 ajustar 117 cómo utilizar el botón central del ratón 118 selección 119
  • 481.
    Indice Manual deformación SolidWorks 2006 6 Conceptos esenciales de SolidWorks
  • 482.
    Pregunta: ¿Cómo sellama a un usuario de SolidWorks de élite? Respuesta: Un profesional de SolidWorks certificado. Prepárese, preséntese al examen y únase a nuestra comunidad internacional de talento probado. Consulte el reverso para obtener más información.