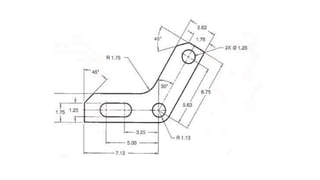
CROQUIZADO
HERRAMIENTAS
DISEÑOS 3D
HERRAMIENTAS
DISEÑAR LAS SIGUIENTES PIEZAS
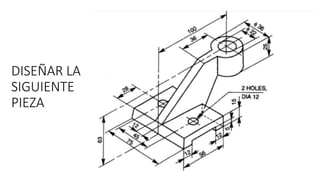
DISEÑAR LA
SIGUIENTE
PIEZA
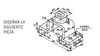
DISEÑAR LA
SIGUIENTE
PIEZA
ENSAMBLES
EJEMPLO
ENSAMBLE NO. 1
ENSAMBLE NO. 2
ENSAMBLE NO. 3
CAMBIO DE PROPIEDADES
PROPIEDADES FÍSICAS
CAMBIAR LAS PROPIEDADES DE MATERIALES A
COBRE (SolidWorks materials, Aleaciones de
Cobre, Cobre)
EXAMEN PRUEBA
• 12 PREGUNTAS
• 120 MIN DE DURACIÓN
• TEÓRICO Y PRACTICO
• ESCRIBIR SUS RESPUESTAS EN UNA HOJA LIMPIA
1.- Una vez realizada la pieza cambie el material a un AISI 1020
y obtenga la masa en Kilogramos con 4 decimales
2.- Realice un corte a la pieza específicamente al centro de la
misma y realice las mediciones para obtener la distancia de
centros.
3.- ¿Cuál el centro de masa de la pieza con respecto al
origen en milímetros?
4.- ¿Que son los subensamblajes?
5.- ¿Para que se utiliza la opción detección de
interferencias?
6.- ¿A que se le conoce como croquizar?
7.- ¿Cuantos grados de libertad existen para un
ensamble?
8.- ¿Que realiza la operación Revolución?
9.- ¿Como se pueden clasificar las operaciones para
crear un modelo?
10.-

Curso solid