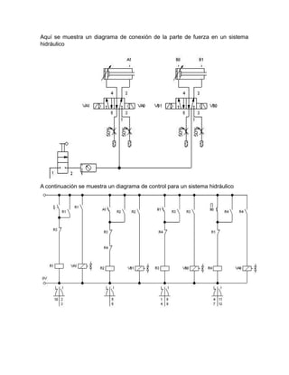
Aquí se muestra un diagrama de conexión de la parte de fuerza en un sistema
hidráulico
A continuación se muestra un diagrama de control para un sistema hidráulico
EJERCICIOS
Circuitos básicos neumáticos y electroneumáticos
 Mando directo de un cilindro de simple efecto con válvula monoestable de
comando manual por pulsador.
 Mando con selector de circuito
Un cilindro de simple efecto, debe poder efectuar su movimiento mandado
desde dos puntos diferentes.
 Regulación de velocidad en cilindros de simple efecto
La velocidad del vástago de un cilindro de simple efecto debe ser regulada
al avance
 Regulación de velocidad en cilindros de simple efecto
La velocidad del vástago de un cilindro de simple efecto debe ser regulada
al retroceso.
 Regulación de velocidad en cilindros de simple efecto
La velocidad del vástago de un cilindro de simple efecto debe ser regulada
al avance y retroceso por separado.
 Aumentos de velocidad con cilindros de simple efecto
o Válvulas de escape rápido
Se debe aumentar la velocidad de retroceso del vástago de un
cilindro de simple efecto.
 Mando de simultaneidad
El vástago de un cilindro de simple efecto solo debe salir cuando se
accionan simultáneamente dos válvulas 3/2.
 Mando de simultaneidad
El vástago de un cilindro de simple efecto solo debe salir cuando se
accionan simultáneamente dos válvulas 3/2. Montaje en serie.
 Mando indirecto de un cilindro de simple efecto
Amplificación de caudal. El mando ofrece ventas cuando el cilindro es de
gran cilindrada o las líneas son extremadamente largas. La válvula grande
está cerca del cilindro, y la pequeña puede encontrarse en un panel y
acceder fácilmente a ella.
Mando indirecto de un cilindro de simple efecto con válvula biestable
mandada por dos señales neumáticas provenientes de sendas válvulas 3/2
de comando manual por pulsador.
Mando directo de un cilindro de doble efecto con válvula monoestable 5/2
de comando manual por pulsador.
 Regulación de velocidad de un cilindro de doble efecto
Las velocidades de salida y entrada deben poder ser reguladas
separadamente. Con válvulas 5/2 se pueden utilizar reguladores
bidireccionales.
 Mando indirecto de un cilindro de doble efecto
Es un mando a impulsos. El órgano de mando está constituido por un
distribuidor biestable, pilotado por presión en ambos lados. Es suficiente un
impulso para que la válvula invierta su distribución. Se conocen como
válvulas de memoria.
Ejercicio:
Un cilindro de doble efecto, después de alcanzar su posición delantera final
debe retornar automáticamente a la posición inicial, hasta que se accione
nuevamente el pulsador. La velocidad de avance debe poder ser
disminuida, mientras que la de retroceso aumentado.
 Movimiento de vaivén continuo de un cilindro de doble efecto
Ejercicio:
Al accionar un pulsador, el vástago de un cilindro de doble efecto sale y
permanece en esta posición hasta que transcurre un tiempo determinado y
retorna automáticamente a su posición inicial.
 Posicionamiento intermedio de un cilindro de doble efecto
Una solución simple utilizando una válvula de tres posiciones con centro
cerrado. Inversión por aplicación de presión a uno u otro lado.
Circuitos básicos con electroneumática
Hacer el control electroneumático de un cilindro de doble efecto:
1. Al presionar un botón pulsador el cilindro avanza, y al soltar el cilindro
regresa. Hacer un mando eléctrico directo y uno indirecto.
2. Al presionar un botón pulsador el cilindro avanza, y al presionar otro el
cilindro regresa. Hacerlo con válvula monoestable y con válvula biestable.
3. Al presionar un botón pulsador el cilindro avanza, y retrocede
automáticamente, hasta que se oprime un botón de paro. Hacer opción de
paro con cilindro forzosamente retraído.
4. Al presionar un botón pulsador el cilindro avanza, y al alcanzar la posición
extrema retrocede, quedando listo para otro accionamiento.
5. Al accionar un pulsador, el vástago de un cilindro de doble efecto sale y
permanece en esta posición final hasta que transcurre un tiempo
determinado y retorna a su posición.
6. Posicionamiento intermedio: Al accionar un botón pulsador el cilindro
avanza hasta la mitad del recorrido, ahí permanece 5 seg. Y continúa hasta
lograr la posición extrema donde permanece 5 seg. Y automáticamente
regresa a su posición quedando listo para otro accionamiento.
Secuencias
Con una serradora deben efectuarse ranuras en marcos de madera. El marco es
sujetado mediante un cilindro neumático. El avance de la mesa fresadora se
realiza con una unidad de avance neumática-hidráulica. El dispositivo deberá
avanzar al ser pulsado un botón de inicio.
 Solución con relevadores
 Solución con PLC
Máquina de barrenado de dados
 Solución con relevadores
 Solución con PLC
Para un acabado con manguitos, el cilindro A pone el carro en posición. El cilindro
B introduce la pieza en el útil de sujeción. El cilindro C sujeta al manguito. La
unidad de avance D trabaja el diámetro interior del manguito. Se suelta la pieza y
se quita manualmente.
 Solución con relevadores
 Solución con PLC
 Solución con relevadores
 Solución con PLC
Dispositivo arenador de piezas coladas
Las piezas se colocan manualmente en el dispositivo de sujeción y se sujetan por
medio del cilindro A. Después abre el cilindro B, con un tiempo prefijado la válvula
de la tobera arenadora. El cilindro B cierra la válvula de la tobera y el cilindro C se
coloca a la segunda posición. Se repite el proceso. Al término del segundo paso
del trabajo vuelve el cilindro a su posición inicial. El cilindro A suelta la pieza.
 Solución con relevadores
 Solución con PLC
Ejercicios de equipo
EN_12
En un montaje debe ensamblarse una pieza en el interior de otra y luego introducir
un pasador atreves de ambas. El cilindro A introduce lentamente la pieza luego
retrocede y da un pequeño golpe a mayor velocidad para acabar de colocarla en
su asiento, sujetando a las dos para que el cilindro B introduzca el pasado.
 Solución con relevadores
 Solución con PLC
EN_17
Los bloques alimentados por el cargador son provistos de casquillos que por su
parte son alimentados por otro cargador.
El cilindro A desplaza un bloque de metal hasta un tope. A continuación, avanza el
cilindro B y encaja a presión el primer casquillo. Entonces el cilindro C encaja el
segundo casquillo. Los cilindros A y C vuelven a su posición normal. A
continuación vuelve a su posición normal el cilindro B.
o El equipo trabaja en ciclo continuo
o Selección entre régimen manual o régimen automático
o Cada cilindro avanza respectivamente por accionamiento de un
pulsador. Esta instalación solo funciona en régimen manual.
 Solución con relevadores
 Solución con PLC
EN_29
Las piezas son alimentadas por una cinta transportadora. La primera pieza es
desplazada hasta el tope por efecto de las piezas que le siguen un sensor detecta
la pieza y el tope se desplaza hacia arriba sujetando la pieza (cilindro A).
A continuación el cilindro B sujeta la pieza indicando que se puede proceder al
rectificado una vez que se alcanzó la presión de ajuste determinada. Entonces
avanza el cilindro C y la muela gira. El cilindro C se desplaza 10 veces hacia arriba
y hacia abajo y vuelve a su posición normal. A continuación los cilindros A y B
vuelven a su posición normal simultáneamente.
El cilindro B vuelve a avanzar desplazando la pieza a la cinta de salida. El ciclo se
reinicia cuando el cilindro b vuelve a su posición normal.
 Solución con relevadores
 Solución con PLC
*El diagrama de escalera está completo en el archivo de RS500
REPORTE CONCISO DE LA EXPERIENCIA EN LA CONEXIÓN Y
COMPROBACIÓN DE LA PRÁCTICA DE CIRCUITOS ELECTRO
NEUMÁTICOS
La experiencia fue bastante buena el hecho de manejarlos en físico y no solo
dejarlo en una simulación, los ejemplos que realizamos estaban muy bien
elaborados en el tablero nos dio una idea de su funcionamiento sin embargo hace
falta material de este tipo para poder tener un curso más completo además de
tiempo ya que a mi parecer este tipo de equipos si son bastante ocupados en la
industria y en muchas maquinarias y procesos además de que sería bastante útil
solo tener en tablero los equipos y uno realizar la conexión tanto hidráulica como
electrónica para poder tener conocimiento de la conexión de ambos, lo hago como
mención para todos los jóvenes que nunca han usado o trabajado con tableros
hidráulicos y neumáticos, pero a mi parecer el curso desde los ejercicios de
simulación hasta la conexión fue bastante buena y potencia nuestras habilidades
como ingenieros en procesos.
ANÁLISIS TÉCNICO ECONÓMICO DEL USO DE ELECTRO
NEUMÁTICA POR RELEVADOR Y POR PLC
Habiendo ya mostrado un análisis económico de los instrumentos, a primera
instancia por los costos podría parecer una mejor opción el uso de relevadores en
lugar de plc sin embargo viéndolo como una inversión a largo plazo y dependiendo
del proceso o de la maquina en uso se vuelve más sencillo el uso de plc así como
su conexión y más sencillo si en dado momento se llegara a necesitar una
reprogramación o un mantenimiento es por estos motivos que un equipo de plc
puede ser mejor que la automatización por relevador sin embargo todo varia por el
proceso o el uso ya que si es bastante sencillo y nunca se planea ampliar o tener
modificaciones el uso de plc sería un gasto innecesario y absurdo.
APORTACIÓN DE UN EJEMPLO DE TIPO INDUSTRIAL
Se considera un circuito neumático de estampación de piezas en el que es preciso
realizar una anulación de señales permanentes. En dicho circuito, un cilindro de
doble efecto (1,0) debe sujetar una pieza, mientras otro circuito también de doble
efecto (2,0) lleva a cabo la estampación.
La secuencia de movimientos se inicia mediante la activación de un pulsador y es
la siguiente:
Movimiento 1.0 + final de carrera 2.2
Movimiento 2.0 + final de carrera 2.3
Movimiento 2.0 - final de carrera 1.3
Movimiento 1.0 –
En la figura se muestra el diagrama de desplazamiento-fase del circuito neumático
descrito.
Por la Explicación y el diagrama de flujo anteriormente mostrado se ve que el
vástago 1.0 saldrá a su máxima carrera al activar una electroválvula VA1 tocando
un sensor de final de carrera 2.2 o A1 el cual activara VB1 y producirá la carrera
del vástago 2.0 a su máximo punto hasta tocar con B1 también llamado 2.3 el cual
activara la electroválvula VB0 produciendo el retorno de 2.0 hasta encontrarse con
el sensor de final de carrera 1.3 o B0 el cual activara una señal en VA0 y realizara
el retorno de 1.0
Todo lo anterior mostrado se encuentra en el diagrama de simulación en la parte
de abajo.
Ejercicios de electroneumática y neumática

Ejercicios de electroneumática y neumática

  • 1.
    Aquí se muestraun diagrama de conexión de la parte de fuerza en un sistema hidráulico A continuación se muestra un diagrama de control para un sistema hidráulico
  • 2.
    EJERCICIOS Circuitos básicos neumáticosy electroneumáticos  Mando directo de un cilindro de simple efecto con válvula monoestable de comando manual por pulsador.  Mando con selector de circuito Un cilindro de simple efecto, debe poder efectuar su movimiento mandado desde dos puntos diferentes.  Regulación de velocidad en cilindros de simple efecto
  • 3.
    La velocidad delvástago de un cilindro de simple efecto debe ser regulada al avance  Regulación de velocidad en cilindros de simple efecto La velocidad del vástago de un cilindro de simple efecto debe ser regulada al retroceso.  Regulación de velocidad en cilindros de simple efecto La velocidad del vástago de un cilindro de simple efecto debe ser regulada al avance y retroceso por separado.
  • 4.
     Aumentos develocidad con cilindros de simple efecto o Válvulas de escape rápido Se debe aumentar la velocidad de retroceso del vástago de un cilindro de simple efecto.
  • 5.
     Mando desimultaneidad El vástago de un cilindro de simple efecto solo debe salir cuando se accionan simultáneamente dos válvulas 3/2.  Mando de simultaneidad El vástago de un cilindro de simple efecto solo debe salir cuando se accionan simultáneamente dos válvulas 3/2. Montaje en serie.
  • 6.
     Mando indirectode un cilindro de simple efecto Amplificación de caudal. El mando ofrece ventas cuando el cilindro es de gran cilindrada o las líneas son extremadamente largas. La válvula grande está cerca del cilindro, y la pequeña puede encontrarse en un panel y acceder fácilmente a ella.
  • 7.
    Mando indirecto deun cilindro de simple efecto con válvula biestable mandada por dos señales neumáticas provenientes de sendas válvulas 3/2 de comando manual por pulsador. Mando directo de un cilindro de doble efecto con válvula monoestable 5/2 de comando manual por pulsador.
  • 8.
     Regulación develocidad de un cilindro de doble efecto Las velocidades de salida y entrada deben poder ser reguladas separadamente. Con válvulas 5/2 se pueden utilizar reguladores bidireccionales.
  • 9.
     Mando indirectode un cilindro de doble efecto Es un mando a impulsos. El órgano de mando está constituido por un distribuidor biestable, pilotado por presión en ambos lados. Es suficiente un impulso para que la válvula invierta su distribución. Se conocen como válvulas de memoria.
  • 10.
    Ejercicio: Un cilindro dedoble efecto, después de alcanzar su posición delantera final debe retornar automáticamente a la posición inicial, hasta que se accione nuevamente el pulsador. La velocidad de avance debe poder ser disminuida, mientras que la de retroceso aumentado.
  • 11.
     Movimiento devaivén continuo de un cilindro de doble efecto
  • 12.
    Ejercicio: Al accionar unpulsador, el vástago de un cilindro de doble efecto sale y permanece en esta posición hasta que transcurre un tiempo determinado y retorna automáticamente a su posición inicial.  Posicionamiento intermedio de un cilindro de doble efecto Una solución simple utilizando una válvula de tres posiciones con centro cerrado. Inversión por aplicación de presión a uno u otro lado.
  • 13.
    Circuitos básicos conelectroneumática Hacer el control electroneumático de un cilindro de doble efecto: 1. Al presionar un botón pulsador el cilindro avanza, y al soltar el cilindro regresa. Hacer un mando eléctrico directo y uno indirecto.
  • 14.
    2. Al presionarun botón pulsador el cilindro avanza, y al presionar otro el cilindro regresa. Hacerlo con válvula monoestable y con válvula biestable.
  • 15.
    3. Al presionarun botón pulsador el cilindro avanza, y retrocede automáticamente, hasta que se oprime un botón de paro. Hacer opción de paro con cilindro forzosamente retraído. 4. Al presionar un botón pulsador el cilindro avanza, y al alcanzar la posición extrema retrocede, quedando listo para otro accionamiento.
  • 16.
    5. Al accionarun pulsador, el vástago de un cilindro de doble efecto sale y permanece en esta posición final hasta que transcurre un tiempo determinado y retorna a su posición. 6. Posicionamiento intermedio: Al accionar un botón pulsador el cilindro avanza hasta la mitad del recorrido, ahí permanece 5 seg. Y continúa hasta lograr la posición extrema donde permanece 5 seg. Y automáticamente regresa a su posición quedando listo para otro accionamiento.
  • 17.
    Secuencias Con una serradoradeben efectuarse ranuras en marcos de madera. El marco es sujetado mediante un cilindro neumático. El avance de la mesa fresadora se realiza con una unidad de avance neumática-hidráulica. El dispositivo deberá avanzar al ser pulsado un botón de inicio.  Solución con relevadores
  • 18.
  • 20.
    Máquina de barrenadode dados  Solución con relevadores
  • 21.
  • 23.
    Para un acabadocon manguitos, el cilindro A pone el carro en posición. El cilindro B introduce la pieza en el útil de sujeción. El cilindro C sujeta al manguito. La unidad de avance D trabaja el diámetro interior del manguito. Se suelta la pieza y se quita manualmente.  Solución con relevadores
  • 24.
  • 28.
     Solución conrelevadores  Solución con PLC
  • 30.
    Dispositivo arenador depiezas coladas Las piezas se colocan manualmente en el dispositivo de sujeción y se sujetan por medio del cilindro A. Después abre el cilindro B, con un tiempo prefijado la válvula de la tobera arenadora. El cilindro B cierra la válvula de la tobera y el cilindro C se coloca a la segunda posición. Se repite el proceso. Al término del segundo paso del trabajo vuelve el cilindro a su posición inicial. El cilindro A suelta la pieza.  Solución con relevadores
  • 31.
  • 33.
    Ejercicios de equipo EN_12 Enun montaje debe ensamblarse una pieza en el interior de otra y luego introducir un pasador atreves de ambas. El cilindro A introduce lentamente la pieza luego retrocede y da un pequeño golpe a mayor velocidad para acabar de colocarla en su asiento, sujetando a las dos para que el cilindro B introduzca el pasado.
  • 34.
     Solución conrelevadores
  • 35.
  • 36.
    EN_17 Los bloques alimentadospor el cargador son provistos de casquillos que por su parte son alimentados por otro cargador. El cilindro A desplaza un bloque de metal hasta un tope. A continuación, avanza el cilindro B y encaja a presión el primer casquillo. Entonces el cilindro C encaja el segundo casquillo. Los cilindros A y C vuelven a su posición normal. A continuación vuelve a su posición normal el cilindro B. o El equipo trabaja en ciclo continuo o Selección entre régimen manual o régimen automático
  • 37.
    o Cada cilindroavanza respectivamente por accionamiento de un pulsador. Esta instalación solo funciona en régimen manual.  Solución con relevadores
  • 38.
  • 41.
    EN_29 Las piezas sonalimentadas por una cinta transportadora. La primera pieza es desplazada hasta el tope por efecto de las piezas que le siguen un sensor detecta la pieza y el tope se desplaza hacia arriba sujetando la pieza (cilindro A). A continuación el cilindro B sujeta la pieza indicando que se puede proceder al rectificado una vez que se alcanzó la presión de ajuste determinada. Entonces avanza el cilindro C y la muela gira. El cilindro C se desplaza 10 veces hacia arriba y hacia abajo y vuelve a su posición normal. A continuación los cilindros A y B vuelven a su posición normal simultáneamente. El cilindro B vuelve a avanzar desplazando la pieza a la cinta de salida. El ciclo se reinicia cuando el cilindro b vuelve a su posición normal.  Solución con relevadores
  • 42.
  • 43.
    *El diagrama deescalera está completo en el archivo de RS500 REPORTE CONCISO DE LA EXPERIENCIA EN LA CONEXIÓN Y COMPROBACIÓN DE LA PRÁCTICA DE CIRCUITOS ELECTRO NEUMÁTICOS La experiencia fue bastante buena el hecho de manejarlos en físico y no solo dejarlo en una simulación, los ejemplos que realizamos estaban muy bien elaborados en el tablero nos dio una idea de su funcionamiento sin embargo hace falta material de este tipo para poder tener un curso más completo además de tiempo ya que a mi parecer este tipo de equipos si son bastante ocupados en la industria y en muchas maquinarias y procesos además de que sería bastante útil solo tener en tablero los equipos y uno realizar la conexión tanto hidráulica como electrónica para poder tener conocimiento de la conexión de ambos, lo hago como mención para todos los jóvenes que nunca han usado o trabajado con tableros hidráulicos y neumáticos, pero a mi parecer el curso desde los ejercicios de
  • 44.
    simulación hasta laconexión fue bastante buena y potencia nuestras habilidades como ingenieros en procesos. ANÁLISIS TÉCNICO ECONÓMICO DEL USO DE ELECTRO NEUMÁTICA POR RELEVADOR Y POR PLC Habiendo ya mostrado un análisis económico de los instrumentos, a primera instancia por los costos podría parecer una mejor opción el uso de relevadores en lugar de plc sin embargo viéndolo como una inversión a largo plazo y dependiendo del proceso o de la maquina en uso se vuelve más sencillo el uso de plc así como su conexión y más sencillo si en dado momento se llegara a necesitar una reprogramación o un mantenimiento es por estos motivos que un equipo de plc
  • 45.
    puede ser mejorque la automatización por relevador sin embargo todo varia por el proceso o el uso ya que si es bastante sencillo y nunca se planea ampliar o tener modificaciones el uso de plc sería un gasto innecesario y absurdo. APORTACIÓN DE UN EJEMPLO DE TIPO INDUSTRIAL Se considera un circuito neumático de estampación de piezas en el que es preciso realizar una anulación de señales permanentes. En dicho circuito, un cilindro de doble efecto (1,0) debe sujetar una pieza, mientras otro circuito también de doble efecto (2,0) lleva a cabo la estampación. La secuencia de movimientos se inicia mediante la activación de un pulsador y es la siguiente: Movimiento 1.0 + final de carrera 2.2 Movimiento 2.0 + final de carrera 2.3 Movimiento 2.0 - final de carrera 1.3 Movimiento 1.0 – En la figura se muestra el diagrama de desplazamiento-fase del circuito neumático descrito. Por la Explicación y el diagrama de flujo anteriormente mostrado se ve que el vástago 1.0 saldrá a su máxima carrera al activar una electroválvula VA1 tocando un sensor de final de carrera 2.2 o A1 el cual activara VB1 y producirá la carrera del vástago 2.0 a su máximo punto hasta tocar con B1 también llamado 2.3 el cual activara la electroválvula VB0 produciendo el retorno de 2.0 hasta encontrarse con el sensor de final de carrera 1.3 o B0 el cual activara una señal en VA0 y realizara el retorno de 1.0 Todo lo anterior mostrado se encuentra en el diagrama de simulación en la parte de abajo.