Incrustar presentación
Descargar para leer sin conexión




















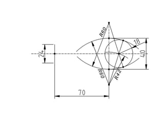
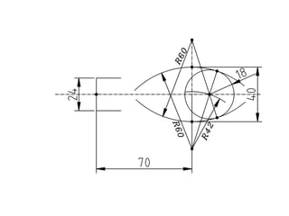
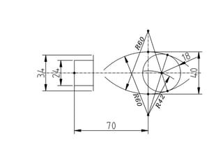
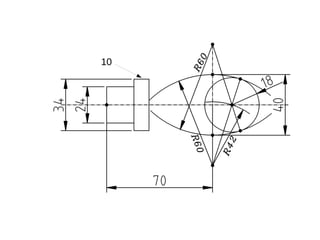
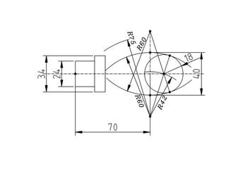
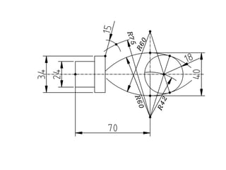
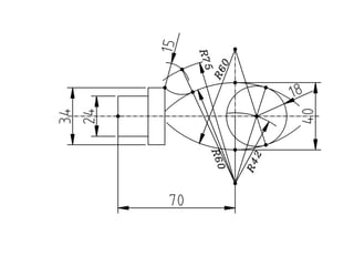
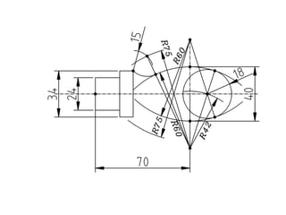
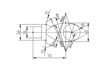
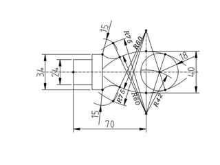
Realizar la pieza dada a escala 1:1 resolviendo los problemas básicos de tangencias entre circunferencias, suma y resta de radios, tangencias interiores y exteriores entre circunferencias de radio conocido.


















