Guía de instalación y del
          usuario
Electronikon MK III - MODBUS




                     Departamento de Servicio Oil-free Air
                              Curso de Servicio Técnico
                                              Junio 1999
COM2 - MODBUS
—————————————————————————————————————————




                                                           Índice



1.  Instalación del módulo Modbus COM2...................................................................3
    1.1 Identificación ..............................................................................................3
    1.2 Alcance de la aplicación................................................................................3
    1.3 Programación del módulo Modbus COM2.....................................................3
    1.4 Selección de la dirección y velocidad en baudios del dispositivo..................3
    1.5 Velocidad de comunicación de Modbus........................................................3
    1.6 Consideraciones generales...........................................................................4
          1.6.1 RS232 - RS485..................................................................................4
          1.6.2 Resumen............................................................................................4
    1.7 Conexiones de hardware...............................................................................6
          1.7.1 Conexiones punto a punto RS232.....................................................6
          1.7.2 Conexión de red multi-punto RS485..................................................7
                1.7.2.1 Principio................................................................................7
                1.7.2.2 Interconexión........................................................................8
                1.7.2.3 Ejemplo (Conexión con Modicon PLC )................................8
2. Resumen de base de datos....................................................................................9
    2.1 Entrada analógicas - digitales del módulo maestro.......................................9
    2.2 Identificación actual del sistema....................................................................9
    2.3 Entradas analógicas del Módulo(s) de Expansión.......................................10
    2.4 Descripción de los comandos......................................................................11
    2.5 Estado actual del sistema............................................................................11
    2.6 Leyenda          ...........................................................................................12
          2.6.1 Ajuste de las funciones....................................................................12
          2.6.2 Estado de las funciones...................................................................12
          2.6.3 Información del estado de la aplicación...........................................12
          2.6.4 Valor    ...........................................................................................13
                2.6.4.1 Entrada de presión.............................................................13
2.6.4.2 Entrada de temperatura...............................................................................13
2.6.4.3 Entrada digital ...........................................................................................13




————————————————————————————————————————
Departamento de Servicio Oil-free Air                   Curso de Servicio Técnico                                Página 2
COM2 - MODBUS
—————————————————————————————————————————

1. Instalación del módulo Modbus COM2

1.1 Identificación

El módulo Modbus COM2 se puede pedir con la designación: 1900 0701 82 (o más alta).
En la parte posterior del módulo se ha añadido la identificación extra “COM2 E6".

1.2 Alcance de la aplicación

El Modbus COM2 se puede conectar a un Elektronikon MkIII del tipo de “Alta Gama”.
La “Alta Gama” de controladores consta de los módulos siguientes:

        1900 0701 XX

Nota:
        Los controladores Elektronikon MkIII con designación 1900 0700 XX deben ser
        sustituidos por un tipo de la gama 1900 0701 XX

1.3 Programación del módulo Modbus COM2

El Modbus COM2 se puede programar a través del programa de servicio: Download File
Management for Windows (DFM4WIN).
En el programa DFM4WIN, seleccione “COM2 Modbus”.

1.4 Selección de la dirección y la velocidad en baudios del dispositivo

La dirección y la velocidad en baudios del Modbus COM2 se ajustan con los parámetros de
transferencia.
La selección completa se realiza a través del programa de servicio: DFM4WIN. (DFM para
Windows).

Se deben hacer las siguientes selecciones:

        Vaya a “Comandos” y seleccione “Ajustar parámetros de Modbus (COM2)”.
              Se mostrará el menú Parámetros de Comunicación Modbus.

        Seleccione:       Dirección de Modbus
                          Velocidad en baudios para RS232
                          Velocidad en baudios para RS485
                          Intervalo entre caracteres

                          Nota: el intervalo entre caracteres se ajustará automáticamente a 1 para
                          una velocidad en baudios de 19200, y a 2 para una velocidad en
                          baudios de 9600
                          En caso de mala comunicación, el rendimiento se puede mejorar
                          aumentando el intervalo entre caracteres. ¡Cualquier aumento puede dar
                          lugar a una comunicación más lenta!

1.5 Velocidad de comunicación de Modbus

En caso de red de comunicación multi-punto RS485 cada módulo Modbus recibe y maneja
todos los mensajes.




————————————————————————————————————————
Departamento de Servicio Oil-free Air       Curso de Servicio Técnico                 Página 3
COM2 - MODBUS
—————————————————————————————————————————

El módulo Modbus comunica continuamente con el módulo maestro Elektronikon para
actualizar una base de datos interna.
Por este motivo, el módulo Modbus necesita un máximo de 25 ms para manejar los mensajes.


La regla general será:



Esperar 25 ms después de recibir la respuesta previa antes de enviar el siguiente mensaje.




1.6 Consideraciones generales

1.6.1 RS232 - RS485

Cada módulo Modbus está equipado con un puerto de comunicación RS232 y RS485.
Los puertos de comunicación RS232 y RS485 no se pueden utilizar simultáneamente.

1.6.2 Resumen

El módulo de comunicación Modbus se puede utilizar en los siguientes compresores.


Tipo de compresor                          Modificaciones necesarias
GA 5 - 10                                  Sustituir Módulo Maestro por tipo 1900 0701 XX
GA 11 - 22                                 Sustituir Módulo Maestro por tipo 1900 0701 XX
GA 30 - 45                                 Sustituir Módulo Maestro por tipo 1900 0701 XX
GA 55 - 75                                 Ninguna
GA 90 - 160                                Ninguna
GA 200 - 315                               Ninguna
GR 110 - 200                               Ninguna
Z 18 - 90                                  Ninguna
ZA 45- 185                                 Ninguna
ZE 45 - 185                                Ninguna
ZR 5 - 6                                   Ninguna
ZR 110 - 275                               Ninguna
ZR 300 - 750                               Ninguna
ZT 110 - 275                               Ninguna




————————————————————————————————————————
Departamento de Servicio Oil-free Air   Curso de Servicio Técnico                 Página 4
COM2 - MODBUS
—————————————————————————————————————————




————————————————————————————————————————
Departamento de Servicio Oil-free Air   Curso de Servicio Técnico        Página 5
COM2 - MODBUS
—————————————————————————————————————————

1.7 Conexiones de hardware

Se puede acceder al Modbus COM2 a través de una conexión punto a punto RS232 y/o una
red de comunicación multi-punto RS485.

1.7.1 Conexiones punto a punto RS232


   D25 pen           D9 pen

   3                 2            RXD                                          TXD 2
   2                 3            TXD                                          RXD 3
   4                 7            RTS                                          RTS
   5                 8                                                         4
                                  CTS                                          CTS
                                                                               5
   7                 5            GND                                          GND
                                                                               7
   6                 6            DSR

   20                4            DTR



                  PC o PLC                                          Elektronikon MkIII
                  MODBUS                                            COM 2 MODBUS
                  RS232                                             RS232
                                                                    Conexión: 7x14




————————————————————————————————————————
Departamento de Servicio Oil-free Air   Curso de Servicio Técnico                        Página 6
COM2 - MODBUS
—————————————————————————————————————————


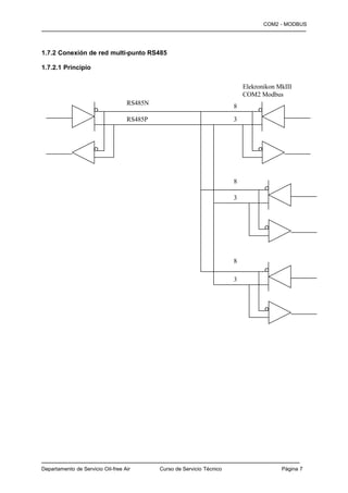
1.7.2 Conexión de red multi-punto RS485

1.7.2.1 Principio

                                                                            Elekronikon MkIII
                                                                            COM2 Modbus
                                   RS485N                               8
                                   RS485P                               3




                                                                        8

                                                                        3




                                                                        8

                                                                        3




————————————————————————————————————————
Departamento de Servicio Oil-free Air       Curso de Servicio Técnico                    Página 7
COM2 - MODBUS
—————————————————————————————————————————


1.7.2.2 Interconexión

   Conexión Externa Modbus RS485 ( PLC, PC, …)




                        Alimentación                               COM2 E6

                          7x1           7x1      7x1        7x       7x
                          4             5        6          2        3


                                                                           Conexión a
                                                                           Módulo Maestro
                                                                           Compresor 1
                                                Modbus
                                                Interconexión


                        Alimentación                               COM2 E6

                          7x1           7x1      7x1        7x       7x
                          4             5        6          2        3


                                                                          Conexión a
                                                                          Módulo Maestro
                                                                          Compresor 2




1.7.2.3 Ejemplo (Conexión con Modicon PLC )




————————————————————————————————————————
Departamento de Servicio Oil-free Air         Curso de Servicio Técnico                     Página 8
COM2 - MODBUS
—————————————————————————————————————————

2. Resumen de base de datos

2.1 Entradas analógicas - digitales del módulo maestro


Dirección           Descripción
Modbus

                    Módulo maestro
40001               Entrada de presión    1 - Ajuste   + Estado
40002               Entrada de presión    1 - Valor
40003               Entrada de presión    2 - Ajuste   + Estado
40004               Entrada de presión    2 - Valor
40005               Entrada de presión    3 - Ajuste   + Estado
40006               Entrada de presión    3 - Valor
40007               Entrada de presión    4 - Ajuste   + Estado
40008               Entrada de presión    4 - Valor

40009               Temperatura     1 - Ajuste   + Estado
40010               Temperatura     1 - Valor
40011               Temperatura     2 - Ajuste   + Estado
40012               Temperatura     2 - Valor
40013               Temperatura     3 - Ajuste   + Estado
40014               Temperatura     3 - Valor
40015               Temperatura     4 - Ajuste   + Estado
40016               Temperatura     4 - Valor

40017               Entrada   digital 1 - Ajuste + Estado
40018               Entrada   digital 1 - Valor
40019               Entrada   digital 2 - Ajuste + Estado
40020               Entrada   digital 2 - Valor
40021               Entrada   digital 3 - Ajuste + Estado
40022               Entrada   digital 3 - Valor




2.2 Identificación actual del sistema

Dirección           Descripción
Modbus

                    Información de aplicación y estado
40601               Maestro de Sistema + Módulo de Sistema 1
40602               Módulo de Sistema 2 + Módulo de Sistema 3
40603               Módulo de Sistema 4 + Módulo de Sistema 5
40603               Módulo de Sistema 6 + Módulo de Sistema 7




————————————————————————————————————————
Departamento de Servicio Oil-free Air            Curso de Servicio Técnico        Página 9
COM2 - MODBUS
—————————————————————————————————————————

2.3 Entradas analógicas del Módulo(s) de Expansión

Dirección           Descripción
Modbus

                    Módulo Esclavo 1
41001               Entrada analógica 1 - Ajuste + Estado
41002               Entrada analógica 1 - Valor
41003               Entrada analógica 2 - Ajuste + Estado
41004               Entrada analógica 2 - Valor
41005               Entrada analógica 3 - Ajuste + Estado
41006               Entrada analógica 3 - Valor
41007               Entrada analógica 4 - Ajuste + Estado
41008               Entrada analógica 4 - Valor
41009               Entrada analógica 5 - Ajuste + Estado
41010               Entrada analógica 5 - Valor
41011               Entrada analógica 6 - Ajuste + Estado
41012               Entrada analógica 6 - Valor
41013               Entrada analógica 7 - Ajuste + Estado
41014               Entrada analógica 7 - Valor
41015               Entrada analógica 8 - Ajuste + Estado
41016               Entrada analógica 8 - Valor

                    Módulo Esclavo 2
41017               Entrada analógica 1 - Ajuste + Estado
41018               Entrada analógica 1 - Valor
41019               Entrada analógica 2 - Ajuste + Estado
41020               Entrada analógica 2 - Valor
41021               Entrada analógica 3 - Ajuste + Estado
41022               Entrada analógica 3 - Valor
41023               Entrada analógica 4 - Ajuste + Estado
41024               Entrada analógica 4 - Valor
41025               Entrada analógica 5 - Ajuste + Estado
41026               Entrada analógica 5 - Valor
41027               Entrada analógica 6 - Ajuste + Estado
41028               Entrada analógica 6 - Valor
41029               Entrada analógica 7 - Ajuste + Estado
41030               Entrada analógica 7 - Valor
41031               Entrada analógica 8 - Ajuste + Estado
41032               Entrada analógica 8 - Valor




————————————————————————————————————————
Departamento de Servicio Oil-free Air      Curso de Servicio Técnico       Página 10
COM2 - MODBUS
—————————————————————————————————————————


2.4 Descripción de los comandos

Dirección           Descripción
Modbus

                    Ordenes
60001               Orden (Ver lista)                 -

        Orden       Descripción                       Activa para CCM =
             1      Arranque                          4a
             2      Parada                            4a / 4b
             3      Arranque + Carga forzada          4b (en 4a = arranque)
             4      Carga                             4b
             5      Descarga                          4b (en 4a = Descarga manual)
             6      Conmutar 4a a 4b                  4a
             7      Conmutar 4b a 4a                  4b


2.5 Estado actual del sistema


Dirección           Descripción                           Referencia
Modbus

                    Información de estado
10001               Bobina 1, Parado / Funcionando        CMS
10002               Bobina 2, Descarga / Carga            CMS
10003               Bobina 3, Manual / Automático         COS bit 7
10004               Bobina 4, Local / Remoo               COS bit 5
10005               Bobina 5, Parada                      CS = 13
10006               Bobina 6, Parada de emergencia        CS = 14




————————————————————————————————————————
Departamento de Servicio Oil-free Air     Curso de Servicio Técnico                  Página 11
COM2 - MODBUS
—————————————————————————————————————————


2.6 Leyenda

2.6.1 Ajuste de las funciones

El Ajuste de las Funciones se debe interpretar como datos binarios.
Cada parte (bit) de los datos indica un ítem específico que puede se aplicable para la función
de entrada. En la tabla siguiente se ofrece un resumen de todos los bits junto con el
correspondiente significado e interpretación.

                  Bit 7        Bit 6         Bit 5           Bit 4            Bit 3         Bit 2          Bit 1             Bit 0
Descripción       Función de   Protección    Arranque        Función de       Función de    Función de     Función de        Parada
de ajustes        entrada                    permisible      servicio 1       servicio 2    servicio 3     servicio
                                                                                                           General
Valor “1”         Activo       Ajustado      Ajustado        Ajustado         Ajustado      Ajustado       Ajustado          Ajustado
Valor “0”         No activo    No ajustado   No ajustado     No ajustado      No ajustado   No ajustado    No ajustado       No ajustado



2.6.2 Estado de las funciones

El Estado de las Funciones se debe interpretar como datos binarios.
Cada parte (bit) de los datos indica un ítem específico que puede se aplicable para la función
de entrada. En la tabla siguiente se ofrece un resumen de todos los bits junto con el
correspondiente significado e interpretación.

                  Bit 7        Bit 6         Bit 5         Bit 4           Bit 3       Bit 2        Bit 1        Bit 0
Descripción       Parada       Aviso de      Aviso         Error de        Arranque    Función de   Función de   Función de
de las                         parada                      sensor          permisivo   servicio 1   servicio 2   servicio 3
funciones
Valor “1”         Activo       Activo        Activo        Activo          Activo      Activo       Activo       Activo
Valor “0”         No activo    No activo     No activo     No activo       No activo   No activo    No activo    No activo




2.6.3 Información del estado de la aplicación

La información del estado de la aplicación ofrece un resumen de la instalación actual del
sistema, es decir, todos los módulos Elektronikon instalados.
Los módulos instalados están agrupados en dos.

Cada módulo está identificado por una cifra de Código.
Se pueden esperar las siguientes cifras de Código:

            'M'      (ASCII 4D )             Regulador maestro

            'S'      (ASCII 53 )             Módulo de Entrada/Salida de Sensores (SIOE )

            '1'      (ASCII 31 )             Módulo de Comunicación Tipo 1

            '2'      (ASCII 32 )             Módulo de Comunicación Tipo 2




————————————————————————————————————————
Departamento de Servicio Oil-free Air                      Curso de Servicio Técnico                             Página 12
COM2 - MODBUS
—————————————————————————————————————————


2.6.4 Valor

2.6.4.1 Entrada de presión

El Valor de Entrada de Presión es una representación hexadecimal de la presión medida por
el sensor de presión.
Este valor está indicado en mbar (0.001 bar)

Ejemplo:

        Valor = 1B80
        Valor decimal = 7040 mbar, es decir, 7,040 bar.

2.6.4.2 Entrada de Temperatura

El Valor de Entrada de Temperatura es una representación hexadecimal de la temperatura
medida por el sensor de temperatura.
Este Valor está indicado en 0.1°C

Ejemplo:

        Valor = 0357
        Valor decimal = 855, es decir, 85.5°C

2.6.4.3 Entrada Digital

El Valor de Entrada Digital es una representación hexadecimal del estado actual de las
Entradas Digitales

La Entrada Digital combina dos cuartetos (4 bits) indicando los siguiente:

          Cuarteto 1 (Bit 7, Bit 6, Bit 5, Bit 4 )

                 Valor: 00     Significado: Configurado como Normalmente Abierto
                 Valor: 01     Significado: Configurado como Normalmente Cerrado

          Cuarteto 2 (Bit 3, Bit 2, Bit 1, Bit 0 )

                 Valor: 00     Significado: La entrada digital está Abierta
                 Valor: 01     Significado: La entrada digital está Cerrada

Ejemplo:

        Valor = 0101
        Significado: Esta entrada digital está configurada como un contacto normalmente
        cerrado y está Cerrado.




————————————————————————————————————————
Departamento de Servicio Oil-free Air         Curso de Servicio Técnico            Página 13

Sp modbus

  • 1.
    Guía de instalacióny del usuario Electronikon MK III - MODBUS Departamento de Servicio Oil-free Air Curso de Servicio Técnico Junio 1999
  • 2.
    COM2 - MODBUS ————————————————————————————————————————— Índice 1. Instalación del módulo Modbus COM2...................................................................3 1.1 Identificación ..............................................................................................3 1.2 Alcance de la aplicación................................................................................3 1.3 Programación del módulo Modbus COM2.....................................................3 1.4 Selección de la dirección y velocidad en baudios del dispositivo..................3 1.5 Velocidad de comunicación de Modbus........................................................3 1.6 Consideraciones generales...........................................................................4 1.6.1 RS232 - RS485..................................................................................4 1.6.2 Resumen............................................................................................4 1.7 Conexiones de hardware...............................................................................6 1.7.1 Conexiones punto a punto RS232.....................................................6 1.7.2 Conexión de red multi-punto RS485..................................................7 1.7.2.1 Principio................................................................................7 1.7.2.2 Interconexión........................................................................8 1.7.2.3 Ejemplo (Conexión con Modicon PLC )................................8 2. Resumen de base de datos....................................................................................9 2.1 Entrada analógicas - digitales del módulo maestro.......................................9 2.2 Identificación actual del sistema....................................................................9 2.3 Entradas analógicas del Módulo(s) de Expansión.......................................10 2.4 Descripción de los comandos......................................................................11 2.5 Estado actual del sistema............................................................................11 2.6 Leyenda ...........................................................................................12 2.6.1 Ajuste de las funciones....................................................................12 2.6.2 Estado de las funciones...................................................................12 2.6.3 Información del estado de la aplicación...........................................12 2.6.4 Valor ...........................................................................................13 2.6.4.1 Entrada de presión.............................................................13 2.6.4.2 Entrada de temperatura...............................................................................13 2.6.4.3 Entrada digital ...........................................................................................13 ———————————————————————————————————————— Departamento de Servicio Oil-free Air Curso de Servicio Técnico Página 2
  • 3.
    COM2 - MODBUS ————————————————————————————————————————— 1.Instalación del módulo Modbus COM2 1.1 Identificación El módulo Modbus COM2 se puede pedir con la designación: 1900 0701 82 (o más alta). En la parte posterior del módulo se ha añadido la identificación extra “COM2 E6". 1.2 Alcance de la aplicación El Modbus COM2 se puede conectar a un Elektronikon MkIII del tipo de “Alta Gama”. La “Alta Gama” de controladores consta de los módulos siguientes: 1900 0701 XX Nota: Los controladores Elektronikon MkIII con designación 1900 0700 XX deben ser sustituidos por un tipo de la gama 1900 0701 XX 1.3 Programación del módulo Modbus COM2 El Modbus COM2 se puede programar a través del programa de servicio: Download File Management for Windows (DFM4WIN). En el programa DFM4WIN, seleccione “COM2 Modbus”. 1.4 Selección de la dirección y la velocidad en baudios del dispositivo La dirección y la velocidad en baudios del Modbus COM2 se ajustan con los parámetros de transferencia. La selección completa se realiza a través del programa de servicio: DFM4WIN. (DFM para Windows). Se deben hacer las siguientes selecciones: Vaya a “Comandos” y seleccione “Ajustar parámetros de Modbus (COM2)”. Se mostrará el menú Parámetros de Comunicación Modbus. Seleccione: Dirección de Modbus Velocidad en baudios para RS232 Velocidad en baudios para RS485 Intervalo entre caracteres Nota: el intervalo entre caracteres se ajustará automáticamente a 1 para una velocidad en baudios de 19200, y a 2 para una velocidad en baudios de 9600 En caso de mala comunicación, el rendimiento se puede mejorar aumentando el intervalo entre caracteres. ¡Cualquier aumento puede dar lugar a una comunicación más lenta! 1.5 Velocidad de comunicación de Modbus En caso de red de comunicación multi-punto RS485 cada módulo Modbus recibe y maneja todos los mensajes. ———————————————————————————————————————— Departamento de Servicio Oil-free Air Curso de Servicio Técnico Página 3
  • 4.
    COM2 - MODBUS ————————————————————————————————————————— Elmódulo Modbus comunica continuamente con el módulo maestro Elektronikon para actualizar una base de datos interna. Por este motivo, el módulo Modbus necesita un máximo de 25 ms para manejar los mensajes. La regla general será: Esperar 25 ms después de recibir la respuesta previa antes de enviar el siguiente mensaje. 1.6 Consideraciones generales 1.6.1 RS232 - RS485 Cada módulo Modbus está equipado con un puerto de comunicación RS232 y RS485. Los puertos de comunicación RS232 y RS485 no se pueden utilizar simultáneamente. 1.6.2 Resumen El módulo de comunicación Modbus se puede utilizar en los siguientes compresores. Tipo de compresor Modificaciones necesarias GA 5 - 10 Sustituir Módulo Maestro por tipo 1900 0701 XX GA 11 - 22 Sustituir Módulo Maestro por tipo 1900 0701 XX GA 30 - 45 Sustituir Módulo Maestro por tipo 1900 0701 XX GA 55 - 75 Ninguna GA 90 - 160 Ninguna GA 200 - 315 Ninguna GR 110 - 200 Ninguna Z 18 - 90 Ninguna ZA 45- 185 Ninguna ZE 45 - 185 Ninguna ZR 5 - 6 Ninguna ZR 110 - 275 Ninguna ZR 300 - 750 Ninguna ZT 110 - 275 Ninguna ———————————————————————————————————————— Departamento de Servicio Oil-free Air Curso de Servicio Técnico Página 4
  • 5.
  • 6.
    COM2 - MODBUS ————————————————————————————————————————— 1.7Conexiones de hardware Se puede acceder al Modbus COM2 a través de una conexión punto a punto RS232 y/o una red de comunicación multi-punto RS485. 1.7.1 Conexiones punto a punto RS232 D25 pen D9 pen 3 2 RXD TXD 2 2 3 TXD RXD 3 4 7 RTS RTS 5 8 4 CTS CTS 5 7 5 GND GND 7 6 6 DSR 20 4 DTR PC o PLC Elektronikon MkIII MODBUS COM 2 MODBUS RS232 RS232 Conexión: 7x14 ———————————————————————————————————————— Departamento de Servicio Oil-free Air Curso de Servicio Técnico Página 6
  • 7.
    COM2 - MODBUS ————————————————————————————————————————— 1.7.2Conexión de red multi-punto RS485 1.7.2.1 Principio Elekronikon MkIII COM2 Modbus RS485N 8 RS485P 3 8 3 8 3 ———————————————————————————————————————— Departamento de Servicio Oil-free Air Curso de Servicio Técnico Página 7
  • 8.
    COM2 - MODBUS ————————————————————————————————————————— 1.7.2.2Interconexión Conexión Externa Modbus RS485 ( PLC, PC, …) Alimentación COM2 E6 7x1 7x1 7x1 7x 7x 4 5 6 2 3 Conexión a Módulo Maestro Compresor 1 Modbus Interconexión Alimentación COM2 E6 7x1 7x1 7x1 7x 7x 4 5 6 2 3 Conexión a Módulo Maestro Compresor 2 1.7.2.3 Ejemplo (Conexión con Modicon PLC ) ———————————————————————————————————————— Departamento de Servicio Oil-free Air Curso de Servicio Técnico Página 8
  • 9.
    COM2 - MODBUS ————————————————————————————————————————— 2.Resumen de base de datos 2.1 Entradas analógicas - digitales del módulo maestro Dirección Descripción Modbus Módulo maestro 40001 Entrada de presión 1 - Ajuste + Estado 40002 Entrada de presión 1 - Valor 40003 Entrada de presión 2 - Ajuste + Estado 40004 Entrada de presión 2 - Valor 40005 Entrada de presión 3 - Ajuste + Estado 40006 Entrada de presión 3 - Valor 40007 Entrada de presión 4 - Ajuste + Estado 40008 Entrada de presión 4 - Valor 40009 Temperatura 1 - Ajuste + Estado 40010 Temperatura 1 - Valor 40011 Temperatura 2 - Ajuste + Estado 40012 Temperatura 2 - Valor 40013 Temperatura 3 - Ajuste + Estado 40014 Temperatura 3 - Valor 40015 Temperatura 4 - Ajuste + Estado 40016 Temperatura 4 - Valor 40017 Entrada digital 1 - Ajuste + Estado 40018 Entrada digital 1 - Valor 40019 Entrada digital 2 - Ajuste + Estado 40020 Entrada digital 2 - Valor 40021 Entrada digital 3 - Ajuste + Estado 40022 Entrada digital 3 - Valor 2.2 Identificación actual del sistema Dirección Descripción Modbus Información de aplicación y estado 40601 Maestro de Sistema + Módulo de Sistema 1 40602 Módulo de Sistema 2 + Módulo de Sistema 3 40603 Módulo de Sistema 4 + Módulo de Sistema 5 40603 Módulo de Sistema 6 + Módulo de Sistema 7 ———————————————————————————————————————— Departamento de Servicio Oil-free Air Curso de Servicio Técnico Página 9
  • 10.
    COM2 - MODBUS ————————————————————————————————————————— 2.3Entradas analógicas del Módulo(s) de Expansión Dirección Descripción Modbus Módulo Esclavo 1 41001 Entrada analógica 1 - Ajuste + Estado 41002 Entrada analógica 1 - Valor 41003 Entrada analógica 2 - Ajuste + Estado 41004 Entrada analógica 2 - Valor 41005 Entrada analógica 3 - Ajuste + Estado 41006 Entrada analógica 3 - Valor 41007 Entrada analógica 4 - Ajuste + Estado 41008 Entrada analógica 4 - Valor 41009 Entrada analógica 5 - Ajuste + Estado 41010 Entrada analógica 5 - Valor 41011 Entrada analógica 6 - Ajuste + Estado 41012 Entrada analógica 6 - Valor 41013 Entrada analógica 7 - Ajuste + Estado 41014 Entrada analógica 7 - Valor 41015 Entrada analógica 8 - Ajuste + Estado 41016 Entrada analógica 8 - Valor Módulo Esclavo 2 41017 Entrada analógica 1 - Ajuste + Estado 41018 Entrada analógica 1 - Valor 41019 Entrada analógica 2 - Ajuste + Estado 41020 Entrada analógica 2 - Valor 41021 Entrada analógica 3 - Ajuste + Estado 41022 Entrada analógica 3 - Valor 41023 Entrada analógica 4 - Ajuste + Estado 41024 Entrada analógica 4 - Valor 41025 Entrada analógica 5 - Ajuste + Estado 41026 Entrada analógica 5 - Valor 41027 Entrada analógica 6 - Ajuste + Estado 41028 Entrada analógica 6 - Valor 41029 Entrada analógica 7 - Ajuste + Estado 41030 Entrada analógica 7 - Valor 41031 Entrada analógica 8 - Ajuste + Estado 41032 Entrada analógica 8 - Valor ———————————————————————————————————————— Departamento de Servicio Oil-free Air Curso de Servicio Técnico Página 10
  • 11.
    COM2 - MODBUS ————————————————————————————————————————— 2.4Descripción de los comandos Dirección Descripción Modbus Ordenes 60001 Orden (Ver lista) - Orden Descripción Activa para CCM = 1 Arranque 4a 2 Parada 4a / 4b 3 Arranque + Carga forzada 4b (en 4a = arranque) 4 Carga 4b 5 Descarga 4b (en 4a = Descarga manual) 6 Conmutar 4a a 4b 4a 7 Conmutar 4b a 4a 4b 2.5 Estado actual del sistema Dirección Descripción Referencia Modbus Información de estado 10001 Bobina 1, Parado / Funcionando CMS 10002 Bobina 2, Descarga / Carga CMS 10003 Bobina 3, Manual / Automático COS bit 7 10004 Bobina 4, Local / Remoo COS bit 5 10005 Bobina 5, Parada CS = 13 10006 Bobina 6, Parada de emergencia CS = 14 ———————————————————————————————————————— Departamento de Servicio Oil-free Air Curso de Servicio Técnico Página 11
  • 12.
    COM2 - MODBUS ————————————————————————————————————————— 2.6Leyenda 2.6.1 Ajuste de las funciones El Ajuste de las Funciones se debe interpretar como datos binarios. Cada parte (bit) de los datos indica un ítem específico que puede se aplicable para la función de entrada. En la tabla siguiente se ofrece un resumen de todos los bits junto con el correspondiente significado e interpretación. Bit 7 Bit 6 Bit 5 Bit 4 Bit 3 Bit 2 Bit 1 Bit 0 Descripción Función de Protección Arranque Función de Función de Función de Función de Parada de ajustes entrada permisible servicio 1 servicio 2 servicio 3 servicio General Valor “1” Activo Ajustado Ajustado Ajustado Ajustado Ajustado Ajustado Ajustado Valor “0” No activo No ajustado No ajustado No ajustado No ajustado No ajustado No ajustado No ajustado 2.6.2 Estado de las funciones El Estado de las Funciones se debe interpretar como datos binarios. Cada parte (bit) de los datos indica un ítem específico que puede se aplicable para la función de entrada. En la tabla siguiente se ofrece un resumen de todos los bits junto con el correspondiente significado e interpretación. Bit 7 Bit 6 Bit 5 Bit 4 Bit 3 Bit 2 Bit 1 Bit 0 Descripción Parada Aviso de Aviso Error de Arranque Función de Función de Función de de las parada sensor permisivo servicio 1 servicio 2 servicio 3 funciones Valor “1” Activo Activo Activo Activo Activo Activo Activo Activo Valor “0” No activo No activo No activo No activo No activo No activo No activo No activo 2.6.3 Información del estado de la aplicación La información del estado de la aplicación ofrece un resumen de la instalación actual del sistema, es decir, todos los módulos Elektronikon instalados. Los módulos instalados están agrupados en dos. Cada módulo está identificado por una cifra de Código. Se pueden esperar las siguientes cifras de Código: 'M' (ASCII 4D ) Regulador maestro 'S' (ASCII 53 ) Módulo de Entrada/Salida de Sensores (SIOE ) '1' (ASCII 31 ) Módulo de Comunicación Tipo 1 '2' (ASCII 32 ) Módulo de Comunicación Tipo 2 ———————————————————————————————————————— Departamento de Servicio Oil-free Air Curso de Servicio Técnico Página 12
  • 13.
    COM2 - MODBUS ————————————————————————————————————————— 2.6.4Valor 2.6.4.1 Entrada de presión El Valor de Entrada de Presión es una representación hexadecimal de la presión medida por el sensor de presión. Este valor está indicado en mbar (0.001 bar) Ejemplo: Valor = 1B80 Valor decimal = 7040 mbar, es decir, 7,040 bar. 2.6.4.2 Entrada de Temperatura El Valor de Entrada de Temperatura es una representación hexadecimal de la temperatura medida por el sensor de temperatura. Este Valor está indicado en 0.1°C Ejemplo: Valor = 0357 Valor decimal = 855, es decir, 85.5°C 2.6.4.3 Entrada Digital El Valor de Entrada Digital es una representación hexadecimal del estado actual de las Entradas Digitales La Entrada Digital combina dos cuartetos (4 bits) indicando los siguiente: Cuarteto 1 (Bit 7, Bit 6, Bit 5, Bit 4 ) Valor: 00 Significado: Configurado como Normalmente Abierto Valor: 01 Significado: Configurado como Normalmente Cerrado Cuarteto 2 (Bit 3, Bit 2, Bit 1, Bit 0 ) Valor: 00 Significado: La entrada digital está Abierta Valor: 01 Significado: La entrada digital está Cerrada Ejemplo: Valor = 0101 Significado: Esta entrada digital está configurada como un contacto normalmente cerrado y está Cerrado. ———————————————————————————————————————— Departamento de Servicio Oil-free Air Curso de Servicio Técnico Página 13