UNIDAD 3

“Transmisores”
3.1 Generalidades

 Son instrumentos que captan la variable
 de proceso y la transmiten a distancia a
 un     instrumento    receptor  indicador,
 registrador, controlador o combinación de
 estos
Clasificación

    Según el tipo de señal se clasificarán los
    transmisores en:
•      Transmisores neumáticos
•      Transmisores electrónicos
•      Transmisores digitales
3.2 Transmisores neumáticos


 Son los que nos permiten recibir una
 señal por medio de algún fluido (aire)
Se basan en el sistema tobera-obturador,
que convierte el movimiento del elemento
de medición en una señal neumática
Los transmisores neumáticos generan una señal
  neumática variable linealmente de 3 a 15 psi para el
  campo de medida de 0-100% de la variable, 0,2-1 bar.
  Así, por este procedimiento, según la presión de
  salida se transmitirá un valor de la variable


       Tipos de transmisores neumáticos
• Transmisor de equilibrio de movimientos
• Transmisor de equilibrio de fuerzas
• Transmisor de equilibrio de momentos
Transmisor de equilibrio de
          movimientos

• Estos instrumentos se utilizan en la
  transmisión de presión y temperatura
  donde los elementos de medida son
  capaces de generar un movimiento amplio
  para eliminar el error de histéresis
Transmisor de equilibrio de fuerzas
 En este tipo de transmisores los movimientos
 son inapreciables
Transmisores de equilibrio de
           momentos

• El desequilibrio de fuerzas producidas por
  el caudal crea un par al que se opone el
  generado por el fuelle de realimentación a
  través de una rueda de apoyo móvil
  situada en el brazo del transmisor
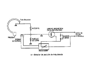
3.3 Transmisores electrónicos

• Son los que nos permiten recibir una señal
  electrica de corriente o de voltaje

• Los transmisores electrónicos generan una
  señal estándar de 4-20 mA c.c. A veces esta
  señal de salida es sustituida por un voltaje de 1-
  5V, si existen problemas de suministro
  electrónico.
Transmisores digitales

• Los transmisores digitales emite una señal
  digital, que consiste en una serie de
  impulsos (señal de muy pequeña
  duración) en forma de bits
• Cada bit consistirá en dos signos, el 0 y el
  1, que corresponden al paso o no de
  corriente
• . La principal ventaja de este tipo de
  transmisor es que su señal de salida
  puede ser recibida directamente por un
  procesador.
Ejemplos:
3.4 TRANSMISORES UNO ES A UNO

• En estos instrumentos el elemento de medición ejerce una
  fuerza en un punto sobre una palanca la cual tiene un
  punto de apoyo. Cuando aumenta la fuerza por el elemento
  de medición, la palanca se desequilibra, tapa la tobera, la
  presión aumenta y el diafragma ejerce una fuerza hacia
  arriba alcanzándose un nuevo equilibrio, en estos
  transmisores el los movimientos son inapreciables.

• En los transmisores de equilibrio de momentos, el
  desequilibrio de fuerzas producido por el caudal crea un
  par al que se opone el generado por el fuelle de
  realimentación a través de una rueda de apoyo móvil
  situada en el brazo del transmisor.
3.5 TRANSMISORES DE POTENCIA (BOOSTER).

• Comunicaciones en el sistema encargado de
  generar la señal portadora t en ella introducir la
  información a transmitir por medio de una
  técnica de modulación.
• Debido a la necesidad de de hoy en las industrias
  en general monitorear consumos de energía
  eléctrica en salas de comando y control alejadas
  del proceso y dada la creciente la incorporación
  de sistemas de control informatizados, se hace
  indispensable el uso de transmisores de potencia
  activa monofásica.
3.6 TRANSMISORES DE PROPORCION RELACION

• Este tipo transmisores se basan en el sistema
  tobera-obturador      que     convierte      el
  movimiento del elemento de medición en una
  señal neumática, el sistema tobera-obturador
  consiste en un tubo neumático alimentado a
  una presión constante PS, con una reducción
  en su salida en forma de tobera, la cual puede
  ser obstruida por una lamina llamada
  obturador cuya posición depende del
  elemento de medida.
• Transmisor de equilibrio de fuerzas.
• En estos instrumentos el elemento de medición
  ejerce una fuerza en un punto sobre una palanca
  la cual tiene un punto de apoyo. Cuando
  aumenta la fuerza por el elemento de medición,
  la palanca se desequilibra, tapa la tobera, la
  presión aumenta y el diafragma ejerce una fuerza
  hacia arriba alcanzándose un nuevo equilibrio, en
  estos transmisores el los movimientos son
  inapreciables.
3.7 TRASDUCTORES.
•   Dispositivo capaz de transformar o convertir un determinado tipo de energía de
    entrada en otra de diferente a la salida el nombre de transductor ya nos indica cual
    es la transformación que realizan. Los transductores siempre consumen algo de
    energía por lo que la señal medida resulta debilitada.
•   Tipos de transductores.
•   Transductor electromagnético.
•   Transforma la electricidad en energía magnética o viceversa un electroimán es un
    dispositivo que convierte electricidad en magnetismo o viceversa.
•   Transductor electromecánico: transforma energía de electricidad en energía
    mecánica o viceversa.
•   Transductor electrostático: consiste en una membrana normalmente mylar
    metalizada cargada eléctricamente que hace la función de diafragma y que se
    mueva por la fuerza electrostática que se produce al variar la carga de dos placas
    entre las que se encuentra.
•   Transductor fotoeléctrico: transforma luz en energía eléctrica una cámara
    fotográfica digital.

Unidad 3 transmisores

  • 1.
  • 2.
    3.1 Generalidades Soninstrumentos que captan la variable de proceso y la transmiten a distancia a un instrumento receptor indicador, registrador, controlador o combinación de estos
  • 4.
    Clasificación Según el tipo de señal se clasificarán los transmisores en: • Transmisores neumáticos • Transmisores electrónicos • Transmisores digitales
  • 5.
    3.2 Transmisores neumáticos Son los que nos permiten recibir una señal por medio de algún fluido (aire)
  • 6.
    Se basan enel sistema tobera-obturador, que convierte el movimiento del elemento de medición en una señal neumática
  • 7.
    Los transmisores neumáticosgeneran una señal neumática variable linealmente de 3 a 15 psi para el campo de medida de 0-100% de la variable, 0,2-1 bar. Así, por este procedimiento, según la presión de salida se transmitirá un valor de la variable Tipos de transmisores neumáticos • Transmisor de equilibrio de movimientos • Transmisor de equilibrio de fuerzas • Transmisor de equilibrio de momentos
  • 8.
    Transmisor de equilibriode movimientos • Estos instrumentos se utilizan en la transmisión de presión y temperatura donde los elementos de medida son capaces de generar un movimiento amplio para eliminar el error de histéresis
  • 10.
    Transmisor de equilibriode fuerzas En este tipo de transmisores los movimientos son inapreciables
  • 11.
    Transmisores de equilibriode momentos • El desequilibrio de fuerzas producidas por el caudal crea un par al que se opone el generado por el fuelle de realimentación a través de una rueda de apoyo móvil situada en el brazo del transmisor
  • 13.
    3.3 Transmisores electrónicos •Son los que nos permiten recibir una señal electrica de corriente o de voltaje • Los transmisores electrónicos generan una señal estándar de 4-20 mA c.c. A veces esta señal de salida es sustituida por un voltaje de 1- 5V, si existen problemas de suministro electrónico.
  • 16.
    Transmisores digitales • Lostransmisores digitales emite una señal digital, que consiste en una serie de impulsos (señal de muy pequeña duración) en forma de bits
  • 17.
    • Cada bitconsistirá en dos signos, el 0 y el 1, que corresponden al paso o no de corriente • . La principal ventaja de este tipo de transmisor es que su señal de salida puede ser recibida directamente por un procesador.
  • 19.
  • 21.
    3.4 TRANSMISORES UNOES A UNO • En estos instrumentos el elemento de medición ejerce una fuerza en un punto sobre una palanca la cual tiene un punto de apoyo. Cuando aumenta la fuerza por el elemento de medición, la palanca se desequilibra, tapa la tobera, la presión aumenta y el diafragma ejerce una fuerza hacia arriba alcanzándose un nuevo equilibrio, en estos transmisores el los movimientos son inapreciables. • En los transmisores de equilibrio de momentos, el desequilibrio de fuerzas producido por el caudal crea un par al que se opone el generado por el fuelle de realimentación a través de una rueda de apoyo móvil situada en el brazo del transmisor.
  • 22.
    3.5 TRANSMISORES DEPOTENCIA (BOOSTER). • Comunicaciones en el sistema encargado de generar la señal portadora t en ella introducir la información a transmitir por medio de una técnica de modulación. • Debido a la necesidad de de hoy en las industrias en general monitorear consumos de energía eléctrica en salas de comando y control alejadas del proceso y dada la creciente la incorporación de sistemas de control informatizados, se hace indispensable el uso de transmisores de potencia activa monofásica.
  • 23.
    3.6 TRANSMISORES DEPROPORCION RELACION • Este tipo transmisores se basan en el sistema tobera-obturador que convierte el movimiento del elemento de medición en una señal neumática, el sistema tobera-obturador consiste en un tubo neumático alimentado a una presión constante PS, con una reducción en su salida en forma de tobera, la cual puede ser obstruida por una lamina llamada obturador cuya posición depende del elemento de medida.
  • 24.
    • Transmisor deequilibrio de fuerzas. • En estos instrumentos el elemento de medición ejerce una fuerza en un punto sobre una palanca la cual tiene un punto de apoyo. Cuando aumenta la fuerza por el elemento de medición, la palanca se desequilibra, tapa la tobera, la presión aumenta y el diafragma ejerce una fuerza hacia arriba alcanzándose un nuevo equilibrio, en estos transmisores el los movimientos son inapreciables.
  • 25.
    3.7 TRASDUCTORES. • Dispositivo capaz de transformar o convertir un determinado tipo de energía de entrada en otra de diferente a la salida el nombre de transductor ya nos indica cual es la transformación que realizan. Los transductores siempre consumen algo de energía por lo que la señal medida resulta debilitada. • Tipos de transductores. • Transductor electromagnético. • Transforma la electricidad en energía magnética o viceversa un electroimán es un dispositivo que convierte electricidad en magnetismo o viceversa. • Transductor electromecánico: transforma energía de electricidad en energía mecánica o viceversa. • Transductor electrostático: consiste en una membrana normalmente mylar metalizada cargada eléctricamente que hace la función de diafragma y que se mueva por la fuerza electrostática que se produce al variar la carga de dos placas entre las que se encuentra. • Transductor fotoeléctrico: transforma luz en energía eléctrica una cámara fotográfica digital.