24/07/2017
Ing. Victor Bernal
INDICE
NOTA DE APLICACIÓN CMM-EIP01 ..................................................................... 1
1. OBJETIVO:...................................................................................................... 1
2. Hardware necesario:........................................................................................ 1
3. Arquitectura: .................................................................................................... 1
4. Software necesario: ......................................................................................... 2
4.1. ISPSoft V3.03............................................................................................ 2
4.2. Manual ISPSoft ......................................................................................... 2
4.3. DCISoft V1.17 ........................................................................................... 2
5. Configuraciones y conexiones......................................................................... 2
5.1. CMM-EIP01............................................................................................... 2
5.2. Drive MS300 ............................................................................................. 4
5.3. HMI DOP-B07E411................................................................................. 10
6. Anexos........................................................................................................... 18
6.1. DCISoft.................................................................................................... 18
Página | 1
Ing. Victor Bernal
NOTA DE APLICACIÓN CMM-EIP01
1. OBJETIVO:
Comunicar una pantalla DOP-B07E411, vía ethernet con un drive MS300 por medio
de tarjeta de comunicación CMM-EIP01.
2. Hardware necesario:
CMM-EIP01
Drive MS300
DOP-B07E411
3. Arquitectura:
Página | 2
Ing. Victor Bernal
4. Software necesario:
4.1. ISPSoft V3.03
www.deltaww.com/filecenter/Products/download/06/060301/Software/DELTA_IA-
PLC_ISPSoft-V3-03_SW_20170619.zip
4.2. Manual ISPSoft
http://www.deltaww.com/filecenter/Products/download/06/060301/Manual/DELTA_I
A-PLC_ISPSoft_UM_EN_20170614.pdf
4.3. DCISoft V1.17
www.deltaww.com/filecenter/Products/download/06/060301/Software/DELTA_IA-
PLC_DCISoft-V1-17_SW_20160725.zip
5. Configuraciones y conexiones
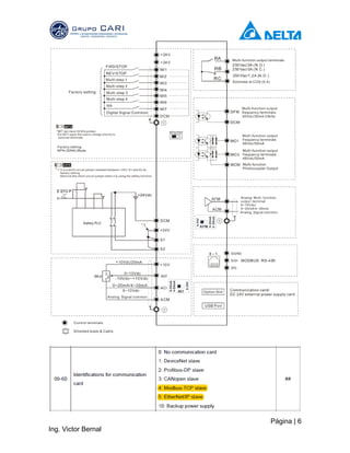
5.1. CMM-EIP01
Página | 3
Ing. Victor Bernal
Página | 4
Ing. Victor Bernal
5.2. Drive MS300
Nombre de Modelo
Página | 5
Ing. Victor Bernal
Página | 6
Ing. Victor Bernal
Página | 7
Ing. Victor Bernal
5.2.1. Parámetros por configurar en el Drive MS300 la tarjeta CMM-EIP01.
Se colocan los parámetros anteriores en el Drive MS300 para configurar la tarjeta
de comunicación CMM-EIP01.
Página | 8
Ing. Victor Bernal
5.2.2. PLC
El parámetro que me resetea por completo es el PLC es el 00-02 en 6.
El MS300 proporciona 2 puertos de comunicación serial que permiten descargar
hacia el PLC.
El canal 1 tiene el mismo formato que el canal 2.
El canal 2 presenta el formato de 7, N, 2, 9600, ASCII, puedes ser cambiado en el
parámetro Pr. 09-01(velocidad de transmisión) y el Pr. 09-04 (protocolo de
comunicación)
El PLC presenta el nodo 2; puede ser cambiado en el Pr. 09-35, pero esta no es la
misma que la del Drive Pr. 90-00.
Página | 9
Ing. Victor Bernal
Encender el PLC
Página | 10
Ing. Victor Bernal
5.3. HMI DOP-B07E411
5.3.1. Creación del Screen DOP-B07E411
1.- Nuevo archivo
2.- Agregamos un nuevo dispositivo Ethernet con el Controlador Delta DVP TCP IP.
Con la IP configurada en los parámetros del MS300 192.168.1.5.
Página | 11
Ing. Victor Bernal
3.- Colocamos la IP fija de la HMI 192.168.1.1.
Página | 12
Ing. Victor Bernal
Agregamos un Slider para la frecuencia.
El cual escribe en la dirección H2001 del drive MS300.
Página | 13
Ing. Victor Bernal
También agregamos un Numeric Entry para poner frecuencias exactas, de la
misma forma como el Slider escribe en la dirección H2001.
Agregamos los botones de STOP, RUN, REV, FWD con Set Constant.
Página | 14
Ing. Victor Bernal
Página | 15
Ing. Victor Bernal
Página | 16
Ing. Victor Bernal
Basándonos en las Lista de direcciones del MS300, el bit los valores de las
funciones son las siguientes:
STOP=1
RUN=2
FWD=16
REV=32
Estos valores se agregan en el recuadro Detail..
En el menú Main.
Página | 17
Ing. Victor Bernal
STOP RUN
FWD REV
5.3.2. Funcionamiento del HMI con el MS300
Página | 18
Ing. Victor Bernal
6. Anexos
6.1. DCISoft
Página | 19
Ing. Victor Bernal
Página | 20
Ing. Victor Bernal
Página | 21
Ing. Victor Bernal

2017 07-04 ms300 cmm-eip01

  • 1.
  • 2.
    Ing. Victor Bernal INDICE NOTADE APLICACIÓN CMM-EIP01 ..................................................................... 1 1. OBJETIVO:...................................................................................................... 1 2. Hardware necesario:........................................................................................ 1 3. Arquitectura: .................................................................................................... 1 4. Software necesario: ......................................................................................... 2 4.1. ISPSoft V3.03............................................................................................ 2 4.2. Manual ISPSoft ......................................................................................... 2 4.3. DCISoft V1.17 ........................................................................................... 2 5. Configuraciones y conexiones......................................................................... 2 5.1. CMM-EIP01............................................................................................... 2 5.2. Drive MS300 ............................................................................................. 4 5.3. HMI DOP-B07E411................................................................................. 10 6. Anexos........................................................................................................... 18 6.1. DCISoft.................................................................................................... 18
  • 3.
    Página | 1 Ing.Victor Bernal NOTA DE APLICACIÓN CMM-EIP01 1. OBJETIVO: Comunicar una pantalla DOP-B07E411, vía ethernet con un drive MS300 por medio de tarjeta de comunicación CMM-EIP01. 2. Hardware necesario: CMM-EIP01 Drive MS300 DOP-B07E411 3. Arquitectura:
  • 4.
    Página | 2 Ing.Victor Bernal 4. Software necesario: 4.1. ISPSoft V3.03 www.deltaww.com/filecenter/Products/download/06/060301/Software/DELTA_IA- PLC_ISPSoft-V3-03_SW_20170619.zip 4.2. Manual ISPSoft http://www.deltaww.com/filecenter/Products/download/06/060301/Manual/DELTA_I A-PLC_ISPSoft_UM_EN_20170614.pdf 4.3. DCISoft V1.17 www.deltaww.com/filecenter/Products/download/06/060301/Software/DELTA_IA- PLC_DCISoft-V1-17_SW_20160725.zip 5. Configuraciones y conexiones 5.1. CMM-EIP01
  • 5.
    Página | 3 Ing.Victor Bernal
  • 6.
    Página | 4 Ing.Victor Bernal 5.2. Drive MS300 Nombre de Modelo
  • 7.
    Página | 5 Ing.Victor Bernal
  • 8.
    Página | 6 Ing.Victor Bernal
  • 9.
    Página | 7 Ing.Victor Bernal 5.2.1. Parámetros por configurar en el Drive MS300 la tarjeta CMM-EIP01. Se colocan los parámetros anteriores en el Drive MS300 para configurar la tarjeta de comunicación CMM-EIP01.
  • 10.
    Página | 8 Ing.Victor Bernal 5.2.2. PLC El parámetro que me resetea por completo es el PLC es el 00-02 en 6. El MS300 proporciona 2 puertos de comunicación serial que permiten descargar hacia el PLC. El canal 1 tiene el mismo formato que el canal 2. El canal 2 presenta el formato de 7, N, 2, 9600, ASCII, puedes ser cambiado en el parámetro Pr. 09-01(velocidad de transmisión) y el Pr. 09-04 (protocolo de comunicación) El PLC presenta el nodo 2; puede ser cambiado en el Pr. 09-35, pero esta no es la misma que la del Drive Pr. 90-00.
  • 11.
    Página | 9 Ing.Victor Bernal Encender el PLC
  • 12.
    Página | 10 Ing.Victor Bernal 5.3. HMI DOP-B07E411 5.3.1. Creación del Screen DOP-B07E411 1.- Nuevo archivo 2.- Agregamos un nuevo dispositivo Ethernet con el Controlador Delta DVP TCP IP. Con la IP configurada en los parámetros del MS300 192.168.1.5.
  • 13.
    Página | 11 Ing.Victor Bernal 3.- Colocamos la IP fija de la HMI 192.168.1.1.
  • 14.
    Página | 12 Ing.Victor Bernal Agregamos un Slider para la frecuencia. El cual escribe en la dirección H2001 del drive MS300.
  • 15.
    Página | 13 Ing.Victor Bernal También agregamos un Numeric Entry para poner frecuencias exactas, de la misma forma como el Slider escribe en la dirección H2001. Agregamos los botones de STOP, RUN, REV, FWD con Set Constant.
  • 16.
    Página | 14 Ing.Victor Bernal
  • 17.
    Página | 15 Ing.Victor Bernal
  • 18.
    Página | 16 Ing.Victor Bernal Basándonos en las Lista de direcciones del MS300, el bit los valores de las funciones son las siguientes: STOP=1 RUN=2 FWD=16 REV=32 Estos valores se agregan en el recuadro Detail.. En el menú Main.
  • 19.
    Página | 17 Ing.Victor Bernal STOP RUN FWD REV 5.3.2. Funcionamiento del HMI con el MS300
  • 20.
    Página | 18 Ing.Victor Bernal 6. Anexos 6.1. DCISoft
  • 21.
    Página | 19 Ing.Victor Bernal
  • 22.
    Página | 20 Ing.Victor Bernal
  • 23.
    Página | 21 Ing.Victor Bernal