+
3
2 8
1
Tl082
Vcc
200K
100K
50K
++
1uF
68K
+
5
6
4
7
Tl082
-Vcc
150K 200K
0.001µF 470 pF
330 pF
++
4.7uF
20K
Bajos
2.2K
Salida R
2.2uF 2.2K
++
0.1uF
0.047uF
Volumen
+
5
6
8
7
4558
Vcc
0.1µF
200K
100K
5.1K
50K
+
3
2
4
1
4558
-Vcc
150K 200K
0.001µF
470 pF
200 pF
++
1uF
50K
Medios
2.2K
Salida R
0.1µF
Volumen
+
5
6
8
7
Tl072
Vcc
0.01µF
200K
100K
15K
50K
+
3
2
4
1
Tl072
-Vcc
150K 200K
100 pF
22 pF
++
1uF
50K
Altos
2.2K
Salida R
470 pF
0.1µF
4.7K
Volumen
+
3
2 8
1
Tl072
Vcc
0.01µF
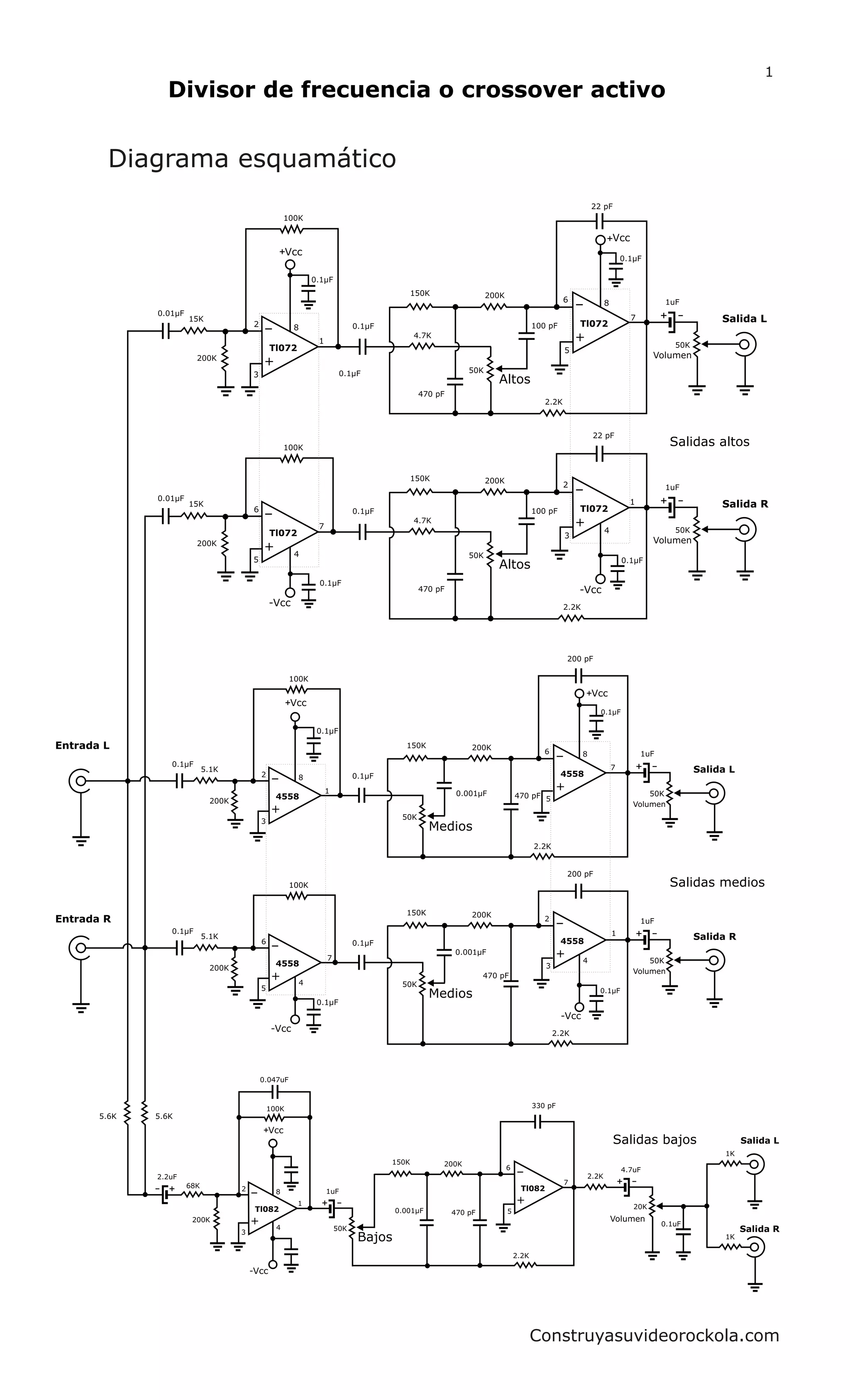
Entrada L
200K
100K
15K
50K
+
5
6
4
7
Tl072
-Vcc
150K 200K
100 pF
22 pF
++
1uF
50K
Altos
2.2K
Salida L
470 pF
0.1µF
4.7K
Volumen
+
3
2 8
1
4558
Vcc
0.1µF
200K
100K
5.1K
50K
+
5
6
4
7
4558
-Vcc
150K 200K
0.001µF 470 pF
200 pF
++
1uF
50K
Medios
2.2K
Salida L
0.1µF
Volumen
Entrada R
5.6K5.6K
Salida L
1K
1K
0.1µF
0.1µF
0.1µF
0.1µF
0.1µF
0.1µF
0.1µF
0.1µF
0.1µF
Diagrama esquamático
Salidas altos
Salidas medios
Salidas bajos
Construyasuvideorockola.com
1
50K 50K
103
103
15K
15K
100K
100K
200K
200K
150K
150K
200K
200K
2.2K
2.2K
471
471
101
22 pF
22 pF Salida altos
1 uF
1 uF
R
G
L
Tap
4558
4558
Altos Volumen altos
LM 7812
LM 7912
ACAC
2200 uF
2200 uF
1 Amp
104
4.7K
4.7K
101
104
50K 50K
104
104
5.6K
5.6K
100K
100K
200K
200K
150K
150K
200K
200K
2.2K
2.2K
102
102
471
220 pF
220 pF
471
Salida Medios
1 uF
1 uF
R
G
LC4558
C4558
Medios Volumen medios
104
104
50K
20K
68K
100K
200K
150K
200K
2.2K
102
471
330 pF
Entrada
Salida bajos
4.7uF
1 uF
Tl082
Bajos Volumen Bajos
2.2K
2.2uF
473
5.6K
5.6K
104
1K
1K
L R
G
104
104
104
104
G
RL
104
104
GND
GND
GND
GND
Transformador
Construyasuvideorockola.com
Dibujo con la posición de los componentes
2
28.7cm
7.1 cm
28.7cm
7.1 cm
PCB al derecho PCB en modo espejo
Construyasuvideorockola.com
3
50K50K
103
103
15K
15K
100K
100K
200K
200K
150K
150K
200K
200K
2.2K
2.2K
471
471
101
22pF
22pFSalidaaltos
1uF
1uF
R
G
L
Tap
4558
4558
AltosVolumenaltos
LM7812
LM7912
ACAC
2200uF
2200uF
1Amp
104
4.7K
4.7K
101
104
50K50K
104
104
5.6K
5.6K
100K
100K
200K
200K
150K
150K
200K
200K
2.2K
2.2K
102
102
471
220pF
220pF
471
SalidaMedios
1uF
1uF
R
G
LC4558
C4558
MediosVolumenmedios
104
104
50K
20K
68K
100K
200K
150K
200K
2.2K
102
471
330pF
Entrada
Salidabajos
4.7uF
1uF
Tl082
BajosVolumenBajos
2.2K
2.2uF
473
5.6K
5.6K
104
1K
1K
LR
G
104
104
104
104
G
RL
104
104
GND
GND
GND
GND
Transformador
Construyasuvideorockola.com
Máscara de componentes Máscara de antisolder
Construyasuvideorockola.com
4
Salida altos
RL
Tap
Altos Volumen altos
ACAC
Salida Medios
RL
Medios Volumen medios
Entrada
Salida bajos
Volumen Bajos
L R
RL
Bajos
Salida R
Entrada
Salida L
RLGND
GND
36V AC
36V AC
TAPGND
Salida R
Entrada
Salida L
RLGND
GND
36V AC
36V AC
TAPGND
Salida R
Entrada
Salida L
RLGND
GND
36V AC
36V AC
TAPGND
Transformador
120V/220VAC120V/220VAC
12012
Fusible
½ amp
Entrada AC
FUSE
Entrada de señal
Amplificador para subwfer Amplificador para medios Amplificador para Tweeter
L R
Construyasuvideorockola.com
5
Lista de materiales
Circuitos integrados
4 C4558
1TL082
Resistencias de 1/4W
10 Resistencias de 200K (rojo, negro, amarillo)
5 Resistencias de 100K (café, negro, amarillo)
6 Resistencias de 2.2K (rojo, rojo, rojo)
4 Resistencias de 5.6K (verde, azul, rojo)
5 Resistencias de 150K (café, verde, amarillo)
2 Resistencias de 4.7K (amarillo, violeta, rojo)
2 Resistencias de 15K (café, verde, naranja)
2 Resistencias de 1K (café, negro, rojo)
1 Resistencia de 68K (azul, gris, naranja)
Condensadores
2 Condensadores de 2200 uF a 25 voltios
5 Condensadores de 1 uF a 25 voltios
1 Condensador de 4.7 uF a 25 voltios
1 Condensador de 2.2 uF a 25 voltios
13 Condensadores de 0.1 uF (104) poliéster
3 Condensadores de 0.001 uF (102) poliéster
2 Condensadores de 0.01 uF (103) poliéster
5 Condensadores de 470 pF (471) cerámicos
2 Condensadores de 100 pF (101) cerámicos
2 Condensadores de 220 pF (221) cerámicos
2 Condensadores de 22 pF cerámicos
1 Condensador de 0.047 uF (473) poliéster
1 Condensador de 330 pF (331) cerámico
Varios
1 regulador LM7812
1 regulador LM7912
5 bases para integrados de 8 pines
4 conectores de 3 pines pequeños (GP)
1 conector de 6 pines pequeño (GP)
1 puente de diodos de 1 amperio en adelante
4 potenciómetros de 50K dobles
1 potenciómetro de 50K sencillo
1 potenciómetro de 20K sencillo
1 transformador de 12+0+12 voltios AC
Para realizar el circuito impreso lea nuestro artículo de fabricación de
circuitos impresos.
Construyasuvideorockola.com
6

Crossover ativo 3vias com ci-4558