Rafael Arjona
I1 Inicio
ºC
0
50
100
20
30
40 60
70
80
90
10
0 I2 Parada
I6 Mínimo
Q2 Motor-bomba
Q1 Motor
I3 Sensor de ajuste
I4 Sensor de ajuste
I5 Sensor de ajuste
Q3 Electroválvula
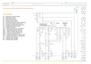
Aplicaciones para autómatas programables
AI1 Temperatura piscina
0
2
4
6
8
10
0
0,2
0,4 0,6
0,8
1
kgf/cm
2
MPa
AI2 Manómetro
0
0
28ºC
Q4 Turbina 1
Q5 Turbina 2
1L1 3L2 5L3
13 NO 21 NC A1
14 NO 22 NC A2
6T3
2T1 4T2
Q6 Resistencias
1º Rociado
2º Inmersión
3º Secado
Q7 Alarma
AI3 Sónar llenado piscina
25K Litros
Contenidos
Aplicaciones con autómatas programables
Autómatas programables. Conceptos
Básicas
BAS01. Activación de una lámpara a través de un autómata programable.
BAS02. Función “AND” para el encendido de una lámpara a través de un autómata programable.
BAS03. Función “OR” para el encendido de una lámpara a través de un autómata programable.
BAS19. Tratamiento de señales analógicas. Toldo automatizado.
BAS20. Tratamiento de señales analógicas. Control de la temperatura de un horno.
Basadas en automatismos cableados
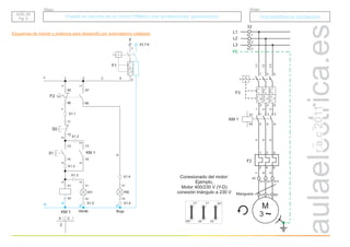
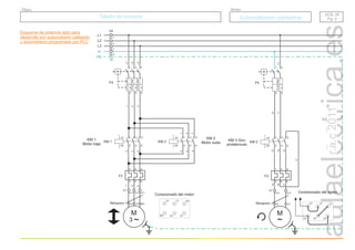
ACE02. Puesta en marcha de un motor trifásico con protecciones: guardamotor.
ACE20. Taladro de columna.
Aplicaciones industriales
API15. Paso a nivel con barreras.
API20. Control automático de dos depósitos para óleo.
Semáforos
SEM06. Túnel inteligente.
Aplicaciones domóticas.
DOM04. Persiana motorizada.
DOM05. Toldo automatizado.
DOM06. Sistema anti robo.
Quedan reservados todos los
derechos.
Prohibida su duplicación y
préstamo
bajo cualquier medio sin
autorización expresa por
escrito de su autor.
Rafael
Arjona.
Edición y diseño:
Apartado de correos, 21
23680 Alcalá la Real (Jaén)
aulaelectrica@aulaelectrica.es
www.aulaelectrica.es
www.aulaelectrica.es
Libros
lustraciones adhesivas
Recursos educativos
I
www.aulaelectrica.es
www.aulaelectrica.es
www.aulaelectrica.es
Cuaderno de prácticas para
automatismos cableados
y programados.
Guía para el Profesor
ISBN: 978-84-615-2009-1
Este documento de aplicaciones para
autómatas programables se encuentra en
el CD-ROM que acompaña el libro:
Edición, diseño y maquetación:
Rafael Arjona.
Todos los derechos reservados.
Cuaderno de prácticas para
automatismos cableados
y programados.
Guía para el Profesor
ISBN: 978-84-615-2009-1
r.a.c
2011
PLC
Pg. 1
PLC
Pg. 1
Autómatas programables
Autómatas programables
Grupo
Título
Conceptos
PLC_CONCEPTOS
1 El autómata programable
Desde el comienzo de la industrialización, el
hombre a buscado y mejorado constantemente los
procedimientos y medios para que las labores de
producción se hicieran cada vez más rápidas,
menos repetitivas para el operario, mejorando el
puesto de trabajo y consiguiendo un rendimiento
cada vez más eficaz, ayudado por la tecnología
eléctrica basada en control y lógica cableada.
En 1968, una división de una fábrica de
automóviles, propone a través de un concurso la
creación de un instrumento tipo controlador
electrónico, que sustituya los sistemas de control
cableados (interruptores, relés, contactores..), por
un control programado, con el objetivo de ahorrar
costes en los procesos de fabricación.
El crecimiento fue rápido, y los autómatas
programables industriales aumentaban en
funcionalidad y rapidez de operación. La figura
muestra el esquema de bloques de un PLC.
MEMORIA
PROGRAMA
DATOS
Fuente
de
alimentación
Módulo de
Entradas
Módulo de
Salidas
Unidad de
programación
- Cartuchos de memoria.
- HMI. Pantallas táctiles.
- HMI. Programas Scada.
- Módem GSM.
- Impresoras....
Lock
MB
15 pines macho
15 pines hembra
SIM
CPU
(Unidad
central
de proceso)
Salidas
digitales
todo/nada
Salidas
analógicas
valor U ó I
Relé
Transistor
Triac
0....10 V
0...4 mA
Etc.
Entradas
digitales
todo/nada
Entradas
analógicas
valor U ó I
Módulo de
comunicaciones
Internet
Ethernet
Profinet
etc.
Específica
PC,
Ordenador
personal
Periféricos
Esquema de bloques de un autómata programable.
r.a.c
2011
Grupo
Título
PLC
Pg. 2
PLC
Pg. 2
Autómatas programables
Autómatas programables Conceptos
2 Lógica cableada
Cuando el funcionamiento de una
operación automática se realiza
con la alimentación principal-
mente de relés y contactores,
producidas o provocadas por los
accionamientos de elementos
mecánicos tipo interruptor,
pulsador, final de carrera, etc., se
dice que la lógica del circuito es
cableada; de hecho, una
modificación en el funcionamiento
supone la reestructuración de
parte del cableado existente.
Si la instalación a gobernar
cuenta con varios sensores de
entrada, y la misma es vulnerable
de modificar por razones
funcionales o de producción, sale
más rentable utilizar un
microcontrolador que realizar la
instalación con lógica cableada.
Por contra, si la instalación es
permanente con un proceso de
funcionamiento sin proyectos de
modificación, no es necesario que
la gestione un PLC.
6 7
95
96
97
98
1 3
2 4
F2
5 8 9
95
96
97
98
F3
10 11 12 13 14 15 16 17 18
13
14
S1
X1
X2
H1
A1
A2
X1
X2
H2
A1
A2
13
14
11
12
11
12
FC 1
S2
11
12
KM 2
S3
23
24
21
22
11
12
FC 2
11
12
KM 1
X1
X2
H3
A1
A2
X1
X2
H4
A1
A2
13
14
11
12
11
12
FC 3
S4
11
12
KM 4
S5
23
24
21
22
11
12
FC 4
11
12
KM 3
X1
X2
H5
A1
A2
X1
X2
H6
A1
A2
13
14
11
12
11
12
FC 5
S6
11
12
KM 6
S7
23
24
21
22
11
12
FC 6
11
12
KM 5
95
96
97
98
F4
X1
X2
H00
Avería 1
X1
X2
H01
Avería 2
X1
X2
H02
Avería 3
A1
A2
23
24
11
12
KM 9
11
12
KM 7
KM 5
A1
A2
13
14
11
12
S8
S9
23
24
21
22
33
34
KM 5
33
34
KM 6
23
24
KM 6
A1
A2
F
2
1
F1
Lógica cableada.
r.a.c
2011
Grupo
Título
3 Lógica programada
Si el número de captadores es
amplio, aunque creamos que la
instalación no va a sufrir
modificaciones, el coste del
microcontrolador será insig-
nificante si sólo una vez decidié-
ramos realizar una modificación
de control (recableado, pruebas,
puesta en marcha, verificación,
tiempo perdido, parada de
producción, etc.). Por ejemplo,
si decidimos controlar las
lámparas de los semáforos de un
cruce de dos calles, la instalación
la pueden realizar automatismos
convencionales, aunque sean
varios; pero si el número de
calles se amplía, ya no tiene
sentido utilizar automatismos
cableados, cuyo volumen sería
exagerado; se haría con control
programable. La siguiente figura
muestra las posibilidades de
programación de un autómata.
A B
L N I1 I2 I3 I4 I5 I6 I7 I8 I9 I10 I11
MicroPLC
Q1 Q2 Q3 Q4
OUTPUT 4xRELAY 10A
OK
18:00
Gas
N A1
A2
A1
A2
L+ M
DC 24 V
1
8
Módulo COM
RUN
Alumbrado
Aire
acondicionado
Calefactores
eléctricos
Toldos
Puerta
de garaje
Motorización
de persianas
Bombas
de riego
Ventiladores
y extractores
Electroválvulas
Pulsadores
Pulsador
para
persianas
Final
de carrera
Detector
de gas
Detector
de incendio
Detector
de
inundación
Detector
de
movimientos
Célula
fotoeléctrica
Interruptor
de llave
SIM
Sensor
crepuscular Anemómetro Tensiómetro
Termostato
ºC
Panel de operación
RUN/STOP
ENTRADAS
ANALÓGICAS
RUN/STOP
Q6 Q8
Q5 Q7
SALIDAS
DIGITALES
Tomas de
corriente
Avisos
1
8
1
8
1
8
GSM
Lógica programada.
PLC
Pg. 3
PLC
Pg. 3
Autómatas programables
Autómatas programables Conceptos
r.a.c
2011
Grupo
Título
4 MicroPLCs
El autómata programable es designado también como Controlador Lógico
Programable (PLC).
La referencia de microPLC no está claramente determinada.
Algunas empresas afirman que un PLC será “micro”, si el número de entradas y
salidas que gobierna no es superior a 32.
Observe la composición de un microPLC, “estándar”, que podemos buscar en el
mercado. Incorpora en un sólo módulo, la mayoría de los componentes básicos para
su funcionamiento, es decir, fuente de alimentación, entradas digitales, una o varias
entradas analógicas, cartucho de memoria donde guardar los programas de usuario,
salidas digitales, y lo más práctico, una pantalla y teclado programador que evita el
uso de una unidad de programación. Adicionalmente, el modelo permitirá la
ampliación de módulos para entradas/salidas, módulo GSM, módulo de
comunicaciones, etc.
PLC
Pg. 4
PLC
Pg. 4
Autómatas programables
Autómatas programables Conceptos
A B
L N I1 I2 I3 I4 I5 I6 I7 I8 I9 AI1AI1+
MicroPLC
Q1 Q2 Q3 Q4
OUTPUT 4xRELAY 10A
OK
Módulo de
entradas digitales
Alimentación
a 230 V ~
incorpora F.A.
Módulo de
entrada
analógica
Cartucho de
memoria
Pantalla
y teclado
programador
Módulo de
salidas digitales
a relé
5 Módulos de entrada
5.1. Señales digitales (todo-nada)
Los módulos de entrada podrán recibir principalmente señales digitales todo/nada,
o analógicas en formato tensión (ejemplo 0...10 V) o intensidad (ejemplo 0...10 mA).
Los terminales de los módulos de entrada o simplemente los terminales de entrada
digitales todo/nada, recibirán un valor de tensión de captadores tales como:
- Pulsadores.
- Interruptores.
- Finales de carrera.
-Termostatos.
- Presostatos.
- Detectores capacitivos, inductivos o fotoeléctricos.
- Etcétera.
Ejemplo. Suponemos que el módulo de entradas digitales de un microPLC admite
una tensión de 24 V DC Cada vez que el captador -final de carrera- permite el paso
de dicha tensión al micro-autómata, estará enviando una señal que el programa de
usuario tendrá que interpretar y actuar en consecuencia.
El final de carrera implementa un valor de tensión en la entrada, cuando es activado.
3
4
24 V c.c.
r.a.c
2011
Grupo
Título
PLC
Pg. 5
PLC
Pg. 5
Autómatas programables
Autómatas programables Conceptos
Los sensores que aportan señales digitales todo/nada, pueden a su vez ser pasivos y
activos.
Captadores pasivos. Funcionan preferentemente con un movimiento mecánico y
no necesitan de una fuente de energía adicional para estar operativos. Entre ellos,
interruptores, pulsadores y finales de carrera. En esencia, el movimiento ejercido
sobre el dispositivo conmutará uno o varios contactos, que son los que permiten el
fluido de corriente eléctrica.
Note en la imagen, que cuando es presionado el pulsador, se cierra un contacto del
mismo, que permite el paso de corriente al PLC, y por tanto el envío de una señal que
será analizada por el programa.
Captadores activos. Requieren de una fuente adicional de energía para operar.
Algunos son: detectores capacitivos, inductivos, células fotoeléctricas...
Por ejemplo. El siguiente detector capacitivo implementará 24 V +, sólo cuando se
acerque un objeto. Para poder funcionar, el detector tiene que estar alimentado por 24
V c.c.
El pulsador es un captador pasivo.
El detector capacitivo es activo. Necesita alimentación.
24 V c.c. 24 V c.c.
U = 24 V + c.c.
Objeto Objeto
U = 0 V
5.2. Señales analógicas
Los terminales de los módulos de entrada de señales analógicas, recibirán un valor
de tensión o intensidad equivalente a la magnitud real medida.
Los valores estándar de tensión son:
-10 V a + 10 V.
+2 a +10 V c.c.
Los valores estándar de intensidad son:
4 a 20 mA.
+1 a -5 mA
0 a +5 mA.
El técnico debe calibrar la señal procedente del sensor de forma correcta para evitar
que la lectura sea errónea.
Por ejemplo:
Un anemómetro mide la velocidad del viento, y en su composición, se encuentra una
pequeña dinamo solidaria al eje principal del mismo. Según la velocidad de giro, la
dinamo generará una determinada tensión, sirvan los valores:
-Anemómetro parado, genera 0 V c.c.
-Anemómetro girando a 50 km/h, genera 4 voltios c.c.
-Anemómetro girando a 100 km/h, genera 8 voltios c.c.
- Etc.
0 a +10 V c.c.
0 a 20 mA.
El anemómetro se conecta a la entrada analógica del autómata.
Dinamo
Anemómetro
0...10 V
r.a.c
2011
Grupo
Título
PLC
Pg. 6
PLC
Pg. 6
Autómatas programables
Autómatas programables Conceptos
6 Variables
6.1. Variables de entrada
En un autómata programable, y en programación en general, una variable es un
“lugar” donde se guardan cierto tipo de datos.
Los datos podrán ser diversos; textuales, imágenes, sonido, etc. En autómatas
programables, los datos se guardan en formato de bit, byte, palabra y doble palabra
preferentemente.
La llamada a una variable es inequívoca, de tal forma que no existirán dos variables
con el mismo nombre.
Representación del almacén de datos.
Las variables digitales que relaciona el autómata con los dispositivos de entrada se
identifican como “I” de input, por ejemplo: I1, entrada 1; I4 entrada 4, etc. Estas
variables operan con datos tipo bit (0 ó 1), es decir, todo o nada, activado o no
activado.También se llaman datos Booleanos.
Las variables analógicas necesitan más capacidad de almacenaje, ya que los valores
equivalentes a la magnitud medida pueden ser infinitos. Por ejemplo, la variable AI 1
(entrada analógica 1), utilizará almacén de datos en formato Real, esto es, 32 bits.
El autómata programable dispondrá de las herramientas necesarias para poder
convertir, transferir, y en definitiva operar con los diferentes tipos de datos.
1 0 0 1 0 1 1 0
1 1 0 1 0 1 1 0
1 1 1 1 0 1 1 0
1 0 0 1 0 1 1 0
0 0 0 1 0 0 0 0
1 0 1 1 0 1 1 0
1 0 0 1 0 1 1 0
0 0 1 1 1 0 0 1
7 Módulos de salida
7.1. Salidas a relé
Los módulos de salida permiten alimentar los dispositivos que hacen “el trabajo” de
las instalaciones. Como sucede con los módulos de entradas, las salidas aportarán
señales todo/nada, o señales analógicas, como valores de tensión o intensidad
variables.
Las salidas digitales todo/nada alimentarán principalmente:
- Sistemas de alumbrado.
-Timbres o avisadores acústicos.
- Electroválvulas.
- Contactores.
- Relés.
-Aparatos de caldeo.
-Arrancadores.
- Variadores de frecuencia.
Las salidas analógicas aportarán señal de control o visualización, principalmente
para:
- Displays numéricos.
- Regulación de iluminación.
-Apertura o cierre en % de ciertos conductos.
- Variadores de frecuencia.
- Etc.
Probablemente los autómatas con salidas a relé son los más empleados. Un relé es
versátil; por sus contactos puede circular corriente continua, o alterna, y puede
manejar valores superiores a 10 amperios.
En su contra, la lentitud en las conmutaciones, y, al emplear compo-nentes
mecánicos, éstos sufren desgaste.
En el siguiente gráfico aparecen dos modelos de salidas a relé. En el primer caso,
cada salida es operada por un relé diferente, lo que permite usar diferentes tensiones
en los receptores. El segundo caso muestra un relé común a tres salidas, las cuales
tendrán obligatoriamente la misma alimentación.
r.a.c
2011
PLC
Pg. 7
PLC
Pg. 7
Autómatas programables
Autómatas programables
Grupo
Título
Conceptos
Dos modelos internos de salidas a relé.
Autómata con salidas a corriente continua por transistor.
Los transistores son dispositivos de estado sólido. Son elementos electrónicos que no
tienen partes móviles, por tanto, no tienen desgaste.
Los transistores conmutan corriente continua y son muy rápidos (algunos transistores
en variadores de frecuencia conmutan más de 25.000 veces por segundo). En su
contra, la corriente de paso.
7.2. Salidas a transistores
7.3. Salidas a triac
El contactor como recurso en las salidas del PLC
El triac es también un dispositivo de estado sólido sin partes móviles.Al contrario que
el transistor, funciona con corriente alterna y se asemeja en la rapidez de sus
conmutaciones. anto para triac como para
transistor.
Si la carga a gobernar por el autómata programable es elevada, tanto para salida a
relé, transistor o triac, se puede recurrir al empleo de un contactor y de esta forma, el
PLC sólo tendrá que alimentar la bobina del contactor. La operación no debe
presentar problemas técnicos ni eléctricos.
Autómata con salidas a corriente alterna por triac.
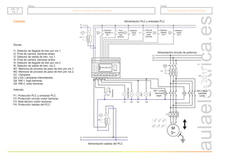
Las altas temperaturas son perjudiciales, t
Alimentación
A B
L N I1 I2 I3 I4 I5 I6 I7 I8 I9 AI1AI2
MicroPLC
Q1 Q2 Q3 Q4
OUTPUT 4xRELAY 10A
OK
1
2
3
4
5
6
F4
1
2 6
3
4
5
F1
F2
F3
Contactor
KM 1
Alimentación circuito de potencia
M
3~
U V W
F3
1 3 5
2 4 6
A1
A2
El autómata
activa un contactor,
y éste a su vez excita
el motor.
r.a.c
2011
Grupo
Título
PLC
Pg. 8
PLC
Pg. 8
Autómatas programables
Autómatas programables Conceptos
8 Variables de salida
9 Puesta en marcha de las instalaciones con autómatas programables
Principalmente, las variables de salida usadas en micro-autómatas son de estado 1 /
0, variables booleanas. Las variables “Q” se identifican con los dispositivos a los que
el autómata alimentará, p
as
variables “M” de memoria (o marca), hacen referencia a salidas internas dentro del
PLC; son salidas que no tienen una actuación visible directamente, y actúan como
relés dentro del propio dispositivo.
- Realizamos acopio de los materiales necesarios.
- Elaboramos esquemas de conexionado, según material.
- Elaboramos la programación.
-Transferimos la programación.
-Arrancamos el autómata.
- Depuramos errores.
Para elaborar la programación se requiere de una unidad de programación o un
ordenador personal.
El programa se elabora en un ordenador y se transfiere a través de un cable de
comunicación al PLC.
or tanto, si leemos Q2, entendemos que es la segunda
variable de salida y lo que hubiera conectado a ese conector, será excitado. L
X1
X2
X1
X2
H0
13
14
Verde Roja
95
96
97
98
1 3
2 4
KM 1
F2
H1
S1
A1
A2
F
2
1
F1
ESC OK
L+ M I1 I2 I3 I4 I5 I6 I7 I8
INPUT 8xDC ( 7 . 8 0..10V)
I I
Q1 Q2 Q3 Q4
OUTPUT 4xRELAY 10A
LOGO! PC CABLE
10 Lenguajes de programación
10.1 Lista de instrucciones (IL, Instrucción List)
Cuando se tiene que programar un autómata programable para que éste realice una
función automática determinada, el usuario dispone de unas herramientas que van a
permitir diseñar, comprobar, modificar, la aplicación que deberá realizar el PLC. El
lenguaje de programación maneja el juego de instrucciones que realizará las
funciones lógicas y de cálculo de la unidad central de proceso.
Son cada vez más las marcas de autómatas programables que se acogen a una
norma (IEC 1131-3) que regula los procedimientos de programación en PLCs. Esto
supone que se crea un estándar común, consiguiendo que la labor de programación
no sea desconocida entre modelos de diferentes firmas.
La utilización de entornos gráficos en unidades de programación, como por ejemplo
un PC (dibujos orientativos, viñetas, ayudas, etc.) ha hecho de la programación un
acto “menos técnico” y más fácil que los programadores antecesores.
De los cinco lenguajes que define el estándar, tres se desarrollan en forma gráfica y
dos en forma textual; haremos hincapié en dos de ellos, ambos gráficos, uno por su
parecido a los esquemas eléctricos y otro porque simplifica las programaciones.
Es importante destacar que los programas (software) actuales, permiten realizar
programaciones en diferentes lenguajes, lo que facilita la labor del programador que
puede elegir y cambiar de lenguaje a conveniencia.
Los cinco lenguajes son:
Este lenguaje es adecuado para personas que no tienen gran conocimiento en
esquemas eléctricos, ya que la programación se realiza de forma textual.
Realmente es un lenguaje que se aproxima a la forma de operar de la CPU, y utiliza
caracteres alfanuméricos que definen las líneas de operaciones lógicas. Asimismo
permite insertar comentarios informativos; esto supone que cada línea de
programación puede ser “explicada” en el propio programa, y que posteriormente
podrá se impreso.
Un ejemplo de programación en lista de instrucciones (IL) sería el siguiente:
r.a.c
2011
PLC
Pg. 9
PLC
Pg. 9
Autómatas programables
Autómatas programables
Grupo
Título
Conceptos
10.2. Gráfico secuencial de funciones (Grafcet)
El Grafcet es un lenguaje gráfico que representa las secuencias del programa en
forma de diagrama. Para conocer este lenguaje, es necesario tener conocimientos
en circuitos secuenciales.
10.3. Texto estructurado (ST, StructuredText)
10.4. Diagrama de contactos (LD, Ladder Diagram)
Es un lenguaje de alto nivel tipo Pascal o Basic, utilizado para programaciones
complejas.
El lenguaje gráfico LD, es sin duda de los más utilizados para programar autómatas
programables, ya que la simbología utilizada, es parecida a los esquemas eléctricos
empleados en instalaciones eléctricas con relés o contactores. La utilización de
entornos gráficos, hace que la programación se pueda “enriquecer” con textos
complementarios explicativos, como sucede en el lenguaje por lista de instrucciones
IL.
Note un ejemplo de programación en LD, con comentarios:
Línea 1.
El interruptor-conmutador (I1), activará de forma directa la memoria (M1), que es indicativo de
modo automático. La excitación de cualquier relé térmico del circuito, impedirá el
funcionamiento.
I1
Int_man_aut
M1
M_Automático
Línea 2.
Si el interruptor-conmutador (I1), NO está activo, se activa la marca (M2), que es indicativo de
modo manual. La excitación de cualquier relé térmico del circuito, impedirá el funcionamiento.
I1
Int_man_aut
M2
M_Manual
I10
RT_portabrocas
I9
RT_conjunto
I10
RT_portabrocas
I9
RT_conjunto
Línea 3.
Modo automático: Si el detector (I5), advierte una pieza, se activa la marca auxiliar
(M3), para orden de bajada, a través de la salida (Q1). Esta marca podrá ser anulada
por:
- La activación del relé térmico del conjunto arriba-abajo.
- Final de carrera inferior.
- Un contacto de seguridad de motor sube (Q2).
- La memoria (M1), automático debe estar activa.
LD Detec_piezas
LD RT_conjunto
O FC_inferior
O Motor_sube
ON M_automático
NOT
LPS
A M_de_Q01
= M_de_Q01 Programación
Primera línea de programación
Comentarios a la primera línea de programación
Grafcet.
r.a.c
2011
Grupo
Título
PLC
Pg. 10
PLC
Pg. 10
Autómatas programables
Autómatas programables Conceptos
NOT
R
S
Contacto abierto
Contacto cerrado
Negación
Bobina directa
Bobina inversa
Activación de bobina en SET
Desactivación de bobina en RESET
NOT
R
S
Contacto abierto
Contacto cerrado
Negación
Bobina directa
Bobina inversa
Activación de bobina en SET
Desactivación de bobina en RESET
“Temporizador 1”
TON
IN
PT
“20 segundos”
10.5. Lenguaje de funciones lógicas (FBD, Function Block Diagram)
El lenguaje FBD es parecido a los esquemas utilizados en electrónica digital,
utilizando funciones lógicas.También se le pueden insertar textos explicativos.
Veamos un ejemplo de una programación sencilla:
De la cual conocemos las entradas (I1 e I2) y la salida (Q), sin embargo lo que quieren
decir esas “cajas” con esos símbolos en su interior ( 1; &) lo desconocemos. Podemos
decir que su programación equivalente en lenguaje LD es la que se muestra a
continuación. Quiere decir que el autómata hará lo mismo tanto si se programa de una
manera (FBD) como de otra (LD), son dos lenguajes diferentes, aunque los más
usados:
gráfico
Ejemplo de equivalencia entre lenguaje FBD y contactos eléctricos
I1
I2
Q
&
>1
Q
I1 I2
Q
Q
I1
I2
I3
Q
I1
I2
I3
&
>1
&
>1
I1
I2
I3
Observamos en el gráfico anterior dos formas de programar; en la primera, las
variables toman su “dirección de variable” (I0.0; Q0.0; I0.1), pero también la
descripción de las variables es sustituida por un “nombre” que las identifica. Esto sirve
para facilitar más el proceso de programación.
En este lenguaje de programación los símbolos (que son elementos de programación
aunque sean parecidos a esquemas eléctricos) más usados son:
Existen otros símbolos dentro de este lenguaje que representan operaciones como,
temporización, contaje (cómputo), transferencia, suma, resta, multiplicación, reloj en
tiempo real, etc; veamos un ejemplo:
En el gráfico apreciamos como una entrada puede “activar” un temporizador. En este
caso, si el bit de la entrada antecesora al temporizador es 1 y permanece en esa
posición 20 segundos, la salida se activará, es decir, tendrá bit 1.
r.a.c
2011
PLC
Pg. 11
PLC
Pg. 11
Autómatas programables
Autómatas programables
Grupo
Título
Conceptos
Para comprender el lenguaje de programación FBD hay que conocer las funciones
lógicas básicas. Se describirán a continuación y tienen como base el álgebra de
Boole.
Función NO o inversión NOT
La salida Q, tomará el valor contrario a la entrada.
Ejemplo; ¿qué valor tomará la salida Q, si la entrada tiene valor I =1?
Respuesta: la salida estará desactivada = 0.
La tabla de la verdad de la función NOTes:
Función NOT.
Circuito NOT
con pulsador NC
Función NOT con relé
Símbolos
puerta NOT
I1=0
Q=1
I1=1
Q=0
I1
Q
Relé
Relé
1
1
I = 1 Q = 0
I Q = I
0 1
1 0
Función O, OR
La salida tendrá valor “1”, si cualquiera de las variables de entrada
tiene valor “1”.
Ejemplo, ¿qué valor tomará la salida Q, si sólo la entrada I1, tiene
valor 1?
Repuesta: 1, activada.
Tabla de la verdad de la función OR, con tres variables:
Función OR.
I1
I2
I3
Q
I1 I2 I3
Q
Relé
Relé
>1
>1
Circuito OR Función OR con relé
Símbolos
puerta OR
I1
I2
I3
Q
I1 I2 I3 Q = I1 + I2 + I3
0 0 0 0
0 0 1 1
0 1 0 1
0 1 1 1
1 0 0 1
1 0 1 1
1 1 0 1
1 1 1 1
1
0
0
1
>1
r.a.c
2011
Grupo
Título
PLC
Pg. 12
PLC
Pg. 12
Autómatas programables
Autómatas programables Conceptos
FunciónY, AND
La salida tendrá valor “1”, cuando todas las variables de entrada tengan valor “1”.
Ejemplo, ¿qué valor tendrá la salida Q, si sabemos que I1=1, I2=1 e I3=0?
Respuesta: la salida estará desactivada.
Tabla de la verdad de la funciónAND, con tres variables:
Función AND.
&
Circuito AND Función AND con relé
Símbolos
puerta AND
I1
I2
I3
Q
I1
I2
I3
Q
Relé
Relé
&
I1 I2 I3 Q
&
1
1
0
0
I1 I2 I3 Q = I1 · I2 · I3
0 0 0 0
0 0 1 0
0 1 0 0
0 1 1 0
1 0 0 0
1 0 1 0
1 1 0 0
1 1 1 1
Las funciones NOR y NAND son funciones inversas a OR y AND
Símbolo y tabla de la verdad de la función NOR:
Símbolo y tabla de la verdad de la función NAND:
&
>1
I1 I2 I3 Q = I1 + I2 + I3
0 0 0 1
0 0 1 0
0 1 0 0
0 1 1 0
1 0 0 0
1 0 1 0
1 1 0 0
1 1 1 0
I1 I2 I3 Q = I1 · I2 · I3
0 0 0 1
0 0 1 1
0 1 0 1
0 1 1 1
1 0 0 1
1 0 1 1
1 1 0 1
1 1 1 0
r.a.c
2011
PLC
Pg. 13
PLC
Pg. 13
Autómatas programables
Autómatas programables
Grupo
Título
Conceptos
Función lógica XOR
La función tiene dos entradas, y la salida tomará el valor de “1” cuando una de sus
entradas no tenga el valor de la otra.
Ejemplo, ¿qué valor tomará la salida Q, si las dos variables de entrada tiene valor = 1?
Respuesta: desactivada = ”0”.
Tabla de la verdad de la función XOR:
Función XOR.
Q
a
b
b
=1
I1 =1
I2 = 1
Q = 0
a
Circuito XOR
Símbolos
puerta XOR
=1
Q
a
b
b
a
I1 I2 Q = I1 + I2
0 0 0
0 1 1
1 0 1
1 1 0
11 Funciones típicas de programación
11.1. Temporizador con retardo a la activación
Este temporizador activará su salida, si es excitada su entrada (IN) y pasa el tiempo
programado, aunque si la entrada es igual a cero, la salida también lo será.
Normalmente, de este temporizador usaremos dos variables; el bit digital de salida
(T), que podrá ser 0/1, y el dato del tiempo actual, medido en formato de 16 bits (una
palabra -Word-).
IN
T Retardo a
la conexión
1
0
1
0
Entrada que activa
el temporizador
Tiempo
preseleccionado
Bit de salida
del temporizador
Cronograma
r.a.c
2011
Grupo
Título
PLC
Pg. 14
PLC
Pg. 14
Autómatas programables
Autómatas programables Conceptos
11.2. Temporizador con retardo a la desactivación
Este temporizador activará su salida en el mismo instante que se excita su entrada
(IN). Una vez la entrada no está activa, comienza a contar el tiempo que resta para la
desactivación de la salida. Además, el temporizador puede contar con una entrada
RESET (R), es decir, puesta a cero de la salida y el tiempo. Normalmente, de este
temporizador usaremos dos variables; el bit digital de salida (T), que podrá ser 0/1, y
el dato del tiempo actual, medido en formato de 16 bits (una palabra -Word-).
11.3.Temporizador con salida intermitente paremetrizable
Permite un estado on/off a su salida, si la entrada (IN) está activa. Encontramos
temporizadores de salida síncrona, es decir, el estado “1” y el “0” de la salida ocupan
el mismo tiempo y temporizadores con salida asíncrona, donde el tiempo de
activación de la salida, no tiene por que coincidir con el de descanso.
IN
T Retardo a
la desconexión
R
1
0
1
0
Entrada que activa
el temporizador
Tiempo
preseleccionado
Bit de salida
del temporizador
Cronograma
1
0
1
0
Entrada que activa
el temporizador
Tiempo
“síncrono”
preseleccionado
Bit de salida
del temporizador
Cronograma
Bit a “ON/OFF”: 1 segundo.
1
0
1
0
Entrada que activa
el temporizador
Tiempos
“asíncronos”
preseleccionados
Bit de salida
del temporizador
Cronograma
Bit a “ON”: 1 segundo.
Bit a “OFF”: 0,5 segundos.
Intermitente
IN
T
r.a.c
2011
PLC
Pg. 15
PLC
Pg. 15
Autómatas programables
Autómatas programables
Grupo
Título
Conceptos
11.4. Reloj horario
Activa-desactiva su salida un espacio de tiempo parametrizable, por ejemplo, de las
08:34 hasta las 23:45 horas.
Ejemplo:
Reloj
Lunes ON:
Martes
Miércoles
Jueves
Viernes ON:
Sábado
Domingo
12:45 OFF: 22:34
12:00 OFF: 18:34
RS
S
R
I1
I2
Q1
I1
Q1
0
1
0
1
Cronograma de SET
I1
Q1
0
1
0
1
Cronograma RESET
0
1
I2
T1
I7
FC_superior
I9
RT_conjunto
RS
R
S
Q1
11.5. Bloque SET-RESET(RS)
El bloque funcional set-reset, implica a su salida un “1”, si en la entrada SET ha
existido un impulso (”1”), es decir, el circuito se realimenta. Observe el cronograma.
Sin embargo, si el impulso (”1”) es aplicado en la entrada RESET, obliga a que su
salida sea “0”. Note el cronograma.
Ejemplo:
r.a.c
2011
Grupo
Título
PLC
Pg. 16
PLC
Pg. 16
Autómatas programables
Autómatas programables Conceptos
11.6.Telerruptor
11.7. Flanco positivo
El bloque funcional telerruptor, tiene la misma utilidad que el telerruptor físico; con un
impulso (IN) la salida será “1” y con un nuevo impulso, será “0”. Además, cuenta con
una entrada RESET, que obliga la salida a “0”.
La función flanco positivo detecta un cambio de “0” a “1” en su entrada,
implementando a su salida un “1” durante un ciclo de programa, es decir, un instante.
Ejemplo. La salida Q1, se activará en SET, con un sólo impulso de I3.
Telerruptor
IN
R
11.8. Flanco negativo
11.9. Comparador
La función flanco negativo hará lo propio, si el cambio que detecta en su entrada es de
“1” a “0”.
Ejemplo. La salida Q1, se desactivará en RESETcuando I4 pase de “1” a “0”.
Esta función compara dos valores de entrada y permite el paso de corriente a su salida
si se cumple la relación entre ambos valores, que podrá ser:
- Igual que.
- Mayor que.
- Menor que.
- Mayor o igual que.
- Menor o igual que.
Por ejemplo: si el valor de la entrada analógica AI 1 es mayor o igual a 30 km/h, se
activará la salida Q1.
Comparador
>=
P
Flanco
positivo
N
Flanco
negativo
Entrada
Salida
0
1
0
1
Entrada
Salida
0
1
0
1
Q1
Línea 3 AI 1
30 Km/h
≥
Q1
Motor
P
I3
Pulsador
S
Q1
Motor
N
I4
Pulsador
R
r.a.c
2011
PLC
Pg. 17
PLC
Pg. 17
Autómatas programables
Autómatas programables
Grupo
Título
Conceptos
11.10. Contadores
Un contador realizará una acción, cuando una entrada sea activada un número
programado de veces. Técnicamente, los contadores activarán o desactivarán una
salida, o un bit (bit a 1 ó bit a 0) cuando se alcanza un número predeterminado de
“conexiones” en su entrada. Este número de activaciones es la programación. Por
ejemplo, cuando la entrada del contador se active 8 veces, se activará la salida Q.
Veamos el gráfico:
- Primero, el contador está programado a 8; esto no quiere decir que la entrada no
pueda ser activada más, si no que al llegar a 8, la salida se activará.
- Segundo, el contador puede disponer de “descontador”, lo cual hace que, si el
número total del cómputo ascendente no es 8 la salida se desactivará. En el siguiente
gráfico se muestra como el cómputo llega a 8, la salida se activa, pero el
“descontador” baja el cómputo a un valor menor de 8, con lo cual la salida se
desconecta.
1
0
Contador (valor
programado 8)
Pulsador
de activación
Salida
1 2 3 4 5 6 7 8
1
2
3
4
5
6
7
8
1
0
Además, los contadores disponen de una entrada de Reset (R), que hace que el
número de entradas acumuladas pase a ser “0”, así como la salida.
Normalmente, de un contador usaremos dos variables; el bit digital de salida (C), que
podrá ser 0/1, y el dato del cómputo, medido en formato de 16 bits (una palabra -
Word-).
Pulsador
de activación
Salida
1 2 3 4 5 6 7 8
Contador (valor
programado 8)
1
2
3
4
5
6
7
8
Pulsador
descontador
8
7
6
1
0
1
0
1
0
Q1
“Contador_1”
C><
C>
PV
R
C<
Motor cinta
“8”
“0”
r.a.c
2011
Lenguaje LD
El contacto abierto se cierra, es decir, permite el paso de
corriente, cuando X = 1. La variable X puede ser principalmente I,
Q, M,T, C, V, etc.
Función
El contacto cerrado inicialmente permite el paso de corriente. Se
abrirá, es decir, no permitirá el paso de corriente cuando X = 1. La
variable X puede ser principalmente I, Q, M,T, C, V, etc.
X
X
I0.0
I0.1
Q0.0
I0.0 Q0.0
I0.1
Los contactos abiertos o cerrados, se podrán asociar en serie
AND
&
I0.0
I0.1
Q0.0
En LD
En FBD
Cronograma
Los contactos abiertos o cerrados, se podrán asociar en paralelo
OR
I0.0
I0.1
Q0.0
En LD
En FBD
Cronograma
I0.0 Q0.0
I0.1
I0.0
I0.1
Q0.0
1
Grupo
Título
PLC
Pg. 18
PLC
Pg. 18
Autómatas programables
Autómatas programables Conceptos
12 Operaciones lógicas con contactos
r.a.c
2011
I0.0
Q0.0
TON
T1
T1
3 seg.
Ejemplo
Una vez se active la entrada I0.0, la salida Q0.0, hará lo mismo pasados tres
segundos. Si la entrada I0.0 = 0, la salida también adoptará ese estado.
En LD
En FBD
AND
&
T1
Q0.0
TON
T1
3 seg.
I0.0
I0.0
T1
tiempo
Q0.0
T1
contacto
> 3 seg < 3 seg
Cronograma
Ejemplo
La entrada I0.0, activará la salida Q0.0, que a su vez se realimentará a través de
un contacto. Para desactivar el circuito se usará un contacto cerrado I0.1.
En LD
En FBD
Cronograma
I0.0 Q0.0
Q0.0
I0.1
AND
&
Q0.0
OR
I0.0
I0.1
Q0.0
1
I0.0
Q0.0
I0.1
PLC
Pg. 19
PLC
Pg. 19
Autómatas programables
Autómatas programables
Grupo
Título
Conceptos
r.a.c
2011
Lenguaje LD
El contacto NOT, realiza dos operaciones; si llega corriente a su
entrada, interrumpe la misma a su salida; por contra, si no le llega
corriente a su entrada, permite el fluido de la misma a su salida.
Función
NOT
En LD
En FBD
Cronograma
Q0.0
NOT
I0.0
NOT
I0.0 Q0.0
I0.0
Q0.0
Ejemplo
La salida Q0.0 tomará el valor contrario a la entrada I0.0
Lenguaje LD
El contacto Flanco Positivo, permitirá el paso de corriente
durante un ciclo de programa, si su entrada cambia de 0 a 1, es
decir, de no activa a activa. Es importante reconocer el hecho de
que sólo permitirá el paso de corriente durante un instante.
Función
En LD
En FBD
Cronograma
Q0.0
I0.0
I0.0 Q0.0
I0.0
Q0.0
Ejemplo
La salida Q0.0 se activará sólo durante un ciclo de programa.
P
P
P
Tiempo de activación,
un ciclo
Grupo
Título
PLC
Pg. 20
PLC
Pg. 20
Autómatas programables
Autómatas programables Conceptos
r.a.c
2011
Lenguaje LD
El contacto Flanco Negativo, permitirá el paso de corriente
durante un ciclo de programa, si su entrada cambia de 1 a 0, es
decir, de activa a no activa. Es importante reconocer el hecho de
que sólo permitirá el paso de corriente durante un instante.
Función
En LD
En FBD
Cronograma
Q0.0
I0.0
I0.0 Q0.0
I0.0
Q0.0
Ejemplo
La salida Q0.0 se activará sólo durante un ciclo de programa.
N
N
N
Tiempo de activación,
un ciclo
Ejemplo
La entrada I0.0, permitirá el paso de corriente sólo un ciclo de programa,
aunque se presione más tiempo, aunque este hecho no impedirá activar la
salida Q0.0, que a su vez se realimentará a través de un contacto. Para
desactivar el circuito se usará un contacto cerrado I0.1.
En LD
En FBD
Cronograma
I0.0
antes del flanco
Q0.0
I0.1
I0.0 Q0.0
Q0.0
I0.1
P
AND
&
Q0.0
OR
I0.0
I0.1
Q0.0
1
P
I0.0
después del flanco
PLC
Pg. 21
PLC
Pg. 21
Autómatas programables
Autómatas programables
Grupo
Título
Conceptos
r.a.c
2011
Lenguaje LD
El contacto COMPARAR = = permite el paso de corriente si el
valor de “a” al valor de “b”. El carácter X representa el
tipo de dato que se compara, que podrá ser B=byte; I=entero (16
bits); D= entero (32 bits) o R= real (32 bits).
es igual
Función
a
b
= = X
El contacto COMPARAR > = permite el paso de corriente si el
valor de “a” es al valor de “b”. El carácter X
representa el tipo de dato que se compara, que podrá ser B=byte;
I=entero (16 bits); D= entero (32 bits) o R= real (32 bits).
mayor o igual
a
b
> = X
a
b
< = X
El contacto COMPARAR < = permite el paso de corriente si el
valor de “a” es al valor de “b”. El carácter X
representa el tipo de dato que se compara, que podrá ser B=byte;
I=entero (16 bits); D= entero (32 bits) o R= real (32 bits).
menor o igual
> = I
VW50
100
Q0.0
En LD
En FBD
Cronograma
Q0.0
VW50
100
> = I
Valor fijado 100
Valor fijado 0
Anemómetro entrada
analógica VW50
Salida Q0.0
Ejemplo: control del viento en instalaciones de toldos y celosías.
Un anemómetro emite un valor analógico (de tensión o intensidad variables), que
el autómata interpreta en un formato determinado, por ejemplo, valor entero (I), a
través de la variable VW50. Cuando el valor de dicha variable sea mayor o igual a
100, se activará la salida Q0.0, que se corresponde con una alarma de aviso por
viento fuerte, incluso la recogida automática del toldo.
Dinamo
Anemómetro
0...10 V
Grupo
Título
PLC
Pg. 22
PLC
Pg. 22
Autómatas programables
Autómatas programables Conceptos
r.a.c
2011
Lenguaje LD
La operación “Poner a 1 en SET”, activa la salida “X” con un sólo
impulso de corriente a su entrada, es decir, internamente se
realimenta. La variable X puede ser principalmente Q, M, V, etc.
Función
La operación “Poner a 0 en RESET”, desactiva la salida “X” con
un sólo impulso de corriente a su entrada. La variable X puede
ser principalmente Q, M, V, etc.
I0.0
I0.1
Q0.0
I0.0 Q0.0
I0.1
RS
En LD
En FBD
Cronograma
X
S
X
R
RS
Entrada
SET
Entrada
RESET Salida
R
S
X
El bloque funcional SET-RESET, permite en una sola operación
activar la salida “X”, si entrada SET se excita un impulso. Del
mismo modo, la salida “X” se desactiva si la entrada RESET se
excita. Normalmente, la entrada RESET tiene preferencia sobre
la SET. La variable X puede ser principalmente Q, M, V, etc.
I0.0 Q0.0
I0.2
S
R
AND
&
I0.0
I0.1
Q0.0
AND
&
I0.0
I0.2
Ejemplo
La salida Q0.0 se activará en SET, si se excitan a la vez las entradas I0.0 e I0.1.
Para desactivar a Q0.0 en RESET, se deben excitar a la vez las entradas I0.0 e I0.1.
I0.2
En LD
Cronograma
Q0.0
I0.0
Ejemplo
La entrada I0.0, activará la salida Q0.0 en SET. La entrada I0.1, desactivará la
salida Q0.0 en RESET.
Q0.0
I0.1
S
R
I0.0
Q0.0
I0.1
R
S
PLC
Pg. 23
PLC
Pg. 23
Autómatas programables
Autómatas programables
Grupo
Título
Conceptos
r.a.c
2011
Grupo
Título
PLC
Pg. 24
PLC
Pg. 24
Autómatas programables
Autómatas programables Conceptos
13 Complementos de los autómatas programables
En primer lugar, el autómata programable puede ser modular o compacto. Si es
modular, tiene la ventaja de que su configuración puede ir creciendo según las
necesidades de la instalación.
Si es compacto, tiene limitados sus recursos, principalmente en entradas y salidas
digitales, aunque en la práctica, encontraremos autómatas compactos que pueden
ser ampliados con módulos complementarios.
Autómatas: compacto y modular.
A B
L N I1 I2 I3 I4 I5 I6 I7 I8 I9 AI1AI1+
MicroPLC
Q1 Q2 Q3 Q4
OUTPUT 4xRELAY 10A
OK
0
1
2
3
4
5
6
7
I
0
1
2
3
4
5
6
7
I
0
1
2
3
Q
0
1
2
3
Q
Input:
AC
100-240V
Output:
DC 24V/1,3 A
24V ok
L+ N + + - -
POWER
A B
L+ M PE I1 I2 I3 I4 I5 I6 I7 I8 I9 I10
PLC
Q1 Q2 Q3 Q4
RUN
Q5 Q6 Q7 Q8
COM
ERROR
+
0V
V1
I1
V2
I2
V3
I3
V4
I4
M
4
EA
Sónar 1. Dep. 1
Sónar 2. Dep. 1
Sónar 3. Dep. 2
Sónar 4. Dep. 2
S=2x1,5
mm
+T
2
4 Entradas
analógicas
24 V c.c.
Alimentación sónar
+
_
13.1 Módulo de ampliación de entradas analógicas
Es específico para recibir señales de tensión o intensidad variables, equivalentes a
una magnitud (presión, velocidad, distancia, peso, etc.).
Note en el ejemplo, como 4 dispositivos sónar, están conectados a un módulo de
entradas analógicas. Los sónar, además de enviar señales hacia el módulo, también
han de estar alimentados. Un sónar permite medir distancia.
PLC
Pg. 25
PLC
Pg. 25
Autómatas programables
Autómatas programables
Grupo
Título
Conceptos
r.a.c
2011
0 Jog
Fn
P 0 Jog
Fn
P
Tx
Rx
CM 1241
RS 485
DIAG
1
2
3
4
5
6
7
8
9
Drive 1
Drive 2
Protocolo USS vía 485
Módulo RS 485
Cable profibus
Positivo
Negativo
Autómata programable
13.2. Módulo de comunicaciones
Permite conectar el PLC a una red, por ejemplo para el manejo de variadores de
frecuencia.
r.a.c
2011
Grupo
Título
PLC
Pg. 26
PLC
Pg. 26
Autómatas programables
Autómatas programables Conceptos
13.3. Módulo módem
Permite la comunicación con el PLC de forma inalámbrica.
aaaaaa
aaaaaa 9 PINES
MACHO
9 PINES
HEMBRA
SIM
SIM
Antena
Alimentación Comunicaciones
Tarjeta SIM
Botón para extraer el soporte
que albergará la tarjeta SIM
Autómata programable
PLC
Pg. 27
PLC
Pg. 27
Autómatas programables
Autómatas programables
Grupo
Título
Conceptos
r.a.c
2011
Input:
AC
100-240V
Output:
DC 24V/1,3 A
24V ok
L+ N + + - -
POWER
A B
L+ M PE I1 I2 I3 I4 I5 I6 I7 I8 I9 I10
PLC
Q1 Q2 Q3 Q4
RUN
Q5 Q6 Q7 Q8
COM
ERROR
N
:
5
Conmutador
Manual-Automático
Sube
Baja
Final de
carrera
superior
Final de
carrera
inferior
Final de
carrera giro
Portabrocas
BAJA SUBE GIRO
Detector
Piezas
MANUAL
Gira
Avería
13.4. Visualizadores y pantallas táctiles
Son periféricos. Permiten el control de una aplicación de forma directa. Su entorno
gráfico sugiere un control cómodo y de fácil manejo.
r.a.c
2011
Grupo
Título
PLC
Pg. 28
PLC
Pg. 28
Autómatas programables
Autómatas programables Conceptos
13.5. Sistemas Scada
Adquirir datos en tiempo real de la instalación, supervisar y controlar la misma a través de PG
(unidades de programación) u ordenadores personales dedicados.
Los sistemas scada, permiten un control integral de las aplicaciones automáticas, al mismo
tiempo que muestran en diferentes pantallas el estado actual de los procesos, niveles de
llenado/vaciado, tiempos de funcionamiento, etc.
A B
L+ M PE I1 I2 I3 I4 I5 I6 I7 I8 I9 I10
PLC
Q1 Q2 Q3 Q4
RUN
Q5 Q6 Q7 Q8
COM
ERROR
P1 P2
P3 P4
LAN ONLY
L
P1
P2
P3
P4
P1 P2
P3 P4
I3
Pulsador que activa
bomba 1 para llenado
depósito 1
Q1
Motor bomba
depósito 1
Al consumo
o embotellado
0
I4
Pulsador que desactiva
bomba 1 para llenado
depósito 1
DEPÓSITO
1
DEPÓSITO
2
AI1
Sonar 1. Mide
volumen de aceite
del depósito 1
AI2
Sonar 2. Mide
volumen de aceite
del depósito 1
AI3
Sonar 3. Mide
volumen de aceite
del depósito 2 AI4
Sonar 4. Mide
volumen de aceite
del depósito 2
I5
Pulsador que activa
bomba 2 para llenado
depósito 2
0
I6
Pulsador que desactiva
bomba 2 para llenado
depósito 2
I1
Pulsador que activa
el consumo de aceite
de los depósitos
0
I2
Pulsador que desactiva
el consumo de aceite
de los depósitos
Q4
Motor bomba
llenado depósito 2
Q3
Motor bomba
llenado depósito 1
Q5
Aviso, sonar
defectuoso en
depósito 1
Q6
Aviso, sonar
defectuoso en
depósito 2
Válvula
antiretorno
Q2
Motor bomba
depósito 2
NA
NC
2 T1 4 T2 6 T3
95 96
97 98
STOP
RESET
I7
Relé térmico
Motor 2
I7
Relé térmico
Motor 1
NA
NC
2 T1 4 T2 6 T3
95 96
97 98
STOP
RESET
NA
NC
2 T1 4 T2 6 T3
95 96
97 98
STOP
RESET
I7
Relé térmico
Motor 3
I7
Relé térmico
Motor 4
NA
NC
2 T1 4 T2 6 T3
95 96
97 98
STOP
RESET
Módulo de comunicaciones
r.a.c
2011
Aplicaciones con autómatas programables
Principales funciones y elementos de programación en lenguaje LD (Ladder)
Símbolo Significado
Contacto abierto
Bobina directa (Q)
%I1, %I2, etc. Entradas digitales
%Q1, %Q2, etc. Salidas digitales
Contacto cerrado
P, flanco positivo
P
Memoria directa, marca (M)
RS
R
S
X nº
TOF
T nº
“tiempo”
Función SET-RESET (Biestable)
TON
T nº
“tiempo”
Temporizador con retardo a la
conexión (TON)
Temporizador con retardo a la
desconexión (TOF)
Suma
+
(0....32768)
131
MW0
(0...250)
AI1
CNT
C nº
“10”
R
PS x
L Mi V D
On: 07:30
L M M J V S D
Off: 08:30
Símbolo Significado
N, flanco negativo
NOT, inversión
NOT
N
%M1, %M2, etc. Marcas
Bobina inversa (Q)
S
R
Operación aritmética. Suma valores
Símbolo Significado
T.Asín
T nº
“tiempo”
Temporizador con salida intermitente
síncrona o asíncrona parametrizable
Temporizador o programador
semanal
Contador-descontador
Resta
-
(0....32768)
131
MW0
(0...250)
AI1
Operación aritmética. Resta valores
Compara dos valores (>=, <=, ==)
>=
IN 1
IN 2
MOVE
IN 2 MW100
Transferencia de valores
Div
(0....32768)
131
MW0
(0...250)
AI1
Operación aritmética. Dividir valores
Mult.
X
(0....32768)
131
MW0
(0...250)
AI1
Operación aritmética.
Multiplica valores
r.a.c
2011
Principales funciones y elementos de programación en lenguaje FBD (Function Block Diagram)
1
OR
Piloto verde
Q2
Memoria 1
M1
&
AND
Símbolo Denominación
Función AND.
Función OR.
1 Función NOT.
1
NOR
&
NAND
Función NAND.
Función NOR.
Símbolo Denominación
=1 Función XOR.
Símbolo Denominación
(M), Marca.
Memoria interna.
(Q), Salida
digital.
Compara
> =
IN 1
IN 2
En
Comparador.
Compara dos
valores (IN 1 e IN
2) si el bloque es
activado (EN).
>=; <=; ==
RS
R
S
Función SET-
RESET.
Pulsador
I1
(I), Entrada
digital.
P
Flanco
positivo
Flanco positivo.
N
Flanco
negativo
Flanco negativo.
IN
T Retardo a
la conexión
“Tiempo”
Tx Temporizador con
retardo a la
activación (TON).
IN
T Retardo a
la desconexión
R
“Tiempo”
Tx Temporizador con
retardo a la
desactivación
(TOF).
IN
T Salida
intermitente
Tx
“Tiempo”
Temporizador
con salida
intermitente
parametrizable.
Contador
IN
R
“Dato”
Cx
Reloj
L-M-X-J-V-S-D
00:00 - 04.00
22:00 - 24:00
Reloj
semanal.
Contador.
Telerruptor
IN
R
S
Telerruptor.
Presostato
AI 1
AI x. Entrada
analógica.
P
Símbolo Denominación
r.a.c
2011
Descripción y requisitos mínimos
Objetivos de este montaje
Secuencia de trabajo
Micro-autómata elegido para el caso
Un pulsador normalmente abierto (S1. NC, 3-4), excitará la entrada (I1) de un micro-
autómata programable, con el propósito de activar una lámpara E1, a través de la
salida del microPLC (Q1).
Toma de contacto con los materiales que conforman pequeñas instalaciones basadas
en micro-autómatas programables.
Acopio de materiales.
Diseño de la programación.
Programación.
Transferencia PC-PLC.
Puesta en marcha.
Depuración de errores.
Alimentación 230 VAC.
Módulo de entradas: 8 entradas digitales a 230 V.
Módulo de salidas: 4 salidas a relé.
Activación de una lámpara a través de un autómata programable
Activación de una lámpara a través de un autómata programable Programaciones básicas
Programaciones básicas
Grupo
Título
PLC_BAS01_ENCENDIDO DE UNA LÁMPARA A TRAVÉS DE UN PLC
1
2
N
N
10 A
1
2
N
N
10 A
Alimentación
salidas del PLC
A B
L N I1 I2 I3 I4 I5 I6 I7 I8 I9 AI1AI2
MicroPLC
Q1 Q2 Q3 Q4
OUTPUT 4xRELAY 10A
OK
Pulsador
S1
16
mm
16
mm
2
x
1,5
mm
+
T
2
2
x
1,5
mm
+
T
2
Alimentación
sensores
digitales
PE
PIA
1
PIA
2
Lámpara “E”
230 V c.a. 230 V c.a.
MicroPLC elegido. Representación orientativa de los mecanismos.
A B
L N I1 I2 I3 I4 I5 I6 I7 I8
MicroPLC
Q1 Q2 Q3 Q4
OUTPUT 4xRELAY 10A
OK
Alimentación Entradas digitales
Salidas a relé
BAS. 01
Pg. 1
BAS. 01
Pg. 1
r.a.c
2011
Pulsador
I1 Punto de luz
Q1
I1 Q1
I1 (S1. Pulsador NA, 3-4)
Q1 (E1. lámpara 1)
0
1
0
1
Activación de una lámpara a través de un autómata programable
Activación de una lámpara a través de un autómata programable Programaciones básicas
Programaciones básicas
Grupo
Título
Descripción de la programación
Programación en FBD
Programación en LD
Cronograma
Cuando se activa el pulsador I1 (que se corresponde con el pulsador S1),
la salida Q1 (que se corresponde con la lámpara E1), se excita de forma directa.
Listado de variables
Símbolos empleados en lenguaje LD
I1. Pulsador.
Q1. Lámpara.
Símbolo Significado
Contacto abierto
Bobina directa
%I1 Entrada
%Q1 Salida
BAS. 01
Pg. 2
BAS. 01
Pg. 2
r.a.c
2011
Activación de una lámpara a través de un autómata programable
Activación de una lámpara a través de un autómata programable Programaciones básicas
Programaciones básicas
Grupo
Título
1 3
2 4
Alimentación
PLC y dispo-
sitivos de
entrada:
230 V AC
Alimentación entradas del PLC a 230 V c.a.
PIA
10 A
L N PE
1 3
2 4
PIA
10 A
L N PE
S1
Alimentación
salidas del PLC
230 V AC S=2x1,5
mm
+T
2
S=2x1,5
mm
+T
2
I1
Sección: 1,5 mm
2
E1
X1
X2
L
<F.A>
N
<F.A>
L
<Q>
N
<Q>
PE
<Q>
PE
<F.A>
N <Q>
L <Q: 230 V AC>
Sección: 1,5 mm
2
L. 230 V AC
X2.1-2 X1.1-2
X2.6
X1.3
13
14
F2 F1
E1. Lámpara
X2.4
A B
L+ N PE I1 I2 I3 I4 I5 I6 I7 I8 I9 I10
MicroPLC
Q1 Q2 Q3 Q4
OUTPUT 4xRELAY 10A
OK
X1.4
1 2 3 4 5 6 7 8 9 10 11 12 13 14 15 16 17 18
Esquema de conexiones destacado
Resumen de mecanismos y dispositivos
Módulo de entradas: 10 entradas digitales a 230 V c.a.
Módulo de salidas: 4 salidas a relé.
Bornero X1. Alimentación circuitos de control y entradas del PLC.
Bornero X2. Alimentación salidas del PLC, y dispositivos de salida
fuera del cuadro.
Autómata programable 230 V c.a. 8 ED 230 V c.a. 4 SD relé.
I1 (S1). Pulsador de activación.
Q1 (E1). Lámpara.
F1. Magnetotérmico 10 A, para protección PLC y entradas del PLC.
F2. Magnetotérmico 10 A, par protección salidas del PLC.
BAS. 01
Pg. 3
BAS. 01
Pg. 3
Esquema eléctrico destacado.
r.a.c
2011
r.a.c
2011
Descripción y requisitos mínimos
Variables programadas en el autómata programable
Secuencia de trabajo
Micro-autómata elegido para el caso
Dos pulsadores normalmente abiertos (S1. NA, 3-4 y S2. NA, 3-4), excitados
respectivamente por las entradas de un microPLC I1 e I2, permitirán que se encienda
una lámpara (E1), conectada a la salida Q1, sólo cuando se cumpla la condición de
que se activen a la vez S1 y S2 (I1 e I2).
I1. Entrada. Pulsador S1.
I2. Entrada. Pulsador S2.
Q1. Salida. Lámpara E1.
Acopio de materiales.
Diseño de la programación.
Programación.
Transferencia PC-PLC.
Puesta en marcha.
Depuración de errores.
Alimentación 230 VAC.
Módulo de entradas: 8 entradas digitales a 230 V.
Módulo de salidas: 4 salidas a relé.
Objetivo de este montaje
Comprobar el efecto de la funciónAND.
A B
L N I1 I2 I3 I4 I5 I6 I7 I8 I9 AI1AI2
MicroPLC
Q1 Q2 Q3 Q4
OUTPUT 4xRELAY 10A
OK
A B
L N I1 I2 I3 I4 I5 I6 I7 I8 I9 AI1AI2
MicroPLC
Q1 Q2 Q3 Q4
OUTPUT 4xRELAY 10A
OK
A B
L N I1 I2 I3 I4 I5 I6 I7 I8 I9 AI1AI2
MicroPLC
Q1 Q2 Q3 Q4
OUTPUT 4xRELAY 10A
OK
A B
L N I1 I2 I3 I4 I5 I6 I7 I8 I9 AI1AI2
MicroPLC
Q1 Q2 Q3 Q4
OUTPUT 4xRELAY 10A
OK
A B
L N I1 I2 I3 I4 I5 I6 I7 I8 I9 AI1AI2
MicroPLC
Q1 Q2 Q3 Q4
OUTPUT 4xRELAY 10A
OK
A B
L N I1 I2 I3 I4 I5 I6 I7 I8 I9 AI1AI2
MicroPLC
Q1 Q2 Q3 Q4
OUTPUT 4xRELAY 10A
OK
Alimentación
salidas
del
PLC
A B
L+ M I1 I2 I3 I4 I5 I6 I7 I8 I9 AI1AI2
MicroPLC
Q1 Q2 Q3 Q4
OUTPUT 4xRELAY 10A
OK
Pulsador 1
E1
16
mm
16
mm
Circuito
C1.
2
x
1,5
mm
+
T
2
Circuito
C11.
2
x
1,5
mm
+
T
2
1
2
N
N
10 A
1
2
N
N
10 A
S1
Alimentación
sensores
digitales
Lámpara
PE
PIA
1
PIA
2
Input:
AC
100-240V
Output:
DC 24V/1,3 A
24V ok
L+ N + + - -
POWER
Pulsador 2
S2
INPUT 24 V DC
ESC OK
L+ M I1 I2 I3 I4 I5 I6 I7 I8
INPUT 8xDC ( 7 . 8 0..10V)
I I
Q1 Q2 Q3 Q4
OUTPUT 4xRELAY 10A
LOGO! PC CABLE
BAS. 02
Pg. 1
BAS. 02
Pg. 1
Función “AND” para el encendido de una lámpara a través de un autómata programable
Función “AND” para el encendido de una lámpara a través de un autómata programable
Grupo
Título
PLC_BAS02_FUNCIÓN AND PARA EL ENCENDIDO DE UNA LÁMPARA A TRAVÉS DE UN PLC
Programaciones básicas
Programaciones básicas
Transferencia PC-PLC.
Representación orientativa de los mecanismos.
r.a.c
2011
Descripción de la programación
Programación en FBD
Programación en Ladder
Sólo se activará la salida Q1, y por tanto la lámpara E1 cuando se
exciten al mismo tiempo las entradas I1 e I2 (S1 y S2). Cualquier
otra combinación no activará las salidas.
Pulsador
I1 Punto de luz
Q1
I1 Q1
0
1
I2 (S2. Pulsador NA, 3-4)
I1 (S1. Pulsador NA, 3-4)
Q1 (E1. lámpara 1)
0
1
0
1
I2
Pulsador
I2
&
AND
Grupo
Título
Función “AND” para el encendido de una lámpara a través de un autómata programable
Función “AND” para el encendido de una lámpara a través de un autómata programable Programaciones básicas
Programaciones básicas
Símbolo Significado
Contacto abierto
Bobina directa
%I1 e %I2 Entradas
%Q1 Salida
Listado de variables
Símbolos empleados en lenguaje LD
Cronograma
I1. Pulsador 1.
I2. Pulsador 2.
Q1. Lámpara.
BAS. 02
Pg. 2
BAS. 02
Pg. 2
r.a.c
2011
Programaciones básicas
Programaciones básicas
Grupo
Título
1 3
2 4
Alimentación
PLC y dispo-
sitivos de
entrada:
230 V AC
Alimentación entradas del PLC a 230 V AC
PIA
10 A
L N PE
1 3
2 4
PIA
10 A
L N PE
S1
Alimentación
salidas del PLC
230 V AC S=2x1,5
mm
+T
2
S=2x1,5
mm
+T
2
I1
Sección: 1,5 mm
2
E1
X1
X2
L
<F.A>
N
<F.A>
L
<Q>
N
<Q>
PE
<Q>
PE
<F.A>
N <Q>
L <Q: 230 V AC>
Sección: 1,5 mm
2
L. 230 V c.a.
X2.1-2 X1.1-2
X2.6
X1.3
13
14
F2 F1
E1. Lámpara
X2.4
A B
L+ N PE I1 I2 I3 I4 I5 I6 I7 I8 I9 I10
MicroPLC
Q1 Q2 Q3 Q4
OUTPUT 4xRELAY 10A
OK
X1.4
1 2 3 4 5 6 7 8 9 10 11 12 13 14 15 16 17 18
Esquema de conexiones destacado
Resumen de mecanismos y dispositivos
Módulo de entradas: 10 entradas digitales a 230 V c.a.
Módulo de salidas: 4 salidas a relé.
Bornero X1. Alimentación circuitos de control y entradas del PLC.
Bornero X2. Alimentación salidas del PLC, y dispositivos de salida
fuera del cuadro.
Autómata programable 230 V AC, 8 DI, 230 V AC, 4 DO a relé.
I1 (S1). Pulsador 1 de activación.
I2 (S2). Pulsador 2 de activación.
Q1 (E1). Lámpara.
F1. Magnetotérmico 10 A, para protección PLC y entradas del PLC.
F2. Magnetotérmico 10 A, par protección salidas del PLC.
Función “AND” para el encendido de una lámpara a través de un autómata programable
Función “AND” para el encendido de una lámpara a través de un autómata programable
S2
I2
X1.3
13
14
X1.5
BAS. 02
Pg. 3
BAS. 02
Pg. 3
Esquema eléctrico destacado.
r.a.c
2011
r.a.c
2011
Descripción y requisitos mínimos
Objetivos de este montaje
Variables programadas en el autómata programable
Secuencia de trabajo
Micro-autómata elegido para el caso
Dos pulsadores normalmente abiertos (S1. NA, 3-4 y S2. NA, 3-4), excitarán
respectivamente las entradas de un microPLC (I1 e I2), y permitirán que se encienda
una lámpara (E1), conectada a la salida Q1, si cualquiera de los dos pulsadores es
activado.
I1. Entrada. Pulsador S1.
I2. Entrada. Pulsador S2.
Q1. Salida. Lámpara E1.
Acopio de materiales.
Diseño de la programación.
Programación.
Transferencia PC-PLC.
Puesta en marcha.
Depuración de errores.
Alimentación 230 VAC.
Módulo de entradas: 8 entradas digitales a 230 V.
Módulo de salidas: 4 salidas a relé.
Comprobar el efecto de la función OR.
Alimentación
salidas
del
PLC
A B
L+ M I1 I2 I3 I4 I5 I6 I7 I8 I9 AI1AI2
MicroPLC
Q1 Q2 Q3 Q4
OUTPUT 4xRELAY 10A
OK
Pulsador 1
E1
16
mm
16
mm
Circuito
C1.
2
x
1,5
mm
+
T
2
Circuito
C11.
2
x
1,5
mm
+
T
2
1
2
N
N
10 A
1
2
N
N
10 A
S1
Alimentación
sensores
digitales
Lámpara
PE
PIA
1
PIA
2
Input:
AC
100-240V
Output:
DC 24V/1,3 A
24V ok
L+ N + + - -
POWER
Pulsador 2
S2
INPUT 24 V DC
BAS. 03
Pg. 1
BAS. 03
Pg. 1
Función “OR” para el encendido de una lámpara a través de un autómata programable
Función “OR” para el encendido de una lámpara a través de un autómata programable
Grupo
Título
Programaciones básicas
Programaciones básicas
Representación orientativa de los mecanismos.
PLC_BAS03_FUNCIÓN OR PARA EL ENCENDIDO DE UNA LÁMPARA A TRAVÉS DE UN PLC
r.a.c
2011
Descripción de la programación
Programación en FBD
Programación en Ladder
Se activará la salida Q1, y por tanto la lámpara E1 si se excita
cualquiera de las dos entradas I1 ó I2 (S1 y S2), o las dos a la vez.
Pulsador
I1 Punto de luz
Q1
0
1
I2 (S2. Pulsador NA, 3-4)
I1 (S1. Pulsador NA, 3-4)
Q1 (E1. lámpara 1)
0
1
0
1
Pulsador
I2
OR
>1
I1 Q1
I2
Grupo
Título
Función “OR” para el encendido de una lámpara a través de un autómata programable
Función “OR” para el encendido de una lámpara a través de un autómata programable Programaciones básicas
Programaciones básicas
BAS. 03
Pg. 2
BAS. 03
Pg. 2
Símbolo Significado
Contacto abierto
Bobina directa
%I1 e %I2 Entradas
%Q1 Salida
Listado de variables
Símbolos empleados en lenguaje LD
Cronograma
I1. Pulsador 1.
I2. Pulsador 2.
Q1. Lámpara.
r.a.c
2011
Programaciones básicas
Programaciones básicas
Grupo
Título
1 3
2 4
Alimentación
PLC y dispo-
sitivos de
entrada:
230 V AC
Alimentación entradas del PLC a 230 V AC
PIA
10 A
L N PE
1 3
2 4
PIA
10 A
L N PE
S1
Alimentación
salidas del PLC
230 V AC S=2x1,5
mm
+T
2
S=2x1,5
mm
+T
2
I1
Sección: 1,5 mm
2
E1
X1
X2
L
<F.A>
N
<F.A>
L
<Q>
N
<Q>
PE
<Q>
PE
<F.A>
N <Q>
L <Q: 230 V AC>
Sección: 1,5 mm
2
L. 230 V AC
X2.1-2 X1.1-2
X2.6
X1.3
13
14
F2 F1
E1. Lámpara
X2.4
A B
L+ N PE I1 I2 I3 I4 I5 I6 I7 I8 I9 I10
MicroPLC
Q1 Q2 Q3 Q4
OUTPUT 4xRELAY 10A
OK
X1.4
1 2 3 4 5 6 7 8 9 10 11 12 13 14 15 16 17 18
Esquema de conexiones destacado
Resumen de mecanismos y dispositivos
Ejercicios
Módulo de entradas: 10 entradas digitales a 230 V c.a.
Módulo de salidas: 4 salidas a relé.
Bornero X1.Alimentación circuitos de control y entradas del PLC.
Bornero X2. Alimentación salidas del PLC, y dispositivos de salida
fuera del cuadro.
Autómata programable 230 VAC, 8 DI, 230 VAC, 4 DO a relé.
I1 (S1). Pulsador 1 de activación.
I2 (S2). Pulsador 2 de activación.
Q1 (E1). Lámpara.
F1. Magnetotérmico 10A, para protección PLC y entradas del PLC.
F2. Magnetotérmico 10A, par protección salidas del PLC.
¿Podrías diseñar la puesta en marcha de una lámpara a través de un
microPLC con funciones NAND, NOR y XOR?
Función “AND” para el encendido de una lámpara a través de un autómata programable
Función “AND” para el encendido de una lámpara a través de un autómata programable
S2
I2
X1.3
13
14
X1.5
BAS. 03
Pg. 3
BAS. 03
Pg. 3
Esquema eléctrico destacado.
r.a.c
2011
r.a.c
2011
Descripción y requisitos mínimos
Donde
Un toldo de una vivienda se abre y cierra de forma motorizada, a través de un motor
monofásico, y se gobierna con dos pulsadores, donde S1(I1) para la apertura y S2 (I3)
para el cierre.Además, dispone de dos finales de carrera en los extremos de apertura y
cierre.
Condiciones de funcionamiento:
- Si se presionan a la vez apertura y cierre de toldo, prevalecerá la primera orden
ejecutada, evitándose de cualquier modo una activación simultánea de apertura y
cierre.
- El final de carrera FC 1 (I2), detiene el motor como tope de apertura de toldo.
- El final de carrera FC 2 (I4), detiene el motor como tope de cierre de toldo.
- Un anemómetro gestiona el valor de la velocidad del viento instantánea en el lugar de
ubicación del toldo. El anemómetro da a su salida un valor de 0 a 10 V c.c, donde:
0 V = 0 Km/h
10 V = 250 Km/h
- El autómata programable dispone de un módulo de entrada analógica capaz de
interpretar el valor analógico 0...10 V procedente del anemómetro. Si el valor del viento
es igual o superior a 80 Km/h (3.2 V c.c.), el toldo se cerrará totalmente, es decir, hasta
ser detenido por el final de carrera de cierre FC 2 (I4).
PIA1. Protección de la fuente de alimentación que alimenta al autómata programable.
PIA2. Protección de las salidas conectadas al PLC.
PE. Borne y conductor de protección.
S1. Pulsador NA, 13-14 para la orden de apertura de toldo.
S2. Pulsador NA, 13-14 para la orden de cierre de toldo.
KM 1. Contactor que alimenta el circuito calefactor.
FC 1. Final de carrera apertura de toldo.
FC 2. Final de carrera cierre de toldo.
M. Motor monofásico de 230 VAC.
Variables programadas en el autómata programable
Micro-autómata elegido para el caso
Cronograma
I1. Entrada digital. Pulsador de orden de apertura toldo.
I2. Entrada digital. Final de carrera “tope” de apertura toldo.
I3. Entrada digital. Pulsador de orden de cierre toldo.
I4. Entrada digital. Final de cerrara “tope” de cierre toldo.
AI1. Entrada analógica.Anemómetro.
Q1. Salida. Motor apertura toldo.
Q2. Salida. Motor cierre toldo.
Alimentación 24 V DC. suministrados por una fuente de alimentación 230V/24 V DC.
Módulo de entradas: 8 entradas digitales a 24 V DC.
Incorpora entrada analógica 0...10 V DC.
Módulo de salidas: 4 salidas a relé.
A B
L N I1 I2 I3 I4 I5 I6 I7 I8 I9 AI1AI2
MicroPLC
Q1 Q2 Q3 Q4
OUTPUT 4xRELAY 10A
OK
A B
L N I1 I2 I3 I4 I5 I6 I7 I8 I9 AI1AI2
MicroPLC
Q1 Q2 Q3 Q4
OUTPUT 4xRELAY 10A
OK
A B
L N I1 I2 I3 I4 I5 I6 I7 I8 I9 AI1AI2
MicroPLC
Q1 Q2 Q3 Q4
OUTPUT 4xRELAY 10A
OK
A B
L N I1 I2 I3 I4 I5 I6 I7 I8 I9 AI1AI2
MicroPLC
Q1 Q2 Q3 Q4
OUTPUT 4xRELAY 10A
OK
0
1
0
1
0
1
I1. Pulsador S1
apertura toldo
I2. Final de carrera
apertura toldo
I3. Pulsador S2
cierre toldo
0
10
0
1
0
1
Sin efecto
Q1. Motor
abre toldo
Q2. Motor
cierra toldo
I4. Final de carrera
cierre toldo
3.2
Punto límite
AI 1. Entrada
analógica
equ. anemómetro
BAS. 19
Pg. 1
BAS. 19
Pg. 1
Tratamiento de señales analógicas. Toldo automatizado
Tratamiento de señales analógicas. Toldo automatizado
Grupo
Título
Programaciones básicas
Programaciones básicas
BAS19_ANALÓGICOS_TOLDO
r.a.c
2011
Cableado
del PLC
Alimentación
salidas
del
PLC
A B
L+ M I1 I2 I3 I4 I5 I6 I7 I8 I9 AI1AI2
MicroPLC
Q1 Q2 Q3 Q4
OUTPUT 4xRELAY 10A
OK
16
mm
16
mm
Circuito
C1.
2
x
1,5
mm
+
T
2
Circuito
C11.
2
x
1,5
mm
+
T
2
1
2
N
N
10 A
1
2
N
N
10 A
Alimentación
sensores
digitales
PE
PIA
1
PIA
2
Input:
AC
100-240V
Output:
DC 24V/1,3 A
24V ok
L+ N + + - -
POWER
INPUT 24 V DC
S1. Pulsador
apertura toldo
3
4
3
4
3
4
3
4
FC 2. Final de carrera
cierre de toldo
S2. Pulsador
cierre toldo
M
0....10 V
Anemómetro
FC 1. Final de carrera
apertura de toldo
Motor toldo
Monofásico
230 V c.a.
Extiente toldo
Recoge toldo
N
Grupo
Título
Programaciones básicas
Programaciones básicas
BAS. 19
Pg. 2
BAS. 19
Pg. 2
Tratamiento de señales analógicas. Toldo automatizado
Tratamiento de señales analógicas. Toldo automatizado
r.a.c
2011
BAS. 19
Pg. 3
BAS. 19
Pg. 3
Tratamiento de señales analógicas. Toldo automatizado
Tratamiento de señales analógicas. Toldo automatizado
Grupo
Título
Programaciones básicas
Programaciones básicas
Programación en Ladder
I1 Q1
I3 I2 Q2
Línea 1.
Para que el motor sentido apertura de toldo se pueda activar, se darán diferentes
condicionantes:
- Presionar pulsador apertura toldo (I1).
- Que NO se presione el pulsador contrario de cierre de toldo (I3).
- Que no esté activo el final de carrera de apertura de toldo (I2).
- Que no esté activo el motor en sentido opuesto (cierre) (Q2).
- Que no esté activa la memoria de riesgo de viento fuerte (M1).
I2 Q2
I1 I4
Línea 2.
Para que el motor sentido cierre de toldo se pueda activar, se darán diferentes condicionantes:
- Presionar pulsador cierre toldo (I2).
- Que NO se presione el pulsador contrario de apertura de toldo (I1).
- Que no esté activo el final de carrera de cierre de toldo (I4).
- Que no esté activo el motor en sentido opuesto (apertura) (Q1).
Note, que la memoria (M1), también podrá activar el toldo sentido cierre.
M1
M1
Q1
Línea 3.
El anemómetro efectúa a su salida un valor de 0 a 10 Voltios, donde "0" equivale a 0 Km/h y "10"
a 250 Km/h que es la velocidad máxima capaz de medir. A su vez, el módulo de entrada
analógica del autómata permite registrar un valor de 0 a 32768. 32768 dividido por 131 es igual a
250. El valor instantáneo de la entrada analógica se "guardará" en la variable MW0.
Div
(0....32768)
131
MW0
(0...250)
Siempre a “1” AI1
M1
Línea 4.
Si el valor de MW0 es igual o mayor de 80 (Km/h), se excita la marca M1.
MW0
80
> =
M1
Línea 5.
La marca M1 se desactiva con el final de carrera de cierre toldo (I4).
R
S
I4
r.a.c
2011
Grupo
Título
Programaciones básicas
Programaciones básicas
BAS. 19
Pg. 4
BAS. 19
Pg. 4
Tratamiento de señales analógicas. Toldo automatizado
Tratamiento de señales analógicas. Toldo automatizado
Programación en FBD
Q1
Pul_abre toldo
I1
Final carrera abre
I2
1
&
AND
1
Motor toldo abre
1
1
&
AND
Pul_cierra toldo
I3
M1
OR
>1
M1
&
AND
1
Q2 Motor toldo cierra
Div
M1 Marca (memoria)
Final carrera cierra
I4
RS
S
R
Anemómetro (analógica)
AI 1 (0....32768)
131
MW0
(0...250)
>=
Compara
MW0
80
Q2
I3
1
Q1
Descripción y requisitos mínimos
La temperatura de un horno eléctrico se regulará a través de un potenciómetro que
implementará valores de tensión de 0 a 10 V c.c. en un módulo de entradas
analógicas de un PLC a través de la entrada AI 1. Diez salidas del PLC (de Q1 a
Q10), activarán respectivamente grupos de resistencias eléctricas, con el
propósito de aumentar o disminuir la temperatura del interior del horno.
Una segunda entrada analógica AI 2, asociada a una sonda de temperatura,
controlará el valor en el interior del horno, de tal modo que, si el valor real de la
temperatura del horno es superior al 10% de la temperatura fijada por el
potenciómetro, las resistencias se desconectan hasta que la temperatura baje de
nuevo.
Un interruptor asociado a la puerta del horno I1, impedirá que funcionen las
resistencias si la puerta está abierta.
Un temporizadorT1, impedirá un funcionamiento prolongado de las resistencias.
Ajuste del valor analógico del potenciómetroAI 1:
0 V = 0% calor.
1 V = 10% calor.
2 V = 20% calor.
3 V = 30% calor.
4 V = 40% calor.
5 V = 50% calor.
6 V = 60% calor.
7 V = 70% calor.
8 V = 80% calor.
9 V = 90% calor.
10 V = 100% calor.
Donde
Variables programadas en el autómata programable
Micro-autómata elegido para el caso
PIA1. Protección de la fuente de alimentación que alimenta al autómata programable.
PIA2. Protección de las salidas (resistencias) conectadas al PLC.
PE. Borne y conductor de protección.
S1. Interruptor, conectado a la puerta del horno para evitar el funcionamiento de las
resistencias en caso de apertura de puerta.
R1 a R10. Resistencias de caldeo.
I1. Entrada digital. Interruptor conectado a la puerta del horno.
AI1. Entrada analógica. Potenciómetro selector de temperatura.
AI2. Entrada analógica. Sonda de temperatura en el interior del horno.
Q1 a Q10. Salidas digitales. Resistencias de caldeo.
M1. Marca. Se excita cuando el potenciómetro no es igual a “0”.
M2. Marca. Se excita cuando la sonda AI 2, registra un valor un 10% por encima del
valor prefijado por el potenciómetro (AI 1). con la misión de desconectar las
resistencias.
MW0. Valor del potenciómetro más “10”.
T1.Temporizador.
Alimentación 230 V AC. Además, el PLC aporta 24 V DC. para el módulo de
entradas digitales.
Módulo de entradas: 20 entradas digitales a 24 V DC.
Tres módulos de salida a relé, con un total de 17 salidas.
Módulo adicional de 4 entradas analógicas (0....20 mAy 0...10 V DC).
A B
L N I1 I2 I3 I4 I5 I6 I7 I8 I9 AI1AI2
MicroPLC
Q1 Q2 Q3 Q4
OUTPUT 4xRELAY 10A
OK
A B
L N I1 I2 I3 I4 I5 I6 I7 I8 I9 AI1AI2
MicroPLC
Q1 Q2 Q3 Q4
OUTPUT 4xRELAY 10A
OK
A B
L N I1 I2 I3 I4 I5 I6 I7 I8 I9 AI1AI2
MicroPLC
Q1 Q2 Q3 Q4
OUTPUT 4xRELAY 10A
OK
A B
L N I1 I2 I3 I4 I5 I6 I7 I8 I9 AI1AI2
MicroPLC
Q1 Q2 Q3 Q4
OUTPUT 4xRELAY 10A
OK
20%
10%
30%
40%
50%
60%
70%
80%
90%
100%
0%
Control de la temperatura de un horno
Control de la temperatura de un horno
Grupo
Título
BAS. 20
Pg. 1
BAS. 20
Pg. 1
Programaciones básicas
Programaciones básicas
BAS20_CONTROL DE LA TEMPERATURA DE UN HORNO
Cronogramas
10%
20%
30%
40%
50%
60%
70%
80%
90%
100%
0%
1
0
1
0
1
0
1
0
1
0
1
0
1
0
1
0
1
0
1
0
Q1. Resistencia 1
Q3. Resistencia 3
Q2. Resistencia 2
Q10. Resistencia 10
Q9. Resistencia 9
Q8. Resistencia 8
Q7. Resistencia 7
Q6. Resistencia 6
Q5. Resistencia 5
Q4. Resistencia 4
AI1. Potenciómetro
Azul. Valor prefijado
por el potenciómetro (AI 1).
Rojo. Valor real de la
temperatura registrado
por sonda (AI 2).
Qx. Resistencia x.
0
1
+10
-10
AI 1
AI 2
Momento de excitación de las resistencias
según el selector (potenciómetro).
Momento en el cual la temperatura real del
interior del horno es superior a la prefijada.
Grupo
Título
Programaciones básicas
Programaciones básicas
BAS. 20
Pg. 2
BAS. 20
Pg. 2 Control de la temperatura de un horno
Control de la temperatura de un horno
24 VDC
L+ M M I1 I2 I3 I4 I5 I6 I7 I8 I9 I10 I11 I12 I13 I14 I15 I16 I17 I18 I19 I20
COM1
L1 N PE Q1 Q2 Q3 Q4 Q5 Q6 Q7 Q8 Q9 Q10 Q11 Q12 Q13 Q14 Q15 Q16
COM2
COM3
Q17
SALIDAS A RELÉ SALIDAS A RELÉ SALIDAARELÉ
ENTRADAS A 24 V DC
POWER
RUN/STOP
ERROR
COM
I1 I2 I3 I4 I5 I6 I7 I8 I9 I10 I11 I12 I13 I14 I15 I16 I17 I18 I19 I20
Q1 Q2 Q3 Q4 Q5 Q6 Q7 Q8 Q9 Q10 Q11 Q12 Q13 Q14 Q15 Q16 Q17
+
0V
V1
I1
V2
I2
V3
I3
V4
I4
M
4
EA
Cableado del PLC
Alimentación
salidas
del
PLC
16
mm
16
mm
Circuito
C1.
2
x
1,5
mm
+
T
2
Circuito
C11.
2
x
1,5
mm
+
T
2
1
2
N
N
10 A
1
2
N
N
10 A
Alimentación
sensores
digitales
PE
PIA
1
PIA
2
S1. Interruptor
puerta de horno
3
4
0....10 V
R1 R2 R3 R4 R5 R6 R7 R8 R9 R10
Sonda de
temperatura
0...10
V
20%
10%
30%
40%
50%
60%
70%
80%
90%
100%
0%
Resistencia
variable
Control de la temperatura de un horno
Control de la temperatura de un horno
Grupo
Título
BAS. 20
Pg. 3
BAS. 20
Pg. 3
Programaciones básicas
Programaciones básicas
Programación en FBD
Q1
&
AND
Resistencias “1”
&
AND
T1
>=
Compara
AI 1
10
I1
M1
R
M2
Q2
&
AND
Resistencias “2”
&
AND
T1
>=
Compara
AI 1
20
I1
M1
R
M2
Q3
&
AND
Resistencias “3”
&
AND
T1
>=
Compara
AI 1
30
I1
M1
R
M2
Q2
&
AND
Resistencias “4”
&
AND
T1
>=
Compara
AI 1
40
I1
M1
R
M2
Q5
&
AND
Resistencias “5”
&
AND
T1
>=
Compara
AI 1
50
I1
M1
R
M2
Q6
&
AND
Resistencias “6”
&
AND
T1
>=
Compara
AI 1
60
I1
M1
R
M2
Q7
&
AND
Resistencias “7”
&
AND
T1
>=
Compara
AI 1
70
I1
M1
R
M2
Q8
&
AND
Resistencias “8”
&
AND
T1
>=
Compara
AI 1
80
I1
M1
R
M2
Q9
&
AND
Resistencias “9”
&
AND
T1
>=
Compara
AI 1
90
I1
M1
R
M2
Q10
&
AND
Resistencias “10”
&
AND
T1
>=
Compara
AI 1
100
I1
M1
R
M2
>=
Compara
AI 1
2
M1 Marca (memoria)
Suma
+
Potenciómetro
AI 1
10
MW0
20%
10%
30%
40%
50%
60%
70%
80%
90%
100%
0%
M1
>=
Compara
AI 2
MW 0
M2 Marca (memoria)
Sonda de temperatura
AI 2
AI 1
IN
T Retardo a
la conexión
40 min.
M1
T1
Grupo
Título
Programaciones básicas
Programaciones básicas
BAS. 20
Pg. 4
BAS. 20
Pg. 4 Control de la temperatura de un horno
Control de la temperatura de un horno
M1
Línea 1.
Cuando el selector (potenciómetro) se gira aunque sea un poco espacio, se activa la marca M1.
Técnicamente insertará en la entrada analógica algún voltaje.
AI 1
2
> =
Q1
Línea 2.
La temperatura será gestionada por el potenciómetro (AI 1) de 0 a 100%. De diez en diez se
irán activando salidas de Q1 a Q10, y cada salida conectará a su vez un grupo de resistencias.
El potenciómetro implementará tensión de 0...10 V c.c. siendo 0 V = 0% y 10 V = 100%.
- Si el valor que registra la sonda de temperatura (AI 2) es superior en un 10% al valor prefijado
por el potenciómetro (AI 1), las resistencias se desconectan a través de M2.
- Si se abre la puerta (I1), las resistencias se desconectan.
- Existe un temporizador de seguridad (T1), que desconecta las resistencias si el tiempo de
activación de forma continuada es muy elevado.
AI 1
10
> =
M2 I1 T1
M1
Q2
AI 1
20
> =
M2 I1 T1
Q3
AI 1
30
> =
M2 I1 T1
Q4
AI 1
40
> =
M2 I1 T1
Q5
AI 1
50
> =
M2 I1 T1
Q6
AI 1
60
> =
M2 I1 T1
Q7
AI 1
70
> =
M2 I1 T1
Q8
AI 1
80
> =
M2 I1 T1
Q9
AI 1
90
> =
M2 I1 T1
Q10
AI 1
100
> =
M2 I1 T1
Programación en Ladder
Control de la temperatura de un horno
Control de la temperatura de un horno
Grupo
Título
BAS. 20
Pg. 5
BAS. 20
Pg. 5
Programaciones básicas
Programaciones básicas
Línea 3.
Al valor instantáneo del potenciómetro se le suma la cifra “10”, y el resultado se “guarda” en la
variable MW0. Si el valor de la sonda (AI 2) es superior al valor MW0, se activa la marca M2, que
actúa en la línea 2, impidiendo que funcionen las resistencias.
Suma
10
MW0
AI1 +
AI 2
MW0
> =
M2
M1
M1
IN
T Retardo a
la conexión
T1
20 min.
Línea 4.
Si las resistencias están activas de forma continuada un tiempo determinado, se activará el bit
del temporizadorT1, cortando el suministro a las mismas.
Grupo
Título
Programaciones básicas
Programaciones básicas
BAS. 20
Pg. 6
BAS. 20
Pg. 6 Control de la temperatura de un horno
Control de la temperatura de un horno
r.a.c
2011
Descripción y requisitos mínimos
Objetivos de este montaje
Material necesario
Un motor trifásico de rotor en cortocircuito (jaula de ardilla), será activado mediante
un pulsador S1 (NA, 13-14). El elemento de control encargado de la activación del
motor, será un contactor (KM 1). Para detener el funcionamiento del motor, se podrá
presionar un pulsador S0 (NC,11-12).
El montaje contará con protecciones, tanto para el circuito de mando, línea principal
de potencia y sobrecarga del motor. Existirán indicaciones luminosas del estado de
la instalación.
Conocer el procedimiento más común en arranque directo de motores
trifásicos.
Toma de contacto con los procedimientos de conexión de la caja de bornes de
un motor trifásico con rotor en cortocircuito.
Determinar la utilidad del proceso de realimentación.
Observar el funcionamiento de un relé térmico.
F1 Protección circuito de mando.
(PIA bipolar de 10 A).
F2 Protección sobrecargas motor trifásico.
(Relé térmico).
F3 Protección circuito de potencia.
(PIA tripolar de 16 A).
S0 Pulsador de paro general.
S1 Pulsador de activación.
KM 1 Contactor de activación motor.
(1 NA, 13-14 1 1 NC, 11-12. AC-4).
H1 Indicador luminoso de la activación del motor.
(Verde).
H0 Indicador luminoso de sobrecarga del motor.
(Rojo).
Conductor flexible de 1 mm .
Conductor flexible de 2,5 mm .
Bornas de conexión de 2,5 mm .
Bornas de conexión de 1,5 mm .
Borna de tierra de 6 mm .
→
→
→
→
→
→
→
→
2
2
2
2
2
ACE. 02
Pg. 1
ACE. 02
Pg. 1
Puesta en marcha de un motor trifásico con protecciones: guardamotor
Puesta en marcha de un motor trifásico con protecciones: guardamotor
Grupo
Título
Automatismos cableados
Automatismos cableados
PLC_ACE02_GUARDAMOTOR
1L1 3L2 5L3
13 NO 21 NC A1
14 NO 22 NC A2
6T3
2T1 4T2
3
1
2 4
5
6
L1
L2
L3
r.a.c
2011
Esquemas de mando y potencia para desarrollo por automatismo cableado
Grupo
Título
ACE. 02
Pg. 2
ACE. 02
Pg. 2
Puesta en marcha de un motor trifásico con protecciones: guardamotor
Puesta en marcha de un motor trifásico con protecciones: guardamotor Automatismos cableados
Automatismos cableados
X1
X2
X1
X2
H0
13
14
Verde Roja
95
96
97
98
1 3
2 4
F2
H1
S1
A1
A2
2
1
F1
L
L
L
1
2
3
3
N
N
N
N
X1.1
X1.3
X1.5 X1.5
X1.4
KM 1
A C
13
14
11
12
S0
X1.2
X1.3
KM 1
2
3
3
4
2
F
X2.7-8
F3
KM 1
1
2
3
4
5
6
A1
A2
F2
1
2 6
3
4
5
M
3 ~
U1 V1 W1
L1
1 3 5
2 4 6
L2
L3
X2
Manguera
X2.1
X2.2
X2.3
1
2
3
4
5
6
L1
L2
L3
7
8
9
X2
X2.4 X2.5 X2.6
PE
U1 V1 W1
U2 V2
W2
Conexionado del motor:
Ejemplo,
Motor 400/230 V (Y-D)
conexión triángulo a 230 V
r.a.c
2011
ACE. 02
Pg. 3
ACE. 02
Pg. 3
Puesta en marcha de un motor trifásico con protecciones: guardamotor
Puesta en marcha de un motor trifásico con protecciones: guardamotor
Grupo
Título
Automatismos cableados
Automatismos cableados
Automatización programada del montaje
PLC propuesto:
Alimentación: 230V AC.
Entradas a 230V AC.
8 Entradas digitales.
Salidas a relé.
4 Salidas digitales.
Bornero X1. Alimentación circuitos de control.
Bornero X2. Entradas PLC fuera del cuadro.
Bornero X3. Salidas PLC fuera del cuadro.
Bornero X4. Circuito de potencia. Alimentación y motores.
Programación en Ladder. Símbolos empleados
Símbolo Significado
Contacto abierto
Bobina directa (Q)
%I1, %I2, etc. Entradas digitales
%Q1, %Q2, etc. Salidas digitales
Contacto cerrado
Activación de bobina en SET
Desactivación de bobina en RESET
R
S
I1 (S1). Pulsador
de marcha
(NA, 13-14).
Q1 (KM 1).
Contactor
y Q2 (H2).
I2 (S0). Pulsador
de paro
(NA, 13-14).
I3 (F4).
Relé térmico.
0
1
0
1
0
1
0
1
Q3 (H0).
Aviso, avería. 0
1
(H1).
Aviso, motor
activo. 0
1
Cronograma
Variables empleadas
Variable Nombre Tipo Comentario
I1 Pul_marcha Bool Pulsador de marcha
I2 Pul_paro Bool Pulsador de paro
I3 Relé_térmico Bool Relé térmico
Q1 Motor Bool
Contactor e indicativo luminoso de que
el motor funciona correctamente
Q2 Mot_OK Bool
Indicativo luminoso de que el motor
funciona correctamente
Q3 Luz_avería Bool
Indicativo luminoso de avería por
sobrecarga
r.a.c
2011
Grupo
Título
ACE. 02
Pg. 4
ACE. 02
Pg. 4
Puesta en marcha de un motor trifásico con protecciones: guardamotor
Puesta en marcha de un motor trifásico con protecciones: guardamotor Automatismos cableados
Automatismos cableados
Alimentación
PLC
A B
L N I1 I2 I3 I4 I5 I6 I7 I8 I9 AI1AI2
MicroPLC
Q1 Q2 Q3 Q4
OUTPUT 4xRELAY 10A
OK
F2
PIA 2
10 A
1
2
F4 Relé térmico
97
98
Pulsador
de marcha
(13-14)
S1
13
14
X2.1
X2.2
Pulsador
de paro
(13-14)
S2
13
14
X2.1
X2.3
I1
I2
I3
F1
PIA 1
10 A
1
2
X1
X2
KM 1
A1
A2
X3.6
X1
X2
X3.6
Alimentación circuito de potencia 230 V AC
U1 V1 W1
U2 V2
W2
Conexionado del motor:
Triángulo a 230 V
F3
1
2
3
4
5
6
F4
1
2 6
3
4
5
M
3
U1 V1 W1
L1
1 3 5
2 4 6
L2
L3
X4
Manguera
X4.1
X4.2
X4.3
1
2
3
4
5
6
L1
L2
L3
7
8
9
X4
X4.5 X4.6 X4.7
PE
PE X4.4
3
x
2,5
mm
+
T
2
Q1
Motor
H1
Motor
(Q2) H2
Motor “OK”
H1 H2
2 x 1,5 mm + T
2
L1 N1 PE L2 N2
230 V AC 230 V AC
<
L1.
230
V
AC
>
<
N1
>
<
PE
>
<
L1.
230
V
AC
>
<
N1
>
Alimentación
salidas del
PLC
Alimentación entradas del PLC
X1.1-2 X1.3-4
1,5 mm
2
Q1
Q2
A1
A2
Conexionado del PLC
X1
X2
X3.6
(Q3) H3
Avería
H3
Q3
1,5 mm
2
r.a.c
2011
ACE. 02
Pg. 5
ACE. 02
Pg. 5
Puesta en marcha de un motor trifásico con protecciones: guardamotor
Puesta en marcha de un motor trifásico con protecciones: guardamotor
Grupo
Título
Automatismos cableados
Automatismos cableados
1
OR
Pulsador
marcha
I1 Motor
Q1
1
&
AND
Pulsador
parada
I2
Q1
1
Relé
térmico
I3
Aviso avería
Q3
STOP RESET
97 N0 98 NO 95 NC 96 NC
2T1 4T1 6T1
Motor “ON”
Q2
Q1
1
OR
Pulsador
marcha
I1 Motor
Q1
Pulsador
parada
I2
Relé
térmico
I3
Aviso avería
Q3
STOP RESET
97 N0 98 NO 95 NC 96 NC
2T1 4T1 6T1
Motor “ON”
Q2
Q1
RS
R
S
Descripción de la programación
Al activar el mecanismo pulsador que activa la entrada I1,
se conecta el motor mediante la salida Q1.
Al activar el mecanismo pulsador que excita la entrada I2,
se desconecta el motor mediante la salida Q1.
Q1, habilita la conexión de Q2, que a su vez activará un
elemento de aviso luminoso.
Si se activa el relé térmico; éste actuará en la entrada del
PLC, I3, provocando que el motor se detenga (Q1 = Off), y
activando un indicador luminoso, mediante la salida del
PLC, Q3.
Programación en FBD
Con Set-Reset
Con realimentación
r.a.c
2011
Grupo
Título
ACE. 02
Pg. 6
ACE. 02
Pg. 6
Puesta en marcha de un motor trifásico con protecciones: guardamotor
Puesta en marcha de un motor trifásico con protecciones: guardamotor Automatismos cableados
Automatismos cableados
Q1
I2
R
I3
Línea 2
Q1
I1
S
Línea 1
Línea 1
Q2
Q1
Q3
I3
Con Set-Reset
Línea 3
Línea 4
Q1
I3
I1 I2
Q1
Q2
Q1
Línea 1
Q3
I3
Línea 3
Con realimentación
Línea 2
Programación en LD
r.a.c
2011
Descripción y requisitos mínimos
El conmutador selector adopta la posición de MANUAL
Condiciones de funcionamiento
El conmutador selector adopta la posición deAUTOMÁTICO
Un taladro de columna, podrá funcionar de forma manual o automática, según la posición de un
conmutador selector (S1).
Existirán tres pulsadores; (S2) ordenará la bajada del conjunto móvil (KM 1); (S3) ordenará por
contra, la subida del conjunto móvil (KM 2), donde el motor encargado de la subida-bajada, será
trifásico de rotor en cortocircuito. Un pulsador (S4), será el encargado de hacer girar el porta-
brocas. En las tres órdenes descritas no existe realimentación, es decir, solo funcionará (KM 1,
KM 2 ó KM 3), mientras dure la acción sobre el pulsador concreto.
- U
- El motor del porta-brocas será monofásico.
- Si cualquiera de los relés térmicos del taladro se activa por sobrecarga, todo el conjunto
quedará desconectado, avisado de forma luminosa.
Un detector (D1) situado en la parte inferior, lugar donde se ubicarán las piezas a taladrar,
advertirá la presencia de éstas, ocurriendo lo siguiente; una vez el detector identifica una pieza,
el conjunto móvil que está en la parte superior, comienza a bajar (KM 1); aproximadamente a
media altura, el conjunto presionará el final de carrera (FC 3), que activará el motor de giro del
porta-brocas; el conjunto seguirá bajando, taladrará pieza, y activando el final de carrera ( FC
1), el motor de bajada (KM 1) se detiene. Acto seguido, comienza un tiempo de reposo, que
permitirá que la inversión no sea “brusca” (KT 1). Pasado el mencionado tiempo, la parte móvil
comienza a subir (KM 2), -el portabrocas sigue girando- y una vez se deja de presionar el final de
carrera (FC 3), el motor del portabrocas se detiene. El conjunto continua subiendo, hasta que
es detenido por el final de carrera (FC 2).
Note en el esquema de mando, que dos contactores auxiliares (KA 1) y (KA 2) serán los
encargados de gestionar las posiciones de automática y manual, respectivamente, del mismo
modo que los finales de carrera serán los mismos, tanto para el modo automático, como para el
manual.
n final de carrera (FC 1), situado en la parte inferior, que pondrá fin al movimiento de bajada,
es decir, una vez llegado a ese extremo, el motor sentido bajada ( KM 1), se detiene.
- Otro final de carrera (FC 2), hará lo propio en el movimiento de subida de la parte móvil (KM 2).
- El final de carrera que acciona automáticamente el motor de giro del porta-brocas (FC 3), no
funcionará en forma manual.
- Si se presionan a la vez los pulsadores de subida y bajada, no funcionará nada.
ACE. 20
Pg. 1
ACE. 20
Pg. 1
Taladro de columna
Taladro de columna
Grupo
Título
Automatismos cableados
Automatismos cableados
N
:
5
Conmutador
Manual-Automático
Sube
Baja
Final de
carrera
superior
Final de
carrera
inferior
Final de
carrera giro
Portabrocas
BAJA SUBE GIRO
Detector
Piezas
MANUAL
Gira
Avería
ACE20_TALADRO DE COLUMNA
r.a.c
2011
Esquema de mando para desarrollo por automatismo cableado
Material necesario
F1 Protección circuito de mando.
F2 Relé térmico motor 1.
F3 Relé térmico motor 2.
F4 Protección línea motor 1.
F5 Protección línea motor 2.
S1 Conmutador selector manual-automático.
S2 Pulsador de bajada conjunto móvil.
S3 Pulsador de subida del conjunto móvil.
S4 Pulsador de giro porta-brocas.
D1 Detector de piezas.
KA 1 Relé auxiliar, posición “Automática”.
KA 2 Relé auxiliar, posición “Manual”.
KM 1 Motor de bajada conjunto móvil.
KM 2 Motor de subida conjunto móvil.
KM 3 Motor giro del porta-brocas.
H00 Indicativo relé térmico 1 activado (F3).
H01 Indicativo relé térmico 2 activado (F2).
H1 Indicativo KM 1 activado.
H2 Indicativo KM 2 activado.
H3 Indicativo KM 3 activado.
→
→
→
→
→
→
→
→
→
→
→
→
→
→
→
→
→
→
→
→
Grupo
Título
ACE. 20
Pg. 2
ACE. 20
Pg. 2
Taladro de columna
Taladro de columna Automatismos cableados
Automatismos cableados
95
96
97
98
F3
95
96
97
98
1 3
2 4 5 6 7 8 9 10 11 12 13 14
F2
2
1
F1
L
L
L
1
2
X1.13
X1
X2
H00
Avería
Roja
N
X1.21
X1.19
23
X1
X2
H01
Avería
Naranja
N
X1.21
X1.21
3
11
12 14
0
11
12
13
14
13
14
KM 1
D1
21
22
KA 2
KA 2
31
32
KA 2
67
68
KT 1
23
24
KM 2
S1
S2
S3
13
14
21
22
11
12
23
24
11
12
21
22
KA 1 KA 1
11
12
FC 2. ARRIBA
23
24
11
12
FC 1. ABAJO
11
12
KM 2
Azul
A1
A2
N
KM 1
A C
8
X1
X2
H1
N
X1.21
X1.16
8
A1
A2
N
KA 1
A C
11 8
9
3 5
Azul
A1
A2
N
KM 2
A C
14
X1
X2
H2
N
X1.21
X1.17
14
6 2
A1
A2
N
KT 1
A C
5
Automático Baja Sube
21
22
KM 1
33
34
43
44
13
14
13
14
S4
KA 1 KA 2
FC 3
GIRO
A1
A2
N
KA 2
A C
12 2
4
Manual
5
Azul
A1
A2
N
KM 3
A C
21
X1
X2
H3
N
X1.21
X1.18
21
Giro
X1.14
X1.15
X1.7 X1.11
X1.8
X1.11 X1.12
X1.1 X1.3 X1.5
N
2
4
4
4
4
4
4
4
5
5
6
7
X1.2 X1.4 X1.6
9
9
10
11
11
12
12
13
15
15
15
15
15
15
16
17
18
19
20
21
21
22
L
X1.14
X1.9
F
X2.7-8
Conmutador
Automático
Cero
Manual
S2 Bajada manual
S3 Subida manual
S4 Giro portabrocas manual
AUT. MANUAL
r.a.c
2011
ACE. 20
Pg. 3
ACE. 20
Pg. 3
Taladro de columna
Taladro de columna
Grupo
Título
Automatismos cableados
Automatismos cableados
L1
L2
L3
X2
X2.1
X2.2
X2.3
PE
F5
KM 2
1
2
3
4
5
6
A1
A2
F3
1
2 6
3
4
5
M
~
U1 V1
1 3
2 4
Manguera
10
11
12
13
14
L1
15
16
X2
X2.8 X2.9
N
X2.4
U1 V1 C1
V2 C2
U2
Conexionado del motor:
17
17
F4
KM 1
1
2
3
4
5
6
A1
A2
F2
1
2 6
3
4
5
M
3 ~
U1 V1 W1
1 3 5
2 4 6
Manguera
1
2
3
4
5
6
L1
L2
L3
7
8
9
X2
X2.5 X2.6 X2.7
U1 V1 W1
U2 V2
W2
Conexionado del motor:
KM 2
1
2
3
4
5
6
A1
A2
1
2
3
6
5
4
PE
KM 1
Motor baja
KM 2
Motor sube
KM 3 Giro
protabrocas
Esquema de potencia apto para
desarrollo por automatismo cableado
y automatismo programado por PLC
r.a.c
2011
Grupo
Título
ACE. 20
Pg. 4
ACE. 20
Pg. 4
Taladro de columna
Taladro de columna Automatismos cableados
Automatismos cableados
Variable Nombre Tipo Asociada Comentario
I1 Int_man_aut Bool S1 Conmutador manual-automático
I2 Pul_man_baja Bool S2 Pulsador manual conjunto baja
I3 Pul_man_sube Bool S3 Pulsador manual conjunto sube
I4 Pul_giro_broca Bool S4 Pulsador manual giro portabrocas
I5 Detec_piezas Bool Capacitivo Detector capacitivo pieza abajo
I6 FC_inferior Bool Final de carrera interior conjunto móvil
I7 FC_superior Bool Final de carrera superior conjunto móvil
I8 FC_Giro_brocas Bool Final de carrera giro portabrocas
I9 RT_conjunto Bool Relé térmico conjunto sube-baja
I10 RT_portabrocas Bool Relé térmico giro porta-brocas
Q1 Motor_baja Bool KM 1 Motor baja conjunto
Q2 Motor_sube Bool KM 2 Motor sube conjunto
Q3 Motor_gira Bool KM 3 Motor gira porta-brocas
Q4 Avería_RT Bool H4 Aviso, avería en algún motor por sobrecarga
M1 M_Manual Bool Memoria modo manual
M2 M_Automático Bool Memoria modo automático
Automatización programada del montaje
Variables empleadas
PLC propuesto:
Alimentación: 24 V DC.
Entradas a 24 V DC.
10 Entradas digitales.
Salidas a relé.
8 Salidas digitales.
Bornero X1. Alimentación circuitos de control.
Bornero X2. Entradas PLC fuera del cuadro.
Bornero X3. Salidas PLC fuera del cuadro.
Bornero X4. Circuito de potencia. Alimentación y motores.
Programación en Ladder. Símbolos empleados
Símbolo Significado
Contacto abierto
Bobina directa (Q)
%I1, %I2, etc. Entradas digitales
%Q1, %Q2, etc. Salidas digitales
Contacto cerrado
NOT, inversión
NOT
Memoria directa, marca (M)
RS
R
S
X nº
T.Asín
T nº
“tiempo”
Función SET-RESET (Biestable)
TON
T nº
“tiempo”
Temporizador con retardo a la
conexión (TON)
Temporizador con salida intermitente
síncrona o asíncrona parametrizable.
r.a.c
2011
ACE. 20
Pg. 5
ACE. 20
Pg. 5
Taladro de columna
Taladro de columna
Grupo
Título
Automatismos cableados
Automatismos cableados
1 3
2 4
Alimentación
fuente PLC
230 V AC
Alimentación entradas del PLC a 24 V c.c.
PIA
10 A
Input:
AC
100-240V
Output:
DC 24V/1,3 A
24V ok
L+ N + + - -
POWER
A B
L+ M PE I1 I2 I3 I4 I5 I6 I7 I8 I9 I10
PLC
Q1 Q2 Q3 Q4
RUN
Q5 Q6 Q7 Q8
COM
ERROR
L2 N2PE
1 3
2 4
PIA
10 A
L1N1PE
S1 S2
Alimentación
salidas del PLC
24 V AC
S=2x1,5
mm
+T
2
S=2x1,5
mm
+T
2
I1
I2
Sección: 1 mm
2
Sección:
1
mm
2
L2
N2
L1
N1
PE
PE
L2 <Q: 24 V AC>
Q1
Q2
Q3
Q4
Sección: 1 mm
2
+24 V +24 V
X1.1-2 X1.3-4
X2.1 X2.1
X2.2 X2.3
13
14
13
14
F4 F1
Det.
I5
I9
97
98
Leyenda entradas y salidas del PLC
I1 (S1). Interruptor-conmutador manual-automático.
I2 (S2). Pulsador manual baja.
I3 (S3). Pulsador sube.
I4 (S4). Pulsador giro porta-brocas.
I5. Detector pieza (capacitivo).
I6. Final de carrera inferior.
I7. Final de carrera superior.
I8. Final de carrera giro porta-brocas.
I9. Relé térmico conjunto móvil.
I10. Relé térmico motor giro porta-brocas.
Q1. (KM 1). Motor baja.
Q2. (KM 2). Motor sube.
Q3. (KM 3). Motor giro porta-brocas.
Q4. Aviso, avería por sobre carga en algún motor.
I6
X2.1
X2.7
13
14
Contactor KM 3
motor giro portabrocas
H4
X1
X2
N <Q>
X3.5
H4 Aviso intermitente
avería en algún motor
X3.4
A1
A2
H1
X1
X2
A1
A2
H2
X1
X2
N <Q> N <Q>
X3.5
N <Q>
X3.5
N <Q>
Contactor KM 1
Motor baja
Contactor KM 2
Motor sube
KM 1 KM 2
X3.1 X3.2
S3
I3
X2.1
X2.4
13
14
S4
I4
X2.1
X2.5
13
14
FC
abajo
I7
X2.1
13
14
FC
arriba
I8
X2.1
13
14
FC
giro
I10
97
98
RT
baja-
sube
RT
gira
A1
A2
H3
X1
X2
N <Q>
X3.5
N <Q>
KM 3
X3.3
+24
+24
+24
Alimentación
detector inductivo
pieza a taladrar
Det.
X2.8 X2.9
X2.6
Conexionado
del PLC
r.a.c
2011
Grupo
Título
ACE. 20
Pg. 6
ACE. 20
Pg. 6
Taladro de columna
Taladro de columna Automatismos cableados
Automatismos cableados
Línea 1.
El interruptor-conmutador (I1), activará de forma directa la memoria (M1), que es indicativo de
modo automático. La excitación de cualquier relé térmico del circuito, impedirá el
funcionamiento.
I1
Int_man_aut
M1
M_Automático
Línea 2.
Si el interruptor-conmutador (I1), NO está activo, se activa la marca (M2), que es indicativo de
modo manual. La excitación de cualquier relé térmico del circuito, impedirá el funcionamiento.
Línea 3.
Modo automático: Si el detector (I5), advierte una pieza, se activa la marca auxiliar (M3), para
orden de bajada, a través de la salida (Q1). Esta marca podrá ser anulada por:
- La activación del relé térmico del conjunto arriba-abajo.
- Final de carrera inferior.
- Un contacto de seguridad de motor sube (Q2).
- La memoria (M1), automático debe estar activa.
I1
Int_man_aut
M2
M_Manual
I5
Detec_piezas
I6
FC_inferior
I9
RT_conjunto
Q2
Motor sube
M1
M_Automático
RS
R
S
M3
Programación en LD (Ladder)
I10
RT_portabrocas
I9
RT_conjunto
I10
RT_portabrocas
I9
RT_conjunto
r.a.c
2011
ACE. 20
Pg. 7
ACE. 20
Pg. 7
Taladro de columna
Taladro de columna
Grupo
Título
Automatismos cableados
Automatismos cableados
Línea 6.
Seguimos en modo automático. Cuando el conjunto ha llegado a la parte inferior, el final de
carrera (I6), además de anular el motor de bajada (línea 3), excita un temporizador con retardo
a la activación -TON- con el propósito de retrasar la orden de subida del conjunto. Se entiende,
que el tiempo programado será el suficiente para taladrar la pieza según un material
determinado.
I6
FC_inferior
M1
M_Automático
TON
T1
3 seg.
M3
Q1
Motor_baja
M5
M_Man_baja
Línea 5.
Por tanto, el conjunto del taladro bajará automáticamente si finalmente es excitada la marca
(M3), o manualmente, si se activa la marca (M5), síntoma de activación de modo manual.
I6
FC_inferior
I9
RT_conjunto
Q2
Motor_sube
M5
M_Man_baja
NOT
I2
Pul_mar_baja
M2
M_Manual
I3
Pul_man_sube
Línea 4.
Modo “manual” en bajada del conjunto:
- Presionando el pulsador de bajada (I2), se excita la marca (M5), que ordenará a (Q1), motor
de bajada. Pueden impedir el funcionamiento:
- La activación del pulsador contrario, es decir, subida del conjunto (I3).
- La activación del final de carrera inferior (I6), síntoma de que el conjunto ha llegado a su tope
inferior.
- La excitación del relé térmico (I9).
- Un contacto de seguridad de motor sube (Q2).
Línea 7.
El temporizador activará en SET la marca (M4), que es síntoma de activación de subida del
conjunto a través de la salida (Q2). Esta marca podrá ser anulada por:
- El final de carrera superior (I7).
- La activación del relé térmico del motor que sube y baja el conjunto (I9).
- Un contacto de seguridad de motor baja (Q1).
- La memoria (M1), automático debe estar activa.
T1
I7
FC_superior
I9
RT_conjunto
Q1
Motor_baja
M1
M_Automático
RS
R
S
M4
r.a.c
2011
Grupo
Título
ACE. 20
Pg. 8
ACE. 20
Pg. 8
Taladro de columna
Taladro de columna Automatismos cableados
Automatismos cableados
Línea 12.
El citado temporizador con salida intermitente parametrizable, excitará la salida (Q4), que es
síntoma de avería en uno de los dos relés térmicos.
Q4
Avería_RT
Q3
Motor_gira
Línea 10.
El motor del porta-brocas (Q3) podrá ser activado igualmente por dos líneas de programación;
por un lado, en modo automático, donde se habilita el final de carrera (I8), para que realice
dicha función de activación; por otro, en modo manual, será un pulsador (I4), el que pueda
hacer girar el motor.
I8
FC_giro_broca
I10
RT_portabrocas
I10
RT_portabrocas
I4
Pul_giro_broca
M1
M_Automático
M2
M_Manual
Línea 11.
Si se activa un relé térmico, tanto del motor que baja y sube el conjunto, como del motor de giro
del porta-brocas, se excitará un aviso intermitente, a través de un temporizador que ofrezca un
bit de salida intermitente.
T.Asín
T2
0,5 seg.
I10
RT_portabrocas
I9
RT_conjunto
I7
FC_superior
I9
RT_conjunto
Q1
Motor_baja
M6
M_Man_sube
NOT
I3
Pul_man_sube
M2
M_Manual
I2
Pul_man_baja
Línea 8.
Modo “manual” en subida del conjunto:
- Presionando el pulsador de subida (I3), se excita la marca (M6), que ordenará a (Q2), motor
de subida. Pueden impedir el funcionamiento:
- La activación del pulsador contrario, es decir, bajada del conjunto (I2).
- La activación del final de carrera superior (I7), síntoma de que el conjunto ha llegado a su tope
superior.
- La excitación del relé térmico (I9).
- Un contacto de seguridad de motor baja (Q1).
M4
Q2
Motor_sube
M6
M_Man_sube
Línea 9.
El conjunto del taladro subirá automáticamente, si finalmente es excitada la marca (M4), o
manualmente, si se activa la marca (M6), síntoma de activación de modo manual.
T2
r.a.c
2011
Descripción y requisitos mínimos
El paso a nivel con barreras, que gestiona el tráfico entre dos vías de tren y una
carretera de doble sentido, deberá cumplir las siguientes condiciones:
- Cada vía de tren cuenta con un detector de llegada de tren, ubicado metros antes
del cruce, donde I1 es para la vía 1 e I5 para la vía 2.
- El funcionamiento normal en la llegada de un tren, en cualquiera de las dos vías es
el siguiente:
> Una vez que el tren en su llegada, activa el detector correspondiente, se conecta
durante 5 segundos, una campana de aviso, Q1.
> Al mismo instante, se conexionan de forma intermitente dos lámparas (Q2 y Q3),
que estarán en ese estado hasta la salida del tren.
> A los 7 segundos de ser activado el sensor de llegada, se conexiona la salida Q4,
que indica motor de bajada de barreras. Éstas estarán bajando hasta ser detenidas
por el final de carrera I2.
> Cuando el tren sale del cruce y activa el detector de salida correspondiente, se
conexiona la salida Q5, la cual conecta el motor de subida de las barreras, hasta ser
detenido por el final de carrera I4.
- Condición 1: Si mientras está pasando un tren por el cruce, otro, activa el detector
de entrada de la vía contraria, el proceso continuará hasta que salga de la zona el
último tren que entró, es decir, cuando el último tren presione su correspondiente
detector de salida.
- Condición 2: si las barreras está subiendo, síntoma de que el tren está saliendo de
la zona, y entra un nuevo tren por la vía contraria, las barreras se detienen durante 5
segundos y comienzan de nuevo la bajada.
- Cada vez que entra un tren por una vía, se activa una marca (memoria), que será
desactivada, sólo cuando el tren termina su paso por el cruce.
- El bloque B027, se encarga de retrasar la bajada de barreras, cuando estas
subían y en ese momento entra un tren por la vía contraria.
- Nunca podrán subirse las barreras, mientras un tren no haya activado su sensor
de salida correspondiente.
- Cada vía de tren cuenta con un detector de salida de tren, ubicado metros después
del cruce, donde I3 es para la vía 1 e I6 para la vía 2.
STOP
STOP
Sube
Barrera
Campana
Detector
llegada
vía 1
Detector
salida
vía 2
Final de carrera
superior barrera 1
Final de carrera
inferior barrera 1
Detector
salida
vía 1
Detector
llegada
vía 2
Sube
Barrera
Baja
Barrera
Final de carrera
inferior barrera 2
Final de carrera
superior barrera 2
Baja
Barrera
Paso a nivel con barreras
Paso a nivel con barreras Aplicaciones industriales
Aplicaciones industriales
Grupo
Título
API. 15
Pg. 1
API. 15
Pg. 1
r.a.c
2011
13
14
F
N
Alimentación PLC y entradas PLC
1
2
F1
F
N
Alimentación salidas del PLC
F4
Detector
llegada
vía 1
1
2
Final
carrera
baja
barreras
13
14
13
14
Detector
salida
vía 1
13
14
Final de
carrera
sube
barreras
13
14
Detector
llegada
vía 2
13
14
Detector
salida
vía 2
Q1 Q2 Q3 Q4 Q5 Q6 Q7 Q8
Tecla 1
Tecla 2
Tecla 3
Tecla 4
Tecla 5
Tecla 6
Datos
L1 N
Alimentación
I1 I2 I3 I4 I5 I6 I7 I8 I9 I10 I11 I12
Entradas
Salidas
I1 I2 Q1
1
2
3
4
5
6
1
2
3
4
5
6
F3
1
2 6
3
4
5
L1
L2
L3
KM 1 motor
barreras
bajan
KM 2 Motor
barreras
suben
Alimentación circuito de potencia
M
3~
U V W
F2
1 3 5
2 4 6
U1 V1 W1
U2 V2
W2
A1
A2
A1
A2
Campana
Intermitentes
KM
1
KM
2
H1 H2 H3 H4
Donde:
I1. Detector de llegada de tren por vía 1.
I2. Final de carrera, barreras abajo.
I3. Detector de salida de tren, vía 1.
I4. Final de carrera, barreras arriba.
I5. Detector de llegada de tren por vía 2.
I6. Detector de salida de tren, vía 2.
M1. Memoria de proceso de paso de tren por vía 1.
M2. Memoria de proceso de paso de tren por vía 2.
Q1. Campana.
Q2 y Q3. Lámparas intermitentes.
Q4. KM 1, baja barreras.
Q5. KM 2, sube barreras.
Además:
F1. Protección PLC y entradas PLC.
F2. Protección circuito motor barreras.
F3. Relé térmico motor barreras.
F4. Protección salidas del PLC.
Cableado
Grupo
Título
Paso a nivel con barreras
Paso a nivel con barreras Aplicaciones industriales
Aplicaciones industriales
API. 15
Pg. 2
API. 15
Pg. 2
r.a.c
2011
Paso a nivel con barreras
Paso a nivel con barreras Aplicaciones industriales
Aplicaciones industriales
Grupo
Título
API. 15
Pg. 3
API. 15
Pg. 3
Línea 1.
El detector (I1) de llegada de tren por la vía 1, activa la marca (M1) en SET. M1 es memoria de
paso de tren por la vía 1. Esta marca se puede desactivar por:
- (I4) final de carrera barreras arriba en flanco positivo.
- (I3), detector de salida de tren vía 1, si se cumple que (M2), memoria de paso de tren por vía 2,
está también activa.
- (M3), memoria de seguridad.
I1
Det_llega_vía1
I3
Det_sale_vía1
I4
FC_barr_arriba
M3
RS
R
S
M1
P
M2
Línea 2.
El detector (I5) de llegada de tren por la vía 2, activa la marca (M2) en SET. M2 es memoria de
paso de tren por la vía 2. Esta marca se puede desactivar por:
- (I4) final de carrera barreras arriba en flanco positivo.
- (I6), detector de salida de tren vía 2, si se cumple que (M1), memoria de paso de tren por vía 1,
está también activa.
- (M4), memoria de seguridad.
I5
Det_llega_vía2
I6
Det_sale_vía2
I4
FC_barr_arriba
M4
RS
R
S
M2
P
M1
M1
Q1
Campana
M2
Línea 3.
Tanto la marca (M1), como la (M2), permitirán el aviso de llegada de tren a través de una
campana (Q1), durante un tiempo determinado, gestionado por un temporizador con retardo a
la activación.
TON
T1
10 seg.
T1
Programación en LD
r.a.c
2011
Grupo
Título
Paso a nivel con barreras
Paso a nivel con barreras Aplicaciones industriales
Aplicaciones industriales
API. 15
Pg. 4
API. 15
Pg. 4
Línea 4.
M1 ó M2, activarán dos lámparas alternativas intermitentes, avisando de la llegada de un tre
por una vía u otra.
T.Asín
T2
0,5 seg.
M2
M1
T2
Q2
Lámpara 1
T2
Q1
Lámpara 2
M5
Línea 5.
(M5), es una memoria que se activa sólo cuando están activas (M1, M2 y Q5). (Q5), es la
activación del motor que sube las barreras.
M1 M2 Q5
Mot_sube_barr
M5
Q4
Mot_baja_barr
RS
R
S
M6
Línea 6.
Si se cumple que (M5=1), se activa una nueva memoria (M6), esta memoria puede ser anulada
por (Q4), que es la activación del motor para bajar las barreras.
M6
TON
T3
5 seg.
Línea 7.
La misión de (M6) es retardar la activación del temporizador (T3).
T3
T4
RS
R
S
Q4
Mot_baja_barr
Línea 8.
El temporizador (T3), finalmente activará a (Q4), motor de bajada de barreras, aunque
también podrá hacerlo el temporizador (T4). Esta salida se anulará por (I2), final de carrera de
bajada barrera, o por (Q5), que representa un contacto de seguridad de motor sube barreras.
Q5
Mot_sube_barr
I2
FC_baja_barr
r.a.c
2011
Paso a nivel con barreras
Paso a nivel con barreras Aplicaciones industriales
Aplicaciones industriales
Grupo
Título
API. 15
Pg. 5
API. 15
Pg. 5
Línea 9.
Si se activa (M1 ó M2) y no está activa la memoria (M5), se excitará un temporizador (T4), con
el propósito de conectar a (Q4) motor barrera baja -línea 8-.
M2
M1 M5
TON
T4
7 seg.
M2
RS
R
S
Q5
Mot_sube_barr
Línea 10.
En este segmento se dan los condicionantes para la activación y desactivación de (Q5), que es
el motor de subida de la barrera.
Q4
Mot_baja_barr
I4
FC_sube_barr
I3
Det_sale_vía1
M1 I6
Det_sale_vía2
M5
RS
R
S
M7
Línea 11.
Atención a las siguientes 4 líneas. Si coincide que, mientras está bajando la barrera, entra un
tren por la vía opuesta -a la orden inicial-, y se activa el sensor de salida de la primera vía
activa, se desconecta la memoria de esta. Note que la marca (M7) fija el valor de (I3), que es el
detector de salida de vía 1. Cuando sube la barrera, (M7 = 0).
I3
Det_sale_vía1
I4
FC_sube_barr
M3
Línea 12.
(M3), es una memoria que se activa sólo cuando están activas (M7, M2 y Q5). (Q5), es la
activación del motor que sube las barreras.
M7 M2 Q5
Mot_sube_barr
RS
R
S
M8
Línea 13.
Si coincide que, mientras está bajando la barrera, entra un tren por la vía opuesta -a la orden
inicial-, y se activa el sensor de salida de la primera vía activa, se desconecta la memoria de
esta. Note que la marca (M8) fija el valor de (I6), que es el detector de salida de vía 2. Cuando
sube la barrera, (M8 = 0).
I6
Det_sale_vía2
I4
FC_sube_barr
r.a.c
2011
Grupo
Título
Paso a nivel con barreras
Paso a nivel con barreras Aplicaciones industriales
Aplicaciones industriales
API. 15
Pg. 6
API. 15
Pg. 6
M4
Línea 14.
(M4), es una memoria que se activa sólo cuando están activas (M8, M1 y Q5). (Q5), es la
activación del motor que sube las barreras.
M8 M1 Q5
Mot_sube_barr
r.a.c
2011
Control automático de dos depósitos para óleo
Control automático de dos depósitos para óleo Aplicaciones industriales
Aplicaciones industriales
Grupo
Título
API21_CONTROL_DEPÓSITOS_ACEITE
API. 21
Pg. 1
API. 21
Pg. 1
I3
Pulsador que activa
bomba 1 para llenado
depósito 1
Q1
Motor bomba
depósito 1
Al consumo
o embotellado
0
I4
Pulsador que desactiva
bomba 1 para llenado
depósito 1
DEPÓSITO
1
DEPÓSITO
2
AI1
Sonar 1. Mide
volumen de aceite
del depósito 1
AI2
Sonar 2. Mide
volumen de aceite
del depósito 1
AI3
Sonar 3. Mide
volumen de aceite
del depósito 2 AI4
Sonar 4. Mide
volumen de aceite
del depósito 2
I5
Pulsador que activa
bomba 2 para llenado
depósito 2
0
I6
Pulsador que desactiva
bomba 2 para llenado
depósito 2
I1
Pulsador que activa
el consumo de aceite
de los depósitos
0
I2
Pulsador que desactiva
el consumo de aceite
de los depósitos
Q4
Motor bomba
llenado depósito 2
Q3
Motor bomba
llenado depósito 1
Q5
Aviso, sonar
defectuoso en
depósito 1
Q6
Aviso, sonar
defectuoso en
depósito 2
Válvula
antiretorno
Q2
Motor bomba
depósito 2
Gráfico descriptivo
NA
NC
2 T1 4 T2 6 T3
95 96
97 98
STOP
RESET
I7
Relé térmico
Motor 2
I7
Relé térmico
Motor 1
NA
NC
2 T1 4 T2 6 T3
95 96
97 98
STOP
RESET
NA
NC
2 T1 4 T2 6 T3
95 96
97 98
STOP
RESET
I7
Relé térmico
Motor 3
I7
Relé térmico
Motor 4
NA
NC
2 T1 4 T2 6 T3
95 96
97 98
STOP
RESET
r.a.c
2011
Grupo
Título
Control automático de dos depósitos para óleo
Control automático de dos depósitos para óleo Aplicaciones industriales
Aplicaciones industriales
API. 21
Pg. 2
API. 21
Pg. 2
Descripción y requisitos mínimos
El control de llenado y vaciado de dos depósitos para almacén de aceite de oliva, se
gestionará con microcontrolador, con las siguientes características:
1. Un sónar es un detector analógico que mide la distancia del aceite, con el
propósito de calcular el volumen del depósito. En este ejercicio no se calculará una
medida determinada, y se tomará por tanto el dato directo de la entrada analógica
asociada a cada sónar, que podrá oscilar de 0 a 1000. Cada depósito incorpora dos
sónar, donde AI1 y AI2 son las entradas analógicas equivalentes de los sónar del
depósito 1 y AI3 y AI4 son las entradas analógicas equivalentes de los sónar del
depósito 2. Los dos sónar de cada depósito deben indicar la misma medida, si ello no
ocurriera, (por avería de un dispositivo), se activará una alarma acústica o luminosa,
donde Q5 es aviso por sónar averiado en depósito 1 y Q6 es aviso por sónar averiado
en depósito 2.
2. Cada depósito cuenta con un motor bomba para la extracción del líquido para su
posterior envasado, donde Q1 es motor bomba del depósito 1 y Q2 es motor bomba
del depósito 2. Al presionar el pulsador (I1) se activará el motor bomba del depósito
que en ese instante, tuviera más volumen de aceite, es decir, al presionar I1, se
podrá activar Q1 ó Q2. El sónar 1 del depósito 1 (AI1), y el sónar 3 del depósito 2
(AI2), determinarán con su medida, qué depósito tiene más volumen en cada
instante. La memoria M1 se activa cuando el depósito 1 tiene más volumen de aceite
que el 2, y la memoria M2, se activa cuando el depósito 2 es el que tiene más aceite.
3. Si se activa de forma continuada un motor bomba (Q1 ó Q2), y el fluido del depósito
correspondiente baja hasta un nivel considerado extremo, automáticamente, se
detendrá el motor bomba, activándose el contrario. La memoria (M5), se activará
cuando el depósito 1 baje de nivel a mínimo y la memoria (M3), hará lo propio con el
depósito 2.
4. El pulsador (I2) es un paro general.
5. Existe un motor bomba (Q3), para llenar el depósito 1. Se pone en marcha con el
pulsador (I3), y se detiene con el pulsador (I4), ó si en depósito alcanza un valor de
llenado máximo (calibrado a “800”) medido por el sónar 2 (AI2). Si se alcanza el valor
de “800”, se activa la memoria (M6).
Se considerará un valor mínimo, por debajo de “200”, y máximo por
encima de “800”.
6. También existe un motor bomba (Q4), para llenar el depósito 2. Se pone en marcha
con el pulsador (I5), y se detiene con el pulsador (I6), ó si en depósito alcanza un
valor de llenado máximo (calibrado a “800”) medido por el sónar 4 (AI4). Si se
alcanza el valor de “800”, se activa la memoria (M4).
7. La memoria M7, se activará cuando lo haga Q1 ó Q2, con el propósito de asegurar el
trasvase de aceite, es decir, si se agota el fluido de un depósito M7 asegura que
continúe el trasvase con el otro depósito.
8. Si se activa cualquier relé térmico de cualquier motor-bomba, se detienen todos los
motores y se excita de forma intermitente un aviso con la salida Q7.
I1. Pulsador que activa los motores-bomba Q1 ó Q2.
I2. Pulsador de paro general.
I3. Pulsador que activa a Q3, como motor-bomba de llenado para depósito 1.
I4. Pulsador que desactiva a Q3.
I5. Pulsador que activa a Q4, como motor-bomba de llenado para depósito 2.
I6. Pulsador que desactiva a Q4.
AI1. Entrada analógica 1. Se corresponde con el sónar 1 que mide la distancia de
llenado (y con este dato se determina el volumen), del aceite del depósito 1.
AI2. Entrada analógica 2. Se corresponde con el sónar 2, que realiza exactamente la
misma función queAI1. La asociación deAI1 +AI2 = medida sin errores.
AI3. Entrada analógica 3. Se corresponde con el sónar 3 que mide la distancia de
llenado del aceite del depósito 2.
AI4. Entrada analógica 4. Se corresponde con el sónar 4, que realiza exactamente la
misma función queAI3. La asociación deAI3 +AI4 = medida sin errores.
Q1. Motor-bomba depósito 1.
Q2. Motor-bomba depósito 2.
Q3. Motor-bomba para llenado de depósito 1.
Q4. Motor-bomba para llenado de depósito 2.
Q5.Aviso, sónar defectuoso en depósito 1.
Q6.Aviso, sónar defectuoso en depósito 2.
M1. Memoria. Indicador de que el depósito 1 tiene más volumen de aceite que el
depósito 2.
M2. Memoria. Indicador de que el depósito 2 tiene más volumen de aceite que el
depósito 1.
M3. Memoria. Se activa cuando el depósito 2, alcanza su valor mínimo (< de 200).
M4. Memoria. Se activa cuando el depósito 2, alcanza su valor de llenado máximo
(800).
M5. Memoria. Se activa cuando el depósito 1, alcanza su valor mínimo (< de 200).
M6. Memoria. Se activa cuando el depósito 1, alcanza su valor de llenado máximo
(800).
M7. Memoria. Se activa cuando se excita Q1 ó Q2. Permite un funcionamiento
ininterrumpido, en caso de agotamiento de uno de los dos depósitos.
M8. Memoria sónar 1 y sónar 2 están OK.
M9. Memoria sónar 3 y sónar 4 están OK.
Donde:
r.a.c
2011
1 3
2 4
Alimentación
fuente PLC
230 V c.a.
Alimentación entradas del PLC a 24 V c.c.
13
14
PIA
10 A
X1
X2
H1
Input:
AC
100-240V
Output:
DC 24V/1,3 A
24V ok
L+ N + + - -
POWER
A B
L+ M PE I1 I2 I3 I4 I5 I6 I7 I8 I9 I10
PLC
Q1 Q2 Q3 Q4
RUN
Q5 Q6 Q7 Q8
COM
ERROR
L N PE
Pulsador
que
habilita
consumo
13
14
Pulsador
de
paro
13
14
13
14
13
14
13
14
+
0V
V1
I1
V2
I2
V3
I3
V4
I4
M
4
EA
Pulsador
llenado
Dep.
1
Pul.
Para
llenado
Dep.
1
Pulsador
llenado
Dep.
2
Pul.
Para
llenado
Dep.
2
Sónar 1. Dep. 1
Sónar 2. Dep. 1
Sónar 3. Dep. 2
Sónar 4. Dep. 2
1 3
2 4
PIA
10 A
L N PE
A1
A2
X1
X2
H2
A1
A2
X1
X2
H3
A1
A2
X1
X2
H4
A1
A2
X1
X2
H5
X1
X2
H6
KM 1
Motor-bomba
depósito 1
KM 2
Motor-bomba
depósito 2
KM 3
Motor-bomba
llenado depósito 1
KM 4
Motor-bomba
llenado depósito 2
H5 Aviso
sónar defectuoso
en depósito 1
H6 Aviso
sónar defectuoso
en depósito 2
S1 S00 S2 S01 S3 S02
Alimentación
salidas del PLC
24 V c.a.
S=2x1,5
mm
+T
2
S=2x1,5
mm
+T
2
4 Entradas
analógicas
24 V c.c.
Alimentación sónar
+
_
13
14
Fx. relés térmicos
Relés
térmicos
Cableado autómata
PLC propuesto:
Alimentación: 24 V c.c.
Entradas a 24 V c.c.
10 Entradas digitales.
Salidas a relé.
8 Salidas digitales.
4 entradas analógicas
0....10 V c.c.
13
14
13
14
13
14
F7 F8 F9 F10
Control automático de dos depósitos para óleo
Control automático de dos depósitos para óleo Aplicaciones industriales
Aplicaciones industriales
Grupo
Título
API. 21
Pg. 3
API. 21
Pg. 3
r.a.c
2011
U1 V1 W1
U2 V2
W2
L1
L2
L3
Alimentación circuito de potencia 3 x 400 V c.a.
1
2
3
4
5
6
F7
1
2 6
3
4
5
Contactor
KM 1
Motor-bomba
depósito 1
M
U V W
F2
1 3 5
2 4 6
A1
A2
1
2
3
4
5
6
F8
1
2 6
3
4
5
Contactor
KM 2
Motor-bomba
depósito 2
M
U V W
F3
1 3 5
2 4 6
A1
A2
1
2
3
4
5
6
F9
1
2 6
3
4
5
Contactor
KM 3
Motor-bomba
llenado
depósito 1
M
U V W
F4
1 3 5
2 4 6
A1
A2
U1 V1 W1
U2 V2
W2
U1 V1 W1
U2 V2
W2
3 3 3
1
2
3
4
5
6
F10
1
2 6
3
4
5
Contactor
KM 4
Motor-bomba
llenado
depósito 2
M
U V W
F6
1 3 5
2 4 6
A1
A2
U1 V1 W1
U2 V2
W2
3
S=4x4
mm
+T
2
S=4x4
mm
+T
2
S=4x4
mm
+T
2
S=4x4
mm
+T
2
A1 24
V
A2
50
Hz
R
E
S
E
T
S
T
O
P
97
98
95
96
3
1
2 4
5
6
PIA tripolar
Contactor
Relé térmico
Motor
trifásico
de c.a.
Cableado de potencia
Grupo
Título
Control automático de dos depósitos para óleo
Control automático de dos depósitos para óleo Aplicaciones industriales
Aplicaciones industriales
API. 21
Pg. 4
API. 21
Pg. 4
r.a.c
2011
Listado de variables
Símbolo Dirección Tipo de dato Comentario
Pulsador_consumo I1 BOOL Pulsador que habilita el consumo de los depósitos
Paro_consumo I2 BOOL Pulsador que detiene el consumo de los depósitos
Pul_llena_dep1 I3 BOOL Pulsador que activa la bomba de llenado del depósito 1 (Q1)
Pul_stop_llena_dep1 I4 BOOL Pulsador que detiene el llenado del depósito 1
Pul_llena_dep2 I5 BOOL Pulsador que activa la bomba de llenado del depósito 2 (Q2)
Pul_stop_llena_dep2 I6 BOOL Pulsador que detiene el llenado del depósito 2
Relés_térmicos I7 BOOL Cualquier relé térmico de un motor
Motor_bomba_dep1 Q1 BOOL Motor-bomba que extrae óleo del depósito 1
Motor_bomba_dep2 Q2 BOOL Motor-bomba que extrae óleo del depósito 2
Mot_bom_llena_dep1 Q3 BOOL Motor-bomba que permite el llenado del depósito 1
Mot_bom_llena_dep2 Q4 BOOL Motor-bomba que permite el llenado del depósito 2
Aviso_sónar_off_dep1 Q5 BOOL Aviso, un sónar averiado en depósito 1
Aviso_sónar_off_dep2 Q6 BOOL Aviso, un sónar averiado en depósito 2
Aviso_relé_térmico Q7 BOOL Aviso de activación de un relé térmico de algún motor
M_dep1_mayor_dep2 M1 BOOL Memoria que indica que el depósito 1 tiene más aceite que el depósito 2.
M_dep2_mayor_dep1 M2 BOOL Memoria que indica que el depósito 2 tiene más aceite que el depósito 1
M_dep2_mínimo M3 BOOL Memoria que se activa cuando los sónar del dep1 indican valor de llenado mínimo
M_dep2_máximo M4 BOOL Memoria que se activa cuando los sónar del dep2 indican valor de llenado máximo
M_dep1_mínimo M5 BOOL Memoria que se activa cuando los sónar del dep1 indican valor de llenado mínimo
M_dep1_máximo M6 BOOL Memoria que se activa cuando los sónar del dep1 indican valor de llenado máximo
M_Q1_OR_Q2 M7 BOOL Memoria que permite el consumo de ambos depósitos (no a la vez)
M8_AI1_EQ_AI2 M8 BOOL Memoria que se activa cuando los dos sónar del depósito 1 (AI1 y AI2) están OK
M9_AI3_EQ_AI4 M9 BOOL Memoria que se activa cuando los dos sónar del depósito 2 (AI3 y AI4) están OK
Sónar1_dep1 AI1 WORD Entrada analógica que representa al sónar 1 que mide el volúmen del depósito 1
Sónar2_dep1 AI2 WORD Entrada analógica que representa al sónar 2 que mide el volúmen del depósito 1
Sónar3_dep2 AI3 WORD Entrada analógica que representa al sónar 3 que mide el volúmen del depósito 2
Sónar4_dep4 AI4 WORD Entrada analógica que representa al sónar 4 que mide el volúmen del depósito 2
Control automático de dos depósitos para óleo
Control automático de dos depósitos para óleo Aplicaciones industriales
Aplicaciones industriales
Grupo
Título
API. 21
Pg. 5
API. 21
Pg. 5
r.a.c
2011
Programación en Ladder
I1 Q1
M7 M3
M1 M8
S
Línea 1. Para activar el motor bomba del depósito 1, se puede hacer presionando I1
(pulsador de consumo) si se cumplen las condiciones de que los dos sónar del depósito
están OK (M8), y que el depósito 1 tenga más volumen que el depósito 2 (M1). Por otro lado,
se podrá activar Q1 automáticamente, si estando funcionado la bomba contraria (Q2) se
agota el aceite del depósito 2 (M7 + M3).
I2 Q1
M5
R
Q2
I7
Línea 2. Para detener la bomba Q1, se darán varios condicionantes: pulsador de paro (I2),
que el depósito esté bajo mínimos (M5), enclavamiento de la bomba 2 (Q2), o que se active
un relé térmico de un motor-bomba (I7).
I1 Q2
M7 M5
M2 M9
S
Línea 3. Para activar el motor bomba del depósito 2 (Q2), se puede hacer presionando I1
(pulsador de consumo) si se cumplen las condiciones de que los dos sónar del depósito
están OK (M9), y que el depósito 2 tenga más volumen que el depósito 2 (M2). Por otro
lado, se podrá activar Q2 automáticamente, si estándo funcionado la bomba contraria
(Q1) se agota el aceite del depósito 2 (M7 + M5).
I2 Q2
M3
R
Q1
I7
Línea 4. Para detener la bomba Q2, se darán varios condicionantes: Pulsador de paro
(I2), que el depósito esté bajo mínimos (M3), enclavamiento de la bomba 1 (Q1), o que se
active un relé térmico de un motor-bomba (I7).
M1
AI1
AI3
> W
Línea 5. Si el depósito 1 tiene más líquido que el 2, se activa la marca (M1).
M2
AI1
AI3
<= W
Línea 6. Si el depósito 1 tiene igual o menos aceite que el 2, se activa la marca (M2).
Grupo
Título
Control automático de dos depósitos para óleo
Control automático de dos depósitos para óleo Aplicaciones industriales
Aplicaciones industriales
API. 21
Pg. 6
API. 21
Pg. 6
r.a.c
2011
Q1 M7
Q2
S
Línea 7. Si se activa cualquier bomba de extracción Q1 ó Q2, aunque se agote el depósito,
podrá seguir la bomba del depósito contrario gracias a la memoria (M7)
I2 M7
I7
R
Línea 8. La memoria M7 podrá ser desconectada por el pulsador de paro (I2) , ó por la
activación de cualquier relé térmico (I7).
M8
AI1
AI2
== W
Q5
NOT
Línea 9. Si el valor de medida del sónar 1 (AI1), no coincide con la medida del sónar 2 (AI2),
síntoma de la avería de uno de ellos, se activa un aviso intermitente (Q5). Si están
correctamente calibrados se activa la marca M8.
M5
AI1
250
>= W R
M5
AI1
200
< W S
Línea 10. Si el valor del depósito 1 baja de 200 (detectado por el sónar AI1), se activa la
marca M5.
Línea 11. M5 se anula si el valor del depósito sube a 250.
M6
AI1
780
<= W R
M6
AI1
800
> W S
Línea 12. Si el valor del depósito 1 sube de 800 (detectado por el sónar AI1), se activa la
marca M6.
Línea 13. M6 se anula si el valor del depósito baja a 780.
M9
AI3
AI4
== W
Q6
NOT
Línea 14. Si el valor de medida del sónar 3 (AI3), no coincide con la medida del sónar 4 (AI4),
síntoma de la avería de uno de ellos, se activa un aviso intermitente (Q6). Si están
correctamente calibrados se activa la marca M9.
Control automático de dos depósitos para óleo
Control automático de dos depósitos para óleo Aplicaciones industriales
Aplicaciones industriales
Grupo
Título
API. 21
Pg. 7
API. 21
Pg. 7
r.a.c
2011
M3
AI3
250
>= W R
M3
AI3
200
< W S
Línea 15. Si el valor del depósito 2 baja de 200 (detectado por el sónar AI3), se activa la
marca M3.
Línea 16. M3 se anula si el valor del depósito sube a 250.
M4
AI 3
780
<= W R
M4
AI 3
800
> W S
Línea 17. Si el valor del depósito 2 sube de 800 (detectado por el sónar AI 3), se activa la
marca M4.
Línea 18. M4 se anula si el valor del depósito baja a 780.
I3 Q3
S
Línea 19. El pulsador I3, podrá activar un motor-bomba (Q3) para llenar el depósito 1.
I4 Q3
M6
R
I7
Línea 20. Para desconectar a Q3, se podrá activar un pulsador de paro (I4), o que el detector
indique que el depósito está lleno (M6), ó que se active algún relé térmico de algún motor (I7).
I4 Q4
S
Línea 21. El pulsador I4, podrá activar un motor-bomba (Q4) para llenar el depósito 2.
I5 Q4
M4
R
I7
Línea 22. Para desconectar a Q4, se podrá activar un pulsador de paro (I6), o que el detector
indique que el depósito está lleno (M4), ó que se active algún relé térmico de algún motor (I7).
I7 Q4
Línea 23. Si se activa cualquier relé térmico, de cualquier motor-bomba, se excitará un aviso
acústico o luminoso (Q7).
Grupo
Título
Control automático de dos depósitos para óleo
Control automático de dos depósitos para óleo Aplicaciones industriales
Aplicaciones industriales
API. 21
Pg. 8
API. 21
Pg. 8
r.a.c
2011
Túnel inteligente
Túnel inteligente Semáforos
Grupo
Título
90 90
A1
A2
14
12
11
Bobin
a
R
elé
A1
A2
14
12
11
Bobina
Relé
I2
I3
Q1=100 km/h
Q2=90 km/h
Q3=80 km/h
Q4=70 km/h
Q5=60 km/h
SEM06_TÚNEL INTELIGENTE
Descripción y requisitos mínimos
La velocidad de tránsito en el interior de un túnel, dependerá del número de vehículos
que pasan por el mismo en una unidad de tiempo determinada. Las señales de tráfico
luminosas indicarán inicialmente en la entrada del túnel, una velocidad máxima de
100 km/h a través de la salida (Q1). Este luminoso podrá variar en función de los
vehículos del interior, pudiendo expresar además: 90 km/h (salida Q2); 80 km/h
(salida Q3); 70 km/h (salida Q4) y 60 km/h (salida Q5), aunque nunca podrán
encenderse dos o más luminosos al mismo tiempo.
En la programación, se usarán unidades reducidas de tiempo y cómputo de
contadores para comprobar el funcionamiento.
I1. Será un interruptor general. Si no está activo, no funcionará nada.Al excitarse (I1),
se conecta de forma directa el luminoso (Q1), que indica velocidad máxima a 100
km/h; también se conecta directamente un temporizador “asíncrono” (salida
intermitente parametrizable, a través de la marca M1), que está programado para que
su salida esté 10 segundos y otros 10 segundos, de tal forma que,
cuando su salida está activa se analizará el fluido del tráfico por el túnel y cuando su
salida no está activa, se activa el luminoso que determinó el análisis en los primeros
10 segundos.
(M1, 10 segundos) salida : se analiza la entrada de vehículos en el túnel en
ese tiempo.
(M1,10 segundos) salida : se ejecuta el encendido de un luminoso, en
función del análisis anterior. Importancia de este temporizador:
- En los 10 segundos que (M1) tiene su salida , se tendrán en cuenta las
activaciones de (I2), que es una célula fotoeléctrica que computa los vehículos que
entran al túnel. Es decir, en los 10 segundos se analizan los vehículos de entrada al
túnel a través de contadores, ocurriendo lo siguiente: si se computan en esos 10
segundos de 0 a 4 vehículos, se activará el luminoso (Q1, 100 km/h);
si computan de 5 a 6 vehículos, se activará posteriormente el luminoso (Q2, 90 km/h);
si computan de 7 a 8 vehículos, se activará posteriormente el luminoso (Q3, 80 km/h);
si computan de 9 a 10 vehículos, se activará posteriormente el luminoso (Q4, 70
km/h); y finalmente, si computan 11 ó más vehículos, se activará posteriormente el
luminoso (Q5, 60 km/h).
- En los 10 segundos que (M1) tiene su salida , se enciende el luminoso que
se determino en los primeros 10 segundos,
. El proceso se repetirá, es decir, primer ciclo (10 segundos) se analizan
los contadores, segundo ciclo (10 + 10 segundos) se enciende el luminoso elegido….
aunque el luminoso estará encendido
20 segundos
Funcionamiento
activa
Sí activa
activa
NO activa
No activa
NO activa
posteriormente
SEM. 06
Pg. 1
SEM. 06
Pg. 1
r.a.c
2011
Túnel inteligente
Túnel inteligente Semáforos
Grupo
Título
La entrada (I3), que es una célula fotoeléctrica situada a la salida del túnel, y por
tanto, computa los vehículos que salen del mismo, considerándose el cómputo
real, los vehículos que entran menos los que salen. (I3) actúa en los contadores
restando valor, mientras que (I2), suma valor.
Cronograma ejemplo
Análisis de vehículos
en 10 segundos.
60 km/h (Q5)
> 11 vehículos
80 km/h (Q3)
Análisis de vehículos
en 10 segundos.
7 vehículos
Análisis de vehículos
en 10 segundos.
3 vehículos
100 km/h (Q1)
M1 salida a "1" (10 segundos) M1 salida a "0" (10 segundos) Valor de "Q"
Computa 0….4 vehículos Se activa Q1 (10 + 10 seg.) 100 km/h
Computa 5 ó 6 vehículos Se activa Q2 (10 + 10 seg.) 90 km/h
Computa 7 u 8 vehículos Se activa Q3 (10 + 10 seg.) 80 km/h
Computa 9 ó 10 vehículos Se activa Q4 (10 + 10 seg.) 70 km/h
Computa 11 ó más vehículos Se activa Q5 (10 + 10 seg.) 60 km/h
M1 es el temporizador asíncrono
Resumen de lo anterior:
Variable Nombre Tipo Comentario
I1 Int_gral Bool Interruptor general
I2 Cél_entrada Bool Célula fotoeléctrica entrada túnel
I3 Cél_salida Bool Célula fotoeléctrica salida túnel
Q1 Luz_100km.h Bool Luminoso a 100 km/h
Q2 Luz_90km.h Bool Luminoso a 90 km/h
Q3 Luz_80km.h Bool Luminoso a 80 km/h
Q4 Luz_70km.h Bool Luminoso a 70 km/h
Q5 Luz_60km.h Bool Luminoso a 60 km/h
M1 Asíncrono Bool Memoria de un temporizador asíncrono (T1 + T2)
M2 M de CNT1 Bool Memoria de cómputo del contador C1
M3 M de CNT2 Bool Memoria de cómputo del contador C2
M4 M de CNT3 Bool Memoria de cómputo del contador C3
M5 M de CNT4 Bool Memoria de cómputo del contador C4
M6 M de CNT5 Bool Memoria de cómputo del contador C5
T1 TON1 Bool Temp1. Que compone asíncrono en M1
T2 TON2 Bool Temp2. Que compone asíncrono en M2
T3 TON3 Bool Temp. Auxiliar.
C1 CNT1 Bool Contador de "0" vehículos
C2 CNT2 Bool Contador de "5" vehículos
C3 CNT3 Bool Contador de "7" vehículos
C4 CNT4 Bool Contador de "9" vehículos
C5 CNT5 Bool Contador de "11" vehículos
MW100 MW100 Word Dato actual de los contadores
Listado de variables
SEM. 06
Pg. 2
SEM. 06
Pg. 2
Túnel inteligente
Túnel inteligente Semáforos
Grupo
Título
Cableado autómata
PLC propuesto:
- Alimentación: 24 V DC
- Entradas a 24 V DC
- 10 Entradas digitales
- Salidas a relé
- 8 Salidas digitales
- Bornero X1. Alimentación
circuitos de control.
- Bornero X2. Entradas PLC
fuera del cuadro.
- Bornero X3. Ciercuito
de potencia. Luminosos.
1 3
2 4
Alimentación
fuente PLC
230 V c.a.
PIA
10 A
Input:
AC
100-240V
Output:
DC 24V/1,3 A
24V ok
L+ N + + - -
POWER
A B
L+ M PE I1 I2 I3 I4 I5 I6 I7 I8 I9 I10
PLC
Q1 Q2 Q3 Q4
RUN
Q5 Q6 Q7 Q8
COM
ERROR
L N PE
1 3
2 4
PIA
10 A
L N PE
S1
Alimentación
salidas del PLC
24 V c.a.
S=2x1,5
mm
+T
2
S=2x1,5
mm
+T
2
I1
Sección: 1 mm
2
Sección:
1
mm
2
L
<F.A>
N
<F.A>
L
<Q>
N
<Q>
PE
<Q>
PE
<F.A>
L <Q: 24 V AC>
Q1
Q2
Q3
Q4
Sección: 1 mm
2
+24 V
X1.1-2 X1.3-4
X2.1
X2.2
13
14
F1 F2
L 230 V AC
A2
A1
A2
A1
Alimentación bobinas
de células fotoeléctricas
L
N
A1
A2
N <Q>
KM 1
Sección: 2 x 1,5 mm + T
2
Célula fotoeléctrica
entrada a túnel
Cel_entra_túnel
I2
Interruptor
general
Int_general
I1
I2
X2.1
X2.3
13
14
A1
A2
Célula fotoeléctrica
salida a túnel
Cel_sale_túnel
I3
I3
X2.1
X2.4
13
14
A1
A2
Q5
Luminoso a 100 km/h
Luces_100km_h
Q1
A1
A2
N <Q>
KM 2
Luminoso a 90 km/h
Luces_90km_h
Q2
A1
A2
N <Q>
KM 3
Luminoso a 80 km/h
Luces_80km_h
Q3
A1
A2
N <Q>
KM 4
Luminoso a 70 km/h
Luces_70km_h
Q4
A1
A2
N <Q>
KM 5
Luminoso a 60 km/h
Luces_60km_h
Q5
Conexionado
del PLC
r.a.c
2011
SEM. 06
Pg. 3
SEM. 06
Pg. 3
Túnel inteligente
Túnel inteligente Semáforos
Grupo
Título
80
90 70
F3
KM 1
1
2
3
4
5
6
A1
A2
1 N
2 N
1
2
3
4
5
L1
100
L1
L2
L3
X3
X3.1
X3.2
X3.3
PE
PE
N
Q
X3.4
X3.5 X3.6
L1 N
Manguera 1
PE
PE
F4
KM 2
1
2
3
4
5
6
A1
A2
1 N
2 N
6
7
8
9
10
L2
X3.7 X3.8
L2 N
Manguera 2
PE
PE
F5
KM 3
1
2
3
4
5
6
A1
A2
1 N
2 N
11
12
13
14
15
L3
X3.9 X3.10
L3 N
Manguera 3
PE
PE
F6
KM 4
1
2
3
4
5
6
A1
A2
1 N
2 N
16
17
18
19
20
L1
X3.11 X3.12
L1 N
Manguera 4
PE
PE
F7
KM 5
1
2
3
4
5
6
A1
A2
1 N
2 N
21
22
23
24
25
L2
X3.13 X3.14
L2 N
Manguera 5
PE
PE
60
KM 1
Luminoso
a 100 km/h
KM 2
Luminoso
a 90 km/h
KM 3
Luminoso
a 80 km/h
KM 4
Luminoso
a 70 km/h
KM 5
Luminoso
a 60 km/h
Esquema de potencia
r.a.c
2011
SEM. 06
Pg. 4
SEM. 06
Pg. 4
r.a.c
2011
Túnel inteligente
Túnel inteligente Semáforos
Grupo
Título
Línea 1.
Las líneas 1 y 2 componen sobre la marca (M1), un temporizador asíncrono basado en dos
temporizadores con retardo a la activación; es decir, la marca (M1), se activará 10 segundos y
se desactivará otros 10 segundos.
TON
T1
10 seg.
M1
Asíncrono
I1
Int_gral
TON
T2
10 seg.
TON 1 TON 2
M1
Asíncrono
M1
Asíncrono
Línea 2.
Note que los dos temporizadores con retardo a la activación (TON1 y TON2), tienen como
única misión activar-desativar la marca (M1).
Línea 3.
El temporizador con retardo a la activación (TON3), tiene como objetivo determinar al luminoso
de encendido un instante antes de anular el cómputo de los contadores.
TON
T3
9,9 seg.
M1
Asíncrono
Línea 4.
Cuando (M1), está a “1”, el contador (CNT1), podrá computar sumando los vehículos que
entran al túnel a través de la entrada (I2), ó restar del contador los vehículos que salen del túnel
a través de la entrada (I3). Cuando (M1), pasa a “0”, anula el contador (CNT1), a través de un
flanco negativo.
CNT
C1
I2
Cél_entrada
M1
Asíncrono
C1 C2 C3
“0”
M1
Asíncrono
M1
Asíncrono
I3
Cél_salida
N
R
Línea 5.
(M2), es una marca que se activa cuando el contador (CNT1), cumple su cómputo -en este
caso, el cómputo es “0”-. Impedirán la activación de esta marca el resto de contadores.
También aparece como condición de activación, el temporizador (TON3).
C4 C5 T3
1
1
M2
M de CNT1
Programación en LADDER
SEM. 06
Pg. 5
SEM. 06
Pg. 5
r.a.c
2011
Túnel inteligente
Túnel inteligente Semáforos
Grupo
Título
R
Q1
Luz_100km.h
Línea 6.
El interruptor general (I1), activa inicialmente el luminoso de 100 km/h (Q1) en SET, a través de
un flanco positivo. Note, que el citado luminoso podrá ser ordenado también por la marcha M2,
o lo que es lo mismo, cuando no pasa ningún vehículo por el túnel.
S
M2
M de CNT1
P
I1
Int_gral
Línea 7.
El luminoso de 100 km/h, se desconectará en RESET, por varias vías; si el interruptor general
no está activo, o si se excita cualquiera de los contadores que registran cómputo de vehículos
para otras velocidades.
I1
Int_gral
Q1
Luz_100km.h
M4
M de CNT3
M3
M de CNT2
M5
M de CNT4
M6
M de CNT5
Línea 8.
Cuando (M1), está a “1”, el contador (CNT2), podrá computar sumando los vehículos que
entran al túnel a través de la entrada (I2), ó restar del contador los vehículos que salen del túnel
a través de la entrada (I3). Cuando (M1), pasa a “0”, anula el contador (CNT2), a través de un
flanco negativo. El contador (CNT2), activará un bit cuando compute de forma ascendente 5
vehículos dentro del túnel.
CNT
C2
I2
Cél_entrada
M1
Asíncrono
C2 C3 C4
“5”
M1
Asíncrono
M1
Asíncrono
I3
Cél_salida
N
R
Línea 9.
(M3), es una marca que se activa cuando el contador (CNT2), cumple su cómputo -en este
caso, el cómputo es “5”-. Impedirán la activación de esta marca los contadores (CNT3, CNT4 y
CNT5).También aparece como condición de activación, el temporizador (TON3).
C5 T3
2
2
M3
M de CNT2
SEM. 06
Pg. 6
SEM. 06
Pg. 6
r.a.c
2011
Túnel inteligente
Túnel inteligente Semáforos
Grupo
Título
Línea 10.
La marcha (M3), es la encargada de activar el luminoso de 90 km/h. Recuerde que esta marca
se excita cuando en el túnel hay 5 vehículos.
Q2
Luz_90km.h
M3
M de CNT2
R
Línea 11.
El luminoso de 90 km/h, se desconectará en RESET, por varias vías; si el interruptor general no
está activo, o si se excita cualquiera de los contadores que registran cómputo de vehículos
para otras velocidades.
I1
Int_gral
Q2
Luz_90km.h
M4
M de CNT3
M2
M de CNT1
M5
M de CNT4
M6
M de CNT5
S
Línea 12.
Cuando (M1), está a “1”, el contador (CNT3), podrá computar sumando los vehículos que
entran al túnel a través de la entrada (I2), ó restar del contador los vehículos que salen del túnel
a través de la entrada (I3). Cuando (M1), pasa a “0”, anula el contador (CNT3), a través de un
flanco negativo. El contador (CNT3), activará un bit cuando compute de forma ascendente 7
vehículos dentro del túnel.
CNT
C3
I2
Cél_entrada
M1
Asíncrono
C3 C4 C5
“7”
M1
Asíncrono
M1
Asíncrono
I3
Cél_salida
N
R
Línea 13.
(M4), es una marca que se activa cuando el contador (CNT3), cumple su cómputo -en este
caso, el cómputo es “7”-. Impedirán la activación de esta marca los contadores (CNT4 y CNT5).
También aparece como condición de activación, el temporizador (TON3).
M4
M de CNT3
T3
SEM. 06
Pg. 7
SEM. 06
Pg. 7
r.a.c
2011
Túnel inteligente
Túnel inteligente Semáforos
Grupo
Título
R
Línea 15.
El luminoso de 80 km/h, se desconectará en RESET, por varias vías; si el interruptor general no
está activo, o si se excita cualquiera de los contadores que registran cómputo de vehículos
para otras velocidades.
I1
Int_gral
Q3
Luz_80km.h
M3
M de CNT2
M2
M de CNT1
M5
M de CNT4
M6
M de CNT5
Línea 14.
La marcha (M4), es la encargada de activar el luminoso de 80 km/h. Recuerde que esta marca
se excita cuando en el túnel hay 7 vehículos.
Q3
Luz_80km.h
M4
M de CNT3
S
Línea 16.
Cuando (M1), está a “1”, el contador (CNT4), podrá computar sumando los vehículos que
entran al túnel a través de la entrada (I2), ó restar del contador los vehículos que salen del túnel
a través de la entrada (I3). Cuando (M1), pasa a “0”, anula el contador (CNT4), a través de un
flanco negativo. El contador (CNT4), activará un bit cuando compute de forma ascendente 9
vehículos dentro del túnel.
CNT
C4
I2
Cél_entrada
M1
Asíncrono
C4 C5 T3
“9”
M1
Asíncrono
M1
Asíncrono
I3
Cél_salida
N
R
Línea 17.
(M5), es una marca que se activa cuando el contador (CNT4), cumple su cómputo -en este
caso, el cómputo es “9”-. Impedirá la activación de esta marca el contador (CNT5). También
aparece como condición de activación, el temporizador (TON3).
M5
M de CNT4
Línea 18.
La marcha (M5), es la encargada de activar el luminoso de 70 km/h. Recuerde que esta marca
se excita cuando en el túnel hay 9 vehículos.
Q4
Luz_70km.h
M5
M de CNT4
S
SEM. 06
Pg. 8
SEM. 06
Pg. 8
r.a.c
2011
Túnel inteligente
Túnel inteligente Semáforos
Grupo
Título
R
Línea 19.
El luminoso de 70 km/h, se desconectará en RESET, por varias vías; si el interruptor general no
está activo, o si se excita cualquiera de los contadores que registran cómputo de vehículos
para otras velocidades.
I1
Int_gral
Q4
Luz_70km.h
M3
M de CNT2
M2
M de CNT1
M4
M de CNT3
M6
M de CNT5
Línea 20.
Cuando (M1), está a “1”, el contador (CNT5), podrá computar sumando los vehículos que
entran al túnel a través de la entrada (I2), ó restar del contador los vehículos que salen del túnel
a través de la entrada (I3). Cuando (M1), pasa a “0”, anula el contador (CNT5), a través de un
flanco negativo. El contador (CNT5), activará un bit cuando compute de forma ascendente 11
vehículos dentro del túnel.
CNT
C4
I2
Cél_entrada
M1
Asíncrono
C5 T3
“11”
M1
Asíncrono
M1
Asíncrono
I3
Cél_salida
N
R
Línea 21.
(M6), es una marca que se activa cuando el contador (CNT5), cumple su cómputo -en este
caso, el cómputo es “11”-. También aparece como condición de activación, el temporizador
(TON3).
M6
M de CNT5
Línea 22.
La marcha (M6), es la encargada de activar el luminoso de 70 km/h. Recuerde que esta marca
se excita cuando en el túnel hay 9 vehículos.
Q5
Luz_60km.h
M6
M de CNT5
S
SEM. 06
Pg. 9
SEM. 06
Pg. 9
r.a.c
2011
Túnel inteligente
Túnel inteligente Semáforos
Grupo
Título
R
Línea 23.
El luminoso de 60 km/h, se desconectará en RESET, por varias vías; si el interruptor general no
está activo, o si se excita cualquiera de los contadores que registran cómputo de vehículos
para otras velocidades.
I1
Int_gral
Q5
Luz_60km.h
M3
M de CNT2
M2
M de CNT1
M4
M de CNT3
M5
M de CNT4
MOVE
Línea 24.
El valor instantáneo que tengan los contadores se reflejará en la variable (MW100), por
ejemplo para observación a través de un visualizador o scada.
I1
Int_gral
CNT1 MW100
MOVE
CNT2 MW100
MOVE
CNT3 MW100
MOVE
CNT4 MW100
MOVE
CNT5 MW100
SEM. 06
Pg. 10
SEM. 06
Pg. 10
r.a.c
2011
Descripción y requisitos mínimos
Donde
La persiana motorizada de una ventana será gobernada mediante autómata
programable de manera manual y automática del siguiente modo:
- Un pulsador S1 (I1) ordenará la subida.
- Un pulsador S2 (I2) ordenará la bajada.
- Un final de carrera FC 1 (I3) establecerá el tope superior.
- Un final de carrera FC 2 (I4) establece el tope inferior.
- El funcionamiento manual sucede en pulsaciones inferiores a dos segundos, es
decir, la persiana subirá o bajará sólo el tiempo de presionado del pulsador.
- El funcionamiento automático sucede cuando se presiona el pulsador más de dos
segundos; en ese instante, la persiana subirá o bajará automáticamente (sin
necesidad de presionar pulsador alguno), hasta que es detenida por el final de
carrera correspondiente, FC 1 (I3) para subida y FC 2 (I4) para bajada.
- Para detener la subida o bajada automática basta con presionar el pulsador que la
ordenó, S1 (I1) para la subida y S2 (I2) para la bajada.
- No podrá establecerse a la vez la orden de subida y bajada.
PIA1. Protección circuito C2.
PIA2. Protección circuito C11.
I1. Entrada digital 1. Pulsador para orden subida de persiana.
I2. Entrada digital 2. Pulsador para orden bajada de persiana.
I3. Entrada digital 3. Final de carrera tope superior persiana.
I4. Entrada digital 4. Final de carrera tope inferior persiana.
Q1. Salida digital. Motor sube persiana.
Q2. Salida digital. Motor baja persiana.
DOM- 04
Pg. 1
DOM- 04
Pg. 1
Persiana motorizada
Persiana motorizada
Grupo
Título
Autómatas en domótica
Autómatas en domótica
DOM04_PERSIANA MOTORIZADA
FC 1 (I3)
FC 2 (I4)
S1 (I1)
S2 (I2)
Q1 (sube)
Q2 (baja) Alimentación
salidas
del
PLC
A B
L N I1 I2 I3 I4 I5 I6 I7 I8 I9 AI1AI2
MicroPLC
Q1 Q2 Q3 Q4
OUTPUT 4xRELAY 10A
OK
20
mm
16
mm
Circuito
C2.
2
x
2,5
mm
+
T
2
Circuito
C11.
2
x
1,5
mm
+
T
2
1
2
N
N
16 A
1
2
N
N
10 A
S1
Alimentación
sensores
digitales
S2 Final
de
carrera
superior
Final
de
carrera
inferior
M
~
Motor persiana
Cableado del autómata programable
r.a.c
2011
Grupo
Título
DOM. 04
Pg. 2
DOM. 04
Pg. 2
Persiana motorizada
Persiana motorizada Autómatas en domótica
Autómatas en domótica
Programación en FBD
1
RS
S
R
Pulsador
de subida
I1
IN
T Retardo a
la conexión
1
OR
&
AND
1
OR
&
AND
IN
T Retardo a
la conexión
2 seg.
MOTOR
SUBIDA
Q1
2,3 seg.
Final carr.
superior
I3
MOTOR
BAJADA
Q2
1
MOTOR
SUBIDA
Q1
Leyenda:
IN
T Retardo a
la conexión
1
OR
Entradas
Salida
Puerta OR
Temporizador
con retardo
a la activación
&
AND
1
Puerta AND
Puerta NOT
1
RS
S
R
Pulsador
de bajada
I2
IN
T Retardo a
la conexión
1
OR
&
AND
1
OR
&
AND
IN
T Retardo a
la conexión
2 seg.
MOTOR
BAJADA
Q2
2,3 seg.
Final carr.
inferior
I4
MOTOR
SUBIDA
Q1
1
MOTOR
BAJADA
Q2
r.a.c
2011
Descripción y requisitos mínimos
La instalación automatizada del toldo de una vivienda, atenderá a las siguientes
consideraciones:
- Un pulsador S1 (I1), abrirá el toldo de forma manual a impulsos. El motor sentido
apertura será gobernado por la salida (Q1).
- Un pulsador S2 (I2), cerrará el toldo de forma manual a impulsos. El motor sentido
cierre será gobernado por la salida (Q2). No podrán funcionar a la vez, apertura y
cierre del toldo.
- Un programa semanal se encargará de abrir el toldo a primeras horas de la mañana;
del mismo modo, un programa semanal se encargará de cerrar el toldo al ponerse el
sol.
- Dos finales de carrera (I3 e I4), tendrán la misión de detener el motor del toldo en
apertura y cierre, respectivamente.
- Un anemómetro (entrada analógica AI 1), se encargará de medir la velocidad del
viento en la estancia donde está ubicado el toldo; si la velocidad supera el valor de 30
Km/h, el toldo se cerrará durante 5 segundos, que es el tiempo equivalente a la mitad
del recorrido. Si la velocidad medida por el anemómetro es igual o superior a 80 Km/h,
el toldo se cerrará completamente, hasta que el final de carrera (I4), detenga el motor
sentido cierre, gobernado por (Q2). Mientras el viento siga presentando valores
elevados, la apertura del toldo no se podrá efectuar.
DOM. 05
Pg. 1
DOM. 05
Pg. 1
Toldo automatizado
Toldo automatizado
Grupo
Título
Autómatas en domótica
Autómatas en domótica
DOM05_TOLDO_AUTOMATIZADO
Ubicación del toldo de la vivienda
Patio
AI 1
Q2
Q1
I1 - I2
S1 - S2
I3
I4
N
Los sensores analógicos y los PLCs
El autómata programable dispondrá de una o varias entradas para señales
analógicas que acogerán valores, de -por ejemplo- 0...10 V DC. El programa de
usuario determinará el uso que se le da al valor que recibe en voltios.
Ejemplo de cálculo:
Velocidad máxima de medida: 150 Km/h; el anemómetro aporta 10 V DC.
Velocidad mínima de medida : 0 Km/h; el anemómetro aporta 0 V DC.
Con una simple regla de tres, obtenemos un valor actual.
Ejemplo de programación:
AI 1 hace referencia a la entrada analógica 1.
Q1 hace referencia a la activación de algún elemento (motor, lámpara, etc.).
Definición: Cuando el valor de la entrada analógica sea igual o mayor a un valor de
referencia (por ejemplo 15), se activará la salida Q1.
Anemómetro,
permite medir la
velocidad del viento
Generador
Salida: valor variable de 0...10 V DC,
equivalentes a la velocidad real.
A B
L+ M I1 I2 I3 I4 I5 I6 I7 I8 I9 AI1AI2
MicroPLC
Q1 Q2 Q3 Q4
OUTPUT 4xRELAY 10A
OK
r.a.c
2011
Donde
PIA 1 Protección PLC (C2).
→
PIA 2 Protección salidas del PLC (C11).
PIA 3 Protección circuito motor toldo.
I1 Entrada PLC. S1, pulsador de apertura toldo.
I2 Entrada PLC. S2, pulsador de cierre toldo.
I3 Entrada PLC. Final de carrera apertura toldo.
I4 Entrada PLC. Final de carrera cierre toldo.
AI 1 Entrada analógica PLC. Anemómetro.
Q1 Salida PLC. Motor apertura toldo.
Q2 Salida PLC. Motor cierre toldo.
KM 1 Contactor encargado de alimentar al motor, sentido
apertura toldo.
KM 2 Contactor encargado de alimentar al motor, sentido
cierre toldo.
M Motor monofásico para apertura-cierre toldo.
→
→
→
→
→
→
→
→
→
→
→
→
L
N
1
2
Alimentación
PLC
Alimentación salidas del PLC
1
2
Alimentación entradas del PLC
L
N
Alimentación circuito motor toldo
PIA 1
PIA 2
PIA 3
A B
L N I1 I2 I3 I4 I5 I6 I7 I8 I9 AI1AI2
MicroPLC
Q1 Q2 Q3 Q4
OUTPUT 4xRELAY 10A
OK
L N
Pulsador
abre
toldo
S1
Pulsador
cierra
toldo
M
KM 1
Motor
extiende
toldo
KM 2
Motor
recoge
toldo
1
2
A1
A2
A1
A2
S2
Final de
carrera
apertura
toldo
13
14
Final de
carrera
cierre
toldo
13
14
0....10 V
Anemómetro
Grupo
Título
DOM. 05
Pg. 2
DOM. 05
Pg. 2
Toldo automatizado
Toldo automatizado Autómatas en domótica
Autómatas en domótica
Cableado del autómata programable
r.a.c
2011
DOM. 05
Pg. 3
DOM. 05
Pg. 3
Toldo automatizado
Toldo automatizado
Grupo
Título
Autómatas en domótica
Autómatas en domótica
T2
Q2
M5
Línea 2
I4
T2
5 seg.
M2
Línea 7
M1
Línea 3
S
I1 I2 M3 I4
M1
I4 M3
Q1
M4
Línea 1
I1 M1 M3 I2 I3
AI 1
30 Km/h
≥
M1
Línea 4
R
M1 M2
Línea 5
S
T1 M2
Línea 6
R
Línea 8 AI 1
30 Km/h
≤
T1
10 seg.
M3
Línea 9
S
AI 1
80 Km/h
≥
I4 M3
Línea 10
R
Donde:
I1 S1, pulsador apertura toldo.
Q1 Motor toldo abre.
Q2 Motor toldo cierra.
M1 Marca. Memoria de viento a 30
Km/h.
→
I2 S2, pulsador de cierre toldo.
I3 Final de carrera que marca el final
de la apertura del toldo.
I4 Final de carrera, que marca el final
del cierre del toldo.
AI 1 Entrada analógica que representa
la valor procedente del anemómetro, con
el propósito de medir la velocidad del
viento en la estancia del patio.
M2 Marca. Memoria que anula a M1,
pasado un tiempo.
M3 Marca. Memoria de viento a 80
Km/h.
M4 Marca. Memoria para programa de
apertura del toldo de lunes a viernes por
la mañana.
M5 Marca. Memoria para programa de
cierre del toldo de lunes a viernes por la
tarde.
PS 1 Programador semanal, que
permite la apertura del toldo de lunes a
Viernes.
PS 2 Programador semanal, que
permite el cierre del toldo de lunes a
viernes.
T1 a T4 Temporizadores con retardo a
la activación.
→
→
→
→
→
→
→
→
→
→
→
→
→
→
Programación en LD
“1 constante” PS 1
Línea 11
L M Mi J V
On: 07:00
L M Mi J V S D
Off: 07:01
M4
Línea 12 PS 1
S
T3
10 seg.
“1 constante” PS 2
Línea 14
L M Mi J V
On: 18:00
L M Mi J V S D
Off: 18:01
M5
Línea 15 PS 2
S
T4
10 seg.
T4 M5
Línea 16
R
T3 M4
Línea 13
R
Qx
Contacto cerrado
Bobina directa
Ix
Contacto abierto
Ix
Tx
Tiempo
Mx
Marca.
Memoria interna
Temporizador
con retardo
a la activación
Qx...Mx Activación de bobina
o memoria interna
en SET
S
Qx...Mx
R
Desactivación de
bobina o memoria
interna en RESET
Programador
Semanal
PS x
L Mi V D
On: 07:30
L M M J V S D
Off: 08:30
Comparador de
valores analógicos
AI x
“valor”
≤
“1 Constante” Contacto
siempre
a “1”
Leyenda
r.a.c
2011
r.a.c
2011
Descripción y requisitos mínimos
La instalación automatizada de un sistema anti-rrobo e intrusión de una vivienda, atenderá
a las siguientes consideraciones:
- Un interruptor de llave (I1), conectará y desconectará todo el sistema, a excepción del
circuito anti-sabotaje que incorporan los sensores infrarrojos pasivos (I3 e I5). El circuito
anti-sabotaje (I3 e I5) estará operativo de forma permanente.
- Un sensor infrarrojo pasivo, situado en el acceso de la vivienda (I2), tendrá retardo de
funcionamiento tanto en la conexión, como en la desconexión del sistema.
- Tres sensores infrarrojos pasivos (I4), cuatro sensores magnéticos para puertas y
ventanas (I6), y cuatro sensores sísmicos para ventanas (I7), tendrán actuación
inmediata, si el sistema está operativo.
- Una sirena exterior (Q1), advertirá con un sonido asíncrono una alarma por intrusión (I2,
I4, I6 e I7); el sonido de dicha sirena, cambiará el sincronismo (Q2), si la alarma se produce
por sabotaje (I3 e I5). Un interruptor de llave (I8), podrá anular el sonido de las sirenas,
aunque no anulará la alarma producida.
- Cualquier alarma, iniciará un mensaje GSM, avisando del hecho (Q3).
DOM- 06
Pg. 1
DOM- 06
Pg. 1
Sistema anti robo
Sistema anti robo
Grupo
Título
Autómatas en domótica
Autómatas en domótica
DOM06_SISTEMA ANTI ROBO
Cocina
Baño 1
Salón
Entrada
Garaje
Pasillo 2
Pasillo 1
Dormitorio 1 Dormitorio 2
Dormitorio 3
Baño 2
I7
I6
I1
I2
I3
I4
I5
I4
I5
I4
I5
I7
I7 I7
I6
I6
I6
Q1
Q2
Q3
I8
Donde
PIA 1 Protección PLC.
→
PIA 2 Protección salidas del PLC.
I1 Interruptor de llave, on/off sistema.
I2 Detector infrarrojo pasivo para entrada vivienda.
I3 Circuito 24 horas anti-sabotaje (tamper)
del detector infrarrojo pasivo para entrada vivienda.
I4 Detectores infrarrojos pasivo del interior de la vivienda.
I5 Circuito 24 horas anti-sabotaje (tamper)
de los detectores infrarrojo pasivo del interior de la vivienda.
I6 Sensores magnéticos para puertas y/o ventanas.
I7 Sensores sísmicos para ventanas.
Q1 Alarma exterior, aviso por intrusión.
Q2 Alarma exterior, aviso por sabotaje.
Q3 Alarma por telefonía GSM.
→
→
→
→
→
→
→
→
→
→
→
I8 Llave que anula el sonido de la alarma exterior (NO la alarma).
→
r.a.c
2011
Grupo
Título
DOM. 06
Pg. 2
DOM. 06
Pg. 2
Sistema anti robo
Sistema anti robo Autómatas en domótica
Autómatas en domótica
Cableado del autómata programable
L
N
1
2
Alimentación
PLC
Alimentación salidas del PLC
1
2
PIA 1
PIA 2
A B
L N I1 I2 I3 I4 I5 I6 I7 I8 I9 AI1AI2
MicroPLC
Q1 Q2 Q3 Q4
OUTPUT 4xRELAY 10A
OK
L N
4
3
Alimentación entradas del PLC
Llave
on/off
Z
Z
T
T
+
-
Z
Z
T
T
+
-
Z
Z
T
T
+
-
Z
Z
T
T
+
-
Z
Z
T
T
+
-
Z
Z
T
T
+
-
Z
Z
T
T
+
-
Z
Z
T
T
+
-
NC
NC
NC
NC
NC
NC
NC
NC
NC
NC
NC
NC
NC
NC
NC
NC
Sensor infrarrojo
retardado acceso
vivienda
Sensores infrarrojos
interior vivienda
Sensor sísmicos ventanas Sensores magnéticos
Alarma exterior
Módem GSM
SIM
4
3
Llave
anula
sonido
de
alarma
exterior
Los sensores y detectores, tomarán la posición de cerrados, es decir, formarán un lazo en serie, que le aplicará tensión al microplc
de forma permanente. En caso de activación de cualquiera de ellos, fallará la alimentación de la entrada correspondiente y se producirá
la alarma.
Z
Z
T
T
+
-
Zona: contacto NC
Sabotaje: contacto NC
Alimentación sensor
(P.ejemplo 24 V c.c.)
Zona:
contacto NC
Zona:
contacto NC
Detalle de los contactos internos de los detectores y sensores
r.a.c
2011
DOM- 06
Pg. 3
DOM- 06
Pg. 3
Sistema anti robo
Sistema anti robo
Grupo
Título
Autómatas en domótica
Autómatas en domótica
Programación en LD
T1
1 min.
M1
Línea 2 T1
I1
Línea 1
I2 T2
S
M1
Línea 3 I1
R
T2
0,20 seg.
T1
Línea 4
M2
Línea 5 I1 I2 T1
S
M2
Línea 6 I1
R
T3
1 min.
M2
Línea 7
Línea 8 T4
0,3 seg.
T3
M3
M1
1 seg.
Q1
Línea 9 T4 I8
Línea 10
I4
I6
I7
M3
S
M3
Línea 11 I1
R
Qx
Contacto cerrado
Bobina directa
Ix
Contacto abierto
Ix
Tx
Tiempo
Mx
Marca.
Memoria interna
Temporizador
con retardo
a la activación
Tx
Tiempo 1
Tiempo 2
Temporizador
con salida
intermitente
parametrizable
Qx...Mx Activación de bobina
o memoria interna
en SET
S
Qx...Mx
R
Desactivación de
bobina o memoria
interna en RESET
Leyenda
Recuerde
Los sensores y detectores, tomarán la posición de
cerrados, es decir, formarán un lazo en serie, que
le aplicará tensión al microplc de forma
permanente. En caso de activación de cualquiera
de ellos, fallará la alimentación de la entrada
correspondiente y se producirá la alarma. Por este
motivo, en programación, las variables
representantes de los sensores aparecen como
contactos cerrados, se presuponen “abiertos” si no
hay alarma.
Ix
Línea 12 T5
0,3 seg.
I3
I5
1 seg.
Q2
Línea 13 T5 I8
Línea 14
I3
I5
T3
M4
S
M3
M1
M4
Línea 15 T6
R
Q3
Línea 16 M4
T6
5 seg.
Q3
Línea 17
Donde:
I1 Entrada. Interruptor de llave, on/off del
sistema.
I2 Entrada. Sensor infrarrojo pasivo situado
en el acceso. Posee retardo de activación
tanto para la entrada, como para la salida de
la estancia.
I3 Entrada. Contacto anti-sabotaje sensor
infrarrojo en el acceso.
I4 Entrada. Contacto representativo de los
sensores infrarrojo pasivo, repartidos por la
vivienda.
I5
→
→
→
→
→ Entrada. Contacto representativo de los
circuitos anti-sabotaje de los sensores
infrarrojo pasivo, repartidos por la vivienda.
I6 Entrada. Contacto representativo de los
sensores magnéticos, repartidos por la
vivienda.
I7 Entrada. Contacto representativo de los
sensores sísmicos, repartidos por la vivienda.
I8 Entrada. Interruptor de llave, que anula el
sonido de las sirenas, aunque no anula las
alarmas.
Q1 Alarma exterior, sonido 1, alarma por
intrusión.
Q2 Alarma exterior, sonido 2, alarma por
sabotaje.
Q3 Envío de mensaje GSM, a causa de una
alarma.
M1 Marca. Memoria de activación de
alarma por agotar tiempo de salida.
M2 Marca. Memoria de activación de
alarma por agotar tiempo de entrada.
M3 Marca. Memoria de activación de
alarma por sensores en general.
M4 Marca. Memoria de activación de envio
mensaje GSM.
T1, T2, T3 y T6 Temporizadores con retardo
a la activación.
T4 y T5 Temporizadores con salida
intermitente parametrizable.
→
→
→
→
→
→
→
→
→
→
→
→
r.a.c
2011

CUADERNO N#3 Aplicaciones Con Automatas Programables.pdf

  • 1.
    Rafael Arjona I1 Inicio ºC 0 50 100 20 30 4060 70 80 90 10 0 I2 Parada I6 Mínimo Q2 Motor-bomba Q1 Motor I3 Sensor de ajuste I4 Sensor de ajuste I5 Sensor de ajuste Q3 Electroválvula Aplicaciones para autómatas programables AI1 Temperatura piscina 0 2 4 6 8 10 0 0,2 0,4 0,6 0,8 1 kgf/cm 2 MPa AI2 Manómetro 0 0 28ºC Q4 Turbina 1 Q5 Turbina 2 1L1 3L2 5L3 13 NO 21 NC A1 14 NO 22 NC A2 6T3 2T1 4T2 Q6 Resistencias 1º Rociado 2º Inmersión 3º Secado Q7 Alarma AI3 Sónar llenado piscina 25K Litros
  • 2.
    Contenidos Aplicaciones con autómatasprogramables Autómatas programables. Conceptos Básicas BAS01. Activación de una lámpara a través de un autómata programable. BAS02. Función “AND” para el encendido de una lámpara a través de un autómata programable. BAS03. Función “OR” para el encendido de una lámpara a través de un autómata programable. BAS19. Tratamiento de señales analógicas. Toldo automatizado. BAS20. Tratamiento de señales analógicas. Control de la temperatura de un horno. Basadas en automatismos cableados ACE02. Puesta en marcha de un motor trifásico con protecciones: guardamotor. ACE20. Taladro de columna. Aplicaciones industriales API15. Paso a nivel con barreras. API20. Control automático de dos depósitos para óleo. Semáforos SEM06. Túnel inteligente. Aplicaciones domóticas. DOM04. Persiana motorizada. DOM05. Toldo automatizado. DOM06. Sistema anti robo. Quedan reservados todos los derechos. Prohibida su duplicación y préstamo bajo cualquier medio sin autorización expresa por escrito de su autor. Rafael Arjona. Edición y diseño: Apartado de correos, 21 23680 Alcalá la Real (Jaén) aulaelectrica@aulaelectrica.es www.aulaelectrica.es www.aulaelectrica.es Libros lustraciones adhesivas Recursos educativos I www.aulaelectrica.es www.aulaelectrica.es www.aulaelectrica.es Cuaderno de prácticas para automatismos cableados y programados. Guía para el Profesor ISBN: 978-84-615-2009-1 Este documento de aplicaciones para autómatas programables se encuentra en el CD-ROM que acompaña el libro: Edición, diseño y maquetación: Rafael Arjona. Todos los derechos reservados. Cuaderno de prácticas para automatismos cableados y programados. Guía para el Profesor ISBN: 978-84-615-2009-1
  • 3.
    r.a.c 2011 PLC Pg. 1 PLC Pg. 1 Autómatasprogramables Autómatas programables Grupo Título Conceptos PLC_CONCEPTOS 1 El autómata programable Desde el comienzo de la industrialización, el hombre a buscado y mejorado constantemente los procedimientos y medios para que las labores de producción se hicieran cada vez más rápidas, menos repetitivas para el operario, mejorando el puesto de trabajo y consiguiendo un rendimiento cada vez más eficaz, ayudado por la tecnología eléctrica basada en control y lógica cableada. En 1968, una división de una fábrica de automóviles, propone a través de un concurso la creación de un instrumento tipo controlador electrónico, que sustituya los sistemas de control cableados (interruptores, relés, contactores..), por un control programado, con el objetivo de ahorrar costes en los procesos de fabricación. El crecimiento fue rápido, y los autómatas programables industriales aumentaban en funcionalidad y rapidez de operación. La figura muestra el esquema de bloques de un PLC. MEMORIA PROGRAMA DATOS Fuente de alimentación Módulo de Entradas Módulo de Salidas Unidad de programación - Cartuchos de memoria. - HMI. Pantallas táctiles. - HMI. Programas Scada. - Módem GSM. - Impresoras.... Lock MB 15 pines macho 15 pines hembra SIM CPU (Unidad central de proceso) Salidas digitales todo/nada Salidas analógicas valor U ó I Relé Transistor Triac 0....10 V 0...4 mA Etc. Entradas digitales todo/nada Entradas analógicas valor U ó I Módulo de comunicaciones Internet Ethernet Profinet etc. Específica PC, Ordenador personal Periféricos Esquema de bloques de un autómata programable.
  • 4.
    r.a.c 2011 Grupo Título PLC Pg. 2 PLC Pg. 2 Autómatasprogramables Autómatas programables Conceptos 2 Lógica cableada Cuando el funcionamiento de una operación automática se realiza con la alimentación principal- mente de relés y contactores, producidas o provocadas por los accionamientos de elementos mecánicos tipo interruptor, pulsador, final de carrera, etc., se dice que la lógica del circuito es cableada; de hecho, una modificación en el funcionamiento supone la reestructuración de parte del cableado existente. Si la instalación a gobernar cuenta con varios sensores de entrada, y la misma es vulnerable de modificar por razones funcionales o de producción, sale más rentable utilizar un microcontrolador que realizar la instalación con lógica cableada. Por contra, si la instalación es permanente con un proceso de funcionamiento sin proyectos de modificación, no es necesario que la gestione un PLC. 6 7 95 96 97 98 1 3 2 4 F2 5 8 9 95 96 97 98 F3 10 11 12 13 14 15 16 17 18 13 14 S1 X1 X2 H1 A1 A2 X1 X2 H2 A1 A2 13 14 11 12 11 12 FC 1 S2 11 12 KM 2 S3 23 24 21 22 11 12 FC 2 11 12 KM 1 X1 X2 H3 A1 A2 X1 X2 H4 A1 A2 13 14 11 12 11 12 FC 3 S4 11 12 KM 4 S5 23 24 21 22 11 12 FC 4 11 12 KM 3 X1 X2 H5 A1 A2 X1 X2 H6 A1 A2 13 14 11 12 11 12 FC 5 S6 11 12 KM 6 S7 23 24 21 22 11 12 FC 6 11 12 KM 5 95 96 97 98 F4 X1 X2 H00 Avería 1 X1 X2 H01 Avería 2 X1 X2 H02 Avería 3 A1 A2 23 24 11 12 KM 9 11 12 KM 7 KM 5 A1 A2 13 14 11 12 S8 S9 23 24 21 22 33 34 KM 5 33 34 KM 6 23 24 KM 6 A1 A2 F 2 1 F1 Lógica cableada.
  • 5.
    r.a.c 2011 Grupo Título 3 Lógica programada Siel número de captadores es amplio, aunque creamos que la instalación no va a sufrir modificaciones, el coste del microcontrolador será insig- nificante si sólo una vez decidié- ramos realizar una modificación de control (recableado, pruebas, puesta en marcha, verificación, tiempo perdido, parada de producción, etc.). Por ejemplo, si decidimos controlar las lámparas de los semáforos de un cruce de dos calles, la instalación la pueden realizar automatismos convencionales, aunque sean varios; pero si el número de calles se amplía, ya no tiene sentido utilizar automatismos cableados, cuyo volumen sería exagerado; se haría con control programable. La siguiente figura muestra las posibilidades de programación de un autómata. A B L N I1 I2 I3 I4 I5 I6 I7 I8 I9 I10 I11 MicroPLC Q1 Q2 Q3 Q4 OUTPUT 4xRELAY 10A OK 18:00 Gas N A1 A2 A1 A2 L+ M DC 24 V 1 8 Módulo COM RUN Alumbrado Aire acondicionado Calefactores eléctricos Toldos Puerta de garaje Motorización de persianas Bombas de riego Ventiladores y extractores Electroválvulas Pulsadores Pulsador para persianas Final de carrera Detector de gas Detector de incendio Detector de inundación Detector de movimientos Célula fotoeléctrica Interruptor de llave SIM Sensor crepuscular Anemómetro Tensiómetro Termostato ºC Panel de operación RUN/STOP ENTRADAS ANALÓGICAS RUN/STOP Q6 Q8 Q5 Q7 SALIDAS DIGITALES Tomas de corriente Avisos 1 8 1 8 1 8 GSM Lógica programada. PLC Pg. 3 PLC Pg. 3 Autómatas programables Autómatas programables Conceptos
  • 6.
    r.a.c 2011 Grupo Título 4 MicroPLCs El autómataprogramable es designado también como Controlador Lógico Programable (PLC). La referencia de microPLC no está claramente determinada. Algunas empresas afirman que un PLC será “micro”, si el número de entradas y salidas que gobierna no es superior a 32. Observe la composición de un microPLC, “estándar”, que podemos buscar en el mercado. Incorpora en un sólo módulo, la mayoría de los componentes básicos para su funcionamiento, es decir, fuente de alimentación, entradas digitales, una o varias entradas analógicas, cartucho de memoria donde guardar los programas de usuario, salidas digitales, y lo más práctico, una pantalla y teclado programador que evita el uso de una unidad de programación. Adicionalmente, el modelo permitirá la ampliación de módulos para entradas/salidas, módulo GSM, módulo de comunicaciones, etc. PLC Pg. 4 PLC Pg. 4 Autómatas programables Autómatas programables Conceptos A B L N I1 I2 I3 I4 I5 I6 I7 I8 I9 AI1AI1+ MicroPLC Q1 Q2 Q3 Q4 OUTPUT 4xRELAY 10A OK Módulo de entradas digitales Alimentación a 230 V ~ incorpora F.A. Módulo de entrada analógica Cartucho de memoria Pantalla y teclado programador Módulo de salidas digitales a relé 5 Módulos de entrada 5.1. Señales digitales (todo-nada) Los módulos de entrada podrán recibir principalmente señales digitales todo/nada, o analógicas en formato tensión (ejemplo 0...10 V) o intensidad (ejemplo 0...10 mA). Los terminales de los módulos de entrada o simplemente los terminales de entrada digitales todo/nada, recibirán un valor de tensión de captadores tales como: - Pulsadores. - Interruptores. - Finales de carrera. -Termostatos. - Presostatos. - Detectores capacitivos, inductivos o fotoeléctricos. - Etcétera. Ejemplo. Suponemos que el módulo de entradas digitales de un microPLC admite una tensión de 24 V DC Cada vez que el captador -final de carrera- permite el paso de dicha tensión al micro-autómata, estará enviando una señal que el programa de usuario tendrá que interpretar y actuar en consecuencia. El final de carrera implementa un valor de tensión en la entrada, cuando es activado. 3 4 24 V c.c.
  • 7.
    r.a.c 2011 Grupo Título PLC Pg. 5 PLC Pg. 5 Autómatasprogramables Autómatas programables Conceptos Los sensores que aportan señales digitales todo/nada, pueden a su vez ser pasivos y activos. Captadores pasivos. Funcionan preferentemente con un movimiento mecánico y no necesitan de una fuente de energía adicional para estar operativos. Entre ellos, interruptores, pulsadores y finales de carrera. En esencia, el movimiento ejercido sobre el dispositivo conmutará uno o varios contactos, que son los que permiten el fluido de corriente eléctrica. Note en la imagen, que cuando es presionado el pulsador, se cierra un contacto del mismo, que permite el paso de corriente al PLC, y por tanto el envío de una señal que será analizada por el programa. Captadores activos. Requieren de una fuente adicional de energía para operar. Algunos son: detectores capacitivos, inductivos, células fotoeléctricas... Por ejemplo. El siguiente detector capacitivo implementará 24 V +, sólo cuando se acerque un objeto. Para poder funcionar, el detector tiene que estar alimentado por 24 V c.c. El pulsador es un captador pasivo. El detector capacitivo es activo. Necesita alimentación. 24 V c.c. 24 V c.c. U = 24 V + c.c. Objeto Objeto U = 0 V 5.2. Señales analógicas Los terminales de los módulos de entrada de señales analógicas, recibirán un valor de tensión o intensidad equivalente a la magnitud real medida. Los valores estándar de tensión son: -10 V a + 10 V. +2 a +10 V c.c. Los valores estándar de intensidad son: 4 a 20 mA. +1 a -5 mA 0 a +5 mA. El técnico debe calibrar la señal procedente del sensor de forma correcta para evitar que la lectura sea errónea. Por ejemplo: Un anemómetro mide la velocidad del viento, y en su composición, se encuentra una pequeña dinamo solidaria al eje principal del mismo. Según la velocidad de giro, la dinamo generará una determinada tensión, sirvan los valores: -Anemómetro parado, genera 0 V c.c. -Anemómetro girando a 50 km/h, genera 4 voltios c.c. -Anemómetro girando a 100 km/h, genera 8 voltios c.c. - Etc. 0 a +10 V c.c. 0 a 20 mA. El anemómetro se conecta a la entrada analógica del autómata. Dinamo Anemómetro 0...10 V
  • 8.
    r.a.c 2011 Grupo Título PLC Pg. 6 PLC Pg. 6 Autómatasprogramables Autómatas programables Conceptos 6 Variables 6.1. Variables de entrada En un autómata programable, y en programación en general, una variable es un “lugar” donde se guardan cierto tipo de datos. Los datos podrán ser diversos; textuales, imágenes, sonido, etc. En autómatas programables, los datos se guardan en formato de bit, byte, palabra y doble palabra preferentemente. La llamada a una variable es inequívoca, de tal forma que no existirán dos variables con el mismo nombre. Representación del almacén de datos. Las variables digitales que relaciona el autómata con los dispositivos de entrada se identifican como “I” de input, por ejemplo: I1, entrada 1; I4 entrada 4, etc. Estas variables operan con datos tipo bit (0 ó 1), es decir, todo o nada, activado o no activado.También se llaman datos Booleanos. Las variables analógicas necesitan más capacidad de almacenaje, ya que los valores equivalentes a la magnitud medida pueden ser infinitos. Por ejemplo, la variable AI 1 (entrada analógica 1), utilizará almacén de datos en formato Real, esto es, 32 bits. El autómata programable dispondrá de las herramientas necesarias para poder convertir, transferir, y en definitiva operar con los diferentes tipos de datos. 1 0 0 1 0 1 1 0 1 1 0 1 0 1 1 0 1 1 1 1 0 1 1 0 1 0 0 1 0 1 1 0 0 0 0 1 0 0 0 0 1 0 1 1 0 1 1 0 1 0 0 1 0 1 1 0 0 0 1 1 1 0 0 1 7 Módulos de salida 7.1. Salidas a relé Los módulos de salida permiten alimentar los dispositivos que hacen “el trabajo” de las instalaciones. Como sucede con los módulos de entradas, las salidas aportarán señales todo/nada, o señales analógicas, como valores de tensión o intensidad variables. Las salidas digitales todo/nada alimentarán principalmente: - Sistemas de alumbrado. -Timbres o avisadores acústicos. - Electroválvulas. - Contactores. - Relés. -Aparatos de caldeo. -Arrancadores. - Variadores de frecuencia. Las salidas analógicas aportarán señal de control o visualización, principalmente para: - Displays numéricos. - Regulación de iluminación. -Apertura o cierre en % de ciertos conductos. - Variadores de frecuencia. - Etc. Probablemente los autómatas con salidas a relé son los más empleados. Un relé es versátil; por sus contactos puede circular corriente continua, o alterna, y puede manejar valores superiores a 10 amperios. En su contra, la lentitud en las conmutaciones, y, al emplear compo-nentes mecánicos, éstos sufren desgaste. En el siguiente gráfico aparecen dos modelos de salidas a relé. En el primer caso, cada salida es operada por un relé diferente, lo que permite usar diferentes tensiones en los receptores. El segundo caso muestra un relé común a tres salidas, las cuales tendrán obligatoriamente la misma alimentación.
  • 9.
    r.a.c 2011 PLC Pg. 7 PLC Pg. 7 Autómatasprogramables Autómatas programables Grupo Título Conceptos Dos modelos internos de salidas a relé. Autómata con salidas a corriente continua por transistor. Los transistores son dispositivos de estado sólido. Son elementos electrónicos que no tienen partes móviles, por tanto, no tienen desgaste. Los transistores conmutan corriente continua y son muy rápidos (algunos transistores en variadores de frecuencia conmutan más de 25.000 veces por segundo). En su contra, la corriente de paso. 7.2. Salidas a transistores 7.3. Salidas a triac El contactor como recurso en las salidas del PLC El triac es también un dispositivo de estado sólido sin partes móviles.Al contrario que el transistor, funciona con corriente alterna y se asemeja en la rapidez de sus conmutaciones. anto para triac como para transistor. Si la carga a gobernar por el autómata programable es elevada, tanto para salida a relé, transistor o triac, se puede recurrir al empleo de un contactor y de esta forma, el PLC sólo tendrá que alimentar la bobina del contactor. La operación no debe presentar problemas técnicos ni eléctricos. Autómata con salidas a corriente alterna por triac. Las altas temperaturas son perjudiciales, t Alimentación A B L N I1 I2 I3 I4 I5 I6 I7 I8 I9 AI1AI2 MicroPLC Q1 Q2 Q3 Q4 OUTPUT 4xRELAY 10A OK 1 2 3 4 5 6 F4 1 2 6 3 4 5 F1 F2 F3 Contactor KM 1 Alimentación circuito de potencia M 3~ U V W F3 1 3 5 2 4 6 A1 A2 El autómata activa un contactor, y éste a su vez excita el motor.
  • 10.
    r.a.c 2011 Grupo Título PLC Pg. 8 PLC Pg. 8 Autómatasprogramables Autómatas programables Conceptos 8 Variables de salida 9 Puesta en marcha de las instalaciones con autómatas programables Principalmente, las variables de salida usadas en micro-autómatas son de estado 1 / 0, variables booleanas. Las variables “Q” se identifican con los dispositivos a los que el autómata alimentará, p as variables “M” de memoria (o marca), hacen referencia a salidas internas dentro del PLC; son salidas que no tienen una actuación visible directamente, y actúan como relés dentro del propio dispositivo. - Realizamos acopio de los materiales necesarios. - Elaboramos esquemas de conexionado, según material. - Elaboramos la programación. -Transferimos la programación. -Arrancamos el autómata. - Depuramos errores. Para elaborar la programación se requiere de una unidad de programación o un ordenador personal. El programa se elabora en un ordenador y se transfiere a través de un cable de comunicación al PLC. or tanto, si leemos Q2, entendemos que es la segunda variable de salida y lo que hubiera conectado a ese conector, será excitado. L X1 X2 X1 X2 H0 13 14 Verde Roja 95 96 97 98 1 3 2 4 KM 1 F2 H1 S1 A1 A2 F 2 1 F1 ESC OK L+ M I1 I2 I3 I4 I5 I6 I7 I8 INPUT 8xDC ( 7 . 8 0..10V) I I Q1 Q2 Q3 Q4 OUTPUT 4xRELAY 10A LOGO! PC CABLE 10 Lenguajes de programación 10.1 Lista de instrucciones (IL, Instrucción List) Cuando se tiene que programar un autómata programable para que éste realice una función automática determinada, el usuario dispone de unas herramientas que van a permitir diseñar, comprobar, modificar, la aplicación que deberá realizar el PLC. El lenguaje de programación maneja el juego de instrucciones que realizará las funciones lógicas y de cálculo de la unidad central de proceso. Son cada vez más las marcas de autómatas programables que se acogen a una norma (IEC 1131-3) que regula los procedimientos de programación en PLCs. Esto supone que se crea un estándar común, consiguiendo que la labor de programación no sea desconocida entre modelos de diferentes firmas. La utilización de entornos gráficos en unidades de programación, como por ejemplo un PC (dibujos orientativos, viñetas, ayudas, etc.) ha hecho de la programación un acto “menos técnico” y más fácil que los programadores antecesores. De los cinco lenguajes que define el estándar, tres se desarrollan en forma gráfica y dos en forma textual; haremos hincapié en dos de ellos, ambos gráficos, uno por su parecido a los esquemas eléctricos y otro porque simplifica las programaciones. Es importante destacar que los programas (software) actuales, permiten realizar programaciones en diferentes lenguajes, lo que facilita la labor del programador que puede elegir y cambiar de lenguaje a conveniencia. Los cinco lenguajes son: Este lenguaje es adecuado para personas que no tienen gran conocimiento en esquemas eléctricos, ya que la programación se realiza de forma textual. Realmente es un lenguaje que se aproxima a la forma de operar de la CPU, y utiliza caracteres alfanuméricos que definen las líneas de operaciones lógicas. Asimismo permite insertar comentarios informativos; esto supone que cada línea de programación puede ser “explicada” en el propio programa, y que posteriormente podrá se impreso. Un ejemplo de programación en lista de instrucciones (IL) sería el siguiente:
  • 11.
    r.a.c 2011 PLC Pg. 9 PLC Pg. 9 Autómatasprogramables Autómatas programables Grupo Título Conceptos 10.2. Gráfico secuencial de funciones (Grafcet) El Grafcet es un lenguaje gráfico que representa las secuencias del programa en forma de diagrama. Para conocer este lenguaje, es necesario tener conocimientos en circuitos secuenciales. 10.3. Texto estructurado (ST, StructuredText) 10.4. Diagrama de contactos (LD, Ladder Diagram) Es un lenguaje de alto nivel tipo Pascal o Basic, utilizado para programaciones complejas. El lenguaje gráfico LD, es sin duda de los más utilizados para programar autómatas programables, ya que la simbología utilizada, es parecida a los esquemas eléctricos empleados en instalaciones eléctricas con relés o contactores. La utilización de entornos gráficos, hace que la programación se pueda “enriquecer” con textos complementarios explicativos, como sucede en el lenguaje por lista de instrucciones IL. Note un ejemplo de programación en LD, con comentarios: Línea 1. El interruptor-conmutador (I1), activará de forma directa la memoria (M1), que es indicativo de modo automático. La excitación de cualquier relé térmico del circuito, impedirá el funcionamiento. I1 Int_man_aut M1 M_Automático Línea 2. Si el interruptor-conmutador (I1), NO está activo, se activa la marca (M2), que es indicativo de modo manual. La excitación de cualquier relé térmico del circuito, impedirá el funcionamiento. I1 Int_man_aut M2 M_Manual I10 RT_portabrocas I9 RT_conjunto I10 RT_portabrocas I9 RT_conjunto Línea 3. Modo automático: Si el detector (I5), advierte una pieza, se activa la marca auxiliar (M3), para orden de bajada, a través de la salida (Q1). Esta marca podrá ser anulada por: - La activación del relé térmico del conjunto arriba-abajo. - Final de carrera inferior. - Un contacto de seguridad de motor sube (Q2). - La memoria (M1), automático debe estar activa. LD Detec_piezas LD RT_conjunto O FC_inferior O Motor_sube ON M_automático NOT LPS A M_de_Q01 = M_de_Q01 Programación Primera línea de programación Comentarios a la primera línea de programación Grafcet.
  • 12.
    r.a.c 2011 Grupo Título PLC Pg. 10 PLC Pg. 10 Autómatasprogramables Autómatas programables Conceptos NOT R S Contacto abierto Contacto cerrado Negación Bobina directa Bobina inversa Activación de bobina en SET Desactivación de bobina en RESET NOT R S Contacto abierto Contacto cerrado Negación Bobina directa Bobina inversa Activación de bobina en SET Desactivación de bobina en RESET “Temporizador 1” TON IN PT “20 segundos” 10.5. Lenguaje de funciones lógicas (FBD, Function Block Diagram) El lenguaje FBD es parecido a los esquemas utilizados en electrónica digital, utilizando funciones lógicas.También se le pueden insertar textos explicativos. Veamos un ejemplo de una programación sencilla: De la cual conocemos las entradas (I1 e I2) y la salida (Q), sin embargo lo que quieren decir esas “cajas” con esos símbolos en su interior ( 1; &) lo desconocemos. Podemos decir que su programación equivalente en lenguaje LD es la que se muestra a continuación. Quiere decir que el autómata hará lo mismo tanto si se programa de una manera (FBD) como de otra (LD), son dos lenguajes diferentes, aunque los más usados: gráfico Ejemplo de equivalencia entre lenguaje FBD y contactos eléctricos I1 I2 Q & >1 Q I1 I2 Q Q I1 I2 I3 Q I1 I2 I3 & >1 & >1 I1 I2 I3 Observamos en el gráfico anterior dos formas de programar; en la primera, las variables toman su “dirección de variable” (I0.0; Q0.0; I0.1), pero también la descripción de las variables es sustituida por un “nombre” que las identifica. Esto sirve para facilitar más el proceso de programación. En este lenguaje de programación los símbolos (que son elementos de programación aunque sean parecidos a esquemas eléctricos) más usados son: Existen otros símbolos dentro de este lenguaje que representan operaciones como, temporización, contaje (cómputo), transferencia, suma, resta, multiplicación, reloj en tiempo real, etc; veamos un ejemplo: En el gráfico apreciamos como una entrada puede “activar” un temporizador. En este caso, si el bit de la entrada antecesora al temporizador es 1 y permanece en esa posición 20 segundos, la salida se activará, es decir, tendrá bit 1.
  • 13.
    r.a.c 2011 PLC Pg. 11 PLC Pg. 11 Autómatasprogramables Autómatas programables Grupo Título Conceptos Para comprender el lenguaje de programación FBD hay que conocer las funciones lógicas básicas. Se describirán a continuación y tienen como base el álgebra de Boole. Función NO o inversión NOT La salida Q, tomará el valor contrario a la entrada. Ejemplo; ¿qué valor tomará la salida Q, si la entrada tiene valor I =1? Respuesta: la salida estará desactivada = 0. La tabla de la verdad de la función NOTes: Función NOT. Circuito NOT con pulsador NC Función NOT con relé Símbolos puerta NOT I1=0 Q=1 I1=1 Q=0 I1 Q Relé Relé 1 1 I = 1 Q = 0 I Q = I 0 1 1 0 Función O, OR La salida tendrá valor “1”, si cualquiera de las variables de entrada tiene valor “1”. Ejemplo, ¿qué valor tomará la salida Q, si sólo la entrada I1, tiene valor 1? Repuesta: 1, activada. Tabla de la verdad de la función OR, con tres variables: Función OR. I1 I2 I3 Q I1 I2 I3 Q Relé Relé >1 >1 Circuito OR Función OR con relé Símbolos puerta OR I1 I2 I3 Q I1 I2 I3 Q = I1 + I2 + I3 0 0 0 0 0 0 1 1 0 1 0 1 0 1 1 1 1 0 0 1 1 0 1 1 1 1 0 1 1 1 1 1 1 0 0 1 >1
  • 14.
    r.a.c 2011 Grupo Título PLC Pg. 12 PLC Pg. 12 Autómatasprogramables Autómatas programables Conceptos FunciónY, AND La salida tendrá valor “1”, cuando todas las variables de entrada tengan valor “1”. Ejemplo, ¿qué valor tendrá la salida Q, si sabemos que I1=1, I2=1 e I3=0? Respuesta: la salida estará desactivada. Tabla de la verdad de la funciónAND, con tres variables: Función AND. & Circuito AND Función AND con relé Símbolos puerta AND I1 I2 I3 Q I1 I2 I3 Q Relé Relé & I1 I2 I3 Q & 1 1 0 0 I1 I2 I3 Q = I1 · I2 · I3 0 0 0 0 0 0 1 0 0 1 0 0 0 1 1 0 1 0 0 0 1 0 1 0 1 1 0 0 1 1 1 1 Las funciones NOR y NAND son funciones inversas a OR y AND Símbolo y tabla de la verdad de la función NOR: Símbolo y tabla de la verdad de la función NAND: & >1 I1 I2 I3 Q = I1 + I2 + I3 0 0 0 1 0 0 1 0 0 1 0 0 0 1 1 0 1 0 0 0 1 0 1 0 1 1 0 0 1 1 1 0 I1 I2 I3 Q = I1 · I2 · I3 0 0 0 1 0 0 1 1 0 1 0 1 0 1 1 1 1 0 0 1 1 0 1 1 1 1 0 1 1 1 1 0
  • 15.
    r.a.c 2011 PLC Pg. 13 PLC Pg. 13 Autómatasprogramables Autómatas programables Grupo Título Conceptos Función lógica XOR La función tiene dos entradas, y la salida tomará el valor de “1” cuando una de sus entradas no tenga el valor de la otra. Ejemplo, ¿qué valor tomará la salida Q, si las dos variables de entrada tiene valor = 1? Respuesta: desactivada = ”0”. Tabla de la verdad de la función XOR: Función XOR. Q a b b =1 I1 =1 I2 = 1 Q = 0 a Circuito XOR Símbolos puerta XOR =1 Q a b b a I1 I2 Q = I1 + I2 0 0 0 0 1 1 1 0 1 1 1 0 11 Funciones típicas de programación 11.1. Temporizador con retardo a la activación Este temporizador activará su salida, si es excitada su entrada (IN) y pasa el tiempo programado, aunque si la entrada es igual a cero, la salida también lo será. Normalmente, de este temporizador usaremos dos variables; el bit digital de salida (T), que podrá ser 0/1, y el dato del tiempo actual, medido en formato de 16 bits (una palabra -Word-). IN T Retardo a la conexión 1 0 1 0 Entrada que activa el temporizador Tiempo preseleccionado Bit de salida del temporizador Cronograma
  • 16.
    r.a.c 2011 Grupo Título PLC Pg. 14 PLC Pg. 14 Autómatasprogramables Autómatas programables Conceptos 11.2. Temporizador con retardo a la desactivación Este temporizador activará su salida en el mismo instante que se excita su entrada (IN). Una vez la entrada no está activa, comienza a contar el tiempo que resta para la desactivación de la salida. Además, el temporizador puede contar con una entrada RESET (R), es decir, puesta a cero de la salida y el tiempo. Normalmente, de este temporizador usaremos dos variables; el bit digital de salida (T), que podrá ser 0/1, y el dato del tiempo actual, medido en formato de 16 bits (una palabra -Word-). 11.3.Temporizador con salida intermitente paremetrizable Permite un estado on/off a su salida, si la entrada (IN) está activa. Encontramos temporizadores de salida síncrona, es decir, el estado “1” y el “0” de la salida ocupan el mismo tiempo y temporizadores con salida asíncrona, donde el tiempo de activación de la salida, no tiene por que coincidir con el de descanso. IN T Retardo a la desconexión R 1 0 1 0 Entrada que activa el temporizador Tiempo preseleccionado Bit de salida del temporizador Cronograma 1 0 1 0 Entrada que activa el temporizador Tiempo “síncrono” preseleccionado Bit de salida del temporizador Cronograma Bit a “ON/OFF”: 1 segundo. 1 0 1 0 Entrada que activa el temporizador Tiempos “asíncronos” preseleccionados Bit de salida del temporizador Cronograma Bit a “ON”: 1 segundo. Bit a “OFF”: 0,5 segundos. Intermitente IN T
  • 17.
    r.a.c 2011 PLC Pg. 15 PLC Pg. 15 Autómatasprogramables Autómatas programables Grupo Título Conceptos 11.4. Reloj horario Activa-desactiva su salida un espacio de tiempo parametrizable, por ejemplo, de las 08:34 hasta las 23:45 horas. Ejemplo: Reloj Lunes ON: Martes Miércoles Jueves Viernes ON: Sábado Domingo 12:45 OFF: 22:34 12:00 OFF: 18:34 RS S R I1 I2 Q1 I1 Q1 0 1 0 1 Cronograma de SET I1 Q1 0 1 0 1 Cronograma RESET 0 1 I2 T1 I7 FC_superior I9 RT_conjunto RS R S Q1 11.5. Bloque SET-RESET(RS) El bloque funcional set-reset, implica a su salida un “1”, si en la entrada SET ha existido un impulso (”1”), es decir, el circuito se realimenta. Observe el cronograma. Sin embargo, si el impulso (”1”) es aplicado en la entrada RESET, obliga a que su salida sea “0”. Note el cronograma. Ejemplo:
  • 18.
    r.a.c 2011 Grupo Título PLC Pg. 16 PLC Pg. 16 Autómatasprogramables Autómatas programables Conceptos 11.6.Telerruptor 11.7. Flanco positivo El bloque funcional telerruptor, tiene la misma utilidad que el telerruptor físico; con un impulso (IN) la salida será “1” y con un nuevo impulso, será “0”. Además, cuenta con una entrada RESET, que obliga la salida a “0”. La función flanco positivo detecta un cambio de “0” a “1” en su entrada, implementando a su salida un “1” durante un ciclo de programa, es decir, un instante. Ejemplo. La salida Q1, se activará en SET, con un sólo impulso de I3. Telerruptor IN R 11.8. Flanco negativo 11.9. Comparador La función flanco negativo hará lo propio, si el cambio que detecta en su entrada es de “1” a “0”. Ejemplo. La salida Q1, se desactivará en RESETcuando I4 pase de “1” a “0”. Esta función compara dos valores de entrada y permite el paso de corriente a su salida si se cumple la relación entre ambos valores, que podrá ser: - Igual que. - Mayor que. - Menor que. - Mayor o igual que. - Menor o igual que. Por ejemplo: si el valor de la entrada analógica AI 1 es mayor o igual a 30 km/h, se activará la salida Q1. Comparador >= P Flanco positivo N Flanco negativo Entrada Salida 0 1 0 1 Entrada Salida 0 1 0 1 Q1 Línea 3 AI 1 30 Km/h ≥ Q1 Motor P I3 Pulsador S Q1 Motor N I4 Pulsador R
  • 19.
    r.a.c 2011 PLC Pg. 17 PLC Pg. 17 Autómatasprogramables Autómatas programables Grupo Título Conceptos 11.10. Contadores Un contador realizará una acción, cuando una entrada sea activada un número programado de veces. Técnicamente, los contadores activarán o desactivarán una salida, o un bit (bit a 1 ó bit a 0) cuando se alcanza un número predeterminado de “conexiones” en su entrada. Este número de activaciones es la programación. Por ejemplo, cuando la entrada del contador se active 8 veces, se activará la salida Q. Veamos el gráfico: - Primero, el contador está programado a 8; esto no quiere decir que la entrada no pueda ser activada más, si no que al llegar a 8, la salida se activará. - Segundo, el contador puede disponer de “descontador”, lo cual hace que, si el número total del cómputo ascendente no es 8 la salida se desactivará. En el siguiente gráfico se muestra como el cómputo llega a 8, la salida se activa, pero el “descontador” baja el cómputo a un valor menor de 8, con lo cual la salida se desconecta. 1 0 Contador (valor programado 8) Pulsador de activación Salida 1 2 3 4 5 6 7 8 1 2 3 4 5 6 7 8 1 0 Además, los contadores disponen de una entrada de Reset (R), que hace que el número de entradas acumuladas pase a ser “0”, así como la salida. Normalmente, de un contador usaremos dos variables; el bit digital de salida (C), que podrá ser 0/1, y el dato del cómputo, medido en formato de 16 bits (una palabra - Word-). Pulsador de activación Salida 1 2 3 4 5 6 7 8 Contador (valor programado 8) 1 2 3 4 5 6 7 8 Pulsador descontador 8 7 6 1 0 1 0 1 0 Q1 “Contador_1” C>< C> PV R C< Motor cinta “8” “0”
  • 20.
    r.a.c 2011 Lenguaje LD El contactoabierto se cierra, es decir, permite el paso de corriente, cuando X = 1. La variable X puede ser principalmente I, Q, M,T, C, V, etc. Función El contacto cerrado inicialmente permite el paso de corriente. Se abrirá, es decir, no permitirá el paso de corriente cuando X = 1. La variable X puede ser principalmente I, Q, M,T, C, V, etc. X X I0.0 I0.1 Q0.0 I0.0 Q0.0 I0.1 Los contactos abiertos o cerrados, se podrán asociar en serie AND & I0.0 I0.1 Q0.0 En LD En FBD Cronograma Los contactos abiertos o cerrados, se podrán asociar en paralelo OR I0.0 I0.1 Q0.0 En LD En FBD Cronograma I0.0 Q0.0 I0.1 I0.0 I0.1 Q0.0 1 Grupo Título PLC Pg. 18 PLC Pg. 18 Autómatas programables Autómatas programables Conceptos 12 Operaciones lógicas con contactos
  • 21.
    r.a.c 2011 I0.0 Q0.0 TON T1 T1 3 seg. Ejemplo Una vezse active la entrada I0.0, la salida Q0.0, hará lo mismo pasados tres segundos. Si la entrada I0.0 = 0, la salida también adoptará ese estado. En LD En FBD AND & T1 Q0.0 TON T1 3 seg. I0.0 I0.0 T1 tiempo Q0.0 T1 contacto > 3 seg < 3 seg Cronograma Ejemplo La entrada I0.0, activará la salida Q0.0, que a su vez se realimentará a través de un contacto. Para desactivar el circuito se usará un contacto cerrado I0.1. En LD En FBD Cronograma I0.0 Q0.0 Q0.0 I0.1 AND & Q0.0 OR I0.0 I0.1 Q0.0 1 I0.0 Q0.0 I0.1 PLC Pg. 19 PLC Pg. 19 Autómatas programables Autómatas programables Grupo Título Conceptos
  • 22.
    r.a.c 2011 Lenguaje LD El contactoNOT, realiza dos operaciones; si llega corriente a su entrada, interrumpe la misma a su salida; por contra, si no le llega corriente a su entrada, permite el fluido de la misma a su salida. Función NOT En LD En FBD Cronograma Q0.0 NOT I0.0 NOT I0.0 Q0.0 I0.0 Q0.0 Ejemplo La salida Q0.0 tomará el valor contrario a la entrada I0.0 Lenguaje LD El contacto Flanco Positivo, permitirá el paso de corriente durante un ciclo de programa, si su entrada cambia de 0 a 1, es decir, de no activa a activa. Es importante reconocer el hecho de que sólo permitirá el paso de corriente durante un instante. Función En LD En FBD Cronograma Q0.0 I0.0 I0.0 Q0.0 I0.0 Q0.0 Ejemplo La salida Q0.0 se activará sólo durante un ciclo de programa. P P P Tiempo de activación, un ciclo Grupo Título PLC Pg. 20 PLC Pg. 20 Autómatas programables Autómatas programables Conceptos
  • 23.
    r.a.c 2011 Lenguaje LD El contactoFlanco Negativo, permitirá el paso de corriente durante un ciclo de programa, si su entrada cambia de 1 a 0, es decir, de activa a no activa. Es importante reconocer el hecho de que sólo permitirá el paso de corriente durante un instante. Función En LD En FBD Cronograma Q0.0 I0.0 I0.0 Q0.0 I0.0 Q0.0 Ejemplo La salida Q0.0 se activará sólo durante un ciclo de programa. N N N Tiempo de activación, un ciclo Ejemplo La entrada I0.0, permitirá el paso de corriente sólo un ciclo de programa, aunque se presione más tiempo, aunque este hecho no impedirá activar la salida Q0.0, que a su vez se realimentará a través de un contacto. Para desactivar el circuito se usará un contacto cerrado I0.1. En LD En FBD Cronograma I0.0 antes del flanco Q0.0 I0.1 I0.0 Q0.0 Q0.0 I0.1 P AND & Q0.0 OR I0.0 I0.1 Q0.0 1 P I0.0 después del flanco PLC Pg. 21 PLC Pg. 21 Autómatas programables Autómatas programables Grupo Título Conceptos
  • 24.
    r.a.c 2011 Lenguaje LD El contactoCOMPARAR = = permite el paso de corriente si el valor de “a” al valor de “b”. El carácter X representa el tipo de dato que se compara, que podrá ser B=byte; I=entero (16 bits); D= entero (32 bits) o R= real (32 bits). es igual Función a b = = X El contacto COMPARAR > = permite el paso de corriente si el valor de “a” es al valor de “b”. El carácter X representa el tipo de dato que se compara, que podrá ser B=byte; I=entero (16 bits); D= entero (32 bits) o R= real (32 bits). mayor o igual a b > = X a b < = X El contacto COMPARAR < = permite el paso de corriente si el valor de “a” es al valor de “b”. El carácter X representa el tipo de dato que se compara, que podrá ser B=byte; I=entero (16 bits); D= entero (32 bits) o R= real (32 bits). menor o igual > = I VW50 100 Q0.0 En LD En FBD Cronograma Q0.0 VW50 100 > = I Valor fijado 100 Valor fijado 0 Anemómetro entrada analógica VW50 Salida Q0.0 Ejemplo: control del viento en instalaciones de toldos y celosías. Un anemómetro emite un valor analógico (de tensión o intensidad variables), que el autómata interpreta en un formato determinado, por ejemplo, valor entero (I), a través de la variable VW50. Cuando el valor de dicha variable sea mayor o igual a 100, se activará la salida Q0.0, que se corresponde con una alarma de aviso por viento fuerte, incluso la recogida automática del toldo. Dinamo Anemómetro 0...10 V Grupo Título PLC Pg. 22 PLC Pg. 22 Autómatas programables Autómatas programables Conceptos
  • 25.
    r.a.c 2011 Lenguaje LD La operación“Poner a 1 en SET”, activa la salida “X” con un sólo impulso de corriente a su entrada, es decir, internamente se realimenta. La variable X puede ser principalmente Q, M, V, etc. Función La operación “Poner a 0 en RESET”, desactiva la salida “X” con un sólo impulso de corriente a su entrada. La variable X puede ser principalmente Q, M, V, etc. I0.0 I0.1 Q0.0 I0.0 Q0.0 I0.1 RS En LD En FBD Cronograma X S X R RS Entrada SET Entrada RESET Salida R S X El bloque funcional SET-RESET, permite en una sola operación activar la salida “X”, si entrada SET se excita un impulso. Del mismo modo, la salida “X” se desactiva si la entrada RESET se excita. Normalmente, la entrada RESET tiene preferencia sobre la SET. La variable X puede ser principalmente Q, M, V, etc. I0.0 Q0.0 I0.2 S R AND & I0.0 I0.1 Q0.0 AND & I0.0 I0.2 Ejemplo La salida Q0.0 se activará en SET, si se excitan a la vez las entradas I0.0 e I0.1. Para desactivar a Q0.0 en RESET, se deben excitar a la vez las entradas I0.0 e I0.1. I0.2 En LD Cronograma Q0.0 I0.0 Ejemplo La entrada I0.0, activará la salida Q0.0 en SET. La entrada I0.1, desactivará la salida Q0.0 en RESET. Q0.0 I0.1 S R I0.0 Q0.0 I0.1 R S PLC Pg. 23 PLC Pg. 23 Autómatas programables Autómatas programables Grupo Título Conceptos
  • 26.
    r.a.c 2011 Grupo Título PLC Pg. 24 PLC Pg. 24 Autómatasprogramables Autómatas programables Conceptos 13 Complementos de los autómatas programables En primer lugar, el autómata programable puede ser modular o compacto. Si es modular, tiene la ventaja de que su configuración puede ir creciendo según las necesidades de la instalación. Si es compacto, tiene limitados sus recursos, principalmente en entradas y salidas digitales, aunque en la práctica, encontraremos autómatas compactos que pueden ser ampliados con módulos complementarios. Autómatas: compacto y modular. A B L N I1 I2 I3 I4 I5 I6 I7 I8 I9 AI1AI1+ MicroPLC Q1 Q2 Q3 Q4 OUTPUT 4xRELAY 10A OK 0 1 2 3 4 5 6 7 I 0 1 2 3 4 5 6 7 I 0 1 2 3 Q 0 1 2 3 Q Input: AC 100-240V Output: DC 24V/1,3 A 24V ok L+ N + + - - POWER A B L+ M PE I1 I2 I3 I4 I5 I6 I7 I8 I9 I10 PLC Q1 Q2 Q3 Q4 RUN Q5 Q6 Q7 Q8 COM ERROR + 0V V1 I1 V2 I2 V3 I3 V4 I4 M 4 EA Sónar 1. Dep. 1 Sónar 2. Dep. 1 Sónar 3. Dep. 2 Sónar 4. Dep. 2 S=2x1,5 mm +T 2 4 Entradas analógicas 24 V c.c. Alimentación sónar + _ 13.1 Módulo de ampliación de entradas analógicas Es específico para recibir señales de tensión o intensidad variables, equivalentes a una magnitud (presión, velocidad, distancia, peso, etc.). Note en el ejemplo, como 4 dispositivos sónar, están conectados a un módulo de entradas analógicas. Los sónar, además de enviar señales hacia el módulo, también han de estar alimentados. Un sónar permite medir distancia.
  • 27.
    PLC Pg. 25 PLC Pg. 25 Autómatasprogramables Autómatas programables Grupo Título Conceptos r.a.c 2011 0 Jog Fn P 0 Jog Fn P Tx Rx CM 1241 RS 485 DIAG 1 2 3 4 5 6 7 8 9 Drive 1 Drive 2 Protocolo USS vía 485 Módulo RS 485 Cable profibus Positivo Negativo Autómata programable 13.2. Módulo de comunicaciones Permite conectar el PLC a una red, por ejemplo para el manejo de variadores de frecuencia.
  • 28.
    r.a.c 2011 Grupo Título PLC Pg. 26 PLC Pg. 26 Autómatasprogramables Autómatas programables Conceptos 13.3. Módulo módem Permite la comunicación con el PLC de forma inalámbrica. aaaaaa aaaaaa 9 PINES MACHO 9 PINES HEMBRA SIM SIM Antena Alimentación Comunicaciones Tarjeta SIM Botón para extraer el soporte que albergará la tarjeta SIM Autómata programable
  • 29.
    PLC Pg. 27 PLC Pg. 27 Autómatasprogramables Autómatas programables Grupo Título Conceptos r.a.c 2011 Input: AC 100-240V Output: DC 24V/1,3 A 24V ok L+ N + + - - POWER A B L+ M PE I1 I2 I3 I4 I5 I6 I7 I8 I9 I10 PLC Q1 Q2 Q3 Q4 RUN Q5 Q6 Q7 Q8 COM ERROR N : 5 Conmutador Manual-Automático Sube Baja Final de carrera superior Final de carrera inferior Final de carrera giro Portabrocas BAJA SUBE GIRO Detector Piezas MANUAL Gira Avería 13.4. Visualizadores y pantallas táctiles Son periféricos. Permiten el control de una aplicación de forma directa. Su entorno gráfico sugiere un control cómodo y de fácil manejo.
  • 30.
    r.a.c 2011 Grupo Título PLC Pg. 28 PLC Pg. 28 Autómatasprogramables Autómatas programables Conceptos 13.5. Sistemas Scada Adquirir datos en tiempo real de la instalación, supervisar y controlar la misma a través de PG (unidades de programación) u ordenadores personales dedicados. Los sistemas scada, permiten un control integral de las aplicaciones automáticas, al mismo tiempo que muestran en diferentes pantallas el estado actual de los procesos, niveles de llenado/vaciado, tiempos de funcionamiento, etc. A B L+ M PE I1 I2 I3 I4 I5 I6 I7 I8 I9 I10 PLC Q1 Q2 Q3 Q4 RUN Q5 Q6 Q7 Q8 COM ERROR P1 P2 P3 P4 LAN ONLY L P1 P2 P3 P4 P1 P2 P3 P4 I3 Pulsador que activa bomba 1 para llenado depósito 1 Q1 Motor bomba depósito 1 Al consumo o embotellado 0 I4 Pulsador que desactiva bomba 1 para llenado depósito 1 DEPÓSITO 1 DEPÓSITO 2 AI1 Sonar 1. Mide volumen de aceite del depósito 1 AI2 Sonar 2. Mide volumen de aceite del depósito 1 AI3 Sonar 3. Mide volumen de aceite del depósito 2 AI4 Sonar 4. Mide volumen de aceite del depósito 2 I5 Pulsador que activa bomba 2 para llenado depósito 2 0 I6 Pulsador que desactiva bomba 2 para llenado depósito 2 I1 Pulsador que activa el consumo de aceite de los depósitos 0 I2 Pulsador que desactiva el consumo de aceite de los depósitos Q4 Motor bomba llenado depósito 2 Q3 Motor bomba llenado depósito 1 Q5 Aviso, sonar defectuoso en depósito 1 Q6 Aviso, sonar defectuoso en depósito 2 Válvula antiretorno Q2 Motor bomba depósito 2 NA NC 2 T1 4 T2 6 T3 95 96 97 98 STOP RESET I7 Relé térmico Motor 2 I7 Relé térmico Motor 1 NA NC 2 T1 4 T2 6 T3 95 96 97 98 STOP RESET NA NC 2 T1 4 T2 6 T3 95 96 97 98 STOP RESET I7 Relé térmico Motor 3 I7 Relé térmico Motor 4 NA NC 2 T1 4 T2 6 T3 95 96 97 98 STOP RESET Módulo de comunicaciones
  • 31.
    r.a.c 2011 Aplicaciones con autómatasprogramables Principales funciones y elementos de programación en lenguaje LD (Ladder) Símbolo Significado Contacto abierto Bobina directa (Q) %I1, %I2, etc. Entradas digitales %Q1, %Q2, etc. Salidas digitales Contacto cerrado P, flanco positivo P Memoria directa, marca (M) RS R S X nº TOF T nº “tiempo” Función SET-RESET (Biestable) TON T nº “tiempo” Temporizador con retardo a la conexión (TON) Temporizador con retardo a la desconexión (TOF) Suma + (0....32768) 131 MW0 (0...250) AI1 CNT C nº “10” R PS x L Mi V D On: 07:30 L M M J V S D Off: 08:30 Símbolo Significado N, flanco negativo NOT, inversión NOT N %M1, %M2, etc. Marcas Bobina inversa (Q) S R Operación aritmética. Suma valores Símbolo Significado T.Asín T nº “tiempo” Temporizador con salida intermitente síncrona o asíncrona parametrizable Temporizador o programador semanal Contador-descontador Resta - (0....32768) 131 MW0 (0...250) AI1 Operación aritmética. Resta valores Compara dos valores (>=, <=, ==) >= IN 1 IN 2 MOVE IN 2 MW100 Transferencia de valores Div (0....32768) 131 MW0 (0...250) AI1 Operación aritmética. Dividir valores Mult. X (0....32768) 131 MW0 (0...250) AI1 Operación aritmética. Multiplica valores
  • 32.
    r.a.c 2011 Principales funciones yelementos de programación en lenguaje FBD (Function Block Diagram) 1 OR Piloto verde Q2 Memoria 1 M1 & AND Símbolo Denominación Función AND. Función OR. 1 Función NOT. 1 NOR & NAND Función NAND. Función NOR. Símbolo Denominación =1 Función XOR. Símbolo Denominación (M), Marca. Memoria interna. (Q), Salida digital. Compara > = IN 1 IN 2 En Comparador. Compara dos valores (IN 1 e IN 2) si el bloque es activado (EN). >=; <=; == RS R S Función SET- RESET. Pulsador I1 (I), Entrada digital. P Flanco positivo Flanco positivo. N Flanco negativo Flanco negativo. IN T Retardo a la conexión “Tiempo” Tx Temporizador con retardo a la activación (TON). IN T Retardo a la desconexión R “Tiempo” Tx Temporizador con retardo a la desactivación (TOF). IN T Salida intermitente Tx “Tiempo” Temporizador con salida intermitente parametrizable. Contador IN R “Dato” Cx Reloj L-M-X-J-V-S-D 00:00 - 04.00 22:00 - 24:00 Reloj semanal. Contador. Telerruptor IN R S Telerruptor. Presostato AI 1 AI x. Entrada analógica. P Símbolo Denominación
  • 33.
    r.a.c 2011 Descripción y requisitosmínimos Objetivos de este montaje Secuencia de trabajo Micro-autómata elegido para el caso Un pulsador normalmente abierto (S1. NC, 3-4), excitará la entrada (I1) de un micro- autómata programable, con el propósito de activar una lámpara E1, a través de la salida del microPLC (Q1). Toma de contacto con los materiales que conforman pequeñas instalaciones basadas en micro-autómatas programables. Acopio de materiales. Diseño de la programación. Programación. Transferencia PC-PLC. Puesta en marcha. Depuración de errores. Alimentación 230 VAC. Módulo de entradas: 8 entradas digitales a 230 V. Módulo de salidas: 4 salidas a relé. Activación de una lámpara a través de un autómata programable Activación de una lámpara a través de un autómata programable Programaciones básicas Programaciones básicas Grupo Título PLC_BAS01_ENCENDIDO DE UNA LÁMPARA A TRAVÉS DE UN PLC 1 2 N N 10 A 1 2 N N 10 A Alimentación salidas del PLC A B L N I1 I2 I3 I4 I5 I6 I7 I8 I9 AI1AI2 MicroPLC Q1 Q2 Q3 Q4 OUTPUT 4xRELAY 10A OK Pulsador S1 16 mm 16 mm 2 x 1,5 mm + T 2 2 x 1,5 mm + T 2 Alimentación sensores digitales PE PIA 1 PIA 2 Lámpara “E” 230 V c.a. 230 V c.a. MicroPLC elegido. Representación orientativa de los mecanismos. A B L N I1 I2 I3 I4 I5 I6 I7 I8 MicroPLC Q1 Q2 Q3 Q4 OUTPUT 4xRELAY 10A OK Alimentación Entradas digitales Salidas a relé BAS. 01 Pg. 1 BAS. 01 Pg. 1
  • 34.
    r.a.c 2011 Pulsador I1 Punto deluz Q1 I1 Q1 I1 (S1. Pulsador NA, 3-4) Q1 (E1. lámpara 1) 0 1 0 1 Activación de una lámpara a través de un autómata programable Activación de una lámpara a través de un autómata programable Programaciones básicas Programaciones básicas Grupo Título Descripción de la programación Programación en FBD Programación en LD Cronograma Cuando se activa el pulsador I1 (que se corresponde con el pulsador S1), la salida Q1 (que se corresponde con la lámpara E1), se excita de forma directa. Listado de variables Símbolos empleados en lenguaje LD I1. Pulsador. Q1. Lámpara. Símbolo Significado Contacto abierto Bobina directa %I1 Entrada %Q1 Salida BAS. 01 Pg. 2 BAS. 01 Pg. 2
  • 35.
    r.a.c 2011 Activación de unalámpara a través de un autómata programable Activación de una lámpara a través de un autómata programable Programaciones básicas Programaciones básicas Grupo Título 1 3 2 4 Alimentación PLC y dispo- sitivos de entrada: 230 V AC Alimentación entradas del PLC a 230 V c.a. PIA 10 A L N PE 1 3 2 4 PIA 10 A L N PE S1 Alimentación salidas del PLC 230 V AC S=2x1,5 mm +T 2 S=2x1,5 mm +T 2 I1 Sección: 1,5 mm 2 E1 X1 X2 L <F.A> N <F.A> L <Q> N <Q> PE <Q> PE <F.A> N <Q> L <Q: 230 V AC> Sección: 1,5 mm 2 L. 230 V AC X2.1-2 X1.1-2 X2.6 X1.3 13 14 F2 F1 E1. Lámpara X2.4 A B L+ N PE I1 I2 I3 I4 I5 I6 I7 I8 I9 I10 MicroPLC Q1 Q2 Q3 Q4 OUTPUT 4xRELAY 10A OK X1.4 1 2 3 4 5 6 7 8 9 10 11 12 13 14 15 16 17 18 Esquema de conexiones destacado Resumen de mecanismos y dispositivos Módulo de entradas: 10 entradas digitales a 230 V c.a. Módulo de salidas: 4 salidas a relé. Bornero X1. Alimentación circuitos de control y entradas del PLC. Bornero X2. Alimentación salidas del PLC, y dispositivos de salida fuera del cuadro. Autómata programable 230 V c.a. 8 ED 230 V c.a. 4 SD relé. I1 (S1). Pulsador de activación. Q1 (E1). Lámpara. F1. Magnetotérmico 10 A, para protección PLC y entradas del PLC. F2. Magnetotérmico 10 A, par protección salidas del PLC. BAS. 01 Pg. 3 BAS. 01 Pg. 3 Esquema eléctrico destacado.
  • 36.
  • 37.
    r.a.c 2011 Descripción y requisitosmínimos Variables programadas en el autómata programable Secuencia de trabajo Micro-autómata elegido para el caso Dos pulsadores normalmente abiertos (S1. NA, 3-4 y S2. NA, 3-4), excitados respectivamente por las entradas de un microPLC I1 e I2, permitirán que se encienda una lámpara (E1), conectada a la salida Q1, sólo cuando se cumpla la condición de que se activen a la vez S1 y S2 (I1 e I2). I1. Entrada. Pulsador S1. I2. Entrada. Pulsador S2. Q1. Salida. Lámpara E1. Acopio de materiales. Diseño de la programación. Programación. Transferencia PC-PLC. Puesta en marcha. Depuración de errores. Alimentación 230 VAC. Módulo de entradas: 8 entradas digitales a 230 V. Módulo de salidas: 4 salidas a relé. Objetivo de este montaje Comprobar el efecto de la funciónAND. A B L N I1 I2 I3 I4 I5 I6 I7 I8 I9 AI1AI2 MicroPLC Q1 Q2 Q3 Q4 OUTPUT 4xRELAY 10A OK A B L N I1 I2 I3 I4 I5 I6 I7 I8 I9 AI1AI2 MicroPLC Q1 Q2 Q3 Q4 OUTPUT 4xRELAY 10A OK A B L N I1 I2 I3 I4 I5 I6 I7 I8 I9 AI1AI2 MicroPLC Q1 Q2 Q3 Q4 OUTPUT 4xRELAY 10A OK A B L N I1 I2 I3 I4 I5 I6 I7 I8 I9 AI1AI2 MicroPLC Q1 Q2 Q3 Q4 OUTPUT 4xRELAY 10A OK A B L N I1 I2 I3 I4 I5 I6 I7 I8 I9 AI1AI2 MicroPLC Q1 Q2 Q3 Q4 OUTPUT 4xRELAY 10A OK A B L N I1 I2 I3 I4 I5 I6 I7 I8 I9 AI1AI2 MicroPLC Q1 Q2 Q3 Q4 OUTPUT 4xRELAY 10A OK Alimentación salidas del PLC A B L+ M I1 I2 I3 I4 I5 I6 I7 I8 I9 AI1AI2 MicroPLC Q1 Q2 Q3 Q4 OUTPUT 4xRELAY 10A OK Pulsador 1 E1 16 mm 16 mm Circuito C1. 2 x 1,5 mm + T 2 Circuito C11. 2 x 1,5 mm + T 2 1 2 N N 10 A 1 2 N N 10 A S1 Alimentación sensores digitales Lámpara PE PIA 1 PIA 2 Input: AC 100-240V Output: DC 24V/1,3 A 24V ok L+ N + + - - POWER Pulsador 2 S2 INPUT 24 V DC ESC OK L+ M I1 I2 I3 I4 I5 I6 I7 I8 INPUT 8xDC ( 7 . 8 0..10V) I I Q1 Q2 Q3 Q4 OUTPUT 4xRELAY 10A LOGO! PC CABLE BAS. 02 Pg. 1 BAS. 02 Pg. 1 Función “AND” para el encendido de una lámpara a través de un autómata programable Función “AND” para el encendido de una lámpara a través de un autómata programable Grupo Título PLC_BAS02_FUNCIÓN AND PARA EL ENCENDIDO DE UNA LÁMPARA A TRAVÉS DE UN PLC Programaciones básicas Programaciones básicas Transferencia PC-PLC. Representación orientativa de los mecanismos.
  • 38.
    r.a.c 2011 Descripción de laprogramación Programación en FBD Programación en Ladder Sólo se activará la salida Q1, y por tanto la lámpara E1 cuando se exciten al mismo tiempo las entradas I1 e I2 (S1 y S2). Cualquier otra combinación no activará las salidas. Pulsador I1 Punto de luz Q1 I1 Q1 0 1 I2 (S2. Pulsador NA, 3-4) I1 (S1. Pulsador NA, 3-4) Q1 (E1. lámpara 1) 0 1 0 1 I2 Pulsador I2 & AND Grupo Título Función “AND” para el encendido de una lámpara a través de un autómata programable Función “AND” para el encendido de una lámpara a través de un autómata programable Programaciones básicas Programaciones básicas Símbolo Significado Contacto abierto Bobina directa %I1 e %I2 Entradas %Q1 Salida Listado de variables Símbolos empleados en lenguaje LD Cronograma I1. Pulsador 1. I2. Pulsador 2. Q1. Lámpara. BAS. 02 Pg. 2 BAS. 02 Pg. 2
  • 39.
    r.a.c 2011 Programaciones básicas Programaciones básicas Grupo Título 13 2 4 Alimentación PLC y dispo- sitivos de entrada: 230 V AC Alimentación entradas del PLC a 230 V AC PIA 10 A L N PE 1 3 2 4 PIA 10 A L N PE S1 Alimentación salidas del PLC 230 V AC S=2x1,5 mm +T 2 S=2x1,5 mm +T 2 I1 Sección: 1,5 mm 2 E1 X1 X2 L <F.A> N <F.A> L <Q> N <Q> PE <Q> PE <F.A> N <Q> L <Q: 230 V AC> Sección: 1,5 mm 2 L. 230 V c.a. X2.1-2 X1.1-2 X2.6 X1.3 13 14 F2 F1 E1. Lámpara X2.4 A B L+ N PE I1 I2 I3 I4 I5 I6 I7 I8 I9 I10 MicroPLC Q1 Q2 Q3 Q4 OUTPUT 4xRELAY 10A OK X1.4 1 2 3 4 5 6 7 8 9 10 11 12 13 14 15 16 17 18 Esquema de conexiones destacado Resumen de mecanismos y dispositivos Módulo de entradas: 10 entradas digitales a 230 V c.a. Módulo de salidas: 4 salidas a relé. Bornero X1. Alimentación circuitos de control y entradas del PLC. Bornero X2. Alimentación salidas del PLC, y dispositivos de salida fuera del cuadro. Autómata programable 230 V AC, 8 DI, 230 V AC, 4 DO a relé. I1 (S1). Pulsador 1 de activación. I2 (S2). Pulsador 2 de activación. Q1 (E1). Lámpara. F1. Magnetotérmico 10 A, para protección PLC y entradas del PLC. F2. Magnetotérmico 10 A, par protección salidas del PLC. Función “AND” para el encendido de una lámpara a través de un autómata programable Función “AND” para el encendido de una lámpara a través de un autómata programable S2 I2 X1.3 13 14 X1.5 BAS. 02 Pg. 3 BAS. 02 Pg. 3 Esquema eléctrico destacado.
  • 40.
  • 41.
    r.a.c 2011 Descripción y requisitosmínimos Objetivos de este montaje Variables programadas en el autómata programable Secuencia de trabajo Micro-autómata elegido para el caso Dos pulsadores normalmente abiertos (S1. NA, 3-4 y S2. NA, 3-4), excitarán respectivamente las entradas de un microPLC (I1 e I2), y permitirán que se encienda una lámpara (E1), conectada a la salida Q1, si cualquiera de los dos pulsadores es activado. I1. Entrada. Pulsador S1. I2. Entrada. Pulsador S2. Q1. Salida. Lámpara E1. Acopio de materiales. Diseño de la programación. Programación. Transferencia PC-PLC. Puesta en marcha. Depuración de errores. Alimentación 230 VAC. Módulo de entradas: 8 entradas digitales a 230 V. Módulo de salidas: 4 salidas a relé. Comprobar el efecto de la función OR. Alimentación salidas del PLC A B L+ M I1 I2 I3 I4 I5 I6 I7 I8 I9 AI1AI2 MicroPLC Q1 Q2 Q3 Q4 OUTPUT 4xRELAY 10A OK Pulsador 1 E1 16 mm 16 mm Circuito C1. 2 x 1,5 mm + T 2 Circuito C11. 2 x 1,5 mm + T 2 1 2 N N 10 A 1 2 N N 10 A S1 Alimentación sensores digitales Lámpara PE PIA 1 PIA 2 Input: AC 100-240V Output: DC 24V/1,3 A 24V ok L+ N + + - - POWER Pulsador 2 S2 INPUT 24 V DC BAS. 03 Pg. 1 BAS. 03 Pg. 1 Función “OR” para el encendido de una lámpara a través de un autómata programable Función “OR” para el encendido de una lámpara a través de un autómata programable Grupo Título Programaciones básicas Programaciones básicas Representación orientativa de los mecanismos. PLC_BAS03_FUNCIÓN OR PARA EL ENCENDIDO DE UNA LÁMPARA A TRAVÉS DE UN PLC
  • 42.
    r.a.c 2011 Descripción de laprogramación Programación en FBD Programación en Ladder Se activará la salida Q1, y por tanto la lámpara E1 si se excita cualquiera de las dos entradas I1 ó I2 (S1 y S2), o las dos a la vez. Pulsador I1 Punto de luz Q1 0 1 I2 (S2. Pulsador NA, 3-4) I1 (S1. Pulsador NA, 3-4) Q1 (E1. lámpara 1) 0 1 0 1 Pulsador I2 OR >1 I1 Q1 I2 Grupo Título Función “OR” para el encendido de una lámpara a través de un autómata programable Función “OR” para el encendido de una lámpara a través de un autómata programable Programaciones básicas Programaciones básicas BAS. 03 Pg. 2 BAS. 03 Pg. 2 Símbolo Significado Contacto abierto Bobina directa %I1 e %I2 Entradas %Q1 Salida Listado de variables Símbolos empleados en lenguaje LD Cronograma I1. Pulsador 1. I2. Pulsador 2. Q1. Lámpara.
  • 43.
    r.a.c 2011 Programaciones básicas Programaciones básicas Grupo Título 13 2 4 Alimentación PLC y dispo- sitivos de entrada: 230 V AC Alimentación entradas del PLC a 230 V AC PIA 10 A L N PE 1 3 2 4 PIA 10 A L N PE S1 Alimentación salidas del PLC 230 V AC S=2x1,5 mm +T 2 S=2x1,5 mm +T 2 I1 Sección: 1,5 mm 2 E1 X1 X2 L <F.A> N <F.A> L <Q> N <Q> PE <Q> PE <F.A> N <Q> L <Q: 230 V AC> Sección: 1,5 mm 2 L. 230 V AC X2.1-2 X1.1-2 X2.6 X1.3 13 14 F2 F1 E1. Lámpara X2.4 A B L+ N PE I1 I2 I3 I4 I5 I6 I7 I8 I9 I10 MicroPLC Q1 Q2 Q3 Q4 OUTPUT 4xRELAY 10A OK X1.4 1 2 3 4 5 6 7 8 9 10 11 12 13 14 15 16 17 18 Esquema de conexiones destacado Resumen de mecanismos y dispositivos Ejercicios Módulo de entradas: 10 entradas digitales a 230 V c.a. Módulo de salidas: 4 salidas a relé. Bornero X1.Alimentación circuitos de control y entradas del PLC. Bornero X2. Alimentación salidas del PLC, y dispositivos de salida fuera del cuadro. Autómata programable 230 VAC, 8 DI, 230 VAC, 4 DO a relé. I1 (S1). Pulsador 1 de activación. I2 (S2). Pulsador 2 de activación. Q1 (E1). Lámpara. F1. Magnetotérmico 10A, para protección PLC y entradas del PLC. F2. Magnetotérmico 10A, par protección salidas del PLC. ¿Podrías diseñar la puesta en marcha de una lámpara a través de un microPLC con funciones NAND, NOR y XOR? Función “AND” para el encendido de una lámpara a través de un autómata programable Función “AND” para el encendido de una lámpara a través de un autómata programable S2 I2 X1.3 13 14 X1.5 BAS. 03 Pg. 3 BAS. 03 Pg. 3 Esquema eléctrico destacado.
  • 44.
  • 45.
    r.a.c 2011 Descripción y requisitosmínimos Donde Un toldo de una vivienda se abre y cierra de forma motorizada, a través de un motor monofásico, y se gobierna con dos pulsadores, donde S1(I1) para la apertura y S2 (I3) para el cierre.Además, dispone de dos finales de carrera en los extremos de apertura y cierre. Condiciones de funcionamiento: - Si se presionan a la vez apertura y cierre de toldo, prevalecerá la primera orden ejecutada, evitándose de cualquier modo una activación simultánea de apertura y cierre. - El final de carrera FC 1 (I2), detiene el motor como tope de apertura de toldo. - El final de carrera FC 2 (I4), detiene el motor como tope de cierre de toldo. - Un anemómetro gestiona el valor de la velocidad del viento instantánea en el lugar de ubicación del toldo. El anemómetro da a su salida un valor de 0 a 10 V c.c, donde: 0 V = 0 Km/h 10 V = 250 Km/h - El autómata programable dispone de un módulo de entrada analógica capaz de interpretar el valor analógico 0...10 V procedente del anemómetro. Si el valor del viento es igual o superior a 80 Km/h (3.2 V c.c.), el toldo se cerrará totalmente, es decir, hasta ser detenido por el final de carrera de cierre FC 2 (I4). PIA1. Protección de la fuente de alimentación que alimenta al autómata programable. PIA2. Protección de las salidas conectadas al PLC. PE. Borne y conductor de protección. S1. Pulsador NA, 13-14 para la orden de apertura de toldo. S2. Pulsador NA, 13-14 para la orden de cierre de toldo. KM 1. Contactor que alimenta el circuito calefactor. FC 1. Final de carrera apertura de toldo. FC 2. Final de carrera cierre de toldo. M. Motor monofásico de 230 VAC. Variables programadas en el autómata programable Micro-autómata elegido para el caso Cronograma I1. Entrada digital. Pulsador de orden de apertura toldo. I2. Entrada digital. Final de carrera “tope” de apertura toldo. I3. Entrada digital. Pulsador de orden de cierre toldo. I4. Entrada digital. Final de cerrara “tope” de cierre toldo. AI1. Entrada analógica.Anemómetro. Q1. Salida. Motor apertura toldo. Q2. Salida. Motor cierre toldo. Alimentación 24 V DC. suministrados por una fuente de alimentación 230V/24 V DC. Módulo de entradas: 8 entradas digitales a 24 V DC. Incorpora entrada analógica 0...10 V DC. Módulo de salidas: 4 salidas a relé. A B L N I1 I2 I3 I4 I5 I6 I7 I8 I9 AI1AI2 MicroPLC Q1 Q2 Q3 Q4 OUTPUT 4xRELAY 10A OK A B L N I1 I2 I3 I4 I5 I6 I7 I8 I9 AI1AI2 MicroPLC Q1 Q2 Q3 Q4 OUTPUT 4xRELAY 10A OK A B L N I1 I2 I3 I4 I5 I6 I7 I8 I9 AI1AI2 MicroPLC Q1 Q2 Q3 Q4 OUTPUT 4xRELAY 10A OK A B L N I1 I2 I3 I4 I5 I6 I7 I8 I9 AI1AI2 MicroPLC Q1 Q2 Q3 Q4 OUTPUT 4xRELAY 10A OK 0 1 0 1 0 1 I1. Pulsador S1 apertura toldo I2. Final de carrera apertura toldo I3. Pulsador S2 cierre toldo 0 10 0 1 0 1 Sin efecto Q1. Motor abre toldo Q2. Motor cierra toldo I4. Final de carrera cierre toldo 3.2 Punto límite AI 1. Entrada analógica equ. anemómetro BAS. 19 Pg. 1 BAS. 19 Pg. 1 Tratamiento de señales analógicas. Toldo automatizado Tratamiento de señales analógicas. Toldo automatizado Grupo Título Programaciones básicas Programaciones básicas BAS19_ANALÓGICOS_TOLDO
  • 46.
    r.a.c 2011 Cableado del PLC Alimentación salidas del PLC A B L+M I1 I2 I3 I4 I5 I6 I7 I8 I9 AI1AI2 MicroPLC Q1 Q2 Q3 Q4 OUTPUT 4xRELAY 10A OK 16 mm 16 mm Circuito C1. 2 x 1,5 mm + T 2 Circuito C11. 2 x 1,5 mm + T 2 1 2 N N 10 A 1 2 N N 10 A Alimentación sensores digitales PE PIA 1 PIA 2 Input: AC 100-240V Output: DC 24V/1,3 A 24V ok L+ N + + - - POWER INPUT 24 V DC S1. Pulsador apertura toldo 3 4 3 4 3 4 3 4 FC 2. Final de carrera cierre de toldo S2. Pulsador cierre toldo M 0....10 V Anemómetro FC 1. Final de carrera apertura de toldo Motor toldo Monofásico 230 V c.a. Extiente toldo Recoge toldo N Grupo Título Programaciones básicas Programaciones básicas BAS. 19 Pg. 2 BAS. 19 Pg. 2 Tratamiento de señales analógicas. Toldo automatizado Tratamiento de señales analógicas. Toldo automatizado
  • 47.
    r.a.c 2011 BAS. 19 Pg. 3 BAS.19 Pg. 3 Tratamiento de señales analógicas. Toldo automatizado Tratamiento de señales analógicas. Toldo automatizado Grupo Título Programaciones básicas Programaciones básicas Programación en Ladder I1 Q1 I3 I2 Q2 Línea 1. Para que el motor sentido apertura de toldo se pueda activar, se darán diferentes condicionantes: - Presionar pulsador apertura toldo (I1). - Que NO se presione el pulsador contrario de cierre de toldo (I3). - Que no esté activo el final de carrera de apertura de toldo (I2). - Que no esté activo el motor en sentido opuesto (cierre) (Q2). - Que no esté activa la memoria de riesgo de viento fuerte (M1). I2 Q2 I1 I4 Línea 2. Para que el motor sentido cierre de toldo se pueda activar, se darán diferentes condicionantes: - Presionar pulsador cierre toldo (I2). - Que NO se presione el pulsador contrario de apertura de toldo (I1). - Que no esté activo el final de carrera de cierre de toldo (I4). - Que no esté activo el motor en sentido opuesto (apertura) (Q1). Note, que la memoria (M1), también podrá activar el toldo sentido cierre. M1 M1 Q1 Línea 3. El anemómetro efectúa a su salida un valor de 0 a 10 Voltios, donde "0" equivale a 0 Km/h y "10" a 250 Km/h que es la velocidad máxima capaz de medir. A su vez, el módulo de entrada analógica del autómata permite registrar un valor de 0 a 32768. 32768 dividido por 131 es igual a 250. El valor instantáneo de la entrada analógica se "guardará" en la variable MW0. Div (0....32768) 131 MW0 (0...250) Siempre a “1” AI1 M1 Línea 4. Si el valor de MW0 es igual o mayor de 80 (Km/h), se excita la marca M1. MW0 80 > = M1 Línea 5. La marca M1 se desactiva con el final de carrera de cierre toldo (I4). R S I4
  • 48.
    r.a.c 2011 Grupo Título Programaciones básicas Programaciones básicas BAS.19 Pg. 4 BAS. 19 Pg. 4 Tratamiento de señales analógicas. Toldo automatizado Tratamiento de señales analógicas. Toldo automatizado Programación en FBD Q1 Pul_abre toldo I1 Final carrera abre I2 1 & AND 1 Motor toldo abre 1 1 & AND Pul_cierra toldo I3 M1 OR >1 M1 & AND 1 Q2 Motor toldo cierra Div M1 Marca (memoria) Final carrera cierra I4 RS S R Anemómetro (analógica) AI 1 (0....32768) 131 MW0 (0...250) >= Compara MW0 80 Q2 I3 1 Q1
  • 49.
    Descripción y requisitosmínimos La temperatura de un horno eléctrico se regulará a través de un potenciómetro que implementará valores de tensión de 0 a 10 V c.c. en un módulo de entradas analógicas de un PLC a través de la entrada AI 1. Diez salidas del PLC (de Q1 a Q10), activarán respectivamente grupos de resistencias eléctricas, con el propósito de aumentar o disminuir la temperatura del interior del horno. Una segunda entrada analógica AI 2, asociada a una sonda de temperatura, controlará el valor en el interior del horno, de tal modo que, si el valor real de la temperatura del horno es superior al 10% de la temperatura fijada por el potenciómetro, las resistencias se desconectan hasta que la temperatura baje de nuevo. Un interruptor asociado a la puerta del horno I1, impedirá que funcionen las resistencias si la puerta está abierta. Un temporizadorT1, impedirá un funcionamiento prolongado de las resistencias. Ajuste del valor analógico del potenciómetroAI 1: 0 V = 0% calor. 1 V = 10% calor. 2 V = 20% calor. 3 V = 30% calor. 4 V = 40% calor. 5 V = 50% calor. 6 V = 60% calor. 7 V = 70% calor. 8 V = 80% calor. 9 V = 90% calor. 10 V = 100% calor. Donde Variables programadas en el autómata programable Micro-autómata elegido para el caso PIA1. Protección de la fuente de alimentación que alimenta al autómata programable. PIA2. Protección de las salidas (resistencias) conectadas al PLC. PE. Borne y conductor de protección. S1. Interruptor, conectado a la puerta del horno para evitar el funcionamiento de las resistencias en caso de apertura de puerta. R1 a R10. Resistencias de caldeo. I1. Entrada digital. Interruptor conectado a la puerta del horno. AI1. Entrada analógica. Potenciómetro selector de temperatura. AI2. Entrada analógica. Sonda de temperatura en el interior del horno. Q1 a Q10. Salidas digitales. Resistencias de caldeo. M1. Marca. Se excita cuando el potenciómetro no es igual a “0”. M2. Marca. Se excita cuando la sonda AI 2, registra un valor un 10% por encima del valor prefijado por el potenciómetro (AI 1). con la misión de desconectar las resistencias. MW0. Valor del potenciómetro más “10”. T1.Temporizador. Alimentación 230 V AC. Además, el PLC aporta 24 V DC. para el módulo de entradas digitales. Módulo de entradas: 20 entradas digitales a 24 V DC. Tres módulos de salida a relé, con un total de 17 salidas. Módulo adicional de 4 entradas analógicas (0....20 mAy 0...10 V DC). A B L N I1 I2 I3 I4 I5 I6 I7 I8 I9 AI1AI2 MicroPLC Q1 Q2 Q3 Q4 OUTPUT 4xRELAY 10A OK A B L N I1 I2 I3 I4 I5 I6 I7 I8 I9 AI1AI2 MicroPLC Q1 Q2 Q3 Q4 OUTPUT 4xRELAY 10A OK A B L N I1 I2 I3 I4 I5 I6 I7 I8 I9 AI1AI2 MicroPLC Q1 Q2 Q3 Q4 OUTPUT 4xRELAY 10A OK A B L N I1 I2 I3 I4 I5 I6 I7 I8 I9 AI1AI2 MicroPLC Q1 Q2 Q3 Q4 OUTPUT 4xRELAY 10A OK 20% 10% 30% 40% 50% 60% 70% 80% 90% 100% 0% Control de la temperatura de un horno Control de la temperatura de un horno Grupo Título BAS. 20 Pg. 1 BAS. 20 Pg. 1 Programaciones básicas Programaciones básicas BAS20_CONTROL DE LA TEMPERATURA DE UN HORNO
  • 50.
    Cronogramas 10% 20% 30% 40% 50% 60% 70% 80% 90% 100% 0% 1 0 1 0 1 0 1 0 1 0 1 0 1 0 1 0 1 0 1 0 Q1. Resistencia 1 Q3.Resistencia 3 Q2. Resistencia 2 Q10. Resistencia 10 Q9. Resistencia 9 Q8. Resistencia 8 Q7. Resistencia 7 Q6. Resistencia 6 Q5. Resistencia 5 Q4. Resistencia 4 AI1. Potenciómetro Azul. Valor prefijado por el potenciómetro (AI 1). Rojo. Valor real de la temperatura registrado por sonda (AI 2). Qx. Resistencia x. 0 1 +10 -10 AI 1 AI 2 Momento de excitación de las resistencias según el selector (potenciómetro). Momento en el cual la temperatura real del interior del horno es superior a la prefijada. Grupo Título Programaciones básicas Programaciones básicas BAS. 20 Pg. 2 BAS. 20 Pg. 2 Control de la temperatura de un horno Control de la temperatura de un horno
  • 51.
    24 VDC L+ MM I1 I2 I3 I4 I5 I6 I7 I8 I9 I10 I11 I12 I13 I14 I15 I16 I17 I18 I19 I20 COM1 L1 N PE Q1 Q2 Q3 Q4 Q5 Q6 Q7 Q8 Q9 Q10 Q11 Q12 Q13 Q14 Q15 Q16 COM2 COM3 Q17 SALIDAS A RELÉ SALIDAS A RELÉ SALIDAARELÉ ENTRADAS A 24 V DC POWER RUN/STOP ERROR COM I1 I2 I3 I4 I5 I6 I7 I8 I9 I10 I11 I12 I13 I14 I15 I16 I17 I18 I19 I20 Q1 Q2 Q3 Q4 Q5 Q6 Q7 Q8 Q9 Q10 Q11 Q12 Q13 Q14 Q15 Q16 Q17 + 0V V1 I1 V2 I2 V3 I3 V4 I4 M 4 EA Cableado del PLC Alimentación salidas del PLC 16 mm 16 mm Circuito C1. 2 x 1,5 mm + T 2 Circuito C11. 2 x 1,5 mm + T 2 1 2 N N 10 A 1 2 N N 10 A Alimentación sensores digitales PE PIA 1 PIA 2 S1. Interruptor puerta de horno 3 4 0....10 V R1 R2 R3 R4 R5 R6 R7 R8 R9 R10 Sonda de temperatura 0...10 V 20% 10% 30% 40% 50% 60% 70% 80% 90% 100% 0% Resistencia variable Control de la temperatura de un horno Control de la temperatura de un horno Grupo Título BAS. 20 Pg. 3 BAS. 20 Pg. 3 Programaciones básicas Programaciones básicas
  • 52.
    Programación en FBD Q1 & AND Resistencias“1” & AND T1 >= Compara AI 1 10 I1 M1 R M2 Q2 & AND Resistencias “2” & AND T1 >= Compara AI 1 20 I1 M1 R M2 Q3 & AND Resistencias “3” & AND T1 >= Compara AI 1 30 I1 M1 R M2 Q2 & AND Resistencias “4” & AND T1 >= Compara AI 1 40 I1 M1 R M2 Q5 & AND Resistencias “5” & AND T1 >= Compara AI 1 50 I1 M1 R M2 Q6 & AND Resistencias “6” & AND T1 >= Compara AI 1 60 I1 M1 R M2 Q7 & AND Resistencias “7” & AND T1 >= Compara AI 1 70 I1 M1 R M2 Q8 & AND Resistencias “8” & AND T1 >= Compara AI 1 80 I1 M1 R M2 Q9 & AND Resistencias “9” & AND T1 >= Compara AI 1 90 I1 M1 R M2 Q10 & AND Resistencias “10” & AND T1 >= Compara AI 1 100 I1 M1 R M2 >= Compara AI 1 2 M1 Marca (memoria) Suma + Potenciómetro AI 1 10 MW0 20% 10% 30% 40% 50% 60% 70% 80% 90% 100% 0% M1 >= Compara AI 2 MW 0 M2 Marca (memoria) Sonda de temperatura AI 2 AI 1 IN T Retardo a la conexión 40 min. M1 T1 Grupo Título Programaciones básicas Programaciones básicas BAS. 20 Pg. 4 BAS. 20 Pg. 4 Control de la temperatura de un horno Control de la temperatura de un horno
  • 53.
    M1 Línea 1. Cuando elselector (potenciómetro) se gira aunque sea un poco espacio, se activa la marca M1. Técnicamente insertará en la entrada analógica algún voltaje. AI 1 2 > = Q1 Línea 2. La temperatura será gestionada por el potenciómetro (AI 1) de 0 a 100%. De diez en diez se irán activando salidas de Q1 a Q10, y cada salida conectará a su vez un grupo de resistencias. El potenciómetro implementará tensión de 0...10 V c.c. siendo 0 V = 0% y 10 V = 100%. - Si el valor que registra la sonda de temperatura (AI 2) es superior en un 10% al valor prefijado por el potenciómetro (AI 1), las resistencias se desconectan a través de M2. - Si se abre la puerta (I1), las resistencias se desconectan. - Existe un temporizador de seguridad (T1), que desconecta las resistencias si el tiempo de activación de forma continuada es muy elevado. AI 1 10 > = M2 I1 T1 M1 Q2 AI 1 20 > = M2 I1 T1 Q3 AI 1 30 > = M2 I1 T1 Q4 AI 1 40 > = M2 I1 T1 Q5 AI 1 50 > = M2 I1 T1 Q6 AI 1 60 > = M2 I1 T1 Q7 AI 1 70 > = M2 I1 T1 Q8 AI 1 80 > = M2 I1 T1 Q9 AI 1 90 > = M2 I1 T1 Q10 AI 1 100 > = M2 I1 T1 Programación en Ladder Control de la temperatura de un horno Control de la temperatura de un horno Grupo Título BAS. 20 Pg. 5 BAS. 20 Pg. 5 Programaciones básicas Programaciones básicas
  • 54.
    Línea 3. Al valorinstantáneo del potenciómetro se le suma la cifra “10”, y el resultado se “guarda” en la variable MW0. Si el valor de la sonda (AI 2) es superior al valor MW0, se activa la marca M2, que actúa en la línea 2, impidiendo que funcionen las resistencias. Suma 10 MW0 AI1 + AI 2 MW0 > = M2 M1 M1 IN T Retardo a la conexión T1 20 min. Línea 4. Si las resistencias están activas de forma continuada un tiempo determinado, se activará el bit del temporizadorT1, cortando el suministro a las mismas. Grupo Título Programaciones básicas Programaciones básicas BAS. 20 Pg. 6 BAS. 20 Pg. 6 Control de la temperatura de un horno Control de la temperatura de un horno
  • 55.
    r.a.c 2011 Descripción y requisitosmínimos Objetivos de este montaje Material necesario Un motor trifásico de rotor en cortocircuito (jaula de ardilla), será activado mediante un pulsador S1 (NA, 13-14). El elemento de control encargado de la activación del motor, será un contactor (KM 1). Para detener el funcionamiento del motor, se podrá presionar un pulsador S0 (NC,11-12). El montaje contará con protecciones, tanto para el circuito de mando, línea principal de potencia y sobrecarga del motor. Existirán indicaciones luminosas del estado de la instalación. Conocer el procedimiento más común en arranque directo de motores trifásicos. Toma de contacto con los procedimientos de conexión de la caja de bornes de un motor trifásico con rotor en cortocircuito. Determinar la utilidad del proceso de realimentación. Observar el funcionamiento de un relé térmico. F1 Protección circuito de mando. (PIA bipolar de 10 A). F2 Protección sobrecargas motor trifásico. (Relé térmico). F3 Protección circuito de potencia. (PIA tripolar de 16 A). S0 Pulsador de paro general. S1 Pulsador de activación. KM 1 Contactor de activación motor. (1 NA, 13-14 1 1 NC, 11-12. AC-4). H1 Indicador luminoso de la activación del motor. (Verde). H0 Indicador luminoso de sobrecarga del motor. (Rojo). Conductor flexible de 1 mm . Conductor flexible de 2,5 mm . Bornas de conexión de 2,5 mm . Bornas de conexión de 1,5 mm . Borna de tierra de 6 mm . → → → → → → → → 2 2 2 2 2 ACE. 02 Pg. 1 ACE. 02 Pg. 1 Puesta en marcha de un motor trifásico con protecciones: guardamotor Puesta en marcha de un motor trifásico con protecciones: guardamotor Grupo Título Automatismos cableados Automatismos cableados PLC_ACE02_GUARDAMOTOR 1L1 3L2 5L3 13 NO 21 NC A1 14 NO 22 NC A2 6T3 2T1 4T2 3 1 2 4 5 6 L1 L2 L3
  • 56.
    r.a.c 2011 Esquemas de mandoy potencia para desarrollo por automatismo cableado Grupo Título ACE. 02 Pg. 2 ACE. 02 Pg. 2 Puesta en marcha de un motor trifásico con protecciones: guardamotor Puesta en marcha de un motor trifásico con protecciones: guardamotor Automatismos cableados Automatismos cableados X1 X2 X1 X2 H0 13 14 Verde Roja 95 96 97 98 1 3 2 4 F2 H1 S1 A1 A2 2 1 F1 L L L 1 2 3 3 N N N N X1.1 X1.3 X1.5 X1.5 X1.4 KM 1 A C 13 14 11 12 S0 X1.2 X1.3 KM 1 2 3 3 4 2 F X2.7-8 F3 KM 1 1 2 3 4 5 6 A1 A2 F2 1 2 6 3 4 5 M 3 ~ U1 V1 W1 L1 1 3 5 2 4 6 L2 L3 X2 Manguera X2.1 X2.2 X2.3 1 2 3 4 5 6 L1 L2 L3 7 8 9 X2 X2.4 X2.5 X2.6 PE U1 V1 W1 U2 V2 W2 Conexionado del motor: Ejemplo, Motor 400/230 V (Y-D) conexión triángulo a 230 V
  • 57.
    r.a.c 2011 ACE. 02 Pg. 3 ACE.02 Pg. 3 Puesta en marcha de un motor trifásico con protecciones: guardamotor Puesta en marcha de un motor trifásico con protecciones: guardamotor Grupo Título Automatismos cableados Automatismos cableados Automatización programada del montaje PLC propuesto: Alimentación: 230V AC. Entradas a 230V AC. 8 Entradas digitales. Salidas a relé. 4 Salidas digitales. Bornero X1. Alimentación circuitos de control. Bornero X2. Entradas PLC fuera del cuadro. Bornero X3. Salidas PLC fuera del cuadro. Bornero X4. Circuito de potencia. Alimentación y motores. Programación en Ladder. Símbolos empleados Símbolo Significado Contacto abierto Bobina directa (Q) %I1, %I2, etc. Entradas digitales %Q1, %Q2, etc. Salidas digitales Contacto cerrado Activación de bobina en SET Desactivación de bobina en RESET R S I1 (S1). Pulsador de marcha (NA, 13-14). Q1 (KM 1). Contactor y Q2 (H2). I2 (S0). Pulsador de paro (NA, 13-14). I3 (F4). Relé térmico. 0 1 0 1 0 1 0 1 Q3 (H0). Aviso, avería. 0 1 (H1). Aviso, motor activo. 0 1 Cronograma Variables empleadas Variable Nombre Tipo Comentario I1 Pul_marcha Bool Pulsador de marcha I2 Pul_paro Bool Pulsador de paro I3 Relé_térmico Bool Relé térmico Q1 Motor Bool Contactor e indicativo luminoso de que el motor funciona correctamente Q2 Mot_OK Bool Indicativo luminoso de que el motor funciona correctamente Q3 Luz_avería Bool Indicativo luminoso de avería por sobrecarga
  • 58.
    r.a.c 2011 Grupo Título ACE. 02 Pg. 4 ACE.02 Pg. 4 Puesta en marcha de un motor trifásico con protecciones: guardamotor Puesta en marcha de un motor trifásico con protecciones: guardamotor Automatismos cableados Automatismos cableados Alimentación PLC A B L N I1 I2 I3 I4 I5 I6 I7 I8 I9 AI1AI2 MicroPLC Q1 Q2 Q3 Q4 OUTPUT 4xRELAY 10A OK F2 PIA 2 10 A 1 2 F4 Relé térmico 97 98 Pulsador de marcha (13-14) S1 13 14 X2.1 X2.2 Pulsador de paro (13-14) S2 13 14 X2.1 X2.3 I1 I2 I3 F1 PIA 1 10 A 1 2 X1 X2 KM 1 A1 A2 X3.6 X1 X2 X3.6 Alimentación circuito de potencia 230 V AC U1 V1 W1 U2 V2 W2 Conexionado del motor: Triángulo a 230 V F3 1 2 3 4 5 6 F4 1 2 6 3 4 5 M 3 U1 V1 W1 L1 1 3 5 2 4 6 L2 L3 X4 Manguera X4.1 X4.2 X4.3 1 2 3 4 5 6 L1 L2 L3 7 8 9 X4 X4.5 X4.6 X4.7 PE PE X4.4 3 x 2,5 mm + T 2 Q1 Motor H1 Motor (Q2) H2 Motor “OK” H1 H2 2 x 1,5 mm + T 2 L1 N1 PE L2 N2 230 V AC 230 V AC < L1. 230 V AC > < N1 > < PE > < L1. 230 V AC > < N1 > Alimentación salidas del PLC Alimentación entradas del PLC X1.1-2 X1.3-4 1,5 mm 2 Q1 Q2 A1 A2 Conexionado del PLC X1 X2 X3.6 (Q3) H3 Avería H3 Q3 1,5 mm 2
  • 59.
    r.a.c 2011 ACE. 02 Pg. 5 ACE.02 Pg. 5 Puesta en marcha de un motor trifásico con protecciones: guardamotor Puesta en marcha de un motor trifásico con protecciones: guardamotor Grupo Título Automatismos cableados Automatismos cableados 1 OR Pulsador marcha I1 Motor Q1 1 & AND Pulsador parada I2 Q1 1 Relé térmico I3 Aviso avería Q3 STOP RESET 97 N0 98 NO 95 NC 96 NC 2T1 4T1 6T1 Motor “ON” Q2 Q1 1 OR Pulsador marcha I1 Motor Q1 Pulsador parada I2 Relé térmico I3 Aviso avería Q3 STOP RESET 97 N0 98 NO 95 NC 96 NC 2T1 4T1 6T1 Motor “ON” Q2 Q1 RS R S Descripción de la programación Al activar el mecanismo pulsador que activa la entrada I1, se conecta el motor mediante la salida Q1. Al activar el mecanismo pulsador que excita la entrada I2, se desconecta el motor mediante la salida Q1. Q1, habilita la conexión de Q2, que a su vez activará un elemento de aviso luminoso. Si se activa el relé térmico; éste actuará en la entrada del PLC, I3, provocando que el motor se detenga (Q1 = Off), y activando un indicador luminoso, mediante la salida del PLC, Q3. Programación en FBD Con Set-Reset Con realimentación
  • 60.
    r.a.c 2011 Grupo Título ACE. 02 Pg. 6 ACE.02 Pg. 6 Puesta en marcha de un motor trifásico con protecciones: guardamotor Puesta en marcha de un motor trifásico con protecciones: guardamotor Automatismos cableados Automatismos cableados Q1 I2 R I3 Línea 2 Q1 I1 S Línea 1 Línea 1 Q2 Q1 Q3 I3 Con Set-Reset Línea 3 Línea 4 Q1 I3 I1 I2 Q1 Q2 Q1 Línea 1 Q3 I3 Línea 3 Con realimentación Línea 2 Programación en LD
  • 61.
    r.a.c 2011 Descripción y requisitosmínimos El conmutador selector adopta la posición de MANUAL Condiciones de funcionamiento El conmutador selector adopta la posición deAUTOMÁTICO Un taladro de columna, podrá funcionar de forma manual o automática, según la posición de un conmutador selector (S1). Existirán tres pulsadores; (S2) ordenará la bajada del conjunto móvil (KM 1); (S3) ordenará por contra, la subida del conjunto móvil (KM 2), donde el motor encargado de la subida-bajada, será trifásico de rotor en cortocircuito. Un pulsador (S4), será el encargado de hacer girar el porta- brocas. En las tres órdenes descritas no existe realimentación, es decir, solo funcionará (KM 1, KM 2 ó KM 3), mientras dure la acción sobre el pulsador concreto. - U - El motor del porta-brocas será monofásico. - Si cualquiera de los relés térmicos del taladro se activa por sobrecarga, todo el conjunto quedará desconectado, avisado de forma luminosa. Un detector (D1) situado en la parte inferior, lugar donde se ubicarán las piezas a taladrar, advertirá la presencia de éstas, ocurriendo lo siguiente; una vez el detector identifica una pieza, el conjunto móvil que está en la parte superior, comienza a bajar (KM 1); aproximadamente a media altura, el conjunto presionará el final de carrera (FC 3), que activará el motor de giro del porta-brocas; el conjunto seguirá bajando, taladrará pieza, y activando el final de carrera ( FC 1), el motor de bajada (KM 1) se detiene. Acto seguido, comienza un tiempo de reposo, que permitirá que la inversión no sea “brusca” (KT 1). Pasado el mencionado tiempo, la parte móvil comienza a subir (KM 2), -el portabrocas sigue girando- y una vez se deja de presionar el final de carrera (FC 3), el motor del portabrocas se detiene. El conjunto continua subiendo, hasta que es detenido por el final de carrera (FC 2). Note en el esquema de mando, que dos contactores auxiliares (KA 1) y (KA 2) serán los encargados de gestionar las posiciones de automática y manual, respectivamente, del mismo modo que los finales de carrera serán los mismos, tanto para el modo automático, como para el manual. n final de carrera (FC 1), situado en la parte inferior, que pondrá fin al movimiento de bajada, es decir, una vez llegado a ese extremo, el motor sentido bajada ( KM 1), se detiene. - Otro final de carrera (FC 2), hará lo propio en el movimiento de subida de la parte móvil (KM 2). - El final de carrera que acciona automáticamente el motor de giro del porta-brocas (FC 3), no funcionará en forma manual. - Si se presionan a la vez los pulsadores de subida y bajada, no funcionará nada. ACE. 20 Pg. 1 ACE. 20 Pg. 1 Taladro de columna Taladro de columna Grupo Título Automatismos cableados Automatismos cableados N : 5 Conmutador Manual-Automático Sube Baja Final de carrera superior Final de carrera inferior Final de carrera giro Portabrocas BAJA SUBE GIRO Detector Piezas MANUAL Gira Avería ACE20_TALADRO DE COLUMNA
  • 62.
    r.a.c 2011 Esquema de mandopara desarrollo por automatismo cableado Material necesario F1 Protección circuito de mando. F2 Relé térmico motor 1. F3 Relé térmico motor 2. F4 Protección línea motor 1. F5 Protección línea motor 2. S1 Conmutador selector manual-automático. S2 Pulsador de bajada conjunto móvil. S3 Pulsador de subida del conjunto móvil. S4 Pulsador de giro porta-brocas. D1 Detector de piezas. KA 1 Relé auxiliar, posición “Automática”. KA 2 Relé auxiliar, posición “Manual”. KM 1 Motor de bajada conjunto móvil. KM 2 Motor de subida conjunto móvil. KM 3 Motor giro del porta-brocas. H00 Indicativo relé térmico 1 activado (F3). H01 Indicativo relé térmico 2 activado (F2). H1 Indicativo KM 1 activado. H2 Indicativo KM 2 activado. H3 Indicativo KM 3 activado. → → → → → → → → → → → → → → → → → → → → Grupo Título ACE. 20 Pg. 2 ACE. 20 Pg. 2 Taladro de columna Taladro de columna Automatismos cableados Automatismos cableados 95 96 97 98 F3 95 96 97 98 1 3 2 4 5 6 7 8 9 10 11 12 13 14 F2 2 1 F1 L L L 1 2 X1.13 X1 X2 H00 Avería Roja N X1.21 X1.19 23 X1 X2 H01 Avería Naranja N X1.21 X1.21 3 11 12 14 0 11 12 13 14 13 14 KM 1 D1 21 22 KA 2 KA 2 31 32 KA 2 67 68 KT 1 23 24 KM 2 S1 S2 S3 13 14 21 22 11 12 23 24 11 12 21 22 KA 1 KA 1 11 12 FC 2. ARRIBA 23 24 11 12 FC 1. ABAJO 11 12 KM 2 Azul A1 A2 N KM 1 A C 8 X1 X2 H1 N X1.21 X1.16 8 A1 A2 N KA 1 A C 11 8 9 3 5 Azul A1 A2 N KM 2 A C 14 X1 X2 H2 N X1.21 X1.17 14 6 2 A1 A2 N KT 1 A C 5 Automático Baja Sube 21 22 KM 1 33 34 43 44 13 14 13 14 S4 KA 1 KA 2 FC 3 GIRO A1 A2 N KA 2 A C 12 2 4 Manual 5 Azul A1 A2 N KM 3 A C 21 X1 X2 H3 N X1.21 X1.18 21 Giro X1.14 X1.15 X1.7 X1.11 X1.8 X1.11 X1.12 X1.1 X1.3 X1.5 N 2 4 4 4 4 4 4 4 5 5 6 7 X1.2 X1.4 X1.6 9 9 10 11 11 12 12 13 15 15 15 15 15 15 16 17 18 19 20 21 21 22 L X1.14 X1.9 F X2.7-8 Conmutador Automático Cero Manual S2 Bajada manual S3 Subida manual S4 Giro portabrocas manual AUT. MANUAL
  • 63.
    r.a.c 2011 ACE. 20 Pg. 3 ACE.20 Pg. 3 Taladro de columna Taladro de columna Grupo Título Automatismos cableados Automatismos cableados L1 L2 L3 X2 X2.1 X2.2 X2.3 PE F5 KM 2 1 2 3 4 5 6 A1 A2 F3 1 2 6 3 4 5 M ~ U1 V1 1 3 2 4 Manguera 10 11 12 13 14 L1 15 16 X2 X2.8 X2.9 N X2.4 U1 V1 C1 V2 C2 U2 Conexionado del motor: 17 17 F4 KM 1 1 2 3 4 5 6 A1 A2 F2 1 2 6 3 4 5 M 3 ~ U1 V1 W1 1 3 5 2 4 6 Manguera 1 2 3 4 5 6 L1 L2 L3 7 8 9 X2 X2.5 X2.6 X2.7 U1 V1 W1 U2 V2 W2 Conexionado del motor: KM 2 1 2 3 4 5 6 A1 A2 1 2 3 6 5 4 PE KM 1 Motor baja KM 2 Motor sube KM 3 Giro protabrocas Esquema de potencia apto para desarrollo por automatismo cableado y automatismo programado por PLC
  • 64.
    r.a.c 2011 Grupo Título ACE. 20 Pg. 4 ACE.20 Pg. 4 Taladro de columna Taladro de columna Automatismos cableados Automatismos cableados Variable Nombre Tipo Asociada Comentario I1 Int_man_aut Bool S1 Conmutador manual-automático I2 Pul_man_baja Bool S2 Pulsador manual conjunto baja I3 Pul_man_sube Bool S3 Pulsador manual conjunto sube I4 Pul_giro_broca Bool S4 Pulsador manual giro portabrocas I5 Detec_piezas Bool Capacitivo Detector capacitivo pieza abajo I6 FC_inferior Bool Final de carrera interior conjunto móvil I7 FC_superior Bool Final de carrera superior conjunto móvil I8 FC_Giro_brocas Bool Final de carrera giro portabrocas I9 RT_conjunto Bool Relé térmico conjunto sube-baja I10 RT_portabrocas Bool Relé térmico giro porta-brocas Q1 Motor_baja Bool KM 1 Motor baja conjunto Q2 Motor_sube Bool KM 2 Motor sube conjunto Q3 Motor_gira Bool KM 3 Motor gira porta-brocas Q4 Avería_RT Bool H4 Aviso, avería en algún motor por sobrecarga M1 M_Manual Bool Memoria modo manual M2 M_Automático Bool Memoria modo automático Automatización programada del montaje Variables empleadas PLC propuesto: Alimentación: 24 V DC. Entradas a 24 V DC. 10 Entradas digitales. Salidas a relé. 8 Salidas digitales. Bornero X1. Alimentación circuitos de control. Bornero X2. Entradas PLC fuera del cuadro. Bornero X3. Salidas PLC fuera del cuadro. Bornero X4. Circuito de potencia. Alimentación y motores. Programación en Ladder. Símbolos empleados Símbolo Significado Contacto abierto Bobina directa (Q) %I1, %I2, etc. Entradas digitales %Q1, %Q2, etc. Salidas digitales Contacto cerrado NOT, inversión NOT Memoria directa, marca (M) RS R S X nº T.Asín T nº “tiempo” Función SET-RESET (Biestable) TON T nº “tiempo” Temporizador con retardo a la conexión (TON) Temporizador con salida intermitente síncrona o asíncrona parametrizable.
  • 65.
    r.a.c 2011 ACE. 20 Pg. 5 ACE.20 Pg. 5 Taladro de columna Taladro de columna Grupo Título Automatismos cableados Automatismos cableados 1 3 2 4 Alimentación fuente PLC 230 V AC Alimentación entradas del PLC a 24 V c.c. PIA 10 A Input: AC 100-240V Output: DC 24V/1,3 A 24V ok L+ N + + - - POWER A B L+ M PE I1 I2 I3 I4 I5 I6 I7 I8 I9 I10 PLC Q1 Q2 Q3 Q4 RUN Q5 Q6 Q7 Q8 COM ERROR L2 N2PE 1 3 2 4 PIA 10 A L1N1PE S1 S2 Alimentación salidas del PLC 24 V AC S=2x1,5 mm +T 2 S=2x1,5 mm +T 2 I1 I2 Sección: 1 mm 2 Sección: 1 mm 2 L2 N2 L1 N1 PE PE L2 <Q: 24 V AC> Q1 Q2 Q3 Q4 Sección: 1 mm 2 +24 V +24 V X1.1-2 X1.3-4 X2.1 X2.1 X2.2 X2.3 13 14 13 14 F4 F1 Det. I5 I9 97 98 Leyenda entradas y salidas del PLC I1 (S1). Interruptor-conmutador manual-automático. I2 (S2). Pulsador manual baja. I3 (S3). Pulsador sube. I4 (S4). Pulsador giro porta-brocas. I5. Detector pieza (capacitivo). I6. Final de carrera inferior. I7. Final de carrera superior. I8. Final de carrera giro porta-brocas. I9. Relé térmico conjunto móvil. I10. Relé térmico motor giro porta-brocas. Q1. (KM 1). Motor baja. Q2. (KM 2). Motor sube. Q3. (KM 3). Motor giro porta-brocas. Q4. Aviso, avería por sobre carga en algún motor. I6 X2.1 X2.7 13 14 Contactor KM 3 motor giro portabrocas H4 X1 X2 N <Q> X3.5 H4 Aviso intermitente avería en algún motor X3.4 A1 A2 H1 X1 X2 A1 A2 H2 X1 X2 N <Q> N <Q> X3.5 N <Q> X3.5 N <Q> Contactor KM 1 Motor baja Contactor KM 2 Motor sube KM 1 KM 2 X3.1 X3.2 S3 I3 X2.1 X2.4 13 14 S4 I4 X2.1 X2.5 13 14 FC abajo I7 X2.1 13 14 FC arriba I8 X2.1 13 14 FC giro I10 97 98 RT baja- sube RT gira A1 A2 H3 X1 X2 N <Q> X3.5 N <Q> KM 3 X3.3 +24 +24 +24 Alimentación detector inductivo pieza a taladrar Det. X2.8 X2.9 X2.6 Conexionado del PLC
  • 66.
    r.a.c 2011 Grupo Título ACE. 20 Pg. 6 ACE.20 Pg. 6 Taladro de columna Taladro de columna Automatismos cableados Automatismos cableados Línea 1. El interruptor-conmutador (I1), activará de forma directa la memoria (M1), que es indicativo de modo automático. La excitación de cualquier relé térmico del circuito, impedirá el funcionamiento. I1 Int_man_aut M1 M_Automático Línea 2. Si el interruptor-conmutador (I1), NO está activo, se activa la marca (M2), que es indicativo de modo manual. La excitación de cualquier relé térmico del circuito, impedirá el funcionamiento. Línea 3. Modo automático: Si el detector (I5), advierte una pieza, se activa la marca auxiliar (M3), para orden de bajada, a través de la salida (Q1). Esta marca podrá ser anulada por: - La activación del relé térmico del conjunto arriba-abajo. - Final de carrera inferior. - Un contacto de seguridad de motor sube (Q2). - La memoria (M1), automático debe estar activa. I1 Int_man_aut M2 M_Manual I5 Detec_piezas I6 FC_inferior I9 RT_conjunto Q2 Motor sube M1 M_Automático RS R S M3 Programación en LD (Ladder) I10 RT_portabrocas I9 RT_conjunto I10 RT_portabrocas I9 RT_conjunto
  • 67.
    r.a.c 2011 ACE. 20 Pg. 7 ACE.20 Pg. 7 Taladro de columna Taladro de columna Grupo Título Automatismos cableados Automatismos cableados Línea 6. Seguimos en modo automático. Cuando el conjunto ha llegado a la parte inferior, el final de carrera (I6), además de anular el motor de bajada (línea 3), excita un temporizador con retardo a la activación -TON- con el propósito de retrasar la orden de subida del conjunto. Se entiende, que el tiempo programado será el suficiente para taladrar la pieza según un material determinado. I6 FC_inferior M1 M_Automático TON T1 3 seg. M3 Q1 Motor_baja M5 M_Man_baja Línea 5. Por tanto, el conjunto del taladro bajará automáticamente si finalmente es excitada la marca (M3), o manualmente, si se activa la marca (M5), síntoma de activación de modo manual. I6 FC_inferior I9 RT_conjunto Q2 Motor_sube M5 M_Man_baja NOT I2 Pul_mar_baja M2 M_Manual I3 Pul_man_sube Línea 4. Modo “manual” en bajada del conjunto: - Presionando el pulsador de bajada (I2), se excita la marca (M5), que ordenará a (Q1), motor de bajada. Pueden impedir el funcionamiento: - La activación del pulsador contrario, es decir, subida del conjunto (I3). - La activación del final de carrera inferior (I6), síntoma de que el conjunto ha llegado a su tope inferior. - La excitación del relé térmico (I9). - Un contacto de seguridad de motor sube (Q2). Línea 7. El temporizador activará en SET la marca (M4), que es síntoma de activación de subida del conjunto a través de la salida (Q2). Esta marca podrá ser anulada por: - El final de carrera superior (I7). - La activación del relé térmico del motor que sube y baja el conjunto (I9). - Un contacto de seguridad de motor baja (Q1). - La memoria (M1), automático debe estar activa. T1 I7 FC_superior I9 RT_conjunto Q1 Motor_baja M1 M_Automático RS R S M4
  • 68.
    r.a.c 2011 Grupo Título ACE. 20 Pg. 8 ACE.20 Pg. 8 Taladro de columna Taladro de columna Automatismos cableados Automatismos cableados Línea 12. El citado temporizador con salida intermitente parametrizable, excitará la salida (Q4), que es síntoma de avería en uno de los dos relés térmicos. Q4 Avería_RT Q3 Motor_gira Línea 10. El motor del porta-brocas (Q3) podrá ser activado igualmente por dos líneas de programación; por un lado, en modo automático, donde se habilita el final de carrera (I8), para que realice dicha función de activación; por otro, en modo manual, será un pulsador (I4), el que pueda hacer girar el motor. I8 FC_giro_broca I10 RT_portabrocas I10 RT_portabrocas I4 Pul_giro_broca M1 M_Automático M2 M_Manual Línea 11. Si se activa un relé térmico, tanto del motor que baja y sube el conjunto, como del motor de giro del porta-brocas, se excitará un aviso intermitente, a través de un temporizador que ofrezca un bit de salida intermitente. T.Asín T2 0,5 seg. I10 RT_portabrocas I9 RT_conjunto I7 FC_superior I9 RT_conjunto Q1 Motor_baja M6 M_Man_sube NOT I3 Pul_man_sube M2 M_Manual I2 Pul_man_baja Línea 8. Modo “manual” en subida del conjunto: - Presionando el pulsador de subida (I3), se excita la marca (M6), que ordenará a (Q2), motor de subida. Pueden impedir el funcionamiento: - La activación del pulsador contrario, es decir, bajada del conjunto (I2). - La activación del final de carrera superior (I7), síntoma de que el conjunto ha llegado a su tope superior. - La excitación del relé térmico (I9). - Un contacto de seguridad de motor baja (Q1). M4 Q2 Motor_sube M6 M_Man_sube Línea 9. El conjunto del taladro subirá automáticamente, si finalmente es excitada la marca (M4), o manualmente, si se activa la marca (M6), síntoma de activación de modo manual. T2
  • 69.
    r.a.c 2011 Descripción y requisitosmínimos El paso a nivel con barreras, que gestiona el tráfico entre dos vías de tren y una carretera de doble sentido, deberá cumplir las siguientes condiciones: - Cada vía de tren cuenta con un detector de llegada de tren, ubicado metros antes del cruce, donde I1 es para la vía 1 e I5 para la vía 2. - El funcionamiento normal en la llegada de un tren, en cualquiera de las dos vías es el siguiente: > Una vez que el tren en su llegada, activa el detector correspondiente, se conecta durante 5 segundos, una campana de aviso, Q1. > Al mismo instante, se conexionan de forma intermitente dos lámparas (Q2 y Q3), que estarán en ese estado hasta la salida del tren. > A los 7 segundos de ser activado el sensor de llegada, se conexiona la salida Q4, que indica motor de bajada de barreras. Éstas estarán bajando hasta ser detenidas por el final de carrera I2. > Cuando el tren sale del cruce y activa el detector de salida correspondiente, se conexiona la salida Q5, la cual conecta el motor de subida de las barreras, hasta ser detenido por el final de carrera I4. - Condición 1: Si mientras está pasando un tren por el cruce, otro, activa el detector de entrada de la vía contraria, el proceso continuará hasta que salga de la zona el último tren que entró, es decir, cuando el último tren presione su correspondiente detector de salida. - Condición 2: si las barreras está subiendo, síntoma de que el tren está saliendo de la zona, y entra un nuevo tren por la vía contraria, las barreras se detienen durante 5 segundos y comienzan de nuevo la bajada. - Cada vez que entra un tren por una vía, se activa una marca (memoria), que será desactivada, sólo cuando el tren termina su paso por el cruce. - El bloque B027, se encarga de retrasar la bajada de barreras, cuando estas subían y en ese momento entra un tren por la vía contraria. - Nunca podrán subirse las barreras, mientras un tren no haya activado su sensor de salida correspondiente. - Cada vía de tren cuenta con un detector de salida de tren, ubicado metros después del cruce, donde I3 es para la vía 1 e I6 para la vía 2. STOP STOP Sube Barrera Campana Detector llegada vía 1 Detector salida vía 2 Final de carrera superior barrera 1 Final de carrera inferior barrera 1 Detector salida vía 1 Detector llegada vía 2 Sube Barrera Baja Barrera Final de carrera inferior barrera 2 Final de carrera superior barrera 2 Baja Barrera Paso a nivel con barreras Paso a nivel con barreras Aplicaciones industriales Aplicaciones industriales Grupo Título API. 15 Pg. 1 API. 15 Pg. 1
  • 70.
    r.a.c 2011 13 14 F N Alimentación PLC yentradas PLC 1 2 F1 F N Alimentación salidas del PLC F4 Detector llegada vía 1 1 2 Final carrera baja barreras 13 14 13 14 Detector salida vía 1 13 14 Final de carrera sube barreras 13 14 Detector llegada vía 2 13 14 Detector salida vía 2 Q1 Q2 Q3 Q4 Q5 Q6 Q7 Q8 Tecla 1 Tecla 2 Tecla 3 Tecla 4 Tecla 5 Tecla 6 Datos L1 N Alimentación I1 I2 I3 I4 I5 I6 I7 I8 I9 I10 I11 I12 Entradas Salidas I1 I2 Q1 1 2 3 4 5 6 1 2 3 4 5 6 F3 1 2 6 3 4 5 L1 L2 L3 KM 1 motor barreras bajan KM 2 Motor barreras suben Alimentación circuito de potencia M 3~ U V W F2 1 3 5 2 4 6 U1 V1 W1 U2 V2 W2 A1 A2 A1 A2 Campana Intermitentes KM 1 KM 2 H1 H2 H3 H4 Donde: I1. Detector de llegada de tren por vía 1. I2. Final de carrera, barreras abajo. I3. Detector de salida de tren, vía 1. I4. Final de carrera, barreras arriba. I5. Detector de llegada de tren por vía 2. I6. Detector de salida de tren, vía 2. M1. Memoria de proceso de paso de tren por vía 1. M2. Memoria de proceso de paso de tren por vía 2. Q1. Campana. Q2 y Q3. Lámparas intermitentes. Q4. KM 1, baja barreras. Q5. KM 2, sube barreras. Además: F1. Protección PLC y entradas PLC. F2. Protección circuito motor barreras. F3. Relé térmico motor barreras. F4. Protección salidas del PLC. Cableado Grupo Título Paso a nivel con barreras Paso a nivel con barreras Aplicaciones industriales Aplicaciones industriales API. 15 Pg. 2 API. 15 Pg. 2
  • 71.
    r.a.c 2011 Paso a nivelcon barreras Paso a nivel con barreras Aplicaciones industriales Aplicaciones industriales Grupo Título API. 15 Pg. 3 API. 15 Pg. 3 Línea 1. El detector (I1) de llegada de tren por la vía 1, activa la marca (M1) en SET. M1 es memoria de paso de tren por la vía 1. Esta marca se puede desactivar por: - (I4) final de carrera barreras arriba en flanco positivo. - (I3), detector de salida de tren vía 1, si se cumple que (M2), memoria de paso de tren por vía 2, está también activa. - (M3), memoria de seguridad. I1 Det_llega_vía1 I3 Det_sale_vía1 I4 FC_barr_arriba M3 RS R S M1 P M2 Línea 2. El detector (I5) de llegada de tren por la vía 2, activa la marca (M2) en SET. M2 es memoria de paso de tren por la vía 2. Esta marca se puede desactivar por: - (I4) final de carrera barreras arriba en flanco positivo. - (I6), detector de salida de tren vía 2, si se cumple que (M1), memoria de paso de tren por vía 1, está también activa. - (M4), memoria de seguridad. I5 Det_llega_vía2 I6 Det_sale_vía2 I4 FC_barr_arriba M4 RS R S M2 P M1 M1 Q1 Campana M2 Línea 3. Tanto la marca (M1), como la (M2), permitirán el aviso de llegada de tren a través de una campana (Q1), durante un tiempo determinado, gestionado por un temporizador con retardo a la activación. TON T1 10 seg. T1 Programación en LD
  • 72.
    r.a.c 2011 Grupo Título Paso a nivelcon barreras Paso a nivel con barreras Aplicaciones industriales Aplicaciones industriales API. 15 Pg. 4 API. 15 Pg. 4 Línea 4. M1 ó M2, activarán dos lámparas alternativas intermitentes, avisando de la llegada de un tre por una vía u otra. T.Asín T2 0,5 seg. M2 M1 T2 Q2 Lámpara 1 T2 Q1 Lámpara 2 M5 Línea 5. (M5), es una memoria que se activa sólo cuando están activas (M1, M2 y Q5). (Q5), es la activación del motor que sube las barreras. M1 M2 Q5 Mot_sube_barr M5 Q4 Mot_baja_barr RS R S M6 Línea 6. Si se cumple que (M5=1), se activa una nueva memoria (M6), esta memoria puede ser anulada por (Q4), que es la activación del motor para bajar las barreras. M6 TON T3 5 seg. Línea 7. La misión de (M6) es retardar la activación del temporizador (T3). T3 T4 RS R S Q4 Mot_baja_barr Línea 8. El temporizador (T3), finalmente activará a (Q4), motor de bajada de barreras, aunque también podrá hacerlo el temporizador (T4). Esta salida se anulará por (I2), final de carrera de bajada barrera, o por (Q5), que representa un contacto de seguridad de motor sube barreras. Q5 Mot_sube_barr I2 FC_baja_barr
  • 73.
    r.a.c 2011 Paso a nivelcon barreras Paso a nivel con barreras Aplicaciones industriales Aplicaciones industriales Grupo Título API. 15 Pg. 5 API. 15 Pg. 5 Línea 9. Si se activa (M1 ó M2) y no está activa la memoria (M5), se excitará un temporizador (T4), con el propósito de conectar a (Q4) motor barrera baja -línea 8-. M2 M1 M5 TON T4 7 seg. M2 RS R S Q5 Mot_sube_barr Línea 10. En este segmento se dan los condicionantes para la activación y desactivación de (Q5), que es el motor de subida de la barrera. Q4 Mot_baja_barr I4 FC_sube_barr I3 Det_sale_vía1 M1 I6 Det_sale_vía2 M5 RS R S M7 Línea 11. Atención a las siguientes 4 líneas. Si coincide que, mientras está bajando la barrera, entra un tren por la vía opuesta -a la orden inicial-, y se activa el sensor de salida de la primera vía activa, se desconecta la memoria de esta. Note que la marca (M7) fija el valor de (I3), que es el detector de salida de vía 1. Cuando sube la barrera, (M7 = 0). I3 Det_sale_vía1 I4 FC_sube_barr M3 Línea 12. (M3), es una memoria que se activa sólo cuando están activas (M7, M2 y Q5). (Q5), es la activación del motor que sube las barreras. M7 M2 Q5 Mot_sube_barr RS R S M8 Línea 13. Si coincide que, mientras está bajando la barrera, entra un tren por la vía opuesta -a la orden inicial-, y se activa el sensor de salida de la primera vía activa, se desconecta la memoria de esta. Note que la marca (M8) fija el valor de (I6), que es el detector de salida de vía 2. Cuando sube la barrera, (M8 = 0). I6 Det_sale_vía2 I4 FC_sube_barr
  • 74.
    r.a.c 2011 Grupo Título Paso a nivelcon barreras Paso a nivel con barreras Aplicaciones industriales Aplicaciones industriales API. 15 Pg. 6 API. 15 Pg. 6 M4 Línea 14. (M4), es una memoria que se activa sólo cuando están activas (M8, M1 y Q5). (Q5), es la activación del motor que sube las barreras. M8 M1 Q5 Mot_sube_barr
  • 75.
    r.a.c 2011 Control automático dedos depósitos para óleo Control automático de dos depósitos para óleo Aplicaciones industriales Aplicaciones industriales Grupo Título API21_CONTROL_DEPÓSITOS_ACEITE API. 21 Pg. 1 API. 21 Pg. 1 I3 Pulsador que activa bomba 1 para llenado depósito 1 Q1 Motor bomba depósito 1 Al consumo o embotellado 0 I4 Pulsador que desactiva bomba 1 para llenado depósito 1 DEPÓSITO 1 DEPÓSITO 2 AI1 Sonar 1. Mide volumen de aceite del depósito 1 AI2 Sonar 2. Mide volumen de aceite del depósito 1 AI3 Sonar 3. Mide volumen de aceite del depósito 2 AI4 Sonar 4. Mide volumen de aceite del depósito 2 I5 Pulsador que activa bomba 2 para llenado depósito 2 0 I6 Pulsador que desactiva bomba 2 para llenado depósito 2 I1 Pulsador que activa el consumo de aceite de los depósitos 0 I2 Pulsador que desactiva el consumo de aceite de los depósitos Q4 Motor bomba llenado depósito 2 Q3 Motor bomba llenado depósito 1 Q5 Aviso, sonar defectuoso en depósito 1 Q6 Aviso, sonar defectuoso en depósito 2 Válvula antiretorno Q2 Motor bomba depósito 2 Gráfico descriptivo NA NC 2 T1 4 T2 6 T3 95 96 97 98 STOP RESET I7 Relé térmico Motor 2 I7 Relé térmico Motor 1 NA NC 2 T1 4 T2 6 T3 95 96 97 98 STOP RESET NA NC 2 T1 4 T2 6 T3 95 96 97 98 STOP RESET I7 Relé térmico Motor 3 I7 Relé térmico Motor 4 NA NC 2 T1 4 T2 6 T3 95 96 97 98 STOP RESET
  • 76.
    r.a.c 2011 Grupo Título Control automático dedos depósitos para óleo Control automático de dos depósitos para óleo Aplicaciones industriales Aplicaciones industriales API. 21 Pg. 2 API. 21 Pg. 2 Descripción y requisitos mínimos El control de llenado y vaciado de dos depósitos para almacén de aceite de oliva, se gestionará con microcontrolador, con las siguientes características: 1. Un sónar es un detector analógico que mide la distancia del aceite, con el propósito de calcular el volumen del depósito. En este ejercicio no se calculará una medida determinada, y se tomará por tanto el dato directo de la entrada analógica asociada a cada sónar, que podrá oscilar de 0 a 1000. Cada depósito incorpora dos sónar, donde AI1 y AI2 son las entradas analógicas equivalentes de los sónar del depósito 1 y AI3 y AI4 son las entradas analógicas equivalentes de los sónar del depósito 2. Los dos sónar de cada depósito deben indicar la misma medida, si ello no ocurriera, (por avería de un dispositivo), se activará una alarma acústica o luminosa, donde Q5 es aviso por sónar averiado en depósito 1 y Q6 es aviso por sónar averiado en depósito 2. 2. Cada depósito cuenta con un motor bomba para la extracción del líquido para su posterior envasado, donde Q1 es motor bomba del depósito 1 y Q2 es motor bomba del depósito 2. Al presionar el pulsador (I1) se activará el motor bomba del depósito que en ese instante, tuviera más volumen de aceite, es decir, al presionar I1, se podrá activar Q1 ó Q2. El sónar 1 del depósito 1 (AI1), y el sónar 3 del depósito 2 (AI2), determinarán con su medida, qué depósito tiene más volumen en cada instante. La memoria M1 se activa cuando el depósito 1 tiene más volumen de aceite que el 2, y la memoria M2, se activa cuando el depósito 2 es el que tiene más aceite. 3. Si se activa de forma continuada un motor bomba (Q1 ó Q2), y el fluido del depósito correspondiente baja hasta un nivel considerado extremo, automáticamente, se detendrá el motor bomba, activándose el contrario. La memoria (M5), se activará cuando el depósito 1 baje de nivel a mínimo y la memoria (M3), hará lo propio con el depósito 2. 4. El pulsador (I2) es un paro general. 5. Existe un motor bomba (Q3), para llenar el depósito 1. Se pone en marcha con el pulsador (I3), y se detiene con el pulsador (I4), ó si en depósito alcanza un valor de llenado máximo (calibrado a “800”) medido por el sónar 2 (AI2). Si se alcanza el valor de “800”, se activa la memoria (M6). Se considerará un valor mínimo, por debajo de “200”, y máximo por encima de “800”. 6. También existe un motor bomba (Q4), para llenar el depósito 2. Se pone en marcha con el pulsador (I5), y se detiene con el pulsador (I6), ó si en depósito alcanza un valor de llenado máximo (calibrado a “800”) medido por el sónar 4 (AI4). Si se alcanza el valor de “800”, se activa la memoria (M4). 7. La memoria M7, se activará cuando lo haga Q1 ó Q2, con el propósito de asegurar el trasvase de aceite, es decir, si se agota el fluido de un depósito M7 asegura que continúe el trasvase con el otro depósito. 8. Si se activa cualquier relé térmico de cualquier motor-bomba, se detienen todos los motores y se excita de forma intermitente un aviso con la salida Q7. I1. Pulsador que activa los motores-bomba Q1 ó Q2. I2. Pulsador de paro general. I3. Pulsador que activa a Q3, como motor-bomba de llenado para depósito 1. I4. Pulsador que desactiva a Q3. I5. Pulsador que activa a Q4, como motor-bomba de llenado para depósito 2. I6. Pulsador que desactiva a Q4. AI1. Entrada analógica 1. Se corresponde con el sónar 1 que mide la distancia de llenado (y con este dato se determina el volumen), del aceite del depósito 1. AI2. Entrada analógica 2. Se corresponde con el sónar 2, que realiza exactamente la misma función queAI1. La asociación deAI1 +AI2 = medida sin errores. AI3. Entrada analógica 3. Se corresponde con el sónar 3 que mide la distancia de llenado del aceite del depósito 2. AI4. Entrada analógica 4. Se corresponde con el sónar 4, que realiza exactamente la misma función queAI3. La asociación deAI3 +AI4 = medida sin errores. Q1. Motor-bomba depósito 1. Q2. Motor-bomba depósito 2. Q3. Motor-bomba para llenado de depósito 1. Q4. Motor-bomba para llenado de depósito 2. Q5.Aviso, sónar defectuoso en depósito 1. Q6.Aviso, sónar defectuoso en depósito 2. M1. Memoria. Indicador de que el depósito 1 tiene más volumen de aceite que el depósito 2. M2. Memoria. Indicador de que el depósito 2 tiene más volumen de aceite que el depósito 1. M3. Memoria. Se activa cuando el depósito 2, alcanza su valor mínimo (< de 200). M4. Memoria. Se activa cuando el depósito 2, alcanza su valor de llenado máximo (800). M5. Memoria. Se activa cuando el depósito 1, alcanza su valor mínimo (< de 200). M6. Memoria. Se activa cuando el depósito 1, alcanza su valor de llenado máximo (800). M7. Memoria. Se activa cuando se excita Q1 ó Q2. Permite un funcionamiento ininterrumpido, en caso de agotamiento de uno de los dos depósitos. M8. Memoria sónar 1 y sónar 2 están OK. M9. Memoria sónar 3 y sónar 4 están OK. Donde:
  • 77.
    r.a.c 2011 1 3 2 4 Alimentación fuentePLC 230 V c.a. Alimentación entradas del PLC a 24 V c.c. 13 14 PIA 10 A X1 X2 H1 Input: AC 100-240V Output: DC 24V/1,3 A 24V ok L+ N + + - - POWER A B L+ M PE I1 I2 I3 I4 I5 I6 I7 I8 I9 I10 PLC Q1 Q2 Q3 Q4 RUN Q5 Q6 Q7 Q8 COM ERROR L N PE Pulsador que habilita consumo 13 14 Pulsador de paro 13 14 13 14 13 14 13 14 + 0V V1 I1 V2 I2 V3 I3 V4 I4 M 4 EA Pulsador llenado Dep. 1 Pul. Para llenado Dep. 1 Pulsador llenado Dep. 2 Pul. Para llenado Dep. 2 Sónar 1. Dep. 1 Sónar 2. Dep. 1 Sónar 3. Dep. 2 Sónar 4. Dep. 2 1 3 2 4 PIA 10 A L N PE A1 A2 X1 X2 H2 A1 A2 X1 X2 H3 A1 A2 X1 X2 H4 A1 A2 X1 X2 H5 X1 X2 H6 KM 1 Motor-bomba depósito 1 KM 2 Motor-bomba depósito 2 KM 3 Motor-bomba llenado depósito 1 KM 4 Motor-bomba llenado depósito 2 H5 Aviso sónar defectuoso en depósito 1 H6 Aviso sónar defectuoso en depósito 2 S1 S00 S2 S01 S3 S02 Alimentación salidas del PLC 24 V c.a. S=2x1,5 mm +T 2 S=2x1,5 mm +T 2 4 Entradas analógicas 24 V c.c. Alimentación sónar + _ 13 14 Fx. relés térmicos Relés térmicos Cableado autómata PLC propuesto: Alimentación: 24 V c.c. Entradas a 24 V c.c. 10 Entradas digitales. Salidas a relé. 8 Salidas digitales. 4 entradas analógicas 0....10 V c.c. 13 14 13 14 13 14 F7 F8 F9 F10 Control automático de dos depósitos para óleo Control automático de dos depósitos para óleo Aplicaciones industriales Aplicaciones industriales Grupo Título API. 21 Pg. 3 API. 21 Pg. 3
  • 78.
    r.a.c 2011 U1 V1 W1 U2V2 W2 L1 L2 L3 Alimentación circuito de potencia 3 x 400 V c.a. 1 2 3 4 5 6 F7 1 2 6 3 4 5 Contactor KM 1 Motor-bomba depósito 1 M U V W F2 1 3 5 2 4 6 A1 A2 1 2 3 4 5 6 F8 1 2 6 3 4 5 Contactor KM 2 Motor-bomba depósito 2 M U V W F3 1 3 5 2 4 6 A1 A2 1 2 3 4 5 6 F9 1 2 6 3 4 5 Contactor KM 3 Motor-bomba llenado depósito 1 M U V W F4 1 3 5 2 4 6 A1 A2 U1 V1 W1 U2 V2 W2 U1 V1 W1 U2 V2 W2 3 3 3 1 2 3 4 5 6 F10 1 2 6 3 4 5 Contactor KM 4 Motor-bomba llenado depósito 2 M U V W F6 1 3 5 2 4 6 A1 A2 U1 V1 W1 U2 V2 W2 3 S=4x4 mm +T 2 S=4x4 mm +T 2 S=4x4 mm +T 2 S=4x4 mm +T 2 A1 24 V A2 50 Hz R E S E T S T O P 97 98 95 96 3 1 2 4 5 6 PIA tripolar Contactor Relé térmico Motor trifásico de c.a. Cableado de potencia Grupo Título Control automático de dos depósitos para óleo Control automático de dos depósitos para óleo Aplicaciones industriales Aplicaciones industriales API. 21 Pg. 4 API. 21 Pg. 4
  • 79.
    r.a.c 2011 Listado de variables SímboloDirección Tipo de dato Comentario Pulsador_consumo I1 BOOL Pulsador que habilita el consumo de los depósitos Paro_consumo I2 BOOL Pulsador que detiene el consumo de los depósitos Pul_llena_dep1 I3 BOOL Pulsador que activa la bomba de llenado del depósito 1 (Q1) Pul_stop_llena_dep1 I4 BOOL Pulsador que detiene el llenado del depósito 1 Pul_llena_dep2 I5 BOOL Pulsador que activa la bomba de llenado del depósito 2 (Q2) Pul_stop_llena_dep2 I6 BOOL Pulsador que detiene el llenado del depósito 2 Relés_térmicos I7 BOOL Cualquier relé térmico de un motor Motor_bomba_dep1 Q1 BOOL Motor-bomba que extrae óleo del depósito 1 Motor_bomba_dep2 Q2 BOOL Motor-bomba que extrae óleo del depósito 2 Mot_bom_llena_dep1 Q3 BOOL Motor-bomba que permite el llenado del depósito 1 Mot_bom_llena_dep2 Q4 BOOL Motor-bomba que permite el llenado del depósito 2 Aviso_sónar_off_dep1 Q5 BOOL Aviso, un sónar averiado en depósito 1 Aviso_sónar_off_dep2 Q6 BOOL Aviso, un sónar averiado en depósito 2 Aviso_relé_térmico Q7 BOOL Aviso de activación de un relé térmico de algún motor M_dep1_mayor_dep2 M1 BOOL Memoria que indica que el depósito 1 tiene más aceite que el depósito 2. M_dep2_mayor_dep1 M2 BOOL Memoria que indica que el depósito 2 tiene más aceite que el depósito 1 M_dep2_mínimo M3 BOOL Memoria que se activa cuando los sónar del dep1 indican valor de llenado mínimo M_dep2_máximo M4 BOOL Memoria que se activa cuando los sónar del dep2 indican valor de llenado máximo M_dep1_mínimo M5 BOOL Memoria que se activa cuando los sónar del dep1 indican valor de llenado mínimo M_dep1_máximo M6 BOOL Memoria que se activa cuando los sónar del dep1 indican valor de llenado máximo M_Q1_OR_Q2 M7 BOOL Memoria que permite el consumo de ambos depósitos (no a la vez) M8_AI1_EQ_AI2 M8 BOOL Memoria que se activa cuando los dos sónar del depósito 1 (AI1 y AI2) están OK M9_AI3_EQ_AI4 M9 BOOL Memoria que se activa cuando los dos sónar del depósito 2 (AI3 y AI4) están OK Sónar1_dep1 AI1 WORD Entrada analógica que representa al sónar 1 que mide el volúmen del depósito 1 Sónar2_dep1 AI2 WORD Entrada analógica que representa al sónar 2 que mide el volúmen del depósito 1 Sónar3_dep2 AI3 WORD Entrada analógica que representa al sónar 3 que mide el volúmen del depósito 2 Sónar4_dep4 AI4 WORD Entrada analógica que representa al sónar 4 que mide el volúmen del depósito 2 Control automático de dos depósitos para óleo Control automático de dos depósitos para óleo Aplicaciones industriales Aplicaciones industriales Grupo Título API. 21 Pg. 5 API. 21 Pg. 5
  • 80.
    r.a.c 2011 Programación en Ladder I1Q1 M7 M3 M1 M8 S Línea 1. Para activar el motor bomba del depósito 1, se puede hacer presionando I1 (pulsador de consumo) si se cumplen las condiciones de que los dos sónar del depósito están OK (M8), y que el depósito 1 tenga más volumen que el depósito 2 (M1). Por otro lado, se podrá activar Q1 automáticamente, si estando funcionado la bomba contraria (Q2) se agota el aceite del depósito 2 (M7 + M3). I2 Q1 M5 R Q2 I7 Línea 2. Para detener la bomba Q1, se darán varios condicionantes: pulsador de paro (I2), que el depósito esté bajo mínimos (M5), enclavamiento de la bomba 2 (Q2), o que se active un relé térmico de un motor-bomba (I7). I1 Q2 M7 M5 M2 M9 S Línea 3. Para activar el motor bomba del depósito 2 (Q2), se puede hacer presionando I1 (pulsador de consumo) si se cumplen las condiciones de que los dos sónar del depósito están OK (M9), y que el depósito 2 tenga más volumen que el depósito 2 (M2). Por otro lado, se podrá activar Q2 automáticamente, si estándo funcionado la bomba contraria (Q1) se agota el aceite del depósito 2 (M7 + M5). I2 Q2 M3 R Q1 I7 Línea 4. Para detener la bomba Q2, se darán varios condicionantes: Pulsador de paro (I2), que el depósito esté bajo mínimos (M3), enclavamiento de la bomba 1 (Q1), o que se active un relé térmico de un motor-bomba (I7). M1 AI1 AI3 > W Línea 5. Si el depósito 1 tiene más líquido que el 2, se activa la marca (M1). M2 AI1 AI3 <= W Línea 6. Si el depósito 1 tiene igual o menos aceite que el 2, se activa la marca (M2). Grupo Título Control automático de dos depósitos para óleo Control automático de dos depósitos para óleo Aplicaciones industriales Aplicaciones industriales API. 21 Pg. 6 API. 21 Pg. 6
  • 81.
    r.a.c 2011 Q1 M7 Q2 S Línea 7.Si se activa cualquier bomba de extracción Q1 ó Q2, aunque se agote el depósito, podrá seguir la bomba del depósito contrario gracias a la memoria (M7) I2 M7 I7 R Línea 8. La memoria M7 podrá ser desconectada por el pulsador de paro (I2) , ó por la activación de cualquier relé térmico (I7). M8 AI1 AI2 == W Q5 NOT Línea 9. Si el valor de medida del sónar 1 (AI1), no coincide con la medida del sónar 2 (AI2), síntoma de la avería de uno de ellos, se activa un aviso intermitente (Q5). Si están correctamente calibrados se activa la marca M8. M5 AI1 250 >= W R M5 AI1 200 < W S Línea 10. Si el valor del depósito 1 baja de 200 (detectado por el sónar AI1), se activa la marca M5. Línea 11. M5 se anula si el valor del depósito sube a 250. M6 AI1 780 <= W R M6 AI1 800 > W S Línea 12. Si el valor del depósito 1 sube de 800 (detectado por el sónar AI1), se activa la marca M6. Línea 13. M6 se anula si el valor del depósito baja a 780. M9 AI3 AI4 == W Q6 NOT Línea 14. Si el valor de medida del sónar 3 (AI3), no coincide con la medida del sónar 4 (AI4), síntoma de la avería de uno de ellos, se activa un aviso intermitente (Q6). Si están correctamente calibrados se activa la marca M9. Control automático de dos depósitos para óleo Control automático de dos depósitos para óleo Aplicaciones industriales Aplicaciones industriales Grupo Título API. 21 Pg. 7 API. 21 Pg. 7
  • 82.
    r.a.c 2011 M3 AI3 250 >= W R M3 AI3 200 <W S Línea 15. Si el valor del depósito 2 baja de 200 (detectado por el sónar AI3), se activa la marca M3. Línea 16. M3 se anula si el valor del depósito sube a 250. M4 AI 3 780 <= W R M4 AI 3 800 > W S Línea 17. Si el valor del depósito 2 sube de 800 (detectado por el sónar AI 3), se activa la marca M4. Línea 18. M4 se anula si el valor del depósito baja a 780. I3 Q3 S Línea 19. El pulsador I3, podrá activar un motor-bomba (Q3) para llenar el depósito 1. I4 Q3 M6 R I7 Línea 20. Para desconectar a Q3, se podrá activar un pulsador de paro (I4), o que el detector indique que el depósito está lleno (M6), ó que se active algún relé térmico de algún motor (I7). I4 Q4 S Línea 21. El pulsador I4, podrá activar un motor-bomba (Q4) para llenar el depósito 2. I5 Q4 M4 R I7 Línea 22. Para desconectar a Q4, se podrá activar un pulsador de paro (I6), o que el detector indique que el depósito está lleno (M4), ó que se active algún relé térmico de algún motor (I7). I7 Q4 Línea 23. Si se activa cualquier relé térmico, de cualquier motor-bomba, se excitará un aviso acústico o luminoso (Q7). Grupo Título Control automático de dos depósitos para óleo Control automático de dos depósitos para óleo Aplicaciones industriales Aplicaciones industriales API. 21 Pg. 8 API. 21 Pg. 8
  • 83.
    r.a.c 2011 Túnel inteligente Túnel inteligenteSemáforos Grupo Título 90 90 A1 A2 14 12 11 Bobin a R elé A1 A2 14 12 11 Bobina Relé I2 I3 Q1=100 km/h Q2=90 km/h Q3=80 km/h Q4=70 km/h Q5=60 km/h SEM06_TÚNEL INTELIGENTE Descripción y requisitos mínimos La velocidad de tránsito en el interior de un túnel, dependerá del número de vehículos que pasan por el mismo en una unidad de tiempo determinada. Las señales de tráfico luminosas indicarán inicialmente en la entrada del túnel, una velocidad máxima de 100 km/h a través de la salida (Q1). Este luminoso podrá variar en función de los vehículos del interior, pudiendo expresar además: 90 km/h (salida Q2); 80 km/h (salida Q3); 70 km/h (salida Q4) y 60 km/h (salida Q5), aunque nunca podrán encenderse dos o más luminosos al mismo tiempo. En la programación, se usarán unidades reducidas de tiempo y cómputo de contadores para comprobar el funcionamiento. I1. Será un interruptor general. Si no está activo, no funcionará nada.Al excitarse (I1), se conecta de forma directa el luminoso (Q1), que indica velocidad máxima a 100 km/h; también se conecta directamente un temporizador “asíncrono” (salida intermitente parametrizable, a través de la marca M1), que está programado para que su salida esté 10 segundos y otros 10 segundos, de tal forma que, cuando su salida está activa se analizará el fluido del tráfico por el túnel y cuando su salida no está activa, se activa el luminoso que determinó el análisis en los primeros 10 segundos. (M1, 10 segundos) salida : se analiza la entrada de vehículos en el túnel en ese tiempo. (M1,10 segundos) salida : se ejecuta el encendido de un luminoso, en función del análisis anterior. Importancia de este temporizador: - En los 10 segundos que (M1) tiene su salida , se tendrán en cuenta las activaciones de (I2), que es una célula fotoeléctrica que computa los vehículos que entran al túnel. Es decir, en los 10 segundos se analizan los vehículos de entrada al túnel a través de contadores, ocurriendo lo siguiente: si se computan en esos 10 segundos de 0 a 4 vehículos, se activará el luminoso (Q1, 100 km/h); si computan de 5 a 6 vehículos, se activará posteriormente el luminoso (Q2, 90 km/h); si computan de 7 a 8 vehículos, se activará posteriormente el luminoso (Q3, 80 km/h); si computan de 9 a 10 vehículos, se activará posteriormente el luminoso (Q4, 70 km/h); y finalmente, si computan 11 ó más vehículos, se activará posteriormente el luminoso (Q5, 60 km/h). - En los 10 segundos que (M1) tiene su salida , se enciende el luminoso que se determino en los primeros 10 segundos, . El proceso se repetirá, es decir, primer ciclo (10 segundos) se analizan los contadores, segundo ciclo (10 + 10 segundos) se enciende el luminoso elegido…. aunque el luminoso estará encendido 20 segundos Funcionamiento activa Sí activa activa NO activa No activa NO activa posteriormente SEM. 06 Pg. 1 SEM. 06 Pg. 1
  • 84.
    r.a.c 2011 Túnel inteligente Túnel inteligenteSemáforos Grupo Título La entrada (I3), que es una célula fotoeléctrica situada a la salida del túnel, y por tanto, computa los vehículos que salen del mismo, considerándose el cómputo real, los vehículos que entran menos los que salen. (I3) actúa en los contadores restando valor, mientras que (I2), suma valor. Cronograma ejemplo Análisis de vehículos en 10 segundos. 60 km/h (Q5) > 11 vehículos 80 km/h (Q3) Análisis de vehículos en 10 segundos. 7 vehículos Análisis de vehículos en 10 segundos. 3 vehículos 100 km/h (Q1) M1 salida a "1" (10 segundos) M1 salida a "0" (10 segundos) Valor de "Q" Computa 0….4 vehículos Se activa Q1 (10 + 10 seg.) 100 km/h Computa 5 ó 6 vehículos Se activa Q2 (10 + 10 seg.) 90 km/h Computa 7 u 8 vehículos Se activa Q3 (10 + 10 seg.) 80 km/h Computa 9 ó 10 vehículos Se activa Q4 (10 + 10 seg.) 70 km/h Computa 11 ó más vehículos Se activa Q5 (10 + 10 seg.) 60 km/h M1 es el temporizador asíncrono Resumen de lo anterior: Variable Nombre Tipo Comentario I1 Int_gral Bool Interruptor general I2 Cél_entrada Bool Célula fotoeléctrica entrada túnel I3 Cél_salida Bool Célula fotoeléctrica salida túnel Q1 Luz_100km.h Bool Luminoso a 100 km/h Q2 Luz_90km.h Bool Luminoso a 90 km/h Q3 Luz_80km.h Bool Luminoso a 80 km/h Q4 Luz_70km.h Bool Luminoso a 70 km/h Q5 Luz_60km.h Bool Luminoso a 60 km/h M1 Asíncrono Bool Memoria de un temporizador asíncrono (T1 + T2) M2 M de CNT1 Bool Memoria de cómputo del contador C1 M3 M de CNT2 Bool Memoria de cómputo del contador C2 M4 M de CNT3 Bool Memoria de cómputo del contador C3 M5 M de CNT4 Bool Memoria de cómputo del contador C4 M6 M de CNT5 Bool Memoria de cómputo del contador C5 T1 TON1 Bool Temp1. Que compone asíncrono en M1 T2 TON2 Bool Temp2. Que compone asíncrono en M2 T3 TON3 Bool Temp. Auxiliar. C1 CNT1 Bool Contador de "0" vehículos C2 CNT2 Bool Contador de "5" vehículos C3 CNT3 Bool Contador de "7" vehículos C4 CNT4 Bool Contador de "9" vehículos C5 CNT5 Bool Contador de "11" vehículos MW100 MW100 Word Dato actual de los contadores Listado de variables SEM. 06 Pg. 2 SEM. 06 Pg. 2
  • 85.
    Túnel inteligente Túnel inteligenteSemáforos Grupo Título Cableado autómata PLC propuesto: - Alimentación: 24 V DC - Entradas a 24 V DC - 10 Entradas digitales - Salidas a relé - 8 Salidas digitales - Bornero X1. Alimentación circuitos de control. - Bornero X2. Entradas PLC fuera del cuadro. - Bornero X3. Ciercuito de potencia. Luminosos. 1 3 2 4 Alimentación fuente PLC 230 V c.a. PIA 10 A Input: AC 100-240V Output: DC 24V/1,3 A 24V ok L+ N + + - - POWER A B L+ M PE I1 I2 I3 I4 I5 I6 I7 I8 I9 I10 PLC Q1 Q2 Q3 Q4 RUN Q5 Q6 Q7 Q8 COM ERROR L N PE 1 3 2 4 PIA 10 A L N PE S1 Alimentación salidas del PLC 24 V c.a. S=2x1,5 mm +T 2 S=2x1,5 mm +T 2 I1 Sección: 1 mm 2 Sección: 1 mm 2 L <F.A> N <F.A> L <Q> N <Q> PE <Q> PE <F.A> L <Q: 24 V AC> Q1 Q2 Q3 Q4 Sección: 1 mm 2 +24 V X1.1-2 X1.3-4 X2.1 X2.2 13 14 F1 F2 L 230 V AC A2 A1 A2 A1 Alimentación bobinas de células fotoeléctricas L N A1 A2 N <Q> KM 1 Sección: 2 x 1,5 mm + T 2 Célula fotoeléctrica entrada a túnel Cel_entra_túnel I2 Interruptor general Int_general I1 I2 X2.1 X2.3 13 14 A1 A2 Célula fotoeléctrica salida a túnel Cel_sale_túnel I3 I3 X2.1 X2.4 13 14 A1 A2 Q5 Luminoso a 100 km/h Luces_100km_h Q1 A1 A2 N <Q> KM 2 Luminoso a 90 km/h Luces_90km_h Q2 A1 A2 N <Q> KM 3 Luminoso a 80 km/h Luces_80km_h Q3 A1 A2 N <Q> KM 4 Luminoso a 70 km/h Luces_70km_h Q4 A1 A2 N <Q> KM 5 Luminoso a 60 km/h Luces_60km_h Q5 Conexionado del PLC r.a.c 2011 SEM. 06 Pg. 3 SEM. 06 Pg. 3
  • 86.
    Túnel inteligente Túnel inteligenteSemáforos Grupo Título 80 90 70 F3 KM 1 1 2 3 4 5 6 A1 A2 1 N 2 N 1 2 3 4 5 L1 100 L1 L2 L3 X3 X3.1 X3.2 X3.3 PE PE N Q X3.4 X3.5 X3.6 L1 N Manguera 1 PE PE F4 KM 2 1 2 3 4 5 6 A1 A2 1 N 2 N 6 7 8 9 10 L2 X3.7 X3.8 L2 N Manguera 2 PE PE F5 KM 3 1 2 3 4 5 6 A1 A2 1 N 2 N 11 12 13 14 15 L3 X3.9 X3.10 L3 N Manguera 3 PE PE F6 KM 4 1 2 3 4 5 6 A1 A2 1 N 2 N 16 17 18 19 20 L1 X3.11 X3.12 L1 N Manguera 4 PE PE F7 KM 5 1 2 3 4 5 6 A1 A2 1 N 2 N 21 22 23 24 25 L2 X3.13 X3.14 L2 N Manguera 5 PE PE 60 KM 1 Luminoso a 100 km/h KM 2 Luminoso a 90 km/h KM 3 Luminoso a 80 km/h KM 4 Luminoso a 70 km/h KM 5 Luminoso a 60 km/h Esquema de potencia r.a.c 2011 SEM. 06 Pg. 4 SEM. 06 Pg. 4
  • 87.
    r.a.c 2011 Túnel inteligente Túnel inteligenteSemáforos Grupo Título Línea 1. Las líneas 1 y 2 componen sobre la marca (M1), un temporizador asíncrono basado en dos temporizadores con retardo a la activación; es decir, la marca (M1), se activará 10 segundos y se desactivará otros 10 segundos. TON T1 10 seg. M1 Asíncrono I1 Int_gral TON T2 10 seg. TON 1 TON 2 M1 Asíncrono M1 Asíncrono Línea 2. Note que los dos temporizadores con retardo a la activación (TON1 y TON2), tienen como única misión activar-desativar la marca (M1). Línea 3. El temporizador con retardo a la activación (TON3), tiene como objetivo determinar al luminoso de encendido un instante antes de anular el cómputo de los contadores. TON T3 9,9 seg. M1 Asíncrono Línea 4. Cuando (M1), está a “1”, el contador (CNT1), podrá computar sumando los vehículos que entran al túnel a través de la entrada (I2), ó restar del contador los vehículos que salen del túnel a través de la entrada (I3). Cuando (M1), pasa a “0”, anula el contador (CNT1), a través de un flanco negativo. CNT C1 I2 Cél_entrada M1 Asíncrono C1 C2 C3 “0” M1 Asíncrono M1 Asíncrono I3 Cél_salida N R Línea 5. (M2), es una marca que se activa cuando el contador (CNT1), cumple su cómputo -en este caso, el cómputo es “0”-. Impedirán la activación de esta marca el resto de contadores. También aparece como condición de activación, el temporizador (TON3). C4 C5 T3 1 1 M2 M de CNT1 Programación en LADDER SEM. 06 Pg. 5 SEM. 06 Pg. 5
  • 88.
    r.a.c 2011 Túnel inteligente Túnel inteligenteSemáforos Grupo Título R Q1 Luz_100km.h Línea 6. El interruptor general (I1), activa inicialmente el luminoso de 100 km/h (Q1) en SET, a través de un flanco positivo. Note, que el citado luminoso podrá ser ordenado también por la marcha M2, o lo que es lo mismo, cuando no pasa ningún vehículo por el túnel. S M2 M de CNT1 P I1 Int_gral Línea 7. El luminoso de 100 km/h, se desconectará en RESET, por varias vías; si el interruptor general no está activo, o si se excita cualquiera de los contadores que registran cómputo de vehículos para otras velocidades. I1 Int_gral Q1 Luz_100km.h M4 M de CNT3 M3 M de CNT2 M5 M de CNT4 M6 M de CNT5 Línea 8. Cuando (M1), está a “1”, el contador (CNT2), podrá computar sumando los vehículos que entran al túnel a través de la entrada (I2), ó restar del contador los vehículos que salen del túnel a través de la entrada (I3). Cuando (M1), pasa a “0”, anula el contador (CNT2), a través de un flanco negativo. El contador (CNT2), activará un bit cuando compute de forma ascendente 5 vehículos dentro del túnel. CNT C2 I2 Cél_entrada M1 Asíncrono C2 C3 C4 “5” M1 Asíncrono M1 Asíncrono I3 Cél_salida N R Línea 9. (M3), es una marca que se activa cuando el contador (CNT2), cumple su cómputo -en este caso, el cómputo es “5”-. Impedirán la activación de esta marca los contadores (CNT3, CNT4 y CNT5).También aparece como condición de activación, el temporizador (TON3). C5 T3 2 2 M3 M de CNT2 SEM. 06 Pg. 6 SEM. 06 Pg. 6
  • 89.
    r.a.c 2011 Túnel inteligente Túnel inteligenteSemáforos Grupo Título Línea 10. La marcha (M3), es la encargada de activar el luminoso de 90 km/h. Recuerde que esta marca se excita cuando en el túnel hay 5 vehículos. Q2 Luz_90km.h M3 M de CNT2 R Línea 11. El luminoso de 90 km/h, se desconectará en RESET, por varias vías; si el interruptor general no está activo, o si se excita cualquiera de los contadores que registran cómputo de vehículos para otras velocidades. I1 Int_gral Q2 Luz_90km.h M4 M de CNT3 M2 M de CNT1 M5 M de CNT4 M6 M de CNT5 S Línea 12. Cuando (M1), está a “1”, el contador (CNT3), podrá computar sumando los vehículos que entran al túnel a través de la entrada (I2), ó restar del contador los vehículos que salen del túnel a través de la entrada (I3). Cuando (M1), pasa a “0”, anula el contador (CNT3), a través de un flanco negativo. El contador (CNT3), activará un bit cuando compute de forma ascendente 7 vehículos dentro del túnel. CNT C3 I2 Cél_entrada M1 Asíncrono C3 C4 C5 “7” M1 Asíncrono M1 Asíncrono I3 Cél_salida N R Línea 13. (M4), es una marca que se activa cuando el contador (CNT3), cumple su cómputo -en este caso, el cómputo es “7”-. Impedirán la activación de esta marca los contadores (CNT4 y CNT5). También aparece como condición de activación, el temporizador (TON3). M4 M de CNT3 T3 SEM. 06 Pg. 7 SEM. 06 Pg. 7
  • 90.
    r.a.c 2011 Túnel inteligente Túnel inteligenteSemáforos Grupo Título R Línea 15. El luminoso de 80 km/h, se desconectará en RESET, por varias vías; si el interruptor general no está activo, o si se excita cualquiera de los contadores que registran cómputo de vehículos para otras velocidades. I1 Int_gral Q3 Luz_80km.h M3 M de CNT2 M2 M de CNT1 M5 M de CNT4 M6 M de CNT5 Línea 14. La marcha (M4), es la encargada de activar el luminoso de 80 km/h. Recuerde que esta marca se excita cuando en el túnel hay 7 vehículos. Q3 Luz_80km.h M4 M de CNT3 S Línea 16. Cuando (M1), está a “1”, el contador (CNT4), podrá computar sumando los vehículos que entran al túnel a través de la entrada (I2), ó restar del contador los vehículos que salen del túnel a través de la entrada (I3). Cuando (M1), pasa a “0”, anula el contador (CNT4), a través de un flanco negativo. El contador (CNT4), activará un bit cuando compute de forma ascendente 9 vehículos dentro del túnel. CNT C4 I2 Cél_entrada M1 Asíncrono C4 C5 T3 “9” M1 Asíncrono M1 Asíncrono I3 Cél_salida N R Línea 17. (M5), es una marca que se activa cuando el contador (CNT4), cumple su cómputo -en este caso, el cómputo es “9”-. Impedirá la activación de esta marca el contador (CNT5). También aparece como condición de activación, el temporizador (TON3). M5 M de CNT4 Línea 18. La marcha (M5), es la encargada de activar el luminoso de 70 km/h. Recuerde que esta marca se excita cuando en el túnel hay 9 vehículos. Q4 Luz_70km.h M5 M de CNT4 S SEM. 06 Pg. 8 SEM. 06 Pg. 8
  • 91.
    r.a.c 2011 Túnel inteligente Túnel inteligenteSemáforos Grupo Título R Línea 19. El luminoso de 70 km/h, se desconectará en RESET, por varias vías; si el interruptor general no está activo, o si se excita cualquiera de los contadores que registran cómputo de vehículos para otras velocidades. I1 Int_gral Q4 Luz_70km.h M3 M de CNT2 M2 M de CNT1 M4 M de CNT3 M6 M de CNT5 Línea 20. Cuando (M1), está a “1”, el contador (CNT5), podrá computar sumando los vehículos que entran al túnel a través de la entrada (I2), ó restar del contador los vehículos que salen del túnel a través de la entrada (I3). Cuando (M1), pasa a “0”, anula el contador (CNT5), a través de un flanco negativo. El contador (CNT5), activará un bit cuando compute de forma ascendente 11 vehículos dentro del túnel. CNT C4 I2 Cél_entrada M1 Asíncrono C5 T3 “11” M1 Asíncrono M1 Asíncrono I3 Cél_salida N R Línea 21. (M6), es una marca que se activa cuando el contador (CNT5), cumple su cómputo -en este caso, el cómputo es “11”-. También aparece como condición de activación, el temporizador (TON3). M6 M de CNT5 Línea 22. La marcha (M6), es la encargada de activar el luminoso de 70 km/h. Recuerde que esta marca se excita cuando en el túnel hay 9 vehículos. Q5 Luz_60km.h M6 M de CNT5 S SEM. 06 Pg. 9 SEM. 06 Pg. 9
  • 92.
    r.a.c 2011 Túnel inteligente Túnel inteligenteSemáforos Grupo Título R Línea 23. El luminoso de 60 km/h, se desconectará en RESET, por varias vías; si el interruptor general no está activo, o si se excita cualquiera de los contadores que registran cómputo de vehículos para otras velocidades. I1 Int_gral Q5 Luz_60km.h M3 M de CNT2 M2 M de CNT1 M4 M de CNT3 M5 M de CNT4 MOVE Línea 24. El valor instantáneo que tengan los contadores se reflejará en la variable (MW100), por ejemplo para observación a través de un visualizador o scada. I1 Int_gral CNT1 MW100 MOVE CNT2 MW100 MOVE CNT3 MW100 MOVE CNT4 MW100 MOVE CNT5 MW100 SEM. 06 Pg. 10 SEM. 06 Pg. 10
  • 93.
    r.a.c 2011 Descripción y requisitosmínimos Donde La persiana motorizada de una ventana será gobernada mediante autómata programable de manera manual y automática del siguiente modo: - Un pulsador S1 (I1) ordenará la subida. - Un pulsador S2 (I2) ordenará la bajada. - Un final de carrera FC 1 (I3) establecerá el tope superior. - Un final de carrera FC 2 (I4) establece el tope inferior. - El funcionamiento manual sucede en pulsaciones inferiores a dos segundos, es decir, la persiana subirá o bajará sólo el tiempo de presionado del pulsador. - El funcionamiento automático sucede cuando se presiona el pulsador más de dos segundos; en ese instante, la persiana subirá o bajará automáticamente (sin necesidad de presionar pulsador alguno), hasta que es detenida por el final de carrera correspondiente, FC 1 (I3) para subida y FC 2 (I4) para bajada. - Para detener la subida o bajada automática basta con presionar el pulsador que la ordenó, S1 (I1) para la subida y S2 (I2) para la bajada. - No podrá establecerse a la vez la orden de subida y bajada. PIA1. Protección circuito C2. PIA2. Protección circuito C11. I1. Entrada digital 1. Pulsador para orden subida de persiana. I2. Entrada digital 2. Pulsador para orden bajada de persiana. I3. Entrada digital 3. Final de carrera tope superior persiana. I4. Entrada digital 4. Final de carrera tope inferior persiana. Q1. Salida digital. Motor sube persiana. Q2. Salida digital. Motor baja persiana. DOM- 04 Pg. 1 DOM- 04 Pg. 1 Persiana motorizada Persiana motorizada Grupo Título Autómatas en domótica Autómatas en domótica DOM04_PERSIANA MOTORIZADA FC 1 (I3) FC 2 (I4) S1 (I1) S2 (I2) Q1 (sube) Q2 (baja) Alimentación salidas del PLC A B L N I1 I2 I3 I4 I5 I6 I7 I8 I9 AI1AI2 MicroPLC Q1 Q2 Q3 Q4 OUTPUT 4xRELAY 10A OK 20 mm 16 mm Circuito C2. 2 x 2,5 mm + T 2 Circuito C11. 2 x 1,5 mm + T 2 1 2 N N 16 A 1 2 N N 10 A S1 Alimentación sensores digitales S2 Final de carrera superior Final de carrera inferior M ~ Motor persiana Cableado del autómata programable
  • 94.
    r.a.c 2011 Grupo Título DOM. 04 Pg. 2 DOM.04 Pg. 2 Persiana motorizada Persiana motorizada Autómatas en domótica Autómatas en domótica Programación en FBD 1 RS S R Pulsador de subida I1 IN T Retardo a la conexión 1 OR & AND 1 OR & AND IN T Retardo a la conexión 2 seg. MOTOR SUBIDA Q1 2,3 seg. Final carr. superior I3 MOTOR BAJADA Q2 1 MOTOR SUBIDA Q1 Leyenda: IN T Retardo a la conexión 1 OR Entradas Salida Puerta OR Temporizador con retardo a la activación & AND 1 Puerta AND Puerta NOT 1 RS S R Pulsador de bajada I2 IN T Retardo a la conexión 1 OR & AND 1 OR & AND IN T Retardo a la conexión 2 seg. MOTOR BAJADA Q2 2,3 seg. Final carr. inferior I4 MOTOR SUBIDA Q1 1 MOTOR BAJADA Q2
  • 95.
    r.a.c 2011 Descripción y requisitosmínimos La instalación automatizada del toldo de una vivienda, atenderá a las siguientes consideraciones: - Un pulsador S1 (I1), abrirá el toldo de forma manual a impulsos. El motor sentido apertura será gobernado por la salida (Q1). - Un pulsador S2 (I2), cerrará el toldo de forma manual a impulsos. El motor sentido cierre será gobernado por la salida (Q2). No podrán funcionar a la vez, apertura y cierre del toldo. - Un programa semanal se encargará de abrir el toldo a primeras horas de la mañana; del mismo modo, un programa semanal se encargará de cerrar el toldo al ponerse el sol. - Dos finales de carrera (I3 e I4), tendrán la misión de detener el motor del toldo en apertura y cierre, respectivamente. - Un anemómetro (entrada analógica AI 1), se encargará de medir la velocidad del viento en la estancia donde está ubicado el toldo; si la velocidad supera el valor de 30 Km/h, el toldo se cerrará durante 5 segundos, que es el tiempo equivalente a la mitad del recorrido. Si la velocidad medida por el anemómetro es igual o superior a 80 Km/h, el toldo se cerrará completamente, hasta que el final de carrera (I4), detenga el motor sentido cierre, gobernado por (Q2). Mientras el viento siga presentando valores elevados, la apertura del toldo no se podrá efectuar. DOM. 05 Pg. 1 DOM. 05 Pg. 1 Toldo automatizado Toldo automatizado Grupo Título Autómatas en domótica Autómatas en domótica DOM05_TOLDO_AUTOMATIZADO Ubicación del toldo de la vivienda Patio AI 1 Q2 Q1 I1 - I2 S1 - S2 I3 I4 N Los sensores analógicos y los PLCs El autómata programable dispondrá de una o varias entradas para señales analógicas que acogerán valores, de -por ejemplo- 0...10 V DC. El programa de usuario determinará el uso que se le da al valor que recibe en voltios. Ejemplo de cálculo: Velocidad máxima de medida: 150 Km/h; el anemómetro aporta 10 V DC. Velocidad mínima de medida : 0 Km/h; el anemómetro aporta 0 V DC. Con una simple regla de tres, obtenemos un valor actual. Ejemplo de programación: AI 1 hace referencia a la entrada analógica 1. Q1 hace referencia a la activación de algún elemento (motor, lámpara, etc.). Definición: Cuando el valor de la entrada analógica sea igual o mayor a un valor de referencia (por ejemplo 15), se activará la salida Q1. Anemómetro, permite medir la velocidad del viento Generador Salida: valor variable de 0...10 V DC, equivalentes a la velocidad real. A B L+ M I1 I2 I3 I4 I5 I6 I7 I8 I9 AI1AI2 MicroPLC Q1 Q2 Q3 Q4 OUTPUT 4xRELAY 10A OK
  • 96.
    r.a.c 2011 Donde PIA 1 ProtecciónPLC (C2). → PIA 2 Protección salidas del PLC (C11). PIA 3 Protección circuito motor toldo. I1 Entrada PLC. S1, pulsador de apertura toldo. I2 Entrada PLC. S2, pulsador de cierre toldo. I3 Entrada PLC. Final de carrera apertura toldo. I4 Entrada PLC. Final de carrera cierre toldo. AI 1 Entrada analógica PLC. Anemómetro. Q1 Salida PLC. Motor apertura toldo. Q2 Salida PLC. Motor cierre toldo. KM 1 Contactor encargado de alimentar al motor, sentido apertura toldo. KM 2 Contactor encargado de alimentar al motor, sentido cierre toldo. M Motor monofásico para apertura-cierre toldo. → → → → → → → → → → → → L N 1 2 Alimentación PLC Alimentación salidas del PLC 1 2 Alimentación entradas del PLC L N Alimentación circuito motor toldo PIA 1 PIA 2 PIA 3 A B L N I1 I2 I3 I4 I5 I6 I7 I8 I9 AI1AI2 MicroPLC Q1 Q2 Q3 Q4 OUTPUT 4xRELAY 10A OK L N Pulsador abre toldo S1 Pulsador cierra toldo M KM 1 Motor extiende toldo KM 2 Motor recoge toldo 1 2 A1 A2 A1 A2 S2 Final de carrera apertura toldo 13 14 Final de carrera cierre toldo 13 14 0....10 V Anemómetro Grupo Título DOM. 05 Pg. 2 DOM. 05 Pg. 2 Toldo automatizado Toldo automatizado Autómatas en domótica Autómatas en domótica Cableado del autómata programable
  • 97.
    r.a.c 2011 DOM. 05 Pg. 3 DOM.05 Pg. 3 Toldo automatizado Toldo automatizado Grupo Título Autómatas en domótica Autómatas en domótica T2 Q2 M5 Línea 2 I4 T2 5 seg. M2 Línea 7 M1 Línea 3 S I1 I2 M3 I4 M1 I4 M3 Q1 M4 Línea 1 I1 M1 M3 I2 I3 AI 1 30 Km/h ≥ M1 Línea 4 R M1 M2 Línea 5 S T1 M2 Línea 6 R Línea 8 AI 1 30 Km/h ≤ T1 10 seg. M3 Línea 9 S AI 1 80 Km/h ≥ I4 M3 Línea 10 R Donde: I1 S1, pulsador apertura toldo. Q1 Motor toldo abre. Q2 Motor toldo cierra. M1 Marca. Memoria de viento a 30 Km/h. → I2 S2, pulsador de cierre toldo. I3 Final de carrera que marca el final de la apertura del toldo. I4 Final de carrera, que marca el final del cierre del toldo. AI 1 Entrada analógica que representa la valor procedente del anemómetro, con el propósito de medir la velocidad del viento en la estancia del patio. M2 Marca. Memoria que anula a M1, pasado un tiempo. M3 Marca. Memoria de viento a 80 Km/h. M4 Marca. Memoria para programa de apertura del toldo de lunes a viernes por la mañana. M5 Marca. Memoria para programa de cierre del toldo de lunes a viernes por la tarde. PS 1 Programador semanal, que permite la apertura del toldo de lunes a Viernes. PS 2 Programador semanal, que permite el cierre del toldo de lunes a viernes. T1 a T4 Temporizadores con retardo a la activación. → → → → → → → → → → → → → → Programación en LD “1 constante” PS 1 Línea 11 L M Mi J V On: 07:00 L M Mi J V S D Off: 07:01 M4 Línea 12 PS 1 S T3 10 seg. “1 constante” PS 2 Línea 14 L M Mi J V On: 18:00 L M Mi J V S D Off: 18:01 M5 Línea 15 PS 2 S T4 10 seg. T4 M5 Línea 16 R T3 M4 Línea 13 R Qx Contacto cerrado Bobina directa Ix Contacto abierto Ix Tx Tiempo Mx Marca. Memoria interna Temporizador con retardo a la activación Qx...Mx Activación de bobina o memoria interna en SET S Qx...Mx R Desactivación de bobina o memoria interna en RESET Programador Semanal PS x L Mi V D On: 07:30 L M M J V S D Off: 08:30 Comparador de valores analógicos AI x “valor” ≤ “1 Constante” Contacto siempre a “1” Leyenda
  • 98.
  • 99.
    r.a.c 2011 Descripción y requisitosmínimos La instalación automatizada de un sistema anti-rrobo e intrusión de una vivienda, atenderá a las siguientes consideraciones: - Un interruptor de llave (I1), conectará y desconectará todo el sistema, a excepción del circuito anti-sabotaje que incorporan los sensores infrarrojos pasivos (I3 e I5). El circuito anti-sabotaje (I3 e I5) estará operativo de forma permanente. - Un sensor infrarrojo pasivo, situado en el acceso de la vivienda (I2), tendrá retardo de funcionamiento tanto en la conexión, como en la desconexión del sistema. - Tres sensores infrarrojos pasivos (I4), cuatro sensores magnéticos para puertas y ventanas (I6), y cuatro sensores sísmicos para ventanas (I7), tendrán actuación inmediata, si el sistema está operativo. - Una sirena exterior (Q1), advertirá con un sonido asíncrono una alarma por intrusión (I2, I4, I6 e I7); el sonido de dicha sirena, cambiará el sincronismo (Q2), si la alarma se produce por sabotaje (I3 e I5). Un interruptor de llave (I8), podrá anular el sonido de las sirenas, aunque no anulará la alarma producida. - Cualquier alarma, iniciará un mensaje GSM, avisando del hecho (Q3). DOM- 06 Pg. 1 DOM- 06 Pg. 1 Sistema anti robo Sistema anti robo Grupo Título Autómatas en domótica Autómatas en domótica DOM06_SISTEMA ANTI ROBO Cocina Baño 1 Salón Entrada Garaje Pasillo 2 Pasillo 1 Dormitorio 1 Dormitorio 2 Dormitorio 3 Baño 2 I7 I6 I1 I2 I3 I4 I5 I4 I5 I4 I5 I7 I7 I7 I6 I6 I6 Q1 Q2 Q3 I8 Donde PIA 1 Protección PLC. → PIA 2 Protección salidas del PLC. I1 Interruptor de llave, on/off sistema. I2 Detector infrarrojo pasivo para entrada vivienda. I3 Circuito 24 horas anti-sabotaje (tamper) del detector infrarrojo pasivo para entrada vivienda. I4 Detectores infrarrojos pasivo del interior de la vivienda. I5 Circuito 24 horas anti-sabotaje (tamper) de los detectores infrarrojo pasivo del interior de la vivienda. I6 Sensores magnéticos para puertas y/o ventanas. I7 Sensores sísmicos para ventanas. Q1 Alarma exterior, aviso por intrusión. Q2 Alarma exterior, aviso por sabotaje. Q3 Alarma por telefonía GSM. → → → → → → → → → → → I8 Llave que anula el sonido de la alarma exterior (NO la alarma). →
  • 100.
    r.a.c 2011 Grupo Título DOM. 06 Pg. 2 DOM.06 Pg. 2 Sistema anti robo Sistema anti robo Autómatas en domótica Autómatas en domótica Cableado del autómata programable L N 1 2 Alimentación PLC Alimentación salidas del PLC 1 2 PIA 1 PIA 2 A B L N I1 I2 I3 I4 I5 I6 I7 I8 I9 AI1AI2 MicroPLC Q1 Q2 Q3 Q4 OUTPUT 4xRELAY 10A OK L N 4 3 Alimentación entradas del PLC Llave on/off Z Z T T + - Z Z T T + - Z Z T T + - Z Z T T + - Z Z T T + - Z Z T T + - Z Z T T + - Z Z T T + - NC NC NC NC NC NC NC NC NC NC NC NC NC NC NC NC Sensor infrarrojo retardado acceso vivienda Sensores infrarrojos interior vivienda Sensor sísmicos ventanas Sensores magnéticos Alarma exterior Módem GSM SIM 4 3 Llave anula sonido de alarma exterior Los sensores y detectores, tomarán la posición de cerrados, es decir, formarán un lazo en serie, que le aplicará tensión al microplc de forma permanente. En caso de activación de cualquiera de ellos, fallará la alimentación de la entrada correspondiente y se producirá la alarma. Z Z T T + - Zona: contacto NC Sabotaje: contacto NC Alimentación sensor (P.ejemplo 24 V c.c.) Zona: contacto NC Zona: contacto NC Detalle de los contactos internos de los detectores y sensores
  • 101.
    r.a.c 2011 DOM- 06 Pg. 3 DOM-06 Pg. 3 Sistema anti robo Sistema anti robo Grupo Título Autómatas en domótica Autómatas en domótica Programación en LD T1 1 min. M1 Línea 2 T1 I1 Línea 1 I2 T2 S M1 Línea 3 I1 R T2 0,20 seg. T1 Línea 4 M2 Línea 5 I1 I2 T1 S M2 Línea 6 I1 R T3 1 min. M2 Línea 7 Línea 8 T4 0,3 seg. T3 M3 M1 1 seg. Q1 Línea 9 T4 I8 Línea 10 I4 I6 I7 M3 S M3 Línea 11 I1 R Qx Contacto cerrado Bobina directa Ix Contacto abierto Ix Tx Tiempo Mx Marca. Memoria interna Temporizador con retardo a la activación Tx Tiempo 1 Tiempo 2 Temporizador con salida intermitente parametrizable Qx...Mx Activación de bobina o memoria interna en SET S Qx...Mx R Desactivación de bobina o memoria interna en RESET Leyenda Recuerde Los sensores y detectores, tomarán la posición de cerrados, es decir, formarán un lazo en serie, que le aplicará tensión al microplc de forma permanente. En caso de activación de cualquiera de ellos, fallará la alimentación de la entrada correspondiente y se producirá la alarma. Por este motivo, en programación, las variables representantes de los sensores aparecen como contactos cerrados, se presuponen “abiertos” si no hay alarma. Ix Línea 12 T5 0,3 seg. I3 I5 1 seg. Q2 Línea 13 T5 I8 Línea 14 I3 I5 T3 M4 S M3 M1 M4 Línea 15 T6 R Q3 Línea 16 M4 T6 5 seg. Q3 Línea 17 Donde: I1 Entrada. Interruptor de llave, on/off del sistema. I2 Entrada. Sensor infrarrojo pasivo situado en el acceso. Posee retardo de activación tanto para la entrada, como para la salida de la estancia. I3 Entrada. Contacto anti-sabotaje sensor infrarrojo en el acceso. I4 Entrada. Contacto representativo de los sensores infrarrojo pasivo, repartidos por la vivienda. I5 → → → → → Entrada. Contacto representativo de los circuitos anti-sabotaje de los sensores infrarrojo pasivo, repartidos por la vivienda. I6 Entrada. Contacto representativo de los sensores magnéticos, repartidos por la vivienda. I7 Entrada. Contacto representativo de los sensores sísmicos, repartidos por la vivienda. I8 Entrada. Interruptor de llave, que anula el sonido de las sirenas, aunque no anula las alarmas. Q1 Alarma exterior, sonido 1, alarma por intrusión. Q2 Alarma exterior, sonido 2, alarma por sabotaje. Q3 Envío de mensaje GSM, a causa de una alarma. M1 Marca. Memoria de activación de alarma por agotar tiempo de salida. M2 Marca. Memoria de activación de alarma por agotar tiempo de entrada. M3 Marca. Memoria de activación de alarma por sensores en general. M4 Marca. Memoria de activación de envio mensaje GSM. T1, T2, T3 y T6 Temporizadores con retardo a la activación. T4 y T5 Temporizadores con salida intermitente parametrizable. → → → → → → → → → → → →
  • 102.