Tubería Con Agua 
Tuberías a Presión con Aceite 
Velocidad Recomendada Succión 0,6 a 1,2 m/s 
Velocidad Recomendada Línea de Presión 2 a 4 m/s 
Velocidad Recomendada Línea de Descarga 2 a 6 m/s
HIDRONEUMATICA: 
 Encuentre la Viscosidad de un Aceite Hidralub 32 a una 
Temperatura de 40°C y a una Temperatura de 100°C. 
 Encuentre la Viscosidad de un Aceite Hidralub 46 a una 
Temperatura de 70°C y 80°C 
 Encuentre la Viscosidad de un Aceite Hidralub 68 a una 
Temperatura de 50°C y a una Temperatura de 100 °C 
 Encuentre la Viscosidad de un Aceite Hidralub 100 a una 
Temperatura de 40°C y a una Temperatura de 80 °C 
 Encuentre la Viscosidad de un Aceite Hidralub 150 a una 
Temperatura de 50°C y a una Temperatura de 90 °C 
 Encuentre la Viscosidad de un Aceite Hidralub 100 a 
una Temperatura de 50°C y a una Temperatura de 100
Cálculos de Potencia de una Bomba en las Siguientes 
Unidades: 
Potencia = Caudal de Fluido X Presión Requerida 
 Potencia = (m3/ Seg) X (KiloPascal) = KiloWatt 
 Potencia = (litros/seg) X (bar ) X 0,1 = KiloWatt 
 Potencia = (litros/seg)X(kg/cm2)X0,1=KiloWatt 
 Potencia = (litros/min) X (bar) X0,0017= KiloWatt 
 Potencia = (Gpm) X (psi)X 0,00043= KiloWatt 
 Potencia = (Gpm) X (bar) X 0,0063 = KiloWatt 
 Pot=(cm3/seg) X (bar)X0,0001= KiloWatt 
 Potencia =(cm3/seg) X (Kg/cm2) X 0,0001=KiloWatt 
Una Bomba maneja 20 Litros/min alcanza una Presión 
Máxima de 1500 lb/in2. Que Potencia Necesita. 
Una Bomba maneja 0,23 Litros/segundo alcanza una 
Presión Máxima de 12 bar. Que Potencia Necesita. 
Una Bomba maneja 660 cm3/seg alcanza una Presión 
Máxima de 7 Bar . Que Potencia Necesita. 
Una Bomba maneja 120 Litros/min alcanza una Presión 
Máxima de 500 KPa. Que Potencia Necesita.
Una Bomba maneja 100 GPM alcanza una Presión Máxima 
de 48 bar. Que Potencia Necesita. 
Encuentre la Presión en bar a Extensión y Compresión 
10000 Kg 
Área 50 cm2 
Área 20 cm2 
Encuentre la Presión en Psi a Extensión y Compresión 
9000 Kg 
Área 60 cm2 
Área 10 cm2 
Encuentre el Caudal (cm3/seg) a Compresión y Extensión 
Area= 50 cm2 
Area= 15 cm2 
Carrera Del Cilindro= 100 cm 
Tiempo Requerido= 5 Segundos 
Se tiene el Sistema de la Figura el Área del Pistón es de 70 
cm2 y el del vástago 30 cm2. La Carrera del Pistón es de 200 
cm. La Fuerza que aplica el Cilindro es de 1500 Kg a Extensión
y Compresión con la Misma Velocidad (Expande y Contrae 
cada uno en 10 Segundos) 
Encuentre: 
Presión Máxima requerida por la bomba 
Caudal de Aceite que pasa por la Válvula 2 y 3. 
Potencia del sistema. 
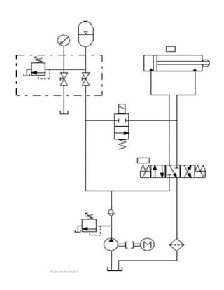
Se tiene el Sistema de la Figura el Área del Pistón es de 60 
cm2 y el del vástago 10 cm2. La Carrera del Pistón es de 100 
cm. La Fuerza que aplica el Cilindro es de 900 Kg a Extensión 
y Compresión con la Misma Velocidad (Expande y Contrae 
cada uno en 15 Segundos) 
Encuentre Presión Máxima requerida por la bomba 
Caudal de Aceite que pasa por la Válvula 2 y 3.
Potencia del Sistema: 
Se tiene el Sistema de la Figura el Área del Pistón (ambos) es 
de 50 cm2 y el del vástago (ambos) 15 cm2. La Carrera del 
Pistón (ambos) es de 120 cm. La Fuerza que aplica el Cilindro 
(ambos) es de 900 Kg a Extensión y Compresión con la Misma 
Velocidad (Retorna y Contrae cada uno en 16 Segundos ) 
Encuentre Presión Máxima requerida por la bomba 
Caudal de Aceite que pasa por la Válvula 1 y 3. 
Caudal de Aceite que pasa por la Válvula 2 y 4 
Potencia del Sistema:
El Sistema de la Figura Posee un Acumulador hidráulico para 
emergencias, Las áreas del pistón son 90 cm2 y 20 cm2, la 
fuerza con que actua es de 10000 Kg (Ext y Comp). La 
velocidad del actuador es de 10 cm/seg. Carrera 90 cm. Que 
caudal de Aceite debe enviar el acumulador y que presión 
debería tener. Analise e circuito. La Presión de Carga inicial 
es de 90 bar y Volumen 30 litros.
En la Figura Superior Se muestra un proceso de montaje de 
dos piezas unidas por un pasador. Dispuesta la primera pieza 
en un alojamiento de la mesa, la segunda pieza se ubica 
encima, siendo empujada después por un cilindro 1A1 que la 
aloja en el interior de la primera aplicando una fuerza de 500 
Kg, para por último otro cilindro1A2 empuje un pasador (3) 
que traba las dos piezas aplicando una fuerza de 2800 Kg. El 
Cilindro 1 A 1 tiene un área de 80 cm2. El cilindro 1 A 2 tiene 
un área de 70 cm2 Y se debe mover a 4 cm/seg. 
Encuentre Presiones del circuito necesarias de mode que se 
lleve a cabo la siguiente secuencia de operación: 
 Pieza 2 se coloca sobre Pieza 1 
 Pieza 3 (pasador) se coloca para unir 2 y 1 
 Se Retira Actuador 2 
 Se Retira Actuador 1
Hidraneuma
Hidraneuma

Hidraneuma

  • 1.
    Tubería Con Agua Tuberías a Presión con Aceite Velocidad Recomendada Succión 0,6 a 1,2 m/s Velocidad Recomendada Línea de Presión 2 a 4 m/s Velocidad Recomendada Línea de Descarga 2 a 6 m/s
  • 4.
    HIDRONEUMATICA:  Encuentrela Viscosidad de un Aceite Hidralub 32 a una Temperatura de 40°C y a una Temperatura de 100°C.  Encuentre la Viscosidad de un Aceite Hidralub 46 a una Temperatura de 70°C y 80°C  Encuentre la Viscosidad de un Aceite Hidralub 68 a una Temperatura de 50°C y a una Temperatura de 100 °C  Encuentre la Viscosidad de un Aceite Hidralub 100 a una Temperatura de 40°C y a una Temperatura de 80 °C  Encuentre la Viscosidad de un Aceite Hidralub 150 a una Temperatura de 50°C y a una Temperatura de 90 °C  Encuentre la Viscosidad de un Aceite Hidralub 100 a una Temperatura de 50°C y a una Temperatura de 100
  • 6.
    Cálculos de Potenciade una Bomba en las Siguientes Unidades: Potencia = Caudal de Fluido X Presión Requerida  Potencia = (m3/ Seg) X (KiloPascal) = KiloWatt  Potencia = (litros/seg) X (bar ) X 0,1 = KiloWatt  Potencia = (litros/seg)X(kg/cm2)X0,1=KiloWatt  Potencia = (litros/min) X (bar) X0,0017= KiloWatt  Potencia = (Gpm) X (psi)X 0,00043= KiloWatt  Potencia = (Gpm) X (bar) X 0,0063 = KiloWatt  Pot=(cm3/seg) X (bar)X0,0001= KiloWatt  Potencia =(cm3/seg) X (Kg/cm2) X 0,0001=KiloWatt Una Bomba maneja 20 Litros/min alcanza una Presión Máxima de 1500 lb/in2. Que Potencia Necesita. Una Bomba maneja 0,23 Litros/segundo alcanza una Presión Máxima de 12 bar. Que Potencia Necesita. Una Bomba maneja 660 cm3/seg alcanza una Presión Máxima de 7 Bar . Que Potencia Necesita. Una Bomba maneja 120 Litros/min alcanza una Presión Máxima de 500 KPa. Que Potencia Necesita.
  • 7.
    Una Bomba maneja100 GPM alcanza una Presión Máxima de 48 bar. Que Potencia Necesita. Encuentre la Presión en bar a Extensión y Compresión 10000 Kg Área 50 cm2 Área 20 cm2 Encuentre la Presión en Psi a Extensión y Compresión 9000 Kg Área 60 cm2 Área 10 cm2 Encuentre el Caudal (cm3/seg) a Compresión y Extensión Area= 50 cm2 Area= 15 cm2 Carrera Del Cilindro= 100 cm Tiempo Requerido= 5 Segundos Se tiene el Sistema de la Figura el Área del Pistón es de 70 cm2 y el del vástago 30 cm2. La Carrera del Pistón es de 200 cm. La Fuerza que aplica el Cilindro es de 1500 Kg a Extensión
  • 8.
    y Compresión conla Misma Velocidad (Expande y Contrae cada uno en 10 Segundos) Encuentre: Presión Máxima requerida por la bomba Caudal de Aceite que pasa por la Válvula 2 y 3. Potencia del sistema. Se tiene el Sistema de la Figura el Área del Pistón es de 60 cm2 y el del vástago 10 cm2. La Carrera del Pistón es de 100 cm. La Fuerza que aplica el Cilindro es de 900 Kg a Extensión y Compresión con la Misma Velocidad (Expande y Contrae cada uno en 15 Segundos) Encuentre Presión Máxima requerida por la bomba Caudal de Aceite que pasa por la Válvula 2 y 3.
  • 9.
    Potencia del Sistema: Se tiene el Sistema de la Figura el Área del Pistón (ambos) es de 50 cm2 y el del vástago (ambos) 15 cm2. La Carrera del Pistón (ambos) es de 120 cm. La Fuerza que aplica el Cilindro (ambos) es de 900 Kg a Extensión y Compresión con la Misma Velocidad (Retorna y Contrae cada uno en 16 Segundos ) Encuentre Presión Máxima requerida por la bomba Caudal de Aceite que pasa por la Válvula 1 y 3. Caudal de Aceite que pasa por la Válvula 2 y 4 Potencia del Sistema:
  • 10.
    El Sistema dela Figura Posee un Acumulador hidráulico para emergencias, Las áreas del pistón son 90 cm2 y 20 cm2, la fuerza con que actua es de 10000 Kg (Ext y Comp). La velocidad del actuador es de 10 cm/seg. Carrera 90 cm. Que caudal de Aceite debe enviar el acumulador y que presión debería tener. Analise e circuito. La Presión de Carga inicial es de 90 bar y Volumen 30 litros.
  • 12.
    En la FiguraSuperior Se muestra un proceso de montaje de dos piezas unidas por un pasador. Dispuesta la primera pieza en un alojamiento de la mesa, la segunda pieza se ubica encima, siendo empujada después por un cilindro 1A1 que la aloja en el interior de la primera aplicando una fuerza de 500 Kg, para por último otro cilindro1A2 empuje un pasador (3) que traba las dos piezas aplicando una fuerza de 2800 Kg. El Cilindro 1 A 1 tiene un área de 80 cm2. El cilindro 1 A 2 tiene un área de 70 cm2 Y se debe mover a 4 cm/seg. Encuentre Presiones del circuito necesarias de mode que se lleve a cabo la siguiente secuencia de operación:  Pieza 2 se coloca sobre Pieza 1  Pieza 3 (pasador) se coloca para unir 2 y 1  Se Retira Actuador 2  Se Retira Actuador 1