MANUAL
USO Y MANTENIMIENTO
ROLLQUATTRO F45
MÁQUINA ETIQUETADORA
Matrícula: 4390
Año de fabricación: 2013
I4390ES.USM000 (09/09/2013)
VOL. 1
SIDEL S.p.A.
Certificación concerniente la planta de Mantova
46100 MANTOVA - ITALY
Z.I. Valdaro - Via Natta, 4
Página dejada en blanco intencionalmente
¡ATENCIÓN!
Las instrucciones de uso y mantenimiento de la máquina
ROLLQUATTRO F45 se describen en los siguientes volúmenes
suministrados con la misma:
Vol. I Manual de uso y mantenimiento
Vol. IICatálogo de repuestos
VOL. III Esquemas
Vol IV Listado Software (si requerido)
Vol. V Documentación comercial
Página dejada en blanco intencionalmente
Sidel S.p.A.
ÍNDICE
I
1 - NORMAS Y ADVERTENCIAS GENERALES ..................... 1 - 1
1.1 ENSAYO Y GARANTÍA ...................................................................................................... 1 - 3
1.2 ADVERTENCIAS Y PERSONAL ENCARGADO ................................................................. 1 - 4
1.3 REFERENCIAS LEGISLATIVAS ........................................................................................ 1 - 7
1.4 TRABAJOS A CARGO DEL CLIENTE................................................................................ 1 - 8
1.5 INSTRUCCIONES PARASOLICITAR INTERVENCIONES.................................................. 1 - 9
1.6 INSTRUCCIONES PARAPEDIR REPUESTOS ................................................................ 1 - 10
1.7 MODO DE CONSULTA ..................................................................................................... 1 - 11
1.8 GLOSARIO ....................................................................................................................... 1 - 13
1.9 DESCRIPCIÓN DE LA MÁQUINA .................................................................................... 1 - 16
CAP. 2 - DATOS TÉCNICOS ....................................................... 2 - 1
2.1 DIMENSIONES DE LA MÁQUINA..................................................................................... 2 - 3
2.2 CONFIGURACIÓN DE LA MÁQUINA ................................................................................. 2 - 4
2.3 CARACTERÍSTICAS DE LA MÁQUINA Y AMBIENTALES ................................................ 2 - 5
2.4 PRESTACIONES ........................................................................................................... 2 - 12
2.5 TIPOS DE ACCIONAMIENTO Y DESPLAZAMIENTO ..................................................... 2 - 13
2.6 POTENCIAS Y CONSUMOS ............................................................................................ 2 - 14
2.7 PESOS ............................................................................................................................. 2 - 15
2.8 RUIDO .............................................................................................................................. 2 - 16
CAP. 3 - INSTALACIÓN .............................................................. 3 - 1
3.1 TRANSPORTE DE LA MÁQUINA....................................................................................... 3 - 3
3.2 NOCIONES GENERALES SOBRE LAS TÉCNICAS DE CIMENTACIÓN ........................... 3 - 7
3.3 DESPLAZAMIENTO ........................................................................................................... 3 - 8
3.4 DESCRIPCIÓN DE LOS TRABAJOS DE INSTALACIÓN ................................................. 3 - 12
3.5 DESCRIPCIÓN DE LAS CONEXIONES Y CABLEADOS ................................................. 3 - 15
3.6 DESCRIPCIÓN DE LOS TRABAJOS DE PUESTAA PUNTO
Y PRIMERA PUESTA EN MARCHA ................................................................................. 3 - 21
3.7 REINSTALACIÓN ............................................................................................................. 3 - 22
3.8 DESGUACE Y ELIMINACIÓN.......................................................................................... 3 - 23
3.9 ALMACENAMIENTO DE LAMÁQUINA ............................................................................ 3 - 27
Sidel S.p.A.
II
CAP. 4 - FUNCIONAMIENTO ..................................................... 4 - 1
4.1 APLICACIONES Y USO PREVISTO ................................................................................... 4 - 3
4.2 USO PREVISTO Y NO PREVISTO Y USOS PERMITIDOS ................................................ 4 - 4
4.3 CARACTERÍSTICAS Y LÍMITES DE FUNCIONAMIENTO .................................................... 4 - 5
4.4 POSIBLES ZONAS PELIGROSAS ..................................................................................... 4 - 6
4.5 RIESGOS, PELIGROS Y RIESGOS QUE NO PUEDEN ELIMINARSE ............................. 4 - 10
4.6 SEGURIDAD DELOPERADOR ........................................................................................ 4 - 16
4.7 DESCRIPCIÓN DELFUNCIONAMIENTO ......................................................................... 4 - 27
4.8 DISPOSITIVOS PARA LA SEGURIDAD Y LA INTEGRIDAD DE LA MÁQUINA ................ 4 - 30
CAP. 5 - INSTRUCCIONES DE USO .......................................... 5 - 1
5.1 PANEL DE MANDOS, INDICADORES LUMINOSOS Y BOTONES .................................... 5 - 3
5.2 CAJAS DE PULSADORES, DISPOSITIVOS DE EMERGENCIA ..................................... 5 - 44
5.3 ALARMAS Y SEÑALES.................................................................................................... 5 - 45
5.4 CAMPO DE TRABAJO Y POSICIONES SIGNIFICATIVAS .............................................. 5 - 51
5.5 SELECCIÓN DE LOS MODOS DE FUNCIONAMIENTO................................................... 5 - 53
5.6 ACCIONAMIENTO DE LAMÁQUINA ............................................................................... 5 - 54
5.7 MODOS DE PARADAY EMERGENCIA ........................................................................... 5 - 72
5.8 ACCESORIOS Y HERRAMIENTAS .................................................................................. 5 - 77
CAP. 6 - CAMBIO DE FORMATO............................................... 6 - 1
6.1 ADVERTENCIAS GENERALES .......................................................................................... 6 - 3
6.2 HERRAMIENTAS NECESARIAS ........................................................................................ 6 - 4
6.3 DESCRIPCIÓN DEL EQUIPO ............................................................................................ 6 - 5
6.4 LIMPIEZA DE LA MÁQUINA ............................................................................................ 6 - 12
6.5 REMOCIÓN - INSTALACIÓN DE LOS EQUIPOS PARABOTELLAS ................................ 6 - 13
6.6 REMOCIÓN – INSTALACIÓN DE EQUIPOS PARA ETIQUETAS ..................................... 6 - 27
6.7 CALIBRACIÓN Y AJUSTE................................................................................................ 6 - 35
6.8 PUESTA EN MARCHA DE LA MÁQUINA ......................................................................... 6 - 40
ÍNDICE
Sidel S.p.A.
III
MANTENIMIENTO ORDINARIO Y PROGRAMADO ................. 7 - 1
7.1 NORMAS DE SEGURIDAD PARA EL MANTENIMIENTO.................................................. 7 - 3
7.2 LIMPIEZA DE LA MÁQUINA .............................................................................................. 7 - 5
7.3 CONTROLES PERIÓDICOS............................................................................................... 7 - 9
7.4 FICHAS DE MANTENIMIENTO PROGRAMADO ............................................................. 7 - 13
7.5 OPERACIONES DE REGULACIÓN................................................................................ 7 - 149
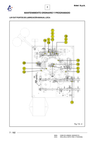
7.6 LUBRICACIÓN ............................................................................................................... 7 - 173
7.7 PUESTA EN MARCHADESPUÉS DE UNA INACTIVIDAD PROLONGADA ................... 7 - 215
CAP. 8 - DIAGNÓSTICO ............................................................. 8 - 1
8.1 BÚSQUEDA DE LAS AVERÍAS ......................................................................................... 8 - 3
8.2 FUNCIONAMIENTO GENERAL .......................................................................................... 8 - 4
8.3 TRANSPORTE DE LAS BOTELLAS .................................................................................. 8 - 5
8.4 ETIQUETADO .................................................................................................................... 8 - 6
8.5 PARTE ELÉCTRICA ........................................................................................................... 8 - 7
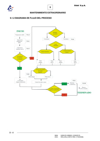
CAP. 9 - MANTENIMIENTO EXTRAORDINARIO ..................... 9 - 1
9.1 TORNEADO Y FRESADO DE LOS PATINES DEL RODILLO DE DESPLAZAMIENTO ..... 9 - 3
9.2 SUSTITUCIÓN DE LAS RESISTENCIAS Y SONDAS DEL RODILLO ENCOLADOR ....... 9 - 19
9.3 SUSTITUCIÓN DE LA BARRA DE APLICACIÓN DEL PEGAMENTO .............................. 9 - 21
CAP. 10 - DOCUMENTOS ANEXOS ....................................... 10 - 1
ÍNDICE
Página dejada en blanco intencionalmente
1 - 1
1
Sidel S.p.A.
NORMAS Y ADVERTENCIAS GENERALES
MAN. I4390.ES.USM000 (10/09/2013)
DOC. ROLL4.CAP.01.R00 (17/03/2008)
CAP. 1 - NORMAS Y ADVERTENCIAS
GENERALES
Página dejada en blanco intencionalmente
1 - 3
1
Sidel S.p.A.
NORMAS Y ADVERTENCIAS GENERALES
MAN. I4390.ES.USM000 (10/09/2013)
DOC. ROLL4.CAP.01.R00 (17/03/2008)
1.1 ENSAYO Y GARANTÍA
La máquina se envía al cliente lista para la instalación y tras haber superado en la fábrica todos los
ensayos y pruebas previstos por el fabricante, de acuerdo con la legislación vigente.
En el período de garantía el fabricante se compromete a solucionar posibles vicios y defectos, siempre y
cuando la máquina haya sido utilizada correctamente, respetando las instrucciones contenidas en los
manuales de uso y mantenimiento.
Los materiales de consumo suministrados por el vendedor junto a la máquina quedan excluidos de la
garantía.
Las condiciones de garantía se acuerdan entre las partes durante la redacción del contrato.
1 - 4
MAN. I4390.ES.USM000 (10/09/2013)
DOC. ROLL4.CAP.01.R00 (17/03/2008)
1
NORMAS Y ADVERTENCIAS GENERALES
Sidel S.p.A.
1.2 ADVERTENCIAS Y PERSONAL ENCARGADO
1.2.1 INTRODUCCIÓN
Con este manual deseamos brindarles todas las informaciones necesarias para el mantenimiento y el uso
correcto de la máquina.
Este manual forma parte integrante de la máquina y se debe conservar durante toda su vida útil.
Es indispensable entregar el manual a los posibles usuarios sucesivos de la máquina.
Está prohibido efectuar cualquier trabajo en la máquina antes de haber leído atentamente y entendido
todas las instrucciones contenidas en este manual.
Toda observación que Ud. desee hacer sobre este manual será una ayuda importante para mejorar el
servicio que SIDEL S.P.A. puede ofrecer a sus Clientes.
Las sugerencias deben ser enviadas a:
SIDEL S.p.A. – Via Natta, 4 – 46100 MANTOVA – ITALY
1.2.2 LÍMITES DE REPRODUCCIÓN Y COPYRIGHT
Reservados todos los derechos.
Reservados todos los derechos de traducción, memorización electrónica, reproducción y adaptación total
o parcial con cualquier medio (incluidas las microfilmaciones y fotocopias) para todos los países.
1 - 5
1
Sidel S.p.A.
NORMAS Y ADVERTENCIAS GENERALES
MAN. I4390.ES.USM000 (10/09/2013)
DOC. ROLL4.CAP.01.R00 (17/03/2008)
1.2.3 ADVERTENCIAS GENERALES DE SEGURIDAD
Es necesario atenerse a las siguientes precauciones generales:
– Instalar la máquina como se muestra en el lay-out adjunto y según establecido en el momento del
pedido; de lo contrario, no responderemos por los posibles inconvenientes;
– No instalar la máquina en ambientes explosivos y/o con riesgo de incendio;
– No remover los dispositivos de seguridad instalados en la máquina;
– No hacer funcionar la máquina en modo automático con las protecciones fijas o móviles desmontadas;
– No intervenir sobre interruptores, válvulas y fotocélulas sin estar autorizado;
– No intervenir sobre los componentes en movimiento ni siquiera con la ayuda de objetos o herramientas;
– No aceitar ni engrasar manualmente los componentes cuando están en movimiento;
– No atravesar cintas transportadoras haciéndolas pasar por arriba o por debajo; utilizar sólo los recorridos
habilitados con plataformas, pasarelas, escaleras, etc.
– No modificar partes de la máquina para adaptar otros dispositivos sin la autorización previa de SIDEL
S.P.A.; en caso de modificaciones no autorizadas, SIDEL S.P.A. no se considerará responsable de
las consecuencias.
– Restablecer lo antes posible el estado de la máquina con las protecciones activas tras haber realizado
un trabajo de regulación con parte de los dispositivos de seguridad desactivados.
El empleador tiene la obligación de informar al personal, durante el uso de la máquina, acerca de los
siguientes argumentos relacionados con la seguridad :
– Riesgos de accidentes;
– Dispositivos de seguridad para el operador;
– Normas de seguridad generales previstas por las directivas internacionales y por la legislación del país
de destino de la máquina.
En este manual se usan los siguientes términos:
Zona peligrosa: toda zona en el interior o en proximidad de la máquina en donde la presencia de una
persona expuesta constituye un riesgo para la seguridad y la salud de dicha persona.
Persona expuesta: toda persona que se encuentre total o parcialmente en una zona peligrosa.
Operador: la persona encargada de instalar, hacer funcionar, regular, realizar el mantenimiento, limpiar,
reparar y transportar la máquina.
El operador y el personal de mantenimiento, limpieza, etc., tienen la obligación de respetar escrupulosamente
y por completo tanto las normas de prevención de accidentes, como las disposiciones de seguridad
vigentes en el país y el establecimiento de utilización de la máquina, además de las instrucciones,
advertencias y reglas generales de seguridad contenidas en este manual.
1 - 6
MAN. I4390.ES.USM000 (10/09/2013)
DOC. ROLL4.CAP.01.R00 (17/03/2008)
1
NORMAS Y ADVERTENCIAS GENERALES
Sidel S.p.A.
1.2.4 PERSONAL ENCARGADO
Las operaciones descritas en este manual, por lo que respecta a cada fase del ciclo de vida de la máquina,
han sido cuidadosa y exhaustivamente analizadas por SIDEL S.P.A.
En este manual, por cada acción que describe la interacción entre el operador y la máquina se definirán, de
manera unívoca, tres condiciones como mínimo:
* Estado de la máquina: Modo de funcionamiento y condición de los dispositivos de seguridad instalados
en la máquina;
* Número de operadores: Cantidad de operadores que se requieren para el trabajo descrito;
* Cualificación: Cualificación del operador que está habilitado para realizar una operación determinada.
Por lo tanto, la cantidad de operadores indicada para cada operación y sus respectivas calificaciones son
las adecuadas para cumplir la función de manera ideal y segura.
Ignorar dichas prescripciones, utilizando, por ejemplo, un número inferior o superior de operadores
o personal sin la calificación necesaria, o bien poniendo la máquina en un estado distinto del indicado,
impedirá obtener el resultado esperado y pondrá en peligro la seguridad del personal.
Antes de empezar a trabajar, el operador debe conocer la disposición y el funcionamiento de los mandos
y las características de la máquina, y debe haber leído por completo este manual.
Los operadores de la máquina se clasifican de la siguiente manera:
NOTA: se define PERSONAL CUALIFICADO el personal que ha seguido cursos de especialización y
formación, posee experiencia en instalación, puesta en funcionamiento y mantenimiento de las
instalaciones y conoce las reglas sobre la prevención de accidentes. El personal cualificado debe
tener nociones de primeros auxilios en caso de accidentes.
2SHUDGRU JHQpULFR
personal no especializado capaz de conducir la máquina utilizando los mandos de la
caja de pulsadores, realizar operaciones de carga y descarga de los materiales
empleados durante la producción y desempeñar funciones simples de arranque o
restablecimiento de la producción después de una parada forzada.
(QFDUJDGR GHO
PDQWHQLPLHQWR
PHFiQLFR:
técnico cualificado capaz de conducir la máquina en condiciones normales, cambiar el
formato, intervenir sobre los componentes mecánicos para efectuar las regulaciones,
trabajos de mantenimiento y reparaciones necesarias. No está habilitado para trabajar
en la instalación eléctrica bajo tensión.
(QFDUJDGR GHO
PDQWHQLPLHQWR
HOpFWULFR
técnico cualificado capaz de conducir la máquina en condiciones normales y realizar
todos los trabajos de regulación, mantenimiento y reparación eléctricos; además, uede
modificar el ciclo de trabajo de la máquina por medio del maletín de programación.
Puede trabajar con tensión en el interior de los armarios eléctricos y en las cajas de
derivación.
7pFQLFR 6,'(/
6S$.
técnico cualificado puesto a disposición por SIDEL S.p.A. o por uno de sus agentes
para efectuar trabajos complejos
7pFQLFR GH WHUFHURV
técnico cualificado, puesto a disposición por el fabricante (Siemens, Sew–Euro-drive,
etc.) o por el distribuidor de componentes comerciales sofisticados de largo consumo,
capaz de intervenir en los mismos para efectuar modificaciones, reparaciones o
sustituciones..
1 - 7
1
Sidel S.p.A.
NORMAS Y ADVERTENCIAS GENERALES
MAN. I4390.ES.USM000 (10/09/2013)
DOC. ROLL4.CAP.01.R00 (17/03/2008)
1.3 REFERENCIAS LEGISLATIVAS
1.3.1 DIRECTIVAS COMUNITARIAS APLICADAS
Directive 2006/42/EC (Directive Machine)
Directive 2004/108/CEE (Directive EMC)
Directive 2006/95/Ec (Directive BT, ex 73/23/CEE)
EN 415-2
EN 12100-1 EN 12100-2
EN 60204-1
EN 60439-1
1 - 8
MAN. I4390.ES.USM000 (10/09/2013)
DOC. ROLL4.CAP.01.R00 (17/03/2008)
1
NORMAS Y ADVERTENCIAS GENERALES
Sidel S.p.A.
1.4 TRABAJOS A CARGO DEL CLIENTE
Los trabajos para las siguientes conexiones están a cargo del cliente:
– Red hídrica;
– Agua tratada (si la hay);
– Neumática;
– Eléctrica;
– Producto;
Descargas hídricas;
– Conducción de emisiones a la atmósfera.
Además, están a cargo del cliente:
– La puesta a tierra;
– Los materiales de consumo.
Las informaciones para ejecutar correctamente las conexiones se encuentran en el párrafo
“CONEXIONES Y CABLEADOS” del Cap. 3 de este manual.
1 - 9
1
Sidel S.p.A.
NORMAS Y ADVERTENCIAS GENERALES
MAN. I4390.ES.USM000 (10/09/2013)
DOC. ROLL4.CAP.01.R00 (17/03/2008)
1.5 INSTRUCCIONES PARA SOLICITAR INTERVENCIONES
Las solicitudes de intervención del Servicio de Asistencia Técnica al Cliente se deben enviar por escrito
vía fax a la siguiente dirección:
SIDEL S.p.A. – Via Natta, 4 – 46100 MANTOVA – ITALY
Servicio de Asistencia Técnica al Cliente, número de fax: +39.0376.302595
especificando:
– El tipo de máquina, la matrícula y el año de instalación;
– Los defectos encontrados;
– La dirección exacta del establecimiento en donde está instalada la máquina;
– La persona de contacto.
Para más información sobre los servicios ofrecidos al cliente, consulte la página Web www.sidel.com.
1 - 10
MAN. I4390.ES.USM000 (10/09/2013)
DOC. ROLL4.CAP.01.R00 (17/03/2008)
1
NORMAS Y ADVERTENCIAS GENERALES
Sidel S.p.A.
1.6 INSTRUCCIONES PARA PEDIR REPUESTOS
El Cliente es responsable de comprar recambios originales que garantizan un funcionamiento correcto y
seguro de la máquina.
La lista de los recambios necesarios, las indicaciones precisas de su identificación y las especificaciones
sobre el modo para pedirlos se encuentran en el catálogo de los recambios suministrado.
Las operaciones de desmontaje y montaje se deben realizar según las instrucciones del fabricante.
Los pedidos de repuestos se deben enviar por escrito vía fax a la siguiente dirección:
SIDEL S.p.A. – Via La Spezia, 241/A – 43100 PARMA– ITALY
Servizio Assistenza Tecnica Clienti, numero di fax: (+39) 0521–959009
Para poder identificar los recambios y agilizar la entrega, le rogamos comunicar siempre las siguientes
informaciones:
– El tipo y la matrícula de la máquina;
– El número de dibujo y posición de la pieza en el mismo;
– La descripción de la pieza;
– El código de la pieza indicado en las listas;
– La cantidad deseada.
Además, le rogamos indicar si se trata de un pedido definitivo o de una cotización de precios, especificar
la fecha de entrega requerida, la dirección a la que hay que enviar la pieza, aquella de facturación y las
instrucciones para el envío.
Comunique también el nombre, el teléfono y el fax de la persona que será nuestro futuro interlocutor para
todo aquello que concierne el suministro de piezas de repuesto.
Tras haber recibido su pedido, le enviaremos nuestra confirmación de pedido, indicando los precios, la
fecha de entrega definitiva y las condiciones de entrega.
Si fuera necesario, la dirección del servicio de recambios es:
SIDEL S.p.A. – Via La Spezia, 241/A – 43100 PARMA– ITALY
Servizio Assistenza Tecnica Clienti, numero di fax: (+39) 0521–959009
1 - 11
1
Sidel S.p.A.
NORMAS Y ADVERTENCIAS GENERALES
MAN. I4390.ES.USM000 (10/09/2013)
DOC. ROLL4.CAP.01.R00 (17/03/2008)
1.7 MODO DE CONSULTACIÓN
1.7.1 CRITERIOS GENERALES
Para consultar este manual véase el índice general de la primera página, que permite localizar
inmediatamente el argumento de su interés.
Los capítulos están organizados con una estructura jerárquica que facilita la búsqueda de la información
deseada. Una indicación explicita, colocada al inicio del capítulo, señala que en el capítulo se tratan
argumentos y se dan informaciones específicas para personal cualificado.
La documentación suministrada con la máquina etiquetadora consta de las siguientes partes:
– Manual de uso y mantenimiento (VOLUMEN I);
– Catálogo de repuestos (VOLUMEN II);
– Esquemas (VOLUMEN III);
– Lista software (VOLUMEN IV) (si el cliente la solicita expresamente) ;
– Documentos del comercio (VOLUMEN V).
1.7.2 SÍMBOLOS
Gráficamente se utilizarán los siguientes símbolos para indicar medidas particulares y/o sugerencias
importantes para la seguridad y el manejo correcto de la máquina.
ATENCIÓN: Normas contra accidentes para el operador.
PELIGRO: Destaca una situación u operación peligrosa.
ADVERTENCIA: Existe la posibilidad de que se produzcan averías a la máquina y/o a sus
componentes.
INFORMACIÓN AMBIENTAL: Indicaciones para la protección del medio ambiente.
INFORMACIÓN AMBIENTAL: Indicaciones para la protección del medio ambiente.
INFORMACIÓN ADICIONAL: Indica que es posible recibir información complementaria
consultando otro capítulo, subcapítulo, párrafo o incluso otro documento/manual.
1 - 12
MAN. I4390.ES.USM000 (10/09/2013)
DOC. ROLL4.CAP.01.R00 (17/03/2008)
1
NORMAS Y ADVERTENCIAS GENERALES
Sidel S.p.A.
1.7.3 REVISIÓN DEL DOCUMENTO
El índice de revisión del documento está indicado en los últimos tres números del código presente en la
primera línea del pie de página.
renglón al pié de la página.
Ejemplo: I2368.IT.USM000
– 000 representa la Revisión 0 del documento;
– 001 representa la Revisión 1 del documento.
La Revisión 0 representa el estado de la máquina al final del ensayo en nuestro establecimiento.
Las revisiones sucesivas del manual se realizarán luego de modificaciones o sustituciones funcionales de
la máquina.
1 - 13
1
Sidel S.p.A.
NORMAS Y ADVERTENCIAS GENERALES
MAN. I4390.ES.USM000 (10/09/2013)
DOC. ROLL4.CAP.01.R00 (17/03/2008)
1.8 GLOSARIO
PARADA/EMERGENCIA Botón de emergencia de color rojo que permite detener inmediatamente
la máquina.
Oprimir sólo en casos de emergencia o peligro.
BAILARÍN Sistema de tensado de la película de etiquetas.
BASAMENTO Estructura portante de la máquina.
BOBINA Rollo de película de etiquetas enrollado alrededor de un soporte
LEVA Guía adecuadamente perfilada que determina una ley de movimiento
específica.
DISPOSITIVO DE BLOQUEO Palanca o estrella colocada antes del sinfín que bloquea la entrada de
envases a la máquina.
REVESTIMIENTO Basamento con cárteres de protección fijos y móviles.
CAJA Contenedor realizado de varios materiales, empleado para enviar y
transportar las máquina.
CENTRADO Sistema de centrado de las botellas sobre el platillo.
CÓCLEA Tornillo sin fin que separa los envases en la entrada de la máquina y
los transporta hacia la estrella de entrada.
CODIFICADOR Dispositivo que imprime números, letras u otras informaciones sobre
la superficie de la etiqueta o de los envases.
COLUMNA LUMINOSA Indicador luminoso que señala los diferentes estados de funcionamiento
de la máquina.
ORDENADOR DE CONTROL Sistema programado basado en un microprocesador que controla el
funcionamiento de la máquina.
ENVASE Recipiente de diferentes materiales que se etiqueta.
CONTRAESTRELLA Arco que sostiene los envases evitando que salgan al pasar por las
estrellas de entrada y salida.
ACCIONADORES Sistema electrónico de regulación y control de la velocidad de rotación
de los motores eléctricos sincronizados.
ENCODER Sistema para detectar la posición angular de un componente giratorio.
A cada vuelta del encoder corresponden uno o varios impulsos en
función de sus características.
ETIQUETA Hoja aplicada sobre la superficie de los envases cuyo objetivo es el
de llamar la atención del consumador y suministrar informaciones
acerca del producto que contiene. Puede ser de diferentes materiales.
EXPULSOR Sistema capaz de separar/dividir/eliminar de la cinta los envases
que no están adecuadamente etiquetados.
RODILLO DEALIMENTACIÓN Rodillo de tracción para desbobinar la película.
1 - 14
MAN. I4390.ES.USM000 (10/09/2013)
DOC. ROLL4.CAP.01.R00 (17/03/2008)
1
NORMAS Y ADVERTENCIAS GENERALES
Sidel S.p.A.
JAULA Armazón de barras de varios materiales utilizado para el envío o el
transporte de las máquinas.
CARRUSEL Estructura giratoria que transporta los envases hacia los grupos de
etiquetado para la aplicación de la etiqueta.
GRUPO DE ETIQUETADO Conjunto de mecanismos que se encarga de aplicar la etiqueta en la
superficie del envase.
INVERSOR Sistema electrónico de regulación y control de la velocidad de rotación
de los motores eléctricos alimentados por corriente alterna monofásica
o trifásica.
JOG Mando manual para el funcionamiento de la máquina a baja velocidad
durante el mantenimiento.
GATO Varilla que comprime el envase sobre el platillo para que no se mueva
durante la rotación del carrusel.
MOTOVARIADOR Sistema de regulación mecánica de la velocidad colocado entre la
pieza en movimiento (de la cual se desea graduar la velocidad) y el
motor eléctrico.
CINTATRANSPORTADORA Cinta móvil que transporta los envases que entran y salen de la
máquina.
PALETA Plataforma de madera para ser transportada con carretillas elevadoras
y sobre la cual está colocada la máquina.
PANEL DE CONTROL Equipo de control para el operador con botones, indicadores luminosos
y pantalla.
PLATILLO Disco que sostiene el envase durante el ciclo de etiquetado.
PLC Sistema de control digital programable equipado con microprocesador.
BOMBAde PEGAMENTO Sistema que envía el pegamento al grupo de etiquetado.
PRESOSTATO Dispositivo que señala cuando la presión del fluido es insuficiente
para garantizar la seguridad del operador y/o el funcionamiento correcto
de la máquina.
PROTECCIÓN FIJA Protección para la seguridad del operador, cuya apertura es posible
sólo con instrumentos adecuados.
PROTECCIÓN MÓVIL Protección de seguridad cuya apertura es posible en determinadas
condiciones; no requiere herramientas.
PROXIMITY Sensor eléctrico cuyo principio de funcionamiento se basa en el
electromagnetismo. Puede ser utilizado para detectar la presencia de
envases a la entrada o la salida de la máquina.
RESET Botón que permite colocar el sistema en el estado inicial.
RODILLO ENCOLADOR Grupo destinado a la distribución del pegamento.
RODILLO DE CORTE Elemento del sistema de corte de etiquetas provisto de lámina de
metal y agujeros de aspiración de aire para la retención de las etiquetas.
1 - 15
1
Sidel S.p.A.
NORMAS Y ADVERTENCIAS GENERALES
MAN. I4390.ES.USM000 (10/09/2013)
DOC. ROLL4.CAP.01.R00 (17/03/2008)
RODILLO DE DESPLAZAMIENTO Sistema giratorio dotado de: agujeros de aspiración para la retención
de la etiqueta y lóbulos sobresalientes que permiten la aplicación del
pegamento en los extremos de la etiqueta. Durante la rotación, el
rodillo toma la etiqueta del sistema de corte y toca suavemente el
rodillo encolador para luego aplicar la etiqueta en el envase colocado
entre el platillo y la campanilla del carrusel de centrado.
RECHAZO Separador encargado de clasificar los envases etiquetados
incorrectamente.
SEMÁFORO Indicador luminoso que señala los diferentes estados de funcionamiento
de la máquina.
SIRENA Aparato que emite una señal acústica que informa al operador acerca
de los diferentes estados de funcionamiento de la máquina.
BORDE SIN FIN Soporte de la guía de entrada.
ESTRELLADE ENTRADA Órgano giratorio dotado de alvéolos perfilados cuya función es la de
tomar los envases del sinfín y transportarlos al carrusel de centrado
para el etiquetado.
ESTRELLA DE SALIDA Componente giratorio con cavidades conformadas que recupera del
carrusel los envases etiquetados y los transporta hacia la salida de la
máquina.
TAMPÓN DE BLOQUEO DE LA Órgano neumático cuya función es detener los envases en la
ENTRADA cinta transportadora de entrada a la máquina.
CABEZAL PRENSA-TAPA Pieza de plástico con forma de campana que retiene el envase sobre
el platillo del carrusel.
MARCADOR Dispositivo que imprime números, letras u otras informaciones sobre
la superficie de la etiqueta o de los envases.
TRANSPORTADOR Instalación compuesta por una cinta utilizada para el transporte de los
envases (véase cinta transportadora).
1 - 16
MAN. I4390.ES.USM000 (10/09/2013)
DOC. ROLL4.CAP.01.R00 (17/03/2008)
1
NORMAS Y ADVERTENCIAS GENERALES
Sidel S.p.A.
1.9 DESCRIPCIÓN DE LA MÁQUINA
1.9.1 DESCRIPCIÓN GENERAL
Este manual se refiere a una máquina etiquetadora automática rotativa RollQuattro provista de una estación
de etiquetado para la aplicación de etiquetas de cuerpo de tipo envolvente en polietileno, papel o PET.
Todas las máquinas son fabricadas por SIDEL S.p.a., MANTOVA (ITALIA), e incorporan los más avanzados
criterios tecnológicos de etiquetado a alta velocidad.
La etiquetadora RollQuattro está disponible en dos configuraciones:
- etiquetadora HORARIA: con entrada de las botellas desde la izquierda y rotación del carrusel en
sentido horario :
- etiquetadora ANTI HORARIA: con entrada de las botellas por la derecha y rotación antihoraria del
carrusel:
1 - 17
1
Sidel S.p.A.
NORMAS Y ADVERTENCIAS GENERALES
MAN. I4390.ES.USM000 (10/09/2013)
DOC. ROLL4.CAP.01.R00 (17/03/2008)
La máquina puede trabajar con envases individuales de forma cilíndrica y base cuadrada.
La máquina utiliza sistemas completamente digitales que aumentan la precisión y fiabilidad; todos los
circuitos de accionamiento y control eléctricos y neumáticos responden a las normativas internacionales
vigentes; los mandos de la máquina y sus señales están centralizados en un único cuadro operador.
La posibilidad de desarrollar altas capacidades de producción, junto con una buena resistencia a los
entornos corrosivos, reducido mantenimiento, alto grado de fiabilidad y facilidad de regulación para el
cambio de formato, hacen de ésta una máquina segura, polivalente y confiable para cualquier aplicación.
Todos los movimientos se realizan con motorizaciones electromecánicas controladas electrónicamente
por medio de PLC.
La instalación eléctrica está realizada con cables de dimensiones adecuadas y colocados en canaletas
fáciles de inspeccionar; el cuadro eléctrico está equipado con circuitos de baja tensión para las etapas de
control y programación y con telerruptores para la parte de potencia.
La interfaz usuario-máquina se lleva a cabo mediante una caja de pulsadores móvil (JOG) que, además de
brindar informaciones completas en tiempo real, permite ejecutar en ciclo manual todas las operaciones
previstas por la máquina.
1 - 18
MAN. I4390.ES.USM000 (10/09/2013)
DOC. ROLL4.CAP.01.R00 (17/03/2008)
1
NORMAS Y ADVERTENCIAS GENERALES
Sidel S.p.A.
1.9.2 MACROFUNCIONAMIENTO.
El principio de funcionamiento de las máquinas etiquetadoras rotativas RollQuattro (de carga y descarga
automática de los envases con alimentación de película de etiqueta por medio de una bobina) consiste en
trasladar el envase desde una cinta transportadora de una fila hacia un carrusel circular en donde se aplica
la etiqueta por medio de una batería de rodillos :
A) ENTRADA DE BOTELLAS (botellas a etiquetar);
B) ZONADE ETIQUETADO;
C) SALIDADE BOTELLAS (botellas etiquetadas);
En el párrafo 1.9.3. se identifican los grupos principales de la máquina, que se describen
más detalladamente en los siguientes párrafos.
B
C
A
1 - 19
1
Sidel S.p.A.
NORMAS Y ADVERTENCIAS GENERALES
MAN. I4390.ES.USM000 (10/09/2013)
DOC. ROLL4.CAP.01.R00 (17/03/2008)
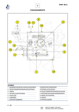
1.9.3 GRUPOS PRINCIPALES
7 PLATILLOS
8 GATOS
9 MOTORIZACIÓN PRINCIPAL
10 SOPORTE DE BOBINAS
11 GRUPO DE ETIQUETADO
12 PANELDE CONTROL
LEYENDA:
1 BASE
2 CINTA TRANSPORTADORA
3 BLOQUEO BOTELLAS Y BORDE SIN FIN
4 SIN FIN
5 ESTRELLAS
6 CARRUSEL
1
5
10
12 11
7
6
2
9
8
3 4
1 - 20
MAN. I4390.ES.USM000 (10/09/2013)
DOC. ROLL4.CAP.01.R00 (17/03/2008)
1
NORMAS Y ADVERTENCIAS GENERALES
Sidel S.p.A.
1. BASAMENTO
La base contiene los órganos de transmisión del movimiento para las cintas, las estrellas de transporte de
botellas, el carrusel central y el grupo de etiquetado, así como eventuales máquinas acopladas o equipos
opcionales.
La base también lleva instaladas las protecciones móviles y fijas.
1 - 21
1
Sidel S.p.A.
NORMAS Y ADVERTENCIAS GENERALES
MAN. I4390.ES.USM000 (10/09/2013)
DOC. ROLL4.CAP.01.R00 (17/03/2008)
2. CINTATRANSPORTADORA
Su función es transportar al carrusel las botellas a
etiquetar y permitir su salida al finalizar el proceso de
etiquetado.
Si la máquina está provista de cinta en línea su
movimiento se controla mediante un motor eléctrico,
y si la cinta es paralela, el movimiento de entrada se
controla mediante una transmisión mecánica, mientras
que la salida se gestiona con un motor eléctrico
controlado por un inversor .
1 - 22
MAN. I4390.ES.USM000 (10/09/2013)
DOC. ROLL4.CAP.01.R00 (17/03/2008)
1
NORMAS Y ADVERTENCIAS GENERALES
Sidel S.p.A.
2. CINTATRANSPORTADORA
Su función es transportar al carrusel las botellas por
etiquetar y permitir su salida al terminar el proceso de
etiquetado.
Las cintas pueden tener sistema de transferencia por
aire.
1 - 23
1
Sidel S.p.A.
NORMAS Y ADVERTENCIAS GENERALES
MAN. I4390.ES.USM000 (10/09/2013)
DOC. ROLL4.CAP.01.R00 (17/03/2008)
3. BLOQUEO DE BOTELLAS Y BORDE DE LA
CÓCLEA
Su función es detener los envases antes de su entrada
a la máquina, a fin de permitir una acumulación
suficiente como para que la máquina alcance su
velocidad operativa.
De lo contrario, los envases podrían entrar directamente
a la estrella de entrada.
El bloqueo de botellas está disponible en dos versiones:
1_Estrella de parada .
2_Tampón de parada de funcionamiento neumático.
El borde de la cóclea se fija frente a la cóclea misma
y su función es guiar los envases en la estrella de
entrada.
Tiene ademas la funcion de detener los envases caidos
antes de que ingresen en la maquina.
1 - 24
MAN. I4390.ES.USM000 (10/09/2013)
DOC. ROLL4.CAP.01.R00 (17/03/2008)
1
NORMAS Y ADVERTENCIAS GENERALES
Sidel S.p.A.
4. SIN FIN
El sinfín separa los envases, hasta obtener una
distancia entre ellos igual a la de los alvéolos de la
estrella de entrada
El sin fin es uno de los equipos de la máquina y, por lo
tanto, depende del tipo de formato y puede ser
sustituido durante las operaciones de cambio de for-
mato.
Existen varios tipos de cóclea:
- cóclea estándar de transmisión directa;
- cóclea basculante en carro;
- cóclea regulable motorizada.
1 - 25
1
Sidel S.p.A.
NORMAS Y ADVERTENCIAS GENERALES
MAN. I4390.ES.USM000 (10/09/2013)
DOC. ROLL4.CAP.01.R00 (17/03/2008)
5. ESTRELLAS
La estrella es un órgano giratorio dotado de alvéolos
perfilados capaces de transportar los envases en la
entrada y la salida de la máquina.
Se dividen en:
– Estrellas de entrada: que transportan los envases
hacia el carrusel de la máquina, colocándolos en los
platillos correspondientes;
– Estrellas de salida: transportan los envases
etiquetados hacia la cinta transportadora para la salida
definitiva.
–Estrella de transferencia: que transporta los envases
de la cinta transportadora de la entrada a la estrella de
entrada. Está montada únicamente en máquinas
provistas de cintas transportadoras de entrada y salida
en paralelo.
Las estrellas son equipos de la máquina y, por lo tanto,
dependen del tipo de formato y pueden ser sustituidas
durante las operaciones de cambio de formato.
1 - 26
MAN. I4390.ES.USM000 (10/09/2013)
DOC. ROLL4.CAP.01.R00 (17/03/2008)
1
NORMAS Y ADVERTENCIAS GENERALES
Sidel S.p.A.
6. CARRUSEL
El carrusel es la estructura portante de la máquina
montada en la base, donde se encuentran los platillos
porta-envases, los gatos y las levas de
desplazamiento.
1 - 27
1
Sidel S.p.A.
NORMAS Y ADVERTENCIAS GENERALES
MAN. I4390.ES.USM000 (10/09/2013)
DOC. ROLL4.CAP.01.R00 (17/03/2008)
7. PLATILLOS
Tienen la función de transportar y hacer girar los
envases en el carrusel central durante todo el proceso
de etiquetado.
La rotación de los platillos se puede producir median-
te:
– leva mecánica;
– brushless;
– sistema de correa de los platillos.
1 - 28
MAN. I4390.ES.USM000 (10/09/2013)
DOC. ROLL4.CAP.01.R00 (17/03/2008)
1
NORMAS Y ADVERTENCIAS GENERALES
Sidel S.p.A.
7. PLATILLOS (transmisión de correa)
El tipo de transmisión de los platillos de correa está
destinado a la rotación de los platillos para envases
cilíndricos.
Se trata de un sistema muy versátil que necesita un
mantenimiento mínimo.
Este sistema se utiliza cuando no se requiere un pun-
to de aplicación preciso de la etiqueta en el envase.
La transmisión se realiza con un motor brushless
controlado por un controlador MC-4 ELAU.
Es posible regular la velocidad de la correa para
efectuar una sincronización correcta entre:
- la velocidad de rotación de la botella;
- la velocidad del tambor de transferencia de etiquetas.
1 - 29
1
Sidel S.p.A.
NORMAS Y ADVERTENCIAS GENERALES
MAN. I4390.ES.USM000 (10/09/2013)
DOC. ROLL4.CAP.01.R00 (17/03/2008)
8. GATOS
Su función principal es retener los envases sobre el
platillo del carrusel durante el proceso de etiquetado.
Su movimiento está determinado por una leva.
Para los envases vacíos se han previsto gatos cuya
estructura permite la presurización de las botellas a
fin de mejorar el envasado.
Por tanto, los gatos pueden ser de dos tipos:
- compensados con muelle,
- presurizados.
1 - 30
MAN. I4390.ES.USM000 (10/09/2013)
DOC. ROLL4.CAP.01.R00 (17/03/2008)
1
NORMAS Y ADVERTENCIAS GENERALES
Sidel S.p.A.
9. MOTORIZACIÓN PRINCIPAL
El movimiento de la máquina se produce gracias a un
motorreductor eléctrico controlado por un inversor que
regula la velocidad de producción.
El motorreductor, ubicado debajo de la base, también
traslada el movimiento a las estrellas de transmisión
y el sinfín; por tanto, el control electrónico del motor
determina la velocidad de producción.
1 - 31
1
Sidel S.p.A.
NORMAS Y ADVERTENCIAS GENERALES
MAN. I4390.ES.USM000 (10/09/2013)
DOC. ROLL4.CAP.01.R00 (17/03/2008)
10. SOPORTE BOBINAS
El soporte de las bobinas es la estructura exterior de la máquina en donde se colocan las dos bobinas: una
que suministra la película de etiquetas a la máquina durante el funcionamiento y la otra de reserva que se
utiliza cuando se termina la película en la 1a
bobina.
Para el cambio de bobina, véase más adelante.
Cuando la película de etiquetas de una bobina se está por terminar, un sensor da la señal
que hace desacelerar la máquina y permite al operador detenerla y preparar el cambio de
bobina.
La presencia de envases defectuosos o de poca resistencia puede provocar la rotura durante
el etiquetado con la consiguiente pérdida del contenido. Se aconseja usar envases
apropiados o calibrados y estabilizar la máquina con una velocidad de ciclo adecuada a
las características técnicas de los envases
1 - 32
MAN. I4390.ES.USM000 (10/09/2013)
DOC. ROLL4.CAP.01.R00 (17/03/2008)
1
NORMAS Y ADVERTENCIAS GENERALES
Sidel S.p.A.
10.a APARATO EMPALMADOR
El aparato empalmador automático permite eliminar la parada de la máquina para el cambio de bobina,
garantizando así un etiquetado continuo.
La gestión de las bobinas (películas de etiquetas) se configura de modo que, al agotarse una, entre la otra
sin parar la máquina ni la producción.
1 - 33
1
Sidel S.p.A.
NORMAS Y ADVERTENCIAS GENERALES
MAN. I4390.ES.USM000 (10/09/2013)
DOC. ROLL4.CAP.01.R00 (17/03/2008)
11. GRUPO DE ETIQUETADO
El grupo de etiquetado rollquattro ha sido diseñado para aplicar películas de etiquetas envolventes sobre
envases cilíndricos y de formas especiales. Está constituido principalmente por los siguientes grupos:
Unidad de control de la orientación de la cinta: permite alinear correctamente la etiqueta respecto del
eje vertical, garantizando el desenrollado normal de la bobina y una precisión elevada en la colocación
correcta de la película de etiquetas.
Rodillo de arrastre: trabaja en contacto con el rodillo engomado (“PINCH ROLLER”) y garantiza el arrastre
de la película hacia el rodillo de corte.
Rodillo de corte: Estructura cuya función es cortar la etiqueta y transportarla hacia el rodillo de traslado.
Está compuesto principalmente por una estructura portante, dos cascos perforados que garantizan la
depresión (vacío) para retener la etiqueta, una cuchilla móvil con una contracuchilla fija y un bloque de
soplado que ayuda a transportar la etiqueta hacia el rodillo de traslado.
Rodillo de traslado: Rodillo giratorio cuya función es retener y transportar la etiqueta hacia el rodillo de
cola y luego, a la zona de etiquetado. La superficie del rodillo está perforada para garantizar en dicha zona
la depresión necesaria para retener la etiqueta. La etiqueta se apoya sobre la superficie del rodillo en la
zona incluida entre el patín delantero y el patín trasero.
Rodillo de cola: Rodillo de alta temperatura cuya superficie presenta una capa de cola restablecida y
mantenida uniforme constantemente.
Al entrar en contacto con el rodillo de traslado, el rodillo de cola distribuye una delgada capa de cola en los
bordes de la etiqueta, en correspondencia con los patines delantero y trasero del rodillo de traslado, que
permite encolar sólidamente la etiqueta al envase.
Aspirador vapores cola (facultativo): Tiene la tarea de transportar fuera del perímetro de la máquina los
humos producidos por el rodillo cola durante la producción.
Aspirador de vapores de pegamento (opcional): Su tarea es transportar fuera del perímetro de la
máquina los humos producidos por el rodillo encolador durante la elaboración.
1 - 34
MAN. I4390.ES.USM000 (10/09/2013)
DOC. ROLL4.CAP.01.R00 (17/03/2008)
1
NORMAS Y ADVERTENCIAS GENERALES
Sidel S.p.A.
12. PANEL DEL OPERADOR
Todos los mandos de la máquina y sus respectivas
señalizaciones se encuentran en un solo panel
operador con panel de mando (selector de marcha por
impulsos y parada de emergencia).
El panel operador cuenta con una pantalla
multifunciones de tipo táctil.
1 - 35
1
Sidel S.p.A.
NORMAS Y ADVERTENCIAS GENERALES
MAN. I4390.ES.USM000 (10/09/2013)
DOC. ROLL4.CAP.01.R00 (17/03/2008)
12. PANEL BR 15” – INTERFAZ DEL USUARIO
(HMI)
La realización de la interfaz hombre-máquina prevé
una parte dedicada a los mandos tradicionales,
situados a bordo de la máquina (selector de llave (1),
botón de emergencia (2)), y otra parte integrada en
el panel operador (monitor de pantalla táctil (3)).
1 23
1 - 36
MAN. I4390.ES.USM000 (10/09/2013)
DOC. ROLL4.CAP.01.R00 (17/03/2008)
1
NORMAS Y ADVERTENCIAS GENERALES
Sidel S.p.A.
TÚNEL DE TERMORRETRACCIÓN (opcional)
El túnel de termorretracción por vapor tiene una doble
cadena en su interior que permite rotar los envases
para garantizar una termorretracción constante y
homogénea; las boquillas especiales de distribución
del vapor mejoran su eficiencia.
El túnel, provisto de armario eléctrico a bordo, está
totalmente realizado en acero inoxidable con una
estructura aislada.
Un sistema de compensación de válvulas
proporcionales optimiza los flujos de vapor de acuerdo
a los porcentajes de termorretracción que se quieren
obtener; un sistema de extracción de vapores y
condensados equilibra constantemente las
impulsiones.
Para más información, consulte el manual entregado
junto a la máquina.
2 - 1
MAN. I4390.ES.USM000 (10/09/2013)
DOC. ROLL4Evo.CAP.01.R00 (17/03/2008)
DATOS TÉCNICOS
2
Sidel S.p.A.
2 - DATOS TÉCNICOS
Página dejada en blanco intencionalmente
2 - 3
MAN. I4390.ES.USM000 (10/09/2013)
DOC. ROLL4Evo.CAP.01.R00 (17/03/2008)
DATOS TÉCNICOS
2
Sidel S.p.A.
2.1 DIMENSIONES DE LA MÁQUINA
2 - 4
MAN. I4390.ES.USM000 (10/09/2013)
DOC. ROLL4Evo.CAP.01.R00 (17/03/2008)
DATOS TÉCNICOS
2
Sidel S.p.A.
2.2 CONFIGURACIÓN DE LA MÁQUINA
2.2.1 DATOS TÉCNICOS
Modelo: ROLLQUATTRO F45
Tipo: 32T/R HH3
Número de cabezales: 32
Paso del carrusel: 125.66
Rotación:
Hacia la derecha
Hacia la izquierda
Producto:
Bebida Vino
Agua Cerveza
Producción nominal: 52.000 B.p.h (F.1; F.2; F.3; F.4); 24.000 B.p.h. (F.5; F.7); 23.400 B.p.h. (F.6)
Botellas formato base: 600 ml
Otros formatos compatibles: 350 ml; 1500 ml; 2500 ml
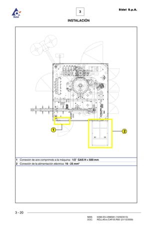
2.2.2 CONEXIONES
Conexión de aire comprimido a la máquina: 1/2” GAS FF H= 500 mm
Conexión de la alimentación eléctrica: 16 - 25 mm2
2.2.3 TIPOS DE FORMATO
Botellas: 600 ml. (F.to 1; F.to 2); 350ml (F.to 3; F.to 4); 1500 ml (F.to 5; F.to 7); 2500 ml (F.to 6)
Material del envase:
Vidrio
P.E.T.
Otro tipo de plástico
Dimensiones:
– Diámetro cuerpo: 66,8 (F.1); 67 (F.2); 58 (F.3; F.4); 92,1 (F.5;F.7);110,3 (F.6)
– Altura: 239,8 (F.1; F.2); 200,8 (F.3; F.4); 310,8 (F.5); 357 (F.6); 310,8 (F.7)
2.2.4 EQUIPOS DE LAS BOTELLAS
En la máquina se instala un equipo específico para cada tipo de formato (botella o envase).
Todos los componentes del equipo tienen, desde la fábrica, un sello con un color especifico.
Los dibujos referentes a cada uno de los formatos se encuentran en el Volumen 2 -
Recambios, mientras que las instrucciones para el montaje se describen en el capítulo 6
de este Volumen “Cambio de Formato”.
2 - 5
MAN. I4390.ES.USM000 (10/09/2013)
DOC. ROLL4Evo.CAP.01.R00 (17/03/2008)
DATOS TÉCNICOS
2
Sidel S.p.A.
2.3 CARACTERÍSTICAS DE LA MÁQUINA Y AMBIENTALES
2.3.1 INTERFAZ HOMBRE/MÁQUINA
Interfaz del sistema de control y el desplazamiento.
Se efectúa por medio de:
– Cuadro de mandos;
– Mandos tradicionales;
– Caja de pulsadores móvil de mantenimiento (JOG).
Cuadro de mandos
En el terminal se efectuarán aquellas operaciones que no resulten críticas en términos de tiempo de
respuesta, es decir:
– Predisposición de los “modos operativos” (Parada, JOG, etc.);
– Mandos correspondientes a cada “modo operativo” no previstos en los mandos tradicionales;
– Panel operador principal.
Mandos tradicionales
Con el fin de lograr una intervención rápida y segura por parte del operador, algunos mandos son de tipo
tradicional, por ejemplo:
– Parada de la máquina;
– Marcha de la máquina;
– Dispositivo de bloqueo botellas.
Caja de pulsadores móvil de mantenimiento
Se ha previsto una caja de pulsadores móvil JOG (véase párr. 5.2) para facilitar el ajuste y el mantenimiento
de la máquina.
2 - 6
MAN. I4390.ES.USM000 (10/09/2013)
DOC. ROLL4Evo.CAP.01.R00 (17/03/2008)
DATOS TÉCNICOS
2
Sidel S.p.A.
2.3.2 CONDICIONES AMBIENTALES DE INSTALACIÓN
Ventilación del ambiente
La máquina debe instalarse en un ambiente de trabajo con ventilación adecuada.
Luminosidad del ambiente
Se requieren por lo menos 200 lux para trabajar en condiciones de seguridad.
Temperatura ambiente
Para no comprometer la seguridad y el funcionamiento ideal de la máquina, hay que atenerse a los valores
indicados:
– Temperatura de almacenamiento: –10° ÷ 60°C
– Temperatura ambiente de funcionamiento: 10° ÷ 45°C;
– Temperatura del armario eléctrico de potencia: t. máx.  40°C.
Vibraciones
La máquina ha sido diseñada y construida respetando las directivas vigentes y el nivel de vibraciones
permitido.
2 - 7
MAN. I4390.ES.USM000 (10/09/2013)
DOC. ROLL4Evo.CAP.01.R00 (17/03/2008)
DATOS TÉCNICOS
2
Sidel S.p.A.
Las garantías contractuales relativas a las prestaciones de la máquina y la fiabilidad dependen del uso de
materiales que respondan a las ESPECIFICACIONES TÉCNICAS PARALAAPLICACIÓN DE ETIQUETAS
CON BOBINA.
Las siguientes especificaciones deberán ser respetadas a fin de garantizar el correcto funcionamiento de
la máquina.
2.3.3 CARACTERÍSTICAS ESPECÍFICAS DEL MATERIAL DE LAS
ETIQUETAS
a) Criterios de buena técnica industrial
El producto suministrado por el impresor debe respetar los parámetros de calidad (UNI EN ISO 9001:2000.
b) Características estéticas/funcionales
En el producto suministrado no se deben verificar: perforaciones, cortes, arrugas, dobleces o cualquier
otro defecto que pueda perjudicar el uso correcto.
c) Cargas electroestáticas
La película ha sido fabricada adoptando todas las precauciones necesarias para reducir la acumulación de
cargas electroestáticas.
2.3.4 BOBINA - CARACTERÍSTICAS TÉCNICAS
a) Bobinado
La película se enrollará de tal manera que evitará la apertura del mandril.
La tensión de bobinado será constante a lo largo de la banda para no perjudicar el uso del material.
Durante el desbobinado de la bobina, es importante que no se verifiquen dobleces de ningún tipo.
b) Alineación de los bordes
Los cabezales (superficies laterales) de las bobinas deben ser llanos.
Se admite, de todas formas, un saliente máximo de las espira de 2-3 mm cerca de las juntas.
c) Características del mandril
El diámetro interno es de 152 mm.. El mandril debe ser homogéneo y resistente para no sufrir ningún tipo
de modificación durante el uso de la bobina.
Las tolerancias en el diámetro son del –0 +2,5 mm.
La tolerancia en la longitud del mandril debe hallarse en un rango de +2 a +4 mm respecto a la anchura
nominal de la película; en todo caso, no debe sobresalir por más de 3 mm sobre uno de los cabezales.
Los mandriles deben estar limpios y no deben presentar olor alguno.
d) Conicidad
La bobina debe tener el mismo diámetro externo en los dos costados opuestos o debe existir una diferencia
máxima de 5 mm o, de todas maneras, una deferencia que no obstruya el funcionamiento o comprometa
la calidad del laminado final.
e) Irregularidades
Las bobinas deben ser lisas, es decir que no deben presentar ni irregularidades longitudinales ni hundimientos
transversales.
f) Juntas
Las juntas se efectúan uniendo los dos bordes a ras o con sobreposición de modo que no se rompan
durante las operaciones normales de transformación; de igual manera, deben ser señaladas con una cinta
adhesiva transparente resistente al calor.
Éstas deben poder resistir una tracción de 20 –25 N/mm2
.
Las juntas serán realizadas de tal manera para evitar que las espiras se adhieran.
g) Corte
Será neto y sin residuos u otro tipo de impurezas.
No se deben verificar cortes laterales que provoquen rupturas durante el uso, y las espiras no deben ser
pegajosas.
2 - 8
MAN. I4390.ES.USM000 (10/09/2013)
DOC. ROLL4Evo.CAP.01.R00 (17/03/2008)
DATOS TÉCNICOS
2
Sidel S.p.A.
SIDEL S.p.A. controla todas las muestras de etiquetas recibidas de los clientes de
conformidad con las especificaciones citadas. Los posibles problemas se comunican
inmediatamente a nuestros clientes, sugiriendo soluciones distintas según el caso. SIDEL
S.p.A. no puede garantizar las prestaciones de la máquina sobre la base de dibujos
preliminares de las etiquetas o etiquetas no impresas o diferentes de aquellas controladas
y aceptadas previamente.
Por lo general, una máquina sujeta a regulaciones y mantenimientos adecuados no produ-
ce problemas de etiquetado. Los fenómenos de etiquetas “de bandera”, con rayado
superficial, arrugas y protuberancias, pueden ser originados por la baja calidad del material,
o bien por operaciones incorrectas de la máquina. Las condiciones generales establecidas
anteriormente deben ser evaluadas de acuerdo a los estándares de calidad existentes, sin
embargo, en algunos casos, podrían requerir una redefinición, mucho más real, de las
tolerancias y de la calidad del material.
PRECISIÓN DEL ETIQUETADO
A = 95% +/- 0,5mm B = 95% +/- 0,5mm
4% +/- 1 mm 4% +/-1 mm
1% +/- 1,5mm 1% +/-1,5mm
B
A
2 - 9
MAN. I4390.ES.USM000 (10/09/2013)
DOC. ROLL4Evo.CAP.01.R00 (17/03/2008)
DATOS TÉCNICOS
2
Sidel S.p.A.
2.3.5 ESPECIFICACIONES DE LOS ENVASES
La concentricidad de las botellas/envases no deberá desviarse del eje perpendicular por más de ±1,5
mm.
Las medidas de concentricidad que excedan este dato, pueden perjudicar la alineación y la precisión del
etiquetado.
El diámetro de la botella/envase no deberá desviarse por más de ± 0,5 mm de las dimensiones nominales.
El panel porta-etiqueta de la botella/envase deberá ser por lo menos 3 mm mayor respecto a la altura de
la etiqueta.
La altura del panel porta-etiqueta de la botella/envase no deberá desviarse por más de ± 0,5 mm de las
dimensiones nominales.
La altura de la botella/envase no deberá desviarse por más de ±1,5 mm de las dimensiones nominales.
El grafilado del fondo de la botella/envase de vidrio deberá ser lo suficientemente pronunciado como
para permitir un agarre consistente en los platillos y garantizar la rotación correcta durante la fase de
etiquetado.
La superficie de la botella/envase deberá estar seca y limpia.
CARACTERÍSTICAS ESPECÍFICAS DE LA PEGAMENTO
SIDEL S.p.A. realiza pruebas periódicas con los adhesivos más utilizados y conocidos en el mercado y
puede dar sugerencias relacionadas con el tipo a considerar de acuerdo a las diferentes aplicaciones y a
las características del material de la etiqueta.
SIDEL S.p.A. no se asume ninguna responsabilidad por las prestaciones a largo plazo del
pegamento.
Si bien se realizan pruebas relacionadas con el funcionamiento con algunos materiales
durante el ensayo en nuestro establecimiento, es responsabilidad del cliente la elección
definitiva del pegamento y el control de la calidad de adhesión de la etiqueta en la botella/
envase a largo y corto plazo y en las distintas condiciones de uso.
2 - 10
MAN. I4390.ES.USM000 (10/09/2013)
DOC. ROLL4Evo.CAP.01.R00 (17/03/2008)
DATOS TÉCNICOS
2
Sidel S.p.A.
2.3.7 BOBINADO TÍPICO DE LA ETIQUETA DESDE LA BOBINA
GRUPO IZQUIERDO:
GRUPO DERECHO:
2 - 11
MAN. I4390.ES.USM000 (10/09/2013)
DOC. ROLL4Evo.CAP.01.R00 (17/03/2008)
DATOS TÉCNICOS
2
Sidel S.p.A.
2.3.8 TÍPICA VENTANA DE CENTRADO DE CORTE
GRUPO IZQUIERDO:
GRUPO DERECHO:
*=ANTE LA PRESENCIA DEL EMPALMADOR AUTOMATICO LAALTURA DE LA
MUESCA NO DEBERA SER INFERIOR A 15 mm.
2 - 12
MAN. I4390.ES.USM000 (10/09/2013)
DOC. ROLL4Evo.CAP.01.R00 (17/03/2008)
DATOS TÉCNICOS
2
Sidel S.p.A.
2.4 PRESTACIONES
2.4.1 VELOCIDADES SELECCIONABLES
La máquina tiene los siguientes modos de funcionamiento:
1) Producción.
2) Jog
Las velocidades que se pueden seleccionar son:
1) Modo de producción
V= fase de arranque – V máx (bph).: 60.000 B.p.h (F.1; F.2; F.3; F.4); 27.600 B.p.h. (F.5; F.7);
26.910 B.p.h. (F.6)
2) modo Jog
V= por impulsos, determinados por el operador.
2 - 13
MAN. I4390.ES.USM000 (10/09/2013)
DOC. ROLL4Evo.CAP.01.R00 (17/03/2008)
DATOS TÉCNICOS
2
Sidel S.p.A.
2.5 TIPOS DE ACCIONAMIENTO Y DESPLAZAMIENTO
El movimiento de la máquina se produce gracias a un motor eléctrico controlado por un inversor, proporcional
a la potencia del motor, con el que se regula la velocidad de producción.
Excediendo determinadas potencias y una producción específica (42.000 Bph), se asocia a la motorización
una resistencia de frenado.
Dicho motor transmite el movimiento al carrusel de centrado de los envases por medio de un reductor.
A través de una serie de engranajes acoplados al engranaje central, se traslada el movimiento a las
estrellas de transporte de botellas y al sinfín.
Dos motorreductores permiten que el grupo de etiquetado asuma las posiciones ideales para etiquetar los
distintos formatos trabajados por la máquina.
2 - 14
MAN. I4390.ES.USM000 (10/09/2013)
DOC. ROLL4Evo.CAP.01.R00 (17/03/2008)
DATOS TÉCNICOS
2
Sidel S.p.A.
2.6 POTENCIAS Y CONSUMOS
2.6.1 TENSIONES
Ver datos en el “Esquema Electrico” (Volumen 3-A).
2.6.2 POTENCIAS INSTALADAS
Ver datos en el “Esquema Electrico” (Volumen 3-A).
2.6.3 PRESIONES
Presión de aire comprimido de la máquina 6 bar
Presión de aire de los gatos 1,5 bar
Valores inferiores a quellos indicados no permiten un correcto funcionamiento de la
màquina.
NO SUPERAR LA PRESIÓN INDICADA
2.6.4 CONSUMOS
Consumo de aire comprimido de la máquina 90 m3
/h
Consumo de aire de los gatos 45 m3
/h
2 - 15
MAN. I4390.ES.USM000 (10/09/2013)
DOC. ROLL4Evo.CAP.01.R00 (17/03/2008)
DATOS TÉCNICOS
2
Sidel S.p.A.
2.7 PESOS Y DIMENSIONES
Pesos de la máquina:
Peso aproximado: 8.000 Kg.
Dimensiones de embalaje de la máquina:
550 X 300 X 310 cm
Para más información sobre el peso y las dimensiones del embalaje de la máquina, consulte
el albarán y/o la lista de empaque.
2 - 16
MAN. I4390.ES.USM000 (10/09/2013)
DOC. ROLL4Evo.CAP.01.R00 (17/03/2008)
DATOS TÉCNICOS
2
Sidel S.p.A.
2.8 RUIDO
La máquina posee dispositivos adecuados para limitar en la fuente el ruido emitido:
– Silenciador en la descarga de las electroválvulas;
– Silenciador en la descarga de la bomba de vacío;
– Chapas de protección que cubren el carrusel debajo de la base;
– Protecciones con película de material fonoabsorbente en las protecciones frontales (opcional);
– Túnel de material fonoabsorbente en la zona de entrada y de salida de los envases (opcional).
El nivel de ruido de la máquina detectado en la posición del operador no sólo depende del movimiento de
sus órganos móviles y del tipo de envase tratado, sino también del ambiente de instalación y del ruido que
deriva del funcionamiento de las máquinas de la planta y de las cintas de la línea.
Por ello es difícil ofrecer al usuario datos significativos sobre la emisión acústica generada por la máquina.
Se recomienda, por lo tanto, evaluar el nivel de exposición de los trabajadores en los diferentes lugares de
trabajo en el momento de la puesta en marcha de la máquina etiquetadora.
Los resultados de dicha evaluación proporcionarán las indicaciones necesarias para suministrar a los
operarios los dispositivos de protección individual adecuados (auriculares, etc.).
Dicha intervención será necesaria si el nivel de exposición del personal sea superior a 85 dB (posición “A”
- Fig. 2.8 - 1) y, en todo caso, según las disposiciones legales específicas y vigentes en el país de
utilización.
Con el fin de contener el ruido producido por la máquina, se recomienda verificar periódicamente:
– que no haya juego en los reductores;
– que la lubricación haya sido efectuada correctamente;
– el emplazamiento correcto de la máquina (que los pies estén perfectamente apoyados en el suelo a fin
de evitar vibraciones excesivas);
Además, es necesario verificar periódicamente el desgaste de los componentes, especialmente de:
– Engranajes;
– Sinfín;
– Equipos de las botellas y rampas de las botellas (en caso de que existan);
En caso de que los valores fonométricos detectados puedan comportar una condición de
peligro para los operadores, el empleador tiene la obligación de predisponer los medios
adecuados para la protección individual y organizar turnos de trabajo que limiten la
exposición al ruido.
2 - 17
MAN. I4390.ES.USM000 (10/09/2013)
DOC. ROLL4Evo.CAP.01.R00 (17/03/2008)
DATOS TÉCNICOS
2
Sidel S.p.A.
Valor en dB
79,9
82,5
83,2
Posición
A
B
C
El valor de ruido indicado a continuación se refiere a la prueba efectuada en SIDEL S.p.A. con la máquina
conectada en línea, la cinta en marcha y el funcionamiento en vacío.
Los valores se han medido en conformidad con las normativas (véase anexo) e indican los niveles de
presión acústica en la posición del operador.
A
B
C
2 - 18
MAN. I4390.ES.USM000 (10/09/2013)
DOC. ROLL4Evo.CAP.01.R00 (17/03/2008)
DATOS TÉCNICOS
2
Sidel S.p.A.
Los niveles de presión acústica indicados en la tabla anterior se refieren a las siguientes posiciones de
medición, configuración de la máquina en el ambiente de trabajo/instalación:
A) Posiciones de medición
Lugar de trabajo del operador (posición “A”) a 1 metro de distancia de la máquina.
Puntos más ruidosos en el perímetro ideal de la máquina, a 1 metro de distancia de la misma (posición “B”
y “C”)
Altura media de medición: 1,50 m desde el piso
Distancia de medición de la máquina: 1,00 m
Plataforma operador: NO
Altura de la plataforma desde el piso: — m
B) Configuración de la máquina:
Velocidad de producción: 60.000 B.p.h (F.1)
Tipo de envase de la botella: 600ml. (F.to 1)
Material del envase: P.E.T.
Puntos de apoyo: Pies de plástico
C) Configuración del ambiente:
Tipo de ambiente: galpón industrial
Tiempo de reverbero: — segundos.
Ruido de fondo: 57 dB (A)
Factor de corrección ambiental: 0,5 dB (A) (ambiental + ruido de fondo)
INSTALACIÓN
3 - 1
3
Sidel S.p.A.
MAN. I4390.ES.USM000 (10/09/2013)
DOC. ROLL4Evo.CAP.03.R00 (21/12/2009)
CAP. 3 - INSTALACIÓN
Página dejada en blanco intencionalmente
INSTALACIÓN
3 - 3
3
Sidel S.p.A.
MAN. I4390.ES.USM000 (10/09/2013)
DOC. ROLL4Evo.CAP.03.R00 (21/12/2009)
3.1 TRANSPORTE DE LA MÁQUINA
De acuerdo a los modos de transporte y la tipología de los productos a enviar, SIDELS.p.A. utiliza embalajes
adecuados para garantizar la integridad y la conservación durante el transporte.
3.1.1 TRANSPORTE EN CARRETERA
El transporte por carretera se hace, por lo general, con un camión de dimensiones apropiadas.
En caso de embalajes de una altura considerable (mayor de 4 metros), es necesario utilizar un medio con una
plataforma más baja.
Los embalajes utilizados son paletas o jaulas (para transportes en Europa) y, con menos frecuencia, también
se utilizan cajas.
Las etiquetadoras listas para la expedición suelen enviarse parcialmente desmontadas;
están subdivididas en las siguientes piezas:
– máquina etiquetadora con basamento, carrusel y cuadro de mando;
– partes de la cinta transportadora (para la entrada-salida de los envases de la máquina);
– armario eléctrico.
Se predisponen, además, embalajes para:
– equipos adicionales;
– dispositivos opcionales (como marcadores láser).
Las partes se colocan sobre la plataforma y se aseguran adecuadamente.
No desplazar la paleta y la jaula con una grúa.
No utilizar nunca redes de elevación para el desplazamiento.
3.1.2 TRANSPORTO POR MAR
Para el transporte marítimo es indispensable utilizar un embalaje de caja.
La máquina se transporta, por lo general, en una o dos cajas, en función de sus componentes:
– En la primera, más robusta y con el fondo reforzado, se coloca la máquina etiquetadora.
– La otra caja, más pequeña que la primera, contiene las partes desmontadas de la máquina, como la cinta
transportadora y los equipos necesarios para los diferentes formatos producidos por la máquina junto con
el armario eléctrico (cuando no está integrado a la máquina).
Se predisponen, además, embalajes para:
– equipos adicionales;
– dispositivos opcionales (como marcadores láser).
Las partes se colocan sobre la plataforma y se aseguran adecuadamente.
3.1.3 TRANSPORTE AÉREO
Para el transporte aéreo, la máquina etiquetadora se envía por medio de cajas o bien en jaulas, en caso de que
los tiempos de entrega sean cortos.
Se predisponen, además, embalajes para:
– equipos adicionales;
– partes de la cinta transportadora;
– dispositivos opcionales (como marcadores láser).
Las partes se colocan sobre la plataforma y se aseguran adecuadamente.
El tamaño de los embalajes depende de las características específicas indicadas por las diferentes compañías
aéreas.
3 - 4
3
INSTALACIÓN
Sidel S.p.A.
MAN. I4390.ES.USM000 (10/09/2013)
DOC. ROLL4Evo.CAP.03.R00 (21/12/2009)
3.1.4 EMBALAJES
Los embalajes se realizan en conformidad con las normas o leyes aplicables y vigentes.
Para la eliminación de los embalajes, el usuario debe respetar las normas vigentes en el propio país
(véase el párrafo – DEMOLICIÓN YELIMINACIÓN presente en este capítulo).
Para evitar y reducir el impacto ambiental causado por el ciclo de los embalajes y los residuos
derivati, la gestione dei rifiuti da imballaggio deve essere basata sul recupero (riutilizzo, riciclaggio dei materiali
e recupero energetico).
La eliminación final debería ser la última opción y debe aplicarse sólo a los residuos que no pueden ser
recuperados o tratados de cualquier otra forma.
REUTILIZACIÓN DE LOS EMBALAJES
La reutilización de los embalajes, (especialmente las bancadas de madera y los cuerpos de llenado) por la
función para la que han sido concebidos, aumentando la duración de vida del producto, implica una
reducción de las materias primas utilizadas y de la producción de residuos resultantes del embalaje.
RECOLECCIÓN SELECTIVAE INICIO DE LARECUPERACIÓN
Con una correcta recolección selectiva de los embalajes, se puede recuperar una amplia gama de residuos,
obteniendo así ventajas ecológicas y económicas.
–Embalajes de plástico
Los embalajes de plástico se pueden recuperar para la producción de nuevos recursos tanto a través del
reciclajeenelsectordeprovenienciacomoenlaproducción decaloryenergíapormediodelatermovalorización;
de esta forma, es posible evitar que al final del ciclo vital estos embalajes se transformen en una carga
medioambiental bajo forma de residuos a ser eliminados en el vertedero.
Polietileno (PE), polipropileno (PP), polietilentereftalato (PET), polivinilcloruro (PVC) son algunos ejemplos de
polímeros reciclables.
- Embalajes de papel/cartón
Los embalajes en papel/cartón pueden ser utilizados como materia prima en la industria papelera.
El proceso productivo del papel, además de involucrar la tala de árboles, requiere grandes cantidades de
energía,agua(queseintroducenuevamentealambiente,contaminada),diferentestiposdesustanciasquímicas
y el uso de máquinas y medios de transporte que contaminan de igual manera.
Reciclar el papel significa redimensionar todos estos procesos y reducir no solo la cantidad de residuos que se
deben eliminar, sino también el trabajo de los encargados de la depuración.
– Embalajes de madera
Losdescartesdelosembalajesdemaderapuedenserreutilizadosparalaproduccióndeaglomeradosleñosos,
(destinados en su mayoría a la industria de los muebles), para la producción de pasta celulósica (utilizada en
la industria del papel), y para la producción de compuestos o en la recuperación energética por medio de la
combustión en las instalaciones de producción de energía termoeléctrica.
INSTALACIÓN
3 - 5
3
Sidel S.p.A.
MAN. I4390.ES.USM000 (10/09/2013)
DOC. ROLL4Evo.CAP.03.R00 (21/12/2009)
3.1.5 TIPOS DE EMBALAJES
– Paleta: soporte llano de dimensiones adecuadas construido en madera. La máquina se fija en la paleta
mediante pernos y estribos de madera; una protección de SB (bolsa termosoldable con sales) aísla la máquina
de los agentes atmosféricos; en la parte inferior se han previsto unas ranuras para la elevación por medio de
carretillaelevadora;
– Jaula: soporte llano dotado de paredes de madera reforzadas, con estribos en todos los lados verticales
así como en la parte superior. Permite proteger mejor el contenido con respecto a la paleta. la máquina se fija
a la paleta con pernos y estribos; una cubierta de lona en SB (saco termosoldable con sales) aísla la máquina
delosagentesatmosféricos;enelladoinferiorsehanprevistoranurasparalaelevaciónconcarretillaelevadora
o grúa; en el lado superior y los laterales, se han previsto paredes de madera reforzadas.
3 - 6
3
INSTALACIÓN
Sidel S.p.A.
MAN. I4390.ES.USM000 (10/09/2013)
DOC. ROLL4Evo.CAP.03.R00 (21/12/2009)
– Caja marina: embalaje cerrado hecho con travesaños y tablas de madera que rodean completamente el
contenido para obtener una protección eficaz contra la intemperie.La máquina se fija a la base con pernos y
estribos de madera que limitan los movimientos; una envoltura de PVC y SB (bolsa termosoldable con sales)
aísla la máquina de posibles infiltraciones; en la parte inferior hay correderas para el levantamiento con
carretilla elevadora. En el costado de la caja se indica el centro de gravedad de todo el embalaje para un
levantamiento correcto con carretilla elevadora. En condiciones atmosféricas especiales, la caja está dotada
con una protección de chapa.
INSTALACIÓN
3 - 7
3
Sidel S.p.A.
MAN. I4390.ES.USM000 (10/09/2013)
DOC. ROLL4Evo.CAP.03.R00 (21/12/2009)
3.2 NOCIONES GENERALES SOBRE LAS TÉCNICAS DE
CIMENTACIÓN
La máquina no requiere trabajos especiales de cimentación.
Es necesario comprobar que las cimentaciones soporten el peso de la máquina, indicado en la placa de
las características.
3 - 8
3
INSTALACIÓN
Sidel S.p.A.
MAN. I4390.ES.USM000 (10/09/2013)
DOC. ROLL4Evo.CAP.03.R00 (21/12/2009)
3.3 DESPLAZAMIENTO
3.3.1 RECEPCIÓN EN EL ESTABLECIMIENTO DEL CLIENTE
En la fábrica de destino ya debe haber:
– el espacio necesario para garantizar la libertad de movimiento durante los trabajos de servicio y
mantenimiento de la máquina;
– el espacio necesario para la posible transformación de la máquina agregando partes suplementarias u
otro (si ha sido previsto en el pedido);
– la ejecución correcta de las cimentaciones y del piso en donde se apoyará la máquina, de manera que
soporte el peso de la misma, amortigüe de la mejor manera las posibles vibraciones e impida su
propagación;
– la iluminación adecuada del lugar de trabajo alrededor de la máquina;
– las dimensiones adecuadas de las conexiones eléctricas, neumáticas e hidráulicas (si fueran necesarias)
de modo que soporten las absorciones máximas de la máquina, como indicado en el capítulo 3.5;
– los equipos de eliminación adecuados para recoger materiales recicables como: papel, plástico y
vidrio srespetando las normas previstas por las leyes de protección del ambiente vigentes en el país del
usuario;
– los equipos de eliminación adecuados para recoger las sustancias tóxicas y peligrosas, como por
ejemplo, aceites usados, según lo establecido por las leyes de tutela ambiental vigentes en el país del
usuario;
– los equipos y medios adecuados para descargar e instalar la máquina (grúas, carretillas elevadoras,
transpaletizadores).
Todas las operaciones de recepción y descarga de la máquina se deben llevar a cabo ante la presencia de
un responsable cuya función es la de controlar los trabajos de descarga y, con la ayuda del documento de
transporte, comprobar si faltan piezas o si hay alguna pieza defectuosa.
Controlar que los cables, carretillas elevadoras y equipos de transporte cuenten con la
capacidad de carga adecuada.
Los equipos suministrados para la elevación de la máquina deben utilizarse sólo para ese
fin.
INSTALACIÓN
3 - 9
3
Sidel S.p.A.
MAN. I4390.ES.USM000 (10/09/2013)
DOC. ROLL4Evo.CAP.03.R00 (21/12/2009)
3.3.2 EXPEDICIÓN EN PALETA (SIN EMBALAJE)
No utilizar nunca la red de elevación para desplazar las paletas.
DESPLAZAMIENTO CON CARRETILLA
ELEVADORAO TRANSPALETIZADOR
La paleta y la jaula se pueden desplazar sólo mediante
una carretilla elevadora.
El desplazamiento de la máquina sin embalaje mediante
carretilla elevadora debe efectuarse de manera que la
cinta transportadora quede transversal con respecto a
las horquillas de la carretilla.
Introducir las horquillas de la carretilla elevadora en el
lugar indicado por los adhesivos amarillos.
Estos puntos han sido escogidos específicamente
porque permiten mantener la máquina en su posición y
evitan desequilibrios peligrosos.
Las horquillas deben estar separadas adecuadamente
y deben poseer una longitud que permita sostener toda
la base del bastidor.
3 - 10
3
INSTALACIÓN
Sidel S.p.A.
MAN. I4390.ES.USM000 (10/09/2013)
DOC. ROLL4Evo.CAP.03.R00 (21/12/2009)
3.3.3 ENVÍO EN CAJA DE MADERA O JAULA
Si se han provisto equipos específicos para el desplazamiento de la máquina, utilice
exclusivamente el material entregado.
El equipo de elevación debe poder levantar el peso total (máquina + caja).
Las dimensiones y el peso de las cajas se encuentran en el documento de transporte (para
las máquinas destinadas a Italia) o en la lista de embalaje (para las máquinas destinadas
al extranjero).
La caja de embalaje permite desplazar la máquina con puente grúa o con carretilla elevadora.
DESPLAZAMIENTO CON CUERDAS O CABLES DEACERO
Es posible desplazar la máquina con una GRÚA sólo si la misma cuenta con las armellas
necesarias para la elevación mediante cables o correas.
Si se utiliza una grúa, asegurarse que los cables de elevación tengan las mismas medidas.
Pase los cables de elevación debajo de la base de la caja y engánchelos a la grúa de modo que queden
adheridos al lado de la caja.
Los cables de elevación deben tener una longitud adecuada para asegurar un transporte equilibrado y no
deben formar un ángulo superior a 45° con el eje vertical, para evitar esfuerzos transversales.
En estas condiciones, los cables deben resistir una fuerza estática de tracción igual a 1/4 del peso de la
máquina.
Antes de elevar la máquina, asegurarse que el gancho de la grúa quede perpendicular a la caja y que el
ángulo formado por los cables no exceda los 90°.
Cabe recordar que el baricentro de la máquina corresponde aproximadamente a su centro exacto (G),
como se indica en la siguiente imagen.
Después de colocarlo todo en el suelo, abra el embalaje.
INSTALACIÓN
3 - 11
3
Sidel S.p.A.
MAN. I4390.ES.USM000 (10/09/2013)
DOC. ROLL4Evo.CAP.03.R00 (21/12/2009)
MÁQUINA
1. Quite los travesaños de bloqueo internos y externos
(T) para poder levantar la máquina.
2. Lleve las horquillas de la carretilla lo más cerca
posible de las referencias situadas en la máquina, a fin
de obtener una mejor estabilidad (S).
Levantar prestando mucha atención y tratando de no
provocar sacudidas.
3. Traslade la máquina al lugar deseado; regule bien
las barras roscadas de las patas de apoyo y apoye en
el suelo la máquina con sumo cuidado.
T
S
3 - 12
3
INSTALACIÓN
Sidel S.p.A.
MAN. I4390.ES.USM000 (10/09/2013)
DOC. ROLL4Evo.CAP.03.R00 (21/12/2009)
3.4 DESCRIPCIÓN DE LOS TRABAJOS DE INSTALACIÓN
La instalación del equipo puede ser efectuada sólo por los propios técnicos o por los
técnicos de Sidel Spa, con el pegamentoboración del personal del comprador.
Si la máquina estuviera averiada, no ponerla en funcionamiento e informar inmediatamente
el servicio de asistencia técnica.
Está prohibido instalar la máquina en ambientes donde exista el riesgo de explosión
La máquina debe colocarse en un suelo capaz de sostener las cargas declaradas por el
fabricante e indicadas en el albarán (para las máquinas destinadas a Italia) o en la lista de
empaque (para máquinas destinadas al extranjero).
Asegurarse que en la zona de instalación de la máquina no haya obstáculos y que esté
presente solo el personal encargado de las operaciones de montaje. Per assicurarsi ciò è
consigliato predisporre, attorno all’area di lavoro, una transennatura e applicare
segnalazioni di pericolo in posizione visibile.
El personal encargado de realizar el montaje debe efectuar todos los movimientos descritos
en esta sección muy lentamente para evitar desequilibrios repentinos de la máquina que
puedan crear daños o situaciones de peligro para los operarios.
La máquina etiquetadora debe ser instalada y debe operar en un ambiente ventilado, a fin
de evitar que los vapores exhalados por los recipientes para la fusión de los pegamentos
termofundibles (HOT MELT y ROLL FED) se estanquen y saturen el ambiente.
Cuando los pegamentos termofundibles alcanzan la temperatura de funcionamiento
(aproximadamente 160 °C), exhalan vapores que pueden ser nocivos si inhalados en grandes
cantidades.
INSTALACIÓN
3 - 13
3
Sidel S.p.A.
MAN. I4390.ES.USM000 (10/09/2013)
DOC. ROLL4Evo.CAP.03.R00 (21/12/2009)
3.4.2 BASAMENTO
Es necesario efectuar las siguientes operaciones:
CONEXIÓN A LA LÍNEA:
Después de la descarga, hay que conectar la máquina con la línea de producción.
Esta operación debe realizarse con suma atención, ya que la introducción incorrecta en la
línea puede afectar el funcionamiento correcto de la etiquetadora.
La máquina se puede entregar con o sin transmisión autónoma.
– Máquina con transmisión autónoma
La cinta transportadora de la etiquetadora debe
colocarse al lado de la cinta de la línea, adaptando
los bordes de guía para favorecer la entrada y salida
correcta de los envases.
– Máquina sin transmisión autónoma
La cinta transportadora de la etiquetadora debe
conectarse a la de la línea por medio de las placas de
conexión suministradas.
Es responsabilidad del cliente garantizar
una alimentación correcta y constante,
así como una salida fluida de los envases
de las cintas.
3 - 14
3
INSTALACIÓN
Sidel S.p.A.
MAN. I4390.ES.USM000 (10/09/2013)
DOC. ROLL4Evo.CAP.03.R00 (21/12/2009)
NIVELACIÓN
Para completar la conexión correcta de la máquina a
la línea, hay que controlar que la misma esté
perfectamente nivelada.
1. Apoyar un nivel de burbuja en la parte superior de
la base, cerca del grupo de etiquetado, y luego girarlo
90°.
Para corregir la nivelación, utilizar los tornillos de
regulación de los pies de apoyo.
2. Aflojar la tuerca de bloqueo.
3. Realizar las regulaciones necesarias .
Apretar de nuevo la tuerca.
Si la máquina no estuviera bien nivelada, con el pasar del tiempo podría causar el desgaste
de piezas que no trabajan correctamente.
Verificar que todos los pies de soporte estén apoyados en el suelo, a fin de distribuir de
manera equitativa el peso de la máquina.
INSTALACIÓN
3 - 15
3
Sidel S.p.A.
MAN. I4390.ES.USM000 (10/09/2013)
DOC. ROLL4Evo.CAP.03.R00 (21/12/2009)
3.5 DESCRIPCIÓN DE LAS CONEXIONES Y CABLEADOS
Los conductos de la instalación eléctrica, hidráulica y neumática deben soportar las
absorciones máximas de la máquina, como indicado en la tabla de los datos técnicos del
(cap.
Las actividades descritas en este párrafo deben ser realizadas por personal cualificado de
Sidel S.p.A.
3.5.1 CONEXIÓN ELÉCTRICA (A cargo del fabricante)
Para la conexión eléctrica, respete las reglas generales de instalación para la preparación y el montaje de
instalaciones eléctricas industriales.
Antes de proceder con la instalación eléctrica, controlar visualmente el sistema eléctrico para detectar
posibles averías sufridas durante el transporte; revisar los bornes de conexión de los cables eléctricos
puesto que las vibraciones causadas por el transporte podrían haberlos aflojados.
si se detectaran averías en el sistema eléctrico, no efectuar la instalación y contactar el
servicio de asistencia técnica del fabricante.
Antes de efectuar la conexión eléctrica, asegurarse que la tensión de la línea corresponda
a aquella indicada en el manual eléctrico.
Cerciorarse que la máquina esté conectada con el cable apropiado a una instalación de
tierra idónea.
SECCIÓN DE LOS CONDUCTORES DEALIMENTACIÓN: laa sección de los conductores de
alimentación debe garantizar una caída de tensión máxima del 3%, medida entre el punto
de alimentación de la energía eléctrica y la entrada del cuadro eléctrico.
La sección mínima admitida es de 4 mm.
Es responsabilidad del usuario determinar el tamaño del órgano de protección de la línea eléctrica contra
las sobrecargas y los contactos directos e indirectos, en función del sistema de distribución de la línea
eléctrica instalado en el establecimiento o la planta de producción.
3 - 16
3
INSTALACIÓN
Sidel S.p.A.
MAN. I4390.ES.USM000 (10/09/2013)
DOC. ROLL4Evo.CAP.03.R00 (21/12/2009)
CONEXIÓN EQUIPO ELÉCTRICO/ MÁQUINA
Cables individuales
Si el equipamiento está provisto de cables individuales
o a granel, la conexión entre el armario eléctrico y la
máquina se realiza conectando el hilo numerado al
cable siguiendo el esquema eléctrico.
INSTALACIÓN
3 - 17
3
Sidel S.p.A.
MAN. I4390.ES.USM000 (10/09/2013)
DOC. ROLL4Evo.CAP.03.R00 (21/12/2009)
ALIMENTACIÓN DEL EQUIPO ELÉCTRICO
La alimentación del equipo eléctrico debe ser efectuada por una encargado cualificado
del mantenimiento eléctrico; debe ser una persona competente en electrónica y/o
electrotécnica y capaz de efectuar el mantenimiento eléctrico de manera satisfactoria y
segura con base en su preparación teórica y experiencia comprobada.
Para efectuar las conexiones es necesario proceder de la siguiente manera:
– abra la puerta del armario eléctrico utilizando la llave prevista;
– Cerciorarse que el cable de alimentación no esté conectado a la red eléctrica.
– Conectar el conductor amarillo-verde de tierra del cable de alimentación al borne amarillo verde de tierra
colocado en la caja de bornes del armario eléctrico.
– Conectar los tres conductores (y el conductor de neutro, si está previsto) a los bornes colocados en la
caja de bornes principal del armario eléctrico, identificados con L1 L2 L3 (N).
– Efectuar el control del sentido de rotación del motor, observando el sentido de rotación de la máquina.
Si el sentido de rotación no es correcto, invertir la conexión de los dos conductores de alimentación en
los bornes de entrada.
– Por último conectar el cable de alimentación a la red eléctrica.
3 - 18
3
INSTALACIÓN
Sidel S.p.A.
MAN. I4390.ES.USM000 (10/09/2013)
DOC. ROLL4Evo.CAP.03.R00 (21/12/2009)
3.5.2 CONEXIÓN NEUMÁTICA (A cargo del comprador)
Es absolutamente indispensable que la máquina se alimente con aire seco y no lubricado.
El aire con presencia de agua o aceite causa el mal funcionamiento o el bloqueo de las piezas neumáticas.
FILTRACIÓN
El aire producido por el compresor trae consigo muchas impurezas: polvo atmosférico, condensación,
aceites emulsionantes o deteriorados, óxido y virutas metálicas puestas en circulación por el compresor o
presentes en las tuberías.
Estas impurezas suspendidas en el aire comprimido, al alcanzar los punto de utilización, constituyen una
de las principales causas de ruptura o deterioro prematuro de los equipos.
Para eliminar estos inconvenientes es necesario instalar filtros con las dimensiones adecuadas, lo más
cerca posible a las zonas de uso.
REGULACIÓN
Cada uno de los aparatos neumáticos posee una presión de funcionamiento.
Una regulación correcta y estable de la presión permite:
– menor derroche de aire;
– rendimientos óptimos;
– una mayor garantía de duración del equipo.
Para preparar las conexiones, consulte el siguiente layout.
3.5.3 EQUIPO DE PUESTA A TIERRA (a cargo del comprador)
La puesta a tierra de las estructuras metálicas de la máquina se garantiza mediante conductores aislados
conectados a la barra de tierra del cuadro.
La ejecución del equipo de puesta a tierra debe cumplir con características precisas que se definen en las
normativas (véase el documento adjunto).
Las normas prevén que, en cada instalación, la puesta a tierra de protección de todas las piezas de la
máquina, así como todas las conexiones a tierra de funcionamiento de los circuitos y los aparatos sean
efectuadas conectando las partes interesadas a una instalación de tierra única.
Cerciorarse que los materiales utilizados en la instalación de puesta a tierra sean sólidos y tengan una
protección mecánica adecuada.
La conexión a la instalación de tierra principal debe ser lo más corta posible y los conductores de tierra no
deben estar sometidos a esfuerzos mecánicos ni a corrosiones.
Controlar la conexión de puesta a tierra con un instrumento adecuado.
Una connessione errata, non efficace o mancante del circuito di messa a terra è contraria
alle norme di sicurezza, fonte di pericolo e può danneggiare gli apparati elettrici della
macchina.
INSTALACIÓN
3 - 19
3
Sidel S.p.A.
MAN. I4390.ES.USM000 (10/09/2013)
DOC. ROLL4Evo.CAP.03.R00 (21/12/2009)
3.5.4 CONEXIÓN HÍDRICA (SI PREVISTO)
Para preparar las conexiones, consulte el layout indicado en la página 30.
3.5.5 CONEXIONES PARA LA DESCARGA DEI RIIUTI (SI ESTÁN REVISTAS)
Para preparar las conexiones, consulte el siguiente layout.
Los líquidos descargados contienen sustancias que no se biodegradan fácilmente o son
nocivas para el ambiente.
Estas aguas no deberán ser arrojadas en los cuerpos hídricos o en el terreno, sin antes
haber sido depuradas adecuadamente.
En caso de desagüe en alcantarillas o en aguas superficiales (ríos, lagos, mares), verificar la necesidad de
solicitar una autorización expresa de conformidad con las normas vigentes en el país del usuario, en
materia de protección del medio ambiente.
Si los desagües están conectados a depósitos, las aguas deberán ser tratadas como residuos líquidos,
siguiendo las indicaciones que se encuentran en el párrafo 3.8 de este manual y conforme a las normas de
protección del ambienta vigentes en el país del usuario.
3.5.6 CONEXIONES PARA LA DESCARGA DE LAS EMISIONES (SI ESTÁN
PREVISTAS)
Para preparar las conexiones, consulte el siguiente layout.
Con el fin de proteger la salud de los trabajadores, se recomienda transportar todas las
emisiones fuera del área de trabajo o de predisponer sistemas de depuración de los humos
antes de emitir nuevamente los líquidos en el ambiente de trabajo.
3 - 20
3
INSTALACIÓN
Sidel S.p.A.
MAN. I4390.ES.USM000 (10/09/2013)
DOC. ROLL4Evo.CAP.03.R00 (21/12/2009)
1 Conexión de aire comprimido a la máquina:: 1/2’ GAS H = 500 mm
2 Conexión de la alimentación eléctrica: 16 - 25 mm2
1 2
INSTALACIÓN
3 - 21
3
Sidel S.p.A.
MAN. I4390.ES.USM000 (10/09/2013)
DOC. ROLL4Evo.CAP.03.R00 (21/12/2009)
3.6 DESCRIPCIÓN DE LOS TRABAJOS DE PUESTA A PUNTO Y
PRIMERA PUESTA EN MARCHA
Para evitar errores y accidentes, las conexiones eléctricas, hídricas y neumáticas de la máquina con las
instalaciones del cliente son realizadas por personal especializado de Sidel S.p.A.
Los trabajos descritos en este párrafo tienen que ser realizados sólo por personal de
Sidel Spa.
Cerciorarse que los elementos de unión (juntas, electroválvulas, bombas, tuberías) estén
bien apretados.
Se recomienda ejecutar un ciclo de trabajo completo para cerciorarse que no se verifiquen
problemas de funcionamiento.
Además, a fin de localizar posibles daños sufridos durante el transporte, desplazamiento e instalación, hay
que efectuar los controles antes de la primera puesta en marcha de la máquina.
Al terminar la instalación, hay que controlar el ajuste de fase de la máquina.
Para el procedimiento relativo al ajuste de fase de la máquina, véase el cap. 7.
Asegurarse que todos los dispositivos de seguridad estén instalados correctamente y
funcionen a la perfección.
3 - 22
3
INSTALACIÓN
Sidel S.p.A.
MAN. I4390.ES.USM000 (10/09/2013)
DOC. ROLL4Evo.CAP.03.R00 (21/12/2009)
3.7 REINSTALACIÓN
Las actividades de desmontaje/montaje, en caso de reinstalación de la máquina, descritas
en este párrafo deben ser
realizadas únicamente por personal cualificado y precisamente:
– técnico SIDEL S.p.A. con la ayuda de mano de obra local;
– técnico capacitado que haya asistido a cursos de especialización y formación con
experiencia en la instalación, puesta en funcionamiento y mantenimiento de las
instalaciones, así como conocimiento de las reglas de prevención de accidentes.
Para solicitar la intervención del personal técnico de Sidel S.p.A., consulte el primer capítulo.
Para desmantelar la máquina en caso de venta, reinstalación o almacenamiento en el establecimiento del
cliente, siga las instrucciones del procedimiento general de desmontaje:
a) De acuerdo a las dimensiones del medio de transporte a disposición y al número de partes en que se
quiere subdividir la máquina, cómo desmontarla y qué partes descomponer;
b) colocar los componentes móviles de la máquina en la posición más favorable para el transporte;
c) numerar, en correspondencia de los puntos de unión, todas las piezas que serán separadas, en manera
de agilizar su reensamblaje futuro;
d) cortar la alimentación eléctrica y neumática;
e) desconectar todos los cables eléctricos de la siguiente manera::
- desconectar los cables del cuadro eléctrico;
- extraerlos de las canales hasta el grupo al que están conectados;
f) desmontar la máquina, subdividiéndola en las partes establecidas;
g) detenga con bloqueos mecánicos, topes o cables las piezas que, durante el transporte, puedan
moverse o deslizarse durante el transporte (véase párr. 3.4);
h) sustituir el tapón de descarga con un tapón ciego en los motorreductores que, se encuentran
una posición que favorezca pérdidas de aceite.
Para la nueva instalación y conexión, véanse los párrafos correspondientes de este manual.
INSTALACIÓN
3 - 23
3
Sidel S.p.A.
MAN. I4390.ES.USM000 (10/09/2013)
DOC. ROLL4Evo.CAP.03.R00 (21/12/2009)
3.8 DESGUACE Y ELIMINACIÓN
Las operaciones de desmontaje deben ser efectuadas por personal cualificado
3.8.1 RECOLECCIÓN SELECTIVA E INICIO DE LA RECUPERACIÓN
La máquina está compuesta por material fácilmente reciclable y reutilizable como materia prima para otros
procesos productivos.
Con una recolección selectiva adecuada se puede recuperar una amplia gama de residuos, lo que permite
obtener ventajas ecológicas y económicas.
MATERIALES PLÁSTICOS
Las partes de plástico pueden recuperarse para la producción de nuevos recursos sea a través del reciclaje
en su sector de procedencia, que mediante la producción de calor y energía por medio de su
termovalorización, evitando así que, al final de su ciclo de vida, se transformen en una carga ambiental bajo
forma de residuos a descargar en vertederos.
Para poder efectuar una recuperación adecuada de dicho material, es necesario recogerlo y dividirlo por
tipos.
Con el fin de facilitar dicha recolección, en la figura 3.8 - 1 se indican las partes de la
máquina realizadas en material plástico y su tipología.
HIERRO YACERO
Los descartes de hierro y acero pueden ser recuperados en las acerías o fundiciones en donde se pueden
producir otros productos metálicos manufacturados .
También en este caso, para poder recuperar dicho material es necesario recogerlo seleccionándolo por
tipos.
La máquina está compuesta casi completamente de acero inox (no ferromagnético).
Las partes barnizadas son de hierro (y son ferromagnéticas).
Los engranajes y los cuerpos reductores son de hierro colado.
Las partes de latón se reconocen por el color amarillo que las caracteriza.
3 - 24
3
INSTALACIÓN
Sidel S.p.A.
MAN. I4390.ES.USM000 (10/09/2013)
DOC. ROLL4Evo.CAP.03.R00 (21/12/2009)
3.8.2PROCEDIMIENTO PARA EL DESMONTAJE DE LA MÁQUINA
Antes de iniciar el desmontaje de la máquina, es necesario verificar la legislación vigente, especialmente
por lo que respecta a:
– obligaciones de registro y/o comunicación a organismos de control
– modalidad de protección del ambiente
– prescripciones para el desguace
– prescripciones para la protección de la salud y la seguridad de los trabajadores
Para el desguace de la máquina, proceda de la siguiente manera:
1. Desconectar la máquina de la red eléctrica, hidráulica y neumática
2.Vaciar la instalación de las sustancias utilizadas para el lavado y recogerlas en los recipientes
apropiados evitando mezclar sustancias de distintos tipos y/o incompatibles entre sí.
3. Desmontar los grupos que contienen grasa y limpiarlos (cojinetes de empuje, juntas, mandos).
4. vacíe la instalación de las sustancias utilizadas para el lavado, prestando atención a recogerlas en
recipientes adecuados.
5. Desmontar la máquina recogiendo por separado los diferentes componentes de acuerdo a su tipo y
a las indicaciones del párrafo 3.8.1.
6.Proceder con el almacenamiento y la eliminación de los residuos y del material destinado a la
reutilización, en función de las indicaciones del párrafo 3.8.2 y las prescripciones de ley previstas en
el país de uso.
3.8.3 MANEJO DE LOS RESIDUOS Y DESECHOS
INSTRUCCIONES GENERALES PARA EL MANEJO DE LOS RESIDUOS
Identificar y clasificar los residuos según las especificaciones previstas por las leyes vigentes en el país de
uso.
No abandonar ni recoger los residuos de manera inadecuada .
No arrojarlos en aguas superficiales o subterráneas.
No mezclar los diferentes tipos de residuos.
Entregar los residuos a agencias autorizadas por las autoridades competentes del país en lo que se refiere
a la recogida, el transporte y el tratamiento de residuos.
Disponer los documentos de carácter administrativo previstos por las normas vigentes en el país de uso
(registros de producción, almacenamiento y eliminación, documentos de transporte).
Cumplimiento de carácter administrativo (mantenimiento de los registros, preparación de documentos,
etc.).
INSTALACIÓN
3 - 25
3
Sidel S.p.A.
MAN. I4390.ES.USM000 (10/09/2013)
DOC. ROLL4Evo.CAP.03.R00 (21/12/2009)
RECOMENDACIONES GENERALES PARALARECOLECCIÓNY EL ALMACENAMIENTO DELOSRESIDUOS
1. Selección de los residuos por tipos homogéneos.
Los residuos deben ser recolectados y almacenados por “tipos homogéneos”, en la medida en la que éste es
el único sistema por medio del cual es posible:
– evite los riesgos de incompatibilidad en términos de las características físicas y químicas de los
residuos producidos;
– garantice un tratamiento final correcto transformándolos de la manera más útil y menos peligrosa, per-
mitiendo su eventual recuperación.
Es importante, por lo tanto, que no se mezclen diferentes tipos de residuos.
2. Uso de recipientes adecuados para el desplazamiento y el almacenamiento
Los recipientes utilizados para los residuos deben cumplir con algunos requisitos de resistencia en cuanto a
las propiedades fisico-químicas y al nivel de peligro de los residuos en ellos contenidos (por ejemplo, para
sustancias ácidas es necesario utilizar recipientes de plástico o metal tratado adecuadamente).
3. Etiquetado de los recipientes
A fin de dar a conocer, durante el almacenamiento en la empresa, la naturaleza y la peligrosidad de estos
residuos, los recipientes deben ser marcados de manera adecuada con etiquetas o placas colocadas tanto en
los recipientes mismos como en las áreas de almacenamiento. In particolare è opportuno che i contenitori dei
rifiuti siano individuati con la descrizione del tipo di rifiuto e delle caratteristiche di pericolosità per l’uomo e
l’ambiente.
4. Desplazamiento de los residuos en la empresa
Durante el desplazamiento, es importante cerciorarse que los recipientes hayan sido cerrados correctamente.
No utilice recorridos con presencia de pozos de recogida de aguas, a fin de evitar derrames accidentales
en alcantarillas pública o aguas blancas.
Disponer y cerciorarse que en las áreas interesadas se encuentren siempre a disposición materiales/dispositivos
aptos para la absorción en caso de derrames accidentales.
5. Almacenamiento de los residuos líquidos (aceites, ácidos).
– Para evitar derrames, los recipientes deben almacenarse en contenedores. Estos contenedores deberán
tener una capacidad equivalente a la del recipiente más grande.
– Los recipientes deben tener cierres adecuados para impedir pérdidas de contenido, medios de agarre que
permitan que las operaciones de desplazamiento sean más seguras y fáciles, y dispositivos adecuados
anti-rebosamiento (en caso de que estos últimos estén constituidos por tuberías de demasiado lleno, la
descarga correspondiente no debe representar un peligro ni para el personal encargado ni para el ambien-
te).
6. Almacenamiento de residuos sólidos en montones.
– Para evitar posibles contaminaciones del suelo, si el almacenamiento se efectúa por montones, éstos
deben realizarse en terrenos descubiertos pero sobre bases resistentes (por ejemplo en terreno pavimentado)
– Los residuos almacenados en montones deben ser protegidos de la acción de la lluvia, en caso de que su
derrubio pueda determinar una contaminación de las mismas aguas.
7. Almacenamiento de residuos incompatibles (por ej. ácidos y bases).
Los residuos incompatibles, es decir, susceptibles a reaccionar entre sí de manera peligrosa, dando lugar a la
formación de productos explosivos, inflamables y/o tóxicos, o bien a la creación de grandes cantidades de
calor, deben ser almacenados de modo que no puedan entrar en contacto entre sí.
8. Manejo de toneles vacíos que han contenido residuos peligrosos.
Si los toneles que han contenido residuos peligrosos no se utilizan nuevamente para el mismo tipo de residuo,
es necesario someterlos a un tratamiento de saneamiento. Por lo tanto, es importante que en los toneles se
indique el material contenido actualmente o en pasado (en caso de estar vacíos).
3 - 26
3
INSTALACIÓN
Sidel S.p.A.
MAN. I4390.ES.USM000 (10/09/2013)
DOC. ROLL4Evo.CAP.03.R00 (21/12/2009)
Fig. 3,8 - 1
Material: ERTALYTE
CASQUETES DE CORTE
RODILLO DE TRASFERENCIA
Material:AL+NYPLOY
ESTRELLA
SIN FIN
Material: POLIETILENO
CONTRAESTRELLA
Material: POLIETILENO
BLOQUEO BOTELLEA/
BORDE SIN FIN
Material: POLIETILENO
Material:
POLIETILENO
INSTALACIÓN
3 - 27
3
Sidel S.p.A.
MAN. I4390.ES.USM000 (10/09/2013)
DOC. ROLL4Evo.CAP.03.R00 (21/12/2009)
3.9 ALMACENAMIENTO DE LA MÁQUINA
ALMACENAMIENTO EN UN LOCAL CERRADO
En caso de almacenamiento prolongado, deje la máquina en un lugar protegido de la lluvia y el viento y,
si es posible, en un lugar seco. No se recomienda cubrir la máquina con lona impermeable porque esto
impediría la evaporación de la humedad.
La humedad puede provocar corrosión en las partes de metal, mientras que la exposición de la máquina a
los rayos del sol puede causar que las partes pintadas se vuelvan amarillentas.
ALMACENAMIENTO ALAIRE LIBRE
Si es inevitable guardar la máquina en el exterior, protéjala con una cubierta impermeable para que el polvo,
la humedad, la lluvia, etc. no entren en contacto con la máquina.
Cubra bien las piezas del cuadro eléctrico y todos los equipos electrónicos, sensibles a la humedad y las
bajas y altas temperaturas.
- La temperatura de almacenamiento no debe ser inferior a -10 ° C ni superior a + 50°C.
- El porcentaje de humedad relativa se debe mantener entre 15% y 90%.
- Evitar esfuerzos causados por vibraciones.
ALMACENAMIENTO POR UN PERÍODO SUPERIOR A TRES MESES
Si la máquina se almacena por más de 3 meses antes de la instalación, ésta y sus equipos tendrán que
almacenarse en un lugar cerrado y limpio, protegido de los agentes atmosféricos y de polvos o emisiones
corrosivas.
ALMACENAMIENTO DE LAS ETIQUETAS
En caso de almacenamiento prolongado, dejar las etiquetas protegidas de la lluvia y el viento, preferiblemente
en un lugar seco.
No es aconsejable almacenar las etiquetas al aire libre debido a la alta probabilidad de que el polvo, la
humedad, la lluvia, el sol, etc. dañen la integridad de las mismas. El papel, en particular, tiende a alterar su
superficie en presencia de humedad, dificultando así el proceso de etiquetado.
Las etiquetas también deben protegerse contra golpes o deformaciones; por lo tanto, es necesario que la
zona de almacenamiento esté señalada y delimitada en caso de tránsito de carros móviles.
Durante la producción es indispensable utilizar etiquetas que tengan características
idénticas (físicas y de tamaño) a las que se utilizan durante la fase de diseño y ensayo.
Página dejada en blanco intencionalmente
FUNCIONAMIENTO
4 - 1
MAN. I4390.ES.USM000 (10/09/2013)
DOC. ROLL4Evo.CAP.01.R00 (17/03/2008)
4
Sidel S.p.a.
CAP. 4 - FUNCIONAMIENTO
Página dejada en blanco intencionalmente
FUNCIONAMIENTO
4 - 3
MAN. I4390.ES.USM000 (10/09/2013)
DOC. ROLL4Evo.CAP.01.R00 (17/03/2008)
4
Sidel S.p.a.
4.1 APLICACIONES, USO PREVISTO
La etiquetadora es una máquina automática fija, realizada según las especificaciones del cliente y diseñada
para:
- aplicar etiquetas sobre envases de vidrio, metal o plástico como PET, PVC, PE o PP a alta velocidad;
- la máquina puede trabajar con envases abiertos sólo si están vacíos, en caso contrario, se deben
cerrar para que su contenido no entre en contacto con la misma;
- la máquina puede estar dotada de equipos especiales para trabajar con envasesde forma y dimensiones
diferentes;
- la máquina puede estar dotada de equipos especiales para trabajar con etiquetasde forma y dimensiones
diferentes;
- la máquina ha sido fabricada para ser instalada en una línea de producción;
- la máquina tiene dos, tres o cuatro velocidades de funcionamiento (según la configuración requerida
por el cliente), con variación en función de la cantidad de envases que llegan de la cinta transportadora
de entrada y de aquellos que salen a la cinta transportadora de salida.
La etiquetadora no ha sido proyectada para el empleo con envases y/o contenidos inflamables o parcialmente
explosivos.
Los pegamentos utilizados en la máquina pueden entrar en contacto con el operador y quedar
permanentemente en el envase; por lo tanto, quedan excluidas las sustancias peligrosas o que generen
exhalaciones perjudiciales o tóxicas.
La máquina no se puede utilizar para el tratamiento de sustancias tóxicas, corrosivas o irritantes, salvo en
el caso de versiones especiales anticorrosión.
En el caso de tratamiento de productos polvorientos está terminantemente prohibido emplear polvos tóxicos,
biológicamente activos o terapéuticos.
El propietario de la máquina es responsable de:
- Hacer respetar las indicaciones antedichas.
- Controlar que las personas habilitadas para accionar la máquina y efectuar trabajos de
mantenimiento, reparación u otros estén adecuadamente capacitadas para sus tareas e
instruidas sobre el uso correcto y las normas de seguridad.
4 - 4
MAN. I4390.ES.USM000 (10/09/2013)
DOC. ROLL4Evo.CAP.01.R00 (17/03/2008)
FUNCIONAMIENTO
4
Sidel Sp.a.
4.2 USO PREVISTO Y NO PREVISTO Y USOS PERMITIDOS
4.2.1 USO PREVISTO
La máquina no ha sido diseñada para entrar en contacto con el producto contenido en las botellas a
etiquetar.
La máquina no debe funcionar en atmósferas explosivas.
La máquina no debe trabajar con materiales inflamables.
Cualquier uso que no corresponda al diseño de la máquina y no esté descrito en este manual se considera
inapropiado y, en dicho caso, el fabricante declina toda responsabilidad.
4.2.2 CRITERIOS DE USO PARA LA REDUCCIÓN DE CONSUMOS
AGUA
Para optimizar los consumos de agua se recomienda utilizar la máquina :
– efectuando lavados breves y frecuentes.
– no modificando las regulaciones efectuadas después del accionamiento.
– verificando periódicamente que no haya pérdidas en los circuitos.
ENERGÍA
Con el propósito de optimizar los consumos energéticos se recomienda controlar periódicamente las
absorciones durante el funcionamiento en régimen, utilizando la interfaz del inversor instalado en el armario
eléctrico.
Un aumento de los consumos de potencia absorbida indica que existen funcionamientos defectuosos o
desgastes.
En este caso:
– Verificar la correcta lubricación.
– Verificar el desgaste de los cojinetes de empuje y de las estructuras del carrusel.
– Verificar que los engranajes de los mandos situados debajo del basamento estén limpios y que no
existan pérdidas de aceite provenientes de los reductores.
– Verificar que los dientes de los engranajes que se encuentran debajo de la base no estén desgastados.
FUNCIONAMIENTO
4 - 5
MAN. I4390.ES.USM000 (10/09/2013)
DOC. ROLL4Evo.CAP.01.R00 (17/03/2008)
4
Sidel S.p.a.
4.3 CARACTERÍSTICAS LÍMITES DE FUNCIONAMIENTO
la máquina se debe utilizar dentro de los límites de recorrido, dimensiones exteriores,
cargas soportadas, materias primas y producción previstos en este manual.
Los equipos deben ser aquellos indicados en el cap. 2 de este volumen y en el volumen II
- Catálogo de Recambios, y diseñados y fabricados expresamente por el fabricante de la
máquina.
El fabricante no se asume ninguna responsabilidad ante la inobservancia de dichas
indicaciones de seguridad.
4 - 6
MAN. I4390.ES.USM000 (10/09/2013)
DOC. ROLL4Evo.CAP.01.R00 (17/03/2008)
FUNCIONAMIENTO
4
Sidel Sp.a.
4.4 POSIBLES ZONAS PELIGROSAS
4.4.1 ZONAS DE MANDO Y CONTROL DEL OPERADOR
El “Operador” es la persona encargada de instalar, hacer funcionar, regular, efectuar el mantenimiento,
limpiar, reparar y transportar la máquina.
El control y la conducción de la máquina en condiciones normales de trabajo (modo
automático) se deben realizar sólo desde las zonas destinadas a la conducción.
Estas zonas no representan un peligro para el personal encargado de la conducción y se denominan
“ZONAS DE MANDO Y CONTROL DEL OPERADOR” .
Durante el funcionamiento a régimen, el operador debe utilizar el cuadro de mandos para el control de la
máquina.
Ocasionalmente puede colocarse a la salida para recuperar los envases rechazados (para máquinas
equipadas con dispositivo de rechazo) u operar en los grupos de etiquetado para cargar la nueva bobina.
Durante las regulaciones o cambios de formato, puede acceder a todas las partes de la máquina por medio
de la llave de mantenimiento JOG.
LEYENDA:
A Zona operador
A
FUNCIONAMIENTO
4 - 7
MAN. I4390.ES.USM000 (10/09/2013)
DOC. ROLL4Evo.CAP.01.R00 (17/03/2008)
4
Sidel S.p.a.
4.4.2 ZONAS PELIGROSAS
La “Zona peligrosa” es cualquier zona en el interior o en proximidad de una máquina en donde la presencia
de una persona expuesta constituye un riesgo para la seguridad y la salud de dicha persona.
Una “Persona expuesta” es cualquier persona que se encuentra total o parcialmente en una zona peligrosa.
En la zona de alimentación y descarga de las botellas y sobre las cintas transportadoras
(que no forman parte de la máquina) se pueden romper botellas, proyectándose fragmentos
de vidrio. El personal encargado del manejo de la línea debe utilizar elementos de
protección individual adecuados ( gafas, guantes, etc).
En condiciones normales de trabajo (modo automático) no existen “zonas peligrosas” en la máquina.
La máquina está habilitada para funcionar en modo JOG (velocidad reducida y protección
móvil delantera desconectada). En dicho caso, cualquier trabajo debe ser realizado por
personal cualificado.
En modo de funcionamiento “JOG” existe una “zona peligrosa” con “riesgo residual mínimo” ilustrado en la
pagina siguente.
Al apagar la máquina es indispensable recordar que los grupos de etiquetado se encuentran
aún muy calientes, por lo tanto es necesario utilizar guantes y gafas de protección.
Para intervenir en el recipiente Hot Melt, en el grupo del rodillo encolador o en los fuelles
de aire caliente (si estuviesen presentes), el operador no sólo deberá poseer la calificación
y experiencia indispensables, sino que deberá utilizar gafas de protección completa y
guantes termoaislantes específicos para manipular elementos a altas temperaturas (200°C).
El operador habilitado para acceder en la máquina debe estar dotado de protecciones
individuales debido a la presencia de vidrio.
4 - 8
MAN. I4390.ES.USM000 (10/09/2013)
DOC. ROLL4Evo.CAP.01.R00 (17/03/2008)
FUNCIONAMIENTO
4
Sidel Sp.a.
ZONA DE RIESGO MÍNIMO ESIDUAL:
MODALIDAD “JOG”.
FUNCIONAMIENTO
4 - 9
MAN. I4390.ES.USM000 (10/09/2013)
DOC. ROLL4Evo.CAP.01.R00 (17/03/2008)
4
Sidel S.p.a.
4.4.3 ZONA DE TRANSPORTADORES EN LA ENTRADA/SALIDA
La zona de transportadores en la entrada y la salida de la máquina no se considera zona de trabajo del
operador, sino de tránsito ocasional.
En las zonas de alimentación y descarga de los formatos y en las cintas transportadoras se pueden
verificar condiciones que requieren la intervención por parte del operador.
En este caso, el operador tiene la obligación de intervenir llevando consigo la caja de pulsadores móvil
(dotada de botones de emergencia), para un uso inmediato en caso de necesidad.
ZONA DE TRANSPORTADORES EN LA ENTRADA/SALIDA
4 - 10
MAN. I4390.ES.USM000 (10/09/2013)
DOC. ROLL4Evo.CAP.01.R00 (17/03/2008)
FUNCIONAMIENTO
4
Sidel Sp.a.
4.5 RIESGOS, PELIGROS Y RIESGOS QUE NO SE PUEDEN
ELIMINAR
4.5.1 INTRODUCCIÓN
La máquina ha sido diseñada y fabricada con soluciones que garantizan la seguridad y la salud del usuario.
Puesto que la máquina está destinada a trabajar en el sector alimenticio, los materiales utilizados así
como los componentes comerciales son atóxicos. La máquina está completamente protegida por cárteres
que impiden el acceso a los componentes móviles. Además, está equipada con botones de parada de
emergencia y no existen riesgos de inestabilidad gracias a su conformación.
El empleo en las máquinas de dispositivos de seguridad especiales ha reducido el riesgo de accidentes de
trabajo.
Además de esto, el usuario debe:
1) Leer atentamente las instrucciones de uso contenidas en este manual antes de la instalación y puesta
en funcionamiento de la máquina.
2) Observar las indicaciones mencionadas en las placas colocadas en la máquina.
3) Observar las indicaciones especificadas en los equipos de advertencia y las señales colocadas en la
máquina.
FUNCIONAMIENTO
4 - 11
MAN. I4390.ES.USM000 (10/09/2013)
DOC. ROLL4Evo.CAP.01.R00 (17/03/2008)
4
Sidel S.p.a.
4.5.2 REFERENCIAS NORMATIVAS
En virtud de la normativa (véase el documento adjunto), se dan a conocer las siguientes definiciones:
– “Zona pericolosa”: cualquier zona en el interior y/o proximidad de una máquina en donde la presencia
de una persona expuesta constituya un riesgo para la seguridad y la salud de dicha persona.
– “Persona esposta”: cualquier persona que se encuentre total o parcialmente en una zona peligrosa.
– “Operatore”: cualquier persona encargada de realizar operaciones de instalación, funcionamiento,
regulación, mantenimiento, limpieza, reparación y transporte de la máquina.
4 - 12
MAN. I4390.ES.USM000 (10/09/2013)
DOC. ROLL4Evo.CAP.01.R00 (17/03/2008)
FUNCIONAMIENTO
4
Sidel Sp.a.
4.5.3 SEÑALES DE ADVERTENCIA
En posiciones bien visibles de la máquina se encuentran las siguientes señales de advertencia para la
seguridad del operador.
SEÑALES DE PROHIBICIÓN
SEÑAL DE PROHIBICIÓN DE ACCESO
A PERSONAL NO AUTORIZADO
Colocada en las protecciones móviles
posteriores y en las protecciones fijas de la base.
SEÑAL DE PROHIBICIÓN
DE REMOCIÓN DE LAS PROTECCIONES DE SEGURIDAD
Colocada en las protecciones móviles posteriores
y en las protecciones fijas de la base.
SEÑAL DE PROHIBICIÓN DE LIMPIEZA, LUBRICACIÓN,
REPARACIÓN O REGULACIÓN DE LOS ÓRGANOS
EN MOVIMIENTO.
Colocada en las protecciones móviles posteriores
y en las protecciones fijas de la base.
FUNCIONAMIENTO
4 - 13
MAN. I4390.ES.USM000 (10/09/2013)
DOC. ROLL4Evo.CAP.01.R00 (17/03/2008)
4
Sidel S.p.a.
SEÑALES DE PELIGRO
SEÑAL DE PELIGRO TÉRMICO
Colocada en las partes calientes de la máquina
SEÑAL DE PELIGRO DE TENSIÓN ELÉCTRICA
colocada en las canales, en las cajas de
derivación, en el armario eléctrico, en la artesa de
la máquina y en la parte interna de los cárteres
superiores.
ADVERTENCIADE
TENSIÓN
RESIDUAL
Placa de advertencia en el idioma del país,
colocada cerca de los circuitos que permanecen
bajo tensión con el interruptor general en la
posición ON.
SEÑAL DE PELIGRO DE ENGRANAJES EN MOVIMIENTO
Colocada en los cárteres o cerca de las piezas en
movimiento.
4 - 14
MAN. I4390.ES.USM000 (10/09/2013)
DOC. ROLL4Evo.CAP.01.R00 (17/03/2008)
FUNCIONAMIENTO
4
Sidel Sp.a.
SEÑAL DE PELIGRO DE APLASTAMIENTO
DE LAS EXTREMIDADES
Colocada cerca de órganos o mecanismos que
pueden presentar riesgos residuales de aplastamiento.
ADVERTENCIA DE PUESTA A TIERRA
Placa de advertencia que indica la presencia de
puesta a tierra.
FUNCIONAMIENTO
4 - 15
MAN. I4390.ES.USM000 (10/09/2013)
DOC. ROLL4Evo.CAP.01.R00 (17/03/2008)
4
Sidel S.p.a.
SEÑALES DE OBLIGACIÓN
El personal encargado de la conducción de la línea a la cual está conectada la máquina
debe utilizar los equipos de protección individual apropiados (gafas, guantes, zapatos de
seguridad con suelas antideslizantes y resistentes, indumentos adecuados).
Señal de protección obligatoria para los ojos
colocada en la columna cerca
del puesto del operador
Señal de guantes de protección obligatorios
colocada en la columna cerca
del puesto del operador
Señal de zapatos de seguridad obligatorios
colocada en la columna cerca
del puesto del operador
Señal de obligación de cerrar las protecciones
colocada en las protecciones móviles
que deben permanecer cerradas
4 - 16
MAN. I4390.ES.USM000 (10/09/2013)
DOC. ROLL4Evo.CAP.01.R00 (17/03/2008)
FUNCIONAMIENTO
4
Sidel Sp.a.
4.5.4 PELIGROS Y RIESGOS RESIDUALES
El personal encargado de acceder a la máquina debe utilizar los equipos de protección individual idóneos.
PRODUCCIÓN
- Condición de “riesgo residual de caída y proyección de objetos” en la zona de carga y descarga de
botellas de la máquina. Dicho riesgo se presenta en toda la línea de etiquetado y no es específico para la
máquina.
- Condición de “riesgo residual de deslizamiento”;
- Condición de “riesgo residual asociado a la presencia de fragmentos de botellas rotas”;
– Condición de “riesgo residual asociado a la temperatura” que puede ser alcanzada por el calentador
de pegamento y por el grupo de etiquetado.
- Condición de “riesgos residuales de proyecciones de fragmentos”causadas por la explosión de botellas;
- Condición de “posible riesgo residual“ al utilizar frascos de plástico, puesto que se pueden formar
cargas electrostáticas en la entrada de la máquina ocasionadas por el roce entre los mismos frascos, o
bien entre los frascos y la cinta transportadora.
- Condición de “riesgo residual del grupo de desbobinamiento previo de las bobinas” que no resulta
protegido pero su único movimiento está dado por la rotación de la cinta de etiquetas que alimenta el grupo
de etiquetado. Esta rotación es pasiva en la medida en la que es el rodillo de tracción es el que se encarga
de halar la bobina, por lo tanto si el operador entra en contacto con ella, se pude desgarrar.
Está terminantemente prohibido entrar en contacto con la cinta de las etiquetas durante el
funcionamiento de la máquina.
MODO DE FUNCIONAMIENTO JOG
Es posible hacer funcionar la máquina a baja velocidad en modo JOG dejando abierta
solamente la protección posterior (situada frente al grupo de etiquetado).
– Condición de “riesgo residual de deslizamiento”;
– Condición de “riesgo residual asociado a la presencia de fragmentos de botellas rotas”;
– Condición de “riesgo residual asociado a elementos móviles” en la parte de la máquina accesible
tras la inhabilitación de las protecciones que utilizan electrocerraduras y microinterruptores.
– Condición de “riesgo residual asociado a la temperatura” que puede ser alcanzada por el calentador
de pegamento y por los grupos de etiquetado.
MANTENIMIENTO
Antes de efectuar intervenciones de sustitución o mantenimiento en los equipos, es necesario vaciar los
envases del carrusel.
– Condición de “riesgo residual asociado a la presencia de fragmentos de botellas rotas”.
– Condición de “riesgo residual asociado a la temperatura” que puede ser alcanzada por el calentador
de pegamento y por los grupos de etiquetado.
AVERÍA
A fin de evitar que la rotura de los envases pueda generar una situación de peligro para el operador
encargado, en caso de que la máquina se detenga por un mal funcionamiento, es necesario:
– Mover la máquina y vaciar los envases del carrusel.
FUNCIONAMIENTO
4 - 17
MAN. I4390.ES.USM000 (10/09/2013)
DOC. ROLL4Evo.CAP.01.R00 (17/03/2008)
4
Sidel S.p.a.
4.6 SEGURIDAD DEL OPERADOR
4.6.1 INTRODUCCIÓN
La máquina está dotada de cárteres de protección fijos y puertas de protección abribles que delimitan el
campo de acción del operador en la máquina garantizando su seguridad.
En la máquina han sido instalados, también, dispositivos electromecánicos de seguridad, como botones
de emergencia, microinterruptores e indicadores luminosos. Estos dispositivos detienen la máquina e
impiden su arranque, señalando el problema en el cuadro de mando y encendiendo una luz roja intermitente
en la columna luminosa. La máquina podrá reanudar la marcha sólo tras haber solucionado el problema y
haber pulsado el botón de reajuste.
Para evitar accidentes durante el uso de la etiquetadora, es indispensable seguir estas reglas:
- El funcionamiento de la máquina debe encargarse a personal física y psíquicamente idóneo, que no esté
bajo los efectos de alcohol, drogas u otros.
- Verificar que la máquina esté conectada mediante el cable correspondiente a una instalación de puesta
a tierra adecuada.
- No utilizar corbatas, bufandas ni joyas que puedan engancharse en los componentes en movimiento de
la máquina.
- Cerrar bien los puños del indumento de trabajo.
- Utilizar los elementos de protección adecuados (gafas, cascos, zapatos, guantes, etc.) en función del
tipo de trabajo que hay que realizar.
Está terminantemente prohibido modificar o desmontar los dispositivos de seguridad.
El fabricante no se asume ninguna responsabilidad sobre la seguridad de la máquina en
el caso de modificación o desmontaje de los dispositivos de seguridad.
4 - 18
MAN. I4390.ES.USM000 (10/09/2013)
DOC. ROLL4Evo.CAP.01.R00 (17/03/2008)
FUNCIONAMIENTO
4
Sidel Sp.a.
4.6.2 DISPOSITIVOS DE PROTECCIÓN
Los “DISPOSITIVOS DE PROTECCIÓN” instalados en la máquina están indicados en la figura siguente:
- SM Selector modo manual (para activación JOG);
- PF Protecciones fijas del basamento;
- PM Puertas móviles;
- PV Puertas móviles vertical;
- PE Botones fungiformes de emergencia;
- SV Interruptores de aislamiento del vacío;
- SP Interruptores de aislamiento general de la potencia de los motores (si los hay);
- PQe Puerta cuadro eléctrico;
- AL Columna luminosa y sirena de advertencia;
- TP Túnel de protección de la cinta transportadora (si lo hay);
- FA Con el vapor del vacío(optional).
FUNCIONAMIENTO
4 - 19
MAN. I4390.ES.USM000 (10/09/2013)
DOC. ROLL4Evo.CAP.01.R00 (17/03/2008)
4
Sidel S.p.a.
PM
PM
PE
PE
SM PQe
PF
AL
SV
TP
4 - 20
MAN. I4390.ES.USM000 (10/09/2013)
DOC. ROLL4Evo.CAP.01.R00 (17/03/2008)
FUNCIONAMIENTO
4
Sidel Sp.a.
4.6.3 CARACTERÍSTICAS Y FUNCIONAMIENTO DE LOS DISPOSITIVOS
SM. Selección del modo manual (habilitación “JOG”).
La habilitación del modo “MANUAL” o de “MANTENIMIENTO” se realiza a través del panel de control.
El procedimiento para el modo de “MANTENIMIENTO” sólo puede realizarse desde el panel de control
efectuando las siguientes operaciones:
1. Detener la máquina: la parada se dará de manera que, activando el procedimiento de mantenimiento, la
máquina no presente disminuciones bruscas de actividad;
2. Configurar el selector de llave de modo que se active, posición “JOG”;
3. Desde el panel de control es posible seleccionar dos modos de JOG:
a) Normal: para efectuar los controles de los procesos de etiquetado de la máquina;
b) Para efectuar el calibrado de los procesos de etiquetado de la máquina misma.
4. Seleccionando la marcha normal, pulsar el botón habilitado para la marcha JOG de manera intermitente
para que la máquina se mueva por impulsos, o mantenerlo pulsado para hacerla funcionar a un ritmo muy
lento.
La llave que permite la habilitación de la modalidad de mantenimiento debe ser extraída cada vez que se
finaliza el mantenimiento y guardada por el personal encargado.
Para habilitar nuevamente el modo “AUTOMÁTICO” es necesario:
1. Configurar el selector de llave de modo que esté desactivado: en posición “AUTO”.
2. Activar nuevamente la máquina con el procedimiento normal de accionamiento.
FUNCIONAMIENTO
4 - 21
MAN. I4390.ES.USM000 (10/09/2013)
DOC. ROLL4Evo.CAP.01.R00 (17/03/2008)
4
Sidel S.p.a.
PF. Protecciones fijas de la base
La protección contra los órganos mecánicos en
movimiento (reductores, poleas, correas y ejes
cardánicos) situados en la base de la máquina está
garantizada por protecciones adecuadas.
Dichos paneles se mantienen en su posición me-
diante cerraduras que se pueden abrir con una llave
especial.
4 - 22
MAN. I4390.ES.USM000 (10/09/2013)
DOC. ROLL4Evo.CAP.01.R00 (17/03/2008)
FUNCIONAMIENTO
4
Sidel Sp.a.
PM. Puertas móviles
Estas protecciones cuentan con microinterruptores
electromecánicos.
Las protecciones móviles se realizan en plexiglás con
bastidor portante de metal y están dotadas de final de
carrera con accionamiento de llave contra
manipulaciones.
Protegen la zona que abarca desde la superficie de
trabajo fija hasta una altura de la superficie transitable
para no alcanzar los componentes en movimiento, in-
cluso desde arriba.
La apertura de las protecciones no es posible sin
ANTES detener la máquina: el circuito de conexión de
los fin de carrera está controlado por un módulo de
seguridad.
Las protecciones están instaladas sobre cremalleras
y permanecen en su asiento aún cuando se abren.
Para abrir una de las puertas, el operador debe:
a)detener la máquina;
b) con la máquina parada, abrir la puerta deseada.
Para reanudar el funcionamiento de la máquina hay
que cerrar las puertas y repetir la secuencia normal
para su accionamiento.
Para acceder de manera segura a las partes internas
de la etiquetadora, el operador debe seguir este-
procedimiento:
a) detener la máquina;
b) poner la máquina en modo “manual”; selector de
llave en posición “JOG”;
c) abrir la puerta delantera;
d) acceder a la máquina mediante el botón de parada
de emergencia apretado.
El acceso a la parte interna de la máquina está permitido sólo a personal cualificado.
El acceso a la parte interna de la máquina está permitido sólo desde la puerta anterior: aquella frente al
panel del operador.
Los microinterruptores electromecánicos no permiten abrir ninguna protección sin antes
parar la máquina.
FUNCIONAMIENTO
4 - 23
MAN. I4390.ES.USM000 (10/09/2013)
DOC. ROLL4Evo.CAP.01.R00 (17/03/2008)
4
Sidel S.p.a.
PE. Botones fungiformes de emergencia
Los botones de parada de emergencia (Fig. 4.6.3 - 5)
están distribuidos en diferentes puntos, uno en el panel
del operador y los demás en los lados de la máquina
en donde sea necesario, de manera que el usuario
pueda acceder a ella en cualquier momento. Dichos
dispositivos fungiformes de color rojo tienen la función
de interrumpir el funcionamiento normal de la máquina
en caso de necesidad.
Apretando uno de los botones fungiformes se ordena
una parada de categoría 1: esto quiere decir que se
interrumpe la alimentación eléctrica de los siguientes
dispositivos:
- telerruptores de los motores eléctricos;
- salidas digitales PLC;
mientras permanecen bajo tensión los siguientes dispositivos:
- CPU;
- entradas digitales PLC;
- instrumentos de regulación;
- terminales de vídeo.
4 - 24
MAN. I4390.ES.USM000 (10/09/2013)
DOC. ROLL4Evo.CAP.01.R00 (17/03/2008)
FUNCIONAMIENTO
4
Sidel Sp.a.
SV. Interruptores de aislamiento del vacío
Situados en la salida de los filtros de aire, permiten
excluir la alimentación del vacío a todos los dispositivos
que controlan.
El uso de estos interruptores de aislamiento se
recomienda durante los procedimientos de
mantenimiento de ciertos dispositivos de
funcionamiento neumático.
FUNCIONAMIENTO
4 - 25
MAN. I4390.ES.USM000 (10/09/2013)
DOC. ROLL4Evo.CAP.01.R00 (17/03/2008)
4
Sidel S.p.a.
SP. Interruptores de aislamiento general de la
potencia de los motores (si los hay)
Situados en cuatro lados de la máquina, permiten
excluir la alimentación a todos los motores e
inversores.
Si se dispara la protección térmica de un interruptor
de aislamiento de la potencia, la máquina se detiene y
se indica el problema mediante alarma acústica y
señalización visual en el panel de control.
4 - 26
MAN. I4390.ES.USM000 (10/09/2013)
DOC. ROLL4Evo.CAP.01.R00 (17/03/2008)
FUNCIONAMIENTO
4
Sidel Sp.a.
PQe. Puerta cuadro eléctrico
La puerta de la caja eléctrica colocada en la máquina
cuenta con un sistema de cierre que requiere llaves
adecuadas para su abertura.
El cuadro eléctrico está dotado de un interruptor
general con candado, para impedir el acceso cuando
la alimentación eléctrica está conectada. Este
dispositivo de bloqueo corta la alimentación eléctrica
automáticamente cada vez que se abre el cuadro de
mando.
FUNCIONAMIENTO
4 - 27
MAN. I4390.ES.USM000 (10/09/2013)
DOC. ROLL4Evo.CAP.01.R00 (17/03/2008)
4
Sidel S.p.a.
AL. Columna luminosa
La máquina está dotada de un dispositivo luminoso
que señala al operador los diferentes estados de
funcionamiento.
La columna está situada en la parte superior de la
máquina, cerca del panel de mando, y tiene la función
de indicar a distancia, en función del color activado,
las condiciones de funcionamiento.
La columna luminosa, que se puede controlar desde el
panel de control, está equipada también con una sirena
de advertencia que, en caso de anomalía, emite una
señal acústica acompañada por señales visuales.
4 - 28
MAN. I4390.ES.USM000 (10/09/2013)
DOC. ROLL4Evo.CAP.01.R00 (17/03/2008)
FUNCIONAMIENTO
4
Sidel Sp.a.
TP. Túnel de protección de la cinta transportadora
de entrada y/o salida
Cerca de las cintas transportadoras de entrada y salida
de los envases hay un túnel de protección (Fig. 4.6- 8)
que impide alcanzar los componentes móviles
peligrosos instalados en el basamento.
FUNCIONAMIENTO
4 - 29
MAN. I4390.ES.USM000 (10/09/2013)
DOC. ROLL4Evo.CAP.01.R00 (17/03/2008)
4
Sidel S.p.a.
FA. Aspirador de humos de pegamento (opcional)
Es un dispositivo que transporta los vapores del pegamento fuera de la máquina por medio de un motor de
aspiración.
4 - 30
MAN. I4390.ES.USM000 (10/09/2013)
DOC. ROLL4Evo.CAP.01.R00 (17/03/2008)
FUNCIONAMIENTO
4
Sidel Sp.a.
4.6.4 QUÉ HAY QUE HACER EN CASO DE INCENDIO
En caso de que se produjera un incendio en el cuadro eléctrico, en aparatos o partes de cableado de la
máquina, el operador deberá:
- abrir el interruptor seccionador de la alimentación eléctrica situado en la parte de arriba del cuadro de
mandos.
- utilizar un extintor adecuado (polvo, CO2, y otros gases).
No utilizar agua.
4.6.5 QUÉ HAY QUE HACER EN CASO DE EXPLOSIÓN
Son válidas las mismas consideraciones del párrafo 4.6.4 “Qué hay que hacer en caso de
incendio”.
FUNCIONAMIENTO
4 - 31
MAN. I4390.ES.USM000 (10/09/2013)
DOC. ROLL4Evo.CAP.01.R00 (17/03/2008)
4
Sidel S.p.a.
4.7 DESCRIPCIÓN DEL FUNCIONAMIENTO
4.7.1 PRINCIPIO DE FUNCIONAMIENTO
La máquina está provista de un sistema de bloqueo de botellas en la entrada , del tipo con estrella,
palanca o tampón, que impide la entrada de los envases en la máquina.
Cuando la cantidad y/o la velocidad con la que llegan los envases a la cinta transportadora de entrada
puede garantizar una producción suficientemente continua, el dispositivo de bloqueo de la entrada se abre.
El dispositivo de bloqueo de entrada se encuentra cerrado: durante la fase de calentamiento, en caso de
parada de la máquina o si está presente una situación de alarma (por ejemplo, tras la presión de un botón
de PARADA/ EMERGENCIA).
En cualquier caso, el operador puede abrir o cerrar el dispositivo de bloqueo de entrada.
Los envases provenientes de la cinta transportadora pasan a través del sinfín de selección y entran en
la estrella de entrada que los distribuye en los platillos del carrusel central .
Los platillos giran sobre sí mismos mediante un sistema mecánico dotado de correa que utiliza la potencia
de un motor, cuya velocidad está regulada por un inversor en función del tamaño del envase; el movimiento
se transmite del platillo al envase, que se mantiene presionado contra el platillo mediante el gato .
La etiqueta es desenrollada por las bobinas mediante un rodillo tractor y pasa por los rodillos de control de
orientación de la película para luego llegar al grupo de etiquetado.
En esta fase, una cuchilla giratoria colocada sobre una contracuchilla fija corta la etiqueta y la envía al
rodillo de desplazamiento que, aprovechando la acción del vacío (depresión), permite el desplazamiento
de la película a la zona del rodillo encolador, donde se aplica el pegamento en las solapas de la etiqueta.
La botella, rozando los patines del rodillo de desplazamiento, retira la primera solapa de la etiqueta.
El envase gira sobre sí mismo, permitiendo que la etiqueta envuelva todo su cuerpo de modo que el
segundo extremo de la etiqueta coincida con el primero ya encolado.
La estrella de salida se encarga de llevar los envases a la cinta transportadora de salida.
El panel de control permite al operador tener una visión general del estado operativo de la máquina para
poder intervenir en su funcionamiento.
A través de las señales procedentes de los sensores situados en las cintas de entrada y salida , es
posible gestionar automáticamente la velocidad de producción de la máquina.
Durante la fase de pre-calentamiento y con la máquina parada, el sistema de “bloqueo de entrada” impide
el paso de los envases.
El operador dispone, en diferentes puntos de la máquina, de botones de PARADA / EMERGENCIA para
detener el funcionamiento de la misma en caso de peligro o necesidad.
El revestimiento lleva instaladas protecciones que protegen al operador durante el funcionamiento e
impiden el acceso a las piezas en movimiento.
La gestión de la máquina se realiza completamente por medio del panel de control .
4 - 32
MAN. I4390.ES.USM000 (10/09/2013)
DOC. ROLL4Evo.CAP.01.R00 (17/03/2008)
FUNCIONAMIENTO
4
Sidel Sp.a.
LEYENDA:
1 BLOQUEO DE BOTELLAS EN LA ENTRADA
2 CINTATRANSPORTADORADE ENTRADA
3 SINFÍN
4 ESTRELLADE ENTRADA
5 PLATILLOS
6 CARRUSEL
7 SOPORTE BOBINAS
8 GRUPO DE ETIQUETADO
9 ESTRELLA DE SALIDA
10 CINTATRANSPORTADORADE SALIDA
11 BOTONES DE PARADA/EMERGENCIA
12 PANEL DE CONTROL
13 GATOS
14 PROTECCIONES
1
2
4
8
612 11
14
9 13
10
5
7
14
FUNCIONAMIENTO
4 - 33
MAN. I4390.ES.USM000 (10/09/2013)
DOC. ROLL4Evo.CAP.01.R00 (17/03/2008)
4
Sidel S.p.a.
4.7.2 PROCESO DE ETIQUETADO
El principio de funcionamiento de las máquinas etiquetadoras giratorias Roll Quattro consiste en trasladar
el envase de una cinta transportadora de una sola fila a un carrusel circular donde se aplica la etiqueta.
Por tanto, el proceso de etiquetado de las botellas se divide en las siguientes fases:
1. Entrada del envase a etiquetar
Los envases entran a la máquina por medio de una cinta transportadora; el sinfín los coloca a la misma
distancia el uno del otro.
La estrella de entrada traslada los envases al carrusel, colocándolos sobre los platillos cuya rotación está
determinada por un motor.
2. Etiquetado
El carrusel coloca los envases en la posición de etiquetado. La película entra en la máquina desde una de
las dos bobinas.
Un motor varía continuamente el movimiento de la película de modo que se encuentre siempre en fase
para el corte correcto.
La película pasa sobre el rodillo de corte.
El rodillo de desplazamiento toma cada etiqueta y la pone en contacto con el rodillo encolador.
Este rodillo está cubierto por una fina capa de pegamento que sólo entra en contacto con los extremos de
la etiqueta, colocados intencionalmente en una posición elevada.
El envase entra en contacto con la solapa en la que se ha aplicado el pegamento y gira sobre sí mismo
para retirar la etiqueta, permaneciendo envuelto en ella hasta que la solapa trasera se coloque sobre la
delantera, completando así la fase de etiquetado.
3. Salida de los envases etiquetados
Tras haber sido etiquetados, los envases entran en la estrella de salida y son trasladados a la cinta
transportadora para la salida definitiva.
4 - 34
MAN. I4390.ES.USM000 (10/09/2013)
DOC. ROLL4Evo.CAP.01.R00 (17/03/2008)
FUNCIONAMIENTO
4
Sidel Sp.a.
4.8 DISPOSITIVOS PARA LA SEGURIDAD Y LA INTEGRIDAD
DE LA MÁQUINA
LC
FR PB
PM
IP
HT
FB
AI
CV
CV
PU
FR
LT
PGE
MGE
E
PA
PA
PM
FUNCIONAMIENTO
4 - 35
MAN. I4390.ES.USM000 (10/09/2013)
DOC. ROLL4Evo.CAP.01.R00 (17/03/2008)
4
Sidel S.p.a.
DESCRIZIONE
PR Protección de seguridad
PP Instalación neumática: presostato
HT Final de carrera cabezal
FR Embrague sin fin, estrella de entrada,
estrella de salida
PM Protección magnetotérmica
LC Nivel de pegamento
PB Fotocélula presencia botellas
PU Piazzola uscita macchina
AI Apertura dispositivo de bloqueo a la
entrada
FB Fin bobina
LT Fotocélula lectura marca
E Botones de emergencia
MGE Microinterruptor de posición del grupo
de etiquetado
PGE Posición del grupo de etiquetado
FUNZIONE
Indica la posición de las protecciones en el perímetro de la
máquina.
Un presostato correctamente ajustado, interviene deteniendo
inmediatamente la máquina cuando la presión resulta inferior
a aquella configurada.
Limita la subida y la bajada del cabezal.
Un sensor indica la posición real del cabezal de la máquina.
Interrumpe la rotación del sin fin, de la estrella de entrada
y salida en caso de envases atascados en su interior.
Una protección detiene los motores principales de la
máquina.En las máquina etiquetadoras dotadas de inversor
para la variación automática de la velocidad, se aprovecha
el contacto térmico del inversor mismo.
Un sensor indica que el nivel de pegamento en el tanque es
bajo.
Da la señal de activación del ciclo de etiquetado.
Rileva i contenitori presenti in uscita macchina, nel caso
riveli un’eccessiva quantità di flaconi abilita la chiusura au-
tomatica del cancelletto blocco bottiglie.
Detecta los envases presentes en la entrada de la máquina
y acciona la apertura automática del dispositivo de bloqueo
a la entrada.
Detecta la ausencia de película en las bobinas de etiquetas
instaladas en el soporte.Causa la desaceleración de la
máquina y el cierre del dispositivo de bloqueo a la entrada
hasta la sustitución de la bobina.
Indica la posición de altura y avance/retroceso del grupo de
etiquetado
Permiten detener inmediatamente la máquina .
Indica la posición de altura y avance/retroceso del grupo de
etiquetado.
Detecta la posición real de altura y avance/retroceso del
grupo de etiquetado.
Una serie de sensores aumenta o disminuye la velocidad
de producción en función de la cantidad de envases en la
entrada o salida de la máquina.
CV Cambio de velocidad de la máquina
Página dejada en blanco intencionalmente
MAN. I4390.ES.USM000 (10/09/2013)
DOC. ROLL4.CAP.05.R00 (09/12/2009)
5
Sidel S.p.A.
INSTRUCCIONES DE USO
5 - 1
CAP. 5 - INSTRUCCIONES DE USO
(para panel BR 15”)
Página dejada en blanco intencionalmente
MAN. I4390.ES.USM000 (10/09/2013)
DOC. ROLL4.CAP.05.R00 (09/12/2009)
5
Sidel S.p.A.
INSTRUCCIONES DE USO
5 - 3
5.1 INTERFAZ USUARIO-MÁQUINA (HMI)
5.1.1 PREMISA
La interfaz entre el usuario y la máquina (HMI) prevé una parte dedicada a los mandos tradicionales,
colocados a bordo de la máquina (1 - selector de llave, 2 - botón de emergencia), y otra integrada en el
panel operador (2 - pantalla táctil).
1 23
MAN. I4390.ES.USM000 (10/09/2013)
DOC. ROLL4.CAP.05.R00 (09/12/2009)
Sidel S.p.A.
5
INSTRUCCIONES PARA EL USO
5 - 4
5.2 INFORMACIÓN GENERAL
5.2.1 DEFINICIÓN DE LOS TÉRMINOS TÉCNICOS DE LA APLICACIÓN “HMI”
– Pantalla (A): imagen de pantalla completa visualizada en el panel.
– Familia: pantalla asociada a una función específica de la máquina que permite acceder a las ventanas
conectadas a la misma. Las teclas que están en la zona (B) permiten acceder a las distintas familias.
– Ventana (C): ventana emergente que permite acceder a nuevas funciones presionando la tecla prevista.
para cerrar la ventana, presione la tecla (1).
A C 1
B
MAN. I4390.ES.USM000 (10/09/2013)
DOC. ROLL4.CAP.05.R00 (09/12/2009)
5
Sidel S.p.A.
INSTRUCCIONES DE USO
5 - 5
5.2.2 COMPOSICIÓN DE LAS PANTALLAS
La aplicación HMI está basada en un conjunto de funciones:
– la familia “HOME”;
– la familia “COMPONENTES DE LA MÁQUINA”;
– la familia “RECETAS”;
– la familia “EFICIENCIAS”;
– la familia “LAYOUT”;
– la familia “GRÁFICAS”;
– la familia “MANTENIMIENTO”;
– la familia “CONFIGURACIÓN”;
– la familia “SERVICIO”;
Dentro de la pantalla es posible identificar cuatro zonas distintas:
– una barra de navegación e informacionies (A) (presente en todas las pantallas);
– una parte central (B) específica para cada familia;
– una barra de selección (Tab bar) (C), compuesta por pestañas que permiten acceder a las pantallas de
configuración de los componentes de la máquina;
– una barra inferior de gestión (D) (presente en todas las pantallas).
B
A
D
C
Continúaenlapáginasiguiente...
MAN. I4390.ES.USM000 (10/09/2013)
DOC. ROLL4.CAP.05.R00 (09/12/2009)
Sidel S.p.A.
5
INSTRUCCIONES PARA EL USO
5 - 6
Barra de navegación e información
El usuario dispone de una barra fija, situada en la parte superior izquierda, al lado de la pantalla principal,
que permite:
– navegar por las distintas familias de la aplicación HMI;
– visualizar la información de carácter general sobre el estado de funcionamiento de la máquina.
A Revisión del software instalado en el panel operador
B Hora actual
C Fecha actual
D Nombre de la familia activa
E Velocidad actual de la máquina
F Contador parcial de envases elaborados por la máquina
G Contador del total de horas de trabajo de la máquina
H Mensajes Elau sobre las recetas
I Código del usuario activo
L Tipo de usuario activo
M Nombre de la receta actualmente usada
1 Tecla de acceso a la familia “HOME”
2 Tecla de acceso a la familia “COMPONENTES DE LAMÁQUINA”
3 Tecla de acceso a la familia “RECETAS”
4 Tecla de acceso a la familia “EFICIENCIAS”
5 Tecla de acceso a la familia “LAYOUT”
6 Tecla de acceso a la familia “GRÁFICAS”
4
3
2
1
5
6
7
8
9
BA C D F G IEH L M
13
14
10 11 12
Continúaenlapáginasiguiente...
MAN. I4390.ES.USM000 (10/09/2013)
DOC. ROLL4.CAP.05.R00 (09/12/2009)
5
Sidel S.p.A.
INSTRUCCIONES DE USO
5 - 7
7 Tecla de acceso a la familia “MANTENIMIENTO”
8 Tecla de acceso a la familia “CONFIGURACIÓN”
9 Tecla de acceso a la familia “SERVICIO”
10 Registro de la identidad del usuario (nombre de usuario y contraseña)
11 Tecla de acceso a la información relativa a la aplicación HMI
12 Tecla de acceso directo a la ventana “ALARMAS”
13 Salida de la aplicación HMI
14 Indicador de conexión entre el PLC y el HMI (Naranja: activa - Gris: inactiva)
MAN. I4390.ES.USM000 (10/09/2013)
DOC. ROLL4.CAP.05.R00 (09/12/2009)
Sidel S.p.A.
5
INSTRUCCIONES PARA EL USO
5 - 8
Tab bar
La “Tab bar”, presente en la pantalla de cada familia, permite visualizar las subpáginas relativas a los
componentes generales de la máquina y los componentes específicos el grupo de etiquetado.
Las primeras tres Tabs (A) se refieren siempre a los componentes generales de la máquina, mientras que
las siete Tabs restantes (B) se refieren a los grupos de etiquetado instalados en la máquina.
1 Grupo principal: página principal de la familia en la que se está navegando.
2 Disposición y configuración de variables en función del tipo de máquina.
3 Activo de acuerdio al número de estaciones de etiquetado instaladas en la máquina.
El color rojo de la pestaña en la “Tab bar” indica la navegación en la pantalla actualmente
visualizada.
Parte central
En la parte central de la pantalla, de acuerdo a la familia seleccionada, el usuario puede:
– abrir y cerrar las ventanas de configuración o consulta;
– consultar los parámetros de funcionamiento de la máquina;
– llenar las celdas de introducción de datos;
– visualizar los contadores;
– visualizar las gráficas;
– visualizar las estadísticas.
Las distintas partes centrales de las pantallas dependen de la configuración de la máquina y de la familia
seleccionada.
1 2 3
BA
MAN. I4390.ES.USM000 (10/09/2013)
DOC. ROLL4.CAP.05.R00 (09/12/2009)
5
Sidel S.p.A.
INSTRUCCIONES DE USO
5 - 9
Barra inferior
La barra inferior, presente en todas las pantallas, se utiliza para la gestión de la máquina.
Cuando las teclas cambian de estado, también cambia su color.
Las teclas se ven grises cuando están inactivas.
1 START/STOP: con la máquina parada y manteniendo la tecla presionada por el tiempo necesario, se
inicia la rotación; con la máquina en marcha, al presionar la tecla, se detiene la rotación.
2 BLOQUEO DE BOTELLAS ABIERTO EN MANUAL (cancela abierta): deshabilita el bloqueo de las
botellas que impide la entrada de envases en la máquina (se utiliza para funciones de servicio,
mantenimiento y vaciado de la línea).
3 BLOQUEO DE BOTELLAS CERRADO EN MANUAL (cancela cerrada): habilita el bloqueo de las botellas
que impide la entrada de envases a la máquina.
4 BLOQUEO DE BOTELLAS EN AUTOMÁTICO(cancela automática): habilta/deshabilita el bloqueo de
botellas gestionado automáticamente. La entrada de envases a la máquina depende de las condiciones
de la línea.
5 ACTIVACINTATRASPORTADORA: tecla que permite apagar la cinta transportadora.
6 PRUEBA SEMÁFORO: su presión habilita la prueba de funcionamiento de las luces del semáforo y la
alarma de la sirena.
7 RESET: presionando este botón se restablecen las alarmas activas. En caso de haber alarmas, esta
tecla destella intermitentemente (azul - rojo). Para reanudar la marcha de la máquina hay que identificar
y eliminar la causa de la alarma. La presión de la tecla RESETgenera el restablecimiento de las
alarmas, ya sean de origen software o electromecánico (emergencias, reparaciones mediante centralita
Pilz, etc.).
Todas las teclas asumen los siguientes colores de acuerdo al estado en que se encuentran:
TECLAINHABILITADA: no está asociada a ninguna función (gris).
TECLA INACTIVA: esta tecla está asociada a una función pero no ha sido seleccionada (azul).
TECLAACTIVA: el mando se está ejecutando (rojo claro).
TECLA PRESIONADA: se ha solicitado la ejecución del mando (rojo oscuro).
TECLA PRESIONADA: el mando ha sido enviado al PLC (azul oscuro).
1 2 3 4 765
MAN. I4390.ES.USM000 (10/09/2013)
DOC. ROLL4.CAP.05.R00 (09/12/2009)
Sidel S.p.A.
5
INSTRUCCIONES PARA EL USO
5 - 10
5.2.3 LOS NIVELES DE ACCESO
Definición de los niveles de acceso
Los niveles de acceso indicados a continuación son aquellos determinados por Sidel S.p.A.
Las partes de la aplicación que no están accesibles a todos los usuarios se indican me-
diante un candado rojo en el botón de acceso a la función.
m Usuario: 1
Nivel: “System”
No requiere contraseña.
El operador puede:
– gestionar la producción en modo “AUTOMÁTICO” o “MANUAL”;
– acceder a algunas familias de la aplicación HMI;
– consultar la lista de alarmas;
- efectuar el ajuste de fase de la máquina;
– consultar los parámetros de funcionamiento de la máquina;
– monitorizar el estado de la máquina.
m Usuario: 2
Nivel: “Operator”
Requiere contraseña.
El operador puede:
– acceder a todas las funciones del nivel “System”;
– realizar el cambio de formato;
– gestionar las recetas.
m Usuario: 3
Nivel: “Maintenance”
Requiere contraseña.
El técnico encargado por el propietario de la máquina puede:
– acceder a todas las funciones del nivel “Operator”;
– determinar los nuevos procesos de producción;
– efectuar el mantenimiento de la máquina.
El nivel de acceso más alto siempre permite realizar las configuraciones y operaciones
permitidas a los niveles inferiores.
MAN. I4390.ES.USM000 (10/09/2013)
DOC. ROLL4.CAP.05.R00 (09/12/2009)
5
Sidel S.p.A.
INSTRUCCIONES DE USO
5 - 11
5.2.4 VENTANA “LOGIN - CONTRASEÑA”
La habilitación de algunos niveles, mediante la introducción de la contraseña, ha sido pensada para proteger
las partes sensibles de la máquina y las configuraciones necesarias para una producción correcta.
El nivel de acceso más alto siempre permite realizar las configuraciones y operaciones
permitidas a los niveles inferiores.
Procedimiento de autenticación
Presione la tecla (1) para acceder a la ventana de introducción de la contraseña;
Presione la tecla (4) para revelar el teclado numérico (B).
En la ventana (A) para introducir datos sobre usted (2) y Contraseña (3).
Pulse (5) para confirmar los datos.
Pulse el botón (7) para cerrar las ventanas (A) y (B).
La contraseña expira si transcurren 10 minutos sin utilizar el panel operador.
Es posible acceder a la ventana de introducción de la contraseña desde cualquier pantalla.
1 A 2 3
B
5
6
7
4
La ventana para introducir la contraseña se puede acceder desde cualquier pantalla.
MAN. I4390.ES.USM000 (10/09/2013)
DOC. ROLL4.CAP.05.R00 (09/12/2009)
Sidel S.p.A.
5
INSTRUCCIONES PARA EL USO
5 - 12
5.2.5 VENTANA “INFORMACIÓN DEL PROYECTO”
Presione la tecla (1) para acceder a la ventana “INFORMACIÓN DEL PROYECTO” (A).
Este instrumento permite que el usuario recupere informaciones relativas al sistema:
2 Espacio libre en disco.
3 Memoria libre.
4 Versión proyecto.
5 Número de serie.
6 Nombre proyecto.
Es posible acceder a la ventana “INFORMACIÓN DEL PROYECTO desde todas las familias
pulsando la tecla (1) de la barra de navegación e información.
1 A
2
3
4
5
6
MAN. I4390.ES.USM000 (10/09/2013)
DOC. ROLL4.CAP.05.R00 (09/12/2009)
5
Sidel S.p.A.
INSTRUCCIONES DE USO
5 - 13
5.2.6 VENTANA “ALARMAS”
Funciones
La familia “ALARMAS” permite:
– visualizar las alarmas activas.
– visualizar la històrica alarmas.
Descripción
1 Tecla de acceso a la ventana “ALARMAS”.
A Ventana de visualización de alarmas activas.
Es posible acceder a la ventana “ALARMAS” desde todas las familias pulsando la tecla (1)
de la barra de navegación e información.
Continúaenlapáginasiguiente...
1
A
2
3
5 4
MAN. I4390.ES.USM000 (10/09/2013)
DOC. ROLL4.CAP.05.R00 (09/12/2009)
Sidel S.p.A.
5
INSTRUCCIONES PARA EL USO
5 - 14
Tab 6: Ventana de visualización de alarmas
La ventana de visualización de alarmas (A) indica al usuario la presencia de una o varias anomalías en la
máquina.
2 Tecla de desplazamiento hacia arriba.
3 Tecla de desplazamiento hacia abajo.
Notificación de los mensajes de alarma
Las alarmas informan al operador sobre las condiciones de la máquina y siempre se visualizan en la
pantalla específica; independientemente de la causa de la alarma, el botón “RESET” (4) se ve intermitente
(azul - rojo).
La gravedad de la anomalía influye en el funcionamiento de la máquina generando distintos efectos:
– cierre del bloqueo de botellas;
– parada gradual y/o parada crítica de la máquina;
– señalización acústica (sirena);
– señalización luminosa (columna luminosa).
Algunas alarmas desaparecen automáticamente al eliminar la causa que las ha generado.
Procedimiento
Para conocer la causa de la alarma, presione la tecla (1); en la ventana (A) aparecerá la lista de alarmas
activas, donde es posible identificar:
– número :
– descripción de la alarma;
– fecha y hora de aparición.
Utilice las teclas (2) y (3) para seleccionar la alarma deseada.
Para salir del estado de alarma hay que eliminar la causa que ha generado la anomalía y luego, pulsar el
botón (4): el renglón que contiene la alarma desaparecerá. Entonces, será posible presionar la tecla (5)
para reanudar la producción normal.
Si la tecla (5) aparece de color gris, significa que no se cumplen las condiciones necesarias para reanudar
la producción: verifique la posible presencia de otras alarmas.
CUANDO LATECLA(5) SE VUELVEAZUL, SIGNIFICAQUE EXISTEN LAS CONDICIONES PARAPONER
EN MARCHA LA MÁQUINA.
A
2
3
6
MAN. I4390.ES.USM000 (10/09/2013)
DOC. ROLL4.CAP.05.R00 (09/12/2009)
5
Sidel S.p.A.
INSTRUCCIONES DE USO
5 - 15
Ventana 7: Ventana de visualización del historial de alarmas
La ventana de visualización de alarmas (B) indica al usuario las últimas 100 anomalías detectadas en la
máquina.
2 Tecla de desplazamiento hacia arriba.
3 Tecla de desplazamiento hacia abajo.
B
2
3
7
MAN. I4390.ES.USM000 (10/09/2013)
DOC. ROLL4.CAP.05.R00 (09/12/2009)
Sidel S.p.A.
5
INSTRUCCIONES PARA EL USO
5 - 16
5.3 LA FAMILIA “HOME”
Funciones
La familia HOME es la pantalla de introducción a la interfaz del operador; permite visualizar y controlar los
parámetros de funcionamiento de la máquina y la producción.
A Barra de visualización de alarmas.
B Visualización de la velocidad de producción.
C Visualización el contador de producción.
D Visualización de la presión de aire suministrada a la máquina.
B
B
C
A
D
MAN. I4390.ES.USM000 (10/09/2013)
DOC. ROLL4.CAP.05.R00 (09/12/2009)
5
Sidel S.p.A.
INSTRUCCIONES DE USO
5 - 17
5.4 LA FAMILIA “COMPONENTES”
Funciones
La familia “COMPONENTES” permite:
– regular las velocidades de ejercicio de la máquina;
– gestionar los componentes principales instalados en la máquina;
– gestionar el sistema de movimiento de los platillos (EN EL CASO DE SERVOMOTORES).
Moverse en la Familia COMPONENTES
A Componentes principales
A1 “Gestión de velocidades”
A2 “Start up manager”
B “Platillos”
B1 “JOG platillos”
B2 “Leva platillos”
B3 “Home platillos y máquina”
B4 “Diagnóstico platillos”
C “Estación de etiquetado”
C1 “Gestión del sistema de corte”
C1.1 “Parámetros del sistema de corte”
C1.2 “Diagnóstico del sistema de corte”
C2 “Start up de la estación de etiquetado”
C3 “Manager de la estación de etiquetado”
C4 “Manager del aparato empalmador”
C5.1 “Administrador sistema de tambor”
C5.2 “Diagnóstico sistema de tambor”
C
B
B3
A
B1
A1
A2
B2
B4
C1
C3
C2
C4
C5.1 C5.2
C1.1
MAN. I4390.ES.USM000 (10/09/2013)
DOC. ROLL4.CAP.05.R00 (09/12/2009)
Sidel S.p.A.
5
INSTRUCCIONES PARA EL USO
5 - 18
5.4 LA FAMILIA “COMPONENTES”
Funciones
La familia “COMPONENTES” permite:
– regular las velocidades de ejercicio de la máquina;
– gestionar los componentes principales instalados en la máquina;
– gestionar el sistema de movimiento de los platillos (EN EL CASO DE TRANSMISIÓN DE CORREA).
Moverse en la Familia COMPONENTES
C5.1“Gestión sistema de tambor”
A Componentes principales
A1 “Gestión de velocidades”
A2 “Start up manager”
B “Platillos”
B1 “Diagnóstico de platillos”
C “Estación de etiquetado”
C1.1 “Parámetros del sistema de corte”
C1.2 “Diagnóstico del sistema de corte”
C2 “Start up de la estación de etiquetado”
C3 “Manager de la estación de etiquetado”
C4 “Manager del aparato empalmador”
C1 “Gestión del sistema de corte” C5.2 “Diagnóstico sistema de tambor”
C
B
A
A1
A2
C1
C3
C2
C4
C5.1
C1.1
MAN. I4390.ES.USM000 (10/09/2013)
DOC. ROLL4.CAP.05.R00 (09/12/2009)
5
Sidel S.p.A.
INSTRUCCIONES DE USO
5 - 19
A Tab “MAIN COMPONENTES”
Funciones
1 GESTION DE VELOCIDADES:
2 START UP MANAGER.
3 HOME CARRUSEL.
21 3
MAN. I4390.ES.USM000 (10/09/2013)
DOC. ROLL4.CAP.05.R00 (09/12/2009)
Sidel S.p.A.
5
INSTRUCCIONES PARA EL USO
5 - 20
A1 Ventana “GESTIÓN DE VELOCIDADES”
En esta ventana es posible gestionar las velocidades de producción y de jog de la máquina.
1 VELOCIDAD DE JOG: configuración de la velocidad* a la que debe girar la máquina durante el estado
de mantenimiento.
2 VELOCIDAD DE LÍNEAACTUAL: visualización de la velocidad actual* de la línea.
3 VELOCIDAD ETIQUETADORA ACTUAL : visualización de la velocidad actual* de la máquina
etiquetadora.
* Valor expresado en botellas por minuto (Bpm)
El rango de la velocidad de JOG varía de 15 a 80 Bpm.
El rango de las velocidades MEDIA y ALTA varía de 80 Bpm al límite de velocidad
configurado por los técnicos de Sidel S.p.A..
1
2
3
6
MAN. I4390.ES.USM000 (10/09/2013)
DOC. ROLL4.CAP.05.R00 (09/12/2009)
5
Sidel S.p.A.
INSTRUCCIONES DE USO
5 - 21
A2 Ventana “PUESTA EN MARCHA ADMINISTRADOR GENERAL” ESTÁNDAR
En esta ventana es posible habilitar las funciones instaladas en la máquina.
1 MÁQUINA EN CONTROL ON: activa/desactiva el estado de stand-by de la máquina (motores, inversores,
bombas, calentadores, etc.) y activa/desactiva los usuarios previamente habilitados en la ventana “START
UP ESTACIÓN DE ETIQUETADO”.
2 ENCENDIDO CINTA: habilita/deshabilita el funcionamiento de la cinta transportadora de la máquina.
3 SISTEMA DE RECHAZO: habilita/deshabilita el sistema de rechazo de la botella, colocado en la salida
de la máquina, en caso de que el envase no esté etiquetado (gestión de la etiquetadora).
4 CODIFICADOR: activar / desactivar el dispositivo que imprime números, letras y / u otra información
sobre la superficie de la etiqueta o envase (véase el gerente de la etiqueta).
5 BY PASS: activar / desactivar la operación de by-pass, los contenedores pueden pasar sobre la cinta
transportadora con el carrusel se detuvo.
6 TÚNEL: activar / desactivar el funcionamiento del túnel.
7 ILUMINACIÓN GRUPO: activar / desactivar el poder de la iluminación de la etiqueta.
8 ILUMINACIÓN BASE: activa o desactiva la iluminación de la base.
9 VÁLVULAELECTRÓNICARECHAZO:Al pulsar este botón descarta todas las botellas que están fuera
(hasta que la discapacidad).
10 APLICADOR DE SELLO: activar / desactivar el funcionamiento de l’aplicador de sello instalado en la
máquina.
11 BOTELLA ROTA : habilita/inhabilita el sensor de la señal de botella rota.
12 Tecla de acceso directo a la ventana “START UP ESTACIÓN DE ETIQUETADO”, en la que se indican
todos los usuarios.
2
3
1
4
5
6
12
7
8
9
10
11
MAN. I4390.ES.USM000 (10/09/2013)
DOC. ROLL4.CAP.05.R00 (09/12/2009)
Sidel S.p.A.
5
INSTRUCCIONES PARA EL USO
5 - 22
A3 Ventana “Home carrusel”
En esta ventana se realiza el procedimiento de home del carrusel.
Al encender la máquina, el sistema solicita automáticamente que se lleven a cabo las
operaciones descritas en esta página.
Antes de comenzar el procedimiento de home, borre todas las alarmas que puedan
dificultarlo.
Procedimiento de home
Antes de comenzar el procedimiento “HOME CARRUSEL” , asegúrese de que el selector
de llave de mantenimiento esté en “AUTO”.
Para comenzar el procedimiento de home del carrusel (procedimiento”HOME CARRUSEL” ):
– presione el botón 1 para solicitar el procedimiento de home del carrusel (el botón se vuelve rojo).
Luego, presione el botón Start (S) en la barra horizontal de la pantalla.
– Al terminar el procedimiento de home del carrusel, el LED que está junto al mensaje “Home carrusel
OK” en el área (A) se vuelve verde y el botón 1 se vuelve azul.
1
A
S
MAN. I4390.ES.USM000 (10/09/2013)
DOC. ROLL4.CAP.05.R00 (09/12/2009)
5
Sidel S.p.A.
INSTRUCCIONES DE USO
5 - 23
B Tab “COMPONENTES”
Funciones
1 JOG PLATILLOS.
2 LEVAPLATILLOS.
3 HOME PLATILLOS Y MÁQUINA.
4 Tecla reservada para los técnicos autorizados por Sidel S.p.A..
A Ventana de visualización de mensajes del sistema de platillos motorizados.
B DIAGNÓSTICO PLATILLOS: Pulsando estas teclas se abren varias páginas de visualización:
- diagnóstico de errores de cada platillo.
- estado de funcionamiento en el que se encuentra cada platillo.
- estado de funcionamiento de todo el sistema de platillos.
1 2 3 4
A
B
MAN. I4390.ES.USM000 (10/09/2013)
DOC. ROLL4.CAP.05.R00 (09/12/2009)
Sidel S.p.A.
5
INSTRUCCIONES PARA EL USO
5 - 24
B1 Ventana “Jog platillos”
En esta ventana se puede probar el funcionamiento correcto de cada platillo motorizado.
Antes de realizar las operaciones descritas en esta página, verifique que el selector de
llave de mantenimiento esté en la posición “JOG”.
1 – POSICIÓN DEL CARRUSEL: Indica la posición en grados del carrusel.
2 – POSICIÓN DEL PLATILLO: Indica la posición del platillo seleccionado.
3 – POSICIÓN DEL PLATILLO MAESTRO: Indica la posición del platillo maestro para fines diagnósticos.
4 – PLATILLO N.º: En esta ventana se introduce el número del platillo que se desea mover.
Pulse en la ventana, marque el número del platillo y confirme con OK.
5 - VELOCIDAD MANUAL: Indica la velocidad de la máquina en modo manual.
6 – POSICIÓN FINAL (TARGET): En esta ventana es posible configurar la posición que el platillo debe
alcanzar.
Emplazamiento del platillo terminado: La luz verde encendida indica que se ha alcanzado la posición
previamente configurada.
Emplazamiento del platillo en curso: La luz verde encendida indica que el platillo se está moviendo.
6 - SOL. MODO MANUAL: Apretando esta tecla se habilita el procedimiento del desplazamiento manual
de los platillos.
7 - SOL. MODO EMPLAZ.: Pulsando esta tecla se habilita el procedimiento de emplazamiento manual de
todos los platillos.
8 - CONF. CERO: pulsando esta tecla se habilita el procedimiento de configuración de los platillos.
El procedimiento de “MOVIMIENTO MANUAL DE LOS PLATILLOS” se realiza de la siguiente manera:
Pulse la ventana (4) - “Platillo N.º.” para introducir el número del platillo que se debe mover.
Ahora es posible mover el platillo seleccionado en sentido horario o antihorario.
Utilice las flechas de dirección (A) para desplazar el platillo.
A este punto, es posible salir de la pantalla.
6
7
A
5
4
3
2
1
8
A B
en caso de SERVOMOTORES pág. 2.10
MAN. I4390.ES.USM000 (10/09/2013)
DOC. ROLL4.CAP.05.R00 (09/12/2009)
5
Sidel S.p.A.
INSTRUCCIONES DE USO
5 - 25
B2 Ventana “LEVA PLATILLOS”
En esta ventana es posible gestionar la carga de la leva electrónica.
Antes de realizar esta operación, hay que detener la máquina.
1 CARGAR LEVA: tecla que permite cargar la leva electrónica asociada a la receta usada.
2 POSICIÓN CARRUSEL: visualización de la posición del carrusel*.
3 TRANSFERENCIALEVAACTIVA/INACTIVA: mensaje dinámico que cambia según el estado de carga
de la leva seleccionad en la ventana (1):
ERROR CÁLCULO LEVA: si el led se pone verde, significa que se ha producido un error en el
procedimiento.
4 LEVA OK visualiza el resultado de la operación descrita en el punto (1):
led rojo: operación fracasada,
led verde: operación realizada correctamente.
1
2
3
4
MAN. I4390.ES.USM000 (10/09/2013)
DOC. ROLL4.CAP.05.R00 (09/12/2009)
Sidel S.p.A.
5
INSTRUCCIONES PARA EL USO
5 - 26
B3 Ventana “HOME PLATILLOS Y MÁQUINA”
En esta ventana es posible efectuar el Home del carrusel y los platillos.
Al encender la máquina, el sistema solicita automáticamente la ejecución de las operaciones
descritas en esta página.
Antes de llevar a cabo el procedimiento, elimine todas las alarmas que impidan su ejecución.
Procedimiento
Antes de realizar el procedimiento de “HOME PLATILLOS”, asegúrese de que el selector
de llave de mantenimiento esté en la posición “JOG”.
Para realizar el procedimiento de “HOME PLATILLOS” es necesario trabajar de la siguiente manera:
– asegúrese de haber cargado la leva electrónica de la receta usada (como se indica en la página anterior).
– pulse la tecla (2) para habilitar la solicitud de Home platillos (manténgala pulsada por el tiempo necesario).
– durante la ejecución del procedimiento, la tecla se vuelve roja.
El led verde junto al mensaje “Home platillos activo’ indica la ejecución del procedimiento en curso;
– al terminar el procedimiento de Home, el led que está junto al mensaje “HOME PLATILLOS OK” en la
zona (B) se vuelve verde.
B
2
en caso de SERVOMOTORES
MAN. I4390.ES.USM000 (10/09/2013)
DOC. ROLL4.CAP.05.R00 (09/12/2009)
5
Sidel S.p.A.
INSTRUCCIONES DE USO
5 - 27
B4.1 Ventana “DIAGNÓSTICO PLATILLOS”
En esta página se visualizan los errores del drive de los platillos.
1 – En esta ventana se ve el número del platillo que presenta el error.
2 – En esta ventana es posible seleccionar un platillo para visualizar su diagnóstico.
Status register details: descripción de la cadena de error referida a (2).
1 2
MAN. I4390.ES.USM000 (10/09/2013)
DOC. ROLL4.CAP.05.R00 (09/12/2009)
Sidel S.p.A.
5
INSTRUCCIONES PARA EL USO
5 - 28
B4.2 Ventana “DIAGNÓSTICO PLATILLOS”
En esta página se visualizan los errores del drive de los platillos.
1 – En esta ventana se ve el número del platillo que presenta el error.
2 – En esta ventana es posible seleccionar un platillo para visualizar su diagnóstico.
Status register details: descripción de la cadena de error referida a (2).
1 2
en caso de SERVOMOTORES
MAN. I4390.ES.USM000 (10/09/2013)
DOC. ROLL4.CAP.05.R00 (09/12/2009)
5
Sidel S.p.A.
INSTRUCCIONES DE USO
5 - 29
B4.3 Ventana “DIAGNÓSTICO PLATILLOS”
En esta página se visualiza el estado de cada platillo.
MAN. I4390.ES.USM000 (10/09/2013)
DOC. ROLL4.CAP.05.R00 (09/12/2009)
Sidel S.p.A.
5
INSTRUCCIONES PARA EL USO
5 - 30
B4.4 Ventana “DIAGNÓSTICO PLATILLOS”
En esta página se visualiza el estado de cada platillo.
Seleccionando un platillo (2), se enumeran en la página las señales enviadas al platillo.
2
en caso de SERVOMOTORES
MAN. I4390.ES.USM000 (10/09/2013)
DOC. ROLL4.CAP.05.R00 (09/12/2009)
5
Sidel S.p.A.
INSTRUCCIONES DE USO
5 - 31
B4.5 Ventana “DIAGNÓSTICO PLATILLOS”
En esta página se visualiza el estado del sistema de platillos.
MAN. I4390.ES.USM000 (10/09/2013)
DOC. ROLL4.CAP.05.R00 (09/12/2009)
Sidel S.p.A.
5
INSTRUCCIONES PARA EL USO
5 - 32
B4.6 Ventana “DIAGNÓSTICO PLATILLOS”
En esta página se enumeran las señales enviadas al sistema de platillos.
en caso de SERVOMOTORES
MAN. I4390.ES.USM000 (10/09/2013)
DOC. ROLL4.CAP.05.R00 (09/12/2009)
5
Sidel S.p.A.
INSTRUCCIONES DE USO
5 - 33
B Tab “JOG PLATILLOS”
En esta ventana es posible gestionar el movimiento manual (JOG) de la correa que mueve los platillos.
Antes de realizar esta operación hay que cerciorarse de que el selector de llave de
mantenimiento, situado a bordo de la máquina, esté en la posición “JOG”.
1 VELOCIDAD JOG CORREA: configuración de la velocidad para el movimiento manual (JOG) de la
correa.
2 Tecla de acceso directo a la ventana de “DIAGNÓSTICO CORREA”.
A Teclas de dirección para realizar el movimiento manual (JOG), en sentido horario o antihorario, del
motor que controla la correa.
A
1
2
en caso de TRANSMISIÓN DE CORREA
MAN. I4390.ES.USM000 (10/09/2013)
DOC. ROLL4.CAP.05.R00 (09/12/2009)
Sidel S.p.A.
5
INSTRUCCIONES PARA EL USO
5 - 34
C Tab ESTACIÓN DE ETIQUETADO
Funciones
1 GESTIÓN DEL SISTEMA DE CORTE.
2 START UPESTACIÓN DE ETIQUETADO.
3 MANAGER ESTACIÓN DE ETIQUETADO.
4 MANAGERAPARATO EMPALMADOR.
5 GESTIÓN SISTEMA TAMBOR.
1 2 3 4
5
MAN. I4390.ES.USM000 (10/09/2013)
DOC. ROLL4.CAP.05.R00 (09/12/2009)
5
Sidel S.p.A.
INSTRUCCIONES DE USO
5 - 35
C1 Ventana “GESTIÓN DEL SISTEMA DE CORTE”
En esta pantalla es posible gestionar las funciones del sistema de corte.
1 LONGITUD ACTUAL ETIQUETA: visualización de la longitud nominal de la etiqueta* introducida en la
receta.
2 LONGITUD MEDIA ETIQUETA: visualización de la longitud media* calculada en base a las últimas 5
etiquetas cortadas.
3 POSICIÓNACTUAL CUCHILLA: visualización de la posición de la cuchilla**.
4 ERRORACTUAL: visualización de la diferencia entre los parámetros (1) y (2).
5 CORRECCIÓN ACTUAL: visualización del valor necesario para obtener una longitud de la etiqueta
cortada* igual al valor indicado en el punto (1).
6 NÚMERO MUESCAS PERDIDAS: visualiza el número de muescas no leídas por la fotocélula. Después
de 5 muescas perdidas se emite la alarma correspondiente.
7 PINCH ROLLER: habilita/deshabilita el sistema de bloqueo de la película (rodillo engomado)
8 RODILLO ENCOLADOR: habilita/deshabilita el funcionamiento del rodillo encolador.
9 PRUEBA ETIQUETA: tecla que permite realizar el procedimiento de “prueba de corte de etiqueta”: el
número de etiquetas suministradas depende del tiempo de presión de la tecla.
Esta operación sólo puede realizarse en modo automático (gire el selector de llave de
mantenimiento, situado a bordo de la máquina, hasta la posición “AUTO”).
10 PRUEBAETIQUETAEN CONTINUO: tecla que permite realizar el procedimiento de “prueba de corte de
etiqueta en continuo”: pulse la tecla una sola vez para habilitar el suministro en continuo de las etiquetas
y púlsela nuevamente para terminar el corte.
Esta operación sólo puede realizarse en modo jog (gire el selector de llave de mantenimiento,
situado a bordo de la máquina, hasta la posición JOG).
11 APRENDIZAJE FOTOCÉLULA: TECLA QUE PERMITE REALIZAR EL PROCEDIMIENTO DE
“APRENDIZAJE” DE LAFOTOCÉLULA.
12 HOME ETIQUETA: tecla que permite realizar el procedimiento de “HOME ETIQUETA”.
A Teclas de dirección que permiten mover el rodillo de arrastre (feed roller) en sentido horario y/o antihorario.
* Valor expresado en milímetros (mm)
** Valor expresado en grados
8
7
6
3
12
1
11
2
5
4
9
10
A
MAN. I4390.ES.USM000 (10/09/2013)
DOC. ROLL4.CAP.05.R00 (09/12/2009)
Sidel S.p.A.
5
INSTRUCCIONES PARA EL USO
5 - 36
C2 Ventana “START UP ESTACIÓN DE ETIQUETADO”
En esta pantalla es posible habilitar los usuarios instalados en la máquina.
1 CALENTAMIENTOS: habilita/deshabilita el encendido de los calentamientos de la máquina* (ej. reci-
piente de pegamento, rodillo encolador, cuerpo del rodillo encolador).
2 SISTEMA DE CORTE: habilita/deshabilita el corte de la etiqueta (en ciclo de producción normal, el
corte de la etiqueta siempre está habilitado; se recomienda deshabilitar el corte de la etiqueta únicamente
durante el mantenimiento o en condiciones particulares).
3 BOMBAPEGAMENTO: habilita/deshabilita el funcionamiento de la bomba de pegamento*.
4 BOMBAVACÍO: abilita/deshabilita el funcionamiento de la turbina que genera el vacío*.
5 RODILLO DE CONTRASTE: abilita/deshabilita el funcionamiento del rodillo engomado (pinch roller)
que bloquea la película* contra el rodillo de arrastre (feed roller).
6 SOPLOS: habilita/deshabilita el sistema que genera los soplos*.
7 SOPLO RECHAZO ETIQUETA: habilita/deshabilita el soplo que permite rechazar las etiquetas*.
8 RODILLO ENCOLADOR: habilita/deshabilita el funcionamiento del rodillo encolador*.
9 COMPENSACION DE DESLIZAMIENTO: habilita/deshabilita el soplo de aire necesario para disminuir
la fricción entre la etiqueta y el rodillo de corte*.
10 BOMBAACEITE CUCHILLA:activar / desactivar el funcionamiento de la bomba de aceite cuchilla.
11 Tecla de acceso directo a la ventana de “OPCIONES ESTACIÓN DE ETIQUETADO”.
12 Tecla de acceso directo a la ventana “START UP MANAGER”.
* Durante el ciclo de trabajo normal está habilitado
6
5
4
3
2
7
1
9
8
12
10
11
MAN. I4390.ES.USM000 (10/09/2013)
DOC. ROLL4.CAP.05.R00 (09/12/2009)
5
Sidel S.p.A.
INSTRUCCIONES DE USO
5 - 37
C2.1 Ventana “START UP ESTACIÓN DE ETIQUETADO”
En esta pantalla es posible habilitar los usuarios instalados en la máquina.
1 ASPIRADOR DE HUMOS (opcional): habilita/deshabilita el funcionamiento del aspirador de humos del
pegamento (el sistema se activa solamente cuando la máquina ha alcanzado la temperatura configurada).
2 CONTROL ETIQUETA EN EL TAMBOR: habilita/deshabilita el control de la etiqueta en el tambor.
3 CONTROL EMPALME (opcional): habilita/deshabilita el control de el empalme.
4 ASPIRADOR DE PEGAMENTO (opcional): habilita/deshabilita el funcionamiento del aspirador de
pegamento.
3
2
1
4
MAN. I4390.ES.USM000 (10/09/2013)
DOC. ROLL4.CAP.05.R00 (09/12/2009)
Sidel S.p.A.
5
INSTRUCCIONES PARA EL USO
5 - 38
C3 Ventana “ADMINISTRADOR ESTACIÓN ETIQUETADO”
En esta pantalla es posible gestionar la estación de etiquetado.
1 PRESIÓN DEAIRE: visualización de la presión* de aire suministrada a la máquina.
2 POSICIÓN CUCHILLA: visualización de la posición de la cuchilla**.
3 MÁQUINA EN CONTROL ON: activa/desactiva los mandos de la máquina (motores, inversores, bombas,
calentadores, etc.) y activa/desactiva los servicios previamente activados en la ventana “START UP
ESTACIÓN DE ETIQUETADO”.
4 STAND-BY: tecla que permite bajar las temperaturas del sistema hot-melt; al activarse, se obtiene una
disminución gradual de las temperaturas del sistema hasta alcanzar el valor de stand-by configurado en
la receta.
5 LABEL TEST: tecla que permite realizar el procedimiento de “prueba de corte de etiqueta”.
Pulsando la tecla una sola vez, se obtiene el corte de una etiqueta después de tres pasos de la
máquina.
Esta operación sólo puede realizarse en los modos JOG y AUTOMÁTICO (gire el selector de llave de
mantenimiento situado a bordo de la máquina).
6 PRUEBADE ETIQUETAS EN CONTINUO: Tecla que permite efectuar el procedimiento de “PRUEBA
DE CORTE ETIQUETA” en continuo.
La función “PRUEBAETIQUETA” solo puede realizarse en modo “JOG”.
Pulse simultáneamente lo dos botones blancos de JOG, situados en el panel de mandos móvil, para
realizar la PRUEBA.
Para detener la PRUEBAETIQUETA pulse nuevamente el botón.
7 RODILLO DE CORTE: abilita/deshabilita el funcionamiento del rodillo de corte.
8 RODILLO ENCOLADOR: habilita/deshabilita el funcionamiento del rodillo encolador.
9 BOMBADE VACÍO: habilita/deshabilita el funcionamiento de la turbina que genera el vacío.
10 PINCH ROLLER: habilita/deshabilita (abre/cierra) el pinch-roller.
11 SELECCIÓN BOBINA: seleccione manualmente la bobina que se quiere utilizar para el etiquetado.
A Layout del grupo de etiquetado en el que es posible visualizar la orientación del grupo de etiquetado y
realizar las operaciones descritas en el punto (11).
* Valor expresado en presión atmosférica (bar)
** Valor expresado en grados
2
5
1
4
3
106 7 8 9
A
11
MAN. I4390.ES.USM000 (10/09/2013)
DOC. ROLL4.CAP.05.R00 (09/12/2009)
5
Sidel S.p.A.
INSTRUCCIONES DE USO
5 - 39
C4 Ventana “MANAGER APARATO EMPALMADOR”
En esta pantalla es posible visualizar y gestionar las funciones del aparato empalmador.
3
5
4
A
2
1
1 LONGITUD MEDIAETIQUETA: visualización de la longitud media* de las últimas 5 etiquetas cortadas.
2 POSICIÓN CODIFICADOR: visualización del valor ** leído por el codificador situado en el rodillo del
soporte de bobinas.
3 APARATO EMPALMADOR MANUAL: habilita/deshabilita el funcionamiento manual del aparato
empalmador.
La tecla visualiza un mensaje dinámico que cambia de acuerdo al estado de la solicitud:
– “APARATO EMPALMADOR MANUAL”: el aparato empalmador no está habilitado (el empalme de la
película se realiza manualmente);
– “APARATO EMPALMADOR AUTOMÁTICO”: el aparato empalmador está habilitado (el empalme de la
película se realiza automáticamente).
4 Tecla reservada para los técnicos autorizados por Sidel S.p.A..
5 SELECCIÓN BOBINA: seleccione manualmente la bobina que se quiere utilizar para el etiquetado.
A Layout del grupo de etiquetado en el que es posible visualizar la orientación del grupo de etiquetado y
realizar las operaciones descritas en el punto (4).
* Valor expresado en milímetros (mm)
* Valor expresado en grados
MAN. I4390.ES.USM000 (10/09/2013)
DOC. ROLL4.CAP.05.R00 (09/12/2009)
Sidel S.p.A.
5
INSTRUCCIONES PARA EL USO
5 - 40
C5.1 Ventana “MANAGER SISTEMA DE TAMBOR”
En esta pantalla puede gestionar el sistema de tambor.
La máquina debe estar en modo de mantenimiento, a continuación, girar la llave en la posición de JOG.
Abra el grupo de seguridad en el etiquetado. Presione el botón (E) Cero de tambor para la correcta colocación
de la zapata de nuevo a la cuchilla de corte. Retire tambor y sustituirla por la del nuevo formato. manual-
mente la posición del tambor, de modo que la hoja del tambor de corte es de 2 mm por detrás del patín
rodillo de transferencia posterior. A continuación, pulse el botón (B) para confirmar la posición tambor.
El botón (A) permite la rotación del tambor en el modo manual (JOG), con el pad direccional a la derecha
(C), que gira. En la ventana (D) se muestran los valores relacionados con la posición y el cuchillo de la
posición del tambor clave.
A C
1
B
D
E
2mm
MAN. I4390.ES.USM000 (10/09/2013)
DOC. ROLL4.CAP.05.R00 (09/12/2009)
5
Sidel S.p.A.
INSTRUCCIONES DE USO
5 - 41
5.5 LA FAMILIA “RECETAS”
5.5.1 INFORMACIÓN GENERAL
La información ofrecida a continuación debe considerarse válida para todas las pantallas descritas en este
párrafo.
Los valores preconfigurados no necesitan modificaciones; eventualmente, contacte con
un técnico autorizado por Sidel S.p.A. para modificar uno o varios parámetros.
Guarde los parámetros de la receta que se está editando pulsando siempre la tecla dentro
de la zona (S), que se indica en las pantallas ilustradas en este párrafo.
Para transferir al PLC los datos guardados en la receta, vaya a la pantalla MAIN RECETAS
y cargue los parámetros nuevos pulsando la tecla CARGAR RECETA (zona A, tecla 1);
compruebe que los datos previamente guardados efectivamente se carguen.
MAN. I4390.ES.USM000 (10/09/2013)
DOC. ROLL4.CAP.05.R00 (09/12/2009)
Sidel S.p.A.
5
INSTRUCCIONES PARA EL USO
5 - 42
Funciones
La familia “RECETAS” permite activar, editar, guardar, cargar y duplicar una receta.
Moverse en la Familia “Recetas”
A “Main Receta”
A1 “Copiar Receta”
B “Receta - Parámetros Generales”
B1 “Parámetros Tablas de Marcha”
B2 “Tablas de marcha – Colores de los equipos”
B3 “Tablas de marcha – Equipos”
B4 “Tablas de marcha – Regulación de la cóclea”
C1 “Receta - Movimientos”
B6 “Velocidad”
C2 “Receta - Levas”
C3 “Receta - Temperaturas”
C4 “Receta - Regulaciones de los vacíos”
C5 “Receta - Regulaciones de los soplos”
C6 “Receta - Corte”
C7 “Receta -Ayuda”
C8 “Receta -Aparato Empalmador”
C9 “Receta – Tambor”
C1
C3
C6
C7
C4
C5
C8
C5.1
C4.1
A
B
B2
B3
B4
B5
C2
C9
D2
D3
D1
C
A1
B1
A2
A2 “Lista de recetas”
MAN. I4390.ES.USM000 (10/09/2013)
DOC. ROLL4.CAP.05.R00 (09/12/2009)
5
Sidel S.p.A.
INSTRUCCIONES DE USO
5 - 43
A Tab “MAIN RECETAS”
En la pantalla “MAIN RECETAS” el usuario puede gestionar la receta inherente al empaque que se va a
elaborar.
A Recuadro en el que es posible cargar y visualizar la receta utilizada.
B Recuadro en el que es posible gestionar las recetas.
C Recuadro en el que es posible visualizar el nombre de las recetas:
– el fondo se presenta rojo cuando la receta que se está editando coincide con la de elaboración,
– el fondo se presenta verde cuando la receta que se está editando no coincide con la de elaboración.
D Recuadro en el que es posible visualizar la descripción del formato visualizado en el recuadro (C).
E Indica el color de los equipos a formato empaquetado.
F Permite acceder a la ventana de visualización de la lista de recetas.
1 TRANSFERIR RECETA: transfiere al PLC los parámetros de la receta previamente guardados y relativos
al formato que se va a etiquetar.
2 EDITAR RECETAS: edita la receta seleccionada en la ventana (C).
3 GUARDAR RECETA“: uarda los parámetros previamente configurados en la receta que se está editando.
4 COPIAR RECETAS: genera la copia de una receta esistente.
A
B
2
3
4
C
D
1
E
MAN. I4390.ES.USM000 (10/09/2013)
DOC. ROLL4.CAP.05.R00 (09/12/2009)
Sidel S.p.A.
5
INSTRUCCIONES PARA EL USO
5 - 44
A1 Ventana “COPIAR RECETA”
En esta ventana es posible duplicar una receta existente.
1 RECETA DE ORIGEN: selección de la receta de la que se quieren copiar todos los parámetros para
crear una receta nueva;
2 RECETADE DESTINO: configuración de la receta nueva;
3 Tecla que permite guardar los parámetros modificados en la ventana.
3
1
2
MAN. I4390.ES.USM000 (10/09/2013)
DOC. ROLL4.CAP.05.R00 (09/12/2009)
5
Sidel S.p.A.
INSTRUCCIONES DE USO
5 - 45
A2 Ventana LISTA DE RECETAS
En la pantalla LISTA DE RECETAS es posible visualizar la lista de todas las recetas memorizadas.
MAN. I4390.ES.USM000 (10/09/2013)
DOC. ROLL4.CAP.05.R00 (09/12/2009)
Sidel S.p.A.
5
INSTRUCCIONES PARA EL USO
5 - 46
B Tab “PARÁMETROS GENERALES”
En esta pantalla es posible configurar los parámetros generales relativos a la regulación de los componentes
externos al grupo de etiquetado.
1 ALTURA CARRUSEL: configuración de la altura del carrusel**.
2 PARADA EN FASE: configuración de la posición de parada de la máquina* de modo que los patines,
presentes en el rodillo de desplazamiento, se encuentren lejos del rodillo encolador (por ejemplo, para
evitar su sobrecalentamiento).
3 DIÁMETRO BOTELLA: medida efectiva del diámetro de la botella a envasar.
4 COEFICIENTE VELOCIDAD CORREA:véase el apartado siguiente.
6 PRESIÓN CARRUSEL:ajustar la presión ejercida por el carrusel.
7 PRESIÓN GASTOS PRESURIZADOS (si los hay) configuración de la presión*** ejercida por los gatos.
8 PRESENCIA TÚNEL operación Habilitar clave túnel de retracción.
RATIO CORREA :
en esta ventana es posible variar el valor del coeficiente de
velocidad de la correa, aumentando así la velocidad periférica
de la botella.
La configuración correcta de este parámetro se propone
garantizar que la velocidad periférica de las botellas sea igual a
la del tambor de transferencia de etiquetas.
Esto permite que el patín trasero del tambor no quede al descubierto,
creando un efecto de “bandera” durante del tarslado
de la etiqueta al envase.
S: Tecla que permite guardar los parámetros modificados
en la ventana.
* Valor expresado en grados del carrusel
** Valor expresado en milímetros (mm)
*** Valor expresado en presión atmosférica (bar)
S
4
3
2
1
6
7
8
MAN. I4390.ES.USM000 (10/09/2013)
DOC. ROLL4.CAP.05.R00 (09/12/2009)
5
Sidel S.p.A.
INSTRUCCIONES DE USO
5 - 47
B.1 Tab “PARAMETRI TABELLA DI MARCIA”
En esta pantalla se puede ver y establecer los parámetros generales relativos a la regulación del etiquetado
de los componentes del grupo.
1 GRADOS CUCHILLO CAMBIO FORMATO: El valor se refiere al ángulo de posición de la cuchilla de
corte de batería
2 POSICIÓN ALINEADOR (X): El valor se refiere a la posición del alineador fotocélula.
3 POSICIÓN RODILLO BASCULANTE (K): el valor se refiere a la posición de la inclinación del rodillo de
la fotocélula.
4 ALTURA SENSOR BOTELLA CAÍDA:El valor se refiere a la caída de detección de posición de sensor
de botella.
5 FASE APERTURA CANCELA:Valor reportado en la fase de apertura de la puerta.
6 FASE APERTURA CANCELA:Valor en relación con la fase de cierre de la puerta.
S: Tecla que permite salvar la SOLA visualización de los parámetros (para salvar en la RECETA
consultar el parr.5.5.1)
S
5
4
3
2
1
6
MAN. I4390.ES.USM000 (10/09/2013)
DOC. ROLL4.CAP.05.R00 (09/12/2009)
Sidel S.p.A.
5
INSTRUCCIONES PARA EL USO
5 - 48
B.2 Tab “TABLA DE MARCHA - COLOR DE EQUIPO ”
En esta pantalla puede seleccionar el formato para el equipo que va embalado.
1 Pulse el botón de color en la forma de trabajar.
2 Indicador de color en el formato y subido actualmente en uso.
S: Tecla que permite salvar la SOLA visualización de los parámetros (para salvar en la RECETA
consultar el parr.5.5.1)
S1
2
MAN. I4390.ES.USM000 (10/09/2013)
DOC. ROLL4.CAP.05.R00 (09/12/2009)
5
Sidel S.p.A.
INSTRUCCIONES DE USO
5 - 49
B.3 Tab “TABLA DE MARCHA - EQUIPO ”
Esta pantalla muestra el formato de los códigos de los equipos para ser embalado.
1 CÓDIGO ALISADO: muestra el código proporcionado para enderezar el formato de las obras.
2 CÓDIGO SECTOR LEVA: muestra el código de la zona prevista para la cámara formado en las obras.
3 CÓDIGO EQUIPO BOTELLA: muestra el código de la botella de tamaño de los equipos de producción.
4 CÓDIGO ANILLO DE CENTRADOR: obtener anillo del código de centrado (placa de equipo), siempre
para el formato de las obras.
S: Tecla que permite salvar la SOLA visualización de los parámetros (para salvar en la RECETA
consultar el parr.5.5.1)
S
4
3
2
1
MAN. I4390.ES.USM000 (10/09/2013)
DOC. ROLL4.CAP.05.R00 (09/12/2009)
Sidel S.p.A.
5
INSTRUCCIONES PARA EL USO
5 - 50
B.4 Tab “TABLA DE MARCHA - TORNILLO DE ADJUSTE ”
En esta pantalla se puede ver y establecer los parámetros para la posición del tornillo.
1 POSICION BORDE COCLEA: fijar la posición del banco tornillo **.
2 POSICION COCLEA BASCULANTE: posición de ajuste del tornillo de inclinación.
3 DESPLAZAMIENTO CARRO SOPORTE COCLEA: control de posición (adelante / atrás) de inclinación
del soporte del taladro carro.
4 ALTURA CÓCLEA: regulación de altura de la cóclea.
5 SIN FIN:manejo de la gestión de motor del taladro.
Start: Grados máquina de paso para la fase de fijación de la cóclea. Si el archivo adjunto que parece ser
de antelación es necesario incrementar este parámetro, si el archivo adjunto está en la demora es necesaria
para reducir los grados.
Stop: Detener la posición del tornillo. Modifica esta posición (aumentar o disminuir el parámetro expresado
en el tono de la máquina grados), de modo que en el funcionamiento del coche, pero con la puerta cerrada,
no hay interferencia entre las botellas y las estrellas. La botella dentro de la última etapa el tornillo (hélice)
es que se publicará en la estrella sin interferencias.
6 MAXIMOABSORCION ELECTRICIDAD: Valor máximo del motor tornillo absorción de corriente.
S: Tecla que permite salvar la SOLA visualización de los parámetros (para salvar en la RECETA
consultar el parr.5.5.1)
S
5
3
2
1
6
4
MAN. I4390.ES.USM000 (10/09/2013)
DOC. ROLL4.CAP.05.R00 (09/12/2009)
5
Sidel S.p.A.
INSTRUCCIONES DE USO
5 - 51
B.5 Tab SISTEMA DE VISIÓN-OPTIONAL
En esta pantalla es posible efectuar la graduación del sistema de visión.
1 REGULADOR POSICIÓN ANGULAR DEL ILUMINADOR: visualiza el valor de regulación de la
inclinación para la iluminación del sistema de visión.
2 REGULADOR ALTURA ILUMINADOR: visualiza el valor de regulación de la altura de la
iluminación del sistema de visión.
3 REGULADOR HORIZONTAL DE LA CÁMARA visualiza el valor de regulación en sentido
horizontal de la caja de las telecámaras del sistema de visión.
4 POSICIÓN VERTICAL DE LA CÁMARA: visualiza el valor de regulación en sentido vertical de la
caja de las telecámaras del sistema de visión.
S: Tecla que permite salvar la SOLA visualización de los parámetros (para salvar en la RECETA
consultar el parr.5.5.1)
S
1
2
3
4
MAN. I4390.ES.USM000 (10/09/2013)
DOC. ROLL4.CAP.05.R00 (09/12/2009)
Sidel S.p.A.
5
INSTRUCCIONES PARA EL USO
5 - 52
B.6 Tab GESTIÓN VELOCIDAD
En esta pantalla es posible gestionar las velocidades de producción de la máquina.
1 VELOCIDAD ALTA/LIMITE VELOCIDAD EXTERNA: configuración de la velocidad de régimen* (o
de recuperación) de la máquina con posibilidad de seleccionar un límite.
2 VELOCIDAD MEDIA: configuración de la velocidad de producción*.
3 SOBRAVELOCIDAD: configuración de la velocidad de overspeed* (solo señales Hardware).
4 VELOCIDAD ASPIRADOR DE PEGAMENTO: configuración de la velocidad de la máquina a la
que se activa automáticamente el aspirador de filamentos de pegamento.
El apagado automático del aspirador, encambio se obtiene, a una velocidad igual a aquella
indicada en el cuadro B menos 20 bpm.
(Ej.: Si en el cuadro B se configura una velocidad de 200 Bpm, el aspirador se activa cuando la
máquina gira a una velocidad de 200 Bpm o superior y se apaga cuando la máquina gira a una
velocidad de 180 o inferior).
A: Pantalla que visualiza un mensaje relacionado con la velocidad de la máquina(solo para señales
en ethernet).
S: Tecla que permite salvar la SOLA visualización de los parámetros (para salvar en la RECETA
consultar el parr.5.5.1)
* Valor expresado en botellas por minuto (Bpm)
El rango de las velocidades MEDIA y ALTA varía de 80 Bpm al límite de velocidad
configurado por los técnicos de Sidel S.p.A..
S
1
2
3
A
4 B
MAN. I4390.ES.USM000 (10/09/2013)
DOC. ROLL4.CAP.05.R00 (09/12/2009)
5
Sidel S.p.A.
INSTRUCCIONES DE USO
5 - 53
D1 Tab “OFFSET PLATILLOS”
En esta pantalla es posible gestionar los offset del sistema de platillos motorizados.
1 PLATILLOS OFFSET 1: celda en la que se puede configurar el valor de los offsets 1.
2 MAESTRO ANGULO OFFSET 1: celda en que es posibile configurar el número de grados para ejecutar
offset 1.
3 VELOCIDAD OFFSET 1: tecla que permite atribuir a todos los platillos el valor de la velocidad de l’offset
1.
4 ACELERACIÓN OFFSET 1: de la célula donde se puede establecer el valor de la aceleración de
la posición 1.
5 Celda en la que puede establecer los valores de desplazamiento se aplica a todos los platos.
6 NOMBRE LEVA PLATILLOS: celda en la que puede escribir el número de la leva, y si el número de
la cámara no parece estar presente en el auto marcado con NO ESTA LEVA”, con su punto rojo.
7 De la célula donde se puede ver el valor correspondiente en un grado de compensación offset 1.
8 De la célula donde se puede ver el valor correspondiente en un grado de compensación offset 2.
A Identifica el nombre de la leva
Descripción
Esta función permite que el usuario modifique la posición dinámica de todos los platillos sin intervenir
directamente en el perfil de las levas electrónicas; así es posible modificar el comportamiento del platillo
de acuerdo a la operación a realizar.
– aplicación de la etiqueta a partir de un punto establecido;
– eventual sellado en un punto establecido del envase.
Procedimiento
Para asignar el offset a todos los platillo, pulse la celda prevista (ej. celda 1) e introduzca el valor deseado
(el rango de offset* permitido va de -180° a +180°).
A
S1
3
2
4
5
6
6
6
MAN. I4390.ES.USM000 (10/09/2013)
DOC. ROLL4.CAP.05.R00 (09/12/2009)
Sidel S.p.A.
5
INSTRUCCIONES PARA EL USO
5 - 54
Puede configurar el ángulo, velocidad y aceleración desplazamiento 1 y, a continuación puede configurar
los valores de desplazamiento 2. En el lado se puede ver el valor correspondiente expresada en grados.
MASTER ÁNGULO = 0, las placas no se realiza ninguna compensación.
S Tecla que permite guardar los parámetros modificados en la ventana.
Para realizar los procedimientos “GUARDAR RECETA“ y “CARGAR RECETA“, véanse las
notas indicadas en el párrafo 5.5.1 “INFORMACIÓN GENERAL”.
MAN. I4390.ES.USM000 (10/09/2013)
DOC. ROLL4.CAP.05.R00 (09/12/2009)
5
Sidel S.p.A.
INSTRUCCIONES DE USO
5 - 55
D2 Subpágina “OFFSET BACK PLATILLOS”
En esta pantalla se puede controlar el despleziamento de los offset back platillos.
1 PLATILLOS OFFSET 3: Campo en el que se puede configurar el valor de offset 3.
2 MAESTRO ÁNGULO OFFSET 3: Campo que permite configurar a cuántos grados del carrusel se debe
efectuar el offset 3.
3 VELOCIDAD OFFSET 3: Campo en el que se puede configurar el valor de velocidad del offset 3.
4 ACELERACIÓN OFFSET 3: Campo en el que se puede configurar el valor de aceleración del offset 3.
5 El offset hacia atrás sirve para recuperar la fase de los motores que se pueda haber perdido durante la
vuelta del carrusel; esta recuperación se llevará a cabo en una porción del carrusel comprendida entre las
dos estrellas de entrada y salida. También podría realizarse antes, pero en todo caso después de las
posiciones de OFFSET1, OFFSET2…..OFFSETn.
El valor se supone VOLVER OFFSET = - (offset1 offset2 + + ... ... OFFSETn) entiende.
La suma total debe ser.
S: Tecla que permite salvar la SOLA visualización de los parámetros.
Para realizar los procedimientos “GUARDAR RECETA“ y “CARGAR RECETA“, véanse las
notas indicadas en el párrafo 5.5.1 “INFORMACIÓN GENERAL”.
S
5
1
2
3
4
MAN. I4390.ES.USM000 (10/09/2013)
DOC. ROLL4.CAP.05.R00 (09/12/2009)
Sidel S.p.A.
5
INSTRUCCIONES PARA EL USO
5 - 56
D3 Subpágina PLATOS - ORIENTACIÓN DEL SISTEMA DE VISIÓN
En esta pantalla es posible efectuar la graduación de la orientación del sistema de visión.
1 HABILITACIÓN SISTEMA VISIÓN: pulsando la tecla se habilita la orientación del sitema de
visión, si necesario, para el formato que se desea trabajar.
2 OFFSET POSICIÓN CÁMARA : pantalla donde es posible asignar un ulterior offset angular (in
mm), que el plato efectuará durante la orientación.
S: Tecla que permite salvar la SOLA visualización de los parámetros (para salvar en la RECETA
consultar el parr.5.5.1)
S
1
2
MAN. I4390.ES.USM000 (10/09/2013)
DOC. ROLL4.CAP.05.R00 (09/12/2009)
5
Sidel S.p.A.
INSTRUCCIONES DE USO
5 - 57
C Tab ESTACIÓN DE ETIQUETADO
C1 Subpágina “MOVIMIENTOS MOTORIZADOS”
En esta pantalla es posible gestionar la regulación de los movimientos motorizados del grupo de etiquetado.
A Tecla que permite habilitar el grupo de etiquetado ROLLFED.
1. HABILITACION ROLL: activar /desactivar el grupo roll.
2. ALTURA GRUPO ETIQUETADO: configuración del valor relativo a la altura* del grupo de etiquetado.
3. TRASLADO GRUPO ETIQUETADO: configuración del valor relativo al emplazamiento longitudinal* del
grupo de etiquetado.
4. ALTURA DESBOBINADOR: configuración del valor relativo a la altura* del soporte de bobinas.
S: Tecla que permite salvar la SOLA visualización de los parámetros (para salvar en la RECETA
consultar el parr.5.5.1)
* Valor expresado en milímetros (mm)
Los movimientos del grupo de etiquetado (1 y 2) se gestionan automáticamente en las
máquinas con grupos motorizados (opcionales).
La regulación del soporte de bobinas (3) siempre se gestiona con el volante previsto en la
parte inferior del soporte.
S
2
1
3
4
MAN. I4390.ES.USM000 (10/09/2013)
DOC. ROLL4.CAP.05.R00 (09/12/2009)
Sidel S.p.A.
5
INSTRUCCIONES PARA EL USO
5 - 58
C2 Subpágina “LEVAS”
En esta pantalla es posible configurar las regulaciones de las levas.
1 POSICIÓN CUCHILLA: visualización de la posición de la cuchilla*.
2 RODILLO ENCOLADOR: configuración de los valores de activación (subida y bajada) del rodillo encolador.
3 PASOS ARRANQUE RODILLO ENCOLADOR: configuración de los pasos de la máquina que hacen
falta para bajar el rodillo encolador.
4 PASOS SUMINISTRO PRIMERAETIQUETA: configuración de los pasos de la máquina que hacen falta
para suministrar la primera etiqueta.
5 CONTROLETIQUETAEN ELTAMBOR: configuración de los valores* a los que se controla la presencia
de la etiqueta en el tambor con respecto a la posición de la cuchilla.
6 PASOS DE CORRECCIÓN DE RESIDUOS DE RECEPCIÓN: distancia desde el control de factores
de poder venir a la célula fotoeléctrica situada en la cinta.
7 BOTELLAS DE. DESCARTE muestra la tolerancia de las botellas que vayan a desecharse.
S: Tecla que permite salvar la SOLA visualización de los parámetros (para salvar en la RECETA
consultar el parr.5.5.1)
* Valor expresado en grados
4
3
2
1
S
5
6
7
MAN. I4390.ES.USM000 (10/09/2013)
DOC. ROLL4.CAP.05.R00 (09/12/2009)
5
Sidel S.p.A.
INSTRUCCIONES DE USO
5 - 59
C3 Subpágina “TEMPERATURAS”
En esta pantalla pagina es posible configurar las temperaturas de ejercicio de la máquina.
En la columna (A), el usuario configura el valor de temperatura deseado (set point).
En la columna (B), el usuario visualiza el valor actual medido de la temperatura de ejercicio.
1 RODILLO ENCOLADOR: configuración de la temperatura de la estructura de calentamiento del rodillo
encolador.
2 BASE RODILLO ENCOLADOR: configuración de la temperatura del soporte del rodillo encolador (lado
de la protección).
3 RECIPIENTE PEGAMENTO: configuración de la temperatura de ejercicio del recipiente de pegamento.
4 PEGAMENTO: configuración de la temperatura del pegamento.
5 TUBOSRETORNOPEGAMENTO:configuracióndelatemperaturadelostubosderetornodelpegamento.
6 TUBOS IMPULSION PEGAMENTO: configuración de la temperatura de los tubos de impulsión del
pegamento.
7 STAND BY: configuración de la temperatura de stand-by del sistema de calentamiento del pegamento.
8 DESCARGAVACÍA: visualización de la temperatura de descarga de la bomba de vacío (al alcanzar un
límite de temperatura determinado, se dispara en la máquina la alarma correspondiente, que procede a
apagar la bomba y la máquina).
9 ASPIRADOR HUMOS PEGAMENTO: visualización de la temperatura del aspirador de humos del
pegamento.
10 VELOCIDA BOMBA DE PEGAMENTO: configuración de la velocidad mínima* y máxima* de la bomba
de pegamento.
S: Tecla que permite salvar la SOLA visualización de los parámetros (para salvar en la RECETA
consultar el parr.5.5.1)
* Valor expresado en grados Celsius (°C)
* Valor expresado en Hertz (Hz)
S
A B
9
2
7
6
5
4
3
1
10
8
MAN. I4390.ES.USM000 (10/09/2013)
DOC. ROLL4.CAP.05.R00 (09/12/2009)
Sidel S.p.A.
5
INSTRUCCIONES PARA EL USO
5 - 60
C4 Subpágina “REGULACIÓN DE VACÍOS”
En esta pantalla es posible gestionar el sistema de vacíos.
En la columna (A), el usuario configura el valor del vacío deseado (set point).
En la columna (B), el usuario visualiza el valor actual medido del vacío en cada canal.
1 VACÍO ÁREA CUCHILLA: configuración de la depresión* en los cascos de corte.
2 VACÍO ÁREA TRANSFERENCIA: configuración de la depresión* antes del patín delantero (zona de
extracción de la etiqueta, entre el corte de la etiqueta y el rodillo de desplazamiento).
3 VACÍO PRE PEGAMENTO: configuración de la depresión* en el rodillo de desplazamiento, en la zona
situada antes del rodillo encolador.
4 VACÍO PEGAMENTO: visualización de la depresión* en el rodillo de desplazamiento en el punto de
coincidencia con el rodillo encolador. Este valor será 0 durante la fase de rotación sin aplicación de
etiquetas, mientras que se acercará al valor del colector (manifold) durante las fases de etiquetado.
5 VACÍO POST PEGAMENTO: visualización de la depresión* en el punto de coincidencia con la zona de
aplicación de la etiqueta en la botella. Este valor siempre estará cerca del valor de vacío en la zona del
colector (manifold).
6 COLECTOR: visualización de la depresión* dentro del colector (manifold). La protección contra una
depresión excesiva se realiza mediante la válvula de seguridad (calibrada, configurada y regulada a
unos 340 mbar).
7 TABLA DE VACÍO: El botón de acceso directo a la ventana que muestra el diseño de la zona
de etiquetado, cuando las lagunas se identifican.
9 PID: tecla reservada para los técnicos autorizados por Sidel S.p.A..
S Tecla que permite guardar los parámetros modificados en la ventana.
* Valor expresado en presión atmosférica (bar)
La configuración de los parámetros relativos a los vacíos en las zonas: VACÍO PEGAMENTO,
VACÍO POST GLUE, VACÍO COLECTOR no pueden modificarse desde el panel.
Para realizar los procedimientos “GUARDAR RECETA“ y “CARGAR RECETA“, véanse las
notas indicadas en el párrafo 5.5.1 “INFORMACIÓN GENERAL”.
B
A
S1
6
5
4
3
2
7 9
MAN. I4390.ES.USM000 (10/09/2013)
DOC. ROLL4.CAP.05.R00 (09/12/2009)
5
Sidel S.p.A.
INSTRUCCIONES DE USO
5 - 61
C4.1 Ventana “DIAGRAMA DE VACÍOS”
En la ventana (C) se visualiza el lay-out de la zona del grupo de etiquetado, a la que se refieren los valores
indicados en la página anterior.
1 Vacío área cuchilla
2 Vacío área de transferencia.
3 Vacío pre-pegamento.
4 Vacío pegamento.
5 Vacío post-pegamento.
C
5
1
2
4
3
MAN. I4390.ES.USM000 (10/09/2013)
DOC. ROLL4.CAP.05.R00 (09/12/2009)
Sidel S.p.A.
5
INSTRUCCIONES PARA EL USO
5 - 62
C5 Subpágina “REGULACIÓN SOPLOS”
En esta pantalla es posible gestionar el sistema de soplos.
1 SOPLOS DE SLIP COMPENSATION: configuración del valor de los soplos* que limitan la fricción entre
la película y el rodillo de corte.
2 SOPLOS CUCHILLA: configuración del valor de los soplos* para transferir la etiqueta del rodillo de
corte al rodillo de transferencia.
3 SOPLOS BLOQUEO 1: configuración de los soplos* en el primer bloque soplador.
4 SOPLOS BLOQUEO 2: configuración de los soplos* en el segundo bloque soplador.
5 SOPLOs TRANSFERENCIATAMBOR: configuración del valore de los soplos* para transferir la etiqueta
del rodillo de desplazamiento a la botella.
6 PRESIÓN RODILLO MOBIL: brazo de ajuste de presión relajarse *** se muestra en la válvula de
control, la presión correcta es llevar una etiqueta que permite la continuidad y el líquido sin que el
rendimiento (Min = 0 bar, máximo = 6 bar).
7 PRESIÓN DE CONTRASTE DE RODILLOS: fijar la posición de la rulllo contraste ** aparece en el
indicador de posición.
8 DIAGRAMA SOPLOS: tecla de acceso directo a la ventana donde se ilustra el lay-out de la zona de
etiquetado, donde se identifican los vacíos.
S Tecla que permite guardar los parámetros modificados en la ventana.
* Valor expresado en litros por minuto (Lpm)
** Valor expresado en milímetros (mm)
*** Valor expresado en presión atmosférica (bar)
8
5
4
3
2
1 S
6
7
MAN. I4390.ES.USM000 (10/09/2013)
DOC. ROLL4.CAP.05.R00 (09/12/2009)
5
Sidel S.p.A.
INSTRUCCIONES DE USO
5 - 63
C5.1 Ventana “DIAGRAMA SOPLOS”
En la ventana (A) se visualiza el lay-out de la zona del grupo de etiquetado, a la que se refieren los valores
indicados en la página anterior de REGULACIÓN SOPLOS.
1 Soplos de slip compensation.
2 Soplos transferencia cuchilla.
3 Soplos bloque 1
4 Soplos bloque 2
5 Soplos transferencia tambor.
5 Soplos rechazo etiqueta.
A
1
5
3
4
2
6
MAN. I4390.ES.USM000 (10/09/2013)
DOC. ROLL4.CAP.05.R00 (09/12/2009)
Sidel S.p.A.
5
INSTRUCCIONES PARA EL USO
5 - 64
C6 Subpágina “REGULACIÓN CORTE”
En esta pantalla es posible configurar las regulaciones del sistema de corte.
1 LONGITUD NOMINAL ETIQUETA: configuración de la longitud nominal de la etiqueta.
2 OFFSET CORTE: configuración del valor necesario para aumentar la distancia* entre la muesca-spot y
el punto de corte: si el valor de offset es positivo, el punto de corte se aleja del borde de la muesca; con
valores negativos, el efecto es el contrario.
3 VENTANALECTURAMUESCA: configuración del ancho de la zona en la que se considera significativo
el estado de la fotocélula de lectura de spot.
4 HABILITACIÓN FOTOCÉLULA: habilita/deshabilita el modo de corte fijo o corte con control de la
muesca.
5 HABILITACIONAUTOAPRENDIZAJE: habilita/deshabilita el sistema de autoaprendizaje de la longitud
de la etiqueta. Este sistema permite desbobinar, durante el procedimiento de Home, 3 etiquetas
suplementarias que se utilizan para calcular automáticamente el valor de longitud de la etiqueta. El
valor calculado se utiliza en lugar del que está cargado en la receta. El valor en la receta no se cambia.
6 DISTANCIAFOTOCÉLULACUCHILLADE CORTE: Distancia entre la fotocélula de lectura y la cuchil_
la de corte (que cambia en función del grupo de corte); véase la página siguiente.
7 Altura fotocélula corte int. (Y)
8 Altura fotocélula corte est. (W)
9 SMAR - HABILITACIÓN VENTANAS EXCLUSIÓN SIMETRÍAETIQUETA (opcional): habilita/inhabilita
el corte de las zonas que deben excluirse durante el procedimiento de aprendizaje.
10 APRENDIZAJE SMAR - EXCLUSIÓN VENTANA 1/2 (opcional): este campo muestra la ventana
(parte) de la etiqueta que se excluye durante el procedimiento de aprendizaje gestionado por el sistema
SMAR.
S: Tecla que permite salvar la SOLAvisualización de los parámetros (para salvar en la RECETA
consultar el parr.5.5.1)
Las especificaciones de las etiquetas se encuentran en el capítulo 2 de este manual.
Continúaenlapáginasiguiente...
5
4
3
2
1
S
6
7
8
9
10
MAN. I4390.ES.USM000 (10/09/2013)
DOC. ROLL4.CAP.05.R00 (09/12/2009)
5
Sidel S.p.A.
INSTRUCCIONES DE USO
5 - 65
La distancia (Cutter FTC Distance) es fundamental para el funcionamiento correcto del sistema de corte.
Para medir correctamente esta distancia hay que preparar la bobina como para un cambio de formato
normal.
Entonces, con un rotulador permanente, hay que marcar la etiqueta en la zona que coincide con el haz de
luz de la fotocélula de lectura de muescas.
Verifique, dando una vuelta completa de la cuchilla con el sistema de corte desactivado, que la etiqueta se
corte a ras con la cuchilla fija.
Saque la etiqueta y mida desde borde de la etiqueta hasta la marca realizada con el rotulador.
En la figura de abajo se indica el tramo de etiqueta que hay que medir.
MAN. I4390.ES.USM000 (10/09/2013)
DOC. ROLL4.CAP.05.R00 (09/12/2009)
Sidel S.p.A.
5
INSTRUCCIONES PARA EL USO
5 - 66
C.7 Subpágina “PARÁMETROS TABLA DE MARCHA”
En esta pantalla es posible visualizar y configurar los parámetros generales relativos a la regulación de los
componentes del grupo de etiquetado.
1 DIAMETRO PANEL DE ETIQUETADO: recibir el diámetro nominal de la superficie se destina
all'etichettaggio:.
2 ALTURA ENCOL: fijar la altura del uso de la etiqueta:
3. CÓDIGOS CASQUETTE DE CORTE: Muestra los códigos de las cáscaras cortadas en el formato que
se procesan
4. CÓDIGO RODILLO DE TRANSFERENCIA: muestra los códigos del rodillo de transferencia en el forma-
to para ser procesado.
5 PATIN DERECHO DEL JUNTADOR: Muestra el código de la giuntatore zapato derecho.
6 PATIN SINIESTRO DEL JUNTADOR: Muestra el código de la izquierda. giuntatore zapato Muestra
fotocélula altura int
7 Posicion fotocelula int. aparato empalmador (N): ajuste de la altura de la giuntatore fotocélula.
8 Posicion fotocelula ext. aparato empalmador (H): establece la altura de la giuntatore fotocélula exterior.
9 Altura fotocelula control botella con empalme: es la altura de la fotocélula que se utiliza para el control
cuando la etiqueta que se llegó.
S: Tecla que permite salvar la SOLA visualización de los parámetros (para salvar en la RECETA
consultar el parr.5.5.1)
Las especificaciones de las etiquetas se encuentran en el capítulo 2 de este manual.
S
5
4
3
2
1
6
7
8
9
MAN. I4390.ES.USM000 (10/09/2013)
DOC. ROLL4.CAP.05.R00 (09/12/2009)
5
Sidel S.p.A.
INSTRUCCIONES DE USO
5 - 67
C8 Subpágina “APARATO EMPALMADOR”
En esta pantalla es posible configurar los parámetros del aparato empalmador.
1 VENTANA LECTURAMUESCA: configuración del valor que corresponde al espacio en el que e l
sensor realiza la lectura de la muesca (valor expresado en mm). Indica la zona en la que se considera
significativo el estado de la fotocélula de lectura de spot.
2 ANTICIPACION JUNTA DE BOBINA A B: Establecer la compensación al cierre de la placa A.
Cuanto menor sea el valor esperado de corte, recorte se retrasa.
3 ANTICIPACION JUNTA DE BOBINA B A: Establecer la compensación al cierre de la placa A.
Cuanto menor sea el valor esperado de corte, recorte se retrasa.
4 DFTA: ajuste de la distancia entre la fotocélula en el giuntatore y el zapato en el lado A giuntatore
(lado de la bobina A).
5 DFTB: ajuste de la distancia entre la fotocélula en el giuntatore y el zapato en el lado B giuntatore
(lado de la bobina B).
6 TIEMPO DE CIERRE DE PLACA “A” --“B”: configuración del offset para el cierre de la placa A.
Disminuyendo el valor, se anticipa el corte y viceversa, se retrasa el corte.
7 TIEMPO DE CIERRE DE PLACA “B” --“A”: configuración del offset para cerrar la placa “B”.
Disminuyendo el valor, se anticipa el corte y viceversa, se retrasa el corte.
8 COEFICIENTE DE VELOCIDAD: Ajuste del coeficiente de velocidad que la velocidad de la máquina
conjunto para garantizar que, independientemente de la longitud de la etiqueta, la etiqueta de sensibilidad
de la película es constante durante la junta.
9 VELOCIDAD POR JUNTA: valor en vista única.
10 RALENTIZACION POR JUNTA: Establezca el intervalo de tiempo entre llegar a la velocidad para hacer
la película viene de la etiqueta y el proceso de la junta.
S: Tecla que permite salvar la SOLA visualización de los parámetros (para salvar en la RECETA
consultar el parr.5.5.1)
Las especificaciones de las etiquetas se encuentran en el capítulo 2 de este manual.
S
5
4
3
2
1
6
7
8
9
10
MAN. I4390.ES.USM000 (10/09/2013)
DOC. ROLL4.CAP.05.R00 (09/12/2009)
Sidel S.p.A.
5
INSTRUCCIONES PARA EL USO
5 - 68
C9 Subpágina “TAMBOR”
En esta pantalla puede ajustar los parámetros del tambor motor.
1 NUMERACION SECTOR DE TAMBOR: Muestra el tipo de tambor receta (HH3, HH2, HH4).
2 OFFSET TAMBOR: Establece la posición compensada tambor etiquetado (valor en grados / cuchillo),
entonces se determina la posición del tambor con respecto al contenedor.
3 OFFSET POS TAMBOR: establece, con el patín trasero informó que el tambor de cuchilla móvil.
S: Tecla que permite salvar la SOLA visualización de los parámetros (para salvar en la RECETA
consultar el parr.5.5.1)
Las especificaciones de las etiquetas se encuentran en el capítulo 2 de este manual.
2
1
S
3
MAN. I4390.ES.USM000 (10/09/2013)
DOC. ROLL4.CAP.05.R00 (09/12/2009)
5
Sidel S.p.A.
INSTRUCCIONES DE USO
5 - 69
5.6 LA FAMILIA “EFICIENCIAS”
Funciones
La familia “EFICIENCIAS” permite:
– monitorizar la producción de la máquina etiquetadora.
Moverse en la Familia “EFICIENCIAS”
A
A “Main eficiencias”
MAN. I4390.ES.USM000 (10/09/2013)
DOC. ROLL4.CAP.05.R00 (09/12/2009)
Sidel S.p.A.
5
INSTRUCCIONES PARA EL USO
5 - 70
A Tab “MAIN EFICIENCIAS”
1 CONTADOR TOTAL BOTELLAS: visualización del número total de envases trabajados por la máquina
desde el primer arranque en las facilidades del cliente hasta el momento actual.
2 CONTADOR PARCIAL BOTELLAS: visualización del número de botellas trabajadas por la máquina
desde la última puesta a cero del contador (por ejemplo, el número de botellas trabajadas en un turno de
trabajo, etc.).
3 TOTAL HORAS DE TRABAJO SISTEMA DE CORTE: visualización de las horas de corte efectivas.
4 SISTEMA DE REGISTRO DEL TOTAL DE HORAS DE FUNCIONAMIENTO: este campo muestra las
horas de funcionamiento reales del rodillo.
5 TOTAL HORAS DE TRABAJO MÁQUINA: visualización del total de horas de trabajo de la máquina.
6 RESET PRODUCCIÓN PARCIAL: tasto per l’azzeramento del “CONTATORE BOTTIGLIE PARZIALE”
(2).
7 RESET botellas rotas: este botón se presiona para restablecer CONTADOR botellas anulado (3).
8 RESET HORAS CUCHILLA: tecla de puesta a cero de las horas de trabajo de la cuchilla.
El uso de las teclas presentes en la zona (A) está reservado a los técnicos autorizados por
Sidel S.p.A..
6
7
A
A
1
2
3
4
5
8
MAN. I4390.ES.USM000 (10/09/2013)
DOC. ROLL4.CAP.05.R00 (09/12/2009)
5
Sidel S.p.A.
INSTRUCCIONES DE USO
5 - 71
A
5.7 LA FAMILIA “GRÁFICAS”
Funciones
La familia “GRÁFICAS” permite:
– visualizar el error de corte en las etiquetas.
Moverse en la Familia “GRÁFICAS”
A “Sistema de corte”
MAN. I4390.ES.USM000 (10/09/2013)
DOC. ROLL4.CAP.05.R00 (09/12/2009)
Sidel S.p.A.
5
INSTRUCCIONES PARA EL USO
5 - 72
A Tab “SISTEMA DE CORTE”
A ETIQUETA DE LONGITUD DE ERROR: Recibe el error se detecta durante la producción corriente de
corte (indica cuántos milímetros, antes o después de que el lugar de primera, la última etiqueta se
corta de la longitud nominal inserta en la receta).
B Gráfica que visualiza las longitudes de las etiquetas cortadas*.
* Valor expresado en milímetros (mm)
B
A
MAN. I4390.ES.USM000 (10/09/2013)
DOC. ROLL4.CAP.05.R00 (09/12/2009)
5
Sidel S.p.A.
INSTRUCCIONES DE USO
5 - 73
5.8 LA FAMILIA “MANTENIMIENTO”
Funciones
La familia “MANTENIMIENTO” permite:
– verificar el funcionamiento correcto de los sistemas instalados en la máquina;
– verificar el estado de los sistemas instalados en la máquina;
– modificar los parámetros del panel operador (unidades de medida, idioma, etc.);
– modificar el emplazamiento del grupo de etiquetado;
– realizar el mantenimiento ordinario y extraordinario de la máquina.
MAN. I4390.ES.USM000 (10/09/2013)
DOC. ROLL4.CAP.05.R00 (09/12/2009)
Sidel S.p.A.
5
INSTRUCCIONES PARA EL USO
5 - 74
Moverse en la Familia “MANTENIMIENTO”
A “Main mantenimiento”
A1 “Mantenimiento bomba de grasa”
A1.1 “Parámetros bomba de grasa”
A1.2 “Prueba bomba de grasa”
A2 “Cambio de formato”
A3 “Reloj  autostart”
A3.1 “Configuración reloj”
A4 “Manager HMI”
A4.1 “Cambio de idioma”
A4.2 “Información del proyecto”
A4.3 “Limpieza del monitor”
A5 “Altura cabezal”
A6 “Inversor”
A7 Diagnóstico MC4
A8 Diagnóstico PILZ
B “Grupo de etiquetado 1”
B2 “Manager alineador”
B3 “Manager movimientos”
B3.1 “Traslado grupo de etiquetado”
B3.2 “Altura estación etiquetado”
B3.3 “Altura soporte bobinas”
B.4 Raspador de pegamento
B.5 Tambor de vacío parámetros de engrase
A1
A
A2
A5.3
A5.2
B
B1
B2
B2.1
B2.2
A5.1
B2.3
A3
A6
A7
A8
A1.1
A1.2
A4 A4.1
A5
MAN. I4390.ES.USM000 (10/09/2013)
DOC. ROLL4.CAP.05.R00 (09/12/2009)
5
Sidel S.p.A.
INSTRUCCIONES DE USO
5 - 75
A Tab “MAIN MANTENIMIENTO”
Funciones
1 MANTENIMIENTO BOMBA DE GRASA.
2 CAMBIO DE FORMATO.
3 MOVIMIENTOS CABEZAL.
4 RELOJ YAUTOSTART.
5 MANAGER “HMI”.
6 DIAGNÓSTICO C400.
7 DIAGNÓSTICO MC4.
8 DIAGNÓSTICO PILZ.
9 Este botón está reservado exclusivamente para técnicos autorizados de Sidel SpA.
4321
6
5
7 8 9
MAN. I4390.ES.USM000 (10/09/2013)
DOC. ROLL4.CAP.05.R00 (09/12/2009)
Sidel S.p.A.
5
INSTRUCCIONES PARA EL USO
5 - 76
A1 Ventana“MANTENIMIENTO BOMBA DE GRASA”(SI LA HAY)
En esta ventana es posible visualizar y gestionar el funcionamiento de la bomba de grasa.
AVisualización del estado de trabajo de la bomba de grasa.
1 Símbolos que indican el estado de trabajo correcto de la bomba de grasa:
– símbolo gris: la bomba de grasa no está funcionando;
– símbolo verde: la bomba de grasa está funcionando.
2 Contador de ciclos de lubricación completos realizados por la bomba de grasa.
3 PARÁMETROS BOMBA DE GRASA: tecla para visualizar varios parámetros de la bomba de grasa.
4 PRUEBA BOMBA DE GRASA: tecla para verificar el funcionamiento correcto de la bomba.
3
4
A
1
2
MAN. I4390.ES.USM000 (10/09/2013)
DOC. ROLL4.CAP.05.R00 (09/12/2009)
5
Sidel S.p.A.
INSTRUCCIONES DE USO
5 - 77
A1.1 Ventana “PRUEBA BOMBA DE GRASA”(SI LA HAY)
En esta ventana es posible realizar la prueba para verificar el funcionamiento correcto de la bomba de
grasa.
1 NÚMERO REVOLUCIONES PAUSA x 1000 (rev. carrusel): Muestra el número de vueltas que hace el
carrusel entre dos ciclos completos de la lubricación.
2 NÚMERO CICLOS BOMBA GRASA: exhibición DE ciclos ** , necesaria para bombear la grasa para la
lubricación completa puntos a lubricar.
3 REVOLUCIONES DE PAUSARESTANTES: vueltas restantes para hacer el carrusel antes de activar el
siguiente (ciclo de lubricación de la cuenta regresiva).
4 ESTADO BOMBA DE GRASA: Viendo el estado del ciclo de lubricación (ON / OFF):
5 PRUEBA BOMBA DE GRASA: Mostrar el estado del ciclo de lubricación forzada (ON / OFF).
* Valor expresado en número de vueltas del carrusel de.
**alor expresado en número de ciclos realizados por la bomba de engrase.
Los puntos de lubricación se dan en el capítulo 7, apartado 6.
1
2
3
4
5
MAN. I4390.ES.USM000 (10/09/2013)
DOC. ROLL4.CAP.05.R00 (09/12/2009)
Sidel S.p.A.
5
INSTRUCCIONES PARA EL USO
5 - 78
A1.1 Ventana “PRUEBA BOMBA DE GRASA”(SI LA HAY)
En esta ventana es posible realizar la prueba para verificar el funcionamiento correcto de la bomba de
grasa.
1 BOTÓN DE FORZAMIENTO DEL CICLO DE LUBRICACIÓN: tecla para realizar un ciclo de lubricación
completo.
A PRUEBA BOMBA DE GRASA: ventana que permite visualizar el estado de forzamiento del ciclo de
lubricación (ON/OFF).
A través del forzamiento manual, es posible asignar a un componente de la máquina un
estado definido por el usuario.
El operador debe prestar suma atención a las operaciones realizadas en modo manual
(selector de llave de mantenimiento en posición JOG) porque puede causar daños graves
a la máquina y la producción, así como crear situaciones peligrosas para los demás
operadores.
1 A
MAN. I4390.ES.USM000 (10/09/2013)
DOC. ROLL4.CAP.05.R00 (09/12/2009)
5
Sidel S.p.A.
INSTRUCCIONES DE USO
5 - 79
A2 Ventana “CAMBIO DE FORMATO”
En esta ventana es posible gestionar las regulaciones automáticas de la máquina con relación al cambio
de formato.
A Ventana en la que se visualiza el número y la descripción del formato.
1 Tecla que habilita el procedimiento de “HOME”, llevando el carrusel al punto de referencia (altura máxima
del cabezal) y retrocediendo el grupo de etiquetado (solo si los movimientos del grupo son motorizados
- opcional).
2 Botón que permite llevar automáticamente el carrusel (y el grupo de etiquetado, si los movimientos del
grupo son motorizados - opcional) al valor configurado en la receta seleccionada.
B Visualización de la posición de la cuchilla*.
* Valor expresado en grados
Procedimiento
Antes de realizar las operaciones descritas en esta página, verifique que el selector de
llave de mantenimiento esté en la posición “JOG”.
De acuerdo a la configuración de la máquina, los movimientos del grupo de etiquetado se pueden gestionar:
– MANUALMENTE: por medio de los volantes montados a bordo de la máquina (regulándolos en función
de las tablas de marcha del fascículo adjunto);
– AUTOMÁTICAMENTE: desde el panel operador, utilizando las pantallas previstas.
1
2
B
A
MAN. I4390.ES.USM000 (10/09/2013)
DOC. ROLL4.CAP.05.R00 (09/12/2009)
Sidel S.p.A.
5
INSTRUCCIONES PARA EL USO
5 - 80
A3 Ventana “ALTURA CABEZAL”
En esta ventana es posible gestionar el movimiento de subida/bajada del cabezal.
Antes de realizar las operaciones descritas en esta página, verifique que el selector de
llave de mantenimiento esté en la posición “JOG”.
1 VALOR EN RECETA: visualización del valor configurado en la receta.
2 POSICIÓN CABEZAL: visualización de la posición actual del cabezal, alcanzada por medio de las
teclas (4) y (5). La posición del cabezal corresponde al a distancia entre la base del platillo y el punto
de fijación del cabezal al carrusel.
3 GUARDAR POSICIÓNACTUAL: tecla que permite guardar los parámetros en la receta usada.
4 MOVIMIENTO MANUAL DE SUBIDA DEL CABEZAL
5 MOVIMIENTO MANUAL DE BAJADA DEL CABEZAL
6 EMPLAZAMIENTO AUTOMÁTICO: el cabezal se coloca automáticamente al valor configurado en la
receta.
LA TECLA “GUARDAR RECETA” (3) SE VISUALIZA SOLAMENTE CUANDO LA RECETA
EDITADA ES IGUAL QUE LA USADA.
Todos los motores están provistos de sensor de final de carrera.
4
1
5 6
2
3
MAN. I4390.ES.USM000 (10/09/2013)
DOC. ROLL4.CAP.05.R00 (09/12/2009)
5
Sidel S.p.A.
INSTRUCCIONES DE USO
5 - 81
A4 Ventana “RELOJ  AUTOSTART”
En esta ventana es posible configurar el encendido automático de la máquina y sus componentes.
A Teclas que habilitan/deshabilitan el encendido automático de la máquina en el día y la hora indicados
en la zona (B).
B Zona en la que es posible configurar/modificar la hora de encendido de la máquina.
C Zona en la que es posible configurar/modificar la hora y la fecha actuales.
1 Boton para guardar el tasto de juego.
Procedimiento
Presione dentro de la zona (C) para abrir la ventana “Configuraciòn reloj” (D).
Escriba en el àrea (F) y utilice el teclado que aparece en la pantalla para ajustar la fecha y hora deseada.
Presione “Esc” para cerrar el teclado y luego presione “OK” (2) para confirmar los cambios.
Prensa (1) para guardar el conjunto de datos.
Si se habilita el encendido automático de la máquina, hay que dejar activado (ON) el
interruptor general situado en la puerta del armario eléctrico.
El apagado de los auxiliares se realiza manualmente.
C
A
B
1
FD
2
MAN. I4390.ES.USM000 (10/09/2013)
DOC. ROLL4.CAP.05.R00 (09/12/2009)
Sidel S.p.A.
5
INSTRUCCIONES PARA EL USO
5 - 82
A5 Ventana “MANAGER HMI”
En esta ventana es posible configurar los parámetros relativos al panel operador.
Funciones
1 CAMBIO DE IDIOMA.
2 INFORMACIÓN DEL PROYECTO.
3 LIMPIEZA DEL MONITOR.
A CAMBIO DE LA UNIDAD DE MEDIDA DE LA VELOCIDAD VISUALIZADA.
1 3
A
2
MAN. I4390.ES.USM000 (10/09/2013)
DOC. ROLL4.CAP.05.R00 (09/12/2009)
5
Sidel S.p.A.
INSTRUCCIONES DE USO
5 - 83
A5.1 Ventana “CAMBIO DE IDIOMA”
En esta ventana es posible seleccionar el idioma del panel operador.
Procedimiento
Pulse la tecla (1) para seleccionar el idioma que se quiere configurar en el panel operador.
El idioma queda memorizado incluso después de apagar la máquina.
1
MAN. I4390.ES.USM000 (10/09/2013)
DOC. ROLL4.CAP.05.R00 (09/12/2009)
Sidel S.p.A.
5
INSTRUCCIONES PARA EL USO
5 - 84
A5.2 Ventana “INFORMACIÓN DEL PROYECTO”
En esta ventana es posible buscar información relativa al sistema.
1 Espacio disponible en disco (MEMORIA RAM)
2 Memoria utilizada
3 Código máquina
4 Nombre controlador
5 Nombre projecto
Los parámetros indicados son de visualización, no pueden modificarse y se ofrecen para
fines informativos.
1
2
3
4
5
MAN. I4390.ES.USM000 (10/09/2013)
DOC. ROLL4.CAP.05.R00 (09/12/2009)
5
Sidel S.p.A.
INSTRUCCIONES DE USO
5 - 85
A5.3 Pantalla “LIMPIEZA DEL MONITOR”
En esta ventana la pantalla táctil permanece deshabilitada durante el tiempo visualizado por el contador, a
fin de permitir la limpieza del monitor; al finalizar el tiempo de espera (60 segundos), se visualiza
automáticamente la pantalla inicial “HOME”.
Procedimiento
Pulse la tecla LIMPIEZA DEL MONITOR en la ventana MANAGER HMI para deshabilitar todas las teclas
del panel de pantalla táctil: de esta manera, aparecerá una pantalla completamente vacía en cuyo interior
se visualiza la cuenta atrás del tiempo restante para efectuar la limpieza del monitor.
MAN. I4390.ES.USM000 (10/09/2013)
DOC. ROLL4.CAP.05.R00 (09/12/2009)
Sidel S.p.A.
5
INSTRUCCIONES PARA EL USO
5 - 86
A6 Ventana“DIAGNOSTICO C400”.
En esta ventana se puede ver la información riguartanti el controlador principal (C400).
MAN. I4390.ES.USM000 (10/09/2013)
DOC. ROLL4.CAP.05.R00 (09/12/2009)
5
Sidel S.p.A.
INSTRUCCIONES DE USO
5 - 87
A7 Ventana “DIAGNOSTICO MC4.”
En esta ventana se puede seleccionar la unidad que debe ser supervisado.
Prensa (1) para abrir la lista desplegable y hacer la elección.
En esta ventana puede ver los datos de la unidad.
1
MAN. I4390.ES.USM000 (10/09/2013)
DOC. ROLL4.CAP.05.R00 (09/12/2009)
Sidel S.p.A.
5
INSTRUCCIONES PARA EL USO
5 - 88
A8 Ventana“DIAGNOSTICO PILZ”
En esta ventana puede ver el diagnóstico de Pilz.
MAN. I4390.ES.USM000 (10/09/2013)
DOC. ROLL4.CAP.05.R00 (09/12/2009)
5
Sidel S.p.A.
INSTRUCCIONES DE USO
5 - 89
B Tab “MANTENIMIENTO GRUPO DE ETIQUETADO”
Descripción
1 Tecla reservada para los técnicos autorizados por Sidel S.p.A..
2 MANAGERALINEADOR.
3 ADMINISTRADOR DE MOVIMIENTOS (SI ESTÁ PRESENTE EL GRUPO DE ETIQUETADO
MOTORIZADO).
4 RASPADOR DE PEGAMENTO.
5 PARÁMETROS DE ENGRASE TAMBOR DE VACÍO (PARAMÁQUINAS PROVISTAS DE INYECTOR).
321
4 5
MAN. I4390.ES.USM000 (10/09/2013)
DOC. ROLL4.CAP.05.R00 (09/12/2009)
Sidel S.p.A.
5
INSTRUCCIONES PARA EL USO
5 - 90
B2 Ventana “MANAGER ALINEADOR“
En esta ventana es posible gestionar el grupo de guía de la cinta (Web-tracker).
A Zona donde se visualiza el mensaje de estado del alineador de la guía de la cinta.
1 ALINEADOR EN POSICIÓN CENTRAL: la guía de la cinta se coloca perpendicularmente a la base del
grupo de etiquetado.
2 ALINEADOR EN AUTOMÁTICO: habilita/deshabilita el funcionamiento automático del alineador; la
orientación de la guía de la cinta se gestiona automáticamente.
3 ALINEADOR EN MANUAL: habilita/deshabilita el funcionamiento manual del alineador; la gestión se
realiza mediante el teclado manual situado en la parte superior de la guía de la cinta.
2
31
A
MAN. I4390.ES.USM000 (10/09/2013)
DOC. ROLL4.CAP.05.R00 (09/12/2009)
5
Sidel S.p.A.
INSTRUCCIONES DE USO
5 - 91
B3 Ventana “MANAGER MOVIMIENTOS“
SI ESTÁ PRESENTE EL GRUPO DE ETIQUETADO MOTORIZADO.
En esta ventana es posible gestionar los movimientos motorizados del grupo de etiquetado.
Funciones
1 TRASLADO GRUPO DE ETIQUETADO.
2 ALTURAGRUPO DE ETIQUETADO.
3 ALTURA ROLLOS DE APOYO.
1
2
3
MAN. I4390.ES.USM000 (10/09/2013)
DOC. ROLL4.CAP.05.R00 (09/12/2009)
Sidel S.p.A.
5
INSTRUCCIONES PARA EL USO
5 - 92
B3.1 Ventana “TRASLADO GRUPO DE ETIQUETADO”
En esta ventana es posible gestionar el movimiento de avance/retroceso del grupo de etiquetado.
Antes de realizar las operaciones descritas en esta página, verifique que el selector de
llave de mantenimiento esté en la posición “JOG”.
1 VALOR RECETA: visualización del valor configurado en la receta.
2 TRASLADO GRUPO: visualización de la posición actual del grupo de etiquetado, alcanzada mediante
el uso de las teclas (4) y (5).
3 GUARDAR POSICIÓNACTUAL: tecla que permite guardar los parámetros en la receta usada.
4 TRASLADO HORIZONTALMANUALDEAVANCE DELGRUPO DE ETIQUETADO
5 TRASLADO HORIZONTALMANUALDE RETROCESO DELGRUPO DE ETIQUETADO
6 EMPLAZAMIENTOAUTOMÁTICO: el grupo de etiquetado se coloca automáticamente al valor configurado
en la receta.
LA TECLA “GUARDAR RECETA” (3) SE VISUALIZA SOLAMENTE CUANDO LA RECETA
EDITADA ES IGUAL QUE LA USADA.
Todos los motores están provistos de sensor de final de carrera.
4
1
5 6
2
3
MAN. I4390.ES.USM000 (10/09/2013)
DOC. ROLL4.CAP.05.R00 (09/12/2009)
5
Sidel S.p.A.
INSTRUCCIONES DE USO
5 - 93
B3.2 Ventana “ALTURA ESTACIÓN ETIQUETADO”
En esta ventana es posible gestionar el movimiento de subida/bajada del grupo de etiquetado.
Antes de realizar las operaciones descritas en esta página, verifique que el selector de
llave de mantenimiento esté en la posición “JOG”.
1 VALOR EN RECETA: visualización del valor configurado en la receta.
2 ALTURA GRUPO: visualización de la posición actual del grupo de etiquetado, alcanzada mediante el
uso de las teclas (4) y (5).
3 GUARDAR VALORACTUAL: tecla que permite guardar los parámetros en la receta usada.
4 MOVIMIENTO MANUAL DE SUBIDADEL GRUPO DE ETIQUETADO
5 MOVIMIENTO MANUAL DE BAJADADEL GRUPO DE ETIQUETADO
6 EMPLAZAMIENTOAUTOMÁTICO: el grupo de etiquetado se coloca automáticamente al valor configurado
en la receta.
LA TECLA “GUARDAR RECETA” (3) SE VISUALIZA SOLAMENTE CUANDO LA RECETA
EDITADA ES IGUAL QUE LA USADA.
Todos los motores están provistos de sensor de final de carrera.
4
1
5 6
2
3
MAN. I4390.ES.USM000 (10/09/2013)
DOC. ROLL4.CAP.05.R00 (09/12/2009)
Sidel S.p.A.
5
INSTRUCCIONES PARA EL USO
5 - 94
B3.3 Ventana “ALTURA SOPORTE BOBINAS”
En esta ventana es posible gestionar el movimiento de subida/bajada del soporte de bobinas de película.
Antes de realizar las operaciones descritas en esta página, verifique que el selector de
llave de mantenimiento esté en la posición “JOG”.
1 VALOR EN RECETA: visualización del valor configurado en la receta.
2 ALTURA DESBOBINADOR: visualización de la posición actual del grupo de etiquetado, alcanzada
mediante el uso de las teclas (4) y (5).
3 GUARDAR VALOR ACTUAL: tecla que permite guardar los parámetros en la receta usada.
4 MOVIMIENTO MANUAL DE SUBIDA DEL SOPORTE DE BOBINAS
5 MOVIMIENTO MANUAL DE BAJADA DEL SOPORTE DE BOBINAS
6 EMPLAZAMIENTOAUTOMÁTICO: el soporte de bobinas de película se coloca automáticamente en el
valor configurado en la receta.
LA TECLA “GUARDAR RECETA” (3) SE VISUALIZA SOLAMENTE CUANDO LA RECETA
EDITADA ES IGUAL QUE LA USADA.
Todos los motores están provistos de sensor de final de carrera.
4
1
6
2
3
5
MAN. I4390.ES.USM000 (10/09/2013)
DOC. ROLL4.CAP.05.R00 (09/12/2009)
5
Sidel S.p.A.
INSTRUCCIONES DE USO
5 - 95
B4 VENTANA “RASPADOR DE PEGAMENTO”
Esta ventana se utiliza para configurar la alineación del raspador de pegamento con el rodillo encolador.
PROCEDIMIENTO
1. Cierre el bloqueo de alimentación de las botellas.
2. Detenga la máquina.
3. Configure la velocidad de rotación del raspador de pegamento.
4. Ponga en marcha la máquina.
Comienza el procedimiento necesario para regular el raspador de pegamento con el rodillo encolador.
Interrumpa el procedimiento cuando el raspador de pegamento se adhiera completamente a la superficie
del rodillo encolador.
MAN. I4390.ES.USM000 (10/09/2013)
DOC. ROLL4.CAP.05.R00 (09/12/2009)
Sidel S.p.A.
5
INSTRUCCIONES PARA EL USO
5 - 96
B5 Ventana “PARÁMETROS DE ENGRASE TAMBOR DE VACÍO”
PARA MÁQUINAS PROVISTAS DE INYECTOR DE GRASA
Esta ventana se utiliza para configurar el parámetro del inyector de grasa automático para el tambor de
vacío.
1. REVOLUCIONES DEL TAMBOR DE VACÍO PARA INICIAR CICLO DE LUBRICACIÓN: este es el
número de revoluciones del tambor de vacío tras iniciar el ciclo de engrase automático.
2. Revoluciones tambor actuales: este es el número real de revoluciones del tambor de vacío.
3. ESTADO BOMBA DE GRASA: este LED destella cuando el sistema está habilitado.
4. MANUAL ON / OFF BOMBA DE GRASA TAMBOR: este parámetro habilita/inhabilita el sistema de
engrase automático del tambor de vacío.
5 - 97
MAN. I4390.ES.USM000 (12/09/2013)
DOC. ROLL4.CAP.05.R00 (03.12.09)
5
Sidel S.p.A.
INSTRUCCIONES DE USO
5.9 BOTONERAS Y BOTONES DE EMERGENCIA
5.9.1 BOTONERA DE MANTENIMIENTO
En la parte frontal de la máquina hay una botonera
de mantenimiento llamada “JOG” que prevé:
1 Botones de maniobra izquierdo y derecho (2)
que permiten, con la emergencia excluida, controlar
la máquina por impulsos con velocidades reducidas
al mínimo.
Para controlar la máquina es obligatorio usar ambas
manos para presionar los mandos simultáneamente.
La botonera de mantenimiento se habilita con el
selector de llave, situado a bordo de la máquina, en
el modo “JOG”.
Funciona con las puertas cerradas, a excepción de
la puerta frontal.
5.9.2 PULSANTI DI EMERGENCIA
La máquina está provista de botones de emergencia
situados a bordo de la máquina, en la botonera de
JOG y en los puntos estratégicos, para permitir que
el operador trabaje en condiciones de seguridad.
22
5 - 98
MAN. I4390.ES.USM000 (12/09/2013)
DOC. ROLL4.CAP.05.R00 (03/12/2009)
5
Sidel S.p.A.
ISTRUZIONI PER L’USO
5.10 ALARMAS Y SEÑALIZACIONES
En caso de anomalías, el sistema envía mensajes de alarma específicos al panel operador.
La tecla intermitente (1) indica la presencia de una o varias alarmas.
Pulse la tecla (2) para visualizar la lista de alarmas activas.
En la máquina se halla instalada una columna luminosa con las siguientes indicaciones de estado:
LUZ VERDE: marcha normal.
a. Apagada: siempre, con la máquina parada, independientemente del modo de funcionamiento
seleccionado.
b. Funcionamiento intermitente: con la máquina en marcha, ya sea en modo automático o de
mantenimiento /JOG, pero con el bloqueo de botellas cerrado.
c. Funcionamiento continuo: con la máquina en marcha, ya sea en modo automático o de mantenimiento/
JOG, pero con el bloqueo de botella abierto.
LUZ NARANJA: máquina lista para funcionar.
a. Apagada: siempre, con la máquina en automático (independientemente de que esté en marcha o
parada), a menos que existan prealarmas y/o anomalías como se describe a continuación.
b. Funcionamiento intermitente: causado por falta de botellas en la entrada con la máquina en marcha
y en automático, demasiado lleno aguas abajo con la máquina en marcha y en automático, falta de
autorización para la apertura del bloqueo de botellas (bloqueo electrónico) con la máquina en marcha y en
automático, mesa de acumulación de botellas rechazadas llena con la máquina en marcha y en automático,
nivel bajo de pegamento con la máquina en marcha y en automático, falta de etiquetas con la máquina en
marcha y en automático.
También indica condiciones que causan el cierre del bloqueo de botellas (o que impiden su apertura) y el
consecuente vaciado de la etiquetadora, pero sin provocar su parada.
Toda condición que cause la parada de la máquina no se puede comparar con las situaciones descritas y
debe considerarse como alarma.
Este estado se mantiene hasta resolver la causa que ha generado la prealarma, restableciendo entonces
las condiciones de ejercicio normales.
c. Funcionamiento continuo: sólo con la máquina en mantenimiento / JOG, independientemente de que
esté en marcha o parada.
1
2
5 - 99
MAN. I4390.ES.USM000 (12/09/2013)
DOC. ROLL4.CAP.05.R00 (03.12.09)
5
Sidel S.p.A.
INSTRUCCIONES DE USO
LUZ ROJA: indica la presencia de un estado de alarma.
a. Apagada: siempre, con la máquina en marcha (todas las alarmas causan la parada de la máquina),
independientemente del tipo de funcionamiento seleccionado, a menos que haya alarmas como las que
se describen a continuación.
b. Funcionamiento intermitente: siempre que hay una alarma activa.
Por alarma se entiende cualquier evento cuya gravedad implique la parada de la máquina,
independientemente del tipo de funcionamiento seleccionado.
Este estado se mantiene hasta resolver la causa que ha generado la alarma, restableciendo entonces las
condiciones de ejercicio normales.
c. Funcionamiento continuo: nunca, en ninguna condición.
ALARMAACÚSTICA:
a. Apagada: siempre, si no hay ninguna alarma activa, o bien si ya ha transcurrido el tiempo necesario
para que el silenciar el timbre automáticamente (incluso permaneciendo en condiciones de alarma activa).
b. Funcionamiento intermitente (lento): cada vez que se produce una situación de alarma que detiene
la máquina.
La señal acústica se activa contemporáneamente al evento de la alarma (si esto es transitorio debe
hacerse configurando un flag), permanece activa por 5 segundos para luego apagarse automáticamente.
Si se produce una segunda alarma antes de restablecer la anterior, se realiza nuevamente el ciclo de 5
segundos de la señal acústica.
Como excepción, al no ser una alarma, la misma señal acústica también se activa en caso de parada
automática de la máquina.
c. Funcionamiento intermitente (rápido): cada vez que se pulsa el botón de marcha manual/JOG
(naturalmente, la máquina debe estar seleccionada para este tipo de funcionamiento) como preaviso de
marcha.
Este retraso es necesario, ya que las protecciones están excluidas y hay que avisar a los operadores que
estén en los alrededores antes de mover los órganos mecánicos.
Pulsando el botón, se activa instantáneamente la señal acústica (durante un tiempo variable entre 1 y 3
segundos) y, al transcurrir el tiempo configurado, la señal se interrumpe y la máquina empieza a girar.
Si la etiquetadora está provista del sistema de parada automática con botellas en la máquina, al cumplirse
nuevamente las condiciones de marcha se procede con el preaviso acústico de 3 segundos; al transcurrir
dicho tiempo, la máquina reanuda la marcha y la se interrumpe la señal.
d Funcionamiento continuo: nunca, en ninguna condición.
5 - 100
MAN. I4390.ES.USM000 (12/09/2013)
DOC. ROLL4.CAP.05.R00 (03/12/2009)
5
Sidel S.p.A.
ISTRUZIONI PER L’USO
LISTA DE ALARMAS
En la siguiente tabla se indican los mensajes de alarma.
Para el diagnóstico, véase el capítulo 8.
Continúaenlapáginasiguiente...
žÃ6G6SH6Ã@I8PIUS696Ã@IÃG6ÃHÈRVDI6ÃÃ
1 E M ER GEN C IA S PRE SION AD AS O PU E R TAS ABIE R TAS
2 BL O QU E PR O TEC C IO N ES D ESH ABILIT AD O
3 CO N TR O L D E EM PA LM E N O HA BILITA D O
4 M ÁQ UIN A AP AGAD A
5 CO N TR O L D E VAL V U LA D ESC A R GA D E AIR E
6 M O TO R TR AN SPOR TE DE LIN E A N O C ON E C T ADO
8 A L TU R A MÁX IMA C ABEZ AL
9 A L TU R A MÍNIMA C A BEZA L
10 A L TU R A MÁX IMA ES T ACIÓN ET IQU ETAD O
11 A L TU R A MÍNIMA ES T ACIÓN ETIQU ETAD O
12 E ST ACIÓN ET IQU ET AD O F INAL D E C A R R ER A_FW
13 E ST ACIÓN ET IQU ET AD O F INAL D E C A R R ER A_R W
14 E ST ACIÓN ET IQU ET . D ES BOBIN AD O R FIN A L D E C AR R ER A
P X_U P
15 E ST ACIÓN ET IQU ET . D ES BOBIN AD O R FIN A L D E C AR R ER A
P X_D O W N
16 U N A D E L AS TEM PE R ATU RAS E S D E MASIA D O BA JA
17 T EMPE R ATU R A C R ÍTIC A D ESC AR G A BO MB A VAC ÍO
18 T EMPE R ATU R A C R ÍTIC A C O R R EA TR AN SM ISIÓ N GR U P O
19 M ÁQ UIN A PA R AD A, EN ES PER A D E C ALEN TAM IE N TO D EL
R O DILLO EN C OL A D OR
21 B L OQ U EO D E EN TR AD A C ER R A DO
22 INV ER S O R PR IN C IP AL D ESC O N EC TA D O
23 INV ER S O R D E LA CINT A D ESC ON EC TAD O
24 INV ER S O R D E LA B OM BA D E P EG AM EN TO D ESC O N ECT ADO
25 E R R O R EN EL IN V ER SO R PR IN C IPAL
26 E R R O R EN EL IN V ER SO R D E LA C INT A
27 E R R O R EN EL IN V ER SO R D E LA BOM BA D E PEG AMEN TO
28 A D VER TEN C IA M O TOR P R INC IP AL
29 A SPIR A DO R D E PE GAM E N TO DE SH A BILITA D O O
M AG N E TO R M IC O
32 B L OQ U EO EM BR AG U E C Ó C LEA M ÁQU IN A
33 B L OQ U EO EM BR AG U E ES TR EL LA EN TR AD A M ÁQU IN A
34 B L OQ U EO EM BR AG U E ES TR EL LA D E TR AN SFER EN C IA
35 B L OQ U EO EM BR AG U E ES TR EL LA SA LID A M ÁQ U IN A
36 B L OQ U EO EM BR AG U E ES TAC IÓ N ETIQ U ETAD O
37 V ÁLVU LA D E V AC ÍO N O E STÁ LISTA
39 E MPALM AD O R EN M O D A LID AD D E EM PALM E
40 A PAR AT O EM PALM AD OR N O LISTO
41 A PAR AT O EM PALM AD OR EN M AN U A L
42 A PAR AT O EM PALM AD OR EN PA R AD A
43 A PAR AT O EM PALM AD OR N O P U ESTO A C E R O
44 A PAR AT O EM PALM AD OR : FALTA D E LEC TU R A D E 5
M UESC AS
45 F ALLO D E C O MU N IC AC IÓ N C ON APA R ATO EM PA LM AD OR
46 L A DO A APAR ATO E MPAL MAD O R ABIE R TO
Ã
5 - 101
MAN. I4390.ES.USM000 (12/09/2013)
DOC. ROLL4.CAP.05.R00 (03.12.09)
5
Sidel S.p.A.
INSTRUCCIONES DE USO
Continúaenlapáginasiguiente...
4 7 L A D O B A P A R A T O E M P A L M A D O R A B IE R T O
4 8 C IR C U IT O D E S E G U R ID A D P A R D E E J E S N O O K
4 9 M Á Q U I N A E N JO G
6 0 E R R O R C O N E X IÓ N E T H E R N E T 1 P A R T N E R
6 1 T IM E O U T C O M U N IC A C IÓ N E T H E R N E T 1 P A R T N E R
6 2 E R R O R C O N E X IÓ N E T H E R N E T 2 P A R T N E R
6 3 T IM E O U T C O M U N IC A C IÓ N E T H E R N E T 2 P A R T N E R
6 5 F A L T A M A R C H A C I N T A M Á Q U IN A
6 6 F A L T A B O T E L L A S E N C A R R U S E L
6 7 A N O M A L ÍA M O T O R C Ó C L E A
6 8 A N O M A L ÍA M O T O R C Ó C L E A 2
6 9 A N O M A L ÍA L E C T U R A D E 5 M U E S C A S C O N S E C U T IV A S E N
P E L Í C U L A
7 0 E R R O R C O R R E A
7 1 E R R O R T A M B O R
7 2 T A M B O R N O E S T A E N A U T O M A T IC O
7 3 S E G U R ID A D S A L ID A M Á Q U IN A
7 4 M O T O R B O M B A V A C ÍO O S O P L O S A P A G A D O S
7 5 P A R A D A B O M B A P E G A M E N T O P O R S U P E R A C IÓ N T I E M P O
C O N N I V E L D E P E G A M E N T O B A J O
7 6 L E V A N O IN T R O D U C ID A
7 7 B O T E L L A A N C H A
7 8 G R U P O F U E R A D E P O S I C IÓ N
7 9 P R E S IÓ N B A J A D E A L I M E N T A C IÓ N D E A IR E
8 0 B O M B A P E G A M E N T O P A R A D A A L A E S P E R A D E
C A L E N T A M IE N T O O A U T O R I Z A C I Ó N M /C
8 1 S O L I C I T U D H O M E E T IQ U E T A
8 2 S I S T E M A D E C O R T E D E S H A B IL IT A D O
8 3 A N O M A L ÍA B O M B A D E G R A S A : P A R A D A D E N T R O D E 7
H O R A S
8 4 A N O M A L ÍA B O M B A D E G R A S A : M Á Q U IN A P A R A D A
8 5 T É R M IC O B O M B A G R A S A
8 6 E N G R A S E D E T A M B O R D E V A C ÍO E N A L A R M A
8 7 C A R T U C H O V A C ÍO P A R A E N G R A S E D E T A M B O R D E V A C ÍO
8 8 A N O M A L ÍA V E L O C ID A D M Á Q U IN A
8 9 C O D IF IC A D O R E N A L A R M A
9 0 I N S P E C T O R : D E M A S IA D O S R E C H A Z O S C O N S E C U T IV O S
9 1 S T A N D B Y A C T IV O
9 2 I N S P E C T O R N O L I S T O O E N A L A R M A
9 3 E M E R G E N C IA T Ú N E L
9 4 T Ú N E L N O E N M A R C H A
9 5 T Ú N E L IN A C T IV O
9 6 C O D IF IC A D O R N O L IS T O O E N A L A R M A
9 7 M A L F U N C IO N A M I E N T O D E L A C O N D IC IO N A D O R D E A IR E
9 8 T Ú N E L D E S H A B IL IT A D O
9 9 A L A R M A C 6 0 0 - C Ó D IG O D E E R R O R
1 0 0 S I S T E M A D E C O R T E : E R R O R D E P R O C E D IM IE N T O
1 0 1 A L A R M A P I L Z
1 0 2 R O D IL L O E N C O L A D O R D E S A C T IV A D O
1 0 3 A L A R M A IN S P E C T O R L ÍN E A
5 - 102
MAN. I4390.ES.USM000 (12/09/2013)
DOC. ROLL4.CAP.05.R00 (03/12/2009)
5
Sidel S.p.A.
ISTRUZIONI PER L’USO
Continúaenlapáginasiguiente...
10 4 A LA R M A C O D IF I C A D O R LÍ N E A
10 5 G R U P O C O R T E A B IE R T O
10 6 AD V E RT EN C IA : T A M BO R D E V A C ÍO L IM P IO
10 7 LO NG IT U D E T IQ U E T A S U P E RI O R A D I M E N S IÓ N M Á X .
T A M B O R
10 8 LO N G IT UD E T IQ U E T A IN F E R IO R A D IM E N S IÓ N M Á X .
T A M B O R
10 9 E R RO R E N A U T O A P R E N D IZ A J E T A M A Ñ O E T IQ U E T A
11 0 G A T E W A Y N O LIS T O
11 1 H O M E C AR R U S E L NO E J E C U T A D O
11 2 H O M E P LA T IL LO S N O E JE C U T A D O
11 3 L E V A P LA T ILLO S N O T R A N S F E R ID A
11 4 E R R O R E N M P C
11 5 E R R O R D E C O M U N IC A C IÓ N M P C
11 6 E R R O R LIF E B IT M P C
11 9 BO T E LLA R O T A E N C A R R U S E L
12 0 M O D O M Á Q U INA R A S P A D O R D E CO LA
12 4 U P S E N M O D O B A T E R ÍA
12 5 B A T E R ÍA B A J A D E U P S
12 6 A N O M AL ÍA V A LO R A N A L Ó G IC O -A S P IR A DO R H U M O S
P E G A M E N T O
12 7 T E M P E R A T U R A M Á X IM A A S P IR A D O R H U M O S P EG A M E NT O
12 8 A N O M AL ÍA V A LO R A N A L Ó G IC O – R O D ILL O EN C O LA D O R
12 9 A N O M AL ÍA V A LO R A N A L Ó G IC O – T . E S T R U C T U R A R O D IL LO
E N C O L A D O R
13 0 A N O M AL ÍA V A LO R A N A L Ó G IC O – T T U B O R ET O R N O
P E G A M E N T O
13 1 A N O M AL ÍA V A LO R A N A L Ó G IC O – T T U B O IM P U L S IÓ N
P E G A M E N T O
13 2 A N O M AL ÍA V A LO R A N A L Ó G IC O – T R E CIP IE N T E
P E G A M E N T O
13 3 A N O M AL ÍA V A LO R A N A L Ó G IC O – T P E G A M E N T O
13 4 T E M P E R A T U R A M Á X . R O D ILLO E N C O LA D O R
13 5 T E M P E R A T U R A M Á X IM A E S T R U CT U R A R O D ILL O
E N C O L A D O R
13 6 T E M P E R A T U R A M Á X IM A T U B O RE T O R N O P E G A M E N T O
13 7 T E M P E R A T U R A M Á X IM A T U B O IM P U LS I Ó N P E G A M E N T O
13 8 T E M P E R A T U R A M Á X IM A R EC I P IE N T E P E G A M E N T O
13 9 T E M P E R A T U R A M Á X IM A P E G A M E N T O
14 0 A L A R M A B  R M Ó D U L O N 1
14 1 A L A R M A B  R M Ó D U L O N 2
14 2 A L A R M A B  R M Ó D U L O N 3
14 3 A L A R M A B  R M Ó D U L O N 4
14 4 A L A R M A B  R M Ó D U L O N 5
14 5 A L A R M A B  R M Ó D U L O N 6
14 6 A L A R M A B  R M Ó D U L O N 7
14 7 A L A R M A B  R M Ó D U L O N 8
14 8 A L A R M A B  R M Ó D U L O N 9
14 9 A L A R M A B  R M Ó D U L O N 1 0
15 0 A L A R M A B  R M Ó D U L O N 1 1
15 1 A L A R M A B  R M Ó D U L O N 1 2
15 2 A L A R M A B  R M Ó D U L O N 1 3
15 3 A L A R M A B  R M Ó D U L O N 1 4
15 4 A LA R M A B R M Ó D UL O N 15
5 - 103
MAN. I4390.ES.USM000 (12/09/2013)
DOC. ROLL4.CAP.05.R00 (03.12.09)
5
Sidel S.p.A.
INSTRUCCIONES DE USO
Continúaenlapáginasiguiente...
155 ALARMA BR MÓDULO N16
156 ALARMA BR MÓDULO N17
157 ALARMA BR MÓDULO N18
158 ALARMA BR MÓDULO N19
159 ALARMA BR MÓDULO N20
160 ALARMA BR MÓDULO N21
161 ALARMA BR MÓDULO N22
162 ALARMA BR MÓDULO N23
163 ALARMA BR MÓDULO N24
164 ALARMA BR MÓDULO N25
165 ALARMA BR MÓDULO N26
166 ALARMA BR MÓDULO N27
167 CIERRE BLOQUEO BOTELLAS EN ENTRADA
168 ALARMA BR MÓDULO N43
169 SEGURIDAD ENTRADA MÁQUINA
170 ATENCIÓN: RALENTIZ ACIÓN POR DEMASIADAS BOTELLAS
EN SALIDA
171 ALARMA BR MÓDULO N31
172 ALARMA BR MÓDULO N32
173 ALARMA BR MÓDULO N33
174 ALARMA BR MÓDULO N34
175 ALARMA BR MÓDULO N35
176 ALARMA BR MÓDULO N36
177 ALARMA BR MÓDULO N37
178 ALARMA BR MÓDULO N38
179 ALARMA BR MÓDULO N39
180 ALARMA BR MÓDULO N40
181 ALARMA BR MÓDULO N41
182 ALARMA BR MÓDULO N42
183 ALARMA BR MÓDULO N28
184 ALARMA BR MÓDULO N29
185 ALARMA BR MÓDULO N30
187 PROCEDIMIENTO DE AUTO-TEACH NO ES CORRECTO
188 SMAR EN ERROR
189 ETIQUETA SE QUEDO SOBRE EL TAMBOR
190 PUERTA ABIERTA N1
191 PUERTA ABIERTA N2
192 PUERTA ABIERTA N3
193 PUERTA ABIERTA N4
194 PUERTA ABIERTA N5
195 PUERTA ABIERTA N6
196 PUERTA ABIERTA N7
197 PUERTA A BIERTA N8
5 - 104
MAN. I4390.ES.USM000 (12/09/2013)
DOC. ROLL4.CAP.05.R00 (03/12/2009)
5
Sidel S.p.A.
ISTRUZIONI PER L’USO
200 MÁQUINA EN MODO BY PASS
211 EMBRAGUE CÓCLEA MÁQUINA
212 EMERGENCIA EXTERNA
213 FALLA BOMBA DE ACEITE CORTADORA
214 ANOMALÍA CONTROL GUÍA CINTA EL
215 BOMBA DE ACEITE INHABILITADA
216 FALTA ETIQUETAS RODILLO “A” O APERTURA PUERTA
217 FALTA ETIQUETAS RODILLO “B” O APERTURA PUERTA
218 NIVEL PEGAMENTO BAJO
219 EMERGENCIA DEL JOG 2 PRESIONADA
220 WATCH CONTACTOR NO LISTO
221 VELOCIDAD MEDIA
222 EMERGENCIA LADO 4
223 VACIADO LÍNEA
224 SOPLADORA NO LISTA
225 MESA DE RECHAZOS LLENA
226 EMERGENCIA PRESIONADA CUADRO AUXILIARES
227 EMERGENCIA BOTONERA JOG PRESIONADA
228 EMERGENCIA BOTONERA PRESIONADA
229 EMERGENCIA CUADRO ELÉCTRICO POTENCIA
PRESIONADA
230 EMERGENCIA LADO 1
231 EMERGENCIA LADO 2
232 CALENTAMIENTO ESTRUCTURA RODILLO ENCOLADOR
DESHABILITADO
233 CALENTAMIENTO ASPIRADOR DE HUMOS PEGAMENTO
APAGADO
234 EMERGENCIA LADO 3
235 BLOQUEO CÓCLEA MÁQUINA
236 EXT: TRANSPORTES LÍNEA PARADOS
237 TEMPERATURA PARTE SUPERIOR DE LA CUCHILLA FUERA
DE RANGO
238 TEMPERATURA PARTE INFERIOR DE LA CUCHILLA FUERA
DE RANGO
239 CALENTAMIENTO RODILLO ENCOLADOR DESHABILITADO
240 CALENTAMIENTO TUBOS DESACTIVADO
241 CALENTAMIENTO RECIPIENTE PEGAMENTO DESACTIVADO
5 - 105
MAN. I4390.ES.USM000 (12/09/2013)
DOC. ROLL4.CAP.05.R00 (03.12.09)
5
Sidel S.p.A.
INSTRUCCIONES DE USO
5.11 CAMPO DE TRABAJO Y POSICIONES SIGNIFICATIVAS
La puesta en marcha y la conducción de la máquina se llevan a cabo en la ”zona de mando y control”.
Durante el funcionamiento en régimen, el operador debe trabajar en los alrededores del panel de control y
en la zona de soporte de bobinas (véase el lay-out ilustrado abajo) y, ocasionalmente, puede desplazarse
hacia el lado de la salida para recuperar los envases rechazados (para máquinas provistas de dispositivo
de rechazo).
Durante las eventuales regulaciones o los cambios de formato, el operador puede acceder a todas las
partes de la máquina colocando el selector de llave de mantenimiento en la posición “JOG”.
A Zona de mando y control
B Zona de control de alimentación de los envases
C Zona de control de descarga de los envases
B
C
A
5 - 106
MAN. I4390.ES.USM000 (12/09/2013)
DOC. ROLL4.CAP.05.R00 (03/12/2009)
5
Sidel S.p.A.
ISTRUZIONI PER L’USO
PRODUCCIÓN
En funcionamiento automático de producción, la máquina requiere vigilancia (presencia del operador).
La conducción de la máquina puede ser gestionada por 1 operador genérico (véase el
capítulo 1, párrafo 1.2), que controlará los estados de funcionamiento mediante la interfaz
del operador (HMI) y actuará de acuerdo a las indicaciones de este manual.
En funcionamiento manual de producción (protecciones cerradas), el panel operador debe ser controlado
por 1 solo encargado.
MODO “JOG”
Todas las actividades realizadas en modo JOG deben ser efectuadas exclusivamente por 1 operador;
dicho operador debe tener a mano la botonera móvil de mantenimiento (jog) para poder trabajar en
condiciones de seguridad.
MANTENIMIENTO
Las actividades de mantenimiento eléctrico y mecánico deben ser realizadas por personal cualificado:
técnicos de mantenimiento eléctricos y mecánicos.
El número de operadores destinados a cada actividad de mantenimiento se indica en el
capítulo 7.
El personal encargado de conducir la línea debe utilizar equipos de protección individual
adecuados (gafas, guantes, etc.).
.
5 - 107
MAN. I4390.ES.USM000 (12/09/2013)
DOC. ROLL4.CAP.05.R00 (03.12.09)
5
Sidel S.p.A.
INSTRUCCIONES DE USO
5.12 SELECCIÓN DE LOS MODOS DE FUNCIONAMIENTO
La máquina tiene dos modos de funcionamiento principales:
– AUTOMÁTICO
La etiquetadora funciona en modo automático durante la producción.
Durante el ciclo en automático, la columna luminosa tiene la luz verde encendida.
Las condiciones necesarias para realizar el ciclo de elaboración en automático son:
– encendido y calentamiento posterior de rodillo encolador, rodillo de corte y recipiente de pegamento,
– encendido de los soplos y los vacíos,
– haber realizado todos los controles previos al arranque.
Ponga la máquina en modo automático colocando el selector de llave de mantenimiento (1) en la posición
“AUTO”.
– MANUAL
La etiquetadora funciona en modo manual durante las operaciones de mantenimiento, ajuste de fase,
regulación y cambio de formato.
Ponga la máquina en modo manual, colocando el selector de llave de mantenimiento (1) en la posición
“JOG” .
El personal encargado de conducir la línea debe utilizar equipos de protección individual
idóneos (gafas, guantes, etc.).
Antes de ejecutar un mando manual hay que comprobar que no haya obstáculos para el
funcionamiento normal de la máquina.
1
5 - 108
MAN. I4390.ES.USM000 (12/09/2013)
DOC. ROLL4.CAP.05.R00 (03/12/2009)
5
Sidel S.p.A.
ISTRUZIONI PER L’USO
5.13 ARRANQUE DE LA MÁQUINA
Al principio de cada turno de trabajo y antes de poner en marcha la producción, realice un
control preliminar del funcionamiento correcto de los sistemas de seguridad.
Para poner en marcha la máquina, siga las instrucciones descritas a continuación.
5.13.1 CONTROLES PRELIMINARES
Las máquinas etiquetadoras son reguladas por los técnicos Sidel S.p.A. antes de la puesta
en marcha y de acuerdo a las disposiciones del cliente. Sidel S.p.A. recomienda no
modificar las regulaciones efectuadas durante el ensayo.
CONTROLES GENERALES
– Compruebe que la máquina esté perfectamente limpia,
– compruebe que todos los elementos de la máquina estén correctamente montados y fijados a la
estructura principal de la máquina.
CONTROL DEL FORMATO
Compruebe que se hayan realizado todas las regulaciones relativas al tipo de envase y las etiquetas a
utilizar.
En lo específico, cerciórese de que los equipos montados correspondan al formato que se quiere etiquetar.
Verifique que el equipo esté perfectamente en fase.
Realice una prueba colocando una o más botellas en la máquina y ejecutando un ciclo completo con
marcha por impulsos (JOG).
No utilice etiquetas o envases distintos de aquellos utilizados por los técnicos Sidel S.p.A.
para el ajuste de la máquina.
El uso de otros tipos de etiquetas y envases con tamaños o formas diferentes puede dañar
los componentes de la máquina.
CONTROL DE LAS PROTECCIONES
Verifique que el revestimiento de protección no presente daños y esté bien fijado al bastidor de metal y
que todas las aberturas se cierren perfectamente.
Cerciórese de que todas las protecciones estén cerradas.
5 - 109
MAN. I4390.ES.USM000 (12/09/2013)
DOC. ROLL4.CAP.05.R00 (03.12.09)
5
Sidel S.p.A.
INSTRUCCIONES DE USO
5.13.2 DESBLOQUEO DE LAS ABRAZADERAS DE BLOQUEO DEL GRUPO
Por motivos de seguridad y protección, el grupo se bloquea con dos abrazaderas de
bloqueo que es NECESARIO retirar antes de proceder con los controles previos a la puesta
en marcha.
Retire las abrazaderas de bloqueo interviniendo en el
tornillo correspondiente.
El motor de desplazamiento, situado debajo del grupo,
está desconectado del grupo. Fije el motor de la
siguiente manera:
Desenrosque la tuerca A.
Coloque el orificio del motor B en el perno de
transmisión C y bloquee con la tuerca A.
A
C
A
B
5 - 110
MAN. I4390.ES.USM000 (12/09/2013)
DOC. ROLL4.CAP.05.R00 (03/12/2009)
5
Sidel S.p.A.
ISTRUZIONI PER L’USO
CONTROL DE LA INSTALACIÓN NEUMÁTICAY LA PRESIÓN DE EJERCICIO
Verifique que las conexiones a la instalación
neumática se haya realizado correctamente.
Verifique las presiones de ejercicio:
el regulador principal debe configurarse a 6 bar;
Verifique los valores de los reguladores de presión
situados en el panel neumático, en el lado frontal de
la máquina.
CONTROL DE LAINSTALACIÓN ELÉCTRICA
Haciendo referencia al esquema eléctrico, controle
que las conexiones de los servicios se hayan realizado
correctamente.
Antes de encender la máquina, verifique que la tensión
de alimentación coincida con la que se indica en el
esquema eléctrico.
Para encender la máquina, gire el interruptor general
situado en la puerta del armario eléctrico.
5 - 111
MAN. I4390.ES.USM000 (12/09/2013)
DOC. ROLL4.CAP.05.R00 (03.12.09)
5
Sidel S.p.A.
INSTRUCCIONES DE USO
5.13.2 PUESTA EN MARCHA DE LA MÁQUINA
Realice los controles preliminares indicados en el párrafo 5.13.1 antes de proceder a la
puesta en marcha de la máquina.
1. Alimente la máquina girando el interruptor general
situado en el armario eléctrico.
2. Pulse la tecla “RESET” (1) para permitir que la
unidad operativa restablezca las alarmas eventual-
mente presentes en la máquina.
3. En la ventana “STARTUPMANAGER GENERAL”,
pulse la tecla “MÁQUINA EN CONTROL ON” (2) para
activar los auxiliares previamente seleccionados.
Para verificar los auxiliares activados del
grupo de etiquetado, pulse la tecla (3).
2
3
Continúaenlapáginasiguiente...
1
5 - 112
MAN. I4390.ES.USM000 (12/09/2013)
DOC. ROLL4.CAP.05.R00 (03/12/2009)
5
Sidel S.p.A.
ISTRUZIONI PER L’USO
4. En la pantalla “START UP ESTACIÓN DE
ETIQUETADO”, habilite las teclas
“CALENTAMIENTOS” y “CALENTAMIENTO TUBOS”:
espere a que se caliente el recipiente, el rodillo
encolador y los tubos del sistema Hot Melt (harán
falta unos 60 min.).
Luego, habilite:
– “SISTEMA DE CORTE”,
– “BOMBA DE PEGAMENTO”,
– “BOMBA DE VACÍO”,
– “SOPLOS”.
También hay que habilitar el “SOPLO RECHAZO
ETIQUETA”, necesario para la función de PRUEBA
ETIQUETA.
5 - 113
MAN. I4390.ES.USM000 (12/09/2013)
DOC. ROLL4.CAP.05.R00 (03.12.09)
5
Sidel S.p.A.
INSTRUCCIONES DE USO
A
INSTALACIÓN DE LAS BOBINAS DE PELÍCULA DE ETIQUETAS
Instale por lo menos una bobina en el grupo portabobinas, respetando el recorrido giro-película como se
indica en la figura.
Para instalar la bobina, el bloqueo freno/bobina debe estar en posición cerrada (habilitación / inhabilitación
mediante el panel de gestión situado en el soporte de las bobinas).
Realice las operaciones con la máquina parada e intervenga en el panel de control para controlar el
sistema de arrastre.
Accedere alla finestra “MANAGER STAZIONE
ETICHETTAGGIO“ e selezionare direttamente nella
zona (A) la bobina che si deve utilizzare.
5 - 114
MAN. I4390.ES.USM000 (12/09/2013)
DOC. ROLL4.CAP.05.R00 (03/12/2009)
5
Sidel S.p.A.
ISTRUZIONI PER L’USO
12
A
Continúaenlapáginasiguiente...
5.13.3 PUESTA A PUNTO INICIAL
MOVIMIENTO DEL GRUPO DE ETIQUETADO MOTORIZADO Y CABEZAL:
Acceda con contraseña “Operator”, usuario “2”, para realizar las operaciones descritas en
este párrafo.
DESPLAZAMIENTOS:
1. Acceda a la ventana “CAMBIO DE FORMATO” y
compruebe que el formato a envasar esté
correctamente cargado; el fondo rojo de la ventana
(A) indica que la receta ha sido cargada.
Para realizar la operación descrita en el
punto 1, hay que acceder con contraseña
“Maintenance”, usuario “3”.
Pulse la tecla HOME: el cabezal sube hasta la altura
y el grupo de etiquetado realiza el traslado máximo
(retroceso completo).
2. Si hace falta seleccionar otro formato, entre en la
pantalla “PRINCIPAL RECETAS”, pulse la tecla (1) e
introduzca el número del envase deseado (en el
teclado emergente) y pulse OK.
3. Pulse la tecla (2) para transferir la receta.
4. Tras haber cargado el formato y verificado que el
equipo idóneo esté bien instalado, vuelva a la familia
“CAMBIO DE FORMATO” y pulse la tecla IR A
POSICIÓN (3):
3
5 - 115
MAN. I4390.ES.USM000 (12/09/2013)
DOC. ROLL4.CAP.05.R00 (03.12.09)
5
Sidel S.p.A.
INSTRUCCIONES DE USO
3
3
Como alternativa, es posible efectuar el movimiento
en las páginas individuales:
– En la página TRASLADO ESTACIÓN DE
ETIQUETADO, pulse la tecla (3).
– En la página ALTURA ESTACIÓN DE
ETIQUETADO, pulse la tecla (3).
– En la página ALTURA CABEZAL, pulse la tecla
(3).
Antes de realizar el movimiento,
verifique que no haya piezas que
obstaculicen el mismo.
3
5 - 116
MAN. I4390.ES.USM000 (12/09/2013)
DOC. ROLL4.CAP.05.R00 (03/12/2009)
5
Sidel S.p.A.
ISTRUZIONI PER L’USO
CÓMO CONFIGURAR UN EMPLAZAMIENTO CORRECTO DEL CABEZAL
Realice el procedimiento descrito a continuación únicamente si se pierden los valores de
ajuste de fase o se envasan formatos nuevos.
Tras haber verificado las posiciones de los distintos grupos de la máquina (ALTURA DEL
CABEZAL, TRASLACIÓN DEL GRUPO DE ETIQUETADO, ALTURA DE LA ESTACIÓN DE
ETIQUETADO, ALTURA DEL SOPORTE DE BOBINAS), se recomienda anotar los valores
de estas posiciones en una hoja, o bien pulsar la tecla (T) para transferirlos a la receta
usada.
REGULACIÓNALTURA CARRUSEL
1. Ponga la máquina en modo manual, colocando el
selector de llave de mantenimiento (1) en la posición
“JOG”.
2. Coloque un envase en la entrada y, valiéndose de
la botonera manual de mantenimiento, trasládelo de
la estrella al platillo.
Detenga un envase poco antes de que el alveolo de
la estrella lo suelte.
3. Entre en la página “ALTURA CABEZAL” y,
utilizando las teclas (2) y (3), baje el cabezal del
carrusel hasta que entre en contacto con el tapón del
envase sin hacer presión.
32
Continúaenlapáginasiguiente...
1
5 - 117
MAN. I4390.ES.USM000 (12/09/2013)
DOC. ROLL4.CAP.05.R00 (03.12.09)
5
Sidel S.p.A.
INSTRUCCIONES DE USO
4. Utilizando siempre la botonera manual, mueva el
envase dentro del carrusel.
Verifique que el gato baje unos 15-17 mm, como se
indica en la figura.
5. Una vez obtenida la posición ideal, hay que guar-
dar el valor (A) en la receta.
Siempre en la página ALTURA CABEZAL, pulse la
tecla (S) para guardar los valores nuevos en la receta
usada.
Luego, entre en la página “PRINCIPAL RECETAS” y
pulse la tecla (Ts) para guardar los valores nuevo y
luego, la tecla (T) para transferirlos.
A
S
Los parámetros de emplazamiento se indican en las pantallas correspondientes de las
páginas anteriores.
15 - 17 mm
ENVASE LLENO
T Ts
5 - 118
MAN. I4390.ES.USM000 (12/09/2013)
DOC. ROLL4.CAP.05.R00 (03/12/2009)
5
Sidel S.p.A.
ISTRUZIONI PER L’USO
CÓMO CONFIGURAR UN EMPLAZAMIENTO CORRECTO DEL GRUPO DE
ETIQUETADO CON MOVIMIENTO MOTORIZADO
TRASLADO
1. Acceda a la ventana “TRASLADO GRUPO DE
ETIQUETADO” para regular el contacto entre la
estación de etiquetado y la botella por medio de las
teclas (1) y (2).
CONTACTO
Mueva la unidad de etiquetado hacia la botella, hasta
que el patín delantero roce la botella (utilice una
etiqueta como “calibre de espesor” para verificar el
contacto), y luego, añada una distancia adicional de
la siguiente manera:
– 0,5 mm para bebida con gas;
– 1,0 mm para bebida sin gas;
– 0,5 mm para envases vacíos.
ALTURA
2. Acceda a la ventana “ALTURA ESTACION DE
ETIQUETADO” para regular la altura de modo que el
rodillo de desplazamiento quede centrado con
respecto a la zona de etiquetado de la botella.
CONTACTO
Empujando ligeramente la botella más allá del rodillo
de desplazamiento, verifique que el contacto entre el
rodillo y de desplazamiento y la botella se realice
correctamente.
3. Una vez obtenida la posición ideal, hay que guar-
dar los valores (A) en la receta.
Siempre en la misma página, pulse la tecla (S) para
guardar los valores nuevos en la receta usada.
Luego, entre en la página “PRINCIPAL RECETAS” y
pulse la tecla (Ts) para guardar los valores nuevo y
luego, la tecla (T) para transferirlos.
Los parámetros de emplazamiento se indican en las pantallas correspondientes de las
páginas anteriores.
21
4 5
A
T
Ts
A
5 - 119
MAN. I4390.ES.USM000 (12/09/2013)
DOC. ROLL4.CAP.05.R00 (03.12.09)
5
Sidel S.p.A.
INSTRUCCIONES DE USO
CÓMO CONFIGURAR UN EMPLAZAMIENTO CORRECTO DEL SOPORTE DE
BOBINAS DE PELÍCULA
Regule la altura del soporte de bobinas de modo que
la película de etiquetas se deslice horizontalmente.
1. Acceda a la ventana ALTURADESBOBINADOR
y utilice las teclas de desplazamiento para llevar el
soporte de la bobina a la misma altura que el borde
inferior de la etiqueta situada en el tambor.
2. En la página PUESTA EN MARCHA ESTACIÓN
DE ETIQUETADO, deshabilite el rodillo de contraste
(4) y saque a mano unos metros de película de
etiquetas.
3. Observe el alineador (web tracker) para controlar
la orientación de la cinta; debe quedar perpendicular
a la base del grupo de etiquetado.
Si no se obtiene la perpendicularidad, será necesario
efectuar una nueva regulación.
Cuando la etiqueta sube por el web
tracker, el soporte debe estar levantado.
90°
Continúaenlapáginasiguiente...
4
5 - 120
MAN. I4390.ES.USM000 (12/09/2013)
DOC. ROLL4.CAP.05.R00 (03/12/2009)
5
Sidel S.p.A.
ISTRUZIONI PER L’USO
4. Tras obtener la posición ideal, pulse nuevamente
la tecla (4) en la página PUESTA EN MARCHA para
habilitar el pinch roller.
Hay que guardar los valores (A) en la receta.
Siempre en la misma página, pulse la tecla (S) para
guardar los valores nuevos en la receta usada.
5. Luego, entre en la página PRINCIPAL RECETAS
y pulse la tecla (Ts) para guardar los valores nuevos
y luego, la tecla (T) para transferirlos.
Los parámetros de emplazamiento se
indican en las tablas de cambio de
formato (véase el folleto adjunto).
T
Ts
A
S
5 - 121
MAN. I4390.ES.USM000 (12/09/2013)
DOC. ROLL4.CAP.05.R00 (03.12.09)
5
Sidel S.p.A.
INSTRUCCIONES DE USO
5.13.4 APRENDIZAJE DEL COLOR DE LA MUESCA/EL FONDO Y
PROCEDIMIENTO DE HOME ETIQUETA
PROCEDIMIENTO DEAPRENDIZAJE COLOR MUESCA/FONDO
Esta regulación es necesaria si se utiliza etiquetas distintas de las previstas.
El aprendizaje se realiza detectando el contraste entre el color de la muesca y el color del fondo.
1. Ponga la máquina en modo manual colocando el
selector de llave de mantenimiento (1) en la posición
“JOG” .
2. Acceda a la ventana “GESTIÓN SISTEMA DE
CORTE” (funciones Motion) y mueva la película de
etiquetas mediante la tecla “JOG RW” (2) o “JOG
FW” (3), de modo que la muesca se coloque frente el
rayo de lectura de la fotocélula.
La operación descrita en el punto 2
requiere la habilitación de la tecla
“PINCH ROLLER” (X).
3. Cerciórese de que el selector en la fotocélula (4)
se encuentre en modo de aprendizaje (TEACH).
4. Pulse el botón blanco (6) sobre la fotocélula para
efectuar el aprendizaje.
5. Cerciórese de que el led amarillo de control (5)
destelle lentamente.
Cuando el led amarillo (5) destella
rápidamente, significa que hay que
repetir el procedimiento.
2 3
(4) Selector TEACH/RUN
(5) LED
(6) Botón BLANCO
Continúaenlapáginasiguiente...
1
5 - 122
MAN. I4390.ES.USM000 (12/09/2013)
DOC. ROLL4.CAP.05.R00 (03/12/2009)
5
Sidel S.p.A.
ISTRUZIONI PER L’USO
6. Mueva la película de etiquetas con la tecla “JOG
RW”(2) o “JOG FW” (3), de modo que el fondo de la
etiqueta se coloque 5 - 8 mm antes del rayo de lectura
de la fotocélula.
7. Pulse el botón blanco (6) sobre la fotocélula para
efectuar el aprendizaje.
8. Cerciórese de que el led amarillo de control (5)
esté apagado; esto significa que el procedimiento
“APRENDIZAJE DEL COLOR MUESCA-SPOT” ha
sido realizado correctamente.
Cuando el led amarillo (5) destella
rápidamente, significa que hay que
repetir el procedimiento.
9. Compruebe que:
– el led amarillo esté encendido, cuando el rayo de
lectura de la fotocélula se encuentra frente a la
muesca;
– el led amarillo esté apagado, cuando el rayo de
lectura d ela fotocélula se encuentra fuera de la
zona de lectura de la muesca.
Después de completar el procedimiento de “APRENDIZAJE DEL COLOR MUESCA-SPOT”
es posible realizar el procedimiento de “HOME ETIQUETA”.
2 3
(4) Selector TEACH/RUN
(5) LED
(6) Botón BLANCO
5 - 123
MAN. I4390.ES.USM000 (12/09/2013)
DOC. ROLL4.CAP.05.R00 (03.12.09)
5
Sidel S.p.A.
INSTRUCCIONES DE USO
5.13.5 CONFIGURACIÓN DE LONGITUD DE LA ETIQUETA
Acceda con contraseña “Operator”, usuario “2”, para realizar las operaciones descritas en
este párrafo.
1. Mida la longitud de la etiqueta y compare la medida
con la longitud nominal de la etiqueta, indicada en la
parte superior del rodillo de desplazamiento: los dos
valores deben coincidir.
2. Acceda a la ventana “REGULACIÓN CORTE” en
la familia ”RECETAS” e introduzca en la ventana (A)
la longitud de la etiqueta medida.
Pulse la tecla (S) para guardar los valores nuevos
en la receta usada.
3. Ponga la máquina en modo manual, colocando el
selector de llave de mantenimiento (2) en la posición
“JOG”.
A S
Continúaenlapáginasiguiente...
2
5 - 124
MAN. I4390.ES.USM000 (12/09/2013)
DOC. ROLL4.CAP.05.R00 (03/12/2009)
5
Sidel S.p.A.
ISTRUZIONI PER L’USO
5. Cerciórese de que las teclas de “HABILITACIÓN
FOTOCÉLULA” (3) y “HABILITACIÓN
AUTOAPRENDIZAJE” (4) estén activadas.
6. Antes de efectuar el HOME ETIQUETA, entre en
la página “PRINCIPAL RECETAS” y pulse la tecla
(Ts) para guardar los valores nuevo y luego, la tecla
(T) para transferirlos.
PROCEDIMIENTO HOME ETIQUETA
1. Verifique que el “PINCH ROLLER” (7) esté
habilitado (cerrado); de no ser así, habilítelo.
Coloque la muesca antes de la fotocélula de lectura
por medio de las teclas de dirección (D).
2. Retenga con la mano la película de etiquetas para
garantizar su tensado y, al mismo tiempo, mantenga
pulsada la tecla “HOME ETIQUETA” (8) para iniciar
el procedimiento que emplaza correctamente la
película.
3. Un reloj de arena dinámico (A) indica que se está
realizando el procedimiento, durante el cual el rodillo
de desplazamiento se mueve automáticamente para
alcanzar el emplazamiento correcto.
4. Al terminar el procedimiento, la tecla “HOME
ETIQUETA” se vuelve roja (8).
La tecla HOME ETIQUETA debe permanecer fija y
de color rojo para indicar que el procedimiento se ha
realizado correctamente.
8
7
A
8
D
3
4
5 - 125
MAN. I4390.ES.USM000 (12/09/2013)
DOC. ROLL4.CAP.05.R00 (03.12.09)
5
Sidel S.p.A.
INSTRUCCIONES DE USO
PRUEBA DE CORTE DE LA ETIQUETA
1. Deshabilite el “RODILLO ENCOLADOR” pulsan-
do la tecla (6) en la ventana “GESTIÓN SISTEMA
DE CORTE”.
2.. Mantenga pulsada la tecla “INICIO” (7) durante
el tiempo necesario para arrancar la máquina.
3. En la ventana “GESTIÓN SISTEMA DE COR-
TE”, pulse la tecla “PRUEBA ETIQUETA”(8): el
número de etiquetas suministradas depende del
tiempo de presión de la tecla.
La operación descrita en el punto 10
sólo puede realizarse en modo
automático (selector de llave de
mantenimiento en la posición “AUTO”).
También es posible pulsar la tecla
“PRUEBA ETIQUETA” (9) en la ventana
“MANAGER ESTACIÓN DE
ETIQUETADO”.
4. Al finalizar el suministro de las etiquetas, pulse la
tecla “PARADA” (7) para detener la rotación del
carrusel.
6
8
9
Continúaenlapáginasiguiente...
7
5 - 126
MAN. I4390.ES.USM000 (12/09/2013)
DOC. ROLL4.CAP.05.R00 (03/12/2009)
5
Sidel S.p.A.
ISTRUZIONI PER L’USO
5. Verifique visualmente la posición de la etiqueta en
el rodillo de desplazamiento, de acuerdo a las
características indicadas a continuación:
– los agujeros centrales del patín delantero debe
estar completamente cubiertos por la etiqueta por
más de 1 mm, como se indica en las zonas (A) y (B);
– la etiqueta debe sobresalir 1 mm con respecto al
patín trasero, como se indica en las zonas (C) y (D).
C
D
A
B
Continúaenlapáginasiguiente...
5 - 127
MAN. I4390.ES.USM000 (12/09/2013)
DOC. ROLL4.CAP.05.R00 (03.12.09)
5
Sidel S.p.A.
INSTRUCCIONES DE USO
Si es necesario, a fin de obtener la posición ideal de
la etiqueta, desbloquee el rodillo de desplazamiento
y gírelo manualmente en sentido horario o antihorario.
5 - 128
MAN. I4390.ES.USM000 (12/09/2013)
DOC. ROLL4.CAP.05.R00 (03/12/2009)
5
Sidel S.p.A.
ISTRUZIONI PER L’USO
5.13.6 ARRANQUE DE LA MÁQUINA CON TEMPORIZADOR
Para configurar el encendido con temporizador, siga el procedimiento indicado a continuación:
1. Acceda a la ventana “RELOJ  AUTOSTART” y
configura el día y la hora en la zona (A).
Para realizar la operación descrita en el
punto 1, hay que acceder con contraseña
“Maintenance”, usuario “3”.
2. Acceda a la ventana “MANAGER ESTACIÓN DE
ETIQUETADO”, pulse el botón (1) “CTRL/OFF” para
desactivar los auxiliares.
Cuando el temporizador se activa, la máquina
enciende automáticamente todos los calentamientos
y, al alcanzar la temperatura, se activan los auxiliares
habilitados (por ejemplo, la bomba de pegamento, la
bomba de vacío, el sistema de corte, etc.).
1
Continúaenlapáginasiguiente...
A
5 - 129
MAN. I4390.ES.USM000 (12/09/2013)
DOC. ROLL4.CAP.05.R00 (03.12.09)
5
Sidel S.p.A.
INSTRUCCIONES DE USO
5.14 MODOS DE PARADA Y EMERGENCIA
En este párrafo se describen todos los modos de parada de la máquina:
– PARADA DE LA MÁQUINA EN CASO DE EMERGENCIA;
– PARADA DE LA MÁQUINA EN CASO DE ALARMA;
– PARADA DE LA MÁQUINA DURANTE LA PRODUCCIÓN;
– PARADA DE LA MÁQUINAAL FINAL DE LA PRODUCCIÓN.
5.14.1 PARADA DE LA MÁQUINA EN CASO DE EMERGENCIA
Esta operación sólo debe realizarse en casos de emergencia real.
1. Accionando el botón de emergencia (1) situado a
bordo de la máquina y/o en la botonera móvil de
mantenimiento (JOG), la máquina se detiene en
condiciones de seguridad con las botellas en su
interior.
Si la emergencia no se restablece, la máquina no
puede reanudar la marcha.
El botón se suelta mecánicamente desenganchándolo
(sacándolo) de su bloqueo.
2. Antes de reanudar la marcha, es necesario pul-
sar la tecla “RESET” (2).
3. Verifique y restablezca las activaciones
interrumpidas en la pantalla de “STARTUPESTACIÓN
DE ETIQUETADO” (los calentamientos, la bomba de
pegamento y la bomba de vacío).
La activación del botón de emergencia
excluye automáticamente la alimentación
de los motores.
1
2
5 - 130
MAN. I4390.ES.USM000 (12/09/2013)
DOC. ROLL4.CAP.05.R00 (03/12/2009)
5
Sidel S.p.A.
ISTRUZIONI PER L’USO
5.14.2 PARADA DE LA MÁQUINA EN CASO DE ALARMA
En caso de anomalía, se genera una alarma.
La tecla “RESET” (2) se vuelve roja intermitente y en la columna luminosa se activa la luz roja acompañada
por el sonido de la sirena.
Para los estados de emergencia, consulte el párrafo 5.10 “ALARMAS YSEÑALIZACIONES”.
Para resolver problemas, consulte el “DIAGNÓSTICO” descrito en el capítulo 8.
PROCEDIMIENTO PARA SALIR DEL ESTADO DE ALARMA
Algunos tipos de alarmas implican la parada inmediata
de la máquina.
Para eliminar la alarma es necesario realizar las
siguientes operaciones:
1. Pulse la tecla (1) para verificar la alarma que ha
generado la parada de la máquina y leer la
descripción relativa a la alarma activa en la ventana
(A) “ALARMAS”.
2. Elimine la causa.
3. Pulse la tecla “RESET” (2) para permitir que la
unidad operativa restablezca la alarma.
4. Pulse la tecla “PARADA” (3) para detener la
máquina.
1
A 2
3
2
5 - 131
MAN. I4390.ES.USM000 (12/09/2013)
DOC. ROLL4.CAP.05.R00 (03.12.09)
5
Sidel S.p.A.
INSTRUCCIONES DE USO
5.14.3 PARADA DE LA MÁQUINA DURANTE LA PRODUCCIÓN
Esta operación debe realizarse para pausas breves o durante las operaciones de cambio de formato/
equipo.
1. Pulse la tecla “CANCELA CERRADA” (1).
2. Al finalizar el vaciado de la máquina, pulse la tecla
“PARADA” (2) para detener la máquina.
3. Ponga la máquina en modo manual, colocando el
selector de llave de mantenimiento (3) en la posición
“JOG”.
4. Deshabilite los vacíos y los soplos.
Acceda a la ventana “START UP ESTACIÓN DE
ETIQUETADO” y deseleccione “BOMBA DE VACÍO”
y “SOPLOS”.
3
1
2
5 - 132
MAN. I4390.ES.USM000 (12/09/2013)
DOC. ROLL4.CAP.05.R00 (03/12/2009)
5
Sidel S.p.A.
ISTRUZIONI PER L’USO
5.14.4 PARADA DE LA MÁQUINA AL FINAL DE LA PRODUCCIÓN
La máquina cierra la cancela automáticamente al final de la protección, gracias a un sensor situado en la
cinta transportadora de entrada (dicho sensor o fotocélula, al no detectar ningún envase, cierra
automáticamente el bloqueo de botellas).
1. Pulse la tecla “BLOQUEO BOTELLAS ABIERTO”
(1) para vaciar la línea.
2. Al finalizar el vaciado de la línea, pulse la tecla
“BLOQUEO BOTELLAS CERRADO” (2).
3. Pulse la tecla “PARADA” (3) para detener la
máquina.
4. Ponga la máquina en modo manual, colocando el
selector de llave de mantenimiento (4) en la posición
“JOG”.
5. Acceda a la ventana “MANAGER ESTACIÓN DE
ETIQUETADO” y desactive la tecla “CTRL/OFF” (5)
para detener todas las funciones de la pantalla
“START UP ESTACIÓN DE ETIQUETADO”.
2
3
1
5
4
5 - 133
MAN. I4390.ES.USM000 (12/09/2013)
DOC. ROLL4.CAP.05.R00 (03.12.09)
5
Sidel S.p.A.
INSTRUCCIONES DE USO
5.15 ACCESORIOS Y EQUIPOS
Junto a la máquina se suministra el kit “EQUIPAMIENTO DE LA MÁQUINA ROLL4 ” cod. 51023751.
Página dejada en blanco intencionalmente
6 - 1
6
CAMBIO DE FORMATO
MAN. I4390.ES.USM000 (11/09/2013)
DOC. ROLL4Evo.CAP.01.R00 (17/03/2008)
Sidel S.p.A.
CAP. 6 - CAMBIO DE FORMATO
Página dejada en blanco intencionalmente
6 - 3
6
CAMBIO DE FORMATO
MAN. I4390.ES.USM000 (11/09/2013)
DOC. ROLL4Evo.CAP.01.R00 (17/03/2008)
Sidel S.p.A.
6.1 ADVERTENCIAS GENERALES
No dejar que se acerquen a la máquina personas ajenas al trabajo.
Durante las operaciones de cambio de formato hay que aislar la zona que rodea la máquina.
Las actividades de cambio de formato descritas en este capítulo deben ser efectuadas por
personal CALIFICADO.
Colocar un cartel de señalización en el cuadro de control.
Para cada tipo de botella está previsto el montaje de un equipo específico en la máquina.
Por informaciones véase el Vol. II “Catálogo recambios”.
Todos los componentes de un equipo se marcan en la fábrica con una sola letra de identificación.
El fabricante no asume ninguna responsabilidad civil ni penal ante modificaciones o
sustituciones no autorizadas de los equipos de la máquina que podrían conllevar, además,
a riesgo de accidentes.
La ejecución de estas operaciones puede comportar situaciones de peligro debido a la
posible presencia de fragmentos de vidrio en la máquina.
6 - 4
MAN. I4390.ES.USM000 (11/09/2013)
DOC. ROLL4Evo.CAP.01.R00 (17/03/2008)
6
CAMBIO DE FORMATO
Sidel S.p.A.
6.2 HERRAMIENTAS NECESARIAS
Para efectuar el cambio de formato se requieren las herramientas suministradas junto con la máquina.
Es necesario utilizar zapatos y guantes de protección.
Los indumentos utilizados durante las operaciones de cambo de formato deben ser
adherentes y el operador encargado no debe llevar ningún adorno que pueda engancharse
en la máquina.
N.° 1 LLAVE INGLESA N.° 19, necesaria para sustituir el tambor de desplazamiento;
N.° 2 LLAVE INGLESA N.° 46, necesaria para sustituir los cabezales prensa-tapones;
N.°1 LLAVE ALLEN N.° 6, necesaria para desmontar el soplo del rodillo de corte y los platillos;
N.°1 LLAVE ALLEN N.° 5, necesaria para sustituir los cascos del rodillo de corte.
6 - 5
6
CAMBIO DE FORMATO
MAN. I4390.ES.USM000 (11/09/2013)
DOC. ROLL4Evo.CAP.01.R00 (17/03/2008)
Sidel S.p.A.
6.3 DESCRIPCIÓN DEL EQUIPO
6.3.1 LAYOUT DE LOS EQUIPOS
La máquina etiquetadora puede estar dotada de varios equipos para adaptar su funcionamiento a envases
y etiquetas de diferentes tamaños.
A cada FORMATO DE ETIQUETAS y/o ENVASE corresponde un grupo de equipos que debe sustituirse.
Por lo tanto, cambiar el formato significa cambiar estos elementos, configurar en el cuadro de control el
código de formato y efectuar determinadas regulaciones.
Cada vez que se efectúa un cambio de formato hay que controlar la fase del etiquetado y regular la misma,
si es necesario.
Consultar la TABLA DE EQUIPOS para que las piezas sustituidas correspondan a aquellas relativas al
formato seleccionado.
Los distintos equipos de una máquina se identifican por medio de placas de colores diferentes asociados
a un determinado envase.
6 - 6
MAN. I4390.ES.USM000 (11/09/2013)
DOC. ROLL4Evo.CAP.01.R00 (17/03/2008)
6
CAMBIO DE FORMATO
Sidel S.p.A.
CAMBIO DE FORMATO DE LOS EQUIPOS PARA BOTELLAS:
1. SINFÍN
2. BORDE SINFÍN y BLOQUE DE ENTRADA
3. TRANSPORTADORES
4. ESTRELLAS de TRASFERENCIA DE ENVASES
5. BORDES DE CINTATRASPORTADORA(si necesario)
6. CABEZAL (si necesario)
7. PLATILLO (si necesario)
CAMBIO DE FORMATO DE LOS EQUIPOS DE LAS ETIQUETAS:
10.BOBINAS DE PELÍCULA DE ETIQUETAS
11.RODILLO DE DESPLAZAMIENTO
12.CASCOS DE CORTE
TRAS HABER SUSTITUIDO E INSTALADO LOS EQUIPOS NUEVOS, ES
NECESARIOEFECTUAR TODAS LAS OPERACIONES DEAJUSTE DE FASE YREGULACIÓN
DE LAMÁQUINA.
6 - 7
6
CAMBIO DE FORMATO
MAN. I4390.ES.USM000 (11/09/2013)
DOC. ROLL4Evo.CAP.01.R00 (17/03/2008)
Sidel S.p.A.
4
10
1112
1
23
6 7
4
6 - 8
MAN. I4390.ES.USM000 (11/09/2013)
DOC. ROLL4Evo.CAP.01.R00 (17/03/2008)
6
CAMBIO DE FORMATO
Sidel S.p.A.
6.3.2 TABLAS DE CAMBIO DE FORMATO
EQUIPO PARA BOTELLAS - FORMATO 1
6 - 9
6
CAMBIO DE FORMATO
MAN. I4390.ES.USM000 (11/09/2013)
DOC. ROLL4Evo.CAP.01.R00 (17/03/2008)
Sidel S.p.A.
EQUIPO PARA BOTELLAS - FORMATO 2
6 - 10
MAN. I4390.ES.USM000 (11/09/2013)
DOC. ROLL4Evo.CAP.01.R00 (17/03/2008)
6
CAMBIO DE FORMATO
Sidel S.p.A.
EQUIPO PARA BOTELLAS - FORMATO 3
6 - 11
6
CAMBIO DE FORMATO
MAN. I4390.ES.USM000 (11/09/2013)
DOC. ROLL4Evo.CAP.01.R00 (17/03/2008)
Sidel S.p.A.
EQUIPO PARA BOTELLAS - FORMATO 4
6 - 12
MAN. I4390.ES.USM000 (11/09/2013)
DOC. ROLL4Evo.CAP.01.R00 (17/03/2008)
6
CAMBIO DE FORMATO
Sidel S.p.A.
EQUIPO PARA BOTELLAS - FORMATO 5
6 - 13
6
CAMBIO DE FORMATO
MAN. I4390.ES.USM000 (11/09/2013)
DOC. ROLL4Evo.CAP.01.R00 (17/03/2008)
Sidel S.p.A.
EQUIPO PARA BOTELLAS - FORMATO 6
6 - 14
MAN. I4390.ES.USM000 (11/09/2013)
DOC. ROLL4Evo.CAP.01.R00 (17/03/2008)
6
CAMBIO DE FORMATO
Sidel S.p.A.
EQUIPO PARA BOTELLAS - FORMATO 7
6 - 15
6
CAMBIO DE FORMATO
MAN. I4390.ES.USM000 (11/09/2013)
DOC. ROLL4Evo.CAP.01.R00 (17/03/2008)
Sidel S.p.A.
6.3.3 TABLAS DE CAMBIO DE FORMATO
Véase el capítulo 10 Documentación e
6 - 16
MAN. I4390.ES.USM000 (11/09/2013)
DOC. ROLL4Evo.CAP.01.R00 (17/03/2008)
6
CAMBIO DE FORMATO
Sidel S.p.A.
6.4 LIMPIEZA DE LA MÁQUINA
Cuando se cambia el formato, es oportuno limpiar perfectamente el basamento de la máquina.
La zona destinada a alojar el equipo debe soplarse con un chorro de aire comprimido, para eliminar los
residuos de vidrio presentes.
La batea de la máquina debe limpiarse con un paño húmedo.
Antes de limpiar, asegurarse que el interruptor general del tablero eléctrico y el enchufe de
alimentación de la corriente eléctrica estén desconectados.
Durante esta operación podrían haber restos de vidrio sueltos en la máquina que pueden
ser peligrosos para el personal encargado de estos trabajos. Utilizar los equipos de
protección indicados para efectuar el mantenimiento.
No utilizar chorros de aire o de agua para eliminar los residuos de pegamento, ya que se
podrían proyectar partículas a los ojos y provocar lesiones graves.
Controlar los procedimientos de limpieza en el capítulo relativo al MANTENIMIENTO OR-
DINARIOYPROGRAMADO.
6 - 17
6
CAMBIO DE FORMATO
MAN. I4390.ES.USM000 (11/09/2013)
DOC. ROLL4Evo.CAP.01.R00 (17/03/2008)
Sidel S.p.A.
6.5 REMOCIÓN – INSTALACIÓN DEL EQUIPO DE BOTELLAS
Al efectuar un cambio de formato, es necesario, en primer lugar, poner la máquina en modo MANUAL
(JOG) para poder configurar el formato seleccionado y preparar la máquina para el desmontaje de los
equipos.
Se recomienda pulsar el botón de emergencia para impedir el arranque accidental de la
máquina.
6.5.1 PROCEDIMIENTO HOME DE POSICIÓN DEL CABEZAL
La máquina debe utilizarse únicamente con los envases y películas de etiquetas para los
que ha sido fabricada; de no ser así, la calidad del envasado podría ser escasa.
1. Pulsar la tecla “PARADA” (1) para detener la
máquina.
2. Poner la máquina en modo manual colocando el
selector de llave de mantenimiento (2) en la posición
“JOG” .
3. Entre en la página “CAMBIO DE FORMATO” y
presione la tecla “HOME” (3) para llevar el carrusel
central a la altura máxima, facilitando así el acceso a
las piezas de la máquina que requieren de sustitución
o regulación.
4. Ahora es posible proceder a la sustitución de los
equipos relativos al nuevo formato que se va a envasar.
3
1
2
2
6 - 18
MAN. I4390.ES.USM000 (11/09/2013)
DOC. ROLL4Evo.CAP.01.R00 (17/03/2008)
6
CAMBIO DE FORMATO
Sidel S.p.A.
6.5.2 REMOCIÓN DEL EQUIPO DE BOTELLAS
EN CASO DE CÓCLEA MOTORIZADA:
1. Desenrosque la abrazadera de bloqueo (2) con la
llave (1) suministrada.
3
2
1
2. Desenrosque el perno (3) de la abrazadera de
bloqueo.
6 - 19
6
CAMBIO DE FORMATO
MAN. I4390.ES.USM000 (11/09/2013)
DOC. ROLL4Evo.CAP.01.R00 (17/03/2008)
Sidel S.p.A.
3. Extraiga la cóclea (4) del perno de transmisión
(5).
5
4
5
6 - 20
MAN. I4390.ES.USM000 (11/09/2013)
DOC. ROLL4Evo.CAP.01.R00 (17/03/2008)
6
CAMBIO DE FORMATO
Sidel S.p.A.
BORDE CÓCLEA
1. Desmonte la parte superior del borde sinfín aflojando
las ruedas de bloqueo para que se pueda sacar.
2. Quitar los espaciadores de la parte inferior fija del
borde del sinfin.
3. Para sustituir la estrella de selección, afloje la manija
de bloqueo (A) y desatornille el perno porta estrella
(B); extraiga la estrella de parada (C).
A B C
6 - 21
6
CAMBIO DE FORMATO
MAN. I4390.ES.USM000 (11/09/2013)
DOC. ROLL4Evo.CAP.01.R00 (17/03/2008)
Sidel S.p.A.
TRANSPORTADOR
El equipo que compone un transportador está dotado
de fijaciones con tornillo.
Las operaciones de remoción son muy sencillas.
1. Girar las manillas de bloqueo hacia la izquierda para
liberarlas de sus bloqueos.
2. Levantar el sector del transportador sacándolo de
sus sedes de fijación.
Proceder del mismo modo para todos los demás
componentes del equipo que utilicen dispositivos de
fijación iguales.
6 - 22
MAN. I4390.ES.USM000 (11/09/2013)
DOC. ROLL4Evo.CAP.01.R00 (17/03/2008)
6
CAMBIO DE FORMATO
Sidel S.p.A.
ESTRELLAS de TRASFERENCIA DE ENVASES
La estrella de entrada y la estrella de salida forman
parte del equipo que se debe sustituir con el cambio
de formato del envase.
Estos dos elementos tienen en la parte superior una
placa con un número que identifica el formato y la
posición: en entrada o en salida.
1. Desenroscar completamente el volante situado en
el centro de la estrella.
2. Extraer la estrella hacia arriba.
6 - 23
6
CAMBIO DE FORMATO
MAN. I4390.ES.USM000 (11/09/2013)
DOC. ROLL4Evo.CAP.01.R00 (17/03/2008)
Sidel S.p.A.
BORDES CINTATRANSPORTADORA(Si hace falta)
Quitar los bordes de la cinta transportadora que puedan
impedir las operaciones sucesivas.
1. Aflojar el pomo de bloqueo y extraer los bordes de
la cinta transportadora, sacándolos del bloque de los
componentes a sustituir.
6 - 24
MAN. I4390.ES.USM000 (11/09/2013)
DOC. ROLL4Evo.CAP.01.R00 (17/03/2008)
6
CAMBIO DE FORMATO
Sidel S.p.A.
GUÍAS DE SALIDA (SI ESTÁ PREVISTO)
1. Desenrosque manualmente los pernos de tope que
bloquean la guía.
2. Saque la plancha de bloqueo.
3. Quite la guía de salida
Repita las operaciones anteriores para
todas las guías de salida instaladas en la
máquina.
6 - 25
6
CAMBIO DE FORMATO
MAN. I4390.ES.USM000 (11/09/2013)
DOC. ROLL4Evo.CAP.01.R00 (17/03/2008)
Sidel S.p.A.
6.5.3 INSTALACIÓN DE EQUIPO DE BOTELLA NUEVO
EN CASO DE CÓCLEA MOTORIZADA REGULABLE:
1. Introduzca la cóclea (1) en el perno de transmisión
(2).
Preste atención a la clavija de arrastre
que hay que insertar en el agujero previ-
sto en la cóclea.
2
1
2
6 - 26
MAN. I4390.ES.USM000 (11/09/2013)
DOC. ROLL4Evo.CAP.01.R00 (17/03/2008)
6
CAMBIO DE FORMATO
Sidel S.p.A.
2. Enrosque el perno (3) y compruebe que esté
atornillado a la abrazadera de bloqueo (4).
3. Apriete la abrazadera de bloqueo (4) con la llave
(5) suministrada.
4
5
3
6 - 27
6
CAMBIO DE FORMATO
MAN. I4390.ES.USM000 (11/09/2013)
DOC. ROLL4Evo.CAP.01.R00 (17/03/2008)
Sidel S.p.A.
BORDE SINFÍN y BLOQUE DE ENTRADA
1.Instale el borde sinfín correspondiente al envasado.
Para esto, introduzca primero los nuevos separadores
y luego la parte superior del borde sinfín.
Apriete la palanca de bloqueo.
6 - 28
MAN. I4390.ES.USM000 (11/09/2013)
DOC. ROLL4Evo.CAP.01.R00 (17/03/2008)
6
CAMBIO DE FORMATO
Sidel S.p.A.
REGULACIÓN DE POSICIÓN DE LA CÓCLEA MOTORIZADA Y EL BORDE DE LA CÓCLEA
Tras la instalación de la cóclea motorizada y el borde de la cóclea, es necesario regular su posición para
el nuevo formato a etiquetar.
Para regular la cóclea motorizada regulable y el borde de la cóclea, proceda de la siguiente manera:
1. Afloje las manijas de fijación indicadas en la fi-
gura.
2.Gire el il volante frontal para regular la posición
horizontal del sin fín hasta alcanzar el valor de la receta
(o indicado en las tablas de cambio formato); haga
referencia al valor indicado en el contador colocado
sobre el soporte del volante.
6 - 29
6
CAMBIO DE FORMATO
MAN. I4390.ES.USM000 (11/09/2013)
DOC. ROLL4Evo.CAP.01.R00 (17/03/2008)
Sidel S.p.A.
3.Gire el il volante superior ara regular la posición de
la altura del del sin fín hasta alcanzar el valor de la
receta (o indicado en las tablas de cambio formato);
haga referencia al metro “X” indicado en la fi-
gura.
4. Ahora es posible apretar las manijas de fijación.
6 - 30
MAN. I4390.ES.USM000 (11/09/2013)
DOC. ROLL4Evo.CAP.01.R00 (17/03/2008)
6
CAMBIO DE FORMATO
Sidel S.p.A.
1. Introduzca la nueva estrella de parada (C),
bloquándola con el perno correspondiente (B) y
apretando la manija de bloqueo (A).
A B C
ESTRELLADE PARADA
6 - 31
6
CAMBIO DE FORMATO
MAN. I4390.ES.USM000 (11/09/2013)
DOC. ROLL4Evo.CAP.01.R00 (17/03/2008)
Sidel S.p.A.
TRANSPORTADOR
1. Instalar la contraestrella nueva prestando atención
a introducir las fijaciones en sus propios asientos.
Tras el emplazamiento, girar ligeramente
el transportador para encastrarlo en las
sedes de fijación.
2. Bloquear el equipo enroscando los pomos de
bloqueo.
6 - 32
MAN. I4390.ES.USM000 (11/09/2013)
DOC. ROLL4Evo.CAP.01.R00 (17/03/2008)
6
CAMBIO DE FORMATO
Sidel S.p.A.
ESTRELLAS DE DESPLAZAMIENTO ENVASES
Verificar en la tabla de los equipos el código de las
estrellas de entrada y de salida correspondientes al
formato preseleccionado.
Para instalar nuevamente los dos componentes, hay
que proceder de la siguiente manera:
1. Introducir las estrellas nuevas en la posición correcta
de entrada o salida.
2. Fije las estrellas enrocando los volantes que se
encuentra en el centro.
6 - 33
6
CAMBIO DE FORMATO
MAN. I4390.ES.USM000 (11/09/2013)
DOC. ROLL4Evo.CAP.01.R00 (17/03/2008)
Sidel S.p.A.
BORDES DEL TRANSPORTADOR (si es necesario)
SI ESTÁN INSTALADOS: Para regular las
cintas transportadoras de “aire” en función
de las dimensiones de las botellas a
etiquetar, consultar los manuales
específicos de dichos elementos.
1.Instalar nuevamente los bordes de la cinta
transportadora introduciendo el perno de guía en los
soportes correspondientes.
2. Colocar un envase en el centro de la cinta
transportadora. Regular la posición de los bordes
haciendo deslizar el perno de guía hasta obtener un
juego de aproximadamente2 mm con el envase.
3. Bloquear el perno de guía mediante el pomo.
6 - 34
MAN. I4390.ES.USM000 (11/09/2013)
DOC. ROLL4Evo.CAP.01.R00 (17/03/2008)
6
CAMBIO DE FORMATO
Sidel S.p.A.
CABEZALES PRENSADORES DE TAPA(Si fuera
necesario)
Los cabezales se deben sustituir cuando la tapa de
un envase tienen dimensiones completamente
diferentes que otra, o para aplicaciones especiales
tales como: sello de garantía, cápsulas, etc.
Los cabezales se enroscan al cuerpo para fijarlos; el
cuerpo del cabezal está enganchado a la varilla del
gato con un tornillo.
1. Para colocarlos se utilizan dos llaves inglesas:
desenroscar el cabezal que se ha de sustituir y
enroscar el cabezal del formato deseado.
Asegúrese de que el cabezal prensador de tapa esté bien apretado a su cuerpo y que este
último esté fijado perfectamente a la varilla.
6 - 35
6
CAMBIO DE FORMATO
MAN. I4390.ES.USM000 (11/09/2013)
DOC. ROLL4Evo.CAP.01.R00 (17/03/2008)
Sidel S.p.A.
CABEZALES PRENSATAPAS PRESURIZADOS –
(Si es necesario)
Para los envases vacíos se han previsto cabezales
cuya estructura permite presurizar las botellas.
Los cabezales tienen que sustituirse cuando el tapón
de un envase tiene un tamaño tan distinto de otro que
requiere de otro cabezal, o bien en caso de aplicacio-
nes especiales como: sello de garantía, papel de es-
taño, etc.
Verifique en la tabla de equipos el código del cabeza
prensatapas que hay que montar para el formato que
se quiere envasar.
1. Utilice una llave Allen para aflojar el tornillo de
bloqueo del cabezal (1).
Proceda a la sustitución volviendo a montar el cabe-
zal del formato nuevo en el cuerpo del cabezal.
Preste suma atención al desmontar y
volver a montar los componentes del
cabezal.
1
-A: TORNILLO M8X18
- B: CABEZAL
- C: ARANDELA PLANA
- D: COJINETE RADIAL DE BOLAS
- E: ANILLO ELÁSTICO
- F: ARANDELADE APOYO
- H: MUELLE EXTERNO
A
B
C
D
E
F
H
6 - 36
MAN. I4390.ES.USM000 (11/09/2013)
DOC. ROLL4Evo.CAP.01.R00 (17/03/2008)
6
CAMBIO DE FORMATO
Sidel S.p.A.
PLATILLOS DE DESENGANCHE RÁPIDO (SI
ESTÁN PREVISTOS)
Hay que sustituirlos cuando los envases tienen ba-
ses de tamaños distintos.
En este caso, habrá un platillo específico para cada
envase.
Platillo con desenganches rápidos
1. Para efectuar la sustitución/introducción, presione
la palanca A y suba al mismo tiempo el equipo del
platillo B como se indica en la figura.
2. Controle el movimiento de desenganche: el retorno
del muelle debe ser libre e inmediato.
3. Antes de instalar los platillos nuevos, lubrique
los pernos con una capa fina de grasa para facilitar
la introducción en sus asientos.
Los pernos deben entrar con facilidad y
sin esfuerzos. ¡Compruebe que el equipo
esté bien fijado!
Todo el equipo relativo a los formatos llevará una
marca de colores de referencia o una incisión del
formato del envase que el equipo puede etiquetar.
4. Cuando vaya a introducir el nuevo equipo del platillo,
verifique cuidadosamente la alineación entre el
pasador C y su agujero de alojamiento D.
A
B
D
C
6 - 37
6
CAMBIO DE FORMATO
MAN. I4390.ES.USM000 (11/09/2013)
DOC. ROLL4Evo.CAP.01.R00 (17/03/2008)
Sidel S.p.A.
GUÍAS DE SALIDA (SI ESTÁ PREVISTO)
1. Instale la guía de salida correspondiente al formato
que se quiere elaborar.
2. Colocar la plancha de bloqueo.
3. Enrosque manualmente los pernos de tope que
bloquean la guía.
Repita las operaciones anteriores para
instalar todas las guías de salida
correspondientes al formato que se
quiere elaborar.
6 - 38
MAN. I4390.ES.USM000 (11/09/2013)
DOC. ROLL4Evo.CAP.01.R00 (17/03/2008)
6
CAMBIO DE FORMATO
Sidel S.p.A.
6.6 REMOCIÓN - INSTALACIÓN DE EQUIPOS PARA ETIQUETAS
6.6.1 REMOCIÓN DE EQUIPOS PARA ETIQUETAS
RODILLO DE DESPLAZAMIENTO
1. Desmontar el rodillo de desplazamiento
desenroscando el tornillo central y utilizando el mismo
como extractor.
Prestar suma atención al recipiente Hot
Melt y al rodillo de pegamento, ya que
trabajan a alta temperatura (200 °C).
No mover el grupo durante las
operaciones de cambio del rodillo de
desplazamiento.
6 - 39
6
CAMBIO DE FORMATO
MAN. I4390.ES.USM000 (11/09/2013)
DOC. ROLL4Evo.CAP.01.R00 (17/03/2008)
Sidel S.p.A.
CASCOS DEL RODILLO DE CORTE
1. Retire el bloque de soplos mediante los tornillos y
tenga mucho cuidado con las guarniciones.
2. Desmonte los dos semicascos del rodillo de corte
mediante los dos tornillos.
6 - 40
MAN. I4390.ES.USM000 (11/09/2013)
DOC. ROLL4Evo.CAP.01.R00 (17/03/2008)
6
CAMBIO DE FORMATO
Sidel S.p.A.
6.6.2 MONTAJE DE NUEVOS EQUIPOS
DE ETIQUETAS
CASCOS DEL RODILLO DE CORTE
1. Monte los cascos nuevos del rodillo de corte me-
diante los tornillos de fijación correspondientes.
2. Monte de nuevo los bloques de soplos de aire
atornillando los tornillos y tenga mucho cuidado con
las guarniciones.
3. Ajuste la contracuchilla de corte en caso de que se
detecten defectos de corte en la película de las
etiquetas.
La contracuchilla se ajusta cuando el
grupo de corte alcanza la temperatura
programada (verifique en la pantalla los
valores de temperatura) y después de
hacer funcionar la máquina durante 5
minutos como mínimo.
6 - 41
6
CAMBIO DE FORMATO
MAN. I4390.ES.USM000 (11/09/2013)
DOC. ROLL4Evo.CAP.01.R00 (17/03/2008)
Sidel S.p.A.
RODILLO DE TRANSMISIÓN
1. Introduzca el nuevo rodillo de transmisión.
No mueva el grupo durante las
operaciones de cambio del rodillo de
transmisión!
Ponga en fase del rodillo de transmisión.
Proceda a la puesta en fase del grupo de corte con el
rodillo de transmisión.
Cada vez que sustituya el rodillo de
transmisión, tenga en cuenta el
procedimiento de “Puesta a punto” que
se indica a continuación.
2. Introduzca los dispositivos de bloqueo articulados
de manera que el grupo de corte y arrastre puedan
volver a cerrarse desplazándose axialmente. Hay 2
dispositivos de bloqueo articulados que se deben
accionar simultáneamente.
6 - 42
MAN. I4390.ES.USM000 (11/09/2013)
DOC. ROLL4Evo.CAP.01.R00 (17/03/2008)
6
CAMBIO DE FORMATO
Sidel S.p.A.
BOBINAS DE PELÍCULA DE ETIQUETAS (Desmontaje-Montaje)
La etiquetadora está provista del grupo “APARATO EMPALMADOR AUTOMÁTICO” que permite el
funcionamiento continuo, eliminando la parada de la máquina para cambiar la bobina.
Las bobinas de etiquetas se gestionan de modo que una bobina esté en fase de trabajo y la otra, en
espera. Al agotarse la bobina utilizada, entra la otra.
En una situación de prealarma (fin de bobina), se produce el intercambio automático de funcionamiento sin
parar la máquina ni la producción. En otras palabras, es posible efectuar el cambio de bobina con la
máquina en marcha.
1. Al agotarse una bobina de etiquetas, el sensor “A”,
situado en el plato del soporte de bobinas, envía una
señal de control del aparato empalmador, que inicia
automáticamente el procedimiento de cambio de bobi-
na.
2. Utilice los desenganches rápidos del aparato
empalmador (B) para abrir la placa situada en el mismo
lado que la bobina agotada; se activará
automáticamente el vacío en los agujeros de los patines
presentes dentro del aparato empalmador.
A
B
B
6 - 43
6
CAMBIO DE FORMATO
MAN. I4390.ES.USM000 (11/09/2013)
DOC. ROLL4Evo.CAP.01.R00 (17/03/2008)
Sidel S.p.A.
Se recomienda preparar la bobina de sustitución de la
siguiente manera:
4. Cortar la pelicula-etiqueta, perpendicularmente
respecto a la etiqueta, en el punto intermedio entre
dos marcas - SPOT consecutive.
5. Coloque el extremo de la nueva película de etiquetas
en el patín interno del aparato empalmador (como se
indica en la figura), de modo que la muesca - SPOT
quede en el límite interno del patín (hacia el grupo de
etiquetado) y a la misma altura que la película ya
instalada.
6. Aplique dos tiras de cinta biadhesiva al principio de
la película de etiquetas que deberá unirse con la que
está siendo utilizada para la elaboración.
90°
6 - 44
MAN. I4390.ES.USM000 (11/09/2013)
DOC. ROLL4Evo.CAP.01.R00 (17/03/2008)
6
CAMBIO DE FORMATO
Sidel S.p.A.
Es necesario que la película de las
etiquetas no se mueva durante el cierre
del aparato empalmador: por eso se
recomienda mantener floja la película de
etiquetas.
7. Cerrar nuevamente el aparato empalmador
reposicionando los desenganches rápidos y, si hace
falta, tensar la película de nuevo rotando
delicadamente la bobina.
El accionamiento de la nueva bobina
depende de los datos configurados en
las “RECETAS” en el panel de control
(capitolo 5).
Cuando se efectúa un cambio de forma-
to de la etiqueta puede ser necesario
sustituir los patines instalados en el
aparato empalmador automático.
8. Ponerlamáquinaenmodo“MANUAL”,iralapágina
“STARTUPESTACIÓN DE ETIQUETADO” en el panel
operador y deshabilitar “BOMBADE VACÍO”.
6 - 45
6
CAMBIO DE FORMATO
MAN. I4390.ES.USM000 (11/09/2013)
DOC. ROLL4Evo.CAP.01.R00 (17/03/2008)
Sidel S.p.A.
B AP
9. Con el SISTEMA DE VACÍO desactivado, abra las
placas “A” y “B” del aparato empalmador.
Extraiga los patines “P” y sustitúyalos con los del
nuevo equipo de etiquetas.
Cuando se extraen los patines del aparato
empalmador automático, hay que prestar
suma atención a las cuchillas de corte
de la etiqueta.
Proceda con cuidado porque son muy
afiladas.
En el soporte de bobinas hay un cuadro de mandos
que permite gestionar el grupo de empalme automático
de manera similar a las páginas del panel del operador.
1.AUTO/ MAN
Mediante el selector es posible manejar el
funcionamiento del grupo de empalme automático: en
posición “AUTO” se activa el funcionamiento
automático y en posición “MAN” el grupo de empalme
está desactivado.
2. RESET
Cuando se pulsa este botón luminoso blanco, el
recuento del encoder del grupo de empalme se pone a
cero.
3. BOBINA “A”
Este botón indica el estado de la bobina “A”.
Botón con luz fija: la bobina está en funcionamiento.
Botón con luz intermitente: la bobina está gastada.
4. BOBINA “B”
Este botón indica el estado de la bobina “B”.
Botón con luz fija: la bobina está en funcionamiento.
Botón con luz intermitente: la bobina está gastada.
En caso de avería o funcionamiento
defectuoso del grupo de empalme, es
posible evitar que funcione para continuar
la producción en modo manual.
14 32
6 - 46
MAN. I4390.ES.USM000 (11/09/2013)
DOC. ROLL4Evo.CAP.01.R00 (17/03/2008)
6
CAMBIO DE FORMATO
Sidel S.p.A.
6.7 AJUSTE DE FASE
PUESTA EN FASE DEL RODILLO DE CORTE
CON EL RODILLO DE DESPLAZAMIENTO
Al terminar la sustitución de los equipos de botellas y
etiqueta, realizar los procedimientos de ajuste de fase
de la siguiente manera:
1. Cerciorarse de que la máquina esté en modo de
mantenimiento JOG y que la “BOMBA DE VACÍO”
esté desactivada (verificar el flag en la página de
START-UP ESTACIÓN DE ETIQUETADO).
2. En la página “RECETAS”, seleccione el formato a
envasar (A), pulse la tecla de visualización de la
receta (B) y cargue la receta pulsando la tecla (C).
3. Visualizar en el panel operador la página de recetas
“LEVAS”.
AB C
D
6 - 47
6
CAMBIO DE FORMATO
MAN. I4390.ES.USM000 (11/09/2013)
DOC. ROLL4Evo.CAP.01.R00 (17/03/2008)
Sidel S.p.A.
3. A este punto, girar la virola graduada hasta el valor
indicado en la ventana “ Posición grados cuchilla
cambio de formato”.
La posición de la muesca más larga de la
brida superior debe coincidir exactamente
con el valor indicado en la virola graduada
inferior.
4. Una vez obtenida esta condición, apretar el tornillo
de bloqueo de la virola.
Ahora, proceder al ajuste de fase del tambor:
Mediante la virola inferior, girar el rodillo de corte de
manera que la cuchilla móvil (A) quede situada a la
mitad, entre la contracuchilla (B) y el bloque de soplos
(C).
C
A
B
6 - 48
MAN. I4390.ES.USM000 (11/09/2013)
DOC. ROLL4Evo.CAP.01.R00 (17/03/2008)
6
CAMBIO DE FORMATO
Sidel S.p.A.
5.Manteniendo pulsado el botón de JOG, la cuchilla
se coloca a unos 90° con respecto al eje del centro
del tambor/centro del carrusel.
Aeste punto, es posible colocar el tambor con el patín
trasero referido a la cuchilla móvil del rodillo de corte.
La cuchilla del rodillo de corte debe colocarse 2 mm
detrás del patín trasero del rodillo de desplazamiento.
6. Al obtener la posición, apretar el tornillo de bloqueo
del rodillo de desplazamiento.
El retraso de fase del borde del patín trasero
con respecto a la cuchilla móvil será la
“cola” que se quiere obtener cuando la
etiqueta esté colocada en el sector
correspondiente del tambor.
2 mm
6 - 49
6
CAMBIO DE FORMATO
MAN. I4390.ES.USM000 (11/09/2013)
DOC. ROLL4Evo.CAP.01.R00 (17/03/2008)
Sidel S.p.A.
SENSORES DE PELÍCULA
1. Regule la posición del sensor “POSICIÓN RODILLO
BASCULANTE (K)” como se indica en las tablas de
cambio de formato, utilizando el volante previsto.
Utilizando el pomo de regulación se configura la altu-
ra de trabajo de la etiqueta.
En modo “AUTOMÁTICO”, la posición de la película
se regula con pequeñas inclinaciones del rodillo
realizadas por el dispositivo alineador de la guía de la
cinta.
2. Regule la posición de la fotocélula “POSICIÓN
FOTOCÉLULA ALINEADOR (X)”, como se indica en
las tablas de cambio de formato.
Cuando se cambia la posición
“FOTOCÉLULA ALINEADOR (Y)” es
necesario regular también la posición de
la “FOTOCÉLULALECTURAMUESCA(Y)”
y “RODILLO BASCULANTE (K)”.
3. Regule la posición vertical de la fotocélula de
búsqueda de muescas “POSICIÓN FOTOCÉLULADE
LECTURA MUESCA (Y)” en la película de etiquetas,
como se indica en la tabla de marcha, por medio del
volante previsto.
6 - 50
MAN. I4390.ES.USM000 (11/09/2013)
DOC. ROLL4Evo.CAP.01.R00 (17/03/2008)
6
CAMBIO DE FORMATO
Sidel S.p.A.
4. Después de regular los sensores de película,
ejecutar los procedimientos:: “CONFIGURACIÓN
LONGITUD ETIQUETA” y “APRENDIZAJE COLOR
MUESCA/FONDO PELÍCULA” como se describe en
el capítulo 5.
5. Regular también la posición del sensor de altura
de la película (A) girando el pomo correspondiente,
de acuerdo a los valores indicados en las TABLAS
DE CAMBIO DE FORMATO
A
6 - 51
6
CAMBIO DE FORMATO
MAN. I4390.ES.USM000 (11/09/2013)
DOC. ROLL4Evo.CAP.01.R00 (17/03/2008)
Sidel S.p.A.
REGULACIÓN FOTOCÉLULA DE PRESENCIA DE
ETIQUETAS
En cada cambio de formato hay que regular la
fotocélula de presencia de etiquetas.
La posición de la fotocélula depende del diámetro de
la botella y la altura de etiquetado; por tanto, la
regulación debe realizarse en términos de altura,
profundidad y ángulo.
Para todas las operaciones inherentes al
funcionamiento del sistema de control de
presencia de etiquetas, consulte el
manual entregado junto a la máquina.
6 - 52
MAN. I4390.ES.USM000 (11/09/2013)
DOC. ROLL4Evo.CAP.01.R00 (17/03/2008)
6
CAMBIO DE FORMATO
Sidel S.p.A.
REGULACIÓN FOTOCÉLULAS DEL SISTEMA DE
RECHAZO DE BOTELLAS
Durante las operaciones de cambio de formato podría
hacer falta realizar distintas regulaciones del sistema
de rechazo de botellas.
La posición de la fotocélula depende del diámetro de
la botella y la altura de etiquetado; por tanto, la
regulación debe realizarse en términos de altura y
profundidad.
Para todas las operaciones inherentes al
funcionamiento del sistema de rechazo
de botellas, consulte el manual entregado
junto a la máquina.
6 - 53
6
CAMBIO DE FORMATO
MAN. I4390.ES.USM000 (11/09/2013)
DOC. ROLL4Evo.CAP.01.R00 (17/03/2008)
Sidel S.p.A.
PUESTA EN MARCHA DE LA MÁQUINA
Después de realizar todos los procedimientos relativos al cambio de formato y a sus configuraciones y
ajustes de fase, proceder a la puesta en marcha de la máquina para la producción del formato nuevo de la
siguiente manera:
1. Pulsar la tecla “RESET” (1) para permitir que la
unidad operativa restablezca las alarmas eventual-
mente presentes en la máquina; de esta manera, se
restablecen las alarmas, ya sean de origen software
o electromecánico (emergencias, reparaciones me-
diante la centralita Pilz).
Algunas alarmas requieren un restablecimiento “lar-
go” (es decir, la presión del botón por unos 15
segundos) como:
las temperaturas máximas y los errores de las
analógicas de las temperaturas.
2. Mantener pulsada la tecla “INICIO” (2) durante el
tiempo necesario para arrancar la máquina.
2
1
Página dejada en blanco intencionalmente
7 - 1
7
MANTENIMIENTO ORDINARIO Y PROGRAMADO
MAN. I4390.ES.USM000 (11/09/2013)
DOC. ROLL4Evo.CAP.01.R00 (17/03/2008)
SIDEL S.p.a.
CAP. 7 - MANTENIMIENTO ORDINARIO Y
PROGRAMADO
Página dejada en blanco intencionalmente
7 - 3
7
MANTENIMIENTO ORDINARIO Y PROGRAMADO
MAN. I4390.ES.USM000 (11/09/2013)
DOC. ROLL4Evo.CAP.01.R00 (17/03/2008)
SIDEL S.p.a.
7.1 NORMAS DE SEGURIDAD PARA EL MANTENIMIENTO
Todas la operaciones de mantenimiento ordinario y extraordinario deben realizarse con la
máquina apagada, excepto en los casos especiales que se indican expresamente en los
apartados específicos.
Cuando los aparatos eléctricos están en funcionamiento, la tensión de alimentación de algunos componentes
de estos aparatos es peligrosa.
Tenga mucho cuidado con el recipiente de adhesivo Hot Melt, el rodillo encolador y el
rodillo de corte, puesto que funcionan a temperaturas elevadas. Por lo tanto, el personal
encargado del manejo y mantenimiento de la máquina debe utilizar protecciones
individuales idóneas (guantes, gafas, etc.).
Las conductas que no sean conformes a las instrucciones de seguridad durante el uso de estos aparatos
pueden causar la muerte o daños graves a personas y cosas.
Es necesario respetar las instrucciones de uso y mantenimiento de estos aparatos que se indican en esta
versión, así como las advertencias que se encuentran en el producto mismo.
Antes de realizar operaciones de mantenimiento, desconecte de la red los aparatos y conéctelos a tierra.
En caso de que los controladores lógicos programables (PLC) estén montados directamente
en panel (o dentro del armario desprovisto de puertas frontales, por ej., en la sala de
control), el personal encargado del mantenimiento eléctrico debe tomar precauciones
para no recibir posibles descargas electrostáticas antes de acercarse al PLC para realizar
operaciones de mantenimiento o de simple control. Para eso, se utiliza un kit de
mantenimiento portátil para descargas electrostáticas que se compone de una muñequera
metálica y de una alfombrilla de material conductivo. Este kit debe conectarse al mismo
potencial de referencia (tierra) al que está conectado el chasis del PLC.
Antes de realizar operaciones de mantenimiento en las piezas móviles, quite presión al
equipo neumático.
Cuente exclusivamente con personal especializado y competente.
Antes de empezar cualquier tipo de operación, lea detenidamente las instrucciones que
se indican en la presente versión.
Respete la periodicidad que se establece para las operaciones de mantenimiento.
Para garantizar el funcionamiento perfecto de la máquina, es necesario reemplazar las piezas exclusivamente
por repuestos originales de SIDEL S.p.A.
7 - 4
MAN. I4390.ES.USM000 (11/09/2013)
DOC. ROLL4Evo.CAP.01.R00 (17/03/2008)
7
MANTENIMIENTO ORDINARIO Y PROGRAMADO
SIDEL S.p.a.
Peligro en modo JOG con productos calientes
Una vez se hayan realizado los trabajos de mantenimiento y antes de volver a poner en servicio la
máquina, compruebe que:
– las piezas reemplazadas y/o las herramientas empleadas para la operación de mantenimiento se hayan
retirado de la máquina.
– todos los dispositivos de seguridad sean eficientes.
Todas las operaciones de uso y mantenimiento de los componentes comerciales de la máquina que no se
indican en el presente manual están incluidas en las versiones correspondientes que se adjuntan a la
presente.
Para la seguridad de la máquina, se han establecido dispositivos de seguridad adecuados (véase el
apartado 4.5).
Está totalmente prohibido forzar y quitar los dispositivos de seguridad. En caso de que se
fuercen o se quiten los dispositivos de seguridad, el fabricante declina toda responsabilidad
sobre la seguridad de la máquina.
En modo ”JOG”, el operador debe prestar atención a la posición del cable del cuadro de
mandos móvil para evitar un posible aplastamiento.
Antes de realizar operaciones de mantenimiento eléctrico, ponga un candado en el
interruptor general del armario eléctrico.
Con el interruptor general en posición “OFF”, algunos circuitos siguen teniendo tensión
por exigencias funcionales.
Los circuitos eléctricos del interior del cuadro/armario eléctrico están protegidos con un grado de protección
IP20B y se pueden identificar mediante placas de advertencia en el idioma del país (apartado 4.5) y de
determinados colores de los cables de referencia.
7 - 5
7
MANTENIMIENTO ORDINARIO Y PROGRAMADO
MAN. I4390.ES.USM000 (11/09/2013)
DOC. ROLL4Evo.CAP.01.R00 (17/03/2008)
SIDEL S.p.a.
7.2 LIMPIEZA DE LA MÁQUINA
7.2.1 INTRODUCCIÓN
En esta sección se describen los procedimientos para limpiar la etiquetadora.
No utilice chorros de agua a presión para limpiar la máquina.
No abra el cuadro eléctrico durante las operaciones de limpieza.
Cualquier operación de limpieza debe realizarse después de cortar la alimentación.
La operaciones básicas son:
Pre-lavado
Lavado con agua abundante (sin recirculación) para eliminar los residuos.
Durante el pre-lavado, preste especial atención al grupo de etiquetado.
Lavado
Consiste en aplicar agua circulante y solución detergente para eliminar los residuos de producto, pegamento
u otro material.
Durante el lavado, preste especial atención al grupo de etiquetado.
Enjuague final
Es oportuno realizar también el enjuague de la máquina para eliminar los restos de productos químicos.
Durante el enjuague final, preste especial atención al grupo de etiquetado.
7.2.2 CRITERIOS GENERALES
El uso de productos químicos para las operaciones de lavado puede provocar problemas
de corrosión en los materiales de construcción de las máquinas etiquetadoras.
Para evitar estos problemas, se recomienda cumplir escrupulosamente las indicaciones de esta
sección del manual de instrucciones.
– Es aconsejable utilizar productos fabricados por empresas conocidas y respetar las instrucciones de
uso de cada producto.
– Algunos tipos de ácidos como:
– ácidos clorhídricos (Hcl)
– ácidos sulfurosos (H2SO3)
– ácidos sulfúricos (H2SO4)
son especialmente agresivos con los tipos de acero que normalmente se utilizan en nuestras máquinas.
No se pueden utilizar estos ácidos ni otros productos químicos similares.
Si necesario, póngase en contacto con SIDEL S.p.A. o con el proveedor de los productos químicos.
7 - 6
MAN. I4390.ES.USM000 (11/09/2013)
DOC. ROLL4Evo.CAP.01.R00 (17/03/2008)
7
MANTENIMIENTO ORDINARIO Y PROGRAMADO
SIDEL S.p.a.
7.2.3 LIMITACIONES DE USO DE LOS DETERGENTES
La temperatura ambiente corresponde a un máximo de 20° C. Si la temperatura es más
elevada, se tiene que disminuir de manera proporcional la concentración del producto.
En la tabla adjunta se proporciona información importante sobre el impacto ambiental de
las diferentes sustancias esterilizantes:
NOTA: el índice IRCH contrasta diferentes sustancias en función del efecto que producen
en la salud humana, los ecosistemas y el medio ambiente en general. Se trata de un índice de
riesgo (de 0 a 200) basado en un algoritmo de cálculo que tiene en cuenta del impacto ecológico en
el agua, el aire, el suelo (como residuo) y la atmósfera global (ozono, efecto invernadero, etc.).
También se tienen en cuenta de los efectos sobre la salud humana (fuente: Indiana Pollution
Prevention and Safe Materials Istitute at Purdue University – EPA Project – 1996).
NOTA: el índice UTN contrasta sustancias diferentes en función de la toxicidad que presentan para los
organismos del ecosistema terrestre y acuático, y sus valores están entre 0 y 100 (fuente: G.Davis
et al. – EPA/600/R–94/177 – 1996).
ELEMENTOS DETERGENTES
– Utilice “Melt-O-Clean” (Henkel) para quitar las gotas de pegamento de las superficies de la máquina y
para limpiar el rodillo de transmisión.
– Utilice “Micro Emission Cleaner” (Henkel) para limpiar el interior del depósito del recipiente de
pegamento.
– Utilice “P3-Topactive LA” para limpiar la mesa de la máquina y el carrusel central.
PRODUCTO CONCENTRACIÓN
MÁX
TIEMPO DE
TRATAMIENTO MÁX
TEMPERATURA
MÁXIMA
Jabón neutro 100% ilimitado 60°C
P3-Topactive LA 5% 10 min 30°C
Ë1',(6 '( 3(/,*526,'$' 3$5$ (/ 0(',2 $0%,(17(6867$1,$
UTN
P3-Topactive LA no especificado P3-Topactive LA
7 - 7
7
MANTENIMIENTO ORDINARIO Y PROGRAMADO
MAN. I4390.ES.USM000 (11/09/2013)
DOC. ROLL4Evo.CAP.01.R00 (17/03/2008)
SIDEL S.p.a.
7.2.4 LIMPIEZA DE LA MESA DE LA MÁQUINA
Durante esta operación, lleve los elementos de protección idóneos para evitar daños
personales (gafas, guantes, calzado, etc.).
Para el lavado de la superficie de base de la máquina, quite primero la mayoría de etiquetas, cristales,
etc., y continúe el lavado con agua evitando salpicaduras que podrían dañar las partes eléctricas, el grupo
de etiquetado y los órganos mecánicos.
¡NO limpie el grupo de etiquetado RollQuattro!
Aplique una solución de detergente (detergente diluido en agua) en las zona sucias o con incrustaciones
de la cinta transportadora y en las placas de acero inoxidable de la base y de los componentes de
transporte de la botella.
Si necesario, limpie las superficies externas e internas de las protecciones de seguridad de lexan con una
esponja mojada o un paño húmedo y utilice al máximo jabón neutro para eliminar los restos de suciedad.
Después de aplicar la solución de detergente, espere entre 15 y 20 minutos para permitir que el producto
actúe de manera eficaz.
Acabe el lavado de la mesa realizando un enjuague final.
No rocíe agua caliente (temperatura máx. 45°C) en las protecciones y no utilice disolventes
ni cepillos abrasivos.
Para evitar que se pierda la elasticidad original, todo el material esponjoso (si lo hubiera)
debe limpiarse evitando el contacto con productos a base de disolventes, lubricantes, etc.
Para las operaciones de lavado, NO utilice detergentes que no sean específicos. Es
aconsejable utilizar el detergente P3-Topactive LA.
SIDEL S.p.A. declina toda responsabilidad en caso de roturas o daños que se hayan
provocado por el empleo de productos que no sean conformes o específicos.
Se recomienda prestar la máxima atención durante el manejo de todos los componentes
y evitar golpes accidentales que podrían comprometer el funcionamiento correcto de la
máquina de etiquetado.
Siga las indicaciones que se describen en el programa de mantenimiento.
7 - 8
MAN. I4390.ES.USM000 (11/09/2013)
DOC. ROLL4Evo.CAP.01.R00 (17/03/2008)
7
MANTENIMIENTO ORDINARIO Y PROGRAMADO
SIDEL S.p.a.
7.2.5 LIMPIEZA DEL CARRUSEL CENTRAL
Durante esta operación, lleve los elementos de protección idóneos para evitar daños
personales (gafas, guantes, calzado, etc.).
Para lavar el carrusel porta-platillos, no utilice chorros de agua a presión sino sólo los cepillos suministrados
con el producto. Sólo en caso de rotura de la botella está permitido lavar con agua, a condición de que el
lavado se limite a la zona de rotura y sucesivamente se utilice aire comprimido. Evite mojar los componentes
eléctricos, el grupo de etiquetado y los componentes mecánicos.
Para evitar que se pierda la elasticidad original, todo el material esponjoso debe limpiarse
evitando el contacto con productos a base de disolventes, lubricantes, etc.
Para las operaciones de lavado no utilice detergentes que no sean específicos. Es
aconsejable utilizar el detergente P3-Topactive LA.
SIDEL S.p.A. declina toda responsabilidad en caso de roturas o daños que se hayan
provocado por el empleo de productos que no sean conformes o específicos.
Se recomienda prestar la máxima atención durante el manejo de todos los componentes
y evitar golpes accidentales que podrían comprometer el funcionamiento correcto de la
máquina de etiquetado.
No utilice chorros de agua en los gatos.
Siga las indicaciones que se describen en el programa de mantenimiento.
7 - 9
7
MANTENIMIENTO ORDINARIO Y PROGRAMADO
MAN. I4390.ES.USM000 (11/09/2013)
DOC. ROLL4Evo.CAP.01.R00 (17/03/2008)
SIDEL S.p.a.
7.3 COMPROBACIONES PERIÓDICAS
7.3.1 DESCRIPCIÓN
Es posible conseguir buena calidad de etiquetado y alto rendimiento de la máquina sólo mediante una
planificación sistemática de MANTENIMIENTO PROGRAMADO, que le permitirá sustituir o ajustar los
diferentes componentes que lo necesiten a través de una inspección visual.
A continuación, se indican las tablas sinópticas de mantenimiento programado por frecuencia de
mantenimiento. Se describen todas las operaciones de manera detallada en el apartado correspondiente.
7.3.2 TABLAS SINÓPTICAS DE MANTENIMIENTO PROGRAMADO
FRECUENCIADEL
MANTENIMIENTO
8 horas
(porturno)
24horas
(diario)
120horas
(semanal)
ACTIVIDAD
a. Limpieza externa
b. Presiones de funcionamiento
a. Limpieza
a. Prueba de las puertas de
seguridad
b. Prueba de los botones de
emergencia
a. Limpieza del filtro del recipien-
te de recuperación de
pegamento
a. Mantenimiento del filtro del
regulador de aire
a. Limpieza
a. Limpieza y comprobación del
estado de los patines
b. Limpieza y control de las
galerías y distribuidor del
rodillo
c. Comprobación del estado del
plato de distribución de vacíos
a. Comprobación y limpieza de
las tuberías y las galerías del
sistema de vacío
a. Comprobación de la
funcionalidad de los rodillos de
guía de papel
a. Limpieza de los filtros
b. Control y limpieza del filtro de
la válvula de seguridad del
sistema de vacío
a. Limpieza del filtro de aire
b. Control del circuito
a. Limpieza general
LOCALIZACIÓN
DE LA OPERACIÓN
B1. Base y carrusel
B2. Rodillo de transmisión
A1. Equipo eléctrico
B3. Rodillo encolador
B4. Equipo neumático
B5. Fotocélula de lectura de
muesca y sensor de altura
de cinta
B6. Rodillo de transmisión
B7. Grupo de etiquetado
B8. Soporte de bobinas
B9. Sistema de vacío
B10. Equipo neumático
B11. Cuadro eléctrico
7 - 10
MAN. I4390.ES.USM000 (11/09/2013)
DOC. ROLL4Evo.CAP.01.R00 (17/03/2008)
7
MANTENIMIENTO ORDINARIO Y PROGRAMADO
SIDEL S.p.a.
FRECUENCIA
DELMANTENIMIENTO
120horas
(semanal)
500horas
(mensual)
1500horas
(trimestral)
ACTIVIDAD
a. Control de la fijación de la
contracuchilla y de los bulones
de ajuste
b. Limpieza y lubricación del
tornillo de asiento
c. Control y limpieza de los
cascos de corte
d. Control y limpieza del colector
del rodillo de corte
e. Control y limpieza del bloque de
soplos
a. Limpieza y control
a. Limpieza y lubricación del
tornillo de ajuste
a. Limpieza y lubricación de las
palancasdedesenganchedel
grupo de corte
b. Limpieza y lubricación del
ajuste del rodillo basculante
c. Limpieza y control del rodillo
de contraste (pinch roller).
a. Limpieza y control de desgaste/
huelgos excesivos
a. Comprobacióndelestadode
desgaste de la cuchilla móvil
a. Limpieza del filtro del recipiente
depegamento
a. Comprobación de la tensión y el
estado de desgaste de la
correa
a. Comprobacióndelas
condiciones y el estado de
desgaste
b. Controlar el desgaste
a. Comprobación de la tensión de
lacorrea de posición del grupo
b. Comprobación de la existencia
de pérdidas de aceite en
lasguarniciones
LOCALIZACIÓN
DE LA OPERACIÓN
B12. Rodillo de corte
B13. Platillos
B14. Fotocélula de lectura de
muesca y sensor de altura
de cinta
B15. Grupo de arrastre
B16. Dispositivo de orientación
de la cinta
B18. Rodillo de corte
B19. Recipientedepegamento
B20. Transmisión al grupo
B21. Cabezalesdecentrado
B22. Estructura
7 - 11
7
MANTENIMIENTO ORDINARIO Y PROGRAMADO
MAN. I4390.ES.USM000 (11/09/2013)
DOC. ROLL4Evo.CAP.01.R00 (17/03/2008)
SIDEL S.p.a.
FRECUENCIA
DELMANTENIMIENTO
1500horas
(trimestral)
3000horas
(semestral)
6000horas
(anual)
ACTIVIDAD
a. Comprobacióndelhuelgoy el
engrase de la transmisión del
rodillo de corte
a. Control del huelgo de la
transmisión del rodillo encolador
a. Comprobacióndelestadode
desgaste del engranaje de la
transmisión
a. Comprobacióndelestadode
desgastedelengranaje
a. Comprobación de la existencia de
pérdidas de aceite
a. Revisióngeneral
a. Comprobacióndelatensióndela
cadena
b. Comprobacióndelestadode
desgaste del tensor
a. Controle el freno/embrague
b. Controle la cóclea motorizada
a. Comprobacióndelestadode
desgaste de la cuchilla fija
b. Comprobacióndelestadode
desgaste de los componentes
a. Comprobacióndelestadode
desgaste de los frenos
a. Comprobacióndelestadode
desgaste de los fuelles
b. Comprobación de la existencia de
pérdidas de aire en la parte
superior
a. Mantenimientodetuberías
a. Comprobación de los huelgos de
los pernos y del estado de
desgaste de los casquillos de guía
LOCALIZACIÓN
DE LA OPERACIÓN
B23. Rodillo de corte
B24. Rodilloencolador
B25. Transmisiónalgrupo
B26. Mecanismosprincipales
B27. Rodillodearrastre
B28. Tensor de la correa del
grupo
B29. Equipos del recipiente de
pegamento
B31.Cóclearegulablemotorizada
B32. Rodillo de corte
B33. Soportedebobinas
B34. Carruselcentral
B35. Sistema de vacío
B36. Soporte del rodillo
encolador
7 - 12
MAN. I4390.ES.USM000 (11/09/2013)
DOC. ROLL4Evo.CAP.01.R00 (17/03/2008)
7
MANTENIMIENTO ORDINARIO Y PROGRAMADO
SIDEL S.p.a.
ACTIVIDAD
a. Comprobación de la existencia
de pérdidas de aceite
b. Comprobacióndelestadode
desgaste del raspador de cola
a. Comprobación de la tensión y el
desgaste de la correa de las
poleas motrices
b. Revisión general de los platillos
y la correa de transmisión
a. Comprobacióndelestadode
desgaste y los huelgos del
soporte y la estrella
a. Comprobacióndelestadode
desgaste
a. Comprobacióndelas
conexiones
eléctricas del carrusel
b. Limpieza de los motores
eléctricos
c. Comprobación de los cojinetes
de los motores eléctricos
a. Revisión de los reductores de
vacío
a. Revisión de la bomba de
vacío
a. Control y revisión de
los reductores de presión
b. Control y revisión de
las válvulas
a. Revisión del reductor
a. Comprobacióndel
funcionamiento
b. Comprobacióndelestadode
desgaste de los casquillos
internos, el perno de guía y la
rueda de contraste
FRECUENCIA
DEL
MANTENIMIENTO
6000horas
(anual)
12000horas
(bienal)
LOCALIZACIÓN
DE LA OPERACIÓN
B37. Rodilloencolador
B38. Platillos
B39. Estrella con embrague
B40. Equipos de transporte de
botellas
B41. Equipo eléctrico
B42. Sistema de vacío
B43. Sistema de vacío
B45. Equiponeumático
B46. Mecanismosprincipales
B47. Gato
7 - 13
7
MANTENIMIENTO ORDINARIO Y PROGRAMADO
MAN. I4390.ES.USM000 (11/09/2013)
DOC. ROLL4Evo.CAP.01.R00 (17/03/2008)
SIDEL S.p.a.
7.4 FICHAS DE MANTENIMIENTO PROGRAMADO
7.4.1 CRITERIOS GENERALES
Las fichas de mantenimiento programado están divididas por grupos de funcionamiento.
Las fichas se subdividen en:
– Ficha del mantenimiento programado para la seguridad del operador (Grupo A)
– Ficha del mantenimiento programado para la etiquetadora (Grupo B)
En cada ficha se indican:
– Localización de la intervención en la máquina;
– Descripción de la intervención en la máquina;
– Frecuencia de mantenimiento;
– Operador habilitado para dicha actividad;
– Tiempo necesario (expresado en minutos, en función del tipo de trabajo):
A (inspección visual);
B (mantenimiento);
C (mantenimiento en el peor de los casos).
La sigla ND indica: NO DETECTABLE.
– Localización de la intervención en el grupo
7 - 14
MAN. I4390.ES.USM000 (11/09/2013)
DOC. ROLL4Evo.CAP.01.R00 (17/03/2008)
7
MANTENIMIENTO ORDINARIO Y PROGRAMADO
SIDEL S.p.a.
7.4.2 DISPOSITIVOS DE SEGURIDAD DEL OPERADOR
A1. EQUIPO ELÉCTRICO
a. Prueba de funcionalidad de las puertas de seguridad
FRECUENCIA: Mantenimiento cada 24 horas (diario)
OPERADOR HABILITADO: 1 encargado de mantenimiento eléctrico
TIEMPO NECESARIO: A: ND; B: 10 minutos; C: ND;
______________________________________________________________________
1. Con la etiquetadora en funcionamiento, asegúrese
de que todas las puertas de protección estén bien
cerradas.
2. Intente abrir todas las puertas.
La puerta no debería abrirse, ya que todas las puertas
están equipadas de un dispositivo de seguridad
electromecánico que impide su apertura durante el
funcionamiento de la máquina.
3. Si la puerta se abre:
a. Vuelva a intentar enganchar bien la puerta (A) al
micro interruptor.
b. Reemplace de inmediato el micro interruptor en
cuanto se detecte problema de funcionamiento.
4. Con la máquina PARADA, compruebe también que:
a. Aparece una alarma en el panel de control cada vez
que se abre una puerta diferente.
b. Con cualquier protección abierta, si aprieta el botón
de arranque de la máquina, ésta no gira.
7 - 15
7
MANTENIMIENTO ORDINARIO Y PROGRAMADO
MAN. I4390.ES.USM000 (11/09/2013)
DOC. ROLL4Evo.CAP.01.R00 (17/03/2008)
SIDEL S.p.a.
A1. EQUIPO ELÉCTRICO
b. Prueba de funcionalidad de los botones de emergencia
FRECUENCIA: Mantenimiento cada 24 horas (diario)
OPERADOR HABILITADO: 1 encargado de mantenimiento eléctrico
TIEMPO NECESARIO: A: ND; B: 5 minutos; C: ND;
______________________________________________________________________
1. Cierre el dispositivo de bloqueo de entrada para
interrumpir el etiquetado.
2. Bloquee la película de la etiqueta mediante el bloque
de la película del soporte de bobinas.
3. Pulse el botón de Emergencia (Fig. 7.4.2 - 2) y
compruebe lo que se indica a continuación:
a. La etiquetadora se para.
Si no fuera así, póngase en contacto
INMEDIATAMENTE con el servicio de
asistencia de SIDEL S.p.A.
b. En el panel de control aparece el mensaje de alarma
correspondiente.
4. Desbloquee el botón de Emergencia.
5. Pulse el botón ”RESET” para quitar la alarma.
6. Pulse el botón “START MÁQUINA” para que la máquina se ponga de nuevo en funcionamiento.
7. Repita el procedimiento del punto 3. con todos los botones de emergencia que hay en la máquina.
8. Una vez que haya terminado la prueba, RECUERDE abrir el dispositivo de bloqueo de la película del
soporte de bobinas antes de volver al modo automático.
Fig. 7.4.2 -2
7 - 16
MAN. I4390.ES.USM000 (11/09/2013)
DOC. ROLL4Evo.CAP.01.R00 (17/03/2008)
7
MANTENIMIENTO ORDINARIO Y PROGRAMADO
SIDEL S.p.a.
7.4.3 FICHAS DE MANTENIMIENTO PROGRAMADO DE LA ETIQUETADORA
B1. BASE Y CARRUSEL
a. Limpieza externa
FRECUENCIA: Mantenimiento cada 8 horas (por turno)
OPERADOR HABILITADO: 1 operador de máquina
TIEMPO NECESARIO: A: ND; B: 20 minutos; C: ND
______________________________________________________________________
1. Pare la máquina.
2. Con las puestas abiertas, quite los obstáculos para el desplazamiento de las botellas a lo largo de su
recorrido.
3. Limpie detenidamente todos los restos de productos y quite todos los residuos de cristal. Limpie con
agua abundante y detergente y haga un enjuague final con agua.
Observe siempre las indicaciones del apartado 7.2
7 - 17
7
MANTENIMIENTO ORDINARIO Y PROGRAMADO
MAN. I4390.ES.USM000 (11/09/2013)
DOC. ROLL4Evo.CAP.01.R00 (17/03/2008)
SIDEL S.p.a.
B1.BASE YCARRUSEL
b. Presiones de funcionamiento
FRECUENCIA: 8 horas (por turno)
OPERADOR HABILITADO: 1 encargado de mantenimiento mecánico / 1 operador de máquina
TIEMPO NECESARIO: A: 2 minutos; B: ND; C: ND
______________________________________________________________________
Controlar los siguientes valores:
– Presión de aire en los gatos (si está previsto): máx.1,5 bar
– Presión de aire principal: máx. 6 bar
– Presión máx. admisible: 10 bar
– Depresión: aproximadamente el 85% del valor absoluto.
7 - 18
MAN. I4390.ES.USM000 (11/09/2013)
DOC. ROLL4Evo.CAP.01.R00 (17/03/2008)
7
MANTENIMIENTO ORDINARIO Y PROGRAMADO
SIDEL S.p.a.
B2. RODILLO DE TRANSMISIÓN
a. Limpieza
FRECUENCIA: Mantenimiento cada 8 horas (por turno)
OPERADOR HABILITADO: 1 encargado de mantenimiento mecánico
TIEMPO NECESARIO: A: 3 minutos; B: -; C ND
______________________________________________________________________
1. Pare la máquina y póngala en modo manual me-
diante el selector de “mantenimiento”: posición “JOG”.
2. Limpie todos los patines y la superficie de contacto
de la etiqueta con un paño impregnado en Melt-o Clean.
Elimine cualquier residuo de pegamento, aceite,
etiqueta o producto (Fig. 7.4.3 - 300).
Evite eliminar los residuos de pegamento
u otros con herramientas mecánicas u
objetos no adecuados.
La planificación del tiempo necesario
para esta operación puede cumplirse
cuando las condiciones de uso son
óptimas; es decir, con funcionamiento
continuo, puesta en fase óptima entre los
componentes y utilización de material de
buena calidad.
Fig.7.4.3- 300
7 - 19
7
MANTENIMIENTO ORDINARIO Y PROGRAMADO
MAN. I4390.ES.USM000 (11/09/2013)
DOC. ROLL4Evo.CAP.01.R00 (17/03/2008)
SIDEL S.p.a.
B3. RODILLO ENCOLADOR
a. Limpieza del filtro del recipiente de recuperación de pegamento
FRECUENCIA: Mantenimiento cada 24 horas (diario)
OPERADOR HABILITADO: 1 encargado de mantenimiento mecánico
TIEMPO NECESARIO: A: ND; B: 5 minutos; C: ND
______________________________________________________________________
1. Pare la máquina.
Es aconsejable realizar la limpieza del
filtro de pegamento cuando la máquina
está caliente.
Utilice los equipos de protección
personales idóneos (guantes, gafas, etc.).
2. Para extraer el soporte del raspador de cola, quite
los dos tornillos de fijación (Fig. 7.4.3 - 2).
3. Limpie con disolvente y elimine los fragmentos de
etiqueta que haya de la protección y el recipiente (si
presente) (Fig. 7.4.3 - 3).
4. Vuelva a colocar la red de protección y el raspador
de cola. Fije el raspador mediante los tornillos de
bloqueo (Fig. 7.4.3 - 4).
Fig. 7.4.3 - 2
Fig. 7.4.3 - 3
Fig. 7.4.3 - 4
7 - 20
MAN. I4390.ES.USM000 (11/09/2013)
DOC. ROLL4Evo.CAP.01.R00 (17/03/2008)
7
MANTENIMIENTO ORDINARIO Y PROGRAMADO
SIDEL S.p.a.
B3. EQUIPO NEUMÁTICO
a. Mantenimiento del filtro del regulador de aire
FRECUENCIA: Mantenimiento cada 24 horas (diario)
OPERADOR HABILITADO: 1 encargado de mantenimiento mecánico / 1 operador
TIEMPO NECESARIO: A: ND; B: 2 minutos; C: ND
______________________________________________________________________
La periodicidad y las operaciones de mantenimiento preventivo dependen de manera
determinante de las condiciones de instalación de la máquina.
Condiciones normales de instalación:
– Temperatura ambiente media + 20ºC
– Uso de aire limpio y seco
– Ambiente de trabajo normal en cuanto a polvo y humedad
– Dimensiones correctas del equipo de aire comprimido
1. La descarga de condensación se realiza de forma automática. También se puede realizar manualmente
mediante un circuito presurizado.
Para permitir la descarga manual, es necesario aflojar el tornillo que se encuentra en la base de la cubeta
(Fig. 7.4.3 - 5).
En este momento el líquido fluye.
Vacíe el líquido de condensación a dia-
rio.
El líquido puede contener aceite y, por
lo tanto, no debe dispersarse en el am-
biente. Debe recogerse y tratarse como
residuo según se indican en el capítulo
3.8 de este manual y las normativas
vigentes en el país del usuario en mate-
ria de protección del medio ambiente.
Si la descarga de condensación es
automática, recoja y trate el líquido de la
misma forma.
Fig. 7.4.3 - 5
7 - 21
7
MANTENIMIENTO ORDINARIO Y PROGRAMADO
MAN. I4390.ES.USM000 (11/09/2013)
DOC. ROLL4Evo.CAP.01.R00 (17/03/2008)
SIDEL S.p.a.
Compruebe el estado del cartucho filtrante cada
6000 horas. Adelante el control si las condiciones
de trabajo son duras.
1. Para limpiar o reemplazar el cartucho del filtro, debe
quitar la copa: empuje los clips presentes en la taza
azul y luego girar en sentido horario (Fig.7.4.3 - 6 ).
2. Luego quite la virola de bloqueo para que se pueda
sacar el filtro (Fig. 7.4.3 - 7).
3. Para la limpieza, utilice agua y seque con aire
comprimido.
Proceda a su sustitución en caso de que se encuentre
dañado o desgastado (Fig. 7.4.3 - 8).
Fig. 7.4.3 - 7
Fig. 7.4.3 - 6
Fig. 7.4.3 - 8
7 - 22
MAN. I4390.ES.USM000 (11/09/2013)
DOC. ROLL4Evo.CAP.01.R00 (17/03/2008)
7
MANTENIMIENTO ORDINARIO Y PROGRAMADO
SIDEL S.p.a.
B5. FOTOCÉLULA DE LECTURA DE MUESCA Y SENSOR DE ALTURA DE CINTA
a. Limpieza
FRECUENCIA: Mantenimiento cada 24 horas (diario)
OPERADOR HABILITADO: 1 operador de máquina
TIEMPO NECESARIO: A: 1 minuto; B: 5 minutos; C: ND
______________________________________________________________________
1. Asegúrese de que en la fotocélula de lectura de
muesca no haya residuos de etiqueta. En caso de que
los detecte, limpie con un paño seco y actúe con cau-
tela para que no se dañe el sensor de altura de cinta .
2. Si necesario, limpie con la misma cautela la
fotocélula de orientación de la cinta.
No utilice aire comprimido para limpiar
las fotocélulas.
Durante la limpieza de las fotocélulas,
realice también la limpieza de los
reflectores.
7 - 23
7
MANTENIMIENTO ORDINARIO Y PROGRAMADO
MAN. I4390.ES.USM000 (11/09/2013)
DOC. ROLL4Evo.CAP.01.R00 (17/03/2008)
SIDEL S.p.a.
Fig. 7.4.3 - 13
B6. RODILLO DE TRANSMISIÓN
a. Limpieza y comprobación del estado de los patines
FRECUENCIA: Mantenimiento cada 120 horas (semanal)
OPERADOR HABILITADO: 1 encargado de mantenimiento mecánico
TIEMPO NECESARIO: A: 5 minutos;B: 15 minutos; C: ND
______________________________________________________________________
1. Pare la máquina y póngala en modo manual me-
diante el selector de “mantenimiento”: posición “JOG”.
2. Limpie todos los patines y elimine cualquier residuo
de pegamento, aceite, etiquetas o producto con un
paño impregnado en Melt-o Clean (Fig. 7.4.3 - 11).
3. Controle la superficie para comprobar las condiciones
y el estado de desgaste.
Controle detenidamente:
- el desgaste alrededor de los agujeros
- la pérdida de definición del borde
anteriordeagarredelasetiquetasElborde
debe estar limpio y bien marcado (Fig.
7.4.3 - 12).
4. Si el borde de la superficie indicada está desgastado,
compruebe la funcionalidad de los patines y la
distribución del pegamento (Fig. 7.4.3 - 13).
Si la distribución del pegamento no fuera
homogénea en todos los patines,
reemplace los amortiguadores.
CUANDOELDIÁMETRODELRODILLOES
INFERIOR A 401,4 mm, ES NECESARIO
REEMPLAZAR LOS PATINES.
EN ESTE CASO ES ACONSEJABLE
REEMPLAZAR TAMBIÉNTODOSLOS
AMORTIGUADORES.
Los patines se suministran en estado bru-
to.
Antes de su instalación, es preciso
realizar el proceso de torneado y luego
de fresado (limado).
Consulte el procedimiento que se
describe en el capítulo 9.
Fig. 7.4.2 - 11
Fig. 7.4.3 - 12
7 - 24
MAN. I4390.ES.USM000 (11/09/2013)
DOC. ROLL4Evo.CAP.01.R00 (17/03/2008)
7
MANTENIMIENTO ORDINARIO Y PROGRAMADO
SIDEL S.p.a.
B6. RODILLO DE TRANSMISIÓN
b. Limpieza y control de las galerías y el distribuidor del rodillo
FRECUENCIA: Mantenimiento cada 120 horas (semanal)
OPERADOR HABILITADO: 1 operador de máquina
TIEMPO NECESARIO: A: ND; B: 20 minutos; C: ND
______________________________________________________________________
1. Pare la máquina.
Quite todos los residuos de etiquetas y pegamento
del rodillo de transmisión y de la zona circundante
con un paño húmedo.
No utilice nunca objetos afilados y duros
para quitar los residuos de pegamento y
otros desechos.
Controle y limpie el anillo de distribución y el anillo de
acero del rodillo de transmisión.
2. Abra los desenganches rápidos (Fig. 7.4.3 - 14) y
separe el grupo de corte del rodillo de transmisión.
3. Quite el tornillo de bloqueo (Fig. 7.4.3 - 15).
4. Sitúe el tornillo de bloqueo en el otro asiento para
utilizarlo como extractor y luego quite el rodillo de
transmisión (Fig. 7.4.3 - 16).
Fig. 7.4 - 14
Fig.7.4.3-16
Fig.7.4.3-15
A
7 - 25
7
MANTENIMIENTO ORDINARIO Y PROGRAMADO
MAN. I4390.ES.USM000 (11/09/2013)
DOC. ROLL4Evo.CAP.01.R00 (17/03/2008)
SIDEL S.p.a.
5. Controle las condiciones del disco de plástico que
está fijado debajo del rodillo de transmisión y quite
todos los residuos de etiquetas y pegamento
(Fig. 7.4.3 - 17). Limpie con disolvente.
Controle que los agujeros no estén obstruidos. En caso
de que lo estén, eche disolvente en los agujeros y
aplique un chorro de aire.
6. Desmonte el rodillo de transmisión.
Limpie la superficie de acero del plato de distribución
(D) y los canales de vacío (C). Elimine cualquier resi-
duo de grasa, aceite, etiquetas o producto
(Fig. 7.4.3 - 18).
Para la limpieza, utilice:
a. Disolvente: para quitar pegamento, grasa o aceite.
b.Agua caliente: para quitar los residuos de producto.
Es aconsejable quitar el plato de
distribución para limpiar los restos
acumulados de producto. Durante la
operación de limpieza, procure no mojar
el grupo de etiquetado.
7. Antes de quitar los patines para su limpieza,
compruebe que al final del patín y en la superficie del
rodillo correspondiente hay un número de referencia
impreso.
Los patines debe situarse SIEMPRE en
la misma posición.
8. Controle y limpie los agujeros del rodillo de
transmisión que se indican (E). Para limpiar los agujeros
utilice una broca de 2,9 mm (Fig. 7.4.3 - 19).
Realice la operación de limpieza sin for-
zar la broca en el interior de los agujeros.
Fig.7.4.3-17
Fig.7.4.3-18
C
D
Fig.7.4.3-19
E
7 - 26
MAN. I4390.ES.USM000 (11/09/2013)
DOC. ROLL4Evo.CAP.01.R00 (17/03/2008)
7
MANTENIMIENTO ORDINARIO Y PROGRAMADO
SIDEL S.p.a.
9. Controle la superficie de los patines (F).
Si necesario, utilice brocas de 2,4 mm y 2,9 mm para
limpiarlas (Fig. 7.4.3 - 20).
Procure NO quitar parte del material azul
que compone el patín. Realice la
operación de limpieza sin forzar la broca
en el interior de los agujeros.
10. Compruebe el estado de las esponjas de los
amortiguadores. Si están desgastadas, reemplácelas
por otras nuevas.
11. En caso de grandes acumulaciones de suciedad,
es necesario extraer el disco de plástico (G) y todos
los patines (H) (Fig. 7.4.3 - 21).
Lave el disco aparte y limpie el interior del rodillo con
disolvente “Melt-O-Clean”.
Los patines deben colocarse de nuevo
en la misma posición. No sustituya nunca
los tornillos de fijación, ya que NO son
intercambiables.
Antes de volver a montar el rodillo de transmisión,
lubrique la parte inferior del plato con una capa de
grasa o “aceite para guías externas”.
12. Ponga en fase el rodillo de transmisión.
Ponga en fase el grupo de corte con el rodillo
de transmisión (Fig. 7.4.3 - 22).
Cuando sustituya el rodillo de
transmisión, respete SIEMPRE el
procedimiento de “Puesta a punto” que
se indica en el capítulo 6.
Fig. 7.4.3 - 22
Fig.7.4.3 - 21
Fig.7.4.3 -20
F
H
G
7 - 27
7
MANTENIMIENTO ORDINARIO Y PROGRAMADO
MAN. I4390.ES.USM000 (11/09/2013)
DOC. ROLL4Evo.CAP.01.R00 (17/03/2008)
SIDEL S.p.a.
Fig. 7.4.3 - 23
13. Introduzca los dispositivos de bloqueo articulados
para que el grupo de corte y arrastre puedan volver a
cerrarse desplazándose axialmente. Hay 2 dispositivos
de bloqueo articulados que se deben accionar
simultáneamente (Fig. 7.4.3 - 23).
7 - 28
MAN. I4390.ES.USM000 (11/09/2013)
DOC. ROLL4Evo.CAP.01.R00 (17/03/2008)
7
MANTENIMIENTO ORDINARIO Y PROGRAMADO
SIDEL S.p.a.
B6. RODILLO DE TRANSMISIÓN
c. Comprobación del estado del plato de distribución de vacíos
FRECUENCIA: Mantenimiento cada 120 horas (semanal)
OPERADOR HABILITADO: 1 encargado de mantenimiento mecánico
TIEMPO NECESARIO: A: 5 minutos; B: ND; C: ND
______________________________________________________________________
1. Asegúrese de que el plato de la válvula esté
desgastado de manera homogénea y no tenga
rasguños en su superficie (Fig. 7.4.3 - 24).
Preste especial atención a la zona marcada con la
letra “A” (Fig. 7.4.3 - 25).
2. En caso de que en la superficie se pudieran detectar
fácilmente ranuras y corrosiones, el plato debería
tornearse para pulir su superficie.
Realice el primer torneado del plato de válvulas con un paso de 2/10. Si tuviese que volver
a pulirse, podría quitarse un máximo de 1 mm de material.
En caso de que después del torneado se notaran todavía marcas de desgastes o cortes,
reemplace el rodillo.
Fig.7.4.3 -24
Fig.7.4.3 - 25
A
7 - 29
7
MANTENIMIENTO ORDINARIO Y PROGRAMADO
MAN. I4390.ES.USM000 (11/09/2013)
DOC. ROLL4Evo.CAP.01.R00 (17/03/2008)
SIDEL S.p.a.
B7. GRUPO DE ETIQUETADO
a. Comprobación y limpieza de las tuberías y galerías del sistema de vacío
FRECUENCIA: Mantenimiento cada 120 horas (semanal)
OPERADOR HABILITADO: 1 encargado de mantenimiento mecánico
TIEMPO NECESARIO: A: 5 minutos; B: ND; C: 2 horas
______________________________________________________________________
1. Quite el rodillo de transmisión para que el colector
quede al descubierto. Saque con cuidado el acople de
latón (A) para ver la galería de abajo (Fig. 7.4.3 - 26).
2. Compruebe visualmente las 4 galerías
(Fig. 7.4.3 - 27) (B). Si se detectan marcas de
suciedad, es necesario quitar el colector de la
máquina.
3. Limpie completamente el colector desmontado con
disolvente.
4. Controle todas las tuberías de vacío (Fig. 7.4.3 - 28).
Si se detectan marcas de suciedad, es necesario
quitar las tuberías.
Antes de limpiar, las tuberías se deben desconectar
de las válvulas de ajuste y de la turbina de vacío. Limpie
las tuberías con agua caliente y disolvente.
Reemplace las tuberías que estén desgastadas o
tengan incrustaciones.
Fig. 7.4.3 - 26
Fig. 7.4.3 - 27
Fig. 7.4.3 - 28
A
B
7 - 30
MAN. I4390.ES.USM000 (11/09/2013)
DOC. ROLL4Evo.CAP.01.R00 (17/03/2008)
7
MANTENIMIENTO ORDINARIO Y PROGRAMADO
SIDEL S.p.a.
5. Controle y limpie cada uno de los 4 colectores de
vacío (Fig. 7.4.3 - 29) conforme a los procedimientos
siguientes:
a. Fije 1,5 m (50 pulgadas aprox.) de tubería de rechazo
debajo del colector que hay que limpiar.
b. Sujete la parte terminal de la tubería y eche
disolvente en su interior (Fig. 7.4.3 - 30).
c. Siga sujetando la parte terminal de la tubería y limpie
el interior del colector con un cepillo para
botellas (Fig. 7.4.3 - 31).
d. Deje que el disolvente fluya desde la tubería hasta
un recipiente adecuado.
e. Repita los pasos anteriores (de “a” a “d”) utilizando
agua caliente en lugar de disolvente.
f. Seque con aire comprimido.
g. Vuelva a colocar la tubería correspondiente en el
colector.
h. Repita las operaciones para cada tubería/colector.
Todas las tuberías DEBEN estar comple-
tamente secas antes de fijarlas a la
máquina.
Fig. 7.4.3 - 29
Fig. 7.4.3 - 30
Fig. 7.4.3 - 31
7 - 31
7
MANTENIMIENTO ORDINARIO Y PROGRAMADO
MAN. I4390.ES.USM000 (11/09/2013)
DOC. ROLL4Evo.CAP.01.R00 (17/03/2008)
SIDEL S.p.a.
B8. SOPORTES DE BOBINAS
a. Comprobación de la funcionalidad de los rodillos de guía de papel
FRECUENCIA: Mantenimiento cada 120 horas (semanal)
OPERADOR HABILITADO: 1 operador de máquina
TIEMPO NECESARIO: A: 5 minutos; B: 10 minutos; C: 15 minutos
______________________________________________________________________
1. Controle que todos los rollos de guía de papel giren
libremente y estén bien fijados. En caso contrario, quite
el tapón superior y eche unas gotas de aceite
(Fig. 7.4.3 - 32).
Limpie el rodillo con un paño húmedo para eliminar
posibles residuos de suciedad.
Fig. 7.4.3 - 32
7 - 32
MAN. I4390.ES.USM000 (11/09/2013)
DOC. ROLL4Evo.CAP.01.R00 (17/03/2008)
7
MANTENIMIENTO ORDINARIO Y PROGRAMADO
SIDEL S.p.a.
B9. SISTEMA DE VACÍO
a. Verifique, limpie o sustituya los filtros de vacío.
FRECUENCIA: Mantenimiento cada 120 horas (semanal)
OPERADOR HABILITADO: 1 encargado de mantenimiento mecánico
TIEMPO NECESARIO: A: 10 minutos; B: ND; C: 20 minutos
______________________________________________________________________
1. Apague la bomba de vacío.
2. Abra los alojamientos de los filtros desenroscando
las dos tuercas de mariposa presentes en cada
alojamiento.
Continúaenlapáginasucesiva...
7 - 33
7
MANTENIMIENTO ORDINARIO Y PROGRAMADO
MAN. I4390.ES.USM000 (11/09/2013)
DOC. ROLL4Evo.CAP.01.R00 (17/03/2008)
SIDEL S.p.a.
3. Quite el filtro y la estructura que sostiene la junta.
4. Inspeccione los filtros para comprobar que no estén
dañados o contaminados.
Sustituya los filtros con juntas dañadas
o bordes aplastados.
Sustituya los filtros que presentan
contaminación líquida.
Sustituya los filtros que presentan niveles
considerables de contaminación seca.
5. Si el filtro presenta una ligera contaminación seca,
bastará limpiarlo con una pistola de aire comprimido.
Limpie dirigiendo el chorro de aire en el
lado limpio del filtro.
Utilice indumentos adecuados para
proteger las manos y los ojos.
Sustituya los filtros al menos una vez al
año, independientemente del nivel de
contaminación.
Continúaenlapáginasucesiva...
7 - 34
MAN. I4390.ES.USM000 (11/09/2013)
DOC. ROLL4Evo.CAP.01.R00 (17/03/2008)
7
MANTENIMIENTO ORDINARIO Y PROGRAMADO
SIDEL S.p.a.
6. Quite cuidadosamente el filtro y la estructura que
sostiene la junta.
7. Cierre el alojamiento del filtro y apriete las tuercas
de mariposa a mano.
8. Vuelva a poner en marcha la bomba de vacío y
compruebe que las juntas de los filtros no presenten
pérdidas.
Si se detectan pérdidas, habrá que abrir
el alojamiento y controlar el asiento del
filtro.
7 - 35
7
MANTENIMIENTO ORDINARIO Y PROGRAMADO
MAN. I4390.ES.USM000 (11/09/2013)
DOC. ROLL4Evo.CAP.01.R00 (17/03/2008)
SIDEL S.p.a.
B13. SISTEMA DEL VACÍO
b. Control y limpieza del filtro de la válvula de seguridad (CON PANEL BR, 15) y control de
configuración de la válvula de seguridad
FRECUENCIA: cada 120 horas (semanal)
OPERADOR HABILITADO: 1 técnico de mantenimiento mecánico
TIEMPO NECESARIO: A: 5 minutos; B: ND; C: 15 minutos
______________________________________________________________________
1. Quite los 2 filtros de su alojamiento.
2. Inspeccione los filtros para comprobar que no
estén dañados o contaminados.
Sustituya los filtros con juntas dañadas
o bordes aplastados.
Sustituya los filtros que presentan
contaminación líquida.
Sustituya los filtros que presentan niveles
considerables de contaminación seca.
Continúaenlapáginasucesiva...
7 - 36
MAN. I4390.ES.USM000 (11/09/2013)
DOC. ROLL4Evo.CAP.01.R00 (17/03/2008)
7
MANTENIMIENTO ORDINARIO Y PROGRAMADO
SIDEL S.p.a.
3. Si el filtro presenta una ligera contaminación seca,
bastará limpiarlo con una pistola de aire comprimido.
Limpie dirigiendo el chorro de aire en el
lado limpio del filtro.
Utilice indumentos adecuados para
proteger las manos y los ojos.
Sustituya los filtros al menos una vez al
año, independientemente del nivel de
contaminación.
4. Abra el alojamiento de los filtros desenroscando
las dos tuercas de mariposa.
5. Ponga en marcha la bomba del vacío.
Continúaenlapáginasucesiva...
7 - 37
7
MANTENIMIENTO ORDINARIO Y PROGRAMADO
MAN. I4390.ES.USM000 (11/09/2013)
DOC. ROLL4Evo.CAP.01.R00 (17/03/2008)
SIDEL S.p.a.
6. Cierre las cinco válvulas de aislamiento del vacío
ubicadas debajo del grupo de etiquetado.
7. Lea el valor indicado en el manómetro del colector
de vacío que está cerca de la válvula y el valor leído
por la HMI en el transductor del colector de vacío en
la página REGULACIÓN DE VACÍOS del panel de
control: el valor debe estar comprendido entre 290 y
300 mbar. Si el valor de presión está fuera de este
rango, regule la válvula de seguridad del sistema de
vacíos como se describe en el párrafo 7.5.11.
Continúaenlapáginasucesiva...
7 - 38
MAN. I4390.ES.USM000 (11/09/2013)
DOC. ROLL4Evo.CAP.01.R00 (17/03/2008)
7
MANTENIMIENTO ORDINARIO Y PROGRAMADO
SIDEL S.p.a.
8. Sacuda el eje de la válvula de seguridad y controle
que el valor del vacío regrese siempre a niveles
aceptables.
Si las lecturas de presión de la válvula son
irregulares, es posible que los
mecanismos estén bloqueados. Por tan-
to, habrá que desmontar y limpiar la
válvula.
Losnivelesdevacíosuperioresa325mbar
provocan daños en la bomba de vacío.
Para el procedimiento correcto, consulte
el párrafo 7.5.9.
Los valores de vacío inferiores a 275 mbar
afectan el buen funcionamiento de la máquina.
Para el procedimiento correcto, consulte el párrafo 7.5. 11.
9. Si las configuraciones de la válvula de vacío son
correctas, es decir, de 290-300 mbar, cierre la caja
portafiltro y la puerta del filtro y compruebe que el
valor en el indicador de vacío y el de las válvulas del
transductor de la HMI no cambien.
Una variación en la lectura de la presión
indica que los filtros están obstruidos y
deben sustituirse.
Continúaenlapáginasucesiva...
7 - 39
7
MANTENIMIENTO ORDINARIO Y PROGRAMADO
MAN. I4390.ES.USM000 (11/09/2013)
DOC. ROLL4Evo.CAP.01.R00 (17/03/2008)
SIDEL S.p.a.
10. Si hiciera falta, instale filtros nuevos y vuelva a controlar abriendo y cerrando la puerta del filtro.
11. Cierre la caja portafiltro y abra las 5 válvulas de
aislamiento del vacío.
En el primer periodo, la frecuencia de las
operaciones de mantenimiento arriba
descritas debe ser semanal (cada 120
horas) para verificar las condiciones
ambientales de trabajo. En un segundo
momento, la frecuencia podrá ser de una
vez al mes (cada 500 horas).
7 - 40
MAN. I4390.ES.USM000 (11/09/2013)
DOC. ROLL4Evo.CAP.01.R00 (17/03/2008)
7
MANTENIMIENTO ORDINARIO Y PROGRAMADO
SIDEL S.p.a.
B 10. EQUIPO NEUMÁTICO
a. Control del circuito
FRECUENCIA: Mantenimiento cada 120 horas (semanal)
OPERADOR HABILITADO: 1 encargado de mantenimiento mecánico
TIEMPO NECESARIO: A: 5 minutos; B: ND; C: 20 minutos
______________________________________________________________________
1. Con la máquina parada, abra las protecciones del
equipo neumático. Controle que no haya pérdidas y
compruebe que todo funciona correctamente. En esta
operación se controla la estanquidad de las tuberías y
los racores y se lleva a cabo un control visual de los
componentes, además de una correcta puesta a pun-
to del funcionamiento (Fig. 7.4.3 - 39 / 40).
Elimine todos los defectos que se detecten.
Fig.7.4.3 - 39
Fig.7.4.3 - 40
7 - 41
7
MANTENIMIENTO ORDINARIO Y PROGRAMADO
MAN. I4390.ES.USM000 (11/09/2013)
DOC. ROLL4Evo.CAP.01.R00 (17/03/2008)
SIDEL S.p.a.
B11. CUADRO ELÉCTRICO
a. Limpieza general
FRECUENCIA: Mantenimiento cada 120 horas (semanal)
OPERADOR HABILITADO: 1 encargado de mantenimiento
TIEMPO NECESARIO: A: 5 minutos; B: ND; C: ND
______________________________________________________________________
1. Para la limpieza del acondicionador de aire (Fig. 7.4.3
- 40), seguir las instrucciones del fabricante.
7 - 42
MAN. I4390.ES.USM000 (11/09/2013)
DOC. ROLL4Evo.CAP.01.R00 (17/03/2008)
7
MANTENIMIENTO ORDINARIO Y PROGRAMADO
SIDEL S.p.a.
B12. RODILLO DE CORTE
a. Control de la fijación de la contracuchilla y los bulones de ajuste
FRECUENCIA: Mantenimiento cada 120 horas (semanal)
OPERADOR HABILITADO: 1 encargado de mantenimiento mecánico
TIEMPO NECESARIO: A: 5 minutos; B: ND; C: ND
______________________________________________________________________
1. Con la máquina parada, controle la fijación de la
contracuchilla y los bulones de ajuste (Fig. 7.4.3 - 42).
Si necesario, realice el ajuste del rodillo de corte (véase
el procedimiento que se describe en el apartado 7.5).
Fig. 7.4.3 - 42
7 - 43
7
MANTENIMIENTO ORDINARIO Y PROGRAMADO
MAN. I4390.ES.USM000 (11/09/2013)
DOC. ROLL4Evo.CAP.01.R00 (17/03/2008)
SIDEL S.p.a.
B12. RODILLO DE CORTE
b. Limpieza y lubricación del tornillo de asiento
FRECUENCIA: Mantenimiento cada 120 horas (semanal)
OPERADOR HABILITADO: 1 encargado de mantenimiento mecánico
TIEMPO NECESARIO: A: ND; B: 5 minutos; C: ND
______________________________________________________________________
1. Lubrique el tornillo de asiento de la cuchilla fija del
rodillo de corte.
Utilice aceite blanco o “ligero” (consulte la tabla
“Especificaciones de aceites” [ ]) para lubricar la
barra roscada (A) y la cuña de bloqueo (B)
(Fig. 7.4.3 - 43).
Es aconsejable utilizar un lubricante en
aerosol para asegurar la penetración del
aceite en todos los mecanismos.
Fig. 7.4.3 - 43
A B
7 - 44
MAN. I4390.ES.USM000 (11/09/2013)
DOC. ROLL4Evo.CAP.01.R00 (17/03/2008)
7
MANTENIMIENTO ORDINARIO Y PROGRAMADO
SIDEL S.p.a.
B12. RODILLO DE CORTE
c. Control y limpieza de los cascos de corte
FRECUENCIA: Mantenimiento cada 120 horas (semanal)
OPERADOR HABILITADO: 1 encargado de mantenimiento mecánico
TIEMPO NECESARIO: A: 15 minutos; B: ND; C: 30 minutos
______________________________________________________________________
1. Desenganche el grupo de corte de la transmisión
principal mediante los dispositivos de bloqueo de
palancas rojas (Fig. 7.4.3 - 44).
2. Quite el bloque de soplos mediante los dos tornillos
de bloqueo (Fig. 7.4.3 - 45).
3. Quite los dos tornillos de fijación de los dos cascos
de corte (Fig. 7.4.3 - 46).
Fig. 7.4.3 - 44
Fig. 7.4.3 - 45
Fig. 7.4.3 - 46
7 - 45
7
MANTENIMIENTO ORDINARIO Y PROGRAMADO
MAN. I4390.ES.USM000 (11/09/2013)
DOC. ROLL4Evo.CAP.01.R00 (17/03/2008)
SIDEL S.p.a.
4. Para facilitar la operación de extracción de los cascos
del rodillo de corte, gire adelante/atrás la cuchilla me-
diante la virola de ajuste (Fig. 7.4.3 - 47).
5. Inspeccione y limpie las galerías de vacíos (A), las
galerías de soplos (B) y los agujeros de la superficie
de los cascos (C) (Fig. 7.4.3 - 48).
Para la limpieza, utilice:
a. una broca (diámetro de 2,9 mm) para los agujeros
de la superficie de los cascos (C)
b. un cepillo de cerdas suaves (diámetro de 9 mm)
para las galerías de soplos (B) y de vacíos (A)
6. Limpie la superficie del casco con un disolvente y
luego inspeccione los cascos para comprobar el estado
de desgaste y si presentan daños.
Si se detecta un nivel elevado de desgaste, reemplace
AMBOS cascos lo antes posible.
7. Antes de volver a montar los cascos, lubrique con
una capa de grasa sólo la parte superior del casco
que está en contacto con la brida de vacíos
( A - Fig. 7.4.3 - 48).
¡NO lubrique la superficie cilíndrica
de los cascos!
Antes de volver a montar los cascos,
controle y limpie el colector del rodillo
de corte como se describe en el
procedimiento “B11.d”.
Fig. 7.4.3 - 47
B
C
A
E
D
7 - 46
MAN. I4390.ES.USM000 (11/09/2013)
DOC. ROLL4Evo.CAP.01.R00 (17/03/2008)
7
MANTENIMIENTO ORDINARIO Y PROGRAMADO
SIDEL S.p.a.
B11. RODILLO DE CORTE
d. Control y limpieza del colector del rodillo de corte
FRECUENCIA: Mantenimiento cada 120 horas (semanal)
OPERADOR HABILITADO: 1 encargado de mantenimiento mecánico
TIEMPO NECESARIO: A: 5 minutos; B: ND; C: 30 minutos
______________________________________________________________________
1. Quite el bloque de soplos y los cascos como se
describe en las páginas anteriores.
2. Asegúrese de que el colector de vacío (A) esté limpio
y no esté desgastado (Fig. 7.4.3 - 49).
3. Controle detenidamente el canal (B) (Fig. 7.4.3 - 49).
Si está sucio, es necesario quitar y limpiar el colector
como se describe a continuación.
4. Quite la tuerca de bloqueo anterior y posterior del
grupo de corte (Fig. 7.4.3 - 50).
5. Eche para atrás el grupo de corte para que sea
posible extraer el colector (Fig. 7.4.3 - 51).
Fig. 7.4.3 - 50
Fig. 7.4.3 -51
B
A
Fig. 7.4 - 49
7 - 47
7
MANTENIMIENTO ORDINARIO Y PROGRAMADO
MAN. I4390.ES.USM000 (11/09/2013)
DOC. ROLL4Evo.CAP.01.R00 (17/03/2008)
SIDEL S.p.a.
Fig. 7.4.3 - 52
6. Primero quite el plato de fijación para que sea posible
extraer y limpiar el colector (Fig. 7.4.3 - 52).
7. Quite el colector (Fig. 7.4.3 - 53).
8. Limpie todos los componentes con disolvente
(Fig. 7.4.3 - 54).
Fig. 7.4.3 - 53
Fig. 7.4.3 - 54
7 - 48
MAN. I4390.ES.USM000 (11/09/2013)
DOC. ROLL4Evo.CAP.01.R00 (17/03/2008)
7
MANTENIMIENTO ORDINARIO Y PROGRAMADO
SIDEL S.p.a.
Fig. 7.4.3 - 55
9. Antes de volver a instalar los componentes, limpie
bien las galerías como se indica en la figura
(Fig. 7.4.3 - 55). Vuelva a montar los componentes del
colector realizando el procedimiento al revés.
10. Asegúrese de que el colector de soplos esté limpio
y no esté desgastado (Fig. 7.4.3 - 56). Si está sucio,
es necesario quitarlo y limpiarlo según las indicaciones
de los puntos 6, 7, 8 y 9.
11. Limpie la superficie con disolvente y utilice un
destornillador y un paño húmedo para eliminar la
suciedad más resistente del interior del colector.
Complete la limpieza con aire comprimido y asegúrese
de que no queden fibras o residuos de detergente entre
los componentes que hay que volver a montar.
Si necesario, controle y reemplace los dispositivos de
carga que se encuentran debajo del colector.
12. Vuelva a montar los cascos del rodillo de corte y el
bloque de soplos SIN lubricar estos componentes.
13. Vuelva a cerrar el grupo de arrastre (Fig. 7.4.3 - 57).
Al cerrar el grupo de corte, procure no
aplastar las tuberías de aire ni los cables
de los sensores.
Fig. 7.4.3 - 57
Fig. 7.4.3 - 56
7 - 49
7
MANTENIMIENTO ORDINARIO Y PROGRAMADO
MAN. I4390.ES.USM000 (11/09/2013)
DOC. ROLL4Evo.CAP.01.R00 (17/03/2008)
SIDEL S.p.a.
Fig. 7.4.3 - 58
14. Vuelva a colocar la tuerca de bloqueo anterior y
posterior del grupo de corte (Fig. 7.4.3 - 58).
7 - 50
MAN. I4390.ES.USM000 (11/09/2013)
DOC. ROLL4Evo.CAP.01.R00 (17/03/2008)
7
MANTENIMIENTO ORDINARIO Y PROGRAMADO
SIDEL S.p.a.
B11. RODILLO DE CORTE
e. Control y limpieza del bloque de soplos
FRECUENCIA: Mantenimiento cada 120 horas (semanal)
OPERADOR HABILITADO: 1 encargado de mantenimiento mecánico
TIEMPO NECESARIO: A: 5 minutos; B: ND; C: ND
______________________________________________________________________
1. Desenganche el grupo de corte de la transmisión
principal mediante los dispositivos de bloqueo de
palancas rojas (Fig. 7.4.3 - 59).
2. Quite el bloque de soplos mediante los dos tornillos
de bloqueo (Fig. 7.4.3 - 60).
3. Quite la placa de protección (B) y limpie la superfi-
cie principal de contacto (C), la placa de protección
(B) y la superficie externa (A) con disolvente
(Fig. 7.4.3 - 61).
4. Vuelva a instalar el bloque de soplos y junte de nuevo
el grupo de corte con la transmisión principal.
Fig. 7.4.3 - 61
Fig. 7.4.3 - 59
Fig. 7.4.3 - 60
A
B
C
7 - 51
7
MANTENIMIENTO ORDINARIO Y PROGRAMADO
MAN. I4390.ES.USM000 (11/09/2013)
DOC. ROLL4Evo.CAP.01.R00 (17/03/2008)
SIDEL S.p.a.
B13. PLATILLOS
a. Limpieza
FRECUENCIA: Mantenimiento cada 120 horas (semanal)
OPERADOR HABILITADO: 1 operador o encargado de mantenimiento
TIEMPO NECESARIO: A: ND; B: 10 minutos; C: ND
______________________________________________________________________
1. Verificar que los platillos estén limpios e íntegros.
Para la limpieza, utilizar pulverizaciones de aire o un
paño húmedo (Fig. 7.4.3 -63).
2. Girar manualmente cada uno de los platillo y controlar
el juego en la transmisión (juego recomendado de 2 a
6 mm).
En caso de aumento o juego excesivo, avisar
inmediatamente al Centro de Asistencia SIDEL S.p.A.
Fig. 7.4.3 - 63a
Fig. 7.4.3 - 63
7 - 52
MAN. I4390.ES.USM000 (11/09/2013)
DOC. ROLL4Evo.CAP.01.R00 (17/03/2008)
7
MANTENIMIENTO ORDINARIO Y PROGRAMADO
SIDEL S.p.a.
B14. FOTOCÉLULA DE LECTURA DE MUESCAY SENSOR DE ALTURA DE CINTA
a. Limpieza y lubricación del tornillo de ajuste
FRECUENCIA: Mantenimiento cada 120 horas (semanal)
OPERADOR HABILITADO: 1 operador de máquina
TIEMPO NECESARIO: A: ND; B: 5 minutos; C: ND
______________________________________________________________________
1. Lubrique la barra roscada de ajuste de la fotocélula
de lectura de muesca (Fig. 7.4.3 - 64) con aceite blanco
o “ligero” (véase el tipo recomendado en la tabla de
“Especificaciones de aceites” ]).
2. Lubrique la barra roscada de ajuste del sensor de
altura de cinta (Fig. 7.4.3 - 65) con aceite blanco o
“ligero” (véase el tipo recomendado en la tabla de
“Especificaciones de aceites).
Es aconsejable utilizar un lubricante en
aerosol para asegurar la penetración del
aceite en todos los mecanismos.
Fig. 7.4.3 - 64
Fig. 7.4.3 - 65
7 - 53
7
MANTENIMIENTO ORDINARIO Y PROGRAMADO
MAN. I4390.ES.USM000 (11/09/2013)
DOC. ROLL4Evo.CAP.01.R00 (17/03/2008)
SIDEL S.p.a.
B15. GRUPO DE ARRASTRE
a. Limpieza y lubricación de las palancas de desenganche del grupo de corte
FRECUENCIA: Mantenimiento cada 120 horas (semanal)
OPERADOR HABILITADO: 1 operador de máquina
TIEMPO NECESARIO: A: ND; B: 5 minutos; C: ND
______________________________________________________________________
1. Limpie el dispositivo de enganche/desenganche del
grupo del rodillo de corte.
2. Lubrique ambos los lados del dispositivo de
enganche/desenganche aplicando aceite blanco o
“ligero” en los pernos (Fig. 7.4.3 - 66) (véase el tipo
recomendado en la tabla de “Especificaciones de
aceites” ).
Accione los desenganches para aplicar mejor la
lubricación.
Es aconsejable utilizar un lubricante de
aerosol para asegurar la penetración del
aceite en los mecanismos.
Fig. 7.4.3 - 66
7 - 54
MAN. I4390.ES.USM000 (11/09/2013)
DOC. ROLL4Evo.CAP.01.R00 (17/03/2008)
7
MANTENIMIENTO ORDINARIO Y PROGRAMADO
SIDEL S.p.a.
B15. GRUPO DE ARRASTRE
b. Limpieza y lubricación del ajuste del rodillo basculante
FRECUENCIA: Mantenimiento cada 120 horas (semanal)
OPERADOR HABILITADO: 1 operador de máquina
TIEMPO NECESARIO: A: ND; B: 5 minutos; C: ND
______________________________________________________________________
1. Si necesario, limpie los pernos del grupo del rodillo
basculante.
2. Utilice aceite blanco o ligero ( véase el tipo
recomendado en la tabla “Especificaciones de aceites”
) y aplíquelo en los puntos que se indican en la figura
(Fig. 7.4.3 - 67).
Es aconsejable utilizar un lubricante de
aerosol para asegurar la penetración del
aceite en los mecanismos.
Fig. 7.4.3 - 67
7 - 55
7
MANTENIMIENTO ORDINARIO Y PROGRAMADO
MAN. I4390.ES.USM000 (11/09/2013)
DOC. ROLL4Evo.CAP.01.R00 (17/03/2008)
SIDEL S.p.a.
B15. GRUPO DE ARRASTRE
c. Limpieza y control del rodillo de contraste (pinch roller)
FRECUENCIA: Mantenimiento cada 120 horas (semanal)
OPERADOR HABILITADO: 1 encargado de mantenimiento mecánico
TIEMPO NECESARIO: A: 5 minutos; B: ND; C: 30 minutos
______________________________________________________________________
1. Quite el plato que cubre el “pinch roller”.
2. Elimine la suciedad y el material que haya podido
acumularse.
3. Gire el rodillo de contraste para comprobar el nivel
de desgaste (Fig. 7.4.3 - 68) y reemplácelo si necesario.
4. Compruebe con especial atención las secciones
superior e inferior del rodillo (Fig. 7.4.3 - 69). Las
etiquetas que puedan enrollarse en estas zonas podrían
dañar las guarniciones y los cojinetes.
Fig. 7.4.3 - 69
Fig. 7.4.3 - 68
7 - 56
MAN. I4390.ES.USM000 (11/09/2013)
DOC. ROLL4Evo.CAP.01.R00 (17/03/2008)
7
MANTENIMIENTO ORDINARIO Y PROGRAMADO
SIDEL S.p.a.
B16. Dispositivo de orientación de la cinta
a. Limpieza y control de desgaste/ huelgos excesivos
FRECUENCIA: Mantenimiento cada 120 horas (semanal)
OPERADOR HABILITADO: 1 encargado de mantenimiento mecánico
TIEMPO NECESARIO: A: 5 minutos; B: ND; C: ND
______________________________________________________________________
1. Controle el dispositivo de orientación de la cinta
(WebTracker).
- Controle el estado de desgaste del soporte del
orientador tirando el soporte móvil hacia las dos
indicaciones (X y Y) que se ilustran en la figura
(Fig. 7.4.3 - 70a).
- Asegúrese también de que los rodillos giren
libremente y que no estén sucios (Fig. 7.4.3 - 70b).
Fig. 7.4.3 - 70a
X
Y
Fig. 7.4.3 - 70b
7 - 57
7
MANTENIMIENTO ORDINARIO Y PROGRAMADO
MAN. I4390.ES.USM000 (11/09/2013)
DOC. ROLL4Evo.CAP.01.R00 (17/03/2008)
SIDEL S.p.a.
B18. RODILLO DE CORTE
a. Comprobación del estado de desgaste de la cuchilla móvil
FRECUENCIA: Mantenimiento cada 500 horas (mensual)
OPERADOR HABILITADO: 1 encargado de mantenimiento mecánico
TIEMPO NECESARIO: A: ND; B: 5 minutos; C: 30 minutos
______________________________________________________________________
La siguiente operación de
mantenimiento DEBE ser realizada por
un técnico de SIDEL S.p.A. o por un
técnico de mantenimiento preparado y
cualificado.
OPERACIONES PRELIMINARES
1. Apague la máquina, póngala en modo de
mantenimiento (JOG) y desactive el funcionamiento
de la bomba de vacío.
Desenganche el grupo (Fig. 7.4.3 - 71) y quite el rodillo
de transmisión.
2. Quite el bloque de soplos de los enganches me-
diante los dos tornillos de bloqueo (Fig. 7.4.3 - 72).
3. Desatornille los tornillos de bloqueo y quite los
cascos del perno de soporte (Fig. 7.4.3 - 73).
Si necesario, gire manualmente el rodillo para facilitar
las operaciones de desmontaje de los cascos.
Fig. 7.4.3 - 71
Fig. 7.4.3 - 72
Fig. 7.4.3 - 73
7 - 58
MAN. I4390.ES.USM000 (11/09/2013)
DOC. ROLL4Evo.CAP.01.R00 (17/03/2008)
7
MANTENIMIENTO ORDINARIO Y PROGRAMADO
SIDEL S.p.a.
CONTROLDELDESGASTEDELACUCHILLAMÓVIL
4. Quitar los tornillos de bloqueo (Fig. 7.4.3 -73) e
introducir los dos tornillos en los agujeros (A) para fa-
cilitar la extracción del bloque de la cuchilla.
5. Verificar el desgaste de la cuchilla, comprobando
que su borde no presente irregularidades. (Fig. 7.4.2 -
74)
6. Si se detecta un desgaste excesivo de la cuchilla
móvil, proceder a la rotación de la misma: de hecho,
ha sido diseñada para trabajar con 4 aristas útiles.
La máquina comienza a trabaja con la arista “1”.
El número de referencia está estampillado en la parte
superior de la propia cuchilla (Fig. 7.4.3-75).
Se recomienda rotar la arista de la cuchilla
de corte cada 1500 horas de trabajo, como
máximo.
horas de trabajo.
Fig. 7.4.3 - 74
Fig. 7.4.3 - 75
Fig. 7.4.3 - 73
A
A
7 - 59
7
MANTENIMIENTO ORDINARIO Y PROGRAMADO
MAN. I4390.ES.USM000 (11/09/2013)
DOC. ROLL4Evo.CAP.01.R00 (17/03/2008)
SIDEL S.p.a.
7. Efectuar una rotación de 180°: La arista de trabajo
será el número “3” (Fig. 7.4 - 76).
En las regulaciones sucesivas, proceder de la
siguiente manera:
8. Girar la cuchilla 180°. La arista de trabajo será la
número “4” (Fig. 7.4.3 -77).
9. Efectuar una rotación de 180°. La arista de trabajo
será la número “2” (Fig. 7.4.3 - 78).
Fig. 7.4.3 - 76
Fig. 7.4.3 - 78
180 °
Fig. 7.4.3 - 77
180°
180 °
7 - 60
MAN. I4390.ES.USM000 (11/09/2013)
DOC. ROLL4Evo.CAP.01.R00 (17/03/2008)
7
MANTENIMIENTO ORDINARIO Y PROGRAMADO
SIDEL S.p.a.
10. Realice un giro de 180°. El ángulo de trabajo será
el número “2” (Fig. 7.4.3 - 80).
Es aconsejable girar la cuchilla en este
orden para poder aprovechar los 4 lados
útiles y evitar cambios de cuchilla
inesperados. Cuando gire la cuchilla,
marque siempre el lado utilizado.
Reemplace definitivamente la cuchilla
cuando se hayan desgastado los cuatros
ángulos (es decir, después de realizar tres
giros). En este caso también es
aconsejable reemplazar la cuchilla fija.
11. Limpie la cuchilla móvil.
Vuelva a montar la cuchilla móvil y apriete los tornillos
de bloqueo (Fig. 7.4.3 - 81).
Vuelva a montar la cuchilla móvil SIN
USAR GRASA o LOCTITE. La operación
debe realizarse en seco.
12. Gire manualmente el rodillo de corte y compruebe
que no haya contacto entre las dos cuchillas
(Fig. 7.4.3 - 82).
Fig. 7.4.3 - 80
Fig. 7.4.3 - 81
Fig. 7.4.3 - 82
7 - 61
7
MANTENIMIENTO ORDINARIO Y PROGRAMADO
MAN. I4390.ES.USM000 (11/09/2013)
DOC. ROLL4Evo.CAP.01.R00 (17/03/2008)
SIDEL S.p.a.
13. Introduzca una etiqueta nueva (si dispone de
etiquetas de diferente tipo, utilice la más alta) en los
cascos de transmisión y realice una prueba de corte
(Fig. 7.4.3 - 83).
Para efectuar la prueba de corte, accione
el movimiento del rodillo manualmente
(Fig. 7.4.3 - 84).
14. Compruebe el corte.
Un corte es correcto cuando la etiqueta se corta com-
pletamente a lo largo de su altura total.
En caso de que el corte no sea satisfactorio, gire la
cuña de ajuste 45° más hacia la derecha. Controle de
nuevo el corte de las etiquetas.
Continúe hasta que el corte resulte satisfactorio.
Es aconsejable reemplazar la cuchilla fija
después de un año de trabajo (6000
horas).
Fig. 7.4.3 - 84
Fig. 7.4.3 - 83
7 - 62
MAN. I4390.ES.USM000 (11/09/2013)
DOC. ROLL4Evo.CAP.01.R00 (17/03/2008)
7
MANTENIMIENTO ORDINARIO Y PROGRAMADO
SIDEL S.p.a.
B19. RECIPIENTE DE PEGAMENTO
a. Limpieza del filtro del recipiente de pegamento
FRECUENCIA: Mantenimiento cada 500 horas (mensual)
OPERADOR HABILITADO: 1 encargado de mantenimiento mecánico
TIEMPO NECESARIO: A: ND; B: 15 minutos; C: 30 minutos
______________________________________________________________________
1. Desactive el funcionamiento de la bomba de
pegamento en el menú “Activaciones” del panel de
control (Fig. 7.4.3 - 85).
El personal encargado de las
operaciones de mantenimiento debe
utilizar las protecciones personales
correspondientes (guantes y gafas).
2. Abra el cárter de la base (Fig. 7.4.3 - 86) de la
máquina, que se encuentra cerca del alojamiento del
recipiente de pegamento.
3. Abra la válvula de descarga (A) para que fluya el
pegamento que se ha depositado en la cámara del fil-
tro y en el manguito (Fig. 7.4.3 - 87).
Descargue el pegamento en un recipiente
termorresistente adecuado que pueda contener el
volumen de pegamento.
a) En caso de que el pegamento no fluya de manera
regular, accione momentáneamente la bomba de
pegamento (la presión debería eliminar los restos de
pegamento del interior de la válvula).
b) Si se detectan residuos o grumos grandes en el
pegamento,accionedenuevolabombaparaquedichos
elementos puedan salir completamente.
Desactive de nuevo la bomba de pegamento para los
mantenimientos sucesivos.
Fig. 7.4.3 - 85
Fig. 7.4.3 - 87
Fig. 7.4.3 - 86
A A
7 - 63
7
MANTENIMIENTO ORDINARIO Y PROGRAMADO
MAN. I4390.ES.USM000 (11/09/2013)
DOC. ROLL4Evo.CAP.01.R00 (17/03/2008)
SIDEL S.p.a.
4. Desconecte la tubería de impulsión del flujo del
pegamento (Fig. 7.4.3 - 88).
5. Desatornille los tres tornillos de sujeción
(Fig. 7.4.3 - 89) de la tapa y extraiga el bloque del filtro
de pegamento. Evite que se pierdan las guarniciones.
6. Extraiga el filtro todavía caliente y límpielo
inmediatamente con una cuchilla o un cepillo de acero
(Fig. 7.4.3 - 90).
En esta fase deben utilizarse guantes de
protección.
El pegamento se bombea a alta presión a
través del filtro.
Al principio, el filtro tiene que limpiarse
cada semana (120 horas). Esta frecuencia
se puede reducir a una vez al mes (500
horas) si las condiciones del filtro siguen
siendo buenas.
Fig. 7.4.3 - 89
Fig. 7.4.3 - 88
Fig. 7.4.3 - 90
7 - 64
MAN. I4390.ES.USM000 (11/09/2013)
DOC. ROLL4Evo.CAP.01.R00 (17/03/2008)
7
MANTENIMIENTO ORDINARIO Y PROGRAMADO
SIDEL S.p.a.
B20. TRANSMISIÓNAL GRUPO
a. Comprobación de la tensión y el desgaste de la correa
FRECUENCIA: Mantenimiento cada 1500 horas (trimestral)
OPERADOR HABILITADO: 1 encargado de mantenimiento mecánico
TIEMPO NECESARIO: A: 2 minutos; B: 5 minutos; C: ND
_____________________________________________________________________
1.Compruebequelacorreadedesplazamientodelgrupo
esté tensa (Fig. 7.4.3 - 91). Si necesario, registre la
tensión (véase el procedimiento de ajuste de la tensión
de la correa de desplazamiento del grupo en el apartado
“OPERACIONES DE AJUSTE”).
Controle visualmente el estado de desgaste de la correa
y reemplácela si estuviera gastada.
El mantenimiento (ajuste y sustitución) de
la correa de transmisión al grupo es una
operación que DEBE realizar un técnico
de SIDEL S.p.A. o un técnico de
mantenimiento preparado y cualificado.
Fig. 7.4.3 - 91
7 - 65
7
MANTENIMIENTO ORDINARIO Y PROGRAMADO
MAN. I4390.ES.USM000 (11/09/2013)
DOC. ROLL4Evo.CAP.01.R00 (17/03/2008)
SIDEL S.p.a.
B21. CABEZALES DE CENTRADO
a. Comprobación de las condiciones y el estado de desgaste
FRECUENCIA: Mantenimiento cada 1500 horas (trimestralmente)
OPERADOR HABILITADO: 1 encargado del mantenimiento mecánico
TIEMPO NECESARIO: A: 5 minutos; B: 30 minutos; C: ND
______________________________________________________________________
1. Verifique que los cabezales giren libremente.
En caso de ser necesario, desmonte los cabezales y
sustituya los cojinetes.
2. Utilizando dos llaves (32 MM y 40 MM), desenrosque
los cabezales de centrado (Fig. 7.4 - 92).
3. Con una llave de allén, desenrosque el cuerpo del
cabezal (Fig. 7.4 - 93); sustituya los cojinetes (A) y el
anillo seeger en su interior (B) (Fig. 7.4 - 94).
Fig. 7.4 - 92
Fig. 7.4 - 93
Fig. 7.4 - 94
BA
7 - 66
MAN. I4390.ES.USM000 (11/09/2013)
DOC. ROLL4Evo.CAP.01.R00 (17/03/2008)
7
MANTENIMIENTO ORDINARIO Y PROGRAMADO
SIDEL S.p.a.
B21. CABEZALES DE CENTRADO
b. Controlar el desgaste
FRECUENCIA: Mantenimiento cada 1500 horas (trimestralmente)
OPERADOR HABILITADO: 1 encargado del mantenimiento mecánico
TIEMPO NECESARIO: A: 2 minutos; B: 15 minutos; C: ND
______________________________________________________________________
1. Verifique el desgaste de la parte cónica de los
cabezales en contacto con la botella y, si hace falta,
sustituya los cabezales inferiores (Fig. 7.4 - 95).
2. Valiéndose de dos llaves de 32 MM, afloje los
cabezales de centrado para sustituir aquellos dañados
(Fig. 7.4 - 96).
Fig. 7.4 - 96
Fig. 7.4 - 95
7 - 67
7
MANTENIMIENTO ORDINARIO Y PROGRAMADO
MAN. I4390.ES.USM000 (11/09/2013)
DOC. ROLL4Evo.CAP.01.R00 (17/03/2008)
SIDEL S.p.a.
B22. ESTRUCTURA
a. Comprobación de la tensión de la correa de posición del grupo
FRECUENCIA: Mantenimiento cada 1500 horas (trimestral)
OPERADOR HABILITADO: 1 encargado de mantenimiento mecánico
TIEMPO NECESARIO: A: 2 minutos; B: 15 minutos; C: ND
______________________________________________________________________
1. Apague la máquina y quite el cárter de protección.
2. Compruebe que la correa del motor de
desplazamiento del grupo esté tensa (Fig. 7.4.3 - 97).
Si necesario, registre la tensión (véase el procedimiento
“Ajuste de la tensión de la correa de desplazamiento
del grupo”).
Fig. 7.4.3 - 97
7 - 68
MAN. I4390.ES.USM000 (11/09/2013)
DOC. ROLL4Evo.CAP.01.R00 (17/03/2008)
7
MANTENIMIENTO ORDINARIO Y PROGRAMADO
SIDEL S.p.a.
B22. ESTRUCTURA
b. Comprobación de la existencia de pérdidas de aceite en las guarniciones
FRECUENCIA: Mantenimiento cada 1500 horas (trimestral)
OPERADOR HABILITADO: 1 encargado de mantenimiento mecánico
TIEMPO NECESARIO: A: ND; B: 10 minutos; C: ND
_____________________________________________________________________
1. Asegúrese de que no haya pérdidas de aceite en la
estructura inferior (Fig. 7.4.3 - 98 y 7.4.3 - 98a).
Si se detectan pérdidas, póngase en contacto con el
Servicio de Asistencia Autorizado de SIDEL S.p.A.
Cada6000horasdetrabajoesaconsejable
realizar una revisión general de la
estructura y reemplazar todos los anillos
de estanqueidad.
Esta operación debe ser realizada por un
técnico especializado de SIDEL S.p.A.
Fig. 7.4.3 - 98
Fig. 7.4.3 - 98a
7 - 69
7
MANTENIMIENTO ORDINARIO Y PROGRAMADO
MAN. I4390.ES.USM000 (11/09/2013)
DOC. ROLL4Evo.CAP.01.R00 (17/03/2008)
SIDEL S.p.a.
B23. RODILLO DE CORTE
a. Comprobación de los huelgos y engrase de la transmisión del rodillo de corte
FRECUENCIA: Mantenimiento cada 1500 horas (trimestral)
OPERADOR HABILITADO: 1 encargado de mantenimiento mecánico
TIEMPO NECESARIO: A: 1 minuto; B: ND; C: 3 minutos
______________________________________________________________________
1. Desenganche el grupo de corte de la transmisión
principal mediante los dispositivos de bloqueo de
palancas rojas (Fig. 7.4.3 - 99).
2. Elimine la suciedad y los restos de la junta “Oldham”
y de la zona circundante.
3. Compruebe que la junta “Oldham” no esté dañada o
desgastada (Fig. 7.4.3 - 100).
Si así fuera, reemplace la junta.
La sustitución de la junta oldham es una
operación que debe realizar un técnico
especializado de SIDEL S.p.A.
La planificación del tiempo para el
control y la revisión de los componentes
antes mencionados, en especial la junta
oldham, se ha calculado según el
funcionamiento lineal de la etiquetadora.
Es necesario adelantar el
control a 120 horas o 500 horas cuando
la máquina se somete a tensiones
frecuentes provocadas por paradas y
arranques numerosos o deceleraciones
repentinas.
4. Lubrique la junta con una brocha antes de volver a
cerrar el grupo de corte.
5. Compruebe el huelgo girando la virola de ajuste del
rodillo de corte (Fig. 7.4.3 - 101).
El huelgo admisible en la superficie de
la cuchilla no debería sobrepasar los 2
mm.
Fig. 7.4.3 - 99
Fig. 7.4.3 - 100
Fig. 7.4.3 - 101
7 - 70
MAN. I4390.ES.USM000 (11/09/2013)
DOC. ROLL4Evo.CAP.01.R00 (17/03/2008)
7
MANTENIMIENTO ORDINARIO Y PROGRAMADO
SIDEL S.p.a.
B24. RODILLO ENCOLADOR
a. Control del huelgo de la transmisión del rodillo encolador
FRECUENCIA: Mantenimiento cada 1500 horas (trimestral)
OPERADOR HABILITADO: 1 encargado de mantenimiento mecánico
TIEMPO NECESARIO: A: 5 minutos; B: ND; C: ND
______________________________________________________________________
1. Gire el rodillo de transmisión para comprobar el
huelgo de la transmisión.
Para asegurarse de que el rodillo encolador NO se
mueve en exceso, mueva el rodillo de transmisión
(Fig. 7.4.3 - 102).
No debería desplazarse más de 3 mm
(0,125 pulgadas).
En caso contrario, reemplace la junta.
La sustitución de la junta de la
transmisión es una operación que debe
realizar un técnico especializado de
SIDEL S.p.A.
Nota: la planificación del tiempo para el
control y la revisión de los componentes
antedichos, en especial la junta de
acoplamiento de la transmisión, se ha
calculado en función del funcionamiento
lineal de la etiquetadora.
Es necesario adelantar el control a 120
horas o 500 horas cuando la máquina se
someteatensionesfrecuentesprovocadas
por paradas y arranques numerosos o
deceleraciones repentinas.
7 - 71
7
MANTENIMIENTO ORDINARIO Y PROGRAMADO
MAN. I4390.ES.USM000 (11/09/2013)
DOC. ROLL4Evo.CAP.01.R00 (17/03/2008)
SIDEL S.p.a.
B25. TRANSMISIÓNAL GRUPO
a. Comprobación del nivel de desgaste del engranaje de la transmisión
FRECUENCIA: Mantenimiento cada 3000 horas (semestral)
OPERADOR HABILITADO: 1 encargado de mantenimiento mecánico
TIEMPO NECESARIO: A: 5 minutos; B: ND; C: 25 minutos
______________________________________________________________________
1. Pare la máquina.
2. Controle visualmente el estado de desgaste de la
rueda dentada intermediaria de la transmisión al grupo
(Fig. 7.4.3 - 107): desgaste de los dientes del engranaje
y deterioro de la correa dentada.
Si necesario, reemplácela.
La sustitución de la correa de
transmisión de movimiento al grupo es
una operación que DEBE realizar un
técnico de SIDEL S.p.A. o un técnico de
mantenimiento preparado y cualificado.
Fig. 7.4.3 - 107
7 - 72
MAN. I4390.ES.USM000 (11/09/2013)
DOC. ROLL4Evo.CAP.01.R00 (17/03/2008)
7
MANTENIMIENTO ORDINARIO Y PROGRAMADO
SIDEL S.p.a.
B26. MECANISMOS PRINCIPALES
a. Comprobación del estado de desgaste del engranaje
FRECUENCIA: Mantenimiento cada 3000 horas (semestral)
OPERADOR HABILITADO: 1 encargado de mantenimiento mecánico
TIEMPO NECESARIO: A: 5 minutos; B: ND; C: 25 minutos
______________________________________________________________________
1. Pare la máquina.
2. Compruebe visualmente el estado de desgaste del
engranaje de los mecanismos principales
(Fig. 7.4.3 - 108).
Si necesario, reemplácelo.
Fig. 7.4 - 108
7 - 73
7
MANTENIMIENTO ORDINARIO Y PROGRAMADO
MAN. I4390.ES.USM000 (11/09/2013)
DOC. ROLL4Evo.CAP.01.R00 (17/03/2008)
SIDEL S.p.a.
B27. RODILLO DE ARRASTRE
a. Comprobación de la existencia de pérdidas de aceite
FRECUENCIA: Mantenimiento cada 3000 horas (semestral)
OPERADOR HABILITADO: 1 encargado de mantenimiento mecánico
TIEMPO NECESARIO: A: 5 minutos; B: ND; C: ND
______________________________________________________________________
1. Compruebe la existencia de pérdidas de aceite en
los puntos que se indican cuando se abre el grupo del
rodillo de arrastre (Fig. 7.4.3 - 109, Fig. 7.4.3 - 110).
Si necesario, póngase en contacto con el Servicio de
Asistencia Autorizado de SIDEL S.p.A.
Fig. 7.4.3 - 109
Fig. 7.4.3 - 110
7 - 74
MAN. I4390.ES.USM000 (11/09/2013)
DOC. ROLL4Evo.CAP.01.R00 (17/03/2008)
7
MANTENIMIENTO ORDINARIO Y PROGRAMADO
SIDEL S.p.a.
B28. TENSOR DE LA CORREA DEL GRUPO
a. Revisión general
FRECUENCIA: Mantenimiento cada 3000 horas (semestral)
OPERADOR HABILITADO: 1 encargado de mantenimiento mecánico
TIEMPO NECESARIO: A: 5 minutos; B: 12 minutos; C: ND
______________________________________________________________________
1. Apague la máquina y desmonte el cárter de
protección del grupo.
2. Mediante la tuerca de bloqueo, afloje el tensor para
que sea posible desmontar la correa (Fig. 7.4.3 - 114).
3. Compruebe que la rueda dentada intermediaria gire
libremente (Fig. 7.4.3 - 115).
En caso de que haya huelgos anómalos en el
engranaje del tensor y de la polea dentada, reemplace
los cojinetes.
Durante el procedimiento de
mantenimiento, procure no mover NADA
los engranajes de transmisión del
movimiento del grupo para que NO se
pierda la fase de la máquina.
El mantenimiento (ajuste y sustitución)
de la correa de transmisión al grupo es
una operación que DEBE realizar un
técnico de SIDEL S.p.A. o un técnico de
mantenimiento preparado y cualificado.
Fig.. 7.4.3 - 114
Fig.. 7.4.3 - 115
7 - 75
7
MANTENIMIENTO ORDINARIO Y PROGRAMADO
MAN. I4390.ES.USM000 (11/09/2013)
DOC. ROLL4Evo.CAP.01.R00 (17/03/2008)
SIDEL S.p.a.
B29. EQUIPOS DEL RECIPIENTE DE PEGAMENTO
a. Comprobación de la tensión de la cadena
FRECUENCIA: Mantenimiento cada 3000 horas (semestral)
OPERADOR HABILITADO: 1 encargado de mantenimiento mecánico
TIEMPO NECESARIO: A: 5 minutos; B: 5 minutos; C: ND
______________________________________________________________________
1. Pare la máquina y detenga la bomba de pegamento.
2. Abra la puerta fija de la base (Fig. 7.4.3 - 116) y
desmonte el cárter de protección interno
(Fig. 7.4.3 - 117).
3. Compruebe manualmente la tensión de la cadena
(Fig. 7.4.3 - 118).
Fig. 7.4 - 116
Fig. 7.4 - 117
Fig. 7.4 - 118
7 - 76
MAN. I4390.ES.USM000 (11/09/2013)
DOC. ROLL4Evo.CAP.01.R00 (17/03/2008)
7
MANTENIMIENTO ORDINARIO Y PROGRAMADO
SIDEL S.p.a.
4. Si necesario, tense la cadena y registre el tensor
(Fig. 7.4.3 - 119).
Para realizar esta operación, es necesario aflojar el
tornillo de bloqueo del tensor y hacer avanzar el
excéntrico hacia la cadena.
Fig. 7.4 - 119
7 - 77
7
MANTENIMIENTO ORDINARIO Y PROGRAMADO
MAN. I4390.ES.USM000 (11/09/2013)
DOC. ROLL4Evo.CAP.01.R00 (17/03/2008)
SIDEL S.p.a.
B29. EQUIPOS DEL RECIPIENTE DE PEGAMENTO
b. Comprobación del estado de desgaste del tensor
FRECUENCIA: Mantenimiento cada 3000 horas (semestral)
OPERADOR HABILITADO: 1 encargado de mantenimiento mecánico
TIEMPO NECESARIO: A: 5 minutos; B: 10 minutos; C: ND
______________________________________________________________________
Realice las operaciones que se describen en la página
anterior en los puntos 1-2.
1. Controle visualmente el desgaste del tensor y
reemplácelo, si necesario, mediante el tornillo de
bloqueo (Fig. 7.4.3 - 120).
Fig. 7.4 - 120
7 - 78
MAN. I4390.ES.USM000 (11/09/2013)
DOC. ROLL4Evo.CAP.01.R00 (17/03/2008)
7
MANTENIMIENTO ORDINARIO Y PROGRAMADO
SIDEL S.p.a.
B31. CÓCLEAMOTORIZADA
a. Verifique el freno / embrague
FRECUENCIA: Mantenimiento cada 6000 horas (anual)
OPERADOR HABILITADO: 1 técnico de mantenimiento mecánico
TIEMPO NECESARIO: A: 5 minutos; B: ND; C: ND
______________________________________________________________________
1. Detenga la máquina.
2. Verifique el desplazamiento radial de la cóclea girándola a mano.
Evite realizar esta operación ejerciendo demasiada fuerza en el mecanismo.
3. Al controlar el movimiento del sin fin en la virola de bloqueo, cerciorarse que el desplazamiento no
exceda los 3mm.
Si se cumple esta condición, controle el sistema de transmisión de la cóclea como se describe en la
página siguiente.
7 - 79
7
MANTENIMIENTO ORDINARIO Y PROGRAMADO
MAN. I4390.ES.USM000 (11/09/2013)
DOC. ROLL4Evo.CAP.01.R00 (17/03/2008)
SIDEL S.p.a.
B31. CÓCLEAMOTORIZADA
b. Control de desgaste de la correa.
FRECUENCIA: Mantenimiento cada 6000 horas (anual)
OPERADOR HABILITADO: 1 técnico de mantenimiento mecánico
TIEMPO NECESARIO: A: ND; B: ND; C: 20 minutos
______________________________________________________________________
1. ¡La máquina debe estar en EMERGENCIA!
2. Afloje los tornillos. Desmonte la placa superior A.
3. Afloje los tornillos. Desmonte la placa inferior B.
Desde esta ventana, controle la tensión de la
correa y el desgaste de los dientes.
A
B
Continúa en la página siguiente…
7 - 80
MAN. I4390.ES.USM000 (11/09/2013)
DOC. ROLL4Evo.CAP.01.R00 (17/03/2008)
7
MANTENIMIENTO ORDINARIO Y PROGRAMADO
SIDEL S.p.a.
4. Tense la correa girando el perno C.
5. Para cambiar la correa, afloje los tornillos del cárter
y desmóntelo (fig. D). Proceda con la sustitución
de la correa.
C
D
7 - 81
7
MANTENIMIENTO ORDINARIO Y PROGRAMADO
MAN. I4390.ES.USM000 (11/09/2013)
DOC. ROLL4Evo.CAP.01.R00 (17/03/2008)
SIDEL S.p.a.
B32. RODILLO DE CORTE
a. Comprobación del estado de desgaste de la cuchilla fija
FRECUENCIA: Mantenimiento cada 6000 horas (anual)
OPERADOR HABILITADO: 1 encargado de mantenimiento mecánico
TIEMPO NECESARIO: A: ND; B: 5 minutos; C: 30 minutos
______________________________________________________________________
La siguiente operación de
mantenimiento DEBE ser realizada por
un técnico de SIDEL S.p.A. o por un
técnico de mantenimiento preparado y
cualificado.
OPERACIONES PRELIMINARES
1. Apague la máquina, póngala en modo de
mantenimiento (JOG) y desactive el funcionamiento
de la bomba de vacío.
Desenganche el grupo (Fig. 7.4.3 - 126) y quite el
rodillo de transmisión.
2. Quite el bloque de soplos de los enganches me-
diante los dos tornillos de bloqueo (Fig. 7.4.3 - 127).
3. Desatornille los tornillos de bloqueo y quite los
cascos del perno de soporte (Fig. 7.4.3 - 128).
Si necesario, gire manualmente el rodillo para facilitar
las operaciones de desmontaje de los cascos.
Fig. 7.4.3 - 126
Fig. 7.4.3 - 127
Fig. 7.4.3 - 128
7 - 82
MAN. I4390.ES.USM000 (11/09/2013)
DOC. ROLL4Evo.CAP.01.R00 (17/03/2008)
7
MANTENIMIENTO ORDINARIO Y PROGRAMADO
SIDEL S.p.a.
Fig. 7.4.3 - 129
4. Mediante el tornillo, lleve la cuña de ajuste
(Fig. 7.4.3 - 129) en posición intermedia entre la parte
superior y la inferior (posición manejable visualmente).
COMPROBACIÓN DEL ESTADO DE DESGASTE DE
LA CUCHILLA FIJA
5. Quite los tornillos de bloqueo de la cuchilla fija y
desmóntela para comprobar el estado de desgaste
(Fig. 7.4.3 - 130).
6. Controle si en el filo de la cuchilla hay
irregularidades y/o desniveles (Fig. 7.4.3 - 131).
Reemplácela si necesario.
Un ajuste óptimo prolonga la vida de la
cuchilla.
Fig. 7.4.3 - 130
Fig. 7.4.3 - 131
7 - 83
7
MANTENIMIENTO ORDINARIO Y PROGRAMADO
MAN. I4390.ES.USM000 (11/09/2013)
DOC. ROLL4Evo.CAP.01.R00 (17/03/2008)
SIDEL S.p.a.
7. Afloje las tuercas de bloqueo y aleje el bloque de
fijación de la cuchilla mediante los bulones de ajuste
(Fig. 7.4.3 - 132).
8. Limpie el bloque de fijación con disolvente.
Vuelva a montar la cuchilla fija apoyando los tornillos
de fijación sin apretarlos (Fig. 7.4.3 - 133).
9. Lleve a tope la cuchilla fija contra el soporte
(Fig. 7.4.3 - 134).
Fig. 7.4.3 - 132
Fig. 7.4.3 - 133
Fig. 7.4.3 - 134
7 - 84
MAN. I4390.ES.USM000 (11/09/2013)
DOC. ROLL4Evo.CAP.01.R00 (17/03/2008)
7
MANTENIMIENTO ORDINARIO Y PROGRAMADO
SIDEL S.p.a.
10.Bloqueelacuchillamediantelostornillosdesujeción.
(Fig. 7.4.3 - 135).
11. Desatornille al máximo las tuercas de bloqueo en
los bulones de ajuste.
Gire con cuidado los bulones roscados hasta que se
apoyen en el tope de la cuchilla fija (CONTACTO
MÍNIMO) (Fig. 7.4.3 - 136).
12. Gire aún más los bulones (realizando giros de pocos
grados) para acercar la cuchilla fija a la cuchilla móvil
(Fig. 7.4 - 137).
Fig. 7.4.3 - 135
Fig. 7.4.3 - 136
Fig. 7.4.3 - 137
7 - 85
7
MANTENIMIENTO ORDINARIO Y PROGRAMADO
MAN. I4390.ES.USM000 (11/09/2013)
DOC. ROLL4Evo.CAP.01.R00 (17/03/2008)
SIDEL S.p.a.
13. Gire manualmente el rodillo de corte y compruebe
(oiga) el contacto entre las dos cuchillas
(Fig. 7.4.3 -138).
Si necesario, realice otro ajuste.
14. Realice algunas pruebas de corte utilizando la
película de etiquetas más alta (Fig. 7.4.3 - 139).
Fig. 7.4.3 - 138
Fig. 7.4.3 - 139
7 - 86
MAN. I4390.ES.USM000 (11/09/2013)
DOC. ROLL4Evo.CAP.01.R00 (17/03/2008)
7
MANTENIMIENTO ORDINARIO Y PROGRAMADO
SIDEL S.p.a.
Efectúe regulaciones adicionales únicamente en los bulones donde el corte sea incompleto.
Realice el corte después de cada regulación.
Un corte homogéneo de la película indica que el filo de la cuchilla está paralelo al de la
contracuchilla.
Con la regulación correcta, las cuchillas deben pasar sin que haya contacto.
7 - 87
7
MANTENIMIENTO ORDINARIO Y PROGRAMADO
MAN. I4390.ES.USM000 (11/09/2013)
DOC. ROLL4Evo.CAP.01.R00 (17/03/2008)
SIDEL S.p.a.
15. Si hay contacto entre las cuchillas, este puede
eliminarse regulando la cuña de regulación en sentido
antihorario.
Controle otra vez el corte y regule los tornillos como
se describe en los párrafos 12-13-14.
16. Fije los tornillos apretando las tuercas.
17. Sustituya los cascos prestando atención a
colocarlos en la dirección correcta.
7 - 88
MAN. I4390.ES.USM000 (11/09/2013)
DOC. ROLL4Evo.CAP.01.R00 (17/03/2008)
7
MANTENIMIENTO ORDINARIO Y PROGRAMADO
SIDEL S.p.a.
B32. RODILLO DE CORTE
b. Comprobación del estado de desgaste de los componentes
FRECUENCIA: Mantenimiento cada 6000 horas (anual)
OPERADOR HABILITADO: 1 encargado de mantenimiento mecánico
TIEMPO NECESARIO: A: 5 minutos; B: ND; C: ND
______________________________________________________________________
1. Pare la máquina.
2. Con el grupo abierto, bloquee la virola de ajuste y
compruebe (Fig. 7.4.3 - 145):
a) La estanquidad de la lengüeta del eje del rodillo de
corte
b) El nivel de desgaste de los dientes del soporte del
rodillo de corte
En caso de que haya huelgos anómalos, póngase en
contacto con el Servicio de Asistencia Técnica
Autorizado de SIDEL S.p.A.
Fig. 7.4.3 - 145
A
B
7 - 89
7
MANTENIMIENTO ORDINARIO Y PROGRAMADO
MAN. I4390.ES.USM000 (11/09/2013)
DOC. ROLL4Evo.CAP.01.R00 (17/03/2008)
SIDEL S.p.a.
B33. SOPORTE DE BOBINAS
a. Comprobación del estado de desgaste de los frenos
FRECUENCIA: Mantenimiento cada 6000 horas (anual)
OPERADOR HABILITADO: 1 encargado de mantenimiento mecánico
TIEMPO NECESARIO: A: 10 minutos; B: ND; C: ND
______________________________________________________________________
1. Con la máquina apagada, asegúrese de que el
espesor de la guarnición sea adecuado (Fig. 7.4.3 - 146)
y compruebe al mismo tiempo la tolerancia existente
entre el freno y la guarnición para garantizar la
estanquidad máxima.
La tolerancia óptima de trabajo entre freno y
guarnición es de 0,25 mm (Fig. 7.4.3 - 147).
Si el desgaste de la guarnición no permite más ajustes,
es necesario reemplazar el disco de trabajo.
Si necesario, póngase en contacto con el Servicio de
Asistencia Autorizado de SIDEL S.p.A.
Fig. 7.4.3 - 146
Fig. 7.4.3 - 147
DISCO
GUARNICIÓN
0.25
7 - 90
MAN. I4390.ES.USM000 (11/09/2013)
DOC. ROLL4Evo.CAP.01.R00 (17/03/2008)
7
MANTENIMIENTO ORDINARIO Y PROGRAMADO
SIDEL S.p.a.
B34. CARRUSEL CENTRAL
a. Comprobación del estado de desgaste del fuelle
FRECUENCIA: Mantenimiento cada 6000 horas (anual)
OPERADOR HABILITADO: 1 encargado de mantenimiento mecánico
TIEMPO NECESARIO: A: 5 minutos; B: ND; C: ND
______________________________________________________________________
1. Asegúrese de que el fuelle del carrusel central no
tenga desgarros debidos al desgaste (Fig. 7.4.3 - 148).
Póngase en contacto con el Servicio de Asistencia
Autorizado de SIDEL S.p.A.
Fig. 7.4 - 148
7 - 91
7
MANTENIMIENTO ORDINARIO Y PROGRAMADO
MAN. I4390.ES.USM000 (11/09/2013)
DOC. ROLL4Evo.CAP.01.R00 (17/03/2008)
SIDEL S.p.a.
B34. CARRUSEL CENTRAL
b. Comprobación de la existencia de pérdidas de aire en la parte superior
FRECUENCIA: Mantenimiento cada 6000 horas (anual)
OPERADOR HABILITADO: 1 encargado de mantenimiento mecánico
TIEMPO NECESARIO: A: 10 minutos; B: ND; C: ND
______________________________________________________________________
1. Pare la máquina.
2. Desmonte el cárter superior del carrusel central.
3. Compruebe que no se produzcan pérdidas de aire
en la estructura superior del carrusel central, cerca de
los gatos .
7 - 92
MAN. I4390.ES.USM000 (11/09/2013)
DOC. ROLL4Evo.CAP.01.R00 (17/03/2008)
7
MANTENIMIENTO ORDINARIO Y PROGRAMADO
SIDEL S.p.a.
B35. SISTEMA DE VACÍO
a. Mantenimiento de tuberías
FRECUENCIA: Mantenimiento cada 6000 horas (anual)
OPERADOR HABILITADO: 1 encargado de mantenimiento mecánico
TIEMPO NECESARIO: A: ND; B: 20 minutos; C: ND
______________________________________________________________________
1. Pare la máquina.
2. Desenganche las abrazaderas de bloqueo de las
tuberías de unión del sistema de vacío de sus acoples
y sustitúyalas (Fig. 7.4.3 - 151).
Fig. 7.4.3 - 151
7 - 93
7
MANTENIMIENTO ORDINARIO Y PROGRAMADO
MAN. I4390.ES.USM000 (11/09/2013)
DOC. ROLL4Evo.CAP.01.R00 (17/03/2008)
SIDEL S.p.a.
B36. SOPORTE DEL RODILLO ENCOLADOR
a. Comprobación de los huelgos de los pernos y del estado de desgaste de los casquillos de guía
FRECUENCIA: Mantenimiento cada 6000 horas (anual)
OPERADOR HABILITADO: 1 encargado de mantenimiento mecánico
TIEMPO NECESARIO: A: 10 minutos; B: ND; C: ND
______________________________________________________________________
1. Pare la máquina.
2. Desenganche el grupo del rodillo encolador del de
transmisión.
3. Mueva manualmente la estructura (Fig. 7.4.3 - 152)
y compruebe el huelgo en los pernos y el posible
desgaste de los casquillos de guía (Fig. 7.4.3 - 153).
Si necesario, póngase en contacto con el Servicio de
Asistencia Autorizado de SIDEL S.p.A.
Fig. 7.4.3 - 153
Fig. 7.4.3 - 152
7 - 94
MAN. I4390.ES.USM000 (11/09/2013)
DOC. ROLL4Evo.CAP.01.R00 (17/03/2008)
7
MANTENIMIENTO ORDINARIO Y PROGRAMADO
SIDEL S.p.a.
B37. RODILLO ENCOLADOR
a. Comprobación de la existencia de pérdidas de aceite
FRECUENCIA: Mantenimiento cada 6000 horas (anual)
OPERADOR HABILITADO: 1 encargado de mantenimiento mecánico
TIEMPO NECESARIO: A: 5 minutos; B: 180 minutos; C: ND
______________________________________________________________________
1. Asegúrese de que no haya pérdidas de aceite en
los puntos que se indican (Fig. 7.4.3 - 154). En caso
de anomalías, póngase en contacto con el Servicio
de Asistencia Técnica Autorizado de SIDEL S.p.A.
Si se detectaran pérdidas de aceite, revise
el rodillo encolador y reemplace los
anillos de estanqueidad.
La sustitución de los anillos de
estanqueidad es una operación que debe
realizar un técnico especializado de
SIDEL S.p.A.
Fig. 7.4.3 - 154
7 - 95
7
MANTENIMIENTO ORDINARIO Y PROGRAMADO
MAN. I4390.ES.USM000 (11/09/2013)
DOC. ROLL4Evo.CAP.01.R00 (17/03/2008)
SIDEL S.p.a.
B37. RODILLO ENCOLADOR
b. Comprobación del estado de desgaste del raspador de cola
FRECUENCIA: Mantenimiento cada 6000 horas (anual)
OPERADOR HABILITADO: 1 encargado de mantenimiento mecánico
TIEMPO NECESARIO: A: 1 minuto; B: 15 minutos; C: ND
______________________________________________________________________
1. Si la distribución del pegamento en el rodillo no es
perfecta, podría deberse a un desgaste excesivo de
la cuchilla del raspador o a un ajuste ínfimo.
2. Si la presión en los tornillos de ajuste (Fig. 7.4.3 - 155)
ya es la máxima, es aconsejable desmontar el soporte
completo mediante los tornillos de fijación y comprobar:
A) Si la cuchilla está excesivamente desgastada en
la parte de contacto con el rodillo moleteado y está
desnivelada en el extremo superior e inferior, utilice la
lijadora en los desniveles y elimine como máximo 2-3
décimos.
B) Realice al mismo tiempo un control de la ranura
central, que debe tener un surco de tres milímetros
por lo menos (Fig. 7.4.3 - 156).
3. Realice los ajustes y las comprobaciones sucesivas.
Si en el rodillo encolador se detectara una cantidad de
pegamento excesiva y que no se ha distribuido de
manera uniforme, proceda a la sustitución y al raspado
de la barra di aplicación de cola y del raspador de
cola (véase el procedimiento en el apartado 9).
Fig. 7.4.3 - 156
Fig. 7.4.3 - 155
A B
7 - 96
MAN. I4390.ES.USM000 (11/09/2013)
DOC. ROLL4Evo.CAP.01.R00 (17/03/2008)
7
MANTENIMIENTO ORDINARIO Y PROGRAMADO
SIDEL S.p.a.
B38. PLATILLOS
a. Comprobación de la tensión y el desgaste de la correa de las poleas motrices
FRECUENCIA: Mantenimiento cada 6000 horas (anual)
OPERADOR HABILITADO: 1 encargado de mantenimiento mecánico
TIEMPO NECESARIO: A: ND; B: 20 minutos; C: ND
______________________________________________________________________
1. Realice un control de la tensión de la correa de las
poleas motrices, situadas bajo la base de la máquina
(Fig. 7.4.3 - 157).
Si la correa se encuentra demasiado floja o
desgastada, reemplácela y vuelva a tensarla como
se indica a continuación:
2. Afloje las 4 tuercas de fijación del soporte de las
poleas motrices (Fig. 7.4.3 - 158).
3. Afloje la tuerca y la contratuerca de la barra de
ajuste de tensión de la correa (Fig. 7.4.3 - 159).
Fig. 7.4 - 157
Fig. 7.4 - 158
Fig. 7.4 - 159
7 - 97
7
MANTENIMIENTO ORDINARIO Y PROGRAMADO
MAN. I4390.ES.USM000 (11/09/2013)
DOC. ROLL4Evo.CAP.01.R00 (17/03/2008)
SIDEL S.p.a.
4. Mueva manualmente el bloque de poleas
horizontalmente para acercarlas y para que se pueda
sacar la correa (Fig. 7.4.3 - 160).
5. Quite la correa y reemplácela (Fig. 7.4.3 - 161).
6. Vuelva a colocar manualmente el bloque de poleas
en su posición (Fig. 7.4.3 - 162).
Fig. 7.4 - 161
Fig. 7.4 - 162
Fig. 7.4 - 160
7 - 98
MAN. I4390.ES.USM000 (11/09/2013)
DOC. ROLL4Evo.CAP.01.R00 (17/03/2008)
7
MANTENIMIENTO ORDINARIO Y PROGRAMADO
SIDEL S.p.a.
7. Regule la tensión de la correa mediante la barra de
ajuste.
Apriete la tuerca y la contratuerca de bloqueo
(Fig. 7.4.3 - 163).
Fig. 7.4 - 163
7 - 99
7
MANTENIMIENTO ORDINARIO Y PROGRAMADO
MAN. I4390.ES.USM000 (11/09/2013)
DOC. ROLL4Evo.CAP.01.R00 (17/03/2008)
SIDEL S.p.a.
B38. PLATILLOS
b. Revisión general de los platillos y la correa de transmisión
FRECUENCIA: Mantenimiento cada 6000 horas (anual)
OPERADOR HABILITADO: 1 encargado de mantenimiento mecánico
TIEMPO NECESARIO: A: ND; B: 180 minutos; C: ND
______________________________________________________________________
Las operaciones de revisión de los platillos y la correa
de transmisión deben realizarse con la máquina
apagada.
1. Quite los dos cárteres que protegen las poleas de
la transmisión de los platillos .
2. Desconecte la tubería de lubricación y quite las
plataformas de deslizamiento.
3. Compruebe la tensión y el desgaste de las correas
de transmisión: correa de rotación superior (A) y correa
de rotación inferior (B).
B
A
7 - 100
MAN. I4390.ES.USM000 (11/09/2013)
DOC. ROLL4Evo.CAP.01.R00 (17/03/2008)
7
MANTENIMIENTO ORDINARIO Y PROGRAMADO
SIDEL S.p.a.
4. Para sacar las correas de las poleas, desbloquee
los dispositivos de tope (C, correa dentada) y (D, correa
de rotación) de los tensores correspondientes.
Con una llave fija, gire las barras roscadas de tensado
correspondientes hacia el operador.
Saque las correas.
5. Quite los equipos de los platillos mediante el tornillo
de bloqueo central.
6. Quite los tornillos que fijan el cuerpo del platillo a la
plataforma central.
D
C
7 - 101
7
MANTENIMIENTO ORDINARIO Y PROGRAMADO
MAN. I4390.ES.USM000 (11/09/2013)
DOC. ROLL4Evo.CAP.01.R00 (17/03/2008)
SIDEL S.p.a.
7. Quite los tornillos de fijación de la parte inferior del
cuerpo del platillo y compruebe el estado del cojinete
del interior.
Si necesario, reemplace los cojinetes.
8. Saque el platillo de la plataforma y compruebe el
estado de los cojinetes. El platillo debe girar de manera
uniforme, sin saltos, y los dientes de la polea no deben
estar desgastados.
Preste especial atención cuando vuelva
a montar los platillos y compruebe que
hay un huelgo mínimo entre la polea y la
correa de transmisión del movimiento.
9. Antes de volver a montar los platillos, reemplace
las dos correas de transmisión de los platillos: (A, -
POLI-V correa de rotación) y (B- POLI-V correa de
rotación).
Siga el esquema de montaje.
B
A
7 - 102
MAN. I4390.ES.USM000 (11/09/2013)
DOC. ROLL4Evo.CAP.01.R00 (17/03/2008)
7
MANTENIMIENTO ORDINARIO Y PROGRAMADO
SIDEL S.p.a.
10. Vuelva a instalar los platillos.
11. Regule el tensionador de la correa de modo que la
frecuencia en el punto intermedio entre las dos poleas
indicadas (E y F) sea de aproximadamente 58 Hz en
la banda superior y 58 Hz en la banda inferior.
12. Vuelva a montar los planos de deslizamiento, el
tubo de lubricación y los dos cárteres de protección
de las poleas.
E
F
7 - 103
7
MANTENIMIENTO ORDINARIO Y PROGRAMADO
MAN. I4390.ES.USM000 (11/09/2013)
DOC. ROLL4Evo.CAP.01.R00 (17/03/2008)
SIDEL S.p.a.
B40. ESTRELLACON EMBRAGUE
a. Comprobación del estado de desgaste y los huelgos del soporte y la estrella
FRECUENCIA: Mantenimiento cada 6000 horas (anual)
OPERADOR HABILITADO: 1 encargado de mantenimiento mecánico
TIEMPO NECESARIO: A: 5 minutos; B: 10 minutos; C: ND
______________________________________________________________________
1. Apague la máquina y desmonte el cárter de
protección (Fig. 7.4.3 - 166).
2. Desmonte la guía de apoyo del micro interruptor
(Fig. 7.4.3 - 167).
3. Desatornille la tuerca de bloqueo y asegúrese de
que el embrague se puede abrir y cerrar sin atascarse
(Fig. 7.4.3 - 168).
Fig. 7.4.3 - 168
Fig. 7.4.3 - 167
Fig. 7.4.3 - 166
7 - 104
MAN. I4390.ES.USM000 (11/09/2013)
DOC. ROLL4Evo.CAP.01.R00 (17/03/2008)
7
MANTENIMIENTO ORDINARIO Y PROGRAMADO
SIDEL S.p.a.
4. Compruebe al mismo tiempo que las rótulas y los
componentes conectados a ellas no presentan marcas
de desgaste (Fig. 7.4.3 - 169).
5. Controle que la lengüeta inferior no produzca huelgo
(Fig. 7.4.3 - 170).
6. Asegúrese de que el huelgo de la máquina sea
limitado (unos milímetros) moviendo el equipo de la
estrella.
En caso de que se detecte una pieza individual
desgastada, es aconsejable reemplazar completamen-
te el embrague.
Fig. 7.4.3 - 169
Fig. 7.4.3 - 170
7 - 105
7
MANTENIMIENTO ORDINARIO Y PROGRAMADO
MAN. I4390.ES.USM000 (11/09/2013)
DOC. ROLL4Evo.CAP.01.R00 (17/03/2008)
SIDEL S.p.a.
B41. EQUIPOS TRANSPORTE BOTELLAS
a. Controlar el desgaste
FRECUENCIA: Mantenimiento cada 6000 horas (anualmente)
OPERADOR HABILITADO: 1 encargado del mantenimiento mecánico
TIEMPO NECESARIO: A: 5 minutos; B: ND; C: ND
_________________________________________________________________
1. Verifique que los equipos de transporte de botellas
no estén gastados.
Para máquina en línea los equipos de botellas
conciernen:
1) BLOQUEO DE BOTELLAS / ESTRELLA DE
SELECCIÓN;
2) SINFÍN;
3) BORDE CÓCLEA;
4) ESTRELLADE ENTRADA;
5) CONTRAESTRELLA;
6) ESTRELLA DE SALIDA.
Para máquina en paralelo los equipos de botellas
conciernen:
1) GUÍAS DE ENTRADA (si están previstas);
2) BLOQUEO DE BOTELLAS / ESTRELLA DE
SELECCIÓN;
3) BORDE SIN FIN ;
4) SINFÍN;
5) ESTRELLADE TRANSFERENCIA;
6) ESTRELLALATERAL;
7) ESTRELLADE ENTRADA;
8) CONTRAESTRELLA CENTRAL;
9) ESTRELLA DE SALIDA;
10) GUÍAS DE SALIDA (si están previstas).
En caso de desgaste, sustituir los componentes.
1
6
2
3
5
4
789
63 5421
10
7 - 106
MAN. I4390.ES.USM000 (11/09/2013)
DOC. ROLL4Evo.CAP.01.R00 (17/03/2008)
7
MANTENIMIENTO ORDINARIO Y PROGRAMADO
SIDEL S.p.a.
B42. EQUIPO ELÉCTRICO
a. Comprobación de las conexiones eléctricas del carrusel
FRECUENCIA: Mantenimiento cada 6000 horas (anual)
OPERADOR HABILITADO: 1 encargado de mantenimiento mecánico
TIEMPO NECESARIO: A: ND; B: 40 minutos; C: ND
______________________________________________________________________
1. Limpie detenidamente todas las conexiones eléctricas del carrusel.
En caso de que hayan infiltraciones de líquidos, incluso muy pequeñas, detecte la causa y elimínela.
7 - 107
7
MANTENIMIENTO ORDINARIO Y PROGRAMADO
MAN. I4390.ES.USM000 (11/09/2013)
DOC. ROLL4Evo.CAP.01.R00 (17/03/2008)
SIDEL S.p.a.
B42. EQUIPO ELÉCTRICO
b. Limpieza de los motores eléctricos
FRECUENCIA: Mantenimiento cada 6000 horas (anual)
OPERADOR HABILITADO: 1 encargado de mantenimiento mecánico
TIEMPO NECESARIO: A: ND; B: 60 minutos; C: ND
______________________________________________________________________
1. Para el mantenimiento de los motores eléctricos, limpie detenidamente las tomas de aire, el ventilador
de refrigeración y los filtros correspondientes.
7 - 108
MAN. I4390.ES.USM000 (11/09/2013)
DOC. ROLL4Evo.CAP.01.R00 (17/03/2008)
7
MANTENIMIENTO ORDINARIO Y PROGRAMADO
SIDEL S.p.a.
B42. EQUIPO ELÉCTRICO
c. Comprobación de los cojinetes de los motores eléctricos
FRECUENCIA: Mantenimiento cada 6000 horas (anual)
OPERADOR HABILITADO: 1 encargado de mantenimiento mecánico
TIEMPO NECESARIO: A: ND; B: 180 minutos; C: ND
______________________________________________________________________
1. Asegúrese de que la temperatura de los cojinetes no sobrepase los 90° C y que no se oigan ruidos.
Este control debe realizarse con mucho cuidado en condiciones de calor y de funcionamiento más duras.
7 - 109
7
MANTENIMIENTO ORDINARIO Y PROGRAMADO
MAN. I4390.ES.USM000 (11/09/2013)
DOC. ROLL4Evo.CAP.01.R00 (17/03/2008)
SIDEL S.p.a.
B43. SISTEMA DEL VACÍO
a. Revisión de los reductores del vacío
FRECUENCIA: Mantenimiento cada 6000 horas (anualmente)
OPERADOR HABILITADO: 1 encargado del mantenimiento mecánico
TIEMPO NECESARIO: A: 30 minutos; B: ND; C: ND
___________________________________________________________________
Antes de realizar esta operación, es necesario tener el kit de mantenimiento de reductores
del sistema del vacío:
Cód. 20042465 Kit de mantenimiento para reductor de vacío de 1”
Cód. 20042466 Kit de mantenimiento para reductor de vacío de 1”1/2
1. Detener la máquina y desactivar, desde el panel, la
bomba del vacío.
2. Afloje y extraiga la abrazadera de bloqueo del tubo
de vacío del reductor.
Desconectar la manguera de envío de aire desde el
panel de gestión del vacío.
3. Desenrosque todas las tuercas de mariposa de
fijación de los filtros de vacío.
7 - 110
MAN. I4390.ES.USM000 (11/09/2013)
DOC. ROLL4Evo.CAP.01.R00 (17/03/2008)
7
MANTENIMIENTO ORDINARIO Y PROGRAMADO
SIDEL S.p.a.
4. Desmonte todos los filtros de los reductores de vacío.
5. Desenrosque los cuatro tornillos de fijación inferior
del reductor a la placa de soporte del colector.
6. Extraiga el reductor y, utilizando una llave en T con
macho hexagonal 5 mm, quite la tapa superior.
7 - 111
7
MANTENIMIENTO ORDINARIO Y PROGRAMADO
MAN. I4390.ES.USM000 (11/09/2013)
DOC. ROLL4Evo.CAP.01.R00 (17/03/2008)
SIDEL S.p.a.
7. Retire la membrana de goma.
8. Retire la placa intermedia.
9. Siempre utilizando una llave en T con macho
hexagonal de 5 mm, retirar los 4 tornillos de fijación y
levantar el cuerpo del cilindro.
7 - 112
MAN. I4390.ES.USM000 (11/09/2013)
DOC. ROLL4Evo.CAP.01.R00 (17/03/2008)
7
MANTENIMIENTO ORDINARIO Y PROGRAMADO
SIDEL S.p.a.
10. Coloque la válvula al revés para sacar el
distanciador de latón.
El distanciador se encuentra solo en el
reductor del vacío de 1” cod.70010843)
11. Con un trapo suave humedecido con disolvente
(Melt O Clean) limpiar perfectamente el cilindro ( A)-
y la base de fijación ( B) .
8. Limpiar también la base de fijación y el asiento in-
terno del pistón eliminando cualquier fragmento de
pegamento, grasa u otro material.
A
B
7 - 113
7
MANTENIMIENTO ORDINARIO Y PROGRAMADO
MAN. I4390.ES.USM000 (11/09/2013)
DOC. ROLL4Evo.CAP.01.R00 (17/03/2008)
SIDEL S.p.a.
13. Saque el anillo de retención OR y sustitúyalo por
otro nuevo.
14. Desenrosque el pistón obturador de la placa inter-
media.
15. Limpiar el pistón (A), el disco de bronce (B) y la
placa de cierre (C).
Limpiar cuidadosamente los agujeros en el disco de
bronce y el agujero en la placa de cierre.(D)
Retirar, del agujero central de la placa intermedia, el
anillo de retención O.R.(E) y sustituir con el nuevo del
Kit.
B
C
A
DE
7 - 114
MAN. I4390.ES.USM000 (11/09/2013)
DOC. ROLL4Evo.CAP.01.R00 (17/03/2008)
7
MANTENIMIENTO ORDINARIO Y PROGRAMADO
SIDEL S.p.a.
16. Utilizando un punta delgada, sustituir el obturador
de goma con aquél suministrado en el Kit.
17. Reinstalar el grupo del pistón del obturador y fijar
la placa intermedia en la válvula, observando en colocar
correctamente el agujero de descarga.
18. Coloque la membrana de goma nueva.
Prestar mucha atención al correcto
centrado de la membrana.
7 - 115
7
MANTENIMIENTO ORDINARIO Y PROGRAMADO
MAN. I4390.ES.USM000 (11/09/2013)
DOC. ROLL4Evo.CAP.01.R00 (17/03/2008)
SIDEL S.p.a.
19. Utilizando los tornillos nuevos, bloquee la placa de
cierre a la válvula.
20. Retire el anillo seeger y extraiga el cilindro.
21. Limpiar cuidadosamente el cilindro y sustituir la
empaquetadura (A), el muelle (B) y los 2 anillos
aisladores OR (C) .
A
C B
7 - 116
MAN. I4390.ES.USM000 (11/09/2013)
DOC. ROLL4Evo.CAP.01.R00 (17/03/2008)
7
MANTENIMIENTO ORDINARIO Y PROGRAMADO
SIDEL S.p.a.
22. Para sacar el muelle, desenrosque el perno central
en la posición indicada.
Preste suma atención a no dañar o arañar el perno
central.
23. Limpie cuidadosamente el cuerpo del cilindro,
especialmente la descarga de aire.
24. Volver a montar el cilindro utilizando el anillo seeger
nuevo presente en el Kit.
Verifique manualmente el funcionamiento correcto del
cilindro.
7 - 117
7
MANTENIMIENTO ORDINARIO Y PROGRAMADO
MAN. I4390.ES.USM000 (11/09/2013)
DOC. ROLL4Evo.CAP.01.R00 (17/03/2008)
SIDEL S.p.a.
25. Sólo para reductores de vacío de 1”
Colocar nuevamente y correctamente el nuevo
distanciador de bronce en la válvula:
- Utilizando un pincel, marque la superficie llana del
distanciador.
- Luego, introdúzcalo en la válvula, verificando que su
posición sea correcta.
La parte resaltada debe ser visible!
26. Vuelva a montar el cuerpo del cilindro en la válvula,
utilizando los tornillos nuevos incluidos en el kit.
7 - 118
MAN. I4390.ES.USM000 (11/09/2013)
DOC. ROLL4Evo.CAP.01.R00 (17/03/2008)
7
MANTENIMIENTO ORDINARIO Y PROGRAMADO
SIDEL S.p.a.
27. Vuelva a montar el reductor en el soporte del
colector:
A) Enroscar nuevamente los cuatro tornillos de fijación
inferior del reductor a la plancha de soporte manifold;
B) Colocar nuevamente el filtro;
C) Introduzca y apriete la abrazadera de bloqueo al
tubo de vacío del reductor.
Antes de montar nuevamente los filtros,
verificar las arandelas de retención de
los 4 tornillos de fijación inferiores del
reductor.
Sustituir en caso de que estén
desgastadas.
28. Cierre todas las válvulas de aislamiento del vacío.
29. Conecte el accionamiento neumático.
7 - 119
7
MANTENIMIENTO ORDINARIO Y PROGRAMADO
MAN. I4390.ES.USM000 (11/09/2013)
DOC. ROLL4Evo.CAP.01.R00 (17/03/2008)
SIDEL S.p.a.
30. Controle el estado de las regulaciones de la presión de vacío como se describe a continuación.
31. Cierre las 5 válvulas de aislamiento del vacío.
EN CASO DE PANEL BR 15
32. AAcceda a la página REGULACIÓN DE VACÍOS del panel de control.
Seleccione la ventana de configuración del valor X del
vacío de la cuchilla e introduzca una secuencia de
valores comprendidos entre 0 y 3000 mbar con
aumentos de valor de 500 mbar.
Para cada valor introducido, anote el nivel
correspondiente de vacío desarrollado Y.
X Y
Continúaenlapáginasucesiva...
7 - 120
MAN. I4390.ES.USM000 (11/09/2013)
DOC. ROLL4Evo.CAP.01.R00 (17/03/2008)
7
MANTENIMIENTO ORDINARIO Y PROGRAMADO
SIDEL S.p.a.
33. Evalúe los valores registrados con respecto a las siguientes curvas de rendimiento.
Todos los puntos recomendados deben estar entre los límites C y D.
Los puntos deben formar una curva homogénea sin desplazamientos o desviaciones
angulares repentinas.
Los reguladores con curvas no satisfactorias deben ser revisados y controlados. Si hace
falta, sustitúyalos.
34. Proceda del mismo modo para controlar:
- el regulador de la zona antes del patín (regulador
de transferencia);
- el regulador de la zona pre-pegamento.
35. Vuelva a abrir las cinco válvulas de aislamiento.
7 - 121
7
MANTENIMIENTO ORDINARIO Y PROGRAMADO
MAN. I4390.ES.USM000 (11/09/2013)
DOC. ROLL4Evo.CAP.01.R00 (17/03/2008)
SIDEL S.p.a.
B44. SISTEMA DEL VACÍO
a. Revisar la bomba de vacío
FRECUENCIA: Mantenimiento cada 6000 horas (anualmente)
OPERADOR HABILITADO: 1 encargado del mantenimiento mecánico
TIEMPO NECESARIO: A: ND; B: 120 minutos; C: ND
______________________________________________________________________
Antes de efectuar esta operación, es necesario poseer el kit anual de mantenimiento de la
bomba de vacío cod. 20043183 compuesto por:
- 2 silenciadores para entrada/salida de aire
- 2 empaquetaduras con agujeros
- 4 empaquetaduras para la conexión a la bomba de salida y de entrada (si necesario)
- 1 cojinete para temperatura alta (cod. 6207-Z/ C33)
- 1 tubo de grasa especial para altas temperaturas ESSO UNIREX N.3
- 1 arandela especial de bloqueo anti- rotación.
- 1 Perno anti rotación
Se necesitan, además, las siguientes herramientas:
1. Dos destornilladores grandes 8. Llave inglesa n.° 17
2. llave de Allen M 6. 9. Llave inglesa n.° 13
3. llave de Allen M 5. 10. Llave inglesa n.° 8.
4. Martillo de hierro. 11. Extractor de cojinetes.
5. Martillo de plástico. 12. Extractor de perno.
6. Guillotina. 13. Punzón para marcas.
7. Cincel. 14. Llave inglese.
1. Cortar la alimentación eléctrica general de la
máquina.
2. Desconectar el cable eléctrico para extraer la bom-
ba (sólo en casos de falta de espacio) (fig.7.4.3-203).
Si se decidiera extraer completamente la
turbina, desconectar el cable eléctrico sin
tocar la conexión de fase.
Fig.7.4.3 - 400
7 - 122
MAN. I4390.ES.USM000 (11/09/2013)
DOC. ROLL4Evo.CAP.01.R00 (17/03/2008)
7
MANTENIMIENTO ORDINARIO Y PROGRAMADO
SIDEL S.p.a.
3. Quite la descarga con silenciador ensamblado.
A) Afloje los dos tornillos de apoyo del silenciador
(Fig. 7.4.3 - 202)
B) Quite el grupo del silenciador (Fig. 7.4.3 - 203)
Sujete el silenciador con la mano para
evitar accidentes.
Fig. 7.4 - 202
Fig. 7.4 - 203
7 - 123
7
MANTENIMIENTO ORDINARIO Y PROGRAMADO
MAN. I4390.ES.USM000 (11/09/2013)
DOC. ROLL4Evo.CAP.01.R00 (17/03/2008)
SIDEL S.p.a.
4. Quite los cárteres de recirculación de aire.
A) Quite el cárter principal abriendo el desenganche
de palanca (Fig. 7.4.3 - 204).
B) Quite el segundo cárter mediante una llave inglesa
M 8 (Fig. 7.4.3 - 205).
Fig. 7.4 - 204
Fig. 7.4 - 205
7 - 124
MAN. I4390.ES.USM000 (11/09/2013)
DOC. ROLL4Evo.CAP.01.R00 (17/03/2008)
7
MANTENIMIENTO ORDINARIO Y PROGRAMADO
SIDEL S.p.a.
5. Quite el soporte portacojinetes.
A) Desatornille completamente los cuatro tornillos allen
M8 (M-K Fig. 7.4.3 - 206).
Los tornillos (M) son más cortos que los
(K).
B) Quite la caja prestando atención al anillo del
separador que se sitúa en el cojinete (Fig.7.4 - 207).
Compruebe y marque la posición de la
tapa antes de quitarla. ¡La tapa debe man-
tener la orientación exacta!
Fig. 7.4 - 206
Fig. 7.4 - 207
M K
K M
7 - 125
7
MANTENIMIENTO ORDINARIO Y PROGRAMADO
MAN. I4390.ES.USM000 (11/09/2013)
DOC. ROLL4Evo.CAP.01.R00 (17/03/2008)
SIDEL S.p.a.
6. El grupo de soporte portacojinetes se compone de
lo siguiente (Fig. 7.4.3 - 208):
- 4 tornillos (2 son más cortos)
- Separador
- Cojinete con soporte
El separador (B - Fig.7-4 - 209) es muy
importante porque determina la posición
correcta del rotor y la carga de fijación
en el cojinete.
ATENCIÓN: ¡no lo dañe!
Fig. 7.4 - 208
Fig. 7.4 - 209
D
7 - 126
MAN. I4390.ES.USM000 (11/09/2013)
DOC. ROLL4Evo.CAP.01.R00 (17/03/2008)
7
MANTENIMIENTO ORDINARIO Y PROGRAMADO
SIDEL S.p.a.
7. Quite la tapa de la bomba de vacío.
A) Desatornille y quite los ocho tornillos (M 6) de cierre
de la tapa (Fig. 7.4.3 - 210).
También la tapa tiene una posición de
fijación exacta. Por lo tanto, ¡marque su
posición antes de quitarla!
B) Abra la tapa mediante dos destornilladores
(Fig. 7.4.3 - 211).
Si necesario, haga palanca de manera uniforme. No
haga demasiada fuerza.
C) Una vez que la haya quitado, controle que la posición
“ mecánica” es correcta.
Atención: ¡la tapa pesa mucho!
(fig.7.4.3 - 212)
Fig. 7.4 - 210
Fig. 7.4 - 211
Fig. 7.4 - 212
7 - 127
7
MANTENIMIENTO ORDINARIO Y PROGRAMADO
MAN. I4390.ES.USM000 (11/09/2013)
DOC. ROLL4Evo.CAP.01.R00 (17/03/2008)
SIDEL S.p.a.
8. Extraiga las arandelas de seguridad y el perno central:
A) Aplane la arandela de seguridad mediante un
escoplo y un martillo (Fig. 7.4.3 - 213).
B) La arandela de seguridad está recta. Ahora es
posible desatornillar el perno (Fig. 7.4.3 - 214).
La arandela está torcida hacia el cabezal
del perno como medida de precaución
“antirrotación”.
C) Desatornille el perno central mediante un martillo
(Fig. 7.4.3 - 215).
Fig. 7.4 - 213
Fig. 7.4 - 214
Fig. 7.4 - 215
7 - 128
MAN. I4390.ES.USM000 (11/09/2013)
DOC. ROLL4Evo.CAP.01.R00 (17/03/2008)
7
MANTENIMIENTO ORDINARIO Y PROGRAMADO
SIDEL S.p.a.
D) Quite el perno y las dos arandelas de seguridad “
antirrotación” (Fig. 7.4.3 -216).
El perno central y las arandelas
antirrotación deben reutilizarse! La
arandela más pequeña forma parte del
material que suministra SIDEL S.p.A.
Fig. 7.4 - 216
7 - 129
7
MANTENIMIENTO ORDINARIO Y PROGRAMADO
MAN. I4390.ES.USM000 (11/09/2013)
DOC. ROLL4Evo.CAP.01.R00 (17/03/2008)
SIDEL S.p.a.
9. Extraiga el cojinete.
A) Introduzca de nuevo el perno sin la arandela
antirrotación.
Atornille el perno sin apretarlo excesivamente
(Fig.7.4.3 - 217).
No es necesario apretar el perno con
fuerza. Así no se daña la rosca del interior
del eje cuando se extrae el cojinete.
B) Utilice un extractor adecuado y extraiga el cojinete
de su asiento (Fig. 7.4.3 - 218).
C) El cojinete 6207-Z/C3 está protegido sólo por un
lado (Fig.7.4 - 219).
Una vez que haya sacado el cojinete,
asegúrese de que el eje no esté rayado o
dañado.
Fig. 7.4 - 217
Fig. 7.4 - 218
Fig. 7.4 - 219
7 - 130
MAN. I4390.ES.USM000 (11/09/2013)
DOC. ROLL4Evo.CAP.01.R00 (17/03/2008)
7
MANTENIMIENTO ORDINARIO Y PROGRAMADO
SIDEL S.p.a.
10. Lubrique el cojinete nuevo.
A) Utilice el cojinete que se ha suministrado
(6207-Z/C3).
Introduzca manualmente la grasa especial (ESSO
UNIREX N3) aplicando una pequeña presión para que
penetre por completo (Fig.7.4.3 - 220).
B) El cojinete debe llenarse completamente de grasa
(Fig. 7.4.3 - 221).
Fig. 7.4 - 220
Fig. 7.4 - 221
7 - 131
7
MANTENIMIENTO ORDINARIO Y PROGRAMADO
MAN. I4390.ES.USM000 (11/09/2013)
DOC. ROLL4Evo.CAP.01.R00 (17/03/2008)
SIDEL S.p.a.
11. Limpie el interior de la bomba y la tapa.
A) Limpie detenidamente el eje central y separador
con un paño limpio (Fig. 7.4.3 - 222).
B) Limpie con cuidado el borde interno de la bomba
con un rascador fino (posiblemente de latón) y luego
elimine con un paño limpio los fragmentos del sellante
antiguo (Fig. 7.4.3 - 223).
Es extremadamente importante prestar
especial atención a las operaciones de
limpieza para que no se dañe la bomba!
Fig. 7.4 - 222
Fig. 7.4 - 223
7 - 132
MAN. I4390.ES.USM000 (11/09/2013)
DOC. ROLL4Evo.CAP.01.R00 (17/03/2008)
7
MANTENIMIENTO ORDINARIO Y PROGRAMADO
SIDEL S.p.a.
C) Limpie detenidamente limpio el interior de la tapa
con un paño (Fig. 7.4.3 - 224).
D) Limpie detenidamente el borde interno de la tapa
con un rascador (posiblemente de latón) y luego utilice
un paño limpio (Fig.7.4.3 - 225).
Es extremadamente importante quitar con
mucho cuidado la silicona y la suciedad
para que no se dañe la bomba!
Fig. 7.4 - 224
Fig. 7.4 - 225
7 - 133
7
MANTENIMIENTO ORDINARIO Y PROGRAMADO
MAN. I4390.ES.USM000 (11/09/2013)
DOC. ROLL4Evo.CAP.01.R00 (17/03/2008)
SIDEL S.p.a.
12. Introduzca el cojinete nuevo.
A) Extraiga la clavija (A) de la arandela antirrotación a
fin de usar el perno y la arandela para insertar el cojinete
en el eje (Fig. 7.4.3 - 226).
B) Prepare el cojinete en el eje con la parte blindada
hacia el rotor (Fig. 7.4.3 - 227).
Inserte el cojinete en el eje mediante el perno y la
arandela.
El cojinete no se acopla perfectamente al
eje. De todas formas no se requiere el uso
de fuerza excesiva para insertarlo.
Preste especialATENCIÓN para no dañar
la arandela y a la clavija, ya que se deben
reutilizar.
C) Vuelva a montar la arandela y la clavija
(Fig. 7.4.3 - 226).
D) Introduzca la arandela “antirrotación” más grande y
luego la pequeña ” de seguridad” (Fig. 7.4.3 - 228).
Las arandelas sólo tienen una posición
de montaje!
Fig. 7.4 - 226
A
Fig. 7.4 - 227
Fig. 7.4 - 228
7 - 134
MAN. I4390.ES.USM000 (11/09/2013)
DOC. ROLL4Evo.CAP.01.R00 (17/03/2008)
7
MANTENIMIENTO ORDINARIO Y PROGRAMADO
SIDEL S.p.a.
E) Atornille el perno central para montar y bloquear el
cojinete en la posición correcta (Fig. 7.4.3 - 229).
F) Doble un ángulo de la arandela de seguridad contra
el cabezal del perno para bloquear el perno central (Fig.
7.4.3 - 230/231).
Fig. 7.4 - 229
Fig. 7.4 - 230
Fig. 7.4 -231
7 - 135
7
MANTENIMIENTO ORDINARIO Y PROGRAMADO
MAN. I4390.ES.USM000 (11/09/2013)
DOC. ROLL4Evo.CAP.01.R00 (17/03/2008)
SIDEL S.p.a.
13. Cierre la tapa de la bomba de vacío.
A) Aplique una capa fina de silicona transparente en el
borde de contacto de la brida de la tapa (Fig. 7.4.3 - 232).
B) Acerque la tapa a la bomba de vacío y mantenga la
orientación correcta (Fig. 7.4.3 - 233).
La silicona debe aplicarse de manera con-
tinua y no abundante.
La silicona debe aplicarse de manera
circular alrededor de la brida de la tapa y
por el exterior del canal de aspiración y
de la puerta de descarga.
La cantidad y el punto de aplicación se
indican en la figura 7.4 - 232.
Fig. 7.4 - 232
Fig. 7.4 - 233
7 - 136
MAN. I4390.ES.USM000 (11/09/2013)
DOC. ROLL4Evo.CAP.01.R00 (17/03/2008)
7
MANTENIMIENTO ORDINARIO Y PROGRAMADO
SIDEL S.p.a.
C) Centre el interior de la brida con la tapa mediante
los dos tornillos (Fig. 7.4.3 - 234).
Ponga la tapa en paralelo a la estructura de la bomba y
diríjala de manera concéntrica hacia la brida.
D) Lleve la tapa hasta la posición de cierre, sin forzar-
la, mediante los otros 6 tornillos (Fig. 7.4.3 - 235).
No utilice un martillo ni otra herramienta!
La introducción debe realizarse sin
aplicar fuerza.
En caso de que el cierre resulte
especialmente difícil, ¡quite de nuevo la
tapa y detecte la causa!
Fig. 7.4 - 234
Fig. 7.4 - 235
7 - 137
7
MANTENIMIENTO ORDINARIO Y PROGRAMADO
MAN. I4390.ES.USM000 (11/09/2013)
DOC. ROLL4Evo.CAP.01.R00 (17/03/2008)
SIDEL S.p.a.
14. Cierre del soporte del cojinete
A) Antes de cerrar el soporte del cojinete, límpielo bien
(Fig. 7.4.3 -236).
- Quite la grasa existente del soporte.
- Aplique la nueva grasa (aprox. 60%) sin llenarlo com-
pletamente (aprox. 60%).
- Limpie el separador.
NO OLVIDE INTRODUCIR EL
SEPARADOR!! ¡¡EN CASO DE QUESE
OLVIDE, SEPODRÍADAÑAR LARUEDA!!
B) Quite los tornillos (Fig. 7.4.3 - 237).
C) Vuelva a montar los tornillos con el soporte del
cojinete y conéctelos a la brida interna (Fig. 7.4.3 - 238).
Estos tornillos sirven para completar la
tapa de la rueda!
¡Se utilizan temporalmente sólo para cen-
trar la brida interna!
Fig. 7.4 - 237
Fig. 7.4 - 238
Fig. 7.4 - 236
7 - 138
MAN. I4390.ES.USM000 (11/09/2013)
DOC. ROLL4Evo.CAP.01.R00 (17/03/2008)
7
MANTENIMIENTO ORDINARIO Y PROGRAMADO
SIDEL S.p.a.
D) Complete el cierre de la tapa mediante los 2 tornillos
cortos (agujero arriba a la derecha y agujero abajo a la
izquierda - Fig. 7.4.3 - 239).
Reemplace, uno tras otro, los tornillos largos de guía
por 2 tornillos largos para que no se pierda la posición
de la brida interna.
E) Gire manualmente la rueda para asegurarse de que
gira libremente y no tropieza con nada (fig.7.4.3 - 240).
Por muy pequeño que sea el obstáculo,
desmonte de nuevo la tapa y compruebe
la causa.
¡No active la alimentación eléctrica si no
está completamente seguro de que el
montaje es correcto!
Fig. 7.4 - 239
Fig. 7.4 - 240
7 - 139
7
MANTENIMIENTO ORDINARIO Y PROGRAMADO
MAN. I4390.ES.USM000 (11/09/2013)
DOC. ROLL4Evo.CAP.01.R00 (17/03/2008)
SIDEL S.p.a.
Fig. 7.4.3 - 241
Fig. 7.4.3 - 242
15. Desmonte el grupo del silenciador de la tubería de descarga y reemplace el silenciador:
A) Quite la brida para que sea posible acceder al
silenciador (Fig. 7.4.3 - 241).
B) Quite la guarnición antigua (Fig. 7.4.3 - 242).
Remplace la guarnición!
7 - 140
MAN. I4390.ES.USM000 (11/09/2013)
DOC. ROLL4Evo.CAP.01.R00 (17/03/2008)
7
MANTENIMIENTO ORDINARIO Y PROGRAMADO
SIDEL S.p.a.
Fig. 7.4.3 - 243
Fig. 7.4.3 - 244
C) Extraiga el silenciador antiguo con unas pinzas
(Fig. 7.4.3 - 243).
D) Elimine los residuos y la suciedad del interior del
tronco.
E) Introduzca el silenciador nuevo (Fig. 7.4.3 - 244)
7 - 141
7
MANTENIMIENTO ORDINARIO Y PROGRAMADO
MAN. I4390.ES.USM000 (11/09/2013)
DOC. ROLL4Evo.CAP.01.R00 (17/03/2008)
SIDEL S.p.a.
16. Reemplace las guarniciones posterior y anterior del silenciador:
A) Reemplace la guarnición posterior antigua
(Fig. 7.4.3 -245).
B) Limpie la superficie de apoyo.
C) Monte de nuevo la brida (Fig. 7.4.3 - 246).
D) Quite la guarnición anterior antigua (Fig. 7.4.3 - 247).
E) Elimine los residuos de pegamento de la superfi-
cie.
Fig. 7.4.3 - 245
Fig. 7.4.3 - 246
Fig. 7.4.3 - 247
7 - 142
MAN. I4390.ES.USM000 (11/09/2013)
DOC. ROLL4Evo.CAP.01.R00 (17/03/2008)
7
MANTENIMIENTO ORDINARIO Y PROGRAMADO
SIDEL S.p.a.
Fig. 7.4.3 - 248
Fig. 7.4.3 - 249
F) Aplique una capa fina de LOCTITE 406 (“Superglue”)
en la guarnición nueva (Fig. 7.4.3 - 248).
G) Sitúe la guarnición en el tronco del silenciador, de
manera perfectamente centrada. (Fig. 7.4.3 - 249)
Asegúrese de centrar perfectamente la
guarnición en la superficie.
7 - 143
7
MANTENIMIENTO ORDINARIO Y PROGRAMADO
MAN. I4390.ES.USM000 (11/09/2013)
DOC. ROLL4Evo.CAP.01.R00 (17/03/2008)
SIDEL S.p.a.
17. Instale el cárter de recirculación de aire y el grupo
del silenciador de la tubería de descarga.
A) Monte el primer cárter de recirculación cerrando
manualmente el desenganche de palanca
(Fig. 7.4.3 - 250).
B) Monte la placa metálica para recirculación de aire
mediante los dos tornillos M 5 (fig.7.4.3 - 251).
Si se ha quitado la bomba de la máquina,
ASEGÚRESE de volver a conectar las
fases de la misma manera para evitar una
rotación errónea.
C) Introduzca el silenciador entre las dos bridas de
bloqueo de manera que pueda centrarlo bien con la
estructura de la brida.
D) Mientras está sujetando el silenciador, cierre los
dos tornillos de fijación de manera uniforme
(Fig. 7.4.3 - 252).
Procure no ejercer demasiada fuerza al
apretar los tornillos de cierre. ¡No fuerce
el silenciador para que no se dañen la
guarnición y el acoplamiento del perno!
Fig. 7.4 - 251
Fig. 7.4 -250
Fig. 7.4 - 252
7 - 144
MAN. I4390.ES.USM000 (11/09/2013)
DOC. ROLL4Evo.CAP.01.R00 (17/03/2008)
7
MANTENIMIENTO ORDINARIO Y PROGRAMADO
SIDEL S.p.a.
18. Reemplace el silenciador de aspiración y de limpieza general.
A) Abra la brida del punto A (Fig.7.4.3 - 253) y
reemplace el silenciador y la guarnición (véanse las
actividades que se describen en 16. + 17 ).
B) Compruebe el estado de las guarniciones de la
cámara del silenciador de aspiración
(B - fig.7.4.3 - 253).
Si necesario, reemplace todas las guarniciones.
C) Abra la caja de la campana de ventilación y
compruebe su estado (C - Fig.7.4.3 - 253). Límpiela si
necesario.
D) Limpie toda la parte externa de la bomba de vacío
con un chorro de aire y un paño húmedo
(D - Fig.7.4.3 - 253).
Utilizar agua caliente para eliminar las contaminaciones de azúcar.
Utilizar disolvente desgrasante para eliminar las contaminaciones de aceite.
19. Encendido de la bomba del vacío:
A) Activar la alimentación eléctrica de la máquina.
B Comprobar que no haya pérdidas de aire en las juntas.
Al encender la bomba, prestar atención que no se verifiquen ruidos de contacto metálico,
pérdidas de aire, etc.; si así fuera, apagar inmediatamente el motor de la bomba y desmontarlo
para inspeccionarlo todo.
Cerciorarse que haya una rotación correcta controlando la aspiración de la bomba 20.
Encienda la bomba de vacío.
Fig. 7.4.3 - 253
B
D
C
A
7 - 145
7
MANTENIMIENTO ORDINARIO Y PROGRAMADO
MAN. I4390.ES.USM000 (11/09/2013)
DOC. ROLL4Evo.CAP.01.R00 (17/03/2008)
SIDEL S.p.a.
B45. EQUIPO NEUMÁTICO
a. Control y revisión de los reductores de presión
FRECUENCIA: Mantenimiento cada 12000 horas (bienal)
OPERADOR HABILITADO: 1 encargado de mantenimiento mecánico
TIEMPO NECESARIO: A: ND; B: 180 minutos; C: ND
______________________________________________________________________
1. Las operaciones de control consisten en desmontar y limpiar todos los componentes individuales, y
reemplazar los que están desgastados.
Es aconsejable lubricar las guarniciones con grasa antes de volver a montar los componentes y comprobar
su funcionamiento.
Esta operación debe realizarla personal especializado.
Seccione el flujo del vacío mediante las llaves de cierre que se encuentran abajo de los
filtros de aire antes de manejar algún dispositivo que esté conectado a dicho equipo.
7 - 146
MAN. I4390.ES.USM000 (11/09/2013)
DOC. ROLL4Evo.CAP.01.R00 (17/03/2008)
7
MANTENIMIENTO ORDINARIO Y PROGRAMADO
SIDEL S.p.a.
B45. EQUIPO NEUMÁTICO
b. Control y revisión de las válvulas
FRECUENCIA: Mantenimiento cada 12000 horas (bienal)
OPERADOR HABILITADO: 1 encargado de mantenimiento mecánico
TIEMPO NECESARIO: A: ND; B: 180 minutos; C: ND
______________________________________________________________________
1. Las operaciones de control consisten en desmontar y limpiar todos los componentes individuales, y
reemplazar los que están desgastados.
El control se realiza en el panel de servicio neumático (Fig. 7.4.3 - 255a) y en el panel de gestión del vacío
(Fig. 7.4.3 - 255b).
Es aconsejable lubricar las guarniciones con grasa antes de volver a montar los componentes y comprobar
su funcionamiento.
Esta operación debe realizarla personal especializado.
Fig.7.4 - 255a Fig.7.4 - 255b
7 - 147
7
MANTENIMIENTO ORDINARIO Y PROGRAMADO
MAN. I4390.ES.USM000 (11/09/2013)
DOC. ROLL4Evo.CAP.01.R00 (17/03/2008)
SIDEL S.p.a.
B46. MECANISMOS PRINCIPALES
a. Revisión del reductor principal
FRECUENCIA: Mantenimiento cada 12000 horas (bienal)
OPERADOR HABILITADO: 1 encargado de mantenimiento mecánico
TIEMPO NECESARIO: A: ND; B: 240 minutos; C: ND
______________________________________________________________________
1. Apagar la máquina.
2. Cerciorarse de que el selector de llave situado en el
panel operador esté en la posición “MANUAL”.
3. Verificar que los pernos utilizados para la unión de
los motores a las bridas y al bastidor de la máquina
estén bien apretados (Fig. 7.4 - 462/463).
Verificar también que no haya ruidos extraños en los
motores durante el funcionamiento de la máquina.
La presencia de ruidos podría indicar el
agarrotamiento de algún cojinete: por lo
tanto, se recomienda su sustitución.
4. Controlar el nivel de aceite (si presente).
Fig. 7.4.3 - 462
Fig. 7.4.3 - 463
7 - 148
MAN. I4390.ES.USM000 (11/09/2013)
DOC. ROLL4Evo.CAP.01.R00 (17/03/2008)
7
MANTENIMIENTO ORDINARIO Y PROGRAMADO
SIDEL S.p.a.
.
B47. GATO
a. Comprobar que el funcionamiento sea correcto
FRECUENCIA: Mantenimiento cada 12000 horas (cada dos años)
OPERADOR HABILITADO: 1 encargado del mantenimiento mecánico
TIEMPO NECESARIO: A: 15 minutos; B: ND; C: ND
______________________________________________________________________
1. Cerciorarse de que el selector situado en el panel
operador esté en la posición “JOG” (Fig. 7.4.3 - 465) .
2. Verificar que el gato funcione sin agarrotarse,
especialmente durante el movimiento vertical (Fig. 7.4.3
- 466).
En caso de anomalías, proceda a la revisión de los casquillos internos y del vástago de guía
(como se describe el punto siguente).
Fig. 7.4.3 - 465
Fig. 7.4.3 - 466
7 - 149
7
MANTENIMIENTO ORDINARIO Y PROGRAMADO
MAN. I4390.ES.USM000 (11/09/2013)
DOC. ROLL4Evo.CAP.01.R00 (17/03/2008)
SIDEL S.p.a.
B47. GATO
b. Comprobación del estado de desgaste de los casquillos internos, el perno de guía y la rueda de
contraste
FRECUENCIA: Mantenimiento cada 12000 horas (bienal)
OPERADOR HABILITADO: 1 encargado de mantenimiento mecánico
TIEMPO NECESARIO: A: ND; B: 150 minutos; C: ND
______________________________________________________________________
1. Desmontar el cárter de protección del carrusel (Fig.
7.4.3 - 467).
2. Presionando las teclas de JOG en la caja de
pulsadores móvil, girar el carrusel de manera tal, que
el gato a controlar coincida con la abertura situada en
la parte superior central (Fig. 7.4.3 - 468).
3. Utilizando dos llaves inglesas, desenrosque los
cabezales prensa-tapa(Fig. 7.4.3 - 469).
Fig. 7.4.3 - 468
Fig. 7.4.3 - 467
Fig. 7.4.3 - 469
7 - 150
MAN. I4390.ES.USM000 (11/09/2013)
DOC. ROLL4Evo.CAP.01.R00 (17/03/2008)
7
MANTENIMIENTO ORDINARIO Y PROGRAMADO
SIDEL S.p.a.
Fig. 7.4.3 - 470
Fig. 7.4.3 - 471
4. Desenroscar todos los tornillos que sujetan el gato
a la parte superior del central (Fig. 7.4.3 - 4705).
5. Desatornille los tornillos que aseguran los gatos al
carrusel central (Fig. 7.4.3 - 471).
6. Ahora es posible sacar el gato a través de la abertura situada en la parte superior central.
7 - 151
7
MANTENIMIENTO ORDINARIO Y PROGRAMADO
MAN. I4390.ES.USM000 (11/09/2013)
DOC. ROLL4Evo.CAP.01.R00 (17/03/2008)
SIDEL S.p.a.
7. Presionar manualmente la parte superior del gato
para verificar que se deslice correctamente: el
movimiento debe ser fluido y lineal, sin tirones (Fig.
7.4.3 - 473) .
8. Verificar también el funcionamiento correcto de la
RUEDA DE CONTRASTE: no debe haber juegos
excesivos y su rotación no debe presentar
agarrotamientos (Fig. 7.4.3 - 474) .
En caso de que detecte anomalías, revise los casquillos internos y el vástago de guía
como se indica a continuación.
Fig. 7.4.3 - 473
Fig. 7.4.3 - 474
7 - 152
MAN. I4390.ES.USM000 (11/09/2013)
DOC. ROLL4Evo.CAP.01.R00 (17/03/2008)
7
MANTENIMIENTO ORDINARIO Y PROGRAMADO
SIDEL S.p.a.
9. Apriete el cuerpo del gato y afloje la tapa superior
con una llave de tuerca (Fig. 7.4.3 - 262).
10. Quite la tapa y el muelle (A) (Fig. 7.4.3 - 263).
11. Sfilare la molla e/o la guarnizione SPEC.AK 105
SINTEK (C - Fig. 7.4.3 - 264).
Saque completamente el vástago interno (B) del cuerpo
del gato (Fig. 7.4.3 - 264).
A
Fig. 7.4 - 262
Fig. 7.4 - 263
B C
Fig. 7.4 - 264
7 - 153
7
MANTENIMIENTO ORDINARIO Y PROGRAMADO
MAN. I4390.ES.USM000 (11/09/2013)
DOC. ROLL4Evo.CAP.01.R00 (17/03/2008)
SIDEL S.p.a.
12. Con una llave fija de M20, afloje el perno de la
rueda de contraste (Fig. 7.4.3 - 265).
13. Quite la rueda de contraste (C) y el acoplamiento
correspondiente (D) (Fig. 7.4.3 - 266).
14. Con una llave hexagonal M5, desatornille los
tornillos de fijación del patín de final de carrera del
vástago del gato (E) (Fig. 7.4.3 - 267).
E
D
C
Fig. 7.4 - 265
Fig. 7.4 - 266
Fig. 7.4 - 267
7 - 154
MAN. I4390.ES.USM000 (11/09/2013)
DOC. ROLL4Evo.CAP.01.R00 (17/03/2008)
7
MANTENIMIENTO ORDINARIO Y PROGRAMADO
SIDEL S.p.a.
15. Desmonte el patín de final de carrera
(Fig. 7.4.3 - 268).
16. Saque con cuidado el cuerpo interno del gato (F)
(Fig. 7.4.3 - 269).
17. Saque también detenidamente el muelle y la virola
del cuerpo interno del gato (Fig. 7.4.3 - 270).
G
F
Fig. 7.4 - 268
Fig. 7.4 - 269
Fig. 7.4 - 270
7 - 155
7
MANTENIMIENTO ORDINARIO Y PROGRAMADO
MAN. I4390.ES.USM000 (11/09/2013)
DOC. ROLL4Evo.CAP.01.R00 (17/03/2008)
SIDEL S.p.a.
18. Ahora quite los casquillos internos que están
desgastados.
Apriete con cuidado el cuerpo interno del gato.
Con un perno y un martillo, golpee delicadamente el
lado interno de los casquillos (superior e inferior) para
quitarlos (Fig. 7.4.3 - 271a/272b).
Una vez que los haya quitado, reemplácelos.
19. Vuelva a montar el gato realizando al revés el
procedimiento que se ha descrito y aplique un sellador
de roscas en todas las partes roscadas que hay que
reensamblar.
Antes de volver a montar los gatos en su anillo de
soporte en el carrusel central, compruebe la
funcionalidad de todos los elementos que se han
revisado (Fig. 7.4.3 - 273).
Fig. 7.4 - 273
Fig. 7.4-271a
Fig. 7.4-272b
7 - 156
MAN. I4380.ES.USM000 (08/08/2013)
DOC. ROLL4Evo.CAP.01.R00 (17/03/2008)
7
MANTENIMIENTO ORDINARIO Y PROGRAMADO
Sidel S.p.A.
7.5 OPERACIONES DE REGULACIÓN
En los siguientes puntos se describe la función de los diversos grupos de la máquina y las regulaciones
que podría ser necesario efectuar.
Se indican los grupos pertenecientes a la configuración general de la máquina; aquellos presentes en la
máquina en vuestro poder están marcados con un asterisco.
Todas las operaciones de regulación deben ser efectuadas en condiciones de seguridad,
con la máquina parada.
Por lo tanto, estas operaciones no deben efectuarse durante el ciclo de lavado.
Los procedimientos descritos a continuación deben ser efectuados por personal capacitado
para estas tareas.
El personal cualificado que efectúa las regulaciones debe utilizar los dispositivos de
protección individual prescritos.
DESCRIPCIÏN OPERADOR HABILITADO
7.5.1 Regulación de la distancia entre cuchilla fija y
cuchilla giratoria
Encargado del mantenimiento
mecánico
7.5.2 Regulación del raspador de cola Encargado del mantenimiento
mecánico
7.5.3 Regulación de la presión del rodillo encolador Encargado del mantenimiento
mecánico
7.5.4 Regulación de la inclinación del rodillo encolador Encargado del mantenimiento
mecánico
7.5.5 Regulación del flujo de cola Encargado del mantenimiento
mecánico
7.5.6 Regulación de la tensión de la correa Encargado del mantenimiento
mecánico
7.5.7 Regulación del embrague del grupo de etiquetado Encargado del mantenimiento
mecánico
7.5.8 Regulación de la tensión de la correa de desplazamiento
del grupo
Encargado del mantenimiento
mecánico
7.5.9 Regulación de los frenos del soporte bobinas Encargado del mantenimiento
mecánico
7.5.10 Regulación del rodillo de arrastre Encargado del mantenimiento
mecánico
7.5.11 Regulación de la válvula de seguridad del vacío Encargado del mantenimiento
mecánico
7.5.12 Procedimiento de calibrado de los frenosWarner Encargado del mantenimiento
mecánico
7 - 157
7
MANTENIMIENTO ORDINARIO Y PROGRAMADO
MAN. I4380.ES.USM000 (08/08/2013)
DOC. ROLL4Evo.CAP.01.R00 (17/03/2008)
Sidel S.p.A.
7.5.1 REGULACIÓN DE LA DISTANCIA
ENTRE CUCHILLA FIJA Y
CUCHILLA GIRATORIA
NO GRADÚE LOS TORNILLOS DE
REGULACIÓN.
La regulación debe efectuarse cuando el
grupo de corte haya alcanzado la tempe-
ratura configurada y, antes de intervenir,
hay que girar la máquina al vacío por lo
menos durante 5 minutos.
El procedimiento de regulación sucesivo
es una operación que DEBE ser efectuada
por un técnico Alfa Labeling o por un
técnico de mantenimiento capacitado y
cualificado.
La operación descrita debe ser efectuada en los
siguientes casos:
a. cambio de las etiquetas de diferente espesor y/o
material;
b. desgaste normal de las cuchillas.
La regulación debe ser efectuada por
medio de la cuña de regulación colocada
en el soporte de la cuchilla fija (Fig. 7.5 -
1).
1. Quite los envases que se encuentran en el interior
de la máquina.
2. Coloque la máquina en mantenimiento y desactive
la bomba del vacío.
Este procedimiento permitirá comprender si la cuchilla
corta bien o si es la fuerza de la turbina la que arranca
las etiquetas después de que han sido SIMPLEMENTE
marcadas por la cuchilla.
3. Verifique que los elementos interesados estén
limpios: cascos, cuchillas y rodillo de desplazamiento.
4. Desenganche el grupo (Fig.7.5- 2).
5. Quite el rodillo de desplazamiento (Fig. 7.5 - 3).
Fig. 7.5 - 2
Fig. 7.5 - 1
Fig. 7.5 - 3
7 - 158
MAN. I4380.ES.USM000 (08/08/2013)
DOC. ROLL4Evo.CAP.01.R00 (17/03/2008)
7
MANTENIMIENTO ORDINARIO Y PROGRAMADO
Sidel S.p.A.
6. Gire la cuña de regulación 45° aproximadamente
hacia la derecha para acercar la cuchilla fija a aquella
móvil (Fig. 7.5 - 4).
7. Introduzca una etiqueta nueva (si posee diferentes
tipos, utilice la más alta) en los cascos de transferencia
y realice una prueba de corte (Fig. 7.5 - 5).
Para efectuar la prueba de corte accione
el movimiento de la cuchilla manualmen-
te (Fig. 7.5 - 6).
8. Verifique el corte.
Un corte adecuado se verifica cuando la etiqueta
ha sido cortada a lo largo de su altura.
En caso de que el corte no sea satisfactorio, gire
la cuña de regulación 45° hacia la derecha. Controle
nuevamente el corte de las etiquetas.
Continúe de esta manera hasta que el corte sea
satisfactorio.
Este tipo de regulación puede ser
efectuado continuamente en el mismo
lado de la cuchilla giratoria hasta que
comience a escuchar un contacto (ruido)
excesivo entre las dos cuchillas.
En este caso, inspeccione y/o sustituya
las cuchillas (véase el procedimiento
descrito en el párrafo 7.4.3).
Fig. 7.5 - 4
Fig. 7.5 - 6
Fig. 7.5 - 5
7 - 159
7
MANTENIMIENTO ORDINARIO Y PROGRAMADO
MAN. I4380.ES.USM000 (08/08/2013)
DOC. ROLL4Evo.CAP.01.R00 (17/03/2008)
Sidel S.p.A.
7.5.2 REGULACIÓN DEL RASPADOR
DE COLA
Cuando la cola que se deposita en el rodillo no es
uniforme:
1. Afloje las tuercas de bloqueo (A) y regule los tornillos
de contraste (B) colocados en el raspador de cola
hasta obtener los resultados esperados (se recomienda
regular las esferas (C) opuestas a los tornillos hasta
tres cuartos) (Fig. 7.5 - 13).
Tras haber hallado la condición óptima, apriete las
tuercas de bloqueo.
La cantidad de cola depende también de:
– La cantidad de cola depende de la profundidad del
grafilado del rodillo de cola.
– El contacto entre el raspador y el rodillo NO es
utilizado para modificar la cantidad de flujo de cola.
– En caso de que se verifique un exceso de cola durante el raspado, cerciórese de que el raspador esté
limpio (limpie la cuchilla con disolvente y un paño suave) y que entre éste y el rodillo haya suficiente
contacto (elimine los fragmentos de etiqueta que se encuentren debajo del raspador).
Fig. 7.5 - 13
C
C
A
B
B
A
7 - 160
MAN. I4380.ES.USM000 (08/08/2013)
DOC. ROLL4Evo.CAP.01.R00 (17/03/2008)
7
MANTENIMIENTO ORDINARIO Y PROGRAMADO
Sidel S.p.A.
7.5.3 REGULACIÓN DE LA PRESIÓN DEL RODILLO ENCOLADOR
Para regular la presión del rodillo encolador en los
patines, proceda de la siguiente manera:
1. Ponga la máquina en modalidad manual (selector
de llave en JOG) (2).
Cerciórese de que se hayan activado todas las
funciones de la máquina (calentamientos, los vacíos
y los fuelles).
2. Coloque en la máquina algunos envases (5-6), ante
la fotocélula de presencia botella.
Active la marcha JOG (Fig 7.5.3 - 2) y termine el
etiquetado de las botellas que se encuentran en el
central.
Fig. 7.5.3 - 1
Fig. 7.5.3 - 2
2
7 - 161
7
MANTENIMIENTO ORDINARIO Y PROGRAMADO
MAN. I4380.ES.USM000 (08/08/2013)
DOC. ROLL4Evo.CAP.01.R00 (17/03/2008)
Sidel S.p.A.
3. Ahora retire 3 botellas en secuencia.
Elimine la etiqueta y controle la distribución de cola.
La distribución de cola en la etiqueta puede presentarse de la siguiente manera (Fig. 7.5 - 16):
Fig. 7.5 - 16
Los contactos angulares y
horizontales hayan sido
regulados correctamente.
Apriete la tuerca de bloqueo
posterior y restablezca el
solenoide del rodillo
encolador en el
funcionamiento automático.
La distribución de cola no
es linear, por lo tanto, es
necesario regular el
contacto horizontal del
rodillo encolador.
El contacto angular del
rodillo encolador debe ser
regulador (Véase párrafo
7.5.4).
El contacto angular del
rodillo encolador debe ser
regulador (Véase párrafo
7.5.4).
La condición de los patines
del rodillo de
desplazamiento no es
buena. El rodillo de
desplazamiento debe ser
revisado.
7 - 162
MAN. I4380.ES.USM000 (08/08/2013)
DOC. ROLL4Evo.CAP.01.R00 (17/03/2008)
7
MANTENIMIENTO ORDINARIO Y PROGRAMADO
Sidel S.p.A.
Para la regulación horizontal del rodillo encolador proceda como se indica a continuación:
4. Antes que nada, accione, en modalidad JOG, el
desplazamiento del grupo para posicionar el patín del
rodillo de desplazamiento frente al rodillo encolador.
5. Afloje la tuerca de bloqueo posterior (A) y
desenrósquelo por 3-4mm.
La regulación del rodillo encolador se obtiene utilizando
la tuerca anterior B.
Al girar hacia la derecha la tuerca acerca el rodillo
encolador al rodillo de desplazamiento aumentando,
así, la presión; viceversa, al girar hacia la izquierda, se
disminuye la presión ( Fig. 7.5 - 17).
6. Acerque lentamente el rodillo encolador al patín del
rodillo de desplazamiento hasta obtener una distancia
de 1,5 mm.
Para verificar, utilice un calibrador de espesores.
7. Ahora gire la tuerca B hacia la derecha por un giro completo (equivale a 1,25 mm aproximadamente)
para que el rodillo encolador roce el patín.
8. Repita las operaciones como descrito en los puntos 3 y 4 y verifique nuevamente la distribución de cola
en la etiqueta.
En caso de ser necesario, efectúe algunas microregulaciones girando la tuerca de bloqueo anterior por
aproximadamente 30° (B - Fig.7.5 - 17).
Al obtener una regulación óptima, efectúe también un control a velocidad alta:
9. Coloque la máquina en modalidad “ AUTO “ y efectúe una prueba de etiquetado.
10. Cuando la máquina alcance una velocidad adecuada, deténgala inmediatamente y retire 3 botellas en
secuencia.
11. Verifique la distribución de cola en la etiqueta.
12. En caso de ser necesario, efectúe algunas microregulaciones girando (hacia la derecha para aumentar
la presión) la tuerca de bloqueo anterior por aproximadamente 30° (B - Fig.7.5 - 17).
Repita la prueba verificando la correcta distribución de cola en las tres etiquetas.
Fig. 7.5 - 17
A B
7 - 163
7
MANTENIMIENTO ORDINARIO Y PROGRAMADO
MAN. I4380.ES.USM000 (08/08/2013)
DOC. ROLL4Evo.CAP.01.R00 (17/03/2008)
Sidel S.p.A.
7.5.4 REGULACIÓN DE LA
INCLINACIÓN DEL RODILLO
ENCOLADOR
Para regular la inclinación del rodillo encolador, proce-
da como se indica a continuación:
1. Afloje las dos tuercas de bloqueo superiores (A) e
inferiores (B) de los dos tornillos de regulación (Fig.
7.5 - 20).
2. Seleccione un bulón como principal (aquí es el B)
(Fig. 7.5 - 21).
3. Gire cuidadosamente el bulón seleccionado hacia
arriba hasta que la apertura entre la parte inferior y
superior resulten paralelas (Fig. 7.5 - 22).
Fig. 7.5 - 20
A
B
Fig. 7.5 - 21
BA
Fig. 7.5 - 22
7 - 164
MAN. I4380.ES.USM000 (08/08/2013)
DOC. ROLL4Evo.CAP.01.R00 (17/03/2008)
7
MANTENIMIENTO ORDINARIO Y PROGRAMADO
Sidel S.p.A.
4. Ahora efectúe la “Regulación de la presión del rodillo
encolador”, como descrito en la parte anterior y verifique
la distribución de cola.
5. Efectúe la regulación mediante el bulón principal
(A) para compensar un posible excesivo contacto del
lados superior o inferior de la etiqueta (Fig. 7.5 - 23).
Para inclinar el rodillo encolador hacia
adelante (hacia el tabor de
desplazamiento), enrosque los dos
tornillos de regulación (C).
Para inclinar el rodillo encolador hacia
atrás, desenrosque los dos tornillos de
regulación (C) (Fig. 7.5 - 24).
6. Cuando el resultado es satisfaciente (véase la tabla
en el capítulo “Regulación de la presión del rodillo
encoladora”), mantenga quieto el bulón “3” en el lado
principal y apriete las tuercas de bloqueo “1” y “2” (Fig.
7.5 - 25).
Fig. 7.5 - 23
Fig. 7.5 - 24
Fig. 7.5 - 25
Punto de rotación
A
C
3
2
1
7 - 165
7
MANTENIMIENTO ORDINARIO Y PROGRAMADO
MAN. I4380.ES.USM000 (08/08/2013)
DOC. ROLL4Evo.CAP.01.R00 (17/03/2008)
Sidel S.p.A.
7. Apriete la tuerca “3” en el otro lado (no el lado
principal: “A”) manualmente hasta hallar resistencia.
Apriete las tuercas “1” y “2” en el mismo lado (Fig. 7.5
- 26).
8. Utilizando el mando JOG, haga pasar las etiquetas
y controle el resultado. Si el resultado es satisfaciente,
se ha completado el procedimiento.
La distribución de cola debería ser
verificada mientras la máquina opera a
la velocidad máxima. Si la huella de cola
dejada por los patines desvanece a alta
velocidad, será necesario incrementar
ligeramente el contacto del rodillo
encolador (por lo general una regulación
de 30° de rotación de la tuerca) (Fig. 7.5 -
27).
9. Si la distribución de la cola ha sufrido una influencia negativa al momento de enroscar las tuercas de
bloqueo, será necesario efectuar una regulación general del sistema.
Proceda como se indica a continuación:
1) Afloje las 4 tuercas de bloqueo.
2) Regule los dos bulones de la misma manera y por una medida mínima (Por lo general 30° de rotación).
3) Apriete nuevamente las 4 tuercas de bloqueo y verifique la distribución de cola.
4) Repita el procedimiento de “Regulación de inclinación del rodillo encolador”, en caso de ser necesario.
Fig. 7.5 - 27
Fig. 7.5 - 26
BA
3
2
1
30°30°
7 - 166
MAN. I4380.ES.USM000 (08/08/2013)
DOC. ROLL4Evo.CAP.01.R00 (17/03/2008)
7
MANTENIMIENTO ORDINARIO Y PROGRAMADO
Sidel S.p.A.
7.5.5 REGULACIÓN DEL FLUJO DE
LA COLA
Para regular el flujo de la cola utilice el tornillo indicado.
1. Afloje la tuerca de bloqueo (Fig. 7.5 - 16)
2. Para aumentar el flujo, atornille el tornillo; viceversa,
para disminuir el flujo, desatornille el tornillo (Fig. 7.5 -
17).
Espere un minuto y luego controle la cantidad de cola
que se deposita en la etiqueta.
En caso de necesidad, efectúe una regulación ulterior.
3. Apriete la tuerca de bloqueo (Fig. 7.5 - 18)
Fig. 7.5 - 18
Fig. 7.5 - 16
Fig. 7.5 - 17
7 - 167
7
MANTENIMIENTO ORDINARIO Y PROGRAMADO
MAN. I4380.ES.USM000 (08/08/2013)
DOC. ROLL4Evo.CAP.01.R00 (17/03/2008)
Sidel S.p.A.
7.5.6 REGULACIÓN DE LA TENSIÓN
DE LA CORREA DE
DESPLAZAMIENTO DEL GRUPO
1. Quite la puerta, agarre la leva de tensión de la correa
y afloje la tuerca de bloqueo (Fig. 7.5 - 38).
2. Tense la correa y, simultáneamente, apriete la tuerca
de bloqueo (Fig. 7.5 - 39).
3. Monte nuevamente la puerta.
Fig. 7.5 - 38
Fig. 7.5 - 39
7 - 168
MAN. I4380.ES.USM000 (08/08/2013)
DOC. ROLL4Evo.CAP.01.R00 (17/03/2008)
7
MANTENIMIENTO ORDINARIO Y PROGRAMADO
Sidel S.p.A.
Fig. 7.5 - 42
Fig. 7.5 - 40
Fig. 7.5 - 41
7.5.7 REGULACIÓN DEL EMBRAGUE
DEL GRUPO DE ETIQUETADO
1. Retire la puerta fija y el tornillo de bloqueo (Fig. 7.5
- 40).
2. Para aumentar el par máximo de transmisión,
enrosque la virola; viceversa, para disminuir el par
máximo de transmisión, desenrosque la virola (Fig.
7.5 - 41).
3. Apriete el tornillo de bloqueo, prestando mucha
atención a introducirla completamente en el propio
asiento (Fig. 7.5 - 42).
7 - 169
7
MANTENIMIENTO ORDINARIO Y PROGRAMADO
MAN. I4380.ES.USM000 (08/08/2013)
DOC. ROLL4Evo.CAP.01.R00 (17/03/2008)
Sidel S.p.A.
7.5.8 TENSIÓN DE LA CORREA PARA
EL DESPLAZAMIENTO VERTICAL
DEL GRUPO
1. Retire la puerta fija anterior.
Afloje los 4 tornillo de fijación de la placa “plato del
motor” (Fig. 7.5 - 43).
2. Hale la placa de soporte hacia fuera para tensar la
correa (Fig. 7.5 - 45).
3. Apriete los 4 tornillos de bloqueo (Fig. 7.5 - 45) e
instale nuevamente el cárter de protección y la puerta
anterior.
Fig. 7.5 - 43
Fig. 7.5 - 44
Fig. 7.5 - 45
7 - 170
MAN. I4380.ES.USM000 (08/08/2013)
DOC. ROLL4Evo.CAP.01.R00 (17/03/2008)
7
MANTENIMIENTO ORDINARIO Y PROGRAMADO
Sidel S.p.A.
DISCO
FERODO
0.25
7.5.9 REGULACIÓN DE LOS FRENOS
DEL SOPORTE BOBINAS
La regulación de los frenos del soporte bobinas se
hace necesaria cuando el neutro presenta un
comportamiento anómalo.
1.Sobre el panel de control del cambio carrete,
disactivar el carrete para regolacion pulsando el
interruptor A o B (Fig. 7.5 - 45).
2. Desconecte el conector (Fig. 7.5 - 46).
3. Verifique con un calibrador de espesores la tolerancia
entre el ferodo y el disco del freno (Fig. 7.5 - 47).
El espesor mínimo debe ser de 0,25 mm (0,25 mm =
1/102.4“).
Fig. 7.5 - 47
Fig. 7.5 - 46
Fig. 7.5 - 45
A B
7 - 171
7
MANTENIMIENTO ORDINARIO Y PROGRAMADO
MAN. I4380.ES.USM000 (08/08/2013)
DOC. ROLL4Evo.CAP.01.R00 (17/03/2008)
Sidel S.p.A.
Fig. 7.5 - 48
4. Para regular el espesor, afloje los bulones de fijación
(A) y, actuando en la virola (B), disminuya o aumente
el espesor apretando o aflojando la virola
correspondiente (Fig. 7.5 - 48).
Al final de la operación verifique siempre con un calibre
de espesor la tolerancia entre el ferodo y el disco.
5. Bloquee nuevamente con los tornillos de fijación
(A) y conecte nuevamente el conector (C) (Fig. 7.5 -
49).
Reactivar el carrete a traves del panel de control.
A B
Fig. 7.5 - 49
A C
7 - 172
MAN. I4380.ES.USM000 (08/08/2013)
DOC. ROLL4Evo.CAP.01.R00 (17/03/2008)
7
MANTENIMIENTO ORDINARIO Y PROGRAMADO
Sidel S.p.A.
7.5.10REGULACIÓN DEL RODILLO DE
ARRASTRE
PARALELISMO CON EL PINCH ROLLER
El rodillo de arrastre en acero trabaja en contacto con
el rodillo de goma “PINCH ROLLER” (Fig. 7.5 - 50).
Si el contacto entre los dos rodillos no es uniforme se
pueden verificar problemas de lectura spot y de corte.
Para asegurarse del paralelismo entre los dos rodillos,
configure la presión máxima mediante el pincel de
control (véase también el manual del operador).
Espere un minuto y restablezca la presión correcta de
funcionamiento.
Fig. 7.5 - 50
7 - 173
7
MANTENIMIENTO ORDINARIO Y PROGRAMADO
MAN. I4380.ES.USM000 (08/08/2013)
DOC. ROLL4Evo.CAP.01.R00 (17/03/2008)
Sidel S.p.A.
7.5.11 REGISTRO DE LA VÁLVULA DE
SEGURIDAD DEL VACÍO
Efectúe esta regulación solamente después de verifi-
car que la presión se encuentra fuera del rango
preestablecido (275÷300 mbar) o (330÷340 mbar para
clientes EE. UU. y Norteamérica).
1. Cierre todas las válvulas de aislamiento del siste-
ma de vacío.
2. Desenrosque los tornillos y las pinzas de fijación
del filtro de la válvula Becker (limitador de vacío) y
retírelo.
Accionar el sistema del vacío.
3. Afloje la contratuerca de bloqueo con una llave fija
M10.
Para aumentar o disminuir el vacío hay que variar la
carga en la extensión de regulación.
Aumentando la carga, aumenta la depresión en el
colector principal.
Viceversa, disminuyendo la carga, se disminuye la
depresión.
4.Utilizando un destornillador, bloquee la extensión y,
al mismo tiempo, gire la tuerca de regulación con una
llave fija M10 para aumentar o disminuir la depresión.
7 - 174
MAN. I4380.ES.USM000 (08/08/2013)
DOC. ROLL4Evo.CAP.01.R00 (17/03/2008)
7
MANTENIMIENTO ORDINARIO Y PROGRAMADO
Sidel S.p.A.
CON PANEL BR 15:
5.Verifique la presión del colector en el panel de control
en la página Regulación de vacíos: debe estar
comprendida entre 290-300 mbar o 330-340.
Si la presión de ejercicio no corresponde, regule la
tuerca de regulación hasta alcanzar el valor
preestablecido.
6.Apriete la tuerca y vuelva a montar el filtro.
7. Abra de nuevo todas las válvulas de aislamiento
del sistema de vacío.
7 - 175
7
MANTENIMIENTO ORDINARIO Y PROGRAMADO
MAN. I4380.ES.USM000 (08/08/2013)
DOC. ROLL4Evo.CAP.01.R00 (17/03/2008)
Sidel S.p.A.
Fig. 7.5.10 - 1
7.5.12 PROCEDIMIENTO DE
CALIBRADO DE LOS FRENOS
WARNER (SI ESTÁ INSTALADO)
El procedimiento descrito a continuación
debe realizarse obligatoriamente con el
circuito de aire desactivado.
El elemento de frenado Warner consta de dos unidades
distintas (Fig. 7.5.12 - 1):
- la unidad 1 de “LÓGICA”,
- la unidad 2 de “POTENCIA”.
1. Gire completamente hacia la derecha los “trimmers”
CANAL A y CANAL B en la unidad de potencia
WARNER dentro del cuadro eléctrico.(Fig. 7.5.12 - 2).
2. Gire hacia la izquierda por 1/3 de la carrera los
“trimmers” CANAL A y CANAL B (Fig. 7.5.12 - 2).
3. Libere de la protección el potenciómetro de las
bobinas:
- si se trata de Rollquattro estándar, retire la taza de
protección interviniendo en los 3 tornillos Allen (Fig.
7.5.12 - 3);
- si se trata de RollquattroEvolution, baje el fuelle de
protección (Fig. 7.5.12 - 4).
Fig. 7.5.12 - 1
21
Fig. 7.5.12 - 2
Fig. 7.5.12 - 3
Fig. 7.5.12 - 4
7 - 176
MAN. I4380.ES.USM000 (08/08/2013)
DOC. ROLL4Evo.CAP.01.R00 (17/03/2008)
7
MANTENIMIENTO ORDINARIO Y PROGRAMADO
Sidel S.p.A.
4. Coloque el interruptor del potenciómetro del rodillo
oscilante (Fig. 7.5.10 - 6), ubicado debajo de las
bobinas, en A o B, según las necesidades de frenado;
controle manualmente que la bobina tienda a frenar al
cerrar el rodillo oscilante (posición C - Fig. 7.5.10 - 6)
y que, al abrirlo (posición D - Fig. 7.5.10 - 7), quede
más libre y, por tanto, menos frenada.
5. Vuelva a colocar la taza de protección del
potenciómetro prestando atención a girarla un poco
en ambos sentidos para evitar que se estropee o se
suelte el anillo OR superior indicado en la figura 7.5.10
- 8.
C
D
Fig. 7.5.10 - 5
Fig. 7.5.10 - 6
Fig. 7.5.10 - 7
Fig. 7.5.10 - 8
7 - 177
7
MANTENIMIENTO ORDINARIO Y PROGRAMADO
MAN. I4380.ES.USM000 (08/08/2013)
DOC. ROLL4Evo.CAP.01.R00 (17/03/2008)
Sidel S.p.A.
6. Controle la posición de los potenciómetros en el
brazo del rodillo oscilante, comprobando con un
voltímetro la tensión en los terminales 0V y SENSOR
IN (Fig. 7.5.10 - 9).
7. Desconecte el conector inferior derecho (E - Fig.
7.5.10 - 10) para desactivar (OFF) el sistema .
8. Lleve el brazo del rodillo oscilante a la posición de
cierre (Fig. 7.5.10 - 11).
9. Utilizando un destornillador, presione y mantenga
presionado el botón rojo indicado (Fig. 7.5.10 - 12) e
introduzca el conector inferior (E). De esta manera, se
activa (ON) el sistema..
El led del dispositivo comenzará a destellar con
una frecuencia de 1 segundo.
Fig. 7.5.10 - 9
Fig. 7.5.10 - 10
E
C
Fig. 7.5.10 - 11
Fig. 7.5.10 - 12
7 - 178
MAN. I4380.ES.USM000 (08/08/2013)
DOC. ROLL4Evo.CAP.01.R00 (17/03/2008)
7
MANTENIMIENTO ORDINARIO Y PROGRAMADO
Sidel S.p.A.
10. Suelte el botón rojo.
El led del dispositivo comenzará a destellar
rápidamenteconunafrecuenciade0,33segundos.
11. Lleve el brazo del rodillo oscilante a la posición
de apertura (D - Fig. 7.5.10 - 7).
12. Presione y mantenga presionado el botón rojo.
Lleve el brazo del rodillo oscilante a la posición de
cierre (C - Fig. 7.5.10 - 6).
IEl led del dispositivo comenzará a destellar len-
tamente con una frecuencia de 3 segundos.
13. Suelte el botón rojo.
El led del dispositivo permanecerá encendido
para indicar que el procedimiento se ha
terminado.
14. Utilizando un calibre de espesor Fig. 7.5.10 - 14),
compruebe que la distancia entre los dos discos (imán
y ferodo) ubicados en la base de las bobinas no
supere las 2 décimas.
15. Haciendo presión en los dos lados del disco, como
se indica en la figura 7.5.10 - 15, compruebe que la
distancia medida en cada punto del disco sea unifor-
me.
Si el disco no está derecho, contacte al
Servicio de Asistencia Técnica de Sidel
S.p.A.
16. En el lado de la unidad de potencia hay un sobre
que contiene una tarjeta de datos (Fig. 7.5.10 - 16).
Fig. 7.5.10 - 13
Fig. 7.5.10 - 14
Fig. 7.5.10 - 15
Fig. 7.5.10 - 16
7 - 179
7
MANTENIMIENTO ORDINARIO Y PROGRAMADO
MAN. I4380.ES.USM000 (08/08/2013)
DOC. ROLL4Evo.CAP.01.R00 (17/03/2008)
Sidel S.p.A.
17. Si hace falta sustituir la unidad de frenado, utilice
la tarjeta de datos de la siguiente manera:
- desconecte el conector inferior (E - Fig.7.5.10 - 10);
- introduzca la tarjeta en el lugar y del modo que se
indican en la figura 7.5.10 - 17 y vuelva a conectar el
conector inferior (E - Fig.7.5.10 - 10), el led comenzará
a destellar;
- espere a que se transfieran los datos de configuración
(el led se apaga al finalizar el procedimiento de
transferencia de datos);
- saque la tarjeta y vuelva a colocarla en su sobre.
Fig. 7.5.10 - 17
7 - 180
MAN. I4380.ES.USM000 (08/08/2013)
DOC. ROLL4Evo.CAP.01.R00 (17/03/2008)
7
MANTENIMIENTO ORDINARIO Y PROGRAMADO
Sidel S.p.A.
7.6 LUBRICACIÓN
7.6.1 CRITERIOS GENERALES
El ambiente en el que suelen trabajar las máquinas etiquetadoras es muy húmedo y está sujeto a fuertes
cambios de temperatura, por lo tanto es necesario controlar periódicamente la completa eficiencia de los
dispositivos de retención ( guardagotas, collarines, etc.) y controlar que no se verifiquen infiltraciones de
agua en los reductores.
La máquina está dotada en algunos puntos especiales de un sistema de lubricación centralizado automático.
Al lubricar por primera vez los puntos locales indicados, es necesario contar el número de bombeos para
luego garantizar una buena lubricación.
En el plan de lubricación se indican:
PUNTOS QUE SE DEBEN LUBRICAR: indica el punto de la máquina que se debe lubricar.
FRECUENCIA H: indica la frecuencia de lubricación en horas y se refiere a las horas de trabajo efectivo de
la máquina.
MÉTODO: es el modo de realizar la lubricación.
SÍMBOLO: es el tipo de grasa o aceite; la correspondencia de los símbolos está indicada en los subpárrafos
“Características específicas de los aceites” y “Características específicas de las grasas”.
Para los puntos indicados con (1) es necesario tomar como referencia la documentación adjunta al capítulo
10.
Hay que engrasar los puntos no centralizados con la máquina parada y en condiciones
seguras.
Durante el periodo de rodaje (300 horas de trabajo aproximadamente) se aconseja realizar
un mantenimiento extraordinario. El primer cambio de aceite se debe hacer dentro de este
tiempo, en los puntos y con las cantidades especificados en el esquema. No haga trabajar
la máquina a velocidad máxima durante las primera 40 horas de trabajo.
Para evitar desperdicios inútiles y proteger el ambiente se recomienda que el usuario:
– no exceda en las cantidades y recupere las pérdidas;
– no mezcle nunca dos tipos diferentes de productos lubricantes (eliminar completamente el lubricante
antes de utilizar un producto nuevo).
Las sustancias lubricantes son, por lo general, difícilmente biodegradables y pueden
contaminar el suelo, el subsuelo y las corrientes de agua. En caso de que se sustituya el
lubricante, adopte todas las medidas necesarias para evitar su dispersión en el ambiente.
Dichas sustancias serán recogidas y tratadas como desechos de acuerdo con las
modalidades descritas en el capítulo 3.8 de este manual y las normas vigentes en el país
del usuario en materia de protección del ambiente.
7 - 181
7
MANTENIMIENTO ORDINARIO Y PROGRAMADO
MAN. I4380.ES.USM000 (08/08/2013)
DOC. ROLL4Evo.CAP.01.R00 (17/03/2008)
Sidel S.p.A.
7.6.2 PLAN DE LUBRICACIÓN
La máquina está dotada de un bomba de distribución de grasa centralizada (Fig. 7.6 - 1), que permite
lubricar los puntos fijos o difíciles de alcanzar.
Fig. 7.6.2 - 1
P U N T O S A L U B R I CA R IN T E R V A L O
H
M É T O D O S ÍM B O L O D E L
L U B R IC A N T E
1) S O P O R T E C A B E Z A L IN F .;
2) T O R N IL LO D E R E G . C A B E Z A L;
3) S O P . A N ILL O G A T O S ;
4) S O P O R T E A L IS A D O IN T E R N O ;
5) S O P . E S T R E L L A S D E E N T R A D A ;
6) S O P . E S T R E LL A D E S A L ID A ;
7) S O P . E S T R E LL A D E T R A S F E R E N C IA ;
11 ) T R A N S M I S IÓ N C IN T A ;
18 ) C A S Q U IL L O T O R N ILL O R E G .
A LT U R A . G R U P O ;
19 ) C O JIN E T E A XI A L R E G . A L T U R A
G R U PO ;
20 ) C A S Q U IL LO S T O R N ILL O D E R E G .
S U B E G R U P O ;
21 ) C O JIN E T E R A D IA L D E R E G .A LT U R A
G R U PO D E M O T O R ;
22 ) E JE D E S O P . B O B IN A S ;
23 ) T O R N ILL O D E R E G . S U B ID A
B O B IN A S ;
24 ) T O R N ILL O D E R E G . S U B ID A
B O B IN A S ;
P ro gra m ab le
C o ntro la d o p o r
la
c e n tral d e
lu bricac ió n
A uto m á tic o 
7 - 182
MAN. I4380.ES.USM000 (08/08/2013)
DOC. ROLL4Evo.CAP.01.R00 (17/03/2008)
7
MANTENIMIENTO ORDINARIO Y PROGRAMADO
Sidel S.p.A.
LAY-OUT PUNTOS DE LUBRICACIÓN MANUAL LOCA:
Fig. 7.6 - 2
17
1
5
7
16
4
18
2
1313
11
10
6
3
9
19
20
12
7 - 183
7
MANTENIMIENTO ORDINARIO Y PROGRAMADO
MAN. I4380.ES.USM000 (08/08/2013)
DOC. ROLL4Evo.CAP.01.R00 (17/03/2008)
Sidel S.p.A.
LAY-OUT PUNTOS DE LUBRICACIÓN MANUALLOCAL:
PUNTOS A ENGRASAR
INTERVALO
H
MÉTODO:
SÍMBOLO DEL
LUBRICANTE
1 – Tornillo de regulación gr. Etiquetado 120 Pistola o bomba €
2 – Platillos 120 Pistola o bomba €
3 – Junta del rodillo encolador 120 Con pincel €
4 – Junta del rodillo de corte 120 Con pincel €
5 – Guías de desplazamiento del rodillo
encolador
120 Pistola o bomba €
6 – Casquillo central 120 Pistola o bomba €
7 – Guías de desplazamiento del grupo
etiq.
120 Pistola o bomba €
9 – Cojinete superior del rodillo encolador 120 Pistola o bomba ˆ
10 – Engranajes debajo de la base 3000 Pulverizar 
12 – Lubricación de los gatos 1500 Con pincel
”
13 – Garruchas correa de transmission 120 Pistola o bomba
»
14 – Alimentacion bomba de grasa Quando
necesario
Pistola €
PUNTOS A LUBRICAR INTERVALO
H
MÉTODO SÍMBOLO DEL
LUBRICANTE
16 – Rodillo de corte
6000 *
(anualmente)
Sustituir
( 2 L) —
17 – Rodillo de
desplazamiento
6000 *
(anualmente)
Sustituir
(1,5 L) —
18 – Rodillo de arrastre
6000 *
(anualmente)
Sustituir
( 1 L) —
19 – Rodillo encolador
1000 *
(bimestral)
Sustituir
(0,6 L) •
20 – Reductor principal
6000
(anualmente)
Sustituir
(4.5 L)
Ã
* CADA DOS SEMANAS (240 H): Verificar el nivel de aceite y, en caso de ser necesario, llenar.
Máquinas SIN grasa alimentaria
Máquinas con grasa alimentaria
7 - 184
MAN. I4380.ES.USM000 (08/08/2013)
DOC. ROLL4Evo.CAP.01.R00 (17/03/2008)
7
MANTENIMIENTO ORDINARIO Y PROGRAMADO
Sidel S.p.A.
7.6.3 ESPECIFICACIONES DE LOS ACEITES (PARA LUBRICACIÓN DE TIPO
ALIMENTARIO)
APLICACIÓN SÍMBOLO TIPO Grad. ISO
VISCOSIDAD
40ƒC Notas
Aceite para
engranajes
reductor principal
Aceite
sintético
PAO
460 460 KLUBEROIL 4
UH1 460N
Aceite para
lubricación
RODILLO DE
CORTE y
ARRASTRE
—
Aceite
sintético
PAO
100 100
KLUBEROIL 4
UH1 – 100N
Aceite para
RODILLO
ENCOLADOR •
Aceite
sintético - 100....680
KLUBERSYNTH
UH1 6-680
Si hace falta sustituir los lubricantes existentes por otros alternativos, contacte con el
servicio de asistencia técnica especializada de Sidel SpA para verificar su compatibilidad
con los lubricantes enumerados.
Antes de utilizar un lubricante nuevo, es necesario realizar una limpieza minuciosa de la
zona afectada.
7 - 185
7
MANTENIMIENTO ORDINARIO Y PROGRAMADO
MAN. I4380.ES.USM000 (08/08/2013)
DOC. ROLL4Evo.CAP.01.R00 (17/03/2008)
Sidel S.p.A.
7.6.4 ESPECIFICACIONES DE LAS GRASAS (PARA LUBRICACIÓN DE TIPO
ALIMENTARIO)
APLICACIÓN SÍMBOLO
JABÓN
BASE
Grad.
NLGI
ASTM
Pen.
elaborada 0.1
mm
mín. - máx.
Adit.
PUNTO
DE
GOTEO
Notas
Grasa para
lubricación
centralizada
automática/ma
nual
€ PAO Alk 2 265 – 295 –  220
KLUBERSYNT
H UH1 14- 222
Grasa para
cojinetes del
rodillo
encolador
ˆ PFPE/PT
FE
1 310 - 340 – not find
BARRIERTA
L 55/1
Grasa para
platillos » PAO Alk 2 265 – 295 –  220
KLUBERSYNT
H UH1 14- 222
Grasa para
gatos Grasa
para
engranajes
debajo de la
base
” PAO Alk 1 310 - 340 –  220
KLUBERPASTE
UH1 14- 201
(*) NINGÚN EQUIVALENTE: Utilice únicamente este tipo de grasa.
Si hace falta sustituir los lubricantes existentes por otros alternativos, contacte con el
servicio de asistencia técnica especializada de Sidel SpA para verificar su compatibilidad
con los lubricantes enumerados.
Antes de utilizar un lubricante nuevo, es necesario realizar una limpieza minuciosa de la
zona afectada.
7 - 186
MAN. I4380.ES.USM000 (08/08/2013)
DOC. ROLL4Evo.CAP.01.R00 (17/03/2008)
7
MANTENIMIENTO ORDINARIO Y PROGRAMADO
Sidel S.p.A.
Fig.7.6.6-1
7.6.6 DESCRIPCIÓN
Pos.1 - Tornillo de regulación del grupo de
etiquetado
Operación: lubrique con pistola de grasa.
1. Lubrique en los puntos indicados (Fig. 7.6.6 - 1).
Antes de engrasar, coloque la estación de
etiquetado a la altura máxima.
Termine el procedimiento de
mantenimiento colocando nuevamente la
estación de etiquetado a la altura de
trabajo configurada para el formato
preseleccionado.
7 - 187
7
MANTENIMIENTO ORDINARIO Y PROGRAMADO
MAN. I4380.ES.USM000 (08/08/2013)
DOC. ROLL4Evo.CAP.01.R00 (17/03/2008)
Sidel S.p.A.
Pos.2 - Platillos
Operación: Lubrique con pistola de grasa todos los
platillos que se encuentran en el central.
1. Lubrique en los puntos indicados (Fig. 7.6.6 - 2).
2. Lubrique también los engrasadores seccion inferior
deplatillo (debajo de las correas) (Fig. 7.6.6 - 3)
Fig. 7.6.6-3
Fig. 7.6.6 -2
7 - 188
MAN. I4380.ES.USM000 (08/08/2013)
DOC. ROLL4Evo.CAP.01.R00 (17/03/2008)
7
MANTENIMIENTO ORDINARIO Y PROGRAMADO
Sidel S.p.A.
Pos.3 - Junta del rodillo encolador
Operación: Lubrique con pincel.
1. Afloje la tuerca de bloqueo de los casquillos de final
de carrera.
Desplace el grupo de etiquetado para alejarlo del grupo
de desplazamiento (Fig. 7.6.6 - 4).
2. Utilizando un pincel, lubrique la junta del rodillo
encolador (Fig. 7.6.6 - 5).
Fig.7.6.6 - 4
Fig.7.6.6 - 5
7 - 189
7
MANTENIMIENTO ORDINARIO Y PROGRAMADO
MAN. I4380.ES.USM000 (08/08/2013)
DOC. ROLL4Evo.CAP.01.R00 (17/03/2008)
Sidel S.p.A.
Pos.4 - Junta del rodillo de corte
Operación: Lubrique con pincel.
1. Abra los desenganches rápidos y aleje el grupo de
corte del rodillo de desplazamiento (Fig. 7.6.6 - 6).
2. Lubrique la junta oldham con un pincel (Fig. 7.6.6 -
7).
Fig.7.6.6 - 6
Fig.7.6.6- 7
7 - 190
MAN. I4380.ES.USM000 (08/08/2013)
DOC. ROLL4Evo.CAP.01.R00 (17/03/2008)
7
MANTENIMIENTO ORDINARIO Y PROGRAMADO
Sidel S.p.A.
Pos.5 - Guías de desplazamiento del rodillo
encolador
Operación: Lubrique con pistola de grasa.
1. Lubrique los cuatros engrasadores (2 anteriores y 2
posteriores) de las guías de desplazamiento presentes
en la base del rodillo encolador (Fig. 7.6 .6 - 8 y Fig.
7.6.6 - 9).
Fig.7.6.6-8
Fig.7.6.6-9
7 - 191
7
MANTENIMIENTO ORDINARIO Y PROGRAMADO
MAN. I4380.ES.USM000 (08/08/2013)
DOC. ROLL4Evo.CAP.01.R00 (17/03/2008)
Sidel S.p.A.
Pos.6 - Casquillo central
Operación: lubrique con pistola de grasa.
1. Lubrique en los puntos indicados (Fig.7.6.6-10).
Fig. 7.6.6 - 10
Fig. 7.6.6 - 10
7 - 192
MAN. I4380.ES.USM000 (08/08/2013)
DOC. ROLL4Evo.CAP.01.R00 (17/03/2008)
7
MANTENIMIENTO ORDINARIO Y PROGRAMADO
Sidel S.p.A.
Pos. 7 - Guías de desplazamiento del grupo de
etiquetado
Operación: Lubrique con pistola de grasa.
1. Coloque la estación de etiquetado en la excursión
máxima en altura y profundidad (hacia el central).
2. Lubrique (Fig. 7.6.6 - 11) los engrasadores (4 a
derecha y 4 a izquierda), como indicado.
3. Para obtener una distribución homogénea de la grasa
sobre las guías de desplazamiento, baje la estación
de etiquetado a la excursión mínima y aléjela hasta el
valor máximo del central.
4. Coloque nuevamente la estación de etiquetado en
la posición correcta de trabajo (altura y desplazamiento
hacia el central).
Cada 80 horas es necesario efectuar un
desplazamiento completo (vertical y
horizontal) de la estacion de etiquetado.
Esta operacion permite de optimizar la
lubricacion completa de todos los
mecanismos de desplazamiento del
grupo.
Desde el menu principal situado en el
panel del operador, accceder a ala pagi-
na “MOVIMENTOS - Sube/Baja grupo
etiquetado” (Fig.7.6.6 - 11a).
Apretar las flechas para efectuar esta
operacion.
Apretar la tecla para acceder a la pagina
“MOVIMENTOS - Adelante/Atras grupo
etiquetado” (Fig.7.6.6 - 11b).
Apretar las flechas para efectuar esta
operacion.
Repetir esta operacion por lo menos dos
veces.
Fig.7.6.6-11Fig.7.6.6-11
Fig.7.6.6-11a
Fig.7.6.6-11b
7 - 193
7
MANTENIMIENTO ORDINARIO Y PROGRAMADO
MAN. I4380.ES.USM000 (08/08/2013)
DOC. ROLL4Evo.CAP.01.R00 (17/03/2008)
Sidel S.p.A.
Pos. 9 – Cojinete superior del rodillo encolador
1. Lubrique con una pistola de grasa en el punto
indicado, se recomienda un solo bombeo (Fig. 7.6.6
- 13).
Fig.7.6.6-13
7 - 194
MAN. I4380.ES.USM000 (08/08/2013)
DOC. ROLL4Evo.CAP.01.R00 (17/03/2008)
7
MANTENIMIENTO ORDINARIO Y PROGRAMADO
Sidel S.p.A.
Pos.10 - Engranajes y cadenas debajo de la base
Operación: Utilice la grasa adhesiva spray.
1. Lubrique en los puntos indicados (Fig. 7.6.6 - 14).
Fig.7.6.6-14
7 - 195
7
MANTENIMIENTO ORDINARIO Y PROGRAMADO
MAN. I4380.ES.USM000 (08/08/2013)
DOC. ROLL4Evo.CAP.01.R00 (17/03/2008)
Sidel S.p.A.
Pos. 12 - Lubricación de los gatos
Operación: Lubrique con pincel.
1. Limpie escrupulosamente el cuerpo móvil y el
vástago del gato con un paño seco (Fig. 7.6.6 - 35).
Elimine completamente cualquier residuo de grasa.
2. Aplique con un pincel una capa delgada de grasa
en el punto indicado (Fig. 7.6.6 - 36).
Fig. 7.6.6 - 36
Fig. 7.6.6 - 35
7 - 196
MAN. I4380.ES.USM000 (08/08/2013)
DOC. ROLL4Evo.CAP.01.R00 (17/03/2008)
7
MANTENIMIENTO ORDINARIO Y PROGRAMADO
Sidel S.p.A.
Pos. 13. – Sistema correa de transmisión platillos
Operación: Lubricar con pistola de grasa.
1. Lubricar todos los engrasadores de las poleas del
sistema de transmisión de la correa platillos.
2. Lubricar además el engrasador de la polea de reenvío
de la correa de rotación
7 - 197
7
MANTENIMIENTO ORDINARIO Y PROGRAMADO
MAN. I4380.ES.USM000 (08/08/2013)
DOC. ROLL4Evo.CAP.01.R00 (17/03/2008)
Sidel S.p.A.
3. Lubricar los engrasadores laterales de los
tensionadores correa.
4. Ademas, es muy importante mantener lubricado el
soporte de la transmision del sistema de correa.
7 - 198
MAN. I4380.ES.USM000 (08/08/2013)
DOC. ROLL4Evo.CAP.01.R00 (17/03/2008)
7
MANTENIMIENTO ORDINARIO Y PROGRAMADO
Sidel S.p.A.
Pos. 14 – Alimentación bomba de grasa
Operación: Rellene.
1. Restablezca el nivel de grasa en el interior de la
bomba mediante el engrasador situado en la bomba
misma (Fig. 7.6.6 - 24).
La necesidad de restablecer le nivel de
grasa se indica mediante un mensaje de
alarma visualizado en el panel de control.
Fig. 7.6.6 - 24
7 - 199
7
MANTENIMIENTO ORDINARIO Y PROGRAMADO
MAN. I4380.ES.USM000 (08/08/2013)
DOC. ROLL4Evo.CAP.01.R00 (17/03/2008)
Sidel S.p.A.
Pos. 16 - Rodillo de corte
Operación: Cambio de aceite.
La lubricación deberá siempre efectuarse
con la máquina fría (temperatura inferior
a los 60°C).
Para efectuar el cambio de aceite proceda de la
siguiente manera:
1. Desenrosque completamente el cabezal hexagonal
(anterior y posterior) que bloquean el rodillo de corte
del grupo de desplazamiento (Fig. 7.6.6 - 25).
2. Extraiga los dos dispositivos de bloqueo (anterior y
posterior) para alejar el grupo de arrastre de la
estructura del rodillos de corte (Fig. 7.6.6 - 26).
3. Desenrosque completamente los tornillos de
descarga de aceite colocados:
- anteriormente
- posteriormente
- interna debajo de la estructura
Deje salir completamente el aceite contenido en el
rodillo. Cierre los tres tornillos de descarga (Fig. 7.6.6
- 27 - Fig. 7.6.6 - 28).
Fig.7.6.6 - 25
Fig.7.6.6 - 27
Fig.7.6.6 - 28
Fig.7.6.6-26
7 - 200
MAN. I4380.ES.USM000 (08/08/2013)
DOC. ROLL4Evo.CAP.01.R00 (17/03/2008)
7
MANTENIMIENTO ORDINARIO Y PROGRAMADO
Sidel S.p.A.
Fig.7.6.6-29
4. Desenrosque el tapón de carga de aceite
(Fig. 7.6.6 - 29).
5. Extraiga los filtros y límpielos con aire comprimido
(Fig. 7.6.6 - 30).
6. Extraiga la chapa de apoyo (Fig. 7.6.6 - 31).
Fig.7.6.6-31
Fig.7.6.6-30
7 - 201
7
MANTENIMIENTO ORDINARIO Y PROGRAMADO
MAN. I4380.ES.USM000 (08/08/2013)
DOC. ROLL4Evo.CAP.01.R00 (17/03/2008)
Sidel S.p.A.
7. Extraiga los filtros y límpielos con aire comprimido
(Fig. 7.6.6 - 32).
8. Llene con el aceite nuevo: para el tipo y la cantidad
véase la tabla específica (Fig. 7.6.6 - 33).
9. Controle el nivel de aceite en el indicador colocado
en la base de la unidad de corte (Fig. 7.6.6 - 34).
La falta de aceite puede dañar el
funcionamiento de la bomba de aceite
mientras que un exceso del mismo puede
causar infiltraciones de aceite en la caja
encoder.
10. Coloque nuevamente el tapón del aceite. Cierre
los dispositivos de bloqueo; introduzca y enrosque los
2 tornillos con cabeza hexagonal de bloqueo (Fig. 7.6
- 35).
Fig.7.6.6-34
Fig.7.6.6-35
Fig.7.6.6-32
Fig.7.6.6-33
.6
7 - 202
MAN. I4380.ES.USM000 (08/08/2013)
DOC. ROLL4Evo.CAP.01.R00 (17/03/2008)
7
MANTENIMIENTO ORDINARIO Y PROGRAMADO
Sidel S.p.A.
Operación: Cada 240 horas verifique el nivel de aceite
y, en caso de ser necesario, llénelo nuevamente.
1. Controle el nivel de aceite en el indicador colocado
en la base de la unidad de corte (Fig. 7.6.6 - 49).
La bomba de aceite del rodillo de corte
debe estar en funcionamiento.
2. En caso de que fuese necesario llenarla,
desenrosque el tapón de carga del aceite (Fig. 7.6.6 -
50).
3. Extraiga los filtros y límpielos con aire comprimido
(Fig. 7.6.6 - 51).
4. Extraiga la chapa de apoyo (Fig. 7.6.6 - 52).
Fig.7.6.6 - 49
Fig.7.6.6-50
Fig.7.6.6-51
Fig.7.6.6-52
7 - 203
7
MANTENIMIENTO ORDINARIO Y PROGRAMADO
MAN. I4380.ES.USM000 (08/08/2013)
DOC. ROLL4Evo.CAP.01.R00 (17/03/2008)
Sidel S.p.A.
5. Extraiga los filtros y límpielos con aire comprimido
(Fig. 7.6.6 - 53).
6. Llene hasta que el aceite alcance el nivel adecuado
(Fig. 7.6.6 - 54).
La falta de aceite puede dañar el
funcionamiento de la bomba de aceite
mientras que un exceso del mismo puede
causar infiltraciones de aceite en la caja
encoder.
7. Coloque nuevamente el tapón de carga del aceite
(Fig. 7.6.6 - 55).
Fig.7.6.6-53
Fig.7.6.6-54
Fig.7.6.6-55
7 - 204
MAN. I4380.ES.USM000 (08/08/2013)
DOC. ROLL4Evo.CAP.01.R00 (17/03/2008)
7
MANTENIMIENTO ORDINARIO Y PROGRAMADO
Sidel S.p.A.
Pos. 17 - Rodillo de desplazamiento
Operación: Cambio de aceite.
Apague la máquina y quite el rodillo de desplazamiento.
La lubricación deberá siempre ser
efectuada con la máquina fría (tempera-
tura inferior a los 60°C).
Para efectuar el cambio de aceite proceda de la
siguiente manera:
1. Desenrosque el tornillo de descarga colocado al lado
del grupo. Deje salir completamente el aceite contenido
en el rodillo.
Cierre el tornillo de descarga (Fig. 7.6.6 - 56).
2.Desenrosque el tapón de carga del aceite.
Rellene con aceite nuevo: para el tipo y la cantidad
véase la tabla específica (Fig. 7.6.6 - 57).
3. Controle el nivel de aceite en el indicador (Fig. 7.6.6
-58).
No exceda el nivel máximo, como
indicado en la figura.
Fig.7.6.6-58
Fig.7.6.6-56
Fig.7.6.6-57
7 - 205
7
MANTENIMIENTO ORDINARIO Y PROGRAMADO
MAN. I4380.ES.USM000 (08/08/2013)
DOC. ROLL4Evo.CAP.01.R00 (17/03/2008)
Sidel S.p.A.
4. Coloque nuevamente el tapón de carga del aceite
(Fig. 7.6.6 - 59).
5. Limpie, en caso de ser necesario, el agujero de
descarga del aceite, utilizando un extractor de clavijas
(Fig. 7.6.6 - 60).
Fig.7.6.6 - 60
Fig.7.6.6-59
7 - 206
MAN. I4380.ES.USM000 (08/08/2013)
DOC. ROLL4Evo.CAP.01.R00 (17/03/2008)
7
MANTENIMIENTO ORDINARIO Y PROGRAMADO
Sidel S.p.A.
Operación: Cada 240 horas verifique el nivel de aceite
y, en caso de ser necesario, llénelo nuevamente.
Apague la máquina y quite el rodillo de desplazamiento.
1. Desenrosque el tapón de carga del aceite (Fig. 7.6.6
- 61).
Rellene con aceite nuevo: para el tipo y la cantidad
véase la tabla específica
2. Controle el nivel de aceite en el indicador: Llene, en
caso de que fuese necesario (Fig. 7.6.6 - 62).
No exceda el nivel máximo, como
indicado en la figura.
3. Vuelva a colocar el tapón de carga del aceite (Fig.
7.6 .6- 63).
Fig.7.6.6-62
Fig.7.6.6-61
Fig.7.6.6-63
7 - 207
7
MANTENIMIENTO ORDINARIO Y PROGRAMADO
MAN. I4380.ES.USM000 (08/08/2013)
DOC. ROLL4Evo.CAP.01.R00 (17/03/2008)
Sidel S.p.A.
4. En caso de ser necesario, limpie el agujero de
descarga del aceite, utilizando un extractor de clavijas
(Fig. 7.6.6 - 64).
Fig.7.6.6 - 64
7 - 208
MAN. I4380.ES.USM000 (08/08/2013)
DOC. ROLL4Evo.CAP.01.R00 (17/03/2008)
7
MANTENIMIENTO ORDINARIO Y PROGRAMADO
Sidel S.p.A.
Pos. 18 - Rodillo de arrastre
Operación: Cambio de aceite.
La lubricación deberá siempre efectuarse
con la máquina fría (temperatura inferior
a los 60°C).
Para efectuar el cambio de aceite proceda de la
siguiente manera:
1. Desenrosque el tornillo de descarga del aceite
colocado en la base de la unidad de arrastre.
Deje salir completamente el aceite contenido en el
rodillo.
Cierre el tornillo de descarga (Fig. 7.6.6 - 65).
2. Desenrosque el tapón de carga del aceite.
Rellene con aceite nuevo: para el tipo y la cantidad
véase la tabla específica (Fig. 7.6.6 - 66).
3. Controle el nivel de aceite en el indicador (Fig. 7.6.6
- 67).
Fig.7.6.6-65
Fig.7.6.6-66
Fig.7.6.6-67
7 - 209
7
MANTENIMIENTO ORDINARIO Y PROGRAMADO
MAN. I4380.ES.USM000 (08/08/2013)
DOC. ROLL4Evo.CAP.01.R00 (17/03/2008)
Sidel S.p.A.
4. Coloque nuevamente el tapón de carga de aceite
(Fig. 7.6.6 - 68).
Fig.7.6.6-68
7 - 210
MAN. I4380.ES.USM000 (08/08/2013)
DOC. ROLL4Evo.CAP.01.R00 (17/03/2008)
7
MANTENIMIENTO ORDINARIO Y PROGRAMADO
Sidel S.p.A.
Operación: Cada 240 horas verifique el nivel de aceite
y, en caso de ser necesario, llénelo nuevamente.
1. Con la máquina parada, controle el nivel de aceite
en el indicador.
El nivel de aceite debe hallarse al filo con la base de
la estructura (Fig. 7.6.6 - 69).
2. En caso de que fuese necesario llenar, desenrosque
el tapón de carga de aceite (Fig. 7.6.6 - 70) y llene
hasta alcanzar el nivel indicado.
Fig.7.6.6-69
Fig.7.6.6-70
7 - 211
7
MANTENIMIENTO ORDINARIO Y PROGRAMADO
MAN. I4380.ES.USM000 (08/08/2013)
DOC. ROLL4Evo.CAP.01.R00 (17/03/2008)
Sidel S.p.A.
Pos. 19 - Rodillo encolador
Operación: Cambio de aceite.
Efectúe el cambio de aceite con la
máquina fría (temperatura inferior a
60°C).
Cada 240 horas (bi-semanalmente)
verifique el nivel de aceite y llene, en caso
de ser necesario.
1. Para efectuar el cambio de aceite, hay que
desenroscar el tapón de descarga colocado debajo de
la base del rodillo y esperar a que el aceite contenido
en el rodillo salga completamente.
Enrosque el tapón de carga (Fig. 7.6.6 - 71).
Utilice un recipiente para recuperar el
aceite desechado.
2. Quite el tapón de carga del aceite (Fig. 7.6.6 - 72).
3. Llene con aceite: para el tipo y la cantidad véase la
tabla específica (Fig. 7.6.6 - 73).
Fig.7.6.6-72
Fig.7.6.6-71
Fig.7.6.6-73
7 - 212
MAN. I4380.ES.USM000 (08/08/2013)
DOC. ROLL4Evo.CAP.01.R00 (17/03/2008)
7
MANTENIMIENTO ORDINARIO Y PROGRAMADO
Sidel S.p.A.
4. Retire el tapón indicador de nivel máximo y,
utilizando una llave de allén 2,5 mm, compruebe la
presencia de aceite en el empalme (Fig. 7.6.6 - 74).
Si la cantidad de aceite se encuentra por debajo del
nivel mínimo, llene hasta alcanzar el nivel deseado.
5. Instale nuevamente el tapón central (Fig. 7.6.6 -
75).
Fig.7.6.6-74
Fig.7.6.6-75
7 - 213
7
MANTENIMIENTO ORDINARIO Y PROGRAMADO
MAN. I4380.ES.USM000 (08/08/2013)
DOC. ROLL4Evo.CAP.01.R00 (17/03/2008)
Sidel S.p.A.
Operación: Cada 240 horas verifique el nivel de aceite
y, en caso de ser necesario, llénelo nuevamente.
Llene a calor, utilizando guantes de
protección.
1. Quite el tapón indicado de nivel máximo, utilizando
una llave de allen de 2,5 mm (Fig. 7.6.6 - 76).
2. Compruebe la presencia de aceite en el empalme
(Fig. 7.6.6 - 77). Si la cantidad de aceite se encuentra
por debajo del nivel mínimo, llene, a través del tapón
central, hasta alcanzar el nivel deseado.(Fig. 7.6.6 -
78).
Fig.7.6.6-77
Fig.7.6.6-76
Fig.7.6.6-78
7 - 214
MAN. I4380.ES.USM000 (08/08/2013)
DOC. ROLL4Evo.CAP.01.R00 (17/03/2008)
7
MANTENIMIENTO ORDINARIO Y PROGRAMADO
Sidel S.p.A.
Pos. 20 - Motor principal
El reductor se suministra con aceite mineral.
Cantidad: 4.5 l
N.B.: El valor es aproximativo. Durante el llenado, utilice el tapón de nivel como referencia para la
cantidad de aceite exacta.
Efectúe el cambio de aceite cuando se encuentre aun a una temperatura de funcionamiento; de hecho,
una escasa fluidez hace dificulta el vaciado. El aceite a introducir debe tener una temperatura mínima de
20°C.
Antes de iniciar el cambio del aceite, es absolutamente necesario asegurarse de que la superficie
de transmisión se encuentre a una temperatura que permita colocar la mano sin quemarse; de no
ser así, puede existir el riesgo de quemaduras a causa del aceite caliente.
1. Coloque un recipiente debajo del tapón de descarga del aceite.
2. Quite el tapón de control del nivel del aceite, el tapón de descarga y el tapón de escape.
3. Deje salir todo el aceite.
4. Lave la transmisión con aceite muy líquido. (!Atención a su compatibilidad con el lubricante utilizado!)
gato ! ! )
5. Enrosque nuevamente la tuerca de descarga.
6. Introduzca el aceite fresco a través de la apertura de escape.
= Controle el nivel de aceite a través del agujero del nivel de aceite.
7. Enrosque nuevamente el tapón de nivel del aceite.
8. Enrosque nuevamente la tuerca de escape.
No mezcle aceites minerales con aceites sintéticos o aceites sintéticos de marcas distintas.
Si desea utilizar un aceite distinto al previo, efectúe antes un lavado cuidadoso.
Si los dos aceites entraran en contacto, se formarían impurezas sólidas que dañarían los
engranajes internos.
El lavado es necesario para eliminar las manchas formadas dentro de los cárteres debido a la mezcla de
virutas metálicas, polvos y productos alquitranados que derivan del deterioro del aceite.
Las partículas abrasivas que contienen, comportarían un rápido desgaste de los dientes, mientras que los
productos de oxidación, actuando como catalizadores, pr ovocarían un envejecimiento precoz del aceite
nuevo.
Se recomienda efectuar un segundo lavado con una pequeña cantidad de lubricante nuevo
antes de efectuar el llenado final.
Para facilitar las operaciones de lavado, haga girar en vacío los reductores involucrados por un breve
periodo de tiempo.
No efectúe esta operación con la máquina cargada. Los aceites no poseen propiedades lubricantes, por lo
tanto, podrían averiar los engranajes y los cojinetes de los reductores.
7 - 215
7
MANTENIMIENTO ORDINARIO Y PROGRAMADO
MAN. I4380.ES.USM000 (08/08/2013)
DOC. ROLL4Evo.CAP.01.R00 (17/03/2008)
Sidel S.p.A.
7.7 PUESTA EN MARCHA DESPUÉS DE UNA INACTIVIDAD
PROLONGADA
ESTÁ TERMINANTEMENTE PROHIBIDO PONER EN FUNCIONAMIENTO LA MÁQUINA EN LOS
SIGUIENTES CASOS.
- Si en el interior del cuadro eléctrico hay humedad, cables desconectados, averiados o pelados.
- SI hubiera componentes electrónicos averiados.
- Si el cuadro de control estuviera averiado o tuviera agujeros.
- Si las tuberías y las uniones de la instalación neumática tuvieran grietas o estuvieran averiadas.
- Si en la máquina faltaran piezas.
- Si se detectaran manchas de lubricante en la superficie de la mesa o en el suelo, ya que podrían indicar
la necesidad de sustituir algún componente mecánico.
Para periodos de inactividad superiores a cuatro meses, contacte a la Oficina. After Sales de SIDEL
S.P.A. para solicitar una asistencia telefónica o, eventualmente, la intervención por parte de un
técnico.
QUÉ HAY QUE HACER ANTES DE LA PUESTA EN MARCHA
Controle que todos los dispositivos de seguridad estén presentes y bien montados.
Limpie la máquina como se indica en el Capítulo 7.2.
Realice todos los controles indicados en el Capítulo 7.4.
Lubrique todas las piezas que lo requieran, como se indica en el Capítulo 7.6.
Sustituya los filtros de aire.
Cambie los lubricantes de los recipientes de recolección.
Siga el procedimiento normal de puesta en marcha de la máquina.
Página dejada en blanco intencionalmente
8 -1
8
DIAGNÓSTICO
Sidel S.p.A.
MAN. I4390.ES.USM000 (12/09/2013)
DOC. ROLL4.CAP.08.R01 (08/01/2010)
CAP. 8 - DIAGNÓSTICO
(para panel operador BR 15)
Página dejada en blanco intencionalmente
8 -3
8
DIAGNÓSTICO
Sidel S.p.A.
MAN. I4390.ES.USM000 (12/09/2013)
DOC. ROLL4.CAP.08.R01 (08/01/2010)
8.1 BÚSQUEDA DE LAS AVERÍAS
Cuando surja un problema, es fundamental realizar una búsqueda minuciosa del fallo para restablecer el
régimen de funcionamiento óptimo de la etiquetadora.
Metodología para identificar la causa:
a) Comprender el problema
En primer lugar, antes de intentar resolverlo, se recomienda adquirir la mayor cantidad posible de datos con
respecto al problema manifestado: observe con atención el inconveniente, pida información al operador
acerca de las prestaciones de la máquina y preste atención a los ejemplos y a las frecuencias.
b) Localice el problema
Por lo general, los problemas de la etiquetadora suelen estar localizados en las siguientes partes de la
máquina:
– Motorización;
– Transporte de botellas;
– Etiquetado;
– Parte eléctrica.
c) Siga un procedimiento de búsqueda
Realice correcciones y regulaciones siguiendo una secuencia lógica: desde la causa más probable a la
menos probable; una intervención intensa, pero sin objetivo, podría convertirse en una pérdida de tiempo e
incluso empeorar el problema.
d) Vaya paso por paso
Efectúe una sola corrección a la vez y luego, observe los resultados antes de efectuar otros intentos.
e) Después de la intervención
Cuando crea haber resuelto el problema, supervise la máquina para confirmar que así sea.
Si las exigencias de
producción imponen una reparación temporal, tome nota del problema para solucionarlo definitivamente
cuando llegue el momento del mantenimiento programado.
8 - 4
8
DIAGNÓSTICO
Sidel S.p.A.
MAN. I4390.ES.USM000 (12/09/2013)
DOC. ROLL4.CAP.08.R01 (08/01/2010)
DESCRIPCIÓN DEL PROBLEMA CAUSA SOLUCIÓN
Al pulsar el botón de “marcha
máquina”, la etiquetadora no
arranca o se detiene durante el
funcionamiento normal.
1. Interruptor general
apagado.
2. Intervención de un
dispositivo de seguridad.
1. Accione el interruptor general en el
armario eléctrico.
2. Elimine la causa (pulse RESET
antes de reanudar el
funcionamiento en caso de que se
haya tratado de una emergencia).
8.2 FUNCIONAMIENTO GENERAL
8 -5
8
DIAGNÓSTICO
Sidel S.p.A.
MAN. I4390.ES.USM000 (12/09/2013)
DOC. ROLL4.CAP.08.R01 (08/01/2010)
8.3 TRANSPORTE DE LAS BOTELLAS
En esta sección se presupone que las botellas utilizadas son de buena calidad y corresponden a las
especificaciones admitidas para la máquina y también que el sistema cuenta con una alimentación adecuada
de botellas y presión.
DESCRIPCIÓN DEL PROBLEMA CAUSA SOLUCIÓN
El bloqueo de botellas no funciona
1. La electroválvula no funciona.
2. Tubos de alimentación de aire
rotos o flojos.
3. Funcionamiento defectuoso
de la electroválvula.
4. Bloqueo de botellas dañado.
5. Señal externa de desbloqueo.
1. Controle los mandos
conectados a las
electroválvulas.
2. Controle y apriete o sustituya
los tubos de alimentación de
aire.
3. Repare y sustituya la
electroválvula si hace falta.
4. Controle el bloqueo de
botellas.
5. Verifique la alarma
correspondiente en el panel
operador.
Las botellas se guían
incorrectamente en la cóclea
1. Posición incorrecta
de la contraguía de la cóclea.
1. Regule correctam ente la
contraguía de la cóclea.
Las botellas no entran a la estrella
de entrada
1. Cóclea desfasada. 1. Ajuste la fase de la cóclea de
entrada.
La botella no está centrada en el
platillo
1. Desfase de la estrella central. 1. Ajuste la fase de la estrella
central.
Las botellas se rompen o se guían
incorrectamente hacia la salida del
carrusel
1. Estrella de salida desfasada. 1. Ajuste la fase de la estrella de
salida.
Las botellas se rompen al pasar de
la estrella de entrada a la estrella
central
1. Desfase entre las dos
estrellas.
1. Ajuste la fase de las estrellas.
Si la primera estrella está
desfasada, ajuste también la
fase de la cóclea.
Las botellas se rompen debajo de
los cabezales de centrado (cabezal
de la máquina)
1. Las botellas están
defectuosas.
2. La altura del carrusel central
es incorrecta.
1. Controle las botellas.
2. Controle la posición del
carrusel según los valores
indicados en las tablas de
cambio de formato.
8 - 6
8
DIAGNÓSTICO
Sidel S.p.A.
MAN. I4390.ES.USM000 (12/09/2013)
DOC. ROLL4.CAP.08.R01 (08/01/2010)
8.4 ETIQUETADO
DESCRIPCIÓN DEL PROBLEMA CAUSA SOLUCIÓN
El rodillo de desplazamiento no
retira la película de etiquetas
1. Fotocélula de presencia de
botellas sucia.
2. Regulación incorrecta de la
velocidad m ínima (~ 80 bph).
1. Limpie la fotocélula con un
paño.
2. Pídale a un técnico de
mantenimiento eléctrico que
ajuste la fase del inversor.
El corte de la película de etiquetas
no es preciso
1. Regulación incorrecta del
soplo de etiquetas.
2. Configuración incorrecta de la
ventana de corte de etiquetas.
3. Regulación incorrecta de la
fotocélula de etiquetas.
4. Regulación incorrecta del
cuchillo de corte.
5. Características de las
etiquetas.
1. Calibre el soplo del tambor de
transferencia.
2. Vuelva a configurar la
ventana.
3. Regule la fotocélula de
acuerdo al tipo de etiqueta.
4. Regule la hoja de la cuchilla
de corte (véase Cap. 7)
5. Contacte con SIDEL S.P.A.
Arrastre irregular
1. Regulación incorrecta del
soplo de etiquetas.
2. Configuración incorrecta de la
ventana de corte de etiquetas.
3. Regulación incorrecta de la
fotocélula de etiquetas.
4. Regulación incorrecta del
cuchillo de corte.
5. Características de las
etiquetas.
1. Calibre el soplo del tambor de
transferencia.
2. Vuelva a configurar la
ventana.
3. Regule la fotocélula de
acuerdo al tipo de etiqueta.
4. Regule la hoja de la cuchilla
de corte (véase Cap. 7).
5. Contacte con SIDEL S.P.A.
Defecto de empaque (etiquetado
incorrecto)
1. Cantidad incorrecta de
pegam ento en la etiqueta.
2. Presencia de baba del
pegam ento.
3. Regulación incorrecta del
rodillo encolador.
4. Corte de mala calidad. La
etiqueta no está en posición
vertical en el rodillo de
desplazamiento (a veces solo
a alta velocidad).
5. Corte de mala calidad. La
etiqueta no está en posición
vertical en el rodillo de
desplazamiento (a veces solo
a alta velocidad).
1. Regule la distribución del
pegamento.
2. Regule el by-pass del
pegamento.
3. Regule la presión del rodillo
encolador.
4. El rodillo de corte no corta
bien en la parte inferior.
5. El rodillo de corte no corta
bien en la parte superior.
Etiqueta inclinada en el envase
1. Conicidad de la botella.
2. Características de la película
de etiquetas.
3. Regulación incorrecta del
soplo/de los vacíos del rodillo
de desplazamiento.
1. Contacte con SIDEL S.P.A.
2. Contacte con SIDEL S.P.A.
3. Regule la calibración del soplo
del tambor de transferencia.
Las etiquetas se envuelven
alrededor del rodillo de
alimentación
1. Pegamento en el rodillo de
desplazamiento.
2. Pegamento en el rodillo de
corte.
3. Vacío insuficiente en el rodillo
de corte.
1. Limpie.
2. Filtros bloqueados.
3. Falta la junta tórica (OR).
4. Manguitos rotos.
5. Fallo en el sistema
neum ático.
6. Turbina dañada.
8 -7
8
DIAGNÓSTICO
Sidel S.p.A.
MAN. I4390.ES.USM000 (12/09/2013)
DOC. ROLL4.CAP.08.R01 (08/01/2010)
DESCRIPCIÓN DEL PROBLEMA CAUSA SOLUCIÓN
Distribución insuficiente del
pegamento
1. Condiciones del tope del
rodillo de desplazamiento.
2. Contacto con el rodillo
encolador.
3. Falta de pegamento.
1. Verifique si falta pegamento.
2. Filtro bloqueado.
3. Restablezca el nivel de pegamento.
Las etiquetas se quedan pegadas al
rodillo encolador
1. Etiquetas cortas (del
proveedor).
2. Contacto excesivo del rodillo
encolador.
3. Rodillo de desplazamiento
gastado o dañado.
4. Demasiado pegamento por
raspado insuficiente.
5. Desgaste del plato de apoyo
del rodillo de
desplazamiento.
6. Etiquetas cortadas muy
cortas.
7. La etiqueta no se adhiere a
la botella.
8. Pérdida de vacío.
1. Compare la longitud real con la teórica
(tolerancia ± 1 mm).
2. Apoye un destornillador en el
alojamiento del rodillo encolador hasta
escuchar un sonido. Si el contacto es
excesivo, proceda a la regulación.
3. El agujero en los topes ya no está en la
superficie llana. Corrija de modo que el
margen esté nuevamente en el agujero.
4. Verifique si el raspador está sucio o
dañado.
5. Sustituya o raspe en el taller.
6. Problema el servo de etiquetas:
Contacte con SIDEL S.P.A.
7. Verifique las regulaciones de las
distancias en la unidad de etiquetas
(horizontales y verticales).
8. Saque el rodillo de desplazamiento y
haga una prueba de vacío.
El pegamento está solamente en los
márgenes o distribuido de forma
irregular en las solapas de la
etiqueta
1. El rodillo encolador no está
paralelo.
2. Los topes están gastados.
1. Regule el paralelismo del rodillo
encolador.
2. Revise o sustituya los topes.
8 - 8
8
DIAGNÓSTICO
Sidel S.p.A.
MAN. I4390.ES.USM000 (12/09/2013)
DOC. ROLL4.CAP.08.R01 (08/01/2010)
8.5 PARTE ELÉCTRICA
DESCRIPCIÓN DEL PROBLEMA CAUSA SOLUCIÓN
El panel de mando está encendido,
pero la máquina no arranca
automáticamente
1. Las puertas de las
protecciones están abiertas o
mal cerradas.
2. La máquina está en
mantenim iento.
3. La plataforma de emergencia
está ocupada.
4. Hay una alarma activa.
1. Cierre la puerta abierta.
2. Salga del modo de mantenimiento
mediante el selector “MANTENIMIENTO”.
3. Retire las botellas de la plataforma.
4. Verifique en el panel el tipo de alarma
y, si hace falta, consulte la página
ALARMAS.
El panel de mando está encendido,
pero la máquina no arranca en JOG
1. Las puertas están abiertas o
mal cerradas.
2. No está seleccionado el modo
de mantenimiento.
3. La plataforma de emergencia
está ocupada.
4. Hay una alarma activa.
1. Cierre la puerta abierta.
2. Salga del modo de mantenimiento
mediante el selector “MANTENIMIENTO”.
3. Retire las botellas de la plataforma.
4. Verifique en el panel el tipo de alarma
y, si hace falta, consulte la página
ALARMAS.
El bloqueo de botellas no se abre
automáticamente
1. No hay suficiente acumulación
de botellas.
2. Hay una alarma o anomalía en
la gestión de los transportes.
Hay una acumulación de botellas
aguas abajo.
4. Hay una alarma activa.
1. Controle la acumulación de botellas en
los transportes.
2. Controle en el cuadro de mando de los
transportes.
3. Espere a que se despeje la
acumulación.
4. Verifique en el panel el tipo de alarma
y, si hace falta, consulte la página LOG
ALARMAS.
El bloqueo de botellas no se abre
manualmente
1. Hay una acumulación de
botellas aguas abajo.
2. Hay una alarma activa.
1. Espere a que se despeje la
acumulación.
2. Verifique en el panel el tipo de alarma
y, si hace falta, consulte la página LOG
ALARMAS.
La máquina se detiene durante el
funcionamiento normal
1. Hay una alarma activa.
1. Verifique en el panel el tipo de alarma
y, si hace falta, consulte la página LOG
ALARMAS.
8 -9
8
DIAGNÓSTICO
Sidel S.p.A.
MAN. I4390.ES.USM000 (12/09/2013)
DOC. ROLL4.CAP.08.R01 (08/01/2010)
También pueden presentarse las siguientes situaciones de alarma, indicadas por el mensaje de error
correspondiente,visualizado en el panel de control.
N.º DESCRIPCIÓN DE LA ALARMA
CAUSA DE LA
ALARMA
POSIBLES SOLUCIONES
1
Emergenciaspresionadasopuertas
abiertas
Hayunapuertaabiertaoseha
pulsadounaemergencia.
Controlequelaspuertasesténbiencerradas.
Pulseresetenelpaneloperador.
Compruebequelaalarmahayadesaparecidodelalistadealarmasenla
pantallacorrespondientedelpanel.
2 Bloqueoproteccionesinhabilitado
Elbotóndebloqueodepuertas
noestápresionado.
Cierrelaspuertasyaprieteelbotón.
3 Controldelajuntainhabilitado
Nosehahabilitadoelbotón
“Controldelajunta”desdela
HMI.
Presioneelbotóndehabilitación“Controldelajunta”desdelaHMI.
4 Máquinaapagada Elsistemaestáapagado.
Desdelapantalladearranquedelamáquinadelpaneloperador,
pulselateclaquerepresentalabanderadeinicio.
Antesdeencenderlaetiquetadora,hayqueesperaraalcanzarlas
temperaturasmínimasdefuncionamientodelsistema.
5 Controldelaválvuladedescargadeaire
Elbotóndeemergenciadela
válvuladedescargadeaireestá
presionado,peronointerviene,
manteniendobajopresiónla
instalaciónneumática.
Controlelaconexiónneumática-eléctricadelaelectroválvula.
6 Motordelacintadelalíneadesconectado
Problemadeconexiónenel
profibus.
Controlelaconexióndeldispositivoafectado.Compruebequeel
conectorestébieninsertado.Despuésdecontrolarlaconexión
eléctrica,restablezcaeldispositivoy,alfinalizarelprocedimientode
reinicio,pulselateclaresetenelpaneloperador.
8 Alturamáximacabezal
Elfinaldecarreradelímitede
seguridadestápresionado.
Controleelfinaldecarreradelímitedeseguridad.
Sielfinaldecarreranoestápresionado,controleelcableado
eléctrico.Restablezcalaalarmadesdeelpaneloperador.
9 Alturamínimacabezal
Elfinaldecarreradelímitede
seguridadestápresionado.
Controleelfinaldecarreradelímitedeseguridad.
Sielfinaldecarreranoestápresionado,controleelcableado
eléctrico.
Restablezcalaalarmadesdeelpaneloperador.
10 Alturamáximaestaciónetiquetado
Elfinaldecarreradelímitede
seguridadestápresionado.
Controleelfinaldecarreradelímitedeseguridad.
Sielfinaldecarreranoestápresionado,controleelcableado
eléctrico.
Restablezcalaalarmadesdeelpaneloperador.
11 Alturamínimaestaciónetiquetado
Elfinaldecarreradelímitede
seguridadestápresionado.
Controleelfinaldecarreradelímitedeseguridad.
Sielfinaldecarreranoestápresionado,controleelcableado
eléctrico.
Restablezcalaalarmadesdeelpaneloperador.
12 EstaciónetiquetadoPx_FW
Elfinaldecarreradelímitede
seguridadestápresionado.
Controleelfinaldecarreradelímitedeseguridad.Sielfinaldecarrera
noestápresionado,controleelcableadoeléctrico.
Restablezcalaalarmadesdeelpaneloperador.
13 EstaciónetiquetadoPx_RW
Elfinaldecarreradelímitede
seguridadestápresionado.
Controleelfinaldecarreradelímitedeseguridad.
Sielfinaldecarreranoestápresionado,controleelcableado
eléctrico.
Restablezcalaalarmadesdeelpaneloperador.
14 EstaciónetiquetadoPx_UP
Elfinaldecarreradelímitede
seguridadestápresionado.
Controleelfinaldecarreradelímitedeseguridad.
Sielfinaldecarreranoestápresionado,controleelcableado
eléctrico.
Restablezcalaalarmadesdeelpaneloperador.
15 EstaciónetiquetadoPx_DOWN
Elfinaldecarreradelímitede
seguridadestápresionado.
Controleelfinaldecarreradelímitedeseguridad.
Sielfinaldecarreranoestápresionado,controleelcableado
eléctrico.
Restablezcalaalarmadesdeelpaneloperador.
16
Unadelastemperaturasesdemasiado
baja
Estaalarmaseactivacuando
unadelasseccionesimplicadas
nohaalcanzadolatemperatura
mínimadefuncionamiento.
Verifiquesihayresistenciaso
relésestáticosquemados.
Compruebequeelsistemaestéencendido.Silatemperaturaestá
subiendo,espereaquesealcanceelumbraldelímitemínimo.Siel
problemapersiste,controlelasecciónafectadaporelproblema.
Sihacefalta,sustituyalasresistenciasorelésquemados.
17 Temperaturacríticadescargabombavacío
Ladescargadelabombade
vacíohaalcanzadola
temperaturacrítica,establecida
en100°C.
Verifiqueelestadodelosfiltros.Compruebequelasválvulas
limitadorasdevacíodelcolectorfuncionencorrectamente.
Compruebequelasondadetemperaturadelaturbinafuncione
correctamente.
18
Temperaturacríticacorreatransmisión
grupo
Lacorreadetransmisióndel
grupohaalcanzadouna
temperaturacrítica.
Laalarmaevitaeventuales
rupturas.
Compruebelaeficienciadelossoplosdeenfriamientodelacorrea.
Compruebequeelmotorgirelibremente,sinfriccionesexcesivas
quecausenunsobrecalentamiento.
Compruebequelasondadetemperaturafuncionecorrectamente.
19
Máquinaparada,enesperade
calentamientodelrodilloencolador
Silamáquinapermaneceparadapor
xminutos,latemperaturabajahasta
unnuevovalorquees(valordereceta
–y).Losvaloresxeyseprograman
desdeelpanel.
Reanudelaproducción.
8 - 10
8
DIAGNÓSTICO
Sidel S.p.A.
MAN. I4390.ES.USM000 (12/09/2013)
DOC. ROLL4.CAP.08.R01 (08/01/2010)
N.º DESCRIPCIÓN DE LA ALARMA
CAUSA DE LA
ALARMA
POSIBLES SOLUCIONES
21 Bloqueo de entrada cerrado
Bloqueo de entrada
cerrado.
Señal externa.
Abra la cancela mediante el selector situado en el
panel del operador.
Si el selector está en la posición de automático,
compruebe que la línea cumpla con las condiciones
necesarias para abrir la cancela.
Verifique la alarma en el panel.
22 Inversor principal desconectado
Problema de conexión
en el profibus.
Controle la conexión del dispositivo afectado.
Verifique el estado de los fusibles de alimentación.
Compruebe que el conector esté bien insertado.
Después de controlar la conexión eléctrica,
restablezca el dispositivo y, al finalizar el
procedimiento de reinicio, pulse la tecla reset en el
panel operador.
23 Inversor de la cinta desconectado
Problema de conexión
en el profibus.
Controle la conexión del dispositivo afectado.
Compruebe que el conector esté bien insertado.
Después de controlar la conexión eléctrica,
restablezca el dispositivo y, al finalizar el
procedimiento de reinicio, pulse la tecla reset en el
panel operador.
24
Inversor de la bomba de
pegamento desconectado
Problema de conexión
en el profibus.
Controle la conexión del dispositivo afectado.
Compruebe que el conector esté bien insertado.
Después de controlar la conexión eléctrica,
restablezca el dispositivo y, al finalizar el
procedimiento de reinicio, pulse la tecla reset en el
panel operador.
25 Error en el inversor principal
Es posible que se haya
producido un exceso de
corriente al motor
principal por una fase del
motor a tierra, inversor
averiado, problema de
conexión en el profibus.
Verifique que la configuración de los parámetros
del inversor coincida con el tipo de motor empleado.
Controle la corriente absorbida por el motor y las
conexiones del profibus. Restablezca el inversor.
Controle las conexiones de potencia del motor.
Sustituya el inversor.
26 Error en el inversor de la cinta
Es posible que se haya
producido un exceso de
corriente al motor
principal por una fase del
motor a tierra, inversor
averiado, problema de
conexión en el profibus.
Controle la conexión del dispositivo afectado.
Compruebe que el conector esté bien insertado.
Después de controlar la conexión eléctrica,
restablezca el dispositivo y, al finalizar el
procedimiento de reinicio, pulse la tecla reset en el
panel operador.
27
Error en el inversor de la bomba
de pegamento
Es posible que se haya
producido un exceso de
corriente al motor
principal por una fase del
motor a tierra, inversor
averiado, problema de
conexión en el profibus.
Controle la conexión del dispositivo afectado.
Compruebe que el conector esté bien insertado.
Después de controlar la conexión eléctrica,
restablezca el dispositivo y, al finalizar el
procedimiento de reinicio, pulse la tecla reset en el
panel operador.
29
Aspirador de pegamento
deshabilitado o magnetotermico
HMI no ha habilitado la
tecla “Aspirador
pegamento”. Si la tecla
está habilitada, indica
una sobrecarga en el
térmico del aspirador de
pegamento
Desde HMI presione la tecla de habilitación
“Aspirador pegamento” Controlar el dispositivo
térmico. Controlar el servicio. Reactivar el
magnetotérmico.
32
Bloqueo embrague cóclea
máquina
La cóclea no está en
fase por culpa de una
botella encastrada;
cóclea desfasada.
Retire el objeto encastrado.
Controle la puesta en fase de la cóclea. Tras haber
comprobado que el emplazamiento es correcto,
pulse reset en el panel operador.
33
Bloqueo embrague estrella
entrada máquina
La estrella de carga de
botellas está bloqueada.
Retire el objeto encastrado.
Restablezca la posición correcta de la estrella.
Tras haber comprobado que el emplazamiento es
correcto, pulse reset en el panel operador y
compruebe que la alarma haya desaparecido.
34
Bloqueo embrague estrella de
transferencia
La estrella de
transferencia de botellas
está bloqueada.
Retire el objeto encastrado.
Restablezca la posición correcta de la estrella.
Tras haber comprobado que el emplazamiento es
correcto, pulse reset en el panel operador y
compruebe que la alarma haya desaparecido.
35
Bloqueo embrague estrella salida
máquina
La estrella de salida de
las botellas está
bloqueada.
Retire el objeto encastrado.
Restablezca la posición correcta de la estrella.
Tras haber comprobado que el emplazamiento es
correcto, pulse reset en el panel operador y
compruebe que la alarma haya desaparecido.
36
Bloqueo embrague estación
etiquetado
La estación de
etiquetado está
bloqueada, el embrague
se ha disparado por una
carga excesiva del
motor.
Elimine la causa del bloqueo.
Verifique si existen fricciones excesivas.
Restablezca la alarma desde el panel operador y
compruebe que la misma haya desaparecido.
8 -11
8
DIAGNÓSTICO
Sidel S.p.A.
MAN. I4390.ES.USM000 (12/09/2013)
DOC. ROLL4.CAP.08.R01 (08/01/2010)
N.º DESCRIPCIÓN DE LA ALARMA
CAUSA DE LA
ALARMA
POSIBLES SOLUCIONES
37 Secciones vacío no listas
Los motores paso a
paso no están listos.
Si la alarma persiste, incluso tras haber
realizado el home de los motores paso a paso,
presione la solicitud de inicialización del
sistema en la página de los motores. Verifique
que los motores funcionen correctamente
39
Empamador en modalidad de
empalme
Esta señalación no es
una alarma sino una
señalación que la
máquina está
funcionando
40 Aparato empalmador no listo
No se ha efectuado el
procedimiento de
aprendizaje de la
fotocélula, no se ha
cargado la segunda
bobina.
Vuelva a efectuar el procedimiento de aprendizaje
de la fotocélula.
Verifique la presencia de la segunda bobina dentro
del aparato empalmador.
Restablezca la alarma desde el panel operador.
41 Aparato empalmador en manual
El aparato empalmador
está configurado en el
modo de funcionamiento
manual.
En este modo es posible realizar pruebas manuales
en el aparato empalmador.
Si quiere pasar al modo automático, vaya a la
pantalla de gestión correspondiente y active el
modo automático.
Cerciórese de haber llevado a cabo el
procedimiento de aprendizaje de la fotocélula y de
haber preparado la segunda bobina dentro del
aparato empalmador.
42 Aparato empalmador en parada
El aparato empalmador
no está funcionando en
automático.
Seleccione el modo de funcionamiento automático
mediante el selector previsto.
43
Aparato empalmador no puesto a
cero
El aparato empalmador
no está listo para el uso.
Para restablecer su funcionamiento correcto, vuelva
a llevar a cabo el procedimiento de home de la
etiqueta y prepare correctamente la segunda
bobina.
44
Falta de lectura de 5 muescas en
aparato empalmador
No se han leído 5
muescas consecutivas
de etiquetas.
Limpie la fotocélula de lectura de muescas en el
aparato empalmador. Vuelva a efectuar los
procedimientos de aprendizaje de la fotocélula y
Home de la etiqueta en el aparato empalmador.
45
Fallo de comunicación con
aparato empalmador
El PLC ha perdido la
comunicación con el
aparato empalmador.
Verifique las conexiones eléctricas entre el aparato
empalmador y el PLC. Controle la resistencia de
terminación de la red. Controle la alimentación del
aparato empalmador.
46
Lado A aparato empalmador
abierto
El aparato empalmador
tiene un lado abierto.
Si se abre un lado del aparato empalmador, se
afecta su funcionamiento correcto.
Cierre el lado abierto con la bobina nueva
introducida, realice los procedimientos de Home y
bloquee el lado.
47
Lado B aparato empalmador
abierto
El aparato empalmador
tiene un lado abierto.
Si se abre un lado del aparato empalmador, se
afecta su funcionamiento correcto.
Cierre el lado abierto con la bobina nueva
introducida, realice los procedimientos de Home y
bloquee el lado.
48
Circuito de seguridad par de ejes
no OK
No está presente la
señal de “hardware
enable”. Posible
problema de cableado.
Controle el cableado del circuito electromecánico.
Restablezca la alarma desde el panel operador.
49 Máquina en JOG
La etiquetadora está en
modo de funcionamiento
JOG.
Si quiere utilizar la máquina en modo automático,
coloque el selector del panel operador en el modo
deseado.
En cambio, si desea continuar en este modo, deje
el selector en la posición actual.
50
Cierre bloqueo botella por
aplicador de sello no listo
Alteración manual
evidente. Alteración manual evidente.
51
Emergencia presionada en
aplicador de sello
Alteración manual
evidente.
Alteración manual evidente.
52
Ralentización por embrague no
enganchado en aplicador de sello
Alteración manual
evidente.
Alteración manual evidente.
53 Alarma en aplicador de sello
Alteración manual
evidente. Alteración manual evidente.
54
Bobina no lista en aplicador de
sello
Alteración manual
evidente.
Alteración manual evidente.
55 Aplicador de sello: contacto libre
Alteración manual
evidente.
Alteración manual evidente.
60
Error conexión Ethernet
1 Partner
La conexión Ethernet no
está activa.
Controle las conexiones eléctricas.
Compruebe si se indican errores en los dispositivos
conectados. Pulse reset desde el panel operador.
61
Timeout comunicación Ethernet 1
Partner
Uno de los dispositivos
conectados a la red
Ethernet no responde
dentro de un tiempo
determinado.
Controle las conexiones.
Compruebe si se indican errores en los dispositivos
conectados. Pulse reset desde el panel operador.
62
Error conexión Ethernet
2 Partner
La conexión Ethernet no
está activa.
Controle las conexiones eléctricas.
Compruebe si se indican errores en los dispositivos
conectados.
Pulse reset desde el panel operador.
8 - 12
8
DIAGNÓSTICO
Sidel S.p.A.
MAN. I4390.ES.USM000 (12/09/2013)
DOC. ROLL4.CAP.08.R01 (08/01/2010)
N.º DESCRIPCIÓN DE LA ALARMA
CAUSA DE LA
ALARMA
POSIBLES SOLUCIONES
63
Timeout comunicación Ethernet 2
Partner
Uno de los dispositivos
conectados a la red
Ethernet no responde
dentro de un tiempo
determinado.
Controle las conexiones.
Compruebe si se indican errores en los dispositivos
conectados.
Pulse reset desde el panel operador.
65 La cinta no está en marcha
No se ha habilitado la
marcha de la cinta.
Protecciones abiertas.
Habilite la marcha de la cinta seleccionando la
opción correspondiente en el panel operador.
Cierre las protecciones abiertas y pulse reset para
reiniciar.
66 Falta botella en carrusel Falta una botella en el
carrusel.
Controle la entrada de botellas en la cóclea.
67 Anomalía motor cóclea Error de cableado. Controle el diagnostico HMI. Verifique el cableado.
69
Anomalía en lectura de muescas
consecutivas de película (referido
al corte de etiquetas)
Se han perdido 5
lecturas consecutivas de
la muesca de la etiqueta
Compruebe el funcionamiento correcto del sensor
de lectura de muescas.
Vuelva a efectuar el procedimiento de aprendizaje
de la fotocélula.
Limpie la fotocélula.
Compruebe que los parámetros de longitud de la
etiqueta configurados sean correctos.
Si el problema se presenta nuevamente, aumente la
presión del rodillo de arrastre y la presión de los
vacíos en la cuchilla.
70 Error correa
Se ha producido un error
en la correa.
Verifique el código de
alarma en la página
correspondiente del
panel operador.
Controle la correa.
Verifique que no haya fricciones mecánicas que
afecten el funcionamiento correcto.
Pulse reset desde el panel operador.
71 Error en el tambor
Se ha producido un error
en el tambor.
Controle el tambor. Verifique que no haya fricciones
mecánicas que afecten su funcionamiento correcto.
Pulse reset desde el panel operador.
72 El tambor no está en automático
El botón de
emplazamiento del
tambor está presionado.
Controle en la HMI que la tecla de emplazamiento
del tambor no esté presionada.
73 Seguridad de salida de la máquina
Plataforma de
emergencia obstruida.
La fotocélula de
demasiado lleno en
salida no ha funcionado
y las botellas han
obstruido la plataforma
de emergencia.
Verifique el funcionamiento de la fotocélula de
demasiado lleno y, si está averiada, sustitúyala y
restablezca la alarma. Verifique que no haya una
botella caída obstruyendo la fotocélula y
restablezca la alarma desde el panel operador.
74
Motor de la bomba de vacío o
soplo apagado
La bomba de vacío está
apagada.
Encienda la bomba desde el panel operador
accediendo a la página de gestión (icono de
engranaje). Compruebe que no haya otras alarmas
simultáneas, como la de “Temperaturas bajas”, que
impidan el encendido.
75
Parada de la bomba de
pegamento por superación de
tiempo con nivel de pegamento
bajo
No se ha rellenado el
tanque de pegamento al
recibir la primera alarma.
Añada pegamento al tanque y espere a que se
restablezca el nivel y la temperatura del pegamento.
Una vez superado el nivel, la alarma desaparece
automáticamente.
76 Leva no introducida (mecánica)
Compruebe la
introducción de la leva.
Compruebe que la leva mecánica esté bien
introducida en su alojamiento.
Restablezca la alarma desde el panel operador.
Compruebe que el sensor de proximidad de leva
introducida funcione correctamente.
77 Botella inflada
Botella inflada en la
entrada de la
máquina.
Quite la botella de la línea y restablezca la
alarma.
78 Grupo fuera de posición
El sensor no lee o la
parte mecánica no está
introducida
correctamente.
Controle el cableado del sensor y la parte
mecánica.
79
Presión baja de alimentación de
aire
La presión del aire
comprimido de
alimentación es inferior
al umbral mínimo.
Controle el valor de presión de aire en la entrada;
lea el valor en el manómetro.
Controle el sistema de alimentación de aire.
Pulse reset desde el panel operador.
80
Bomba de pegamento parada a la
espera de calentamiento
La temperatura del
pegamento no ha
alcanzado un valor
suficiente para que la
bomba pueda arrancar.
Verifique si hay
resistencias o relés
quemados.
Compruebe que la temperatura del pegamento esté
subiendo y verifique que la etiquetadora esté
encendida. Espere a que el pegamento alcance la
temperatura correcta.
Verifique que esté habilitado el encendido de la
bomba de pegamento.
Si hace falta, sustituya las resistencias o relés
quemados.
81 Solicitud Home etiqueta
El sistema solicita un
Home de la etiqueta.
Ponga la máquina en JOG y lleve a cabo el
procedimiento de Home de la etiqueta. Véase el
procedimiento en el manual.
82 Sistema de corte deshabilitado
El sistema de corte no
ha sido habilitado para el
funcionamiento desde el
panel operador.
Habilite el sistema de corte desde la pantalla
correspondiente del panel operador.
8 -13
8
DIAGNÓSTICO
Sidel S.p.A.
MAN. I4390.ES.USM000 (12/09/2013)
DOC. ROLL4.CAP.08.R01 (08/01/2010)
N.º DESCRIPCIÓN DE LA ALARMA
CAUSA DE LA
ALARMA
POSIBLES SOLUCIONES
83
Anomalía en la bomba de grasa:
parada dentro de 7 horas
Se ha producido un
problema en la bomba
de grasa. La máquina
seguirá funcionando por
unas 7 horas.
Nivel de grasa
insuficiente.
Verifique que la bomba de grasa funcione
correctamente.
Controle que los cajones en el interior de la bomba se
muevan correctamente (sensor de movimiento).
Restablezca el nivel de grasa.
84
Anomalía en la bomba de grasa:
máquina parada
Si el problema no se
resuelve después de 7
horas de recibir la
primera alarma de
anomalía, la máquina se
detiene.
Verifique que la bomba de grasa funcione
correctamente.
Controle que los cajones en el interior de la bomba se
muevan correctamente (sensor de movimiento).
85 Térmico de la bomba grasa
Cortocircuito o esfuerzo
mecánico.
Controle la parte mecánica y el cableado eléctrico.
86
Alarma en la bomba de grasa del
tambor
Alarma en la bomba de
grasa automática del
rodillo de
desplazamiento.
Consulte el manual de la bomba de grasa.
87
Consulte el manual de la bomba
de grasa
Bomba de grasa
automática del rodillo de
desplazamiento con el
cartucho vacío..
Sustituya el cartucho.
88
Anomalía de velocidad de la
máquina
Se detecta una
velocidad no lineal de la
máquina.
Controle las alarmas del inversor del motor principal.
Verifique las conexiones y la presencia de posibles
fricciones anómalas que puedan afectar el
funcionamiento de la máquina.
89 Codificador en alarma
El codificador está
apagado, o bien
presenta un error o
anomalía.
Verifique la alimentación (fusibles, interruptores) y
encienda el dispositivo.
90
Inspector: demasiados rechazos
consecutivos
Se ha detectado un alto
número de botellas con
la etiqueta aplicada
incorrectamente.
Compruebe que realmente se hayan cometido errores
en la aplicación de las etiquetas.
Averigüe la causa del error en la aplicación de la
etiqueta.
91 Stand by activo
Estado de stand by del
sistema, disminución de
las temperaturas de
calentamiento del
sistema hasta los
valores de stand by.
Esta función se utiliza cuando no se usa la
etiquetadora por un plazo de tiempo medio-largo. Es
posible salir de este modo de funcionamiento
activando el icono previsto (sol) en la pantalla de
gestión de encendido temporizado en el panel
operador.
92 Inspector no listo o en alarma
Anomalía o alarma en el
sistema inspector.
Para solucionar el problema, consulte el manual
suministrado con la máquina.
93 Emergencia en el túnel
El túnel de salida de la
etiquetadora indica la
presencia de una
emergencia. En esta
condición, la máquina se
detiene.
Resuelva la emergencia indicada por el túnel. Restablezca la
alarma pulsando reset desde el panel operador.
94 El túnel no está en marcha
El túnel no está en marcha
y esto implica la parada de
la etiquetadora.
Si las condiciones de la línea lo permiten, habilite el
funcionamiento del túnel.
Restablezca la alarma desde el panel operador.
95 Túnel inactivo
El túnel no está activado y
esto implica la parada de la
etiquetadora.
Averigüe las condiciones que impiden la activación del túnel;
una vez activado, restablezca la alarma desde el panel
operador.
96
El codificador no está listo o está en
alarma
El codificador no está listo
para el funcionamiento
normal.
Controle el estado del codificador.
Controle los parámetros de configuracióny verifique el
funcionamiento correcto de las fotocélulas.
97
Mal funcionamiento del
acondicionador de aire
Se ha producido un mal
funcionamiento del
acondicionador de aire
situado en el cuadro
eléctrico.
Controle el estado de los leds situados en el acondicionador
de aire. Verifique que ls microinterruptores de cierre de las
puertas funcionen correctamente.
Controle los cableados eléctricos hacia el dispositivo,
compruebe la integridad de los fusibles en el interruptor
seccionador del cuadro eléctrico.
Controle la tensión de alimentación del acondicionador de
aire.
98 Túnel deshabilitado
El túnel no está habilitado y
esto implica la parada de la
etiquetadora.
Si las condiciones de la línea lo permiten, habilite el
funcionamiento del túnel.
Restablezca la alarma desde el panel operador.
99 Alarma código de error C400
Se ha producido un
problema con el controlador
ELAU.
Verifique que no haya otras alarmas presentes y relativas al
ELAU.
Consulte los detalles de la alarma ELAU en la página de
sistema Motion en el panel operador.
Pulse reset en el panel operador.
100
Error de procedimiento en el sistema
de corte
Error en el sistema de
corte.
Consulte los detalles de la alarma ELAU en la página de
sistema Motion en el panel operador.
Restablezca la alarma desde el panel operador.
101 Alarma Pilz
Error en el cableado de
seguridad de las puertas;
error en la centralita; error
en el control de velocidad.
Controle el cableado. Controle los sensores de seguridad y
los cables de control de velocidad y de los módulos.
102 Rodillo encolador desactivado
El rodillo encolador no está
habilitado. En esta situación
no se aplicará pegamento
en la etiqueta.
Desde la pantalla correspondiente del panel operador,
habilite el rodillo encolador pulsando la tecla prevista (véase
el manual del usuario).
103 Alarma en el inspector de la línea
El inspector de línea está
apagado, o bien presenta
un error o anomalía.
Verifique si hay problemas en la línea.
104 Alarma en el codificador de la línea
El codificador de línea está
apagado, o bien presenta
un error o anomalía.
Verifique si hay problemas en la línea.
8 - 14
8
DIAGNÓSTICO
Sidel S.p.A.
MAN. I4390.ES.USM000 (12/09/2013)
DOC. ROLL4.CAP.08.R01 (08/01/2010)
N.º DESCRIPCIÓN DE LA ALARMA
CAUSA DE LA
ALARMA
POSIBLES SOLUCIONES
105 Grupodeetiquetadoabierto El grupodecorteestá
abierto.
Compruebequeelgrupodecortesehayaintroducido
correctamente.
Restablezcalaalarmadesdeelpaneloperador.
106
Atención: limpie el rodillo de
desplazamiento
Después de un periodo
preconfigurado, es
necesario limpiar el
rodillo de
desplazamiento
Limpie el rodillo de desplazamiento y confirme.
107
Longituddelaetiquetasuperiorala
dimensiónmáx.deltambor
Etiquetafueradellímite
físicosuperior. Controlelalongituddela etiquetaenlareceta.
108
Longituddelaetiquetainferiorala
dimensiónmáx.deltambor
Etiquetafueradellímite
físicoinferior.
Controlelalongituddela etiquetaenlareceta.
109
Errorenautoaprendizajedeltamañodela
etiqueta
Lafotocélulanolee
correctamenteelcorte.
Repitael procedimientodeaprendizajedelafotocélula.
110 El gatewaynoestálisto
Controle el diagnósticoen
el panel yverifiquelas
causas.
Controleeldiagnósticoenel panel parasolucionarel
problema.
111 HomecarruselnoejecutadoMPC
El carruselno habuscado
laposicióncero.
Controleelcableado del sensor.
Restablezcalaalarmadesdeelpaneloperador.
112 HomeplatillosnoejecutadoMPC
Losplatillosnohan
buscadola posición cero.
Controlesi el procedimientodebúsquedadecerodelos
platillossehaefectuado correctamente.
Restablezcalaalarmadesdeelpaneloperador.
113 LevanotrasladadaenplatillosMPC
Laleva nohasido
trasladada.
Controlesi el procedimientodecargadelalevase ha
efectuadocorrectamente.
Restablezcalaalarmadesdeelpaneloperador.
114 ErrorenmotorMPC Errorenel motor MPC. Controlealimentaciónycableado.
Restablezcalaalarmadesdeelpaneloperador.
115 ErrordecomunicaciónMPC
Errordecomunicación
CAN.
Controleelcableado delaredCAN.
Restablezcalaalarmadesdeelpaneloperador.
116 ErrorlifebitMPC
Errordecomunicación
entreELAUysistema
MPC.
Controleelcableado de redentreCANy ELAU.
Restablezcalaalarmadesdeelpaneloperador.
119 Botella rota en el carrusel
Se ha roto una botella en
el carrusel.
Restablezca la alarma y reanude la marcha.
120
Máquina en modo de raspador de
pegamento
Iniciado el procedimiento
del raspador de
pegamento.
Cierre la página HMI del procedimiento del raspador
de pegamento.
124 FalloUPS Anomalía enelUPS. ControleelUPS.
125
CargaUPScasiagotada LabateríaUPSestá casi
agotada.
Controlelabatería.
126
Anomalíaenvaloranalógico-aspiradorde
humos depegamento
Conexión delasonda
interrumpidaomódulo
analógicoaveriado.
Verifique el cableadodelasonda. Controlelaentrada
analógicadelasondaoelmódulomismo.
127
Temperaturamáximaenelaspiradorde
humos depegamento
El aspiradordehumos ha
alcanzadolatemperatura
configuradacomolímite
máximo.
Controlelatemperaturaefectivadelaspiradordehumos.
Pongalamáquinaencontrol offparadejarquebajela
temperatura.Cuandolosvaloresregresenalos rangos
previstos,vuelvaaencender.
128
Anomalíaenvaloranalógico– rodillo
encolador
Conexión delasonda
interrumpidaomódulo
analógicoaveriado.
Verifique el cableadodelasonda. Controlelaentrada
analógicadelasondaoelmódulomismo.
129
Anomalíaenvaloranalógico– T.
estructurarodilloencolador
Conexión delasonda
interrumpidaomódulo
analógicoaveriado.
Verifique el cableadodelasonda. Controlelaentrada
analógicadelasondaoelmódulomismo.
130 Anomalíaenvaloranalógico– T. tubode
retornodepegamento
Conexión delasonda
interrumpidaomódulo
analógicoaveriado.
Verifique el cableadodelasonda. Controlelaentrada
analógicadelasondaoelmódulomismo.
131
Anomalíaenvaloranalógico– T. tubode
impulsióndel pegamento
Conexión delasonda
interrumpidaomódulo
analógicoaveriado.
Verifique el cableadodelasonda. Controlelaentrada
analógicadelasondaoelmódulomismo.
132
Anomalíaenvaloranalógico– T.
recipientedepegamento
Conexión delasonda
interrumpidaomódulo
analógicoaveriado.
Verifique el cableadodelasonda. Controlelaentrada
analógicadelasondaoelmódulomismo.
133
Anomalíaenvaloranalógico– T.
pegamento
Conexión delasonda
interrumpidaomódulo
analógicoaveriado.
Verifique el cableadodelasonda. Controlelaentrada
analógicadelasondaoelmódulomismo.
134 Temperaturamáx.delrodilloencolador
El rodilloencoladorha
alcanzadolatemperatura
configuradacomolímite
máximo.
Verifiquesi hayresistencias
orelés estáticos
quemados.
Compruebelatemperaturareal delrodilloencolador.
Pongalamáquinaencontrol offparadejarquebajela
temperatura.
Cuandolosvaloresregresenalosrangos previstos,
vuelvaaencenderlaetiquetadoray controlelas
temperaturas.
Controlelaconexióndelosconectores delasección
afectada.Restablezcapulsandoresetenel panel
operador.
Sihacefalta,sustituyalasresistenciasolosrelés
quemados.
8 -15
8
DIAGNÓSTICO
Sidel S.p.A.
MAN. I4390.ES.USM000 (12/09/2013)
DOC. ROLL4.CAP.08.R01 (08/01/2010)
N.º DESCRIPCIÓN DE LA ALARMA
CAUSA DE LA
ALARMA
POSIBLES SOLUCIONES
135
Temperatura máxima en estructura
del rodillo encolador
La base del rodillo
encolador ha superado el
límite máximo de
temperatura.
Verifique sihay resistencias
o relés estáticos
quemados.
Compruebe la temperatura real del rodillo encolador.
Ponga la máquina en control off para dejar que baje la
temperatura. Cuando los valores regresen a los rangos
previstos, vuelva a encender la etiquetadora y controle las
temperaturas. Controle la conexión del os conectores de
la sección afectada. Restablezca pulsando reset en el
panel operador.
Si hace falta, sustituya las resistencias o los relés
quemados.
136
Temperatura máxima del tubo
de retorno del pegamento
El tubo de retorno de
pegamento ha alcanzado el
valor máximo.
Verifique sihay resistencias
o relés quemados.
Compruebe la temperatura real del rodillo encolador.
Ponga la máquina en control off para dejar que baje la
temperatura.
Cuandolos valores regresen alos rangos previstos,
vuelva a encender la etiquetadora y controle las
temperaturas.
Controle la conexión del os conectores de lasección
afectada.
Restablezca pulsando reset en el panel operador.
137
Temperatura máxima en tubo de
impulsión de pegamento
El tubo de impulsión de
pegamento ha alcanzado el
valor máximo.
Verifique sihay resistencias
o relés quemados.
Compruebe la temperatura real del tubo de impulsión de
pegamento.
Ponga la máquina en control off para dejar que baje la
temperatura.
Cuandolos valores regresen alos rangos previstos,
vuelva a encender la etiquetadora y controle las
temperaturas.
Controle la conexión del os conectores de lasección
afectada.
Restablezca pulsando reset en el panel operador.
138
Temperatura máxima en recipiente
de pegamento
El tanque de pegamento ha
alcanzado la temperatura
máxima.
Verifique sihay resistencias
o relés quemados.
Compruebe la temperatura real del tanquede
pegamento. Ponga la máquina en controloff para dejar
que baje la temperatura.
Cuandolos valores regresen alos rangos previstos,
vuelva a encender la etiquetadora y controle las
temperaturas.
Controle la conexión del os conectores de lasección
afectada.
Restablezca pulsando reset en el panel operador.
139
Temperatura máxima del pegamento
El pegamento ha
alcanzado elvalor máximo.
Verifique sihay resistencias
o relés quemados.
Compruebe la temperatura real del pegamento.
Ponga la máquina en control off para dejar que baje la
temperatura.
Cuandolos valores regresen alos rangos previstos,
vuelva a encender la etiquetadora y controle las
temperaturas.
Controle la conexión del os conectores de lasección
afectada.
Restablezca pulsando reset en el panel operador.
De 140 a
166
Alarma br módulos del 1 al 27
Posibles causas de
indicación del error: caída
de tensión (24V), módulo
mal introducido en su
alojamiento, error en la red
profibus.
Controle la red profibus y compruebe que elmódulo esté
bien introducido.
Verifique que esté presente la tensión de 24V.
167
Cancela de bloqueo de botellas de
entrada cerrada
En esta situación, las botellas
no pueden entrar a la estrella
de entrada dela máquina.
Mesa de rechazos llena.
Bloqueo de entrada cerrado.
Si quieremodificar elmodo de funcionamiento delacancela,
intervenga en el selector detres posiciones (modos:cerrado,
automático, abierto).
168 Alarma br módulo 43
Posibles causas de indicación
delerror:caídade tensión
(24V), módulo mal introducido
en sualojamiento, error en la
red profibus.
Controle la red profibus y compruebeque elmódulo esté bien
introducido.Verifique que esté presente la tensión de 24V.
169 Seguridad de entrada de la máquina
Se ha detectado una botella
caída en la entrada de la
máquina.
Retire la botella que causa la alarma.
Restablezca desde el panel operador.
170
Atención: ralentización por demasiadas
botellas en salida
Demasiadas botellas en la
salida de la máquina.
Elimine la acumulación excesiva de botellas.
Restablezca la alarma.
De 171 a
185
Alarma br módulos del28 al 42
Posiblescausasde indicación
del error: caída de tensión
(24V),módulo mal introducido
en su alojamiento,error en la
red profibus.
Controle la red profibusy compruebe que el módulo esté bien
introducido.
Verifique que esté presente la tensión de 24V.
187
Problema en el procedimiento de
aprendizaje
No se realizó
correctamente el
procedimiento de
aprendizaje con el
sistema Smar.
Controle la longitud de la etiqueta configurada
y vuelva a realizar el procedimiento de
aprendizaje.
188 Error en Smar
Error en el sistema
Smar.
Controle el sistema Smar.
189 Ha quedado una etiqueta en el tambor
No se ha transferido la
etiqueta al tambor.
Verifique si el tambor tiene residuos de pegamento. Controle
los parámetros de los vacíosy los soplos.
De 190 a
197
Puerta abierta de la 1 a la 8
La puerta n.º… se ha abierto y
esto causa la parada
inmediata de la etiquetadora.
Para resolver la emergencia, cierre la puerta que ha causado la
alarma y pulse reset desde el panel operador.
200 Máquina en modo by pass
La máquina se ha configurado
en modo by-pass
Verifique en el panel si está seleccionado el modo by-pass.
8 - 16
8
DIAGNÓSTICO
Sidel S.p.A.
MAN. I4390.ES.USM000 (12/09/2013)
DOC. ROLL4.CAP.08.R01 (08/01/2010)
N.º DESCRIPCIÓN DE LA ALARMA
CAUSA DE LA
ALARMA
POSIBLES SOLUCIONES
211 Embrague de la cóclea de la máquina
Alarma de embrague
electrónico causada por
esfuerzo mecánico y daños
en el motor de la cóclea.
Verifique el diagnóstico HMI. Controle el estado del motor en la
parte eléctrica y mecánica.
212 Emergencia externa
Se ha presionado el
botón de emergencia
externo de la máquina.
Saque el botón fungiforme de emergencia de su
bloqueo mecánico.
Pulse la tecla reset situada en el panel operador
hasta que desaparezca la alarma.
213
Anomalía en la bomba de aceite de la
cuchilla.
El sensor de aceite de la
cuchilla detecta una anomalía
de funcionamiento.
Verifique si hay algún tubo obstruido o doblado, o bien si hay
anomalías en la caja de distribución.
214
Anomalía en el control de la guía de la cinta
EL
El error podría estar causado
por la ruptura de la película de
etiquetas, una avería en la
fotocélula de control de altura
o una presión baja de aire.
Para resolver el error,restablezca la película de etiquetas,
controle las conexiones de la fotocélula ysu funcionamiento
correcto y controle la presión de aire.
215 Bomba de aceite inhabilitada
La tecla de la bomba de aceite
del panel no está habilitada.
Verifique en el panel siestá seleccionada la tecla de la bomba
de aceite.
216 Faltan bobinas en el rodillo A
El sensor de fin de la película
de etiquetas advierte que se
ha terminado la bobina A.
Instale la bobina B, sustituya la bobina A y restablezca la
alarma.
218 Nivel bajo de pegamento
Se está agotando el
pegamento en el tanque y,por
tanto,en la bomba de
pegamento.
Añada pegamento al tanque y espere a que se caliente y
supere el nivel mínimo.Restablezca la alarma.
219 Emergencia por botonera jog 2 presionada
Se ha presionado el botón de
emergencia situado en la
botonera de jog 2.
Desbloquee mecánicamente el botón de emergencia tipo seta.
Pulse la tecla reset situada en el panel operador hasta que
desaparezca la alarma.
220 El watch contactor no está listo
No está presente la señal de
“hardware enable” o “feed
back watch incorrecto”
Problema de cableado.
Controle el cableado del circuito electromecánico. Restablezca
la alarma desde el panel operador.
221 Velocidadmedia
De acuerdo a lascondiciones
de la línea,la etiquetadora se
pone en modo de
funcionamiento a velocidad
media.
222 Emergencia lado 4
Se ha presionado el
botón de emergencia
situado en el lado 4.
Desbloquee mecánicamente el botón de
emergencia tipo seta. Pulse la tecla reset situada en
el panel operador hasta que desaparezca la alarma.
223 Vaciado de la línea
De acuerdo al estado de la
línea aguas arriba yabajo, la
etiquetadora se pone en este
estado de funcionamiento.
224 La sopladora no está lista
Se informa que la
etiquetadora no puede
arrancar porque la sopladora
aguas arriba no funciona.
Verifique por qué no está lista la sopladora.
Espere a que la sopladora esté lista para la producción y
restablezca la alarma desde el panel operador.
225 Mesa de rechazos llena
La mesa de rechazos en la
salida de la etiquetadora está
llena.
Averigüe la cause de un número excesivo de errores en la
aplicación de las etiquetas.
Vuelva a efectuar el procedimiento de Home de la etiqueta y
controle la aplicación del pegamento.
Cierre la cancela.
226
Emergencia en el cuadro de los
auxiliares
Se ha presionado el
botón de emergencia
situado en la puerta del
cuadro eléctrico
principal.
Desbloquee mecánicamente el botón de
emergencia tipo seta.
Pulse la tecla reset situada en el panel operador
hasta que desaparezca la alarma.
227
Emergencia por botonera jog
presionada
Se ha presionado el
botón de emergencia
situado en la botonera
de JOG.
Desbloquee mecánicamente el botón de
emergencia tipo seta.
Pulse la tecla reset situada en el panel operador
hasta que desaparezca la alarma.
228
Emergencia por botonera
presionada
Se ha presionado el
botón de emergencia
situado en la botonera
del operador.
Desbloquee mecánicamente el botón de
emergencia tipo seta. Pulse la tecla reset situada en
el panel operador hasta que desaparezca la alarma.
229
Emergencia en cuadro potencia o
lado 2-3
Se ha presionado el
botón de emergencia del
cuadro de potencia o la
emergencia del lado 2-3
de la máquina.
Desbloquee mecánicamente el botón de
emergencia tipo seta.
Pulse la tecla reset situada en el panel operador
hasta que desaparezca la alarma.
230 Emergencia lado 1
Se ha presionado el
botón de emergencia
situado en el lado 1.
Desbloquee mecánicamente el botón de
emergencia tipo seta. Pulse la tecla reset situada en
el panel operador hasta que desaparezca la alarma.
231 Emergencia lado 2
Se ha presionado el
botón de emergencia
situado en el lado 2.
Desbloquee mecánicamente el botón de
emergencia tipo seta. Pulse la tecla reset situada en
el panel operador hasta que desaparezca la alarma.
232
Calentamiento de estructura del
rodillo encolador deshabilitado
No está habilitado el
calentamiento de la
estructura del rodillo
encolador.
Desde la pantalla correspondiente del panel
operador, habilite el calentamiento.
233
Calentamiento del aspirador de
humos de pegamento apagado
El calentamiento del
aspirador de humos de
pegamento no está
habilitado.
Desde la pantalla correspondiente del panel
operador, habilite el calentamiento.
234 Emergencia lado 3
Se ha presionado el
botón de emergencia
situado en el lado 3.
Desbloquee mecánicamente el botón de
emergencia tipo seta. Pulse la tecla reset situada en
el panel operador hasta que desaparezca la alarma.
8 -17
8
DIAGNÓSTICO
Sidel S.p.A.
MAN. I4390.ES.USM000 (12/09/2013)
DOC. ROLL4.CAP.08.R01 (08/01/2010)
N.º DESCRIPCIÓN DE LA ALARMA
CAUSA DE LA
ALARMA
POSIBLES SOLUCIONES
235 Bloqueo en cóclea de la máquina
Botellas bloqueadas en
la cóclea.
Demasiada presión de
entrada por acumulación
excesiva de envases.
Retire el objeto encastrado. Restablezca la
posición correcta de la estrella. Tras haber
comprobado que el emplazamiento es correcto,
pulse reset en el panel operador y compruebe que
la alarma haya desaparecido.
236 EXT: transportes de línea parados
Los transportes de salida
de la etiquetadora están
parados.
Si quiere reanudar el funcionamiento normal del
sistema, active los transportes de la línea.
239
Calentamiento del rodillo
encolador deshabilitado
No está habilitado el
calentamiento del rodillo
encolador.
Desde la pantalla correspondiente del panel
operador, habilite el calentamiento.
240
Calentamiento de tubos
deshabilitado
No está habilitado el
calentamiento de los
tubos.
Desde la pantalla correspondiente del panel
operador, habilite el calentamiento.
241
Calentamiento del recipiente de
pegamento deshabilitado
No está habilitado el
calentamiento del
recipiente de
pegamento.
Desde la pantalla correspondiente del panel
operador, habilite el calentamiento.
Página dejada en blanco intencionalmente
9
MANTENIMIENTO EXTRAORDINARIO
Sidel S.p.A.
9 - 1
MAN. I4390.ES.USM000 (12/09/2013)
DOC. ROLL4Evo.CAP.01.R00 (17/03/2008)
CAP. 9 - MANTENIMIENTO EXTRAORDINARIO
Página dejada en blanco intencionalmente
9
MANTENIMIENTO EXTRAORDINARIO
Sidel S.p.A.
9 - 3
MAN. I4390.ES.USM000 (12/09/2013)
DOC. ROLL4Evo.CAP.01.R00 (17/03/2008)
9.1 REVISIÓN COMPLETA DEL RODILLO DE TRANSFERENCIA
9.1.1 DESCRIPCIÓN
El funcionamiento normal de la máquina causa desgaste y daños a los patines.
El nivel de desgaste de los patines es muy variable y depende del tipo de patín utilizado, la facilidad de
abrasión del material de las etiquetas y los niveles de vacío utilizados.
El plato de distribución también se desgasta con el uso.
Con los instrumentos y las metodologías indicados a continuación se pueden restablecer las condiciones
normales del rodillo de transferencia de modo que pueda brindar las mismas prestaciones que una pieza
nueva.
El incumplimiento de estos procedimientos expone la máquina a RIESGOS GRAVES y perjudica su
productividad.
En caso de sustitución de los patines, puede que sea necesario rectificarlos.
Para ejecutar este procedimiento tienen una importancia fundamental los elementos
indicados a continuación:
1. PERSONAL ESPECIALIZADO Y ADIESTRADO;
2. TALLERES MECÁNICOS PROVISTOS DE ESTRUCTURASADECUADAS;
3 JUEGO (SKIM KIT RODILLOS DE TRANSFERENCIA) - 51022351;
4 DOCUMENTO “Procedimiento estándar de revisión completa del rodillo de
transferencia - revisión 1.0” INCLUIDO EN EL JUEGO;
5. MATERIALES (SI PROCEDE): PATINES NUEVOS, ESPONJAS NUEVAS ETC..
Las operaciones de revisión completa del rodillo de transferencia deben ser realizadas
sólo por personal adiestrado y equipado con los instrumentos y los recursos apropiados.
PERSONAL EXPERTO ESTÁ DISPONIBLE EN EL SERVICIO DE ASISTENCIA Y FORMACIÓN
SIDEL.
9
MANTENIMIENTO EXTRAORDINARIO
Sidel S.p.A.
9 - 4
MAN. I4390.ES.USM000 (12/09/2013)
DOC. ROLL4Evo.CAP.01.R00 (17/03/2008)
9.1.2 DIAGRAMA DE FLUJO DEL PROCESO
7(50,1$'2
Control de canto a canto
SÌ
NO
Renovar
la superficie
Marcar y
volver a montar
,1,,2
SÌ
Inspección y
preparación
patín
NO
Preparación rodillo
antiguo
Patín
3 mordazas4 mordazas







Corte de las
esponjas nuevas
¿El perfil de
los patines
es correcto ?
NO
es necesaria
ninguna elaboración
Montaje
del árbol
Corte
PATINES
Control numérico
Control manual.
Calibre
nuevo
Patín
nuevo
Patín
Patín nuevo
antiguo
Patín
Patín antiguo
Proceso de fresado
del canto
superior
¿La placa de desgaste
requiere rectificación ?
9
MANTENIMIENTO EXTRAORDINARIO
Sidel S.p.A.
9 - 5
MAN. I4390.ES.USM000 (12/09/2013)
DOC. ROLL4Evo.CAP.01.R00 (17/03/2008)
9.1.3 DESMONTAJE Y LIMPIEZA DEL
RODILLO DE ARRASTRE
1. Retirar todas las manijas y las placas.
Realizar las operaciones sobre una
superficie limpia, blanda y plana, para
proteger el plato de distribución.
2. Retirar el plato de distribución verde. Antes de
quitarlo, marcar su posición.
3. Limpiar bien el plato de distribución verde.
Utilizar agua como disolvente y materiales
blandos para secar.
4. Controlar que todos los patines estén numerados y
que se haya identificado su posición. Sacar
manualmente los patines deslizándolos. No utilizar
martillos o palancas y no aplicar una fuerza excesiva.
9
MANTENIMIENTO EXTRAORDINARIO
Sidel S.p.A.
9 - 6
MAN. I4390.ES.USM000 (12/09/2013)
DOC. ROLL4Evo.CAP.01.R00 (17/03/2008)
5. Comprobarqueelorificiocónicodelrodillonopresenta
daños debidos a golpes o fricción. Todas las áreas en
relieve deben nivelarse con una piedra cilíndrica. Esta
operación debe ser realizada por personal cualificado y
prestando la máxima atención.
6. Todos los túneles internos deben limpiarse
eliminando los restos de cola y grasa con un disolvente
y los restos de producto con agua. Los orificios en la
superficie deben limpiarse con una broca de taladro
de 2,9 mm.
7. Las acanaladuras de los patines deben limpiarse
con esmero y hay que evaluar cualquier marca de
corrosión o desprendimiento de la superficie metálica.
8. La superficie de contacto del patín debe estar del
todo limpia. Controlar que estas superficies tengan una
buena reflexión utilizando una fuente luminosa.
9
MANTENIMIENTO EXTRAORDINARIO
Sidel S.p.A.
9 - 7
MAN. I4390.ES.USM000 (12/09/2013)
DOC. ROLL4Evo.CAP.01.R00 (17/03/2008)
9.1.4 INSPECCIÓN DE LA ESPONJA
DEL PATÍN
1. Es necesario comprobar el deterioro químico y los
posiblesdañosmecánicosdelasesponjas.Compararlas
con un trozo de material nuevo sacado de la caja de
herramientas.
2. Si la esponja presenta marcas de desprendimiento
del patín, quitarla y sustituirla.
9
MANTENIMIENTO EXTRAORDINARIO
Sidel S.p.A.
9 - 8
MAN. I4390.ES.USM000 (12/09/2013)
DOC. ROLL4Evo.CAP.01.R00 (17/03/2008)
9.1.5 CORTE E INSTALACIÓN DE
ESPONJAS NUEVAS
1. La superficie de encolado del patín debe rascarse
para obtener un nuevo estrato de material alisado que
garantice una adhesividad perfecta.
2. Limpiar los orificios del vacío con las brocas de
taladro de diámetro 2,4 mm e 2,9 mm presentes en
el juego.
3. Cortar la esponja con un bisturí o con una hoja
con características similares hasta obtener la
dimensión exacta del patín.
4. Utilizar el tampón para tinta del juego para marcar
la posición de los orificios del patín. Utilizar el extremo
achaflanado de las brocas de 2,9 mm y 2,4 mm del
juego.
9
MANTENIMIENTO EXTRAORDINARIO
Sidel S.p.A.
9 - 9
MAN. I4390.ES.USM000 (12/09/2013)
DOC. ROLL4Evo.CAP.01.R00 (17/03/2008)
5. Marcar con cruces las posiciones de los
orificios para obtener posiciones de punzonado
exactas.
6. Realizar los orificios utilizando el diámetro máximo
del punzón en el juego.
7. Aplicar el adhesivo siguiendo un esquema en forma
de cuadrícula alrededor de los orificios. Comprobar la
adhesividad del patín en correspondencia con los
ángulos. Utilizar adhesivo instantáneo a base de
cianoacrilato, preferentemente en gel.
8. Situar con exactitud el patín en la esponja y
mantener presionadas las dos partes por 1
minuto.
9
MANTENIMIENTO EXTRAORDINARIO
Sidel S.p.A.
9 - 10
MAN. I4390.ES.USM000 (12/09/2013)
DOC. ROLL4Evo.CAP.01.R00 (17/03/2008)
9.1.6 MONTAJE DEL ÁRBOL EN EL
TORNO CON TRES MORDAZAS
“BLANDAS” Y CARGA DEL
RODILLO DE TRANSFERENCIA
1. Instalar las mordazas de tipo blando en el husillo
con tres mordazas del torno.Apretar las mordazas en
el anillo del torno y limarlas hasta obtener el diámetro
del árbol del rodillo.
El torno tiene que estar en buenas
condiciones y poder ejecutar centrados
de 10 micras o más precisos.
2. Comprobar que la sección cónica del árbol
tiene una concentricidad menor/igual a10 micras.
A continuación es necesario introducir la
contrapunta del torno.
3. Deslizar el rodillo en el eje sirviéndose de una
superficie de soporte y de bloques separadores con
la altura adecuada.
4. El rodillo de transferencia no debe tocar el árbol ni
apoyarse en el mismo antes de que se haya introducido
la contrapunta de modo que la misma pueda sostener
el árbol. Sólo a continuación es posible apretar el rodillo
en el árbol.
9
MANTENIMIENTO EXTRAORDINARIO
Sidel S.p.A.
9 - 11
MAN. I4390.ES.USM000 (12/09/2013)
DOC. ROLL4Evo.CAP.01.R00 (17/03/2008)
9.1.7 CORTE DE LOS PATINES DE LOS
RODILLOS CON UN “STEP”
(PASO) ESPECÍFICO DEL
DIÁMETRO
1. El calibre sirve para el control del diámetro de corte
de los patines del rodillo de transferencia. Este
instrumento puede ser superfluo si el torno dispone
de dispositivos de control numérico (NC), o de control
numérico computarizado (CNC).
2. El instrumento está provisto de 8 diámetros que se
diferencian entre ellos por 300 micras. El step 1 es el
diámetro de corte estándar de 402,00 mm para los
patines nuevos. El paso 8 es de 399,90 mm,
correspondientes al diámetro de corte final antes de
que sea necesario sustituir los patines.
3. El calibre se monta en el árbol de soporte. El calibre
puede montarse paralelo al rodillo de transferencia en
caso de rodillos “bajos”. En caso de rodillos “altos”,
durante el uso del calibre es necesario desmontar el
rodillo y volver a montarlo al final de la regulación de
la herramienta de corte.
4. La herramienta de corte se configura según un
step de diámetro específico en contacto con el
calibre.
9
MANTENIMIENTO EXTRAORDINARIO
Sidel S.p.A.
9 - 12
MAN. I4390.ES.USM000 (12/09/2013)
DOC. ROLL4Evo.CAP.01.R00 (17/03/2008)
5. Es necesario quitar de los patines una
cantidad de material suficiente para obtener una
superficie alisada y alineada con la línea de los
orificios.
El corte de los patines en peek (patines
negros) debe realizarse utilizando
herramientas con punta al carburo.
6. Comprobar que en todos los patines toda la
superficie de contacto para el encolado haya sido
alisada. Si la superficie no ha sido alisada por
completo, es necesario cortar el rodillo con el step
siguiente.
9
MANTENIMIENTO EXTRAORDINARIO
Sidel S.p.A.
9 - 13
MAN. I4390.ES.USM000 (12/09/2013)
DOC. ROLL4Evo.CAP.01.R00 (17/03/2008)
9.1.8 REELABORACIÓN DE LA SUPERFICIE INCLINADA DELANTERA DEL
PATÍN
1. La inclinación de la superficie delantera del patín varía según el diámetro del patín del rodillo. Por tanto,
cada “step” necesita un ángulo de corte específico. Los ángulos se indican en la figura (Fig.9.1.8-1).
2. Los nuevos patines se entregan con las superficies sin cortar, por tanto es necesario quitar una cantidad
considerable de material para obtener el diámetro del “step” 1 y el canto de la superficie inclinada (Fig. 9.1.8-2).
Fig. 9.1.8 - 1
Fig. 9.1.8 - 2
Los ángulos de inclinación del canto superior se refieren a la superficie de contacto con la acanaladura
de montaje del patín, indicada en las áreas del esquema marcadas por la letra A.
A A
402,00 mm
399,90 mm
Step#1 ángulo 10,9 grados
Sólo patín nuevo
Step#8 ángulo 6,6 grados
Corte final
Referencia para el fresado del patín: eje centro orificios
Nuevo patín sin cortar
10,9 grados
10,3 grados
9,7 grados
9,1 grados
8,5 grados
7,8 grados
7,2 grados
6,6 grados
Step # 1 402 mm
PATÍN NUEVO
Step # 2 401.70 mm
Intermedio
Step # 3 401.40 mm
Intermedio
Step # 4 401.10 mm
Intermedio
Step # 5 400.80 mm
Intermedio
Step # 6 400.50 mm
Intermedio
Step # 7 400.20 mm
Intermedio
Step # 8 399.90 mm
CORTE FINAL
Bloques calibre
Diámetro de
corte del patín
Ángulo de inclinación
canto superior
9
MANTENIMIENTO EXTRAORDINARIO
Sidel S.p.A.
9 - 14
MAN. I4390.ES.USM000 (12/09/2013)
DOC. ROLL4Evo.CAP.01.R00 (17/03/2008)
3. Los patines delanteros no se trabajan en el rodillo
de transferencia. El juego contiene un soporte para
acoger el patín de manera análoga a la acanaladura
presente en el rodillo de transferencia. El soporte tiene
que estar nivelado y alineado en la fresa con una
precisión de 10 micras.
4. El patín debe deslizarse en el soporte con la ayuda
de aceite para reducir la fricción y los daños a la
esponja.
5. El ángulo de la cabeza de la fresa debe ajustarse
con una barra de senos u otro instrumento análogo.
6. La superficie que hay que trabajar debe colorearse
con un marcador oscuro en seco y de forma NO
PERMANENTE. La coloración debe extenderse hasta
la superficie trabajada en el torno.
9
MANTENIMIENTO EXTRAORDINARIO
Sidel S.p.A.
9 - 15
MAN. I4390.ES.USM000 (12/09/2013)
DOC. ROLL4Evo.CAP.01.R00 (17/03/2008)
7. Fresar la superficie del patín con cortes delgados.
Comprobar que el corte procede paralelo al eje centro
orificios.
8. Continuar el fresado del patín hasta que el borde
del corte coincida con el eje centro orificios. Utilizar
una broca de 2,9 mm para visualizar esta posición.
EL CANTO TIENE QUE ESTAR EXACTAMENTE EN
ESTA POSICIÓN
9
MANTENIMIENTO EXTRAORDINARIO
Sidel S.p.A.
9 - 16
MAN. I4390.ES.USM000 (12/09/2013)
DOC. ROLL4Evo.CAP.01.R00 (17/03/2008)
9.1.9 REELABORACIÓN DE LA
SUPERFICIE INCLINADA
DELANTERA DEL PATÍN
1. Quitar el árbol del torno y montarlo en el rodillo de
transferencia.
2. Montar una “contrapunta giratoria” en el husillo del
torno y cargar el árbol y el grupo del rodillo en el torno,
entre la contrapunta giratoria y la contrapunta, con la
placa de desgaste girada hacia la torreta porta-
herramientas.
3. Utilizar el plato de arrastre contenido en el juego
para desplazar el grupo.
4. Repasar la superficie de la placa de desgaste con
pequeños incrementos hasta obtener una superficie
limpia y alisada.
9
MANTENIMIENTO EXTRAORDINARIO
Sidel S.p.A.
9 - 17
MAN. I4390.ES.USM000 (12/09/2013)
DOC. ROLL4Evo.CAP.01.R00 (17/03/2008)
9.1.10 ENSAMBLAJE Y MARCADO
STEP
1. Retirar los filamentos de plástico con una
herramienta para limpiar rebabas.
2. Buscar entre las placas de los “STEP” la cor-
respondiente a la elaboración realizada.
3. Montar la placa numerada en el plato de
levantamiento del rodillo de transferencia y volver
a montar todo el conjunto en el cuerpo del rodillo.
9
MANTENIMIENTO EXTRAORDINARIO
Sidel S.p.A.
9 - 18
MAN. I4390.ES.USM000 (12/09/2013)
DOC. ROLL4Evo.CAP.01.R00 (17/03/2008)
9.1.11 EQUIPOS OPCIONALES
Para asegurar un correcto mantenimiento del rodillo
de transferencia, SIDEL S.p.A. recomienda comprar
el equipo opcional SKIM BOX (Fig. 9.1.11-1).
Los compartimentos internos (Fig. 9.1.11-2/3/4)
contienen, divididos según el tipo de mantenimiento al
que están destinados, todos los instrumentos para una
correcta ejecución de las diferentes operaciones
(limpieza del rodillo, elaboración en el torno y fresado
de los patines etc).
UN CORRECTO MANTENIMIENTO DEL
RODILLO DE TRANSFERENCIA
ASEGURA:
* LA LIMPIEZA ÓPTIMA DEL RODILLO.
* REGULARIDAD Y PRECISIÓN DE LAS
OPERACIONES DE TRANSFERENCIA DE
LAS ETIQUETAS.
* PATINES PROVISTOS DE LASUPERFICIE
CORRECTA PARA LA APLICACIÓN DEL
ADHESIVO.
* MAYOR DURACIÓN DE LOS PATINES.
PARA UN USO CORRECTO DE LOS
INSTRUMENTOS CONTENIDOS EN EL
MALETÍN,
SIDEL S.p.A. RECOMIENDA UNA
FORMACIÓN ESPECÍFICA.
Para mayores detalles, ponerse en
contacto con la sección de formación de
SIDEL S.p.A.).
Fig.9.1.11 - 4
Fig.9.1.11 - 2
9
MANTENIMIENTO EXTRAORDINARIO
Sidel S.p.A.
9 - 19
MAN. I4390.ES.USM000 (12/09/2013)
DOC. ROLL4Evo.CAP.01.R00 (17/03/2008)
Fig. 9.2 - 1
Fig. 9.2 - 2
Fig. 9.2 - 3
9.2 SUSTITUCIÓN DE LAS RESISTENCIAS O DE LA SONDA
DEL RODILLO ENCOLADOR
Realice este trabajo con la máquina
apagada y espere que el rodillo
encolador se enfríe.
1. Quite los cárteres de protección desenroscando
los volantes (Fig. 9.2 - 1).
2. Abra la tapa superior desenroscando los 4 tornillos
(Fig. 9.2 - 2).
3. Levante el cuerpo del rodillo encolador (Fig. 9.2 -
3).
9
MANTENIMIENTO EXTRAORDINARIO
Sidel S.p.A.
9 - 20
MAN. I4390.ES.USM000 (12/09/2013)
DOC. ROLL4Evo.CAP.01.R00 (17/03/2008)
Fig. 9.2 - 4
Fig. 9.2 - 5
Fig. 9.2 - 6
4. Abra la tapa actuando sobre los tornillos
correspondientes (Fig. 9.2 - 4).
5. Abra la base superior actuando sobre los tornillos
correspondientes (Fig. 9.2 - 5).
6. Extraiga las resistencias quemadas o la sonda e
introduzca aquella nuevas utilizando la pasta de silicona
blanca especial (Fig. 9.2 - 6).
Reinstale todo repitiendo los trabajos en el orden
inverso.
9
MANTENIMIENTO EXTRAORDINARIO
Sidel S.p.A.
9 - 21
MAN. I4390.ES.USM000 (12/09/2013)
DOC. ROLL4Evo.CAP.01.R00 (17/03/2008)
9.3 SUSTITUCIÓN RASQUETEADOR COLA/BARRA
APLICACIÓN COLA
Preste mucha atención al tanque Hot Melt y al rodillo encolador, ya que trabajan a
temperaturas muy altas. El personal encargado de la conducción y el mantenimiento de
la máquina debe utilizar equipos de protección individual adecuados (guantes, gafas,
etc.).
Cuando el pegamento que se deposita en el rodillo no es uniforme y ha se ha intervenido como se describe
en el capítulo 7, hay que proceder a la sustitución de la barra de aplicación de pegamento de la siguiente
manera:
1. Compruebe que la máquina esté parada.
2. Ponga la máquina en modo manual colocando el
selector de llave de mantenimiento (1) en la posición
JOG.
3. En la ventana PUESTA EN MARCHA
ADMINISTRADOR GENERAL, inhabilite la tecla
MÁQUINA EN CONTROL ON (2) para desactivar
los dispositivos auxiliares previamente seleccionados.
Como alternativa, es posible acceder directamente a
la ventana PUESTA EN MARCHA ESTACIÓN DE
ETIQUETADO y desactivar las teclas:
- CALENTAMIENTOS
- CALENTAMIENTO TUBOS
- BOMBA DE PEGAMENTO
- RODILLO ENCOLADOR
Espere a que baje la temperatura.
2 1
9
MANTENIMIENTO EXTRAORDINARIO
Sidel S.p.A.
9 - 22
MAN. I4390.ES.USM000 (12/09/2013)
DOC. ROLL4Evo.CAP.01.R00 (17/03/2008)
4. Desenrosque los pomos de la jaula de protección
para poder retirar la misma (Fig. 9.3 - 1).
5. Desenrosque los pomos de la jaula de protección
para poder retirar la misma (Fig. 9.3 - 1).
Utilice el agujero central (A) como extractor para
desmontar el raspador de pegamento.
Fig. 9.3 - 2
A
Fig. 9.3 - 1
9
MANTENIMIENTO EXTRAORDINARIO
Sidel S.p.A.
9 - 23
MAN. I4390.ES.USM000 (12/09/2013)
DOC. ROLL4Evo.CAP.01.R00 (17/03/2008)
Fig. 9.3 - 5
Fig. 9.3 - 6
Fig. 9.3 - 4
C
D
6. Quite los 2 tornillos de apriete y extraiga el bloque
de soporte del rasqueteador de la cola utilizando el
tornillo central como extractor (Fig. 9.3 - 4).
Utilizando solvente (Melt-O-clean) elimine los
posibles residuos de cola/etiqueta del bloque y del
rodillo grafilado.
Preste mucha atención para no dañar la
junta de envío de cola.
7. Desenrosque de la barra apenas extraída el tubo de
regulación del flujo de la cola e instálelo en la barra
nueva (Fig. 9.3 - 5).
8. Quite la rejilla de protección (C - Fig. 9.3 - 6).
Debe:
- cerrar el agujero de la junta de retorno de cola (D)
con un trozo de papel o tejido
- cerrar los agujeros de inyección y flujo de cola
mediante una lámina o un cartón perfilado
para evitar la entrada de fragmentos de bronce en el
recipiente de cola.
9
MANTENIMIENTO EXTRAORDINARIO
Sidel S.p.A.
9 - 24
MAN. I4390.ES.USM000 (12/09/2013)
DOC. ROLL4Evo.CAP.01.R00 (17/03/2008)
Fig. 9.3 - 7
Fig. 9.3 - 9
B
Fig. 9.3 - 8
9. Instale nuevamente la barra de aplicación de cola
en el soporte utilizando las arandelas de espesor (4
arriba y 4 abajo) que se encuentran debajo de los
tornillos de bloqueo M12 (Fig. 9.3 - 7).
10. Coloque la nueva barra de aplicación de cola en
el rodillo encolador (Fig. 9.3 - 8).
11. Hagafuncionarlamáquinaabajavelocidad(máximo
10.000 b/h).
Espere hasta que las cabezas de los dos tornillos se
apoyen completamente sobre el soporte de la barra
de aplicación de la cola (Fig. 9.3 - 9).
Para cerciorarse de que la operación haya sido
efectuada correctamente, retire la lámina de protección
(B) y verifique que la cuchilla se apoye adecuadamente
en el rodillo.
9
MANTENIMIENTO EXTRAORDINARIO
Sidel S.p.A.
9 - 25
MAN. I4390.ES.USM000 (12/09/2013)
DOC. ROLL4Evo.CAP.01.R00 (17/03/2008)
Fig. 9.3 - 11
Fig. 9.3 - 12
B CA
B CA
Fig. 9.3 - 10
12. Desmonte nuevamente el bloque de regulación de
cola mediante los 2 tornillos y verifique que la barra se
haya adaptado de manera uniforme.
En caso de ser necesario, instale nuevamente el bloque
eliminando dos arandelas de espesor (uuna arriba y
una abajo) y verifique nuevamente (véase 7-8-9) hasta
que la barra se adapte completamente al rodillo.
Instale nuevamente la lámina de protección.
13. Después, monte el rasqueteador de la cola,
apretando los tornillos de apriete (A), las tuercas de
bloqueo (B) y los reguladores (C) hasta que el
rasqueteador se apoye completamente sobre el rodillo
(Fig. 9.3 - 11).
14. Haga funcionar la máquina para efectuar el rascado
del rasqueteador de la cola con el rodillo grafilado.
Controle visualmente que la hoja del rasqueteador
trabaje correctamente (se debería formar un escalón
al inicio y al final de la hoja que no tiene contacto con
el grafilado del rodillo (Fig. 9.3 - 12).
9
MANTENIMIENTO EXTRAORDINARIO
Sidel S.p.A.
9 - 26
MAN. I4390.ES.USM000 (12/09/2013)
DOC. ROLL4Evo.CAP.01.R00 (17/03/2008)
Fig. 9.3 - 15
Fig. 9.3 - 14
Fig. 9.3 - 13
14. Detenga la rotación y coloque en stand-by el
calentamiento.
Extraiga el bloque completo, raspador + soporte de
aplicación de cola.
15. Limpie con aire comprimido el recipiente, eliminado
el polvo o las virutas de latón; si fuera necesario, utilice
un diluyente para limpiar el soporte y el rasqueteador
de la cola. Para limpiar el rodillo, utilice cepillos de
acero si fuera necesario (Fig. 9.3 - 14).
16. Quite la junta de retorno de cola del agujero e
introduzca la rejilla de protección (Fig. 9.3 - 15).
Instale nuevamente el bloque completo, raspador +
soporte de aplicación de cola.
9
MANTENIMIENTO EXTRAORDINARIO
Sidel S.p.A.
9 - 27
MAN. I4390.ES.USM000 (12/09/2013)
DOC. ROLL4Evo.CAP.01.R00 (17/03/2008)
Fig. 9.3 - 18
Fig. 9.3 - 16
17. Aflojar las tuercas de bloqueo y desenroscar (1
vuelta) los presores de regulacion (correspondiente a
1 decimo).
Activar nuevamente el calentamiento de la bomba de
pegamento (Fig. 9.3 - 16).
Verificar periodicamente el correcto
funcionamiento de los 2 presores de
regulacion.
El muelle debe regresar libremente, de no
ser asì, es debido a una acumulacion
excesiva de pegamento o al deterioro del
muelle mismo ocasionado por la tempe-
ratura alta.
El deposito de pegamento puede
bloquear el raspador en un posicion
demasiado adherente al rodillo (menos de
1 dècimo), causando un rapido desgaste
El raspador puede tambien bloquearse
lejos del rodillo (mas de 1 dècimo), de ser
asì, se verifica un flujo excesivo de
pegamento
En caso de que se presenten estos
problemas, SIDEL S.p.a. recomienda
sustituir los presores.
VERIFICAR ademas el correcto
funcionamiento del soporte del rodillo
encolador.
Limpiar cuidadosamente el perno de
ortacion del soporte (Fig. 9.3 - 17).
18. Transcurridos cinco minutos, detenga la máquina
y limpie el filtro de la cola del recipiente (Fig. 9.3 - 18).
Al reanudar la producción, se aconseja utilizar cola
nueva.
Página dejada en blanco intencionalmente
10 -
MAN. I4390.ES.USM000 (13/09/2013)
DOC. ROLL4Evo.CAP.01.R00 (17/03/2008)
10
DOCUMENTACIÓN ADJUNTA
Sidel S.p.A..
1
CAP. 10 - DOCUMENTOS ANEXOS
Página dejada en blanco intencionalmente
ETIQUETA
ENVUELTA
DIMENSIÓN BxH
CÓDIGOEQUIPOBOTELLA
CÓDIGOANILLOCENTRADOR
REGULACIÓNVELOCIDAD
PLATILLOS(CORREA)
REGULACIÓNLEVAPLATILLOS
1
600 ML SIN GAS
NUEVO SAN
MATEO
ROJO
66,8
240
XX
XX
146
XX
XX
XX
XX
XX
10
214X68
64,9
170
170
170
170
170
170
100
150
160
MAX
MAX
3000
XX
XX
10
2
600 MLCON GAS
NUEVO SAN
MATEO
VERDE
67
240
XX
XX
346,5
146
10
230
26,9
XX
XX
68,5
21,7
XX
158
XX
XX
79,5
111
240
115
13-15
140
200
2
10
214X68
64
118
2,8
170
170
170
170
170
170
100
150
160
1800
1800
1500
MAX
MAX
3000
150
250
200
300
4
3
0
1,7
XX
214
XX
10
3900
3900
3
350 ML CON GAS
NUEVO SAN
MATEO
AMARILLO
58
201
XX
XX
115
XX
XX
XX
XX
XX
10
180X53
54,4
170
170
170
170
170
170
100
150
160
MAX
MAX
3000
XX
XX
10
4
350 ML SIN GAS
NUEVO SAN
MATEO
BLANCO
58
201
XX
XX
115
XX
XX
XX
XX
XX
10
180X53
54,4
170
170
170
170
170
170
100
150
160
MAX
MAX
3000
XX
XX
10
5
1500 ML NUEVO
SAN MATEO
AZULCELEST
92,1
311
XX
XX
76
XX
XX
XX
XX
XX
10
293X92
88,7
170
170
170
170
170
170
100
150
160
MAX
MAX
3000
XX
XX
10
6
2500 ML SIN GAS
NUEVO SAN
MATEO
NARANJA
110,3
357
XX
XX
76
XX
XX
XX
XX
XX
10
346X102
106,3
170
170
170
170
170
170
100
150
160
MAX
MAX
3000
XX
XX
10
7
1500 ML NUEVO
SAN MATEO
DEPLATA
92,1
311
XX
XX
757,0
75
105
75
50
XX
XX
95,0
21,7
XX
197
XX
XX
72
107
311
155
13-15
140
200
0
10
293X92
88,7
153
2,18
170
170
170
170
170
170
100
150
160
1700
2000
1500
MAX
MAX
3000
150
250
200
300
4,5
3
0
1
XX
295
XX
10
3900
3900
PRESIÓNCARRUSEL(BAR)
LEVAFASECANCELA/EMBRAGUE
LEVAFASEDESBLOQUEOFRENO(INICIO)
LEVAFASEDESBLOQUEOEMBRAGUE
LEVAFASEBLOQUEOFRENO(TOPE)
SLIPCOMPENSATION(l/min)
REGULACIÓNSOPLODECORTE(l/min)
REGULACIÓNSOPLODESDERODILLODE
TRASFERENCIAABOTELLA(l/min)
REGULACIÓNVACÍOPOST-GLUE(mb)
REGULACIÓNVACÍODISTRIBUIDOR(mb)
SINFÍNFORMATO ENVASE
SOPORTERODILLOENCOLADORLADO
OPERADOR(°C)
PRESIÓNENTRADABOBINA(BAR)
(PINCHROLLER)
PATÍNSINIESTRODELJUNTADOR
COD.RODILLODETRASFERENCIA
PATÍNDERECHODELJUNTADOR
CÓDICE
REGULACIÓNVACÍOCORTE(mb)
REGULACIÓNVACÍOPRE-GLUE(mb)
TABLA DE EQUIPOS
REV./CLIENTE:
UNION DE CERVECERIAS PERUANAS BACKUS Y JOHNSTON S.A.A.
OFFSETCORTE
FASESUBIDARODILLOENCOLADOR(°)
FORMATO ETIQUETA
COD.CASQUETEDECORTE
ALTURAENCOL
ROLLQUATTRO F45 32TR HH3 S1E1 SX
REGULACIÓNBLOWBLOCK2(l/min)
MÁQUINA:
GRUPO
POSICIÓNFOTOCÉLULAEXT.LECTURA
(W)
POSICIÓNFOTOCÉLULAAPARATO
EMPALMADOR(H)
MD04_16 Rev.12
POSICIÓNENCODER
ALTURASOPORTEBOBINAS
FASECIERRECANCELA(°)
FASEBAJADARODILLOENCOLADOR(°)
ADELANTOCIERREPLACAA
ADELANTOCIERREPLACAB
ØPANELDEETIQUETADO
CÓDIGOALISADO
REPOSO(°C)
EQUIPO LEVA
GENERAL:
REGULACIÓNEXPULSORETIQUETAENEL
DISTRIBUIDORVACÍOS
REGULACIÓNEXPULSORETIQUETAENEL
SOPORTECUCHILLA
SOPORTERODILLOENCOLADORLADO
CARRUSEL(°C)
REGULACIÓNVACÍOPRE-PAD(mb)
MAT.:
4390
PARÁMETROS NEUMÁTICOS
PRESIÓNBRAZODESBOBINADOR(BAR)
PARÁMETROS JUNTADOR
LONGITUDETIQUETA
DIMENSIÓNMUESCA
VENTANAMUESCA
AJUSTETURBINAASPIRACION
FILAMENTOSDEPEGAMENTO(VALORDE
BASE80-100paraF25E;120paraF35E)
REGULACIÓNVACÍOGLUE(mb)
REGULACIÓNBLOWBLOCK1(l/min)
H
REGULACIÓNCÓCLEABASCULANTEEN
ELCARRO
CÓDIGOSECTORLEVA
COLA(°C)
DESPLAZAMIENTOCARROSOPORTE
CÓCLEA
REGULACIÓNBORDECÓCLEA
DESPLAZAMIENTOGRUPO
POSICIÓNFOTOCÉLULAAPARATO
EMPALMADOR(N)
DESCRIPCIÓN Ø
VENTANALECTURAMUESCA
POSICIÓNRODILLOBASCULANTE(K)
POSICIÓNFOTOCÉLULAINT.LECTURA
MUESCA(Y)
POSICIÓNANGULARCUCHILLA
POSICIÓNCÉLULAFOTOÉLECTRICA
ALINEADOR(X)
ALTURAGRUPO
OFFSETTAMBOR
BOTELLA
SIDEL
EPS Division
COLOR
PARÁMETROS TÉRMICOS
SOPORTERODILLOENCOLADOR(°C)
RODILLOENCOLADORGRAFILADO(°C)
TUBOENTRADA(°C)
TUBODERETORNO(°C)
TINADECOLA(°C)
ALTURACABEZAL
MD04_16 tabella marcia_rev 12-4390.xls 1/1

Manual etiquetadora

  • 1.
    MANUAL USO Y MANTENIMIENTO ROLLQUATTROF45 MÁQUINA ETIQUETADORA Matrícula: 4390 Año de fabricación: 2013 I4390ES.USM000 (09/09/2013) VOL. 1 SIDEL S.p.A. Certificación concerniente la planta de Mantova 46100 MANTOVA - ITALY Z.I. Valdaro - Via Natta, 4
  • 2.
    Página dejada enblanco intencionalmente
  • 3.
    ¡ATENCIÓN! Las instrucciones deuso y mantenimiento de la máquina ROLLQUATTRO F45 se describen en los siguientes volúmenes suministrados con la misma: Vol. I Manual de uso y mantenimiento Vol. IICatálogo de repuestos VOL. III Esquemas Vol IV Listado Software (si requerido) Vol. V Documentación comercial
  • 4.
    Página dejada enblanco intencionalmente
  • 5.
    Sidel S.p.A. ÍNDICE I 1 -NORMAS Y ADVERTENCIAS GENERALES ..................... 1 - 1 1.1 ENSAYO Y GARANTÍA ...................................................................................................... 1 - 3 1.2 ADVERTENCIAS Y PERSONAL ENCARGADO ................................................................. 1 - 4 1.3 REFERENCIAS LEGISLATIVAS ........................................................................................ 1 - 7 1.4 TRABAJOS A CARGO DEL CLIENTE................................................................................ 1 - 8 1.5 INSTRUCCIONES PARASOLICITAR INTERVENCIONES.................................................. 1 - 9 1.6 INSTRUCCIONES PARAPEDIR REPUESTOS ................................................................ 1 - 10 1.7 MODO DE CONSULTA ..................................................................................................... 1 - 11 1.8 GLOSARIO ....................................................................................................................... 1 - 13 1.9 DESCRIPCIÓN DE LA MÁQUINA .................................................................................... 1 - 16 CAP. 2 - DATOS TÉCNICOS ....................................................... 2 - 1 2.1 DIMENSIONES DE LA MÁQUINA..................................................................................... 2 - 3 2.2 CONFIGURACIÓN DE LA MÁQUINA ................................................................................. 2 - 4 2.3 CARACTERÍSTICAS DE LA MÁQUINA Y AMBIENTALES ................................................ 2 - 5 2.4 PRESTACIONES ........................................................................................................... 2 - 12 2.5 TIPOS DE ACCIONAMIENTO Y DESPLAZAMIENTO ..................................................... 2 - 13 2.6 POTENCIAS Y CONSUMOS ............................................................................................ 2 - 14 2.7 PESOS ............................................................................................................................. 2 - 15 2.8 RUIDO .............................................................................................................................. 2 - 16 CAP. 3 - INSTALACIÓN .............................................................. 3 - 1 3.1 TRANSPORTE DE LA MÁQUINA....................................................................................... 3 - 3 3.2 NOCIONES GENERALES SOBRE LAS TÉCNICAS DE CIMENTACIÓN ........................... 3 - 7 3.3 DESPLAZAMIENTO ........................................................................................................... 3 - 8 3.4 DESCRIPCIÓN DE LOS TRABAJOS DE INSTALACIÓN ................................................. 3 - 12 3.5 DESCRIPCIÓN DE LAS CONEXIONES Y CABLEADOS ................................................. 3 - 15 3.6 DESCRIPCIÓN DE LOS TRABAJOS DE PUESTAA PUNTO Y PRIMERA PUESTA EN MARCHA ................................................................................. 3 - 21 3.7 REINSTALACIÓN ............................................................................................................. 3 - 22 3.8 DESGUACE Y ELIMINACIÓN.......................................................................................... 3 - 23 3.9 ALMACENAMIENTO DE LAMÁQUINA ............................................................................ 3 - 27
  • 6.
    Sidel S.p.A. II CAP. 4- FUNCIONAMIENTO ..................................................... 4 - 1 4.1 APLICACIONES Y USO PREVISTO ................................................................................... 4 - 3 4.2 USO PREVISTO Y NO PREVISTO Y USOS PERMITIDOS ................................................ 4 - 4 4.3 CARACTERÍSTICAS Y LÍMITES DE FUNCIONAMIENTO .................................................... 4 - 5 4.4 POSIBLES ZONAS PELIGROSAS ..................................................................................... 4 - 6 4.5 RIESGOS, PELIGROS Y RIESGOS QUE NO PUEDEN ELIMINARSE ............................. 4 - 10 4.6 SEGURIDAD DELOPERADOR ........................................................................................ 4 - 16 4.7 DESCRIPCIÓN DELFUNCIONAMIENTO ......................................................................... 4 - 27 4.8 DISPOSITIVOS PARA LA SEGURIDAD Y LA INTEGRIDAD DE LA MÁQUINA ................ 4 - 30 CAP. 5 - INSTRUCCIONES DE USO .......................................... 5 - 1 5.1 PANEL DE MANDOS, INDICADORES LUMINOSOS Y BOTONES .................................... 5 - 3 5.2 CAJAS DE PULSADORES, DISPOSITIVOS DE EMERGENCIA ..................................... 5 - 44 5.3 ALARMAS Y SEÑALES.................................................................................................... 5 - 45 5.4 CAMPO DE TRABAJO Y POSICIONES SIGNIFICATIVAS .............................................. 5 - 51 5.5 SELECCIÓN DE LOS MODOS DE FUNCIONAMIENTO................................................... 5 - 53 5.6 ACCIONAMIENTO DE LAMÁQUINA ............................................................................... 5 - 54 5.7 MODOS DE PARADAY EMERGENCIA ........................................................................... 5 - 72 5.8 ACCESORIOS Y HERRAMIENTAS .................................................................................. 5 - 77 CAP. 6 - CAMBIO DE FORMATO............................................... 6 - 1 6.1 ADVERTENCIAS GENERALES .......................................................................................... 6 - 3 6.2 HERRAMIENTAS NECESARIAS ........................................................................................ 6 - 4 6.3 DESCRIPCIÓN DEL EQUIPO ............................................................................................ 6 - 5 6.4 LIMPIEZA DE LA MÁQUINA ............................................................................................ 6 - 12 6.5 REMOCIÓN - INSTALACIÓN DE LOS EQUIPOS PARABOTELLAS ................................ 6 - 13 6.6 REMOCIÓN – INSTALACIÓN DE EQUIPOS PARA ETIQUETAS ..................................... 6 - 27 6.7 CALIBRACIÓN Y AJUSTE................................................................................................ 6 - 35 6.8 PUESTA EN MARCHA DE LA MÁQUINA ......................................................................... 6 - 40 ÍNDICE
  • 7.
    Sidel S.p.A. III MANTENIMIENTO ORDINARIOY PROGRAMADO ................. 7 - 1 7.1 NORMAS DE SEGURIDAD PARA EL MANTENIMIENTO.................................................. 7 - 3 7.2 LIMPIEZA DE LA MÁQUINA .............................................................................................. 7 - 5 7.3 CONTROLES PERIÓDICOS............................................................................................... 7 - 9 7.4 FICHAS DE MANTENIMIENTO PROGRAMADO ............................................................. 7 - 13 7.5 OPERACIONES DE REGULACIÓN................................................................................ 7 - 149 7.6 LUBRICACIÓN ............................................................................................................... 7 - 173 7.7 PUESTA EN MARCHADESPUÉS DE UNA INACTIVIDAD PROLONGADA ................... 7 - 215 CAP. 8 - DIAGNÓSTICO ............................................................. 8 - 1 8.1 BÚSQUEDA DE LAS AVERÍAS ......................................................................................... 8 - 3 8.2 FUNCIONAMIENTO GENERAL .......................................................................................... 8 - 4 8.3 TRANSPORTE DE LAS BOTELLAS .................................................................................. 8 - 5 8.4 ETIQUETADO .................................................................................................................... 8 - 6 8.5 PARTE ELÉCTRICA ........................................................................................................... 8 - 7 CAP. 9 - MANTENIMIENTO EXTRAORDINARIO ..................... 9 - 1 9.1 TORNEADO Y FRESADO DE LOS PATINES DEL RODILLO DE DESPLAZAMIENTO ..... 9 - 3 9.2 SUSTITUCIÓN DE LAS RESISTENCIAS Y SONDAS DEL RODILLO ENCOLADOR ....... 9 - 19 9.3 SUSTITUCIÓN DE LA BARRA DE APLICACIÓN DEL PEGAMENTO .............................. 9 - 21 CAP. 10 - DOCUMENTOS ANEXOS ....................................... 10 - 1 ÍNDICE
  • 8.
    Página dejada enblanco intencionalmente
  • 9.
    1 - 1 1 SidelS.p.A. NORMAS Y ADVERTENCIAS GENERALES MAN. I4390.ES.USM000 (10/09/2013) DOC. ROLL4.CAP.01.R00 (17/03/2008) CAP. 1 - NORMAS Y ADVERTENCIAS GENERALES
  • 10.
    Página dejada enblanco intencionalmente
  • 11.
    1 - 3 1 SidelS.p.A. NORMAS Y ADVERTENCIAS GENERALES MAN. I4390.ES.USM000 (10/09/2013) DOC. ROLL4.CAP.01.R00 (17/03/2008) 1.1 ENSAYO Y GARANTÍA La máquina se envía al cliente lista para la instalación y tras haber superado en la fábrica todos los ensayos y pruebas previstos por el fabricante, de acuerdo con la legislación vigente. En el período de garantía el fabricante se compromete a solucionar posibles vicios y defectos, siempre y cuando la máquina haya sido utilizada correctamente, respetando las instrucciones contenidas en los manuales de uso y mantenimiento. Los materiales de consumo suministrados por el vendedor junto a la máquina quedan excluidos de la garantía. Las condiciones de garantía se acuerdan entre las partes durante la redacción del contrato.
  • 12.
    1 - 4 MAN.I4390.ES.USM000 (10/09/2013) DOC. ROLL4.CAP.01.R00 (17/03/2008) 1 NORMAS Y ADVERTENCIAS GENERALES Sidel S.p.A. 1.2 ADVERTENCIAS Y PERSONAL ENCARGADO 1.2.1 INTRODUCCIÓN Con este manual deseamos brindarles todas las informaciones necesarias para el mantenimiento y el uso correcto de la máquina. Este manual forma parte integrante de la máquina y se debe conservar durante toda su vida útil. Es indispensable entregar el manual a los posibles usuarios sucesivos de la máquina. Está prohibido efectuar cualquier trabajo en la máquina antes de haber leído atentamente y entendido todas las instrucciones contenidas en este manual. Toda observación que Ud. desee hacer sobre este manual será una ayuda importante para mejorar el servicio que SIDEL S.P.A. puede ofrecer a sus Clientes. Las sugerencias deben ser enviadas a: SIDEL S.p.A. – Via Natta, 4 – 46100 MANTOVA – ITALY 1.2.2 LÍMITES DE REPRODUCCIÓN Y COPYRIGHT Reservados todos los derechos. Reservados todos los derechos de traducción, memorización electrónica, reproducción y adaptación total o parcial con cualquier medio (incluidas las microfilmaciones y fotocopias) para todos los países.
  • 13.
    1 - 5 1 SidelS.p.A. NORMAS Y ADVERTENCIAS GENERALES MAN. I4390.ES.USM000 (10/09/2013) DOC. ROLL4.CAP.01.R00 (17/03/2008) 1.2.3 ADVERTENCIAS GENERALES DE SEGURIDAD Es necesario atenerse a las siguientes precauciones generales: – Instalar la máquina como se muestra en el lay-out adjunto y según establecido en el momento del pedido; de lo contrario, no responderemos por los posibles inconvenientes; – No instalar la máquina en ambientes explosivos y/o con riesgo de incendio; – No remover los dispositivos de seguridad instalados en la máquina; – No hacer funcionar la máquina en modo automático con las protecciones fijas o móviles desmontadas; – No intervenir sobre interruptores, válvulas y fotocélulas sin estar autorizado; – No intervenir sobre los componentes en movimiento ni siquiera con la ayuda de objetos o herramientas; – No aceitar ni engrasar manualmente los componentes cuando están en movimiento; – No atravesar cintas transportadoras haciéndolas pasar por arriba o por debajo; utilizar sólo los recorridos habilitados con plataformas, pasarelas, escaleras, etc. – No modificar partes de la máquina para adaptar otros dispositivos sin la autorización previa de SIDEL S.P.A.; en caso de modificaciones no autorizadas, SIDEL S.P.A. no se considerará responsable de las consecuencias. – Restablecer lo antes posible el estado de la máquina con las protecciones activas tras haber realizado un trabajo de regulación con parte de los dispositivos de seguridad desactivados. El empleador tiene la obligación de informar al personal, durante el uso de la máquina, acerca de los siguientes argumentos relacionados con la seguridad : – Riesgos de accidentes; – Dispositivos de seguridad para el operador; – Normas de seguridad generales previstas por las directivas internacionales y por la legislación del país de destino de la máquina. En este manual se usan los siguientes términos: Zona peligrosa: toda zona en el interior o en proximidad de la máquina en donde la presencia de una persona expuesta constituye un riesgo para la seguridad y la salud de dicha persona. Persona expuesta: toda persona que se encuentre total o parcialmente en una zona peligrosa. Operador: la persona encargada de instalar, hacer funcionar, regular, realizar el mantenimiento, limpiar, reparar y transportar la máquina. El operador y el personal de mantenimiento, limpieza, etc., tienen la obligación de respetar escrupulosamente y por completo tanto las normas de prevención de accidentes, como las disposiciones de seguridad vigentes en el país y el establecimiento de utilización de la máquina, además de las instrucciones, advertencias y reglas generales de seguridad contenidas en este manual.
  • 14.
    1 - 6 MAN.I4390.ES.USM000 (10/09/2013) DOC. ROLL4.CAP.01.R00 (17/03/2008) 1 NORMAS Y ADVERTENCIAS GENERALES Sidel S.p.A. 1.2.4 PERSONAL ENCARGADO Las operaciones descritas en este manual, por lo que respecta a cada fase del ciclo de vida de la máquina, han sido cuidadosa y exhaustivamente analizadas por SIDEL S.P.A. En este manual, por cada acción que describe la interacción entre el operador y la máquina se definirán, de manera unívoca, tres condiciones como mínimo: * Estado de la máquina: Modo de funcionamiento y condición de los dispositivos de seguridad instalados en la máquina; * Número de operadores: Cantidad de operadores que se requieren para el trabajo descrito; * Cualificación: Cualificación del operador que está habilitado para realizar una operación determinada. Por lo tanto, la cantidad de operadores indicada para cada operación y sus respectivas calificaciones son las adecuadas para cumplir la función de manera ideal y segura. Ignorar dichas prescripciones, utilizando, por ejemplo, un número inferior o superior de operadores o personal sin la calificación necesaria, o bien poniendo la máquina en un estado distinto del indicado, impedirá obtener el resultado esperado y pondrá en peligro la seguridad del personal. Antes de empezar a trabajar, el operador debe conocer la disposición y el funcionamiento de los mandos y las características de la máquina, y debe haber leído por completo este manual. Los operadores de la máquina se clasifican de la siguiente manera: NOTA: se define PERSONAL CUALIFICADO el personal que ha seguido cursos de especialización y formación, posee experiencia en instalación, puesta en funcionamiento y mantenimiento de las instalaciones y conoce las reglas sobre la prevención de accidentes. El personal cualificado debe tener nociones de primeros auxilios en caso de accidentes. 2SHUDGRU JHQpULFR personal no especializado capaz de conducir la máquina utilizando los mandos de la caja de pulsadores, realizar operaciones de carga y descarga de los materiales empleados durante la producción y desempeñar funciones simples de arranque o restablecimiento de la producción después de una parada forzada. (QFDUJDGR GHO PDQWHQLPLHQWR PHFiQLFR: técnico cualificado capaz de conducir la máquina en condiciones normales, cambiar el formato, intervenir sobre los componentes mecánicos para efectuar las regulaciones, trabajos de mantenimiento y reparaciones necesarias. No está habilitado para trabajar en la instalación eléctrica bajo tensión. (QFDUJDGR GHO PDQWHQLPLHQWR HOpFWULFR técnico cualificado capaz de conducir la máquina en condiciones normales y realizar todos los trabajos de regulación, mantenimiento y reparación eléctricos; además, uede modificar el ciclo de trabajo de la máquina por medio del maletín de programación. Puede trabajar con tensión en el interior de los armarios eléctricos y en las cajas de derivación. 7pFQLFR 6,'(/ 6S$. técnico cualificado puesto a disposición por SIDEL S.p.A. o por uno de sus agentes para efectuar trabajos complejos 7pFQLFR GH WHUFHURV técnico cualificado, puesto a disposición por el fabricante (Siemens, Sew–Euro-drive, etc.) o por el distribuidor de componentes comerciales sofisticados de largo consumo, capaz de intervenir en los mismos para efectuar modificaciones, reparaciones o sustituciones..
  • 15.
    1 - 7 1 SidelS.p.A. NORMAS Y ADVERTENCIAS GENERALES MAN. I4390.ES.USM000 (10/09/2013) DOC. ROLL4.CAP.01.R00 (17/03/2008) 1.3 REFERENCIAS LEGISLATIVAS 1.3.1 DIRECTIVAS COMUNITARIAS APLICADAS Directive 2006/42/EC (Directive Machine) Directive 2004/108/CEE (Directive EMC) Directive 2006/95/Ec (Directive BT, ex 73/23/CEE) EN 415-2 EN 12100-1 EN 12100-2 EN 60204-1 EN 60439-1
  • 16.
    1 - 8 MAN.I4390.ES.USM000 (10/09/2013) DOC. ROLL4.CAP.01.R00 (17/03/2008) 1 NORMAS Y ADVERTENCIAS GENERALES Sidel S.p.A. 1.4 TRABAJOS A CARGO DEL CLIENTE Los trabajos para las siguientes conexiones están a cargo del cliente: – Red hídrica; – Agua tratada (si la hay); – Neumática; – Eléctrica; – Producto; Descargas hídricas; – Conducción de emisiones a la atmósfera. Además, están a cargo del cliente: – La puesta a tierra; – Los materiales de consumo. Las informaciones para ejecutar correctamente las conexiones se encuentran en el párrafo “CONEXIONES Y CABLEADOS” del Cap. 3 de este manual.
  • 17.
    1 - 9 1 SidelS.p.A. NORMAS Y ADVERTENCIAS GENERALES MAN. I4390.ES.USM000 (10/09/2013) DOC. ROLL4.CAP.01.R00 (17/03/2008) 1.5 INSTRUCCIONES PARA SOLICITAR INTERVENCIONES Las solicitudes de intervención del Servicio de Asistencia Técnica al Cliente se deben enviar por escrito vía fax a la siguiente dirección: SIDEL S.p.A. – Via Natta, 4 – 46100 MANTOVA – ITALY Servicio de Asistencia Técnica al Cliente, número de fax: +39.0376.302595 especificando: – El tipo de máquina, la matrícula y el año de instalación; – Los defectos encontrados; – La dirección exacta del establecimiento en donde está instalada la máquina; – La persona de contacto. Para más información sobre los servicios ofrecidos al cliente, consulte la página Web www.sidel.com.
  • 18.
    1 - 10 MAN.I4390.ES.USM000 (10/09/2013) DOC. ROLL4.CAP.01.R00 (17/03/2008) 1 NORMAS Y ADVERTENCIAS GENERALES Sidel S.p.A. 1.6 INSTRUCCIONES PARA PEDIR REPUESTOS El Cliente es responsable de comprar recambios originales que garantizan un funcionamiento correcto y seguro de la máquina. La lista de los recambios necesarios, las indicaciones precisas de su identificación y las especificaciones sobre el modo para pedirlos se encuentran en el catálogo de los recambios suministrado. Las operaciones de desmontaje y montaje se deben realizar según las instrucciones del fabricante. Los pedidos de repuestos se deben enviar por escrito vía fax a la siguiente dirección: SIDEL S.p.A. – Via La Spezia, 241/A – 43100 PARMA– ITALY Servizio Assistenza Tecnica Clienti, numero di fax: (+39) 0521–959009 Para poder identificar los recambios y agilizar la entrega, le rogamos comunicar siempre las siguientes informaciones: – El tipo y la matrícula de la máquina; – El número de dibujo y posición de la pieza en el mismo; – La descripción de la pieza; – El código de la pieza indicado en las listas; – La cantidad deseada. Además, le rogamos indicar si se trata de un pedido definitivo o de una cotización de precios, especificar la fecha de entrega requerida, la dirección a la que hay que enviar la pieza, aquella de facturación y las instrucciones para el envío. Comunique también el nombre, el teléfono y el fax de la persona que será nuestro futuro interlocutor para todo aquello que concierne el suministro de piezas de repuesto. Tras haber recibido su pedido, le enviaremos nuestra confirmación de pedido, indicando los precios, la fecha de entrega definitiva y las condiciones de entrega. Si fuera necesario, la dirección del servicio de recambios es: SIDEL S.p.A. – Via La Spezia, 241/A – 43100 PARMA– ITALY Servizio Assistenza Tecnica Clienti, numero di fax: (+39) 0521–959009
  • 19.
    1 - 11 1 SidelS.p.A. NORMAS Y ADVERTENCIAS GENERALES MAN. I4390.ES.USM000 (10/09/2013) DOC. ROLL4.CAP.01.R00 (17/03/2008) 1.7 MODO DE CONSULTACIÓN 1.7.1 CRITERIOS GENERALES Para consultar este manual véase el índice general de la primera página, que permite localizar inmediatamente el argumento de su interés. Los capítulos están organizados con una estructura jerárquica que facilita la búsqueda de la información deseada. Una indicación explicita, colocada al inicio del capítulo, señala que en el capítulo se tratan argumentos y se dan informaciones específicas para personal cualificado. La documentación suministrada con la máquina etiquetadora consta de las siguientes partes: – Manual de uso y mantenimiento (VOLUMEN I); – Catálogo de repuestos (VOLUMEN II); – Esquemas (VOLUMEN III); – Lista software (VOLUMEN IV) (si el cliente la solicita expresamente) ; – Documentos del comercio (VOLUMEN V). 1.7.2 SÍMBOLOS Gráficamente se utilizarán los siguientes símbolos para indicar medidas particulares y/o sugerencias importantes para la seguridad y el manejo correcto de la máquina. ATENCIÓN: Normas contra accidentes para el operador. PELIGRO: Destaca una situación u operación peligrosa. ADVERTENCIA: Existe la posibilidad de que se produzcan averías a la máquina y/o a sus componentes. INFORMACIÓN AMBIENTAL: Indicaciones para la protección del medio ambiente. INFORMACIÓN AMBIENTAL: Indicaciones para la protección del medio ambiente. INFORMACIÓN ADICIONAL: Indica que es posible recibir información complementaria consultando otro capítulo, subcapítulo, párrafo o incluso otro documento/manual.
  • 20.
    1 - 12 MAN.I4390.ES.USM000 (10/09/2013) DOC. ROLL4.CAP.01.R00 (17/03/2008) 1 NORMAS Y ADVERTENCIAS GENERALES Sidel S.p.A. 1.7.3 REVISIÓN DEL DOCUMENTO El índice de revisión del documento está indicado en los últimos tres números del código presente en la primera línea del pie de página. renglón al pié de la página. Ejemplo: I2368.IT.USM000 – 000 representa la Revisión 0 del documento; – 001 representa la Revisión 1 del documento. La Revisión 0 representa el estado de la máquina al final del ensayo en nuestro establecimiento. Las revisiones sucesivas del manual se realizarán luego de modificaciones o sustituciones funcionales de la máquina.
  • 21.
    1 - 13 1 SidelS.p.A. NORMAS Y ADVERTENCIAS GENERALES MAN. I4390.ES.USM000 (10/09/2013) DOC. ROLL4.CAP.01.R00 (17/03/2008) 1.8 GLOSARIO PARADA/EMERGENCIA Botón de emergencia de color rojo que permite detener inmediatamente la máquina. Oprimir sólo en casos de emergencia o peligro. BAILARÍN Sistema de tensado de la película de etiquetas. BASAMENTO Estructura portante de la máquina. BOBINA Rollo de película de etiquetas enrollado alrededor de un soporte LEVA Guía adecuadamente perfilada que determina una ley de movimiento específica. DISPOSITIVO DE BLOQUEO Palanca o estrella colocada antes del sinfín que bloquea la entrada de envases a la máquina. REVESTIMIENTO Basamento con cárteres de protección fijos y móviles. CAJA Contenedor realizado de varios materiales, empleado para enviar y transportar las máquina. CENTRADO Sistema de centrado de las botellas sobre el platillo. CÓCLEA Tornillo sin fin que separa los envases en la entrada de la máquina y los transporta hacia la estrella de entrada. CODIFICADOR Dispositivo que imprime números, letras u otras informaciones sobre la superficie de la etiqueta o de los envases. COLUMNA LUMINOSA Indicador luminoso que señala los diferentes estados de funcionamiento de la máquina. ORDENADOR DE CONTROL Sistema programado basado en un microprocesador que controla el funcionamiento de la máquina. ENVASE Recipiente de diferentes materiales que se etiqueta. CONTRAESTRELLA Arco que sostiene los envases evitando que salgan al pasar por las estrellas de entrada y salida. ACCIONADORES Sistema electrónico de regulación y control de la velocidad de rotación de los motores eléctricos sincronizados. ENCODER Sistema para detectar la posición angular de un componente giratorio. A cada vuelta del encoder corresponden uno o varios impulsos en función de sus características. ETIQUETA Hoja aplicada sobre la superficie de los envases cuyo objetivo es el de llamar la atención del consumador y suministrar informaciones acerca del producto que contiene. Puede ser de diferentes materiales. EXPULSOR Sistema capaz de separar/dividir/eliminar de la cinta los envases que no están adecuadamente etiquetados. RODILLO DEALIMENTACIÓN Rodillo de tracción para desbobinar la película.
  • 22.
    1 - 14 MAN.I4390.ES.USM000 (10/09/2013) DOC. ROLL4.CAP.01.R00 (17/03/2008) 1 NORMAS Y ADVERTENCIAS GENERALES Sidel S.p.A. JAULA Armazón de barras de varios materiales utilizado para el envío o el transporte de las máquinas. CARRUSEL Estructura giratoria que transporta los envases hacia los grupos de etiquetado para la aplicación de la etiqueta. GRUPO DE ETIQUETADO Conjunto de mecanismos que se encarga de aplicar la etiqueta en la superficie del envase. INVERSOR Sistema electrónico de regulación y control de la velocidad de rotación de los motores eléctricos alimentados por corriente alterna monofásica o trifásica. JOG Mando manual para el funcionamiento de la máquina a baja velocidad durante el mantenimiento. GATO Varilla que comprime el envase sobre el platillo para que no se mueva durante la rotación del carrusel. MOTOVARIADOR Sistema de regulación mecánica de la velocidad colocado entre la pieza en movimiento (de la cual se desea graduar la velocidad) y el motor eléctrico. CINTATRANSPORTADORA Cinta móvil que transporta los envases que entran y salen de la máquina. PALETA Plataforma de madera para ser transportada con carretillas elevadoras y sobre la cual está colocada la máquina. PANEL DE CONTROL Equipo de control para el operador con botones, indicadores luminosos y pantalla. PLATILLO Disco que sostiene el envase durante el ciclo de etiquetado. PLC Sistema de control digital programable equipado con microprocesador. BOMBAde PEGAMENTO Sistema que envía el pegamento al grupo de etiquetado. PRESOSTATO Dispositivo que señala cuando la presión del fluido es insuficiente para garantizar la seguridad del operador y/o el funcionamiento correcto de la máquina. PROTECCIÓN FIJA Protección para la seguridad del operador, cuya apertura es posible sólo con instrumentos adecuados. PROTECCIÓN MÓVIL Protección de seguridad cuya apertura es posible en determinadas condiciones; no requiere herramientas. PROXIMITY Sensor eléctrico cuyo principio de funcionamiento se basa en el electromagnetismo. Puede ser utilizado para detectar la presencia de envases a la entrada o la salida de la máquina. RESET Botón que permite colocar el sistema en el estado inicial. RODILLO ENCOLADOR Grupo destinado a la distribución del pegamento. RODILLO DE CORTE Elemento del sistema de corte de etiquetas provisto de lámina de metal y agujeros de aspiración de aire para la retención de las etiquetas.
  • 23.
    1 - 15 1 SidelS.p.A. NORMAS Y ADVERTENCIAS GENERALES MAN. I4390.ES.USM000 (10/09/2013) DOC. ROLL4.CAP.01.R00 (17/03/2008) RODILLO DE DESPLAZAMIENTO Sistema giratorio dotado de: agujeros de aspiración para la retención de la etiqueta y lóbulos sobresalientes que permiten la aplicación del pegamento en los extremos de la etiqueta. Durante la rotación, el rodillo toma la etiqueta del sistema de corte y toca suavemente el rodillo encolador para luego aplicar la etiqueta en el envase colocado entre el platillo y la campanilla del carrusel de centrado. RECHAZO Separador encargado de clasificar los envases etiquetados incorrectamente. SEMÁFORO Indicador luminoso que señala los diferentes estados de funcionamiento de la máquina. SIRENA Aparato que emite una señal acústica que informa al operador acerca de los diferentes estados de funcionamiento de la máquina. BORDE SIN FIN Soporte de la guía de entrada. ESTRELLADE ENTRADA Órgano giratorio dotado de alvéolos perfilados cuya función es la de tomar los envases del sinfín y transportarlos al carrusel de centrado para el etiquetado. ESTRELLA DE SALIDA Componente giratorio con cavidades conformadas que recupera del carrusel los envases etiquetados y los transporta hacia la salida de la máquina. TAMPÓN DE BLOQUEO DE LA Órgano neumático cuya función es detener los envases en la ENTRADA cinta transportadora de entrada a la máquina. CABEZAL PRENSA-TAPA Pieza de plástico con forma de campana que retiene el envase sobre el platillo del carrusel. MARCADOR Dispositivo que imprime números, letras u otras informaciones sobre la superficie de la etiqueta o de los envases. TRANSPORTADOR Instalación compuesta por una cinta utilizada para el transporte de los envases (véase cinta transportadora).
  • 24.
    1 - 16 MAN.I4390.ES.USM000 (10/09/2013) DOC. ROLL4.CAP.01.R00 (17/03/2008) 1 NORMAS Y ADVERTENCIAS GENERALES Sidel S.p.A. 1.9 DESCRIPCIÓN DE LA MÁQUINA 1.9.1 DESCRIPCIÓN GENERAL Este manual se refiere a una máquina etiquetadora automática rotativa RollQuattro provista de una estación de etiquetado para la aplicación de etiquetas de cuerpo de tipo envolvente en polietileno, papel o PET. Todas las máquinas son fabricadas por SIDEL S.p.a., MANTOVA (ITALIA), e incorporan los más avanzados criterios tecnológicos de etiquetado a alta velocidad. La etiquetadora RollQuattro está disponible en dos configuraciones: - etiquetadora HORARIA: con entrada de las botellas desde la izquierda y rotación del carrusel en sentido horario : - etiquetadora ANTI HORARIA: con entrada de las botellas por la derecha y rotación antihoraria del carrusel:
  • 25.
    1 - 17 1 SidelS.p.A. NORMAS Y ADVERTENCIAS GENERALES MAN. I4390.ES.USM000 (10/09/2013) DOC. ROLL4.CAP.01.R00 (17/03/2008) La máquina puede trabajar con envases individuales de forma cilíndrica y base cuadrada. La máquina utiliza sistemas completamente digitales que aumentan la precisión y fiabilidad; todos los circuitos de accionamiento y control eléctricos y neumáticos responden a las normativas internacionales vigentes; los mandos de la máquina y sus señales están centralizados en un único cuadro operador. La posibilidad de desarrollar altas capacidades de producción, junto con una buena resistencia a los entornos corrosivos, reducido mantenimiento, alto grado de fiabilidad y facilidad de regulación para el cambio de formato, hacen de ésta una máquina segura, polivalente y confiable para cualquier aplicación. Todos los movimientos se realizan con motorizaciones electromecánicas controladas electrónicamente por medio de PLC. La instalación eléctrica está realizada con cables de dimensiones adecuadas y colocados en canaletas fáciles de inspeccionar; el cuadro eléctrico está equipado con circuitos de baja tensión para las etapas de control y programación y con telerruptores para la parte de potencia. La interfaz usuario-máquina se lleva a cabo mediante una caja de pulsadores móvil (JOG) que, además de brindar informaciones completas en tiempo real, permite ejecutar en ciclo manual todas las operaciones previstas por la máquina.
  • 26.
    1 - 18 MAN.I4390.ES.USM000 (10/09/2013) DOC. ROLL4.CAP.01.R00 (17/03/2008) 1 NORMAS Y ADVERTENCIAS GENERALES Sidel S.p.A. 1.9.2 MACROFUNCIONAMIENTO. El principio de funcionamiento de las máquinas etiquetadoras rotativas RollQuattro (de carga y descarga automática de los envases con alimentación de película de etiqueta por medio de una bobina) consiste en trasladar el envase desde una cinta transportadora de una fila hacia un carrusel circular en donde se aplica la etiqueta por medio de una batería de rodillos : A) ENTRADA DE BOTELLAS (botellas a etiquetar); B) ZONADE ETIQUETADO; C) SALIDADE BOTELLAS (botellas etiquetadas); En el párrafo 1.9.3. se identifican los grupos principales de la máquina, que se describen más detalladamente en los siguientes párrafos. B C A
  • 27.
    1 - 19 1 SidelS.p.A. NORMAS Y ADVERTENCIAS GENERALES MAN. I4390.ES.USM000 (10/09/2013) DOC. ROLL4.CAP.01.R00 (17/03/2008) 1.9.3 GRUPOS PRINCIPALES 7 PLATILLOS 8 GATOS 9 MOTORIZACIÓN PRINCIPAL 10 SOPORTE DE BOBINAS 11 GRUPO DE ETIQUETADO 12 PANELDE CONTROL LEYENDA: 1 BASE 2 CINTA TRANSPORTADORA 3 BLOQUEO BOTELLAS Y BORDE SIN FIN 4 SIN FIN 5 ESTRELLAS 6 CARRUSEL 1 5 10 12 11 7 6 2 9 8 3 4
  • 28.
    1 - 20 MAN.I4390.ES.USM000 (10/09/2013) DOC. ROLL4.CAP.01.R00 (17/03/2008) 1 NORMAS Y ADVERTENCIAS GENERALES Sidel S.p.A. 1. BASAMENTO La base contiene los órganos de transmisión del movimiento para las cintas, las estrellas de transporte de botellas, el carrusel central y el grupo de etiquetado, así como eventuales máquinas acopladas o equipos opcionales. La base también lleva instaladas las protecciones móviles y fijas.
  • 29.
    1 - 21 1 SidelS.p.A. NORMAS Y ADVERTENCIAS GENERALES MAN. I4390.ES.USM000 (10/09/2013) DOC. ROLL4.CAP.01.R00 (17/03/2008) 2. CINTATRANSPORTADORA Su función es transportar al carrusel las botellas a etiquetar y permitir su salida al finalizar el proceso de etiquetado. Si la máquina está provista de cinta en línea su movimiento se controla mediante un motor eléctrico, y si la cinta es paralela, el movimiento de entrada se controla mediante una transmisión mecánica, mientras que la salida se gestiona con un motor eléctrico controlado por un inversor .
  • 30.
    1 - 22 MAN.I4390.ES.USM000 (10/09/2013) DOC. ROLL4.CAP.01.R00 (17/03/2008) 1 NORMAS Y ADVERTENCIAS GENERALES Sidel S.p.A. 2. CINTATRANSPORTADORA Su función es transportar al carrusel las botellas por etiquetar y permitir su salida al terminar el proceso de etiquetado. Las cintas pueden tener sistema de transferencia por aire.
  • 31.
    1 - 23 1 SidelS.p.A. NORMAS Y ADVERTENCIAS GENERALES MAN. I4390.ES.USM000 (10/09/2013) DOC. ROLL4.CAP.01.R00 (17/03/2008) 3. BLOQUEO DE BOTELLAS Y BORDE DE LA CÓCLEA Su función es detener los envases antes de su entrada a la máquina, a fin de permitir una acumulación suficiente como para que la máquina alcance su velocidad operativa. De lo contrario, los envases podrían entrar directamente a la estrella de entrada. El bloqueo de botellas está disponible en dos versiones: 1_Estrella de parada . 2_Tampón de parada de funcionamiento neumático. El borde de la cóclea se fija frente a la cóclea misma y su función es guiar los envases en la estrella de entrada. Tiene ademas la funcion de detener los envases caidos antes de que ingresen en la maquina.
  • 32.
    1 - 24 MAN.I4390.ES.USM000 (10/09/2013) DOC. ROLL4.CAP.01.R00 (17/03/2008) 1 NORMAS Y ADVERTENCIAS GENERALES Sidel S.p.A. 4. SIN FIN El sinfín separa los envases, hasta obtener una distancia entre ellos igual a la de los alvéolos de la estrella de entrada El sin fin es uno de los equipos de la máquina y, por lo tanto, depende del tipo de formato y puede ser sustituido durante las operaciones de cambio de for- mato. Existen varios tipos de cóclea: - cóclea estándar de transmisión directa; - cóclea basculante en carro; - cóclea regulable motorizada.
  • 33.
    1 - 25 1 SidelS.p.A. NORMAS Y ADVERTENCIAS GENERALES MAN. I4390.ES.USM000 (10/09/2013) DOC. ROLL4.CAP.01.R00 (17/03/2008) 5. ESTRELLAS La estrella es un órgano giratorio dotado de alvéolos perfilados capaces de transportar los envases en la entrada y la salida de la máquina. Se dividen en: – Estrellas de entrada: que transportan los envases hacia el carrusel de la máquina, colocándolos en los platillos correspondientes; – Estrellas de salida: transportan los envases etiquetados hacia la cinta transportadora para la salida definitiva. –Estrella de transferencia: que transporta los envases de la cinta transportadora de la entrada a la estrella de entrada. Está montada únicamente en máquinas provistas de cintas transportadoras de entrada y salida en paralelo. Las estrellas son equipos de la máquina y, por lo tanto, dependen del tipo de formato y pueden ser sustituidas durante las operaciones de cambio de formato.
  • 34.
    1 - 26 MAN.I4390.ES.USM000 (10/09/2013) DOC. ROLL4.CAP.01.R00 (17/03/2008) 1 NORMAS Y ADVERTENCIAS GENERALES Sidel S.p.A. 6. CARRUSEL El carrusel es la estructura portante de la máquina montada en la base, donde se encuentran los platillos porta-envases, los gatos y las levas de desplazamiento.
  • 35.
    1 - 27 1 SidelS.p.A. NORMAS Y ADVERTENCIAS GENERALES MAN. I4390.ES.USM000 (10/09/2013) DOC. ROLL4.CAP.01.R00 (17/03/2008) 7. PLATILLOS Tienen la función de transportar y hacer girar los envases en el carrusel central durante todo el proceso de etiquetado. La rotación de los platillos se puede producir median- te: – leva mecánica; – brushless; – sistema de correa de los platillos.
  • 36.
    1 - 28 MAN.I4390.ES.USM000 (10/09/2013) DOC. ROLL4.CAP.01.R00 (17/03/2008) 1 NORMAS Y ADVERTENCIAS GENERALES Sidel S.p.A. 7. PLATILLOS (transmisión de correa) El tipo de transmisión de los platillos de correa está destinado a la rotación de los platillos para envases cilíndricos. Se trata de un sistema muy versátil que necesita un mantenimiento mínimo. Este sistema se utiliza cuando no se requiere un pun- to de aplicación preciso de la etiqueta en el envase. La transmisión se realiza con un motor brushless controlado por un controlador MC-4 ELAU. Es posible regular la velocidad de la correa para efectuar una sincronización correcta entre: - la velocidad de rotación de la botella; - la velocidad del tambor de transferencia de etiquetas.
  • 37.
    1 - 29 1 SidelS.p.A. NORMAS Y ADVERTENCIAS GENERALES MAN. I4390.ES.USM000 (10/09/2013) DOC. ROLL4.CAP.01.R00 (17/03/2008) 8. GATOS Su función principal es retener los envases sobre el platillo del carrusel durante el proceso de etiquetado. Su movimiento está determinado por una leva. Para los envases vacíos se han previsto gatos cuya estructura permite la presurización de las botellas a fin de mejorar el envasado. Por tanto, los gatos pueden ser de dos tipos: - compensados con muelle, - presurizados.
  • 38.
    1 - 30 MAN.I4390.ES.USM000 (10/09/2013) DOC. ROLL4.CAP.01.R00 (17/03/2008) 1 NORMAS Y ADVERTENCIAS GENERALES Sidel S.p.A. 9. MOTORIZACIÓN PRINCIPAL El movimiento de la máquina se produce gracias a un motorreductor eléctrico controlado por un inversor que regula la velocidad de producción. El motorreductor, ubicado debajo de la base, también traslada el movimiento a las estrellas de transmisión y el sinfín; por tanto, el control electrónico del motor determina la velocidad de producción.
  • 39.
    1 - 31 1 SidelS.p.A. NORMAS Y ADVERTENCIAS GENERALES MAN. I4390.ES.USM000 (10/09/2013) DOC. ROLL4.CAP.01.R00 (17/03/2008) 10. SOPORTE BOBINAS El soporte de las bobinas es la estructura exterior de la máquina en donde se colocan las dos bobinas: una que suministra la película de etiquetas a la máquina durante el funcionamiento y la otra de reserva que se utiliza cuando se termina la película en la 1a bobina. Para el cambio de bobina, véase más adelante. Cuando la película de etiquetas de una bobina se está por terminar, un sensor da la señal que hace desacelerar la máquina y permite al operador detenerla y preparar el cambio de bobina. La presencia de envases defectuosos o de poca resistencia puede provocar la rotura durante el etiquetado con la consiguiente pérdida del contenido. Se aconseja usar envases apropiados o calibrados y estabilizar la máquina con una velocidad de ciclo adecuada a las características técnicas de los envases
  • 40.
    1 - 32 MAN.I4390.ES.USM000 (10/09/2013) DOC. ROLL4.CAP.01.R00 (17/03/2008) 1 NORMAS Y ADVERTENCIAS GENERALES Sidel S.p.A. 10.a APARATO EMPALMADOR El aparato empalmador automático permite eliminar la parada de la máquina para el cambio de bobina, garantizando así un etiquetado continuo. La gestión de las bobinas (películas de etiquetas) se configura de modo que, al agotarse una, entre la otra sin parar la máquina ni la producción.
  • 41.
    1 - 33 1 SidelS.p.A. NORMAS Y ADVERTENCIAS GENERALES MAN. I4390.ES.USM000 (10/09/2013) DOC. ROLL4.CAP.01.R00 (17/03/2008) 11. GRUPO DE ETIQUETADO El grupo de etiquetado rollquattro ha sido diseñado para aplicar películas de etiquetas envolventes sobre envases cilíndricos y de formas especiales. Está constituido principalmente por los siguientes grupos: Unidad de control de la orientación de la cinta: permite alinear correctamente la etiqueta respecto del eje vertical, garantizando el desenrollado normal de la bobina y una precisión elevada en la colocación correcta de la película de etiquetas. Rodillo de arrastre: trabaja en contacto con el rodillo engomado (“PINCH ROLLER”) y garantiza el arrastre de la película hacia el rodillo de corte. Rodillo de corte: Estructura cuya función es cortar la etiqueta y transportarla hacia el rodillo de traslado. Está compuesto principalmente por una estructura portante, dos cascos perforados que garantizan la depresión (vacío) para retener la etiqueta, una cuchilla móvil con una contracuchilla fija y un bloque de soplado que ayuda a transportar la etiqueta hacia el rodillo de traslado. Rodillo de traslado: Rodillo giratorio cuya función es retener y transportar la etiqueta hacia el rodillo de cola y luego, a la zona de etiquetado. La superficie del rodillo está perforada para garantizar en dicha zona la depresión necesaria para retener la etiqueta. La etiqueta se apoya sobre la superficie del rodillo en la zona incluida entre el patín delantero y el patín trasero. Rodillo de cola: Rodillo de alta temperatura cuya superficie presenta una capa de cola restablecida y mantenida uniforme constantemente. Al entrar en contacto con el rodillo de traslado, el rodillo de cola distribuye una delgada capa de cola en los bordes de la etiqueta, en correspondencia con los patines delantero y trasero del rodillo de traslado, que permite encolar sólidamente la etiqueta al envase. Aspirador vapores cola (facultativo): Tiene la tarea de transportar fuera del perímetro de la máquina los humos producidos por el rodillo cola durante la producción. Aspirador de vapores de pegamento (opcional): Su tarea es transportar fuera del perímetro de la máquina los humos producidos por el rodillo encolador durante la elaboración.
  • 42.
    1 - 34 MAN.I4390.ES.USM000 (10/09/2013) DOC. ROLL4.CAP.01.R00 (17/03/2008) 1 NORMAS Y ADVERTENCIAS GENERALES Sidel S.p.A. 12. PANEL DEL OPERADOR Todos los mandos de la máquina y sus respectivas señalizaciones se encuentran en un solo panel operador con panel de mando (selector de marcha por impulsos y parada de emergencia). El panel operador cuenta con una pantalla multifunciones de tipo táctil.
  • 43.
    1 - 35 1 SidelS.p.A. NORMAS Y ADVERTENCIAS GENERALES MAN. I4390.ES.USM000 (10/09/2013) DOC. ROLL4.CAP.01.R00 (17/03/2008) 12. PANEL BR 15” – INTERFAZ DEL USUARIO (HMI) La realización de la interfaz hombre-máquina prevé una parte dedicada a los mandos tradicionales, situados a bordo de la máquina (selector de llave (1), botón de emergencia (2)), y otra parte integrada en el panel operador (monitor de pantalla táctil (3)). 1 23
  • 44.
    1 - 36 MAN.I4390.ES.USM000 (10/09/2013) DOC. ROLL4.CAP.01.R00 (17/03/2008) 1 NORMAS Y ADVERTENCIAS GENERALES Sidel S.p.A. TÚNEL DE TERMORRETRACCIÓN (opcional) El túnel de termorretracción por vapor tiene una doble cadena en su interior que permite rotar los envases para garantizar una termorretracción constante y homogénea; las boquillas especiales de distribución del vapor mejoran su eficiencia. El túnel, provisto de armario eléctrico a bordo, está totalmente realizado en acero inoxidable con una estructura aislada. Un sistema de compensación de válvulas proporcionales optimiza los flujos de vapor de acuerdo a los porcentajes de termorretracción que se quieren obtener; un sistema de extracción de vapores y condensados equilibra constantemente las impulsiones. Para más información, consulte el manual entregado junto a la máquina.
  • 45.
    2 - 1 MAN.I4390.ES.USM000 (10/09/2013) DOC. ROLL4Evo.CAP.01.R00 (17/03/2008) DATOS TÉCNICOS 2 Sidel S.p.A. 2 - DATOS TÉCNICOS
  • 46.
    Página dejada enblanco intencionalmente
  • 47.
    2 - 3 MAN.I4390.ES.USM000 (10/09/2013) DOC. ROLL4Evo.CAP.01.R00 (17/03/2008) DATOS TÉCNICOS 2 Sidel S.p.A. 2.1 DIMENSIONES DE LA MÁQUINA
  • 48.
    2 - 4 MAN.I4390.ES.USM000 (10/09/2013) DOC. ROLL4Evo.CAP.01.R00 (17/03/2008) DATOS TÉCNICOS 2 Sidel S.p.A. 2.2 CONFIGURACIÓN DE LA MÁQUINA 2.2.1 DATOS TÉCNICOS Modelo: ROLLQUATTRO F45 Tipo: 32T/R HH3 Número de cabezales: 32 Paso del carrusel: 125.66 Rotación: Hacia la derecha Hacia la izquierda Producto: Bebida Vino Agua Cerveza Producción nominal: 52.000 B.p.h (F.1; F.2; F.3; F.4); 24.000 B.p.h. (F.5; F.7); 23.400 B.p.h. (F.6) Botellas formato base: 600 ml Otros formatos compatibles: 350 ml; 1500 ml; 2500 ml 2.2.2 CONEXIONES Conexión de aire comprimido a la máquina: 1/2” GAS FF H= 500 mm Conexión de la alimentación eléctrica: 16 - 25 mm2 2.2.3 TIPOS DE FORMATO Botellas: 600 ml. (F.to 1; F.to 2); 350ml (F.to 3; F.to 4); 1500 ml (F.to 5; F.to 7); 2500 ml (F.to 6) Material del envase: Vidrio P.E.T. Otro tipo de plástico Dimensiones: – Diámetro cuerpo: 66,8 (F.1); 67 (F.2); 58 (F.3; F.4); 92,1 (F.5;F.7);110,3 (F.6) – Altura: 239,8 (F.1; F.2); 200,8 (F.3; F.4); 310,8 (F.5); 357 (F.6); 310,8 (F.7) 2.2.4 EQUIPOS DE LAS BOTELLAS En la máquina se instala un equipo específico para cada tipo de formato (botella o envase). Todos los componentes del equipo tienen, desde la fábrica, un sello con un color especifico. Los dibujos referentes a cada uno de los formatos se encuentran en el Volumen 2 - Recambios, mientras que las instrucciones para el montaje se describen en el capítulo 6 de este Volumen “Cambio de Formato”.
  • 49.
    2 - 5 MAN.I4390.ES.USM000 (10/09/2013) DOC. ROLL4Evo.CAP.01.R00 (17/03/2008) DATOS TÉCNICOS 2 Sidel S.p.A. 2.3 CARACTERÍSTICAS DE LA MÁQUINA Y AMBIENTALES 2.3.1 INTERFAZ HOMBRE/MÁQUINA Interfaz del sistema de control y el desplazamiento. Se efectúa por medio de: – Cuadro de mandos; – Mandos tradicionales; – Caja de pulsadores móvil de mantenimiento (JOG). Cuadro de mandos En el terminal se efectuarán aquellas operaciones que no resulten críticas en términos de tiempo de respuesta, es decir: – Predisposición de los “modos operativos” (Parada, JOG, etc.); – Mandos correspondientes a cada “modo operativo” no previstos en los mandos tradicionales; – Panel operador principal. Mandos tradicionales Con el fin de lograr una intervención rápida y segura por parte del operador, algunos mandos son de tipo tradicional, por ejemplo: – Parada de la máquina; – Marcha de la máquina; – Dispositivo de bloqueo botellas. Caja de pulsadores móvil de mantenimiento Se ha previsto una caja de pulsadores móvil JOG (véase párr. 5.2) para facilitar el ajuste y el mantenimiento de la máquina.
  • 50.
    2 - 6 MAN.I4390.ES.USM000 (10/09/2013) DOC. ROLL4Evo.CAP.01.R00 (17/03/2008) DATOS TÉCNICOS 2 Sidel S.p.A. 2.3.2 CONDICIONES AMBIENTALES DE INSTALACIÓN Ventilación del ambiente La máquina debe instalarse en un ambiente de trabajo con ventilación adecuada. Luminosidad del ambiente Se requieren por lo menos 200 lux para trabajar en condiciones de seguridad. Temperatura ambiente Para no comprometer la seguridad y el funcionamiento ideal de la máquina, hay que atenerse a los valores indicados: – Temperatura de almacenamiento: –10° ÷ 60°C – Temperatura ambiente de funcionamiento: 10° ÷ 45°C; – Temperatura del armario eléctrico de potencia: t. máx. 40°C. Vibraciones La máquina ha sido diseñada y construida respetando las directivas vigentes y el nivel de vibraciones permitido.
  • 51.
    2 - 7 MAN.I4390.ES.USM000 (10/09/2013) DOC. ROLL4Evo.CAP.01.R00 (17/03/2008) DATOS TÉCNICOS 2 Sidel S.p.A. Las garantías contractuales relativas a las prestaciones de la máquina y la fiabilidad dependen del uso de materiales que respondan a las ESPECIFICACIONES TÉCNICAS PARALAAPLICACIÓN DE ETIQUETAS CON BOBINA. Las siguientes especificaciones deberán ser respetadas a fin de garantizar el correcto funcionamiento de la máquina. 2.3.3 CARACTERÍSTICAS ESPECÍFICAS DEL MATERIAL DE LAS ETIQUETAS a) Criterios de buena técnica industrial El producto suministrado por el impresor debe respetar los parámetros de calidad (UNI EN ISO 9001:2000. b) Características estéticas/funcionales En el producto suministrado no se deben verificar: perforaciones, cortes, arrugas, dobleces o cualquier otro defecto que pueda perjudicar el uso correcto. c) Cargas electroestáticas La película ha sido fabricada adoptando todas las precauciones necesarias para reducir la acumulación de cargas electroestáticas. 2.3.4 BOBINA - CARACTERÍSTICAS TÉCNICAS a) Bobinado La película se enrollará de tal manera que evitará la apertura del mandril. La tensión de bobinado será constante a lo largo de la banda para no perjudicar el uso del material. Durante el desbobinado de la bobina, es importante que no se verifiquen dobleces de ningún tipo. b) Alineación de los bordes Los cabezales (superficies laterales) de las bobinas deben ser llanos. Se admite, de todas formas, un saliente máximo de las espira de 2-3 mm cerca de las juntas. c) Características del mandril El diámetro interno es de 152 mm.. El mandril debe ser homogéneo y resistente para no sufrir ningún tipo de modificación durante el uso de la bobina. Las tolerancias en el diámetro son del –0 +2,5 mm. La tolerancia en la longitud del mandril debe hallarse en un rango de +2 a +4 mm respecto a la anchura nominal de la película; en todo caso, no debe sobresalir por más de 3 mm sobre uno de los cabezales. Los mandriles deben estar limpios y no deben presentar olor alguno. d) Conicidad La bobina debe tener el mismo diámetro externo en los dos costados opuestos o debe existir una diferencia máxima de 5 mm o, de todas maneras, una deferencia que no obstruya el funcionamiento o comprometa la calidad del laminado final. e) Irregularidades Las bobinas deben ser lisas, es decir que no deben presentar ni irregularidades longitudinales ni hundimientos transversales. f) Juntas Las juntas se efectúan uniendo los dos bordes a ras o con sobreposición de modo que no se rompan durante las operaciones normales de transformación; de igual manera, deben ser señaladas con una cinta adhesiva transparente resistente al calor. Éstas deben poder resistir una tracción de 20 –25 N/mm2 . Las juntas serán realizadas de tal manera para evitar que las espiras se adhieran. g) Corte Será neto y sin residuos u otro tipo de impurezas. No se deben verificar cortes laterales que provoquen rupturas durante el uso, y las espiras no deben ser pegajosas.
  • 52.
    2 - 8 MAN.I4390.ES.USM000 (10/09/2013) DOC. ROLL4Evo.CAP.01.R00 (17/03/2008) DATOS TÉCNICOS 2 Sidel S.p.A. SIDEL S.p.A. controla todas las muestras de etiquetas recibidas de los clientes de conformidad con las especificaciones citadas. Los posibles problemas se comunican inmediatamente a nuestros clientes, sugiriendo soluciones distintas según el caso. SIDEL S.p.A. no puede garantizar las prestaciones de la máquina sobre la base de dibujos preliminares de las etiquetas o etiquetas no impresas o diferentes de aquellas controladas y aceptadas previamente. Por lo general, una máquina sujeta a regulaciones y mantenimientos adecuados no produ- ce problemas de etiquetado. Los fenómenos de etiquetas “de bandera”, con rayado superficial, arrugas y protuberancias, pueden ser originados por la baja calidad del material, o bien por operaciones incorrectas de la máquina. Las condiciones generales establecidas anteriormente deben ser evaluadas de acuerdo a los estándares de calidad existentes, sin embargo, en algunos casos, podrían requerir una redefinición, mucho más real, de las tolerancias y de la calidad del material. PRECISIÓN DEL ETIQUETADO A = 95% +/- 0,5mm B = 95% +/- 0,5mm 4% +/- 1 mm 4% +/-1 mm 1% +/- 1,5mm 1% +/-1,5mm B A
  • 53.
    2 - 9 MAN.I4390.ES.USM000 (10/09/2013) DOC. ROLL4Evo.CAP.01.R00 (17/03/2008) DATOS TÉCNICOS 2 Sidel S.p.A. 2.3.5 ESPECIFICACIONES DE LOS ENVASES La concentricidad de las botellas/envases no deberá desviarse del eje perpendicular por más de ±1,5 mm. Las medidas de concentricidad que excedan este dato, pueden perjudicar la alineación y la precisión del etiquetado. El diámetro de la botella/envase no deberá desviarse por más de ± 0,5 mm de las dimensiones nominales. El panel porta-etiqueta de la botella/envase deberá ser por lo menos 3 mm mayor respecto a la altura de la etiqueta. La altura del panel porta-etiqueta de la botella/envase no deberá desviarse por más de ± 0,5 mm de las dimensiones nominales. La altura de la botella/envase no deberá desviarse por más de ±1,5 mm de las dimensiones nominales. El grafilado del fondo de la botella/envase de vidrio deberá ser lo suficientemente pronunciado como para permitir un agarre consistente en los platillos y garantizar la rotación correcta durante la fase de etiquetado. La superficie de la botella/envase deberá estar seca y limpia. CARACTERÍSTICAS ESPECÍFICAS DE LA PEGAMENTO SIDEL S.p.A. realiza pruebas periódicas con los adhesivos más utilizados y conocidos en el mercado y puede dar sugerencias relacionadas con el tipo a considerar de acuerdo a las diferentes aplicaciones y a las características del material de la etiqueta. SIDEL S.p.A. no se asume ninguna responsabilidad por las prestaciones a largo plazo del pegamento. Si bien se realizan pruebas relacionadas con el funcionamiento con algunos materiales durante el ensayo en nuestro establecimiento, es responsabilidad del cliente la elección definitiva del pegamento y el control de la calidad de adhesión de la etiqueta en la botella/ envase a largo y corto plazo y en las distintas condiciones de uso.
  • 54.
    2 - 10 MAN.I4390.ES.USM000 (10/09/2013) DOC. ROLL4Evo.CAP.01.R00 (17/03/2008) DATOS TÉCNICOS 2 Sidel S.p.A. 2.3.7 BOBINADO TÍPICO DE LA ETIQUETA DESDE LA BOBINA GRUPO IZQUIERDO: GRUPO DERECHO:
  • 55.
    2 - 11 MAN.I4390.ES.USM000 (10/09/2013) DOC. ROLL4Evo.CAP.01.R00 (17/03/2008) DATOS TÉCNICOS 2 Sidel S.p.A. 2.3.8 TÍPICA VENTANA DE CENTRADO DE CORTE GRUPO IZQUIERDO: GRUPO DERECHO: *=ANTE LA PRESENCIA DEL EMPALMADOR AUTOMATICO LAALTURA DE LA MUESCA NO DEBERA SER INFERIOR A 15 mm.
  • 56.
    2 - 12 MAN.I4390.ES.USM000 (10/09/2013) DOC. ROLL4Evo.CAP.01.R00 (17/03/2008) DATOS TÉCNICOS 2 Sidel S.p.A. 2.4 PRESTACIONES 2.4.1 VELOCIDADES SELECCIONABLES La máquina tiene los siguientes modos de funcionamiento: 1) Producción. 2) Jog Las velocidades que se pueden seleccionar son: 1) Modo de producción V= fase de arranque – V máx (bph).: 60.000 B.p.h (F.1; F.2; F.3; F.4); 27.600 B.p.h. (F.5; F.7); 26.910 B.p.h. (F.6) 2) modo Jog V= por impulsos, determinados por el operador.
  • 57.
    2 - 13 MAN.I4390.ES.USM000 (10/09/2013) DOC. ROLL4Evo.CAP.01.R00 (17/03/2008) DATOS TÉCNICOS 2 Sidel S.p.A. 2.5 TIPOS DE ACCIONAMIENTO Y DESPLAZAMIENTO El movimiento de la máquina se produce gracias a un motor eléctrico controlado por un inversor, proporcional a la potencia del motor, con el que se regula la velocidad de producción. Excediendo determinadas potencias y una producción específica (42.000 Bph), se asocia a la motorización una resistencia de frenado. Dicho motor transmite el movimiento al carrusel de centrado de los envases por medio de un reductor. A través de una serie de engranajes acoplados al engranaje central, se traslada el movimiento a las estrellas de transporte de botellas y al sinfín. Dos motorreductores permiten que el grupo de etiquetado asuma las posiciones ideales para etiquetar los distintos formatos trabajados por la máquina.
  • 58.
    2 - 14 MAN.I4390.ES.USM000 (10/09/2013) DOC. ROLL4Evo.CAP.01.R00 (17/03/2008) DATOS TÉCNICOS 2 Sidel S.p.A. 2.6 POTENCIAS Y CONSUMOS 2.6.1 TENSIONES Ver datos en el “Esquema Electrico” (Volumen 3-A). 2.6.2 POTENCIAS INSTALADAS Ver datos en el “Esquema Electrico” (Volumen 3-A). 2.6.3 PRESIONES Presión de aire comprimido de la máquina 6 bar Presión de aire de los gatos 1,5 bar Valores inferiores a quellos indicados no permiten un correcto funcionamiento de la màquina. NO SUPERAR LA PRESIÓN INDICADA 2.6.4 CONSUMOS Consumo de aire comprimido de la máquina 90 m3 /h Consumo de aire de los gatos 45 m3 /h
  • 59.
    2 - 15 MAN.I4390.ES.USM000 (10/09/2013) DOC. ROLL4Evo.CAP.01.R00 (17/03/2008) DATOS TÉCNICOS 2 Sidel S.p.A. 2.7 PESOS Y DIMENSIONES Pesos de la máquina: Peso aproximado: 8.000 Kg. Dimensiones de embalaje de la máquina: 550 X 300 X 310 cm Para más información sobre el peso y las dimensiones del embalaje de la máquina, consulte el albarán y/o la lista de empaque.
  • 60.
    2 - 16 MAN.I4390.ES.USM000 (10/09/2013) DOC. ROLL4Evo.CAP.01.R00 (17/03/2008) DATOS TÉCNICOS 2 Sidel S.p.A. 2.8 RUIDO La máquina posee dispositivos adecuados para limitar en la fuente el ruido emitido: – Silenciador en la descarga de las electroválvulas; – Silenciador en la descarga de la bomba de vacío; – Chapas de protección que cubren el carrusel debajo de la base; – Protecciones con película de material fonoabsorbente en las protecciones frontales (opcional); – Túnel de material fonoabsorbente en la zona de entrada y de salida de los envases (opcional). El nivel de ruido de la máquina detectado en la posición del operador no sólo depende del movimiento de sus órganos móviles y del tipo de envase tratado, sino también del ambiente de instalación y del ruido que deriva del funcionamiento de las máquinas de la planta y de las cintas de la línea. Por ello es difícil ofrecer al usuario datos significativos sobre la emisión acústica generada por la máquina. Se recomienda, por lo tanto, evaluar el nivel de exposición de los trabajadores en los diferentes lugares de trabajo en el momento de la puesta en marcha de la máquina etiquetadora. Los resultados de dicha evaluación proporcionarán las indicaciones necesarias para suministrar a los operarios los dispositivos de protección individual adecuados (auriculares, etc.). Dicha intervención será necesaria si el nivel de exposición del personal sea superior a 85 dB (posición “A” - Fig. 2.8 - 1) y, en todo caso, según las disposiciones legales específicas y vigentes en el país de utilización. Con el fin de contener el ruido producido por la máquina, se recomienda verificar periódicamente: – que no haya juego en los reductores; – que la lubricación haya sido efectuada correctamente; – el emplazamiento correcto de la máquina (que los pies estén perfectamente apoyados en el suelo a fin de evitar vibraciones excesivas); Además, es necesario verificar periódicamente el desgaste de los componentes, especialmente de: – Engranajes; – Sinfín; – Equipos de las botellas y rampas de las botellas (en caso de que existan); En caso de que los valores fonométricos detectados puedan comportar una condición de peligro para los operadores, el empleador tiene la obligación de predisponer los medios adecuados para la protección individual y organizar turnos de trabajo que limiten la exposición al ruido.
  • 61.
    2 - 17 MAN.I4390.ES.USM000 (10/09/2013) DOC. ROLL4Evo.CAP.01.R00 (17/03/2008) DATOS TÉCNICOS 2 Sidel S.p.A. Valor en dB 79,9 82,5 83,2 Posición A B C El valor de ruido indicado a continuación se refiere a la prueba efectuada en SIDEL S.p.A. con la máquina conectada en línea, la cinta en marcha y el funcionamiento en vacío. Los valores se han medido en conformidad con las normativas (véase anexo) e indican los niveles de presión acústica en la posición del operador. A B C
  • 62.
    2 - 18 MAN.I4390.ES.USM000 (10/09/2013) DOC. ROLL4Evo.CAP.01.R00 (17/03/2008) DATOS TÉCNICOS 2 Sidel S.p.A. Los niveles de presión acústica indicados en la tabla anterior se refieren a las siguientes posiciones de medición, configuración de la máquina en el ambiente de trabajo/instalación: A) Posiciones de medición Lugar de trabajo del operador (posición “A”) a 1 metro de distancia de la máquina. Puntos más ruidosos en el perímetro ideal de la máquina, a 1 metro de distancia de la misma (posición “B” y “C”) Altura media de medición: 1,50 m desde el piso Distancia de medición de la máquina: 1,00 m Plataforma operador: NO Altura de la plataforma desde el piso: — m B) Configuración de la máquina: Velocidad de producción: 60.000 B.p.h (F.1) Tipo de envase de la botella: 600ml. (F.to 1) Material del envase: P.E.T. Puntos de apoyo: Pies de plástico C) Configuración del ambiente: Tipo de ambiente: galpón industrial Tiempo de reverbero: — segundos. Ruido de fondo: 57 dB (A) Factor de corrección ambiental: 0,5 dB (A) (ambiental + ruido de fondo)
  • 63.
    INSTALACIÓN 3 - 1 3 SidelS.p.A. MAN. I4390.ES.USM000 (10/09/2013) DOC. ROLL4Evo.CAP.03.R00 (21/12/2009) CAP. 3 - INSTALACIÓN
  • 64.
    Página dejada enblanco intencionalmente
  • 65.
    INSTALACIÓN 3 - 3 3 SidelS.p.A. MAN. I4390.ES.USM000 (10/09/2013) DOC. ROLL4Evo.CAP.03.R00 (21/12/2009) 3.1 TRANSPORTE DE LA MÁQUINA De acuerdo a los modos de transporte y la tipología de los productos a enviar, SIDELS.p.A. utiliza embalajes adecuados para garantizar la integridad y la conservación durante el transporte. 3.1.1 TRANSPORTE EN CARRETERA El transporte por carretera se hace, por lo general, con un camión de dimensiones apropiadas. En caso de embalajes de una altura considerable (mayor de 4 metros), es necesario utilizar un medio con una plataforma más baja. Los embalajes utilizados son paletas o jaulas (para transportes en Europa) y, con menos frecuencia, también se utilizan cajas. Las etiquetadoras listas para la expedición suelen enviarse parcialmente desmontadas; están subdivididas en las siguientes piezas: – máquina etiquetadora con basamento, carrusel y cuadro de mando; – partes de la cinta transportadora (para la entrada-salida de los envases de la máquina); – armario eléctrico. Se predisponen, además, embalajes para: – equipos adicionales; – dispositivos opcionales (como marcadores láser). Las partes se colocan sobre la plataforma y se aseguran adecuadamente. No desplazar la paleta y la jaula con una grúa. No utilizar nunca redes de elevación para el desplazamiento. 3.1.2 TRANSPORTO POR MAR Para el transporte marítimo es indispensable utilizar un embalaje de caja. La máquina se transporta, por lo general, en una o dos cajas, en función de sus componentes: – En la primera, más robusta y con el fondo reforzado, se coloca la máquina etiquetadora. – La otra caja, más pequeña que la primera, contiene las partes desmontadas de la máquina, como la cinta transportadora y los equipos necesarios para los diferentes formatos producidos por la máquina junto con el armario eléctrico (cuando no está integrado a la máquina). Se predisponen, además, embalajes para: – equipos adicionales; – dispositivos opcionales (como marcadores láser). Las partes se colocan sobre la plataforma y se aseguran adecuadamente. 3.1.3 TRANSPORTE AÉREO Para el transporte aéreo, la máquina etiquetadora se envía por medio de cajas o bien en jaulas, en caso de que los tiempos de entrega sean cortos. Se predisponen, además, embalajes para: – equipos adicionales; – partes de la cinta transportadora; – dispositivos opcionales (como marcadores láser). Las partes se colocan sobre la plataforma y se aseguran adecuadamente. El tamaño de los embalajes depende de las características específicas indicadas por las diferentes compañías aéreas.
  • 66.
    3 - 4 3 INSTALACIÓN SidelS.p.A. MAN. I4390.ES.USM000 (10/09/2013) DOC. ROLL4Evo.CAP.03.R00 (21/12/2009) 3.1.4 EMBALAJES Los embalajes se realizan en conformidad con las normas o leyes aplicables y vigentes. Para la eliminación de los embalajes, el usuario debe respetar las normas vigentes en el propio país (véase el párrafo – DEMOLICIÓN YELIMINACIÓN presente en este capítulo). Para evitar y reducir el impacto ambiental causado por el ciclo de los embalajes y los residuos derivati, la gestione dei rifiuti da imballaggio deve essere basata sul recupero (riutilizzo, riciclaggio dei materiali e recupero energetico). La eliminación final debería ser la última opción y debe aplicarse sólo a los residuos que no pueden ser recuperados o tratados de cualquier otra forma. REUTILIZACIÓN DE LOS EMBALAJES La reutilización de los embalajes, (especialmente las bancadas de madera y los cuerpos de llenado) por la función para la que han sido concebidos, aumentando la duración de vida del producto, implica una reducción de las materias primas utilizadas y de la producción de residuos resultantes del embalaje. RECOLECCIÓN SELECTIVAE INICIO DE LARECUPERACIÓN Con una correcta recolección selectiva de los embalajes, se puede recuperar una amplia gama de residuos, obteniendo así ventajas ecológicas y económicas. –Embalajes de plástico Los embalajes de plástico se pueden recuperar para la producción de nuevos recursos tanto a través del reciclajeenelsectordeprovenienciacomoenlaproducción decaloryenergíapormediodelatermovalorización; de esta forma, es posible evitar que al final del ciclo vital estos embalajes se transformen en una carga medioambiental bajo forma de residuos a ser eliminados en el vertedero. Polietileno (PE), polipropileno (PP), polietilentereftalato (PET), polivinilcloruro (PVC) son algunos ejemplos de polímeros reciclables. - Embalajes de papel/cartón Los embalajes en papel/cartón pueden ser utilizados como materia prima en la industria papelera. El proceso productivo del papel, además de involucrar la tala de árboles, requiere grandes cantidades de energía,agua(queseintroducenuevamentealambiente,contaminada),diferentestiposdesustanciasquímicas y el uso de máquinas y medios de transporte que contaminan de igual manera. Reciclar el papel significa redimensionar todos estos procesos y reducir no solo la cantidad de residuos que se deben eliminar, sino también el trabajo de los encargados de la depuración. – Embalajes de madera Losdescartesdelosembalajesdemaderapuedenserreutilizadosparalaproduccióndeaglomeradosleñosos, (destinados en su mayoría a la industria de los muebles), para la producción de pasta celulósica (utilizada en la industria del papel), y para la producción de compuestos o en la recuperación energética por medio de la combustión en las instalaciones de producción de energía termoeléctrica.
  • 67.
    INSTALACIÓN 3 - 5 3 SidelS.p.A. MAN. I4390.ES.USM000 (10/09/2013) DOC. ROLL4Evo.CAP.03.R00 (21/12/2009) 3.1.5 TIPOS DE EMBALAJES – Paleta: soporte llano de dimensiones adecuadas construido en madera. La máquina se fija en la paleta mediante pernos y estribos de madera; una protección de SB (bolsa termosoldable con sales) aísla la máquina de los agentes atmosféricos; en la parte inferior se han previsto unas ranuras para la elevación por medio de carretillaelevadora; – Jaula: soporte llano dotado de paredes de madera reforzadas, con estribos en todos los lados verticales así como en la parte superior. Permite proteger mejor el contenido con respecto a la paleta. la máquina se fija a la paleta con pernos y estribos; una cubierta de lona en SB (saco termosoldable con sales) aísla la máquina delosagentesatmosféricos;enelladoinferiorsehanprevistoranurasparalaelevaciónconcarretillaelevadora o grúa; en el lado superior y los laterales, se han previsto paredes de madera reforzadas.
  • 68.
    3 - 6 3 INSTALACIÓN SidelS.p.A. MAN. I4390.ES.USM000 (10/09/2013) DOC. ROLL4Evo.CAP.03.R00 (21/12/2009) – Caja marina: embalaje cerrado hecho con travesaños y tablas de madera que rodean completamente el contenido para obtener una protección eficaz contra la intemperie.La máquina se fija a la base con pernos y estribos de madera que limitan los movimientos; una envoltura de PVC y SB (bolsa termosoldable con sales) aísla la máquina de posibles infiltraciones; en la parte inferior hay correderas para el levantamiento con carretilla elevadora. En el costado de la caja se indica el centro de gravedad de todo el embalaje para un levantamiento correcto con carretilla elevadora. En condiciones atmosféricas especiales, la caja está dotada con una protección de chapa.
  • 69.
    INSTALACIÓN 3 - 7 3 SidelS.p.A. MAN. I4390.ES.USM000 (10/09/2013) DOC. ROLL4Evo.CAP.03.R00 (21/12/2009) 3.2 NOCIONES GENERALES SOBRE LAS TÉCNICAS DE CIMENTACIÓN La máquina no requiere trabajos especiales de cimentación. Es necesario comprobar que las cimentaciones soporten el peso de la máquina, indicado en la placa de las características.
  • 70.
    3 - 8 3 INSTALACIÓN SidelS.p.A. MAN. I4390.ES.USM000 (10/09/2013) DOC. ROLL4Evo.CAP.03.R00 (21/12/2009) 3.3 DESPLAZAMIENTO 3.3.1 RECEPCIÓN EN EL ESTABLECIMIENTO DEL CLIENTE En la fábrica de destino ya debe haber: – el espacio necesario para garantizar la libertad de movimiento durante los trabajos de servicio y mantenimiento de la máquina; – el espacio necesario para la posible transformación de la máquina agregando partes suplementarias u otro (si ha sido previsto en el pedido); – la ejecución correcta de las cimentaciones y del piso en donde se apoyará la máquina, de manera que soporte el peso de la misma, amortigüe de la mejor manera las posibles vibraciones e impida su propagación; – la iluminación adecuada del lugar de trabajo alrededor de la máquina; – las dimensiones adecuadas de las conexiones eléctricas, neumáticas e hidráulicas (si fueran necesarias) de modo que soporten las absorciones máximas de la máquina, como indicado en el capítulo 3.5; – los equipos de eliminación adecuados para recoger materiales recicables como: papel, plástico y vidrio srespetando las normas previstas por las leyes de protección del ambiente vigentes en el país del usuario; – los equipos de eliminación adecuados para recoger las sustancias tóxicas y peligrosas, como por ejemplo, aceites usados, según lo establecido por las leyes de tutela ambiental vigentes en el país del usuario; – los equipos y medios adecuados para descargar e instalar la máquina (grúas, carretillas elevadoras, transpaletizadores). Todas las operaciones de recepción y descarga de la máquina se deben llevar a cabo ante la presencia de un responsable cuya función es la de controlar los trabajos de descarga y, con la ayuda del documento de transporte, comprobar si faltan piezas o si hay alguna pieza defectuosa. Controlar que los cables, carretillas elevadoras y equipos de transporte cuenten con la capacidad de carga adecuada. Los equipos suministrados para la elevación de la máquina deben utilizarse sólo para ese fin.
  • 71.
    INSTALACIÓN 3 - 9 3 SidelS.p.A. MAN. I4390.ES.USM000 (10/09/2013) DOC. ROLL4Evo.CAP.03.R00 (21/12/2009) 3.3.2 EXPEDICIÓN EN PALETA (SIN EMBALAJE) No utilizar nunca la red de elevación para desplazar las paletas. DESPLAZAMIENTO CON CARRETILLA ELEVADORAO TRANSPALETIZADOR La paleta y la jaula se pueden desplazar sólo mediante una carretilla elevadora. El desplazamiento de la máquina sin embalaje mediante carretilla elevadora debe efectuarse de manera que la cinta transportadora quede transversal con respecto a las horquillas de la carretilla. Introducir las horquillas de la carretilla elevadora en el lugar indicado por los adhesivos amarillos. Estos puntos han sido escogidos específicamente porque permiten mantener la máquina en su posición y evitan desequilibrios peligrosos. Las horquillas deben estar separadas adecuadamente y deben poseer una longitud que permita sostener toda la base del bastidor.
  • 72.
    3 - 10 3 INSTALACIÓN SidelS.p.A. MAN. I4390.ES.USM000 (10/09/2013) DOC. ROLL4Evo.CAP.03.R00 (21/12/2009) 3.3.3 ENVÍO EN CAJA DE MADERA O JAULA Si se han provisto equipos específicos para el desplazamiento de la máquina, utilice exclusivamente el material entregado. El equipo de elevación debe poder levantar el peso total (máquina + caja). Las dimensiones y el peso de las cajas se encuentran en el documento de transporte (para las máquinas destinadas a Italia) o en la lista de embalaje (para las máquinas destinadas al extranjero). La caja de embalaje permite desplazar la máquina con puente grúa o con carretilla elevadora. DESPLAZAMIENTO CON CUERDAS O CABLES DEACERO Es posible desplazar la máquina con una GRÚA sólo si la misma cuenta con las armellas necesarias para la elevación mediante cables o correas. Si se utiliza una grúa, asegurarse que los cables de elevación tengan las mismas medidas. Pase los cables de elevación debajo de la base de la caja y engánchelos a la grúa de modo que queden adheridos al lado de la caja. Los cables de elevación deben tener una longitud adecuada para asegurar un transporte equilibrado y no deben formar un ángulo superior a 45° con el eje vertical, para evitar esfuerzos transversales. En estas condiciones, los cables deben resistir una fuerza estática de tracción igual a 1/4 del peso de la máquina. Antes de elevar la máquina, asegurarse que el gancho de la grúa quede perpendicular a la caja y que el ángulo formado por los cables no exceda los 90°. Cabe recordar que el baricentro de la máquina corresponde aproximadamente a su centro exacto (G), como se indica en la siguiente imagen. Después de colocarlo todo en el suelo, abra el embalaje.
  • 73.
    INSTALACIÓN 3 - 11 3 SidelS.p.A. MAN. I4390.ES.USM000 (10/09/2013) DOC. ROLL4Evo.CAP.03.R00 (21/12/2009) MÁQUINA 1. Quite los travesaños de bloqueo internos y externos (T) para poder levantar la máquina. 2. Lleve las horquillas de la carretilla lo más cerca posible de las referencias situadas en la máquina, a fin de obtener una mejor estabilidad (S). Levantar prestando mucha atención y tratando de no provocar sacudidas. 3. Traslade la máquina al lugar deseado; regule bien las barras roscadas de las patas de apoyo y apoye en el suelo la máquina con sumo cuidado. T S
  • 74.
    3 - 12 3 INSTALACIÓN SidelS.p.A. MAN. I4390.ES.USM000 (10/09/2013) DOC. ROLL4Evo.CAP.03.R00 (21/12/2009) 3.4 DESCRIPCIÓN DE LOS TRABAJOS DE INSTALACIÓN La instalación del equipo puede ser efectuada sólo por los propios técnicos o por los técnicos de Sidel Spa, con el pegamentoboración del personal del comprador. Si la máquina estuviera averiada, no ponerla en funcionamiento e informar inmediatamente el servicio de asistencia técnica. Está prohibido instalar la máquina en ambientes donde exista el riesgo de explosión La máquina debe colocarse en un suelo capaz de sostener las cargas declaradas por el fabricante e indicadas en el albarán (para las máquinas destinadas a Italia) o en la lista de empaque (para máquinas destinadas al extranjero). Asegurarse que en la zona de instalación de la máquina no haya obstáculos y que esté presente solo el personal encargado de las operaciones de montaje. Per assicurarsi ciò è consigliato predisporre, attorno all’area di lavoro, una transennatura e applicare segnalazioni di pericolo in posizione visibile. El personal encargado de realizar el montaje debe efectuar todos los movimientos descritos en esta sección muy lentamente para evitar desequilibrios repentinos de la máquina que puedan crear daños o situaciones de peligro para los operarios. La máquina etiquetadora debe ser instalada y debe operar en un ambiente ventilado, a fin de evitar que los vapores exhalados por los recipientes para la fusión de los pegamentos termofundibles (HOT MELT y ROLL FED) se estanquen y saturen el ambiente. Cuando los pegamentos termofundibles alcanzan la temperatura de funcionamiento (aproximadamente 160 °C), exhalan vapores que pueden ser nocivos si inhalados en grandes cantidades.
  • 75.
    INSTALACIÓN 3 - 13 3 SidelS.p.A. MAN. I4390.ES.USM000 (10/09/2013) DOC. ROLL4Evo.CAP.03.R00 (21/12/2009) 3.4.2 BASAMENTO Es necesario efectuar las siguientes operaciones: CONEXIÓN A LA LÍNEA: Después de la descarga, hay que conectar la máquina con la línea de producción. Esta operación debe realizarse con suma atención, ya que la introducción incorrecta en la línea puede afectar el funcionamiento correcto de la etiquetadora. La máquina se puede entregar con o sin transmisión autónoma. – Máquina con transmisión autónoma La cinta transportadora de la etiquetadora debe colocarse al lado de la cinta de la línea, adaptando los bordes de guía para favorecer la entrada y salida correcta de los envases. – Máquina sin transmisión autónoma La cinta transportadora de la etiquetadora debe conectarse a la de la línea por medio de las placas de conexión suministradas. Es responsabilidad del cliente garantizar una alimentación correcta y constante, así como una salida fluida de los envases de las cintas.
  • 76.
    3 - 14 3 INSTALACIÓN SidelS.p.A. MAN. I4390.ES.USM000 (10/09/2013) DOC. ROLL4Evo.CAP.03.R00 (21/12/2009) NIVELACIÓN Para completar la conexión correcta de la máquina a la línea, hay que controlar que la misma esté perfectamente nivelada. 1. Apoyar un nivel de burbuja en la parte superior de la base, cerca del grupo de etiquetado, y luego girarlo 90°. Para corregir la nivelación, utilizar los tornillos de regulación de los pies de apoyo. 2. Aflojar la tuerca de bloqueo. 3. Realizar las regulaciones necesarias . Apretar de nuevo la tuerca. Si la máquina no estuviera bien nivelada, con el pasar del tiempo podría causar el desgaste de piezas que no trabajan correctamente. Verificar que todos los pies de soporte estén apoyados en el suelo, a fin de distribuir de manera equitativa el peso de la máquina.
  • 77.
    INSTALACIÓN 3 - 15 3 SidelS.p.A. MAN. I4390.ES.USM000 (10/09/2013) DOC. ROLL4Evo.CAP.03.R00 (21/12/2009) 3.5 DESCRIPCIÓN DE LAS CONEXIONES Y CABLEADOS Los conductos de la instalación eléctrica, hidráulica y neumática deben soportar las absorciones máximas de la máquina, como indicado en la tabla de los datos técnicos del (cap. Las actividades descritas en este párrafo deben ser realizadas por personal cualificado de Sidel S.p.A. 3.5.1 CONEXIÓN ELÉCTRICA (A cargo del fabricante) Para la conexión eléctrica, respete las reglas generales de instalación para la preparación y el montaje de instalaciones eléctricas industriales. Antes de proceder con la instalación eléctrica, controlar visualmente el sistema eléctrico para detectar posibles averías sufridas durante el transporte; revisar los bornes de conexión de los cables eléctricos puesto que las vibraciones causadas por el transporte podrían haberlos aflojados. si se detectaran averías en el sistema eléctrico, no efectuar la instalación y contactar el servicio de asistencia técnica del fabricante. Antes de efectuar la conexión eléctrica, asegurarse que la tensión de la línea corresponda a aquella indicada en el manual eléctrico. Cerciorarse que la máquina esté conectada con el cable apropiado a una instalación de tierra idónea. SECCIÓN DE LOS CONDUCTORES DEALIMENTACIÓN: laa sección de los conductores de alimentación debe garantizar una caída de tensión máxima del 3%, medida entre el punto de alimentación de la energía eléctrica y la entrada del cuadro eléctrico. La sección mínima admitida es de 4 mm. Es responsabilidad del usuario determinar el tamaño del órgano de protección de la línea eléctrica contra las sobrecargas y los contactos directos e indirectos, en función del sistema de distribución de la línea eléctrica instalado en el establecimiento o la planta de producción.
  • 78.
    3 - 16 3 INSTALACIÓN SidelS.p.A. MAN. I4390.ES.USM000 (10/09/2013) DOC. ROLL4Evo.CAP.03.R00 (21/12/2009) CONEXIÓN EQUIPO ELÉCTRICO/ MÁQUINA Cables individuales Si el equipamiento está provisto de cables individuales o a granel, la conexión entre el armario eléctrico y la máquina se realiza conectando el hilo numerado al cable siguiendo el esquema eléctrico.
  • 79.
    INSTALACIÓN 3 - 17 3 SidelS.p.A. MAN. I4390.ES.USM000 (10/09/2013) DOC. ROLL4Evo.CAP.03.R00 (21/12/2009) ALIMENTACIÓN DEL EQUIPO ELÉCTRICO La alimentación del equipo eléctrico debe ser efectuada por una encargado cualificado del mantenimiento eléctrico; debe ser una persona competente en electrónica y/o electrotécnica y capaz de efectuar el mantenimiento eléctrico de manera satisfactoria y segura con base en su preparación teórica y experiencia comprobada. Para efectuar las conexiones es necesario proceder de la siguiente manera: – abra la puerta del armario eléctrico utilizando la llave prevista; – Cerciorarse que el cable de alimentación no esté conectado a la red eléctrica. – Conectar el conductor amarillo-verde de tierra del cable de alimentación al borne amarillo verde de tierra colocado en la caja de bornes del armario eléctrico. – Conectar los tres conductores (y el conductor de neutro, si está previsto) a los bornes colocados en la caja de bornes principal del armario eléctrico, identificados con L1 L2 L3 (N). – Efectuar el control del sentido de rotación del motor, observando el sentido de rotación de la máquina. Si el sentido de rotación no es correcto, invertir la conexión de los dos conductores de alimentación en los bornes de entrada. – Por último conectar el cable de alimentación a la red eléctrica.
  • 80.
    3 - 18 3 INSTALACIÓN SidelS.p.A. MAN. I4390.ES.USM000 (10/09/2013) DOC. ROLL4Evo.CAP.03.R00 (21/12/2009) 3.5.2 CONEXIÓN NEUMÁTICA (A cargo del comprador) Es absolutamente indispensable que la máquina se alimente con aire seco y no lubricado. El aire con presencia de agua o aceite causa el mal funcionamiento o el bloqueo de las piezas neumáticas. FILTRACIÓN El aire producido por el compresor trae consigo muchas impurezas: polvo atmosférico, condensación, aceites emulsionantes o deteriorados, óxido y virutas metálicas puestas en circulación por el compresor o presentes en las tuberías. Estas impurezas suspendidas en el aire comprimido, al alcanzar los punto de utilización, constituyen una de las principales causas de ruptura o deterioro prematuro de los equipos. Para eliminar estos inconvenientes es necesario instalar filtros con las dimensiones adecuadas, lo más cerca posible a las zonas de uso. REGULACIÓN Cada uno de los aparatos neumáticos posee una presión de funcionamiento. Una regulación correcta y estable de la presión permite: – menor derroche de aire; – rendimientos óptimos; – una mayor garantía de duración del equipo. Para preparar las conexiones, consulte el siguiente layout. 3.5.3 EQUIPO DE PUESTA A TIERRA (a cargo del comprador) La puesta a tierra de las estructuras metálicas de la máquina se garantiza mediante conductores aislados conectados a la barra de tierra del cuadro. La ejecución del equipo de puesta a tierra debe cumplir con características precisas que se definen en las normativas (véase el documento adjunto). Las normas prevén que, en cada instalación, la puesta a tierra de protección de todas las piezas de la máquina, así como todas las conexiones a tierra de funcionamiento de los circuitos y los aparatos sean efectuadas conectando las partes interesadas a una instalación de tierra única. Cerciorarse que los materiales utilizados en la instalación de puesta a tierra sean sólidos y tengan una protección mecánica adecuada. La conexión a la instalación de tierra principal debe ser lo más corta posible y los conductores de tierra no deben estar sometidos a esfuerzos mecánicos ni a corrosiones. Controlar la conexión de puesta a tierra con un instrumento adecuado. Una connessione errata, non efficace o mancante del circuito di messa a terra è contraria alle norme di sicurezza, fonte di pericolo e può danneggiare gli apparati elettrici della macchina.
  • 81.
    INSTALACIÓN 3 - 19 3 SidelS.p.A. MAN. I4390.ES.USM000 (10/09/2013) DOC. ROLL4Evo.CAP.03.R00 (21/12/2009) 3.5.4 CONEXIÓN HÍDRICA (SI PREVISTO) Para preparar las conexiones, consulte el layout indicado en la página 30. 3.5.5 CONEXIONES PARA LA DESCARGA DEI RIIUTI (SI ESTÁN REVISTAS) Para preparar las conexiones, consulte el siguiente layout. Los líquidos descargados contienen sustancias que no se biodegradan fácilmente o son nocivas para el ambiente. Estas aguas no deberán ser arrojadas en los cuerpos hídricos o en el terreno, sin antes haber sido depuradas adecuadamente. En caso de desagüe en alcantarillas o en aguas superficiales (ríos, lagos, mares), verificar la necesidad de solicitar una autorización expresa de conformidad con las normas vigentes en el país del usuario, en materia de protección del medio ambiente. Si los desagües están conectados a depósitos, las aguas deberán ser tratadas como residuos líquidos, siguiendo las indicaciones que se encuentran en el párrafo 3.8 de este manual y conforme a las normas de protección del ambienta vigentes en el país del usuario. 3.5.6 CONEXIONES PARA LA DESCARGA DE LAS EMISIONES (SI ESTÁN PREVISTAS) Para preparar las conexiones, consulte el siguiente layout. Con el fin de proteger la salud de los trabajadores, se recomienda transportar todas las emisiones fuera del área de trabajo o de predisponer sistemas de depuración de los humos antes de emitir nuevamente los líquidos en el ambiente de trabajo.
  • 82.
    3 - 20 3 INSTALACIÓN SidelS.p.A. MAN. I4390.ES.USM000 (10/09/2013) DOC. ROLL4Evo.CAP.03.R00 (21/12/2009) 1 Conexión de aire comprimido a la máquina:: 1/2’ GAS H = 500 mm 2 Conexión de la alimentación eléctrica: 16 - 25 mm2 1 2
  • 83.
    INSTALACIÓN 3 - 21 3 SidelS.p.A. MAN. I4390.ES.USM000 (10/09/2013) DOC. ROLL4Evo.CAP.03.R00 (21/12/2009) 3.6 DESCRIPCIÓN DE LOS TRABAJOS DE PUESTA A PUNTO Y PRIMERA PUESTA EN MARCHA Para evitar errores y accidentes, las conexiones eléctricas, hídricas y neumáticas de la máquina con las instalaciones del cliente son realizadas por personal especializado de Sidel S.p.A. Los trabajos descritos en este párrafo tienen que ser realizados sólo por personal de Sidel Spa. Cerciorarse que los elementos de unión (juntas, electroválvulas, bombas, tuberías) estén bien apretados. Se recomienda ejecutar un ciclo de trabajo completo para cerciorarse que no se verifiquen problemas de funcionamiento. Además, a fin de localizar posibles daños sufridos durante el transporte, desplazamiento e instalación, hay que efectuar los controles antes de la primera puesta en marcha de la máquina. Al terminar la instalación, hay que controlar el ajuste de fase de la máquina. Para el procedimiento relativo al ajuste de fase de la máquina, véase el cap. 7. Asegurarse que todos los dispositivos de seguridad estén instalados correctamente y funcionen a la perfección.
  • 84.
    3 - 22 3 INSTALACIÓN SidelS.p.A. MAN. I4390.ES.USM000 (10/09/2013) DOC. ROLL4Evo.CAP.03.R00 (21/12/2009) 3.7 REINSTALACIÓN Las actividades de desmontaje/montaje, en caso de reinstalación de la máquina, descritas en este párrafo deben ser realizadas únicamente por personal cualificado y precisamente: – técnico SIDEL S.p.A. con la ayuda de mano de obra local; – técnico capacitado que haya asistido a cursos de especialización y formación con experiencia en la instalación, puesta en funcionamiento y mantenimiento de las instalaciones, así como conocimiento de las reglas de prevención de accidentes. Para solicitar la intervención del personal técnico de Sidel S.p.A., consulte el primer capítulo. Para desmantelar la máquina en caso de venta, reinstalación o almacenamiento en el establecimiento del cliente, siga las instrucciones del procedimiento general de desmontaje: a) De acuerdo a las dimensiones del medio de transporte a disposición y al número de partes en que se quiere subdividir la máquina, cómo desmontarla y qué partes descomponer; b) colocar los componentes móviles de la máquina en la posición más favorable para el transporte; c) numerar, en correspondencia de los puntos de unión, todas las piezas que serán separadas, en manera de agilizar su reensamblaje futuro; d) cortar la alimentación eléctrica y neumática; e) desconectar todos los cables eléctricos de la siguiente manera:: - desconectar los cables del cuadro eléctrico; - extraerlos de las canales hasta el grupo al que están conectados; f) desmontar la máquina, subdividiéndola en las partes establecidas; g) detenga con bloqueos mecánicos, topes o cables las piezas que, durante el transporte, puedan moverse o deslizarse durante el transporte (véase párr. 3.4); h) sustituir el tapón de descarga con un tapón ciego en los motorreductores que, se encuentran una posición que favorezca pérdidas de aceite. Para la nueva instalación y conexión, véanse los párrafos correspondientes de este manual.
  • 85.
    INSTALACIÓN 3 - 23 3 SidelS.p.A. MAN. I4390.ES.USM000 (10/09/2013) DOC. ROLL4Evo.CAP.03.R00 (21/12/2009) 3.8 DESGUACE Y ELIMINACIÓN Las operaciones de desmontaje deben ser efectuadas por personal cualificado 3.8.1 RECOLECCIÓN SELECTIVA E INICIO DE LA RECUPERACIÓN La máquina está compuesta por material fácilmente reciclable y reutilizable como materia prima para otros procesos productivos. Con una recolección selectiva adecuada se puede recuperar una amplia gama de residuos, lo que permite obtener ventajas ecológicas y económicas. MATERIALES PLÁSTICOS Las partes de plástico pueden recuperarse para la producción de nuevos recursos sea a través del reciclaje en su sector de procedencia, que mediante la producción de calor y energía por medio de su termovalorización, evitando así que, al final de su ciclo de vida, se transformen en una carga ambiental bajo forma de residuos a descargar en vertederos. Para poder efectuar una recuperación adecuada de dicho material, es necesario recogerlo y dividirlo por tipos. Con el fin de facilitar dicha recolección, en la figura 3.8 - 1 se indican las partes de la máquina realizadas en material plástico y su tipología. HIERRO YACERO Los descartes de hierro y acero pueden ser recuperados en las acerías o fundiciones en donde se pueden producir otros productos metálicos manufacturados . También en este caso, para poder recuperar dicho material es necesario recogerlo seleccionándolo por tipos. La máquina está compuesta casi completamente de acero inox (no ferromagnético). Las partes barnizadas son de hierro (y son ferromagnéticas). Los engranajes y los cuerpos reductores son de hierro colado. Las partes de latón se reconocen por el color amarillo que las caracteriza.
  • 86.
    3 - 24 3 INSTALACIÓN SidelS.p.A. MAN. I4390.ES.USM000 (10/09/2013) DOC. ROLL4Evo.CAP.03.R00 (21/12/2009) 3.8.2PROCEDIMIENTO PARA EL DESMONTAJE DE LA MÁQUINA Antes de iniciar el desmontaje de la máquina, es necesario verificar la legislación vigente, especialmente por lo que respecta a: – obligaciones de registro y/o comunicación a organismos de control – modalidad de protección del ambiente – prescripciones para el desguace – prescripciones para la protección de la salud y la seguridad de los trabajadores Para el desguace de la máquina, proceda de la siguiente manera: 1. Desconectar la máquina de la red eléctrica, hidráulica y neumática 2.Vaciar la instalación de las sustancias utilizadas para el lavado y recogerlas en los recipientes apropiados evitando mezclar sustancias de distintos tipos y/o incompatibles entre sí. 3. Desmontar los grupos que contienen grasa y limpiarlos (cojinetes de empuje, juntas, mandos). 4. vacíe la instalación de las sustancias utilizadas para el lavado, prestando atención a recogerlas en recipientes adecuados. 5. Desmontar la máquina recogiendo por separado los diferentes componentes de acuerdo a su tipo y a las indicaciones del párrafo 3.8.1. 6.Proceder con el almacenamiento y la eliminación de los residuos y del material destinado a la reutilización, en función de las indicaciones del párrafo 3.8.2 y las prescripciones de ley previstas en el país de uso. 3.8.3 MANEJO DE LOS RESIDUOS Y DESECHOS INSTRUCCIONES GENERALES PARA EL MANEJO DE LOS RESIDUOS Identificar y clasificar los residuos según las especificaciones previstas por las leyes vigentes en el país de uso. No abandonar ni recoger los residuos de manera inadecuada . No arrojarlos en aguas superficiales o subterráneas. No mezclar los diferentes tipos de residuos. Entregar los residuos a agencias autorizadas por las autoridades competentes del país en lo que se refiere a la recogida, el transporte y el tratamiento de residuos. Disponer los documentos de carácter administrativo previstos por las normas vigentes en el país de uso (registros de producción, almacenamiento y eliminación, documentos de transporte). Cumplimiento de carácter administrativo (mantenimiento de los registros, preparación de documentos, etc.).
  • 87.
    INSTALACIÓN 3 - 25 3 SidelS.p.A. MAN. I4390.ES.USM000 (10/09/2013) DOC. ROLL4Evo.CAP.03.R00 (21/12/2009) RECOMENDACIONES GENERALES PARALARECOLECCIÓNY EL ALMACENAMIENTO DELOSRESIDUOS 1. Selección de los residuos por tipos homogéneos. Los residuos deben ser recolectados y almacenados por “tipos homogéneos”, en la medida en la que éste es el único sistema por medio del cual es posible: – evite los riesgos de incompatibilidad en términos de las características físicas y químicas de los residuos producidos; – garantice un tratamiento final correcto transformándolos de la manera más útil y menos peligrosa, per- mitiendo su eventual recuperación. Es importante, por lo tanto, que no se mezclen diferentes tipos de residuos. 2. Uso de recipientes adecuados para el desplazamiento y el almacenamiento Los recipientes utilizados para los residuos deben cumplir con algunos requisitos de resistencia en cuanto a las propiedades fisico-químicas y al nivel de peligro de los residuos en ellos contenidos (por ejemplo, para sustancias ácidas es necesario utilizar recipientes de plástico o metal tratado adecuadamente). 3. Etiquetado de los recipientes A fin de dar a conocer, durante el almacenamiento en la empresa, la naturaleza y la peligrosidad de estos residuos, los recipientes deben ser marcados de manera adecuada con etiquetas o placas colocadas tanto en los recipientes mismos como en las áreas de almacenamiento. In particolare è opportuno che i contenitori dei rifiuti siano individuati con la descrizione del tipo di rifiuto e delle caratteristiche di pericolosità per l’uomo e l’ambiente. 4. Desplazamiento de los residuos en la empresa Durante el desplazamiento, es importante cerciorarse que los recipientes hayan sido cerrados correctamente. No utilice recorridos con presencia de pozos de recogida de aguas, a fin de evitar derrames accidentales en alcantarillas pública o aguas blancas. Disponer y cerciorarse que en las áreas interesadas se encuentren siempre a disposición materiales/dispositivos aptos para la absorción en caso de derrames accidentales. 5. Almacenamiento de los residuos líquidos (aceites, ácidos). – Para evitar derrames, los recipientes deben almacenarse en contenedores. Estos contenedores deberán tener una capacidad equivalente a la del recipiente más grande. – Los recipientes deben tener cierres adecuados para impedir pérdidas de contenido, medios de agarre que permitan que las operaciones de desplazamiento sean más seguras y fáciles, y dispositivos adecuados anti-rebosamiento (en caso de que estos últimos estén constituidos por tuberías de demasiado lleno, la descarga correspondiente no debe representar un peligro ni para el personal encargado ni para el ambien- te). 6. Almacenamiento de residuos sólidos en montones. – Para evitar posibles contaminaciones del suelo, si el almacenamiento se efectúa por montones, éstos deben realizarse en terrenos descubiertos pero sobre bases resistentes (por ejemplo en terreno pavimentado) – Los residuos almacenados en montones deben ser protegidos de la acción de la lluvia, en caso de que su derrubio pueda determinar una contaminación de las mismas aguas. 7. Almacenamiento de residuos incompatibles (por ej. ácidos y bases). Los residuos incompatibles, es decir, susceptibles a reaccionar entre sí de manera peligrosa, dando lugar a la formación de productos explosivos, inflamables y/o tóxicos, o bien a la creación de grandes cantidades de calor, deben ser almacenados de modo que no puedan entrar en contacto entre sí. 8. Manejo de toneles vacíos que han contenido residuos peligrosos. Si los toneles que han contenido residuos peligrosos no se utilizan nuevamente para el mismo tipo de residuo, es necesario someterlos a un tratamiento de saneamiento. Por lo tanto, es importante que en los toneles se indique el material contenido actualmente o en pasado (en caso de estar vacíos).
  • 88.
    3 - 26 3 INSTALACIÓN SidelS.p.A. MAN. I4390.ES.USM000 (10/09/2013) DOC. ROLL4Evo.CAP.03.R00 (21/12/2009) Fig. 3,8 - 1 Material: ERTALYTE CASQUETES DE CORTE RODILLO DE TRASFERENCIA Material:AL+NYPLOY ESTRELLA SIN FIN Material: POLIETILENO CONTRAESTRELLA Material: POLIETILENO BLOQUEO BOTELLEA/ BORDE SIN FIN Material: POLIETILENO Material: POLIETILENO
  • 89.
    INSTALACIÓN 3 - 27 3 SidelS.p.A. MAN. I4390.ES.USM000 (10/09/2013) DOC. ROLL4Evo.CAP.03.R00 (21/12/2009) 3.9 ALMACENAMIENTO DE LA MÁQUINA ALMACENAMIENTO EN UN LOCAL CERRADO En caso de almacenamiento prolongado, deje la máquina en un lugar protegido de la lluvia y el viento y, si es posible, en un lugar seco. No se recomienda cubrir la máquina con lona impermeable porque esto impediría la evaporación de la humedad. La humedad puede provocar corrosión en las partes de metal, mientras que la exposición de la máquina a los rayos del sol puede causar que las partes pintadas se vuelvan amarillentas. ALMACENAMIENTO ALAIRE LIBRE Si es inevitable guardar la máquina en el exterior, protéjala con una cubierta impermeable para que el polvo, la humedad, la lluvia, etc. no entren en contacto con la máquina. Cubra bien las piezas del cuadro eléctrico y todos los equipos electrónicos, sensibles a la humedad y las bajas y altas temperaturas. - La temperatura de almacenamiento no debe ser inferior a -10 ° C ni superior a + 50°C. - El porcentaje de humedad relativa se debe mantener entre 15% y 90%. - Evitar esfuerzos causados por vibraciones. ALMACENAMIENTO POR UN PERÍODO SUPERIOR A TRES MESES Si la máquina se almacena por más de 3 meses antes de la instalación, ésta y sus equipos tendrán que almacenarse en un lugar cerrado y limpio, protegido de los agentes atmosféricos y de polvos o emisiones corrosivas. ALMACENAMIENTO DE LAS ETIQUETAS En caso de almacenamiento prolongado, dejar las etiquetas protegidas de la lluvia y el viento, preferiblemente en un lugar seco. No es aconsejable almacenar las etiquetas al aire libre debido a la alta probabilidad de que el polvo, la humedad, la lluvia, el sol, etc. dañen la integridad de las mismas. El papel, en particular, tiende a alterar su superficie en presencia de humedad, dificultando así el proceso de etiquetado. Las etiquetas también deben protegerse contra golpes o deformaciones; por lo tanto, es necesario que la zona de almacenamiento esté señalada y delimitada en caso de tránsito de carros móviles. Durante la producción es indispensable utilizar etiquetas que tengan características idénticas (físicas y de tamaño) a las que se utilizan durante la fase de diseño y ensayo.
  • 90.
    Página dejada enblanco intencionalmente
  • 91.
    FUNCIONAMIENTO 4 - 1 MAN.I4390.ES.USM000 (10/09/2013) DOC. ROLL4Evo.CAP.01.R00 (17/03/2008) 4 Sidel S.p.a. CAP. 4 - FUNCIONAMIENTO
  • 92.
    Página dejada enblanco intencionalmente
  • 93.
    FUNCIONAMIENTO 4 - 3 MAN.I4390.ES.USM000 (10/09/2013) DOC. ROLL4Evo.CAP.01.R00 (17/03/2008) 4 Sidel S.p.a. 4.1 APLICACIONES, USO PREVISTO La etiquetadora es una máquina automática fija, realizada según las especificaciones del cliente y diseñada para: - aplicar etiquetas sobre envases de vidrio, metal o plástico como PET, PVC, PE o PP a alta velocidad; - la máquina puede trabajar con envases abiertos sólo si están vacíos, en caso contrario, se deben cerrar para que su contenido no entre en contacto con la misma; - la máquina puede estar dotada de equipos especiales para trabajar con envasesde forma y dimensiones diferentes; - la máquina puede estar dotada de equipos especiales para trabajar con etiquetasde forma y dimensiones diferentes; - la máquina ha sido fabricada para ser instalada en una línea de producción; - la máquina tiene dos, tres o cuatro velocidades de funcionamiento (según la configuración requerida por el cliente), con variación en función de la cantidad de envases que llegan de la cinta transportadora de entrada y de aquellos que salen a la cinta transportadora de salida. La etiquetadora no ha sido proyectada para el empleo con envases y/o contenidos inflamables o parcialmente explosivos. Los pegamentos utilizados en la máquina pueden entrar en contacto con el operador y quedar permanentemente en el envase; por lo tanto, quedan excluidas las sustancias peligrosas o que generen exhalaciones perjudiciales o tóxicas. La máquina no se puede utilizar para el tratamiento de sustancias tóxicas, corrosivas o irritantes, salvo en el caso de versiones especiales anticorrosión. En el caso de tratamiento de productos polvorientos está terminantemente prohibido emplear polvos tóxicos, biológicamente activos o terapéuticos. El propietario de la máquina es responsable de: - Hacer respetar las indicaciones antedichas. - Controlar que las personas habilitadas para accionar la máquina y efectuar trabajos de mantenimiento, reparación u otros estén adecuadamente capacitadas para sus tareas e instruidas sobre el uso correcto y las normas de seguridad.
  • 94.
    4 - 4 MAN.I4390.ES.USM000 (10/09/2013) DOC. ROLL4Evo.CAP.01.R00 (17/03/2008) FUNCIONAMIENTO 4 Sidel Sp.a. 4.2 USO PREVISTO Y NO PREVISTO Y USOS PERMITIDOS 4.2.1 USO PREVISTO La máquina no ha sido diseñada para entrar en contacto con el producto contenido en las botellas a etiquetar. La máquina no debe funcionar en atmósferas explosivas. La máquina no debe trabajar con materiales inflamables. Cualquier uso que no corresponda al diseño de la máquina y no esté descrito en este manual se considera inapropiado y, en dicho caso, el fabricante declina toda responsabilidad. 4.2.2 CRITERIOS DE USO PARA LA REDUCCIÓN DE CONSUMOS AGUA Para optimizar los consumos de agua se recomienda utilizar la máquina : – efectuando lavados breves y frecuentes. – no modificando las regulaciones efectuadas después del accionamiento. – verificando periódicamente que no haya pérdidas en los circuitos. ENERGÍA Con el propósito de optimizar los consumos energéticos se recomienda controlar periódicamente las absorciones durante el funcionamiento en régimen, utilizando la interfaz del inversor instalado en el armario eléctrico. Un aumento de los consumos de potencia absorbida indica que existen funcionamientos defectuosos o desgastes. En este caso: – Verificar la correcta lubricación. – Verificar el desgaste de los cojinetes de empuje y de las estructuras del carrusel. – Verificar que los engranajes de los mandos situados debajo del basamento estén limpios y que no existan pérdidas de aceite provenientes de los reductores. – Verificar que los dientes de los engranajes que se encuentran debajo de la base no estén desgastados.
  • 95.
    FUNCIONAMIENTO 4 - 5 MAN.I4390.ES.USM000 (10/09/2013) DOC. ROLL4Evo.CAP.01.R00 (17/03/2008) 4 Sidel S.p.a. 4.3 CARACTERÍSTICAS LÍMITES DE FUNCIONAMIENTO la máquina se debe utilizar dentro de los límites de recorrido, dimensiones exteriores, cargas soportadas, materias primas y producción previstos en este manual. Los equipos deben ser aquellos indicados en el cap. 2 de este volumen y en el volumen II - Catálogo de Recambios, y diseñados y fabricados expresamente por el fabricante de la máquina. El fabricante no se asume ninguna responsabilidad ante la inobservancia de dichas indicaciones de seguridad.
  • 96.
    4 - 6 MAN.I4390.ES.USM000 (10/09/2013) DOC. ROLL4Evo.CAP.01.R00 (17/03/2008) FUNCIONAMIENTO 4 Sidel Sp.a. 4.4 POSIBLES ZONAS PELIGROSAS 4.4.1 ZONAS DE MANDO Y CONTROL DEL OPERADOR El “Operador” es la persona encargada de instalar, hacer funcionar, regular, efectuar el mantenimiento, limpiar, reparar y transportar la máquina. El control y la conducción de la máquina en condiciones normales de trabajo (modo automático) se deben realizar sólo desde las zonas destinadas a la conducción. Estas zonas no representan un peligro para el personal encargado de la conducción y se denominan “ZONAS DE MANDO Y CONTROL DEL OPERADOR” . Durante el funcionamiento a régimen, el operador debe utilizar el cuadro de mandos para el control de la máquina. Ocasionalmente puede colocarse a la salida para recuperar los envases rechazados (para máquinas equipadas con dispositivo de rechazo) u operar en los grupos de etiquetado para cargar la nueva bobina. Durante las regulaciones o cambios de formato, puede acceder a todas las partes de la máquina por medio de la llave de mantenimiento JOG. LEYENDA: A Zona operador A
  • 97.
    FUNCIONAMIENTO 4 - 7 MAN.I4390.ES.USM000 (10/09/2013) DOC. ROLL4Evo.CAP.01.R00 (17/03/2008) 4 Sidel S.p.a. 4.4.2 ZONAS PELIGROSAS La “Zona peligrosa” es cualquier zona en el interior o en proximidad de una máquina en donde la presencia de una persona expuesta constituye un riesgo para la seguridad y la salud de dicha persona. Una “Persona expuesta” es cualquier persona que se encuentra total o parcialmente en una zona peligrosa. En la zona de alimentación y descarga de las botellas y sobre las cintas transportadoras (que no forman parte de la máquina) se pueden romper botellas, proyectándose fragmentos de vidrio. El personal encargado del manejo de la línea debe utilizar elementos de protección individual adecuados ( gafas, guantes, etc). En condiciones normales de trabajo (modo automático) no existen “zonas peligrosas” en la máquina. La máquina está habilitada para funcionar en modo JOG (velocidad reducida y protección móvil delantera desconectada). En dicho caso, cualquier trabajo debe ser realizado por personal cualificado. En modo de funcionamiento “JOG” existe una “zona peligrosa” con “riesgo residual mínimo” ilustrado en la pagina siguente. Al apagar la máquina es indispensable recordar que los grupos de etiquetado se encuentran aún muy calientes, por lo tanto es necesario utilizar guantes y gafas de protección. Para intervenir en el recipiente Hot Melt, en el grupo del rodillo encolador o en los fuelles de aire caliente (si estuviesen presentes), el operador no sólo deberá poseer la calificación y experiencia indispensables, sino que deberá utilizar gafas de protección completa y guantes termoaislantes específicos para manipular elementos a altas temperaturas (200°C). El operador habilitado para acceder en la máquina debe estar dotado de protecciones individuales debido a la presencia de vidrio.
  • 98.
    4 - 8 MAN.I4390.ES.USM000 (10/09/2013) DOC. ROLL4Evo.CAP.01.R00 (17/03/2008) FUNCIONAMIENTO 4 Sidel Sp.a. ZONA DE RIESGO MÍNIMO ESIDUAL: MODALIDAD “JOG”.
  • 99.
    FUNCIONAMIENTO 4 - 9 MAN.I4390.ES.USM000 (10/09/2013) DOC. ROLL4Evo.CAP.01.R00 (17/03/2008) 4 Sidel S.p.a. 4.4.3 ZONA DE TRANSPORTADORES EN LA ENTRADA/SALIDA La zona de transportadores en la entrada y la salida de la máquina no se considera zona de trabajo del operador, sino de tránsito ocasional. En las zonas de alimentación y descarga de los formatos y en las cintas transportadoras se pueden verificar condiciones que requieren la intervención por parte del operador. En este caso, el operador tiene la obligación de intervenir llevando consigo la caja de pulsadores móvil (dotada de botones de emergencia), para un uso inmediato en caso de necesidad. ZONA DE TRANSPORTADORES EN LA ENTRADA/SALIDA
  • 100.
    4 - 10 MAN.I4390.ES.USM000 (10/09/2013) DOC. ROLL4Evo.CAP.01.R00 (17/03/2008) FUNCIONAMIENTO 4 Sidel Sp.a. 4.5 RIESGOS, PELIGROS Y RIESGOS QUE NO SE PUEDEN ELIMINAR 4.5.1 INTRODUCCIÓN La máquina ha sido diseñada y fabricada con soluciones que garantizan la seguridad y la salud del usuario. Puesto que la máquina está destinada a trabajar en el sector alimenticio, los materiales utilizados así como los componentes comerciales son atóxicos. La máquina está completamente protegida por cárteres que impiden el acceso a los componentes móviles. Además, está equipada con botones de parada de emergencia y no existen riesgos de inestabilidad gracias a su conformación. El empleo en las máquinas de dispositivos de seguridad especiales ha reducido el riesgo de accidentes de trabajo. Además de esto, el usuario debe: 1) Leer atentamente las instrucciones de uso contenidas en este manual antes de la instalación y puesta en funcionamiento de la máquina. 2) Observar las indicaciones mencionadas en las placas colocadas en la máquina. 3) Observar las indicaciones especificadas en los equipos de advertencia y las señales colocadas en la máquina.
  • 101.
    FUNCIONAMIENTO 4 - 11 MAN.I4390.ES.USM000 (10/09/2013) DOC. ROLL4Evo.CAP.01.R00 (17/03/2008) 4 Sidel S.p.a. 4.5.2 REFERENCIAS NORMATIVAS En virtud de la normativa (véase el documento adjunto), se dan a conocer las siguientes definiciones: – “Zona pericolosa”: cualquier zona en el interior y/o proximidad de una máquina en donde la presencia de una persona expuesta constituya un riesgo para la seguridad y la salud de dicha persona. – “Persona esposta”: cualquier persona que se encuentre total o parcialmente en una zona peligrosa. – “Operatore”: cualquier persona encargada de realizar operaciones de instalación, funcionamiento, regulación, mantenimiento, limpieza, reparación y transporte de la máquina.
  • 102.
    4 - 12 MAN.I4390.ES.USM000 (10/09/2013) DOC. ROLL4Evo.CAP.01.R00 (17/03/2008) FUNCIONAMIENTO 4 Sidel Sp.a. 4.5.3 SEÑALES DE ADVERTENCIA En posiciones bien visibles de la máquina se encuentran las siguientes señales de advertencia para la seguridad del operador. SEÑALES DE PROHIBICIÓN SEÑAL DE PROHIBICIÓN DE ACCESO A PERSONAL NO AUTORIZADO Colocada en las protecciones móviles posteriores y en las protecciones fijas de la base. SEÑAL DE PROHIBICIÓN DE REMOCIÓN DE LAS PROTECCIONES DE SEGURIDAD Colocada en las protecciones móviles posteriores y en las protecciones fijas de la base. SEÑAL DE PROHIBICIÓN DE LIMPIEZA, LUBRICACIÓN, REPARACIÓN O REGULACIÓN DE LOS ÓRGANOS EN MOVIMIENTO. Colocada en las protecciones móviles posteriores y en las protecciones fijas de la base.
  • 103.
    FUNCIONAMIENTO 4 - 13 MAN.I4390.ES.USM000 (10/09/2013) DOC. ROLL4Evo.CAP.01.R00 (17/03/2008) 4 Sidel S.p.a. SEÑALES DE PELIGRO SEÑAL DE PELIGRO TÉRMICO Colocada en las partes calientes de la máquina SEÑAL DE PELIGRO DE TENSIÓN ELÉCTRICA colocada en las canales, en las cajas de derivación, en el armario eléctrico, en la artesa de la máquina y en la parte interna de los cárteres superiores. ADVERTENCIADE TENSIÓN RESIDUAL Placa de advertencia en el idioma del país, colocada cerca de los circuitos que permanecen bajo tensión con el interruptor general en la posición ON. SEÑAL DE PELIGRO DE ENGRANAJES EN MOVIMIENTO Colocada en los cárteres o cerca de las piezas en movimiento.
  • 104.
    4 - 14 MAN.I4390.ES.USM000 (10/09/2013) DOC. ROLL4Evo.CAP.01.R00 (17/03/2008) FUNCIONAMIENTO 4 Sidel Sp.a. SEÑAL DE PELIGRO DE APLASTAMIENTO DE LAS EXTREMIDADES Colocada cerca de órganos o mecanismos que pueden presentar riesgos residuales de aplastamiento. ADVERTENCIA DE PUESTA A TIERRA Placa de advertencia que indica la presencia de puesta a tierra.
  • 105.
    FUNCIONAMIENTO 4 - 15 MAN.I4390.ES.USM000 (10/09/2013) DOC. ROLL4Evo.CAP.01.R00 (17/03/2008) 4 Sidel S.p.a. SEÑALES DE OBLIGACIÓN El personal encargado de la conducción de la línea a la cual está conectada la máquina debe utilizar los equipos de protección individual apropiados (gafas, guantes, zapatos de seguridad con suelas antideslizantes y resistentes, indumentos adecuados). Señal de protección obligatoria para los ojos colocada en la columna cerca del puesto del operador Señal de guantes de protección obligatorios colocada en la columna cerca del puesto del operador Señal de zapatos de seguridad obligatorios colocada en la columna cerca del puesto del operador Señal de obligación de cerrar las protecciones colocada en las protecciones móviles que deben permanecer cerradas
  • 106.
    4 - 16 MAN.I4390.ES.USM000 (10/09/2013) DOC. ROLL4Evo.CAP.01.R00 (17/03/2008) FUNCIONAMIENTO 4 Sidel Sp.a. 4.5.4 PELIGROS Y RIESGOS RESIDUALES El personal encargado de acceder a la máquina debe utilizar los equipos de protección individual idóneos. PRODUCCIÓN - Condición de “riesgo residual de caída y proyección de objetos” en la zona de carga y descarga de botellas de la máquina. Dicho riesgo se presenta en toda la línea de etiquetado y no es específico para la máquina. - Condición de “riesgo residual de deslizamiento”; - Condición de “riesgo residual asociado a la presencia de fragmentos de botellas rotas”; – Condición de “riesgo residual asociado a la temperatura” que puede ser alcanzada por el calentador de pegamento y por el grupo de etiquetado. - Condición de “riesgos residuales de proyecciones de fragmentos”causadas por la explosión de botellas; - Condición de “posible riesgo residual“ al utilizar frascos de plástico, puesto que se pueden formar cargas electrostáticas en la entrada de la máquina ocasionadas por el roce entre los mismos frascos, o bien entre los frascos y la cinta transportadora. - Condición de “riesgo residual del grupo de desbobinamiento previo de las bobinas” que no resulta protegido pero su único movimiento está dado por la rotación de la cinta de etiquetas que alimenta el grupo de etiquetado. Esta rotación es pasiva en la medida en la que es el rodillo de tracción es el que se encarga de halar la bobina, por lo tanto si el operador entra en contacto con ella, se pude desgarrar. Está terminantemente prohibido entrar en contacto con la cinta de las etiquetas durante el funcionamiento de la máquina. MODO DE FUNCIONAMIENTO JOG Es posible hacer funcionar la máquina a baja velocidad en modo JOG dejando abierta solamente la protección posterior (situada frente al grupo de etiquetado). – Condición de “riesgo residual de deslizamiento”; – Condición de “riesgo residual asociado a la presencia de fragmentos de botellas rotas”; – Condición de “riesgo residual asociado a elementos móviles” en la parte de la máquina accesible tras la inhabilitación de las protecciones que utilizan electrocerraduras y microinterruptores. – Condición de “riesgo residual asociado a la temperatura” que puede ser alcanzada por el calentador de pegamento y por los grupos de etiquetado. MANTENIMIENTO Antes de efectuar intervenciones de sustitución o mantenimiento en los equipos, es necesario vaciar los envases del carrusel. – Condición de “riesgo residual asociado a la presencia de fragmentos de botellas rotas”. – Condición de “riesgo residual asociado a la temperatura” que puede ser alcanzada por el calentador de pegamento y por los grupos de etiquetado. AVERÍA A fin de evitar que la rotura de los envases pueda generar una situación de peligro para el operador encargado, en caso de que la máquina se detenga por un mal funcionamiento, es necesario: – Mover la máquina y vaciar los envases del carrusel.
  • 107.
    FUNCIONAMIENTO 4 - 17 MAN.I4390.ES.USM000 (10/09/2013) DOC. ROLL4Evo.CAP.01.R00 (17/03/2008) 4 Sidel S.p.a. 4.6 SEGURIDAD DEL OPERADOR 4.6.1 INTRODUCCIÓN La máquina está dotada de cárteres de protección fijos y puertas de protección abribles que delimitan el campo de acción del operador en la máquina garantizando su seguridad. En la máquina han sido instalados, también, dispositivos electromecánicos de seguridad, como botones de emergencia, microinterruptores e indicadores luminosos. Estos dispositivos detienen la máquina e impiden su arranque, señalando el problema en el cuadro de mando y encendiendo una luz roja intermitente en la columna luminosa. La máquina podrá reanudar la marcha sólo tras haber solucionado el problema y haber pulsado el botón de reajuste. Para evitar accidentes durante el uso de la etiquetadora, es indispensable seguir estas reglas: - El funcionamiento de la máquina debe encargarse a personal física y psíquicamente idóneo, que no esté bajo los efectos de alcohol, drogas u otros. - Verificar que la máquina esté conectada mediante el cable correspondiente a una instalación de puesta a tierra adecuada. - No utilizar corbatas, bufandas ni joyas que puedan engancharse en los componentes en movimiento de la máquina. - Cerrar bien los puños del indumento de trabajo. - Utilizar los elementos de protección adecuados (gafas, cascos, zapatos, guantes, etc.) en función del tipo de trabajo que hay que realizar. Está terminantemente prohibido modificar o desmontar los dispositivos de seguridad. El fabricante no se asume ninguna responsabilidad sobre la seguridad de la máquina en el caso de modificación o desmontaje de los dispositivos de seguridad.
  • 108.
    4 - 18 MAN.I4390.ES.USM000 (10/09/2013) DOC. ROLL4Evo.CAP.01.R00 (17/03/2008) FUNCIONAMIENTO 4 Sidel Sp.a. 4.6.2 DISPOSITIVOS DE PROTECCIÓN Los “DISPOSITIVOS DE PROTECCIÓN” instalados en la máquina están indicados en la figura siguente: - SM Selector modo manual (para activación JOG); - PF Protecciones fijas del basamento; - PM Puertas móviles; - PV Puertas móviles vertical; - PE Botones fungiformes de emergencia; - SV Interruptores de aislamiento del vacío; - SP Interruptores de aislamiento general de la potencia de los motores (si los hay); - PQe Puerta cuadro eléctrico; - AL Columna luminosa y sirena de advertencia; - TP Túnel de protección de la cinta transportadora (si lo hay); - FA Con el vapor del vacío(optional).
  • 109.
    FUNCIONAMIENTO 4 - 19 MAN.I4390.ES.USM000 (10/09/2013) DOC. ROLL4Evo.CAP.01.R00 (17/03/2008) 4 Sidel S.p.a. PM PM PE PE SM PQe PF AL SV TP
  • 110.
    4 - 20 MAN.I4390.ES.USM000 (10/09/2013) DOC. ROLL4Evo.CAP.01.R00 (17/03/2008) FUNCIONAMIENTO 4 Sidel Sp.a. 4.6.3 CARACTERÍSTICAS Y FUNCIONAMIENTO DE LOS DISPOSITIVOS SM. Selección del modo manual (habilitación “JOG”). La habilitación del modo “MANUAL” o de “MANTENIMIENTO” se realiza a través del panel de control. El procedimiento para el modo de “MANTENIMIENTO” sólo puede realizarse desde el panel de control efectuando las siguientes operaciones: 1. Detener la máquina: la parada se dará de manera que, activando el procedimiento de mantenimiento, la máquina no presente disminuciones bruscas de actividad; 2. Configurar el selector de llave de modo que se active, posición “JOG”; 3. Desde el panel de control es posible seleccionar dos modos de JOG: a) Normal: para efectuar los controles de los procesos de etiquetado de la máquina; b) Para efectuar el calibrado de los procesos de etiquetado de la máquina misma. 4. Seleccionando la marcha normal, pulsar el botón habilitado para la marcha JOG de manera intermitente para que la máquina se mueva por impulsos, o mantenerlo pulsado para hacerla funcionar a un ritmo muy lento. La llave que permite la habilitación de la modalidad de mantenimiento debe ser extraída cada vez que se finaliza el mantenimiento y guardada por el personal encargado. Para habilitar nuevamente el modo “AUTOMÁTICO” es necesario: 1. Configurar el selector de llave de modo que esté desactivado: en posición “AUTO”. 2. Activar nuevamente la máquina con el procedimiento normal de accionamiento.
  • 111.
    FUNCIONAMIENTO 4 - 21 MAN.I4390.ES.USM000 (10/09/2013) DOC. ROLL4Evo.CAP.01.R00 (17/03/2008) 4 Sidel S.p.a. PF. Protecciones fijas de la base La protección contra los órganos mecánicos en movimiento (reductores, poleas, correas y ejes cardánicos) situados en la base de la máquina está garantizada por protecciones adecuadas. Dichos paneles se mantienen en su posición me- diante cerraduras que se pueden abrir con una llave especial.
  • 112.
    4 - 22 MAN.I4390.ES.USM000 (10/09/2013) DOC. ROLL4Evo.CAP.01.R00 (17/03/2008) FUNCIONAMIENTO 4 Sidel Sp.a. PM. Puertas móviles Estas protecciones cuentan con microinterruptores electromecánicos. Las protecciones móviles se realizan en plexiglás con bastidor portante de metal y están dotadas de final de carrera con accionamiento de llave contra manipulaciones. Protegen la zona que abarca desde la superficie de trabajo fija hasta una altura de la superficie transitable para no alcanzar los componentes en movimiento, in- cluso desde arriba. La apertura de las protecciones no es posible sin ANTES detener la máquina: el circuito de conexión de los fin de carrera está controlado por un módulo de seguridad. Las protecciones están instaladas sobre cremalleras y permanecen en su asiento aún cuando se abren. Para abrir una de las puertas, el operador debe: a)detener la máquina; b) con la máquina parada, abrir la puerta deseada. Para reanudar el funcionamiento de la máquina hay que cerrar las puertas y repetir la secuencia normal para su accionamiento. Para acceder de manera segura a las partes internas de la etiquetadora, el operador debe seguir este- procedimiento: a) detener la máquina; b) poner la máquina en modo “manual”; selector de llave en posición “JOG”; c) abrir la puerta delantera; d) acceder a la máquina mediante el botón de parada de emergencia apretado. El acceso a la parte interna de la máquina está permitido sólo a personal cualificado. El acceso a la parte interna de la máquina está permitido sólo desde la puerta anterior: aquella frente al panel del operador. Los microinterruptores electromecánicos no permiten abrir ninguna protección sin antes parar la máquina.
  • 113.
    FUNCIONAMIENTO 4 - 23 MAN.I4390.ES.USM000 (10/09/2013) DOC. ROLL4Evo.CAP.01.R00 (17/03/2008) 4 Sidel S.p.a. PE. Botones fungiformes de emergencia Los botones de parada de emergencia (Fig. 4.6.3 - 5) están distribuidos en diferentes puntos, uno en el panel del operador y los demás en los lados de la máquina en donde sea necesario, de manera que el usuario pueda acceder a ella en cualquier momento. Dichos dispositivos fungiformes de color rojo tienen la función de interrumpir el funcionamiento normal de la máquina en caso de necesidad. Apretando uno de los botones fungiformes se ordena una parada de categoría 1: esto quiere decir que se interrumpe la alimentación eléctrica de los siguientes dispositivos: - telerruptores de los motores eléctricos; - salidas digitales PLC; mientras permanecen bajo tensión los siguientes dispositivos: - CPU; - entradas digitales PLC; - instrumentos de regulación; - terminales de vídeo.
  • 114.
    4 - 24 MAN.I4390.ES.USM000 (10/09/2013) DOC. ROLL4Evo.CAP.01.R00 (17/03/2008) FUNCIONAMIENTO 4 Sidel Sp.a. SV. Interruptores de aislamiento del vacío Situados en la salida de los filtros de aire, permiten excluir la alimentación del vacío a todos los dispositivos que controlan. El uso de estos interruptores de aislamiento se recomienda durante los procedimientos de mantenimiento de ciertos dispositivos de funcionamiento neumático.
  • 115.
    FUNCIONAMIENTO 4 - 25 MAN.I4390.ES.USM000 (10/09/2013) DOC. ROLL4Evo.CAP.01.R00 (17/03/2008) 4 Sidel S.p.a. SP. Interruptores de aislamiento general de la potencia de los motores (si los hay) Situados en cuatro lados de la máquina, permiten excluir la alimentación a todos los motores e inversores. Si se dispara la protección térmica de un interruptor de aislamiento de la potencia, la máquina se detiene y se indica el problema mediante alarma acústica y señalización visual en el panel de control.
  • 116.
    4 - 26 MAN.I4390.ES.USM000 (10/09/2013) DOC. ROLL4Evo.CAP.01.R00 (17/03/2008) FUNCIONAMIENTO 4 Sidel Sp.a. PQe. Puerta cuadro eléctrico La puerta de la caja eléctrica colocada en la máquina cuenta con un sistema de cierre que requiere llaves adecuadas para su abertura. El cuadro eléctrico está dotado de un interruptor general con candado, para impedir el acceso cuando la alimentación eléctrica está conectada. Este dispositivo de bloqueo corta la alimentación eléctrica automáticamente cada vez que se abre el cuadro de mando.
  • 117.
    FUNCIONAMIENTO 4 - 27 MAN.I4390.ES.USM000 (10/09/2013) DOC. ROLL4Evo.CAP.01.R00 (17/03/2008) 4 Sidel S.p.a. AL. Columna luminosa La máquina está dotada de un dispositivo luminoso que señala al operador los diferentes estados de funcionamiento. La columna está situada en la parte superior de la máquina, cerca del panel de mando, y tiene la función de indicar a distancia, en función del color activado, las condiciones de funcionamiento. La columna luminosa, que se puede controlar desde el panel de control, está equipada también con una sirena de advertencia que, en caso de anomalía, emite una señal acústica acompañada por señales visuales.
  • 118.
    4 - 28 MAN.I4390.ES.USM000 (10/09/2013) DOC. ROLL4Evo.CAP.01.R00 (17/03/2008) FUNCIONAMIENTO 4 Sidel Sp.a. TP. Túnel de protección de la cinta transportadora de entrada y/o salida Cerca de las cintas transportadoras de entrada y salida de los envases hay un túnel de protección (Fig. 4.6- 8) que impide alcanzar los componentes móviles peligrosos instalados en el basamento.
  • 119.
    FUNCIONAMIENTO 4 - 29 MAN.I4390.ES.USM000 (10/09/2013) DOC. ROLL4Evo.CAP.01.R00 (17/03/2008) 4 Sidel S.p.a. FA. Aspirador de humos de pegamento (opcional) Es un dispositivo que transporta los vapores del pegamento fuera de la máquina por medio de un motor de aspiración.
  • 120.
    4 - 30 MAN.I4390.ES.USM000 (10/09/2013) DOC. ROLL4Evo.CAP.01.R00 (17/03/2008) FUNCIONAMIENTO 4 Sidel Sp.a. 4.6.4 QUÉ HAY QUE HACER EN CASO DE INCENDIO En caso de que se produjera un incendio en el cuadro eléctrico, en aparatos o partes de cableado de la máquina, el operador deberá: - abrir el interruptor seccionador de la alimentación eléctrica situado en la parte de arriba del cuadro de mandos. - utilizar un extintor adecuado (polvo, CO2, y otros gases). No utilizar agua. 4.6.5 QUÉ HAY QUE HACER EN CASO DE EXPLOSIÓN Son válidas las mismas consideraciones del párrafo 4.6.4 “Qué hay que hacer en caso de incendio”.
  • 121.
    FUNCIONAMIENTO 4 - 31 MAN.I4390.ES.USM000 (10/09/2013) DOC. ROLL4Evo.CAP.01.R00 (17/03/2008) 4 Sidel S.p.a. 4.7 DESCRIPCIÓN DEL FUNCIONAMIENTO 4.7.1 PRINCIPIO DE FUNCIONAMIENTO La máquina está provista de un sistema de bloqueo de botellas en la entrada , del tipo con estrella, palanca o tampón, que impide la entrada de los envases en la máquina. Cuando la cantidad y/o la velocidad con la que llegan los envases a la cinta transportadora de entrada puede garantizar una producción suficientemente continua, el dispositivo de bloqueo de la entrada se abre. El dispositivo de bloqueo de entrada se encuentra cerrado: durante la fase de calentamiento, en caso de parada de la máquina o si está presente una situación de alarma (por ejemplo, tras la presión de un botón de PARADA/ EMERGENCIA). En cualquier caso, el operador puede abrir o cerrar el dispositivo de bloqueo de entrada. Los envases provenientes de la cinta transportadora pasan a través del sinfín de selección y entran en la estrella de entrada que los distribuye en los platillos del carrusel central . Los platillos giran sobre sí mismos mediante un sistema mecánico dotado de correa que utiliza la potencia de un motor, cuya velocidad está regulada por un inversor en función del tamaño del envase; el movimiento se transmite del platillo al envase, que se mantiene presionado contra el platillo mediante el gato . La etiqueta es desenrollada por las bobinas mediante un rodillo tractor y pasa por los rodillos de control de orientación de la película para luego llegar al grupo de etiquetado. En esta fase, una cuchilla giratoria colocada sobre una contracuchilla fija corta la etiqueta y la envía al rodillo de desplazamiento que, aprovechando la acción del vacío (depresión), permite el desplazamiento de la película a la zona del rodillo encolador, donde se aplica el pegamento en las solapas de la etiqueta. La botella, rozando los patines del rodillo de desplazamiento, retira la primera solapa de la etiqueta. El envase gira sobre sí mismo, permitiendo que la etiqueta envuelva todo su cuerpo de modo que el segundo extremo de la etiqueta coincida con el primero ya encolado. La estrella de salida se encarga de llevar los envases a la cinta transportadora de salida. El panel de control permite al operador tener una visión general del estado operativo de la máquina para poder intervenir en su funcionamiento. A través de las señales procedentes de los sensores situados en las cintas de entrada y salida , es posible gestionar automáticamente la velocidad de producción de la máquina. Durante la fase de pre-calentamiento y con la máquina parada, el sistema de “bloqueo de entrada” impide el paso de los envases. El operador dispone, en diferentes puntos de la máquina, de botones de PARADA / EMERGENCIA para detener el funcionamiento de la misma en caso de peligro o necesidad. El revestimiento lleva instaladas protecciones que protegen al operador durante el funcionamiento e impiden el acceso a las piezas en movimiento. La gestión de la máquina se realiza completamente por medio del panel de control .
  • 122.
    4 - 32 MAN.I4390.ES.USM000 (10/09/2013) DOC. ROLL4Evo.CAP.01.R00 (17/03/2008) FUNCIONAMIENTO 4 Sidel Sp.a. LEYENDA: 1 BLOQUEO DE BOTELLAS EN LA ENTRADA 2 CINTATRANSPORTADORADE ENTRADA 3 SINFÍN 4 ESTRELLADE ENTRADA 5 PLATILLOS 6 CARRUSEL 7 SOPORTE BOBINAS 8 GRUPO DE ETIQUETADO 9 ESTRELLA DE SALIDA 10 CINTATRANSPORTADORADE SALIDA 11 BOTONES DE PARADA/EMERGENCIA 12 PANEL DE CONTROL 13 GATOS 14 PROTECCIONES 1 2 4 8 612 11 14 9 13 10 5 7 14
  • 123.
    FUNCIONAMIENTO 4 - 33 MAN.I4390.ES.USM000 (10/09/2013) DOC. ROLL4Evo.CAP.01.R00 (17/03/2008) 4 Sidel S.p.a. 4.7.2 PROCESO DE ETIQUETADO El principio de funcionamiento de las máquinas etiquetadoras giratorias Roll Quattro consiste en trasladar el envase de una cinta transportadora de una sola fila a un carrusel circular donde se aplica la etiqueta. Por tanto, el proceso de etiquetado de las botellas se divide en las siguientes fases: 1. Entrada del envase a etiquetar Los envases entran a la máquina por medio de una cinta transportadora; el sinfín los coloca a la misma distancia el uno del otro. La estrella de entrada traslada los envases al carrusel, colocándolos sobre los platillos cuya rotación está determinada por un motor. 2. Etiquetado El carrusel coloca los envases en la posición de etiquetado. La película entra en la máquina desde una de las dos bobinas. Un motor varía continuamente el movimiento de la película de modo que se encuentre siempre en fase para el corte correcto. La película pasa sobre el rodillo de corte. El rodillo de desplazamiento toma cada etiqueta y la pone en contacto con el rodillo encolador. Este rodillo está cubierto por una fina capa de pegamento que sólo entra en contacto con los extremos de la etiqueta, colocados intencionalmente en una posición elevada. El envase entra en contacto con la solapa en la que se ha aplicado el pegamento y gira sobre sí mismo para retirar la etiqueta, permaneciendo envuelto en ella hasta que la solapa trasera se coloque sobre la delantera, completando así la fase de etiquetado. 3. Salida de los envases etiquetados Tras haber sido etiquetados, los envases entran en la estrella de salida y son trasladados a la cinta transportadora para la salida definitiva.
  • 124.
    4 - 34 MAN.I4390.ES.USM000 (10/09/2013) DOC. ROLL4Evo.CAP.01.R00 (17/03/2008) FUNCIONAMIENTO 4 Sidel Sp.a. 4.8 DISPOSITIVOS PARA LA SEGURIDAD Y LA INTEGRIDAD DE LA MÁQUINA LC FR PB PM IP HT FB AI CV CV PU FR LT PGE MGE E PA PA PM
  • 125.
    FUNCIONAMIENTO 4 - 35 MAN.I4390.ES.USM000 (10/09/2013) DOC. ROLL4Evo.CAP.01.R00 (17/03/2008) 4 Sidel S.p.a. DESCRIZIONE PR Protección de seguridad PP Instalación neumática: presostato HT Final de carrera cabezal FR Embrague sin fin, estrella de entrada, estrella de salida PM Protección magnetotérmica LC Nivel de pegamento PB Fotocélula presencia botellas PU Piazzola uscita macchina AI Apertura dispositivo de bloqueo a la entrada FB Fin bobina LT Fotocélula lectura marca E Botones de emergencia MGE Microinterruptor de posición del grupo de etiquetado PGE Posición del grupo de etiquetado FUNZIONE Indica la posición de las protecciones en el perímetro de la máquina. Un presostato correctamente ajustado, interviene deteniendo inmediatamente la máquina cuando la presión resulta inferior a aquella configurada. Limita la subida y la bajada del cabezal. Un sensor indica la posición real del cabezal de la máquina. Interrumpe la rotación del sin fin, de la estrella de entrada y salida en caso de envases atascados en su interior. Una protección detiene los motores principales de la máquina.En las máquina etiquetadoras dotadas de inversor para la variación automática de la velocidad, se aprovecha el contacto térmico del inversor mismo. Un sensor indica que el nivel de pegamento en el tanque es bajo. Da la señal de activación del ciclo de etiquetado. Rileva i contenitori presenti in uscita macchina, nel caso riveli un’eccessiva quantità di flaconi abilita la chiusura au- tomatica del cancelletto blocco bottiglie. Detecta los envases presentes en la entrada de la máquina y acciona la apertura automática del dispositivo de bloqueo a la entrada. Detecta la ausencia de película en las bobinas de etiquetas instaladas en el soporte.Causa la desaceleración de la máquina y el cierre del dispositivo de bloqueo a la entrada hasta la sustitución de la bobina. Indica la posición de altura y avance/retroceso del grupo de etiquetado Permiten detener inmediatamente la máquina . Indica la posición de altura y avance/retroceso del grupo de etiquetado. Detecta la posición real de altura y avance/retroceso del grupo de etiquetado. Una serie de sensores aumenta o disminuye la velocidad de producción en función de la cantidad de envases en la entrada o salida de la máquina. CV Cambio de velocidad de la máquina
  • 126.
    Página dejada enblanco intencionalmente
  • 127.
    MAN. I4390.ES.USM000 (10/09/2013) DOC.ROLL4.CAP.05.R00 (09/12/2009) 5 Sidel S.p.A. INSTRUCCIONES DE USO 5 - 1 CAP. 5 - INSTRUCCIONES DE USO (para panel BR 15”)
  • 128.
    Página dejada enblanco intencionalmente
  • 129.
    MAN. I4390.ES.USM000 (10/09/2013) DOC.ROLL4.CAP.05.R00 (09/12/2009) 5 Sidel S.p.A. INSTRUCCIONES DE USO 5 - 3 5.1 INTERFAZ USUARIO-MÁQUINA (HMI) 5.1.1 PREMISA La interfaz entre el usuario y la máquina (HMI) prevé una parte dedicada a los mandos tradicionales, colocados a bordo de la máquina (1 - selector de llave, 2 - botón de emergencia), y otra integrada en el panel operador (2 - pantalla táctil). 1 23
  • 130.
    MAN. I4390.ES.USM000 (10/09/2013) DOC.ROLL4.CAP.05.R00 (09/12/2009) Sidel S.p.A. 5 INSTRUCCIONES PARA EL USO 5 - 4 5.2 INFORMACIÓN GENERAL 5.2.1 DEFINICIÓN DE LOS TÉRMINOS TÉCNICOS DE LA APLICACIÓN “HMI” – Pantalla (A): imagen de pantalla completa visualizada en el panel. – Familia: pantalla asociada a una función específica de la máquina que permite acceder a las ventanas conectadas a la misma. Las teclas que están en la zona (B) permiten acceder a las distintas familias. – Ventana (C): ventana emergente que permite acceder a nuevas funciones presionando la tecla prevista. para cerrar la ventana, presione la tecla (1). A C 1 B
  • 131.
    MAN. I4390.ES.USM000 (10/09/2013) DOC.ROLL4.CAP.05.R00 (09/12/2009) 5 Sidel S.p.A. INSTRUCCIONES DE USO 5 - 5 5.2.2 COMPOSICIÓN DE LAS PANTALLAS La aplicación HMI está basada en un conjunto de funciones: – la familia “HOME”; – la familia “COMPONENTES DE LA MÁQUINA”; – la familia “RECETAS”; – la familia “EFICIENCIAS”; – la familia “LAYOUT”; – la familia “GRÁFICAS”; – la familia “MANTENIMIENTO”; – la familia “CONFIGURACIÓN”; – la familia “SERVICIO”; Dentro de la pantalla es posible identificar cuatro zonas distintas: – una barra de navegación e informacionies (A) (presente en todas las pantallas); – una parte central (B) específica para cada familia; – una barra de selección (Tab bar) (C), compuesta por pestañas que permiten acceder a las pantallas de configuración de los componentes de la máquina; – una barra inferior de gestión (D) (presente en todas las pantallas). B A D C Continúaenlapáginasiguiente...
  • 132.
    MAN. I4390.ES.USM000 (10/09/2013) DOC.ROLL4.CAP.05.R00 (09/12/2009) Sidel S.p.A. 5 INSTRUCCIONES PARA EL USO 5 - 6 Barra de navegación e información El usuario dispone de una barra fija, situada en la parte superior izquierda, al lado de la pantalla principal, que permite: – navegar por las distintas familias de la aplicación HMI; – visualizar la información de carácter general sobre el estado de funcionamiento de la máquina. A Revisión del software instalado en el panel operador B Hora actual C Fecha actual D Nombre de la familia activa E Velocidad actual de la máquina F Contador parcial de envases elaborados por la máquina G Contador del total de horas de trabajo de la máquina H Mensajes Elau sobre las recetas I Código del usuario activo L Tipo de usuario activo M Nombre de la receta actualmente usada 1 Tecla de acceso a la familia “HOME” 2 Tecla de acceso a la familia “COMPONENTES DE LAMÁQUINA” 3 Tecla de acceso a la familia “RECETAS” 4 Tecla de acceso a la familia “EFICIENCIAS” 5 Tecla de acceso a la familia “LAYOUT” 6 Tecla de acceso a la familia “GRÁFICAS” 4 3 2 1 5 6 7 8 9 BA C D F G IEH L M 13 14 10 11 12 Continúaenlapáginasiguiente...
  • 133.
    MAN. I4390.ES.USM000 (10/09/2013) DOC.ROLL4.CAP.05.R00 (09/12/2009) 5 Sidel S.p.A. INSTRUCCIONES DE USO 5 - 7 7 Tecla de acceso a la familia “MANTENIMIENTO” 8 Tecla de acceso a la familia “CONFIGURACIÓN” 9 Tecla de acceso a la familia “SERVICIO” 10 Registro de la identidad del usuario (nombre de usuario y contraseña) 11 Tecla de acceso a la información relativa a la aplicación HMI 12 Tecla de acceso directo a la ventana “ALARMAS” 13 Salida de la aplicación HMI 14 Indicador de conexión entre el PLC y el HMI (Naranja: activa - Gris: inactiva)
  • 134.
    MAN. I4390.ES.USM000 (10/09/2013) DOC.ROLL4.CAP.05.R00 (09/12/2009) Sidel S.p.A. 5 INSTRUCCIONES PARA EL USO 5 - 8 Tab bar La “Tab bar”, presente en la pantalla de cada familia, permite visualizar las subpáginas relativas a los componentes generales de la máquina y los componentes específicos el grupo de etiquetado. Las primeras tres Tabs (A) se refieren siempre a los componentes generales de la máquina, mientras que las siete Tabs restantes (B) se refieren a los grupos de etiquetado instalados en la máquina. 1 Grupo principal: página principal de la familia en la que se está navegando. 2 Disposición y configuración de variables en función del tipo de máquina. 3 Activo de acuerdio al número de estaciones de etiquetado instaladas en la máquina. El color rojo de la pestaña en la “Tab bar” indica la navegación en la pantalla actualmente visualizada. Parte central En la parte central de la pantalla, de acuerdo a la familia seleccionada, el usuario puede: – abrir y cerrar las ventanas de configuración o consulta; – consultar los parámetros de funcionamiento de la máquina; – llenar las celdas de introducción de datos; – visualizar los contadores; – visualizar las gráficas; – visualizar las estadísticas. Las distintas partes centrales de las pantallas dependen de la configuración de la máquina y de la familia seleccionada. 1 2 3 BA
  • 135.
    MAN. I4390.ES.USM000 (10/09/2013) DOC.ROLL4.CAP.05.R00 (09/12/2009) 5 Sidel S.p.A. INSTRUCCIONES DE USO 5 - 9 Barra inferior La barra inferior, presente en todas las pantallas, se utiliza para la gestión de la máquina. Cuando las teclas cambian de estado, también cambia su color. Las teclas se ven grises cuando están inactivas. 1 START/STOP: con la máquina parada y manteniendo la tecla presionada por el tiempo necesario, se inicia la rotación; con la máquina en marcha, al presionar la tecla, se detiene la rotación. 2 BLOQUEO DE BOTELLAS ABIERTO EN MANUAL (cancela abierta): deshabilita el bloqueo de las botellas que impide la entrada de envases en la máquina (se utiliza para funciones de servicio, mantenimiento y vaciado de la línea). 3 BLOQUEO DE BOTELLAS CERRADO EN MANUAL (cancela cerrada): habilita el bloqueo de las botellas que impide la entrada de envases a la máquina. 4 BLOQUEO DE BOTELLAS EN AUTOMÁTICO(cancela automática): habilta/deshabilita el bloqueo de botellas gestionado automáticamente. La entrada de envases a la máquina depende de las condiciones de la línea. 5 ACTIVACINTATRASPORTADORA: tecla que permite apagar la cinta transportadora. 6 PRUEBA SEMÁFORO: su presión habilita la prueba de funcionamiento de las luces del semáforo y la alarma de la sirena. 7 RESET: presionando este botón se restablecen las alarmas activas. En caso de haber alarmas, esta tecla destella intermitentemente (azul - rojo). Para reanudar la marcha de la máquina hay que identificar y eliminar la causa de la alarma. La presión de la tecla RESETgenera el restablecimiento de las alarmas, ya sean de origen software o electromecánico (emergencias, reparaciones mediante centralita Pilz, etc.). Todas las teclas asumen los siguientes colores de acuerdo al estado en que se encuentran: TECLAINHABILITADA: no está asociada a ninguna función (gris). TECLA INACTIVA: esta tecla está asociada a una función pero no ha sido seleccionada (azul). TECLAACTIVA: el mando se está ejecutando (rojo claro). TECLA PRESIONADA: se ha solicitado la ejecución del mando (rojo oscuro). TECLA PRESIONADA: el mando ha sido enviado al PLC (azul oscuro). 1 2 3 4 765
  • 136.
    MAN. I4390.ES.USM000 (10/09/2013) DOC.ROLL4.CAP.05.R00 (09/12/2009) Sidel S.p.A. 5 INSTRUCCIONES PARA EL USO 5 - 10 5.2.3 LOS NIVELES DE ACCESO Definición de los niveles de acceso Los niveles de acceso indicados a continuación son aquellos determinados por Sidel S.p.A. Las partes de la aplicación que no están accesibles a todos los usuarios se indican me- diante un candado rojo en el botón de acceso a la función. m Usuario: 1 Nivel: “System” No requiere contraseña. El operador puede: – gestionar la producción en modo “AUTOMÁTICO” o “MANUAL”; – acceder a algunas familias de la aplicación HMI; – consultar la lista de alarmas; - efectuar el ajuste de fase de la máquina; – consultar los parámetros de funcionamiento de la máquina; – monitorizar el estado de la máquina. m Usuario: 2 Nivel: “Operator” Requiere contraseña. El operador puede: – acceder a todas las funciones del nivel “System”; – realizar el cambio de formato; – gestionar las recetas. m Usuario: 3 Nivel: “Maintenance” Requiere contraseña. El técnico encargado por el propietario de la máquina puede: – acceder a todas las funciones del nivel “Operator”; – determinar los nuevos procesos de producción; – efectuar el mantenimiento de la máquina. El nivel de acceso más alto siempre permite realizar las configuraciones y operaciones permitidas a los niveles inferiores.
  • 137.
    MAN. I4390.ES.USM000 (10/09/2013) DOC.ROLL4.CAP.05.R00 (09/12/2009) 5 Sidel S.p.A. INSTRUCCIONES DE USO 5 - 11 5.2.4 VENTANA “LOGIN - CONTRASEÑA” La habilitación de algunos niveles, mediante la introducción de la contraseña, ha sido pensada para proteger las partes sensibles de la máquina y las configuraciones necesarias para una producción correcta. El nivel de acceso más alto siempre permite realizar las configuraciones y operaciones permitidas a los niveles inferiores. Procedimiento de autenticación Presione la tecla (1) para acceder a la ventana de introducción de la contraseña; Presione la tecla (4) para revelar el teclado numérico (B). En la ventana (A) para introducir datos sobre usted (2) y Contraseña (3). Pulse (5) para confirmar los datos. Pulse el botón (7) para cerrar las ventanas (A) y (B). La contraseña expira si transcurren 10 minutos sin utilizar el panel operador. Es posible acceder a la ventana de introducción de la contraseña desde cualquier pantalla. 1 A 2 3 B 5 6 7 4 La ventana para introducir la contraseña se puede acceder desde cualquier pantalla.
  • 138.
    MAN. I4390.ES.USM000 (10/09/2013) DOC.ROLL4.CAP.05.R00 (09/12/2009) Sidel S.p.A. 5 INSTRUCCIONES PARA EL USO 5 - 12 5.2.5 VENTANA “INFORMACIÓN DEL PROYECTO” Presione la tecla (1) para acceder a la ventana “INFORMACIÓN DEL PROYECTO” (A). Este instrumento permite que el usuario recupere informaciones relativas al sistema: 2 Espacio libre en disco. 3 Memoria libre. 4 Versión proyecto. 5 Número de serie. 6 Nombre proyecto. Es posible acceder a la ventana “INFORMACIÓN DEL PROYECTO desde todas las familias pulsando la tecla (1) de la barra de navegación e información. 1 A 2 3 4 5 6
  • 139.
    MAN. I4390.ES.USM000 (10/09/2013) DOC.ROLL4.CAP.05.R00 (09/12/2009) 5 Sidel S.p.A. INSTRUCCIONES DE USO 5 - 13 5.2.6 VENTANA “ALARMAS” Funciones La familia “ALARMAS” permite: – visualizar las alarmas activas. – visualizar la històrica alarmas. Descripción 1 Tecla de acceso a la ventana “ALARMAS”. A Ventana de visualización de alarmas activas. Es posible acceder a la ventana “ALARMAS” desde todas las familias pulsando la tecla (1) de la barra de navegación e información. Continúaenlapáginasiguiente... 1 A 2 3 5 4
  • 140.
    MAN. I4390.ES.USM000 (10/09/2013) DOC.ROLL4.CAP.05.R00 (09/12/2009) Sidel S.p.A. 5 INSTRUCCIONES PARA EL USO 5 - 14 Tab 6: Ventana de visualización de alarmas La ventana de visualización de alarmas (A) indica al usuario la presencia de una o varias anomalías en la máquina. 2 Tecla de desplazamiento hacia arriba. 3 Tecla de desplazamiento hacia abajo. Notificación de los mensajes de alarma Las alarmas informan al operador sobre las condiciones de la máquina y siempre se visualizan en la pantalla específica; independientemente de la causa de la alarma, el botón “RESET” (4) se ve intermitente (azul - rojo). La gravedad de la anomalía influye en el funcionamiento de la máquina generando distintos efectos: – cierre del bloqueo de botellas; – parada gradual y/o parada crítica de la máquina; – señalización acústica (sirena); – señalización luminosa (columna luminosa). Algunas alarmas desaparecen automáticamente al eliminar la causa que las ha generado. Procedimiento Para conocer la causa de la alarma, presione la tecla (1); en la ventana (A) aparecerá la lista de alarmas activas, donde es posible identificar: – número : – descripción de la alarma; – fecha y hora de aparición. Utilice las teclas (2) y (3) para seleccionar la alarma deseada. Para salir del estado de alarma hay que eliminar la causa que ha generado la anomalía y luego, pulsar el botón (4): el renglón que contiene la alarma desaparecerá. Entonces, será posible presionar la tecla (5) para reanudar la producción normal. Si la tecla (5) aparece de color gris, significa que no se cumplen las condiciones necesarias para reanudar la producción: verifique la posible presencia de otras alarmas. CUANDO LATECLA(5) SE VUELVEAZUL, SIGNIFICAQUE EXISTEN LAS CONDICIONES PARAPONER EN MARCHA LA MÁQUINA. A 2 3 6
  • 141.
    MAN. I4390.ES.USM000 (10/09/2013) DOC.ROLL4.CAP.05.R00 (09/12/2009) 5 Sidel S.p.A. INSTRUCCIONES DE USO 5 - 15 Ventana 7: Ventana de visualización del historial de alarmas La ventana de visualización de alarmas (B) indica al usuario las últimas 100 anomalías detectadas en la máquina. 2 Tecla de desplazamiento hacia arriba. 3 Tecla de desplazamiento hacia abajo. B 2 3 7
  • 142.
    MAN. I4390.ES.USM000 (10/09/2013) DOC.ROLL4.CAP.05.R00 (09/12/2009) Sidel S.p.A. 5 INSTRUCCIONES PARA EL USO 5 - 16 5.3 LA FAMILIA “HOME” Funciones La familia HOME es la pantalla de introducción a la interfaz del operador; permite visualizar y controlar los parámetros de funcionamiento de la máquina y la producción. A Barra de visualización de alarmas. B Visualización de la velocidad de producción. C Visualización el contador de producción. D Visualización de la presión de aire suministrada a la máquina. B B C A D
  • 143.
    MAN. I4390.ES.USM000 (10/09/2013) DOC.ROLL4.CAP.05.R00 (09/12/2009) 5 Sidel S.p.A. INSTRUCCIONES DE USO 5 - 17 5.4 LA FAMILIA “COMPONENTES” Funciones La familia “COMPONENTES” permite: – regular las velocidades de ejercicio de la máquina; – gestionar los componentes principales instalados en la máquina; – gestionar el sistema de movimiento de los platillos (EN EL CASO DE SERVOMOTORES). Moverse en la Familia COMPONENTES A Componentes principales A1 “Gestión de velocidades” A2 “Start up manager” B “Platillos” B1 “JOG platillos” B2 “Leva platillos” B3 “Home platillos y máquina” B4 “Diagnóstico platillos” C “Estación de etiquetado” C1 “Gestión del sistema de corte” C1.1 “Parámetros del sistema de corte” C1.2 “Diagnóstico del sistema de corte” C2 “Start up de la estación de etiquetado” C3 “Manager de la estación de etiquetado” C4 “Manager del aparato empalmador” C5.1 “Administrador sistema de tambor” C5.2 “Diagnóstico sistema de tambor” C B B3 A B1 A1 A2 B2 B4 C1 C3 C2 C4 C5.1 C5.2 C1.1
  • 144.
    MAN. I4390.ES.USM000 (10/09/2013) DOC.ROLL4.CAP.05.R00 (09/12/2009) Sidel S.p.A. 5 INSTRUCCIONES PARA EL USO 5 - 18 5.4 LA FAMILIA “COMPONENTES” Funciones La familia “COMPONENTES” permite: – regular las velocidades de ejercicio de la máquina; – gestionar los componentes principales instalados en la máquina; – gestionar el sistema de movimiento de los platillos (EN EL CASO DE TRANSMISIÓN DE CORREA). Moverse en la Familia COMPONENTES C5.1“Gestión sistema de tambor” A Componentes principales A1 “Gestión de velocidades” A2 “Start up manager” B “Platillos” B1 “Diagnóstico de platillos” C “Estación de etiquetado” C1.1 “Parámetros del sistema de corte” C1.2 “Diagnóstico del sistema de corte” C2 “Start up de la estación de etiquetado” C3 “Manager de la estación de etiquetado” C4 “Manager del aparato empalmador” C1 “Gestión del sistema de corte” C5.2 “Diagnóstico sistema de tambor” C B A A1 A2 C1 C3 C2 C4 C5.1 C1.1
  • 145.
    MAN. I4390.ES.USM000 (10/09/2013) DOC.ROLL4.CAP.05.R00 (09/12/2009) 5 Sidel S.p.A. INSTRUCCIONES DE USO 5 - 19 A Tab “MAIN COMPONENTES” Funciones 1 GESTION DE VELOCIDADES: 2 START UP MANAGER. 3 HOME CARRUSEL. 21 3
  • 146.
    MAN. I4390.ES.USM000 (10/09/2013) DOC.ROLL4.CAP.05.R00 (09/12/2009) Sidel S.p.A. 5 INSTRUCCIONES PARA EL USO 5 - 20 A1 Ventana “GESTIÓN DE VELOCIDADES” En esta ventana es posible gestionar las velocidades de producción y de jog de la máquina. 1 VELOCIDAD DE JOG: configuración de la velocidad* a la que debe girar la máquina durante el estado de mantenimiento. 2 VELOCIDAD DE LÍNEAACTUAL: visualización de la velocidad actual* de la línea. 3 VELOCIDAD ETIQUETADORA ACTUAL : visualización de la velocidad actual* de la máquina etiquetadora. * Valor expresado en botellas por minuto (Bpm) El rango de la velocidad de JOG varía de 15 a 80 Bpm. El rango de las velocidades MEDIA y ALTA varía de 80 Bpm al límite de velocidad configurado por los técnicos de Sidel S.p.A.. 1 2 3 6
  • 147.
    MAN. I4390.ES.USM000 (10/09/2013) DOC.ROLL4.CAP.05.R00 (09/12/2009) 5 Sidel S.p.A. INSTRUCCIONES DE USO 5 - 21 A2 Ventana “PUESTA EN MARCHA ADMINISTRADOR GENERAL” ESTÁNDAR En esta ventana es posible habilitar las funciones instaladas en la máquina. 1 MÁQUINA EN CONTROL ON: activa/desactiva el estado de stand-by de la máquina (motores, inversores, bombas, calentadores, etc.) y activa/desactiva los usuarios previamente habilitados en la ventana “START UP ESTACIÓN DE ETIQUETADO”. 2 ENCENDIDO CINTA: habilita/deshabilita el funcionamiento de la cinta transportadora de la máquina. 3 SISTEMA DE RECHAZO: habilita/deshabilita el sistema de rechazo de la botella, colocado en la salida de la máquina, en caso de que el envase no esté etiquetado (gestión de la etiquetadora). 4 CODIFICADOR: activar / desactivar el dispositivo que imprime números, letras y / u otra información sobre la superficie de la etiqueta o envase (véase el gerente de la etiqueta). 5 BY PASS: activar / desactivar la operación de by-pass, los contenedores pueden pasar sobre la cinta transportadora con el carrusel se detuvo. 6 TÚNEL: activar / desactivar el funcionamiento del túnel. 7 ILUMINACIÓN GRUPO: activar / desactivar el poder de la iluminación de la etiqueta. 8 ILUMINACIÓN BASE: activa o desactiva la iluminación de la base. 9 VÁLVULAELECTRÓNICARECHAZO:Al pulsar este botón descarta todas las botellas que están fuera (hasta que la discapacidad). 10 APLICADOR DE SELLO: activar / desactivar el funcionamiento de l’aplicador de sello instalado en la máquina. 11 BOTELLA ROTA : habilita/inhabilita el sensor de la señal de botella rota. 12 Tecla de acceso directo a la ventana “START UP ESTACIÓN DE ETIQUETADO”, en la que se indican todos los usuarios. 2 3 1 4 5 6 12 7 8 9 10 11
  • 148.
    MAN. I4390.ES.USM000 (10/09/2013) DOC.ROLL4.CAP.05.R00 (09/12/2009) Sidel S.p.A. 5 INSTRUCCIONES PARA EL USO 5 - 22 A3 Ventana “Home carrusel” En esta ventana se realiza el procedimiento de home del carrusel. Al encender la máquina, el sistema solicita automáticamente que se lleven a cabo las operaciones descritas en esta página. Antes de comenzar el procedimiento de home, borre todas las alarmas que puedan dificultarlo. Procedimiento de home Antes de comenzar el procedimiento “HOME CARRUSEL” , asegúrese de que el selector de llave de mantenimiento esté en “AUTO”. Para comenzar el procedimiento de home del carrusel (procedimiento”HOME CARRUSEL” ): – presione el botón 1 para solicitar el procedimiento de home del carrusel (el botón se vuelve rojo). Luego, presione el botón Start (S) en la barra horizontal de la pantalla. – Al terminar el procedimiento de home del carrusel, el LED que está junto al mensaje “Home carrusel OK” en el área (A) se vuelve verde y el botón 1 se vuelve azul. 1 A S
  • 149.
    MAN. I4390.ES.USM000 (10/09/2013) DOC.ROLL4.CAP.05.R00 (09/12/2009) 5 Sidel S.p.A. INSTRUCCIONES DE USO 5 - 23 B Tab “COMPONENTES” Funciones 1 JOG PLATILLOS. 2 LEVAPLATILLOS. 3 HOME PLATILLOS Y MÁQUINA. 4 Tecla reservada para los técnicos autorizados por Sidel S.p.A.. A Ventana de visualización de mensajes del sistema de platillos motorizados. B DIAGNÓSTICO PLATILLOS: Pulsando estas teclas se abren varias páginas de visualización: - diagnóstico de errores de cada platillo. - estado de funcionamiento en el que se encuentra cada platillo. - estado de funcionamiento de todo el sistema de platillos. 1 2 3 4 A B
  • 150.
    MAN. I4390.ES.USM000 (10/09/2013) DOC.ROLL4.CAP.05.R00 (09/12/2009) Sidel S.p.A. 5 INSTRUCCIONES PARA EL USO 5 - 24 B1 Ventana “Jog platillos” En esta ventana se puede probar el funcionamiento correcto de cada platillo motorizado. Antes de realizar las operaciones descritas en esta página, verifique que el selector de llave de mantenimiento esté en la posición “JOG”. 1 – POSICIÓN DEL CARRUSEL: Indica la posición en grados del carrusel. 2 – POSICIÓN DEL PLATILLO: Indica la posición del platillo seleccionado. 3 – POSICIÓN DEL PLATILLO MAESTRO: Indica la posición del platillo maestro para fines diagnósticos. 4 – PLATILLO N.º: En esta ventana se introduce el número del platillo que se desea mover. Pulse en la ventana, marque el número del platillo y confirme con OK. 5 - VELOCIDAD MANUAL: Indica la velocidad de la máquina en modo manual. 6 – POSICIÓN FINAL (TARGET): En esta ventana es posible configurar la posición que el platillo debe alcanzar. Emplazamiento del platillo terminado: La luz verde encendida indica que se ha alcanzado la posición previamente configurada. Emplazamiento del platillo en curso: La luz verde encendida indica que el platillo se está moviendo. 6 - SOL. MODO MANUAL: Apretando esta tecla se habilita el procedimiento del desplazamiento manual de los platillos. 7 - SOL. MODO EMPLAZ.: Pulsando esta tecla se habilita el procedimiento de emplazamiento manual de todos los platillos. 8 - CONF. CERO: pulsando esta tecla se habilita el procedimiento de configuración de los platillos. El procedimiento de “MOVIMIENTO MANUAL DE LOS PLATILLOS” se realiza de la siguiente manera: Pulse la ventana (4) - “Platillo N.º.” para introducir el número del platillo que se debe mover. Ahora es posible mover el platillo seleccionado en sentido horario o antihorario. Utilice las flechas de dirección (A) para desplazar el platillo. A este punto, es posible salir de la pantalla. 6 7 A 5 4 3 2 1 8 A B en caso de SERVOMOTORES pág. 2.10
  • 151.
    MAN. I4390.ES.USM000 (10/09/2013) DOC.ROLL4.CAP.05.R00 (09/12/2009) 5 Sidel S.p.A. INSTRUCCIONES DE USO 5 - 25 B2 Ventana “LEVA PLATILLOS” En esta ventana es posible gestionar la carga de la leva electrónica. Antes de realizar esta operación, hay que detener la máquina. 1 CARGAR LEVA: tecla que permite cargar la leva electrónica asociada a la receta usada. 2 POSICIÓN CARRUSEL: visualización de la posición del carrusel*. 3 TRANSFERENCIALEVAACTIVA/INACTIVA: mensaje dinámico que cambia según el estado de carga de la leva seleccionad en la ventana (1): ERROR CÁLCULO LEVA: si el led se pone verde, significa que se ha producido un error en el procedimiento. 4 LEVA OK visualiza el resultado de la operación descrita en el punto (1): led rojo: operación fracasada, led verde: operación realizada correctamente. 1 2 3 4
  • 152.
    MAN. I4390.ES.USM000 (10/09/2013) DOC.ROLL4.CAP.05.R00 (09/12/2009) Sidel S.p.A. 5 INSTRUCCIONES PARA EL USO 5 - 26 B3 Ventana “HOME PLATILLOS Y MÁQUINA” En esta ventana es posible efectuar el Home del carrusel y los platillos. Al encender la máquina, el sistema solicita automáticamente la ejecución de las operaciones descritas en esta página. Antes de llevar a cabo el procedimiento, elimine todas las alarmas que impidan su ejecución. Procedimiento Antes de realizar el procedimiento de “HOME PLATILLOS”, asegúrese de que el selector de llave de mantenimiento esté en la posición “JOG”. Para realizar el procedimiento de “HOME PLATILLOS” es necesario trabajar de la siguiente manera: – asegúrese de haber cargado la leva electrónica de la receta usada (como se indica en la página anterior). – pulse la tecla (2) para habilitar la solicitud de Home platillos (manténgala pulsada por el tiempo necesario). – durante la ejecución del procedimiento, la tecla se vuelve roja. El led verde junto al mensaje “Home platillos activo’ indica la ejecución del procedimiento en curso; – al terminar el procedimiento de Home, el led que está junto al mensaje “HOME PLATILLOS OK” en la zona (B) se vuelve verde. B 2 en caso de SERVOMOTORES
  • 153.
    MAN. I4390.ES.USM000 (10/09/2013) DOC.ROLL4.CAP.05.R00 (09/12/2009) 5 Sidel S.p.A. INSTRUCCIONES DE USO 5 - 27 B4.1 Ventana “DIAGNÓSTICO PLATILLOS” En esta página se visualizan los errores del drive de los platillos. 1 – En esta ventana se ve el número del platillo que presenta el error. 2 – En esta ventana es posible seleccionar un platillo para visualizar su diagnóstico. Status register details: descripción de la cadena de error referida a (2). 1 2
  • 154.
    MAN. I4390.ES.USM000 (10/09/2013) DOC.ROLL4.CAP.05.R00 (09/12/2009) Sidel S.p.A. 5 INSTRUCCIONES PARA EL USO 5 - 28 B4.2 Ventana “DIAGNÓSTICO PLATILLOS” En esta página se visualizan los errores del drive de los platillos. 1 – En esta ventana se ve el número del platillo que presenta el error. 2 – En esta ventana es posible seleccionar un platillo para visualizar su diagnóstico. Status register details: descripción de la cadena de error referida a (2). 1 2 en caso de SERVOMOTORES
  • 155.
    MAN. I4390.ES.USM000 (10/09/2013) DOC.ROLL4.CAP.05.R00 (09/12/2009) 5 Sidel S.p.A. INSTRUCCIONES DE USO 5 - 29 B4.3 Ventana “DIAGNÓSTICO PLATILLOS” En esta página se visualiza el estado de cada platillo.
  • 156.
    MAN. I4390.ES.USM000 (10/09/2013) DOC.ROLL4.CAP.05.R00 (09/12/2009) Sidel S.p.A. 5 INSTRUCCIONES PARA EL USO 5 - 30 B4.4 Ventana “DIAGNÓSTICO PLATILLOS” En esta página se visualiza el estado de cada platillo. Seleccionando un platillo (2), se enumeran en la página las señales enviadas al platillo. 2 en caso de SERVOMOTORES
  • 157.
    MAN. I4390.ES.USM000 (10/09/2013) DOC.ROLL4.CAP.05.R00 (09/12/2009) 5 Sidel S.p.A. INSTRUCCIONES DE USO 5 - 31 B4.5 Ventana “DIAGNÓSTICO PLATILLOS” En esta página se visualiza el estado del sistema de platillos.
  • 158.
    MAN. I4390.ES.USM000 (10/09/2013) DOC.ROLL4.CAP.05.R00 (09/12/2009) Sidel S.p.A. 5 INSTRUCCIONES PARA EL USO 5 - 32 B4.6 Ventana “DIAGNÓSTICO PLATILLOS” En esta página se enumeran las señales enviadas al sistema de platillos. en caso de SERVOMOTORES
  • 159.
    MAN. I4390.ES.USM000 (10/09/2013) DOC.ROLL4.CAP.05.R00 (09/12/2009) 5 Sidel S.p.A. INSTRUCCIONES DE USO 5 - 33 B Tab “JOG PLATILLOS” En esta ventana es posible gestionar el movimiento manual (JOG) de la correa que mueve los platillos. Antes de realizar esta operación hay que cerciorarse de que el selector de llave de mantenimiento, situado a bordo de la máquina, esté en la posición “JOG”. 1 VELOCIDAD JOG CORREA: configuración de la velocidad para el movimiento manual (JOG) de la correa. 2 Tecla de acceso directo a la ventana de “DIAGNÓSTICO CORREA”. A Teclas de dirección para realizar el movimiento manual (JOG), en sentido horario o antihorario, del motor que controla la correa. A 1 2 en caso de TRANSMISIÓN DE CORREA
  • 160.
    MAN. I4390.ES.USM000 (10/09/2013) DOC.ROLL4.CAP.05.R00 (09/12/2009) Sidel S.p.A. 5 INSTRUCCIONES PARA EL USO 5 - 34 C Tab ESTACIÓN DE ETIQUETADO Funciones 1 GESTIÓN DEL SISTEMA DE CORTE. 2 START UPESTACIÓN DE ETIQUETADO. 3 MANAGER ESTACIÓN DE ETIQUETADO. 4 MANAGERAPARATO EMPALMADOR. 5 GESTIÓN SISTEMA TAMBOR. 1 2 3 4 5
  • 161.
    MAN. I4390.ES.USM000 (10/09/2013) DOC.ROLL4.CAP.05.R00 (09/12/2009) 5 Sidel S.p.A. INSTRUCCIONES DE USO 5 - 35 C1 Ventana “GESTIÓN DEL SISTEMA DE CORTE” En esta pantalla es posible gestionar las funciones del sistema de corte. 1 LONGITUD ACTUAL ETIQUETA: visualización de la longitud nominal de la etiqueta* introducida en la receta. 2 LONGITUD MEDIA ETIQUETA: visualización de la longitud media* calculada en base a las últimas 5 etiquetas cortadas. 3 POSICIÓNACTUAL CUCHILLA: visualización de la posición de la cuchilla**. 4 ERRORACTUAL: visualización de la diferencia entre los parámetros (1) y (2). 5 CORRECCIÓN ACTUAL: visualización del valor necesario para obtener una longitud de la etiqueta cortada* igual al valor indicado en el punto (1). 6 NÚMERO MUESCAS PERDIDAS: visualiza el número de muescas no leídas por la fotocélula. Después de 5 muescas perdidas se emite la alarma correspondiente. 7 PINCH ROLLER: habilita/deshabilita el sistema de bloqueo de la película (rodillo engomado) 8 RODILLO ENCOLADOR: habilita/deshabilita el funcionamiento del rodillo encolador. 9 PRUEBA ETIQUETA: tecla que permite realizar el procedimiento de “prueba de corte de etiqueta”: el número de etiquetas suministradas depende del tiempo de presión de la tecla. Esta operación sólo puede realizarse en modo automático (gire el selector de llave de mantenimiento, situado a bordo de la máquina, hasta la posición “AUTO”). 10 PRUEBAETIQUETAEN CONTINUO: tecla que permite realizar el procedimiento de “prueba de corte de etiqueta en continuo”: pulse la tecla una sola vez para habilitar el suministro en continuo de las etiquetas y púlsela nuevamente para terminar el corte. Esta operación sólo puede realizarse en modo jog (gire el selector de llave de mantenimiento, situado a bordo de la máquina, hasta la posición JOG). 11 APRENDIZAJE FOTOCÉLULA: TECLA QUE PERMITE REALIZAR EL PROCEDIMIENTO DE “APRENDIZAJE” DE LAFOTOCÉLULA. 12 HOME ETIQUETA: tecla que permite realizar el procedimiento de “HOME ETIQUETA”. A Teclas de dirección que permiten mover el rodillo de arrastre (feed roller) en sentido horario y/o antihorario. * Valor expresado en milímetros (mm) ** Valor expresado en grados 8 7 6 3 12 1 11 2 5 4 9 10 A
  • 162.
    MAN. I4390.ES.USM000 (10/09/2013) DOC.ROLL4.CAP.05.R00 (09/12/2009) Sidel S.p.A. 5 INSTRUCCIONES PARA EL USO 5 - 36 C2 Ventana “START UP ESTACIÓN DE ETIQUETADO” En esta pantalla es posible habilitar los usuarios instalados en la máquina. 1 CALENTAMIENTOS: habilita/deshabilita el encendido de los calentamientos de la máquina* (ej. reci- piente de pegamento, rodillo encolador, cuerpo del rodillo encolador). 2 SISTEMA DE CORTE: habilita/deshabilita el corte de la etiqueta (en ciclo de producción normal, el corte de la etiqueta siempre está habilitado; se recomienda deshabilitar el corte de la etiqueta únicamente durante el mantenimiento o en condiciones particulares). 3 BOMBAPEGAMENTO: habilita/deshabilita el funcionamiento de la bomba de pegamento*. 4 BOMBAVACÍO: abilita/deshabilita el funcionamiento de la turbina que genera el vacío*. 5 RODILLO DE CONTRASTE: abilita/deshabilita el funcionamiento del rodillo engomado (pinch roller) que bloquea la película* contra el rodillo de arrastre (feed roller). 6 SOPLOS: habilita/deshabilita el sistema que genera los soplos*. 7 SOPLO RECHAZO ETIQUETA: habilita/deshabilita el soplo que permite rechazar las etiquetas*. 8 RODILLO ENCOLADOR: habilita/deshabilita el funcionamiento del rodillo encolador*. 9 COMPENSACION DE DESLIZAMIENTO: habilita/deshabilita el soplo de aire necesario para disminuir la fricción entre la etiqueta y el rodillo de corte*. 10 BOMBAACEITE CUCHILLA:activar / desactivar el funcionamiento de la bomba de aceite cuchilla. 11 Tecla de acceso directo a la ventana de “OPCIONES ESTACIÓN DE ETIQUETADO”. 12 Tecla de acceso directo a la ventana “START UP MANAGER”. * Durante el ciclo de trabajo normal está habilitado 6 5 4 3 2 7 1 9 8 12 10 11
  • 163.
    MAN. I4390.ES.USM000 (10/09/2013) DOC.ROLL4.CAP.05.R00 (09/12/2009) 5 Sidel S.p.A. INSTRUCCIONES DE USO 5 - 37 C2.1 Ventana “START UP ESTACIÓN DE ETIQUETADO” En esta pantalla es posible habilitar los usuarios instalados en la máquina. 1 ASPIRADOR DE HUMOS (opcional): habilita/deshabilita el funcionamiento del aspirador de humos del pegamento (el sistema se activa solamente cuando la máquina ha alcanzado la temperatura configurada). 2 CONTROL ETIQUETA EN EL TAMBOR: habilita/deshabilita el control de la etiqueta en el tambor. 3 CONTROL EMPALME (opcional): habilita/deshabilita el control de el empalme. 4 ASPIRADOR DE PEGAMENTO (opcional): habilita/deshabilita el funcionamiento del aspirador de pegamento. 3 2 1 4
  • 164.
    MAN. I4390.ES.USM000 (10/09/2013) DOC.ROLL4.CAP.05.R00 (09/12/2009) Sidel S.p.A. 5 INSTRUCCIONES PARA EL USO 5 - 38 C3 Ventana “ADMINISTRADOR ESTACIÓN ETIQUETADO” En esta pantalla es posible gestionar la estación de etiquetado. 1 PRESIÓN DEAIRE: visualización de la presión* de aire suministrada a la máquina. 2 POSICIÓN CUCHILLA: visualización de la posición de la cuchilla**. 3 MÁQUINA EN CONTROL ON: activa/desactiva los mandos de la máquina (motores, inversores, bombas, calentadores, etc.) y activa/desactiva los servicios previamente activados en la ventana “START UP ESTACIÓN DE ETIQUETADO”. 4 STAND-BY: tecla que permite bajar las temperaturas del sistema hot-melt; al activarse, se obtiene una disminución gradual de las temperaturas del sistema hasta alcanzar el valor de stand-by configurado en la receta. 5 LABEL TEST: tecla que permite realizar el procedimiento de “prueba de corte de etiqueta”. Pulsando la tecla una sola vez, se obtiene el corte de una etiqueta después de tres pasos de la máquina. Esta operación sólo puede realizarse en los modos JOG y AUTOMÁTICO (gire el selector de llave de mantenimiento situado a bordo de la máquina). 6 PRUEBADE ETIQUETAS EN CONTINUO: Tecla que permite efectuar el procedimiento de “PRUEBA DE CORTE ETIQUETA” en continuo. La función “PRUEBAETIQUETA” solo puede realizarse en modo “JOG”. Pulse simultáneamente lo dos botones blancos de JOG, situados en el panel de mandos móvil, para realizar la PRUEBA. Para detener la PRUEBAETIQUETA pulse nuevamente el botón. 7 RODILLO DE CORTE: abilita/deshabilita el funcionamiento del rodillo de corte. 8 RODILLO ENCOLADOR: habilita/deshabilita el funcionamiento del rodillo encolador. 9 BOMBADE VACÍO: habilita/deshabilita el funcionamiento de la turbina que genera el vacío. 10 PINCH ROLLER: habilita/deshabilita (abre/cierra) el pinch-roller. 11 SELECCIÓN BOBINA: seleccione manualmente la bobina que se quiere utilizar para el etiquetado. A Layout del grupo de etiquetado en el que es posible visualizar la orientación del grupo de etiquetado y realizar las operaciones descritas en el punto (11). * Valor expresado en presión atmosférica (bar) ** Valor expresado en grados 2 5 1 4 3 106 7 8 9 A 11
  • 165.
    MAN. I4390.ES.USM000 (10/09/2013) DOC.ROLL4.CAP.05.R00 (09/12/2009) 5 Sidel S.p.A. INSTRUCCIONES DE USO 5 - 39 C4 Ventana “MANAGER APARATO EMPALMADOR” En esta pantalla es posible visualizar y gestionar las funciones del aparato empalmador. 3 5 4 A 2 1 1 LONGITUD MEDIAETIQUETA: visualización de la longitud media* de las últimas 5 etiquetas cortadas. 2 POSICIÓN CODIFICADOR: visualización del valor ** leído por el codificador situado en el rodillo del soporte de bobinas. 3 APARATO EMPALMADOR MANUAL: habilita/deshabilita el funcionamiento manual del aparato empalmador. La tecla visualiza un mensaje dinámico que cambia de acuerdo al estado de la solicitud: – “APARATO EMPALMADOR MANUAL”: el aparato empalmador no está habilitado (el empalme de la película se realiza manualmente); – “APARATO EMPALMADOR AUTOMÁTICO”: el aparato empalmador está habilitado (el empalme de la película se realiza automáticamente). 4 Tecla reservada para los técnicos autorizados por Sidel S.p.A.. 5 SELECCIÓN BOBINA: seleccione manualmente la bobina que se quiere utilizar para el etiquetado. A Layout del grupo de etiquetado en el que es posible visualizar la orientación del grupo de etiquetado y realizar las operaciones descritas en el punto (4). * Valor expresado en milímetros (mm) * Valor expresado en grados
  • 166.
    MAN. I4390.ES.USM000 (10/09/2013) DOC.ROLL4.CAP.05.R00 (09/12/2009) Sidel S.p.A. 5 INSTRUCCIONES PARA EL USO 5 - 40 C5.1 Ventana “MANAGER SISTEMA DE TAMBOR” En esta pantalla puede gestionar el sistema de tambor. La máquina debe estar en modo de mantenimiento, a continuación, girar la llave en la posición de JOG. Abra el grupo de seguridad en el etiquetado. Presione el botón (E) Cero de tambor para la correcta colocación de la zapata de nuevo a la cuchilla de corte. Retire tambor y sustituirla por la del nuevo formato. manual- mente la posición del tambor, de modo que la hoja del tambor de corte es de 2 mm por detrás del patín rodillo de transferencia posterior. A continuación, pulse el botón (B) para confirmar la posición tambor. El botón (A) permite la rotación del tambor en el modo manual (JOG), con el pad direccional a la derecha (C), que gira. En la ventana (D) se muestran los valores relacionados con la posición y el cuchillo de la posición del tambor clave. A C 1 B D E 2mm
  • 167.
    MAN. I4390.ES.USM000 (10/09/2013) DOC.ROLL4.CAP.05.R00 (09/12/2009) 5 Sidel S.p.A. INSTRUCCIONES DE USO 5 - 41 5.5 LA FAMILIA “RECETAS” 5.5.1 INFORMACIÓN GENERAL La información ofrecida a continuación debe considerarse válida para todas las pantallas descritas en este párrafo. Los valores preconfigurados no necesitan modificaciones; eventualmente, contacte con un técnico autorizado por Sidel S.p.A. para modificar uno o varios parámetros. Guarde los parámetros de la receta que se está editando pulsando siempre la tecla dentro de la zona (S), que se indica en las pantallas ilustradas en este párrafo. Para transferir al PLC los datos guardados en la receta, vaya a la pantalla MAIN RECETAS y cargue los parámetros nuevos pulsando la tecla CARGAR RECETA (zona A, tecla 1); compruebe que los datos previamente guardados efectivamente se carguen.
  • 168.
    MAN. I4390.ES.USM000 (10/09/2013) DOC.ROLL4.CAP.05.R00 (09/12/2009) Sidel S.p.A. 5 INSTRUCCIONES PARA EL USO 5 - 42 Funciones La familia “RECETAS” permite activar, editar, guardar, cargar y duplicar una receta. Moverse en la Familia “Recetas” A “Main Receta” A1 “Copiar Receta” B “Receta - Parámetros Generales” B1 “Parámetros Tablas de Marcha” B2 “Tablas de marcha – Colores de los equipos” B3 “Tablas de marcha – Equipos” B4 “Tablas de marcha – Regulación de la cóclea” C1 “Receta - Movimientos” B6 “Velocidad” C2 “Receta - Levas” C3 “Receta - Temperaturas” C4 “Receta - Regulaciones de los vacíos” C5 “Receta - Regulaciones de los soplos” C6 “Receta - Corte” C7 “Receta -Ayuda” C8 “Receta -Aparato Empalmador” C9 “Receta – Tambor” C1 C3 C6 C7 C4 C5 C8 C5.1 C4.1 A B B2 B3 B4 B5 C2 C9 D2 D3 D1 C A1 B1 A2 A2 “Lista de recetas”
  • 169.
    MAN. I4390.ES.USM000 (10/09/2013) DOC.ROLL4.CAP.05.R00 (09/12/2009) 5 Sidel S.p.A. INSTRUCCIONES DE USO 5 - 43 A Tab “MAIN RECETAS” En la pantalla “MAIN RECETAS” el usuario puede gestionar la receta inherente al empaque que se va a elaborar. A Recuadro en el que es posible cargar y visualizar la receta utilizada. B Recuadro en el que es posible gestionar las recetas. C Recuadro en el que es posible visualizar el nombre de las recetas: – el fondo se presenta rojo cuando la receta que se está editando coincide con la de elaboración, – el fondo se presenta verde cuando la receta que se está editando no coincide con la de elaboración. D Recuadro en el que es posible visualizar la descripción del formato visualizado en el recuadro (C). E Indica el color de los equipos a formato empaquetado. F Permite acceder a la ventana de visualización de la lista de recetas. 1 TRANSFERIR RECETA: transfiere al PLC los parámetros de la receta previamente guardados y relativos al formato que se va a etiquetar. 2 EDITAR RECETAS: edita la receta seleccionada en la ventana (C). 3 GUARDAR RECETA“: uarda los parámetros previamente configurados en la receta que se está editando. 4 COPIAR RECETAS: genera la copia de una receta esistente. A B 2 3 4 C D 1 E
  • 170.
    MAN. I4390.ES.USM000 (10/09/2013) DOC.ROLL4.CAP.05.R00 (09/12/2009) Sidel S.p.A. 5 INSTRUCCIONES PARA EL USO 5 - 44 A1 Ventana “COPIAR RECETA” En esta ventana es posible duplicar una receta existente. 1 RECETA DE ORIGEN: selección de la receta de la que se quieren copiar todos los parámetros para crear una receta nueva; 2 RECETADE DESTINO: configuración de la receta nueva; 3 Tecla que permite guardar los parámetros modificados en la ventana. 3 1 2
  • 171.
    MAN. I4390.ES.USM000 (10/09/2013) DOC.ROLL4.CAP.05.R00 (09/12/2009) 5 Sidel S.p.A. INSTRUCCIONES DE USO 5 - 45 A2 Ventana LISTA DE RECETAS En la pantalla LISTA DE RECETAS es posible visualizar la lista de todas las recetas memorizadas.
  • 172.
    MAN. I4390.ES.USM000 (10/09/2013) DOC.ROLL4.CAP.05.R00 (09/12/2009) Sidel S.p.A. 5 INSTRUCCIONES PARA EL USO 5 - 46 B Tab “PARÁMETROS GENERALES” En esta pantalla es posible configurar los parámetros generales relativos a la regulación de los componentes externos al grupo de etiquetado. 1 ALTURA CARRUSEL: configuración de la altura del carrusel**. 2 PARADA EN FASE: configuración de la posición de parada de la máquina* de modo que los patines, presentes en el rodillo de desplazamiento, se encuentren lejos del rodillo encolador (por ejemplo, para evitar su sobrecalentamiento). 3 DIÁMETRO BOTELLA: medida efectiva del diámetro de la botella a envasar. 4 COEFICIENTE VELOCIDAD CORREA:véase el apartado siguiente. 6 PRESIÓN CARRUSEL:ajustar la presión ejercida por el carrusel. 7 PRESIÓN GASTOS PRESURIZADOS (si los hay) configuración de la presión*** ejercida por los gatos. 8 PRESENCIA TÚNEL operación Habilitar clave túnel de retracción. RATIO CORREA : en esta ventana es posible variar el valor del coeficiente de velocidad de la correa, aumentando así la velocidad periférica de la botella. La configuración correcta de este parámetro se propone garantizar que la velocidad periférica de las botellas sea igual a la del tambor de transferencia de etiquetas. Esto permite que el patín trasero del tambor no quede al descubierto, creando un efecto de “bandera” durante del tarslado de la etiqueta al envase. S: Tecla que permite guardar los parámetros modificados en la ventana. * Valor expresado en grados del carrusel ** Valor expresado en milímetros (mm) *** Valor expresado en presión atmosférica (bar) S 4 3 2 1 6 7 8
  • 173.
    MAN. I4390.ES.USM000 (10/09/2013) DOC.ROLL4.CAP.05.R00 (09/12/2009) 5 Sidel S.p.A. INSTRUCCIONES DE USO 5 - 47 B.1 Tab “PARAMETRI TABELLA DI MARCIA” En esta pantalla se puede ver y establecer los parámetros generales relativos a la regulación del etiquetado de los componentes del grupo. 1 GRADOS CUCHILLO CAMBIO FORMATO: El valor se refiere al ángulo de posición de la cuchilla de corte de batería 2 POSICIÓN ALINEADOR (X): El valor se refiere a la posición del alineador fotocélula. 3 POSICIÓN RODILLO BASCULANTE (K): el valor se refiere a la posición de la inclinación del rodillo de la fotocélula. 4 ALTURA SENSOR BOTELLA CAÍDA:El valor se refiere a la caída de detección de posición de sensor de botella. 5 FASE APERTURA CANCELA:Valor reportado en la fase de apertura de la puerta. 6 FASE APERTURA CANCELA:Valor en relación con la fase de cierre de la puerta. S: Tecla que permite salvar la SOLA visualización de los parámetros (para salvar en la RECETA consultar el parr.5.5.1) S 5 4 3 2 1 6
  • 174.
    MAN. I4390.ES.USM000 (10/09/2013) DOC.ROLL4.CAP.05.R00 (09/12/2009) Sidel S.p.A. 5 INSTRUCCIONES PARA EL USO 5 - 48 B.2 Tab “TABLA DE MARCHA - COLOR DE EQUIPO ” En esta pantalla puede seleccionar el formato para el equipo que va embalado. 1 Pulse el botón de color en la forma de trabajar. 2 Indicador de color en el formato y subido actualmente en uso. S: Tecla que permite salvar la SOLA visualización de los parámetros (para salvar en la RECETA consultar el parr.5.5.1) S1 2
  • 175.
    MAN. I4390.ES.USM000 (10/09/2013) DOC.ROLL4.CAP.05.R00 (09/12/2009) 5 Sidel S.p.A. INSTRUCCIONES DE USO 5 - 49 B.3 Tab “TABLA DE MARCHA - EQUIPO ” Esta pantalla muestra el formato de los códigos de los equipos para ser embalado. 1 CÓDIGO ALISADO: muestra el código proporcionado para enderezar el formato de las obras. 2 CÓDIGO SECTOR LEVA: muestra el código de la zona prevista para la cámara formado en las obras. 3 CÓDIGO EQUIPO BOTELLA: muestra el código de la botella de tamaño de los equipos de producción. 4 CÓDIGO ANILLO DE CENTRADOR: obtener anillo del código de centrado (placa de equipo), siempre para el formato de las obras. S: Tecla que permite salvar la SOLA visualización de los parámetros (para salvar en la RECETA consultar el parr.5.5.1) S 4 3 2 1
  • 176.
    MAN. I4390.ES.USM000 (10/09/2013) DOC.ROLL4.CAP.05.R00 (09/12/2009) Sidel S.p.A. 5 INSTRUCCIONES PARA EL USO 5 - 50 B.4 Tab “TABLA DE MARCHA - TORNILLO DE ADJUSTE ” En esta pantalla se puede ver y establecer los parámetros para la posición del tornillo. 1 POSICION BORDE COCLEA: fijar la posición del banco tornillo **. 2 POSICION COCLEA BASCULANTE: posición de ajuste del tornillo de inclinación. 3 DESPLAZAMIENTO CARRO SOPORTE COCLEA: control de posición (adelante / atrás) de inclinación del soporte del taladro carro. 4 ALTURA CÓCLEA: regulación de altura de la cóclea. 5 SIN FIN:manejo de la gestión de motor del taladro. Start: Grados máquina de paso para la fase de fijación de la cóclea. Si el archivo adjunto que parece ser de antelación es necesario incrementar este parámetro, si el archivo adjunto está en la demora es necesaria para reducir los grados. Stop: Detener la posición del tornillo. Modifica esta posición (aumentar o disminuir el parámetro expresado en el tono de la máquina grados), de modo que en el funcionamiento del coche, pero con la puerta cerrada, no hay interferencia entre las botellas y las estrellas. La botella dentro de la última etapa el tornillo (hélice) es que se publicará en la estrella sin interferencias. 6 MAXIMOABSORCION ELECTRICIDAD: Valor máximo del motor tornillo absorción de corriente. S: Tecla que permite salvar la SOLA visualización de los parámetros (para salvar en la RECETA consultar el parr.5.5.1) S 5 3 2 1 6 4
  • 177.
    MAN. I4390.ES.USM000 (10/09/2013) DOC.ROLL4.CAP.05.R00 (09/12/2009) 5 Sidel S.p.A. INSTRUCCIONES DE USO 5 - 51 B.5 Tab SISTEMA DE VISIÓN-OPTIONAL En esta pantalla es posible efectuar la graduación del sistema de visión. 1 REGULADOR POSICIÓN ANGULAR DEL ILUMINADOR: visualiza el valor de regulación de la inclinación para la iluminación del sistema de visión. 2 REGULADOR ALTURA ILUMINADOR: visualiza el valor de regulación de la altura de la iluminación del sistema de visión. 3 REGULADOR HORIZONTAL DE LA CÁMARA visualiza el valor de regulación en sentido horizontal de la caja de las telecámaras del sistema de visión. 4 POSICIÓN VERTICAL DE LA CÁMARA: visualiza el valor de regulación en sentido vertical de la caja de las telecámaras del sistema de visión. S: Tecla que permite salvar la SOLA visualización de los parámetros (para salvar en la RECETA consultar el parr.5.5.1) S 1 2 3 4
  • 178.
    MAN. I4390.ES.USM000 (10/09/2013) DOC.ROLL4.CAP.05.R00 (09/12/2009) Sidel S.p.A. 5 INSTRUCCIONES PARA EL USO 5 - 52 B.6 Tab GESTIÓN VELOCIDAD En esta pantalla es posible gestionar las velocidades de producción de la máquina. 1 VELOCIDAD ALTA/LIMITE VELOCIDAD EXTERNA: configuración de la velocidad de régimen* (o de recuperación) de la máquina con posibilidad de seleccionar un límite. 2 VELOCIDAD MEDIA: configuración de la velocidad de producción*. 3 SOBRAVELOCIDAD: configuración de la velocidad de overspeed* (solo señales Hardware). 4 VELOCIDAD ASPIRADOR DE PEGAMENTO: configuración de la velocidad de la máquina a la que se activa automáticamente el aspirador de filamentos de pegamento. El apagado automático del aspirador, encambio se obtiene, a una velocidad igual a aquella indicada en el cuadro B menos 20 bpm. (Ej.: Si en el cuadro B se configura una velocidad de 200 Bpm, el aspirador se activa cuando la máquina gira a una velocidad de 200 Bpm o superior y se apaga cuando la máquina gira a una velocidad de 180 o inferior). A: Pantalla que visualiza un mensaje relacionado con la velocidad de la máquina(solo para señales en ethernet). S: Tecla que permite salvar la SOLA visualización de los parámetros (para salvar en la RECETA consultar el parr.5.5.1) * Valor expresado en botellas por minuto (Bpm) El rango de las velocidades MEDIA y ALTA varía de 80 Bpm al límite de velocidad configurado por los técnicos de Sidel S.p.A.. S 1 2 3 A 4 B
  • 179.
    MAN. I4390.ES.USM000 (10/09/2013) DOC.ROLL4.CAP.05.R00 (09/12/2009) 5 Sidel S.p.A. INSTRUCCIONES DE USO 5 - 53 D1 Tab “OFFSET PLATILLOS” En esta pantalla es posible gestionar los offset del sistema de platillos motorizados. 1 PLATILLOS OFFSET 1: celda en la que se puede configurar el valor de los offsets 1. 2 MAESTRO ANGULO OFFSET 1: celda en que es posibile configurar el número de grados para ejecutar offset 1. 3 VELOCIDAD OFFSET 1: tecla que permite atribuir a todos los platillos el valor de la velocidad de l’offset 1. 4 ACELERACIÓN OFFSET 1: de la célula donde se puede establecer el valor de la aceleración de la posición 1. 5 Celda en la que puede establecer los valores de desplazamiento se aplica a todos los platos. 6 NOMBRE LEVA PLATILLOS: celda en la que puede escribir el número de la leva, y si el número de la cámara no parece estar presente en el auto marcado con NO ESTA LEVA”, con su punto rojo. 7 De la célula donde se puede ver el valor correspondiente en un grado de compensación offset 1. 8 De la célula donde se puede ver el valor correspondiente en un grado de compensación offset 2. A Identifica el nombre de la leva Descripción Esta función permite que el usuario modifique la posición dinámica de todos los platillos sin intervenir directamente en el perfil de las levas electrónicas; así es posible modificar el comportamiento del platillo de acuerdo a la operación a realizar. – aplicación de la etiqueta a partir de un punto establecido; – eventual sellado en un punto establecido del envase. Procedimiento Para asignar el offset a todos los platillo, pulse la celda prevista (ej. celda 1) e introduzca el valor deseado (el rango de offset* permitido va de -180° a +180°). A S1 3 2 4 5 6 6 6
  • 180.
    MAN. I4390.ES.USM000 (10/09/2013) DOC.ROLL4.CAP.05.R00 (09/12/2009) Sidel S.p.A. 5 INSTRUCCIONES PARA EL USO 5 - 54 Puede configurar el ángulo, velocidad y aceleración desplazamiento 1 y, a continuación puede configurar los valores de desplazamiento 2. En el lado se puede ver el valor correspondiente expresada en grados. MASTER ÁNGULO = 0, las placas no se realiza ninguna compensación. S Tecla que permite guardar los parámetros modificados en la ventana. Para realizar los procedimientos “GUARDAR RECETA“ y “CARGAR RECETA“, véanse las notas indicadas en el párrafo 5.5.1 “INFORMACIÓN GENERAL”.
  • 181.
    MAN. I4390.ES.USM000 (10/09/2013) DOC.ROLL4.CAP.05.R00 (09/12/2009) 5 Sidel S.p.A. INSTRUCCIONES DE USO 5 - 55 D2 Subpágina “OFFSET BACK PLATILLOS” En esta pantalla se puede controlar el despleziamento de los offset back platillos. 1 PLATILLOS OFFSET 3: Campo en el que se puede configurar el valor de offset 3. 2 MAESTRO ÁNGULO OFFSET 3: Campo que permite configurar a cuántos grados del carrusel se debe efectuar el offset 3. 3 VELOCIDAD OFFSET 3: Campo en el que se puede configurar el valor de velocidad del offset 3. 4 ACELERACIÓN OFFSET 3: Campo en el que se puede configurar el valor de aceleración del offset 3. 5 El offset hacia atrás sirve para recuperar la fase de los motores que se pueda haber perdido durante la vuelta del carrusel; esta recuperación se llevará a cabo en una porción del carrusel comprendida entre las dos estrellas de entrada y salida. También podría realizarse antes, pero en todo caso después de las posiciones de OFFSET1, OFFSET2…..OFFSETn. El valor se supone VOLVER OFFSET = - (offset1 offset2 + + ... ... OFFSETn) entiende. La suma total debe ser. S: Tecla que permite salvar la SOLA visualización de los parámetros. Para realizar los procedimientos “GUARDAR RECETA“ y “CARGAR RECETA“, véanse las notas indicadas en el párrafo 5.5.1 “INFORMACIÓN GENERAL”. S 5 1 2 3 4
  • 182.
    MAN. I4390.ES.USM000 (10/09/2013) DOC.ROLL4.CAP.05.R00 (09/12/2009) Sidel S.p.A. 5 INSTRUCCIONES PARA EL USO 5 - 56 D3 Subpágina PLATOS - ORIENTACIÓN DEL SISTEMA DE VISIÓN En esta pantalla es posible efectuar la graduación de la orientación del sistema de visión. 1 HABILITACIÓN SISTEMA VISIÓN: pulsando la tecla se habilita la orientación del sitema de visión, si necesario, para el formato que se desea trabajar. 2 OFFSET POSICIÓN CÁMARA : pantalla donde es posible asignar un ulterior offset angular (in mm), que el plato efectuará durante la orientación. S: Tecla que permite salvar la SOLA visualización de los parámetros (para salvar en la RECETA consultar el parr.5.5.1) S 1 2
  • 183.
    MAN. I4390.ES.USM000 (10/09/2013) DOC.ROLL4.CAP.05.R00 (09/12/2009) 5 Sidel S.p.A. INSTRUCCIONES DE USO 5 - 57 C Tab ESTACIÓN DE ETIQUETADO C1 Subpágina “MOVIMIENTOS MOTORIZADOS” En esta pantalla es posible gestionar la regulación de los movimientos motorizados del grupo de etiquetado. A Tecla que permite habilitar el grupo de etiquetado ROLLFED. 1. HABILITACION ROLL: activar /desactivar el grupo roll. 2. ALTURA GRUPO ETIQUETADO: configuración del valor relativo a la altura* del grupo de etiquetado. 3. TRASLADO GRUPO ETIQUETADO: configuración del valor relativo al emplazamiento longitudinal* del grupo de etiquetado. 4. ALTURA DESBOBINADOR: configuración del valor relativo a la altura* del soporte de bobinas. S: Tecla que permite salvar la SOLA visualización de los parámetros (para salvar en la RECETA consultar el parr.5.5.1) * Valor expresado en milímetros (mm) Los movimientos del grupo de etiquetado (1 y 2) se gestionan automáticamente en las máquinas con grupos motorizados (opcionales). La regulación del soporte de bobinas (3) siempre se gestiona con el volante previsto en la parte inferior del soporte. S 2 1 3 4
  • 184.
    MAN. I4390.ES.USM000 (10/09/2013) DOC.ROLL4.CAP.05.R00 (09/12/2009) Sidel S.p.A. 5 INSTRUCCIONES PARA EL USO 5 - 58 C2 Subpágina “LEVAS” En esta pantalla es posible configurar las regulaciones de las levas. 1 POSICIÓN CUCHILLA: visualización de la posición de la cuchilla*. 2 RODILLO ENCOLADOR: configuración de los valores de activación (subida y bajada) del rodillo encolador. 3 PASOS ARRANQUE RODILLO ENCOLADOR: configuración de los pasos de la máquina que hacen falta para bajar el rodillo encolador. 4 PASOS SUMINISTRO PRIMERAETIQUETA: configuración de los pasos de la máquina que hacen falta para suministrar la primera etiqueta. 5 CONTROLETIQUETAEN ELTAMBOR: configuración de los valores* a los que se controla la presencia de la etiqueta en el tambor con respecto a la posición de la cuchilla. 6 PASOS DE CORRECCIÓN DE RESIDUOS DE RECEPCIÓN: distancia desde el control de factores de poder venir a la célula fotoeléctrica situada en la cinta. 7 BOTELLAS DE. DESCARTE muestra la tolerancia de las botellas que vayan a desecharse. S: Tecla que permite salvar la SOLA visualización de los parámetros (para salvar en la RECETA consultar el parr.5.5.1) * Valor expresado en grados 4 3 2 1 S 5 6 7
  • 185.
    MAN. I4390.ES.USM000 (10/09/2013) DOC.ROLL4.CAP.05.R00 (09/12/2009) 5 Sidel S.p.A. INSTRUCCIONES DE USO 5 - 59 C3 Subpágina “TEMPERATURAS” En esta pantalla pagina es posible configurar las temperaturas de ejercicio de la máquina. En la columna (A), el usuario configura el valor de temperatura deseado (set point). En la columna (B), el usuario visualiza el valor actual medido de la temperatura de ejercicio. 1 RODILLO ENCOLADOR: configuración de la temperatura de la estructura de calentamiento del rodillo encolador. 2 BASE RODILLO ENCOLADOR: configuración de la temperatura del soporte del rodillo encolador (lado de la protección). 3 RECIPIENTE PEGAMENTO: configuración de la temperatura de ejercicio del recipiente de pegamento. 4 PEGAMENTO: configuración de la temperatura del pegamento. 5 TUBOSRETORNOPEGAMENTO:configuracióndelatemperaturadelostubosderetornodelpegamento. 6 TUBOS IMPULSION PEGAMENTO: configuración de la temperatura de los tubos de impulsión del pegamento. 7 STAND BY: configuración de la temperatura de stand-by del sistema de calentamiento del pegamento. 8 DESCARGAVACÍA: visualización de la temperatura de descarga de la bomba de vacío (al alcanzar un límite de temperatura determinado, se dispara en la máquina la alarma correspondiente, que procede a apagar la bomba y la máquina). 9 ASPIRADOR HUMOS PEGAMENTO: visualización de la temperatura del aspirador de humos del pegamento. 10 VELOCIDA BOMBA DE PEGAMENTO: configuración de la velocidad mínima* y máxima* de la bomba de pegamento. S: Tecla que permite salvar la SOLA visualización de los parámetros (para salvar en la RECETA consultar el parr.5.5.1) * Valor expresado en grados Celsius (°C) * Valor expresado en Hertz (Hz) S A B 9 2 7 6 5 4 3 1 10 8
  • 186.
    MAN. I4390.ES.USM000 (10/09/2013) DOC.ROLL4.CAP.05.R00 (09/12/2009) Sidel S.p.A. 5 INSTRUCCIONES PARA EL USO 5 - 60 C4 Subpágina “REGULACIÓN DE VACÍOS” En esta pantalla es posible gestionar el sistema de vacíos. En la columna (A), el usuario configura el valor del vacío deseado (set point). En la columna (B), el usuario visualiza el valor actual medido del vacío en cada canal. 1 VACÍO ÁREA CUCHILLA: configuración de la depresión* en los cascos de corte. 2 VACÍO ÁREA TRANSFERENCIA: configuración de la depresión* antes del patín delantero (zona de extracción de la etiqueta, entre el corte de la etiqueta y el rodillo de desplazamiento). 3 VACÍO PRE PEGAMENTO: configuración de la depresión* en el rodillo de desplazamiento, en la zona situada antes del rodillo encolador. 4 VACÍO PEGAMENTO: visualización de la depresión* en el rodillo de desplazamiento en el punto de coincidencia con el rodillo encolador. Este valor será 0 durante la fase de rotación sin aplicación de etiquetas, mientras que se acercará al valor del colector (manifold) durante las fases de etiquetado. 5 VACÍO POST PEGAMENTO: visualización de la depresión* en el punto de coincidencia con la zona de aplicación de la etiqueta en la botella. Este valor siempre estará cerca del valor de vacío en la zona del colector (manifold). 6 COLECTOR: visualización de la depresión* dentro del colector (manifold). La protección contra una depresión excesiva se realiza mediante la válvula de seguridad (calibrada, configurada y regulada a unos 340 mbar). 7 TABLA DE VACÍO: El botón de acceso directo a la ventana que muestra el diseño de la zona de etiquetado, cuando las lagunas se identifican. 9 PID: tecla reservada para los técnicos autorizados por Sidel S.p.A.. S Tecla que permite guardar los parámetros modificados en la ventana. * Valor expresado en presión atmosférica (bar) La configuración de los parámetros relativos a los vacíos en las zonas: VACÍO PEGAMENTO, VACÍO POST GLUE, VACÍO COLECTOR no pueden modificarse desde el panel. Para realizar los procedimientos “GUARDAR RECETA“ y “CARGAR RECETA“, véanse las notas indicadas en el párrafo 5.5.1 “INFORMACIÓN GENERAL”. B A S1 6 5 4 3 2 7 9
  • 187.
    MAN. I4390.ES.USM000 (10/09/2013) DOC.ROLL4.CAP.05.R00 (09/12/2009) 5 Sidel S.p.A. INSTRUCCIONES DE USO 5 - 61 C4.1 Ventana “DIAGRAMA DE VACÍOS” En la ventana (C) se visualiza el lay-out de la zona del grupo de etiquetado, a la que se refieren los valores indicados en la página anterior. 1 Vacío área cuchilla 2 Vacío área de transferencia. 3 Vacío pre-pegamento. 4 Vacío pegamento. 5 Vacío post-pegamento. C 5 1 2 4 3
  • 188.
    MAN. I4390.ES.USM000 (10/09/2013) DOC.ROLL4.CAP.05.R00 (09/12/2009) Sidel S.p.A. 5 INSTRUCCIONES PARA EL USO 5 - 62 C5 Subpágina “REGULACIÓN SOPLOS” En esta pantalla es posible gestionar el sistema de soplos. 1 SOPLOS DE SLIP COMPENSATION: configuración del valor de los soplos* que limitan la fricción entre la película y el rodillo de corte. 2 SOPLOS CUCHILLA: configuración del valor de los soplos* para transferir la etiqueta del rodillo de corte al rodillo de transferencia. 3 SOPLOS BLOQUEO 1: configuración de los soplos* en el primer bloque soplador. 4 SOPLOS BLOQUEO 2: configuración de los soplos* en el segundo bloque soplador. 5 SOPLOs TRANSFERENCIATAMBOR: configuración del valore de los soplos* para transferir la etiqueta del rodillo de desplazamiento a la botella. 6 PRESIÓN RODILLO MOBIL: brazo de ajuste de presión relajarse *** se muestra en la válvula de control, la presión correcta es llevar una etiqueta que permite la continuidad y el líquido sin que el rendimiento (Min = 0 bar, máximo = 6 bar). 7 PRESIÓN DE CONTRASTE DE RODILLOS: fijar la posición de la rulllo contraste ** aparece en el indicador de posición. 8 DIAGRAMA SOPLOS: tecla de acceso directo a la ventana donde se ilustra el lay-out de la zona de etiquetado, donde se identifican los vacíos. S Tecla que permite guardar los parámetros modificados en la ventana. * Valor expresado en litros por minuto (Lpm) ** Valor expresado en milímetros (mm) *** Valor expresado en presión atmosférica (bar) 8 5 4 3 2 1 S 6 7
  • 189.
    MAN. I4390.ES.USM000 (10/09/2013) DOC.ROLL4.CAP.05.R00 (09/12/2009) 5 Sidel S.p.A. INSTRUCCIONES DE USO 5 - 63 C5.1 Ventana “DIAGRAMA SOPLOS” En la ventana (A) se visualiza el lay-out de la zona del grupo de etiquetado, a la que se refieren los valores indicados en la página anterior de REGULACIÓN SOPLOS. 1 Soplos de slip compensation. 2 Soplos transferencia cuchilla. 3 Soplos bloque 1 4 Soplos bloque 2 5 Soplos transferencia tambor. 5 Soplos rechazo etiqueta. A 1 5 3 4 2 6
  • 190.
    MAN. I4390.ES.USM000 (10/09/2013) DOC.ROLL4.CAP.05.R00 (09/12/2009) Sidel S.p.A. 5 INSTRUCCIONES PARA EL USO 5 - 64 C6 Subpágina “REGULACIÓN CORTE” En esta pantalla es posible configurar las regulaciones del sistema de corte. 1 LONGITUD NOMINAL ETIQUETA: configuración de la longitud nominal de la etiqueta. 2 OFFSET CORTE: configuración del valor necesario para aumentar la distancia* entre la muesca-spot y el punto de corte: si el valor de offset es positivo, el punto de corte se aleja del borde de la muesca; con valores negativos, el efecto es el contrario. 3 VENTANALECTURAMUESCA: configuración del ancho de la zona en la que se considera significativo el estado de la fotocélula de lectura de spot. 4 HABILITACIÓN FOTOCÉLULA: habilita/deshabilita el modo de corte fijo o corte con control de la muesca. 5 HABILITACIONAUTOAPRENDIZAJE: habilita/deshabilita el sistema de autoaprendizaje de la longitud de la etiqueta. Este sistema permite desbobinar, durante el procedimiento de Home, 3 etiquetas suplementarias que se utilizan para calcular automáticamente el valor de longitud de la etiqueta. El valor calculado se utiliza en lugar del que está cargado en la receta. El valor en la receta no se cambia. 6 DISTANCIAFOTOCÉLULACUCHILLADE CORTE: Distancia entre la fotocélula de lectura y la cuchil_ la de corte (que cambia en función del grupo de corte); véase la página siguiente. 7 Altura fotocélula corte int. (Y) 8 Altura fotocélula corte est. (W) 9 SMAR - HABILITACIÓN VENTANAS EXCLUSIÓN SIMETRÍAETIQUETA (opcional): habilita/inhabilita el corte de las zonas que deben excluirse durante el procedimiento de aprendizaje. 10 APRENDIZAJE SMAR - EXCLUSIÓN VENTANA 1/2 (opcional): este campo muestra la ventana (parte) de la etiqueta que se excluye durante el procedimiento de aprendizaje gestionado por el sistema SMAR. S: Tecla que permite salvar la SOLAvisualización de los parámetros (para salvar en la RECETA consultar el parr.5.5.1) Las especificaciones de las etiquetas se encuentran en el capítulo 2 de este manual. Continúaenlapáginasiguiente... 5 4 3 2 1 S 6 7 8 9 10
  • 191.
    MAN. I4390.ES.USM000 (10/09/2013) DOC.ROLL4.CAP.05.R00 (09/12/2009) 5 Sidel S.p.A. INSTRUCCIONES DE USO 5 - 65 La distancia (Cutter FTC Distance) es fundamental para el funcionamiento correcto del sistema de corte. Para medir correctamente esta distancia hay que preparar la bobina como para un cambio de formato normal. Entonces, con un rotulador permanente, hay que marcar la etiqueta en la zona que coincide con el haz de luz de la fotocélula de lectura de muescas. Verifique, dando una vuelta completa de la cuchilla con el sistema de corte desactivado, que la etiqueta se corte a ras con la cuchilla fija. Saque la etiqueta y mida desde borde de la etiqueta hasta la marca realizada con el rotulador. En la figura de abajo se indica el tramo de etiqueta que hay que medir.
  • 192.
    MAN. I4390.ES.USM000 (10/09/2013) DOC.ROLL4.CAP.05.R00 (09/12/2009) Sidel S.p.A. 5 INSTRUCCIONES PARA EL USO 5 - 66 C.7 Subpágina “PARÁMETROS TABLA DE MARCHA” En esta pantalla es posible visualizar y configurar los parámetros generales relativos a la regulación de los componentes del grupo de etiquetado. 1 DIAMETRO PANEL DE ETIQUETADO: recibir el diámetro nominal de la superficie se destina all'etichettaggio:. 2 ALTURA ENCOL: fijar la altura del uso de la etiqueta: 3. CÓDIGOS CASQUETTE DE CORTE: Muestra los códigos de las cáscaras cortadas en el formato que se procesan 4. CÓDIGO RODILLO DE TRANSFERENCIA: muestra los códigos del rodillo de transferencia en el forma- to para ser procesado. 5 PATIN DERECHO DEL JUNTADOR: Muestra el código de la giuntatore zapato derecho. 6 PATIN SINIESTRO DEL JUNTADOR: Muestra el código de la izquierda. giuntatore zapato Muestra fotocélula altura int 7 Posicion fotocelula int. aparato empalmador (N): ajuste de la altura de la giuntatore fotocélula. 8 Posicion fotocelula ext. aparato empalmador (H): establece la altura de la giuntatore fotocélula exterior. 9 Altura fotocelula control botella con empalme: es la altura de la fotocélula que se utiliza para el control cuando la etiqueta que se llegó. S: Tecla que permite salvar la SOLA visualización de los parámetros (para salvar en la RECETA consultar el parr.5.5.1) Las especificaciones de las etiquetas se encuentran en el capítulo 2 de este manual. S 5 4 3 2 1 6 7 8 9
  • 193.
    MAN. I4390.ES.USM000 (10/09/2013) DOC.ROLL4.CAP.05.R00 (09/12/2009) 5 Sidel S.p.A. INSTRUCCIONES DE USO 5 - 67 C8 Subpágina “APARATO EMPALMADOR” En esta pantalla es posible configurar los parámetros del aparato empalmador. 1 VENTANA LECTURAMUESCA: configuración del valor que corresponde al espacio en el que e l sensor realiza la lectura de la muesca (valor expresado en mm). Indica la zona en la que se considera significativo el estado de la fotocélula de lectura de spot. 2 ANTICIPACION JUNTA DE BOBINA A B: Establecer la compensación al cierre de la placa A. Cuanto menor sea el valor esperado de corte, recorte se retrasa. 3 ANTICIPACION JUNTA DE BOBINA B A: Establecer la compensación al cierre de la placa A. Cuanto menor sea el valor esperado de corte, recorte se retrasa. 4 DFTA: ajuste de la distancia entre la fotocélula en el giuntatore y el zapato en el lado A giuntatore (lado de la bobina A). 5 DFTB: ajuste de la distancia entre la fotocélula en el giuntatore y el zapato en el lado B giuntatore (lado de la bobina B). 6 TIEMPO DE CIERRE DE PLACA “A” --“B”: configuración del offset para el cierre de la placa A. Disminuyendo el valor, se anticipa el corte y viceversa, se retrasa el corte. 7 TIEMPO DE CIERRE DE PLACA “B” --“A”: configuración del offset para cerrar la placa “B”. Disminuyendo el valor, se anticipa el corte y viceversa, se retrasa el corte. 8 COEFICIENTE DE VELOCIDAD: Ajuste del coeficiente de velocidad que la velocidad de la máquina conjunto para garantizar que, independientemente de la longitud de la etiqueta, la etiqueta de sensibilidad de la película es constante durante la junta. 9 VELOCIDAD POR JUNTA: valor en vista única. 10 RALENTIZACION POR JUNTA: Establezca el intervalo de tiempo entre llegar a la velocidad para hacer la película viene de la etiqueta y el proceso de la junta. S: Tecla que permite salvar la SOLA visualización de los parámetros (para salvar en la RECETA consultar el parr.5.5.1) Las especificaciones de las etiquetas se encuentran en el capítulo 2 de este manual. S 5 4 3 2 1 6 7 8 9 10
  • 194.
    MAN. I4390.ES.USM000 (10/09/2013) DOC.ROLL4.CAP.05.R00 (09/12/2009) Sidel S.p.A. 5 INSTRUCCIONES PARA EL USO 5 - 68 C9 Subpágina “TAMBOR” En esta pantalla puede ajustar los parámetros del tambor motor. 1 NUMERACION SECTOR DE TAMBOR: Muestra el tipo de tambor receta (HH3, HH2, HH4). 2 OFFSET TAMBOR: Establece la posición compensada tambor etiquetado (valor en grados / cuchillo), entonces se determina la posición del tambor con respecto al contenedor. 3 OFFSET POS TAMBOR: establece, con el patín trasero informó que el tambor de cuchilla móvil. S: Tecla que permite salvar la SOLA visualización de los parámetros (para salvar en la RECETA consultar el parr.5.5.1) Las especificaciones de las etiquetas se encuentran en el capítulo 2 de este manual. 2 1 S 3
  • 195.
    MAN. I4390.ES.USM000 (10/09/2013) DOC.ROLL4.CAP.05.R00 (09/12/2009) 5 Sidel S.p.A. INSTRUCCIONES DE USO 5 - 69 5.6 LA FAMILIA “EFICIENCIAS” Funciones La familia “EFICIENCIAS” permite: – monitorizar la producción de la máquina etiquetadora. Moverse en la Familia “EFICIENCIAS” A A “Main eficiencias”
  • 196.
    MAN. I4390.ES.USM000 (10/09/2013) DOC.ROLL4.CAP.05.R00 (09/12/2009) Sidel S.p.A. 5 INSTRUCCIONES PARA EL USO 5 - 70 A Tab “MAIN EFICIENCIAS” 1 CONTADOR TOTAL BOTELLAS: visualización del número total de envases trabajados por la máquina desde el primer arranque en las facilidades del cliente hasta el momento actual. 2 CONTADOR PARCIAL BOTELLAS: visualización del número de botellas trabajadas por la máquina desde la última puesta a cero del contador (por ejemplo, el número de botellas trabajadas en un turno de trabajo, etc.). 3 TOTAL HORAS DE TRABAJO SISTEMA DE CORTE: visualización de las horas de corte efectivas. 4 SISTEMA DE REGISTRO DEL TOTAL DE HORAS DE FUNCIONAMIENTO: este campo muestra las horas de funcionamiento reales del rodillo. 5 TOTAL HORAS DE TRABAJO MÁQUINA: visualización del total de horas de trabajo de la máquina. 6 RESET PRODUCCIÓN PARCIAL: tasto per l’azzeramento del “CONTATORE BOTTIGLIE PARZIALE” (2). 7 RESET botellas rotas: este botón se presiona para restablecer CONTADOR botellas anulado (3). 8 RESET HORAS CUCHILLA: tecla de puesta a cero de las horas de trabajo de la cuchilla. El uso de las teclas presentes en la zona (A) está reservado a los técnicos autorizados por Sidel S.p.A.. 6 7 A A 1 2 3 4 5 8
  • 197.
    MAN. I4390.ES.USM000 (10/09/2013) DOC.ROLL4.CAP.05.R00 (09/12/2009) 5 Sidel S.p.A. INSTRUCCIONES DE USO 5 - 71 A 5.7 LA FAMILIA “GRÁFICAS” Funciones La familia “GRÁFICAS” permite: – visualizar el error de corte en las etiquetas. Moverse en la Familia “GRÁFICAS” A “Sistema de corte”
  • 198.
    MAN. I4390.ES.USM000 (10/09/2013) DOC.ROLL4.CAP.05.R00 (09/12/2009) Sidel S.p.A. 5 INSTRUCCIONES PARA EL USO 5 - 72 A Tab “SISTEMA DE CORTE” A ETIQUETA DE LONGITUD DE ERROR: Recibe el error se detecta durante la producción corriente de corte (indica cuántos milímetros, antes o después de que el lugar de primera, la última etiqueta se corta de la longitud nominal inserta en la receta). B Gráfica que visualiza las longitudes de las etiquetas cortadas*. * Valor expresado en milímetros (mm) B A
  • 199.
    MAN. I4390.ES.USM000 (10/09/2013) DOC.ROLL4.CAP.05.R00 (09/12/2009) 5 Sidel S.p.A. INSTRUCCIONES DE USO 5 - 73 5.8 LA FAMILIA “MANTENIMIENTO” Funciones La familia “MANTENIMIENTO” permite: – verificar el funcionamiento correcto de los sistemas instalados en la máquina; – verificar el estado de los sistemas instalados en la máquina; – modificar los parámetros del panel operador (unidades de medida, idioma, etc.); – modificar el emplazamiento del grupo de etiquetado; – realizar el mantenimiento ordinario y extraordinario de la máquina.
  • 200.
    MAN. I4390.ES.USM000 (10/09/2013) DOC.ROLL4.CAP.05.R00 (09/12/2009) Sidel S.p.A. 5 INSTRUCCIONES PARA EL USO 5 - 74 Moverse en la Familia “MANTENIMIENTO” A “Main mantenimiento” A1 “Mantenimiento bomba de grasa” A1.1 “Parámetros bomba de grasa” A1.2 “Prueba bomba de grasa” A2 “Cambio de formato” A3 “Reloj autostart” A3.1 “Configuración reloj” A4 “Manager HMI” A4.1 “Cambio de idioma” A4.2 “Información del proyecto” A4.3 “Limpieza del monitor” A5 “Altura cabezal” A6 “Inversor” A7 Diagnóstico MC4 A8 Diagnóstico PILZ B “Grupo de etiquetado 1” B2 “Manager alineador” B3 “Manager movimientos” B3.1 “Traslado grupo de etiquetado” B3.2 “Altura estación etiquetado” B3.3 “Altura soporte bobinas” B.4 Raspador de pegamento B.5 Tambor de vacío parámetros de engrase A1 A A2 A5.3 A5.2 B B1 B2 B2.1 B2.2 A5.1 B2.3 A3 A6 A7 A8 A1.1 A1.2 A4 A4.1 A5
  • 201.
    MAN. I4390.ES.USM000 (10/09/2013) DOC.ROLL4.CAP.05.R00 (09/12/2009) 5 Sidel S.p.A. INSTRUCCIONES DE USO 5 - 75 A Tab “MAIN MANTENIMIENTO” Funciones 1 MANTENIMIENTO BOMBA DE GRASA. 2 CAMBIO DE FORMATO. 3 MOVIMIENTOS CABEZAL. 4 RELOJ YAUTOSTART. 5 MANAGER “HMI”. 6 DIAGNÓSTICO C400. 7 DIAGNÓSTICO MC4. 8 DIAGNÓSTICO PILZ. 9 Este botón está reservado exclusivamente para técnicos autorizados de Sidel SpA. 4321 6 5 7 8 9
  • 202.
    MAN. I4390.ES.USM000 (10/09/2013) DOC.ROLL4.CAP.05.R00 (09/12/2009) Sidel S.p.A. 5 INSTRUCCIONES PARA EL USO 5 - 76 A1 Ventana“MANTENIMIENTO BOMBA DE GRASA”(SI LA HAY) En esta ventana es posible visualizar y gestionar el funcionamiento de la bomba de grasa. AVisualización del estado de trabajo de la bomba de grasa. 1 Símbolos que indican el estado de trabajo correcto de la bomba de grasa: – símbolo gris: la bomba de grasa no está funcionando; – símbolo verde: la bomba de grasa está funcionando. 2 Contador de ciclos de lubricación completos realizados por la bomba de grasa. 3 PARÁMETROS BOMBA DE GRASA: tecla para visualizar varios parámetros de la bomba de grasa. 4 PRUEBA BOMBA DE GRASA: tecla para verificar el funcionamiento correcto de la bomba. 3 4 A 1 2
  • 203.
    MAN. I4390.ES.USM000 (10/09/2013) DOC.ROLL4.CAP.05.R00 (09/12/2009) 5 Sidel S.p.A. INSTRUCCIONES DE USO 5 - 77 A1.1 Ventana “PRUEBA BOMBA DE GRASA”(SI LA HAY) En esta ventana es posible realizar la prueba para verificar el funcionamiento correcto de la bomba de grasa. 1 NÚMERO REVOLUCIONES PAUSA x 1000 (rev. carrusel): Muestra el número de vueltas que hace el carrusel entre dos ciclos completos de la lubricación. 2 NÚMERO CICLOS BOMBA GRASA: exhibición DE ciclos ** , necesaria para bombear la grasa para la lubricación completa puntos a lubricar. 3 REVOLUCIONES DE PAUSARESTANTES: vueltas restantes para hacer el carrusel antes de activar el siguiente (ciclo de lubricación de la cuenta regresiva). 4 ESTADO BOMBA DE GRASA: Viendo el estado del ciclo de lubricación (ON / OFF): 5 PRUEBA BOMBA DE GRASA: Mostrar el estado del ciclo de lubricación forzada (ON / OFF). * Valor expresado en número de vueltas del carrusel de. **alor expresado en número de ciclos realizados por la bomba de engrase. Los puntos de lubricación se dan en el capítulo 7, apartado 6. 1 2 3 4 5
  • 204.
    MAN. I4390.ES.USM000 (10/09/2013) DOC.ROLL4.CAP.05.R00 (09/12/2009) Sidel S.p.A. 5 INSTRUCCIONES PARA EL USO 5 - 78 A1.1 Ventana “PRUEBA BOMBA DE GRASA”(SI LA HAY) En esta ventana es posible realizar la prueba para verificar el funcionamiento correcto de la bomba de grasa. 1 BOTÓN DE FORZAMIENTO DEL CICLO DE LUBRICACIÓN: tecla para realizar un ciclo de lubricación completo. A PRUEBA BOMBA DE GRASA: ventana que permite visualizar el estado de forzamiento del ciclo de lubricación (ON/OFF). A través del forzamiento manual, es posible asignar a un componente de la máquina un estado definido por el usuario. El operador debe prestar suma atención a las operaciones realizadas en modo manual (selector de llave de mantenimiento en posición JOG) porque puede causar daños graves a la máquina y la producción, así como crear situaciones peligrosas para los demás operadores. 1 A
  • 205.
    MAN. I4390.ES.USM000 (10/09/2013) DOC.ROLL4.CAP.05.R00 (09/12/2009) 5 Sidel S.p.A. INSTRUCCIONES DE USO 5 - 79 A2 Ventana “CAMBIO DE FORMATO” En esta ventana es posible gestionar las regulaciones automáticas de la máquina con relación al cambio de formato. A Ventana en la que se visualiza el número y la descripción del formato. 1 Tecla que habilita el procedimiento de “HOME”, llevando el carrusel al punto de referencia (altura máxima del cabezal) y retrocediendo el grupo de etiquetado (solo si los movimientos del grupo son motorizados - opcional). 2 Botón que permite llevar automáticamente el carrusel (y el grupo de etiquetado, si los movimientos del grupo son motorizados - opcional) al valor configurado en la receta seleccionada. B Visualización de la posición de la cuchilla*. * Valor expresado en grados Procedimiento Antes de realizar las operaciones descritas en esta página, verifique que el selector de llave de mantenimiento esté en la posición “JOG”. De acuerdo a la configuración de la máquina, los movimientos del grupo de etiquetado se pueden gestionar: – MANUALMENTE: por medio de los volantes montados a bordo de la máquina (regulándolos en función de las tablas de marcha del fascículo adjunto); – AUTOMÁTICAMENTE: desde el panel operador, utilizando las pantallas previstas. 1 2 B A
  • 206.
    MAN. I4390.ES.USM000 (10/09/2013) DOC.ROLL4.CAP.05.R00 (09/12/2009) Sidel S.p.A. 5 INSTRUCCIONES PARA EL USO 5 - 80 A3 Ventana “ALTURA CABEZAL” En esta ventana es posible gestionar el movimiento de subida/bajada del cabezal. Antes de realizar las operaciones descritas en esta página, verifique que el selector de llave de mantenimiento esté en la posición “JOG”. 1 VALOR EN RECETA: visualización del valor configurado en la receta. 2 POSICIÓN CABEZAL: visualización de la posición actual del cabezal, alcanzada por medio de las teclas (4) y (5). La posición del cabezal corresponde al a distancia entre la base del platillo y el punto de fijación del cabezal al carrusel. 3 GUARDAR POSICIÓNACTUAL: tecla que permite guardar los parámetros en la receta usada. 4 MOVIMIENTO MANUAL DE SUBIDA DEL CABEZAL 5 MOVIMIENTO MANUAL DE BAJADA DEL CABEZAL 6 EMPLAZAMIENTO AUTOMÁTICO: el cabezal se coloca automáticamente al valor configurado en la receta. LA TECLA “GUARDAR RECETA” (3) SE VISUALIZA SOLAMENTE CUANDO LA RECETA EDITADA ES IGUAL QUE LA USADA. Todos los motores están provistos de sensor de final de carrera. 4 1 5 6 2 3
  • 207.
    MAN. I4390.ES.USM000 (10/09/2013) DOC.ROLL4.CAP.05.R00 (09/12/2009) 5 Sidel S.p.A. INSTRUCCIONES DE USO 5 - 81 A4 Ventana “RELOJ AUTOSTART” En esta ventana es posible configurar el encendido automático de la máquina y sus componentes. A Teclas que habilitan/deshabilitan el encendido automático de la máquina en el día y la hora indicados en la zona (B). B Zona en la que es posible configurar/modificar la hora de encendido de la máquina. C Zona en la que es posible configurar/modificar la hora y la fecha actuales. 1 Boton para guardar el tasto de juego. Procedimiento Presione dentro de la zona (C) para abrir la ventana “Configuraciòn reloj” (D). Escriba en el àrea (F) y utilice el teclado que aparece en la pantalla para ajustar la fecha y hora deseada. Presione “Esc” para cerrar el teclado y luego presione “OK” (2) para confirmar los cambios. Prensa (1) para guardar el conjunto de datos. Si se habilita el encendido automático de la máquina, hay que dejar activado (ON) el interruptor general situado en la puerta del armario eléctrico. El apagado de los auxiliares se realiza manualmente. C A B 1 FD 2
  • 208.
    MAN. I4390.ES.USM000 (10/09/2013) DOC.ROLL4.CAP.05.R00 (09/12/2009) Sidel S.p.A. 5 INSTRUCCIONES PARA EL USO 5 - 82 A5 Ventana “MANAGER HMI” En esta ventana es posible configurar los parámetros relativos al panel operador. Funciones 1 CAMBIO DE IDIOMA. 2 INFORMACIÓN DEL PROYECTO. 3 LIMPIEZA DEL MONITOR. A CAMBIO DE LA UNIDAD DE MEDIDA DE LA VELOCIDAD VISUALIZADA. 1 3 A 2
  • 209.
    MAN. I4390.ES.USM000 (10/09/2013) DOC.ROLL4.CAP.05.R00 (09/12/2009) 5 Sidel S.p.A. INSTRUCCIONES DE USO 5 - 83 A5.1 Ventana “CAMBIO DE IDIOMA” En esta ventana es posible seleccionar el idioma del panel operador. Procedimiento Pulse la tecla (1) para seleccionar el idioma que se quiere configurar en el panel operador. El idioma queda memorizado incluso después de apagar la máquina. 1
  • 210.
    MAN. I4390.ES.USM000 (10/09/2013) DOC.ROLL4.CAP.05.R00 (09/12/2009) Sidel S.p.A. 5 INSTRUCCIONES PARA EL USO 5 - 84 A5.2 Ventana “INFORMACIÓN DEL PROYECTO” En esta ventana es posible buscar información relativa al sistema. 1 Espacio disponible en disco (MEMORIA RAM) 2 Memoria utilizada 3 Código máquina 4 Nombre controlador 5 Nombre projecto Los parámetros indicados son de visualización, no pueden modificarse y se ofrecen para fines informativos. 1 2 3 4 5
  • 211.
    MAN. I4390.ES.USM000 (10/09/2013) DOC.ROLL4.CAP.05.R00 (09/12/2009) 5 Sidel S.p.A. INSTRUCCIONES DE USO 5 - 85 A5.3 Pantalla “LIMPIEZA DEL MONITOR” En esta ventana la pantalla táctil permanece deshabilitada durante el tiempo visualizado por el contador, a fin de permitir la limpieza del monitor; al finalizar el tiempo de espera (60 segundos), se visualiza automáticamente la pantalla inicial “HOME”. Procedimiento Pulse la tecla LIMPIEZA DEL MONITOR en la ventana MANAGER HMI para deshabilitar todas las teclas del panel de pantalla táctil: de esta manera, aparecerá una pantalla completamente vacía en cuyo interior se visualiza la cuenta atrás del tiempo restante para efectuar la limpieza del monitor.
  • 212.
    MAN. I4390.ES.USM000 (10/09/2013) DOC.ROLL4.CAP.05.R00 (09/12/2009) Sidel S.p.A. 5 INSTRUCCIONES PARA EL USO 5 - 86 A6 Ventana“DIAGNOSTICO C400”. En esta ventana se puede ver la información riguartanti el controlador principal (C400).
  • 213.
    MAN. I4390.ES.USM000 (10/09/2013) DOC.ROLL4.CAP.05.R00 (09/12/2009) 5 Sidel S.p.A. INSTRUCCIONES DE USO 5 - 87 A7 Ventana “DIAGNOSTICO MC4.” En esta ventana se puede seleccionar la unidad que debe ser supervisado. Prensa (1) para abrir la lista desplegable y hacer la elección. En esta ventana puede ver los datos de la unidad. 1
  • 214.
    MAN. I4390.ES.USM000 (10/09/2013) DOC.ROLL4.CAP.05.R00 (09/12/2009) Sidel S.p.A. 5 INSTRUCCIONES PARA EL USO 5 - 88 A8 Ventana“DIAGNOSTICO PILZ” En esta ventana puede ver el diagnóstico de Pilz.
  • 215.
    MAN. I4390.ES.USM000 (10/09/2013) DOC.ROLL4.CAP.05.R00 (09/12/2009) 5 Sidel S.p.A. INSTRUCCIONES DE USO 5 - 89 B Tab “MANTENIMIENTO GRUPO DE ETIQUETADO” Descripción 1 Tecla reservada para los técnicos autorizados por Sidel S.p.A.. 2 MANAGERALINEADOR. 3 ADMINISTRADOR DE MOVIMIENTOS (SI ESTÁ PRESENTE EL GRUPO DE ETIQUETADO MOTORIZADO). 4 RASPADOR DE PEGAMENTO. 5 PARÁMETROS DE ENGRASE TAMBOR DE VACÍO (PARAMÁQUINAS PROVISTAS DE INYECTOR). 321 4 5
  • 216.
    MAN. I4390.ES.USM000 (10/09/2013) DOC.ROLL4.CAP.05.R00 (09/12/2009) Sidel S.p.A. 5 INSTRUCCIONES PARA EL USO 5 - 90 B2 Ventana “MANAGER ALINEADOR“ En esta ventana es posible gestionar el grupo de guía de la cinta (Web-tracker). A Zona donde se visualiza el mensaje de estado del alineador de la guía de la cinta. 1 ALINEADOR EN POSICIÓN CENTRAL: la guía de la cinta se coloca perpendicularmente a la base del grupo de etiquetado. 2 ALINEADOR EN AUTOMÁTICO: habilita/deshabilita el funcionamiento automático del alineador; la orientación de la guía de la cinta se gestiona automáticamente. 3 ALINEADOR EN MANUAL: habilita/deshabilita el funcionamiento manual del alineador; la gestión se realiza mediante el teclado manual situado en la parte superior de la guía de la cinta. 2 31 A
  • 217.
    MAN. I4390.ES.USM000 (10/09/2013) DOC.ROLL4.CAP.05.R00 (09/12/2009) 5 Sidel S.p.A. INSTRUCCIONES DE USO 5 - 91 B3 Ventana “MANAGER MOVIMIENTOS“ SI ESTÁ PRESENTE EL GRUPO DE ETIQUETADO MOTORIZADO. En esta ventana es posible gestionar los movimientos motorizados del grupo de etiquetado. Funciones 1 TRASLADO GRUPO DE ETIQUETADO. 2 ALTURAGRUPO DE ETIQUETADO. 3 ALTURA ROLLOS DE APOYO. 1 2 3
  • 218.
    MAN. I4390.ES.USM000 (10/09/2013) DOC.ROLL4.CAP.05.R00 (09/12/2009) Sidel S.p.A. 5 INSTRUCCIONES PARA EL USO 5 - 92 B3.1 Ventana “TRASLADO GRUPO DE ETIQUETADO” En esta ventana es posible gestionar el movimiento de avance/retroceso del grupo de etiquetado. Antes de realizar las operaciones descritas en esta página, verifique que el selector de llave de mantenimiento esté en la posición “JOG”. 1 VALOR RECETA: visualización del valor configurado en la receta. 2 TRASLADO GRUPO: visualización de la posición actual del grupo de etiquetado, alcanzada mediante el uso de las teclas (4) y (5). 3 GUARDAR POSICIÓNACTUAL: tecla que permite guardar los parámetros en la receta usada. 4 TRASLADO HORIZONTALMANUALDEAVANCE DELGRUPO DE ETIQUETADO 5 TRASLADO HORIZONTALMANUALDE RETROCESO DELGRUPO DE ETIQUETADO 6 EMPLAZAMIENTOAUTOMÁTICO: el grupo de etiquetado se coloca automáticamente al valor configurado en la receta. LA TECLA “GUARDAR RECETA” (3) SE VISUALIZA SOLAMENTE CUANDO LA RECETA EDITADA ES IGUAL QUE LA USADA. Todos los motores están provistos de sensor de final de carrera. 4 1 5 6 2 3
  • 219.
    MAN. I4390.ES.USM000 (10/09/2013) DOC.ROLL4.CAP.05.R00 (09/12/2009) 5 Sidel S.p.A. INSTRUCCIONES DE USO 5 - 93 B3.2 Ventana “ALTURA ESTACIÓN ETIQUETADO” En esta ventana es posible gestionar el movimiento de subida/bajada del grupo de etiquetado. Antes de realizar las operaciones descritas en esta página, verifique que el selector de llave de mantenimiento esté en la posición “JOG”. 1 VALOR EN RECETA: visualización del valor configurado en la receta. 2 ALTURA GRUPO: visualización de la posición actual del grupo de etiquetado, alcanzada mediante el uso de las teclas (4) y (5). 3 GUARDAR VALORACTUAL: tecla que permite guardar los parámetros en la receta usada. 4 MOVIMIENTO MANUAL DE SUBIDADEL GRUPO DE ETIQUETADO 5 MOVIMIENTO MANUAL DE BAJADADEL GRUPO DE ETIQUETADO 6 EMPLAZAMIENTOAUTOMÁTICO: el grupo de etiquetado se coloca automáticamente al valor configurado en la receta. LA TECLA “GUARDAR RECETA” (3) SE VISUALIZA SOLAMENTE CUANDO LA RECETA EDITADA ES IGUAL QUE LA USADA. Todos los motores están provistos de sensor de final de carrera. 4 1 5 6 2 3
  • 220.
    MAN. I4390.ES.USM000 (10/09/2013) DOC.ROLL4.CAP.05.R00 (09/12/2009) Sidel S.p.A. 5 INSTRUCCIONES PARA EL USO 5 - 94 B3.3 Ventana “ALTURA SOPORTE BOBINAS” En esta ventana es posible gestionar el movimiento de subida/bajada del soporte de bobinas de película. Antes de realizar las operaciones descritas en esta página, verifique que el selector de llave de mantenimiento esté en la posición “JOG”. 1 VALOR EN RECETA: visualización del valor configurado en la receta. 2 ALTURA DESBOBINADOR: visualización de la posición actual del grupo de etiquetado, alcanzada mediante el uso de las teclas (4) y (5). 3 GUARDAR VALOR ACTUAL: tecla que permite guardar los parámetros en la receta usada. 4 MOVIMIENTO MANUAL DE SUBIDA DEL SOPORTE DE BOBINAS 5 MOVIMIENTO MANUAL DE BAJADA DEL SOPORTE DE BOBINAS 6 EMPLAZAMIENTOAUTOMÁTICO: el soporte de bobinas de película se coloca automáticamente en el valor configurado en la receta. LA TECLA “GUARDAR RECETA” (3) SE VISUALIZA SOLAMENTE CUANDO LA RECETA EDITADA ES IGUAL QUE LA USADA. Todos los motores están provistos de sensor de final de carrera. 4 1 6 2 3 5
  • 221.
    MAN. I4390.ES.USM000 (10/09/2013) DOC.ROLL4.CAP.05.R00 (09/12/2009) 5 Sidel S.p.A. INSTRUCCIONES DE USO 5 - 95 B4 VENTANA “RASPADOR DE PEGAMENTO” Esta ventana se utiliza para configurar la alineación del raspador de pegamento con el rodillo encolador. PROCEDIMIENTO 1. Cierre el bloqueo de alimentación de las botellas. 2. Detenga la máquina. 3. Configure la velocidad de rotación del raspador de pegamento. 4. Ponga en marcha la máquina. Comienza el procedimiento necesario para regular el raspador de pegamento con el rodillo encolador. Interrumpa el procedimiento cuando el raspador de pegamento se adhiera completamente a la superficie del rodillo encolador.
  • 222.
    MAN. I4390.ES.USM000 (10/09/2013) DOC.ROLL4.CAP.05.R00 (09/12/2009) Sidel S.p.A. 5 INSTRUCCIONES PARA EL USO 5 - 96 B5 Ventana “PARÁMETROS DE ENGRASE TAMBOR DE VACÍO” PARA MÁQUINAS PROVISTAS DE INYECTOR DE GRASA Esta ventana se utiliza para configurar el parámetro del inyector de grasa automático para el tambor de vacío. 1. REVOLUCIONES DEL TAMBOR DE VACÍO PARA INICIAR CICLO DE LUBRICACIÓN: este es el número de revoluciones del tambor de vacío tras iniciar el ciclo de engrase automático. 2. Revoluciones tambor actuales: este es el número real de revoluciones del tambor de vacío. 3. ESTADO BOMBA DE GRASA: este LED destella cuando el sistema está habilitado. 4. MANUAL ON / OFF BOMBA DE GRASA TAMBOR: este parámetro habilita/inhabilita el sistema de engrase automático del tambor de vacío.
  • 223.
    5 - 97 MAN.I4390.ES.USM000 (12/09/2013) DOC. ROLL4.CAP.05.R00 (03.12.09) 5 Sidel S.p.A. INSTRUCCIONES DE USO 5.9 BOTONERAS Y BOTONES DE EMERGENCIA 5.9.1 BOTONERA DE MANTENIMIENTO En la parte frontal de la máquina hay una botonera de mantenimiento llamada “JOG” que prevé: 1 Botones de maniobra izquierdo y derecho (2) que permiten, con la emergencia excluida, controlar la máquina por impulsos con velocidades reducidas al mínimo. Para controlar la máquina es obligatorio usar ambas manos para presionar los mandos simultáneamente. La botonera de mantenimiento se habilita con el selector de llave, situado a bordo de la máquina, en el modo “JOG”. Funciona con las puertas cerradas, a excepción de la puerta frontal. 5.9.2 PULSANTI DI EMERGENCIA La máquina está provista de botones de emergencia situados a bordo de la máquina, en la botonera de JOG y en los puntos estratégicos, para permitir que el operador trabaje en condiciones de seguridad. 22
  • 224.
    5 - 98 MAN.I4390.ES.USM000 (12/09/2013) DOC. ROLL4.CAP.05.R00 (03/12/2009) 5 Sidel S.p.A. ISTRUZIONI PER L’USO 5.10 ALARMAS Y SEÑALIZACIONES En caso de anomalías, el sistema envía mensajes de alarma específicos al panel operador. La tecla intermitente (1) indica la presencia de una o varias alarmas. Pulse la tecla (2) para visualizar la lista de alarmas activas. En la máquina se halla instalada una columna luminosa con las siguientes indicaciones de estado: LUZ VERDE: marcha normal. a. Apagada: siempre, con la máquina parada, independientemente del modo de funcionamiento seleccionado. b. Funcionamiento intermitente: con la máquina en marcha, ya sea en modo automático o de mantenimiento /JOG, pero con el bloqueo de botellas cerrado. c. Funcionamiento continuo: con la máquina en marcha, ya sea en modo automático o de mantenimiento/ JOG, pero con el bloqueo de botella abierto. LUZ NARANJA: máquina lista para funcionar. a. Apagada: siempre, con la máquina en automático (independientemente de que esté en marcha o parada), a menos que existan prealarmas y/o anomalías como se describe a continuación. b. Funcionamiento intermitente: causado por falta de botellas en la entrada con la máquina en marcha y en automático, demasiado lleno aguas abajo con la máquina en marcha y en automático, falta de autorización para la apertura del bloqueo de botellas (bloqueo electrónico) con la máquina en marcha y en automático, mesa de acumulación de botellas rechazadas llena con la máquina en marcha y en automático, nivel bajo de pegamento con la máquina en marcha y en automático, falta de etiquetas con la máquina en marcha y en automático. También indica condiciones que causan el cierre del bloqueo de botellas (o que impiden su apertura) y el consecuente vaciado de la etiquetadora, pero sin provocar su parada. Toda condición que cause la parada de la máquina no se puede comparar con las situaciones descritas y debe considerarse como alarma. Este estado se mantiene hasta resolver la causa que ha generado la prealarma, restableciendo entonces las condiciones de ejercicio normales. c. Funcionamiento continuo: sólo con la máquina en mantenimiento / JOG, independientemente de que esté en marcha o parada. 1 2
  • 225.
    5 - 99 MAN.I4390.ES.USM000 (12/09/2013) DOC. ROLL4.CAP.05.R00 (03.12.09) 5 Sidel S.p.A. INSTRUCCIONES DE USO LUZ ROJA: indica la presencia de un estado de alarma. a. Apagada: siempre, con la máquina en marcha (todas las alarmas causan la parada de la máquina), independientemente del tipo de funcionamiento seleccionado, a menos que haya alarmas como las que se describen a continuación. b. Funcionamiento intermitente: siempre que hay una alarma activa. Por alarma se entiende cualquier evento cuya gravedad implique la parada de la máquina, independientemente del tipo de funcionamiento seleccionado. Este estado se mantiene hasta resolver la causa que ha generado la alarma, restableciendo entonces las condiciones de ejercicio normales. c. Funcionamiento continuo: nunca, en ninguna condición. ALARMAACÚSTICA: a. Apagada: siempre, si no hay ninguna alarma activa, o bien si ya ha transcurrido el tiempo necesario para que el silenciar el timbre automáticamente (incluso permaneciendo en condiciones de alarma activa). b. Funcionamiento intermitente (lento): cada vez que se produce una situación de alarma que detiene la máquina. La señal acústica se activa contemporáneamente al evento de la alarma (si esto es transitorio debe hacerse configurando un flag), permanece activa por 5 segundos para luego apagarse automáticamente. Si se produce una segunda alarma antes de restablecer la anterior, se realiza nuevamente el ciclo de 5 segundos de la señal acústica. Como excepción, al no ser una alarma, la misma señal acústica también se activa en caso de parada automática de la máquina. c. Funcionamiento intermitente (rápido): cada vez que se pulsa el botón de marcha manual/JOG (naturalmente, la máquina debe estar seleccionada para este tipo de funcionamiento) como preaviso de marcha. Este retraso es necesario, ya que las protecciones están excluidas y hay que avisar a los operadores que estén en los alrededores antes de mover los órganos mecánicos. Pulsando el botón, se activa instantáneamente la señal acústica (durante un tiempo variable entre 1 y 3 segundos) y, al transcurrir el tiempo configurado, la señal se interrumpe y la máquina empieza a girar. Si la etiquetadora está provista del sistema de parada automática con botellas en la máquina, al cumplirse nuevamente las condiciones de marcha se procede con el preaviso acústico de 3 segundos; al transcurrir dicho tiempo, la máquina reanuda la marcha y la se interrumpe la señal. d Funcionamiento continuo: nunca, en ninguna condición.
  • 226.
    5 - 100 MAN.I4390.ES.USM000 (12/09/2013) DOC. ROLL4.CAP.05.R00 (03/12/2009) 5 Sidel S.p.A. ISTRUZIONI PER L’USO LISTA DE ALARMAS En la siguiente tabla se indican los mensajes de alarma. Para el diagnóstico, véase el capítulo 8. Continúaenlapáginasiguiente... žÃ6G6SH6Ã@I8PIUS696Ã@IÃG6ÃHÈRVDI6Ãà 1 E M ER GEN C IA S PRE SION AD AS O PU E R TAS ABIE R TAS 2 BL O QU E PR O TEC C IO N ES D ESH ABILIT AD O 3 CO N TR O L D E EM PA LM E N O HA BILITA D O 4 M ÁQ UIN A AP AGAD A 5 CO N TR O L D E VAL V U LA D ESC A R GA D E AIR E 6 M O TO R TR AN SPOR TE DE LIN E A N O C ON E C T ADO 8 A L TU R A MÁX IMA C ABEZ AL 9 A L TU R A MÍNIMA C A BEZA L 10 A L TU R A MÁX IMA ES T ACIÓN ET IQU ETAD O 11 A L TU R A MÍNIMA ES T ACIÓN ETIQU ETAD O 12 E ST ACIÓN ET IQU ET AD O F INAL D E C A R R ER A_FW 13 E ST ACIÓN ET IQU ET AD O F INAL D E C A R R ER A_R W 14 E ST ACIÓN ET IQU ET . D ES BOBIN AD O R FIN A L D E C AR R ER A P X_U P 15 E ST ACIÓN ET IQU ET . D ES BOBIN AD O R FIN A L D E C AR R ER A P X_D O W N 16 U N A D E L AS TEM PE R ATU RAS E S D E MASIA D O BA JA 17 T EMPE R ATU R A C R ÍTIC A D ESC AR G A BO MB A VAC ÍO 18 T EMPE R ATU R A C R ÍTIC A C O R R EA TR AN SM ISIÓ N GR U P O 19 M ÁQ UIN A PA R AD A, EN ES PER A D E C ALEN TAM IE N TO D EL R O DILLO EN C OL A D OR 21 B L OQ U EO D E EN TR AD A C ER R A DO 22 INV ER S O R PR IN C IP AL D ESC O N EC TA D O 23 INV ER S O R D E LA CINT A D ESC ON EC TAD O 24 INV ER S O R D E LA B OM BA D E P EG AM EN TO D ESC O N ECT ADO 25 E R R O R EN EL IN V ER SO R PR IN C IPAL 26 E R R O R EN EL IN V ER SO R D E LA C INT A 27 E R R O R EN EL IN V ER SO R D E LA BOM BA D E PEG AMEN TO 28 A D VER TEN C IA M O TOR P R INC IP AL 29 A SPIR A DO R D E PE GAM E N TO DE SH A BILITA D O O M AG N E TO R M IC O 32 B L OQ U EO EM BR AG U E C Ó C LEA M ÁQU IN A 33 B L OQ U EO EM BR AG U E ES TR EL LA EN TR AD A M ÁQU IN A 34 B L OQ U EO EM BR AG U E ES TR EL LA D E TR AN SFER EN C IA 35 B L OQ U EO EM BR AG U E ES TR EL LA SA LID A M ÁQ U IN A 36 B L OQ U EO EM BR AG U E ES TAC IÓ N ETIQ U ETAD O 37 V ÁLVU LA D E V AC ÍO N O E STÁ LISTA 39 E MPALM AD O R EN M O D A LID AD D E EM PALM E 40 A PAR AT O EM PALM AD OR N O LISTO 41 A PAR AT O EM PALM AD OR EN M AN U A L 42 A PAR AT O EM PALM AD OR EN PA R AD A 43 A PAR AT O EM PALM AD OR N O P U ESTO A C E R O 44 A PAR AT O EM PALM AD OR : FALTA D E LEC TU R A D E 5 M UESC AS 45 F ALLO D E C O MU N IC AC IÓ N C ON APA R ATO EM PA LM AD OR 46 L A DO A APAR ATO E MPAL MAD O R ABIE R TO Ã
  • 227.
    5 - 101 MAN.I4390.ES.USM000 (12/09/2013) DOC. ROLL4.CAP.05.R00 (03.12.09) 5 Sidel S.p.A. INSTRUCCIONES DE USO Continúaenlapáginasiguiente... 4 7 L A D O B A P A R A T O E M P A L M A D O R A B IE R T O 4 8 C IR C U IT O D E S E G U R ID A D P A R D E E J E S N O O K 4 9 M Á Q U I N A E N JO G 6 0 E R R O R C O N E X IÓ N E T H E R N E T 1 P A R T N E R 6 1 T IM E O U T C O M U N IC A C IÓ N E T H E R N E T 1 P A R T N E R 6 2 E R R O R C O N E X IÓ N E T H E R N E T 2 P A R T N E R 6 3 T IM E O U T C O M U N IC A C IÓ N E T H E R N E T 2 P A R T N E R 6 5 F A L T A M A R C H A C I N T A M Á Q U IN A 6 6 F A L T A B O T E L L A S E N C A R R U S E L 6 7 A N O M A L ÍA M O T O R C Ó C L E A 6 8 A N O M A L ÍA M O T O R C Ó C L E A 2 6 9 A N O M A L ÍA L E C T U R A D E 5 M U E S C A S C O N S E C U T IV A S E N P E L Í C U L A 7 0 E R R O R C O R R E A 7 1 E R R O R T A M B O R 7 2 T A M B O R N O E S T A E N A U T O M A T IC O 7 3 S E G U R ID A D S A L ID A M Á Q U IN A 7 4 M O T O R B O M B A V A C ÍO O S O P L O S A P A G A D O S 7 5 P A R A D A B O M B A P E G A M E N T O P O R S U P E R A C IÓ N T I E M P O C O N N I V E L D E P E G A M E N T O B A J O 7 6 L E V A N O IN T R O D U C ID A 7 7 B O T E L L A A N C H A 7 8 G R U P O F U E R A D E P O S I C IÓ N 7 9 P R E S IÓ N B A J A D E A L I M E N T A C IÓ N D E A IR E 8 0 B O M B A P E G A M E N T O P A R A D A A L A E S P E R A D E C A L E N T A M IE N T O O A U T O R I Z A C I Ó N M /C 8 1 S O L I C I T U D H O M E E T IQ U E T A 8 2 S I S T E M A D E C O R T E D E S H A B IL IT A D O 8 3 A N O M A L ÍA B O M B A D E G R A S A : P A R A D A D E N T R O D E 7 H O R A S 8 4 A N O M A L ÍA B O M B A D E G R A S A : M Á Q U IN A P A R A D A 8 5 T É R M IC O B O M B A G R A S A 8 6 E N G R A S E D E T A M B O R D E V A C ÍO E N A L A R M A 8 7 C A R T U C H O V A C ÍO P A R A E N G R A S E D E T A M B O R D E V A C ÍO 8 8 A N O M A L ÍA V E L O C ID A D M Á Q U IN A 8 9 C O D IF IC A D O R E N A L A R M A 9 0 I N S P E C T O R : D E M A S IA D O S R E C H A Z O S C O N S E C U T IV O S 9 1 S T A N D B Y A C T IV O 9 2 I N S P E C T O R N O L I S T O O E N A L A R M A 9 3 E M E R G E N C IA T Ú N E L 9 4 T Ú N E L N O E N M A R C H A 9 5 T Ú N E L IN A C T IV O 9 6 C O D IF IC A D O R N O L IS T O O E N A L A R M A 9 7 M A L F U N C IO N A M I E N T O D E L A C O N D IC IO N A D O R D E A IR E 9 8 T Ú N E L D E S H A B IL IT A D O 9 9 A L A R M A C 6 0 0 - C Ó D IG O D E E R R O R 1 0 0 S I S T E M A D E C O R T E : E R R O R D E P R O C E D IM IE N T O 1 0 1 A L A R M A P I L Z 1 0 2 R O D IL L O E N C O L A D O R D E S A C T IV A D O 1 0 3 A L A R M A IN S P E C T O R L ÍN E A
  • 228.
    5 - 102 MAN.I4390.ES.USM000 (12/09/2013) DOC. ROLL4.CAP.05.R00 (03/12/2009) 5 Sidel S.p.A. ISTRUZIONI PER L’USO Continúaenlapáginasiguiente... 10 4 A LA R M A C O D IF I C A D O R LÍ N E A 10 5 G R U P O C O R T E A B IE R T O 10 6 AD V E RT EN C IA : T A M BO R D E V A C ÍO L IM P IO 10 7 LO NG IT U D E T IQ U E T A S U P E RI O R A D I M E N S IÓ N M Á X . T A M B O R 10 8 LO N G IT UD E T IQ U E T A IN F E R IO R A D IM E N S IÓ N M Á X . T A M B O R 10 9 E R RO R E N A U T O A P R E N D IZ A J E T A M A Ñ O E T IQ U E T A 11 0 G A T E W A Y N O LIS T O 11 1 H O M E C AR R U S E L NO E J E C U T A D O 11 2 H O M E P LA T IL LO S N O E JE C U T A D O 11 3 L E V A P LA T ILLO S N O T R A N S F E R ID A 11 4 E R R O R E N M P C 11 5 E R R O R D E C O M U N IC A C IÓ N M P C 11 6 E R R O R LIF E B IT M P C 11 9 BO T E LLA R O T A E N C A R R U S E L 12 0 M O D O M Á Q U INA R A S P A D O R D E CO LA 12 4 U P S E N M O D O B A T E R ÍA 12 5 B A T E R ÍA B A J A D E U P S 12 6 A N O M AL ÍA V A LO R A N A L Ó G IC O -A S P IR A DO R H U M O S P E G A M E N T O 12 7 T E M P E R A T U R A M Á X IM A A S P IR A D O R H U M O S P EG A M E NT O 12 8 A N O M AL ÍA V A LO R A N A L Ó G IC O – R O D ILL O EN C O LA D O R 12 9 A N O M AL ÍA V A LO R A N A L Ó G IC O – T . E S T R U C T U R A R O D IL LO E N C O L A D O R 13 0 A N O M AL ÍA V A LO R A N A L Ó G IC O – T T U B O R ET O R N O P E G A M E N T O 13 1 A N O M AL ÍA V A LO R A N A L Ó G IC O – T T U B O IM P U L S IÓ N P E G A M E N T O 13 2 A N O M AL ÍA V A LO R A N A L Ó G IC O – T R E CIP IE N T E P E G A M E N T O 13 3 A N O M AL ÍA V A LO R A N A L Ó G IC O – T P E G A M E N T O 13 4 T E M P E R A T U R A M Á X . R O D ILLO E N C O LA D O R 13 5 T E M P E R A T U R A M Á X IM A E S T R U CT U R A R O D ILL O E N C O L A D O R 13 6 T E M P E R A T U R A M Á X IM A T U B O RE T O R N O P E G A M E N T O 13 7 T E M P E R A T U R A M Á X IM A T U B O IM P U LS I Ó N P E G A M E N T O 13 8 T E M P E R A T U R A M Á X IM A R EC I P IE N T E P E G A M E N T O 13 9 T E M P E R A T U R A M Á X IM A P E G A M E N T O 14 0 A L A R M A B R M Ó D U L O N 1 14 1 A L A R M A B R M Ó D U L O N 2 14 2 A L A R M A B R M Ó D U L O N 3 14 3 A L A R M A B R M Ó D U L O N 4 14 4 A L A R M A B R M Ó D U L O N 5 14 5 A L A R M A B R M Ó D U L O N 6 14 6 A L A R M A B R M Ó D U L O N 7 14 7 A L A R M A B R M Ó D U L O N 8 14 8 A L A R M A B R M Ó D U L O N 9 14 9 A L A R M A B R M Ó D U L O N 1 0 15 0 A L A R M A B R M Ó D U L O N 1 1 15 1 A L A R M A B R M Ó D U L O N 1 2 15 2 A L A R M A B R M Ó D U L O N 1 3 15 3 A L A R M A B R M Ó D U L O N 1 4 15 4 A LA R M A B R M Ó D UL O N 15
  • 229.
    5 - 103 MAN.I4390.ES.USM000 (12/09/2013) DOC. ROLL4.CAP.05.R00 (03.12.09) 5 Sidel S.p.A. INSTRUCCIONES DE USO Continúaenlapáginasiguiente... 155 ALARMA BR MÓDULO N16 156 ALARMA BR MÓDULO N17 157 ALARMA BR MÓDULO N18 158 ALARMA BR MÓDULO N19 159 ALARMA BR MÓDULO N20 160 ALARMA BR MÓDULO N21 161 ALARMA BR MÓDULO N22 162 ALARMA BR MÓDULO N23 163 ALARMA BR MÓDULO N24 164 ALARMA BR MÓDULO N25 165 ALARMA BR MÓDULO N26 166 ALARMA BR MÓDULO N27 167 CIERRE BLOQUEO BOTELLAS EN ENTRADA 168 ALARMA BR MÓDULO N43 169 SEGURIDAD ENTRADA MÁQUINA 170 ATENCIÓN: RALENTIZ ACIÓN POR DEMASIADAS BOTELLAS EN SALIDA 171 ALARMA BR MÓDULO N31 172 ALARMA BR MÓDULO N32 173 ALARMA BR MÓDULO N33 174 ALARMA BR MÓDULO N34 175 ALARMA BR MÓDULO N35 176 ALARMA BR MÓDULO N36 177 ALARMA BR MÓDULO N37 178 ALARMA BR MÓDULO N38 179 ALARMA BR MÓDULO N39 180 ALARMA BR MÓDULO N40 181 ALARMA BR MÓDULO N41 182 ALARMA BR MÓDULO N42 183 ALARMA BR MÓDULO N28 184 ALARMA BR MÓDULO N29 185 ALARMA BR MÓDULO N30 187 PROCEDIMIENTO DE AUTO-TEACH NO ES CORRECTO 188 SMAR EN ERROR 189 ETIQUETA SE QUEDO SOBRE EL TAMBOR 190 PUERTA ABIERTA N1 191 PUERTA ABIERTA N2 192 PUERTA ABIERTA N3 193 PUERTA ABIERTA N4 194 PUERTA ABIERTA N5 195 PUERTA ABIERTA N6 196 PUERTA ABIERTA N7 197 PUERTA A BIERTA N8
  • 230.
    5 - 104 MAN.I4390.ES.USM000 (12/09/2013) DOC. ROLL4.CAP.05.R00 (03/12/2009) 5 Sidel S.p.A. ISTRUZIONI PER L’USO 200 MÁQUINA EN MODO BY PASS 211 EMBRAGUE CÓCLEA MÁQUINA 212 EMERGENCIA EXTERNA 213 FALLA BOMBA DE ACEITE CORTADORA 214 ANOMALÍA CONTROL GUÍA CINTA EL 215 BOMBA DE ACEITE INHABILITADA 216 FALTA ETIQUETAS RODILLO “A” O APERTURA PUERTA 217 FALTA ETIQUETAS RODILLO “B” O APERTURA PUERTA 218 NIVEL PEGAMENTO BAJO 219 EMERGENCIA DEL JOG 2 PRESIONADA 220 WATCH CONTACTOR NO LISTO 221 VELOCIDAD MEDIA 222 EMERGENCIA LADO 4 223 VACIADO LÍNEA 224 SOPLADORA NO LISTA 225 MESA DE RECHAZOS LLENA 226 EMERGENCIA PRESIONADA CUADRO AUXILIARES 227 EMERGENCIA BOTONERA JOG PRESIONADA 228 EMERGENCIA BOTONERA PRESIONADA 229 EMERGENCIA CUADRO ELÉCTRICO POTENCIA PRESIONADA 230 EMERGENCIA LADO 1 231 EMERGENCIA LADO 2 232 CALENTAMIENTO ESTRUCTURA RODILLO ENCOLADOR DESHABILITADO 233 CALENTAMIENTO ASPIRADOR DE HUMOS PEGAMENTO APAGADO 234 EMERGENCIA LADO 3 235 BLOQUEO CÓCLEA MÁQUINA 236 EXT: TRANSPORTES LÍNEA PARADOS 237 TEMPERATURA PARTE SUPERIOR DE LA CUCHILLA FUERA DE RANGO 238 TEMPERATURA PARTE INFERIOR DE LA CUCHILLA FUERA DE RANGO 239 CALENTAMIENTO RODILLO ENCOLADOR DESHABILITADO 240 CALENTAMIENTO TUBOS DESACTIVADO 241 CALENTAMIENTO RECIPIENTE PEGAMENTO DESACTIVADO
  • 231.
    5 - 105 MAN.I4390.ES.USM000 (12/09/2013) DOC. ROLL4.CAP.05.R00 (03.12.09) 5 Sidel S.p.A. INSTRUCCIONES DE USO 5.11 CAMPO DE TRABAJO Y POSICIONES SIGNIFICATIVAS La puesta en marcha y la conducción de la máquina se llevan a cabo en la ”zona de mando y control”. Durante el funcionamiento en régimen, el operador debe trabajar en los alrededores del panel de control y en la zona de soporte de bobinas (véase el lay-out ilustrado abajo) y, ocasionalmente, puede desplazarse hacia el lado de la salida para recuperar los envases rechazados (para máquinas provistas de dispositivo de rechazo). Durante las eventuales regulaciones o los cambios de formato, el operador puede acceder a todas las partes de la máquina colocando el selector de llave de mantenimiento en la posición “JOG”. A Zona de mando y control B Zona de control de alimentación de los envases C Zona de control de descarga de los envases B C A
  • 232.
    5 - 106 MAN.I4390.ES.USM000 (12/09/2013) DOC. ROLL4.CAP.05.R00 (03/12/2009) 5 Sidel S.p.A. ISTRUZIONI PER L’USO PRODUCCIÓN En funcionamiento automático de producción, la máquina requiere vigilancia (presencia del operador). La conducción de la máquina puede ser gestionada por 1 operador genérico (véase el capítulo 1, párrafo 1.2), que controlará los estados de funcionamiento mediante la interfaz del operador (HMI) y actuará de acuerdo a las indicaciones de este manual. En funcionamiento manual de producción (protecciones cerradas), el panel operador debe ser controlado por 1 solo encargado. MODO “JOG” Todas las actividades realizadas en modo JOG deben ser efectuadas exclusivamente por 1 operador; dicho operador debe tener a mano la botonera móvil de mantenimiento (jog) para poder trabajar en condiciones de seguridad. MANTENIMIENTO Las actividades de mantenimiento eléctrico y mecánico deben ser realizadas por personal cualificado: técnicos de mantenimiento eléctricos y mecánicos. El número de operadores destinados a cada actividad de mantenimiento se indica en el capítulo 7. El personal encargado de conducir la línea debe utilizar equipos de protección individual adecuados (gafas, guantes, etc.). .
  • 233.
    5 - 107 MAN.I4390.ES.USM000 (12/09/2013) DOC. ROLL4.CAP.05.R00 (03.12.09) 5 Sidel S.p.A. INSTRUCCIONES DE USO 5.12 SELECCIÓN DE LOS MODOS DE FUNCIONAMIENTO La máquina tiene dos modos de funcionamiento principales: – AUTOMÁTICO La etiquetadora funciona en modo automático durante la producción. Durante el ciclo en automático, la columna luminosa tiene la luz verde encendida. Las condiciones necesarias para realizar el ciclo de elaboración en automático son: – encendido y calentamiento posterior de rodillo encolador, rodillo de corte y recipiente de pegamento, – encendido de los soplos y los vacíos, – haber realizado todos los controles previos al arranque. Ponga la máquina en modo automático colocando el selector de llave de mantenimiento (1) en la posición “AUTO”. – MANUAL La etiquetadora funciona en modo manual durante las operaciones de mantenimiento, ajuste de fase, regulación y cambio de formato. Ponga la máquina en modo manual, colocando el selector de llave de mantenimiento (1) en la posición “JOG” . El personal encargado de conducir la línea debe utilizar equipos de protección individual idóneos (gafas, guantes, etc.). Antes de ejecutar un mando manual hay que comprobar que no haya obstáculos para el funcionamiento normal de la máquina. 1
  • 234.
    5 - 108 MAN.I4390.ES.USM000 (12/09/2013) DOC. ROLL4.CAP.05.R00 (03/12/2009) 5 Sidel S.p.A. ISTRUZIONI PER L’USO 5.13 ARRANQUE DE LA MÁQUINA Al principio de cada turno de trabajo y antes de poner en marcha la producción, realice un control preliminar del funcionamiento correcto de los sistemas de seguridad. Para poner en marcha la máquina, siga las instrucciones descritas a continuación. 5.13.1 CONTROLES PRELIMINARES Las máquinas etiquetadoras son reguladas por los técnicos Sidel S.p.A. antes de la puesta en marcha y de acuerdo a las disposiciones del cliente. Sidel S.p.A. recomienda no modificar las regulaciones efectuadas durante el ensayo. CONTROLES GENERALES – Compruebe que la máquina esté perfectamente limpia, – compruebe que todos los elementos de la máquina estén correctamente montados y fijados a la estructura principal de la máquina. CONTROL DEL FORMATO Compruebe que se hayan realizado todas las regulaciones relativas al tipo de envase y las etiquetas a utilizar. En lo específico, cerciórese de que los equipos montados correspondan al formato que se quiere etiquetar. Verifique que el equipo esté perfectamente en fase. Realice una prueba colocando una o más botellas en la máquina y ejecutando un ciclo completo con marcha por impulsos (JOG). No utilice etiquetas o envases distintos de aquellos utilizados por los técnicos Sidel S.p.A. para el ajuste de la máquina. El uso de otros tipos de etiquetas y envases con tamaños o formas diferentes puede dañar los componentes de la máquina. CONTROL DE LAS PROTECCIONES Verifique que el revestimiento de protección no presente daños y esté bien fijado al bastidor de metal y que todas las aberturas se cierren perfectamente. Cerciórese de que todas las protecciones estén cerradas.
  • 235.
    5 - 109 MAN.I4390.ES.USM000 (12/09/2013) DOC. ROLL4.CAP.05.R00 (03.12.09) 5 Sidel S.p.A. INSTRUCCIONES DE USO 5.13.2 DESBLOQUEO DE LAS ABRAZADERAS DE BLOQUEO DEL GRUPO Por motivos de seguridad y protección, el grupo se bloquea con dos abrazaderas de bloqueo que es NECESARIO retirar antes de proceder con los controles previos a la puesta en marcha. Retire las abrazaderas de bloqueo interviniendo en el tornillo correspondiente. El motor de desplazamiento, situado debajo del grupo, está desconectado del grupo. Fije el motor de la siguiente manera: Desenrosque la tuerca A. Coloque el orificio del motor B en el perno de transmisión C y bloquee con la tuerca A. A C A B
  • 236.
    5 - 110 MAN.I4390.ES.USM000 (12/09/2013) DOC. ROLL4.CAP.05.R00 (03/12/2009) 5 Sidel S.p.A. ISTRUZIONI PER L’USO CONTROL DE LA INSTALACIÓN NEUMÁTICAY LA PRESIÓN DE EJERCICIO Verifique que las conexiones a la instalación neumática se haya realizado correctamente. Verifique las presiones de ejercicio: el regulador principal debe configurarse a 6 bar; Verifique los valores de los reguladores de presión situados en el panel neumático, en el lado frontal de la máquina. CONTROL DE LAINSTALACIÓN ELÉCTRICA Haciendo referencia al esquema eléctrico, controle que las conexiones de los servicios se hayan realizado correctamente. Antes de encender la máquina, verifique que la tensión de alimentación coincida con la que se indica en el esquema eléctrico. Para encender la máquina, gire el interruptor general situado en la puerta del armario eléctrico.
  • 237.
    5 - 111 MAN.I4390.ES.USM000 (12/09/2013) DOC. ROLL4.CAP.05.R00 (03.12.09) 5 Sidel S.p.A. INSTRUCCIONES DE USO 5.13.2 PUESTA EN MARCHA DE LA MÁQUINA Realice los controles preliminares indicados en el párrafo 5.13.1 antes de proceder a la puesta en marcha de la máquina. 1. Alimente la máquina girando el interruptor general situado en el armario eléctrico. 2. Pulse la tecla “RESET” (1) para permitir que la unidad operativa restablezca las alarmas eventual- mente presentes en la máquina. 3. En la ventana “STARTUPMANAGER GENERAL”, pulse la tecla “MÁQUINA EN CONTROL ON” (2) para activar los auxiliares previamente seleccionados. Para verificar los auxiliares activados del grupo de etiquetado, pulse la tecla (3). 2 3 Continúaenlapáginasiguiente... 1
  • 238.
    5 - 112 MAN.I4390.ES.USM000 (12/09/2013) DOC. ROLL4.CAP.05.R00 (03/12/2009) 5 Sidel S.p.A. ISTRUZIONI PER L’USO 4. En la pantalla “START UP ESTACIÓN DE ETIQUETADO”, habilite las teclas “CALENTAMIENTOS” y “CALENTAMIENTO TUBOS”: espere a que se caliente el recipiente, el rodillo encolador y los tubos del sistema Hot Melt (harán falta unos 60 min.). Luego, habilite: – “SISTEMA DE CORTE”, – “BOMBA DE PEGAMENTO”, – “BOMBA DE VACÍO”, – “SOPLOS”. También hay que habilitar el “SOPLO RECHAZO ETIQUETA”, necesario para la función de PRUEBA ETIQUETA.
  • 239.
    5 - 113 MAN.I4390.ES.USM000 (12/09/2013) DOC. ROLL4.CAP.05.R00 (03.12.09) 5 Sidel S.p.A. INSTRUCCIONES DE USO A INSTALACIÓN DE LAS BOBINAS DE PELÍCULA DE ETIQUETAS Instale por lo menos una bobina en el grupo portabobinas, respetando el recorrido giro-película como se indica en la figura. Para instalar la bobina, el bloqueo freno/bobina debe estar en posición cerrada (habilitación / inhabilitación mediante el panel de gestión situado en el soporte de las bobinas). Realice las operaciones con la máquina parada e intervenga en el panel de control para controlar el sistema de arrastre. Accedere alla finestra “MANAGER STAZIONE ETICHETTAGGIO“ e selezionare direttamente nella zona (A) la bobina che si deve utilizzare.
  • 240.
    5 - 114 MAN.I4390.ES.USM000 (12/09/2013) DOC. ROLL4.CAP.05.R00 (03/12/2009) 5 Sidel S.p.A. ISTRUZIONI PER L’USO 12 A Continúaenlapáginasiguiente... 5.13.3 PUESTA A PUNTO INICIAL MOVIMIENTO DEL GRUPO DE ETIQUETADO MOTORIZADO Y CABEZAL: Acceda con contraseña “Operator”, usuario “2”, para realizar las operaciones descritas en este párrafo. DESPLAZAMIENTOS: 1. Acceda a la ventana “CAMBIO DE FORMATO” y compruebe que el formato a envasar esté correctamente cargado; el fondo rojo de la ventana (A) indica que la receta ha sido cargada. Para realizar la operación descrita en el punto 1, hay que acceder con contraseña “Maintenance”, usuario “3”. Pulse la tecla HOME: el cabezal sube hasta la altura y el grupo de etiquetado realiza el traslado máximo (retroceso completo). 2. Si hace falta seleccionar otro formato, entre en la pantalla “PRINCIPAL RECETAS”, pulse la tecla (1) e introduzca el número del envase deseado (en el teclado emergente) y pulse OK. 3. Pulse la tecla (2) para transferir la receta. 4. Tras haber cargado el formato y verificado que el equipo idóneo esté bien instalado, vuelva a la familia “CAMBIO DE FORMATO” y pulse la tecla IR A POSICIÓN (3): 3
  • 241.
    5 - 115 MAN.I4390.ES.USM000 (12/09/2013) DOC. ROLL4.CAP.05.R00 (03.12.09) 5 Sidel S.p.A. INSTRUCCIONES DE USO 3 3 Como alternativa, es posible efectuar el movimiento en las páginas individuales: – En la página TRASLADO ESTACIÓN DE ETIQUETADO, pulse la tecla (3). – En la página ALTURA ESTACIÓN DE ETIQUETADO, pulse la tecla (3). – En la página ALTURA CABEZAL, pulse la tecla (3). Antes de realizar el movimiento, verifique que no haya piezas que obstaculicen el mismo. 3
  • 242.
    5 - 116 MAN.I4390.ES.USM000 (12/09/2013) DOC. ROLL4.CAP.05.R00 (03/12/2009) 5 Sidel S.p.A. ISTRUZIONI PER L’USO CÓMO CONFIGURAR UN EMPLAZAMIENTO CORRECTO DEL CABEZAL Realice el procedimiento descrito a continuación únicamente si se pierden los valores de ajuste de fase o se envasan formatos nuevos. Tras haber verificado las posiciones de los distintos grupos de la máquina (ALTURA DEL CABEZAL, TRASLACIÓN DEL GRUPO DE ETIQUETADO, ALTURA DE LA ESTACIÓN DE ETIQUETADO, ALTURA DEL SOPORTE DE BOBINAS), se recomienda anotar los valores de estas posiciones en una hoja, o bien pulsar la tecla (T) para transferirlos a la receta usada. REGULACIÓNALTURA CARRUSEL 1. Ponga la máquina en modo manual, colocando el selector de llave de mantenimiento (1) en la posición “JOG”. 2. Coloque un envase en la entrada y, valiéndose de la botonera manual de mantenimiento, trasládelo de la estrella al platillo. Detenga un envase poco antes de que el alveolo de la estrella lo suelte. 3. Entre en la página “ALTURA CABEZAL” y, utilizando las teclas (2) y (3), baje el cabezal del carrusel hasta que entre en contacto con el tapón del envase sin hacer presión. 32 Continúaenlapáginasiguiente... 1
  • 243.
    5 - 117 MAN.I4390.ES.USM000 (12/09/2013) DOC. ROLL4.CAP.05.R00 (03.12.09) 5 Sidel S.p.A. INSTRUCCIONES DE USO 4. Utilizando siempre la botonera manual, mueva el envase dentro del carrusel. Verifique que el gato baje unos 15-17 mm, como se indica en la figura. 5. Una vez obtenida la posición ideal, hay que guar- dar el valor (A) en la receta. Siempre en la página ALTURA CABEZAL, pulse la tecla (S) para guardar los valores nuevos en la receta usada. Luego, entre en la página “PRINCIPAL RECETAS” y pulse la tecla (Ts) para guardar los valores nuevo y luego, la tecla (T) para transferirlos. A S Los parámetros de emplazamiento se indican en las pantallas correspondientes de las páginas anteriores. 15 - 17 mm ENVASE LLENO T Ts
  • 244.
    5 - 118 MAN.I4390.ES.USM000 (12/09/2013) DOC. ROLL4.CAP.05.R00 (03/12/2009) 5 Sidel S.p.A. ISTRUZIONI PER L’USO CÓMO CONFIGURAR UN EMPLAZAMIENTO CORRECTO DEL GRUPO DE ETIQUETADO CON MOVIMIENTO MOTORIZADO TRASLADO 1. Acceda a la ventana “TRASLADO GRUPO DE ETIQUETADO” para regular el contacto entre la estación de etiquetado y la botella por medio de las teclas (1) y (2). CONTACTO Mueva la unidad de etiquetado hacia la botella, hasta que el patín delantero roce la botella (utilice una etiqueta como “calibre de espesor” para verificar el contacto), y luego, añada una distancia adicional de la siguiente manera: – 0,5 mm para bebida con gas; – 1,0 mm para bebida sin gas; – 0,5 mm para envases vacíos. ALTURA 2. Acceda a la ventana “ALTURA ESTACION DE ETIQUETADO” para regular la altura de modo que el rodillo de desplazamiento quede centrado con respecto a la zona de etiquetado de la botella. CONTACTO Empujando ligeramente la botella más allá del rodillo de desplazamiento, verifique que el contacto entre el rodillo y de desplazamiento y la botella se realice correctamente. 3. Una vez obtenida la posición ideal, hay que guar- dar los valores (A) en la receta. Siempre en la misma página, pulse la tecla (S) para guardar los valores nuevos en la receta usada. Luego, entre en la página “PRINCIPAL RECETAS” y pulse la tecla (Ts) para guardar los valores nuevo y luego, la tecla (T) para transferirlos. Los parámetros de emplazamiento se indican en las pantallas correspondientes de las páginas anteriores. 21 4 5 A T Ts A
  • 245.
    5 - 119 MAN.I4390.ES.USM000 (12/09/2013) DOC. ROLL4.CAP.05.R00 (03.12.09) 5 Sidel S.p.A. INSTRUCCIONES DE USO CÓMO CONFIGURAR UN EMPLAZAMIENTO CORRECTO DEL SOPORTE DE BOBINAS DE PELÍCULA Regule la altura del soporte de bobinas de modo que la película de etiquetas se deslice horizontalmente. 1. Acceda a la ventana ALTURADESBOBINADOR y utilice las teclas de desplazamiento para llevar el soporte de la bobina a la misma altura que el borde inferior de la etiqueta situada en el tambor. 2. En la página PUESTA EN MARCHA ESTACIÓN DE ETIQUETADO, deshabilite el rodillo de contraste (4) y saque a mano unos metros de película de etiquetas. 3. Observe el alineador (web tracker) para controlar la orientación de la cinta; debe quedar perpendicular a la base del grupo de etiquetado. Si no se obtiene la perpendicularidad, será necesario efectuar una nueva regulación. Cuando la etiqueta sube por el web tracker, el soporte debe estar levantado. 90° Continúaenlapáginasiguiente... 4
  • 246.
    5 - 120 MAN.I4390.ES.USM000 (12/09/2013) DOC. ROLL4.CAP.05.R00 (03/12/2009) 5 Sidel S.p.A. ISTRUZIONI PER L’USO 4. Tras obtener la posición ideal, pulse nuevamente la tecla (4) en la página PUESTA EN MARCHA para habilitar el pinch roller. Hay que guardar los valores (A) en la receta. Siempre en la misma página, pulse la tecla (S) para guardar los valores nuevos en la receta usada. 5. Luego, entre en la página PRINCIPAL RECETAS y pulse la tecla (Ts) para guardar los valores nuevos y luego, la tecla (T) para transferirlos. Los parámetros de emplazamiento se indican en las tablas de cambio de formato (véase el folleto adjunto). T Ts A S
  • 247.
    5 - 121 MAN.I4390.ES.USM000 (12/09/2013) DOC. ROLL4.CAP.05.R00 (03.12.09) 5 Sidel S.p.A. INSTRUCCIONES DE USO 5.13.4 APRENDIZAJE DEL COLOR DE LA MUESCA/EL FONDO Y PROCEDIMIENTO DE HOME ETIQUETA PROCEDIMIENTO DEAPRENDIZAJE COLOR MUESCA/FONDO Esta regulación es necesaria si se utiliza etiquetas distintas de las previstas. El aprendizaje se realiza detectando el contraste entre el color de la muesca y el color del fondo. 1. Ponga la máquina en modo manual colocando el selector de llave de mantenimiento (1) en la posición “JOG” . 2. Acceda a la ventana “GESTIÓN SISTEMA DE CORTE” (funciones Motion) y mueva la película de etiquetas mediante la tecla “JOG RW” (2) o “JOG FW” (3), de modo que la muesca se coloque frente el rayo de lectura de la fotocélula. La operación descrita en el punto 2 requiere la habilitación de la tecla “PINCH ROLLER” (X). 3. Cerciórese de que el selector en la fotocélula (4) se encuentre en modo de aprendizaje (TEACH). 4. Pulse el botón blanco (6) sobre la fotocélula para efectuar el aprendizaje. 5. Cerciórese de que el led amarillo de control (5) destelle lentamente. Cuando el led amarillo (5) destella rápidamente, significa que hay que repetir el procedimiento. 2 3 (4) Selector TEACH/RUN (5) LED (6) Botón BLANCO Continúaenlapáginasiguiente... 1
  • 248.
    5 - 122 MAN.I4390.ES.USM000 (12/09/2013) DOC. ROLL4.CAP.05.R00 (03/12/2009) 5 Sidel S.p.A. ISTRUZIONI PER L’USO 6. Mueva la película de etiquetas con la tecla “JOG RW”(2) o “JOG FW” (3), de modo que el fondo de la etiqueta se coloque 5 - 8 mm antes del rayo de lectura de la fotocélula. 7. Pulse el botón blanco (6) sobre la fotocélula para efectuar el aprendizaje. 8. Cerciórese de que el led amarillo de control (5) esté apagado; esto significa que el procedimiento “APRENDIZAJE DEL COLOR MUESCA-SPOT” ha sido realizado correctamente. Cuando el led amarillo (5) destella rápidamente, significa que hay que repetir el procedimiento. 9. Compruebe que: – el led amarillo esté encendido, cuando el rayo de lectura de la fotocélula se encuentra frente a la muesca; – el led amarillo esté apagado, cuando el rayo de lectura d ela fotocélula se encuentra fuera de la zona de lectura de la muesca. Después de completar el procedimiento de “APRENDIZAJE DEL COLOR MUESCA-SPOT” es posible realizar el procedimiento de “HOME ETIQUETA”. 2 3 (4) Selector TEACH/RUN (5) LED (6) Botón BLANCO
  • 249.
    5 - 123 MAN.I4390.ES.USM000 (12/09/2013) DOC. ROLL4.CAP.05.R00 (03.12.09) 5 Sidel S.p.A. INSTRUCCIONES DE USO 5.13.5 CONFIGURACIÓN DE LONGITUD DE LA ETIQUETA Acceda con contraseña “Operator”, usuario “2”, para realizar las operaciones descritas en este párrafo. 1. Mida la longitud de la etiqueta y compare la medida con la longitud nominal de la etiqueta, indicada en la parte superior del rodillo de desplazamiento: los dos valores deben coincidir. 2. Acceda a la ventana “REGULACIÓN CORTE” en la familia ”RECETAS” e introduzca en la ventana (A) la longitud de la etiqueta medida. Pulse la tecla (S) para guardar los valores nuevos en la receta usada. 3. Ponga la máquina en modo manual, colocando el selector de llave de mantenimiento (2) en la posición “JOG”. A S Continúaenlapáginasiguiente... 2
  • 250.
    5 - 124 MAN.I4390.ES.USM000 (12/09/2013) DOC. ROLL4.CAP.05.R00 (03/12/2009) 5 Sidel S.p.A. ISTRUZIONI PER L’USO 5. Cerciórese de que las teclas de “HABILITACIÓN FOTOCÉLULA” (3) y “HABILITACIÓN AUTOAPRENDIZAJE” (4) estén activadas. 6. Antes de efectuar el HOME ETIQUETA, entre en la página “PRINCIPAL RECETAS” y pulse la tecla (Ts) para guardar los valores nuevo y luego, la tecla (T) para transferirlos. PROCEDIMIENTO HOME ETIQUETA 1. Verifique que el “PINCH ROLLER” (7) esté habilitado (cerrado); de no ser así, habilítelo. Coloque la muesca antes de la fotocélula de lectura por medio de las teclas de dirección (D). 2. Retenga con la mano la película de etiquetas para garantizar su tensado y, al mismo tiempo, mantenga pulsada la tecla “HOME ETIQUETA” (8) para iniciar el procedimiento que emplaza correctamente la película. 3. Un reloj de arena dinámico (A) indica que se está realizando el procedimiento, durante el cual el rodillo de desplazamiento se mueve automáticamente para alcanzar el emplazamiento correcto. 4. Al terminar el procedimiento, la tecla “HOME ETIQUETA” se vuelve roja (8). La tecla HOME ETIQUETA debe permanecer fija y de color rojo para indicar que el procedimiento se ha realizado correctamente. 8 7 A 8 D 3 4
  • 251.
    5 - 125 MAN.I4390.ES.USM000 (12/09/2013) DOC. ROLL4.CAP.05.R00 (03.12.09) 5 Sidel S.p.A. INSTRUCCIONES DE USO PRUEBA DE CORTE DE LA ETIQUETA 1. Deshabilite el “RODILLO ENCOLADOR” pulsan- do la tecla (6) en la ventana “GESTIÓN SISTEMA DE CORTE”. 2.. Mantenga pulsada la tecla “INICIO” (7) durante el tiempo necesario para arrancar la máquina. 3. En la ventana “GESTIÓN SISTEMA DE COR- TE”, pulse la tecla “PRUEBA ETIQUETA”(8): el número de etiquetas suministradas depende del tiempo de presión de la tecla. La operación descrita en el punto 10 sólo puede realizarse en modo automático (selector de llave de mantenimiento en la posición “AUTO”). También es posible pulsar la tecla “PRUEBA ETIQUETA” (9) en la ventana “MANAGER ESTACIÓN DE ETIQUETADO”. 4. Al finalizar el suministro de las etiquetas, pulse la tecla “PARADA” (7) para detener la rotación del carrusel. 6 8 9 Continúaenlapáginasiguiente... 7
  • 252.
    5 - 126 MAN.I4390.ES.USM000 (12/09/2013) DOC. ROLL4.CAP.05.R00 (03/12/2009) 5 Sidel S.p.A. ISTRUZIONI PER L’USO 5. Verifique visualmente la posición de la etiqueta en el rodillo de desplazamiento, de acuerdo a las características indicadas a continuación: – los agujeros centrales del patín delantero debe estar completamente cubiertos por la etiqueta por más de 1 mm, como se indica en las zonas (A) y (B); – la etiqueta debe sobresalir 1 mm con respecto al patín trasero, como se indica en las zonas (C) y (D). C D A B Continúaenlapáginasiguiente...
  • 253.
    5 - 127 MAN.I4390.ES.USM000 (12/09/2013) DOC. ROLL4.CAP.05.R00 (03.12.09) 5 Sidel S.p.A. INSTRUCCIONES DE USO Si es necesario, a fin de obtener la posición ideal de la etiqueta, desbloquee el rodillo de desplazamiento y gírelo manualmente en sentido horario o antihorario.
  • 254.
    5 - 128 MAN.I4390.ES.USM000 (12/09/2013) DOC. ROLL4.CAP.05.R00 (03/12/2009) 5 Sidel S.p.A. ISTRUZIONI PER L’USO 5.13.6 ARRANQUE DE LA MÁQUINA CON TEMPORIZADOR Para configurar el encendido con temporizador, siga el procedimiento indicado a continuación: 1. Acceda a la ventana “RELOJ AUTOSTART” y configura el día y la hora en la zona (A). Para realizar la operación descrita en el punto 1, hay que acceder con contraseña “Maintenance”, usuario “3”. 2. Acceda a la ventana “MANAGER ESTACIÓN DE ETIQUETADO”, pulse el botón (1) “CTRL/OFF” para desactivar los auxiliares. Cuando el temporizador se activa, la máquina enciende automáticamente todos los calentamientos y, al alcanzar la temperatura, se activan los auxiliares habilitados (por ejemplo, la bomba de pegamento, la bomba de vacío, el sistema de corte, etc.). 1 Continúaenlapáginasiguiente... A
  • 255.
    5 - 129 MAN.I4390.ES.USM000 (12/09/2013) DOC. ROLL4.CAP.05.R00 (03.12.09) 5 Sidel S.p.A. INSTRUCCIONES DE USO 5.14 MODOS DE PARADA Y EMERGENCIA En este párrafo se describen todos los modos de parada de la máquina: – PARADA DE LA MÁQUINA EN CASO DE EMERGENCIA; – PARADA DE LA MÁQUINA EN CASO DE ALARMA; – PARADA DE LA MÁQUINA DURANTE LA PRODUCCIÓN; – PARADA DE LA MÁQUINAAL FINAL DE LA PRODUCCIÓN. 5.14.1 PARADA DE LA MÁQUINA EN CASO DE EMERGENCIA Esta operación sólo debe realizarse en casos de emergencia real. 1. Accionando el botón de emergencia (1) situado a bordo de la máquina y/o en la botonera móvil de mantenimiento (JOG), la máquina se detiene en condiciones de seguridad con las botellas en su interior. Si la emergencia no se restablece, la máquina no puede reanudar la marcha. El botón se suelta mecánicamente desenganchándolo (sacándolo) de su bloqueo. 2. Antes de reanudar la marcha, es necesario pul- sar la tecla “RESET” (2). 3. Verifique y restablezca las activaciones interrumpidas en la pantalla de “STARTUPESTACIÓN DE ETIQUETADO” (los calentamientos, la bomba de pegamento y la bomba de vacío). La activación del botón de emergencia excluye automáticamente la alimentación de los motores. 1 2
  • 256.
    5 - 130 MAN.I4390.ES.USM000 (12/09/2013) DOC. ROLL4.CAP.05.R00 (03/12/2009) 5 Sidel S.p.A. ISTRUZIONI PER L’USO 5.14.2 PARADA DE LA MÁQUINA EN CASO DE ALARMA En caso de anomalía, se genera una alarma. La tecla “RESET” (2) se vuelve roja intermitente y en la columna luminosa se activa la luz roja acompañada por el sonido de la sirena. Para los estados de emergencia, consulte el párrafo 5.10 “ALARMAS YSEÑALIZACIONES”. Para resolver problemas, consulte el “DIAGNÓSTICO” descrito en el capítulo 8. PROCEDIMIENTO PARA SALIR DEL ESTADO DE ALARMA Algunos tipos de alarmas implican la parada inmediata de la máquina. Para eliminar la alarma es necesario realizar las siguientes operaciones: 1. Pulse la tecla (1) para verificar la alarma que ha generado la parada de la máquina y leer la descripción relativa a la alarma activa en la ventana (A) “ALARMAS”. 2. Elimine la causa. 3. Pulse la tecla “RESET” (2) para permitir que la unidad operativa restablezca la alarma. 4. Pulse la tecla “PARADA” (3) para detener la máquina. 1 A 2 3 2
  • 257.
    5 - 131 MAN.I4390.ES.USM000 (12/09/2013) DOC. ROLL4.CAP.05.R00 (03.12.09) 5 Sidel S.p.A. INSTRUCCIONES DE USO 5.14.3 PARADA DE LA MÁQUINA DURANTE LA PRODUCCIÓN Esta operación debe realizarse para pausas breves o durante las operaciones de cambio de formato/ equipo. 1. Pulse la tecla “CANCELA CERRADA” (1). 2. Al finalizar el vaciado de la máquina, pulse la tecla “PARADA” (2) para detener la máquina. 3. Ponga la máquina en modo manual, colocando el selector de llave de mantenimiento (3) en la posición “JOG”. 4. Deshabilite los vacíos y los soplos. Acceda a la ventana “START UP ESTACIÓN DE ETIQUETADO” y deseleccione “BOMBA DE VACÍO” y “SOPLOS”. 3 1 2
  • 258.
    5 - 132 MAN.I4390.ES.USM000 (12/09/2013) DOC. ROLL4.CAP.05.R00 (03/12/2009) 5 Sidel S.p.A. ISTRUZIONI PER L’USO 5.14.4 PARADA DE LA MÁQUINA AL FINAL DE LA PRODUCCIÓN La máquina cierra la cancela automáticamente al final de la protección, gracias a un sensor situado en la cinta transportadora de entrada (dicho sensor o fotocélula, al no detectar ningún envase, cierra automáticamente el bloqueo de botellas). 1. Pulse la tecla “BLOQUEO BOTELLAS ABIERTO” (1) para vaciar la línea. 2. Al finalizar el vaciado de la línea, pulse la tecla “BLOQUEO BOTELLAS CERRADO” (2). 3. Pulse la tecla “PARADA” (3) para detener la máquina. 4. Ponga la máquina en modo manual, colocando el selector de llave de mantenimiento (4) en la posición “JOG”. 5. Acceda a la ventana “MANAGER ESTACIÓN DE ETIQUETADO” y desactive la tecla “CTRL/OFF” (5) para detener todas las funciones de la pantalla “START UP ESTACIÓN DE ETIQUETADO”. 2 3 1 5 4
  • 259.
    5 - 133 MAN.I4390.ES.USM000 (12/09/2013) DOC. ROLL4.CAP.05.R00 (03.12.09) 5 Sidel S.p.A. INSTRUCCIONES DE USO 5.15 ACCESORIOS Y EQUIPOS Junto a la máquina se suministra el kit “EQUIPAMIENTO DE LA MÁQUINA ROLL4 ” cod. 51023751.
  • 260.
    Página dejada enblanco intencionalmente
  • 261.
    6 - 1 6 CAMBIODE FORMATO MAN. I4390.ES.USM000 (11/09/2013) DOC. ROLL4Evo.CAP.01.R00 (17/03/2008) Sidel S.p.A. CAP. 6 - CAMBIO DE FORMATO
  • 262.
    Página dejada enblanco intencionalmente
  • 263.
    6 - 3 6 CAMBIODE FORMATO MAN. I4390.ES.USM000 (11/09/2013) DOC. ROLL4Evo.CAP.01.R00 (17/03/2008) Sidel S.p.A. 6.1 ADVERTENCIAS GENERALES No dejar que se acerquen a la máquina personas ajenas al trabajo. Durante las operaciones de cambio de formato hay que aislar la zona que rodea la máquina. Las actividades de cambio de formato descritas en este capítulo deben ser efectuadas por personal CALIFICADO. Colocar un cartel de señalización en el cuadro de control. Para cada tipo de botella está previsto el montaje de un equipo específico en la máquina. Por informaciones véase el Vol. II “Catálogo recambios”. Todos los componentes de un equipo se marcan en la fábrica con una sola letra de identificación. El fabricante no asume ninguna responsabilidad civil ni penal ante modificaciones o sustituciones no autorizadas de los equipos de la máquina que podrían conllevar, además, a riesgo de accidentes. La ejecución de estas operaciones puede comportar situaciones de peligro debido a la posible presencia de fragmentos de vidrio en la máquina.
  • 264.
    6 - 4 MAN.I4390.ES.USM000 (11/09/2013) DOC. ROLL4Evo.CAP.01.R00 (17/03/2008) 6 CAMBIO DE FORMATO Sidel S.p.A. 6.2 HERRAMIENTAS NECESARIAS Para efectuar el cambio de formato se requieren las herramientas suministradas junto con la máquina. Es necesario utilizar zapatos y guantes de protección. Los indumentos utilizados durante las operaciones de cambo de formato deben ser adherentes y el operador encargado no debe llevar ningún adorno que pueda engancharse en la máquina. N.° 1 LLAVE INGLESA N.° 19, necesaria para sustituir el tambor de desplazamiento; N.° 2 LLAVE INGLESA N.° 46, necesaria para sustituir los cabezales prensa-tapones; N.°1 LLAVE ALLEN N.° 6, necesaria para desmontar el soplo del rodillo de corte y los platillos; N.°1 LLAVE ALLEN N.° 5, necesaria para sustituir los cascos del rodillo de corte.
  • 265.
    6 - 5 6 CAMBIODE FORMATO MAN. I4390.ES.USM000 (11/09/2013) DOC. ROLL4Evo.CAP.01.R00 (17/03/2008) Sidel S.p.A. 6.3 DESCRIPCIÓN DEL EQUIPO 6.3.1 LAYOUT DE LOS EQUIPOS La máquina etiquetadora puede estar dotada de varios equipos para adaptar su funcionamiento a envases y etiquetas de diferentes tamaños. A cada FORMATO DE ETIQUETAS y/o ENVASE corresponde un grupo de equipos que debe sustituirse. Por lo tanto, cambiar el formato significa cambiar estos elementos, configurar en el cuadro de control el código de formato y efectuar determinadas regulaciones. Cada vez que se efectúa un cambio de formato hay que controlar la fase del etiquetado y regular la misma, si es necesario. Consultar la TABLA DE EQUIPOS para que las piezas sustituidas correspondan a aquellas relativas al formato seleccionado. Los distintos equipos de una máquina se identifican por medio de placas de colores diferentes asociados a un determinado envase.
  • 266.
    6 - 6 MAN.I4390.ES.USM000 (11/09/2013) DOC. ROLL4Evo.CAP.01.R00 (17/03/2008) 6 CAMBIO DE FORMATO Sidel S.p.A. CAMBIO DE FORMATO DE LOS EQUIPOS PARA BOTELLAS: 1. SINFÍN 2. BORDE SINFÍN y BLOQUE DE ENTRADA 3. TRANSPORTADORES 4. ESTRELLAS de TRASFERENCIA DE ENVASES 5. BORDES DE CINTATRASPORTADORA(si necesario) 6. CABEZAL (si necesario) 7. PLATILLO (si necesario) CAMBIO DE FORMATO DE LOS EQUIPOS DE LAS ETIQUETAS: 10.BOBINAS DE PELÍCULA DE ETIQUETAS 11.RODILLO DE DESPLAZAMIENTO 12.CASCOS DE CORTE TRAS HABER SUSTITUIDO E INSTALADO LOS EQUIPOS NUEVOS, ES NECESARIOEFECTUAR TODAS LAS OPERACIONES DEAJUSTE DE FASE YREGULACIÓN DE LAMÁQUINA.
  • 267.
    6 - 7 6 CAMBIODE FORMATO MAN. I4390.ES.USM000 (11/09/2013) DOC. ROLL4Evo.CAP.01.R00 (17/03/2008) Sidel S.p.A. 4 10 1112 1 23 6 7 4
  • 268.
    6 - 8 MAN.I4390.ES.USM000 (11/09/2013) DOC. ROLL4Evo.CAP.01.R00 (17/03/2008) 6 CAMBIO DE FORMATO Sidel S.p.A. 6.3.2 TABLAS DE CAMBIO DE FORMATO EQUIPO PARA BOTELLAS - FORMATO 1
  • 269.
    6 - 9 6 CAMBIODE FORMATO MAN. I4390.ES.USM000 (11/09/2013) DOC. ROLL4Evo.CAP.01.R00 (17/03/2008) Sidel S.p.A. EQUIPO PARA BOTELLAS - FORMATO 2
  • 270.
    6 - 10 MAN.I4390.ES.USM000 (11/09/2013) DOC. ROLL4Evo.CAP.01.R00 (17/03/2008) 6 CAMBIO DE FORMATO Sidel S.p.A. EQUIPO PARA BOTELLAS - FORMATO 3
  • 271.
    6 - 11 6 CAMBIODE FORMATO MAN. I4390.ES.USM000 (11/09/2013) DOC. ROLL4Evo.CAP.01.R00 (17/03/2008) Sidel S.p.A. EQUIPO PARA BOTELLAS - FORMATO 4
  • 272.
    6 - 12 MAN.I4390.ES.USM000 (11/09/2013) DOC. ROLL4Evo.CAP.01.R00 (17/03/2008) 6 CAMBIO DE FORMATO Sidel S.p.A. EQUIPO PARA BOTELLAS - FORMATO 5
  • 273.
    6 - 13 6 CAMBIODE FORMATO MAN. I4390.ES.USM000 (11/09/2013) DOC. ROLL4Evo.CAP.01.R00 (17/03/2008) Sidel S.p.A. EQUIPO PARA BOTELLAS - FORMATO 6
  • 274.
    6 - 14 MAN.I4390.ES.USM000 (11/09/2013) DOC. ROLL4Evo.CAP.01.R00 (17/03/2008) 6 CAMBIO DE FORMATO Sidel S.p.A. EQUIPO PARA BOTELLAS - FORMATO 7
  • 275.
    6 - 15 6 CAMBIODE FORMATO MAN. I4390.ES.USM000 (11/09/2013) DOC. ROLL4Evo.CAP.01.R00 (17/03/2008) Sidel S.p.A. 6.3.3 TABLAS DE CAMBIO DE FORMATO Véase el capítulo 10 Documentación e
  • 276.
    6 - 16 MAN.I4390.ES.USM000 (11/09/2013) DOC. ROLL4Evo.CAP.01.R00 (17/03/2008) 6 CAMBIO DE FORMATO Sidel S.p.A. 6.4 LIMPIEZA DE LA MÁQUINA Cuando se cambia el formato, es oportuno limpiar perfectamente el basamento de la máquina. La zona destinada a alojar el equipo debe soplarse con un chorro de aire comprimido, para eliminar los residuos de vidrio presentes. La batea de la máquina debe limpiarse con un paño húmedo. Antes de limpiar, asegurarse que el interruptor general del tablero eléctrico y el enchufe de alimentación de la corriente eléctrica estén desconectados. Durante esta operación podrían haber restos de vidrio sueltos en la máquina que pueden ser peligrosos para el personal encargado de estos trabajos. Utilizar los equipos de protección indicados para efectuar el mantenimiento. No utilizar chorros de aire o de agua para eliminar los residuos de pegamento, ya que se podrían proyectar partículas a los ojos y provocar lesiones graves. Controlar los procedimientos de limpieza en el capítulo relativo al MANTENIMIENTO OR- DINARIOYPROGRAMADO.
  • 277.
    6 - 17 6 CAMBIODE FORMATO MAN. I4390.ES.USM000 (11/09/2013) DOC. ROLL4Evo.CAP.01.R00 (17/03/2008) Sidel S.p.A. 6.5 REMOCIÓN – INSTALACIÓN DEL EQUIPO DE BOTELLAS Al efectuar un cambio de formato, es necesario, en primer lugar, poner la máquina en modo MANUAL (JOG) para poder configurar el formato seleccionado y preparar la máquina para el desmontaje de los equipos. Se recomienda pulsar el botón de emergencia para impedir el arranque accidental de la máquina. 6.5.1 PROCEDIMIENTO HOME DE POSICIÓN DEL CABEZAL La máquina debe utilizarse únicamente con los envases y películas de etiquetas para los que ha sido fabricada; de no ser así, la calidad del envasado podría ser escasa. 1. Pulsar la tecla “PARADA” (1) para detener la máquina. 2. Poner la máquina en modo manual colocando el selector de llave de mantenimiento (2) en la posición “JOG” . 3. Entre en la página “CAMBIO DE FORMATO” y presione la tecla “HOME” (3) para llevar el carrusel central a la altura máxima, facilitando así el acceso a las piezas de la máquina que requieren de sustitución o regulación. 4. Ahora es posible proceder a la sustitución de los equipos relativos al nuevo formato que se va a envasar. 3 1 2 2
  • 278.
    6 - 18 MAN.I4390.ES.USM000 (11/09/2013) DOC. ROLL4Evo.CAP.01.R00 (17/03/2008) 6 CAMBIO DE FORMATO Sidel S.p.A. 6.5.2 REMOCIÓN DEL EQUIPO DE BOTELLAS EN CASO DE CÓCLEA MOTORIZADA: 1. Desenrosque la abrazadera de bloqueo (2) con la llave (1) suministrada. 3 2 1 2. Desenrosque el perno (3) de la abrazadera de bloqueo.
  • 279.
    6 - 19 6 CAMBIODE FORMATO MAN. I4390.ES.USM000 (11/09/2013) DOC. ROLL4Evo.CAP.01.R00 (17/03/2008) Sidel S.p.A. 3. Extraiga la cóclea (4) del perno de transmisión (5). 5 4 5
  • 280.
    6 - 20 MAN.I4390.ES.USM000 (11/09/2013) DOC. ROLL4Evo.CAP.01.R00 (17/03/2008) 6 CAMBIO DE FORMATO Sidel S.p.A. BORDE CÓCLEA 1. Desmonte la parte superior del borde sinfín aflojando las ruedas de bloqueo para que se pueda sacar. 2. Quitar los espaciadores de la parte inferior fija del borde del sinfin. 3. Para sustituir la estrella de selección, afloje la manija de bloqueo (A) y desatornille el perno porta estrella (B); extraiga la estrella de parada (C). A B C
  • 281.
    6 - 21 6 CAMBIODE FORMATO MAN. I4390.ES.USM000 (11/09/2013) DOC. ROLL4Evo.CAP.01.R00 (17/03/2008) Sidel S.p.A. TRANSPORTADOR El equipo que compone un transportador está dotado de fijaciones con tornillo. Las operaciones de remoción son muy sencillas. 1. Girar las manillas de bloqueo hacia la izquierda para liberarlas de sus bloqueos. 2. Levantar el sector del transportador sacándolo de sus sedes de fijación. Proceder del mismo modo para todos los demás componentes del equipo que utilicen dispositivos de fijación iguales.
  • 282.
    6 - 22 MAN.I4390.ES.USM000 (11/09/2013) DOC. ROLL4Evo.CAP.01.R00 (17/03/2008) 6 CAMBIO DE FORMATO Sidel S.p.A. ESTRELLAS de TRASFERENCIA DE ENVASES La estrella de entrada y la estrella de salida forman parte del equipo que se debe sustituir con el cambio de formato del envase. Estos dos elementos tienen en la parte superior una placa con un número que identifica el formato y la posición: en entrada o en salida. 1. Desenroscar completamente el volante situado en el centro de la estrella. 2. Extraer la estrella hacia arriba.
  • 283.
    6 - 23 6 CAMBIODE FORMATO MAN. I4390.ES.USM000 (11/09/2013) DOC. ROLL4Evo.CAP.01.R00 (17/03/2008) Sidel S.p.A. BORDES CINTATRANSPORTADORA(Si hace falta) Quitar los bordes de la cinta transportadora que puedan impedir las operaciones sucesivas. 1. Aflojar el pomo de bloqueo y extraer los bordes de la cinta transportadora, sacándolos del bloque de los componentes a sustituir.
  • 284.
    6 - 24 MAN.I4390.ES.USM000 (11/09/2013) DOC. ROLL4Evo.CAP.01.R00 (17/03/2008) 6 CAMBIO DE FORMATO Sidel S.p.A. GUÍAS DE SALIDA (SI ESTÁ PREVISTO) 1. Desenrosque manualmente los pernos de tope que bloquean la guía. 2. Saque la plancha de bloqueo. 3. Quite la guía de salida Repita las operaciones anteriores para todas las guías de salida instaladas en la máquina.
  • 285.
    6 - 25 6 CAMBIODE FORMATO MAN. I4390.ES.USM000 (11/09/2013) DOC. ROLL4Evo.CAP.01.R00 (17/03/2008) Sidel S.p.A. 6.5.3 INSTALACIÓN DE EQUIPO DE BOTELLA NUEVO EN CASO DE CÓCLEA MOTORIZADA REGULABLE: 1. Introduzca la cóclea (1) en el perno de transmisión (2). Preste atención a la clavija de arrastre que hay que insertar en el agujero previ- sto en la cóclea. 2 1 2
  • 286.
    6 - 26 MAN.I4390.ES.USM000 (11/09/2013) DOC. ROLL4Evo.CAP.01.R00 (17/03/2008) 6 CAMBIO DE FORMATO Sidel S.p.A. 2. Enrosque el perno (3) y compruebe que esté atornillado a la abrazadera de bloqueo (4). 3. Apriete la abrazadera de bloqueo (4) con la llave (5) suministrada. 4 5 3
  • 287.
    6 - 27 6 CAMBIODE FORMATO MAN. I4390.ES.USM000 (11/09/2013) DOC. ROLL4Evo.CAP.01.R00 (17/03/2008) Sidel S.p.A. BORDE SINFÍN y BLOQUE DE ENTRADA 1.Instale el borde sinfín correspondiente al envasado. Para esto, introduzca primero los nuevos separadores y luego la parte superior del borde sinfín. Apriete la palanca de bloqueo.
  • 288.
    6 - 28 MAN.I4390.ES.USM000 (11/09/2013) DOC. ROLL4Evo.CAP.01.R00 (17/03/2008) 6 CAMBIO DE FORMATO Sidel S.p.A. REGULACIÓN DE POSICIÓN DE LA CÓCLEA MOTORIZADA Y EL BORDE DE LA CÓCLEA Tras la instalación de la cóclea motorizada y el borde de la cóclea, es necesario regular su posición para el nuevo formato a etiquetar. Para regular la cóclea motorizada regulable y el borde de la cóclea, proceda de la siguiente manera: 1. Afloje las manijas de fijación indicadas en la fi- gura. 2.Gire el il volante frontal para regular la posición horizontal del sin fín hasta alcanzar el valor de la receta (o indicado en las tablas de cambio formato); haga referencia al valor indicado en el contador colocado sobre el soporte del volante.
  • 289.
    6 - 29 6 CAMBIODE FORMATO MAN. I4390.ES.USM000 (11/09/2013) DOC. ROLL4Evo.CAP.01.R00 (17/03/2008) Sidel S.p.A. 3.Gire el il volante superior ara regular la posición de la altura del del sin fín hasta alcanzar el valor de la receta (o indicado en las tablas de cambio formato); haga referencia al metro “X” indicado en la fi- gura. 4. Ahora es posible apretar las manijas de fijación.
  • 290.
    6 - 30 MAN.I4390.ES.USM000 (11/09/2013) DOC. ROLL4Evo.CAP.01.R00 (17/03/2008) 6 CAMBIO DE FORMATO Sidel S.p.A. 1. Introduzca la nueva estrella de parada (C), bloquándola con el perno correspondiente (B) y apretando la manija de bloqueo (A). A B C ESTRELLADE PARADA
  • 291.
    6 - 31 6 CAMBIODE FORMATO MAN. I4390.ES.USM000 (11/09/2013) DOC. ROLL4Evo.CAP.01.R00 (17/03/2008) Sidel S.p.A. TRANSPORTADOR 1. Instalar la contraestrella nueva prestando atención a introducir las fijaciones en sus propios asientos. Tras el emplazamiento, girar ligeramente el transportador para encastrarlo en las sedes de fijación. 2. Bloquear el equipo enroscando los pomos de bloqueo.
  • 292.
    6 - 32 MAN.I4390.ES.USM000 (11/09/2013) DOC. ROLL4Evo.CAP.01.R00 (17/03/2008) 6 CAMBIO DE FORMATO Sidel S.p.A. ESTRELLAS DE DESPLAZAMIENTO ENVASES Verificar en la tabla de los equipos el código de las estrellas de entrada y de salida correspondientes al formato preseleccionado. Para instalar nuevamente los dos componentes, hay que proceder de la siguiente manera: 1. Introducir las estrellas nuevas en la posición correcta de entrada o salida. 2. Fije las estrellas enrocando los volantes que se encuentra en el centro.
  • 293.
    6 - 33 6 CAMBIODE FORMATO MAN. I4390.ES.USM000 (11/09/2013) DOC. ROLL4Evo.CAP.01.R00 (17/03/2008) Sidel S.p.A. BORDES DEL TRANSPORTADOR (si es necesario) SI ESTÁN INSTALADOS: Para regular las cintas transportadoras de “aire” en función de las dimensiones de las botellas a etiquetar, consultar los manuales específicos de dichos elementos. 1.Instalar nuevamente los bordes de la cinta transportadora introduciendo el perno de guía en los soportes correspondientes. 2. Colocar un envase en el centro de la cinta transportadora. Regular la posición de los bordes haciendo deslizar el perno de guía hasta obtener un juego de aproximadamente2 mm con el envase. 3. Bloquear el perno de guía mediante el pomo.
  • 294.
    6 - 34 MAN.I4390.ES.USM000 (11/09/2013) DOC. ROLL4Evo.CAP.01.R00 (17/03/2008) 6 CAMBIO DE FORMATO Sidel S.p.A. CABEZALES PRENSADORES DE TAPA(Si fuera necesario) Los cabezales se deben sustituir cuando la tapa de un envase tienen dimensiones completamente diferentes que otra, o para aplicaciones especiales tales como: sello de garantía, cápsulas, etc. Los cabezales se enroscan al cuerpo para fijarlos; el cuerpo del cabezal está enganchado a la varilla del gato con un tornillo. 1. Para colocarlos se utilizan dos llaves inglesas: desenroscar el cabezal que se ha de sustituir y enroscar el cabezal del formato deseado. Asegúrese de que el cabezal prensador de tapa esté bien apretado a su cuerpo y que este último esté fijado perfectamente a la varilla.
  • 295.
    6 - 35 6 CAMBIODE FORMATO MAN. I4390.ES.USM000 (11/09/2013) DOC. ROLL4Evo.CAP.01.R00 (17/03/2008) Sidel S.p.A. CABEZALES PRENSATAPAS PRESURIZADOS – (Si es necesario) Para los envases vacíos se han previsto cabezales cuya estructura permite presurizar las botellas. Los cabezales tienen que sustituirse cuando el tapón de un envase tiene un tamaño tan distinto de otro que requiere de otro cabezal, o bien en caso de aplicacio- nes especiales como: sello de garantía, papel de es- taño, etc. Verifique en la tabla de equipos el código del cabeza prensatapas que hay que montar para el formato que se quiere envasar. 1. Utilice una llave Allen para aflojar el tornillo de bloqueo del cabezal (1). Proceda a la sustitución volviendo a montar el cabe- zal del formato nuevo en el cuerpo del cabezal. Preste suma atención al desmontar y volver a montar los componentes del cabezal. 1 -A: TORNILLO M8X18 - B: CABEZAL - C: ARANDELA PLANA - D: COJINETE RADIAL DE BOLAS - E: ANILLO ELÁSTICO - F: ARANDELADE APOYO - H: MUELLE EXTERNO A B C D E F H
  • 296.
    6 - 36 MAN.I4390.ES.USM000 (11/09/2013) DOC. ROLL4Evo.CAP.01.R00 (17/03/2008) 6 CAMBIO DE FORMATO Sidel S.p.A. PLATILLOS DE DESENGANCHE RÁPIDO (SI ESTÁN PREVISTOS) Hay que sustituirlos cuando los envases tienen ba- ses de tamaños distintos. En este caso, habrá un platillo específico para cada envase. Platillo con desenganches rápidos 1. Para efectuar la sustitución/introducción, presione la palanca A y suba al mismo tiempo el equipo del platillo B como se indica en la figura. 2. Controle el movimiento de desenganche: el retorno del muelle debe ser libre e inmediato. 3. Antes de instalar los platillos nuevos, lubrique los pernos con una capa fina de grasa para facilitar la introducción en sus asientos. Los pernos deben entrar con facilidad y sin esfuerzos. ¡Compruebe que el equipo esté bien fijado! Todo el equipo relativo a los formatos llevará una marca de colores de referencia o una incisión del formato del envase que el equipo puede etiquetar. 4. Cuando vaya a introducir el nuevo equipo del platillo, verifique cuidadosamente la alineación entre el pasador C y su agujero de alojamiento D. A B D C
  • 297.
    6 - 37 6 CAMBIODE FORMATO MAN. I4390.ES.USM000 (11/09/2013) DOC. ROLL4Evo.CAP.01.R00 (17/03/2008) Sidel S.p.A. GUÍAS DE SALIDA (SI ESTÁ PREVISTO) 1. Instale la guía de salida correspondiente al formato que se quiere elaborar. 2. Colocar la plancha de bloqueo. 3. Enrosque manualmente los pernos de tope que bloquean la guía. Repita las operaciones anteriores para instalar todas las guías de salida correspondientes al formato que se quiere elaborar.
  • 298.
    6 - 38 MAN.I4390.ES.USM000 (11/09/2013) DOC. ROLL4Evo.CAP.01.R00 (17/03/2008) 6 CAMBIO DE FORMATO Sidel S.p.A. 6.6 REMOCIÓN - INSTALACIÓN DE EQUIPOS PARA ETIQUETAS 6.6.1 REMOCIÓN DE EQUIPOS PARA ETIQUETAS RODILLO DE DESPLAZAMIENTO 1. Desmontar el rodillo de desplazamiento desenroscando el tornillo central y utilizando el mismo como extractor. Prestar suma atención al recipiente Hot Melt y al rodillo de pegamento, ya que trabajan a alta temperatura (200 °C). No mover el grupo durante las operaciones de cambio del rodillo de desplazamiento.
  • 299.
    6 - 39 6 CAMBIODE FORMATO MAN. I4390.ES.USM000 (11/09/2013) DOC. ROLL4Evo.CAP.01.R00 (17/03/2008) Sidel S.p.A. CASCOS DEL RODILLO DE CORTE 1. Retire el bloque de soplos mediante los tornillos y tenga mucho cuidado con las guarniciones. 2. Desmonte los dos semicascos del rodillo de corte mediante los dos tornillos.
  • 300.
    6 - 40 MAN.I4390.ES.USM000 (11/09/2013) DOC. ROLL4Evo.CAP.01.R00 (17/03/2008) 6 CAMBIO DE FORMATO Sidel S.p.A. 6.6.2 MONTAJE DE NUEVOS EQUIPOS DE ETIQUETAS CASCOS DEL RODILLO DE CORTE 1. Monte los cascos nuevos del rodillo de corte me- diante los tornillos de fijación correspondientes. 2. Monte de nuevo los bloques de soplos de aire atornillando los tornillos y tenga mucho cuidado con las guarniciones. 3. Ajuste la contracuchilla de corte en caso de que se detecten defectos de corte en la película de las etiquetas. La contracuchilla se ajusta cuando el grupo de corte alcanza la temperatura programada (verifique en la pantalla los valores de temperatura) y después de hacer funcionar la máquina durante 5 minutos como mínimo.
  • 301.
    6 - 41 6 CAMBIODE FORMATO MAN. I4390.ES.USM000 (11/09/2013) DOC. ROLL4Evo.CAP.01.R00 (17/03/2008) Sidel S.p.A. RODILLO DE TRANSMISIÓN 1. Introduzca el nuevo rodillo de transmisión. No mueva el grupo durante las operaciones de cambio del rodillo de transmisión! Ponga en fase del rodillo de transmisión. Proceda a la puesta en fase del grupo de corte con el rodillo de transmisión. Cada vez que sustituya el rodillo de transmisión, tenga en cuenta el procedimiento de “Puesta a punto” que se indica a continuación. 2. Introduzca los dispositivos de bloqueo articulados de manera que el grupo de corte y arrastre puedan volver a cerrarse desplazándose axialmente. Hay 2 dispositivos de bloqueo articulados que se deben accionar simultáneamente.
  • 302.
    6 - 42 MAN.I4390.ES.USM000 (11/09/2013) DOC. ROLL4Evo.CAP.01.R00 (17/03/2008) 6 CAMBIO DE FORMATO Sidel S.p.A. BOBINAS DE PELÍCULA DE ETIQUETAS (Desmontaje-Montaje) La etiquetadora está provista del grupo “APARATO EMPALMADOR AUTOMÁTICO” que permite el funcionamiento continuo, eliminando la parada de la máquina para cambiar la bobina. Las bobinas de etiquetas se gestionan de modo que una bobina esté en fase de trabajo y la otra, en espera. Al agotarse la bobina utilizada, entra la otra. En una situación de prealarma (fin de bobina), se produce el intercambio automático de funcionamiento sin parar la máquina ni la producción. En otras palabras, es posible efectuar el cambio de bobina con la máquina en marcha. 1. Al agotarse una bobina de etiquetas, el sensor “A”, situado en el plato del soporte de bobinas, envía una señal de control del aparato empalmador, que inicia automáticamente el procedimiento de cambio de bobi- na. 2. Utilice los desenganches rápidos del aparato empalmador (B) para abrir la placa situada en el mismo lado que la bobina agotada; se activará automáticamente el vacío en los agujeros de los patines presentes dentro del aparato empalmador. A B B
  • 303.
    6 - 43 6 CAMBIODE FORMATO MAN. I4390.ES.USM000 (11/09/2013) DOC. ROLL4Evo.CAP.01.R00 (17/03/2008) Sidel S.p.A. Se recomienda preparar la bobina de sustitución de la siguiente manera: 4. Cortar la pelicula-etiqueta, perpendicularmente respecto a la etiqueta, en el punto intermedio entre dos marcas - SPOT consecutive. 5. Coloque el extremo de la nueva película de etiquetas en el patín interno del aparato empalmador (como se indica en la figura), de modo que la muesca - SPOT quede en el límite interno del patín (hacia el grupo de etiquetado) y a la misma altura que la película ya instalada. 6. Aplique dos tiras de cinta biadhesiva al principio de la película de etiquetas que deberá unirse con la que está siendo utilizada para la elaboración. 90°
  • 304.
    6 - 44 MAN.I4390.ES.USM000 (11/09/2013) DOC. ROLL4Evo.CAP.01.R00 (17/03/2008) 6 CAMBIO DE FORMATO Sidel S.p.A. Es necesario que la película de las etiquetas no se mueva durante el cierre del aparato empalmador: por eso se recomienda mantener floja la película de etiquetas. 7. Cerrar nuevamente el aparato empalmador reposicionando los desenganches rápidos y, si hace falta, tensar la película de nuevo rotando delicadamente la bobina. El accionamiento de la nueva bobina depende de los datos configurados en las “RECETAS” en el panel de control (capitolo 5). Cuando se efectúa un cambio de forma- to de la etiqueta puede ser necesario sustituir los patines instalados en el aparato empalmador automático. 8. Ponerlamáquinaenmodo“MANUAL”,iralapágina “STARTUPESTACIÓN DE ETIQUETADO” en el panel operador y deshabilitar “BOMBADE VACÍO”.
  • 305.
    6 - 45 6 CAMBIODE FORMATO MAN. I4390.ES.USM000 (11/09/2013) DOC. ROLL4Evo.CAP.01.R00 (17/03/2008) Sidel S.p.A. B AP 9. Con el SISTEMA DE VACÍO desactivado, abra las placas “A” y “B” del aparato empalmador. Extraiga los patines “P” y sustitúyalos con los del nuevo equipo de etiquetas. Cuando se extraen los patines del aparato empalmador automático, hay que prestar suma atención a las cuchillas de corte de la etiqueta. Proceda con cuidado porque son muy afiladas. En el soporte de bobinas hay un cuadro de mandos que permite gestionar el grupo de empalme automático de manera similar a las páginas del panel del operador. 1.AUTO/ MAN Mediante el selector es posible manejar el funcionamiento del grupo de empalme automático: en posición “AUTO” se activa el funcionamiento automático y en posición “MAN” el grupo de empalme está desactivado. 2. RESET Cuando se pulsa este botón luminoso blanco, el recuento del encoder del grupo de empalme se pone a cero. 3. BOBINA “A” Este botón indica el estado de la bobina “A”. Botón con luz fija: la bobina está en funcionamiento. Botón con luz intermitente: la bobina está gastada. 4. BOBINA “B” Este botón indica el estado de la bobina “B”. Botón con luz fija: la bobina está en funcionamiento. Botón con luz intermitente: la bobina está gastada. En caso de avería o funcionamiento defectuoso del grupo de empalme, es posible evitar que funcione para continuar la producción en modo manual. 14 32
  • 306.
    6 - 46 MAN.I4390.ES.USM000 (11/09/2013) DOC. ROLL4Evo.CAP.01.R00 (17/03/2008) 6 CAMBIO DE FORMATO Sidel S.p.A. 6.7 AJUSTE DE FASE PUESTA EN FASE DEL RODILLO DE CORTE CON EL RODILLO DE DESPLAZAMIENTO Al terminar la sustitución de los equipos de botellas y etiqueta, realizar los procedimientos de ajuste de fase de la siguiente manera: 1. Cerciorarse de que la máquina esté en modo de mantenimiento JOG y que la “BOMBA DE VACÍO” esté desactivada (verificar el flag en la página de START-UP ESTACIÓN DE ETIQUETADO). 2. En la página “RECETAS”, seleccione el formato a envasar (A), pulse la tecla de visualización de la receta (B) y cargue la receta pulsando la tecla (C). 3. Visualizar en el panel operador la página de recetas “LEVAS”. AB C D
  • 307.
    6 - 47 6 CAMBIODE FORMATO MAN. I4390.ES.USM000 (11/09/2013) DOC. ROLL4Evo.CAP.01.R00 (17/03/2008) Sidel S.p.A. 3. A este punto, girar la virola graduada hasta el valor indicado en la ventana “ Posición grados cuchilla cambio de formato”. La posición de la muesca más larga de la brida superior debe coincidir exactamente con el valor indicado en la virola graduada inferior. 4. Una vez obtenida esta condición, apretar el tornillo de bloqueo de la virola. Ahora, proceder al ajuste de fase del tambor: Mediante la virola inferior, girar el rodillo de corte de manera que la cuchilla móvil (A) quede situada a la mitad, entre la contracuchilla (B) y el bloque de soplos (C). C A B
  • 308.
    6 - 48 MAN.I4390.ES.USM000 (11/09/2013) DOC. ROLL4Evo.CAP.01.R00 (17/03/2008) 6 CAMBIO DE FORMATO Sidel S.p.A. 5.Manteniendo pulsado el botón de JOG, la cuchilla se coloca a unos 90° con respecto al eje del centro del tambor/centro del carrusel. Aeste punto, es posible colocar el tambor con el patín trasero referido a la cuchilla móvil del rodillo de corte. La cuchilla del rodillo de corte debe colocarse 2 mm detrás del patín trasero del rodillo de desplazamiento. 6. Al obtener la posición, apretar el tornillo de bloqueo del rodillo de desplazamiento. El retraso de fase del borde del patín trasero con respecto a la cuchilla móvil será la “cola” que se quiere obtener cuando la etiqueta esté colocada en el sector correspondiente del tambor. 2 mm
  • 309.
    6 - 49 6 CAMBIODE FORMATO MAN. I4390.ES.USM000 (11/09/2013) DOC. ROLL4Evo.CAP.01.R00 (17/03/2008) Sidel S.p.A. SENSORES DE PELÍCULA 1. Regule la posición del sensor “POSICIÓN RODILLO BASCULANTE (K)” como se indica en las tablas de cambio de formato, utilizando el volante previsto. Utilizando el pomo de regulación se configura la altu- ra de trabajo de la etiqueta. En modo “AUTOMÁTICO”, la posición de la película se regula con pequeñas inclinaciones del rodillo realizadas por el dispositivo alineador de la guía de la cinta. 2. Regule la posición de la fotocélula “POSICIÓN FOTOCÉLULA ALINEADOR (X)”, como se indica en las tablas de cambio de formato. Cuando se cambia la posición “FOTOCÉLULA ALINEADOR (Y)” es necesario regular también la posición de la “FOTOCÉLULALECTURAMUESCA(Y)” y “RODILLO BASCULANTE (K)”. 3. Regule la posición vertical de la fotocélula de búsqueda de muescas “POSICIÓN FOTOCÉLULADE LECTURA MUESCA (Y)” en la película de etiquetas, como se indica en la tabla de marcha, por medio del volante previsto.
  • 310.
    6 - 50 MAN.I4390.ES.USM000 (11/09/2013) DOC. ROLL4Evo.CAP.01.R00 (17/03/2008) 6 CAMBIO DE FORMATO Sidel S.p.A. 4. Después de regular los sensores de película, ejecutar los procedimientos:: “CONFIGURACIÓN LONGITUD ETIQUETA” y “APRENDIZAJE COLOR MUESCA/FONDO PELÍCULA” como se describe en el capítulo 5. 5. Regular también la posición del sensor de altura de la película (A) girando el pomo correspondiente, de acuerdo a los valores indicados en las TABLAS DE CAMBIO DE FORMATO A
  • 311.
    6 - 51 6 CAMBIODE FORMATO MAN. I4390.ES.USM000 (11/09/2013) DOC. ROLL4Evo.CAP.01.R00 (17/03/2008) Sidel S.p.A. REGULACIÓN FOTOCÉLULA DE PRESENCIA DE ETIQUETAS En cada cambio de formato hay que regular la fotocélula de presencia de etiquetas. La posición de la fotocélula depende del diámetro de la botella y la altura de etiquetado; por tanto, la regulación debe realizarse en términos de altura, profundidad y ángulo. Para todas las operaciones inherentes al funcionamiento del sistema de control de presencia de etiquetas, consulte el manual entregado junto a la máquina.
  • 312.
    6 - 52 MAN.I4390.ES.USM000 (11/09/2013) DOC. ROLL4Evo.CAP.01.R00 (17/03/2008) 6 CAMBIO DE FORMATO Sidel S.p.A. REGULACIÓN FOTOCÉLULAS DEL SISTEMA DE RECHAZO DE BOTELLAS Durante las operaciones de cambio de formato podría hacer falta realizar distintas regulaciones del sistema de rechazo de botellas. La posición de la fotocélula depende del diámetro de la botella y la altura de etiquetado; por tanto, la regulación debe realizarse en términos de altura y profundidad. Para todas las operaciones inherentes al funcionamiento del sistema de rechazo de botellas, consulte el manual entregado junto a la máquina.
  • 313.
    6 - 53 6 CAMBIODE FORMATO MAN. I4390.ES.USM000 (11/09/2013) DOC. ROLL4Evo.CAP.01.R00 (17/03/2008) Sidel S.p.A. PUESTA EN MARCHA DE LA MÁQUINA Después de realizar todos los procedimientos relativos al cambio de formato y a sus configuraciones y ajustes de fase, proceder a la puesta en marcha de la máquina para la producción del formato nuevo de la siguiente manera: 1. Pulsar la tecla “RESET” (1) para permitir que la unidad operativa restablezca las alarmas eventual- mente presentes en la máquina; de esta manera, se restablecen las alarmas, ya sean de origen software o electromecánico (emergencias, reparaciones me- diante la centralita Pilz). Algunas alarmas requieren un restablecimiento “lar- go” (es decir, la presión del botón por unos 15 segundos) como: las temperaturas máximas y los errores de las analógicas de las temperaturas. 2. Mantener pulsada la tecla “INICIO” (2) durante el tiempo necesario para arrancar la máquina. 2 1
  • 314.
    Página dejada enblanco intencionalmente
  • 315.
    7 - 1 7 MANTENIMIENTOORDINARIO Y PROGRAMADO MAN. I4390.ES.USM000 (11/09/2013) DOC. ROLL4Evo.CAP.01.R00 (17/03/2008) SIDEL S.p.a. CAP. 7 - MANTENIMIENTO ORDINARIO Y PROGRAMADO
  • 316.
    Página dejada enblanco intencionalmente
  • 317.
    7 - 3 7 MANTENIMIENTOORDINARIO Y PROGRAMADO MAN. I4390.ES.USM000 (11/09/2013) DOC. ROLL4Evo.CAP.01.R00 (17/03/2008) SIDEL S.p.a. 7.1 NORMAS DE SEGURIDAD PARA EL MANTENIMIENTO Todas la operaciones de mantenimiento ordinario y extraordinario deben realizarse con la máquina apagada, excepto en los casos especiales que se indican expresamente en los apartados específicos. Cuando los aparatos eléctricos están en funcionamiento, la tensión de alimentación de algunos componentes de estos aparatos es peligrosa. Tenga mucho cuidado con el recipiente de adhesivo Hot Melt, el rodillo encolador y el rodillo de corte, puesto que funcionan a temperaturas elevadas. Por lo tanto, el personal encargado del manejo y mantenimiento de la máquina debe utilizar protecciones individuales idóneas (guantes, gafas, etc.). Las conductas que no sean conformes a las instrucciones de seguridad durante el uso de estos aparatos pueden causar la muerte o daños graves a personas y cosas. Es necesario respetar las instrucciones de uso y mantenimiento de estos aparatos que se indican en esta versión, así como las advertencias que se encuentran en el producto mismo. Antes de realizar operaciones de mantenimiento, desconecte de la red los aparatos y conéctelos a tierra. En caso de que los controladores lógicos programables (PLC) estén montados directamente en panel (o dentro del armario desprovisto de puertas frontales, por ej., en la sala de control), el personal encargado del mantenimiento eléctrico debe tomar precauciones para no recibir posibles descargas electrostáticas antes de acercarse al PLC para realizar operaciones de mantenimiento o de simple control. Para eso, se utiliza un kit de mantenimiento portátil para descargas electrostáticas que se compone de una muñequera metálica y de una alfombrilla de material conductivo. Este kit debe conectarse al mismo potencial de referencia (tierra) al que está conectado el chasis del PLC. Antes de realizar operaciones de mantenimiento en las piezas móviles, quite presión al equipo neumático. Cuente exclusivamente con personal especializado y competente. Antes de empezar cualquier tipo de operación, lea detenidamente las instrucciones que se indican en la presente versión. Respete la periodicidad que se establece para las operaciones de mantenimiento. Para garantizar el funcionamiento perfecto de la máquina, es necesario reemplazar las piezas exclusivamente por repuestos originales de SIDEL S.p.A.
  • 318.
    7 - 4 MAN.I4390.ES.USM000 (11/09/2013) DOC. ROLL4Evo.CAP.01.R00 (17/03/2008) 7 MANTENIMIENTO ORDINARIO Y PROGRAMADO SIDEL S.p.a. Peligro en modo JOG con productos calientes Una vez se hayan realizado los trabajos de mantenimiento y antes de volver a poner en servicio la máquina, compruebe que: – las piezas reemplazadas y/o las herramientas empleadas para la operación de mantenimiento se hayan retirado de la máquina. – todos los dispositivos de seguridad sean eficientes. Todas las operaciones de uso y mantenimiento de los componentes comerciales de la máquina que no se indican en el presente manual están incluidas en las versiones correspondientes que se adjuntan a la presente. Para la seguridad de la máquina, se han establecido dispositivos de seguridad adecuados (véase el apartado 4.5). Está totalmente prohibido forzar y quitar los dispositivos de seguridad. En caso de que se fuercen o se quiten los dispositivos de seguridad, el fabricante declina toda responsabilidad sobre la seguridad de la máquina. En modo ”JOG”, el operador debe prestar atención a la posición del cable del cuadro de mandos móvil para evitar un posible aplastamiento. Antes de realizar operaciones de mantenimiento eléctrico, ponga un candado en el interruptor general del armario eléctrico. Con el interruptor general en posición “OFF”, algunos circuitos siguen teniendo tensión por exigencias funcionales. Los circuitos eléctricos del interior del cuadro/armario eléctrico están protegidos con un grado de protección IP20B y se pueden identificar mediante placas de advertencia en el idioma del país (apartado 4.5) y de determinados colores de los cables de referencia.
  • 319.
    7 - 5 7 MANTENIMIENTOORDINARIO Y PROGRAMADO MAN. I4390.ES.USM000 (11/09/2013) DOC. ROLL4Evo.CAP.01.R00 (17/03/2008) SIDEL S.p.a. 7.2 LIMPIEZA DE LA MÁQUINA 7.2.1 INTRODUCCIÓN En esta sección se describen los procedimientos para limpiar la etiquetadora. No utilice chorros de agua a presión para limpiar la máquina. No abra el cuadro eléctrico durante las operaciones de limpieza. Cualquier operación de limpieza debe realizarse después de cortar la alimentación. La operaciones básicas son: Pre-lavado Lavado con agua abundante (sin recirculación) para eliminar los residuos. Durante el pre-lavado, preste especial atención al grupo de etiquetado. Lavado Consiste en aplicar agua circulante y solución detergente para eliminar los residuos de producto, pegamento u otro material. Durante el lavado, preste especial atención al grupo de etiquetado. Enjuague final Es oportuno realizar también el enjuague de la máquina para eliminar los restos de productos químicos. Durante el enjuague final, preste especial atención al grupo de etiquetado. 7.2.2 CRITERIOS GENERALES El uso de productos químicos para las operaciones de lavado puede provocar problemas de corrosión en los materiales de construcción de las máquinas etiquetadoras. Para evitar estos problemas, se recomienda cumplir escrupulosamente las indicaciones de esta sección del manual de instrucciones. – Es aconsejable utilizar productos fabricados por empresas conocidas y respetar las instrucciones de uso de cada producto. – Algunos tipos de ácidos como: – ácidos clorhídricos (Hcl) – ácidos sulfurosos (H2SO3) – ácidos sulfúricos (H2SO4) son especialmente agresivos con los tipos de acero que normalmente se utilizan en nuestras máquinas. No se pueden utilizar estos ácidos ni otros productos químicos similares. Si necesario, póngase en contacto con SIDEL S.p.A. o con el proveedor de los productos químicos.
  • 320.
    7 - 6 MAN.I4390.ES.USM000 (11/09/2013) DOC. ROLL4Evo.CAP.01.R00 (17/03/2008) 7 MANTENIMIENTO ORDINARIO Y PROGRAMADO SIDEL S.p.a. 7.2.3 LIMITACIONES DE USO DE LOS DETERGENTES La temperatura ambiente corresponde a un máximo de 20° C. Si la temperatura es más elevada, se tiene que disminuir de manera proporcional la concentración del producto. En la tabla adjunta se proporciona información importante sobre el impacto ambiental de las diferentes sustancias esterilizantes: NOTA: el índice IRCH contrasta diferentes sustancias en función del efecto que producen en la salud humana, los ecosistemas y el medio ambiente en general. Se trata de un índice de riesgo (de 0 a 200) basado en un algoritmo de cálculo que tiene en cuenta del impacto ecológico en el agua, el aire, el suelo (como residuo) y la atmósfera global (ozono, efecto invernadero, etc.). También se tienen en cuenta de los efectos sobre la salud humana (fuente: Indiana Pollution Prevention and Safe Materials Istitute at Purdue University – EPA Project – 1996). NOTA: el índice UTN contrasta sustancias diferentes en función de la toxicidad que presentan para los organismos del ecosistema terrestre y acuático, y sus valores están entre 0 y 100 (fuente: G.Davis et al. – EPA/600/R–94/177 – 1996). ELEMENTOS DETERGENTES – Utilice “Melt-O-Clean” (Henkel) para quitar las gotas de pegamento de las superficies de la máquina y para limpiar el rodillo de transmisión. – Utilice “Micro Emission Cleaner” (Henkel) para limpiar el interior del depósito del recipiente de pegamento. – Utilice “P3-Topactive LA” para limpiar la mesa de la máquina y el carrusel central. PRODUCTO CONCENTRACIÓN MÁX TIEMPO DE TRATAMIENTO MÁX TEMPERATURA MÁXIMA Jabón neutro 100% ilimitado 60°C P3-Topactive LA 5% 10 min 30°C Ë1',(6 '( 3(/,*526,'$' 3$5$ (/ 0(',2 $0%,(17(6867$1,$ UTN P3-Topactive LA no especificado P3-Topactive LA
  • 321.
    7 - 7 7 MANTENIMIENTOORDINARIO Y PROGRAMADO MAN. I4390.ES.USM000 (11/09/2013) DOC. ROLL4Evo.CAP.01.R00 (17/03/2008) SIDEL S.p.a. 7.2.4 LIMPIEZA DE LA MESA DE LA MÁQUINA Durante esta operación, lleve los elementos de protección idóneos para evitar daños personales (gafas, guantes, calzado, etc.). Para el lavado de la superficie de base de la máquina, quite primero la mayoría de etiquetas, cristales, etc., y continúe el lavado con agua evitando salpicaduras que podrían dañar las partes eléctricas, el grupo de etiquetado y los órganos mecánicos. ¡NO limpie el grupo de etiquetado RollQuattro! Aplique una solución de detergente (detergente diluido en agua) en las zona sucias o con incrustaciones de la cinta transportadora y en las placas de acero inoxidable de la base y de los componentes de transporte de la botella. Si necesario, limpie las superficies externas e internas de las protecciones de seguridad de lexan con una esponja mojada o un paño húmedo y utilice al máximo jabón neutro para eliminar los restos de suciedad. Después de aplicar la solución de detergente, espere entre 15 y 20 minutos para permitir que el producto actúe de manera eficaz. Acabe el lavado de la mesa realizando un enjuague final. No rocíe agua caliente (temperatura máx. 45°C) en las protecciones y no utilice disolventes ni cepillos abrasivos. Para evitar que se pierda la elasticidad original, todo el material esponjoso (si lo hubiera) debe limpiarse evitando el contacto con productos a base de disolventes, lubricantes, etc. Para las operaciones de lavado, NO utilice detergentes que no sean específicos. Es aconsejable utilizar el detergente P3-Topactive LA. SIDEL S.p.A. declina toda responsabilidad en caso de roturas o daños que se hayan provocado por el empleo de productos que no sean conformes o específicos. Se recomienda prestar la máxima atención durante el manejo de todos los componentes y evitar golpes accidentales que podrían comprometer el funcionamiento correcto de la máquina de etiquetado. Siga las indicaciones que se describen en el programa de mantenimiento.
  • 322.
    7 - 8 MAN.I4390.ES.USM000 (11/09/2013) DOC. ROLL4Evo.CAP.01.R00 (17/03/2008) 7 MANTENIMIENTO ORDINARIO Y PROGRAMADO SIDEL S.p.a. 7.2.5 LIMPIEZA DEL CARRUSEL CENTRAL Durante esta operación, lleve los elementos de protección idóneos para evitar daños personales (gafas, guantes, calzado, etc.). Para lavar el carrusel porta-platillos, no utilice chorros de agua a presión sino sólo los cepillos suministrados con el producto. Sólo en caso de rotura de la botella está permitido lavar con agua, a condición de que el lavado se limite a la zona de rotura y sucesivamente se utilice aire comprimido. Evite mojar los componentes eléctricos, el grupo de etiquetado y los componentes mecánicos. Para evitar que se pierda la elasticidad original, todo el material esponjoso debe limpiarse evitando el contacto con productos a base de disolventes, lubricantes, etc. Para las operaciones de lavado no utilice detergentes que no sean específicos. Es aconsejable utilizar el detergente P3-Topactive LA. SIDEL S.p.A. declina toda responsabilidad en caso de roturas o daños que se hayan provocado por el empleo de productos que no sean conformes o específicos. Se recomienda prestar la máxima atención durante el manejo de todos los componentes y evitar golpes accidentales que podrían comprometer el funcionamiento correcto de la máquina de etiquetado. No utilice chorros de agua en los gatos. Siga las indicaciones que se describen en el programa de mantenimiento.
  • 323.
    7 - 9 7 MANTENIMIENTOORDINARIO Y PROGRAMADO MAN. I4390.ES.USM000 (11/09/2013) DOC. ROLL4Evo.CAP.01.R00 (17/03/2008) SIDEL S.p.a. 7.3 COMPROBACIONES PERIÓDICAS 7.3.1 DESCRIPCIÓN Es posible conseguir buena calidad de etiquetado y alto rendimiento de la máquina sólo mediante una planificación sistemática de MANTENIMIENTO PROGRAMADO, que le permitirá sustituir o ajustar los diferentes componentes que lo necesiten a través de una inspección visual. A continuación, se indican las tablas sinópticas de mantenimiento programado por frecuencia de mantenimiento. Se describen todas las operaciones de manera detallada en el apartado correspondiente. 7.3.2 TABLAS SINÓPTICAS DE MANTENIMIENTO PROGRAMADO FRECUENCIADEL MANTENIMIENTO 8 horas (porturno) 24horas (diario) 120horas (semanal) ACTIVIDAD a. Limpieza externa b. Presiones de funcionamiento a. Limpieza a. Prueba de las puertas de seguridad b. Prueba de los botones de emergencia a. Limpieza del filtro del recipien- te de recuperación de pegamento a. Mantenimiento del filtro del regulador de aire a. Limpieza a. Limpieza y comprobación del estado de los patines b. Limpieza y control de las galerías y distribuidor del rodillo c. Comprobación del estado del plato de distribución de vacíos a. Comprobación y limpieza de las tuberías y las galerías del sistema de vacío a. Comprobación de la funcionalidad de los rodillos de guía de papel a. Limpieza de los filtros b. Control y limpieza del filtro de la válvula de seguridad del sistema de vacío a. Limpieza del filtro de aire b. Control del circuito a. Limpieza general LOCALIZACIÓN DE LA OPERACIÓN B1. Base y carrusel B2. Rodillo de transmisión A1. Equipo eléctrico B3. Rodillo encolador B4. Equipo neumático B5. Fotocélula de lectura de muesca y sensor de altura de cinta B6. Rodillo de transmisión B7. Grupo de etiquetado B8. Soporte de bobinas B9. Sistema de vacío B10. Equipo neumático B11. Cuadro eléctrico
  • 324.
    7 - 10 MAN.I4390.ES.USM000 (11/09/2013) DOC. ROLL4Evo.CAP.01.R00 (17/03/2008) 7 MANTENIMIENTO ORDINARIO Y PROGRAMADO SIDEL S.p.a. FRECUENCIA DELMANTENIMIENTO 120horas (semanal) 500horas (mensual) 1500horas (trimestral) ACTIVIDAD a. Control de la fijación de la contracuchilla y de los bulones de ajuste b. Limpieza y lubricación del tornillo de asiento c. Control y limpieza de los cascos de corte d. Control y limpieza del colector del rodillo de corte e. Control y limpieza del bloque de soplos a. Limpieza y control a. Limpieza y lubricación del tornillo de ajuste a. Limpieza y lubricación de las palancasdedesenganchedel grupo de corte b. Limpieza y lubricación del ajuste del rodillo basculante c. Limpieza y control del rodillo de contraste (pinch roller). a. Limpieza y control de desgaste/ huelgos excesivos a. Comprobacióndelestadode desgaste de la cuchilla móvil a. Limpieza del filtro del recipiente depegamento a. Comprobación de la tensión y el estado de desgaste de la correa a. Comprobacióndelas condiciones y el estado de desgaste b. Controlar el desgaste a. Comprobación de la tensión de lacorrea de posición del grupo b. Comprobación de la existencia de pérdidas de aceite en lasguarniciones LOCALIZACIÓN DE LA OPERACIÓN B12. Rodillo de corte B13. Platillos B14. Fotocélula de lectura de muesca y sensor de altura de cinta B15. Grupo de arrastre B16. Dispositivo de orientación de la cinta B18. Rodillo de corte B19. Recipientedepegamento B20. Transmisión al grupo B21. Cabezalesdecentrado B22. Estructura
  • 325.
    7 - 11 7 MANTENIMIENTOORDINARIO Y PROGRAMADO MAN. I4390.ES.USM000 (11/09/2013) DOC. ROLL4Evo.CAP.01.R00 (17/03/2008) SIDEL S.p.a. FRECUENCIA DELMANTENIMIENTO 1500horas (trimestral) 3000horas (semestral) 6000horas (anual) ACTIVIDAD a. Comprobacióndelhuelgoy el engrase de la transmisión del rodillo de corte a. Control del huelgo de la transmisión del rodillo encolador a. Comprobacióndelestadode desgaste del engranaje de la transmisión a. Comprobacióndelestadode desgastedelengranaje a. Comprobación de la existencia de pérdidas de aceite a. Revisióngeneral a. Comprobacióndelatensióndela cadena b. Comprobacióndelestadode desgaste del tensor a. Controle el freno/embrague b. Controle la cóclea motorizada a. Comprobacióndelestadode desgaste de la cuchilla fija b. Comprobacióndelestadode desgaste de los componentes a. Comprobacióndelestadode desgaste de los frenos a. Comprobacióndelestadode desgaste de los fuelles b. Comprobación de la existencia de pérdidas de aire en la parte superior a. Mantenimientodetuberías a. Comprobación de los huelgos de los pernos y del estado de desgaste de los casquillos de guía LOCALIZACIÓN DE LA OPERACIÓN B23. Rodillo de corte B24. Rodilloencolador B25. Transmisiónalgrupo B26. Mecanismosprincipales B27. Rodillodearrastre B28. Tensor de la correa del grupo B29. Equipos del recipiente de pegamento B31.Cóclearegulablemotorizada B32. Rodillo de corte B33. Soportedebobinas B34. Carruselcentral B35. Sistema de vacío B36. Soporte del rodillo encolador
  • 326.
    7 - 12 MAN.I4390.ES.USM000 (11/09/2013) DOC. ROLL4Evo.CAP.01.R00 (17/03/2008) 7 MANTENIMIENTO ORDINARIO Y PROGRAMADO SIDEL S.p.a. ACTIVIDAD a. Comprobación de la existencia de pérdidas de aceite b. Comprobacióndelestadode desgaste del raspador de cola a. Comprobación de la tensión y el desgaste de la correa de las poleas motrices b. Revisión general de los platillos y la correa de transmisión a. Comprobacióndelestadode desgaste y los huelgos del soporte y la estrella a. Comprobacióndelestadode desgaste a. Comprobacióndelas conexiones eléctricas del carrusel b. Limpieza de los motores eléctricos c. Comprobación de los cojinetes de los motores eléctricos a. Revisión de los reductores de vacío a. Revisión de la bomba de vacío a. Control y revisión de los reductores de presión b. Control y revisión de las válvulas a. Revisión del reductor a. Comprobacióndel funcionamiento b. Comprobacióndelestadode desgaste de los casquillos internos, el perno de guía y la rueda de contraste FRECUENCIA DEL MANTENIMIENTO 6000horas (anual) 12000horas (bienal) LOCALIZACIÓN DE LA OPERACIÓN B37. Rodilloencolador B38. Platillos B39. Estrella con embrague B40. Equipos de transporte de botellas B41. Equipo eléctrico B42. Sistema de vacío B43. Sistema de vacío B45. Equiponeumático B46. Mecanismosprincipales B47. Gato
  • 327.
    7 - 13 7 MANTENIMIENTOORDINARIO Y PROGRAMADO MAN. I4390.ES.USM000 (11/09/2013) DOC. ROLL4Evo.CAP.01.R00 (17/03/2008) SIDEL S.p.a. 7.4 FICHAS DE MANTENIMIENTO PROGRAMADO 7.4.1 CRITERIOS GENERALES Las fichas de mantenimiento programado están divididas por grupos de funcionamiento. Las fichas se subdividen en: – Ficha del mantenimiento programado para la seguridad del operador (Grupo A) – Ficha del mantenimiento programado para la etiquetadora (Grupo B) En cada ficha se indican: – Localización de la intervención en la máquina; – Descripción de la intervención en la máquina; – Frecuencia de mantenimiento; – Operador habilitado para dicha actividad; – Tiempo necesario (expresado en minutos, en función del tipo de trabajo): A (inspección visual); B (mantenimiento); C (mantenimiento en el peor de los casos). La sigla ND indica: NO DETECTABLE. – Localización de la intervención en el grupo
  • 328.
    7 - 14 MAN.I4390.ES.USM000 (11/09/2013) DOC. ROLL4Evo.CAP.01.R00 (17/03/2008) 7 MANTENIMIENTO ORDINARIO Y PROGRAMADO SIDEL S.p.a. 7.4.2 DISPOSITIVOS DE SEGURIDAD DEL OPERADOR A1. EQUIPO ELÉCTRICO a. Prueba de funcionalidad de las puertas de seguridad FRECUENCIA: Mantenimiento cada 24 horas (diario) OPERADOR HABILITADO: 1 encargado de mantenimiento eléctrico TIEMPO NECESARIO: A: ND; B: 10 minutos; C: ND; ______________________________________________________________________ 1. Con la etiquetadora en funcionamiento, asegúrese de que todas las puertas de protección estén bien cerradas. 2. Intente abrir todas las puertas. La puerta no debería abrirse, ya que todas las puertas están equipadas de un dispositivo de seguridad electromecánico que impide su apertura durante el funcionamiento de la máquina. 3. Si la puerta se abre: a. Vuelva a intentar enganchar bien la puerta (A) al micro interruptor. b. Reemplace de inmediato el micro interruptor en cuanto se detecte problema de funcionamiento. 4. Con la máquina PARADA, compruebe también que: a. Aparece una alarma en el panel de control cada vez que se abre una puerta diferente. b. Con cualquier protección abierta, si aprieta el botón de arranque de la máquina, ésta no gira.
  • 329.
    7 - 15 7 MANTENIMIENTOORDINARIO Y PROGRAMADO MAN. I4390.ES.USM000 (11/09/2013) DOC. ROLL4Evo.CAP.01.R00 (17/03/2008) SIDEL S.p.a. A1. EQUIPO ELÉCTRICO b. Prueba de funcionalidad de los botones de emergencia FRECUENCIA: Mantenimiento cada 24 horas (diario) OPERADOR HABILITADO: 1 encargado de mantenimiento eléctrico TIEMPO NECESARIO: A: ND; B: 5 minutos; C: ND; ______________________________________________________________________ 1. Cierre el dispositivo de bloqueo de entrada para interrumpir el etiquetado. 2. Bloquee la película de la etiqueta mediante el bloque de la película del soporte de bobinas. 3. Pulse el botón de Emergencia (Fig. 7.4.2 - 2) y compruebe lo que se indica a continuación: a. La etiquetadora se para. Si no fuera así, póngase en contacto INMEDIATAMENTE con el servicio de asistencia de SIDEL S.p.A. b. En el panel de control aparece el mensaje de alarma correspondiente. 4. Desbloquee el botón de Emergencia. 5. Pulse el botón ”RESET” para quitar la alarma. 6. Pulse el botón “START MÁQUINA” para que la máquina se ponga de nuevo en funcionamiento. 7. Repita el procedimiento del punto 3. con todos los botones de emergencia que hay en la máquina. 8. Una vez que haya terminado la prueba, RECUERDE abrir el dispositivo de bloqueo de la película del soporte de bobinas antes de volver al modo automático. Fig. 7.4.2 -2
  • 330.
    7 - 16 MAN.I4390.ES.USM000 (11/09/2013) DOC. ROLL4Evo.CAP.01.R00 (17/03/2008) 7 MANTENIMIENTO ORDINARIO Y PROGRAMADO SIDEL S.p.a. 7.4.3 FICHAS DE MANTENIMIENTO PROGRAMADO DE LA ETIQUETADORA B1. BASE Y CARRUSEL a. Limpieza externa FRECUENCIA: Mantenimiento cada 8 horas (por turno) OPERADOR HABILITADO: 1 operador de máquina TIEMPO NECESARIO: A: ND; B: 20 minutos; C: ND ______________________________________________________________________ 1. Pare la máquina. 2. Con las puestas abiertas, quite los obstáculos para el desplazamiento de las botellas a lo largo de su recorrido. 3. Limpie detenidamente todos los restos de productos y quite todos los residuos de cristal. Limpie con agua abundante y detergente y haga un enjuague final con agua. Observe siempre las indicaciones del apartado 7.2
  • 331.
    7 - 17 7 MANTENIMIENTOORDINARIO Y PROGRAMADO MAN. I4390.ES.USM000 (11/09/2013) DOC. ROLL4Evo.CAP.01.R00 (17/03/2008) SIDEL S.p.a. B1.BASE YCARRUSEL b. Presiones de funcionamiento FRECUENCIA: 8 horas (por turno) OPERADOR HABILITADO: 1 encargado de mantenimiento mecánico / 1 operador de máquina TIEMPO NECESARIO: A: 2 minutos; B: ND; C: ND ______________________________________________________________________ Controlar los siguientes valores: – Presión de aire en los gatos (si está previsto): máx.1,5 bar – Presión de aire principal: máx. 6 bar – Presión máx. admisible: 10 bar – Depresión: aproximadamente el 85% del valor absoluto.
  • 332.
    7 - 18 MAN.I4390.ES.USM000 (11/09/2013) DOC. ROLL4Evo.CAP.01.R00 (17/03/2008) 7 MANTENIMIENTO ORDINARIO Y PROGRAMADO SIDEL S.p.a. B2. RODILLO DE TRANSMISIÓN a. Limpieza FRECUENCIA: Mantenimiento cada 8 horas (por turno) OPERADOR HABILITADO: 1 encargado de mantenimiento mecánico TIEMPO NECESARIO: A: 3 minutos; B: -; C ND ______________________________________________________________________ 1. Pare la máquina y póngala en modo manual me- diante el selector de “mantenimiento”: posición “JOG”. 2. Limpie todos los patines y la superficie de contacto de la etiqueta con un paño impregnado en Melt-o Clean. Elimine cualquier residuo de pegamento, aceite, etiqueta o producto (Fig. 7.4.3 - 300). Evite eliminar los residuos de pegamento u otros con herramientas mecánicas u objetos no adecuados. La planificación del tiempo necesario para esta operación puede cumplirse cuando las condiciones de uso son óptimas; es decir, con funcionamiento continuo, puesta en fase óptima entre los componentes y utilización de material de buena calidad. Fig.7.4.3- 300
  • 333.
    7 - 19 7 MANTENIMIENTOORDINARIO Y PROGRAMADO MAN. I4390.ES.USM000 (11/09/2013) DOC. ROLL4Evo.CAP.01.R00 (17/03/2008) SIDEL S.p.a. B3. RODILLO ENCOLADOR a. Limpieza del filtro del recipiente de recuperación de pegamento FRECUENCIA: Mantenimiento cada 24 horas (diario) OPERADOR HABILITADO: 1 encargado de mantenimiento mecánico TIEMPO NECESARIO: A: ND; B: 5 minutos; C: ND ______________________________________________________________________ 1. Pare la máquina. Es aconsejable realizar la limpieza del filtro de pegamento cuando la máquina está caliente. Utilice los equipos de protección personales idóneos (guantes, gafas, etc.). 2. Para extraer el soporte del raspador de cola, quite los dos tornillos de fijación (Fig. 7.4.3 - 2). 3. Limpie con disolvente y elimine los fragmentos de etiqueta que haya de la protección y el recipiente (si presente) (Fig. 7.4.3 - 3). 4. Vuelva a colocar la red de protección y el raspador de cola. Fije el raspador mediante los tornillos de bloqueo (Fig. 7.4.3 - 4). Fig. 7.4.3 - 2 Fig. 7.4.3 - 3 Fig. 7.4.3 - 4
  • 334.
    7 - 20 MAN.I4390.ES.USM000 (11/09/2013) DOC. ROLL4Evo.CAP.01.R00 (17/03/2008) 7 MANTENIMIENTO ORDINARIO Y PROGRAMADO SIDEL S.p.a. B3. EQUIPO NEUMÁTICO a. Mantenimiento del filtro del regulador de aire FRECUENCIA: Mantenimiento cada 24 horas (diario) OPERADOR HABILITADO: 1 encargado de mantenimiento mecánico / 1 operador TIEMPO NECESARIO: A: ND; B: 2 minutos; C: ND ______________________________________________________________________ La periodicidad y las operaciones de mantenimiento preventivo dependen de manera determinante de las condiciones de instalación de la máquina. Condiciones normales de instalación: – Temperatura ambiente media + 20ºC – Uso de aire limpio y seco – Ambiente de trabajo normal en cuanto a polvo y humedad – Dimensiones correctas del equipo de aire comprimido 1. La descarga de condensación se realiza de forma automática. También se puede realizar manualmente mediante un circuito presurizado. Para permitir la descarga manual, es necesario aflojar el tornillo que se encuentra en la base de la cubeta (Fig. 7.4.3 - 5). En este momento el líquido fluye. Vacíe el líquido de condensación a dia- rio. El líquido puede contener aceite y, por lo tanto, no debe dispersarse en el am- biente. Debe recogerse y tratarse como residuo según se indican en el capítulo 3.8 de este manual y las normativas vigentes en el país del usuario en mate- ria de protección del medio ambiente. Si la descarga de condensación es automática, recoja y trate el líquido de la misma forma. Fig. 7.4.3 - 5
  • 335.
    7 - 21 7 MANTENIMIENTOORDINARIO Y PROGRAMADO MAN. I4390.ES.USM000 (11/09/2013) DOC. ROLL4Evo.CAP.01.R00 (17/03/2008) SIDEL S.p.a. Compruebe el estado del cartucho filtrante cada 6000 horas. Adelante el control si las condiciones de trabajo son duras. 1. Para limpiar o reemplazar el cartucho del filtro, debe quitar la copa: empuje los clips presentes en la taza azul y luego girar en sentido horario (Fig.7.4.3 - 6 ). 2. Luego quite la virola de bloqueo para que se pueda sacar el filtro (Fig. 7.4.3 - 7). 3. Para la limpieza, utilice agua y seque con aire comprimido. Proceda a su sustitución en caso de que se encuentre dañado o desgastado (Fig. 7.4.3 - 8). Fig. 7.4.3 - 7 Fig. 7.4.3 - 6 Fig. 7.4.3 - 8
  • 336.
    7 - 22 MAN.I4390.ES.USM000 (11/09/2013) DOC. ROLL4Evo.CAP.01.R00 (17/03/2008) 7 MANTENIMIENTO ORDINARIO Y PROGRAMADO SIDEL S.p.a. B5. FOTOCÉLULA DE LECTURA DE MUESCA Y SENSOR DE ALTURA DE CINTA a. Limpieza FRECUENCIA: Mantenimiento cada 24 horas (diario) OPERADOR HABILITADO: 1 operador de máquina TIEMPO NECESARIO: A: 1 minuto; B: 5 minutos; C: ND ______________________________________________________________________ 1. Asegúrese de que en la fotocélula de lectura de muesca no haya residuos de etiqueta. En caso de que los detecte, limpie con un paño seco y actúe con cau- tela para que no se dañe el sensor de altura de cinta . 2. Si necesario, limpie con la misma cautela la fotocélula de orientación de la cinta. No utilice aire comprimido para limpiar las fotocélulas. Durante la limpieza de las fotocélulas, realice también la limpieza de los reflectores.
  • 337.
    7 - 23 7 MANTENIMIENTOORDINARIO Y PROGRAMADO MAN. I4390.ES.USM000 (11/09/2013) DOC. ROLL4Evo.CAP.01.R00 (17/03/2008) SIDEL S.p.a. Fig. 7.4.3 - 13 B6. RODILLO DE TRANSMISIÓN a. Limpieza y comprobación del estado de los patines FRECUENCIA: Mantenimiento cada 120 horas (semanal) OPERADOR HABILITADO: 1 encargado de mantenimiento mecánico TIEMPO NECESARIO: A: 5 minutos;B: 15 minutos; C: ND ______________________________________________________________________ 1. Pare la máquina y póngala en modo manual me- diante el selector de “mantenimiento”: posición “JOG”. 2. Limpie todos los patines y elimine cualquier residuo de pegamento, aceite, etiquetas o producto con un paño impregnado en Melt-o Clean (Fig. 7.4.3 - 11). 3. Controle la superficie para comprobar las condiciones y el estado de desgaste. Controle detenidamente: - el desgaste alrededor de los agujeros - la pérdida de definición del borde anteriordeagarredelasetiquetasElborde debe estar limpio y bien marcado (Fig. 7.4.3 - 12). 4. Si el borde de la superficie indicada está desgastado, compruebe la funcionalidad de los patines y la distribución del pegamento (Fig. 7.4.3 - 13). Si la distribución del pegamento no fuera homogénea en todos los patines, reemplace los amortiguadores. CUANDOELDIÁMETRODELRODILLOES INFERIOR A 401,4 mm, ES NECESARIO REEMPLAZAR LOS PATINES. EN ESTE CASO ES ACONSEJABLE REEMPLAZAR TAMBIÉNTODOSLOS AMORTIGUADORES. Los patines se suministran en estado bru- to. Antes de su instalación, es preciso realizar el proceso de torneado y luego de fresado (limado). Consulte el procedimiento que se describe en el capítulo 9. Fig. 7.4.2 - 11 Fig. 7.4.3 - 12
  • 338.
    7 - 24 MAN.I4390.ES.USM000 (11/09/2013) DOC. ROLL4Evo.CAP.01.R00 (17/03/2008) 7 MANTENIMIENTO ORDINARIO Y PROGRAMADO SIDEL S.p.a. B6. RODILLO DE TRANSMISIÓN b. Limpieza y control de las galerías y el distribuidor del rodillo FRECUENCIA: Mantenimiento cada 120 horas (semanal) OPERADOR HABILITADO: 1 operador de máquina TIEMPO NECESARIO: A: ND; B: 20 minutos; C: ND ______________________________________________________________________ 1. Pare la máquina. Quite todos los residuos de etiquetas y pegamento del rodillo de transmisión y de la zona circundante con un paño húmedo. No utilice nunca objetos afilados y duros para quitar los residuos de pegamento y otros desechos. Controle y limpie el anillo de distribución y el anillo de acero del rodillo de transmisión. 2. Abra los desenganches rápidos (Fig. 7.4.3 - 14) y separe el grupo de corte del rodillo de transmisión. 3. Quite el tornillo de bloqueo (Fig. 7.4.3 - 15). 4. Sitúe el tornillo de bloqueo en el otro asiento para utilizarlo como extractor y luego quite el rodillo de transmisión (Fig. 7.4.3 - 16). Fig. 7.4 - 14 Fig.7.4.3-16 Fig.7.4.3-15 A
  • 339.
    7 - 25 7 MANTENIMIENTOORDINARIO Y PROGRAMADO MAN. I4390.ES.USM000 (11/09/2013) DOC. ROLL4Evo.CAP.01.R00 (17/03/2008) SIDEL S.p.a. 5. Controle las condiciones del disco de plástico que está fijado debajo del rodillo de transmisión y quite todos los residuos de etiquetas y pegamento (Fig. 7.4.3 - 17). Limpie con disolvente. Controle que los agujeros no estén obstruidos. En caso de que lo estén, eche disolvente en los agujeros y aplique un chorro de aire. 6. Desmonte el rodillo de transmisión. Limpie la superficie de acero del plato de distribución (D) y los canales de vacío (C). Elimine cualquier resi- duo de grasa, aceite, etiquetas o producto (Fig. 7.4.3 - 18). Para la limpieza, utilice: a. Disolvente: para quitar pegamento, grasa o aceite. b.Agua caliente: para quitar los residuos de producto. Es aconsejable quitar el plato de distribución para limpiar los restos acumulados de producto. Durante la operación de limpieza, procure no mojar el grupo de etiquetado. 7. Antes de quitar los patines para su limpieza, compruebe que al final del patín y en la superficie del rodillo correspondiente hay un número de referencia impreso. Los patines debe situarse SIEMPRE en la misma posición. 8. Controle y limpie los agujeros del rodillo de transmisión que se indican (E). Para limpiar los agujeros utilice una broca de 2,9 mm (Fig. 7.4.3 - 19). Realice la operación de limpieza sin for- zar la broca en el interior de los agujeros. Fig.7.4.3-17 Fig.7.4.3-18 C D Fig.7.4.3-19 E
  • 340.
    7 - 26 MAN.I4390.ES.USM000 (11/09/2013) DOC. ROLL4Evo.CAP.01.R00 (17/03/2008) 7 MANTENIMIENTO ORDINARIO Y PROGRAMADO SIDEL S.p.a. 9. Controle la superficie de los patines (F). Si necesario, utilice brocas de 2,4 mm y 2,9 mm para limpiarlas (Fig. 7.4.3 - 20). Procure NO quitar parte del material azul que compone el patín. Realice la operación de limpieza sin forzar la broca en el interior de los agujeros. 10. Compruebe el estado de las esponjas de los amortiguadores. Si están desgastadas, reemplácelas por otras nuevas. 11. En caso de grandes acumulaciones de suciedad, es necesario extraer el disco de plástico (G) y todos los patines (H) (Fig. 7.4.3 - 21). Lave el disco aparte y limpie el interior del rodillo con disolvente “Melt-O-Clean”. Los patines deben colocarse de nuevo en la misma posición. No sustituya nunca los tornillos de fijación, ya que NO son intercambiables. Antes de volver a montar el rodillo de transmisión, lubrique la parte inferior del plato con una capa de grasa o “aceite para guías externas”. 12. Ponga en fase el rodillo de transmisión. Ponga en fase el grupo de corte con el rodillo de transmisión (Fig. 7.4.3 - 22). Cuando sustituya el rodillo de transmisión, respete SIEMPRE el procedimiento de “Puesta a punto” que se indica en el capítulo 6. Fig. 7.4.3 - 22 Fig.7.4.3 - 21 Fig.7.4.3 -20 F H G
  • 341.
    7 - 27 7 MANTENIMIENTOORDINARIO Y PROGRAMADO MAN. I4390.ES.USM000 (11/09/2013) DOC. ROLL4Evo.CAP.01.R00 (17/03/2008) SIDEL S.p.a. Fig. 7.4.3 - 23 13. Introduzca los dispositivos de bloqueo articulados para que el grupo de corte y arrastre puedan volver a cerrarse desplazándose axialmente. Hay 2 dispositivos de bloqueo articulados que se deben accionar simultáneamente (Fig. 7.4.3 - 23).
  • 342.
    7 - 28 MAN.I4390.ES.USM000 (11/09/2013) DOC. ROLL4Evo.CAP.01.R00 (17/03/2008) 7 MANTENIMIENTO ORDINARIO Y PROGRAMADO SIDEL S.p.a. B6. RODILLO DE TRANSMISIÓN c. Comprobación del estado del plato de distribución de vacíos FRECUENCIA: Mantenimiento cada 120 horas (semanal) OPERADOR HABILITADO: 1 encargado de mantenimiento mecánico TIEMPO NECESARIO: A: 5 minutos; B: ND; C: ND ______________________________________________________________________ 1. Asegúrese de que el plato de la válvula esté desgastado de manera homogénea y no tenga rasguños en su superficie (Fig. 7.4.3 - 24). Preste especial atención a la zona marcada con la letra “A” (Fig. 7.4.3 - 25). 2. En caso de que en la superficie se pudieran detectar fácilmente ranuras y corrosiones, el plato debería tornearse para pulir su superficie. Realice el primer torneado del plato de válvulas con un paso de 2/10. Si tuviese que volver a pulirse, podría quitarse un máximo de 1 mm de material. En caso de que después del torneado se notaran todavía marcas de desgastes o cortes, reemplace el rodillo. Fig.7.4.3 -24 Fig.7.4.3 - 25 A
  • 343.
    7 - 29 7 MANTENIMIENTOORDINARIO Y PROGRAMADO MAN. I4390.ES.USM000 (11/09/2013) DOC. ROLL4Evo.CAP.01.R00 (17/03/2008) SIDEL S.p.a. B7. GRUPO DE ETIQUETADO a. Comprobación y limpieza de las tuberías y galerías del sistema de vacío FRECUENCIA: Mantenimiento cada 120 horas (semanal) OPERADOR HABILITADO: 1 encargado de mantenimiento mecánico TIEMPO NECESARIO: A: 5 minutos; B: ND; C: 2 horas ______________________________________________________________________ 1. Quite el rodillo de transmisión para que el colector quede al descubierto. Saque con cuidado el acople de latón (A) para ver la galería de abajo (Fig. 7.4.3 - 26). 2. Compruebe visualmente las 4 galerías (Fig. 7.4.3 - 27) (B). Si se detectan marcas de suciedad, es necesario quitar el colector de la máquina. 3. Limpie completamente el colector desmontado con disolvente. 4. Controle todas las tuberías de vacío (Fig. 7.4.3 - 28). Si se detectan marcas de suciedad, es necesario quitar las tuberías. Antes de limpiar, las tuberías se deben desconectar de las válvulas de ajuste y de la turbina de vacío. Limpie las tuberías con agua caliente y disolvente. Reemplace las tuberías que estén desgastadas o tengan incrustaciones. Fig. 7.4.3 - 26 Fig. 7.4.3 - 27 Fig. 7.4.3 - 28 A B
  • 344.
    7 - 30 MAN.I4390.ES.USM000 (11/09/2013) DOC. ROLL4Evo.CAP.01.R00 (17/03/2008) 7 MANTENIMIENTO ORDINARIO Y PROGRAMADO SIDEL S.p.a. 5. Controle y limpie cada uno de los 4 colectores de vacío (Fig. 7.4.3 - 29) conforme a los procedimientos siguientes: a. Fije 1,5 m (50 pulgadas aprox.) de tubería de rechazo debajo del colector que hay que limpiar. b. Sujete la parte terminal de la tubería y eche disolvente en su interior (Fig. 7.4.3 - 30). c. Siga sujetando la parte terminal de la tubería y limpie el interior del colector con un cepillo para botellas (Fig. 7.4.3 - 31). d. Deje que el disolvente fluya desde la tubería hasta un recipiente adecuado. e. Repita los pasos anteriores (de “a” a “d”) utilizando agua caliente en lugar de disolvente. f. Seque con aire comprimido. g. Vuelva a colocar la tubería correspondiente en el colector. h. Repita las operaciones para cada tubería/colector. Todas las tuberías DEBEN estar comple- tamente secas antes de fijarlas a la máquina. Fig. 7.4.3 - 29 Fig. 7.4.3 - 30 Fig. 7.4.3 - 31
  • 345.
    7 - 31 7 MANTENIMIENTOORDINARIO Y PROGRAMADO MAN. I4390.ES.USM000 (11/09/2013) DOC. ROLL4Evo.CAP.01.R00 (17/03/2008) SIDEL S.p.a. B8. SOPORTES DE BOBINAS a. Comprobación de la funcionalidad de los rodillos de guía de papel FRECUENCIA: Mantenimiento cada 120 horas (semanal) OPERADOR HABILITADO: 1 operador de máquina TIEMPO NECESARIO: A: 5 minutos; B: 10 minutos; C: 15 minutos ______________________________________________________________________ 1. Controle que todos los rollos de guía de papel giren libremente y estén bien fijados. En caso contrario, quite el tapón superior y eche unas gotas de aceite (Fig. 7.4.3 - 32). Limpie el rodillo con un paño húmedo para eliminar posibles residuos de suciedad. Fig. 7.4.3 - 32
  • 346.
    7 - 32 MAN.I4390.ES.USM000 (11/09/2013) DOC. ROLL4Evo.CAP.01.R00 (17/03/2008) 7 MANTENIMIENTO ORDINARIO Y PROGRAMADO SIDEL S.p.a. B9. SISTEMA DE VACÍO a. Verifique, limpie o sustituya los filtros de vacío. FRECUENCIA: Mantenimiento cada 120 horas (semanal) OPERADOR HABILITADO: 1 encargado de mantenimiento mecánico TIEMPO NECESARIO: A: 10 minutos; B: ND; C: 20 minutos ______________________________________________________________________ 1. Apague la bomba de vacío. 2. Abra los alojamientos de los filtros desenroscando las dos tuercas de mariposa presentes en cada alojamiento. Continúaenlapáginasucesiva...
  • 347.
    7 - 33 7 MANTENIMIENTOORDINARIO Y PROGRAMADO MAN. I4390.ES.USM000 (11/09/2013) DOC. ROLL4Evo.CAP.01.R00 (17/03/2008) SIDEL S.p.a. 3. Quite el filtro y la estructura que sostiene la junta. 4. Inspeccione los filtros para comprobar que no estén dañados o contaminados. Sustituya los filtros con juntas dañadas o bordes aplastados. Sustituya los filtros que presentan contaminación líquida. Sustituya los filtros que presentan niveles considerables de contaminación seca. 5. Si el filtro presenta una ligera contaminación seca, bastará limpiarlo con una pistola de aire comprimido. Limpie dirigiendo el chorro de aire en el lado limpio del filtro. Utilice indumentos adecuados para proteger las manos y los ojos. Sustituya los filtros al menos una vez al año, independientemente del nivel de contaminación. Continúaenlapáginasucesiva...
  • 348.
    7 - 34 MAN.I4390.ES.USM000 (11/09/2013) DOC. ROLL4Evo.CAP.01.R00 (17/03/2008) 7 MANTENIMIENTO ORDINARIO Y PROGRAMADO SIDEL S.p.a. 6. Quite cuidadosamente el filtro y la estructura que sostiene la junta. 7. Cierre el alojamiento del filtro y apriete las tuercas de mariposa a mano. 8. Vuelva a poner en marcha la bomba de vacío y compruebe que las juntas de los filtros no presenten pérdidas. Si se detectan pérdidas, habrá que abrir el alojamiento y controlar el asiento del filtro.
  • 349.
    7 - 35 7 MANTENIMIENTOORDINARIO Y PROGRAMADO MAN. I4390.ES.USM000 (11/09/2013) DOC. ROLL4Evo.CAP.01.R00 (17/03/2008) SIDEL S.p.a. B13. SISTEMA DEL VACÍO b. Control y limpieza del filtro de la válvula de seguridad (CON PANEL BR, 15) y control de configuración de la válvula de seguridad FRECUENCIA: cada 120 horas (semanal) OPERADOR HABILITADO: 1 técnico de mantenimiento mecánico TIEMPO NECESARIO: A: 5 minutos; B: ND; C: 15 minutos ______________________________________________________________________ 1. Quite los 2 filtros de su alojamiento. 2. Inspeccione los filtros para comprobar que no estén dañados o contaminados. Sustituya los filtros con juntas dañadas o bordes aplastados. Sustituya los filtros que presentan contaminación líquida. Sustituya los filtros que presentan niveles considerables de contaminación seca. Continúaenlapáginasucesiva...
  • 350.
    7 - 36 MAN.I4390.ES.USM000 (11/09/2013) DOC. ROLL4Evo.CAP.01.R00 (17/03/2008) 7 MANTENIMIENTO ORDINARIO Y PROGRAMADO SIDEL S.p.a. 3. Si el filtro presenta una ligera contaminación seca, bastará limpiarlo con una pistola de aire comprimido. Limpie dirigiendo el chorro de aire en el lado limpio del filtro. Utilice indumentos adecuados para proteger las manos y los ojos. Sustituya los filtros al menos una vez al año, independientemente del nivel de contaminación. 4. Abra el alojamiento de los filtros desenroscando las dos tuercas de mariposa. 5. Ponga en marcha la bomba del vacío. Continúaenlapáginasucesiva...
  • 351.
    7 - 37 7 MANTENIMIENTOORDINARIO Y PROGRAMADO MAN. I4390.ES.USM000 (11/09/2013) DOC. ROLL4Evo.CAP.01.R00 (17/03/2008) SIDEL S.p.a. 6. Cierre las cinco válvulas de aislamiento del vacío ubicadas debajo del grupo de etiquetado. 7. Lea el valor indicado en el manómetro del colector de vacío que está cerca de la válvula y el valor leído por la HMI en el transductor del colector de vacío en la página REGULACIÓN DE VACÍOS del panel de control: el valor debe estar comprendido entre 290 y 300 mbar. Si el valor de presión está fuera de este rango, regule la válvula de seguridad del sistema de vacíos como se describe en el párrafo 7.5.11. Continúaenlapáginasucesiva...
  • 352.
    7 - 38 MAN.I4390.ES.USM000 (11/09/2013) DOC. ROLL4Evo.CAP.01.R00 (17/03/2008) 7 MANTENIMIENTO ORDINARIO Y PROGRAMADO SIDEL S.p.a. 8. Sacuda el eje de la válvula de seguridad y controle que el valor del vacío regrese siempre a niveles aceptables. Si las lecturas de presión de la válvula son irregulares, es posible que los mecanismos estén bloqueados. Por tan- to, habrá que desmontar y limpiar la válvula. Losnivelesdevacíosuperioresa325mbar provocan daños en la bomba de vacío. Para el procedimiento correcto, consulte el párrafo 7.5.9. Los valores de vacío inferiores a 275 mbar afectan el buen funcionamiento de la máquina. Para el procedimiento correcto, consulte el párrafo 7.5. 11. 9. Si las configuraciones de la válvula de vacío son correctas, es decir, de 290-300 mbar, cierre la caja portafiltro y la puerta del filtro y compruebe que el valor en el indicador de vacío y el de las válvulas del transductor de la HMI no cambien. Una variación en la lectura de la presión indica que los filtros están obstruidos y deben sustituirse. Continúaenlapáginasucesiva...
  • 353.
    7 - 39 7 MANTENIMIENTOORDINARIO Y PROGRAMADO MAN. I4390.ES.USM000 (11/09/2013) DOC. ROLL4Evo.CAP.01.R00 (17/03/2008) SIDEL S.p.a. 10. Si hiciera falta, instale filtros nuevos y vuelva a controlar abriendo y cerrando la puerta del filtro. 11. Cierre la caja portafiltro y abra las 5 válvulas de aislamiento del vacío. En el primer periodo, la frecuencia de las operaciones de mantenimiento arriba descritas debe ser semanal (cada 120 horas) para verificar las condiciones ambientales de trabajo. En un segundo momento, la frecuencia podrá ser de una vez al mes (cada 500 horas).
  • 354.
    7 - 40 MAN.I4390.ES.USM000 (11/09/2013) DOC. ROLL4Evo.CAP.01.R00 (17/03/2008) 7 MANTENIMIENTO ORDINARIO Y PROGRAMADO SIDEL S.p.a. B 10. EQUIPO NEUMÁTICO a. Control del circuito FRECUENCIA: Mantenimiento cada 120 horas (semanal) OPERADOR HABILITADO: 1 encargado de mantenimiento mecánico TIEMPO NECESARIO: A: 5 minutos; B: ND; C: 20 minutos ______________________________________________________________________ 1. Con la máquina parada, abra las protecciones del equipo neumático. Controle que no haya pérdidas y compruebe que todo funciona correctamente. En esta operación se controla la estanquidad de las tuberías y los racores y se lleva a cabo un control visual de los componentes, además de una correcta puesta a pun- to del funcionamiento (Fig. 7.4.3 - 39 / 40). Elimine todos los defectos que se detecten. Fig.7.4.3 - 39 Fig.7.4.3 - 40
  • 355.
    7 - 41 7 MANTENIMIENTOORDINARIO Y PROGRAMADO MAN. I4390.ES.USM000 (11/09/2013) DOC. ROLL4Evo.CAP.01.R00 (17/03/2008) SIDEL S.p.a. B11. CUADRO ELÉCTRICO a. Limpieza general FRECUENCIA: Mantenimiento cada 120 horas (semanal) OPERADOR HABILITADO: 1 encargado de mantenimiento TIEMPO NECESARIO: A: 5 minutos; B: ND; C: ND ______________________________________________________________________ 1. Para la limpieza del acondicionador de aire (Fig. 7.4.3 - 40), seguir las instrucciones del fabricante.
  • 356.
    7 - 42 MAN.I4390.ES.USM000 (11/09/2013) DOC. ROLL4Evo.CAP.01.R00 (17/03/2008) 7 MANTENIMIENTO ORDINARIO Y PROGRAMADO SIDEL S.p.a. B12. RODILLO DE CORTE a. Control de la fijación de la contracuchilla y los bulones de ajuste FRECUENCIA: Mantenimiento cada 120 horas (semanal) OPERADOR HABILITADO: 1 encargado de mantenimiento mecánico TIEMPO NECESARIO: A: 5 minutos; B: ND; C: ND ______________________________________________________________________ 1. Con la máquina parada, controle la fijación de la contracuchilla y los bulones de ajuste (Fig. 7.4.3 - 42). Si necesario, realice el ajuste del rodillo de corte (véase el procedimiento que se describe en el apartado 7.5). Fig. 7.4.3 - 42
  • 357.
    7 - 43 7 MANTENIMIENTOORDINARIO Y PROGRAMADO MAN. I4390.ES.USM000 (11/09/2013) DOC. ROLL4Evo.CAP.01.R00 (17/03/2008) SIDEL S.p.a. B12. RODILLO DE CORTE b. Limpieza y lubricación del tornillo de asiento FRECUENCIA: Mantenimiento cada 120 horas (semanal) OPERADOR HABILITADO: 1 encargado de mantenimiento mecánico TIEMPO NECESARIO: A: ND; B: 5 minutos; C: ND ______________________________________________________________________ 1. Lubrique el tornillo de asiento de la cuchilla fija del rodillo de corte. Utilice aceite blanco o “ligero” (consulte la tabla “Especificaciones de aceites” [ ]) para lubricar la barra roscada (A) y la cuña de bloqueo (B) (Fig. 7.4.3 - 43). Es aconsejable utilizar un lubricante en aerosol para asegurar la penetración del aceite en todos los mecanismos. Fig. 7.4.3 - 43 A B
  • 358.
    7 - 44 MAN.I4390.ES.USM000 (11/09/2013) DOC. ROLL4Evo.CAP.01.R00 (17/03/2008) 7 MANTENIMIENTO ORDINARIO Y PROGRAMADO SIDEL S.p.a. B12. RODILLO DE CORTE c. Control y limpieza de los cascos de corte FRECUENCIA: Mantenimiento cada 120 horas (semanal) OPERADOR HABILITADO: 1 encargado de mantenimiento mecánico TIEMPO NECESARIO: A: 15 minutos; B: ND; C: 30 minutos ______________________________________________________________________ 1. Desenganche el grupo de corte de la transmisión principal mediante los dispositivos de bloqueo de palancas rojas (Fig. 7.4.3 - 44). 2. Quite el bloque de soplos mediante los dos tornillos de bloqueo (Fig. 7.4.3 - 45). 3. Quite los dos tornillos de fijación de los dos cascos de corte (Fig. 7.4.3 - 46). Fig. 7.4.3 - 44 Fig. 7.4.3 - 45 Fig. 7.4.3 - 46
  • 359.
    7 - 45 7 MANTENIMIENTOORDINARIO Y PROGRAMADO MAN. I4390.ES.USM000 (11/09/2013) DOC. ROLL4Evo.CAP.01.R00 (17/03/2008) SIDEL S.p.a. 4. Para facilitar la operación de extracción de los cascos del rodillo de corte, gire adelante/atrás la cuchilla me- diante la virola de ajuste (Fig. 7.4.3 - 47). 5. Inspeccione y limpie las galerías de vacíos (A), las galerías de soplos (B) y los agujeros de la superficie de los cascos (C) (Fig. 7.4.3 - 48). Para la limpieza, utilice: a. una broca (diámetro de 2,9 mm) para los agujeros de la superficie de los cascos (C) b. un cepillo de cerdas suaves (diámetro de 9 mm) para las galerías de soplos (B) y de vacíos (A) 6. Limpie la superficie del casco con un disolvente y luego inspeccione los cascos para comprobar el estado de desgaste y si presentan daños. Si se detecta un nivel elevado de desgaste, reemplace AMBOS cascos lo antes posible. 7. Antes de volver a montar los cascos, lubrique con una capa de grasa sólo la parte superior del casco que está en contacto con la brida de vacíos ( A - Fig. 7.4.3 - 48). ¡NO lubrique la superficie cilíndrica de los cascos! Antes de volver a montar los cascos, controle y limpie el colector del rodillo de corte como se describe en el procedimiento “B11.d”. Fig. 7.4.3 - 47 B C A E D
  • 360.
    7 - 46 MAN.I4390.ES.USM000 (11/09/2013) DOC. ROLL4Evo.CAP.01.R00 (17/03/2008) 7 MANTENIMIENTO ORDINARIO Y PROGRAMADO SIDEL S.p.a. B11. RODILLO DE CORTE d. Control y limpieza del colector del rodillo de corte FRECUENCIA: Mantenimiento cada 120 horas (semanal) OPERADOR HABILITADO: 1 encargado de mantenimiento mecánico TIEMPO NECESARIO: A: 5 minutos; B: ND; C: 30 minutos ______________________________________________________________________ 1. Quite el bloque de soplos y los cascos como se describe en las páginas anteriores. 2. Asegúrese de que el colector de vacío (A) esté limpio y no esté desgastado (Fig. 7.4.3 - 49). 3. Controle detenidamente el canal (B) (Fig. 7.4.3 - 49). Si está sucio, es necesario quitar y limpiar el colector como se describe a continuación. 4. Quite la tuerca de bloqueo anterior y posterior del grupo de corte (Fig. 7.4.3 - 50). 5. Eche para atrás el grupo de corte para que sea posible extraer el colector (Fig. 7.4.3 - 51). Fig. 7.4.3 - 50 Fig. 7.4.3 -51 B A Fig. 7.4 - 49
  • 361.
    7 - 47 7 MANTENIMIENTOORDINARIO Y PROGRAMADO MAN. I4390.ES.USM000 (11/09/2013) DOC. ROLL4Evo.CAP.01.R00 (17/03/2008) SIDEL S.p.a. Fig. 7.4.3 - 52 6. Primero quite el plato de fijación para que sea posible extraer y limpiar el colector (Fig. 7.4.3 - 52). 7. Quite el colector (Fig. 7.4.3 - 53). 8. Limpie todos los componentes con disolvente (Fig. 7.4.3 - 54). Fig. 7.4.3 - 53 Fig. 7.4.3 - 54
  • 362.
    7 - 48 MAN.I4390.ES.USM000 (11/09/2013) DOC. ROLL4Evo.CAP.01.R00 (17/03/2008) 7 MANTENIMIENTO ORDINARIO Y PROGRAMADO SIDEL S.p.a. Fig. 7.4.3 - 55 9. Antes de volver a instalar los componentes, limpie bien las galerías como se indica en la figura (Fig. 7.4.3 - 55). Vuelva a montar los componentes del colector realizando el procedimiento al revés. 10. Asegúrese de que el colector de soplos esté limpio y no esté desgastado (Fig. 7.4.3 - 56). Si está sucio, es necesario quitarlo y limpiarlo según las indicaciones de los puntos 6, 7, 8 y 9. 11. Limpie la superficie con disolvente y utilice un destornillador y un paño húmedo para eliminar la suciedad más resistente del interior del colector. Complete la limpieza con aire comprimido y asegúrese de que no queden fibras o residuos de detergente entre los componentes que hay que volver a montar. Si necesario, controle y reemplace los dispositivos de carga que se encuentran debajo del colector. 12. Vuelva a montar los cascos del rodillo de corte y el bloque de soplos SIN lubricar estos componentes. 13. Vuelva a cerrar el grupo de arrastre (Fig. 7.4.3 - 57). Al cerrar el grupo de corte, procure no aplastar las tuberías de aire ni los cables de los sensores. Fig. 7.4.3 - 57 Fig. 7.4.3 - 56
  • 363.
    7 - 49 7 MANTENIMIENTOORDINARIO Y PROGRAMADO MAN. I4390.ES.USM000 (11/09/2013) DOC. ROLL4Evo.CAP.01.R00 (17/03/2008) SIDEL S.p.a. Fig. 7.4.3 - 58 14. Vuelva a colocar la tuerca de bloqueo anterior y posterior del grupo de corte (Fig. 7.4.3 - 58).
  • 364.
    7 - 50 MAN.I4390.ES.USM000 (11/09/2013) DOC. ROLL4Evo.CAP.01.R00 (17/03/2008) 7 MANTENIMIENTO ORDINARIO Y PROGRAMADO SIDEL S.p.a. B11. RODILLO DE CORTE e. Control y limpieza del bloque de soplos FRECUENCIA: Mantenimiento cada 120 horas (semanal) OPERADOR HABILITADO: 1 encargado de mantenimiento mecánico TIEMPO NECESARIO: A: 5 minutos; B: ND; C: ND ______________________________________________________________________ 1. Desenganche el grupo de corte de la transmisión principal mediante los dispositivos de bloqueo de palancas rojas (Fig. 7.4.3 - 59). 2. Quite el bloque de soplos mediante los dos tornillos de bloqueo (Fig. 7.4.3 - 60). 3. Quite la placa de protección (B) y limpie la superfi- cie principal de contacto (C), la placa de protección (B) y la superficie externa (A) con disolvente (Fig. 7.4.3 - 61). 4. Vuelva a instalar el bloque de soplos y junte de nuevo el grupo de corte con la transmisión principal. Fig. 7.4.3 - 61 Fig. 7.4.3 - 59 Fig. 7.4.3 - 60 A B C
  • 365.
    7 - 51 7 MANTENIMIENTOORDINARIO Y PROGRAMADO MAN. I4390.ES.USM000 (11/09/2013) DOC. ROLL4Evo.CAP.01.R00 (17/03/2008) SIDEL S.p.a. B13. PLATILLOS a. Limpieza FRECUENCIA: Mantenimiento cada 120 horas (semanal) OPERADOR HABILITADO: 1 operador o encargado de mantenimiento TIEMPO NECESARIO: A: ND; B: 10 minutos; C: ND ______________________________________________________________________ 1. Verificar que los platillos estén limpios e íntegros. Para la limpieza, utilizar pulverizaciones de aire o un paño húmedo (Fig. 7.4.3 -63). 2. Girar manualmente cada uno de los platillo y controlar el juego en la transmisión (juego recomendado de 2 a 6 mm). En caso de aumento o juego excesivo, avisar inmediatamente al Centro de Asistencia SIDEL S.p.A. Fig. 7.4.3 - 63a Fig. 7.4.3 - 63
  • 366.
    7 - 52 MAN.I4390.ES.USM000 (11/09/2013) DOC. ROLL4Evo.CAP.01.R00 (17/03/2008) 7 MANTENIMIENTO ORDINARIO Y PROGRAMADO SIDEL S.p.a. B14. FOTOCÉLULA DE LECTURA DE MUESCAY SENSOR DE ALTURA DE CINTA a. Limpieza y lubricación del tornillo de ajuste FRECUENCIA: Mantenimiento cada 120 horas (semanal) OPERADOR HABILITADO: 1 operador de máquina TIEMPO NECESARIO: A: ND; B: 5 minutos; C: ND ______________________________________________________________________ 1. Lubrique la barra roscada de ajuste de la fotocélula de lectura de muesca (Fig. 7.4.3 - 64) con aceite blanco o “ligero” (véase el tipo recomendado en la tabla de “Especificaciones de aceites” ]). 2. Lubrique la barra roscada de ajuste del sensor de altura de cinta (Fig. 7.4.3 - 65) con aceite blanco o “ligero” (véase el tipo recomendado en la tabla de “Especificaciones de aceites). Es aconsejable utilizar un lubricante en aerosol para asegurar la penetración del aceite en todos los mecanismos. Fig. 7.4.3 - 64 Fig. 7.4.3 - 65
  • 367.
    7 - 53 7 MANTENIMIENTOORDINARIO Y PROGRAMADO MAN. I4390.ES.USM000 (11/09/2013) DOC. ROLL4Evo.CAP.01.R00 (17/03/2008) SIDEL S.p.a. B15. GRUPO DE ARRASTRE a. Limpieza y lubricación de las palancas de desenganche del grupo de corte FRECUENCIA: Mantenimiento cada 120 horas (semanal) OPERADOR HABILITADO: 1 operador de máquina TIEMPO NECESARIO: A: ND; B: 5 minutos; C: ND ______________________________________________________________________ 1. Limpie el dispositivo de enganche/desenganche del grupo del rodillo de corte. 2. Lubrique ambos los lados del dispositivo de enganche/desenganche aplicando aceite blanco o “ligero” en los pernos (Fig. 7.4.3 - 66) (véase el tipo recomendado en la tabla de “Especificaciones de aceites” ). Accione los desenganches para aplicar mejor la lubricación. Es aconsejable utilizar un lubricante de aerosol para asegurar la penetración del aceite en los mecanismos. Fig. 7.4.3 - 66
  • 368.
    7 - 54 MAN.I4390.ES.USM000 (11/09/2013) DOC. ROLL4Evo.CAP.01.R00 (17/03/2008) 7 MANTENIMIENTO ORDINARIO Y PROGRAMADO SIDEL S.p.a. B15. GRUPO DE ARRASTRE b. Limpieza y lubricación del ajuste del rodillo basculante FRECUENCIA: Mantenimiento cada 120 horas (semanal) OPERADOR HABILITADO: 1 operador de máquina TIEMPO NECESARIO: A: ND; B: 5 minutos; C: ND ______________________________________________________________________ 1. Si necesario, limpie los pernos del grupo del rodillo basculante. 2. Utilice aceite blanco o ligero ( véase el tipo recomendado en la tabla “Especificaciones de aceites” ) y aplíquelo en los puntos que se indican en la figura (Fig. 7.4.3 - 67). Es aconsejable utilizar un lubricante de aerosol para asegurar la penetración del aceite en los mecanismos. Fig. 7.4.3 - 67
  • 369.
    7 - 55 7 MANTENIMIENTOORDINARIO Y PROGRAMADO MAN. I4390.ES.USM000 (11/09/2013) DOC. ROLL4Evo.CAP.01.R00 (17/03/2008) SIDEL S.p.a. B15. GRUPO DE ARRASTRE c. Limpieza y control del rodillo de contraste (pinch roller) FRECUENCIA: Mantenimiento cada 120 horas (semanal) OPERADOR HABILITADO: 1 encargado de mantenimiento mecánico TIEMPO NECESARIO: A: 5 minutos; B: ND; C: 30 minutos ______________________________________________________________________ 1. Quite el plato que cubre el “pinch roller”. 2. Elimine la suciedad y el material que haya podido acumularse. 3. Gire el rodillo de contraste para comprobar el nivel de desgaste (Fig. 7.4.3 - 68) y reemplácelo si necesario. 4. Compruebe con especial atención las secciones superior e inferior del rodillo (Fig. 7.4.3 - 69). Las etiquetas que puedan enrollarse en estas zonas podrían dañar las guarniciones y los cojinetes. Fig. 7.4.3 - 69 Fig. 7.4.3 - 68
  • 370.
    7 - 56 MAN.I4390.ES.USM000 (11/09/2013) DOC. ROLL4Evo.CAP.01.R00 (17/03/2008) 7 MANTENIMIENTO ORDINARIO Y PROGRAMADO SIDEL S.p.a. B16. Dispositivo de orientación de la cinta a. Limpieza y control de desgaste/ huelgos excesivos FRECUENCIA: Mantenimiento cada 120 horas (semanal) OPERADOR HABILITADO: 1 encargado de mantenimiento mecánico TIEMPO NECESARIO: A: 5 minutos; B: ND; C: ND ______________________________________________________________________ 1. Controle el dispositivo de orientación de la cinta (WebTracker). - Controle el estado de desgaste del soporte del orientador tirando el soporte móvil hacia las dos indicaciones (X y Y) que se ilustran en la figura (Fig. 7.4.3 - 70a). - Asegúrese también de que los rodillos giren libremente y que no estén sucios (Fig. 7.4.3 - 70b). Fig. 7.4.3 - 70a X Y Fig. 7.4.3 - 70b
  • 371.
    7 - 57 7 MANTENIMIENTOORDINARIO Y PROGRAMADO MAN. I4390.ES.USM000 (11/09/2013) DOC. ROLL4Evo.CAP.01.R00 (17/03/2008) SIDEL S.p.a. B18. RODILLO DE CORTE a. Comprobación del estado de desgaste de la cuchilla móvil FRECUENCIA: Mantenimiento cada 500 horas (mensual) OPERADOR HABILITADO: 1 encargado de mantenimiento mecánico TIEMPO NECESARIO: A: ND; B: 5 minutos; C: 30 minutos ______________________________________________________________________ La siguiente operación de mantenimiento DEBE ser realizada por un técnico de SIDEL S.p.A. o por un técnico de mantenimiento preparado y cualificado. OPERACIONES PRELIMINARES 1. Apague la máquina, póngala en modo de mantenimiento (JOG) y desactive el funcionamiento de la bomba de vacío. Desenganche el grupo (Fig. 7.4.3 - 71) y quite el rodillo de transmisión. 2. Quite el bloque de soplos de los enganches me- diante los dos tornillos de bloqueo (Fig. 7.4.3 - 72). 3. Desatornille los tornillos de bloqueo y quite los cascos del perno de soporte (Fig. 7.4.3 - 73). Si necesario, gire manualmente el rodillo para facilitar las operaciones de desmontaje de los cascos. Fig. 7.4.3 - 71 Fig. 7.4.3 - 72 Fig. 7.4.3 - 73
  • 372.
    7 - 58 MAN.I4390.ES.USM000 (11/09/2013) DOC. ROLL4Evo.CAP.01.R00 (17/03/2008) 7 MANTENIMIENTO ORDINARIO Y PROGRAMADO SIDEL S.p.a. CONTROLDELDESGASTEDELACUCHILLAMÓVIL 4. Quitar los tornillos de bloqueo (Fig. 7.4.3 -73) e introducir los dos tornillos en los agujeros (A) para fa- cilitar la extracción del bloque de la cuchilla. 5. Verificar el desgaste de la cuchilla, comprobando que su borde no presente irregularidades. (Fig. 7.4.2 - 74) 6. Si se detecta un desgaste excesivo de la cuchilla móvil, proceder a la rotación de la misma: de hecho, ha sido diseñada para trabajar con 4 aristas útiles. La máquina comienza a trabaja con la arista “1”. El número de referencia está estampillado en la parte superior de la propia cuchilla (Fig. 7.4.3-75). Se recomienda rotar la arista de la cuchilla de corte cada 1500 horas de trabajo, como máximo. horas de trabajo. Fig. 7.4.3 - 74 Fig. 7.4.3 - 75 Fig. 7.4.3 - 73 A A
  • 373.
    7 - 59 7 MANTENIMIENTOORDINARIO Y PROGRAMADO MAN. I4390.ES.USM000 (11/09/2013) DOC. ROLL4Evo.CAP.01.R00 (17/03/2008) SIDEL S.p.a. 7. Efectuar una rotación de 180°: La arista de trabajo será el número “3” (Fig. 7.4 - 76). En las regulaciones sucesivas, proceder de la siguiente manera: 8. Girar la cuchilla 180°. La arista de trabajo será la número “4” (Fig. 7.4.3 -77). 9. Efectuar una rotación de 180°. La arista de trabajo será la número “2” (Fig. 7.4.3 - 78). Fig. 7.4.3 - 76 Fig. 7.4.3 - 78 180 ° Fig. 7.4.3 - 77 180° 180 °
  • 374.
    7 - 60 MAN.I4390.ES.USM000 (11/09/2013) DOC. ROLL4Evo.CAP.01.R00 (17/03/2008) 7 MANTENIMIENTO ORDINARIO Y PROGRAMADO SIDEL S.p.a. 10. Realice un giro de 180°. El ángulo de trabajo será el número “2” (Fig. 7.4.3 - 80). Es aconsejable girar la cuchilla en este orden para poder aprovechar los 4 lados útiles y evitar cambios de cuchilla inesperados. Cuando gire la cuchilla, marque siempre el lado utilizado. Reemplace definitivamente la cuchilla cuando se hayan desgastado los cuatros ángulos (es decir, después de realizar tres giros). En este caso también es aconsejable reemplazar la cuchilla fija. 11. Limpie la cuchilla móvil. Vuelva a montar la cuchilla móvil y apriete los tornillos de bloqueo (Fig. 7.4.3 - 81). Vuelva a montar la cuchilla móvil SIN USAR GRASA o LOCTITE. La operación debe realizarse en seco. 12. Gire manualmente el rodillo de corte y compruebe que no haya contacto entre las dos cuchillas (Fig. 7.4.3 - 82). Fig. 7.4.3 - 80 Fig. 7.4.3 - 81 Fig. 7.4.3 - 82
  • 375.
    7 - 61 7 MANTENIMIENTOORDINARIO Y PROGRAMADO MAN. I4390.ES.USM000 (11/09/2013) DOC. ROLL4Evo.CAP.01.R00 (17/03/2008) SIDEL S.p.a. 13. Introduzca una etiqueta nueva (si dispone de etiquetas de diferente tipo, utilice la más alta) en los cascos de transmisión y realice una prueba de corte (Fig. 7.4.3 - 83). Para efectuar la prueba de corte, accione el movimiento del rodillo manualmente (Fig. 7.4.3 - 84). 14. Compruebe el corte. Un corte es correcto cuando la etiqueta se corta com- pletamente a lo largo de su altura total. En caso de que el corte no sea satisfactorio, gire la cuña de ajuste 45° más hacia la derecha. Controle de nuevo el corte de las etiquetas. Continúe hasta que el corte resulte satisfactorio. Es aconsejable reemplazar la cuchilla fija después de un año de trabajo (6000 horas). Fig. 7.4.3 - 84 Fig. 7.4.3 - 83
  • 376.
    7 - 62 MAN.I4390.ES.USM000 (11/09/2013) DOC. ROLL4Evo.CAP.01.R00 (17/03/2008) 7 MANTENIMIENTO ORDINARIO Y PROGRAMADO SIDEL S.p.a. B19. RECIPIENTE DE PEGAMENTO a. Limpieza del filtro del recipiente de pegamento FRECUENCIA: Mantenimiento cada 500 horas (mensual) OPERADOR HABILITADO: 1 encargado de mantenimiento mecánico TIEMPO NECESARIO: A: ND; B: 15 minutos; C: 30 minutos ______________________________________________________________________ 1. Desactive el funcionamiento de la bomba de pegamento en el menú “Activaciones” del panel de control (Fig. 7.4.3 - 85). El personal encargado de las operaciones de mantenimiento debe utilizar las protecciones personales correspondientes (guantes y gafas). 2. Abra el cárter de la base (Fig. 7.4.3 - 86) de la máquina, que se encuentra cerca del alojamiento del recipiente de pegamento. 3. Abra la válvula de descarga (A) para que fluya el pegamento que se ha depositado en la cámara del fil- tro y en el manguito (Fig. 7.4.3 - 87). Descargue el pegamento en un recipiente termorresistente adecuado que pueda contener el volumen de pegamento. a) En caso de que el pegamento no fluya de manera regular, accione momentáneamente la bomba de pegamento (la presión debería eliminar los restos de pegamento del interior de la válvula). b) Si se detectan residuos o grumos grandes en el pegamento,accionedenuevolabombaparaquedichos elementos puedan salir completamente. Desactive de nuevo la bomba de pegamento para los mantenimientos sucesivos. Fig. 7.4.3 - 85 Fig. 7.4.3 - 87 Fig. 7.4.3 - 86 A A
  • 377.
    7 - 63 7 MANTENIMIENTOORDINARIO Y PROGRAMADO MAN. I4390.ES.USM000 (11/09/2013) DOC. ROLL4Evo.CAP.01.R00 (17/03/2008) SIDEL S.p.a. 4. Desconecte la tubería de impulsión del flujo del pegamento (Fig. 7.4.3 - 88). 5. Desatornille los tres tornillos de sujeción (Fig. 7.4.3 - 89) de la tapa y extraiga el bloque del filtro de pegamento. Evite que se pierdan las guarniciones. 6. Extraiga el filtro todavía caliente y límpielo inmediatamente con una cuchilla o un cepillo de acero (Fig. 7.4.3 - 90). En esta fase deben utilizarse guantes de protección. El pegamento se bombea a alta presión a través del filtro. Al principio, el filtro tiene que limpiarse cada semana (120 horas). Esta frecuencia se puede reducir a una vez al mes (500 horas) si las condiciones del filtro siguen siendo buenas. Fig. 7.4.3 - 89 Fig. 7.4.3 - 88 Fig. 7.4.3 - 90
  • 378.
    7 - 64 MAN.I4390.ES.USM000 (11/09/2013) DOC. ROLL4Evo.CAP.01.R00 (17/03/2008) 7 MANTENIMIENTO ORDINARIO Y PROGRAMADO SIDEL S.p.a. B20. TRANSMISIÓNAL GRUPO a. Comprobación de la tensión y el desgaste de la correa FRECUENCIA: Mantenimiento cada 1500 horas (trimestral) OPERADOR HABILITADO: 1 encargado de mantenimiento mecánico TIEMPO NECESARIO: A: 2 minutos; B: 5 minutos; C: ND _____________________________________________________________________ 1.Compruebequelacorreadedesplazamientodelgrupo esté tensa (Fig. 7.4.3 - 91). Si necesario, registre la tensión (véase el procedimiento de ajuste de la tensión de la correa de desplazamiento del grupo en el apartado “OPERACIONES DE AJUSTE”). Controle visualmente el estado de desgaste de la correa y reemplácela si estuviera gastada. El mantenimiento (ajuste y sustitución) de la correa de transmisión al grupo es una operación que DEBE realizar un técnico de SIDEL S.p.A. o un técnico de mantenimiento preparado y cualificado. Fig. 7.4.3 - 91
  • 379.
    7 - 65 7 MANTENIMIENTOORDINARIO Y PROGRAMADO MAN. I4390.ES.USM000 (11/09/2013) DOC. ROLL4Evo.CAP.01.R00 (17/03/2008) SIDEL S.p.a. B21. CABEZALES DE CENTRADO a. Comprobación de las condiciones y el estado de desgaste FRECUENCIA: Mantenimiento cada 1500 horas (trimestralmente) OPERADOR HABILITADO: 1 encargado del mantenimiento mecánico TIEMPO NECESARIO: A: 5 minutos; B: 30 minutos; C: ND ______________________________________________________________________ 1. Verifique que los cabezales giren libremente. En caso de ser necesario, desmonte los cabezales y sustituya los cojinetes. 2. Utilizando dos llaves (32 MM y 40 MM), desenrosque los cabezales de centrado (Fig. 7.4 - 92). 3. Con una llave de allén, desenrosque el cuerpo del cabezal (Fig. 7.4 - 93); sustituya los cojinetes (A) y el anillo seeger en su interior (B) (Fig. 7.4 - 94). Fig. 7.4 - 92 Fig. 7.4 - 93 Fig. 7.4 - 94 BA
  • 380.
    7 - 66 MAN.I4390.ES.USM000 (11/09/2013) DOC. ROLL4Evo.CAP.01.R00 (17/03/2008) 7 MANTENIMIENTO ORDINARIO Y PROGRAMADO SIDEL S.p.a. B21. CABEZALES DE CENTRADO b. Controlar el desgaste FRECUENCIA: Mantenimiento cada 1500 horas (trimestralmente) OPERADOR HABILITADO: 1 encargado del mantenimiento mecánico TIEMPO NECESARIO: A: 2 minutos; B: 15 minutos; C: ND ______________________________________________________________________ 1. Verifique el desgaste de la parte cónica de los cabezales en contacto con la botella y, si hace falta, sustituya los cabezales inferiores (Fig. 7.4 - 95). 2. Valiéndose de dos llaves de 32 MM, afloje los cabezales de centrado para sustituir aquellos dañados (Fig. 7.4 - 96). Fig. 7.4 - 96 Fig. 7.4 - 95
  • 381.
    7 - 67 7 MANTENIMIENTOORDINARIO Y PROGRAMADO MAN. I4390.ES.USM000 (11/09/2013) DOC. ROLL4Evo.CAP.01.R00 (17/03/2008) SIDEL S.p.a. B22. ESTRUCTURA a. Comprobación de la tensión de la correa de posición del grupo FRECUENCIA: Mantenimiento cada 1500 horas (trimestral) OPERADOR HABILITADO: 1 encargado de mantenimiento mecánico TIEMPO NECESARIO: A: 2 minutos; B: 15 minutos; C: ND ______________________________________________________________________ 1. Apague la máquina y quite el cárter de protección. 2. Compruebe que la correa del motor de desplazamiento del grupo esté tensa (Fig. 7.4.3 - 97). Si necesario, registre la tensión (véase el procedimiento “Ajuste de la tensión de la correa de desplazamiento del grupo”). Fig. 7.4.3 - 97
  • 382.
    7 - 68 MAN.I4390.ES.USM000 (11/09/2013) DOC. ROLL4Evo.CAP.01.R00 (17/03/2008) 7 MANTENIMIENTO ORDINARIO Y PROGRAMADO SIDEL S.p.a. B22. ESTRUCTURA b. Comprobación de la existencia de pérdidas de aceite en las guarniciones FRECUENCIA: Mantenimiento cada 1500 horas (trimestral) OPERADOR HABILITADO: 1 encargado de mantenimiento mecánico TIEMPO NECESARIO: A: ND; B: 10 minutos; C: ND _____________________________________________________________________ 1. Asegúrese de que no haya pérdidas de aceite en la estructura inferior (Fig. 7.4.3 - 98 y 7.4.3 - 98a). Si se detectan pérdidas, póngase en contacto con el Servicio de Asistencia Autorizado de SIDEL S.p.A. Cada6000horasdetrabajoesaconsejable realizar una revisión general de la estructura y reemplazar todos los anillos de estanqueidad. Esta operación debe ser realizada por un técnico especializado de SIDEL S.p.A. Fig. 7.4.3 - 98 Fig. 7.4.3 - 98a
  • 383.
    7 - 69 7 MANTENIMIENTOORDINARIO Y PROGRAMADO MAN. I4390.ES.USM000 (11/09/2013) DOC. ROLL4Evo.CAP.01.R00 (17/03/2008) SIDEL S.p.a. B23. RODILLO DE CORTE a. Comprobación de los huelgos y engrase de la transmisión del rodillo de corte FRECUENCIA: Mantenimiento cada 1500 horas (trimestral) OPERADOR HABILITADO: 1 encargado de mantenimiento mecánico TIEMPO NECESARIO: A: 1 minuto; B: ND; C: 3 minutos ______________________________________________________________________ 1. Desenganche el grupo de corte de la transmisión principal mediante los dispositivos de bloqueo de palancas rojas (Fig. 7.4.3 - 99). 2. Elimine la suciedad y los restos de la junta “Oldham” y de la zona circundante. 3. Compruebe que la junta “Oldham” no esté dañada o desgastada (Fig. 7.4.3 - 100). Si así fuera, reemplace la junta. La sustitución de la junta oldham es una operación que debe realizar un técnico especializado de SIDEL S.p.A. La planificación del tiempo para el control y la revisión de los componentes antes mencionados, en especial la junta oldham, se ha calculado según el funcionamiento lineal de la etiquetadora. Es necesario adelantar el control a 120 horas o 500 horas cuando la máquina se somete a tensiones frecuentes provocadas por paradas y arranques numerosos o deceleraciones repentinas. 4. Lubrique la junta con una brocha antes de volver a cerrar el grupo de corte. 5. Compruebe el huelgo girando la virola de ajuste del rodillo de corte (Fig. 7.4.3 - 101). El huelgo admisible en la superficie de la cuchilla no debería sobrepasar los 2 mm. Fig. 7.4.3 - 99 Fig. 7.4.3 - 100 Fig. 7.4.3 - 101
  • 384.
    7 - 70 MAN.I4390.ES.USM000 (11/09/2013) DOC. ROLL4Evo.CAP.01.R00 (17/03/2008) 7 MANTENIMIENTO ORDINARIO Y PROGRAMADO SIDEL S.p.a. B24. RODILLO ENCOLADOR a. Control del huelgo de la transmisión del rodillo encolador FRECUENCIA: Mantenimiento cada 1500 horas (trimestral) OPERADOR HABILITADO: 1 encargado de mantenimiento mecánico TIEMPO NECESARIO: A: 5 minutos; B: ND; C: ND ______________________________________________________________________ 1. Gire el rodillo de transmisión para comprobar el huelgo de la transmisión. Para asegurarse de que el rodillo encolador NO se mueve en exceso, mueva el rodillo de transmisión (Fig. 7.4.3 - 102). No debería desplazarse más de 3 mm (0,125 pulgadas). En caso contrario, reemplace la junta. La sustitución de la junta de la transmisión es una operación que debe realizar un técnico especializado de SIDEL S.p.A. Nota: la planificación del tiempo para el control y la revisión de los componentes antedichos, en especial la junta de acoplamiento de la transmisión, se ha calculado en función del funcionamiento lineal de la etiquetadora. Es necesario adelantar el control a 120 horas o 500 horas cuando la máquina se someteatensionesfrecuentesprovocadas por paradas y arranques numerosos o deceleraciones repentinas.
  • 385.
    7 - 71 7 MANTENIMIENTOORDINARIO Y PROGRAMADO MAN. I4390.ES.USM000 (11/09/2013) DOC. ROLL4Evo.CAP.01.R00 (17/03/2008) SIDEL S.p.a. B25. TRANSMISIÓNAL GRUPO a. Comprobación del nivel de desgaste del engranaje de la transmisión FRECUENCIA: Mantenimiento cada 3000 horas (semestral) OPERADOR HABILITADO: 1 encargado de mantenimiento mecánico TIEMPO NECESARIO: A: 5 minutos; B: ND; C: 25 minutos ______________________________________________________________________ 1. Pare la máquina. 2. Controle visualmente el estado de desgaste de la rueda dentada intermediaria de la transmisión al grupo (Fig. 7.4.3 - 107): desgaste de los dientes del engranaje y deterioro de la correa dentada. Si necesario, reemplácela. La sustitución de la correa de transmisión de movimiento al grupo es una operación que DEBE realizar un técnico de SIDEL S.p.A. o un técnico de mantenimiento preparado y cualificado. Fig. 7.4.3 - 107
  • 386.
    7 - 72 MAN.I4390.ES.USM000 (11/09/2013) DOC. ROLL4Evo.CAP.01.R00 (17/03/2008) 7 MANTENIMIENTO ORDINARIO Y PROGRAMADO SIDEL S.p.a. B26. MECANISMOS PRINCIPALES a. Comprobación del estado de desgaste del engranaje FRECUENCIA: Mantenimiento cada 3000 horas (semestral) OPERADOR HABILITADO: 1 encargado de mantenimiento mecánico TIEMPO NECESARIO: A: 5 minutos; B: ND; C: 25 minutos ______________________________________________________________________ 1. Pare la máquina. 2. Compruebe visualmente el estado de desgaste del engranaje de los mecanismos principales (Fig. 7.4.3 - 108). Si necesario, reemplácelo. Fig. 7.4 - 108
  • 387.
    7 - 73 7 MANTENIMIENTOORDINARIO Y PROGRAMADO MAN. I4390.ES.USM000 (11/09/2013) DOC. ROLL4Evo.CAP.01.R00 (17/03/2008) SIDEL S.p.a. B27. RODILLO DE ARRASTRE a. Comprobación de la existencia de pérdidas de aceite FRECUENCIA: Mantenimiento cada 3000 horas (semestral) OPERADOR HABILITADO: 1 encargado de mantenimiento mecánico TIEMPO NECESARIO: A: 5 minutos; B: ND; C: ND ______________________________________________________________________ 1. Compruebe la existencia de pérdidas de aceite en los puntos que se indican cuando se abre el grupo del rodillo de arrastre (Fig. 7.4.3 - 109, Fig. 7.4.3 - 110). Si necesario, póngase en contacto con el Servicio de Asistencia Autorizado de SIDEL S.p.A. Fig. 7.4.3 - 109 Fig. 7.4.3 - 110
  • 388.
    7 - 74 MAN.I4390.ES.USM000 (11/09/2013) DOC. ROLL4Evo.CAP.01.R00 (17/03/2008) 7 MANTENIMIENTO ORDINARIO Y PROGRAMADO SIDEL S.p.a. B28. TENSOR DE LA CORREA DEL GRUPO a. Revisión general FRECUENCIA: Mantenimiento cada 3000 horas (semestral) OPERADOR HABILITADO: 1 encargado de mantenimiento mecánico TIEMPO NECESARIO: A: 5 minutos; B: 12 minutos; C: ND ______________________________________________________________________ 1. Apague la máquina y desmonte el cárter de protección del grupo. 2. Mediante la tuerca de bloqueo, afloje el tensor para que sea posible desmontar la correa (Fig. 7.4.3 - 114). 3. Compruebe que la rueda dentada intermediaria gire libremente (Fig. 7.4.3 - 115). En caso de que haya huelgos anómalos en el engranaje del tensor y de la polea dentada, reemplace los cojinetes. Durante el procedimiento de mantenimiento, procure no mover NADA los engranajes de transmisión del movimiento del grupo para que NO se pierda la fase de la máquina. El mantenimiento (ajuste y sustitución) de la correa de transmisión al grupo es una operación que DEBE realizar un técnico de SIDEL S.p.A. o un técnico de mantenimiento preparado y cualificado. Fig.. 7.4.3 - 114 Fig.. 7.4.3 - 115
  • 389.
    7 - 75 7 MANTENIMIENTOORDINARIO Y PROGRAMADO MAN. I4390.ES.USM000 (11/09/2013) DOC. ROLL4Evo.CAP.01.R00 (17/03/2008) SIDEL S.p.a. B29. EQUIPOS DEL RECIPIENTE DE PEGAMENTO a. Comprobación de la tensión de la cadena FRECUENCIA: Mantenimiento cada 3000 horas (semestral) OPERADOR HABILITADO: 1 encargado de mantenimiento mecánico TIEMPO NECESARIO: A: 5 minutos; B: 5 minutos; C: ND ______________________________________________________________________ 1. Pare la máquina y detenga la bomba de pegamento. 2. Abra la puerta fija de la base (Fig. 7.4.3 - 116) y desmonte el cárter de protección interno (Fig. 7.4.3 - 117). 3. Compruebe manualmente la tensión de la cadena (Fig. 7.4.3 - 118). Fig. 7.4 - 116 Fig. 7.4 - 117 Fig. 7.4 - 118
  • 390.
    7 - 76 MAN.I4390.ES.USM000 (11/09/2013) DOC. ROLL4Evo.CAP.01.R00 (17/03/2008) 7 MANTENIMIENTO ORDINARIO Y PROGRAMADO SIDEL S.p.a. 4. Si necesario, tense la cadena y registre el tensor (Fig. 7.4.3 - 119). Para realizar esta operación, es necesario aflojar el tornillo de bloqueo del tensor y hacer avanzar el excéntrico hacia la cadena. Fig. 7.4 - 119
  • 391.
    7 - 77 7 MANTENIMIENTOORDINARIO Y PROGRAMADO MAN. I4390.ES.USM000 (11/09/2013) DOC. ROLL4Evo.CAP.01.R00 (17/03/2008) SIDEL S.p.a. B29. EQUIPOS DEL RECIPIENTE DE PEGAMENTO b. Comprobación del estado de desgaste del tensor FRECUENCIA: Mantenimiento cada 3000 horas (semestral) OPERADOR HABILITADO: 1 encargado de mantenimiento mecánico TIEMPO NECESARIO: A: 5 minutos; B: 10 minutos; C: ND ______________________________________________________________________ Realice las operaciones que se describen en la página anterior en los puntos 1-2. 1. Controle visualmente el desgaste del tensor y reemplácelo, si necesario, mediante el tornillo de bloqueo (Fig. 7.4.3 - 120). Fig. 7.4 - 120
  • 392.
    7 - 78 MAN.I4390.ES.USM000 (11/09/2013) DOC. ROLL4Evo.CAP.01.R00 (17/03/2008) 7 MANTENIMIENTO ORDINARIO Y PROGRAMADO SIDEL S.p.a. B31. CÓCLEAMOTORIZADA a. Verifique el freno / embrague FRECUENCIA: Mantenimiento cada 6000 horas (anual) OPERADOR HABILITADO: 1 técnico de mantenimiento mecánico TIEMPO NECESARIO: A: 5 minutos; B: ND; C: ND ______________________________________________________________________ 1. Detenga la máquina. 2. Verifique el desplazamiento radial de la cóclea girándola a mano. Evite realizar esta operación ejerciendo demasiada fuerza en el mecanismo. 3. Al controlar el movimiento del sin fin en la virola de bloqueo, cerciorarse que el desplazamiento no exceda los 3mm. Si se cumple esta condición, controle el sistema de transmisión de la cóclea como se describe en la página siguiente.
  • 393.
    7 - 79 7 MANTENIMIENTOORDINARIO Y PROGRAMADO MAN. I4390.ES.USM000 (11/09/2013) DOC. ROLL4Evo.CAP.01.R00 (17/03/2008) SIDEL S.p.a. B31. CÓCLEAMOTORIZADA b. Control de desgaste de la correa. FRECUENCIA: Mantenimiento cada 6000 horas (anual) OPERADOR HABILITADO: 1 técnico de mantenimiento mecánico TIEMPO NECESARIO: A: ND; B: ND; C: 20 minutos ______________________________________________________________________ 1. ¡La máquina debe estar en EMERGENCIA! 2. Afloje los tornillos. Desmonte la placa superior A. 3. Afloje los tornillos. Desmonte la placa inferior B. Desde esta ventana, controle la tensión de la correa y el desgaste de los dientes. A B Continúa en la página siguiente…
  • 394.
    7 - 80 MAN.I4390.ES.USM000 (11/09/2013) DOC. ROLL4Evo.CAP.01.R00 (17/03/2008) 7 MANTENIMIENTO ORDINARIO Y PROGRAMADO SIDEL S.p.a. 4. Tense la correa girando el perno C. 5. Para cambiar la correa, afloje los tornillos del cárter y desmóntelo (fig. D). Proceda con la sustitución de la correa. C D
  • 395.
    7 - 81 7 MANTENIMIENTOORDINARIO Y PROGRAMADO MAN. I4390.ES.USM000 (11/09/2013) DOC. ROLL4Evo.CAP.01.R00 (17/03/2008) SIDEL S.p.a. B32. RODILLO DE CORTE a. Comprobación del estado de desgaste de la cuchilla fija FRECUENCIA: Mantenimiento cada 6000 horas (anual) OPERADOR HABILITADO: 1 encargado de mantenimiento mecánico TIEMPO NECESARIO: A: ND; B: 5 minutos; C: 30 minutos ______________________________________________________________________ La siguiente operación de mantenimiento DEBE ser realizada por un técnico de SIDEL S.p.A. o por un técnico de mantenimiento preparado y cualificado. OPERACIONES PRELIMINARES 1. Apague la máquina, póngala en modo de mantenimiento (JOG) y desactive el funcionamiento de la bomba de vacío. Desenganche el grupo (Fig. 7.4.3 - 126) y quite el rodillo de transmisión. 2. Quite el bloque de soplos de los enganches me- diante los dos tornillos de bloqueo (Fig. 7.4.3 - 127). 3. Desatornille los tornillos de bloqueo y quite los cascos del perno de soporte (Fig. 7.4.3 - 128). Si necesario, gire manualmente el rodillo para facilitar las operaciones de desmontaje de los cascos. Fig. 7.4.3 - 126 Fig. 7.4.3 - 127 Fig. 7.4.3 - 128
  • 396.
    7 - 82 MAN.I4390.ES.USM000 (11/09/2013) DOC. ROLL4Evo.CAP.01.R00 (17/03/2008) 7 MANTENIMIENTO ORDINARIO Y PROGRAMADO SIDEL S.p.a. Fig. 7.4.3 - 129 4. Mediante el tornillo, lleve la cuña de ajuste (Fig. 7.4.3 - 129) en posición intermedia entre la parte superior y la inferior (posición manejable visualmente). COMPROBACIÓN DEL ESTADO DE DESGASTE DE LA CUCHILLA FIJA 5. Quite los tornillos de bloqueo de la cuchilla fija y desmóntela para comprobar el estado de desgaste (Fig. 7.4.3 - 130). 6. Controle si en el filo de la cuchilla hay irregularidades y/o desniveles (Fig. 7.4.3 - 131). Reemplácela si necesario. Un ajuste óptimo prolonga la vida de la cuchilla. Fig. 7.4.3 - 130 Fig. 7.4.3 - 131
  • 397.
    7 - 83 7 MANTENIMIENTOORDINARIO Y PROGRAMADO MAN. I4390.ES.USM000 (11/09/2013) DOC. ROLL4Evo.CAP.01.R00 (17/03/2008) SIDEL S.p.a. 7. Afloje las tuercas de bloqueo y aleje el bloque de fijación de la cuchilla mediante los bulones de ajuste (Fig. 7.4.3 - 132). 8. Limpie el bloque de fijación con disolvente. Vuelva a montar la cuchilla fija apoyando los tornillos de fijación sin apretarlos (Fig. 7.4.3 - 133). 9. Lleve a tope la cuchilla fija contra el soporte (Fig. 7.4.3 - 134). Fig. 7.4.3 - 132 Fig. 7.4.3 - 133 Fig. 7.4.3 - 134
  • 398.
    7 - 84 MAN.I4390.ES.USM000 (11/09/2013) DOC. ROLL4Evo.CAP.01.R00 (17/03/2008) 7 MANTENIMIENTO ORDINARIO Y PROGRAMADO SIDEL S.p.a. 10.Bloqueelacuchillamediantelostornillosdesujeción. (Fig. 7.4.3 - 135). 11. Desatornille al máximo las tuercas de bloqueo en los bulones de ajuste. Gire con cuidado los bulones roscados hasta que se apoyen en el tope de la cuchilla fija (CONTACTO MÍNIMO) (Fig. 7.4.3 - 136). 12. Gire aún más los bulones (realizando giros de pocos grados) para acercar la cuchilla fija a la cuchilla móvil (Fig. 7.4 - 137). Fig. 7.4.3 - 135 Fig. 7.4.3 - 136 Fig. 7.4.3 - 137
  • 399.
    7 - 85 7 MANTENIMIENTOORDINARIO Y PROGRAMADO MAN. I4390.ES.USM000 (11/09/2013) DOC. ROLL4Evo.CAP.01.R00 (17/03/2008) SIDEL S.p.a. 13. Gire manualmente el rodillo de corte y compruebe (oiga) el contacto entre las dos cuchillas (Fig. 7.4.3 -138). Si necesario, realice otro ajuste. 14. Realice algunas pruebas de corte utilizando la película de etiquetas más alta (Fig. 7.4.3 - 139). Fig. 7.4.3 - 138 Fig. 7.4.3 - 139
  • 400.
    7 - 86 MAN.I4390.ES.USM000 (11/09/2013) DOC. ROLL4Evo.CAP.01.R00 (17/03/2008) 7 MANTENIMIENTO ORDINARIO Y PROGRAMADO SIDEL S.p.a. Efectúe regulaciones adicionales únicamente en los bulones donde el corte sea incompleto. Realice el corte después de cada regulación. Un corte homogéneo de la película indica que el filo de la cuchilla está paralelo al de la contracuchilla. Con la regulación correcta, las cuchillas deben pasar sin que haya contacto.
  • 401.
    7 - 87 7 MANTENIMIENTOORDINARIO Y PROGRAMADO MAN. I4390.ES.USM000 (11/09/2013) DOC. ROLL4Evo.CAP.01.R00 (17/03/2008) SIDEL S.p.a. 15. Si hay contacto entre las cuchillas, este puede eliminarse regulando la cuña de regulación en sentido antihorario. Controle otra vez el corte y regule los tornillos como se describe en los párrafos 12-13-14. 16. Fije los tornillos apretando las tuercas. 17. Sustituya los cascos prestando atención a colocarlos en la dirección correcta.
  • 402.
    7 - 88 MAN.I4390.ES.USM000 (11/09/2013) DOC. ROLL4Evo.CAP.01.R00 (17/03/2008) 7 MANTENIMIENTO ORDINARIO Y PROGRAMADO SIDEL S.p.a. B32. RODILLO DE CORTE b. Comprobación del estado de desgaste de los componentes FRECUENCIA: Mantenimiento cada 6000 horas (anual) OPERADOR HABILITADO: 1 encargado de mantenimiento mecánico TIEMPO NECESARIO: A: 5 minutos; B: ND; C: ND ______________________________________________________________________ 1. Pare la máquina. 2. Con el grupo abierto, bloquee la virola de ajuste y compruebe (Fig. 7.4.3 - 145): a) La estanquidad de la lengüeta del eje del rodillo de corte b) El nivel de desgaste de los dientes del soporte del rodillo de corte En caso de que haya huelgos anómalos, póngase en contacto con el Servicio de Asistencia Técnica Autorizado de SIDEL S.p.A. Fig. 7.4.3 - 145 A B
  • 403.
    7 - 89 7 MANTENIMIENTOORDINARIO Y PROGRAMADO MAN. I4390.ES.USM000 (11/09/2013) DOC. ROLL4Evo.CAP.01.R00 (17/03/2008) SIDEL S.p.a. B33. SOPORTE DE BOBINAS a. Comprobación del estado de desgaste de los frenos FRECUENCIA: Mantenimiento cada 6000 horas (anual) OPERADOR HABILITADO: 1 encargado de mantenimiento mecánico TIEMPO NECESARIO: A: 10 minutos; B: ND; C: ND ______________________________________________________________________ 1. Con la máquina apagada, asegúrese de que el espesor de la guarnición sea adecuado (Fig. 7.4.3 - 146) y compruebe al mismo tiempo la tolerancia existente entre el freno y la guarnición para garantizar la estanquidad máxima. La tolerancia óptima de trabajo entre freno y guarnición es de 0,25 mm (Fig. 7.4.3 - 147). Si el desgaste de la guarnición no permite más ajustes, es necesario reemplazar el disco de trabajo. Si necesario, póngase en contacto con el Servicio de Asistencia Autorizado de SIDEL S.p.A. Fig. 7.4.3 - 146 Fig. 7.4.3 - 147 DISCO GUARNICIÓN 0.25
  • 404.
    7 - 90 MAN.I4390.ES.USM000 (11/09/2013) DOC. ROLL4Evo.CAP.01.R00 (17/03/2008) 7 MANTENIMIENTO ORDINARIO Y PROGRAMADO SIDEL S.p.a. B34. CARRUSEL CENTRAL a. Comprobación del estado de desgaste del fuelle FRECUENCIA: Mantenimiento cada 6000 horas (anual) OPERADOR HABILITADO: 1 encargado de mantenimiento mecánico TIEMPO NECESARIO: A: 5 minutos; B: ND; C: ND ______________________________________________________________________ 1. Asegúrese de que el fuelle del carrusel central no tenga desgarros debidos al desgaste (Fig. 7.4.3 - 148). Póngase en contacto con el Servicio de Asistencia Autorizado de SIDEL S.p.A. Fig. 7.4 - 148
  • 405.
    7 - 91 7 MANTENIMIENTOORDINARIO Y PROGRAMADO MAN. I4390.ES.USM000 (11/09/2013) DOC. ROLL4Evo.CAP.01.R00 (17/03/2008) SIDEL S.p.a. B34. CARRUSEL CENTRAL b. Comprobación de la existencia de pérdidas de aire en la parte superior FRECUENCIA: Mantenimiento cada 6000 horas (anual) OPERADOR HABILITADO: 1 encargado de mantenimiento mecánico TIEMPO NECESARIO: A: 10 minutos; B: ND; C: ND ______________________________________________________________________ 1. Pare la máquina. 2. Desmonte el cárter superior del carrusel central. 3. Compruebe que no se produzcan pérdidas de aire en la estructura superior del carrusel central, cerca de los gatos .
  • 406.
    7 - 92 MAN.I4390.ES.USM000 (11/09/2013) DOC. ROLL4Evo.CAP.01.R00 (17/03/2008) 7 MANTENIMIENTO ORDINARIO Y PROGRAMADO SIDEL S.p.a. B35. SISTEMA DE VACÍO a. Mantenimiento de tuberías FRECUENCIA: Mantenimiento cada 6000 horas (anual) OPERADOR HABILITADO: 1 encargado de mantenimiento mecánico TIEMPO NECESARIO: A: ND; B: 20 minutos; C: ND ______________________________________________________________________ 1. Pare la máquina. 2. Desenganche las abrazaderas de bloqueo de las tuberías de unión del sistema de vacío de sus acoples y sustitúyalas (Fig. 7.4.3 - 151). Fig. 7.4.3 - 151
  • 407.
    7 - 93 7 MANTENIMIENTOORDINARIO Y PROGRAMADO MAN. I4390.ES.USM000 (11/09/2013) DOC. ROLL4Evo.CAP.01.R00 (17/03/2008) SIDEL S.p.a. B36. SOPORTE DEL RODILLO ENCOLADOR a. Comprobación de los huelgos de los pernos y del estado de desgaste de los casquillos de guía FRECUENCIA: Mantenimiento cada 6000 horas (anual) OPERADOR HABILITADO: 1 encargado de mantenimiento mecánico TIEMPO NECESARIO: A: 10 minutos; B: ND; C: ND ______________________________________________________________________ 1. Pare la máquina. 2. Desenganche el grupo del rodillo encolador del de transmisión. 3. Mueva manualmente la estructura (Fig. 7.4.3 - 152) y compruebe el huelgo en los pernos y el posible desgaste de los casquillos de guía (Fig. 7.4.3 - 153). Si necesario, póngase en contacto con el Servicio de Asistencia Autorizado de SIDEL S.p.A. Fig. 7.4.3 - 153 Fig. 7.4.3 - 152
  • 408.
    7 - 94 MAN.I4390.ES.USM000 (11/09/2013) DOC. ROLL4Evo.CAP.01.R00 (17/03/2008) 7 MANTENIMIENTO ORDINARIO Y PROGRAMADO SIDEL S.p.a. B37. RODILLO ENCOLADOR a. Comprobación de la existencia de pérdidas de aceite FRECUENCIA: Mantenimiento cada 6000 horas (anual) OPERADOR HABILITADO: 1 encargado de mantenimiento mecánico TIEMPO NECESARIO: A: 5 minutos; B: 180 minutos; C: ND ______________________________________________________________________ 1. Asegúrese de que no haya pérdidas de aceite en los puntos que se indican (Fig. 7.4.3 - 154). En caso de anomalías, póngase en contacto con el Servicio de Asistencia Técnica Autorizado de SIDEL S.p.A. Si se detectaran pérdidas de aceite, revise el rodillo encolador y reemplace los anillos de estanqueidad. La sustitución de los anillos de estanqueidad es una operación que debe realizar un técnico especializado de SIDEL S.p.A. Fig. 7.4.3 - 154
  • 409.
    7 - 95 7 MANTENIMIENTOORDINARIO Y PROGRAMADO MAN. I4390.ES.USM000 (11/09/2013) DOC. ROLL4Evo.CAP.01.R00 (17/03/2008) SIDEL S.p.a. B37. RODILLO ENCOLADOR b. Comprobación del estado de desgaste del raspador de cola FRECUENCIA: Mantenimiento cada 6000 horas (anual) OPERADOR HABILITADO: 1 encargado de mantenimiento mecánico TIEMPO NECESARIO: A: 1 minuto; B: 15 minutos; C: ND ______________________________________________________________________ 1. Si la distribución del pegamento en el rodillo no es perfecta, podría deberse a un desgaste excesivo de la cuchilla del raspador o a un ajuste ínfimo. 2. Si la presión en los tornillos de ajuste (Fig. 7.4.3 - 155) ya es la máxima, es aconsejable desmontar el soporte completo mediante los tornillos de fijación y comprobar: A) Si la cuchilla está excesivamente desgastada en la parte de contacto con el rodillo moleteado y está desnivelada en el extremo superior e inferior, utilice la lijadora en los desniveles y elimine como máximo 2-3 décimos. B) Realice al mismo tiempo un control de la ranura central, que debe tener un surco de tres milímetros por lo menos (Fig. 7.4.3 - 156). 3. Realice los ajustes y las comprobaciones sucesivas. Si en el rodillo encolador se detectara una cantidad de pegamento excesiva y que no se ha distribuido de manera uniforme, proceda a la sustitución y al raspado de la barra di aplicación de cola y del raspador de cola (véase el procedimiento en el apartado 9). Fig. 7.4.3 - 156 Fig. 7.4.3 - 155 A B
  • 410.
    7 - 96 MAN.I4390.ES.USM000 (11/09/2013) DOC. ROLL4Evo.CAP.01.R00 (17/03/2008) 7 MANTENIMIENTO ORDINARIO Y PROGRAMADO SIDEL S.p.a. B38. PLATILLOS a. Comprobación de la tensión y el desgaste de la correa de las poleas motrices FRECUENCIA: Mantenimiento cada 6000 horas (anual) OPERADOR HABILITADO: 1 encargado de mantenimiento mecánico TIEMPO NECESARIO: A: ND; B: 20 minutos; C: ND ______________________________________________________________________ 1. Realice un control de la tensión de la correa de las poleas motrices, situadas bajo la base de la máquina (Fig. 7.4.3 - 157). Si la correa se encuentra demasiado floja o desgastada, reemplácela y vuelva a tensarla como se indica a continuación: 2. Afloje las 4 tuercas de fijación del soporte de las poleas motrices (Fig. 7.4.3 - 158). 3. Afloje la tuerca y la contratuerca de la barra de ajuste de tensión de la correa (Fig. 7.4.3 - 159). Fig. 7.4 - 157 Fig. 7.4 - 158 Fig. 7.4 - 159
  • 411.
    7 - 97 7 MANTENIMIENTOORDINARIO Y PROGRAMADO MAN. I4390.ES.USM000 (11/09/2013) DOC. ROLL4Evo.CAP.01.R00 (17/03/2008) SIDEL S.p.a. 4. Mueva manualmente el bloque de poleas horizontalmente para acercarlas y para que se pueda sacar la correa (Fig. 7.4.3 - 160). 5. Quite la correa y reemplácela (Fig. 7.4.3 - 161). 6. Vuelva a colocar manualmente el bloque de poleas en su posición (Fig. 7.4.3 - 162). Fig. 7.4 - 161 Fig. 7.4 - 162 Fig. 7.4 - 160
  • 412.
    7 - 98 MAN.I4390.ES.USM000 (11/09/2013) DOC. ROLL4Evo.CAP.01.R00 (17/03/2008) 7 MANTENIMIENTO ORDINARIO Y PROGRAMADO SIDEL S.p.a. 7. Regule la tensión de la correa mediante la barra de ajuste. Apriete la tuerca y la contratuerca de bloqueo (Fig. 7.4.3 - 163). Fig. 7.4 - 163
  • 413.
    7 - 99 7 MANTENIMIENTOORDINARIO Y PROGRAMADO MAN. I4390.ES.USM000 (11/09/2013) DOC. ROLL4Evo.CAP.01.R00 (17/03/2008) SIDEL S.p.a. B38. PLATILLOS b. Revisión general de los platillos y la correa de transmisión FRECUENCIA: Mantenimiento cada 6000 horas (anual) OPERADOR HABILITADO: 1 encargado de mantenimiento mecánico TIEMPO NECESARIO: A: ND; B: 180 minutos; C: ND ______________________________________________________________________ Las operaciones de revisión de los platillos y la correa de transmisión deben realizarse con la máquina apagada. 1. Quite los dos cárteres que protegen las poleas de la transmisión de los platillos . 2. Desconecte la tubería de lubricación y quite las plataformas de deslizamiento. 3. Compruebe la tensión y el desgaste de las correas de transmisión: correa de rotación superior (A) y correa de rotación inferior (B). B A
  • 414.
    7 - 100 MAN.I4390.ES.USM000 (11/09/2013) DOC. ROLL4Evo.CAP.01.R00 (17/03/2008) 7 MANTENIMIENTO ORDINARIO Y PROGRAMADO SIDEL S.p.a. 4. Para sacar las correas de las poleas, desbloquee los dispositivos de tope (C, correa dentada) y (D, correa de rotación) de los tensores correspondientes. Con una llave fija, gire las barras roscadas de tensado correspondientes hacia el operador. Saque las correas. 5. Quite los equipos de los platillos mediante el tornillo de bloqueo central. 6. Quite los tornillos que fijan el cuerpo del platillo a la plataforma central. D C
  • 415.
    7 - 101 7 MANTENIMIENTOORDINARIO Y PROGRAMADO MAN. I4390.ES.USM000 (11/09/2013) DOC. ROLL4Evo.CAP.01.R00 (17/03/2008) SIDEL S.p.a. 7. Quite los tornillos de fijación de la parte inferior del cuerpo del platillo y compruebe el estado del cojinete del interior. Si necesario, reemplace los cojinetes. 8. Saque el platillo de la plataforma y compruebe el estado de los cojinetes. El platillo debe girar de manera uniforme, sin saltos, y los dientes de la polea no deben estar desgastados. Preste especial atención cuando vuelva a montar los platillos y compruebe que hay un huelgo mínimo entre la polea y la correa de transmisión del movimiento. 9. Antes de volver a montar los platillos, reemplace las dos correas de transmisión de los platillos: (A, - POLI-V correa de rotación) y (B- POLI-V correa de rotación). Siga el esquema de montaje. B A
  • 416.
    7 - 102 MAN.I4390.ES.USM000 (11/09/2013) DOC. ROLL4Evo.CAP.01.R00 (17/03/2008) 7 MANTENIMIENTO ORDINARIO Y PROGRAMADO SIDEL S.p.a. 10. Vuelva a instalar los platillos. 11. Regule el tensionador de la correa de modo que la frecuencia en el punto intermedio entre las dos poleas indicadas (E y F) sea de aproximadamente 58 Hz en la banda superior y 58 Hz en la banda inferior. 12. Vuelva a montar los planos de deslizamiento, el tubo de lubricación y los dos cárteres de protección de las poleas. E F
  • 417.
    7 - 103 7 MANTENIMIENTOORDINARIO Y PROGRAMADO MAN. I4390.ES.USM000 (11/09/2013) DOC. ROLL4Evo.CAP.01.R00 (17/03/2008) SIDEL S.p.a. B40. ESTRELLACON EMBRAGUE a. Comprobación del estado de desgaste y los huelgos del soporte y la estrella FRECUENCIA: Mantenimiento cada 6000 horas (anual) OPERADOR HABILITADO: 1 encargado de mantenimiento mecánico TIEMPO NECESARIO: A: 5 minutos; B: 10 minutos; C: ND ______________________________________________________________________ 1. Apague la máquina y desmonte el cárter de protección (Fig. 7.4.3 - 166). 2. Desmonte la guía de apoyo del micro interruptor (Fig. 7.4.3 - 167). 3. Desatornille la tuerca de bloqueo y asegúrese de que el embrague se puede abrir y cerrar sin atascarse (Fig. 7.4.3 - 168). Fig. 7.4.3 - 168 Fig. 7.4.3 - 167 Fig. 7.4.3 - 166
  • 418.
    7 - 104 MAN.I4390.ES.USM000 (11/09/2013) DOC. ROLL4Evo.CAP.01.R00 (17/03/2008) 7 MANTENIMIENTO ORDINARIO Y PROGRAMADO SIDEL S.p.a. 4. Compruebe al mismo tiempo que las rótulas y los componentes conectados a ellas no presentan marcas de desgaste (Fig. 7.4.3 - 169). 5. Controle que la lengüeta inferior no produzca huelgo (Fig. 7.4.3 - 170). 6. Asegúrese de que el huelgo de la máquina sea limitado (unos milímetros) moviendo el equipo de la estrella. En caso de que se detecte una pieza individual desgastada, es aconsejable reemplazar completamen- te el embrague. Fig. 7.4.3 - 169 Fig. 7.4.3 - 170
  • 419.
    7 - 105 7 MANTENIMIENTOORDINARIO Y PROGRAMADO MAN. I4390.ES.USM000 (11/09/2013) DOC. ROLL4Evo.CAP.01.R00 (17/03/2008) SIDEL S.p.a. B41. EQUIPOS TRANSPORTE BOTELLAS a. Controlar el desgaste FRECUENCIA: Mantenimiento cada 6000 horas (anualmente) OPERADOR HABILITADO: 1 encargado del mantenimiento mecánico TIEMPO NECESARIO: A: 5 minutos; B: ND; C: ND _________________________________________________________________ 1. Verifique que los equipos de transporte de botellas no estén gastados. Para máquina en línea los equipos de botellas conciernen: 1) BLOQUEO DE BOTELLAS / ESTRELLA DE SELECCIÓN; 2) SINFÍN; 3) BORDE CÓCLEA; 4) ESTRELLADE ENTRADA; 5) CONTRAESTRELLA; 6) ESTRELLA DE SALIDA. Para máquina en paralelo los equipos de botellas conciernen: 1) GUÍAS DE ENTRADA (si están previstas); 2) BLOQUEO DE BOTELLAS / ESTRELLA DE SELECCIÓN; 3) BORDE SIN FIN ; 4) SINFÍN; 5) ESTRELLADE TRANSFERENCIA; 6) ESTRELLALATERAL; 7) ESTRELLADE ENTRADA; 8) CONTRAESTRELLA CENTRAL; 9) ESTRELLA DE SALIDA; 10) GUÍAS DE SALIDA (si están previstas). En caso de desgaste, sustituir los componentes. 1 6 2 3 5 4 789 63 5421 10
  • 420.
    7 - 106 MAN.I4390.ES.USM000 (11/09/2013) DOC. ROLL4Evo.CAP.01.R00 (17/03/2008) 7 MANTENIMIENTO ORDINARIO Y PROGRAMADO SIDEL S.p.a. B42. EQUIPO ELÉCTRICO a. Comprobación de las conexiones eléctricas del carrusel FRECUENCIA: Mantenimiento cada 6000 horas (anual) OPERADOR HABILITADO: 1 encargado de mantenimiento mecánico TIEMPO NECESARIO: A: ND; B: 40 minutos; C: ND ______________________________________________________________________ 1. Limpie detenidamente todas las conexiones eléctricas del carrusel. En caso de que hayan infiltraciones de líquidos, incluso muy pequeñas, detecte la causa y elimínela.
  • 421.
    7 - 107 7 MANTENIMIENTOORDINARIO Y PROGRAMADO MAN. I4390.ES.USM000 (11/09/2013) DOC. ROLL4Evo.CAP.01.R00 (17/03/2008) SIDEL S.p.a. B42. EQUIPO ELÉCTRICO b. Limpieza de los motores eléctricos FRECUENCIA: Mantenimiento cada 6000 horas (anual) OPERADOR HABILITADO: 1 encargado de mantenimiento mecánico TIEMPO NECESARIO: A: ND; B: 60 minutos; C: ND ______________________________________________________________________ 1. Para el mantenimiento de los motores eléctricos, limpie detenidamente las tomas de aire, el ventilador de refrigeración y los filtros correspondientes.
  • 422.
    7 - 108 MAN.I4390.ES.USM000 (11/09/2013) DOC. ROLL4Evo.CAP.01.R00 (17/03/2008) 7 MANTENIMIENTO ORDINARIO Y PROGRAMADO SIDEL S.p.a. B42. EQUIPO ELÉCTRICO c. Comprobación de los cojinetes de los motores eléctricos FRECUENCIA: Mantenimiento cada 6000 horas (anual) OPERADOR HABILITADO: 1 encargado de mantenimiento mecánico TIEMPO NECESARIO: A: ND; B: 180 minutos; C: ND ______________________________________________________________________ 1. Asegúrese de que la temperatura de los cojinetes no sobrepase los 90° C y que no se oigan ruidos. Este control debe realizarse con mucho cuidado en condiciones de calor y de funcionamiento más duras.
  • 423.
    7 - 109 7 MANTENIMIENTOORDINARIO Y PROGRAMADO MAN. I4390.ES.USM000 (11/09/2013) DOC. ROLL4Evo.CAP.01.R00 (17/03/2008) SIDEL S.p.a. B43. SISTEMA DEL VACÍO a. Revisión de los reductores del vacío FRECUENCIA: Mantenimiento cada 6000 horas (anualmente) OPERADOR HABILITADO: 1 encargado del mantenimiento mecánico TIEMPO NECESARIO: A: 30 minutos; B: ND; C: ND ___________________________________________________________________ Antes de realizar esta operación, es necesario tener el kit de mantenimiento de reductores del sistema del vacío: Cód. 20042465 Kit de mantenimiento para reductor de vacío de 1” Cód. 20042466 Kit de mantenimiento para reductor de vacío de 1”1/2 1. Detener la máquina y desactivar, desde el panel, la bomba del vacío. 2. Afloje y extraiga la abrazadera de bloqueo del tubo de vacío del reductor. Desconectar la manguera de envío de aire desde el panel de gestión del vacío. 3. Desenrosque todas las tuercas de mariposa de fijación de los filtros de vacío.
  • 424.
    7 - 110 MAN.I4390.ES.USM000 (11/09/2013) DOC. ROLL4Evo.CAP.01.R00 (17/03/2008) 7 MANTENIMIENTO ORDINARIO Y PROGRAMADO SIDEL S.p.a. 4. Desmonte todos los filtros de los reductores de vacío. 5. Desenrosque los cuatro tornillos de fijación inferior del reductor a la placa de soporte del colector. 6. Extraiga el reductor y, utilizando una llave en T con macho hexagonal 5 mm, quite la tapa superior.
  • 425.
    7 - 111 7 MANTENIMIENTOORDINARIO Y PROGRAMADO MAN. I4390.ES.USM000 (11/09/2013) DOC. ROLL4Evo.CAP.01.R00 (17/03/2008) SIDEL S.p.a. 7. Retire la membrana de goma. 8. Retire la placa intermedia. 9. Siempre utilizando una llave en T con macho hexagonal de 5 mm, retirar los 4 tornillos de fijación y levantar el cuerpo del cilindro.
  • 426.
    7 - 112 MAN.I4390.ES.USM000 (11/09/2013) DOC. ROLL4Evo.CAP.01.R00 (17/03/2008) 7 MANTENIMIENTO ORDINARIO Y PROGRAMADO SIDEL S.p.a. 10. Coloque la válvula al revés para sacar el distanciador de latón. El distanciador se encuentra solo en el reductor del vacío de 1” cod.70010843) 11. Con un trapo suave humedecido con disolvente (Melt O Clean) limpiar perfectamente el cilindro ( A)- y la base de fijación ( B) . 8. Limpiar también la base de fijación y el asiento in- terno del pistón eliminando cualquier fragmento de pegamento, grasa u otro material. A B
  • 427.
    7 - 113 7 MANTENIMIENTOORDINARIO Y PROGRAMADO MAN. I4390.ES.USM000 (11/09/2013) DOC. ROLL4Evo.CAP.01.R00 (17/03/2008) SIDEL S.p.a. 13. Saque el anillo de retención OR y sustitúyalo por otro nuevo. 14. Desenrosque el pistón obturador de la placa inter- media. 15. Limpiar el pistón (A), el disco de bronce (B) y la placa de cierre (C). Limpiar cuidadosamente los agujeros en el disco de bronce y el agujero en la placa de cierre.(D) Retirar, del agujero central de la placa intermedia, el anillo de retención O.R.(E) y sustituir con el nuevo del Kit. B C A DE
  • 428.
    7 - 114 MAN.I4390.ES.USM000 (11/09/2013) DOC. ROLL4Evo.CAP.01.R00 (17/03/2008) 7 MANTENIMIENTO ORDINARIO Y PROGRAMADO SIDEL S.p.a. 16. Utilizando un punta delgada, sustituir el obturador de goma con aquél suministrado en el Kit. 17. Reinstalar el grupo del pistón del obturador y fijar la placa intermedia en la válvula, observando en colocar correctamente el agujero de descarga. 18. Coloque la membrana de goma nueva. Prestar mucha atención al correcto centrado de la membrana.
  • 429.
    7 - 115 7 MANTENIMIENTOORDINARIO Y PROGRAMADO MAN. I4390.ES.USM000 (11/09/2013) DOC. ROLL4Evo.CAP.01.R00 (17/03/2008) SIDEL S.p.a. 19. Utilizando los tornillos nuevos, bloquee la placa de cierre a la válvula. 20. Retire el anillo seeger y extraiga el cilindro. 21. Limpiar cuidadosamente el cilindro y sustituir la empaquetadura (A), el muelle (B) y los 2 anillos aisladores OR (C) . A C B
  • 430.
    7 - 116 MAN.I4390.ES.USM000 (11/09/2013) DOC. ROLL4Evo.CAP.01.R00 (17/03/2008) 7 MANTENIMIENTO ORDINARIO Y PROGRAMADO SIDEL S.p.a. 22. Para sacar el muelle, desenrosque el perno central en la posición indicada. Preste suma atención a no dañar o arañar el perno central. 23. Limpie cuidadosamente el cuerpo del cilindro, especialmente la descarga de aire. 24. Volver a montar el cilindro utilizando el anillo seeger nuevo presente en el Kit. Verifique manualmente el funcionamiento correcto del cilindro.
  • 431.
    7 - 117 7 MANTENIMIENTOORDINARIO Y PROGRAMADO MAN. I4390.ES.USM000 (11/09/2013) DOC. ROLL4Evo.CAP.01.R00 (17/03/2008) SIDEL S.p.a. 25. Sólo para reductores de vacío de 1” Colocar nuevamente y correctamente el nuevo distanciador de bronce en la válvula: - Utilizando un pincel, marque la superficie llana del distanciador. - Luego, introdúzcalo en la válvula, verificando que su posición sea correcta. La parte resaltada debe ser visible! 26. Vuelva a montar el cuerpo del cilindro en la válvula, utilizando los tornillos nuevos incluidos en el kit.
  • 432.
    7 - 118 MAN.I4390.ES.USM000 (11/09/2013) DOC. ROLL4Evo.CAP.01.R00 (17/03/2008) 7 MANTENIMIENTO ORDINARIO Y PROGRAMADO SIDEL S.p.a. 27. Vuelva a montar el reductor en el soporte del colector: A) Enroscar nuevamente los cuatro tornillos de fijación inferior del reductor a la plancha de soporte manifold; B) Colocar nuevamente el filtro; C) Introduzca y apriete la abrazadera de bloqueo al tubo de vacío del reductor. Antes de montar nuevamente los filtros, verificar las arandelas de retención de los 4 tornillos de fijación inferiores del reductor. Sustituir en caso de que estén desgastadas. 28. Cierre todas las válvulas de aislamiento del vacío. 29. Conecte el accionamiento neumático.
  • 433.
    7 - 119 7 MANTENIMIENTOORDINARIO Y PROGRAMADO MAN. I4390.ES.USM000 (11/09/2013) DOC. ROLL4Evo.CAP.01.R00 (17/03/2008) SIDEL S.p.a. 30. Controle el estado de las regulaciones de la presión de vacío como se describe a continuación. 31. Cierre las 5 válvulas de aislamiento del vacío. EN CASO DE PANEL BR 15 32. AAcceda a la página REGULACIÓN DE VACÍOS del panel de control. Seleccione la ventana de configuración del valor X del vacío de la cuchilla e introduzca una secuencia de valores comprendidos entre 0 y 3000 mbar con aumentos de valor de 500 mbar. Para cada valor introducido, anote el nivel correspondiente de vacío desarrollado Y. X Y Continúaenlapáginasucesiva...
  • 434.
    7 - 120 MAN.I4390.ES.USM000 (11/09/2013) DOC. ROLL4Evo.CAP.01.R00 (17/03/2008) 7 MANTENIMIENTO ORDINARIO Y PROGRAMADO SIDEL S.p.a. 33. Evalúe los valores registrados con respecto a las siguientes curvas de rendimiento. Todos los puntos recomendados deben estar entre los límites C y D. Los puntos deben formar una curva homogénea sin desplazamientos o desviaciones angulares repentinas. Los reguladores con curvas no satisfactorias deben ser revisados y controlados. Si hace falta, sustitúyalos. 34. Proceda del mismo modo para controlar: - el regulador de la zona antes del patín (regulador de transferencia); - el regulador de la zona pre-pegamento. 35. Vuelva a abrir las cinco válvulas de aislamiento.
  • 435.
    7 - 121 7 MANTENIMIENTOORDINARIO Y PROGRAMADO MAN. I4390.ES.USM000 (11/09/2013) DOC. ROLL4Evo.CAP.01.R00 (17/03/2008) SIDEL S.p.a. B44. SISTEMA DEL VACÍO a. Revisar la bomba de vacío FRECUENCIA: Mantenimiento cada 6000 horas (anualmente) OPERADOR HABILITADO: 1 encargado del mantenimiento mecánico TIEMPO NECESARIO: A: ND; B: 120 minutos; C: ND ______________________________________________________________________ Antes de efectuar esta operación, es necesario poseer el kit anual de mantenimiento de la bomba de vacío cod. 20043183 compuesto por: - 2 silenciadores para entrada/salida de aire - 2 empaquetaduras con agujeros - 4 empaquetaduras para la conexión a la bomba de salida y de entrada (si necesario) - 1 cojinete para temperatura alta (cod. 6207-Z/ C33) - 1 tubo de grasa especial para altas temperaturas ESSO UNIREX N.3 - 1 arandela especial de bloqueo anti- rotación. - 1 Perno anti rotación Se necesitan, además, las siguientes herramientas: 1. Dos destornilladores grandes 8. Llave inglesa n.° 17 2. llave de Allen M 6. 9. Llave inglesa n.° 13 3. llave de Allen M 5. 10. Llave inglesa n.° 8. 4. Martillo de hierro. 11. Extractor de cojinetes. 5. Martillo de plástico. 12. Extractor de perno. 6. Guillotina. 13. Punzón para marcas. 7. Cincel. 14. Llave inglese. 1. Cortar la alimentación eléctrica general de la máquina. 2. Desconectar el cable eléctrico para extraer la bom- ba (sólo en casos de falta de espacio) (fig.7.4.3-203). Si se decidiera extraer completamente la turbina, desconectar el cable eléctrico sin tocar la conexión de fase. Fig.7.4.3 - 400
  • 436.
    7 - 122 MAN.I4390.ES.USM000 (11/09/2013) DOC. ROLL4Evo.CAP.01.R00 (17/03/2008) 7 MANTENIMIENTO ORDINARIO Y PROGRAMADO SIDEL S.p.a. 3. Quite la descarga con silenciador ensamblado. A) Afloje los dos tornillos de apoyo del silenciador (Fig. 7.4.3 - 202) B) Quite el grupo del silenciador (Fig. 7.4.3 - 203) Sujete el silenciador con la mano para evitar accidentes. Fig. 7.4 - 202 Fig. 7.4 - 203
  • 437.
    7 - 123 7 MANTENIMIENTOORDINARIO Y PROGRAMADO MAN. I4390.ES.USM000 (11/09/2013) DOC. ROLL4Evo.CAP.01.R00 (17/03/2008) SIDEL S.p.a. 4. Quite los cárteres de recirculación de aire. A) Quite el cárter principal abriendo el desenganche de palanca (Fig. 7.4.3 - 204). B) Quite el segundo cárter mediante una llave inglesa M 8 (Fig. 7.4.3 - 205). Fig. 7.4 - 204 Fig. 7.4 - 205
  • 438.
    7 - 124 MAN.I4390.ES.USM000 (11/09/2013) DOC. ROLL4Evo.CAP.01.R00 (17/03/2008) 7 MANTENIMIENTO ORDINARIO Y PROGRAMADO SIDEL S.p.a. 5. Quite el soporte portacojinetes. A) Desatornille completamente los cuatro tornillos allen M8 (M-K Fig. 7.4.3 - 206). Los tornillos (M) son más cortos que los (K). B) Quite la caja prestando atención al anillo del separador que se sitúa en el cojinete (Fig.7.4 - 207). Compruebe y marque la posición de la tapa antes de quitarla. ¡La tapa debe man- tener la orientación exacta! Fig. 7.4 - 206 Fig. 7.4 - 207 M K K M
  • 439.
    7 - 125 7 MANTENIMIENTOORDINARIO Y PROGRAMADO MAN. I4390.ES.USM000 (11/09/2013) DOC. ROLL4Evo.CAP.01.R00 (17/03/2008) SIDEL S.p.a. 6. El grupo de soporte portacojinetes se compone de lo siguiente (Fig. 7.4.3 - 208): - 4 tornillos (2 son más cortos) - Separador - Cojinete con soporte El separador (B - Fig.7-4 - 209) es muy importante porque determina la posición correcta del rotor y la carga de fijación en el cojinete. ATENCIÓN: ¡no lo dañe! Fig. 7.4 - 208 Fig. 7.4 - 209 D
  • 440.
    7 - 126 MAN.I4390.ES.USM000 (11/09/2013) DOC. ROLL4Evo.CAP.01.R00 (17/03/2008) 7 MANTENIMIENTO ORDINARIO Y PROGRAMADO SIDEL S.p.a. 7. Quite la tapa de la bomba de vacío. A) Desatornille y quite los ocho tornillos (M 6) de cierre de la tapa (Fig. 7.4.3 - 210). También la tapa tiene una posición de fijación exacta. Por lo tanto, ¡marque su posición antes de quitarla! B) Abra la tapa mediante dos destornilladores (Fig. 7.4.3 - 211). Si necesario, haga palanca de manera uniforme. No haga demasiada fuerza. C) Una vez que la haya quitado, controle que la posición “ mecánica” es correcta. Atención: ¡la tapa pesa mucho! (fig.7.4.3 - 212) Fig. 7.4 - 210 Fig. 7.4 - 211 Fig. 7.4 - 212
  • 441.
    7 - 127 7 MANTENIMIENTOORDINARIO Y PROGRAMADO MAN. I4390.ES.USM000 (11/09/2013) DOC. ROLL4Evo.CAP.01.R00 (17/03/2008) SIDEL S.p.a. 8. Extraiga las arandelas de seguridad y el perno central: A) Aplane la arandela de seguridad mediante un escoplo y un martillo (Fig. 7.4.3 - 213). B) La arandela de seguridad está recta. Ahora es posible desatornillar el perno (Fig. 7.4.3 - 214). La arandela está torcida hacia el cabezal del perno como medida de precaución “antirrotación”. C) Desatornille el perno central mediante un martillo (Fig. 7.4.3 - 215). Fig. 7.4 - 213 Fig. 7.4 - 214 Fig. 7.4 - 215
  • 442.
    7 - 128 MAN.I4390.ES.USM000 (11/09/2013) DOC. ROLL4Evo.CAP.01.R00 (17/03/2008) 7 MANTENIMIENTO ORDINARIO Y PROGRAMADO SIDEL S.p.a. D) Quite el perno y las dos arandelas de seguridad “ antirrotación” (Fig. 7.4.3 -216). El perno central y las arandelas antirrotación deben reutilizarse! La arandela más pequeña forma parte del material que suministra SIDEL S.p.A. Fig. 7.4 - 216
  • 443.
    7 - 129 7 MANTENIMIENTOORDINARIO Y PROGRAMADO MAN. I4390.ES.USM000 (11/09/2013) DOC. ROLL4Evo.CAP.01.R00 (17/03/2008) SIDEL S.p.a. 9. Extraiga el cojinete. A) Introduzca de nuevo el perno sin la arandela antirrotación. Atornille el perno sin apretarlo excesivamente (Fig.7.4.3 - 217). No es necesario apretar el perno con fuerza. Así no se daña la rosca del interior del eje cuando se extrae el cojinete. B) Utilice un extractor adecuado y extraiga el cojinete de su asiento (Fig. 7.4.3 - 218). C) El cojinete 6207-Z/C3 está protegido sólo por un lado (Fig.7.4 - 219). Una vez que haya sacado el cojinete, asegúrese de que el eje no esté rayado o dañado. Fig. 7.4 - 217 Fig. 7.4 - 218 Fig. 7.4 - 219
  • 444.
    7 - 130 MAN.I4390.ES.USM000 (11/09/2013) DOC. ROLL4Evo.CAP.01.R00 (17/03/2008) 7 MANTENIMIENTO ORDINARIO Y PROGRAMADO SIDEL S.p.a. 10. Lubrique el cojinete nuevo. A) Utilice el cojinete que se ha suministrado (6207-Z/C3). Introduzca manualmente la grasa especial (ESSO UNIREX N3) aplicando una pequeña presión para que penetre por completo (Fig.7.4.3 - 220). B) El cojinete debe llenarse completamente de grasa (Fig. 7.4.3 - 221). Fig. 7.4 - 220 Fig. 7.4 - 221
  • 445.
    7 - 131 7 MANTENIMIENTOORDINARIO Y PROGRAMADO MAN. I4390.ES.USM000 (11/09/2013) DOC. ROLL4Evo.CAP.01.R00 (17/03/2008) SIDEL S.p.a. 11. Limpie el interior de la bomba y la tapa. A) Limpie detenidamente el eje central y separador con un paño limpio (Fig. 7.4.3 - 222). B) Limpie con cuidado el borde interno de la bomba con un rascador fino (posiblemente de latón) y luego elimine con un paño limpio los fragmentos del sellante antiguo (Fig. 7.4.3 - 223). Es extremadamente importante prestar especial atención a las operaciones de limpieza para que no se dañe la bomba! Fig. 7.4 - 222 Fig. 7.4 - 223
  • 446.
    7 - 132 MAN.I4390.ES.USM000 (11/09/2013) DOC. ROLL4Evo.CAP.01.R00 (17/03/2008) 7 MANTENIMIENTO ORDINARIO Y PROGRAMADO SIDEL S.p.a. C) Limpie detenidamente limpio el interior de la tapa con un paño (Fig. 7.4.3 - 224). D) Limpie detenidamente el borde interno de la tapa con un rascador (posiblemente de latón) y luego utilice un paño limpio (Fig.7.4.3 - 225). Es extremadamente importante quitar con mucho cuidado la silicona y la suciedad para que no se dañe la bomba! Fig. 7.4 - 224 Fig. 7.4 - 225
  • 447.
    7 - 133 7 MANTENIMIENTOORDINARIO Y PROGRAMADO MAN. I4390.ES.USM000 (11/09/2013) DOC. ROLL4Evo.CAP.01.R00 (17/03/2008) SIDEL S.p.a. 12. Introduzca el cojinete nuevo. A) Extraiga la clavija (A) de la arandela antirrotación a fin de usar el perno y la arandela para insertar el cojinete en el eje (Fig. 7.4.3 - 226). B) Prepare el cojinete en el eje con la parte blindada hacia el rotor (Fig. 7.4.3 - 227). Inserte el cojinete en el eje mediante el perno y la arandela. El cojinete no se acopla perfectamente al eje. De todas formas no se requiere el uso de fuerza excesiva para insertarlo. Preste especialATENCIÓN para no dañar la arandela y a la clavija, ya que se deben reutilizar. C) Vuelva a montar la arandela y la clavija (Fig. 7.4.3 - 226). D) Introduzca la arandela “antirrotación” más grande y luego la pequeña ” de seguridad” (Fig. 7.4.3 - 228). Las arandelas sólo tienen una posición de montaje! Fig. 7.4 - 226 A Fig. 7.4 - 227 Fig. 7.4 - 228
  • 448.
    7 - 134 MAN.I4390.ES.USM000 (11/09/2013) DOC. ROLL4Evo.CAP.01.R00 (17/03/2008) 7 MANTENIMIENTO ORDINARIO Y PROGRAMADO SIDEL S.p.a. E) Atornille el perno central para montar y bloquear el cojinete en la posición correcta (Fig. 7.4.3 - 229). F) Doble un ángulo de la arandela de seguridad contra el cabezal del perno para bloquear el perno central (Fig. 7.4.3 - 230/231). Fig. 7.4 - 229 Fig. 7.4 - 230 Fig. 7.4 -231
  • 449.
    7 - 135 7 MANTENIMIENTOORDINARIO Y PROGRAMADO MAN. I4390.ES.USM000 (11/09/2013) DOC. ROLL4Evo.CAP.01.R00 (17/03/2008) SIDEL S.p.a. 13. Cierre la tapa de la bomba de vacío. A) Aplique una capa fina de silicona transparente en el borde de contacto de la brida de la tapa (Fig. 7.4.3 - 232). B) Acerque la tapa a la bomba de vacío y mantenga la orientación correcta (Fig. 7.4.3 - 233). La silicona debe aplicarse de manera con- tinua y no abundante. La silicona debe aplicarse de manera circular alrededor de la brida de la tapa y por el exterior del canal de aspiración y de la puerta de descarga. La cantidad y el punto de aplicación se indican en la figura 7.4 - 232. Fig. 7.4 - 232 Fig. 7.4 - 233
  • 450.
    7 - 136 MAN.I4390.ES.USM000 (11/09/2013) DOC. ROLL4Evo.CAP.01.R00 (17/03/2008) 7 MANTENIMIENTO ORDINARIO Y PROGRAMADO SIDEL S.p.a. C) Centre el interior de la brida con la tapa mediante los dos tornillos (Fig. 7.4.3 - 234). Ponga la tapa en paralelo a la estructura de la bomba y diríjala de manera concéntrica hacia la brida. D) Lleve la tapa hasta la posición de cierre, sin forzar- la, mediante los otros 6 tornillos (Fig. 7.4.3 - 235). No utilice un martillo ni otra herramienta! La introducción debe realizarse sin aplicar fuerza. En caso de que el cierre resulte especialmente difícil, ¡quite de nuevo la tapa y detecte la causa! Fig. 7.4 - 234 Fig. 7.4 - 235
  • 451.
    7 - 137 7 MANTENIMIENTOORDINARIO Y PROGRAMADO MAN. I4390.ES.USM000 (11/09/2013) DOC. ROLL4Evo.CAP.01.R00 (17/03/2008) SIDEL S.p.a. 14. Cierre del soporte del cojinete A) Antes de cerrar el soporte del cojinete, límpielo bien (Fig. 7.4.3 -236). - Quite la grasa existente del soporte. - Aplique la nueva grasa (aprox. 60%) sin llenarlo com- pletamente (aprox. 60%). - Limpie el separador. NO OLVIDE INTRODUCIR EL SEPARADOR!! ¡¡EN CASO DE QUESE OLVIDE, SEPODRÍADAÑAR LARUEDA!! B) Quite los tornillos (Fig. 7.4.3 - 237). C) Vuelva a montar los tornillos con el soporte del cojinete y conéctelos a la brida interna (Fig. 7.4.3 - 238). Estos tornillos sirven para completar la tapa de la rueda! ¡Se utilizan temporalmente sólo para cen- trar la brida interna! Fig. 7.4 - 237 Fig. 7.4 - 238 Fig. 7.4 - 236
  • 452.
    7 - 138 MAN.I4390.ES.USM000 (11/09/2013) DOC. ROLL4Evo.CAP.01.R00 (17/03/2008) 7 MANTENIMIENTO ORDINARIO Y PROGRAMADO SIDEL S.p.a. D) Complete el cierre de la tapa mediante los 2 tornillos cortos (agujero arriba a la derecha y agujero abajo a la izquierda - Fig. 7.4.3 - 239). Reemplace, uno tras otro, los tornillos largos de guía por 2 tornillos largos para que no se pierda la posición de la brida interna. E) Gire manualmente la rueda para asegurarse de que gira libremente y no tropieza con nada (fig.7.4.3 - 240). Por muy pequeño que sea el obstáculo, desmonte de nuevo la tapa y compruebe la causa. ¡No active la alimentación eléctrica si no está completamente seguro de que el montaje es correcto! Fig. 7.4 - 239 Fig. 7.4 - 240
  • 453.
    7 - 139 7 MANTENIMIENTOORDINARIO Y PROGRAMADO MAN. I4390.ES.USM000 (11/09/2013) DOC. ROLL4Evo.CAP.01.R00 (17/03/2008) SIDEL S.p.a. Fig. 7.4.3 - 241 Fig. 7.4.3 - 242 15. Desmonte el grupo del silenciador de la tubería de descarga y reemplace el silenciador: A) Quite la brida para que sea posible acceder al silenciador (Fig. 7.4.3 - 241). B) Quite la guarnición antigua (Fig. 7.4.3 - 242). Remplace la guarnición!
  • 454.
    7 - 140 MAN.I4390.ES.USM000 (11/09/2013) DOC. ROLL4Evo.CAP.01.R00 (17/03/2008) 7 MANTENIMIENTO ORDINARIO Y PROGRAMADO SIDEL S.p.a. Fig. 7.4.3 - 243 Fig. 7.4.3 - 244 C) Extraiga el silenciador antiguo con unas pinzas (Fig. 7.4.3 - 243). D) Elimine los residuos y la suciedad del interior del tronco. E) Introduzca el silenciador nuevo (Fig. 7.4.3 - 244)
  • 455.
    7 - 141 7 MANTENIMIENTOORDINARIO Y PROGRAMADO MAN. I4390.ES.USM000 (11/09/2013) DOC. ROLL4Evo.CAP.01.R00 (17/03/2008) SIDEL S.p.a. 16. Reemplace las guarniciones posterior y anterior del silenciador: A) Reemplace la guarnición posterior antigua (Fig. 7.4.3 -245). B) Limpie la superficie de apoyo. C) Monte de nuevo la brida (Fig. 7.4.3 - 246). D) Quite la guarnición anterior antigua (Fig. 7.4.3 - 247). E) Elimine los residuos de pegamento de la superfi- cie. Fig. 7.4.3 - 245 Fig. 7.4.3 - 246 Fig. 7.4.3 - 247
  • 456.
    7 - 142 MAN.I4390.ES.USM000 (11/09/2013) DOC. ROLL4Evo.CAP.01.R00 (17/03/2008) 7 MANTENIMIENTO ORDINARIO Y PROGRAMADO SIDEL S.p.a. Fig. 7.4.3 - 248 Fig. 7.4.3 - 249 F) Aplique una capa fina de LOCTITE 406 (“Superglue”) en la guarnición nueva (Fig. 7.4.3 - 248). G) Sitúe la guarnición en el tronco del silenciador, de manera perfectamente centrada. (Fig. 7.4.3 - 249) Asegúrese de centrar perfectamente la guarnición en la superficie.
  • 457.
    7 - 143 7 MANTENIMIENTOORDINARIO Y PROGRAMADO MAN. I4390.ES.USM000 (11/09/2013) DOC. ROLL4Evo.CAP.01.R00 (17/03/2008) SIDEL S.p.a. 17. Instale el cárter de recirculación de aire y el grupo del silenciador de la tubería de descarga. A) Monte el primer cárter de recirculación cerrando manualmente el desenganche de palanca (Fig. 7.4.3 - 250). B) Monte la placa metálica para recirculación de aire mediante los dos tornillos M 5 (fig.7.4.3 - 251). Si se ha quitado la bomba de la máquina, ASEGÚRESE de volver a conectar las fases de la misma manera para evitar una rotación errónea. C) Introduzca el silenciador entre las dos bridas de bloqueo de manera que pueda centrarlo bien con la estructura de la brida. D) Mientras está sujetando el silenciador, cierre los dos tornillos de fijación de manera uniforme (Fig. 7.4.3 - 252). Procure no ejercer demasiada fuerza al apretar los tornillos de cierre. ¡No fuerce el silenciador para que no se dañen la guarnición y el acoplamiento del perno! Fig. 7.4 - 251 Fig. 7.4 -250 Fig. 7.4 - 252
  • 458.
    7 - 144 MAN.I4390.ES.USM000 (11/09/2013) DOC. ROLL4Evo.CAP.01.R00 (17/03/2008) 7 MANTENIMIENTO ORDINARIO Y PROGRAMADO SIDEL S.p.a. 18. Reemplace el silenciador de aspiración y de limpieza general. A) Abra la brida del punto A (Fig.7.4.3 - 253) y reemplace el silenciador y la guarnición (véanse las actividades que se describen en 16. + 17 ). B) Compruebe el estado de las guarniciones de la cámara del silenciador de aspiración (B - fig.7.4.3 - 253). Si necesario, reemplace todas las guarniciones. C) Abra la caja de la campana de ventilación y compruebe su estado (C - Fig.7.4.3 - 253). Límpiela si necesario. D) Limpie toda la parte externa de la bomba de vacío con un chorro de aire y un paño húmedo (D - Fig.7.4.3 - 253). Utilizar agua caliente para eliminar las contaminaciones de azúcar. Utilizar disolvente desgrasante para eliminar las contaminaciones de aceite. 19. Encendido de la bomba del vacío: A) Activar la alimentación eléctrica de la máquina. B Comprobar que no haya pérdidas de aire en las juntas. Al encender la bomba, prestar atención que no se verifiquen ruidos de contacto metálico, pérdidas de aire, etc.; si así fuera, apagar inmediatamente el motor de la bomba y desmontarlo para inspeccionarlo todo. Cerciorarse que haya una rotación correcta controlando la aspiración de la bomba 20. Encienda la bomba de vacío. Fig. 7.4.3 - 253 B D C A
  • 459.
    7 - 145 7 MANTENIMIENTOORDINARIO Y PROGRAMADO MAN. I4390.ES.USM000 (11/09/2013) DOC. ROLL4Evo.CAP.01.R00 (17/03/2008) SIDEL S.p.a. B45. EQUIPO NEUMÁTICO a. Control y revisión de los reductores de presión FRECUENCIA: Mantenimiento cada 12000 horas (bienal) OPERADOR HABILITADO: 1 encargado de mantenimiento mecánico TIEMPO NECESARIO: A: ND; B: 180 minutos; C: ND ______________________________________________________________________ 1. Las operaciones de control consisten en desmontar y limpiar todos los componentes individuales, y reemplazar los que están desgastados. Es aconsejable lubricar las guarniciones con grasa antes de volver a montar los componentes y comprobar su funcionamiento. Esta operación debe realizarla personal especializado. Seccione el flujo del vacío mediante las llaves de cierre que se encuentran abajo de los filtros de aire antes de manejar algún dispositivo que esté conectado a dicho equipo.
  • 460.
    7 - 146 MAN.I4390.ES.USM000 (11/09/2013) DOC. ROLL4Evo.CAP.01.R00 (17/03/2008) 7 MANTENIMIENTO ORDINARIO Y PROGRAMADO SIDEL S.p.a. B45. EQUIPO NEUMÁTICO b. Control y revisión de las válvulas FRECUENCIA: Mantenimiento cada 12000 horas (bienal) OPERADOR HABILITADO: 1 encargado de mantenimiento mecánico TIEMPO NECESARIO: A: ND; B: 180 minutos; C: ND ______________________________________________________________________ 1. Las operaciones de control consisten en desmontar y limpiar todos los componentes individuales, y reemplazar los que están desgastados. El control se realiza en el panel de servicio neumático (Fig. 7.4.3 - 255a) y en el panel de gestión del vacío (Fig. 7.4.3 - 255b). Es aconsejable lubricar las guarniciones con grasa antes de volver a montar los componentes y comprobar su funcionamiento. Esta operación debe realizarla personal especializado. Fig.7.4 - 255a Fig.7.4 - 255b
  • 461.
    7 - 147 7 MANTENIMIENTOORDINARIO Y PROGRAMADO MAN. I4390.ES.USM000 (11/09/2013) DOC. ROLL4Evo.CAP.01.R00 (17/03/2008) SIDEL S.p.a. B46. MECANISMOS PRINCIPALES a. Revisión del reductor principal FRECUENCIA: Mantenimiento cada 12000 horas (bienal) OPERADOR HABILITADO: 1 encargado de mantenimiento mecánico TIEMPO NECESARIO: A: ND; B: 240 minutos; C: ND ______________________________________________________________________ 1. Apagar la máquina. 2. Cerciorarse de que el selector de llave situado en el panel operador esté en la posición “MANUAL”. 3. Verificar que los pernos utilizados para la unión de los motores a las bridas y al bastidor de la máquina estén bien apretados (Fig. 7.4 - 462/463). Verificar también que no haya ruidos extraños en los motores durante el funcionamiento de la máquina. La presencia de ruidos podría indicar el agarrotamiento de algún cojinete: por lo tanto, se recomienda su sustitución. 4. Controlar el nivel de aceite (si presente). Fig. 7.4.3 - 462 Fig. 7.4.3 - 463
  • 462.
    7 - 148 MAN.I4390.ES.USM000 (11/09/2013) DOC. ROLL4Evo.CAP.01.R00 (17/03/2008) 7 MANTENIMIENTO ORDINARIO Y PROGRAMADO SIDEL S.p.a. . B47. GATO a. Comprobar que el funcionamiento sea correcto FRECUENCIA: Mantenimiento cada 12000 horas (cada dos años) OPERADOR HABILITADO: 1 encargado del mantenimiento mecánico TIEMPO NECESARIO: A: 15 minutos; B: ND; C: ND ______________________________________________________________________ 1. Cerciorarse de que el selector situado en el panel operador esté en la posición “JOG” (Fig. 7.4.3 - 465) . 2. Verificar que el gato funcione sin agarrotarse, especialmente durante el movimiento vertical (Fig. 7.4.3 - 466). En caso de anomalías, proceda a la revisión de los casquillos internos y del vástago de guía (como se describe el punto siguente). Fig. 7.4.3 - 465 Fig. 7.4.3 - 466
  • 463.
    7 - 149 7 MANTENIMIENTOORDINARIO Y PROGRAMADO MAN. I4390.ES.USM000 (11/09/2013) DOC. ROLL4Evo.CAP.01.R00 (17/03/2008) SIDEL S.p.a. B47. GATO b. Comprobación del estado de desgaste de los casquillos internos, el perno de guía y la rueda de contraste FRECUENCIA: Mantenimiento cada 12000 horas (bienal) OPERADOR HABILITADO: 1 encargado de mantenimiento mecánico TIEMPO NECESARIO: A: ND; B: 150 minutos; C: ND ______________________________________________________________________ 1. Desmontar el cárter de protección del carrusel (Fig. 7.4.3 - 467). 2. Presionando las teclas de JOG en la caja de pulsadores móvil, girar el carrusel de manera tal, que el gato a controlar coincida con la abertura situada en la parte superior central (Fig. 7.4.3 - 468). 3. Utilizando dos llaves inglesas, desenrosque los cabezales prensa-tapa(Fig. 7.4.3 - 469). Fig. 7.4.3 - 468 Fig. 7.4.3 - 467 Fig. 7.4.3 - 469
  • 464.
    7 - 150 MAN.I4390.ES.USM000 (11/09/2013) DOC. ROLL4Evo.CAP.01.R00 (17/03/2008) 7 MANTENIMIENTO ORDINARIO Y PROGRAMADO SIDEL S.p.a. Fig. 7.4.3 - 470 Fig. 7.4.3 - 471 4. Desenroscar todos los tornillos que sujetan el gato a la parte superior del central (Fig. 7.4.3 - 4705). 5. Desatornille los tornillos que aseguran los gatos al carrusel central (Fig. 7.4.3 - 471). 6. Ahora es posible sacar el gato a través de la abertura situada en la parte superior central.
  • 465.
    7 - 151 7 MANTENIMIENTOORDINARIO Y PROGRAMADO MAN. I4390.ES.USM000 (11/09/2013) DOC. ROLL4Evo.CAP.01.R00 (17/03/2008) SIDEL S.p.a. 7. Presionar manualmente la parte superior del gato para verificar que se deslice correctamente: el movimiento debe ser fluido y lineal, sin tirones (Fig. 7.4.3 - 473) . 8. Verificar también el funcionamiento correcto de la RUEDA DE CONTRASTE: no debe haber juegos excesivos y su rotación no debe presentar agarrotamientos (Fig. 7.4.3 - 474) . En caso de que detecte anomalías, revise los casquillos internos y el vástago de guía como se indica a continuación. Fig. 7.4.3 - 473 Fig. 7.4.3 - 474
  • 466.
    7 - 152 MAN.I4390.ES.USM000 (11/09/2013) DOC. ROLL4Evo.CAP.01.R00 (17/03/2008) 7 MANTENIMIENTO ORDINARIO Y PROGRAMADO SIDEL S.p.a. 9. Apriete el cuerpo del gato y afloje la tapa superior con una llave de tuerca (Fig. 7.4.3 - 262). 10. Quite la tapa y el muelle (A) (Fig. 7.4.3 - 263). 11. Sfilare la molla e/o la guarnizione SPEC.AK 105 SINTEK (C - Fig. 7.4.3 - 264). Saque completamente el vástago interno (B) del cuerpo del gato (Fig. 7.4.3 - 264). A Fig. 7.4 - 262 Fig. 7.4 - 263 B C Fig. 7.4 - 264
  • 467.
    7 - 153 7 MANTENIMIENTOORDINARIO Y PROGRAMADO MAN. I4390.ES.USM000 (11/09/2013) DOC. ROLL4Evo.CAP.01.R00 (17/03/2008) SIDEL S.p.a. 12. Con una llave fija de M20, afloje el perno de la rueda de contraste (Fig. 7.4.3 - 265). 13. Quite la rueda de contraste (C) y el acoplamiento correspondiente (D) (Fig. 7.4.3 - 266). 14. Con una llave hexagonal M5, desatornille los tornillos de fijación del patín de final de carrera del vástago del gato (E) (Fig. 7.4.3 - 267). E D C Fig. 7.4 - 265 Fig. 7.4 - 266 Fig. 7.4 - 267
  • 468.
    7 - 154 MAN.I4390.ES.USM000 (11/09/2013) DOC. ROLL4Evo.CAP.01.R00 (17/03/2008) 7 MANTENIMIENTO ORDINARIO Y PROGRAMADO SIDEL S.p.a. 15. Desmonte el patín de final de carrera (Fig. 7.4.3 - 268). 16. Saque con cuidado el cuerpo interno del gato (F) (Fig. 7.4.3 - 269). 17. Saque también detenidamente el muelle y la virola del cuerpo interno del gato (Fig. 7.4.3 - 270). G F Fig. 7.4 - 268 Fig. 7.4 - 269 Fig. 7.4 - 270
  • 469.
    7 - 155 7 MANTENIMIENTOORDINARIO Y PROGRAMADO MAN. I4390.ES.USM000 (11/09/2013) DOC. ROLL4Evo.CAP.01.R00 (17/03/2008) SIDEL S.p.a. 18. Ahora quite los casquillos internos que están desgastados. Apriete con cuidado el cuerpo interno del gato. Con un perno y un martillo, golpee delicadamente el lado interno de los casquillos (superior e inferior) para quitarlos (Fig. 7.4.3 - 271a/272b). Una vez que los haya quitado, reemplácelos. 19. Vuelva a montar el gato realizando al revés el procedimiento que se ha descrito y aplique un sellador de roscas en todas las partes roscadas que hay que reensamblar. Antes de volver a montar los gatos en su anillo de soporte en el carrusel central, compruebe la funcionalidad de todos los elementos que se han revisado (Fig. 7.4.3 - 273). Fig. 7.4 - 273 Fig. 7.4-271a Fig. 7.4-272b
  • 470.
    7 - 156 MAN.I4380.ES.USM000 (08/08/2013) DOC. ROLL4Evo.CAP.01.R00 (17/03/2008) 7 MANTENIMIENTO ORDINARIO Y PROGRAMADO Sidel S.p.A. 7.5 OPERACIONES DE REGULACIÓN En los siguientes puntos se describe la función de los diversos grupos de la máquina y las regulaciones que podría ser necesario efectuar. Se indican los grupos pertenecientes a la configuración general de la máquina; aquellos presentes en la máquina en vuestro poder están marcados con un asterisco. Todas las operaciones de regulación deben ser efectuadas en condiciones de seguridad, con la máquina parada. Por lo tanto, estas operaciones no deben efectuarse durante el ciclo de lavado. Los procedimientos descritos a continuación deben ser efectuados por personal capacitado para estas tareas. El personal cualificado que efectúa las regulaciones debe utilizar los dispositivos de protección individual prescritos. DESCRIPCIÏN OPERADOR HABILITADO 7.5.1 Regulación de la distancia entre cuchilla fija y cuchilla giratoria Encargado del mantenimiento mecánico 7.5.2 Regulación del raspador de cola Encargado del mantenimiento mecánico 7.5.3 Regulación de la presión del rodillo encolador Encargado del mantenimiento mecánico 7.5.4 Regulación de la inclinación del rodillo encolador Encargado del mantenimiento mecánico 7.5.5 Regulación del flujo de cola Encargado del mantenimiento mecánico 7.5.6 Regulación de la tensión de la correa Encargado del mantenimiento mecánico 7.5.7 Regulación del embrague del grupo de etiquetado Encargado del mantenimiento mecánico 7.5.8 Regulación de la tensión de la correa de desplazamiento del grupo Encargado del mantenimiento mecánico 7.5.9 Regulación de los frenos del soporte bobinas Encargado del mantenimiento mecánico 7.5.10 Regulación del rodillo de arrastre Encargado del mantenimiento mecánico 7.5.11 Regulación de la válvula de seguridad del vacío Encargado del mantenimiento mecánico 7.5.12 Procedimiento de calibrado de los frenosWarner Encargado del mantenimiento mecánico
  • 471.
    7 - 157 7 MANTENIMIENTOORDINARIO Y PROGRAMADO MAN. I4380.ES.USM000 (08/08/2013) DOC. ROLL4Evo.CAP.01.R00 (17/03/2008) Sidel S.p.A. 7.5.1 REGULACIÓN DE LA DISTANCIA ENTRE CUCHILLA FIJA Y CUCHILLA GIRATORIA NO GRADÚE LOS TORNILLOS DE REGULACIÓN. La regulación debe efectuarse cuando el grupo de corte haya alcanzado la tempe- ratura configurada y, antes de intervenir, hay que girar la máquina al vacío por lo menos durante 5 minutos. El procedimiento de regulación sucesivo es una operación que DEBE ser efectuada por un técnico Alfa Labeling o por un técnico de mantenimiento capacitado y cualificado. La operación descrita debe ser efectuada en los siguientes casos: a. cambio de las etiquetas de diferente espesor y/o material; b. desgaste normal de las cuchillas. La regulación debe ser efectuada por medio de la cuña de regulación colocada en el soporte de la cuchilla fija (Fig. 7.5 - 1). 1. Quite los envases que se encuentran en el interior de la máquina. 2. Coloque la máquina en mantenimiento y desactive la bomba del vacío. Este procedimiento permitirá comprender si la cuchilla corta bien o si es la fuerza de la turbina la que arranca las etiquetas después de que han sido SIMPLEMENTE marcadas por la cuchilla. 3. Verifique que los elementos interesados estén limpios: cascos, cuchillas y rodillo de desplazamiento. 4. Desenganche el grupo (Fig.7.5- 2). 5. Quite el rodillo de desplazamiento (Fig. 7.5 - 3). Fig. 7.5 - 2 Fig. 7.5 - 1 Fig. 7.5 - 3
  • 472.
    7 - 158 MAN.I4380.ES.USM000 (08/08/2013) DOC. ROLL4Evo.CAP.01.R00 (17/03/2008) 7 MANTENIMIENTO ORDINARIO Y PROGRAMADO Sidel S.p.A. 6. Gire la cuña de regulación 45° aproximadamente hacia la derecha para acercar la cuchilla fija a aquella móvil (Fig. 7.5 - 4). 7. Introduzca una etiqueta nueva (si posee diferentes tipos, utilice la más alta) en los cascos de transferencia y realice una prueba de corte (Fig. 7.5 - 5). Para efectuar la prueba de corte accione el movimiento de la cuchilla manualmen- te (Fig. 7.5 - 6). 8. Verifique el corte. Un corte adecuado se verifica cuando la etiqueta ha sido cortada a lo largo de su altura. En caso de que el corte no sea satisfactorio, gire la cuña de regulación 45° hacia la derecha. Controle nuevamente el corte de las etiquetas. Continúe de esta manera hasta que el corte sea satisfactorio. Este tipo de regulación puede ser efectuado continuamente en el mismo lado de la cuchilla giratoria hasta que comience a escuchar un contacto (ruido) excesivo entre las dos cuchillas. En este caso, inspeccione y/o sustituya las cuchillas (véase el procedimiento descrito en el párrafo 7.4.3). Fig. 7.5 - 4 Fig. 7.5 - 6 Fig. 7.5 - 5
  • 473.
    7 - 159 7 MANTENIMIENTOORDINARIO Y PROGRAMADO MAN. I4380.ES.USM000 (08/08/2013) DOC. ROLL4Evo.CAP.01.R00 (17/03/2008) Sidel S.p.A. 7.5.2 REGULACIÓN DEL RASPADOR DE COLA Cuando la cola que se deposita en el rodillo no es uniforme: 1. Afloje las tuercas de bloqueo (A) y regule los tornillos de contraste (B) colocados en el raspador de cola hasta obtener los resultados esperados (se recomienda regular las esferas (C) opuestas a los tornillos hasta tres cuartos) (Fig. 7.5 - 13). Tras haber hallado la condición óptima, apriete las tuercas de bloqueo. La cantidad de cola depende también de: – La cantidad de cola depende de la profundidad del grafilado del rodillo de cola. – El contacto entre el raspador y el rodillo NO es utilizado para modificar la cantidad de flujo de cola. – En caso de que se verifique un exceso de cola durante el raspado, cerciórese de que el raspador esté limpio (limpie la cuchilla con disolvente y un paño suave) y que entre éste y el rodillo haya suficiente contacto (elimine los fragmentos de etiqueta que se encuentren debajo del raspador). Fig. 7.5 - 13 C C A B B A
  • 474.
    7 - 160 MAN.I4380.ES.USM000 (08/08/2013) DOC. ROLL4Evo.CAP.01.R00 (17/03/2008) 7 MANTENIMIENTO ORDINARIO Y PROGRAMADO Sidel S.p.A. 7.5.3 REGULACIÓN DE LA PRESIÓN DEL RODILLO ENCOLADOR Para regular la presión del rodillo encolador en los patines, proceda de la siguiente manera: 1. Ponga la máquina en modalidad manual (selector de llave en JOG) (2). Cerciórese de que se hayan activado todas las funciones de la máquina (calentamientos, los vacíos y los fuelles). 2. Coloque en la máquina algunos envases (5-6), ante la fotocélula de presencia botella. Active la marcha JOG (Fig 7.5.3 - 2) y termine el etiquetado de las botellas que se encuentran en el central. Fig. 7.5.3 - 1 Fig. 7.5.3 - 2 2
  • 475.
    7 - 161 7 MANTENIMIENTOORDINARIO Y PROGRAMADO MAN. I4380.ES.USM000 (08/08/2013) DOC. ROLL4Evo.CAP.01.R00 (17/03/2008) Sidel S.p.A. 3. Ahora retire 3 botellas en secuencia. Elimine la etiqueta y controle la distribución de cola. La distribución de cola en la etiqueta puede presentarse de la siguiente manera (Fig. 7.5 - 16): Fig. 7.5 - 16 Los contactos angulares y horizontales hayan sido regulados correctamente. Apriete la tuerca de bloqueo posterior y restablezca el solenoide del rodillo encolador en el funcionamiento automático. La distribución de cola no es linear, por lo tanto, es necesario regular el contacto horizontal del rodillo encolador. El contacto angular del rodillo encolador debe ser regulador (Véase párrafo 7.5.4). El contacto angular del rodillo encolador debe ser regulador (Véase párrafo 7.5.4). La condición de los patines del rodillo de desplazamiento no es buena. El rodillo de desplazamiento debe ser revisado.
  • 476.
    7 - 162 MAN.I4380.ES.USM000 (08/08/2013) DOC. ROLL4Evo.CAP.01.R00 (17/03/2008) 7 MANTENIMIENTO ORDINARIO Y PROGRAMADO Sidel S.p.A. Para la regulación horizontal del rodillo encolador proceda como se indica a continuación: 4. Antes que nada, accione, en modalidad JOG, el desplazamiento del grupo para posicionar el patín del rodillo de desplazamiento frente al rodillo encolador. 5. Afloje la tuerca de bloqueo posterior (A) y desenrósquelo por 3-4mm. La regulación del rodillo encolador se obtiene utilizando la tuerca anterior B. Al girar hacia la derecha la tuerca acerca el rodillo encolador al rodillo de desplazamiento aumentando, así, la presión; viceversa, al girar hacia la izquierda, se disminuye la presión ( Fig. 7.5 - 17). 6. Acerque lentamente el rodillo encolador al patín del rodillo de desplazamiento hasta obtener una distancia de 1,5 mm. Para verificar, utilice un calibrador de espesores. 7. Ahora gire la tuerca B hacia la derecha por un giro completo (equivale a 1,25 mm aproximadamente) para que el rodillo encolador roce el patín. 8. Repita las operaciones como descrito en los puntos 3 y 4 y verifique nuevamente la distribución de cola en la etiqueta. En caso de ser necesario, efectúe algunas microregulaciones girando la tuerca de bloqueo anterior por aproximadamente 30° (B - Fig.7.5 - 17). Al obtener una regulación óptima, efectúe también un control a velocidad alta: 9. Coloque la máquina en modalidad “ AUTO “ y efectúe una prueba de etiquetado. 10. Cuando la máquina alcance una velocidad adecuada, deténgala inmediatamente y retire 3 botellas en secuencia. 11. Verifique la distribución de cola en la etiqueta. 12. En caso de ser necesario, efectúe algunas microregulaciones girando (hacia la derecha para aumentar la presión) la tuerca de bloqueo anterior por aproximadamente 30° (B - Fig.7.5 - 17). Repita la prueba verificando la correcta distribución de cola en las tres etiquetas. Fig. 7.5 - 17 A B
  • 477.
    7 - 163 7 MANTENIMIENTOORDINARIO Y PROGRAMADO MAN. I4380.ES.USM000 (08/08/2013) DOC. ROLL4Evo.CAP.01.R00 (17/03/2008) Sidel S.p.A. 7.5.4 REGULACIÓN DE LA INCLINACIÓN DEL RODILLO ENCOLADOR Para regular la inclinación del rodillo encolador, proce- da como se indica a continuación: 1. Afloje las dos tuercas de bloqueo superiores (A) e inferiores (B) de los dos tornillos de regulación (Fig. 7.5 - 20). 2. Seleccione un bulón como principal (aquí es el B) (Fig. 7.5 - 21). 3. Gire cuidadosamente el bulón seleccionado hacia arriba hasta que la apertura entre la parte inferior y superior resulten paralelas (Fig. 7.5 - 22). Fig. 7.5 - 20 A B Fig. 7.5 - 21 BA Fig. 7.5 - 22
  • 478.
    7 - 164 MAN.I4380.ES.USM000 (08/08/2013) DOC. ROLL4Evo.CAP.01.R00 (17/03/2008) 7 MANTENIMIENTO ORDINARIO Y PROGRAMADO Sidel S.p.A. 4. Ahora efectúe la “Regulación de la presión del rodillo encolador”, como descrito en la parte anterior y verifique la distribución de cola. 5. Efectúe la regulación mediante el bulón principal (A) para compensar un posible excesivo contacto del lados superior o inferior de la etiqueta (Fig. 7.5 - 23). Para inclinar el rodillo encolador hacia adelante (hacia el tabor de desplazamiento), enrosque los dos tornillos de regulación (C). Para inclinar el rodillo encolador hacia atrás, desenrosque los dos tornillos de regulación (C) (Fig. 7.5 - 24). 6. Cuando el resultado es satisfaciente (véase la tabla en el capítulo “Regulación de la presión del rodillo encoladora”), mantenga quieto el bulón “3” en el lado principal y apriete las tuercas de bloqueo “1” y “2” (Fig. 7.5 - 25). Fig. 7.5 - 23 Fig. 7.5 - 24 Fig. 7.5 - 25 Punto de rotación A C 3 2 1
  • 479.
    7 - 165 7 MANTENIMIENTOORDINARIO Y PROGRAMADO MAN. I4380.ES.USM000 (08/08/2013) DOC. ROLL4Evo.CAP.01.R00 (17/03/2008) Sidel S.p.A. 7. Apriete la tuerca “3” en el otro lado (no el lado principal: “A”) manualmente hasta hallar resistencia. Apriete las tuercas “1” y “2” en el mismo lado (Fig. 7.5 - 26). 8. Utilizando el mando JOG, haga pasar las etiquetas y controle el resultado. Si el resultado es satisfaciente, se ha completado el procedimiento. La distribución de cola debería ser verificada mientras la máquina opera a la velocidad máxima. Si la huella de cola dejada por los patines desvanece a alta velocidad, será necesario incrementar ligeramente el contacto del rodillo encolador (por lo general una regulación de 30° de rotación de la tuerca) (Fig. 7.5 - 27). 9. Si la distribución de la cola ha sufrido una influencia negativa al momento de enroscar las tuercas de bloqueo, será necesario efectuar una regulación general del sistema. Proceda como se indica a continuación: 1) Afloje las 4 tuercas de bloqueo. 2) Regule los dos bulones de la misma manera y por una medida mínima (Por lo general 30° de rotación). 3) Apriete nuevamente las 4 tuercas de bloqueo y verifique la distribución de cola. 4) Repita el procedimiento de “Regulación de inclinación del rodillo encolador”, en caso de ser necesario. Fig. 7.5 - 27 Fig. 7.5 - 26 BA 3 2 1 30°30°
  • 480.
    7 - 166 MAN.I4380.ES.USM000 (08/08/2013) DOC. ROLL4Evo.CAP.01.R00 (17/03/2008) 7 MANTENIMIENTO ORDINARIO Y PROGRAMADO Sidel S.p.A. 7.5.5 REGULACIÓN DEL FLUJO DE LA COLA Para regular el flujo de la cola utilice el tornillo indicado. 1. Afloje la tuerca de bloqueo (Fig. 7.5 - 16) 2. Para aumentar el flujo, atornille el tornillo; viceversa, para disminuir el flujo, desatornille el tornillo (Fig. 7.5 - 17). Espere un minuto y luego controle la cantidad de cola que se deposita en la etiqueta. En caso de necesidad, efectúe una regulación ulterior. 3. Apriete la tuerca de bloqueo (Fig. 7.5 - 18) Fig. 7.5 - 18 Fig. 7.5 - 16 Fig. 7.5 - 17
  • 481.
    7 - 167 7 MANTENIMIENTOORDINARIO Y PROGRAMADO MAN. I4380.ES.USM000 (08/08/2013) DOC. ROLL4Evo.CAP.01.R00 (17/03/2008) Sidel S.p.A. 7.5.6 REGULACIÓN DE LA TENSIÓN DE LA CORREA DE DESPLAZAMIENTO DEL GRUPO 1. Quite la puerta, agarre la leva de tensión de la correa y afloje la tuerca de bloqueo (Fig. 7.5 - 38). 2. Tense la correa y, simultáneamente, apriete la tuerca de bloqueo (Fig. 7.5 - 39). 3. Monte nuevamente la puerta. Fig. 7.5 - 38 Fig. 7.5 - 39
  • 482.
    7 - 168 MAN.I4380.ES.USM000 (08/08/2013) DOC. ROLL4Evo.CAP.01.R00 (17/03/2008) 7 MANTENIMIENTO ORDINARIO Y PROGRAMADO Sidel S.p.A. Fig. 7.5 - 42 Fig. 7.5 - 40 Fig. 7.5 - 41 7.5.7 REGULACIÓN DEL EMBRAGUE DEL GRUPO DE ETIQUETADO 1. Retire la puerta fija y el tornillo de bloqueo (Fig. 7.5 - 40). 2. Para aumentar el par máximo de transmisión, enrosque la virola; viceversa, para disminuir el par máximo de transmisión, desenrosque la virola (Fig. 7.5 - 41). 3. Apriete el tornillo de bloqueo, prestando mucha atención a introducirla completamente en el propio asiento (Fig. 7.5 - 42).
  • 483.
    7 - 169 7 MANTENIMIENTOORDINARIO Y PROGRAMADO MAN. I4380.ES.USM000 (08/08/2013) DOC. ROLL4Evo.CAP.01.R00 (17/03/2008) Sidel S.p.A. 7.5.8 TENSIÓN DE LA CORREA PARA EL DESPLAZAMIENTO VERTICAL DEL GRUPO 1. Retire la puerta fija anterior. Afloje los 4 tornillo de fijación de la placa “plato del motor” (Fig. 7.5 - 43). 2. Hale la placa de soporte hacia fuera para tensar la correa (Fig. 7.5 - 45). 3. Apriete los 4 tornillos de bloqueo (Fig. 7.5 - 45) e instale nuevamente el cárter de protección y la puerta anterior. Fig. 7.5 - 43 Fig. 7.5 - 44 Fig. 7.5 - 45
  • 484.
    7 - 170 MAN.I4380.ES.USM000 (08/08/2013) DOC. ROLL4Evo.CAP.01.R00 (17/03/2008) 7 MANTENIMIENTO ORDINARIO Y PROGRAMADO Sidel S.p.A. DISCO FERODO 0.25 7.5.9 REGULACIÓN DE LOS FRENOS DEL SOPORTE BOBINAS La regulación de los frenos del soporte bobinas se hace necesaria cuando el neutro presenta un comportamiento anómalo. 1.Sobre el panel de control del cambio carrete, disactivar el carrete para regolacion pulsando el interruptor A o B (Fig. 7.5 - 45). 2. Desconecte el conector (Fig. 7.5 - 46). 3. Verifique con un calibrador de espesores la tolerancia entre el ferodo y el disco del freno (Fig. 7.5 - 47). El espesor mínimo debe ser de 0,25 mm (0,25 mm = 1/102.4“). Fig. 7.5 - 47 Fig. 7.5 - 46 Fig. 7.5 - 45 A B
  • 485.
    7 - 171 7 MANTENIMIENTOORDINARIO Y PROGRAMADO MAN. I4380.ES.USM000 (08/08/2013) DOC. ROLL4Evo.CAP.01.R00 (17/03/2008) Sidel S.p.A. Fig. 7.5 - 48 4. Para regular el espesor, afloje los bulones de fijación (A) y, actuando en la virola (B), disminuya o aumente el espesor apretando o aflojando la virola correspondiente (Fig. 7.5 - 48). Al final de la operación verifique siempre con un calibre de espesor la tolerancia entre el ferodo y el disco. 5. Bloquee nuevamente con los tornillos de fijación (A) y conecte nuevamente el conector (C) (Fig. 7.5 - 49). Reactivar el carrete a traves del panel de control. A B Fig. 7.5 - 49 A C
  • 486.
    7 - 172 MAN.I4380.ES.USM000 (08/08/2013) DOC. ROLL4Evo.CAP.01.R00 (17/03/2008) 7 MANTENIMIENTO ORDINARIO Y PROGRAMADO Sidel S.p.A. 7.5.10REGULACIÓN DEL RODILLO DE ARRASTRE PARALELISMO CON EL PINCH ROLLER El rodillo de arrastre en acero trabaja en contacto con el rodillo de goma “PINCH ROLLER” (Fig. 7.5 - 50). Si el contacto entre los dos rodillos no es uniforme se pueden verificar problemas de lectura spot y de corte. Para asegurarse del paralelismo entre los dos rodillos, configure la presión máxima mediante el pincel de control (véase también el manual del operador). Espere un minuto y restablezca la presión correcta de funcionamiento. Fig. 7.5 - 50
  • 487.
    7 - 173 7 MANTENIMIENTOORDINARIO Y PROGRAMADO MAN. I4380.ES.USM000 (08/08/2013) DOC. ROLL4Evo.CAP.01.R00 (17/03/2008) Sidel S.p.A. 7.5.11 REGISTRO DE LA VÁLVULA DE SEGURIDAD DEL VACÍO Efectúe esta regulación solamente después de verifi- car que la presión se encuentra fuera del rango preestablecido (275÷300 mbar) o (330÷340 mbar para clientes EE. UU. y Norteamérica). 1. Cierre todas las válvulas de aislamiento del siste- ma de vacío. 2. Desenrosque los tornillos y las pinzas de fijación del filtro de la válvula Becker (limitador de vacío) y retírelo. Accionar el sistema del vacío. 3. Afloje la contratuerca de bloqueo con una llave fija M10. Para aumentar o disminuir el vacío hay que variar la carga en la extensión de regulación. Aumentando la carga, aumenta la depresión en el colector principal. Viceversa, disminuyendo la carga, se disminuye la depresión. 4.Utilizando un destornillador, bloquee la extensión y, al mismo tiempo, gire la tuerca de regulación con una llave fija M10 para aumentar o disminuir la depresión.
  • 488.
    7 - 174 MAN.I4380.ES.USM000 (08/08/2013) DOC. ROLL4Evo.CAP.01.R00 (17/03/2008) 7 MANTENIMIENTO ORDINARIO Y PROGRAMADO Sidel S.p.A. CON PANEL BR 15: 5.Verifique la presión del colector en el panel de control en la página Regulación de vacíos: debe estar comprendida entre 290-300 mbar o 330-340. Si la presión de ejercicio no corresponde, regule la tuerca de regulación hasta alcanzar el valor preestablecido. 6.Apriete la tuerca y vuelva a montar el filtro. 7. Abra de nuevo todas las válvulas de aislamiento del sistema de vacío.
  • 489.
    7 - 175 7 MANTENIMIENTOORDINARIO Y PROGRAMADO MAN. I4380.ES.USM000 (08/08/2013) DOC. ROLL4Evo.CAP.01.R00 (17/03/2008) Sidel S.p.A. Fig. 7.5.10 - 1 7.5.12 PROCEDIMIENTO DE CALIBRADO DE LOS FRENOS WARNER (SI ESTÁ INSTALADO) El procedimiento descrito a continuación debe realizarse obligatoriamente con el circuito de aire desactivado. El elemento de frenado Warner consta de dos unidades distintas (Fig. 7.5.12 - 1): - la unidad 1 de “LÓGICA”, - la unidad 2 de “POTENCIA”. 1. Gire completamente hacia la derecha los “trimmers” CANAL A y CANAL B en la unidad de potencia WARNER dentro del cuadro eléctrico.(Fig. 7.5.12 - 2). 2. Gire hacia la izquierda por 1/3 de la carrera los “trimmers” CANAL A y CANAL B (Fig. 7.5.12 - 2). 3. Libere de la protección el potenciómetro de las bobinas: - si se trata de Rollquattro estándar, retire la taza de protección interviniendo en los 3 tornillos Allen (Fig. 7.5.12 - 3); - si se trata de RollquattroEvolution, baje el fuelle de protección (Fig. 7.5.12 - 4). Fig. 7.5.12 - 1 21 Fig. 7.5.12 - 2 Fig. 7.5.12 - 3 Fig. 7.5.12 - 4
  • 490.
    7 - 176 MAN.I4380.ES.USM000 (08/08/2013) DOC. ROLL4Evo.CAP.01.R00 (17/03/2008) 7 MANTENIMIENTO ORDINARIO Y PROGRAMADO Sidel S.p.A. 4. Coloque el interruptor del potenciómetro del rodillo oscilante (Fig. 7.5.10 - 6), ubicado debajo de las bobinas, en A o B, según las necesidades de frenado; controle manualmente que la bobina tienda a frenar al cerrar el rodillo oscilante (posición C - Fig. 7.5.10 - 6) y que, al abrirlo (posición D - Fig. 7.5.10 - 7), quede más libre y, por tanto, menos frenada. 5. Vuelva a colocar la taza de protección del potenciómetro prestando atención a girarla un poco en ambos sentidos para evitar que se estropee o se suelte el anillo OR superior indicado en la figura 7.5.10 - 8. C D Fig. 7.5.10 - 5 Fig. 7.5.10 - 6 Fig. 7.5.10 - 7 Fig. 7.5.10 - 8
  • 491.
    7 - 177 7 MANTENIMIENTOORDINARIO Y PROGRAMADO MAN. I4380.ES.USM000 (08/08/2013) DOC. ROLL4Evo.CAP.01.R00 (17/03/2008) Sidel S.p.A. 6. Controle la posición de los potenciómetros en el brazo del rodillo oscilante, comprobando con un voltímetro la tensión en los terminales 0V y SENSOR IN (Fig. 7.5.10 - 9). 7. Desconecte el conector inferior derecho (E - Fig. 7.5.10 - 10) para desactivar (OFF) el sistema . 8. Lleve el brazo del rodillo oscilante a la posición de cierre (Fig. 7.5.10 - 11). 9. Utilizando un destornillador, presione y mantenga presionado el botón rojo indicado (Fig. 7.5.10 - 12) e introduzca el conector inferior (E). De esta manera, se activa (ON) el sistema.. El led del dispositivo comenzará a destellar con una frecuencia de 1 segundo. Fig. 7.5.10 - 9 Fig. 7.5.10 - 10 E C Fig. 7.5.10 - 11 Fig. 7.5.10 - 12
  • 492.
    7 - 178 MAN.I4380.ES.USM000 (08/08/2013) DOC. ROLL4Evo.CAP.01.R00 (17/03/2008) 7 MANTENIMIENTO ORDINARIO Y PROGRAMADO Sidel S.p.A. 10. Suelte el botón rojo. El led del dispositivo comenzará a destellar rápidamenteconunafrecuenciade0,33segundos. 11. Lleve el brazo del rodillo oscilante a la posición de apertura (D - Fig. 7.5.10 - 7). 12. Presione y mantenga presionado el botón rojo. Lleve el brazo del rodillo oscilante a la posición de cierre (C - Fig. 7.5.10 - 6). IEl led del dispositivo comenzará a destellar len- tamente con una frecuencia de 3 segundos. 13. Suelte el botón rojo. El led del dispositivo permanecerá encendido para indicar que el procedimiento se ha terminado. 14. Utilizando un calibre de espesor Fig. 7.5.10 - 14), compruebe que la distancia entre los dos discos (imán y ferodo) ubicados en la base de las bobinas no supere las 2 décimas. 15. Haciendo presión en los dos lados del disco, como se indica en la figura 7.5.10 - 15, compruebe que la distancia medida en cada punto del disco sea unifor- me. Si el disco no está derecho, contacte al Servicio de Asistencia Técnica de Sidel S.p.A. 16. En el lado de la unidad de potencia hay un sobre que contiene una tarjeta de datos (Fig. 7.5.10 - 16). Fig. 7.5.10 - 13 Fig. 7.5.10 - 14 Fig. 7.5.10 - 15 Fig. 7.5.10 - 16
  • 493.
    7 - 179 7 MANTENIMIENTOORDINARIO Y PROGRAMADO MAN. I4380.ES.USM000 (08/08/2013) DOC. ROLL4Evo.CAP.01.R00 (17/03/2008) Sidel S.p.A. 17. Si hace falta sustituir la unidad de frenado, utilice la tarjeta de datos de la siguiente manera: - desconecte el conector inferior (E - Fig.7.5.10 - 10); - introduzca la tarjeta en el lugar y del modo que se indican en la figura 7.5.10 - 17 y vuelva a conectar el conector inferior (E - Fig.7.5.10 - 10), el led comenzará a destellar; - espere a que se transfieran los datos de configuración (el led se apaga al finalizar el procedimiento de transferencia de datos); - saque la tarjeta y vuelva a colocarla en su sobre. Fig. 7.5.10 - 17
  • 494.
    7 - 180 MAN.I4380.ES.USM000 (08/08/2013) DOC. ROLL4Evo.CAP.01.R00 (17/03/2008) 7 MANTENIMIENTO ORDINARIO Y PROGRAMADO Sidel S.p.A. 7.6 LUBRICACIÓN 7.6.1 CRITERIOS GENERALES El ambiente en el que suelen trabajar las máquinas etiquetadoras es muy húmedo y está sujeto a fuertes cambios de temperatura, por lo tanto es necesario controlar periódicamente la completa eficiencia de los dispositivos de retención ( guardagotas, collarines, etc.) y controlar que no se verifiquen infiltraciones de agua en los reductores. La máquina está dotada en algunos puntos especiales de un sistema de lubricación centralizado automático. Al lubricar por primera vez los puntos locales indicados, es necesario contar el número de bombeos para luego garantizar una buena lubricación. En el plan de lubricación se indican: PUNTOS QUE SE DEBEN LUBRICAR: indica el punto de la máquina que se debe lubricar. FRECUENCIA H: indica la frecuencia de lubricación en horas y se refiere a las horas de trabajo efectivo de la máquina. MÉTODO: es el modo de realizar la lubricación. SÍMBOLO: es el tipo de grasa o aceite; la correspondencia de los símbolos está indicada en los subpárrafos “Características específicas de los aceites” y “Características específicas de las grasas”. Para los puntos indicados con (1) es necesario tomar como referencia la documentación adjunta al capítulo 10. Hay que engrasar los puntos no centralizados con la máquina parada y en condiciones seguras. Durante el periodo de rodaje (300 horas de trabajo aproximadamente) se aconseja realizar un mantenimiento extraordinario. El primer cambio de aceite se debe hacer dentro de este tiempo, en los puntos y con las cantidades especificados en el esquema. No haga trabajar la máquina a velocidad máxima durante las primera 40 horas de trabajo. Para evitar desperdicios inútiles y proteger el ambiente se recomienda que el usuario: – no exceda en las cantidades y recupere las pérdidas; – no mezcle nunca dos tipos diferentes de productos lubricantes (eliminar completamente el lubricante antes de utilizar un producto nuevo). Las sustancias lubricantes son, por lo general, difícilmente biodegradables y pueden contaminar el suelo, el subsuelo y las corrientes de agua. En caso de que se sustituya el lubricante, adopte todas las medidas necesarias para evitar su dispersión en el ambiente. Dichas sustancias serán recogidas y tratadas como desechos de acuerdo con las modalidades descritas en el capítulo 3.8 de este manual y las normas vigentes en el país del usuario en materia de protección del ambiente.
  • 495.
    7 - 181 7 MANTENIMIENTOORDINARIO Y PROGRAMADO MAN. I4380.ES.USM000 (08/08/2013) DOC. ROLL4Evo.CAP.01.R00 (17/03/2008) Sidel S.p.A. 7.6.2 PLAN DE LUBRICACIÓN La máquina está dotada de un bomba de distribución de grasa centralizada (Fig. 7.6 - 1), que permite lubricar los puntos fijos o difíciles de alcanzar. Fig. 7.6.2 - 1 P U N T O S A L U B R I CA R IN T E R V A L O H M É T O D O S ÍM B O L O D E L L U B R IC A N T E 1) S O P O R T E C A B E Z A L IN F .; 2) T O R N IL LO D E R E G . C A B E Z A L; 3) S O P . A N ILL O G A T O S ; 4) S O P O R T E A L IS A D O IN T E R N O ; 5) S O P . E S T R E L L A S D E E N T R A D A ; 6) S O P . E S T R E LL A D E S A L ID A ; 7) S O P . E S T R E LL A D E T R A S F E R E N C IA ; 11 ) T R A N S M I S IÓ N C IN T A ; 18 ) C A S Q U IL L O T O R N ILL O R E G . A LT U R A . G R U P O ; 19 ) C O JIN E T E A XI A L R E G . A L T U R A G R U PO ; 20 ) C A S Q U IL LO S T O R N ILL O D E R E G . S U B E G R U P O ; 21 ) C O JIN E T E R A D IA L D E R E G .A LT U R A G R U PO D E M O T O R ; 22 ) E JE D E S O P . B O B IN A S ; 23 ) T O R N ILL O D E R E G . S U B ID A B O B IN A S ; 24 ) T O R N ILL O D E R E G . S U B ID A B O B IN A S ; P ro gra m ab le C o ntro la d o p o r la c e n tral d e lu bricac ió n A uto m á tic o 
  • 496.
    7 - 182 MAN.I4380.ES.USM000 (08/08/2013) DOC. ROLL4Evo.CAP.01.R00 (17/03/2008) 7 MANTENIMIENTO ORDINARIO Y PROGRAMADO Sidel S.p.A. LAY-OUT PUNTOS DE LUBRICACIÓN MANUAL LOCA: Fig. 7.6 - 2 17 1 5 7 16 4 18 2 1313 11 10 6 3 9 19 20 12
  • 497.
    7 - 183 7 MANTENIMIENTOORDINARIO Y PROGRAMADO MAN. I4380.ES.USM000 (08/08/2013) DOC. ROLL4Evo.CAP.01.R00 (17/03/2008) Sidel S.p.A. LAY-OUT PUNTOS DE LUBRICACIÓN MANUALLOCAL: PUNTOS A ENGRASAR INTERVALO H MÉTODO: SÍMBOLO DEL LUBRICANTE 1 – Tornillo de regulación gr. Etiquetado 120 Pistola o bomba € 2 – Platillos 120 Pistola o bomba € 3 – Junta del rodillo encolador 120 Con pincel € 4 – Junta del rodillo de corte 120 Con pincel € 5 – Guías de desplazamiento del rodillo encolador 120 Pistola o bomba € 6 – Casquillo central 120 Pistola o bomba € 7 – Guías de desplazamiento del grupo etiq. 120 Pistola o bomba € 9 – Cojinete superior del rodillo encolador 120 Pistola o bomba ˆ 10 – Engranajes debajo de la base 3000 Pulverizar 12 – Lubricación de los gatos 1500 Con pincel ” 13 – Garruchas correa de transmission 120 Pistola o bomba » 14 – Alimentacion bomba de grasa Quando necesario Pistola € PUNTOS A LUBRICAR INTERVALO H MÉTODO SÍMBOLO DEL LUBRICANTE 16 – Rodillo de corte 6000 * (anualmente) Sustituir ( 2 L) — 17 – Rodillo de desplazamiento 6000 * (anualmente) Sustituir (1,5 L) — 18 – Rodillo de arrastre 6000 * (anualmente) Sustituir ( 1 L) — 19 – Rodillo encolador 1000 * (bimestral) Sustituir (0,6 L) • 20 – Reductor principal 6000 (anualmente) Sustituir (4.5 L) Ã * CADA DOS SEMANAS (240 H): Verificar el nivel de aceite y, en caso de ser necesario, llenar. Máquinas SIN grasa alimentaria Máquinas con grasa alimentaria
  • 498.
    7 - 184 MAN.I4380.ES.USM000 (08/08/2013) DOC. ROLL4Evo.CAP.01.R00 (17/03/2008) 7 MANTENIMIENTO ORDINARIO Y PROGRAMADO Sidel S.p.A. 7.6.3 ESPECIFICACIONES DE LOS ACEITES (PARA LUBRICACIÓN DE TIPO ALIMENTARIO) APLICACIÓN SÍMBOLO TIPO Grad. ISO VISCOSIDAD 40ƒC Notas Aceite para engranajes reductor principal Aceite sintético PAO 460 460 KLUBEROIL 4 UH1 460N Aceite para lubricación RODILLO DE CORTE y ARRASTRE — Aceite sintético PAO 100 100 KLUBEROIL 4 UH1 – 100N Aceite para RODILLO ENCOLADOR • Aceite sintético - 100....680 KLUBERSYNTH UH1 6-680 Si hace falta sustituir los lubricantes existentes por otros alternativos, contacte con el servicio de asistencia técnica especializada de Sidel SpA para verificar su compatibilidad con los lubricantes enumerados. Antes de utilizar un lubricante nuevo, es necesario realizar una limpieza minuciosa de la zona afectada.
  • 499.
    7 - 185 7 MANTENIMIENTOORDINARIO Y PROGRAMADO MAN. I4380.ES.USM000 (08/08/2013) DOC. ROLL4Evo.CAP.01.R00 (17/03/2008) Sidel S.p.A. 7.6.4 ESPECIFICACIONES DE LAS GRASAS (PARA LUBRICACIÓN DE TIPO ALIMENTARIO) APLICACIÓN SÍMBOLO JABÓN BASE Grad. NLGI ASTM Pen. elaborada 0.1 mm mín. - máx. Adit. PUNTO DE GOTEO Notas Grasa para lubricación centralizada automática/ma nual € PAO Alk 2 265 – 295 – 220 KLUBERSYNT H UH1 14- 222 Grasa para cojinetes del rodillo encolador ˆ PFPE/PT FE 1 310 - 340 – not find BARRIERTA L 55/1 Grasa para platillos » PAO Alk 2 265 – 295 – 220 KLUBERSYNT H UH1 14- 222 Grasa para gatos Grasa para engranajes debajo de la base ” PAO Alk 1 310 - 340 – 220 KLUBERPASTE UH1 14- 201 (*) NINGÚN EQUIVALENTE: Utilice únicamente este tipo de grasa. Si hace falta sustituir los lubricantes existentes por otros alternativos, contacte con el servicio de asistencia técnica especializada de Sidel SpA para verificar su compatibilidad con los lubricantes enumerados. Antes de utilizar un lubricante nuevo, es necesario realizar una limpieza minuciosa de la zona afectada.
  • 500.
    7 - 186 MAN.I4380.ES.USM000 (08/08/2013) DOC. ROLL4Evo.CAP.01.R00 (17/03/2008) 7 MANTENIMIENTO ORDINARIO Y PROGRAMADO Sidel S.p.A. Fig.7.6.6-1 7.6.6 DESCRIPCIÓN Pos.1 - Tornillo de regulación del grupo de etiquetado Operación: lubrique con pistola de grasa. 1. Lubrique en los puntos indicados (Fig. 7.6.6 - 1). Antes de engrasar, coloque la estación de etiquetado a la altura máxima. Termine el procedimiento de mantenimiento colocando nuevamente la estación de etiquetado a la altura de trabajo configurada para el formato preseleccionado.
  • 501.
    7 - 187 7 MANTENIMIENTOORDINARIO Y PROGRAMADO MAN. I4380.ES.USM000 (08/08/2013) DOC. ROLL4Evo.CAP.01.R00 (17/03/2008) Sidel S.p.A. Pos.2 - Platillos Operación: Lubrique con pistola de grasa todos los platillos que se encuentran en el central. 1. Lubrique en los puntos indicados (Fig. 7.6.6 - 2). 2. Lubrique también los engrasadores seccion inferior deplatillo (debajo de las correas) (Fig. 7.6.6 - 3) Fig. 7.6.6-3 Fig. 7.6.6 -2
  • 502.
    7 - 188 MAN.I4380.ES.USM000 (08/08/2013) DOC. ROLL4Evo.CAP.01.R00 (17/03/2008) 7 MANTENIMIENTO ORDINARIO Y PROGRAMADO Sidel S.p.A. Pos.3 - Junta del rodillo encolador Operación: Lubrique con pincel. 1. Afloje la tuerca de bloqueo de los casquillos de final de carrera. Desplace el grupo de etiquetado para alejarlo del grupo de desplazamiento (Fig. 7.6.6 - 4). 2. Utilizando un pincel, lubrique la junta del rodillo encolador (Fig. 7.6.6 - 5). Fig.7.6.6 - 4 Fig.7.6.6 - 5
  • 503.
    7 - 189 7 MANTENIMIENTOORDINARIO Y PROGRAMADO MAN. I4380.ES.USM000 (08/08/2013) DOC. ROLL4Evo.CAP.01.R00 (17/03/2008) Sidel S.p.A. Pos.4 - Junta del rodillo de corte Operación: Lubrique con pincel. 1. Abra los desenganches rápidos y aleje el grupo de corte del rodillo de desplazamiento (Fig. 7.6.6 - 6). 2. Lubrique la junta oldham con un pincel (Fig. 7.6.6 - 7). Fig.7.6.6 - 6 Fig.7.6.6- 7
  • 504.
    7 - 190 MAN.I4380.ES.USM000 (08/08/2013) DOC. ROLL4Evo.CAP.01.R00 (17/03/2008) 7 MANTENIMIENTO ORDINARIO Y PROGRAMADO Sidel S.p.A. Pos.5 - Guías de desplazamiento del rodillo encolador Operación: Lubrique con pistola de grasa. 1. Lubrique los cuatros engrasadores (2 anteriores y 2 posteriores) de las guías de desplazamiento presentes en la base del rodillo encolador (Fig. 7.6 .6 - 8 y Fig. 7.6.6 - 9). Fig.7.6.6-8 Fig.7.6.6-9
  • 505.
    7 - 191 7 MANTENIMIENTOORDINARIO Y PROGRAMADO MAN. I4380.ES.USM000 (08/08/2013) DOC. ROLL4Evo.CAP.01.R00 (17/03/2008) Sidel S.p.A. Pos.6 - Casquillo central Operación: lubrique con pistola de grasa. 1. Lubrique en los puntos indicados (Fig.7.6.6-10). Fig. 7.6.6 - 10 Fig. 7.6.6 - 10
  • 506.
    7 - 192 MAN.I4380.ES.USM000 (08/08/2013) DOC. ROLL4Evo.CAP.01.R00 (17/03/2008) 7 MANTENIMIENTO ORDINARIO Y PROGRAMADO Sidel S.p.A. Pos. 7 - Guías de desplazamiento del grupo de etiquetado Operación: Lubrique con pistola de grasa. 1. Coloque la estación de etiquetado en la excursión máxima en altura y profundidad (hacia el central). 2. Lubrique (Fig. 7.6.6 - 11) los engrasadores (4 a derecha y 4 a izquierda), como indicado. 3. Para obtener una distribución homogénea de la grasa sobre las guías de desplazamiento, baje la estación de etiquetado a la excursión mínima y aléjela hasta el valor máximo del central. 4. Coloque nuevamente la estación de etiquetado en la posición correcta de trabajo (altura y desplazamiento hacia el central). Cada 80 horas es necesario efectuar un desplazamiento completo (vertical y horizontal) de la estacion de etiquetado. Esta operacion permite de optimizar la lubricacion completa de todos los mecanismos de desplazamiento del grupo. Desde el menu principal situado en el panel del operador, accceder a ala pagi- na “MOVIMENTOS - Sube/Baja grupo etiquetado” (Fig.7.6.6 - 11a). Apretar las flechas para efectuar esta operacion. Apretar la tecla para acceder a la pagina “MOVIMENTOS - Adelante/Atras grupo etiquetado” (Fig.7.6.6 - 11b). Apretar las flechas para efectuar esta operacion. Repetir esta operacion por lo menos dos veces. Fig.7.6.6-11Fig.7.6.6-11 Fig.7.6.6-11a Fig.7.6.6-11b
  • 507.
    7 - 193 7 MANTENIMIENTOORDINARIO Y PROGRAMADO MAN. I4380.ES.USM000 (08/08/2013) DOC. ROLL4Evo.CAP.01.R00 (17/03/2008) Sidel S.p.A. Pos. 9 – Cojinete superior del rodillo encolador 1. Lubrique con una pistola de grasa en el punto indicado, se recomienda un solo bombeo (Fig. 7.6.6 - 13). Fig.7.6.6-13
  • 508.
    7 - 194 MAN.I4380.ES.USM000 (08/08/2013) DOC. ROLL4Evo.CAP.01.R00 (17/03/2008) 7 MANTENIMIENTO ORDINARIO Y PROGRAMADO Sidel S.p.A. Pos.10 - Engranajes y cadenas debajo de la base Operación: Utilice la grasa adhesiva spray. 1. Lubrique en los puntos indicados (Fig. 7.6.6 - 14). Fig.7.6.6-14
  • 509.
    7 - 195 7 MANTENIMIENTOORDINARIO Y PROGRAMADO MAN. I4380.ES.USM000 (08/08/2013) DOC. ROLL4Evo.CAP.01.R00 (17/03/2008) Sidel S.p.A. Pos. 12 - Lubricación de los gatos Operación: Lubrique con pincel. 1. Limpie escrupulosamente el cuerpo móvil y el vástago del gato con un paño seco (Fig. 7.6.6 - 35). Elimine completamente cualquier residuo de grasa. 2. Aplique con un pincel una capa delgada de grasa en el punto indicado (Fig. 7.6.6 - 36). Fig. 7.6.6 - 36 Fig. 7.6.6 - 35
  • 510.
    7 - 196 MAN.I4380.ES.USM000 (08/08/2013) DOC. ROLL4Evo.CAP.01.R00 (17/03/2008) 7 MANTENIMIENTO ORDINARIO Y PROGRAMADO Sidel S.p.A. Pos. 13. – Sistema correa de transmisión platillos Operación: Lubricar con pistola de grasa. 1. Lubricar todos los engrasadores de las poleas del sistema de transmisión de la correa platillos. 2. Lubricar además el engrasador de la polea de reenvío de la correa de rotación
  • 511.
    7 - 197 7 MANTENIMIENTOORDINARIO Y PROGRAMADO MAN. I4380.ES.USM000 (08/08/2013) DOC. ROLL4Evo.CAP.01.R00 (17/03/2008) Sidel S.p.A. 3. Lubricar los engrasadores laterales de los tensionadores correa. 4. Ademas, es muy importante mantener lubricado el soporte de la transmision del sistema de correa.
  • 512.
    7 - 198 MAN.I4380.ES.USM000 (08/08/2013) DOC. ROLL4Evo.CAP.01.R00 (17/03/2008) 7 MANTENIMIENTO ORDINARIO Y PROGRAMADO Sidel S.p.A. Pos. 14 – Alimentación bomba de grasa Operación: Rellene. 1. Restablezca el nivel de grasa en el interior de la bomba mediante el engrasador situado en la bomba misma (Fig. 7.6.6 - 24). La necesidad de restablecer le nivel de grasa se indica mediante un mensaje de alarma visualizado en el panel de control. Fig. 7.6.6 - 24
  • 513.
    7 - 199 7 MANTENIMIENTOORDINARIO Y PROGRAMADO MAN. I4380.ES.USM000 (08/08/2013) DOC. ROLL4Evo.CAP.01.R00 (17/03/2008) Sidel S.p.A. Pos. 16 - Rodillo de corte Operación: Cambio de aceite. La lubricación deberá siempre efectuarse con la máquina fría (temperatura inferior a los 60°C). Para efectuar el cambio de aceite proceda de la siguiente manera: 1. Desenrosque completamente el cabezal hexagonal (anterior y posterior) que bloquean el rodillo de corte del grupo de desplazamiento (Fig. 7.6.6 - 25). 2. Extraiga los dos dispositivos de bloqueo (anterior y posterior) para alejar el grupo de arrastre de la estructura del rodillos de corte (Fig. 7.6.6 - 26). 3. Desenrosque completamente los tornillos de descarga de aceite colocados: - anteriormente - posteriormente - interna debajo de la estructura Deje salir completamente el aceite contenido en el rodillo. Cierre los tres tornillos de descarga (Fig. 7.6.6 - 27 - Fig. 7.6.6 - 28). Fig.7.6.6 - 25 Fig.7.6.6 - 27 Fig.7.6.6 - 28 Fig.7.6.6-26
  • 514.
    7 - 200 MAN.I4380.ES.USM000 (08/08/2013) DOC. ROLL4Evo.CAP.01.R00 (17/03/2008) 7 MANTENIMIENTO ORDINARIO Y PROGRAMADO Sidel S.p.A. Fig.7.6.6-29 4. Desenrosque el tapón de carga de aceite (Fig. 7.6.6 - 29). 5. Extraiga los filtros y límpielos con aire comprimido (Fig. 7.6.6 - 30). 6. Extraiga la chapa de apoyo (Fig. 7.6.6 - 31). Fig.7.6.6-31 Fig.7.6.6-30
  • 515.
    7 - 201 7 MANTENIMIENTOORDINARIO Y PROGRAMADO MAN. I4380.ES.USM000 (08/08/2013) DOC. ROLL4Evo.CAP.01.R00 (17/03/2008) Sidel S.p.A. 7. Extraiga los filtros y límpielos con aire comprimido (Fig. 7.6.6 - 32). 8. Llene con el aceite nuevo: para el tipo y la cantidad véase la tabla específica (Fig. 7.6.6 - 33). 9. Controle el nivel de aceite en el indicador colocado en la base de la unidad de corte (Fig. 7.6.6 - 34). La falta de aceite puede dañar el funcionamiento de la bomba de aceite mientras que un exceso del mismo puede causar infiltraciones de aceite en la caja encoder. 10. Coloque nuevamente el tapón del aceite. Cierre los dispositivos de bloqueo; introduzca y enrosque los 2 tornillos con cabeza hexagonal de bloqueo (Fig. 7.6 - 35). Fig.7.6.6-34 Fig.7.6.6-35 Fig.7.6.6-32 Fig.7.6.6-33 .6
  • 516.
    7 - 202 MAN.I4380.ES.USM000 (08/08/2013) DOC. ROLL4Evo.CAP.01.R00 (17/03/2008) 7 MANTENIMIENTO ORDINARIO Y PROGRAMADO Sidel S.p.A. Operación: Cada 240 horas verifique el nivel de aceite y, en caso de ser necesario, llénelo nuevamente. 1. Controle el nivel de aceite en el indicador colocado en la base de la unidad de corte (Fig. 7.6.6 - 49). La bomba de aceite del rodillo de corte debe estar en funcionamiento. 2. En caso de que fuese necesario llenarla, desenrosque el tapón de carga del aceite (Fig. 7.6.6 - 50). 3. Extraiga los filtros y límpielos con aire comprimido (Fig. 7.6.6 - 51). 4. Extraiga la chapa de apoyo (Fig. 7.6.6 - 52). Fig.7.6.6 - 49 Fig.7.6.6-50 Fig.7.6.6-51 Fig.7.6.6-52
  • 517.
    7 - 203 7 MANTENIMIENTOORDINARIO Y PROGRAMADO MAN. I4380.ES.USM000 (08/08/2013) DOC. ROLL4Evo.CAP.01.R00 (17/03/2008) Sidel S.p.A. 5. Extraiga los filtros y límpielos con aire comprimido (Fig. 7.6.6 - 53). 6. Llene hasta que el aceite alcance el nivel adecuado (Fig. 7.6.6 - 54). La falta de aceite puede dañar el funcionamiento de la bomba de aceite mientras que un exceso del mismo puede causar infiltraciones de aceite en la caja encoder. 7. Coloque nuevamente el tapón de carga del aceite (Fig. 7.6.6 - 55). Fig.7.6.6-53 Fig.7.6.6-54 Fig.7.6.6-55
  • 518.
    7 - 204 MAN.I4380.ES.USM000 (08/08/2013) DOC. ROLL4Evo.CAP.01.R00 (17/03/2008) 7 MANTENIMIENTO ORDINARIO Y PROGRAMADO Sidel S.p.A. Pos. 17 - Rodillo de desplazamiento Operación: Cambio de aceite. Apague la máquina y quite el rodillo de desplazamiento. La lubricación deberá siempre ser efectuada con la máquina fría (tempera- tura inferior a los 60°C). Para efectuar el cambio de aceite proceda de la siguiente manera: 1. Desenrosque el tornillo de descarga colocado al lado del grupo. Deje salir completamente el aceite contenido en el rodillo. Cierre el tornillo de descarga (Fig. 7.6.6 - 56). 2.Desenrosque el tapón de carga del aceite. Rellene con aceite nuevo: para el tipo y la cantidad véase la tabla específica (Fig. 7.6.6 - 57). 3. Controle el nivel de aceite en el indicador (Fig. 7.6.6 -58). No exceda el nivel máximo, como indicado en la figura. Fig.7.6.6-58 Fig.7.6.6-56 Fig.7.6.6-57
  • 519.
    7 - 205 7 MANTENIMIENTOORDINARIO Y PROGRAMADO MAN. I4380.ES.USM000 (08/08/2013) DOC. ROLL4Evo.CAP.01.R00 (17/03/2008) Sidel S.p.A. 4. Coloque nuevamente el tapón de carga del aceite (Fig. 7.6.6 - 59). 5. Limpie, en caso de ser necesario, el agujero de descarga del aceite, utilizando un extractor de clavijas (Fig. 7.6.6 - 60). Fig.7.6.6 - 60 Fig.7.6.6-59
  • 520.
    7 - 206 MAN.I4380.ES.USM000 (08/08/2013) DOC. ROLL4Evo.CAP.01.R00 (17/03/2008) 7 MANTENIMIENTO ORDINARIO Y PROGRAMADO Sidel S.p.A. Operación: Cada 240 horas verifique el nivel de aceite y, en caso de ser necesario, llénelo nuevamente. Apague la máquina y quite el rodillo de desplazamiento. 1. Desenrosque el tapón de carga del aceite (Fig. 7.6.6 - 61). Rellene con aceite nuevo: para el tipo y la cantidad véase la tabla específica 2. Controle el nivel de aceite en el indicador: Llene, en caso de que fuese necesario (Fig. 7.6.6 - 62). No exceda el nivel máximo, como indicado en la figura. 3. Vuelva a colocar el tapón de carga del aceite (Fig. 7.6 .6- 63). Fig.7.6.6-62 Fig.7.6.6-61 Fig.7.6.6-63
  • 521.
    7 - 207 7 MANTENIMIENTOORDINARIO Y PROGRAMADO MAN. I4380.ES.USM000 (08/08/2013) DOC. ROLL4Evo.CAP.01.R00 (17/03/2008) Sidel S.p.A. 4. En caso de ser necesario, limpie el agujero de descarga del aceite, utilizando un extractor de clavijas (Fig. 7.6.6 - 64). Fig.7.6.6 - 64
  • 522.
    7 - 208 MAN.I4380.ES.USM000 (08/08/2013) DOC. ROLL4Evo.CAP.01.R00 (17/03/2008) 7 MANTENIMIENTO ORDINARIO Y PROGRAMADO Sidel S.p.A. Pos. 18 - Rodillo de arrastre Operación: Cambio de aceite. La lubricación deberá siempre efectuarse con la máquina fría (temperatura inferior a los 60°C). Para efectuar el cambio de aceite proceda de la siguiente manera: 1. Desenrosque el tornillo de descarga del aceite colocado en la base de la unidad de arrastre. Deje salir completamente el aceite contenido en el rodillo. Cierre el tornillo de descarga (Fig. 7.6.6 - 65). 2. Desenrosque el tapón de carga del aceite. Rellene con aceite nuevo: para el tipo y la cantidad véase la tabla específica (Fig. 7.6.6 - 66). 3. Controle el nivel de aceite en el indicador (Fig. 7.6.6 - 67). Fig.7.6.6-65 Fig.7.6.6-66 Fig.7.6.6-67
  • 523.
    7 - 209 7 MANTENIMIENTOORDINARIO Y PROGRAMADO MAN. I4380.ES.USM000 (08/08/2013) DOC. ROLL4Evo.CAP.01.R00 (17/03/2008) Sidel S.p.A. 4. Coloque nuevamente el tapón de carga de aceite (Fig. 7.6.6 - 68). Fig.7.6.6-68
  • 524.
    7 - 210 MAN.I4380.ES.USM000 (08/08/2013) DOC. ROLL4Evo.CAP.01.R00 (17/03/2008) 7 MANTENIMIENTO ORDINARIO Y PROGRAMADO Sidel S.p.A. Operación: Cada 240 horas verifique el nivel de aceite y, en caso de ser necesario, llénelo nuevamente. 1. Con la máquina parada, controle el nivel de aceite en el indicador. El nivel de aceite debe hallarse al filo con la base de la estructura (Fig. 7.6.6 - 69). 2. En caso de que fuese necesario llenar, desenrosque el tapón de carga de aceite (Fig. 7.6.6 - 70) y llene hasta alcanzar el nivel indicado. Fig.7.6.6-69 Fig.7.6.6-70
  • 525.
    7 - 211 7 MANTENIMIENTOORDINARIO Y PROGRAMADO MAN. I4380.ES.USM000 (08/08/2013) DOC. ROLL4Evo.CAP.01.R00 (17/03/2008) Sidel S.p.A. Pos. 19 - Rodillo encolador Operación: Cambio de aceite. Efectúe el cambio de aceite con la máquina fría (temperatura inferior a 60°C). Cada 240 horas (bi-semanalmente) verifique el nivel de aceite y llene, en caso de ser necesario. 1. Para efectuar el cambio de aceite, hay que desenroscar el tapón de descarga colocado debajo de la base del rodillo y esperar a que el aceite contenido en el rodillo salga completamente. Enrosque el tapón de carga (Fig. 7.6.6 - 71). Utilice un recipiente para recuperar el aceite desechado. 2. Quite el tapón de carga del aceite (Fig. 7.6.6 - 72). 3. Llene con aceite: para el tipo y la cantidad véase la tabla específica (Fig. 7.6.6 - 73). Fig.7.6.6-72 Fig.7.6.6-71 Fig.7.6.6-73
  • 526.
    7 - 212 MAN.I4380.ES.USM000 (08/08/2013) DOC. ROLL4Evo.CAP.01.R00 (17/03/2008) 7 MANTENIMIENTO ORDINARIO Y PROGRAMADO Sidel S.p.A. 4. Retire el tapón indicador de nivel máximo y, utilizando una llave de allén 2,5 mm, compruebe la presencia de aceite en el empalme (Fig. 7.6.6 - 74). Si la cantidad de aceite se encuentra por debajo del nivel mínimo, llene hasta alcanzar el nivel deseado. 5. Instale nuevamente el tapón central (Fig. 7.6.6 - 75). Fig.7.6.6-74 Fig.7.6.6-75
  • 527.
    7 - 213 7 MANTENIMIENTOORDINARIO Y PROGRAMADO MAN. I4380.ES.USM000 (08/08/2013) DOC. ROLL4Evo.CAP.01.R00 (17/03/2008) Sidel S.p.A. Operación: Cada 240 horas verifique el nivel de aceite y, en caso de ser necesario, llénelo nuevamente. Llene a calor, utilizando guantes de protección. 1. Quite el tapón indicado de nivel máximo, utilizando una llave de allen de 2,5 mm (Fig. 7.6.6 - 76). 2. Compruebe la presencia de aceite en el empalme (Fig. 7.6.6 - 77). Si la cantidad de aceite se encuentra por debajo del nivel mínimo, llene, a través del tapón central, hasta alcanzar el nivel deseado.(Fig. 7.6.6 - 78). Fig.7.6.6-77 Fig.7.6.6-76 Fig.7.6.6-78
  • 528.
    7 - 214 MAN.I4380.ES.USM000 (08/08/2013) DOC. ROLL4Evo.CAP.01.R00 (17/03/2008) 7 MANTENIMIENTO ORDINARIO Y PROGRAMADO Sidel S.p.A. Pos. 20 - Motor principal El reductor se suministra con aceite mineral. Cantidad: 4.5 l N.B.: El valor es aproximativo. Durante el llenado, utilice el tapón de nivel como referencia para la cantidad de aceite exacta. Efectúe el cambio de aceite cuando se encuentre aun a una temperatura de funcionamiento; de hecho, una escasa fluidez hace dificulta el vaciado. El aceite a introducir debe tener una temperatura mínima de 20°C. Antes de iniciar el cambio del aceite, es absolutamente necesario asegurarse de que la superficie de transmisión se encuentre a una temperatura que permita colocar la mano sin quemarse; de no ser así, puede existir el riesgo de quemaduras a causa del aceite caliente. 1. Coloque un recipiente debajo del tapón de descarga del aceite. 2. Quite el tapón de control del nivel del aceite, el tapón de descarga y el tapón de escape. 3. Deje salir todo el aceite. 4. Lave la transmisión con aceite muy líquido. (!Atención a su compatibilidad con el lubricante utilizado!) gato ! ! ) 5. Enrosque nuevamente la tuerca de descarga. 6. Introduzca el aceite fresco a través de la apertura de escape. = Controle el nivel de aceite a través del agujero del nivel de aceite. 7. Enrosque nuevamente el tapón de nivel del aceite. 8. Enrosque nuevamente la tuerca de escape. No mezcle aceites minerales con aceites sintéticos o aceites sintéticos de marcas distintas. Si desea utilizar un aceite distinto al previo, efectúe antes un lavado cuidadoso. Si los dos aceites entraran en contacto, se formarían impurezas sólidas que dañarían los engranajes internos. El lavado es necesario para eliminar las manchas formadas dentro de los cárteres debido a la mezcla de virutas metálicas, polvos y productos alquitranados que derivan del deterioro del aceite. Las partículas abrasivas que contienen, comportarían un rápido desgaste de los dientes, mientras que los productos de oxidación, actuando como catalizadores, pr ovocarían un envejecimiento precoz del aceite nuevo. Se recomienda efectuar un segundo lavado con una pequeña cantidad de lubricante nuevo antes de efectuar el llenado final. Para facilitar las operaciones de lavado, haga girar en vacío los reductores involucrados por un breve periodo de tiempo. No efectúe esta operación con la máquina cargada. Los aceites no poseen propiedades lubricantes, por lo tanto, podrían averiar los engranajes y los cojinetes de los reductores.
  • 529.
    7 - 215 7 MANTENIMIENTOORDINARIO Y PROGRAMADO MAN. I4380.ES.USM000 (08/08/2013) DOC. ROLL4Evo.CAP.01.R00 (17/03/2008) Sidel S.p.A. 7.7 PUESTA EN MARCHA DESPUÉS DE UNA INACTIVIDAD PROLONGADA ESTÁ TERMINANTEMENTE PROHIBIDO PONER EN FUNCIONAMIENTO LA MÁQUINA EN LOS SIGUIENTES CASOS. - Si en el interior del cuadro eléctrico hay humedad, cables desconectados, averiados o pelados. - SI hubiera componentes electrónicos averiados. - Si el cuadro de control estuviera averiado o tuviera agujeros. - Si las tuberías y las uniones de la instalación neumática tuvieran grietas o estuvieran averiadas. - Si en la máquina faltaran piezas. - Si se detectaran manchas de lubricante en la superficie de la mesa o en el suelo, ya que podrían indicar la necesidad de sustituir algún componente mecánico. Para periodos de inactividad superiores a cuatro meses, contacte a la Oficina. After Sales de SIDEL S.P.A. para solicitar una asistencia telefónica o, eventualmente, la intervención por parte de un técnico. QUÉ HAY QUE HACER ANTES DE LA PUESTA EN MARCHA Controle que todos los dispositivos de seguridad estén presentes y bien montados. Limpie la máquina como se indica en el Capítulo 7.2. Realice todos los controles indicados en el Capítulo 7.4. Lubrique todas las piezas que lo requieran, como se indica en el Capítulo 7.6. Sustituya los filtros de aire. Cambie los lubricantes de los recipientes de recolección. Siga el procedimiento normal de puesta en marcha de la máquina.
  • 530.
    Página dejada enblanco intencionalmente
  • 531.
    8 -1 8 DIAGNÓSTICO Sidel S.p.A. MAN.I4390.ES.USM000 (12/09/2013) DOC. ROLL4.CAP.08.R01 (08/01/2010) CAP. 8 - DIAGNÓSTICO (para panel operador BR 15)
  • 532.
    Página dejada enblanco intencionalmente
  • 533.
    8 -3 8 DIAGNÓSTICO Sidel S.p.A. MAN.I4390.ES.USM000 (12/09/2013) DOC. ROLL4.CAP.08.R01 (08/01/2010) 8.1 BÚSQUEDA DE LAS AVERÍAS Cuando surja un problema, es fundamental realizar una búsqueda minuciosa del fallo para restablecer el régimen de funcionamiento óptimo de la etiquetadora. Metodología para identificar la causa: a) Comprender el problema En primer lugar, antes de intentar resolverlo, se recomienda adquirir la mayor cantidad posible de datos con respecto al problema manifestado: observe con atención el inconveniente, pida información al operador acerca de las prestaciones de la máquina y preste atención a los ejemplos y a las frecuencias. b) Localice el problema Por lo general, los problemas de la etiquetadora suelen estar localizados en las siguientes partes de la máquina: – Motorización; – Transporte de botellas; – Etiquetado; – Parte eléctrica. c) Siga un procedimiento de búsqueda Realice correcciones y regulaciones siguiendo una secuencia lógica: desde la causa más probable a la menos probable; una intervención intensa, pero sin objetivo, podría convertirse en una pérdida de tiempo e incluso empeorar el problema. d) Vaya paso por paso Efectúe una sola corrección a la vez y luego, observe los resultados antes de efectuar otros intentos. e) Después de la intervención Cuando crea haber resuelto el problema, supervise la máquina para confirmar que así sea. Si las exigencias de producción imponen una reparación temporal, tome nota del problema para solucionarlo definitivamente cuando llegue el momento del mantenimiento programado.
  • 534.
    8 - 4 8 DIAGNÓSTICO SidelS.p.A. MAN. I4390.ES.USM000 (12/09/2013) DOC. ROLL4.CAP.08.R01 (08/01/2010) DESCRIPCIÓN DEL PROBLEMA CAUSA SOLUCIÓN Al pulsar el botón de “marcha máquina”, la etiquetadora no arranca o se detiene durante el funcionamiento normal. 1. Interruptor general apagado. 2. Intervención de un dispositivo de seguridad. 1. Accione el interruptor general en el armario eléctrico. 2. Elimine la causa (pulse RESET antes de reanudar el funcionamiento en caso de que se haya tratado de una emergencia). 8.2 FUNCIONAMIENTO GENERAL
  • 535.
    8 -5 8 DIAGNÓSTICO Sidel S.p.A. MAN.I4390.ES.USM000 (12/09/2013) DOC. ROLL4.CAP.08.R01 (08/01/2010) 8.3 TRANSPORTE DE LAS BOTELLAS En esta sección se presupone que las botellas utilizadas son de buena calidad y corresponden a las especificaciones admitidas para la máquina y también que el sistema cuenta con una alimentación adecuada de botellas y presión. DESCRIPCIÓN DEL PROBLEMA CAUSA SOLUCIÓN El bloqueo de botellas no funciona 1. La electroválvula no funciona. 2. Tubos de alimentación de aire rotos o flojos. 3. Funcionamiento defectuoso de la electroválvula. 4. Bloqueo de botellas dañado. 5. Señal externa de desbloqueo. 1. Controle los mandos conectados a las electroválvulas. 2. Controle y apriete o sustituya los tubos de alimentación de aire. 3. Repare y sustituya la electroválvula si hace falta. 4. Controle el bloqueo de botellas. 5. Verifique la alarma correspondiente en el panel operador. Las botellas se guían incorrectamente en la cóclea 1. Posición incorrecta de la contraguía de la cóclea. 1. Regule correctam ente la contraguía de la cóclea. Las botellas no entran a la estrella de entrada 1. Cóclea desfasada. 1. Ajuste la fase de la cóclea de entrada. La botella no está centrada en el platillo 1. Desfase de la estrella central. 1. Ajuste la fase de la estrella central. Las botellas se rompen o se guían incorrectamente hacia la salida del carrusel 1. Estrella de salida desfasada. 1. Ajuste la fase de la estrella de salida. Las botellas se rompen al pasar de la estrella de entrada a la estrella central 1. Desfase entre las dos estrellas. 1. Ajuste la fase de las estrellas. Si la primera estrella está desfasada, ajuste también la fase de la cóclea. Las botellas se rompen debajo de los cabezales de centrado (cabezal de la máquina) 1. Las botellas están defectuosas. 2. La altura del carrusel central es incorrecta. 1. Controle las botellas. 2. Controle la posición del carrusel según los valores indicados en las tablas de cambio de formato.
  • 536.
    8 - 6 8 DIAGNÓSTICO SidelS.p.A. MAN. I4390.ES.USM000 (12/09/2013) DOC. ROLL4.CAP.08.R01 (08/01/2010) 8.4 ETIQUETADO DESCRIPCIÓN DEL PROBLEMA CAUSA SOLUCIÓN El rodillo de desplazamiento no retira la película de etiquetas 1. Fotocélula de presencia de botellas sucia. 2. Regulación incorrecta de la velocidad m ínima (~ 80 bph). 1. Limpie la fotocélula con un paño. 2. Pídale a un técnico de mantenimiento eléctrico que ajuste la fase del inversor. El corte de la película de etiquetas no es preciso 1. Regulación incorrecta del soplo de etiquetas. 2. Configuración incorrecta de la ventana de corte de etiquetas. 3. Regulación incorrecta de la fotocélula de etiquetas. 4. Regulación incorrecta del cuchillo de corte. 5. Características de las etiquetas. 1. Calibre el soplo del tambor de transferencia. 2. Vuelva a configurar la ventana. 3. Regule la fotocélula de acuerdo al tipo de etiqueta. 4. Regule la hoja de la cuchilla de corte (véase Cap. 7) 5. Contacte con SIDEL S.P.A. Arrastre irregular 1. Regulación incorrecta del soplo de etiquetas. 2. Configuración incorrecta de la ventana de corte de etiquetas. 3. Regulación incorrecta de la fotocélula de etiquetas. 4. Regulación incorrecta del cuchillo de corte. 5. Características de las etiquetas. 1. Calibre el soplo del tambor de transferencia. 2. Vuelva a configurar la ventana. 3. Regule la fotocélula de acuerdo al tipo de etiqueta. 4. Regule la hoja de la cuchilla de corte (véase Cap. 7). 5. Contacte con SIDEL S.P.A. Defecto de empaque (etiquetado incorrecto) 1. Cantidad incorrecta de pegam ento en la etiqueta. 2. Presencia de baba del pegam ento. 3. Regulación incorrecta del rodillo encolador. 4. Corte de mala calidad. La etiqueta no está en posición vertical en el rodillo de desplazamiento (a veces solo a alta velocidad). 5. Corte de mala calidad. La etiqueta no está en posición vertical en el rodillo de desplazamiento (a veces solo a alta velocidad). 1. Regule la distribución del pegamento. 2. Regule el by-pass del pegamento. 3. Regule la presión del rodillo encolador. 4. El rodillo de corte no corta bien en la parte inferior. 5. El rodillo de corte no corta bien en la parte superior. Etiqueta inclinada en el envase 1. Conicidad de la botella. 2. Características de la película de etiquetas. 3. Regulación incorrecta del soplo/de los vacíos del rodillo de desplazamiento. 1. Contacte con SIDEL S.P.A. 2. Contacte con SIDEL S.P.A. 3. Regule la calibración del soplo del tambor de transferencia. Las etiquetas se envuelven alrededor del rodillo de alimentación 1. Pegamento en el rodillo de desplazamiento. 2. Pegamento en el rodillo de corte. 3. Vacío insuficiente en el rodillo de corte. 1. Limpie. 2. Filtros bloqueados. 3. Falta la junta tórica (OR). 4. Manguitos rotos. 5. Fallo en el sistema neum ático. 6. Turbina dañada.
  • 537.
    8 -7 8 DIAGNÓSTICO Sidel S.p.A. MAN.I4390.ES.USM000 (12/09/2013) DOC. ROLL4.CAP.08.R01 (08/01/2010) DESCRIPCIÓN DEL PROBLEMA CAUSA SOLUCIÓN Distribución insuficiente del pegamento 1. Condiciones del tope del rodillo de desplazamiento. 2. Contacto con el rodillo encolador. 3. Falta de pegamento. 1. Verifique si falta pegamento. 2. Filtro bloqueado. 3. Restablezca el nivel de pegamento. Las etiquetas se quedan pegadas al rodillo encolador 1. Etiquetas cortas (del proveedor). 2. Contacto excesivo del rodillo encolador. 3. Rodillo de desplazamiento gastado o dañado. 4. Demasiado pegamento por raspado insuficiente. 5. Desgaste del plato de apoyo del rodillo de desplazamiento. 6. Etiquetas cortadas muy cortas. 7. La etiqueta no se adhiere a la botella. 8. Pérdida de vacío. 1. Compare la longitud real con la teórica (tolerancia ± 1 mm). 2. Apoye un destornillador en el alojamiento del rodillo encolador hasta escuchar un sonido. Si el contacto es excesivo, proceda a la regulación. 3. El agujero en los topes ya no está en la superficie llana. Corrija de modo que el margen esté nuevamente en el agujero. 4. Verifique si el raspador está sucio o dañado. 5. Sustituya o raspe en el taller. 6. Problema el servo de etiquetas: Contacte con SIDEL S.P.A. 7. Verifique las regulaciones de las distancias en la unidad de etiquetas (horizontales y verticales). 8. Saque el rodillo de desplazamiento y haga una prueba de vacío. El pegamento está solamente en los márgenes o distribuido de forma irregular en las solapas de la etiqueta 1. El rodillo encolador no está paralelo. 2. Los topes están gastados. 1. Regule el paralelismo del rodillo encolador. 2. Revise o sustituya los topes.
  • 538.
    8 - 8 8 DIAGNÓSTICO SidelS.p.A. MAN. I4390.ES.USM000 (12/09/2013) DOC. ROLL4.CAP.08.R01 (08/01/2010) 8.5 PARTE ELÉCTRICA DESCRIPCIÓN DEL PROBLEMA CAUSA SOLUCIÓN El panel de mando está encendido, pero la máquina no arranca automáticamente 1. Las puertas de las protecciones están abiertas o mal cerradas. 2. La máquina está en mantenim iento. 3. La plataforma de emergencia está ocupada. 4. Hay una alarma activa. 1. Cierre la puerta abierta. 2. Salga del modo de mantenimiento mediante el selector “MANTENIMIENTO”. 3. Retire las botellas de la plataforma. 4. Verifique en el panel el tipo de alarma y, si hace falta, consulte la página ALARMAS. El panel de mando está encendido, pero la máquina no arranca en JOG 1. Las puertas están abiertas o mal cerradas. 2. No está seleccionado el modo de mantenimiento. 3. La plataforma de emergencia está ocupada. 4. Hay una alarma activa. 1. Cierre la puerta abierta. 2. Salga del modo de mantenimiento mediante el selector “MANTENIMIENTO”. 3. Retire las botellas de la plataforma. 4. Verifique en el panel el tipo de alarma y, si hace falta, consulte la página ALARMAS. El bloqueo de botellas no se abre automáticamente 1. No hay suficiente acumulación de botellas. 2. Hay una alarma o anomalía en la gestión de los transportes. Hay una acumulación de botellas aguas abajo. 4. Hay una alarma activa. 1. Controle la acumulación de botellas en los transportes. 2. Controle en el cuadro de mando de los transportes. 3. Espere a que se despeje la acumulación. 4. Verifique en el panel el tipo de alarma y, si hace falta, consulte la página LOG ALARMAS. El bloqueo de botellas no se abre manualmente 1. Hay una acumulación de botellas aguas abajo. 2. Hay una alarma activa. 1. Espere a que se despeje la acumulación. 2. Verifique en el panel el tipo de alarma y, si hace falta, consulte la página LOG ALARMAS. La máquina se detiene durante el funcionamiento normal 1. Hay una alarma activa. 1. Verifique en el panel el tipo de alarma y, si hace falta, consulte la página LOG ALARMAS.
  • 539.
    8 -9 8 DIAGNÓSTICO Sidel S.p.A. MAN.I4390.ES.USM000 (12/09/2013) DOC. ROLL4.CAP.08.R01 (08/01/2010) También pueden presentarse las siguientes situaciones de alarma, indicadas por el mensaje de error correspondiente,visualizado en el panel de control. N.º DESCRIPCIÓN DE LA ALARMA CAUSA DE LA ALARMA POSIBLES SOLUCIONES 1 Emergenciaspresionadasopuertas abiertas Hayunapuertaabiertaoseha pulsadounaemergencia. Controlequelaspuertasesténbiencerradas. Pulseresetenelpaneloperador. Compruebequelaalarmahayadesaparecidodelalistadealarmasenla pantallacorrespondientedelpanel. 2 Bloqueoproteccionesinhabilitado Elbotóndebloqueodepuertas noestápresionado. Cierrelaspuertasyaprieteelbotón. 3 Controldelajuntainhabilitado Nosehahabilitadoelbotón “Controldelajunta”desdela HMI. Presioneelbotóndehabilitación“Controldelajunta”desdelaHMI. 4 Máquinaapagada Elsistemaestáapagado. Desdelapantalladearranquedelamáquinadelpaneloperador, pulselateclaquerepresentalabanderadeinicio. Antesdeencenderlaetiquetadora,hayqueesperaraalcanzarlas temperaturasmínimasdefuncionamientodelsistema. 5 Controldelaválvuladedescargadeaire Elbotóndeemergenciadela válvuladedescargadeaireestá presionado,peronointerviene, manteniendobajopresiónla instalaciónneumática. Controlelaconexiónneumática-eléctricadelaelectroválvula. 6 Motordelacintadelalíneadesconectado Problemadeconexiónenel profibus. Controlelaconexióndeldispositivoafectado.Compruebequeel conectorestébieninsertado.Despuésdecontrolarlaconexión eléctrica,restablezcaeldispositivoy,alfinalizarelprocedimientode reinicio,pulselateclaresetenelpaneloperador. 8 Alturamáximacabezal Elfinaldecarreradelímitede seguridadestápresionado. Controleelfinaldecarreradelímitedeseguridad. Sielfinaldecarreranoestápresionado,controleelcableado eléctrico.Restablezcalaalarmadesdeelpaneloperador. 9 Alturamínimacabezal Elfinaldecarreradelímitede seguridadestápresionado. Controleelfinaldecarreradelímitedeseguridad. Sielfinaldecarreranoestápresionado,controleelcableado eléctrico. Restablezcalaalarmadesdeelpaneloperador. 10 Alturamáximaestaciónetiquetado Elfinaldecarreradelímitede seguridadestápresionado. Controleelfinaldecarreradelímitedeseguridad. Sielfinaldecarreranoestápresionado,controleelcableado eléctrico. Restablezcalaalarmadesdeelpaneloperador. 11 Alturamínimaestaciónetiquetado Elfinaldecarreradelímitede seguridadestápresionado. Controleelfinaldecarreradelímitedeseguridad. Sielfinaldecarreranoestápresionado,controleelcableado eléctrico. Restablezcalaalarmadesdeelpaneloperador. 12 EstaciónetiquetadoPx_FW Elfinaldecarreradelímitede seguridadestápresionado. Controleelfinaldecarreradelímitedeseguridad.Sielfinaldecarrera noestápresionado,controleelcableadoeléctrico. Restablezcalaalarmadesdeelpaneloperador. 13 EstaciónetiquetadoPx_RW Elfinaldecarreradelímitede seguridadestápresionado. Controleelfinaldecarreradelímitedeseguridad. Sielfinaldecarreranoestápresionado,controleelcableado eléctrico. Restablezcalaalarmadesdeelpaneloperador. 14 EstaciónetiquetadoPx_UP Elfinaldecarreradelímitede seguridadestápresionado. Controleelfinaldecarreradelímitedeseguridad. Sielfinaldecarreranoestápresionado,controleelcableado eléctrico. Restablezcalaalarmadesdeelpaneloperador. 15 EstaciónetiquetadoPx_DOWN Elfinaldecarreradelímitede seguridadestápresionado. Controleelfinaldecarreradelímitedeseguridad. Sielfinaldecarreranoestápresionado,controleelcableado eléctrico. Restablezcalaalarmadesdeelpaneloperador. 16 Unadelastemperaturasesdemasiado baja Estaalarmaseactivacuando unadelasseccionesimplicadas nohaalcanzadolatemperatura mínimadefuncionamiento. Verifiquesihayresistenciaso relésestáticosquemados. Compruebequeelsistemaestéencendido.Silatemperaturaestá subiendo,espereaquesealcanceelumbraldelímitemínimo.Siel problemapersiste,controlelasecciónafectadaporelproblema. Sihacefalta,sustituyalasresistenciasorelésquemados. 17 Temperaturacríticadescargabombavacío Ladescargadelabombade vacíohaalcanzadola temperaturacrítica,establecida en100°C. Verifiqueelestadodelosfiltros.Compruebequelasválvulas limitadorasdevacíodelcolectorfuncionencorrectamente. Compruebequelasondadetemperaturadelaturbinafuncione correctamente. 18 Temperaturacríticacorreatransmisión grupo Lacorreadetransmisióndel grupohaalcanzadouna temperaturacrítica. Laalarmaevitaeventuales rupturas. Compruebelaeficienciadelossoplosdeenfriamientodelacorrea. Compruebequeelmotorgirelibremente,sinfriccionesexcesivas quecausenunsobrecalentamiento. Compruebequelasondadetemperaturafuncionecorrectamente. 19 Máquinaparada,enesperade calentamientodelrodilloencolador Silamáquinapermaneceparadapor xminutos,latemperaturabajahasta unnuevovalorquees(valordereceta –y).Losvaloresxeyseprograman desdeelpanel. Reanudelaproducción.
  • 540.
    8 - 10 8 DIAGNÓSTICO SidelS.p.A. MAN. I4390.ES.USM000 (12/09/2013) DOC. ROLL4.CAP.08.R01 (08/01/2010) N.º DESCRIPCIÓN DE LA ALARMA CAUSA DE LA ALARMA POSIBLES SOLUCIONES 21 Bloqueo de entrada cerrado Bloqueo de entrada cerrado. Señal externa. Abra la cancela mediante el selector situado en el panel del operador. Si el selector está en la posición de automático, compruebe que la línea cumpla con las condiciones necesarias para abrir la cancela. Verifique la alarma en el panel. 22 Inversor principal desconectado Problema de conexión en el profibus. Controle la conexión del dispositivo afectado. Verifique el estado de los fusibles de alimentación. Compruebe que el conector esté bien insertado. Después de controlar la conexión eléctrica, restablezca el dispositivo y, al finalizar el procedimiento de reinicio, pulse la tecla reset en el panel operador. 23 Inversor de la cinta desconectado Problema de conexión en el profibus. Controle la conexión del dispositivo afectado. Compruebe que el conector esté bien insertado. Después de controlar la conexión eléctrica, restablezca el dispositivo y, al finalizar el procedimiento de reinicio, pulse la tecla reset en el panel operador. 24 Inversor de la bomba de pegamento desconectado Problema de conexión en el profibus. Controle la conexión del dispositivo afectado. Compruebe que el conector esté bien insertado. Después de controlar la conexión eléctrica, restablezca el dispositivo y, al finalizar el procedimiento de reinicio, pulse la tecla reset en el panel operador. 25 Error en el inversor principal Es posible que se haya producido un exceso de corriente al motor principal por una fase del motor a tierra, inversor averiado, problema de conexión en el profibus. Verifique que la configuración de los parámetros del inversor coincida con el tipo de motor empleado. Controle la corriente absorbida por el motor y las conexiones del profibus. Restablezca el inversor. Controle las conexiones de potencia del motor. Sustituya el inversor. 26 Error en el inversor de la cinta Es posible que se haya producido un exceso de corriente al motor principal por una fase del motor a tierra, inversor averiado, problema de conexión en el profibus. Controle la conexión del dispositivo afectado. Compruebe que el conector esté bien insertado. Después de controlar la conexión eléctrica, restablezca el dispositivo y, al finalizar el procedimiento de reinicio, pulse la tecla reset en el panel operador. 27 Error en el inversor de la bomba de pegamento Es posible que se haya producido un exceso de corriente al motor principal por una fase del motor a tierra, inversor averiado, problema de conexión en el profibus. Controle la conexión del dispositivo afectado. Compruebe que el conector esté bien insertado. Después de controlar la conexión eléctrica, restablezca el dispositivo y, al finalizar el procedimiento de reinicio, pulse la tecla reset en el panel operador. 29 Aspirador de pegamento deshabilitado o magnetotermico HMI no ha habilitado la tecla “Aspirador pegamento”. Si la tecla está habilitada, indica una sobrecarga en el térmico del aspirador de pegamento Desde HMI presione la tecla de habilitación “Aspirador pegamento” Controlar el dispositivo térmico. Controlar el servicio. Reactivar el magnetotérmico. 32 Bloqueo embrague cóclea máquina La cóclea no está en fase por culpa de una botella encastrada; cóclea desfasada. Retire el objeto encastrado. Controle la puesta en fase de la cóclea. Tras haber comprobado que el emplazamiento es correcto, pulse reset en el panel operador. 33 Bloqueo embrague estrella entrada máquina La estrella de carga de botellas está bloqueada. Retire el objeto encastrado. Restablezca la posición correcta de la estrella. Tras haber comprobado que el emplazamiento es correcto, pulse reset en el panel operador y compruebe que la alarma haya desaparecido. 34 Bloqueo embrague estrella de transferencia La estrella de transferencia de botellas está bloqueada. Retire el objeto encastrado. Restablezca la posición correcta de la estrella. Tras haber comprobado que el emplazamiento es correcto, pulse reset en el panel operador y compruebe que la alarma haya desaparecido. 35 Bloqueo embrague estrella salida máquina La estrella de salida de las botellas está bloqueada. Retire el objeto encastrado. Restablezca la posición correcta de la estrella. Tras haber comprobado que el emplazamiento es correcto, pulse reset en el panel operador y compruebe que la alarma haya desaparecido. 36 Bloqueo embrague estación etiquetado La estación de etiquetado está bloqueada, el embrague se ha disparado por una carga excesiva del motor. Elimine la causa del bloqueo. Verifique si existen fricciones excesivas. Restablezca la alarma desde el panel operador y compruebe que la misma haya desaparecido.
  • 541.
    8 -11 8 DIAGNÓSTICO Sidel S.p.A. MAN.I4390.ES.USM000 (12/09/2013) DOC. ROLL4.CAP.08.R01 (08/01/2010) N.º DESCRIPCIÓN DE LA ALARMA CAUSA DE LA ALARMA POSIBLES SOLUCIONES 37 Secciones vacío no listas Los motores paso a paso no están listos. Si la alarma persiste, incluso tras haber realizado el home de los motores paso a paso, presione la solicitud de inicialización del sistema en la página de los motores. Verifique que los motores funcionen correctamente 39 Empamador en modalidad de empalme Esta señalación no es una alarma sino una señalación que la máquina está funcionando 40 Aparato empalmador no listo No se ha efectuado el procedimiento de aprendizaje de la fotocélula, no se ha cargado la segunda bobina. Vuelva a efectuar el procedimiento de aprendizaje de la fotocélula. Verifique la presencia de la segunda bobina dentro del aparato empalmador. Restablezca la alarma desde el panel operador. 41 Aparato empalmador en manual El aparato empalmador está configurado en el modo de funcionamiento manual. En este modo es posible realizar pruebas manuales en el aparato empalmador. Si quiere pasar al modo automático, vaya a la pantalla de gestión correspondiente y active el modo automático. Cerciórese de haber llevado a cabo el procedimiento de aprendizaje de la fotocélula y de haber preparado la segunda bobina dentro del aparato empalmador. 42 Aparato empalmador en parada El aparato empalmador no está funcionando en automático. Seleccione el modo de funcionamiento automático mediante el selector previsto. 43 Aparato empalmador no puesto a cero El aparato empalmador no está listo para el uso. Para restablecer su funcionamiento correcto, vuelva a llevar a cabo el procedimiento de home de la etiqueta y prepare correctamente la segunda bobina. 44 Falta de lectura de 5 muescas en aparato empalmador No se han leído 5 muescas consecutivas de etiquetas. Limpie la fotocélula de lectura de muescas en el aparato empalmador. Vuelva a efectuar los procedimientos de aprendizaje de la fotocélula y Home de la etiqueta en el aparato empalmador. 45 Fallo de comunicación con aparato empalmador El PLC ha perdido la comunicación con el aparato empalmador. Verifique las conexiones eléctricas entre el aparato empalmador y el PLC. Controle la resistencia de terminación de la red. Controle la alimentación del aparato empalmador. 46 Lado A aparato empalmador abierto El aparato empalmador tiene un lado abierto. Si se abre un lado del aparato empalmador, se afecta su funcionamiento correcto. Cierre el lado abierto con la bobina nueva introducida, realice los procedimientos de Home y bloquee el lado. 47 Lado B aparato empalmador abierto El aparato empalmador tiene un lado abierto. Si se abre un lado del aparato empalmador, se afecta su funcionamiento correcto. Cierre el lado abierto con la bobina nueva introducida, realice los procedimientos de Home y bloquee el lado. 48 Circuito de seguridad par de ejes no OK No está presente la señal de “hardware enable”. Posible problema de cableado. Controle el cableado del circuito electromecánico. Restablezca la alarma desde el panel operador. 49 Máquina en JOG La etiquetadora está en modo de funcionamiento JOG. Si quiere utilizar la máquina en modo automático, coloque el selector del panel operador en el modo deseado. En cambio, si desea continuar en este modo, deje el selector en la posición actual. 50 Cierre bloqueo botella por aplicador de sello no listo Alteración manual evidente. Alteración manual evidente. 51 Emergencia presionada en aplicador de sello Alteración manual evidente. Alteración manual evidente. 52 Ralentización por embrague no enganchado en aplicador de sello Alteración manual evidente. Alteración manual evidente. 53 Alarma en aplicador de sello Alteración manual evidente. Alteración manual evidente. 54 Bobina no lista en aplicador de sello Alteración manual evidente. Alteración manual evidente. 55 Aplicador de sello: contacto libre Alteración manual evidente. Alteración manual evidente. 60 Error conexión Ethernet 1 Partner La conexión Ethernet no está activa. Controle las conexiones eléctricas. Compruebe si se indican errores en los dispositivos conectados. Pulse reset desde el panel operador. 61 Timeout comunicación Ethernet 1 Partner Uno de los dispositivos conectados a la red Ethernet no responde dentro de un tiempo determinado. Controle las conexiones. Compruebe si se indican errores en los dispositivos conectados. Pulse reset desde el panel operador. 62 Error conexión Ethernet 2 Partner La conexión Ethernet no está activa. Controle las conexiones eléctricas. Compruebe si se indican errores en los dispositivos conectados. Pulse reset desde el panel operador.
  • 542.
    8 - 12 8 DIAGNÓSTICO SidelS.p.A. MAN. I4390.ES.USM000 (12/09/2013) DOC. ROLL4.CAP.08.R01 (08/01/2010) N.º DESCRIPCIÓN DE LA ALARMA CAUSA DE LA ALARMA POSIBLES SOLUCIONES 63 Timeout comunicación Ethernet 2 Partner Uno de los dispositivos conectados a la red Ethernet no responde dentro de un tiempo determinado. Controle las conexiones. Compruebe si se indican errores en los dispositivos conectados. Pulse reset desde el panel operador. 65 La cinta no está en marcha No se ha habilitado la marcha de la cinta. Protecciones abiertas. Habilite la marcha de la cinta seleccionando la opción correspondiente en el panel operador. Cierre las protecciones abiertas y pulse reset para reiniciar. 66 Falta botella en carrusel Falta una botella en el carrusel. Controle la entrada de botellas en la cóclea. 67 Anomalía motor cóclea Error de cableado. Controle el diagnostico HMI. Verifique el cableado. 69 Anomalía en lectura de muescas consecutivas de película (referido al corte de etiquetas) Se han perdido 5 lecturas consecutivas de la muesca de la etiqueta Compruebe el funcionamiento correcto del sensor de lectura de muescas. Vuelva a efectuar el procedimiento de aprendizaje de la fotocélula. Limpie la fotocélula. Compruebe que los parámetros de longitud de la etiqueta configurados sean correctos. Si el problema se presenta nuevamente, aumente la presión del rodillo de arrastre y la presión de los vacíos en la cuchilla. 70 Error correa Se ha producido un error en la correa. Verifique el código de alarma en la página correspondiente del panel operador. Controle la correa. Verifique que no haya fricciones mecánicas que afecten el funcionamiento correcto. Pulse reset desde el panel operador. 71 Error en el tambor Se ha producido un error en el tambor. Controle el tambor. Verifique que no haya fricciones mecánicas que afecten su funcionamiento correcto. Pulse reset desde el panel operador. 72 El tambor no está en automático El botón de emplazamiento del tambor está presionado. Controle en la HMI que la tecla de emplazamiento del tambor no esté presionada. 73 Seguridad de salida de la máquina Plataforma de emergencia obstruida. La fotocélula de demasiado lleno en salida no ha funcionado y las botellas han obstruido la plataforma de emergencia. Verifique el funcionamiento de la fotocélula de demasiado lleno y, si está averiada, sustitúyala y restablezca la alarma. Verifique que no haya una botella caída obstruyendo la fotocélula y restablezca la alarma desde el panel operador. 74 Motor de la bomba de vacío o soplo apagado La bomba de vacío está apagada. Encienda la bomba desde el panel operador accediendo a la página de gestión (icono de engranaje). Compruebe que no haya otras alarmas simultáneas, como la de “Temperaturas bajas”, que impidan el encendido. 75 Parada de la bomba de pegamento por superación de tiempo con nivel de pegamento bajo No se ha rellenado el tanque de pegamento al recibir la primera alarma. Añada pegamento al tanque y espere a que se restablezca el nivel y la temperatura del pegamento. Una vez superado el nivel, la alarma desaparece automáticamente. 76 Leva no introducida (mecánica) Compruebe la introducción de la leva. Compruebe que la leva mecánica esté bien introducida en su alojamiento. Restablezca la alarma desde el panel operador. Compruebe que el sensor de proximidad de leva introducida funcione correctamente. 77 Botella inflada Botella inflada en la entrada de la máquina. Quite la botella de la línea y restablezca la alarma. 78 Grupo fuera de posición El sensor no lee o la parte mecánica no está introducida correctamente. Controle el cableado del sensor y la parte mecánica. 79 Presión baja de alimentación de aire La presión del aire comprimido de alimentación es inferior al umbral mínimo. Controle el valor de presión de aire en la entrada; lea el valor en el manómetro. Controle el sistema de alimentación de aire. Pulse reset desde el panel operador. 80 Bomba de pegamento parada a la espera de calentamiento La temperatura del pegamento no ha alcanzado un valor suficiente para que la bomba pueda arrancar. Verifique si hay resistencias o relés quemados. Compruebe que la temperatura del pegamento esté subiendo y verifique que la etiquetadora esté encendida. Espere a que el pegamento alcance la temperatura correcta. Verifique que esté habilitado el encendido de la bomba de pegamento. Si hace falta, sustituya las resistencias o relés quemados. 81 Solicitud Home etiqueta El sistema solicita un Home de la etiqueta. Ponga la máquina en JOG y lleve a cabo el procedimiento de Home de la etiqueta. Véase el procedimiento en el manual. 82 Sistema de corte deshabilitado El sistema de corte no ha sido habilitado para el funcionamiento desde el panel operador. Habilite el sistema de corte desde la pantalla correspondiente del panel operador.
  • 543.
    8 -13 8 DIAGNÓSTICO Sidel S.p.A. MAN.I4390.ES.USM000 (12/09/2013) DOC. ROLL4.CAP.08.R01 (08/01/2010) N.º DESCRIPCIÓN DE LA ALARMA CAUSA DE LA ALARMA POSIBLES SOLUCIONES 83 Anomalía en la bomba de grasa: parada dentro de 7 horas Se ha producido un problema en la bomba de grasa. La máquina seguirá funcionando por unas 7 horas. Nivel de grasa insuficiente. Verifique que la bomba de grasa funcione correctamente. Controle que los cajones en el interior de la bomba se muevan correctamente (sensor de movimiento). Restablezca el nivel de grasa. 84 Anomalía en la bomba de grasa: máquina parada Si el problema no se resuelve después de 7 horas de recibir la primera alarma de anomalía, la máquina se detiene. Verifique que la bomba de grasa funcione correctamente. Controle que los cajones en el interior de la bomba se muevan correctamente (sensor de movimiento). 85 Térmico de la bomba grasa Cortocircuito o esfuerzo mecánico. Controle la parte mecánica y el cableado eléctrico. 86 Alarma en la bomba de grasa del tambor Alarma en la bomba de grasa automática del rodillo de desplazamiento. Consulte el manual de la bomba de grasa. 87 Consulte el manual de la bomba de grasa Bomba de grasa automática del rodillo de desplazamiento con el cartucho vacío.. Sustituya el cartucho. 88 Anomalía de velocidad de la máquina Se detecta una velocidad no lineal de la máquina. Controle las alarmas del inversor del motor principal. Verifique las conexiones y la presencia de posibles fricciones anómalas que puedan afectar el funcionamiento de la máquina. 89 Codificador en alarma El codificador está apagado, o bien presenta un error o anomalía. Verifique la alimentación (fusibles, interruptores) y encienda el dispositivo. 90 Inspector: demasiados rechazos consecutivos Se ha detectado un alto número de botellas con la etiqueta aplicada incorrectamente. Compruebe que realmente se hayan cometido errores en la aplicación de las etiquetas. Averigüe la causa del error en la aplicación de la etiqueta. 91 Stand by activo Estado de stand by del sistema, disminución de las temperaturas de calentamiento del sistema hasta los valores de stand by. Esta función se utiliza cuando no se usa la etiquetadora por un plazo de tiempo medio-largo. Es posible salir de este modo de funcionamiento activando el icono previsto (sol) en la pantalla de gestión de encendido temporizado en el panel operador. 92 Inspector no listo o en alarma Anomalía o alarma en el sistema inspector. Para solucionar el problema, consulte el manual suministrado con la máquina. 93 Emergencia en el túnel El túnel de salida de la etiquetadora indica la presencia de una emergencia. En esta condición, la máquina se detiene. Resuelva la emergencia indicada por el túnel. Restablezca la alarma pulsando reset desde el panel operador. 94 El túnel no está en marcha El túnel no está en marcha y esto implica la parada de la etiquetadora. Si las condiciones de la línea lo permiten, habilite el funcionamiento del túnel. Restablezca la alarma desde el panel operador. 95 Túnel inactivo El túnel no está activado y esto implica la parada de la etiquetadora. Averigüe las condiciones que impiden la activación del túnel; una vez activado, restablezca la alarma desde el panel operador. 96 El codificador no está listo o está en alarma El codificador no está listo para el funcionamiento normal. Controle el estado del codificador. Controle los parámetros de configuracióny verifique el funcionamiento correcto de las fotocélulas. 97 Mal funcionamiento del acondicionador de aire Se ha producido un mal funcionamiento del acondicionador de aire situado en el cuadro eléctrico. Controle el estado de los leds situados en el acondicionador de aire. Verifique que ls microinterruptores de cierre de las puertas funcionen correctamente. Controle los cableados eléctricos hacia el dispositivo, compruebe la integridad de los fusibles en el interruptor seccionador del cuadro eléctrico. Controle la tensión de alimentación del acondicionador de aire. 98 Túnel deshabilitado El túnel no está habilitado y esto implica la parada de la etiquetadora. Si las condiciones de la línea lo permiten, habilite el funcionamiento del túnel. Restablezca la alarma desde el panel operador. 99 Alarma código de error C400 Se ha producido un problema con el controlador ELAU. Verifique que no haya otras alarmas presentes y relativas al ELAU. Consulte los detalles de la alarma ELAU en la página de sistema Motion en el panel operador. Pulse reset en el panel operador. 100 Error de procedimiento en el sistema de corte Error en el sistema de corte. Consulte los detalles de la alarma ELAU en la página de sistema Motion en el panel operador. Restablezca la alarma desde el panel operador. 101 Alarma Pilz Error en el cableado de seguridad de las puertas; error en la centralita; error en el control de velocidad. Controle el cableado. Controle los sensores de seguridad y los cables de control de velocidad y de los módulos. 102 Rodillo encolador desactivado El rodillo encolador no está habilitado. En esta situación no se aplicará pegamento en la etiqueta. Desde la pantalla correspondiente del panel operador, habilite el rodillo encolador pulsando la tecla prevista (véase el manual del usuario). 103 Alarma en el inspector de la línea El inspector de línea está apagado, o bien presenta un error o anomalía. Verifique si hay problemas en la línea. 104 Alarma en el codificador de la línea El codificador de línea está apagado, o bien presenta un error o anomalía. Verifique si hay problemas en la línea.
  • 544.
    8 - 14 8 DIAGNÓSTICO SidelS.p.A. MAN. I4390.ES.USM000 (12/09/2013) DOC. ROLL4.CAP.08.R01 (08/01/2010) N.º DESCRIPCIÓN DE LA ALARMA CAUSA DE LA ALARMA POSIBLES SOLUCIONES 105 Grupodeetiquetadoabierto El grupodecorteestá abierto. Compruebequeelgrupodecortesehayaintroducido correctamente. Restablezcalaalarmadesdeelpaneloperador. 106 Atención: limpie el rodillo de desplazamiento Después de un periodo preconfigurado, es necesario limpiar el rodillo de desplazamiento Limpie el rodillo de desplazamiento y confirme. 107 Longituddelaetiquetasuperiorala dimensiónmáx.deltambor Etiquetafueradellímite físicosuperior. Controlelalongituddela etiquetaenlareceta. 108 Longituddelaetiquetainferiorala dimensiónmáx.deltambor Etiquetafueradellímite físicoinferior. Controlelalongituddela etiquetaenlareceta. 109 Errorenautoaprendizajedeltamañodela etiqueta Lafotocélulanolee correctamenteelcorte. Repitael procedimientodeaprendizajedelafotocélula. 110 El gatewaynoestálisto Controle el diagnósticoen el panel yverifiquelas causas. Controleeldiagnósticoenel panel parasolucionarel problema. 111 HomecarruselnoejecutadoMPC El carruselno habuscado laposicióncero. Controleelcableado del sensor. Restablezcalaalarmadesdeelpaneloperador. 112 HomeplatillosnoejecutadoMPC Losplatillosnohan buscadola posición cero. Controlesi el procedimientodebúsquedadecerodelos platillossehaefectuado correctamente. Restablezcalaalarmadesdeelpaneloperador. 113 LevanotrasladadaenplatillosMPC Laleva nohasido trasladada. Controlesi el procedimientodecargadelalevase ha efectuadocorrectamente. Restablezcalaalarmadesdeelpaneloperador. 114 ErrorenmotorMPC Errorenel motor MPC. Controlealimentaciónycableado. Restablezcalaalarmadesdeelpaneloperador. 115 ErrordecomunicaciónMPC Errordecomunicación CAN. Controleelcableado delaredCAN. Restablezcalaalarmadesdeelpaneloperador. 116 ErrorlifebitMPC Errordecomunicación entreELAUysistema MPC. Controleelcableado de redentreCANy ELAU. Restablezcalaalarmadesdeelpaneloperador. 119 Botella rota en el carrusel Se ha roto una botella en el carrusel. Restablezca la alarma y reanude la marcha. 120 Máquina en modo de raspador de pegamento Iniciado el procedimiento del raspador de pegamento. Cierre la página HMI del procedimiento del raspador de pegamento. 124 FalloUPS Anomalía enelUPS. ControleelUPS. 125 CargaUPScasiagotada LabateríaUPSestá casi agotada. Controlelabatería. 126 Anomalíaenvaloranalógico-aspiradorde humos depegamento Conexión delasonda interrumpidaomódulo analógicoaveriado. Verifique el cableadodelasonda. Controlelaentrada analógicadelasondaoelmódulomismo. 127 Temperaturamáximaenelaspiradorde humos depegamento El aspiradordehumos ha alcanzadolatemperatura configuradacomolímite máximo. Controlelatemperaturaefectivadelaspiradordehumos. Pongalamáquinaencontrol offparadejarquebajela temperatura.Cuandolosvaloresregresenalos rangos previstos,vuelvaaencender. 128 Anomalíaenvaloranalógico– rodillo encolador Conexión delasonda interrumpidaomódulo analógicoaveriado. Verifique el cableadodelasonda. Controlelaentrada analógicadelasondaoelmódulomismo. 129 Anomalíaenvaloranalógico– T. estructurarodilloencolador Conexión delasonda interrumpidaomódulo analógicoaveriado. Verifique el cableadodelasonda. Controlelaentrada analógicadelasondaoelmódulomismo. 130 Anomalíaenvaloranalógico– T. tubode retornodepegamento Conexión delasonda interrumpidaomódulo analógicoaveriado. Verifique el cableadodelasonda. Controlelaentrada analógicadelasondaoelmódulomismo. 131 Anomalíaenvaloranalógico– T. tubode impulsióndel pegamento Conexión delasonda interrumpidaomódulo analógicoaveriado. Verifique el cableadodelasonda. Controlelaentrada analógicadelasondaoelmódulomismo. 132 Anomalíaenvaloranalógico– T. recipientedepegamento Conexión delasonda interrumpidaomódulo analógicoaveriado. Verifique el cableadodelasonda. Controlelaentrada analógicadelasondaoelmódulomismo. 133 Anomalíaenvaloranalógico– T. pegamento Conexión delasonda interrumpidaomódulo analógicoaveriado. Verifique el cableadodelasonda. Controlelaentrada analógicadelasondaoelmódulomismo. 134 Temperaturamáx.delrodilloencolador El rodilloencoladorha alcanzadolatemperatura configuradacomolímite máximo. Verifiquesi hayresistencias orelés estáticos quemados. Compruebelatemperaturareal delrodilloencolador. Pongalamáquinaencontrol offparadejarquebajela temperatura. Cuandolosvaloresregresenalosrangos previstos, vuelvaaencenderlaetiquetadoray controlelas temperaturas. Controlelaconexióndelosconectores delasección afectada.Restablezcapulsandoresetenel panel operador. Sihacefalta,sustituyalasresistenciasolosrelés quemados.
  • 545.
    8 -15 8 DIAGNÓSTICO Sidel S.p.A. MAN.I4390.ES.USM000 (12/09/2013) DOC. ROLL4.CAP.08.R01 (08/01/2010) N.º DESCRIPCIÓN DE LA ALARMA CAUSA DE LA ALARMA POSIBLES SOLUCIONES 135 Temperatura máxima en estructura del rodillo encolador La base del rodillo encolador ha superado el límite máximo de temperatura. Verifique sihay resistencias o relés estáticos quemados. Compruebe la temperatura real del rodillo encolador. Ponga la máquina en control off para dejar que baje la temperatura. Cuando los valores regresen a los rangos previstos, vuelva a encender la etiquetadora y controle las temperaturas. Controle la conexión del os conectores de la sección afectada. Restablezca pulsando reset en el panel operador. Si hace falta, sustituya las resistencias o los relés quemados. 136 Temperatura máxima del tubo de retorno del pegamento El tubo de retorno de pegamento ha alcanzado el valor máximo. Verifique sihay resistencias o relés quemados. Compruebe la temperatura real del rodillo encolador. Ponga la máquina en control off para dejar que baje la temperatura. Cuandolos valores regresen alos rangos previstos, vuelva a encender la etiquetadora y controle las temperaturas. Controle la conexión del os conectores de lasección afectada. Restablezca pulsando reset en el panel operador. 137 Temperatura máxima en tubo de impulsión de pegamento El tubo de impulsión de pegamento ha alcanzado el valor máximo. Verifique sihay resistencias o relés quemados. Compruebe la temperatura real del tubo de impulsión de pegamento. Ponga la máquina en control off para dejar que baje la temperatura. Cuandolos valores regresen alos rangos previstos, vuelva a encender la etiquetadora y controle las temperaturas. Controle la conexión del os conectores de lasección afectada. Restablezca pulsando reset en el panel operador. 138 Temperatura máxima en recipiente de pegamento El tanque de pegamento ha alcanzado la temperatura máxima. Verifique sihay resistencias o relés quemados. Compruebe la temperatura real del tanquede pegamento. Ponga la máquina en controloff para dejar que baje la temperatura. Cuandolos valores regresen alos rangos previstos, vuelva a encender la etiquetadora y controle las temperaturas. Controle la conexión del os conectores de lasección afectada. Restablezca pulsando reset en el panel operador. 139 Temperatura máxima del pegamento El pegamento ha alcanzado elvalor máximo. Verifique sihay resistencias o relés quemados. Compruebe la temperatura real del pegamento. Ponga la máquina en control off para dejar que baje la temperatura. Cuandolos valores regresen alos rangos previstos, vuelva a encender la etiquetadora y controle las temperaturas. Controle la conexión del os conectores de lasección afectada. Restablezca pulsando reset en el panel operador. De 140 a 166 Alarma br módulos del 1 al 27 Posibles causas de indicación del error: caída de tensión (24V), módulo mal introducido en su alojamiento, error en la red profibus. Controle la red profibus y compruebe que elmódulo esté bien introducido. Verifique que esté presente la tensión de 24V. 167 Cancela de bloqueo de botellas de entrada cerrada En esta situación, las botellas no pueden entrar a la estrella de entrada dela máquina. Mesa de rechazos llena. Bloqueo de entrada cerrado. Si quieremodificar elmodo de funcionamiento delacancela, intervenga en el selector detres posiciones (modos:cerrado, automático, abierto). 168 Alarma br módulo 43 Posibles causas de indicación delerror:caídade tensión (24V), módulo mal introducido en sualojamiento, error en la red profibus. Controle la red profibus y compruebeque elmódulo esté bien introducido.Verifique que esté presente la tensión de 24V. 169 Seguridad de entrada de la máquina Se ha detectado una botella caída en la entrada de la máquina. Retire la botella que causa la alarma. Restablezca desde el panel operador. 170 Atención: ralentización por demasiadas botellas en salida Demasiadas botellas en la salida de la máquina. Elimine la acumulación excesiva de botellas. Restablezca la alarma. De 171 a 185 Alarma br módulos del28 al 42 Posiblescausasde indicación del error: caída de tensión (24V),módulo mal introducido en su alojamiento,error en la red profibus. Controle la red profibusy compruebe que el módulo esté bien introducido. Verifique que esté presente la tensión de 24V. 187 Problema en el procedimiento de aprendizaje No se realizó correctamente el procedimiento de aprendizaje con el sistema Smar. Controle la longitud de la etiqueta configurada y vuelva a realizar el procedimiento de aprendizaje. 188 Error en Smar Error en el sistema Smar. Controle el sistema Smar. 189 Ha quedado una etiqueta en el tambor No se ha transferido la etiqueta al tambor. Verifique si el tambor tiene residuos de pegamento. Controle los parámetros de los vacíosy los soplos. De 190 a 197 Puerta abierta de la 1 a la 8 La puerta n.º… se ha abierto y esto causa la parada inmediata de la etiquetadora. Para resolver la emergencia, cierre la puerta que ha causado la alarma y pulse reset desde el panel operador. 200 Máquina en modo by pass La máquina se ha configurado en modo by-pass Verifique en el panel si está seleccionado el modo by-pass.
  • 546.
    8 - 16 8 DIAGNÓSTICO SidelS.p.A. MAN. I4390.ES.USM000 (12/09/2013) DOC. ROLL4.CAP.08.R01 (08/01/2010) N.º DESCRIPCIÓN DE LA ALARMA CAUSA DE LA ALARMA POSIBLES SOLUCIONES 211 Embrague de la cóclea de la máquina Alarma de embrague electrónico causada por esfuerzo mecánico y daños en el motor de la cóclea. Verifique el diagnóstico HMI. Controle el estado del motor en la parte eléctrica y mecánica. 212 Emergencia externa Se ha presionado el botón de emergencia externo de la máquina. Saque el botón fungiforme de emergencia de su bloqueo mecánico. Pulse la tecla reset situada en el panel operador hasta que desaparezca la alarma. 213 Anomalía en la bomba de aceite de la cuchilla. El sensor de aceite de la cuchilla detecta una anomalía de funcionamiento. Verifique si hay algún tubo obstruido o doblado, o bien si hay anomalías en la caja de distribución. 214 Anomalía en el control de la guía de la cinta EL El error podría estar causado por la ruptura de la película de etiquetas, una avería en la fotocélula de control de altura o una presión baja de aire. Para resolver el error,restablezca la película de etiquetas, controle las conexiones de la fotocélula ysu funcionamiento correcto y controle la presión de aire. 215 Bomba de aceite inhabilitada La tecla de la bomba de aceite del panel no está habilitada. Verifique en el panel siestá seleccionada la tecla de la bomba de aceite. 216 Faltan bobinas en el rodillo A El sensor de fin de la película de etiquetas advierte que se ha terminado la bobina A. Instale la bobina B, sustituya la bobina A y restablezca la alarma. 218 Nivel bajo de pegamento Se está agotando el pegamento en el tanque y,por tanto,en la bomba de pegamento. Añada pegamento al tanque y espere a que se caliente y supere el nivel mínimo.Restablezca la alarma. 219 Emergencia por botonera jog 2 presionada Se ha presionado el botón de emergencia situado en la botonera de jog 2. Desbloquee mecánicamente el botón de emergencia tipo seta. Pulse la tecla reset situada en el panel operador hasta que desaparezca la alarma. 220 El watch contactor no está listo No está presente la señal de “hardware enable” o “feed back watch incorrecto” Problema de cableado. Controle el cableado del circuito electromecánico. Restablezca la alarma desde el panel operador. 221 Velocidadmedia De acuerdo a lascondiciones de la línea,la etiquetadora se pone en modo de funcionamiento a velocidad media. 222 Emergencia lado 4 Se ha presionado el botón de emergencia situado en el lado 4. Desbloquee mecánicamente el botón de emergencia tipo seta. Pulse la tecla reset situada en el panel operador hasta que desaparezca la alarma. 223 Vaciado de la línea De acuerdo al estado de la línea aguas arriba yabajo, la etiquetadora se pone en este estado de funcionamiento. 224 La sopladora no está lista Se informa que la etiquetadora no puede arrancar porque la sopladora aguas arriba no funciona. Verifique por qué no está lista la sopladora. Espere a que la sopladora esté lista para la producción y restablezca la alarma desde el panel operador. 225 Mesa de rechazos llena La mesa de rechazos en la salida de la etiquetadora está llena. Averigüe la cause de un número excesivo de errores en la aplicación de las etiquetas. Vuelva a efectuar el procedimiento de Home de la etiqueta y controle la aplicación del pegamento. Cierre la cancela. 226 Emergencia en el cuadro de los auxiliares Se ha presionado el botón de emergencia situado en la puerta del cuadro eléctrico principal. Desbloquee mecánicamente el botón de emergencia tipo seta. Pulse la tecla reset situada en el panel operador hasta que desaparezca la alarma. 227 Emergencia por botonera jog presionada Se ha presionado el botón de emergencia situado en la botonera de JOG. Desbloquee mecánicamente el botón de emergencia tipo seta. Pulse la tecla reset situada en el panel operador hasta que desaparezca la alarma. 228 Emergencia por botonera presionada Se ha presionado el botón de emergencia situado en la botonera del operador. Desbloquee mecánicamente el botón de emergencia tipo seta. Pulse la tecla reset situada en el panel operador hasta que desaparezca la alarma. 229 Emergencia en cuadro potencia o lado 2-3 Se ha presionado el botón de emergencia del cuadro de potencia o la emergencia del lado 2-3 de la máquina. Desbloquee mecánicamente el botón de emergencia tipo seta. Pulse la tecla reset situada en el panel operador hasta que desaparezca la alarma. 230 Emergencia lado 1 Se ha presionado el botón de emergencia situado en el lado 1. Desbloquee mecánicamente el botón de emergencia tipo seta. Pulse la tecla reset situada en el panel operador hasta que desaparezca la alarma. 231 Emergencia lado 2 Se ha presionado el botón de emergencia situado en el lado 2. Desbloquee mecánicamente el botón de emergencia tipo seta. Pulse la tecla reset situada en el panel operador hasta que desaparezca la alarma. 232 Calentamiento de estructura del rodillo encolador deshabilitado No está habilitado el calentamiento de la estructura del rodillo encolador. Desde la pantalla correspondiente del panel operador, habilite el calentamiento. 233 Calentamiento del aspirador de humos de pegamento apagado El calentamiento del aspirador de humos de pegamento no está habilitado. Desde la pantalla correspondiente del panel operador, habilite el calentamiento. 234 Emergencia lado 3 Se ha presionado el botón de emergencia situado en el lado 3. Desbloquee mecánicamente el botón de emergencia tipo seta. Pulse la tecla reset situada en el panel operador hasta que desaparezca la alarma.
  • 547.
    8 -17 8 DIAGNÓSTICO Sidel S.p.A. MAN.I4390.ES.USM000 (12/09/2013) DOC. ROLL4.CAP.08.R01 (08/01/2010) N.º DESCRIPCIÓN DE LA ALARMA CAUSA DE LA ALARMA POSIBLES SOLUCIONES 235 Bloqueo en cóclea de la máquina Botellas bloqueadas en la cóclea. Demasiada presión de entrada por acumulación excesiva de envases. Retire el objeto encastrado. Restablezca la posición correcta de la estrella. Tras haber comprobado que el emplazamiento es correcto, pulse reset en el panel operador y compruebe que la alarma haya desaparecido. 236 EXT: transportes de línea parados Los transportes de salida de la etiquetadora están parados. Si quiere reanudar el funcionamiento normal del sistema, active los transportes de la línea. 239 Calentamiento del rodillo encolador deshabilitado No está habilitado el calentamiento del rodillo encolador. Desde la pantalla correspondiente del panel operador, habilite el calentamiento. 240 Calentamiento de tubos deshabilitado No está habilitado el calentamiento de los tubos. Desde la pantalla correspondiente del panel operador, habilite el calentamiento. 241 Calentamiento del recipiente de pegamento deshabilitado No está habilitado el calentamiento del recipiente de pegamento. Desde la pantalla correspondiente del panel operador, habilite el calentamiento.
  • 548.
    Página dejada enblanco intencionalmente
  • 549.
    9 MANTENIMIENTO EXTRAORDINARIO Sidel S.p.A. 9- 1 MAN. I4390.ES.USM000 (12/09/2013) DOC. ROLL4Evo.CAP.01.R00 (17/03/2008) CAP. 9 - MANTENIMIENTO EXTRAORDINARIO
  • 550.
    Página dejada enblanco intencionalmente
  • 551.
    9 MANTENIMIENTO EXTRAORDINARIO Sidel S.p.A. 9- 3 MAN. I4390.ES.USM000 (12/09/2013) DOC. ROLL4Evo.CAP.01.R00 (17/03/2008) 9.1 REVISIÓN COMPLETA DEL RODILLO DE TRANSFERENCIA 9.1.1 DESCRIPCIÓN El funcionamiento normal de la máquina causa desgaste y daños a los patines. El nivel de desgaste de los patines es muy variable y depende del tipo de patín utilizado, la facilidad de abrasión del material de las etiquetas y los niveles de vacío utilizados. El plato de distribución también se desgasta con el uso. Con los instrumentos y las metodologías indicados a continuación se pueden restablecer las condiciones normales del rodillo de transferencia de modo que pueda brindar las mismas prestaciones que una pieza nueva. El incumplimiento de estos procedimientos expone la máquina a RIESGOS GRAVES y perjudica su productividad. En caso de sustitución de los patines, puede que sea necesario rectificarlos. Para ejecutar este procedimiento tienen una importancia fundamental los elementos indicados a continuación: 1. PERSONAL ESPECIALIZADO Y ADIESTRADO; 2. TALLERES MECÁNICOS PROVISTOS DE ESTRUCTURASADECUADAS; 3 JUEGO (SKIM KIT RODILLOS DE TRANSFERENCIA) - 51022351; 4 DOCUMENTO “Procedimiento estándar de revisión completa del rodillo de transferencia - revisión 1.0” INCLUIDO EN EL JUEGO; 5. MATERIALES (SI PROCEDE): PATINES NUEVOS, ESPONJAS NUEVAS ETC.. Las operaciones de revisión completa del rodillo de transferencia deben ser realizadas sólo por personal adiestrado y equipado con los instrumentos y los recursos apropiados. PERSONAL EXPERTO ESTÁ DISPONIBLE EN EL SERVICIO DE ASISTENCIA Y FORMACIÓN SIDEL.
  • 552.
    9 MANTENIMIENTO EXTRAORDINARIO Sidel S.p.A. 9- 4 MAN. I4390.ES.USM000 (12/09/2013) DOC. ROLL4Evo.CAP.01.R00 (17/03/2008) 9.1.2 DIAGRAMA DE FLUJO DEL PROCESO 7(50,1$'2 Control de canto a canto SÌ NO Renovar la superficie Marcar y volver a montar ,1,,2 SÌ Inspección y preparación patín NO Preparación rodillo antiguo Patín 3 mordazas4 mordazas Corte de las esponjas nuevas ¿El perfil de los patines es correcto ? NO es necesaria ninguna elaboración Montaje del árbol Corte PATINES Control numérico Control manual. Calibre nuevo Patín nuevo Patín Patín nuevo antiguo Patín Patín antiguo Proceso de fresado del canto superior ¿La placa de desgaste requiere rectificación ?
  • 553.
    9 MANTENIMIENTO EXTRAORDINARIO Sidel S.p.A. 9- 5 MAN. I4390.ES.USM000 (12/09/2013) DOC. ROLL4Evo.CAP.01.R00 (17/03/2008) 9.1.3 DESMONTAJE Y LIMPIEZA DEL RODILLO DE ARRASTRE 1. Retirar todas las manijas y las placas. Realizar las operaciones sobre una superficie limpia, blanda y plana, para proteger el plato de distribución. 2. Retirar el plato de distribución verde. Antes de quitarlo, marcar su posición. 3. Limpiar bien el plato de distribución verde. Utilizar agua como disolvente y materiales blandos para secar. 4. Controlar que todos los patines estén numerados y que se haya identificado su posición. Sacar manualmente los patines deslizándolos. No utilizar martillos o palancas y no aplicar una fuerza excesiva.
  • 554.
    9 MANTENIMIENTO EXTRAORDINARIO Sidel S.p.A. 9- 6 MAN. I4390.ES.USM000 (12/09/2013) DOC. ROLL4Evo.CAP.01.R00 (17/03/2008) 5. Comprobarqueelorificiocónicodelrodillonopresenta daños debidos a golpes o fricción. Todas las áreas en relieve deben nivelarse con una piedra cilíndrica. Esta operación debe ser realizada por personal cualificado y prestando la máxima atención. 6. Todos los túneles internos deben limpiarse eliminando los restos de cola y grasa con un disolvente y los restos de producto con agua. Los orificios en la superficie deben limpiarse con una broca de taladro de 2,9 mm. 7. Las acanaladuras de los patines deben limpiarse con esmero y hay que evaluar cualquier marca de corrosión o desprendimiento de la superficie metálica. 8. La superficie de contacto del patín debe estar del todo limpia. Controlar que estas superficies tengan una buena reflexión utilizando una fuente luminosa.
  • 555.
    9 MANTENIMIENTO EXTRAORDINARIO Sidel S.p.A. 9- 7 MAN. I4390.ES.USM000 (12/09/2013) DOC. ROLL4Evo.CAP.01.R00 (17/03/2008) 9.1.4 INSPECCIÓN DE LA ESPONJA DEL PATÍN 1. Es necesario comprobar el deterioro químico y los posiblesdañosmecánicosdelasesponjas.Compararlas con un trozo de material nuevo sacado de la caja de herramientas. 2. Si la esponja presenta marcas de desprendimiento del patín, quitarla y sustituirla.
  • 556.
    9 MANTENIMIENTO EXTRAORDINARIO Sidel S.p.A. 9- 8 MAN. I4390.ES.USM000 (12/09/2013) DOC. ROLL4Evo.CAP.01.R00 (17/03/2008) 9.1.5 CORTE E INSTALACIÓN DE ESPONJAS NUEVAS 1. La superficie de encolado del patín debe rascarse para obtener un nuevo estrato de material alisado que garantice una adhesividad perfecta. 2. Limpiar los orificios del vacío con las brocas de taladro de diámetro 2,4 mm e 2,9 mm presentes en el juego. 3. Cortar la esponja con un bisturí o con una hoja con características similares hasta obtener la dimensión exacta del patín. 4. Utilizar el tampón para tinta del juego para marcar la posición de los orificios del patín. Utilizar el extremo achaflanado de las brocas de 2,9 mm y 2,4 mm del juego.
  • 557.
    9 MANTENIMIENTO EXTRAORDINARIO Sidel S.p.A. 9- 9 MAN. I4390.ES.USM000 (12/09/2013) DOC. ROLL4Evo.CAP.01.R00 (17/03/2008) 5. Marcar con cruces las posiciones de los orificios para obtener posiciones de punzonado exactas. 6. Realizar los orificios utilizando el diámetro máximo del punzón en el juego. 7. Aplicar el adhesivo siguiendo un esquema en forma de cuadrícula alrededor de los orificios. Comprobar la adhesividad del patín en correspondencia con los ángulos. Utilizar adhesivo instantáneo a base de cianoacrilato, preferentemente en gel. 8. Situar con exactitud el patín en la esponja y mantener presionadas las dos partes por 1 minuto.
  • 558.
    9 MANTENIMIENTO EXTRAORDINARIO Sidel S.p.A. 9- 10 MAN. I4390.ES.USM000 (12/09/2013) DOC. ROLL4Evo.CAP.01.R00 (17/03/2008) 9.1.6 MONTAJE DEL ÁRBOL EN EL TORNO CON TRES MORDAZAS “BLANDAS” Y CARGA DEL RODILLO DE TRANSFERENCIA 1. Instalar las mordazas de tipo blando en el husillo con tres mordazas del torno.Apretar las mordazas en el anillo del torno y limarlas hasta obtener el diámetro del árbol del rodillo. El torno tiene que estar en buenas condiciones y poder ejecutar centrados de 10 micras o más precisos. 2. Comprobar que la sección cónica del árbol tiene una concentricidad menor/igual a10 micras. A continuación es necesario introducir la contrapunta del torno. 3. Deslizar el rodillo en el eje sirviéndose de una superficie de soporte y de bloques separadores con la altura adecuada. 4. El rodillo de transferencia no debe tocar el árbol ni apoyarse en el mismo antes de que se haya introducido la contrapunta de modo que la misma pueda sostener el árbol. Sólo a continuación es posible apretar el rodillo en el árbol.
  • 559.
    9 MANTENIMIENTO EXTRAORDINARIO Sidel S.p.A. 9- 11 MAN. I4390.ES.USM000 (12/09/2013) DOC. ROLL4Evo.CAP.01.R00 (17/03/2008) 9.1.7 CORTE DE LOS PATINES DE LOS RODILLOS CON UN “STEP” (PASO) ESPECÍFICO DEL DIÁMETRO 1. El calibre sirve para el control del diámetro de corte de los patines del rodillo de transferencia. Este instrumento puede ser superfluo si el torno dispone de dispositivos de control numérico (NC), o de control numérico computarizado (CNC). 2. El instrumento está provisto de 8 diámetros que se diferencian entre ellos por 300 micras. El step 1 es el diámetro de corte estándar de 402,00 mm para los patines nuevos. El paso 8 es de 399,90 mm, correspondientes al diámetro de corte final antes de que sea necesario sustituir los patines. 3. El calibre se monta en el árbol de soporte. El calibre puede montarse paralelo al rodillo de transferencia en caso de rodillos “bajos”. En caso de rodillos “altos”, durante el uso del calibre es necesario desmontar el rodillo y volver a montarlo al final de la regulación de la herramienta de corte. 4. La herramienta de corte se configura según un step de diámetro específico en contacto con el calibre.
  • 560.
    9 MANTENIMIENTO EXTRAORDINARIO Sidel S.p.A. 9- 12 MAN. I4390.ES.USM000 (12/09/2013) DOC. ROLL4Evo.CAP.01.R00 (17/03/2008) 5. Es necesario quitar de los patines una cantidad de material suficiente para obtener una superficie alisada y alineada con la línea de los orificios. El corte de los patines en peek (patines negros) debe realizarse utilizando herramientas con punta al carburo. 6. Comprobar que en todos los patines toda la superficie de contacto para el encolado haya sido alisada. Si la superficie no ha sido alisada por completo, es necesario cortar el rodillo con el step siguiente.
  • 561.
    9 MANTENIMIENTO EXTRAORDINARIO Sidel S.p.A. 9- 13 MAN. I4390.ES.USM000 (12/09/2013) DOC. ROLL4Evo.CAP.01.R00 (17/03/2008) 9.1.8 REELABORACIÓN DE LA SUPERFICIE INCLINADA DELANTERA DEL PATÍN 1. La inclinación de la superficie delantera del patín varía según el diámetro del patín del rodillo. Por tanto, cada “step” necesita un ángulo de corte específico. Los ángulos se indican en la figura (Fig.9.1.8-1). 2. Los nuevos patines se entregan con las superficies sin cortar, por tanto es necesario quitar una cantidad considerable de material para obtener el diámetro del “step” 1 y el canto de la superficie inclinada (Fig. 9.1.8-2). Fig. 9.1.8 - 1 Fig. 9.1.8 - 2 Los ángulos de inclinación del canto superior se refieren a la superficie de contacto con la acanaladura de montaje del patín, indicada en las áreas del esquema marcadas por la letra A. A A 402,00 mm 399,90 mm Step#1 ángulo 10,9 grados Sólo patín nuevo Step#8 ángulo 6,6 grados Corte final Referencia para el fresado del patín: eje centro orificios Nuevo patín sin cortar 10,9 grados 10,3 grados 9,7 grados 9,1 grados 8,5 grados 7,8 grados 7,2 grados 6,6 grados Step # 1 402 mm PATÍN NUEVO Step # 2 401.70 mm Intermedio Step # 3 401.40 mm Intermedio Step # 4 401.10 mm Intermedio Step # 5 400.80 mm Intermedio Step # 6 400.50 mm Intermedio Step # 7 400.20 mm Intermedio Step # 8 399.90 mm CORTE FINAL Bloques calibre Diámetro de corte del patín Ángulo de inclinación canto superior
  • 562.
    9 MANTENIMIENTO EXTRAORDINARIO Sidel S.p.A. 9- 14 MAN. I4390.ES.USM000 (12/09/2013) DOC. ROLL4Evo.CAP.01.R00 (17/03/2008) 3. Los patines delanteros no se trabajan en el rodillo de transferencia. El juego contiene un soporte para acoger el patín de manera análoga a la acanaladura presente en el rodillo de transferencia. El soporte tiene que estar nivelado y alineado en la fresa con una precisión de 10 micras. 4. El patín debe deslizarse en el soporte con la ayuda de aceite para reducir la fricción y los daños a la esponja. 5. El ángulo de la cabeza de la fresa debe ajustarse con una barra de senos u otro instrumento análogo. 6. La superficie que hay que trabajar debe colorearse con un marcador oscuro en seco y de forma NO PERMANENTE. La coloración debe extenderse hasta la superficie trabajada en el torno.
  • 563.
    9 MANTENIMIENTO EXTRAORDINARIO Sidel S.p.A. 9- 15 MAN. I4390.ES.USM000 (12/09/2013) DOC. ROLL4Evo.CAP.01.R00 (17/03/2008) 7. Fresar la superficie del patín con cortes delgados. Comprobar que el corte procede paralelo al eje centro orificios. 8. Continuar el fresado del patín hasta que el borde del corte coincida con el eje centro orificios. Utilizar una broca de 2,9 mm para visualizar esta posición. EL CANTO TIENE QUE ESTAR EXACTAMENTE EN ESTA POSICIÓN
  • 564.
    9 MANTENIMIENTO EXTRAORDINARIO Sidel S.p.A. 9- 16 MAN. I4390.ES.USM000 (12/09/2013) DOC. ROLL4Evo.CAP.01.R00 (17/03/2008) 9.1.9 REELABORACIÓN DE LA SUPERFICIE INCLINADA DELANTERA DEL PATÍN 1. Quitar el árbol del torno y montarlo en el rodillo de transferencia. 2. Montar una “contrapunta giratoria” en el husillo del torno y cargar el árbol y el grupo del rodillo en el torno, entre la contrapunta giratoria y la contrapunta, con la placa de desgaste girada hacia la torreta porta- herramientas. 3. Utilizar el plato de arrastre contenido en el juego para desplazar el grupo. 4. Repasar la superficie de la placa de desgaste con pequeños incrementos hasta obtener una superficie limpia y alisada.
  • 565.
    9 MANTENIMIENTO EXTRAORDINARIO Sidel S.p.A. 9- 17 MAN. I4390.ES.USM000 (12/09/2013) DOC. ROLL4Evo.CAP.01.R00 (17/03/2008) 9.1.10 ENSAMBLAJE Y MARCADO STEP 1. Retirar los filamentos de plástico con una herramienta para limpiar rebabas. 2. Buscar entre las placas de los “STEP” la cor- respondiente a la elaboración realizada. 3. Montar la placa numerada en el plato de levantamiento del rodillo de transferencia y volver a montar todo el conjunto en el cuerpo del rodillo.
  • 566.
    9 MANTENIMIENTO EXTRAORDINARIO Sidel S.p.A. 9- 18 MAN. I4390.ES.USM000 (12/09/2013) DOC. ROLL4Evo.CAP.01.R00 (17/03/2008) 9.1.11 EQUIPOS OPCIONALES Para asegurar un correcto mantenimiento del rodillo de transferencia, SIDEL S.p.A. recomienda comprar el equipo opcional SKIM BOX (Fig. 9.1.11-1). Los compartimentos internos (Fig. 9.1.11-2/3/4) contienen, divididos según el tipo de mantenimiento al que están destinados, todos los instrumentos para una correcta ejecución de las diferentes operaciones (limpieza del rodillo, elaboración en el torno y fresado de los patines etc). UN CORRECTO MANTENIMIENTO DEL RODILLO DE TRANSFERENCIA ASEGURA: * LA LIMPIEZA ÓPTIMA DEL RODILLO. * REGULARIDAD Y PRECISIÓN DE LAS OPERACIONES DE TRANSFERENCIA DE LAS ETIQUETAS. * PATINES PROVISTOS DE LASUPERFICIE CORRECTA PARA LA APLICACIÓN DEL ADHESIVO. * MAYOR DURACIÓN DE LOS PATINES. PARA UN USO CORRECTO DE LOS INSTRUMENTOS CONTENIDOS EN EL MALETÍN, SIDEL S.p.A. RECOMIENDA UNA FORMACIÓN ESPECÍFICA. Para mayores detalles, ponerse en contacto con la sección de formación de SIDEL S.p.A.). Fig.9.1.11 - 4 Fig.9.1.11 - 2
  • 567.
    9 MANTENIMIENTO EXTRAORDINARIO Sidel S.p.A. 9- 19 MAN. I4390.ES.USM000 (12/09/2013) DOC. ROLL4Evo.CAP.01.R00 (17/03/2008) Fig. 9.2 - 1 Fig. 9.2 - 2 Fig. 9.2 - 3 9.2 SUSTITUCIÓN DE LAS RESISTENCIAS O DE LA SONDA DEL RODILLO ENCOLADOR Realice este trabajo con la máquina apagada y espere que el rodillo encolador se enfríe. 1. Quite los cárteres de protección desenroscando los volantes (Fig. 9.2 - 1). 2. Abra la tapa superior desenroscando los 4 tornillos (Fig. 9.2 - 2). 3. Levante el cuerpo del rodillo encolador (Fig. 9.2 - 3).
  • 568.
    9 MANTENIMIENTO EXTRAORDINARIO Sidel S.p.A. 9- 20 MAN. I4390.ES.USM000 (12/09/2013) DOC. ROLL4Evo.CAP.01.R00 (17/03/2008) Fig. 9.2 - 4 Fig. 9.2 - 5 Fig. 9.2 - 6 4. Abra la tapa actuando sobre los tornillos correspondientes (Fig. 9.2 - 4). 5. Abra la base superior actuando sobre los tornillos correspondientes (Fig. 9.2 - 5). 6. Extraiga las resistencias quemadas o la sonda e introduzca aquella nuevas utilizando la pasta de silicona blanca especial (Fig. 9.2 - 6). Reinstale todo repitiendo los trabajos en el orden inverso.
  • 569.
    9 MANTENIMIENTO EXTRAORDINARIO Sidel S.p.A. 9- 21 MAN. I4390.ES.USM000 (12/09/2013) DOC. ROLL4Evo.CAP.01.R00 (17/03/2008) 9.3 SUSTITUCIÓN RASQUETEADOR COLA/BARRA APLICACIÓN COLA Preste mucha atención al tanque Hot Melt y al rodillo encolador, ya que trabajan a temperaturas muy altas. El personal encargado de la conducción y el mantenimiento de la máquina debe utilizar equipos de protección individual adecuados (guantes, gafas, etc.). Cuando el pegamento que se deposita en el rodillo no es uniforme y ha se ha intervenido como se describe en el capítulo 7, hay que proceder a la sustitución de la barra de aplicación de pegamento de la siguiente manera: 1. Compruebe que la máquina esté parada. 2. Ponga la máquina en modo manual colocando el selector de llave de mantenimiento (1) en la posición JOG. 3. En la ventana PUESTA EN MARCHA ADMINISTRADOR GENERAL, inhabilite la tecla MÁQUINA EN CONTROL ON (2) para desactivar los dispositivos auxiliares previamente seleccionados. Como alternativa, es posible acceder directamente a la ventana PUESTA EN MARCHA ESTACIÓN DE ETIQUETADO y desactivar las teclas: - CALENTAMIENTOS - CALENTAMIENTO TUBOS - BOMBA DE PEGAMENTO - RODILLO ENCOLADOR Espere a que baje la temperatura. 2 1
  • 570.
    9 MANTENIMIENTO EXTRAORDINARIO Sidel S.p.A. 9- 22 MAN. I4390.ES.USM000 (12/09/2013) DOC. ROLL4Evo.CAP.01.R00 (17/03/2008) 4. Desenrosque los pomos de la jaula de protección para poder retirar la misma (Fig. 9.3 - 1). 5. Desenrosque los pomos de la jaula de protección para poder retirar la misma (Fig. 9.3 - 1). Utilice el agujero central (A) como extractor para desmontar el raspador de pegamento. Fig. 9.3 - 2 A Fig. 9.3 - 1
  • 571.
    9 MANTENIMIENTO EXTRAORDINARIO Sidel S.p.A. 9- 23 MAN. I4390.ES.USM000 (12/09/2013) DOC. ROLL4Evo.CAP.01.R00 (17/03/2008) Fig. 9.3 - 5 Fig. 9.3 - 6 Fig. 9.3 - 4 C D 6. Quite los 2 tornillos de apriete y extraiga el bloque de soporte del rasqueteador de la cola utilizando el tornillo central como extractor (Fig. 9.3 - 4). Utilizando solvente (Melt-O-clean) elimine los posibles residuos de cola/etiqueta del bloque y del rodillo grafilado. Preste mucha atención para no dañar la junta de envío de cola. 7. Desenrosque de la barra apenas extraída el tubo de regulación del flujo de la cola e instálelo en la barra nueva (Fig. 9.3 - 5). 8. Quite la rejilla de protección (C - Fig. 9.3 - 6). Debe: - cerrar el agujero de la junta de retorno de cola (D) con un trozo de papel o tejido - cerrar los agujeros de inyección y flujo de cola mediante una lámina o un cartón perfilado para evitar la entrada de fragmentos de bronce en el recipiente de cola.
  • 572.
    9 MANTENIMIENTO EXTRAORDINARIO Sidel S.p.A. 9- 24 MAN. I4390.ES.USM000 (12/09/2013) DOC. ROLL4Evo.CAP.01.R00 (17/03/2008) Fig. 9.3 - 7 Fig. 9.3 - 9 B Fig. 9.3 - 8 9. Instale nuevamente la barra de aplicación de cola en el soporte utilizando las arandelas de espesor (4 arriba y 4 abajo) que se encuentran debajo de los tornillos de bloqueo M12 (Fig. 9.3 - 7). 10. Coloque la nueva barra de aplicación de cola en el rodillo encolador (Fig. 9.3 - 8). 11. Hagafuncionarlamáquinaabajavelocidad(máximo 10.000 b/h). Espere hasta que las cabezas de los dos tornillos se apoyen completamente sobre el soporte de la barra de aplicación de la cola (Fig. 9.3 - 9). Para cerciorarse de que la operación haya sido efectuada correctamente, retire la lámina de protección (B) y verifique que la cuchilla se apoye adecuadamente en el rodillo.
  • 573.
    9 MANTENIMIENTO EXTRAORDINARIO Sidel S.p.A. 9- 25 MAN. I4390.ES.USM000 (12/09/2013) DOC. ROLL4Evo.CAP.01.R00 (17/03/2008) Fig. 9.3 - 11 Fig. 9.3 - 12 B CA B CA Fig. 9.3 - 10 12. Desmonte nuevamente el bloque de regulación de cola mediante los 2 tornillos y verifique que la barra se haya adaptado de manera uniforme. En caso de ser necesario, instale nuevamente el bloque eliminando dos arandelas de espesor (uuna arriba y una abajo) y verifique nuevamente (véase 7-8-9) hasta que la barra se adapte completamente al rodillo. Instale nuevamente la lámina de protección. 13. Después, monte el rasqueteador de la cola, apretando los tornillos de apriete (A), las tuercas de bloqueo (B) y los reguladores (C) hasta que el rasqueteador se apoye completamente sobre el rodillo (Fig. 9.3 - 11). 14. Haga funcionar la máquina para efectuar el rascado del rasqueteador de la cola con el rodillo grafilado. Controle visualmente que la hoja del rasqueteador trabaje correctamente (se debería formar un escalón al inicio y al final de la hoja que no tiene contacto con el grafilado del rodillo (Fig. 9.3 - 12).
  • 574.
    9 MANTENIMIENTO EXTRAORDINARIO Sidel S.p.A. 9- 26 MAN. I4390.ES.USM000 (12/09/2013) DOC. ROLL4Evo.CAP.01.R00 (17/03/2008) Fig. 9.3 - 15 Fig. 9.3 - 14 Fig. 9.3 - 13 14. Detenga la rotación y coloque en stand-by el calentamiento. Extraiga el bloque completo, raspador + soporte de aplicación de cola. 15. Limpie con aire comprimido el recipiente, eliminado el polvo o las virutas de latón; si fuera necesario, utilice un diluyente para limpiar el soporte y el rasqueteador de la cola. Para limpiar el rodillo, utilice cepillos de acero si fuera necesario (Fig. 9.3 - 14). 16. Quite la junta de retorno de cola del agujero e introduzca la rejilla de protección (Fig. 9.3 - 15). Instale nuevamente el bloque completo, raspador + soporte de aplicación de cola.
  • 575.
    9 MANTENIMIENTO EXTRAORDINARIO Sidel S.p.A. 9- 27 MAN. I4390.ES.USM000 (12/09/2013) DOC. ROLL4Evo.CAP.01.R00 (17/03/2008) Fig. 9.3 - 18 Fig. 9.3 - 16 17. Aflojar las tuercas de bloqueo y desenroscar (1 vuelta) los presores de regulacion (correspondiente a 1 decimo). Activar nuevamente el calentamiento de la bomba de pegamento (Fig. 9.3 - 16). Verificar periodicamente el correcto funcionamiento de los 2 presores de regulacion. El muelle debe regresar libremente, de no ser asì, es debido a una acumulacion excesiva de pegamento o al deterioro del muelle mismo ocasionado por la tempe- ratura alta. El deposito de pegamento puede bloquear el raspador en un posicion demasiado adherente al rodillo (menos de 1 dècimo), causando un rapido desgaste El raspador puede tambien bloquearse lejos del rodillo (mas de 1 dècimo), de ser asì, se verifica un flujo excesivo de pegamento En caso de que se presenten estos problemas, SIDEL S.p.a. recomienda sustituir los presores. VERIFICAR ademas el correcto funcionamiento del soporte del rodillo encolador. Limpiar cuidadosamente el perno de ortacion del soporte (Fig. 9.3 - 17). 18. Transcurridos cinco minutos, detenga la máquina y limpie el filtro de la cola del recipiente (Fig. 9.3 - 18). Al reanudar la producción, se aconseja utilizar cola nueva.
  • 576.
    Página dejada enblanco intencionalmente
  • 577.
    10 - MAN. I4390.ES.USM000(13/09/2013) DOC. ROLL4Evo.CAP.01.R00 (17/03/2008) 10 DOCUMENTACIÓN ADJUNTA Sidel S.p.A.. 1 CAP. 10 - DOCUMENTOS ANEXOS
  • 578.
    Página dejada enblanco intencionalmente
  • 579.
    ETIQUETA ENVUELTA DIMENSIÓN BxH CÓDIGOEQUIPOBOTELLA CÓDIGOANILLOCENTRADOR REGULACIÓNVELOCIDAD PLATILLOS(CORREA) REGULACIÓNLEVAPLATILLOS 1 600 MLSIN GAS NUEVO SAN MATEO ROJO 66,8 240 XX XX 146 XX XX XX XX XX 10 214X68 64,9 170 170 170 170 170 170 100 150 160 MAX MAX 3000 XX XX 10 2 600 MLCON GAS NUEVO SAN MATEO VERDE 67 240 XX XX 346,5 146 10 230 26,9 XX XX 68,5 21,7 XX 158 XX XX 79,5 111 240 115 13-15 140 200 2 10 214X68 64 118 2,8 170 170 170 170 170 170 100 150 160 1800 1800 1500 MAX MAX 3000 150 250 200 300 4 3 0 1,7 XX 214 XX 10 3900 3900 3 350 ML CON GAS NUEVO SAN MATEO AMARILLO 58 201 XX XX 115 XX XX XX XX XX 10 180X53 54,4 170 170 170 170 170 170 100 150 160 MAX MAX 3000 XX XX 10 4 350 ML SIN GAS NUEVO SAN MATEO BLANCO 58 201 XX XX 115 XX XX XX XX XX 10 180X53 54,4 170 170 170 170 170 170 100 150 160 MAX MAX 3000 XX XX 10 5 1500 ML NUEVO SAN MATEO AZULCELEST 92,1 311 XX XX 76 XX XX XX XX XX 10 293X92 88,7 170 170 170 170 170 170 100 150 160 MAX MAX 3000 XX XX 10 6 2500 ML SIN GAS NUEVO SAN MATEO NARANJA 110,3 357 XX XX 76 XX XX XX XX XX 10 346X102 106,3 170 170 170 170 170 170 100 150 160 MAX MAX 3000 XX XX 10 7 1500 ML NUEVO SAN MATEO DEPLATA 92,1 311 XX XX 757,0 75 105 75 50 XX XX 95,0 21,7 XX 197 XX XX 72 107 311 155 13-15 140 200 0 10 293X92 88,7 153 2,18 170 170 170 170 170 170 100 150 160 1700 2000 1500 MAX MAX 3000 150 250 200 300 4,5 3 0 1 XX 295 XX 10 3900 3900 PRESIÓNCARRUSEL(BAR) LEVAFASECANCELA/EMBRAGUE LEVAFASEDESBLOQUEOFRENO(INICIO) LEVAFASEDESBLOQUEOEMBRAGUE LEVAFASEBLOQUEOFRENO(TOPE) SLIPCOMPENSATION(l/min) REGULACIÓNSOPLODECORTE(l/min) REGULACIÓNSOPLODESDERODILLODE TRASFERENCIAABOTELLA(l/min) REGULACIÓNVACÍOPOST-GLUE(mb) REGULACIÓNVACÍODISTRIBUIDOR(mb) SINFÍNFORMATO ENVASE SOPORTERODILLOENCOLADORLADO OPERADOR(°C) PRESIÓNENTRADABOBINA(BAR) (PINCHROLLER) PATÍNSINIESTRODELJUNTADOR COD.RODILLODETRASFERENCIA PATÍNDERECHODELJUNTADOR CÓDICE REGULACIÓNVACÍOCORTE(mb) REGULACIÓNVACÍOPRE-GLUE(mb) TABLA DE EQUIPOS REV./CLIENTE: UNION DE CERVECERIAS PERUANAS BACKUS Y JOHNSTON S.A.A. OFFSETCORTE FASESUBIDARODILLOENCOLADOR(°) FORMATO ETIQUETA COD.CASQUETEDECORTE ALTURAENCOL ROLLQUATTRO F45 32TR HH3 S1E1 SX REGULACIÓNBLOWBLOCK2(l/min) MÁQUINA: GRUPO POSICIÓNFOTOCÉLULAEXT.LECTURA (W) POSICIÓNFOTOCÉLULAAPARATO EMPALMADOR(H) MD04_16 Rev.12 POSICIÓNENCODER ALTURASOPORTEBOBINAS FASECIERRECANCELA(°) FASEBAJADARODILLOENCOLADOR(°) ADELANTOCIERREPLACAA ADELANTOCIERREPLACAB ØPANELDEETIQUETADO CÓDIGOALISADO REPOSO(°C) EQUIPO LEVA GENERAL: REGULACIÓNEXPULSORETIQUETAENEL DISTRIBUIDORVACÍOS REGULACIÓNEXPULSORETIQUETAENEL SOPORTECUCHILLA SOPORTERODILLOENCOLADORLADO CARRUSEL(°C) REGULACIÓNVACÍOPRE-PAD(mb) MAT.: 4390 PARÁMETROS NEUMÁTICOS PRESIÓNBRAZODESBOBINADOR(BAR) PARÁMETROS JUNTADOR LONGITUDETIQUETA DIMENSIÓNMUESCA VENTANAMUESCA AJUSTETURBINAASPIRACION FILAMENTOSDEPEGAMENTO(VALORDE BASE80-100paraF25E;120paraF35E) REGULACIÓNVACÍOGLUE(mb) REGULACIÓNBLOWBLOCK1(l/min) H REGULACIÓNCÓCLEABASCULANTEEN ELCARRO CÓDIGOSECTORLEVA COLA(°C) DESPLAZAMIENTOCARROSOPORTE CÓCLEA REGULACIÓNBORDECÓCLEA DESPLAZAMIENTOGRUPO POSICIÓNFOTOCÉLULAAPARATO EMPALMADOR(N) DESCRIPCIÓN Ø VENTANALECTURAMUESCA POSICIÓNRODILLOBASCULANTE(K) POSICIÓNFOTOCÉLULAINT.LECTURA MUESCA(Y) POSICIÓNANGULARCUCHILLA POSICIÓNCÉLULAFOTOÉLECTRICA ALINEADOR(X) ALTURAGRUPO OFFSETTAMBOR BOTELLA SIDEL EPS Division COLOR PARÁMETROS TÉRMICOS SOPORTERODILLOENCOLADOR(°C) RODILLOENCOLADORGRAFILADO(°C) TUBOENTRADA(°C) TUBODERETORNO(°C) TINADECOLA(°C) ALTURACABEZAL MD04_16 tabella marcia_rev 12-4390.xls 1/1