I
Vencimiento consulta pública: 2008.07.11
PROYECTO DE NORMA EN CONSULTA PUBLICA NCh2080.cR2008
Tapas y anillos para cámaras de válvulas de agua potable
y para cámaras de inspección de alcantarillado público
Preámbulo
El Instituto Nacional de Normalización, INN, es el organismo que tiene a su cargo el
estudio y preparación de las normas técnicas a nivel nacional. Es miembro de la
INTERNATIONAL ORGANIZATION FOR STANDARDIZATION (ISO) y de la COMISION
PANAMERICANA DE NORMAS TECNICAS (COPANT), representando a Chile ante esos
organismos.
Este proyecto de norma se estudió a través del Comité Técnico Tapas de fierro fundido
con hormigón para establecer:
- La terminología, la clasificación, los materiales, los principios de construcción y de
ensayo, así como el marcado de las tapas y anillos para el cierre de cámaras de
válvulas de agua potable y para cámaras de inspección de alcantarillado público.
- Los requisitos para tapas y anillo de hormigón armado, de fundición esferoidal, con o
sin relleno de hormigón.
- Fijar las dimensiones mínimas para asegurar la intercambiabilidad de las tapas de una
misma clase y material.
Por no existir norma internacional, en la elaboración de este proyecto de norma se han
tomado en consideración la norma europea EN 124:1994 Dispositivos de cubrimiento y
de cierre para zonas de circulación utilizados por peatones y vehículos - Principios de
construcción, ensayos tipo, marcado, control de calidad, la norma chilena
NCh2080.Of2000 Tapas y anillos para cámaras de válvulas de agua potable y para
cámaras de inspección de alcantarillado público y antecedentes técnicos nacionales.
NCh2080
II
El proyecto de norma NCh2080 ha sido preparado por la División de Normas del
Instituto Nacional de Normalización.
El Anexo A forma parte del proyecto de norma.
Este proyecto de norma anulará y reemplazará, cuando sea declarado Norma Chilena
Oficial, a la norma NCh2080.Of2000 Tapas y anillos para cámaras de válvulas de agua
potable y para cámaras de inspección de alcantarillado público, declarada Oficial de la
República por Decreto N°1081, del Ministerio de Obras Públicas, de fecha 30 de marzo
de 2000, publicado en el Diario Oficial del 27 de abril de 2000.
1
Vencimiento consulta pública: 2008.07.11
PROYECTO DE NORMA EN CONSULTA PUBLICA NCh2080.cR2008
Tapas y anillos para cámaras de válvulas de agua potable
y para cámaras de inspección de alcantarillado público
1 Alcance y campo de aplicación
1.1 La presente norma tiene por objeto:
- Definir la terminología, la clasificación, los materiales, los principios de construcción
y de ensayo, así como el marcado de las tapas y anillos para el cierre de cámaras.
- Especificar los requisitos para tapas y anillo de hormigón armado, de fundición
esferoidal, con o sin relleno de hormigón.
- Fijar las dimensiones mínimas para asegurar la intercambiabilidad de las tapas de una
misma clase y material.
1.2 La presente norma se aplica a los dispositivos de cierre, compuestos por tapas y
anillos, para cámaras de válvulas de agua potable y para cámaras de inspección de
alcantarillado público, instalados dentro de las zonas de circulación vehicular, peatonal y
sometidos de forma permanente u ocasional a las solicitaciones de esta circulación o a
solicitaciones similares.
2 Referencias normativas
Los documentos referenciados siguientes son indispensables para la aplicación de esta
norma. Para referencias con fecha, sólo se aplica la edición citada. Para referencias sin
fecha se aplica la última edición del documento referenciado (incluyendo cualquier
enmienda).
NCh43 Selección de muestras al azar.
NCh44 Procedimientos de muestreo para inspección por atributos - Planes de
muestreo indexados por nivel de calidad aceptable (AQL) para la
inspección lote por lote.
NCh2080
2
NCh170 Hormigón - Requisitos generales.
NCh203 Acero para uso estructural - Requisitos.
NCh204 Acero - Barras laminadas en caliente para hormigón armado.
NCh1126 Fundición de hierro - Fundición esferoidal - Especificaciones.
INN 100-611 Certificación de conformidad - Modelos de certificación ISO/CASCO.
EN 681-2 Elastomeric seals - Material requirements for pipe joint seals used in
water and drainage applications - Thermoplastic elastomers.
3 Términos y definiciones
Para los propósitos de esta norma se aplican los términos y definiciones siguientes:
3.1 anillo: elemento fijo del dispositivo de cierre sobre el cual se coloca la tapa y le sirve
de base
3.2 apoyo: superficie inferior del anillo que descansa en la estructura soportante
3.3 armadura: malla de acero que resiste las solicitaciones de tracción del hormigón
armado y que se suelda al aro externo
3.4 aro externo: anillo perimetral de acero que sirve para soldar la armadura y confinar
el hormigón
3.5 asientos: superficies sobre las cuales reposan las tapas en su anillo
3.6 carga de prueba: fuerza aplicada a los dispositivos de cierre durante los ensayos
3.7 cota de paso (CP): diámetro del mayor círculo que puede ser inscrito en la abertura
libre del anillo
3.8 dispositivo de cierre: parte superior de una cámara de inspección, compuesta por un
anillo y una tapa (ver Figura 1)
3.9 holgura: las cotas a1 y a2 entre anillo y tapa, según se indica en Figura 1
3.10 orificios de ventilación: aberturas practicadas en las tapas para permitir su
aireación
3.11 profundidad de empotramiento: cota A de Figura 1. La altura del anillo y la cota
mínima de empotramiento, varían de acuerdo a la clasificación de los dispositivos
3.12 soporte elástico: material fijado al anillo o a la tapa que permite obtener un
asentamiento estable y silencioso
3.13 tapa: elemento móvil del dispositivo de cierre que cubre la apertura de la cámara
NCh2080
3
4 Clasificación y lugar de utilización
Los dispositivos de cierre se clasifican de acuerdo a lo indicado en Tabla 1 y en ésta
misma se establece una recomendación de lugar de utilización para cada una de las
clases, en Figura 2 se muestran algunos lugares de aplicación. La elección de la clase
apropiada es responsabilidad del proyectista. En caso de duda sobre la clase a utilizar se
elegirá la clase mayor.
Tabla 1- Clasificación y lugar de utilización recomendado
Clase Lugar de utilización recomendado
125 Aceras, zonas peatonales sin tránsito vehicular.
250 Cuneta de calles (entre acera y calzada) y áreas de estacionamiento para automóviles.
400 Calzadas y áreas de estacionamiento para todo tipo de vehículos.
600
Areas por las que circulan vehículos de gran tonelaje, por ejemplo pavimento de
aeropuertos, muelles.
900 Zonas sometidas a cargas particularmente elevadas.
5 Materiales
5.1 Disposiciones generales
Los materiales utilizados para la fabricación de los dispositivos de cierre (ver Figura 1)
deben ser alguno de los materiales que se especifican en Tabla 2.
Tabla 2 - Materiales para fabricación de dispositivos de cierre
Parte Material
1) Tapas - Hormigón armado
- Fundición esferoidal
2) Anillos - Fundición esferoidal
3) Rellenos - Hormigón
5.2 Requisitos de los materiales
Los materiales deben cumplir las normas señaladas a continuación:
- Fundición esferoidal : NCh1126.
- Hormigón : NCh170.
- Acero - aro externo : NCh203.
- Acero - armadura : NCh204.
- Sello elastomérico : EN 681-2.
NCh2080
4
6 Resistencia mecánica
Las tapas deben resistir las cargas de ensayo indicadas en Tabla 3, de acuerdo al
método de ensayo descrito en cláusula 9.
Tabla 3 - Cargas de ensayo, según clasificación
Carga de ensayo
Clase
kN
125 125
250 250
400 400
600 600
900 900
7 Especificaciones de construcción
7.1 Generalidades
7.1.1 Los dispositivos de cierre deben estar exentos de defectos susceptibles de
comprometer el uso de los mismos.
7.1.2 Cuando se utiliza un metal en combinación con hormigón u otro material, se debe
obtener entre ellos una adherencia satisfactoria, de manera tal que el hormigón no se
desprenda por el simple paso de vehículos.
7.1.3 Las tapas y anillos de clase y materiales similares deben ser intercambiables.
7.2 Dimensiones
Las tapas deben ser circulares y su anillo circular o poligonal con un mínimo de cuatro
ángulos, inscrito en una circunferencia mínima de 850 mm, incluyendo las pestañas
perforadas de anclaje. La cota de paso debe ser 600 mm según lo indicado en las figuras de
Anexo A. Para casos especiales el proyectista podrá definir una cota de 800 mm.
7.3 Profundidad de empotramiento
La profundidad de empotramiento debe ser como mínimo 50 mm. Ver Anexo A.
7.4 Holgura
Se admite que la holgura dé lugar a desplazamientos horizontales de la tapa en su anillo
(ver Figura 1). Para limitar este desplazamiento, la holgura debe ser mínimo 3 mm y
máximo 7 mm en cada lado del dispositivo (a1 y a2) y la suma total de las holguras
(a1 + a2) debe ser como máximo 9 mm.
NCh2080
5
7.5 Asientos
El asentamiento del dispositivo de cierre debe ser estable y silencioso. Además debe
permitir la salida de eventuales gases acumulados en el alcantarillado. De especificarse
la colocación de un sello elastomérico para alcanzar los objetivos anteriores, éste no
puede cubrir la totalidad del perímetro del dispositivo de cierre.
7.6 Estado de la superficie
7.6.1 La superficie superior de las tapas y anillos de las clases 400, 600 y 900 deben ser
planas con una tolerancia del 1% de la cota de paso limitada a un máximo de 6 mm.
7.6.2 Cuando el dispositivo de cierre es de fundición esferoidal, la superficie superior
debe llevar un dibujo, que permita que esta superficie sea no-deslizante y facilite el
escurrimiento de las aguas lluvias. La altura del dibujo del relieve debe ser mínimo 2 mm
y máximo 6 mm para las clases 125 y 250 y mínimo 3 mm y máximo 8 mm para las
clases 400, 600 y 900. La tapa debe llevar el dibujo en al menos un 50% de su
superficie. El diseño del dibujo superficial es de libre elección del mandante y/o
fabricante.
7.7 Aseguramiento de la tapa en su anillo
7.7.1 La tapa debe estar asegurada dentro de su anillo para cumplir con las condiciones
requeridas pertinentes al tráfico del lugar de instalación, de acuerdo con su clasificación. Esto
se puede lograr por uno de los procedimientos siguientes:
- Con cerrojos y/o pernos.
- Con suficiente masa superficial.
- Con bisagras.
- Con otros elementos.
7.7.2 El diseño de estos elementos debe asegurar la intercambiabilidad y permitir que
las tapas puedan ser abiertas por medio de herramientas de uso normal.
7.8 Recubrimiento
Las piezas de acero que se encuentren a la intemperie deben ser protegidas mediante
pinturas epóxicas, polietileno u otros similares. No se requiere de recubrimiento de las
piezas de fundición esferoidal por motivos de corrosión; sin embargo, de justificarse
técnicamente, la empresa prestadora del servicio en la etapa de proyecto, puede requerir
algún sistema de protección anticorrosiva para dichas piezas.
NCh2080
6
7.9 Sistema de anclaje
El diseño de los anillos de fundición esferoidal debe incluir al menos cuatro orejas para
pernos de anclaje, cada una con una perforación de 19 3
1
+
− mm.
7.10 Altura del anillo
La altura del anillo (A en Figura 1) debe ser la indicada en Tabla 4, de acuerdo al material
del dispositivo.
Tabla 4 - Altura del anillo, según material de la tapa
Altura anillo
Material
mm
Hormigón armado 120 ± 2
Fundición esferoidal 75 ± 2
Fundición esferoidal con hormigón 75 ± 2
NOTA - Estas alturas están especificadas en las figuras de Anexo A.
7.11 Hormigón
7.11.1 El hormigón a emplearse en las tapas de hormigón armado y relleno debe ser del
grado H45 con un 90% de confianza, según NCh170.
7.11.2 Cuando se usa armadura de acero, el recubrimiento de hormigón sobre el acero
tendrá como mínimo 20 mm en todos los lados.
8 Diseño
El diseño de los tipos de dispositivos de la presente norma se puede apreciar en las
figuras adjuntas en Anexo A. En estas figuras se incluyen las dimensiones que se deben
respetar para garantizar la intercambiabilidad de dispositivos de cierre de una misma
clase y material. Cabe mencionar que el diseño de detalle queda al criterio del fabricante
y mandante. El diseño debe asegurar la intercambiabilidad de las tapas de una misma
clase y material cualquiera sea su fabricante.
9 Ensayo de resistencia mecánica
9.1 Los dispositivos de cierre se deben someter a un ensayo de resistencia mecánica. La
tapa del dispositivo de cierre se debe apoyar en su correspondiente anillo o en anillo
especial (similar), el cual debe descansar sobre un apoyo circular continuo en la máquina
de ensayo.
NCh2080
7
9.2 Carga de ensayo
La carga de ensayo para los ensayos de los dispositivos de cierre debe ser la que se
especifica en Tabla 6.
Tabla 6 - Carga de ensayo
Carga de ensayo
Clase
kN
125 125
250 250
400 400
600 600
900 900
9.3 Dispositivo de control
9.3.1 La máquina de ensayo, preferentemente una prensa hidráulica, debe poder ejercer
una fuerza superior a la carga de ensayo en un 25%, como mínimo.
9.3.2 La tolerancia relativa a la carga de ensayo debe estar comprendida entre ± 3%.
Las dimensiones del plato de la máquina de ensayos deben ser superiores a las del
apoyo de la muestra.
9.3.3 El diámetro y la forma del plato de carga se indica en Figura 3.
9.3.4 El plato de carga debe estar colocado sobre el dispositivo de cierre (tapa y anillo)
de forma tal que su eje esté perpendicular a la superficie, y coincida con el centro
geométrico de la tapa, apoyándose ésta normalmente en su anillo.
9.3.5 La carga de ensayo se debe repartir uniformemente sobre toda la superficie del
plato de carga y las desigualdades compensadas por medio de la interposición de un
disco de igual diámetro, por ejemplo de madera blanda, fibra de madera, fieltro, goma o
materiales similares, colocada entre el plato de la máquina y el apoyo, y entre la tapa y
el plato de carga. Las dimensiones del disco colocado bajo el plato de carga no deben
exceder las dimensiones de éste.
9.4 Método de ensayo
9.4.1 Todos los dispositivos de cierre deben ser sometidos a los ensayos siguientes:
- Medición de la flecha residual de la tapa, después de aplicar 2/3 de la carga de
ensayo.
- Aplicación de la carga de ensayo y control de fisuras.
NCh2080
8
9.4.2 Medición de la flecha residual de la tapa después de aplicar los 2/3 de la carga de
ensayo y control de fisuras
9.4.2.1 La velocidad de carga debe estar comprendida entre 1 kN/s y 3 kN/s y aplicada
uniformemente hasta los 2/3 de la carga de ensayo. La carga de ensayo es entonces
liberada; esta operación debe ser repetida cinco veces.
9.4.2.2 Se debe medir la flecha residual que corresponde a la diferencia de los valores
medidos antes de la primera y después de la quinta puesta en carga; no debe sobrepasar
los 2 mm.
9.4.2.3 En las muestras de hormigón armado no debe aparecer ninguna fisura de una
anchura mayor que 0,2 mm al término del ensayo.
9.4.3 Aplicación de la carga de ensayo
9.4.3.1 Al final del ensayo descrito, se efectúa una puesta en carga a una velocidad
uniforme comprendida entre 1 kN/s y 3 kN/s, sin paradas hasta que se alcance la carga
de ensayo. Esta se debe mantener al menos durante 1 min. En las muestras fabricadas
con los materiales citados en la presente norma no debe aparecer durante el ensayo
ninguna nueva fisura.
9.4.3.2 Para las tapas que están realizadas en hormigón armado, la aplicación de la
carga de ensayo no debe ocasionar una pérdida de adherencia entre el hormigón y las
armaduras de acero.
10 Certificación
10.1 La certificación de los requisitos señalados en esta norma debe ser otorgada por un
Organismo de Certificación de Productos acreditado en el INN. Se podrán aplicar los
modelos de certificación de productos ISO/CASCO 5 o ISO/CASCO 7 de acuerdo al
documento INN 100-611.
10.2 La evaluación de la conformidad del producto se debe realizar con respecto a todos
los requisitos especificados en esta norma, es decir, no se puede aplicar de manera parcial
o a partes de la tapa.
10.3 Certificación por lote (ISO CASCO 7)
10.3.1 Para el requisito de resistencia mecánica (ver cláusula 6), se debe aplicar un nivel
de inspección especial S1 según NCh44 con un AQL 2,5.
NCh2080
9
10.3.2 Para los otros requisitos se aplica los criterios siguientes:
- AQL 2,5 para defectos mayores de una muestra tomada según nivel de inspección
general II partiendo de inspección simple normal y aplicando los criterios de NCh44.
- AQL 4,0 para defectos menores de una muestra tomada según nivel de inspección
general II partiendo de inspección simple normal y aplicando criterios de NCh44.
10.4 Clasificación de defectos
10.4.1 Defectos mayores
- Resistencia del hormigón (ver 7.11).
- Dimensiones (ver 7.2; 7.3; 7.4 y 7.10).
- Asientos (ver 7.5).
- Sistema de anclaje (ver 7.9).
10.4.2 Defectos menores
- Dibujo superficial (ver 7.6).
- Aseguramiento (ver 7.7).
- Recubrimiento (ver 7.8). El recubrimiento se debe considerar defecto mayor cuando la
especificación del proyecto así lo requiera.
11 Marcado
Todas las tapas deben llevar un marcado en forma legible e indeleble, indicando:
- referencia a la presente norma;
- la clase;
- nombre y marcas del fabricante;
- nombre de empresa sanitaria (a pedido del mandante);
- uso (Agua potable o alcantarillado);
- Nombre del organismo certificador;
- referencia a la certificación (NCh2080).
NCh2080
10
NCh2080
11
NCh2080
12
NCh2080
13
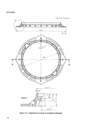
Anexo A
(Normativo)
Dibujos tipos para anillos y tapas
NCh2080
14
NCh2080
15
NCh2080
16

Nch 2080

  • 1.
    I Vencimiento consulta pública:2008.07.11 PROYECTO DE NORMA EN CONSULTA PUBLICA NCh2080.cR2008 Tapas y anillos para cámaras de válvulas de agua potable y para cámaras de inspección de alcantarillado público Preámbulo El Instituto Nacional de Normalización, INN, es el organismo que tiene a su cargo el estudio y preparación de las normas técnicas a nivel nacional. Es miembro de la INTERNATIONAL ORGANIZATION FOR STANDARDIZATION (ISO) y de la COMISION PANAMERICANA DE NORMAS TECNICAS (COPANT), representando a Chile ante esos organismos. Este proyecto de norma se estudió a través del Comité Técnico Tapas de fierro fundido con hormigón para establecer: - La terminología, la clasificación, los materiales, los principios de construcción y de ensayo, así como el marcado de las tapas y anillos para el cierre de cámaras de válvulas de agua potable y para cámaras de inspección de alcantarillado público. - Los requisitos para tapas y anillo de hormigón armado, de fundición esferoidal, con o sin relleno de hormigón. - Fijar las dimensiones mínimas para asegurar la intercambiabilidad de las tapas de una misma clase y material. Por no existir norma internacional, en la elaboración de este proyecto de norma se han tomado en consideración la norma europea EN 124:1994 Dispositivos de cubrimiento y de cierre para zonas de circulación utilizados por peatones y vehículos - Principios de construcción, ensayos tipo, marcado, control de calidad, la norma chilena NCh2080.Of2000 Tapas y anillos para cámaras de válvulas de agua potable y para cámaras de inspección de alcantarillado público y antecedentes técnicos nacionales.
  • 2.
    NCh2080 II El proyecto denorma NCh2080 ha sido preparado por la División de Normas del Instituto Nacional de Normalización. El Anexo A forma parte del proyecto de norma. Este proyecto de norma anulará y reemplazará, cuando sea declarado Norma Chilena Oficial, a la norma NCh2080.Of2000 Tapas y anillos para cámaras de válvulas de agua potable y para cámaras de inspección de alcantarillado público, declarada Oficial de la República por Decreto N°1081, del Ministerio de Obras Públicas, de fecha 30 de marzo de 2000, publicado en el Diario Oficial del 27 de abril de 2000.
  • 3.
    1 Vencimiento consulta pública:2008.07.11 PROYECTO DE NORMA EN CONSULTA PUBLICA NCh2080.cR2008 Tapas y anillos para cámaras de válvulas de agua potable y para cámaras de inspección de alcantarillado público 1 Alcance y campo de aplicación 1.1 La presente norma tiene por objeto: - Definir la terminología, la clasificación, los materiales, los principios de construcción y de ensayo, así como el marcado de las tapas y anillos para el cierre de cámaras. - Especificar los requisitos para tapas y anillo de hormigón armado, de fundición esferoidal, con o sin relleno de hormigón. - Fijar las dimensiones mínimas para asegurar la intercambiabilidad de las tapas de una misma clase y material. 1.2 La presente norma se aplica a los dispositivos de cierre, compuestos por tapas y anillos, para cámaras de válvulas de agua potable y para cámaras de inspección de alcantarillado público, instalados dentro de las zonas de circulación vehicular, peatonal y sometidos de forma permanente u ocasional a las solicitaciones de esta circulación o a solicitaciones similares. 2 Referencias normativas Los documentos referenciados siguientes son indispensables para la aplicación de esta norma. Para referencias con fecha, sólo se aplica la edición citada. Para referencias sin fecha se aplica la última edición del documento referenciado (incluyendo cualquier enmienda). NCh43 Selección de muestras al azar. NCh44 Procedimientos de muestreo para inspección por atributos - Planes de muestreo indexados por nivel de calidad aceptable (AQL) para la inspección lote por lote.
  • 4.
    NCh2080 2 NCh170 Hormigón -Requisitos generales. NCh203 Acero para uso estructural - Requisitos. NCh204 Acero - Barras laminadas en caliente para hormigón armado. NCh1126 Fundición de hierro - Fundición esferoidal - Especificaciones. INN 100-611 Certificación de conformidad - Modelos de certificación ISO/CASCO. EN 681-2 Elastomeric seals - Material requirements for pipe joint seals used in water and drainage applications - Thermoplastic elastomers. 3 Términos y definiciones Para los propósitos de esta norma se aplican los términos y definiciones siguientes: 3.1 anillo: elemento fijo del dispositivo de cierre sobre el cual se coloca la tapa y le sirve de base 3.2 apoyo: superficie inferior del anillo que descansa en la estructura soportante 3.3 armadura: malla de acero que resiste las solicitaciones de tracción del hormigón armado y que se suelda al aro externo 3.4 aro externo: anillo perimetral de acero que sirve para soldar la armadura y confinar el hormigón 3.5 asientos: superficies sobre las cuales reposan las tapas en su anillo 3.6 carga de prueba: fuerza aplicada a los dispositivos de cierre durante los ensayos 3.7 cota de paso (CP): diámetro del mayor círculo que puede ser inscrito en la abertura libre del anillo 3.8 dispositivo de cierre: parte superior de una cámara de inspección, compuesta por un anillo y una tapa (ver Figura 1) 3.9 holgura: las cotas a1 y a2 entre anillo y tapa, según se indica en Figura 1 3.10 orificios de ventilación: aberturas practicadas en las tapas para permitir su aireación 3.11 profundidad de empotramiento: cota A de Figura 1. La altura del anillo y la cota mínima de empotramiento, varían de acuerdo a la clasificación de los dispositivos 3.12 soporte elástico: material fijado al anillo o a la tapa que permite obtener un asentamiento estable y silencioso 3.13 tapa: elemento móvil del dispositivo de cierre que cubre la apertura de la cámara
  • 5.
    NCh2080 3 4 Clasificación ylugar de utilización Los dispositivos de cierre se clasifican de acuerdo a lo indicado en Tabla 1 y en ésta misma se establece una recomendación de lugar de utilización para cada una de las clases, en Figura 2 se muestran algunos lugares de aplicación. La elección de la clase apropiada es responsabilidad del proyectista. En caso de duda sobre la clase a utilizar se elegirá la clase mayor. Tabla 1- Clasificación y lugar de utilización recomendado Clase Lugar de utilización recomendado 125 Aceras, zonas peatonales sin tránsito vehicular. 250 Cuneta de calles (entre acera y calzada) y áreas de estacionamiento para automóviles. 400 Calzadas y áreas de estacionamiento para todo tipo de vehículos. 600 Areas por las que circulan vehículos de gran tonelaje, por ejemplo pavimento de aeropuertos, muelles. 900 Zonas sometidas a cargas particularmente elevadas. 5 Materiales 5.1 Disposiciones generales Los materiales utilizados para la fabricación de los dispositivos de cierre (ver Figura 1) deben ser alguno de los materiales que se especifican en Tabla 2. Tabla 2 - Materiales para fabricación de dispositivos de cierre Parte Material 1) Tapas - Hormigón armado - Fundición esferoidal 2) Anillos - Fundición esferoidal 3) Rellenos - Hormigón 5.2 Requisitos de los materiales Los materiales deben cumplir las normas señaladas a continuación: - Fundición esferoidal : NCh1126. - Hormigón : NCh170. - Acero - aro externo : NCh203. - Acero - armadura : NCh204. - Sello elastomérico : EN 681-2.
  • 6.
    NCh2080 4 6 Resistencia mecánica Lastapas deben resistir las cargas de ensayo indicadas en Tabla 3, de acuerdo al método de ensayo descrito en cláusula 9. Tabla 3 - Cargas de ensayo, según clasificación Carga de ensayo Clase kN 125 125 250 250 400 400 600 600 900 900 7 Especificaciones de construcción 7.1 Generalidades 7.1.1 Los dispositivos de cierre deben estar exentos de defectos susceptibles de comprometer el uso de los mismos. 7.1.2 Cuando se utiliza un metal en combinación con hormigón u otro material, se debe obtener entre ellos una adherencia satisfactoria, de manera tal que el hormigón no se desprenda por el simple paso de vehículos. 7.1.3 Las tapas y anillos de clase y materiales similares deben ser intercambiables. 7.2 Dimensiones Las tapas deben ser circulares y su anillo circular o poligonal con un mínimo de cuatro ángulos, inscrito en una circunferencia mínima de 850 mm, incluyendo las pestañas perforadas de anclaje. La cota de paso debe ser 600 mm según lo indicado en las figuras de Anexo A. Para casos especiales el proyectista podrá definir una cota de 800 mm. 7.3 Profundidad de empotramiento La profundidad de empotramiento debe ser como mínimo 50 mm. Ver Anexo A. 7.4 Holgura Se admite que la holgura dé lugar a desplazamientos horizontales de la tapa en su anillo (ver Figura 1). Para limitar este desplazamiento, la holgura debe ser mínimo 3 mm y máximo 7 mm en cada lado del dispositivo (a1 y a2) y la suma total de las holguras (a1 + a2) debe ser como máximo 9 mm.
  • 7.
    NCh2080 5 7.5 Asientos El asentamientodel dispositivo de cierre debe ser estable y silencioso. Además debe permitir la salida de eventuales gases acumulados en el alcantarillado. De especificarse la colocación de un sello elastomérico para alcanzar los objetivos anteriores, éste no puede cubrir la totalidad del perímetro del dispositivo de cierre. 7.6 Estado de la superficie 7.6.1 La superficie superior de las tapas y anillos de las clases 400, 600 y 900 deben ser planas con una tolerancia del 1% de la cota de paso limitada a un máximo de 6 mm. 7.6.2 Cuando el dispositivo de cierre es de fundición esferoidal, la superficie superior debe llevar un dibujo, que permita que esta superficie sea no-deslizante y facilite el escurrimiento de las aguas lluvias. La altura del dibujo del relieve debe ser mínimo 2 mm y máximo 6 mm para las clases 125 y 250 y mínimo 3 mm y máximo 8 mm para las clases 400, 600 y 900. La tapa debe llevar el dibujo en al menos un 50% de su superficie. El diseño del dibujo superficial es de libre elección del mandante y/o fabricante. 7.7 Aseguramiento de la tapa en su anillo 7.7.1 La tapa debe estar asegurada dentro de su anillo para cumplir con las condiciones requeridas pertinentes al tráfico del lugar de instalación, de acuerdo con su clasificación. Esto se puede lograr por uno de los procedimientos siguientes: - Con cerrojos y/o pernos. - Con suficiente masa superficial. - Con bisagras. - Con otros elementos. 7.7.2 El diseño de estos elementos debe asegurar la intercambiabilidad y permitir que las tapas puedan ser abiertas por medio de herramientas de uso normal. 7.8 Recubrimiento Las piezas de acero que se encuentren a la intemperie deben ser protegidas mediante pinturas epóxicas, polietileno u otros similares. No se requiere de recubrimiento de las piezas de fundición esferoidal por motivos de corrosión; sin embargo, de justificarse técnicamente, la empresa prestadora del servicio en la etapa de proyecto, puede requerir algún sistema de protección anticorrosiva para dichas piezas.
  • 8.
    NCh2080 6 7.9 Sistema deanclaje El diseño de los anillos de fundición esferoidal debe incluir al menos cuatro orejas para pernos de anclaje, cada una con una perforación de 19 3 1 + − mm. 7.10 Altura del anillo La altura del anillo (A en Figura 1) debe ser la indicada en Tabla 4, de acuerdo al material del dispositivo. Tabla 4 - Altura del anillo, según material de la tapa Altura anillo Material mm Hormigón armado 120 ± 2 Fundición esferoidal 75 ± 2 Fundición esferoidal con hormigón 75 ± 2 NOTA - Estas alturas están especificadas en las figuras de Anexo A. 7.11 Hormigón 7.11.1 El hormigón a emplearse en las tapas de hormigón armado y relleno debe ser del grado H45 con un 90% de confianza, según NCh170. 7.11.2 Cuando se usa armadura de acero, el recubrimiento de hormigón sobre el acero tendrá como mínimo 20 mm en todos los lados. 8 Diseño El diseño de los tipos de dispositivos de la presente norma se puede apreciar en las figuras adjuntas en Anexo A. En estas figuras se incluyen las dimensiones que se deben respetar para garantizar la intercambiabilidad de dispositivos de cierre de una misma clase y material. Cabe mencionar que el diseño de detalle queda al criterio del fabricante y mandante. El diseño debe asegurar la intercambiabilidad de las tapas de una misma clase y material cualquiera sea su fabricante. 9 Ensayo de resistencia mecánica 9.1 Los dispositivos de cierre se deben someter a un ensayo de resistencia mecánica. La tapa del dispositivo de cierre se debe apoyar en su correspondiente anillo o en anillo especial (similar), el cual debe descansar sobre un apoyo circular continuo en la máquina de ensayo.
  • 9.
    NCh2080 7 9.2 Carga deensayo La carga de ensayo para los ensayos de los dispositivos de cierre debe ser la que se especifica en Tabla 6. Tabla 6 - Carga de ensayo Carga de ensayo Clase kN 125 125 250 250 400 400 600 600 900 900 9.3 Dispositivo de control 9.3.1 La máquina de ensayo, preferentemente una prensa hidráulica, debe poder ejercer una fuerza superior a la carga de ensayo en un 25%, como mínimo. 9.3.2 La tolerancia relativa a la carga de ensayo debe estar comprendida entre ± 3%. Las dimensiones del plato de la máquina de ensayos deben ser superiores a las del apoyo de la muestra. 9.3.3 El diámetro y la forma del plato de carga se indica en Figura 3. 9.3.4 El plato de carga debe estar colocado sobre el dispositivo de cierre (tapa y anillo) de forma tal que su eje esté perpendicular a la superficie, y coincida con el centro geométrico de la tapa, apoyándose ésta normalmente en su anillo. 9.3.5 La carga de ensayo se debe repartir uniformemente sobre toda la superficie del plato de carga y las desigualdades compensadas por medio de la interposición de un disco de igual diámetro, por ejemplo de madera blanda, fibra de madera, fieltro, goma o materiales similares, colocada entre el plato de la máquina y el apoyo, y entre la tapa y el plato de carga. Las dimensiones del disco colocado bajo el plato de carga no deben exceder las dimensiones de éste. 9.4 Método de ensayo 9.4.1 Todos los dispositivos de cierre deben ser sometidos a los ensayos siguientes: - Medición de la flecha residual de la tapa, después de aplicar 2/3 de la carga de ensayo. - Aplicación de la carga de ensayo y control de fisuras.
  • 10.
    NCh2080 8 9.4.2 Medición dela flecha residual de la tapa después de aplicar los 2/3 de la carga de ensayo y control de fisuras 9.4.2.1 La velocidad de carga debe estar comprendida entre 1 kN/s y 3 kN/s y aplicada uniformemente hasta los 2/3 de la carga de ensayo. La carga de ensayo es entonces liberada; esta operación debe ser repetida cinco veces. 9.4.2.2 Se debe medir la flecha residual que corresponde a la diferencia de los valores medidos antes de la primera y después de la quinta puesta en carga; no debe sobrepasar los 2 mm. 9.4.2.3 En las muestras de hormigón armado no debe aparecer ninguna fisura de una anchura mayor que 0,2 mm al término del ensayo. 9.4.3 Aplicación de la carga de ensayo 9.4.3.1 Al final del ensayo descrito, se efectúa una puesta en carga a una velocidad uniforme comprendida entre 1 kN/s y 3 kN/s, sin paradas hasta que se alcance la carga de ensayo. Esta se debe mantener al menos durante 1 min. En las muestras fabricadas con los materiales citados en la presente norma no debe aparecer durante el ensayo ninguna nueva fisura. 9.4.3.2 Para las tapas que están realizadas en hormigón armado, la aplicación de la carga de ensayo no debe ocasionar una pérdida de adherencia entre el hormigón y las armaduras de acero. 10 Certificación 10.1 La certificación de los requisitos señalados en esta norma debe ser otorgada por un Organismo de Certificación de Productos acreditado en el INN. Se podrán aplicar los modelos de certificación de productos ISO/CASCO 5 o ISO/CASCO 7 de acuerdo al documento INN 100-611. 10.2 La evaluación de la conformidad del producto se debe realizar con respecto a todos los requisitos especificados en esta norma, es decir, no se puede aplicar de manera parcial o a partes de la tapa. 10.3 Certificación por lote (ISO CASCO 7) 10.3.1 Para el requisito de resistencia mecánica (ver cláusula 6), se debe aplicar un nivel de inspección especial S1 según NCh44 con un AQL 2,5.
  • 11.
    NCh2080 9 10.3.2 Para losotros requisitos se aplica los criterios siguientes: - AQL 2,5 para defectos mayores de una muestra tomada según nivel de inspección general II partiendo de inspección simple normal y aplicando los criterios de NCh44. - AQL 4,0 para defectos menores de una muestra tomada según nivel de inspección general II partiendo de inspección simple normal y aplicando criterios de NCh44. 10.4 Clasificación de defectos 10.4.1 Defectos mayores - Resistencia del hormigón (ver 7.11). - Dimensiones (ver 7.2; 7.3; 7.4 y 7.10). - Asientos (ver 7.5). - Sistema de anclaje (ver 7.9). 10.4.2 Defectos menores - Dibujo superficial (ver 7.6). - Aseguramiento (ver 7.7). - Recubrimiento (ver 7.8). El recubrimiento se debe considerar defecto mayor cuando la especificación del proyecto así lo requiera. 11 Marcado Todas las tapas deben llevar un marcado en forma legible e indeleble, indicando: - referencia a la presente norma; - la clase; - nombre y marcas del fabricante; - nombre de empresa sanitaria (a pedido del mandante); - uso (Agua potable o alcantarillado); - Nombre del organismo certificador; - referencia a la certificación (NCh2080).
  • 12.
  • 13.
  • 14.
  • 15.
  • 16.
  • 17.
  • 18.