RAFAEL RUIZ MARTIN 1
ESCUELA POLITÉCNICA SUPERIOR.
ESPECIALIDAD ELECTRICA
Diseño, montaje electromecánico y bus de datos de un
entrenador frigorífico para el laboratorio de Máquinas y
Motores Térmicos.
Proyecto previo a la obtención del título:
INGENIERO TÉCNICO INDUSTRIAL. ESP. ELECTRICIDAD
RAFAEL RUIZ MARTIN
DIRECTOR: D. ALBERTO FERNÁNDEZ GUTIÉRREZ
MÁLAGA, SEPTIEMBRE 2015
RAFAEL RUIZ MARTIN 2
CERTIFICACIÓN DE LA ELABORACIÓN DEL PROYECTO.
El proyecto “ DISEÑO, MONTAJE ELECTROMECÁNICO Y BUS DE DATOS DE
UN ENTRENADOR FRIGORÍFICO PARA EL LABORATORIO DE MÁQUINAS Y
MOTORES TÉRMICOS” , ha sido realizado en su totalidad por Rafael Ruiz
Martin para la obtención del título de “ INGENIERO TÉCNICO INDUSTRIAL.
ESPECIALIDAD ELECTRICIDAD”.
DIRECTOR: D. Alberto Fernández Gutiérrez
Málaga, 2015
RAFAEL RUIZ MARTIN 3
1 ÍNDICE GENERAL DEL PROYECTO
Contenido
1 ÍNDICE GENERAL DEL PROYECTO………………………5
2 MEMORIA DESCRIPTIVA……………………………………9
2.1 Antecedentes ……………………………………… .9
2.2 Objetivos……………………………………………...9
2.3 Alcance………………………………………………..9
2.4 Definición y finalidad del proyecto………………..10
3 ANEXOS ………………………………………………………11
3.1 Anexo 1: Principio funcionamiento del entrenador
frigorífico…………………………………………… 11
3.1.1 Generalidades……………………………… 11
3.1.2 Funcionamiento Temperatura positiva…… 13
3.1.3 Funcionamiento temperatura negativa….. 14
3.1.4 Operación de desescarche…………………15
3.2 Anexo 2: Funcionamiento de los elementos de la
instalación y sus parámetros de trabajo.
3.2.1 Elementos instalación hidráulica ………….17
3.2.1.1 Compresor …………………… 17
3.2.1.2 Separador de aceite…………. 17
3.2.1.3 Condensador………………….. 18
3.2.1.4 Evaporador ……………………. 19
3.2.1.5 Depósito ………………………. 20
RAFAEL RUIZ MARTIN 4
3.2.1.6 Separador de líquido ………….20
3.2.1.7 Filtros de secado …………… 21
3.2.1.8 Intercambiador de calor……… 21
3.2.1.9 Válvula KVP ……………………22
3.2.1.10 Válvula KVR ……………………23
3.2.1.11 Válvula KVL……………………. 24
3.2.1.12 Válvula KVC…………………… 25
3.2.1.13 Válvula retención NRV ……… 26
3.2.1.14 Válvula diferencial NRD …….. 26
3.2.1.15 Electroválvula ………………….27
3.2.1.16 Válvula expansión termostática
3.2.1.17 Válvula regulación ……………. 29
3.2.1.18 Flujómetro o caudalímetro ….. 29
3.2.1.19 Presostato de alta y baja presión
3.2.1.20 Visor de humedad……………. 31
3.2.1.21 Situación en el cuadro ………. 32
3.2.2 Elementos instalación eléctrica …………. 35
3.2.2.1 Cuadro eléctrico………………. 35
3.2.2.2 Diferencial …………………… 35
3.2.2.3 Magnetotérmicos ………….... 35
3.2.2.4 Relé térmico ………………… 35
3.2.2.5 Ventiladores de los evaporadores
3.2.2.6 Reguladores ………………… 36
3.2.2.7 Acometida …………………….. 37
3.2.2.8 Unidad condensadora ……… 37
3.2.2.9 Compresor ……………………. 37
3.2.2.10 Electroválvulas ……………… 38
3.2.3 Elementos instalación mecánica ……….. 39
3.2.4 Elementos instalación bus de datos …… 40
3.2.4.1 Eliwell EM 300 LX…………….. 40
3.2.4.2 Eliwell ID985/E LX …………….41
3.2.4.3 Eliwell EWCM 900/E ………….42
3.2.4.4 Bus adaptador Eliwell ………. 42
3.2.4.5 Pc Interface 1110……………. 43
3.2.4.6 Software Eliwellnet …………… 44
3.2.4.7 Cable de datos………………… 44
RAFAEL RUIZ MARTIN 5
3.3 Anexo 3: Eliwell Net. Televis System ………… 45
3.3.1 Plant info……………………………………...48
3.3.2 User pages. ………………………………….49
3.3.2.1 Real time table………………… 50
3.3.2.2 Historical table………………… 50
3.3.2.3 Alarm status…………………… 52
3.3.2.4 Alarm history………………….. 54
3.3.2.5 Real time chart…………………56
3.3.2.5 Historical chart…………………´58
3.3.2.6 Commands…………………… 58
3.3.2.7 RVD…………………………… 59
3.3.3 Start Panel……………………………………61
3.3.4 Tools…………………………………………..63
3.3.4.1 Parameters…………………… 63
3.3.4.2 Backup data…………………….64
3.3.4.3 Activity logging………………… 64
3.3.5 Plant settings……………………………… 64
3.3.5.1 Identification………………….. 65
3.3.5.2 User and permissions………… 65
3.3.5.3 Network configuration………….66
3.3.5.4 Message recipients…………….66
3.3.5.5 Alarm management…………….66
3.3.5.6 Scheduler settings……………..66
3.3.5.7 Layout setup…………………... 66
3.3.5.8 Plant list………………………... 66
3.3.6 Control panel……………………………….. 67
3.3.7 Quit program ……………………………….. 67
3.3.8 Log off……………………………………….. 67
3.4 Anexo 4 :Protocolo Manual puesta en marcha..68
3.4.1 Acciones previas al arranque ……………. 68
3.4.1.1 Procedimiento del vacío………70
3.4.2 Arranque de la instalación …………………73
RAFAEL RUIZ MARTIN 6
3.5 Anexo 5: Manual Mantenimiento y reparación…77
4 PLIEGO DE CONDICIONES………………………………108
4.1 Normativa aplicada……………………………… 115
4.2 Pruebas y verificación
4.2.1 Pruebas estanqueidad…………………… 115
4.2.2 Ejecución……………………………………115
4.2.3 Verificaciones………………………………116
5 PRESUPUESTO…………………………………………… 118
6 PLANOS…………………………………………………… 119
6.1 Plano general…………………………………… 120
6.1.1 Vista frontal
6.1.2 Vista trasera
6.2 Plano instalación eléctrica ………………………123
6.3 Plano instalación hidráulica……………………..128
6.4 Plano instalación red bus de datos……………. 129
6.5 Plano de pantalla ……………………………… 130
7 BIBLIOGRAFÍA…………………………………………… 132
RAFAEL RUIZ MARTIN 7
RAFAEL RUIZ MARTIN 8
Agradecimientos
En primer lugar quiero agradecer a mis padres por la paciencia infinita que han
tenido primero cuando siendo joven me aguantaron frente a viento y marea, y
ahora, porque ellos han asumido parte de mis responsabilidades como padre
dejándome tiempo para poder terminar la carrera.
En segundo lugar a mi mujer la cual me ha propiciado las horas de estudio y
dedicación, a lo que yo quería hacer y que tantas horas de vacaciones ha
perdido por mi culpa, gracias ITA.
En tercer lugar a mis hijos que han sido el acicate de que yo esté aquí.
Y por último a la Escuela Universitaria Politécnica de Málaga y en especial a
D. Alberto Fernández Gutiérrez y Juan Jesús de la empresa Fricell por su
dedicación debido al tiempo que he tardado en hacerlo por cuestiones
laborales.
Gracias a todos.
RAFAEL RUIZ MARTIN 9
2 MEMORIA DESCRIPTIVA
2.1 Antecedentes
Se redacta la presente documentación del proyecto de diseño, montaje
electromecánico y de bus de datos de un entrenador frigorífico. Este trabajo ha
sido encargado por el profesor D. Alberto Fernández Gutiérrez, perteneciente al
departamento de Ingeniería Mecánica, Térmica y de Fluidos de la Universidad
de Málaga. La maqueta se ubicará concretamente en el laboratorio de L. 1517
del Área de Máquinas y Motores Térmicos, con domicilio en Calle Doctor Ortiz
Ramos s/n, Escuela Politécnica Superior, para que sirva como Proyecto Final
de Carrera de D. Rafael Ruiz Martín, y así tras su presentación y defensa del
proyecto adquiera el título de Ingeniero Técnico Industrial.
2.2 Objetivos
Diseño y montaje electromecánico de un entrenador frigorífico con el
montaje de un bus de datos de la marca Eliwell, registrado desde un pc.
Crear un manual de funcionamiento del entrenador para posteriores
reparaciones y modificaciones.
2.3 Alcance
Desarrollar un entrenador para el laboratorio de Termodinámica,
Climatización y Termotecnia para su utilización por los alumnos, los cuales
desarrollarán clases prácticas en este taller. La maqueta servirá como
entrenador frigorífico para adquirir competencias académicas en materias de
las titulaciones de Grado en Ingeniería Mecánica, Electricidad, Electrónica
Industrial y Diseño y Desarrollo del Producto, además de otras titulaciones que
imparte el Área.
A nivel personal me permitirá profundizar en el estudio de instalaciones
de frio industrial, campo el cual me dará una ampliación de conocimientos los
cuales podré aprovechar como trabajador en el área del mantenimiento
industrial.
RAFAEL RUIZ MARTIN 10
2.4 Definición y finalidad del trabajo
El presente trabajo consiste en la redacción de proyecto “Diseño,
montaje electromecánico y del bus de datos de un entrenador frigorífico para el
laboratorio de Máquinas y Motores térmicos”
Realizaré el estudio previo de la instalación hidráulica instalada en el
entrenador, para comprender su funcionamiento y diseñar la instalación
eléctrica de potencia así como la de control, y el desarrollo de la instalación de
la red Eliwellnet para la adquisición y supervisión de datos desde un pc,
apoyada por el software Elitewell bajo la plataforma de Windows 7.
También desarrollaré cuadros y montajes electromecánicos asociados a
las operaciones anteriores incluidas las del control del aire de enfriamiento.
Posteriormente se procederá a la puesta en funcionamiento, con la
supervisión de la empresa Fricell, con la prueba de estanqueidad de la tubería
hidráulica y el posterior llenado de gas de ella con R- 404-A ya que al ser un
gas industrial hace falta titulación para el manejo de ese tipo de gases.
Finalmente haré una comprobación de los parámetros de funcionamiento
para ver que sean correctos y en caso necesario realizar las modificaciones
pertinentes para que su funcionamiento sea el óptimo.
A su vez desarrollaré un manual para la comprensión del
funcionamiento del entrenador, y para que sirva para futuras reparaciones y
modificaciones.
RAFAEL RUIZ MARTIN 11
3 ANEXOS
3.1 Anexo 1: Principio de funcionamiento del entrenador frigorífico
3.1.1 Generalidades
La regulación eficiente de la potencia y temperatura en instalaciones frigoríficas
es un tema importante en la refrigeración. Con este entrenador es posible
estudiar diferentes métodos de regulación de potencia.
Los componentes de un circuito de refrigeración con cámara de refrigeración y
congelación están montados claramente en el banco de ensayos. Unas
válvulas electromagnéticas posibilitan el funcionamiento paralelo o separado de
los evaporadores en ambas cámaras. El circuito está equipado con un
regulador de potencia, un regulador de arranque y un presostato combinado
para el lado de presión y de aspiración del compresor.
Un cambiador de calor en la línea de alimentación de cada evaporador permite
estudiar el subenfriamiento del refrigerante con respecto a la eficiencia del
proceso. La potencia frigorífica en cada una de las cámaras es regulada por
medio de un termostato. La cámara de refrigeración posee además un
regulador de la presión de evaporación.
Existe un método de descongelación para la cámara de congelación:
descongelación por medio de gas caliente,( operación de desescarche) en la
cual se envía refrigerante caliente procedente del compresor directamente a
través del evaporador en dirección contraria.
También dispondremos de reguladores de velocidad tanto para los ventiladores
de los evaporadores de cada cámara como para el ventilador del condensador.
En resumen, este entrenador simula el funcionamiento de un sistema de
compresión de una sola etapa y con dos focos de temperatura, positiva y
negativa funcionando con una sola unidad de frío.
En el anexo 2 haremos una descripción técnica de todos los elementos del
circuito así como su funcionamiento, se han dividido dependiendo al circuito al
que pertenecen, hidráulico , eléctrico, mecánico y bus de datos.
La disposición de los elementos en el entrenador es la siguiente:
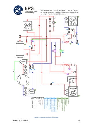
RAFAEL RUIZ MARTIN 12
Figura 1: Esquema hidráulico entrenador.
RAFAEL RUIZ MARTIN 13
3.1.1 Funcionamiento Temperatura Positiva
Para el funcionamiento del entrenador en temperatura positiva los interruptores
que habría que activar en el cuadro son los siguientes:
Figura 2: Cuadro de mandos.
Asegurándonos de que el paro este liberado, tendremos que tener activado el
compresor así como en la línea de TEMPERATURA POSITIVA, la solenoide y
el ventilador que se encuentra en el evaporador para circular el aire
Figura 3: Circuito temperatura positiva.
RAFAEL RUIZ MARTIN 14
En el diagrama vemos el funcionamiento del gas refrigerante tanto en su fase
líquida como en su fase gaseosa.
Un compresor mecánico se encarga de aumentar la presión del vapor para
poder condensarlo dentro de otro intercambiador de calor conocido como
condensador y hacerlo líquido de nuevo. En este intercambiador se liberan del
sistema frigorífico tanto el calor latente como el sensible, ambos componentes
de la carga térmica.
Ya que este aumento de presión además produce un aumento en su
temperatura, para lograr el cambio de estado del fluido refrigerante, y producir
el subenfriamiento del mismo, es necesario enfriarlo al interior del
condensador; esto se hace por medio de aire.
De esta manera, el refrigerante en estado líquido, puede evaporarse
nuevamente a través de la válvula de expansión y repetir el ciclo de
refrigeración por compresión.
3.1.2 Funcionamiento temperatura negativa
Para el funcionamiento del entrenador en temperatura negativa los
interruptores que habría que activar en el cuadro son los siguientes:
Figura 4: Cuadro de mandos.
Asegurándonos de que el paro este liberado, tendremos que tener activado el
compresor así como en la línea de TEMPERATURA NEGATIVA, la solenoide y
el ventilador que se encuentra en el evaporador para circular el aire. Aunque el
funcionamiento del circuito hidráulico sería el mismo, ahora la dirección de
RAFAEL RUIZ MARTIN 15
circulación será distinta pues se activan otras electroválvulas. Su
funcionamiento está representado en el siguiente diagrama:
Figura 5: Circuito temperatura negativa.
3.1.3 Operación de desescarche
Para el funcionamiento del entrenador en función DESESCARCHE, los
interruptores que habría que activar en el cuadro son los siguientes:
Figura 6: Cuadro de mandos.
RAFAEL RUIZ MARTIN 16
Asegurándonos de que el paro este liberado, tendremos que tener activado el
compresor así como en la línea de TEMPERATURA NEGATIVA, el
desescarche y el ventilador (que será opcional) que se encuentra en el
evaporador para circular el aire. Aunque el funcionamiento del circuito
hidráulico sería el mismo, ahora la dirección de circulación será distinta pues se
activan otras electroválvulas. Su funcionamiento está representado en el
siguiente diagrama:
Figura 7: Circuito de desescarche.
RAFAEL RUIZ MARTIN 17
3.2 Anexo 2: Funcionamiento de los elementos de la instalación y
sus parámetros de trabajo.
3.2.1 Elementos instalación hidráulica
3.2.1.1 Compresor
Disponemos de un compresor DWM COPELAND DKSJP-15x-EWL, tipo
semihermético con los siguientes datos técnicos:
- Numero cilindros: 2
- Refrigerante: R404A
- Potencia motor: 1.5 Hp
- Desplazamiento volumétrico: 6.33 m3
/l
- Carga aceite: 0.6 dm3
- Línea succión 5/8 “
- Línea aspiración 1/2 “
El trabajo del compresor es aspirar el vapor del evaporador y forzarlo a entrar
en el condensador.
Figura 8: Compresor Copeland.
3.2.1.2 Separador de aceite
El separador de aceite que disponemos en la instalación es un ESK
SCHULTZE OS - ½ “. Sus datos técnicos son:
RAFAEL RUIZ MARTIN 18
Tabla 1: Datos separador de aceite.
Figura 9: Separador de aceite.
La forma más común para reducir el aceite en circulación y problemas que éste
conlleva dentro del sistema es mediante el uso un separador de aceite. Su
función principal es separar el aceite del gas refrigerante, y devolverlo al cárter
del compresor antes de que llegue a otros componentes del sistema.
3.2.1.3 Condensador
Se utiliza un condensador con ventilador axial monofásico de la marca Frimetal
CPN-42. Sus características técnicas son:
Figura 10: Unidad Condensadora.
RAFAEL RUIZ MARTIN 19
Tabla 2: Características Condensador.
El propósito del condensador es sacar del gas el calor, que es igual a la suma
del calor absorbido en el evaporador más el calor producido por la compresión.
3.2.1.4 Evaporador
Disponemos de un evaporador estático de tubo con aletas y ventilación
forzada.
Figura 11: Evaporador.
El evaporador opera como intercambiador de calor, por cuyo interior fluye el
refrigerante el cual cambia su estado de líquido a vapor. Este cambio de estado
permite absorber el calor sensible contenido alrededor del evaporador y de esta
manera el gas, al abandonar el evaporador lo hace con una energía interna
RAFAEL RUIZ MARTIN 20
notablemente superior debido al aumento de su entalpía, cumpliéndose así el
fenómeno de refrigeración.
3.2.1.5 Depósito
Contamos con un recipiente frigorífico de la marca A. Torrecilla con los
siguientes datos:
Figura 12: Depósito.
- Capacidad : 19 litros
- Presion S. : 30 bar
- Presion T. : 45 bar
3.2.1.6 Separador de líquido
Tenemos un separador de líquido Carly LCY 25 S/MMS del tipo que vemos en
la figura 13, vertical y con entrada y salida superior.
Figura 13: Separador de líquido.
RAFAEL RUIZ MARTIN 21
Con las siguientes características técnicas:
- Longitud: (L) 363 mm
- Diámetro: (D) 101.6 mm
- Distancia: (E1) 56 mm
- Volumen retención: 0.13 l
- Peso: 3.15 kg
- Medida racores: 5/8 “
- Capacidad gas: 1.8 kg de R404A a 30o
C
La función del separador de líquido es la eliminación de los riesgos que acarrea
el retorno del gas refrigerante en fase líquida y la llegada masiva de aceite a la
aspiración del compresor en la instalación.
3.2.1.7 Filtros de secado
Disponemos de dos filtros de secado danfoss dcl 163 de conexión roscada y
tubería de 3/8” .
Figura 14: Filtros de secado.
Los filtros secadores DCL para líneas de líquido protege el sistema de
refrigeración contra a la humedad, las partículas sólidas y los ácidos. Con la
eliminación de estas fuentes de contaminación, las instalaciones están mejor
protegidas contra las dañinas reacciones químicas y las partículas abrasivas.
3.2.1.8 Intercambiador de calor
Disponemos de un intercambiador Packless Industries HXR-25 con las
siguientes dimensiones:
RAFAEL RUIZ MARTIN 22
Figura 15: Intercambiador Hxr-25.
Y con los siguientes parámetros de funcionamiento:
- Presión de trabajo: 31 bar
- Presión de rotura: 145 bar
3.2.1.9 Válvula KVP
Tenemos una KVP 12 y se instala en la línea de aspiración, después del
evaporador, y se usa para:
1. Mantener una presión de evaporación constante y, de esta manera, una
temperatura superficial constante en el evaporador. La regulación es de tipo
modulante. El estrangulamiento de la línea de aspiración permite adaptar la
cantidad de gas refrigerante a la carga del evaporador.
2. Ofrecer protección frente a presiones de evaporación demasiado bajas
(como protección contra la congelación en un enfriador de agua, etc.). El
regulador cierra cuando la presión en el evaporador cae por debajo del valor
ajustado.
3. Diferenciar entre las presiones de evaporación de dos o más evaporadores
en sistemas con un único compresor.
Figura 16 : Válvula KVP.
RAFAEL RUIZ MARTIN 23
Las características funcionamiento son:
Tabla 3 Válvula KVP.
3.2.1.10 Válvula KVR
Tenemos una KVR 12 093 como regulador de presión de condensación de
tipos soldado.
Los reguladores de presión de condensación KVR se pueden montar
igualmente en la línea de gas o de líquido en sistemas de refrigeración y aire
acondicionado. Se utilizan para mantener una presión de condensación
constante y suficientemente alta con sistemas de condensadores refrigerados
por aire.
Figura 17: Válvula KVR.
RAFAEL RUIZ MARTIN 24
Con las siguientes características:
Tabla 4: Válvula KVR.
3.2.1.11 Válvula KVL
Disponemos de una KVL 12 043 con las características técnicas, (tabla 5).
Figura 18: Válvula KVL.
Tabla 5: Válvula KVL..
RAFAEL RUIZ MARTIN 25
El regulador de presión en cárter KVL se instala en la línea de aspiración, antes
del compresor.
El regulador KVL protege el motor del compresor frente a las sobrecargas
durante el arranque tras paradas prolongadas o períodos de desescarche (es
decir, con una presión alta en el evaporador).
3.2.1.12 Válvula KVC
El regulador de capacidad KVC se emplea para adaptar la capacidad del
compresor a la carga real del evaporador. Se instala en un bypass entre los
lados de alta y baja presión del sistema de refrigeración e impone un límite
inferior de presión de aspiración en el compresor, ya que aporta al lado de baja
presión una capacidad de sustitución en forma de gas caliente o frío
procedente del lado de alta presión.
Figura 19:Válvula KVC.
Las características de funcionamiento de la tabla 6.
Tabla 6: Válvula KVC.
RAFAEL RUIZ MARTIN 26
3.2.1.13 Válvula retención NRV
Las válvulas NVR aseguran la correcta dirección del flujo y previenen el
retroceso de la condensación de una parte caliente del sistema hacia el
evaporador frío. Un pistón de amortiguación integrado hace que las válvulas
adecuadas para su instalación en la línea de descarga del compresor, es de la
marca Danfoss.
Figura 20: Válvula NRV.
Con los datos de funcionamiento de la tabla 7.
Tabla 7: Válvula NRV.
3.2.1.14 Válvula diferencial NRD
El NRD es un regulador de presión diferencial, el cual regula la presión de
condensación junto a un KVR de la marca Danfoss.
Figura 21: Válvula diferencial NRD
Con las siguientes características de funcionamiento:
RAFAEL RUIZ MARTIN 27
Tabla 8: Válvula NRD.
3.2.1.15 Electroválvula
Disponemos de varias válvulas solenoidales para controlar el sentido del flujo,
la válvula funciona de manera todo-nada, no tiene posiciones intermedias.
La tensión de funcionamiento es 220 V, todas son de la marca Danfoss y con
referencia Ev 210 B, son de dos vías , con unión roscada para abocardado. Las
válvulas son normalmente cerradas
Figura 22: Electroválvula.
RAFAEL RUIZ MARTIN 28
3.2.1.16 Válvula expansión termostática
La válvula de expansión termostática (VET) controla el flujo de líquido
refrigerante que entra al evaporador manteniendo un valor constante del vapor
refrigerante sobrecalentado en la salida del este. La válvula VET controla la
diferencia entre la temperatura actual y la de saturación del refrigerante,
correspondiente a la presión de succión en el lugar del bulbo sensor, esto es el
recalentamiento.
Controlando el recalentamiento, la válvula VET mantiene activa la mayor parte
de la superficie de evaporación, evitando que el líquido refrigerante vuelva al
compresor. Gracias a su capacidad de regular el flujo del refrigerante a la
cantidad que puede ser evaporizada en el evaporador, la válvula VET es el
dispositivo de expansión ideal para refrigeración. Características según tabla 9.
Figura 23: Válvula expansión termostática.
Tabla 9: Válvula expansión termostática.
Disponemos de dos válvulas termostáticas una en la parte de temperatura fría
de la marca Danfoss con referencia TES2 y en la parte de refrigerado una con
la referencia TS2 las dos son dos válvulas de expansión convencionales donde
la diferencia radica en que la primera tiene un orificio para a inyección de
líquido en el evaporador.
RAFAEL RUIZ MARTIN 29
3.2.1.17 Válvula regulación
Disponemos de llaves de paso Danfoss N4.
Figura 24: Válvula reguladora.
La válvula BM es una válvula de cierre manual con volante de membrana, que
se utiliza en tubería de líquido, de aspiración y de gas caliente en instalaciones
de refrigeración.
3.2.1.18 Flujómetro o caudalímetro
Disponemos de un Flujómetro de la marca Brooks Instrument MT3570 /
CA6A11AJAAAAA0. La función de este aparato es medir el caudal de gas-
líquido refrigerante R404A
Figura 25: Caudalímetro.
RAFAEL RUIZ MARTIN 30
3.2.1.19 Presostato de alta y baja presión
Disponemos de un Presostato dual con alta y baja presión kp15 de la marca
Danfoss. En el presostato doble KP 15 con rearme opcional automático o
manual tanto en lado de baja como en el de alta presión, se debe fijar rearme
automático cuando se realizan trabajos de mantenimiento. El presostato
arrancará entonces automáticamente. Deberá volver a fijarse el ajuste original
de rearme tras finalizar los trabajos de mantenimiento. Para proteger el
presostato de ajustes de rearme automático: retire simplemente la arandela
que controla la función de rearme.
Si hay que proteger la unidad contra un uso indebido, se puede sellar la
arandela con laca roja.
Las características técnicas de funcionamiento del presostato están
representadas en la tabla 10.
Tabla 10: Presostato Kp 15.
RAFAEL RUIZ MARTIN 31
Figura 26: Presostato Kp 15
A la hora de trabajar con el tenemos que tener las siguientes consideraciones
en su configuración.
Figura 27: Configuraciones presostato..
3.2.1.20 Visor de humedad
Sirve para el control de la humedad en el refrigerante liquido con un
funcionamiento normal está en verde y cuando existe humedad se pone en
amarillo de la marca Danfoss T3.
Figura 28: Visor de humedad.
En el caso segundo habría que tomar medidas como el cambio de los filtros
porque el agua en las instalaciones de frío industrial es un gran problema.
RAFAEL RUIZ MARTIN 32
3.2.1.21 Situación en el cuadro
La colocación de todos los elementos hidráulicos dentro del entrenador es
como vemos en la figura 29, vemos que en la parte izquierda superior estaría el
evaporador del circuito de temperatura positiva, justo debajo en la parte inferior
izquierda se ve la unidad condensadora, entre ellos vemos los filtros de
secado, que veremos dos en paralelo.
En la parte derecha superior se encuentra el evaporador del circuito de
temperatura negativa, se ven que tanto este como el otro evaporador está
rodeado de una caja para aislar la producción de frío, en la parte inferior de
esas cajas hay un drenaje para recoger el agua del desescarche.
En la parte inferior derecha está colocado el compresor y justo encima el
presostato de control de esté, a la izquierda del compresor vemos el separador
de aceite, el de líquido y el depósito.
Las válvulas de expansión termostática están colocadas entre la salida y la
entrada de los evaporadores, justo debajo están los intercambiadores de calor.
En el lateral derecho está el cuadro de control y en la parte trasera todo el
circuito de bus de datos en el que nos entretendremos más adelante.
RAFAEL RUIZ MARTIN 33
Figura 29A: Disposición elementos del circuito hidráulico
RAFAEL RUIZ MARTIN 34
Figura 29B: Parte trasera
RAFAEL RUIZ MARTIN 35
3.2.2 Elementos instalación eléctrica
3.2.2.1 Cuadro eléctrico
Usaremos un cuadro metálico marca Hagi en el que acomodaremos todos los
elementos de protección y control. Debajo de ella colocaremos una caja
estanca para facilitar la gran cantidad de conductores al cuadro.
Figura 30: Interior cuadro eléctrico.
3.2.2.2 Diferencial
Disponemos de dos diferenciales magnetotérmicos para la protección contra
contactos directos e indirectos, uno para la línea de fuerza de 4x25x 30 mA de
sensibilidad, y otro de 2x16x30 mA para el circuito de control, alimentación de
bus de datos. El primero de la marca ABB y el segundo de la marca Medex
3.2.2.3 Magnetotérmicos
Disponemos de dos magnetotérmicos para la protección contra cortocircuitos,
uno para la línea de fuerza de 4x16, y otro de 2x6 para el circuito de control,
alimentación de bus de datos. Ambos son de la marca Merlin Gerin
3.2.2.4 Relé térmico
El relé térmico se colocará para proteger al compresor de sobrecargas, además
este también dispone de una termoresistencia cuya función es que no se
caliente excesivamente este , disponemos de uno de la marca Telemecanique
con un rango de acción de 4 a 6.3 A.
RAFAEL RUIZ MARTIN 36
Figura 31: Relé térmico.
En funcionamiento normal tiene que estar el botón start accionado en el caso
de un fallo saltará y se rearmará de esa manera.
3.2.2.5 Ventiladores de los evaporadores
En el interior de cada una de las cámaras dispondremos de un ventilador
tangencial, el cual le modificaremos el caudal que es capaz de renovar
mediante un regulador que explicaremos en el apartado siguiente, que nos
servirá para regular la velocidad.
Figura 32: Ventilador tangencial.
3.2.2.6 Reguladores
Disponemos de tres reguladores dos para los ventiladores tangenciales que
hay en los evaporadores, y uno para regular la velocidad del ventilador de la
unidad condensadora. Sus características técnicas son:
RAFAEL RUIZ MARTIN 37
Figura 33: Regulador de velocidad.
Ha sido diseñado específicamente para su uso con ventiladores. Por otra parte,
la presencia del condensador de ajuste permite que la velocidad mínima
emparejando al motor con corriente absorbida dentro de los límites permisibles.
Información técnica.
Tensión y frecuencia: 230V - 50/60 Hz
Min actual. y máximo: 0.1- 4.0 A
Corriente de entrada: 8A - 1 sg.
Corriente de pico: 16 A - 1 ms.
Dimensiones LxAxP: mm. 110x76x50
Peso: 0,2 kg
3.2.2.7 Acometida
La acometida será manguera Afumex 1000V RZ1-K(AS) de 5 x4 mm2
la cuál
cumple con los diferentes criterios de diseño.
3.2.2.8 Unidad condensadora
Las características técnicas de este están en el apartado 3.2.1.3.
3.2.2.9 Compresor
Disponemos de un compresor DWM COPELAND DKSJP-15x-EWL, tipo
semihermético con los siguientes datos técnicos:
- Numero cilindros: 2
- Refrigerante: R404A
- Potencia motor: 1.5 Hp
- Desplazamiento volumétrico: 6.33 m3
/l
RAFAEL RUIZ MARTIN 38
- Carga aceite: 0.6 dm3
- Línea succión 5/8 “
- Línea aspiración 1/2 “
El trabajo del compresor es aspirar el vapor del evaporador y forzarlo a entrar
en el condensador.
Dispone de una termoresistencia que protege el motor de temperaturas
excesivas, en las cajas de bornes también se encuentra la conexión que va de
la siguiente manera:
Power supply [V/nº f/Hz]: 380-420V/3/50Hz
3.2.2.10 Electroválvulas
Disponemos de varias válvulas solenoidales para controlar el sentido del flujo,
la válvula funciona de manera todo-nada, no tiene posiciones intermedias.
La tensión de funcionamiento es 220 V, todas son de la marca Danfoss y con
referencia Ev 210 B, son de dos vías , con unión roscada para abocardado. Las
válvulas son normalmente cerradas
Figura 34: Electroválvula.
.
RAFAEL RUIZ MARTIN 39
3.2.3 Elementos instalación mecánica
El entrenador está montado sobre un chasis de hierro movible sobre 4 ruedas
locas, cuyo armazón está fabricado con cuadrado normalizado de 40 mm, para
las partes que van tapadas como el frontal y los laterales se usa chapa de
hierro de 2mm, a toda esta estructura se le ha dado una imprimación de pintura
gris anti oxido.
Las cajas de los evaporadores están hechas en acero inoxidable en la parte
delantera, (para prevenir la oxidación por los condensados de agua), ambos
evaporadores disponen de un desagüe inferior que mediante un tubo flexible
van a descargar a un recipiente de condensados.
En la parte trasera se ha colocado como tapa de este unas cajas de
almacenamiento plásticas para hacer el aislamiento del frío producido, una de
ellas la del condensador de baja temperatura dispone de una rejilla al exterior
para hacer mezcla de aire exterior en previsión de congelación por el
sobredimensionamiento del compresor.
Para la tapa de los evaporadores se ha utilizado metacrilato de 3 mm con un
marco de aluminio lacado.
El compresor va montado sobre unos silentblocks de goma y muelle para
amortiguar las dañinas vibraciones a la instalación.
Para el circuito hidráulico se ha utilizado cobre recocido de las siguientes
dimensiones: ½”, ¼” y 3/8” dependiendo de la zona de utilización ya sea para
la zona líquida o la zona gaseosa y si es para alguna capilaridad, todo va
sujetado con unas bridas de plástico.
En la parte trasera del entrenador se han habilitado unos perfiles de aluminio
sobre los que va montada toda la instalación eléctrica y la de bus de datos.
RAFAEL RUIZ MARTIN 40
3.2.4 Elementos instalación bus de datos
3.2.4.1 Eliwell EM 300 LX
Figura 35: Eliwell EM 300 (LX).
El EM300 (LX) es un dispositivo para la medición de los valores de
temperatura, humedad, presión o cualquier otro valor que pueda proporcionar
una señal en tensión o corriente.
Sus características técnicas son las de la siguiente tabla:
Tabla 11: EM 300 (LX).
RAFAEL RUIZ MARTIN 41
3.2.4.2 Eliwell ID985/E LX
Figura 36: Eliwell ID985.
Control compacto avanzado para aplicaciones frigoríficas, el ID985 (/E) LX
tiene 4 relés de salida.
Estos controles garantizan calidad y seguridad de conservación de los
alimentos frescos y ultra congelados, en nuestro caso nos hace trabajar entre
unos parámetros determinados, asegurando el mejor rendimiento de la
instalación frigorífica y contribuyendo al ahorro energético.
Las características de funcionamiento son las siguientes:
Tabla 12: ID 985/E LX.
RAFAEL RUIZ MARTIN 42
3.2.4.3 Eliwell EWCM 900/E
Figura 37:Central EWCM 900/E.
Central multicompresor con 11 salidas para compresores y ventiladores, esta
está situada en el cuadro general.
3.2.4.4 Bus adaptador Eliwell
Figura 38: Bus adaptador TTL-Rs 485.
Módulo de conexión TTL-RS485 .Este módulo que permite comunicar un
instrumento dotado de puerto serie de tipo TTL a una red de tipo RS485.
Está dotado de una entrada serie de tipo TTL para la conexión a los Eliwell EM
300 LX y Eliwell ID 985/ELX, dispone de un cable TTL para conectarlo al
aparato
Dos conectores RS485 para facilitar la conexión a la red, pudiendo utilizarse
tres bornes para la conexión del cable de llegada y tres para los de salida.
El modelo 130 dispone de salida auxiliar 12V para la alimentación de los
módulos.
Las características de funcionamiento las vemos en la siguiente tabla:
RAFAEL RUIZ MARTIN 43
Tabla 13:Bus adaptador TTL- serie.
3.2.4.5 Pc Interface 1110
Figura 39: Interface Pc.
El PC Interface serie 1100 es un módulo de comunicación RS-232/RS-485 que
permite comunicar un PC con puerto RS-232 y una serie de instrumentos
compatibles con el protocolo Micronet/Televis conectados a una red RS-485. El
dispositivo requiere que esté montado (en su alojamiento adecuado) el módulo
de activación BlueCard que se suministra con la licencia de los paquetes de
software Eliwell.
Una serie de LEDS en el dispositivo permiten obtener una visión inmediata del
comportamiento del instrumento.
• Alimentación del dispositivo: LED Power encendido.
RAFAEL RUIZ MARTIN 44
• Transmisión (TX) / recepción (RX) de datos del PC: los LEDS TX / RX RS-232
parpadean.
• Transmisión (TX) / recepción (RX) de datos desde un dispositivo de red: los
LEDS TX / RX RS-485 parpadean.
• Error WD (ausencia de comunicación prolongada por parte del PC durante la
ejecución del programa): todos los LEDS TX y RX parpadean al mismo tiempo
a intervalos de 1 segundo.
• Error de lectura del módulo de activación BlueCard (módulo no presente o
averiado): los LEDS RX RS-232 y LED RX RS-485 (rojos) parpadean a
intervalos de 1 segundo.
El relé de alarma indica la posible ausencia de comunicación prolongada por
parte del PC durante la ejecución del programa.
Consulte el manual del software para información sobre el tipo de indicaciones
y sus posibles configuraciones.
3.2.4.6 Software Eliwellnet
Como software de soporte utilizaremos el TelevisSystem de la marca Eliwell,
este software TelevisSystem es un sistema de monitorización, adquisición de
datos y asistencia remota para el control de instalaciones frigoríficas.
En el Anexo 3.3 haremos una descripción detallada del funcionamiento de este.
3.2.4.7 Cable de datos
El fabricante del equipo nos pide un cable blindado y “retorcido” con dos
conductores de sección, más trenza (referencia cable Belden modelo 8762 con
vaina pvc , 2 conductores más trenza, 20 AWG , capacidad nominal entre
conductores de 89 pF, capacidad nominal entre conductor y trenza 161 pF,
hemos utilizado uno de 4 hilos de un con un AWG superior.
Todos los equipos de Bus adaptador Eliwell están conectados en paralelo a la
red. Tanto el emisor como el receptor que es el interface del pc. Más adelante
en el apartado de planos se verá detalladamente como va conectado.
RAFAEL RUIZ MARTIN 45
3.3 Anexo 3: Eliwell Net. Televis System.
TelevisSystem es un sistema de monitorización, adquisición de datos y
asistencia remota para el control de instalaciones frigoríficas. En este caso lo
hemos utilizado para este entrenador con el que posteriormente se harán
prácticas de taller, las cuales servirán a los alumnos para ver el
comportamiento de los gases de refrigeración en una instalación frigorífica.
Para arrancar el programa después de haber iniciado el funcionamiento de
este, buscaremos un icono en el escritorio de Windows 7 llamado TelevisNet.
Figura 40: Escritorio Windows.
Para este proyecto hemos utilizado la versión 3.1.3. SP2, que es la última
disponible, suministrada por el servicio técnico de Eliwell España.
RAFAEL RUIZ MARTIN 46
Una vez hayamos hecho doble click en el icono de inicio del programa nos
saldrá una pantalla de inicio. Esta pantalla es como la de la figura 41.
Figura 41: Pantalla inicio.
En la esquina superior derecha nos encontraremos dos opciones “Help”, que es
el fichero de ayuda y “Televis”, al presionar este segundo no saldrá un menú
desplegable con las acciones que podremos usar.
Figura 42: Menú desplegable.
RAFAEL RUIZ MARTIN 47
Buscaremos lo opción Log in, al pincharla nos saldrá una pantalla que nos
pedirá el User y el password . La pantalla será la siguiente:
Figura 43: Pantalla Log in.
Pondremos:
- User name: Administrador
- Password : 0
Pulsaremos Log In y ya tendremos activas todas las funciones del programa.
Nos saldrá el siguiente menú desplegable, que explicaremos a continuación.
Figura 44: Menú activado.
RAFAEL RUIZ MARTIN 48
3.3.1 Plant info. (Información de planta)
Si se pulsa Plant info nos dará una lectura de todos los elementos presentes en
la red, es decir manómetros, sensores de presión , termómetros.
Figura 45: Plant info.
Vemos que cada dispositivo tiene una numeración del tipo aa:bb , donde aa
seria el número de familia y bb el número de orden dentro de esta.
Por ejemplo 03:02 sería el dispositivo número 2 de la familia 3, si pulsásemos
en sobre este nos saldría la información detallada que contiene el display,
diciéndonos si existe alguna alarma, y si el funcionamiento es el correcto.
Figura 46: Plant info II.
RAFAEL RUIZ MARTIN 49
3.3.2 User pages. (Funciones principales).
Presionamos Televis y nos saldrá el menú desplegable, dentro de él
presionaremos User pages.
Figura 47: Menú desplegable.
En la siguiente pantalla nos encontraremos con un menú que describiremos a
continuación.
Figura 48: Funciones principales.
RAFAEL RUIZ MARTIN 50
3.3.2.1 Real time table. (Datos en tiempo real)
En esta pantalla aparecen los parámetros de funcionamiento en tiempo real,
(temperatura, presión).
Figura 49 Datos tiempo real.
Veremos resaltado en gris el elemento que estamos mirando, después le
acompañaran 3 filas, la primera es el valor de tipo analógico en tiempo real, la
segunda si el display está encendido o no y la tercera con respecto a la
activación de la alarma.
En el caso del último existen variantes porque un solo elemento pero tiene
varios valores en este caso da tres valores analógicos en tiempo real, en este
caso de temperatura, el siguiente parámetro dice que esta encendido el
display, a continuación que la alarma está apagada y a partir el estado de
diferentes elementos de la instalación si se encuentran encendidos (on) o
apagados (off).
3.3.2.2 Historical table.(Histórico de datos)
En esta pantalla encontraremos los datos históricos de funcionamientos
anteriores del entrenador y que estarán registrados en el sistema.
RAFAEL RUIZ MARTIN 51
La pantalla que nos encontraremos será:
Figura 50: Histórico de datos.
En el recuadro superior izquierdo encontraremos los filtros para ver el histórico,
que describiremos a continuación:
- Profile, en el pondremos el perfil, en nuestro caso encontraremos dos
uno llamado cámara y otro entrenador. El primero es si estamos
conectados a la cámara frigorífica y el segundo que es nuestro caso.
- Quick selection, selección rápida del intervalo de tiempo que queremos
revisar , por ejemplo la última hora.
- Detal level o nivel de detalle en el seleccionaremos la cantidad de
información que queremos controlar, tendremos dos opciones, la
primera visiona 1 de cada 3 mediciones, y la segunda se ven los
registros de las mediciones en cualquier momento.
- Selección por fechas, en estos desplegables podemos poner el inicio
(from) y final (to) del periodo a controlar.
- Time for page, tiempo de registro en cada página.
RAFAEL RUIZ MARTIN 52
En la parte inferior izquierda veremos un desplegable con todos los elementos
de que dispone la instalación, eligiendo el elemento podremos añadir o eliminar
recursos.
Si en cualquier momento hacemos doble clic en una medida de presión o
temperatura, pasaremos del histórico a la medición en tiempo real.
Figura 51: Datos en tiempo real.
Si presionamos sobre algún elemento vemos que nos dará la siguiente
información:
- Número de sonda
- Comunicación
- Estado
- Alarma
3.3.2.3 Alarm status (Estado de alarmas)
La página "Estado de alarmas" muestra el estado corriente de todas las
alarmas que pueden ser detectadas por los instrumentos de la instalación. Las
alarmas se reagrupan según el instrumento al cual pertenecen.
En la parte izquierda de la página hay una sección denominada "filtros de
selección" que permite seleccionar la tipología de alarmas que se quiere
visualizar:
RAFAEL RUIZ MARTIN 53
- Visualización de todos los posibles códigos de alarma.
- Visualización personalizada, o sea el usuario puede ver sólo recursos de
alarma en un determinado estado, eligiendo entre las tres tipologías:
Alarmas eliminadas, alarmas activas, alarmas activas y consideradas.
- Periodo de observación: permite ver también las alarmas eliminadas (la
condición de alarma ha acabado), siempre y cuando el último cambio
haya tenido lugar en el intervalo configurado en la sección de filtro.
La tabla muestra la lista de los instrumentos coherentes con las selecciones
activas.
El inicio de cada sección de la tabla contiene la dirección y el nombre del
elemento que se está examinando.
Junto a cada instrumento de la tabla se indica:
- La eventual falta de conexión del instrumento que se está examinando.
- El estado de alarma más grave presente entre los recursos del
instrumento.
Cada alarma de la lista presenta la siguiente información:
- Iconos de estado: indica al lado de cada alarma el estado actual, (véase
el párrafo Iconos de estado).
- Recurso asociado: indica el tipo de alarma y el recurso asociado al cual
se refiere).
- Fecha y hora inicial señalización de alarma.
- Fecha y hora de visión.
Fecha y hora final de señalización de alarma.
El significado de los colores de las alarmas será:
- ROJO, alarma activa, nos da la información de a la hora que empezó.
- AMARILLO, alarma activa pero la cual ya se ha confirmado que existe y
está reconocida, también aparece la hora en la que se ha reconocido.
RAFAEL RUIZ MARTIN 54
- VERDE, Alarma finalizada, aparece la hora en que se finalizó.
- GRIS, Alarma inactiva, no existe ninguna variación en el periodo de
observación.
La página será como esta:
Figura 52: Estado de alarmas.
3.3.2.4 Alarm history (Histórico de alarmas)
La "Cronología alarmas" es un instrumento de consulta que permite al usuario
ver las alarmas registradas por TelevisNet durante la monitorización normal de
la instalación. Es posible crear informes personalizados según la tipología y el
periodo de registro de cada alarma.
Inicialmente, el usuario debe decidir qué ver configurando correctamente
algunos filtros:
- Intervalos de validez: si el usuario elige la modalidad "Rápida" dispondrá de
cuatro intervalos temporales predefinidos (última hora, últimas seis horas,
últimas doce horas, último día, última semana, último mes, último año,
siempre), elegir entre uno de éstos. En cambio, si el usuario desea configurar
un determinado intervalo de tiempo más preciso, deberá escoger la modalidad
"Personalizada".
RAFAEL RUIZ MARTIN 55
De esta forma podrá configurar la fecha y la hora de inicio y de fin de intervalo.
- Configuración de red: el usuario puede seleccionar la configuración de red de
la que desea conocer la cronología de alarmas.
Tras completar la configuración de cada campo, hacer clic en "Siguiente".
En la pantalla sucesiva se visualiza la tabla que contiene los datos requeridos
En la parte izquierda de la pantalla hay un resumen de los datos relativos al
intervalo temporal que está siendo examinado (fecha y hora de inicio y fin de
intervalo) y se indica la configuración seleccionada. Se puede filtrar por
instrumento y por clase de alarma deseada. La tabla visualizada contiene la
lista de alarmas seleccionadas; es posible obtener la siguiente información
sobre cada una de ellas:
- Estado: se indica, mediante un icono, el estado de alarma al finalizar el
intervalo de validez predeterminado.
- Instrumento.
- Código de la alarma.
- Descripción de la alarma.
- Inicio: Fecha y hora de señalización de alarma).
- Confirmado: Fecha y hora de visualización de la alarma).
- Fin: Fecha y hora final de señalización de alarma).
El usuario puede ver el estado de las notificaciones y el contexto de la alarma
haciendo clic simplemente en el icono de la alarma:
- Inicio de la alarma: la tabla visualizada contiene las fechas y los relativos
horarios de inicio y confirmación de la alarma seleccionada, la clase de alarma
y las notas registradas para la misma.
Se enumerarán todas las modificaciones efectuadas en dicha alarma,
indicando el tipo para cada una de ellas (FAX, SMS, email, etc.), la dirección o
número telefónico del destino, el estado de la notificación (en curso,
completado, fallo, etc.) y la fecha/hora de envío.
- Fin de la alarma: la tabla visualizada contiene las fechas y los relativos
horarios en los cuales la señalización de alarma finaliza, la clase de alarma y
las notas registrada para ella. Asimismo, se enumerarán todas las
notificaciones efectuadas para dicha alarma (con las mismas modalidades
descritas para la carpeta Inicio de Alarma).
RAFAEL RUIZ MARTIN 56
- Contexto de la alarma: la carpeta contexto contiene los datos de todos los
recursos de dicho instrumento en el instante previo a la señalización de alarma
(temperatura detectada por las sondas, estado de los recursos conectados, por
ejemplo: compresor, ventiladores, etc.…)
Es posible volver a la pantalla anterior para modificar la configuración de
visualización haciendo clic sobre el enlace “Anterior".
Haciendo clic en el enlace "Exportar", el usuario puede abrir y/o guardar los
datos visualizados en formato Excel. Haciendo clic en "Imprimir", el usuario
puede imprimir los datos visualizados.
Figura 53: Histórico de alarmas
3.3.2.5 Real time chart ( Gráfico en tiempo real)
En esta página, es posible visualizar sobre un gráfico el estado de los valores
detectados por la instalación monitorizada.
Es necesario seleccionar uno de los perfiles desde el menú despegable Perfil.
Al seleccionar el perfil, se visualizarán los instrumentos y los recursos
predefinidos por el perfil seleccionado.
RAFAEL RUIZ MARTIN 57
Esta visualización permite asimismo ver la leyenda con los colores asignados a
cada recurso descrito en el gráfico.
Figura 54: Gráfico en tiempo real.
El selector de la parte izquierda superior permite modificar los valores
máximos y mínimos de Y.
Cada elemento lo podemos asociar a un color de trazo diferente.
Si hacemos doble clic encima de uno de los elementos veremos un gráfico en
tiempo real de este.
3.3.2.5 Historical chart ( Gráfico histórico)
En esta página se pueden generar gráficas a partir de los registros del sistema.
Empezaremos seleccionando el perfil de “entrenador”, nos encontraremos
también el de “cámara” puesto que compartimos el programa con una cámara
frigorífica.
Nos saldrá una pantalla como la de la figura 55, hay deberemos elegir el
elemento el cuál queremos hacer el gráfico histórico, en la izquierda de la
pantalla donde está la lista de recursos o elementos, seleccionaremos uno y
seguidamente tendremos dos opciones.
RAFAEL RUIZ MARTIN 58
Figura 55: Gráfico histórico.
En primer lugar añadir el elemento al gráfico usando en la parte inferior
izquierda el botón ►, anteriormente podremos elegir el color de cada una de
las características.
En segundo lugar si tenemos un elemento seleccionado y lo queremos quitar
utilizaremos el botón ◄ que existe en la parte inferior.
3.3.2.6 Commands (Comandos)
En esta página podemos acceder remotamente a los elementos de la
instalación para activar y desactivar funciones de estos.
Puede enviarse órdenes a uno o varios instrumentos a la vez.
Partiendo de una pantalla como la de la figura 56.
1º Seleccionaremos el elemento del cual queremos hacer la supervisión y
el control.
2º En el menú desplegable de la derecha podemos activar y desactivar
funciones de este.
RAFAEL RUIZ MARTIN 59
3º Pulsamos la tecla “execute” e iniciará la orden.
Recibiremos un mensaje de Ok en el caso de que se haya completado con
éxito y un mensaje de error si la función no está disponible o no ha sido capaz
de conectar con el elemento.
Figura 56: Comandos.
3.3.2.7 RVD
En esta página podremos ver y modificar las configuraciones de todos los
elementos de la red Eliwellnet.
En la primera página, figura 57 nos saldrá un desplegable con todos los
elementos de la red, donde están todos los instrumentos que tenemos en el
bus de datos.
RAFAEL RUIZ MARTIN 60
Si pulsamos cualquiera de los instrumentos, lo marcamos en gris y a
continuación pulsamos la tecla inferior RVD, accederemos a una nueva página
(figura 58).
Figura 57: RVD.
Figura 58: Display RVD.
RAFAEL RUIZ MARTIN 61
En esta página en el recuadro superior aparecerá una imagen igual a la del
display que tenemos colocado en el entrenador, con todos los botones
operativos, de manera que pulsando sobre ellos podemos hacer las mismas
funciones que se pueden hacer físicamente en el otro.
3.3.3 Start Panel (Panel de Inicio).
En la página principal cuando pulsamos Televis nos sale el siguiente menú
desplegable.
Figura 59: Página principal.
Elegimos Start panel, lo cual nos llevará a una página como la de la figura 60,
en este estarán los siguientes campos.
- Start / Stop data acquisition.
- Scheduler.
- Outgoing connections.
- Incoming connections.
RAFAEL RUIZ MARTIN 62
Figura 60: Start panel.
3.3.3.1 Start/Stop Data Acquisition (Inicio/Fin Adquisición)
Inicia /Para la toma de adquisición de datos de la red de las cuales hemos
hablado en el anterior capítulo.
3.3.3.2 Scheduler (Operaciones planificadas)
Inicia la ejecución de la impresión automática que hemos elegido en
“Actividades planificadas “.
3.3.3.3 Outgoing connections (Conexiones salientes)
Activa las llamadas salientes del sistema TelevisNet al sistema TelevisLink. Si
esta opción no está habilitada no se permitirán retrollamadas a la TelevisNet
3.3.3.4 Incoming connections (llamadas entrantes)
Activa las llamadas entrantes al sistema para su supervisión a través de
TelevisLink.
RAFAEL RUIZ MARTIN 63
3.3.4 Tools (Herramientas)
Si pulsamos la opción Tools nos saldrá la página de la figura 61.
Figura 61: Herramientas.
Nos saldrán las siguientes opciones que veremos a continuación:
- Parámeters (Parámetros)
- Backup data ( Backup de datos)
- Activity logging ( Registro de actividades)
3.3.4.1 Parameters (Parámetros)
Esta función permite acceder directamente a los parámetros configurados en
los instrumentos.
Tendremos disponibles las siguientes funciones:
- Leer, Lee los datos del instrumento visualizado en la tabla.
- Escribir, Escribir los parámetros del instrumento.
- Abrir, Permite seleccionar un archivo sobre el cual han sido salvados
previamente los parámetros y sustituirlos por los que se están
visualizando.
RAFAEL RUIZ MARTIN 64
- Guardar , Permite indicar a un archivo sobre el cual se salvarán los
elementos relativos a la pantalla visualizada.
- Imprimir , Imprime una copia de los parámetros visualizados.
3.3.4.2 Backup data ( Backup de datos)
En esta página podremos acceder a las copias de seguridad de datos.
3.3.4.3 Activity logging ( Registro de actividades)
Introducimos un usuario , funcionalidad y acción , pulsaremos buscar, y el
programa reflejará los datos de las veces que accedió el usuario al programa.
3.3.5 Plant settings (Configuración de planta)
En esta página tendremos la información relativa al estado actual de la planta.
Figura 62: Configuración de planta.
RAFAEL RUIZ MARTIN 65
3.3.5.1 Identification (Identificación)
Aparecerá el nombre de la planta.
Figura 63: Nombre de planta.
3.3.5.2 User and permissions (Usuarios y permisos)
Esta página sirve para la gestión de usuarios y a los parámetros que estos
pueden acceder para trabajar con ellos, ya sea visionando , trabajando y
ejecutando.
Figura 64: Gestión usuarios y permisos.
RAFAEL RUIZ MARTIN 66
3.3.5.3 Network configuration (Configuración de red)
Aquí haremos la gestión de redes, buscando nuevas si las hubiese.
3.3.5.4 Message recipients (Destinatarios de mensajes)
Aquí configuraremos a quien enviar los avisos y también la gestión de ellos.
3.3.5.5 Alarm management (Gestión de alarmas)
En esta página se administrará que hacer con la alarma en el caso de que esta
se produzca, por ejemplo mandar SMS, email , fax o mostrar ventana de
alarma.
3.3.5.6 Scheduler settings (Configuración de actividades)
Podremos crear una planificación de tareas, exportarla como archivo txt, xls o
imprimirla.
3.3.5.7 Layout setup (Configuración del sipnótico)
3.3.5.8 Plant list (Lista de plantas)
Tendremos todos los datos de la plantas.
Figura 65: Lista de plantas.
RAFAEL RUIZ MARTIN 67
3.3.6 Control panel (Panel de control)
Figura 66: Panel de control.
En esta página se configuran puertos de comunicación, fax, SMS, impresoras y
accesos remotos al programa.
3.3.6 Quit program (Salir)
En esta función podemos cambiar de usuario.
3.3.7 Log off ( Desconexión)
Con esta función saldremos del programa.
RAFAEL RUIZ MARTIN 68
3.4 Anexo 4 :Protocolo Manual de puesta en marcha
En el presente anexo crearemos para la puesta en marcha del entrenador
frigorífico, dado que el entrenador es de fabricación y diseños propios partiré de
uno genérico y lo adaptaré a la instalación.
He utilizado la reglamentación vigente para la creación de esta guía, las ITC´s
del reglamento de instalaciones frigoríficas.
3.4.1 Acciones previas al arranque
1) Revisión de las tuberías, valvulería y demás elementos de la instalación para
comprobar que se ajusta al esquema frigorífico y el buen hacer en el campo de
la refrigeración.
2) Comprobación de los desagües: pendientes, sifones.
3) Comprobación de la colocación y buen funcionamiento de las válvulas
equilibradoras de presión.
4) Comprobar que todas las válvulas de paso de la instalación están abiertas.
5) Comprobación de la alimentación/ acometida eléctrica al cuadro de control
de la instalación:
- Tensión entre fases.
- Tensión entre fase y neutro.
- Ausencia de fallo de fase.
- Desequilibrio de fases: máximo 2%.
- Orden de las fases para el sentido de giro de los ventiladores y si el
sentido de giro del compresor es único .
6) Carga de la instalación con Nitrógeno seco para:
- Realización de la prueba de estanqueidad de la instalación (IF - 010.
estanquidad de los elementos de un equipo frigorífico)
- Comprobación de fugas en la instalación: Se dejará la instalación con
nitrógeno el mayor tiempo posible, 24 horas como mínimo y se verificará
que la presión no ha disminuido (será necesario corregir la presión si la
temperatura ambiente ha cambiado): Si se detecta una bajada de la
presión de nitrógeno se procederá a la búsqueda de fugas con ayuda de
agua y jabón.
RAFAEL RUIZ MARTIN 69
- Una vez solucionadas las fugas se realizará el vacío de la instalación
para eliminar los gases incondensables y la humedad presentes en el
circuito (ver procedimiento del vacío apartado 3.4.1.1). Si se detecta que
existen fugas porque el vacío no se mantiene se debe proceder
nuevamente a buscar las fugas con presión de nitrógeno.
NOTA: no arrancar nunca un compresor con el vacío en el compartimento
motor, posible daño eléctrico al bobinado.
- Realizar una primera carga incompleta de refrigerante (ver
procedimiento de carga).
- Debe asegurarse que la temperatura del aceite está 15 a 20ºC por
encima de la temperatura ambiente que rodea la instalación (se puede
comprobar aplicando un termómetro de contacto al Carter de aceite del
compresor).
- Regulación de presostatos: con una botella de nitrógeno seco y un
manorreductor se procederá a la regulación de todos los presostatos de
la instalación. Recordemos que las escalas de los presostatos son
indicativas y no pueden tomarse como exactas.
- Parametrización de los termostatos electrónicos y, si existen,
microprocesadores de control de compresores.
7) Regulación de los elementos de seguridad eléctricos (disyuntores,
térmicos…) a los niveles de consumo máximo permitidos por el compresor,
ventiladores…etc.
8) Regulación de temporizadores de la instalación: anti-cortos ciclos de
compresores, temporizadores de desescarche, etc.…
9) Comprobación de la cadena de seguridad del compresor en el esquema
eléctrico del cuadro de control de la instalación.
10) Test de funcionamiento del compresor: con la potencia quitada, comprobar
que llega tensión a los bornes de alimentación al compresor con la maniobra
activada (selector de maniobra del compresor en posición Marcha). En el caso
de que la protección de los compresores se realice por disyuntores, será
necesario puntear los contactos de maniobra del disyuntor para poder realizar
este test.
11) Test de funcionamiento de los ventiladores de la instalación. En caso de
ventiladores de varias velocidades, comprobar que la velocidad conectada es la
correcta. Verificar que el sentido de giro de los ventiladores es el correcto.
RAFAEL RUIZ MARTIN 70
12) Ajuste de los bornes de potencia de compresores y ventiladores.
13) Comprobar que los niveles de aceite son correctos: cárter del compresor,
nivel del visor del cárter, depósitos de aceite, (llenar al menos la mitad del
volumen del depósito no, ya que algo de aceite saldrá hacia la instalación para
llenar los sifones y separador de aceite).
14) Colocación de los cartuchos de filtraje en líquido y aspiración, si no están
instalados.
15) Si existen sondas de presión, comprobar que marcan lo mismo que los
manómetros de la instalación. En caso contrario, comprobar la conexión
eléctrica de las sondas.
3.4.1.1 Procedimiento del vacío
La instalación o reparación del circuito frigorífico o de algunos de sus
componentes requiere aplicar “Buenas Prácticas” para realizar la
deshidratación parcial o total del ciclo de refrigeración. No siempre la tarea de
vacío se realiza correctamente y lamentablemente se corren riesgos de reducir
o terminar con la vida útil de los componentes de la instalación.
Algunos circuitos de refrigeración son más extensos, requieren aplicar
soldaduras de sus tuberías de cobre, las cuales se tienen que hacer con una
atmosfera interior del tubo inerte, como puede ser haciendo circular nitrógeno
seco, para evitar contaminar el circuito interior al quemar el oxígeno,
También al utilizar aceites anti congelables sintéticos, los cuales son mucho
más capaces de absorber humedad que los aceites minerales nos obligan
hacer un vacío más cuidadoso.
Los gases refrigerantes ecológicos que reemplazan a los refrigerantes que
afectan a la capa de ozono también exigen un tratamiento especial, como
ocurre con los llamados mezclas y otros cómo el R 410A, dónde nos debemos
manejar con presiones superiores al R-22.
Cuando el circuito de refrigeración no requiere ser preparado y montado por el
instalador cómo sucede con los equipos compactos, rof- top y máquinas
enfriadoras de líquidos etc., no existen riesgos, pero si el equipo es una unidad
partida o instalación frigorífica y esta ha sido expuesta a la presión atmosférica
es imprescindible realizar un vacío adecuado.
RAFAEL RUIZ MARTIN 71
a) El barrido con gas refrigerante está totalmente prohibido.
En general el vacío y deshidratación de un sistema se realiza después de
haberse verificado que el circuito no tiene pérdida tras haberse hecho una
prueba de estanqueidad con Nitrógeno seco con las presiones mínimas según
especifica el Reglamento de Seguridad para Plantas e instalaciones Frigoríficas
en su Instrucción Técnica MI-IF 010 (Estanqueidad de los Elementos de un
Circuito Frigorífico) y no encontrándose fugas. La evacuación se efectúa con el
uso de una bomba de vacío que se conectará por medio de latiguillos al
circuito.
b) La Bomba de Vacío
Las bombas de vacío que disponen de aceite para su lubricación requieren
cambio de aceite de acuerdo no solo a su uso, sino también al grado de
contaminación en que se encuentra el circuito a deshidratar. Es recomendable
cambiar el aceite con frecuencia para evitar disminuir la eficiencia de la bomba,
téngase en cuenta que el aceite se contamina por medio de vapor de agua que
se elimina del circuito.
Es aconsejable que si el circuito a deshidratar contiene mucha humedad, en el
mismo momento que la bomba se detiene al terminar la deshidratación, se
proceda a retirar su aceite y sustituirlo por otro de las mismas características
que aconseja el fabricante, de esta forma evitaremos que la humedad
permanezca dentro de la bomba afectando sus partes mecánicas y
disminuyendo su eficiencia.
Cuando se comienza el vacío en un circuito nunca se debe hacer funcionar la
bomba si la presión en el circuito a evacuar es superior a la presión atmosférica
La bomba debe ser cuidada y mantenida para asegurar que se logre el vacío
esperado.
Las bombas en general deben disponer de una válvula solenoide que asegure
interrumpir el trabajo de vacío antes de proceder a detenerla para no perder el
vacío logrado hasta ese momento, evitando además que el aceite de la bomba
pueda entrar en el sistema por la baja presión en que éste se encuentra, una
interrupción de la energía eléctrica también debe tenerse en cuenta, tratando
que una válvula solenoide (normalmente cerrada) actúe para proteger el vacio
logrado hasta ese momento.
Si disponemos de una bomba que tiene “gas balast” ésta válvula permite que
se mezcle aire atmosférico más seco con aire saturado extraído por la primera
etapa de la bomba facilitando expulsar la humedad y aumentando la eficiencia
de la bomba.
RAFAEL RUIZ MARTIN 72
c) Las conexiones entre la bomba y el circuito.
Para lograr un vacío eficiente debemos tener en cuenta lo siguiente:
- Disponer de una conexión directa entre la bomba y el equipo y de
sección lo más amplia posible con conexiones seguras que no tengan
pérdidas.
- La distancia que separa la bomba con el equipo debe ser lo más corta
posible.
- Debemos sustituir el “Obús” de la válvula transitoriamente mientras se
realiza el vacío para eliminar esta restricción.
- El procedimiento de extracción del “Obús” se realiza fácilmente por
medio de una válvula específica.
d) El circuito al cual se le hará vacío.
Debemos asegurarnos que el circuito en cuestión tendrá todas sus válvulas
abiertas en dónde corresponda para que no existan limitaciones en la
evacuación. De no tenerse en cuenta puede haber zonas no deshidratadas
convenientemente.
Cuándo los circuitos son de gran capacidad se deberá estudiar el recorrido y
asegurarse que restricciones insalvables cómo tubos capilares, válvulas de
expansión, válvulas de retención no desmejoren o impidan la deshidratación.
En los casos de circuitos de gran volumen, el uso de 2 bombas instaladas en
dos lugares estratégicos del circuito, puede ser una muy buena solución. Los
lugares apropiados pueden tener límites simétricos con la restricción más
severa, como por ejemplo la válvula de expansión, el tubo capilar, etc.
Los tiempos de evacuación son dependientes de la eficiencia de la bomba, su
capacidad y el grado de humedad que dispone el circuito. Un circuito puede
haber llegado después de cierto tiempo al nivel de evacuación esperado, por lo
tanto si se detiene la bomba y por medio del instrumento medimos el vacío, se
percibe una pérdida de dicho vacío hasta un cierto nivel, dónde el instrumento
queda detenido, en principio puede atribuirse a una pérdida, pero si el
instrumento se detiene manteniendo aún un nivel de vacío no despreciable,
puede ser que el circuito aún contenga humedad, y al momento de detener la
bomba, las micro gotas que aún quedan dentro del circuito al evaporarse
aumenta la presión existente del circuito. Cuando un circuito, después de cierto
tiempo de evacuación, llega al nivel de vacío esperado, es recomendable que
la bomba continué el proceso de evacuación por más tiempo, el tiempo
sugerido debería ser no inferior a 1/3 del tiempo total empleado para llegar al
RAFAEL RUIZ MARTIN 73
vacío requerido. A continuación, antes de detener la bomba, debemos
interrumpir la operación de ésta, cerrando la válvula, que la vincula con el
circuito. Cómo es de esperar, el manómetro podrá ser leído y en este caso
podemos observar algunos posibles resultados:
1. El manómetro disminuye su valor hasta mantenerse invariable. Este
movimiento, que surge a partir de la detención de la bomba, es atribuible
a la búsqueda de equilibrio interno del sistema. Si la medición no sufre
modificaciones con el transcurso del tiempo, se habrá logrado el fin
buscado.
2. El manómetro muestra un crecimiento acelerado. En este caso
estaremos frente a una pérdida en depresión, que debemos localizar. Si
bien esta búsqueda deberá ser orientada a cargar al sistema con
Nitrógeno, a fin de su localización. No debe pasar inadvertido que exista
el problema de pérdida en las conexiones realizadas para esta tarea.
3. Por último si se presenta una pérdida, que detiene al instrumento en
un valor de vacío no deseado, y dicho valor permanece con un
crecimiento casi imperceptible, podremos estar frente a un sistema
dónde aún permanecen micro gotas que al evaporarse hacen aumentar
la presión interna del sistema. En este último caso debemos intentar
continuar haciendo vacío y transcurrido cierto tiempo comprobar la
medición.
3.4.2 Arranque de la instalación
1. Distinguiendo que en nuestra instalación tenemos 3 posibles opciones de
funcionamiento del compresor además del desescarche:
-Temperatura positiva (refrigerador).
-Temperatura negativa (congelador).
-Ambos a la vez.
Partiendo de la figura 67, que es la tapa del cuadro de control vamos a
describir como operar para conseguir las tres opciones anteriores.
RAFAEL RUIZ MARTIN 74
Figura 67: Tapa cuadro de control.
Poner el selector de COMPRESOR en posición de MARCHA, nos aseguramos
que el paro esta desactivado..
2. Seguidamente, poner el selector SOLENOIDE en posición MARCHA, ya sea
para temperatura +, como para temperatura – o ambas a la vez.
RAFAEL RUIZ MARTIN 75
En el caso de desescarche cerraremos el selector SOLENOIDE de
temperatura– y colocaremos el selector de DESESCARCHE en posición de
marcha.
3. La presión de alta del sistema inicialmente empezará a subir y la presión de
baja, bajará. Posiblemente, el sistema necesitará que se complete la carga en
refrigerante con lo que es posible que el compresor pare por presostato de baja
(en este caso pudiera observarse que bajan las presiones de alta y baja
simultáneamente).
4. Completar la carga de la instalación
5. Ir arrancando los ventiladores de las cámaras de temperatura , los cuales
podemos regular con los variadores de velocidad que tienen cada uno.
6. Comprobar que las cámaras descienden la temperatura. La consecución de
la temperatura deseada puede llevar algún tiempo, no olvidemos que se deben
enfriar los paneles, estructuras, etc. En caso de grandes cámaras de
congelados, cuando se alcanzan 0ºC, es conveniente reducir la temperatura
progresivamente, de 1 a 2ºC hasta alcanzar los -20ºC deseados.
7. Comprobar el recalentamiento de cada una de las válvulas de expansión de
la instalación. Regular si fuera necesario (la mayoría de las veces, si la válvula
seleccionada es la correcta, el reglaje de fábrica se ajusta perfectamente).
8. Una vez estabilizado el funcionamiento, comprobar los siguientes datos:
- Presión de alta: debe ser coherente con la temperatura ambiente
exterior (entrada de aire al condensador), el delta T de selección del
condensador.
- Presión de baja: debe ser coherente con el diseño de la instalación y la
regulación del compresor.
- Subenfriamiento de líquido.
- Recalentamiento de aspiración: no debe ser inferior a 5 K, y no superior
a 20K.
- Temperatura de descarga: mínimo 20K por encima de la temperatura
saturada correspondiente a la presión de alta.
- Temperatura del aceite.
- Consumos (amperaje) de los compresores: inferior al consumo nominal
de placa de características. Es recomendable comprobar que
RAFAEL RUIZ MARTIN 76
corresponde con el valor de consumo que da el fabricante en el software
en las condiciones reales de la instalación.
- Consumo de los ventiladores: inferiores o iguales a las características
de la placa del ventilador.
- Voltajes.
- Comprobar que el número de arranques del compresor por hora no
excede el máximo permitido por el fabricante del compresor.
- Comprobar que la posición de las sonda de desescarche del
evaporador está colocada en el lugar del evaporador más desfavorable a
efectos de desescarche, esto es, el último sitio donde se funde el hielo.
Éste varía en función de diversos factores, por lo que hay que
comprobarlo posteriormente cuando ya se ha formado hielo en el
evaporador y observando un desescarche del mismo.
RAFAEL RUIZ MARTIN 77
3.5 Anexo 5: Manual mantenimiento y reparación.
3.5.1 Revisiones generales.
Según sea la necesidad deben realizarse los siguientes trabajos de
mantenimiento:
-1. Limpiar en general la instalación.
-2. Limpiar el condensador refrigerado por aire.
-3. Limpiar los canales de aire, las aberturas de entrada y salida de
aire, así como la tapa del ventilador del motor.
-4. Cambiar el aceite siguiendo las instrucciones del fabricante del
compresor.
-5. Engrase de los rodamientos del electromotor después de 1000
horas de funcionamiento. Para ello debe quitarse la tapa, limpiar
cuidadosamente los rodamientos con petróleo e inyectar grasa para
rodamientos libre de ácidos.
-6. Comprobar los aros de fricción y las escobillas. Cuando se
cambien las escobillas emplear si es posible otras del mismo material.
-7. Engrase de los cojinetes de los motores de ventiladores y
bombas.
-8. Cambiar las correas o frotarlas con estearina y tensarlas.
-9. Comprobar los cartuchos secadores y rellenarlos.
-10. Renovar el aire del condensador (incondensables). La eliminación
de gases extraños de las instalaciones frigoríficas se hace después de
una largo tiempo de parada (20 a 60 minutos). Para ello el condensador
o colector debe estar provisto de un dispositivo de dirección. Los
gases extraños que se encuentran en la instalación se acumulan en
la parte superior del condensador o del colector. Desde allí pueden salir
al exterior.
-11. Limpiar los tubos de agua del condensador. Debido a la suciedad
y a los depósitos de cal, los tubos de los condensadores refrigerados por
agua se juntan. Al disminuir la transmisión de calor baja notablemente el
rendimiento del condensador.
RAFAEL RUIZ MARTIN 78
-12. Renovar el aceite. Incluso en las instalaciones con separador
automático del aceite es aconsejable renovar el aceite del evaporador en
intervalos de tiempo grandes. Sólo puede ser vaciado de aceite si
previamente el refrigerante ha sido vaciado. El aceite que se encuentra
en la cámara frigorífica se acumula en la parte inferior del evaporador,
desde donde es eliminado directamente o bien es conducido por una
tubería ascendente a la válvula de salida, que está ubicada en este caso
en la parte superior. En el último sistema de vaciado de aceite debe
crearse una sobrepresión en el evaporador que expulse el aceite e
impida que el aire penetre en el interior, Esto se consigue inyectando
una pequeña cantidad de refrigerante en el evaporador y dejando que se
evapore. Durante la operación el evaporador debe calentarse, pues con
baja temperatura no es ello posible.
-13. Descongelar el evaporador.
-14. Parar la instalación. Si la instalación debe pararse en una época
fría del año, debe vaciarse el agua de los condensadores y de las
culatas, cerrando herméticamente las bocas de salida del agua.
También deben cerrarse las válvulas de paso del compresor. No debe
olvidarse desconectar el interruptor principal y quitar los fusibles, para
evitar una conexión involuntaria.
-15. Puesta en marcha después de un largo tiempo de parada.
Después de un largo tiempo de parada, las máquinas deben ponerse de
nuevo en marcha con gran cuidado. Fundamentalmente debe
procederse previamente a cambiar el producto de secado y el aceite.
El compresor debe ponerse en marcha primero con la válvula de paso
de la aspiración cerrada, y si existe engrase a presión debe vigilarse la
presión del aceite. Antes de la puesta en marcha no debe abrirse la
entrada de agua de la refrigeración de la culata. Si se observa una fuerte
formación de espuma de aceite en la mirilla del cárter del cigüeñal, la
presión del aceite no llega a alcanzar la altura deseada. La válvula de
paso no debe abrirse hasta que en el compresor se haya hecho el vacío
y desaparecido la espuma. La válvula de paso debe abrirse despacio y
con interruptores.
3.5.2 Trabajos de reparación
Los trabajos de soldadura sólo pueden ejecutarse en los depósitos abiertos
vacíos, y a ser posible en una atmósfera de nitrógeno.
RAFAEL RUIZ MARTIN 79
En los aparatos sometidos a presión debe eliminarse totalmente la presión
antes de abrirlos. Después de efectuar un trabajo de reparación o una
modificación, en depósitos de presión para los que es reglamentaria la
recepción, es necesario proceder a una nueva recepción.
La soldadura debe ser efectuada sólo por soldadores debidamente autorizados.
Después de soldar deben decaparse los depósitos con una solución de ácido
clorhídrico o sulfúrico al 50% y a continuación neutralizarse. Estos trabajos
deben encargarse a una firma especializada.
Para la prueba de presión de tuberías y depósitos no debe emplearse en
ningún caso oxígeno, pues en combinación con el aceite es explosivo.
3.5.2.1 Vaciado del refrigerante
Para vaciar la instalación de refrigerante se coloca una tubería desde el
condensador a la botella en la que se ha hecho el vacío. La botella se coloca
de pie y se enfría a baja temperatura con la ayuda de hielo o de bolsas de hielo
seco. Al abrir la tubería, el refrigerante sometido a alta presión pasa del
condensadora la botella. Si la corriente se interrumpe por la formación de
burbujas de vapor, es que debe eliminarse el aire de la botella. Hay que tener
en cuenta que la botella sólo puede llenarse hasta el 80%, pues en caso
contrario se producirán presiones inadmisibles al menos calentamiento. Por
medio de una balanza debe de comprobarse que no se ha sobrepasado la
masa indicada en la botella. Si la botella se coloca sobre la balanza durante el
llenado, la tubería de unión debe ser flexible.
3.5.2.2 Bloqueo de las tuberías
En los trabajos de reparación en tuberías de agua y salmuera que no posean
una válvula de paso en un lugar adecuado, la tubería puede cerrarse
congelándola por medio de hielo seco.
Experimentalmente se ha demostrado que un tubo de 2” se congela en unos 20
minutos. Cuidado con las fisuras en la tubería.
3.5.2.3 Tuberías atascadas
Los tapones en tuberías largas pueden detectarse inyectando nitrógeno. El
punto atascado se reconoce porque detrás de él la tubería no se calienta o se
calienta poco.
RAFAEL RUIZ MARTIN 80
3.5.2.4 Averías de funcionamiento y su reparación
Los datos que se exponen a continuación presuponen que la instalación,
después de su puesta en marcha, satisface las condiciones exigidas y que se
conoce el estado de funcionamiento. Las desviaciones respecto a este estado
de funcionamiento son el criterio para determinar una avería.
Antes de proceder a buscar una avería, debe comprobarse el funcionamiento
del aparato de medición que ha servido para reconocerla.
3.5.2.5 Averías en el circuito de refrigerante
Las averías más importantes y que se producen más a menudo, sus causas y
las medidas a tomar para su corrección se detallan en la siguiente tabla.
Desviación del
estado normal
de funcionamiento.
Causas Medidas a tomar para su corrección
1. Temperatura de
evaporación
elevada.
1.1. Excesiva
necesidad de frío.
1.2. Potencia del
compresor
demasiada
pequeña.
Disminuir la carga de calor, por
ejemplo disminuyendo la renovación
del producto; pre enfriar o congelar
los productos calientes en una
cámara especial de enfriamiento, ó
túnel; disminuir el caudal en los
refrigeradores de líquido; reparar el
aislamiento defectuoso. Reparar las
válvulas; limpiar el filtro de
aspiración; ajuste del reglaje de la
potencia, o reparación de los
aparatos de regulación defectuosos;
control y reparación de tuberías
defectuosas con válvulas de
seguridad o manuales para facilitar
el arranque.
2. Temperatura de
evaporación baja.
2.1. Falta de
refrigeración.
Añadir refrigerante; eliminar atascos
en las tuberías; reparar los aparatos
de regulación y control defectuosos,
tales como termómetro de ambiente,
termostato de la salmuera, válvula
magnética y válvula de expansión;
reparar las fugas; elevar la prensión
de condensación
2.2. Transmisión
de calor
Eliminar el aceite del evaporador;
descongelar el evaporador o el
RAFAEL RUIZ MARTIN 81
2. Temperatura de
evaporación baja.
defectuosa.
2.3. Potencia de
compresión
demasiado alta.
refrigerador de aire; reforzar la
concentración de la salmuera;
reparar el agitador de los
refrigeradores de salmuera abiertos;
reparar los ventiladores defectuosos
y las bombas para los refrigerantes.
Reparar el regulador de potencia.
3. Temperatura de
condensación
elevada .
3.1. Presencia de
gases extraños
en el circuito del
refrigerante.
3.2. Transmisión
de calor
defectuosa.
3.3. Necesidad
excesiva de frío.
Purgar el aire de la instalación.
Quitar la suciedad de las superficies
de transmisión de calor del del
condensador; aumentar el caudal de
agua de refrigeración o del caudal
de aire; disminuir el nivel de
refrigerante en el condensador;
comprobar y reducir en caso
necesario la elevada temperatura
del refrigerante.
Véase 1.1.
4. Temperatura de
condensación baja.
4.1. Transmisión
de calor
excesiva.
4.2. Potencia de
compresión
demasiado baja.
4.3. Falta de
refrigerante.
Regulación del caudal de
refrigerante; reparar el regulador del
agua de refrigeración.
Véase 1.2.
Añadir refrigerante.
5.
Sobrecalentamiento
bajo de los gases
de aspiración en las
bocas de aspiración
del compresor.
5.1. Excesivo
paso de
refrigerante hacia
el evaporador.
Regulación de la válvula de
expansión o reparación de la misma;
disminuir la cantidad de refrigerante;
reparar el regulador del nivel de
líquido.
6.
Sobrecalentamiento
elevado de los
gases de aspiración
en las bocas de
aspiración del
compresor.
6.1. Paso
defectuoso de
refrigerante.
Regular la válvula de expansión o
repararla;
añadir refrigerante;
eliminar los atascos en las tuberías.
7. Consumo
excesivo de
corriente por el
motor del
compresor.
7.1. Véase 1y3
7.2. Avería
mecánica en
el compresor o
accionamiento
Véase 1 y 3.
Reparar el compresor o el
accionamiento.
RAFAEL RUIZ MARTIN 82
Los atascos, en particular de los órganos de regulación, pueden tener causas
muy diferentes. En los primeros tiempos, después de la primera puesta en
marcha de la instalación, prevalece como motivo la suciedad, que es la
consecuencia de un montaje poco limpio. Un contenido demasiado alto de
agua en el refrigerante conduce también atascos motivados por congelación
del agua en los puntos de estrangulamiento. Este tipo de atascos se reconocen
porque si se eleva la temperatura por encima de 0ºC desaparecen. También en
este caso puede ser motivo del atasco el montaje incorrecto o el excesivo
contenido de agua en el refrigerante. Otra posible causa de atascos puede ser
la precipitación de la parafina en los órganos de regulación, lo cual se produce
por el empleo de aceite inadecuado en las instalaciones de refrigerante. Esta
causa se reconoce porque el atasco desaparece por regla general con
temperaturas inferiores a 0ºC.
3.5.2.6 Averías equipos frigoríficos automáticos.
En los siguientes cuadros tendremos la avería, sus causas posibles y la
manera de arreglar esta.
Avería Causa posible Remedio
A. El
compresor no
se pone en
marcha.
1. No llega corriente al motor
del compresor, debido a :
a) Interruptor desconectado.
b) Fusibles fundidos.
c) Avería en la acometida.
d) Conexión rota.
2. El control (presostato o
termostato) no conecta,
debido a:
a. Mala regulación.
b. Contactos sucios.
c. Bulbo de mercurio roto.
d. Resortes rotos o
desgastados.
e. Control desnivelado.
f. Fugas en el fuelle.
g. Disparo por alta presión.
h. Bulbo descargado
(termostato).
i. Dispositivo de máxima
disparado (termostato).
3. El contáctor no actúa,
debido a:
a) Bobina quemada.
1
a. Conectar el interruptor.
b. Compruébese y sustitúyanse.
c. Repasar la línea.
d. Reparar el conexionado y arreglar la
avería.
2
a. Ajústese.
b. Limpiar con papel de lija.
c. Cambiar el bulbo o el control.
d. Cambiar éstos o el control.
e. Nivelarlo.
f. Cambiar el fuelle o el control.
g. Examinar la causa.
h. Cambiar el control.
i. Examinar la causa.
3
a) Comprobar si pasa corriente, sustituyendo
RAFAEL RUIZ MARTIN 83
A. El
compresor no
se pone en
marcha.
b) Dispositivo de máxima
disparado.
4.El motor no arranca,
debido a :
a) Arranque defectuoso.
b) Quemado.
c) Cortocircuitado.
5. Compresor agarrotado.
6. Correas rotas (en
compresores de tipo abierto).
7. Obturación en la
circulación de refrigerante,
debido a:
a) Válvula de líquido cerrada.
b) Línea de líquido
aplastada.
c) Filtro de líquido o secador
taponados.
d) Fallo en la válvula de
solenoide de la línea de
líquido.
e) Válvula de servicio de
aspiración cerrada.
f) Línea de aspiración
taponada o aplastada.
g) Hielo, cera o partículas de
suciedad taponando la
válvula de expansión.
h) Pérdida de carga de
refrigerante
8. Evaporador inundado,
debido a :
a) Elemento térmico de la
válvula de expansión
descargado.
b) Válvula de expansión
desajustada.
c) Pierde el flotador.
la bobina o el contáctor.
b) Examinar la causa.
4
a) Repasar.
b) Rebobinar o cambiar.
c) Reparar o cambiar.
5 Desmontarlo y repararlo. Asimismo, si se
trata de que se ha quemado el motor en un
sistema con compresor hermético o
semihermético convencional, con el bobinaje
del motor dentro del circuito, deberá limpiarse
toda la instalación.
6 Sustitúyanse.
7
a) Abrirla.
b) Cambiarla.
c) Limpiarlos o cambiarlos.
d) Reparar o cambiar.
e) Abrirla.
f) Cambiarla.
g) Limpiar la válvula. Instalas un filtro
secador. Cambiar el aceite por otro de menor
viscosidad.
h) Reparar la fuga y recargar de refrigerante.
8
a) Cambiar válvula.
b) Ajustarla.
c) Repararlo o cambiarlo.
1. Control (termostato o
presostato).
1 Puede estar mal regulado o bien ser
defectuoso, en cuyo caso deberá repararse o
sustituirse.
RAFAEL RUIZ MARTIN 84
B. El
compresor
enfría, pero no
para o
funciona
demasiado
tiempo.
2. Bulbo del termostato.
3. El refrigerante no circula
en forma debida, a casusa
de:
a) Válvula de líquido cerrada
en parte.
b) Filtro de líquido o secador
taponados en parte.
c) Válvula de solenoide de
poco paso.
d) Línea de líquido
parcialmente interrumpida
por un aplastamiento u otra
obstrucción.
e) Línea de líquido de poco
paso.
f) Línea de aspiración
parcialmente interrumpida
por un aplastamiento u otra
obstrucción, o demasiado
pequeña.
g) Falta de refrigerante.
h) Válvula de expansión
demasiado abierta o bien
demasiado cerrada
i) Válvula de expansión, o el
filtro de la misma, cerrados
en parte por la presencia de
hielo, cera
o partículas de suciedad.
j) Bulbo de la válvula de
expansión parcialmente
descargado.
k) Válvula de expansión
colocada en un lugar
demasiado frío. El elemento
térmico está más frío que
el bulbo.
4. Compresor ineficaz,
debido a:
a) Pierden las válvulas de
aspiración.
b) Equipo compresor de
poca capacidad.
5. Falta de rendimiento por
una elevada alta presión en
el sistema.
6.El equipo trabaja
sobrecargado, por causa de:
a) Entrada de género
caliente.
b) Puertas abiertas
continuamente.
2 Examínese que haga buen contacto con el
tubo del evaporador.
3
a) Abrirla bien.
b) Limpiarlos o cambiarlos.
c) Cambiarla.
d) Eliminar la obstrucción o cambiar la línea.
e) Colocar la tubería de mayor diámetro.
f) Eliminar la obstrucción o cambiar la tubería
por otra de mayor diámetro.
g) Comprobar si hay fuga y añadir, después
de eliminada la posible fuga, el refrigerante
necesario.
h) Compruébese por el manómetro la presión
de baja y ajústese la válvula de expansión.
i) Limpiar la válvula. Instalar un filtro secador.
Cambiar aceite por otro de menos
viscosidad.
Limpiar el filtro.
j) Cambiar la válvula de expansión.
k) Cambiar el emplazamiento de la válvula de
expansión.
4
a) Ajustarlas cambiando discos si es
necesario.
b) Aumentar la velocidad cambiando la polea
si es de tipo abierto (posiblemente el motor
también) o instalar un compresor mayor.
5 Examínese la causa según se detalla en la
sección H), apartado 2.
6
a) Dar instrucciones al usuario.
b) Ídem.
RAFAEL RUIZ MARTIN 85
c) Aislamiento insuficiente.
d) Compresor y evaporador
pequeños.
c) Mejorarlo.
d) Cambiarlos.
C. El
compresor no
para y enfría
poco o nada.
1. Las correas del compresor
resbalan.
2. El refrigerante no circula
bien en cantidad suficiente,
debido a obstrucciones:
a) Válvula de servicio de
líquido parcialmente cerrada
o muy pequeña.
b) Filtro de líquido o secador
obstruidos o bien pequeños.
c) Válvula de solenoide de
poco paso.
d) Línea de líquido cerrada
en parte por un
aplastamiento u otra
obstrucción.
e) Línea de líquido de poco
diámetro.
f) Línea de aspiración
parcialmente interrumpida
por aplastamiento u otras
obstrucciones.
g) Línea de aspiración
pequeña.
h) Falta de refrigerante.
i) Válvula de expansión
cerrada por fallo mecánico.
j) Válvula de expansión
cerrada por fallo mecánico.
k) Válvula de expansión
desajustada.
l) Bulbo de la válvula de
expansión parcialmente
descargado.
m) La válvula de expansión
está colocada en un lugar
demasiado frío, estando más
frío el elemento térmico que
el bulbo.
n) Una excesiva presión de
alta ha cerrado el flotador.
3. La válvula de expansión
queda abierta y entra tanto
refrigerante que no puede
evaporarse a una presión
baja para dar una
temperatura baja.
1 Tensar las correas.
2
a) Abrirla o cambiarla.
b) Limpiar el filtro. Instalar una nueva carga
en el secador o cambiarlo.
c) Cambiar.
d) Eliminar la obstrucción o cambiar la
tubería.
e) Cambiar por otra mayor, o colocar un
cambiador de temperatura.
f) Eliminar la obstrucción o cambiarla.
g) Colocar otra de mayor diámetro.
h) Búsquese si hay una fuga, y después de
repararla, añádase la carga de refrigerante
necesaria.
i) Limpiar la válvula. Instalar un filtro secador.
Cambiar el aceite por otro conteniendo
menos cantidad de cera.
j) Repararla o cambiarla.
k) Ajustarla.
l) Cambiar la válvula de expansión.
m) Cambiar el emplazamiento de la válvula
de expansión.
n) Determinar la causa de la citada alta
presión y cambiar el flotador
3 Repararla o cambiarla.
RAFAEL RUIZ MARTIN 86
C. El
compresor no
para y enfría
poco o nada.
4.Compresor ineficaz, debido
a:
a) Válvulas que pierden.
b) Fugas por dos segmentos.
c) Equipo compresor de poca
capacidad.
5. La capacidad del
compresor queda reducida,
debido a una presión de alta
elevada.
6. Compresor sobrecargado,
debido:
a) Entradas de género
caliente o superiores a lo
previsto.
b) Puertas continuamente
abiertas.
c) Aislamiento insuficiente.
d) Compresor y evaporador
pequeños.
e) Defectuosa circulación de
aire en el interior de la
cámara o nevera.
7. Compresor funciona a
baja velocidad.
8. El evaporador no trabaja
bien, por causa de:
a) Exceso de escarcha en el
mismo.
b) El serpentín está
taponado por haber
embolsado aceite.
4
a) Repararlas.
b) >>
c) Aumentar la velocidad si lo admite
cambiando la polea si es de tipo abierto (y
posiblemente un motor mayor) o cambiarlo
por un compresor de mayor capacidad.
5 Examínese la causa, según se detalla en la
sección H) apartado 2.
6
a) Dar instrucciones al cliente.
b) Avisar debidamente al usuario.
c) Mejorarlo.
d) Cambiarlos por los de capacidad
adecuada.
e) Colóquese el género de forma que no se
restrinja la circulación de aire. Procúrese no
queden taponados los estantes.
7 Comprobar si llega el voltaje adecuado y si
es constante. Si el voltaje es normal,
revísese si la velocidad del compresor es la
que corresponde para la obtención del
rendimiento previsto.
8.
a) Desescarchado.
b) Comprobar si el evaporador está obstruido
y desmontarlo para sacar el aceite
embolsado.
D. El
compresor se
para y pone
en marcha a
intervalos muy
cortos.
1. Diferencial del control muy
justa, por causa de mal
ajuste o defecto.
2. Pierden las válvulas de
descarga o succión del
compresor.
3.La válvula de expansión
termostática falla por alguna
de las causas siguientes:
a) Existe hielo, cera o
suciedad que cierra
parcialmente la válvula de
expansión o el filtro de la
misma.
b) Orificio pequeño.
c) Desajustada.
d) Bulbo descargado.
1 Aumentar la diferencial y si no responde el
control sustituirlo por otro que dé la diferencia
de parada a puesta en marcha conveniente.
2 Compruébese y hágase la reparación
oportuna.
3.
a) Limpiar la válvula. Instalar un filtro
secador. Cambiar el aceite por otro de menos
viscosidad.
Limpiar el filtro de la válvula.
b) Cambiarla por otra del orificio adecuado.
c) Ajustarla bien.
d) Cambiar la válvula.
RAFAEL RUIZ MARTIN 87
D. El
compresor se
para y pone
en marcha a
intervalos muy
cortos.
e) Está colocado en un lugar
demasiado frío, y el
elemento térmico está más
frío que el bulbo.
4.Si se dispara el dispositivo
de sobrecarga del motor será
debido a:
a) Correas muy tensadas.
b) Bajo voltaje.
c) Motor pequeño.
d) Los cojinetes del motor,
faltos de engrase o
desgastados.
e) Masa o cortocircuito en el
bobinaje del motor.
5. Se dispara el presostato
de alta presión o bien el
dispositivo de sobrecarga del
motor por la elevada presión.
6. Alguna obstrucción en la
línea de líquido o de
aspiración reduce el paso de
refrigerante, por
causa de:
a) Línea de líquido pequeña
o demasiada elevación hasta
el evaporador.
b) Filtro de líquido o secador
obstruido en parte.
c) Línea de líquido o de
aspiración parcialmente
cerrada por causa de algún
aplastamiento u otra
obstrucción.
d) Línea de aspiración
pequeña.
e) Válvula de servicio de
líquido cerrada en parte o
muy pequeña.
f) Válvula de solenoide de
poco paso.
g) Falta de refrigerante.
7. La presión de aspiración
es baja debido a que el
evaporador es pequeño.
e) Cambiar su emplazamiento a un lugar
menos frío.
4.
a) Aflojar las correas.
b) Reducir la carga en la línea o aumentar la
sección de ésta.
c) Cambiarlo por otro mayor.
d) Engrasarlos o cambiar los cojinetes si hay
desgaste.
e) Reparar o cambiar.
5. Examínese la causa, según se detalla en
sección H), apartado 2.
6.
a) Cambiarla por una tubería de mayor
diámetro, o bien instalar un cambiador de
temperatura.
b) Limpiar los filtros o cambiarlos.
c) Eliminar las obstrucciones o bien
cambiarlas.
d) Cambiarla por otra de mayor diámetro.
e) Abrirla o cambiarla.
f) Cambiarla.
g) Búsquese si hay una fuga, y después de
reparada, añádase la carga de refrigerante
necesaria.
7 Cambiarlo por otro de mayor superficie.
E. Hace
Demasiado
1. Presostato o termostato
ajustado a mucho frío.
2. Presostato o termostato
no desconecta, por defecto
del mismo.
3. Existe hielo, cera o
suciedad en el punzón de la
válvula de expansión.
1 Ajústese a la presión o temperatura de
parada correspondientes.
2 Repasar los contactos, cambiando el
control en último caso.
3 Limpiar la válvula. Instalar un filtro secador.
Emplear aceite de menos viscosidad.
RAFAEL RUIZ MARTIN 88
frío.
4. Válvula de expansión
desajustada.
5. El bulbo de la válvula de
expansión no hace buen
contacto con la línea de
aspiración.
4 Ajustarla.
5 Asegurar dicho contacto.
F. Elevado
consumo de
corriente
1. El compresor funciona
demasiado tiempo.
2. Motor defectuoso.
1 Véase la sección B), señalando las
posibles causas y remedios cuando el
compresor funciona más tiempo del normal.
2 Examínese con un amperímetro si el motor,
por defecto del mismo, consume más de lo
normal, cambiándolo en caso necesario.
G. Se
escarcha la
línea de
aspiración
1. Válvula de expansión
demasiado abierta.
2. Control de temperatura
desajustado.
3. El bulbo del control de
temperatura no hace buen
contacto.
1 Ajústese a la presión debida. En las
instalaciones a bajas temperaturas, en las
cuales el gas de retorno está a una
temperatura por debajo de 0º C, es normal, y
así debe suceder, que la tubería de
aspiración, si no está aislada, sude. Esto no
indica necesariamente que la válvula de
expansión esté demasiado abierta. Si se
desea evitar en estas circunstancias que el
tubo de aspiración sude, debe aislarse, o
bien instalar un cambiador de temperatura.
2 Regúlese la parada del mismo.
3 Compruébese que haga buen contacto con
el tubo del evaporador.
H. La
protección de
máxima
intensidad se
dispara.
1. Defecto de la parte
eléctrica, por causa
de :
a) Bajo voltaje.
b) Motor pequeño.
c) Los cojinetes del motor
están faltos de engrase o
desgastados.
d) Dispositivo de máxima
intensidad defectuoso.
e) Sobrecarga en el motor o
excesivo calentamiento del
mismo.
f) Bobina de máxima
intensidad de capacidad
distinta al consumo del
motor.
g) Masa o cortocircuito en el
bobinado del motor.
h) Dispositivo de arranque
del motor monofásico
defectuoso.
1
a) Compruébese si hay caída de tensión
entre la acometida y el motor, reduciendo en
todo caso la carga en la línea o aumentando
la sección de ésta.
b) Cambiarlo por otro de la potencia
adecuada.
c) Engrasarlos o cambiarlos si hay desgaste.
d) Revísese y sustitúyase en caso necesario.
e) Compruébese si hay alta presión o si está
agarrotado el compresor. Examínese también
si el consumo del motor está de acuerdo con
su potencia.
f) Compruébese y sustitúyase por la que
corresponde.
g) Repararla o cambiarla.
h) Sáquese el motor y examínese dicho
dispositivo reparándolo.
RAFAEL RUIZ MARTIN 89
H. La
protección de
máxima
intensidad se
dispara.
i) Condensador del motor
monofásico defectuoso.
j) Falsos contactos.
k) Correas muy tensas
(compresor de tipo abierto).
2. Alta presión en el sistema,
por causa de:
a. Válvula de servicio de
descarga parcialmente
cerrada.
b. Condensador de aire
sucio.
c. Temperatura del aire
ambiente muy alta.
d. Circulación de aire en el
condensador deficiente.
e. En un condensador
refrigerado por agua no hay
agua o bien el caudal es muy
escaso.
f. Temperatura del agua de
condensación muy alta.
g. Tubos del condensador de
agua taponados de cal o
suciedad.
h. Irrigadores del
condensador evaporativo
taponados.
i. Bomba de circulación del
condensador evaporativo no
funciona.
j. Superficie sucia del
serpentín del condensador
evaporativo.
k. Aspiración o descarga de
aire del condensador
evaporativo obstruidas.
l. Ventilador del condensador
evaporativo no funciona.
m. Aire en el sistema.
n. Excesiva carga de
refrigerante, costándole
arrancar el compresor.
ñ. Condensador pequeño.
i) Compruébese si está contactado y
cámbiese.
j) Repárense los contactos de contáctor
control.
k) Aflojarlas corrigiendo la situación del
motor.
2
a. Abrirla.
b. Limpiarlo.
c. Ver si es posible instalar un condensador
de agua o bien evaporativo.
d. Colóquese el compresor donde exista libre
circulación de aire sobre el condensador, o
mejórese aquella por medio de conductos de
aire.
e. Eliminar la posible obstrucción al paso de
agua, o aumentar la presión y tamaño de la
tubería de conducción.
f. Aumentar el caudal.
g. Limpiarlos.
h. Limpiarlos.
i. Buscar la causa de la anomalía y repararla.
j. Limpiarlo.
k. Eliminar la obstrucción.
l. Repararlo.
m. Púrguese.
n. Reducir la carga.
ñ. Cambiarlo por otro de superficie adecuada.
I. Ruido.
1. De tipo hermético o
semihermético. El compresor
no descansa bien sobre sus
cuatro muelles de
suspensión o bien están
todavía sin aflojar todos o
algunos de los tornillos de
fijación.
1. Compruébese y déjese el compresor
completamente flotante.
RAFAEL RUIZ MARTIN 90
I. Ruido.
2. El compresor bombea
aceite.
3. Cojinetes defectuosos del
motor o compresor.
4. Bielas gastadas.
5. Silbido (en compresores
de tipo abierto).
6. Alta presión demasiado
elevada en la unidad
condensadora.
7. Alta presión por mala
ventilación o condensador
sucio.
8.Polea del motor floja o mal
alineada con el volante
(compresor de tipo abierto)
9. Correa rota o deshilada
(compresor de tipo abierto).
10.Volante del compresor
flojo (compresor de tipo
abierto)
11. Las válvulas de descarga
hacen ruido.
12. Vibraciones metálicas.
13. Las válvulas de succión
hacen ruido.
14. Ruidos producidos por el
motor eléctrico.
2. Compruébese si tiene la cantidad
suficiente de aceite.
3. Repárense construyendo nuevos cojinetes.
4. Desmontar el compresor y repararlo en el
taller.
5. Correa. Cambiarla y ajustar tensión.
Prensaestopas. Primeramente se comprueba
si hay suficiente aceite en el cárter, y en caso
de que falte se completa la carga. Si el ruido
continúa, se gira el sentido de rotación del
motor.
6. Determinar si existe demasiada carga de
gas en el sistema, o bien si hay aire. En este
último caso púrguese, y si es exceso de
refrigerante, quítese toda la carga y
colóquese nuevamente la necesaria después
de haberla pesado convenientemente.
7. Limpiar el condensador y comprobar si
existe suficiente espacio entre el mueble y la
pared.
8. Ajústese el tornillo de sujeción en el primer
caso, o corríjase la alineación en el segundo.
9. Cambiarla.
10. Apretarle la tuerca de fijación.
11. Desmontar las válvulas de descarga,
examinarlas y repararlas, sustituyéndolas en
todo caso por nuevas.
12. Comprobar si los tubos están bien sujetos
en sus grapas. Asegurarse también de que el
mueble está bien plano.
13. Comprobar si está roto el disco y
sustituirlo.
14. Revisar engrases y rodamientos.
Cuadro de problemas de condensación.
Presión
excesiva.
enfriados
agua y aire
1. Aire o gases no
condensables en la
instalación de refrigeración.
2. Superficie demasiado
pequeña.
3. La instalación contiene
demasiado refrigerante.
(Acumulación de refrigerante
en el condensador).
4. La regulación de la
1. Purgar el condensador, arrancar y dejar
funcionar hasta alcanzar temperatura de
funcionamiento.
2. Sustitución por uno más grande.
3. Sacar refrigerante hasta presión de
condensación normal. El visor ha de estar
siempre lleno.
4. Regular a la presión correcta.
RAFAEL RUIZ MARTIN 91
presión de condensación
regulada a una presión alta.
Enfriados por
aire
1. Suciedad en la superficie
exterior del condensador.
2. Motor de ventilador o
aspas con defecto.
3. Acceso de aire al
condensador demasiado
restringido.
4. Temperatura ambiente
demasiado alta.
5. Dirección contraria del aire
a través del condensador.
6. Cortocircuito de aire entre
el lado de presión y
aspiración del ventilador del
condensador.
1. Limpiar el condensador.
2. Cambiar aspas, motor, o ambas.
3. Retirar impedimentos o trasladar de
situación.
4. Cambio lugar, ventilación adecuada.
5. Cambiar sentido rotación del ventilador.
Corriente de aire se dirige al condensador y
luego al compresor.
6. Montar un conducto adecuado, si es
posible, dirigido hacia el exterior.
Enfriados por
agua
1. Superficie demasiado
grande.
2. Baja carga del
evaporador.
3. Presión de aspiración
demasiado baja, debido a la
falta de líquido en el
evaporador.
4. Las válvulas de aspiración
o de descarga del compresor
tengan posibles fugas.
5. El regulador de presión de
condensación ajustado a una
presión demasiado baja.
6. Recipiente no aislado y
situado en posición fría con
relación al condensador.(El
recipiente actúa como
condensador)
1. Establecer regulación de condensación.
2. Establecer regulación de condensación.
3. Encontrar la avería en el tramo entre
condensador y válvula termostática.
4. Reemplazar placas y platos de válvulas.
5. Ajustar el regulador de presión de
condensación a su presión correcta.
6. Cambiar recipiente de lugar o proveerlo de
una cubierta aislante adecuada.
Enfriados por
aire
1. Temperatura de aire de
enfriamiento demasiado
baja.
2. Caudal de aire hacia el
condensador demasiado
grande.
1. Regular presión de condensación.
2. Reemplazar ventilador por una más
pequeño; regular velocidad del motor.
Presión baja
enfriados por
agua
1.Caudal de agua demasiado
grande.
2. Temperatura del agua
demasiado baja.
1. Montar válvula presostática de agua o
regular la existente.
2. Reducir flujo de agua, eventualmente con
válvula presostática de agua.
Presión
inestable
1.Presostato de
arranque/parada del
ventilador con diferencial
grande. Podrá producir vapor
en línea de líquido después
de arranque, a causa de
refrigerante en el
condensador.
2. La válvula termostática es
inestable.
1. Diferencial a valor más bajo; usar
regulación con válvula de control de
condensación o utilizar regulador de
velocidad del ventilador.
2. Ajustar la válvula a más recalentamiento o
cambiar el orificio a uno menor.
RAFAEL RUIZ MARTIN 92
3. Avería en las válvulas de
control de condensación
(orificios demasiado
grandes)
4. Presión de aspiración
inestable.
3. Cambiar las válvulas a más pequeñas.
4. Ver “Presión de aspiración inestable”.
Temperatura
de línea de
descarga alta
1. Presión de aspiración
demasiado baja por:
a) Falta de líquido en
evaporador.
b) Carga de evaporador
demasiado baja.
c) Fugas en los platos de las
válvulas de aspiración y
descarga del compresor.
d) Recalentamiento alto:
intercambiador de calor o
acumulador de aspiración.
2. Presión de condensación
demasiado alta.
1. Localizar la avería en el tramo desde el
recipiente hasta la línea de aspiración. (Ver
“Presión de aspiración baja”) Cambiar platos
de válvulas en el compresor. Suprimir
intercambio de calor, seleccionar uno más
pequeño.
2. Ver “Presión de condensación alta”.
Temperatura
de línea de
descarga baja
1. Paso del refrigerante
líquido al compresor
(válvula termostática
ajustada a un
recalentamiento bajo o bulbo
mal situado)
2. Presión de condensación
demasiado baja.
Ver “Presión de condensación demasiado
baja”
Nivel de
líquido en el
recipiente bajo
1. Falta de líquido
refrigerante en la instalación.
2. Sobrecarga del
evaporador.
1. Averiguar causa (fuga, sobrecarga
evaporador). Subsanar averías y recargar la
instalación si es necesario.
2. Situar el recipiente junto al condensador.
Condensadores enfriados por aire:
Establecer la regulación de presión de
condensación regulando velocidad del
ventilador con p.ej. un convertidor de
frecuencia.
Nivel de
líquido en
recipiente alto.
Enfriamiento
normal.
Demasiada carga de líquido
en la instalación.
Vaciar refrigerante, de modo que la presión
de condensación siga normal y la mirilla del
visor esté sin vapor.
Enfriamiento
pequeño
Atascamiento parcial de un
componente en la línea de
líquido.
Localizar el componente, limpiarlo o
cambiarlo.
Filtro secador
frío, posibles
gotas de rocío
o escarcha.
1. Atasco parcial del filtro
secador.
2. Filtro secador saturado
total o parcialmente con
agua o ácidos.
1. Averiguar si hay impurezas en la
instalación, limpiar si es necesario y cambiar
el filtro secador.
2. Averiguar si hay humedad o ácidos en la
instalación, limpiar si es necesario, cambiar
filtro secador varias veces si es necesario.
En caso de contaminación por ácidos:
cambiar el líquido refrigerante y la carga de
RAFAEL RUIZ MARTIN 93
aceite, montar un filtro secador con cartucho
intercambiable en la línea de aspiración.
Visor de
líquido
descolorido
amarillo.
Humedad en la instalación.
1. Averiguar si hay presencia de fugas en la
instalación. Reparar y recargar si es
necesario.
2. Averiguar si hay presencia de ácidos en la
instalación. Cambiar el filtro secador varias
veces si es necesario.
3. En casos extremos, puede ser preciso
cambiar el líquido refrigerante e incluso el
aceite. Limpieza completa de la instalación si
es necesario.
Visor de
líquido marrón
o negro
Impurezas en forma de
pequeñas partículas en la
instalación.
Cambiar el visor de líquido y el filtro secador.
Burbujas de
vapor en el
visor delante
de la válvula
termostática
1. Subenfriamiento pobre por
caída de
presión en línea de líquido,
puede ser causada por:
a) Extrema longitud de línea
de líquido en relación con si
diámetro. Línea de líquido
con diámetro demasiado
pequeño.
b) Curvas en línea de líquido.
c) Atascamiento parcial de
filtro secador.
2. Falta de Subenfriamiento
de líquido a causa de
penetración de calor en la
línea de líquido, que puede
ser ocasionada por alta
temperatura alrededor de la
misma.
3. Condensadores enfriados
por agua: Subenfriamiento
demasiado pequeño a causa
de dirección contraria del
caudal del agua de
enfriamiento.
4. Presión de condensación
demasiado baja.
5. Válvula de salida del
recipiente pequeña o no
abierta completamente.
6. Demasiada caída de
presión hidrostática en la
línea de líquido (demasiado
desnivel entre la válvula
termostática y el recipiente).
7. Presión de condensación
1
a) Cambiar la línea de líquido por otra de
diámetro conveniente.
b) Cambio curvas.
c) Buscar impurezas en instalación, limpiar si
es necesario y cambiar filtro secador.
2 Reducir la temperatura ambiente; instalar
intercambio de calor líquido y aspiración;
aislar línea de líquido del entorno junto a la
línea de aspiración.
3 Intercambiar la entrada y la salida del agua
de enfriamiento. (Tiene que haber corrientes
opuestas entre el agua y el líquido
refrigerante).
4 Ver “Presión de condensación baja”.
5 Reemplazar la válvula o abrirla
completamente.
6 Instalar un intercambiador de calor entre la
línea de líquido y la de aspiración antes de la
subida de línea de líquido.
7 Reemplazar o ajustar el regulador de
RAFAEL RUIZ MARTIN 94
defectuosa: acumulación de
líquido en el condensador. Si
se regula la presión de
condensación con arranque
parada del ventilador del
condensador, puede
aparecer vapor en la línea de
líquido durante algún tiempo
después de la puesta en
marcha del ventilador.
condensación a su valor correcto. Si es
necesario cambiar la regulación instalando
válvulas reguladoras de presión de
condensación o con un regulador de
velocidad.
Burbujas de
vapor en el
visor delante
de la válvula
termostática
Falta de líquido en la
instalación.
Recargar instalación, primero asegúrese que
ninguna de las averías citadas en 1, 2, 3, 4,
5, 6 y 7 estén presentes. En caso contrario,
hay riesgo de sobrecarga.
Enfriadores de
aire.
evaporador
bloqueado
de escarcha
1. La operación de
desescarche no se ha
realizado o es ineficaz.
2. Humedad de aire en
cámara frigorífica excesiva
por la entrada de humedad
de:
a) Productos no embalados.
b) Entrada de aire en las
cámaras a través de rendijas
o puerta abierta.
1. Establecer un sistema de desescarche o
ajustar la operación existente.
2.
a) Recomendar embalaje de productos o
ajustar la operación de desescarche.
b) Tapar rendijas. Recomendar que la puerta
se mantenga cerrada.
Evaporador
dañado
Aletas o láminas
deformadas.
Enderezar aletas: peinador de aletas.
Excesiva
humedad de
aire en la
cámara.
t. ambiente
normal
1. Superficie del evaporador
excesivo causando un
funcionamiento a una
temperatura de evaporación
excesiva con periodos cortos
de funcionamiento.
2. Baja carga del trabajo en
la cámara (deshumidificación
insuficiente a causa del corto
funcionamiento por cada 24
h).
1. Reemplazar el evaporador por uno más
pequeño.
2. Establecer regulación de humedad con un
hidrómetro, elementos de calor y un
termostato de seguridad.
Humedad del
aire en la
cámara baja
1. La cámara está mal
aislada.
2. Gran consumo interno de
energía.
3. Evaporador pequeño,
funcionamiento a
temperatura de evaporación
baja.
1. Recomendar mejor aislamiento.
2. Menos consumo interno de energía.
3. Reemplazar el evaporador por uno más
grande.
Temperatura
1. Capacidad compresor
demasiado pequeña.
2.Carga de trabajo de la
cámara demasiado grande a
causa de :
a) Introducción de productos
que no están fríos.
1. Ver “Compresor”.
2.
a) Menos productos en cámaras o aumento
capacidad de la instalación.
RAFAEL RUIZ MARTIN 95
del aire en la
cámara
frigorífica
demasiado
alta.
b) Gran consumo interno de
energía, p. ej.: alumbrado y
ventiladores.
c) Cámara mal aislada.
d) Gran infiltración de aire.
3. Evaporador demasiado
pequeño.
4. Afluencia de líquido
refrigerante hacia el
evaporador muy pequeño o
existente.
5. Regulador de presión de
evaporación ajustado a una
presión de evaporación
demasiado alta.
6. Presostato de baja presión
ajustado a una presión de
corte demasiado alta.
7. Válvula de regulación de
capacidad abre a una
presión de evaporación
demasiado alta.
8. Válvula de regulación de
presión de aspiración
ajustada a una presión de
apertura demasiado baja.
b) Disminuir consumo de energía o aumento
capacidad de la instalación.
c) Mejor aislamiento.
d) Cámara más hermética y apertura mínima
de las puertas.
3. Reemplazar por uno más grande.
4.Ver “Burbujas de vapor en el visor”
5. Ajustar el regulador de presión de
evaporación. Usar manómetro.
6. Ajustar el presostato a su valor correcto de
presión de corte. Usar manómetro.
7. Ajustar válvula a una presión de apertura
más baja.
8. Ajustar la válvula de presión de aspiración
a una presión de apertura
Cuadro de problemas evaporación.
Temperatura
de la cámara
demasiado
baja
Avería en el termostato de la
cámara:
Temperatura de corte
ajustada a un valor
demasiado bajo.
Temperatura ambiente
demasiado baja.
Si es absolutamente necesario: Establecer un
calentamiento eléctrico controlado por
termostato.
Presión de
aspiración
demasiado alta
1. Compresor demasiado
pequeño.
2. Platos de válvulas del
compresor con fuga.
3. Regulación de capacidad
defectuosa o mal ajustada.
4. Carga de la instalación
demasiado grande.
1. Cambiar compresor por uno mayor.
2. Reemplazar platos de válvulas.
3. Cambio o ajuste del regulador de
capacidad.
4. Menos carga; compresor mayor; válvula
presión de aspiración.
RAFAEL RUIZ MARTIN 96
5. Válvula desescarche gas
caliente tiene fuga.
5. Cambiar la válvula.
Presión de
aspiración
demasiado alta
y baja
temperatura
del gas de
aspiración
1. Termostática ajustada a
un recalentamiento
demasiado bajo o bulbo mal
situado.
2. Orificio de la válvula
termostática demasiado
grande.
3. Fugas en el
intercambiador de calor entre
las líneas de líquido y
aspiración.
1. Ajustar termostática a niveles adecuados.
2. Reemplazar el orificio por uno más
pequeño.
3. Reemplazar el intercambiador de calor.
Presión de
Aspiración
baja,
funcionamiento
constante
Presostato de baja presión
mal ajustado o defectuoso.
Ajustar o cambiar el presostato de baja
presión o combinado.
Presión de
aspiración
baja,
funcionamiento
normal
funcionamiento
irregular
1. Carga de la instalación
baja.
2. Falta líquido refrigerante
en el evaporador:
a. Falta de refrigerante en el
recipiente.
b. Línea de líquido
demasiado larga.
c. Línea de líquido
demasiado estrecha.
d. Curvas pronunciadas línea
de líquido.
e. Filtro secador
parcialmente atascado.
f. Falta Subenfriamiento de
líquido.
g. Falta de enfriamiento de
líquido.
h. Avería en la válvula
presostática.
3. Evaporador demasiado
pequeño.
4. Ventilador del evaporador
defectuoso.
5. Demasiada caída de la
presión en el evaporador y/o
en la línea de aspiración.
6. Desescarche no realizado
o es ineficaz.
7. Congelación en el
enfriador de salmuera.
1. Regular capacidad o aumentar presión
diferencial presostato de baja presión.
2.
a. Ver “nivel líquido recipiente bajo”.
b. Ver “Burbujas vapor en el visor”.
c. Ver “Burbujas vapor en el visor”.
d. Ver “Burbujas vapor en el visor”.
e. Ver “Burbujas vapor en el visor”.
f. Ver “Burbujas vapor en el visor”.
g. Ver “Burbujas vapor en el visor”.
h. Ver “Burbujas vapor en el visor”.
3. Reemplazar el evaporador.
4. Cambiar o reparar el ventilador.
5 Si es necesario, cambiar evaporador y/o la
línea de aspiración.
6 .Ajuste desescarche existente o nuevo.
7. Aumentar concentración de salmuera.
RAFAEL RUIZ MARTIN 97
8. Aire o salmuera
insuficiente.
9. Acumulación de aceite en
el evaporador.
8. Ver” enfriadores de aire-líquido”.
9. Ver “nivel de aceite en cárter bajo”.
Presión de
aspiración
inestable,
trabajando
válvula de
expansión
termostática.
1. Recalentamiento de
válvula termostática.
Demasiado pequeño.
2. Orificio de la válvula
demasiado grande.
3. Fallo de regulación de
capacidad:
a. Válvula regulación de
capacidad grande.
b. Presostato (o) para
regulación por etapas mal
ajustado (s).
1. Ajustar termostática a niveles adecuados.
2. Reemplazar la válvula de regulación de
capacidad por una más pequeña.
3. Ajustar a mayor diferencial la precisión de
conexión y de desconexión.
Temperatura
gas de
aspiración
elevada
Alimentación del refrigerante
hacia el evaporador
demasiado pequeña a causa
de: Avería en la línea de
líquido o en sus
componentes.
Ver “Nivel de líquido en el recipiente”, “Filtro
secador de frío”, ”Burbujas de aire en el
visor”, “Presión de aspiración baja”.
Temperatura
del gas de
aspiración
baja.
Demasiada alimentación de
refrigerante
hacia el evaporador a causa
de:
a. Válvula termostática
ajustada con un
recalentamiento demasiado
bajo.
b. Bulbo de la válvula
termostática mal situado (en
un lugar demasiado caliente
o
con mal contacto con la
línea)
a. Ajustar recalentamiento de válvula de
expansión.
b. Colocar correctamente el bulbo.
Cuadro problemas del compresor
Funcionamiento
irregular
(desconexión
por presostato
de baja presión)
1. Capacidad del compresor
demasiado grande en relación
con la carga de la instalación a
cualquier momento dado.
2. Compresor demasiado grande.
3. Regulador de presión de
evaporación ajustado a una
presión demasiado alta.
1. Regulación de capacidad mediante
válvula de regulación de capacidad o
compresores conectados en paralelo.
2. Reemplazar por uno o más pequeño.
3. Ajustar el regulador a su valor
correcto usando un manómetro.
1. Presión de condensación 1. Ver “Presión de condensación alta”.
RAFAEL RUIZ MARTIN 98
Funcionamiento
irregular
(desconexión
por presostato
de alta presión)
excesiva.
2. Avería en el presostato de alta
presión.
3. Presostato de alta presión
ajustado a una presión de corte
demasiado baja.
2. Cambiar presostato de alta o el
presostato combinado.
3. Ajuste presostato valor
correcto> manómetro.
Usar presostato alta con rearme.
Temperatura de
la línea de
descarga
demasiado alta.
Válvulas de aspiración o de
descarga (platos de válvulas del
compresor) posiblemente con
fugas.
Cambiar las placas de válvulas.
Ver “temperatura de línea de descarga
demasiado alta”.
Compresor frío
Paso de líquido refrigerante
desde el evaporador hacia la
línea de aspiración y
posiblemente hacia el compresor,
debido a un ajuste de la válvula
termostática incorrecto.
Ajustar la válvula termostática a un
menor recalentamiento.
Compresor
caliente
1. Sobrecarga del compresor y
posiblemente del motor, a causa
de una excesiva carga del
evaporador y por consiguiente
una presión de aspiración
demasiado alta.
2. Mal enfriamiento del motor y
los cilindros a causa de:
a. Válvulas de aspiración y de
descarga con fugas (platos de
válvulas del compresor)
b. Recalentamiento en el
intercambiador de calor o en el
acumulador de aspiración en la
línea de aspiración.
3. Presión de condensación
demasiado alta.
1. Reducir la carga del evaporador o
reemplazarlo por otro más grande.
2. Encontrar la avería en la línea entre
el condensador y la válvula
termostática.
a. Cambiar placas de válvulas
(compresor)
b. Quitar el intercambiador de calor o
escoger un intercambiador de calor más
pequeño.
3. Ver presión de condensación
excesiva.
Sonido de
golpeo:
1.
constantemente
al arrancar
A. Golpes de líquido en el cilindro
a causa de entrada de líquido al
compresor.
B. Aceite de ebullición a causa de
absorción de líquido refrigerante
en el aceite del cárter.
C. Desgaste en parte móviles del
compresor, especialmente los
rodamientos.
A. Ajustar la válvula termostática a un
recalentamiento menor.
B. Montar elementos de calor en el
compresor o bajo el cárter.
C. Reparar o cambiar el compresor.
Nivel de aceite
en el cárter
demasiado alto
con gran carga
o sin ella
durante la
parada o el
arranque.
-Demasiada cantidad de aceite al
retorno del evaporador cuando la
carga del sistema es baja.
-Absorción del líquido refrigerante
por el aceite del cárter a causa de
una temperatura ambiente
-Vaciar aceite hasta el nivel correcto,
asegurarse de que el alto nivel de aceite
no sea debido a una absorción de
líquido refrigerante en el aceite del
cárter.
-Realizar una adecuada instalación de
línea de aspiración.
Montar elementos de calor en el
RAFAEL RUIZ MARTIN 99
demasiado baja. compresor o debajo del cárter del
compresor.
Nivel de aceite
en el cárter
demasiado
bajo.
-Mal retorno aceite del
evaporador, a causa de:
a. Líneas verticales de aspiración
con excesivo diámetro.
b. Falta de secador de aceite.
c. Falta de inclinación en la línea
horizontal de aspiración.
-Desgaste de pistón / aros pistón
/cilindro
-En compresores conectados en
paralelo:
a) Con un tubo de igualación de
aceite: los compresores no están
en mismo plano horizontal. Tubo
de
igualación estrecho
b) Con regulación de nivel de
aceite: válvula de flotador
atascada total o parcialmente.
c) La válvula del flotador se
queda agarrotada.
-Retorno de aceite del separador
de aceite atascado total o
parcialmente, o la válvula
de flotador se queda agarrotada.
-Trampas de aceite en líneas verticales
de aspiración, tramos de 3m a 4m. Si la
alimentación de líquido se da por debajo
del evaporador, puede ser necesario
intercambiar las líneas de entrada y
salida (alimentación de líquido por
arriba).
-Cambiar los componentes
desgastados.
-En todos casos: el compresor que
arranca último es el más expuesto a la
falta de aceite. Nivelar compresores
para que todos estén al mismo plano
horizontal. Montar línea de igualación de
presión del cárter.
-Limpiar o cambiar carcasa de nivel y
válvula de flotador. Limpiar o cambiar
línea de retorno de
aceite; cambiar válvula de flotador o
todo el separador de aceite.
Aceite en
ebullición en el
arranque
1. Gran absorción de líquido
refrigerante en el aceite del cárter
a causa de una temperatura
ambiente demasiado baja.
2. Instalaciones con separador de
aceite: Demasiada absorción de
líquido refrigerante en el aceite
del separador durante la parada.
1. Montar elementos de calentamiento
en el compresor o debajo del cárter del
compresor.
2. Separador demasiado frío en parada.
Instalar elementos de calentamiento
control termostático; solenoide con
efecto retardado en retorno de aceite.
Aceite
ebullición.
1. Paso de líquido refrigerante
desde el evaporador hacia el
cárter compresor.
2. Instalaciones con separador de
aceite: La válvula de flotador no
cierra completamente.
1. Aumentar recalentamiento de la
termostática.
2. Cambiar la válvula de flotador o todo
el separador de aceite.
Aceite
descolorido
Instalación contaminada debido a:
1. Limpieza insuficiente durante el
montaje.
2. Descomposición del aceite a
causa de humedad en la
instalación.
3. Descomposición del aceite a
causa de temperatura demasiado
En todos los casos:
1.¡¡Cambiar el aceite y filtro secador!!
2. Limpiar el sistema de refrigerante.
3. Encontrar y subsanar la causa de la
elevada temperatura. Ver “Temperatura
demasiado alta en línea de descarga”.
RAFAEL RUIZ MARTIN 100
alta en línea de descarga.
4. Partículas de desgaste de
componentes móviles.
5. Limpieza insuficiente después
de quemarse el motor eléctrico.
Si es necesario, limpieza completa del
sistema frigorífico.
4. Limpiar el sistema de refrigerante.
5. Montar un filtro “anti-ácido”. Si es
necesario, cambiar el filtro varias veces.
Compresor no
arranca
1. Protección termostática del
motor cortada o defectuosa a
causa p.ej.:
Presión de aspiración excesiva.
Presión de condensación
excesiva.
Suciedad o revestimiento de
cobre en rodamientos del
compresor, etc.
Devanados del motor en
cortocircuito (motor quemado)
2. Protectores de devanados del
motor abiertos a causa de
consumo excesivo de energía.
3. Contactos de arranque del
motor
quemados a causa de:
a. Corriente de arranque
excesiva.
b. Contáctor demasiado pequeño.
4. Otro equipo de seguridad
cortado, mal ajustado o
defectuoso.
a. Presostato diferencial de aceite
(falta de aceite, aceite en
ebullición)
b. Presostato de alta presión.
c. Presostato de baja presión.
5. Interruptor de flujo
(Concentración de salmuera
demasiado baja, averías de la
bomba de salmuera, filtro
atascado en el circuito de
salmuera, T. de evaporación
demasiado baja).
6. Termostato de protección a
congelación (Concentración de
salmuera demasiado baja,
averías de bomba de salmuera,
filtro atascado en el circuito de
salmuera, temperatura de
evaporación demasiado baja).
1. Localizar la avería y subsanarla o
cambiarla protección térmica.
Ver “ Presión de aspiración excesiva”
Ver “Presión de condensación excesiva”
Limpiar sistema de líquido refrigerante y
cambiar el compresor y el filtro secador.
Limpiar el sistema de refrigerante y
cambiar el compresor y el filtro secador.
2. Arrancar instalación cuando las
bobinas se hayan enfriado
suficientemente.
3. Averiguar la causa de sobrecarga del
motor, subsanarla y cambiar el
Contáctor.
4.Averiguar la
causa y subsanarla antes de poner la
instalación en marcha:
a. Ver “Compresor, Nivel de aceite bajo”
y “Aceite en ebullición”
b. Ver “Presión de condensación alta”
c. Ver “Presión de aspiración baja”.
5. Averiguar y subsanar la causa del
caudal reducido o la falta de éste en el
circuito de salmuera.
Ver “Enfriadores líquidos”.
6. Averiguar y subsanar la causa de la
baja temperatura en el circuito de
salmuera.
Ver “Enfriadores de líquidos”.
RAFAEL RUIZ MARTIN 101
7. Equipo de regulación cortado,
mal ajustado o defectuoso:
Presostato de baja presión.
Termostato de la cámara.
8. Devanados del motor
quemados. Compresor abierto:
a. Sobrecarga del motor y del
compresor.
b. Motor demasiado pequeño.
Compresor hermético y
semihermético.
c. Sobrecarga del compresor y
del motor.
d. Formación de ácidos en el
sistema de refrigeración.
9. Agarrotamiento en los
rodamientos y cilindros debido a:
a. Partículas de suciedad en el
sistema de refrigeración.
b. Revestimiento de cobre en
partes lisas en consecuencia de
formación de ácidos en el sistema
de refrigeración refrigerante.
c. Insuficiencia o falta de
lubricación como consecuencia
de:
Bomba de aceite defectuosa.
Aceite en ebullición en el cárter.
Insuficiencia cantidad aceite.
Acumulación de aceite en el
evaporador.
7. Localizar y subsanar la avería.
Arrancar la instalación. Ver “Presión de
aspiración baja”.
8. Localizar y subsanar. Cambiar el
motor. Reemplazar el motor por uno
más grande.
Localizar y subsanar la causa de la
sobrecarga y cambiar el compresor.
Localizar y subsanar la causa de
formación de ácidos, desmontar el
compresor, limpiar el sistema de
refrigeración si es necesario, montar un
nuevo filtro “anti-ácido”, cargar con
aceite y refrigerante nuevos, instalar un
compresor nuevo.
9. Limpiar el sistema y montar un filtro
secador y compresor nuevos.
a. Limpiar el sistema y montar un filtro
secador y compresor nuevos.
b. En todos los casos: localizar y
subsanar la avería y cambiar los
componentes defectuosos o instalar un
compresor nuevo.
c. Ver “Compresor. Aceite en ebullición”
Ver “Compresor. Aceite cárter bajo”.
Ver “Compresor. Aceite cárter bajo”.
Ver “Compresor. Aceite cárter bajo”.
El compresor
enfría, pero no
para o funciona
demasiado
tiempo.
1. Control Termostato y
Presostato.
2. Bulbo del termostato.
3. El refrigerante no circula en
forma debida, a causa de:
a. Válvula de líquido cerrada en
parte.
b. Filtro de líquido o secador
taponados.
c. Válvula de solenoide de poco
paso
d. Línea líquido parcialmente
interrumpida por aplastamiento u
obstrucción, o pequeña.
e. Línea de líquido de poco paso.
f. Aspiración parcialmente
interrumpida por aplastamiento u
obstrucción, o pequeña.
1. Mal regulado-defectuoso, reparar-
sustituir.
2. Examinar buen contacto con el
evaporador.
3.
a. Abrirla bien.
b. Limpiarlos o cambiarlos.
c. Cambiarla.
d. Eliminar la obstrucción o cambiar la
línea.
e. Colocar tubería de mayor diámetro.
f. Eliminar la obstrucción o cambiar la
tubería por una de mayor diámetro.
RAFAEL RUIZ MARTIN 102
g. Falta refrigerante.
h. Válvula de expansión
demasiado abierta o bien,
demasiado cerrada.
i. Válvula de expansión o filtro de
la misma cerrados en parte por la
presencia de hielo, cera,
partículas de suciedad.
j. Bulbo de la válvula de
expansión parcialmente
descargado.
k. Válvula de expansión colocada
en un lugar demasiado frío.
4.Compresor ineficaz, debido a:
a. Pierden las válvulas de
expansión.
b. Equipo compresor de poca
capacidad.
5.El equipo trabaja sobrecargado
por:
a. Entrada de género caliente.
b. Puertas abiertas
continuamente.
c. Aislamiento insuficiente.
d. Compresor y evaporador
pequeños.
g. Comprobar fuga y añadir, después de
eliminada, refrigerante necesario
. h. Compruebe por manómetro presión
de baja; ajuste válvula expansión.
i. Limpiar la válvula; Instalar un filtro
secador; Cambiar el aceite por otro de
menor viscosidad;
Limpiar el filtro.
j. Cambiar la válvula de expansión.
k. Cambiar el emplazamiento de la
válvula de expansión.
4.
a. Ajustar cambiar discos si necesario.
b. Cambiar polea si es tipo abierto o
compresor mayor.
5.
a. Dar instrucciones al usuario.
b. Dar instrucciones al usuario.
c. Mejorarlo.
d. Cambiarlos.
El compresor
no para y enfría
poco
1. Las correas del compresor
resbalan.
2. El refrigerante no circula en
cantidad suficiente, debido a
obstrucciones:
a. Válvula de servicio de líquido
parcialmente cerrada o muy
pequeña.
b. Filtro de líquido o secador
obstruidos o bien pequeños.
c. Válvula de solenoide de poco
paso.
d. Línea de líquido cerrada en
parte por un aplastamiento u
obstrucción.
e. Línea de líquido de poco
diámetro.
f. Aspiración parcialmente
interrumpida por aplastamiento u
otras obstrucciones.
g. Línea aspiración pequeña.
h. Falta de refrigerante.
i. válvula de expansión
parcialmente obstruida por hielo,
cera o suciedad.
1. Tensar las correas.
2.
a. Abrirla o cambiarla.
b. Limpiar el filtro. Instalar una nueva
carga en el secador o cambiarlo.
c. Cambiar.
d. Eliminar la obstrucción o cambiar la
tubería.
e. Cambiar por otra mayor, o colocar un
cambiador de temperatura.
f. Eliminar la obstrucción o cambiarla.
g. Colocar otra de mayor diámetro.
h. Buscar fuga, después de reparar
añadir refrigerante necesario.
i. Limpiar la válvula; Instalar filtro
secador; usar aceite desparafinado.
RAFAEL RUIZ MARTIN 103
j. Válvula de expansión cerrada
por fallo mecánico.
k. Válvula de expansión
desajustada.
l. Bulbo de la válvula de
expansión parcialmente
descargado.
m. Válvula de expansión colocada
en un lugar demasiado frío.
n. Una excesiva presión de alta
ha cerrado el flotador.
3. La válvula de expansión queda
abierta y entra tanto refrigerante
que no puede evaporarse a una
presión baja para dar una
temperatura.
4.Compresor ineficaz debido a:
a. Válvulas que pierden.
b. Fugas por los segmentos.
c. Equipos compresores de poca
capacidad.
j. Repararla o cambiarla.
k. Ajustarla.
l. Cambiar la válvula de expansión
m. Cambiar el emplazamiento de
expansión.
n. Determinar la causa de la citada alta
presión y cambiar el flotador.
3. Repararla o cambiarla.
4.
a. Repararlas.
b. Repararlas.
c. Cambio de polea, si es tipo abierto,
cambiar a compresor mayor.
El compresor
no
para y enfría
poco
1. Diferencial de control muy
justo, a causa de mal ajuste o
defecto.
2.La válvula de expansión
termostática falla por alguna de
las causas siguientes:
a. Hielo, cera suciedad cierra
parcialmente la válvula de
expansión o filtro.
b. Orificio pequeño
c. Bulbo descargado.
d. Válvula en lugar demasiado frío
y el elemento térmico más frío
que el bulbo.
3.Si se dispara el
dispositivo de sobrecarga del
motor será debido a:
a. Correas muy tensadas.
b. Bajo voltaje.
c. Motor pequeño
d. Cojinetes desgastados o no
lubricados.
e. Masa o cortocircuito.
4. Obstrucción en línea de líquido
de o aspiración.
a. Línea de líquido pequeña o
demasiada elevación hasta el
evaporador.
b. Filtro de líquido o secador
1. Aumentar diferencial. Si no responde
el control, sustituir por otro.
2.
a. Limpiar válvulas-Filtro; Instalar filtro
secador; menor viscosidad aceite.
b. Cambiar otra de orificio adecuado.
c. Cambiar la válvula.
d. Cambiar su emplazamiento a un lugar
menos frío.
3.
a. Aflojar las correas.
b. Menos carga línea-aumento sección.
c. Cambiarlo por otro mayor
d. Sustituir o lubricar.
e. Reparar o cambiar.
4.
a Cambiar por mayor o instalar un
cambiador
de temperaturas.
b. Limpiar los filtros o cambiarlo.
RAFAEL RUIZ MARTIN 104
obstruido.
c. Línea de líquido de aspiración
parcialmente cerrada por causa
de algún aplastamiento u otra
obstrucción.
d. Línea de aspiración pequeña.
e. Válvula de servicio de líquido
cerrada en parte o muy pequeña.
f. Válvula de solenoide de poco
paso.
g. Falta de refrigerante.
5. La presión de aspiración es
baja debido a que el evaporador
es pequeño.
6. Falta de salmuera.
c. Eliminar obstrucciones o cambio.
d. Cambio por mayor diámetro.
e. Abrirla o cambiarla.
f. Cambiarla.
g. Buscar fuga y añadir refrigerante
5. Cambiarlo por uno de mayor
superficie.
6. Si se trata de un ataque, comprobar
que no está completo el baño de
salmuera, reparar posibles fugas y
reponer.
Hace
demasiado
frío
1 Presostato o termostato
ajustado a frío.
2 Presostato o termostato no
desconecta.
3 Hielo, cera o suciedad en el
punzón de la válvula de
expansión.
4. Válvula de expansión
desajustada.
5. El bulbo de la válvula de
expansión no hace buen contacto
con la línea de aspiración.
1. Ajústese a la presión o temperatura
deparada correspondientes.
2. Repasar los contactos, cambiando el
control en último caso.
3. Limpiar la válvula, instalar filtro
secador; Emplear aceite menos viscoso.
4. Ajustarla.
5. Asegurar dicho contacto.
Elevado
consumo de
corriente
El compresor funciona demasiado
tiempo.
Motor defectuoso.
Examinar con un amperímetro si el
motor, por defecto del mismo, consume
más de lo normal, cambiando en caso
necesario.
Se escarcha la
línea de
aspiración
1. Válvula de expansión
demasiado abierta.
2. Control demasiado
desajustado.
3. El bulbo de control de
temperatura no hace buen
contacto.
1. Ajuste la presión. En las instalaciones
a bajas temperaturas la tubería de
aspiración, si no está aislada, suda.
2. Regular la parada del mismo.
3. Comprobar que haga buen contacto
con el tubo del evaporador.
Protección de
máxima
intensidad se
dispara
Defecto de la parte eléctrica, por
causa de:
a. Bajo voltaje.
b. Motor pequeño.
c. Cojinetes no lubricados o
desgastados.
d. Máxima intensidad defectuoso.
e. Sobrecarga calentamiento del
motor.
f. Bobina de máxima intensidad
de capacidad distinta al consumo
Comprobar caída de tensión:
a. Cambiar a potencia adecuada.
b. Sustituir por otro adecuado.
c. Engrasar o cambiarlos si hay
desgaste.
d. Revise y sustituya en caso necesario.
e. Potencia, presión y consumo.
f. Compruebe y sustituya por la que
corresponda.
RAFAEL RUIZ MARTIN 105
del motor.
g. Masa o cortocircuito en
bobinado motor.
h. Arranque motor monofásico
defectuoso.
i. Condensador motor
monofásico. Defectuoso.
g. Reparar o cambiar.
h. Examine el dispositivo, reparar y
sustituir.
i. Comprobar cortocircuito y cambiar.
Protección de
máxima
intensidad se
dispara
Alta presión en el sistema a
causa de:
a. Válvula descarga parcialmente
cerrada.
b. Condensador de aire sucio.
c. Temperatura del aire ambiente
muy alta.
d. Mala circulación de aire en
condensador.
e. Condensador refrigerado por
agua no hay agua o caudal
escaso.
f. T. del agua de condensación
muy alta.
g. Tubos del condensador del
agua taponado de cal o suciedad.
h. Irrigadores del condensador
evaporativo taponados.
i. Bomba de circulación del
condensador evaporativo no
funciona.
j. Superficie sucia de serpentín
del condensador evaporativo.
k. Aspiración o descarga de aire
del condensador evaporativo
obstruidas.
l. Ventilador del condensador
evaporativo no funciona.
m. Aire en el sistema.
n. Excesiva carga de refrigerante,
costándole arrancar al compresor.
ñ. Condensador pequeño.
a. Abrirla.
b. Limpiarlo.
c. Condensador agua o evaporativo.
d. Libre circulación de aire o conductos.
e. Eliminar obstrucción o aumentar la
presión y tamaño de la tubería.
f. Aumentar el caudal.
g. Limpiarlos.
h. Limpiarlos.
i. Buscar la causa de la anomalía y
repararla.
j. Limpiarlo.
k. Eliminar la obstrucción.
l. Repararlo.
m. Purgar.
n. Reducir la carga.
ñ. Cambiar a otro de mayor superficie.
RAFAEL RUIZ MARTIN 106
Tablas de alarmas de elementos de la instalación en display
Tabla 14:Alarmas display em 300 lx.
RAFAEL RUIZ MARTIN 107
Tabla 15: Alarmas Id985 lx.
RAFAEL RUIZ MARTIN 108
4. PLIEGO DE CONDICIONES.
El objeto del siguiente pliego de condiciones es explicar el cómo se ha logrado
finalizar este entrenador de refrigeración para el Área de Máquinas y Motores
Térmicos.
Aunque desde el principio el aquí titular de este proyecto no asistió a la
creación y diseño de este entrenador, hará una pequeña descripción de los
trabajos previos a su llegada.
Este proyecto arrancó en su día cuando aún la escuela universitaria politécnica
estaba situada en el Ejido. Después de un viaje a una feria de climatización
D. Alberto Fernández Gutiérrez decidió junto con el departamento de Máquinas
y Motores térmicos la construcción de una maqueta para su uso como
herramienta de enseñanza a través de prácticas de taller.
Ya con los primeros trabajos a partir de los diseños previos se manda construir
la estructura de hierro con una imprimación de pintura antioxidante, que hace
de soporte de todo el entrenador, para tal se emplea a una asociación de
disminuidos físicos, con lo cual también se hace patente el enfoque social de
este proyecto.
Una vez recepcionada la estructura se pasa a colocar todos los elementos
hidráulicos de la instalación como se puede ver en la imagen:
RAFAEL RUIZ MARTIN 109
Figura 68: Trabajos iniciales de la maqueta.
Inicialmente este proyecto lo empezaron varios alumnos que con el
asesoramiento de empresas del sector mediante la colocación de placas y
anclajes para sujetar la tubería de cobre y los elementos, posteriormente dieron
paso a la soldadura de estos.
RAFAEL RUIZ MARTIN 110
Figura 69: Soldadura de tuberías.
Una vez consiguieron acabar la conexión el proyecto quedó parado.
Ya con la maqueta aquí en el nuevo edificio de las Escuelas de Ingeniería en la
ampliación del Campus de Teatinos, se ofertó como proyecto final de carrera
el “Diseño, montaje electromecánico y bus de datos de un entrenador frigorífico
para el laboratorio de Máquinas y Motores Térmicos”. Haciéndome cargo desde
ese punto responsable de la terminación de este proyecto.
En primer lugar diseño el cuadro de protección y control de acuerdo a las
descripciones técnicas de la instalación y empiezo a construirlo, para su
construcción se reciclan todos los materiales posibles procedentes de otros
cuadros a los que tengo acceso, en un principio para la reducción de costes y
en un segundo componente que es el respeto medioambiental.
Una vez finalizado se pasó a su fijación en el cuadro, dejándolo en un lugar
accesible en el lateral, pues este es el que controla todas las maniobras.
Lo podemos ver en la siguiente figura.
RAFAEL RUIZ MARTIN 111
Figura 70: Cuadro protecciones y control I.
Figura 71: Cuadro protecciones y control II.
RAFAEL RUIZ MARTIN 112
En segundo lugar diseñé las cámaras de frío con los desagües provenientes
del desescarche. Para la tapa exterior se ha utilizado metacrilato y un marco de
aluminio y para la parte trasera una cubeta plástica como podemos ver en las
figuras.
Figura 632: Vista delantera cámara.
Figura 73: Vista trasera cámara
RAFAEL RUIZ MARTIN 113
Figura 74: Detalle salida desagüe.
En tercer lugar pasé a la colocación de todos los circuitos de canalizaciones y
cajas de empalme para los hilos, tanto los de corriente como los de datos,
también coloque todos los elementos del bus de datos sobre un canal omega
fijado sobre perfiles de aluminio como soporte de todo esto, así como el
conexionado de todos los elementos mediante hilos de cobre y cable coaxial de
datos tipo awg 20 apantallado.
Como podemos ver en la siguiente figura a la caja de temperatura negativa se
le ha puesto una rejilla para que coja aire exterior y poder hacer mezclas de
aire caliente - frío y prevenir una congelación rápida y un funcionamiento
anómalo del compresor.
RAFAEL RUIZ MARTIN 114
Figura 75: Vista posterior entrenador.
En cuarto lugar se realizó toda la configuración de la red Eliwellnet, mediante la
instalación programa de Televis sistema en un pc bajo entorno Windows,
dando las diferentes direcciones de red y definición de cada elemento.
Y por último el llenado del circuito hidráulico, la puesta en marcha y puesta a
punto de este.
Además se me encargo este manual cuyo enfoque es más didáctico que un
proyecto al uso, con el fin de servir de manual para un entendimiento del
funcionamiento del entrenador y de todos sus elementos.
RAFAEL RUIZ MARTIN 115
4.1 Normativa aplicada
Además de las condiciones técnicas particulares contenidas en el pliego, será
de obligatoria aplicación, la normativa especificada en los siguientes
documentos:
- Real Decreto 138/2011, de 4 de febrero, por el que se aprueban el
Reglamento de seguridad para instalaciones frigoríficas y sus
instrucciones técnicas complementarias
- Real Decreto 2060/2008, de 12 de diciembre, por el que se aprueba el
Reglamento de equipos a presión y sus instrucciones técnicas
complementarias
- Real Decreto 842/2002 de 2 de agosto de 2002, por el que se
aprueba el Reglamento Electrotécnico para Baja Tensión.
4.2 Pruebas y verificaciones
Los recipientes que hayan de someterse a pruebas de presión estarán
provistos de conexiones para la colocación de manómetros, que serán
independientes y estarán distanciadas de la conexión que se utilice para las
citadas pruebas.
4.2.1 Pruebas de estanqueidad
Todo elemento del equipo frigorífico, incluidos los indicadores de nivel de
líquido, que forme parte del circuito de refrigerante debe ser probado, antes de
su puesta en marcha, a una presión igual o superior a la presión de trabajo,
pero nunca inferior a la presión mínima de prueba de estanqueidad, que
dependerá del refrigerante y equipo utilizado, temperatura máxima del
ambiente a la que se encuentra cualquier parte del circuito frigorífico y según
pertenezca al sector de alta o baja presión de la instalación, sin que manifieste
pérdida o escape alguno del fluido en la prueba.
Los fluidos refrigerantes HFC´s, utilizarán como presión mínima de prueba de
estanqueidad del sector de alta presión la de tarado de la válvula de seguridad
o disco de rotura. La presión mínima de prueba de estanqueidad del sector de
baja será un 10% superior a la máxima presión admitida por el compresor en
dicho sector, certificada por el fabricante, y nunca superior a la presión de
prueba del sector de alta. En ningún caso la presión de prueba de
estanqueidad de cada sector será inferior a la presión del vapor saturado
RAFAEL RUIZ MARTIN 116
correspondiente a la temperatura máxima ambiente en el que se encuentren
ubicadas cualquiera de las partes constitutivas del mismo.
Si la instalación está dispuesta de modo que el sector de baja presión pueda
estar sometido, en alguna fase de servicio, a la presión de alta (por ejemplo, en
la operación de desescarche de evaporadores), todos los elementos deberán
ser considerados como pertenecientes al sector de alta presión, a efectos de la
prueba de estanqueidad.
Todo este operativo será realizado por una empresa certificada para el manejo
de gases como pide la normativa, en nuestro caso la empresa será Fricell S.A.
la cual ha colaborado desde el principio del proyecto.
4.2.2 Ejecución
La prueba se efectuará una vez terminada la instalación en su emplazamiento,
y es independiente del que prescribe el Reglamento de Equipos a Presión. Se
exceptúan de ella los compresores, condensadores y evaporadores que ya
hayan sido previamente probados en fábricas, así como los elementos de
seguridad, manómetros y dispositivos de control.
La prueba de estanqueidad se efectuará con nitrógeno seco a alta presión, sin
presencia de gases o mezclas combustibles en el interior del circuito, al que
se añadirá, en los casos en que sea posible, un aditivo que facilite la detección
de la fuga. Este no ha de ser inflamable ni explosivo, debiendo evitarse las
mezclas de aceite- aire.
El dispositivo utilizado para elevar la presión del circuito deberá estar provisto
de un manómetro a la salida y tener una válvula de seguridad o un limitador de
presión.
Todo este operativo será realizado por una empresa certificada para el manejo
de gases como pide la normativa, en nuestro caso la empresa será Fricell S.A.
la cual ha colaborado desde el principio del proyecto y la supervisión del
director del proyecto.
4.2.3 Verificaciones
El director de la instalación verificará, con carácter obligatorio, los siguientes
elementos:
RAFAEL RUIZ MARTIN 117
- Limitadores de presión (presostatos de seguridad o de alta presión).
- Manómetros: Se verificarán comparándolos con un manómetro patrón y
se comprobará que el tubo de conexión esté libre de obstrucciones.
- Instalación frigorífica para cámaras de congelación.
- Válvulas de seguridad: Se comprobará que corresponden al modelo y
tipo relacionado en el proyecto, que van provistas del precinto del
fabricante o instalador, y que se cumplen las prescripciones establecidas
para estos elementos de seguridad en la Instrucción MI-IF-009.
RAFAEL RUIZ MARTIN 118
5. PRESUPUESTO.
Aun teniendo en cuenta que hay materiales como elementos eléctricos, hilos,
cable de datos reciclados. El costo total de la construcción y puesta a punto del
proyecto “Diseño, montaje electromecánico y bus de datos de un entrenador
frigorífico para el laboratorio de Máquinas y Motores Térmicos” es de 13479 €.
Al ser un proyecto que se ha alargado en el tiempo el monto económico de los
gastos que se hicieron hace años:
Son cuatro facturas las que el Área de Máquinas y Motores Térmicos ha
pagado y la última que faltaría por liquidar:
Factura Concepto Cantidad
(€)
1 Compresor, Evaporadores, Condensador, Separador
de aceite, Recipiente de líquido, Separador líquido…
2700
2 Estructura del entrenador…. 2586
3 Accesorios, Valvulería, Tuberías, Sensores… 2586
4 Ventiladores, Reguladores y accesorios Eliwell… 4250
5 Elementos de control, material eléctrico, gas, cuadro
policarbonato…..
1357
Total 13479
RAFAEL RUIZ MARTIN 119
6. PLANOS.
6.1 Plano general
6.1.1 Vista frontal
6.1.2 Vista trasera
6.2 Plano instalación eléctrica
6.2.1 Esquema de fuerza
6.2.2 Mando I
6.2.3 Mando II
6.3 Plano instalación hidráulica.
6.4 Plano instalación red bus de datos
RAFAEL RUIZ MARTIN 120
6.1 PLANO GENERAL
RAFAEL RUIZ MARTIN 121
Vista frontal
RAFAEL RUIZ MARTIN 122
Vista trasera
RAFAEL RUIZ MARTIN 123
6.2 PLANO ELECTRICO
RAFAEL RUIZ MARTIN 124
Plano eléctrico1
RAFAEL RUIZ MARTIN 125
Plano eléctrico2
RAFAEL RUIZ MARTIN 126
Plano eléctrico3
RAFAEL RUIZ MARTIN 127
LEYENDA ELÉCTRICA
SÍMBOLO ELEMENTO SITUACIÓN
F1 Diferencial 4x25x30 mA Cuadro general
F2 Magnetotérmico 4x16 A “
F3 Diferencial 2x16x30 mA “
F4 Magnetotérmico 2x6 A “
Q Disyuntor GV2-M10(4-6.3) “
KL Contactor OMRON JK7-AMA-10 “
M Compresor Copeland Frontal
S1 Paro Cuadro general
S2 Marcha “
T Termistor Compresor
P Presostato Kp 15 J Frontal
R1 Regulador velocidad compresor “
COND Condensador “
X2 ID 985 LX T+ “
S3 Solenoide T+ Cuadro general
S4 Ventilador T+ “
R2 Regulador vel. Ventilador T+ Frontal
X3 ID 985 LX T- “
EV1 Electroválvula T+ “
S5 Desescarche Cuadro general
S6 Solenoide T- “
S7 Ventilador T- “
R3 Regulador ve. Ventilador T- Frontal
VENT T+ Ventilador cámara + Cámara refrigeración
VENT T- Ventilador cámara - Cámara congelación
EV2 Electroválvula desescarche Frontal
EV3 Electroválvula frío “
EV4 Electroválvula aspiración “
RAFAEL RUIZ MARTIN 128
6.3 PLANO HIDRÁULICO
RAFAEL RUIZ MARTIN 129
6.4 PLANO BUS DE DATOS
RAFAEL RUIZ MARTIN 130
6.5 PLANO PANTALLA
RAFAEL RUIZ MARTIN 131
LEYENDA LÁMPARAS
SÍMBOLO SIGNIFICADO SITUACIÓN
H1 Alarma temperatura Motor Panel
H2 Alarma Presión Baja “
H3 Compresor On “
H4 Condensador On “
H5 Solenoide T + On “
H6 Ventilador T+ On “
H7 Desescarche On “
H8 Solenoide T- On “
H9 Solenoide aspiración On “
H10 Ventilador T- On “
RAFAEL RUIZ MARTIN 132
7. BIBLIOGRAFÍA.
Guía técnica de aplicación del reglamento de seguridad para instalaciones
frigoríficas y sus instrucciones técnicas complementarias. Pecomark
http://www.danfoss.com/Spain/BusinessAreas/Refrigeration+and+Air+Condition
ing/Refrigeration+Basic/Basic+Refrigeration_componentes.htm
http://www.danfoss.com/Spain/BusinessAreas/Refrigeration+and+Air+Condition
ing/EducationAndTraining/Basic+Refrigeration.htm
http://www.trane.com/COMMERCIAL/DNA/View.aspx?i=708
Manual ASHRAE,1990, Refrigeration , Sistema y aplicaciones
BOHN, < http://www.bohn.com/>
http://guiabasicafrigorista.blogspot.com.es/p/guia-basica-del-frigoriata.html
Climalife, Products, http://www.climalife.dehon.com/
Colders, http://coldersrl.com/
Danfoss, http://www.danfoss.com/spain
Friogas, Repuestos, Consulta 20 junio 2012, < http://friogas.wordpress.com/ >
HEATCRAFT, http://www.heatcraftrpd.com/
Honeywell, < http://www.honeywell.com/sites/es/ >
J. Navarro, R. Cabello,(2003) E. Torrella, Fluidos Refrigerantes Tablas y
Diagramas, Primera Edición, AMV Ediciones, Valencia.
LU-VE, http://www.luve.it/cms/view
http://www.megafriosa.com/
Pecomark,http://www.pecomark.com/index.asp?idioma=ES&opc=115
Ramírez, J.A., (2000), Nueva Enciclopedia de la Refrigeración, Grupo editorial
Ceac, Barcelona.
Roy J. Dossat, (1997), Principios de refrigeración, Compañía Editorial
Continental, S.A.
Vizuete, Productos, Consulta 19 Junio 2012, http://www.vizuete.com/html/
RAFAEL RUIZ MARTIN 133
http://www.imb-sl.es/docs/RSIF_E_Mantenimiento.pdf
http://www.eliwell.es/descargas/
http://www.f2i2.net/legislacionseguridadindustrial/rebt_guia.aspx
http://www.f2i2.net/Documentos/LSI/InstFrigo/GuiaTecnicaAplicacionReglament
oSeguridadInstalacionesFrigorificas_Abril2013.pdf
RAFAEL RUIZ MARTIN 134
Rv.9 12/11/2015

Proyectofc8

  • 1.
    RAFAEL RUIZ MARTIN1 ESCUELA POLITÉCNICA SUPERIOR. ESPECIALIDAD ELECTRICA Diseño, montaje electromecánico y bus de datos de un entrenador frigorífico para el laboratorio de Máquinas y Motores Térmicos. Proyecto previo a la obtención del título: INGENIERO TÉCNICO INDUSTRIAL. ESP. ELECTRICIDAD RAFAEL RUIZ MARTIN DIRECTOR: D. ALBERTO FERNÁNDEZ GUTIÉRREZ MÁLAGA, SEPTIEMBRE 2015
  • 2.
    RAFAEL RUIZ MARTIN2 CERTIFICACIÓN DE LA ELABORACIÓN DEL PROYECTO. El proyecto “ DISEÑO, MONTAJE ELECTROMECÁNICO Y BUS DE DATOS DE UN ENTRENADOR FRIGORÍFICO PARA EL LABORATORIO DE MÁQUINAS Y MOTORES TÉRMICOS” , ha sido realizado en su totalidad por Rafael Ruiz Martin para la obtención del título de “ INGENIERO TÉCNICO INDUSTRIAL. ESPECIALIDAD ELECTRICIDAD”. DIRECTOR: D. Alberto Fernández Gutiérrez Málaga, 2015
  • 3.
    RAFAEL RUIZ MARTIN3 1 ÍNDICE GENERAL DEL PROYECTO Contenido 1 ÍNDICE GENERAL DEL PROYECTO………………………5 2 MEMORIA DESCRIPTIVA……………………………………9 2.1 Antecedentes ……………………………………… .9 2.2 Objetivos……………………………………………...9 2.3 Alcance………………………………………………..9 2.4 Definición y finalidad del proyecto………………..10 3 ANEXOS ………………………………………………………11 3.1 Anexo 1: Principio funcionamiento del entrenador frigorífico…………………………………………… 11 3.1.1 Generalidades……………………………… 11 3.1.2 Funcionamiento Temperatura positiva…… 13 3.1.3 Funcionamiento temperatura negativa….. 14 3.1.4 Operación de desescarche…………………15 3.2 Anexo 2: Funcionamiento de los elementos de la instalación y sus parámetros de trabajo. 3.2.1 Elementos instalación hidráulica ………….17 3.2.1.1 Compresor …………………… 17 3.2.1.2 Separador de aceite…………. 17 3.2.1.3 Condensador………………….. 18 3.2.1.4 Evaporador ……………………. 19 3.2.1.5 Depósito ………………………. 20
  • 4.
    RAFAEL RUIZ MARTIN4 3.2.1.6 Separador de líquido ………….20 3.2.1.7 Filtros de secado …………… 21 3.2.1.8 Intercambiador de calor……… 21 3.2.1.9 Válvula KVP ……………………22 3.2.1.10 Válvula KVR ……………………23 3.2.1.11 Válvula KVL……………………. 24 3.2.1.12 Válvula KVC…………………… 25 3.2.1.13 Válvula retención NRV ……… 26 3.2.1.14 Válvula diferencial NRD …….. 26 3.2.1.15 Electroválvula ………………….27 3.2.1.16 Válvula expansión termostática 3.2.1.17 Válvula regulación ……………. 29 3.2.1.18 Flujómetro o caudalímetro ….. 29 3.2.1.19 Presostato de alta y baja presión 3.2.1.20 Visor de humedad……………. 31 3.2.1.21 Situación en el cuadro ………. 32 3.2.2 Elementos instalación eléctrica …………. 35 3.2.2.1 Cuadro eléctrico………………. 35 3.2.2.2 Diferencial …………………… 35 3.2.2.3 Magnetotérmicos ………….... 35 3.2.2.4 Relé térmico ………………… 35 3.2.2.5 Ventiladores de los evaporadores 3.2.2.6 Reguladores ………………… 36 3.2.2.7 Acometida …………………….. 37 3.2.2.8 Unidad condensadora ……… 37 3.2.2.9 Compresor ……………………. 37 3.2.2.10 Electroválvulas ……………… 38 3.2.3 Elementos instalación mecánica ……….. 39 3.2.4 Elementos instalación bus de datos …… 40 3.2.4.1 Eliwell EM 300 LX…………….. 40 3.2.4.2 Eliwell ID985/E LX …………….41 3.2.4.3 Eliwell EWCM 900/E ………….42 3.2.4.4 Bus adaptador Eliwell ………. 42 3.2.4.5 Pc Interface 1110……………. 43 3.2.4.6 Software Eliwellnet …………… 44 3.2.4.7 Cable de datos………………… 44
  • 5.
    RAFAEL RUIZ MARTIN5 3.3 Anexo 3: Eliwell Net. Televis System ………… 45 3.3.1 Plant info……………………………………...48 3.3.2 User pages. ………………………………….49 3.3.2.1 Real time table………………… 50 3.3.2.2 Historical table………………… 50 3.3.2.3 Alarm status…………………… 52 3.3.2.4 Alarm history………………….. 54 3.3.2.5 Real time chart…………………56 3.3.2.5 Historical chart…………………´58 3.3.2.6 Commands…………………… 58 3.3.2.7 RVD…………………………… 59 3.3.3 Start Panel……………………………………61 3.3.4 Tools…………………………………………..63 3.3.4.1 Parameters…………………… 63 3.3.4.2 Backup data…………………….64 3.3.4.3 Activity logging………………… 64 3.3.5 Plant settings……………………………… 64 3.3.5.1 Identification………………….. 65 3.3.5.2 User and permissions………… 65 3.3.5.3 Network configuration………….66 3.3.5.4 Message recipients…………….66 3.3.5.5 Alarm management…………….66 3.3.5.6 Scheduler settings……………..66 3.3.5.7 Layout setup…………………... 66 3.3.5.8 Plant list………………………... 66 3.3.6 Control panel……………………………….. 67 3.3.7 Quit program ……………………………….. 67 3.3.8 Log off……………………………………….. 67 3.4 Anexo 4 :Protocolo Manual puesta en marcha..68 3.4.1 Acciones previas al arranque ……………. 68 3.4.1.1 Procedimiento del vacío………70 3.4.2 Arranque de la instalación …………………73
  • 6.
    RAFAEL RUIZ MARTIN6 3.5 Anexo 5: Manual Mantenimiento y reparación…77 4 PLIEGO DE CONDICIONES………………………………108 4.1 Normativa aplicada……………………………… 115 4.2 Pruebas y verificación 4.2.1 Pruebas estanqueidad…………………… 115 4.2.2 Ejecución……………………………………115 4.2.3 Verificaciones………………………………116 5 PRESUPUESTO…………………………………………… 118 6 PLANOS…………………………………………………… 119 6.1 Plano general…………………………………… 120 6.1.1 Vista frontal 6.1.2 Vista trasera 6.2 Plano instalación eléctrica ………………………123 6.3 Plano instalación hidráulica……………………..128 6.4 Plano instalación red bus de datos……………. 129 6.5 Plano de pantalla ……………………………… 130 7 BIBLIOGRAFÍA…………………………………………… 132
  • 7.
  • 8.
    RAFAEL RUIZ MARTIN8 Agradecimientos En primer lugar quiero agradecer a mis padres por la paciencia infinita que han tenido primero cuando siendo joven me aguantaron frente a viento y marea, y ahora, porque ellos han asumido parte de mis responsabilidades como padre dejándome tiempo para poder terminar la carrera. En segundo lugar a mi mujer la cual me ha propiciado las horas de estudio y dedicación, a lo que yo quería hacer y que tantas horas de vacaciones ha perdido por mi culpa, gracias ITA. En tercer lugar a mis hijos que han sido el acicate de que yo esté aquí. Y por último a la Escuela Universitaria Politécnica de Málaga y en especial a D. Alberto Fernández Gutiérrez y Juan Jesús de la empresa Fricell por su dedicación debido al tiempo que he tardado en hacerlo por cuestiones laborales. Gracias a todos.
  • 9.
    RAFAEL RUIZ MARTIN9 2 MEMORIA DESCRIPTIVA 2.1 Antecedentes Se redacta la presente documentación del proyecto de diseño, montaje electromecánico y de bus de datos de un entrenador frigorífico. Este trabajo ha sido encargado por el profesor D. Alberto Fernández Gutiérrez, perteneciente al departamento de Ingeniería Mecánica, Térmica y de Fluidos de la Universidad de Málaga. La maqueta se ubicará concretamente en el laboratorio de L. 1517 del Área de Máquinas y Motores Térmicos, con domicilio en Calle Doctor Ortiz Ramos s/n, Escuela Politécnica Superior, para que sirva como Proyecto Final de Carrera de D. Rafael Ruiz Martín, y así tras su presentación y defensa del proyecto adquiera el título de Ingeniero Técnico Industrial. 2.2 Objetivos Diseño y montaje electromecánico de un entrenador frigorífico con el montaje de un bus de datos de la marca Eliwell, registrado desde un pc. Crear un manual de funcionamiento del entrenador para posteriores reparaciones y modificaciones. 2.3 Alcance Desarrollar un entrenador para el laboratorio de Termodinámica, Climatización y Termotecnia para su utilización por los alumnos, los cuales desarrollarán clases prácticas en este taller. La maqueta servirá como entrenador frigorífico para adquirir competencias académicas en materias de las titulaciones de Grado en Ingeniería Mecánica, Electricidad, Electrónica Industrial y Diseño y Desarrollo del Producto, además de otras titulaciones que imparte el Área. A nivel personal me permitirá profundizar en el estudio de instalaciones de frio industrial, campo el cual me dará una ampliación de conocimientos los cuales podré aprovechar como trabajador en el área del mantenimiento industrial.
  • 10.
    RAFAEL RUIZ MARTIN10 2.4 Definición y finalidad del trabajo El presente trabajo consiste en la redacción de proyecto “Diseño, montaje electromecánico y del bus de datos de un entrenador frigorífico para el laboratorio de Máquinas y Motores térmicos” Realizaré el estudio previo de la instalación hidráulica instalada en el entrenador, para comprender su funcionamiento y diseñar la instalación eléctrica de potencia así como la de control, y el desarrollo de la instalación de la red Eliwellnet para la adquisición y supervisión de datos desde un pc, apoyada por el software Elitewell bajo la plataforma de Windows 7. También desarrollaré cuadros y montajes electromecánicos asociados a las operaciones anteriores incluidas las del control del aire de enfriamiento. Posteriormente se procederá a la puesta en funcionamiento, con la supervisión de la empresa Fricell, con la prueba de estanqueidad de la tubería hidráulica y el posterior llenado de gas de ella con R- 404-A ya que al ser un gas industrial hace falta titulación para el manejo de ese tipo de gases. Finalmente haré una comprobación de los parámetros de funcionamiento para ver que sean correctos y en caso necesario realizar las modificaciones pertinentes para que su funcionamiento sea el óptimo. A su vez desarrollaré un manual para la comprensión del funcionamiento del entrenador, y para que sirva para futuras reparaciones y modificaciones.
  • 11.
    RAFAEL RUIZ MARTIN11 3 ANEXOS 3.1 Anexo 1: Principio de funcionamiento del entrenador frigorífico 3.1.1 Generalidades La regulación eficiente de la potencia y temperatura en instalaciones frigoríficas es un tema importante en la refrigeración. Con este entrenador es posible estudiar diferentes métodos de regulación de potencia. Los componentes de un circuito de refrigeración con cámara de refrigeración y congelación están montados claramente en el banco de ensayos. Unas válvulas electromagnéticas posibilitan el funcionamiento paralelo o separado de los evaporadores en ambas cámaras. El circuito está equipado con un regulador de potencia, un regulador de arranque y un presostato combinado para el lado de presión y de aspiración del compresor. Un cambiador de calor en la línea de alimentación de cada evaporador permite estudiar el subenfriamiento del refrigerante con respecto a la eficiencia del proceso. La potencia frigorífica en cada una de las cámaras es regulada por medio de un termostato. La cámara de refrigeración posee además un regulador de la presión de evaporación. Existe un método de descongelación para la cámara de congelación: descongelación por medio de gas caliente,( operación de desescarche) en la cual se envía refrigerante caliente procedente del compresor directamente a través del evaporador en dirección contraria. También dispondremos de reguladores de velocidad tanto para los ventiladores de los evaporadores de cada cámara como para el ventilador del condensador. En resumen, este entrenador simula el funcionamiento de un sistema de compresión de una sola etapa y con dos focos de temperatura, positiva y negativa funcionando con una sola unidad de frío. En el anexo 2 haremos una descripción técnica de todos los elementos del circuito así como su funcionamiento, se han dividido dependiendo al circuito al que pertenecen, hidráulico , eléctrico, mecánico y bus de datos. La disposición de los elementos en el entrenador es la siguiente:
  • 12.
    RAFAEL RUIZ MARTIN12 Figura 1: Esquema hidráulico entrenador.
  • 13.
    RAFAEL RUIZ MARTIN13 3.1.1 Funcionamiento Temperatura Positiva Para el funcionamiento del entrenador en temperatura positiva los interruptores que habría que activar en el cuadro son los siguientes: Figura 2: Cuadro de mandos. Asegurándonos de que el paro este liberado, tendremos que tener activado el compresor así como en la línea de TEMPERATURA POSITIVA, la solenoide y el ventilador que se encuentra en el evaporador para circular el aire Figura 3: Circuito temperatura positiva.
  • 14.
    RAFAEL RUIZ MARTIN14 En el diagrama vemos el funcionamiento del gas refrigerante tanto en su fase líquida como en su fase gaseosa. Un compresor mecánico se encarga de aumentar la presión del vapor para poder condensarlo dentro de otro intercambiador de calor conocido como condensador y hacerlo líquido de nuevo. En este intercambiador se liberan del sistema frigorífico tanto el calor latente como el sensible, ambos componentes de la carga térmica. Ya que este aumento de presión además produce un aumento en su temperatura, para lograr el cambio de estado del fluido refrigerante, y producir el subenfriamiento del mismo, es necesario enfriarlo al interior del condensador; esto se hace por medio de aire. De esta manera, el refrigerante en estado líquido, puede evaporarse nuevamente a través de la válvula de expansión y repetir el ciclo de refrigeración por compresión. 3.1.2 Funcionamiento temperatura negativa Para el funcionamiento del entrenador en temperatura negativa los interruptores que habría que activar en el cuadro son los siguientes: Figura 4: Cuadro de mandos. Asegurándonos de que el paro este liberado, tendremos que tener activado el compresor así como en la línea de TEMPERATURA NEGATIVA, la solenoide y el ventilador que se encuentra en el evaporador para circular el aire. Aunque el funcionamiento del circuito hidráulico sería el mismo, ahora la dirección de
  • 15.
    RAFAEL RUIZ MARTIN15 circulación será distinta pues se activan otras electroválvulas. Su funcionamiento está representado en el siguiente diagrama: Figura 5: Circuito temperatura negativa. 3.1.3 Operación de desescarche Para el funcionamiento del entrenador en función DESESCARCHE, los interruptores que habría que activar en el cuadro son los siguientes: Figura 6: Cuadro de mandos.
  • 16.
    RAFAEL RUIZ MARTIN16 Asegurándonos de que el paro este liberado, tendremos que tener activado el compresor así como en la línea de TEMPERATURA NEGATIVA, el desescarche y el ventilador (que será opcional) que se encuentra en el evaporador para circular el aire. Aunque el funcionamiento del circuito hidráulico sería el mismo, ahora la dirección de circulación será distinta pues se activan otras electroválvulas. Su funcionamiento está representado en el siguiente diagrama: Figura 7: Circuito de desescarche.
  • 17.
    RAFAEL RUIZ MARTIN17 3.2 Anexo 2: Funcionamiento de los elementos de la instalación y sus parámetros de trabajo. 3.2.1 Elementos instalación hidráulica 3.2.1.1 Compresor Disponemos de un compresor DWM COPELAND DKSJP-15x-EWL, tipo semihermético con los siguientes datos técnicos: - Numero cilindros: 2 - Refrigerante: R404A - Potencia motor: 1.5 Hp - Desplazamiento volumétrico: 6.33 m3 /l - Carga aceite: 0.6 dm3 - Línea succión 5/8 “ - Línea aspiración 1/2 “ El trabajo del compresor es aspirar el vapor del evaporador y forzarlo a entrar en el condensador. Figura 8: Compresor Copeland. 3.2.1.2 Separador de aceite El separador de aceite que disponemos en la instalación es un ESK SCHULTZE OS - ½ “. Sus datos técnicos son:
  • 18.
    RAFAEL RUIZ MARTIN18 Tabla 1: Datos separador de aceite. Figura 9: Separador de aceite. La forma más común para reducir el aceite en circulación y problemas que éste conlleva dentro del sistema es mediante el uso un separador de aceite. Su función principal es separar el aceite del gas refrigerante, y devolverlo al cárter del compresor antes de que llegue a otros componentes del sistema. 3.2.1.3 Condensador Se utiliza un condensador con ventilador axial monofásico de la marca Frimetal CPN-42. Sus características técnicas son: Figura 10: Unidad Condensadora.
  • 19.
    RAFAEL RUIZ MARTIN19 Tabla 2: Características Condensador. El propósito del condensador es sacar del gas el calor, que es igual a la suma del calor absorbido en el evaporador más el calor producido por la compresión. 3.2.1.4 Evaporador Disponemos de un evaporador estático de tubo con aletas y ventilación forzada. Figura 11: Evaporador. El evaporador opera como intercambiador de calor, por cuyo interior fluye el refrigerante el cual cambia su estado de líquido a vapor. Este cambio de estado permite absorber el calor sensible contenido alrededor del evaporador y de esta manera el gas, al abandonar el evaporador lo hace con una energía interna
  • 20.
    RAFAEL RUIZ MARTIN20 notablemente superior debido al aumento de su entalpía, cumpliéndose así el fenómeno de refrigeración. 3.2.1.5 Depósito Contamos con un recipiente frigorífico de la marca A. Torrecilla con los siguientes datos: Figura 12: Depósito. - Capacidad : 19 litros - Presion S. : 30 bar - Presion T. : 45 bar 3.2.1.6 Separador de líquido Tenemos un separador de líquido Carly LCY 25 S/MMS del tipo que vemos en la figura 13, vertical y con entrada y salida superior. Figura 13: Separador de líquido.
  • 21.
    RAFAEL RUIZ MARTIN21 Con las siguientes características técnicas: - Longitud: (L) 363 mm - Diámetro: (D) 101.6 mm - Distancia: (E1) 56 mm - Volumen retención: 0.13 l - Peso: 3.15 kg - Medida racores: 5/8 “ - Capacidad gas: 1.8 kg de R404A a 30o C La función del separador de líquido es la eliminación de los riesgos que acarrea el retorno del gas refrigerante en fase líquida y la llegada masiva de aceite a la aspiración del compresor en la instalación. 3.2.1.7 Filtros de secado Disponemos de dos filtros de secado danfoss dcl 163 de conexión roscada y tubería de 3/8” . Figura 14: Filtros de secado. Los filtros secadores DCL para líneas de líquido protege el sistema de refrigeración contra a la humedad, las partículas sólidas y los ácidos. Con la eliminación de estas fuentes de contaminación, las instalaciones están mejor protegidas contra las dañinas reacciones químicas y las partículas abrasivas. 3.2.1.8 Intercambiador de calor Disponemos de un intercambiador Packless Industries HXR-25 con las siguientes dimensiones:
  • 22.
    RAFAEL RUIZ MARTIN22 Figura 15: Intercambiador Hxr-25. Y con los siguientes parámetros de funcionamiento: - Presión de trabajo: 31 bar - Presión de rotura: 145 bar 3.2.1.9 Válvula KVP Tenemos una KVP 12 y se instala en la línea de aspiración, después del evaporador, y se usa para: 1. Mantener una presión de evaporación constante y, de esta manera, una temperatura superficial constante en el evaporador. La regulación es de tipo modulante. El estrangulamiento de la línea de aspiración permite adaptar la cantidad de gas refrigerante a la carga del evaporador. 2. Ofrecer protección frente a presiones de evaporación demasiado bajas (como protección contra la congelación en un enfriador de agua, etc.). El regulador cierra cuando la presión en el evaporador cae por debajo del valor ajustado. 3. Diferenciar entre las presiones de evaporación de dos o más evaporadores en sistemas con un único compresor. Figura 16 : Válvula KVP.
  • 23.
    RAFAEL RUIZ MARTIN23 Las características funcionamiento son: Tabla 3 Válvula KVP. 3.2.1.10 Válvula KVR Tenemos una KVR 12 093 como regulador de presión de condensación de tipos soldado. Los reguladores de presión de condensación KVR se pueden montar igualmente en la línea de gas o de líquido en sistemas de refrigeración y aire acondicionado. Se utilizan para mantener una presión de condensación constante y suficientemente alta con sistemas de condensadores refrigerados por aire. Figura 17: Válvula KVR.
  • 24.
    RAFAEL RUIZ MARTIN24 Con las siguientes características: Tabla 4: Válvula KVR. 3.2.1.11 Válvula KVL Disponemos de una KVL 12 043 con las características técnicas, (tabla 5). Figura 18: Válvula KVL. Tabla 5: Válvula KVL..
  • 25.
    RAFAEL RUIZ MARTIN25 El regulador de presión en cárter KVL se instala en la línea de aspiración, antes del compresor. El regulador KVL protege el motor del compresor frente a las sobrecargas durante el arranque tras paradas prolongadas o períodos de desescarche (es decir, con una presión alta en el evaporador). 3.2.1.12 Válvula KVC El regulador de capacidad KVC se emplea para adaptar la capacidad del compresor a la carga real del evaporador. Se instala en un bypass entre los lados de alta y baja presión del sistema de refrigeración e impone un límite inferior de presión de aspiración en el compresor, ya que aporta al lado de baja presión una capacidad de sustitución en forma de gas caliente o frío procedente del lado de alta presión. Figura 19:Válvula KVC. Las características de funcionamiento de la tabla 6. Tabla 6: Válvula KVC.
  • 26.
    RAFAEL RUIZ MARTIN26 3.2.1.13 Válvula retención NRV Las válvulas NVR aseguran la correcta dirección del flujo y previenen el retroceso de la condensación de una parte caliente del sistema hacia el evaporador frío. Un pistón de amortiguación integrado hace que las válvulas adecuadas para su instalación en la línea de descarga del compresor, es de la marca Danfoss. Figura 20: Válvula NRV. Con los datos de funcionamiento de la tabla 7. Tabla 7: Válvula NRV. 3.2.1.14 Válvula diferencial NRD El NRD es un regulador de presión diferencial, el cual regula la presión de condensación junto a un KVR de la marca Danfoss. Figura 21: Válvula diferencial NRD Con las siguientes características de funcionamiento:
  • 27.
    RAFAEL RUIZ MARTIN27 Tabla 8: Válvula NRD. 3.2.1.15 Electroválvula Disponemos de varias válvulas solenoidales para controlar el sentido del flujo, la válvula funciona de manera todo-nada, no tiene posiciones intermedias. La tensión de funcionamiento es 220 V, todas son de la marca Danfoss y con referencia Ev 210 B, son de dos vías , con unión roscada para abocardado. Las válvulas son normalmente cerradas Figura 22: Electroválvula.
  • 28.
    RAFAEL RUIZ MARTIN28 3.2.1.16 Válvula expansión termostática La válvula de expansión termostática (VET) controla el flujo de líquido refrigerante que entra al evaporador manteniendo un valor constante del vapor refrigerante sobrecalentado en la salida del este. La válvula VET controla la diferencia entre la temperatura actual y la de saturación del refrigerante, correspondiente a la presión de succión en el lugar del bulbo sensor, esto es el recalentamiento. Controlando el recalentamiento, la válvula VET mantiene activa la mayor parte de la superficie de evaporación, evitando que el líquido refrigerante vuelva al compresor. Gracias a su capacidad de regular el flujo del refrigerante a la cantidad que puede ser evaporizada en el evaporador, la válvula VET es el dispositivo de expansión ideal para refrigeración. Características según tabla 9. Figura 23: Válvula expansión termostática. Tabla 9: Válvula expansión termostática. Disponemos de dos válvulas termostáticas una en la parte de temperatura fría de la marca Danfoss con referencia TES2 y en la parte de refrigerado una con la referencia TS2 las dos son dos válvulas de expansión convencionales donde la diferencia radica en que la primera tiene un orificio para a inyección de líquido en el evaporador.
  • 29.
    RAFAEL RUIZ MARTIN29 3.2.1.17 Válvula regulación Disponemos de llaves de paso Danfoss N4. Figura 24: Válvula reguladora. La válvula BM es una válvula de cierre manual con volante de membrana, que se utiliza en tubería de líquido, de aspiración y de gas caliente en instalaciones de refrigeración. 3.2.1.18 Flujómetro o caudalímetro Disponemos de un Flujómetro de la marca Brooks Instrument MT3570 / CA6A11AJAAAAA0. La función de este aparato es medir el caudal de gas- líquido refrigerante R404A Figura 25: Caudalímetro.
  • 30.
    RAFAEL RUIZ MARTIN30 3.2.1.19 Presostato de alta y baja presión Disponemos de un Presostato dual con alta y baja presión kp15 de la marca Danfoss. En el presostato doble KP 15 con rearme opcional automático o manual tanto en lado de baja como en el de alta presión, se debe fijar rearme automático cuando se realizan trabajos de mantenimiento. El presostato arrancará entonces automáticamente. Deberá volver a fijarse el ajuste original de rearme tras finalizar los trabajos de mantenimiento. Para proteger el presostato de ajustes de rearme automático: retire simplemente la arandela que controla la función de rearme. Si hay que proteger la unidad contra un uso indebido, se puede sellar la arandela con laca roja. Las características técnicas de funcionamiento del presostato están representadas en la tabla 10. Tabla 10: Presostato Kp 15.
  • 31.
    RAFAEL RUIZ MARTIN31 Figura 26: Presostato Kp 15 A la hora de trabajar con el tenemos que tener las siguientes consideraciones en su configuración. Figura 27: Configuraciones presostato.. 3.2.1.20 Visor de humedad Sirve para el control de la humedad en el refrigerante liquido con un funcionamiento normal está en verde y cuando existe humedad se pone en amarillo de la marca Danfoss T3. Figura 28: Visor de humedad. En el caso segundo habría que tomar medidas como el cambio de los filtros porque el agua en las instalaciones de frío industrial es un gran problema.
  • 32.
    RAFAEL RUIZ MARTIN32 3.2.1.21 Situación en el cuadro La colocación de todos los elementos hidráulicos dentro del entrenador es como vemos en la figura 29, vemos que en la parte izquierda superior estaría el evaporador del circuito de temperatura positiva, justo debajo en la parte inferior izquierda se ve la unidad condensadora, entre ellos vemos los filtros de secado, que veremos dos en paralelo. En la parte derecha superior se encuentra el evaporador del circuito de temperatura negativa, se ven que tanto este como el otro evaporador está rodeado de una caja para aislar la producción de frío, en la parte inferior de esas cajas hay un drenaje para recoger el agua del desescarche. En la parte inferior derecha está colocado el compresor y justo encima el presostato de control de esté, a la izquierda del compresor vemos el separador de aceite, el de líquido y el depósito. Las válvulas de expansión termostática están colocadas entre la salida y la entrada de los evaporadores, justo debajo están los intercambiadores de calor. En el lateral derecho está el cuadro de control y en la parte trasera todo el circuito de bus de datos en el que nos entretendremos más adelante.
  • 33.
    RAFAEL RUIZ MARTIN33 Figura 29A: Disposición elementos del circuito hidráulico
  • 34.
    RAFAEL RUIZ MARTIN34 Figura 29B: Parte trasera
  • 35.
    RAFAEL RUIZ MARTIN35 3.2.2 Elementos instalación eléctrica 3.2.2.1 Cuadro eléctrico Usaremos un cuadro metálico marca Hagi en el que acomodaremos todos los elementos de protección y control. Debajo de ella colocaremos una caja estanca para facilitar la gran cantidad de conductores al cuadro. Figura 30: Interior cuadro eléctrico. 3.2.2.2 Diferencial Disponemos de dos diferenciales magnetotérmicos para la protección contra contactos directos e indirectos, uno para la línea de fuerza de 4x25x 30 mA de sensibilidad, y otro de 2x16x30 mA para el circuito de control, alimentación de bus de datos. El primero de la marca ABB y el segundo de la marca Medex 3.2.2.3 Magnetotérmicos Disponemos de dos magnetotérmicos para la protección contra cortocircuitos, uno para la línea de fuerza de 4x16, y otro de 2x6 para el circuito de control, alimentación de bus de datos. Ambos son de la marca Merlin Gerin 3.2.2.4 Relé térmico El relé térmico se colocará para proteger al compresor de sobrecargas, además este también dispone de una termoresistencia cuya función es que no se caliente excesivamente este , disponemos de uno de la marca Telemecanique con un rango de acción de 4 a 6.3 A.
  • 36.
    RAFAEL RUIZ MARTIN36 Figura 31: Relé térmico. En funcionamiento normal tiene que estar el botón start accionado en el caso de un fallo saltará y se rearmará de esa manera. 3.2.2.5 Ventiladores de los evaporadores En el interior de cada una de las cámaras dispondremos de un ventilador tangencial, el cual le modificaremos el caudal que es capaz de renovar mediante un regulador que explicaremos en el apartado siguiente, que nos servirá para regular la velocidad. Figura 32: Ventilador tangencial. 3.2.2.6 Reguladores Disponemos de tres reguladores dos para los ventiladores tangenciales que hay en los evaporadores, y uno para regular la velocidad del ventilador de la unidad condensadora. Sus características técnicas son:
  • 37.
    RAFAEL RUIZ MARTIN37 Figura 33: Regulador de velocidad. Ha sido diseñado específicamente para su uso con ventiladores. Por otra parte, la presencia del condensador de ajuste permite que la velocidad mínima emparejando al motor con corriente absorbida dentro de los límites permisibles. Información técnica. Tensión y frecuencia: 230V - 50/60 Hz Min actual. y máximo: 0.1- 4.0 A Corriente de entrada: 8A - 1 sg. Corriente de pico: 16 A - 1 ms. Dimensiones LxAxP: mm. 110x76x50 Peso: 0,2 kg 3.2.2.7 Acometida La acometida será manguera Afumex 1000V RZ1-K(AS) de 5 x4 mm2 la cuál cumple con los diferentes criterios de diseño. 3.2.2.8 Unidad condensadora Las características técnicas de este están en el apartado 3.2.1.3. 3.2.2.9 Compresor Disponemos de un compresor DWM COPELAND DKSJP-15x-EWL, tipo semihermético con los siguientes datos técnicos: - Numero cilindros: 2 - Refrigerante: R404A - Potencia motor: 1.5 Hp - Desplazamiento volumétrico: 6.33 m3 /l
  • 38.
    RAFAEL RUIZ MARTIN38 - Carga aceite: 0.6 dm3 - Línea succión 5/8 “ - Línea aspiración 1/2 “ El trabajo del compresor es aspirar el vapor del evaporador y forzarlo a entrar en el condensador. Dispone de una termoresistencia que protege el motor de temperaturas excesivas, en las cajas de bornes también se encuentra la conexión que va de la siguiente manera: Power supply [V/nº f/Hz]: 380-420V/3/50Hz 3.2.2.10 Electroválvulas Disponemos de varias válvulas solenoidales para controlar el sentido del flujo, la válvula funciona de manera todo-nada, no tiene posiciones intermedias. La tensión de funcionamiento es 220 V, todas son de la marca Danfoss y con referencia Ev 210 B, son de dos vías , con unión roscada para abocardado. Las válvulas son normalmente cerradas Figura 34: Electroválvula. .
  • 39.
    RAFAEL RUIZ MARTIN39 3.2.3 Elementos instalación mecánica El entrenador está montado sobre un chasis de hierro movible sobre 4 ruedas locas, cuyo armazón está fabricado con cuadrado normalizado de 40 mm, para las partes que van tapadas como el frontal y los laterales se usa chapa de hierro de 2mm, a toda esta estructura se le ha dado una imprimación de pintura gris anti oxido. Las cajas de los evaporadores están hechas en acero inoxidable en la parte delantera, (para prevenir la oxidación por los condensados de agua), ambos evaporadores disponen de un desagüe inferior que mediante un tubo flexible van a descargar a un recipiente de condensados. En la parte trasera se ha colocado como tapa de este unas cajas de almacenamiento plásticas para hacer el aislamiento del frío producido, una de ellas la del condensador de baja temperatura dispone de una rejilla al exterior para hacer mezcla de aire exterior en previsión de congelación por el sobredimensionamiento del compresor. Para la tapa de los evaporadores se ha utilizado metacrilato de 3 mm con un marco de aluminio lacado. El compresor va montado sobre unos silentblocks de goma y muelle para amortiguar las dañinas vibraciones a la instalación. Para el circuito hidráulico se ha utilizado cobre recocido de las siguientes dimensiones: ½”, ¼” y 3/8” dependiendo de la zona de utilización ya sea para la zona líquida o la zona gaseosa y si es para alguna capilaridad, todo va sujetado con unas bridas de plástico. En la parte trasera del entrenador se han habilitado unos perfiles de aluminio sobre los que va montada toda la instalación eléctrica y la de bus de datos.
  • 40.
    RAFAEL RUIZ MARTIN40 3.2.4 Elementos instalación bus de datos 3.2.4.1 Eliwell EM 300 LX Figura 35: Eliwell EM 300 (LX). El EM300 (LX) es un dispositivo para la medición de los valores de temperatura, humedad, presión o cualquier otro valor que pueda proporcionar una señal en tensión o corriente. Sus características técnicas son las de la siguiente tabla: Tabla 11: EM 300 (LX).
  • 41.
    RAFAEL RUIZ MARTIN41 3.2.4.2 Eliwell ID985/E LX Figura 36: Eliwell ID985. Control compacto avanzado para aplicaciones frigoríficas, el ID985 (/E) LX tiene 4 relés de salida. Estos controles garantizan calidad y seguridad de conservación de los alimentos frescos y ultra congelados, en nuestro caso nos hace trabajar entre unos parámetros determinados, asegurando el mejor rendimiento de la instalación frigorífica y contribuyendo al ahorro energético. Las características de funcionamiento son las siguientes: Tabla 12: ID 985/E LX.
  • 42.
    RAFAEL RUIZ MARTIN42 3.2.4.3 Eliwell EWCM 900/E Figura 37:Central EWCM 900/E. Central multicompresor con 11 salidas para compresores y ventiladores, esta está situada en el cuadro general. 3.2.4.4 Bus adaptador Eliwell Figura 38: Bus adaptador TTL-Rs 485. Módulo de conexión TTL-RS485 .Este módulo que permite comunicar un instrumento dotado de puerto serie de tipo TTL a una red de tipo RS485. Está dotado de una entrada serie de tipo TTL para la conexión a los Eliwell EM 300 LX y Eliwell ID 985/ELX, dispone de un cable TTL para conectarlo al aparato Dos conectores RS485 para facilitar la conexión a la red, pudiendo utilizarse tres bornes para la conexión del cable de llegada y tres para los de salida. El modelo 130 dispone de salida auxiliar 12V para la alimentación de los módulos. Las características de funcionamiento las vemos en la siguiente tabla:
  • 43.
    RAFAEL RUIZ MARTIN43 Tabla 13:Bus adaptador TTL- serie. 3.2.4.5 Pc Interface 1110 Figura 39: Interface Pc. El PC Interface serie 1100 es un módulo de comunicación RS-232/RS-485 que permite comunicar un PC con puerto RS-232 y una serie de instrumentos compatibles con el protocolo Micronet/Televis conectados a una red RS-485. El dispositivo requiere que esté montado (en su alojamiento adecuado) el módulo de activación BlueCard que se suministra con la licencia de los paquetes de software Eliwell. Una serie de LEDS en el dispositivo permiten obtener una visión inmediata del comportamiento del instrumento. • Alimentación del dispositivo: LED Power encendido.
  • 44.
    RAFAEL RUIZ MARTIN44 • Transmisión (TX) / recepción (RX) de datos del PC: los LEDS TX / RX RS-232 parpadean. • Transmisión (TX) / recepción (RX) de datos desde un dispositivo de red: los LEDS TX / RX RS-485 parpadean. • Error WD (ausencia de comunicación prolongada por parte del PC durante la ejecución del programa): todos los LEDS TX y RX parpadean al mismo tiempo a intervalos de 1 segundo. • Error de lectura del módulo de activación BlueCard (módulo no presente o averiado): los LEDS RX RS-232 y LED RX RS-485 (rojos) parpadean a intervalos de 1 segundo. El relé de alarma indica la posible ausencia de comunicación prolongada por parte del PC durante la ejecución del programa. Consulte el manual del software para información sobre el tipo de indicaciones y sus posibles configuraciones. 3.2.4.6 Software Eliwellnet Como software de soporte utilizaremos el TelevisSystem de la marca Eliwell, este software TelevisSystem es un sistema de monitorización, adquisición de datos y asistencia remota para el control de instalaciones frigoríficas. En el Anexo 3.3 haremos una descripción detallada del funcionamiento de este. 3.2.4.7 Cable de datos El fabricante del equipo nos pide un cable blindado y “retorcido” con dos conductores de sección, más trenza (referencia cable Belden modelo 8762 con vaina pvc , 2 conductores más trenza, 20 AWG , capacidad nominal entre conductores de 89 pF, capacidad nominal entre conductor y trenza 161 pF, hemos utilizado uno de 4 hilos de un con un AWG superior. Todos los equipos de Bus adaptador Eliwell están conectados en paralelo a la red. Tanto el emisor como el receptor que es el interface del pc. Más adelante en el apartado de planos se verá detalladamente como va conectado.
  • 45.
    RAFAEL RUIZ MARTIN45 3.3 Anexo 3: Eliwell Net. Televis System. TelevisSystem es un sistema de monitorización, adquisición de datos y asistencia remota para el control de instalaciones frigoríficas. En este caso lo hemos utilizado para este entrenador con el que posteriormente se harán prácticas de taller, las cuales servirán a los alumnos para ver el comportamiento de los gases de refrigeración en una instalación frigorífica. Para arrancar el programa después de haber iniciado el funcionamiento de este, buscaremos un icono en el escritorio de Windows 7 llamado TelevisNet. Figura 40: Escritorio Windows. Para este proyecto hemos utilizado la versión 3.1.3. SP2, que es la última disponible, suministrada por el servicio técnico de Eliwell España.
  • 46.
    RAFAEL RUIZ MARTIN46 Una vez hayamos hecho doble click en el icono de inicio del programa nos saldrá una pantalla de inicio. Esta pantalla es como la de la figura 41. Figura 41: Pantalla inicio. En la esquina superior derecha nos encontraremos dos opciones “Help”, que es el fichero de ayuda y “Televis”, al presionar este segundo no saldrá un menú desplegable con las acciones que podremos usar. Figura 42: Menú desplegable.
  • 47.
    RAFAEL RUIZ MARTIN47 Buscaremos lo opción Log in, al pincharla nos saldrá una pantalla que nos pedirá el User y el password . La pantalla será la siguiente: Figura 43: Pantalla Log in. Pondremos: - User name: Administrador - Password : 0 Pulsaremos Log In y ya tendremos activas todas las funciones del programa. Nos saldrá el siguiente menú desplegable, que explicaremos a continuación. Figura 44: Menú activado.
  • 48.
    RAFAEL RUIZ MARTIN48 3.3.1 Plant info. (Información de planta) Si se pulsa Plant info nos dará una lectura de todos los elementos presentes en la red, es decir manómetros, sensores de presión , termómetros. Figura 45: Plant info. Vemos que cada dispositivo tiene una numeración del tipo aa:bb , donde aa seria el número de familia y bb el número de orden dentro de esta. Por ejemplo 03:02 sería el dispositivo número 2 de la familia 3, si pulsásemos en sobre este nos saldría la información detallada que contiene el display, diciéndonos si existe alguna alarma, y si el funcionamiento es el correcto. Figura 46: Plant info II.
  • 49.
    RAFAEL RUIZ MARTIN49 3.3.2 User pages. (Funciones principales). Presionamos Televis y nos saldrá el menú desplegable, dentro de él presionaremos User pages. Figura 47: Menú desplegable. En la siguiente pantalla nos encontraremos con un menú que describiremos a continuación. Figura 48: Funciones principales.
  • 50.
    RAFAEL RUIZ MARTIN50 3.3.2.1 Real time table. (Datos en tiempo real) En esta pantalla aparecen los parámetros de funcionamiento en tiempo real, (temperatura, presión). Figura 49 Datos tiempo real. Veremos resaltado en gris el elemento que estamos mirando, después le acompañaran 3 filas, la primera es el valor de tipo analógico en tiempo real, la segunda si el display está encendido o no y la tercera con respecto a la activación de la alarma. En el caso del último existen variantes porque un solo elemento pero tiene varios valores en este caso da tres valores analógicos en tiempo real, en este caso de temperatura, el siguiente parámetro dice que esta encendido el display, a continuación que la alarma está apagada y a partir el estado de diferentes elementos de la instalación si se encuentran encendidos (on) o apagados (off). 3.3.2.2 Historical table.(Histórico de datos) En esta pantalla encontraremos los datos históricos de funcionamientos anteriores del entrenador y que estarán registrados en el sistema.
  • 51.
    RAFAEL RUIZ MARTIN51 La pantalla que nos encontraremos será: Figura 50: Histórico de datos. En el recuadro superior izquierdo encontraremos los filtros para ver el histórico, que describiremos a continuación: - Profile, en el pondremos el perfil, en nuestro caso encontraremos dos uno llamado cámara y otro entrenador. El primero es si estamos conectados a la cámara frigorífica y el segundo que es nuestro caso. - Quick selection, selección rápida del intervalo de tiempo que queremos revisar , por ejemplo la última hora. - Detal level o nivel de detalle en el seleccionaremos la cantidad de información que queremos controlar, tendremos dos opciones, la primera visiona 1 de cada 3 mediciones, y la segunda se ven los registros de las mediciones en cualquier momento. - Selección por fechas, en estos desplegables podemos poner el inicio (from) y final (to) del periodo a controlar. - Time for page, tiempo de registro en cada página.
  • 52.
    RAFAEL RUIZ MARTIN52 En la parte inferior izquierda veremos un desplegable con todos los elementos de que dispone la instalación, eligiendo el elemento podremos añadir o eliminar recursos. Si en cualquier momento hacemos doble clic en una medida de presión o temperatura, pasaremos del histórico a la medición en tiempo real. Figura 51: Datos en tiempo real. Si presionamos sobre algún elemento vemos que nos dará la siguiente información: - Número de sonda - Comunicación - Estado - Alarma 3.3.2.3 Alarm status (Estado de alarmas) La página "Estado de alarmas" muestra el estado corriente de todas las alarmas que pueden ser detectadas por los instrumentos de la instalación. Las alarmas se reagrupan según el instrumento al cual pertenecen. En la parte izquierda de la página hay una sección denominada "filtros de selección" que permite seleccionar la tipología de alarmas que se quiere visualizar:
  • 53.
    RAFAEL RUIZ MARTIN53 - Visualización de todos los posibles códigos de alarma. - Visualización personalizada, o sea el usuario puede ver sólo recursos de alarma en un determinado estado, eligiendo entre las tres tipologías: Alarmas eliminadas, alarmas activas, alarmas activas y consideradas. - Periodo de observación: permite ver también las alarmas eliminadas (la condición de alarma ha acabado), siempre y cuando el último cambio haya tenido lugar en el intervalo configurado en la sección de filtro. La tabla muestra la lista de los instrumentos coherentes con las selecciones activas. El inicio de cada sección de la tabla contiene la dirección y el nombre del elemento que se está examinando. Junto a cada instrumento de la tabla se indica: - La eventual falta de conexión del instrumento que se está examinando. - El estado de alarma más grave presente entre los recursos del instrumento. Cada alarma de la lista presenta la siguiente información: - Iconos de estado: indica al lado de cada alarma el estado actual, (véase el párrafo Iconos de estado). - Recurso asociado: indica el tipo de alarma y el recurso asociado al cual se refiere). - Fecha y hora inicial señalización de alarma. - Fecha y hora de visión. Fecha y hora final de señalización de alarma. El significado de los colores de las alarmas será: - ROJO, alarma activa, nos da la información de a la hora que empezó. - AMARILLO, alarma activa pero la cual ya se ha confirmado que existe y está reconocida, también aparece la hora en la que se ha reconocido.
  • 54.
    RAFAEL RUIZ MARTIN54 - VERDE, Alarma finalizada, aparece la hora en que se finalizó. - GRIS, Alarma inactiva, no existe ninguna variación en el periodo de observación. La página será como esta: Figura 52: Estado de alarmas. 3.3.2.4 Alarm history (Histórico de alarmas) La "Cronología alarmas" es un instrumento de consulta que permite al usuario ver las alarmas registradas por TelevisNet durante la monitorización normal de la instalación. Es posible crear informes personalizados según la tipología y el periodo de registro de cada alarma. Inicialmente, el usuario debe decidir qué ver configurando correctamente algunos filtros: - Intervalos de validez: si el usuario elige la modalidad "Rápida" dispondrá de cuatro intervalos temporales predefinidos (última hora, últimas seis horas, últimas doce horas, último día, última semana, último mes, último año, siempre), elegir entre uno de éstos. En cambio, si el usuario desea configurar un determinado intervalo de tiempo más preciso, deberá escoger la modalidad "Personalizada".
  • 55.
    RAFAEL RUIZ MARTIN55 De esta forma podrá configurar la fecha y la hora de inicio y de fin de intervalo. - Configuración de red: el usuario puede seleccionar la configuración de red de la que desea conocer la cronología de alarmas. Tras completar la configuración de cada campo, hacer clic en "Siguiente". En la pantalla sucesiva se visualiza la tabla que contiene los datos requeridos En la parte izquierda de la pantalla hay un resumen de los datos relativos al intervalo temporal que está siendo examinado (fecha y hora de inicio y fin de intervalo) y se indica la configuración seleccionada. Se puede filtrar por instrumento y por clase de alarma deseada. La tabla visualizada contiene la lista de alarmas seleccionadas; es posible obtener la siguiente información sobre cada una de ellas: - Estado: se indica, mediante un icono, el estado de alarma al finalizar el intervalo de validez predeterminado. - Instrumento. - Código de la alarma. - Descripción de la alarma. - Inicio: Fecha y hora de señalización de alarma). - Confirmado: Fecha y hora de visualización de la alarma). - Fin: Fecha y hora final de señalización de alarma). El usuario puede ver el estado de las notificaciones y el contexto de la alarma haciendo clic simplemente en el icono de la alarma: - Inicio de la alarma: la tabla visualizada contiene las fechas y los relativos horarios de inicio y confirmación de la alarma seleccionada, la clase de alarma y las notas registradas para la misma. Se enumerarán todas las modificaciones efectuadas en dicha alarma, indicando el tipo para cada una de ellas (FAX, SMS, email, etc.), la dirección o número telefónico del destino, el estado de la notificación (en curso, completado, fallo, etc.) y la fecha/hora de envío. - Fin de la alarma: la tabla visualizada contiene las fechas y los relativos horarios en los cuales la señalización de alarma finaliza, la clase de alarma y las notas registrada para ella. Asimismo, se enumerarán todas las notificaciones efectuadas para dicha alarma (con las mismas modalidades descritas para la carpeta Inicio de Alarma).
  • 56.
    RAFAEL RUIZ MARTIN56 - Contexto de la alarma: la carpeta contexto contiene los datos de todos los recursos de dicho instrumento en el instante previo a la señalización de alarma (temperatura detectada por las sondas, estado de los recursos conectados, por ejemplo: compresor, ventiladores, etc.…) Es posible volver a la pantalla anterior para modificar la configuración de visualización haciendo clic sobre el enlace “Anterior". Haciendo clic en el enlace "Exportar", el usuario puede abrir y/o guardar los datos visualizados en formato Excel. Haciendo clic en "Imprimir", el usuario puede imprimir los datos visualizados. Figura 53: Histórico de alarmas 3.3.2.5 Real time chart ( Gráfico en tiempo real) En esta página, es posible visualizar sobre un gráfico el estado de los valores detectados por la instalación monitorizada. Es necesario seleccionar uno de los perfiles desde el menú despegable Perfil. Al seleccionar el perfil, se visualizarán los instrumentos y los recursos predefinidos por el perfil seleccionado.
  • 57.
    RAFAEL RUIZ MARTIN57 Esta visualización permite asimismo ver la leyenda con los colores asignados a cada recurso descrito en el gráfico. Figura 54: Gráfico en tiempo real. El selector de la parte izquierda superior permite modificar los valores máximos y mínimos de Y. Cada elemento lo podemos asociar a un color de trazo diferente. Si hacemos doble clic encima de uno de los elementos veremos un gráfico en tiempo real de este. 3.3.2.5 Historical chart ( Gráfico histórico) En esta página se pueden generar gráficas a partir de los registros del sistema. Empezaremos seleccionando el perfil de “entrenador”, nos encontraremos también el de “cámara” puesto que compartimos el programa con una cámara frigorífica. Nos saldrá una pantalla como la de la figura 55, hay deberemos elegir el elemento el cuál queremos hacer el gráfico histórico, en la izquierda de la pantalla donde está la lista de recursos o elementos, seleccionaremos uno y seguidamente tendremos dos opciones.
  • 58.
    RAFAEL RUIZ MARTIN58 Figura 55: Gráfico histórico. En primer lugar añadir el elemento al gráfico usando en la parte inferior izquierda el botón ►, anteriormente podremos elegir el color de cada una de las características. En segundo lugar si tenemos un elemento seleccionado y lo queremos quitar utilizaremos el botón ◄ que existe en la parte inferior. 3.3.2.6 Commands (Comandos) En esta página podemos acceder remotamente a los elementos de la instalación para activar y desactivar funciones de estos. Puede enviarse órdenes a uno o varios instrumentos a la vez. Partiendo de una pantalla como la de la figura 56. 1º Seleccionaremos el elemento del cual queremos hacer la supervisión y el control. 2º En el menú desplegable de la derecha podemos activar y desactivar funciones de este.
  • 59.
    RAFAEL RUIZ MARTIN59 3º Pulsamos la tecla “execute” e iniciará la orden. Recibiremos un mensaje de Ok en el caso de que se haya completado con éxito y un mensaje de error si la función no está disponible o no ha sido capaz de conectar con el elemento. Figura 56: Comandos. 3.3.2.7 RVD En esta página podremos ver y modificar las configuraciones de todos los elementos de la red Eliwellnet. En la primera página, figura 57 nos saldrá un desplegable con todos los elementos de la red, donde están todos los instrumentos que tenemos en el bus de datos.
  • 60.
    RAFAEL RUIZ MARTIN60 Si pulsamos cualquiera de los instrumentos, lo marcamos en gris y a continuación pulsamos la tecla inferior RVD, accederemos a una nueva página (figura 58). Figura 57: RVD. Figura 58: Display RVD.
  • 61.
    RAFAEL RUIZ MARTIN61 En esta página en el recuadro superior aparecerá una imagen igual a la del display que tenemos colocado en el entrenador, con todos los botones operativos, de manera que pulsando sobre ellos podemos hacer las mismas funciones que se pueden hacer físicamente en el otro. 3.3.3 Start Panel (Panel de Inicio). En la página principal cuando pulsamos Televis nos sale el siguiente menú desplegable. Figura 59: Página principal. Elegimos Start panel, lo cual nos llevará a una página como la de la figura 60, en este estarán los siguientes campos. - Start / Stop data acquisition. - Scheduler. - Outgoing connections. - Incoming connections.
  • 62.
    RAFAEL RUIZ MARTIN62 Figura 60: Start panel. 3.3.3.1 Start/Stop Data Acquisition (Inicio/Fin Adquisición) Inicia /Para la toma de adquisición de datos de la red de las cuales hemos hablado en el anterior capítulo. 3.3.3.2 Scheduler (Operaciones planificadas) Inicia la ejecución de la impresión automática que hemos elegido en “Actividades planificadas “. 3.3.3.3 Outgoing connections (Conexiones salientes) Activa las llamadas salientes del sistema TelevisNet al sistema TelevisLink. Si esta opción no está habilitada no se permitirán retrollamadas a la TelevisNet 3.3.3.4 Incoming connections (llamadas entrantes) Activa las llamadas entrantes al sistema para su supervisión a través de TelevisLink.
  • 63.
    RAFAEL RUIZ MARTIN63 3.3.4 Tools (Herramientas) Si pulsamos la opción Tools nos saldrá la página de la figura 61. Figura 61: Herramientas. Nos saldrán las siguientes opciones que veremos a continuación: - Parámeters (Parámetros) - Backup data ( Backup de datos) - Activity logging ( Registro de actividades) 3.3.4.1 Parameters (Parámetros) Esta función permite acceder directamente a los parámetros configurados en los instrumentos. Tendremos disponibles las siguientes funciones: - Leer, Lee los datos del instrumento visualizado en la tabla. - Escribir, Escribir los parámetros del instrumento. - Abrir, Permite seleccionar un archivo sobre el cual han sido salvados previamente los parámetros y sustituirlos por los que se están visualizando.
  • 64.
    RAFAEL RUIZ MARTIN64 - Guardar , Permite indicar a un archivo sobre el cual se salvarán los elementos relativos a la pantalla visualizada. - Imprimir , Imprime una copia de los parámetros visualizados. 3.3.4.2 Backup data ( Backup de datos) En esta página podremos acceder a las copias de seguridad de datos. 3.3.4.3 Activity logging ( Registro de actividades) Introducimos un usuario , funcionalidad y acción , pulsaremos buscar, y el programa reflejará los datos de las veces que accedió el usuario al programa. 3.3.5 Plant settings (Configuración de planta) En esta página tendremos la información relativa al estado actual de la planta. Figura 62: Configuración de planta.
  • 65.
    RAFAEL RUIZ MARTIN65 3.3.5.1 Identification (Identificación) Aparecerá el nombre de la planta. Figura 63: Nombre de planta. 3.3.5.2 User and permissions (Usuarios y permisos) Esta página sirve para la gestión de usuarios y a los parámetros que estos pueden acceder para trabajar con ellos, ya sea visionando , trabajando y ejecutando. Figura 64: Gestión usuarios y permisos.
  • 66.
    RAFAEL RUIZ MARTIN66 3.3.5.3 Network configuration (Configuración de red) Aquí haremos la gestión de redes, buscando nuevas si las hubiese. 3.3.5.4 Message recipients (Destinatarios de mensajes) Aquí configuraremos a quien enviar los avisos y también la gestión de ellos. 3.3.5.5 Alarm management (Gestión de alarmas) En esta página se administrará que hacer con la alarma en el caso de que esta se produzca, por ejemplo mandar SMS, email , fax o mostrar ventana de alarma. 3.3.5.6 Scheduler settings (Configuración de actividades) Podremos crear una planificación de tareas, exportarla como archivo txt, xls o imprimirla. 3.3.5.7 Layout setup (Configuración del sipnótico) 3.3.5.8 Plant list (Lista de plantas) Tendremos todos los datos de la plantas. Figura 65: Lista de plantas.
  • 67.
    RAFAEL RUIZ MARTIN67 3.3.6 Control panel (Panel de control) Figura 66: Panel de control. En esta página se configuran puertos de comunicación, fax, SMS, impresoras y accesos remotos al programa. 3.3.6 Quit program (Salir) En esta función podemos cambiar de usuario. 3.3.7 Log off ( Desconexión) Con esta función saldremos del programa.
  • 68.
    RAFAEL RUIZ MARTIN68 3.4 Anexo 4 :Protocolo Manual de puesta en marcha En el presente anexo crearemos para la puesta en marcha del entrenador frigorífico, dado que el entrenador es de fabricación y diseños propios partiré de uno genérico y lo adaptaré a la instalación. He utilizado la reglamentación vigente para la creación de esta guía, las ITC´s del reglamento de instalaciones frigoríficas. 3.4.1 Acciones previas al arranque 1) Revisión de las tuberías, valvulería y demás elementos de la instalación para comprobar que se ajusta al esquema frigorífico y el buen hacer en el campo de la refrigeración. 2) Comprobación de los desagües: pendientes, sifones. 3) Comprobación de la colocación y buen funcionamiento de las válvulas equilibradoras de presión. 4) Comprobar que todas las válvulas de paso de la instalación están abiertas. 5) Comprobación de la alimentación/ acometida eléctrica al cuadro de control de la instalación: - Tensión entre fases. - Tensión entre fase y neutro. - Ausencia de fallo de fase. - Desequilibrio de fases: máximo 2%. - Orden de las fases para el sentido de giro de los ventiladores y si el sentido de giro del compresor es único . 6) Carga de la instalación con Nitrógeno seco para: - Realización de la prueba de estanqueidad de la instalación (IF - 010. estanquidad de los elementos de un equipo frigorífico) - Comprobación de fugas en la instalación: Se dejará la instalación con nitrógeno el mayor tiempo posible, 24 horas como mínimo y se verificará que la presión no ha disminuido (será necesario corregir la presión si la temperatura ambiente ha cambiado): Si se detecta una bajada de la presión de nitrógeno se procederá a la búsqueda de fugas con ayuda de agua y jabón.
  • 69.
    RAFAEL RUIZ MARTIN69 - Una vez solucionadas las fugas se realizará el vacío de la instalación para eliminar los gases incondensables y la humedad presentes en el circuito (ver procedimiento del vacío apartado 3.4.1.1). Si se detecta que existen fugas porque el vacío no se mantiene se debe proceder nuevamente a buscar las fugas con presión de nitrógeno. NOTA: no arrancar nunca un compresor con el vacío en el compartimento motor, posible daño eléctrico al bobinado. - Realizar una primera carga incompleta de refrigerante (ver procedimiento de carga). - Debe asegurarse que la temperatura del aceite está 15 a 20ºC por encima de la temperatura ambiente que rodea la instalación (se puede comprobar aplicando un termómetro de contacto al Carter de aceite del compresor). - Regulación de presostatos: con una botella de nitrógeno seco y un manorreductor se procederá a la regulación de todos los presostatos de la instalación. Recordemos que las escalas de los presostatos son indicativas y no pueden tomarse como exactas. - Parametrización de los termostatos electrónicos y, si existen, microprocesadores de control de compresores. 7) Regulación de los elementos de seguridad eléctricos (disyuntores, térmicos…) a los niveles de consumo máximo permitidos por el compresor, ventiladores…etc. 8) Regulación de temporizadores de la instalación: anti-cortos ciclos de compresores, temporizadores de desescarche, etc.… 9) Comprobación de la cadena de seguridad del compresor en el esquema eléctrico del cuadro de control de la instalación. 10) Test de funcionamiento del compresor: con la potencia quitada, comprobar que llega tensión a los bornes de alimentación al compresor con la maniobra activada (selector de maniobra del compresor en posición Marcha). En el caso de que la protección de los compresores se realice por disyuntores, será necesario puntear los contactos de maniobra del disyuntor para poder realizar este test. 11) Test de funcionamiento de los ventiladores de la instalación. En caso de ventiladores de varias velocidades, comprobar que la velocidad conectada es la correcta. Verificar que el sentido de giro de los ventiladores es el correcto.
  • 70.
    RAFAEL RUIZ MARTIN70 12) Ajuste de los bornes de potencia de compresores y ventiladores. 13) Comprobar que los niveles de aceite son correctos: cárter del compresor, nivel del visor del cárter, depósitos de aceite, (llenar al menos la mitad del volumen del depósito no, ya que algo de aceite saldrá hacia la instalación para llenar los sifones y separador de aceite). 14) Colocación de los cartuchos de filtraje en líquido y aspiración, si no están instalados. 15) Si existen sondas de presión, comprobar que marcan lo mismo que los manómetros de la instalación. En caso contrario, comprobar la conexión eléctrica de las sondas. 3.4.1.1 Procedimiento del vacío La instalación o reparación del circuito frigorífico o de algunos de sus componentes requiere aplicar “Buenas Prácticas” para realizar la deshidratación parcial o total del ciclo de refrigeración. No siempre la tarea de vacío se realiza correctamente y lamentablemente se corren riesgos de reducir o terminar con la vida útil de los componentes de la instalación. Algunos circuitos de refrigeración son más extensos, requieren aplicar soldaduras de sus tuberías de cobre, las cuales se tienen que hacer con una atmosfera interior del tubo inerte, como puede ser haciendo circular nitrógeno seco, para evitar contaminar el circuito interior al quemar el oxígeno, También al utilizar aceites anti congelables sintéticos, los cuales son mucho más capaces de absorber humedad que los aceites minerales nos obligan hacer un vacío más cuidadoso. Los gases refrigerantes ecológicos que reemplazan a los refrigerantes que afectan a la capa de ozono también exigen un tratamiento especial, como ocurre con los llamados mezclas y otros cómo el R 410A, dónde nos debemos manejar con presiones superiores al R-22. Cuando el circuito de refrigeración no requiere ser preparado y montado por el instalador cómo sucede con los equipos compactos, rof- top y máquinas enfriadoras de líquidos etc., no existen riesgos, pero si el equipo es una unidad partida o instalación frigorífica y esta ha sido expuesta a la presión atmosférica es imprescindible realizar un vacío adecuado.
  • 71.
    RAFAEL RUIZ MARTIN71 a) El barrido con gas refrigerante está totalmente prohibido. En general el vacío y deshidratación de un sistema se realiza después de haberse verificado que el circuito no tiene pérdida tras haberse hecho una prueba de estanqueidad con Nitrógeno seco con las presiones mínimas según especifica el Reglamento de Seguridad para Plantas e instalaciones Frigoríficas en su Instrucción Técnica MI-IF 010 (Estanqueidad de los Elementos de un Circuito Frigorífico) y no encontrándose fugas. La evacuación se efectúa con el uso de una bomba de vacío que se conectará por medio de latiguillos al circuito. b) La Bomba de Vacío Las bombas de vacío que disponen de aceite para su lubricación requieren cambio de aceite de acuerdo no solo a su uso, sino también al grado de contaminación en que se encuentra el circuito a deshidratar. Es recomendable cambiar el aceite con frecuencia para evitar disminuir la eficiencia de la bomba, téngase en cuenta que el aceite se contamina por medio de vapor de agua que se elimina del circuito. Es aconsejable que si el circuito a deshidratar contiene mucha humedad, en el mismo momento que la bomba se detiene al terminar la deshidratación, se proceda a retirar su aceite y sustituirlo por otro de las mismas características que aconseja el fabricante, de esta forma evitaremos que la humedad permanezca dentro de la bomba afectando sus partes mecánicas y disminuyendo su eficiencia. Cuando se comienza el vacío en un circuito nunca se debe hacer funcionar la bomba si la presión en el circuito a evacuar es superior a la presión atmosférica La bomba debe ser cuidada y mantenida para asegurar que se logre el vacío esperado. Las bombas en general deben disponer de una válvula solenoide que asegure interrumpir el trabajo de vacío antes de proceder a detenerla para no perder el vacío logrado hasta ese momento, evitando además que el aceite de la bomba pueda entrar en el sistema por la baja presión en que éste se encuentra, una interrupción de la energía eléctrica también debe tenerse en cuenta, tratando que una válvula solenoide (normalmente cerrada) actúe para proteger el vacio logrado hasta ese momento. Si disponemos de una bomba que tiene “gas balast” ésta válvula permite que se mezcle aire atmosférico más seco con aire saturado extraído por la primera etapa de la bomba facilitando expulsar la humedad y aumentando la eficiencia de la bomba.
  • 72.
    RAFAEL RUIZ MARTIN72 c) Las conexiones entre la bomba y el circuito. Para lograr un vacío eficiente debemos tener en cuenta lo siguiente: - Disponer de una conexión directa entre la bomba y el equipo y de sección lo más amplia posible con conexiones seguras que no tengan pérdidas. - La distancia que separa la bomba con el equipo debe ser lo más corta posible. - Debemos sustituir el “Obús” de la válvula transitoriamente mientras se realiza el vacío para eliminar esta restricción. - El procedimiento de extracción del “Obús” se realiza fácilmente por medio de una válvula específica. d) El circuito al cual se le hará vacío. Debemos asegurarnos que el circuito en cuestión tendrá todas sus válvulas abiertas en dónde corresponda para que no existan limitaciones en la evacuación. De no tenerse en cuenta puede haber zonas no deshidratadas convenientemente. Cuándo los circuitos son de gran capacidad se deberá estudiar el recorrido y asegurarse que restricciones insalvables cómo tubos capilares, válvulas de expansión, válvulas de retención no desmejoren o impidan la deshidratación. En los casos de circuitos de gran volumen, el uso de 2 bombas instaladas en dos lugares estratégicos del circuito, puede ser una muy buena solución. Los lugares apropiados pueden tener límites simétricos con la restricción más severa, como por ejemplo la válvula de expansión, el tubo capilar, etc. Los tiempos de evacuación son dependientes de la eficiencia de la bomba, su capacidad y el grado de humedad que dispone el circuito. Un circuito puede haber llegado después de cierto tiempo al nivel de evacuación esperado, por lo tanto si se detiene la bomba y por medio del instrumento medimos el vacío, se percibe una pérdida de dicho vacío hasta un cierto nivel, dónde el instrumento queda detenido, en principio puede atribuirse a una pérdida, pero si el instrumento se detiene manteniendo aún un nivel de vacío no despreciable, puede ser que el circuito aún contenga humedad, y al momento de detener la bomba, las micro gotas que aún quedan dentro del circuito al evaporarse aumenta la presión existente del circuito. Cuando un circuito, después de cierto tiempo de evacuación, llega al nivel de vacío esperado, es recomendable que la bomba continué el proceso de evacuación por más tiempo, el tiempo sugerido debería ser no inferior a 1/3 del tiempo total empleado para llegar al
  • 73.
    RAFAEL RUIZ MARTIN73 vacío requerido. A continuación, antes de detener la bomba, debemos interrumpir la operación de ésta, cerrando la válvula, que la vincula con el circuito. Cómo es de esperar, el manómetro podrá ser leído y en este caso podemos observar algunos posibles resultados: 1. El manómetro disminuye su valor hasta mantenerse invariable. Este movimiento, que surge a partir de la detención de la bomba, es atribuible a la búsqueda de equilibrio interno del sistema. Si la medición no sufre modificaciones con el transcurso del tiempo, se habrá logrado el fin buscado. 2. El manómetro muestra un crecimiento acelerado. En este caso estaremos frente a una pérdida en depresión, que debemos localizar. Si bien esta búsqueda deberá ser orientada a cargar al sistema con Nitrógeno, a fin de su localización. No debe pasar inadvertido que exista el problema de pérdida en las conexiones realizadas para esta tarea. 3. Por último si se presenta una pérdida, que detiene al instrumento en un valor de vacío no deseado, y dicho valor permanece con un crecimiento casi imperceptible, podremos estar frente a un sistema dónde aún permanecen micro gotas que al evaporarse hacen aumentar la presión interna del sistema. En este último caso debemos intentar continuar haciendo vacío y transcurrido cierto tiempo comprobar la medición. 3.4.2 Arranque de la instalación 1. Distinguiendo que en nuestra instalación tenemos 3 posibles opciones de funcionamiento del compresor además del desescarche: -Temperatura positiva (refrigerador). -Temperatura negativa (congelador). -Ambos a la vez. Partiendo de la figura 67, que es la tapa del cuadro de control vamos a describir como operar para conseguir las tres opciones anteriores.
  • 74.
    RAFAEL RUIZ MARTIN74 Figura 67: Tapa cuadro de control. Poner el selector de COMPRESOR en posición de MARCHA, nos aseguramos que el paro esta desactivado.. 2. Seguidamente, poner el selector SOLENOIDE en posición MARCHA, ya sea para temperatura +, como para temperatura – o ambas a la vez.
  • 75.
    RAFAEL RUIZ MARTIN75 En el caso de desescarche cerraremos el selector SOLENOIDE de temperatura– y colocaremos el selector de DESESCARCHE en posición de marcha. 3. La presión de alta del sistema inicialmente empezará a subir y la presión de baja, bajará. Posiblemente, el sistema necesitará que se complete la carga en refrigerante con lo que es posible que el compresor pare por presostato de baja (en este caso pudiera observarse que bajan las presiones de alta y baja simultáneamente). 4. Completar la carga de la instalación 5. Ir arrancando los ventiladores de las cámaras de temperatura , los cuales podemos regular con los variadores de velocidad que tienen cada uno. 6. Comprobar que las cámaras descienden la temperatura. La consecución de la temperatura deseada puede llevar algún tiempo, no olvidemos que se deben enfriar los paneles, estructuras, etc. En caso de grandes cámaras de congelados, cuando se alcanzan 0ºC, es conveniente reducir la temperatura progresivamente, de 1 a 2ºC hasta alcanzar los -20ºC deseados. 7. Comprobar el recalentamiento de cada una de las válvulas de expansión de la instalación. Regular si fuera necesario (la mayoría de las veces, si la válvula seleccionada es la correcta, el reglaje de fábrica se ajusta perfectamente). 8. Una vez estabilizado el funcionamiento, comprobar los siguientes datos: - Presión de alta: debe ser coherente con la temperatura ambiente exterior (entrada de aire al condensador), el delta T de selección del condensador. - Presión de baja: debe ser coherente con el diseño de la instalación y la regulación del compresor. - Subenfriamiento de líquido. - Recalentamiento de aspiración: no debe ser inferior a 5 K, y no superior a 20K. - Temperatura de descarga: mínimo 20K por encima de la temperatura saturada correspondiente a la presión de alta. - Temperatura del aceite. - Consumos (amperaje) de los compresores: inferior al consumo nominal de placa de características. Es recomendable comprobar que
  • 76.
    RAFAEL RUIZ MARTIN76 corresponde con el valor de consumo que da el fabricante en el software en las condiciones reales de la instalación. - Consumo de los ventiladores: inferiores o iguales a las características de la placa del ventilador. - Voltajes. - Comprobar que el número de arranques del compresor por hora no excede el máximo permitido por el fabricante del compresor. - Comprobar que la posición de las sonda de desescarche del evaporador está colocada en el lugar del evaporador más desfavorable a efectos de desescarche, esto es, el último sitio donde se funde el hielo. Éste varía en función de diversos factores, por lo que hay que comprobarlo posteriormente cuando ya se ha formado hielo en el evaporador y observando un desescarche del mismo.
  • 77.
    RAFAEL RUIZ MARTIN77 3.5 Anexo 5: Manual mantenimiento y reparación. 3.5.1 Revisiones generales. Según sea la necesidad deben realizarse los siguientes trabajos de mantenimiento: -1. Limpiar en general la instalación. -2. Limpiar el condensador refrigerado por aire. -3. Limpiar los canales de aire, las aberturas de entrada y salida de aire, así como la tapa del ventilador del motor. -4. Cambiar el aceite siguiendo las instrucciones del fabricante del compresor. -5. Engrase de los rodamientos del electromotor después de 1000 horas de funcionamiento. Para ello debe quitarse la tapa, limpiar cuidadosamente los rodamientos con petróleo e inyectar grasa para rodamientos libre de ácidos. -6. Comprobar los aros de fricción y las escobillas. Cuando se cambien las escobillas emplear si es posible otras del mismo material. -7. Engrase de los cojinetes de los motores de ventiladores y bombas. -8. Cambiar las correas o frotarlas con estearina y tensarlas. -9. Comprobar los cartuchos secadores y rellenarlos. -10. Renovar el aire del condensador (incondensables). La eliminación de gases extraños de las instalaciones frigoríficas se hace después de una largo tiempo de parada (20 a 60 minutos). Para ello el condensador o colector debe estar provisto de un dispositivo de dirección. Los gases extraños que se encuentran en la instalación se acumulan en la parte superior del condensador o del colector. Desde allí pueden salir al exterior. -11. Limpiar los tubos de agua del condensador. Debido a la suciedad y a los depósitos de cal, los tubos de los condensadores refrigerados por agua se juntan. Al disminuir la transmisión de calor baja notablemente el rendimiento del condensador.
  • 78.
    RAFAEL RUIZ MARTIN78 -12. Renovar el aceite. Incluso en las instalaciones con separador automático del aceite es aconsejable renovar el aceite del evaporador en intervalos de tiempo grandes. Sólo puede ser vaciado de aceite si previamente el refrigerante ha sido vaciado. El aceite que se encuentra en la cámara frigorífica se acumula en la parte inferior del evaporador, desde donde es eliminado directamente o bien es conducido por una tubería ascendente a la válvula de salida, que está ubicada en este caso en la parte superior. En el último sistema de vaciado de aceite debe crearse una sobrepresión en el evaporador que expulse el aceite e impida que el aire penetre en el interior, Esto se consigue inyectando una pequeña cantidad de refrigerante en el evaporador y dejando que se evapore. Durante la operación el evaporador debe calentarse, pues con baja temperatura no es ello posible. -13. Descongelar el evaporador. -14. Parar la instalación. Si la instalación debe pararse en una época fría del año, debe vaciarse el agua de los condensadores y de las culatas, cerrando herméticamente las bocas de salida del agua. También deben cerrarse las válvulas de paso del compresor. No debe olvidarse desconectar el interruptor principal y quitar los fusibles, para evitar una conexión involuntaria. -15. Puesta en marcha después de un largo tiempo de parada. Después de un largo tiempo de parada, las máquinas deben ponerse de nuevo en marcha con gran cuidado. Fundamentalmente debe procederse previamente a cambiar el producto de secado y el aceite. El compresor debe ponerse en marcha primero con la válvula de paso de la aspiración cerrada, y si existe engrase a presión debe vigilarse la presión del aceite. Antes de la puesta en marcha no debe abrirse la entrada de agua de la refrigeración de la culata. Si se observa una fuerte formación de espuma de aceite en la mirilla del cárter del cigüeñal, la presión del aceite no llega a alcanzar la altura deseada. La válvula de paso no debe abrirse hasta que en el compresor se haya hecho el vacío y desaparecido la espuma. La válvula de paso debe abrirse despacio y con interruptores. 3.5.2 Trabajos de reparación Los trabajos de soldadura sólo pueden ejecutarse en los depósitos abiertos vacíos, y a ser posible en una atmósfera de nitrógeno.
  • 79.
    RAFAEL RUIZ MARTIN79 En los aparatos sometidos a presión debe eliminarse totalmente la presión antes de abrirlos. Después de efectuar un trabajo de reparación o una modificación, en depósitos de presión para los que es reglamentaria la recepción, es necesario proceder a una nueva recepción. La soldadura debe ser efectuada sólo por soldadores debidamente autorizados. Después de soldar deben decaparse los depósitos con una solución de ácido clorhídrico o sulfúrico al 50% y a continuación neutralizarse. Estos trabajos deben encargarse a una firma especializada. Para la prueba de presión de tuberías y depósitos no debe emplearse en ningún caso oxígeno, pues en combinación con el aceite es explosivo. 3.5.2.1 Vaciado del refrigerante Para vaciar la instalación de refrigerante se coloca una tubería desde el condensador a la botella en la que se ha hecho el vacío. La botella se coloca de pie y se enfría a baja temperatura con la ayuda de hielo o de bolsas de hielo seco. Al abrir la tubería, el refrigerante sometido a alta presión pasa del condensadora la botella. Si la corriente se interrumpe por la formación de burbujas de vapor, es que debe eliminarse el aire de la botella. Hay que tener en cuenta que la botella sólo puede llenarse hasta el 80%, pues en caso contrario se producirán presiones inadmisibles al menos calentamiento. Por medio de una balanza debe de comprobarse que no se ha sobrepasado la masa indicada en la botella. Si la botella se coloca sobre la balanza durante el llenado, la tubería de unión debe ser flexible. 3.5.2.2 Bloqueo de las tuberías En los trabajos de reparación en tuberías de agua y salmuera que no posean una válvula de paso en un lugar adecuado, la tubería puede cerrarse congelándola por medio de hielo seco. Experimentalmente se ha demostrado que un tubo de 2” se congela en unos 20 minutos. Cuidado con las fisuras en la tubería. 3.5.2.3 Tuberías atascadas Los tapones en tuberías largas pueden detectarse inyectando nitrógeno. El punto atascado se reconoce porque detrás de él la tubería no se calienta o se calienta poco.
  • 80.
    RAFAEL RUIZ MARTIN80 3.5.2.4 Averías de funcionamiento y su reparación Los datos que se exponen a continuación presuponen que la instalación, después de su puesta en marcha, satisface las condiciones exigidas y que se conoce el estado de funcionamiento. Las desviaciones respecto a este estado de funcionamiento son el criterio para determinar una avería. Antes de proceder a buscar una avería, debe comprobarse el funcionamiento del aparato de medición que ha servido para reconocerla. 3.5.2.5 Averías en el circuito de refrigerante Las averías más importantes y que se producen más a menudo, sus causas y las medidas a tomar para su corrección se detallan en la siguiente tabla. Desviación del estado normal de funcionamiento. Causas Medidas a tomar para su corrección 1. Temperatura de evaporación elevada. 1.1. Excesiva necesidad de frío. 1.2. Potencia del compresor demasiada pequeña. Disminuir la carga de calor, por ejemplo disminuyendo la renovación del producto; pre enfriar o congelar los productos calientes en una cámara especial de enfriamiento, ó túnel; disminuir el caudal en los refrigeradores de líquido; reparar el aislamiento defectuoso. Reparar las válvulas; limpiar el filtro de aspiración; ajuste del reglaje de la potencia, o reparación de los aparatos de regulación defectuosos; control y reparación de tuberías defectuosas con válvulas de seguridad o manuales para facilitar el arranque. 2. Temperatura de evaporación baja. 2.1. Falta de refrigeración. Añadir refrigerante; eliminar atascos en las tuberías; reparar los aparatos de regulación y control defectuosos, tales como termómetro de ambiente, termostato de la salmuera, válvula magnética y válvula de expansión; reparar las fugas; elevar la prensión de condensación 2.2. Transmisión de calor Eliminar el aceite del evaporador; descongelar el evaporador o el
  • 81.
    RAFAEL RUIZ MARTIN81 2. Temperatura de evaporación baja. defectuosa. 2.3. Potencia de compresión demasiado alta. refrigerador de aire; reforzar la concentración de la salmuera; reparar el agitador de los refrigeradores de salmuera abiertos; reparar los ventiladores defectuosos y las bombas para los refrigerantes. Reparar el regulador de potencia. 3. Temperatura de condensación elevada . 3.1. Presencia de gases extraños en el circuito del refrigerante. 3.2. Transmisión de calor defectuosa. 3.3. Necesidad excesiva de frío. Purgar el aire de la instalación. Quitar la suciedad de las superficies de transmisión de calor del del condensador; aumentar el caudal de agua de refrigeración o del caudal de aire; disminuir el nivel de refrigerante en el condensador; comprobar y reducir en caso necesario la elevada temperatura del refrigerante. Véase 1.1. 4. Temperatura de condensación baja. 4.1. Transmisión de calor excesiva. 4.2. Potencia de compresión demasiado baja. 4.3. Falta de refrigerante. Regulación del caudal de refrigerante; reparar el regulador del agua de refrigeración. Véase 1.2. Añadir refrigerante. 5. Sobrecalentamiento bajo de los gases de aspiración en las bocas de aspiración del compresor. 5.1. Excesivo paso de refrigerante hacia el evaporador. Regulación de la válvula de expansión o reparación de la misma; disminuir la cantidad de refrigerante; reparar el regulador del nivel de líquido. 6. Sobrecalentamiento elevado de los gases de aspiración en las bocas de aspiración del compresor. 6.1. Paso defectuoso de refrigerante. Regular la válvula de expansión o repararla; añadir refrigerante; eliminar los atascos en las tuberías. 7. Consumo excesivo de corriente por el motor del compresor. 7.1. Véase 1y3 7.2. Avería mecánica en el compresor o accionamiento Véase 1 y 3. Reparar el compresor o el accionamiento.
  • 82.
    RAFAEL RUIZ MARTIN82 Los atascos, en particular de los órganos de regulación, pueden tener causas muy diferentes. En los primeros tiempos, después de la primera puesta en marcha de la instalación, prevalece como motivo la suciedad, que es la consecuencia de un montaje poco limpio. Un contenido demasiado alto de agua en el refrigerante conduce también atascos motivados por congelación del agua en los puntos de estrangulamiento. Este tipo de atascos se reconocen porque si se eleva la temperatura por encima de 0ºC desaparecen. También en este caso puede ser motivo del atasco el montaje incorrecto o el excesivo contenido de agua en el refrigerante. Otra posible causa de atascos puede ser la precipitación de la parafina en los órganos de regulación, lo cual se produce por el empleo de aceite inadecuado en las instalaciones de refrigerante. Esta causa se reconoce porque el atasco desaparece por regla general con temperaturas inferiores a 0ºC. 3.5.2.6 Averías equipos frigoríficos automáticos. En los siguientes cuadros tendremos la avería, sus causas posibles y la manera de arreglar esta. Avería Causa posible Remedio A. El compresor no se pone en marcha. 1. No llega corriente al motor del compresor, debido a : a) Interruptor desconectado. b) Fusibles fundidos. c) Avería en la acometida. d) Conexión rota. 2. El control (presostato o termostato) no conecta, debido a: a. Mala regulación. b. Contactos sucios. c. Bulbo de mercurio roto. d. Resortes rotos o desgastados. e. Control desnivelado. f. Fugas en el fuelle. g. Disparo por alta presión. h. Bulbo descargado (termostato). i. Dispositivo de máxima disparado (termostato). 3. El contáctor no actúa, debido a: a) Bobina quemada. 1 a. Conectar el interruptor. b. Compruébese y sustitúyanse. c. Repasar la línea. d. Reparar el conexionado y arreglar la avería. 2 a. Ajústese. b. Limpiar con papel de lija. c. Cambiar el bulbo o el control. d. Cambiar éstos o el control. e. Nivelarlo. f. Cambiar el fuelle o el control. g. Examinar la causa. h. Cambiar el control. i. Examinar la causa. 3 a) Comprobar si pasa corriente, sustituyendo
  • 83.
    RAFAEL RUIZ MARTIN83 A. El compresor no se pone en marcha. b) Dispositivo de máxima disparado. 4.El motor no arranca, debido a : a) Arranque defectuoso. b) Quemado. c) Cortocircuitado. 5. Compresor agarrotado. 6. Correas rotas (en compresores de tipo abierto). 7. Obturación en la circulación de refrigerante, debido a: a) Válvula de líquido cerrada. b) Línea de líquido aplastada. c) Filtro de líquido o secador taponados. d) Fallo en la válvula de solenoide de la línea de líquido. e) Válvula de servicio de aspiración cerrada. f) Línea de aspiración taponada o aplastada. g) Hielo, cera o partículas de suciedad taponando la válvula de expansión. h) Pérdida de carga de refrigerante 8. Evaporador inundado, debido a : a) Elemento térmico de la válvula de expansión descargado. b) Válvula de expansión desajustada. c) Pierde el flotador. la bobina o el contáctor. b) Examinar la causa. 4 a) Repasar. b) Rebobinar o cambiar. c) Reparar o cambiar. 5 Desmontarlo y repararlo. Asimismo, si se trata de que se ha quemado el motor en un sistema con compresor hermético o semihermético convencional, con el bobinaje del motor dentro del circuito, deberá limpiarse toda la instalación. 6 Sustitúyanse. 7 a) Abrirla. b) Cambiarla. c) Limpiarlos o cambiarlos. d) Reparar o cambiar. e) Abrirla. f) Cambiarla. g) Limpiar la válvula. Instalas un filtro secador. Cambiar el aceite por otro de menor viscosidad. h) Reparar la fuga y recargar de refrigerante. 8 a) Cambiar válvula. b) Ajustarla. c) Repararlo o cambiarlo. 1. Control (termostato o presostato). 1 Puede estar mal regulado o bien ser defectuoso, en cuyo caso deberá repararse o sustituirse.
  • 84.
    RAFAEL RUIZ MARTIN84 B. El compresor enfría, pero no para o funciona demasiado tiempo. 2. Bulbo del termostato. 3. El refrigerante no circula en forma debida, a casusa de: a) Válvula de líquido cerrada en parte. b) Filtro de líquido o secador taponados en parte. c) Válvula de solenoide de poco paso. d) Línea de líquido parcialmente interrumpida por un aplastamiento u otra obstrucción. e) Línea de líquido de poco paso. f) Línea de aspiración parcialmente interrumpida por un aplastamiento u otra obstrucción, o demasiado pequeña. g) Falta de refrigerante. h) Válvula de expansión demasiado abierta o bien demasiado cerrada i) Válvula de expansión, o el filtro de la misma, cerrados en parte por la presencia de hielo, cera o partículas de suciedad. j) Bulbo de la válvula de expansión parcialmente descargado. k) Válvula de expansión colocada en un lugar demasiado frío. El elemento térmico está más frío que el bulbo. 4. Compresor ineficaz, debido a: a) Pierden las válvulas de aspiración. b) Equipo compresor de poca capacidad. 5. Falta de rendimiento por una elevada alta presión en el sistema. 6.El equipo trabaja sobrecargado, por causa de: a) Entrada de género caliente. b) Puertas abiertas continuamente. 2 Examínese que haga buen contacto con el tubo del evaporador. 3 a) Abrirla bien. b) Limpiarlos o cambiarlos. c) Cambiarla. d) Eliminar la obstrucción o cambiar la línea. e) Colocar la tubería de mayor diámetro. f) Eliminar la obstrucción o cambiar la tubería por otra de mayor diámetro. g) Comprobar si hay fuga y añadir, después de eliminada la posible fuga, el refrigerante necesario. h) Compruébese por el manómetro la presión de baja y ajústese la válvula de expansión. i) Limpiar la válvula. Instalar un filtro secador. Cambiar aceite por otro de menos viscosidad. Limpiar el filtro. j) Cambiar la válvula de expansión. k) Cambiar el emplazamiento de la válvula de expansión. 4 a) Ajustarlas cambiando discos si es necesario. b) Aumentar la velocidad cambiando la polea si es de tipo abierto (posiblemente el motor también) o instalar un compresor mayor. 5 Examínese la causa según se detalla en la sección H), apartado 2. 6 a) Dar instrucciones al usuario. b) Ídem.
  • 85.
    RAFAEL RUIZ MARTIN85 c) Aislamiento insuficiente. d) Compresor y evaporador pequeños. c) Mejorarlo. d) Cambiarlos. C. El compresor no para y enfría poco o nada. 1. Las correas del compresor resbalan. 2. El refrigerante no circula bien en cantidad suficiente, debido a obstrucciones: a) Válvula de servicio de líquido parcialmente cerrada o muy pequeña. b) Filtro de líquido o secador obstruidos o bien pequeños. c) Válvula de solenoide de poco paso. d) Línea de líquido cerrada en parte por un aplastamiento u otra obstrucción. e) Línea de líquido de poco diámetro. f) Línea de aspiración parcialmente interrumpida por aplastamiento u otras obstrucciones. g) Línea de aspiración pequeña. h) Falta de refrigerante. i) Válvula de expansión cerrada por fallo mecánico. j) Válvula de expansión cerrada por fallo mecánico. k) Válvula de expansión desajustada. l) Bulbo de la válvula de expansión parcialmente descargado. m) La válvula de expansión está colocada en un lugar demasiado frío, estando más frío el elemento térmico que el bulbo. n) Una excesiva presión de alta ha cerrado el flotador. 3. La válvula de expansión queda abierta y entra tanto refrigerante que no puede evaporarse a una presión baja para dar una temperatura baja. 1 Tensar las correas. 2 a) Abrirla o cambiarla. b) Limpiar el filtro. Instalar una nueva carga en el secador o cambiarlo. c) Cambiar. d) Eliminar la obstrucción o cambiar la tubería. e) Cambiar por otra mayor, o colocar un cambiador de temperatura. f) Eliminar la obstrucción o cambiarla. g) Colocar otra de mayor diámetro. h) Búsquese si hay una fuga, y después de repararla, añádase la carga de refrigerante necesaria. i) Limpiar la válvula. Instalar un filtro secador. Cambiar el aceite por otro conteniendo menos cantidad de cera. j) Repararla o cambiarla. k) Ajustarla. l) Cambiar la válvula de expansión. m) Cambiar el emplazamiento de la válvula de expansión. n) Determinar la causa de la citada alta presión y cambiar el flotador 3 Repararla o cambiarla.
  • 86.
    RAFAEL RUIZ MARTIN86 C. El compresor no para y enfría poco o nada. 4.Compresor ineficaz, debido a: a) Válvulas que pierden. b) Fugas por dos segmentos. c) Equipo compresor de poca capacidad. 5. La capacidad del compresor queda reducida, debido a una presión de alta elevada. 6. Compresor sobrecargado, debido: a) Entradas de género caliente o superiores a lo previsto. b) Puertas continuamente abiertas. c) Aislamiento insuficiente. d) Compresor y evaporador pequeños. e) Defectuosa circulación de aire en el interior de la cámara o nevera. 7. Compresor funciona a baja velocidad. 8. El evaporador no trabaja bien, por causa de: a) Exceso de escarcha en el mismo. b) El serpentín está taponado por haber embolsado aceite. 4 a) Repararlas. b) >> c) Aumentar la velocidad si lo admite cambiando la polea si es de tipo abierto (y posiblemente un motor mayor) o cambiarlo por un compresor de mayor capacidad. 5 Examínese la causa, según se detalla en la sección H) apartado 2. 6 a) Dar instrucciones al cliente. b) Avisar debidamente al usuario. c) Mejorarlo. d) Cambiarlos por los de capacidad adecuada. e) Colóquese el género de forma que no se restrinja la circulación de aire. Procúrese no queden taponados los estantes. 7 Comprobar si llega el voltaje adecuado y si es constante. Si el voltaje es normal, revísese si la velocidad del compresor es la que corresponde para la obtención del rendimiento previsto. 8. a) Desescarchado. b) Comprobar si el evaporador está obstruido y desmontarlo para sacar el aceite embolsado. D. El compresor se para y pone en marcha a intervalos muy cortos. 1. Diferencial del control muy justa, por causa de mal ajuste o defecto. 2. Pierden las válvulas de descarga o succión del compresor. 3.La válvula de expansión termostática falla por alguna de las causas siguientes: a) Existe hielo, cera o suciedad que cierra parcialmente la válvula de expansión o el filtro de la misma. b) Orificio pequeño. c) Desajustada. d) Bulbo descargado. 1 Aumentar la diferencial y si no responde el control sustituirlo por otro que dé la diferencia de parada a puesta en marcha conveniente. 2 Compruébese y hágase la reparación oportuna. 3. a) Limpiar la válvula. Instalar un filtro secador. Cambiar el aceite por otro de menos viscosidad. Limpiar el filtro de la válvula. b) Cambiarla por otra del orificio adecuado. c) Ajustarla bien. d) Cambiar la válvula.
  • 87.
    RAFAEL RUIZ MARTIN87 D. El compresor se para y pone en marcha a intervalos muy cortos. e) Está colocado en un lugar demasiado frío, y el elemento térmico está más frío que el bulbo. 4.Si se dispara el dispositivo de sobrecarga del motor será debido a: a) Correas muy tensadas. b) Bajo voltaje. c) Motor pequeño. d) Los cojinetes del motor, faltos de engrase o desgastados. e) Masa o cortocircuito en el bobinaje del motor. 5. Se dispara el presostato de alta presión o bien el dispositivo de sobrecarga del motor por la elevada presión. 6. Alguna obstrucción en la línea de líquido o de aspiración reduce el paso de refrigerante, por causa de: a) Línea de líquido pequeña o demasiada elevación hasta el evaporador. b) Filtro de líquido o secador obstruido en parte. c) Línea de líquido o de aspiración parcialmente cerrada por causa de algún aplastamiento u otra obstrucción. d) Línea de aspiración pequeña. e) Válvula de servicio de líquido cerrada en parte o muy pequeña. f) Válvula de solenoide de poco paso. g) Falta de refrigerante. 7. La presión de aspiración es baja debido a que el evaporador es pequeño. e) Cambiar su emplazamiento a un lugar menos frío. 4. a) Aflojar las correas. b) Reducir la carga en la línea o aumentar la sección de ésta. c) Cambiarlo por otro mayor. d) Engrasarlos o cambiar los cojinetes si hay desgaste. e) Reparar o cambiar. 5. Examínese la causa, según se detalla en sección H), apartado 2. 6. a) Cambiarla por una tubería de mayor diámetro, o bien instalar un cambiador de temperatura. b) Limpiar los filtros o cambiarlos. c) Eliminar las obstrucciones o bien cambiarlas. d) Cambiarla por otra de mayor diámetro. e) Abrirla o cambiarla. f) Cambiarla. g) Búsquese si hay una fuga, y después de reparada, añádase la carga de refrigerante necesaria. 7 Cambiarlo por otro de mayor superficie. E. Hace Demasiado 1. Presostato o termostato ajustado a mucho frío. 2. Presostato o termostato no desconecta, por defecto del mismo. 3. Existe hielo, cera o suciedad en el punzón de la válvula de expansión. 1 Ajústese a la presión o temperatura de parada correspondientes. 2 Repasar los contactos, cambiando el control en último caso. 3 Limpiar la válvula. Instalar un filtro secador. Emplear aceite de menos viscosidad.
  • 88.
    RAFAEL RUIZ MARTIN88 frío. 4. Válvula de expansión desajustada. 5. El bulbo de la válvula de expansión no hace buen contacto con la línea de aspiración. 4 Ajustarla. 5 Asegurar dicho contacto. F. Elevado consumo de corriente 1. El compresor funciona demasiado tiempo. 2. Motor defectuoso. 1 Véase la sección B), señalando las posibles causas y remedios cuando el compresor funciona más tiempo del normal. 2 Examínese con un amperímetro si el motor, por defecto del mismo, consume más de lo normal, cambiándolo en caso necesario. G. Se escarcha la línea de aspiración 1. Válvula de expansión demasiado abierta. 2. Control de temperatura desajustado. 3. El bulbo del control de temperatura no hace buen contacto. 1 Ajústese a la presión debida. En las instalaciones a bajas temperaturas, en las cuales el gas de retorno está a una temperatura por debajo de 0º C, es normal, y así debe suceder, que la tubería de aspiración, si no está aislada, sude. Esto no indica necesariamente que la válvula de expansión esté demasiado abierta. Si se desea evitar en estas circunstancias que el tubo de aspiración sude, debe aislarse, o bien instalar un cambiador de temperatura. 2 Regúlese la parada del mismo. 3 Compruébese que haga buen contacto con el tubo del evaporador. H. La protección de máxima intensidad se dispara. 1. Defecto de la parte eléctrica, por causa de : a) Bajo voltaje. b) Motor pequeño. c) Los cojinetes del motor están faltos de engrase o desgastados. d) Dispositivo de máxima intensidad defectuoso. e) Sobrecarga en el motor o excesivo calentamiento del mismo. f) Bobina de máxima intensidad de capacidad distinta al consumo del motor. g) Masa o cortocircuito en el bobinado del motor. h) Dispositivo de arranque del motor monofásico defectuoso. 1 a) Compruébese si hay caída de tensión entre la acometida y el motor, reduciendo en todo caso la carga en la línea o aumentando la sección de ésta. b) Cambiarlo por otro de la potencia adecuada. c) Engrasarlos o cambiarlos si hay desgaste. d) Revísese y sustitúyase en caso necesario. e) Compruébese si hay alta presión o si está agarrotado el compresor. Examínese también si el consumo del motor está de acuerdo con su potencia. f) Compruébese y sustitúyase por la que corresponde. g) Repararla o cambiarla. h) Sáquese el motor y examínese dicho dispositivo reparándolo.
  • 89.
    RAFAEL RUIZ MARTIN89 H. La protección de máxima intensidad se dispara. i) Condensador del motor monofásico defectuoso. j) Falsos contactos. k) Correas muy tensas (compresor de tipo abierto). 2. Alta presión en el sistema, por causa de: a. Válvula de servicio de descarga parcialmente cerrada. b. Condensador de aire sucio. c. Temperatura del aire ambiente muy alta. d. Circulación de aire en el condensador deficiente. e. En un condensador refrigerado por agua no hay agua o bien el caudal es muy escaso. f. Temperatura del agua de condensación muy alta. g. Tubos del condensador de agua taponados de cal o suciedad. h. Irrigadores del condensador evaporativo taponados. i. Bomba de circulación del condensador evaporativo no funciona. j. Superficie sucia del serpentín del condensador evaporativo. k. Aspiración o descarga de aire del condensador evaporativo obstruidas. l. Ventilador del condensador evaporativo no funciona. m. Aire en el sistema. n. Excesiva carga de refrigerante, costándole arrancar el compresor. ñ. Condensador pequeño. i) Compruébese si está contactado y cámbiese. j) Repárense los contactos de contáctor control. k) Aflojarlas corrigiendo la situación del motor. 2 a. Abrirla. b. Limpiarlo. c. Ver si es posible instalar un condensador de agua o bien evaporativo. d. Colóquese el compresor donde exista libre circulación de aire sobre el condensador, o mejórese aquella por medio de conductos de aire. e. Eliminar la posible obstrucción al paso de agua, o aumentar la presión y tamaño de la tubería de conducción. f. Aumentar el caudal. g. Limpiarlos. h. Limpiarlos. i. Buscar la causa de la anomalía y repararla. j. Limpiarlo. k. Eliminar la obstrucción. l. Repararlo. m. Púrguese. n. Reducir la carga. ñ. Cambiarlo por otro de superficie adecuada. I. Ruido. 1. De tipo hermético o semihermético. El compresor no descansa bien sobre sus cuatro muelles de suspensión o bien están todavía sin aflojar todos o algunos de los tornillos de fijación. 1. Compruébese y déjese el compresor completamente flotante.
  • 90.
    RAFAEL RUIZ MARTIN90 I. Ruido. 2. El compresor bombea aceite. 3. Cojinetes defectuosos del motor o compresor. 4. Bielas gastadas. 5. Silbido (en compresores de tipo abierto). 6. Alta presión demasiado elevada en la unidad condensadora. 7. Alta presión por mala ventilación o condensador sucio. 8.Polea del motor floja o mal alineada con el volante (compresor de tipo abierto) 9. Correa rota o deshilada (compresor de tipo abierto). 10.Volante del compresor flojo (compresor de tipo abierto) 11. Las válvulas de descarga hacen ruido. 12. Vibraciones metálicas. 13. Las válvulas de succión hacen ruido. 14. Ruidos producidos por el motor eléctrico. 2. Compruébese si tiene la cantidad suficiente de aceite. 3. Repárense construyendo nuevos cojinetes. 4. Desmontar el compresor y repararlo en el taller. 5. Correa. Cambiarla y ajustar tensión. Prensaestopas. Primeramente se comprueba si hay suficiente aceite en el cárter, y en caso de que falte se completa la carga. Si el ruido continúa, se gira el sentido de rotación del motor. 6. Determinar si existe demasiada carga de gas en el sistema, o bien si hay aire. En este último caso púrguese, y si es exceso de refrigerante, quítese toda la carga y colóquese nuevamente la necesaria después de haberla pesado convenientemente. 7. Limpiar el condensador y comprobar si existe suficiente espacio entre el mueble y la pared. 8. Ajústese el tornillo de sujeción en el primer caso, o corríjase la alineación en el segundo. 9. Cambiarla. 10. Apretarle la tuerca de fijación. 11. Desmontar las válvulas de descarga, examinarlas y repararlas, sustituyéndolas en todo caso por nuevas. 12. Comprobar si los tubos están bien sujetos en sus grapas. Asegurarse también de que el mueble está bien plano. 13. Comprobar si está roto el disco y sustituirlo. 14. Revisar engrases y rodamientos. Cuadro de problemas de condensación. Presión excesiva. enfriados agua y aire 1. Aire o gases no condensables en la instalación de refrigeración. 2. Superficie demasiado pequeña. 3. La instalación contiene demasiado refrigerante. (Acumulación de refrigerante en el condensador). 4. La regulación de la 1. Purgar el condensador, arrancar y dejar funcionar hasta alcanzar temperatura de funcionamiento. 2. Sustitución por uno más grande. 3. Sacar refrigerante hasta presión de condensación normal. El visor ha de estar siempre lleno. 4. Regular a la presión correcta.
  • 91.
    RAFAEL RUIZ MARTIN91 presión de condensación regulada a una presión alta. Enfriados por aire 1. Suciedad en la superficie exterior del condensador. 2. Motor de ventilador o aspas con defecto. 3. Acceso de aire al condensador demasiado restringido. 4. Temperatura ambiente demasiado alta. 5. Dirección contraria del aire a través del condensador. 6. Cortocircuito de aire entre el lado de presión y aspiración del ventilador del condensador. 1. Limpiar el condensador. 2. Cambiar aspas, motor, o ambas. 3. Retirar impedimentos o trasladar de situación. 4. Cambio lugar, ventilación adecuada. 5. Cambiar sentido rotación del ventilador. Corriente de aire se dirige al condensador y luego al compresor. 6. Montar un conducto adecuado, si es posible, dirigido hacia el exterior. Enfriados por agua 1. Superficie demasiado grande. 2. Baja carga del evaporador. 3. Presión de aspiración demasiado baja, debido a la falta de líquido en el evaporador. 4. Las válvulas de aspiración o de descarga del compresor tengan posibles fugas. 5. El regulador de presión de condensación ajustado a una presión demasiado baja. 6. Recipiente no aislado y situado en posición fría con relación al condensador.(El recipiente actúa como condensador) 1. Establecer regulación de condensación. 2. Establecer regulación de condensación. 3. Encontrar la avería en el tramo entre condensador y válvula termostática. 4. Reemplazar placas y platos de válvulas. 5. Ajustar el regulador de presión de condensación a su presión correcta. 6. Cambiar recipiente de lugar o proveerlo de una cubierta aislante adecuada. Enfriados por aire 1. Temperatura de aire de enfriamiento demasiado baja. 2. Caudal de aire hacia el condensador demasiado grande. 1. Regular presión de condensación. 2. Reemplazar ventilador por una más pequeño; regular velocidad del motor. Presión baja enfriados por agua 1.Caudal de agua demasiado grande. 2. Temperatura del agua demasiado baja. 1. Montar válvula presostática de agua o regular la existente. 2. Reducir flujo de agua, eventualmente con válvula presostática de agua. Presión inestable 1.Presostato de arranque/parada del ventilador con diferencial grande. Podrá producir vapor en línea de líquido después de arranque, a causa de refrigerante en el condensador. 2. La válvula termostática es inestable. 1. Diferencial a valor más bajo; usar regulación con válvula de control de condensación o utilizar regulador de velocidad del ventilador. 2. Ajustar la válvula a más recalentamiento o cambiar el orificio a uno menor.
  • 92.
    RAFAEL RUIZ MARTIN92 3. Avería en las válvulas de control de condensación (orificios demasiado grandes) 4. Presión de aspiración inestable. 3. Cambiar las válvulas a más pequeñas. 4. Ver “Presión de aspiración inestable”. Temperatura de línea de descarga alta 1. Presión de aspiración demasiado baja por: a) Falta de líquido en evaporador. b) Carga de evaporador demasiado baja. c) Fugas en los platos de las válvulas de aspiración y descarga del compresor. d) Recalentamiento alto: intercambiador de calor o acumulador de aspiración. 2. Presión de condensación demasiado alta. 1. Localizar la avería en el tramo desde el recipiente hasta la línea de aspiración. (Ver “Presión de aspiración baja”) Cambiar platos de válvulas en el compresor. Suprimir intercambio de calor, seleccionar uno más pequeño. 2. Ver “Presión de condensación alta”. Temperatura de línea de descarga baja 1. Paso del refrigerante líquido al compresor (válvula termostática ajustada a un recalentamiento bajo o bulbo mal situado) 2. Presión de condensación demasiado baja. Ver “Presión de condensación demasiado baja” Nivel de líquido en el recipiente bajo 1. Falta de líquido refrigerante en la instalación. 2. Sobrecarga del evaporador. 1. Averiguar causa (fuga, sobrecarga evaporador). Subsanar averías y recargar la instalación si es necesario. 2. Situar el recipiente junto al condensador. Condensadores enfriados por aire: Establecer la regulación de presión de condensación regulando velocidad del ventilador con p.ej. un convertidor de frecuencia. Nivel de líquido en recipiente alto. Enfriamiento normal. Demasiada carga de líquido en la instalación. Vaciar refrigerante, de modo que la presión de condensación siga normal y la mirilla del visor esté sin vapor. Enfriamiento pequeño Atascamiento parcial de un componente en la línea de líquido. Localizar el componente, limpiarlo o cambiarlo. Filtro secador frío, posibles gotas de rocío o escarcha. 1. Atasco parcial del filtro secador. 2. Filtro secador saturado total o parcialmente con agua o ácidos. 1. Averiguar si hay impurezas en la instalación, limpiar si es necesario y cambiar el filtro secador. 2. Averiguar si hay humedad o ácidos en la instalación, limpiar si es necesario, cambiar filtro secador varias veces si es necesario. En caso de contaminación por ácidos: cambiar el líquido refrigerante y la carga de
  • 93.
    RAFAEL RUIZ MARTIN93 aceite, montar un filtro secador con cartucho intercambiable en la línea de aspiración. Visor de líquido descolorido amarillo. Humedad en la instalación. 1. Averiguar si hay presencia de fugas en la instalación. Reparar y recargar si es necesario. 2. Averiguar si hay presencia de ácidos en la instalación. Cambiar el filtro secador varias veces si es necesario. 3. En casos extremos, puede ser preciso cambiar el líquido refrigerante e incluso el aceite. Limpieza completa de la instalación si es necesario. Visor de líquido marrón o negro Impurezas en forma de pequeñas partículas en la instalación. Cambiar el visor de líquido y el filtro secador. Burbujas de vapor en el visor delante de la válvula termostática 1. Subenfriamiento pobre por caída de presión en línea de líquido, puede ser causada por: a) Extrema longitud de línea de líquido en relación con si diámetro. Línea de líquido con diámetro demasiado pequeño. b) Curvas en línea de líquido. c) Atascamiento parcial de filtro secador. 2. Falta de Subenfriamiento de líquido a causa de penetración de calor en la línea de líquido, que puede ser ocasionada por alta temperatura alrededor de la misma. 3. Condensadores enfriados por agua: Subenfriamiento demasiado pequeño a causa de dirección contraria del caudal del agua de enfriamiento. 4. Presión de condensación demasiado baja. 5. Válvula de salida del recipiente pequeña o no abierta completamente. 6. Demasiada caída de presión hidrostática en la línea de líquido (demasiado desnivel entre la válvula termostática y el recipiente). 7. Presión de condensación 1 a) Cambiar la línea de líquido por otra de diámetro conveniente. b) Cambio curvas. c) Buscar impurezas en instalación, limpiar si es necesario y cambiar filtro secador. 2 Reducir la temperatura ambiente; instalar intercambio de calor líquido y aspiración; aislar línea de líquido del entorno junto a la línea de aspiración. 3 Intercambiar la entrada y la salida del agua de enfriamiento. (Tiene que haber corrientes opuestas entre el agua y el líquido refrigerante). 4 Ver “Presión de condensación baja”. 5 Reemplazar la válvula o abrirla completamente. 6 Instalar un intercambiador de calor entre la línea de líquido y la de aspiración antes de la subida de línea de líquido. 7 Reemplazar o ajustar el regulador de
  • 94.
    RAFAEL RUIZ MARTIN94 defectuosa: acumulación de líquido en el condensador. Si se regula la presión de condensación con arranque parada del ventilador del condensador, puede aparecer vapor en la línea de líquido durante algún tiempo después de la puesta en marcha del ventilador. condensación a su valor correcto. Si es necesario cambiar la regulación instalando válvulas reguladoras de presión de condensación o con un regulador de velocidad. Burbujas de vapor en el visor delante de la válvula termostática Falta de líquido en la instalación. Recargar instalación, primero asegúrese que ninguna de las averías citadas en 1, 2, 3, 4, 5, 6 y 7 estén presentes. En caso contrario, hay riesgo de sobrecarga. Enfriadores de aire. evaporador bloqueado de escarcha 1. La operación de desescarche no se ha realizado o es ineficaz. 2. Humedad de aire en cámara frigorífica excesiva por la entrada de humedad de: a) Productos no embalados. b) Entrada de aire en las cámaras a través de rendijas o puerta abierta. 1. Establecer un sistema de desescarche o ajustar la operación existente. 2. a) Recomendar embalaje de productos o ajustar la operación de desescarche. b) Tapar rendijas. Recomendar que la puerta se mantenga cerrada. Evaporador dañado Aletas o láminas deformadas. Enderezar aletas: peinador de aletas. Excesiva humedad de aire en la cámara. t. ambiente normal 1. Superficie del evaporador excesivo causando un funcionamiento a una temperatura de evaporación excesiva con periodos cortos de funcionamiento. 2. Baja carga del trabajo en la cámara (deshumidificación insuficiente a causa del corto funcionamiento por cada 24 h). 1. Reemplazar el evaporador por uno más pequeño. 2. Establecer regulación de humedad con un hidrómetro, elementos de calor y un termostato de seguridad. Humedad del aire en la cámara baja 1. La cámara está mal aislada. 2. Gran consumo interno de energía. 3. Evaporador pequeño, funcionamiento a temperatura de evaporación baja. 1. Recomendar mejor aislamiento. 2. Menos consumo interno de energía. 3. Reemplazar el evaporador por uno más grande. Temperatura 1. Capacidad compresor demasiado pequeña. 2.Carga de trabajo de la cámara demasiado grande a causa de : a) Introducción de productos que no están fríos. 1. Ver “Compresor”. 2. a) Menos productos en cámaras o aumento capacidad de la instalación.
  • 95.
    RAFAEL RUIZ MARTIN95 del aire en la cámara frigorífica demasiado alta. b) Gran consumo interno de energía, p. ej.: alumbrado y ventiladores. c) Cámara mal aislada. d) Gran infiltración de aire. 3. Evaporador demasiado pequeño. 4. Afluencia de líquido refrigerante hacia el evaporador muy pequeño o existente. 5. Regulador de presión de evaporación ajustado a una presión de evaporación demasiado alta. 6. Presostato de baja presión ajustado a una presión de corte demasiado alta. 7. Válvula de regulación de capacidad abre a una presión de evaporación demasiado alta. 8. Válvula de regulación de presión de aspiración ajustada a una presión de apertura demasiado baja. b) Disminuir consumo de energía o aumento capacidad de la instalación. c) Mejor aislamiento. d) Cámara más hermética y apertura mínima de las puertas. 3. Reemplazar por uno más grande. 4.Ver “Burbujas de vapor en el visor” 5. Ajustar el regulador de presión de evaporación. Usar manómetro. 6. Ajustar el presostato a su valor correcto de presión de corte. Usar manómetro. 7. Ajustar válvula a una presión de apertura más baja. 8. Ajustar la válvula de presión de aspiración a una presión de apertura Cuadro de problemas evaporación. Temperatura de la cámara demasiado baja Avería en el termostato de la cámara: Temperatura de corte ajustada a un valor demasiado bajo. Temperatura ambiente demasiado baja. Si es absolutamente necesario: Establecer un calentamiento eléctrico controlado por termostato. Presión de aspiración demasiado alta 1. Compresor demasiado pequeño. 2. Platos de válvulas del compresor con fuga. 3. Regulación de capacidad defectuosa o mal ajustada. 4. Carga de la instalación demasiado grande. 1. Cambiar compresor por uno mayor. 2. Reemplazar platos de válvulas. 3. Cambio o ajuste del regulador de capacidad. 4. Menos carga; compresor mayor; válvula presión de aspiración.
  • 96.
    RAFAEL RUIZ MARTIN96 5. Válvula desescarche gas caliente tiene fuga. 5. Cambiar la válvula. Presión de aspiración demasiado alta y baja temperatura del gas de aspiración 1. Termostática ajustada a un recalentamiento demasiado bajo o bulbo mal situado. 2. Orificio de la válvula termostática demasiado grande. 3. Fugas en el intercambiador de calor entre las líneas de líquido y aspiración. 1. Ajustar termostática a niveles adecuados. 2. Reemplazar el orificio por uno más pequeño. 3. Reemplazar el intercambiador de calor. Presión de Aspiración baja, funcionamiento constante Presostato de baja presión mal ajustado o defectuoso. Ajustar o cambiar el presostato de baja presión o combinado. Presión de aspiración baja, funcionamiento normal funcionamiento irregular 1. Carga de la instalación baja. 2. Falta líquido refrigerante en el evaporador: a. Falta de refrigerante en el recipiente. b. Línea de líquido demasiado larga. c. Línea de líquido demasiado estrecha. d. Curvas pronunciadas línea de líquido. e. Filtro secador parcialmente atascado. f. Falta Subenfriamiento de líquido. g. Falta de enfriamiento de líquido. h. Avería en la válvula presostática. 3. Evaporador demasiado pequeño. 4. Ventilador del evaporador defectuoso. 5. Demasiada caída de la presión en el evaporador y/o en la línea de aspiración. 6. Desescarche no realizado o es ineficaz. 7. Congelación en el enfriador de salmuera. 1. Regular capacidad o aumentar presión diferencial presostato de baja presión. 2. a. Ver “nivel líquido recipiente bajo”. b. Ver “Burbujas vapor en el visor”. c. Ver “Burbujas vapor en el visor”. d. Ver “Burbujas vapor en el visor”. e. Ver “Burbujas vapor en el visor”. f. Ver “Burbujas vapor en el visor”. g. Ver “Burbujas vapor en el visor”. h. Ver “Burbujas vapor en el visor”. 3. Reemplazar el evaporador. 4. Cambiar o reparar el ventilador. 5 Si es necesario, cambiar evaporador y/o la línea de aspiración. 6 .Ajuste desescarche existente o nuevo. 7. Aumentar concentración de salmuera.
  • 97.
    RAFAEL RUIZ MARTIN97 8. Aire o salmuera insuficiente. 9. Acumulación de aceite en el evaporador. 8. Ver” enfriadores de aire-líquido”. 9. Ver “nivel de aceite en cárter bajo”. Presión de aspiración inestable, trabajando válvula de expansión termostática. 1. Recalentamiento de válvula termostática. Demasiado pequeño. 2. Orificio de la válvula demasiado grande. 3. Fallo de regulación de capacidad: a. Válvula regulación de capacidad grande. b. Presostato (o) para regulación por etapas mal ajustado (s). 1. Ajustar termostática a niveles adecuados. 2. Reemplazar la válvula de regulación de capacidad por una más pequeña. 3. Ajustar a mayor diferencial la precisión de conexión y de desconexión. Temperatura gas de aspiración elevada Alimentación del refrigerante hacia el evaporador demasiado pequeña a causa de: Avería en la línea de líquido o en sus componentes. Ver “Nivel de líquido en el recipiente”, “Filtro secador de frío”, ”Burbujas de aire en el visor”, “Presión de aspiración baja”. Temperatura del gas de aspiración baja. Demasiada alimentación de refrigerante hacia el evaporador a causa de: a. Válvula termostática ajustada con un recalentamiento demasiado bajo. b. Bulbo de la válvula termostática mal situado (en un lugar demasiado caliente o con mal contacto con la línea) a. Ajustar recalentamiento de válvula de expansión. b. Colocar correctamente el bulbo. Cuadro problemas del compresor Funcionamiento irregular (desconexión por presostato de baja presión) 1. Capacidad del compresor demasiado grande en relación con la carga de la instalación a cualquier momento dado. 2. Compresor demasiado grande. 3. Regulador de presión de evaporación ajustado a una presión demasiado alta. 1. Regulación de capacidad mediante válvula de regulación de capacidad o compresores conectados en paralelo. 2. Reemplazar por uno o más pequeño. 3. Ajustar el regulador a su valor correcto usando un manómetro. 1. Presión de condensación 1. Ver “Presión de condensación alta”.
  • 98.
    RAFAEL RUIZ MARTIN98 Funcionamiento irregular (desconexión por presostato de alta presión) excesiva. 2. Avería en el presostato de alta presión. 3. Presostato de alta presión ajustado a una presión de corte demasiado baja. 2. Cambiar presostato de alta o el presostato combinado. 3. Ajuste presostato valor correcto> manómetro. Usar presostato alta con rearme. Temperatura de la línea de descarga demasiado alta. Válvulas de aspiración o de descarga (platos de válvulas del compresor) posiblemente con fugas. Cambiar las placas de válvulas. Ver “temperatura de línea de descarga demasiado alta”. Compresor frío Paso de líquido refrigerante desde el evaporador hacia la línea de aspiración y posiblemente hacia el compresor, debido a un ajuste de la válvula termostática incorrecto. Ajustar la válvula termostática a un menor recalentamiento. Compresor caliente 1. Sobrecarga del compresor y posiblemente del motor, a causa de una excesiva carga del evaporador y por consiguiente una presión de aspiración demasiado alta. 2. Mal enfriamiento del motor y los cilindros a causa de: a. Válvulas de aspiración y de descarga con fugas (platos de válvulas del compresor) b. Recalentamiento en el intercambiador de calor o en el acumulador de aspiración en la línea de aspiración. 3. Presión de condensación demasiado alta. 1. Reducir la carga del evaporador o reemplazarlo por otro más grande. 2. Encontrar la avería en la línea entre el condensador y la válvula termostática. a. Cambiar placas de válvulas (compresor) b. Quitar el intercambiador de calor o escoger un intercambiador de calor más pequeño. 3. Ver presión de condensación excesiva. Sonido de golpeo: 1. constantemente al arrancar A. Golpes de líquido en el cilindro a causa de entrada de líquido al compresor. B. Aceite de ebullición a causa de absorción de líquido refrigerante en el aceite del cárter. C. Desgaste en parte móviles del compresor, especialmente los rodamientos. A. Ajustar la válvula termostática a un recalentamiento menor. B. Montar elementos de calor en el compresor o bajo el cárter. C. Reparar o cambiar el compresor. Nivel de aceite en el cárter demasiado alto con gran carga o sin ella durante la parada o el arranque. -Demasiada cantidad de aceite al retorno del evaporador cuando la carga del sistema es baja. -Absorción del líquido refrigerante por el aceite del cárter a causa de una temperatura ambiente -Vaciar aceite hasta el nivel correcto, asegurarse de que el alto nivel de aceite no sea debido a una absorción de líquido refrigerante en el aceite del cárter. -Realizar una adecuada instalación de línea de aspiración. Montar elementos de calor en el
  • 99.
    RAFAEL RUIZ MARTIN99 demasiado baja. compresor o debajo del cárter del compresor. Nivel de aceite en el cárter demasiado bajo. -Mal retorno aceite del evaporador, a causa de: a. Líneas verticales de aspiración con excesivo diámetro. b. Falta de secador de aceite. c. Falta de inclinación en la línea horizontal de aspiración. -Desgaste de pistón / aros pistón /cilindro -En compresores conectados en paralelo: a) Con un tubo de igualación de aceite: los compresores no están en mismo plano horizontal. Tubo de igualación estrecho b) Con regulación de nivel de aceite: válvula de flotador atascada total o parcialmente. c) La válvula del flotador se queda agarrotada. -Retorno de aceite del separador de aceite atascado total o parcialmente, o la válvula de flotador se queda agarrotada. -Trampas de aceite en líneas verticales de aspiración, tramos de 3m a 4m. Si la alimentación de líquido se da por debajo del evaporador, puede ser necesario intercambiar las líneas de entrada y salida (alimentación de líquido por arriba). -Cambiar los componentes desgastados. -En todos casos: el compresor que arranca último es el más expuesto a la falta de aceite. Nivelar compresores para que todos estén al mismo plano horizontal. Montar línea de igualación de presión del cárter. -Limpiar o cambiar carcasa de nivel y válvula de flotador. Limpiar o cambiar línea de retorno de aceite; cambiar válvula de flotador o todo el separador de aceite. Aceite en ebullición en el arranque 1. Gran absorción de líquido refrigerante en el aceite del cárter a causa de una temperatura ambiente demasiado baja. 2. Instalaciones con separador de aceite: Demasiada absorción de líquido refrigerante en el aceite del separador durante la parada. 1. Montar elementos de calentamiento en el compresor o debajo del cárter del compresor. 2. Separador demasiado frío en parada. Instalar elementos de calentamiento control termostático; solenoide con efecto retardado en retorno de aceite. Aceite ebullición. 1. Paso de líquido refrigerante desde el evaporador hacia el cárter compresor. 2. Instalaciones con separador de aceite: La válvula de flotador no cierra completamente. 1. Aumentar recalentamiento de la termostática. 2. Cambiar la válvula de flotador o todo el separador de aceite. Aceite descolorido Instalación contaminada debido a: 1. Limpieza insuficiente durante el montaje. 2. Descomposición del aceite a causa de humedad en la instalación. 3. Descomposición del aceite a causa de temperatura demasiado En todos los casos: 1.¡¡Cambiar el aceite y filtro secador!! 2. Limpiar el sistema de refrigerante. 3. Encontrar y subsanar la causa de la elevada temperatura. Ver “Temperatura demasiado alta en línea de descarga”.
  • 100.
    RAFAEL RUIZ MARTIN100 alta en línea de descarga. 4. Partículas de desgaste de componentes móviles. 5. Limpieza insuficiente después de quemarse el motor eléctrico. Si es necesario, limpieza completa del sistema frigorífico. 4. Limpiar el sistema de refrigerante. 5. Montar un filtro “anti-ácido”. Si es necesario, cambiar el filtro varias veces. Compresor no arranca 1. Protección termostática del motor cortada o defectuosa a causa p.ej.: Presión de aspiración excesiva. Presión de condensación excesiva. Suciedad o revestimiento de cobre en rodamientos del compresor, etc. Devanados del motor en cortocircuito (motor quemado) 2. Protectores de devanados del motor abiertos a causa de consumo excesivo de energía. 3. Contactos de arranque del motor quemados a causa de: a. Corriente de arranque excesiva. b. Contáctor demasiado pequeño. 4. Otro equipo de seguridad cortado, mal ajustado o defectuoso. a. Presostato diferencial de aceite (falta de aceite, aceite en ebullición) b. Presostato de alta presión. c. Presostato de baja presión. 5. Interruptor de flujo (Concentración de salmuera demasiado baja, averías de la bomba de salmuera, filtro atascado en el circuito de salmuera, T. de evaporación demasiado baja). 6. Termostato de protección a congelación (Concentración de salmuera demasiado baja, averías de bomba de salmuera, filtro atascado en el circuito de salmuera, temperatura de evaporación demasiado baja). 1. Localizar la avería y subsanarla o cambiarla protección térmica. Ver “ Presión de aspiración excesiva” Ver “Presión de condensación excesiva” Limpiar sistema de líquido refrigerante y cambiar el compresor y el filtro secador. Limpiar el sistema de refrigerante y cambiar el compresor y el filtro secador. 2. Arrancar instalación cuando las bobinas se hayan enfriado suficientemente. 3. Averiguar la causa de sobrecarga del motor, subsanarla y cambiar el Contáctor. 4.Averiguar la causa y subsanarla antes de poner la instalación en marcha: a. Ver “Compresor, Nivel de aceite bajo” y “Aceite en ebullición” b. Ver “Presión de condensación alta” c. Ver “Presión de aspiración baja”. 5. Averiguar y subsanar la causa del caudal reducido o la falta de éste en el circuito de salmuera. Ver “Enfriadores líquidos”. 6. Averiguar y subsanar la causa de la baja temperatura en el circuito de salmuera. Ver “Enfriadores de líquidos”.
  • 101.
    RAFAEL RUIZ MARTIN101 7. Equipo de regulación cortado, mal ajustado o defectuoso: Presostato de baja presión. Termostato de la cámara. 8. Devanados del motor quemados. Compresor abierto: a. Sobrecarga del motor y del compresor. b. Motor demasiado pequeño. Compresor hermético y semihermético. c. Sobrecarga del compresor y del motor. d. Formación de ácidos en el sistema de refrigeración. 9. Agarrotamiento en los rodamientos y cilindros debido a: a. Partículas de suciedad en el sistema de refrigeración. b. Revestimiento de cobre en partes lisas en consecuencia de formación de ácidos en el sistema de refrigeración refrigerante. c. Insuficiencia o falta de lubricación como consecuencia de: Bomba de aceite defectuosa. Aceite en ebullición en el cárter. Insuficiencia cantidad aceite. Acumulación de aceite en el evaporador. 7. Localizar y subsanar la avería. Arrancar la instalación. Ver “Presión de aspiración baja”. 8. Localizar y subsanar. Cambiar el motor. Reemplazar el motor por uno más grande. Localizar y subsanar la causa de la sobrecarga y cambiar el compresor. Localizar y subsanar la causa de formación de ácidos, desmontar el compresor, limpiar el sistema de refrigeración si es necesario, montar un nuevo filtro “anti-ácido”, cargar con aceite y refrigerante nuevos, instalar un compresor nuevo. 9. Limpiar el sistema y montar un filtro secador y compresor nuevos. a. Limpiar el sistema y montar un filtro secador y compresor nuevos. b. En todos los casos: localizar y subsanar la avería y cambiar los componentes defectuosos o instalar un compresor nuevo. c. Ver “Compresor. Aceite en ebullición” Ver “Compresor. Aceite cárter bajo”. Ver “Compresor. Aceite cárter bajo”. Ver “Compresor. Aceite cárter bajo”. El compresor enfría, pero no para o funciona demasiado tiempo. 1. Control Termostato y Presostato. 2. Bulbo del termostato. 3. El refrigerante no circula en forma debida, a causa de: a. Válvula de líquido cerrada en parte. b. Filtro de líquido o secador taponados. c. Válvula de solenoide de poco paso d. Línea líquido parcialmente interrumpida por aplastamiento u obstrucción, o pequeña. e. Línea de líquido de poco paso. f. Aspiración parcialmente interrumpida por aplastamiento u obstrucción, o pequeña. 1. Mal regulado-defectuoso, reparar- sustituir. 2. Examinar buen contacto con el evaporador. 3. a. Abrirla bien. b. Limpiarlos o cambiarlos. c. Cambiarla. d. Eliminar la obstrucción o cambiar la línea. e. Colocar tubería de mayor diámetro. f. Eliminar la obstrucción o cambiar la tubería por una de mayor diámetro.
  • 102.
    RAFAEL RUIZ MARTIN102 g. Falta refrigerante. h. Válvula de expansión demasiado abierta o bien, demasiado cerrada. i. Válvula de expansión o filtro de la misma cerrados en parte por la presencia de hielo, cera, partículas de suciedad. j. Bulbo de la válvula de expansión parcialmente descargado. k. Válvula de expansión colocada en un lugar demasiado frío. 4.Compresor ineficaz, debido a: a. Pierden las válvulas de expansión. b. Equipo compresor de poca capacidad. 5.El equipo trabaja sobrecargado por: a. Entrada de género caliente. b. Puertas abiertas continuamente. c. Aislamiento insuficiente. d. Compresor y evaporador pequeños. g. Comprobar fuga y añadir, después de eliminada, refrigerante necesario . h. Compruebe por manómetro presión de baja; ajuste válvula expansión. i. Limpiar la válvula; Instalar un filtro secador; Cambiar el aceite por otro de menor viscosidad; Limpiar el filtro. j. Cambiar la válvula de expansión. k. Cambiar el emplazamiento de la válvula de expansión. 4. a. Ajustar cambiar discos si necesario. b. Cambiar polea si es tipo abierto o compresor mayor. 5. a. Dar instrucciones al usuario. b. Dar instrucciones al usuario. c. Mejorarlo. d. Cambiarlos. El compresor no para y enfría poco 1. Las correas del compresor resbalan. 2. El refrigerante no circula en cantidad suficiente, debido a obstrucciones: a. Válvula de servicio de líquido parcialmente cerrada o muy pequeña. b. Filtro de líquido o secador obstruidos o bien pequeños. c. Válvula de solenoide de poco paso. d. Línea de líquido cerrada en parte por un aplastamiento u obstrucción. e. Línea de líquido de poco diámetro. f. Aspiración parcialmente interrumpida por aplastamiento u otras obstrucciones. g. Línea aspiración pequeña. h. Falta de refrigerante. i. válvula de expansión parcialmente obstruida por hielo, cera o suciedad. 1. Tensar las correas. 2. a. Abrirla o cambiarla. b. Limpiar el filtro. Instalar una nueva carga en el secador o cambiarlo. c. Cambiar. d. Eliminar la obstrucción o cambiar la tubería. e. Cambiar por otra mayor, o colocar un cambiador de temperatura. f. Eliminar la obstrucción o cambiarla. g. Colocar otra de mayor diámetro. h. Buscar fuga, después de reparar añadir refrigerante necesario. i. Limpiar la válvula; Instalar filtro secador; usar aceite desparafinado.
  • 103.
    RAFAEL RUIZ MARTIN103 j. Válvula de expansión cerrada por fallo mecánico. k. Válvula de expansión desajustada. l. Bulbo de la válvula de expansión parcialmente descargado. m. Válvula de expansión colocada en un lugar demasiado frío. n. Una excesiva presión de alta ha cerrado el flotador. 3. La válvula de expansión queda abierta y entra tanto refrigerante que no puede evaporarse a una presión baja para dar una temperatura. 4.Compresor ineficaz debido a: a. Válvulas que pierden. b. Fugas por los segmentos. c. Equipos compresores de poca capacidad. j. Repararla o cambiarla. k. Ajustarla. l. Cambiar la válvula de expansión m. Cambiar el emplazamiento de expansión. n. Determinar la causa de la citada alta presión y cambiar el flotador. 3. Repararla o cambiarla. 4. a. Repararlas. b. Repararlas. c. Cambio de polea, si es tipo abierto, cambiar a compresor mayor. El compresor no para y enfría poco 1. Diferencial de control muy justo, a causa de mal ajuste o defecto. 2.La válvula de expansión termostática falla por alguna de las causas siguientes: a. Hielo, cera suciedad cierra parcialmente la válvula de expansión o filtro. b. Orificio pequeño c. Bulbo descargado. d. Válvula en lugar demasiado frío y el elemento térmico más frío que el bulbo. 3.Si se dispara el dispositivo de sobrecarga del motor será debido a: a. Correas muy tensadas. b. Bajo voltaje. c. Motor pequeño d. Cojinetes desgastados o no lubricados. e. Masa o cortocircuito. 4. Obstrucción en línea de líquido de o aspiración. a. Línea de líquido pequeña o demasiada elevación hasta el evaporador. b. Filtro de líquido o secador 1. Aumentar diferencial. Si no responde el control, sustituir por otro. 2. a. Limpiar válvulas-Filtro; Instalar filtro secador; menor viscosidad aceite. b. Cambiar otra de orificio adecuado. c. Cambiar la válvula. d. Cambiar su emplazamiento a un lugar menos frío. 3. a. Aflojar las correas. b. Menos carga línea-aumento sección. c. Cambiarlo por otro mayor d. Sustituir o lubricar. e. Reparar o cambiar. 4. a Cambiar por mayor o instalar un cambiador de temperaturas. b. Limpiar los filtros o cambiarlo.
  • 104.
    RAFAEL RUIZ MARTIN104 obstruido. c. Línea de líquido de aspiración parcialmente cerrada por causa de algún aplastamiento u otra obstrucción. d. Línea de aspiración pequeña. e. Válvula de servicio de líquido cerrada en parte o muy pequeña. f. Válvula de solenoide de poco paso. g. Falta de refrigerante. 5. La presión de aspiración es baja debido a que el evaporador es pequeño. 6. Falta de salmuera. c. Eliminar obstrucciones o cambio. d. Cambio por mayor diámetro. e. Abrirla o cambiarla. f. Cambiarla. g. Buscar fuga y añadir refrigerante 5. Cambiarlo por uno de mayor superficie. 6. Si se trata de un ataque, comprobar que no está completo el baño de salmuera, reparar posibles fugas y reponer. Hace demasiado frío 1 Presostato o termostato ajustado a frío. 2 Presostato o termostato no desconecta. 3 Hielo, cera o suciedad en el punzón de la válvula de expansión. 4. Válvula de expansión desajustada. 5. El bulbo de la válvula de expansión no hace buen contacto con la línea de aspiración. 1. Ajústese a la presión o temperatura deparada correspondientes. 2. Repasar los contactos, cambiando el control en último caso. 3. Limpiar la válvula, instalar filtro secador; Emplear aceite menos viscoso. 4. Ajustarla. 5. Asegurar dicho contacto. Elevado consumo de corriente El compresor funciona demasiado tiempo. Motor defectuoso. Examinar con un amperímetro si el motor, por defecto del mismo, consume más de lo normal, cambiando en caso necesario. Se escarcha la línea de aspiración 1. Válvula de expansión demasiado abierta. 2. Control demasiado desajustado. 3. El bulbo de control de temperatura no hace buen contacto. 1. Ajuste la presión. En las instalaciones a bajas temperaturas la tubería de aspiración, si no está aislada, suda. 2. Regular la parada del mismo. 3. Comprobar que haga buen contacto con el tubo del evaporador. Protección de máxima intensidad se dispara Defecto de la parte eléctrica, por causa de: a. Bajo voltaje. b. Motor pequeño. c. Cojinetes no lubricados o desgastados. d. Máxima intensidad defectuoso. e. Sobrecarga calentamiento del motor. f. Bobina de máxima intensidad de capacidad distinta al consumo Comprobar caída de tensión: a. Cambiar a potencia adecuada. b. Sustituir por otro adecuado. c. Engrasar o cambiarlos si hay desgaste. d. Revise y sustituya en caso necesario. e. Potencia, presión y consumo. f. Compruebe y sustituya por la que corresponda.
  • 105.
    RAFAEL RUIZ MARTIN105 del motor. g. Masa o cortocircuito en bobinado motor. h. Arranque motor monofásico defectuoso. i. Condensador motor monofásico. Defectuoso. g. Reparar o cambiar. h. Examine el dispositivo, reparar y sustituir. i. Comprobar cortocircuito y cambiar. Protección de máxima intensidad se dispara Alta presión en el sistema a causa de: a. Válvula descarga parcialmente cerrada. b. Condensador de aire sucio. c. Temperatura del aire ambiente muy alta. d. Mala circulación de aire en condensador. e. Condensador refrigerado por agua no hay agua o caudal escaso. f. T. del agua de condensación muy alta. g. Tubos del condensador del agua taponado de cal o suciedad. h. Irrigadores del condensador evaporativo taponados. i. Bomba de circulación del condensador evaporativo no funciona. j. Superficie sucia de serpentín del condensador evaporativo. k. Aspiración o descarga de aire del condensador evaporativo obstruidas. l. Ventilador del condensador evaporativo no funciona. m. Aire en el sistema. n. Excesiva carga de refrigerante, costándole arrancar al compresor. ñ. Condensador pequeño. a. Abrirla. b. Limpiarlo. c. Condensador agua o evaporativo. d. Libre circulación de aire o conductos. e. Eliminar obstrucción o aumentar la presión y tamaño de la tubería. f. Aumentar el caudal. g. Limpiarlos. h. Limpiarlos. i. Buscar la causa de la anomalía y repararla. j. Limpiarlo. k. Eliminar la obstrucción. l. Repararlo. m. Purgar. n. Reducir la carga. ñ. Cambiar a otro de mayor superficie.
  • 106.
    RAFAEL RUIZ MARTIN106 Tablas de alarmas de elementos de la instalación en display Tabla 14:Alarmas display em 300 lx.
  • 107.
    RAFAEL RUIZ MARTIN107 Tabla 15: Alarmas Id985 lx.
  • 108.
    RAFAEL RUIZ MARTIN108 4. PLIEGO DE CONDICIONES. El objeto del siguiente pliego de condiciones es explicar el cómo se ha logrado finalizar este entrenador de refrigeración para el Área de Máquinas y Motores Térmicos. Aunque desde el principio el aquí titular de este proyecto no asistió a la creación y diseño de este entrenador, hará una pequeña descripción de los trabajos previos a su llegada. Este proyecto arrancó en su día cuando aún la escuela universitaria politécnica estaba situada en el Ejido. Después de un viaje a una feria de climatización D. Alberto Fernández Gutiérrez decidió junto con el departamento de Máquinas y Motores térmicos la construcción de una maqueta para su uso como herramienta de enseñanza a través de prácticas de taller. Ya con los primeros trabajos a partir de los diseños previos se manda construir la estructura de hierro con una imprimación de pintura antioxidante, que hace de soporte de todo el entrenador, para tal se emplea a una asociación de disminuidos físicos, con lo cual también se hace patente el enfoque social de este proyecto. Una vez recepcionada la estructura se pasa a colocar todos los elementos hidráulicos de la instalación como se puede ver en la imagen:
  • 109.
    RAFAEL RUIZ MARTIN109 Figura 68: Trabajos iniciales de la maqueta. Inicialmente este proyecto lo empezaron varios alumnos que con el asesoramiento de empresas del sector mediante la colocación de placas y anclajes para sujetar la tubería de cobre y los elementos, posteriormente dieron paso a la soldadura de estos.
  • 110.
    RAFAEL RUIZ MARTIN110 Figura 69: Soldadura de tuberías. Una vez consiguieron acabar la conexión el proyecto quedó parado. Ya con la maqueta aquí en el nuevo edificio de las Escuelas de Ingeniería en la ampliación del Campus de Teatinos, se ofertó como proyecto final de carrera el “Diseño, montaje electromecánico y bus de datos de un entrenador frigorífico para el laboratorio de Máquinas y Motores Térmicos”. Haciéndome cargo desde ese punto responsable de la terminación de este proyecto. En primer lugar diseño el cuadro de protección y control de acuerdo a las descripciones técnicas de la instalación y empiezo a construirlo, para su construcción se reciclan todos los materiales posibles procedentes de otros cuadros a los que tengo acceso, en un principio para la reducción de costes y en un segundo componente que es el respeto medioambiental. Una vez finalizado se pasó a su fijación en el cuadro, dejándolo en un lugar accesible en el lateral, pues este es el que controla todas las maniobras. Lo podemos ver en la siguiente figura.
  • 111.
    RAFAEL RUIZ MARTIN111 Figura 70: Cuadro protecciones y control I. Figura 71: Cuadro protecciones y control II.
  • 112.
    RAFAEL RUIZ MARTIN112 En segundo lugar diseñé las cámaras de frío con los desagües provenientes del desescarche. Para la tapa exterior se ha utilizado metacrilato y un marco de aluminio y para la parte trasera una cubeta plástica como podemos ver en las figuras. Figura 632: Vista delantera cámara. Figura 73: Vista trasera cámara
  • 113.
    RAFAEL RUIZ MARTIN113 Figura 74: Detalle salida desagüe. En tercer lugar pasé a la colocación de todos los circuitos de canalizaciones y cajas de empalme para los hilos, tanto los de corriente como los de datos, también coloque todos los elementos del bus de datos sobre un canal omega fijado sobre perfiles de aluminio como soporte de todo esto, así como el conexionado de todos los elementos mediante hilos de cobre y cable coaxial de datos tipo awg 20 apantallado. Como podemos ver en la siguiente figura a la caja de temperatura negativa se le ha puesto una rejilla para que coja aire exterior y poder hacer mezclas de aire caliente - frío y prevenir una congelación rápida y un funcionamiento anómalo del compresor.
  • 114.
    RAFAEL RUIZ MARTIN114 Figura 75: Vista posterior entrenador. En cuarto lugar se realizó toda la configuración de la red Eliwellnet, mediante la instalación programa de Televis sistema en un pc bajo entorno Windows, dando las diferentes direcciones de red y definición de cada elemento. Y por último el llenado del circuito hidráulico, la puesta en marcha y puesta a punto de este. Además se me encargo este manual cuyo enfoque es más didáctico que un proyecto al uso, con el fin de servir de manual para un entendimiento del funcionamiento del entrenador y de todos sus elementos.
  • 115.
    RAFAEL RUIZ MARTIN115 4.1 Normativa aplicada Además de las condiciones técnicas particulares contenidas en el pliego, será de obligatoria aplicación, la normativa especificada en los siguientes documentos: - Real Decreto 138/2011, de 4 de febrero, por el que se aprueban el Reglamento de seguridad para instalaciones frigoríficas y sus instrucciones técnicas complementarias - Real Decreto 2060/2008, de 12 de diciembre, por el que se aprueba el Reglamento de equipos a presión y sus instrucciones técnicas complementarias - Real Decreto 842/2002 de 2 de agosto de 2002, por el que se aprueba el Reglamento Electrotécnico para Baja Tensión. 4.2 Pruebas y verificaciones Los recipientes que hayan de someterse a pruebas de presión estarán provistos de conexiones para la colocación de manómetros, que serán independientes y estarán distanciadas de la conexión que se utilice para las citadas pruebas. 4.2.1 Pruebas de estanqueidad Todo elemento del equipo frigorífico, incluidos los indicadores de nivel de líquido, que forme parte del circuito de refrigerante debe ser probado, antes de su puesta en marcha, a una presión igual o superior a la presión de trabajo, pero nunca inferior a la presión mínima de prueba de estanqueidad, que dependerá del refrigerante y equipo utilizado, temperatura máxima del ambiente a la que se encuentra cualquier parte del circuito frigorífico y según pertenezca al sector de alta o baja presión de la instalación, sin que manifieste pérdida o escape alguno del fluido en la prueba. Los fluidos refrigerantes HFC´s, utilizarán como presión mínima de prueba de estanqueidad del sector de alta presión la de tarado de la válvula de seguridad o disco de rotura. La presión mínima de prueba de estanqueidad del sector de baja será un 10% superior a la máxima presión admitida por el compresor en dicho sector, certificada por el fabricante, y nunca superior a la presión de prueba del sector de alta. En ningún caso la presión de prueba de estanqueidad de cada sector será inferior a la presión del vapor saturado
  • 116.
    RAFAEL RUIZ MARTIN116 correspondiente a la temperatura máxima ambiente en el que se encuentren ubicadas cualquiera de las partes constitutivas del mismo. Si la instalación está dispuesta de modo que el sector de baja presión pueda estar sometido, en alguna fase de servicio, a la presión de alta (por ejemplo, en la operación de desescarche de evaporadores), todos los elementos deberán ser considerados como pertenecientes al sector de alta presión, a efectos de la prueba de estanqueidad. Todo este operativo será realizado por una empresa certificada para el manejo de gases como pide la normativa, en nuestro caso la empresa será Fricell S.A. la cual ha colaborado desde el principio del proyecto. 4.2.2 Ejecución La prueba se efectuará una vez terminada la instalación en su emplazamiento, y es independiente del que prescribe el Reglamento de Equipos a Presión. Se exceptúan de ella los compresores, condensadores y evaporadores que ya hayan sido previamente probados en fábricas, así como los elementos de seguridad, manómetros y dispositivos de control. La prueba de estanqueidad se efectuará con nitrógeno seco a alta presión, sin presencia de gases o mezclas combustibles en el interior del circuito, al que se añadirá, en los casos en que sea posible, un aditivo que facilite la detección de la fuga. Este no ha de ser inflamable ni explosivo, debiendo evitarse las mezclas de aceite- aire. El dispositivo utilizado para elevar la presión del circuito deberá estar provisto de un manómetro a la salida y tener una válvula de seguridad o un limitador de presión. Todo este operativo será realizado por una empresa certificada para el manejo de gases como pide la normativa, en nuestro caso la empresa será Fricell S.A. la cual ha colaborado desde el principio del proyecto y la supervisión del director del proyecto. 4.2.3 Verificaciones El director de la instalación verificará, con carácter obligatorio, los siguientes elementos:
  • 117.
    RAFAEL RUIZ MARTIN117 - Limitadores de presión (presostatos de seguridad o de alta presión). - Manómetros: Se verificarán comparándolos con un manómetro patrón y se comprobará que el tubo de conexión esté libre de obstrucciones. - Instalación frigorífica para cámaras de congelación. - Válvulas de seguridad: Se comprobará que corresponden al modelo y tipo relacionado en el proyecto, que van provistas del precinto del fabricante o instalador, y que se cumplen las prescripciones establecidas para estos elementos de seguridad en la Instrucción MI-IF-009.
  • 118.
    RAFAEL RUIZ MARTIN118 5. PRESUPUESTO. Aun teniendo en cuenta que hay materiales como elementos eléctricos, hilos, cable de datos reciclados. El costo total de la construcción y puesta a punto del proyecto “Diseño, montaje electromecánico y bus de datos de un entrenador frigorífico para el laboratorio de Máquinas y Motores Térmicos” es de 13479 €. Al ser un proyecto que se ha alargado en el tiempo el monto económico de los gastos que se hicieron hace años: Son cuatro facturas las que el Área de Máquinas y Motores Térmicos ha pagado y la última que faltaría por liquidar: Factura Concepto Cantidad (€) 1 Compresor, Evaporadores, Condensador, Separador de aceite, Recipiente de líquido, Separador líquido… 2700 2 Estructura del entrenador…. 2586 3 Accesorios, Valvulería, Tuberías, Sensores… 2586 4 Ventiladores, Reguladores y accesorios Eliwell… 4250 5 Elementos de control, material eléctrico, gas, cuadro policarbonato….. 1357 Total 13479
  • 119.
    RAFAEL RUIZ MARTIN119 6. PLANOS. 6.1 Plano general 6.1.1 Vista frontal 6.1.2 Vista trasera 6.2 Plano instalación eléctrica 6.2.1 Esquema de fuerza 6.2.2 Mando I 6.2.3 Mando II 6.3 Plano instalación hidráulica. 6.4 Plano instalación red bus de datos
  • 120.
    RAFAEL RUIZ MARTIN120 6.1 PLANO GENERAL
  • 121.
    RAFAEL RUIZ MARTIN121 Vista frontal
  • 122.
    RAFAEL RUIZ MARTIN122 Vista trasera
  • 123.
    RAFAEL RUIZ MARTIN123 6.2 PLANO ELECTRICO
  • 124.
    RAFAEL RUIZ MARTIN124 Plano eléctrico1
  • 125.
    RAFAEL RUIZ MARTIN125 Plano eléctrico2
  • 126.
    RAFAEL RUIZ MARTIN126 Plano eléctrico3
  • 127.
    RAFAEL RUIZ MARTIN127 LEYENDA ELÉCTRICA SÍMBOLO ELEMENTO SITUACIÓN F1 Diferencial 4x25x30 mA Cuadro general F2 Magnetotérmico 4x16 A “ F3 Diferencial 2x16x30 mA “ F4 Magnetotérmico 2x6 A “ Q Disyuntor GV2-M10(4-6.3) “ KL Contactor OMRON JK7-AMA-10 “ M Compresor Copeland Frontal S1 Paro Cuadro general S2 Marcha “ T Termistor Compresor P Presostato Kp 15 J Frontal R1 Regulador velocidad compresor “ COND Condensador “ X2 ID 985 LX T+ “ S3 Solenoide T+ Cuadro general S4 Ventilador T+ “ R2 Regulador vel. Ventilador T+ Frontal X3 ID 985 LX T- “ EV1 Electroválvula T+ “ S5 Desescarche Cuadro general S6 Solenoide T- “ S7 Ventilador T- “ R3 Regulador ve. Ventilador T- Frontal VENT T+ Ventilador cámara + Cámara refrigeración VENT T- Ventilador cámara - Cámara congelación EV2 Electroválvula desescarche Frontal EV3 Electroválvula frío “ EV4 Electroválvula aspiración “
  • 128.
    RAFAEL RUIZ MARTIN128 6.3 PLANO HIDRÁULICO
  • 129.
    RAFAEL RUIZ MARTIN129 6.4 PLANO BUS DE DATOS
  • 130.
    RAFAEL RUIZ MARTIN130 6.5 PLANO PANTALLA
  • 131.
    RAFAEL RUIZ MARTIN131 LEYENDA LÁMPARAS SÍMBOLO SIGNIFICADO SITUACIÓN H1 Alarma temperatura Motor Panel H2 Alarma Presión Baja “ H3 Compresor On “ H4 Condensador On “ H5 Solenoide T + On “ H6 Ventilador T+ On “ H7 Desescarche On “ H8 Solenoide T- On “ H9 Solenoide aspiración On “ H10 Ventilador T- On “
  • 132.
    RAFAEL RUIZ MARTIN132 7. BIBLIOGRAFÍA. Guía técnica de aplicación del reglamento de seguridad para instalaciones frigoríficas y sus instrucciones técnicas complementarias. Pecomark http://www.danfoss.com/Spain/BusinessAreas/Refrigeration+and+Air+Condition ing/Refrigeration+Basic/Basic+Refrigeration_componentes.htm http://www.danfoss.com/Spain/BusinessAreas/Refrigeration+and+Air+Condition ing/EducationAndTraining/Basic+Refrigeration.htm http://www.trane.com/COMMERCIAL/DNA/View.aspx?i=708 Manual ASHRAE,1990, Refrigeration , Sistema y aplicaciones BOHN, < http://www.bohn.com/> http://guiabasicafrigorista.blogspot.com.es/p/guia-basica-del-frigoriata.html Climalife, Products, http://www.climalife.dehon.com/ Colders, http://coldersrl.com/ Danfoss, http://www.danfoss.com/spain Friogas, Repuestos, Consulta 20 junio 2012, < http://friogas.wordpress.com/ > HEATCRAFT, http://www.heatcraftrpd.com/ Honeywell, < http://www.honeywell.com/sites/es/ > J. Navarro, R. Cabello,(2003) E. Torrella, Fluidos Refrigerantes Tablas y Diagramas, Primera Edición, AMV Ediciones, Valencia. LU-VE, http://www.luve.it/cms/view http://www.megafriosa.com/ Pecomark,http://www.pecomark.com/index.asp?idioma=ES&opc=115 Ramírez, J.A., (2000), Nueva Enciclopedia de la Refrigeración, Grupo editorial Ceac, Barcelona. Roy J. Dossat, (1997), Principios de refrigeración, Compañía Editorial Continental, S.A. Vizuete, Productos, Consulta 19 Junio 2012, http://www.vizuete.com/html/
  • 133.
    RAFAEL RUIZ MARTIN133 http://www.imb-sl.es/docs/RSIF_E_Mantenimiento.pdf http://www.eliwell.es/descargas/ http://www.f2i2.net/legislacionseguridadindustrial/rebt_guia.aspx http://www.f2i2.net/Documentos/LSI/InstFrigo/GuiaTecnicaAplicacionReglament oSeguridadInstalacionesFrigorificas_Abril2013.pdf
  • 134.
    RAFAEL RUIZ MARTIN134 Rv.9 12/11/2015