A21Caratula - Tabla de contenido
AUTOMATISMO CON CONTACTORES
ITS
Caratula1.dwg
Laboratorio electrotecnia
Luis Fabian MartinezRevision original28/07/08A
de Protecciones realizando proyectos y ajustes de protecciones. Desde
Contacto: LFMC.2011.uy@gmail.com
A32
AUTOMATISMO CON CONTACTORES
ITS
Simbologia.dwg
Laboratorio de electrotecnia
Luis Fabian Martinez28/07/08A
K
RELE
ELECTROMAGNETICO
A1A2
C
DISPARADOR
ELECTROMAGNETICO
C1C2
YA
RELE DE
ENCLAVAMIENTO
E1E2
X2X1
LUMINOSO
INDICADOR
HL
X2X1
CLAXON
SONORO
INDICADOR
HA
M
3~
W
V
U
3 BORNES
TRIFASICO
MOTOR
M
M
3~
Y
X
Z
V
W
M
MOTOR
TRIFASICO
6 BORNES
U
I >
21
TERMOMAGNETICA
Q
I >
43
I >
65
A2A1
CONTACTOR
K
21
43
65
21
TERMICO
RELE
F
43
65
U <
FV
BAJA TENSION
D1D2
K
CONTACTOS
NORMALES
(NA)
02.
x3x4
x2x1
(NC)
NORMALES
CONTACTOS
K
x2
x4x1
(INVERSOR)
NORMALES
CONTACTOS
K K
CONTACTOS
ESPECIALES
(NA)
x7x8
x6x5
(NC)
ESPECIALES
CONTACTOS
K
x6
x8x5
(INVERSOR)
ESPECIALES
CONTACTOS
K
K
RELE
AUXILIAR
A1A2
1314
2324
3334
4344
5251
6261
7271
82
8481
92
9491
02
0401
Contactos Normales Contactos Especiales
1817
02.
NA TEMPORIZADO
KT
1615
NC TEMPORIZADO
KT
1817
NA TEMPORIZADO
KT
1615
NC TEMPORIZADO
KT
A2A1
TEMPORIZADOR
KT
A2A1
TEMPORIZADOR
KT
TEMPORIZADOR
KT
87
I >
87
RELE
BIESTABLE
A1
B1
A2
B2
12
1411
22
2421
32
3431
42
4441
x4x3
PULSADOR
S
x2x1
PULSADOR
S
1413
PULSADOR
S
2221
1413
FLOTADOR
S
2221
FLOTADOR
-S
1413
TERMOSTATO
S
2221
TERMOSTATO
S
BORNE
1
X
M
3~
w
v
u
V
W
M
ESTATOR
ROTOR
U
1
G
FUENTE
220220
9695
RT
NC CON
RELE TERMICO
9695
98
RELE TERMICO
MANUAL
NC CON REPOSICIPON
RT
9897
RT
NC CON
RELE TERMICO
A43
AUTOMATISMO CON CONTACTORES
ITS
Laboratorio de electrotecnia
Luis Fabian Martinez28/07/08A
U V W
Z X Y
R S T
Motor
R S T
U V W
Z X Y
U V W
Z X Y
A54
AUTOMATISMO CON CONTACTORES
ITS
Luis Fabian Martinez28/07/08A
Motor 3 velocidades
U12 V12 W12
U6 V6 W6
U12 V12 W12
U6 V6 W6
U12 V12 W12
U6 V6 W6
R S T R S T R S T
Motor Velocidad baja Velocidad media Velocidad alta
U4 V4 W4
Z4 X4 Y4
U4 V4 W4
Z4 X4 Y4
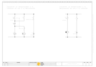
A65Convertir un tipo de temporizador en otro
AUTOMATISMO CON CONTACTORES
ITS
Convertir un tipo de temporizador en otro.dwg
Luis Fabian Martinez28/07/08A
Convertir un temporizador a la
1413
Entrada
S
K
A1A2
K
1314A2A1
KT
1615
KT
K
CONTACTO A USAR
2324X2X1
Salida
H1
2221
Convertir un temporizador a la
1211
ENTRADA
S6
A2A1
K
X2X1
SALIDA
H5
1211
K
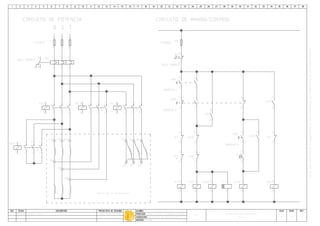
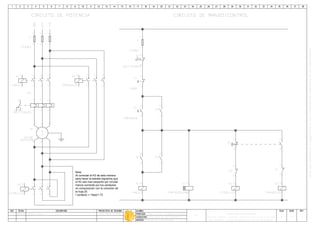
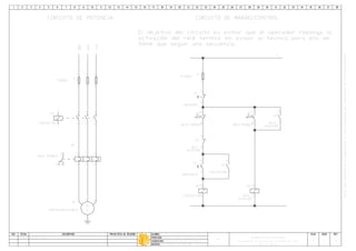
A76ARRANQUE DIRECTO
AUTOMATISMO CON CONTACTORES
ITS
Arranque directo.dwg
Luis Fabian Martinez28/07/08A
M
3~
W
V
U
MOTOR INDUCCION III
M
21
FUSIBLE
F
43
65
21
RELE TERMICO
RT
43
65
96
9895
K
21
FUSIBLE
F
1413
A PULSOS
ARRANQUE
EP
1211
APAGADO 1
a1
K
1314
1413
ENCENDIDO 1
E1
K
K
1314
1413
ENCENDIDO
E
K
1211
APAGADO
A
1211
APAGADO
A
K
1314
1413
ENCENDIDO
E
K
1413
A PULSOS
ARRANQUE
EP
2221
X2X1
H1
ENCENDIDO
X2X1
H2
APAGADO
K
2324
3231
K
CIRCUITO DE POTENCIA CIRCUITO DE MANDO/CONTROL
Intermitente Preferencia
al pare con
dos puestos
de mando
Preferencia
a la marcha
Intermitente y
preferencia al
pare
X2X1
H3
RELE
TERMICO
ACTUADO
1211
APAGADO 2
A2
1413
ENCENDIDO 2
E2
21
FUSIBLE
F
21
FUSIBLE
F
21
FUSIBLE
F
21
FUSIBLE
F
R TS
A2A1
CONTACTOR
K
21
43
65
9695
RT
RELE TERMICO
9695
RT
RELE TERMICO
9695
RT
RELE TERMICO
9695
RT
RELE TERMICO
9897
RT
RELE
TERMICO
R
N
Puesto
de
mando 1
Puesto
de
mando 2
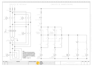
A87
del rele termico
Enclavamiento de secuencia de arrranque por medio
AUTOMATISMO CON CONTACTORES
ITS
Enclavamiento arranque.dwg
Luis Fabian Martinez28/07/08A
M
3~
W
V
U
MOTOR INDUCCION III
M
21
FUSIBLE
F
43
65
21
RELE TERMICO
RT
43
65
96
9895
CIRCUITO DE POTENCIA CIRCUITO DE MANDO/CONTROL
R TS
21
FUSIBLE
F
2221
APAGADO
S1
-K1
CONTACTOR
A1A21413
ARRANQUE
S2
1413
CONTACTOR
-K1
K2
RELE
AUXILIAR
A1A2
2121
AUXILIAR
RELE
K2
K2
RELE
AUXILIAR
1314
CONTACTOR
-K5
21
43
65
9695
RT
RELE TERMICO
9897
RT
RELE TERMICO
El objetivo del circuito es evitar que el operador reponga la
tiene que seguir una secuencia.
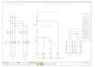
A98
AUTOMATISMO CON CONTACTORES
ITS
Nivel de liquidos con flotadores.dwg
Luis Fabian Martinez28/07/08A
M
3~
W
V
U
MOTOR INDUCCION III
M
21
FUSIBLE
F
43
65
21
RELE TERMICO
RT
43
65
96
9895
CIRCUITO DE POTENCIA CIRCUITO DE MANDO/CONTROL
Abastecimiento
de un tanque
R TS
A2A1
K
21
43
65
21
FUSIBLE
F
K
A1A2
21
FUSIBLE
F
K
A1A21413
FLOTADOR
FL
1211
FLOTADOR
FL
Vaciado de
21
FUSIBLE
F
1211
FLOTADOR *
FL
AUX
A1A2
Vaciado de
K
A1A21211
AUX
21
FUSIBLE
F
1211
SUPERIOR
TANQUE
FLOTADOR
FL-T
1413
INFERIOR
TANQUE
FLOTADOR
FL-P
K
A1A2
Abastecimiento de un tanque superior
dependiando de la disponivilidad de un
tanque inferior
*Se supone que el flotador tiene solo un contacto NC.
9695
RT
RELE
TERMICO
9695
RT
RELE
TERMICO
9695
RT
RELE
TERMICO
9695
RT
RELE
TERMICO
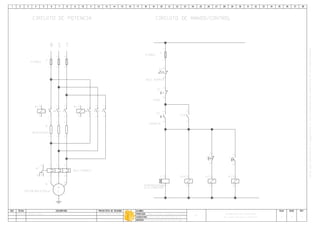
A109Abastecimiento de un tanque con control CN5
AUTOMATISMO CON CONTACTORES
ITS
CN5 abastecimiento tanque.dwg
Luis Fabian Martinez28/07/08A
220
CN5
220
NA
COMUN
NC
SUPERIOR
INFERIOR
MASA
M
3~
W
V
U
MOTOR INDUCCION III
M
21
FUSIBLE
F
43
65
21
RELE TERMICO
RT
43
65
96
9895
CIRCUITO DE POTENCIA CIRCUITO DE MANDO/CONTROL
R TS
A2A1
K
21
43
65
TANQUE
21
FUSIBLE
-F1
21
FUERA DE SERVICIO,EN SERVICIO
LLAVE SELECTORA
-S1
K
A1A2
1
CN5
220220
CN5
COMUNNA9695
RT
RELE TERMICO
A1110Vaciado de un tanque con control CN5
AUTOMATISMO CON CONTACTORES
ITS
CN5 vaciado tanque.dwg
Luis Fabian Martinez28/07/08A
220
CN5
220
NA
COMUN
NC
SUPERIOR
INFERIOR
MASA
M
3~
W
V
U
MOTOR INDUCCION III
M
21
FUSIBLE
F
43
65
21
RELE TERMICO
RT
43
65
96
9895
CIRCUITO DE POTENCIA CIRCUITO DE MANDO/CONTROL
R TS
A2A1
K
21
43
65
TANQUE
21
FUSIBLE
-F1
21
FUERA DE SERVICIO,EN SERVICIO
LLAVE SELECTORA
-S1
K
A1A2
1
CN5
220220
NCCOMUN
CN5
9695
RT
RELE TERMICO
A1211
disponibilidad de un tanque inferior con control CN6
Abastecimiento de un tanque superior dependiendo de la
AUTOMATISMO CON CONTACTORES
ITS
CN6 abastecimiento tanque.dwg
Luis Fabian Martinez28/07/08A
M
3~
W
V
U
MOTOR INDUCCION III
M
21
FUSIBLE
F
43
65
21
RELE TERMICO
RT
43
65
96
9895
CIRCUITO DE POTENCIA CIRCUITO DE MANDO/CONTROL
R TS
A2A1
K
21
43
65
TANQUE
INFERIOR
21
FUSIBLE
-F1
21
FUERA DE SERVICIO,EN SERVICIO
LLAVE SELECTORA
-S1
K
A1A2
TANQUE
SUPERIOR
-CN6 COMUNNA
220
CN6
220
NA
COMUN
NC
SUPERIOR
INFERIOR
MASA
SUPERIOR
INFERIOR
1
CN6
220220
9695
RT
RELE TERMICO
A1312
disponibilidad de un tanque inferior con 2 bombas y control CN6
Abastecimiento de un tanque superior dependiendo de la
AUTOMATISMO CON CONTACTORES
ITS
CN6 abast. tanque con dos bombas.dwg
Luis Fabian Martinez28/07/08A
21
FUSIBLE
F
43
65
43
65
96
9895
CIRCUITO DE POTENCIA CIRCUITO DE MANDO/CONTROL
R TS
A2A1
K1
21
43
65
TANQUE
INFERIOR
21
FUSIBLE
F
21
FUERA DE SERVICIO,EN SERVICIO
LLAVE SELECTORA
S1
K1
A1A2
TANQUE
SUPERIOR
CN6
COMUNNA
A2A1
5 MIN.
TEMPORIZADOR
T K2
A1A21815
T
43
65
96
9895
21
43
65
43
65
96
9895
21
43
65
M
3~
W
V
U
BOMBA 1
M1
21
RELE TERMICO
RT1
43
65
96
9895
21
43
65
21
RELE TERMICO
RT2
43
65
96
9895
A2A1
K2
21
43
65
43
65
96
9895
21
43
65
M
3~
W
V
U
BOMBA 2
M2
43
65
96
9895
21
43
65
43
65
96
9895
A2A1
21
43
65
220
CN6
220
NA
COMUN
NC
SUPERIOR
INFERIOR
MASA
SUPERIOR
INFERIOR
1
CN6
220220
9695
RT2
RELE TERMICO
BOMBA 2
9695
RT1
RELE TERMICO
BOMBA 1
A1413Control de temperatura con termocupla
AUTOMATISMO CON CONTACTORES
ITS
Control temperatura termocupla.dwg
Luis Fabian Martinez28/07/08A
21
FUSIBLE
F
43
65
CIRCUITO DE POTENCIA CIRCUITO DE MANDO/CONTROL
R TS
A2A1
K
21
43
65
21
FUSIBLE
F
21
FUERA DE SERVICIO,EN SERVICIO
LLAVE SELECTORA
S1
K
A1A2GTR 2101112
1
FUENTE
GTR 210
2-3
-
11
SALIDA
12
RELE
41
SALIDA
42
TRANSISTOR
17 +
TERMO
18 -
CUPLA
62
MAXIMO
61
COMUN
60
MINIMO
-
+
TERMOCUPLA
TC
21
HORNO
43
65
GTR 210
6162X2X1
MAXIMA
TEMPERATURA
H1
GTR 210
6160X2X1
MINIMA
TEMPERATURA
H2
1
GTR 210
220220
1
3
En este caso las resistencias son para 220V y
estan conectadas a una red trifasica de 380V.
A1514
AUTOMATISMO CON CONTACTORES
ITS
Luis Fabian Martinez28/07/08A
CIRCUITO DE POTENCIA CIRCUITO DE MANDO/CONTROL
1211
PARE
S1
1413
MARCHA
S2 K1
1314
A2A1
K1
1413
CONTRAMARCHA
S3
A2A1
K2
K2
1314
2121
ENCLAVAMIENTO
K2
2121
ENCLAVAMIENTO
K1
FUSIBLE
-F1
M
3~
W
V
U
MOTOR ASINCRONO III
21
43
65
A2A1
K1
21
RELE TERMICO
-RT
43
65
21
43
65
A2A1
K2
96
9895
R TS
21
FUSIBLE
F
43
65
2221
22219695
RT
RELE TERMICO
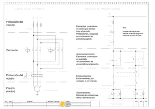
Nota:
De esta manera permite
cambiar el sentido de giro sin
circuito
Comando
equipo
Equipo
(motor)
Elementos conectados
en serie que afectan
todo el circuito.
Protecciones, bloqueos
accionamiento de
parada/apagado.
Automantenimiento
Elementos conectados
en paralelo.
Accionamiento de
Enclavamientos.
Enclavamiento por
contacto o por mando.
Accionamiento.
Bobinas de contactores, SUBE
H1
BAJA
H2
R
N
A1615Cortina de garage manual
AUTOMATISMO CON CONTACTORES
ITS
Cortina garage manual.dwg
Luis Fabian Martinez28/07/08A
CIRCUITO DE POTENCIA CIRCUITO DE MANDO/CONTROL
2221
PARE
S1
1413
CORTINA
SUBIR
S2
K1
1314
A2A1
SUBE
K1
1413
CORTINA
BAJAR
S3
A2A1
BAJA
K2
K2
1314
2121
ENCLAVAMIENTO
K2
2121
ENCLAVAMIENTO
K1
FUSIBLE
-F1
1211
TECHO
S4
1211
PISO
S5
M
3~
W
V
U
MOTOR ASINCRONO III
21
43
65
A2A1
K1
21
RELE TERMICO
-RT
43
65
21
43
65
A2A1
K2
96
9895
R TS21
FUSIBLE
F 43
65
9695
RT
RELE TERMICO
A1716Cortina de garage automatico
AUTOMATISMO CON CONTACTORES
ITS
Cortina de garage automatico.dwg
Luis Fabian Martinez28/07/08A
M
3~
W
V
U
MOTOR ASINCRONO III
21
43
65
A2A1
K1
21
RELE TERMICO
-RT
43
65
21
43
65
A2A1
K2
96
9895 CIRCUITO DE POTENCIA CIRCUITO DE MANDO/CONTROL
2221
PARE
S1
1413
MARCHA
S2
K1
1314
A2A1
SUBE
K1
A2A1
BAJA
K2
K2
1314
2121
ENCLAVAMIENTO
K2
2121
ENCLAVAMIENTO
K1
FUSIBLE
-F1
A2A1
TEMPORIZADOR
-KT
2221
TECHO
S3
1413
1817
02.
TEMPORIZADOR
KT
2221
PISO
S4
2221
R TS
21
FUSIBLE
F
43
65
9695
RT
RELE TERMICO
A1817
AUTOMATISMO CON CONTACTORES
ITS
Luis Fabian Martinez28/07/08A
M
3~
W
V
U
MOTOR INDUCCION III
M
21
FUSIBLE
F
43
65
CIRCUITO DE POTENCIA CIRCUITO DE MANDO/CONTROL
R TS
A2A1
K1
21
43
65
A2A1
K2
21
43
65
21
RESISTENCIA
R
43
65
21
FUSIBLE
F
2221
PARE
S1
1413
MARCHA
S2
A2A1
TEMPORIZADOR
T AUX
A1A2
K2
A1A21817
T
2625
T
K1
A1A2
AUX
1314
65
43
21
RELE TERMICO
RT
96
9895
9695
RT
RELE TERMICO
A1918
AUTOMATISMO CON CONTACTORES
ITS
Luis Fabian Martinez28/07/08A
21
FUSIBLE
F
43
65
CIRCUITO DE POTENCIA CIRCUITO DE MANDO/CONTROL
R TS
A2A1
K1
21
43
65
A2A1
K2
21
43
65
21
RESISTENCIA
R
43
65
21
FUSIBLE
F
1211
PARE
S1
1413
MARCHA
S2
A2A1
TEMPORIZADOR
T K1
A1A2
K2
A1A21815
T
K1
1314
65
43
21
RELE TERMICO
RT
96
9895
M
3~
w
v
u
V
W
M
ESTATOR
ROTOR
U
9695
RT
RELE TERMICO
A2019Frenado con corriente continua
AUTOMATISMO CON CONTACTORES
ITS
Freno con CC.dwg
Luis Fabian Martinez28/07/08A
CIRCUITO DE POTENCIA CIRCUITO DE MANDO/CONTROL
2221
PARE
S1
1413
MARCHA
S2
K1
1314
A2A1
K1
1413
FRENO
S3
A2A1
K2
K2
1314
2121
K2
2121
K1
FUSIBLE
F
M
3~
W
V
U
MOTOR ASINCRONO III
21
43
65
A2A1
K1
21
RELE TERMICO
-RT
43
65
21
43
65
A2A1
K2
96
9895
R TS21
FUSIBLE
F
43
65
+-
-VCC
FUENTE
CORRIENTE
CONTINUA
2221
S3
1615
KT
A2A1
TEMPORIZADOR
KT
9695
RT
RELE TERMICO
A2120
AUTOMATISMO CON CONTACTORES
ITS
Arranque YD manual.dwg
Luis Fabian Martinez28/07/08A
21
43
65
A2A1
LINEA
K1
21
RELE TERMICO
RT
43
65
21
43
65
A2A1
TRIANGULO
K3
96
9895 CIRCUITO DE POTENCIA CIRCUITO DE MANDO/CONTROL
1211
PARE
S1
1413
ESTRELLA
ARRANQUE
S2
K1
LINEA
1314A2A1
LINEA
K1
A2A1
TRIANGULO
K3
2121
K3
2121
K2
FUSIBLE
-F1
M
3~
Y
X
Z
V
W
M
MOTOR
U21
43
65
A2A1
ESTRELLA
K2
A2A1
ESTRELLA
K2
2221
2221
TRIANGULO
ARRANQUE
S3
1413
K3
1314
R TS21
FUSIBLE
F
43
65
9695
RT
RELE TERMICO
Nota:
Al conectar el K2 de esta manera
para hacer la estrella
I contacto = I fase
A2221
del contactor Y antes de energizar el circuito de potencia
AUTOMATISMO CON CONTATORES
ITS
Arranque YD automatico.dwg
Luis Fabian Martinez28/07/08A
21
43
65
A2A1
LINEA
K1
21
RELE TERMICO
RT
43
65
21
43
65
A2A1
TRIANGULO
K3
96
9895
CIRCUITO DE POTENCIA CIRCUITO DE MANDO/CONTROL
1211
PARE
S1
K1
1314
A2A1
LINEA
K1
A2A1
TRIANGULO
K3
2221
K3
2221
K2
21
FUSIBLE
F
M
3~
Y
X
Z
V
W
M
MOTOR
U21
43
65
A2A1
ESTRELLA
K2
A2A1
ESTRELLA
K2
1413
ARRANQUE
S2
A2A1
TEMPORIZACION
KT
1615
KT
1815
K1
2324
K2
1314
R TS
21
FUSIBLE
F
43
65
9695
RT
RELE TERMICO
Nota:
Al conectar el K2 de esta manera
para hacer la estrella logramos que
menos corriente por los cantactos
la hoja 20.
I contacto = I fase/1.73
A2322
AUTOMATISMO CON CONTATORES
ITS
Luis Fabian Martinez28/07/08A
21
43
65
A2A1
LINEA
K1
21
RELE TERMICO
RT
43
65
21
43
65
A2A1
TRIANGULO
K3
96
9895
R S T
CIRCUITO DE POTENCIA CIRCUITO DE MANDO/CONTROL
1211
PARE
S1
K1
1314
A2A1
HORARIO
SENTIDO
LINEA
K1
A2A1
TRIANGULO
K3
2221
K3
2221
K2
21
FUSIBLE
-F1
M
3~
Y
X
Z
V
W
M
MOTOR
U21
43
65
A2A1
ESTRELLA
K2
A2A1
ESTRELLA
K2
1413
HORARIO
SENTIDO
ARRANQUE
S2
A2A1
TEMPORIZACION
KT
1615
KT
1815
K1
3334
K2
1314
21
43
65
A2A1
LINEA
K4
K4
1314
A2A1
ANTIHORARIO
SENTIDO
LINEA
K4
K4
3334
K2
3334
2221
K4
2221
K1
2221
21
FUSIBLE
-F
43
65
2221
ANTIHORARIO
SENTIDO
ARRANQUE
S3
1413
3433
3433
K1
4344
K4
4344
9695
RT
RELE TERMICO
Nota:
Al conectar el K2 de esta manera
para hacer la estrella logramos que
menos corriente por los cantactos
la hoja 20.
I contacto = I fase/1.73
A2423
AUTOMATISMO CON CONTATORES
ITS
Luis Fabian Martinez28/07/08A
21
43
65
A2A1
LINEA
K1
21
RELE TERMICO
RT
43
65
21
43
65
A2A1
TRIANGULO
K3
96
9895
R S T
CIRCUITO DE POTENCIA CIRCUITO DE MANDO/CONTROL
1211
PARE
S1
K1
1314
A2A1
HORARIO
SENTIDO
LINEA
K1
A2A1
TRIANGULO
K3
2221
K3
2221
K2
21
FUSIBLE
-F1
M
3~
Y
X
Z
V
W
M
MOTOR
U21
43
65
A2A1
ESTRELLA
K2
A2A1
ESTRELLA
K2
1413
HORARIO
SENTIDO
ARRANQUE
S2
A2A1
TEMPORIZACION
KT
1615
KT
1815
K1
3334
K2
1314
21
43
65
A2A1
LINEA
K4
1413
ANTIHORARIO
SENTIDO
ARRANQUE
S3
K4
1314
A2A1
ANTIHORARIO
SENTIDO
LINEA
K4
K4
3334
K2
3334
2221
K4
2221
K1
2221
S2
2221
S3
21
FUSIBLE
-F
43
65
9695
RT
RELE TERMICO
Nota:
Al conectar el K2 de esta manera
para hacer la estrella logramos que
menos corriente por los cantactos
la hoja 20.
I contacto = I fase/1.73
A2524Grua
AUTOMATISMO CON CONTACTORES
ITS
Grua.dwg
Luis Fabian Martinez28/07/08A
U12 V12 W12
U6
V6
W6
U4 V4 W4
Z4 X4 Y4
21
FUSIBLE
F
43
65
21
RELE TERMICO RT
43
65
96
9895
CIRCUITO DE POTENCIA CIRCUITO DE MANDO/CONTROL
R TS
A2A1
K1
21
43
65
A2A1
K2
21
43
65
0
A2A1
K3
21
43
65
0
A2A1
K2A
21
43
65
0
21
FUSIBLE
-F8
1413
MARCHA 1
-SB1
-K1
A1A22221
MARCHA 2
-SB2
-K2
A1A2
-K2A
A1A2
A2A1
-T -AUX
A1A2
-K3
A1A2
24231413
2221
-K2
3231
-K2
3231
-AUX
1314
1413
MARCHA 3
-SB3
-K2
1314
-AUX
1314
1211
0
-K3
2221
-K3
2221
-AUX
1817
-T
9695
RT
RELE TERMICO
Motor de 3 velocidades
A2625Alarmero
AUTOMATISMO CON CONTACTORES
ITS
Alarmero.dwg
Luis Fabian Martinez28/07/08A
AL1
ALARMA 1
1314
XA1
A1A2
1314
2324
3334
X2X1
ALARMA 1
XA2
A1A2
1314
2324
3334
X2X1
ALARMA 2
XA3
A1A2
1314
2324
3334
AL2
ALARMA 2
1314
AL3
ALARMA 3
1314
1211
BORRAR
BO
PL
A1A2
X2X1
ALARMA 3
1314
2324
3334
B
BOCINA
A1A2
1314X2X1
BOCINA
B1
REC
RECONOCE
ALARMA
A1A21413
RECONOCER
RE
REC
1314
2221
REC
2221
1413
LAMPARAS
PRUEBA DE
PL
Funcionamiento:
A2726ON-OFF con un solo pulsador
AUTOMATISMO CON CONTACTORES
ITS
ON-OFF con un solo pulsador.dwg
Luis Fabian Martinez28/07/08A
21
FUSIBLE
F
43
CIRCUITO DE POTENCIA CIRCUITO DE MANDO/CONTROL
R S
X2X1
LAMPARA
-H1
21
FUSIBLE
F
-K1
POTENCIA
A1A2
K2
AUXILIAR
ENCENDIDO
A1A2
K3
AUXILIAR
APAGADO
A1A2
K2
1314
-K1
1314
K2
3334
-K1
3334
K3
0
3334
2221
-K1
2221
K3
2221
K2
2221
K3
1413
ENCENDIDO/APAGADO
-S1
A2A1
CONTACTOR
K1
21
43
A2827Renganchador P4wa
AUTOMATISMO CON CONTACTORES
ITS
Renganchador P4wa.dwg
Luis Fabian Martinez28/07/08A
6
8
12
-A
56
-C 21
LOCAL/REMOTO
SELECTOR
remoto
local
-S
3028
LOCAL
CIERRE
CL
2625
LOCAL
APERTURA
AL
C RST
CIERRE
INTERRUPTOR
A1A2
562221
CIERRE
BLOQUEO
-BC
1
-C
78
7 2 5
34
21
5 seg
-B
65
-B
87
34
-B
4
78
-S
1413
REMOTO
CIERRE
CR
3
1413
REMOTO
APERTURA
AR
2221APERTURA
BLOQUEO
-BA
-A RST
APERTURA (DISPARO)
INTERRUPTOR
A1A2
I>
DISPARO
SOBRECORRIENTE
C/S RECIERRE
SELECTOR
S/RECIERRE
C/RECIERRE
-S1
0.3 seg
-A
1 seg
-D
43
-D
12
12
12 11
2221
RECIERRE
BLOQUEO
-BR
2221
INTERRUPTOR
AUXILIAR
CONTACTO
-LA
1112
SECUENCIA DE FUNCIONAMIENTO
Condiciones iniciales: interruptor cerrado en servicio normal y
comando local.
Con el interruptor cerrado +D.
interruptor abre, se desexcita A. Los contactos de A restablecen a
los 0.3 seg. (tiempo necesario para que se apague el arco),
mientras tanto se mantiene excitado B. Al desexcitarse B sus
contactos permanecen sin restablecer hasta 5 seg, con lo cual al
restablecerse los contactos de A el interruptor cierra.
La orden de cierre permanece, con lo cual si el defecto no ha sido
eliminado un dispositivo en el interruptor al recibir ambas ordenes
A2928ARRANQUE CON AUTOTRANSFORMADOR
AUTOMATISMO CON CONTACTORES
ITS
Arranque autotransformador.dwg
Luis Fabian Martinez28/07/08A
M
3~
W
V
U
MOTOR ASINCRONO III
21
43
65
A2A1
K1
21
RELE TERMICO
RT
43
65
21
43
65
A2A1
K2
w
v
u
W
V
U
AUTOTRAFO
Z
Y
X21
43
65
A2A1
K3
96
9895
1211
PARE
S1
1413ARRANQUE
S2
1413
K2
1615
KT
2221
K1
A2A1
K3
A2A1
TEMPORIZADOR
KT
A2A1
K2
A2A1
K1
3231
K1
2221
K3
2423
K2
1413
K3
1413
K1
1817
KT
21
FUSIBLE
F
R S
CIRCUITO DE POTENCIA
T
21
FUSIBLE
F 43
65
9695
RT
RELE TERMICO
1211
PARE
S1
1413
ARRANQUE
S2
1413
K2
1615
KT
2221
0
K11
A2A1
K3
A2A1
TEMPORIZADOR
KT
A2A1
K2
A2A1
K1
3231
K1
2221
K3
2423
K2
1413
K3
1413
K1
1817
KT
21
FUSIBLE
F9
9695
K
RELE TERMICO
CIRCUITO DE MANDO ORIGINAL
(TAPA DE TABLERO)
CIRCUITO DE MANDO
IMPLEMENTADO
A3029ARRANQUE CON AUTOTRANSFORMADOR
AUTOMATISMO CON CONTACTORES
ITS
Arranque autotransformador.dwg
Luis Fabian Martinez28/07/08A
M
3~
W
V
U
MOTOR ASINCRONO III
21
43
65
A2A1
K1
21
RELE TERMICO
RT
43
65
21
43
65
A2A1
K2
w
v
u
W
V
U
AUTOTRAFO
Z
Y
X
21
43
65
A2A1
K3
96
9895
R S
CIRCUITO DE POTENCIA CIRCUITO DE MANDO/CONTROL
T
21
FUSIBLE
F 43
65
1211
PARE
S1
AUX
1314
A2A1
AUTOTRAFO
K2
A2A1
DIRECTA DE RED
K1
2221
K1
2221
K3
21
FUSIBLE
F
A2A1
MOTOR - AUTOTRAFO
CONEXION
K3
1413
ARRANQUE
S2
A2A1
TEMPORIZACION
KT
1615
KT
1815
K3
1314
9695
RT
RELE TERMICO
A2A1
AUXILIAR
RELE
AUX
A3130
AUTOMATISMO CON CONTACTORES
ITS
Arranque directo.dwg
Luis Fabian Martinez28/07/08A
M
3~
WVU
MOTOR INDUCCION III
M
21
FUSIBLE
F
43
65
INVERSION DE GIRO
R TS
0
I
I
21
FUSIBLE
F
43
65
R TS
21
FUSIBLE
F
43
65
R TS
Y
O
Llave Y/D
D
M
3~
YXZ
V W
M3
MOTOR INDUCCION III
U
O
I
I
Y
O
Llave Y/D
D
M
3~
YXZ
V W
M3
MOTOR INDUCCION III
U
ARRANQUE Y/D
F. Martinez
A3231
Secheron 150/30/6kV
AUTOMATISMO CON CONTACTORES
ITS
Hoja en blanco.dwg
Luis Fabian Martinez9/5/2012A
21
a1
43
65
L1 R S T
M
3~
w
v
u
M4
UR
b8
WT
UR
b6
WT
UR
b7
WT
c1
ab
34
12
c2
ab
34
12
c3
ab
1413
2423
3433
7172
6162
8182
9192
R
S
T
F. Martinez
A3231
Secheron 150/30/6kV
AUTOMATISMO CON CONTACTORES
ITS
Hoja en blanco.dwg
Luis Fabian Martinez9/5/2012A
21
e1
t>
r1 r2
9L1
8L1 12
1413
a1
ys
(1)
b8
(17)
b3
25
1314
c1
(17)
b4
21
(18)
b2
34
(18)
b1
NCC
b14
(24)
21
b6
5152
d17
VS
(1)
b6
4142
c2
ba
c1
13L1
7271
d17
1314
NONO
b13
(24)
ba
d17
4443
c3
3334
4443
d17
27
29 28 26 24
3L2
2L2
b37
b3
b4
21
(12)
b1
34
(12)
b2
21
b7
2324
6162VS
(2)
b7 4142
c1
ba
c2
1314
c2
NOC
b12
56
c1
56
c2
ba
c3
23 22
b9
43
b5
NOC
(10)
b14
NOC
(20)
b12
3132
c1
3132
c2
NCNC
(14)
b13
U=0
a1
ab
16 18
17 21 19 20
2221
a1
2423
c1
2423
c2
H1
H2 H3
6 10 11 12 13 14 15 16 17 18 19 21 22 23 24 25 26 27 28 2920
R1 R2 R3 R4
01 02 03 04
A3433
AUTOMATISMO CON CONTACTORES
ITS
Arranque directo.dwg
Luis Fabian Martinez10/11/13A
M
3~
W
V
U
MOTOR INDUCCION III
M
21
FUSIBLE
F
43
65
21
RELE TERMICO
RT
43
65
96
9895
K
1314
1413
ENCENDIDO
E
K
1211
APAGADO
A
CIRCUITO DE POTENCIA CIRCUITO DE MANDO/CONTROL
21
FUSIBLEF
R TS
A2A1
CONTACTOR
K
21
43
65
9695
RT
RELE TERMICO
87
109
A3534Semaforo
AUTOMATISMO CON CONTACTORES
ITS
Hoja en blanco.dwg
Luis Fabian Martinez28/07/08A
1211
S1
1413
S2
K 1314
K1
A1A2
27
T1
31
4
21
VERDE
31
4
27
T2
31
421
AMARILLO
21
ROJO
27
T3
A3635Simulador de interruptor con apertura monopolar
AUTOMATISMO CON CONTACTORES
ITS
35 Simulador de interrptor.dwg
Laboratorio de electrotecnia
Luis Fabian Martinez14/5/16A
K4
A1A2
K1
A1A2
21
R
12
1411
22
2421
RD
R CERRADO
GN
R ABIERTO
12113231
C
52a52b
Disparo R
220Vcc
110Vcc
3231
K2
A1A2
21
R
12
1411
22
2421
RD
S CERRADO
GN
S ABIERTO
22212221
C
52a52b
Disparo S
2221
K3
A1A2
21
R
12
1411
22
2421
RD
T CERRADO
GN
T ABIERTO
32311211
C
52a52b
Disparo T
1211
APERTURA
21
R
4241
K5
A1A2
CIERRE
Cierre
K6
A1A2
Bloqueo
21
R
5251
RD
ENCENDIDO
SI
NO
BLOQUEO
Disparo Trifasico
A3736
AUTOMATISMO CON CONTACTORES
ITS
Hoja en blanco.dwg
Laboratorio de electrotecnia
Luis Fabian Martinez??/??/??A
M
3~
W
V
U
MOTOR INDUCCION III
M
21
FUSIBLE
F
43
65
21
RELE TERMICO
RT
43
65
96
9895
CIRCUITO DE POTENCIA CIRCUITO DE MANDO/CONTROL
R TS
A2A1
CONTACTOR
K1
21
43
65
R
A2A1
K2
34
RT
969521
Pare
43
Arranque
K1
34
K1
A1A2
A2A1
T1 K2
A1A2
K2
34
1817
T1
21
K2

Automatismo con Contactores

  • 1.
    A21Caratula - Tablade contenido AUTOMATISMO CON CONTACTORES ITS Caratula1.dwg Laboratorio electrotecnia Luis Fabian MartinezRevision original28/07/08A de Protecciones realizando proyectos y ajustes de protecciones. Desde Contacto: LFMC.2011.uy@gmail.com
  • 2.
    A32 AUTOMATISMO CON CONTACTORES ITS Simbologia.dwg Laboratoriode electrotecnia Luis Fabian Martinez28/07/08A K RELE ELECTROMAGNETICO A1A2 C DISPARADOR ELECTROMAGNETICO C1C2 YA RELE DE ENCLAVAMIENTO E1E2 X2X1 LUMINOSO INDICADOR HL X2X1 CLAXON SONORO INDICADOR HA M 3~ W V U 3 BORNES TRIFASICO MOTOR M M 3~ Y X Z V W M MOTOR TRIFASICO 6 BORNES U I > 21 TERMOMAGNETICA Q I > 43 I > 65 A2A1 CONTACTOR K 21 43 65 21 TERMICO RELE F 43 65 U < FV BAJA TENSION D1D2 K CONTACTOS NORMALES (NA) 02. x3x4 x2x1 (NC) NORMALES CONTACTOS K x2 x4x1 (INVERSOR) NORMALES CONTACTOS K K CONTACTOS ESPECIALES (NA) x7x8 x6x5 (NC) ESPECIALES CONTACTOS K x6 x8x5 (INVERSOR) ESPECIALES CONTACTOS K K RELE AUXILIAR A1A2 1314 2324 3334 4344 5251 6261 7271 82 8481 92 9491 02 0401 Contactos Normales Contactos Especiales 1817 02. NA TEMPORIZADO KT 1615 NC TEMPORIZADO KT 1817 NA TEMPORIZADO KT 1615 NC TEMPORIZADO KT A2A1 TEMPORIZADOR KT A2A1 TEMPORIZADOR KT TEMPORIZADOR KT 87 I > 87 RELE BIESTABLE A1 B1 A2 B2 12 1411 22 2421 32 3431 42 4441 x4x3 PULSADOR S x2x1 PULSADOR S 1413 PULSADOR S 2221 1413 FLOTADOR S 2221 FLOTADOR -S 1413 TERMOSTATO S 2221 TERMOSTATO S BORNE 1 X M 3~ w v u V W M ESTATOR ROTOR U 1 G FUENTE 220220 9695 RT NC CON RELE TERMICO 9695 98 RELE TERMICO MANUAL NC CON REPOSICIPON RT 9897 RT NC CON RELE TERMICO
  • 3.
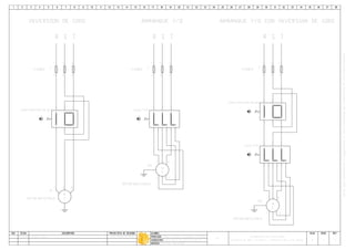
    A43 AUTOMATISMO CON CONTACTORES ITS Laboratoriode electrotecnia Luis Fabian Martinez28/07/08A U V W Z X Y R S T Motor R S T U V W Z X Y U V W Z X Y
  • 4.
    A54 AUTOMATISMO CON CONTACTORES ITS LuisFabian Martinez28/07/08A Motor 3 velocidades U12 V12 W12 U6 V6 W6 U12 V12 W12 U6 V6 W6 U12 V12 W12 U6 V6 W6 R S T R S T R S T Motor Velocidad baja Velocidad media Velocidad alta U4 V4 W4 Z4 X4 Y4 U4 V4 W4 Z4 X4 Y4
  • 5.
    A65Convertir un tipode temporizador en otro AUTOMATISMO CON CONTACTORES ITS Convertir un tipo de temporizador en otro.dwg Luis Fabian Martinez28/07/08A Convertir un temporizador a la 1413 Entrada S K A1A2 K 1314A2A1 KT 1615 KT K CONTACTO A USAR 2324X2X1 Salida H1 2221 Convertir un temporizador a la 1211 ENTRADA S6 A2A1 K X2X1 SALIDA H5 1211 K
  • 6.
    A76ARRANQUE DIRECTO AUTOMATISMO CONCONTACTORES ITS Arranque directo.dwg Luis Fabian Martinez28/07/08A M 3~ W V U MOTOR INDUCCION III M 21 FUSIBLE F 43 65 21 RELE TERMICO RT 43 65 96 9895 K 21 FUSIBLE F 1413 A PULSOS ARRANQUE EP 1211 APAGADO 1 a1 K 1314 1413 ENCENDIDO 1 E1 K K 1314 1413 ENCENDIDO E K 1211 APAGADO A 1211 APAGADO A K 1314 1413 ENCENDIDO E K 1413 A PULSOS ARRANQUE EP 2221 X2X1 H1 ENCENDIDO X2X1 H2 APAGADO K 2324 3231 K CIRCUITO DE POTENCIA CIRCUITO DE MANDO/CONTROL Intermitente Preferencia al pare con dos puestos de mando Preferencia a la marcha Intermitente y preferencia al pare X2X1 H3 RELE TERMICO ACTUADO 1211 APAGADO 2 A2 1413 ENCENDIDO 2 E2 21 FUSIBLE F 21 FUSIBLE F 21 FUSIBLE F 21 FUSIBLE F R TS A2A1 CONTACTOR K 21 43 65 9695 RT RELE TERMICO 9695 RT RELE TERMICO 9695 RT RELE TERMICO 9695 RT RELE TERMICO 9897 RT RELE TERMICO R N Puesto de mando 1 Puesto de mando 2
  • 7.
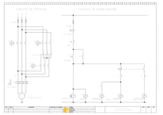
    A87 del rele termico Enclavamientode secuencia de arrranque por medio AUTOMATISMO CON CONTACTORES ITS Enclavamiento arranque.dwg Luis Fabian Martinez28/07/08A M 3~ W V U MOTOR INDUCCION III M 21 FUSIBLE F 43 65 21 RELE TERMICO RT 43 65 96 9895 CIRCUITO DE POTENCIA CIRCUITO DE MANDO/CONTROL R TS 21 FUSIBLE F 2221 APAGADO S1 -K1 CONTACTOR A1A21413 ARRANQUE S2 1413 CONTACTOR -K1 K2 RELE AUXILIAR A1A2 2121 AUXILIAR RELE K2 K2 RELE AUXILIAR 1314 CONTACTOR -K5 21 43 65 9695 RT RELE TERMICO 9897 RT RELE TERMICO El objetivo del circuito es evitar que el operador reponga la tiene que seguir una secuencia.
  • 8.
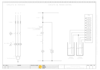
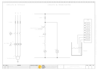
    A98 AUTOMATISMO CON CONTACTORES ITS Nivelde liquidos con flotadores.dwg Luis Fabian Martinez28/07/08A M 3~ W V U MOTOR INDUCCION III M 21 FUSIBLE F 43 65 21 RELE TERMICO RT 43 65 96 9895 CIRCUITO DE POTENCIA CIRCUITO DE MANDO/CONTROL Abastecimiento de un tanque R TS A2A1 K 21 43 65 21 FUSIBLE F K A1A2 21 FUSIBLE F K A1A21413 FLOTADOR FL 1211 FLOTADOR FL Vaciado de 21 FUSIBLE F 1211 FLOTADOR * FL AUX A1A2 Vaciado de K A1A21211 AUX 21 FUSIBLE F 1211 SUPERIOR TANQUE FLOTADOR FL-T 1413 INFERIOR TANQUE FLOTADOR FL-P K A1A2 Abastecimiento de un tanque superior dependiando de la disponivilidad de un tanque inferior *Se supone que el flotador tiene solo un contacto NC. 9695 RT RELE TERMICO 9695 RT RELE TERMICO 9695 RT RELE TERMICO 9695 RT RELE TERMICO
  • 9.
    A109Abastecimiento de untanque con control CN5 AUTOMATISMO CON CONTACTORES ITS CN5 abastecimiento tanque.dwg Luis Fabian Martinez28/07/08A 220 CN5 220 NA COMUN NC SUPERIOR INFERIOR MASA M 3~ W V U MOTOR INDUCCION III M 21 FUSIBLE F 43 65 21 RELE TERMICO RT 43 65 96 9895 CIRCUITO DE POTENCIA CIRCUITO DE MANDO/CONTROL R TS A2A1 K 21 43 65 TANQUE 21 FUSIBLE -F1 21 FUERA DE SERVICIO,EN SERVICIO LLAVE SELECTORA -S1 K A1A2 1 CN5 220220 CN5 COMUNNA9695 RT RELE TERMICO
  • 10.
    A1110Vaciado de untanque con control CN5 AUTOMATISMO CON CONTACTORES ITS CN5 vaciado tanque.dwg Luis Fabian Martinez28/07/08A 220 CN5 220 NA COMUN NC SUPERIOR INFERIOR MASA M 3~ W V U MOTOR INDUCCION III M 21 FUSIBLE F 43 65 21 RELE TERMICO RT 43 65 96 9895 CIRCUITO DE POTENCIA CIRCUITO DE MANDO/CONTROL R TS A2A1 K 21 43 65 TANQUE 21 FUSIBLE -F1 21 FUERA DE SERVICIO,EN SERVICIO LLAVE SELECTORA -S1 K A1A2 1 CN5 220220 NCCOMUN CN5 9695 RT RELE TERMICO
  • 11.
    A1211 disponibilidad de untanque inferior con control CN6 Abastecimiento de un tanque superior dependiendo de la AUTOMATISMO CON CONTACTORES ITS CN6 abastecimiento tanque.dwg Luis Fabian Martinez28/07/08A M 3~ W V U MOTOR INDUCCION III M 21 FUSIBLE F 43 65 21 RELE TERMICO RT 43 65 96 9895 CIRCUITO DE POTENCIA CIRCUITO DE MANDO/CONTROL R TS A2A1 K 21 43 65 TANQUE INFERIOR 21 FUSIBLE -F1 21 FUERA DE SERVICIO,EN SERVICIO LLAVE SELECTORA -S1 K A1A2 TANQUE SUPERIOR -CN6 COMUNNA 220 CN6 220 NA COMUN NC SUPERIOR INFERIOR MASA SUPERIOR INFERIOR 1 CN6 220220 9695 RT RELE TERMICO
  • 12.
    A1312 disponibilidad de untanque inferior con 2 bombas y control CN6 Abastecimiento de un tanque superior dependiendo de la AUTOMATISMO CON CONTACTORES ITS CN6 abast. tanque con dos bombas.dwg Luis Fabian Martinez28/07/08A 21 FUSIBLE F 43 65 43 65 96 9895 CIRCUITO DE POTENCIA CIRCUITO DE MANDO/CONTROL R TS A2A1 K1 21 43 65 TANQUE INFERIOR 21 FUSIBLE F 21 FUERA DE SERVICIO,EN SERVICIO LLAVE SELECTORA S1 K1 A1A2 TANQUE SUPERIOR CN6 COMUNNA A2A1 5 MIN. TEMPORIZADOR T K2 A1A21815 T 43 65 96 9895 21 43 65 43 65 96 9895 21 43 65 M 3~ W V U BOMBA 1 M1 21 RELE TERMICO RT1 43 65 96 9895 21 43 65 21 RELE TERMICO RT2 43 65 96 9895 A2A1 K2 21 43 65 43 65 96 9895 21 43 65 M 3~ W V U BOMBA 2 M2 43 65 96 9895 21 43 65 43 65 96 9895 A2A1 21 43 65 220 CN6 220 NA COMUN NC SUPERIOR INFERIOR MASA SUPERIOR INFERIOR 1 CN6 220220 9695 RT2 RELE TERMICO BOMBA 2 9695 RT1 RELE TERMICO BOMBA 1
  • 13.
    A1413Control de temperaturacon termocupla AUTOMATISMO CON CONTACTORES ITS Control temperatura termocupla.dwg Luis Fabian Martinez28/07/08A 21 FUSIBLE F 43 65 CIRCUITO DE POTENCIA CIRCUITO DE MANDO/CONTROL R TS A2A1 K 21 43 65 21 FUSIBLE F 21 FUERA DE SERVICIO,EN SERVICIO LLAVE SELECTORA S1 K A1A2GTR 2101112 1 FUENTE GTR 210 2-3 - 11 SALIDA 12 RELE 41 SALIDA 42 TRANSISTOR 17 + TERMO 18 - CUPLA 62 MAXIMO 61 COMUN 60 MINIMO - + TERMOCUPLA TC 21 HORNO 43 65 GTR 210 6162X2X1 MAXIMA TEMPERATURA H1 GTR 210 6160X2X1 MINIMA TEMPERATURA H2 1 GTR 210 220220 1 3 En este caso las resistencias son para 220V y estan conectadas a una red trifasica de 380V.
  • 14.
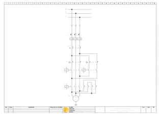
    A1514 AUTOMATISMO CON CONTACTORES ITS LuisFabian Martinez28/07/08A CIRCUITO DE POTENCIA CIRCUITO DE MANDO/CONTROL 1211 PARE S1 1413 MARCHA S2 K1 1314 A2A1 K1 1413 CONTRAMARCHA S3 A2A1 K2 K2 1314 2121 ENCLAVAMIENTO K2 2121 ENCLAVAMIENTO K1 FUSIBLE -F1 M 3~ W V U MOTOR ASINCRONO III 21 43 65 A2A1 K1 21 RELE TERMICO -RT 43 65 21 43 65 A2A1 K2 96 9895 R TS 21 FUSIBLE F 43 65 2221 22219695 RT RELE TERMICO Nota: De esta manera permite cambiar el sentido de giro sin circuito Comando equipo Equipo (motor) Elementos conectados en serie que afectan todo el circuito. Protecciones, bloqueos accionamiento de parada/apagado. Automantenimiento Elementos conectados en paralelo. Accionamiento de Enclavamientos. Enclavamiento por contacto o por mando. Accionamiento. Bobinas de contactores, SUBE H1 BAJA H2 R N
  • 15.
    A1615Cortina de garagemanual AUTOMATISMO CON CONTACTORES ITS Cortina garage manual.dwg Luis Fabian Martinez28/07/08A CIRCUITO DE POTENCIA CIRCUITO DE MANDO/CONTROL 2221 PARE S1 1413 CORTINA SUBIR S2 K1 1314 A2A1 SUBE K1 1413 CORTINA BAJAR S3 A2A1 BAJA K2 K2 1314 2121 ENCLAVAMIENTO K2 2121 ENCLAVAMIENTO K1 FUSIBLE -F1 1211 TECHO S4 1211 PISO S5 M 3~ W V U MOTOR ASINCRONO III 21 43 65 A2A1 K1 21 RELE TERMICO -RT 43 65 21 43 65 A2A1 K2 96 9895 R TS21 FUSIBLE F 43 65 9695 RT RELE TERMICO
  • 16.
    A1716Cortina de garageautomatico AUTOMATISMO CON CONTACTORES ITS Cortina de garage automatico.dwg Luis Fabian Martinez28/07/08A M 3~ W V U MOTOR ASINCRONO III 21 43 65 A2A1 K1 21 RELE TERMICO -RT 43 65 21 43 65 A2A1 K2 96 9895 CIRCUITO DE POTENCIA CIRCUITO DE MANDO/CONTROL 2221 PARE S1 1413 MARCHA S2 K1 1314 A2A1 SUBE K1 A2A1 BAJA K2 K2 1314 2121 ENCLAVAMIENTO K2 2121 ENCLAVAMIENTO K1 FUSIBLE -F1 A2A1 TEMPORIZADOR -KT 2221 TECHO S3 1413 1817 02. TEMPORIZADOR KT 2221 PISO S4 2221 R TS 21 FUSIBLE F 43 65 9695 RT RELE TERMICO
  • 17.
    A1817 AUTOMATISMO CON CONTACTORES ITS LuisFabian Martinez28/07/08A M 3~ W V U MOTOR INDUCCION III M 21 FUSIBLE F 43 65 CIRCUITO DE POTENCIA CIRCUITO DE MANDO/CONTROL R TS A2A1 K1 21 43 65 A2A1 K2 21 43 65 21 RESISTENCIA R 43 65 21 FUSIBLE F 2221 PARE S1 1413 MARCHA S2 A2A1 TEMPORIZADOR T AUX A1A2 K2 A1A21817 T 2625 T K1 A1A2 AUX 1314 65 43 21 RELE TERMICO RT 96 9895 9695 RT RELE TERMICO
  • 18.
    A1918 AUTOMATISMO CON CONTACTORES ITS LuisFabian Martinez28/07/08A 21 FUSIBLE F 43 65 CIRCUITO DE POTENCIA CIRCUITO DE MANDO/CONTROL R TS A2A1 K1 21 43 65 A2A1 K2 21 43 65 21 RESISTENCIA R 43 65 21 FUSIBLE F 1211 PARE S1 1413 MARCHA S2 A2A1 TEMPORIZADOR T K1 A1A2 K2 A1A21815 T K1 1314 65 43 21 RELE TERMICO RT 96 9895 M 3~ w v u V W M ESTATOR ROTOR U 9695 RT RELE TERMICO
  • 19.
    A2019Frenado con corrientecontinua AUTOMATISMO CON CONTACTORES ITS Freno con CC.dwg Luis Fabian Martinez28/07/08A CIRCUITO DE POTENCIA CIRCUITO DE MANDO/CONTROL 2221 PARE S1 1413 MARCHA S2 K1 1314 A2A1 K1 1413 FRENO S3 A2A1 K2 K2 1314 2121 K2 2121 K1 FUSIBLE F M 3~ W V U MOTOR ASINCRONO III 21 43 65 A2A1 K1 21 RELE TERMICO -RT 43 65 21 43 65 A2A1 K2 96 9895 R TS21 FUSIBLE F 43 65 +- -VCC FUENTE CORRIENTE CONTINUA 2221 S3 1615 KT A2A1 TEMPORIZADOR KT 9695 RT RELE TERMICO
  • 20.
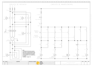
    A2120 AUTOMATISMO CON CONTACTORES ITS ArranqueYD manual.dwg Luis Fabian Martinez28/07/08A 21 43 65 A2A1 LINEA K1 21 RELE TERMICO RT 43 65 21 43 65 A2A1 TRIANGULO K3 96 9895 CIRCUITO DE POTENCIA CIRCUITO DE MANDO/CONTROL 1211 PARE S1 1413 ESTRELLA ARRANQUE S2 K1 LINEA 1314A2A1 LINEA K1 A2A1 TRIANGULO K3 2121 K3 2121 K2 FUSIBLE -F1 M 3~ Y X Z V W M MOTOR U21 43 65 A2A1 ESTRELLA K2 A2A1 ESTRELLA K2 2221 2221 TRIANGULO ARRANQUE S3 1413 K3 1314 R TS21 FUSIBLE F 43 65 9695 RT RELE TERMICO Nota: Al conectar el K2 de esta manera para hacer la estrella I contacto = I fase
  • 21.
    A2221 del contactor Yantes de energizar el circuito de potencia AUTOMATISMO CON CONTATORES ITS Arranque YD automatico.dwg Luis Fabian Martinez28/07/08A 21 43 65 A2A1 LINEA K1 21 RELE TERMICO RT 43 65 21 43 65 A2A1 TRIANGULO K3 96 9895 CIRCUITO DE POTENCIA CIRCUITO DE MANDO/CONTROL 1211 PARE S1 K1 1314 A2A1 LINEA K1 A2A1 TRIANGULO K3 2221 K3 2221 K2 21 FUSIBLE F M 3~ Y X Z V W M MOTOR U21 43 65 A2A1 ESTRELLA K2 A2A1 ESTRELLA K2 1413 ARRANQUE S2 A2A1 TEMPORIZACION KT 1615 KT 1815 K1 2324 K2 1314 R TS 21 FUSIBLE F 43 65 9695 RT RELE TERMICO Nota: Al conectar el K2 de esta manera para hacer la estrella logramos que menos corriente por los cantactos la hoja 20. I contacto = I fase/1.73
  • 22.
    A2322 AUTOMATISMO CON CONTATORES ITS LuisFabian Martinez28/07/08A 21 43 65 A2A1 LINEA K1 21 RELE TERMICO RT 43 65 21 43 65 A2A1 TRIANGULO K3 96 9895 R S T CIRCUITO DE POTENCIA CIRCUITO DE MANDO/CONTROL 1211 PARE S1 K1 1314 A2A1 HORARIO SENTIDO LINEA K1 A2A1 TRIANGULO K3 2221 K3 2221 K2 21 FUSIBLE -F1 M 3~ Y X Z V W M MOTOR U21 43 65 A2A1 ESTRELLA K2 A2A1 ESTRELLA K2 1413 HORARIO SENTIDO ARRANQUE S2 A2A1 TEMPORIZACION KT 1615 KT 1815 K1 3334 K2 1314 21 43 65 A2A1 LINEA K4 K4 1314 A2A1 ANTIHORARIO SENTIDO LINEA K4 K4 3334 K2 3334 2221 K4 2221 K1 2221 21 FUSIBLE -F 43 65 2221 ANTIHORARIO SENTIDO ARRANQUE S3 1413 3433 3433 K1 4344 K4 4344 9695 RT RELE TERMICO Nota: Al conectar el K2 de esta manera para hacer la estrella logramos que menos corriente por los cantactos la hoja 20. I contacto = I fase/1.73
  • 23.
    A2423 AUTOMATISMO CON CONTATORES ITS LuisFabian Martinez28/07/08A 21 43 65 A2A1 LINEA K1 21 RELE TERMICO RT 43 65 21 43 65 A2A1 TRIANGULO K3 96 9895 R S T CIRCUITO DE POTENCIA CIRCUITO DE MANDO/CONTROL 1211 PARE S1 K1 1314 A2A1 HORARIO SENTIDO LINEA K1 A2A1 TRIANGULO K3 2221 K3 2221 K2 21 FUSIBLE -F1 M 3~ Y X Z V W M MOTOR U21 43 65 A2A1 ESTRELLA K2 A2A1 ESTRELLA K2 1413 HORARIO SENTIDO ARRANQUE S2 A2A1 TEMPORIZACION KT 1615 KT 1815 K1 3334 K2 1314 21 43 65 A2A1 LINEA K4 1413 ANTIHORARIO SENTIDO ARRANQUE S3 K4 1314 A2A1 ANTIHORARIO SENTIDO LINEA K4 K4 3334 K2 3334 2221 K4 2221 K1 2221 S2 2221 S3 21 FUSIBLE -F 43 65 9695 RT RELE TERMICO Nota: Al conectar el K2 de esta manera para hacer la estrella logramos que menos corriente por los cantactos la hoja 20. I contacto = I fase/1.73
  • 24.
    A2524Grua AUTOMATISMO CON CONTACTORES ITS Grua.dwg LuisFabian Martinez28/07/08A U12 V12 W12 U6 V6 W6 U4 V4 W4 Z4 X4 Y4 21 FUSIBLE F 43 65 21 RELE TERMICO RT 43 65 96 9895 CIRCUITO DE POTENCIA CIRCUITO DE MANDO/CONTROL R TS A2A1 K1 21 43 65 A2A1 K2 21 43 65 0 A2A1 K3 21 43 65 0 A2A1 K2A 21 43 65 0 21 FUSIBLE -F8 1413 MARCHA 1 -SB1 -K1 A1A22221 MARCHA 2 -SB2 -K2 A1A2 -K2A A1A2 A2A1 -T -AUX A1A2 -K3 A1A2 24231413 2221 -K2 3231 -K2 3231 -AUX 1314 1413 MARCHA 3 -SB3 -K2 1314 -AUX 1314 1211 0 -K3 2221 -K3 2221 -AUX 1817 -T 9695 RT RELE TERMICO Motor de 3 velocidades
  • 25.
    A2625Alarmero AUTOMATISMO CON CONTACTORES ITS Alarmero.dwg LuisFabian Martinez28/07/08A AL1 ALARMA 1 1314 XA1 A1A2 1314 2324 3334 X2X1 ALARMA 1 XA2 A1A2 1314 2324 3334 X2X1 ALARMA 2 XA3 A1A2 1314 2324 3334 AL2 ALARMA 2 1314 AL3 ALARMA 3 1314 1211 BORRAR BO PL A1A2 X2X1 ALARMA 3 1314 2324 3334 B BOCINA A1A2 1314X2X1 BOCINA B1 REC RECONOCE ALARMA A1A21413 RECONOCER RE REC 1314 2221 REC 2221 1413 LAMPARAS PRUEBA DE PL Funcionamiento:
  • 26.
    A2726ON-OFF con unsolo pulsador AUTOMATISMO CON CONTACTORES ITS ON-OFF con un solo pulsador.dwg Luis Fabian Martinez28/07/08A 21 FUSIBLE F 43 CIRCUITO DE POTENCIA CIRCUITO DE MANDO/CONTROL R S X2X1 LAMPARA -H1 21 FUSIBLE F -K1 POTENCIA A1A2 K2 AUXILIAR ENCENDIDO A1A2 K3 AUXILIAR APAGADO A1A2 K2 1314 -K1 1314 K2 3334 -K1 3334 K3 0 3334 2221 -K1 2221 K3 2221 K2 2221 K3 1413 ENCENDIDO/APAGADO -S1 A2A1 CONTACTOR K1 21 43
  • 27.
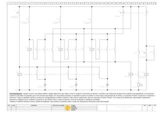
    A2827Renganchador P4wa AUTOMATISMO CONCONTACTORES ITS Renganchador P4wa.dwg Luis Fabian Martinez28/07/08A 6 8 12 -A 56 -C 21 LOCAL/REMOTO SELECTOR remoto local -S 3028 LOCAL CIERRE CL 2625 LOCAL APERTURA AL C RST CIERRE INTERRUPTOR A1A2 562221 CIERRE BLOQUEO -BC 1 -C 78 7 2 5 34 21 5 seg -B 65 -B 87 34 -B 4 78 -S 1413 REMOTO CIERRE CR 3 1413 REMOTO APERTURA AR 2221APERTURA BLOQUEO -BA -A RST APERTURA (DISPARO) INTERRUPTOR A1A2 I> DISPARO SOBRECORRIENTE C/S RECIERRE SELECTOR S/RECIERRE C/RECIERRE -S1 0.3 seg -A 1 seg -D 43 -D 12 12 12 11 2221 RECIERRE BLOQUEO -BR 2221 INTERRUPTOR AUXILIAR CONTACTO -LA 1112 SECUENCIA DE FUNCIONAMIENTO Condiciones iniciales: interruptor cerrado en servicio normal y comando local. Con el interruptor cerrado +D. interruptor abre, se desexcita A. Los contactos de A restablecen a los 0.3 seg. (tiempo necesario para que se apague el arco), mientras tanto se mantiene excitado B. Al desexcitarse B sus contactos permanecen sin restablecer hasta 5 seg, con lo cual al restablecerse los contactos de A el interruptor cierra. La orden de cierre permanece, con lo cual si el defecto no ha sido eliminado un dispositivo en el interruptor al recibir ambas ordenes
  • 28.
    A2928ARRANQUE CON AUTOTRANSFORMADOR AUTOMATISMOCON CONTACTORES ITS Arranque autotransformador.dwg Luis Fabian Martinez28/07/08A M 3~ W V U MOTOR ASINCRONO III 21 43 65 A2A1 K1 21 RELE TERMICO RT 43 65 21 43 65 A2A1 K2 w v u W V U AUTOTRAFO Z Y X21 43 65 A2A1 K3 96 9895 1211 PARE S1 1413ARRANQUE S2 1413 K2 1615 KT 2221 K1 A2A1 K3 A2A1 TEMPORIZADOR KT A2A1 K2 A2A1 K1 3231 K1 2221 K3 2423 K2 1413 K3 1413 K1 1817 KT 21 FUSIBLE F R S CIRCUITO DE POTENCIA T 21 FUSIBLE F 43 65 9695 RT RELE TERMICO 1211 PARE S1 1413 ARRANQUE S2 1413 K2 1615 KT 2221 0 K11 A2A1 K3 A2A1 TEMPORIZADOR KT A2A1 K2 A2A1 K1 3231 K1 2221 K3 2423 K2 1413 K3 1413 K1 1817 KT 21 FUSIBLE F9 9695 K RELE TERMICO CIRCUITO DE MANDO ORIGINAL (TAPA DE TABLERO) CIRCUITO DE MANDO IMPLEMENTADO
  • 29.
    A3029ARRANQUE CON AUTOTRANSFORMADOR AUTOMATISMOCON CONTACTORES ITS Arranque autotransformador.dwg Luis Fabian Martinez28/07/08A M 3~ W V U MOTOR ASINCRONO III 21 43 65 A2A1 K1 21 RELE TERMICO RT 43 65 21 43 65 A2A1 K2 w v u W V U AUTOTRAFO Z Y X 21 43 65 A2A1 K3 96 9895 R S CIRCUITO DE POTENCIA CIRCUITO DE MANDO/CONTROL T 21 FUSIBLE F 43 65 1211 PARE S1 AUX 1314 A2A1 AUTOTRAFO K2 A2A1 DIRECTA DE RED K1 2221 K1 2221 K3 21 FUSIBLE F A2A1 MOTOR - AUTOTRAFO CONEXION K3 1413 ARRANQUE S2 A2A1 TEMPORIZACION KT 1615 KT 1815 K3 1314 9695 RT RELE TERMICO A2A1 AUXILIAR RELE AUX
  • 30.
    A3130 AUTOMATISMO CON CONTACTORES ITS Arranquedirecto.dwg Luis Fabian Martinez28/07/08A M 3~ WVU MOTOR INDUCCION III M 21 FUSIBLE F 43 65 INVERSION DE GIRO R TS 0 I I 21 FUSIBLE F 43 65 R TS 21 FUSIBLE F 43 65 R TS Y O Llave Y/D D M 3~ YXZ V W M3 MOTOR INDUCCION III U O I I Y O Llave Y/D D M 3~ YXZ V W M3 MOTOR INDUCCION III U ARRANQUE Y/D
  • 31.
    F. Martinez A3231 Secheron 150/30/6kV AUTOMATISMOCON CONTACTORES ITS Hoja en blanco.dwg Luis Fabian Martinez9/5/2012A 21 a1 43 65 L1 R S T M 3~ w v u M4 UR b8 WT UR b6 WT UR b7 WT c1 ab 34 12 c2 ab 34 12 c3 ab 1413 2423 3433 7172 6162 8182 9192 R S T
  • 32.
    F. Martinez A3231 Secheron 150/30/6kV AUTOMATISMOCON CONTACTORES ITS Hoja en blanco.dwg Luis Fabian Martinez9/5/2012A 21 e1 t> r1 r2 9L1 8L1 12 1413 a1 ys (1) b8 (17) b3 25 1314 c1 (17) b4 21 (18) b2 34 (18) b1 NCC b14 (24) 21 b6 5152 d17 VS (1) b6 4142 c2 ba c1 13L1 7271 d17 1314 NONO b13 (24) ba d17 4443 c3 3334 4443 d17 27 29 28 26 24 3L2 2L2 b37 b3 b4 21 (12) b1 34 (12) b2 21 b7 2324 6162VS (2) b7 4142 c1 ba c2 1314 c2 NOC b12 56 c1 56 c2 ba c3 23 22 b9 43 b5 NOC (10) b14 NOC (20) b12 3132 c1 3132 c2 NCNC (14) b13 U=0 a1 ab 16 18 17 21 19 20 2221 a1 2423 c1 2423 c2 H1 H2 H3 6 10 11 12 13 14 15 16 17 18 19 21 22 23 24 25 26 27 28 2920 R1 R2 R3 R4 01 02 03 04
  • 33.
    A3433 AUTOMATISMO CON CONTACTORES ITS Arranquedirecto.dwg Luis Fabian Martinez10/11/13A M 3~ W V U MOTOR INDUCCION III M 21 FUSIBLE F 43 65 21 RELE TERMICO RT 43 65 96 9895 K 1314 1413 ENCENDIDO E K 1211 APAGADO A CIRCUITO DE POTENCIA CIRCUITO DE MANDO/CONTROL 21 FUSIBLEF R TS A2A1 CONTACTOR K 21 43 65 9695 RT RELE TERMICO 87 109
  • 34.
    A3534Semaforo AUTOMATISMO CON CONTACTORES ITS Hojaen blanco.dwg Luis Fabian Martinez28/07/08A 1211 S1 1413 S2 K 1314 K1 A1A2 27 T1 31 4 21 VERDE 31 4 27 T2 31 421 AMARILLO 21 ROJO 27 T3
  • 35.
    A3635Simulador de interruptorcon apertura monopolar AUTOMATISMO CON CONTACTORES ITS 35 Simulador de interrptor.dwg Laboratorio de electrotecnia Luis Fabian Martinez14/5/16A K4 A1A2 K1 A1A2 21 R 12 1411 22 2421 RD R CERRADO GN R ABIERTO 12113231 C 52a52b Disparo R 220Vcc 110Vcc 3231 K2 A1A2 21 R 12 1411 22 2421 RD S CERRADO GN S ABIERTO 22212221 C 52a52b Disparo S 2221 K3 A1A2 21 R 12 1411 22 2421 RD T CERRADO GN T ABIERTO 32311211 C 52a52b Disparo T 1211 APERTURA 21 R 4241 K5 A1A2 CIERRE Cierre K6 A1A2 Bloqueo 21 R 5251 RD ENCENDIDO SI NO BLOQUEO Disparo Trifasico
  • 36.
    A3736 AUTOMATISMO CON CONTACTORES ITS Hojaen blanco.dwg Laboratorio de electrotecnia Luis Fabian Martinez??/??/??A M 3~ W V U MOTOR INDUCCION III M 21 FUSIBLE F 43 65 21 RELE TERMICO RT 43 65 96 9895 CIRCUITO DE POTENCIA CIRCUITO DE MANDO/CONTROL R TS A2A1 CONTACTOR K1 21 43 65 R A2A1 K2 34 RT 969521 Pare 43 Arranque K1 34 K1 A1A2 A2A1 T1 K2 A1A2 K2 34 1817 T1 21 K2