Incrustar presentación
Descargado 236 veces





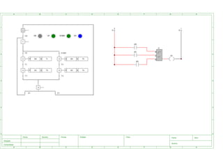
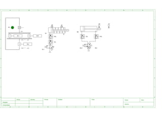
El documento proporciona varios circuitos de Cade_Simu en formato grafcet y un enlace a la última versión del software. Incluye diagramas de flujo de varios procesos industriales modelados mediante símbolos gráficos normalizados.




