ISTP
CARLOS CUETO FERNANDINI
Especialidad Electrónica Industrial Prof. Luis A. Sánchez
ELECTRONICA DE POTENCIA Semestre III Pag.
LOS TIRISTORES
La electrónica de potencia concierne a circuitos con
tiristores, a su diseño y a su función en el control de
potencia. Hay gran variedad, pero todos tienen propiedades
en común: son dispositivos de estado sólido que se
“disparan” bajo ciertas condiciones pasando de un estado
de alta impedancia a uno de baja (corte- conduccion,
abierto–cerrado) y se mantiene este estado mientras que la
corriente y la tensión sean superiores a un valor mínimo
denominado niveles de mantenimiento.
El disparo de un tiristor se realiza inyectando corrientes y, conmuta a conducción y se mantiene asi hasta
que la señal de disparo sea retirada. Estas características hacen que sean mucho más útiles que los
conmutadores mecánicos, en términos de flexibilidad, duración y velocidad. Estos dispositivos se utilizan en
control de potencia, convertidores DC-DC o DC-AC o AC-DC o AC-AC, motores, luz incandescente, etc.
Rectificador controlado de silicio
Triac
Transistor de unijuntura
Transistor de unijuntura programable
Conmutador bidireccional de silicio
Sidac
Compuerta encendido-apagado GTO
figura.1 se muestran la familia de los tiristores
ISTP
CARLOS CUETO FERNANDINI
Especialidad Electrónica Industrial Prof. Luis A. Sánchez
ELECTRONICA DE POTENCIA Semestre III Pag.
DIODO DE CUATRO CAPAS
El diodo de cuatro capas o diodo Shockley es un dispositivo de cuatro capas npnp, cuya estructura y
símbolo se describen en la figuras 1.a y 1.b.
Esencialmente es un dispositivo interruptor.
Al aplicar un tensión positiva entre ánodo y
cátodo circula una corriente muy baja
(despreciable) y el dispositivo se encuentra
cortado. Aumentando esta tensión positiva se
llega a una tensión VBO de ruptura o
avalancha donde la corriente crece de forma
abrupta y la caída de tensión decrece FIG. 1 diodo de cuatro capas
a)Si el Vak<0 el diodo no pasa a conducción a menos que supere la tensión máxima inversa VRSM que
rompe la estructura y pasa a conducción el diodo.
b)Si el Vak>0 es la Región de resistencia negativa y cuando la tensión entre ánodo y cátodo es
suficientemente alta se produce la ruptura de la unión con un incremento muy elevado en corriente .
c)Región de saturación o conducción. En esta región, la caída de tensión entre ánodo y cátodo está
comprendida entre 0.5V y 1.5 V, prácticamente independiente de la corriente. Se mantendrá en este estado
siempre que la tensión y corriente alcancen unos valores mínimos conocidos como niveles de
mantenimiento definidos por VH e IH.
SIDAC
El SIDAC es un dispositivo bilateral de disparo de alta tensión y corriente. Es básicamente un diodo
de cuatro capas con unas
características eléctricas simétricas
sus características eléctricas
simétricas. El
SIDAC se utiliza en aquellas
aplicaciones que se necesitan una
tensión de disparo VBO cuyos
valores están comprendidos entre
120 V y 270 V (típicos) FIG. 2 Estructura física Símbolo Característica I-V
ISTP
CARLOS CUETO FERNANDINI
Especialidad Electrónica Industrial Prof. Luis A. Sánchez
ELECTRONICA DE POTENCIA Semestre III Pag.
TABLA 1 Datos técnicos de varios SIDAC
En la figura 3.a se presenta una aplicación basado en el MKP3V120 para generar ondas tipo
sierra o triangulares usados en barridos, Las principales características de este dispositivo son:
VT=VH=1.1 v IH =100mA(max) VB0=120 v(typ) IB0=200 μA(max)
Imax.=1A.
En la figura 3-b
se ve la forma de
onda generada
por el diodo
SIDAC
FIGURA 3
El SBS o Silicon Bidirectional Switch
Es un dispositivo de baja potencia simétrico para aplicaciones de disparo más versátil que el SIDAC.
Tiene además un terminal adicional (Gate o G) que permite modificar sus características de disparo con
pequeños pulsos de corriente (decenas de µA). Su reducido coste, alta velocidad y capacidad para
disparar puertas de tiristores con altos valores de corriente hace que este dispositivo sea muy útil en
muchas aplicaciones.
Una de las
aplicaciones más típicas del SIDAC es como generador de diente de
sierra en donde se aprovecha las características de disparo y bloqueo de
este dispositivo. En la figura 12.6.a se presenta el esquema de este
ISTP
CARLOS CUETO FERNANDINI
Especialidad Electrónica Industrial Prof. Luis A. Sánchez
ELECTRONICA DE POTENCIA Semestre III Pag.
EL SBS no es solamente un versión mejorada del diodo de cuatro capas, sino que es fabricado como un
circuito integrado constituido por transistores,
diodos y resistencias. La figura 4-.a muestra
su símbolo, la figura 4 -.b su estructura a
nivel circuital y la figura 4-.c sus
características I-V. FIGURA 4
El MBS4991 de Motorola es un ejemplo típico
de un SBS simétrico. Sus parámetros
característicos de acuerdo a la gráfica de la
figura 12.7.c son: VS=8 V, IS=175 µA, IH=0.7
mA y VF=1.4 V El disparo de este dispositivo
se puede realizar bien superando la tensión
VS o bien aplicando una corriente de puerta
IGF=100µA. TABLA 2
aplicaciones del SBS
FIGURA 5
ISTP
CARLOS CUETO FERNANDINI
Especialidad Electrónica Industrial Prof. Luis A. Sánchez
ELECTRONICA DE POTENCIA Semestre III Pag.
FIGURA 6
RECTIFICADOR CONTROLADO DE SILICIO O SCR FIGURA 7
El SCR o Silicon Controled Rectifier es un dispositivo triterminal
(A o ánodo, C o cátodo y G o gate o puerta de control) muy
similar al diodo de cuatro capas, pero que posee una entrada
adicional (G) que permite disparar el dispositivo antes de
alcanzar la VBO.(Voltaje máximo de ruptura directa) En la figura
7 .a se muestra el símbolo del SCR y en la figura 8 la
característica V- I
FIGURA 8
ISTP
CARLOS CUETO FERNANDINI
Especialidad Electrónica Industrial Prof. Luis A. Sánchez
ELECTRONICA DE POTENCIA Semestre III Pag.
Parámetros del SCR, algunos son:
Tiempo de conducción (Turn-on Time).Tiempo de la tensión de disparo para pasar al SCR de bloqueo a
conducción. Ton=Tdelay time + Trisetime.
Tiempo de corte (Turn-off Time).Tiempo que el SCR puede permanecer debajo de las condiciones de
mantenimiento.
Velocidad critica de elevación.- Las variaciones rápidas de voltaje entre AK pueden ocasionar un estado de
conducción sin disparo, esta variación no debe pasar el parámetro dV/dt , si se supera además del disparo
puede dañar al dispositivo, ejemplo el 2N5060 es 30V/us, típico es que los ruidos de líneas conocidos como
transitorios sean los causantes. Para evitar estos problemas se ponen circuitos de protección como los
siguientes. FIGURA 9
Hoja de datos tecnicos del BT151-600 Figura 10
ISTP
CARLOS CUETO FERNANDINI
Especialidad Electrónica Industrial Prof. Luis A. Sánchez
ELECTRONICA DE POTENCIA Semestre III Pag.
Nos dice que soporta un Maximo de Voltaje Pico repetitivo en estado de no conduccion de 600v.
La corriente maxima RMS en estado de conduccion es 12 A., Tiene un voltaje bajo en estado de conduccion
de tipico 1.4 v. y es del tipo no aislado entre puerta y catodo o placa.
La informacion anterior nos dice que la corriente de disparo por compuerta IGT esta por 15 mA. Y el
voltaje VGT de disparo por compuerta esta por 1.5 v.
Nos dice que el promedio critico de subida volatje en estado apagado es de 200 V/us, es decir si una
onda de voltaje entre anodo y catodo tiene una subida de mas de 200v. en menos de 1 us el SCR se
puede disparar solo o pasar a conduccion sin necesidad de corriente de disparo por puerta.
Hay cuatro maneras de activar o disparar a un SCR
a)Disparo por puerta.-Es el mas comun, se aplica una corriente a la puerta, en los niveles dados por su
fabricante, si se sobrepasa se puede dañar al SCR.Normalmente esta en valores como I GT=15 mA y
VGT=2 v. Los SCR de alto amperaje como de 1300 A. pueden necesitar I GT=500 mA, y ademas el tiempo
de duracion del pulso de corriente y voltaje debe tener una duracion minima entre 1us. a 3 us.
b)Activacion o disparo por luz.-La energia de la luz dirigido a sus uniones semiconductoras puede provocar
el disparo, se les llama Foto-SCR o LASCR, o comunmente OptoSCR,ejemplo el SP-101 precisa una
radiacion luminica de 24 mW/cm2 con una luz de longitud de onda en 850 nm. Para su acativacion.
c)Activasion por tension de ruptura.-Ocurre cuando el V AK es alto y produce la conduccion, es el VBO
d)Disparo por aumento de dv/dt.-La varaicion rapida de la tension directa entre AK puede disparar al SCR.
FIGURA 11 En a y b vemos Circuitos de disparo en DC
ISTP
CARLOS CUETO FERNANDINI
Especialidad Electrónica Industrial Prof. Luis A. Sánchez
ELECTRONICA DE POTENCIA Semestre III Pag.
FIGURA 12 .( c ) circuito de disparo por impulso ( d ) circuito de disparo controlado por señal alterna
Los circuitos de disparo en DC vienen de interruptores mecánicos o circuitos electrónicos/digitales, los de
disparo por pulsos usan un transformador de acoplo que transmite el pulso de disparo, esto permite también
un aislamiento eléctrico y precisa menor potencia de disparo, pero ocupan un tamaño, generalmente son
sustituidos por opto acopladores luminosos, los de disparo por alterna están diseñados para estar
sincronizados entre la fase del suministro de línea y el disparo.
Bloqueo de un SCR. Es el paso de pasar a corte el SCR, básicamente hay tres formas:
a) Conmutación natural.-Se reduce la corriente de ánodo a menos de la corriente de mantenimiento, o
cortocircuitando al dispositivo.
b) Corte por polarización inversa.-Se aplica una tensión inversa entre Anodo-Catodo, conmutación por fase
c) Corte por puerta.-algunos necesitan una corriente de puerta negativa, como los GTO.
Regulación en potencia de un SCR. Su propiedad de conmutación de corte a saturación es muy útil
cuando se controla potencias en
usando pequeños valores de voltaje.
En la figura 13 se quiere transferir a la
carga una potencia de la tensión de
línea, uso al SCR como unidad de
control, un circuito de disparo que
introduce un desfasaje Ф llamado
Angulo de desfase o de disparo, y a
π-Ф Angulo de conducción. FIGURA 13
Hay tres zonas de funcionamiento del SCR
ISTP
CARLOS CUETO FERNANDINI
Especialidad Electrónica Industrial Prof. Luis A. Sánchez
ELECTRONICA DE POTENCIA Semestre III Pag.
En la figura 14 Se ven
las formas de onda del
regulador de potencia,
hay tres zonas de
funcionamiento del
tiristor.
FIGURA 14
La corriente eficaz I RMS entregada a la carga se obtiene con la ecuación
El Voltaje eficaz V RMS entregado a la carga se obtiene con la ecuación
La Potencia eficaz V RMS entregado a la carga se obtiene con la ecuación
ISTP
CARLOS CUETO FERNANDINI
Especialidad Electrónica Industrial Prof. Luis A. Sánchez
ELECTRONICA DE POTENCIA Semestre III Pag.
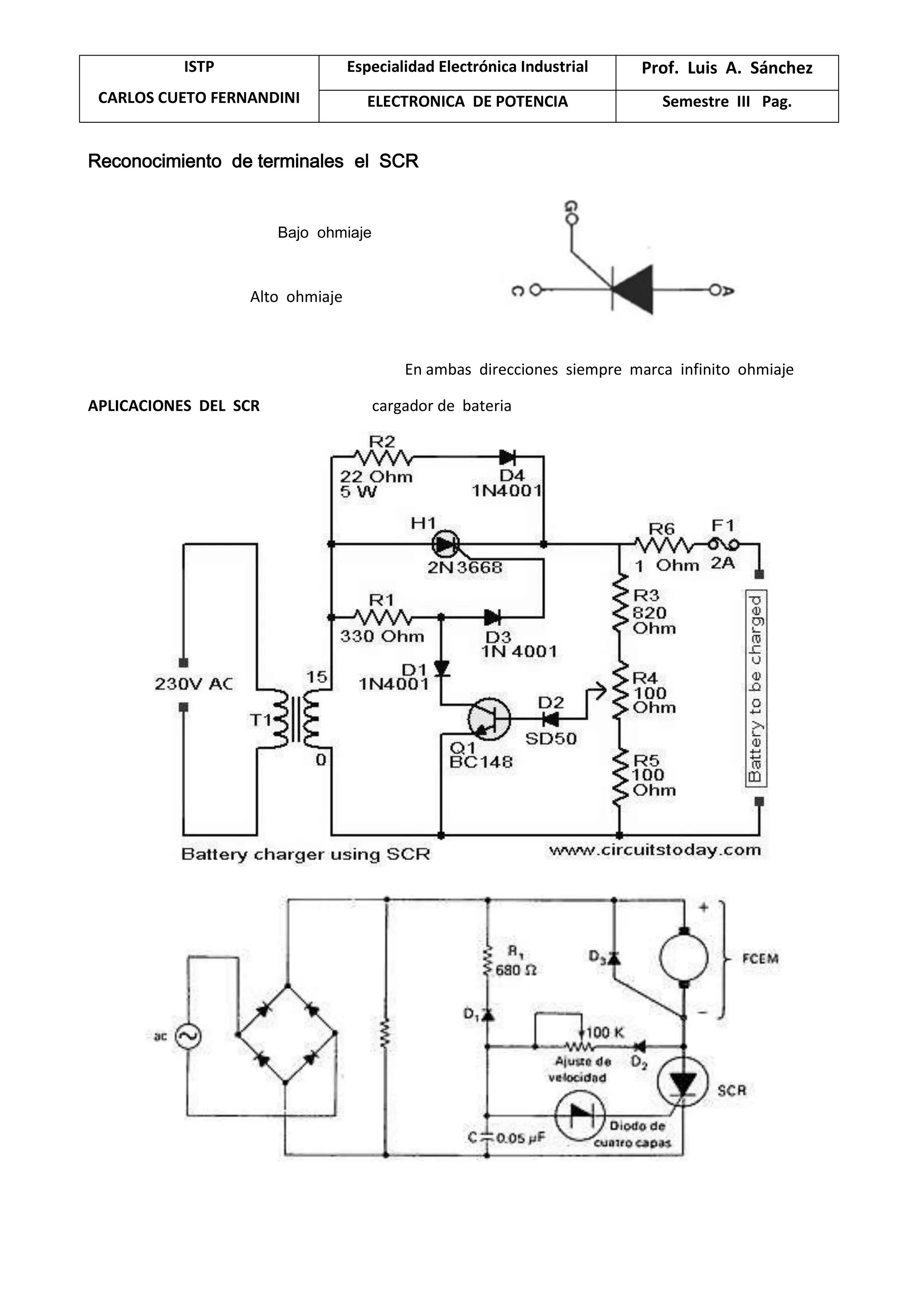
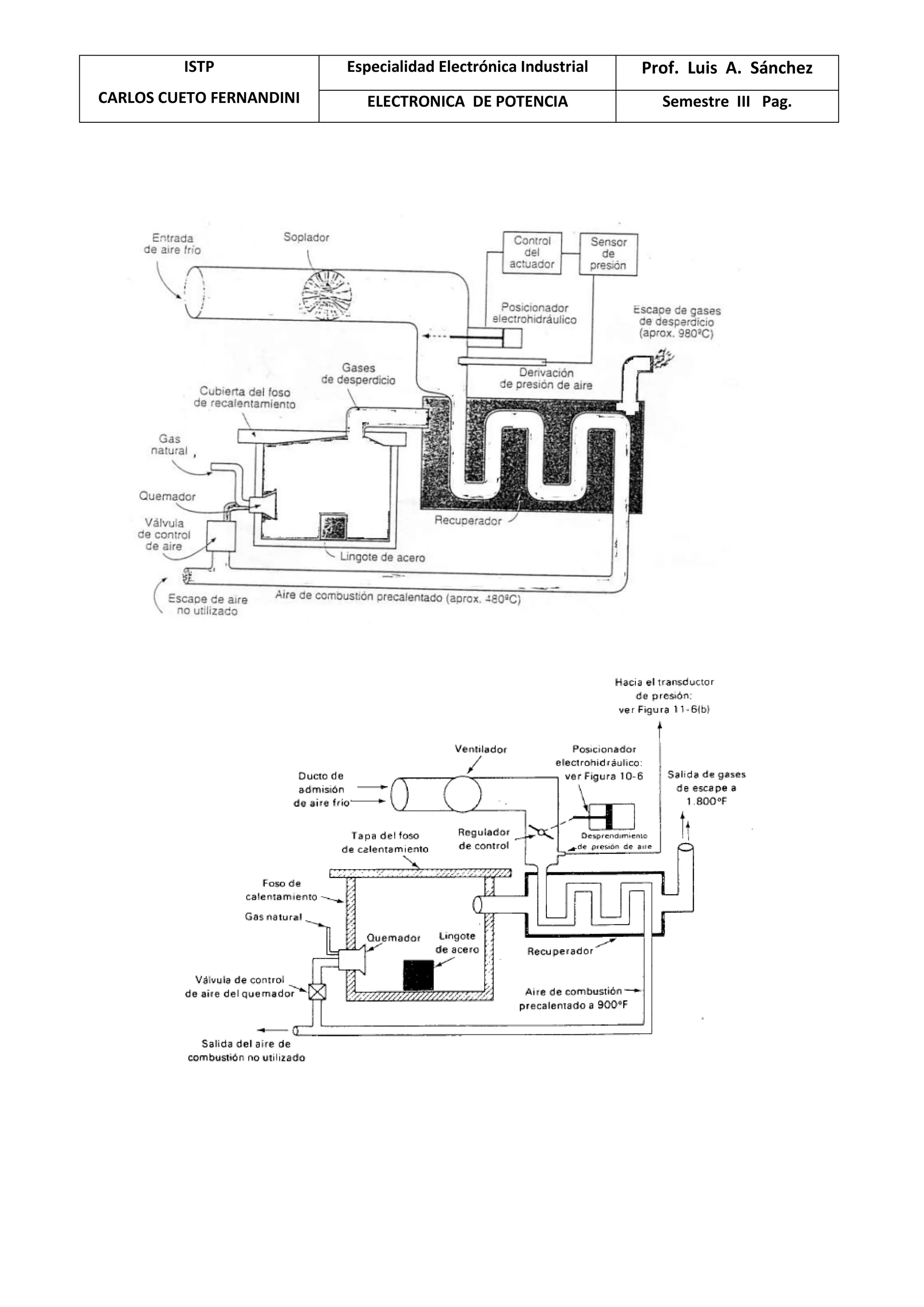
Reconocimiento de terminales el SCR
Bajo ohmiaje
Alto ohmiaje
En ambas direcciones siempre marca infinito ohmiaje
APLICACIONES DEL SCR cargador de bateria
ISTP
CARLOS CUETO FERNANDINI
Especialidad Electrónica Industrial Prof. Luis A. Sánchez
ELECTRONICA DE POTENCIA Semestre III Pag.
Entendemos que las características más importantes del SCR y el Triac son:
Voltaje de ruptura directo. (Repetitive peak off-state voltage). Expresa el valor máximo de voltaje repetitivo
para el cual el fabricante garantiza que no hay conmutación, con la puerta en circuito abierto.
Voltaje de pico inverso. (Non -repetitive peak off – state voltage). Valor máximo de tensión en sentido directo
durante un determinado periodo de tiempo con la puerta abierta sin provocar el disparo.
Corriente máxima de operación. Es la corriente de operación o trabajo.
Caída de voltaje en polarización directa. Es el voltaje entre el ánodo y el cátodo cuando está en ON.
Voltajes de compuerta. voltaje en la compuerta el mínimo para activarlo o máximo que soporta.
Corrientes de compuerta. corrientes mínima y máxima que debe haber en la compuerta para que el SCR o
Triac puedan conducir.
Corriente de enganche. Corriente mínima entre sus dos terminales principales para mantener al dispositivo
en estado de on inmediatamente después de que ha sido activado y se ha retirado la señal de la compuerta.
Corriente de sostenimiento. Es la corriente mínima entre sus dos terminales principales para mantener al
dispositivo conduciendo en régimen permanente. Esta corriente es menor que la corriente de enganche.
dV/dt Es el máximo valor de la velocidad de cambio de voltaje de la señal entre terminales del Triac o SCR
que permiten los dispositivos para no entrar en estado de conducción o bien de ruptura.
dI /dt Es el máximo valor de la velocidad de cambio de corriente de la señal a través del Triac o SCR que
permiten los dispositivos para no entrar en estado de conducción.
Verificación y chequeo de Tiristores y Triacs Prueba con el Ohmimetro se verifica con este instrumento la
gran mayoría de rectificadores SCR y TRIAC,s.
Procedimiento: Coloquemos el Ohmimetro en la escala para medir baja resistencia (R x 1). Coloquemos la
pinza de polaridad negativa al cátodo del SCR, y conectemos el ánodo al cable de polaridad positiva
(multimetros analógicos), En este momento la aguja del medidor señala alta resistencia (si es que se
mueve). Ahora hagamos un puente entre los terminales gate y ánodo, esto ocasionara que la aguja suba a
una posición de baja resistencia, y se debe conservar allí aunque retiremos el puente que unió estos dos
terminales y suministró la señal de disparo. Si se trata de un Triac, hagamos primero la prueba anterior,
luego invertimos los terminales del Ohmetro (es posible que en esta última posición no se sostenga la aguja
en su lugar de baja resistencia cuando se retire el puente, pero esto se debe a que la baja corriente del
instrumento medidor no alcanza para mantener encendido el triac en esta polaridad).
Para las pruebas, T1 equivale al cátodo, y T2 al ánodo.
ISTP
CARLOS CUETO FERNANDINI
Especialidad Electrónica Industrial Prof. Luis A. Sánchez
ELECTRONICA DE POTENCIA Semestre III Pag.
Un SCR es disparado por un pulso corto de corriente aplicado a la
compuerta IG y fluye de compuerta a catodo, esta IGT esta entre 0.1 a
50 mA. y el VGT es ligeramente 0.6 v. .(Ver figura 15) una vez
disparado ya no necesita la corriente de disparo, cuando la corriente IAK
cae debajo del valor minimo IHO el SCR se apagara, este valor de
FIGURA 15 corriente esta por los 10 mA.
Ejercicio.-Para el esquema de la figura 16. Que voltaje se requiere en el punto
X para disparar el SCR , donde la corriente de disparo esta por los 20 mA.
FIGURA 16
Solucion. El voltaje en el punto X debe ser suficiente para polarizar directamente GK y causar por lo
menos un flujo de 20 mA. a través de la R de 150 ohms , el voltaje directo entre GK es 0.7v. aplicamos
ley de ohm. VX= ( 20 mA)(150 ohms )+0.7 V = 3.7 v
Circuito de disparo simple (Fig. 17) Aquí usa la misma
fuente para el disparo y para la carga.
FIGURA 17
Cuando la alimentación es alterna el angulo de
disparo es determinado por R2, si tiene valor bajo la
corriente de compuerta es grande es alta y dispara al
SCR rápidamente con una fuente de voltaje baja, por
tanto el angulo de disparo es
pequeño y la corriente de carga
promedio será alta. En la figura
18, la 18 (a) es de un angulo
de disparo en 90º motivado
por una corriente de compuerta
baja, la (b) es para una coriente
de compuerta alta y radido
disparo.
FIGURA 18 a b
R1
R2
ISTP
CARLOS CUETO FERNANDINI
Especialidad Electrónica Industrial Prof. Luis A. Sánchez
ELECTRONICA DE POTENCIA Semestre III Pag.
Ejercicio.- En la figura 17 supongamos
a)La fuente es 115 Vrms, IGT= 15 mA. R1=3 k , se desea que el retardo de disparo ocurra a 90º, a que
valor se debe ajustar R2.
Solucion.-Deduciendo a 90º la fuente llega a su pico de voltaje de 115x1.41=162 v.
Si ignoro VRL y VGK tendre por ley de Ohm 162v/ 15 mA=10.8K totales entre R1 y R2 por tanto si R1 =3K
entonces R2=10.8k -3K= 7.8K
b) La fuente es 220 Vrms, IGT= 15 mA. R1=3 k , se desea que el retardo de disparo ocurra a 90º, a que
valor se debe ajustar R2.
c) La fuente es 220 Vrms, IGT= 10 mA. R1=10 k , se desea que el retardo de disparo ocurra a 45º, a
que valor se debe ajustar R2.
Figura 19
USO DE CONDENSADORES PARA RETARDOS
DE TIEMPO
Es el método más sencillo para mejorar el control de
puerta, como se ve en la figura 19, con esto se ajusta
más de 90º, a mayor valor de potenciómetro se retarda
mas.
Figura 20
En la figura 20 se ve
otros circuitos
donde se amplía
mas usando una
resistencia R3, que
exige que el
condensador se
cargue a mas de 0.6
v para dispara al
SCR, y que debe
forzar el paso de la
corriente IGT pero
con mayor voltaje, esto forma una rede simple RC, se puede agregar otro condensador C2 y tener como
el circuito 20-(b) donde se tiene C1, C2 , R3 , mas el diodo que retardan mas el Angulo de disparo, estos
condensadores tiene valores en el rango de 0.01 uF a 1 uF. Según estos valores el Angulo de retardo
mínimo (corriente de carga máxima) es determinado por los valores de R fijas R1 y R3, y el Angulo de
disparo máximo (corriente de carga mínima) lo determina R2.
ISTP
CARLOS CUETO FERNANDINI
Especialidad Electrónica Industrial Prof. Luis A. Sánchez
ELECTRONICA DE POTENCIA Semestre III Pag.
En los circuitos anteriores había la desventaja de que había una dependencia de la temperatura, ya que a
mayor temperatura del dispositivo su
corriente de disparo disminuye y esto
origina un cambio en el angulo de disparo
y en consecuencia cambia la corriente
sobre la carga, y otra desventaja es que
no todos los SCR tienen el mismo valor
de disparo.
Figura 21
El circuito de la figura 21 elimina estas dificultades, usa un diodo de cuatro capas, donde si el voltaje
de condensador es menor al de disparo del diodo , el diodo, se comporta como un interruptor abierto, si
el voltaje del condensador es mayor al voltaje de disparo del diodo, este diodo pasa a conducción y se
comporta como un interruptor cerrado, y la carga del condensador se descarga disparando al SCR en
forma segura. El diodo de cuatro capas es mas estable con la temperatura y su voltaje de disparo es
mas uniforme en su fabricación. Otros dispositivos se pueden usar con tal fin, como el SUS (interruptor
unilateral de silicio), el SBS (interruptor bilateral de silicio), El DIAC , y el UJT.
METODOS ALTERNOS DE CONEXIÓN DE CARGAS
a)Control unidireccional de onda completa,
Ver Figura 22. Usa un transformador con
derivación central para un control de
potencia en onda completa, es como una
fuente de onda completa, cada SCR tiene
su circuito de disparo independiente,
Figura22
la corriente en la carga siempre fluye en una
dirección, las ondas muestran el voltaje en la
carga para un angulo de disparo de 45º.
ISTP
CARLOS CUETO FERNANDINI
Especialidad Electrónica Industrial Prof. Luis A. Sánchez
ELECTRONICA DE POTENCIA Semestre III Pag.
b) Control bidireccional de onda completa Figura 23
En este circuito el SCR1 puede dispararse en el semiciclo positivo y el SCR2 en el semiciclo negativo, la
corriente en la carga no es unidireccional , hay dos polaridades en la carga, las ondas muestran el voltaje en
la carga para un retardo de 120º .
c) Circuitos en puente que contiene un SCR Figura 24
Un solo SCR puede controlar ambos semiciclos de una fuente
AC, en el semiciclo positivo los diodos A y C se polarizan en
directa, cuando el SCR se dispara la línea de voltaje se aplica en
la carga. Cuando la línea esta en el semiciclo negativo los diodos
B y D están polarizados en directa, y la tensión de línea se aplica
en la carga, y las formas de onda del voltaje en la carga para un
angulo de disparo de 120 º.
En le diagrama 24-b se ve un puente en onda completa con un
SCR y la carga en serie con el SCR, la corriente de carga es
unidireccional y su forma de onda es la mostrada.
ISTP
CARLOS CUETO FERNANDINI
Especialidad Electrónica Industrial Prof. Luis A. Sánchez
ELECTRONICA DE POTENCIA Semestre III Pag.
1.-CIRCUITO RC SERIE Se tiene un circuito de control de un motor usando un SCR de Imax 10
Amp. Con corriente de disparo ISC=10 mA. Y disparo VGK = 1.5 v. El motor es de 100 W. de potencia
Hallar.
a)Hallar la expresión de la corriente de carga al
condensador en funcion del tiempo.
b) Hallar la expresión del voltaje en el condensador
en funcion del tiempo.
c)Con los valores de los componentes cuanto de
voltaje debe haber en el condensador para disparar
al SCR
d)En que tiempo desde que comienza a cargarse el
condensador se dispara el SCR. Si el potenciómetro
se reajusta a 100 k. en otro momento a 300k, en
Figura 26 otro momento a 500 K, en otro momento a 700 K, y en otro momento a 1 M
e)Si V= 220 VRMS, Cuanto es la corriente máxima en la carga de 100w, 500 W 1 KW., con el SCR del
dato cuanto de potencia máxima puedo manejar, si deseo manejar una potencia de 10 KW de cuanto
amperaje será el SCR, y si cambio a un motor de 50 KW cuanto será el amperaje del SCR.
f) transcurrido el tiempo de 1 seg. Cuanto es la corriente hacia el condensador
g) transcurrido el tiempo de 0.1 seg. Cuanto es la corriente hacia el condensador
h)graficar la corriente en el tiempo i(t)
i) graficar la corriente en el tiempo VC (t)
j)buscar en el manual los datos técnicos de un SCR a 25 AMP. 100 AMP, 300 AMP. Compare su forma
física de cada uno.
2.-Se tiene la siguiente expresión de la Corriente DC a través de la carga, donde el angulo Ф es el
angulo de disparo y α= 180 –Ф es el angulo de conducción.
)cos1(
2 LR
Vm
Idc
Asumiendo Vmax= 310 v. y una carga RL = 50 ohms. Determine la corriente IDC en el momento que
se tiene estos angulos de disparo
ISTP
CARLOS CUETO FERNANDINI
Especialidad Electrónica Industrial Prof. Luis A. Sánchez
ELECTRONICA DE POTENCIA Semestre III Pag.
Angulo de disparo graficar el angulo de disparo y el angulo de conducción
usando la onda alterna de línea
IDC
10
90
120
La corriente eficaz I RMS entregada a la carga se obtiene con la ecuación
El Voltaje eficaz V RMS entregado a la carga se obtiene con la ecuación
La Potencia eficaz V RMS entregado a la carga se obtiene con la ecuación
ISTP
CARLOS CUETO FERNANDINI
Especialidad Electrónica Industrial Prof. Luis A. Sánchez
ELECTRONICA DE POTENCIA Semestre III Pag.
Hallar la potencia RMS entregada a la carga en los siguientes angulos de disparo
Angulo de
disparo
Angulo de
conduccion
I RMS V RMS P RMS
10
30
45
90
100
135
150
EL TRANSISTOR UJT Figura 27
El transistor
(unijunction
transistor)
o UJT está
constituido por
tres terminales
externos: dos bases y un emisor. En la
figura 27.a aparece la estructura física.
La resistencia entre SIMBOLO las dos
bases, RBB o resistencia interbase, es
alta (5 a 10K estando el emisor
abierto). El modelo equivalente
representado en la figura 27.b está constituido por un diodo conectada la unión de dos resistencias internas,
R1 y R2 , donde RBB = R1 + R2. Cuando el diodo no conduce, la caída de tensión en R1 (V1) se puede
expresar como: en donde VB2B1 es la diferencia de
tensión entre las bases del UJT y ƞ es el factor de división de tensión conocido como relación intrínseca.
Su actuar de un UJT es muy similar al de un SCR. En la figura 28 se ve características FIGUR.28
eléctricas del dispositivo. Se definen dos puntos críticos: punto de pico o peak-point (Vp, Ip) y punto de
valle o valley-point (Vv, Iv), ambos verifican la condición de dVE/dIE = 0. Estos punto definen tres regiones
de operación: región de corte, región de resistencia negativa y región de saturación:
ISTP
CARLOS CUETO FERNANDINI
Especialidad Electrónica Industrial Prof. Luis A. Sánchez
ELECTRONICA DE POTENCIA Semestre III Pag.
Región de corte Aqui la tensión de emisor es baja. La corriente de emisor es muy baja y se verifica que
VE <VP e IE <IP. La tensión de pico en el UJT se define: donde la VF varía
entre 0.35 V a 0.7 V con un valor típico de 0.5 V. Por ejemplo, para el 2N2646 es de 0.49V a 25ºC.
El UJT en esta región se
comporta como un
elemento resistivo lineal
entre las dos bases
de valor RBB.
Región de resistencia
negativa Si la tensión de
emisor polariza el diodo de
emisor, es decir,
VE=VP entonces
el diodo entra en conducción disminuyendo bruscamente la resistencia R1. En esta región, la corriente de
emisor está comprendida entre la corriente de pico y de valle (IP < IE < IV).
Región de saturación Esta zona es similar a la zona activa de un tiristor. En esta región, la corriente de
emisor es mayor que la corriente de valle (IE > IV).
Oscilador de relajación con UJT Figura 29
Es la aplicacion más típicas
del UJT como oscilador de
relajación que se utilizan
como circuito de control de
SCRs y TRIACs. El esquema
eléctrico de este circuito se
muestra en la figura 29
Cuando el UJT está en la
región de corte, el
condensador C se carga a
través de R. Este proceso de carga finalizará si la tensión de emisor (Vc) es suficiente para entrar al UJT en
la región de resistencia negativa Vc =Vp), en cuyo caso la corriente de emisor descarga bruscamente el
condensador hasta alcanzar la tensión de P valle (Vc =Vv ).
ISTP
CARLOS CUETO FERNANDINI
Especialidad Electrónica Industrial Prof. Luis A. Sánchez
ELECTRONICA DE POTENCIA Semestre III Pag.
En estas condiciones, si el circuito ha sido diseñado para que la resistencia R no proporcione la suficiente
corriente de mantenimiento (IE < IV) entonces el UJT conmutará de forma natural a corte y el condensador
volverá a cargarse de nuevo a través de R. La figura 29 .b indica el diagrama temporal de las tensiones VC,
VOB1 y VOB2 . En resumen, para asegurar que el circuito de la figura 29 se comporta como un oscilador,
R debe verificar que Las ecuaciones que verifica este oscilador son las
siguientes. Vc. Proceso de carga del condensador se realiza a través de R. Se inicia con la tensión Vv y
tiende a cargarse hasta Vcc. La tensión Vc viene dada por la siguiente ecuación:
Periodo de oscilación. El periodo de oscilación está definido por el tiempo (to) que tarda el condensador en
alcanzar la tensión de activación del UJT (Vp). Es decir, el tiempo to necesario para que la tensión
Vc(t=to)=Vp se obtiene a partir de la ecuación y vale
VOB1 y VOB2. Estas tensiones las proporciona el fabricante en forma de gráfica en función de las
resistencias RB1 y RB2 asociadas a la base del UJT; se supone que RB1 y RB2 << RBB. El tiempo de validez
de estas tensiones depende del tiempo de conmutación y corte del UJT y suelen ser del orden del 1% del
periodo de oscilación del circuito. Por ejemplo, el 2N2646 produce una tensión VOB1=5V (typ) si RB1 =20
ohmios y VB2B1 =20 V. Figura 30
ISTP
CARLOS CUETO FERNANDINI
Especialidad Electrónica Industrial Prof. Luis A. Sánchez
ELECTRONICA DE POTENCIA Semestre III Pag.
EL TRANSISTOR TUP FIGURA 35
El Unijunction Transistor programable (PUT) es un dispositivo que puede
actuar como un UJT. Sus electrodos son ánodo (A), el cátodo (K) y la
compuerta (G), se llama programable porque la tensión en catodo puede
elegirse, lo que equivale a cambiar la relación de η de un UJT, se usa como
un oscilador de relajación. El voltaje de compuerta VG se mantiene desde la
alimentación mediante el divisor resistivo del voltaje R1 y R2, y determina el
voltaje de pico Vp. En el caso del UJT, Vp está fijo por el voltaje de
alimentación de DC, pero en un PUT puede variar al
modificar el valor del divisor resistivo R1 y R2. Si el
voltaje del ánodo VA es menor que el voltaje de
compuerta VG, le dispositivo se conservará en su
estado inactivo, pero si el voltaje de ánodo excede al de
compuerta en una caída de voltaje de diodo VD, se
alcanzará el punto de pico y el dispositivo se activará.
La corriente de pico Ip y la corriente del punto de valle Iv
dependen de la impedancia equivalente en la compuerta
RG = R1.R2 / ( R1+R2 ) y del voltaje de alimentación
Vs. R y C controlan la frecuencia junto con R1 y R2.
FIGURA 36 El periodo de oscilación T está dado en forma aproximada
por: T = 1 / f = R.C ln ( Vs / Vs-Vp) = R.C ln (1+R2/R1) ver figura 36
En el circuito de la Figura 37, la oscilación se produce con el
condensador que se carga a la tensión de pico a través de la resistencia
R y, a continuación, se descarga a través del PUT. R debe ser lo
suficientemente grande para limitar la corriente. La corriente de valle se
determina por RT . Para RT = 1MΩ, la corriente del valle es de 18 μA,
para 10k es 150 μA, y para 200Ω es 1,5 mA. El circuito que se muestra
da un período de 1,26 ms, la salida oscilante 0,8-8,8 V.. Una pequeña
resistencia se puede colocar aquí en catodo para la salida de voltaje, o
este punto se puede conectar a la activación de otro dispositivo PNPN
para la salida de corriente.
FIGURA 37
Gate
ISTP
CARLOS CUETO FERNANDINI
Especialidad Electrónica Industrial Prof. Luis A. Sánchez
ELECTRONICA DE POTENCIA Semestre III Pag.
FIGURA 38
La operación comienza. Ver figura
38-a, cuando aparece Vs, CT se
carga hasta la tensión de pico del
PUT (la cual es programada
mediante R1 y R2). En ese instante,
el PUT entra en conducción
descargando Ct a través de Rgk. El
pico de corriente que aparece
sobre Rgk produce un pico de
tensión, que es el que dispara al
SCR).Cuando el capacitor se
descarga lo suficiente, el PUT vuelve
a entrar en estado de corte y se
reinicia el ciclo, cargándose
nuevamente CT a través de RT.
Si Vs es una continua pura, el ciclo
se repite en forma periódica.
ISTP
CARLOS CUETO FERNANDINI
Especialidad Electrónica Industrial Prof. Luis A. Sánchez
ELECTRONICA DE POTENCIA Semestre III Pag.
Frecuentemente es necesario sincronizar el temporizado de los pulsos de salida con los puntos de cruce por
cero de la tensión de línea. Un circuito básico para lograr la sincronización es el que se ve en la figura 38-b.
Mediante el puente diodos y el diodo zener D1, se obtiene una tensión de control Vs como la de la figura 38-
c. De esta manera, tanto Vs como la tensión de pico del PUT cruzan por cero cada vez que la tensión de
línea cruza por cero. Esto hace que CT se descargue al final de cada semiciclo, y comience el siguiente
semiciclo descargado. Por lo tanto, aun si el PUT no se disparó en un semiciclo, el capacitor inicia el
siguiente semiciclo descargado. En consecuencia, los valores de Rt y Ct controlan directamente el ángulo
de fase en el cual se produce el pulso en cada semiciclo. El diodo zener provee estabilización de tensión
para que el circuito de disparo dé siempre el mismo pulso independientemente de las fluctuaciones
normales de la línea
EL TRIAC FIGURA 39 terminales simbolo
El TRIAC (tríodo de corriente alterna) tiene
tres terminales, puede considerarse
eléctricamente como dos tiristores en anti-
paralelo. Presenta, dos ventajas
fundamentales sobre el circuito de control
resulta mucho más sencillo al no existir más
que un electrodo de mando. Puede bascular
al estado conductor independientemente de la polaridad de la tensión aplicada al terminal de control. La
figura 39 muestra su símbolo. Los
electrodos a los que se aplica la
tensión principal a controlar se les
denominan ánodo 2 (A2) o terminal
2, y ánodo 1 (A1) o terminal 1; al
electrodo de control se le denomina
puerta (G). El paso de la corriente
principal se efectuara entre A2 y
A1, siendo el circuito de control el
formado por G y A1. FIGURA 40
ISTP
CARLOS CUETO FERNANDINI
Especialidad Electrónica Industrial Prof. Luis A. Sánchez
ELECTRONICA DE POTENCIA Semestre III Pag.
Figura 40
Del análisis de las graficas de las figuras 40
Y 41-a y 41-b se deduce que hay tres posibles
modos de aplicar el impulso de disparo de un.
FIGURA 41
Disparo por impulsos siempre positivos
(cuadrantes I y IV). Es la forma más cómoda si
se dispone de una fuente de señal de disparo
suficiente- mente potente, ya que presenta el
inconveniente de la menor sensibilidad al
cebado del elemento en el cuadrante IV.
Disparo por impulsos siempre
negativos (cuadrantes II y III).
Presenta el inconveniente de la
mayor intensidad de cebado
requerida en el cuadrante II.
Disparo por impulsos
alternativamente positivos y
negativos (cuadrantes I y III). Es el
caso más favorable, sobre todo si la
polaridad de los impulsos coincide con la polaridad de la tensión del circuito principal. Por lo visto
anteriormente, se trabaja preferentemente con la misma polaridad para la tensión A2-
A1 (V21) que para la tensión G – A1 (VG1), o bien, si sólo es posible disponer de impulsos de control de una
única polaridad, con impulsos siempre
negativos. FIGURA 42
Un TRIAC es colocado en serie con la carga
igual al SCR como se ve en la figura 42, la
corriente promedio entregada a la carga se
puede variar variando su angulo de conducción,
con un arreglo del circuito de disparo el TRIAC
puede conducir los 360º del ciclo,
ISTP
CARLOS CUETO FERNANDINI
Especialidad Electrónica Industrial Prof. Luis A. Sánchez
ELECTRONICA DE POTENCIA Semestre III Pag.
Las formas de onda de los TRIACs son muy parecidas a las del SCR, excepto que pueden dispararse
durante ciclo negativo, en la figura 43 – a vemos al TRIAC apagado durante los primeros 30º, aquí se
comporta como un interruptor abierto en ese tiempo cae todo el voltaje de línea en el TRIAC y nada en la
carga pues no hay corriente significativa a través de la carga, esta parte del semiciclo se llama Angulo de
retardo de disparo , transcurrido los 30º el TRIAC pasa a conducción y conduce el resto de los 180º, al
pasar al ciclo negativo de la línea sobreviene el disparo pero de polaridad negativa de la misma forma
que el anterior pulso de disparo pero ahora negativo, e igualmente el Angulo de conducción es el
mismo complemento de los 30º, ósea 150º, pero ahora negativo, en la figura 43-b , vemos igual proceso,
pero ahora el Angulo de disparo es mayor ósea 120º y el Angulo de conducción es 60º.
Figura 43 (a) Figura 43 (b)
METODOS DE DISPARO PARA LOS TRIACs
El circuito de disparo más sencillo para un TRIAC se ve en la figura 44 (a), el condensador C se carga a
través de R1 y R2
durante la parte
del Angulo de
disparo, durante
el semiciclo
positivo MT2 es
más positivo que
MT1 el C se
carga a un voltaje
positivo. FIGURA 44
ISTP
CARLOS CUETO FERNANDINI
Especialidad Electrónica Industrial Prof. Luis A. Sánchez
ELECTRONICA DE POTENCIA Semestre III Pag.
al llegar a un nivel suficiente para producir la IGT a través de R3 y dispara al TRIAC, pero tener una red
RC no es suficiente para tener retardo de más de 90 º se
pone otra red RC, doble red RC para más de 90º como se
ve en la figura 44-B. Los circuitos de control de compuerta
se mejoran agregando dispositivos de disparo como el
DIAC, y otros mas. La ventaja es que estos dispositivos
dan un pulso de corriente de compuerta en lugar de una
corriente de puerta senoidal. Al DIAC como se ve en la
figura 45 se le conoce como diodo bidireccional de disparo
o diodo simetrico de disparo, otros le llaman diodo de
corriente alterna. FIGURA 45
EL DIAC Está preparado para conducir en los dos sentidos de sus terminales, (diodo de
corriente alterna). En la figura 46 se representa su símbolo, siendo el nombre de sus
terminales los de A2 y A1. La curva característica del diac es igualmente simétrica respecto del
origen, pero sólo cuenta con una curva, ya que no dispone de terminal de puerta. Otra
diferencia respecto del triac es que la tensión a la que se produce el cebado es
considerablemente menor y suele estar alrededor de los 30 voltios. Esta curva se representa
en la Figura 47. Debido a su comportamiento bidireccional y a su bajo valor de tensión de
cebado, se suele emplear como elemento de disparo de un tiristor o un TRIAC. . FIGURA 46
FUNCIONAMIENTO El principal empleo del triac es
como regulador de la potencia media entregada a
una carga, pero debido a sus características de
conducción bidireccional, sólo será ventajoso
respecto al tiristor en aquellas cargas que no
requieran rectificación de la corriente alterna: por
ejemplo, lámparas, radiadores eléctricos, etc. O en
aquellas que no pueden ser controladas mediante
corriente continua, por ejemplo motores.
Grafica 47 Curva característica del DIAC
ISTP
CARLOS CUETO FERNANDINI
Especialidad Electrónica Industrial Prof. Luis A. Sánchez
ELECTRONICA DE POTENCIA Semestre III Pag.
CIRCUITO DE CONTROL DE PUERTA DE TRIAC. FIGURA 48 FIGURA 49
En la figura 48 vemos un esquema para aplicación de dos dispositivos
usados en el disparo uno es el diodo de cuatro capas o DIAC y un
transformador de pulsos. El puente de diodos rectifica la alterna y
entrega un voltaje DC a la red de temporización RC, en la figura 49
vemos las ondas de este circuito, onda (a) es el Voltaje de línea, onda
(b) es el voltaje rectificado por el puente de diodos, onda (c) es el voltaje
VC en el condensador el pico de la onda es el nivel del voltaje de disparo
del DIAC, onda (d) es la onda de la corriente del primario del
transformador de pulsos, onda (e) es la onda de la corriente en el
secundario del transformador invertida, onda (f) es el voltaje de la onda
en la carga. El transformador de pulsos porque el circuito RC debe estar
aislado eléctricamente del circuito G-MT1, ya que el puente de diodos está conectado a MT1, si se elimina
el transformador habría un cortocircuito G MT1 y el puente.
LOS UJT COMO DISPOSITIVO DE DISPARO PARA TRIAC
En el control de potencia industrial hay veces que el punto de disparo es determinado por una señal de
voltaje realimentada, este es un voltaje que representa condiciones de la carga, para una carga de motor
un voltaje proporcional a la velocidad del eje del motor se puede usar como señal de realimentación para
controlar el Angulo de retardo de disparo del TRIAC y por tanto la velocidad del motor, hay veces la señal
realimentada toma forma de una resistencia variable en lugar de voltaje variable, la figura 50 muestra el
diagrama de una configuración de disparo de UJT con realimentación, RF se modifica a medida que las
condiciones de carga cambian. En la figura 50 el T1 es un transformador de aislamiento, aísla el circuito de
potencia AC del circuito de disparo DC, este voltaje pulsante positivo se aplica a un Zener de 24v. y
resistencia Rd, este zener entrega un voltaje sincronizado con la linea de 24v. el C1 se carga el C1 al Vp
del UJT, se dispara el UJT dando un pulso al transformador T2 disparando al TRIAC.
ISTP
CARLOS CUETO FERNANDINI
Especialidad Electrónica Industrial Prof. Luis A. Sánchez
ELECTRONICA DE POTENCIA Semestre III Pag.
FIGURA 50
En la figura 51 se ven las
ondas de este circuito,
para un angulo de
disparo de unos 135º
FIGURA 51
La onda (a) es la onda del Voltaje de Completa recortado por
el zener a un pico de 24 v. que alimenta al circuito de disparo,
formado por un transistor y un UJT, onda (b) es el Voltaje en el
condensador, se ve un pico que crece hasta alcanzar el VP ,
voltaje de disparo del UJT, onda(c) es la onda de los pulsos
de corriente del secundario en el transformador de pulsos onda
(d) es la onda del Voltaje en la carga.
El voltaje en R1 es
RFR
R
vVR
1
1
)24(1 por
tanto .7.0)2)(1(1 vRIEVR
Es decir .7.0)2)(1(1 vRICVR por tanto la
corriente de carga al condensador C1 es v
RfR
vR
RR
VR
IC 7.0
1
124
2
1
2
7.01
1
esta expresión dice que la corriente de carga del capacitor sube, mientras que Rf disminuye, y para una
RF dada la corriente de carga es constante., y se tiene la siguiente relación.
C
IC
t
V
ISTP
CARLOS CUETO FERNANDINI
Especialidad Electrónica Industrial Prof. Luis A. Sánchez
ELECTRONICA DE POTENCIA Semestre III Pag.
ISTP
CARLOS CUETO FERNANDINI
Especialidad Electrónica Industrial Prof. Luis A. Sánchez
ELECTRONICA DE POTENCIA Semestre III Pag.
ISTP
CARLOS CUETO FERNANDINI
Especialidad Electrónica Industrial Prof. Luis A. Sánchez
ELECTRONICA DE POTENCIA Semestre III Pag.
ISTP
CARLOS CUETO FERNANDINI
Especialidad Electrónica Industrial Prof. Luis A. Sánchez
ELECTRONICA DE POTENCIA Semestre III Pag.
ISTP
CARLOS CUETO FERNANDINI
Especialidad Electrónica Industrial Prof. Luis A. Sánchez
ELECTRONICA DE POTENCIA Semestre III Pag.
ISTP
CARLOS CUETO FERNANDINI
Especialidad Electrónica Industrial Prof. Luis A. Sánchez
ELECTRONICA DE POTENCIA Semestre III Pag.
ISTP
CARLOS CUETO FERNANDINI
Especialidad Electrónica Industrial Prof. Luis A. Sánchez
ELECTRONICA DE POTENCIA Semestre III Pag.
ISTP
CARLOS CUETO FERNANDINI
Especialidad Electrónica Industrial Prof. Luis A. Sánchez
ELECTRONICA DE POTENCIA Semestre III Pag.
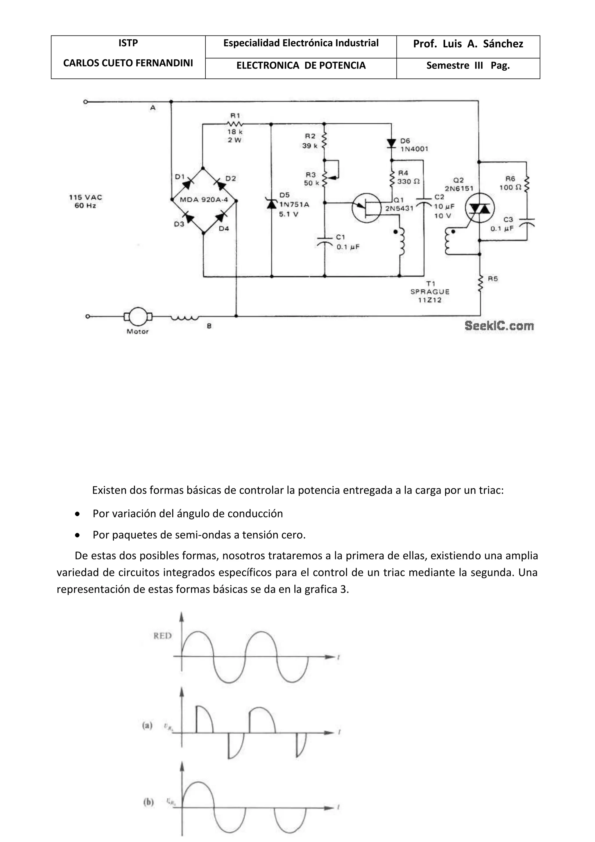
Existen dos formas básicas de controlar la potencia entregada a la carga por un triac:
Por variación del ángulo de conducción
Por paquetes de semi-ondas a tensión cero.
De estas dos posibles formas, nosotros trataremos a la primera de ellas, existiendo una amplia
variedad de circuitos integrados específicos para el control de un triac mediante la segunda. Una
representación de estas formas básicas se da en la grafica 3.
ISTP
CARLOS CUETO FERNANDINI
Especialidad Electrónica Industrial Prof. Luis A. Sánchez
ELECTRONICA DE POTENCIA Semestre III Pag.
Grafica 3 Control de potencia con trias (a) Por variación del ángulo de conducción (b) Por
paquetes de semi-ondas a tensión cero
PROCEDIMIENTO:
1. Arme el circuito de la Fig. 3
Figura 3 Control de potencia con triac
2. Ajustar P a su valor mínimo
3. Medir con el osciloscopio, empleando una sonda atenuadora, las formas de onda de VRL, de
V21 y de VG1. Dibujarlas.
4. Repetir el punto 3 para el máximo valor de P.
Descripción del Circuito:
Al igual que con el tiristor, el cebado del triac se realiza mediante una célula R-C, que introduce un desfase
debido a la constante de tiempo de carga del condensador. En el circuito de la figura 3 se observa que la
constante de tiempo está determinada por los valores de R + P y de C.
El funcionamiento de este circuito es bastante sencillo. En el semiciclo positivo (A2 positivo respecto a A1),
el condensador se carga a través de R + P con la misma polaridad que la tensión entre ánodos. Cuando se
alcanza la tensión de cebado del diac, permitiendo que el condensador se descargue y produciendo un
impulso de corriente que ceba al triac, la tensión de este último cae prácticamente a cero, aplicando, por
tanto, toda la tensión de red a la carga.
Durante el semiciclo negativo, el funcionamiento es idéntico al descrito anteriormente, con las polaridades
invertidas. La gráfica 4 muestra las formas de onda implicadas en el circuito de la figura 3.
Lógicamente, el retraso introducido por el circuito R-C puede ser variado mediante P y con ello, la potencia
media que recibe la carga, que como se ha dicho puede ser una lámpara, un radiador eléctrico o u motor de
alterna. La resistencia R se ha intercalado en el circuito para asegurar un ángulo de conducción no
demasiado alto.
En la gráfica 4 se observa que la tensión aplicada en la carga no es igual en todos los semiciclos, siendo
menor en el primero de ellos. Esto se debe a la descarga parcial que sufre C en el momento del cebado del
triac, con lo que en el siguiente semiciclo se alcanzará antes la tensión de cebado del diac, y se conoce con
ISTP
CARLOS CUETO FERNANDINI
Especialidad Electrónica Industrial Prof. Luis A. Sánchez
ELECTRONICA DE POTENCIA Semestre III Pag.
el nombre de histéresis. Efecto totalmente indeseable en cualquier circuito de regulación de potencia, ya
que no permite una regulación precisa desde el principio, siendo necesario ajustar primero un ángulo de
conducción elevado, para posteriormente aumentar P, si lo que se pretende es una baja potencia de carga.
Grafica 4 Formas de onda del circuito de la figura 3
Una de las soluciones para evitar en lo posible el efecto de la histéresis es la que se
muestra en el circuito de la figura 4, en el que se ha añadido otra célula R-C, la formada por R2 y
C2.
PROCEDIMIENTO:
5. Arme el circuito de la Fig. 4
6. Ajustar P a su valor mínimo
7. Medir con el osciloscopio, empleando una sonda atenuadora, las formas de onda de VRL, de
V21 y de VG1. Dibujarlas.
8. Repetir el punto 7 para el máximo valor de P
ISTP
CARLOS CUETO FERNANDINI
Especialidad Electrónica Industrial Prof. Luis A. Sánchez
ELECTRONICA DE POTENCIA Semestre III Pag.
FIG. 3
CARACTERISTICA TENSION – CORRIENTE
FIG. 4
La FIG. 4 describe la característica tensión – corriente del Triac. Muestra la corriente a través del
Triac como una función de la tensión entre los ánodos MT2 y MT1.
METODOS DE DISPARO
Como hemos dicho, el Triac posee dos ánodos denominados ( MT1 y MT2) y una
compuerta G.
La polaridad de la compuerta G y la polaridad del ánodo 2, se miden con respecto al
ánodo 1.
El triac puede ser disparado en cualquiera de los dos cuadrantes I y III mediante la
aplicación entre los terminales de compuerta G y MT1 de un impulso positivo o
negativo. Esto le da una facilidad de empleo grande y simplifica mucho el circuito de
disparo. Veamos cuáles son los fenómenos internos que tienen lugar en los cuatro
modos posibles de disparo.
1 – El primer modo del primer cuadrante designado por I (+), es aquel en que la
tensión del ánodo MT2 y la tensión de la compuerta son positivas con respecto al
ánodo MT1 y este es el modo mas común (Intensidad de compuerta entrante).
La corriente de compuerta circula internamente hasta MT1, en parte por la union P2N2 y en parte a
través de la zona P2. Se produce la natural inyección de electrones de N2 a P2, que es favorecida en
el área próxima a la compuerta por la caida de tensión que produce en P2 la circulación lateral de
corriente de compuerta. Esta caída de tensión se simboliza en la figura por signos + y - .
Parte de los electrones inyectados alcanzan por difusión la unión P2N1 que bloquea el potencial
exterior y son acelerados por ella iniciándose la conducción.
2 – El Segundo modo, del tercer cuadrante, y designado por III(-) es aquel en que la tensión del
ánodo MT2 y la tensión de la compuerta son negativos con respecto al ánodo MT1 (Intensidad de
compuerta saliente).
Se dispara por el procedimiento de puerta remota, conduciendo las capas P2N1P1N4.
La capa N3 inyecta electrones en P2 que hacen más conductora la unión P2N1. La tensión positiva
de T1 polariza el área próxima de la unión P2N1 más positivamente que la próxima a la puerta. Esta
polarización inyecta huecos de P2 a N1 que alcanzan en parte la unión N1P1 y la hacen pasar a
conducción.
3 – El tercer modo del cuarto cuadrante, y designado por I(-) es aquel en que la tensión del ánodo
MT2 es positiva con respecto al ánodo MT1 y la tensión de disparo de la compuerta es negativa con
respecto al ánodo MT1( Intensidad de compuerta saliente).
ISTP
CARLOS CUETO FERNANDINI
Especialidad Electrónica Industrial Prof. Luis A. Sánchez
ELECTRONICA DE POTENCIA Semestre III Pag.
El disparo es similar al de los tiristores de puerta de unión. Inicialmente conduce la estructura
auxiliar P1N1P2N3 y luego la principal P1N1P2N2.
El disparo de la primera se produce como en un tiristor normal actuando T1 de puerta y P de
cátodo. Toda la estructura auxiliar se pone a la tensión positiva de T2 y polariza fuertemente la
unión P2N2 que inyecta electrones hacia el área de potencial positivo. La unión P2N1 de la
estructura principal, que soporta la tensión exterior, es invadida por electrones en la vecindad de la
estructura auxiliar, entrando en conducción.
4 – El cuarto modo del Segundo cuadrante y designado por III(+) es aquel en que la tensión del
ánodo T2 es negativa con respecto al ánodo MT1, y la tensión de disparo de la compuerta es
positiva con respecto al ánodo MT1(Intensidad de compuerta entrante).
El disparo tiene lugar por el procedimiento llamado de puerta remota. Entra en conducción la
estructura P2N1P1N4.
La inyección de N2 a P2 es igual a la descrita en el modo I(+). Los que alcanzan por difusión la
unión P2N1 son absorbido por su potencial de unión, haciéndose más conductora. El potencial
positivo de puerta polariza más positivamente el área de unión P2N1 próxima a ella que la próxima
a T1, provocándose una inyección de huecos desde P2 a N1 que alcanza en parte la unión N1P1
encargada de bloquear la tensión exterior y se produce la entrada en conducción.
El estado I(+), seguido de III(-) es aquel en que la corriente de compuerta necesaria para el disparo
es mínima. En el resto de los estados es necesaria una corriente de disparo mayor. El modo III(+)
es el de disparo más difícil y debe evitarse su empleo en lo posible.
En general, la corriente de encendido de la compuerta, dada por el fabricante, asegura el disparo en
todos los estados.
FORMAS DE ONDA DE LOS TRIACS
La relación en el circuito entre la fuente de voltaje, el triac y la carga se representa en
la FIG.7. La corriente promedio entregada a la carga puede variarse alterando la
cantidad de tiempo por ciclo que el triac permanece en el estado encendido. Si
permanece una parte pequeña del tiempo en el estado encendido, el flujo de
corriente promedio a través de muchos ciclos será pequeño, en cambio si permanece
durante una parte grande del ciclo de tiempo encendido, la corriente promedio será
alta.
Un triac no esta limitado a 180 de conducción por ciclo. Con un arreglo adecuado del
disparador, puede conducir durante el total de los 360 del ciclo. Por tanto
proporciona control de corriente de onda completa, en lugar del control de media
onda que se logra con un SCR.
Para ver el gráfico seleccione la opción "Descargar" del menú superior
FIG.7
Las formas de onda de los triacs son muy parecidas a las formas de onda de los SCR,
a excepción de que pueden dispararse durante el semiciclo negativo. En la FIG.8 se
muestran las formas de onda tanto para el voltaje de carga como para el voltaje del
triac ( a través de los terminales principales) para dos condiciones diferentes.
En la FIG.8 (a), las formas de onda muestran apagado el triac durante los primeros
30 de cada semiciclo, durante estos 30 el triac se comporta como un interruptor
abierto, durante este tiempo el voltaje completo de línea se cae a través de las
terminales principales del triac, sin aplicar ningún voltaje a la carga. Por tanto no
hay flujo de corriente a través del triac y la carga.
ISTP
CARLOS CUETO FERNANDINI
Especialidad Electrónica Industrial Prof. Luis A. Sánchez
ELECTRONICA DE POTENCIA Semestre III Pag.
La parte del semiciclo durante la cual existe seta situación se llama ángulo de retardo
de disparo.
Después de transcurrido los 30 , el triac dispara y se vuelve como un interruptor
cerrado y comienza a conducir corriente a la carga, esto lo realiza durante el resto
del semiciclo. La parte del semiciclo durante la cual el triac esta encendido se llama
ángulo de conducción.
La FIG.8 (b) muestran las mismas formas de ondas pero con ángulo de retardo de
disparo mayor.
FIG.8
CIRCUITO PRACTICO PARA DISPARO
FIG.5
En la FIG. 5 se muestra un circuito practico de disparo de un triac utilizando un UJT. El resistor RF
es un resistor variable que se modifica a medida que las condiciones de carga cambian. El
transformador T1 es un transformador de aislamiento, y su propósito es aislar eléctricamente el
circuito secundario y el primario, para este caso aísla el circuito de potencia ca del circuito de
disparo.
La onda senoidal de ca del secundario de T1 es aplicada a un rectificador en puente y la salida de
este a una combinación de resistor y diodo zener que suministran una forma de onda de 24 v
sincronizada con la línea de ca. Esta forma de onda es mostrada en la FIG. 6 (a).
Cuando la alimentación de 24 v se establece, C1 comienza a cargarse hasta la Vp del UJT, el cual se
dispara y crea un pulso de corriente en el devanado primario del transformador T2. Este se acopla
al devanado secundario, y el pulso del secundario es entregado a la compuerta del triac,
encendiéndolo durante el resto del semiciclo. Las formas de onda del capacitor( Vc1), corriente del
secundario de T2 ( Isec) y voltaje de carga (VLD), se muestran en la FIG. 6 (b), (c),(d).
ISTP
CARLOS CUETO FERNANDINI
Especialidad Electrónica Industrial Prof. Luis A. Sánchez
ELECTRONICA DE POTENCIA Semestre III Pag.
La razón de carga de C1 es determinada por la razón de RF a R1, que forman un divisor de voltaje,
entre ellos se dividen la fuente de cd de 24 v que alimenta al circuito de disparo. Si RF es pequeño
en relación a R1, entonces R1 recibirá una gran parte de la fuente de 24 v , esto origina que
eltransistor pnp Q1 conduzca, con una circulación grande de corriente por el colector pues el voltaje
de R1 es aplicado al circuito de base, por lo tanto C1 se carga con rapidez. Bajo estas condiciones el
UJT se dispara pronto y la corriente de carga promedio es alta.
Por otra parte se RF es grande en relación a R1, entonces el voltaje a través de R1 será menor que
en el caso anterior, esto provoca la aparición de un voltaje menor a través del circuito base-emisor
de Q1 con la cual disminuye su corriente de colector y por consiguiente la razón de carga de C1 se
reduce, por lo que le lleva mayor tiempo acumular el Vp del UJT. Por lo tanto el UJT y el triac se
disparan después en el semiciclo y la corriente de carga promedio es menor que antes.
FIG.6
DISEŇO DEL CIRCUITO PRACTICO
Para el circuito de la FIG. 5, suponga las siguientes condiciones, R1 = 5 kW , Rf = 8 kW ,
R2=2,5kW , C1=0,5 m F, h = 0,58.
Supóngase que R1 y Rf están en serie, , luego
, de la ecuación
,
El capacitor debe cargarse hasta el Vp del UJT, que esta dado por,
El tiempo requerido para cargar hasta ese punto puede encontrarse en
, permite que simbolice el ángulo de retardo de disparo. Dado que
360 grados representan un periodo de un ciclo, y el periodo de una fuente de 60 HZ es de 16.67 ms,
se puede establece la proporción
, Para un ángulo de retardo de disparo de 120 grados, el tiempo entre
el cruce por cero y el disparo seta dado por la proporción
ISTP
CARLOS CUETO FERNANDINI
Especialidad Electrónica Industrial Prof. Luis A. Sánchez
ELECTRONICA DE POTENCIA Semestre III Pag.
, El punto pico del UJT es aun 14.5 V, por lo que para retardar el
disparo durante 5.55 ms, la razón de acumulación de voltaje debe ser,
, luego
que nos da , entonces podemos encontrar Rf
, trabajando con seta ecuación y resolviendo Rf se obtiene
, por tanto, si la resistencia de realimentación fuera incrementada a 25K, el Angulo
de retardo de disparo se incrementa a y la corriente de carga se reducirá
proporcionalmente
Grafica 4 Circuito de control con doble constante de tiempo
Descripción del Circuito:
A este circuito se le conoce con el nombre de control de doble constante de tiempo. Su principio
básico de funcionamiento consiste en que cuando C2 alcanza la tensión de cebado de D, ésta no cae tan
abruptamente como en el circuito anterior, debido a la recarga parcial de C2 gracias a la corriente
procedente de C1. Este mecanismo permite que la reducción de la tensión de C2 gracias a la corriente
procedente de C1. Este mecanismo permite que la reducción de la tensión de C2 sea bastante menor que en
el circuito anterior, reduciendo con ello el efecto de la histéresis.
Si la carga que se controla es fuertemente inductiva, puede ocurrir que el desfase de la corriente
sobre la tensión de red introducido por la carga sea tal, que el paso por cero de la corriente coincida con
una tensión grande aplicada al triac. En estas condiciones, el triac debe variar su tensión entre ánodos
desde la tensión de cebado, prácticamente cero, hasta algunos cientos de voltios en una fracción de tiempo
extremadamente pequeña, pudiendo producirse un nuevo cebado indeseado del triac. El parámetro
dVcom/dt, especificado por el fabricante, indica la pendiente máxima de variación de la tensión de paso del
estado conductor al estado de no conducción, que es capaz de soportar el triac sin peligro de recebado.
En tales casos se debe emplear un circuito de amortiguamiento de la velocidad con que debe crecer
la tensión entre extremos del triac, tal como se muestra en la figura 5.
Los valores de R y C de la figura 5 pueden obtenerse de los ábacos mostrados en las graficas 5a y
5b, respectivamente, realizados en función de la corriente eficaz de carga y de la máxima dVcom/dt
admisible por el triac.
ISTP
CARLOS CUETO FERNANDINI
Especialidad Electrónica Industrial Prof. Luis A. Sánchez
ELECTRONICA DE POTENCIA Semestre III Pag.
Figura 5 Uso de una red amortiguadora para evitar el recebado indeseado del triac
ISTP
CARLOS CUETO FERNANDINI
Especialidad Electrónica Industrial Prof. Luis A. Sánchez
ELECTRONICA DE POTENCIA Semestre III Pag.
El SCR C106B construido por on semiconductors tiene las siguientes especificaciones:
De acuerdo a la hoja de especificaciones los parámetros se definen de la siguiente manera:
o IT(RMS): es la corriente RMS máxima, que puede pasar a través del SCR sin dañarlo.
o ITSM: Es la corriente de ánodo pico que un SCR puede manejar para un pequeño tiempo
y una Tj determinada.
o IL: si esta corriente no es alcanzada mientras la señal de compuerta esta siendo aplicada,
el SCR puede prender, pero se apagará cuando la señal de compuerta se elimine.
o IH: si la corriente de ánodo se reduce debajo de este valor crítico, el SCR se apagará.
o VDRM: este es el voltaje positivo instantáneo máximo que puede bloquear el SCR, con
el cuál el SCR conducirá aún sin un voltaje en la compuerta.
o VRRM: es el voltaje negativo instantáneo máximo que un SCR puede soportar sin
dañarse. (VDRM < VRRM)
o IDRM y IRRM: son las corrientes ánodo directa e inversa del SCR en estado apagado,
respectivamente.
o VGRM: es el máximo valor de voltaje DC negativo en la compuerta, que puede ser
aplicado sin dañar la unión compuerta - cátodo.
o IGT: es la corriente de compuerta mínima necesaria para activar al SCR
o IGM (IGTM): es la corriente de compuerta DC máxima permitida para activar al SCR.
o VGT: es el mínimo valor de voltaje DC de compuerta a cátodo requerido para disparar al
SCR. El voltaje aplicado entre la compuerta y el cátodo debe exceder este valor mientras
provee una corriente de compuerta adecuada para activar el SCR.
o PGM: es el producto instantáneo máximo de la corriente y el voltaje de la compuerta que
debe existir durante la polarización directa. Si VGM e IGM son usados como sus límites
extremos simultáneamente, PGM es seguro que se sobrepase.
ISTP
CARLOS CUETO FERNANDINI
Especialidad Electrónica Industrial Prof. Luis A. Sánchez
ELECTRONICA DE POTENCIA Semestre III Pag.
En resumen un SCR (rectificador controlado de silicio), es un dispositivo de 3 terminales
usado para controlar corrientes altas en una carga. Actua semejante a un interruptor; cuando
está encendido (On) hay flujo de corriente a través del dispositivo y actua como un
interruptor cerrado, cuándo está apagado (Off) no hay flujo de corriente del ánodo al cátodo
por lo que actúa como interruptor abierto. Debido a que el SCR es un dispositivo de estado
sólido la acción de conmutación es muy rapida. Si la alimentación que controla al SCR es
de C.A. pasara cierto tiempo en On y otro tiempo en Off. Para este caso el tiempo del ciclo
es de 16.667ms, por lo que 8.333ms podrá permanecer como máximo en On y 8.333ms en
Off. Si el tiempo de On es pequeó, la corriente promedio de la carga es pequeña. Si el
tiempo de On es grande la corriente promedio de la carga es grande.
Los terminos para describir la operación del SCR seran: Ángulo de conducción: es el
número de grados de un ciclo de C.C. durante el cual el SCR esta encendido. Ángulo de
retardo de disparo: es el número de grados de un ciclo de C.A que transcurren antes que el
SCR sea encendio.
El tiempo total del ciclo de 16.667ms corresponde a 360º
Ángulo deretardo detiempoTiempo quepasa apagadoel SCRÁngulo
deconducciónVcargaVAKttÁngulo deretardo detiempoTiempo quepasa apagadoel
SCRÁngulo deconducciónVcargaVAKtt
Caracteristicas de la compuerta del SCR
La Corriente de compuerta (iG) fluye entre la compuerta y el cátodo, saliendo por este
último. La cantidad de corriente de compuerta necesaria para disparar un SCR se simboliza
por IGT.Para la mayoría de los SCR requieren de 0.1 a 50 mA para dispararse. El voltaje
VGK debe de ser ligeramente mayor a 0.6 V.
ISTP
CARLOS CUETO FERNANDINI
Especialidad Electrónica Industrial Prof. Luis A. Sánchez
ELECTRONICA DE POTENCIA Semestre III Pag.
Una vez que el SCR ha sido disparado no es necesario continuar el flujo de corriente de
compuerta. Cuando la corriente ánodo cátodo (iAK) caiga por debajo de la corriente de
mantenimiento (IH) el SCR se apaga. Esto normalmente ocurre cuando la fuente de voltaje
ce ca pasa por cero hacia su región negativa. Para la mayoría de los SCR de tipo mediano la
IH es de alrededor de 10Ma
.
Circuito Resistivo
El circuito mas sencillo de disparo es el resistivo. En este ejemplo de disparo se usa la
misma fuente de voltaje para operar el circuito de control. Se utiliza un resistencia fija R1,
un potenciómetro (R2).
AVGK = 06. - 0.8 VKIG = 0.1 - 50 mAACRcargaR1R2AKGiGTiGVAKtt
La línea punteada representa la corriente de compuerta necesaria para disparar el SCR. La
corriente de compuerta es baja. Como resultado se tiene un ángulo de retardo de disparo a
90º aproximadamente.
ISTP
CARLOS CUETO FERNANDINI
Especialidad Electrónica Industrial Prof. Luis A. Sánchez
ELECTRONICA DE POTENCIA Semestre III Pag.
Si la corriente de compuerta es mayor como resultado se tiene un ángulo de retardo de
disparo muy corto, cercano a los 60º . Donde la corriente IGT se alcanza mucho mas
rápido. El propósito de R1 es mantener una resistencia fija en la compuerta. R1 también
determina el ángulo de retardo de disparo mínimo. NOTA: Se recomienda en algunos casos
insertar un diodo en serie con la compuerta para proteger la unión compuerta-cátodo contra
voltajes inversos altos. El ángulo de retardo de disparo es determinado por R2, que es un
potenciómetro variable. Si R2 es bajo, la corriente de compuerta será lo suficiente grande
para disparar al SCR. Por lo tanto el ángulo de retardo de disparo será pequeño. La
corriente de carga promedio será alta. Si R2 es alto, el suministro de voltaje debe llagar mas
alto para suministrar suficiente corriente de compuerta para disparar al SCR. Esto
incrementa el ángulo de retardo de disparo. La corriente de carga promedio será mas
pequeña. Una desventaja de este circuito de disparo es que el ángulo de retardo de disparo
solo se puede ajustar de 0o a 90º .
iGTiGVAKtt
Cálculo de las resistencias de control de compuerta.
Suponer que se tiene una fuente de voltaje de 120Vrms, IGT = 15mA y R1 = 3kΩ. Se busca
que el ángulo de retardo de disparo ocurra a los 90º, Entonces el valor de R2 será: A 90º el
voltaje instantáneo es: (120)(√2) = 169.71 Ignorando la caida de voltaje del SCR que es de
0.7V. El valor de la resistencia total de compuerta es: 169.71/15μA = 11.314 MΩ Por lo
tanto R2 es:
R2 = RT – R1 = 1.671MΩ– 100KΩ = 1.571 MΩ
SIMULACIONES
ISTP
CARLOS CUETO FERNANDINI
Especialidad Electrónica Industrial Prof. Luis A. Sánchez
ELECTRONICA DE POTENCIA Semestre III Pag.
R2 100kΩ V1 120 Vrms 60 Hz 0° XSC1ABExt
Trig++__+_D1BT169_BD21N4004040X2125 V 12R31.57MΩ35
Fig. 10 SCR circuito resistivo a implementar que muestra el funcionamiento del SCR.
Visualizamos en el oscciloscopio lo que ve la carga. Fig 11. SCR, lo que ve la carga.
Al aplicar ahora colocamos la carga a la salida del catodo se vera lo que no ve la carga.
R13MΩKey=A50%X1LAMPR280kΩV1120 Vrms 60 Hz 0° XSC1ABExt
Trig++__+_D1BT169_BD21N4004452130
Fig 13. Lo que no ve la carga.
ISTP
CARLOS CUETO FERNANDINI
Especialidad Electrónica Industrial Prof. Luis A. Sánchez
ELECTRONICA DE POTENCIA Semestre III Pag.
Material y equipo
1 Tiristor SCR C106B
1 Resistencia de 100KΩ
1 Potenciómetro de 5MΩ
Fuente de alimentación de corriente alterna de 127V
Milímetro digital Punta Atenuada. Convertidor 3 a 2. Foco de 25Watts
DESARROLLO PRÁCTICO
Paso 1: Con un multímetro digital, y por medio del óhmetro comprobar el estado físico del
SCR. Llenar la siguiente tabla:
Por medio de la hoja de especificaciones proporcionadas por el fabricante del SCR, se
procedió a identificar las terminales del dispositivo. Se procedió a colocar las puntas del
multímetro (+,-); en todas las posibles combinaciones entre ánodo(A), cátodo (K) y
compuerta (G) tal como se indica en la siguiente tablas de resultados.
Paso 2: Armar el circuito mostrado en la Fig. 10, de acuerdo al analisis del circuito se
tomaron en cuenta las caracteristicas de la carga así como la conveniencia de los elementos
limitadores de corriente, tanto para la compuerta, como para la red principal.
Tomando en cuenta la alimentación de 127V, y como el SCR soporta una corriente de
200μA, se propuso una resistencia limitadora de corriente en la red principal, por tanto
nuestro circuito implementado en protho fue el que se muetra en la fig 14. Fig 14.
ISTP
CARLOS CUETO FERNANDINI
Especialidad Electrónica Industrial Prof. Luis A. Sánchez
ELECTRONICA DE POTENCIA Semestre III Pag.
Conclusiones
Como requisito único según las hojas de especificaciones la IG debe de estar en el siguiente
rango 15μA >IG < 200mA. De tal forma que si tenemos una corriente IG mayor que
A200 se garantiza con ello la permanencia del foco en estado encendido aun cuando se
deje de dar el pulso a la compuerta.
Una vez hecho los cálculos a armo el circuito, tomando en cuenta que los valores prácticos
no son los mismos teóricamente, cabe mencionar que la resistencia tomada para los
cálculos fue la medida físicamente.
PRÁCTICA No. 4
DISPARO DE TIRISTOR CON CIRCUITO RESISTIVO-CAPACITIVO Y RESISTIVO –
DOBLECAPACITIVO
INTRODUCCION
La forma más simple de mejorar el circuito de control de compuerta es adicionar
un capacitor al extremo inferior de la resistencia de la terminal de compuerta, el
ángulo de retardo va puede ajustarse mas allá de los 90º, gracias al efecto del
capacitor, sin embargo el voltaje y la corriente quedan desfasados. Los SCR se
usan a menudo en circuitos de CA, para controlar la potencia entregada a las
cargas.
La tensión entre los bornes del condensador provee la corriente de compuerta.
Dado que el SCR está encendido por una combinación de tensión de entrada y
corriente de compuerta, el tiempo de disparo puede ser controlado ajustando la
resistencia para cambiar la relación de fase de las dos tensiones. La tensión en el
condensador estará atrasada con respecto a la tensión de entrada VAC.
Por medio de este método puede cambiarse el ángulo de disparo sobre una gama
de 180º hasta 360º. El diodo se usa para bloquear la tensión de compuerta
durante el semiciclo negativo. La resistencia se ajusta de modo que el SCR pase a
ON entre 0 y 90º. En este diagrama el ángulo de disparo es de 40º dado que el
SCR está en ON durante ésta parte del primer semiciclo, la corriente circulará a
través de la lámpara y ésta se iluminará.
El SCR debe pasar a ON entre un valor mínimo y 180º a un ángulo de disparo.
Debido a que la tensión se aplica al SCR durante una pequeña parte del ciclo, la
lámpara se pone débil. El ajuste de la resistencia para controlar el ángulo de fase
controla a su vez la cantidad de potencia entregada a la lámpara.
De manera teórica lo que se espera lograr ver con el osciloscopio es lo mostrado
en la grafica 2 al meterle una señal como la de la grafica 1.
ISTP
CARLOS CUETO FERNANDINI
Especialidad Electrónica Industrial Prof. Luis A. Sánchez
ELECTRONICA DE POTENCIA Semestre III Pag.
A) Disparo de tiristor con circuito resistivo-capacitivo.
Material y/o equipo:
- Potenciómetro -puntas atenuadas
- Resistencia fija. -multímetro
- Capacitores de 100nf -caimanes
- 1 diodo.
Procedimiento:
El circuito 1 es el que debemos realizar para poder comprobar si sirve para
disparar un scr:
Ahora los cálculos que necesitamos para lograra saber a cuantos milisegundos
debemos realizar el disparo son los siguientes: (R1 + R2)C1 = 1 a 30 ms.
Suponiendo k el disparo mínimo sea a 5ms haciendo el potenciómetro =R2=0
encontraremos que la resistencia fija R1=50kohms.
Ahora el potenciómetro para k no se rebasen los 30 ms. es 2.9 M, pero debido a k
no es comercial se utilizara uno de 4.7M.
Para nuestras muestras pondremos en 3 diferentes valores el potenciómetro
esperando ve en el osciloscopio lo que no ve la carga.
ISTP
CARLOS CUETO FERNANDINI
Especialidad Electrónica Industrial Prof. Luis A. Sánchez
ELECTRONICA DE POTENCIA Semestre III Pag.
Los valores de los ángulos los sacamos por una regla de tres que nos queda de la
siguiente forma:
En la foto 1 se muestra el disparo del tiristor con el potenciómetro en 0Ω, y la
figura 2 como se ve el foco en tal valor, la figura 3 muestra la figura con el
potenciómetro a 200 KΩ y la figura 4 como se ve la carga en ese punto.
B) Disparo de tiristor con circuito resistivo-doble capacitivo
Material y/o equipo:
- Potenciómetro -puntas atenuadas
- Resistencia fija. -multímetro
- 2 Capacitores de 100nf -caimanes
- 1 diodo.
Procedimiento
El circuito a realizar se presenta en el circuito 2, este es un circuito de disparo para
scr resistivo doble capacitivo, la funcionalidad es k puede controlar el disparo con
un rango mayor a los 90º.
La primera constante de tiempo del circuito con doble capacitor debe cumplir:
(R1 + R2)C1 = 1 a 30 ms.
así que utilizaremos los mismos valores que en la práctica anterior
ISTP
CARLOS CUETO FERNANDINI
Especialidad Electrónica Industrial Prof. Luis A. Sánchez
ELECTRONICA DE POTENCIA Semestre III Pag.
La segunda constante de tiempo debe cumplir con este rango:
R3C2 = 1 a 30 ms.
Pero como se desea que en su punto inicial sea igual a 5ms entonces el valor de
la resistencia será R3=5ms/100nf=50k
Este circuito proporciona un servicio eficiente, de alta potencia y el circuito de retardo de tiempo
exacta. El SCR debe seleccionarse para adecuarse a la aplicación. R 5 y el diodo zener mantener un
suministro estable para el UJT.
Inicialmente el SCR está apagado. La secuencia de tiempo que se inicia por un cortocircuito en C1. C1 luego se
carga a través de R1 y R2 hasta que el UJT desencadena, el desarrollo de un pulso a través de R4 que se
convierte en el SCR.Corriente de retención para el SCR es suministrada por corriente a través de R5 y
D2. Cuando el SCR se activa, se tira de la tensión a través del UJT a <2 voltios. C1 Este descargas.
La carga de este circuito impulsará depende del SCR utiliza. Un tipo adecuado sería un C106Y. Esto tiene
una corriente nominal máxima de 4A. Esto sería suficiente para conducir un relé (incluso uno con una baja
resistencia bobina), globos o un timbre eléctrico.
The Junction Transistor Un
Este transistor se utiliza muy poco en un circuito manía porque hay una
serie de formas alternativas de producir el mismo efecto, sin
embargo, es interesante saber cómo eltransistor de unión
Uni funciona, así que usted puede ver por qué perdió el favor. El
UJT es especialmente diseñado para conectarse a SCR y aquí es
ISTP
CARLOS CUETO FERNANDINI
Especialidad Electrónica Industrial Prof. Luis A. Sánchez
ELECTRONICA DE POTENCIA Semestre III Pag.
donde se encuentra su principal aplicación.
Necesita solamente 3 o 4 componentes externos y el UJT producirá un oscilador. La salida del oscilador
puede ser un diente de sierra, si tienes que elegir con cuidado la forma de onda a través del
condensador, pero más a menudo la salida se toma entre B1 y el carril negativo. Aquí es donde la carga
está diseñada para ser colocada. La forma de onda aquí es una punta, y tiene una amplitud de
aproximadamente 2v por un suministro de 6v (de 0 V a 2 v.)
El siguiente diagrama muestra el UJT en una disposición típica de un dispositivo de baja impedancia,
como un altavoz, entre B1 y ferrocarril 0v.
La forma en que el circuito funciona es la siguiente:
el condensador se carga a través de la resistencia de 10k Durante este tiempo la resistencia entre B1 y
B2 es infinito. La carga es una forma de onda de diente de sierra, porque la carga es un gradiente de
subida y la descarga es muy rápida - en el altavoz. El emisor detecta cuando la tensión se eleva a 4v
(para un circuito 6v) y en este punto el transistor "se enciende" y la resistencia entre el emisor y B1 se
vuelve muy bajo y es efectivamente equivalente a un diodo en polarización directa.
El voltaje (la energía) en el condensador se pasa a continuación al altavoz y esto produce un "clic". Esta
es la única forma en que el hablante obtiene su energía. El voltaje a través del condensador cae muy
rápidamente y cuando se alcanza aproximadamente 1v (para un circuito 6v), el transistor se apaga y el
ciclo se repite.
Es importante tener en cuenta que el altavoz no recibe ninguna corriente a través de la resistencia
conectada a B2 y esta resistencia tiene muy poco efecto (casi ningún efecto) en el volumen producido
por el altavoz.
La única manera de aumentar el volumen del tono es mediante la adición de un transistor de tampón.
La duplicación de la tensión de alimentación va a
alterar la frecuencia de la salida muy ligeramente
y el voltaje a través del altavoz aumentará a 10v,
pero la anchura de la espiga es tan estrecho que
muy poca energía se pasa a la misma.
El circuito es fiable en su funcionamiento. Se
trabajará en casi baterías planas (una fuente de
alta impedancia), pero hay que tener cuidado con
la elección de resistencias y condensadores. Por
ejemplo, si los 10k se reduce a 1k, el circuito
simplemente se niegan a trabajar con el 2u2
electrolítico es abajo puede "congelamiento", si se
selecciona la relación equivocada de R y C del
circuito. El "congelamiento", también puede depender de la tensión de alimentación por lo que, en
conjunto, el circuito tiene algunas limitaciones que deben superarse mediante la construcción de un
prototipo antes de decidir el diseño final.
El circuito siguiente muestra un uso común para un UJT -. Para "disparar" un SCR después de un
período predeterminado de tiempo
la carga permanecerá activo (el SCR permanecerá "activa") y la tensión de alimentación debe ser
removido para de- activar la carga - un poco desordenado - en los días de diseños de
microcontroladores, esto se puede hacer mucho más cómoda con un
chip.
Todos los proyectos de Electrónica Talking están basados en
microcontroladores y es sólo una cuestión de añadir unas
ISTP
CARLOS CUETO FERNANDINI
Especialidad Electrónica Industrial Prof. Luis A. Sánchez
ELECTRONICA DE POTENCIA Semestre III Pag.
pocas líneas de código adicionales para producir casi cualquier sonido que usted necesita. Transistores
UJT son caros y difíciles de obtener, sin embargo, el circuito sólo consume 1 mA a 6 V o 2 mA a 12 V y
esto puede darle una aplicación donde se necesita muy poco para ser consumido.
Nota: muchos circuitos aficionados muestran el UJT dibujada incorrectamente. B1 debe ser conectado
al dispositivo se active como la energía de los flujos de condensadores a través del emisor-B1 circuito
para el dispositivo. El transistor no funciona por el otro lado, sin embargo, no se dañará si
momentáneamente conectados incorrectamente.
La pestaña es en realidad entre B2 y E.
El UJT puede ser cerrada "dentro y fuera", mediante el control de los 47k "resistencia de carga."
El circuito siguiente muestra un multivibrador "arriba-lado-abajo" de encender el circuito de tono (el
circuito UJT):
El curso de Electrónica Digital Talking estudia el multivibrador "estándar" como se muestra a
continuación. Este circuito estándar se puede girar para arriba-lado-abajo, si es necesario. La animación
a continuación muestra cómo un lado de la multivibrador se enciende entonces el otro lado para activar
cada LED. En el circuito anterior, el multivibrador toma los 47k a la barra positiva, para activar el
circuito de tono.
No olvides: UJT son difíciles de conseguir y caro, en comparación con los transistores y otros
semiconductores estándar.
UJT Unijunction-Transistor
ISTP
CARLOS CUETO FERNANDINI
Especialidad Electrónica Industrial Prof. Luis A. Sánchez
ELECTRONICA DE POTENCIA Semestre III Pag.
.
UJT ve Thyristörlü Yük Kontrol Devresi
ISTP
CARLOS CUETO FERNANDINI
Especialidad Electrónica Industrial Prof. Luis A. Sánchez
ELECTRONICA DE POTENCIA Semestre III Pag.
El transistor UNIJUNCTION
Página 38
SC151D TRIAC
El SC151 D es un plástico TRIAC paquete de media potencia económica diseñada para la red eléctrica y el
control de la iluminación. A diferencia de SCR, el SCI 51 D es un tiristor bidireccional - cuando se activa, se lleva
a cabo en ambas direcciones y puede ser activado por una señal de puerta positivo o negativo. TRIAC (Triodo de
CA Semiconductor). El siguiente diagrama muestra las características V / l del Triac. Una corriente del nivel
especificado de cualquier polaridad puerta se disparará el triac en conducción, ya sea en cuadrante, siempre que
el voltaje aplicado es menor que V B0 .
La activación puede ser de DC, rectificar fuentes de CA o el pulso, como unijunctions, lámparas de neón o
dispositivos de ruptura como el ST4.
ISTP
CARLOS CUETO FERNANDINI
Especialidad Electrónica Industrial Prof. Luis A. Sánchez
ELECTRONICA DE POTENCIA Semestre III Pag.
Especificaciones
Voltaje nominal 400 V
Corriente nominal 15 A RMS
I TSM máximo pico de un ciclo no rep. pico de corriente 110A
I DRM bloqueo actual a 25 ° C 0,1 mA máx
dv / dt de estado, T c = 100 ° C, Calificación V DRM , puerta O / C 250V/μS (típico)
DISPARO
I GT Max DC V Corriente de disparo de puerta D = 12 V, 25 ° C a 50 mA
V GT Max disparo de puerta de voltaje V D = 12v 25 ° C 2.5V
Triac como un conmutador
Esto da un rendimiento mejorado sobre un interruptor convencional, como no puede haber formación de
arcos o rebote de contacto. Este circuito muestra un sencillo control de potencia de tres posiciones. En la
posición de uno que no hay conexión de puerta, por lo que el poder está apagado. En segunda posición se
está al día durante una única y potencia de la carga es la mitad del ciclo de onda media puerta. En
tercera posición de la puerta se activa en ambos ciclos medio y el poder está lleno de. Para un interruptor
de encendido y apagado sencillo, basta con eliminar el diodo.
Debido a que los contactos sólo transportan corriente de los pocos microsegundos necesarios para activar
el triac, el cambio real puede ser casi cualquier dispositivo pequeño: relés reed, termostatos, interruptores
de presión o el programa / interruptores temporizadores.
ISTP
CARLOS CUETO FERNANDINI
Especialidad Electrónica Industrial Prof. Luis A. Sánchez
ELECTRONICA DE POTENCIA Semestre III Pag.
Page 39
controlador de dimmer / calentador de la lámpara
R1 y C1 son una red de desplazamiento de fase - que producen un retardo variable en la forma de onda
aplicada a la ST4 y por lo tanto el triac. Cuando el voltaje a través de C1 alcanza la tensión de ruptura para
el ST4, C1 descargas parcialmente en la puerta del triac a través de la ST4. Este pulso dispara el triac en
conducción durante el resto del ciclo medio.
Este controlador fácil de construir es ideal para atenuar las luces, y el control de la salida de los aparatos de
tipo de calefacción eléctrica. La luz o elemento de calefacción, etc se coloca en la "carga" está marcado en
el circuito.
ST4 asimétrico Gatillo AC
El ST4 es un circuito integrado de disparo del triac que proporciona amplia gama libre de histéresis de
control de tensión.
Se comporta como un diodo Zener en serie con un interruptor bilateral de silicio (un dispositivo
simétrico).
El Zener proporciona asimetría ya que la tensión de conmutación se aumenta en uno dirección de la
tensión de ruptura zener. Tensión de conmutación: V S1 14v-18v V S2 7-
9V
ISTP
CARLOS CUETO FERNANDINI
Especialidad Electrónica Industrial Prof. Luis A. Sánchez
ELECTRONICA DE POTENCIA Semestre III Pag.
Corriente de conmutación
I S1 I S2 80μA
Voltajes en estado
V F1 (I = 100 mA) 7-10V
V F2 (I = 100 mA) 1,6 V máx
pico pulso de voltaje
V 0 3.5v min
PG (AV) (potencia Max Gate) 0,5 W
I H Corriente de retención (actual por debajo del cual el SCR abandonar la conducción) (T c = 25 ° C) 30
Aplicaciones
SCR están al día en lugar de los dispositivos activados tensión. Esto significa que deben ser alimentados a
partir de una fuente relativamente baja es decir, una impedancia en el que la tensión no caerá hacia abajo
bajo la carga de la puerta. De una manera análoga a un relé o un solenoide, el SCR requiere cierta corriente
ánodo mínimo si es para permanecer en el estado "cerrado" o llevar a cabo. Si la corriente cae por debajo
del ánodo al nivel mínimo, el SCR se revierte al bloqueo hacia delante o estado 'abierto'. El siguiente circuito
muestra un circuito básico de disparo RC-diodo proporciona un control completo de media onda. En los
ciclos positivos medio del condensador C se carga al punto de disparo, a una velocidad determinada por la
constante de tiempo de R y C. En el semiciclo negativo, el condensador se pone a cero por CR 2 , de
ponerlo a cero para neumáticos siguiente ciclo de carga, tanto la corriente de disparo se suministra por el
voltaje de línea.
C122D, C122E, C106D SCR circuito de control de fase
ISTP
CARLOS CUETO FERNANDINI
Especialidad Electrónica Industrial Prof. Luis A. Sánchez
ELECTRONICA DE POTENCIA Semestre III Pag.
Mejora del circuito de control de fase
El siguiente diagrama muestra un circuito utilizando una lámpara de neón como un dispositivo de
distribución. Esto permite un control más suave y un mejor rendimiento. El neón se dispara cuando el voltaje
a través de los dos condensadores 0.1μ alcanza el voltaje de ruptura de la lámpara (60-90V). De control se
extiende desde 95% a plena fuera.
El circuito de la luz controlada fase de neón se muestra a continuación combina el bajo costo del circuito RC
sencillo mostrado antes, pero le da un mejor rendimiento. El circuito a continuación da medio de control de
onda de 95% en Full off.La potencia total se puede obtener fácilmente por poner un interruptor a través del
SCR. El circuito utiliza un neón. Esto le da a las siguientes mejoras:
Un circuito de impedancia más alta se puede utilizar para el control.
Como resultado, el elemento de control (que es una olla de 100k en el circuito de abajo) puede ser
sustituido por un dispositivo de alta impedancia tal como un termistor o resistencia dependiente de la luz,
para la calefacción o aplicaciones de control de luz.
ISTP
CARLOS CUETO FERNANDINI
Especialidad Electrónica Industrial Prof. Luis A. Sánchez
ELECTRONICA DE POTENCIA Semestre III Pag.
El transistor UJT o de uni-unión
El transistor de uni-unión (unijunction transistor) o UJT esta constituido por dos regiones
contaminadas con tres terminales externos: dos bases y un emisor. En la figura 12.21.a aparece la
estructura física de este dispositivo. El emisor esta fuertemente dopado con impurezas p y la
región n débilmente dopado con n. Por ello, la resistencia entre las dos bases, RBB o resistencia
interbase, es elevada (de 5 a 10KΩ estando el emisor abierto).
El modelo equivalente representado en la figura 12.21.b esta constituido por un diodo que
excita la unión de dos resistencias internas, R1 y R2, que verifican RBB=R1+R2. Cuando el diodo
no conduce, la caída de tensión en R1 (V1) se puede expresar como
(12.10)
en donde VB2B1 es la diferencia de tensión entre las bases del UJT y es el factor de división de
tensión conocido como relación intrínseca. El modelo de este dispositivo utilizando transistores se
muestra en la figura 12.21.c, cuya estructura es muy similar a un diodo de cuatro capas. Cuando
entra en conducción los transistores la caída de tensión en R1 es muy baja. El símbolo del UJT se
muestra en la figura 12.21.d.
Figura 12.21. Transistor UJT. a) Estructura física, b) modelo equivalente,
c) circuito equivalente y d) símbolo.
Funcionamiento de un UJT
El funcionamiento de un UJT es muy similar al de un SCR. En la grafica de la figura 12.22
se describe las características eléctricas de este dispositivo a través de la relación de la tensión de
emisor (VE) con la corriente de emisor (IE). Se definen dos puntos críticos: punto de pico o peak-
point (VP, IP) y punto de valle o valley-point (VV, IV), ambos verifican la condición de dVE/dIE=0.
ISTP
CARLOS CUETO FERNANDINI
Especialidad Electrónica Industrial Prof. Luis A. Sánchez
ELECTRONICA DE POTENCIA Semestre III Pag.
Estos puntos a su vez definen tres regiones de operación: región de corte, región de resistencia
negativa y región de saturación, que se detallan a continuación:
Figura 12.22. Características eléctricas de un UJT.
Región de corte. En esta región, la tensión de emisor es baja de forma que la tensión intrínseca
mantiene polarizado inversamente el diodo emisor. La corriente de emisor es muy baja y se
verifica que VE<VP e IE < IP. Esta tensión de pico en el UJT viene definida por la siguiente
ecuación
(12.11)
donde la VF varia entre 0.35 V a 0.7 V con un valor típico de 0.5 V. Por ejemplo, para el 2N2646
es de 0.49V a 25ºC. El UJT en esta región se comporta como un elemento resistivo lineal entre las
dos bases de valor RBB.
Región de resistencia negativa. Si la tensión de emisor es suficiente para polarizar el diodo de
emisor, es decir, VE=VP entonces el diodo entra en conducción e inyecta huecos a B1
disminuyendo bruscamente la resistencia R1 debido a procesos de recombinación. Desde el
emisor, se observa como el UJT disminuye su resistencia interna con un comportamiento similar a
la de una resistencia negativa (dVE/dIE < 0). En esta región, la corriente de emisor esta
comprendida entre la corriente de pico y de valle (IP< IE< IV).
Región de saturación. Esta zona es similar a la zona activa de un tiristor con unas corrientes y
tensiones de mantenimiento (punto de valle) y una relación lineal de muy baja resistencia entre la
tensión y la corriente de emisor. En esta región, la corriente de emisor es mayor que la corriente
de valle (IE > IV). Si no se verifica las condiciones del punto de valle, el UJT entrara de forma
natural a la región de corte.
En la figura 12.22 también se observa una curva de tipo exponencial que relaciona la VE y la IE
cuando la base B2 se encuentra al aire (IB2=0). Esta curva tiene una forma similar a la
característica eléctrica de un diodo y representa el comportamiento del diodo de emisor.
TRANSISTOR MONOUNIÓN
18. Dado el oscilador de relajación de la figura 21.69
a) Encuentre RB1 y RB2 con IE = 0 A.
b) Determine VP, el voltaje necesario para encender al UJT.
c) Determine si R1 está dentro del rango permisible de valores definidos por la ecuación (21.8).
d) Determine la frecuencia de oscilación si RB1 = 200 durante la fase de descarga.
e) Trace la forma de onda de Vc para dos ciclos completos.
f) Dibuje la forma de onda de VR1 para dos ciclos completos.
ISTP
CARLOS CUETO FERNANDINI
Especialidad Electrónica Industrial Prof. Luis A. Sánchez
ELECTRONICA DE POTENCIA Semestre III Pag.
g) Determine la frecuencia usando la ecuación (21.17) y compárela con el valor determinado en
el inciso d). Tome en cuente cualquier diferencia significativa.
SOLUCION:
a) Encuentre RB1 y RB2 con IE = 0 A.
= 0.55
=
b) Determine VP, el voltaje necesario para encender al UJT.
c) Determine si R1 está dentro del rango permisible de valores definidos por la ecuación (21.8).
VV=1.2 V, IV=5mA, IP=50 A, VP=13.3229V, V=20V
ISTP
CARLOS CUETO FERNANDINI
Especialidad Electrónica Industrial Prof. Luis A. Sánchez
ELECTRONICA DE POTENCIA Semestre III Pag.
La resistencia si esta dentro del rango determinado por la ecuación 21.8
d) Determine la frecuencia de oscilación si RB1 = 200 durante la fase de descarga.
T = t1 + t2 donde
e) Trace la forma de onda de Vc para dos ciclos completos.
f) Dibuje la forma de onda de VR1 para dos ciclos completos.
VR1 no posee forma de onda ya que R1 esta conectada directamente a la fuente de 20 V y es a
través de esta resistencia que se carga el condensador, la forma de onda apreciable es la de
VR2, para poder graficar es necesario obtener los niveles de tensión de R2 cuanto el UJT esta
inactivo y cuando esta activado, para el valor de RB1 = 200 .
Cuando el UJT esta inactivo
ISTP
CARLOS CUETO FERNANDINI
Especialidad Electrónica Industrial Prof. Luis A. Sánchez
ELECTRONICA DE POTENCIA Semestre III Pag.
y cuando el UJT esta activado
A continuación se presenta la forma de onda
g) Determine la frecuencia usando la ecuación (21.17) y compárela con el valor determinado en el
inciso d). Tome en cuente cualquier diferencia.
Usando la ecuación 21.17 nos queda
1. Aspectos Gerais
O transistor de unijunção (UJT ou TUJ) possui características bem diferentes do transistor
bipolar, tem duas regiões dopadas com três terminais externos. É constituído a partir de uma
fatia de material semicondutor tipo "N" com dois contatos ôhmicos nas extremidades os quais
da origem a base 1 (B1) e a base 2 (B2). Nas proximidades da base 2 é feita uma junção "PN"
da qual sai o terminal denominado Emissor (E). O nome unijunção vem do fato de sua
estrutura apresentar uma única junção "PN".
RB2 = Resistência da base 2
RB1 = Resistência da base 1
RBB = Resistência interbase
VBB = Tensão interbase
VE = Tensão entre emissor e base
ISTP
CARLOS CUETO FERNANDINI
Especialidad Electrónica Industrial Prof. Luis A. Sánchez
ELECTRONICA DE POTENCIA Semestre III Pag.
Figura 01 - Estrutura, símbolo, circuito equivalente do TUJ
_2. Funcionamento
Considere inicialmente a tensão de emissor igual a zero, então a tensão no pisor (VRB1) polariza
inversamente o díodo emissor. Aumentando ligeiramente a alimentação do emissor (VE) até ficar
ligeiramente maior que VRB1 o díodo emissor será ligado. Como a região "P" é fortemente dopada em
relação à região "N", as lacunas são injetadas na região "N" equivalente a RB1. VE cai rapidamente para um
valor baixo e a corrente de emissor aumenta.
Analisando o circuito equivalente na figura 01, conclui-se que, para o TUJ conduzir é necessário que
inicialmente circule uma corrente através do emissor, e isto ocorre quando, VD é a
tensão que faz o díodo emissor conduzir e VRB1 corresponde à queda de tensão na região inferior do pisor.
2.1- Razão intrínseca - A razão intrínseca de afastamento (representada pela letra h, pronunciada como
"eta") é na verdade o fator do pisor de tensão proporcionado pelas resistências RB1 e RB2, as quais fazem
parte da estrutura interna do TUJ.
Faremos a seguir uma análise do parâmetro "eta" a partir da expressão que traduz o funcionamento do TUJ
em relação à uma tensão (VE) aplicada no emissor, ou seja:
a)
b)
c)
d)
e) Reagrupando os resistores, intrínseco do TUJ, temos:
onde: (eta) é uma razão intrínseca do TUJ fornecida pelo fabricante, portanto,
,sendo RBB=RB1+RB2 .
Valores de estão na faixa de 0,5 a 0,8. Por exemplo um 2N2646 tem um de 0,65. Se o circuito ao
lado, for alimentado com 10 V, a tensão (VE) a ser aplicada para disparar o TUJ deve ser:
ISTP
CARLOS CUETO FERNANDINI
Especialidad Electrónica Industrial Prof. Luis A. Sánchez
ELECTRONICA DE POTENCIA Semestre III Pag.
Figura 02 - O polarização do TUJ
_3. Encapsulamento
Apresentamos algumas características do TUJ 2N2646, o mais utilizado; bem como o encapsulamento e a
vista de baixo com a disposição dos terminais de emissor (E), base 1 (B1) e base 2 (B2).
Tensão reversa máxima de emissor:30
V
VBB máxima (alimentação): 35 V
Dissipação máxima: 300 mW
Relação intrínseca (eta): 0,50 a 0,75
RBB (resistência interbase) 4,7 k a 9,1
Figura 03 - Encapsulamento e Terminais do TUJ
_4. Oscilador de Relaxação
O oscilador de relaxação é um circuito com TUJ que tem como funcionamento básico controle
da corrente que carrega um capacitor até disparar o TUJ, permitindo gerar pulsos na saída.
Formas de ondas no capacitor, na base 1
e na base 2.
Os pulsos da forma de onda da base 1,
são muito utilizados no disparo de
tiristores.
O potenciômetro "P" permite o ajuste
entre as frequências máxima e mínima
do oscilador.
Figura 04 - Oscilador de Relaxação
4.1- Função dos componentes e cálculo do oscilador de relaxação:
Capacitor C - dispara o "TUJ" e juntamente com o resistror "RE" determina a frequência de oscilação do circuito.
Resistor R - limita a corrente de carga do capacitor, determinando a frequência máxima.
Potenciômetro P - Controla a corrente de carga do capacitor, atuando para variar frequência do oscilador.
Resistor R2 - possibilita a retirada de pulsos positivos.
Resistor R1 - proporciona estabilidade térmica ao circuito.
Cálculo do resistor R1 - parte de um dado do fabricante, por exemplo para o 2N2646, e:
ISTP
CARLOS CUETO FERNANDINI
Especialidad Electrónica Industrial Prof. Luis A. Sánchez
ELECTRONICA DE POTENCIA Semestre III Pag.
Cálculo do resistor R2 - geralmente utiliza-se na faixa de 22R a 150R, porém, para tiristores utiliza-se a fórmula:
Cálculo do resistor RE - parte de um compromisso entre os valores permitidos (RE máximo e RE mínimo), para o
emissor, quais sejam:
RE maior que REmáx o TUJ não dispara (IE não alcança IP)
RE abaixo de REmin, O TUJ não corta (IE não alcança IV)
Cálculo do capacitor C - para um cálculo aproximado onde o tempo de descarga é desprezado utiliza-se a expressão:
TRANSISTOR POTENCIA UJT
El transistor UJT (transistor de unijuntura - Unijunction transistor) es un dispositivo con un funcionamiento
diferente al de otros transistores. Es un dispositivo de disparo. Es un dispositivo que consiste de una sola
unión PN
Físicamente el UJT consiste de una barra de material tipo N con conexiones eléctricas a sus dos extremos
(B1 y B2) y de una conexión hecha con un conductor de aluminio (E) en alguna parte a lo largo de la barra
de material N.
En el lugar de unión el aluminio crea una región tipo P en la barra, formando así una unión PN.
Como se dijo antes este es un dispositivo de disparo. El disparo ocurre entre el Emisor y la Base1 y el
voltaje al que ocurre este disparo está dado por la fórmula: Voltaje de disparo = Vp = 0.7 + n x VB2B1
Donde:
- n = intrinsic standoff radio (dato del fabricante)
- VB2B1 = Voltaje entre las dos bases
La fórmula es aproximada porque el valor establecido en 0.7 puede variar de 0.4 a 0.7 dependiendo del
dispositivo y la temperatura.
Dos ejemplos sencillos
1.- Un UJT 2N4870 tiene un n = 0.63 y 24 voltios entre B2 y B1.
Cuál es el voltaje de disparo aproximado?
Voltaje de disparo = Vp = 0.7 + (0.63 x 24) = 15.8 Voltios
2.- Un UJT 2N4870 tiene un n = 0.68 y 12 voltios entre B2 y B1.
Cuál es el voltaje de disparo aproximado?
ISTP
CARLOS CUETO FERNANDINI
Especialidad Electrónica Industrial Prof. Luis A. Sánchez
ELECTRONICA DE POTENCIA Semestre III Pag.
Voltaje de disparo = Vp = 0.7 + (0.68 x 12) = 8.86 Voltios.
Nota:
- Un dato adicional que nos da el fabricante es la corriente necesaria que debe haber entre E y B1 para que
el UJT se dispare = Ip.
- Es importante hacer notar que también se ha construido el UJT donde la barra es de material tipo P (muy
poco). Se le conoce como el CUJT o UJT complementario. Este se comporta de igual forma que el UJT pero
con las polaridades de las tensiones al revés
TRANSISTOR MONOUNION UJT
El transistor monounión (UJT) se utiliza generalmente para generar señales de disparo en los SCR. En la
fig.5 se muestra un circuito básico de disparo UJT. Un UJT tiene tres terminales, conocidas como emisor E,
base1 B1 y base2 B2. Entre B1 y B2 la monounión tiene las características de una resistencia ordinaria (la
resistencia entre bases RBB teniendo valores en el rango de 4.7 y 9.1 K). Cuando se aplica el voltaje de
alimentación Vs en cd, se carga el capacitor C a través de la resistencia R, dado que el circuito emisor del
UJT está en estado abierto. La constante de tiempo del circuito de carga es T1=RC. Cuando el voltaje del
emisor VE, el mismo que el voltaje del capacitor llega a un valor pico Vp, se activa el UJT y el capacitor se
descarga a través de RB1 a una velocidad determinada por la constante de tiempo T2=RB1C. T2 es mucho
menor que T1. Cuando el voltaje del emisor VE se reduce al punto del valle Vv, el emisor deja de conducir,
se desactiva el UJT y se repite el ciclo de carga.
El voltaje de disparo VB1 debe diseñarse lo suficientemente grande como para activar el SCR. El periodo de
oscilación, T, es totalmente independiente del voltaje de alimentación Vs y está dado por:
T = 1/f = RC ln 1/1-n
ISTP
CARLOS CUETO FERNANDINI
Especialidad Electrónica Industrial Prof. Luis A. Sánchez
ELECTRONICA DE POTENCIA Semestre III Pag.
FIGURA 31
CIRCUITOS DE APLICACIÓN FIGURA 32
ISTP
CARLOS CUETO FERNANDINI
Especialidad Electrónica Industrial Prof. Luis A. Sánchez
ELECTRONICA DE POTENCIA Semestre III Pag.
onstruir un Estado SCR / tiristor controlado Estabilizador automático de voltaje Solid
Publicado por hitman
Esto, en su género y es difícil encontrar triac de control del circuito estabilizador de tensión alterna
se ha diseñado específicamente para usted. Al ser de estado sólido en el diseño, las transiciones
de conmutación de tensión son muy suaves, con un mínimo desgaste y deterioro, lo que resulta
en la estabilización eficiente de voltaje. Descubra el procedimiento de construcción de todo este
estado de red estabilizador de tensión único, sólido.
El circuito propuesto de un triac controlado estabilizador de voltaje AC proporcionará una
excelente estabilización de tensión 4 paso a cualquier aparato en su salida. Sin partes móviles
implicados su eficiencia es aún mayor. Para saber más de este operador en silencio: Protector de
poder.
Introducción
El circuito de un estabilizador de voltaje automático discutido en una de mis anterioresartículos,
aunque útil, debido a su diseño más simple, no tiene la capacidad de controlar los diferentes
niveles de diferentes tensiones de red discretamente. La idea propuesta aunque no probado, se
ve muy convincente, y si los componentes críticos están dimensionados correctamente, debería
funcionar como se esperaba.
El actual circuito de triac controlado estabilizador de voltaje AC es excepcional en su rendimiento y
es casi un estabilizador de tensión ideales en todos los aspectos. Como de costumbre, el circuito
ha sido diseñado exclusivamente por mí. Es capaz de controlar y dimensión de la tensión de red
de CA de entrada con precisión a través de 4 pasos independientes. El uso de triacs que sea
seguro que las transiciones son rápidas (a menos de 2 m) y sin chispas o transitorios, por lo
general asociados con el tipo de relé de los estabilizadores. Asimismo, puesto que no se emplean
piezas móviles, toda la unidad se convierte en estado completamente sólido y casi permanente.
Vamos a proceder para ver cómo funciona el circuito.
ATENCIÓN: cada punto del circuito que se presentan aquí pueden estar en red eléctrica de CA
POTENCIALES, POR LO TANTO extremadamente PELIGROSO PARA TOCAR
ENENCENDIDO POSITION. MÁXIMO CUIDADO Y ATENCIÓN se aconseja el uso de un
PLANCK DE MADERA BAJO SUS PIES SE RECOMIENDA. novatos FAVOR MANTENGA
LEJOS .
Descripción del circuito
El funcionamiento del circuito puede ser entendida a través de los siguientes puntos:
Los transistores T1 a T4 están todos dispuestos para detectar el aumento gradual de la tensión de
entrada y llevar a cabo uno tras otro en secuencia a medida que aumenta la tensión y viceversa.
Puertas N1 a N4 de IC 4093 están configurados como amortiguadores. Las salidas de los
transistores se alimentan a las entradas de estas puertas.
Todas las puertas están interconectados entre sí de tal
ISTP
CARLOS CUETO FERNANDINI
Especialidad Electrónica Industrial Prof. Luis A. Sánchez
ELECTRONICA DE POTENCIA Semestre III Pag.
ay que la salida de una puerta particular, sólo permanece activo en un período de tiempo
determinado de acuerdo con el nivel de la tensión de entrada.
Por lo tanto, la tensión de entrada aumenta las puertas responden a los transistores y sus
resultados posteriormente convertido en la lógica hi uno tras otro asegurándose de que
laanterior salida de la puerta se cierra y viceversa.
El hi lógica de la memoria intermedia en particular se aplica a la puerta del SCR
respectivo que lleva a cabo y se conecta la línea de "caliente" relevante desde el
transformador hasta el aparato externo conectado.
ISTP
CARLOS CUETO FERNANDINI
Especialidad Electrónica Industrial Prof. Luis A. Sánchez
ELECTRONICA DE POTENCIA Semestre III Pag.
Como el voltaje aumenta, los triacs pertinentes posteriormente seleccionar los extremos
apropiados "calientes" del transformador para aumentar o disminuir la tensión y mantener
una salida relativamente estabilizado.
Claves Construcción y Consejos para el examen
La construcción de este triac de control de circuito de protección de alimentación de CA
es simple y sólo es cuestión de la adquisición de las piezas necesarias y ensamblarlos
correctamente sobre un PCB general. Es bastante obvio que la persona que está tratando
de hacer este circuito sabe un poco más que los fundamentos de la electrónica. Las cosas
pueden ir mal drásticamente si hay algún error en el montaje final.
Usted necesitará una variable externa (0 a 12 volts) Fuente de alimentación DC universal
para la creación de la unidad de la siguiente manera:
Suponiendo que un suministro de salida de 12 voltios de TR1 corresponde a 225 voltios
de alimentación de entrada, a través de cálculos nos encontramos con que se va a
producir 9 voltios a una entrada de 170 voltios, 13 voltios se corresponden a 245 voltios y
14 voltios serán equivalentes a una entrada de aproximadamente 260 voltios.
Inicialmente mantener los puntos "AB" desconectados y asegúrese de que el circuito está
totalmente desconectado de la red eléctrica.
Ajuste la fuente de alimentación universal externa de 12 voltios y conecte el positivo al
punto "B" y la negativa a la masa común del circuito.
Ahora ajuste P2 hasta LD2 es sólo encendido. Reducir la tensión a 9 y ajustar P1 para
encender LD1.
Del mismo modo, ajustar P3 y P4 para iluminar los LEDs correspondientes a tensiones de
13 y 14 respectivamente.
El procedimiento de configuración se ha completado. Quite la alimentación externa y
unirse a los puntos "AB" juntos.
La unidad entera puede ahora estar conectado a la red eléctrica de CA para que pueda
empezar a trabajar de inmediato.
Es posible verificar el rendimiento del sistema mediante el suministro de una entrada de
CA variable a través de un autotransformador y el control de la salida usando
un multímetro digital.
Este triac controlado estabilizador de voltaje AC se apagará a voltajes inferiores 170 y por
encima de 300 voltios.
ISTP
CARLOS CUETO FERNANDINI
Especialidad Electrónica Industrial Prof. Luis A. Sánchez
ELECTRONICA DE POTENCIA Semestre III Pag.
Lista de piezas
Usted necesitará los siguientes elementos para la construcción de esta SCR de control
de ac estabilizador de voltaje:
Todas las resistencias son  ¼ Watt, CFR 5%, a menos que se indique lo contrario.
R5, R6, R7, R8 = 1M Â ¼ watt,
Todos Triacs son 400 voltios, 1KV valorados,
T1, T2, T3, T4 = BC 547,
Todos los diodos zener son = 3 voltios 400 mW,
Todos los diodos son = 1N4007,
Todos los presets = 10K lineal,
R1, 2, 3, 4, 9, 10, 11, 12, 13, 14, 15, 16, 17, 18, 19, 20 = 1K Â ¼ de vatio,
N1 a N4 = IC 4093,
C1 y C3 = 100UF / 25 voltios,
C2 = 104, cerámica,
Poder Guardia Estabilizador Transformador = "hecho a medida" con 170, 225, 240, 260
voltios tomas de salida de 225 voltios de alimentación de entrada, o de 85, 115, 120, 130
a 110 voltios tomas de alimentación de entrada de CA.
TR1 = transformador reductor, 0 - 12 V, 100 mA.
ISTP
CARLOS CUETO FERNANDINI
Especialidad Electrónica Industrial Prof. Luis A. Sánchez
ELECTRONICA DE POTENCIA Semestre III Pag.
ISTP
CARLOS CUETO FERNANDINI
Especialidad Electrónica Industrial Prof. Luis A. Sánchez
ELECTRONICA DE POTENCIA Semestre III Pag.
ISTP
CARLOS CUETO FERNANDINI
Especialidad Electrónica Industrial Prof. Luis A. Sánchez
ELECTRONICA DE POTENCIA Semestre III Pag.
ISTP
CARLOS CUETO FERNANDINI
Especialidad Electrónica Industrial Prof. Luis A. Sánchez
ELECTRONICA DE POTENCIA Semestre III Pag.
ISTP
CARLOS CUETO FERNANDINI
Especialidad Electrónica Industrial Prof. Luis A. Sánchez
ELECTRONICA DE POTENCIA Semestre III Pag.
ISTP
CARLOS CUETO FERNANDINI
Especialidad Electrónica Industrial Prof. Luis A. Sánchez
ELECTRONICA DE POTENCIA Semestre III Pag.
ISTP
CARLOS CUETO FERNANDINI
Especialidad Electrónica Industrial Prof. Luis A. Sánchez
ELECTRONICA DE POTENCIA Semestre III Pag.
ISTP
CARLOS CUETO FERNANDINI
Especialidad Electrónica Industrial Prof. Luis A. Sánchez
ELECTRONICA DE POTENCIA Semestre III Pag.
ISTP
CARLOS CUETO FERNANDINI
Especialidad Electrónica Industrial Prof. Luis A. Sánchez
ELECTRONICA DE POTENCIA Semestre III Pag.
ISTP
CARLOS CUETO FERNANDINI
Especialidad Electrónica Industrial Prof. Luis A. Sánchez
ELECTRONICA DE POTENCIA Semestre III Pag.

Seaparat elect pote

  • 1.
    ISTP CARLOS CUETO FERNANDINI EspecialidadElectrónica Industrial Prof. Luis A. Sánchez ELECTRONICA DE POTENCIA Semestre III Pag. LOS TIRISTORES La electrónica de potencia concierne a circuitos con tiristores, a su diseño y a su función en el control de potencia. Hay gran variedad, pero todos tienen propiedades en común: son dispositivos de estado sólido que se “disparan” bajo ciertas condiciones pasando de un estado de alta impedancia a uno de baja (corte- conduccion, abierto–cerrado) y se mantiene este estado mientras que la corriente y la tensión sean superiores a un valor mínimo denominado niveles de mantenimiento. El disparo de un tiristor se realiza inyectando corrientes y, conmuta a conducción y se mantiene asi hasta que la señal de disparo sea retirada. Estas características hacen que sean mucho más útiles que los conmutadores mecánicos, en términos de flexibilidad, duración y velocidad. Estos dispositivos se utilizan en control de potencia, convertidores DC-DC o DC-AC o AC-DC o AC-AC, motores, luz incandescente, etc. Rectificador controlado de silicio Triac Transistor de unijuntura Transistor de unijuntura programable Conmutador bidireccional de silicio Sidac Compuerta encendido-apagado GTO figura.1 se muestran la familia de los tiristores
  • 2.
    ISTP CARLOS CUETO FERNANDINI EspecialidadElectrónica Industrial Prof. Luis A. Sánchez ELECTRONICA DE POTENCIA Semestre III Pag. DIODO DE CUATRO CAPAS El diodo de cuatro capas o diodo Shockley es un dispositivo de cuatro capas npnp, cuya estructura y símbolo se describen en la figuras 1.a y 1.b. Esencialmente es un dispositivo interruptor. Al aplicar un tensión positiva entre ánodo y cátodo circula una corriente muy baja (despreciable) y el dispositivo se encuentra cortado. Aumentando esta tensión positiva se llega a una tensión VBO de ruptura o avalancha donde la corriente crece de forma abrupta y la caída de tensión decrece FIG. 1 diodo de cuatro capas a)Si el Vak<0 el diodo no pasa a conducción a menos que supere la tensión máxima inversa VRSM que rompe la estructura y pasa a conducción el diodo. b)Si el Vak>0 es la Región de resistencia negativa y cuando la tensión entre ánodo y cátodo es suficientemente alta se produce la ruptura de la unión con un incremento muy elevado en corriente . c)Región de saturación o conducción. En esta región, la caída de tensión entre ánodo y cátodo está comprendida entre 0.5V y 1.5 V, prácticamente independiente de la corriente. Se mantendrá en este estado siempre que la tensión y corriente alcancen unos valores mínimos conocidos como niveles de mantenimiento definidos por VH e IH. SIDAC El SIDAC es un dispositivo bilateral de disparo de alta tensión y corriente. Es básicamente un diodo de cuatro capas con unas características eléctricas simétricas sus características eléctricas simétricas. El SIDAC se utiliza en aquellas aplicaciones que se necesitan una tensión de disparo VBO cuyos valores están comprendidos entre 120 V y 270 V (típicos) FIG. 2 Estructura física Símbolo Característica I-V
  • 3.
    ISTP CARLOS CUETO FERNANDINI EspecialidadElectrónica Industrial Prof. Luis A. Sánchez ELECTRONICA DE POTENCIA Semestre III Pag. TABLA 1 Datos técnicos de varios SIDAC En la figura 3.a se presenta una aplicación basado en el MKP3V120 para generar ondas tipo sierra o triangulares usados en barridos, Las principales características de este dispositivo son: VT=VH=1.1 v IH =100mA(max) VB0=120 v(typ) IB0=200 μA(max) Imax.=1A. En la figura 3-b se ve la forma de onda generada por el diodo SIDAC FIGURA 3 El SBS o Silicon Bidirectional Switch Es un dispositivo de baja potencia simétrico para aplicaciones de disparo más versátil que el SIDAC. Tiene además un terminal adicional (Gate o G) que permite modificar sus características de disparo con pequeños pulsos de corriente (decenas de µA). Su reducido coste, alta velocidad y capacidad para disparar puertas de tiristores con altos valores de corriente hace que este dispositivo sea muy útil en muchas aplicaciones. Una de las aplicaciones más típicas del SIDAC es como generador de diente de sierra en donde se aprovecha las características de disparo y bloqueo de este dispositivo. En la figura 12.6.a se presenta el esquema de este
  • 4.
    ISTP CARLOS CUETO FERNANDINI EspecialidadElectrónica Industrial Prof. Luis A. Sánchez ELECTRONICA DE POTENCIA Semestre III Pag. EL SBS no es solamente un versión mejorada del diodo de cuatro capas, sino que es fabricado como un circuito integrado constituido por transistores, diodos y resistencias. La figura 4-.a muestra su símbolo, la figura 4 -.b su estructura a nivel circuital y la figura 4-.c sus características I-V. FIGURA 4 El MBS4991 de Motorola es un ejemplo típico de un SBS simétrico. Sus parámetros característicos de acuerdo a la gráfica de la figura 12.7.c son: VS=8 V, IS=175 µA, IH=0.7 mA y VF=1.4 V El disparo de este dispositivo se puede realizar bien superando la tensión VS o bien aplicando una corriente de puerta IGF=100µA. TABLA 2 aplicaciones del SBS FIGURA 5
  • 5.
    ISTP CARLOS CUETO FERNANDINI EspecialidadElectrónica Industrial Prof. Luis A. Sánchez ELECTRONICA DE POTENCIA Semestre III Pag. FIGURA 6 RECTIFICADOR CONTROLADO DE SILICIO O SCR FIGURA 7 El SCR o Silicon Controled Rectifier es un dispositivo triterminal (A o ánodo, C o cátodo y G o gate o puerta de control) muy similar al diodo de cuatro capas, pero que posee una entrada adicional (G) que permite disparar el dispositivo antes de alcanzar la VBO.(Voltaje máximo de ruptura directa) En la figura 7 .a se muestra el símbolo del SCR y en la figura 8 la característica V- I FIGURA 8
  • 6.
    ISTP CARLOS CUETO FERNANDINI EspecialidadElectrónica Industrial Prof. Luis A. Sánchez ELECTRONICA DE POTENCIA Semestre III Pag. Parámetros del SCR, algunos son: Tiempo de conducción (Turn-on Time).Tiempo de la tensión de disparo para pasar al SCR de bloqueo a conducción. Ton=Tdelay time + Trisetime. Tiempo de corte (Turn-off Time).Tiempo que el SCR puede permanecer debajo de las condiciones de mantenimiento. Velocidad critica de elevación.- Las variaciones rápidas de voltaje entre AK pueden ocasionar un estado de conducción sin disparo, esta variación no debe pasar el parámetro dV/dt , si se supera además del disparo puede dañar al dispositivo, ejemplo el 2N5060 es 30V/us, típico es que los ruidos de líneas conocidos como transitorios sean los causantes. Para evitar estos problemas se ponen circuitos de protección como los siguientes. FIGURA 9 Hoja de datos tecnicos del BT151-600 Figura 10
  • 7.
    ISTP CARLOS CUETO FERNANDINI EspecialidadElectrónica Industrial Prof. Luis A. Sánchez ELECTRONICA DE POTENCIA Semestre III Pag. Nos dice que soporta un Maximo de Voltaje Pico repetitivo en estado de no conduccion de 600v. La corriente maxima RMS en estado de conduccion es 12 A., Tiene un voltaje bajo en estado de conduccion de tipico 1.4 v. y es del tipo no aislado entre puerta y catodo o placa. La informacion anterior nos dice que la corriente de disparo por compuerta IGT esta por 15 mA. Y el voltaje VGT de disparo por compuerta esta por 1.5 v. Nos dice que el promedio critico de subida volatje en estado apagado es de 200 V/us, es decir si una onda de voltaje entre anodo y catodo tiene una subida de mas de 200v. en menos de 1 us el SCR se puede disparar solo o pasar a conduccion sin necesidad de corriente de disparo por puerta. Hay cuatro maneras de activar o disparar a un SCR a)Disparo por puerta.-Es el mas comun, se aplica una corriente a la puerta, en los niveles dados por su fabricante, si se sobrepasa se puede dañar al SCR.Normalmente esta en valores como I GT=15 mA y VGT=2 v. Los SCR de alto amperaje como de 1300 A. pueden necesitar I GT=500 mA, y ademas el tiempo de duracion del pulso de corriente y voltaje debe tener una duracion minima entre 1us. a 3 us. b)Activacion o disparo por luz.-La energia de la luz dirigido a sus uniones semiconductoras puede provocar el disparo, se les llama Foto-SCR o LASCR, o comunmente OptoSCR,ejemplo el SP-101 precisa una radiacion luminica de 24 mW/cm2 con una luz de longitud de onda en 850 nm. Para su acativacion. c)Activasion por tension de ruptura.-Ocurre cuando el V AK es alto y produce la conduccion, es el VBO d)Disparo por aumento de dv/dt.-La varaicion rapida de la tension directa entre AK puede disparar al SCR. FIGURA 11 En a y b vemos Circuitos de disparo en DC
  • 8.
    ISTP CARLOS CUETO FERNANDINI EspecialidadElectrónica Industrial Prof. Luis A. Sánchez ELECTRONICA DE POTENCIA Semestre III Pag. FIGURA 12 .( c ) circuito de disparo por impulso ( d ) circuito de disparo controlado por señal alterna Los circuitos de disparo en DC vienen de interruptores mecánicos o circuitos electrónicos/digitales, los de disparo por pulsos usan un transformador de acoplo que transmite el pulso de disparo, esto permite también un aislamiento eléctrico y precisa menor potencia de disparo, pero ocupan un tamaño, generalmente son sustituidos por opto acopladores luminosos, los de disparo por alterna están diseñados para estar sincronizados entre la fase del suministro de línea y el disparo. Bloqueo de un SCR. Es el paso de pasar a corte el SCR, básicamente hay tres formas: a) Conmutación natural.-Se reduce la corriente de ánodo a menos de la corriente de mantenimiento, o cortocircuitando al dispositivo. b) Corte por polarización inversa.-Se aplica una tensión inversa entre Anodo-Catodo, conmutación por fase c) Corte por puerta.-algunos necesitan una corriente de puerta negativa, como los GTO. Regulación en potencia de un SCR. Su propiedad de conmutación de corte a saturación es muy útil cuando se controla potencias en usando pequeños valores de voltaje. En la figura 13 se quiere transferir a la carga una potencia de la tensión de línea, uso al SCR como unidad de control, un circuito de disparo que introduce un desfasaje Ф llamado Angulo de desfase o de disparo, y a π-Ф Angulo de conducción. FIGURA 13 Hay tres zonas de funcionamiento del SCR
  • 9.
    ISTP CARLOS CUETO FERNANDINI EspecialidadElectrónica Industrial Prof. Luis A. Sánchez ELECTRONICA DE POTENCIA Semestre III Pag. En la figura 14 Se ven las formas de onda del regulador de potencia, hay tres zonas de funcionamiento del tiristor. FIGURA 14 La corriente eficaz I RMS entregada a la carga se obtiene con la ecuación El Voltaje eficaz V RMS entregado a la carga se obtiene con la ecuación La Potencia eficaz V RMS entregado a la carga se obtiene con la ecuación
  • 10.
    ISTP CARLOS CUETO FERNANDINI EspecialidadElectrónica Industrial Prof. Luis A. Sánchez ELECTRONICA DE POTENCIA Semestre III Pag. Reconocimiento de terminales el SCR Bajo ohmiaje Alto ohmiaje En ambas direcciones siempre marca infinito ohmiaje APLICACIONES DEL SCR cargador de bateria
  • 11.
    ISTP CARLOS CUETO FERNANDINI EspecialidadElectrónica Industrial Prof. Luis A. Sánchez ELECTRONICA DE POTENCIA Semestre III Pag. Entendemos que las características más importantes del SCR y el Triac son: Voltaje de ruptura directo. (Repetitive peak off-state voltage). Expresa el valor máximo de voltaje repetitivo para el cual el fabricante garantiza que no hay conmutación, con la puerta en circuito abierto. Voltaje de pico inverso. (Non -repetitive peak off – state voltage). Valor máximo de tensión en sentido directo durante un determinado periodo de tiempo con la puerta abierta sin provocar el disparo. Corriente máxima de operación. Es la corriente de operación o trabajo. Caída de voltaje en polarización directa. Es el voltaje entre el ánodo y el cátodo cuando está en ON. Voltajes de compuerta. voltaje en la compuerta el mínimo para activarlo o máximo que soporta. Corrientes de compuerta. corrientes mínima y máxima que debe haber en la compuerta para que el SCR o Triac puedan conducir. Corriente de enganche. Corriente mínima entre sus dos terminales principales para mantener al dispositivo en estado de on inmediatamente después de que ha sido activado y se ha retirado la señal de la compuerta. Corriente de sostenimiento. Es la corriente mínima entre sus dos terminales principales para mantener al dispositivo conduciendo en régimen permanente. Esta corriente es menor que la corriente de enganche. dV/dt Es el máximo valor de la velocidad de cambio de voltaje de la señal entre terminales del Triac o SCR que permiten los dispositivos para no entrar en estado de conducción o bien de ruptura. dI /dt Es el máximo valor de la velocidad de cambio de corriente de la señal a través del Triac o SCR que permiten los dispositivos para no entrar en estado de conducción. Verificación y chequeo de Tiristores y Triacs Prueba con el Ohmimetro se verifica con este instrumento la gran mayoría de rectificadores SCR y TRIAC,s. Procedimiento: Coloquemos el Ohmimetro en la escala para medir baja resistencia (R x 1). Coloquemos la pinza de polaridad negativa al cátodo del SCR, y conectemos el ánodo al cable de polaridad positiva (multimetros analógicos), En este momento la aguja del medidor señala alta resistencia (si es que se mueve). Ahora hagamos un puente entre los terminales gate y ánodo, esto ocasionara que la aguja suba a una posición de baja resistencia, y se debe conservar allí aunque retiremos el puente que unió estos dos terminales y suministró la señal de disparo. Si se trata de un Triac, hagamos primero la prueba anterior, luego invertimos los terminales del Ohmetro (es posible que en esta última posición no se sostenga la aguja en su lugar de baja resistencia cuando se retire el puente, pero esto se debe a que la baja corriente del instrumento medidor no alcanza para mantener encendido el triac en esta polaridad). Para las pruebas, T1 equivale al cátodo, y T2 al ánodo.
  • 12.
    ISTP CARLOS CUETO FERNANDINI EspecialidadElectrónica Industrial Prof. Luis A. Sánchez ELECTRONICA DE POTENCIA Semestre III Pag. Un SCR es disparado por un pulso corto de corriente aplicado a la compuerta IG y fluye de compuerta a catodo, esta IGT esta entre 0.1 a 50 mA. y el VGT es ligeramente 0.6 v. .(Ver figura 15) una vez disparado ya no necesita la corriente de disparo, cuando la corriente IAK cae debajo del valor minimo IHO el SCR se apagara, este valor de FIGURA 15 corriente esta por los 10 mA. Ejercicio.-Para el esquema de la figura 16. Que voltaje se requiere en el punto X para disparar el SCR , donde la corriente de disparo esta por los 20 mA. FIGURA 16 Solucion. El voltaje en el punto X debe ser suficiente para polarizar directamente GK y causar por lo menos un flujo de 20 mA. a través de la R de 150 ohms , el voltaje directo entre GK es 0.7v. aplicamos ley de ohm. VX= ( 20 mA)(150 ohms )+0.7 V = 3.7 v Circuito de disparo simple (Fig. 17) Aquí usa la misma fuente para el disparo y para la carga. FIGURA 17 Cuando la alimentación es alterna el angulo de disparo es determinado por R2, si tiene valor bajo la corriente de compuerta es grande es alta y dispara al SCR rápidamente con una fuente de voltaje baja, por tanto el angulo de disparo es pequeño y la corriente de carga promedio será alta. En la figura 18, la 18 (a) es de un angulo de disparo en 90º motivado por una corriente de compuerta baja, la (b) es para una coriente de compuerta alta y radido disparo. FIGURA 18 a b R1 R2
  • 13.
    ISTP CARLOS CUETO FERNANDINI EspecialidadElectrónica Industrial Prof. Luis A. Sánchez ELECTRONICA DE POTENCIA Semestre III Pag. Ejercicio.- En la figura 17 supongamos a)La fuente es 115 Vrms, IGT= 15 mA. R1=3 k , se desea que el retardo de disparo ocurra a 90º, a que valor se debe ajustar R2. Solucion.-Deduciendo a 90º la fuente llega a su pico de voltaje de 115x1.41=162 v. Si ignoro VRL y VGK tendre por ley de Ohm 162v/ 15 mA=10.8K totales entre R1 y R2 por tanto si R1 =3K entonces R2=10.8k -3K= 7.8K b) La fuente es 220 Vrms, IGT= 15 mA. R1=3 k , se desea que el retardo de disparo ocurra a 90º, a que valor se debe ajustar R2. c) La fuente es 220 Vrms, IGT= 10 mA. R1=10 k , se desea que el retardo de disparo ocurra a 45º, a que valor se debe ajustar R2. Figura 19 USO DE CONDENSADORES PARA RETARDOS DE TIEMPO Es el método más sencillo para mejorar el control de puerta, como se ve en la figura 19, con esto se ajusta más de 90º, a mayor valor de potenciómetro se retarda mas. Figura 20 En la figura 20 se ve otros circuitos donde se amplía mas usando una resistencia R3, que exige que el condensador se cargue a mas de 0.6 v para dispara al SCR, y que debe forzar el paso de la corriente IGT pero con mayor voltaje, esto forma una rede simple RC, se puede agregar otro condensador C2 y tener como el circuito 20-(b) donde se tiene C1, C2 , R3 , mas el diodo que retardan mas el Angulo de disparo, estos condensadores tiene valores en el rango de 0.01 uF a 1 uF. Según estos valores el Angulo de retardo mínimo (corriente de carga máxima) es determinado por los valores de R fijas R1 y R3, y el Angulo de disparo máximo (corriente de carga mínima) lo determina R2.
  • 14.
    ISTP CARLOS CUETO FERNANDINI EspecialidadElectrónica Industrial Prof. Luis A. Sánchez ELECTRONICA DE POTENCIA Semestre III Pag. En los circuitos anteriores había la desventaja de que había una dependencia de la temperatura, ya que a mayor temperatura del dispositivo su corriente de disparo disminuye y esto origina un cambio en el angulo de disparo y en consecuencia cambia la corriente sobre la carga, y otra desventaja es que no todos los SCR tienen el mismo valor de disparo. Figura 21 El circuito de la figura 21 elimina estas dificultades, usa un diodo de cuatro capas, donde si el voltaje de condensador es menor al de disparo del diodo , el diodo, se comporta como un interruptor abierto, si el voltaje del condensador es mayor al voltaje de disparo del diodo, este diodo pasa a conducción y se comporta como un interruptor cerrado, y la carga del condensador se descarga disparando al SCR en forma segura. El diodo de cuatro capas es mas estable con la temperatura y su voltaje de disparo es mas uniforme en su fabricación. Otros dispositivos se pueden usar con tal fin, como el SUS (interruptor unilateral de silicio), el SBS (interruptor bilateral de silicio), El DIAC , y el UJT. METODOS ALTERNOS DE CONEXIÓN DE CARGAS a)Control unidireccional de onda completa, Ver Figura 22. Usa un transformador con derivación central para un control de potencia en onda completa, es como una fuente de onda completa, cada SCR tiene su circuito de disparo independiente, Figura22 la corriente en la carga siempre fluye en una dirección, las ondas muestran el voltaje en la carga para un angulo de disparo de 45º.
  • 15.
    ISTP CARLOS CUETO FERNANDINI EspecialidadElectrónica Industrial Prof. Luis A. Sánchez ELECTRONICA DE POTENCIA Semestre III Pag. b) Control bidireccional de onda completa Figura 23 En este circuito el SCR1 puede dispararse en el semiciclo positivo y el SCR2 en el semiciclo negativo, la corriente en la carga no es unidireccional , hay dos polaridades en la carga, las ondas muestran el voltaje en la carga para un retardo de 120º . c) Circuitos en puente que contiene un SCR Figura 24 Un solo SCR puede controlar ambos semiciclos de una fuente AC, en el semiciclo positivo los diodos A y C se polarizan en directa, cuando el SCR se dispara la línea de voltaje se aplica en la carga. Cuando la línea esta en el semiciclo negativo los diodos B y D están polarizados en directa, y la tensión de línea se aplica en la carga, y las formas de onda del voltaje en la carga para un angulo de disparo de 120 º. En le diagrama 24-b se ve un puente en onda completa con un SCR y la carga en serie con el SCR, la corriente de carga es unidireccional y su forma de onda es la mostrada.
  • 16.
    ISTP CARLOS CUETO FERNANDINI EspecialidadElectrónica Industrial Prof. Luis A. Sánchez ELECTRONICA DE POTENCIA Semestre III Pag. 1.-CIRCUITO RC SERIE Se tiene un circuito de control de un motor usando un SCR de Imax 10 Amp. Con corriente de disparo ISC=10 mA. Y disparo VGK = 1.5 v. El motor es de 100 W. de potencia Hallar. a)Hallar la expresión de la corriente de carga al condensador en funcion del tiempo. b) Hallar la expresión del voltaje en el condensador en funcion del tiempo. c)Con los valores de los componentes cuanto de voltaje debe haber en el condensador para disparar al SCR d)En que tiempo desde que comienza a cargarse el condensador se dispara el SCR. Si el potenciómetro se reajusta a 100 k. en otro momento a 300k, en Figura 26 otro momento a 500 K, en otro momento a 700 K, y en otro momento a 1 M e)Si V= 220 VRMS, Cuanto es la corriente máxima en la carga de 100w, 500 W 1 KW., con el SCR del dato cuanto de potencia máxima puedo manejar, si deseo manejar una potencia de 10 KW de cuanto amperaje será el SCR, y si cambio a un motor de 50 KW cuanto será el amperaje del SCR. f) transcurrido el tiempo de 1 seg. Cuanto es la corriente hacia el condensador g) transcurrido el tiempo de 0.1 seg. Cuanto es la corriente hacia el condensador h)graficar la corriente en el tiempo i(t) i) graficar la corriente en el tiempo VC (t) j)buscar en el manual los datos técnicos de un SCR a 25 AMP. 100 AMP, 300 AMP. Compare su forma física de cada uno. 2.-Se tiene la siguiente expresión de la Corriente DC a través de la carga, donde el angulo Ф es el angulo de disparo y α= 180 –Ф es el angulo de conducción. )cos1( 2 LR Vm Idc Asumiendo Vmax= 310 v. y una carga RL = 50 ohms. Determine la corriente IDC en el momento que se tiene estos angulos de disparo
  • 17.
    ISTP CARLOS CUETO FERNANDINI EspecialidadElectrónica Industrial Prof. Luis A. Sánchez ELECTRONICA DE POTENCIA Semestre III Pag. Angulo de disparo graficar el angulo de disparo y el angulo de conducción usando la onda alterna de línea IDC 10 90 120 La corriente eficaz I RMS entregada a la carga se obtiene con la ecuación El Voltaje eficaz V RMS entregado a la carga se obtiene con la ecuación La Potencia eficaz V RMS entregado a la carga se obtiene con la ecuación
  • 18.
    ISTP CARLOS CUETO FERNANDINI EspecialidadElectrónica Industrial Prof. Luis A. Sánchez ELECTRONICA DE POTENCIA Semestre III Pag. Hallar la potencia RMS entregada a la carga en los siguientes angulos de disparo Angulo de disparo Angulo de conduccion I RMS V RMS P RMS 10 30 45 90 100 135 150 EL TRANSISTOR UJT Figura 27 El transistor (unijunction transistor) o UJT está constituido por tres terminales externos: dos bases y un emisor. En la figura 27.a aparece la estructura física. La resistencia entre SIMBOLO las dos bases, RBB o resistencia interbase, es alta (5 a 10K estando el emisor abierto). El modelo equivalente representado en la figura 27.b está constituido por un diodo conectada la unión de dos resistencias internas, R1 y R2 , donde RBB = R1 + R2. Cuando el diodo no conduce, la caída de tensión en R1 (V1) se puede expresar como: en donde VB2B1 es la diferencia de tensión entre las bases del UJT y ƞ es el factor de división de tensión conocido como relación intrínseca. Su actuar de un UJT es muy similar al de un SCR. En la figura 28 se ve características FIGUR.28 eléctricas del dispositivo. Se definen dos puntos críticos: punto de pico o peak-point (Vp, Ip) y punto de valle o valley-point (Vv, Iv), ambos verifican la condición de dVE/dIE = 0. Estos punto definen tres regiones de operación: región de corte, región de resistencia negativa y región de saturación:
  • 19.
    ISTP CARLOS CUETO FERNANDINI EspecialidadElectrónica Industrial Prof. Luis A. Sánchez ELECTRONICA DE POTENCIA Semestre III Pag. Región de corte Aqui la tensión de emisor es baja. La corriente de emisor es muy baja y se verifica que VE <VP e IE <IP. La tensión de pico en el UJT se define: donde la VF varía entre 0.35 V a 0.7 V con un valor típico de 0.5 V. Por ejemplo, para el 2N2646 es de 0.49V a 25ºC. El UJT en esta región se comporta como un elemento resistivo lineal entre las dos bases de valor RBB. Región de resistencia negativa Si la tensión de emisor polariza el diodo de emisor, es decir, VE=VP entonces el diodo entra en conducción disminuyendo bruscamente la resistencia R1. En esta región, la corriente de emisor está comprendida entre la corriente de pico y de valle (IP < IE < IV). Región de saturación Esta zona es similar a la zona activa de un tiristor. En esta región, la corriente de emisor es mayor que la corriente de valle (IE > IV). Oscilador de relajación con UJT Figura 29 Es la aplicacion más típicas del UJT como oscilador de relajación que se utilizan como circuito de control de SCRs y TRIACs. El esquema eléctrico de este circuito se muestra en la figura 29 Cuando el UJT está en la región de corte, el condensador C se carga a través de R. Este proceso de carga finalizará si la tensión de emisor (Vc) es suficiente para entrar al UJT en la región de resistencia negativa Vc =Vp), en cuyo caso la corriente de emisor descarga bruscamente el condensador hasta alcanzar la tensión de P valle (Vc =Vv ).
  • 20.
    ISTP CARLOS CUETO FERNANDINI EspecialidadElectrónica Industrial Prof. Luis A. Sánchez ELECTRONICA DE POTENCIA Semestre III Pag. En estas condiciones, si el circuito ha sido diseñado para que la resistencia R no proporcione la suficiente corriente de mantenimiento (IE < IV) entonces el UJT conmutará de forma natural a corte y el condensador volverá a cargarse de nuevo a través de R. La figura 29 .b indica el diagrama temporal de las tensiones VC, VOB1 y VOB2 . En resumen, para asegurar que el circuito de la figura 29 se comporta como un oscilador, R debe verificar que Las ecuaciones que verifica este oscilador son las siguientes. Vc. Proceso de carga del condensador se realiza a través de R. Se inicia con la tensión Vv y tiende a cargarse hasta Vcc. La tensión Vc viene dada por la siguiente ecuación: Periodo de oscilación. El periodo de oscilación está definido por el tiempo (to) que tarda el condensador en alcanzar la tensión de activación del UJT (Vp). Es decir, el tiempo to necesario para que la tensión Vc(t=to)=Vp se obtiene a partir de la ecuación y vale VOB1 y VOB2. Estas tensiones las proporciona el fabricante en forma de gráfica en función de las resistencias RB1 y RB2 asociadas a la base del UJT; se supone que RB1 y RB2 << RBB. El tiempo de validez de estas tensiones depende del tiempo de conmutación y corte del UJT y suelen ser del orden del 1% del periodo de oscilación del circuito. Por ejemplo, el 2N2646 produce una tensión VOB1=5V (typ) si RB1 =20 ohmios y VB2B1 =20 V. Figura 30
  • 21.
    ISTP CARLOS CUETO FERNANDINI EspecialidadElectrónica Industrial Prof. Luis A. Sánchez ELECTRONICA DE POTENCIA Semestre III Pag. EL TRANSISTOR TUP FIGURA 35 El Unijunction Transistor programable (PUT) es un dispositivo que puede actuar como un UJT. Sus electrodos son ánodo (A), el cátodo (K) y la compuerta (G), se llama programable porque la tensión en catodo puede elegirse, lo que equivale a cambiar la relación de η de un UJT, se usa como un oscilador de relajación. El voltaje de compuerta VG se mantiene desde la alimentación mediante el divisor resistivo del voltaje R1 y R2, y determina el voltaje de pico Vp. En el caso del UJT, Vp está fijo por el voltaje de alimentación de DC, pero en un PUT puede variar al modificar el valor del divisor resistivo R1 y R2. Si el voltaje del ánodo VA es menor que el voltaje de compuerta VG, le dispositivo se conservará en su estado inactivo, pero si el voltaje de ánodo excede al de compuerta en una caída de voltaje de diodo VD, se alcanzará el punto de pico y el dispositivo se activará. La corriente de pico Ip y la corriente del punto de valle Iv dependen de la impedancia equivalente en la compuerta RG = R1.R2 / ( R1+R2 ) y del voltaje de alimentación Vs. R y C controlan la frecuencia junto con R1 y R2. FIGURA 36 El periodo de oscilación T está dado en forma aproximada por: T = 1 / f = R.C ln ( Vs / Vs-Vp) = R.C ln (1+R2/R1) ver figura 36 En el circuito de la Figura 37, la oscilación se produce con el condensador que se carga a la tensión de pico a través de la resistencia R y, a continuación, se descarga a través del PUT. R debe ser lo suficientemente grande para limitar la corriente. La corriente de valle se determina por RT . Para RT = 1MΩ, la corriente del valle es de 18 μA, para 10k es 150 μA, y para 200Ω es 1,5 mA. El circuito que se muestra da un período de 1,26 ms, la salida oscilante 0,8-8,8 V.. Una pequeña resistencia se puede colocar aquí en catodo para la salida de voltaje, o este punto se puede conectar a la activación de otro dispositivo PNPN para la salida de corriente. FIGURA 37 Gate
  • 22.
    ISTP CARLOS CUETO FERNANDINI EspecialidadElectrónica Industrial Prof. Luis A. Sánchez ELECTRONICA DE POTENCIA Semestre III Pag. FIGURA 38 La operación comienza. Ver figura 38-a, cuando aparece Vs, CT se carga hasta la tensión de pico del PUT (la cual es programada mediante R1 y R2). En ese instante, el PUT entra en conducción descargando Ct a través de Rgk. El pico de corriente que aparece sobre Rgk produce un pico de tensión, que es el que dispara al SCR).Cuando el capacitor se descarga lo suficiente, el PUT vuelve a entrar en estado de corte y se reinicia el ciclo, cargándose nuevamente CT a través de RT. Si Vs es una continua pura, el ciclo se repite en forma periódica.
  • 23.
    ISTP CARLOS CUETO FERNANDINI EspecialidadElectrónica Industrial Prof. Luis A. Sánchez ELECTRONICA DE POTENCIA Semestre III Pag. Frecuentemente es necesario sincronizar el temporizado de los pulsos de salida con los puntos de cruce por cero de la tensión de línea. Un circuito básico para lograr la sincronización es el que se ve en la figura 38-b. Mediante el puente diodos y el diodo zener D1, se obtiene una tensión de control Vs como la de la figura 38- c. De esta manera, tanto Vs como la tensión de pico del PUT cruzan por cero cada vez que la tensión de línea cruza por cero. Esto hace que CT se descargue al final de cada semiciclo, y comience el siguiente semiciclo descargado. Por lo tanto, aun si el PUT no se disparó en un semiciclo, el capacitor inicia el siguiente semiciclo descargado. En consecuencia, los valores de Rt y Ct controlan directamente el ángulo de fase en el cual se produce el pulso en cada semiciclo. El diodo zener provee estabilización de tensión para que el circuito de disparo dé siempre el mismo pulso independientemente de las fluctuaciones normales de la línea EL TRIAC FIGURA 39 terminales simbolo El TRIAC (tríodo de corriente alterna) tiene tres terminales, puede considerarse eléctricamente como dos tiristores en anti- paralelo. Presenta, dos ventajas fundamentales sobre el circuito de control resulta mucho más sencillo al no existir más que un electrodo de mando. Puede bascular al estado conductor independientemente de la polaridad de la tensión aplicada al terminal de control. La figura 39 muestra su símbolo. Los electrodos a los que se aplica la tensión principal a controlar se les denominan ánodo 2 (A2) o terminal 2, y ánodo 1 (A1) o terminal 1; al electrodo de control se le denomina puerta (G). El paso de la corriente principal se efectuara entre A2 y A1, siendo el circuito de control el formado por G y A1. FIGURA 40
  • 24.
    ISTP CARLOS CUETO FERNANDINI EspecialidadElectrónica Industrial Prof. Luis A. Sánchez ELECTRONICA DE POTENCIA Semestre III Pag. Figura 40 Del análisis de las graficas de las figuras 40 Y 41-a y 41-b se deduce que hay tres posibles modos de aplicar el impulso de disparo de un. FIGURA 41 Disparo por impulsos siempre positivos (cuadrantes I y IV). Es la forma más cómoda si se dispone de una fuente de señal de disparo suficiente- mente potente, ya que presenta el inconveniente de la menor sensibilidad al cebado del elemento en el cuadrante IV. Disparo por impulsos siempre negativos (cuadrantes II y III). Presenta el inconveniente de la mayor intensidad de cebado requerida en el cuadrante II. Disparo por impulsos alternativamente positivos y negativos (cuadrantes I y III). Es el caso más favorable, sobre todo si la polaridad de los impulsos coincide con la polaridad de la tensión del circuito principal. Por lo visto anteriormente, se trabaja preferentemente con la misma polaridad para la tensión A2- A1 (V21) que para la tensión G – A1 (VG1), o bien, si sólo es posible disponer de impulsos de control de una única polaridad, con impulsos siempre negativos. FIGURA 42 Un TRIAC es colocado en serie con la carga igual al SCR como se ve en la figura 42, la corriente promedio entregada a la carga se puede variar variando su angulo de conducción, con un arreglo del circuito de disparo el TRIAC puede conducir los 360º del ciclo,
  • 25.
    ISTP CARLOS CUETO FERNANDINI EspecialidadElectrónica Industrial Prof. Luis A. Sánchez ELECTRONICA DE POTENCIA Semestre III Pag. Las formas de onda de los TRIACs son muy parecidas a las del SCR, excepto que pueden dispararse durante ciclo negativo, en la figura 43 – a vemos al TRIAC apagado durante los primeros 30º, aquí se comporta como un interruptor abierto en ese tiempo cae todo el voltaje de línea en el TRIAC y nada en la carga pues no hay corriente significativa a través de la carga, esta parte del semiciclo se llama Angulo de retardo de disparo , transcurrido los 30º el TRIAC pasa a conducción y conduce el resto de los 180º, al pasar al ciclo negativo de la línea sobreviene el disparo pero de polaridad negativa de la misma forma que el anterior pulso de disparo pero ahora negativo, e igualmente el Angulo de conducción es el mismo complemento de los 30º, ósea 150º, pero ahora negativo, en la figura 43-b , vemos igual proceso, pero ahora el Angulo de disparo es mayor ósea 120º y el Angulo de conducción es 60º. Figura 43 (a) Figura 43 (b) METODOS DE DISPARO PARA LOS TRIACs El circuito de disparo más sencillo para un TRIAC se ve en la figura 44 (a), el condensador C se carga a través de R1 y R2 durante la parte del Angulo de disparo, durante el semiciclo positivo MT2 es más positivo que MT1 el C se carga a un voltaje positivo. FIGURA 44
  • 26.
    ISTP CARLOS CUETO FERNANDINI EspecialidadElectrónica Industrial Prof. Luis A. Sánchez ELECTRONICA DE POTENCIA Semestre III Pag. al llegar a un nivel suficiente para producir la IGT a través de R3 y dispara al TRIAC, pero tener una red RC no es suficiente para tener retardo de más de 90 º se pone otra red RC, doble red RC para más de 90º como se ve en la figura 44-B. Los circuitos de control de compuerta se mejoran agregando dispositivos de disparo como el DIAC, y otros mas. La ventaja es que estos dispositivos dan un pulso de corriente de compuerta en lugar de una corriente de puerta senoidal. Al DIAC como se ve en la figura 45 se le conoce como diodo bidireccional de disparo o diodo simetrico de disparo, otros le llaman diodo de corriente alterna. FIGURA 45 EL DIAC Está preparado para conducir en los dos sentidos de sus terminales, (diodo de corriente alterna). En la figura 46 se representa su símbolo, siendo el nombre de sus terminales los de A2 y A1. La curva característica del diac es igualmente simétrica respecto del origen, pero sólo cuenta con una curva, ya que no dispone de terminal de puerta. Otra diferencia respecto del triac es que la tensión a la que se produce el cebado es considerablemente menor y suele estar alrededor de los 30 voltios. Esta curva se representa en la Figura 47. Debido a su comportamiento bidireccional y a su bajo valor de tensión de cebado, se suele emplear como elemento de disparo de un tiristor o un TRIAC. . FIGURA 46 FUNCIONAMIENTO El principal empleo del triac es como regulador de la potencia media entregada a una carga, pero debido a sus características de conducción bidireccional, sólo será ventajoso respecto al tiristor en aquellas cargas que no requieran rectificación de la corriente alterna: por ejemplo, lámparas, radiadores eléctricos, etc. O en aquellas que no pueden ser controladas mediante corriente continua, por ejemplo motores. Grafica 47 Curva característica del DIAC
  • 27.
    ISTP CARLOS CUETO FERNANDINI EspecialidadElectrónica Industrial Prof. Luis A. Sánchez ELECTRONICA DE POTENCIA Semestre III Pag. CIRCUITO DE CONTROL DE PUERTA DE TRIAC. FIGURA 48 FIGURA 49 En la figura 48 vemos un esquema para aplicación de dos dispositivos usados en el disparo uno es el diodo de cuatro capas o DIAC y un transformador de pulsos. El puente de diodos rectifica la alterna y entrega un voltaje DC a la red de temporización RC, en la figura 49 vemos las ondas de este circuito, onda (a) es el Voltaje de línea, onda (b) es el voltaje rectificado por el puente de diodos, onda (c) es el voltaje VC en el condensador el pico de la onda es el nivel del voltaje de disparo del DIAC, onda (d) es la onda de la corriente del primario del transformador de pulsos, onda (e) es la onda de la corriente en el secundario del transformador invertida, onda (f) es el voltaje de la onda en la carga. El transformador de pulsos porque el circuito RC debe estar aislado eléctricamente del circuito G-MT1, ya que el puente de diodos está conectado a MT1, si se elimina el transformador habría un cortocircuito G MT1 y el puente. LOS UJT COMO DISPOSITIVO DE DISPARO PARA TRIAC En el control de potencia industrial hay veces que el punto de disparo es determinado por una señal de voltaje realimentada, este es un voltaje que representa condiciones de la carga, para una carga de motor un voltaje proporcional a la velocidad del eje del motor se puede usar como señal de realimentación para controlar el Angulo de retardo de disparo del TRIAC y por tanto la velocidad del motor, hay veces la señal realimentada toma forma de una resistencia variable en lugar de voltaje variable, la figura 50 muestra el diagrama de una configuración de disparo de UJT con realimentación, RF se modifica a medida que las condiciones de carga cambian. En la figura 50 el T1 es un transformador de aislamiento, aísla el circuito de potencia AC del circuito de disparo DC, este voltaje pulsante positivo se aplica a un Zener de 24v. y resistencia Rd, este zener entrega un voltaje sincronizado con la linea de 24v. el C1 se carga el C1 al Vp del UJT, se dispara el UJT dando un pulso al transformador T2 disparando al TRIAC.
  • 28.
    ISTP CARLOS CUETO FERNANDINI EspecialidadElectrónica Industrial Prof. Luis A. Sánchez ELECTRONICA DE POTENCIA Semestre III Pag. FIGURA 50 En la figura 51 se ven las ondas de este circuito, para un angulo de disparo de unos 135º FIGURA 51 La onda (a) es la onda del Voltaje de Completa recortado por el zener a un pico de 24 v. que alimenta al circuito de disparo, formado por un transistor y un UJT, onda (b) es el Voltaje en el condensador, se ve un pico que crece hasta alcanzar el VP , voltaje de disparo del UJT, onda(c) es la onda de los pulsos de corriente del secundario en el transformador de pulsos onda (d) es la onda del Voltaje en la carga. El voltaje en R1 es RFR R vVR 1 1 )24(1 por tanto .7.0)2)(1(1 vRIEVR Es decir .7.0)2)(1(1 vRICVR por tanto la corriente de carga al condensador C1 es v RfR vR RR VR IC 7.0 1 124 2 1 2 7.01 1 esta expresión dice que la corriente de carga del capacitor sube, mientras que Rf disminuye, y para una RF dada la corriente de carga es constante., y se tiene la siguiente relación. C IC t V
  • 29.
    ISTP CARLOS CUETO FERNANDINI EspecialidadElectrónica Industrial Prof. Luis A. Sánchez ELECTRONICA DE POTENCIA Semestre III Pag.
  • 30.
    ISTP CARLOS CUETO FERNANDINI EspecialidadElectrónica Industrial Prof. Luis A. Sánchez ELECTRONICA DE POTENCIA Semestre III Pag.
  • 31.
    ISTP CARLOS CUETO FERNANDINI EspecialidadElectrónica Industrial Prof. Luis A. Sánchez ELECTRONICA DE POTENCIA Semestre III Pag.
  • 32.
    ISTP CARLOS CUETO FERNANDINI EspecialidadElectrónica Industrial Prof. Luis A. Sánchez ELECTRONICA DE POTENCIA Semestre III Pag.
  • 33.
    ISTP CARLOS CUETO FERNANDINI EspecialidadElectrónica Industrial Prof. Luis A. Sánchez ELECTRONICA DE POTENCIA Semestre III Pag.
  • 34.
    ISTP CARLOS CUETO FERNANDINI EspecialidadElectrónica Industrial Prof. Luis A. Sánchez ELECTRONICA DE POTENCIA Semestre III Pag.
  • 35.
    ISTP CARLOS CUETO FERNANDINI EspecialidadElectrónica Industrial Prof. Luis A. Sánchez ELECTRONICA DE POTENCIA Semestre III Pag.
  • 36.
    ISTP CARLOS CUETO FERNANDINI EspecialidadElectrónica Industrial Prof. Luis A. Sánchez ELECTRONICA DE POTENCIA Semestre III Pag. Existen dos formas básicas de controlar la potencia entregada a la carga por un triac: Por variación del ángulo de conducción Por paquetes de semi-ondas a tensión cero. De estas dos posibles formas, nosotros trataremos a la primera de ellas, existiendo una amplia variedad de circuitos integrados específicos para el control de un triac mediante la segunda. Una representación de estas formas básicas se da en la grafica 3.
  • 37.
    ISTP CARLOS CUETO FERNANDINI EspecialidadElectrónica Industrial Prof. Luis A. Sánchez ELECTRONICA DE POTENCIA Semestre III Pag. Grafica 3 Control de potencia con trias (a) Por variación del ángulo de conducción (b) Por paquetes de semi-ondas a tensión cero PROCEDIMIENTO: 1. Arme el circuito de la Fig. 3 Figura 3 Control de potencia con triac 2. Ajustar P a su valor mínimo 3. Medir con el osciloscopio, empleando una sonda atenuadora, las formas de onda de VRL, de V21 y de VG1. Dibujarlas. 4. Repetir el punto 3 para el máximo valor de P. Descripción del Circuito: Al igual que con el tiristor, el cebado del triac se realiza mediante una célula R-C, que introduce un desfase debido a la constante de tiempo de carga del condensador. En el circuito de la figura 3 se observa que la constante de tiempo está determinada por los valores de R + P y de C. El funcionamiento de este circuito es bastante sencillo. En el semiciclo positivo (A2 positivo respecto a A1), el condensador se carga a través de R + P con la misma polaridad que la tensión entre ánodos. Cuando se alcanza la tensión de cebado del diac, permitiendo que el condensador se descargue y produciendo un impulso de corriente que ceba al triac, la tensión de este último cae prácticamente a cero, aplicando, por tanto, toda la tensión de red a la carga. Durante el semiciclo negativo, el funcionamiento es idéntico al descrito anteriormente, con las polaridades invertidas. La gráfica 4 muestra las formas de onda implicadas en el circuito de la figura 3. Lógicamente, el retraso introducido por el circuito R-C puede ser variado mediante P y con ello, la potencia media que recibe la carga, que como se ha dicho puede ser una lámpara, un radiador eléctrico o u motor de alterna. La resistencia R se ha intercalado en el circuito para asegurar un ángulo de conducción no demasiado alto. En la gráfica 4 se observa que la tensión aplicada en la carga no es igual en todos los semiciclos, siendo menor en el primero de ellos. Esto se debe a la descarga parcial que sufre C en el momento del cebado del triac, con lo que en el siguiente semiciclo se alcanzará antes la tensión de cebado del diac, y se conoce con
  • 38.
    ISTP CARLOS CUETO FERNANDINI EspecialidadElectrónica Industrial Prof. Luis A. Sánchez ELECTRONICA DE POTENCIA Semestre III Pag. el nombre de histéresis. Efecto totalmente indeseable en cualquier circuito de regulación de potencia, ya que no permite una regulación precisa desde el principio, siendo necesario ajustar primero un ángulo de conducción elevado, para posteriormente aumentar P, si lo que se pretende es una baja potencia de carga. Grafica 4 Formas de onda del circuito de la figura 3 Una de las soluciones para evitar en lo posible el efecto de la histéresis es la que se muestra en el circuito de la figura 4, en el que se ha añadido otra célula R-C, la formada por R2 y C2. PROCEDIMIENTO: 5. Arme el circuito de la Fig. 4 6. Ajustar P a su valor mínimo 7. Medir con el osciloscopio, empleando una sonda atenuadora, las formas de onda de VRL, de V21 y de VG1. Dibujarlas. 8. Repetir el punto 7 para el máximo valor de P
  • 39.
    ISTP CARLOS CUETO FERNANDINI EspecialidadElectrónica Industrial Prof. Luis A. Sánchez ELECTRONICA DE POTENCIA Semestre III Pag. FIG. 3 CARACTERISTICA TENSION – CORRIENTE FIG. 4 La FIG. 4 describe la característica tensión – corriente del Triac. Muestra la corriente a través del Triac como una función de la tensión entre los ánodos MT2 y MT1. METODOS DE DISPARO Como hemos dicho, el Triac posee dos ánodos denominados ( MT1 y MT2) y una compuerta G. La polaridad de la compuerta G y la polaridad del ánodo 2, se miden con respecto al ánodo 1. El triac puede ser disparado en cualquiera de los dos cuadrantes I y III mediante la aplicación entre los terminales de compuerta G y MT1 de un impulso positivo o negativo. Esto le da una facilidad de empleo grande y simplifica mucho el circuito de disparo. Veamos cuáles son los fenómenos internos que tienen lugar en los cuatro modos posibles de disparo. 1 – El primer modo del primer cuadrante designado por I (+), es aquel en que la tensión del ánodo MT2 y la tensión de la compuerta son positivas con respecto al ánodo MT1 y este es el modo mas común (Intensidad de compuerta entrante). La corriente de compuerta circula internamente hasta MT1, en parte por la union P2N2 y en parte a través de la zona P2. Se produce la natural inyección de electrones de N2 a P2, que es favorecida en el área próxima a la compuerta por la caida de tensión que produce en P2 la circulación lateral de corriente de compuerta. Esta caída de tensión se simboliza en la figura por signos + y - . Parte de los electrones inyectados alcanzan por difusión la unión P2N1 que bloquea el potencial exterior y son acelerados por ella iniciándose la conducción. 2 – El Segundo modo, del tercer cuadrante, y designado por III(-) es aquel en que la tensión del ánodo MT2 y la tensión de la compuerta son negativos con respecto al ánodo MT1 (Intensidad de compuerta saliente). Se dispara por el procedimiento de puerta remota, conduciendo las capas P2N1P1N4. La capa N3 inyecta electrones en P2 que hacen más conductora la unión P2N1. La tensión positiva de T1 polariza el área próxima de la unión P2N1 más positivamente que la próxima a la puerta. Esta polarización inyecta huecos de P2 a N1 que alcanzan en parte la unión N1P1 y la hacen pasar a conducción. 3 – El tercer modo del cuarto cuadrante, y designado por I(-) es aquel en que la tensión del ánodo MT2 es positiva con respecto al ánodo MT1 y la tensión de disparo de la compuerta es negativa con respecto al ánodo MT1( Intensidad de compuerta saliente).
  • 40.
    ISTP CARLOS CUETO FERNANDINI EspecialidadElectrónica Industrial Prof. Luis A. Sánchez ELECTRONICA DE POTENCIA Semestre III Pag. El disparo es similar al de los tiristores de puerta de unión. Inicialmente conduce la estructura auxiliar P1N1P2N3 y luego la principal P1N1P2N2. El disparo de la primera se produce como en un tiristor normal actuando T1 de puerta y P de cátodo. Toda la estructura auxiliar se pone a la tensión positiva de T2 y polariza fuertemente la unión P2N2 que inyecta electrones hacia el área de potencial positivo. La unión P2N1 de la estructura principal, que soporta la tensión exterior, es invadida por electrones en la vecindad de la estructura auxiliar, entrando en conducción. 4 – El cuarto modo del Segundo cuadrante y designado por III(+) es aquel en que la tensión del ánodo T2 es negativa con respecto al ánodo MT1, y la tensión de disparo de la compuerta es positiva con respecto al ánodo MT1(Intensidad de compuerta entrante). El disparo tiene lugar por el procedimiento llamado de puerta remota. Entra en conducción la estructura P2N1P1N4. La inyección de N2 a P2 es igual a la descrita en el modo I(+). Los que alcanzan por difusión la unión P2N1 son absorbido por su potencial de unión, haciéndose más conductora. El potencial positivo de puerta polariza más positivamente el área de unión P2N1 próxima a ella que la próxima a T1, provocándose una inyección de huecos desde P2 a N1 que alcanza en parte la unión N1P1 encargada de bloquear la tensión exterior y se produce la entrada en conducción. El estado I(+), seguido de III(-) es aquel en que la corriente de compuerta necesaria para el disparo es mínima. En el resto de los estados es necesaria una corriente de disparo mayor. El modo III(+) es el de disparo más difícil y debe evitarse su empleo en lo posible. En general, la corriente de encendido de la compuerta, dada por el fabricante, asegura el disparo en todos los estados. FORMAS DE ONDA DE LOS TRIACS La relación en el circuito entre la fuente de voltaje, el triac y la carga se representa en la FIG.7. La corriente promedio entregada a la carga puede variarse alterando la cantidad de tiempo por ciclo que el triac permanece en el estado encendido. Si permanece una parte pequeña del tiempo en el estado encendido, el flujo de corriente promedio a través de muchos ciclos será pequeño, en cambio si permanece durante una parte grande del ciclo de tiempo encendido, la corriente promedio será alta. Un triac no esta limitado a 180 de conducción por ciclo. Con un arreglo adecuado del disparador, puede conducir durante el total de los 360 del ciclo. Por tanto proporciona control de corriente de onda completa, en lugar del control de media onda que se logra con un SCR. Para ver el gráfico seleccione la opción "Descargar" del menú superior FIG.7 Las formas de onda de los triacs son muy parecidas a las formas de onda de los SCR, a excepción de que pueden dispararse durante el semiciclo negativo. En la FIG.8 se muestran las formas de onda tanto para el voltaje de carga como para el voltaje del triac ( a través de los terminales principales) para dos condiciones diferentes. En la FIG.8 (a), las formas de onda muestran apagado el triac durante los primeros 30 de cada semiciclo, durante estos 30 el triac se comporta como un interruptor abierto, durante este tiempo el voltaje completo de línea se cae a través de las terminales principales del triac, sin aplicar ningún voltaje a la carga. Por tanto no hay flujo de corriente a través del triac y la carga.
  • 41.
    ISTP CARLOS CUETO FERNANDINI EspecialidadElectrónica Industrial Prof. Luis A. Sánchez ELECTRONICA DE POTENCIA Semestre III Pag. La parte del semiciclo durante la cual existe seta situación se llama ángulo de retardo de disparo. Después de transcurrido los 30 , el triac dispara y se vuelve como un interruptor cerrado y comienza a conducir corriente a la carga, esto lo realiza durante el resto del semiciclo. La parte del semiciclo durante la cual el triac esta encendido se llama ángulo de conducción. La FIG.8 (b) muestran las mismas formas de ondas pero con ángulo de retardo de disparo mayor. FIG.8 CIRCUITO PRACTICO PARA DISPARO FIG.5 En la FIG. 5 se muestra un circuito practico de disparo de un triac utilizando un UJT. El resistor RF es un resistor variable que se modifica a medida que las condiciones de carga cambian. El transformador T1 es un transformador de aislamiento, y su propósito es aislar eléctricamente el circuito secundario y el primario, para este caso aísla el circuito de potencia ca del circuito de disparo. La onda senoidal de ca del secundario de T1 es aplicada a un rectificador en puente y la salida de este a una combinación de resistor y diodo zener que suministran una forma de onda de 24 v sincronizada con la línea de ca. Esta forma de onda es mostrada en la FIG. 6 (a). Cuando la alimentación de 24 v se establece, C1 comienza a cargarse hasta la Vp del UJT, el cual se dispara y crea un pulso de corriente en el devanado primario del transformador T2. Este se acopla al devanado secundario, y el pulso del secundario es entregado a la compuerta del triac, encendiéndolo durante el resto del semiciclo. Las formas de onda del capacitor( Vc1), corriente del secundario de T2 ( Isec) y voltaje de carga (VLD), se muestran en la FIG. 6 (b), (c),(d).
  • 42.
    ISTP CARLOS CUETO FERNANDINI EspecialidadElectrónica Industrial Prof. Luis A. Sánchez ELECTRONICA DE POTENCIA Semestre III Pag. La razón de carga de C1 es determinada por la razón de RF a R1, que forman un divisor de voltaje, entre ellos se dividen la fuente de cd de 24 v que alimenta al circuito de disparo. Si RF es pequeño en relación a R1, entonces R1 recibirá una gran parte de la fuente de 24 v , esto origina que eltransistor pnp Q1 conduzca, con una circulación grande de corriente por el colector pues el voltaje de R1 es aplicado al circuito de base, por lo tanto C1 se carga con rapidez. Bajo estas condiciones el UJT se dispara pronto y la corriente de carga promedio es alta. Por otra parte se RF es grande en relación a R1, entonces el voltaje a través de R1 será menor que en el caso anterior, esto provoca la aparición de un voltaje menor a través del circuito base-emisor de Q1 con la cual disminuye su corriente de colector y por consiguiente la razón de carga de C1 se reduce, por lo que le lleva mayor tiempo acumular el Vp del UJT. Por lo tanto el UJT y el triac se disparan después en el semiciclo y la corriente de carga promedio es menor que antes. FIG.6 DISEŇO DEL CIRCUITO PRACTICO Para el circuito de la FIG. 5, suponga las siguientes condiciones, R1 = 5 kW , Rf = 8 kW , R2=2,5kW , C1=0,5 m F, h = 0,58. Supóngase que R1 y Rf están en serie, , luego , de la ecuación , El capacitor debe cargarse hasta el Vp del UJT, que esta dado por, El tiempo requerido para cargar hasta ese punto puede encontrarse en , permite que simbolice el ángulo de retardo de disparo. Dado que 360 grados representan un periodo de un ciclo, y el periodo de una fuente de 60 HZ es de 16.67 ms, se puede establece la proporción , Para un ángulo de retardo de disparo de 120 grados, el tiempo entre el cruce por cero y el disparo seta dado por la proporción
  • 43.
    ISTP CARLOS CUETO FERNANDINI EspecialidadElectrónica Industrial Prof. Luis A. Sánchez ELECTRONICA DE POTENCIA Semestre III Pag. , El punto pico del UJT es aun 14.5 V, por lo que para retardar el disparo durante 5.55 ms, la razón de acumulación de voltaje debe ser, , luego que nos da , entonces podemos encontrar Rf , trabajando con seta ecuación y resolviendo Rf se obtiene , por tanto, si la resistencia de realimentación fuera incrementada a 25K, el Angulo de retardo de disparo se incrementa a y la corriente de carga se reducirá proporcionalmente Grafica 4 Circuito de control con doble constante de tiempo Descripción del Circuito: A este circuito se le conoce con el nombre de control de doble constante de tiempo. Su principio básico de funcionamiento consiste en que cuando C2 alcanza la tensión de cebado de D, ésta no cae tan abruptamente como en el circuito anterior, debido a la recarga parcial de C2 gracias a la corriente procedente de C1. Este mecanismo permite que la reducción de la tensión de C2 gracias a la corriente procedente de C1. Este mecanismo permite que la reducción de la tensión de C2 sea bastante menor que en el circuito anterior, reduciendo con ello el efecto de la histéresis. Si la carga que se controla es fuertemente inductiva, puede ocurrir que el desfase de la corriente sobre la tensión de red introducido por la carga sea tal, que el paso por cero de la corriente coincida con una tensión grande aplicada al triac. En estas condiciones, el triac debe variar su tensión entre ánodos desde la tensión de cebado, prácticamente cero, hasta algunos cientos de voltios en una fracción de tiempo extremadamente pequeña, pudiendo producirse un nuevo cebado indeseado del triac. El parámetro dVcom/dt, especificado por el fabricante, indica la pendiente máxima de variación de la tensión de paso del estado conductor al estado de no conducción, que es capaz de soportar el triac sin peligro de recebado. En tales casos se debe emplear un circuito de amortiguamiento de la velocidad con que debe crecer la tensión entre extremos del triac, tal como se muestra en la figura 5. Los valores de R y C de la figura 5 pueden obtenerse de los ábacos mostrados en las graficas 5a y 5b, respectivamente, realizados en función de la corriente eficaz de carga y de la máxima dVcom/dt admisible por el triac.
  • 44.
    ISTP CARLOS CUETO FERNANDINI EspecialidadElectrónica Industrial Prof. Luis A. Sánchez ELECTRONICA DE POTENCIA Semestre III Pag. Figura 5 Uso de una red amortiguadora para evitar el recebado indeseado del triac
  • 45.
    ISTP CARLOS CUETO FERNANDINI EspecialidadElectrónica Industrial Prof. Luis A. Sánchez ELECTRONICA DE POTENCIA Semestre III Pag. El SCR C106B construido por on semiconductors tiene las siguientes especificaciones: De acuerdo a la hoja de especificaciones los parámetros se definen de la siguiente manera: o IT(RMS): es la corriente RMS máxima, que puede pasar a través del SCR sin dañarlo. o ITSM: Es la corriente de ánodo pico que un SCR puede manejar para un pequeño tiempo y una Tj determinada. o IL: si esta corriente no es alcanzada mientras la señal de compuerta esta siendo aplicada, el SCR puede prender, pero se apagará cuando la señal de compuerta se elimine. o IH: si la corriente de ánodo se reduce debajo de este valor crítico, el SCR se apagará. o VDRM: este es el voltaje positivo instantáneo máximo que puede bloquear el SCR, con el cuál el SCR conducirá aún sin un voltaje en la compuerta. o VRRM: es el voltaje negativo instantáneo máximo que un SCR puede soportar sin dañarse. (VDRM < VRRM) o IDRM y IRRM: son las corrientes ánodo directa e inversa del SCR en estado apagado, respectivamente. o VGRM: es el máximo valor de voltaje DC negativo en la compuerta, que puede ser aplicado sin dañar la unión compuerta - cátodo. o IGT: es la corriente de compuerta mínima necesaria para activar al SCR o IGM (IGTM): es la corriente de compuerta DC máxima permitida para activar al SCR. o VGT: es el mínimo valor de voltaje DC de compuerta a cátodo requerido para disparar al SCR. El voltaje aplicado entre la compuerta y el cátodo debe exceder este valor mientras provee una corriente de compuerta adecuada para activar el SCR. o PGM: es el producto instantáneo máximo de la corriente y el voltaje de la compuerta que debe existir durante la polarización directa. Si VGM e IGM son usados como sus límites extremos simultáneamente, PGM es seguro que se sobrepase.
  • 46.
    ISTP CARLOS CUETO FERNANDINI EspecialidadElectrónica Industrial Prof. Luis A. Sánchez ELECTRONICA DE POTENCIA Semestre III Pag. En resumen un SCR (rectificador controlado de silicio), es un dispositivo de 3 terminales usado para controlar corrientes altas en una carga. Actua semejante a un interruptor; cuando está encendido (On) hay flujo de corriente a través del dispositivo y actua como un interruptor cerrado, cuándo está apagado (Off) no hay flujo de corriente del ánodo al cátodo por lo que actúa como interruptor abierto. Debido a que el SCR es un dispositivo de estado sólido la acción de conmutación es muy rapida. Si la alimentación que controla al SCR es de C.A. pasara cierto tiempo en On y otro tiempo en Off. Para este caso el tiempo del ciclo es de 16.667ms, por lo que 8.333ms podrá permanecer como máximo en On y 8.333ms en Off. Si el tiempo de On es pequeó, la corriente promedio de la carga es pequeña. Si el tiempo de On es grande la corriente promedio de la carga es grande. Los terminos para describir la operación del SCR seran: Ángulo de conducción: es el número de grados de un ciclo de C.C. durante el cual el SCR esta encendido. Ángulo de retardo de disparo: es el número de grados de un ciclo de C.A que transcurren antes que el SCR sea encendio. El tiempo total del ciclo de 16.667ms corresponde a 360º Ángulo deretardo detiempoTiempo quepasa apagadoel SCRÁngulo deconducciónVcargaVAKttÁngulo deretardo detiempoTiempo quepasa apagadoel SCRÁngulo deconducciónVcargaVAKtt Caracteristicas de la compuerta del SCR La Corriente de compuerta (iG) fluye entre la compuerta y el cátodo, saliendo por este último. La cantidad de corriente de compuerta necesaria para disparar un SCR se simboliza por IGT.Para la mayoría de los SCR requieren de 0.1 a 50 mA para dispararse. El voltaje VGK debe de ser ligeramente mayor a 0.6 V.
  • 47.
    ISTP CARLOS CUETO FERNANDINI EspecialidadElectrónica Industrial Prof. Luis A. Sánchez ELECTRONICA DE POTENCIA Semestre III Pag. Una vez que el SCR ha sido disparado no es necesario continuar el flujo de corriente de compuerta. Cuando la corriente ánodo cátodo (iAK) caiga por debajo de la corriente de mantenimiento (IH) el SCR se apaga. Esto normalmente ocurre cuando la fuente de voltaje ce ca pasa por cero hacia su región negativa. Para la mayoría de los SCR de tipo mediano la IH es de alrededor de 10Ma . Circuito Resistivo El circuito mas sencillo de disparo es el resistivo. En este ejemplo de disparo se usa la misma fuente de voltaje para operar el circuito de control. Se utiliza un resistencia fija R1, un potenciómetro (R2). AVGK = 06. - 0.8 VKIG = 0.1 - 50 mAACRcargaR1R2AKGiGTiGVAKtt La línea punteada representa la corriente de compuerta necesaria para disparar el SCR. La corriente de compuerta es baja. Como resultado se tiene un ángulo de retardo de disparo a 90º aproximadamente.
  • 48.
    ISTP CARLOS CUETO FERNANDINI EspecialidadElectrónica Industrial Prof. Luis A. Sánchez ELECTRONICA DE POTENCIA Semestre III Pag. Si la corriente de compuerta es mayor como resultado se tiene un ángulo de retardo de disparo muy corto, cercano a los 60º . Donde la corriente IGT se alcanza mucho mas rápido. El propósito de R1 es mantener una resistencia fija en la compuerta. R1 también determina el ángulo de retardo de disparo mínimo. NOTA: Se recomienda en algunos casos insertar un diodo en serie con la compuerta para proteger la unión compuerta-cátodo contra voltajes inversos altos. El ángulo de retardo de disparo es determinado por R2, que es un potenciómetro variable. Si R2 es bajo, la corriente de compuerta será lo suficiente grande para disparar al SCR. Por lo tanto el ángulo de retardo de disparo será pequeño. La corriente de carga promedio será alta. Si R2 es alto, el suministro de voltaje debe llagar mas alto para suministrar suficiente corriente de compuerta para disparar al SCR. Esto incrementa el ángulo de retardo de disparo. La corriente de carga promedio será mas pequeña. Una desventaja de este circuito de disparo es que el ángulo de retardo de disparo solo se puede ajustar de 0o a 90º . iGTiGVAKtt Cálculo de las resistencias de control de compuerta. Suponer que se tiene una fuente de voltaje de 120Vrms, IGT = 15mA y R1 = 3kΩ. Se busca que el ángulo de retardo de disparo ocurra a los 90º, Entonces el valor de R2 será: A 90º el voltaje instantáneo es: (120)(√2) = 169.71 Ignorando la caida de voltaje del SCR que es de 0.7V. El valor de la resistencia total de compuerta es: 169.71/15μA = 11.314 MΩ Por lo tanto R2 es: R2 = RT – R1 = 1.671MΩ– 100KΩ = 1.571 MΩ SIMULACIONES
  • 49.
    ISTP CARLOS CUETO FERNANDINI EspecialidadElectrónica Industrial Prof. Luis A. Sánchez ELECTRONICA DE POTENCIA Semestre III Pag. R2 100kΩ V1 120 Vrms 60 Hz 0° XSC1ABExt Trig++__+_D1BT169_BD21N4004040X2125 V 12R31.57MΩ35 Fig. 10 SCR circuito resistivo a implementar que muestra el funcionamiento del SCR. Visualizamos en el oscciloscopio lo que ve la carga. Fig 11. SCR, lo que ve la carga. Al aplicar ahora colocamos la carga a la salida del catodo se vera lo que no ve la carga. R13MΩKey=A50%X1LAMPR280kΩV1120 Vrms 60 Hz 0° XSC1ABExt Trig++__+_D1BT169_BD21N4004452130 Fig 13. Lo que no ve la carga.
  • 50.
    ISTP CARLOS CUETO FERNANDINI EspecialidadElectrónica Industrial Prof. Luis A. Sánchez ELECTRONICA DE POTENCIA Semestre III Pag. Material y equipo 1 Tiristor SCR C106B 1 Resistencia de 100KΩ 1 Potenciómetro de 5MΩ Fuente de alimentación de corriente alterna de 127V Milímetro digital Punta Atenuada. Convertidor 3 a 2. Foco de 25Watts DESARROLLO PRÁCTICO Paso 1: Con un multímetro digital, y por medio del óhmetro comprobar el estado físico del SCR. Llenar la siguiente tabla: Por medio de la hoja de especificaciones proporcionadas por el fabricante del SCR, se procedió a identificar las terminales del dispositivo. Se procedió a colocar las puntas del multímetro (+,-); en todas las posibles combinaciones entre ánodo(A), cátodo (K) y compuerta (G) tal como se indica en la siguiente tablas de resultados. Paso 2: Armar el circuito mostrado en la Fig. 10, de acuerdo al analisis del circuito se tomaron en cuenta las caracteristicas de la carga así como la conveniencia de los elementos limitadores de corriente, tanto para la compuerta, como para la red principal. Tomando en cuenta la alimentación de 127V, y como el SCR soporta una corriente de 200μA, se propuso una resistencia limitadora de corriente en la red principal, por tanto nuestro circuito implementado en protho fue el que se muetra en la fig 14. Fig 14.
  • 51.
    ISTP CARLOS CUETO FERNANDINI EspecialidadElectrónica Industrial Prof. Luis A. Sánchez ELECTRONICA DE POTENCIA Semestre III Pag. Conclusiones Como requisito único según las hojas de especificaciones la IG debe de estar en el siguiente rango 15μA >IG < 200mA. De tal forma que si tenemos una corriente IG mayor que A200 se garantiza con ello la permanencia del foco en estado encendido aun cuando se deje de dar el pulso a la compuerta. Una vez hecho los cálculos a armo el circuito, tomando en cuenta que los valores prácticos no son los mismos teóricamente, cabe mencionar que la resistencia tomada para los cálculos fue la medida físicamente. PRÁCTICA No. 4 DISPARO DE TIRISTOR CON CIRCUITO RESISTIVO-CAPACITIVO Y RESISTIVO – DOBLECAPACITIVO INTRODUCCION La forma más simple de mejorar el circuito de control de compuerta es adicionar un capacitor al extremo inferior de la resistencia de la terminal de compuerta, el ángulo de retardo va puede ajustarse mas allá de los 90º, gracias al efecto del capacitor, sin embargo el voltaje y la corriente quedan desfasados. Los SCR se usan a menudo en circuitos de CA, para controlar la potencia entregada a las cargas. La tensión entre los bornes del condensador provee la corriente de compuerta. Dado que el SCR está encendido por una combinación de tensión de entrada y corriente de compuerta, el tiempo de disparo puede ser controlado ajustando la resistencia para cambiar la relación de fase de las dos tensiones. La tensión en el condensador estará atrasada con respecto a la tensión de entrada VAC. Por medio de este método puede cambiarse el ángulo de disparo sobre una gama de 180º hasta 360º. El diodo se usa para bloquear la tensión de compuerta durante el semiciclo negativo. La resistencia se ajusta de modo que el SCR pase a ON entre 0 y 90º. En este diagrama el ángulo de disparo es de 40º dado que el SCR está en ON durante ésta parte del primer semiciclo, la corriente circulará a través de la lámpara y ésta se iluminará. El SCR debe pasar a ON entre un valor mínimo y 180º a un ángulo de disparo. Debido a que la tensión se aplica al SCR durante una pequeña parte del ciclo, la lámpara se pone débil. El ajuste de la resistencia para controlar el ángulo de fase controla a su vez la cantidad de potencia entregada a la lámpara. De manera teórica lo que se espera lograr ver con el osciloscopio es lo mostrado en la grafica 2 al meterle una señal como la de la grafica 1.
  • 52.
    ISTP CARLOS CUETO FERNANDINI EspecialidadElectrónica Industrial Prof. Luis A. Sánchez ELECTRONICA DE POTENCIA Semestre III Pag. A) Disparo de tiristor con circuito resistivo-capacitivo. Material y/o equipo: - Potenciómetro -puntas atenuadas - Resistencia fija. -multímetro - Capacitores de 100nf -caimanes - 1 diodo. Procedimiento: El circuito 1 es el que debemos realizar para poder comprobar si sirve para disparar un scr: Ahora los cálculos que necesitamos para lograra saber a cuantos milisegundos debemos realizar el disparo son los siguientes: (R1 + R2)C1 = 1 a 30 ms. Suponiendo k el disparo mínimo sea a 5ms haciendo el potenciómetro =R2=0 encontraremos que la resistencia fija R1=50kohms. Ahora el potenciómetro para k no se rebasen los 30 ms. es 2.9 M, pero debido a k no es comercial se utilizara uno de 4.7M. Para nuestras muestras pondremos en 3 diferentes valores el potenciómetro esperando ve en el osciloscopio lo que no ve la carga.
  • 53.
    ISTP CARLOS CUETO FERNANDINI EspecialidadElectrónica Industrial Prof. Luis A. Sánchez ELECTRONICA DE POTENCIA Semestre III Pag. Los valores de los ángulos los sacamos por una regla de tres que nos queda de la siguiente forma: En la foto 1 se muestra el disparo del tiristor con el potenciómetro en 0Ω, y la figura 2 como se ve el foco en tal valor, la figura 3 muestra la figura con el potenciómetro a 200 KΩ y la figura 4 como se ve la carga en ese punto. B) Disparo de tiristor con circuito resistivo-doble capacitivo Material y/o equipo: - Potenciómetro -puntas atenuadas - Resistencia fija. -multímetro - 2 Capacitores de 100nf -caimanes - 1 diodo. Procedimiento El circuito a realizar se presenta en el circuito 2, este es un circuito de disparo para scr resistivo doble capacitivo, la funcionalidad es k puede controlar el disparo con un rango mayor a los 90º. La primera constante de tiempo del circuito con doble capacitor debe cumplir: (R1 + R2)C1 = 1 a 30 ms. así que utilizaremos los mismos valores que en la práctica anterior
  • 54.
    ISTP CARLOS CUETO FERNANDINI EspecialidadElectrónica Industrial Prof. Luis A. Sánchez ELECTRONICA DE POTENCIA Semestre III Pag. La segunda constante de tiempo debe cumplir con este rango: R3C2 = 1 a 30 ms. Pero como se desea que en su punto inicial sea igual a 5ms entonces el valor de la resistencia será R3=5ms/100nf=50k Este circuito proporciona un servicio eficiente, de alta potencia y el circuito de retardo de tiempo exacta. El SCR debe seleccionarse para adecuarse a la aplicación. R 5 y el diodo zener mantener un suministro estable para el UJT. Inicialmente el SCR está apagado. La secuencia de tiempo que se inicia por un cortocircuito en C1. C1 luego se carga a través de R1 y R2 hasta que el UJT desencadena, el desarrollo de un pulso a través de R4 que se convierte en el SCR.Corriente de retención para el SCR es suministrada por corriente a través de R5 y D2. Cuando el SCR se activa, se tira de la tensión a través del UJT a <2 voltios. C1 Este descargas. La carga de este circuito impulsará depende del SCR utiliza. Un tipo adecuado sería un C106Y. Esto tiene una corriente nominal máxima de 4A. Esto sería suficiente para conducir un relé (incluso uno con una baja resistencia bobina), globos o un timbre eléctrico. The Junction Transistor Un Este transistor se utiliza muy poco en un circuito manía porque hay una serie de formas alternativas de producir el mismo efecto, sin embargo, es interesante saber cómo eltransistor de unión Uni funciona, así que usted puede ver por qué perdió el favor. El UJT es especialmente diseñado para conectarse a SCR y aquí es
  • 55.
    ISTP CARLOS CUETO FERNANDINI EspecialidadElectrónica Industrial Prof. Luis A. Sánchez ELECTRONICA DE POTENCIA Semestre III Pag. donde se encuentra su principal aplicación. Necesita solamente 3 o 4 componentes externos y el UJT producirá un oscilador. La salida del oscilador puede ser un diente de sierra, si tienes que elegir con cuidado la forma de onda a través del condensador, pero más a menudo la salida se toma entre B1 y el carril negativo. Aquí es donde la carga está diseñada para ser colocada. La forma de onda aquí es una punta, y tiene una amplitud de aproximadamente 2v por un suministro de 6v (de 0 V a 2 v.) El siguiente diagrama muestra el UJT en una disposición típica de un dispositivo de baja impedancia, como un altavoz, entre B1 y ferrocarril 0v. La forma en que el circuito funciona es la siguiente: el condensador se carga a través de la resistencia de 10k Durante este tiempo la resistencia entre B1 y B2 es infinito. La carga es una forma de onda de diente de sierra, porque la carga es un gradiente de subida y la descarga es muy rápida - en el altavoz. El emisor detecta cuando la tensión se eleva a 4v (para un circuito 6v) y en este punto el transistor "se enciende" y la resistencia entre el emisor y B1 se vuelve muy bajo y es efectivamente equivalente a un diodo en polarización directa. El voltaje (la energía) en el condensador se pasa a continuación al altavoz y esto produce un "clic". Esta es la única forma en que el hablante obtiene su energía. El voltaje a través del condensador cae muy rápidamente y cuando se alcanza aproximadamente 1v (para un circuito 6v), el transistor se apaga y el ciclo se repite. Es importante tener en cuenta que el altavoz no recibe ninguna corriente a través de la resistencia conectada a B2 y esta resistencia tiene muy poco efecto (casi ningún efecto) en el volumen producido por el altavoz. La única manera de aumentar el volumen del tono es mediante la adición de un transistor de tampón. La duplicación de la tensión de alimentación va a alterar la frecuencia de la salida muy ligeramente y el voltaje a través del altavoz aumentará a 10v, pero la anchura de la espiga es tan estrecho que muy poca energía se pasa a la misma. El circuito es fiable en su funcionamiento. Se trabajará en casi baterías planas (una fuente de alta impedancia), pero hay que tener cuidado con la elección de resistencias y condensadores. Por ejemplo, si los 10k se reduce a 1k, el circuito simplemente se niegan a trabajar con el 2u2 electrolítico es abajo puede "congelamiento", si se selecciona la relación equivocada de R y C del circuito. El "congelamiento", también puede depender de la tensión de alimentación por lo que, en conjunto, el circuito tiene algunas limitaciones que deben superarse mediante la construcción de un prototipo antes de decidir el diseño final. El circuito siguiente muestra un uso común para un UJT -. Para "disparar" un SCR después de un período predeterminado de tiempo la carga permanecerá activo (el SCR permanecerá "activa") y la tensión de alimentación debe ser removido para de- activar la carga - un poco desordenado - en los días de diseños de microcontroladores, esto se puede hacer mucho más cómoda con un chip. Todos los proyectos de Electrónica Talking están basados en microcontroladores y es sólo una cuestión de añadir unas
  • 56.
    ISTP CARLOS CUETO FERNANDINI EspecialidadElectrónica Industrial Prof. Luis A. Sánchez ELECTRONICA DE POTENCIA Semestre III Pag. pocas líneas de código adicionales para producir casi cualquier sonido que usted necesita. Transistores UJT son caros y difíciles de obtener, sin embargo, el circuito sólo consume 1 mA a 6 V o 2 mA a 12 V y esto puede darle una aplicación donde se necesita muy poco para ser consumido. Nota: muchos circuitos aficionados muestran el UJT dibujada incorrectamente. B1 debe ser conectado al dispositivo se active como la energía de los flujos de condensadores a través del emisor-B1 circuito para el dispositivo. El transistor no funciona por el otro lado, sin embargo, no se dañará si momentáneamente conectados incorrectamente. La pestaña es en realidad entre B2 y E. El UJT puede ser cerrada "dentro y fuera", mediante el control de los 47k "resistencia de carga." El circuito siguiente muestra un multivibrador "arriba-lado-abajo" de encender el circuito de tono (el circuito UJT): El curso de Electrónica Digital Talking estudia el multivibrador "estándar" como se muestra a continuación. Este circuito estándar se puede girar para arriba-lado-abajo, si es necesario. La animación a continuación muestra cómo un lado de la multivibrador se enciende entonces el otro lado para activar cada LED. En el circuito anterior, el multivibrador toma los 47k a la barra positiva, para activar el circuito de tono. No olvides: UJT son difíciles de conseguir y caro, en comparación con los transistores y otros semiconductores estándar. UJT Unijunction-Transistor
  • 57.
    ISTP CARLOS CUETO FERNANDINI EspecialidadElectrónica Industrial Prof. Luis A. Sánchez ELECTRONICA DE POTENCIA Semestre III Pag. . UJT ve Thyristörlü Yük Kontrol Devresi
  • 58.
    ISTP CARLOS CUETO FERNANDINI EspecialidadElectrónica Industrial Prof. Luis A. Sánchez ELECTRONICA DE POTENCIA Semestre III Pag. El transistor UNIJUNCTION Página 38 SC151D TRIAC El SC151 D es un plástico TRIAC paquete de media potencia económica diseñada para la red eléctrica y el control de la iluminación. A diferencia de SCR, el SCI 51 D es un tiristor bidireccional - cuando se activa, se lleva a cabo en ambas direcciones y puede ser activado por una señal de puerta positivo o negativo. TRIAC (Triodo de CA Semiconductor). El siguiente diagrama muestra las características V / l del Triac. Una corriente del nivel especificado de cualquier polaridad puerta se disparará el triac en conducción, ya sea en cuadrante, siempre que el voltaje aplicado es menor que V B0 . La activación puede ser de DC, rectificar fuentes de CA o el pulso, como unijunctions, lámparas de neón o dispositivos de ruptura como el ST4.
  • 59.
    ISTP CARLOS CUETO FERNANDINI EspecialidadElectrónica Industrial Prof. Luis A. Sánchez ELECTRONICA DE POTENCIA Semestre III Pag. Especificaciones Voltaje nominal 400 V Corriente nominal 15 A RMS I TSM máximo pico de un ciclo no rep. pico de corriente 110A I DRM bloqueo actual a 25 ° C 0,1 mA máx dv / dt de estado, T c = 100 ° C, Calificación V DRM , puerta O / C 250V/μS (típico) DISPARO I GT Max DC V Corriente de disparo de puerta D = 12 V, 25 ° C a 50 mA V GT Max disparo de puerta de voltaje V D = 12v 25 ° C 2.5V Triac como un conmutador Esto da un rendimiento mejorado sobre un interruptor convencional, como no puede haber formación de arcos o rebote de contacto. Este circuito muestra un sencillo control de potencia de tres posiciones. En la posición de uno que no hay conexión de puerta, por lo que el poder está apagado. En segunda posición se está al día durante una única y potencia de la carga es la mitad del ciclo de onda media puerta. En tercera posición de la puerta se activa en ambos ciclos medio y el poder está lleno de. Para un interruptor de encendido y apagado sencillo, basta con eliminar el diodo. Debido a que los contactos sólo transportan corriente de los pocos microsegundos necesarios para activar el triac, el cambio real puede ser casi cualquier dispositivo pequeño: relés reed, termostatos, interruptores de presión o el programa / interruptores temporizadores.
  • 60.
    ISTP CARLOS CUETO FERNANDINI EspecialidadElectrónica Industrial Prof. Luis A. Sánchez ELECTRONICA DE POTENCIA Semestre III Pag. Page 39 controlador de dimmer / calentador de la lámpara R1 y C1 son una red de desplazamiento de fase - que producen un retardo variable en la forma de onda aplicada a la ST4 y por lo tanto el triac. Cuando el voltaje a través de C1 alcanza la tensión de ruptura para el ST4, C1 descargas parcialmente en la puerta del triac a través de la ST4. Este pulso dispara el triac en conducción durante el resto del ciclo medio. Este controlador fácil de construir es ideal para atenuar las luces, y el control de la salida de los aparatos de tipo de calefacción eléctrica. La luz o elemento de calefacción, etc se coloca en la "carga" está marcado en el circuito. ST4 asimétrico Gatillo AC El ST4 es un circuito integrado de disparo del triac que proporciona amplia gama libre de histéresis de control de tensión. Se comporta como un diodo Zener en serie con un interruptor bilateral de silicio (un dispositivo simétrico). El Zener proporciona asimetría ya que la tensión de conmutación se aumenta en uno dirección de la tensión de ruptura zener. Tensión de conmutación: V S1 14v-18v V S2 7- 9V
  • 61.
    ISTP CARLOS CUETO FERNANDINI EspecialidadElectrónica Industrial Prof. Luis A. Sánchez ELECTRONICA DE POTENCIA Semestre III Pag. Corriente de conmutación I S1 I S2 80μA Voltajes en estado V F1 (I = 100 mA) 7-10V V F2 (I = 100 mA) 1,6 V máx pico pulso de voltaje V 0 3.5v min PG (AV) (potencia Max Gate) 0,5 W I H Corriente de retención (actual por debajo del cual el SCR abandonar la conducción) (T c = 25 ° C) 30 Aplicaciones SCR están al día en lugar de los dispositivos activados tensión. Esto significa que deben ser alimentados a partir de una fuente relativamente baja es decir, una impedancia en el que la tensión no caerá hacia abajo bajo la carga de la puerta. De una manera análoga a un relé o un solenoide, el SCR requiere cierta corriente ánodo mínimo si es para permanecer en el estado "cerrado" o llevar a cabo. Si la corriente cae por debajo del ánodo al nivel mínimo, el SCR se revierte al bloqueo hacia delante o estado 'abierto'. El siguiente circuito muestra un circuito básico de disparo RC-diodo proporciona un control completo de media onda. En los ciclos positivos medio del condensador C se carga al punto de disparo, a una velocidad determinada por la constante de tiempo de R y C. En el semiciclo negativo, el condensador se pone a cero por CR 2 , de ponerlo a cero para neumáticos siguiente ciclo de carga, tanto la corriente de disparo se suministra por el voltaje de línea. C122D, C122E, C106D SCR circuito de control de fase
  • 62.
    ISTP CARLOS CUETO FERNANDINI EspecialidadElectrónica Industrial Prof. Luis A. Sánchez ELECTRONICA DE POTENCIA Semestre III Pag. Mejora del circuito de control de fase El siguiente diagrama muestra un circuito utilizando una lámpara de neón como un dispositivo de distribución. Esto permite un control más suave y un mejor rendimiento. El neón se dispara cuando el voltaje a través de los dos condensadores 0.1μ alcanza el voltaje de ruptura de la lámpara (60-90V). De control se extiende desde 95% a plena fuera. El circuito de la luz controlada fase de neón se muestra a continuación combina el bajo costo del circuito RC sencillo mostrado antes, pero le da un mejor rendimiento. El circuito a continuación da medio de control de onda de 95% en Full off.La potencia total se puede obtener fácilmente por poner un interruptor a través del SCR. El circuito utiliza un neón. Esto le da a las siguientes mejoras: Un circuito de impedancia más alta se puede utilizar para el control. Como resultado, el elemento de control (que es una olla de 100k en el circuito de abajo) puede ser sustituido por un dispositivo de alta impedancia tal como un termistor o resistencia dependiente de la luz, para la calefacción o aplicaciones de control de luz.
  • 63.
    ISTP CARLOS CUETO FERNANDINI EspecialidadElectrónica Industrial Prof. Luis A. Sánchez ELECTRONICA DE POTENCIA Semestre III Pag. El transistor UJT o de uni-unión El transistor de uni-unión (unijunction transistor) o UJT esta constituido por dos regiones contaminadas con tres terminales externos: dos bases y un emisor. En la figura 12.21.a aparece la estructura física de este dispositivo. El emisor esta fuertemente dopado con impurezas p y la región n débilmente dopado con n. Por ello, la resistencia entre las dos bases, RBB o resistencia interbase, es elevada (de 5 a 10KΩ estando el emisor abierto). El modelo equivalente representado en la figura 12.21.b esta constituido por un diodo que excita la unión de dos resistencias internas, R1 y R2, que verifican RBB=R1+R2. Cuando el diodo no conduce, la caída de tensión en R1 (V1) se puede expresar como (12.10) en donde VB2B1 es la diferencia de tensión entre las bases del UJT y es el factor de división de tensión conocido como relación intrínseca. El modelo de este dispositivo utilizando transistores se muestra en la figura 12.21.c, cuya estructura es muy similar a un diodo de cuatro capas. Cuando entra en conducción los transistores la caída de tensión en R1 es muy baja. El símbolo del UJT se muestra en la figura 12.21.d. Figura 12.21. Transistor UJT. a) Estructura física, b) modelo equivalente, c) circuito equivalente y d) símbolo. Funcionamiento de un UJT El funcionamiento de un UJT es muy similar al de un SCR. En la grafica de la figura 12.22 se describe las características eléctricas de este dispositivo a través de la relación de la tensión de emisor (VE) con la corriente de emisor (IE). Se definen dos puntos críticos: punto de pico o peak- point (VP, IP) y punto de valle o valley-point (VV, IV), ambos verifican la condición de dVE/dIE=0.
  • 64.
    ISTP CARLOS CUETO FERNANDINI EspecialidadElectrónica Industrial Prof. Luis A. Sánchez ELECTRONICA DE POTENCIA Semestre III Pag. Estos puntos a su vez definen tres regiones de operación: región de corte, región de resistencia negativa y región de saturación, que se detallan a continuación: Figura 12.22. Características eléctricas de un UJT. Región de corte. En esta región, la tensión de emisor es baja de forma que la tensión intrínseca mantiene polarizado inversamente el diodo emisor. La corriente de emisor es muy baja y se verifica que VE<VP e IE < IP. Esta tensión de pico en el UJT viene definida por la siguiente ecuación (12.11) donde la VF varia entre 0.35 V a 0.7 V con un valor típico de 0.5 V. Por ejemplo, para el 2N2646 es de 0.49V a 25ºC. El UJT en esta región se comporta como un elemento resistivo lineal entre las dos bases de valor RBB. Región de resistencia negativa. Si la tensión de emisor es suficiente para polarizar el diodo de emisor, es decir, VE=VP entonces el diodo entra en conducción e inyecta huecos a B1 disminuyendo bruscamente la resistencia R1 debido a procesos de recombinación. Desde el emisor, se observa como el UJT disminuye su resistencia interna con un comportamiento similar a la de una resistencia negativa (dVE/dIE < 0). En esta región, la corriente de emisor esta comprendida entre la corriente de pico y de valle (IP< IE< IV). Región de saturación. Esta zona es similar a la zona activa de un tiristor con unas corrientes y tensiones de mantenimiento (punto de valle) y una relación lineal de muy baja resistencia entre la tensión y la corriente de emisor. En esta región, la corriente de emisor es mayor que la corriente de valle (IE > IV). Si no se verifica las condiciones del punto de valle, el UJT entrara de forma natural a la región de corte. En la figura 12.22 también se observa una curva de tipo exponencial que relaciona la VE y la IE cuando la base B2 se encuentra al aire (IB2=0). Esta curva tiene una forma similar a la característica eléctrica de un diodo y representa el comportamiento del diodo de emisor. TRANSISTOR MONOUNIÓN 18. Dado el oscilador de relajación de la figura 21.69 a) Encuentre RB1 y RB2 con IE = 0 A. b) Determine VP, el voltaje necesario para encender al UJT. c) Determine si R1 está dentro del rango permisible de valores definidos por la ecuación (21.8). d) Determine la frecuencia de oscilación si RB1 = 200 durante la fase de descarga. e) Trace la forma de onda de Vc para dos ciclos completos. f) Dibuje la forma de onda de VR1 para dos ciclos completos.
  • 65.
    ISTP CARLOS CUETO FERNANDINI EspecialidadElectrónica Industrial Prof. Luis A. Sánchez ELECTRONICA DE POTENCIA Semestre III Pag. g) Determine la frecuencia usando la ecuación (21.17) y compárela con el valor determinado en el inciso d). Tome en cuente cualquier diferencia significativa. SOLUCION: a) Encuentre RB1 y RB2 con IE = 0 A. = 0.55 = b) Determine VP, el voltaje necesario para encender al UJT. c) Determine si R1 está dentro del rango permisible de valores definidos por la ecuación (21.8). VV=1.2 V, IV=5mA, IP=50 A, VP=13.3229V, V=20V
  • 66.
    ISTP CARLOS CUETO FERNANDINI EspecialidadElectrónica Industrial Prof. Luis A. Sánchez ELECTRONICA DE POTENCIA Semestre III Pag. La resistencia si esta dentro del rango determinado por la ecuación 21.8 d) Determine la frecuencia de oscilación si RB1 = 200 durante la fase de descarga. T = t1 + t2 donde e) Trace la forma de onda de Vc para dos ciclos completos. f) Dibuje la forma de onda de VR1 para dos ciclos completos. VR1 no posee forma de onda ya que R1 esta conectada directamente a la fuente de 20 V y es a través de esta resistencia que se carga el condensador, la forma de onda apreciable es la de VR2, para poder graficar es necesario obtener los niveles de tensión de R2 cuanto el UJT esta inactivo y cuando esta activado, para el valor de RB1 = 200 . Cuando el UJT esta inactivo
  • 67.
    ISTP CARLOS CUETO FERNANDINI EspecialidadElectrónica Industrial Prof. Luis A. Sánchez ELECTRONICA DE POTENCIA Semestre III Pag. y cuando el UJT esta activado A continuación se presenta la forma de onda g) Determine la frecuencia usando la ecuación (21.17) y compárela con el valor determinado en el inciso d). Tome en cuente cualquier diferencia. Usando la ecuación 21.17 nos queda 1. Aspectos Gerais O transistor de unijunção (UJT ou TUJ) possui características bem diferentes do transistor bipolar, tem duas regiões dopadas com três terminais externos. É constituído a partir de uma fatia de material semicondutor tipo "N" com dois contatos ôhmicos nas extremidades os quais da origem a base 1 (B1) e a base 2 (B2). Nas proximidades da base 2 é feita uma junção "PN" da qual sai o terminal denominado Emissor (E). O nome unijunção vem do fato de sua estrutura apresentar uma única junção "PN". RB2 = Resistência da base 2 RB1 = Resistência da base 1 RBB = Resistência interbase VBB = Tensão interbase VE = Tensão entre emissor e base
  • 68.
    ISTP CARLOS CUETO FERNANDINI EspecialidadElectrónica Industrial Prof. Luis A. Sánchez ELECTRONICA DE POTENCIA Semestre III Pag. Figura 01 - Estrutura, símbolo, circuito equivalente do TUJ _2. Funcionamento Considere inicialmente a tensão de emissor igual a zero, então a tensão no pisor (VRB1) polariza inversamente o díodo emissor. Aumentando ligeiramente a alimentação do emissor (VE) até ficar ligeiramente maior que VRB1 o díodo emissor será ligado. Como a região "P" é fortemente dopada em relação à região "N", as lacunas são injetadas na região "N" equivalente a RB1. VE cai rapidamente para um valor baixo e a corrente de emissor aumenta. Analisando o circuito equivalente na figura 01, conclui-se que, para o TUJ conduzir é necessário que inicialmente circule uma corrente através do emissor, e isto ocorre quando, VD é a tensão que faz o díodo emissor conduzir e VRB1 corresponde à queda de tensão na região inferior do pisor. 2.1- Razão intrínseca - A razão intrínseca de afastamento (representada pela letra h, pronunciada como "eta") é na verdade o fator do pisor de tensão proporcionado pelas resistências RB1 e RB2, as quais fazem parte da estrutura interna do TUJ. Faremos a seguir uma análise do parâmetro "eta" a partir da expressão que traduz o funcionamento do TUJ em relação à uma tensão (VE) aplicada no emissor, ou seja: a) b) c) d) e) Reagrupando os resistores, intrínseco do TUJ, temos: onde: (eta) é uma razão intrínseca do TUJ fornecida pelo fabricante, portanto, ,sendo RBB=RB1+RB2 . Valores de estão na faixa de 0,5 a 0,8. Por exemplo um 2N2646 tem um de 0,65. Se o circuito ao lado, for alimentado com 10 V, a tensão (VE) a ser aplicada para disparar o TUJ deve ser:
  • 69.
    ISTP CARLOS CUETO FERNANDINI EspecialidadElectrónica Industrial Prof. Luis A. Sánchez ELECTRONICA DE POTENCIA Semestre III Pag. Figura 02 - O polarização do TUJ _3. Encapsulamento Apresentamos algumas características do TUJ 2N2646, o mais utilizado; bem como o encapsulamento e a vista de baixo com a disposição dos terminais de emissor (E), base 1 (B1) e base 2 (B2). Tensão reversa máxima de emissor:30 V VBB máxima (alimentação): 35 V Dissipação máxima: 300 mW Relação intrínseca (eta): 0,50 a 0,75 RBB (resistência interbase) 4,7 k a 9,1 Figura 03 - Encapsulamento e Terminais do TUJ _4. Oscilador de Relaxação O oscilador de relaxação é um circuito com TUJ que tem como funcionamento básico controle da corrente que carrega um capacitor até disparar o TUJ, permitindo gerar pulsos na saída. Formas de ondas no capacitor, na base 1 e na base 2. Os pulsos da forma de onda da base 1, são muito utilizados no disparo de tiristores. O potenciômetro "P" permite o ajuste entre as frequências máxima e mínima do oscilador. Figura 04 - Oscilador de Relaxação 4.1- Função dos componentes e cálculo do oscilador de relaxação: Capacitor C - dispara o "TUJ" e juntamente com o resistror "RE" determina a frequência de oscilação do circuito. Resistor R - limita a corrente de carga do capacitor, determinando a frequência máxima. Potenciômetro P - Controla a corrente de carga do capacitor, atuando para variar frequência do oscilador. Resistor R2 - possibilita a retirada de pulsos positivos. Resistor R1 - proporciona estabilidade térmica ao circuito. Cálculo do resistor R1 - parte de um dado do fabricante, por exemplo para o 2N2646, e:
  • 70.
    ISTP CARLOS CUETO FERNANDINI EspecialidadElectrónica Industrial Prof. Luis A. Sánchez ELECTRONICA DE POTENCIA Semestre III Pag. Cálculo do resistor R2 - geralmente utiliza-se na faixa de 22R a 150R, porém, para tiristores utiliza-se a fórmula: Cálculo do resistor RE - parte de um compromisso entre os valores permitidos (RE máximo e RE mínimo), para o emissor, quais sejam: RE maior que REmáx o TUJ não dispara (IE não alcança IP) RE abaixo de REmin, O TUJ não corta (IE não alcança IV) Cálculo do capacitor C - para um cálculo aproximado onde o tempo de descarga é desprezado utiliza-se a expressão: TRANSISTOR POTENCIA UJT El transistor UJT (transistor de unijuntura - Unijunction transistor) es un dispositivo con un funcionamiento diferente al de otros transistores. Es un dispositivo de disparo. Es un dispositivo que consiste de una sola unión PN Físicamente el UJT consiste de una barra de material tipo N con conexiones eléctricas a sus dos extremos (B1 y B2) y de una conexión hecha con un conductor de aluminio (E) en alguna parte a lo largo de la barra de material N. En el lugar de unión el aluminio crea una región tipo P en la barra, formando así una unión PN. Como se dijo antes este es un dispositivo de disparo. El disparo ocurre entre el Emisor y la Base1 y el voltaje al que ocurre este disparo está dado por la fórmula: Voltaje de disparo = Vp = 0.7 + n x VB2B1 Donde: - n = intrinsic standoff radio (dato del fabricante) - VB2B1 = Voltaje entre las dos bases La fórmula es aproximada porque el valor establecido en 0.7 puede variar de 0.4 a 0.7 dependiendo del dispositivo y la temperatura. Dos ejemplos sencillos 1.- Un UJT 2N4870 tiene un n = 0.63 y 24 voltios entre B2 y B1. Cuál es el voltaje de disparo aproximado? Voltaje de disparo = Vp = 0.7 + (0.63 x 24) = 15.8 Voltios 2.- Un UJT 2N4870 tiene un n = 0.68 y 12 voltios entre B2 y B1. Cuál es el voltaje de disparo aproximado?
  • 71.
    ISTP CARLOS CUETO FERNANDINI EspecialidadElectrónica Industrial Prof. Luis A. Sánchez ELECTRONICA DE POTENCIA Semestre III Pag. Voltaje de disparo = Vp = 0.7 + (0.68 x 12) = 8.86 Voltios. Nota: - Un dato adicional que nos da el fabricante es la corriente necesaria que debe haber entre E y B1 para que el UJT se dispare = Ip. - Es importante hacer notar que también se ha construido el UJT donde la barra es de material tipo P (muy poco). Se le conoce como el CUJT o UJT complementario. Este se comporta de igual forma que el UJT pero con las polaridades de las tensiones al revés TRANSISTOR MONOUNION UJT El transistor monounión (UJT) se utiliza generalmente para generar señales de disparo en los SCR. En la fig.5 se muestra un circuito básico de disparo UJT. Un UJT tiene tres terminales, conocidas como emisor E, base1 B1 y base2 B2. Entre B1 y B2 la monounión tiene las características de una resistencia ordinaria (la resistencia entre bases RBB teniendo valores en el rango de 4.7 y 9.1 K). Cuando se aplica el voltaje de alimentación Vs en cd, se carga el capacitor C a través de la resistencia R, dado que el circuito emisor del UJT está en estado abierto. La constante de tiempo del circuito de carga es T1=RC. Cuando el voltaje del emisor VE, el mismo que el voltaje del capacitor llega a un valor pico Vp, se activa el UJT y el capacitor se descarga a través de RB1 a una velocidad determinada por la constante de tiempo T2=RB1C. T2 es mucho menor que T1. Cuando el voltaje del emisor VE se reduce al punto del valle Vv, el emisor deja de conducir, se desactiva el UJT y se repite el ciclo de carga. El voltaje de disparo VB1 debe diseñarse lo suficientemente grande como para activar el SCR. El periodo de oscilación, T, es totalmente independiente del voltaje de alimentación Vs y está dado por: T = 1/f = RC ln 1/1-n
  • 72.
    ISTP CARLOS CUETO FERNANDINI EspecialidadElectrónica Industrial Prof. Luis A. Sánchez ELECTRONICA DE POTENCIA Semestre III Pag. FIGURA 31 CIRCUITOS DE APLICACIÓN FIGURA 32
  • 73.
    ISTP CARLOS CUETO FERNANDINI EspecialidadElectrónica Industrial Prof. Luis A. Sánchez ELECTRONICA DE POTENCIA Semestre III Pag. onstruir un Estado SCR / tiristor controlado Estabilizador automático de voltaje Solid Publicado por hitman Esto, en su género y es difícil encontrar triac de control del circuito estabilizador de tensión alterna se ha diseñado específicamente para usted. Al ser de estado sólido en el diseño, las transiciones de conmutación de tensión son muy suaves, con un mínimo desgaste y deterioro, lo que resulta en la estabilización eficiente de voltaje. Descubra el procedimiento de construcción de todo este estado de red estabilizador de tensión único, sólido. El circuito propuesto de un triac controlado estabilizador de voltaje AC proporcionará una excelente estabilización de tensión 4 paso a cualquier aparato en su salida. Sin partes móviles implicados su eficiencia es aún mayor. Para saber más de este operador en silencio: Protector de poder. Introducción El circuito de un estabilizador de voltaje automático discutido en una de mis anterioresartículos, aunque útil, debido a su diseño más simple, no tiene la capacidad de controlar los diferentes niveles de diferentes tensiones de red discretamente. La idea propuesta aunque no probado, se ve muy convincente, y si los componentes críticos están dimensionados correctamente, debería funcionar como se esperaba. El actual circuito de triac controlado estabilizador de voltaje AC es excepcional en su rendimiento y es casi un estabilizador de tensión ideales en todos los aspectos. Como de costumbre, el circuito ha sido diseñado exclusivamente por mí. Es capaz de controlar y dimensión de la tensión de red de CA de entrada con precisión a través de 4 pasos independientes. El uso de triacs que sea seguro que las transiciones son rápidas (a menos de 2 m) y sin chispas o transitorios, por lo general asociados con el tipo de relé de los estabilizadores. Asimismo, puesto que no se emplean piezas móviles, toda la unidad se convierte en estado completamente sólido y casi permanente. Vamos a proceder para ver cómo funciona el circuito. ATENCIÓN: cada punto del circuito que se presentan aquí pueden estar en red eléctrica de CA POTENCIALES, POR LO TANTO extremadamente PELIGROSO PARA TOCAR ENENCENDIDO POSITION. MÁXIMO CUIDADO Y ATENCIÓN se aconseja el uso de un PLANCK DE MADERA BAJO SUS PIES SE RECOMIENDA. novatos FAVOR MANTENGA LEJOS . Descripción del circuito El funcionamiento del circuito puede ser entendida a través de los siguientes puntos: Los transistores T1 a T4 están todos dispuestos para detectar el aumento gradual de la tensión de entrada y llevar a cabo uno tras otro en secuencia a medida que aumenta la tensión y viceversa. Puertas N1 a N4 de IC 4093 están configurados como amortiguadores. Las salidas de los transistores se alimentan a las entradas de estas puertas. Todas las puertas están interconectados entre sí de tal
  • 74.
    ISTP CARLOS CUETO FERNANDINI EspecialidadElectrónica Industrial Prof. Luis A. Sánchez ELECTRONICA DE POTENCIA Semestre III Pag. ay que la salida de una puerta particular, sólo permanece activo en un período de tiempo determinado de acuerdo con el nivel de la tensión de entrada. Por lo tanto, la tensión de entrada aumenta las puertas responden a los transistores y sus resultados posteriormente convertido en la lógica hi uno tras otro asegurándose de que laanterior salida de la puerta se cierra y viceversa. El hi lógica de la memoria intermedia en particular se aplica a la puerta del SCR respectivo que lleva a cabo y se conecta la línea de "caliente" relevante desde el transformador hasta el aparato externo conectado.
  • 75.
    ISTP CARLOS CUETO FERNANDINI EspecialidadElectrónica Industrial Prof. Luis A. Sánchez ELECTRONICA DE POTENCIA Semestre III Pag. Como el voltaje aumenta, los triacs pertinentes posteriormente seleccionar los extremos apropiados "calientes" del transformador para aumentar o disminuir la tensión y mantener una salida relativamente estabilizado. Claves Construcción y Consejos para el examen La construcción de este triac de control de circuito de protección de alimentación de CA es simple y sólo es cuestión de la adquisición de las piezas necesarias y ensamblarlos correctamente sobre un PCB general. Es bastante obvio que la persona que está tratando de hacer este circuito sabe un poco más que los fundamentos de la electrónica. Las cosas pueden ir mal drásticamente si hay algún error en el montaje final. Usted necesitará una variable externa (0 a 12 volts) Fuente de alimentación DC universal para la creación de la unidad de la siguiente manera: Suponiendo que un suministro de salida de 12 voltios de TR1 corresponde a 225 voltios de alimentación de entrada, a través de cálculos nos encontramos con que se va a producir 9 voltios a una entrada de 170 voltios, 13 voltios se corresponden a 245 voltios y 14 voltios serán equivalentes a una entrada de aproximadamente 260 voltios. Inicialmente mantener los puntos "AB" desconectados y asegúrese de que el circuito está totalmente desconectado de la red eléctrica. Ajuste la fuente de alimentación universal externa de 12 voltios y conecte el positivo al punto "B" y la negativa a la masa común del circuito. Ahora ajuste P2 hasta LD2 es sólo encendido. Reducir la tensión a 9 y ajustar P1 para encender LD1. Del mismo modo, ajustar P3 y P4 para iluminar los LEDs correspondientes a tensiones de 13 y 14 respectivamente. El procedimiento de configuración se ha completado. Quite la alimentación externa y unirse a los puntos "AB" juntos. La unidad entera puede ahora estar conectado a la red eléctrica de CA para que pueda empezar a trabajar de inmediato. Es posible verificar el rendimiento del sistema mediante el suministro de una entrada de CA variable a través de un autotransformador y el control de la salida usando un multímetro digital. Este triac controlado estabilizador de voltaje AC se apagará a voltajes inferiores 170 y por encima de 300 voltios.
  • 76.
    ISTP CARLOS CUETO FERNANDINI EspecialidadElectrónica Industrial Prof. Luis A. Sánchez ELECTRONICA DE POTENCIA Semestre III Pag. Lista de piezas Usted necesitará los siguientes elementos para la construcción de esta SCR de control de ac estabilizador de voltaje: Todas las resistencias son  ¼ Watt, CFR 5%, a menos que se indique lo contrario. R5, R6, R7, R8 = 1M  ¼ watt, Todos Triacs son 400 voltios, 1KV valorados, T1, T2, T3, T4 = BC 547, Todos los diodos zener son = 3 voltios 400 mW, Todos los diodos son = 1N4007, Todos los presets = 10K lineal, R1, 2, 3, 4, 9, 10, 11, 12, 13, 14, 15, 16, 17, 18, 19, 20 = 1K  ¼ de vatio, N1 a N4 = IC 4093, C1 y C3 = 100UF / 25 voltios, C2 = 104, cerámica, Poder Guardia Estabilizador Transformador = "hecho a medida" con 170, 225, 240, 260 voltios tomas de salida de 225 voltios de alimentación de entrada, o de 85, 115, 120, 130 a 110 voltios tomas de alimentación de entrada de CA. TR1 = transformador reductor, 0 - 12 V, 100 mA.
  • 77.
    ISTP CARLOS CUETO FERNANDINI EspecialidadElectrónica Industrial Prof. Luis A. Sánchez ELECTRONICA DE POTENCIA Semestre III Pag.
  • 78.
    ISTP CARLOS CUETO FERNANDINI EspecialidadElectrónica Industrial Prof. Luis A. Sánchez ELECTRONICA DE POTENCIA Semestre III Pag.
  • 79.
    ISTP CARLOS CUETO FERNANDINI EspecialidadElectrónica Industrial Prof. Luis A. Sánchez ELECTRONICA DE POTENCIA Semestre III Pag.
  • 80.
    ISTP CARLOS CUETO FERNANDINI EspecialidadElectrónica Industrial Prof. Luis A. Sánchez ELECTRONICA DE POTENCIA Semestre III Pag.
  • 81.
    ISTP CARLOS CUETO FERNANDINI EspecialidadElectrónica Industrial Prof. Luis A. Sánchez ELECTRONICA DE POTENCIA Semestre III Pag.
  • 82.
    ISTP CARLOS CUETO FERNANDINI EspecialidadElectrónica Industrial Prof. Luis A. Sánchez ELECTRONICA DE POTENCIA Semestre III Pag.
  • 83.
    ISTP CARLOS CUETO FERNANDINI EspecialidadElectrónica Industrial Prof. Luis A. Sánchez ELECTRONICA DE POTENCIA Semestre III Pag.
  • 84.
    ISTP CARLOS CUETO FERNANDINI EspecialidadElectrónica Industrial Prof. Luis A. Sánchez ELECTRONICA DE POTENCIA Semestre III Pag.
  • 85.
    ISTP CARLOS CUETO FERNANDINI EspecialidadElectrónica Industrial Prof. Luis A. Sánchez ELECTRONICA DE POTENCIA Semestre III Pag.
  • 86.
    ISTP CARLOS CUETO FERNANDINI EspecialidadElectrónica Industrial Prof. Luis A. Sánchez ELECTRONICA DE POTENCIA Semestre III Pag.