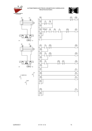
EJERCICIO 1 A+ B+ A- B- 1
AUTOMATISMOS ELÉCTRICOS, NEUMÁTICOS E HIDRÁULICOS
Manuel Escorza Subero
EJERCICIO NÚMERO 1 – AUTÓMATAS PROGRAMABLES
A + B + A - B – (ciclo continuo – distribuidoras biestables)
Paso número 1: GRAFCET.
El set, será una
entrada en
aquellos
autómatas que
no dispusieran
de bit de primer
scan.
El ciclo se
repetirá
indefinidamente
al pulsar el
pulsador de
marcha, hasta
que se pulse el
pulsador de paro
(cableado
cerrado) y deje
por lo tanto de
mandar señal.
Al pulsar el paro
en cualquier
momento de la
secuencia, el
sistema no
parará hasta que
la secuencia
finalice.
En este ejercicio
no está previsto
un paro que
detenga la
secuencia esté
dónde esté.
El regreso desde la etapa 4 si no hay señal en el paro podría ser también
hacia la etapa 1, antes de las transiciones.
EJERCICIO 1 A+ B+ A- B- 2
AUTOMATISMOS ELÉCTRICOS, NEUMÁTICOS E HIDRÁULICOS
Manuel Escorza Subero
Paso número 3: ELECCIÓN DE LAS ENTRADAS Y SALIDAS DEL
AUTÓMATA.
ENTRADAS SALIDAS MEMORIAS
M 000.00 A+ 010.00 X0 200.00
a0 000.01 A- 010.01 X1 200.01
a1 000.02 B+ 010.02 X2 200.02
b0 000.03 B- 010.03 X3 200.03
b1 000.04 X4 200.04
Set 253.15
Paro 000.05
Paso número 4: DIAGRAMA DE CONTACTOS.
RESOLUCIÓN NÚMERO 1. Obtención del diagrama de contactos de manera
directa desde las ecuaciones obtenidas del
grafcet.
Red inicial, lanzamiento de la etapa cero
EJERCICIO 1 A+ B+ A- B- 3
AUTOMATISMOS ELÉCTRICOS, NEUMÁTICOS E HIDRÁULICOS
Manuel Escorza Subero
Primera red
Segunda red
Tercera red
Cuarta red
EJERCICIO 1 A+ B+ A- B- 4
AUTOMATISMOS ELÉCTRICOS, NEUMÁTICOS E HIDRÁULICOS
Manuel Escorza Subero
Quinta red
Sexta red
Séptima red
Octava red
Novena y última red
EJERCICIO 1 A+ B+ A- B- 5
AUTOMATISMOS ELÉCTRICOS, NEUMÁTICOS E HIDRÁULICOS
Manuel Escorza Subero
RESOLUCIÓN NÚMERO 2. Utilización de KEEP, marcas o memorias en las
que se indica quién las activa y quién las
desactiva, es la función 11 de OMRON y que es
cómo las bobinas de seteo y resteo en un único
bloque.
EJERCICIO 1 A+ B+ A- B- 6
AUTOMATISMOS ELÉCTRICOS, NEUMÁTICOS E HIDRÁULICOS
Manuel Escorza Subero
RESOLUCIÓN NÚMERO 3. Utilizando bobinas de seteo reseteo, cada línea
activa una salida y a la vez desactiva la anterior.
O, como en este caso que se colocan de manera independiente una bobina en
cada red.
EJERCICIO 1 A+ B+ A- B- 7
AUTOMATISMOS ELÉCTRICOS, NEUMÁTICOS E HIDRÁULICOS
Manuel Escorza Subero
EJERCICIO 1 A+ B+ A- B- 8
AUTOMATISMOS ELÉCTRICOS, NEUMÁTICOS E HIDRÁULICOS
Manuel Escorza Subero
RESOLUCIÓN DEL MISMO EJERCICIO PERO UTILIZANDO EL PROGRAMA
AUTOMATION STUDIO
Conviene hacerse a la idea de que cada
autómata tiene su lenguaje, el diagrama de
contactos es básicamente igual, pero la
nomenclatura de las variables no.
La ventaja de utilizar la versión demo de este
software para programas pequeños es que
permite la simulación de manera mucho más
gráfica que el mismo autómata, ya que en éste, al
no conectar entradas y salidas a un circuito real
(salvo en ocasiones), deben modificarse las
entradas a mano, siendo las salidas los diodos
led que se encenderán si están activas.
Para que el circuito se simule, han de editarse
teniendo cuidado de que los finales de carrera
(sensores de posición magnéticos) y los pilotajes
de las distribuidoras (solenoides) lleven
exactamente los mismos nombres que las salidas
y entradas.
No obstante, conviene al editar el diagrama de
contactos, dar una dirección a cada variable.
EJERCICIO 1 A+ B+ A- B- 9
AUTOMATISMOS ELÉCTRICOS, NEUMÁTICOS E HIDRÁULICOS
Manuel Escorza Subero
En la siguiente tabla se pueden observar las direcciones elegidas.
Teniendo en cuenta que las entradas tendrán la forma: I: canal / bit, las
salidas: O: canal / bit y que las memorias o marcas internas llevarán
O:canal_no_utilizado_en_salidas / bit
ENTRADAS SALIDAS MEMORIAS
M I:1/0 A+ O:1/1 X1 O:3/1
a0 I:1/1 A- O:1/2 X2 O:3/2
a1 I:1/2 B+ O:1/3 X3 O:3/3
b0 I:1/3 B- O:1/4 X4 O:3/4
b1 I:1/4
Set I:1/6
Paro I:1/5
Se parte del mismo grafcet.
Se realiza la resolución en los dos sistemas que permite automation
Studio que es con bobinas normales y con bobinas set / reset.
El pulsador de paro en la simulación es un pulsador normalmente
abierto que se cerrará (para que envíe señal como si estuviese
conectado en cerrado) antes de pulsar al set (bit que sustituye al bit de
primer scan).
La “L” equivale a SET en las bobinas (carga) y la “U” a RESET
(descarga).
EJERCICIO 1 A+ B+ A- B- 10
AUTOMATISMOS ELÉCTRICOS, NEUMÁTICOS E HIDRÁULICOS
Manuel Escorza Subero
A+ A-
A0 A1
MARCHA
B+ B-
B0 B1
ET4
O:3/4
ET2
O:3/2
ET1
O:3/1
ET1
O:3/1
A1
I:1/2
ET2
O:3/2
ET2
O:3/2
ET1
O:3/1
ET2
O:3/2
ET3
O:3/3
ET3
O:3/3
ET4
O:3/4
ET3
O:3/3
ET3
O:3/3
A0
I:1/1
ET4
O:3/4
ET4
O:3/4
ET1
O:3/1
A+
O:1/1
B+
O:1/3
A-
O:1/2
B-
O:1/4
ET2
O:3/2
ET3
O:3/3
ET4
O:3/4
B1
I:1/4
SET
I:1/6
ET1
O:3/1
MARCHA
I:1/0
A0
I:1/1
B0
I:1/3
ET0
O:3/0
SET
ET0
O:3/0
ET0
O:3/0
ET4
O:3/4
P
I:1/5
B0
I:1/3
P
I:1/5
ET1
O:3/1
ET0
O:3/0
ET0
O:3/0
ET0
O:3/0
P
EJERCICIO 1 A+ B+ A- B- 11
AUTOMATISMOS ELÉCTRICOS, NEUMÁTICOS E HIDRÁULICOS
Manuel Escorza Subero
L
U
L
U
L
U
L
U
L
U
A+ A-
A0 A1
MARCHA
B+ B-
B0 B1
ET4
O:3/4
ET2
O:3/2
A1
I:1/2
ET3
O:3/3
ET1
O:3/1
ET2
O:3/2
ET4
O:3/4
ET3
O:3/3
A0
I:1/1
ET1
O:3/1
ET1
O:3/1
A+
O:1/1
B+
O:1/3
A-
O:1/2
B-
O:1/4
ET2
O:3/2
ET3
O:3/3
ET4
O:3/4
B1
I:1/4
SET
I:1/6
ET0
O:3/0
ET1
O:3/1
MARCHA
I:1/0
A0
I:1/1
B0
I:1/3
ET0
O:3/0
SET
P
ET0
O:3/0
ET1
O:3/1
ET1
O:3/1
ET2
O:3/2
ET2
O:3/2
ET3
O:3/3
ET3
O:3/3
ET4
O:3/4
ET4
O:3/4
ET4
O:3/4
B0
I:1/3
P
I:1/5
P
I:1/5
ET0
O:3/0
EJERCICIO 1 A+ B+ A- B- 12
AUTOMATISMOS ELÉCTRICOS, NEUMÁTICOS E HIDRÁULICOS
Manuel Escorza Subero
ZELIO SOFT – bobinas normales
EJERCICIO 1 A+ B+ A- B- 13
AUTOMATISMOS ELÉCTRICOS, NEUMÁTICOS E HIDRÁULICOS
Manuel Escorza Subero
EJERCICIO 1 A+ B+ A- B- 14
AUTOMATISMOS ELÉCTRICOS, NEUMÁTICOS E HIDRÁULICOS
Manuel Escorza Subero
ZELIO SOFT – bobinas set / reset
EJERCICIO 1 A+ B+ A- B- 15
AUTOMATISMOS ELÉCTRICOS, NEUMÁTICOS E HIDRÁULICOS
Manuel Escorza Subero

GRAFCET, Ejercicio+Soluciones.pdf

  • 1.
    EJERCICIO 1 A+B+ A- B- 1 AUTOMATISMOS ELÉCTRICOS, NEUMÁTICOS E HIDRÁULICOS Manuel Escorza Subero EJERCICIO NÚMERO 1 – AUTÓMATAS PROGRAMABLES A + B + A - B – (ciclo continuo – distribuidoras biestables) Paso número 1: GRAFCET. El set, será una entrada en aquellos autómatas que no dispusieran de bit de primer scan. El ciclo se repetirá indefinidamente al pulsar el pulsador de marcha, hasta que se pulse el pulsador de paro (cableado cerrado) y deje por lo tanto de mandar señal. Al pulsar el paro en cualquier momento de la secuencia, el sistema no parará hasta que la secuencia finalice. En este ejercicio no está previsto un paro que detenga la secuencia esté dónde esté. El regreso desde la etapa 4 si no hay señal en el paro podría ser también hacia la etapa 1, antes de las transiciones.
  • 2.
    EJERCICIO 1 A+B+ A- B- 2 AUTOMATISMOS ELÉCTRICOS, NEUMÁTICOS E HIDRÁULICOS Manuel Escorza Subero Paso número 3: ELECCIÓN DE LAS ENTRADAS Y SALIDAS DEL AUTÓMATA. ENTRADAS SALIDAS MEMORIAS M 000.00 A+ 010.00 X0 200.00 a0 000.01 A- 010.01 X1 200.01 a1 000.02 B+ 010.02 X2 200.02 b0 000.03 B- 010.03 X3 200.03 b1 000.04 X4 200.04 Set 253.15 Paro 000.05 Paso número 4: DIAGRAMA DE CONTACTOS. RESOLUCIÓN NÚMERO 1. Obtención del diagrama de contactos de manera directa desde las ecuaciones obtenidas del grafcet. Red inicial, lanzamiento de la etapa cero
  • 3.
    EJERCICIO 1 A+B+ A- B- 3 AUTOMATISMOS ELÉCTRICOS, NEUMÁTICOS E HIDRÁULICOS Manuel Escorza Subero Primera red Segunda red Tercera red Cuarta red
  • 4.
    EJERCICIO 1 A+B+ A- B- 4 AUTOMATISMOS ELÉCTRICOS, NEUMÁTICOS E HIDRÁULICOS Manuel Escorza Subero Quinta red Sexta red Séptima red Octava red Novena y última red
  • 5.
    EJERCICIO 1 A+B+ A- B- 5 AUTOMATISMOS ELÉCTRICOS, NEUMÁTICOS E HIDRÁULICOS Manuel Escorza Subero RESOLUCIÓN NÚMERO 2. Utilización de KEEP, marcas o memorias en las que se indica quién las activa y quién las desactiva, es la función 11 de OMRON y que es cómo las bobinas de seteo y resteo en un único bloque.
  • 6.
    EJERCICIO 1 A+B+ A- B- 6 AUTOMATISMOS ELÉCTRICOS, NEUMÁTICOS E HIDRÁULICOS Manuel Escorza Subero RESOLUCIÓN NÚMERO 3. Utilizando bobinas de seteo reseteo, cada línea activa una salida y a la vez desactiva la anterior. O, como en este caso que se colocan de manera independiente una bobina en cada red.
  • 7.
    EJERCICIO 1 A+B+ A- B- 7 AUTOMATISMOS ELÉCTRICOS, NEUMÁTICOS E HIDRÁULICOS Manuel Escorza Subero
  • 8.
    EJERCICIO 1 A+B+ A- B- 8 AUTOMATISMOS ELÉCTRICOS, NEUMÁTICOS E HIDRÁULICOS Manuel Escorza Subero RESOLUCIÓN DEL MISMO EJERCICIO PERO UTILIZANDO EL PROGRAMA AUTOMATION STUDIO Conviene hacerse a la idea de que cada autómata tiene su lenguaje, el diagrama de contactos es básicamente igual, pero la nomenclatura de las variables no. La ventaja de utilizar la versión demo de este software para programas pequeños es que permite la simulación de manera mucho más gráfica que el mismo autómata, ya que en éste, al no conectar entradas y salidas a un circuito real (salvo en ocasiones), deben modificarse las entradas a mano, siendo las salidas los diodos led que se encenderán si están activas. Para que el circuito se simule, han de editarse teniendo cuidado de que los finales de carrera (sensores de posición magnéticos) y los pilotajes de las distribuidoras (solenoides) lleven exactamente los mismos nombres que las salidas y entradas. No obstante, conviene al editar el diagrama de contactos, dar una dirección a cada variable.
  • 9.
    EJERCICIO 1 A+B+ A- B- 9 AUTOMATISMOS ELÉCTRICOS, NEUMÁTICOS E HIDRÁULICOS Manuel Escorza Subero En la siguiente tabla se pueden observar las direcciones elegidas. Teniendo en cuenta que las entradas tendrán la forma: I: canal / bit, las salidas: O: canal / bit y que las memorias o marcas internas llevarán O:canal_no_utilizado_en_salidas / bit ENTRADAS SALIDAS MEMORIAS M I:1/0 A+ O:1/1 X1 O:3/1 a0 I:1/1 A- O:1/2 X2 O:3/2 a1 I:1/2 B+ O:1/3 X3 O:3/3 b0 I:1/3 B- O:1/4 X4 O:3/4 b1 I:1/4 Set I:1/6 Paro I:1/5 Se parte del mismo grafcet. Se realiza la resolución en los dos sistemas que permite automation Studio que es con bobinas normales y con bobinas set / reset. El pulsador de paro en la simulación es un pulsador normalmente abierto que se cerrará (para que envíe señal como si estuviese conectado en cerrado) antes de pulsar al set (bit que sustituye al bit de primer scan). La “L” equivale a SET en las bobinas (carga) y la “U” a RESET (descarga).
  • 10.
    EJERCICIO 1 A+B+ A- B- 10 AUTOMATISMOS ELÉCTRICOS, NEUMÁTICOS E HIDRÁULICOS Manuel Escorza Subero A+ A- A0 A1 MARCHA B+ B- B0 B1 ET4 O:3/4 ET2 O:3/2 ET1 O:3/1 ET1 O:3/1 A1 I:1/2 ET2 O:3/2 ET2 O:3/2 ET1 O:3/1 ET2 O:3/2 ET3 O:3/3 ET3 O:3/3 ET4 O:3/4 ET3 O:3/3 ET3 O:3/3 A0 I:1/1 ET4 O:3/4 ET4 O:3/4 ET1 O:3/1 A+ O:1/1 B+ O:1/3 A- O:1/2 B- O:1/4 ET2 O:3/2 ET3 O:3/3 ET4 O:3/4 B1 I:1/4 SET I:1/6 ET1 O:3/1 MARCHA I:1/0 A0 I:1/1 B0 I:1/3 ET0 O:3/0 SET ET0 O:3/0 ET0 O:3/0 ET4 O:3/4 P I:1/5 B0 I:1/3 P I:1/5 ET1 O:3/1 ET0 O:3/0 ET0 O:3/0 ET0 O:3/0 P
  • 11.
    EJERCICIO 1 A+B+ A- B- 11 AUTOMATISMOS ELÉCTRICOS, NEUMÁTICOS E HIDRÁULICOS Manuel Escorza Subero L U L U L U L U L U A+ A- A0 A1 MARCHA B+ B- B0 B1 ET4 O:3/4 ET2 O:3/2 A1 I:1/2 ET3 O:3/3 ET1 O:3/1 ET2 O:3/2 ET4 O:3/4 ET3 O:3/3 A0 I:1/1 ET1 O:3/1 ET1 O:3/1 A+ O:1/1 B+ O:1/3 A- O:1/2 B- O:1/4 ET2 O:3/2 ET3 O:3/3 ET4 O:3/4 B1 I:1/4 SET I:1/6 ET0 O:3/0 ET1 O:3/1 MARCHA I:1/0 A0 I:1/1 B0 I:1/3 ET0 O:3/0 SET P ET0 O:3/0 ET1 O:3/1 ET1 O:3/1 ET2 O:3/2 ET2 O:3/2 ET3 O:3/3 ET3 O:3/3 ET4 O:3/4 ET4 O:3/4 ET4 O:3/4 B0 I:1/3 P I:1/5 P I:1/5 ET0 O:3/0
  • 12.
    EJERCICIO 1 A+B+ A- B- 12 AUTOMATISMOS ELÉCTRICOS, NEUMÁTICOS E HIDRÁULICOS Manuel Escorza Subero ZELIO SOFT – bobinas normales
  • 13.
    EJERCICIO 1 A+B+ A- B- 13 AUTOMATISMOS ELÉCTRICOS, NEUMÁTICOS E HIDRÁULICOS Manuel Escorza Subero
  • 14.
    EJERCICIO 1 A+B+ A- B- 14 AUTOMATISMOS ELÉCTRICOS, NEUMÁTICOS E HIDRÁULICOS Manuel Escorza Subero ZELIO SOFT – bobinas set / reset
  • 15.
    EJERCICIO 1 A+B+ A- B- 15 AUTOMATISMOS ELÉCTRICOS, NEUMÁTICOS E HIDRÁULICOS Manuel Escorza Subero