ESPAÑOL ESPAÑOL ESPAÑOL
GSN0596-02
INSTRUCCIONES PARA INSERTAR EN LA CARPETA
ESTA HOJA CONTIENE ETIQUETAS PARA DOS TIPOS DE CAR-
PETAS:
ETIQUETA PARA CARPETAS CON BORDE DE VINIL
TRANSPARENTE
CORTE LA ETIQUETA POR LAS LINEAS INDICADAS E
INSERTE EN EL BORDE DE LA CARPETA.
ETIQUETA PARA CARPETA CON VENTANA
INSERTE EL PROTECTOR TRANSPARENTE EN LA
VENTANA
CORTE LA ETIQUETA POR LAS LINEAS INDICADAS Y
COLOQUE DETRAS DEL PROTECTOR DE LA VENTANA
D155AX-6 D155AX-6 D155AX-6
GSN00596-02
Manual de Taller
BULDOZER
NUMEROS DE SERIE D155AX-80001 y superiores
00-20
D155AX-6 1
GSN00598-01
BULDÓZER 1MANUAL DE TALLER
D155AX-6
Modelo de máquina Número de serie
D155AX-6 80001 y superiores
00 Índice y Prólogo 1
Índice
Lista de organización del manual de taller.......................................................................................... 2
Tabla de contenidos ............................................................................................................................ 3
GSN00598-01 00 Índice y Prólogo
2 D155AX-6
Lista de organización del manual de taller 1
Los contenidos de este manual de taller se muestran en una lista junto con la Forma No.
Nota 1: Mantenga siempre la última versión de este manual de acuerdo a esta lista y en consecuencia,
utilícelo de acuerdo a lo planeado.
Las marcas mostradas en el lado derecho de la Forma No. denotan lo siguiente:
: Asunto nuevo (para ser llenado adicionalmente) : Revisión (a ser reemplazada por cada
Forma No.)
Nota 2: Este manual de taller se puede suministrar por cada Forma No.
Nota 3: Para encuadernar este manual de taller en una carpeta especial para la administración, proceda
de la siguiente manera:
• Coloque en la carpeta una división al principio de cada sección, después de hacer coincidir el
"Tub No." con el No. indicado siguiente a cada Nombre de sección mostrado en la tabla de abajo:
• La descripción de la carpeta y otros materiales por secciones se deben colocar en el orden mos-
trado abajo, y utilizar de acuerdo a lo planeado.
Título de la Sección Número de Forma
Manual de Taller, cubierta de contenido, rótulo de cubierta y uñeros GSN00596-01
00 Índice y Prólogo GSN00597-01
Indice GSN00598-01
Prefacio e información general GSN00599-00
01 Especificaciónes GSN00600-00
Especificación y datos técnicos GSN00601-00
10 Estructura, función, y estandar de mantenimiento GSN00602-00
Sistema de enfriamiento y el motor GSN00603-00
Sistema del tren de potencia, Parte 1 GSN00604-00
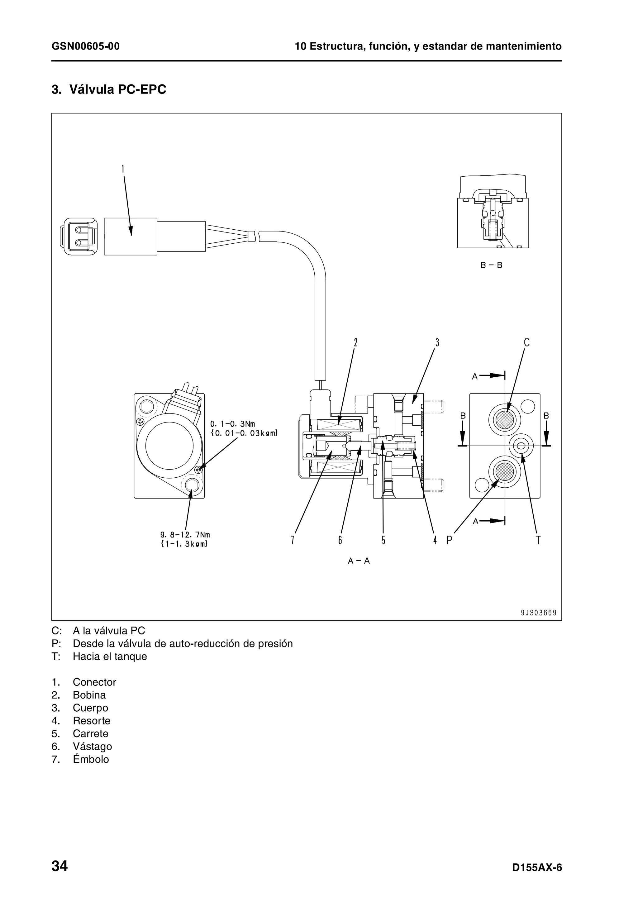
Sistema del tren de potencia, Parte 2 GSN00605-00
Tren de rodaje y bastidor GSN00606-00
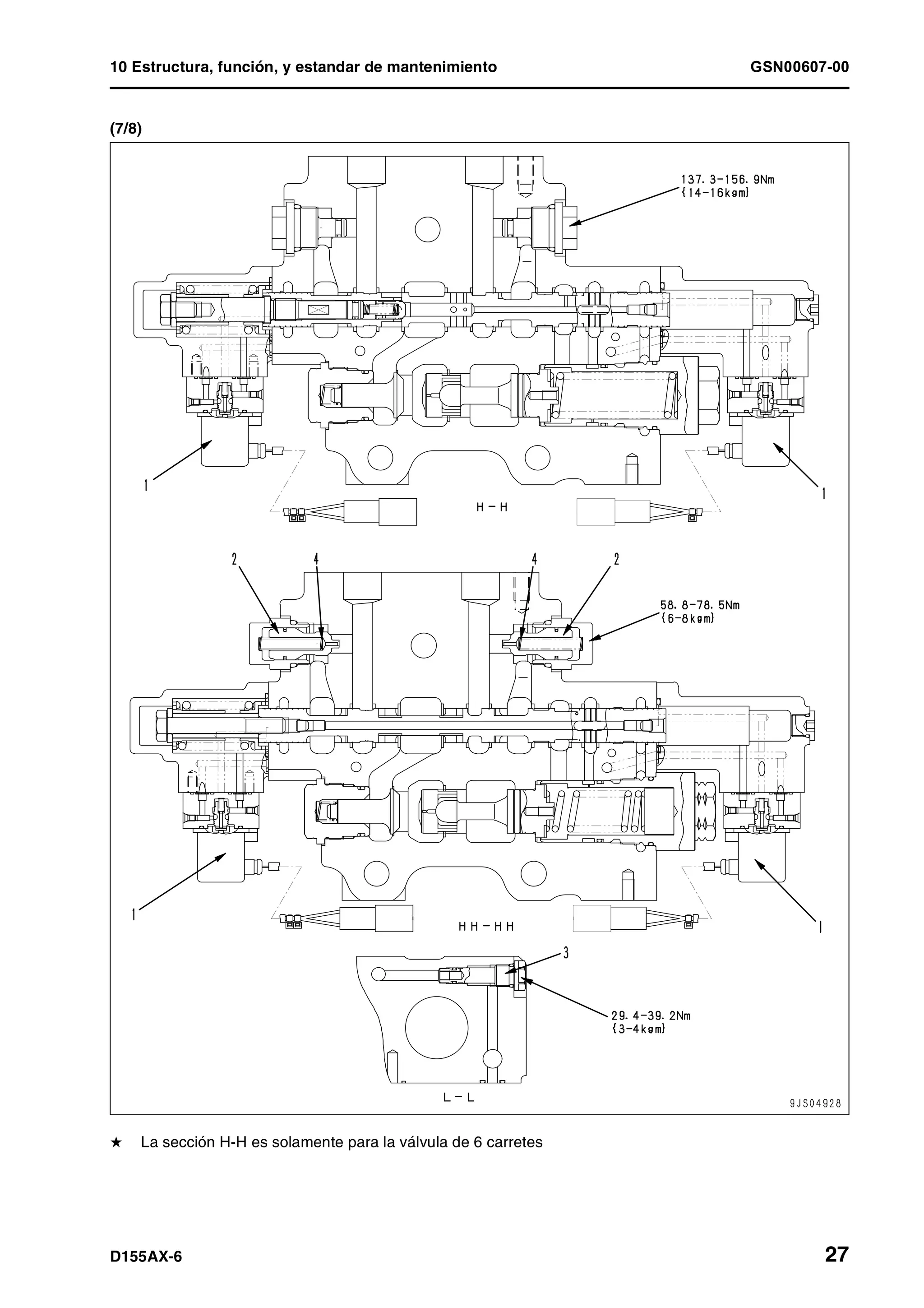
Sistema hidráulico GSN00607-00
Equipo de trabajo GSN00608-00
Cabina y sus aditamentos GSN00609-00
Sistema eléctrico GSN00610-00
20 Tabla de valores estándar GSN00611-00
Tabla de valores estándar de servicio GSN00678-00
30 Pruebas y ajustes GSN00612-00
Pruebas y ajustes, Parte 1 GSN00679-00
Pruebas y ajustes, Parte 2 GSN00680-00
Pruebas y ajustes, Parte 3 GSN00681-00
Pruebas y ajustes, Parte 4 GSN00682-00
40 Localización de fallas GSN00613-00
Información general sobre localización de fallas GSN00851-00
Localización de fallas y códigos de errores, Parte 1 GSN00716-00
Localización de fallas y códigos de errores, Parte 2 GSN00717-00
Localización de fallas y códigos de errores, Parte 3 GSN00718-00
00 Índice y Prólogo GSN00598-01
D155AX-6 3
Localización de fallas y códigos de errores, Parte 4 GSN00719-00
Localización de fallas y códigos de errores, Parte 5 GSN00720-00
Localización de fallas y códigos de errores, Parte 6 GSN00721-00
Localización de fallas y códigos de errores, Parte 7 GSN00722-00
Localización de fallas y códigos de errores, Parte 8 GSN00723-00
Localización de fallas del sistema eléctrico (Modo E) GSN00807-00
Localización de fallas en el sistema hidráulico y mecánico (modo-H) GSN00808-00
Localización de fallas del motor (Modo S) GSN00852-00
90 Diagramas y dibujos GSN00615-00
Diagrama del circuito hidráulico GSN00616-00
Diagrama del circuito eléctrico GSN00617-01
GSN00598-01 00 Índice y Prólogo
4 D155AX-6
Tabla de contenido 1
00 Índice y Prólogo
Indice GSN00598-01
Lista de organización del manual de taller .............................................................................. 2
Tabla de contenidos................................................................................................................. 3
Prefacio e información general GSN00599-00
Prefacio e información general.................................................................................................... 2
Avisos de seguridad ................................................................................................................ 2
Cómo leer el manual de taller.................................................................................................. 6
Explicación de términos para normas de mantenimiento........................................................ 8
Manipulación de componentes eléctricos e hidráulicos........................................................... 10
Forma de leer el código de alambres eléctricos...................................................................... 18
Método para desarmar y conectar el tipo de acoplador de empuje-tracción........................... 21
Tabla de torsión estándar de apriete ....................................................................................... 24
Tabla de conversión................................................................................................................. 28
01 Especificación
Especificación y datos técnicos GSN00601-00
Especificación y datos técnicos................................................................................................... 2
Dibujos de especificaciones de dimensiones .......................................................................... 2
Especificaciones...................................................................................................................... 3
Tabla de pesos......................................................................................................................... 9
Tabla de combustible, líquido refrigerante y lubricantes .......................................................... 12
10 Estructura, función, y estandar de mantenimiento
Sistema de enfriamiento y el motor GSN00603-00
Motor y sistema de enfriamiento ................................................................................................. 2
Radiador, enfriador del aceite.................................................................................................. 2
Soporte del motor.................................................................................................................... 5
Bomba del ventilador de enfriamiento ..................................................................................... 6
Motor de ventilador de enfriamiento ........................................................................................ 14
Sistema del tren de potencia, Parte 1 GSN00604-00
Sistema del tren de potencia, Parte 2 ......................................................................................... 2
Esqueleto del tren de potencia ................................................................................................ 2
Dibujo general de la unidad del tren de potencia .................................................................... 4
Dibujo de las tuberías hidráulicas del tren de potencia ........................................................... 6
Amortiguador, unión universal ................................................................................................. 8
Convertidor de torsión, TDF .................................................................................................... 10
Válvula de control del convertidor de torsión........................................................................... 19
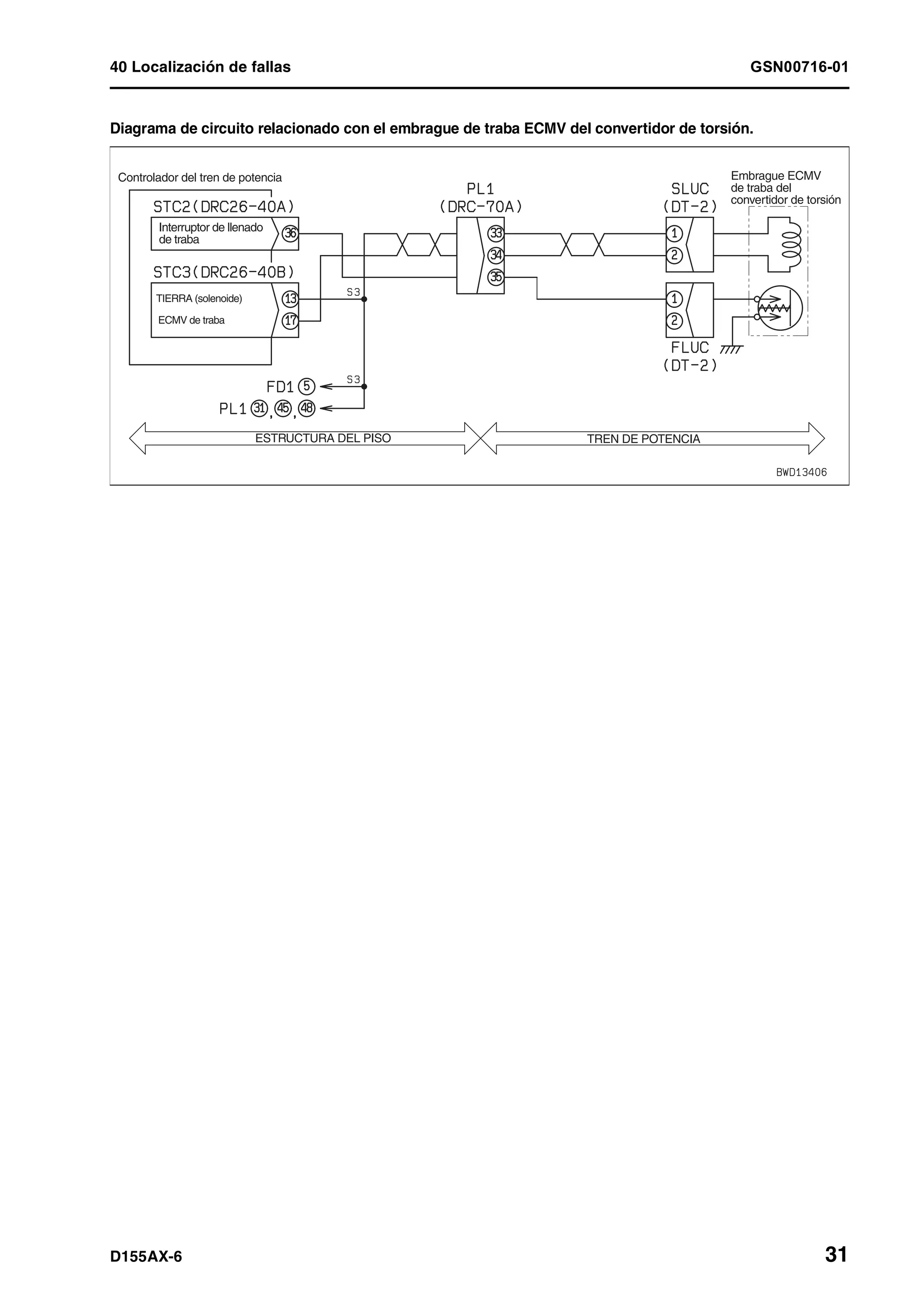
Embrague de traba ECMV, embrague del estátor ECMV........................................................ 20
Control de la transmisión......................................................................................................... 26
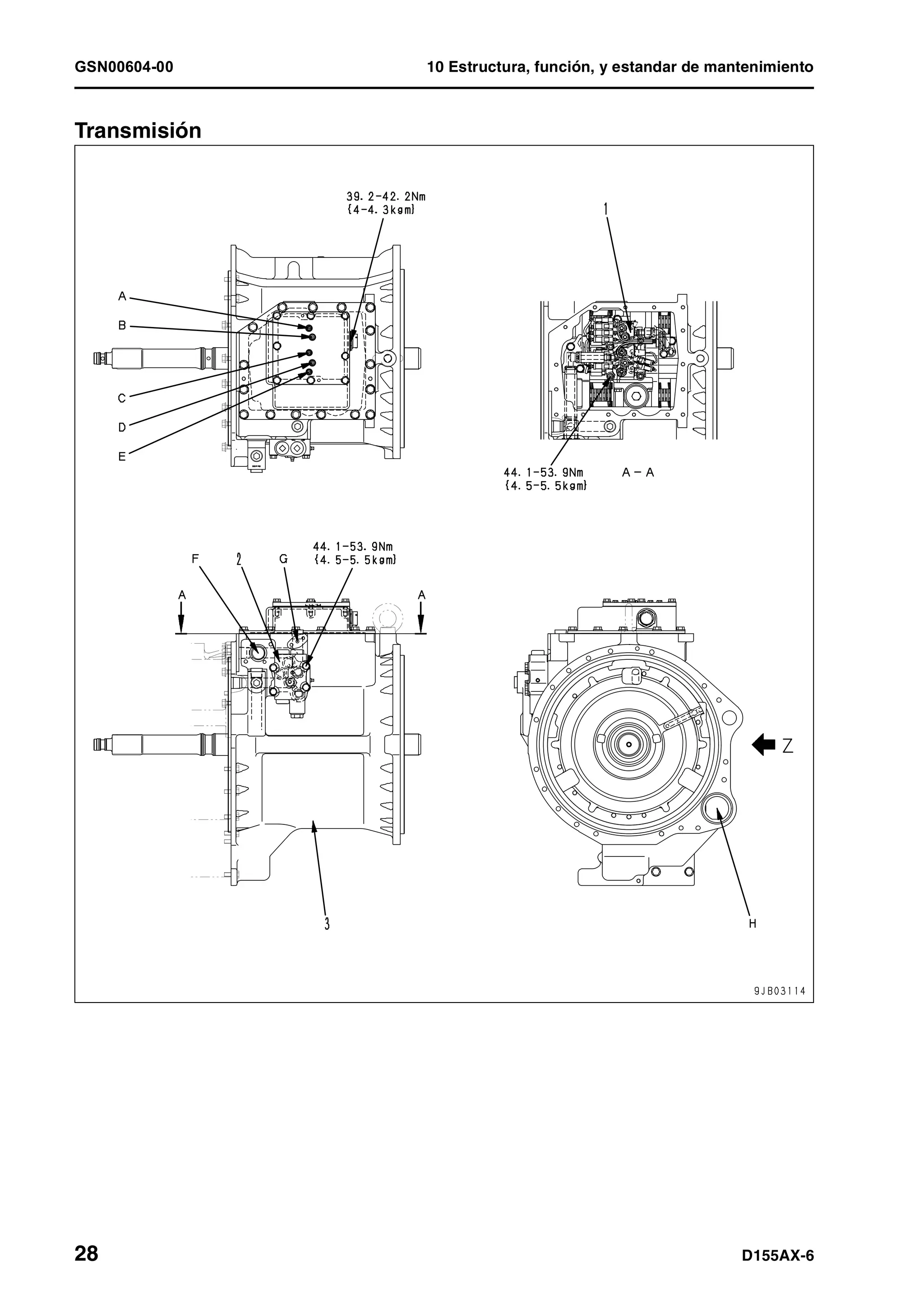
Transmisión.............................................................................................................................. 28
ECMV de la transmisión .......................................................................................................... 40
Válvula de alivio principal y válvula de alivio del convertidor de torsión.................................. 46
Válvula de alivio de la lubricación............................................................................................ 48
Bomba de barrido .................................................................................................................... 49
Bomba para el tren de potencia y lubricación de la dirección ................................................. 50
Sistema del tren de potencia, Parte 2 GSN00605-00
Sistema del tren de potencia, Parte 2 ......................................................................................... 2
Sistema HSS ........................................................................................................................... 2
Motor HST ............................................................................................................................... 4
Hidráulica, bomba HSS ........................................................................................................... 14
Válvula de desvío del enfriador de aceite hidráulico ............................................................... 37
Control de dirección y de freno................................................................................................ 38
00 Índice y Prólogo GSN00598-01
D155AX-6 5
Unidad de la dirección............................................................................................................. 40
Válvula de control del freno..................................................................................................... 56
Freno ECMV............................................................................................................................ 58
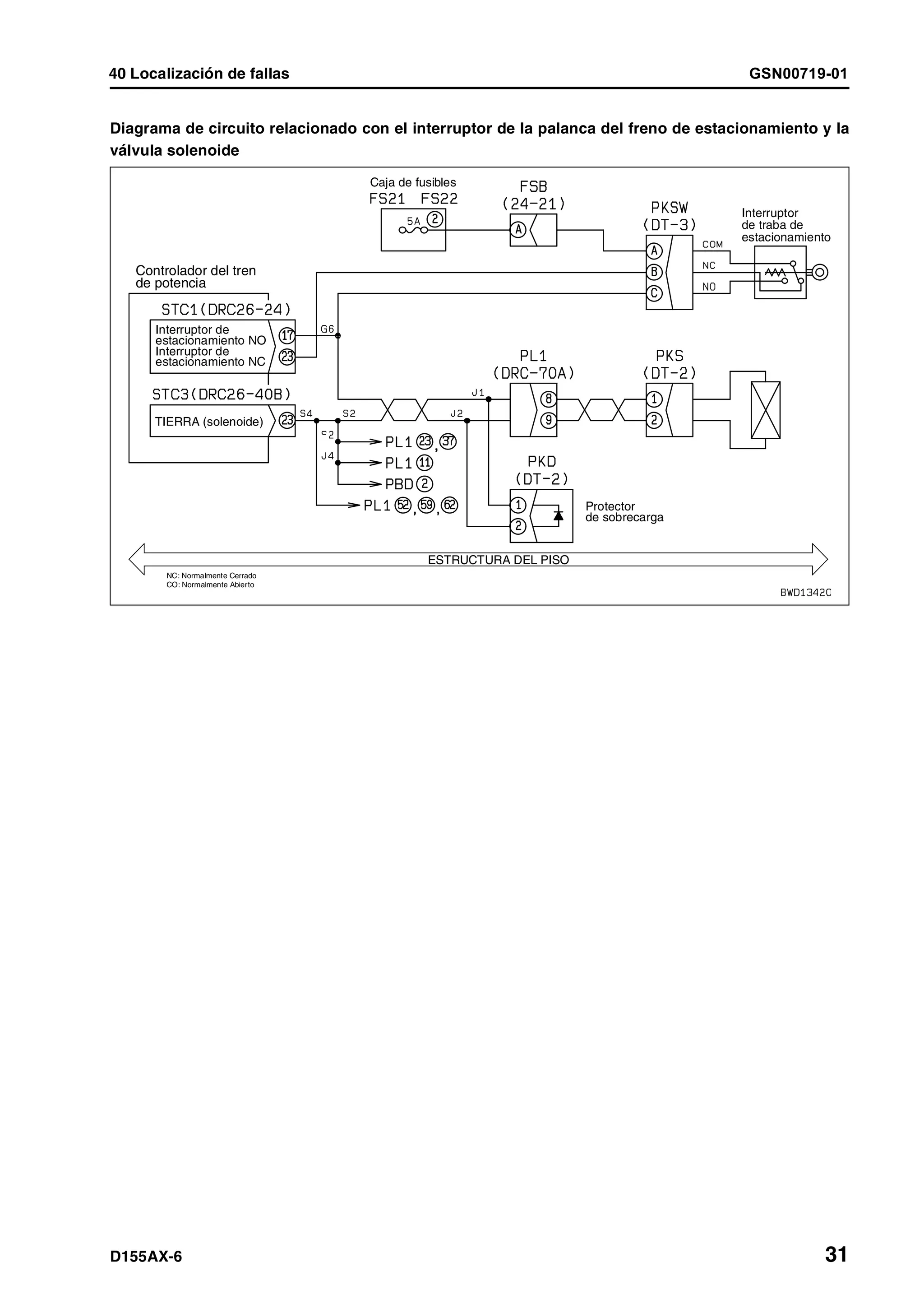
Válvula solenoide del freno de estacionamiento ..................................................................... 63
Válvula contra parada súbita ................................................................................................... 65
Mando final.............................................................................................................................. 67
Rueda dentada........................................................................................................................ 71
Tren de rodaje y bastidor GSN00606-00
Tren de rodaje y bastidor ............................................................................................................ 2
Bastidor de la oruga ................................................................................................................ 2
Resorte tensor......................................................................................................................... 4
Rueda tensora......................................................................................................................... 6
Rodillo inferior.......................................................................................................................... 8
Rodillo superior........................................................................................................................ 10
Zapata de oruga ...................................................................................................................... 12
Bastidor principal..................................................................................................................... 18
Suspensión.............................................................................................................................. 20
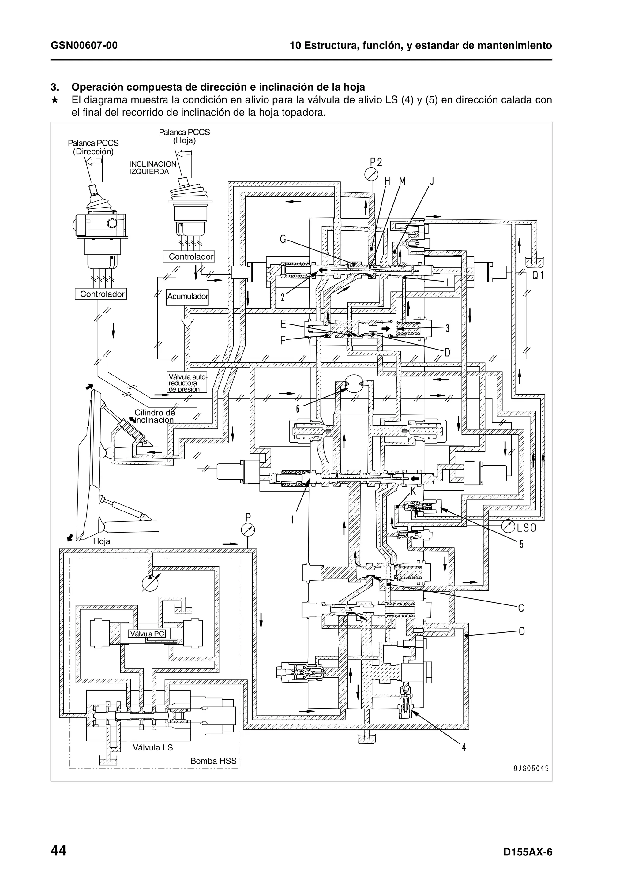
Sistema hidráulico GSN00607-00
Sistema hidráulico....................................................................................................................... 2
Diagrama de la tuberia hidráulica del equipo de trabajo ......................................................... 2
Diagrama de la tubería del control del equipo de trabajo........................................................ 5
Control del equipo de trabajo .................................................................................................. 6
Tanque hidráulico y filtro.......................................................................................................... 8
Acumulador ............................................................................................................................. 10
Palanca PCCS......................................................................................................................... 11
Válvula de traba del equipo de trabajo .................................................................................... 15
Válvula de control.................................................................................................................... 16
Cilindro del equipo de trabajo.................................................................................................. 52
Válvula pistón .......................................................................................................................... 54
Válvula de caida rápida ........................................................................................................... 56
Válvula de auto-reducción de presión ..................................................................................... 61
Equipo de trabajo GSN00608-00
Equipo de trabajo........................................................................................................................ 2
Tirante del cilindro ................................................................................................................... 2
Hoja ......................................................................................................................................... 4
Borde de corte, cantonera....................................................................................................... 6
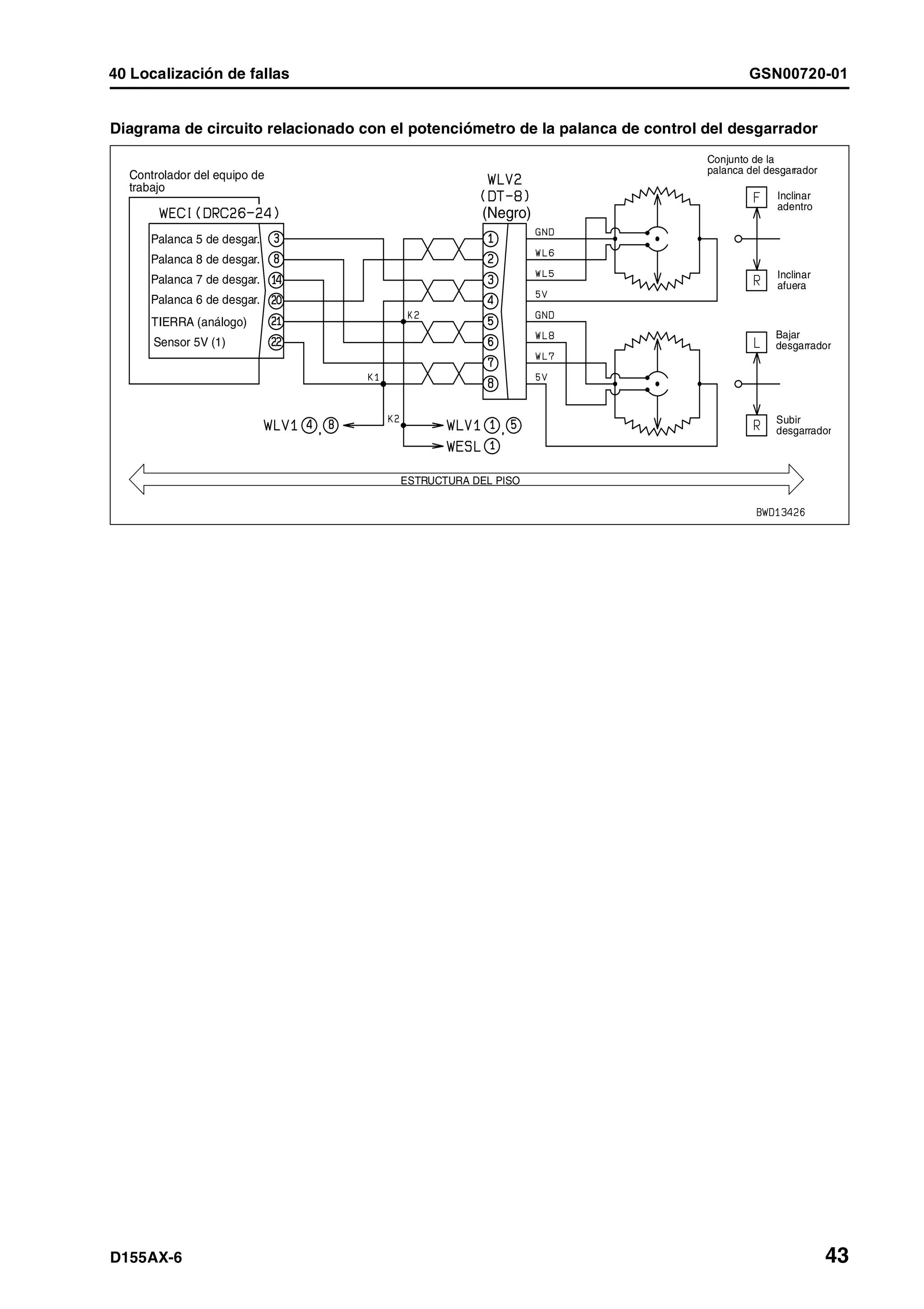
Desgarrador............................................................................................................................. 8
Cabina y sus aditamentos GSN00609-00
Cabina y sus aditamentos........................................................................................................... 2
Cabina de montaje + pasador ROPS ...................................................................................... 2
Cabina ROPS .......................................................................................................................... 3
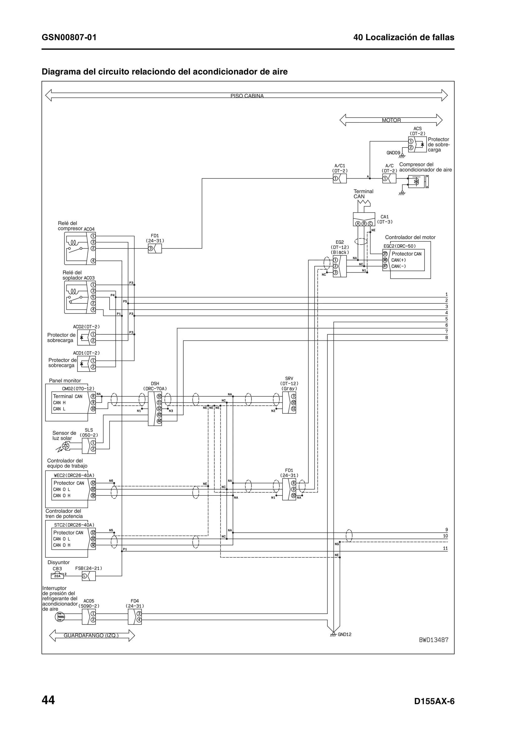
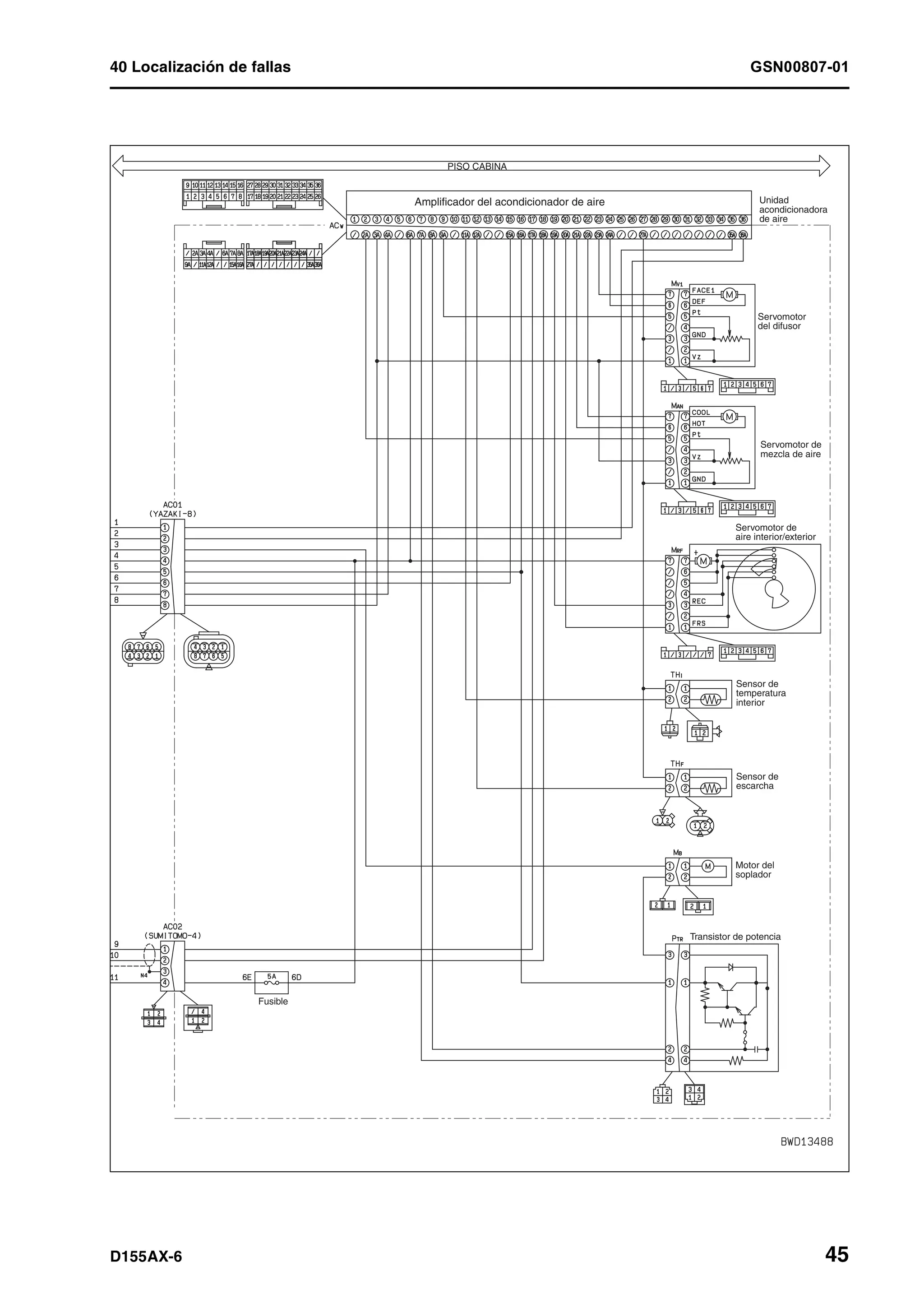
Acondicionador de aire............................................................................................................ 4
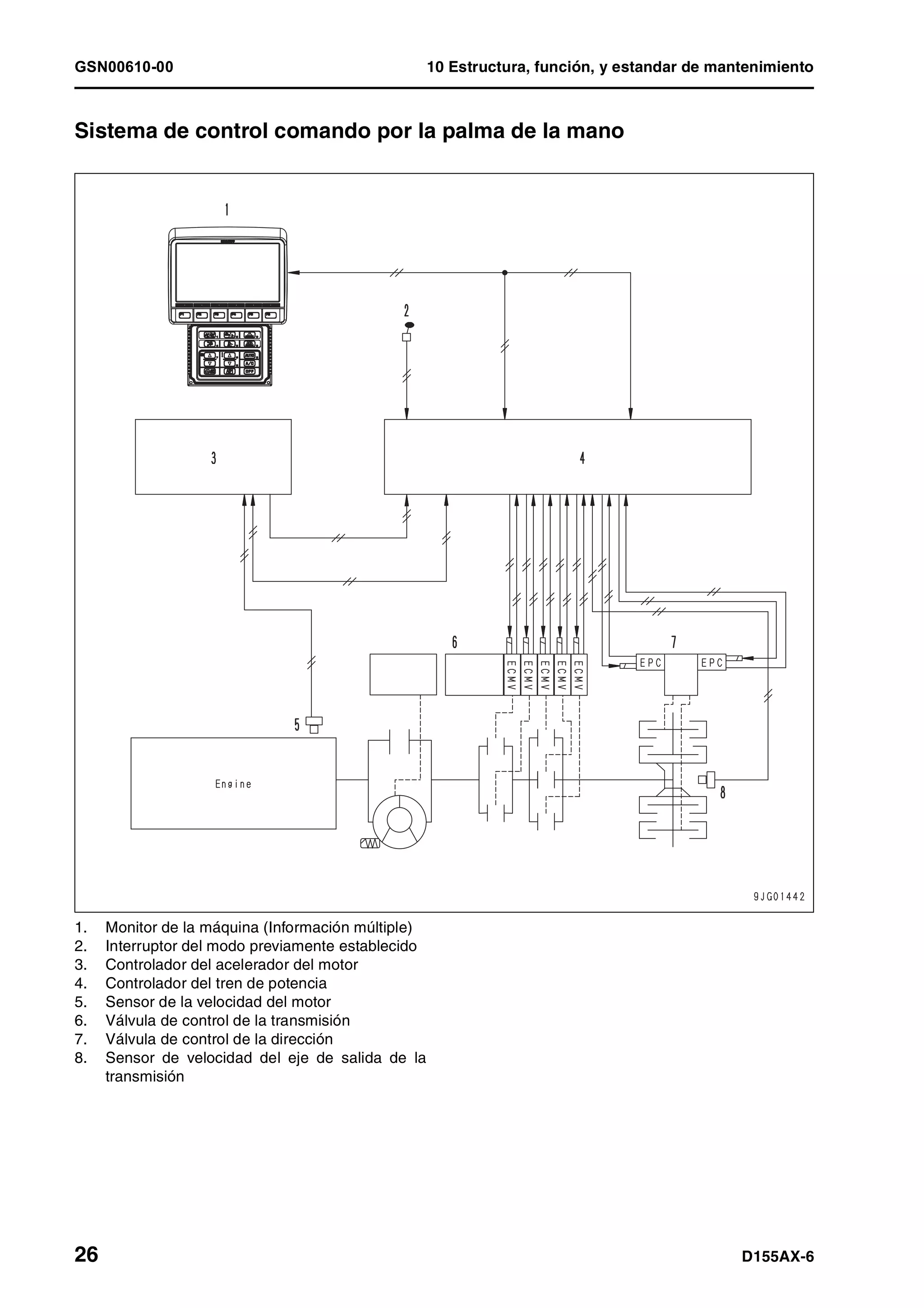
Sistema eléctrico GSN00610-00
Sistema Eléctrico ........................................................................................................................ 2
Control del motor..................................................................................................................... 2
Sistema de control del motor................................................................................................... 3
Potenciómetro de desaceleración ........................................................................................... 4
Sistema monitor....................................................................................................................... 5
Sensores ................................................................................................................................. 23
Sistema de control comando por la palma de la mano ........................................................... 26
20 Tabla de valores estándar
Tabla de valores estándar de servicio GSN00678-00
Tabla de valores estándar para el motor..................................................................................... 2
Tabla de valores estándar para el motor ................................................................................. 2
Tabla de valores estándar para la máquina............................................................................. 3
GSN00598-01 00 Índice y Prólogo
6 D155AX-6
30 Pruebas y Ajustes
Pruebas y ajustes, Parte 1 GSN00679-00
Pruebas y ajustes, Parte 1 .......................................................................................................... 3
Herramientas para comprobaciones, ajustes y localización de fallas...................................... 3
Midiendo la velocidad del motor .............................................................................................. 5
Forma de medir la presión de admisión de aire (presión de refuerzo) .................................... 7
Midiendo la temperatura del escape........................................................................................ 8
Medición del color de los gases del escape ............................................................................ 10
Ajuste de la holgura de válvulas.............................................................................................. 11
Medición de la presión de compresión .................................................................................... 12
Medición de la presión del paso de gases............................................................................... 14
Medición de la presión del aceite del motor ............................................................................ 15
Manipulando partes del sistema de combustible..................................................................... 16
Alivio de la presión residual del sistema de combustible......................................................... 16
Forma de medir la presión del combustible............................................................................. 17
Midiendo la proporción de retorno y escape de combustible .................................................. 18
Forma de purgar el aire del circuito de combustible................................................................ 22
Revisando si hay escapes en el circuito de combustible......................................................... 24
Probando y ajustando la tensión de la correa del alternador .................................................. 25
Prueba y ajuste de la tensión de la correa del compresor del acondicionador de aire ........... 26
Medición de la velocidad del ventilador ................................................................................... 27
Medición de la presión de aceite del circuito del ventilador..................................................... 28
Forma de purgar el aire de la bomba del ventilador ................................................................ 29
Forma de ajustar el dial del control de combustible y el pedal desacelerador ........................ 30
Pruebas y ajustes, Parte 2 GSN00680-00
Pruebas y ajustes, Parte 2 .......................................................................................................... 3
Forma de medir la presión del aceite del tren de potencia...................................................... 3
Ajustando el sensor de velocidad del eje de salida de la transmisión..................................... 11
Método sencillo para comprobar el desempeño del freno....................................................... 12
Ajuste del pedal del freno ........................................................................................................ 13
Ajustando la palanca del freno de estacionamiento ................................................................ 15
Método para una salida de emergencia cuando el tren de potencia tiene problema .............. 17
Forma de ajustar la separación de la rueda delantera ............................................................ 20
Prueba y ajuste de la tensión de la oruga ............................................................................... 21
Midiendo y ajustando la presión del aceite del equipo de trabajo y del HSS .......................... 22
Medida en la presión básica del circuito de control................................................................. 26
Midiendo la presión de salida de la válvula solenoide de traba del equipo de trabajo ............ 27
Método de operación de emergencia cuando el equipo de trabajo tiene problemas .............. 28
Forma de medir la presión de salida de la válvula solenoide de salida de pasador del desgarrador 30
Prueba para medir el deslizamiento hidráulico de la hoja y del desgarrador .......................... 31
Forma de medir el escape interno de aceite en el cilindro del equipo de trabajo.................... 32
Forma de aliviar la presión residual del cilindro del equipo de trabajo .................................... 33
Forma de purgar el aire del cilindro del equipo de trabajo ...................................................... 33
Ajuste la palanca de cierre del equipo de trabajo.................................................................... 34
Forma de ajustar la hoja topadora........................................................................................... 35
Ajustando la cabina del operador ............................................................................................ 37
Pruebas y ajustes, Parte 3 GSN00681
Pruebas y ajustes, Parte 3 .......................................................................................................... 2
Función Especial del Monitor de la Máquina (EMMS)............................................................. 2
Pruebas y ajustes, Parte 4 GSN00682
Pruebas y ajustes, Parte 4 .......................................................................................................... 2
Forma de manejar el circuito de fuente de energía del controlador del motor ........................ 2
Trabajos de preparación para la localización de fallas en el sistema eléctrico........................ 3
Clínica Pm ............................................................................................................................... 5
00 Índice y Prólogo GSN00598-01
D155AX-6 7
40 Localización de fallas
Información general sobre localización de fallas GSN00851-00
Información general y localización de fallas................................................................................ 2
Aspectos a recordar durante la localización de fallas.............................................................. 2
Secuencia de eventos en la localización de fallas................................................................... 3
Hacer una revisión antes de tratar de localizar fallas o averías .............................................. 4
Clasificación y procedimientos de localización de fallas ......................................................... 5
Tabla de conexiones y números de las espigas de conectores............................................... 8
Cajas-T y tabla de adaptadores-T ........................................................................................... 31
Localización de fallas y códigos de errores, Parte 1 GSN00716-00
Localización de fallas y códigos de errores, Parte 1................................................................... 3
Tabla de códigos de falla ......................................................................................................... 3
Antes de ejecutar la localización de fallas cuando aparece expuesto el código de fallas....... 10
Información en la tabla de localización de fallas ..................................................................... 14
Código de falla [1500L0] Embrague de transmisión: Anormal ................................................ 16
Código de falla [15SAL1] Embrague de avance: Señal de llenado de alta ............................. 17
Código de falla [15SALH] Embrague de avance: Señal de llenado de baja............................ 18
Código de falla [15SBL1] Embrague de retroceso: Señal de llenado de alta.......................... 19
Código de falla [15SBLH] Embrague de retroceso: Señal de llenado de baja ........................ 20
Código de falla [15SEL1] Embrague de 1a. marcha: Señal de llenado de alta....................... 21
Código de falla [15SELH] Embrague de 1a. marcha: Señal de llenado de baja ..................... 22
Código de falla [15SFL1] Embrague de 2a. marcha: Señal de llenado de alta....................... 23
Código de falla [15SFLH] Embrague de 2a. marcha: Señal de llenado de baja ..................... 24
Código de falla [15SGL1] Embrague de 3a. marcha: Señal de llenado de alta ...................... 25
Código de falla [15SGLH] Embrague de 3a. marcha: Señal de llenado de baja..................... 26
Código de falla [15SJL1] L/U: Señal de llenado de alta .......................................................... 28
Código de falla [15SJLH] L/U: Señal de llenado de baja......................................................... 30
Código de falla [2301L1] Freno derecho: Señal de llenado de alta......................................... 32
Código de falla [2301LH] Freno derecho: Señal de llenado de baja ....................................... 33
Código de falla [2302L1] Freno izquierdo: Señal de llenado de alta ....................................... 34
Código de falla [2302LH] Freno izquierdo: Señal de llenado de baja...................................... 35
Código de falla [7RFRKA] ECM RELÉ DE RETENCIÓN Desconexión .................................. 36
Código de falla [AA10NX] Obstrucción del filtro de aire .......................................................... 38
Código de falla [AB00MA] Carga Anormal de la Batería......................................................... 40
Código de falla [B@BAZG] Presión del aceite del motor baja ................................................ 42
Código de fallas [B@BCNS] Agua del motor sobrecalentado................................................. 42
Código de falla [B@BCZK] Bajo el nivel del agua del motor................................................... 43
Código de falla [B@CENS] Sobrecalentamiento del convertidor de torsión ........................... 43
Código de falla [B@HANS] Sobrecalentamiento del Aceite Hidráulico................................... 44
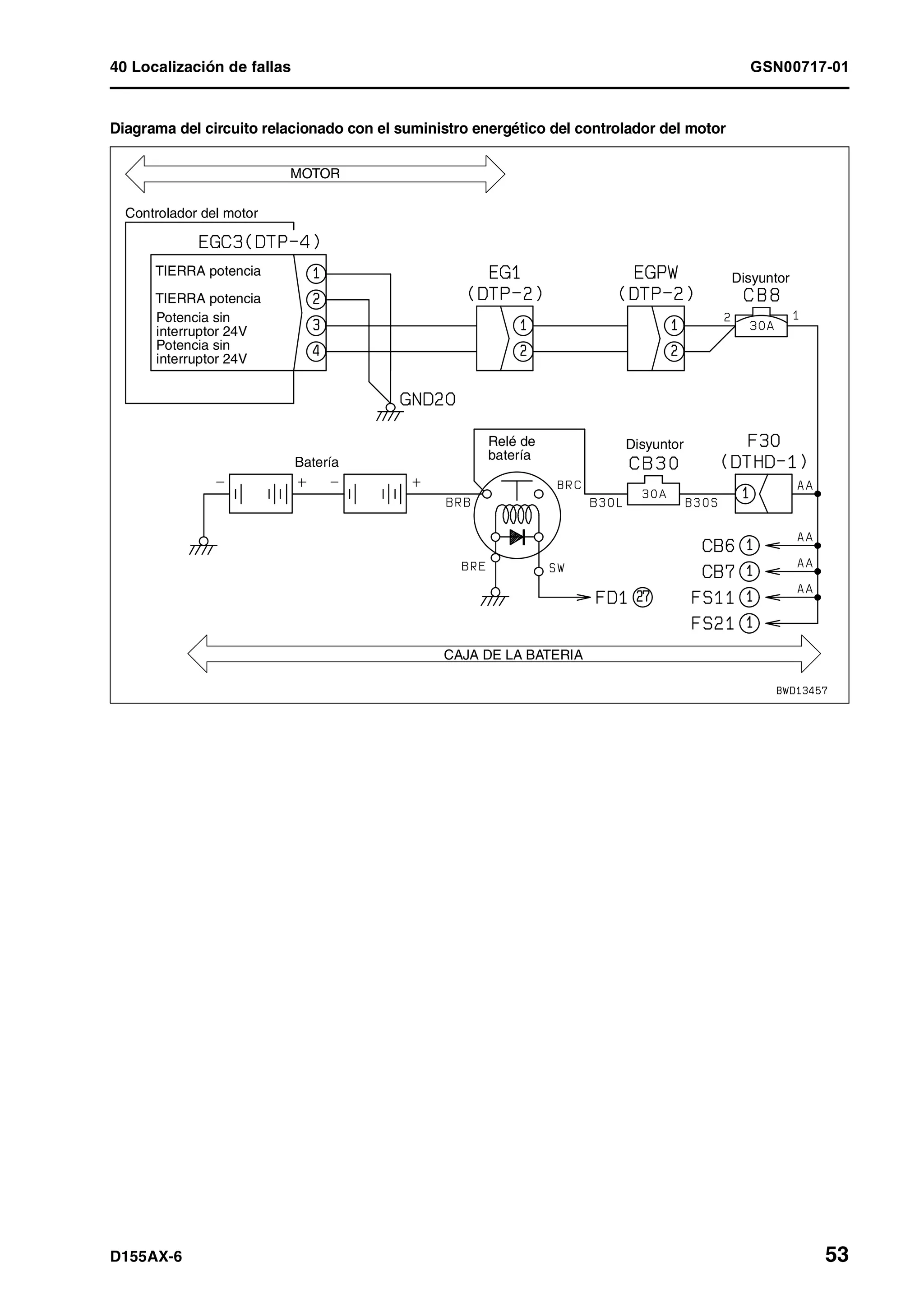
Localización de fallas y códigos de errores, Parte 2 GSN00717-00
Localización de fallas y códigos de errores, Parte 2................................................................... 4
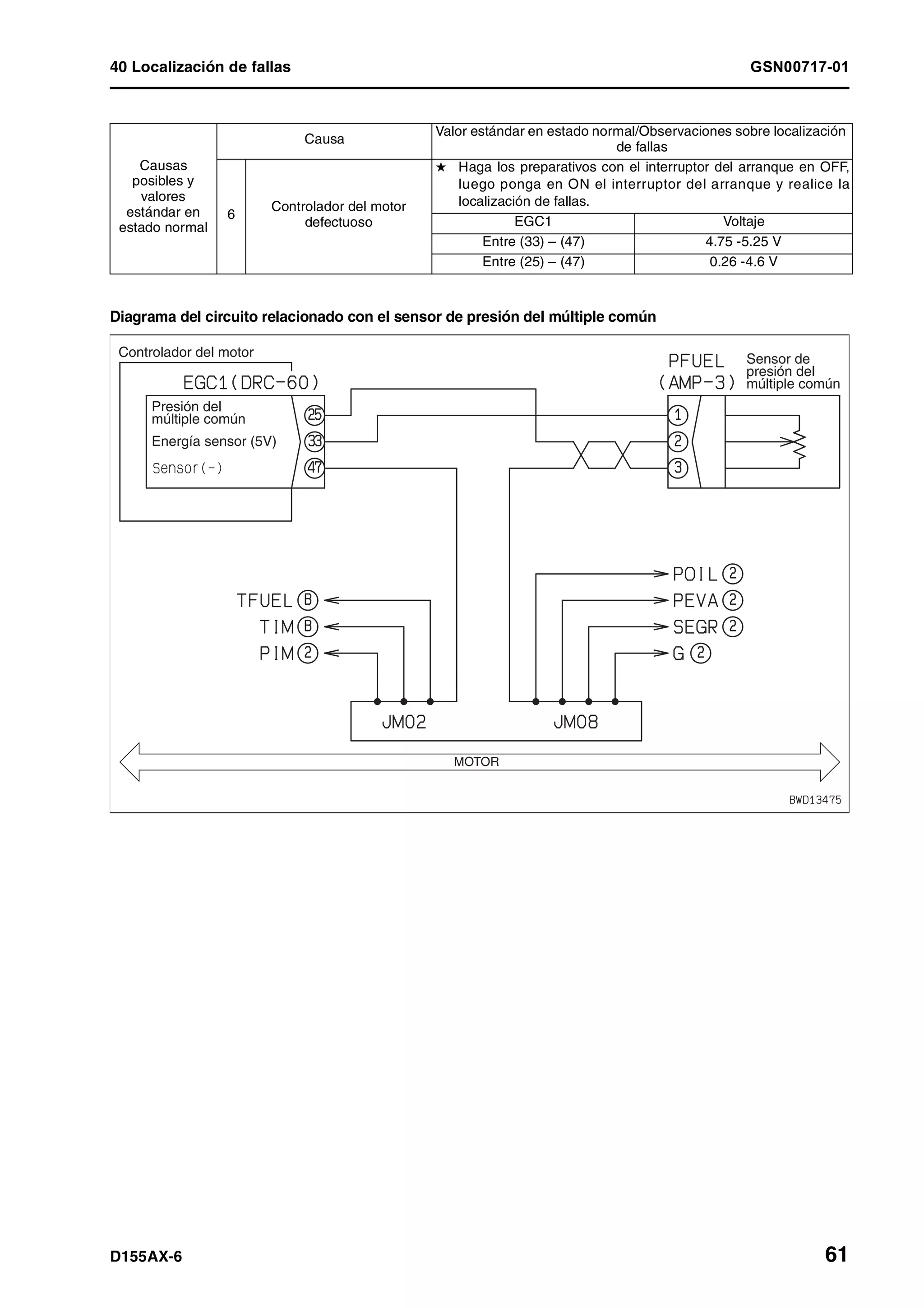
Código de falla [CA111] EMC Crítica falla interna................................................................... 4
Código de falla [CA115] error en el sensor de velocidad Ne del Motor y en el
sensor de velocidad de retroceso....................................................................................... 6
Código de falla [CA122] Error en sensor por alta presión de carga de aire ............................ 8
Código de falla [CA123] Error en sensor por baja presión de aire de carga ........................... 10
Código de falla [CA131] Error en Sensor por alta aceleración................................................ 12
Código de falla [CA132] Error en sensor por baja aceleración................................................ 14
Código de falla [CA135] Error. En sensor de presión alta de aceite del motor........................ 16
Código de falla [CA141] Error. En sensor de presión baja de aceite del motor....................... 18
Código de falla [CA144] Error en sensor por alta temperatura del refrigerante ...................... 20
Código de falla [CA145] Error en sensor por baja temperatura del refrigerante ..................... 22
Código de falla [CA153] Error en sensor por alta temperatura del aire de carga.................... 24
Código de falla [CA154] Error en sensor por baja temperatura de aire de carga.................... 26
Código de falla [CA187] Error. Bajo suministro al sensor de 2 voltios..................................... 26
Código de falla [CA221] Error. Sensor de alta presión ambiental ........................................... 28
Código de falla [CA222] Error. Sensor de baja presión ambiental .......................................... 30
GSN00598-01 00 Índice y Prólogo
8 D155AX-6
Código de falla [CA227] Error. Sensor del suministro energético Alto 2 Voltios..................... 32
Código de falla [CA234] Exceso de velocidad en el motor...................................................... 34
Código de falla [CA238] Error. Suministro energético al sensor de velocidad Ne................... 36
Código de falla [CA263] Error en sensor por alta temperatura del combustible...................... 38
Código de falla [CA265] Error en sensor por baja temperatura del combustible..................... 39
Código de falla [CA271] PCV1 Error. Corto circuito ................................................................ 40
Código de falla [CA272] PCV1 Error ....................................................................................... 41
Código de falla [CA273] PCV2 Error. Corto circuito ................................................................ 42
Código de falla [CA274] PCV2 Error ....................................................................................... 43
Código de falla [CA322] Inyector No. 1 (L No. 1) Abierto/Corto circuito Error ......................... 44
Código de falla [ CA323] Inyector No. 5 (L No. 5) Abierto/Corto circuito Error ........................ 45
Código de falla [CA324] Inyector No. 3 (L No. 3) Abierto/Corto circuito Error ......................... 46
Código de falla [CA325] Inyector No. 6 (L No. 6) Abierto/Corto circuito Error ......................... 47
Código de falla [ CA331] Inyector No. 2 (L No. 2) Abierto/Corto circuito Error ........................ 48
Código de falla [ CA332] Inyector No. 4 (L No. 4) Abierto/Corto circuito Error ........................ 49
Código de falla [CA342] Incompatibilidad con el Código de Calibración................................. 50
Código de falla [CA351] Error en el circuito de mando de los inyectores................................ 52
Código de falla [CA352] Error. Bajo suministro al sensor de 1 voltios..................................... 54
Código de falla [CA286] Error. Sensor del suministro energético Alto 1 Voltios...................... 56
Código de falla [CA441] Error. Bajo el voltaje de batería......................................................... 58
Código de falla [CA442] Error. Alto el voltaje de la batería...................................................... 58
Código de falla [CA449] Error. Muy alta la presión de la carrilera ........................................... 59
Código de falla [CA451] Error. Alta presión en el sensor de la carrilera.................................. 60
Código de falla [CA452] Error. Sensor detecta baja presión en la carrilera ............................ 62
Código de falla [CA553] Error. Alta presión en la carrilera ...................................................... 62
Código de falla [CA554] Error. Sensor de presión del múltiple en área de error..................... 63
Código de falla [CA559] Error. Baja presión de carrilera ......................................................... 64
Código de falla [CA689] Error. Sensor de velocidad Ne del motor.......................................... 68
Localización de fallas y códigos de errores, Parte 3 GSN00718-00
Localización de fallas y códigos de errores, Parte 3................................................................... 3
Código de falla [CA731] Error. Fase del sensor de velocidad de retroceso del motor............. 3
Código de fallas [CA757] Error. Perdidos todos los datos de continuidad............................... 3
Código de falla [CA778] Error. Sensor de velocidad de reserva del motor.............................. 4
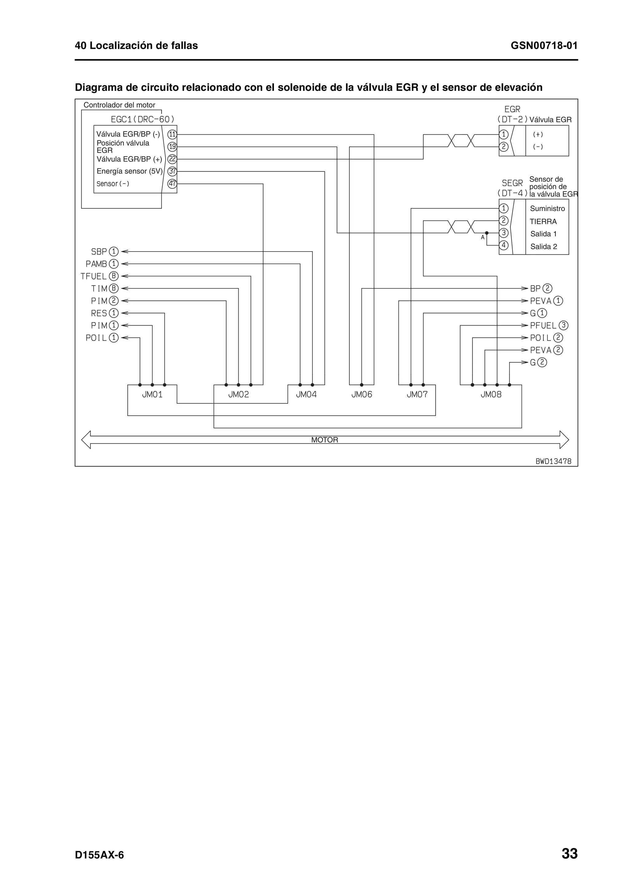
Código de falla [CA1228] Error 1, Servo válvula EGR ............................................................ 6
Código de falla [CA1625] Error 2, Servo Válvula EGR............................................................ 7
Código de falla [CA 1626] Error. Alta corriente en el solenoide de la válvula BP.................... 8
Código de falla [CA 1627] Error. Corriente baja del solenoide de la válvula BP ..................... 10
Código de falla [CA 1628] Error 1. Servo válvula de desvío.................................................... 11
Código de falla [CA1619] Error 2. Servo válvula de desvío..................................................... 12
Código de falla [CA1631] Error. Alta señal de voltaje en el sensor de posición de la válvula BP14
Código de falla [CA 1632] Válvula BP Pos Sens Bajo Error.................................................... 16
Código de falla [ CA1633] Error. Exceso de tiempo en comunicación con base de
datos del KOMNET............................................................................................................. 18
Código de falla [CA1632] EGR Sensor de presión de ingreso Bajo Error............................... 20
Código de falla [CA1653] EGR Sensor de presión de ingreso Alto Error................................ 22
Código de falla [CA2185] Error. Alto voltaje suministrado al sensor del acelerador................ 24
Código de falla [CA2186] Error. Bajo voltaje suministrado al sensor del acelerador............... 26
Código de falla [CA2249] Error. Muy baja la presión de la carrilera común ............................ 26
Código de falla [CA 2271] Error. Alta señal de voltaje del sensor de posición de válvula EGR 28
Código de falla [CA 2272] Error. Bajo voltaje en el sensor de posición de la válvula EGR..... 30
Código de falla [CA2351] Error. Alta corriente en el solenoide de la válvula EGR.................. 32
Código de falla [CA 2352] Error. Baja corriente en el solenoide de la válvula EGR................ 34
Código de falla [CA2555] Error. Bajo voltaje en el relé de la parrilla del calentador................ 35
Código de falla [CA2556] Error. Alto voltaje en relé de parrilla del calentador ........................ 36
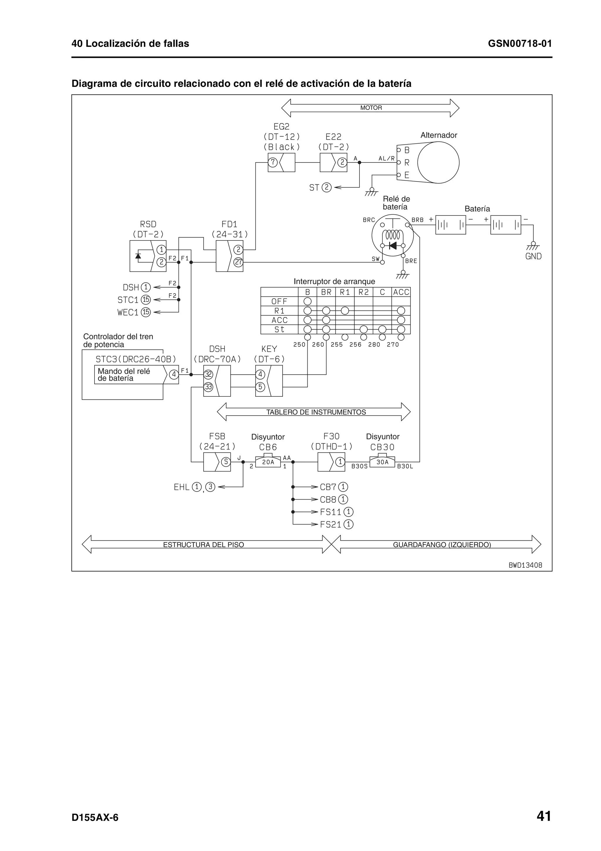
Código de falla [D110KA] Relé de batería: Desconexión ........................................................ 38
Código de falla [D110KB] Relé de batería Corto circuito en el mando.................................... 40
Código de falla [D130KA] Relé neutral: Desconexión ............................................................. 42
Código de falla [D130KB] Relé neutral: Corto circuito............................................................. 44
00 Índice y Prólogo GSN00598-01
D155AX-6 9
Código de falla [D161KA] relé de alarma de marcha atrás Desconexión................................ 46
Código de falla [D161KB] relé de alarma de marcha atrás: Corto circuito.............................. 48
Código de falla [D190KA] Relé de la señal ACC Desconexión ............................................... 50
Código de falla [D190 KB] relé de la señal ACC Corto circuito ............................................... 52
Código de falla [D5ZKKX] Control de acelerador Fuera del régimen normal.......................... 54
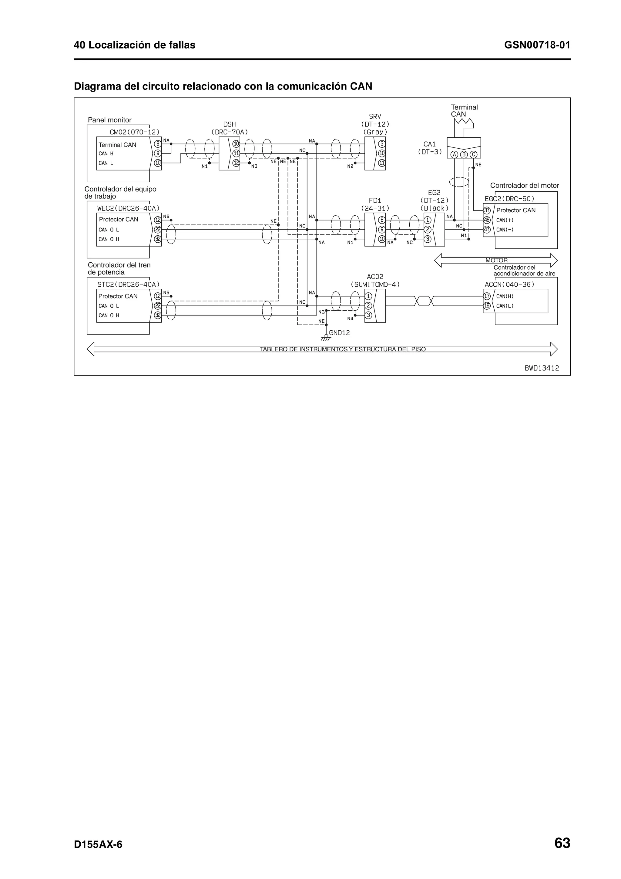
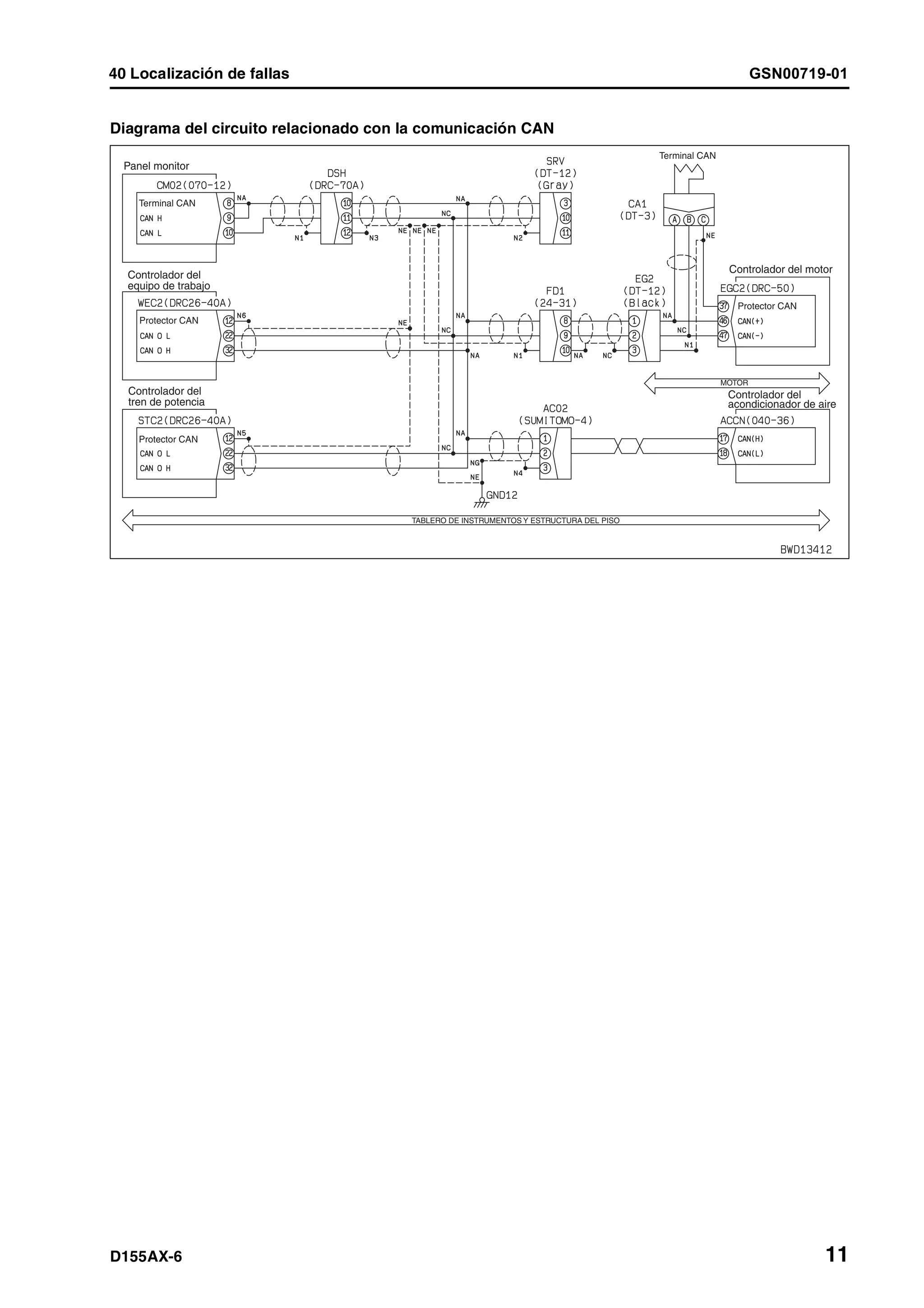
Código de falla [DAFRKR] Desconexión CAN (Monitor) ......................................................... 56
Código de falla [DB2RKR] CAN Desconexión (Controlador del motor)................................... 58
Código de falla [DB90KK] Controlador del equipo de trabajo: Reducción del voltaje de la fuente... 60
Código de falla [DB90KR] Controlador PT: Pierde comunicación con CAN............................ 62
Localización de fallas y códigos de errores, Parte 4 GSN00719-00
Localización de fallas y códigos de errores, Parte 4................................................................... 3
Código de falla [DB90KT] Controlador WE: Anormalidad en el controlador ........................... 3
Código de falla [DB95KK] Controlador del equipo de trabajo: Reducción del
voltaje de la fuente ............................................................................................................. 4
Código de falla [DB97KK] Controlador del equipo de trabajo Reducción del voltaje
de la fuente......................................................................................................................... 6
Código de falla [DB90KQ] Controlador del equipo de trabajo: Tipo selector de señales ........ 8
Código de falla [DB9RKR] Controlador de equipo de trabajo: Pierde comunicación con CAN 10
Código de falla [DBE0KK] Controlador PT: Reducción del voltaje de la fuente ...................... 12
Código de falla [DBE0KT] Controlador PT: Anormalidad en el controlador ............................ 14
Código de falla [DBE6KK] Controlador del tren de potencia: Reducción del voltaje
de la fuente......................................................................................................................... 16
Código de falla [DBE7KK] Controlador del tren de potencia Reducción del voltaje
de la fuente......................................................................................................................... 18
Código de falla [DBE9KQ] Controlador tren de potencia: Tipo selector de señales................ 20
Código de falla [DD12KA] Interruptor de cambio arriba: Desconexión.................................... 22
Código de falla [DD12KB] Interruptor de cambio arriba: Corto circuito................................... 24
Código de falla [DD13KA] Interruptor de cambio abajo: Desconexión.................................... 26
Código de falla [DD13KB] Interruptor de cambio abajo: Corto circuito ................................... 28
Código de falla [DD14KA] Interruptor de la palanca de estacionamiento: Desconexión......... 30
Código de falla [DD14KB] Interruptor de la palanca de estacionamiento: Corto circuito ........ 32
Código de falla [DDDDKA] Interruptor del freno de marcha atrás: Desconexión .................... 34
Código de falla [DDDDKB] Interruptor del freno de marcha atrás: Corto circuito.................... 36
Código de falla [DDDDKX] Interruptor del freno de marcha atrás: La señal no coincide ........ 38
Código de falla [DDN7KA] Interruptor de perilla WEQ (abajo) Desconexión .......................... 40
Código de falla [DDN7KB] WEQ know sw (down) Corto circuito............................................. 42
Código de falla [DDN9KA] Interruptor de perilla WEQ (arriba): Desconexión......................... 44
Código de falla [DDN9KB] WEQ know Sw (up) Corto circuito ................................................ 46
Código de falla [DDNLKA] Interruptor de cierre del equipo de trabajo: Desconexión ............. 48
Código de falla [DDNLKB] Interruptor de cierre del equipo de trabajo Corto circuito.............. 50
Código de falla [DDTSL1] S/C: Señal de llenado de alta ........................................................ 52
Código de falla [DDTSLH] S/C: Bajo relleno (Interruptor de relleno en OFF) ......................... 54
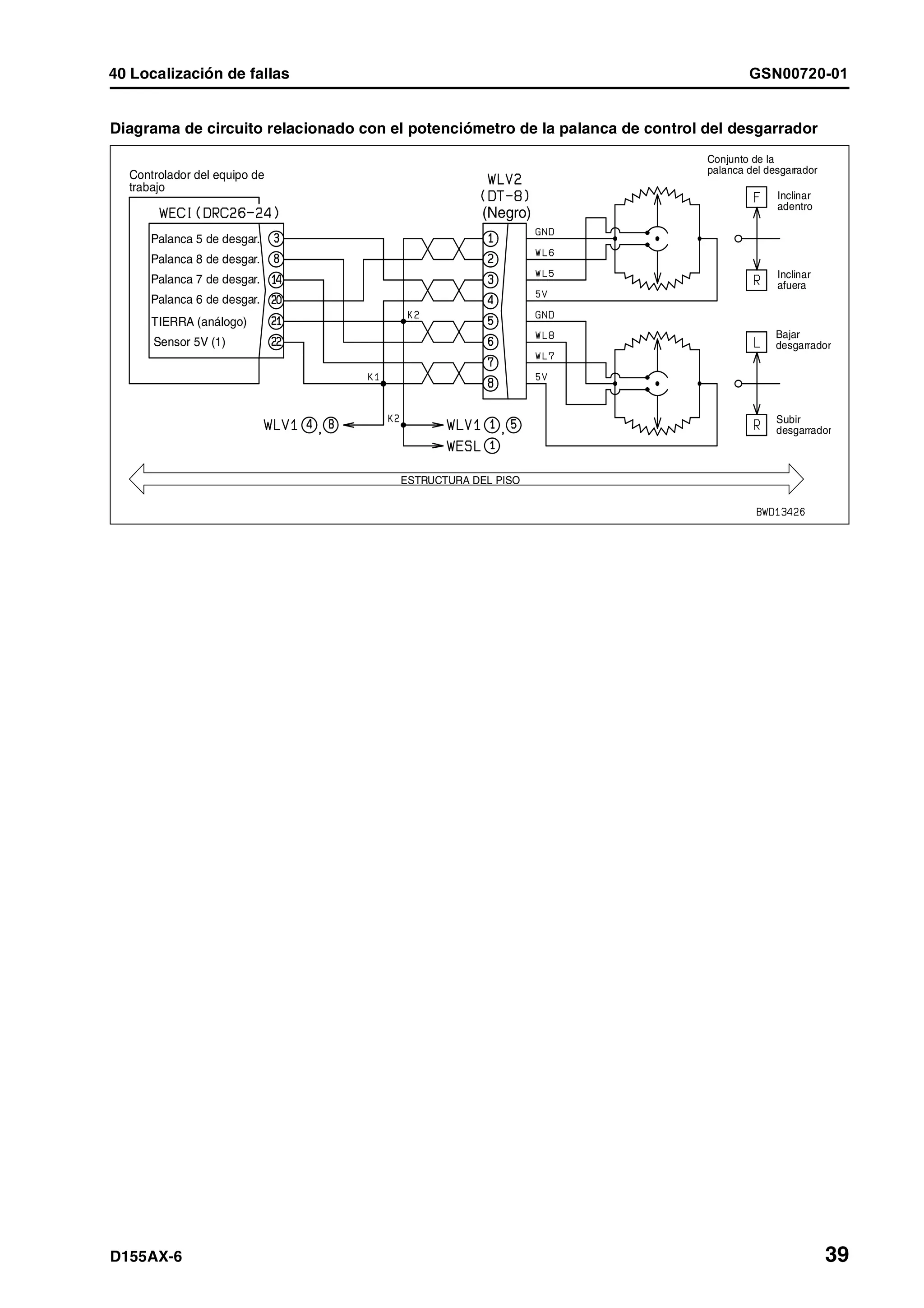
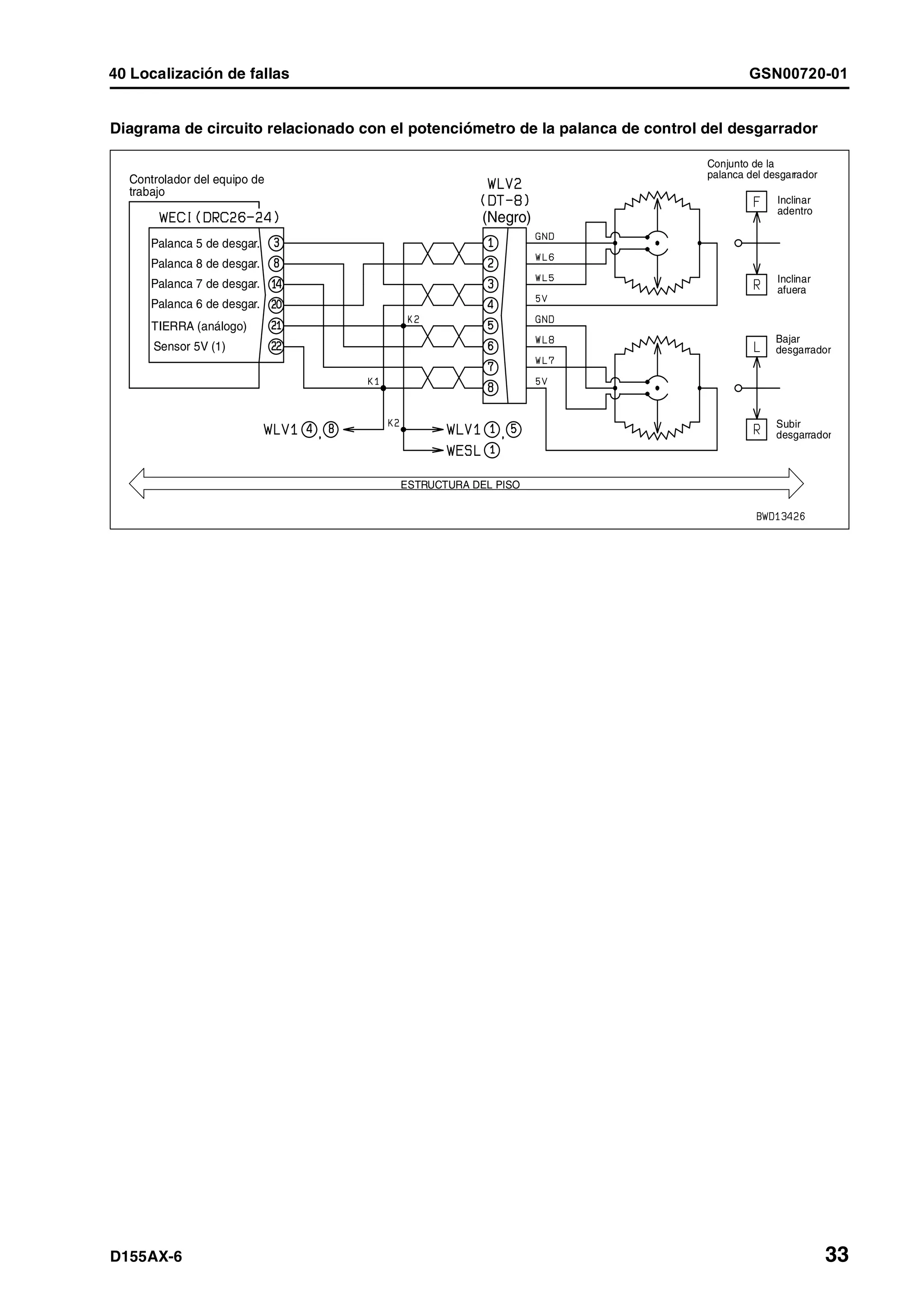
Localización de fallas y códigos de errores, Parte 5 GSN00720-00
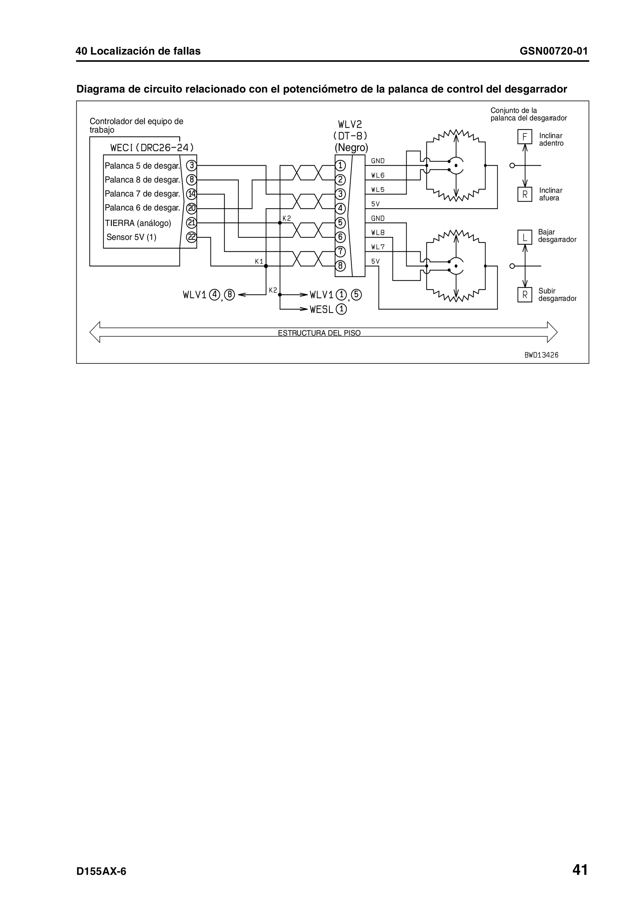
Localización de fallas y códigos de errores, Parte 5................................................................... 3
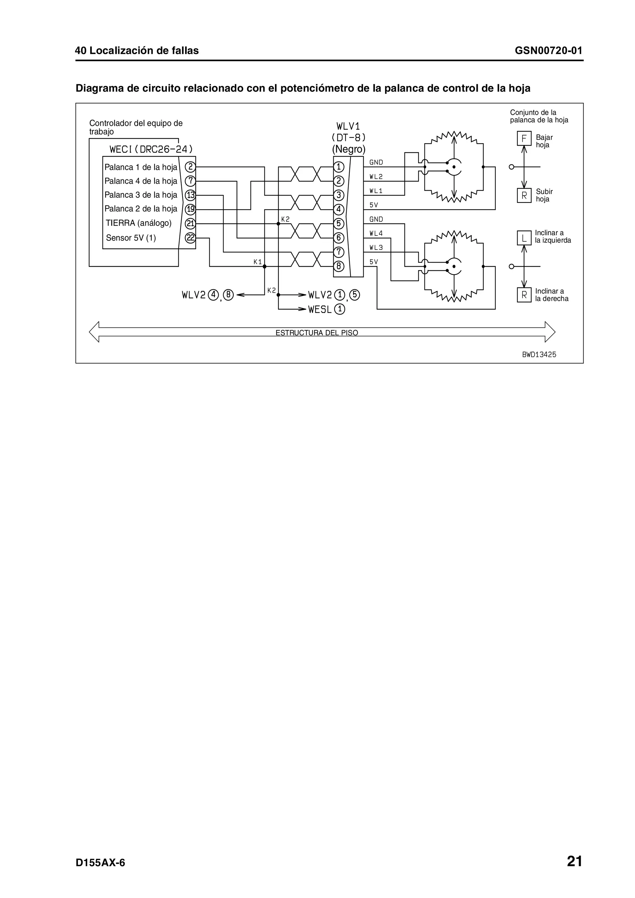
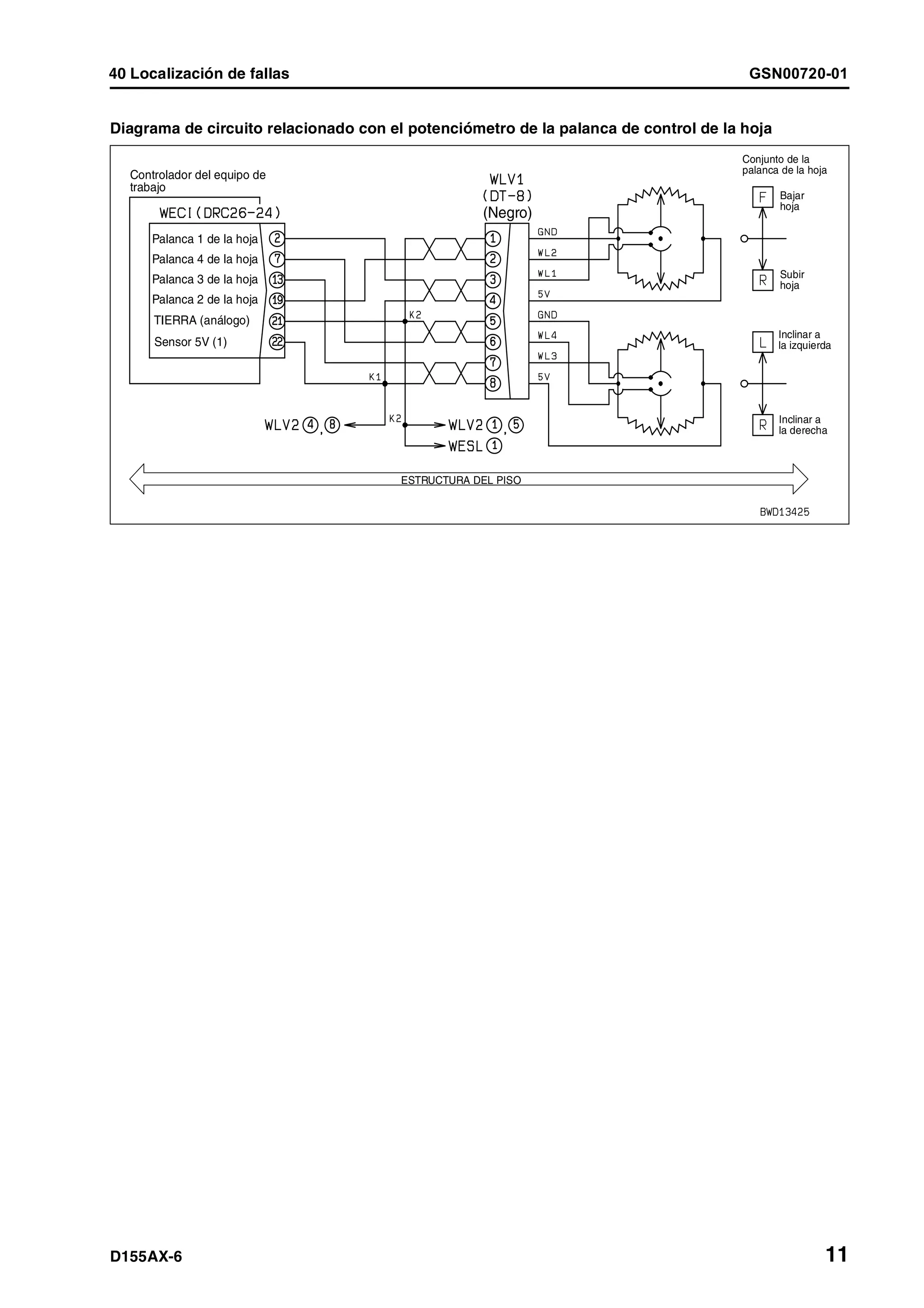
Código de falla [DFA4KX] palanca BL 1: Fuera del régimen normal....................................... 3
Código de falla [DFA4KZ] palanca BL: Desconexión o corto circuito...................................... 3
Código de falla [DFA4L8] palanca BL: La señal no coincide................................................... 4
Código de falla [DFA5KA] palanca BL 1: Desconexión ........................................................... 6
Código de falla [DFA5KB] palanca BL 1: Corto circuito........................................................... 8
Código de falla [DFA6KA] palanca BL 2: Desconexión ........................................................... 10
Código de falla [DFA6KB] palanca BL 2: Corto circuito........................................................... 12
Código de falla [DFA7KX] palanca BT 1: Fuera del régimen normal....................................... 14
Código de falla [DFA7KZ] palanca BT: Desconexión o corto circuito...................................... 14
Código de falla [DFA7L8] palanca BT: La señal no coincide................................................... 15
Código de falla [DFA8KA] palanca BT 1: Desconexión ........................................................... 16
Código de falla [DFA8KB] BT palanca 1: Corto circuito .......................................................... 18
Código de falla [DFA9KA] palanca BT 2: Desconexión ........................................................... 20
GSN00598-01 00 Índice y Prólogo
10 D155AX-6
Código de falla [DFA9KB] palanca BT 2: Corto circuito........................................................... 22
Códigos de falla [DFAAKX] RL palanca 1: Fuera del régimen normal..................................... 24
Código de falla [DFAAKZ] palanca RL Desconexión o corto circuito....................................... 24
Código de falla [DFAAL8] palanca RL: La señal no coincide................................................... 25
Códigos de falla [DFABKA] palanca RL 1: Desconexión ......................................................... 26
Códigos de falla [DFABKB] RL palanca 1: Corto circuito ........................................................ 28
Códigos de falla [DFACKA] RL palanca 2: Desconexión......................................................... 30
Códigos de falla [DFACKB] RL palanca 2: Corto circuito ........................................................ 32
Códigos de falla [DFADKX] palanca RL 1: Fuera del régimen normal .................................... 34
Código de falla [DFADKZ] palanca RL: Desconexión o corto circuito ..................................... 34
Código de falla [DFADL8] palanca RL: La señal no coincide .................................................. 35
Códigos de falla [DFAEKA] palanca RL 1: Desconexión ......................................................... 36
Códigos de falla [DFAEKB] RL palanca 1: Corto circuito ........................................................ 38
Códigos de falla [DFAFKA] palanca RL 2: Desconexión ......................................................... 40
Códigos de falla [DFAFKB] palanca RL 2: Corto circuito......................................................... 42
Código de falla [DGT1KA] Sensor de temperatura del aceite del convertidor
de torsión: Anormal ..................................................................................................................... 44
Código de falla [DGT1KX] Sensor de temperatura del aceite del convertidor de
torsión: Anormal .......................................................................................................................... 46
Código de falla [DH21KA] sensor de presión del equipo de trabajo: Desconexión ................. 48
Código de falla [DH21KB] sensor de presión del equipo de trabajo: Corto circuito ................ 50
Código de falla [DHT5KA] Sensor de presión de ingreso al convertidor de
torsión Desconexión .................................................................................................................... 52
Código de falla [DHT5KB] sensor de la presión de ingreso al convertidor de
torsión: Corto circuito................................................................................................................... 54
Código de falla [DHT7KA] Sensor de la presión de salida del convertidor de
torsión Desconexión .................................................................................................................... 56
Código de falla [DHT7KB] Sensor de la presión de salida del convertidor de
torsión Corto circuito.................................................................................................................... 58
Código de falla [DK10KX] Dial de control de combustible: Fuera del régimen normal........... 60
Localización de fallas y códigos de errores, Parte 6 GSN00721-00
Localización de fallas y códigos de errores, Parte 6................................................................... 4
Código de falla [DK30KA] palanca ST 1: Desconexión ........................................................... 4
Código de falla [DK30KB] palanca ST 1: Corto circuito........................................................... 6
Código de falla [DK30KX] palanca ST 1: Fuera del régimen normal....................................... 8
Código de falla [DK30KZ] palanca RL: Desconexión o corto circuito...................................... 8
Código de falla [DK30L8] palanca ST: La señal no coincide................................................... 9
Código de falla [DK31KA] palanca ST 2: Desconexión ........................................................... 10
Código de falla [DK31KB] palanca ST 2: Corto circuito........................................................... 12
Código de error [DB40KA] Potenciómetro del freno: Desconexión ......................................... 14
Código de error [DB40KB] Potenciómetro del freno: Corto circuito......................................... 16
Código de falla [DK55KX] palanca FR 1: Fuera del régimen normal ...................................... 18
Código de falla [DK55KZ] palanca FR: Desconexión o corto circuito...................................... 18
Código de falla [DK55L8] palanca FR: La señal no coincide................................................... 19
Código de falla [DK56KA] palanca FR 1: Desconexión........................................................... 20
Código de falla [DK56KB] palanca FR 1: Corto circuito .......................................................... 22
Código de falla [DK57KA] palanca FR 2: Desconexión........................................................... 24
Código de falla [DK57KB] palanca FR 2: Corto circuito .......................................................... 26
Código de falla [DKH1KA] Sensor del ángulo de paso: Desconexión..................................... 28
Código de falla [DKH1KB] Sensor del ángulo de paso: Corto circuito .................................... 30
Código de falla [DLT3KA] Sensor de velocidad de salida de la transmisión: Desconexión..... 32
Código de falla [DLT3KB] Sensor de velocidad de salida de la transmisión: Anormal ............ 33
Código de falla [DW7BKA] Ventilador rev. EPC: Desconexión ................................................ 34
Código de falla [DW7BKB] Ventilador rev. EPC: Corto circuito................................................ 35
Código de falla [DWN1KA] Hss EPC1: Desconexión .............................................................. 36
Código de falla [DWN1KB] Hss EPC1: Corto circuito.............................................................. 37
Código de falla [DWN1KY] Hss EPC1: Corto circuito.............................................................. 38
Código de falla [DWN2KA] Hss EPC2: Desconexión .............................................................. 39
00 Índice y Prólogo GSN00598-01
D155AX-6 11
Código de falla [DWN2KB] Hss EPC2: Corto circuito.............................................................. 40
Código de falla [DWN2KY] Hss EPC2: Corto circuito.............................................................. 41
Código de falla [DWN3KA] Solenoide Ssp: Desconexión........................................................ 42
Código de falla [DWN3KB] Solenoide Ssp: Corto circuito....................................................... 44
Código de falla [DWN3KY] Solenoide Ssp: Corto circuito....................................................... 46
Código de falla [DWN5KA] Solenoide de la bomba del ventilador: Desconexión.................... 48
Código de falla [DWN5KB] Solenoide de la bomba del ventilador: Corto circuito................... 49
Código de falla [DXA0KA] Solenoide TVC: Desconexión........................................................ 50
Código de falla [DXA0KB] Solenoide TVC: Corto circuito....................................................... 51
Código de falla [DXA0KY] Solenoide TVC: Corto circuito....................................................... 52
Código de falla [DXH1KA] Traba ECMV: Desconexión ........................................................... 54
Código de falla [DXH1KB] Traba ECMV: Corto circuito........................................................... 56
Código de falla [DXH1KY] Traba ECMV: Corto circuito........................................................... 58
Código de falla [DXH4KA] ECMV 1er. embrague : Desconexión ............................................ 60
Localización de fallas y códigos de errores, Parte 7 GSN00722-00
Localización de fallas y códigos de errores, Parte 7................................................................... 3
Código de falla [DXH4KB] ECMV 1er. embrague : Corto circuito ........................................... 3
Código de falla [DXH4KY] ECMV 1er. embrague : Corto circuito ........................................... 4
Código de falla [DXH5KA] ECMV 2do. embrague : Desconexión ........................................... 5
Código de falla [DXH5KB] ECMV 2do. embrague : Corto circuito........................................... 6
Código de falla [DXH5KY] ECMV 2do. embrague: Corto circuito............................................ 7
Código de falla [DXH6KA] ECMV 3er. embrague: Desconexión ............................................. 8
Código de falla [DXH6KB] ECMV 2do. Embrague: Corto circuito ........................................... 9
Código de falla [DXH6KY] ECMV 3er. embrague: Corto circuito ............................................ 10
Código de falla [DXH7KA] ECMV embrague de retroceso: Desconexión ............................... 11
Código de falla [DXH7KB] ECMV embrague de retroceso: Corto circuito .............................. 12
Código de falla [DXH7KY] ECMV embrague de retroceso: Corto circuito .............................. 13
Código de falla [DXH8KA] ECMV embrague F: Desconexión................................................. 14
Código de falla [DXH8KB] ECMV embrague F: Corto circuito ................................................ 15
Código de falla [DXH8KY] ECMV embrague F: Corto circuito ................................................ 16
Código de falla [DXHBKA] ECMV del freno derecho: Desconexión........................................ 18
Código de falla [DXHBKB] ECMV del freno derecho: Corto circuito ....................................... 20
Código de falla [DXHBKY] ECMV del freno derecho: Corto circuito ....................................... 22
Código de falla [DXHCKA] ECMV del freno izquierdo: Desconexión ...................................... 24
Código de falla [DXHCKB] ECMV del freno izquierdo: Corto circuito ..................................... 26
Código de falla [DXHCKY] ECMV del freno izquierdo: Corto circuito ..................................... 28
Código de falla [DXHRKA] EPC de elevación de la hoja: Desconexión .................................. 30
Código de falla [DXHRKB] EPC de elevación de la hoja: Corto circuito ................................. 31
Código de falla [DXHRKY] EPC de elevación de la hoja: Corto circuito ................................. 32
Código de falla [DXHSKA] EPC de descenso de la hoja: Desconexión.................................. 33
Código de falla [DXHSKB] EPC de descenso de la hoja: Corto circuito ................................. 34
Código de falla [DXHSKY] EPC de descenso de la hoja: Corto circuito ................................. 35
Código de falla [DXHTKA] Hoja a la izquierda 1 EPC: Desconexión ...................................... 36
Código de falla [DXHTKB] Hoja a la izquierda 1 EPC: Corto circuito...................................... 37
Código de falla [DXHTKY] Hoja a la izquierda 1 EPC: Corto circuito...................................... 38
Código de falla [DXHUKA] Hoja a la derecha 1 EPC: Desconexión ....................................... 39
Código de falla [DXHUKB] Hoja a la derecha 1 EPC: Corto circuito....................................... 40
Código de falla [DXHUKY] Hoja a la derecha 1 EPC: Corto circuito....................................... 41
Código de falla [DXHWKA] EPC de elevación del desgarrador: Desconexión........................ 42
Código de falla [DXHWKB] EPC de elevación del desgarrador: Corto circuito....................... 43
Código de falla [DXHWKY] EPC de elevación del desgarrador: Corto circuito....................... 44
Código de falla [DXHXKA] EPC de descenso del desgarrador: Desconexión ........................ 45
Código de falla [DXHXKB] EPC de descenso del desgarrador: Corto circuito........................ 46
Código de falla [DXHXKY] EPC de descenso del desgarrador: Corto circuito........................ 47
Código de falla [DXHYKA] Inclinación hacia adentro del desgarrador EPC: Desconexión..... 48
Código de falla [DXHYKB] Inclinación hacia adentro del desgarrador EPC: Corto circuito .... 49
Código de falla [DXHYKY] Inclinación hacia adentro del desgarrador EPC: Corto circuito .... 50
Código de falla [DXHZKA] Inclinación hacia atrás del desgarrador EPC: Desconexión ......... 51
GSN00598-01 00 Índice y Prólogo
12 D155AX-6
Código de falla [DXHZKB] Inclinación hacia atrás del desgarrador EPC: Corto circuito......... 52
Código de falla [DXHZKY] Inclinación hacia atrás del desgarrador EPC: Corto circuito......... 53
Código de falla [DXJ4KA] Solenoide de traba del equipo de trabajo: Desconexión................ 54
Código de falla [DXJ4KB] Solenoide de traba del equipo de trabajo: Corto circuito ............... 55
Localización de fallas y códigos de errores, Parte 8 GSN00723-00
Localización de fallas y códigos de errores, Parte 8................................................................ 2
Código de falla [DXJ8KA] Hoja a la izquierda 2 EPC: Desconexión ....................................... 2
Código de falla [DXJ8KB] Hoja a la izquierda 2 EPC: Corto circuito....................................... 3
Código de falla [DXJ8KY] Hoja a la izquierda 2 EPC: Corto circuito....................................... 4
Código de falla [DXJ9KA] Hoja a la derecha 2 EPC: Desconexión......................................... 5
Código de falla [DXJ9KB] Hoja a la derecha 2 EPC: Corto circuito ........................................ 6
Código de falla [DXJ9KY] Hoja a la derecha 2 EPC: Corto circuito ........................................ 7
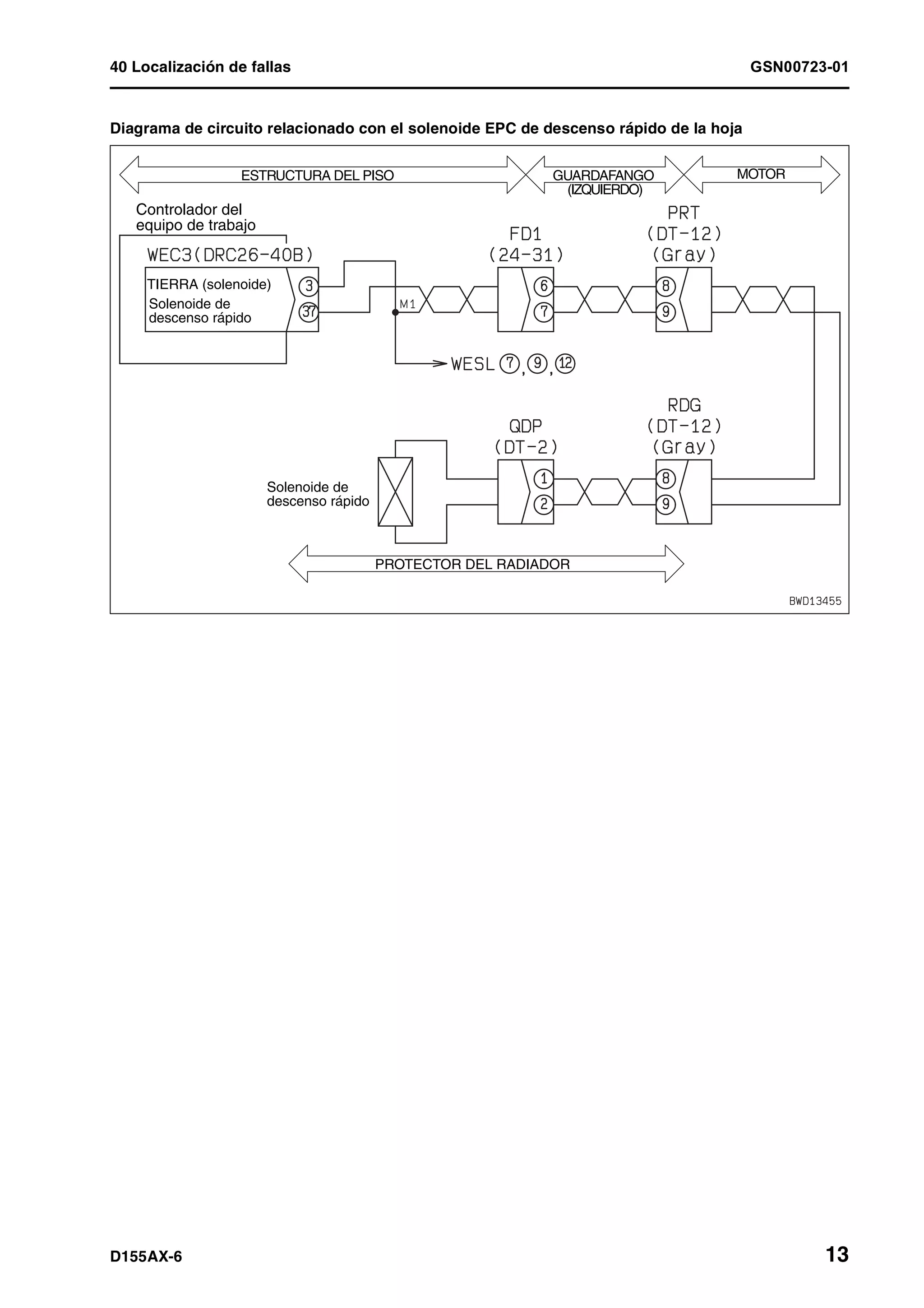
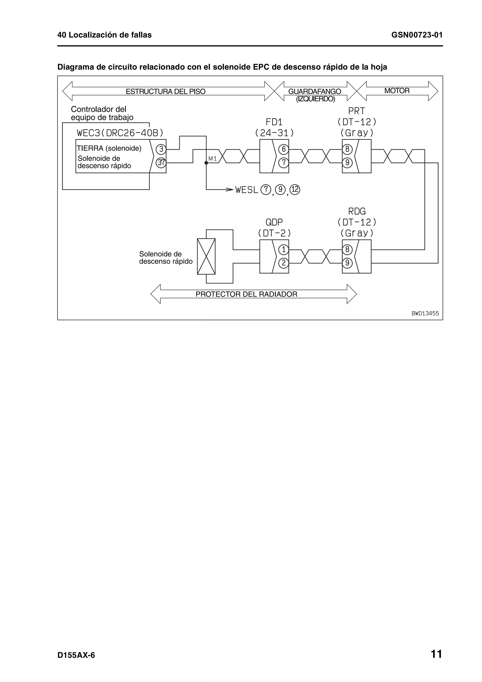
Código de falla [DXJAKA] Q-drop EPC: Desconexión............................................................. 8
Código de falla [DXJAKB] EPC de descenso rápido: Corto circuito........................................ 10
Código de falla [DXJAKY] EPC de descenso rápido: Corto circuito........................................ 12
Código de falla [DXJBKA] Embrague del estátor ECMV: Desconexión................................... 14
Código de falla [DXJBKB] Embrague del estátor ECMV: Corto circuito.................................. 16
Código de falla [DXJBKY] Embrague del estátor ECMV: Corto circuito.................................. 18
Localización de fallas del sistema eléctrico (Modo E) GSN00807-00
Localización de fallas del sistema eléctrico (Modo E)................................................................. 3
Antes de efectuar localización de fallas para el sistema eléctrico........................................... 3
Información en la tabla de localización de fallas...................................................................... 7
E-1 Cuando el interruptor de arranque es colocado en ON, el monitor de la máquina
no exhibe nada ................................................................................................................... 8
E-2 Cuando el interruptor de arranque es colocado en la posición "ON" (antes
de arrancar el motor), se iluminan los ítemes de revisión básica....................................... 10
E-3 El motor no arranca (El motor no da vueltas) ................................................................... 12
E-4 El precalentador no trabaja............................................................................................... 14
E-5 La luz del ítem de precaución se enciende mientras el motor está funcionando.............. 18
E-6 El ítem de paro por emergencia se enciende mientras el motor está funcionando .......... 20
E-7 El indicador de temperatura del refrigerante del motor no indica normalmente .............. 22
E-8 El medidor de combustible no funciona normalmente ..................................................... 23
E-9. El indicador de temperatura del aceite del tren de potencia (múltiples
indicadores) no indica normalmente................................................................................... 25
E-10 El indicador de temperatura hidráulica (indicadores múltiples) no
marcan con normalidad ...................................................................................................... 26
E-11 Los contenidos de exhibición por el monitor de la máquina son diferentes a los
de la máquina aplicable ...................................................................................................... 29
E-12 El monitor de la máquina no exhibe algunos ítemes ..................................................... 29
E-13 El interruptor de función no trabaja............................................................................... 29
E-14 El modo de operación no cambia................................................................................... 30
E-15 El modo de cambio de marcha no cambia..................................................................... 30
E-16 La función a la medida no opera normalmente.............................................................. 31
E-17 No está normal la función de memoria a la medida........................................................ 31
E-18 El modo de flotar no cambia .......................................................................................... 32
E-19 No se puede parar la alarma zumbadora....................................................................... 32
E-20 Acondicionador de aire no trabaja normalmente (incluyendo el registro de
historia de fallas)................................................................................................................. 33
E-21 Cuando el interruptor de arranque es colocado en posición "OFF", el
horómetro de servicio no es exhibido................................................................................. 46
E-22 El monitor de la máquina no se puede establecer en el modo de servicio.................... 46
E-23 El cilindro del extractor del pasador del desgarrador no opera...................................... 48
E-24 La alarma de retroceso no suena o no para .................................................................. 50
E-25 Luz delantera, luz trasera y la luz de punta del desgarrador no se encienden.............. 52
E-26 El limpiaparabrisas y el lavaparabrisas no funcionan ..................................................... 56
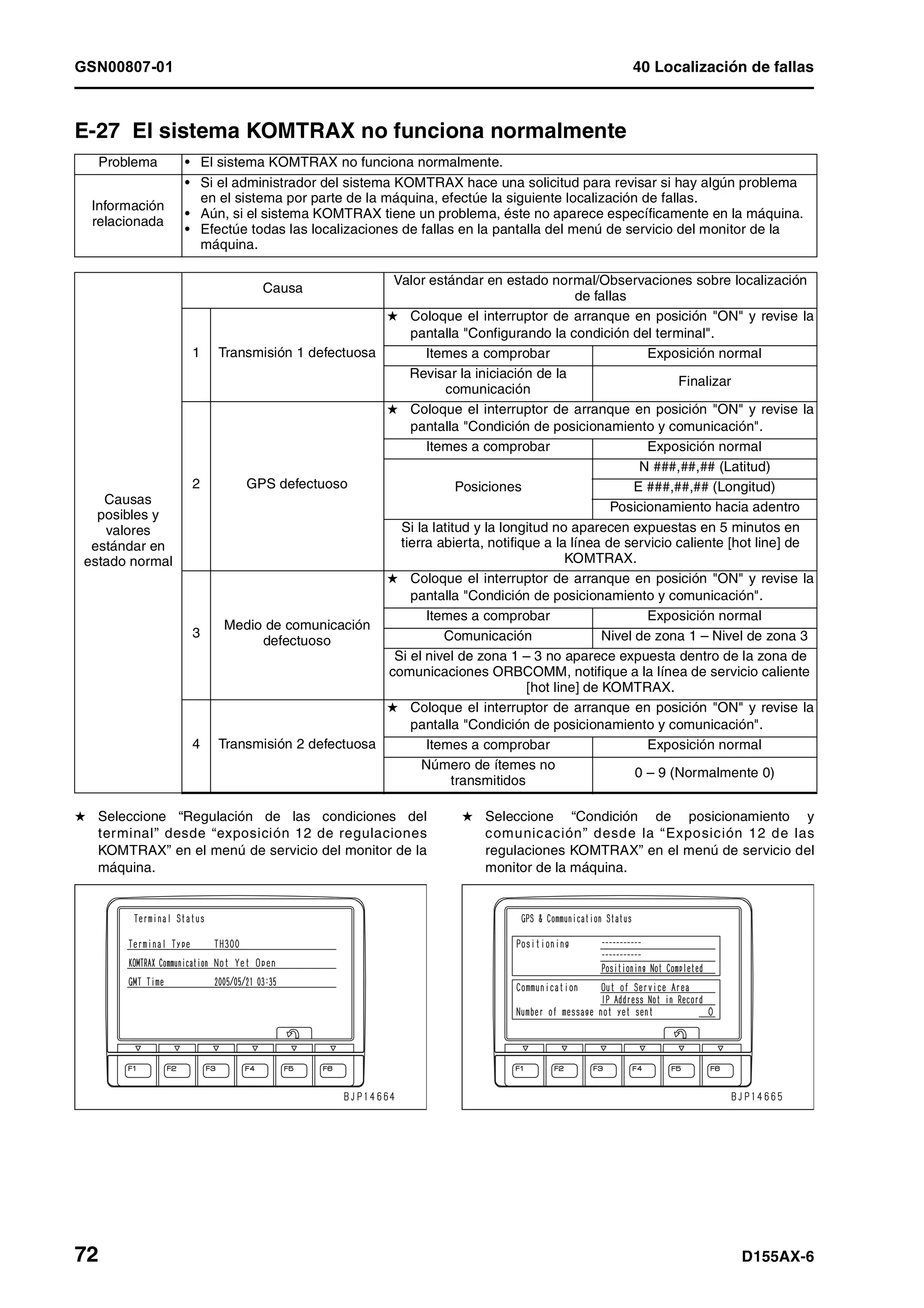
E-27 El sistema KOMTRAX no funciona normalmente .......................................................... 72
Localización de fallas en el sistema hidráulico y mecánico (modo-H) GSN00808-00
00 Índice y Prólogo GSN00598-01
D155AX-6 13
Localización de fallas de los sistemas hidráulico y mecánico (Modo H)..................................... 3
Información en la tabla de localización de fallas ..................................................................... 3
H-1 La potencia está baja (Baja tracción en la barra de tiro) .................................................. 4
H-2 La máquina no se traslada (en 2ª ó 3ª marcha) ............................................................... 5
H-3 La máquina no arranca en ninguna marcha .................................................................... 6
H-4 La máquina solamente puede trasladarse hacia adelante o en retroceso ....................... 7
H-5 Cuando la marcha o el sentido de dirección de traslado se cambian, la
demora en tiempo es grande.............................................................................................. 8
H-6 La máquina no se puede gobernar (La máquina no gira hacia la derecha o izquierda)... 9
H-7 Baja la velocidad de gobierno o baja la fuerza de gobierno............................................. 9
H-8 La hoja no trabaja ............................................................................................................ 10
H-9 El aceite del tren de potencia está sobre calentado......................................................... 11
H-10 Ruido anormal procede de los alrededores de la bomba del HSS o del
motor del HSS .................................................................................................................... 12
H-11 Baja la velocidad de todo el equipo de trabajo .............................................................. 13
H-12 El equipo de trabajo no se mueve .................................................................................. 14
H-13 Baja la potencia y baja la velocidad de elevación de la hoja .......................................... 15
H-14 Baja la potencia y baja la velocidad de inclinación de la hoja ........................................ 16
H-15 Baja la potencia y baja la velocidad de elevación del desgarrador................................. 17
H-16 Baja la potencia y baja la velocidad de inclinación del desgarrador............................... 18
H-17 El escape hidráulico interno del levantador de la hoja de empuje es grande................. 18
H-18 El escape hidráulico del inclinador de la hoja de empuje es grande .............................. 19
H-19 El escape hidráulico interno del levantador del desgarrador es grande ......................... 19
H-20 El cilindro del extractor del pasador del desgarrador no opera ...................................... 20
H-21 La hoja no se puede inclinar verticalmente .................................................................... 20
H-22 Sonido anormal proviene del rededor de la bomba del equipo de trabajo ..................... 21
Localización de fallas del motor (Modo S) GSN00852-00
Localización de fallas en el motor (Modo-S)............................................................................... 3
Método para el uso de la tabla de localización de fallas ......................................................... 3
S-1 Pobre desempeño de arranque del motor ...................................................................... 6
S-2 El motor no arranca .......................................................................................................... 8
S-3 El motor no acelera suavemente ..................................................................................... 12
S-4 El motor se para durante operaciones............................................................................. 13
S-5 El motor no gira suavemente ........................................................................................... 14
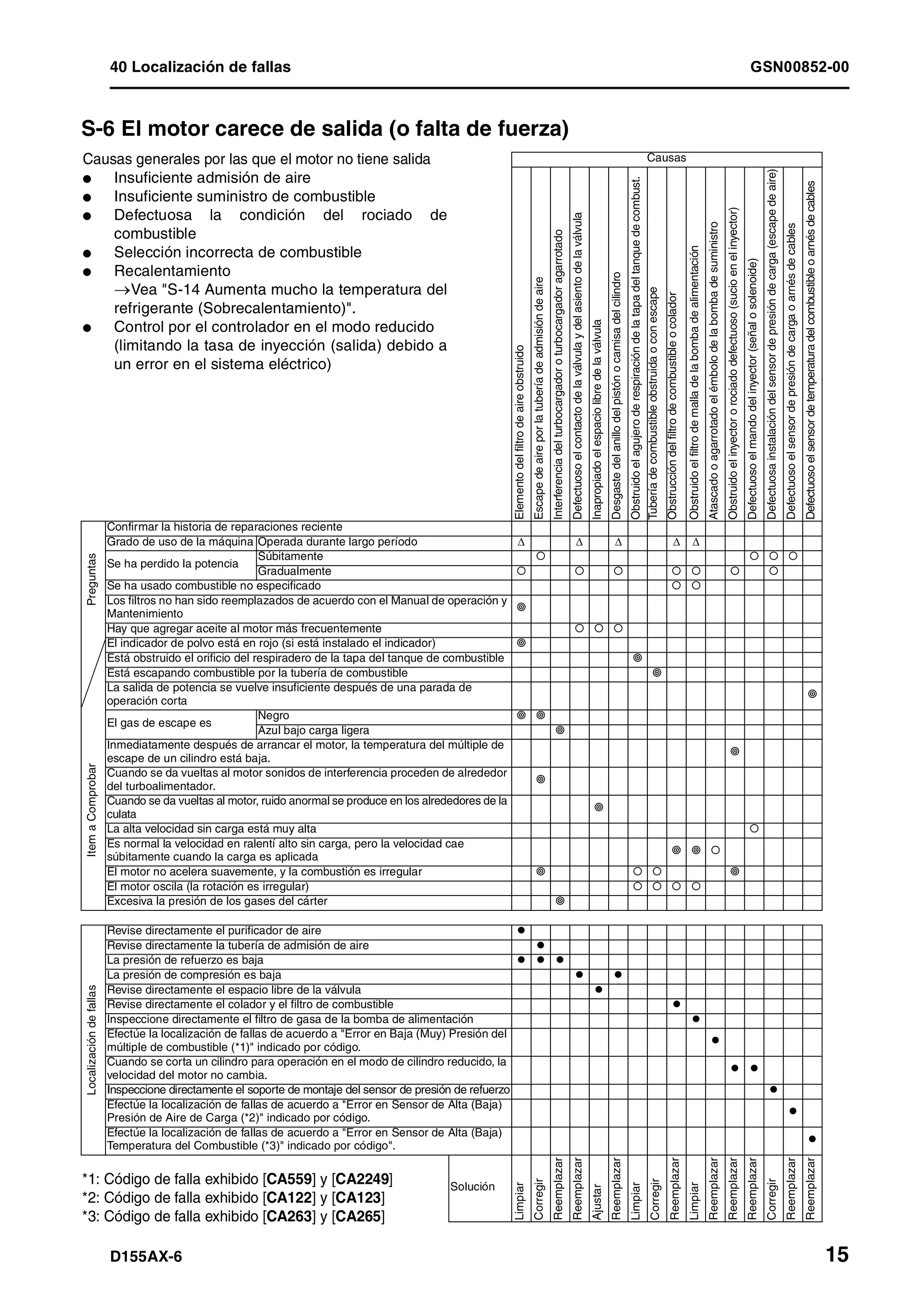
S-6 El motor carece de salida (o falta de fuerza) .................................................................... 15
S-7 El gas de escape es negro (combustión incompleta) ....................................................... 16
S-8 Excesivo consumo de aceite (o el humo de escape es color azul)................................... 18
S-9 El aceite se ensucia rápidamente .................................................................................... 19
S-10 El consumo de combustible es excesivo......................................................................... 20
S-11 Hay presencia de aceite en el enfriador (o el enfriador se escapa en
borboteos o el nivel del enfriador desciende)..................................................................... 21
S-12 La presión de aceite baja............................................................................................... 22
S-13 El nivel de aceite se sube (Entrada de refrigerante o combustible)............................... 24
S-14 Aumenta mucho la temperatura del refrigerante (Recalentamiento) .............................. 26
S-15 Un ruido anormal es producido....................................................................................... 27
S-16 La vibración es excesiva ................................................................................................. 28
90 Diagramas y dibujos
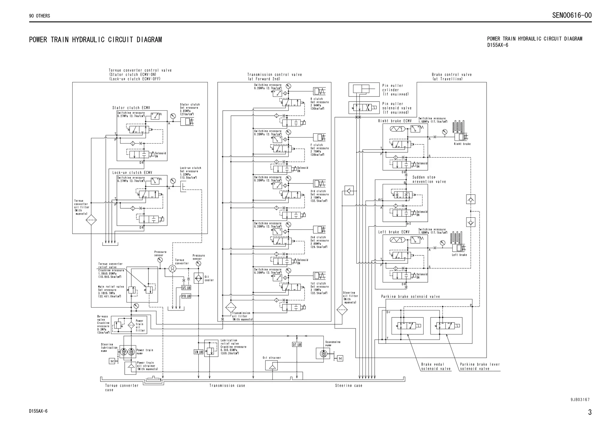
Diagrama del circuito hidráulico GSN00616-00
Diagrama del circuito hidráulico.................................................................................................. 3
Diagrama del circuito hidráulico del tren de potencia.............................................................. 3
Diagrama del circuito hidráulico (1/2) ...................................................................................... 5
Diagrama del circuito hidráulico (2/2) ...................................................................................... 7
Diagrama del circuito eléctrico GSN00617-01
Diagrama de circuito eléctrico..................................................................................................... 3
Diagrama de circuito eléctrico ................................................................................................. 3
Tabla de conectores y dibujos de ubicación de conectores..................................................... 5
14 D155AX-6
GSN00598-01 00 Índice y Prólogo
D155AX-6 Buldózer
Forma No. GSN00598-01
© 2006 KOMATSU
Todos los Derechos Reservados
Impreso en E.E.U.U. 08-06
D155AX-6 1
GSN00599-00
BULDÓZER 1MANUAL DE TALLER
D155AX-6
Modelo de máquina Número de serie
D155AX-6 80001 y superiores
00 Índice y Prólogo 1
Prefacio e información general
Prefacio e información general ....................................................................................................................... 2
Avisos de seguridad............................................................................................................................. 2
Cómo leer el manual de taller .............................................................................................................. 6
Explicación de términos para normas de mantenimiento .................................................................... 8
Manipulación de componentes eléctricos e hidráulicos..................................................................... 10
Forma de leer el código de alambres eléctricos ................................................................................ 18
Método para desarmar y conectar el tipo de acoplador de empuje-tracción ..................................... 21
Tabla de torsión estándar de apriete.................................................................................................. 24
Tabla de conversión ........................................................................................................................... 28
GSN00599-00 00 Índice y Prólogo
2 D155AX-6
(Rev. 2005/11)Prefacio e información general
Avisos de seguridad 1
Avisos importantes de seguridad
El servicio y las reparaciones adecuadas tienen importancia extraordinaria en la seguridad de operación
de la máquina. Las técnicas de servicio y de reparaciones recomendadas por Komatsu que aparecen
descritas en este manual, son tan efectivas como seguras. Algunas de estas técnicas requieren el uso de
herramientas especialmente diseñadas por Komatsu para una finalidad específica.
Para evitar lesiones a los trabajadores, los símbolo ¤ se usan para marcar las precauciones de
seguridad en este manual. Las observaciones de precaución que acompañan a estos símbolos deben
realizarse siempre con gran cuidado. Si se presenta cualquier situación peligrosa, o existiera la
posibilidad de presentarse, la primera consideración será la seguridad y tomar las medidas necesarias
para hacerle frente a la situación.
1. Precauciones generales
¤ Las equivocaciones durante la opera-
ción de equipos son extremadamente
peligrosas. Antes de trabajar con esta
máquina, lea cuidadosamente el
Manual de Operación y Mantenimiento.
1) Antes de ejecutar cualquier engrase o
reparación, lea todas las placas de
seguridad que se encuentran adheridas en
la máquina. Para las ubicaciones de las
placas de seguridad y explicaciones
detalladas acerca de las precauciones a
seguir, vea el Manual de Operación y
Mantenimiento.
2) Seleccione un lugar en el taller para guardar
las herramientas y las piezas extraídas de la
má quina. Sie mpre conser ve la s
herramientas y las piezas en los lugares
correctos. Siempre mantenga limpia el área
de trabajo y cerciórese que no haya
suciedad, agua o aceite regados por el
suelo. Solamente fume en las áreas
designadas para hacerlo. Nunca fume
mientras trabaja.
3) Al realizar cualquier operación, siempre use
zapatos de seguridad y casco. No use ropas
de trabajo sueltas, o ropas que le falten
botones.
l Al golpear piezas con un martillo
siempre use gafas de seguridad.
l Al hacer uso de una esmeriladora
para esmerilar piezas, etc., siempre
use gafas de seguridad.
4) Al realizar cualquier operación con dos o
más trabajadores, antes de comenzar la
operación, pónganse de acuerdo en el
procedimiento que se vaya a seguir. Antes
de iniciar cualquier paso de la operación,
siempre informe a sus compañeros de
trabajo. Antes de iniciar el trabajo, coloque
los signos de EN REPARACIÓN en el
compartimiento del operador.
5) Solamente operarios calificados deben
ejecutar trabajos y operaciones que
requieran licencias o calificaciones.
6) Mantenga todas las herramientas en buenas
condiciones, aprenda la forma correcta de
utilizarlas y use las he rramien tas
adecuadas. Antes de comenzar a trabajar,
comprue be cu idadosam ente las
herramientas, la máquina, el montacargas,
el carro de servicio, etc.
7) Si se necesitan realizar labores de
soldadura, siempre vea que ejecute el
trabajo un soldado r a diestrad o y
experimentado. Al realizar trabajos de
soldadura, siempre use los guantes, el
delantal, los espejuelos, protector de manos,
gorro y otras ropas adecuadas para las
labores de soldadura.
8) Antes de comenzar a trabajar, caliente su
cuerpo para comenzar las labores en
buenas condiciones.
2. Preparaciones para el trabajo
1) Antes de añadir aceite o realizar cualquier
reparación, estacione la máquina sobre un
terreno duro y nivelado; aplique el freno de
estacionamiento y coloque bloques contra
Puntos de seguridad
1 Buena disposición
2 Ropas de trabajo correctas
3 Observar las normas de trabajo
4 Hacer y comprobar señales
5
Prohibición de operación y manipula-
ciones por trabajadores no licenciados.
6
Comprobaciones de seguridad antes de
comenzar a trabajar
7
Uso de gafas protectoras
(Para labores de limpieza y esmerilado)
8
Uso de gafas y protectores (para labores
de soldadura)
9 Buenas condiciones físicas y preparación
10
Precauciones contra trabajos con los
cuales no se esté familiarizado o
demasiado familiarizado
00 Índice y Prólogo GSN00599-00
D155AX-6 3
las ruedas de la cargadora para evitar el
movimiento de la máquina.
2) Antes de comenzar el trabajo, bajar al
terreno el eq uipo de tra bajo (h oja,
desgarrador, cucharón, etc.) Si esto no es
posible, introduzca el pasador de seguridad
o utilice bloques para evitar el descenso del
equipo de trabajo. Adicionalmente,
cerciórese de trancar todas las palancas de
control y colgar sobre ellas las señales de
aviso correspondientes.
3) Al efectuar desarmes o ensamblajes, antes
de comenzar el trabajo, apoye la máquina
sobre bloques, gatos o estantes.
4) Retire el lodo y aceite que se encuentre en
los peldaños u otros lugares usados para
subir a, o bajarse de la máquina. Siempre
use los pasamanos, escaleras o peldaños
para subir a, o bajarse de la máquina.
Nunca salte para subir o bajar. Si resulta
imposible usar pasamanos, escaleras o
peldaños, use un estante que ofrezca un
apoyo seguro.
3. Precauciones durante el trabajo
1) Antes de desconectar o desmontar
componentes de los circuitos del aceite,
agua o aire, primero alivie totalmente la
presión del circuito. Al retirar la tapa del
orificio de abastecimiento de aceite, el tapón
de drenaje o los tapones para medir la
presión, aflójelos lentamente para evitar que
el aceite se escape a borbotones.
2) Cuando se para el motor, el refrigerante y
aceite de sus respectivos circuitos está
caliente. Tenga cuidado para no quemarse.
Espere a que el refrigerante o el aceite se
enfríen antes de realizar cualquier trabajo en
los circuitos del aceite o del agua.
3) Antes de comenzar el trabajo, parar el
motor. Al trabajar en o alrededor de una
pieza en movimiento, pare el motor. Al
comprobar la máquina sin parar el motor
(medir la presión del aceite, velocidad de
rotación, temperatura, etc.) hay que tener
cuidado extremo para no verse enrollado o
atrapado en las piezas giratorias o en
movimiento.
4) Antes de comenzar labores de reparación,
desconecte los cables de las baterías.
Como primer paso para empezar, siempre
desconecte el terminal negativo (-).
5) Al levantar un componente pesado (con
peso superior a los 25 kg) usar un aparejo o
una grúa. Antes de comenzar un trabajo,
comprobar que todas las lingadas (cables
de acero, cadenas ganchos) estén libres de
daños. Siempre use eslingas con amplia
capacidad e instálelas en los lugares
apropiadas. Al usar un cabrestante o grúa,
trabájelo lentamente para evitar que el
componente golpee cualquier otra pieza. No
haga trabajos mientras las piezas estan
elevadas por grúa o cabrestante.
6) Al desmontar una cubierta que esté
sometida a presión interna, o a presión de
un resorte, siempre deje colocados 2 pernos
en posiciones diagonales. Aflojar gradual y
alternativamente estos pernos para aliviar
esta presión y después desmontar la
cubierta.
7) Al retirar componentes, tenga cuidado de no
romper o dañar el alambrado eléctrico. Un
alambrado dañado puede provocar un fuego
eléctrico.
8) Al desmontar tuberías, detenga el flujo del
aceite o del combustible para evitar
derrames. Si el combustible o aceite cae
sobre el suelo, límpielo inmediatamente.
Combustible o aceite derramados sobre el
suelo pueden provocar el resbalamiento y
caída de personas y hasta pueden provocar
incendios.
9) Por regla general, no emplee gasolina para
lavar piezas. En particular, no lo use para
limpiar partes eléctricas.
10) Cerciórese de ensamblar nuevamente todas
las piezas en sus respectivos lugares
originales. Sustituya con piezas nuevas
cualquier parte dañada y aquellas partes
que no se deben volver a usar. Al instalar
man gueras y alam bres elé ctricos,
cerciórese que no se dañarán por el
contacto con otras piezas al trabajar la
máquina.
11) Al instalar mangueras hidráulicas de alta
presión cerciórese que no queden torcidas.
Los tubos dañados son peligrosos; tenga
cuidado extraordinario al instalar los tubos
de los circuitos de alta presión. Igualmente,
verifique que las piezas conectoras estén
instaladas correctamente.
12) Al ensamblar o instalar partes, siempre
apriételas al par de apriete especificado. Al
instalar piezas de protección tales como
protecto res, piezas qu e vibren
violentamente o giren a gran velocidad,
tenga especial cuidado en verificar que
estén instaladas correctamente.
13) Para alinear dos orificios, nunca introduzca
sus dedos o la mano. Tenga cuidado que su
dedo no quede atrapado en un orificio.
14) Al medir presión hidráulica, verifique que el
instru mento esté correcta mente
ensamblado.
15) En una máquina dotada de orugas, tenga
cuidado al instalar o desmontar las orugas.
Al desmontar la oruga, ésta se separa
súbitamente; nunca permita que nadie se
pare cerca de ninguno de los dos extremos
de una oruga.
16) Si el motor se trabaja durante largo tiempo
en un lugar que no está bien ventilado, se
puede sufrir envenenamiento por gases de
escape. En consecuencia, abra las ventanas
GSN00599-00 00 Índice y Prólogo
4 D155AX-6
y p uer tas para d isp oner de buena
ventilación.
4. Precauciones para el trabajo con eslingas y
señales
1) Solamente un trabajador designado debe
hacer las señales y los compañeros de
trabajo deben comunicarse frecuentemente
unos con otros. El trabajador designado
para hacer las señales deberá hacer
claramente las señales especificadas en un
lugar donde sea claramente visto desde el
asiento del operador y desde donde pueda
ver fácilmente las condiciones de trabajo. El
encargado de hacer las señales siempre
debe estar delante de la carga y guiar con
seguridad al operador de la máquina.
l No se pare debajo de la carga.
l No se pare sobre la carga
2) Antes de comenzar las labores con eslingas
compruebe su estado.
3) Continúe el uso de guantes durante labores
con eslingas (Use guantes de cuero si están
disponibles)
4) Mida a ojo el peso de la carga y compruebe
su centro de gravedad.
5) Use la eslinga apropiada de acuerdo con el
peso de la carga y el método para colocarla.
Si se usan cables de acero muy gruesos
para como eslinga de una carga ligera, la
carga podrá deslizarse y caer.
6) No amarre una carga solamente con una
eslinga de cable. De hacerlo en esa forma,
podrá dar vueltas y deslizarse fuera de la
eslinga. Instale 2 o más cables de acero en
forma simétrica.
¤ Sujetar una carga con un solo
cable puede hacer que la carga se
voltee durante su elevación, al
de senros carse e l c able o al
deslizarse fuera de su posición
original puede desprenderse la
carga, caer y puede provocar un
peligroso accidente.
7) Como regla, limite a 60º el ángulo de
suspensión.
No sujete una carga pesada con cables
formando un ancho ángulo de enganche
con respecto al gancho.
Mientras que se eleva una carga con dos
o más cables, la fuerza aplicada a cada
cable aumentará con los ángulos de
e nga nche. L a tabla qu e sigu e a
continuación muestra las variantes de
carga kN {kg} permitidas cuando la
elevación se hace con dos cables, cada
u no de lo s cua le s pu ede levanta r
verticalmente hasta 9.8 kN {1,000 kg} a
distintos ángulos de enganche. Cuando
d os ca bles toma n u na ca rga
verticalmente, se pueden elevar hasta
19.6 kN {2,000 kg}. Este peso queda
reducido a 9.8 kN [1,000 kg] cuando los
dos cables h ace n un án gulo d e
suspensión de 120°. Si una eslinga de 2
cables se usa para una carga de 19.6
[2,000 kg] con un ángulo de elevación de
150°, cada eslinga está sometida a fuerza
de 39.2 kN [4,000 kg]-
8) Cuando se instalen cables en una carga
angular, coloque almohadillas para proteger
los cables. Si la carga es resbalosa, aplique
el material apropiado para evitar el
resbalamiento del cable.
9) Use los pernos de ojal especificados para
colocar los cables, cadenas, etc. en la carga
con los grilletes, etc.
10) Coloque los cables de acero en la porción
central del gancho.
l Colocar la eslinga cerca de la punta
del gancho puede hacer que el cable
se salga del gancho durante la
elevación de la carga. Los ganchos
tienen su resistencia máxima en la
porción central.
11) No use cables que estén retorcidos o
doblados
12) Al elevar una carga, observe lo siguiente:
l Enrolle lentamente la grúa hasta que
los cables queden estirados. Al
colocar manualmente los cables, no
los agarre; haga presión sobre ellos
desde arriba. Si se agarra el cable,
sus dedos pueden quedar atrapados.
Capacidaddecarga
Ángulo de enganche (grados)
00 Índice y Prólogo GSN00599-00
D155AX-6 5
l Después que se estiren los cables,
detenga la grúa y compruebe el
estado de la carga amarrada así
como los cables y las almohadillas de
los cables.
l Si la carga se encuentra inestable o
los cables y cadenas están torcidos,
baje la carga y elévela nuevamente.
l No eleve la carga en forma inclinada.
13) Al bajar una carga, observe lo siguiente.
l Al bajar una carga, deténgala
temporalmente a unos 30 cm sobre el
piso y después bájela lentamente.
l Compruebe que la carga está estable
y después desmonte las eslingas.
l Elimine las torceduras y suciedad de
los cables y cadenas empleados
como eslingas y colóquelas en los
lugares especificados.
5. Precauciones para el uso de grúas móviles
H Anticipadamente, lea con cuidado el
Manual de Operación y Mantenimiento de
la grúa y opere la grúa con seguridad.
6. Precauciones para el uso de grúas puente
¤ Al elevar una pieza pesada (superior a
25 kg), use una grúa, etc. En Desarme y
Ensamblaje, el peso de una pieza
superior a 25 kg está indicado después
de la marca de 0.
1) Antes de comenzar un trabajo, inspeccione
los cables, freno, embrague, controlador,
carriles dispositivos de parada en exceso de
enrollado, prevención de sacudidas
eléctricas disyuntor por fugas a tierra,
dispositivo de prevención contra choques de
la grúa y luz de advertencia de aplicación
energética y comprobaciones de seguridad.
2) Observe las señales para trabajos con
eslingas.
3) Opere el elevador en un lugar seguro.
4) Compruebe las placas indicadoras de
dirección (este, oeste, sur y norte) y las
direcciones de los botones de control
5) No le ponga eslingas a una carga inclinada
No mueva la grúa mientas esté oscilando la
carga sujeta con eslingas.
6) No eleve o descienda una carga mientras la
grúa se encuentre moviéndose en forma
longitudinal o lateral.
7) No arrastre una eslinga
8) Al elevar una carga, deténgase justo al
separarse del suelo para comprobar
seguridad y después ejecute la elevación de
carga.
9) Considere anticipadamente la ruta de
traslado y eleve la carga a una altura
segura.
10) Coloque el interruptor de control en una
posición donde no sea un obstáculo para el
trabajo y el tráfico.
11) Después de operar el elevador, no oscile el
interruptor de control.
12) Recuerde la posición del interruptor principal
para poder desconectar inmediatamente la
energía en una emergencia.
13) Si el elevador se detiene debido a una falla
energética, ponga en OFF el interruptor
energético. Al poner en ON [activar] un
interruptor que había sido desactivado OFF
por el interruptor de prevención de fugas a
tierra, verifique que los dispositivos
relacionados con ese interruptor no se
encuentran en estado de operación.
14) Si aparece un obstáculo alrededor del
elevador, detenga la operación.
15) Después de finalizar el trabajo, detenga el
elevador en la posición especificada y eleve
el gancho por lo menos a 2 m sobre el suelo.
No deje la eslinga instalada en el gancho.
7. Selección de los cables
1) Use los cables de acero adecuados según
el peso de las piezas que hay que levantar,
re firiéndo se a la tabla qu e sigu e a
continuación:
H La carga permitida es la sexta parte
del esfuerzo de rotura del cable en
uso (Coeficiente de seguridad: 6).
Cables de Acero
(Cables de acero Estandar, torcidos en “Z”, sin
galvanizar)
(JIS G3525, No. 6, Tipo 6X37-A)
Diámetro de
cable nominal
Carga permitida
mm kN ton
10 8.8 0.9
12 12.7 1.3
14 17.3 1.7
16 22.6 2.3
18 28.6 2.9
20 35.3 3.6
25 55.3 5.6
30 79.6 8.1
40 141.6 14.4
50 221.6 22.6
60 318.3 32.4
GSN00599-00 00 Índice y Prólogo
6 D155AX-6
Cómo leer el manual de taller 1
1. Composición del manual de taller
Este manual abarca principalmente la información técnica necesaria para las operaciones que se
realizan en un taller de servicio. Para facilitar su comprensión, el manual está dividido en los capítulos
siguientes.
00. Índice y Prólogo
Esta sección explica la lista de manuales de taller, tabla de contenido, seguridad e información
básica.
01. Especificación
Esta sección explica las especificaciones de la máquina.
10. Estructura, función, y estandar de mantenimiento
Esta sección explica la estructura y el funcionamiento y los valores de mantenimiento estandar de
cada componente. La estructura y función de la sub. sección explica la estructura y función de
cada componente. No solamente sirve para aportar la comprensión de la estructura, también sirve
como material de referencia para la localización y diagnóstico de las averías. La sub. sección de
normas de mantenimiento explica el criterio y remedios para el desarme y servicio.
20. Tabla de valores estándar
Esta sección explica los valores estándar para máquinas nuevas y el criterio de juicios para
pruebas, ajustes y localización de fallas. La tabla de valores estándar se usa para comprobar los
valores estándar en pruebas y ajustes y para juzgar partes en la localización de fallas.
30. Pruebas y Ajustes
Esta sección explica instrumentos y métodos de medición para pruebas y ajustes y el método para
ajustar cada parte. Los valores estándar y criterio de juicio para pruebas y ajustes se explican en
Pruebas y Ajustes.
40. Localización de fallas
Esta sección explica como encontrar las piezas que han fallado y la forma de repararlas. La
localización de fallas está dividida por los modos de falla. El “Modo S” de la localización de fallas
relacionado con el motor también puede aparecer explicado en el Volumen del Chasis y en el
Volumen del Motor. En este caso, vea el Volumen del Chasis.
50. Desarme y Ensamblaje
Esta sección explica los procedimientos y herramientas especiales para remover, instalar,
desensamblaje y ensamblaje de cada componente, así como precauciones para estos.
Adicionalmente, también se explican el par de apriete y la cantidad y peso de los materiales de
recubrimiento, aceite, grasa y refrigerante necesario para el trabajo.
90. Diagramas y dibujos (Volumen del Chasis)/Reparación y sustitución de partes (Volumen del
Motor)
l Volumen del chasis
Esta sección consta principalmente de diagramas de circuitos hidráulicos y diagramas de
circuitos eléctricos.
l Volumen del motor
Esta sección explica el método para reproducir, reparar y reemplazar partes.
l Algunos aditamentos y partes opcionales de este manual de taller puede que no estén disponibles en
algunas áreas. Si se requiere alguna de ellas, consulte con sus distribuidores KOMATSU.
l Materiales y especificaciones estás sujetas a cambio sin previo aviso.
l Los manuales de taller están divididos en el “Volumen del Chasis” y el “Volumen del Motor”. Para
aspectos relacionados con el motor, vea el volumen del modelo de motor instalado en la máquina.
00 Índice y Prólogo GSN00599-00
D155AX-6 7
2. Revisión y Distribución
Cualquier asunto adicional, revisión, u otros cambios e informaciones serán enviados a los
Distribuidores KOMATSU. Antes de comenzar a efectuar cualquier trabajo de reparación, obtenga la
última información actualizada.
3. Método de archivar
Archive por los folletos en el orden correcto del número del formulario impreso en la tabla de
composición del manual de taller.
l Marca de edición rectificada
Cuando se revisa un manual, los dígitos de las unidades y decenas del número del formulario de
cada folleto es aumentado en 1. (Ejemplo: 00, 01, 02 …)
l Revisiones
Los folletos revisados se muestran en la tabla de composición del manual de taller.
4. Símbolos
Importantes porciones acerca de seguridad y calidad están marcadas con los símbolos siguientes de
manera que el manual de taller sea usado en forma práctica.
5. Unidad
En este manual de taller, las unidades están indicadas en el Sistema Internacional de Unidades (SI).
Como referencia, la aplicación convencional del "Gravitational System of Units" (Sistema de Unidades
Gravitatorio), se encuentran dentro de paréntesis ( ).
Símbolo Item Observaciones
¤ Seguridad
Al realizar este trabajo se requieren precauciones de seguridad
especiales.
H Precaución
Al realizar este trabajo y para conservar los standard, se requieren
precauciones técnicas especiales o de otro tipo.
4 Peso
Peso de las partes de componentes o de partes. Precauciones
necesarias para seleccionar el cable de elevación o cuando la postura
para realizar el trabajo es importante, etc.
3
Torsión de
apriete
Lugares que demandan atención especial en torsión durante el
ensamblaje.
2 Recubrimiento
Lugares que hay que cubrir con adhesivos y lubricantes, etc. durante
el ensamblaje.
5
Aceite,
refrigerante
Lugares donde hay que añadir aceite, etc., y capacidad.
6 Drenaje
Lugares en que se debe drenar el aceite, etc. y la cantidad que hay
que drenar.
GSN00599-00 00 Índice y Prólogo
8 D155AX-6
Explicación de términos para normas de mantenimiento 1
Los valores necesarios de las normas de mantenimiento para juzgar productos y partes se describen por
medio de los términos siguientes.
1. Tamaño estándar y tolerancia
l Para ser preciso, el tamaño acabado de
las partes tiene pequeñas diferencias de
una a otra.
l Para especificar un tamaño de acabado,
un tamaño estándar provisional queda
establecido y se indica una diferencia
permisible en ese tamaño.
l El tamaño establecido con carácter
provisional, se denomina “tamaño
estándar” y el régimen de diferencia con
respecto al tamaño estándar se denomina
como “tolerancia”.
l La tolerancia con los símbolos de + ó – es
indicada en el lado derecho del tamaño
estándar.
H La tolerancia puede aparecer indicada en
el texto y en una tabla como [tamaño
estándar (límite superior de tolerancia/
límite inferior de tolerancia)]
Ejemplo) 120 (–0.022/–0.126)
l Generalmente, el tamaño de un agujero y
el tamaño del eje que se va a colocar en
ese eje aparecen indicados con el mismo
tamaño estándar y distintas tolerancias
entre el agujero y el eje. El apriete del
ajuste está determinado por la tolerancia.
l Indicación de tamaño del eje y del agujero
y dibujo de la relación entre ellos.
Ejemplo:
Tamaño estándar Tolerancia
120
–0.022
–0.126
Ejemplo:
Tamaño estándar
Tolerancia
Eje Agujero
60
–0.030
–0.076
+0.046
+0
Tamaño estandar 60
Tolerancia del agujero
(Superior) : +0.046
Tolerancia del eje
(Superior) : -0.030
Tolerancia del eje
(Inferior) : -0.076
Holgura Estandar
(Mínimo) : 0.030
Holgura Estandar
(Máximo) : 0.122
00 Índice y Prólogo GSN00599-00
D155AX-6 9
2. Holgura estándar y valor estándar.
l La holgura hecha cuando se ensamblan
partes nuevas se denomina “holgura
estándar” y se indica por el régimen
existente entre la holgura mínima y la
holgura máxima.
l Cuando se reparan algunas partes la
holgura generalmente se ajusta a la
holgura estándar
l Un valor de desempeño y funcionamiento
de productos nuevos o equivalentes se
denomina “valor estándar” y está indicado
por un régimen o un valor de objetivo.
l Cuando se reparan algunas partes, el
valor del desempeño/funcionamiento se
establece al valor estándar.
3. Interferencia estándar
l Cuando el tamaño de un agujero es
menor que el tamaño de un eje debido al
tamaño estándar y tolerancia, la diferencia
entre estos tamaños se conoce como
“interferencia”.
l El régimen de (A – B) de la diferencia (A)
entre el tamaño mínimo del eje y el
tamaño máximo del agujero a la diferencia
(B) entre el tamaño máximo del eje y el
ta maño mínimo d el ag uje ro es la
“interferencia estándar”.
l Después de reparar o reemplazar algunas
partes, mida el tamaño de su agujero y
del eje y compruebe que la interferencia
se encuentre dentro del régimen estándar.
4. Límite de reparación y valor permitido
l El tamaño de una parte cambia debido al
desgaste y deformación durante el uso. El
límite del tamaño cambiado se conoce
como “límite de reparación”.
l Si una parte se ha desgastado hasta el
límite de re pa ra ción , deb erá ser
reemplazada o reparada.
l El desempeño y funcionamiento de un
producto disminuye mientras se usa. Un
valor por debajo de cómo se podrá usar el
producto sin ocasionar problemas se
conoce como “valor permitido”.
l Si un producto se ha usado hasta el valor
permitido, éste deberá comprobarse o
repararse. Como el valor permitido es
estimado mediante varias pruebas y
experiencias en la mayoría de los casos,
no obstante, deberá enjuiciarse después
de con sid erar las con dicion es d e
operación y los requisitos que impone el
cliente.
5. Límite de holgura
l Las partes pueden usarse hasta que la
holgura entre ellas aumente hasta cierto
límite. El límite en el cual esas partes no
pueden usarse se conoce como “límite de
holgura”.
l Si la holgura entre las partes excede el
límite de holgura, las partes deben
reemplazarse o repararse.
6. Límite de interferencia
l La máxima interferencia permitida entre el
agujero de una parte y el eje de otra parte
a ser colocada en el agujero se conoce
como el “límite de interferencia”.
l El límite de interferencia indica el límite de
rep ara ción de la par te con menor
tolerancia.
l Si la interferencia entre las partes excede
el límite de interferencia, las partes deben
ser reemplazadas o reparadas.
GSN00599-00 00 Índice y Prólogo
10 D155AX-6
Manipulación de componentes eléctricos e hidráulicos 1
Para mantener el rendimiento de la máquina durante un largo período de tiempo y para evitar fallas y otros
problemas, antes de que ocurran se deben realizar operaciones correctas, de mantenimiento e inspección,
y la localización de fallas y reparaciones. Esta sección trata en particular sobre los procedimientos de
reparación correctos para la mecatrónica y se encamina hacia el mejoramiento en la calidad de las
reparaciones. Para esta finalidad, ofrece secciones sobre la "Manipulación de equipos eléctricos" y la
"Manipulación de equipos hidráulicos" (muy especialmente el aceite para engranajes y el aceite hidráulico).
Aspectos a recordar en la manipulación de
equipos eléctricos
1. Manipulación de arneses de conductores y
conectores
Los arneses de conductores están formados
por cables que conectan un componente con
otro componente; conectores usados para
conectar y desconectar un cable con otro
cable y protectores o tubos empleados para
proteger el alambrado.
Comparados a otros equipos eléctricos
colocados en cajas o envases, los arneses de
conductores tienen mayores probabilidades de
verse afectados directamente por la lluvia, el
agua, el calor o las vibraciones. Además,
durante las operaciones de inspección y
reparación ellos son frecuentemente retirados
e instalados nuevamente y son susceptibles
de sufrir deformación y daños. Por esta razón,
es necesario tener cuidados extraordinarios en
la ma nip ulació n de los ar n eses de
conductores.
2. Principales fallas ocurridas en los arneses
de conductores
1) Contacto defectuoso de los conectores
(contacto defectuoso entre el macho y la
hembra).
Es susce ptible q ue se p rod uzcan
problemas por contactos defectuosos
debido a que el conector macho no está
debidamente introducido en el conector
h embra, o por que un o o ambo s
conectores están deformados, o sus
posiciones no están correctamente
alineadas, o por existir corrosión u
oxidación de las superficies de contacto.
2) Compresión o soldadura defectuosa en los
conectores.
Las espigas de los conectores macho y
hembra hacen contacto en el terminal
comprimido o en la porción soldada del
mismo, pero existe una fuerza excesiva
sobre el alambrado y el recubrimiento se
d espre nd e y p rovo ca co nexione s
incorrectas o roturas.
Inserción incorrecta
Porción comprimida
00 Índice y Prólogo GSN00599-00
D155AX-6 11
3) Desconexiones en el alambrado.
Si se sujeta el alambrado y los conectores
se tira de ellos para separarlos, o los
componentes se levantan con una grúa
dejando conectado el alambrado, o si un
objeto pesado golpea el alambrado, la
compre sió n e n e l cone ctor p ued e
perderse, la soldadura puede dañarse o el
alambrado puede quedar roto.
4) Agua en alta presión penetra al conector.
El conector está diseñado para dificultar la
penetración del agua (estructura a prueba
de go te os), pero si se pu lve riza
directamente agua en alta presión sobre
el conector, el agua puede penetrar al
conector según la procedencia del chorro.
Tenga cuidado para no salpicar agua
sobre el conector. El conector está
diseñado para evitar la entrada del agua,
pero al mismo tiempo, si el agua penetra,
resulta difícil drenar el agua. Por lo tanto,
si el agua llegara a penetrar en el
conector, las espigas quedarán en corto
circuito debido al agua; por lo tanto, si el
agua penetra al conector, inmediatamente
seque el conector o tome las acciones
necesarias antes de pasar electricidad a
través del mismo
5) Aceite o suciedad agarrado al conector.
Si el aceite o grasa están adheridos al
conector y se forma una película de aceite
en las superficies en contacto entre las
espigas macho y hembra, el aceite
impedirá el paso de la corriente y habrá
un contacto defectuoso. Si hay aceite,
grasa o suciedad adheridos al conector,
límpielos con una tela seca o sóplelo con
aire y pulverice en las espigas un
restaurador de contacto.
H Al limpiar las superficies de contacto
de un conecto r, hay que tener
cuidado de no usar fuerza excesiva o
deformar las espigas.
H Si hay agua o aceite en el aire, se
aumentará la contaminación de las
espigas. Haga la limpieza con aire del
cual se haya removido todo el agua y
aceite.
GSN00599-00 00 Índice y Prólogo
12 D155AX-6
3. Separar, instalar y secar los conectores y
arneses de conductores
1) Desconexión de conectores
1] Sujete los conectores al
desconectarlos.
Al desconectar los conectores, sujete
los conectores. Para los conectores
sujetos mediante un tornillo, afloje
totalmente el tornillo y después sujete
el conector macho y hembra, uno en
cada mano, y se páre lo s. Pa ra
conectores con un cierre, oprima el
cierre con el dedo pulgar y separe los
conectores.
H Nunca los separe con una mano
2] Al desmontar el conector de una
presilla:
l Los dos conectores y la presilla
tienen topes que se acoplan uno con
el otro cuando se instala el conector.
l Al desmontar un conector de una
presilla, tire del conector en dirección
paralela a la presilla para remover los
retenes.
H Si el conector está torcido hacia
arriba o abajo, a la izquierda o
de recha , la caja p odr ía
romperse.
3] Acciones a tomar después de
separar los conectores
Después de sepa rar cualquie r
conector, cúbralo con una bolsa de
vinilo para evitar que el polvo,
suciedad, aceite o agua penetren a la
porción de contacto.
H Si la máquina se deja
desarmada durante largo tiempo
es fácil que se produzcan los
contactos incorrectos. Siempre
cubra el conector.
Presione ligera-
mente al remover
Retenedor de cierre
Ambos retenedores
00 Índice y Prólogo GSN00599-00
D155AX-6 13
2) Conexión de conectores
1] Revise ocularmente el conector.
Verifique que no haya aceite, suciedad
o agua adherido a las espigas del
conector (porción que hace el contacto)
Verifique que no haya deformación,
contactos defectuosos, corrosión o
daños en las espigas conectoras.
Verifique que no haya daños o rotura en
el exterior del conector.
H Si hay aceite, agua o suciedad
adheridos al conector, haga la
limpieza usando una tela seca. Si
e l agu a ha pe netrado en el
conector, caliente el interior del
a lambrado con u n secad or
teniendo cuidado de no calentarlo
demasiado ya que esto producirá
corto circuitos.
H Si hay algún daño o rotura,
sustituya el conector.
2] Sujete firmemente el conector.
Ponga en línea correctamente la
posición del conector y después
coné ctelos fir memen te. Para
conectores con retenedor de cierre,
empuje el conector hasta que el
retenedor haga sonido en su posición.
3] Corrija cualquier punto sobresaliente
de la funda y cualquier desalinea-
miento del arnés de conductores.
Para conectores dotados de funda o
bota, corrija cualquier punto sobresa-
liente de la funda. Además, si el arnés
de conductores está mal alineado, o si
las presillas están fuera de posición,
haga el ajuste necesario para ponerlo
en posición correcta.
H Si el conector no se puede corregir
fácilmente, d esmonte la
abrazadera y ajuste la posición.
l Si se ha desmontado la abrazade-
ra del conector, esté seguro de
volverlo a poner en su posición
original. Igualmente compruebe
que no haya abrazaderas sueltas.
3) Conexión de conectores DT
En vista de que los conectores de los tipos
DT-8 pasadores y DT-12 pasadores tienen 2
cierres respectivamente, empújelos hasta
que hagan el sonido de clic 2 veces.
1.Conector macho
2. Conector hembra
l Estado normal de cierre (Horizontal): a,
b, d
l Estado de cierre incompleto (Diagonal):
c
Hace sonido al encajar
en su posición
GSN00599-00 00 Índice y Prólogo
14 D155AX-6
4) Secado de arneses de conductores
Si hay algo de aceite o suciedad en el
arnés de conductores, límpielo con una
tela seca. Evite lavarlos con agua o usar
vapor de agua. Si hay que lavar con agua
el conector, no use agua con alta presión
o vapor directamente sobre el arnés de
conductores. Si el agua penetra al
conector, haga lo siguiente:
1] Desconecte el conector y limpie el
agua con una tela seca.
H Si el conector se seca con aire
comprimido, existe el riesgo que
el aceite en el aire pu eda
provocar un contacto defectuoso;
está diferente del original.
2] Seque el interior del conector usando
un secador.
Si el a gua p en etra d en tro d el
conector use un secador para secar
el conector.
H Se puede emplear el aire
caliente de un secador pero hay
que tener cuidado de no calentar
demasiado el conector o sus
piezas ya que demasiado calor
puede provocar deformación o
daños al conector.
3] Realice una prueba de continuidad
en el conector.
Después de secarlo, deje el arnés de
conductores desconectado y realice
una prueba de continuidad para
verificar si el agua ha provocado
corto circuitos entre las espigas.
H Después de secar totalmente el
conector, sóplelo con restau-
rador de contactos y vuelva a
ensamblar el conector.
Adaptador T
00 Índice y Prólogo GSN00599-00
D155AX-6 15
4. Manipulando el controlador
1) El controlador contiene una microcom-
putadora y circuitos electrónicos de control.
Aquí se controlan todos los circuitos
electrónicos de la máquina. Tenga un
cuidado especial al manipular el controlador.
2) No ponga objetos sobre el controlador.
3) Cubra los conectores de control con cinta
adhesiva o una bolsa de vinilo. Nunca toque
con sus manos los contactos de los
conectores.
4) En la temporada de lluvias, no deje el
controlador en un lugar expuesto a las
lluvias.
5) No coloque el controlador sobre aceite,
agua, o tierra o en cualquier lugar caliente,
ni siquiera por un momento. (Colóquela
sobre un estante seco y adecuado).
6) Precauciones al realizar soldadura de arco
Al realizar soldaduras con arco eléctrico
en el cuerpo de la máquina, desconecte
todos los arneses de conductores que
están conectados al controlador. La
conexión a tierra de la soldadura de arco
debe estar lo más cerca posible del punto
que se esté soldando.
5. Aspectos a recordar en la localización de
fallas de los circuitos eléctricos
1) Antes de desconectar o conectar
conectores, siempre ponga en OFF
[desactivar] el suministro eléctrico.
2) Antes de realizar la localización de fallas,
verifique que todos los conectores que estén
relacionados se encuentre debidamente
acoplados.
H Varias veces desconecte y conecte
los conectores relacionados para
efectuar una comprobación.
3) Siempre conecte cualquier conector
desconectado antes de continuar al paso
siguiente.
H Si la energía eléctrica está en ON
[activada] teniendo los conectores
tod avía de scon ectado s, se
producirán exposiciones innecesarias
de anormalidades.
4) Al realizar la localización de fallas en
circuitos (medición de voltajes, resistencias,
continuidad o corriente), mueva varias veces
el alambrado relacionado para comprobar
que no hay cambios en la lectura del
comprobador.
H Si hay algún cambio, hay la
pro ba bilid ad de un con tacto
defectuoso en el circuito.
GSN00599-00 00 Índice y Prólogo
16 D155AX-6
Aspectos a recordar en la manipulación de equipos hidráulicos
Con el aumento en presión y la precisión de los equipos hidráulicos, la causa más común de las fallas es la
suciedad (materias extrañas) en el circuito hidráulico. Al añadir aceite hidráulico, o al desarmar o ensamblar
equipos hidráulicos, es necesario tener cuidados especiales.
1. Tenga cuidado del ambiente de operación
Evite añadir aceite hidráulico, sustituir filtros, o
reparar la máquina bajo la lluvia o con vientos
fuertes o en lugares donde haya mucho polvo.
2. Desarme y trabajos de mantenimiento en la
obra
Si se realizan trabajos de mantenimiento o
desarme de equipo hidráulico en la obra,
existe el peligro de que el polvo penetre en el
equipo hidráulico. Igualmente, será difícil
revisar el comportamiento después de las
reparaciones, por lo tanto, es aconsejable usar
las unidades de intercambio. El desarme y
mantenimiento del equipo hidráulico debe
rea lizarse e n tallere s e spe cialmen te
pre parad os y a pr ue ba d e polvo y el
comportamiento de los equipos debe revisarse
mediante el uso de equipos especiales para su
comprobación.
3. Sellado de las aberturas
Después de desmontar cualquier tubería o
equipo hidráulico, las aberturas deben quedar
cubiertas con tapas, cinta adhesiva o bolsas
de vinilo para evitar la entrada de polvo o
suciedad. Si se deja abierta una abertura, o se
bloquea con un trapo, existe el peligro de que
la suciedad penetre o que el área circundante
se ensucie por los derrames de aceite. Nunca
haga esto. Sencillamente, no drene el aceite
sobre el terreno. Recójalo y pida al cliente que
se deshaga del mismo, o transpórtelo y
deshágase usted mismo de ello.
4. Durante las operaciones de
reabastecimiento, no permita la entrada de
suciedad o polvo
Tenga cuidado de no dejar que la suciedad o
el polvo penetre durante el reabastecimiento
del aceite hidráulico. Siempre mantenga
limpios el orificio para reabastecer el aceite y
el área circundante; use bombas y envases
para aceite que estén limpios. Si se emplea un
dispositivo limpiador de aceite, es posible filtrar
la suciedad que se haya acumulado durante el
almacenamiento, por lo tanto, este es un
método aún más efectivo.
00 Índice y Prólogo GSN00599-00
D155AX-6 17
5. Cambie el aceite hidráulico cuando la
temperatura esté caliente
Cuando el aceite hidráulico o cualquier aceite
está caliente, fluye fácilmente. Además, el
sedimento del circuito también puede drenarse
fácilmente junto al aceite. Es mejor cambiar el
aceite cuando todavía esté caliente. Al
cambiar el aceite hidráulico, la mayor cantidad
posible del aceite viejo debe drenarse. (Drene
el aceite del tanque hidráulico; también drene
el aceite del filtro y el proveniente de los
tapones de drenaje del circuito.) Si queda un
remanente de aceite viejo, los contaminantes y
sedimentos se mezclarán con el aceite nuevo
y acortarán la vida útil del aceite hidráulico.
6. Operaciones de lavado
Después de desarmar y ensamblar el equipo,
o cambiar el aceite, use aceite de lavado para
remover los contaminantes, sedimentos y
aceite viejo que se encuentre en el circuito
hidráulico. Normalmente el lavado se realiza
dos veces: el primer lavado se realiza con
aceite para lavar y el segundo lavado se hace
con el aceite hidráulico especificado.
7. Operaciones de limpieza
Después de reparar el equipo hidráulico
(bomba, válvula de control, etc.) o al trabajar la
máquina, realice la limpieza del aceite para
eliminar los sedimentos o contaminantes en el
circuito del aceite hidráulico. El equipo
limpiador de aceite se emplea para eliminar
las partículas ultra finas (cercanas a los 3 )
que el filtro incorporado al equipo hidráulico no
puede eliminar. Este dispositivo resulta
extremadamente efectivo.
Aceite de lavado
GSN00599-00 00 Índice y Prólogo
18 D155AX-6
Forma de leer el código de alambres eléctricos 1
H La información acerca de los alambres únicos para cada modelo de máquina se describe en la sección
de la Localización de Fallas, información relacionada con la localización de fallas.
En el diagrama del circuito eléctrico, el material, grueso y color de cada alambre eléctrico está indicado con
símbolos. El código de alambres eléctricos es de ayuda para comprender el diagrama del circuito eléctrico.
1. Tipo, símbolo y material
AV y AVS son diferentes solamente en grueso y diámetro exterior de la cubierta. AEX es similar al AV
en grueso y diámetro exterior al AEX y diferente del AV y AVS en el material de la cubierta.
Ejemplo: AEX 0.85 L - - - Indica el color azul. Resistente al calor, alambre para bajo voltaje en
automóviles, con el número nominal de 0.85
Indica el color del alambre según el código de colores
Los códigos de colores aparecen en la Tabla 3.
Indica el tamaño del alambre según el No. nominal
Tamaño (No. Nominal) aparece en la Tabla 2.
Indica el tipo de alambre por medio de símbolos.
El tipo, símbolo y material del alambre aparecen en la Tabla 1.
(Como AV y AVS están clasificados por tamaño (No. nominal), no están
indicados.)
(Tabla 1)
Tipo Símbolo Material
Usando el rango
de temperatura
(°C)
Ejemplo de uso
Alambre de
bajo voltaje
para
automóviles
AV
Conductor
Cobre recocido para
utensilios eléctricos
-30 a +60
Alambrado en general
(Nominal No. 5 y superior)
Insulador
Suave cloruro de
polivinilo
Alambre de
bajo voltaje
con cubierta
fina para
automóviles
AVS
Conductor
Cobre recocido para
utensilios eléctricos
Alambrado en general
(Nominal No. 3 e inferior)
Insulador
Suave cloruro de
polivinilo
Alambre para
automóviles,
resistente al
calor y bajo
voltaje
AEX
Conductor
Cobre recocido para
utensilios eléctricos
-50 a +110
Alambrado general en
distritos extremadamente
fríos, alambrado en lugares
de altas temperaturas
Insulador
Polietileno cruzado
resistente al calor
00 Índice y Prólogo GSN00599-00
D155AX-6 19
2. Dimensiones
“f” en el número nominal indica flexible “
(Tabla 2)
No. Nominal 0.5f (0.5) 0.75f (0.85) 1.25f (1.25) 2f 2 3f 3 5
Conductor
Número de
hebras/
Diámetro de
hebras
20/0.18 7/0.32 30/0.18 11/0.32 50/0.18 16/0.32 37/0.26 26/0.32 58/0.26 41/0.32 65/0.32
Area
seccional
(mm2
)
0.51 0.56 0.76 0.88 1.27 1.29 1.96 2.09 3.08 3.30 5.23
d (aprox.) 1.0 1.2 1.5 1.9 1.9 2.3 2.4 3.0
Cubi
erta
D
AVS Estándar 2.0 2.2 2.5 2.9 2.9 3.5 3.6 –
AV Estándar – – – – – – – 4.6
AEX Estándar 2.0 2.2 2.7 3.0 3.1 – 3.8 4.6
No. Nominal 8 15 20 30 40 50 60 85 100
Conductor
Número de
hebras/
Diámetro de
hebras
50/0.45 84/0.45 41/0.80 70/0.80 85/0.80 108/0.80 127/0.80 169/0.80 217/0.80
Area
seccional
(mm2
)
7.95 13.36 20.61 35.19 42.73 54.29 63.84 84.96 109.1
d (aprox.) 3.7 4.8 6.0 8.0 8.6 9.8 10.4 12.0 13.6
Cubi
erta
D
AVS Estándar – – – – – – – – –
AV Estándar 5.5 7.0 8.2 10.8 11.4 13.0 13.6 16.0 17.6
AEX Estándar 5.3 7.0 8.2 10.8 11.4 13.0 13.6 16.0 17.6
GSN00599-00 00 Índice y Prólogo
20 D155AX-6
3. Tabla de códigos de colores
Observaciones:En un código de colores formado por 2 colores, el primer color es el color de fondo
y el segundo color es el color de marca.
Ejemplo: “GW” significa que el fondo es color Verde y la marca es Blanca.
4. Tipos de circuito y códigos de colores
(Tabla 3)
Código de
Color
Color del alambre
Código de
Color
Color del alambre
B Negro LgW Verde claro y Blanco
Br Café LgY Verde claro y Amarillo
BrB Café y Negro LR Azul y Rojo
BrR Café y Rojo LW Azul y Blanco
BrW Café y Blanco LY Azul y Amarillo
BrY Café y Amarillo O Anaranjada
Ch Gris oscuro P Rosado
Dg Verde oscuro R Rojo
G Verde RB Rojo y Negro
GB Verde y Negro RG Rojo y Verde
GL Verde y Azul RL Rojo y Azul
Gr Gris claro RW Rojo y Blanco
GR Verde y Rojo RY Rojo y Amarillo
GW Verde y Blanco Sb Azul cielo
GY Verde y Amarillo Y Amarillo
L Azul YB Amarillo y Negro
LB Azul y Negro YG Amarillo y Verde
Lg Verde claro YL Amarillo y Azul
LgB Verde claro y Negro YR Amarillo y Rojo
LgR Verde claro y Rojo YW Amarillo y Blanco
(Tabla 4)
Tipo de alambre AVS o AV AEX
Tipo de
circuito
Carga R WG – – – – R –
Suelo B – – – – – B –
Arrancar R – – – – – R –
Luz RW RB RY RG RL – D –
Instrumentos Y YR YB YG YL YW Y Gr
Señal G GW GR GY GB GL G Br
Otros
L LW LR LY LB – L –
Br BrW BrR BrY BrB – – –
Lg LgR LgY LgB LgW – – –
O – – – – – – –
Gr – – – – – – –
P – – – – – – –
Sb – – – – – – –
Dg – – – – – – –
Ch – – – – – – –
00 Índice y Prólogo GSN00599-00
D155AX-6 21
Método para desarmar y conectar el tipo de acoplador de empuje-
tracción 1
¤ Antes de ejecutar el siguiente trabajo, afloje gradualmente la tapa del agujero de suministro de
aceite del tanque hidráulico para aliviar la presión residual que se encuentre dentro del tanque.
¤ Aún cuando se alivie la presión residual del tanque hidráulico, algo del aceite hidráulico fluirá
cuando la manguera es desconectada. Por lo tanto, prepare un recipiente para recoger el aceite.
Tipo 1
1. Desconección
1) Sujete adaptador (1) e introduzca la unión
de la manguera (2) dentro del adaptador de
acople (3). (Figura 1)
H El adaptador puede ser introducido
cerca de 3.5 mm.
H No sujete la porción de la cubierta de
caucho (4).
2) Después de que la unión de la manguera (2)
es introducida dentro del adaptador (3),
presione la porción de la cubierta de caucho
(4) contra el adaptador (3) hasta que hace
“clic”. (Figura 2)
3) Sostenga el adaptador de la manguera (1) ó
la manguera (5) y hálela hacia fuera. (Figura
3)
H Como algo de aceite hidráulico fluirá
hacia afuera, prepare un recipiente
para recoger el aceite.
2. Conexión
1) Sostenga el adaptador de la manguera (1) ó
la manguera (5) e insértela en el adaptador
de acople (3), alineándolas con cada una.
(Figura 4)
H No sujete la porción de la cubierta de
caucho (4).
2) Después de introducir la manguera dentro
del adaptador de acople correctamente,
hálela hacia atrás para revisar la condición
de la conexión. (Figura 5)
H Cuando la manguera es hálada hacia
atrás, la porción de la cubierta de
caucho se mueve hacia la manguera
cerca de 3.5 mm. Esto no indica
anormalidad, sin embargo.
GSN00599-00 00 Índice y Prólogo
22 D155AX-6
Tipo 2
1. Desconección
1) Sostenga la porción de apriete y empuje la
línea recta el cuerpo de acople (7) hasta que
el anillo de prevención de deslizamiento (6)
haga contacto contacto con la superficie (a)
de la porción hexagonal del terminal macho.
(Figura 6)
2) Mientras se mantiene en la condición del
Paso 1), gire la palanca (8) hacia la derecha
(en el sentido de la agujas del reloj). (Figura
7)
3) Mientras se mantiene en la condición del
Paso 1) y 2), extraiga el cuerpo total (7) para
desconectarlo. (Figura 8)
2. Conexión
l Sostenga la porción de apriete y empuje
la línea recta el cuerpo de acople (7)
hasta que el anillo de prevención de
deslizamiento (6) haga contacto contacto
con la superficie (a) de la porción
hexagonal del terminal macho. (Figura 9)
00 Índice y Prólogo GSN00599-00
D155AX-6 23
Tipo 3
1. Desconección
1) Sostenga la porción de tensión y empuje el
cuerpo (9) en línea recta hasta que el anillo
de prevención de deslizamiento (8) toque la
superficie de contacto (b) de la porción
hexagonal del extremo macho. (Figura 10)
2) Mientras se retiene la condición del Paso 1),
empuje la cubierta (10) hasta que haga
contacto con la superficie (b) de la porción
hexagonal en el extremo macho. (Figura 11)
3) Mientras se mantiene en la condición del
Paso 1) y 2), extraiga el cuerpo total (9) para
desconectarlo. (Figura 12)
2. Conexión
l Sostenga la porción de apriete y empuje
la línea recta el cuerpo de acople (9)
hasta que el anillo de prevención de
deslizamiento haga contacto contacto con
la superficie (b) de la porción hexagonal
del terminal macho. (Figura 13)
GSN00599-00 00 Índice y Prólogo
24 D155AX-6
Tabla de torsión estándar de apriete 1
1. Tabla de torsión para tornillos y tuercas
H A menos que hayan instrucciones especiales, apriete las tuercas y pernos métricos al par de
apriete indicado a continuación (Cuando se use una llave torsiométrica)
H La tabla siguiente corresponde a los pernos de la Figura A.
H La tabla siguiente corresponde a los pernos de la Figura B.
H Fig. A H Fig. B
Diámetro de la rosca
del perno
Ancho entre caras Torsión de apriete
mm mm Nm kgm
6 10 11.8 – 14.7 1.2 – 1.5
8 13 27 – 34 2.8 – 3.5
10 17 59 – 74 6 – 7.5
12 19 98 – 123 10 – 12.5
14 22 153 – 190 15.5 – 19.5
16 24 235 – 285 23.5 – 29.5
18 27 320 – 400 33 – 41
20 30 455 – 565 46.5 – 58
22 32 610 – 765 62.5 – 78
24 36 785 – 980 80 – 100
27 41 1,150 – 1,440 118 – 147
30 46 1,520 – 1,910 155 – 195
33 50 1,960 – 2,450 200 – 250
36 55 2,450 – 3,040 250 – 310
39 60 2,890 – 3,630 295 – 370
Diámetro de la rosca
del perno
Ancho entre caras Torsión de apriete
mm mm Nm kgm
6 10 5.9 – 9.8 0.6 – 1.0
8 13 13.7 – 23.5 1.4 – 2.4
10 14 34.3 – 46.1 3.5 – 4.7
12 27 74.5 – 90.2 7.6 – 9.2
00 Índice y Prólogo GSN00599-00
D155AX-6 25
2. Tabla de torque para pernos de brida dividida
H A menos que hayan instrucciones especiales, apriete los pernos de brida dividida al par de apriete
indicado a continuación.
3. Tabla de torque de los tornillos que sostienen la unión de la tubería a la base del anillo-O
H A menos que se de una instrucción especial, apriete el torque de los tornillos que sujetan la base
del o-ring a las tuberías como se indican abajo.
4. Tabla de torque de los tornillos que sostienen el tapón a la base del anillo-O
H A menos que se de una instrucción especial, apriete el torque de los tornillos que sujetan la base
del o-ring a las tuberías como se indican abajo.
Diámetro de la rosca
del perno
Ancho entre caras Torsión de apriete
mm mm Nm kgm
10 14 59 – 74 6.0 – 7.5
12 17 98 – 123 10.0 – 12.5
16 22 235 – 285 23.5 – 29.5
No. Nominal
Diámetro de
la rosca
Ancho entre caras Torsión de apriete Nm {kgm}
mm mm Régimen Objetivo
02 14
Varía dependiendo
en el conector tipo.
35 – 63 { 3.5 – 6.5} 44 { 4.5}
03,04 20 84 – 132 { 8.5 – 13.5} 103 {10.5}
05,06 24 128 – 186 {13.0 – 19.0} 157 {16.0}
10,12 33 363 – 480 {37.0 – 49.0} 422 {43.0}
14 42 746 – 1,010 {76.0 – 103} 883 {90.0}
No.
Nominal
Diámetro de
la rosca
Ancho entre caras Torsión de apriete Nm {kgm}
mm mm Régimen Objetivo
08 8 14 5.88 – 8.82 {0.6 – 0.9} 7.35 {0.75}
10 10 17 9.81 – 12.74 {1.0 – 1.3} 11.27 {1.15}
12 12 19 14.7 – 19.6 {1.5 – 2.0} 17.64 {1.8}
14 14 22 19.6 – 24.5 {2.0 – 2.5} 22.54 {2.3}
16 16 24 24.5 – 34.3 {2.5 – 3.5} 29.4 {3.0}
18 18 27 34.3 – 44.1 {3.5 – 4.5} 39.2 {4.0}
20 20 30 44.1 – 53.9 {4.5 – 5.5} 49.0 {5.0}
24 24 32 58.8 – 78.4 {6.0 – 8.0} 68.6 {7.0}
30 30 32 93.1 – 122.5 { 9.5 – 12.5} 107.8 {11.0}
33 33 – 107.8 – 147.0 {11.0 – 15.0} 127.4 {13.0}
36 36 36 127.4 – 176.4 {13.0 – 18.0} 151.9 {15.5}
42 42 – 181.3 – 240.1 {18.5 – 24.5} 210.7 {21.5}
52 52 – 274.4 – 367.5 {28.0 – 37.5} 323.4 {33.0}
GSN00599-00 00 Índice y Prólogo
26 D155AX-6
5. Tabla de torsión de apriete para mangueras(con sistema de sellado cónico y sistema de sellado
plano con anillo-o )
H A menos que se de una instrucción especial, apriete el torque de las mangueras (sistema de
sellado cónico y de sellado plano con anillo-o) al torque especificado abajo.
H Aplique el siguiente torque cuando las roscas son cubierta (bañado) con aceite del motor.
6. Tabla de par de apriete para los motores de las series 102, 107 y 114 (Pernos y Tuercas)
H A menos que hayan instrucciones especiales, apriete los pernos y tuercas métricas de los motores
de las series 102, 107 y 114 al par de apriete indicado a continuación.
7. Tabla de par de apriete para los motores de las series 102, 107 y 114 (Uniones de ojal).
H A menos que hayan instrucciones especiales, apriete las uniones de ojal métricas de los motores
de las series 102, 107 y 114 al par de apriete indicado a continuación.
No. de la
manguera
nominal
Ancho
entre
caras
Torsión de apriete Nm {kgm} Sello Cónico Sello de cara
Régimen Objetivo
Tamaño de
rosca (mm)
No. nominal. –
Número de hilos
de rosca, tipo de
rosca
Diámetro de la
rosca (mm)
(Referencia)
02 19
34 – 54 { 3.5 – 5.5}
44 { 4.5}
– 9/16-18UN 14.3
34 – 63 { 3.5 – 6.5} 14 – –
03
22 54 – 93 { 5.5 – 9.5} 74 { 7.5} – 11/16 - 16UN 17.5
24 59 – 98 { 6.0 – 10.0} 78 { 8.0} 18 – –
04 27 84 – 132 { 8.5 – 13.5} 103 {10.5} 22 13/16 - 16UN 20.6
05 32 128 – 186 {13.0 – 19.0} 157 {16.0} 24 1 - 14UNS 25.4
06 36 177 – 245 {18.0 – 25.0} 216 {22.0} 30 1-3/16-12UN 30.2
(10) 41 177 – 245 {18.0 – 25.0} 216 {22.0} 33 – –
(12) 46 197 – 294 {20.0 – 30.0} 245 {25.0} 36 – –
(14) 55 246 – 343 {25.0 – 35.0} 294 {30.0} 42 – –
Tamaño de rosca
Torsión de apriete
Perno Perno BANJO
mm Nm kgm Nm kgm
6 10 ± 2 1.02 ± 0.20 8 ± 2 0.81 ± 0.20
8 24 ± 4 2.45 ± 0.41 10 ± 2 1.02 ± 0.20
10 43 ± 6 4.38 ± 0.61 12 ± 2 1.22 ± 0.20
12 77 ± 12 7.85 ± 1.22 24 ± 4 2.45 ± 0.41
14 – – 36 ± 5 3.67 ± 0.51
Tamaño de rosca Torsión de apriete
mm Nm kgm
6 8 ± 2 0.81 ± 0.20
8 10 ± 2 1.02 ± 0.20
10 12 ± 2 1.22 ± 0.20
12 24 ± 4 2.45 ± 0.41
14 36 ± 5 3.67 ± 0.51
00 Índice y Prólogo GSN00599-00
D155AX-6 27
8. Tabla de par de apriete para los tornillos cónicos en los motores de las series 102, 107 y 114.
H A menos que hayan instrucciones especiales, apriete los tornillos cónicos (unidad pulgada) en los
motores de las series 102, 107 y 114 al par de apriete indicado a continuación.
Tamaño de rosca Torsión de apriete
pulgada Nm kgm
1/16 3 ± 1 0.31 ± 0.10
1/8 8 ± 2 0.81 ± 0.20
1/4 12 ± 2 1.22 ± 0.20
3/8 15 ± 2 1.53 ± 0.20
1/2 24 ± 4 2.45 ± 0.41
3/4 36 ± 5 3.67 ± 0.51
1 60 ± 9 6.12 ± 0.92
GSN00599-00 00 Índice y Prólogo
28 D155AX-6
Tabla de conversión 1
Método para el uso de la Tabla de Conversiones
La Tabla de Conversión de esta sección se suministra para facilitar las conversiones sencillas de cifras. Para
detalles en cuanto al método para usar la Tabla de Conversión, vea el ejemplo que se ofrece a continuación.
Ejemplo: Método para el uso de la Tabla de Conversiones al convertir milímetros a pulgadas
1. Convierta 55 mm a pulgadas.
1) Localizar el número 50 en la columna vertical del lado izquierdo; tome esto como (A), y después trace
una línea horizontal desde (A).
2) Localice el número 5 en la hilera a través de la parte superior y tome esto como (B), y trace una línea
perpendicular desde (B).
3) Tome el punto de intersección de ambas líneas como (C). Este punto (C) ofrece el valor de conversión
de milímetros a pulgadas. Por lo tanto, 55 mm = 2.165 pulg.
2. Convierta 550 mm a pulgadas.
1) El número 550 no aparece en la tabla, de manera que haga una división por 10 (moviendo el punto
decimal un lugar hacia la izquierda) para convertir la cifra en 55 mm.
2) Realice el mismo procedimiento que el anterior para convertir 55 mm en 2.165 pulgadas.
3) El valor original de (550 mm) fue dividido por 10, de manera que multiplique 2.165 pulgadas por 10
(mueva el punto decimal un lugar hacia la derecha) para regresar al valor original. Esto indica que 550
mm son 21.65 pulgadas.
Milimetros a pulgadas (B)
1 mm = 0.03937 plg
0 1 2 3 4 5 6 7 8 9
0 0 0.039 0.079 0.118 0.157 0.197 0.236 0.276 0.315 0.354
10 0.394 0.433 0.472 0.512 0.551 0.591 0.630 0.669 0.709 0.748
20 0.787 0.827 0.866 0.906 0.945 0.984 1.024 1.063 1.102 1.142
30 1.181 1.220 1.260 1.299 1.339 1.378 1.417 1.457 1.496 1.536
40 1.575 1.614 1.654 1.693 1.732 1.772 1.811 1.850 1.890 1.929
(C)
(A)
:
50 1.969 2.008 2.047 2.087 2.126 2.165 2.205 2.244 2.283 2.323
60 2.362 2.402 2.441 2.480 2.520 2.559 2.598 2.638 2.677 2.717
70 2.756 2.795 2.835 2.874 2.913 2.953 2.992 3.032 3.071 3.110
80 3.150 3.189 3.228 3.268 3.307 3.346 3.386 3.425 3.465 3.504
90 3.543 3.583 3.622 3.661 3.701 3.740 3.780 3.819 3.858 3.898
00 Índice y Prólogo GSN00599-00
D155AX-6 29
Milimetros a pulgadas
1 mm = 0.03937 plg
0 1 2 3 4 5 6 7 8 9
0 0 0.039 0.079 0.118 0.157 0.197 0.236 0.276 0.315 0.354
10 0.394 0.433 0.472 0.512 0.551 0.591 0.630 0.669 0.709 0.748
20 0.787 0.827 0.866 0.906 0.945 0.984 1.024 1.063 1.102 1.142
30 1.181 1.220 1.260 1.299 1.339 1.378 1.417 1.457 1.496 1.536
40 1.575 1.614 1.654 1.693 1.732 1.772 1.811 1.850 1.890 1.929
50 1.969 2.008 2.047 2.087 2.126 2.165 2.205 2.244 2.283 2.323
60 2.362 2.402 2.441 2.480 2.520 2.559 2.598 2.638 2.677 2.717
70 2.756 2.795 2.835 2.874 2.913 2.953 2.992 3.032 3.071 3.110
80 3.150 3.189 3.228 3.268 3.307 3.346 3.386 3.425 3.465 3.504
90 3.543 3.583 3.622 3.661 3.701 3.740 3.780 3.819 3.858 3.898
Kilogramo a Libras
1 kg = 2.2046 lb
0 1 2 3 4 5 6 7 8 9
0 0 2.20 4.41 6.61 8.82 11.02 13.23 15.43 17.64 19.84
10 22.05 24.25 26.46 28.66 30.86 33.07 35.27 37.48 39.68 41.89
20 44.09 46.30 48.50 50.71 51.91 55.12 57.32 59.53 61.73 63.93
30 66.14 68.34 70.55 72.75 74.96 77.16 79.37 81.57 83.78 85.98
40 88.18 90.39 92.59 94.80 97.00 99.21 101.41 103.62 105.82 108.03
50 110.23 112.44 114.64 116.85 119.05 121.25 123.46 125.66 127.87 130.07
60 132.28 134.48 136.69 138.89 141.10 143.30 145.51 147.71 149.91 152.12
70 154.32 156.53 158.73 160.94 163.14 165.35 167.55 169.76 171.96 174.17
80 176.37 178.57 180.78 182.98 185.19 187.39 189.60 191.80 194.01 196.21
90 198.42 200.62 202.83 205.03 207.24 209.44 211.64 213.85 216.05 218.26
Litros a Galón EEUU
1 ¶ = 0.2642 U.S.Gal
0 1 2 3 4 5 6 7 8 9
0 0 0.264 0.528 0.793 1.057 1.321 1.585 1.849 2.113 2.378
10 2.642 2.906 3.170 3.434 3.698 3.963 4.227 4.491 4.755 5.019
20 5.283 5.548 5.812 6.076 6.340 6.604 6.869 7.133 7.397 7.661
30 7.925 8.189 8.454 8.718 8.982 9.246 9.510 9.774 10.039 10.303
40 10.567 10.831 11.095 11.359 11.624 11.888 12.152 12.416 12.680 12.944
50 13.209 13.473 13.737 14.001 14.265 14.529 14.795 15.058 15.322 15.586
60 15.850 16.115 16.379 16.643 16.907 17.171 17.435 17.700 17.964 18.228
70 18.492 18.756 19.020 19.285 19.549 19.813 20.077 20.341 20.605 20.870
80 21.134 21.398 21.662 21.926 22.190 22.455 22.719 22.983 23.247 23.511
90 23.775 24.040 24.304 24.568 24.832 25.096 25.361 25.625 25.889 26.153
GSN00599-00 00 Índice y Prólogo
30 D155AX-6
Litros a Galón Inglés
1 ¶ = 0.21997 U.K.Gal
0 1 2 3 4 5 6 7 8 9
0 0 0.220 0.440 0.660 0.880 1.100 1.320 1.540 1.760 1.980
10 2.200 2.420 2.640 2.860 3.080 3.300 3.520 3.740 3.950 4.179
20 4.399 4.619 4.839 5.059 5.279 5.499 5.719 5.939 6.159 6.379
30 6.599 6.819 7.039 7.259 7.479 7.699 7.919 8.139 8.359 8.579
40 8.799 9.019 9.239 9.459 9.679 9.899 10.119 10.339 10.559 10.778
50 10.998 11.281 11.438 11.658 11.878 12.098 12.318 12.528 12.758 12.978
60 13.198 13.418 13.638 13.858 14.078 14.298 14.518 14.738 14.958 15.178
70 15.398 15.618 15.838 16.058 16.278 16.498 16.718 16.938 17.158 17.378
80 17.598 17.818 18.037 18.257 18.477 18.697 18.917 19.137 19.357 19.577
90 19.797 20.017 20.237 20.457 20.677 20.897 21.117 21.337 21.557 21.777
kgm a ft.lb
1 kgm = 7.233 ft. lb
0 1 2 3 4 5 6 7 8 9
0 0 7.2 14.5 21.7 28.9 36.2 43.4 50.6 57.9 65.1
10 72.3 79.6 86.8 94.0 101.3 108.5 115.7 123.0 130.2 137.4
20 144.7 151.9 159.1 166.4 173.6 180.8 188.1 195.3 202.5 209.8
30 217.0 224.2 231.5 238.7 245.9 253.2 260.4 267.6 274.9 282.1
40 289.3 296.6 303.8 311.0 318.3 325.5 332.7 340.0 347.2 354.4
50 361.7 368.9 376.1 383.4 390.6 397.8 405.1 412.3 419.5 426.8
60 434.0 441.2 448.5 455.7 462.9 470.2 477.4 484.6 491.8 499.1
70 506.3 513.5 520.8 528.0 535.2 542.5 549.7 556.9 564.2 571.4
80 578.6 585.9 593.1 600.3 607.6 614.8 622.0 629.3 636.5 643.7
90 651.0 658.2 665.4 672.7 679.9 687.1 694.4 701.6 708.8 716.1
100 723.3 730.5 737.8 745.0 752.2 759.5 766.7 773.9 781.2 788.4
110 795.6 802.9 810.1 817.3 824.6 831.8 839.0 846.3 853.5 860.7
120 868.0 875.2 882.4 889.7 896.9 904.1 911.4 918.6 925.8 933.1
130 940.3 947.5 954.8 962.0 969.2 976.5 983.7 990.9 998.2 1005.4
140 1012.6 1019.9 1027.1 1034.3 1041.5 1048.8 1056.0 1063.2 1070.5 1077.7
150 1084.9 1092.2 1099.4 1106.6 1113.9 1121.1 1128.3 1135.6 1142.8 1150.0
160 1157.3 1164.5 1171.7 1179.0 1186.2 1193.4 1200.7 1207.9 1215.1 1222.4
170 1129.6 1236.8 1244.1 1251.3 1258.5 1265.8 1273.0 1280.1 1287.5 1294.7
180 1301.9 1309.2 1316.4 1323.6 1330.9 1338.1 1345.3 1352.6 1359.8 1367.0
190 1374.3 1381.5 1388.7 1396.0 1403.2 1410.4 1417.7 1424.9 1432.1 1439.4
00 Índice y Prólogo GSN00599-00
D155AX-6 31
kg/cm2
a lb/plg2
1 kg/cm2
= 14.2233 lb/plg2
0 1 2 3 4 5 6 7 8 9
0 0 14.2 28.4 42.7 56.9 71.1 85.3 99.6 113.8 128.0
10 142.2 156.5 170.7 184.9 199.1 213.4 227.6 241.8 256.0 270.2
20 284.5 298.7 312.9 327.1 341.4 355.6 369.8 384.0 398.3 412.5
30 426.7 440.9 455.1 469.4 483.6 497.8 512.0 526.3 540.5 554.7
40 568.9 583.2 597.4 611.6 625.8 640.1 654.3 668.5 682.7 696.9
50 711.2 725.4 739.6 753.8 768.1 782.3 796.5 810.7 825.0 839.2
60 853.4 867.6 881.8 896.1 910.3 924.5 938.7 953.0 967.2 981.4
70 995.6 1,010 1,024 1,038 1,053 1,067 1,081 1,095 1,109 1,124
80 1,138 1,152 1,166 1,181 1,195 1,209 1,223 1,237 1,252 1,266
90 1,280 1,294 1,309 1,323 1,337 1,351 1,365 1,380 1,394 1,408
100 1,422 1,437 1,451 1,465 1,479 1,493 1,508 1,522 1,536 1,550
110 1,565 1,579 1,593 1,607 1,621 1,636 1,650 1,664 1,678 1,693
120 1,707 1,721 1,735 1,749 1,764 1,778 1,792 1,806 1,821 1,835
130 1,849 1,863 1,877 1,892 1,906 1,920 1,934 1,949 1,963 1,977
140 1,991 2,005 2,020 2,034 2,048 2,062 2,077 2,091 2,105 2,119
150 2,134 2,148 2,162 2,176 2,190 2,205 2,219 2,233 2,247 2,262
160 2,276 2,290 2,304 2,318 2,333 2,347 2,361 2,375 2,389 2,404
170 2,418 2,432 2,446 2,460 2,475 2,489 2,503 2,518 2,532 2,546
180 2,560 2,574 2,589 2,603 2,617 2,631 2,646 2,660 2,674 2,688
190 2,702 2,717 2,731 2,745 2,759 2,773 2,788 2,802 2,816 2,830
200 2,845 2,859 2,873 2,887 2,901 2,916 2,930 2,944 2,958 2,973
210 2,987 3,001 3,015 3,030 3,044 3,058 3,072 3,086 3,101 3,115
220 3,129 3,143 3,158 3,172 3,186 3,200 3,214 3,229 3,243 3,257
230 3,271 3,286 3,300 3,314 3,328 3,343 3,357 3,371 3,385 3,399
240 3,414 3,428 3,442 3,456 3,470 3,485 3,499 3,513 3,527 3,542
GSN00599-00 00 Índice y Prólogo
32 D155AX-6
Temperatura
Conversión Fahrenheit-Centigrado: Una forma sencilla de convertir la lectura de temperatura Fahrenheit; a grados
Centígrados o viceversa es dar entrada a la tabla en la columna central o columna de cifras en negrita. Estas cifras
se refieren a temperaturas en grados Fahrenheit o Centígrados.
Si se desea convertir de grados Fahrenheit a grados Centígrados, considere la columna central como tabla de
temperaturas Fahrenheit y lea la temperatura correspondiente en grados Centígrados en la columna a la izquierda.
Si se desea convertir de grados Centígrados a grados Fahrenheit, considere la columna central como una tabla de
valores en grados Centígrados y lea a la derecha la temperatura correspondiente en grados Fahrenheit.
1°C = 33.8 °F
°C ° F °C ° F °C ° F °C ° F
–40.4 –40 –40.0 –11.7 11 51.8 7.8 46 114.8 27.2 81 177.8
–37.2 –35 –31.0 –11.1 12 53.6 8.3 47 116.6 27.8 82 179.6
–34.4 –30 –22.0 –10.6 13 55.4 8.9 48 118.4 28.3 83 181.4
–31.7 –25 –13.0 –10.0 14 57.2 9.4 49 120.2 28.9 84 183.2
–28.9 –20 –4.0 –9.4 15 59.0 10.0 50 122.0 29.4 85 185.0
–28.3 –19 –2.2 –8.9 16 60.8 10.6 51 123.8 30.0 86 186.8
–27.8 –18 –0.4 –8.3 17 62.6 11.1 52 125.6 30.6 87 188.6
–27.2 –17 1.4 –7.8 18 64.4 11.7 53 127.4 31.1 88 190.4
–26.7 –16 3.2 –7.2 19 66.2 12.2 54 129.2 31.7 89 192.2
–26.1 –15 5.0 –6.7 20 68.0 12.8 55 131.0 32.2 90 194.0
–25.6 –14 6.8 –6.1 21 69.8 13.3 56 132.8 32.8 91 195.8
–25.0 –13 8.6 –5.6 22 71.6 13.9 57 134.6 33.3 92 197.6
–24.4 –12 10.4 –5.0 23 73.4 14.4 58 136.4 33.9 93 199.4
–23.9 –11 12.2 –4.4 24 75.2 15.0 59 138.2 34.4 94 201.2
–23.3 –10 14.0 –3.9 25 77.0 15.6 60 140.0 35.0 95 203.0
–22.8 –9 15.8 –3.3 26 78.8 16.1 61 141.8 35.6 96 204.8
–22.2 –8 17.6 –2.8 27 80.6 16.7 62 143.6 36.1 97 206.6
–21.7 –7 19.4 –2.2 28 82.4 17.2 63 145.4 36.7 98 208.4
–21.1 –6 21.2 –1.7 29 84.2 17.8 64 147.2 37.2 99 210.2
–20.6 –5 23.0 –1.1 30 86.0 18.3 65 149.0 37.8 100 212.0
–20.0 –4 24.8 –0.6 31 87.8 18.9 66 150.8 40.6 105 221.0
–19.4 –3 26.6 0 32 89.6 19.4 67 152.6 43.3 110 230.0
–18.9 –2 28.4 0.6 33 91.4 20.0 68 154.4 46.1 115 239.0
–18.3 –1 30.2 1.1 34 93.2 20.6 69 156.2 48.9 120 248.0
–17.8 0 32.0 1.7 35 95.0 21.1 70 158.0 51.7 125 257.0
–17.2 1 33.8 2.2 36 96.8 21.7 71 159.8 54.4 130 266.0
–16.7 2 35.6 2.8 37 98.6 22.2 72 161.6 57.2 135 275.0
–16.1 3 37.4 3.3 38 100.4 22.8 73 163.4 60.0 140 284.0
–15.6 4 39.2 3.9 39 102.2 23.3 74 165.2 62.7 145 293.0
–15.0 5 41.0 4.4 40 104.0 23.9 75 167.0 65.6 150 302.0
–14.4 6 42.8 5.0 41 105.8 24.4 76 168.8 68.3 155 311.0
–13.9 7 44.6 5.6 42 107.6 25.0 77 170.6 71.1 160 320.0
–13.3 8 46.4 6.1 43 109.4 25.6 78 172.4 73.9 165 329.0
–12.8 9 48.2 6.7 44 111.2 26.1 79 174.2 76.7 170 338.0
–12.2 10 50.0 7.2 45 113.0 26.7 80 176.0 79.4 175 347.0
34 D155AX-6
GSN00599-00 00 Índice y Prólogo
D155AX-6 Buldózer
Form No. GSN00599-00
© 2006 KOMATSU
Todos los Derechos Reservados
Impreso en E.E.U.U. 08-06
D155AX-6 1
GSN00601-00
BULDÓZER 1MANUAL DE TALLER
D155AX-6
Modelo de máquina Número de serie
D155AX-6 80001 y superiores
01 Especificación 1
Especificación y datos técnicos
Especificación y datos técnicos ..................................................................................................................... 2
Dibujos de especificaciones de dimensiones...................................................................................... 2
Especificaciones ................................................................................................................................. 3
Tabla de pesos .................................................................................................................................... 9
Tabla de combustible, líquido refrigerante y lubricantes ................................................................... 12
GSN00601-00 01 Especificación
2 D155AX-6
Especificación y datos técnicos 1
Dibujos de especificaciones de dimensiones 1
1
Item Unidad
Topadora de hoja angulable Sig-
madozer + Desgarrador de gar-
ras múltiples variable
Topadora semi-U + Desgarrador
de garras múltiples variables
A Longitud total mm 8,285 8,336
B Altura total (con ROPS) mm 3,390 3,390
C Ancho total mm 4,125 4,125
Item Unidad
Topadora de Hoja Sigmadozer +
Desgarrador gigante variable
Topadora de Hoja semi-U +
Desgarrador gigante variable
A Longitud total mm 8,285 8,336
B Altura total (con ROPS) mm 3,390 3,390
C Ancho total mm 4,125 4,125
01 Especificación GSN00601-00
D155AX-6 3
Especificaciones 1
Modelo de máquina D155AX-6
Número de serie 80001 y superiores
Peso
•Tractor solamente
kg
29,800
•Con topadora de hoja Sigmadozer +desgarrador
de garras múltiples variable + cabina ROPS +
acondicionador de aire + zapata 560mm HD +
cubierta lateral
39,500
•Con topadora semi-U inclinable +desgarrador de
garras múltiples variable + cabina ROPS +
acondicionador de aire + zapata 560mm HD +
cubierta lateral
39,650
Rendimiento
Mínimo radio de viraje (F1, centro de la máquina) mm 2.1
Pendiente superable grados 30
Estabilidad (adelante, atrás, izquierda, derecha) grados 35
Rangodevelocidades
delatransmisión
Avance
1ª
km/h
3.8
2ª 5.6
3ra (velocidad baja) 7.5
3ª 11.6
Retroceso
1ª
km/h
4.6
2ª 6.8
3ra (velocidad baja) 9.2
3ª 14.0
Dimensiones
Presiónsobreelterreno
Tractor solamente
kPa
{kg/cm2}
79.85 {0.81}
Con topadora de hoja Sigmadozer +desgar-
rador de garras múltiples variable + cabina
ROPS + acondicionador de aire + cubierta
lateral
105.84 {1.08}
Con topadora semi-U + desgarrador de gar-
ras múltiples variable + cabina + ROPS +
acondicionador de aire + zapata 560mm HD
+ cubierta lateral
105.84 {1.08}
Longitudtotal
Tractor solamente
mm
4,860
Con topadora semi-U con inclinación + trac-
tor 8,316
Con topadora de hoja Sigmadozer + desgar-
rador de garras múltiples variable
8,285
Anchototal
Tractor solamente
mm
2,765
Con hoja topadora semi-U + tractor 4,125
Con topadora de hoja Sigmadozer inclinable
+ desgarrador de garras múltiples variable
4,125
Alturatotal
Al tope del tubo de escape
mm
3,306
Sobre la cabina
(al tope de la palanca de control)
2,210
Con cabina con barra protectora contra vuel-
cos (ROPS) instalada 3,390
GSN00601-00 01 Especificación
4 D155AX-6
Modelo de máquina D155AX-6
Número de serie 80001 y superiores
Dimensiones
Trocha
mm
2,000
Longitud de la oruga sobre el terreno 3,050
Ancho de zapatas (Estándar) 560
Altura libre sobre el suelo
(Hasta la superficie del fondo de la cubierta infe-
rior)
450
Motor
Nombre SAA6D140E-5
Tipo de motor
4-ciclos, enfriador-agua, en-linea tipo vertical,
inyección directa con turbocargador, posenfriador
y enfriador (EGR).
No. de cilindros – Diámetro x Carrera mm 6 -140 x 165
Desplazamiento del pistón l {cc} 15.24 {15,240}
Rendimiento
Potencia neta kW {HP}/rpm 239 {320}/1,900
Torsión máx. Nm{kgm}/rpm 1,715 {175}/1,300
Velocidad máx. sin carga rpm 2,050
Velocidad mín. sin carga rpm 740
Mín. relación de consumo de combustible g/kWh {g/HPh} 212 {158}
Motor de arranque 24V, 11kW
Alternador 24V, 75A
Batería 12V, 170Ah x 2
Radiador de tipo núcleo Aleta ondulada rectangular
Sistemadeltrendepotencia
Convertidor de torsión 3-elementos, 1-etapa, 2-fase
Transmisión
Tipo de engranajes planetarios, tipo de embrague
de múltiples discos, actuación hidráulica, lubri-
cación forzada con bomba de engranajes (tipo
eléctrico), 3 velocidades hacia adelante, 3
velocidades hacia atrás, tipo activación electrica
Hidráulica, bomba HSS
MPa
{kg/cm2
}
l/min)
Tipo variable con placa oscilante (HPV190)
Máxima presión de descarga: 39.6 {404}
Descarga teórica: 427/2,249
Motor HSS
MPa
{kg/cm2
}
Tipo fijo con placa oscilante (KMF140)
Máxima presión: 41.2 {420}
Eje de la corona
Engranaje cónico hipoidal, lubricación forzada
Bomba de engranajes
HSS
Sistema de dirección HSS
Diferencial tipo engranajes planetarios, motor
hidráulico de tipo accionado, motorizado tipo elec-
trónico, accionado hidraulicamente
Freno maestro
Tipo húmedo, embrague de discos múltiples, apli-
cado por resorte, accionado hidráulicamente,
operado por pedal
Mando final
1a. etapa de engranajes rectos, 1a. etapa de
engranajes planetarios, lubricación de tipo por sal-
picadura
01 Especificación GSN00601-00
D155AX-6 5
Modelo de máquina D155AX-6
Número de serie 80001 and up
Trenderodaje
Suspensión Rígido, tipo brazo en balance
Rodillo superior 2 a cada lado
Rodillo inferior 7 a cada lado
Zapata de la oruga (ancho de zapata: 560 mm)
Ensamblaje-tipo garra sencilla,
42 a cada lado, paso: 228.6 mm
Bomba de lubricación +
conjunto del tren de potencia (tandem)
Tipo engranajes (SAR(3)100 + (2)40)
Bomba de barrido (tándem) Tipo engranajes (SAR(4)+140)
Sistemahidráulicodelequipodetrabajo
Válvuladecontrol
Desgarrador de garras múltiples variable
Tipo de carrete en tándem 1+3+3, tipo asis-
tido hidráulicamente, control eléctrico
•Para inclinación del desgarrador + Cilindro de inclinación del desgarrador
•Para elevar el desgarrador + Levantamiento del desgarrador
• Para elevar hoja
• Para inclinación de la hoja + (Blade lift + blade tilt + steering)
•Para dirección
Cilindrohidráulico
Tipo Tipo de pistón alternativo
Dimensionesde
elevacióndelahoja
Diámetro del cilindro mm 110
Diámetro exterior del rodillo del pistón mm 75
Recorrido del pistón máximo mm 1,404
Max. distancia entre los pistones mm 2,093
Mín. distancia entre los pasadores mm 687.5
Dimensionesdeinclinaciónde
lahoja(Paraempujecon
inclinaciónenformadeS)
Diámetro del cilindro mm 160
Diámetro exterior del rodillo del pistón mm 90
Recorrido del pistón máximo mm 205
Max. distancia entre los pistones mm 1,395
Mín. distancia entre los pasadores mm 1,190
Dimensionesdeinclinación
delahoja
(Parahojatopadorasemi-U)
Diámetro del cilindro mm 160
Diámetro exterior del rodillo del pistón mm 90
Recorrido del pistón máximo mm 210
Max. distancia entre los pistones mm 1,475
Mín. distancia entre los pasadores mm 1,265
GSN00601-00 01 Especificación
6 D155AX-6
Modelo de máquina D155AX-6
Número de serie 80001 y superiores
Sistemahidráulicodelequipodetrabajo
Dimensionesdelahoja
(Paratopadoradehoja
Sigmadozerinclinableypaso)
Diámetro del cilindro mm 160
Cilindrohidráulico
Diámetro exterior del rodillo del
pistón
mm 90
Recorrido del pistón máximo mm 165
Max. distancia entre los pistones mm 1,430
Mín. distancia entre los pasadores mm 1,265
Dimensionesdelevante
deldesgarrador
Diámetro del cilindro mm 180
Diámetro exterior del rodillo del
pistón
mm 100
Recorrido del pistón máximo mm 565
Max. distancia entre los pistones mm 1,730
Mín. distancia entre los pasadores mm 1,165
Dimensionesde
inclinacióndeldesgarrador
Diámetro del cilindro mm 200
Diámetro exterior del rodillo del
pistón
mm 110
Recorrido del pistón máximo mm 605
Max. distancia entre los pistones mm 1,815
Mín. distancia entre los pasadores mm 1,210
Tanque hidráulico
Tipo caja (Válvula de control
instalado en el exterior)
Sistemaimpulsor
Bomba del ventilador de enfriamiento
MPa
{kg/cm2
}
l/min)
Plato oscilante variable (LPV45)
Máxima presión de descarga: 31.9 {325}
Presión de descarga teórica: 103/2,296
Motor de ventilador de enfriamiento
MPa
{kg/cm2
}
Fijo con plato oscilante (LMF65)
Máxima presión de descarga: 31.9 {325}
01 Especificación GSN00601-00
D155AX-6 7
Modelo de máquina D155AX-6
Número de serie 80001 y superiores
Equipodetrabajo
Tipo
Topadora con inclinación hidráulica sigmadozer
Topadora semi-U con inclinación hidráulica
Topadora U con inclinación hidráulica
Método de soporte de la hoja
Tipo brazo tensor (Cilindro de
inclinación derecha)
TopadoradehojaangulableSigmadozer
Rendimiento
Altura de elevación de la hoja (desde el
nivel del terreno)
mm 1,311
Altura de descenso de la hoja (desde el
nivel del terreno)
mm 627
Máx. inclinación de la hoja mm 1,000
Variación del ángulo de corte de la
hoja
grados ± 5
Capacidad de la hoja (SAE) m3 9.4
Dimensiones
Ancho de la hoja mm 4,130
Altura de la hoja mm 1,790
Angulo de corte de la hoja grados 46
Topadorasemi-Uinclinable
Rendimiento
Altura de elevación de la hoja (desde el
nivel del terreno)
mm 1,250
Altura de descenso de la hoja (desde el
nivel del terreno)
mm 590
Máx. inclinación de la hoja mm 1,000
Variación del ángulo de corte de la
hoja
grados ± 6
Capacidad de la hoja (SAE) m3 9.4
Dimensiones
Ancho de la hoja mm 4,130
Altura de la hoja mm 1,790
Angulo de corte de la hoja grados 52
TopadoradehojaU
Rendimiento
Altura de elevación de la hoja (desde el
nivel del terreno)
mm 1,250
Altura de descenso de la hoja (desde el
nivel del terreno)
mm 590
Máx. inclinación de la hoja mm 1,080
Variación del ángulo de corte de la
hoja
grados ± 6
Capacidad de la hoja (SAE) m3 11.9
Dimensiones
Ancho de la hoja mm 4,225
Altura de la hoja mm 1,790
Angulo de corte de la hoja grados 52
GSN00601-00 01 Especificación
8 D155AX-6
Modelo de máquina D155AX-6
Número de serie 80001 y superiores
Equipodetrabajo
Topadoradehojaangulable
Sigmadozer+paso
Rendimiento
Máx. inclinación mm 1,000
Máx. ángulo de inclinación vertical grados 5
Máx. ángulo atrás de
inclinación vertical
grados 5
Topadorasemi-Uinclinable+paso
Rendimiento
Máx. inclinación mm 1.000
Máx. ángulo de inclinación vertical grados 5
Máx. ángulo atrás de
inclinación vertical
grados 5
EmpujetotalenU+paso
Rendimiento
Máx. inclinación mm 1,080
Máx. ángulo de inclinación vertical grados 5
Máx. ángulo atrás de
inclinación vertical
grados 5
Desgarradordegarras
múltiplesvariable
Rendimiento
Máx. profundidad de excavación mm 903
Altura máx. de levantamiento mm 950
Ángulo de desgarre de la punta 30 – 70
Dimensiones
Ancho máximo de la viga mm 2,320
Posiciones de la garra 2
Desgarradorgigante
variable
Rendimiento
Máx. profundidad de excavación mm 1,255
Altura máx. de levantamiento mm 950
Ángulo de desgarre de la punta 30 – 70
Dimensiones
Ancho máximo de la viga mm 1,401
Posiciones de la garra
No. de
agujeros
3
01 Especificación GSN00601-00
D155AX-6 9
Tabla de pesos 1
¤ La tabla de pesos es para referencia en el manejo o transporte de componentes.
Modelo de máquina D155AX-6
Número de serie 80001 y superiores
Conjunto del amortiguador, motor 1,900
• Conjunto del motor 1,759
• Conjunto del amortiguador 120
• Junta universal 18
• Piezas de montaje del motor (alambrado) 3
Conjunto del radiador
(incluyendo enfriador de aceite integral enfriador hidráulico y
condensador)
333
Conjunto del tanque de combustible (cuando está vacio) 383
Conjunto del tanque de combustible (cuando está lleno) 913
Conjunto de la unidad del tren de fuerza 2,351
• Convertidor de torsión, conjunto de toma de fuerza (PTO) 500
• Conjunto de la transmisión 625
• Conjunto HSS 932
• Conjunto de la válvula del freno
(2- Conjunto de la válvula de modulación de control electrónico
(ECMV), válvula de freno secundario)
6
• Conjunto del filtro del tren de potencia 16.5
• Bomba de barrido 20
• Tren de potencia, bomba de lubricación 28
• Bomba HSS hidráulica 106
• Motor HSS 67
• Bomba del ventilador de enfriamiento 25
• Motor de ventilador de enfriamiento 25
Conjunto del mando final 1,395 x 2
Dientes de la rueda dentada (12 x 9) x 2
Conjunto de la estructura del casco 4,426
Conjunto del Tren de rodamiento (cada lado) 3,822
• Bastidor de oruga 1,340
• Conjunto de la rueda tensora 326
• Conjunto de resorte tensor 508
• Conjunto de los rodillos de la oruga, bogie 525 x 3
• Conjuntos de rodillos inferiores (Brida sencilla x1)
(pestaña doble x1)
93 x 4
105 x 3
• Conjunto del rodillo superior 45 x 2
GSN00601-00 01 Especificación
10 D155AX-6
Modelo de máquina D155AX-6
Número de serie 80001 y superiores
Conjunto de la zapata de la oruga (560 mm, tipo húmedo) 2,260 x 2
Conjunto del eje pivote (Izquierda)
(Cuando tiene la especificación de inclinación doble, Izquierda y Dere-
cha)
119
Conjunto del eje pivote (Derecha) 136
Barra estabilizadora 231
Conjunto del tanque hidráulico (incluyendo el filtro hidráulico) 99
Válvula de control
(Levantamiento de la hoja topadora + inclinación de la hoja topadora +
levantamiento del desgarrador + inclinación del desgarrador + direc-
ción)
123
Protector inferior del motor 220
Protector inferior de la transmisión 280
Asientos del operador 55
Conjunto de topadora de hoja angulable sigmadozer U 5,364 (Estandar 4,937)
• Hoja 3,200 (Estandar 2,929)
•Bastidor recto 1,687 (Estandar 1,531)
•Brazo de inclinación 97 x 1
•Brazo central 250 x 1
•Conjunto del cilindro de inclinación 130
Conjunto de empuje e inclinación doble en forma de S 5,400 (Estandar 4,973)
•Hoja 3,200 (Estandar 2,929)
•Bastidor recto 1,690 (Estandar 1,534)
•Brazo central 250 x 1
•Conjunto del cilindro de inclinación vertical 130 x 2
Conjunto de topadora semi-U 5,623 (Estandar 4,962)
•Hoja 3,459 (Estandar 2,954)
•Bastidor recto 1,687 (Estandar 1,531)
•Brazo de inclinación 97 x 1
• Brazo central 250 x 1
•Conjunto del cilindro de inclinación 130
Conjunto del cilindro de levante de la topadora 165 x 2
Conjunto del desgarrador de garras múltiples 4,330
• Soporte, viga, brazo 2,300
•Garra 266 x 3
• Conjunto del cilindro de levante 184 x 1
•Conjunto del cilindro de inclinación 252 x 1
01 Especificación GSN00601-00
D155AX-6 11
Modelo de máquina D155AX-6
Número de serie 80001 y superiores
Conjunto del desgarrador gigante 3,090
• Soporte, viga, brazo 1,850
•Garra 333 x 1
• Conjunto del cilindro de levante 184 x 1
•Conjunto del cilindro de inclinación 252 x 1
• Conjunto del cilindro extractor del pasador 7
Conjunto de la cabina 410
Tablero 54
Estructura del piso (incluida la unidad del acondicionador de aire) 611
Cubierta lateral 20
Conjunto de la unidad acondicionadora de aire 10
GSN00601-00 01 Especificación
12 D155AX-6
Tabla de combustible, líquido refrigerante y lubricantes 1
H Para detalles de las notas (Nota 1, Nota 2 …) ver la tabla. Ver el Manual de Operación y Mantenimiento.
01 Especificación GSN00601-00
D155AX-6 13
Unidad: ¶
Puntos de relleno
D155AX-6
Capacidad
especificada:
Capacidad de relleno
Cárter de Aceite del Motor 45 37
Caja amortiguadora 1.5 1.5
Caja del tren de potencia. 130 90
Caja del mando final (cada una) 31 31
Sistema hidráulico
(con hoja, sin desgarrador)
240 85
Sistema de enfriamiento
(incluyendo el tanque de reserva)
82 —
Tanque de combustible 625 —
GSN00601-00 01 Especificación
14 D155AX-6
D155AX-6 Buldózer
No. de Forma GSN00601-00
© 2006 KOMATSU
Todos los Derechos Reservados
Impreso en E.E.U.U. 08-06
D155AX-6 1
GSN00603-00
BULDÓZER 1MANUAL DE TALLER
D155AX-6
Modelo de máquina Número de serie
D155AX-6 80001 y superiores
10 Estructura, función, y
estandar de mantenimiento1
Motor y sistema de enfriamiento
Motor y sistema de enfriamiento.................................................................................................................... 2
Radiador, enfriador del aceite ............................................................................................................. 2
Soporte del motor ............................................................................................................................... 5
Bomba del ventilador de enfriamiento................................................................................................. 6
Motor de ventilador de enfriamiento.................................................................................................. 14
GSN00603-00 10 Estructura, función, y estandar de mantenimiento
2 D155AX-6
Motor y sistema de enfriamiento 1
Radiador, enfriador del aceite 1
Radiador
10 Estructura, función, y estandar de mantenimiento GSN00603-00
D155AX-6 3
1. Manguera de desborde
2. Manguera para purga de aire
3. Manguera de entrada
4. Tapa de llenado del enfriador
5. Conjunto del núcleo del radiador
6. Tanque de reserva
7. Manguera de entrada (para circulación de
refrigerante a baja temperatura)
8. Manguera de salida
9. Tanque inferior (enfriador de aceite incorpo-
rado al tren de potencia)
10. Ventilador
11. Tapón de drenaje
12. Cojinete
13. Tapa del respiradero
14. Válvula de presión
a: Postenfriador
b: Manguera de salida del postenfriador
c: Manguera de entrada al postenfriador
Descripción
l Se suministra el tanque de reserva para el
radiador.
l El enfriador de aceite del tren de potencia está
incorporado en el tanque inferior del radiador.
Especificación
Posenfriador: Aleta ondulada rectangular 8.0/2P
Radiador
Tipo de núcleo
Aleta ondulada
rectangular
Paso de la aleta (mm) 4.0
Area de disipación térmica (m2) 41.99 x 2
Válvula
de
presión
Presiónde
alivio
(MPa{kg/
cm2})
0.09 {0.9}
Vacío
presión
(MPa{kg/
cm2})
0.005 {0.05}
GSN00603-00 10 Estructura, función, y estandar de mantenimiento
4 D155AX-6
Enfriador del aceite
1. Enfriador hidráulico
2. Enfriador del aceite del tren de potencia
A: Salida del enfriador de aceite del tren de
potencia
B: Entrada al enfriador de aceite del tren de
potencia
Descripción
l El enfriador de aceite del tren de potencia está
incorporado en el tanque inferior del radiador.
Enfriador del
aceite del tren
de potencia
Enfriador
hidráulico
Tipo de núcleo PTO-OL
Onda rectan-
gular (4.0P)
Tipo de aletas interiores TF8-C TF6-P
Método de enfriamiento
Incorporado al
tanque inferior
Enfriado por
aire
Area de disipación tér-
mica (m2)
2.47 4.51
10 Estructura, función, y estandar de mantenimiento GSN00603-00
D155AX-6 5
Soporte del motor 1
Unidad: mm
No. Itemes a comprobar Criterio Solución
1
Separación entre el marco de
soporte y el cojín
Tamaño
estándar
Tolerancia Holgura
estándar
Límite de
holgura
Reemplace
Eje Agujero
60
–0.1
–0.3
+0.046
+0.046
0.1 –
0.346
—
2
Altura libre hasta el montaje
de goma
Holgura estándar Límite de holgura
86 84
GSN00603-00 10 Estructura, función, y estandar de mantenimiento
6 D155AX-6
Bomba del ventilador de enfriamiento 1
Tipo: LPV45
P1: Orificio de descarga de la bomba
PAEPC: Tapón de captación de presión de salida EPC
PEPC: Orificio de entrada de presión básica de la válvula EPC
PS: Orificio de succión de la bomba
TO: Orificio de drenaje
1. Servo-válvula
2. Purga del aire
10 Estructura, función, y estandar de mantenimiento GSN00603-00
D155AX-6 7
1. Eje
2. Sello de aceite
3. Carcasa
4. Leva oscilante
5. Zapata
6. Pistón
7. Bloque de cilindros
8. Placa de válvula
9. Resorte
10. Servo piston
GSN00603-00 10 Estructura, función, y estandar de mantenimiento
8 D155AX-6
Función
l La bomba convierte la rotación del motor
transmitida a su eje en presión de aceite y
descarga el aceite presurizado de acuerdo con
la carga.
l Es posible cambiar la descarga cambiando el
ángulo del plato oscilante.
Estructura
l El bloque de cilindros (7) es soportado en el
eje por medio de la ranura (11).
l El eje (1) está soportado con los cojinetes del
frente y traseros (12).
l El extremo del pistón (6) tiene un hueco
esférico el cual es combinado con la zapata
(5).
l El pistón (6) y la zapata (5) forman un cojinete
de rótula.
l La zapata (5) se mantiene presionada contra
el plano (A), del balancín de leva (4) y se
desliza circularmente.
l El balancín de leva (4) desliza alrededor de la
bola (13).
l Piston (6) realiza un movimiento relativo en la
dirección axial adentro de cada cámara del cil-
indro del bloque de cilindros (7).
l El bloque de cilindro (7) sella la presión del
aceite a la placa de la válvula (8) y realiza un
movimiento rotativo.
l Está superficie está diseñada de forma que el
equilibrio de la presión del aceite se mantiene
en un nivel apropiado.
l El aceite dentro de cada cámara de cilindros
del bloque de cilindros (7) es aspirado y des-
cargado a través de la placa de válvula (8).
10 Estructura, función, y estandar de mantenimiento GSN00603-00
D155AX-6 9
Operación de la bomba
l El bloque de cilindros (7) gira junto con el eje
(1) y la zapata (5) se desliza sobre la superfi-
cie lisa (A).
l En este momento, el balancín de leva (4) se
inclina alrededor de la bola (13). Como
resultado, el ángulo (a) entre la línea central
(X) del balancín de leva (4) y el eje del bloque
se cilindros (7) cambia.
l El ángulo (a) se llama el ángulo del plato
oscilante.
l Con la condición de la línea central (X) de la
leva oscilante (4) tiene el ángulo del plato
oscilante (a) en dirección axial al bloque de cil-
indros (7), y la superficie plana (A) funciona
como leva contra la zapata (5).
l De esta forma el pistón (6) se desliza por la
parte inferior del bloque de cilindros (7), de
manera que se crea una diferencia entre el vol-
umen (E) y (F) dentro del bloque de cilindros
(7).
l Un solo pistón (6) aspira y descarga el aceite
por el caudal (F) – (E).
l A medida que el bloque de cilindros (7) da
vueltas y el volumen de la cámara (E) dis-
minuye, se descarga el aceite presurizado.
l Por otra parte, el volumen de la cámara (F)
aumenta y en este proceso, se aspira el aceite.
GSN00603-00 10 Estructura, función, y estandar de mantenimiento
10 D155AX-6
l A medida que la línea central (X) de la leva (4)
coincide con la dirección del bloque de cilin-
dros (7) (el ángulo (a) del plato oscilante = 0, la
diferencia entre los volúmenes (E) y (F) dentro
del bloque de cilindros (7) se vuelve cero 0.
l En este estado, no se ejecuta ni la succión ni
descarga de aceite presurizado. En otras pala-
bras, no se realiza operación de bombeo (Sin
embargo, el ángulo del plato de vaivén actual-
mente no está colocado en 0.)
l El ángulo del plato oscilante (a) está en pro-
porción a la entrega de la bomba.
Control de descarga
l Si aumenta el ángulo (a) del plato oscilante, la
diferencia entre los volúmenes (E) y (F) tam-
bién aumenta y la bomba aumenta el caudal
(Q) de descarga.
l El ángulo del plato de vaivén (a) se cambia
con el servo-pistón (10).
l El servo-pistón (10) es alternado linealmente
por la señal de presión de la servo-válvula .
l Este movimiento lineal es transmitido al bal-
ancín de leva (4).
l El balancín de leva (4) está soportado por la
bola (13) y se balancea alrededor de ella (13).
10 Estructura, función, y estandar de mantenimiento GSN00603-00
D155AX-6 11
Servo-válvula
P: Presión básica de la válvula EPC
PE: Presión de control del pistón
PH: Presión de descarga de la bomba
T: Orificio de drenaje
1. Tapón
2. Palanca
3. Retenedor
4. Asiento
5. Carrete
6. Pistón
7. Camisa
8. Resorte
GSN00603-00 10 Estructura, función, y estandar de mantenimiento
12 D155AX-6
Función
l La válvula servo controla la entrada de corri-
ente a la válvula EPC y descarga de la bomba
(Q), por lo tanto, ellos serán relacionados
como se muestra en el diagrama.
l La presión de salida de la válvula EPC fluye
hacia la cámara del pistón para empujar el
pistón (6).
l El pistón (6) empuja el carrete (5) hasta que es
balanceado con el resorte.
l Luego, el conducto de presión del pistón servo
es conectado con el conducto de descarga de
la bomba por medio del corte del carrete (5) y
la presión de descarga es dirigida hacia el
servo pistón.
l Cuando la leva oscilante es empujada hacia
arriba por el servopistón, se aplica una
posición de retroalimentación y la palanca (2)
se mueve para comprimir el resorte (8).
l Cuando el carrete (5) es empujado hacia
atrás, el circuito de descarga de la bomba y el
circuito del servo pistón quedan desconecta-
dos.
l La presión en la cámara del servopistón dis-
minuye y la leva oscilante retorna en la direc-
ción del ángulo del plato oscilante máximo.
l Este proceso es repetido hasta que el plato de
vaivén quede fijo en una posición donde la sal-
ida de presión EPC quede balanceada con la
fuerza (8) del resorte.
l A mayor presión de salida EPC, menor es el
ángulo del plato oscilante. A la inversa, a
menor presión de salida EPC, mayor es el
ángulo del plato oscilante.
Corriente i EPC
DescargaQdelabomba
10 Estructura, función, y estandar de mantenimiento GSN00603-00
D155AX-6 13
GSN00603-00 10 Estructura, función, y estandar de mantenimiento
14 D155AX-6
Motor de ventilador de enfriamiento 1
Tipo: LMF110(65)
P: Proveniente de la bomba del ventilador
T: Desde el enfriador al tanque
TC: Hacia el tanque
Especificaciones
Tipo: LMF110(65)
Capacidad: 65.1 cc/rev.
Velocidad nominal: 1,250 rpm
Flujo nominal: 81.4 ¶/mm
Presión de disparo de la válvula de retención: 78.5
kPa {0.8 kg/cm2}
10 Estructura, función, y estandar de mantenimiento GSN00603-00
D155AX-6 15
1. Eje de salida
2. Carcasa
3. Placa de empuje
4. Conjunto del Pistón
5. Bloque de cilindros
6. Placa de válvula
7. Cubierta del extremo
8. Resorte central
9. Válvula de retención
10. Válvula piloto
11. Válvula reversible del carrete
12. Válvula de seguridad
Unidad: mm
No. Itemes a comprobar Criterio Solución
13
Resorte de retorno del
carrete
Tamaño estándar Límite de reparación
Sustituir el
resorte si está
dañado o defor-
mado.
Largo libre x
Diámetro exterior
Largo de
instalación
Carga de
instalación
Largo
libre
Carga de
instalación
62.66 x 19.8 53.5
146 N
{14.9 kg}
—
117 N
{11.9 kg}
14
Resorte de la válvula de
retención
16.4 x 8.9 11.5
13.7 N
{1.4 kg}
—
11.0 N
{1.12 kg}
GSN00603-00 10 Estructura, función, y estandar de mantenimiento
16 D155AX-6
1. Motor hidráulico
Función
l Este motor hidráulico es un motor de pistón
axial de tipo plato oscilante. El convierte la
energía del aceite hidráulico presurizado envi-
ado por la bomba hidráulica en movimiento de
rotación.
Principios de operación
l El aceite enviado desde la bomba hidráulica a
través de la placa válvula (7) hacia el bloque
de cilindros (5). Este aceite puede fluir en un
solo lado de la línea (Y-Y) que conecta el punto
muerto superior y el punto muerto del fondo
del recorrido del pistón (4).
l El aceite enviado a un lado del bloque de cilin-
dros (5) presiona el pistón (4) [4 ó 5 piezas] y
genera la fuerza (F1)[F1 = P x xD2/4].
l Esta fuerza es aplicada a la placa de empuje
(2). A causa de que la placa de empuje (2)
está fija a un ángulo de (a°) grados al eje de
salida (1), la fuerza es dividida en los compo-
nentes (F2) y (F3).
l El componente radial (F3) genera torsión con-
tra la línea (Y-Y) conectando el punto muerto
superior y el punto muerto del (T = F3 x ri).
l La resultante de esta torsión [T = (F3 x ri)]
rota el bloque de cilindros (5) a través de los
pistones.
l Debido a que el bloque de cilindros (5) está
acoplado con el eje de salida mediante unas
ranuras, el eje de salida da vueltas para trans-
mitir la torsión.
10 Estructura, función, y estandar de mantenimiento GSN00603-00
D155AX-6 17
2. Válvula de succión
Función
l Si la bomba del ventilador se detiene, el aceite
presurizado no fluye dentro del motor. Por
supuesto, el motor continua dando revolu-
ciones a causa de la inercia, por lo tanto, la
presión en el lado de salida del motor se incre-
menta.
l Cuando el aceite no fluye por el orificio de
admisión (P), la válvula de succión (1), suc-
ciona el aceite en el lado de la salida y los
envía hacia el orificio (MA) donde no hay sufi-
ciente aceite para prevenir la cavitación.
Operación
1) Cuando la bomba es arrancada
l Si el aceite presurizado proveniente de la
bomba es introducido por el orificio (P) y crece
la presión en el lado (MA) y la torsión de
arranque es generada en el motor, éste emp-
ieza a girar. El aceite presurizado en el lado de
la salida del motor (MB) retorna a través del
orificio (T) hacia el tanque.
2) Cuando la bomba es detenida
l Cuando se detiene el motor, el aceite presur-
izado proveniente de la bomba deja de ser
suministrado al orificio (P). A medida que se
disminuye el suministro de aceite presurizado
en el lado (MA) del motor, éste reduce su
velocidad gradualmente hasta detenerse.
l Si el eje del motor está rotando por causa de la
inercia mientras es reducido el flujo de aceite
proveniente del orificio (P), el aceite en el orifi-
cio (T) del lado de la salida es enviado por la
válvula de succión (1) hacia el lado (MA) con
el fin de prevenir la cavitación.
Bomba del
ventilador
Bomba del
ventilador
GSN00603-00 10 Estructura, función, y estandar de mantenimiento
18 D155AX-6
3. Operación de la válvula reversible
1) Cuando el solenoide activado/desactivado
(ON-OFF) es desenergizado.
l Si el solenoide "ON-OFF" (1) es "desenergi-
zado", el aceite presurizado proveniente de la
bomba es bloqueado por la válvula selectora
"ON-OFF" (2), y se abre el orificio (C) para el
circuito del tanque.
l El carrete (3) es empujado hacia la derecha
por el resorte (4).
l Se abre el orificio (MA) del motor y entra el
aceite presurizado para hacer girar el motor
hacia adelante (en el sentido de las agujas del
reloj).
2) Cuando el solenoide activado/desactivado
(ON-OFF) es energizado.
l Si el solenoide "ON-OFF" (1) es "energizado",
la válvula selectora "ON-OFF" (2) cambia para
permitir que el aceite presurizado proveniente
de la bomba fluya a través del orificio (C) den-
tro de la cámara del carrete (D).
l El aceite presurizado en la cámara (D) empuja
el carrete de la válvula (3) hacia la izquierda,
contra el resorte (4).
l Se abre el orificio (MB) del motor y entra el
aceite presurizado para hacer girar el motor
hacia atrás (en el sentido contrario al de las
agujas del reloj).
Bomba del
ventilador
Bomba del
ventilador
10 Estructura, función, y estandar de mantenimiento GSN00603-00
D155AX-6 19
4. Válvula de seguridad
Función
l Cuando se arranca el motor, la presión en el
orificio (P) del motor del ventilador es elevada
en algunos casos.
l La válvula de seguridad (1) está instalada para
proteger al circuito del sistema del ventilador.
Operación
l Si la presión en el orificio (P) aumenta sobre la
presión de rotura de de la válvula de seguridad
(1), la válvula (2) de la válvula de seguridad (1)
se abre para liberar el aceite presurizado en el
orificio (T).
l Por esta operación, es prevenida la generación
de una presión anormal en el orificio (P).
GSN00603-00 10 Estructura, función, y estandar de mantenimiento
20 D155AX-6
D155AX-6 Buldózer
Forma No. GSN00603-00
© 2006 KOMATSU
Todos los Derechos Reservados
Impreso en E.E.U.U. 08-06
D155AX-6 1
GSN00604-00
BULDÓZER 1MANUAL DE TALLER
D155AX-6
Modelo de máquina Número de serie
D155AX-6 80001 y superiores
10 Estructura, función, y
estandar de mantenimiento1
Sistema del tren de potencia, Parte 1
Sistema del tren de potencia, Parte 1............................................................................................................ 2
Esqueleto del tren de potencia............................................................................................................ 2
Dibujo general de la unidad del tren de potencia................................................................................ 4
Dibujo de las tuberías hidráulicas del tren de potencia....................................................................... 6
Amortiguador, unión universal............................................................................................................. 8
Convertidor de torsión, TDF.............................................................................................................. 10
Válvula de control del convertidor de torsión .................................................................................... 19
Embrague de traba ECMV, embrague del estátor ECMV ................................................................. 20
Control de la transmisión .................................................................................................................. 26
Transmisión ....................................................................................................................................... 28
ECMV de la transmisión.................................................................................................................... 40
Válvula de alivio principal y válvula de alivio del convertidor de torsión ........................................... 46
Válvula de alivio de la lubricación ..................................................................................................... 48
Bomba de barrido.............................................................................................................................. 49
GSN00604-00 10 Estructura, función, y estandar de mantenimiento
2 D155AX-6
Sistema del tren de potencia, Parte 1 1
Esqueleto del tren de potencia 1
Descripción
l Las vibraciones torsionales generadas por la
potencia del motor (1) son amortiguadas por
medio del amortiguador de vibraciones (2), la
potencia pasa a través de la unión universal
(3) y es transmitida al convertidor de torsión
(8).
l La potencia del motor es transmitida a través
del aceite por el convertidor de torsión (8)
hacia el eje de entrada de la transmisión (eje
de la turbina) de acuerdo con el cambio de
carga. (con L/U)
l La transmisión (9) utiliza la combinación de un
siste ma de e ngra na jes plane ta rios y
embragues hidráulicos para reducir la
velocidad y cambiar de marchas (3 engranajes
para avanzar y 3 engranajes para retroceder).
Se co ne cta n 2 gr upo s de emb ra gue s
seleccionados de acuerdo al cambio de carga
y se transmite la potencia a la corona (10)
desde el piñón ubicado en el extremo trasero
de la transmisión.
l La potencia transmitida al eje de la corona, a
su ves es transmitida al HSS (Sistema
hidrostático de dirección) (11). La bomba HSS
(5), hidráulica, es impulsada por la TDF (6) y el
aceite que sale de la bomba HSS hidráulica,
energiza el motor (12) HSS. La rotación de la
pareja de engranajes HSS de la derecha e
izquierda está controlada por el motor (12)
HSS. La dirección se realiza generando una
diferencia en la velocidad derecha e izquierda.
También es posible emplear el mecanismo
HSS para hacer girar los lados derecho e
izquierdo, en direcciones opuestas, para hacer
giros de contrarotación.
l El freno (13) del HSS se usa para frenar la
máquina. El freno (13) es un embrague del tipo
de discos múltiples en aceite, aplicado por
resortes. La potencia enviada desde el freno
(13) es transmitida al mando final (14).
l El mando final (14) está formado por un
engranaje sencillo de dientes rectos y un
sistema de engranajes planetarios sencillos.
Reduce la velocidad y hace girar la rueda
dentada (15) que propulsa la oruga (16) y
mueve la máquina. El caudal de aceite
generado por la bomba del ventilador de
enfriamiento (17) propulsada por la TDF (6),
h ace girar el moto r d el ven tilado r d e
enfriamiento (18).
10 Estructura, función, y estandar de mantenimiento GSN00604-00
D155AX-6 3
1. Motor (SAA6D140E-5)
2. Amortiguador
3. Junta universal
4. Bomba de barrido (SAR(4) 140)
5. Hidráulica, bomba HSS (HPV190)
6. TDF [PTO = Toma de fuerza]
7. Bomba de lubricación del tren de potencia
(SAR(3)100+40)
8. Convertidor de torsión
9. Transmisión
10. Corona
11. Unidad HSS
12. Motor HSS (KMF140)
13. Freno
14. Mando final
15. Rueda motríz
16. Zapata de la oruga
17. Bomba del ventilador de enfriamiento (LPV45)
18. Motor de ventilador de enfriamiento (LMF65)
GSN00604-00 10 Estructura, función, y estandar de mantenimiento
4 D155AX-6
Dibujo general de la unidad del tren de potencia 1
10 Estructura, función, y estandar de mantenimiento GSN00604-00
D155AX-6 5
1. Unidad HSS
2. Transmisión
3. Bomba de lubricación del tren de potencia
(SAR(3)100+40)
4. Colador del aceite del tren de potencia
5. Motor HSS (KMF140)
6. Válvula de alivio principal, y de alivio del
convertidor de torsión
7. Convertidor de torsión, PTO=TDF
8. Bomba de barrido (SAR(4) 140)
9. Bomba del ventilador de enfriamiento (LPV45)
10. Hidráulica, bomba HSS (HPV190)
11. Válvula de control del freno
Descripción
l La unidad del tren de potencia puede dividirse
ampliamente en el convertidor de torsión, TDF
(7), la unidad de la transmisión (2) y la unidad
HSS (1).
l De tal modo, después que se desmonte el
conjunto del tren de potencia, este puede
dividirse en el convertidor de torsión, TDF (7),
la unidad de transmisión y la unidad HSS (1).
l La unidad HSS está formada por la unidad del
piñón, el eje de la corona, el motor HSS, el
engranaje planetario y freno.
GSN00604-00 10 Estructura, función, y estandar de mantenimiento
6 D155AX-6
Dibujo de las tuberías hidráulicas del tren de potencia 1
10 Estructura, función, y estandar de mantenimiento GSN00604-00
D155AX-6 7
1. Hidráulica, bomba HSS (HPV190)
2. Orificio para detectar la presión centralizada
3. Tren de potencia, bomba de lubricación
(SAR(3)-100+40)
4. Válvula de control del freno
5. Motor HSS (KMF140)
6. Válvula de alivio principal, y de alivio del
convertidor de torsión
7. Filtro del aceite del tren de potencia
8. Bomba de barrido (SAR(4) 140)
9. Enfriador del aceite del tren de potencia
(incorporada al tanque inferior del radiador)
A: Agujero de toma (LB) de la presión del aceite
del freno izquierdo
AA: Agujero de toma (RB) de la presión del aceite
del freno derecho
B: Orificio de detección de presión del aceite del
3er. Embrague (3RD)
C: Orificio de captación de la presión de aceite
del embrague de 2da de la transmisión (2ND)
D: Orificio de captación de la presión de aceite
del embrague de 1ra de la transmisión (1ST)
E: Orificio de captación de la presión de aceite del
embrague de retroceso de la transmisión (R)
F: Orificio de captación de la presión de aceite del
embrague de avance de la transmisión (F)
G: Agujero de captación de la presión de alivio
principal de la transmisión (TM)
H: Orificio de toma de presión de aceite del
embrague de traba (LC)
J: Orificio de toma de presión de aceite del
embrague del estator (SC)
GSN00604-00 10 Estructura, función, y estandar de mantenimiento
8 D155AX-6
Amortiguador, unión universal 1
10 Estructura, función, y estandar de mantenimiento GSN00604-00
D155AX-6 9
1. Respiradero
2. Varilla de medición
3. Tapón de drenaje
4. Eje de salida
5. Volante
6. Cuerpo exterior
7. Acople
8. Junta universal
9. Cubierta
10. Acople de caucho
11. Cuerpo interior
Descripción
l El amortiguador de vibraciones atenúa las
vibraciones ocasionadas por cambios en la
torsión del motor y por la torsión de impacto
generada por una aceleración súbita o al
realizar excavaciones muy duras. De esta
manera, el amortiguador de vibraciones actúa
para proteger el convertidor de torsión, la
transmisión y otras partes del tren de potencia.
l El amortiguador consta de pocos
componentes: emplea un acople de caucho
que absorbe las vibraciones por el efecto
amortiguador del material de caucho.
Operación
l La fuerza motríz del motor pasa a través de la
volante (5) y es transmitida al cuerpo exterior
(6).
La vibración torsional del motor queda
absorbida por el acoplamiento de caucho (10) y
la potencia es transmitida al cuerpo interior
(11). La fuerza pasa a través de la unión
universal [cardan] (8) y es transmitida al
convertidor de torsión y a la transmisión.
Unidad: mm
No. Itemes a comprobar Criterio Solución
12
Separación entre la caja del
volante y la cubierta
Tamaño
estándar
Tolerancia Holgura
estándar
Límite de
holgura
Reemplace
Eje Agujero
511.18
–0.022
–0.092
+0.070
+0.070
0.022 –
0.162
0.2
13
Separación entre el volante y
el amortiguador
466.72
–0.020
–0.083
+0.063
+0.070
0.020 –
0.146
0.2
14
Diámetro exterior de la super-
ficie de contacto del sello de
aceite del acople
Tamaño estándar Tolerancia Límite de reparación
90
–0.087
–0.087
89.8
GSN00604-00 10 Estructura, función, y estandar de mantenimiento
10 D155AX-6
Convertidor de torsión, PTO=TDF1
H TDF: Abreviatura de Toma de Fuerza
A: Procedente de la bomba del tren de potencia
B: Hacia el enfriador del aceite del tren de potencia
C: Desde la válvula principal de alivio
D: Desde la caja de la transmisión
E: Hacia la caja de la transmisión
F: Proveniente del enfriador de aceite del tren de fuerza
10 Estructura, función, y estandar de mantenimiento GSN00604-00
D155AX-6 11
GSN00604-00 10 Estructura, función, y estandar de mantenimiento
12 D155AX-6
1. Agujero de montaje de la bomba HSS, equipo
de trabajo
2. Orificio de montaje de la bomba del ventilador
de enfriamiento
3. Agujero de montaje de la bomba de barrido
4. Orificio de Montaje de la bomba para el tren de
fuerza y lubricación de la dirección
5. Caja del convertidor de torsión
6. Acople
7. Eje de entrada (número de dientes: 58)
8. Engranaje libre de la TDF (número de dientes:
66)
9. Eje del engranaje loco PTO
10. Bastidor del embrague de traba
11. Turbina
12. Caja de conducción
13. Pista
14. Estator
15. Bomba
16. Retenedor
17. Carcaza delantera del embrague del estator
18. Eje de la bomba
19. Caja trasera del embrague del estator
20. Eje del estator
21. Cubo del embrague del estátor
22. Plato del embrague del estator
23. Disco del embrague del estator
24. Pistón del embrague del estator
25. Eje de entrada a la transmisión
26. Plato del embrague de traba
27. Disco del embrague de traba
28. Pistón del embrague de traba
29. Cubo de la turbina
30. Engranaje A TDF (número de dientes: 49)
31. Engranaje B TDF (número de dientes: 48)
32. Engranaje propulsor del la bomba de barrido
(Número de dientes: 56)
33. Válvula de control del convertidor de torsión
34. Colador del aceite del tren de potencia
35. Camisa
10 Estructura, función, y estandar de mantenimiento GSN00604-00
D155AX-6 13
Descripción
l El convertidor de torsión es del tipo de 3
elementos, 1 etapa, 1 fase, que está integrado
con la transmisión.
l El convertidor de torsión está equipado con un
tipo de embrague de disco doble húmedo,
dispositivo de traba del convertidor de torsión y
embrague del estátor, con el fin de reducir el
consumo de combustible e incrementar la
capacidad de operación, y para reducir el
consumo de caballos de fuerza por parte del
motor.
l Para mayor eficiencia de empuje ligero
continuo y operaciones de nivelado, el
convertidor de torsión es trabado y la fuerza
del motor es transferida directamente al eje de
entrada de la transmisión.
l Cuando el convertidor de torsión es trabado (la
bomba y la turbina es integrada como una
u nidad ), y el aceite con tinú a siend o
suministrado al convertidor de torsión.
De acuerdo a esto, el aceite que está fluyendo
desde la bomba, a través de la turbina hacia el
estátor es detenido por las hojas del estátor y
no puede fluir en ninguna dirección. Como
resultado, este aceite resiste la rotación de la
bomba y de la turbina (el solamente es
agitado).
l Para reducir la resistencia a la rotación de la
bomba y de la turbina, el embrague del estátor
es desembragado simultáneamente con la
traba del convertidor de torsión, de tal manera
que el estátor puede girar libremente.
Como el estátor es arrastrado y girado por la
bomba y la turbina, el aceite retorna desde la
turbina hacia la bomba, en forma suave y en
contra una resistencia menor.
Condición para el rango de traba y el rango del
convertidor de torsión
Estructura
l La potencia del motor hace dar vueltas al
conjunto formado por la bomba (15) que está
integrada en el acoplamiento (6), el eje de
entrada (7), el bastidor del embrague de traba
(10) y la caja de mando (12).
l La turbina (11) es integrada por el muñón de la
turbina (29 ) y el eje de entrada de la
transmisión (25), y es girada por el aceite
proveniente de la bomba (15)
l El estátor (14) está integrado con el eje del
estátor (20) el muñón del embrague del estátor
(21), y está fijo a la caja del convertidor de
torsión (5) por medio de la unidad del
embrague del estátor.
l El embrague de traba está formado por el
plato (26) del embrague engranado a la caja
propulsora (12), con el disco del embrague
(27) engranado con el cubo de la turbina (29) y
el pistón del embrague (28) que se desliza
dentro de la caja del embrague (10) integrada
con la caja propulsora (12).
l La unidad del embrague del estátor consta de:
el cubo del embrague (21) adherido al eje del
estátor (20) con ranura, disco de embrague
(23) engranado con el cubo del embrague
(21), plato de embrague (22) soportado por
pasadores en el bastidor delantero del
embrague (17), bastidor trasero del embrague
(19), pistón del embrague (24) el cual se
desliza dentro del bastidor delantero del
embrague (17).
El bastidor delantero del embrague (17) está
fijado a la camisa (35) con la caja del
convertidor de torsión (5).
l La unidad (tomafuerza) PTO consta de: eje de
entrada (7), engranaje libre PTO (8), engranaje
A del PTO (30), engranaje B del PTO (31) y
engranaje de mando de la bomba de barrido
(32).
Velocidad del eje de salida del convertidor de torsión
Rango de traba
Régimen del converti-
dor de torsión
1a. marcha
de avance
Mín. 1,313 rpm Máx. 1,262 rpm
2a. marcha
de avance
Mín. 1,899 rpm Máx. 1,876 rpm
3a. marcha
de avance
Mín. 1,366 rpm Máx. 1,355rpm
1o. De retro-
ceso
Mín. 1,244 rpm Máx. 1,216 rpm
Retroceso
2da
Mín. 1,196 rpm Máx. 1,177 rpm
Retroceso
3ra
Mín. 1,622 rpm Máx. 1,613 rpm
GSN00604-00 10 Estructura, función, y estandar de mantenimiento
14 D155AX-6
10 Estructura, función, y estandar de mantenimiento GSN00604-00
D155AX-6 15
Unidad: mm
No. Itemes a comprobar Criterio Solución
1
Diámetro exterior de la superfi-
cie de contacto del sello de
aceite del acoplamiento
Tamaño estándar Tolerancia Límite de reparación
Repárese por
enchapado en
cromo endurecido
o sustitúyase.
100
-0.054
-0.054
99.8
2
Diámetro interior de la superfi-
cie de contacto del anillo de
sello del eje de entrada
35
+0.025
+0.025 35.1
Desgaste del anillo
sellador para el eje
de entrada de la
transmisión
Ancho 2.56
-0.01
-0.03 2.3
Reemplace
Espesor 1.7 ±0.1 1.55
3
Diámetro interior de la superfi-
cie de contacto del anillo de
sello del eje del estator
65
+0.030
+0.025
65.1
Repárese por
enchapado en
cromo endurecido
o sustitúyase.
Desgaste del anillo
sellador para el eje
de entrada de la
transmisión
Ancho 3 -0.01
-0.03
2.7
Reemplace
Espesor 2.7 ±0.1 2.55
4
Diámetro interior de la superfi-
cie de contacto del anillo de
sello de la camisa
90
+0.035
+0.025 90.1
Repárese por
enchapado en
cromo endurecido
o sustitúyase.
Desgaste del anillo
de sello del eje del
estator
Ancho 3 -0.01
-0.03
2.7
Reemplace
Espesor 3.7 ±0.12 3.55
5 Diámetro interior de la superfi-
cie de contacto del retenedor
150 +0.040
+0.025
150.5
Repárese por
enchapado en
cromo endurecido
o sustitúyase.
6
Juego entre dientes entre el eje
de entrada y el engranaje libre
del PTO
0.198 – 0.484
Reemplace
7
Juego entre dientes entre el
engranaje libre del PTO y el
engranaje A del PTO
0.198 – 0.484
8
Juego entre dientes entre el
engranaje libre del PTO y el
engranaje B del PTO
0.198 – 0.484
9
Juego entre dientes entre el eje
de entrada y el engranaje pro-
pulsor de la bomba de barrido
0.198 – 0.484
10
Grosor del disco del embrague
de traba
5.0 ±0.1 4.5
Grosor de la placa del embra-
gue de traba
5.0 ±0.1 4.5
Espesor total del conjunto del
embrague del traba
15.0 ±0.17 13.9
11
Grosor del disco del embrague
del estátor
5.0 ±0.1 4.5
Grosor de la placa del embra-
gue del estátor
5.0 ±0.1 4.5
Espesor total del conjunto del
embrague del estátor
15.0 ±0.17 13.9
GSN00604-00 10 Estructura, función, y estandar de mantenimiento
16 D155AX-6
12
Tolerancia de
ajuste del
engranaje libre del
PTO y el cojinete
Tamaño
estándar
Tolerancia Holgura
estándar
Límite de
holgura
Reemplace
Eje Agujero
Diámetro
exterior
140
-0.025
-0.018
-0.008
-0.033
-0.033 –
0.010
—
Diámetro
interior
80
0.025
-0.019
0
-0.015
-0.015 –
0.019
—
13
Tolerancia del
ajuste del HSS
(sistema de direc-
ción hidrostático),
equipo de trabajo,
tren de potencia,
rodamiento del
engranaje propul-
sor de la bomba de
lubricación
Diámetro
exterior
(cubiertas
laterales)
180
-0.025
-0.025
+0.026
-0.014
-0.014 –
0.051 —
Diámetro
exterior
(lado de la
caja)
120
-0.025
-0.015
+0.022
-0.013
-0.013 –
0.037 —
Diámetro
interior
(cubiertas
laterales)
100
+0.035
+0.013
-0.025
-0.020
-0.055 –
-0.013 —
Interior
diámetro
(lado de la
caja)
65
+0.030
+0.011
-0.025
-0.015
-0.045 –
-0.011 —
14
Ajuste de la toler-
ancia del
rodamiento del
engranaje propul-
sor de la bomba
del ventilador
Diámetro
exterior
(cubiertas
laterales)
120
-0.025
-0.015
+0.022
-0.013
-0.013 –
0.037 —
Diámetro
exterior
(lado de la
caja)
120
-0.025
-0.015
+0.022
-0.013
-0.013 –
0.037 —
Diámetro
interior
(cubiertas
laterales)
55
+0.030
+0.011
-0.025
-0.015
-0.045 –
-0.011 —
Diámetro
interior
(lado de la
caja)
65
+0.030
+0.011
-0.025
-0.015
-0.045 –
-0.011 —
15
Ajuste de la toler-
ancia del
rodamiento del
engranaje propul-
sor de la bomba de
barrido
Diámetro
exterior
85
-0.025
-0.015
+0.010
-0.025
-0.025 –
0.025
—
Diámetro
interior
45
+0.018
+0.002
-0.025
-0.012
-0.030 –
-0.002
—
16
Resorte del embrague
del estator
Tamaño estándar Límite de reparación
Largo libre Largo de
instalación
Carga de
instalación
Largo
libre
Carga de
insta-
lación
35 27
85.3 N
{8.7 kg}
32.9
72.6 N
{7.4 kg}
Unidad: mm
No. Itemes a comprobar Criterio Solución
10 Estructura, función, y estandar de mantenimiento GSN00604-00
D155AX-6 17
Trayectoria de transmisión de potencia
Cuando el embrague de traba es "desengra-
nado" y el embrague del estátor es "engranado"
l Si el embrague de traba (3) es
“desembragado“, la caja propulsora (5) y la
turbina (7) se desconectan uno del otro.
Si el embrague del estátor (9) es "engranado"
en este momento, la caja del convertidor de
torsión (10) y el eje del estátor (11) quedan
conectados entre sí, para fijar el estátor (8).
Por lo tanto, el convertidor de torsión trabaja
como un convertidor de torsión común.
l La fuerza proveniente del motor es transmitida
al acople (1) a través del amortiguador y la
unión universal.
l La fuerza transferida al acople (1) hace girar
integralmente al eje de entrada (2), al bastidor
del embrague (4), la caja de transmisión (5) y
la bomba (6).
l La fuerza transferida a la bomba (6) hace girar
la turbina (7) por medio de aceite y es
transferida al eje de entrada de la transmisión
(12) adherido por ranura a la turbina (7).
Cuando el embrague de traba es "engranado" y
el embrague del estátor es "desengranado"
l Si el embrague de traba (3) es “embragado“, la
caja propulsora (5) y la turbina (7) se conectan
entre si.
Si e l emb ra gue del estáto r (9) e s
"desengranado" en este momento, la caja del
convertidor de torsión (10) y el eje del estátor
(11) quedan desconectados entre sí, y el
estátor (8) es arrastrado y girado por la bomba
(6) y la turbina (7).
Por lo tanto, el convertidor de torsión trabaja
como un convertidor de torsión con traba.
l La fuerza proveniente del motor es transmitida
al acople (1) a través del amortiguador y la
unión universal.
l La fuerza transferida al acople (1) hace girar
integralmente al eje de entrada (2), al bastidor
del embrague (4), la caja de transmisión (5) y
la bomba (6).
l La fuerza transferida a la caja de transmisión
(5) hace girar directamente la turbina (7),
debido a que el embrague de traba (3) está
fijo, y la fuerza es transferida al eje de entrada
de la transmisión (12) adherido por ranura a la
turbina (7).
GSN00604-00 10 Estructura, función, y estandar de mantenimiento
18 D155AX-6
Flujo de aceite
l El aceite pasa a través de la válvula de alivio
principal, la válvula de alivio del convertidor de
torsión ajusta la presión del aceite a un valor
inferior al de la presión regulada. Luego, el
fluye en el orificio de entrada (A) a través del
pasaje de aceite de la caja del convertidor de
torsión (1), del bastidor delantero del
embrague del estátor (2), eje de la bomba (3) y
retenedor (4) y fluye dentro de la bomba (5).
l Al aceite se le ha dado fuerza centrifuga por
medio de la bomba (5), y fluye en la turbina (6)
transfiriendo su energía a la turbina (6).
l El aceite proveniente de la turbina (6) es
enviado hacia el estátor (7) y fluye otra ves
dentro de la bomba (5). La parte A del aceite,
sin embargo, es enviada a través del orificio de
salida (B) hacia el enfriador de aceite del tren
de fuerza.
10 Estructura, función, y estandar de mantenimiento GSN00604-00
D155AX-6 19
Válvula de control del convertidor de torsión 1
A: Procedente de la bomba del tren de potencia
B: Orificio de toma de presión de aceite del embrague del estator (SC)
C: Orificio de toma de presión de aceite del embrague de traba (LC)
1. Filtro de aceite del convertidor de torsión
2. Embrague del estator ECMV
3. Embrague de traba ECMV
GSN00604-00 10 Estructura, función, y estandar de mantenimiento
20 D155AX-6
Embrague de traba ECMV, embrague del estátor ECMV 1
H ECMV: Abreviación de: Válvula Moduladora de Control Electrónico
H No trate de desensamblarlo debido a que se necesitarán ajustes para mantener el rendimiento.
A: Al embrague
P: Proveniente de la bomba
T: Drenaje
DR: Drenaje
P1: Orificio de captación de presión del aceite del
embrague
P2: Orificio de captación de presión del aceite
piloto
1. Conector del suiche de llenado
2. Conector del solenoide proporcional
3. Válvula de detección de presión
4. Suiche de llenado
5. Solenoide proporcional
6. Válvula de control de presión
7. Placa de identidad (*1)
*1:
Embragues operados
Estampado de la placa de
características
Traba E * * * * * * *
Estator A * * * * * * *
10 Estructura, función, y estandar de mantenimiento GSN00604-00
D155AX-6 21
Embrague de traba para ECMV
Descripción
l Esta válvula se usa para cambiar el embrague
con el objeto de convertir la presión del aceite
del embrague a la presión establecida.
Debido a que se usa una forma de onda de
modulación para las características de la
aplicación de presión al embrague, la ECMV
e s ca paz de con ectar suavemen te e l
embrague de traba, por lo tanto se reducen los
impactos resultantes del cambio de engranaje
de velocidad. Además, esto previene la
generación de picos de torsión en el tren de
potencia. Estos arreglos hacen que la máquina
sea confortable para el operador y aumentan
la duración del tren de fuerza.
Cuando se cambia de traslado por convertidor
de torsión a traslado en directa
En el cambio de engranaje de velocidad (en
traslado directo)
Operación
Cuando se traslada dentro del régimen del con-
vertidor de torsión
l Cuando se traslada en el rango del convertidor
de torsión, la corriente no es suministrada al
solenoide proporcional (1).
La válvula de control de presión (3) drena el
aceite proveniente del or ificio (A) del
embrague, a través del orificio de drenaje (T),
y libera el embrague de la traba.
También en este momento, el interruptor de
llenado (5) es desactivado "OFF" debido a que
la presión de aceite no es aplicada a la válvula
de detectora de presión (4)
Tiempo
Presióndeaceitedeltraba
(Seg.)
Tiempo
Presióndeaceitedeltraba
(Seg.)
GSN00604-00 10 Estructura, función, y estandar de mantenimiento
22 D155AX-6
Al trasladarse en transmisión directa
(Marcha con convertidor de torsión Ý marcha directa)
Durante el llenado
l Cuando se traslada en el rango de directa
(trabado), la corriente es suministrada al
solenoide proporcional (1), la fuerza de la
presión del aceite es balanceada con la fuerza
del solenoide y aplicada a la cámara (b), y
empuja la válvula de control de presión (3)
hacia la izquierda. Como resultado, el orificio
de la bomba (P) y el orificio del embrague (A)
son abiertos y el aceite empieza a llenar el
embrague. Una vez lleno de aceite el
embrague, el interruptor de llenado (5) se
pone en “on”.
Ajuste de presión
l Si hay un flujo de corriente en el solenoide
proporcional (1), el solenoide genera empuje
en proporción a la intensidad de la corriente.
Este empuje del solenoide es balanceado por
la suma del empuje generado por la presión de
aceite en el orificio del embrague y la tensión
del resorte de la válvula de control de presión
(2), entonces la presión queda establecida.
l Mientras se hacen los cambios de velocidad,
la presión del aceite del embrague de taba es
reducida temporalmente para reducir el
impacto cuando se hace el cambio.
En este momento la presión de aceite es
controlada de tal manera que la fuerza de
empuje del pistón de traba se balancea con la
presión interna del convertidor de torsión.
10 Estructura, función, y estandar de mantenimiento GSN00604-00
D155AX-6 23
Embrague del estátor ECMV
Descripción
l Esta válvula actúa para regular la presión del
aceite del embrague de traba y también hacer
cambio en el embrague de traba.
Forma un patrón de onda moduladora, de
manera que el embrague del estator se acopla
suavemente para reducir el impacto al hacer
los cambios de marcha. Además, ella previene
la generación de picos de torsión en el tren de
potencia. Como resultado, se proporciona al
o perad or una travesía cómod a y se
incrementa considerablemente la durabilidad
del tren de potencia.
Traslado directo Ý traslado por convertidor de
torsión
Operación
Al trasladarse en transmisión directa
l Cuando se traslada en el rango directo (traba
del convertidor de torsión), la corriente no fluye
al solenoide proporcional (1).
La válvula de control de presión (3) drena el
aceite proveniente del or ificio (A) del
embrague, a través del orificio de drenaje (T),
y libera el embrague del estator.
También en este momento, el interruptor de
llenado (5) es desactivado "OFF" debido a que
la presión de aceite no es aplicada a la válvula
de detectora de presión (4)
Tiempo
Presióndeaceitedel
embraguedelestator
(Seg.)
GSN00604-00 10 Estructura, función, y estandar de mantenimiento
24 D155AX-6
Cuando se traslada dentro del régimen del con-
vertidor de torsión
(Traslado directo Ý traslado por convertidor de
torsión)
Durante el llenado
l Cuando se traslada en el rango de convertidor
de torsión, la corriente es suministrada al
solenoide proporcional (1), la fuerza de la
presión del aceite es balanceada con la fuerza
del solenoide y aplicada a la cámara (b), y
empuja la válvula de control de presión (3)
hacia la izquierda. Como resultado, el orificio
de la bomba (P) y el orificio del embrague (A)
son abiertos y el aceite empieza a llenar el
embrague. Una vez lleno de aceite el
embrague, el interruptor de llenado (5) se
pone en “on”.
Ajuste de presión
l Si hay un flujo de corriente en el solenoide
proporcional (1), el solenoide genera empuje
en proporción a la intensidad de la corriente.
Este empuje del solenoide es balanceado por
la suma del empuje generado por la presión de
aceite en el orificio del embrague y la tensión
del resorte de la válvula de control de presión
(2), entonces la presión queda establecida.
10 Estructura, función, y estandar de mantenimiento GSN00604-00
D155AX-6 25
GSN00604-00 10 Estructura, función, y estandar de mantenimiento
26 D155AX-6
Control de la transmisión 1
H Para operaciones de dirección de la palanca del Palm Command Steering Control (PCCS), vea Direc-
ción, Control del Freno.
H PCCS: Abreviatura para: Sistema de Control Comandado por la Palma de la Mano
1. Pedal de freno
2. Palanca de bloqueo
3. Palanca PCCS
(Cambiando de Avance-Retroceso)
3A. Interruptor UP [Hacia arriba]
(Se cambia la marcha hacia arriba cada
vez que se oprima el interruptor)
3B. Interruptor DOWN [= Hacia abajo]
(Se cambia la marcha hacia abajo cada
vez que se oprima el interruptor.)
4. Traba neutral de la transmisión
5. Válvula de control de la transmisión
Posición de las palancas
A: Neutral
B: Avance
C: Retroceso
D: OFF
E: Cambio hacia arriba
F: Cambio hacia abajo
G: Libre
H: Traba
10 Estructura, función, y estandar de mantenimiento GSN00604-00
D155AX-6 27
Descripción
l La transmisión se controla con la palanca (3)
PCCS
La palanca PCCS se emplea para seleccionar
la dirección de traslado y escoger la marcha.
l Como se emplea un mecanismo de seguridad,
el interruptor por seguridad de neutral de la
transmisión (4) no trabaja y el motor no
arranca a menos que la palanca de traba (2)
esté en la posición LOCK [TRANCADA].
GSN00604-00 10 Estructura, función, y estandar de mantenimiento
28 D155AX-6
Transmisión 1
10 Estructura, función, y estandar de mantenimiento GSN00604-00
D155AX-6 29
A: Orificio de captación de la presión del embrague de 1a. (1ST)
B. Orificio de captación de presión del Embrague de 3a. (3RD)
C: Orificio de captación de la presión del aceite del embrague en retroceso (R)
D: Orificio de captación de la presión del embrague de 2a. (2ND).
E: Orificio de captación de la presión del aceite del embrague en avance (F)
F: Procedente de la bomba del tren de potencia
G: Hacia la válvula de control del freno
H: Procedente de la caja de dirección
J: Proveniente del enfriador de aceite del tren de fuerza
K: Hacia el convertidor de torsión
L. Hacia la bomba de barrido
M: Hacia la caja del convertidor de torsión
N: Procede de la caja del convertidor de torsión
P: Hacia el embrague de Retroceso
R: Al embrague de 3a.
S: Al embrague de 1a.
T: Al embrague de 2a.
U: Hacia el embrague de Avance
GSN00604-00 10 Estructura, función, y estandar de mantenimiento
30 D155AX-6
10 Estructura, función, y estandar de mantenimiento GSN00604-00
D155AX-6 31
1. ECMV de la transmisión
2. Válvula de alivio principal y válvula de alivio del
convertidor de torsión
3. Caja de la transmisión
4. Camisa
5. Eje de entrada a la transmisión
6. Perno de amarre
7. R aro dentado (cubo)
8. R piñon planetario (número de dientes: 26)
9. Aro dentado R (número de dientes internos: 86)
10. F piñon planetario (número de dientes: 24)
11. Aro dentado F (número de dientes internos: 91)
12. Piñon planetario de 3a. (número de dientes: 35)
13. Aro dentado 3a. (número de dientes internos: 89)
14. Piñón planetario de 2a. (número de dientes: 31)
15. Aro dentado de 2a. (número de dientes internos:
91)
16. Aro dentado de 1a. (número de dientes internos:
91)
17. Piñón planetario de 1a. (número de dientes: 27)
18. Eje de salida de la caja de transmisión
(Engranaje central de 3a.) (número de dientes:
19)
19. Caja del embrague de 1a
20. Pistón de 1a. embrague
21. Engranaje central de 1a. (número de dientes: 37)
22. Portadora de la 1a. marcha
23. Caja del embrague de 2a
24. Pistón del embrague de 2a.
25. Engranaje central de 2a. (número de dientes: 29)
26. Portadora de la 2a. marcha
27. Caja de embrague de 3a.
28. Pistón del embrague de 3a.
29. Portadora de 3a.
30. Caja de embrague de F [avance]
31. Pistón del embrague de avance
32. Portadora de F [avance]
33. Caja del embrague de retroceso
34. Engranaje central de avance (número de dientes:
44)
35. Pistón del embrague R
36. Resorte tipo arandela
37. Plato del embrague
38. Disco del embrague
39. Resorte del pistón
40. Portadora R [retroceso]
41. Caja delantera
42. Engranaje central de retroceso (número de
dientes: 34)
Descripción
l La transmisión adoptada es de "Tres
velocidades hacia adelante y tres velocidades
hacia atrás", la cual consta de un mecanismo
de engranajes planetarios y embragues de
discos.
l Fuera de los 5 juegos de mecanismos de
engranajes planetarios y embragues de
discos, 2 e mbragu es e stán fija do s
hidráulicamente mediante la operación de la
ECMV, para seleccionar la dirección de
rotación y un engranaje de velocidad.
l La transmisión transfiere la fuerza recibida por
el eje de entrada a la transmisión hacia el eje
de salida, mientras cambia los engranajes de
velocidad (avance 1a. a 3a., o reversa 1a. a
3a.) en cualquier combinación de embragues
de avance, o retroceso y de los embragues de
3 velocidades.
Número de platos y discos usados
Combinaciones de embragues del respectivo
engranaje de velocidad y su radio de reducción.
Embrague No.
Número de
platos
Número de
discos
Embrague R 6 6
Embrague F 6 7
Embrague de 3ra 3 4
Embrague de 2da 3 4
Embrague de 1ra 2 3
Velocidad Embragues operados
Relación de
reducción
1a. marcha
de avance
F x 1ra 1.705
2a. marcha
de avance
F x 2da 1.151
3a. marcha
de avance
F x 3ra 0.540
Neutral * —
1o. De retro-
ceso
R x 1a. 1.406
Retroceso
2da
R x 2a. 0.949
Retroceso 3ra R x 3ra 0.445
*: El embrague de la 1a. marcha está lleno con aceite
en baja presión.
GSN00604-00 10 Estructura, función, y estandar de mantenimiento
32 D155AX-6
10 Estructura, función, y estandar de mantenimiento GSN00604-00
D155AX-6 33
Unidad: mm
No. Itemes a comprobar Criterio Solución
1
Resortes del embrague de Ret-
roceso (12 piezas)
Tamaño estándar Límite de reparación
Reemplace
Largo libre
Largo de
instalación
Carga de
instalación
Largo libre
Carga de
instalación
81.7 72.4
59.8 N
{6.1 kg}
76.8
51.0 N
{5.2 kg}
2
Resortes del embrague de
Avance (12 piezas)
81.7 76.4
34.3 N
{3.5 kg}
76.8
29.4 N
{3.0 kg}
3
Resortes del embrague de 3ra
(12 piezas)
70.0 50.2
97.1 N
{9.9 kg}
65.8
82.4 N
{8.4 kg}
4
Resortes del embrague de 2a
(12 piezas)
70.0 51.6
90.2 N
{9.2 kg}
65.8
76.5 N
{7.8 kg}
5
Resortes del embrague de 1a
(12 piezas)
66.0 51.8
66.7 N
{6.8 kg}
62.0
56.9 N
{5.8 kg}
6
Grosor total del conjunto del
embrague de retroceso (R) que
consiste de 6 discos y 6 platos.
Tamaño estándar Tolerancia Límite de reparación
51.6 ±0.35 48.4
7
Grosor total del conjunto del
embrague de avance F que
consiste de 7 discos y 6 platos.
57.0 ±0.36 53.3
8
Grosor total del conjunto del
embrague de 3a. que consiste
de 4 discos y 3 platos.
31.2 ±0.26 29.1
9
Grosor total del conjunto del
embrague de 2a. que consiste
de 4 discos y 3 platos.
31.2 ±0.26 29.1
10
Grosor total del conjunto del
embrague de 1a. que consiste
de 3 discos y 2 platos.
22.6 ±0.22 21.0
11 Espesor del disco del embrague 5.4 ±0.1 4.9
12 Espesor de la placa del embrague 3.2 ±0.1 2.9
13
Desgaste en el anillo
sellador del eje de
entrada (pequeña)
Ancho 2.56
-0.01
-0.03
2.30
Espesor 1.7 ±0.1 1.55
14
Desgaste en el anillo
sellador del eje de
entrada (grande)
Ancho 3.0
-0.01
-0.03
2.70
Espesor 2.7 ±0.1 2.55
15
Desgaste del bastidor
delantero, bastidor
del embrague de
avance (F), y anillo
sellador de 3a.
Ancho 4.0
-0.01
-0.04
3.60
Espesor 5.0 ±0.15 4.85
16
Desgaste del anillo
de sello (grande) del
portador de 2a.
Ancho 4.0
-0.01
-0.04
3.60
Espesor 4.0 ±0.15 3.85
17
Desgaste del anillo
de sello (pequeño)
del portador de 2a.
Ancho 4.0
-0.01
-0.04
3.60
Espesor 4.0 ±0.15 3.85
GSN00604-00 10 Estructura, función, y estandar de mantenimiento
34 D155AX-6
Embrague de discos
Estructura
l El embrague de discos consiste de pistón (2),
platos (3), discos (4), pasador (5), resorte de
retorno (6), etc., para asegurar el engranaje
anular (1).
l El diente interior del disco (4) está engranado
con el diente exterior de la corona o engranaje
anular (1).
l El plato (3) está ensamblado a la caja de
embrague (7) con el pasador (5).
Operación
Cuando el embrague es engranado (fijo)
l El aceite proveniente de la ECMV es enviado
con presión hacia el lado trasero del pistón (2)
a través del pasaje de aceite en el bastidor (7)
y empuja el pistón (2) hacia el lado izquierdo.
l El pistón (2) hace que el plato (3) haga
estrecho contacto contra el disco (4) para
detener la rotación del disco (4) debido a la
fuerza de fricción generada entre ellos.
l Como el diente interior del disco (4) está
encajado con el diente exterior del aro dentado
(1), se detiene el movimiento del aro dentado (1)
18
Desgaste del anillo
de sello (grande) del
portador de 1a.
Tamaño estándar Tolerancia Límite de reparación
Reemplace
Ancho 4.0
-0.01
-0.04
3.60
Espesor 4.0 ±0.15 3.85
19
Desgaste del anillo
de sello (pequeño)
del portador de 1a.
Ancho 4.0
-0.01
-0.04
3.60
Espesor 5.0 ±0.15 4.85
20
Contragolpe entre el
engranaje solar y el
planetario
R, F,
3a, 1a
0.14 - 0.35
2ª 0.13 - 0.32
21
Contragolpe entre el
piñón planetario y
engranaje anular
R 0.15 - 0.39
F, 2a,
1a
0.15 - 0.38
3ª 0.16 - 0.42
Unidad: mm
No. Itemes a comprobar Criterio Solución
10 Estructura, función, y estandar de mantenimiento GSN00604-00
D155AX-6 35
Cuando el embrague es desengranado (liberado)
l Como el aceite proveniente de la ECMV es
detenido, el pistón (2) es devuelto hacia el lado
derecho por medio del resorte de retorno (6).
l La fuerza de fricción de los platos (3) y los
discos (4) es liberada y el aro dentado (1) es
liberado.
Pasadizo de aceite en el embrague de velocidad
H La figura muestra el caso en el cual el
engranaje de "1a." velocidad es seleccionado.
l Cuando se sitúa en la posición “neutral” la
palanca de dirección/sentido direccional/
cambio de marchas, la 1a., 2a. ó 3a. marcha
queda seleccionada.
l La cámara del pistón del embrague
correspondiente a la marcha seleccionada se
llena de aceite controlando electrónicamente
el circuito hidráulico de cada embrague.
l Cuando la palanca de dirección/sentido
direccional/cambio de marchas se mueve
desde la posición “neutral” para la posición de
“avance” ó “retroceso”, se requiere que la
bomba suministre el caudal de aceite
necesario para llenar la cámara del pistón del
embrague de Avance o el embrague de
Retroceso.
l Cuando la marcha se cambia de 1a. de
“avance” para 2a. de “avance”, la bomba tiene
que suministrar solamente un caudal de aceite
para asentar el plato y el disco del embrague
de 2a. ya que el embrague de Avance ya se
había llenado de aceite.
l La demora en la operación de cambio de
marchas queda reducida utilizando el aceite
como ya se ha explicado anteriormente.
Para ECMV de transmisión
Pistón de embrague de 1a.
GSN00604-00 10 Estructura, función, y estandar de mantenimiento
36 D155AX-6
Trayectoria de transmisión de potencia
1a. velocidad de avance
l Cuando la transmisión se coloca en 1a. de
“avance”, se acoplan el embrague de Avance y
el embrague de 1a. La potencia transmitida por
el convertidor de torsión al eje de entrada (1) es
transmitida al eje de salida (22).
l El embrague de Avance es accionado por la
presión de aceite aplicada al pistón del
embrague de Avance y retiene la corona (4) de
Avance. El embrague de 1a. es accionado por la
presión de aceite aplicada al pistón del
embrague de la 1a. marcha y retiene el tambor
interior del embrague de 1a. (19)
l La potencia del convertidor de torsión es
transmitida hacia el engranaje planetario de
Avance (3) a través del eje de entrada (1) y el
engranaje solar de Avance (2) .
l Como el aro dentado "F" (4) está retenido por el
embrague de avance "F", la fuerza transmitida al
piñón planetario "F" (3) hace girar al portador de
3a. (11) a través del portador "F" (10) el cual
está conectado por medio de la ranura
l La rotación del portador de 3a. (11) es
transmitida a través del piñón planetario de 3a.
(12) hacia el aro dentado de 3a.
l La potencia transmitida al piñón planetario de
3a. (12) también es transmitida al eje de salida
(22), el cual tiene las funciones de engranaje
central de 3a.
l El aro dentado de 3a. (13) y el portador de la 2a.
(14) están engranados entre sí y giran
integralmente. De tal modo que, la rotación de la
portador de 2da (14) es transmitida desde el
engranaje planetario de la 2a. (15), hacia la
corona de la 2a. marcha (16).
l La fuerza transmitida al piñón planetario de 2a.
(15) también es transmitida desde el engranaje
central de 2a. (21) hacia el eje de salida (22).
l El aro dentado de 2a. (16) y el portador de la 1a.
(17) están engranados entre sí y giran
integralmente. De tal modo que, la rotación de la
portadora (17) de 1a. es transmitida al engranaje
planetario (18) de la 1a. marcha.
l Como la corona (19) de la 1a. marcha está
retenida por el embrague de la 1a. marcha, la
potencia transmitida hacia el engranaje
planetario (18) de la 1a. marcha es transmitida a
través del engranaje central (20) de la 1a.
marcha hacia el eje de salida (22).
10 Estructura, función, y estandar de mantenimiento GSN00604-00
D155AX-6 37
Avance, 2a. marcha
l Cuando la transmisión se coloca en 2a. de
“avance”, se acoplan el embrague de Avance y
el embrague de 2a. La potencia transmitida
por el convertidor de torsión al eje de entrada
(1) es transmitida al eje de salida (22).
l El embrague de Avance es accionado por la
presión de aceite aplicada al pistón del
embrague de Avance y retiene la corona (4) de
Avance. El embrague de la 2a. marcha es
accionado por la presión de aceite aplicada al
pistón del embrague de la 2a. y retiene la
corona (16) de la 2a. marcha.
l La potencia del convertidor de torsión es
transmitida hacia el engranaje planetario de
Avance (3) a través del eje de entrada (1) y el
engranaje solar de Avance (2) .
l Como el aro dentado "F" (4) está retenido por
el embrag ue de avance "F", la fuerza
transmitida al piñón planetario "F" (3) hace
girar al portador de 3a. (11) a través del
portador "F" (10) el cual está conectado por
medio de la ranura
l La rotación del portador de 3a. (11) es
transmitida a través del piñón planetario de 3a.
(12) hacia el aro dentado de 3a.
l La potencia transmitida al piñón planetario de
3a. (12) también es transmitida al eje de salida
(22), el cual tiene las funciones de engranaje
central de 3a.
l El aro dentado de 3a. (13) y el portador de la
2a. (14) están engranados entre sí y giran
integralmente. De tal modo que, la rotación de
la portadora (14) de 2a. es transmitida al
engranaje planetario (15) de la 2a. marcha.
l En vista de que la corona (16) de la 2a.
marcha está retenida por el embrague de la
2a. marcha, la potencia transmitida al piñón
planetario (15) de la 2a. es transmitida a través
del engranaje solar (21) de la 2a. marcha
hacia el eje de salida (21).
GSN00604-00 10 Estructura, función, y estandar de mantenimiento
38 D155AX-6
3a. velocidad de avance
l Cuando la transmisión se coloca en 3a. de
“avance”, se acoplan el embrague de Avance y
el embrague de 3a. La potencia transmitida
por el convertidor de torsión al eje de entrada
(1) es transmitida al eje de salida (22).
l El embrague de avance "F" asegura al aro
dentado de avance "F" (4) que está siendo
activado con la presión de aceite aplicada al
pistón del embrague de avance "F". El
embrague de avance 3a. asegura al aro
dentado de 3a. (13) que está siendo activado
con la presión de aceite aplicada al pistón del
embrague de 3a.
l La potencia del convertidor de torsión es
transmitida hacia el engranaje planetario de
Avance (3) a través del eje de entrada (1) y el
engranaje solar de Avance (2) .
l Como el aro dentado "F" (4) está retenido por
el emb rague de avance "F", la fuerza
transmitida al piñón planetario "F" (3) hace
girar al portador de 3a. (11) a través del
portador "F" (10) el cual está conectado por
medio de la ranura
l En vista de que la corona (13) de la 3a.
marcha está retenida por el embrague de la
3a. marcha (11), la potencia transmitida desde
el piñón planetario (12) de la 3a. hacia el eje
de salida (22).
10 Estructura, función, y estandar de mantenimiento GSN00604-00
D155AX-6 39
1a. velocidad de retroceso
l Cuando la transmisión se coloca en 1a. de
retroceso, se acoplan el embrague de Retroceso
y el embrague de 1a. La potencia transmitida por
el convertidor de torsión al eje de entrada (1) es
transmitida al eje de salida (22).
l El embrague de Retroceso es accionado por la
presión de aceite aplicada al pistón del embrague
de Retroceso y retiene la corona (7) de avance. El
embrague de 1a. es accionado por la presión de
aceite aplicada al pistón del embrague de la 1a.
marcha y retiene el tambor interior del embrague
de 1a. (19)
l La potencia del convertidor de torsión es
transmitida hacia el engranaje planetario de
Retroceso (6) a través del eje de entrada (1) y el
engranaje solar de Retroceso (5) .
l Como el aro dentado de retroceso "R" (7) está
engranado con el portador "R" (8) y retenido por
el embrague "R", el piñón planetario "R" (6) hace
girar el aro dentado "R" (9). La rotación del aro
dentado "R" (9), la dirección en la que está
opuesto al eje de entrada (1), gira el portador de
3a. (11) a través del portador "F" (10) el cual está
conectado por medio de la ranura
l La rotación del portador de 3a. (11) es transmitida
a través del piñón planetario de 3a. (12) hacia el
aro dentado de 3a.
l La potencia transmitida al piñón planetario de 3a.
(12) también es transmitida al eje de salida (22), el
cual tiene las funciones de engranaje central de 3a.
l El aro dentado de 3a. (13) y el portador de la 2a.
(14) están engranados entre sí y giran
integralmente. De tal modo que, la rotación de la
portador de 2da (14) es transmitida desde el
engranaje planetario de la 2a. (15), hacia la
corona de la 2a. marcha (16).
l La fuerza transmitida al piñón planetario de 2a.
(15) también es transmitida desde el engranaje
central de 2a. (21) hacia el eje de salida (22).
l El aro dentado de 2a. (16) y el portador de la 1a.
(17) están engranados entre sí y giran
integralmente. De tal modo que, la rotación de la
portadora (17) de 1a. es transmitida al engranaje
planetario (18) de la 1a. marcha.
l Como la corona (19) de la 1a. marcha está
retenida por el embrague de la 1a. marcha, la
potencia transmitida hacia el engranaje planetario
(18) de la 1a. marcha es transmitida a través del
engranaje central (20) de la 1a. marcha hacia el
eje de salida (22).
GSN00604-00 10 Estructura, función, y estandar de mantenimiento
40 D155AX-6
ECMV de la transmisión 1
H ECMV: Abreviación de: Válvula Moduladora de Control Electrónico
H No trate de desensamblarlo debido a que se necesitarán ajustes para mantener el rendimiento.
10 Estructura, función, y estandar de mantenimiento GSN00604-00
D155AX-6 41
AF: Hacia el embrague de Avance
AR: Hacia el embrague de Retroceso
A1: Al embrague de 1a.
A2: Al embrague de 2a.
A3: Al embrague de 3a.
P. Procedente de la bomba del tren de potencia
T: Drenaje
Dr: Drenaje
PF: Orificio de captación de la presión del aceite
del embrague en avance
PR: Orificio de captación de la presión del aceite
del embrague en retroceso
P1: Orificio de captación de la presión del aceite
del embrague de 1a.
P2: Orificio de captación de la presión del aceite
del embrague de 2a.
P3. Orificio de detección de presión del aceite del
3er. embrague
1. Solenoide proporcional del embrague de 3a.
2. Solenoide proporcional del embrague de 1a.
3. Solenoide proporcional del embrague de
retroceso
4. Solenoide proporcional del embrague de
avance
5. Solenoide proporcional del embrague de 2a.
6. Interruptor de llenado del embrague de 3a.
7. Interruptor de llenado del embrague de 2a.
8. Interruptor de llenado del embrague de 1a.
9. Interruptor de llenado del embrague de R
10. Interruptor de llenado del embrague de A
11. Filtro de aceite de la transmisión
12. Conector para el solenoide proporcional del
embrague de 1a.
13. Conector para el interruptor de llenado del
embrague de 3a.
14. Conector para el solenoide proporcional del
embrague de 3a.
15. Conector para el solenoide proporcional del
embrague de reversa R.
16. Conexión para el interruptor de llenado del
embrague de 2a.
17. Conector para el solenoide proporcional del
embrague de 2a.
18. Conector para el solenoide proporcional del
embrague de avance.
19. Conexión para el interruptor de llenado del
embrague de 1a.
20. Conexión para el interruptor de llenado del
embrague de retroceso
21. Conexión para el interruptor de llenado del
embrague de avance
Operación de la tabla del ECMV
H Cuando la palanca direccional está en
posición (neutral), se activa el embrague de
velocidad de la velocidad seleccionada por la
palanca de cambio de velocidades.
ECMV
Velocidad
de traslado
F R 1ª 2ª 3ª
N
F1
F2
F3
R1
R2
R3
GSN00604-00 10 Estructura, función, y estandar de mantenimiento
42 D155AX-6
1. Interruptor de llenado
2. Válvula de control de presión
3. Cuerpo (superior)
4. Cuerpo (inferior)
5. Solenoide proporcional
6. Filtro
7. Válvula de detección de presión
8. Camisa
10 Estructura, función, y estandar de mantenimiento GSN00604-00
D155AX-6 43
Descripción del ECMV
l El ECMV consta de una válvula de control de
presión y un interruptor de llenado.
l Válvula de control de presión
Un solenoide proporcional en esta válvula
re cib e la co rrien te envia da desd e e l
controlador y esta válvula la convierte en una
presión de aceite.
l Interruptor de llenado
Este interruptor detecta cuando un embrague
está lleno de aceite y tiene las funciones
siguientes.
1. Cuando el embrague está lleno de aceite,
emite una señal (señal de llenado) hacia el
controlador para informarle que está completa-
mente lleno con aceite.
2. Mantiene la emisión de señales (señales de
llenado) hacia el controlador, para notificar si la
presión del aceite está o no aplicada, mientras la
presión del aceite es aplicada al embrague.
Rango A: Antes de cambiar marchas (Cuando está
drenando)
Rango B: Durante el llenado
Rango C: Ajuste de presión
Región D:Durante el llenado (Durante la activación)
Punto E: Inicia el llenado
Punto F: Final del llenado
H La lógica está diseñada de tal forma que el
controlador no reconocerá la terminación de
llenado del embrague aunque el interruptor de
llenado esté en ON durante la activación
(región D).
ECMV y solenoide proporcional
l Por cada ECMV, hay un solenoide
proporcional instalado.
El solenoide proporcional genera el empuje
mostrado abajo de acuerdo a la corriente de
comando recibida del controlador.
La fuerza de propulsión generada por el
solenoide proporcional es aplicada al carrete
de la válvula de control de presión para
generar la presión de aceite mostrada en la
figura de abajo. De acuerdo a esto, la fuerza
de propulsión cambia al controlar la corriente
de comando que opera la válvula de control de
presión y controla el flujo y presión del aceite.
Corriente - características de la fuerza de pro-
pulsión del solenoide proporcional
Fuerza de propulsión - Características de la
presión hidráulica del solenoide proporcional
ECMV e interruptor de suministro
l Por cada ECMV, hay un interruptor de llenado
instalado.
Si el embrague se llena con aceite, la presión
del embrague activa "ON" el interruptor de
llenado La presión del aceite es acumulada de
acuerdo a la señal
Tiempo
Presióndeentrada
delembrague
(Seg.)
Tiempo
(Seg.)
Tiempo
(Seg.)
Señaldesalidadel
interruptordellenado
Corrientedecomandodel
solenoideproporcional
Corriente
Fuerzadepropulsión
Fuerza propulsora
Presiónhidráulica
GSN00604-00 10 Estructura, función, y estandar de mantenimiento
44 D155AX-6
Operación del ECMV
l La ECMV es controlado con la corriente de
comando proveniente del controlador hacia el
solenoide proporcional y por la señal de salida
del interruptor de llenado.
La relación entre la corriente de comando del
solenoide proporcional de la ECMV, la presión
de entrada del embrague, y las señales
emitidas por el interruptor de llenado, se
muestran abajo.
Rango A: Antes de cambiar de engranaje (Cuando
está drenando)
Rango B: Durante el llenado
Rango C: Ajuste de presión
Rango D: Durante el llenado (durante el disparo)
Punto E: Inicia el llenado
Punto F: Final del llenado
H La lógica está diseñada de tal forma que el
controlador no reconocerá la terminación de
llenado del embrague aunque el interruptor de
llenado esté en ON durante la activación
(región D).
l Cuando el cambio de velocidad es cambiado
por medio del interruptor de cambio de
engranajes, el embrague es comprimido por
pistón. Si se aplica súbitamente una presión
alta , el p istón en gra na el emb ra gue
súbitamente, causando un arranque de la
máquina súbito y un impacto excesivo.
La ECMV reduce el impacto en el arranque de
la máquina incrementando gradualmente la
presión de aceite al pistón para alcanzar la
presión establecida, y "engranar" suavemente
el embrague. Esto está dirigido a incrementar
la duración de la ruta de transmisión de fuerza
y mejora la comodidad del operador.
Antes de hacer el cambio (durante del drenaje)
(Rango A de la tabla)
l Bajo esta condición donde no se envía
n ing un a corr ie nte ha cia e l solen oid e
proporcional (1), la válvula de control de
presión (3) drena el aceite proveniente del
orificio (A) del embrague a través del orificio de
drenaje (T).
También en este momento, el interruptor de
llenado (5) es desactivado "OFF" debido a que
la presión de aceite no es aplicada a la válvula
de detectora de presión (4)
Tiempo
Presióndeentrada
delembrague
(Seg.)
Tiempo
(Seg.)
Tiempo
(Seg.)
Señaldesalidadel
interruptordellenado
Corrientedecomandodel
solenoideproporcional
10 Estructura, función, y estandar de mantenimiento GSN00604-00
D155AX-6 45
Durante el llenado (Rango B en la tabla)
l Si se suministra corriente al solenoide
proporcional (1) con el embrague sin aceite, la
fuerza de presión del aceite equilibrada con la
fuerza del solenoide es aplicada a la cámara
(B) y empuja hacia la derecha la válvula de
control de presión (3). Como resultado, el
orificio (P) de la bomba y el orificio (A) del
embrague se abren, y se inicia el llenado de
aceite en el embrague. Una vez lleno de aceite
el embrague, el interruptor de llenado (5) se
pone en “on”.
Ajuste de la presión (Rango C en la tabla)
l Si hay un flujo de corriente en el solenoide
proporcional (1), el solenoide genera empuje
en proporción a la intensidad de la corriente.
Este empuje del solenoide es balanceado por
la suma del empuje generado por la presión de
aceite en el orificio del embrague y la tensión
del resorte de la válvula de control de presión
(2), entonces la presión queda establecida.
GSN00604-00 10 Estructura, función, y estandar de mantenimiento
46 D155AX-6
Válvula de alivio principal y válvula de alivio del convertidor de torsión1
6. Cuerpo
7. Pistón
8. Válvula de alivio del convertidor de torsión
9. Pistón
10. Válvula de alivio principal
A: Drenaje (Alivio del convertidor de torsión)
B: Drenaje
C: Proveniente de la bomba
D: Drenaje
E: Hacia el convertidor de torsión
P1: Orificio de captación de la presión de alivio
principal
P8a:Orificio de captación de presión del aceite de
alivio del convertidor de torsión
P8b:Orificio de captación de la presión del aceite
de ingreso al convertidor de torsión
Unidad: mm
No. Itemes a comprobar Criterio Solución
1
Holgura entre la válvula de alivio
principal y el cuerpo
Tamaño
estándar
Tolerancia Holgura
estándar
Límite de
holgura
Reemplace
Eje Agujero
28
-0.035
-0.045
+0.013
+0.013
0.035 –
0.058
0.078
2
Espacio libre entre la válvula de
alivio del convertidor de torsión y el
cuerpo
22
-0.035
-0.045
+0.013
+0.013
0.035 –
0.058
0.078
3
Resorte de la válvula de alivio
principal (exterior)
Tamaño estándar Límite de reparación
Largo libre
Largo de
instalación
Carga de
instalación
Largo libre
Carga de
instalación
122 78.0
481 N
{49 kg}
118.3
457 N
{46.6 kg}
4
Resorte de la válvula de alivio
principal (interior)
108 78.0
368 N
{37.5 kg}
104.8
349 N
{35.6 kg}
5
Resorte de la válvula de alivio
del convertidor de torsión
50 40.5
182 N
{18.6 kg}
48.5
174 N
{17.7 kg}
10 Estructura, función, y estandar de mantenimiento GSN00604-00
D155AX-6 47
Descripción
Válvula de alivio del convertidor de torsión
l La válvula de alivio del convertidor de torsión
mantiene siempre la presión de aceite en el
circuito de entrada del convertidor de torsión
por debajo de la presión establecida con el
objeto de proteger el convertidor de torsión
contra una presión anormalmente alta.
Presión establecida :
1.06 ± 0.05 MPa {10.8 ± 0.5 kg/cm2}
(Presión de apertura)
Válvula de alivio principal
l La válvula de alivio principal mantiene a la
presión establecida cada circuito hidráulico de
la transmisión y del freno de estacionamiento.
Presión establecida :
3.18 ± 0.1 MPa {32.4 ± 1.0 kg/cm2}
(Motor a la velocidad nominal)
Operación
Operación de la válvula de alivio del converti-
dor
l El aceite proveniente de la válvula de alivio es
conducido hacia el convertidor de torsión a
través del orificio (E) y al mismo tiempo,
también es conducido a la cámara (G) a través
del orificio (b) de la válvula de alivio (3) del
convertidor de torsión.
l A medida que la presión de aceite del
convertidor de torsión crece más allá de la
presión establecida, el aceite conducido a la
cámara (G) empuja el pistón (4) y la fuerza de
reacción resultante empuja la válvula de alivio
del convertidor de torsión (3) hacia el lado
derecho, abriendo así los orificios (E) y (A).
Como resultado, el aceite en el orificio (E) es
drenado a través del orificio (A).
Operación de la válvula de alivio principal
l El aceite proveniente de la bomba hidráulica
fluye a través del filtro hacia la cámara (F), al
orificio (C) de la válvula de alivio y el orificio (a)
de la válvula de alivio principal (1).
l A medida que la presión de aceite en el
circu ito cre ce más allá d e la presión
establecida, el aceite conducido a la cámara
(F) empuja el pistón (2) y la fuerza de reacción
resultante empuja el carrete (1) hacia el lado
izquierdo abriendo así los orificios (C) y (E).
La operación de arriba conduce el aceite
desde el orificio (E) hacia el convertidor de
torsión.
GSN00604-00 10 Estructura, función, y estandar de mantenimiento
48 D155AX-6
Válvula de alivio de la
lubricación 1
2. Caja de embrague de F [avance]
3. Caja del embrague de retroceso
4. Pistón
A: Desde el enfriador del aceite
B: Drenaje
C: Drenaje
Descripción
l El aceite que sale del convertidor de torsión
pasa a través del enfriador del aceite del tren
de potencia incorporado al tanque inferior del
radiador. Después pasa a través de la válvula
de alivio de lubricación, lubrica la transmisión y
la TDF.
l La válvula de alivio de la lubricación se
encuentra instalada en el lado derecho de la
caja del embrague de avance. Esto mantiene
la presión del aceite de lubricación por debajo
de la presión establecida.
Unidad: mm
No. Itemes a comprobar Criterio Solución
1
Resorte de la válvula de alivio
de lubricación
Tamaño estándar Límite de reparación
Reemplace
Largo libre
Largo de
instalación
Carga de
instalación
Largo libre
Carga de
instalación
26 23.6
12.5 N
{1.27 kg}
25.2
11.9 N
{1.21 kg}
Valor especificado
Presión normal
(MPa {kg/cm2})
0.14 ± 0.05
{1.4 ± 0.5}
Presión inicio de apertura
(MPa{kg/cm2})
0.30 ± 0.03
{3.0 ± 0.3}
10 Estructura, función, y estandar de mantenimiento GSN00604-00
D155AX-6 49
Bomba de barrido 1
Tipo: SAR(4)140
Descripción
l La bomba de barrido está instalada en la caja
del convertidor de torsión y es impulsada por
la fuerza proveniente del motor. Esto retorna
el aceite recolectado en el fondo de la caja de
la transmisión hacia la caja de la dirección.
Unidad: mm
No. Itemes a comprobar Criterio Solución
1 Holgura lateral
Holgura estándar Límite de holgura
Reemplace
0.11 – 0.16 0.19
2
Holgura entre el diámetro inte-
rior del rodamiento plano y el
diámetro exterior del eje del
engranaje
0.06 – 0.14 0.20
3
Profundidad para empujar el
pasador
Tamaño estándar Tolerancia Límite de reparación
21
-0.5
-0.5
—
4 Torque giratorio del eje estriado 9.8 -14.7 Nm {1.0 -1.5 kgm}
—
–
Caudal de entrega
Aceite: SAE10WCD
Temperatura del aceite:
45 -55°C
Velocidad de
rotación
(rpm)
Presión de
descarga
MPa {kg/cm2}
Descarga
estandar
(¶/min)
Límite de
descarga
(¶/min)
2,200 2.94{30} 300 266
GSN00604-00 10 Estructura, función, y estandar de mantenimiento
50 D155AX-6
Bomba para el tren de potencia y lubricación de la dirección 1
Tipo: SAR(3)100+(3)40
1. Bomba del tren de potencia
2. Bomba de lubricación de la dirección
Descripción
l La bomba del tren de fuerza y la bomba de
lubricación de la dirección están instaladas en
la caja del convertidor de torsión. Ellas son
impulsadas por la fuerza proveniente del motor
para suministrar la presión de aceite al
convertidor de torsión, la transmisión y la
unidad de dirección.
10 Estructura, función, y estandar de mantenimiento GSN00604-00
D155AX-6 51
Unidad: mm
No. Itemes a comprobar Criterio Solución
3 Holgura lateral
Tipo Holgura estándar Límite de holgura
Reemplace
SAR(3)100
0.10 - 0.15 0.19
SAR(3)40
4
Holgura entre el diámetro
interior del rodamiento plano
y el diámetro exterior del eje
del engranaje
SAR(3)100
0.06 - 0.15 0.20
SAR(3)40
5
Profundidad para empujar el
pasador
Tipo Tamaño estándar Tolerancia
Límite de
reparación
SAR(3)100
14
-0.5
-0.5
—
SAR(3)40
6
Valor de torsión del eje
estriado
13.7 -23.5 Nm {1.4 -2.4 kgm}
—
–
Caudal de entrega
Aceite: SAE10WCD
Temperatura del aceite:
45 -55°C
Tipo
Velocidad
de rotación
(rpm)
Presión de
descarga
(MPa {kg/cm2})
Descarga
estandar
(¶/min)
Límite de
descarga
(¶/min)
SAR(3)100 2,500 2.94{30} 241 96
SAR(3)40 2,500 2.94{30} 239 85
GSN00604-00 10 Estructura, función, y estandar de mantenimiento
52 D155AX-6
D155AX-6 Buldózer
Forma No. GSN00604-00
© 2006 KOMATSU
Todos los Derechos Reservados
Impreso en E.E.U.U. 08-06
D155AX-6 1
GSN00605-00
BULDÓZER 1MANUAL DE TALLER
D155AX-6
Modelo de máquina Número de serie
D155AX-6 80001 y superiores
10 Estructura, función, y
estandar de mantenimiento 1
Sistema del tren de potencia, Parte 2
Sistema del tren de potencia, Parte 2............................................................................................................ 2
Sistema HSS....................................................................................................................................... 2
Motor HST........................................................................................................................................... 4
Hidráulica, bomba HSS..................................................................................................................... 14
Válvula de desvío del enfriador de aceite hidráulico......................................................................... 37
Control de dirección y de freno ......................................................................................................... 38
Unidad de la dirección....................................................................................................................... 40
Válvula de control del freno............................................................................................................... 56
Freno ECMV...................................................................................................................................... 58
Válvula solenoide del freno de estacionamiento............................................................................... 63
Válvula contra parada súbita............................................................................................................. 65
Mando final........................................................................................................................................ 67
Rueda dentada.................................................................................................................................. 71
GSN00605-00 10 Estructura, función, y estandar de mantenimiento
2 D155AX-6
Sistema del tren de potencia, Parte 2 1
Sistema HSS 1
10 Estructura, función, y estandar de mantenimiento GSN00605-00
D155AX-6 3
1. Palanca PCCS
2. Controlador del tren de potencia
3. Válvula de control
4. Hidráulica, bomba HSS
5. Motor
6. Válvula EPC
7. Tanque hidráulico
8. Rueda motríz
9. Mando final
10. Motor HSS
11. Circuito abierto HSS
12. Servo-válvula
13. Controlador del acelerador del motor
A: Señal de AVANCE - RETROCESO
B: Señal de DIRECCION
C. Información de control del motor
D: Señal de presión del equipo de trabajo
E: Red de comunicaciones CAN
Descripción
l Sistema "HSS" quiere decir Sistema de
Dirección Hidrostático
l El sistema HSS consiste de un conjunto de:
válvula de control, hidráulicos, bomba HSS, y
motor HSS, como se muestra en al figura.
Hace virar la máquina continuamente sin
reducir la velocidad de traslado produciendo
una diferencia en la velocidad entre las dos
orugas.
l El controlador del tren de fuerza, regula la
válvula EPC de la válvula de control para
regular la dirección y la velocidad de giro del
motor HSS de acuerdo a la dirección de
inclinación y el ángulo de la palanca PCCS El
motor HSS actúa sobre el mecanismo de
engranajes planetarios del eje de la corona
para establecer una diferencia en velocidad
entre ambas ruedas dentadas. Como
resultado, la máquina produce una virada.
l El controlador del tren de fuerza percibe la
velocidad del motor y la presión de aceite en
cada parte y controla la hidráulica, la bomba
HSS y la válvula de control, para manejar la
hidráulica, la bomba HSS, para que de esta
manera el motor no llegue a calarse.
l La señal de velocidad del motor y otros items
de información de control del motor se envían
y reciben a través de la red de comunicaciones
CAN qu e cone cta n el controlado r d el
acelerador del motor y el controlador del tren
de potencia.
GSN00605-00 10 Estructura, función, y estandar de mantenimiento
4 D155AX-6
Motor HSS 1
Tipo: HMF140
PA: De la válvula de control
PB: De la válvula de control
T: Hacia el tanque
1. Motor HSS
2. Válvula de retención
3. Válvula de contrabalance
4. Válvula de alivio
Descripción
l Este motor está compuesto de un motor de
pistón del tipo de eje curvado de capacidad
fija, la válvula de compensación, válvula de
retención y válvula de alivio.
Especificaciones
Tipo: KMF140
Descarga teórica: 141.1 cm3/rev
Presión nominal de salida: 41.2 MPa {420 kg/cm2}
Rpm nominales: 2,205 rpm
10 Estructura, función, y estandar de mantenimiento GSN00605-00
D155AX-6 5
GSN00605-00 10 Estructura, función, y estandar de mantenimiento
6 D155AX-6
10 Estructura, función, y estandar de mantenimiento GSN00605-00
D155AX-6 7
1. Eje propulsor
2. Caja del motor
3. Pistón
4. Bloque de cilindros
5. Placa de válvula
6. Caja
7. Cubierta
8. Carrete de la válvula de contrabalance
9. Válvula de retención
10. Carrete
11. Válvula de seguridad
Unidad: mm
No. Itemes a comprobar Criterio Solución
Tamaño estándar Límite de reparación
12
Resorte de la válvula de
retención
Largo libre x
Diámetro
exterior
Largo de
instalación
Carga de
instalación
Largo
libre
Carga de
instalación
Sustituir el
resorte
si está dañado o
deformado.
62.5 x 20 39
3.04 N
{0.31 kg}
—
1.96 N
{0.25 kg}
13
Resorte de retorno del car-
rete
(grande)
43.4 x 35 41
241 N
{24.6 kg}
—
155 N
{19.7 kg}
14
Resorte de retorno del car-
rete
(Pequeño)
40.44 x 21.9 38
96.1 N
{9.8 kg}
—
76.9 N
{7.84 kg}
GSN00605-00 10 Estructura, función, y estandar de mantenimiento
8 D155AX-6
Operación del motor del pistón
Principios
l Suponga que el eje del disco está soportado y
que el disco puede rotar libremente. Si la
fuerza (F) es aplicada diagonalmente al disco,
la fuerza (F) es dividida en fuerza vertical
hacia el disco (F1) y fuerza circunferencial (F2)
(F1) empuja el disco en dirección axial, y (F2)
rota el disco en la dirección de las agujas del
reloj
l Por otro lado, si la fuerza (F'), y no la fuerza (F)
es aplicada al disco, la fuerza también es
dividida entre (F1') y (F2'), entonces el disco
rota en contra de las agujas del reloj a causa
de la fuerza (F2').
Estructura
l Hay 7 pistones (3) adheridos a la parte del
disco del eje de impulso (1) en una manera
semejante a las uniones esféricas. Los
pistones (3) forman un ángulo específico con
el eje de mando (1), y son encapsulados
dentro del bloque de cilindros (4)
Operación
l El aceite presurizado enviado por la bomba de
pistón principal entra por el orificio de entrada
del motor de pistón, y la presión del aceite es
aplicada al respaldo del pistón (3), y el eje de
mando (1) rota por la inclinación (Q) del pistón
(3) y del bloque de cilindros (4).
10 Estructura, función, y estandar de mantenimiento GSN00605-00
D155AX-6 9
Válvula del freno
l La válvula del freno consiste en la válvula de
retención (9) y una válvula de compensación
(8), y la válvula de seguridad y (11).
l Las funciones y operaciones de los
respectivos componentes deben estar
conforme con lo siguiente.
1) Válvula de compensación y válvula de
retención
Función
l Cuando la dirección es operada al descender
una cuesta, la fuerza de gravedad tiende a
volver la velocidad de mando corriente más
rápida que la velocidad por rotación del motor
l Si la dirección es operada mientras el motor
está funcionando a baja velocidad, el motor
g ira sin ningu na carg a y se acelera
rá pidame nte Esto pue de causa r un a
condición extremadamente peligrosa.
l Estas válvulas controlan la operación de la
dirección de acuerdo a la velocidad del motor
(entrega de la bomba) con el objeto de
prevenir esta peligrosa condición.
Operación cuando se suministra aceite presur-
izado
l Si se opera la palanca de traslado, el aceite
presurizado de la válvula de control es
suministrado al orificio (PA).
l Empuja y abre la válvula de retención (9A) y
fluye del orificio de entrada (MA) del motor
hacia el orificio de salida del motor (MB).
l El orificio de salida del motor está cerrado por
la válvula de retención (9B) y el carrete (8), de
manera que sube la presión del lado de
suministro.
Válvula de control
Válvula de control
GSN00605-00 10 Estructura, función, y estandar de mantenimiento
10 D155AX-6
l El aceite presurizado del lado de suministro
fluye del orificio (E1) en el carrete (8) hacia la
cámara (S1).
l Cuando la presión en la cámara (S1) se vuelve
mayor que la presión de cambio del carrete, el
carrete (8) es empujado hacia la derecha.
l El orificio (MB) y el orificio (PB) quedan
interconectados, abriendo el orificio de salida
del lado izquierdo del motor e iniciando la
rotación del motor.
Operación de frenado durante el traslado
descendiendo una pendiente
l Cuando la dirección es operada en una
pendiente hacia abajo, si la máquina tiende a
desbocarse, el motor rotará sin carga, y la
presión del aceite en el orificio de entrada del
motor caerá.
l Pasando por el orificio (E1), la presión de la
cámara (S1) se reduce.
l Si baja la presión en la cámara (S1) a valor
inferior de la presión selectora del carrete, el
carrete (8) devuelve el carrete (13), (14) hacia
la izquierda en dirección de la flecha y se
acelera el orificio de salida port (MB).
l La presión en el lado del orificio de salida
crece, generando una resistencia a la rotación
en el motor para prevenir que la máquina se
desboque sin control.
l El carrete (8) se mueve a la posición en que la
presión del orificio de salida (MB) equilibra la
presión del orificio de entrada y la fuerza
generada por el peso de la máquina.
l De esta manera, se acelera el circuito del
orificio de salida y controla la velocidad de
traslado de acuerdo con la cantidad de aceite
descargado por la bomba.
Válvula de control
Válvula de control
10 Estructura, función, y estandar de mantenimiento GSN00605-00
D155AX-6 11
2) Válvula de seguridad
(Ambas válvulas de seguridad operadas.)
Función
l Cuando la operación de la dirección pare, la
válvula de compensación cierra los circuitos
de los orificio de entrada y salida del motor.
l Debido a que el motor está rotando por inercia,
la presión en el orificio de salida lateral del
motor es incrementada anormalmente, lo que
posiblemente resultará en daños en el motor o
en la tubería.
l La válvula de seguridad liberará su presión
anormal hacia el lado del orificio de entrada
del motor con el objeto de prevenir daños en el
equipo.
Acción bidireccional
(1) Cuando la presión en la cámara (MB) se ha
elevado (al girar hacia la derecha)
l Cuando se termina la operación de la
dirección, la válvula de retención de la válvula
de compensación cierra el circuito en los
orificios de salida (MB)
l El motor trata de continuar rotando por inercia
recurriendo a la fuerza de inercia, de este
modo la presión en el orificio de salida (MB) es
incrementada.
l A medida que la presión sube por encima del
valor de presión regulado, [Diferencia en áreas
de los círculos (D1) y (D2) x Presión]
comprime el resorte (2).
l La válvula cónica (1) se mueve hacia la
izquierda y el aceite presurizado fluye a la
cámara (MA) del circuito opuesto.
GSN00605-00 10 Estructura, función, y estandar de mantenimiento
12 D155AX-6
(2) Cuando se ha elevado la presión en la
cámara (MA) (al girar hacia la izquierda)
l Cuando se termina la operación de la
dirección, la válvula de retención de la válvula
de compensación cierra el circuito en los
orificios de salida (MA) del motor.
l El motor trata de continuar rotando por inercia
recurriendo a la fuerza de inercia, de este
modo la presión en el orificio de salida (MA) es
incrementada.
l A medida que la presión sube y sobrepasa el
valor de la presión regulada, [Diferencia en
áreas de círculos (D1) y (D3) x Presión] se
comprime el resorte (2).
l La válvula cónica (1) se mueve hacia la
izquierda y el aceite presurizado fluye a la
cámara (MB) del circuito opuesto.
10 Estructura, función, y estandar de mantenimiento GSN00605-00
D155AX-6 13
GSN00605-00 10 Estructura, función, y estandar de mantenimiento
14 D155AX-6
Hidráulica, bomba HSS 1
Tipo: HPV160
10 Estructura, función, y estandar de mantenimiento GSN00605-00
D155AX-6 15
Descripción
l Esta bomba consiste de una bomba de pistón
de tipo plato oscilante de desplazamiento
variable, la válvula PC y la válvula EPC.
IM: Selector de corriente del modo PC
PA: Orificio de descarga de la bomba
PB: Orificio de ingreso de la presión de descarga
de la bomba
PD1: Orificio de drenaje de la carcasa
PD2: Tapón de drenaje
PEN: Orificio para toma de la presión de control
PEPC: Orificio de la presión básica EPC
PEPCC: Orificio para toma de la presión básica
EPC
PLS: Orificio de ingreso de la presión de carga
PLSC: Orificio de captación de presión de carga
PM: Orificio de captación de presión de selección
del modo PC
PS Orificio de succión de la bomba
1. Bomba delantera
2. Válvula LS
3. Válvula PC
4. Válvula PC-EPC
GSN00605-00 10 Estructura, función, y estandar de mantenimiento
16 D155AX-6
1. Eje
2. Asiento
3. Carcasa
4. Leva oscilante
5. Zapata
6. Pistón
7 Bloque de cilindros
8. Placa de válvula
9. Tapa trasera
10. Servo piston
11. Válvula PC
10 Estructura, función, y estandar de mantenimiento GSN00605-00
D155AX-6 17
Función
l La bomba convierte la rotación del motor
transmitida a su eje en presión de aceite y
descarga el aceite presurizado de acuerdo con
la carga.
l Es posible cambiar la descarga cambiando el
ángulo del plato oscilante.
Estructura
l El bloque de cilindros (7) es soportado en el
eje (1) por medio de la ranura (12).
l El eje (1) es soportado por cada cojinete (13)
l El extremo del pistón (6) tiene un hueco
esférico el cual es combinado con la zapata
(5).
l El pistón (6) y la zapata (5) forman un cojinete
de rótula.
l El balancín de leva (4) tiene una superficie
plana (A), y la zapata (5) siempre está
comprimida contra esta superficie mientras se
desliza en un movimiento circular.
l La leva oscilante (4) trae aceite a alta presión
a la superficie del cilindro (B) con la cuna (2),
que está asegurada a la carcasa, y forma un
cojinete de presión estática cuando se desliza.
l Piston (6) realiza un movimiento relativo en la
dirección axial adentro de cada cámara del
cilindro del bloque de cilindros (7).
l El bloque de cilindro (7) sella la presión del
aceite a la placa de la válvula (8) y realiza un
movimiento rotativo.
l Está superficie está diseñada de forma que el
equilibrio de la presión del aceite se mantiene
en un nivel apropiado.
l El aceite dentro de cada cámara de cilindros
del bloque de cilindros (7) es aspirado y
descargado a través de la placa de válvula (8).
GSN00605-00 10 Estructura, función, y estandar de mantenimiento
18 D155AX-6
Operación de la bomba
l El bloque de cilindros (7) gira junto con el eje
(1) y la zapata (5) se desliza sobre la
superficie lisa (A).
l Cuando esto ocurre, el balancín de leva (4) se
mueve a lo largo de la superficie cilíndrica (B),
de manera que el ángulo a entre la línea
central (X) del balancín de leva (4) y la
dirección axial del bloque de cilindros (7) se
cambia.
l El ángulo (a) se llama el ángulo del plato
oscilante.
l La línea central (X) de la leva oscilante (4)
conserva el ángulo (a) del plato oscilante en
relación a la dirección axial del bloque de
cilindros (7) y la superficie plana (A) se mueve
como una excéntrica en relación a la zapata
(5).
l De esta forma el pistón (6) se desliza por la
parte inferior del bloque de cilindros (7), de
manera que se crea una diferencia entre el
volumen (E) y (F) dentro del bloque de
cilindros (7).
l Un solo pistón (6) aspira y descarga el aceite
por el caudal (F) – (E).
l A medida que el bloque de cilindros (7) da
vueltas y el volumen de la cámara (E)
disminuye, se descarga el aceite presurizado.
l Por otra parte, el volumen de la cámara (F)
aumenta y en este proceso, se aspira el aceite.
l A medida que la línea central (X) de la leva (4)
coincide con la dirección del bloque de
cilindros (7) (el ángulo (a) del plato oscilante =
0, la diferencia entre los volúmenes (E) y (F)
dentro del bloque de cilindros (7) se vuelve
cero 0.
l En este estado, no se ejecuta ni la succión ni
descarga de aceite presurizado. En otras
palabras, no se realiza operación de bombeo
(Sin embargo, el ángulo del plato de vaivén
actualmente no está colocado en 0.)
10 Estructura, función, y estandar de mantenimiento GSN00605-00
D155AX-6 19
Control de descarga
l Si aumenta el ángulo (a) del plato oscilante, la
diferencia entre los volúmenes (E) y (F)
también aumenta y la bomba aumenta el
caudal (Q) de descarga.
l El ángulo del plato de vaivén (a) se cambia
con el servo-pistón (10).
l El servo-pistón (10) es alternado linealmente
por la señal de presión de la válvula PC y LS.
l El movimiento de línea recta es transmitido al
balancín de leva (4) a través del deslizador
(14).
l Soportada por la cuna (2) en la superficie
cilíndrica, la leva (4) se desliza sobre la
superficie mientras continúa su movimiento
giratorio.
l El área que recibe la presión es diferente en
los lados izquierdo y derecho del pistón servo
(10), y la presión recibida en el extremo del
pistón de diámetro pequeño está conectada
siempre con la presión de descarga de la
bomba principal (auto-presión) (PP).
l La presión de salida (PEN) de la válvula LS es
llevada a la cámara del lado de mayor
diámetro del servo piston.
l El movimiento del pistón servo (6) es
controlado por la inter-relación de la cantidad
de presión de la bomba (PP) y la cantidad de
presión en el extremo del pistón de diámetro
pequeño y la presión (PEN) al extremo del
pistón de diámetro grande,y el tamaño
comparativo del radio del área que está
recibiendo la presión en el extremo del pistón
de diámetro pequeño y en el extremo del
pistón de diámetro grande.
GSN00605-00 10 Estructura, función, y estandar de mantenimiento
20 D155AX-6
1. Válvula LS
PA: Orificio de la bomba
PDP: Orificio de drenaje
PLP: Orificio de de presión de salida del control LS
PLS: Orificio de entrada de presión LS
PP: Orificio de la bomba
PPL: Orificio de ingreso de la presión de control
PSIG: Orificio de drenaje
1. Camisa
2. Pistón
3. Carrete
4. Resorte
5. Asiento
6. Camisa
7. Tapón
8. Tuerca de seguridad
Función
l La válvula "LS" (sensora de carga) detecta la
carga y controla la entrega.
l Esta válvula controla la entrega de la bomba
(Q) de acuerdo a la presión diferencial
( PLS) [ = (PP – PLS)] (llamada presión
diferencial LS) entre la presión de descarga
de la bomba (PP) y la presión del orificio de
salida de la válvula de control (PLS).
l La presión de descarga de la bomba (PP), la
pre sió n (PLS) (llamad a presión L S)
provenientes de la salida válvula de control,
entran a esta válvula.
l La interrelación entre la presión diferencial
( PLS) [ = (PP) – (PLS)], la diferencia entre la
presión de descarga de la bomba (PP) y la
presión LS (PLS), y la entrega (Q) están
mostradas en el diagrama.
DescargadelabombaQ
Presión diferencial LS
10 Estructura, función, y estandar de mantenimiento GSN00605-00
D155AX-6 21
Operación
1) Cuando la válvula de control está situada en neutral
l La válvula LS es una válvula selectora de tres
vías con la presión (PLS) (presión LS) del
orificio de entrada de la válvula de control
traída de la camara del resorte (B), y la presión
(PP) de descarga de la bomba traída al orificio
(H) de la camisa (8).
l La magnitud de la fuerza de la presión LS
(PLS), la fuerza del resorte (4) y la presión de
descarga (autopresión) (PP) determinan la
posición del carrete (6).
l Antes de arrancar el motor, el servo pistón (10)
es empujado hacia la derecha. (Ver dibujo a la
derecha)
l Si la palanca de control se encuentra en la
posición neutral cuando se arranca el motor, la
presión LS (PLS) quedará situada en 0 MPa {0
kg/cm2}. (Está interconectada al circuito de
drenaje a través del carrete de la válvula de
control).
l El carrete (6) es empujado hacia la derecha y
los orificios (C) y (D) serán conectados.
l La presión de descarga de la bomba (PP)
proveniente del orificio (K) entra por el extremo
de diámetro grande del servopistón.
l La presión de descarga de la bomba (PP)
proveniente del orificio (K) entra por el extremo
de diámetro grande del servopistón.
l Debido a la diferencia del área del servopistón
(10), el se mueve en la dirección que hace
menor el ángulo del plato oscilante.
Válvula
de control
Bomba
Válvula PC
Dirección mínima
Diámetro grande Diámetro pequeño
GSN00605-00 10 Estructura, función, y estandar de mantenimiento
22 D155AX-6
2) Acción para la dirección de cómo llevar al máximo la descarga de la bomba
l Cuando la diferencia entre la presión (PP) de
descarga de la bomba y la presión (PLS) de la
válvula LS, en otras palabras, el diferencial de
presión ( PLS) de LS se hace inferior [por
ejemplo, cuando el área de la abertura de la
válvula de control aumenta y desciende la
presión (PP) de la bomba] el carrete (6) es
empujado hacia la izquierda por la fuerza
combinada de la presión (PLS) de LS y la
fuerza del resorte (4).
l Cuando el carrete (6) se mueve, los orificios
(D) y (E) se unen y quedan conectados a la
válvula PC.
l La válvula PC está conectada al orificio de
drenaje, de manera que la presión a través de
los circuitos (D) y (K) se vuelve la presión de
drenaje (PT). (La operación de la válvula PC
se explica más adelante).
l La presión en el extremo de diámetro grande
del servopistón (10) se vuelve la presión de
drenaje (PT), y la presión de descarga de la
bomba (PP) entra siempre por el orificio (J) del
extremo de diámetro pequeño, por lo tanto, el
servopistón (10) es empujado hacia la
izquierda y mueve el plato oscilante en la
dirección que hace que la entrega sea mayor.
Válvula
de control
Bomba
Válvula PC
Dirección máxima
Diámetro grande Diámetro pequeño
10 Estructura, función, y estandar de mantenimiento GSN00605-00
D155AX-6 23
3) Acción para la dirección de cómo llevar al mínimo la descarga de la bomba
l Cuando el servopistón (10) se mueve hacia la
derecha (en la dirección que hace que la
entrega sea menor), la presión diferencial LS
(( PLS) se vuelve mayor [por ejemplo: cuando
el área de apertura de la válvula de control se
vuelve menor y la presión de descarga de la
bomba (PP) crece], la presión de descarga de
la bomba (PP) y empuja el carrete (6) hacia la
derecha.
l Cuando se mueve el carrete (6), la presión
(PP) de descarga de la bomba fluye desde el
orificio (C) hacia el orificio (D), y desde el
orificio (K) penetra al extremo al pistón con
diámetro grande.
l La presión de descarga de la bomba (PP)
también entra por el extremo de diámetro
pequeño del servopistón, pero debido a la
diferencia en áreas entre los diámetros grande
y pequeño de los extremos del servopistón
(10), el servopistón (10) es empujado hacia la
derecha. Como resultado, el se mueve en la
dirección que hacer más pequeño el ángulo
del plato oscilante.
Válvula
de control
Bomba
Válvula PC
Dirección mínima
Diámetro grande Diámetro pequeño
GSN00605-00 10 Estructura, función, y estandar de mantenimiento
24 D155AX-6
4) Cuando está equilibrado el servo pistón
l Tomemos como (A1) el área que recibe la
presión en el extremo del pistón con diámetro
grande y el área que recibe la presión en el
extremo del pistón con diámetro chico como
(A0), y la presión que fluye hacia el pistón con
extremo de diámetro grande como (PEN).
l Si la presión (PP) de descarga de la bomba de
la válvula LS y la fuerza combinada del resorte
(4) y la presión LS (PLS) están equilibradas y
la relación se convierte en (A0) x (PP) = (A1) x
(PEN), el servo pistón (10) quedará detenido
en esa posición.
l Y el plato ondulante de la bomba quedará
retenido en la posición intermedia. [El carrete
(6) quedará detenido en una posición en que
la distancia de la abertura desde el orificio (D)
hasta el orificio (E) y la distancia desde el
orificio (C) hasta el orificio (D) es casi igual.]
l La interrelación entre el área que recibe la
presión en ambos extremos del servopistón
(10) es (A0):(A1) = 3:5, por lo tanto la presión
aplicada en ambos extremos del pistón
cu and o es tá compe nsad o se v uelve
(PP):(PEN) C 5 : 3.
l La posición donde el carrete (6) se balancea y
detiene es el centro estándar, y de este modo
se ajusta la fuerza del resorte (4), lo cual se
determina cuando (PP) – (PLS) = 1.96 MPa
{20kg/cm2}.
10 Estructura, función, y estandar de mantenimiento GSN00605-00
D155AX-6 25
2. Válvula PC
PA: Orificio de la bomba
PA2: Orificio piloto de la presión de la bomba
PDP: Orificio de drenaje
PM: Orificio de la presión piloto selectora de modo
PPL: Orificio de salida del control de presión (hacia
la válvula LS)
1. Alambrado
2. Cubierta
3. Asiento
4. Retenedor
5. Carrete
6. Pasador
7. Conjunto del servo-pistón
8. Tapón
Función
l Cuando son altas las presiones de descarga
de la bomba (PP), la válvula PC controla las
bombas de tal manera que no fluya más aceite
diferente al del flujo constante (de acuerdo con
la presión de descarga), aún si se vuelve más
largo el recorrido de la válvula de control. El
ejecuta un control igual de caballos de fuerza
de tal manera que los caballos de fuerza
absorbidos por la bomba no excedan los
caballos de fuerza del motor.
l Si la carga durante la operación se vuelve mas
grande y crece la presión de descarga (PP) de
la bomba, esto reduce la entrega proveniente
de la bomba.
l Si cae la presión de descarga de la bomba,
esto incrementa la entrega proveniente de la
bomba.
l En este caso, la interrelación entre la presión
de descarga de la bomba (PP) y la entrega de
la bomba (Q) con el valor de la corriente
eléctrica (X) dado al solenoide de la válvula
PC-EPC como parámetro, es mostrada en el
diagrama.
DescargadelabombaQ
Presión PP de descarga de la bomba
GSN00605-00 10 Estructura, función, y estandar de mantenimiento
26 D155AX-6
Operación
1) Cuando el controlador de la bomba está normal
(1) Cuando la carga del actuador es pequeña y la presión de descarga de la bomba (PP) es baja
Acción de la válvula solenoide PC-EPC (1)
l La orden de corriente (X) se envía a la válvula
solenoide (1) PC-EPC desde el controlador de
la bomba.
l Esta corriente de comando (X) trabaja en la v
PC-EPC y envía una presión de señal para
cambiar la fuerza del pistón de empuje (2).
l El carrete (3) se detiene en una posición
donde la fuerza combinada del carrete de
empuje (3) por la presión establecida por el
resorte (4) y la presión de descarga de la
bomba (PP) quedan compensadas.
l La presión [presión del orificio (C)] de salida
de la válvula PC se cambia según sea la
posición anterior.
Válvula
de control
Válvula LS
Dirección mínima
Diámetro grande Diámetro pequeño
Dirección máxima
Controlador
de la bomba
Válvula PC-EPC
Válv.autoreduc-
tora de presión
10 Estructura, función, y estandar de mantenimiento GSN00605-00
D155AX-6 27
GSN00605-00 10 Estructura, función, y estandar de mantenimiento
28 D155AX-6
Acción del resorte
l La carga del resorte (4) en la válvula PC es
determinada por la posición del plato oscilante.
l A medida que el servo pistón (9) se mueve
hacia la derecha, el resorte (4) se comprime.
l La carga del resorte cambia en la medida que
el servopistón (9) cause que el resorte se
estire o se contraiga.
l Si la orden de corriente (X) enviada a la
válvula solenoide (1) PC-EPC cambia,
también cambia la fuerza que empuja el pistón
(2).
l La carga del resorte (4) también cambia de
acuerdo a la corriente (X) de comando del
solenoide de la válvula PC-EPC.
Válvula
de control
Válvula LS
Diámetro grande Diámetro pequeño
Dirección máxima
Controlador
de la bomba
Válvula PC-EPC
Válv.autoreduc-
tora de presión
Cuando los orificios
D y C están conectados
Cuando los orificios
B y C están conectados
10 Estructura, función, y estandar de mantenimiento GSN00605-00
D155AX-6 29
l El orificio (C) de la válvula PC está conectado
al orificio (E) de la válvula LS.
l La presión de descarga de la bomba (PP) es
aplicada al extremo de diámetro pequeño del
servopistón (9), y a los orificios (A) y (B).
l Cuando la presión de descarga de la bomba
(PP) es pequeña, el carrete (3) está en la
izquierda.
l Los orificios (C) y (D) están conectados y la
presión que ingresa a la válvula LS se vuelve
la presión de drenaje (PT).
l Si los orificios (E) y (G) de la válvula LS están
conectados, la presión que ingresa al extremo
del diámetro grande del pistón procedente del
orificio (J) se vuelve la presión de drenaje (PT)
y el servo pistón (9) se mueve hacia el lado
izquierdo.
l La descarga de la bomba quedará regulada a
la tendencia de aumento.
l El resorte (4) se extiende a medida que el
servopistón (9) se mueve y debilita la fuerza
del resorte.
l A medida que se debilita la fuerza del resorte,
el carrete (3) se mueve hacia la derecha, la
conexión entre los orificios (C) y (D) se cierra y
los orificios de descarga de presión de la
bomba (B) y (C) se conectan.
l Aumenta la presión en el orificio (C) y la
presión en el extremo del diámetro grande del
pistón también aumenta. De tal modo, queda
detenido el movimiento hacia la izquierda del
servo pistón (9).
l La posición de parada del servopistón (9) (=
entrega de la bomba) es decidida en un punto
donde: la fuerza del resorte (4), la fuerza de
empuje causada por el solenoide de la válvula
PC-EPC, y la fuerza de empuje creada por la
presión (PP) actuando en el carrete (3), se
encuentran compensadas.
GSN00605-00 10 Estructura, función, y estandar de mantenimiento
30 D155AX-6
(2) Cuando la carga del actuador es grande y la presión de descarga de la bomba (PP) es alta
Descripción
l Cuando la carga es grande y la presión (PP)
de descarga es alta, la fuerza que empuja el
carrete (3) hacia la derecha se hace mayor y el
carrete (3) se mueve a la posición indicada en
el diagrama de arriba.
l Como se muestra en el diagrama de arriba,
parte del aceite presurizado proveniente del
orificio (B) fluye hacia el orificio (D) desde el
orificio (C) a través de la válvula LS, y la
presión de aceite que fluye desde el orificio (C)
ha cia la válvula L S se r edu ce a
aproximadamente la mitad de la presión de
descarga (PP) de la bomba.
Operación
l Cuando el orificio (E) y el orificio (G) de la
válvula LS están conectados, esta presión
procedente del orificio (J) ingresa el extremo
del diámetro grande del servo pistón (9)
deteniendo el servo pistón (9)
l Si la presión de descarga la bomba (PP)
aumentan más y el carrete (3) se mueve más
hacia la derecha, la presión (PP) de descarga
de la bomba fluye hacia el orificio (C) y actúa
para hacer mínimo el volumen de descarga.
l Si el servo pistón (9) se mueve hacia la
derecha, el resorte (4) es comprimido y
empuja hacia atrás el carrete (3).
l Cuando el carrete (3) se mueve hacia la
izquierda, se agrandan las apertures de los
orificios (C) y (D).
l La presión en el orificio (C) ( = J) es disminuida
y queda detenido el movimiento hacia la
derecha del servo pistón (9).
l La posición en la cual el servo pistón (9) se
detiene está más a la derecha que la posición
cuando la presión de descarga de la bomba
(PP) está baja.
Válvula
de control
Válvula LS
Dirección mínima
Diámetro grande Diámetro pequeño
Controlador
de la bomba
Válvula PC-EPC
Válv. autoreduc-
tora de presión
10 Estructura, función, y estandar de mantenimiento GSN00605-00
D155AX-6 31
l La interrelación entre la presión (PP) de
descarga de la bomba y la entrega (Q) de la
bomba está mostrada en el diagrama.
l Si se envía una corriente (X) de comando para
incrementar el solenoide de la válvula PC-EPC
(1), la interrelación entre la presión de
descarga de la bomba (PP) y la entrega (Q) de
la bomba se mueven paralelamente en
proporción a la fuerza de empuje del solenoide
de la válvula PC-EPC.
l Debido a que la fuerza de empuje hacia la
derecha del solenoide de la válvula PC-EPC
(1) es agregado a la fuerza de empuje del
carrete (3) causado por la presión de descarga
de bomba (PP), la interrelación entre la
presión de descarga de la bomba (PP) y la
entrega de la bomba (Q) se mueve desde (A)
hacia (B) de acuerdo al incremento de la
corriente de comando (X).
DescargadelabombaQ
Presión PP de descarga de la bomba
DescargadelabombaQ
Presión PP de descarga de la bomba
(X: Grande)
(X: Pequeño)
GSN00605-00 10 Estructura, función, y estandar de mantenimiento
32 D155AX-6
2) A medida que se activa en ON el interruptor de mando de la bomba de emergencia debido a una
falla en el controlador de la bomba.
(1) Cuando la bomba principal se encuentra sometida a una carga ligera
l Si hay una falla en el controlador de la bomba,
ponga en ON [activado] el interruptor de
mando de la bomba de emergencia hacia el
lado de la resistencia.
l En este caso, la fuente energética se toma
directamente de la batería. La corriente, sin
embargo, es demasiado grande tal como está,
de manera que se coloca la resistencia para
controlar el flujo de corriente hacia la válvula
solenoide (1) PC-EPC.
l La corriente se torna constante de manera que
la fuerza que empuja el pistón (2) también es
constante.
l Cuando la presión de descarga de la bomba
(PP) es baja, el carrete (3) es compensado en
la posición izquierda, debido a que la fuerza
combinada del solenoide de la válvula
PC_EPC (1) y la presión (PP) de descarga de
la bo mb a so n men ores que la fu erza
establecida por el resorte.
l En este punto, el orificio (C) está conectado a
la presión de drenaje del orificio (D), y el
extremo de diámetro grande del servo pistón
(9), también se convierte en presión de
drenaje (PT) a través de la válvula LS.
l Como la presión en el extremo de diámetro
pequeño del servopistón (9) éste se mueve en
la dirección que hace que la entrega sea más
grande.
Válvula
de control
Válvula LS
Diámetro grande Diámetro pequeño
Dirección máxima
Controlador
de la bomba
Válvula PC-EPC
Válv.autoreduc-
tora de presión
10 Estructura, función, y estandar de mantenimiento GSN00605-00
D155AX-6 33
(2) Cuando la bomba principal está sometida a carga pesada
l Si el interruptor de mando de la bomba de
emergencia se activa en ON de la misma
forma que lo anterior, la orden de corriente (X)
enviada a la válvula solenoide (1) PC-EPC se
vuelve constante.
l Por esta razón, es constante la fuerza de la
va rilla d e e mpuje ( 11) del solen oid e
empujando al pistón (2).
l Si se incrementa la presión de descarga de la
bomba (PP), el carrete (3) se mueve hacia la
derecha, desde la posición donde la carga de
la bomba era más pequeña, entonces se
compensa en la posición mostrada en el
diagrama de arriba.
l En este caso, la presión procedente del orificio
(B) fluye hacia el orificio (C) y el servo pistón
(9) se mueve hacia la derecha (menor
descarga de la bomba) y se detiene en una
posición más allá de la derecha que cuando la
carga sobre la bomba es ligera.
l La interrelación entre la presión (PP) de
descarga de la bomba y la entrega (Q) de la
bomba está mostrada en el diagrama. Esto es
determinado en correspondencia al valor de la
corriente eléctrica enviada a través de la
resistencia desde el solenoide de la válvula
PC-EPC aún cuando el interruptor de mando
de la bomba de emergencia se active ("ON")
l La curva resultante cuando el interruptor de
mando de la bomba de emergencia está
activada en ON está situada más lejos a la
izquierda (B) que cuando el controlador de la
bomba está normal (A).
Válvula
de control
Válvula LS
Dirección mínima
Diámetro grande Diámetro pequeño
Controlador
de la bomba
Válvula PC-EPC
Válv.autoreduc-
tora de presión
DescargadelabombaQ
Presión PP de descarga de la bomba
GSN00605-00 10 Estructura, función, y estandar de mantenimiento
34 D155AX-6
3. Válvula PC-EPC
C: A la válvula PC
P: Desde la válvula de auto-reducción de presión
T: Hacia el tanque
1. Conector
2. Bobina
3. Cuerpo
4. Resorte
5. Carrete
6. Vástago
7. Émbolo
10 Estructura, función, y estandar de mantenimiento GSN00605-00
D155AX-6 35
Función
l La válvula EPC consiste de la parte del
solenoide proporcional y la parte de la válvula
hidráulica.
l Al recibir la corriente de señal (i) procedente
del controlador de la bomba, la válvula EPC
genera una presión de salida EPC en
proporción a la corriente de señal y la aplica a
la válvula PC.
Operación
1) Cuando la señal de corriente es 0 (bobina
desenergizada)
l Cuando no hay señal de corriente fluyendo del
controlador hacia las bobina (2), bobina (2) es
generalizada.
l El carrete (5) es empujado hacia la izquierda
por el resorte (4).
l Debido a que el orificio (P) está cerrado, el
aceite presurizado procedente de la válvula
reductora de auto presión no fluye hacia la
válvula PC.
l El aceite proveniente de la válvula PC es
drenado hacia el tanque a través de los
orificios (C) y (T).
PresióndesalidaP
Corriente i
Válvula PC
Válv. autoreduc-
tora de presión
GSN00605-00 10 Estructura, función, y estandar de mantenimiento
36 D155AX-6
2) Cuando la señal de corriente muy pequeña
(bobina es energizada)
l Cuando una señal de corriente muy pequeña
fluye a la bobina (2), b obin a (2) está
energizada, y una fuerza de propulsión es
generada en la parte derecha del émbolo (7).
l El vástago (6) empuja el carrete (5) hacia la
derecha y el aceite presurizado fluye desde el
orificio (P) hacia el orificio (C).
l Las presiones en el orificio (C) aumentan y la
fuerza actúa sobre la superficie del carrete (5)
y la carga del resorte sobre el resorte (4) se
torna mayor que la fuerza propulsora del
émbolo (7).
l El carrete (5) es empujado hacia la izquierda y
el orificio (P) queda cortado del orificio (C).
l Los orificios (C) y (T) están conectados.
l El carrete (5) se mueve hacia arriba y hacia
abajo, por lo tanto la fuerza de propulsión del
émbolo (7) puede ser balanceada por la
presión del orificio (C) + la carga de resorte del
resorte (4).
l La presión del circuito entre la válvula EPC y la
válvula PC es controlada en relación al
tamaño de la señal de corriente.
3) Cuando la señal de corriente es la máxima
(bobina energizada)
l Como la señal de corriente fluye a la bobina
(2), la bobina (2) está energizada.
l Cuando esto sucede, la señal de corriente
está a su máximo, y la fuerza de propulsión del
émbolo (7) está también a su máximo.
l El carrete (5) es empujado hacia la derecha
por el vástago (6).
l El aceite hidráulico proveniente del orificio (P)
fluye hacia el orificio (C) al rango de flujo
máximo. Como resultado, la presión del
circuito entre las válvulas EPC y PC se vuelve
la máxima.
l En vista de que el orificio (T) está cerrado, el
aceite presurizado no fluye al tanque.
Válvula PC
Válv. autoreduc-
tora de presión
Válvula PC
Válv. autoreduc-
tora de presión
10 Estructura, función, y estandar de mantenimiento GSN00605-00
D155AX-6 37
La válvula de desvío del enfriador de aceite hidráulico 1
1. Cuerpo
2. Válvula
3. Resorte
A: Entrada del enfriador del aceite hidráulico
B: Hacia el tanque hidráulico
Descripción
l Esta válvula está instalada en el circuito de
entrada al enfriador de aceite. Si se genera
alguna presión anormal en el flujo de aceite
hacia el enfriador del aceite, esta válvula actúa
para devolver el aceite directamente al tanque
hidráulico.
Presión establecida
Presión de disparo (MPa {kg/cm2}) 0.5 {5.1}
GSN00605-00 10 Estructura, función, y estandar de mantenimiento
38 D155AX-6
Control de dirección y de freno 1
H Con relación a la descripción de la operación de la palanca PCCS relacionada a la transmisión, vea:
Control de la transmision.
H PCCS: Sistema de Control Comandado por la Palma de la Mano
10 Estructura, función, y estandar de mantenimiento GSN00605-00
D155AX-6 39
1. Potenciómetro
2. Palanca de bloqueo
3. Palanca PCCS (Dirección)
4. Interruptor limitador
5. Controlador del tren de potencia
6. Varilla (Procedente del pedal del freno)
7. Pedal de freno
Posiciones de las palancas y pedales
A: Neutral
B: Avance en linea recta
C: Retroceso en linea recta
D: Giro a la izquierda
E: Giro a la derecha
F: Freno desactivado (OFF)
G: Freno en ON
H: Libre
J: Traba
Descripción
l La palanca PCCS (3) envía señales eléctricas
al controlador del tren de potencia (5). Al
recibir esas señales, el controlador del tren de
fuerza (5) envía señales a la válvula EPC de la
válvula de control, para cambiar la entrega de
la bomba y operar el motor de la dirección.
l El pedal de freno (7) recibe señales
provenientes del potenciómetro (1) a través de
la varilla (6). Luego, el controlador del tren de
fuerza (5) envía señales a la válvula de freno
para accionar el freno.
l La palanca de traba (2) está conectada al
interruptor limitador (4) y se usa también como
palanca del freno de estacionamiento.
Cuando el está en posición de traba "J", el
controlador del tren de fuerza (5) no envía
señales de viraje a la válvula EPC de la
válvula de control.
GSN00605-00 10 Estructura, función, y estandar de mantenimiento
40 D155AX-6
Unidad de la dirección 1
(Eje de la corona, HSS, y freno)
H HSS: Abreviación de Sistema Hidrostático de Dirección
10 Estructura, función, y estandar de mantenimiento GSN00605-00
D155AX-6 41
A: Hacia la caja de la transmisión
B: Proviene de la bomba de barrido, bomba de lubricación de la dirección
C: Orificio (RB) de toma de presión de aceite del freno derecho
D: Agujero de toma (LB) de la presión del aceite del freno izquierdo
E: Procedente de la válvula solenoide para sacar espiga (Drenaje)
GSN00605-00 10 Estructura, función, y estandar de mantenimiento
42 D155AX-6
10 Estructura, función, y estandar de mantenimiento GSN00605-00
D155AX-6 43
GSN00605-00 10 Estructura, función, y estandar de mantenimiento
44 D155AX-6
1. Sensor de velocidad del engranaje cónico
2. Tapón de drenaje
3. Válvula de drenaje
4. Orificio de montaje del motor HSS
5. Válvula de control del freno
6. Eje de salida
7. Carcasa
8. Cilindro
9. Resorte de freno
10. Pistón del freno
11. Platos del freno
12. Disco de freno
13. Tambor del freno
14. Núcleo del freno
15. Tubo
16. Eje de la corona
17. Engranaje cónico (número de dientes: 32)
18. Engranaje A (número de dientes: 45)
19. Engranaje solar (número de dientes: 34)
20. Eje piñón
21. Piñón planetario (número de dientes: 35)
22. Aro dentado (número de dientes internos: 104)
23. Cubo
24. Portadora
25. Cojinete B del eje de engranaje cónico
26. Cojinete A del eje de engranaje cónico
27. Lámina A (para ajustar la corona)
28. Retenedor
29. Lámina B (para ajustar la corona)
30. Tuerca (para el eje de engranaje cónico)
31. Espaciador
32. Tuerca (para el piñón cónico)
33. Jaula
34. Lámina C (para ajustar el piñón de la corona)
35. Rodamiento del piñón cónico
36. Piñón cónico (número de dientes: 17)
37. Engranaje B (número de dientes: 16)
38. Eje
39. Motor HSS
40. Engranaje de mando (número de dientes: 19)
41. Engranaje D (número de dientes: 28)
42. Engranaje C (número de dientes: 16)
10 Estructura, función, y estandar de mantenimiento GSN00605-00
D155AX-6 45
Descripción
Eje de la corona
l La potencia del motor es transmitida a través
del convertidor de torsión a la transmisión.
Luego, el sistema del eje del engranaje cónico
acopla el piñón cónico (36) con el engranaje
cónico (17) para girar la potencia del motor en
ángulo recto hacia la dirección lateral y reducir
la velocidad de rotación.
l El sistema del eje del engranaje cónico adopta
el engranaje cónico espiral al piñón cónico (36)
y al engranaje cónico (17), y este opta por la
lubricación por salpique con el aceite
proveniente de la bomba de lubricación de la
dirección y de la bomba de barrido para
lubricación.
l El sistema del eje del engranaje cónico
consiste en: piñón cónico (36), cojinete (35) el
cual soporta el piñón cónico, la jaula (33), el
engranaje cónico (17) el cual engrana con el
piñón cónico, el eje de engranaje cónico (16),
los cojinetes (25) y (26) los cuales soportan el
engranaje del eje cónico, y el retenedor (28).
HSS
l El sistema de dirección hidrostático HSS está
construido en base al área de transferencia, la
cual transmite la rotación del motor del HSS
(39) al engranaje A (18) haciéndolo girar en
dirección de reversa, y del área planetaria, la
cual ajusta la entrada proveniente del aro
dentado (22) y del engranaje central (19) y
luego la transfiere al transportador (24). Esto
cambia el viraje de la máquina, desactivando
la rotación del motor HSS (39), o haciéndolo
que lo mueva en rotación normal o en rotación
inversa.
l La unidad de transferencia dispone de un
mecanismo reductor de velocidad y es
lubricado con aceite sarpicado por la bomba
de barrido y la bomba de aceite de lubricación.
l El área planetaria opta por lubricación forzada
con el aceite proveniente de la bomba de
lubricación y de la bomba de barrido para
lubricación.
l La unidad de transferencia consiste del
engranaje de propulsión (40) del motor HSS
conectado al motor HSS (39) por el estriado, el
engranaje D (41) engranado con el engranaje
de propulsión del motor HSS, el engranaje C
(42) engranado con el engranaje D, el
engranaje B (37) conectado al eje (38), el
engranaje A (18) apoyado por los rodamientos
en el eje del engranaje cónico y la caja de
dirección para soportar estas piezas.
l El área planetaria consiste en: el engranaje
central (19), piñón planetario (21), eje piñón
(20), aro dentado (22), núcleo (23) engranado
con el eje del engranaje cónico (16) y el aro
dentado (22), y el portador (24) adherido al
núcleo del freno.
Freno
l El freno está conectado respectivamente con
el lado izquierdo y el derecho. El controla la
fuerza transmitida desde el HSS hacia la
transmisión final para frenar la máquina.
l El freno adoptado es del tipo de embrague con
múltiples discos húmedos y del tipo de resorte
reforza do, y e s del tip o activa do
hidráulicamente, el cual activa la válvula de
control de freno (5) mediante la operación del
pedal de freno.
l El opta por una lubricación forzada, la cual
envía aceite proveniente de la bomba de
lubricación de la dirección y de la bomba de
barrido hacia la caja (7) y la campana de freno
(13) a través del pasaje interior en la caja de la
dirección, y luego hacia el disco de freno (12) y
al plato de freno (11).
l Cuando el motor es detenido, desciende la
contrapresión del pistón de freno (10), aún,
cuando el pedal de freno no haya oprimido, lo
cual inicia la "operación" de freno. Sin
embargo, la palanca de freno se debe colocar
en posición de activado ("Lock"), debido a que
el freno es "liberado" a medida que crece la
presión de aceite en el circuito cuando se
vuelve a arrancar el motor.
l El freno consiste de: el núcleo de freno (14)
adherido al portador (24), el disco de freno
(12) engranado con el núcleo de freno, la
campana de freno (13), el plato del freno (11)
cuyo perímetro exterior engrana con la
campana de freno (13), el pistón de freno (10),
el resorte del freno (9), el cual hace juntar el
disco de freno y el plato de freno, el cilindro (8)
el cual los soporta a todos, la caja (7) y el eje
de salida (6).
Tambor del freno (13) y caja (7) son fijada en la
caja de dirección.
También, el eje de salida (6) engrana con el
núcleo de freno (14) por medio de ranuras y es
sostenido en dirección axial por el espaciador
(31).
GSN00605-00 10 Estructura, función, y estandar de mantenimiento
46 D155AX-6
10 Estructura, función, y estandar de mantenimiento GSN00605-00
D155AX-6 47
Unidad: mm
No. Itemes a comprobar Criterio Solución
1 Disco de freno
Tamaño estándar Tolerancia Límite de reparación
Reemplace
Espesor 4.5 ±0.1 4.0
Colar — 0.05 0.14
Repare o reem-
place
2 Platos del freno
Espesor 2.9 ±0.1 2.6 Reemplace
Colar — 0.05 0.15
Repare o reem-
place
3
Espesor total del conjunto de 6
platos y 5 discos
41.5 ±0.33 38.3
Reemplace
4
Diámetro interior de la superfi-
cie de contacto del retenedor
100
+0.035
+0.035
100.5
Desgaste del anillo
de sello del eje del
engranaje cónico
Ancho 3
–0.01
–0.03
2.7
Espesor 4 ±0.12 3.85
5
Diámetro interior de
la superficie de con-
tacto del anillo sella-
dor del pistón del
freno
Partes de
diámetro
grande
280
+0.081
+0.081
280.1
Partes de
diámetro
pequeño
220
+0.072
+0.081
220.1
6
Resorte de freno
(2 piezas por cada juego)
Tamaño estándar Límite de reparación
Largo libre
Largo de
instalación
Carga de
instalación
Largo libre
Carga de
instalación
33 19.6
35.7 kN
{3,640 kg}
32.0
33.9 kN
{3,460 kg}
7
Holgura entre la corona y el
perno escariador
Tamaño
estándar
Tolerancia Holgura
estándar
Límite de
holguraEje Agujero
16
+0.019
+0.001
+0.027
+0.027
-0.019-
0.026
0.026
8
Contragolpe entre el cubo del
freno y el disco
0.23 – 0.42
9
Contragolpe entre el tambor del
freno y el plato
0.23 – 0.42
10
Contragolpe entre el engranaje
solar y el planetario
0.17 – 0.52
11
Contragolpe entre el piñón
planetario y engranaje anular
0.17 – 0.54
12
Grosor de espaciador estándar
del retenedor
2.0
Ajuste la lámina
13
Grosor del espaciador están-
dar para el plato
0.7
14
Precarga del cojinete A del eje
del engranaje cónico
Torsión inicial para sin-carga: 2.94 Nm {0.3 kgm} Ajustar
GSN00605-00 10 Estructura, función, y estandar de mantenimiento
48 D155AX-6
10 Estructura, función, y estandar de mantenimiento GSN00605-00
D155AX-6 49
Unidad: mm
No. Itemes a comprobar Criterio Solución
1
Contragolpe entre el piñón y la
corona
0.25 – 0.33
Ajuste o reem-
place
2
Juego entre dientes entre el
engranaje de impulso y el
engranaje D
0.19 – 0.62
Reemplace
3
Contragolpe entre el engranaje
D y el engranaje C
0.18 – 0.58
4
Contragolpe entre el engranaje
B y el engranaje A
0.19 – 0.61
5
Contragolpe entre el engranaje
D y el engranaje A
0.20 – 0.67
6
Espesor estándar de la lámina
de ajuste para la jaula
2.0 Ajuste la lámina
GSN00605-00 10 Estructura, función, y estandar de mantenimiento
50 D155AX-6
Operación de la unidad de dirección
Cuando la dirección está en neutral (Traslado recto)
l Cuando la operación de dirección de la
palanca PCCS está en posición "neutral", los
engranajes A izquierdo y derecho (2) y el
engranaje central (3) del área de transferencia
y del área planetaria no giran porque el motor
HSS (1) está detenido.
l En esta condición, la fuerza transmitida al eje
del engranaje cónico (4) es transmitida a
través del núcleo (5) hacia el aro dentado (6).
l La fuerza transmitida al aro dentado (6) es
transmitida al portador (9) mediante el paso a
través del piñón planetario (7) al eje piñón (8).
l La fuerza transmitida al portador (9) es
transmitida a través del núcleo (10) al eje de
salida (11).
l En consecuencia, el número de rotación de
salida a la izquierda y a la derecha viene a ser
el mismo y la máquina se traslada en línea
recta.
La dirección de rotación del motor HSS
Operación de
dirección de la
palanca PCCS
Neutral Giro a la izquierda Giro a la derecha
Operaciones de
cambio de la
palanca PCCS,
avance y retro-
ceso
Libre,
no
especi-
ficado
Neu-
tral
(*)
Avan-
ce
Re-
tro-
ceso
Neu-
tral
(*)
Avan-
ce
Re-
tro-
ceso
Dirección de rot-
ación del motor
HSS visto desde
el lado izquierdo
de la máquina
Pare
Iz-
quier-
da
Iz-
quier-
da
Dere-
cha
Dere-
cha
Dere-
cha
Iz-
quier-
da
*: Contra-rotación
10 Estructura, función, y estandar de mantenimiento GSN00605-00
D155AX-6 51
Cuando la operación de dirección es para virar hacia la "Izquierda" (traslado hacia adelante)
*A: Salida de la transmisión
*B: Salida del motor HSS
*C: Salida combinada
*1. Velocidad de salida de la transmisión
*2. Salida de velocidad del motor HSS
*3. Velocidad de salida del eje de la corona
izquierda (*1-*2)
*4. Velocidad de salida del eje de la corona
derecha (*1+*2)
l Si la palanca PCCS cambia la operación de
dirección hacia "viraje a la izquierda" cuando la
máquina se esta trasladando hacia adelante;
el motor HSS (1) rota hacia la izquierda, el
engranaje A del lado izquierdo (2) rota hacia
izquierda, y el engranaje A del lado derecho
(2) rota hacia la derecha, visto desde el lado
izquierdo del cuerpo de la máquina.
l También, el eje del engranaje cónico (4) y el
aro dentado (6) enlazados con el eje giran
hacia la derecha, visto desde el lado izquierdo
del cuerpo de la máquina.
l De acuerdo a esto, considerando que el número
de rotaciones del área planetaria izquierda y
derecha, hace que el portador del lado izquierdo
(9) reduzca su velocidad con la salida del motor
HSS, y que el portador del lado derecho (9)
aumente su velocidad, esto comparando con las
velocidades de avance en línea recta. Por lo
tanto, la máquina se traslada virando hacia la
izquierda donde el número de rotaciones de
salida es menor.
GSN00605-00 10 Estructura, función, y estandar de mantenimiento
52 D155AX-6
Cuando la operación de dirección es para virar hacia la "Izquierda" (trasladándose en reversa)
*A: Salida de la transmisión
*B: Salida del motor HSS
*C: Salida combinada
*1. Velocidad de salida de la transmisión
*2. Salida de velocidad del motor HSS
*3. Velocidad de salida del eje de la corona
izquierda (*1-*2)
*4. Velocidad de salida del eje de la corona
derecha (*1+*2)
l Si la palanca PCCS cambia la operación de
dirección hacia "viraje a la izquierda" cuando la
máquina se esta trasladando en reversa; el
motor HSS (1) rota hacia la derecha, el
engranaje A del lado izquierdo (2) rota hacia
derecha, y el engranaje A del lado derecho (2)
rota hacia la izquierda, visto desde el lado
izquierdo del cuerpo de la máquina.
l También, el eje del engranaje cónico (4) y el
aro dentado (6) enlazados con el eje giran
hacia la izquierda, visto desde el lado
izquierdo del cuerpo de la máquina.
l De acuerdo a esto, considerando que el
número de rotaciones del área planetaria
izquierda y derecha, hace que el portador del
lado izquierdo (9) reduzca su velocidad con la
salida del motor HSS, y que el portador del
lado derecho (9) aumente su velocidad, esto
comparando con las velocidades de avance en
línea recta. Por lo tanto, la máquina reversa
virando hacia la izquierda donde el número de
rotaciones de salida es menor.
10 Estructura, función, y estandar de mantenimiento GSN00605-00
D155AX-6 53
Cuando la operación de dirección es para virar hacia la "derecha" (traslado hacia adelante)
*A: Salida de la transmisión
*B: Salida del motor HSS
*C: Salida combinada
*1. Velocidad de salida de la transmisión
*2. Salida de velocidad del motor HSS
*3. Velocidad de salida del eje de la corona
izquierda (*1+*2)
*4. Velocidad de salida del eje de la corona
derecha (*1-*2)
l Si la palanca PCCS cambia la operación de
dirección hacia "viraje a la derecha" cuando la
máquina se esta trasladando hacia adelante;
el motor HSS (1) rota hacia la derecha, el
engranaje A del lado izquierdo (2) rota hacia
derecha, y el engranaje A del lado derecho (2)
rota hacia la izquierda, visto desde el lado
izquierdo del cuerpo de la máquina.
l También, el eje del engranaje cónico (4) y el
aro dentado (6) enlazados con el eje giran
hacia la derecha, visto desde el lado izquierdo
del cuerpo de la máquina.
l De acuerdo a esto, considerando que el
número de rotaciones del área planetaria
izquierda y derecha, hace que el portador del
lado izquierdo (9) aumente su velocidad con la
salida del motor HSS, y que el portador del
lado derecho (9) reduzca su velocidad, esto
comparando con las velocidades de avance en
línea recta. Por lo tanto, la máquina se
traslada virando hacia la derecha donde el
número de rotaciones de salida es menor.
GSN00605-00 10 Estructura, función, y estandar de mantenimiento
54 D155AX-6
Cuando la operación de dirección es para virar hacia la "derecha" (traslado en reversa)
*A: Salida de la transmisión
*B: Salida del motor HSS
*C: Salida combinada
*1. Velocidad de salida de la transmisión
*2. Salida de velocidad del motor HSS
*3. Velocidad de salida del eje de la corona
izquierda (*1+*2)
*4. Velocidad de salida del eje de la corona
derecha (*1-*2)
l Si la palanca PCCS cambia la operación de
dirección hacia "viraje a la derecha" cuando la
máquina se esta trasladando en reversa; el motor
HSS (1) rota hacia la izquierda, el engranaje A del
lado izquierdo (2) rota hacia izquierda, y el
engranaje A del lado derecho (2) rota hacia la
derecha, visto desde el lado izquierdo del cuerpo
de la máquina.
l También, el eje del engranaje cónico (4) y el aro
dentado (6) enlazados con el eje giran hacia la
izquierda, visto desde el lado izquierdo del cuerpo
de la máquina.
l De acuerdo a esto, considerando que el número
de rotaciones del área planetaria izquierda y
derecha, hace que el portador del lado izquierdo
(9) aumente su velocidad con la salida del motor
HSS, y que el portador del lado derecho (9)
reduzca su velocidad, esto comparando con las
velocidades de avance en línea recta. Por lo
tanto, la máquina reversa virando hacia la
derecha donde el número de rotaciones de salida
es menor.
10 Estructura, función, y estandar de mantenimiento GSN00605-00
D155AX-6 55
Operación del freno
Cuando el freno es “liberado”
l Cuando la palanca PCCS está en una posición
"neutral" y el pedal de freno es liberado, la
máxima presión de frenado es aplicada al
respaldo del pistón de freno (1) por medio de
la válvula de control de freno.
l A medida que crece la presión de freno, el
pistón de freno (1) comprime el resorte de
freno (2) y se mueve hacia la izquierda para
eliminar la fuerza de compresión entre los
discos (3) y los platos (4).
l La potencia transmitida desde el eje del
engranaje cónico a través del HSS hacia el
núcleo de frenos (6) es transmitida al eje de
salida (7), luego al mando final.
Cuando el freno es “aplicado”
l Si el pedal de freno es oprimido, la presión
aplicada al respaldo del pistón de freno (1) se
empieza a reducir por medio de la válvula de
control de freno.
l En este momento, el pistón de freno (1) es
empujado nuevamente hacia la derecha por la
tensión del resorte de freno (2) para comprimir
los discos (3) y los platos (4) contra la
campana de freno (5). La campana de freno
está fijada a la caja de la dirección.
l La fuerza hacia el núcleo de freno (6) o hacia
el eje de salida (7) es controlada mediante la
compresión del disco (3) y el plato (4).
l La fuerza de frenado se puede ajustar
mediante el control de la presión de aceite
aplicada al lado del respaldo del pistón de
freno (1) de acuerdo al recorrido del pedal de
freno.
GSN00605-00 10 Estructura, función, y estandar de mantenimiento
56 D155AX-6
Válvula de control del freno 1
10 Estructura, función, y estandar de mantenimiento GSN00605-00
D155AX-6 57
P. Procedente de la bomba del tren de potencia
L: Proviene de la bomba de barrido, bomba de
lubricación de la dirección
PS: Hacia la válvula solenoide del pasador de
sujeción del riper
LB: Hacia el freno izquierdo
LL: Hacia el circuito de lubricación del freno
izquierdo
RB: Hacia el freno derecho
RL: Hacia el circuito de lubricación del freno
derecho
BSL: Hacia el eje del engranaje cónico y hacia el
circuito de lubricación del cojinete del área
planetaria
BPL: Hacia el circuito de lubricación del cojinete
del piñón cónico
TFL: Hacia el circuito de lubricación del área de
transferencia HSS
DLB: Drenaje (Freno izquierdo)
DRB: Drenaje (Freno derecho)
DB: Drenaje (Válvula para prevención de paro
súbito)
DBP: Drenaje (Piloto de la válvula para prevención
de paro súbito)
DPB: Drenaje (Freno de estacionamiento)
PLB: Orificio de captación de la presión del aceite
del freno izquierdo
PRB: Orificio de captación de la presión del aceite
del freno derecho
1. ECMV del freno izquierdo
2. ECMV del freno derecho
3. Filtro de aceite de dirección
4. Asiento de la válvula
5. Válvula solenoide del freno de
estacionamiento
6. Válvula contra parada súbita
7. Válvula de retención
Descripción
l La válvula de control del freno consiste de 2
ECMVs, la válvula solenoide del freno de
estacionamiento y la válvula para prevención
de paradas súbitas instalada en el asiento de
la válvula, para controlar el freno.
l La válvula de control de freno está localizada
en el circuito entre la bomba del tren de fuerza
y el pistón de freno, y consiste en 2 juegos de
Válvulas de Modulación de Control Electrónico
(ECMV) de freno (Izquierda y Derecha)
l La válvula de control de freno envía el aceite
desde la bomba del tren de fuerza hacia el
freno para controlar los embragues de disco
izquierdo y derecho.
l El controlador envía señales a cada ECMV de
acuerdo al recorrido hacia la izquierda o
derecha de la palanca PCCS y ajusta los
virajes graduales o agudos.
l Si el pedal de freno es oprimido, el controlador
envía comandos a las válvulas ECMV de
frenos de acuerdo al recorrido del pedal, para
aplicar el freno Izquierdo o derecho, parando
de este modo la máquina.
l El controlador conecta eléctricamente con la
palanca PCCS y el pedal de freno hace
funcionar el freno controlando cada válvula
ECMV y la válvula solenoide.
l La válvula para prevención contra paradas
súbitas es instalada con el objeto de prevenir
que la máquina pare súbitamente cuando
ocurra alguna anormalidad en el sistema
eléctrico.
l Cuando la palanca del freno de
estacionamiento está colocada en la posición
de "activado" (Lock), el controlador envía
señales a la válvula solenoide del freno de
estacionamiento para drenar el aceite entre las
válvulas ECMV izquierda y derecha y los
pistones de freno para operar el freno.
También la válvula solenoide del freno de
estacion amie nto está cone cta da
eléctricamente con el pedal de freno.
GSN00605-00 10 Estructura, función, y estandar de mantenimiento
58 D155AX-6
Freno ECMV 1
H ECMV: Abreviación de: Válvula Moduladora de Control Electrónico
H No trate de desensamblarlo debido a que se necesitarán ajustes para mantener el rendimiento.
A: Hacia el freno
P: Proveniente de la bomba
S: Hacia al válvula solenoide del freno de
estacionamiento
T: Drenaje
DR: Drenaje
P1: Orificio de captación de la presión del aceite
del freno
1. Conector del suiche de llenado
2. Conector del solenoide proporcional
3. Válvula de detección de presión
4. Suiche de llenado
5. Solenoide proporcional
6. Válvula de control de presión
7. Placa de identidad (*1)
Descripción
l La válvula ECMV de freno mantiene la presión
del aceite del freno a la presión establecida y
aún más, cambia el circuito a la cámara del
pistón de freno.
*1:
Embragues operados
Estampado de la placa de
características
Freno R*******
10 Estructura, función, y estandar de mantenimiento GSN00605-00
D155AX-6 59
Descripción del ECMV
l El ECMV consta de una válvula de control de
presión y un interruptor de llenado.
l Válvula de control de presión
Un solenoide proporcional en esta válvula
re cib e la co rrien te envia da desd e e l
controlador y esta válvula la convierte en una
presión de aceite.
l Interruptor de llenado
Este es un interruptor que detecta si el
embrague o el freno está lleno con aceite y
además tiene las siguientes funciones.
1. En el momento en que el embrague o el freno
quedan llenos con aceite, el interruptor de
llenado envía una señal (señal de llenado) al
controlador para notificar que se ha terminado
el llenado.
2. Mientras la presión del aceite es aplicada al
embrague o al freno, el interruptor de llenado
envía una señal (señal de llenado) al controla-
dor para notificar la presencia de presión de
aceite.
ECMV y solenoide proporcional
Cada ECMV tiene instalado un solenoide
proporcional.
La fuerza de propulsión es generada de
acuerdo a la corriente de comando
proveniente del controlador.
La fuerza de propulsión generada por el
solenoide proporcional actúa en el carrete
de la válvula de control de presión y
genera la presión del aceite. Por lo tanto,
controlando la cantidad de corriente de
comando, la fuerza propulsora cambia y
se acciona la válvula de control de
presión, luego se controla el flujo y la
presión del aceite.
ECMV e interruptor de suministro
Por cada ECMV, hay un interruptor de
llenado instalado.
Si el embrague se llena con aceite, la
presión del embrague activa "ON" el
interruptor de llenado La presión del
aceite es acumulada de acuerdo a la
señal.
Operación del ECMV
La ECMV es controlado por la corriente
de comando proveniente del controlador
hacia el solenoide proporcional y por la
señal de salida del interruptor de llenado.
GSN00605-00 10 Estructura, función, y estandar de mantenimiento
60 D155AX-6
Cuando la palanca PCCS está en posición "neutral", el pedal de freno es "liberado" y la palanca del
freno de estacionamiento está en posición "libre" (free): Traslado en línea recta
(Los frenos izquierdo y derecho son "liberados", y el freno de estacionamiento es "liberado")
l Cuando la palanca PCCS está colocada en la
posición de "neutral", el pedal de freno es
"liberado", el solenoide proporcional (1) del
freno ECMV es energizado y empuja la bola
(2) hacia la izquierda y cierra la parte de sello.
l El aceite en el orificio (P) de la válvula ECMV
de freno fluye en la cámara (B) y empuja hacia
la izquierda la válvula (3) para conectar el
orificio (P) con el orificio (A) y desconecta la
cámara (B) del orificio (DR). En este momento,
el aceite fluye en el orificio de contrapresión
del pistón de freno. A medida que crece la
presión de aceite, el pistón de freno es
empujado hacia la izquierda para comprimir el
resorte de freno, entonces el freno queda
"liberado".
l Cuando la palanca del freno de
estacionamiento está colocada en la posición
"libre", la presión piloto del orificio (S) de la
válvula ECMV de freno permanece, debido a
qu e la válvula solenoide del freno de
estacionamiento está desenergizada.
Freno izquierdo ECMV
Hacia el orificio P
del freno derecho
ECMV
Hacia la válvula
solenoide del extractor
del pasador
Válvula para
prevención de
paradas súbitas
Desde el orificio DR
del freno derecho
ECMV
Hacia la válvula de
alivio principal
Hacia el ECMV de
transmisión
Desde el orificio S
del freno derecho
ECMV
Freno izquierdo
“Liberado”
Pedal del
freno de
estacionamiento
“Liberado”
Palanca del
freno de esta-
cionamiento
“Libre”
Válvula solenoide del
freno de estacionamiento
10 Estructura, función, y estandar de mantenimiento GSN00605-00
D155AX-6 61
Cuando la palanca PCCS está accionada "la mitad del recorrido hacia la izquierda", el pedal de freno
es "liberado" y la palanca del freno de estacionamiento está en posición "libre" (free): Viraje gradual
hacia la izquierda
(El freno izquierdo está "medio liberado", y el freno derecho está "liberado", el freno de estacionamiento está
"liberado")
l Cuando la palanca PCCS está colocada en la
posición de "la mitad del recorrido hacia la
izquierda", el pedal de freno es "liberado", el
solenoide proporcional (1) del freno ECMV es
energizado y empuja la bola (2) hacia la
izquierda y cierra la parte de sello.
l El aceite en el orificio (P) de la válvula ECMV
de freno fluye en la cámara (B) y empuja la
válvula (3) hacia la izquierda. En cuanto a la
presión de aceite después del orificio (A), el
controlador envía la corriente de comando al
solenoide proporcional (1) de acuerdo al
recorrido de la palanca PCCS.
l El solenoide proporcional (1) genera la fuerza
de propulsión en proporción a la corriente de
comando. Esta fuerza de propulsión es
balanceada con la suma de la fuerza de
propulsión generada por la presión de aceite
en el orificio de contrapresión del pistón de
freno y la tensión del resorte (4), entonces la
presión de freno queda establecida para
ajustar la fuerza del freno.
l De acuerdo a esto, si el recorrido de la palanca
PCCS es corto, la presión de aceite después
del orificio (A) queda establecida en alta y el
freno es cambiado de "liberado" a "medio
liberado". Si el recorrido de la palanca PCCS
es largo, la presión de aceite después del
orificio (A) queda establecida en baja y el freno
es cambiado de "medio liberado" a "aplicado".
l Cuando la palanca del freno de
estacionamiento está colocada en la posición
"libre", la presión piloto del orificio (S) de la
válvula ECMV de freno permanece, debido a
que la válvula solenoide del freno de
estacionamiento está desenergizada.
Freno izquierdo ECMV
Hacia el orificio P
del freno derecho
ECMV
Hacia la válvula
solenoide del extractor
del pasador
Válvula para
prevención de
paradas súbitas
Desde el orificio DR
del freno derecho
ECMV
Hacia la válvula de
alivio principal
Hacia el ECMV de
transmisión
Desde el orificio S
del freno derecho
ECMV
Freno izquierdo
Pedal del
freno de
estacionamiento
“Liberado”
Palanca del
freno de esta-
cionamiento
“Libre”
Válvula solenoide del
freno de estacionamiento
“Semi liberado”
GSN00605-00 10 Estructura, función, y estandar de mantenimiento
62 D155AX-6
Cuando la palanca PCCS está en posición "neutral", el pedal de freno es "oprimido" y la palanca del
freno de estacionamiento está en posición "libre" (free): Pare
(los frenos Izquierdo y Derecho son "activados", el freno de estacionamiento es "liberado")
l Cuando el pedal de freno es oprimido, los
solenoides proporcionales de freno de las
válvulas ECMV Izquierda y Derecha son
desenergizados para abrir la parte de sello de
la bola (2).
l El controlador envía la corriente de comando a
los solenoides proporcionales (1) de acuerdo
al recorrido del pedal de freno.
l El solenoide proporcional (1) genera la fuerza
de propulsión en proporción a la corriente de
comando. Esta fuerza de propulsión es
balanceada con la suma de la fuerza de
propulsión generada por la presión de aceite
en el orificio de contrapresión del pistón de
freno y la tensión del resorte (4), entonces la
presión de freno queda establecida para
ajustar la fuerza del freno.
l Cuando el pedal de freno es oprimido
totalmente, el interruptor del pedal de freno es
tornado a la posición "ON", y la válvula
solenoide del freno de estacionamiento es
energizada para drenar la presión piloto del
orificio (S) de la válvula ECMV de freno. Esto
efectúa la misma función que cuando la
palanca del freno de estacionamiento es
colocada en la posición "activada" (lock)
Freno izquierdo ECMV
Hacia el orificio P
del freno derecho
ECMV
Hacia la válvula
solenoide del extractor
del pasador
Válvula para
prevención de
paradas súbitas
Desde el orificio DR
del freno derecho
ECMV
Hacia la válvula de
alivio principal
Hacia el ECMV de
transmisión
Desde el orificio S
del freno derecho
ECMV
Freno izquierdo
“Aplicado”
Pedal del
freno de
estacionamiento
“Recorrido
total”
Palanca del
freno de esta-
cionamiento
“Libre”
Válvula solenoide del
freno de estacionamiento
10 Estructura, función, y estandar de mantenimiento GSN00605-00
D155AX-6 63
Válvula solenoide del freno de
estacionamiento 1
P: Proviene de la válvula ECMV de freno
T: Drenaje
Dr: Drenaje
1. Válvula solenoide de la palanca del freno de estacionamiento
2. Válvula solenoide del pedal de freno
3. Conector para la válvula solenoide de la palanca del freno de estacionamiento
4. Conector para la válvula solenoide del pedal de freno
Válvula solenoide
5. Bobina (Tipo activada-desactivada ("ON-OFF"))
6. Pasador de empuje
7. Resorte
8. Carrete
9. Cuerpo
GSN00605-00 10 Estructura, función, y estandar de mantenimiento
64 D155AX-6
Cuando la palanca PCCS está en posición "neutral", el pedal de freno es "liberado" y la palanca del
freno de estacionamiento está en posición "activado" (lock): Estacionamiento
(los frenos Izquierdo y Derecho son "activados", el freno de estacionamiento es "activado")
l Cuando la palanca del freno de
estacionamiento está en la posición de
"activado" (lock), el interruptor de la palanca
del freno de estacionamiento es tornado a
activado (ON) y la bobina (1) de la válvula
solenoide del freno de estacionamiento es
energizada.
l El carrete (3) es empujado hacia la derecha
por el pasador de empuje (2), luego, el orificio
(P) y el (T) quedan abiertos para drenar la
presión piloto de las válvulas ECMV del freno
izquierda y derecha.
l El aceite que había fluido dentro del orificio de
contrapresión del pistón de freno es drenado a
través de la válvula ECMV de freno.
l La presión de aceite en el orificio de
contrapresión del pistón de freno continúa
decreciendo, entonces el freno queda
"totalmente" aplicado y esta situación es
mantenida.
l Cuando el motor se arranca nuevamente,
como los orificios (P) y (T) continúan abiertos,
e l ped al de fren o e stá a plicad o
"continuamente".
l Cuando la palanca del freno de
estacionamiento está en la posición "libre"
(free), el interruptor de la palanca del freno de
estacionamiento está desactivado (OFF) y la
bobina (1) de la válvula solenoide del freno de
estacionamiento es desenergizada.
l El carrete (3) es retornado hacia la izquierda, y
cierra los orificios (P) y (T) para mantener la
presión piloto de las válvulas ECMV del freno
izquierda y derecha.
l La presión de aceite proveniente de la válvula
ECMV de freno es aplicada al orificio de
contrapresión del pistón de freno, y el freno es
"liberado".
Hacia la válvula de
alivio principal
Hacia la válvula de
control de transmisión
Freno
derecho
ECMV
Hacia la válvula de
prevención de
paradas súbitas
Freno
izquierdo
ECMV
Hacia la válvula de
prevención de
paradas súbitas
Freno
derecho
“Aplicado”
Freno
izquierdo
“Aplicado”
Pedal del
freno de
estacionamiento
“Liberado”
Palanca del
freno de
estacionamiento
“Bloqueado”
10 Estructura, función, y estandar de mantenimiento GSN00605-00
D155AX-6 65
Válvula contra parada súbita 1
A: Procedente de la bomba del tren de potencia
B: Proviene de la válvula ECMV de freno
dr1: Drenaje
dr2: Drenaje
1. Válvula contra parada súbita
Válvula EPC
2. Bobina (tipo proporcional)
3. Pasador de empuje
4. Válvula
5. Bola
6. Carrete
7. Cuerpo
GSN00605-00 10 Estructura, función, y estandar de mantenimiento
66 D155AX-6
Descripción
l La válvula para prevención contra paradas
súbitas es instalada con el objeto de prevenir
que la máquina pare súbitamente cuando
ocurra alguna anormalidad en el sistema
eléctrico.
l La válvula para prevención contra paradas
súbitas (1) está instalada en el circuito de
drenaje de las válvulas ECMV de freno, por lo
tanto, si cae súbitamente la presión de freno
del orificio (DR) , como consecuencia, se
puede evitar el frenado súbito cuando la
bobina (2) de la válvula de freno ECMV es
desenergizada.
l Si sucede alguna anormalidad en el sistema
eléctrico, la bobina (3) de la válvula de
prevención contra paradas súbitas (1) también
es desenergizada. Entonces, el aceite en el
orificio (DR) es drenado a través del orificio
(a), de tal manera que el freno es aplicado
gradualmente.
Freno izquierdo ECMV
Freno derecho ECMV
Freno
“Semi-liberado”
10 Estructura, función, y estandar de mantenimiento GSN00605-00
D155AX-6 67
Mando final 1
Descripción
l El mando final consta de un engranaje de
dientes rectos de una etapa y tipo de
reducción por engranaje planetario de una
etapa. La lubricación es del tipo de salpique
usando la rotación de los engranajes. El
mando final puede ser removido e instalado
como una sola unidad.
l El sello flotante (1) está instalado en la porción
deslizante rotatoria de la rueda dentada para
prevenir la entrada mugre o arena y para
prevenir escapes del aceite lubricante.
GSN00605-00 10 Estructura, función, y estandar de mantenimiento
68 D155AX-6
10 Estructura, función, y estandar de mantenimiento GSN00605-00
D155AX-6 69
1. Sello flotante
2. Engranaje solar
3. Portadora
4. Núcleo de la rueda dentada
5. Dientes de la rueda dentada
6. Cubierta
7. Engranajes planetarios
8. Engranaje corona
9. Cubierta
10. Piñón No. 1
11. Caja del mando final
12. Jaula del rodamiento
13. Engranaje No.1
14. Cubo del engranaje No.1
15. Eje
16. Guarda contra desgaste
17. Eje pivote
Unidad: mm
No. Itemes a comprobar Criterio Solución
18
Juego entre el piñón No. 1 y el
engranaje No.
Holgura estándar Límite de holgura
Reemplace
0.25 – 0.77 0.77
19
Contragolpe entre el
engranaje solar y el planetario
0.20 – 0.55 0.55
20
Contragolpe entre el
engranaje planetario y la
corona
0.22 – 0.71 0.71
21
Diámetro exterior de la super-
ficie de contacto del sello de
aceite del piñón No.1
Tamaño estándar Tolerancia Límite de reparación
Repare o
reemplace95
–0.087
–0.087
94.913
22
Grosor del collar de empuje
del cuerpo interior del cojinete
de rodillos
23 22.95
Reemplace
23
Espacio libre entre el diámetro
exterior del eje del engranaje
planetario y el diámetro inte-
rior del agujero portador.
(Diámetro pequeño)
Tamaño
estándar
Tolerancia Holgura
estándar
Límite de
holguraEje Agujero
68.262
–0.015
–0.034
–0.009
–0.039
- 0.024 –
+ 0.025
(Holgura
máx.)
+ 0.025
24
Espacio libre entre el diámetro
exterior del eje del engranaje
planetario y el diámetro inte-
rior del agujero portador
(diámetro grande).
90
–0.036
–0.058
–0.066
–0.101
- 0.065 –
- 0.008
– 0.008
25
Grosor del espaciador están-
dar para la jaula del cojinete
del piñón No.1
2 Ajustar
26
Desgaste de la guarda contra
desgaste
Tamaño estándar Límite de reparación Repare o
reemplace67 21
GSN00605-00 10 Estructura, función, y estandar de mantenimiento
70 D155AX-6
Trayectoria de la transmisión de potencia
l La potencia proveniente del eje del engranaje
cónico y del embrague de la dirección es
transmitida al primer piñón (10) para hacer
rotar el primer engranaje (13) acoplado con el
primer piñón y el engranaje solar (2) acoplado
con el priner engranaje. La rotación del
engranaje solar (2) es transmitida al engranaje
planetario (7). Debido a que el engranaje
anular (8) que se encuentra fijo a la cubierta
(6), está acoplado con el engranaje planetario,
rota a lo largo del engranaje anular (8) y da
vueltas alrededor del engranaje solar (2).
Por lo tanto, el engranaje solar (2), traspasa la
fuerza rotacional al portador (3), el cual
soporta el engranaje planetario (7), por medio
del eje (15), y es transmitida al núcleo de la
rueda dentada (4).
La dirección de rotación del portador (3) es la
misma del engranaje central (2).
La fuerza de rotación transmitida al núcleo de
la rueda dentada (4) es luego transmitida a los
dientes de la rueda dentada (5).
10 Estructura, función, y estandar de mantenimiento GSN00605-00
D155AX-6 71
Rueda motriz 1
Unidad: mm
No. Itemes a comprobar Criterio Solución
1
Desgaste del tope de los
dientes de la rueda motríz
Holgura estándar Límite de reparación
Reconstruya o
reemplace
351 339
2
Desgaste de la raíz del diente
de la rueda motríz
23.7 17.5
3
Desgaste del tope de los
dientes del ancho de la rueda
motríz
83 75
4
Desgaste de la raíz del diente
del ancho de la rueda motríz
103 95
GSN00605-00 10 Estructura, función, y estandar de mantenimiento
72 D155AX-6
Perfil del diente de la rueda motriz a tamaño real
10 Estructura, función, y estandar de mantenimiento GSN00605-00
D155AX-6 73
GSN00605-00 10 Estructura, función, y estandar de mantenimiento
74 D155AX-6
D155AX-6 Buldózer
Forma No. GSN00605-00
© 2006 KOMATSU
Todos los Derechos Reservados
Impreso en E.E.U.U. 08-06
D155AX-6 1
GSN00606-00
BULDÓZER 1MANUAL DE TALLER
D155AX-6
Modelo de máquina Número de serie
D155AX-6 80001 y superiores
10 Estructura, función, y
estandar de mantenimiento 1
Tren de rodaje y bastidor
Tren de rodaje y bastidor ............................................................................................................................... 2
Bastidor de la oruga............................................................................................................................ 2
Resorte tensor .................................................................................................................................... 4
Rueda tensora..................................................................................................................................... 6
Rodillo inferior ..................................................................................................................................... 8
Rodillo superior ................................................................................................................................. 10
Zapata de la oruga............................................................................................................................ 12
Bastidor principal............................................................................................................................... 18
Suspensión ....................................................................................................................................... 20
GSN00606-00 10 Estructura, función, y estandar de mantenimiento
2 D155AX-6
Tren de rodaje y bastidor 1
Bastidor de oruga 1
1. Barra estabilizadora
2. Eje pivote
3. Rueda libre
4. Bastidor de oruga
5. Rodillo superior
6. Rueda motriz
7. Guarda de la cubierta de la rueda dentada
8. Rodillo inferior
9. Guarda del soporte de los rodillos de la oruga
10. Bogie menor
11. Bogie mayor
12. Bogie primario
Descripción
l Los rodillos de la oruga están montados sobre
un bogie en forma de K. Esto aumenta el area
de contacto real entre las zapatas de las
orugas y el suelo sobre superficies áridas y
ayuda a aumentar la tracción en la barra de
tiro.
l El bogie en forma de K está equipado con
almohadillas de caucho para absorber los
impactos provenientes de la superficie del
terreno.
Rodillo de la oruga, bogie
D : Doble
S : Sencillo
Tipo de distribución del bastidor de rodillos de la oruga
1ª 2ª 3ª 4ª 5ª 6ª 7ª
S D S D S D S
10 Estructura, función, y estandar de mantenimiento GSN00606-00
D155AX-6 3
Unidad: mm
No. Itemes a comprobar Criterio Solución
4
Deformación del bastidor de la
oruga
Item Límite de reparación
Corrija o
reemplace
Curvatura 7 (Longitud superior a 3,000)
Torcedura 3 (Longitud superior a 300)
Abolladuras (porción del tubo) 12
GSN00606-00 10 Estructura, función, y estandar de mantenimiento
4 D155AX-6
Resorte tensor 1
1. Horquilla
2. Guardapolvos
3. Vástago
4. Resorte tensor
5. Desgaste del anillo
6. Lubricador
7. Tuerca
8. Caja
9. Cilindro
10. Soporte
11. Buje
Descripción
l El resorte tensor (4) es usado para ajustar la
tensión de la oruga mediante la inyección o
liberación de grasa proveniente del lubricador
(6) para mover el vástago (3) hacia adelante o
hacia atrás. El resorte tensor también actúa
como amortiguador contra los impactos
súbitos que se concentran en la rueda tensora.
10 Estructura, función, y estandar de mantenimiento GSN00606-00
D155AX-6 5
Unidad: mm
No. Itemes a comprobar Criterio Solución
1
Fuerza de la presión de
instalación de la horquilla de
la rueda tensora
392 Kn {40 toneladas} Ajustar
11
Holgura entre el vástago y el
buje
Tamaño
estándar
Tolerancia Holgura
estándar
Límite de
holgura
Reemplace
Eje Agujero
120
–0.036
–0.090
+0.277
+0.062
0.098 –
0.367
1.0
4 Resorte tensor
Tamaño estándar Límite de reparación
Largo libre
Largo
instalado
Carga
instalada
Largo libre
Carga
instalada
859 656
314 kN
{32,000 kg}
804
288 kN
{29,400 kg}
GSN00606-00 10 Estructura, función, y estandar de mantenimiento
6 D155AX-6
Rueda libre 1
10 Estructura, función, y estandar de mantenimiento GSN00606-00
D155AX-6 7
Unidad: mm
No. Itemes a comprobar Criterio Solución
1
Diámetro exterior de la parte
sobresaliente
Tamaño estándar Límite de reparación
Reconstrucción
o reemplazo
792 —
2
Diámetro exterior de la
superficie de rodamiento
750 725
3 Profundidad de la rodadura 21 33.5
4 Espesor del escalón 24 11.5
5 Ancho del escalón 58.5 —
6 Ancho total 240 —
7 Holgura entre el eje y el buje
Tamaño
estándar
Tolerancia Holgura
estándar
Límite de
holgura
Reemplace
el buje
Eje Agujero
140
–0.350
–0.413
+0.265
+0.003
0.353 –
0.678
—
8
Interferencia entre el eje y el
anillo
Tamaño
estándar
Tolerancia Interferen-
cia
estándar
Límite de
interferenciaEje Agujero
75
+0.046
+0.046
+0.13
–0.18
0.130 –
0.226
—
9
Juego del eje en dirección
axial
Tamaño estándar Límite de reparación Reconstrucción
o reemplazo0.4 – 0.9
GSN00606-00 10 Estructura, función, y estandar de mantenimiento
8 D155AX-6
Rodillo inferior 1
10 Estructura, función, y estandar de mantenimiento GSN00606-00
D155AX-6 9
Unidad: mm
No. Itemes a comprobar Criterio Solución
1
Diámetro exterior de la brida
(exterior de la brida)
Tamaño estándar Límite de reparación
Reconstruc-
ción o
reemplazo
285 —
2
Diámetro exterior de la brida
(dentro de la brida)
275 —
3
Diámetro exterior de la
superficie de rodamiento
250 210
4 Espesor del escalón 57.5 37.5
5 Ancho total 295 —
6
Ancho del escalón
(pestaña sencilla)
61 —
7
Ancho del escalón
(pestaña doble)
61 —
8
Ancho de la brida
(exterior de la brida doble)
25 —
9
Ancho de la brida
(adentro de la pestaña doble)
22 —
10 Ancho de la pestaña del eje 246 —
11 Holgura entre el eje y el buje
Tamaño
estándar
Tolerancia Holgura
estándar
Reemplace
Eje Agujero
125
–0.350
–0.413
+0.260
+0.010
0.360 – 0.673
12
Interferencia entre el eje y el
anillo
Tamaño
estándar
Tolerancia Interferencia
estándarEje Agujero
65
+0.046
+0.000
–0.15
–0.20
0.150 – 0.246
13 Juego final
Tamaño estándar Límite de holgura Ajuste o
reemplace0.44 – 0.91 —
GSN00606-00 10 Estructura, función, y estandar de mantenimiento
10 D155AX-6
Rodillo superior 1
10 Estructura, función, y estandar de mantenimiento GSN00606-00
D155AX-6 11
Unidad: mm
No. Itemes a comprobar Criterio Solución
1 Diámetro exterior de la brida
Tamaño estándar Límite de reparación
Reconstruir, o
Sustituir
220 —
2
Diámetro exterior de la
superficie de rodamiento
190 171
3 Ancho del escalón 63 —
4 Espesor del escalón 37.5 28
5 Ancho de la brida 21 —
6
Interferencia entre el eje y el
anillo
Tamaño
estándar
Tolerancia Interferencia
estándar
Reemplace
Eje Agujero
70
+0.166
+0.120
+0.030
+0.030
0.090 – 0.166
7
Holgura entre el eje y el
soporte
Tamaño
estándar
Tolerancia Holgura
estándarEje Agujero
68
–0.2
–0.2
+0.300
+0.030
0 – 0.5
8
Juego del rodillo en dirección
axial
Holgura estándar
0.010 – 0.230
GSN00606-00 10 Estructura, función, y estandar de mantenimiento
12 D155AX-6
Zapata de la oruga 1
Tipo seco
H Porción P muestra el extremo de montaje a presión del buje en el eslabón.
10 Estructura, función, y estandar de mantenimiento GSN00606-00
D155AX-6 13
Unidad: mm
No. Itemes a comprobar Criterio Solución
1 Paso de los eslabones
Tamaño estándar Límite de reparación
Invierta la
posición o
reemplace
228.85
231.85 (Areas de servicio
pesado)
233.85 (Areas estándar)
2 Diámetro exterior del buje
Tamaño estándar
Cuando gira
Carga normal Carga de impacto
81 75.0 77.0
3 Espesor de metal en buje 15.8 9.8 11.8
4 Altura del eslabón
Tamaño estándar Límite de reparación
Repare o
reemplace
144 128
5
Espesor de metal en eslabón
(porción de instalación en
prensa del buje)
45.5 29.5
6 Perno de zapata
Torsión de apriete
(Nm {kgm})
Ángulo de apriete adicional
(grados) Reapretar
588.4 ± 58.8 {60 ± 6} 120 ± 10
7
Interferencia entre el buje y el
eslabón
Tamaño
estándar
Tolerancia Interferencia
estándar
Ajuste o
reemplace
Eje Agujero
77.0
+0.404
+0.304
+0.074
+0.074
0.230 – 0.404
8a
Interferencia entre el pasador
regular y el eslabón
48.5
+0.484
+0.334
–0.038
–0.100
0.372 – 0.584
8b
Interferencia entre el pasador
maestro y el eslabón
48.5
+0.230
+0.200
–0.038
–0.100
0.238 – 0.330
9 Espacio libre entre eslabones
Holgura estándar
Un lado Ambos lados
1.4 2.8
GSN00606-00 10 Estructura, función, y estandar de mantenimiento
14 D155AX-6
Oruga sellada y lubricada
H Porción P muestra el extremo de montaje a presión del buje en el eslabón.
10 Estructura, función, y estandar de mantenimiento GSN00606-00
D155AX-6 15
Unidad: mm
No. Itemes a comprobar Criterio Solución
1 Paso de los eslabones
Tamaño estándar Límite de reparación
Invierta la
posición o
reemplace
228.85 231.85
2 Diámetro exterior del buje
Tamaño estándar
Cuando gira
Carga normal Carga de impacto
81 72.5 75.0
3 Espesor de metal en buje 15.8 7.3 9.8
4 Altura del eslabón
Tamaño estándar Límite de reparación
Repare o
reemplace
144 128
5
Espesor de metal en eslabón
(porción de instalación en
prensa del buje)
45.5 29.5
6
Perno de
zapata
a. Eslabón
regular
Torsión de apriete
(Nm {kgm})
Ángulo de apriete adicional
(grados)
Reapretar
588.4 ± 58.8 {60 ± 6} 120 ± 10
b: Eslabón
maestro
588.4 ± 58.8 {60 ± 6} 180 ± 10
7
Interferencia entre el buje y el
eslabón
Tamaño
estándar
Tolerancia Interferencia
estándar
Ajuste o
reemplace
Eje Agujero
77.0
+0.404
+0.304
+0.074
+0.074
0.230 – 0.404
8
Interferencia entre el pasador
regular y el eslabón
48.5
+0.484
+0.334
–0.038
–0.100
0.372 – 0.584
9 Espacio libre entre eslabones
Holgura estándar
Un lado Ambos lados
1.4 2.8
GSN00606-00 10 Estructura, función, y estandar de mantenimiento
16 D155AX-6
Zapata sencilla, zapata de servicio pesado
Unidad: mm
No. Itemes a comprobar Criterio Solución
1
Altura de
garra de
zapata
Tamaño estándar Límite de reparación
Repare o
reemplace
sencillo 80 30
trabajo pesado 80 30
2
Altura total de
la zapata
sencillo 97 47
trabajo pesado 99 49
10 Estructura, función, y estandar de mantenimiento GSN00606-00
D155AX-6 17
GSN00606-00 10 Estructura, función, y estandar de mantenimiento
18 D155AX-6
Bastidor principal 1
10 Estructura, función, y estandar de mantenimiento GSN00606-00
D155AX-6 19
1. Bastidor principal
2. Jaula
3. Abrazadera
4. Cubierta
5. Sello
6. Acople
7. Tapa
8. Plato
Unidad: mm
No. Itemes a comprobar Criterio Solución
9
Espacio libre entre el eje de la
barra estabilizadora y el buje
Tamaño
estándar
Tolerancia Holgura
estándar
Límite de
holgura
Reemplace
Eje Agujero
95
–0.036
–0.090
+0.213
+0.129
0.165 –
0.303
1.0
10
Fuerza para el ajuste a
presión del buje del eje de la
barra estabilizadora
29.42 -68.65 kN {3 -7 ton} Ajustar
GSN00606-00 10 Estructura, función, y estandar de mantenimiento
20 D155AX-6
Suspensión 1
10 Estructura, función, y estandar de mantenimiento GSN00606-00
D155AX-6 21
1. Barra estabilizadora
2. Conjunto del eje pivote
3. Cubierta
4. Placa de empuje
5. Placa de empuje
6. Eje pivote
7. Jaula de sello
8. Sello
10. Pasador lateral
11. Pasador central
Descripción
l El frente de la estructura de las orugas se
mueve hacia arriba y hacia abajo usando
como fulcro el eje pivote trasero (6).
La barra estabilizadora se mueve usando
como fulcro el pasador central (11). Las
estructuras de las orugas izquierda y derecha
están conectadas por el pasador lateral (10).
Unidad: mm
No. Itemes a comprobar Criterio Solución
9
Fuerza para ajuste a presión del
buje del pasador lateral. 27.46 -64.7 kN {2.8 -6.6 ton}
—
12
Fuerza para ajuste a presión del
buje del pasador central. 47.07 -131.41 kN {4.8 -13.4 ton}
13
Holgura entre el pasador central y
el buje
Tamaño
estándar
Tolerancia Holgura
estándar
Límite de
holgura
Reemplace
el buje
Eje Agujero
95
–0.036
–0.090
+0.279
+0.213
0.249 –
0.369 1.0
14
Holgura entre el pasador lateral y
el buje 70
–0.030
–0.060
+0.046
+0.046
0.030 –
0.106 1.0
15 Interferencia entre el cubo del
pasador lateral y el buje
Tamaño
estándar
Tolerancia
Interferenci
a estándar
Límite de
interferenci
aEje Agujero
130
+0.033
+0.015
–0.028
–0.068
0.043 –
0.101
—
16
Interferencia entre el eje pivote y
el anillo retenedor del sello
179
+0.083
+0.043
–0.053
–0.093
0.096 –
0.176
—
17
Espacio libre entre el eje pivote y
el buje (exterior)
Tamaño
estándar
Tolerancia Holgura
estándar
Límite de
holguraEje Agujero
148
–0.145
–0.208
+0.099
+0.035
0.180 –
0.307
1.0
18
Espacio libre entre el eje pivote y
el buje (interior)
175
–0.145
–0.208
+0.095
+0.025
0.170 –
0.303
1.0
GSN00606-00 10 Estructura, función, y estandar de mantenimiento
22 D155AX-6
D155AX-6 Buldózer
Forma No. GSN00606-00
© 2006 KOMATSU
Todos los Derechos Reservados
Impreso en E.E.U.U. 08-06
D155AX-6 1
GSN00607-00
BULDÓZER 1MANUAL DE TALLER
D155AX-6
Modelo de máquina Número de serie
D155AX-6 80001 y superiores
10 Estructura, función, y
estandar de mantenimiento1
Sistema hidráulico
Sistema hidráulico.......................................................................................................................................... 2
Diagrama de la tuberia hidráulica del equipo de trabajo..................................................................... 2
Diagrama de la tubería del control del equipo de trabajo.................................................................... 5
Control del equipo de trabajo .............................................................................................................. 6
Tanque hidráulico y filtro ..................................................................................................................... 8
Acumulador ....................................................................................................................................... 10
Palanca PCCS .................................................................................................................................. 11
Válvula de traba del equipo de trabajo.............................................................................................. 15
Válvula de control.............................................................................................................................. 16
Cilindro del equipo de trabajo ........................................................................................................... 52
Válvula pistón.................................................................................................................................... 54
Válvula de caida rápida..................................................................................................................... 56
Válvula de auto-reducción de presión............................................................................................... 61
GSN00607-00 10 Estructura, función, y estandar de mantenimiento
2 D155AX-6
Sistema hidráulico 1
Diagrama de la Tuberia Hidráulica del Equipo de Trabajo 1
Topadora de hoja semi-U
1. Cilindro de inclinación de la hoja topadora
2. Cilindro de levantamiento derecho de la hoja
topadora
3. Acumulador
4. Válvula de control
5. Tanque hidráulico
6. Hidráulica, bomba HSS
7. Cilindro de levantamiento izquierdo de la hoja
topadora
8. Enfriador del aceite
10 Estructura, función, y estandar de mantenimiento GSN00607-00
D155AX-6 3
Desgarrador de garras múltiples
1. Válvula de control
2. Bloque divisor
3. Cilindro de levantamiento del desgarrador
4. Cilindro de inclinación del desgarrador
GSN00607-00 10 Estructura, función, y estandar de mantenimiento
4 D155AX-6
Desgarrador gigante
1. Válvula de control
2. Bloque divisor
3. Cilindro de levantamiento del desgarrador
4. Cilindro extractor del pasador
5. Cilindro de inclinación del desgarrador
6. Válvula solenoide del extractor del pasador
10 Estructura, función, y estandar de mantenimiento GSN00607-00
D155AX-6 5
Diagrama de la tubería de control del equipo de trabajo 1
Control de la hoja, desgarrador
1. Acumulador
2. Válvula de control
3. Válvula de traba del equipo de trabajo
4. Válvula de auto-reducción de presión
GSN00607-00 10 Estructura, función, y estandar de mantenimiento
6 D155AX-6
Control del equipo de trabajo 1
10 Estructura, función, y estandar de mantenimiento GSN00607-00
D155AX-6 7
1. Palanca del traba del equipo de trabajo
2. Palanca de control de la hoja
3. Palanca de control del desgarrador
4. Interruptor del traba del equipo de trabajo
Posición de las palancas
A : Hoja topadora, RETENER (HOLD)
B.: Hoja topadora, BAJAR (LOWER)
B + C :FLOTAR Hoja topadora
D : Hoja topadora, ELEVAR (RAISE)
E : Hoja topadora, INCLINACIÓN IZQUIERDA
F: Hoja topadora, INCLINACIÓN DERECHA
G : Desgarrador, RETENER (HOLD)
H : Desgarrador, ELEVAR (RAISE)
J : Desgarrador, BAJAR (LOWER)
K : Desgarrador REDUCIR EL ÁNGULO DE LA
PUNTA
L : Desgarrador AUMENTAR EL ÁNGULO DE LA
PUNTA
M : LIBRE
N : BLOQUEADO
Descripción
l El control del equipo de trabajo utiliza el
método EPC, el cual, usa una válvula EPC
para mover cada carrete de la válvula de
control.
l La palanca de traba del equipo de trabajo (1)
está interconectada con el interruptor de traba
del equipo de trabajo (4), y en la posición
LIBRE (FREE), el aceite del circuito EPC se
abre.
GSN00607-00 10 Estructura, función, y estandar de mantenimiento
8 D155AX-6
Tanque hidráulico y filtro 1
1. Válvula de presión
2. Válvula de drenaje
3. Tapón de drenaje
4. Cubierta
5. Cubierta
6. Tanque hidráulico
7. Colador
8. Válvula de succión
9. Resorte
10. Elemento del filtro hidráulico
11. Tapa de la boca de llenado
12. Indicador de mirilla
10 Estructura, función, y estandar de mantenimiento GSN00607-00
D155AX-6 9
Valor
especificado
Tanque
hidráulico
Capacidad del tanque(l) 125
Nivel dentro
del tanque
Alta(l) 95
Centro(l) 85
Bajo(l) 75
Tapa del
respiradero
Presión inicio de apertura
(kPa {kg/cm2})
16.7±6.9
{0.17±0.07}
Presión de actuación de la
válvula de vacío
(kPa {kg/cm2})
0 – 0.49
{0 – 0.005}
Filtro
hidráulico
Presión inicio de apertura
(kPa {kg/cm2})
147±29.4
{1.5±0.31}
Tamaño de la malla(µ m) 20/10/3
Área de filtración(cm2) 13,600
Flujo de filtración de aceite
(¶/min)
550
Colador
Tamaño de la malla(µ m) 105
Área de filtración(cm2) 1,850
GSN00607-00 10 Estructura, función, y estandar de mantenimiento
10 D155AX-6
Acumulador 1
Para válvula EPC
1. Tapón del gas
2. Casco
3. Aguja
4. Soporte
5. Diafragma
6. Orificio del aceite
Especificaciones
Tipo de gas: Nitrógeno
Volumen de gas: 500 cc
Máxima presión de actuación:6.86 MPa {70 kg/cm2}
Mínima presión de actuación:0.69 MPa {7 kg/cm2}
Función
l El acumulador está instalado entre la válvula
reductora y la válvula EPC. Aún, si el motor es
arrancado mientras el equipo de trabajo
permanece elevado, la presión del gas
nitrógeno comprimida dentro del acumulador
envía la presión piloto a la válvula de control
para activarla y habilitarla para permitir que el
equipo de trabajo descienda bajo su propio
peso.
Operación
l Después de que el motor ha sido detenido,
cuando la válvula EPC está en posición
neutral, la cámara (A) dentro del diafragma es
comprimida por la presión de aceite de la
cámara (B).
l Cuando se opera la válvula EPC, la presión de
aceite en la cámara (B) se reduce por debajo
de 2.9 MPa {30 kg/cm2}, y la presión del gas
nitrógeno en la cámara (A) expande el
diafragma, de tal manera que el aceite en la
cámara (B) actúa como la presión piloto y
activa la válvula de control principal.
Antes de la actuación Después de la actuación
10 Estructura, función, y estandar de mantenimiento GSN00607-00
D155AX-6 11
Palanca PCCS 1
(Para la hoja, desgarrador)
H No desensamble.
De lo contrario, se requerirán ajustes por las características de la salida de voltaje y esfuerzos de
operación.
1. Bota
2. Tuerca
3. Conector
GSN00607-00 10 Estructura, función, y estandar de mantenimiento
12 D155AX-6
(Para dirección)
H No desensamble.
De lo contrario, se requerirán ajustes por las características de la salida de voltaje y esfuerzos de
operación.
10 Estructura, función, y estandar de mantenimiento GSN00607-00
D155AX-6 13
Función
1. Características de esfuerzo de operación
(Para la hoja y desgarrador)
l Eso tiene las siguientes características para
ambas operaciones, la longitudinal y la lateral
l Retorno libre (diagrama de las características
del esfuerzo de operación)
(Para dirección)
1) Operación para el traslado de avance y
retroceso.
l La palanca de control es sostenida en 3
posiciones: "Avance (forward)", "Neutra
(neutral)" y "Reversa (reverse)".
2) Operación para virar a la izquierda y
derecha
l Retorno libre
AVANCE RETROCESO IZQUIERDA DERECHA
Esfuerzodeoperación
Recorrido de la palanca Avance (Retroceso)
Izquierda (Derecha)
Recorrido total
Inicia movimiento
Esfuerzodeoperación
Recorrido de la palanca Avance (Retroceso)
Avance (Retroceso)
Avance (Retroceso)
Esfuerzodeoperación
Recorrido de la palanca Izquierda (Derecha)
Recorrido total
Inicia movimiento
GSN00607-00 10 Estructura, función, y estandar de mantenimiento
14 D155AX-6
2. Características de voltage de salida
l La unidad de control se encuentra instalada en
el estante de control izquierdo y la palanca de
control se está instalada directamente sobre la
misma.
l El ángulo de operación (recorrido) de la
pa lan ca de contro l es d etectad o con
potenciómetros y señal de voltaje son salida
de la transmisión, controlador de la dirección.
l Tiene instalado un potenciómetro en cada
dirección longitudinal y la dirección lateral. Cada
potenciómetro emite 2 voltajes de señales
opuestas una a la otra, tal como se muestra en la
figura de la derecha.
Recorrido de la palanca
Para retroceso Vc Voltaje (V) Para señal Vsig
Diagrama de conexión
Rojo
Verde
Negro
Blanco
Rojo
Verde
Negro
Blanco
Color de alambresNo. pasador conectorDirección de operación
de la palanca
IZQUIERDA
DERECHA
RETROCESO
AVANCE
10 Estructura, función, y estandar de mantenimiento GSN00607-00
D155AX-6 15
Válvula de traba del equipo de trabajo 1
1. Solenoide
2. Cuerpo
3. Carrete
Descripción
l La válvula de traba del equipo de trabajo está
instalada entre la válvula de presión básica y
la válvula de control en el circuito de control
del equipo de trabajo. Si la palanca de traba
del equipo de trabajo está colocada en la
posición "LIBRE (FREE)", el interruptor de
traba del equipo de trabajo opera y abre la
válvula de traba del equipo de trabajo, la cual a
su vez abre el circuito de control del equipo de
trabajo, por lo tanto, el operador puede hacer
funcionar el respectivo equipo.
Operación
l El solenoide es operado por medio de una
señal eléctrica para mover el carrete. Como
resultado, el circuito entre el orificio (A)
conectado con la válvula de presión básica y el
orificio (B) conectado con la válvula de control,
queda abierto.
GSN00607-00 10 Estructura, función, y estandar de mantenimiento
16 D155AX-6
Válvula de control 1
Descripción
l Este manual explica la válvula de 5 carretes
(especificación de inclinación sencilla) y la
válvula de 6 carretes (especificación de
inclinación doble).
A1: Hacia el motor HSS
A2. Hacia la cabeza del cilindro de inclinación de
la hoja topadora
A3: Hacia la cabeza del cilindro de levantamiento
de la hoja
A4: Hacia la cabeza del cilindro del desgarrador
A5: Hacia el fondo del cilindro de inclinación del
desgarrador
B1: Hacia el motor HSS
B2. Hacia el fondo del cilindro de inclinación de la
hoja
B3. Hacia el fondo del cilindro de levantamiento de
la hoja topadora
B4. Hacia el fondo del cilindro de levantamiento del
desgarrador
B5. Hacia la cabeza del cilindro de inclinación del
desgarrador
IA1: Conector (desde el controlador)
IA2: Conector (desde el controlador)
IA3: Conector (desde el controlador)
IA4: Conector (desde el controlador)
IA5: Conector (desde el controlador)
IB1: Conector (desde el controlador)
IB2: Conector (desde el controlador)
IB3: Conector (desde el controlador)
IB4: Conector (desde el controlador)
IB5: Conector (desde el controlador)
LS: Hacia la válvula LS de la bomba HSS
P: Orificio de la bomba
PC: Tapón del orificio de toma de presión de la
bomba
PEPC1: EPC orificio de entrada de la presión
básica
(desde la válvula de auto-reducción de
presión)
PEPC2: EPC orificio de entrada de la presión
básica
(desde la válvula de auto-reducción de
presión)
T: Orificio de drenaje
TS: Hacia el tanque
1. Válvula EPC
10 Estructura, función, y estandar de mantenimiento GSN00607-00
D155AX-6 17
Vista exterior
Válvula de 5 carretes (especificación de inclinación sencilla)
GSN00607-00 10 Estructura, función, y estandar de mantenimiento
18 D155AX-6
A1: Hacia el motor HSS
A2. Hacia la cabeza del cilindro de inclinación de
la hoja topadora
A3: Hacia la cabeza del cilindro de levantamiento
de la hoja
A4. Hacia la cabeza del cilindro de inclinación de
la hoja topadora
A5: Hacia la cabeza del cilindro del desgarrador
A6: Hacia el fondo del cilindro de inclinación del
desgarrador
B1: Hacia el motor HSS
B2. Hacia el fondo del cilindro de inclinación de la
hoja
B3: Hacia la base del cilindro de levantamiento de
la hoja
B4. Hacia el fondo del cilindro de la hoja topadora,
desgarrador
B5. Hacia el fondo del cilindro de levantamiento del
desgarrador
B6. Hacia la cabeza del cilindro de inclinación del
desgarrador
IA1: Conector (desde el controlador)
IA2: Conector (desde el controlador)
IA3: Conector (desde el controlador)
IA4: Conector (desde el controlador)
IA5: Conector (desde el controlador)
IA6: Conector (desde el controlador)
IB1: Conector (desde el controlador)
IB2: Conector (desde el controlador)
IB3: Conector (desde el controlador)
IB4: Conector (desde el controlador)
IB5: Conector (desde el controlador)
IB6: Conector (desde el controlador)
LS: Hacia la válvula LS de la bomba HSS
P: Orificio de la bomba
PC: Tapón del orificio de toma de presión de la
bomba
PEPC1: EPC orificio de entrada de la presión
básica
(desde la válvula de auto-reducción de
presión)
PEPC2:EPC orificio de entrada de la presión
básica a la válvula
(desde la válvula de auto-reducción de
presión)
T: Orificio de drenaje
TS: Hacia el tanque
1. Válvula EPC
10 Estructura, función, y estandar de mantenimiento GSN00607-00
D155AX-6 19
Válvula de 6 carretes (especificación de inclinación doble)
GSN00607-00 10 Estructura, función, y estandar de mantenimiento
20 D155AX-6
Vista seccional
(1/8)
Válvula de 5 carretes
10 Estructura, función, y estandar de mantenimiento GSN00607-00
D155AX-6 21
(2/8)
Válvula de 6 carretes
GSN00607-00 10 Estructura, función, y estandar de mantenimiento
22 D155AX-6
1. Carrete de la dirección
2. Carrete de inclinación de la hoja topadora
3. Carrete de levantamiento de la hoja topadora
4. Carrete de inclinación (paso) de la hoja (solamente para la válvula de 6 carretes)
5. Carrete de levantamiento del desgarrador
6. Carrete de inclinación del desgarrador
7. Bloque de la válvula (solamente para la válvula de 6 carretes)
8. Bloque de la válvula
9. Bloque de la válvula
10. Cuerpo de la válvula
11. Válvula de prioridad de la dirección
12. Válvula de retención de carga
13. Válvula compensadora de presión
14. Filtro
Unidad: mm
No. Itemes a comprobar Criterio Solución
Tamaño estándar Límite de reparación
15
Resorte de retorno del
carrete
Largo libre x
Diámetro
exterior
Largo de
instalación
Carga de
instalación
Largo
libre
Carga de
instalación
Sustituir el
resorte si está
dañado o
deformado.
51.7 x 31.3 50
140 N
{14.3 kg}
—
112 N
{11.4 kg}
16
Resorte de retorno del
carrete
76.3 x 30 68.5
224 N
{22.8 kg}
—
179 N
{18.2 kg}
17
Resorte de retorno del
carrete
54.7 x 36.5 33.5
217 N
{22.1 kg}
—
173 N
{17.7 kg}
18
Resorte de la válvula de
verificación de carga
20.8 x 12.2 13.5
12.7 N
{1.3 kg}
—
10.2 N
{1.04 kg}
19
Resorte de la válvula
compensadora de presión
67.04 x 26.5 62.5
468 N
{47.7 kg}
—
374 N
{38.2 kg}
20
Resorte de la válvula
compensadora de presión
108.3 x 29.5 81
562 N
{57.3 kg}
—
450 N
{45.8 kg}
21
Resorte de la válvula
compensadora de presión
97.7 x 29.5 81
453 N
{46.2 kg}
—
362 N
{37 kg}
22
Resorte de la válvula
compensadora de presión
109.4 x 29.5 81
563 N
{57.4 kg}
—
450 N
{45.9 kg}
23
Resorte de la válvula de
descarga
86.7 x 30 66
192 N
{19.6 kg}
—
154 N
{15.7 kg}
10 Estructura, función, y estandar de mantenimiento GSN00607-00
D155AX-6 23
(3/8)
Válvula de 5 carretes
1. Válvula de alivio LS (para la válvula del equipo
de trabajo)
2. Válvula de retención LS (para la válvula del
equipo de trabajo)
3. Válvula de retención LS (para la válvula de
dirección)
4. Válvula de retención pre-establecida
GSN00607-00 10 Estructura, función, y estandar de mantenimiento
24 D155AX-6
(4/8)
Válvula de 6 carretes
1. Válvula de alivio LS (para la válvula del equipo
de trabajo)
2. Válvula de retención LS (para la válvula del
equipo de trabajo)
3. Válvula de retención LS (para la válvula de
dirección)
4. Válvula de retención pre-establecida
10 Estructura, función, y estandar de mantenimiento GSN00607-00
D155AX-6 25
(5/8)
1. Válvula de alivio principal
2. Válvula de alivio LS (para la válvula de
dirección)
3. Válvula de descarga
4. Válvula de succión
Unidad: mm
No. Itemes a comprobar Criterio Solución
Tamaño estándar Límite de reparación
5
Resorte de la válvula de
succión
Largo libre x
Diámetro
exterior
Largo de
instalación
Carga de
instalación
Largo
libre
Carga de
instalación
Sustituir el
resorte si está
dañado o
deformado.64.9 x 12.5 56
6.4 N
{0.65 kg}
—
5.1 N
{0.52 kg}
GSN00607-00 10 Estructura, función, y estandar de mantenimiento
26 D155AX-6
(6/8)
H El resorte de la válvula de succión es el mismo que el de la sección E-E.
1. Válvula EPC
2. Válvula de succión
10 Estructura, función, y estandar de mantenimiento GSN00607-00
D155AX-6 27
(7/8)
H La sección H-H es solamente para la válvula de 6 carretes
GSN00607-00 10 Estructura, función, y estandar de mantenimiento
28 D155AX-6
1. Válvula EPC
2. Válvula de succión
3. Válvula de desvío LS
Unidad: mm
No. Itemes a comprobar Criterio Solución
Tamaño estándar Límite de reparación
4
Resorte de la válvula de
succión
Largo libre x
Diámetro
exterior
Largo de
instalación
Carga de
instalación
Largo
libre
Carga de
instalación
Sustituir el
resorte si está
dañado o
deformado.46.8 x 7.5 40.6
5.49 N
{0.56 kg}
—
4.41 N
{0.45 kg}
10 Estructura, función, y estandar de mantenimiento GSN00607-00
D155AX-6 29
(8/8)
H El resorte de la válvula de succión es el mismo que el de la sección H-H
1. Válvula EPC
2. Válvula de succión
GSN00607-00 10 Estructura, función, y estandar de mantenimiento
30 D155AX-6
Operación de la válvula de control
En “retener“ (operación de la válvula de descarga)
Función
l Cuando el carrete principal (1) está en
posición RETENER (HOLD), el drena el
exceso de aceite descargado por la bomba, y
previene que la presión que se va formando en
el circuito incremente.
Operación
l Cuando el carrete principal (1) está en la
posición "retener", la presión de descarga de
la bomba proveniente pasa desde la cámara A
a través de la estrangulación (4) a la cámara
(D). Las cámaras (C') y (c) quedan conectadas
con el circuito de drenaje.
l Cuando el aceite presurizado es suministrado
por la bomba, crece la presión en la cámara
(D), y el carrete principal (1) es empujado
hacia la derecha por la presión, la cual es
determinada por el área del corte seccional del
pistón (3), que recibe la presión.
l Cuando la presión recibida se vuelve mayor
que la carga establecida del resorte FS (2), el
carrete principal (1) se mueve hacia la derecha
y conecta el pasaje entre la cámara (A) y la
cá mara (B), d e este mo do el aceite
proveniente de la bomba es drenado.
l El carrete principal (1) queda balanceado en
una posición que iguala el suministro de aceite
proveniente de la bomba.
l Actualmente, la cantidad de aceite
suministrado por la bomba es pequeña, por lo
tanto, la presión en el circuito es casi igual a la
carga establecida del resorte (2).
Válvula LS
VálvulaPC
Bomba HSS
10 Estructura, función, y estandar de mantenimiento GSN00607-00
D155AX-6 31
Control del flujo de aceite
1. Válvula de la dirección
1) En “retener”
Función
l El uso del circuito CLSS (Sistema sensor de
carga de centro cerrado) hace posible el
control de flujo del aceite por medio del ajuste
del área de apertura del carrete comandado
por la válvula PPC, sin tener en cuenta la
carga.
Operación
l Cuando el carrete de dirección (1) se
encuentra en posición RETENER (HOLD), la
presión de descarga de la bomba es enviada
desde la cámara (A) a través de la ranura en el
carrete (3) de la válvula de prioridad de la
dirección, y pasa a través de la cámara (B)
hacia la cámara (C).
l La cámara (G) es drenada a través de la
cámara (H) hacia la cámara (F).
l Debido a que la presión de la bomba está
actuando en el extremo izquierdo del carrete
(3) de la válvula prioritaria de la dirección, ella
comprime el resorte (4) y lo mueve hacia la
derecha hasta la posición del recorrido
máxima.
l En estas condiciones, el área de la abertura
del carrete de dirección (1) se encuentra en su
punto mínimo.
Palanca PCCS
(Dirección)
Controlador
Bomba HSS
Válvula LS
Válvula PC
Válvula auto-re-
ductora de presión
GSN00607-00 10 Estructura, función, y estandar de mantenimiento
32 D155AX-6
2) Cuando desee girar a la izquierda
• PLS =Presión diferencial entre los orificios (K)
y (J) = 2.0 MPa {20 kg/cm2}
• PLS' =Presión diferencial entre los orificios I e D
• PLS C PLS'
Operación
l Cuando la palanca PCCS es operada para
girar la máquina hacia la izquierda, la presión
piloto (PI) actúa en el extremo derecho del
carrete (1) a través de la válvula EPC.
l Cuando la presión se vuelve mayor que la
carga establecida por el resorte (2), el carrete
de la dirección (1) inicia su movimiento hacia
la izquierda. El queda balanceado en una
posición que iguala la presión piloto (P1).
l Las cámaras (C) y (D) están conectadas, y el aceite
proveniente de la bomba fluye a través de los
orificios (A), (B), (C), y (D) hacia el motor HSS (6).
l Al mismo tiempo, la carga de presión en la
cámara (D) pasa a través del orificio LS (5) y la
cámara (H), y es enviada a la cámara (G). El
también es enviado desde el circuito LS, (O)
hacia la válvula LS de la bomba.
l La condición de presión del carrete (3) de la
válvula de compensación de presión es la presión
de la cámara (B), la presión C de la cámara (C), la
presión C de la cámara (G), la presión C de la
cámara (D), por lo tanto el carrete (3) de
compensación de presión es controlado por la
presión diferencial del carrete de la dirección (1)
(presión de la cámara de presión (C) - presión de
la cámara (D)), y se balancea con el resorte (4).
Bomba HSS
Válvula LS
Válvula PC
Controlador
Válvula auto-reductora
de presión
Palanca PCCS
(Dirección)
GIRO A LA
IZQUIERDA
10 Estructura, función, y estandar de mantenimiento GSN00607-00
D155AX-6 33
l Si el flujo del aceite es muy grande, la presión
diferencial del carrete de dirección (1) se
vuelve mayor, entonces, el carrete de la
válvula (3) se mueve en dirección hacia el
estrangulador del flujo de aceite.
l por otro lado, si el flujo de aceite es muy
pequeño, el carrete (3) de la válvula de
compensación de presión se mueve en la
dirección para incrementar el flujo de aceite.
l La válvula LS de la bomba es controlada, por
lo tanto la presión diferencial entre la presión
de descarga de la bomba P y presión LS,
(Presión diferencial LS: PLS) permanece
constante, por lo tanto, fluye una cantidad
adecuada de aceite para asegurar que la
perdida de presión en la válvula de control
( PLS') sea igual a PLS.
l La perdida de presión en la válvula de control
es determinada por el área de apertura del
carrete de dirección (1), por lo tanto, el flujo de
aceite iguala la apertura del carrete de
dirección (1).
l El retorno del flujo del aceite proveniente del
motor HSS (6), pasa a través de la cámara (E)
y la cámara (F), y es drenado.
Recorrido del carrete
Area de apertura
del carrete
Presión de salida
EPC PI
Constante
Recorrido del carrete constante
Carrete (3) actuado
Cantidad de flujo
GSN00607-00 10 Estructura, función, y estandar de mantenimiento
34 D155AX-6
2. Válvula del equipo de trabajo
(Levantamiento de la hoja topadora, inclinación de la hoja topadora, levantamiento del
desgarrador, inclinación del desgarrador)
H El diagrama muestra la válvula de levantamiento de la hoja y la válvula de la dirección.
Hoja
Cilindro de
levantamiento
Controlador
Controlador
Acumulador
Palanca PCCS
(Hoja)
Palanca PCCS
(Dirección)
Válvula auto-
reductora
de presión
Bomba HSS
Válvula LS
Válvula PC
10 Estructura, función, y estandar de mantenimiento GSN00607-00
D155AX-6 35
Operación
l Cuando el carrete de levantamiento de la hoja
(1) está en la posición "retener", la presión de
descarga de la bomba (presión de descarga)
es enviada hacia las cámaras (D) y (D').
l No hay formación de presión en las cámaras
(H) y (H'); de manera que, el carrete (3) de la
válvula compensadora de presión y el carrete
(4) de la válvula prioritaria de la dirección son
empujados totalmente hacia la derecha.
l La presión de la bomba pasa a través de las
cámaras (A) y (B) del carrete de la válvula
prioritaria de la dirección (4), y es enviada a la
cámara (C) de la válvula de levantamiento de la
hoja. Desde allí, ella va a través de la cámara
(D) y de la cámara (E) hacia la cámara (F).
l De la misma forma como se explica en el
tópico “(1) Válvula de dirección”, la posición
del carrete (3) de la válvula de compensación
de presión es determinada a igualar la
apertura del carrete (1) de levantamiento de la
hoja, y el flujo de aceite es determinado para
que la perdida de presión de la válvula de
control sea igual a la presión diferencial ( LS)
de la válvula LS de la bomba.
GSN00607-00 10 Estructura, función, y estandar de mantenimiento
36 D155AX-6
3. Disificando la salida se controla cuando desciende la hoja topadora bajo su propio peso
Bomba HSS
Válvula LS
Válvula PC
Hoja
Cilindro de
levantamiento
Controlador
Controlador
Acumulador
Válvula auto-
reductora
de presión
PalancaPCCS
(Hoja)
Palanca PCCS
(Dirección)
ELEVAR
BAJAR
10 Estructura, función, y estandar de mantenimiento GSN00607-00
D155AX-6 37
Función
l Si desciende la hoja topadora bajo su propio
peso, el flujo de aceite de retorno del cilíndro
de levantamiento de la hoja es controlado por
e l are a d e ape r tu ra d el carre te d e
levantamiento de la hoja (1).
Operación
l Cuando la presión piloto (PI) abre el orificio del
carrete de levantamiento de la hoja (1), debido
al peso de la hoja, el aceite que se encuentra
en la parte superior del cilindro pasa a través
de los orificios (A), (B), (C) y (D) y es drenado
hacia el tanque.
l El flujo del aceite en retorno procedente del
cilindro de elevación de la hoja es acelerado
por el área de la abertura entre los orificios (A)
y (B), por lo que queda controlada la velocidad
de descenso.
l El aceite presurizado que fluye desde el
extremo de la parte superior del cilindro de
levantamiento de la hoja pasa desde el circuito
de drenaje a través de la válvula de succión (2)
y es suministrado al extremo inferior del
cilindro de levantamiento de la hoja.
l El aceite descargado por la bomba pasa a
través de los orificios (A'), (B'), (C'), (D') y (E'),
y es conducido al fondo del cilindro de
levantamiento.
GSN00607-00 10 Estructura, función, y estandar de mantenimiento
38 D155AX-6
4. Disificando la salida se controla cuando desciende la hoja topadora bajo su propio peso
(Palanca del equipo de trabajo en "flotación (Float)")
Bomba HSS
Válvula LS
Válvula PC
Hoja
Cilindro de
levantamiento
Controlador
Controlador
Acumulador
Válvula auto-
reductora
de presión
Palanca PCCS
(Hoja)
PalancaPCCS
(Dirección)
ELEVAR
FLOTAR
10 Estructura, función, y estandar de mantenimiento GSN00607-00
D155AX-6 39
Función
l Cuando la válvula de levantamiento de la hoja
está en posición FLOTAR (FLOAT), el orificio
del cilindro y el orificio de drenaje están
conectados para poner el circuito en una
condición de no-carga.
l Cuando la válvula de levantamiento de la hoja
está en condición de FLOTAR (FLOAT), el
pasaje de la bomba y los orificios del cilindro
(A3) y (B3) están separados, por lo tanto, se
pueden operar las otras válvulas de control.
Operación
l Cuando la palanca de control del equipo de
trabajo está en posición "bajar" y el botón de
"flotar" es oprimido, la presión de la válvula
(PA3) de la válvula EPC se vuelve 3.4 MPa {35
kg/cm2 o más, y el carrete de levantamiento (1)
es movido a la posición de recorrido máximo.
l Los orificios (A3) y (B3) y el pasaje LS (O)
quedan todos conectados con el circuito de
drenaje, por lo tanto, no hay carga en el
cilindro de levantamiento de la hoja.
l Si el cilindro es comandado por el peso de la
hoja de empuje, el aceite que está entrando
proveniente del orificio (A3) fluye hacia los
orificios (A), (B), (B') y (A'), mientras le resto
del aceite presurizado fluye a través de los
orificios (C) y (D), para ser drenado.
l El flujo del aceite es estrangulado por el área
de apertura entre los orificios (A) y (B) del
carrete de levantamiento de la hoja (1), y la
velocidad del cilindro es controlada.
l La cámara (E) del circuito de la bomba y los
orificios (A3) y (B3) están separados, y la
presión (P) de descarga de la bomba se forma
en la cámara (E), por lo tanto, es posible
efectuar operaciones compuestas con otras
válvulas de control.
GSN00607-00 10 Estructura, función, y estandar de mantenimiento
40 D155AX-6
En alivio
1. Válvula de la dirección
H El diagrama muestra la condición en alivio para la dirección LS de la válvula de alivio (5)
Bomba HSS
Válvula LS
Válvula PC
Hoja
Cilindro de
levantamiento
Controlador
Controlador
Acumulador
Válvula auto-
reductora
de presión
Palanca PCCS
(Hoja)
Palanca PCCS
(Dirección)
GIRAR A LA
IZQUIERDA
10 Estructura, función, y estandar de mantenimiento GSN00607-00
D155AX-6 41
• P1 = P3 + P4 = Presión diferencial entre los orificios (M) y (E)
• P2 = Presión diferencial entre los orificios (E) y (N)
• P3 = Presión diferencial entre los orificios (M) y (B)
• P4 = Presión diferencial entre los orificios (B) y (E)
• LS = P1 + P2 = Presión diferencial entre los orificios (M) y (N) = 2.0 MPa {20 kg/cm2}
Función
l Esto establece la presión máxima cuando el
motor HSS (7) está funcionando.
Operación
l Si se mueve el carrete de dirección (1)y se
aumenta la presión del motor (7) HSS, la aguja
de la válvula de alivio (5) LS de la dirección
comenzará a abrirse y el aceite se drenará
desde LS hacia el circuito (O). (Orificios (E),
(F), (G), (J), (K) y (L))
l Como resultado, habrá una caída de presión
en el pasaje LS (O), iniciando desde el agujero
sensor LS (F), y P2 se volverá más grande.
l Por la misma razón, si la presión en la cámara
(I) e (H) cae, el carrete (2) de la válvula
prioriratia de dirección empujará contra el
resorte (3) y se moverá hacia la derecha, y
reducirá las aperturas entre las cámaras (B) y
(C), por lo tanto el flujo entre las cámaras (B) y
(C) será estrangulado y P4 se volverá más
grande.
l Debido al control del plato oscilante de la
bomba, el circuito del sistema es balanceado a
una presión de circuito, la cual hace que la
perdida de presión generada por el flujo de la
válvula de alivio (5), P1 + P2, iguale la
presión diferencial LS ( LS).
l Cuando esto sucede, la válvula de la bomba
LS detecta la presión diferencial generada por
la válvula de alivio LS (5), y mueve el plato de
vaivén de la bomba de la posición máxima a la
mínima. La bomba del plato ondulante es
balanceada a la posición donde la presión
diferencial LS es 2.0 MPa {20 kg/cm2
}.
l Cuando la bomba está en el ángulo del plato
de vaivén mínimo (mínimo flujo de aceite), si el
flujo de aceite es mayor que el flujo de aceite
de alivio LS + el escape en cualquier parte, la
presión es confinada en el circuito de la bomba
(entre la bomba y las cámaras (A) y (B), por lo
tanto, crece la presión diferencial LS.
l Si la presión diferencial sobrepasa la presión
establecida para la válvula de descarga (4), la
válvula de descarga actúa para aliviar el
exceso de flujo de aceite y balancear el
circuito.
GSN00607-00 10 Estructura, función, y estandar de mantenimiento
42 D155AX-6
2. Levantamiento de la hoja topadora, inclinación de la hoja topadora, levantamiento del
desgarrador e inclinación del desgarrador
H El diagrama muestra la condición en alivio para la válvula de alivio LS del equipo de trabajo (5) con el
final del recorrido de inclinación de la hoja topadora.
Bomba HSS
Válvula LS
Válvula PC
Hoja
Cilindro de
inclinación
Controlador
Controlador
Acumulador
Válvula auto-
reductora
de presión
Palanca PCCS
(Hoja)
Palanca PCCS
(Dirección)
INCLINACION
IZQUIERDA
10 Estructura, función, y estandar de mantenimiento GSN00607-00
D155AX-6 43
• P1 = P3 + P4 = Presión diferencial entre los orificios (M) y (P)
• P2 = Presión diferencial entre los orificios (P) y (N)
• P3 = Presión diferencial entre los orificios (M) y (B)
• P4 = Presión diferencial entre los orificios (B) y (P)
• LS = P1 + P2 = Presión diferencial entre los orificios (M) y (N) = 2.0 MPa {20 kg/cm2}
Operación
l Si el carrete de inclinación de la hoja de
empuje (1) es movido, y la presión en el
cilindro de inclinación de la hoja se vuelve
mayor, el cabezal de la válvula de alivio LS del
equipo de trabajo iniciará su apertura y el
aceite del circuito LS será drenado (O).
(Orificios (E), (F), (G), (J), (K) y (L))
l Como resultado, habrá una caída de presión
en el pasaje LS (O), iniciando desde el agujero
sensor LS (F), y P2 se volverá más grande.
l Por la misma razón, si la presión en la cámara
(I) e (H) cae, el carrete (2) de la válvula de
compensación de presión empujará contra el
resorte (3) y se moverá hacia la derecha, y
reducirá las aperturas entre las cámaras (B) y
(C), por lo tanto el flujo entre las cámaras (B) y
(C) será estrangulado y P4 se volverá más
grande.
l Debido al control del plato oscilante de la
bomba, el circuito del sistema es balanceado a
una presión de circuito, la cual hace que la
perdida de presión generada por el flujo de la
válvula de alivio (5) del equipo de trabajo, P1
+ P2, iguale la presión diferencial LS ( LS).
l Cuando esto sucede, la válvula de la bomba
LS detecta la presión diferencial generada por
la válvula de alivio LS (5) del equipo de
trabajo, y mueve el plato de vaivén de la
bomba de la posición máxima a la mínima. La
bomba del plato ondulante es balanceada a la
posición donde la presión diferencial LS es
2.0 MPa {20 kg/cm2}.
l Cuando la bomba está en el ángulo del plato
de vaivén mínimo (mínimo flujo de aceite), si el
flujo de aceite es mayor que el flujo de aceite
de alivio LS + el escape en cualquier parte, la
presión es confinada en el circuito de la bomba
(entre la bomba y las cámaras (A) y (B), por lo
tanto, crece la presión diferencial LS.
l Si la presión diferencial sobrepasa la presión
establecida para la válvula de descarga (4), la
válvula de descarga actúa para aliviar el
exceso de flujo de aceite y balancear el
circuito.
GSN00607-00 10 Estructura, función, y estandar de mantenimiento
44 D155AX-6
3. Operación compuesta de dirección e inclinación de la hoja
H El diagrama muestra la condición en alivio para la válvula de alivio LS (4) y (5) en dirección calada con
el final del recorrido de inclinación de la hoja topadora.
Bomba HSS
Válvula LS
Válvula PC
Hoja
Cilindro de
inclinación
Controlador
Controlador
Acumulador
Válvula auto-
reductora
de presión
Palanca PCCS
(Hoja)Palanca PCCS
(Dirección)
INCLINACION
IZQUIERDA
10 Estructura, función, y estandar de mantenimiento GSN00607-00
D155AX-6 45
• = P - P2
• PO = Presión diferencial entre los orificios (H) y (K)
• Presión P2 = LSO + PO
Función
l Cuando el carrete de la dirección (1) y el
carrete de inclinación de la hoja (2) se alivian
al mismo tiempo, la presión de la bomba es
separada mediante la válvula compensadora
de presión (3) que se encuentra en la válvula
de inclinación de la hoja y la presión del orificio
se mantiene a un valor constante.
Operación
l Si el motor HSS (6) alcanza la condición de
calado, aumenta la presión por carga y se
activa la válvula de alivio LS (4) de la válvula
de la dirección y se corta el sistema.
l (Para detalles, vea " 1. Válvula de la dirección".
l Cuando esto sucede, la presión de la
bombaes mantenida en 38.2 MPa {390 kg/
cm2}, y esto es emviado a la cámara (G) de la
válvula de inclinación de la hoja.
l Cuando se opera el carrete de inclinación de la
hoja (2) y la carga sobre la válvula de
inclinación de la hoja es superior, se activa la
válvula de alivio LS (5), y el flujo del aceite
drenado (Q1) fluye hacia LS circuito (O).
l Como resultado, se genera un diferencial de
presión en los costados derecho e izquierdo
de la válvula (3) compensadora de presión por
LS acelerador (M) del carrete (2) de inclinación
de la hoja y lo mueve en todo su recorrido
hacia la derecha.
l Cuando esto pasa, la apertura entre la cámara
(D) y (E) es estrangulado al tamaño mínimo
(bomba de presión separada).
l El flujo del aceite (Q1) es determinado por la
presión de descarga de la bomba (P) y la
perdida de presión total (P-LSO) de los
orificios (C), (D), (E), (F), (G) (I), (J), y (K).
l Adicionalmente, la presión (P2) (la presión en
la cámara H) se vuelve el total (LSO + PO)
de la pérdida de presión del circuito de los
orificios (H), (I), (J) y (K) y la presión regulada
del la válvula de alivio LS (5) del equipo de
trabajo.
GSN00607-00 10 Estructura, función, y estandar de mantenimiento
46 D155AX-6
Operaciones combinadas
1. Válvula de la dirección y del equipo de trabajo
H El diagrama muestra la condición cuando la dirección y las válvulas de levantamiento de la hoja topa-
dora son operadas al mismo tiempo.
Bomba HSS
Válvula LS
Válvula PC
Hoja
Cilindro de
levantamiento
Controlador
Controlador
Acumulador
Válvula auto-
reductora
de presión
Palanca PCCS
(Hoja)Palanca PCCS
(Dirección)
LEVANTAR
ELEVAR
10 Estructura, función, y estandar de mantenimiento GSN00607-00
D155AX-6 47
Función
l La válvula de la dirección está equipada con
un carrete (3) de la válvula de prioridad de
dirección; de manera que si se operan al
mismo tiempo la válvula de la dirección y la
válvula del equipo de trabajo,la válvula de la
dirección tiene prioridad en el flujo del aceite y
el resto del aceite descargado por la bomba va
hacia la válvula del equipo de trabajo.
Operación
l Cuando el carrete (1) de la dirección es
accionado por la presión de salida (P1) y hay
un flujo de aceite, se genera un diferencial de
presión entre las cámaras (C) y (D).
l La válvula (3) de prioridad de la dirección es
controlada por este diferencial de presión y al
mismo tiempo, el ángulo del plato oscilante de
la bomba queda controlado en PLS = 2.0
MPa {20 kg/cm2}, y queda fijado el flujo del
aceite hacia la válvula de la dirección .
l Para detalles, vea " 1. Válvula de la dirección"
del "Control del flujo de aceite".
l En esta condición, si se opera el carrete de
levantamiento de la hoja topadora del equipo
de trabajo (2), la presión de descarga de la
bomba desciende momentariamente.
l En este punto, el diferencial de presión entre
las cámaras (C) y (D) se vuelve pequeño, y
válvula de prioridad de la dirección (3) es
movida a la izquierda por la presión en la
cámara (E) en dirección hacia el estrangulador
de la apertura de la válvula del equipo de
trabajo.
l Al mismo tiempo, PLS se vuelve pequeño,
asi que el ángulo del plato de oscilante de la
bomba se mueve en dirección hacia el máximo
para sumistrar flujo de aceite para reponer la
cantidad de presiones caida.
Cuando el plato de vaivén de la bomba no alca-
nza el ángulo máximo.
l Cuando el flujo máximo de aceite proveniente
de la bomba es mayor que el total del flujo de
aceite demandado por la válvula de dirección y
la válvula del equipo de trabajo, un flujo de
aceite que iguale la apertura del carrete (1),
fluye hacia válvula de dirección.
l Un caudal de aceite determinado por la
presión de descarga de la bomba, la presión
por carga y el área de la abertura del carrete,
fluye hacia la válvula del equipo de trabajo.
Cuando el plato de vaivén de la bomba está en
el ángulo máximo.
l Cuando el flujo de aceite máximo proveniente
de la bomba es menor que el total de flujo
demandado por la válvula de dirección y la
válvula del equipo de trabajo.
1) Cuando la carga de la válvula de dirección Z
carga de la válvula del equipo de trabajo.
l Una cantidad de aceite que iguale la apertura
del carrete (1), fluye hacia válvula de dirección,
y el aceite remanente fluye hacia la válvula del
equipo de trabajo.
2) Cuando la carga de la válvula de dirección
>carga de la válvula del equipo de trabajo.
l La presión P de la bomba de descarga es
determinada por la carga sobre la válvula de la
dirección, pero en estas condiciones, si se
opera la válvula del equipo de trabajo con una
carga inferior, la diferencia de presión hará que
el aceite trate de fluir hacia la válvula del
equipo de trabajo y hará descender la presión
de descarga de la bomba.
l La válvula prioritaria de dirección (3) aumenta
el tamaño de la apertura del systema de
dirección, mientras que al mismo tiempo
disminuye el tamaño de la apertura del equipo
de trabajo para asegurar el flujo de aceite al
sistema de dirección.
l Bajo estas condiciones, el flujo del aceite
queda dividido en proporción a la diferencia de
presiones entre la presión diferencial (P) –
(P1) y la presión diferencia (P) – (P2).
Cuanto mayor sea (P1) – (P2), menor será el flujo
de aceite hacia el sistema de dirección.
Areadeapertura
Recorrido
Apertura hacia la válvula de dirección
Apertura hacia la válvula
del equipo de trabajo
GSN00607-00 10 Estructura, función, y estandar de mantenimiento
48 D155AX-6
2. Operación compuesta del levantamiento e inclinación de la hoja de empuje
H El diagrama muestra la condición cuando el levantamiento y la inclinación de la hoja topadora son oper-
adas al mismo tiempo.
Bomba HSS
Válvula LS
Válvula PC
Controlador Controlador
Acumulador
Válv. auto-
reductora
de presión
Palanca PCCS
(Hoja)
Palanca PCCS
(Dirección)
INCLINAC.
IZQUIERDA
LEVANTAR
ELEVAR
Controlador
10 Estructura, función, y estandar de mantenimiento GSN00607-00
D155AX-6 49
Función
l El consiste en un circuito paralelo, por lo tanto,
cuando se efectúan operaciones compuestas,
el flujo del aceite es dividido de acuerdo al
tamaño de la apertura de cada carrete.
Operación
l Cuando el carrete de inclinación de la hoja (1)
y el carrete de elevación de la hoja (2) estan
en la posición de SOSTEN “HOLD” o son
operados, la válvula prioritaria de dirección (3)
es empujada completamente hacia la derecha,
y el ta maño de la ape r tu ra del are a
decreciente está a su máximo.
l El carrete de inclinación de la hoja (1) y el
carrete de levantamiento de la hoja (2) son
actuados por las presiones de salida (PA2) y
(PB3) de la válvula PPC, y cada una es
balanceada a una posición que iguale su
propia presión de salida de la válvula EPC.
Cuando la presión (P2) ® (P3)
l La presión de carga de la válvula de
levantamiento de la hoja (P3) es enviada a la
válvula LS de la bomba a través del pasaje LS
(O).
1) Cuando el plato de vaivén de la bomba no
alcanza el ángulo máximo.
l Cuando el flujo máximo de aceite proveniente
de la bomba es mayor que el total del flujo de
aceite demandado por la válvula de inclinación
de la hoja y la válvula de levantamiento de la
hoja, un flujo de aceite que iguale las
aperturas de los carretes, fluye hacia ambas
válvulas, la de inclinación de la hoja y la de
levantamiento de la hoja.
2) Cuando el plato de vaivén de la bomba está
en el ángulo máximo.
l Cuando el flujo de aceite máximo proveniente
de la bomba es menor que el total de flujo
demandado por la válvula de inclinación y la
válvula de levantamiento de la hoja, el flujo de
aceite de la válvula de inclinación y la válvula
de levantamiento de la hoja es dividido de
acuerdo a la presión diferencial (PO) – (P2) y
la presión diferencial (PO) – (P3).
l En otras palabras, fluye más aceite hacia (P2)
cuando la carga es pequeña.
H En los casos donde la hoja topadora es ele-
vada en el aire y la válvula de inclinación y la
válvula de levantamiento de la hoja (para ele-
var) son operadas al mismo tiempo, la presión
de carga de la válvula de inclinación es menor
que la presión de carga de la válvula de levan-
tamiento de la hoja, por lo tanto, se le da prior-
idad al flujo de aceite para la válvula de
inclinación de la hoja. Adicionalmente, el flujo
de aceite demandado por la válvula de incli-
nación de la hoja es menor, por lo tanto es jus-
tamente lo mismo que si se diera la prioridad
al flujo de aceite para la válvula de inclinación
de la hoja.
Cuando la presión (P2) = (P3)
(P) – (P2) = (P) – (P3), entonces un caudal de
aceite proporcional al tamaño de la apertura del
carrete es distribuido a cada carrete.
.
.
GSN00607-00 10 Estructura, función, y estandar de mantenimiento
50 D155AX-6
Sistema actual de la válvula de descarga
H El diagrama muestra la condición con la válvula de retención (3) pre-establecida abierta, inmediata-
mente después de que la válvula de levantamiento de la hoja topadora ha sido operada.
Bomba HSS
Válvula LS
Válvula PC
Hoja
Cilindro de
levantamiento
Controlador
Controlador
Acumulador
Válvula auto-
reductora
de presión
Palanca PCCS
(Hoja)
Palanca PCCS
(Dirección)
LEVANTAR
ELEVAR
10 Estructura, función, y estandar de mantenimiento GSN00607-00
D155AX-6 51
Función
l Esto mejora la respuesta del sistema
incluyendo el plato oscilante de la bomba y la
válvula de compensación de presión, debido al
envío de la presión piloto (presión básica de la
vá lvu la EPC) ha cia el circuito L S, y
compensando el crecimiento de la presión en
el circuito LS.
Operación
l Cuando el carrete de levantamiento de la hoja
(1) está en la posición RETENER (HOLD), la
presión piloto P1 (presión básica de la válvula
EPC), es enviada a través de la válvula de
retención (3) hacia la cámara (F) de la válvula
de compensación de presión. Esta presión es
llamada presión pre-establecida (P2).
l La presión de descarga (P) está siendo
enviada a la cámara (B), pero (P1) + (F0) > (P)
(F0: carga del resorte (4)), entonces el carrete
de compensación de presión (2) se mueve
hacia la izquierda y el tamaño de la apertura
entre (A) y (B) se vuelve el máximo.
l Cuando el carrete de levantamiento de la hoja
(1) es conmutado, la presión de descarga (P)
fluye inmediatamente a través de las cámaras
(A), (B), (C), (D) y (E) hacia el cilindro de
levantamiento de la hoja, por lo tanto, la
presión en el orificio comienza a subir y el
lapso de demora se vuelve menor.
l Al mismo tiempo, la presión preestablecida
(P2) es suministrada al circuito LS (O), y se
aumenta la presión en el circuito LS.
l Se cierra la válvula de descarga (7), y el aceite
es enviado hacia la válvula LS de la bomba
para mejorar la respuesta del ángulo del plato
de vaivén de la bomba. Esto hace posible la
reducción del tiempo de respuesta para dar el
flujo de aceite necesario.
GSN00607-00 10 Estructura, función, y estandar de mantenimiento
52 D155AX-6
Cilindro del equipo de trabajo 1
Cilindro de levantamiento de la hoja
Cilindro de inclinación de la hoja topadora (der.)
Cilindro del desgarrador
H La tubería del cilindro de levantamiento y del cilindro de inclinación del desgarrador de múltiples garras
es diferente a la de arriba.
10 Estructura, función, y estandar de mantenimiento GSN00607-00
D155AX-6 53
Unidad: mm
No. Itemes a comprobar Criterio Solución
1
Holgura entre el
vástago del pistón y
el buje
Tamaño
estándar
Tolerancia Holgura
estándar
Límite de
holgura
Reemplace
Eje Agujero
ELEVACIÓN de
la hoja
75
-0.030
-0.076
+0.279
+0.065
0.095 –
0.355
0.666
INCLINACIÓN
de la hoja
90
-0.036
-0.090
+0.270
+0.061
0.097 –
0.330
0.695
ELEVACIÓN del
desgarrador
100
-0.036
-0.090
+0.257
+0.047
0.105 –
0.375
0.675
INCLINACIÓN
del desgarrador
110
-0.036
-0.090
+0.261
+0.047
0.105 –
0.375
0.675
2
Espacio libre entre
el eje de soporte del
vástago del pistón y
la porción de la bola
de la hoja topadora.
ELEVACIÓN de
la hoja
85 —
+0.3
+0.3
— 1.0
3
Espacio libre entre
el soporte del eje
del cilindro y el buje
ELEVACIÓN de
la hoja
85
-0.100
-0.174
—
0.100 –
0.228
0.5
4
Espacio libre entre
la superficie esférica
del rodillo del pistón
y la tapa
INCLINACIÓN
de la hoja
115
-0.200
-0.300
— — —
5
Espacio libre entre
el eje de soporte del
fondo del cilindro y
el buje
INCLINACIÓN
de la hoja
60
-0.030
-0.050
+0.174
+0.100
0.130 –
0.224
1.0
ELEVACIÓN del
desgarrador
90
-0.036
-0.090
+0.207
+0.120
0.156 –
0.297
1.0
INCLINACIÓN
del desgarrador
100
-0.036
-0.090
+0.201
+0.119
0.156 –
0.291
1.0
6
Espacio libre entre
el eje de soporte del
vástago del cilindro
y el buje
ELEVACIÓN del
desgarrador
90
-0.036
-0.090
+0.207
+0.120
0.156 –
0.297
1.0
INCLINACIÓN
del desgarrador
100
-0.036
-0.090
+0.201
+0.119
0.156 –
0.291
1.0
GSN00607-00 10 Estructura, función, y estandar de mantenimiento
54 D155AX-6
Válvula pistón 1
Cilindro para levantamiento de la hoja
topadora
Descripción
l La válvula del pistón está instalada en el pistón
del cilindro de levantamiento de la hoja
topadora. Cuando el pistón alcanza el final de
su recorrido, la válvula libera el aceite
proveniente de la bomba hidráulica para
reducir la presión de aceite ejercida en el
pistón.
Cuando la hoja topadora es inclinada, la hoja
está sujeta a una fuerza torsional debido a la
posición desigual de los pistones en los dos
cilindros; por ejemplo, cuando el pistón de un
lado continúa moviéndose mientras el pistón
del otro lado ha alcanzado el final de su
recorrido.
Las válvulas del pistón están instaladas para
prevenir que ocurra la fuerza torsional.
Cuando uno de los pistones alcanza el final de
su recorrido, se abren sus válvulas para liberar
la presión del aceite.
Adicionalmente, las válvulas del pistón alivian
el impacto que ocurre cuando el pistón hace
contacto con la cabeza o el fondo del cilindro y
sirve para reducir la sobrecarga de presión
subsiguiente en el cilindro, dejando escapar el
aceite del cilindro antes de que el pistón
alcance el final de su recorrido.
Operación
1. Válvula del pistón CERRADA (CLOSED)
El aceite presurizado proveniente de la bomba
hidráulica, actúa en el pistón (2) y en la válvula
del pistón (3).
La válvula del pistón (3) es empujada en la
dirección de la flecha hasta que el asiento (4)
de la válvula del pistón llegue a tener un
contacto cercano con la sección ahusada, esto
causa que la presión en el cilindro se eleve y
mueva el pistón (2) en la dirección de la flecha.
2. Válvula del pistón ABIERTA (OPEN)
Inmediatamente antes de que el vástago del
pistón (1) alcance el final de su recorrido, la
punta de la válvula (6) hace contacto con el
fondo del cilindro, por lo tanto, la válvula (6) y
la válvula del pistón (3) se detienen en esa
posición y no se mueven más. Solamente el
pistón (2) se mueve más allá.
Cuando esto pasa, el aceite contenido en la
cabeza del cilindro, el cual ha sido sellado por
la válvula pistón (3), se escapa por los
asientos de la válvula del pistón (4) y (5) y deja
de crecer la presión en el interior del cilindro.
10 Estructura, función, y estandar de mantenimiento GSN00607-00
D155AX-6 55
GSN00607-00 10 Estructura, función, y estandar de mantenimiento
56 D155AX-6
Válvula de caida rápida 1
(Cilindro para levantamiento de la hoja topadora)
10 Estructura, función, y estandar de mantenimiento GSN00607-00
D155AX-6 57
IQDV:Corriente eléctrica para el interruptor QDV
PB1:Hacia la base del cilindro de levantamiento izquierdo de la hoja
PB2: Hacia la base del cilindro de levantamiento derecho de la hoja
PH1:Hacia la cabeza del cilindro izquierdo de levantamiento de la hoja
PH2:Hacia la cabeza del cilindro derecho de levantamiento de la hoja
PP: Orificio de presión básica de la válvula EPC (proveniente de la válvula autoreductora de presión)
TS: Sello del orificio de drenaje
VB: Desde la válvula de control, hoja topadora, ELEVAR
VH: Desde la válvula de control, hoja topadora, “bajar”
1. Cuerpo
2. Carrete principal
3. Plato
4. Cuerpo
5. Carrete de la válvula selectora
6. Válvula EPC
Unidad: mm
No. Itemes a comprobar Criterio Solución
7
Espacio libre entre el
carrete principal y el cuerpo
de la válvula
Tamaño
estándar
Tolerancia Holgura
estándar
Límite de
holgura
Reemplace
Eje Agujero
φ36
-0.002
-0.007
+0.010
+0.010
0.008 –
0.010
0.015
8
Holgura entre el carrete de
la válvula selectora y el
cuerpo de válvula
φ6
-0.010
-0.022
+0.018
+0.010
0.010 –
0.015
0.02
Unidad: mm
No. Itemes a comprobar Criterio Solución
Tamaño estándar Límite de reparación
9
Resorte de retorno del
carrete principal
Largo libre x
Diámetro
exterior
Largo de
instalación
Carga de
instalación
Largo libre
Carga de
instalación
Sustituir el
resorte si está
dañado o
deformado.
76.4 x 27 69.5
449 N
{45.8 kg}
—
359 N
{36.6 kg}
10
Resorte de retorno del
carrete de la válvula
selectora
20.9 x 13.8 12.5
97 N
{9.89 kg}
—
77.6 N
{7.91 kg}
GSN00607-00 10 Estructura, función, y estandar de mantenimiento
58 D155AX-6
1. Condición de no circulación
l Control preciso de descenso de la hoja (El recorrido de la palanca es menor del 70%.)
l Modo QDV: DESACTIVADO (OFF)
Descripción
l QDV: Abreviación de "Válvula de Reducción
Rápida (Quick Drop Valve)"
l La válvula de caida rápida está está instalada
entre la válvula de control y el cilíndro de
levantamiento de la hoja.
l Cuando la palanca de control de la hoja está
en la posición de LOWER = BAJAR, la válvula
de caida rápida impide un vacio en el extremo
del fondo del cilindro y acorta el lapso de
tiempo de excavación
l La velocidad de descenso de la hoja es
decidida mayormente por el caudal de la
descarga de la bomba. No obstante, puede
aumentarse mediante la instalación de la
válvula de descenso rápido.
l Debido a que la válvula de reducción rápida
controla electrónicamente la operación de la
palanca PCCS, el controlador y la válvula EPC
(con la válvula QDV integral), es posible
seleccionar ACTIVAR - DESACTIVAR (ON - OFF)
Operación
l Debido a que la corriente de comando (X)
proveniente del controlador hacia la válvula
EPC es de 0A, el carrete principal (2) no
cambia.
l Los circuitos entre los orificios (VH) y (PH) y
los orificios (VP) y (PB), quedan cortados.
l La presión del aceite de la cabeza del cilindro
de levantamiento fluye desde el orificio (VH)
hacia el tanque (T) a través de la válvula de
control.
Hoja
Cilindro de
levantamiento
de la hoja
Bomba HSS
Válvula de control
Porción del
carrete
principal
Palanca PCCSHacia el motor
del ventilador
Controlador
Válvula EPCVálvula auto-
reductora de presión
Bomba del
ventilador
Porción del carrete
selector de la válvula
10 Estructura, función, y estandar de mantenimiento GSN00607-00
D155AX-6 59
2. Condición de circulación
l Bajando la hoja de empuje (El recorrido de la palanca es más del 70%.)
l Modo QDV: ACTIVADO (ON)
Operación
l El controlador envía una corriente (X) de
comando de 1,000 mA hacia la válvula EPC y
la presión piloto proveniente de la válvula EPC
es tomada por la cámara (a) del carrete
principal.
l El carrete principal (1) es movido hacia la
derecha y los circuitos entre el orificio (VH) y el
orificio (PH), y el orificio (VP) y el (PV), quedan
en condición de circulación.
l La mayoría del aceite presurizado que ha
fluido del orificio (PH) hacia el orificio (VH),
circula y fluye hacia el orificio (PB).
l El aceite presurizado que ha fluido del orificio
(PB) se une con el aceite presurizado
proveniente del orificio (VP) y fluye dentro del
fondo del cilindro de levantamiento.
l La velocidad de bajada de la hoja de empuje
se aumenta por la cantidad de aceite que está
fluyendo dentro del fondo del cilindro de
levantamiento.
l Se previene el vacío en el fondo del cilindro de
levantamiento.
Hoja
Cilindro de
levantamiento
de la hoja
Bomba HSS
Válvula de control
Porción del
carrete
principal
Palanca PCCSHacia el motor
del ventilador
Controlador
Válvula EPCVálvula auto-
reductora de presión
Bomba del
ventilador
Porción del carrete
selector de la válvula
GSN00607-00 10 Estructura, función, y estandar de mantenimiento
60 D155AX-6
3. Desde la condición de circulación del descenso de la hoja a la condición de tensión de la hoja.
l Bajando la hoja de empuje (El recorrido de la palanca es más del 70%.)
l Modo QDV: ACTIVADO (ON)
Operación
l Bajo la condición de circulación del descenso
de la hoja, si la hoja se tensa, crece la presión
en el fondo del cilindro de levantamiento.
l Si la presión del fondo del cilindro de
levantamiento se vuelve de 3.43 MPa {35kg/
cm2} o más, el carrete de la válvula selectora
(2) se mueve hacia la izquierda.
l La presión piloto proveniente de la válvula
EPC es bloqueada y la presión en la cámara
(a) del carrete principal (1) es conectada con
el circuito de drenaje (TS).
l El carrete principal (1) es movido hacia la
derecha por la fuerza del resorte (3).
l El fondo del cilindro de levantamiento es
conectado con el circuito entre el orificio (PB) y
el orificio (VB), esto permite que la hoja sea
tensada bajo la condición de "no circulación".
Hoja
Cilindro de
levantamiento
de la hoja
Bomba HSS
Válvula de control
Porción del
carrete
principal
Palanca PCCSHacia el motor
del ventilador
Controlador
Válvula EPCVálvula auto-
reductora de presión
Bomba del
ventilador
Porción del carrete
selector de la válvula
10 Estructura, función, y estandar de mantenimiento GSN00607-00
D155AX-6 61
Válvula de auto-reducción de presión 1
T: Hacia el tanque
P1: Proviene de la bomba
P2: Hacia el motor del ventilador
PR: Suministro para la válvula PPC y la válvula
EPC.
GSN00607-00 10 Estructura, función, y estandar de mantenimiento
62 D155AX-6
1. Válvula (Válvula de secuencia)
2. Resorte
3. Tornillo
4. Aguja
5. Resorte (Piloto de la válvula de reducción de
presión)
6. Resorte (Principal de la válvula reductora de
presión)
7. Válvula (Válvula de reducción de presión)
8. Resorte (válvula de seguridad)
9. Bola
10. Filtro
10 Estructura, función, y estandar de mantenimiento GSN00607-00
D155AX-6 63
Función
l la válvula reductora de autopresión reduce la
la presión de descarga de la bomba del
ventilador y suministra a la válvula PPC, la
válvula EPC, etc. a medida de la presión del
control.
Unidad: mm
No. Itemes a comprobar Criterio Solución
11
Resorte (Principal de la
válvula reductora de presión)
Tamaño estándar Límite de reparación
Sustituir el
resorte si está
dañado o
deformado.
Largo libre x
Diámetro
exterior
Largo de
instalación
Carga de
instalación
Largo
libre
Carga de
instalación
19.2 x 7.20 16.1
19.6 N
{2.0 kg}
—
17.7 N
{1.80 kg}
12
Resorte
(piloto de la válvula
reductora de presión)
17.8 x 7.20 12.7
28 N
{2.90 kg}
—
25.6 N
{2.60 kg}
13 Resorte 71.0 x 18.0 59.0
200 N
{20.4 kg}
—
186 N
{19.0 kg}
14
Resorte (válvula de
seguridad)
16.1 x 7.80 13.4
61.7 N
{6.30 kg}
—
58.8 N
{6.0 kg}
Circuito hidráulico
Orificio T
Orificio P1 Orificio P2
Orificio PR
GSN00607-00 10 Estructura, función, y estandar de mantenimiento
64 D155AX-6
Operación
Al parar el motor (baja presión total)
l El resorte (6) empuja a su asiento la aguja
cónica (5) y cierra el circuito entre los orificios
(PR) y (T).
l El resorte (7) empuja la válvula (8) hacia el
lado izquierdo, y se abre el circuito entre el
orificio (P1) y el orificio (P2).
l El resorte (3) empuja la válvula (2) hacia el
lado superior, y se cierra el circuito entre los
orificios (P1) y (P2).
Bomba del
ventilador
Válvula EPC
Motor del
ventilador
Válvula PPC
10 Estructura, función, y estandar de mantenimiento GSN00607-00
D155AX-6 65
Cuando la presión de carga (P2) es más baja que la presión de salida (PR) de la válvula de auto-
reducción de presión.
l El resorte (3) y la presión (PR) [0 MPa {0kg/
cm2} en el momento que el motor para] mueve
la válvula (2) en dirección para cerrar el
circuito entre los orificios (P1) y (P2). Cuando
el aceite hidráulico entra por el orificio (P1), se
retiene la expresión [presión (P1) C fuerza del
resorte (3) + (área d x presión (PR)], y la
válvula autoreductora de presión ajustará las
aperturas de los orificios (P1) y (P2), por lo
tanto, la presión (P1) se puede mantener más
alta que la presión (PR).
l Si la presión (PR) crece sobre la presión pre-
establecida, se abre el cabezal (5) y el aceite
hidráulico fluye desde el orificio (PR) a través
del agujero en el carrete (8) abriendo el
cabezal (5) hacia el orificio (T) del tanque.
l Por lo tanto, aparece la presión diferencial
alrededor del orificio (a) del carrete (8), y éste
carrete (8) se mueve desde del orificio (P1) en
la dirección para cerrar la apertura (PR).
Entonces, la presión (P1) quedará reducida y
ajustada a cierto valor de presión [presión
regulada] con la abertura y es suministrada
como la presión (PR).
Bomba del
ventilador
Válvula EPC
Motor del
ventilador
Válvula PPC
GSN00607-00 10 Estructura, función, y estandar de mantenimiento
66 D155AX-6
Al crecimiento de la presión de carga (P2)
l Cuando crece la presión de carga (P2) debido
a la excavación u otras operaciones, se
incrementa la entrega de la bomba y crece la
presión (P1). Entonces, la_expresión {(P1
fuerza del > resorte (3) opresor + (d area PR
presión)) se mantendrá y la válvula (2) se
moverá hacia el lado inferior hasta el final de
su recorrido. Como resultado, aumenta la
abertura entre los orificios (P1) y (P2) y se
reduce la resistencia al paso reduciendo la
pérdida de potencia del motor.
l Si la presión (PR) crece sobre la presión pre-
establecida, se abre el cabezal (5) y el aceite
hidráulico fluye desde el orificio (PR) a través
del agujero en el carrete (8) abriendo el
cabezal (5) hacia el orificio (T) del tanque.
l Por lo tanto, aparece la presión diferencial
alrededor del orificio (a) del carrete (8), y éste
carrete (8) se mueve desde del orificio (P1) en
la dirección para cerrar la apertura (PR).
Entonces, la presión (P1) quedará reducida y
ajustada a cierto valor de presión [presión
regulada] con la abertura y es suministrada
como la presión (PR).
Bomba del
ventilador
Válvula EPC
Motor del
ventilador
Válvula PPC
10 Estructura, función, y estandar de mantenimiento GSN00607-00
D155AX-6 67
En el caso de una presión anormalmente alta
l Cuando la presión (PR) de la válvula
autoreductora de presión crece a una altura
anormal, la esfera (10) se separará de su
asiento contra la fuerza del resorte (9) para
permitir el flujo del aceite hidráulico hacia los
orificios de salida (PR), Ý (T) como cuando
reduce la presión (PR). Como resultado, el
equipo [válvula PPC, válvula EPC, etc.], al cual
se suministre la presión de aceite queda
protegido contra presiones anormalmente
altas.
Válvula PPC
GSN00607-00 10 Estructura, función, y estandar de mantenimiento
68 D155AX-6
D155AX-6 Buldózer
Forma No. GSN00607-00
© 2006 KOMATSU
Todos los Derechos Reservados
Impreso en E.E.U.U. 08-06
D155AX-6 1
GSN00608-00
BULDÓZER 1MANUAL DE TALLER
D155AX-6
Modelo de máquina Número de serie
D155AX-6 80001 y superiores
10 Estructura, función, y
estandar de mantenimiento1
Equipo de trabajo
Equipo de trabajo........................................................................................................................................... 2
Tirante del cilindro............................................................................................................................... 2
Hoja..................................................................................................................................................... 4
Borde de corte, cantonera................................................................................................................... 6
Desgarrador ........................................................................................................................................ 8
GSN00608-00 10 Estructura, función, y estandar de mantenimiento
2 D155AX-6
Equipo de trabajo 1
Tirante del cilindro 1
1. Horquilla
2. Guardapolvos
3. Buje
4. Buje
5. Niple de engrase
10 Estructura, función, y estandar de mantenimiento GSN00608-00
D155AX-6 3
Unidad: mm
No. Itemes a comprobar Criterio Solución
6
Espacio libre entre el yugo del
cilindro y el buje
Tamaño
estándar
Tolerancia Holgura
estándar
Límite de
holgura
Reemplace
Eje Agujero
125
–0.172
–0.235
+0.063
+0.046
0.172 –
0.298
—
7
Espacio libre entre el yugo del
cilindro y el buje 100
–0.170
–0.224
+0.054
+0.046
0.170 –
0.278
—
8
Espacio libre entre el buje del
eje de soporte del cilindro y el
yugo.
110
–0.172
–0.035
+0.054
+0.046
0 –
0.089
0.5
GSN00608-00 10 Estructura, función, y estandar de mantenimiento
4 D155AX-6
Hoja 1
Topadora de hoja angulable Sigmadozer
10 Estructura, función, y estandar de mantenimiento GSN00608-00
D155AX-6 5
Unidad: mm
No. Itemes a comprobar Criterio Solución
1
Espacio libre entre el brazo
tensor y el pasador
Tamaño
estándar
Tolerancia Holgura
estándar
Límite de
holgura
Reemplace
Eje Agujero
60
–0.3
–0.5
+0.174
+0.100
0.4 –
0.674
2
2
Espacio libre entre el pasador
del puntal y el soporte 60
–0.3
–0.5
+0.5
+0.2
0.5 – 1.0 2
Ajuste las
lainas o
reemplace
3
Espacio libre entre la
superficie esférica del puntal y
la tapa
115
–0.2
–0.3
+0.3
+0.6
0.2 – 0.6 1
Reemplace
4
Espacio libre entre el pasador
del puntal y el soporte 90
–0.3
–0.5
+0.3
+0.1
0.4 – 0.8 2
5
Espacio libre entre el pasador
del puntal y el puntal 90
–0.3
–0.5
+0.5
+0.3
0.6 – 1.0 2
6
Espacio libre entre la unión y
el soporte de la hoja topadora 140
–0.2
–0.7
+0.5
+0.3
0.5 – 1.2 2
7
Espacio libre entre el pasador
de la estructura y la unión 70
–0.5
–0.6
+0.3
+0.6
0.5 – 0.9 3
8
Espacio libre entre el pasador
del soporte y el soporte de la
hoja topadora
70
–0.5
–0.6
+0.3
+0.6
0.5 – 0.9 3
9
Espacio libre entre el pasador
del soporte de la hoja
topadora y la unión
70
–0.5
–0.6
+0.3
+0.6
0.5 – 0.9 3
10
Espacio libre entre la
superficie esférica del puntal
central y la tapa 165
–0.2
–0.3
+0.3
+0.6
0.2 – 0.6 1
Ajuste las
lainas o
reemplace
11
Espacio libre entre la
superficie esférica del muñón
y la tapa
195
–0.5
–1.0
+0.5
+0.0
0.5 – 1.5 8 Reemplace
GSN00608-00 10 Estructura, función, y estandar de mantenimiento
6 D155AX-6
Borde de corte, cantonera 1
Unidad: mm
No. Itemes a comprobar Criterio Solución
1 Alto del borde de corte
Tamaño estándar Límite de reparación Invierta o
reemplace
330 260 (215 para virar)
2
Altura del exterior de la
cantonera
300 300
Reemplace
3 Altura interna de la cantonera 330 260
4 Ancho de la cantonera 640 500
10 Estructura, función, y estandar de mantenimiento GSN00608-00
D155AX-6 7
GSN00608-00 10 Estructura, función, y estandar de mantenimiento
8 D155AX-6
Desgarrador 1
Desgarrador de garras múltiples variable
10 Estructura, función, y estandar de mantenimiento GSN00608-00
D155AX-6 9
Unidad: mm
No. Itemes a comprobar Criterio Solución
1,7
Espacio libre entre el pasador
de montaje del brazo y el
soporte de montaje, o el
soporte de la viga.
Tamaño
estándar
Tolerancia Holgura
estándar
Límite de
holgura
Reemplace
Eje Agujero
110
–0.036
–0.090
+0.207
+0.120
0.156 –
0.297
1.5
2,8
Holgura entre el pasador de
montaje del brazo y el buje 110
–0.036
–0.090
+0.459
+0.369
0.405 –
0.549
1.5
3,9
Espacio libre entre el pasador
de montaje del cilindro y el
soporte de montaje, o el
soporte de la viga.
100
–0.036
–0.090
+0.207
+0.120
0.156 –
0.297
1.5
4,10
Espacio libre entre el pasador
de montaje del cilindro de
inclinación y el buje
100
–0.036
–0.090
+0.457
+0.370
0.406 –
0.547
1.5
5,11
Espacio libre entre el pasador
de montaje del cilindro de
levantamiento y el soporte de
montaje, o el soporte de la
viga.
90
–0.036
–0.090
+0.207
+0.120
0.156 –
0.297
1.5
6,12
Espacio libre entre el pasador
de montaje del cilindro de
levantamiento y el buje de
garra
90
–0.036
–0.090
+0.207
+0.120
0.156 –
0.297
1.5
13
Holgura entre la garra y el
pasador de montaje y el
soporte de la garra
Eje 75
Orificio 77
+0.300
–0.300
+0.300
–0.300
1.400 –
2.600
10.0
14
Holgura entre la garra y el
pasador de montaje y el
agujero de la garra
Eje 75
Orificio 80
+0.300
–0.300
+1.000
–1.000
3.700 –
6.300
15.0
15 Desgaste de la punta
Tamaño estándar Límite de reparación
335 225
16 Desgaste del protector 115 90
GSN00608-00 10 Estructura, función, y estandar de mantenimiento
10 D155AX-6
Desgarrador gigante variable
10 Estructura, función, y estandar de mantenimiento GSN00608-00
D155AX-6 11
Unidad: mm
No. Itemes a comprobar Criterio Solución
1,7
Espacio libre entre el pasador de
montaje del brazo y el soporte de
montaje, o el soporte de la viga.
Tamaño
estándar
Tolerancia Holgura
estándar
Límite de
holgura
Reemplace
Eje Agujero
110
–0.036
–0.090
+0.207
+0.120
0.156 –
0.297
1.5
2,8
Holgura entre el pasador de montaje
del brazo y el buje 110
–0.036
–0.090
+0.459
+0.369
0.405 –
0.549
1.5
3,9
Espacio libre entre el pasador de
montaje del cilindro y el soporte de
montaje, o el soporte de la viga.
100
–0.036
–0.090
+0.207
+0.120
0.156 –
0.297
1.5
4,10
Espacio libre entre el pasador de
montaje del cilindro de inclinación y
el buje
100
–0.036
–0.090
+0.457
+0.370
0.406 –
0.547
1.5
5,11
Espacio libre entre el pasador de
montaje del cilindro de levantamiento
y el soporte de montaje, o el soporte
de la viga.
90
–0.036
–0.090
+0.207
+0.120
0.156 –
0.297
1.5
6,12
Espacio libre entre el pasador de
montaje del cilindro de levantamiento
y el buje de garra
90
–0.036
–0.090
+0.207
+0.120
0.156 –
0.297
1.5
13
Holgura entre la garra y el pasador
de montaje y el soporte de la garra
Eje 75
Orificio
77
+0.300
–0.300
+0.300
–0.300
1.400 –
2.600
10.0
14
Holgura entre la garra y el pasador
de montaje y el agujero de la garra
Eje 75
Orificio
80
+0.300
–0.300
+1.000
–1.000
3.700 –
6.300
15.0
15 Desgaste de la punta
Tamaño estándar Límite de reparación
335 225
16 Desgaste del protector 115 90
GSN00608-00 10 Estructura, función, y estandar de mantenimiento
12 D155AX-6
D155AX-6 Buldózer
Forma No. GSN00608-00
© 2006 KOMATSU
Todos los Derechos Reservados
Impreso en E.E.U.U. 08-06
D155AX-6 1
GSN00609-00
BULDÓZER 1MANUAL DE TALLER
D155AX-6
Modelo de máquina Número de serie
D155AX-6 80001 y superiores
10 Estructura, función, y
estandar de mantenimiento1
Cabina y sus aditamentos
Cabina y sus aditamentos.............................................................................................................................. 2
Cabina de montaje + pasador ROPS.................................................................................................. 2
Cabina ROPS...................................................................................................................................... 3
Acondicionador de aire ....................................................................................................................... 4
GSN00609-00 10 Estructura, función, y estandar de mantenimiento
2 D155AX-6
Cabina y sus aditamentos 1
Cabina de montaje + pasador ROPS 1
1. Soporte
2. Soporte amortiguador (delantero)
3. Soporte amortiguador (trasero)
4. Pasador ROPS (delantero)
5. Pasador ROPS (trasero)
Descripción
l Los soportes viscosos están instalados en dos
lugares en el frente y dos lugares en la parte
trasera para asegurar la estructura del piso y
la cabina.
l Un soporte de montaje lleno de aceite se usa
para absorber la vibración.
l Los pasadores de la barra protectora contra
vuelcos (ROPS) están instalados cada uno en
dos lugares, en las secciones del frente y
trasera, con el objeto de fijar la (ROPS)
(integrada a la cabina) cuando la máquina se
vuelca.
10 Estructura, función, y estandar de mantenimiento GSN00609-00
D155AX-6 3
Cabina con estructura ROPS 1
Conjunto de la cabina
1. Limpiaparabrisas delantero
2. Vidrio delantero
3. Limpia parabrisas trasero
4. Puerta
5. ROPS interna (integrada a la CABINA)
GSN00609-00 10 Estructura, función, y estandar de mantenimiento
4 D155AX-6
Acondicionador de aire 1
Tuberías del acondicionador de aire
1. Condensador
2. Tubería de retorno de agua caliente
3. Tubería de admisión de agua caliente
4. Desescarchador de ventana frontal
5. Desescarchador de ventana lateral
6. Salida de aire hacia la cara
7. Salida de aire hacia el centro
8. Salida de aire hacia atrás
9. Unidad acondicionadora de aire
10. Salida de aire hacia los pies
11. Tanque recibidor
12. Tubería de refrigerante
13. Válvula (salida de agua caliente)
14. Compresor del acondicionador de aire
15. Válvula (entrada de agua caliente)
A: Aire fresco
B: Aire recirculado
10 Estructura, función, y estandar de mantenimiento GSN00609-00
D155AX-6 5
GSN00609-00 10 Estructura, función, y estandar de mantenimiento
6 D155AX-6
D155AX-6 Buldózer
Forma No. GSN00609-00
© 2006 KOMATSU
Todos los Derechos Reservados
Impreso en E.E.U.U. 08-06
D155AX-6 1
GSN00610-00
BULDÓZER 1MANUAL DE TALLER
D155AX-6
Modelo de máquina Número de serie
D155AX-6 80001 y superiores
10 Estructura, función, y
estandar de mantenimiento1
Sistema Eléctrico
Sistema Eléctrico ........................................................................................................................................... 2
Control del motor................................................................................................................................. 2
Sistema de control del motor .............................................................................................................. 3
Potenciómetro de desaceleración ....................................................................................................... 4
Sistema monitor .................................................................................................................................. 5
Sensores........................................................................................................................................... 23
Sistema de control comando por la palma de la mano ..................................................................... 26
GSN00610-00 10 Estructura, función, y estandar de mantenimiento
2 D155AX-6
Sistema Eléctrico 1
Control del motor 1
1. Pedal desacelerador
2. Potenciómetro desacelerador
3. Interruptor de arranque
4. Dial de control de combustible
5. Relé de batería
6. Batería
7. Controlador del tren de potencia
8. Arrancador
9. Bomba de suministro de combustible
Descripción
l Las señales de aceleración del dial de control
de combustible son enviadas hacia el
controlador del tren de fuerza y procesadas
junto con la señal de aceleración de 3a. y son
enviadas hacia el controlador de aceleración
del motor como comandos de aceleración
junto con las señales de aceleración del pedal
desacelerador. El controlador del acelerador
del motor controla el motor de acuerdo con los
mandatos recibidos.
10 Estructura, función, y estandar de mantenimiento GSN00610-00
D155AX-6 3
Sistema de control del motor 1
Descripción
l El controlador del acelerador del motor recibe
la señal de control de combustible del 1er.
regulador, la señal del pedal desacelerador,
del 2do. regulador y la señal del 3er regulador
que es la señal de control procedente del
controlador del tren de potencia y después
co ntrola la b omba de s umin istro d e
combustible de acuerdo con la señal de
mandato que tenga la menor velocidad de
motor.
Las señales de control procedentes del 3er.
regulador son las siguientes.
(1) Auto desaceleración (F3, R3, F2, R2)
(2) Desaceleración Neutral
l El controlador del tren de potencia calcula una
velocidad de motor adecuada basado en la
información (1), (2), etc.
y la envía como señal de aceleración de 3a. al
controlador de aceleración del motor.
l La información del controlador del acelerador
del motor es normalmente usada por todos los
con tro la dore s, a través de la red de
comunicación, con el objeto de obtener el
control óptimo del motor y del cuerpo de la
máquina.
l La auto desaceleración es una función de la
regular temporalmente la baja velocidad del
motor cuando el sentido de dirección de
traslado se cambia de F3, R3, F2 y R2 (para
proteger el embrague de la transmisión).
l La desaceleración neutral es una función
limitadora de la velocidad de ralentí alto
cuando la transmisión está en posición neutral.
Motor
Monitor de la máquina
Acelerador No. 3
Controlador del tren
de potencia
Controlador del acelerador
del motor
Bomba de suministro
de combustible
Dial control de
combustible
Acelerador No. 1
Pedal
desacelerador
Acelerador No. 2
Temperatura del agua del motor
Presión de aceite del motor
Temperatura del combustible
Exposición del motor
Exposición de temp. del agua del motor
Exposición de presión de aceite del motor
GSN00610-00 10 Estructura, función, y estandar de mantenimiento
4 D155AX-6
Potenciómetro de desaceleración 1
1. Conector
2. Palanca
3. Cuerpo
4. Potenciómetro
5. Acoplamiento
6. Eje
7. Tope
Descripción
l El potenciómetro de desaceleración está
instalado en el interior del tablero y está
conectado por medio de un varillaje con el
pedal desacelerador.
l Si se oprime el pedal desacelerador, el eje del
potenciómetro rota a causa del varillaje y
cambia la resistencia del potenciómetro.
Un voltaje constante es aplicado entre los
pasadores (A) y (C) del potenciómetro y una
señal de voltaje es enviada a través del
pasador (B) hacia el controlador del motor, de
acuerdo a la posición del pedal desacelerador.
10 Estructura, función, y estandar de mantenimiento GSN00610-00
D155AX-6 5
Sistema monitor 1
l El sistema monitor registra la condición de la
máquina por medio de sensores instalados en
varias partes de la máquina y procesa y exhibe
rápidamente la información obtenida en el
tablero de instrumentos para notificar la
condición al operador de la máquina
Las principales secciones de la exhibición y las
funciones del tablero de instrumentos son las
siguientes.
1) La unidad monitora activa la alarma
cuando la máquina tiene un problema.
2) Opera constantemente la exhibición de
los instrumentos indicadores de la
condición de la máquina (temperatura del
refrigerante, temperatura del aceite del
conver tido r d e to rsió n, n ivel d e
combustible, etc.).
3) Función de exhibición de códigos de error.
4) Función de monitorear la corriente y el
voltaje de los sensores y solenoides.
l El CPU (Unidad Central de Procesamiento de
Datos) en el panel monitor expone y da salida
a distintas informaciones procesadas por el
controlador del tren de potencia. La unidad
expositora es LCD (Exposición por Cristal
Líquido)
Batería
Sensores
Fuente de energía
Señal del sensor
Señales
del sensor
Señales
del sensor
Señales
del sensor
Red
(CAN)
Red
(CAN)
Controlador
del motor
Controlador del
tren de potencia
Red
(CAN)
Controlador del
equipo de trabajo
GSN00610-00 10 Estructura, función, y estandar de mantenimiento
6 D155AX-6
Procesamiento en el monitor de la máquina (común para todas las especificaciones)
Exposición en el monitor de la máquina
Exhibición de la condición de monitoreo
Otros ítemes
H Vea probando y ajustando, funciones especiales del monitor de la máquina
Contenido y condiciones del procesamiento Método Flujo del señales
1. Exhibición de la dirección del traslado y engranaje de
velocidad.
• A1, R3, etc. son notificadas por medio del CAN de
acuerdo a la información del controlador del tren de
potencia.
CAN
Cada sensor/solenoide-
controlador-monitor de la
máquina
2. Exhibe los indicadores de nivel de combustible, de
temperatura del refrigerante del motor, etc.
• El controlador convierte las señales de sensores en
números de indicador y los envía al monitor de la máquina
por medio de CAN.
CAN
3. Exhibición de problemas
• Cuando la máquina tiene un problema, el código de la
falla correspondiente es notificado al monitor de la máquina
por medio del CAN.
• Tambien se notifica si se debe activar "ON", la alarma
zumbadora o la lámpara de precaución.
1) En estado normal.
Código de usuario, código de servicio
2) En el modo de exhibir la historia de problemas
El código de servicio (código de 6 dígitos) y los siguientes
ítemes son exhibidos.
• Tiempo después de la primera ocurrencia
• Tiempo después de la ultima ocurrencia
• Número de ocurrencias anteriores
El monitor de la máquina exhibe algún código.
CAN
Contenido y condiciones del procesamiento Método Flujo del señales
1. La condición de la comunicación de cada sensor, de
cada solenoide, y el CAN son exhibidos.
• Los números de los ítemes y condiciones de los
dispositivos son notificadas al monitor de la máquina por
medio del CAN.
• El monitor de la máquina exhibe los ítemes y cada valor.
CAN
Cada sensor - controlador -
monitor de la máquina
2. Cada ítem es seleccionado por medio del uso de los
interruptores del cursor y el interruptor de confirmación.
CAN
Contenido y condiciones del procesamiento Método Flujo del señales
01 Monitorear
02 Historia de problemas
03 Historia de mantenimiento
04 Cambio de modo de mantenimiento
05 Establecer número de teléfono
06 Por defecto
07 Ajuste
08 Clínica PM
09 Operación del modo de cilindro reducido
10 Girar el motor sin inyección
11 Exhibición del consumo de combustible
12 —
13 Exhibición del mensaje de servicio
88 Ajuste H de la pantalla
89 —
10 Estructura, función, y estandar de mantenimiento GSN00610-00
D155AX-6 7
Monitor de la máquina
Descripción
l El monitor de la máquina tiene las funciones
para exponer distintos items y las funciones
para seleccionar modos y partes eléctricas.
l El monitor de la máquina tiene incorporado un
CPU (Unidad Central de Procesamiento) para
p roce sar, expo ner y d ar salid a a la
información.
l La unidad de exposición del monitor utiliza un
LCD (Exposición por cristal líquido). Los
interruptores son interruptores de lámina lisa.
Precauciones en la exhibición del monitor de la
máquina
l El tablero de exhibición de cristal líquido puede
tene r sitios ne gr os ( los cua les no se
encienden) o sitios brillantes (los cuales
permanecen encendidos).
Los productos que tienen 10 o menos sitios
negr os o br illan tes co nfo r man la s
especificaciones del producto; como la
condición es completamente normal.
l El voltaje de la batería puede caer súbitamente
en el momento del arranque del motor debido
a la temperatura ambiente o a la condición de
la batería La exhibición del monitor de la
máquina puede desaparecer temporalmente,
si esto pasa; es completamente normal.
l La operación continua del monitor de la
máquina puede mostrar en la pantalla puntos
brillantes azulados sobre un fondo negro; esto
es completamente normal.
La pantalla exhibida normalmente en el
monitor tiene un fondo azul o blanco. Por esta
razón, los sitios azules no causarán ningún
problema (debido a que los puntos del cristal
líquido se encienden en rojo, azul y verde
cuando el blanco es exhibido).
Juntas de antena
GPS
GSN00610-00 10 Estructura, función, y estandar de mantenimiento
8 D155AX-6
Señales de ingreso y salida
CN-CM01
Espiga
No.
Nombre de la señal
Entrada/
Salida
1 Energía de la batería (+ 24 V
constantes)
Entrada
2
Energía de la batería (+ 24 V
constantes)
Entrada
3 TIERRA de potencia de batería —
4 TIERRA de potencia de batería —
5 Wake-up
Entrada/
salida
6 Salida del relé Salida
7 Señal de TIERRA (GND) del chasis —
8 Presión del aceite hidráulico —
9 Nivel de combustible Entrada
10 NC(*) —
11 Cantidad de carga Entrada
12
Señal análoga de TIERRA (GND) del
chasis
—
13 Interruptor de luces Entrada
14 Interruptor de llave (Acumulador) Entrada
15 Interruptor de llave (C) Entrada
16 Precalentamiento Entrada
17 NC(*) —
18 NC(*) —
*: Nunca conecte con NC; ocurrirán fallas o mal
funcionamiento.
CN-CM02
Espiga
No.
Nombre de la señal
Entrada/
Salida
1 NC(*) —
2 NC(*) —
3 Sensor de nivel de líquido refrigerante Entrada
4 NC(*) —
5 NC(*) —
6 NC(*) —
7 Señal de TIERRA (GND) del chasis —
8 Resistencia de terminal CAN —
9 CAN_H Entrada/
salida
10 CAN_L
Entrada/
salida
11 NC(*) —
12 NC(*) —
*: Nunca conecte con NC; ocurrirán fallas o mal
funcionamiento.
CN-CM03
Espig
a No.
Nombre de la señal
Entrada
/Salida
1 RS232C CD para terminal de comunicación Entrada
2 RS232C RXD para terminal de comunicación Entrada
3 RS232C SG para terminal de comunicación —
4 Señal de TIERRA (GND) para el control
del terminal de comunicaciones —
5 Señal de selección del terminal de
comunicaciones Entrada
6 RS232C RTS para terminal de
comunicación Salida
7 RS232C TXD para terminal de comunicación Salida
8 RS232C DTR para terminal de comunicación Salida
9 RS232C DTR para terminal de comunicación Entrada
10 RS232C CTS para terminal de comunicación Entrada
11 RS232C RI para terminal de comunicación Entrada
12 TIERRA (GND) para la energía para el
terminal de comunicaciones —
13 Entrada CH1 para el estado del terminal
de comunicaciones Entrada
14 Salida para control de potencia del
terminal de comunicaciones
Salida
15 Salida CH1 para control del terminal de
comunicaciones Salida
16 Salida CH2 para control del terminal de
comunicaciones
Salida
17 Entrada CH2 para el estado del terminal
de comunicaciones Entrada
18 Suministro de energía eléctrica para el
terminal de comunicaciones
Salida
CN-CM04
Espiga
No.
Nombre de la señal Entrada/
Salida
1 NC(*) —
2 NC(*) —
3 NC(*) —
4 NC(*) —
5 NC(*) —
6 NC(*) —
7 NC(*) —
8 NC(*) —
9 NC(*) —
10 NC(*) —
11 NC(*) —
12 NC(*) —
*: Nunca conecte con NC; ocurrirán fallas o mal
funcionamiento.
CN-CM05
Espiga
No.
Nombre de la señal
Entrada/
Salida
1
Suministro de energía eléctrica para
la cámara
Salida
2 Cámara NTSC, entrada de señal 1 Entrada
3 Cámara NTSC, entrada de señal 2 Entrada
4 Cámara NTSC, entrada de señal 3 Entrada
5
Suministro de energía eléctrica
TIERRA (GND) para la cámara
—
6 Señal de cámara GND1 —
7 Señal de cámara GND2 —
8 Señal de cámara GND3 —
10 Estructura, función, y estandar de mantenimiento GSN00610-00
D155AX-6 9
Control del monitor, porción de exposición
1. Selector de modo de cambio de velocidades
2. Suiche de cancelación de zumbador
3. Interruptor selector del modo de trabajo
4. Temperatura del refrigerante del motor
5. Indicador múltiple
6. Exhibición de indicadores piloto
7. Horómetro, reloj
8. Exhibición del modo hidráulico
9. Nivel de combustible
10. Preconfiguración del modo de cambio de
engranajes de velocidad de traslado
11. Icono de guía
12. Interruptor de función
13. Interruptor de personalización
14. Interruptor de memoria de personalización
15. Interruptor del modo de flotar
16. Interruptor del acondicionador de aire
GSN00610-00 10 Estructura, función, y estandar de mantenimiento
10 D155AX-6
Exhibición del monitor de la máquina
Categoría
de la ex-
posición
Símbolo Item expuesto Régimen de exposición Método de exposición
Comprobación
Nivel de
refrigerante en
el radiador
Inferior al nivel bajo
Hace exposición cuando el motor está
parado y el inter. del arranque está en ON
Exposición estando normal: OFF
Exposición estando anormal: ON
Presión de
aceite del
motor
Cuando el sensor está anormal
o cuando el arnés de cables es
desconectado.
Exposición estando normal: OFF
Exposición estando anormal: ON
Carga de
baterías
Cuando la carga es anormal
Se exhibe cuando el interruptor de arranque
está en posición "ON" y el motor está
funcionando
Exposición estando normal: OFF
Exposición estando anormal: ON
Destella la luz de PRECAUCIÓN
Precaución
Presión de
aceite del
motor
Debajo de 49.0 kPa
{0.5kg/cm2
}
Se exhibe cuando el interruptor de
arranque está en posición "ON" y el motor
está funcionando
Exposición estando normal:
DESACTIVADO (OFF)
Exposición estando anormal: ACTIVADO
(ON)
Suena la alarma zumbadora
Nivel de refri-
gerante en el
radiador
Inferior al nivel bajo
Temperatura
del refrigerante
del motor
Cuando está en el nivel más alto
en el indicador de temperatura
del enfriador del motor
Sobre 102°C:
Símbolo “ON”
Sobre 105°C:
Símbolo "ON" + zumbador
Temperatura
del aceite del
convertidor
Cuando está en el nivel más alto
en el indicador de temperatura
del enfriador del motor
Sobre 120°C:
Símbolo “ON”
Sobre 130°C:
Símbolo "ON" + zumbador
Temperatura
del aceite
hidráulico
Sobre 100°C:
Símbolo “ON”
Sobre 110°C:
Símbolo "ON" + zumbador
Mantenimiento
Cuando ha pasado el tiempo de
reemplazo del filtro o del aceite
Piloto
Precalenta-
miento
Cuando se precalienta
Se enciende de acuerdo al tiempo
requerido determinado por las bases del
controlador del motor.
El también se enciende en el momento del
precalentamiento manual por medio de la
colocación del interruptor de arranque en
la posición de precalentamiento (girándolo
a la izquierda)
10 Estructura, función, y estandar de mantenimiento GSN00610-00
D155AX-6 11
Categoría
de la ex-
posición
Símbolo Item expuesto Régimen de exposición Método de exposición
Medidores
Temperatura del
refrigerante del motor
Indicativo de la temperatura aplicable
Temperatura del aceite del
convertidor
Temperatura del aceite
hidráulico
Nivel de combustible Indicativo del nivel aplicable
Horómetro de servicio
(Horómetro)
De 0 a 99999 Actúa cuando el motor está girando
GSN00610-00 10 Estructura, función, y estandar de mantenimiento
12 D155AX-6
Medidor
El puntero del indicador desaparece cuando la información sobre la temperatura del refrigerante o la tem-
peratura del aceite hidráulico no se pueden obtener debido a una desconexión del CAN.
Medidor Régimen Temperatura o
volumen
Indicador Sonido de la
zumbadora
Temperatura del
refrigerante del motor
(°C)
A1 105 Rojo ›
A2 102 Rojo
A3 100 Apagado
A4 85 Apagado
A5 60 Apagado
A6 30 Blanco
Temperatura del aceite
del tren de potencia
(°C)
B1 130 Rojo ›
B2 120 Rojo
B3 118 Apagado
B4 90 Apagado
B5 50 Apagado
B6 0 Blanco
Temperatura del aceite
hidráulico (°C)
C1 110 Rojo ›
C2 100 Rojo
C3 98 Apagado
C4 70 Apagado
C5 20 Apagado
C6 0 Blanco
Nivel de combustible
(¶)
D1 565 Apagado
D2 425 Apagado
D3 310 Apagado
D4 220 Apagado
D5 150 Apagado
D6 75 Rojo
10 Estructura, función, y estandar de mantenimiento GSN00610-00
D155AX-6 13
Velocidad de la máquina
1. 0 km/h 3. 10 km/h
2. 5 km/h 4. 15 km/h
Presión de aceite Hidráulica, y de la bomba HSS
1. 0 MPa 4. 30 MPa
2. 10 MPa 5. 40 MPa
3. 20 MPa 6. 50 MPa
Presión de aceite del motor
1. 0.0 MPa 4. 0.4 MPa
2. 0.2 MPa 5. 0.5 MPa
3. 0.3 MPa 6. 0.7 MPa
Voltaje de la batería
1. 0 V 4. 25 V
2. 17 V 5. 30 V
3. 20 V 6. 31 V
Velocidad del motor
1. 500 rpm 4. 2,000 rpm
2. 1,000 rpm 5. 2,500 rpm
3. 1,500 rpm 6. 3,000 rpm
Fuerza de barra de tiro
1. 0 W 4. 0.6 W
2. 0.2 W 5. 0.8 W
3. 0.4 W 6. 1.0 W
GSN00610-00 10 Estructura, función, y estandar de mantenimiento
14 D155AX-6
Icono de guía e interruptor de función
Los interruptores de función difieren dependiendo de la exhibición de la pantalla. Cada icono de guía mues-
tra la función del interruptor debajo de el.
Los interruptores que no tienen icono de guía están inhabilitados.
Las funciones mostradas por los iconos de guía son las mostradas en la tabla de abajo
Símbolo
Inter-
ruptor
Item Función
F6 Enter Selección de entrada / ítem seleccionado
F5 Return Retorne a la pantalla previa.
F4
Selección de horómetro de
servicio / reloj
Seleccione alternadamente horómetro de servicio / reloj
F5
Seleccionar la pantalla de
mantenimiento.
Selecciona la pantalla de mantenimiento.
F6
Seleccionar pantalla del modo
del usuario
Seleccione pantalla del modo del usuario
F3 Selección de los items
Seleccione los ítemes de la izquierda (Seleccione el ítem
del extremo derecho después del ítem del extremo
izquierdo)
F4 Selección de los items
Seleccione los ítemes del lado derecho (Seleccione el
ítem del extremo izquierdo después del ítem del extremo
derecho)
F3 Selección de los items
Seleccione el ítem del lado inferior (Seleccione el ítem
superior después del ítem del fondo) / restablezca la
retención del monitoreo
F4 Selección de los items
Seleccione el ítem del lado superior (Seleccione el ítem
del fondo después del ítem superior) / Retenga el
monitoreo
F1 Selección de los items
Seleccione la página del lado inferior (Seleccione la
página superior después de la página del fondo)
F2 Selección de los items
Seleccione la página del lado inferior (Seleccione la
página inferior después de la página superior)
F2 Retorno a la preconfiguración
Retorna el ítem seleccionado a su preconfiguración
(usado para ajuste de la pantalla.)
F1 Arrancar
Inicia la operación. (Usado para iniciar la medición del
consumo dividido de combustible en la pantalla de
exhibición de consumo de combustible.)
F1 Pare
Detiene la operación. (Usado para detener la medición
del consumo dividido de combustible en la pantalla de
exhibición de consumo de combustible.)
F1/F2 Borrar Borrar el ítem seleccionado / exhibido
F1 Establecido Ejecutar la configuración
F1
Cambio de modo de
inclinación
Selección del modo sencillo y del modo doble
(Especificación de topador de inclinación doble
solamente)
F2
Indicador de cambio de
velocidad múltiple
Ítemes del indicador de cambios de velocidad múltiples
10 Estructura, función, y estandar de mantenimiento GSN00610-00
D155AX-6 15
Interruptor del acondicionador de aire
Para operar el acondicionador de aire, use los
interruptores de control del acondicionador de aire.
9a : Específica el flujo de aire
9b : Temperatura especificada
9c : AUTO
9d : A/C
9e : Cambia entre los modos del soplador de aire
9f : Cambia entre el aire interno y el aire externo
9g : OFF
9a a 9c : Habilita la información entrada simul-
táneamente cambiando a la pantalla de
control del acondicionador de aire mos-
trada abajo.
9d a 9f : Cambian a la pantalla de control del
acondicionador de aire mostrada abajo.
Otros interruptores de presión entre
modos.
9g : Desactiva (OFF) la función del acondicionador
de aire sin cambiar a la pantalla del acondicio-
nador de aire.
Si usted no hace ninguna operación durante por lo
menos 5 seg. con la pantalla de control del acondi-
cionador de aire expuesta, la ventana retorna a la
ventana normal.
H Cuando la comunicación con el acondiciona-
dor de aire es desconectada, o hay proble-
mas de "Salpicaduras del amortiguador",
"Amor tiguador A/M", o "Refrigerante",
aparece la siguiente pantalla.
Función selectora del horómetro de
servicio y de la hora
l Oprimiendo F4 en la pantalla normal donde el
horómetro de servicio está exhibido en el
centro de arriba de la pantalla, cambia para
exhibir la hora, y repitiendo lo mismo cuando
se muestra la hora, la exhibición retorna al
horómetro de servicio.
GSN00610-00 10 Estructura, función, y estandar de mantenimiento
16 D155AX-6
Función de Mantenimiento
l Oprimiendo F5 en la pantalla normal, cambia a
la pantalla de mantenimiento.
F1 : Exhibe la siguiente página.
Exhibe la página superior cuando la última
página está exhibida.
F2 : Exhibe la siguiente anterior.
Exhibe la última página cuando la página
superior está exhibida.
F3 : Selecciona (resalta) un ítem hacia abajo.
F4 : Selecciona (resalta) un ítem hacia arriba.
F5 : Retorna a la pantalla normal.
F6 : Cambia a la pantalla para restablecer el tiempo
del mantenimiento.
No hay operación por lo menos durante 30 seg.
Retorna a la pantalla normal.
l Si el tiempo remanente en la pantalla de la
tabla de mantenimiento es menos de 30 horas,
los ítemes relacionados son resaltados en
amarillo, y si son 0 horas, se resalta en rojo.
l En la pantalla para restablecer el tiempo de
man tenimiento, restablezca el tiempo
remanente para el ítem seleccionado para
retornar al tiempo preconfigurado.
F5 : Cancela el restablecimiento para retornar a la
pantalla de la tabla de mantenimiento.
F6 : Restablece el tiempo remanente para retornar
a la pantalla normal.
No hay operación por lo menos durante 30 seg.
Retorna a la pantalla normal.
l La tabla de abajo muestra los ítemes de
mantenimiento y los intervalos de remplazo El
tiempo remanente para mantenimiento se
reduce a medida que la máquina se pone a
trabajar.
l El contenido de la exposición de precaución
difiere de acuerdo con el tiempo restante. La
relación es tal como se muestra en la tabla que
sigue a continuación.
No. Item
Intervalo de
sustitución (Horas)
01 Aceite de motor 500
02 Filtro del aceite del motor 500
03 Filtro principal de combustible 1000
41 Pre-filtro de combustible 500
04 Filtro hidráulico 2000
06 Resistor de corrosión 1000(*)
07
Aceite de la caja del
amortiguador
2000
08 Caja del aceite del mando final 1000
10 Aceite hidráulico 2000
19 Aceite P/L 1000
20 Filtro del aceite P/L 500
*: Si está equipado (A ser determinado)
P/L: Tren de potencia
Exhibición Condición
Ninguna
El tiempo restante para el
mantenimiento en todos los
items es más de 30 horas.
Exposición de advertencia
(símbolo negro sobre
contraste amarillo)
Hay uno o más items con
menos de 30 horas de
tiempo remanente para
realizar el mantenimiento.
Exposición de advertencia
(símbolo blanco expuesto
sobre fondo rojo)
Hay uno o más items con
menos de 0 horas de
tiempo remanente para
realizar el mantenimiento.
10 Estructura, función, y estandar de mantenimiento GSN00610-00
D155AX-6 17
l Usted puede bloquear con una contraseña el
tiempo de mantenimiento para prevenir que
sea reconfigurado por error o descuido
l La contraseña preconfigurada es "000000"
l Habilitando el bloqueo por contraseña en una
máquina equipada con aditamento, bloquea al
mismo tiempo la pantalla de configuración del
aditamento.
H Para información sobre el cambio de la con-
traseña de mantenimiento, vea "Función de
cambio de contraseña de mantenimiento" en la
sección de Probando y Ajustando.
Modo del usuario 1
l Oprimiendo F6 en la pantalla normal entra al
modo del usuario, cambiando a la pantalla del
menú del usuario.
l En el modo del usuario, usted puede
especificar ítemes relacionados con el monitor
de la máquina y de la máquina, mostrados
abajo.
Seleccione la pantalla utilitaria
Seleccione el indicador múltiple
Ajuste de la pantalla
Ajuste del reloj
Ajuste del idioma
Exposición de mensajes
Ventilador de modo de reverso
F3 : Selecciona (resalta) un ítem hacia abajo.
F4 : Selecciona (resalta) un ítem hacia arriba.
F5 : Retorna a la pantalla normal.
F6 : Cambia a la pantalla de configuración para el
ítem seleccionado.
No hay operación por lo menos durante 30 seg.
Retorna a la pantalla normal.
(En el modo del usuario, el no cambiar de oper-
ación por lo menos en 30 seg., se retorna a la pan-
talla previa)
Seleccione la pantalla utilitaria
l Si la selección de la pantalla utilitaria es
seleccionada por medio de la tecla F6, y se
pueden seleccionar; Exhibición estándar (1),
Exhibición de carga (2), y Exhibición del Paso
del Cuerpo (3).
l Seleccione un ítem con el interruptor (F3), o el
(F4) y confírmelo con el interruptor (F6).
GSN00610-00 10 Estructura, función, y estandar de mantenimiento
18 D155AX-6
Exposición estándar
l La pantalla normal es seleccionada
Exposición de carga
l El eje horizontal indica el tiempo y el eje
vertical indica la fuerza de tracción La
operación se debería efectuarse en el rango
verde.
l El gráfico de la pantalla es actualizado y
corrido hacia la izquierda a intervalos de
algunos segundos.
Exhibición del Paso del Cuerpo de la Máquina
l El eje horizontal indica el tiempo y el eje
vertical indica el ángulo de paso del cuerpo de
la máquina.
l El gráfico de la pantalla es actualizado y
corrido hacia la izquierda a intervalos de
algunos segundos.
Seleccione el indicador múltiple
l En esta pantalla, se pueden seleccionar los
indicadores exhibidos en el centro.
l Seleccione un ítem con el interruptor (F3), o el
(F4) y confírmelo con el interruptor (F6).
l Se pueden seleccionar los ítems siguientes.
No. Selección del ítem Observaciones
1
Temperatura del aceite del
tren de potencia
Con precaución
2
Temperatura del aceite
hidráulico [HYD]
Con precaución
3 Velocidad del Vehículo —
4 Presión hidráulica —
5
Presión de aceite del
motor
Con precaución
6 Voltaje de baterías —
7 Velocidad del motor —
8 Fuerza de tracción —
9 Reloj —
10
Temperatura del
refrigerante del motor
Para Seleccionar la
Pantalla de Utilidades
11 Combustible
Para Seleccionar la
Pantalla de Utilidades
10 Estructura, función, y estandar de mantenimiento GSN00610-00
D155AX-6 19
Ajuste de la pantalla
l Seleccionando la Pantalla de ajuste del menú
del usuario y oprimiendo F6, se cambia a la
pantalla de ajustes de pantalla.
l Para este menú, usted puede ajustar el brillo,
el contraste y la luminosidad de la pantalla
monitora de la máquina.
l Cuando el interruptor de luces está colocado
en el modo Noche (Night) ON, la pantalla del
modo nocturno es ajustable.
l Cuando el interruptor de luces está colocado
en el modo Diurno (Daytime) ON, u OFF, la
pantalla del modo diurno es ajustable.
F2 : Retorna todos los valores ajustado a sus pre-
configuraciones.
F3 : Disminuye el valor indicado por el indicador un
paso hacia la izquierda.
F4 : Incrementa el valor indicado por el indicador
un paso hacia la derecha.
F5 : Cancela los cambios que usted hizo antes de
confirmarlos por medio de la F6, para retornar
a la pantalla del menú.
F6 : Confirma los cambios y movimientos hacia el
siguiente ítem.
l Para las máquinas equipadas con cámara, el
brillo, contraste y luminosidad de la pantalla de
la cámara también son ajustables
l Para las máquinas equipadas con cámara,
seleccionando el Ajuste de la pantalla del
menú del usuario cambia a la pantalla para
seleccionar la pantalla que usted quiere
ajustar.
F3 : Selecciona (resalta) un ítem hacia abajo.
F4 : Selecciona (resalta) un ítem hacia arriba.
F5 : Cancela los cambios que usted hizo antes de
confirmarlos por medio de la F6, para retornar
a la pantalla del menú.
F6 : Mueve hacia la configuración de los ítemes,
del ítem seleccionado (resaltado).
l Los métodos de ajuste para la pantalla de la
cámara y los de la pantalla normal son los
mismos.
l Cuando ajuste la pantalla de la cámara, el
fondo es la imagen No. 1 de la cámara.
F3 : Selecciona (resalta) un ítem hacia abajo.
F4 : Selecciona (resalta) un ítem hacia arriba.
F5 : Cancela los cambios que usted hizo antes de
confirmarlos por medio de la F6, para retornar
a la pantalla del menú.
F6 : Mueve hacia la configuración de los ítemes,
del ítem seleccionado (resaltado).
Ajuste del reloj
l Seleccionando Ajuste del reloj del menú del
usuario y oprimiendo F6, se cambia a la
pantalla de ajustes del reloj.
l En esta pantalla, usted puede cambiar la
configuración de la hora exhibida en la pantalla
normal
1) Establecer la hora
Establecer la hora del reloj. Si el ítem de
co nfigu ra ció n d el tiemp o no está
resaltado, oprima F6 para resaltarlo.
GSN00610-00 10 Estructura, función, y estandar de mantenimiento
20 D155AX-6
La parte exhibida del tiempo queda
resaltada.
F3:Avanza el reloj en una hora
F4:Retrocede el reloj en una hora.
F5:Cancela los cambios que usted hizo
antes de confirmarlos por medio de la
F6, para retornar a la pantalla del
menú del usuario
F6:Confirma los cambios y se mueve para
establecer los minutos.
La parte de exhibición de minutos queda
resaltada.
F3:Avanza el reloj en un minuto.
F4:Retrocede el reloj en un minuto.
F5:Cancela los cambios que usted hizo
antes de confirmarlos por medio de la
F6, para retornar a la pantalla del
menú del usuario
F6:Confirma los cambios y mueve hacia el
modo de exhibición de 12, o 24
horas.
2) Modo de exposición 12/24
Especifique la exhibición del tiempo, en 12
horas con (AM/PM), o en 24 horas. Si el
ítem del modo de exhibición del tiempo
12/24 no está resaltado, oprima F6 para
resaltarlo.
F3:Mueve hacia el ítem de la derecha.
F4:Mueve hacia el ítem de la izquierda.
F5:Cancela los cambios para retornar al
menú del usuario.
F6:Confirma los cambios y se mueve para
establecer la hora de verano.
3) Horario de verano
Se leccion and o ON pa ra es ta
configuración avanza el reloj una hora
Seleccionando OFF retorna a la hora
común
F3:Mueve hacia el ítem de la derecha.
F4:Mueve hacia el ítem de la izquierda.
F5:Cancela los cambios que usted hizo
antes de confirmarlos por medio de la
F6, para retornar a la pantalla del
menú.
F6:Confirma los cambios y se mueve
hacia la regulación del tiempo.
H El tiempo de verano (tiempo de
ahorro de luz diurna) es un sistema
de vida avanzando el tiempo en una
hora con el objeto de hacer más efi-
ciente el uso del tiempo diurno.
Ajuste del idioma
l Seleccionando el Lenguaje de la pantalla del
menú del usuario y oprimiendo F6, cambia la
configuración de lenguaje de la pantalla.
l En este menú, usted puede cambiar el
lenguaje empleado en la exhibición del
monitor. Los lenguajes disponibles son los
siguientes:
Japonés, Inglés, Chino, Francés, Español,
Portugués, Italiano, Alemán, Ruso y Turco.
F3 : Selecciona (resalta) un ítem hacia abajo.
F4 : Selecciona (resalta) un ítem hacia arriba.
F5 : Cancela los cambios para retornar al menú del
usuario.
F6 : Cancela los cambios para retornar al menú del
usuario.
Exposición de mensajes
l Para las máquinas equipadas con
"KOMTRAX", usted puede ver la notificación
proveniente del representante. Cuando hay
este mensaje, el monitor de mensajes aparece
en la esquina superior izquierda de la pantalla
normal.
l El monitor iluminado en verde indica que hay
un mensaje para ser leído.
l El monitor iluminado en azul aparece cuando
usted aún no ha enviado respuestas después
de abrir los mensajes, los cuales aceptan o
requieren respuestas.
10 Estructura, función, y estandar de mantenimiento GSN00610-00
D155AX-6 21
l Oprima F6 para entrar al modo del usuario y
seleccione "Exhibición de mensajes" (Messaje
display) y usted puede abrir y leer los
mensajes.
F6 : Retorna a la pantalla del modo del usuario.
l Debajo de los mensajes que aceptan
respuesta, "Valor para ser introducido con la
tecla 10: Aparece ( )". Si esto aparece, entre
e l n úmero de l ítem sele ccio nad o
proporcionado en el mensaje, usando los
interruptores del monitor de la máquina, y
oprima F6:
l Aparece debajo del mensaje "¿Usted quiere
transmitir el valor entrado?" Oprima F6 y el
valor entrado será enviado.
l Los mensajes serán borrados cuando expire
su validez, o se reciba un mensaje nuevo.
l Cuando no se ha recibido ningún mensaje,
aparece en la parte azul de la parte superior
d e la p anta lla "N o hay men saje " ( No
message).
l Separadamente de la exhibición de mensajes
para el usuario indicada arriba, el menú de
servicio se proporciona con exhibición de
mensajes para servicio.
Ventilador de modo de reverso
l En este modo, el ventilador es impulsado en
reversa para limpiar el núcleo del radiador.
l Mientras el interruptor de arranque se
encuentre en posición "OFF", seleccione un
ítem usando los interruptores F3, o F4, y
confírmelo por medio del interruptor F6.
l Mientras está exhibida la pantalla (A), oprima
el interruptor F6, y el ventilador queda listo
para girar en reversa.
l Mientras la pantalla (B) está exhibida,
arranque el motor.
Precauciones para usar el modo de giro en
reversa del ventilador.
¤ En este modo, el ventilador no puede
girar en reversa mientras el motor esté
funcionando.
Cuando haga funcionar el ventilador en
reversa, coloque la traba del traslado
en posición "TRABADO" (LOCK).
Mientras el ventilador este funciona-
ndo en reversa, la máquina no se
puede trasladar.
Cuando restablezca el funcionamiento
en reversa, coloque el interruptor de
arranque en posición "OFF" para parar
el motor.
Cuando use este modo, caliente sufi-
cientemente el motor. Si el motor no es
calentado, el aire no será suministrado
en forma suficiente.
GSN00610-00 10 Estructura, función, y estandar de mantenimiento
22 D155AX-6
Función de comprobación del
horómetro
l Si usted oprime continuamente y al mismo
tiempo el interruptor de autodesaceleración (1)
y el interruptor de cancelación del zumbador
(2) cuando coloca el interruptor de arranque
en la posición OFF, el horómetro de servicio
aparecerá en la pantalla entre 3 y 5 segundos.
l Cuando se liberan los interruptores, la
exposición desaparece.
H La operación continua del monitor de la
máquina puede mostrar en la pantalla puntos
brillantes azulados; esto es completamente
normal.
Función de revisión de la exhibición
LCD (Diodos de cristal líquido)
l Oprimiendo continuamente y al mismo tiempo,
el interruptor de cancelación del zumbador de
alarma (1) y F2 en la pantalla de entrada de la
contraseña, o en la pantalla normal, causa que
todos los LCD se iluminen en blanco. Libere
primero el F2 y después el interruptor de
cancelación del zumbador. Si cualquier parte
de la exposición está negra, el LCD está
dañado.
l Oprimiendo cualquier interruptor de función,
se retorna a la pantalla previa.
10 Estructura, función, y estandar de mantenimiento GSN00610-00
D155AX-6 23
Sensores 1
Sensor de presión de aceite del motor
1. Tapón
2. Anillo de contacto
3. Contacto
4. Diafragma
5. Resorte
6. Terminal
Sensor de temperatura del refrigerante del motor
Sensor de temperatura del aceite del convertidor de torsión
Sensor de la temperatura del aceite hidráulico
1. Termistor
2. Cuerpo
3. Tubo
4. Tubo
5. Cable
6. Conector
Tipo de sensor Método sensor Cuando es normal Cuando es anormal
Presión de aceite del motor Contacto DESACTIVADO (OFF) ACTIVADO (ON)
Temperatura del refrigerante del
motor
Resistencia — —
Temperatura del aceite del
convertidor
Resistencia — —
Temperatura del aceite hidráulico Resistencia — —
Nivel del refrigerante Contacto ACTIVADO (ON) DESACTIVADO (OFF)
Nivel de combustible Resistencia — —
GSN00610-00 10 Estructura, función, y estandar de mantenimiento
24 D155AX-6
Sensor de nivel de líquido refrigerante
1. Flotar
2. Sensor
3. Tubo
4. Cable
5. Conector
Sensor de nivel de combustible
1. Conector
2. Flotar
3. Brazo
4. Cuerpo
5. Resorte
6. Contacto
7. Espaciador
Función
l El sensor de combustible está instalado en la
cara lateral del tanque de combustible. El
flotador se mueve hacia arriba o hacia abajo
de acuerdo al nivel de combustible. Este
movimiento del flotador es transmitido por el
brazo y actúa sobre una resistencia variable.
Ella envía una señal al tablero monitor para
indicar el nivel de combustible restante
10 Estructura, función, y estandar de mantenimiento GSN00610-00
D155AX-6 25
Sensor de la velocidad del motor
Sensor de velocidad del engranaje cónico
1. Imán
2. Terminal
3. Carcasa
4. Botas
5. Conector
Sensor del ángulo de paso
1. Cuerpo
2. Tubo
3. Cable
4. Conector
GSN00610-00 10 Estructura, función, y estandar de mantenimiento
26 D155AX-6
Sistema de control comando por la palma de la mano 1
1. Monitor de la máquina (Información múltiple)
2. Interruptor del modo previamente establecido
3. Controlador del acelerador del motor
4. Controlador del tren de potencia
5. Sensor de la velocidad del motor
6. Válvula de control de la transmisión
7. Válvula de control de la dirección
8. Sensor de velocidad del eje de salida de la
transmisión
10 Estructura, función, y estandar de mantenimiento GSN00610-00
D155AX-6 27
Función del modo de cambio de
velocidades
Descripción
En el modo de cambio de velocidades hay el modo
de cambios automáticos y el de cambio manuales.
Estos modos se cambian de uno al otro, cada vez
que se oprima el interruptor del modo de cambio de
velocidades (1).
1. Modo de cambio de velocidades
automático (Modo de empuje)
l Si se aplica carga, el engranaje de velocidad
es cambiado automáticamente hacia abajo.
Cuando la carga es removida, el engranaje de
velocidad es cambiado automáticamente hacia
arriba hasta el cambio de velocidad máximo
establecido.
l La traba del convertidor de torsión opera de
acuerdo a las cargas y el cambio de velocidad
máximo es seleccionado automáticamente.
En este mo do, se cons ume men os
combustible y se obtiene mayor producción.
2. Modo para cambios de velocidad manuales
(Modo para el desgarrado)
l Si se aplica carga, el engranaje de velocidad
es cambiado automáticamente hacia abajo.
Cuando la carga es removida, el cambio de
velocidad no es cambiado hacia arriba
automáticamente.
Exhibición de la pantalla
El modo de cambio de velocidades es mostrado en
la sección de exhibición del modo de cambios de
velocidad del tablero monitor, tal como se muestra
abajo.
A: Modo de cambio de velocidades
automático
1. Cambio de velocidad actualmente usado
2. Preestablecer el cambio de velocidad al
arran que y el camb io máximo d e
velocidad durante el traslado.
3. Marca de "AUTO" (la cual indica el modo
de cambio de velocidades automático)
4. Marca de "Empuje (Dozing)" (la cual
indica el modo de cambio de velocidades
automático)
B: Modo de cambio de velocidades manual
5. Cambio de velocidad actualmente usado
6. Preestablecido (cambio de velocidad al
arrancar)
7. Marca de "Desgarrado (Ripping)" (la cual
indica el modo de cambio de velocidades
manual)
Operación de cambio de marchas
l Seleccione un cambio de velocidad
oprimiendo (a), o (b) de la palanca de cambio
de velocidades / direccional / dirección.
(a) Interruptor de cambio ascendente
(b) Interruptor para cambiar de velocidad
hacia abajo
GSN00610-00 10 Estructura, función, y estandar de mantenimiento
28 D155AX-6
Configurando la preselección con los interrup-
tores de cambio en posición neutral.
l Configure la preselección (cambio de
velocidad al arranque) y el cambio máximo de
velocidad durante el traslado (solamente para
el modo de cambios de velocidad automáticos)
con los interruptores de cambios en posición
neutral.
A: Modo de cambio de velocidades
automático
2. Configurando la preselección del cambio
de velocidad al arranque y el cambio
máximo de velocidad durante el traslado.
B: Modo de cambio de velocidades manual
6. Configurando la preselección (cambio de
velocidad al arrancar)
H Cuando el interruptor de arranque es colocado
en posición "ON", es establecido el modo de
cambios de velocidad automático (avance, ret-
roceso en 1a. [F1 - R1] Cuando se cambia el
modo de cambios de velocidad, se selecciona
inicialmente Avance, o Retroceso en 1a. [F1 -
R1]
Cambiando el engranaje de velocidad durante
el traslado con los interruptores para cambiar
velocidad.
l El cambio de velocidad máximo durante el
traslado ( en el modo de camb io d e
velocidades automático), o el cambio de
velocidad usado durante el traslado (en el
modo de cambio de velocidades manual) se
pueden cambiar por medio de los interruptores
para cambio de velocidades mientras la
máquina se está trasladando.
A: Modo de cambio de velocidades
automático
2. Cambiando el engranaje de velocidad
máximo durante el traslado
Durante el traslado adelante: El engranaje
de velocidad máximo se puede establecer
entre la 1a. y 3a. de avance [F1 - F3].
Durante el traslado en retroceso: El
engranaje de velocidad máximo se puede
establecer entre la 1a. y 3a. de avance
[R1 - R3].
Interruptor de cambio ascendente: Cada
vez que se oprime este interruptor, el
cambio de velocidad máximo es
subido al rango superior.
Interruptor de reducción: Cada vez que se
oprime este interruptor, el cambio de
velocidad máximo es bajado al rango
inferior.
B: Modo de cambio de velocidades manual
5. Cambiando el engranaje de velocidad
máximo durante el traslado
Durante el traslado adelante: El engranaje
de ve locid ad máximo se pued e
establecer entre la 1a. y 3a. de avance
[F1 - F3].
Durante el traslado en retroceso: El
engranaje de velocidad máximo se
puede establecer entre la 1a. y 3a. de
avance [R1 - R3].
Interruptor de cambio ascendente: Cada
vez que se oprime este interruptor, el
cambio de velocidad máximo es
subido al rango superior.
Interruptor de reducción: Cada vez que se
oprime este interruptor, el cambio de
velocidad máximo es bajado al rango
inferior.
10 Estructura, función, y estandar de mantenimiento GSN00610-00
D155AX-6 29
GSN00610-00 10 Estructura, función, y estandar de mantenimiento
30 D155AX-6
D155AX-6 Buldózer
Forma No. GSN00610-00
© 2006 KOMATSU
Todos los Derechos Reservados
Impreso en E.E.U.U. 08-06
D155AX-6 1
GSN00678-00
BULDÓZER 1MANUAL DE TALLER
D155AX-6
Modelo de máquina Número de serie
D155AX-6 80001 y superiores
20 Tabla de valores estándar 1
Tabla de valores estándar de servicio
Tabla de valores estándar de servicio............................................................................................................ 2
Tabla de valores estándar para el motor ............................................................................................. 2
Tabla de valores estándar para la máquina ........................................................................................ 3
GSN00678-00 20 Tabla de valores estándar
2 D155AX-6
Tabla de valores estándar de servicio 1
Tabla de valores estándar para el motor 1
Modelo de máquina D155AX-6
Motor SAA6D140E-5
Canti
dad
Item Condición de medición Unidad
Valor estándar
para máquina
nueva
Valor de servicio
límite
Motor
Velocidad
• Temperatura del
refrigerante del
motor: Dentro del
rango de operación
Alta velocidad sin
carga
rpm 2,050 ± 50 2,050 ± 50
Baja velocidad sin
carga
rpm 740 ± 25 740 ± 25
Velocidad nominal rpm 1,900 1,900
Presión de
admisión de
aire(Presión de
refuerzo)
• Temperatura del refrigerante del motor:
Dentro del rango de operación
• Temperatura del aceite del tren de
potencia: Dentro del rango de operación
• Convertidor de torsión: Calado
kPa
{mmHg}
Mín. 117
{Mín. 880}
100
{750}
Temperatura del
escape
• A rango máximo de velocidad
• (Temperatura exterior: 20°C)
°C 660 700
Color de los gases
de escape
• Temperatura del
refrigerante del
motor: Dentro del
rango de operación
Aceleración
brusca
%
(Indice
Bosch)
Máx. 25
(Máx. 2.5)
35
{3.5}
Máxima RPM
(Indice
Bosch)
Máx. 1.0 2.0
Holgura de las
válvulas
• Temperatura normal
Válvula de
admisión
mm 0.35 —
Válvula de escape mm 0.57 —
Presión de
compresión
• Temperatura del
aceite del motor:
• 40 -60°C
Presión de
compresión
MPa
{kg/cm2}
Mín. 4.1
{Mín. 42}
2.8
{29}
Velocidad del
motor
rpm 200 – 250 200 – 250
Presión de los
gases del cárter
• Temperatura del refrigerante del motor:
Dentro del rango de operación
• Temperatura del aceite del tren de
potencia: Dentro del rango de operación
• Convertidor de torsión: Calado
kPa
{mmH2O}
Máx. 2.94
{Máx. 300}
3.92
{400}
Presión de aceite
del motor
• SAE0W30EOS,
• SAE5W40EOS,
• SAE10W30DH,
• SAE15W40DH
• SAE30DH Oil
• Temperatura del
aceite del motor:
• Mín. 80 °C
Alta velocidad sin
carga
MPa
{kg/cm2}
Mín. 0.34
{Mín. 3.5}
0.21
{2.1}
Baja velocidad sin
carga
MPa
{kg/cm2}
Mín. 0.10
{Mín. 1.0}
0.08
{0.8}
Temperatura del
aceite
• A rango máximo de velocidad (adentro
del cárter)
°C 90 – 110 120
Tensión de la
correa del
alternador
• Entre la polea de la bomba de agua –
polea del alternador
• Deflexión bajo presión de dedos de 98 N
(10 kg)
mm 13 – 16 13 – 16
Tensión de la
correa del
compresor de aire
• Entre la polea del compresor – polea del
ventilador
• Deflexión bajo presión de dedos de 59 N
(6 kg)
mm Aprox. 10 Aprox. 10
20 Tabla de valores estándar GSN00678-00
D155AX-6 3
Tabla de valores estándar para la máquina 1
Modelo de máquina D155AX-6
Can-
tidad
Item Condición de medición Unidad
Valor estándar para
máquina nueva
Valor de
servicio límite
Velocidaddelmotor
Velocidad del pedal
desacelerador
• Temperatura del refrigerante del motor:
Dentro del rango de operación
• Temperatura del aceite del tren de
potencia: Dentro del rango de operación
• Temperatura del aceite hidráulico: Dentro
del rango de operación
• Motor: Alta velocidad sin carga
• Velocidad del pedal desacelerador:
• Oprima el pedal
• Velocidad de auto-desaceleración:
• Coloque todas las palancas en posición
neutral
rpm 875 ± 50 875 ± 50
Velocidad de auto-
desaceleración
rpm 1,875 ± 50 1,875 ± 50
Velocidad de
calado del
convertidor de
torsión
• Temperatura del refrigerante del motor:
Dentro del rango de operación
• Temperatura del aceite del tren de
potencia: Dentro del rango de operación
• Temperatura del aceite hidráulico: Dentro
del rango de operación
• Motor: Alta velocidad sin carga
• Seleccione el modo P
• Velocidad de calado del convertidor de
torsión: F3
• Velocidad de calado del convertidor de
torsión + Velocidad de alivio del equipo de
trabajo: F3+ Elevar desgarrador
rpm 1,610 ± 50 1,450
Velocidad de
calado del
convertidor de
torsión + Velocidad
de alivio del equipo
de trabajo
rpm 1,550 ± 50 1,395
Ventiladordeenfriamiento
Velocidad del motor
del ventilador
• Temperatura del aceite
hidráulico: Dentro del rango de
operación
• Ventilador: Colóquelo en el
modo del 100%
• Motor: Baja velocidad sin carga
Velocidad
mínima
rpm — —
• Temperatura del aceite
hidráulico: Dentro del rango de
operación
• Ventilador: Colóquelo en el
modo del 100%
• Motor: Alta velocidad sin carga
Velocidad
máxima
rpm 1,250 ± 50 1,250 ± 50
Presión del circuito
de la bomba del
ventilador
• Temperatura del aceite hidráulico: Dentro
del rango de operación
• Ventilador: Colóquelo en el modo del
100%
• Motor: Alta velocidad sin carga
MPa
{kg/cm2}
Recorridodelapalanca/pedaldecontrol
PalancaPCCS
Traslado
Avance/
Retroceso • Pare el motor
• Centro de la empuñadura de la
palanca
N Ý
Avance
mm 30 ± 5 30 ± 5
N Ý
Retroceso
mm 30 ± 5 30 ± 5
Dirección
N Ý
Izquierda
mm 40 ± 5 40 ± 5
N Ý
Derecha
mm 40 ± 5 40 ± 5
Pedal
desacelerador
• Pare el motor
• Centro del pedal
mm 50 ± 10 50 ± 10
Pedal de freno
• Motor: Baja velocidad sin carga
• Centro del pedal
Total
recorrido
mm 79 ± 10 79 ± 10
Recorrido
hasta que
la presión
de aceite
= 0
mm 54 ± 4 54 ± 4
GSN00678-00 20 Tabla de valores estándar
4 D155AX-6
Modelo de máquina D155AX-6
Can-
tidad
Item Condición de medición Unidad
Valor estándar para
máquina nueva
Valor de servicio
límite
Recorridodelapalanca/pedaldecontrol
Palanca de control
de la hoja
• Pare el motor
• Centro de la
empuñadura de la
palanca
N Ý Elevar mm 72 ± 10 72 ± 10
N Ý Bajar mm 72 ± 10 72 ± 10
N Ý
Inclinación
izquierda
mm 53 ± 10 53 ± 10
N Ý
Inclinación
derecha
mm 53 ± 10 53 ± 10
Palanca de control
del desgarrador
• Pare el motor
• Centro de la
empuñadura de la
palanca
N Ý Elevar mm 75 ± 10 75 ± 10
N Ý Bajar mm 75 ± 10 75 ± 10
N Ý Adentro mm 80 ± 10 80 ± 10
N Ý Afuera mm 80 ± 10 80 ± 10
Esfuerzodeoperacióndelpedal/palancadecontrol
PalancaPCCS
Traslado
Avance/
Retroceso • Pare el motor
• Centro de la
empuñadura de la
palanca
N Ý
Avance
N
{kg}
56.9 ± 6.9
{5.8 ± 0.7}
56.9 ± 6.9
{5.8 ± 0.7}
N Ý
Retroceso
N
{kg}
50.1 ± 6.9
{5.2 ± 0.7}
50.1 ± 6.9
{5.2 ± 0.7}
Dirección
N Ý Izquierda
N
{kg}
24.5 ± 4.9
{2.5 ± 0.5}
24.5 ± 4.9
{2.5 ± 0.5}
N Ý Derecha
N
{kg}
27.5 ± 4.9
{2.8 ± 0.5}
27.5 ± 4.9
{2.8 ± 0.5}
Pedal
desacelerador
• Pare el motor
• Centro del pedal
N
{kg}
49.0 ± 9.8
{5.0 ± 1.0}
49.0 ± 9.8
{5.0 ± 1.0}
Pedal de freno
• Motor: Baja velocidad sin carga
• Centro del pedal
N
{kg}
411.6 ± 78.4
{42.0 ± 8.0}
411.6 ± 78.4
{42.0 ± 8.0}
Interruptor de la
palanca de control
de la hoja
• Pare el motor
• Centro de la
empuñadura de la
palanca
• Bajar o Flotar:
Interruptor
N Ý Elevar
N
{kg}
39.2 ± 5.9
{4.0 ± 0.6}
39.2 ± 5.9
{4.0 ± 0.6}
N Ý Bajar
N
{kg}
39.2 ± 9.8
{4.0 ± 1.0}
39.2 ± 9.8
{4.0 ± 1.0}
Bajar Ý
Flotar
N
{kg}
9.8 ± 4.9
{1.0 ± 0.5}
9.8 ± 4.9
{1.0 ± 0.5}
N Ý
Inclinación
izquierda
N
{kg}
29.4 ± 5.9
{3.0 ± 0.6}
29.4 ± 5.9
{3.0 ± 0.6}
N Ý
Inclinación
derecha
N
{kg}
29.4 ± 5.9
{3.0 ± 0.6}
29.4 ± 5.9
{3.0 ± 0.6}
Palanca de control
del desgarrador
• Pare el motor
• Centro de la
empuñadura de la
palanca
N Ý Elevar
N
{kg}
19.6 ± 4.9
{2.0 ± 0.5}
19.6 ± 4.9
{2.0 ± 0.5}
N Ý Bajar
N
{kg}
19.6 ± 4.9
{2.0 ± 0.5}
19.6 ± 4.9
{2.0 ± 0.5}
N Ý Adentro
N
{kg}
24.5 ± 4.9
{2.5 ± 0.5}
24.5 ± 4.9
{2.5 ± 0.5}
N Ý Afuera
N
{kg}
24.5 ± 4.9
{2.5 ± 0.5}
24.5 ± 4.9
{2.5 ± 0.5}
20 Tabla de valores estándar GSN00678-00
D155AX-6 5
Modelo de máquina D155AX-6
Canti
dad
Item Condición de medición Unidad
Valor estándar para
máquina nueva
Valor de
servicio límite
Presióndeaceitedeltrendepotencia
Presión de ingreso
al convertidor
de torsión
• Temperatura del aceite
del tren de potencia:
Dentro del rango de
operación
• Palanca PCCS: Neutral
• Haga la exposición por
medio del monitor
Baja velocidad
sin carga
MPa
{kg/cm2}
0.05 – 0.49
{0.5 – 5.0}
0.05 – 0.49
{0.5 – 5.0}
Alta velocidad
sin carga
MPa
{kg/cm2}
Máx. 1.0
{Máx. 10.0}
Máx. 1.0
{Máx. 10.0}
Presión de salida
del convertidor de
torsión
Baja velocidad
sin carga
MPa
{kg/cm2}
0.05 – 0.29
{0.5 – 3.0}
0.05 – 0.29
{0.5 – 3.0}
Alta velocidad
sin carga
MPa
{kg/cm2}
0.29 – 0.69
{3.0 – 7.0}
0.29 – 0.69
{3.0 – 7.0}
Presión de alivio
principal de la
transmisión
• Temperatura del aceite
del tren de potencia:
Dentro del rango de
operación
• Palanca PCCS: Neutral
• (Presión de alivio
principal)
• (Presión del
embrague del estátor)
• Pedal de freno:
Presione (Otro distinto
al anterior)
Baja velocidad
sin carga
MPa
{kg/cm2}
2.81 – 3.11
{28.7 – 31.7}
Mín. 2.62
{Mín. 26.7}
Alta velocidad
sin carga
MPa
{kg/cm2}
3.04 – 3.33
{31.0 – 34.0}
Mín. 2.84
{Mín. 29.0}
Embrague de traba
del convertidor de
torsión
Baja velocidad
sin carga
MPa
{kg/cm2}
1.32 ± 0.20
{13.5 ± 2.0}
1.32 ± 0.20
{13.5 ± 2.0}
Alta velocidad
sin carga
MPa
{kg/cm2}
1.32 ± 0.20
{13.5 ± 2.0}
1.32 ± 0.20
{13.5 ± 2.0}
Presión del
embrague del
estator del
convertidor de
torsión
• Temperatura del aceite
del tren de potencia:
Dentro del rango de
operación
• Palanca PCCS: Neutral
• (Presión de alivio
principal)
• (Presión del
embrague del estator)
• Pedal de freno:
Presione (Otro distinto
al anterior)
Baja velocidad
sin carga
MPa
{kg/cm2}
2.65 ± 0.20
{27.0 ± 2.0}
2.65 ± 0.20
{27.0 ± 2.0}
Alta velocidad
sin carga
MPa
{kg/cm2}
2.65 ± 0.20
{27.0 ± 2.0}
2.65 ± 0.20
{27.0 ± 2.0}
Presión del
embrague de A
(Avance) de la
transmisión
Baja velocidad
sin carga
MPa
{kg/cm2}
2.45 – 2.75
{25.0 – 28.0}
Mín. 2.26
{Mín. 23.0}
Alta velocidad
sin carga
MPa
{kg/cm2}
2.60 – 2.89
{26.5 – 29.5}
Mín. 2.40
{Mín. 24.5}
Presión del
embrague de R de
la transmisión
Baja velocidad
sin carga
MPa
{kg/cm2}
2.65 – 2.94
{27.0 – 30.0}
Mín. 2.45
{Mín. 25.0}
Alta velocidad
sin carga
MPa
{kg/cm2}
2.79 – 3.09
{28.5 – 31.5}
Mín. 2.60
{Mín. 26.5}
Presión del
embrague de 1a.
de la transmisión
Baja velocidad
sin carga
MPa
{kg/cm2}
2.81 – 3.11
{28.7 – 31.7}
Mín. 2.62
{Mín. 26.7}
Alta velocidad
sin carga
MPa
{kg/cm2}
3.04 – 3.33
{31.0 – 34.0}
Mín. 2.84
{Mín. 29.0}
Presión del
embrague de 2a.
de la transmisión
Baja velocidad
sin carga
MPa
{kg/cm2}
2.60 – 2.89
{26.5 – 29.5}
Mín. 2.40
{Mín. 24.5}
Alta velocidad
sin carga
MPa
{kg/cm2}
2.75 – 3.04
{28.0 – 31.0}
Mín. 2.55
{Mín. 26.0}
Presión del
embrague de 3a.
de la transmisión
Baja velocidad
sin carga
MPa
{kg/cm2}
2.81 – 3.11
{28.7 – 31.7}
Mín. 2.62
{Mín. 26.7}
Alta velocidad
sin carga
MPa
{kg/cm2}
3.04 – 3.33
{31.0 – 34.0}
Mín. 2.84
{Mín. 29.0}
Presión de aceite
de lubricación de la
transmisión
(Referencia)
Alta velocidad
sin carga
MPa
{kg/cm2}
0.05 – 0.29
{0.5 – 3.0}
0.05 – 0.29
{0.5 – 3.0}
Presión del freno
derecho de la
dirección
• Temperatura del aceite
del tren de potencia:
Dentro del rango de
operación
• Palanca PCCS: Neutral
• Pedal de freno: Dejarlo
libre
Baja velocidad
sin carga
MPa
{kg/cm2}
2.75 ± 0.29
{28.0 ± 3.0}
2.16
{22.0}
Alta velocidad
sin carga
MPa
{kg/cm2}
2.75 ± 0.29
{28.0 ± 3.0}
2.16
{22.0}
Presión del freno
izquierdo de la
dirección
Baja velocidad
sin carga
MPa
{kg/cm2}
2.75 ± 0.29
{28.0 ± 3.0}
2.16
{22.0}
Alta velocidad
sin carga
MPa
{kg/cm2}
2.75 ± 0.29
{28.0 ± 3.0}
2.16
{22.0}
GSN00678-00 20 Tabla de valores estándar
6 D155AX-6
Modelo de máquina D155AX-6
Canti
dad
Item Condición de medición Unidad
Valor estándar para
máquina nueva
Valor de
servicio límite
Rendimientodeltrendepotencia
Velocidad de traslado
• Suelo plano
• Temperatura del refrigerante
del motor: Dentro del rango
de operación
• Temperatura del aceite del
tren de potencia: Dentro del
rango de operación
• Seleccione el modo de
cambio de marchas manual
• Motor: Alta velocidad sin
carga
• Rodaje de acercamiento:
• 10 -30 m
• Distancia de medida: 20 m
• (Convertido a km/h)
F1 km/h 3.8 ± 0.2 3.8 ± 0.2
F2 km/h 7.5 ± 0.4 7.5 ± 0.4
F3L km/h 7.5 ± 0.4 7.5 ± 0.4
F3 km/h 11.6 ± 0.6 11.6 ± 0.6
R1 km/h 4.6 ± 0.2 4.6 ± 0.2
R2 km/h 6.8 ± 0.4 6.8 ± 0.4
R3L km/h 9.2 ± 0.5 9.2 ± 0.5
R3 km/h 14.0 ± 0.7 14.0 ± 0.7
PresióndeaceiteHSS/Equipodetrabajo
Presión de descarga
• Temperatura del aceite
hidráulico: Dentro del
rango de operación
• Todas las palancas:
• Colocadas en neutral
Baja
velocidad
sin carga
MPa
{kg/cm2}
— —
Alta
velocidad
sin carga
MPa
{kg/cm2}
2.45 (+1.37/0)
{25 (+14/0)}
2.45 (+1.37/0)
{25 (+14/0)}
Presión de alivio del
levantamiento de la hoja
• Temperatura del aceite hidráulico:
Dentro del rango de operación
• Motor: Alta velocidad sin carga
• Cilindro del circuito medido:
• Final del recorrido
MPa
{kg/cm2}
27.5 ± 1.5
{280 ± 15}
27.5 ± 1.5
{280 ± 15}
Presión de alivio de la
inclinación de la hoja
MPa
{kg/cm2}
27.5 ± 1.5
{280 ± 15}
27.5 ± 1.5
{280 ± 15}
Presión de alivio del
levantamiento del
desgarrador
MPa
{kg/cm2}
27.5 ± 1.5
{280 ± 15}
27.5 ± 1.5
{280 ± 15}
Presión de alivio de la
inclinación del
desgarrador
MPa
{kg/cm2}
27.5 ± 1.5
{280 ± 15}
27.5 ± 1.5
{280 ± 15}
Presión de alivio LS del
equipo de trabajo
MPa
{kg/cm2}
25.0 ± 0.98
{255 ± 10}
25.0 ± 0.98
{255 ± 10}
Presión de alivio HSS
• Temperatura del aceite hidráulico:
Dentro del rango de operación
• Motor: Alta velocidad sin carga
• Dirección del circuito medido:
• Presione el pedal del freno
MPa
{kg/cm2}
38.2 – 41.7
{390 – 425}
38.2 – 41.7
{390 – 425}
Presión de alivio LS HSS
MPa
{kg/cm2}
36.2 – 38.1
{369 – 389}
36.2 – 38.1
{369 – 389}
Presión básica del
circuito de control
• Temperatura del aceite hidráulico:
Dentro del rango de operación
• Motor: Alta velocidad sin carga
• Todas las palancas: Colocadas en
neutral
MPa
{kg/cm2}
3.97 (+0.49/0)
{40.5 (+5/0)}
3.78 – 4.46
{38.5 – 45.5}
Válvula de control EPC.
Presión de salida de la
válvula (Referencia)
• Temperatura del aceite hidráulico:
Dentro del rango de operación
• Motor: Alta velocidad sin carga
• Palanca del circuito medido: Final del
recorrido
MPa
{kg/cm2}
3.82 – 4.12
{39 – 42}
3.53
{36}
Equipodetrabajo
Velocidaddel
equipodetrabajo
Levantamiento de
hoja
• Temperatura del aceite
hidráulico: Dentro del
rango de operación
• Motor: Alta velocidad sin
carga
• Seleccione el modo P
• No aplique carga a la hoja.
• Medir el tiempo que se
requiere para mover la
hoja desde el nivel del
terreno y elevarla hasta el
final de su recorrido.
• Para la postura de
medición, vea Fig. 1
Elevar seg. 3.0 – 4.0 3.0 – 4.0
Inferior seg. 1.0 – 1.7 1.0 – 1.7
20 Tabla de valores estándar GSN00678-00
D155AX-6 7
Modelo de máquina D155AX-6
Canti-
dad
Item Condición de medición Unidad
Valor estándar para
máquina nueva
Valor de servicio
límite
Equipodetrabajo
Velocidaddelequipodetrabajo
Inclinación
de hoja
• Temperatura del aceite
hidráulico: Dentro del rango de
operación
• Motor: Alta velocidad sin carga
• Seleccione el modo P
• No aplique carga a la hoja
• Medir el tiempo que se requiere
para mover la hoja desde el
extremo de inclinación a la
izquierda hasta el final de la
inclinación a la derecha.
• Para la postura de medición,
vea Fig. 2
Inclinación
izquierda
seg. 1.8 – 2.8 3.1
Inclinación
derecha
seg. 1.8 – 2.8 3.1
Levantamien
to del
desgarrador
• Temperatura del aceite
hidráulico: Dentro del rango de
operación
• Motor: Alta velocidad sin carga
• Seleccione el modo P
• No aplicar carga al desgarrador
(Agujero del espolón: El más
bajo)
• Medir el tiempo que se requiere
para mover el desgarrador
desde el nivel del terreno hasta
el fin de su elevación
• Para la postura de medición,
vea Fig. 3
Elevar seg. 2.0 – 3.0 4.0
Inferior seg. 1.5 – 2.5 3.5
Cilindro de
inclinación
del
desgarrador
• Temperatura del aceite
hidráulico: Dentro del rango de
operación
• Motor: Alta velocidad sin carga
• Seleccione el modo P
• No aplique carga al
desgarrador
• Medir el tiempo que se requiere
para mover el desgarrador
desde el extremo de inclinación
hacia adentro hasta el extremo
de inclinación hacia atrás.
• Para la postura de medición,
vea Fig. 4
Inclinar
hacia
adentro
seg. 4.5 – 5.5 6.2
Inclinar
hacia atrás
seg. 3.7 – 4.7 6.1
Tiempoderetardo
Hoja
• Temperatura del aceite hidráulico: Dentro del
rango de operación
• Motor: Baja velocidad sin carga
• Seleccione el modo P
• Palanca de control de la hoja: Coloque hasta
el final del recorrido
• Baje la hoja desde la posición máxima de
elevación y mida el tiempo después de que
la hoja hace contacto con la tierra y hasta
que la rueda tensora se eleva
seg. Máx. 1.7 2.5
Desgarrador
• Temperatura del aceite hidráulico: Dentro del
rango de operación
• Motor: Baja velocidad sin carga
• Seleccione el modo P
• Palanca de control del desgarrador: Coloque
hasta el final del recorrido
• Baje el desgarrador desde la posición
máxima de elevación y mida el tiempo
después de que el desgarrador hace
contacto con la tierra y hasta que la rueda
motríz se eleva
seg. Máx. 1.5 1.5
GSN00678-00 20 Tabla de valores estándar
8 D155AX-6
Modelo de máquina D155AX-6
Canti
dad
Item Condición de medición Unidad
Valor estándar para
máquina nueva
Valor de servicio
límite
Equipodetrabajo
Desplazamientohidráulicodelequipodetrabajo
Desplazamien
to hidráulico
en el levanta-
miento de la
hoja
• Temperatura del aceite hidráulico:
Dentro del rango de operación
• Pare el motor
• Mida la distancia h del recorrido de la
hoja en 15 minutos
• Para la postura de medición, vea Fig.
5
mm Máx. 50/15 minutos 200/15 minutos
Desplazamien
to hidráulico
en el levanta-
miento de la
hoja de la
máquina
• Temperatura del aceite hidráulico:
Dentro del rango de operación
• Pare el motor
• Mida la distancia h del recorrido de la
rueda tensora en 5 minutos
• Para la postura de medición, vea Fig.
6
mm Máx. 50/5 minutos 70/5 minutos
Desplazamien
to hidráulico
de la
inclinación de
la hoja de la
máquina
• Temperatura del aceite hidráulico:
Dentro del rango de operación
• Pare el motor
• Mida la distancia h del recorrido de la
rueda tensora en 5 minutos
• Para la postura de medición, vea Fig.
7
mm Máx. 50/5 minutos 70/5 minutos
Desplazamien
to hidráulico
en el levanta-
miento del
desgarrador
de la máquina
• Temperatura del aceite hidráulico:
Dentro del rango de operación
• Pare el motor
• Mida la distancia h del recorrido de la
rueda motríz en 5 minutos
• Para la postura de medición, vea Fig.
8
mm Máx. 50/5 minutos 70/5 minutos
Fugadesdeelcilindro
Cilindro de
levantamiento
de la hoja
• Temperatura del aceite hidráulico:
Dentro del rango de operación
• Motor: Alta velocidad sin carga
• Mida el escape por el cilindro aliviado
durante 1 minuto.
cc/min Máx. 3.0 12
Cilindro de
levantamiento
del
desgarrador
cc/min Máx. 2.7 11
Cilindro de
inclinación del
desgarrador
cc/min Máx. 2.7 11
20 Tabla de valores estándar GSN00678-00
D155AX-6 9
Posturas y procedimiento para medir desempeños (rendimientos)
Fig. 1: Velocidad de elevación de la hoja
Fig. 2: Velocidad de inclinación de la hoja
Fig. 3: Velocidad de elevación del desgarrador
Fig. 4: Velocidad de inclinación del desgarrador
Fig. 5: Desplazamiento hidráulico en el levan-
tamiento de la hoja
Fig. 6: Desplazamiento hidráulico en el levan-
tamiento de la hoja de la máquina
GSN00678-00 20 Tabla de valores estándar
10 D155AX-6
Fig. 7: Desplazamiento hidráulico de la inclinación
de la hoja de la máquina
Fig. 8: Desplazamiento hidráulico en el levan-
tamiento del desgarrador de la máquina
20 Tabla de valores estándar GSN00678-00
D155AX-6 11
GSN00678-00 20 Tabla de valores estándar
12 D155AX-6
D155AX-6 Buldózer
Forma No. GSN00678-00
© 2006 KOMATSU
Todos los Derechos Reservados
Impreso en E.E.U.U. 08-06
D155AX-6 1
GSN00679-00
BULDÓZER 1MANUAL DE TALLER
D155AX-6
Modelo de máquina Número de serie
D155AX-6 80001 y superiores
30 Pruebas y Ajustes 1
Pruebas y ajustes, Parte 1
Pruebas y ajustes, Parte 1............................................................................................................................. 3
Herramientas para comprobaciones, ajustes y localización de fallas ................................................. 3
Midiendo la velocidad del motor.......................................................................................................... 5
Forma de medir la presión de admisión de aire (presión de refuerzo)................................................ 7
Midiendo la temperatura del escape ................................................................................................... 8
Medición del color de los gases del escape...................................................................................... 10
Ajuste de la holgura de válvulas ....................................................................................................... 11
Medición de la presión de compresión.............................................................................................. 12
Medición de la presión del paso de gases ........................................................................................ 14
Medición de la presión del aceite del motor...................................................................................... 15
Manipulando partes del sistema de combustible .............................................................................. 16
Alivio de la presión residual del sistema de combustible .................................................................. 16
Forma de medir la presión del combustible ...................................................................................... 17
Midiendo la proporción de retorno y escape de combustible............................................................ 18
Forma de purgar el aire del circuito de combustible ......................................................................... 22
Revisando si hay escapes en el circuito de combustible .................................................................. 24
GSN00679-00 30 Pruebas y Ajustes
2 D155AX-6
Probando y ajustando la tensión de la correa del alternador............................................................ 25
Prueba y ajuste de la tensión de la correa del compresor del acondicionador de aire ..................... 26
Medición de la velocidad del ventilador............................................................................................. 27
Medición de la presión de aceite del circuito del ventilador .............................................................. 28
Forma de purgar el aire de la bomba del ventilador.......................................................................... 29
Forma de ajustar el dial del control de combustible y el pedal desacelerador .................................. 30
30 Pruebas y Ajustes GSN00679-00
D155AX-6 3
Pruebas y ajustes, Parte 1 1
Herramientas para comprobaciones, ajustes y localización de fallas 1
Pruebas y Ajustes del Item
Sím-
bo
Pieza No. Nombre de la Pieza
Ctd
Observaciones
Forma de medir la presión de
admisión de aire (presión de
refuerzo)
A 799-201-2202
Instrumentos de
medición de presión
de refuerzo
1
-101 -200 kPa
{– 760 – 1,500 mmHg}
Midiendo la temperatura del
escape
B 799-101-1502 Termómetro digital 1 – 99.9 – 1,299°C
Medición del color de los
gases del escape
C
1 799-201-9001
Comprobador
manuable de humos
1
Indice Bosch: 0 – 9
2
Disponible en
el comercio
Medidor de humos 1
Ajuste de la holgura de
válvulas
D
Disponible en
el comercio
Lámina calibrada
(Galga)
1
Ingreso de aire: 0.35 mm,
Escape: 0.57 mm
Medición de la presión de
compresión
E
1 795-502-1590
Indicador de
compresión
[manómetro]
1 0 -6.9 MPa {0 -70 kg/cm2
}
2
795-471-1310 Adaptador 1
Para el motor 140E-3, 5
6261-71-6150 Empaque 1
Medición de la presión del
paso de gases
F 799-201-1504
Revisador de paso
de gases
1 0 -5 kPa {0 – 500 mmH2O}
Medición de la presión del
aceite del motor
G
1
799-101-5002
Comprobador
hidráulico
1
Indicador de presión:
2.5, 5.9, 39.2, 58.8 MPa
{25, 60, 400, 600 kg/cm2
}
790-261-1204
Probador hidráulico
digital
1
Indicador de presión:58.8 MPa
{600 kg/cm2
}
2 799-401-2320
Comprobador
hidráulico
1
Indicador de presión:0.98 MPa
{10 kg/cm2
}
Forma de medir la presión
del combustible
H
1
799-101-5002
Comprobador
hidráulico
1
Indicador de presión:
2.5, 5.9, 39.2, 58.8 MPa
{25, 60, 400, 600 kg/cm2
}
790-261-1204
Probador hidráulico
digital
1
Indicador de presión:58.8 MPa
{600 kg/cm2
}
2 799-401-2320
Comprobador
hidráulico
1
Indicador de presión:0.98 MPa
{10 kg/cm2
}
3
795-471-1450 Adaptador 1
8 × 1.25 mm o R1/8
07005-00812 Empaque 1
Midiendo la proporción de
retorno y escape de
combustible
J
1 6151-51-8490 Espaciador 1 Diámetro interior: 14 mm
2 6206-71-1770 Unión 1 Diámetro interior de la junta: 10 mm
3
Disponible en
el comercio
Manguera 1 ø5 mm × 2 – 3 m
4
Disponible en
el comercio
Manguera 1 ø15 mm × 2 – 3 m
5
Disponible en
el comercio
Cilindro de medición 1
6
Disponible en
el comercio
Cronómetro 1
Medición de la velocidad del
ventilador
K 795-205-1100 Juego de tacómetro 1 6.0 -99999.9 rpm
Midiendo la presión del
circuito del ventilador
L
1
799-101-5002
Comprobador
hidráulico
1
Indicador de presión:
2.5, 5.9, 39.2, 58.8 MPa
{25, 60, 400, 600 kg/cm2
}
790-261-1204
Probador hidráulico
digital
1
Indicador de presión:58.8 MPa
{600 kg/cm2
}
2 799-401-3400 Adaptador 1 Tamaño: 05
3
799-101-5220 Niple
1 Tamaño: 10 × 1.25 mm
07002-11023 Anillo-0
GSN00679-00 30 Pruebas y Ajustes
4 D155AX-6
H Para los nombres de los modelos y número de parte de las cajas en "T" y los adaptadores en "T" usa-
dos para la localización de fallas del monitor de la máquina, controladores, sensores, accionadores,
equipo eléctrico y arnés de cables, vea " Localización de fallas (Información relacionada a la localiza-
ción de fallas), la Lista de cajas en "T" y la adaptadores en "T".
Forma de medir la presión
del aceite del tren de
potencia
M
799-101-5002
Comprobador
hidráulico
1
Indicador de presión:
2.5, 5.9, 39.2, 58.8 MPa
{25, 60, 400, 600 kg/cm2
}
790-261-1204
Probador hidráulico
digital
1
Indicador de presión:58.8 MPa
{600 kg/cm2
}
Ajuste del pedal del freno N 79A-264-0021
Herramienta de
empuje-hale
1 0 – 490 N {0 – 50 kg}
Método para una salida de
emergencia cuando el tren
de potencia tiene problema
P
1
19M-06-32820
Conjunto de
interruptor
1
17A-06-41410 Arnés de cables 1
2 790-190-1601
Conjunto de la
bomba
1
Forma de medir y ajustar la
presión del equipo de trabajo
y HSS
Q
1
799-101-5002
Comprobador
hidráulico
1
Indicador de presión:
2.5, 5.9, 39.2, 58.8 MPa
{25, 60, 400, 600 kg/cm2
}
790-261-1204
Probador hidráulico
digital
1
Indicador de presión:58.8 MPa
{600 kg/cm2
}
2
799-101-5220 Niple 2
Tamaño: 10 × 1.25 mm
07002-11023 Anillo-0 2
Medida en la presión básica
del circuito de control
R
1
799-101-5002
Comprobador
hidráulico
1
Indicador de presión:
2.5, 5.9, 39.2, 58.8 MPa
{25, 60, 400, 600 kg/cm2
}
790-261-1204
Probador hidráulico
digital
1
Indicador de presión:58.8 MPa
{600 kg/cm2
}
2 799-401-3200 Adaptador 1 Tamaño: 03
Comprobación de la presión
de salida ve la válvula
solenoide de cierre del
equipo de trabajo.
S
1
799-101-5002
Comprobador
hidráulico
1
Indicador de presión:
2.5, 5.9, 39.2, 58.8 MPa
{25, 60, 400, 600 kg/cm2
}
790-261-1204
Probador hidráulico
digital
1
Indicador de presión:58.8 MPa
{600 kg/cm2
}
2 799-401-3200 Adaptador 1 Tamaño: 03
Operación por emergencia
cuando el equipo de trabajo
tiene problema
T 17A-06-41421 Arnés de cables 1
Forma de medir la presión de
salida de la válvula solenoide
del extractor de pasador del
desgarrador
U
1
799-101-5002
Comprobador
hidráulico
1
Indicador de presión:
2.5, 5.9, 39.2, 58.8 MPa
{25, 60, 400, 600 kg/cm2
}
790-261-1204
Probador hidráulico
digital
1
Indicador de presión:58.8 MPa
{600 kg/cm2
}
2 799-401-3200 Adaptador 1 Tamaño: 03
Forma de medir el escape
interno de aceite en el
cilindro del equipo de trabajo
V
Disponible en
el comercio
Cilindro de medición 1
Midiendo la temperatura del
refrigerante y la temperatura
del aceite
— 799-101-1502 Termómetro digital 1 -99.9 -1,299°C
Comprobación de presión/
fuerza del operador sobre los
controles
—
79A-264-0021
Herramienta de
empuje-hale
1 0 -294 N {0 -30 kg}
79A-264-0021
Herramienta de
empuje-hale
1 0 – 490 N {0 – 50 kg}
Medición del recorrido y del
desplazamiento hidráulico
—
Disponible en
el comercio
Regla 1
Midiendo la velocidad del
equipo de trabajo
—
Disponible en
el comercio
Cronómetro 1
Medición de voltaje y
resistencia
—
Disponible en
el comercio
Comprobador de
circuito
1
Pruebas y Ajustes del Item
Sím-
bo
Pieza No. Nombre de la Pieza
Ctd
Observaciones
30 Pruebas y Ajustes GSN00679-00
D155AX-6 5
Midiendo la velocidad del motor 1
¤ Pare la máquina sobre un terreno nivelado,
baje completamente el equipo de trabajo sobre
el terreno, pare el motor, y coloque la palanca
del freno de estacionamiento y la palanca de
seguridad en la posición de seguro "LOCK".
H Mida la velocidad del motor bajo las siguientes
condiciones:
Temperatura del refrigerante del motor: Den-
tro del rango de operación
Temperatura del aceite del tren de potencia:
Dentro del rango de operación
Temperatura del aceite hidráulico: Dentro del
rango de operación
Modo de Trabajo: Modo P
Modo de cambio de marchas: Indistintamente
automático o manual
1. Trabajo de preparación
Medir la velocidad del motor con la función de
ajuste en el modo de servicio del monitor de la
máquina.
H Para el método de operación del monitor de
la máquina, vea Funciones especiales del
monitor de la máquina (EMMS).
1) Forma de medir la velocidad en ralentí bajo,
la velocidad del pedal desacelerador, la
velocidad de auto desaceleración, velocidad
de calado del convertidor de torsión y la
velocidad de calado del convertidor de torsión
+ velocidad de alivio del equipo de trabajo
(velocidad total de calado).
Código de ajuste: 0530 (Modo de
calado)
H Al calar el convertidor de torsión para
alguna otra finalidad distinta a medir la
velocidad del motor, esté seguro de usar
también este código de ajuste.
2) Medición de la velocidad alta sin carga:
Código de ajuste: 0007 (Reactivar la
desaceleración del motor)
H Solamente cuando se selecciona este
código, se puede operar y comprobar el
motor reactivando el auto desacelerador.
2. Medición de la velocidad baja sin carga
1) Arranque el motor y ponga el dial de control
del combustible en la posición de baja
velocidad sin carga (MIN).
2) Coloque en posición neutral la palanca
PCCS. La palanca de control de la hoja y la
palanca de control del desgarrador y mida la
velocidad del motor.
H La palanca del freno de estaciona-
miento y la palanca de cierre del equipo
de trabajo pueden conservarse en la
posición de LOCK = CERRADO.
3. Medición de la velocidad alta sin carga
1) Arranque el motor y ponga el dial de control
del combustible en la posición de velocidad
alta sin carga (MAX).
2) Coloque en posición neutral la palanca
PCCS. La palanca de control de la hoja y la
palanca de control del desgarrador y mida la
velocidad del motor.
H La palanca del freno de estaciona-
miento y la palanca de cierre del equipo
de trabajo pueden conservarse en la
posición de LOCK = CERRADO.
H Cuando se mide la velocidad del ralenti
en alta, esté seguro de seleccionar el
código de ajuste [0007] (Si se selecciona
el código de ajuste [0530] se mide la
velocidad de auto desaceleración).
4. Forma de medir la veloc. del pedal desacelerador
1) Arranque el motor y ponga el dial de control
del combustible en la posición de velocidad
alta sin carga (MAX).
2) Coloque en posición neutral la palanca
PCCS, la palanca de control de la hoja y la
palanca de control del desgarrador, oprima el
pedal desacelerador hasta el final de su
recorrido y mida la velocidad del motor.
H La palanca del freno de estaciona-
miento y la palanca de cierre del equipo
de trabajo pueden conservarse en la
posición de LOCK = CERRADO.
5. Forma de medir la veloc. de auto-desaceleración
1) Arranque el motor y ponga el dial de control
del combustible en la posición de velocidad
alta sin carga (MAX).
GSN00679-00 30 Pruebas y Ajustes
6 D155AX-6
2) Coloque en posición neutral la palanca PCCS.
La palanca de control de la hoja y la palanca
de control del desgarrador y mida la velocidad
del motor.
H La palanca del freno de estaciona-miento
y la palanca de cierre del equipo de
trabajo pueden conservarse en la
posición de LOCK = CERRADO.
6. Midiendo la velocidad de calado del
convertidor de torsión
1) Arranque el motor y ponga el dial de control
del combustible en la posición de baja
velocidad sin carga (MIN).
2) Opere el interruptor de cambio arriba (UP =
ARRIBA) de la palanca PCCS y coloque el
modo previamente establecido en la sección
de exposición para [ F3 – R3 ].
H La selección de exposición del modo
previamente establecido (en la derecha
inferior de la pantalla) puede estable-
cerse a [F3 – R3] solamente mientras
está seleccionada la función de Ajuste.
3) Mientras se oprime con seguridad el pedal del
freno, coloque la palanca del freno de
estacionamiento en la posición libre y coloque
la dirección de la palanca PCCS en la
posición de avance.
H Antes de pasar al próximo paso, verifique
que [F3] aparezca expuesto en la
sección de exposición de marcha de
velocidad (en la parte inferior derecha de
la pantalla).
H Mantenga en neutral el sistema de
dirección.
4) Oprima el pedal desacelerador y coloque el
dial de control del combustible en la posición
del alta velocidad sin carga (MAX).
5) Regrese lentamente el pedal desacelerador
para calar el convertidor de torsión con el
motor en alta velocidad sin carga.
¤ Continúe oprimiendo con firmeza el pedal
del freno y mantenga su pie derecho en el
pedal desacelerador para fines de segu-
ridad hasta haber finalizado este trabajo.
6) Justamente después que el indicador de
temperatura del aceite del tren de potencia (T/C
TEMPERATURA) indica 118 – 120 °C, regrese
a neutral la dirección de la palanca PCCS.
H La parte superior del área verde del
indicador de temper. del aceite del tren
de potencia marca entre 118 – 120 °C.
7) Repita 3 veces los pasos 3) y -6).
8) Ejecute nuevamente los pasos 3) – 5) y mida
la velocidad del motor unos 5 segundos
después que el indicador de la temperatura
del aceite del tren de potencia marca los 118
– 120 °C.
H Inmediatamente después de finalizar la
medición, devuelva la palanca PCCS a la
posición neutral y reduzca la tempe-
ratura del aceite del tren de potencia
poniendo el motor en velocidad alta.
7. Medición de calado del convertidor de torsión +
velocidad de alivio del equipo de trabajo
(Velocidad de calado total)
1) Arranque el motor y ponga el dial de control
del combustible en la posición de baja
velocidad sin carga (MIN).
2) Opere el interruptor de cambio arriba (UP =
ARRIBA) de la palanca PCCS y coloque el
modo previamente establecido en la sección
de exposición para [ F3 – R3 ].
H La selección de exposición del modo
previamente establecido (en la derecha
inferior de la pantalla) puede estable-
cerse a [F3 – R3] solamente mientras
está seleccionada la función de Ajuste.
3) Coloque la palanca de cierre del equipo de
trabajo en la posición libre y opere la palanca
de control del desgarrador para colocar el
cilindro de elevación del desgarrador en el
recorrido final de elevación.
4) Mientras se oprime con seguridad el pedal del
freno, coloque la palanca del freno de
estacionamiento en la posición libre y coloque
la dirección de la palanca PCCS en la
posición de avance.
H Antes de pasar al próximo paso, verifique
que [F3] aparezca expuesto en la
sección de exposición de marcha de
velocidad (en la parte inferior derecha de
la pantalla).
H Mantenga en neutral el sistema de
dirección.
5) Oprima el pedal desacelerador y coloque el
dial de control del combustible en la posición
del alta velocidad sin carga (MAX).
6) Regrese lentamente el pedal desacelerador
para calar el convertidor de torsión con el
motor en alta velocidad sin carga.
¤ Continúe oprimiendo con firmeza el pedal
del freno y mantenga su pie derecho en el
pedal desacelerador para fines de segu-
ridad hasta haber finalizado este trabajo.
7) Justamente después que el indicador de
temperatura del aceite del tren de potencia (T/C
TEMPERATURA) indica 118 – 120 °C, regrese
a neutral la dirección de la palanca PCCS.
H La parte superior del área verde del
indicador de temper. del aceite del tren
de potencia marca entre 118 – 120 °C.
8) Repita 4 veces los pasos 3) y -7).
9) Ejecute los pasos 4) – 6) nuevamente y opere
la palanca de control del desgarrador para
aliviar el sistema de elevación del desgarrador
y mida la velocidad del motor unos 5
segundos después que el indicador de
temperatura del aceite del tren de potencia (T/
C TEMPERATURA) marca los 118 – 120 °C.
H Inmediatamente después de finalizar la
medición, devuelva la palanca PCCS a la
posición neutral y reduzca la temperatura
del aceite del tren de potencia poniendo
el motor en velocidad alta.
30 Pruebas y Ajustes GSN00679-00
D155AX-6 7
Forma de medir la presión de admi-
sión de aire (presión de refuerzo) 1
H Instrumentos para la medición de la presión de
admisión de aire (presión de refuerzo)
¤ Pare la máquina sobre un terreno nivelado,
baje completamente el equipo de trabajo
sobre el terreno, pare el motor, y coloque la
palanca del freno de estacionamiento y la
palanca de seguridad en la posición de
seguro "LOCK".
¤ Tenga cuidado para no tocar ninguna pieza
caliente del motor al desmontar o instalar
las herramientas de medición.
H Mida la presión de admisión de aire (presión
de refuerzo) bajo las condiciones siguientes.
Temperatura del refrigerante del motor:
Dentro del rango de operación
Temperatura del aceite del tren de poten-
cia: Dentro del rango de operación
Temperatura del aceite hidráulico: Dentro
del rango de operación
1. Abra la cubierta lateral izquierda del motor.
2. Desmonte el tapón (1) de captación de la presión
de aire de la parte trasera del conector de
admisión de aire.
3. Instale el niple [1] del instrumento de medición de
presión de refuerzo A, y conecte el instrumento [2].
4. Opere el motor a media o alta velocidad (drene el
aceite de la manguera de prueba).
H Inserte hasta la mitad la parte conectante
del medidor y la manguera y abra repeti-
damente el auto sellador de la manguera
y se drenará el aceite.
H Si está disponible el conjunto Pm (A), se
podrá usar el acople de purga de aire
(790-261-1130) para purgar el aceite.
H Si queda algún residuo de aceite en la
manguera, el instrumento no trabajará.
En consecuencia, cerciórese de drenar
todo el aceite.
5. Ponga en ON el interruptor del arranque y
coloque el monitor de la máquina en la función de
Ajuste en el modo de servicio.
Código de ajuste: 0530 (Modo de calado)
H Para el método de operación, ver Funci-
ones especiales del monitor de la
máquina (EMMS).
6. Mientras trabaja el motor en alta velocidad sin
carga, cale el convertidor de torsión y en este
momento mida la presión del aire de admisión
(presión de refuerzo).
H Para el procedimiento de calar el converti-
dor de torsión, ver Forma de medir la
velocidad del motor.
H Normalmente, la presión de admisión de
aire (presión de refuerzo) debería medirse
mientras el motor se trabaja a su salida
nominal. Sin embargo, en el campo,
calando el convertidor de torsión se puede
obtener un valor aproximado.
7. Después de finalizar la medición, retire los
instrumentos y vuelva a instalar las piezas
desmontadas.
Símbolo Pieza No. Nombre de la Pieza
A 799-201-2202
Instrumentos de medición de
presión de refuerzo
GSN00679-00 30 Pruebas y Ajustes
8 D155AX-6
Midiendo la temperatura del
escape 1
H Instrumentos para la medición de la temper-
atura del escape
¤ Pare la máquina sobre un terreno nivelado,
baje completamente el equipo de trabajo
sobre el terreno, pare el motor, y coloque la
palanca del freno de estacionamiento y la
palanca de seguridad en la posición de
seguro "LOCK".
¤ Instale y retire los instrumentos de med-
ición después que el múltiple del escape
esté frío.
H Mida la temperatura del escape bajo las condi-
ciones siguientes.
Temperatura del refrigerante del motor:
Dentro del rango de operación
Temperatura del aceite del tren de poten-
cia: Dentro del rango de operación
Temperatura del aceite hidráulico: Dentro
del rango de operación
1. Abra la cubierta del costado derecho del motor y
el guardafango derecho.
2. Retire 1 tapón (1) de captación de temperatura
del escape del múltiple de escape.
H Usted puede medir la temperatura del
escape indistintamente en el tapón
delantero o trasero.
3. Instale el sensor [1] del termómetro digital B y
conéctelo al instrumento [2].
H Coloque una abrazadera al arnés de
cables del termómetro digital de manera
que no haga contacto con alguna pieza
caliente durante la medición.
4. Cuando mida la temperatura máxima del escape
para la localización de fallas
Opere la máquina y mida la temperatura
máxima del escape.
H Use el modo PEAK del termómetro digital.
H La temperatura del escape depende en
gran parte de la temperatura del aire exte-
rior (temperatura del aire de admisión del
motor). De tal modo que, si se obtiene
algún valor anormal corríjalo mediante los
cálculos siguientes:
Valor corregido[°C] = Valor medido +2 ×
(20 - temperatura del aire exterior)
5. Procedimiento para medir periódicamente la
temperatura del escape para de mantenimiento
preventivo (clínica Pm)
H Si el convertidor de torsión se cala, la tem-
peratura del aceite del convertidor de tor-
sión está recalentada antes de estabilizar
la temperatura del escape. De tal modo,
haga las mediciones de acuerdo al pro-
cedimiento que sigue:
1) Ponga en ON el interruptor del arranque y
coloque el monitor de la máquina en la
función de Ajuste en el modo de servicio.
Código de ajuste: 0530 (Modo de
calado)
H Para el método de operación, ver
Funciones especiales del monitor de
la máquina (EMMS).
Símbolo Pieza No. Nombre de la Pieza
B 799-101-1502 Termómetro digital
30 Pruebas y Ajustes GSN00679-00
D155AX-6 9
2) Arranque el motor y ponga el dial de
control del combustible en la posición de
baja velocidad sin carga (MIN).
3) Opere el interruptor de cambio arriba (UP
= ARRIBA) de la palanca PCCS y coloque
el modo previamente establecido en la
sección de exposición para [ F3 – R3 ].
H La selección de exposición del modo
previamente establecido (en la
derecha inferior de la pantalla) puede
establecerse a [F3 – R3] solamente
mientras está seleccionada la función
de Ajuste.
4) Coloque la palanca de cierre del equipo
de trabajo en la posición libre y opere la
palanca de control del desgarrador para
colocar el cilindro de elevación del
desgarrador en el recorrido final de
elevación.
5) Mientras se oprime con seguridad el
pedal del freno, coloque la palanca del
freno de estacionamiento en la posición
libre y coloque la dirección de la palanca
PCCS en la posición de avance.
H Antes de pasar al próximo paso,
verifique que [F3] aparezca expuesto
en la sección de exposición de
marcha de velocidad (en la parte
inferior derecha de la pantalla).
H Mantenga en neutral el sistema de
dirección.
6) Oprima el pedal desacelerador y coloque
el dial de control del combustible en la
posición del alta velocidad sin carga
(MAX).
7) Regrese lentamente el pedal
desacelerador para calar el convertidor de
torsión y aliviar el sistema de elevación
del d esga rrado r p ara e leva r la
temperatura del escape a unos 650 °C
(Condición (a) en la figura) con el motor
en ralentí alto.
¤ Continúe oprimiendo con firmeza
el pedal del freno y mantenga su
pie derecho en el pedal desacel-
erador para fines de seguridad
hasta haber finalizado este trabajo.
8) Bajo la condición del paso 7), deje de
aliviar el sistema de elevación del
desgarrador y baje la temperatura del
escape solamente calando el convertidor
de torsión (Condición (b) en la figura).
H Si la temperatura de escape no baja
sino qu e su be, coloq ue la
temperatura alta en el paso 7).
9) Después que la temperatura del escape
ha descendido y se ha estabilizado, mida
la temperatura del escape (Condición (c)
en la figura).
¤ Justamente después que la tem-
peratura del aceite del tren de
potencia (T/C TEMPERATURA)
alcanza unos 120 °C, regrese la
dirección de la palanca PCCS a la
posición neutral y baje la temper-
atura del aceite del tren de poten-
cia con el motor en ralentí alto.
H La línea entre el área verde y el área
roja del indicador de temperatura del
aceite del tren de potencia indica
unos 120 °C.
6. Después de finalizar la medición, retire los
instrumentos y vuelva a instalar las piezas
desmontadas.
GSN00679-00 30 Pruebas y Ajustes
10 D155AX-6
Medición del color de los gases
del escape 1
H Instrumentos para la medición del color de los
gases de escape
¤ Pare la máquina sobre un terreno nivelado,
baje completamente el equipo de trabajo sobre
el terreno, pare el motor, y coloque la palanca
del freno de estacionamiento y la palanca de
seguridad en la posición de seguro "LOCK".
¤ Tenga cuidado para no tocar ninguna pieza
caliente del motor al desmontar o instalar
las herramientas de medición.
H Si en el campo no hay disponibles un suministro de
aire y un suministro de energía eléctrica, use el
comprobador de humos tipo manual C1. Para
registrar datos oficiales, use el medidor de humos
C2.
H Mida el color de los gases del escape bajo las
condiciones siguientes:
Temperatura del refrigerante del motor: Den-
tro del rango de operación
1. Medición con el comprobador manual de
humos C1
1) Coloque una hoja de papel de filtro en el
comprobador de humos C1.
2) Introduzca el tubo de captación de gases de
escape dentro del tubo de escape del motor
(1).
3) Arranque el motor.
4) Acelere súbitamente el motor y trabájelo en
alta velocidad sin carga y opere la manija del
comprobador de humos C1 para que el papel
de filtro absorba los gases de escape.
5) Retire el papel de filtro y compárelo con la
escala que se adjunta.
6) Después de finalizar la medición retire los
instrumentos y vuelva a instalar las piezas
desmontadas previamente.
2. Medición con el medidor de gases C2
1) Introduzca la sonda [1]del medidor de gases
C2 en la salida del tubo del escape (1) y
mediante una presilla déjelo sujeto al tubo de
escape.
2) Conecte la manguera de la sonda, el
receptáculo del interruptor acelerador y la
manguera de aire al medidor de gases C2.
H Limite la presión de aire suministrada a
1.5 MPa {15 kg/cm²}.
3) Conecte el cable eléctrico a un receptáculo
de AC 100 V.
H Antes de conectar el cable, verifique que
el interruptor eléctrico del medidor de
humos está en la posición de OFF.
4) Afloje la tuerca ciega de la bomba de succión
y después coloque el papel de filtro.
H Coloque el papel de filtro con toda
seguridad de manera que no haya fugas
en los gases de escape.
5) Ponga en ON el interruptor eléctrico del
medidor de humos C2 ON.
6) Arranque el motor.
7) Acelere súbitamente el motor y trabájelo en
alta velocidad sin carga y oprima el pedal del
acelerador del medidor de humos C2y capte
los gases de escape en el papel de filtro.
8) Coloque el papel de filtro contaminado sobre
papeles de filtro limpios (por lo menos 10
hojas) y póngalas en el sujetador de papeles
de filtro y lea el valor indicado.
9) Después de finalizar la medición retire los
instrumentos y vuelva a instalar las piezas
desmontadas previamente.
Símbolo Pieza No. Nombre de la Pieza
C
1 799-201-9001
Comprobador manuable de
humos
2
Disponible en el
comercio
Medidor de humos
30 Pruebas y Ajustes GSN00679-00
D155AX-6 11
Ajuste de la holgura de válvulas 1
H Instrumentos para la medición del espacio
libre entre las válvulas
¤ Pare la máquina sobre un terreno nivelado,
baje completamente el equipo de trabajo
sobre el terreno , pare el motor, y coloque
la palanca del freno de estacionamiento y
la palanca de seguridad en la posición de
seguro "LOCK".
H Ajuste la holgura de la válvula bajo la siguiente
condición.
Temperatura del refrigerante del motor:
Temperatura normal
1. Retire unidos el conjunto del capot del motor y el
filtro del aire.
4 Conjunto del capót del motor: 170 kg
2. Desmonte todas las tapas de las culatas de
cilindros (1).
3. Retire la plancha de inspección que se encuentra
a la derecha del protector del radiador.
4. Gire hacia adelante el cigüeñal para hacer
coincidir la línea 1.6 "TOP" (a) con el puntero (2) y
así colocar el cilindro No. 1 en el punto muerto
superior de compresión.
H Gire el cigüeñal por la porción hexagonal
de la punta del eje de impulso de la
bomba de agua.
H Cuando el cilindro No. 1 se encuentra en
el punto muerto superior de compresión,
el balancín del cilindro No. 1 puede mov-
erse con la mano debido a la holgura de
las válvulas. Si el balancín no se puede
mover, el cilindro No. 1 no está en el punto
muerto superior de compresión. En este
caso, hay que darle una vuelta adicional al
cigüeñal.
5. Mientras asegura el tornillo de ajuste (3) y afloje
la tuerca de seguridad (4).
H Después de colocar el cilindro No. 1 en el
punto muerto superior de compresión,
ajuste la holgura de la válvula del cilindro
No. 1.
6. Inserte una galga de espesores D dentro del
espacio libre entre el balancín basculante (5) y la
cruceta de cabeza (6), y ajuste el espacio libre de
la válvula con el tornillo de ajuste (3).
H Con un medidor de espesores introdu-
cida, ajuste el tornillo de ajuste al grado
que la galga se pueda mover ligeramente.
7. Mientras asegura el tornillo de ajuste (3) y apriete
la tuerca de seguridad (4).
3 Tuerca de seguridad:
45.1 -51.0 Nm {4.6 -5.2 kgm}
H Después de apretar la tuerca de segu-
ridad, compruebe nuevamente la holgura
de la válvula.
8. Después de ajustar el cilindro No. 1, darle vuelta
al cigüeñal hacia adelante 120 ° para situar la
línea troquelada con TOP de cada cilindro con el
puntero (2) de acuerdo con el orden de encendido
y ajustar la holgura de las válvulas.
El orden de encendido: 1–5–3–6–2–4
9. Después de finalizar el ajuste, vuelva a instalar
las piezas desmontadas.
3 Perno de montaje de la cubierta de la
culata:
29.4 -34.3 Nm {3.0 -3.5 kgm}
Símbolo Pieza No. Nombre de la Pieza
D
Disponible en el
comercio
Lámina calibrada (Galga)
GSN00679-00 30 Pruebas y Ajustes
12 D155AX-6
Medición de la presión de
compresión 1
H Herramientas de medición para la presión de
compresión
¤ Pare la máquina sobre un terreno nivelado,
baje completamente el equipo de trabajo
sobre el terreno , pare el motor, y coloque
la palanca del freno de estacionamiento y
la palanca de seguridad en la posición de
seguro "LOCK".
H Cuando mida la presión de la compresión,
tenga cuidado para no quemarse con el múlti-
ple de escape, el silenciador, etc., y no dejarse
atrapar por las partes rotatorias.
H Mida la presión de compresión bajo las sigu-
ientes condiciones.
Temperatura del aceite del motor: 40 – 60
°C
1. Retire unidos el conjunto del capot del motor y el
filtro del aire.
4 Conjunto del capót del motor: 170 kg
2. Remueva la cubierta (1) de la culata de cilindros
para medir la presión de compresión.
3. Llevar el cilindro que se vaya a comprobar en el
punto muerto superior de compresión y retirar el
conjunto (2) del brazo del balancín.
H Para el procedimiento de llevar cada cilin-
dro en el punto muerto superior de com-
presión, ver el Ajuste de la holgura de las
válvulas.
4. Desconecte el tubo (3) de alta presión del
combustible y el arnés de cables (4) del inyector y
desmonte el inyector (5) y el arnés de cables.
H Desconecte el terminal del arnés de
cables de la tobera del lado de la tobera y
el soporte del lado del bastidor de balan-
cines y remueva el arnés de cables del
inyector (aflojando alternadamente las 2
tuercas del terminal).
H Pase el cable, por debajo de la ruta
proyectada por el costado y hale hacia
arriba la tobera (No haga palanca en el
tope superior de la tobera).
5. Instale el adaptador D2 en el agujero de montaje
en el inyector y conecte el manómetro de
compresión D1.
H Esté seguro de adaptar la empaquetadura
en el extremo del inyector.
H Asegure el adaptador con el retenedor del
inyector.
3 Perno de montaje del retenedor:
58.8 -73.5 Nm {6.0 -7.5 kgm}
H Aplique una pequeña cantidad de aceite
de motor a las partes de la conexión del
adaptador y del medidor, de tal manera
que el aire no se escape fácilmente.
6. Instale los conjuntos del balancín (2) y ajuste la
holgura de la válvula.
3 Perno de montaje del balancín:
93 -103 Nm {9.5 -10.5 kgm}
H Vea el Ajuste de la holgura de valvulas.
Símbolo Pieza No. Nombre de la Pieza
E
1 795-502-1590
Indicador de compresión
[manómetro]
2
795-471-1310 Adaptador
6261-71-6150 Empaque
30 Pruebas y Ajustes GSN00679-00
D155AX-6 13
7. Desconecte el conector del suministro energético
EGC3 (6) del controlador del motor.
¤ Si este conector no está desconectado,
el motor arranca durante la medición,
puede ser peligroso. En consecuencia,
cerciórese de desconectar este conec-
tor.
¤ Cubra con hojas de vinilo etc., el lado
del controlador y el arnés de cables
para evitar escapes eléctricos y fallas
de tierra.
8. Poner en ON el interruptor del arranque y coloque
el monitor de la máquina en la función de
observación (Monitoring function) del modo de
servicio.
Código de revisión del monitor: 01002
Velocidad del motor
H Para el método de operación, ver Funci-
ones especiales del monitor de la
máquina (EMMS).
9. Arranque el motor con el motor eléctrico de
arranque y mida la presión de compresión.
H Leer el medidor cuando el puntero esté
estabilizado
H Cuando se mide la presión de com-
presión, compruebe que la velocidad del
motor se encuentre dentro del área de las
condiciones de medición.
10. Después de finalizar la medición, retire los
instrumentos y vuelva a instalar las piezas
desmontadas.
H Instale la tobera y los tubos de alta
presión de combustible de acuerdo al
siguiente procedimiento.
1) Empuje con la mano el inyector (11) para
ensamblar provisionalmente el sujetador
(12).
2) Apriete provisionalmente el perno (13) y la
arandela (14).
2 Parte esférica de la arandela:
Aceite de motor
3) Apriete temporalmente la tuerca de
acople (15) del tubo de alta presión de
combustible.
4) Apriete el perno (13) permanentemente.
3 Perno 58.8 -73.5 Nm {6 -7.5 kgm}
5) Apriete permanentemente la tuerca de
manguito (15).
3 Extremo de la tuerca:
39.2 -49.0 Nm {4 -5 kgm}
H Instale el arnés de cables del inyector de
acuerdo al procedimiento siguiente.
1) Instale el arnés de cables del inyector en
la caja del brazo del balancín y sujete el
lado del conector con la plancha.
2) Fije con la presilla la abrazadera
intermedia.
3) Apriete la tuerca en el costado del
inyector.
3 Tuerca: 2 ± 0.2 Nm {0.2 ± 0.02
kgm}
4) Asegure la abrazadera y el espaciador
con el perno.
3 Perno de montaje del conjunto de
balancines 93 -103 Nm {9.5 -10.5
kgm}
H Ajuste de la holgura de las válvulas. Para
detalles, vea Ajustando el espacio libre de
las válvulas.
3 Perno de montaje de la cubierta de
la culata:
29.4 – 34.3 kgm {3.0 – 3.5 kgm}
GSN00679-00 30 Pruebas y Ajustes
14 D155AX-6
Medición de la presión del paso
de gases 1
H Instrumentos para la medición de presión de
los gases del cárter
¤ Pare la máquina sobre un terreno nivelado,
baje completamente el equipo de trabajo
sobre el terreno , pare el motor, y coloque
la palanca del freno de estacionamiento y
la palanca de seguridad en la posición de
seguro "LOCK".
H Mida la presión del paso de gases bajo las
condiciones siguientes.
Temperatura del refrigerante del motor:
Dentro del rango de operación
Temperatura del aceite del tren de poten-
cia: Dentro del rango de operación
Temperatura del aceite hidráulico: Dentro
del rango de operación
1. Abra la cubierta lateral del lado izquierdo del
motor y el guardabarros izquierdo.
2. Instale la tobera [1] y la manguera [2] del
comprobador F de paso de gases en el extremo
de la manguera de respiración ()1) y conéctelos al
instrumento [3].
3. Mientras Trabaja el motor a velocidad alta sin
carga, cale el convertidor de torsión y mida la
presión de los gases del cárter.
H Para el procedimiento de calar el converti-
dor de torsión, ver Forma de medir la
velocidad del motor.
H Normalmente la presión del paso de
gases debe medirse mientras el motor se
trabaja a su desempeño nominal. Sin
embargo, en el campo, calando el con-
vertidor de torsión se puede obtener un
valor aproximado.
H Si resulta imposible trabajar el motor a su
desempeño nominal o calar el convertidor
de torsión, tome la medición mientras el
motor está trabajando a velocidad alta sin
carga. El valor obtenido en este caso es
aproximadamente el 80% de la presión
del paso de gases en su desempeño
nominal.
H La presión de los gases del cárter puede
tener grandes variaciones de acuerdo con
las condiciones en que se encuentre el
motor. Si el valor de la medición tomada
se considera anormal, verifique si hay un
aumento en el consumo de aceite, mal
color en los gases de escape, deterioro
del aceite, rapidez en el deterioro del
aceite, etc. que están relacionadas con la
presión anormal de los gases del cárter.
4. Después de finalizar la medición, retire los
instrumentos y vuelva a instalar las piezas
desmontadas.
Símbolo Pieza No. Nombre de la Pieza
F 799-201-1504 Revisador de paso de gases
30 Pruebas y Ajustes GSN00679-00
D155AX-6 15
Medición de la presión del aceite
del motor 1
H Instrumentos para la medición de la presión
del aceite del motor
¤ Pare la máquina sobre un terreno nivelado,
baje completamente el equipo de trabajo
sobre el terreno, pare el motor, y coloque la
palanca del freno de estacionamiento y la
palanca de seguridad en la posición de
seguro "LOCK".
H Mida la presión del aceite del motor bajo las
siguientes condición:
Temperatura del refrigerante del motor:
Dentro del rango de operación
1. Abra la cubierta lateral del lado izquierdo del
motor y el guardabarros izquierdo.
2. Retire del bloque de cilindros el tapón (1) de
captación de presión de aceite del motor.
3. Instale los niples [1] y [2] del comprobador
hidráulico G1 y conéctelos al comprobador
hidráulico G2.
H En vista de que el tamaño del agujero del
tapón es R ¼, se podrán usar los niples
rápidos (799 – 101 - 5210) en lugar de los
niples [1] y [2]
4. Trabaje el motor en baja velocidad sin carga y en
alta velocidad sin carga y mida la presión del
aceite del motor.
5. Después de finalizar la medición, retire los
instrumentos y vuelva a instalar las piezas
desmontadas.
Símbolo Pieza No. Nombre de la Pieza
G
1
799-101-5002 Comprobador hidráulico
790-261-1204 Probador hidráulico digital
2 799-401-2320 Comprobador hidráulico
GSN00679-00 30 Pruebas y Ajustes
16 D155AX-6
Manipulando partes del sistema
de combustible 1
H Precauciones para las pruebas y manten-
imiento del sistema de combustible
El sistema de inyección de combustible de
carrilera común (CRI) está formado por piezas
de mayor precisión que las usadas en el
sistema convencional de inyección de
combustible que consta de la bomba de
inyección y toberas. Si materias extrañas
penetran a este sistema pueden ocasionar
problemas.
Al comprobar y dar mantenimiento al sistema
de combustible, tome mayores precauciones
de lo que hacía en el pasado. Si el polvo, etc.
se adhiere a cualquier pieza, lave la pieza
cuidadosamente con combustible limpio.
H Precauciones para sustituir el cartucho del fil-
tro de combustible.
Esté seguro que utiliza el cartucho de filtro de
combustible genuino de Komatsu.
En vista de que el sistema de inyección de
combustible de carrilera común (CRI) está
formado por piezas de mayor precisión que las
usadas en el sistema convencional de
inyección de combustible que consta de la
bomba de inyección y toberas, se utiliza un
filtro especial de alta eficiencia para evitar el
ingreso de materias extrañas al sistema. Si se
utiliza otro filtro distinto al genuino, el sistema
de combustible puede tener problemas. De tal
modo, nunca use otro filtro que el genuino de
Komatsu.
Alivio de la presión residual del
sistema de combustible 1
H Se genera presión en el circuito de baja
presión y en el circuito de alta presión del
sistema de combustible mientras el motor esté
en marcha.
Circuito de baja presión:
Bomba de suministro – Filtro de combustible –
Bomba de abastecimiento
Circuito de alta presión:
Bomba de abastecimiento – Carrilera común –
Inyector
H La presión tanto en el circuito de baja presión
como en el circuito de alta presión, desciende
automáticamente a un nivel de seguridad 30
segundos después de parar el motor.
H Antes de probar el circuito de combustible y
que se desmonten sus piezas, la presión
residual existente en el circuito debe ser total-
mente aliviada. De tal modo, observe lo sigu-
iente:
¤ Antes de probar el sistema de combustible
o desmontar sus piezas, espere por lo
menos 30 segundos después de parar el
motor y haber aliviado la presión residual
del circuito de combustible. (No comience
el trabajo justamente después de parar el
motor ya que existen presiones residuales.)
30 Pruebas y Ajustes GSN00679-00
D155AX-6 17
Forma de medir la presión del
combustible 1
H Instrumentos para medir la presión del com-
bustible
¤ Pare la máquina sobre un terreno nivelado,
baje completamente el equipo de trabajo
sobre el terreno, pare el motor, y coloque la
palanca del freno de estacionamiento y la
palanca de seguridad en la posición de
seguro "LOCK".
H Pruebe solamente la presión del combustible
en el circuito de baja presión desde la bomba
de suministro al filtro de combustible y la
bomba de suministro.
¤ Debido a que la presión en el circuito de
alta presión, desde la bomba de abastec-
imiento de combustible hacia la carrilera
común y al inyector de combustible es muy
elevada, no se puede medir.
1. Abra la cubierta lateral del lado izquierdo del
motor y retire el tapón (1) de captación de presión
de combustible de la parte superior del filtro de
combustible.
2. Instale el adaptador H3 y el codo [1] y el niple [2]
del comprobador hidráulico H1 y conéctelos al
comprobador hidráulico H2.
3. Trabaje el motor en velocidad alta sin carga y
mida la presión del combustible.
H Si la presión de combustible está en el
siguiente rango, está normal.
4. Después de finalizar la medición, retire los
instrumentos y vuelva a instalar las piezas
desmontadas.
3 Tapón: 7.84 -9.8 Nm {0.8 -1.0 kgm}
Símbolo Pieza No. Nombre de la Pieza
H
1
799-101-5002 Comprobador hidráulico
790-261-1204 Probador hidráulico digital
2 799-401-2320 Comprobador hidráulico
3
795-471-1450 Adaptador
07005-00812 Empaque
Velocidad del motor
Presión del
combustible
Alta velocidad sin carga
0.15 – 0.3 MPa
{1.5 – 3 kg/cm²}
GSN00679-00 30 Pruebas y Ajustes
18 D155AX-6
Midiendo la proporción de retorno y escape de combustible 1
H Instrumentos de medición de la proporción de
retorno y escape de combustible
H Prepare una bandeja para aceite con una
capacidad de 20 ¶ para recibir la descarga de
combustible que se produce durante la
prueba.
¤ Pare la máquina sobre un terreno nivelado,
baje completamente el equipo de trabajo
sobre el terreno, pare el motor, y coloque la
palanca del freno de estacionamiento y la
palanca de seguridad en la posición de seguro
"LOCK".
Símbolo Pieza No. Nombre de la Pieza
J
1 6151-51-8490 Espaciador
2 6206-71-1770 Unión
3
Disponible en el
comercio
Manguera
4
Disponible en el
comercio
Manguera
5
Disponible en el
comercio
Cilindro de medición
6
Disponible en el
comercio
Cronómetro
30 Pruebas y Ajustes GSN00679-00
D155AX-6 19
1. Trabajo de preparación
1) Abra la cubierta lateral del lado izquierdo
del motor y el guardabarros izquierdo.
2) Retire el tubo (3) de entre la bomba de
suministro (1) y la carrilera común (2).
H En la figura, el filtro de aceite 1 se
retira provisionalmente del lado de la
carrilera común.
H Desconecte ambos extremos del
tubo, afloje la abrazadera y mueva el
tubo hacia el lado opuesto del bloque
de cilindros.
2) Inserte un espaciador J1 en el lado de la
bomba de suministro (2) y coloque y
apriete nuevamente el tornillo de unión
removido.
H También conecte nuevamente el tubo
de retorno al tanque de combustible.
H Asegúrese de colocar empaques en
ambos extremos del espaciador.
3) Inserte la unión J2 en el lado del múltiple
de inyección común (1) y coloque y
apriete nuevamente el tornillo de unión
removido.
H En la figura, el filtro de aceite 1 se
retira provisionalmente del lado de la
carrilera común.
H Asegúrese de colocar empaques en
ambos extremos de la junta.
4) Conecte la manguera de pruebas J3 en el
extremo de la unión J2.
H Sujete la parte conectora de la
manguera de prueba con un alambre,
etc., para evitar que se desprenda.
H Lo de arriba es el trabajo de
preparación para medir el escape
proveniente del limitador de presión.
2. Comprobación de fugas procedentes del
limitador de presión
1) Coloque la manguera de prueba J3 de
forma que no se ondee y coloque su
extremo en la bandeja para aceite.
2) Poner en ON el interruptor del arranque y
coloque el monitor de la máquina en la
función de observación (Monitoring
function) del modo de servicio.
Código de revisión del monitor:
01002 Velocidad del motor
H Para el método de operación, ver
"Funciones especiales del monitor de
la máquina (EMMS)".
GSN00679-00 30 Pruebas y Ajustes
20 D155AX-6
3) Arranque el motor y conserve su
velocidad en 1,600 rpm sin carga.
4) Después que se haya estabilizado la
velocidad del motor, emplee el cilindro de
medición J5 para comprobar si hay
escapes en 1 minuto.
H Usted podrá comprobar los escapes
durante 20 segundos y formar juicio
multiplicando por 3 los resultados
H Si la proporción de retorno
proveniente de la tobera está en el
siguiente rango, está normal.
5) Después de finalizar las mediciones, pare
el motor.
3. Forma de comprobar la tasa de retorno del
inyector
H Mantener la manguera conectada en el
costado limitador de presión y conservar
su extremo en la bandeja de aceite mien-
tras se mide la tasa de retorno procedente
del inyector.
1) Desconecte la manguera de retorno (5)
del bloque de retorno (4) y conecte la
manguera de prueba J4.
H Cierre la manguera de retorno con un
tapón, etc., y colóquela en el tanque
de combustible.
Tapón: 07376-70315
H Sujete la parte conectora de la
manguera de prueba con un alambre,
etc., para evitar que se desprenda.
2) Coloque la manguera de prueba J4 de
forma que no se ondee y coloque su
extremo en la bandeja para aceite.
3) Ponga en ON el interruptor del arranque y
coloque el monitor de la máquina en la
función de Ajustes del modo de servicios.
Código de ajuste: 0530 (Modo de
calado)
H Para el método de operación, ver
"Funciones especiales del monitor de
la máquina (EMMS)".
Velocidad del motor
(rpm)
Fuga
(cc/min)
1,600 Máx. 10
30 Pruebas y Ajustes GSN00679-00
D155AX-6 21
4) Trabaje el motor en ralentí alto y cale el
convertidor de torsión. Después que la
velocidad del motor se haya estabilizado,
mida la tasa de retorno en 1 minuto con el
cilindro de medición J5.
H Para el procedimiento de calar el
convertidor de torsión, ver Forma de
medir la velocidad del motor.
H Se puede medir la tasa de retorno
para 20 segundos y hacer juicio
multiplicando el resultado por 3.
H Si la bomba de suministro no está
suministran do combustible, la
velocidad del motor puede que no
aumente. En este caso, también
registre la velocidad del motor
durante la medición.
H Si la proporción de retorno (rebose)
proveniente de la tobera está en el
siguiente rango, está normal.
6) Después de finalizar las mediciones, pare
el motor.
4. Después de finalizar la medición
Después de finalizar todas las mediciones,
retire los instrumentos y vuelva a instalar las
piezas desmontadas.
Velocidad de
calado del
convertidor de
torsión (rpm)
Límite de prorrata
de retorno (reboce)
(cc/min)
1,600 960
1,700 1,020
1,800 1,080
1,900 1,140
2,000 1.200
GSN00679-00 30 Pruebas y Ajustes
22 D155AX-6
Forma de purgar el aire del circuito de combustible 1
H Si se agota el combustible, o si se desmonta o
instala una pieza en el circuito de combustible,
hay que purgar el aire del circuito de combusti-
ble de acuerdo con el procedimiento que
sigue:
1. Abra la cubierta lateral izquierda del motor.
2. Retire el filtro primario (1) de combustible y llénelo
de combustible.
H Llene el prefiltro de combustible con com-
bustible limpio y tenga cuidado para que
la suciedad no ingrese en el mismo.
H Compruebe que la tapa está asentada a
la parte (a) (agujero central) del filtro pri-
mario de combustible y después añada
combustible a través de la parte (b)
agujeros alrededor del agujero central).
H Después de llenar con combustible el filtro
primario de combustible, retire la tapa de
la parte (a).
H Si no hay disponible combustible limpio,
no desmonte el filtro primario; rellénelo
con el combustible obtenido de la oper-
ación de la bomba cebadora (4).
H No añada combustible para abastecer el
filtro principal (2) desde el exterior.
3. Instale el filtro primario (1) de combustible en el
cabezal del filtro.
30 Pruebas y Ajustes GSN00679-00
D155AX-6 23
H Aplique una fina capa de aceite para
motor sobre la empaquetadura del filtro
primario de combustible.
H Después que la empaquetadura del filtro
primario de combustible hace contacto
con la cara selladora del cabezal del filtro,
apriete el filtro primario dándole ¾ de
vuelta adicionales.
4. Retire el tapón (3) de purgar el aire del filtro de
combustible principal (2) y opere la bomba
cebadora (4).
H Opere la bomba cebadora hasta que el
combustible fluya por el agujero del tapón
luego, instale el tapón.
3 Tapón para purgar el aire:
7.8 -9.8 Nm {0.8 -1.0 kgm}
5. Desmonte del filtro principal de combustible el
tapón (5) para purgar el aire operando la bomba
cebadora (4).
H Opere la bomba cebadora hasta que el
combustible fluya por el agujero del tapón
luego, instale el tapón.
3 Tapón para purgar el aire:
7.8 -9.8 Nm {0.8 -1.0 kgm}
6. Afloje la purga del aire (6) de la bomba de
abastecimiento y opere 90 -100 veces la bomba
cebadora (4).
H Opere la bomba cebadora hasta que el
combustible salga por el agujero de la
purga del aire y luego, apriete la purga del
aire. Después opere la bomba cebadora
unas cuantas veces más hasta que se
sienta pesada al tacto.
H Purga del aire: 4.9 – 6.9 kgm {0.5 – 0.7
kgm}
7. Ponga en marcha el motor empleando el motor de
arranque.
H El aire en el circuito de alta presión se
purga automáticamente cuando se le da
arranque al motor.
H Si el motor no arranca, puede que todavía
quede aire en el circuito de baja presión.
En ese caso, repita el procedimiento ante-
rior desde el paso 4.
GSN00679-00 30 Pruebas y Ajustes
24 D155AX-6
Midiendo si hay escapes en el
circuito de combustible 1
¤ En el circuito de alta presión del sistema de
combustible, se genera una presión muy
elevada. Si hay escapes de combustible
mientras el motor está en marcha, esto es
peligroso ya que puede producirse un
incendio.
H Después de probar el sistema de combustible
o de desmontar o instalar sus piezas, haga
una inspección en busca de fugas de combus-
tible de acuerdo con el procedimiento que
sigue a continuación:
H Anticipadamente, limpie y elimine la grasa del
motor y de las piezas alrededor del mismo
para que pueda fácilmente hacer inspección
en busca de escapes de combustible.
1. Pulverice comprobador de color (desarrollador)
sobre la bomba de abastecimiento de
combustible, sobre la carrilera común, los
inyectores de combustible y las tuberías de alta
presión.
2. Haga funcionar el motor a una velocidad por
debajo de las 1.000 rpm, y párelo después de que
la velocidad se haya estabilizado.
3. Compruebe las tuberías de combustible y los
dispositivos en busca de fugas de combustible.
H Inspeccione principalmente alrededor de
las piezas del circuito de alta presión cubi-
ertas con el comprobador a color para
escape de combustible.
H Si se detecta algún escape de combusti-
ble, repárelo y haga nueva inspección
desde el paso 1.
4. Haga funcionar el motor al ralentí.
5. Compruebe las tuberías de combustible y los
dispositivos en busca de fugas de combustible.
H Inspeccione principalmente alrededor de
las piezas del circuito de alta presión cubi-
ertas con el comprobador a color para
escape de combustible.
H Si se detecta algún escape de combusti-
ble, repárelo y haga nueva inspección
desde el paso 1.
6. Haga funcionar el motor en alta velocidad sin
carga.
7. Compruebe las tuberías de combustible y los
dispositivos en busca de fugas de combustible.
H Inspeccione principalmente alrededor de
las piezas del circuito de alta presión cubi-
ertas con el comprobador a color para
escape de combustible.
H Si se detecta algún escape de combusti-
ble, repárelo y haga nueva inspección
desde el paso 1.
8. Haga funcionar el motor en alta velocidad y
cárguelo.
H Alivie el circuito del desgarrador elevando
el desgarrador.
9. Compruebe las tuberías de combustible y los
dispositivos en busca de fugas de combustible.
H Inspeccione principalmente alrededor de
las piezas del circuito de alta presión cubi-
ertas con el comprobador a color para
escape de combustible.
H Si se detecta algún escape de combusti-
ble, repárelo y haga nueva inspección
desde el paso 1.
H Si no se detectan escapes de combusti-
ble, la revisión se ha completado.
30 Pruebas y Ajustes GSN00679-00
D155AX-6 25
Probando y ajustando la tensión
de la correa del alternador 1
¤ Pare la máquina sobre un terreno nivelado,
baje completamente el equipo de trabajo
sobre el terreno, pare el motor, y coloque la
palanca del freno de estacionamiento y la
palanca de seguridad en la posición de
seguro "LOCK".
Probando
1. Abra la cubierta del lado derecho del motor y
retire la plancha de inspección en la derecha del
protector del radiador.
2. En el punto intermedio de la correa entre la polea
del alternador y la polea de la bomba de agua,
oprima con el dedo y mida la flexión (a) de la
correa.
H Fuerza de compresión:
Approx. 98 N {Approx. 10 kg}
H Flexión (a): 13 -16 mm
Ajuste
H Si la flexión está fuera del rango estándar,
ajústela de acuerdo al siguiente proced-
imiento.
1. Desmonte los 2 pernos de montaje y la cubierta
de la correa (1).
H Al sustituir la correa solamente retire la
cubierta de la correa.
2. Afloje 2 pernos de montaje (3) del alternador (2) y
después afloje el perno de seguridad (4) de la
barra de ajuste.
3. Afloje la tuerca de seguridad (5) de la barra de
ajuste y mueva el alternador (2) con la tuerca de
ajuste (6) para ajustar la tensión de la correa.
4. Mientras asegura la tuerca de ajuste (6) y apriete
la tuerca de seguridad (5).
5. Apriete la tuerca de seguridad (4) de la barra de
ajuste y los 2 pernos de montaje (3) del
alternador (2).
6. Instale la cubierta (1) de la correa con los 2
pernos de montaje.
H Compruebe si hay roturas en las poleas,
desgaste de las ranuras en V, contacto de
las correas y ranuras en V y contacto de
las cubiertas de las correas y partes gira-
torias.
H Si la correa se ha prolongado hasta su
límite de ajuste, está cortada, o cuar-
teada, instale una correa nueva.
H Si se sustituye una correa en V, ajuste
nuevamente su tensión después de una
hora de funcionamiento.
H Después de apretar los tornillos, revise
que la tensión de la correa es normal de
acuerdo al procedimiento de arriba.
7. Después de efectuar la comprobación y ajustes,
devuelva las partes desmontadas.
GSN00679-00 30 Pruebas y Ajustes
26 D155AX-6
Prueba y ajuste de la tensión de la
correa del compresor del
acondicionador de aire 1
¤ Pare la máquina sobre un terreno nivelado,
baje completamente el equipo de trabajo
sobre el terreno, pare el motor, y coloque la
palanca del freno de estacionamiento y la
palanca de seguridad en la posición de
seguro "LOCK".
Probando
1. Abra la cubierta lateral del lado izquierdo del
motor y el guardabarros izquierdo.
2. En el punto intermedio de la correa entre la polea
del ventilador y la polea de la bomba de
abastecimiento, oprima con el dedo y mida la
flexión (a) de la correa.
H Fuerza de compresión:
Approx. 59 N {Approx. 6 kg}
H Flexión (a): 10 mm
Ajuste
H Si la flexión está fuera del rango estándar,
ajústela de acuerdo al siguiente proced-
imiento.
1. Afloje los 4 pernos de montaje (1) del soporte.
2. Afloje la tuerca de seguridad (2) y mueva el
compresor (4) y el soporte como una unidad con
el perno de ajuste (3) para ajustar la tensión de la
correa.
3. Mientras asegura la tuerca de ajuste (3) y apriete
la tuerca de seguridad (2).
4. Apriete los 4 pernos de montaje (1) del soporte.
H Compruebe si hay roturas en las poleas,
desgaste de las ranuras en V, contacto de
las correas y ranuras en V y contacto de
las cubiertas de las correas y partes gira-
torias.
H Si la correa se ha prolongado hasta su
límite de ajuste, está cortada, o cuar-
teada, instale una correa nueva.
H Si se sustituye una correa en V, ajuste
nuevamente su tensión después de una
hora de funcionamiento.
H Después de apretar los tornillos, revise
que la tensión de la correa es normal de
acuerdo al procedimiento de arriba.
5. Después de efectuar la comprobación y ajustes,
devuelva las partes desmontadas.
30 Pruebas y Ajustes GSN00679-00
D155AX-6 27
Medición de la velocidad del
ventilador 1
H Instrumento para la medición de la velocidad
del ventilador
¤ Pare la máquina sobre un terreno nivelado,
baje completamente el equipo de trabajo
sobre el terreno , pare el motor, y coloque
la palanca del freno de estacionamiento y
la palanca de seguridad en la posición de
seguro "LOCK".
H Mida la velocidad del ventilador del motor bajo
la siguiente condición.
Temperatura del aceite hidráulico: Dentro
del rango de operación
1. Abra el mascarón del radiador y remueva la red
del ventilador.
2. Coloque en el ventilador (1) una cinta adhesiva de
reflexión [1] tomada del conjunto K del tacómetro.
3. Coloque el probador [2] en la cinta adhesiva de
reflexión con el estante [3] y conéctelo al
tacómetro [4].
¤ Tenga cuidado que la sonda no interfi-
era con el ventilador.
H Voltee el ventilador con la mano y com-
pruebe que el probador puede detectar la
rotación de la cinta adhesiva de reflexión.
4. Cierre la rejilla del radiador.
¤ Antes de arrancar el motor, esté seguro
de haber cerrado el protector del radia-
dor. No arranque el motor mientras el
protector del radiador está abierto.
5. Arranque el motor y coloque el monitor de la
máquina en la función de Ajustes del modo de
servicios.
H Código de ajuste: 1005 (Modo de ventila-
dor 100% )
H Para el método de operación, ver "Funci-
ones especiales del monitor de la
máquina (EMMS)".
H Si este código de ajustes aparece
expuesto, la velocidad del motor se man-
tiene al 100% de acuerdo con la velocidad
del motor, independientemente del estado
de la máquina.
6. Mientras se trabaja el motor en ralentí bajo y
ralentí alto, mida la velocidad del ventilador.
7. Después de finalizar la medición, retire los
instrumentos y vuelva a instalar las piezas
desmontadas.
Símbolo Pieza No. Nombre de la Pieza
K 795-205-1100 Juego de tacómetro
GSN00679-00 30 Pruebas y Ajustes
28 D155AX-6
Medición de la presión de aceite
del circuito del ventilador 1
H Instrumentos de medición para la presión de
aceite del circuito del ventilador.
¤ Pare la máquina sobre un terreno nivelado,
baje completamente el equipo de trabajo
sobre el terreno, pare el motor, y coloque la
palanca del freno de estacionamiento y la
palanca de seguridad en la posición de
seguro "LOCK".
H Mida la presión de aceite del circuito de control
del ventilador bajo las condiciones siguientes:
Temperatura del aceite hidráulico: Dentro
del rango de operación
1. Abra el mascarón del radiador y remueva la red
del ventilador.
2. Desconecte la manguera (1) de suministro del
motor del ventilador.
3. Instale un adaptador L2 y conecte nuevamente la
manguera desconectada.
4. Instale los adaptadores L3 y conéctelo al medidor
de presión de aceite [2].
H Cuando se use un indicador analógico de
presión de aceite, use uno con una
capacidad de 39.2 MPa [400 kg/cm2].
5. Cierre la rejilla del radiador.
¤ Antes de arrancar el motor, esté seguro
de haber cerrado el protector del radia-
dor. No arranque el motor mientras el
protector del radiador está abierto.
6. Arranque el motor y coloque el monitor de la
máquina en la función de Ajustes del modo de
servicios.
H Código de ajuste: 1005 (Modo de ventila-
dor 100% )
H Para el método de operación, ver "Funci-
ones especiales del monitor de la
máquina (EMMS)".
H Si este código de ajustes aparece
expuesto, la velocidad del motor se man-
tiene al 100% de acuerdo con la velocidad
del motor, independientemente del estado
de la máquina.
Símbolo Pieza No. Nombre de la Pieza
L
1
799-101-5002
Comprobador
hidráulico
790-261-1204
Probador hidráulico
digital
2 799-401-3400 Adaptador (05)
3
799-101-5220 Niple (10 x 1.25 mm)
07002-11023 Anillo-0
30 Pruebas y Ajustes GSN00679-00
D155AX-6 29
7. Mientras se trabaja el motor en ralentí alto, mida
la presión de aceite del circuito del ventilador.
8. Después de finalizar la medición, retire los
instrumentos y vuelva a instalar las piezas
desmontadas.
Forma de purgar el aire de la
bomba del ventilador 1
H Si se desmonta e instala la bomba del ventila-
dor, o si se desconectan y conectan sus
tuberías, purgue el aire de la caja de la bomba
del ventilador de acuerdo con el procedimiento
que sigue:
H Antes de comenzar el siguiente trabajo, com-
pruebe que el nivel del aceite hidráulico está
normal.
1. Desmontar la cubierta del paso izquierdo.
2. Afloje el dispositivo de purgar el aire (1) y déjelo
abierto durante 15 minutos.
3. Después de 15 minutos, arrancar el motor y
trabajarlo en ralentí bajo.
4. Después que el aceite salga por el agujero del
dispositivo de purgar el aire (1), apriete el
dispositivo (1) y pare el motor.
3 Purga del aire:
7.8 -9.8 Nm {0.8 -1.0 kgm}
GSN00679-00 30 Pruebas y Ajustes
30 D155AX-6
Forma de ajustar el dial del control de combustible y el pedal desacelerador1
¤ Pare la máquina sobre un terreno nivelado,
baje completamente el equipo de trabajo
sobre el terreno, pare el motor, y coloque la
palanca del freno de estacionamiento y la
palanca de seguridad en la posición de
seguro "LOCK".
1. Descripción del sistema de control de
combustible
Las siguientes señales son entradas
como señales de comandos de rotación
para el controlador del motor.
1) Señal del potenciómetro del dial de
control de combustible.
2) Señal del potenciómetro del pedal
desacelerador
3) 3ª señal del acelerador (Controlador
del tren de potencia)
El controlador del motor controla el
sistema de control de combustible del
motor (Sistema de inyección de combusti-
ble por múltiple común "CRI") de acuerdo
a una de las señales de entrada de arriba
que indica la menor velocidad del motor.
Ajustar la velocidad del pedal desacelera-
dor y la velocidad alta en ralentí con el
varillaje del pedal desacelerador.
DIAL: Dial de control de combustible
PEDAL: Pedal desacelerador
ROD: Vástago del pedal desacelerador
POTENSIO: Potenciómetro del pedal desacelerador
ENG-ECU: Controlador del motor
P/T-ECU: Controlador del tren de potencia
ENINE: Unidad del motor (dispositivos CRI)
[KOMNET]: Circuito de comunicación KOMNET
(3a. señal reguladora)
30 Pruebas y Ajustes GSN00679-00
D155AX-6 31
2. Trabajo de preparación
1) Desmonte la cubierta derecha del tablero
de instrumentos y el apoyo para descanso
del pie derecho como unidad.
2) Arranque el motor y coloque el monitor de
la máquina en la función de Ajustes del
modo de servicios.
Código de ajuste: 0007 (Corte del
desacelerador del motor)
H Para el método de operación, ver
"Funciones especiales del monitor de
la máquina (EMMS)".
3. Ajustando la velocidad del pedal
desacelerador
Coloque el dial de control del combustible en
la posición de alta velocidad sin carga (MAX) y
oprima el pedal desacelerador (1) hacia el
tornillo retén (2) y verifique que la velocidad
del pedal desacelerador sea normal.
Velocidad del pedal desacelerador: 875 ±
50 rpm
H Si la velocidad con el pedal desacelerador
es anormal, ajuste la dimensión instalada
(a) en el tornillo retén (2).
Dimensión (a) estándar instalada del tor-
nillo retén: 35.0 mm
4. Forma de ajustar la velocidad del ralentí alto
Con el control de combustible en la posición
de ra lentí alto (MAX), suelte el p edal
desacelerador (1) y compruebe que esté
normal la velocidad del ralentí alto.
Velocidad max. en ralentí: 2,050 ± 50 rpm
H Si la velocidad alta sin carga es anormal,
haga ajuste de acuerdo al procedimiento
que sigue:
Cuando la velocidad está por encima de
1,950 rpm:
Red uzca la ve locida d de l motor,
provisionalmente, a menos de 1,900 rpm
empleando el perno (3) del tope para
eliminar el juego del pedal desacelerador
y después aumente la velocidad al valor
de la alta velocidad sin carga.
Cuando la velocidad está por debajo de
1,950 rpm:
Ajuste la velocidad del motor al valor de la
alta velocidad sin carga empleando el
perno de tope (3).
Dimensión (b) estándar instalada del tor-
nillo retén: 34.8 mm
5. Trabajo después del ajuste
Después de finalizar todos los ajustes, vuelva
a instalar las piezas desmontadas.
GSN00679-00 30 Pruebas y Ajustes
32 D155AX-6
D155AX-6 Buldózer
No.de Forma GSN00679-00
© 2006 KOMATSU
Todos los Derechos
Reservados
Impreso en E.E.U.U. 08-06
D155AX-6 1
GSN00680-00
BULDÓZER 1MANUAL DE TALLER
D155AX-6
Modelo de máquina Número de serie
D155AX-6 80001 y superiores
30 Pruebas y Ajustes 1
Pruebas y ajustes, Parte 2
Pruebas y ajustes, Parte 2............................................................................................................................. 3
Pruebas y ajustes, Parte 2 .................................................................................................................. 3
Forma de medir la presión del aceite del tren de potencia ................................................................. 3
Ajustando el sensor de velocidad del eje de salida de la transmisión .............................................. 11
Método sencillo para comprobar el desempeño del freno ................................................................ 12
Ajuste del pedal del freno.................................................................................................................. 13
Ajustando la palanca del freno de estacionamiento.......................................................................... 15
Método para una salida de emergencia cuando el tren de potencia tiene problema........................ 17
Forma de ajustar la separación de la rueda delantera...................................................................... 20
Prueba y ajuste de la tensión de la oruga......................................................................................... 21
Midiendo y ajustando la presión del aceite del equipo de trabajo y del HSS.................................... 22
Medida en la presión básica del circuito de control .......................................................................... 26
Midiendo la presión de salida de la válvula solenoide de traba del equipo de trabajo...................... 27
Método de operación de emergencia cuando el equipo de trabajo tiene problemas........................ 28
Forma de medir la presión de salida de la válvula solenoide de salida de pasador del desgarrador30
Prueba para medir el deslizamiento hidráulico de la hoja y del desgarrador.................................... 31
GSN00680-00 30 Pruebas y Ajustes
2 D155AX-6
Forma de medir el escape interno de aceite en el cilindro del equipo de trabajo ............................. 32
Forma de aliviar la presión residual del cilindro del equipo de trabajo.............................................. 33
Forma de purgar el aire del cilindro del equipo de trabajo ................................................................ 33
Ajuste la palanca de cierre del equipo de trabajo ............................................................................. 34
Forma de ajustar la hoja topadora .................................................................................................... 35
Ajustando la cabina del operador...................................................................................................... 37
30 Pruebas y Ajustes GSN00680-00
D155AX-6 3
Pruebas y ajustes, Parte 2 1
Forma de medir la presión del
aceite del tren de potencia 1
H Instrumentos para la medición de presión de
aceite en el tren de potencia
¤ Pare la máquina sobre un terreno nivelado,
baje completamente el equipo de trabajo
sobre el terreno, pare el motor, y coloque la
palanca del freno de estacionamiento y la
palanca de seguridad en la posición de seguro
"LOCK".
H Mida la presión del aceite del tren de potencia
bajo las siguientes condiciones.
Temperatura del aceite del tren de potencia:
Dentro del rango de operación
H En vista de que los tapones captadores de
presión de aceite del recorrido de potencia
(sección centralizada de captación de presión)
se encuentran instalados dentro de la cubierta
del peldaño derecho, desmonte esa cubierta
cuando se mida la presión de aceite del recor-
rido de potencia.
H Tapones captadores de presión e instru-
mentos que se utilizarán.
H En vista de que la presión de entrada y la
presión de salida del convertidor de torsión se
miden con la función de Observación (Monitor-
ing function) del modo de servicio del monitor
de la máquina, no hay para ellos tapones
captadores de presión de aceite en la sección
centralizada para captación de presión,
Símbolo Pieza No. Nombre de la Pieza
M
799-101-5002 Comprobador hidráulico
790-261-1204 Probador hidráulico digital
No.
Estam
-pa
Presión del aceite a medir
Indicador de
presión de
aceite
(MPa {kg/cm²})
1 TM
Presión de alivio principal
de la transmisión
5.9 {60}
2 LC
Presión del embrague de
traba del convertidor de
torsión
2.5 {25}
3 SC
Presión del embrague del
estator del convertidor de
torsión
5.9 {60}
4 F
Presión del embrague de
avance de la transmisión
5.9 {60}
5 R
Presión del embrague de
retroceso de la transmisión
5.9 {60}
6 1ª.
Presión del embrague de
1a. de la transmisión
5.9 {60}
7 2ª
Presión del embrague de
2a. de la transmisión
5.9 {60}
8 3ª
Presión del embrague de
3a. de la transmisión
5.9 {60}
9 RB
Presión del freno
derecho de la dirección
5.9 {60}
10 LB
Presión del freno
izquierdo de la dirección
5.9 {60}
11
–
Presión de ingreso al
convertidor
de torsión
Monitor de la
máquina
–
Presión de salida del
convertidor de torsión
Monitor de la
máquina
GSN00680-00 30 Pruebas y Ajustes
4 D155AX-6
1. Forma de medir la presión de alivio principal
de la transmisión (TM)
1) Conecte el indicador de presión de aceite
[1] del comprobador hidráulico M al tapón
[1] captador de presión de aceite.
H Cuando se use un indicador analógico
de presión de aceite, use uno con una
capacidad de 5.9 MPa [60 kg/cm2].
2) Arranque el motor y coloque la palanca
PCCS en la posición neutral.
H La palanca del freno de estaciona-
mien to p ued e co lo carse en la
posición de LOCK = CERRADO.
3) Con el motor trabajando en ralentí bajo y
en ralentí alto, mida la presión de alivio
principal.
4) Después de finalizar la medición, retire los
instrumentos y vuelva a instalar las piezas
desmontadas.
2. Forma de medir la presión de traba del
embrague del convertidor de torsión (LC)
1) Conecte el indicador de presión de aceite
[1] del comprobador hidráulico M al tapón
[2] captador de presión de aceite.
H Cuando se use un indicador analógico
de presión de aceite, use uno con una
capacidad de 2.5 MPa [25 kg/cm2].
2) Arrancar el motor y elevar la máquina con la
hoja y con el desgarrador a una altura en
que se pueda mover libremente la oruga.
¤ Después de levantar la máquina,
coloque la palanca de cierre del
equipo de trabajo en la posición de
LOCK = CERRADO.
3) Establezca el modo de cambio de
marchas y establezca previamente el
régimen en la forma siguiente empleando
el interruptor selector de modo de cambio
de marchas y los interruptores de cambio
arriba y cambio abajo.
Modo de cambio de marchas:
Cambio automático de marchas (Explanación)
Régimen previamente establecido: F1-R1
4) Coloque el monitor de la máquina en la
función de Observación del modo de
servicios.
Código de revisión del monitor:
31520 T/M Fill SW Input 2
H Para el método de operación, ver
Funciones especiales del monitor de
la máquina (EMMS).
30 Pruebas y Ajustes GSN00680-00
D155AX-6 5
5) Coloque la palanca PCCS en la posición
de avance para trabajar libremente la
oruga.
¤ Tenga cuidado de no verse
atrapado por las partes giratorias
de las zapatas de la oruga mientras
se hacen las mediciones.
H Mantenga en neutral el sistema de
dirección.
6) Mientras se trabaja el motor en ralentí
alto, cuando el L/U Fill Sw en el item de
observación se pone en ON, mida la
presión del embrague de traba.
7) Después de finalizar la medición, retire los
instrumentos y vuelva a instalar las piezas
desmontadas.
3. Forma de medir la presión del embrague del
estator del convertidor de torsión (SC)
1) Conecte el indicador de presión de aceite
[1] del comprobador hidráulico M al tapón
[3] captador de presión de aceite.
H Cuando se use un indicador
analógico de presión de aceite, use
uno con una capacidad de 5.9 MPa
[60 kg/cm2].
2) Arranque el motor y coloque la palanca
PCCS en la posición neutral.
H La palanca del freno de estaciona-
mien to pu ede co loca rse en la
posición de LOCK = CERRADO.
3) Mientras se trabaja el motor en ralentí
bajo y ralentí alto, mida la presión del
embrague del estator.
4) Después de finalizar la medición, retire los
instrumentos y vuelva a instalar las piezas
desmontadas.
GSN00680-00 30 Pruebas y Ajustes
6 D155AX-6
4. Forma de medir la presión del embrague de
avance de la transmisión (F)
1) Conecte el indicador de presión de aceite
[1] del comprobador hidráulico M al tapón
[4] captador de presión de aceite.
H Cuando se use un indicador analógico
de presión de aceite, use uno con una
capacidad de 5.9 MPa [60 kg/cm2].
2) Arranque el motor y ponga la palanca del
freno de estacionamiento en la posición
de LIBRE.
3) Establezca el modo de cambio de marchas y
establezca previamente el régimen en la
forma siguiente empleando el interruptor
selector de modo de cambio de marchas y
los interruptores de cambio arriba y cambio
abajo.
Modo de cambio de marchas:
Cambio de marchas manual
(Labores de desgarramiento)
Régimen previamente establecido: F2-R2
4) Mientras se oprime el pedal del freno,
coloque la dirección de la palanca PCCS
en la posición de avance y cambie arriba
la marcha hacia la 3ª velocidad con el
interruptor de cambio arriba.
H Mantenga en neutral el sistema de
dirección.
H Compruebe que [F3] aparece expuesto
en la sección expositora de marchas.
5) Mientras se trabaja el motor en ralentí
alto, mida la presión del embrague de
avance.
¤ Como el convertidor de torsión
está calado, mantenga oprimido
firmemente el pedal del freno y su
pie derecho e n el pe dal
desa cele rador para fine s de
seguridad hasta finalizar el trabajo.
6) Después de finalizar la medición, retire los
instrumentos y vuelva a instalar las piezas
desmontadas.
5. Forma de medir la presión del embrague de
retroceso de la transmisión (R)
1) Conecte el indicador de presión de aceite
[1] del comprobador hidráulico M al tapón
[5] captador de presión de aceite.
H Cuando se use un indicador
analógico de presión de aceite, use
uno con una capacidad de 5.9 MPa
[60 kg/cm2].
2) Arranque el motor y ponga la palanca del
freno de estacionamiento en la posición
de LIBRE.
3) Establezca el modo de cambio de
marchas y establezca previamente el
régimen en la forma siguiente empleando
el interruptor selector de modo de cambio
de marchas y los interruptores de cambio
arriba y cambio abajo.
Modo de cambio de marchas:
Cambio de marchas manual
(Labores de desgarramiento)
Régimen previamente establecido: F2-R2
4) Mientras se oprime el pedal del freno,
establezca a la dirección de la palanca
30 Pruebas y Ajustes GSN00680-00
D155AX-6 7
PCCS en la posición de marcha atrás y
cambie arriba la marcha hacia la 3ª
velocidad con el interruptor de cambio
arriba.
Mantenga en neutral el sistema de
dirección.
Compruebe que [R3] aparece expuesto
en la sección expositora de marchas.
5) Mientras se trabaja el motor en ralentí
alto, mida la presión del embrague de
retroceso.
¤ Como el convertidor de torsión
está calado, mantenga oprimido
firmemente el pedal del freno y su
pie de rec ho en e l pedal
desa ce le rador para fine s de
seguridad hasta finalizar el trabajo.
6) Después de finalizar la medición, retire los
instrumentos y vuelva a instalar las piezas
desmontadas.
6. Forma de medir la presión del embrague de la
1a. marcha de la transmisión (1ST)
1) Conecte el indicador de presión de aceite
[1] del comprobador hidráulico M al tapón
[6] captador de presión de aceite.
H Cuando se use un indicador
analógico de presión de aceite, use
uno con una capacidad de 5.9 MPa
[60 kg/cm2].
2) Arranque el motor y ponga la palanca del
freno de estacionamiento en la posición
de LIBRE.
3) Establezca el modo de cambio de
marchas y establezca previamente el
régimen en la forma siguiente empleando
el interruptor selector de modo de cambio
de marchas y los interruptores de cambio
arriba y cambio abajo.
Modo de cambio de marchas:
Cambio de marchas manual (Labores de desgar-
ramiento)
Régimen previamente establecido: F1-
R1
4) Mientras se oprime el pedal del freno,
coloque la palanca de dirección PCCS en
la posición de avance.
H Mantenga en neutral el sistema de
dirección.
H Compruebe que [F1] aparece
expuesto en la sección expositora de
marchas.
5) Mientras se trabaja el motor en ralentí
bajo, mida la presión del embrague de 1ª.
¤ Como el convertidor de torsión
está calado, mantenga oprimido
firmemente el pedal del freno y su
pie dere cho e n el pe da l
desacelera dor para fines de
seguridad hasta finalizar el trabajo.
¤ Durante la medición no aumente la
velocidad del motor al punto de
alta velocidad sin carga.
6) Después de finalizar la medición, retire los
instrumentos y vuelva a instalar las piezas
desmontadas.
7. Forma de medir la presión del embrague de la
2a. marcha de la transmisión (2ND)
1) Conecte el indicador de presión de aceite
[1] del comprobador hidráulico M al tapón
[7] captador de presión de aceite.
GSN00680-00 30 Pruebas y Ajustes
8 D155AX-6
H Cuando se use un indicador
analógico de presión de aceite, use
uno con una capacidad de 5.9 MPa
[60 kg/cm2].
2) Arranque el motor y ponga la palanca del
freno de estacionamiento en la posición
de LIBRE.
3) Establezca el modo de cambio de
marchas y establezca previamente el
régimen en la forma siguiente empleando
el interruptor selector de modo de cambio
de marchas y los interruptores de cambio
arriba y cambio abajo.
Modo de cambio de marchas:
Cambio de marchas manual
(Labores de desgarramiento)
Régimen previamente establecido: F2-
R2
4) Mientras se oprime el pedal del freno,
coloque la palanca de dirección PCCS en
la posición de avance.
H Mantenga en neutral el sistema de
dirección.
H Compruebe que [F2] aparece
expuesto en la sección expositora de
marchas.
5) Mientras se trabaja el motor en ralentí
bajo, mida la presión del embrague de 2ª.
¤ Como el convertidor de torsión
está calado, mantenga oprimido
firmemente el pedal del freno y su
pie derecho e n el pe dal
de sac elerador pa ra fines de
seguridad hasta finalizar el trabajo.
¤ Durante la medición no aumente la
velocidad del motor al punto de
alta velocidad sin carga.
6) Después de finalizar la medición, retire los
instrumentos y vuelva a instalar las piezas
desmontadas.
8. Forma de medir la presión del embrague de la
3a. marcha de la transmisión (3RD)
1) Conecte el indicador de presión de aceite
[1] del comprobador hidráulico M al tapón
[8] captador de presión de aceite.
H Cuando se use un indicador
analógico de presión de aceite, use
uno con una capacidad de 5.9 MPa
[60 kg/cm2].
2) Arranque el motor y ponga la palanca del
freno de estacionamiento en la posición
de LIBRE.
3) Establezca el modo de cambio de
marchas y establezca previamente el
régimen en la forma siguiente empleando
el interruptor selector de modo de cambio
de marchas y los interruptores de cambio
arriba y cambio abajo.
Modo de cambio de marchas:
Cambio de marchas manual
(Labores de desgarramiento)
Régimen previamente establecido: F2-R2
30 Pruebas y Ajustes GSN00680-00
D155AX-6 9
4) Mientras se oprime el pedal del freno,
coloque la dirección de la palanca PCCS
en la posición de avance y cambie arriba
la marcha hacia la 3ª velocidad con el
interruptor de cambio arriba.
H Mantenga en neutral el sistema de
dirección.
H Compruebe que [F3] aparece
expuesto en la sección expositora de
marchas.
5) Mientras se trabaja el motor en ralentí
bajo, mida la presión del embrague de 3ª.
¤ Como el convertidor de torsión
está calado, mantenga oprimido
firmemente el pedal del freno y su
pie de rec ho en e l pedal
desa ce le rador para fine s de
seguridad hasta finalizar el trabajo.
¤ Durante la medición no aumente la
velocidad del motor al punto de
alta velocidad sin carga.
6) Después de finalizar la medición, retire los
instrumentos y vuelva a instalar las piezas
desmontadas.
9. Forma de medir la presión del freno derecho
de la dirección (RB)
1) Conecte el indicador de presión de aceite
[1] del comprobador hidráulico M al tapón
[9] captador de presión de aceite.
H Cuando se use un indicador
analógico de presión de aceite, use
uno con una capacidad de 5.9 MPa
[60 kg/cm2].
2) Arranque el motor y ponga la palanca del
freno de estacionamiento en la posición
de LIBRE.
3) Mientras se trabaja el motor en ralentí
bajo y ralentí alto, mida la presión del
freno derecho.
H Durante la medición, verifique que la
presión del aceite baja a 0 [cero]
cuando se oprime el pedal del freno o
cuando la palanca del freno de
estacionamiento se pone en la
posición LOCK = TRANCADO.
4) Después de finalizar la medición, retire los
instrumentos y vuelva a instalar las piezas
desmontadas.
GSN00680-00 30 Pruebas y Ajustes
10 D155AX-6
10. Forma de medir la presión del freno izquierdo
de la dirección (LB)
1) Conecte el indicador de presión de aceite
[1] del comprobador hidráulico M al tapón
[10] captador de presión de aceite.
H Cuando se use un indicador
analógico de presión de aceite, use
uno con una capacidad de 5.9 MPa
[60 kg/cm2].
2) Arranque el motor y ponga la palanca del
freno de estacionamiento en la posición
de LIBRE.
3) Mientras se trabaja el motor en ralentí
bajo ralentí alto, mida la presión del freno
izquierdo.
H Durante la medición, verifique que la
presión del aceite baja a 0 [cero]
cuando se oprime el pedal del freno o
cuando la palanca del freno de
estacionamiento se pone en la
posición LOCK = TRANCADO.
4) Después de finalizar la medición, retire los
instrumentos y vuelva a instalar las piezas
desmontadas.
11. Forma de medir la presión de entrada y la
presión de salida al convertidor de torsión
1) Poner en ON el interruptor del arranque y
coloque el monitor de la máquina en la
función de observación (Monitoring
function) del modo de servicio.
Código de revisión del monitor:
32601 T/C In Pressure,
32603 T/C Out Pressure
H Para el método de operación, ver
Funciones especiales del monitor de
la máquina (EMMS).
2) Arranque el motor y coloque la palanca
PCCS en la posición neutral.
H La palanca del freno de
estacionamiento puede colocarse en
la posición de LOCK = CERRADO.
3) Mientras se trabaja el motor en ralentí
bajo y ralentí alto, mida la presión de
entrada y la presión de salida del
convertidor de torsión.
30 Pruebas y Ajustes GSN00680-00
D155AX-6 11
Forma de ajustar el sensor de la
velocidad del eje de salida de la
transmisión 1
¤ Pare la máquina sobre un terreno nivelado,
baje completamente el equipo de trabajo
sobre el terreno, pare el motor, y coloque la
palanca del freno de estacionamiento y la
palanca de seguridad en la posición de
seguro "LOCK".
1. Remueva el tanque de combustible y el sensor de
velocidad del eje de salida de la transmisión (1)
4 Tanque de combustible: 950 kg
(cuando está lleno)
H Antes de ajustar el sensor de velocidad
del eje de salida de la transmisión,
desmóntelo y compruebe si su punta está
libre de limayas de acero y fallas y
después reinstálelo.
2.Atornille el sensor (1) hasta que la punta toque la
punta del diente de la corona dentada (2).
2 Roscas: Sellador de empaquetadu-
ras (LG-5).
3. Desenrosque el sensor (1) por el ángulo
especificado.
H Ángulo de desenrosque del sensor: 1/2 –
1 vuelta
H Ajuste la holgura (a) entre la punta del
sensor y la punta del diente del engranaje
entre 0.75 y -1.5 mm
4. Mientras asegura el sensor (1)apriete la tuerca (3).
2 Tuerca: 49.0 -68.6 Nm {5 -7 kgm}
5. Después de finalizar el ajuste, vuelva a instalar
las piezas desmontadas.
6. Arranque el motor, coloque el monitor de la
máquina en la función de Observación del modo
de servicios y compruebe que la velocidad de la
transmisión aparece indicada normalmente.
H Código de revisión del monitor: 31400 T/M
Out Speed
H Para el método de operación, ver Funci-
ones especiales del monitor de la
máquina (EMMS).
H Para hacer girar el eje de salida de la
transmisión, conduzca realmente la
máquina y trabaje la oruga libremente.
GSN00680-00 30 Pruebas y Ajustes
12 D155AX-6
Sencillo procedimiento de prueba
para el desempeño del freno 1
¤ Pare la máquina sobre un terreno nivelado,
baje completamente el equipo de trabajo
sobre el terreno, pare el motor, y coloque la
palanca del freno de estacionamiento y la
palanca de seguridad en la posición de
seguro "LOCK".
H Realice la prueba sencilla del desempeño del
freno bajo la siguiente condición.
Temperatura del aceite del tren de poten-
cia:
Dentro del rango de operación
1. Coloque la hoja y el desgarrador en posición de
traslado sobre terreno nivelado.
2. Trabaje el motor y coloque la palanca del freno de
estacionamiento en la posición de FREE =
LIBERADO.
3. Establezca el modo de cambio de marchas y
establezca previamente el régimen en la forma
siguiente empleando el interruptor selector de
modo de cambio de marchas y los interruptores
de cambio arriba y cambio abajo.
Modo de cambio de marchas:
Cambio de marchas manual
(Labores de desgarramiento)
Régimen previamente establecido: F2-R2
4. Mientras se oprime el pedal del freno, coloque la
palanca de dirección PCCS en la posición de
avance.
¤ Si esta prueba se realiza en la posición
de la 1 a. m archa , el freno s erá
sobrecargado. De tal modo que,
cerciórese de realizar la prueba en la
2a. marcha.
H Compruebe que [F2] aparece expuesto en
la sección expositora de marchas.
H Mantenga en neutral el sistema de direc-
ción.
5. Oprima el pedal desacelerador y coloque el dial
de control del combustible en la posición del alta
velocidad sin carga (MAX).
6. Regrese lentamente el pedal desacelerador y
verifique que la máquina no comienza a moverse
cuando la velocidad del motor alcance alta
velocidad sin carga.
¤ Como el convertidor de torsión está
calado, mantenga oprimido firmemente
el pedal del freno y su pie derecho en
el pedal desacelerador para fines de
seguridad hasta finalizar el trabajo.
30 Pruebas y Ajustes GSN00680-00
D155AX-6 13
Ajuste del pedal del freno 1
H Herramienta para el ajuste del pedal del freno
¤ Pare la máquina sobre un terreno nivelado,
baje completamente el equipo de trabajo
sobre el terreno, pare el motor, y coloque la
palanca del freno de estacionamiento y la
palanca de seguridad en la posición de
seguro "LOCK".
H Apriete firmemente la tuerca de seguridad
de las varillas, y doble firmemente el pasa-
dor de horquilla.
H Al ajustar el pedal del freno, desmontar la cubi-
erta izquierda del tablero de instrumentos y el
apoyo para descanso del pie izquierdo como
una unidad.
1. Ajustando la tubería del pedal de freno
1) Ajuste la altura instalada (b) del perno de
tope (2) de manera que el recorrido (a) del
ped al del fren o (1) te ng a el valor
especificado.
Recorrido del pedal (a): 80.3 mm
Altura instalada (b) del perno de tope:
35.4 mm
2) Ajuste la dimensión instalada (c) de la
barra (3) y conecte la barra en la palanca
(4) del potenciómetro del freno.
Dimensión instalada de la varilla: 124.9
mm
H 3 Unión:
27 -34 Nm {2.8 -3.5 kgm}
2. Ajuste del potenciómetro del freno
1) Ponga en ON el interruptor del arranque y
coloque el monitor de la máquina en la
función de observación del modo de
servicios.
H Código de ajuste:
9995 (Modo de liberación del freno control)
H Para el método de operación, ver
"Funciones especiales del monitor de
la máquina (EMMS)".
Símbolo Pieza No. Nombre de la Pieza
N 79A-264-0021 Herramienta de empuje-hale
GSN00680-00 30 Pruebas y Ajustes
14 D155AX-6
2) Mientras se oprime el pedal del freno (1)
hasta el final de su recorrido, ajuste la
dimensión instalada (c) de la palanca (4)
d e man era qu e el volta je d el
potenciómetro del freno sea del valor
especificado.
Voltaje del pedal de freno: 4,470 ± 5 mV
3) Con el pedal del freno suelto, ajuste la
longitud instalada (d) del resorte de
retroceso (5) de manera que el voltaje del
potenciómetro del pedal del freno sea del
valor especificado.
Voltaje del pedal de freno:
Aprox. 2,310 mV
H El voltaje no necesita ser ajustado
con precisión.
4) Con el pedal del freno suelto, ajuste la
longitud instalada (b) del tope (2) de
manera que el voltaje del potenciómetro
d el pe dal d el fren o se a del va lo r
especificado.
Voltaje del pedal de freno: 2,500 ± 5 mV
H Después que el pedal del freno hace
contacto con el tope, levante el tope
unas 2 vueltas (3 mm).
3. Forma de ajustar el interruptor limitador del
freno
1) Presione el pedal del freno (1). Cuando el
voltaje del potenciómetro del pedal del
freno se encuentra en el área siguiente,
arregle el pedal del freno.
Voltaje del pedal de freno:
3,880 – 3,990 mV
2) Ajuste la posición instalada del interruptor
(6) limitador del freno de manera que sea
puesto en ON en esta posición.
Respaldo de actividad del interruptor
del freno en ON
3) Después de efectuar el ajuste, devuelva
lentamente el pedal del freno y verifique
que el interruptor limitador (6) del freno
está en OFF dentro del área de voltaje
indicada en 1).
Respaldo de actividad del interruptor
del freno en OFF
4. Forma de medir la fuerza opresora del pedal
del freno
1) Opere el pedal del freno con el pie y
compruebe que se mueve suavemente.
2) Empleando una balanza de tracción/
empuje N, mida la fuerza opresora
necesaria para iniciar la operación del
freno.
Fuerza opresora para iniciar operación:
49 N {5 kg}
3) Empleando una balanza de tracción/
empuje N, mida la fuerza opresora al final
del recorrido del pedal del freno.
Fuerza opresora al final del recorrido:
461 N {47 kg}
5. Trabajo después de finalizar el ajuste
Después de finalizar el ajuste, vuelva a instalar
las piezas desmontadas.
30 Pruebas y Ajustes GSN00680-00
D155AX-6 15
Forma de ajustar la palanca del freno de estacionamiento 1
¤ Pare la máquina sobre un terreno nivelado,
baje completamente el equipo de trabajo
sobre el terreno , pare el motor, y coloque
la palanca del freno de estacionamiento y
la palanca de seguridad en la posición de
seguro "LOCK".
H Apriete firmemente la tuerca de seguridad
de las varillas, y doble firmemente el pasa-
dor de horquilla.
H Al ajustar la palanca del freno de estaciona-
miento, desmonte la cubierta de la batería.
4 Cubierta de la batería. 65 kg
1. Ensamble e Instalación del conjunto de la
palanca
1) Ensamblaje del conjunto de la palanca (1)
y ajuste de la operación del interruptor
limitador (2).
Posición de levantamiento de la palanca
Posición de bajar, OFF (Apagado):
ACTIVADO (ON)
Recorrido de operación del interruptor
limitador: 2.8 mm
2) Instale el conjunto de la palanca (1).
2. Forma de comprobar la presión del aceite de
los frenos
Encienda el motor y verifique que la presión
del aceite de los frenos sea como se indica
cu and o la pa la nca d el fre no d e
estacio namie nto (1) se co loca e n la s
posiciones de LIBRE Y TRANCADO.
H Para el método de medir la presión del
aceite del freno, ver Forma de medir la
presión del aceite del tren de potencia.
Presión del aceite de los frenos (en ralentí
alto)
Palanca del freno de
estacionamiento
Presión del aceite
Posición de LIBRE
2.75 ± 0.29 MPa
{28.0 ± 3.0 kg/cm²}
Posición de
TRANCADO
0 MPa {0 kg/cm²}
GSN00680-00 30 Pruebas y Ajustes
16 D155AX-6
3. Comprobación del interruptor limitador
1) Poner en ON el interruptor del arranque y
coloque el monitor de la máquina en la
función de observación (Monitoring
function) del modo de servicio.
H Código de revisión del monitor:
40905 T/M Sw Input 1
H Para el método de operación, ver
"Funciones especiales del monitor de
la máquina (EMMS)".
2) Compruebe que la señal del interruptor
limitador ingrese normalmente cuando la
palanca (3) del freno de estacionamiento
está situada en la posición de FREE =
LIBRE y en la posición de LOCK =
CERRADO.
Posición de LIBRE:
Cierre de traslado NC (normalmente
cerrado) OFF, Cierre de traslado NO
(normalmente abierto) ON
Posición de TRANCADO:
Cierre de traslado NC (normalmente
cerrado) ON, Cierre de traslado NO
(normalmente abierto) OFF
30 Pruebas y Ajustes GSN00680-00
D155AX-6 17
Método para una salida de
emergencia cuando el tren de
potencia tiene problema 1
H Herramientas empleados para la salida de
emergencia
1. Método de escape por emergencia con caja de
interruptores (empleando P1)
H Si la máquina no se puede mover debido
a un problema en el sistema eléctrico de
la unidad de control del tren de potencia
(dirección de traslado, marcha, direc-
ción), abandone la máquina de acuerdo al
procedimiento que sigue:
H Para este procedimiento el motor debe
poderse arrancar.
H Si el motor no se puede arrancar, ver el
método de salida por emergencia con el
dispositivo liberador del freno (Usando
P2).
¤ No ponga en ON el interruptor del
arranque ni arranque el motor antes de
preparar totalmente el conjunto del
interruptor y el arnés de cables P.
1) Conecte el arnés de cables [2] al conjunto
del interruptor [1] del dispositivo de
escape de emergencia P1.
¤ Coloque todos los interruptores de
las marchas del conjunto de
interruptores [1] en la posición OFF
y el interruptor de dirección en la
posición P para evitar que la máq
uina arranque súbitamente.
2) Abra la cubierta de inspección del
guardabarros izquierdo y conéctelo al
arnés de cables [2] y al conector PL1 (1).
H La caja macho y la caja hembra del
conector PL1 están sujetos con
tornillos.
H Conecte el arnés de cables tanto al
lado macho como al lado hembra del
conector PL1.
3) Desconecte el regulador de seguridad por
neutral (NSF) (2) en el recinto de fusibles
y conecte las espigas No. 3 y 5 del
conector por el lado del arnés de cables.
H Circuito de acoplamiento directo:
NSF (hembra) No. 3 ↔ No. 5
H Si el conector PL1 se desconecta, se
hace un modelo de selección de error
y el relé de seguridad neutral NSF no
es activado. La operación antes
mencionada se ejecuta para evitar
esto.
¤ Si el motor se arranca por este mét
odo, la función de la seguridad por
neutral no trabaja. De tal manera
que, antes de arrancar el motor,
coloque la palanca del freno de
estacionamiento en la posición de
TRANCADO y coloque la palanca
PCCS en la posición neutral.
¤ Solamente en una emergencia
arranque la máquina por este mét
odo. Si el motor no arranca en otro
caso, cerciórese de realizar la
localización de fallas y reparación
del problema.
Símbolo Pieza No. Nombre de la Pieza
P
1
19M-06-32820 Conjunto de interruptor
17A-06-41410 Arnés de cables
2 790-190-1601 Conjunto de la bomba
GSN00680-00 30 Pruebas y Ajustes
18 D155AX-6
4) Arranque el motor y ponga la palanca del
freno de estacionamiento en la posición
de LIBRE.
5) Opere el conjunto del interruptor [1] y
mueva la máquina a un lugar seguro.
H El interruptor de las marchas está
hecho de tal forma que el interruptor
en las marchas bajas se activará
primero.
6) Después de mover la máquina, retire los
instrumentos empleados y devuelva las
piezas desmontadas.
H Verifique que el sello en la unión del
conector PL1 no está proyectado
afuera o desmontado y después
apriete los tornillos al valor de torsión
especificado.
3 Tornillo del conector PL1:
2.83 ± 0.28 Nm {0.288 ± 0.028 kgm}
2. Método de escape con dispositivo liberador
del freno (Empleando P2).
H Si el motor no se puede arrancar y el
freno de estacionamiento no se puede lib-
erar, haga la salida de acuerdo al proced-
imiento que sigue.
1) Ensamble el conjunto de la bomba P2.
2) Instale al exterior de la cabina del
operador la bomba de volumen [3] del
conjunto de bomba P2 .
3) Desmonte la cubierta inferior del tanque
de combustible y desconecte la manguera
de suministro (3) de la válvula solenoide
extractora de pasador.
4) Conecte la manguera terminal [4] del
conjunto de la bomba P2 al costado de la
manguera.
H En vista de que la manguera por el
lado de la máquina es del tipo de cara
sellada, use un niple del tipo de cara
sellada por el lado P2 del conjunto de
la bomba.
H Detenga el lado de la válvula
solenoide con una tuerca ciega, etc.
30 Pruebas y Ajustes GSN00680-00
D155AX-6 19
Tuerca de casquete: 02789-00315
5) Ponga en ON el interruptor del arranque y
coloqu e la palan ca d el fren o d e
estacionamiento en la posición de LIBRE.
6) Opere la bomba de volumen para elevar la
presión del aceite liberador del freno a la
presión inicial.
Presión inicial: Aprox. 2.74 MPa
{Aprox. 28 kg/cm²}
H En vista de que hay un acumulador
instalado en el circuito, la agarradera
debe operarse de 30 – 50 veces para
elevar la presión del aceite.
H Si la presión del aceite no se eleva
sobre cierto nivel, la válvula de alivio
puede regularse a una presión
inferior. En este caso, ajuste la
presión regulada de la válvula de
alivio.
7) Remolque la máquina a un lugar seguro.
H La presión de aceite liberadora del
freno disminuye gradualmente debido
a escapes internos y el freno se
aplica nuevamente 1 minuto después.
De ta l mod o que, tra baje
rápidamente.
H Si la presión liberadora del freno
disminuye a unos 1.57 Mpa {aprox.
16 kg/cm2}, se aplica el freno. En
este caso, opere con la bomba de
volumen nuevamente para elevar la
presión liberadora del freno al valor
de la presión inicial.
GSN00680-00 30 Pruebas y Ajustes
20 D155AX-6
Ajuste de la holgura de la rueda libre 1
H Si la rueda libre agota sus pestañas debido al
desgaste de las guías laterales izquierda y
derecha, o las guías superior e inferior, y las
planchas de guía, haga ajuste de acuerdo al
procedimiento que sigue:
¤ Pare la máquina sobre un terreno nivelado,
baje completamente el equipo de trabajo
sobre el terreno , pare el motor, y coloque
la palanca del freno de estacionamiento y
la palanca de seguridad en la posición de
seguro "LOCK".
1. Ajustando en dirección lateral
1) Conduzca la máquina por 1 ó 2 metros
sobre un lugar llano y después retire las 2
cubiertas (1).
2) Mida el espacio libre (a) en dos (2) lugares
entre la estructura de la oruga y las placas
de guía derecha e izquierda (2).
3) Si la holgura (a) supera los 4 mm,
desmonte el perno (3) y reduzca el
número de láminas de ajuste (4).
Holgura estándar (a) en cada lado. 0.5 -
1.0 mm
H No afloje el perno más de 3 vueltas.
H Esta parte se puede ajustar en 6 mm
en cada lado.
4) Después de finalizar la medición, regrese
las piezas desmontadas.
2. Forma de ajustar en dirección vertical
1) Mida el espacio libre (b) en dos lugares
entre las placas guía (5) y (6).
2) La rueda delantera libre no se puede
ajustar verticalmente. Si el espacio (b) es
más ancho de 8 mm, reemplace las
placas guía superior e inferior (5), (6), (7)
y (8) por unas placas nuevas.
H Las placas guía (5), (7), y (8) son
soldadas.
3) Después de finalizar la medición, regrese
las piezas desmontadas.
30 Pruebas y Ajustes GSN00680-00
D155AX-6 21
Prueba y ajuste de la tensión de la
oruga 1
¤ Pare la máquina sobre un terreno nivelado,
baje completamente el equipo de trabajo
sobre el terreno, pare el motor, y coloque la
palanca del freno de estacionamiento y la
palanca de seguridad en la posición de
seguro "LOCK".
Probando
1. Conduzca la máquina lentamente sobre un
terreno nivelado y después deténgala.
H No aplique el freno para detenerla.
2. Coloque una barra recta de acero [1] entre la
rueda delantera libre y el rodillo superior
delantero y mida la holgura máxima (a) entre la
parte inferior de la barra de acero y la pestaña de
la zapata.
H Para la medición de arriba, use un perfil
de acero en L que tendrá menos deflex-
ión.
Holgura máxima estándar (a): 20 -30 mm
Ajuste
H Si la tensión de la oruga es anormal, ajústela
de acuerdo con el procedimiento que sigue:
1. Retire la cubierta (2).
2. Cuando la tensión es muy elevada
Afloje el tapón (3) para descargar la grasa.
¤ Como la grasa en alta presión puede
salir expulsada, no afloje el tapón mas
de 1 vuelta.
3 Tapón: 59 -88 Nm {6 -9 kgm}
3. Cuando la tensión está baja
Inyecte grasa a través de la boquilla de
engrase (4).
H Si la oruga no está bien estirada, con-
duzca la máquina lentamente hacia
adelante y hacia atrás.
4. Después de finalizar el ajuste, vuelva a instalar
las piezas desmontadas.
GSN00680-00 30 Pruebas y Ajustes
22 D155AX-6
Forma de medir y ajustar la presión
del equipo de trabajo y HSS 1
H Instrumentos para medición y ajuste de la
presión de aceite HSS del equipo de trabajo
¤ Pare la máquina sobre un terreno nivelado,
baje completamente el equipo de trabajo
sobre el terreno, pare el motor, y coloque la
palanca del freno de estacionamiento y la
palanca de seguridad en la posición de
seguro "LOCK".
H Al medir y ajustar la presión de aceite del
equipo de trabajo y HSS, desmonte la cubierta
de la válvula de control.
4 Cubierta de la válvula de control: 25 kg
Medición
H Mida la presión del aceite HSS y el equipo de
trabajo bajo las condiciones siguientes.
Temperatura del aceite hidráulico: Dentro
del rango de operación
H Las presiones de descarga, del aceite del
equipo de trabajo y del aceite HSS pueden
comprobarse con la función de observación
del modo de servicios del monitor de la
máquina (Ver 4).
1. Forma de medir la presión de descarga
1) Desmonte de la válvula de control el
tapón (1) de captación de presión del
aceite P.
2) Instale el niple Q2 y conecte el manó-
metro [1] del comprobador hidráulico Q1.
H Cuando se use un indicador
analógico de presión de aceite, use
uno con una capacidad de 5.9 MPa
[60 kg/cm2].
3) Trabaje el motor en velocidad alta sin carga y
ponga la palanca de control de la hoja y la
palanca de control del desgarrador en posición
neutral y mida la presión de descarga.
H La palanca de cierre del equipo de
trabajo se puede situar en la posición
de LOCK = CERRADO.
¤ No opere el equipo de trabajo o
conduzca la máquina teniendo
instalado el indicador de presión de
aceite de 5.9 MPa [ 60 kg/cm2]. Si
lo hace, el indicador de presión de
aceite se romperá.
4) Después de finalizar la medición retire los
instrumentos y vuelva a instalar las piezas
desmontadas previamente.
2. Forma de medir la presión de aceite del
equipo de trabajo
1) Retire de la válvula de control el tapón (1)
de captación de presión de aceite P y el
tapón (2) de captación de presión de
aceite LS.
Símbolo Pieza No. Nombre de la Pieza
Q
1
799-101-5002 Comprobador hidráulico
790-261-1204 Probador hidráulico digital
2
799-101-5220 Niple (10 x 1.25 mm)
07002-11023 Anillo-0
30 Pruebas y Ajustes GSN00680-00
D155AX-6 23
2) Instale los niples Q2 y conectelos al
manómetro [1] del comprobador hidráulico
Q1.
H Cuando se usen indicadores de
presión de aceite del tipo analógicos
use los que tienen capacidad para
39.2 MPa [400 kg/cm2].
3) Arranque el motor y coloque la palanca
para inmovilizar el equipo de trabajo en
posición LIBRE (FREE).
4) Trabaje el motor en ralentí alto y opere la
palanca de control de la hoja y la palanca
de control del desgarrador para aliviar
cada cilindro hasta final de su recorrido y
mida la presión de alivio del equipo de
trabajo y la presión de alivio LS del equipo
de trabajo.
H La presión de alivio del equipo de
trabajo se mide por el lado troquelado
con la letra P y la presión de alivio LS
del equipo de trabajo se mide por el
lado troquelado con las letras LS
¤ No gobierne la máquina teniendo
instalado el indicador de presión de
aceite con una capacidad para 39.2
MPa [400 kg/cm2]. Si lo hace, el
indicador de presión de aceite se
romperá.
5) Después de finalizar la medición retire los
instrumentos y vuelva a instalar las piezas
desmontadas previamente.
3. Forma de medir la presión de aceite HSS
1) Instale el instrumento de medición en la
válvula de control.
H Los puntos de medición de la presión
de aceite HSS son los mismos que
para la presión de aceite del equipo
de trabajo.
H Cuando se usen indicadores de
presión de aceite del tipo analógicos
use los que tienen capacidad para
58.8 MPa [600 kg/cm2].
2) Arranque el motor y coloque la palanca
del freno de estacionamiento en la
posición de LIBRE y mantenga oprimido
el pedal del freno.
3) Trabaje el motor en ralentí alto y coloque
la palanca PCCS en las posiciones de
gobierno del lado derecho e izquierdo
para aliviar el circuito de la dirección y
medir la presión de alivio HSS y la presión
de alivio HSS LS.
¤ Como el circuito de dirección está
a liviado, mantenga oprimido
firmemente el pedal del freno y su
pie dere cho e n el pe da l
GSN00680-00 30 Pruebas y Ajustes
24 D155AX-6
de sac elerador pa ra fines de
seguridad hasta finalizar el trabajo.
H La presión de alivio HSS se mide en
el lado marcado P y la presión de
alivio HSS LS se mide en el lado
marcado LS.
4) Después de finalizar la medición, retire los
instrumentos y vuelva a instalar las piezas
desmontadas.
4. Forma de medir con el monitor de la máquina
1) Poner en ON el interruptor del arranque y
coloque el monitor de la máquina en la
función de observación (Monitoring
function) del modo de servicio.
Código de revisión del monitor:
70700 Bomba Hidráulica Presión 1
H Para el método de operación, ver
Funciones especiales del monitor de
la máquina (EMMS).
2) Arranque el motor y mida cada presión de
aceite.
H La condición de medición de cada
presión de aceite es igual con 1 – 3
anterior.
H Solamente la presión de aceite en el
lad o mar cado P (pre sió n de
descarga, presión de alivio del equipo
de trabajo y presión de alivio HSS)
puede medirse con la función de
observación. La presión de aceite en
el lado marcado LS (equipo de
trabajo, presión de alivio LS y presión
de alivio HSS LS) no se pueden
medir.
Ajuste
1. Forma de ajustar la presión de descarga
H La presión de descarga no se puede
ajustar.
2. Ajustando la presión de aceite del equipo de
trabajo
H Si la presión de aceite es anormal,
ajústela con la válvula de alivio LS (3) de
acuerdo con el procedimiento que sigue.
H La válvula de 5 carretes en la especifi-
cación de la inclinación única aparece
mostrada en la figura (la máquina con
doble inclinación tiene la válvula de 6 car-
retes).
1) Mientras asegura la tuerca de ajuste (4),
afloje la tuerca de seguridad (5).
2) Ajuste la presión dándole vueltas a la
tuerca de ajuste (4).
H Si la tuerca de ajuste es
rotado a la derecha, se aumenta
la presión.
rotado a la izquierda se reduce la
presión.
H Cantidad de ajuste por cada vuelta de
la tuerca de ajuste:Aprox. 19.6 MPa
{Aprox. 200 kg/cm²}
3) Mientras asegura la tuerca de ajuste (4) y
apriete la tuerca de seguridad (5).
30 Pruebas y Ajustes GSN00680-00
D155AX-6 25
3 Tuerca de seguridad: 39 -49 Nm {4
-5 kgm}
4) Después de finalizar la medición, la
presión de aceite del equipo de trabajo de
acuerdo con el método de medición citado
anteriormente.
3. Ajustando la presión de aceite HSS
H Si la presión HSS es anormal, ajústela
con la válvula de alivio LS HSS (6) de
acuerdo con el procedimiento que sigue:
H La válvula de 5 carretes en la especifi-
cación de la inclinación única aparece
mostrada en la figura (la máquina con
doble inclinación tiene la válvula de 6 car-
retes).
1) Mientras asegura el tornillo de ajuste (7) y
afloje la tuerca de seguridad (8).
2) Ajuste la presión dándole vueltas al
tornillo de ajuste (7).
H Si el tornillo de ajuste es
rotado a la derecha, se aumenta
la presión.
rotado a la izquierda se reduce la
presión.
H Cantidad de ajuste por cada vuelta
del tornillo de ajuste :
Aprox. 15.1 MPa
{Aprox. 154 kg/cm²}
3) Mientras asegura el tornillo de ajuste (7) y
apriete la tuerca de seguridad (8).
3 Tuerca de seguridad:
68.6 -78.5 Nm {7 -8 kgm}
4) Después de finalizar la medición, la
presión de aceite HSS de acuerdo con el
método de medición citado anteriormente.
GSN00680-00 30 Pruebas y Ajustes
26 D155AX-6
Medida en la presión básica del
circuito de control 1
H Instrumentos para la medición de la presión
básica del circuito de control
H La presión del circuito principal es la presión
principal reducida por la válvula autoreductora
de presión de la válvula del circuito del ventila-
dor. Se usa generalmente para las válvulas
EPC de la válvula de control (dirección, hoja y
desgarrador), carga del circuito HSS, control
de la bomba del ventilador, cilindro de ele-
vación de la hoja y válvula de descenso rápido
EPC.
¤ Pare la máquina sobre un terreno nivelado,
baje completamente el equipo de trabajo
sobre el terreno, pare el motor, y coloque la
palanca del freno de estacionamiento y la
palanca de seguridad en la posición de
seguro "LOCK".
H Mida la presión básica del circuito de control
bajo las condiciones siguientes:
Temperatura del aceite hidráulico: Dentro
del rango de operación
1. Retire la cubierta de la válvula de control y
desconecte la manguera de admisión del
acumulador (1).
4 Cubierta de la válvula de control: 25 kg
2. Instale un adaptador R2 y conecte nuevamente
la manguera desconectada.
3. Instale el niple [1] del comprobador hidráulico R1
y conecte el indicador de presión de aceite [2].
H Cuando se use un indicador analógico de
presión de aceite, use uno con una
capacidad de 5.9 MPa [60 kg/cm2].
4. Trabaje el motor en ralentí alto, coloque la
palanca de control de la hoja y la palanca de
control del desgarrador en posición neutral y mida
la presión básica del circuito de control.
H La palanca de cierre del equipo de trabajo
se puede situar en la posición de LOCK =
CERRADO.
5. Después de finalizar la medición retire los
instrumentos y vuelva a instalar las piezas
desmontadas previamente.
H La presión básica del circuito de control no se
puede ajustar.
Símbolo Pieza No. Nombre de la Pieza
R
1
799-101-5002 Comprobador hidráulico
709-261-1204 Probador hidráulico digital
2 799-401-3200 Adaptador (03)
30 Pruebas y Ajustes GSN00680-00
D155AX-6 27
Forma de medir la presión de
salida de la válvula solenoide de
cierre del equipo de trabajo 1
H Instrumentos para la medición de la presión de
salida de la válvula solenoide de cierre del
equipo de trabajo.
¤ Pare la máquina sobre un terreno nivelado,
baje completamente el equipo de trabajo
sobre el terreno, pare el motor, y coloque la
palanca del freno de estacionamiento y la
palanca de seguridad en la posición de
seguro "LOCK".
H Mida la presión de salida de la válvula sole-
noide de traba del equipo de trabajo bajo las
condiciones siguientes:
Temperatura del aceite hidráulico: Dentro
del rango de operación
1. Retire la cubierta de la válvula de control y
desconecte la manguera de admisión de la
válvula de control (1).
4 Cubierta de la válvula de control: 25 kg
2. Instale un adaptador S2 y conecte nuevamente la
manguera desconectada.
3. Instale el niple [1] del comprobador hidráulico S1
y conectele el indicador de presión de aceite [2].
H Cuando se use un indicador analógico de
presión de aceite, use uno con una
capacidad de 5.9 MPa [60 kg/cm2].
4. Trabaje el motor en ralentí alto y coloque la
palanca de cierre del equipo de trabajo en la
posición de LOCK = CERRADO y en la posición
de FREE = LIBRE y mida la salida de la válvula
solenoide.
H Si la presión de salida es como sigue,
está normal la operación de la válvula
solenoide de cierre del equipo de trabajo.
5. Después de finalizar la medición retire los
instrumentos y vuelva a instalar las piezas
desmontadas previamente.
Símbolo Pieza No. Nombre de la Pieza
S
1
799-101-5002 Comprobador hidráulico
790-261-1204 Probador hidráulico digital
2 799-401-3200 Adaptador (03)
Palanca del traba
del equipo de
trabajo
Presión de salida
Posición de
TRANCADO
0 MPa {0 kg/cm²}
Posición de
LIBRE
Igual que la presión
básica del circuito de
control (Ver la tabla de
valores estándar)
GSN00680-00 30 Pruebas y Ajustes
28 D155AX-6
Método de operación por
emergencia cuando el equipo de
trabajo tiene problemas 1
H Herramientas empleadas para la operación de
emergencia
H Si la hoja o es desgarrador no se pueden
mover debido a un problema en el sistema de
control del equipo de trabajo, trabájelo de acu-
erdo con el procedimiento que sigue.
H Para este procedimiento el motor debe pod-
erse arrancar.
¤ No ponga en ON el interruptor del
arranque, ni arranque el motor antes de
preparar el arnés de cables T completa-
mente.
1. Instale el arnés de cables T en la cabina del
operador y compruebe donde va a conectar cada
conector.
WLK: Al solenoide de cierre del equipo
de trabajo debajo del piso
WEPW: Al conector del suministro
energético encima de la válvula
de control
WEPX: Al solenoide EPC encima de la
válvula de control
WEPY: Al solenoide EPC encima de la
válvula de control
2. Desmonte la cubierta del piso de la parte
delantera del asiento del operador.
4 Cubierta del piso: 20 kg
3. Desconecte el conector WLK de la válvula
solenoide de cierre del equipo de trabajo y
conéctelo al lado macho del arnés de cables T.
H Conector en el costado de la máquina que
se va a conectar
4. Remueva la cubierta de la válvula de control.
4 Cubierta de la válvula de control: 25 kg
5. Retire el tapón del conector WEPW del suministro
energético que se encuentra encima de la válvula
de control y conecto el conector WEPW del arnés
de cables T al lado hembra.
H Conector a ser conectado
Símbolo Pieza No. Nombre de la Pieza
T 17A-06-41421 Arnés de cables
Conector en el lado de
la máquina
Conector en el lado del
arnés de cables T
WLK (macho) WLK
Conector en el lado de
la máquina
Conector en el lado del
arnés de cables T
WEPW (hwmbra) WEPW
30 Pruebas y Ajustes GSN00680-00
D155AX-6 29
6. Desconecte del solenoide EPC los conectores
EWP1 – WEPA encima de la válvula de control y
conecte los conectores WEPX y WEPY del arnés
de cables T en el costado de la máquina.
H Desconecte solamente la pareja (2 pie-
zas) de los conectores del carrete de la
válvula de control (cilindro) que se vaya a
mover y conecte los conectores del lado
del arnés de cables T respectivamente.
H Al conectar los conectores, compruebe
nuevamente la dirección de operación del
interruptor y el número del conector
¤ No conecte el arnés de cables T a los
conectores HSS (HSL y HSR).
H Conectores a ser conectados (La tabla
siguiente es para la especificación de
doble inclinación. WEP5 y WEP6 no se
conectan a la especificación de incli-
nación sencilla.)
7. Arrancar el motor y operar el interruptor [1] del
arnés de cables T para mover el equipo de
trabajo.
¤ Antes de arrancar el motor, compruebe
que el interruptor se encuentra en
neutral.
¤ En vista de que el equipo de trabajo no
se puede controlar finamente con el
interruptor, mantenga la velocidad del
motor lo más bajo posible.
8. Después de finalizar la operación con el equipo
de trabajo, desmonte las herramientas empleadas
y devuelva las partes desmontadas.
Conectores por el costado de la máquina.
Dispositivo/dirección de
operación
No. Color de banda
Levantamiento de
hoja
Elevar WEP1 Verde
Inferior WEP2 Verde/Negro
Inclinación
izquierda de la hoja
Retraer WEP3 Café
Extender WEP4 Café/Negro
Inclinación derecha
de la hoja
Retraer WEP5 Azul
Extender WEP6 Azul/Negro
Levantamiento del
desgarrador
Elevar WEP7 Amarillo
Inferior WEP8 Amarillo/Negro
Cilindro de
inclinación del
desgarrador
Dentro WEP9 Rojo
Trasero WEPA Rojo/Negro
Conectores en el lado del arnés de cables T
Dispositivo/dirección de
operación
No. Color de banda
ELEVAR
ARRIBA WEPX —
ABAJO WEPY —
GSN00680-00 30 Pruebas y Ajustes
30 D155AX-6
Forma de medir la presión de
salida de la válvula solenoide del
extractor de pasador del
desgarrador 1
H Instrumentos de medición para la presión de
salida de la válvula solenoide del extractor de
pasador del desgarrador
¤ Pare la máquina sobre un terreno nivelado,
baje completamente el equipo de trabajo
sobre el terreno, pare el motor, y coloque la
palanca del freno de estacionamiento y la
palanca de seguridad en la posición de
seguro "LOCK".
H Mida la presión de salida de la válvula sole-
noide del extractor del pasador del desgarra-
dor bajo las condiciones siguientes:
Temperatura del aceite del tren de poten-
cia:
Dentro del rango de operación
1. Desmonte la cubierta inferior del tanque de
combustible y desconecte las mangueras (1) y (2)
de la válvula solenoide del extractor de pasador
del desgarrador.
Manguera (1): Lado del cabezal del cilin-
dro del extractor de pasador
Manguera (2): Lado inferior del cilindro del
extractor de pasador
2. Instale un adaptador U2 y conecte nuevamente
la manguera desconectada.
3. Instale el niple [1] del comprobador hidráulico U1
y conecte el indicador de presión de aceite
(manómetro) [2].
H Cuando se use un indicador analógico de
presión de aceite, use uno con una
capacidad de 5.9 MPa [60 kg/cm2].
4. Trabaje el motor en ralentí alto, coloque el
interruptor del extractor de pasador en la posición
de extracción y posición de empujar y mida la
presión de salida de la válvula solenoide en cada
posición.
H Si la presión de salida es como sigue, la
operación de la válvula solenoide del
extractor de pasador del desgarrador está
normal
5. Después de finalizar la medición retire los
instrumentos y vuelva a instalar las piezas
desmontadas previamente.
Símbolo Pieza No. Nombre de la Pieza
U
1
799-101-5002 Comprobador hidráulico
790-261-1204 Probador hidráulico digital
2 799-401-3200 Adaptador (03)
Man-
guera
probada
Interruptor
del extrac-
tor del
pasador
Presión de salida
(1)
Extraer
Igual que la presión de alivio
principal de transmisión (Ver la
tabla de valores estándar)
Empujar 0 MPa {0 kg/cm²}
(2)
Extraer 0 MPa {0 kg/cm²}
Empujar
Igual que la presión de alivio
principal de transmisión (Ver la
tabla de valores estándar)
30 Pruebas y Ajustes GSN00680-00
D155AX-6 31
Prueba para medir el
deslizamiento hidráulico de la
hoja y del desgarrador 1
H Si la hoja o el desgarrador se deslizan hidráuli-
camente, verifique si la causa radica por el
lado de la empaquetadura del cilindro o por el
lado de la válvula de control, de acuerdo con el
procedimiento que sigue:
1. Coloque los cilindros que se vaya a probar en la
siguiente posición y pare el motor.
1) Cilindro de levantamiento de la hoja
Levante la parte delantera del cuerpo de
la máquina con la hoja
H Como el cilindro de levantamiento de
la hoja está equipado con una válvula
de paso en el pistón, no lo extienda
hasta el final de su recorrido.
2) Cilindro de inclinación de la hoja topadora
Extraiga el cilindro para inclinación de la
hoja hasta el final de su recorrido y con la
hoja empuje hacia arriba el costado
izquierdo del cuerpo de la máquina.
3) Cilindro de levantamiento del desgarrador
Use el desgarrador para empujar hacia
arriba el lado posterior del cuerpo de la
máquina
2. Ponga en ON el interruptor del arranque y
coloque la palanca de traba del equipo de trabajo
en la posición de LIBRE.
3. Prolongue el cilindro que se vaya a comprobar
con la palanca correspondiente y compruebe su
movimiento.
Si aumenta la velocidad de descenso, la
empaquetadura del cilindro está defectu-
osa.
Si la velocidad de descenso no cambia, la
válvula de control está defectuosa.
H Si se pierde la presión del acumulador,
trabaje el motor durante unos 10 segun-
dos para elevar la presión en el acumula-
dor.
[Referencia]
Razón por la que la velocidad de descenso
aumenta cuando la empaquetadura del cilindro es
la causa del deslizamiento hidráulico:
1. Si la máquina se coloca en la posición ya citada
(en que la presión de retención está aplicada al
lado inferior), el aceite se escape desde el lado
inferior hacia el lado del cabezal. Como el
volumen en el lado del cabezal es menor que el
volumen del lado inferior del cilindro por el
espacio ocupado por el vástago, la presión en el
lado del cabezal se aumenta debido al aceite que
fluye desde el lado inferior.
2. A medida que aumenta la presión en el lado del
cabezal, queda equilibrada en cierto nivel (que
depende de la fuga de aceite) y la velocidad de
descenso disminuye.
3. Si se abre el circuito del cabezal hacia el circuito
de drenaje mediante la operación de la palanca
ya citada anteriormente, (la válvula de retención
cierra el lado inferior en este momento) y el aceite
por el lado del cabezal fluye hacia el circuito de
drenaje. Como resultado la presión queda
desequilibrada y se aumenta la velocidad de
descenso.
GSN00680-00 30 Pruebas y Ajustes
32 D155AX-6
Forma de medir el escape interno
de aceite en el cilindro del equipo
de trabajo 1
H Instrumentos para la medición del escape interno
de aceite en el cilindro del equipo de trabajo
¤ Pare la máquina sobre un terreno nivelado,
baje completamente el equipo de trabajo sobre
el terreno, pare el motor, y coloque la palanca
del freno de estacionamiento y la palanca de
seguridad en la posición de seguro "LOCK".
H Como el cilindro elevador de la hoja está equi-
pado con una válvula de paso en el pistón, su
fuga interna no se puede medir.
H Mida la fuga interna de aceite del cilindro del
equipo de trabajo bajo las condiciones siguientes.
Temperatura del aceite hidráulico: Dentro
del rango de operación
1. Prolongue hasta el final de su recorrido el cilindro
que se vaya a medir y coloque la máquina en la
posición de medición.
1) Cilindro de inclinación de la hoja topadora
Incline la hoja topadora hacia la izquierda,
a todo su recorrido.
2) Cilindro de levantamiento del desgarrador
Extraiga el pasador de la garra y baje el
desgarrador hasta el extremo.
3) Cilindro de inclinación del desgarrador
Incline el desgarrador hacia adelante
(adentro), a todo su recorrido.
¤ Alivie la presión residual del circuito
del cilindro. Para detalles vea, Forma
de aliviar la presión residual del
cilindro del equipo de trabajo.
2. Desconecte las mangueras (1), (2) y (3) por el
lado del cabezal del cilindro comprobado y
detenga el lado de la manguera empleando un
tapón o una brida.
H Cuando se trabaje en las mangueras del cilin-
dro de inclinación de la hoja desmonte la cubi-
erta de las mangueras de la estructura.
¤ Tenga cuidado para que no se desco-
necte las mangueras del extremo inferior.
Manguera (1): Cilindro de inclinación de
la hoja topadora (der.)
Tapón: 07376-70422 (Tamaño #04)
Anillo-0: 02896-11012 (Tamaño #04)
Manguera (2): Cilindro de levantamiento
del desgarrador
Manguera (3): Cilindro de inclinación del
desgarrador
Cabezal: 07378-11000 (Tamaño #10)
Anillo-0: 07000-13032 (Tamaño #10)
3. Trabaje el motor en alta velocidad sin carga y
aplique la presión de alivio al extremo inferior del
cilindro.
Cilindro de inclinación de la hoja
Opere para inclinar la hoja hacia la
izquierda.
Cilindro elevador del desgarrador
Opere el cilindro para bajar el desgar-
rador.
Cilindro para la inclinación del desgarrador.
Opere el cilindro para inclinar el des-
garrador hacia delante (adentro).
4. Después de 30 segundos, mida las fugas durante
1 minuto con el cilindro de medición V.
5. Después de finalizar la medición, regrese las
piezas desmontadas.
H Purgar el aire del circuito del cilindro.
Para detalles, ver Purga del aire del cilin-
dro del equipo de trabajo.
Símbolo Pieza No. Nombre de la Pieza
V Disponible en el comercio Cilindro de medición
Manguera
Manguera
Final del recorrido
30 Pruebas y Ajustes GSN00680-00
D155AX-6 33
Forma de aliviar la presión
residual del cilindro del equipo de
trabajo 1
H Al desconectar la tubería entre la válvula de
control y el cilindro del equipo de trabajo, alivie
la presión residual del circuito de acuerdo con
el procedimiento que sigue.
¤ Pare la máquina sobre un terreno nivelado,
baje completamente el equipo de trabajo
sobre el terreno, pare el motor, y coloque la
palanca del freno de estacionamiento y la
palanca de seguridad en la posición de
seguro "LOCK".
1. Afloje gradualmente la tapa del agujero de
suministro de aceite (1) al tanque hidráulico para
aliviar la presión residual que se encuentre dentro
del tanque.
2. Ponga en ON el interruptor del arranque y
coloque la palanca de traba del equipo de trabajo
en la posición de LIBRE.
3. Opere la palanca de control de la hoja y la
palanca de control del desgarrador en cada
dirección.
H Si la palanca de control se opera 2 – 3
veces, se alivia la presión residual del
acumulador.
4. Trabaje el motor en ralentí bajo durante 10
segundos para aumentar la presión en el
acumulador y después pare el motor.
5. Repita 2 – 4 veces los pasos 2 – 3 citados
anteriormente.
Forma de purgar el aire del
cilindro del equipo de trabajo. 1
H Si se desmonta y se instala el cilindro del
equipo de trabajo, o se desconectan y
conectan sus tuberías, hay que purgar el aire
de su circuito de acuerdo con el procedimiento
que sigue:
H Antes de realizar la operación siguiente, com-
pruebe que el nivel del aceite hidráulico está
normal.
1. Trabaje el motor en baja velocidad sin carga
durante 5 minutos.
2. Mientras se trabaja el motor en ralentí bajo,
prolongue y repliegue 4 – 5 veces el cilindro al
que se le vaya a purgar el aire.
H Mueva el vástago del pistón hasta unos
100 mm antes de alcanzar el final de su
recorrido y nunca alivie el aceite.
3. Mientra trabaja el motor en velocidad alta sin
carga, realice la operación del paso 2.
4. Mientras trabaja el motor en baja velocidad sin
carga, mueva el cilindro hasta el final de su
recorrido para aliviar el aceite.
GSN00680-00 30 Pruebas y Ajustes
34 D155AX-6
Ajuste la palanca de cierre del equipo de trabajo 1
¤ Pare la máquina sobre un terreno nivelado,
baje completamente el equipo de trabajo sobre
el terreno, pare el motor, y coloque la palanca
del freno de estacionamiento y la palanca de
seguridad en la posición de seguro "LOCK".
H Apriete firmemente la tuerca de seguridad de las
varillas, y doble firmemente el pasador de
horquilla.
H Al ajustar la palanca de cierre del equipo de tra-
bajo desmonte la cubierta de la válvula de control.
4 Cubierta de la válvula de control: 25 kg
1. Coloque la palanca de traba del equipo de trabajo
(1) en la posición (LOCK) Bloqueado.
2. Regule e instale el interruptor limitador (2) en la
superficie deslizante (a) de la palanca (3).
H Sencillamente coloque el rodillo del interrup-
tor limitador en la superficie deslizante. No
la mueva.
3. Coloque la palanca de cierre (1) del equipo de
trabajo en la posición de FREE = LIBRE y
compruebe que el interruptor limitador (2)
funciona normalmente.
Recorrido del interruptor limitador: 2.5 -3 mm
4. Poner en ON el interruptor del arranque y coloque
el monitor de la máquina en la función de
observación (Monitoring function) del modo de
servicio.
H Código de revisión del monitor: 70300
Ingreso del interruptor de la hoja
H Para el método de operación, ver Funciones
especiales del monitor de la máquina
(EMMS).
5. Compruebe que la señal del interruptor limitador
se ingresa normalmente cuando la palanca (1) de
cierre del equipo de trabajo se coloca en las
posiciones de FREE = LIBRE y LOCK =
CERRADO.
Posición de LIBRE:
Cierre del equipo de trabajo NORMAL-
MENTE CERRADO OFF, cierre del equipo
de trabajo NORMALMENTE ABIERTO ON
Posición de TRANCADO:
Cierre del equipo de trabajo NORMAL-
MENTE CERRADO ON, cierre del equipo de
trabajo NORMALMENTE ABIERTO OFF
Bloqueado
Bloqueado
Libre
Libre
30 Pruebas y Ajustes GSN00680-00
D155AX-6 35
Forma de ajustar la hoja topadora 1
H Si se desmonta e instala la hoja topadora, o si
se desarma y se vuelve a ensamblar, haga su
ajuste de acuerdo con el procedimiento que
sigue:
H La figura de arriba muestra la hoja de la espe-
cificación de doble inclinación.
1. Láminas de ajuste para ensamblaje
1) Ajuste la lámina de inclinación de la
sección (1) en (1 lugar).
H Después de reensamblar la sección
de inclinación, suminístrele grasa.
2 Sección de inclinación: Grasa (G2-
LI)
H Ajuste la lámina de manera que el
juego de la bola en la dirección axial
sea menor de 1 mm y que la bola
pueda dar vueltas suavemente.
Punta
ajustada
Holgura
ajustada
Holgura
estándar
Grueso estándar
de las láminas de
ajuste
1 a Ver nota: 4 mm
GSN00680-00 30 Pruebas y Ajustes
36 D155AX-6
2) Ajuste la lámina de la sección central (2)
en (2 lugares).
H Después de reensamblar la sección
central, suminístrele grasa.
2 Sección central: Grasa (G2-LI)
H Ajuste la lámina de manera que el
juego de la bola en la dirección axial
sea menor de 1 mm y que la bola
pueda dar vueltas suavemente.
3) Ajuste la lámina de la sección de
elevación (3) en (2 lugares).
2. Forma de ajustar la distancia de inclinación de
la hoja (Especificación de inclinación sencilla)
1) Ajuste la dimensión instalada (d) del
tirante (4) con la agarradera.
2) Mida las distancias de inclinación hacia la
derecha e izquierda (e1) y (e2).
3) Si las dos distancias de inclinación no son
iguales, ajuste la dimensión (d) del tirante
(4) de acuerdo con el procedimiento que
sigue.
e1 > e2:
Aumente ligeramente la dimensión (d)
instalada.
e1 < e2:
Disminuya ligeramente la dimensión (d)
instalada.
Punta
ajustada
Holgura
ajustada
Holgura
estándar
Grueso estándar
de las láminas de
ajuste
2 b Ver nota: 4 mm
Punta
ajustada
Holgura
ajustada
Holgura
estándar
Grueso estándar
de las láminas
de ajuste
3 c Máx. 1 mm 4 mm
Dimen-
siones hoja Hoja Semi-U Hoja U
d 1,292 mm 1,372 mm 1,372 mm
Dimen-
sion hoja Hoja Semi-U Hoja U
e1 565 mm 570 mm 583 mm
e2 565 mm 570 mm 583 mm
30 Pruebas y Ajustes GSN00680-00
D155AX-6 37
Ajustando la cabina del operador 1
H Si la cabina del operador ha sido removida e
instalada, o ensamblada en el campo, prué-
bela y ajústela de acuerdo al siguiente proced-
imiento.
1. Midiendo la presión interna de la cabina
H Criterios
Criterios:
Valor medido † 88.2 Pa {9 mmH2O}
H Condición de medición
Velocidad del motor: Alta velocidad sin
carga
Velocidad del ventilador: Modo 100%
del ventilador
Interruptor de cambio de aire
EXTERNO/INTERNO:
Posición EXTERNA
Interruptor del ventilador del acondicio-
nador de aire: Alto (TOTAL)
1) Prepare una manguera de vinilo
transparente.
Diámetro exterior: 6 mm, Longitud:
3,000 mm
2) Asegure el extremo interior de la
manguera a la parte superior del respaldo
del asiento utilizando cinta adhesiva.
3) Remueva 1 tornillo (1) de debajo de la
caja de la consola izquierda. Pase el otro
extremo de la manguera a través del
agujero del tornillo y sáquelo afuera de la
cubier ta de la batería (2) del lado
izquierdo de la cabina.
4) Establezca la holgura entre el agujero del
perno (1) y la manguera [1] con cinta
adhesiva (3).
5) Ponga agua en la manguera llenando
aproximadamente hasta la mitad y doble
la manguera en forma con perfil en U.
6) Asegure la manguera [1] al exterior de la
cabina y coloque el nivel de agua de la
manguera de vinilo afuera de la cabina al
mismo nivel que está dentro de la cabina.
7) Arranque el motor y coloque el monitor de
la máquina en la función de Ajustes del
modo de servicios.
H Código de ajuste:
1005 (Modo de ventilador 100%)
H Para el método de operación, ver
Funciones especiales del monitor de
la máquina (EMMS).
8) Haga funcionar el motor el alta velocidad
sin carga y mida la diferencia de los
niveles (c) de agua en la manguera [1].
(a): Adentro de la cabina (Presurizada)
(b): Afuera de la cabina (Presión
ambiental)
(c): Valor medido (Presión interna de
la cabina)
H Si el valor medido (presión interna de
la cabina) es menor que el valor
estándar, revise los sellos de los
agujeros del arnés de cables y de
otras partes opcionales en la cabina.
2. Revise el rendimiento del sellado
1) Cierre todas las aperturas (puertas y
ventanas) de la cabina.
2) Salpique agua alrededor de las escotillas
de la cabina a razón de 19 l/min durante
10 minutos.
H En este momento, no es necesario
salpicar agua a presión.
3) Salpique agua horizontalmente desde una
manguera sobre la porción de contacto
GSN00680-00 30 Pruebas y Ajustes
38 D155AX-6
del sello (4) entre la cabina y la estructura
del piso.
4) Compruebe cuidadosamente alrededor
del tablero de instrumentos en busca de
escapes de agua.
H Si hay entradas de agua, calafatee la
parte con entrada de agua y revise
nuevamente.
3. Pruebas y ajustes de la cerradura de la puerta
(amortiguador de goma)
H Cierre la puerta y revise el ajuste entre la
cabina del operador y la puerta (porción
de goma del amortiguador). Si hay
alguna anormalidad, ajustela.
1) Coloque cinta adhesiva [2] sobre la cara
de contacto de la goma amortiguadora (6)
de la puerta (5).
H Revise ambos lados, 2 lugares en
cada lado.
2) Abra y cierre la puerta (5) 2 – 3 veces.
3) Compruebe la poción de contacto de la
cinta adhesiva [2] y de la cabina del
operador.
Normal:
Cuando la puerta está cerrada, el
caucho amortiguador entra ligera-
mente en contacto (No se requiere
ningún ajuste).
Anormal:
Cuando la puerta está cerrada, el
caucho amortiguador no entra en
contacto, o entra tan fuertemente en
contacto que remueve la cinta adhe-
siva (Requiere ajuste).
4) Afloje los pernos de montaje del caucho
amortiguador (6).
H Se puede desmontar e instalar las
láminas de ajuste sin retirar los
pernos de montaje.
5) Para ajustar en forma apropiada la altura
del caucho amortiguador (6), aumente o
disminuya los espaciadores (7) localiza-
dos debajo del caucho amortiguador (6).
4. Pruebas y ajustes de la cerradura de la puerta
(cerrojo y la placa de tope)
H Cierre la puerta y revise el ajuste entre la
cabina del operador y la puerta (cerrojo y
placa de tope). Si hay alguna anormal-
idad, ajustela.
1) Mueva la puerta (5) en la dirección de
cerrarla y compruebe la condición de
cierre del cerrojo (8) y la placa de tope (9)
H Compruebe la cantidad de la falta de
alineamiento (f) entre el centro del
cerrojo (d) y el centro de la placa de
tope e desde la dirección A.
30 Pruebas y Ajustes GSN00680-00
D155AX-6 39
Normal: Cantidad de falta de
alineamiento (f) es de 0.5 mm o menos.
2) Apriete temporalmente los pernos de
montaje de la cantonera (9). Después
abra y cierre la puerta (5) 2 ó 3 veces para
poner en línea el cerrojo (8) con la placa
de tope (9).
3) Revise el encaje del pestillo (8) en la
cantonera (9).
4) Apriete firmemente los pernos de montaje
de la cantonera (9).
5) Abra y cierre la puerta (5) para revisar que
la cerradura cierra y abre suavemente.
H Si la puerta no se cierra y abre
suavemente (si es grande el esfuerzo
de operación de la empuñadura),
repita el ajuste desde el principio.
H Esfuerzo de operación de la empuña-
dura de la puerta:
49 ± 19.6 N {5 ± 2 kg}
6) Aplique grasa al pestillo (8).
H Si el cerrojo se seca, se aumenta el
esfu erzo d e o pera ción d e la
empuñadura. De tal modo, aplique
suficiente grasa al cerrojo.
2 Pestillo: Grasa (G2-LI)
5. Pruebas y ajustes de la cerradura de la puerta
(cerrojo y la placa de tope)
H Compruebe la relación entre la cabina del
operador y la puerta (cerrojo y placa de
tope) mientras que la cerradura está acti-
vada y la puerta abierta. Si hay cualquier
falla, ajuste la cerradura abierta
1) Revise la relación entre el pestillo de la
cerradura con la puerta abierta y la
cantonera, vistas desde la dirección B.
H Mueva la puerta en dirección de
apertura y revise el encaje del pestillo
y la cantonera.
2) Revise que la cantonera (10) no se incline
sobre o desde el centro (g) del pestillo
(11).
3) Compruebe que la placa de tope (11) está
alineada con el centro (h) del cerrojo (12).
Normal: Cantidad de falta de alinea-
miento es de 0.5 mm o menos
5) Afloje los pernos de montaje de la
cantonera (10).
6) Mientras se coloca hacia arriba la placa de
tope (10), apriete los pernos de montaje.
GSN00680-00 30 Pruebas y Ajustes
40 D155AX-6
6. Prueba y ajuste de la cerradura abierta (goma
del tope)
H Compruebe la relación existente entre la
cabina del operador y la puerta (goma del
tope=mientras la puerta está cerrada con
la cerradura abierta Si hay cualquier falla,
ajuste la cerradura abierta
1) Cierre la puerta abierta y mueva hacia
adelante o hacia atrás para ver si no tiene
algún juego.
H Revise ambos lados, 2 lugares en
cada lado.
2) Revise que el esfuerzo de la operación de
la palanca de la cerradura no sea grande.
3) Afloje la tuerca de seguridad de la goma
del tope (12) (superior).
4) Afloje la tuerca de seguridad de la goma
del tope (13) (inferior).
5) De acuerdo al problema, ajuste la altura
de los reténes de caucho (12) y (13).
H Si hay algún juego, eleve el retenedor
de caucho hasta que el juego sea
eliminado.
H Si la puerta no cierra fácilmente, o la
palanca de la cerradura está dura,
devuelva (baje) el retenedor de
caucho a un punto en el cual la
puerta no quede dura y no tenga
ningún juego.
6) Mientras se aseguran las gomas del tope
(12) y (13) ap riete las tuerca s d e
seguridad.
30 Pruebas y Ajustes GSN00680-00
D155AX-6 41
GSN00680-00 30 Pruebas y Ajustes
42 D155AX-6
D155AX-6 Buldózer
No.de Forma GSN00680-00
© 2006 KOMATSU
Todos los Derechos Reservados
Impreso en E.E.U.U. 08-06
D155AX-6 1
GSN00681-00
BULDÓZER 1MANUAL DE TALLER
D155AX-6
Modelo de máquina Número de serie
D155AX-6 80001 y superiores
30 Pruebas y Ajustes 1
Pruebas y ajustes, Parte 3
Pruebas y ajustes, Parte 3............................................................................................................................. 2
Función Especial del Monitor de la Máquina (EMMS) ........................................................................ 2
GSN00681-00 30 Pruebas y Ajustes
2 D155AX-6
Pruebas y ajustes, Parte 3 1
Función Especial del Monitor de la Máquina (EMMS) 1
Especificación del acondicionador de aire
30 Pruebas y Ajustes GSN00681-00
D155AX-6 3
Especificación de la calefacción
Sección superior del monitor de la máquina
(Sección de exhibición)
(a): Exposición múltiple
H La figura muestra un ejemplo de exposición de
los símbolos e instrumentos en el modo de la
exposición ordinaria (El contenido de la
exposición depende de la condición de la
máquina y del método de operación)
H Cuando se arranca el motor, el voltaje de bat-
ería puede que descienda súbitamente depen-
diendo de la temperatura y del estado en que
se encuentre la batería. En este caso, el mon-
itor de la máquina se apaga por un momento.
En consecuencia, este fenómeno no es una
falla.
Sección superior del monitor de la máquina
(Sección de interruptores)
[F1]: Interruptor de función F1
[F2]: Interruptor de función F2
[F3]: Interruptor de función F3
[F4]: Interruptor de función F4
[F5]: Interruptor de función F5
[F6]: Interruptor de función F6
H La función de cada uno de los interruptores de
función está indicada por una marca gráfica en
la exhibición múltiple (a) sobre la función de
cada interruptor.
H Si la marca de función de un interruptor no
está exhibida, la función de ese interruptor no
está trabajando.
Sección inferior del monitor de la máquina
(Sección de interruptores)
[1]: Numeral 1 interruptor de entrada y/o interruptor
selector de modo de operación
[2]: Numeral 2 interruptor de entrada y/o interruptor
selector de modo de cambio de marchas
[3]: Numeral 3 interruptor de entrada y/o interruptor
hecho a la medida
[4]: Numeral 4 interruptor de entrada y/o interruptor
de cancelación del zumbador
[5]: Numeral 5 interruptor de entrada y/o interruptor
del modo flotar
[6]: Numeral 6 interruptor de entrada y/o interruptor
de memoria hecho a la medida
[7]: Numeral 7 interruptor de entrada y/o interruptor
del acondicionador de aire o de calefacción
[8]: Numeral 8 interruptor de entrada y/o interruptor
del acondicionador de aire o de calefacción
[9]: Numeral 9 interruptor de entrada y/o interruptor
del acondicionador de aire o de calefacción
[0]: Numeral 0 interruptor de entrada y/o interruptor
del acondicionador de aire o de calefacción
Interruptores que no tienen numerales: Interruptor
del acondicionador de aire o de calefacción
H Cada interruptor tiene la función indicada por
la marca gráfica y la función de entrar un
numeral.
H El monitor de la máquina juzga automática-
mente cual función de cada interruptor está
efectiva actualmente, de acuerdo a la condi-
ción exhibida de la exhibición múltiple (a).
H La diferencia entre la especificación de acondi-
cionador de aire y la especificación de calefac-
ción es solamente las funciones de los
interruptores de esta sección.
GSN00681-00 30 Pruebas y Ajustes
4 D155AX-6
Funcion normal y funcion especial del monitor de la máquina
El monitor de la máquina tiene las funciones ordinarias y funciones especiales y expone varios aspectos de
información en la unidad de múltiples exposiciones.
Algunos items los exponen automáticamente de acuerdo con la regulación interna del monitor de la
máquina y las otras son expuestas de acuerdo con la operación de los interruptores.
1. Funciones ordinaria: Modo del operador
Los ítems en este modo son exhibidas habitualmente. El operador puede exhibirlas y establecerlas
mediante la operación de los interruptores (la exhibición y configuración de algunos ítemes necesitan
operaciones especiales de los interruptores).
2. Función especial: Modo de servicio
Los ítems en este modo no son exhibidas habitualmente. Cada operador de servicio puede exponerlos
mediante la operación especial de interruptores. Este modo se usa para configuración especial, pruebas,
ajuste, o localización de fallas.
H Clasificación del modo del operador
A:Exhibición y/o Función desde el momento en el que el interruptor de arranque fue colocado en ON
hasta el momento cuando la pantalla cambia a la pantalla normal y exhibe, después de que el
interruptor de arranque es colocado en OFF
B:Exhibición y/o Función cuando el interruptor del monitor de la máquina es operado
C:Exhibición y/o Función cuando se cumplen ciertas condiciones
D:Exhibición y/o Función la cual necesita la operación especial de un interruptor
Modo del operador (Perfil)
Pá-
gina Modo de servicio
Pá-
gina
5 p 17 p
A Exposición del logo KOMATSU 5 p 01 Monitoreo 18 p
A
Exposición de la pantalla para ingresar la palabra
clave
6 p
02 Historialde
fallas
Historial de fallas del sistema mecánico 25 p
A Exhibición para revisión antes de arrancar 6 p Historial de fallas del sistema eléctrico 26 p
A
Exhibición de la advertencia después de revisar
antes del arrancar
6 p
Historial de fallas del acondicionador de
aire/historial de fallas de calentador
36 p
A Exhibición del final del intervalo de mantenimiento 6 p 03 Historial de mantenimiento 37 p
A
Exposición de la comprobación previamente
establecida
7 p 04 Cambio en el modo de mantenimiento 38 p
A Exhibición de la pantalla normal 7 p 05 Colocación del No. de teléfono 40 p
A Exhibición de la pantalla final 7 p
06 Initializa-
ción
Modo de trabajo con la llave de la
ignición en ON
41 p
B Selección del modo de operación 8 p Estableciendo la unidad 42 p
B Selección del modo de cambio de marchas 8 p →
Establecimiento de la palabra clave de
mantenimiento
43 p
B Forma de acomodar las operaciones 8 p
Operacionesespeciales
Estableciendo la cámara 44 p
B Operación de la memoria hecha a la medida 8 p Estableciendo la exhibición de ECO 45 p
B Selección del modo de flotar 9 p 07 Ajuste 46 p
B Operación para cancelar el zumbador de alarma 9 p 08 CLÍNICA PM 72 p
B Operación del acondicionador de aire y/o calefacción 9 p 09 Operación del modo de cilindro reducido 73 p
B
Selección de la inclinación doble (Especificación de
doble inclinación)
10 p 10 Girar el motor sin inyección 75 p
B
Operación para exhibir el modo de la cámara
(si está instalada la cámara)
10 p 11 Exposición del consumo de combustible 76 p
B
Operación para exhibir el reloj y el horómetro de
servicio
11 p
12 Exposi-
ción de la
activación
de
KOMTRAX
Exposición de la activación de terminal 77 p
B Comprobación de la información de mantenimiento 11 p
Condición de posicionamiento y
comunicación
78 p
B
Configuración y exhibición del modo del usuario
(Incluyendo los mensajes para el usuario de
KOMTRAX)
12 p NÚMERO DE SERIE DEL MODEM 79 p
C Exposición de precauciones en el monitor 13 p 13 Exposición del mensaje de servicio 80 p
C Exposición del código de acción y del código de falla 13 p
↓ (Operaciones especiales)
D
Función para comprobar la exposición LCD
(Pantalla de Cristal Líquido)
15 p
D Función de revisión del indicador de servicio 15 p
D Función de cambio de contraseña de mantenimiento 16 p
30 Pruebas y Ajustes GSN00681-00
D155AX-6 5
Modo del operador (Perfil)
H En esta sección solamente se ofrece una
descripción general del modo del operador.
Para detalles sobre el contenido y/o operación
de cada función y/o exhibición, vea la Estruc-
tura y Operación, mantenimiento estándar, o el
Manual de Operación y Mantenimiento.
H Lo siguiente es la exhibición o funciones del
modo del operador explicadas en esta sección
(incluyendo algunos ítemes, los cuales necesi-
tan operaciones especiales).
H Patrón de exhibición del modo del operador
El contenido de la exhibición desde el
momento en el cual el interruptor de arranque
fue puesto en ON hasta el momento en el que
la pantalla cambia a la pantalla normal,
depende de la configuración y la condiciones
de la máquina
a:Cuando la traba para el arranque del motor
está regulada en "activada"
b:Cuando la traba para el arranque del motor
está regulada en "desactivada"
c:Cuando hay un ítem anormal en los ítemes
de la revisión antes de arrancar
d:Cuando hay un ítem de mantenimiento el
cual no ha sido atendido después del
intervalo especificado
Exposición del logo KOMATSU
Cuando el interruptor de arranque es colocado en
"ON", aparece el logotipo de KOMATSU durante
dos segundos.
Después que se expone el logo de KOMATSU
durante 2 segundos, la pantalla cambia para
exponer la pantalla de ingreso de la palabra clave o
exponer la comprobación antes de comenzar.
H La siguiente pantalla puede llegar a ser exhi-
bida en lugar de la pantalla mencionada arriba
referente a la introducción de la contraseña.
H Si esta pantalla es exhibida, llame a la persona
responsable de la operación KOMTRAX de su
Distribuidor Komatsu, y pregúntele por el
remedio.
Patrón de
exhibición
a b c d
Exposición del logo KOMATSU 1 1 1 1
Exposición de la pantalla para ingresar
la palabra clave
2 – – –
Exhibición para revisión antes de
arrancar
3 2 2 2
Exhibición de la advertencia después
de revisar antes del arrancar
– – 3 –
Exhibición del final del intervalo de
mantenimiento
– – – 3
Exposición de la comprobación
previamente establecida
4 4 4 4
Exhibición de la pantalla normal 5 4 5 5
Exhibición de la pantalla final
Selección del modo de operación
Selección del modo de cambio de marchas
Selección del modo de trabajo
Forma de acomodar las operaciones
Operación de la memoria hecha a la medida
Selección del modo de flotar
Operación para cancelar el zumbador de alarma
Operación del acondicionador de aire y/o calefacción
Selección de la inclinación doble (Especificación de
doble inclinación)
Operación para exhibir el modo de la cámara
(si está instalada la cámara)
Operación para exhibir el reloj y el horómetro de servicio
Comprobación de la información de mantenimiento
Configuración y exhibición del modo del usuario
(Incluyendo los mensajes para el usuario de KOMTRAX)
Exposición de precauciones en el monitor
Exposición del código de acción y del código de falla
↓ (Operaciones especiales)
Función de revisión de la exhibición del LCD (Exhibición
de Cristal Líquido)
Función de revisión del indicador de servicio
Función de cambio de contraseña de mantenimiento
GSN00681-00 30 Pruebas y Ajustes
6 D155AX-6
Exposición de la pantalla para ingresar la palabra
clave
Después de que el logotipo de Komatsu es
exhibido, se exhibe la pantalla para introducir la
contraseña del seguro de arranque del motor.
H La pantalla es exhibida solamente cuando la
función de seguro de arranque del motor está
en efecto.
H Si se ingresa normalmente la palabra clave, la
pantalla cambia para exponer la comprobación
antes de comenzar.
H El monitor de la máquina tiene algunas funci-
ones de contraseña diferentes a la del seguro
para el arranque del motor. Estas funciones
son independientes entre sí.
Exhibición para revisión antes de arrancar
Cuando la pantalla cambie a la de revisión antes
del arranque, la revisión antes de arrancar se
exhibe durante 2 segundos
H Si la revisión antes de arrancar detecta alguna
anormalidad, la pantalla cambia a "Exhibición
de advertencias después de la revisión de
antes de arrancar", o a "Exhibición de termi-
nación del intervalo de mantenimiento"
H Si no se detecta ninguna anormalidad durante
la revisión de antes de arrancar, la pantalla
cambia a "Exposición de la comprobación pre-
viamente establecida".
H Los monitores (3 unidades) exhibidas en la
pantalla son los ítemes sujetos a revisión de
antes de arrancar.
Exhibición de la advertencia después de revisar
antes del arrancar
Si se detecta alguna anormalidad durante la
revisión de antes de arrancar, el monitor de
advertencia es exhibido en la pantalla.
H La siguiente figura muestra que el indicador
del nivel del refrigerante del radiador (a) está
advirtiendo que el nivel del refrigerante del
radiador está bajo.
Exhibición del final del intervalo de manten-
imiento
Cuando se termina la revisión de antes de
arrancar, si un ítem de mantenimiento está cerca o
después del termino del intervalo establecido, el
monitor de mantenimiento es exhibido durante 30
segundos para urgir al operador a hacer el
mantenimiento indicado.
H Esta exposición aparece solamente cuando la
función de mantenimiento está efectiva. El
color del monitor de mantenimiento (amarillo o
rojo) indica el espacio de tiempo transcurrido
después del intervalo de mantenimiento.
H Establecer o cambiar la función de manten-
imiento en el modo de servicio.
30 Pruebas y Ajustes GSN00681-00
D155AX-6 7
Exposición de la comprobación previamente
establecida
Si la revisión de antes de arrancar ha terminado
no r malme nte, la pan ta lla co mp rob ació n
previamente establecida (velocidad de traslado en
el arranque) es exhibida por 2 segundos.
H Después de finalizar la exposición de la com-
probación previamente establecida, la panta-
lla cambia para exponer la pantalla ordinaria.
Exhibición de la pantalla normal
Si el monitor de la máquina arranca normalmente,
se exhibe la pantalla normal
H El horómetro de servicio (a) o el reloj son exhi-
bidos en la sección superior central de la pan-
talla (El horómetro de servicio o el reloj son
seleccionados con el (F4).
H El indicador de temperatura (b) del aceite del
tren de potencia aparece expuesto en la sec-
ción de múltiples instrumentos (se pone en ON
(activa) u OFF (desactivada) con la función del
modo de usuario).
H El indicador ECO (b) es exhibido en el extremo
derecho de la pantalla (el es activado ON, o
desactivado OFF en el modo de servicio).
Exhibición de la pantalla final
Cuando el interruptor de arranque es colocado en
la posición OFF, la pantalla final es exhibida
durante 5 segundos.
H Otro mensaje podrá ser exhibido en la pantalla
final, dependiendo de la función de exhibición
de mensajes de KOMTRAX.
Selección del modo de operación
Mientras se expone la pantalla ordinaria, oprima el
interruptor selector del modo de operación y se
cambia el modo de operación del monitor (a).
H Cada vez que se oprime el interruptor, el modo
de operación cambia entre [P (Potencia) y [E
(Economía)].
GSN00681-00 30 Pruebas y Ajustes
8 D155AX-6
Selección del modo de cambio de marchas
Mientras se expone la pantalla ordinaria, oprima el
interruptor selector del modo de cambio de
marchas y el monitor (a) del modo de cambio de
marchas se cambia para la marcha expuesta.
H Cada vez que se oprime el interruptor, se cam-
bia el modo del cambio de marchas entre
[Explanación (Cambio de marchas automático)
y Desgarramiento (cambio de marchas Man-
ual)].
H Si se selecciona la explanación (cambio
automático de marchas), aparecerá expuesto
el símbolo (b) de AUTO en la sección de
exposición de marcha.
Forma de acomodar las operaciones
Cuando aparece expuesta la pantalla ordinaria,
oprima el interruptor de confección al gusto y se
podrá cambiar la regulación de la máquina.
H Si se opera el interruptor de confección al
gusto mientras se encuentra activa la pantalla
anterior, se podrán salvar hasta 5 regula-
ciones.
Operación de la memoria hecha a la medida
Mientras se encuentra expuesta la pantalla
ordinaria, oprima el interruptor de confección de
memoria al gusto y podrá seleccionar las
regulaciones registradas de confecciones al gusto.
Selección del modo de flotar
Mientras se encuentra expuesta la pantalla
ordinaria, oprima el interruptor del modo de
flotación y cambiará el modo (a) de flotación.
H Cada vez que se oprime el interruptor, se cam-
bia el modo de flotación entre [ON (flotación
efectiva) y [OFF (flotación sin efecto)].
H Si se pone en ON el modo de flotación, el
monitor (a) del modo de flotación aparecerá
expuesto. Si el anterior se apaga, el posterior
se oculta.
H El interruptor del modo de flotación da o quita
efectividad. Al botón de la palanca de control
de la hoja. No hace flotar la hoja.
Operación para cancelar el zumbador de alarma
Mientras el zumbador de alarma está sonando, si
se oprime el interruptor de cancelación del
zumbador de alarma, ésta deja de sonar.
H Aunque se oprima el interruptor que cancela la
zumbadora, la pantalla no cambia.
30 Pruebas y Ajustes GSN00681-00
D155AX-6 9
Operación del acondicionador de aire y/o cale-
facción
Mientras la pantalla normal es exhibida, oprima el
interruptor del acondicionador de aire o el
interruptor de la calefacción, y la pantalla de ajuste
del acondicionador de aire o la pantalla de ajuste
de la calefacción son exhibidas.
H Mientras la pantalla de ajuste del acondiciona-
dor de aire, o la pantalla de ajuste de la cale-
facción son exhibidas, si durante los siguientes
5 segundos usted no toca ningún interruptor, la
pantalla cambia a la pantalla ordinaria.
H Especificación del acondicionador de aire
H Especificación de la calefacción
Selección de la inclinación doble (Especifi-
cación de doble inclinación)
Mientras se encuentra expuesta la pantalla
ordinaria, oprima [F1] y cambia el monitor (a) de
doble inclinación.
H Cada vez que se oprime [F1, el modo de doble
inclinación cambia entre [ON Doble y [OFF]
(Sencillo)].
H Si se pone en ON el modo de doble incli-
nación, aparece expuesto el monitor (a) del
modo de doble inclinación. Si el anterior se
apaga, el posterior se oculta.
H [F1] establece el modo de inclinación sencillo o
doble en la hoja con especificaciones de doble
inclinación. No fija la función de inclinación
vertical o lateral de la palanca de control de la
hoja
GSN00681-00 30 Pruebas y Ajustes
10 D155AX-6
Operación para exhibir el modo de la cámara (si
está instalada la cámara)
Cuando la cámara está instalada, si se oprime (F3), la
exhibición múltiple cambia a la imagen de la cámara.
H Establezca la conexión de la cámara en el
modo de servicio.
H Se pueden conectar hasta 3 cámaras. Si es
seleccionado el modo de la cámara, solamente la
imagen de la cámara 1 será exhibida siempre.
H Si se genera alguna precaución en el modo de
la cámara, ésta será exhibida en la parte supe-
rior izquierda de la pantalla del monitor de pre-
caución.
H Cuando en el modo de la cámara ocurre un
error que es un código de acción, si usted no
toca ninguna palanca de control durante 10
segundos, la pantalla cambia a la pantalla nor-
mal y exhibe la información del error.
H Cuando dos o más cámaras están conecta-
das, la imagen de una de ellas, o la imagen de
las dos pueden ser exhibidas.
H Si se selecciona la exhibición (F4) de la
cámara 2, la cámara 1 es exhibida en el lado
izquierdo de la pantalla, y la imagen de la
cámara 2 se exhibe en el lado derecho. La
imagen de la cámara 3 es exhibida solo indi-
vidualmente.
H Si la imagen de las dos cámaras es exhibida
simultáneamente, las imágenes son exhibidas
por intervalos de 1 segundo en la pantalla
derecha, o en la izquierda.
Operación para exhibir el reloj y el horómetro
de servicio
Mientras la pantalla normal es exhibida, oprima
(F4), y la sección (a) cambia intermitentemente al
horómetro de servicio o al reloj.
H Cuando el reloj es seleccionado, ajuste la
hora, coloque la exhibición en 12 horas, o en
24 horas, y configure la hora de verano con la
función del modo del usuario.
H Exposición del horómetro
H Exposición del reloj
30 Pruebas y Ajustes GSN00681-00
D155AX-6 11
Comprobación de la información de mante-
nimiento
Mientras el monitor de mantenimiento o la pantalla
normal es exhibida, oprima (F5), y se exhibirá la
pantalla con la tabla de mantenimiento.
H Para restablecer el tiempo que queda después
de terminar el mantenimiento, se necesitan
más operaciones.
Configuración y exhibición del modo del usuario
(Incluyendo los mensajes para el usuario de
KOMTRAX)
Mientras la pantalla normal está exhibida, oprima
(F6), y la pantalla del modo del usuario es exhibida.
H Hay los siguiente menús en el modo del
usuario.
[Mensaje de KOMTRAX]
l Hay dos tipos de mensajes KOMTRAX; Uno es
para el usuario y el otro es para servicio.
l Para usuario:
Un mensaje transmitido por la estación base
de KOMTRAX para el usuario Si este es
recibido, el monitor de mensaje es exhibido en
la pantalla normal. Para ver el contenido del
mensaje, opere la "Exhibición del mensaje" en
el menú del usuario de arriba.
Gráfica de condición de trabajo
Indicador múltiple
Ajuste de la pantalla
Ajuste del reloj
Ajuste del idioma
Exposición de mensajes
Inversión del ventilador hidráulico
GSN00681-00 30 Pruebas y Ajustes
12 D155AX-6
l Para servicio:
Un mensaje transmitido por la estación base
de KOMTRAX para el servicio. Si este es
recibido, no se exhibe nada en la pantalla
normal. Para ver el contenido del mensaje,
opere exhibición del "Mensaje KOMTRAX" en
el menú de servicio.
Exposición de precauciones en el monitor
Si ocurre alguna anormalidad que exhiba una
precaución en el monitor de precaución de la
pantalla normal, o en la pantalla del modo de la
cámara, el monitor de precaución se exhibe grande
por un momento y luego se exhibe en la sección (a)
de la pantalla.
H En la pantalla del modo de la cámara, cuando
se genera alguna precaución, el monitor de
precaución destella en la parte superior
izquierda de la pantalla.
Exposición del código de acción y del código
de falla
Si ocurre alguna anormalidad que exhiba la cual
exhiba un código de acción y un código de falla en
la pantalla normal, o en la pantalla de la cámara,
toda la información de la anormalidad es exhibida.
(a) : Código de acción (3 dígitos)
(b) : Código de falla (5 ó 6 dígitos)
(c) : Marca de teléfono
(d) : Número de teléfono
H Esta pantalla es exhibida solamente cuando
ocurre una anormalidad (código de falla) por la
cual se establece un código de acción.
H La marca del teléfono y el número del teléfono
solamente se exponen cuando el número
telefónico está registrado en el modo de servi-
cio.
H Si ocurren simultáneamente múltiples anor-
malidades, todos los códigos son exhibidos en
orden repetidamente.
H Debido a que la información del código de falla
exhibido es grabada en la historia de fallas en
el modo de servicio, revise los detalles en el
modo de servicio.
30 Pruebas y Ajustes GSN00681-00
D155AX-6 13
H Remedios dados por medio de la exhibición de código de acción para que el operador tenga en cuenta
(La siguiente tabla es un pasaje tomado del Manual de Operación y Mantenimiento)
Código
de
acción
Método para la indicación de
problema
Ejemplos de problemas
Remedio dado para que el
operador lo ponga en práctica
E01
• Aparecen expuestos los códigos
de acción y de falla
• Aparece expuesto el número
telefónico (si lo tiene)
• Alarma de traslado no suena
• La velocidad del ventilador es
mantenida al nivel máximo.
• Aunque todo o parte de la
función automática se detenga,
la máquina puede operarse.
• Póngase en contacto con su
distribuidor Komatsu para
reparación.
E02
• Aparecen expuestos los códigos
de acción y de falla
• Aparece expuesto el número
telefónico (si lo tiene)
• Suena la alarma zumbadora.
• La marcha no se puede cambiar
ni hacia arriba ni hacia abajo
• La presión de refuerzo del motor
es anormal.
• El color del gas de escape es
malo cuando la temperatura es
baja.
• Si el operador detiene y vuelve a
arrancar el motor, la máquina se
puede operar sin limitar ninguna
función. No obstante el operador
debe tener cuidado.
• Póngase en contacto con su
distribuidor Komatsu para
reparación.
E03
• Aparecen expuestos los códigos
de acción y de falla
• Aparece expuesto el número
telefónico (si lo tiene)
• Suena la alarma zumbadora.
• Está anormal el sensor de la
temperatura del refrigerante
• Están limitadas las marchas
útiles de la máquina.
• La velocidad del motor no
alcanza su valor máximo.
• La sacudida de cambio de
marcha se incrementa.
• Ha disminuido el desempeño de
dirección.
• La sacudida de frenado se
incrementa.
• Mueva la máquina a un lugar
seguro
• Póngase en contacto con su
distribuidor Komatsu para
reparación.
E04
• Aparecen expuestos los códigos
de acción y de falla
• Aparece expuesto el número
telefónico (si lo tiene)
• Suena la alarma zumbadora.
• El motor no se puede controlar.
• La máquina no puede
trasladarse por si misma.
• La máquina se para.
• Detenga la máquina
inmediatamente.
• Póngase en contacto con su
distribuidor Komatsu para
reparación.
GSN00681-00 30 Pruebas y Ajustes
14 D155AX-6
Función de revisión de la exhibición del LCD
(Exhibición de Cristal Líquido)
Mientras la pantalla normal es exhibida, si el
interruptor de entrada al siguiente numeral y el
interruptor de función son operados como sigue,
todos los LCD (Exhibición de cristal líquido) se
ilumina en blanco.
l Operación de interruptores (simultaneos): [4] +
[F2]
H Cuando termine la operación de los interrup-
tores, libere primero la (F2).
H Si hay alguna exhibición de error en la LCD,
solamente esa parte está indicada en negro.
H El tablero LCD algunas veces tiene unos pun-
tos negros (puntos que no están encendidos) y
puntos brillantes (puntos que no se han apa-
gado) por la razón de sus características. Si el
número de los puntos brillantes y puntos
negros no excede de 10, esos puntos no con-
stituyen una falla o un defecto.
H Para volver a la pantalla normal, oprima el
interruptor de función.
Función de revisión del indicador de servicio
Para revisar el horómetro mientras el interruptor de
arranque se encuentra en posición OFF, opere los
interruptores de entrada de numeral de la siguiente
manera. En este momento, solamente se exhibe la
sección del horómetro de servicio.
l Operación de interruptores (simultaneos): [4] + [1]
H Debido a que hay alguna demora de tiempo en
el arranque de la LCD, mantenga oprimidos
los interruptores hasta que la LCD se encienda
normalmente.
H Después de que el monitor de la máquina ha
sido usado continuamente, puede que se vean
puntos azules (puntos que no se apagan) en la
pantalla. Este fenómeno no indica una falla o
un defecto.
30 Pruebas y Ajustes GSN00681-00
D155AX-6 15
Función de cambio de contraseña de manten-
imiento
Cuando cambie la contraseña usada para la
función de mantenimiento, siga los siguientes
procedimientos.
1. Mientras la pantalla normal está exhibida, efectúe
la siguiente operación usando los interruptores de
entrada de numerales.
Operación de los interruptores (Mientras
se oprime la (F4) efectúe la operación en
orden):
[4] + [5] → [5] → [5]
H Esta operación de los interruptores no es
aceptada hasta que transcurran 10 minu-
tos después de que el interruptor de ar-
ranque haya sido colocado en ON.
2. Después de que se exhiba la pantalla de
CONTRASEÑA (PASSWORD) de Mantenimiento,
introduzca la contraseña actual por medio de los
interruptores para entrar numerales y confírmela
con el interruptor de función.
[F5]: Borre el numeral de entrada y/o
Retorno a la pantalla normal
[F6]: Confirma el numeral introducido
H Contraseña preconfigurada: [000000]
H Si la contraseña introducida está correcta,
la pantalla cambia a la siguiente pantalla.
H Si la contraseña introducida es incorrecta,
se exhibe el mensaje para introducir nue-
vamente la contraseña.
3. Después de que se exhiba la nueva pantalla de
contraseña, introduzca una nueva contraseña por
medio de los interruptores para entrar numerales
y confírmela con el interruptor de función.
H Establezca una nueva contraseña de 4 a 6
dígitos (Si tiene solo 3 ó menos dígitos, ó
7 ó más dígitos, ella no es aceptada).
[F5]: Borre el numeral de entrada y/o
Retorno a la pantalla normal
[F6]: Confirma el numeral introducido
4. Después de que la pantalla para entrar la contra-
seña nueva es exhibida nuevamente, introduzca
nuevamente la nueva contraseña por medio de
los interruptores para introducir numerales, y
confírmela con el interruptor de función.
[F5]: Borre el numeral de entrada y/o
Retorno a la pantalla normal
[F6]: Confirma el numeral introducido
H Si se introduce una contraseña diferente a
la contraseña introducida antes de su
introducción, se exhibe el mensaje de
introducirla nuevamente.
5. Si la pantalla que notifica el termino de la
configuración es exhibida y luego la pantalla
normal es exhibida, la contraseña ha sido
cambiada con éxito.
GSN00681-00 30 Pruebas y Ajustes
16 D155AX-6
Modo de servicio
Para cambiar del modo del operador al modo de
servicio, efectúe la siguiente operación.
Esta operación es requerida siempre cuando usted
usa el modo de servicio.
1. Revise la exhibición de la pantalla y los
interruptores de operación
Mientras la pantalla normal está exhibida,
efectúe la siguiente operación usando los
interruptores de entrada de numerales.
Operación de los interruptores (Mientras se
oprime la (F4) efectúe la operación en
orden):
[4] + [1] → [2] → [3]
H Esta operación de los interruptores es
aceptada únicamente mientras la pantalla
normal es exhibida
2. Selección de menú de servicio
Cuando la pantalla del menú de servicio es
exhibida, el modo de servicio es seleccionado.
Seleccione el menú de servicio que usted usa
con los interruptores de función o los
interruptores para introducir numerales.
[F3]: Mueva al menú inferior
[F4]: Mueva al menú superior
[F5]: Retorna a la pantalla normal (modo
del operador)
[F6]: Confirme la selección
H Usted puede introducir un código de 2
dígitos usando los interruptores para intro-
ducir numerales, para seleccionar el menú
de ese código y confirmarlo por medio del
(F6).
H Los ítems que se pueden seleccionar en
el menú de servicios son los siguientes:
H Los ítems con códigos de 2 dígitos son los
menús expuestos en la pantalla del menú de
servicios. Los ítems en su derecha son los
menús de la siguiente jerarquía
01 Monitoreo
02 Historial de
fallas
Historial de fallas del sistema
mecánico
Historial de fallas del sistema eléctrico
Historial de fallas del acondicionador
de aire/historial de fallas de
calentador
03 Historial de mantenimiento
04 Cambio en el modo de mantenimiento
05 Colocación del No. de teléfono
06 Initialización
Modo de trabajo con la llave de la
ignición en OFF
Selección de la unidad
Establecimiento de la palabra clave
de mantenimiento
Estableciendo la cámara
Estableciendo la exhibición de ECO
07 Ajuste
08 CLÍNICA PM
09 Operación del modo de cilindro reducido
10 Girar el motor sin inyección
11 Exposición del consumo de combustible
12 Exposiciónde
la activación
de
KOMTRAX
Condición de configuración del
terminal
Condición de posicionamiento y
comunicación
NÚMERO DE SERIE DEL MODEM
13 Exposición del mensaje de servicio
30 Pruebas y Ajustes GSN00681-00
D155AX-6 17
Monitorear
El monitor de la máquina puede monitorear la
condición de la máquina durante el trabajo, recibiendo
señales de varios interruptores, sensores y
accionadores instalados en muchas partes de la
máquina y con la información proveniente de
controladores, los cuales son interruptores de control,
etc.
1. Seleccionando el menú
Seleccione 01 Monitoreo en la pantalla del
menú de Servicio.
2. Seleccionando los ítemes de monitoreo
Después de que se exhiba La pantalla del
menú para selección del monitoreo, seleccione
los ítemes a ser monitoreados por medio de
los interruptores de función o los interruptores
para introducir numerales.
[F1]: Mueva a la siguiente página
(pantalla)
[F2]: Mueva a la página anterior (pantalla)
[F3]: Mueva al ítem inferior
[F4]: Mueva al ítem superior
[F5]: Borrar el numeral introducido/
Retorno a la pantalla del menú de
servicio
[F6]: Confirme la selección
H Selección con los interruptores de fun-
ción: Seleccione un ítem con la [F3], o
[F4] y confírmelo con [F6].
H Selección con los interruptores para intro-
ducir numerales: Entre un código de 5
dígitos, y el ítem de ese código es selec-
cionado directamente. Confirme este
ítem con [F6].
H Si el color de la caja seleccionada cambia
de amarillo a rojo, la selección de el ítem
de esa caja es confirmada.
H Hasta 6 ítemes de monitoreo se pueden
seleccionar al mismo tiempo. Usted
puede que no pueda seleccionar hasta 6
ítemes, aunque, depende de la forma de
exhibición de esos ítemes.
3. Decidiendo ítemes a monitorear
Después de seleccionar los ítemes de
monitoreo, efectúe el monitoreo con el
interruptor de función o con el interruptor para
introducir numerales.
H Ejecución con el interruptor de función:
Doble-click o mantenga presionado [F6]
(por más o menos 2 seg.).
H Ejecución con el interruptor para introducir
numerales: Entre [99999] y presione [F6].
H Cuando monitoree solo 2 ítemes, por
ejemplo, selecciónelos y confírmelos con
la (F6). Si (F6) es oprimido en este
momento una vez más, el monitoreo es
ejecutado.
H Si los ítemes de monitoreo están seleccio-
nados hasta el número límite, el moni-
toreo es ejecutado automáticamente.
GSN00681-00 30 Pruebas y Ajustes
18 D155AX-6
4. Ejecutando el monitoreo
Después de que "Pantalla de ejecución del
monitoreo" es exhibida, efectué la operación
ne cesar ia de la máq uin a y revise la
información del monitoreo.
H La información del monitoreo está
indicada por un valor, ON y/o OFF, o la
exhibición especial.
H La unidad de exhibición puede ser
establecida en unidades SI, métrica, o
unidad en pulgadas, por medio de la fun-
ción de inicialización en el modo de servi-
cio.
5. Retención de información de observación
La información de monitoreo puede ser
retenida y restablecida con los interruptores de
función.
[F3]: Restablecer lo retenido
[F4]: Retener información (dato exhibido)
[F5]: Retornar a la pantalla del menú de
selección de monitoreo
6. Cambiando el modo para configurar la máquina
Para cambiar la configuración del modo
potencia/economía, modo de giro en reversa
del ventilador, velocidad de traslado/trabajo,
opere el interruptor correspondiente debajo de
la condición actual, y la pantalla para
configurar el modo queda exhibida.
Mientras esta pantalla es exhibida, si el
interruptor correspondiente es operado aún
más, el modo correspondiente es cambiado.
H Después de terminar de cambiar las con-
figuraciones, oprima (F6) para volver a la
pantalla de información de monitoreo.
H Si la configuración es cambiada durante el
monitoreo, la nueva configuración es
retenida aún después de que la pantalla
retorne a la pantalla normal después de
que el monitoreo se haya terminado.
30 Pruebas y Ajustes GSN00681-00
D155AX-6 19
Listado de ítemes a monitorear
Códi-
go No.
Ítem a monitorear
(Exposición en pantalla)
Unidad (Regulación inicial:
ISO) Componen-
te a cargo
Observaciones
ISO metro pulgada
50300 S/T Lever 1 Potentio mV mV mV P/T
50301 S/T Lever 2 Potentio mV mV mV P/T
50400 Brake Pedal Potentio mV mV mV P/T
31619 Brake LH ECMV(F/B) mA mA mA P/T
31618 Brake RH ECMV(F/B) mA mA mA P/T
50600 HSS Solenoid LH(F/B) mA mA mA P/T
50601 HSS Solenoid RH(F/B) mA mA mA P/T
90600 S/T Clutch LH ECMV(F/B) mA mA mA P/T
90601 S/T Clutch RH ECMV(F/B) mA mA mA P/T
31628 S.S.P Solenoid mA mA mA P/T
32900 Pitch Angle ° ° ° P/T
60100 Pitch Angle Sensor mV mV mV P/T
60500 ENG Hold Relay mV mV mV P/T
60600 BR Hold Relay mV mV mV P/T
50000 Fuel Dial Throttle % % % P/T
03000 Fuel Dial Sensor mV mV mV P/T
31521 S/T Fill Sw Input
BL (Left brake fill sw) ON • OFF P/T
CL (Left clutch fill sw) ON • OFF P/T
CR (Right clutch fill sw) ON • OFF P/T
BR (Right brake fill sw) ON • OFF P/T
50200 T/M Lever 1 Potentio mV mV mV P/T
50201 T/M Lever 2 Potentio mV mV mV P/T
31622 T/M Clutch F ECMV(F/B) mA mA mA P/T
31616 T/M Clutch R ECMV(F/B) mA mA mA P/T
31602 T/M Clutch 1st ECMV(F/B) mA mA mA P/T
31603 T/M Clutch 2nd ECMV(F/B) mA mA mA P/T
31604 T/M Clutch 3rd ECMV(F/B) mA mA mA P/T
30100 T/C Oil Temperature C C F P/T
31400 T/M Out Speed r/min rpm rpm P/T
32601 T/C In Pressure MPa kg/cm² psi P/T
32602 T/C In Pressure Sensor mV mV mV P/T
32603 T/C Out Pressure MPa kg/cm² psi P/T
32604 T/C Out Pressure Sensor mV mV mV P/T
31642 L/U ECMV(F/B) mA mA mA P/T
90700 S/C ECMV(F/B) mA mA mA P/T
50900 T/M Lock Relay mV mV mV P/T
40001 Vehicle Speed km/h km/h km/h P/T
GSN00681-00 30 Pruebas y Ajustes
20 D155AX-6
60000 Traction W W W P/T
70200 T/M Out Speed Sensor mV mV mV P/T
70400 Back Alarm Relay mV mV mV P/T
31624 Fan Pump Solenoid(F/B) mA mA mA P/T
10000 Fan Speed r/min rpm rpm P/T
40905 T/M Sw Input 1
SUNC (Gear shift up sw) ON • OFF P/T
SUNO (Gear shift up sw) ON • OFF P/T
SDNC
(Gear shift down sw)
ON • OFF P/T
SDNO
(Gear shift down sw)
ON • OFF P/T
PNC
(Parking brake lever sw)
ON • OFF P/T
PNO
(Parking brake lever sw)
ON • OFF P/T
40906
T/M Fill Sw
Input 1
F (F clutch fill sw) ON • OFF P/T
R (R clutch fill sw) ON • OFF P/T
1st (1st clutch fill sw) ON • OFF P/T
2nd (2nd clutch fill sw) ON • OFF P/T
3rd (3rd clutch fill sw) ON • OFF P/T
31520
T/M Fill Sw
Input 2
L/U( Lock-up clutch fill sw) ON • OFF P/T
S/C (Stator clutch fill sw) ON • OFF P/T
40909 T/M Output 1
Brly (Back Alarm relay) ON • OFF P/T
Prly (Parking lock relay) ON • OFF P/T
Fres
(Fan reverse solenoid)
ON • OFF P/T
70700 Hydraulic Pump Pressure 1 MPa kg/cm² psi W/E
70701 Hydraulic Pressure Sensor 1 mV mV mV W/E
71001 Blade Raise EPC(F/B) mA mA mA W/E
71003 Blade Down EPC(F/B) mA mA mA W/E
71005 Blade Tilt LH-H EPC(F/B) mA mA mA W/E
71007 Blade Tilt LH-B EPC(F/B) mA mA mA W/E
90800 Blade Tilt RH-H EPC(F/B) mA mA mA W/E
90801 Blade Tilt RH-B EPC(F/B) mA mA mA W/E
71101 Ripper Raise EPC(F/B) mA mA mA W/E
71103 Ripper Down EPC(F/B) mA mA mA W/E
71105 Ripper Tilt In EPC(F/B) mA mA mA W/E
71107 Ripper Tilt Back EPC(F/B) mA mA mA W/E
73400 Blade Lift Lever A Potentio mV mV mV W/E
73401 Blade Lift Lever B Potentio mV mV mV W/E
Códi-
go No.
Ítem a monitorear
(Exposición en pantalla)
Unidad (Regulación inicial:
ISO) Componen-
te a cargo
Observaciones
ISO metro pulgada
30 Pruebas y Ajustes GSN00681-00
D155AX-6 21
73500 Blade Tilt Lever A Potentio mV mV mV W/E
73501 Blade Tilt Lever B Potentio mV mV mV W/E
73600 Ripper Tilt Lever A Potentio mV mV mV W/E
73601 Ripper Tilt Lever B Potentio mV mV mV W/E
73700 Ripper Lift Lever A Potentio mV mV mV W/E
73701 Ripper Lift Lever B Potentio mV mV mV W/E
01300 TVC Solenoid(F/B) mA mA mA W/E
90900 Quick Drop Solenoid(F/B) mA mA mA W/E
70300 Blade Sw Input
FLNC (Blade float sw) ON • OFF W/E
FLNO (Blade float sw) ON • OFF W/E
BPNC (Blade pitch sw) ON • OFF W/E
BPNO (Blade pitch sw) ON • OFF W/E
WLNC
(Work equipment lock sw)
ON • OFF W/E
WLNO
(Work equipment lock sw)
ON • OFF W/E
20227 Monitor Ass’y P/N — MON
20402 Monitor Serial No — MON
20228 Monitor Prog P/N — MON
20242 P/T Con Ass’y P/N — P/T
20404 P/T Con Serial No — P/T
20243 P/T Con Prog P/N — P/T
20244 W/E Con Ass'y P/N — W/E
20405 W/E Con Serial No — W/E
20245 W/E Con Prog P/N — W/E
04200 Fuel Level Sensor Volt V V V MON
04300 Battery Charge Volt V V V MON
04401 Hyd Oil Temperature C C F MON
04002 Hyd Temp Sens Volt V V V MON
18900 ECM Internal Temp C C F ENG
37200 Presión de Aceite del Motor kPa kg/cm² psi ENG
00201 Máquina ID (Identificación de la máquina) — ENG
20216 ECM Build Version — ENG
20217 ECM Calibration Data Ver — ENG
20400 ECM Serial No — ENG
01002 Engine Speed r/min rpm rpm ENG
36700 Engine Torque Ratio % % % ENG
31701 Throttle Position % % % ENG
03001 Throttle Pos Sens Volt mV mV mV ENG
Códi-
go No.
Ítem a monitorear
(Exposición en pantalla)
Unidad (Regulación inicial:
ISO) Componen-
te a cargo
Observaciones
ISO metro pulgada
GSN00681-00 30 Pruebas y Ajustes
22 D155AX-6
H Orden de entrada de los ítems en la tabla
Los ítemes son introducidos en el orden de exhibición en la pantalla del menú de selección de
monitoreo.
17500 Engine Power Mode — ENG
36400 Rail Pressure MPa kg/cm² psi ENG
36401 Rail Pressure Sens Volt V V V ENG
36200 Rail Press Command MPa kg/cm² psi ENG
36300 Injection Timing Command CA CA CA ENG
04107 Coolant Temperature C C F ENG
01405 Coolant Temp Sens Volt V V V ENG
37400 Ambient Pressure kPa kg/cm² psi ENG
37401 Ambient Press Sens Volt V V V ENG
36500 Charge Pressure-Abs kPa kg/cm² psi ENG
Indicación por valor
absoluto (incluyendo
presión ambiental)
36501 Charge Press Sens Volt V V V MOTOR
03203 Battery Power Supply V V V MOTOR
37300 Fuel Rate l/h l/h gal/h MOTOR
31706 Final Throttle Position % % % MOTOR
18500 Charge Temperature C C F MOTOR
18051 Charge Temp Sens Volt V V V MOTOR
18600 Inject Fueling Command mg/st mg/st mg/st MOTOR
17201 PCV Close Timing CA CA CA MOTOR
18700 Torsión de Salida del Motor Nm kgm lhft MOTOR
37201 Eng Oil Press Sens Volt V V V MOTOR
14200 Fuel Temperature C C F MOTOR
14201 Fuel Temp Sens Volt V V V MOTOR
17903 EGR Inlet Pressure-A MPa kg/cm² psi MOTOR
18001 EGR In Press Sens Volt mV mV mV MOTOR
18100 EGR Valve Position mm mm mm MOTOR
18101 EGR Valve Pos Sens Volt mV mV mV ENG
18200 BPS Valve Position mm mm mm MOTOR
18201 BPS Valve Pos Sens Volt mV mV mV MOTOR
40912 P/T Sw Input
R-sig ON • OFF P/T
Acc ON • OFF P/T
Eng S ON • OFF P/T
Eng L ON • OFF P/T
Eng Sd ON • OFF P/T
Códi-
go No.
Ítem a monitorear
(Exposición en pantalla)
Unidad (Regulación inicial:
ISO) Componen-
te a cargo
Observaciones
ISO metro pulgada
30 Pruebas y Ajustes GSN00681-00
D155AX-6 23
H Unidad
La unidad exhibida puede ser configurada libremente en ISO, metro, o pulgadas (Configúrelas con la
configuración de unidad en la inicialización del menú de servicio)
"CA" en la unidad exhibida es una abreviación para el ángulo del cigüeñal.
"mg/st" en la unidad exhibida es una abreviación para miligramos/recorrido.
H Componentes a cargo
MON: El monitor de la máquina está encargado de la detección de la información de monitoreo.
ENG: El controlador del motor está encargado de la detección de la información de monitoreo.
PUMP: El controlador de la bomba está encargado de la detección de la información de monitoreo.
P/T: El controlador del tren de potencia está encargado de la detección de la información de monitoreo.
W/E: El controlador del equipo de trabajo está encargado de la detección de la información de
monitoreo.
GSN00681-00 30 Pruebas y Ajustes
24 D155AX-6
Historial de falla (Historial de falla del sistema
del equipo mecánico)
El monitor de la máquina clasifica y registra las fallas
que ocurrieron en el pasado, o que están ocurriendo
en el presente, dentro del sistema mecánico, falla en el
sistema eléctrico, y falla en el sistema del
acondicionador de aire o sistema de calefacción.
Para revisar la historia de fallas del sistema
mecánico, efectúe los siguientes procedimientos.
1. Seleccionando el menú
Seleccione “Historial de falla 02” en la pantalla
de menú de servicios.
2. Selección del sub menú
Después que queda expuesta la pantalla del
historial de fallas, seleccione ”01 Historial de
fallas del sistema de equipo mecánico” con los
interruptores de funciones o los interruptores
de ingresos numéricos.
[F3]: Mueve a la historia inferior
[F4]: Mueve a la historia superior
[F5]: Regresa a la pantalla del menú de
servicio
[F6]: Confirme la selección
H Usted puede introducir un código de 2 dígi-
tos usando los interruptores para introducir
numerales, para seleccionar la historia de
ese código y confirmarla por medio de [F6].
H La siguiente figura muestra la exhibición
de la especificación del acondicionador de
aire. Si se selecciona las especifica-
ciones del calentador “03 Historial de fal-
las del calentador” aparece expuesto.
3. Información expuesta en la pantalla del historial
de fallas
En la pantalla de la historia de fallas del
Sistema mecánico, se exhibe la siguiente
información.
(a):Orden de ocurrencia de la falla desde la
última y/o Número total de registros
(b):Código de fallas
(c):Contenido del problema
(d):Número de veces de ocurrencia de tiempo
(e):Lectura del horómetro de servicio en la
primer ocurrencia
(f):Lectura del horómetro de servicio en la
última ocurrencia
[F1]: Mueva a la siguiente página
(pantalla) (Si se exhibe)
[F2]: Mueva a la página anterior (pantalla)
(Si se exhibe)
[F5]: Regresar a la pantalla del historial
de fallas
H Si no aparece registrada algún historial de
falla, aparecerá expuesto “No hay historial de
falla”
H Si el número de ocurrencias es 1 (primer
ocurrencia), la lectura del horómetro de
servicio en la primer ocurrencia y en la
última, es el mismo.
H Si la [E] es exhibida a la izquierda del
código de falla, la falla continúa ocur-
riendo, o su restablecimiento no ha sido
confirmado.
H Para todos los códigos de fallas que el
monitor de la máquina puede registrar,
vea la tabla de códigos de falla en la histo-
ria de falla (Historia de falla del sistema
eléctrico).
4. Borrando el historial de las fallas
Los contenidos del historial de fallas del
sistema de equipos mecánicos no se pueden
borrar
30 Pruebas y Ajustes GSN00681-00
D155AX-6 25
Historial de falla (Historial de falla del sistema
del equipo eléctrico)
El monitor de la máquina clasifica y registra las fallas
que ocurrieron en el pasado, o que están ocurriendo
en el presente, dentro del sistema mecánico, falla en el
sistema eléctrico, y falla en el sistema del
acondicionador de aire o sistema de calefacción.
Para revisar la historia de fallas del sistema
eléctrico, efectúe los siguientes procedimientos.
1. Seleccionando el menú
Seleccione “Historial de falla 02” en la pantalla
de menú de servicios.
2. Selección del sub menú
Después que se expone la pantalla del
historial de fallas, seleccione “02 Historial de
fallas del sistema de equipos eléctricos “ con
los interruptores de funciones o con los
interruptores de ingresos numéricos
[F3]: Mueve a la historia inferior
[F4]: Mueve a la historia superior
[F5]: Regresa a la pantalla del menú de
servicio
[F6]: Confirme la selección
H Usted puede introducir un código de 2 dígi-
tos usando los interruptores para introducir
numerales, para seleccionar la historia de
ese código y confirmarla por medio de [F6].
H La siguiente figura muestra la exhibición
de la especificación del acondicionador de
aire. Si se selecciona las especifica-
ciones del calentador “03 Historial de fal-
las del calentador” aparece expuesto.
3. Información expuesta en la pantalla del historial
de fallas
En la pantalla de la historia de fallas del
Sistema eléctrico, se exhibe la siguiente
información.
(a):Orden de ocurrencia de la falla desde la
última y/o Número total de registros
(b):Código de fallas
(c):Contenido del problema
(d):Número de veces de ocurrencia de tiempo
(e):Lectura del horómetro de servicio en la
primer ocurrencia
(f):Lectura del horómetro de servicio en la
última ocurrencia
[F1]: Mueva a la siguiente página
(pantalla) (Si se exhibe)
[F2]: Mueva a la página anterior (pantalla)
(Si se exhibe)
[F3]: Mueve a la historia inferior
[F4]: Mueve a la historia superior
[F5]: Regresar a la pantalla del historial
de fallas
H Si no aparece registrada algún historial de
falla, aparecerá expuesto “No hay historial
de falla”
H Si el número de ocurrencias es 1 (primer
ocurrencia), la lectura del horómetro de
servicio en la primer ocurrencia y en la
última, es el mismo.
H Si la [E] es exhibida a la izquierda del
código de falla, la falla continúa ocur-
riendo, o su restablecimiento no ha sido
confirmado.
H Para todos los códigos de fallas que el
monitor de la máquina puede registrar,
vea la tabla de códigos de falla.
4. Borrando el historial de las fallas
1) Mientras la pantalla de historia de fallas
del sistema del equipo eléctrico está
exhibida, efectúe la siguiente operación
usando los interruptores de entrada de
numerales.
Operación de los interruptores
(Mientras se oprime la (F4) efectúe la
operación en orden):
[4] + [1] → [2] → [3]
GSN00681-00 30 Pruebas y Ajustes
26 D155AX-6
H Opere los interruptores de manera
similar a los procedimientos para
cambiar la exposición ordinaria hacia
el modo de servicio
2) Revise que la pantalla esté colocada en el
modo para borrar, y luego borre los
ítemes uno a uno, o juntos, por medio de
los interruptores de función.
H Si la pantalla está colocada en el modo
de borrar, la marca gráfica de (LIMPIAR
(CLEAR)) está indicada como [F2].
[F2]: Borre todos los ítems
[F3]: Mueva al ítem inferior
[F4]: Mueva al ítem superior
[F5]: Regresar a la pantalla del historial
de fallas
[F6]: Borrar todos ítems seleccionados
H Para borrar los ítems uno a uno:
Seleccione los ítems a borrar con [F3]
o [F4] y presione [F6].
H Para borrar todos los ítems juntos:
Oprima la (F2) y todos los ítemes
serán borrados, sin tener en cuenta la
selección de los ítemes.
H Si se exhibe la [E] al lado izquierdo
del código de falla, la operación de
borrar e s a cepta da, pe ro la
información no se borra.
3) Después que se expone la pantalla para
borrar el historial de fallas del sistema de
equipos eléctricos, opere los interruptores
de funciones.
[F5]: Regreso a la pantalla del historial
de fallas del sistema de equipo
eléctrico (modo para borrar)
[F6]: Ejecute la eliminación
H La siguiente figura muestra la
pantalla exhibida cuando el ítem es
borrado uno a uno (lo cual es un poco
diferente a lo exhibido en la pantalla
cua ndo todo s lo s ítemes so n
borrados al mismo tiempo)
4) Si la pantalla para notificar la terminación del
erradicado aparece expuesta y después
aparece expuesta la pantalla (modo de
borrar) del historial de fallas del sistema de
equipos eléctricos, la erradicación del
historial de fallas queda terminada.
H Después de un rato, la pantalla
regresa al historial de fallas del
sistema de equipo eléctrico.
30 Pruebas y Ajustes GSN00681-00
D155AX-6 27
Tabla de códigos de falla
Códi-
go de
acción
Falla
Código
Problema (Exhibido en la pantalla)
Zumbador
de alarma
Componen-
te a cargo
Categoría de historia
E03 1500L0 Embrague de la transmisión: Anormal l P/T Sistema Eléctrico
E03 15SAL1 Forward clutch: Fill high l P/T Sistema Eléctrico
E03 15SALH Forward clutch: Fill Low l P/T Sistema Eléctrico
E03 15SBL1 Reverse clutch: Fill high l P/T Sistema Eléctrico
E03 15SBLH Reverse clutch: Fill Low l P/T Sistema Eléctrico
E03 15SEL1 Speed 1st clutch: Fill high l P/T Sistema Eléctrico
E03 15SELH Speed 1st clutch: Fill Low l P/T Sistema Eléctrico
E03 15SFL1 Speed 2nd clutch: Fill high l P/T Sistema Eléctrico
E03 15SFLH Speed 2nd clutch: Fill Low l P/T Sistema Eléctrico
E03 15SGL1 Speed 3rd clutch: Fill high l P/T Sistema Eléctrico
E03 15SGLH Speed 3rd clutch: Fill Low l P/T Sistema Eléctrico
E02 15SJL1 L/U : Fill high l P/T Sistema Eléctrico
E02 15SJLH L/U : Fill low l P/T Sistema Eléctrico
E04 2301L1 Right brake: Fill high l P/T Sistema Eléctrico
E04 2301LH Right brake: Fill low l P/T Sistema Eléctrico
E04 2302L1 Left brake: Fill high l P/T Sistema Eléctrico
E04 2302LH Left brake: Fill low l P/T Sistema Eléctrico
7RFAKA ECM HOLD RELAY: Disconnection P/T Sistema Eléctrico
AA10NX Air Cleaner Clogging MON Sistema mecánico
AB00MA Battery Charge Abnormal MON Sistema mecánico
B@BAZG Eng Oil Press Low s MOTOR Sistema mecánico
B@BCNS Eng Water Overheat s MOTOR Sistema mecánico
B@BCZK Eng Water Level Low MON Sistema mecánico
B@CENS T/C Oil Overheat s P/T Sistema mecánico
B@HANS Hyd Oil Overheat s MON Sistema mecánico
E04 CA111 EMC Critical Internal Failure l MOTOR Sistema Eléctrico
E04 CA115 Eng Ne and Bkup Speed Sens Error l MOTOR Sistema Eléctrico
E03 CA122 Chg Air Press Sensor High Error l MOTOR Sistema Eléctrico
E03 CA123 Chg Air Press Sensor Low Error l MOTOR Sistema Eléctrico
E03 CA131 Throttle Sensor High Error l MOTOR Sistema Eléctrico
E03 CA132 Throttle Sensor Low Error l MOTOR Sistema Eléctrico
E02 CA135 Eng Oil Press Sensor High Error l MOTOR Sistema Eléctrico
E02 CA141 Eng Oil Press Sensor Low Error l MOTOR Sistema Eléctrico
E02 CA144 Coolant Temp Sens High Error l MOTOR Sistema Eléctrico
E02 CA145 Coolant Temp Sens Low Error l ENG Sistema Eléctrico
E01 CA153 Chg Air Temp Sensor High Error MOTOR Sistema Eléctrico
GSN00681-00 30 Pruebas y Ajustes
28 D155AX-6
E01 CA154 Chg Air Temp Sensor Low Error MOTOR Sistema Eléctrico
E03 CA187 Sens Supply 2 Volt Low Error l MOTOR Sistema Eléctrico
E03 CA221 Ambient Press Sens High Error l MOTOR Sistema Eléctrico
E03 CA222 Ambient Press Sens Low Error l MOTOR Sistema Eléctrico
E03 CA227 Sens Supply 2 Volt High Error l MOTOR Sistema Eléctrico
E03 CA234 Eng Overspeed MOTOR Sistema Eléctrico
E03 CA238 Ne Speed Sens Supply Volt Error l MOTOR Sistema Eléctrico
E01 CA263 Fuel Temp Sensor High Error MOTOR Sistema Eléctrico
E01 CA265 Fuel Temp Sensor Low Error MOTOR Sistema Eléctrico
E03 CA271 PCV1 Short Error l MOTOR Sistema Eléctrico
E03 CA272 PCV1 Open Error l MOTOR Sistema Eléctrico
E03 CA273 PCV2 Short Error l MOTOR Sistema Eléctrico
E03 CA274 PCV2 Open Error l MOTOR Sistema Eléctrico
E03 CA322 Inj #1 (L#1) Open/Short Error l MOTOR Sistema Eléctrico
E03 CA323 Inj #5 (L#5) Open/Short Error l MOTOR Sistema Eléctrico
E03 CA324 Inj #3 (L#3) Open/Short Error l MOTOR Sistema Eléctrico
E03 CA325 Inj #6 (L#6) Open/Short Error l MOTOR Sistema Eléctrico
E03 CA331 Inj #2 (L#2) Open/Short Error l MOTOR Sistema Eléctrico
E03 CA332 Inj #4 (L#4) Open/Short Error l MOTOR Sistema Eléctrico
E04 CA342 Calibration Code Incompatibility l MOTOR Sistema Eléctrico
E03 CA351
Error en el circuito de mando de los
inyectores
l MOTOR Sistema Eléctrico
E03 CA352 Sens Supply 1 Volt Low Error l MOTOR Sistema Eléctrico
E03 CA386 Sens Supply 1 Volt High Error l MOTOR Sistema Eléctrico
E04 CA441 Battery Voltage Low Error l MOTOR Sistema Eléctrico
E04 CA442 Battery Voltage High Error l MOTOR Sistema Eléctrico
E03 CA449 Rail Press Very High Error l MOTOR Sistema Eléctrico
E03 CA451 Rail Press Sensor High Error l MOTOR Sistema Eléctrico
E03 CA452 Rail Press Sensor Low Error l MOTOR Sistema Eléctrico
E02 CA553 Rail Press High Error l MOTOR Sistema Eléctrico
E03 CA554
Sensor de presión de la carrilera en área de
error
l MOTOR Sistema Eléctrico
E02 CA559 Rail Press Low Error l MOTOR Sistema Eléctrico
E03 CA689 Eng Ne Speed Sensor Error l MOTOR Sistema Eléctrico
E03 CA731 Eng Bkup Speed Sens Phase Error l MOTOR Sistema Eléctrico
E04 CA757 All Continuous Data Lost Error l MOTOR Sistema Eléctrico
E03 CA778 Eng Bkup Speed Sensor Error l MOTOR Sistema Eléctrico
E02 CA1228 EGR Valve Servo Error 1 l MOTOR Sistema Eléctrico
Códi-
go de
acción
Falla
Código
Problema (Exhibido en la pantalla)
Zumbador
de alarma
Componen-
te a cargo
Categoría de historia
30 Pruebas y Ajustes GSN00681-00
D155AX-6 29
E03 CA1625 EGR Valve Servo Error 2 l MOTOR Sistema Eléctrico
E03 CA1626 BP Valve Sol Current High Error l MOTOR Sistema Eléctrico
E03 CA1627 BP Valve Sol Current Low Error l MOTOR Sistema Eléctrico
E02 CA1628 Bypass Valve Servo Error 1 l MOTOR Sistema Eléctrico
E03 CA1629 Bypass Valve Servo Error 2 l MOTOR Sistema Eléctrico
E03 CA1631 BP Valve Pos Sens High Error l MOTOR Sistema Eléctrico
E03 CA1632 BP Valve Pos Sens Low Error l MOTOR Sistema Eléctrico
E03 CA1633 KOMNET Datalink Timeout Error l MOTOR Sistema Eléctrico
E01 CA1642 EGR Inlet Press Sens Low Error MOTOR Sistema Eléctrico
E01 CA1653 EGR Inlet Press Sens High Error MOTOR Sistema Eléctrico
E03 CA2185 Throt Sens Sup Volt High Error l MOTOR Sistema Eléctrico
E03 CA2186 Throt Sens Sup Volt Low Error l ENG Sistema Eléctrico
E03 CA2249 Rail Press Very Low Error l MOTOR Sistema Eléctrico
E03 CA2271 EGR Valve Pos Sens High Error l MOTOR Sistema Eléctrico
E03 C2272 EGR Valve Pos Sens Low Error l MOTOR Sistema Eléctrico
E03 CA2351 EGR Valve Sol Current High Error l MOTOR Sistema Eléctrico
E03 CA2352 EGR Valve Sol Current Low Error l MOTOR Sistema Eléctrico
E01 CA2555 Grid Htr Relay Volt Low Error MOTOR Sistema Eléctrico
E01 CA2256 Grid Htr Relay Volt High Error MOTOR Sistema Eléctrico
D110KA Battery relay: Disconnection P/T Sistema Eléctrico
D110KB Battery Relay: Drive Short Circuit P/T Sistema Eléctrico
E02 D130KA Neutral relay: Disconnection l P/T Sistema Eléctrico
E02 D130KB Neutral relay: Short circuit l P/T Sistema Eléctrico
E01 D161KA Back-up alarm relay: Disconnection P/T Sistema Eléctrico
E01 D161KB Back-up alarm relay: Short circuit P/T Sistema Eléctrico
D190KA ACC signal relay: Disconnection P/T Sistema Eléctrico
D190KB ACC signal relay: Short circuit P/T Sistema Eléctrico
E03 D5ZKKX Throttle Dial: Out of normal range l P/T Sistema Eléctrico
E03 DAFRKR CAN Disconnection l MON Sistema Eléctrico
E03 DB2RKR CAN Disconnection l MOTOR Sistema Eléctrico
E04 DB90KK WE controller: Source voltage reduction l W/E Sistema Eléctrico
E03 DB90KR PT controller: Can communication lost l P/T Sistema Eléctrico
E01 DB90KT WE controller: Abnormality in controller W/E Sistema Eléctrico
E03 DB95KK WE controller: Source voltage reduction l W/E Sistema Eléctrico
E03 DB97KK WE controller: Source voltage reduction l W/E Sistema Eléctrico
E04 DB99KQ WE controller: Type select signal l W/E Sistema Eléctrico
E03 DB9RKR WE controller: Can communication lost l W/E Sistema Eléctrico
Códi-
go de
acción
Falla
Código
Problema (Exhibido en la pantalla)
Zumbador
de alarma
Componen-
te a cargo
Categoría de historia
GSN00681-00 30 Pruebas y Ajustes
30 D155AX-6
E03 DBE0KK PT controller: Source voltage reduction l P/T Sistema Eléctrico
E01 DBE0KT PT controller: Abnormality in controller P/T Sistema Eléctrico
E02 DBE6KK PT controller: Source voltage reduction l P/T Sistema Eléctrico
E02 DBE7KK PT controller: Source voltage reduction l P/T Sistema Eléctrico
E04 DBE9KQ PT controller: Type select signal l P/T Sistema Eléctrico
E02 DD12KA Shift up Sw: Disconnection l P/T Sistema Eléctrico
E02 D12KB Shift up Sw: Short circuit l P/T Sistema Eléctrico
E02 D13KA Shift down Sw: Disconnection l P/T Sistema Eléctrico
E02 DD13KB Shift down Sw: Short circuit l P/T Sistema Eléctrico
E03 DD14KA Parking lever Sw: Disconnection l P/T Sistema Eléctrico
E03 DD14KB Parking lever Sw: Short circuit l P/T Sistema Eléctrico
E02 DDDDKA Back up brake Sw: Disconnection l P/T Sistema Eléctrico
E02 DDDDKB Back up brake Sw: Short circuit l P/T Sistema Eléctrico
E02 DDDDKX Back up brake Sw: Signal mismatch l P/T Sistema Eléctrico
E02 DDN7KA WEQ Knob Sw(down): Disconnection l W/E Sistema Eléctrico
E02 DDN7KB WEQ Knob Sw(down): Short circuit l W/E Sistema Eléctrico
E01 DDN9KA WEQ Knob Sw(up): Disconnection W/E Sistema Eléctrico
E01 DDN9KB WEQ Knob Sw(up): Short circuit W/E Sistema Eléctrico
E03 DDNLKA Weq lock Sw: Disconnection l W/E Sistema Eléctrico
E03 DDNLKB Weq lock Sw: Short circuit l W/E Sistema Eléctrico
E02 DDTSL1 S/C: Fill high l P/T Sistema Eléctrico
E02 DDTSLH S/C: Fill low l W/E Sistema Eléctrico
E03 DFA4KX BL lever 1: Out of normal range l W/E Sistema Eléctrico
E03 DFA4KZ BL lever: Disconnection or short circuit l W/E Sistema Eléctrico
E03 DFA4L8 BL lever: Signal mismatch l W/E Sistema Eléctrico
E03 DFA5KA BL lever 1: Disconnection l W/E Sistema Eléctrico
E03 DFA5KB BL lever 1: Short circuit l W/E Sistema Eléctrico
E03 DFA6KA BL lever 2: Disconnection l W/E Sistema Eléctrico
E03 DFA6KB BL lever 2: Short circuit l W/E Sistema Eléctrico
E03 DFA7KX BT lever 1: Out of normal range l W/E Sistema Eléctrico
E03 DFA7KZ BT lever: Disconnection or short circuit l W/E Sistema Eléctrico
E03 DFA7L8 BT lever: Signal mismatch l W/E Sistema Eléctrico
E03 DFA8KA BT lever 1: Disconnection l W/E Sistema Eléctrico
E03 DFA8KB BT lever 1: Short circuit l W/E Sistema Eléctrico
E03 DFA9KA BT lever 2: Disconnection l W/E Sistema Eléctrico
E03 DFA9KB BT lever 2: Short circuit l W/E Sistema Eléctrico
E03 DFAAKX RL lever 1: Out of normal range l W/E Sistema Eléctrico
Códi-
go de
acción
Falla
Código
Problema (Exhibido en la pantalla)
Zumbador
de alarma
Componen-
te a cargo
Categoría de historia
30 Pruebas y Ajustes GSN00681-00
D155AX-6 31
E03 DFAAKZ RL lever: Desconexión o corto circuito l W/E Sistema Eléctrico
E03 DFAAL8 RL lever: Signal mismatch l W/E Sistema Eléctrico
E03 DFABKA RL lever 1: Disconnection l W/E Sistema Eléctrico
E03 DFABKB RL lever 1: Short circuit l W/E Sistema Eléctrico
E03 DFACKA RL lever 2: Disconnection l W/E Sistema Eléctrico
E03 DFACKB RL lever 2: Short circuit l W/E Sistema Eléctrico
E03 DFADKX RT lever 1: Out of normal range l W/E Sistema Eléctrico
E03 DFADKZ RT lever: Disconnection or short circuit l W/E Sistema Eléctrico
E03 DFADL8 RT lever: Signal mismatch l W/E Sistema Eléctrico
E03 DFAEKA RT lever 1: Disconnection l W/E Sistema Eléctrico
E03 DFAEKB RT lever 1: Short circuit l W/E Sistema Eléctrico
E03 DFAFKA RT lever 2: Disconnection l W/E Sistema Eléctrico
E03 DFAFKB RT lever 2: Short circuit l W/E Sistema Eléctrico
E01 DGT1KA T/C oil temp sensor: Abnormal P/T Sistema Eléctrico
E01 DGT1KX T/C oil temp sensor abnormal P/T Sistema Eléctrico
DH21KA WEQ pressure sensor: Disconnection W/E Sistema Eléctrico
DH21KB WEQ pressure sensor: Short circuit W/E Sistema Eléctrico
E02 DHT5KA T/C in-pressure sensor: Disconnection l P/T Sistema Eléctrico
E02 DHT5KB T/C in-pressure sensor: Short circuit l P/T Sistema Eléctrico
E02 DHT7KA T/C out-pressure sensor: Disconnection l P/T Sistema Eléctrico
E02 DHT7KB T/C out-pressure sensor: Short circuit l P/T Sistema Eléctrico
E03 DK10KX Fuel control Dial: Out of normal range l P/T Sistema Eléctrico
E03 DK30KA ST lever 1: Disconnection l P/T Sistema Eléctrico
E03 DK30KB ST lever 1: Short circuit l P/T Sistema Eléctrico
E04 DK30KX ST lever 1: Out of normal range l P/T Sistema Eléctrico
E04 DK30KZ ST lever: Disconnection or short circuit l P/T Sistema Eléctrico
E03 DK30L8 ST lever: Signal mismatch l P/T Sistema Eléctrico
E03 DK31KA ST lever 2: Disconnection l P/T Sistema Eléctrico
E03 DK31KB ST lever 2: Short circuit l P/T Sistema Eléctrico
E03 DK40KA Brake potentiometer: Disconnection l P/T Sistema Eléctrico
E03 DK40KB Brake potentiometer: Short circuit l P/T Sistema Eléctrico
E04 DK55KX FR lever: Out of normal range l P/T Sistema Eléctrico
E04 DK55KZ FR lever: Disconnection or short circuit l P/T Sistema Eléctrico
E03 DK55L8 FR lever: Signal mismatch l P/T Sistema Eléctrico
E03 DK56KA FR lever 1: Disconnection l P/T Sistema Eléctrico
E03 DK56KB FR lever 1: Short circuit l P/T Sistema Eléctrico
E03 DK57KA FR lever 2: Disconnection l P/T Sistema Eléctrico
Códi-
go de
acción
Falla
Código
Problema (Exhibido en la pantalla)
Zumbador
de alarma
Componen-
te a cargo
Categoría de historia
GSN00681-00 30 Pruebas y Ajustes
32 D155AX-6
E03 DK57KB FR lever 2: Short circuit l P/T Sistema Eléctrico
E03 DKH1KA Pitch angle sensor: Disconnection l P/T Sistema Eléctrico
E03 DKH1KB Pitch angle sensor: Short circuit l P/T Sistema Eléctrico
E01 DLT3KA T/M out-speed sensor: Disconnection l P/T Sistema Eléctrico
E01 DLT3KB T/M out-speed sensor: Abnormal l P/T Sistema Eléctrico
E01 DW7BKA Fan rev EPC: Disconnection l P/T Sistema Eléctrico
E01 DW7BKB Fan rev EPC: Short circuit P/T Sistema Eléctrico
E03 DWN1KA Hss EPC1: Disconnection l P/T Sistema Eléctrico
E03 DWN1KB Hss EPC1: Short circuit l P/T Sistema Eléctrico
E03 DWN1KY Hss EPC1: Short circuit l P/T Sistema Eléctrico
E03 DWN2KA Hss EPC2: Disconnection l P/T Sistema Eléctrico
E03 DWN2KB Hss EPC2: Short circuit l P/T Sistema Eléctrico
E03 DWN2KY Hss EPC2: Short circuit l P/T Sistema Eléctrico
E04 DWN3KA Ssp solenoid: Disconnection l P/T Sistema Eléctrico
E04 DWN3KB Ssp solenoid: Short circuit l P/T Sistema Eléctrico
E04 DWN3KY SSP solenoid: Short circuit l P/T Sistema Eléctrico
E01 DWN5KA Fan pump solenoid: Disconnection P/T Sistema Eléctrico
E01 DWN5KB Fan pump solenoid: Short circuit W/E Sistema Eléctrico
E01 DXAOKA TVC Sol.: Disconnection W/E Sistema Eléctrico
E01 DXA0KB TVC Sol.: Short circuit W/E Sistema Eléctrico
E01 DXA0KY TVC Sol.: Short circuit P/T Sistema Eléctrico
E02 DXH1KA Lock-up ECMV: Disconnection l P/T Sistema Eléctrico
E02 DXH1KB Lock-up ECMV: Short circuit l P/T Sistema Eléctrico
E03 DXH1KY Lock-up ECMV: Short circuit l P/T Sistema Eléctrico
E03 DXH4KA 1st clutch ECMV: Disconnection l P/T Sistema Eléctrico
E03 DXH4KB 1st clutch ECMV: Short circuit l P/T Sistema Eléctrico
E03 DXH4KY 1st clutch ECMV: Short circuit l P/T Sistema Eléctrico
E03 DXH5KA 2nd clutch ECMV: Disconnection l P/T Sistema Eléctrico
E03 DXH5KB 2nd clutch ECMV: Short circuit l P/T Sistema Eléctrico
E03 DXH5KY 2nd clutch ECMV: Short circuit l P/T Sistema Eléctrico
E03 DXH6KA 3rd clutch ECMV: Disconnection l P/T Sistema Eléctrico
E03 DXH6KB 3rd clutch ECMV: Short circuit l P/T Sistema Eléctrico
E03 DXH6KY 3rd clutch ECMV: Short circuit l P/T Sistema Eléctrico
E03 DXH7KA R clutch ECMV: Disconnection l P/T Sistema Eléctrico
E03 DXH7KB R clutch ECMV: Short circuit l P/T Sistema Eléctrico
E04 DXH7KY R clutch ECMV: Short circuit l P/T Sistema Eléctrico
E03 DXH8KA F clutch ECMV: Disconnection l P/T Sistema Eléctrico
Códi-
go de
acción
Falla
Código
Problema (Exhibido en la pantalla)
Zumbador
de alarma
Componen-
te a cargo
Categoría de historia
30 Pruebas y Ajustes GSN00681-00
D155AX-6 33
E03 DXH8KB F clutch ECMV: Short circuit l P/T Sistema Eléctrico
E04 DXH8KY F clutch ECMV: Short circuit l P/T Sistema Eléctrico
E04 DXHBKA Right brake ECMV: Disconnection l P/T Sistema Eléctrico
E04 DXHBKB Right brake ECMV: Short circuit l P/T Sistema Eléctrico
E04 DXHBKY Right brake ECMV: Short circuit l P/T Sistema Eléctrico
E04 DXHCKA Left brake ECMV: Disconnection l P/T Sistema Eléctrico
E04 DXHCKB Left brake ECMV: Short circuit l P/T Sistema Eléctrico
E04 DXHCKY Left brake ECMV: Short circuit l P/T Sistema Eléctrico
E03 DXHRKA Blade up EPC: Disconnection l W/E Sistema Eléctrico
E03 DXHRKB Blade up EPC: Short circuit l W/E Sistema Eléctrico
E03 DXHRKY Blade up EPC: Short circuit l W/E Sistema Eléctrico
E03 DXHSKA Blade down EPC: Disconnection l W/E Sistema Eléctrico
E03 DXHSKB Blade down EPC: Short circuit l W/E Sistema Eléctrico
E03 DXHSKY Blade down EPC: Short circuit l W/E Sistema Eléctrico
E03 DXHTKA Blade left 1 EPC: Disconnection l W/E Sistema Eléctrico
E03 DXHTKB Blade left 1 EPC: Short circuit l W/E Sistema Eléctrico
E03 DXHTKY Blade left 1 EPC: Short circuit l W/E Sistema Eléctrico
E03 DXHUKA Blade right 1 EPC: Disconnection l W/E Sistema Eléctrico
E03 DXHUKB Blade right 1 EPC: Short circuit l W/E Sistema Eléctrico
E03 DXHUKY Blade right 1 EPC: Short circuit l W/E Sistema Eléctrico
E03 DXHWKA Ripper up EPC: Disconnection l W/E Sistema Eléctrico
E03 DXHWKB Ripper up EPC: Short circuit l W/E Sistema Eléctrico
E03 DXHWKY Ripper up EPC: Short circuit l W/E Sistema Eléctrico
E03 DXHXKA Ripper down EPC: Disconnection l W/E Sistema Eléctrico
E03 DXHXKB Ripper down EPC: Short circuit l W/E Sistema Eléctrico
E03 DXHXKY Ripper down EPC: Short circuit l W/E Sistema Eléctrico
E03 DXHYKA Ripper Tilt In EPC: Disconnection l W/E Sistema Eléctrico
E03 DXHYKB Ripper Tilt In EPC: Short circuit l W/E Sistema Eléctrico
E03 DXHYKY Ripper Tilt In EPC: Short circuit l W/E Sistema Eléctrico
E03 DXHZKA Ripper Tilt Back EPC: Disconnection l W/E Sistema Eléctrico
E03 DXHZKB Ripper Tilt Back EPC: Short circuit l W/E Sistema Eléctrico
E03 DXHZKY Ripper Tilt Back EPC: Short circuit l W/E Sistema Eléctrico
E03 DXJ4KA WEQ lock Sol.: Disconnection l W/E Sistema Eléctrico
E03 DXJ4KB WEQ lock Sol.: Short circuit l W/E Sistema Eléctrico
E03 DXJ8KA Blade left 2 EPC: Disconnection l W/E Sistema Eléctrico
E03 DXJ8KB Blade left 2 EPC: Short circuit l W/E Sistema Eléctrico
Códi-
go de
acción
Falla
Código
Problema (Exhibido en la pantalla)
Zumbador
de alarma
Componen-
te a cargo
Categoría de historia
GSN00681-00 30 Pruebas y Ajustes
34 D155AX-6
H Orden de entrada de los ítems en la tabla
Los ítemes son introducidos en el orden de sus códigos de falla (orden incremental).
H Código de acción
Adjunto: Si el código de falla es detectado, el código de acción, el código de falla y el número de
teléfono (si está registrado) son exhibidos en la pantalla normal, para notificar al operador
sobre la falla.
No adjunto: Aún si el código de falla es detectado, el monitor de la máquina no notifica al operador
sobre la falla.
H Zumbador de alarma
l: Cuando la ocurrencia de un error es notificada al operador, suena el zumbador de alarma (El
operador puede detener al zumbador por medio del interruptor de cancelación del zumbador de
alarma)
s: Debido a que el monitor de precaución también está colocado en ON, su función hace sonar el
zumbador de alarma.
H Componente a cargo
MON:El monitor de la máquina está encargado de la detección de la falla.
ENG:El controlador del motor está encargado de la detección de la falla.
P/T:El controlador del tren de potencia está encargado de detectar la falla.
W/E: El controlador del equipo de trabajo está encargado de detectar la falla.
H Categoría de historia
Sistema de equipo mecánico: La información de falla es registrada en el historial de falla del sistema
de equipo mecánico.
Sistema de equipo eléctrico: La información de falla está registrada en el historial de fallas del
sistema de equipos eléctricos.
E03 DXJ8KY Blade left 2 EPC: Short circuit l W/E Sistema Eléctrico
E03 DXJ9KA Blade right 2 EPC: Disconnection l W/E Sistema Eléctrico
E03 DXJ9KB Blade right 2 EPC: Short circuit l W/E Sistema Eléctrico
E03 DXJ9KY Blade right 2 EPC: Short circuit l W/E Sistema Eléctrico
E01 DXJAKA Q-drop EPC: Disconnection W/E Sistema Eléctrico
E01 DXJAKB Q-drop EPC: Short circuit W/E Sistema Eléctrico
E01 DXJAKY Q-drop EPC: Short circuit W/E Sistema Eléctrico
E02 DXJBKA S/C ECMV: Disconnection l P/T Sistema Eléctrico
E02 DXJBKB S/C ECMV: Short circuit l P/T Sistema Eléctrico
E02 DXJBKY S/C ECMV: Short circuit l P/T Sistema Eléctrico
Códi-
go de
acción
Falla
Código
Problema (Exhibido en la pantalla)
Zumbador
de alarma
Componen-
te a cargo
Categoría de historia
30 Pruebas y Ajustes GSN00681-00
D155AX-6 35
Historial de fallas (Historial de fallas del acondi-
cionador de aire/Historial de fallas del calentador
El monitor de la máquina clasifica y registra las fallas
que ocurrieron en el pasado, o que están ocurriendo
en el presente, dentro del sistema mecánico, falla en el
sistema eléctrico, y falla en el sistema del
acondicionador de aire o sistema de calefacción.
Para revisar la historia de falla del sistema del
acondicionador de aire, o de calefacción, efectúe
los siguientes procedimientos.
H Todas las figuras siguientes muestran la espe-
cificación con acondicionador de aire.
1. Seleccionando el menú
Seleccione “Historial de falla 02” en la pantalla
de menú de servicios.
2. Selección del sub menú
Después que se expone el historial de fallas,
seleccione “03, Historial de fallas del
acondicionador de aire” ó “03 Historial de fallas
del calentador” con los interruptores de
función o interruptores de ingresos numéricos.
[F3]: Se mueve a la historia inferior
[F4]: Se mueve a la historia superior
[F5]: Regresa a la pantalla del menú de
servicio
[F6]: Confirme selección
H Usted puede introducir un código de 2
dígitos usando los interruptores para
introducir numerales, para seleccionar la
historia de ese código y confirmarla por
medio de [F6].
3. Información expuesta en la pantalla del historial
de fallas
En la pantalla de histor ia de falla del
acondicionador de aire o de calefacción, se
exhibe la siguiente información.
(a): Nombre del Componente/Sistema
(b): Número de veces de ocurrencia de tiempo
(c): Condición (Normal o anormal)
[F2]: Borrar el historial de fallas
[F5]: Regresar a la pantalla del historial de
fallas
H Si la [E] es exhibida a la izquierda de una
condición, la falla continúa ocurriendo, o
su restablecimiento no ha sido confir-
mado.
H Si la desconexión CAN es exhibida en
"Condición de la comunicación", la comu-
nicación no se puede hacer normalmente.
De acuerdo a esto, la condición de otros
ítemes es desactivada (OFF).
4. Borrando el historial de las fallas
Mientras la pantalla de historia de fallas es
exhibida, oprima [F2], y el número de veces de
ocurrencia de la fallas son eliminados. Si en
este momento es confirmado que la falla ha
sido restablecida, la pantalla cambia a la
Normal.
H Especificación de la calefacción
En la especificación con calefacción, la
exhibición del acondicionador de aire es
reemplazada por la calefacción, y los ítemes
que no están relacionados con la calefacción
no son exhibidos.
GSN00681-00 30 Pruebas y Ajustes
36 D155AX-6
Historia de mantenimiento
El monitor de la máquina registra la información de
mantenimiento de los filtros, aceites, etc., los cuales, el
operador puede exhibir y revisar las siguientes
operaciones. Cuando se ha efectuado el
mantenimiento, si los datos son restablecidos en el
modo del operador, el número de veces del
mantenimiento es registrado en esta sección.
1. Seleccionando el menú
Seleccione “03 Historial de mantenimiento” en
la pantalla de menú de servicios
2. Forma de seleccionar un item en el historial de
mantenimiento
Después de que se exhiba la pantalla de
historia de mantenimiento, seleccione un ítem
pa ra ser revisad o p or me dio de lo s
interruptores de función o de los interruptores
para introducir numerales.
[F1]: Mueva a la siguiente página (pantalla)
[F2]: Mueva a la página anterior (pantalla)
[F3]: Moverse al ítem inferior
[F4]: Moverse al ítem superior
[F5]: Regrese a la pantalla del menú de
servicio
H Usted puede introducir un código de 2
dígitos usando los interruptores para intro-
ducir numerales, para seleccionar el ítem
de ese código.
H Los siguientes ítemes se pueden selec-
cionar en la historia de mantenimiento.
3. Ítemes exhibidos en la pantalla de historia de
mantenimiento
Aparecen expuestos los items siguientes.
(a): Ítemes de mantenimiento
(b): Número de veces de reemplazo hasta hoy
(c): Lectura del indicador de servicio (SMR) en
la sustitución anterior
01 Sustitución del aceite del motor
02 Sustitución del filtro del aceite del motor
03 Sustitución del filtro principal del combustible
41 Sustitución del filtro primario
04 Sustitución del filtro del aceite hidráulico
06 Sustitución del inhibidor de corrosión
07 Comprobación y adición del aceite de la caja
del amortiguador
08 Intervalo de sustitución del aceite de la caja
de mandos finales
10 Intervalo de sustitución del aceite hidráulico
19 Sustitución del aceite del tren de potencia
20 Sustitución del filtro del tren de potencia
30 Pruebas y Ajustes GSN00681-00
D155AX-6 37
Cambio en el modo de mantenimiento
La condición de operación para la función de
mantenimiento en el modo de operación, puede ser
establecida o cambiada con este menú.
l Establezca si la función es efectiva o no es
efectiva
l Cambiar lo establecido sobre el intervalo de
reemplazo (por ítemes)
l Inicialize todos los intervalos de reemplazo
establecidos.
1. Seleccionando el menú
Se le ccion e "0 4 Cambio del mod o d e
mantenimiento" en la pantalla del menú de
servicio.
2. Selección del sub menú
Después de que se exhiba la pantalla del cambio
del modo de mantenimiento, seleccione un ítem
para ser monitoreado por medio de los interrup-
tores de función o de los interruptores para
introducir numerales.
[F1]: Mueva a la siguiente página (pantalla)
[F2]: Mueva a la página anterior (pantalla)
[F3]: Moverse al ítem inferior
[F4]: Moverse al ítem superior
[F5]: Regrese a la pantalla del menú de
servicio
[F6]: Confirme selección
H Usted puede introducir un código de 2 dígi-
tos usando los interruptores para introducir
numerales, para seleccionar el ítem de ese
código y confirmarlo por medio del (F6).
H Los siguientes ítemes pueden ser selec-
cionados en la pantalla de "Cambio del
modo de mantenimiento"
3. Contenido de regulaciones para uso/no uso del
modo de mantenimiento
Después de seleccionar “00 Uso/No Uso de
mantenimiento” si la pantalla aparece expuesta,
instale el Uso/No uso con las interruptores de
funciones
Use: Las funciones de todos los ítemes de
mantenimiento se han establecido efecti-
vas en el modo del operador.
No uso: Las funciones de todos los ítemes
de mantenimiento se han establecido ine-
fectivas en el modo del operador
[F3]: Mueva al ítem inferior
[F4]: Mueva al ítem superior
[F5]: Cancele la selección y vuelva a la
pantalla de Modo de mantenimiento.
[F6]: Confirma la selección y vuelva a la
pantalla de del modo de mante-
nimiento
H Aunque se haya establecido el uso/no uso
de cada item, si se cambia la regulación
anterior, se aplica
4. Contenido de la reposición de cada ítem de
mantenimiento
00 Uso/No uso del modo de mantenimiento
01 Intervalo de sustitución del aceite del motor
02 Intervalo de sustitución del filtro de aceite del motor
03 Intervalo de sustitución del filtro principal de combustible
41 Intervalo de sustitución del filtro primario de combustible
04 Intervalo de sustitución del filtro de aceite hidráulico
06 Intervalo de sustitución del resistor de corrosión
07 Comprobación e intervalo de reemplazo del aceite
de la caja del amortiguador
08 Intervalo de sustitución del aceite de la caja de
mandos finales
10 Intervalo de sustitución del aceite hidráulico
19 Intervalo de sustitución del aceite del tren de potencia
20 Intervalo de sustitución del filtro del aceite del tren
de potencia
99 Inicialize todos los ítemes
GSN00681-00 30 Pruebas y Ajustes
38 D155AX-6
Después de seleccionar cada ítem de
mantenimiento, si la pantalla es exhibida,
establezca el ítem por medio de los interruptores
de función.
Valor inicial: Intervalo de mantenimiento
preconfigurado en el monitor de la
máquina (Recomendado por el fabricante
y no modificable).
Valor establecido: Intervalo de manten-
imiento el cual se puede establecer libre-
mente. Las funciones de mantenimiento
en el modo del operador operan en base a
este tiempo establecido (el cual se puede
aumentar, o disminuir en 50 horas).
Use: La función de mantenimiento de este
ítem se ha establecido efectiva en el modo
del operador.
No uso: La función de mantenimiento de
este ítem se ha establecido inefectiva-
mente en el modo del operador.
[F3]: Seleccione "Reducir el valor estable-
cido" (Superior), o No-uso (Inferior).
[F4]: Seleccione "Aumentar el valor estable-
cido" (Superior), o Uso (Inferior).
[F5]: Cancele lo establecido antes de la
confirmación y vuelva a la pantalla de
cambio del modo de mantenimiento.
[F6]: Confirme lo establecido en la línea
superior, o en la inferior.
H Después de establecer lo de las líneas
superior e inferior, es confirmado con la
(F6), y con la (F5) la pantalla cambia a la
pantalla de cambio de modo de manten-
imiento, y lo establecido queda efectivo.
5. Función de "Inicialización de todos los ítemes"
Después de seleccionar "99 Inicialización de
todos los ítemes", si la pantalla es exhibida,
establezca por medio de los interruptores de
función.
H Si esta operación es ejecutada, los valores
establecidos para todos los ítemes de man-
tenimiento quedan inicializados.
[F5]: Retorna a la pantalla de "Cambio del
modo de mantenimiento"
[F6]: Ejecute la inicialización
H Un rato después de haber sido oprimido
(F6), se exhibe la pantalla de terminación de
la inicialización. Luego, si la pantalla de
cambio de modo de mantenimiento es exhi-
bida, la inicialización se ha completado.
H La regulación inicial del inhibidor de cor-
rosión es “No usado”
30 Pruebas y Ajustes GSN00681-00
D155AX-6 39
Colocación del No. de teléfono
El número de teléfono exhibido cuando el código
de acción y/o código de falla es exhibido en el
modo del operador puede ser introducido y
cambiado de acuerdo al siguiente procedimiento.
Si un número de teléfono no es introducido por
medio de esta función, el número de teléfono es
exhibido en el modo del operador.
1. Seleccionando el menú
Se le ccion e “05 Se lección d e núme ro
telefónico” en la pantalla del modo de servicio
2. Registrando y cambiando el No. de teléfono
Después que la regulación de la pantalla del
número telefónico aparece expuesta, registre
o cambie el número de teléfono.
[F2]: Borra todos los números
introducidos.
[F3]: Mueve hacia la posición izquierda (si
no está en blanco)
[F4]: Mueve hacia la posición derecha (si
no está en blanco)
[F5]: Borra el dígito introducido y/o
Retorno al menú de servicio
[F6]: Confirma lo introducido
H Se pueden introducir hasta 14 números
partiendo de la izquierda. No introduzca
nada en las posiciones sobrantes
H Si alguno de los dígitos está errado,
muévase a tal dígito (fondo cambia a
anaranjado) y sobrescrita el dígito co-
rrecto.
H Si el (F6) es oprimido sin introducir un
dígito, no queda información sobre el
número de teléfono, por lo tanto, el
número de teléfono es exhibido en el
modo del operador.
GSN00681-00 30 Pruebas y Ajustes
40 D155AX-6
Inicialización (Modo de trabajo con la llave de la
ignición en ON)
Revisión o cambio de varias configuraciones
relacionadas con el monitor de la máquina y la
máquina por "Inicialización"
La función del modo de trabajo con la llave de la
ignición en ON se usa para establecer el modo inicial
exhibido en el monitor de la máquina cuando el
interruptor de arranque es colocado en posición ON.
1. Seleccionando el menú
Seleccione "06 Inicialización" en la pantalla del
menú de servicio.
2. Selección del sub menú
Después de que se exhiba la pantalla de
"Inicialización", seleccione el "01Modo de
trabajo con la llave ON" por medio de los
interruptores de función o los interruptores
para introducir numerales.
H Seleccione este ítem en forma similar a
un ítem en la pantalla del Menú de servi-
cio.
H La función establece los siguientes 4
modos (que son los ítems establecidos
con el interruptor hecho a la medida en el
modo del operador).
Potencia: P/E
Modo de retroceso lento: ON/OFF
Control fino del equipo de trabajo: ON/
OFF
Reducción de velocidad de la hoja ON/
OFF
3. Seleccionando el modo
Después de que el "Modo de trabajo con llave
en ON (Key-on mode)" es exhibido, seleccione
el modo a ser establecido utilizando los
interruptores de función.
Modo existente en anterior desactivación
de la llave: El modo final en la operación
previa es exhibido cuando el interruptor de
arranque se coloca en posición ON.
Regulación inicial (Poner en OFF todos
los ítems): Regulación inicial de todos los
modos de ítems (Potencia: E, otros 3
ítems: OFF) aparece expuesto cuando el
interruptor del arranque se pone en ON
[F3]: Mueva al ítem inferior
[F4]: Mueva al ítem superior
[F5]: Cancele lo seleccionado y vuelva a
la pantalla de inicialización
[F6]: Confirme lo seleccionado y vuelva a
la pantalla inicialización
H Cuando se entrega la máquina, el valor
inicial (todos OFF)
30 Pruebas y Ajustes GSN00681-00
D155AX-6 41
Inicialización (Estableciendo la unidad)
Revisión o cambio de varias configuraciones
relacionadas con el monitor de la máquina y la
máquina por "Inicialización"
La función para seleccionar la unidad es usada
para seleccionar la unidad de los datos exhibidos
para monitoreo, etc.
1. Seleccionando el menú
Seleccione "06 Inicialización" en la pantalla del
menú de servicio.
2. Selección del sub menú
Después de que se exhiba la pantalla de
"Inicialización de la unidad", seleccione "02
Selección de unidad" por medio de los
interruptores de función o los interruptores
para introducir numerales.
H Seleccione este ítem en forma similar a un
ítem en la pantalla del Menú de servicio.
3. Selección de unidades
Después de que la pantalla de Regulación de
la unidad es exhibida, seleccione la unidad a
ser establecido utilizando los interruptores de
función.
[F3]: Mueva a la unidad inferior
[F4]: Mueva a la unidad superior
[F5]: Cancele lo seleccionado y vuelva a
la pantalla de inicialización
[F6]: Confirme lo seleccionado y vuelva a
la pantalla inicialización
H Cuando la máquina es despachada, el
Sistema de Unidad SI (Sistema Interna-
cional de unidades) es seleccionado.
GSN00681-00 30 Pruebas y Ajustes
42 D155AX-6
Inicialización (Establecimiento de la palabra
clave de mantenimiento)
Revisión o cambio de varias configuraciones
relacionadas con el monitor de la máquina y la
máquina por "Inicialización"
La función para establecer contraseña de
mantenimiento se usa para establecer la exhibición
de la pantalla de la contraseña, cuando las
funciones relacionadas con el mantenimiento son
usadas en el modo del operador.
1. Seleccionando el menú
Seleccione "06 Inicialización" en la pantalla del
menú de servicio.
2. Selección del sub menú
Después de que se exhiba la pantalla de
"Inicialización de la unidad", seleccione "03
Selección de contraseña de mantenimiento"
por medio de los interruptores de función o los
interruptores para introducir numerales.
H Seleccione este ítem en forma similar a
un ítem en la pantalla del Menú de servi-
cio.
3. Selección del Uso/No uso
De spué s de q ue la p anta lla pa ra
Establecimiento de la palabra clave de
mantenimiento es exhibida, seleccione la
configuración por medio de los interruptores
de función.
No uso: La pantalla de la contraseña no
es exhibida
Use: La pantalla de la contraseña es exhi-
bida
[F3]: Mueva al ítem inferior
[F4]: Mueva al ítem superior
[F5]: Cancele lo seleccionado y vuelva a
la pantalla de inicialización
[F6]: Confirme lo seleccionado y vuelva a
la pantalla inicialización
4. Exposición de la pantalla de la palabra clave de
mantenimiento
Cuando la siguiente operación es efectuada, la
pantalla para la contraseña es exhibida en el
modo del operador.
La pantalla ordinaria se cambia al modo
de mantenimiento (con [F5] y después la
pantalla de la tabla de mantenimiento se
cambia para la pantalla de reactivación
del intervalo de mantenimiento.
5. Forma de cambiar la palabra clave de
mantenimiento
La contraseña se puede cambiar mediante la
operación de interruptores especialmente en
el modo del operador.
H Vea la función de "Cambio de contraseña
del Mantenimiento en el modo del opera-
dor.
H Contraseña preconfigurada: [000000]
H Si la configuración de la contraseña es
cambiada desde Utilizar y/o Inutilizar, la
contraseña es restablecida como prees-
tablecida.
H Cuando "Utilizar" sea establecido nueva-
mente, asegúrese de establecer una
nueva contraseña.
H La contraseña del mantenimiento es difer-
ente a la contraseña para cerrar el
arranque del motor.
30 Pruebas y Ajustes GSN00681-00
D155AX-6 43
Inicialización (Estableciendo la cámara)
Revisión o cambio de varias configuraciones
relacionadas con el monitor de la máquina y la
máquina por "Inicialización"
La función para establecer la cámara se usa para
la instalación o remoción de la cámara.
1. Seleccionando el menú
Seleccione "06 Inicialización" en la pantalla del
menú de servicio.
2. Selección del sub menú
Después de que se exhiba la pantalla de
"Inicialización de la unidad", seleccione "04
Selección de la cámara" por medio de los
interruptores de función o los interruptores
para introducir numerales.
H Seleccione este ítem en forma similar a
un ítem en la pantalla del Menú de servi-
cio.
3. Seleccionando la configuración de la cámara
Después de que la pantalla para establecer la
"C ámara" es exhib id a, se leccion e la
configuración por medio de los interruptores
de función.
Sin uso: La cámara no está conectada
Imagen normal: La imagen de la cámara
conectada es exhibida en la posición nor-
mal (como un espejo, usado como moni-
tor trasero)
Imagen invertida: La imagen de la cámara
conectada es exhibida en la posición
invertida (como se ve directamente, usada
como monitor frontal o lateral).
[F3]: Mueva al ítem izquierdo
[F4]: Mueva al ítem derecho
[F5]: Cancele lo establecido antes de la
confirmación y vuelva a la pantalla
de Inicialización
[F6]: Confirme la seleción en cada linea
H Después de que la pantalla de establec-
imiento de cámara es exhibida, la cámara
1 siempre se puede establecer. Cuando
se conectan 2 ó más cámaras, si la
cámara 1 está establecida, la pantalla
cambia automáticamente a la configu-
ración de la cámara 2.
H Después de confirmar la configuración de
cada línea con la [F6], retorne a la panta-
lla de Inicialización con [F5], y la configu-
ración queda efectiva.
H Si la cámara es conectada pero no está
establecida normalmente con esta fun-
ción, la marca gráfica de la cámara no se
exhibe en (F3) el modo del operador. En
consecuencia, la imagen de la cámara no
puede ser usada.
H Si son conectadas 2 ó más cámaras,
asegúrese de establecer el uso de ellas
partiendo en orden de la cámara 1.
H La función de exhibir simultáneamente
dos imágenes es efectiva cuando se
establece el uso de las cámaras 1 y 2.
H Cuando la cámara es instalada, revise
que la imagen exhibida no esté invertida
horizontalmente en el modo del operador.
GSN00681-00 30 Pruebas y Ajustes
44 D155AX-6
Inicialización (Estableciendo la exhibición de
ECO)
Revisión o cambio de varias configuraciones
relacionadas con el monitor de la máquina y la
máquina por "Inicialización"
La función para establecer la exhibición de ECO es
usada para establecer la exhibición del medidor
ECO.
1. Seleccionando el menú
Seleccione "06 Inicialización" en la pantalla del
menú de servicio.
2. Selección del sub menú
Después de que se exhiba la pantalla de
"Inicialización de la unidad", seleccione "05
Selección de la exposición ECO" por medio de
los interruptores de función o los interruptores
para introducir numerales.
H Seleccione este ítem en forma similar a
un ítem en la pantalla del Menú de servi-
cio.
3. Seleccionando la configuración de la exhibición
Después de que la pantalla para establecer el
ECO es exhibida, seleccione la configuración
por medio de los interruptores de función.
ON: Exhibición ECO
OFF: No exhibe ECO
[F3]: Mueva al ítem izquierdo
[F4]: Mueva al ítem derecho
[F5]: Cancele lo seleccionado y vuelva a
la pantalla de inicialización
[F6]: Confirme lo seleccionado y vuelva a
la pantalla inicialización
H Si la exhibición ECO es colocada en ON,
ECO es exhibido cuando la pantalla cam-
bie a la pantalla normal.
H Exhibición del medidor ECO (a)
30 Pruebas y Ajustes GSN00681-00
D155AX-6 45
Ajuste
El o perad or pue de a justa r va rios íte mes
relacionados con la máquina por medio del monitor
de la máquina.
Al usar un item de ajuste, selecciónelo de acuerdo
con el procedimiento que sigue.
1. Seleccionando el menú
Seleccione "07 Ajuste" en la pantalla del menú
de Servicio.
2. Selección del ítem de ajuste
Después que se expone la pantalla de ajustes,
ingrese los 4 dígitos de ID del aju ste
correspondiente al item del caso que se va a
usar con los interruptores de ingresos
numéricos.
[F5]: Cancela el ajuste y regresa a la
pantalla del menú de servicios
[F6]: Confirma el ingreso de la ID del
ajuste y pasa a la pantalla de ajuste
H Para los IDs de ajuste y sus ítems de
ajuste, ver la tabla de ítems de ajuste.
H Si el ingreso de la ID del ajuste es incor-
recta, aparecerá expuesto el mensaje que
dice “Not Adjustable = No ajustable” y la
pantalla de ingreso de la ID no cambia
(Otro ID puede ingresarse nuevamente
con los interruptores numéricos de
ingreso mientras esta pantalla se encuen-
tre expuesta).
3. Forma de exponer la pantalla de ajustes
Después que la pantalla de ajuste para el ID
de ajuste aparece expuesta, se puede
comenzar el ajuste.
H En la figura, la ID del ajuste [0002] es
seleccionada y expuesta como ejemplo.
H “000”, “00”, y “0” a la izquierda de un ID de
ajuste deberá llenarse pero no son
expuestos en la pantalla de ajuste.
H Las funciones dadas a los interruptores
de funciones [F3] – [F6] dependen del
item de ajuste.
H Para el método de operar cada item de
ajuste, ver la explicación de su ID de
ajuste.
GSN00681-00 30 Pruebas y Ajustes
46 D155AX-6
Tabla de items de ajuste
ID de
ajuste
Item de ajuste Observaciones
0002 Inicialización del controlador del tren de potencia
0004 Regulación de las especificaciones del equipo de trabajo
0005 Corrección inicial del potenciómetro del pedal del freno
0007 Corte desacelerador del motor
Reactivación de la función de
auto desaceleración
0009 Corrección inicial del sensor del ángulo de paso
0010 Modo 70% del ventilador
0031 Inicialización del controlador del equipo de trabajo
0530 Modo de calado
Modo recomendado de calado
del convertidor de torsión
0910 Modo de comprobación del registro de carga
1005 Modo 100% del ventilador
1012 Ajuste de la posición neutral de la palanca de dirección
1013 Posición de ajuste de la palanca de dirección más a la izquierda
1014 Ajuste de la posición más a la derecha de la palanca de dirección
1015 Variación de la presión de aceite del freno derecho
1016 Variación de la presión de aceite del freno izquierdo
2021 Modo de comprobación de voltaje del controlador del tren de potencia
2022 Modo de comprobación de voltaje del controlador del equipo de trabajo
2222 Modo de regulación de la mínima corriente HSS
6001 Velocidad regulada en retroceso R1 lento Ajuste fino del modo lento de
retroceso
6002 Velocidad regulada en retroceso R2 lento
Ajuste fino del modo lento de
retroceso
6003 Velocidad regulada en retroceso R3 lento Ajuste fino del modo lento de
retroceso
7842 Corrección inicial de la IP automática del embrague de la transmisión
7843 Corrección inicial de la IP manual del embrague de la transmisión
7845 Aprendizaje de exposición del IP del embrague de la transmisión
8000 Ajuste de la posición neutral de la palanca de elevación de la hoja
8001 Ajuste de la máxima posición de elevación de la palanca de elevación de la hoja
8002 Ajuste de la máxima posición de descenso de la palanca de elevación de la hoja
8003 Ajuste de la posición neutral de la palanca de inclinación de la hoja
8004 Ajuste de la posición más a la derecha de la palanca de inclinación de la hoja
8005 Ajuste de la posición de la palanca de inclinación de la hoja más a la izq.
8006 Ajuste de la posición neutral de la palanca de elevación del desgarrador
8007 Ajuste de la máx. posición de elevación de la palanca de elevación del desgarrador
8008 Ajuste de la máxima posición de descenso de palanca de elevación del desgarrador
8009 Ajuste de la posición neutral de la palanca de inclinación del desgarrador
8010
Ajuste de la posición IN (HACIA ADENTRO) máximo de la palanca de
inclinación del desgarrador.
8011
Ajuste de la posición BACK (HACIA ATRÁS) máximo de la palanca de
inclinación del desgarrador.
8020 Corrección de la corriente de elevación de la hoja Ajuste fino con el modo de control
fino de la hoja en posición OFF
8021 Corrección de la corriente de descenso de la hoja
Ajuste fino con el modo de control
fino de la hoja en posición OFF
8022 Corrección de la corriente de elevación de la hoja (modo de control fino) Ajuste fino con el modo de control
fino de la hoja en ON
8023 Corrección de corriente de descenso de la hoja (modo de control fino)
Ajuste fino con el modo de control
fino de la hoja en ON
8024 Corrección de corriente, inclinación de la hoja hacia la izquierda
8025 Corrección de corriente, inclinación de la hoja hacia la derecha
9995 Modo de liberación del freno de control
Freno de control: Freno ECMV
(derecho e izquierdo)
9996 Modo de operación de la válvula de prevención de paro súbito.
9997 Modo de corte del ralentí alto
9998 Modo para establecer el cambio de engranaje de velocidad máximo
30 Pruebas y Ajustes GSN00681-00
D155AX-6 47
Ajuste ID: 0002 (Inicialización del controlador
del tren de fuerza)
l Este código de ajuste se usa para inicializar
los códigos de especificaciones reconocidos
por el controlador del tren de potencia y
establecer los valores de memoria en el
controlador.
H Después de haber reemplazado el controlador
del tren de fuerza, asegúrese de efectuar una
vez este ajuste.
l Funciones de los interruptores de función
[F3]: Sin uno
[F4]: Sin uno
[F5]: Retorno a la pantalla de selección al
ajuste del ítem (pantalla de introducción
de identidad (ID))
[F6]: Guarde la configuración
l Método de operación:
1) Oprima [F6] y revise que suene el
zumbador de alarma.
2) Verificar que el código de
especificaciones [CÓDIGO] expuesto
haya cambiado de [5x5] a [555].
H Si no aparece expuesto el código de
especificación [555], el arnés de cables
del controlador, o el controlador per se,
pueden estar defectuosos.
H Aunque se desactive este código de
ajuste, la regulación es efectiva.
Ajuste ID: 0004 (Configuración de la especifi-
cación del equipo de trabajo)
l Este código de ajuste es usado para hacer que
el controlador del equipo de trabajo reconozca
el tipo del equipo de trabajo.
H Después de haber reemplazado el controlador
del equipo de trabajo, asegúrese de efectuar
una vez este ajuste.
l Funciones de los interruptores de función
[F3]: Incrementa el valor de la especificación
[CÓDIGO]
[F4]: Disminuye el valor de la especificación
[CÓDIGO]
[F5]: Retorno a la pantalla de selección al
ajuste del ítem (pantalla de introducción
de identidad (ID))
[F6]: Guarde la configuración
l Método de operación:
1) Oprima [F3] o [F4] para seleccionar el
valor de la especificación [CÓDIGO] del
equipo de trabajo concerniente.
2) Oprima [F6] y revise que suene el
zumbador de alarma.
¤ Si las especificaciones del equipo de
trabajo son diferentes a la regulación en
el controlador, el equipo de trabajo podría
moverse inesperadamente o se podría
cometer un error. En consecuencia, haga
coincidir el controlador con las
especificaciones del equipo de trabajo.
H Aunque se desactive este código de
ajuste, la regulación es efectiva.
CÓDIGO Clase de equipo de trabajo
0 Hoja inclinable doble
1
Hoja de topadora de
inclinación sencilla
2 Topdora mecánica
GSN00681-00 30 Pruebas y Ajustes
48 D155AX-6
Ajuste ID: 0005 (Corrección inicial del poten-
ciómetro del pedal del freno)
l Este código de ajuste es usado para hacer que
el controlador del tren de fuerza reconozca el
punto "cero" del potenciómetro del pedal de
freno.
H Después de haber reemplazado el controlador
o el potenciómetro del pedal de freno o que se
haya desconectado o conectado el varillaje del
pedal de freno, asegúrese de efectuar una vez
este ajuste.
l Funciones de los interruptores de función
[F3]: Sin uno
[F4]: Sin uno
[F5]: Retorno a la pantalla de selección al
ajuste del ítem (pantalla de introducción
de identidad (ID))
[F6]: Guardar el val or corregido
l Método de operación:
1) Revise que el pedal de freno esté en la
posición neutral (que no esté oprimido
(totalmente suelto)) y manténgalo en esa
posición.
2) Oprima [F6] y revise que suene el
zumbador de alarma.
H Aún cuando el ajuste haya sido hecho, el
valor exhibido en la pantalla no cambia.
H Aunque se desactive este código de
ajuste, la corrección es efectiva.
H Este código de ajuste es usado para
hacer que el controlador reconozca el
punto "cero" del potenciómetro. El no se
usa para ajustar la fuerza del frenado.
ID de ajuste: 0007
(Cortando el desacelerador del
motor)
l Este código de ajuste se usa para detener la
función de auto desaceleración del motor y
comprobar la alta velocidad sin carga de la
unidad del motor.
H El motor se puede hacer funcionar y probar
con la autodesaceleración restablecida sola-
mente mientras se selecciona este código de
ajuste.
H Use este código de ajuste para pruebas,
ajustes, o localización de fallas cuando sea
necesario.
l Funciones de los interruptores de función
[F3]: Sin uno
[F4]: Sin uno
[F5]: Retorno a la pantalla de selección al
ajuste del ítem (pantalla de introducción
de identidad (ID))
[F6]: Sin uno
l Método de operación:
Cuando este código de ajuste es exhibido, su
fun ció n es efe ctiva y la fu nción d e
autodesaceleración queda detenida.
H Después de haber desactivado el código
(OFF), su función no tiene efecto.
30 Pruebas y Ajustes GSN00681-00
D155AX-6 49
Ajuste ID: 0009 (Corrección inicial del ángulo
de paso)
l Este código de ajuste es usado para hacer que
el controlador del tren de fuerza reconozca el
punto "cero" del sensor del ángulo de paso y
para corregir un error de instalación.
H Después de reemplazar el controlador del tren
de fuerza, o de remover, instalar, o reemplazar
el sensor del ángulo de paso, asegúrese de
efectuar una vez este ajuste.
l Funciones de los interruptores de función
[F3]: Sin uno
[F4]: Sin uno
[F5]: Retorno a la pantalla de selección al
ajuste del ítem (pantalla de introducción
de identidad (ID))
[F6]: Guardar el valor corregido
l Método de operación:
1) Revise que la máquina se encuentre
nivelada.
2) Oprima [F6] y revise que suene el
zumbador de alarma.
H Si se ha efectuado el ajuste, el ítem exhi-
bido [ÁNGULO DE PASO DEL CUERPO]
cambia a [0.0 °] (los demás ítemes exhibi-
dos no cambian)
H Aunque se desactive este código de
ajuste, la corrección es efectiva.
ID de ajuste: 0010
(Modo 70% del ventilador)
l Este código de ajuste se usa para establecer
la velocidad del ventilador de enfriamiento
forzosamente a más o menos un 70%.
H Use este código de ajuste para pruebas,
ajustes, o localización de fallas cuando sea
necesario.
l Funciones de los interruptores de función
[F3]: Aumenta el valor del ajuste [MODO DE
VELOCIDAD DEL VENTILADOR 70%]
[F4]: Disminuye el valor del ajuste [MODO DE
VELOCIDAD DEL VENTILADOR 70%]
[F5]: Retorno a la pantalla de selección al
ajuste del ítem (pantalla de introducción
de identidad (ID))
[F6]: Sin uno
l Método de operación:
Cuando este código de ajuste es exhibido, su
función es efectiva y la velocidad del ventilador
de enfriamiento es controlada más o menos al
70% de la velocidad máxima.
H Después de haber desactivado el código
(OFF), su función no tiene efecto.
GSN00681-00 30 Pruebas y Ajustes
50 D155AX-6
Ajuste ID: 0031 (Inicialización del controlador
del equipo de trabajo)
l Este código de ajuste se usa para inicializar
los códigos de especificaciones reconocidos
por el controlador del equipo de trabajo y
establecer los valores de memoria en el
controlador.
H Después de haber reemplazado el controlador
del equipo de trabajo, asegúrese de efectuar
una vez este ajuste.
l Funciones de los interruptores de función
[F3]: Sin uno
[F4]: Sin uno
[F5]: Retorno a la pantalla de selección al
ajuste del ítem (pantalla de introducción
de identidad (ID))
[F6]: Guarde la configuración
l Método de operación:
1) Oprima [F6] y revise que suene el
zumbador de alarma.
2) Verificar que el código de especifica-
cione s [CÓDIGO] expu esto haya
cambiado de [6x6] a [666].
H Si no aparece expuesto el código de
especificación [666], el arnés de cables
del controlador, o el controlador per se,
pueden estar defectuosos.
H Aunque se desactive este código de
ajuste, la regulación es efectiva.
ID de ajuste: 0530
(Modo de calado)
l Este código de ajuste es usado para
establecer la velocidad del ventilador
automáticamente en el modo del 100% y
posibilita establecer la preconfiguración
(cambio de velocidad al arrancar) a [3a. de
avance, o retroceso (F3 - R3·)] para calar el
convertidor de torsión.
H La preconfiguración (cambio de velocidad
al arrancar) se puede establecer en [3a.
de avance, o de retroceso (F3 - R3)] siem-
pre y cuando este código de ajuste sea
seleccionado.
H Use este código de ajuste para pruebas,
ajustes, o localización de fallas cuando
sea necesario.
l Funciones de los interruptores de función
[F3]: Sin uno
[F4]: Sin uno
[F5]: Retorno a la pantalla de selección al
ajuste del ítem (pantalla de introducción
de identidad (ID))
[F6]: Sin uno
l Información sobre la selección de modo dentro
de la pantalla.
[MODO DE CAMBIO DE VEL OCIDAD
AUTOMÁTICO EN P (P-AUTO SFT MODE)]:
Mod o de camb io de ve loc ida d
automático en P
[MODO DE CAMBIO DE VEL OCIDAD
AUTOMÁTICO EN E (E-AUTO SFT MODE)]:
Mod o de camb io de ve loc ida d
automático en E
[MODO DE CAMBIO DE VEL OCIDAD
MANUAL EN P (P-MANUAL SFT MODE)]:
Modo de cambio de velocidad manual
en P
[MODO DE CAMBIO DE VEL OCIDAD
MANUAL EN E (E-MANUAL SFT MODE)]:
Modo de cambio de velocidad manual
en E
30 Pruebas y Ajustes GSN00681-00
D155AX-6 51
l Método de operación:
Cuando este código de ajuste es exhibido, su
función es efectiva y la preconfiguración (cambio
de velocidad al arrancar) queda establecida en 3a
de avance, o retroceso [F3 - R3].
¤ Este código de ajuste no cala automáti-
camente el convertidor de torsión. De
acuerdo a es to, cuando cale el
convertidor de torsión, mueva las
palancas y pedales en forma precisa
(Para los procedimientos para calar el
convertidor de torsión, vea "Midiendo
la velocidad del motor".
H Después de haber desactivado el código
(OFF), su función no tiene efecto.
ID de ajuste: 0910 (Modo de revisión del registro de
carga)
l Este código de ajuste se usa para revisar la
carga en la máquina, y el odómetro y el
odómetro de reversa.
H Use este código de ajuste para pruebas, ajustes,
o localización de fallas cuando sea necesario.
l Funciones de los interruptores de función
[F3]: Sin uno
[F4]: Sin uno
[F5]: Retorno a la pantalla de selección al
ajuste del ítem (pantalla de introducción
de identidad (ID))
[F6]: Sin uno
l Información sobre la selección de modo dentro
de la pantalla.
[1000 rpm SMR]: Tiempo exhibido por el
horómetro en el cual la velocidad del
motor fue por encima de 1,000 rpm.
[AVANCE DEL ODÓMETRO]:
Distancia total de traslado hacia
adelante
[ODÓMETRO DE REVERSA]:
Distancia total de traslado en reversa
l Método de operación:
Cuando este código de ajuste es exhibido, su
función es efectiva y la carga en la máquina, el
odómetro, y el odómetro de reversa son
exhibidos simultáneamente
H Los datos no se pueden reestablecer.
H Después de haber desactivado el código
(OFF), su función no tiene efecto.
ID de ajuste: 0010 (Modo de ventilador 100%)
l Este código de ajuste se usa para establecer
la velocidad del ventilador de enfriamiento
forzosamente a más o menos un 100%. El se
usa también para establecer el valor del ajuste
de la velocidad máxima.
H Use este código de ajuste para pruebas,
ajustes, o localización de fallas cuando sea
necesario.
l Funciones de los interruptores de función
[F3]: Aumenta el valor del ajuste [MODO DE
VELOCIDAD DEL VENTILADOR 100%]
[F4]: Disminuye el valor del ajuste [MODO DE
VELOCIDAD DEL VENTILADOR 100%]
[F5]: Retorno a la pantalla de selección al
ajuste del ítem (pantalla de introducción
de identidad (ID))
[F6]: Guardar el valor ajustado
l Método de operación:
H Cuando este código de ajuste es exhibido,
su función es efectiva y la velocidad del
ventilador de enfriamiento es controlada
más o menos al 100% de la velocidad
máxima.
1) Aumentar o disminuir el valor del ajuste
oprimiendo la tecla [F3], o la [F4].
2) Cuando confirme el valor del ajuste,
opr ima [F6] y revise que suene el
zumbador de alarma.
H Después de haber desactivado este
código (OFF), su función no tiene efecto
pero el valor del ajuste si es efectivo.
GSN00681-00 30 Pruebas y Ajustes
52 D155AX-6
Ajuste ID: 1012 (Ajuste de la posición neutral
de la palanca de dirección)
l Este código de ajuste es usado para hacer que
el controlador del tren de fuerza reconozca la
posición neutral del potenciómetro de la
dirección de la palanca del sistema de control
comandado por la palma de la mano "PCCS".
H Después de haber reemplazado el controlador
del tren de fuerza, o la palanca PCCS, aseg-
úrese de efectuar una vez este ajuste.
l Funciones de los interruptores de función
[F3]: Sin uno
[F4]: Sin uno
[F5]: Retorno a la pantalla de selección al
ajuste del ítem (pantalla de introducción
de identidad (ID))
[F6]: Guardar el valor ajustado
l Método de operación:
1) Revise que la palanca PCCS esté en
posición neutral de dirección en línea
recta, y manténgala en esa posición.
2) Oprima [F6] y revise que suene el
zumbador de alarma.
H Aún cuando el ajuste haya sido hecho, el
valor exhibido en la pantalla no cambia.
H Aunque se desactive este código de
ajuste, el ajuste es efectivo.
H Este código de ajuste es usado para
hacer que el controlador reconozca la
posición neutral del potenciómetro. El no
se usa para ajustar la fuerza de la direc-
ción.
Ajuste ID: 1013 (Ajuste de la posición máxima
hacia la izquierda de la palanca de
dirección)
l Este código de ajuste es usado para hacer que
el controlador del tren de fuerza reconozca la
posición máxima hacia la izquierda del
potenciómetro de la dirección de la palanca
PCCS.
H Después de haber reemplazado el controlador
del tren de fuerza, o la palanca PCCS, aseg-
úrese de efectuar una vez este ajuste.
l Funciones de los interruptores de función
[F3]: Sin uno
[F4]: Sin uno
[F5]: Retorno a la pantalla de selección al
ajuste del ítem (pantalla de introducción
de identidad (ID))
[F6]: Guardar el valor ajustado
l Método de operación:
1) Mueva la palanca PCCS hasta el extremo
del recorrido de la dirección hacia la
izquierda, y manténgala en esa posición.
2) Oprima [F6] y revise que suene el
zumbador de alarma.
H Aún cuando el ajuste haya sido hecho, el
valor exhibido en la pantalla no cambia.
H Aunque se desactive este código de
ajuste, el ajuste es efectivo.
H Este código de ajuste es usado para
hacer que el controlador reconozca la
posición máxima hacia la izquierda del
potenciómetro. El no se usa para ajustar
la fuerza de la dirección.
30 Pruebas y Ajustes GSN00681-00
D155AX-6 53
Ajuste ID: 1014 (Ajuste de la posición de la
palanca de dirección más a la
derecha)
l Este código de ajuste es usado para hacer que
el controlador del tren de fuerza reconozca la
posición máxima hacia la izquierda del
potenciómetro de la dirección de la palanca
PCCS.
H Después de haber reemplazado el controlador
del tren de fuerza, o la palanca PCCS, aseg-
úrese de efectuar una vez este ajuste.
l Funciones de los interruptores de función
[F3]: Sin uno
[F4]: Sin uno
[F5]: Retorno a la pantalla de selección al
ajuste del ítem (pantalla de introducción
de identidad (ID))
[F6]: Guardar el valor ajustado
l Método de operación:
1) Mueva la palanca PCCS hasta el extremo
del recorrido de la dirección hacia la
derecha, y manténgala en esa posición.
2) Oprima [F6] y revise que suene el
zumbador de alarma.
H Aún cuando el ajuste haya sido hecho, el
valor exhibido en la pantalla no cambia.
H Aunque se desactive este código de
ajuste, el ajuste es efectivo.
H Este código de ajuste es usado para
hacer que el controlador reconozca la
posición máxima hacia la derecha del
potenciómetro. El no se usa para ajustar
la fuerza de la dirección.
ID de ajuste: 1015 (Variación de la presión de
aceite del freno derecho)
l Este código de ajuste es usado para ajustar
manualmente la presión del aceite del freno
derecho.
H Use este código de ajuste para trabajar
cuando sea necesario.
l Funciones de los interruptores de función
[F3]: Incrementa el valor ajustado
[F4]: Disminuye el valor ajustado
[F5]: Retorno a la pantalla de selección al
ajuste del ítem (pantalla de introducción
de identidad (ID))
[F6]: Guardar el valor ajustado
l Información exhibida en la pantalla
La presión de aceite desplazada es exhibida y
el valor de ajuste es incrementado o reducido
por 0.1 kg/cm² (El valor exhibido en la pantalla
es multiplicado por 100)
H El valor de ajuste preconfigurado es de 0
kg/cm².
H El rango de ajuste es -3 – 3 kg/cm².
l Método de operación:
1) Aumentar o disminuir el valor del ajuste
oprimiendo la tecla [F3], o la [F4].
2) Oprima [F6] y revise que suene el
zumbador de alarma.
H Si la presión de aceite es ajustada, ésta
es exhibida. Sin embargo, esto puede ser
ajustado nuevamente dentro del rango de
ajuste.
H No es necesario operar el freno durante el
ajuste. Sin embargo, después de terminar
el ajuste, opere el freno y revise que no
haya ningún problema con el rendimiento
actual del freno.
H Aunque se desactive este código de
ajuste, el ajuste es efectivo.
GSN00681-00 30 Pruebas y Ajustes
54 D155AX-6
ID de ajuste: 1016
(Variación de la presión de aceite
del freno izquierdo)
l Este código de ajuste es usado para ajustar
manualmente la presión del aceite del freno
izquierdo.
H Use este código de ajuste para trabajar
cuando sea necesario.
l Funciones de los interruptores de función
[F3]: Incrementa el valor ajustado
[F4]: Disminuye el valor ajustado
[F5]: Retorno a la pantalla de selección al
ajuste del ítem (pantalla de introducción
de identidad (ID))
[F6]: Guardar el valor ajustado
l Información exhibida en la pantalla
La presión de aceite desplazada es exhibida y
el valor de ajuste es incrementado o reducido
por 0.1 kg/cm² (El valor exhibido en la pantalla
es multiplicado por 100)
H El valor de ajuste preconfigurado es de 0
kg/cm².
H El rango de ajuste es -3 – 3 kg/cm².
l Método de Operación
1) Aumentar o disminuir el valor del ajuste
oprimiendo la tecla [F3], o la [F4].
2) Oprima [F6] y revise que suene el
zumbador de alarma.
H No es necesario operar el freno durante el
ajuste. Sin embargo, después de terminar
el ajuste, opere el freno y revise que no
haya ningún problema con el rendimiento
actual del freno.
H Si la presión de aceite es ajustada, ésta
es exhibida. Sin embargo, esto puede ser
ajustado nuevamente dentro del rango de
ajuste.
H Aunque se desactive este código de
ajuste, el ajuste es efectivo.
Ajuste ID: 2021 (Modo de revisión del voltaje
del controlador del tren de fuerza)
l Este código de ajuste es usado para revisar el
voltaje del suministro de energía constante y el
voltaje del suministro de energía de cambio
aplicado al controlador del tren de fuerza.
H Use este código de ajuste para pruebas,
ajustes, o localización de fallas cuando sea
necesario.
l Funciones de los interruptores de función
[F3]: Sin uno
[F4]: Sin uno
[F5]: Retorno a la pantalla de selección al
ajuste del ítem (pantalla de introducción
de identidad (ID))
[F6]: Sin uno
l Información exhibida en la pantalla
[ENER GÍA SIN C AMBIO PARA EL
CONTROLADOR PT]
Voltaje de suministro energético con-
stante
[ENERGÍA ACC PARA EL CONTROLADOR
PT]:
Voltaje del suministro energético del
interruptor
l Método de operación:
Cuando este código de ajuste es exhibido, su
función es efectiva y el voltaje de suministro de
energía constante y el voltaje del suministro de
e nerg ía de camb io so n exhib id os
simultáneamente
H Después de haber desactivado el código
(OFF), su función no tiene efecto.
30 Pruebas y Ajustes GSN00681-00
D155AX-6 55
Ajuste ID: 2022 (Modo de revisión del voltaje
del controlador del equipo de
trabajo)
l Este código de ajuste es usado para revisar el
voltaje del suministro de energía constante y el
voltaje del suministro de energía de cambio
aplicado al controlador del tren de fuerza.
H Use este código de ajuste para pruebas,
ajustes, o localización de fallas cuando sea
necesario.
l Funciones de los interruptores de función
[F3]: Sin uno
[F4]: Sin uno
[F5]: Retorno a la pantalla de selección al
ajuste del ítem (pantalla de introducción
de identidad (ID))
[F6]: Sin uno
l Información exhibida en la pantalla
[ENER GÍA SIN CAMBIO PARA EL
CONTROLADOR WE]
Voltaje de suministro energético
constante
[ENERGÍA ACC PARA EL CONTROLADOR
WE]
Voltaje del suministro energético
del interruptor
l Método de operación:
Cuando este código de ajuste es exhibido, su
función es efectiva y el voltaje de suministro de
energía constante y el voltaje del suministro de
e ner gía de camb io so n exhibid os
simultáneamente
H Después de haber desactivado el código
(OFF), su función no tiene efecto.
Ajuste ID: 2222 (Modo para establecer la
corriente del sistema de dirección
hidrostático (HSS min.))
l Este código de ajuste se usa para ajustar el
radio de viraje para iniciar el viraje de la
máquina cuando la sensación de dirección es
diferente a la dirección del viraje.
H Use este código de ajuste para trabajar
cuando sea necesario.
l Funciones de los interruptores de función
[F3]: Sin uno
[F4]: Sin uno
[F5]: Retorno a la pantalla de selección al
ajuste del ítem (pantalla de introducción
de identidad (ID))
[F6]: Guardar el valor ajustado
l Método de Operación
1) Ponga la palanca del freno de
estacionamiento en la posición de LIBRE.
2) Incline la palanca PCCS hacia la posición
derecha o izquierda en la que se indica la
corriente a ser establecida y manténgala
en esta posición.
Si la palanca se inclina hacia la
izquierda, la corriente se vuelve
negativa.
Si la palanca se inclina hacia la
derecha, la corriente se vuelve positiva.
3) Oprima [F6] y revise que suene el
zumbador de alarma.
H La corriente (mA) varía en un rango desde
-350 (extremo izquierdo) hasta 350
(extremo derecho).
H A medida que la corriente se incrementa en
la dirección positiva, o negativa, el radio del
viraje para iniciar el viraje es más reducido
(la máquina vira más rápidamente)
H No es necesario conducir la máquina
durante el ajuste. Sin embargo, después
de terminar el ajuste, conduzca la
máquina y revise que no haya ningún
problema relacionado con la sensación de
viraje actual.
GSN00681-00 30 Pruebas y Ajustes
56 D155AX-6
H La figura siguiente muestra un ejemplo de
reducción de la corriente establecida para
el viraje hacia la izquierda con el fin de
incrementar el radio de viraje.
H Aunque se desactive este código de ajuste, el
ajuste es efectivo.
ID de ajuste: 6001 (Velocidad establecida de
retroceso lento R1)
l Este código de ajuste se usa para ajustar la
velocidad del motor aplicada al traslado en 1a.
velocidad de reversa lenta (R1) con el modo
de retroceso lento activado "ON".
H Use este código de ajuste para trabajar
cuando sea necesario.
l Funciones de los interruptores de función
[F3]: Incrementa el valor ajustado
[F4]: Disminuye el valor ajustado
[F5]: Retorno a la pantalla de selección al
ajuste del ítem (pantalla de introducción
de identidad (ID))
[F6]: Guardar el valor ajustado
l Información exhibida en la pantalla
La velocidad reducida desde la alta velocidad sin
carga (2,050 rpm) es exhibida y el valor de ajuste
es incrementado o reducido en 50 rpm (El valor
exhibido en la pantalla es multiplicado por 1/10).
H El valor del ajuste preconfigurado es de
300 rpm (Valor exhibido: 30).
(Regulación de norma: 2,050 – 300 =
1,850 rpm)
l Método de Operación
1) Aumentar o disminuir el valor del ajuste
oprimiendo la tecla [F3], o la [F4].
2) Oprima [F6] y revise que suene el
zumbador de alarma.
H Si la velocidad del motor es ajustada, ésta
es exhibida. Sin embargo, esto puede ser
ajustado nuevamente dentro del rango de
ajuste.
H No es necesario manejar la máquina
durante el ajuste. Sin embargo, después
de terminar el ajuste, conduzca la
máquina en 1a. de retroceso (R1) con el
modo lento activado "ON" y revise que no
haya ningún problema con la velocidad de
traslado actual.
H Aunque se desactive este código de
ajuste, el ajuste es efectivo.
30 Pruebas y Ajustes GSN00681-00
D155AX-6 57
ID de ajuste: 6002 (Velocidad establecida de
retroceso lento R2)
l Este código de ajuste se usa para ajustar la
velocidad del motor aplicada al traslado en 1a.
velocidad de reversa lenta (R2) con el modo
de retroceso lento activado "ON".
H Use este código de ajuste para trabajar
cuando sea necesario.
l Funciones de los interruptores de función
[F3]: Incrementa el valor ajustado
[F4]: Disminuye el valor ajustado
[F5]: Retorno a la pantalla de selección al
ajuste del ítem (pantalla de introducción
de identidad (ID))
[F6]: Guardar el valor ajustado
l Información exhibida en la pantalla
La velocidad reducida desde la alta velocidad sin
carga (2,050 rpm) es exhibida y el valor de ajuste
es incrementado o reducido en 50 rpm (El valor
exhibido en la pantalla es multiplicado por 1/10).
H El valor del ajuste preconfigurado es de
300 rpm (Valor exhibido: 30).
(Regulación de norma: 2,050 – 300 =
1,850 rpm)
l Método de Operación
1) Aumentar o disminuir el valor del ajuste
oprimiendo la tecla [F3], o la [F4].
2) Oprima [F6] y revise que suene el
zumbador de alarma.
H Si la velocidad del motor es ajustada, ésta es
exhibida. Sin embargo, esto puede ser ajus-
tado nuevamente dentro del rango de ajuste.
H No es necesario manejar la máquina
durante el ajuste. Sin embargo, después
de ter minar el ajuste, conduzca la
máquina en 1a. de retroceso (R2) con el
modo lento activado "ON" y revise que no
haya ningún problema con la velocidad de
traslado actual.
H Aunque se desactive este código de
ajuste, el ajuste es efectivo.
ID de ajuste: 6003 (Velocidad establecida de
retroceso lento R3)
l Este código de ajuste se usa para ajustar la
velocidad del motor aplicada al traslado en 1a.
velocidad de reversa lenta (R3) con el modo
de retroceso lento activado "ON".
H Use este código de ajuste para trabajar
cuando sea necesario.
l Funciones de los interruptores de función
[F3]: Incrementa el valor ajustado
[F4]: Disminuye el valor ajustado
[F5]: Retorno a la pantalla de selección al
ajuste del ítem (pantalla de introducción
de identidad (ID))
[F6]: Guardar el valor ajustado
l Información exhibida en la pantalla
La velocidad reducida desde la alta velocidad
sin carga (2,050 rpm) es exhibida y el valor de
ajuste es incrementado o reducido en 50 rpm
(El valor exhibido en la pantalla es multiplicado
por 1/10).
H El valor del ajuste preconfigurado es de
300 rpm (Valor exhibido: 30).
(Regulación de norma: 2,050 – 300 =
1,850 rpm)
l Método de Operación
1) Aumentar o disminuir el valor del ajuste
oprimiendo la tecla [F3], o la [F4].
2) Oprima [F6] y revise que suene el
zumbador de alarma.
H Si la velocidad del motor es ajustada, ésta es
exhibida. Sin embargo, esto puede ser ajus-
tado nuevamente dentro del rango de ajuste.
H No es necesario manejar la máquina
durante el ajuste. Sin embargo, después
de terminar el ajuste, conduzca la
máquina en 1a. de retroceso (R3) con el
modo lento activado "ON" y revise que no
haya ningún problema con la velocidad de
traslado actual.
H Aunque se desactive este código de
ajuste, el ajuste es efectivo.
GSN00681-00 30 Pruebas y Ajustes
58 D155AX-6
Ajuste ID: 7842 (Corrección inicial automática
del embrague de la transmisión IP)
l Este código de ajuste es usado para hacer que
el controlador del tren de fuerza reconozca la
condición mecánica de la transmisión.
H Después de haber reemplazado el controlador
del tren de fuerza, o la transmisión, asegúrese
de efectuar una vez este ajuste.
l Funciones de los interruptores de función
[F3]: Sin uno
[F4]: Sin uno
[F5]: Retorno a la pantalla de selección al
ajuste del ítem (pantalla de introducción
de identidad (ID))
[F6]: Guardar el valor ajustado
l Condiciones para el trabajo de corrección
1) [VELOCIDAD DEL MOTOR]: 1,700 -1,950 rpm
2) [TEMPERATURA DEL CONVERTIDOR
DE TORSIÓN]: 65 – 85 °C
3) Palanca del freno de estacionamiento:
Posición de TRANCADO
H Cuando use este código de ajuste, man-
tenga la condición de arriba (En particular,
antes de iniciar el ajuste, aumente sufi-
cientemente la temperatura del aceite del
tren de fuerza)
l Método de operación:
1) Arranque el motor y mantenga su
velocidad en el rango especificado por la
condición por medio del dial de control de
combustible.
2) Oprima la tecla [F6] e inicie el trabajo de
corrección y revise que esté recién
exhibido en la pantalla [EMBRAGUE DE
1A].
3) Si aparece exhibido en la pantalla de
finalización de aprendizaje [END OF
TEACHING], oprima la tecla [F6]. Si en
ese momento suena el zumbador de la
alarma, indica que se ha completado el
trabajo de corrección.
H La máquina no se mueve durante el tra-
bajo de corrección.
H Aunque se desactive este código de
ajuste, la corrección es efectiva.
Ajuste ID: 7843 (Corrección inicial manual del
embrague de la transmisión IP)
l Este código de ajuste se usa para efectuar la
corrección manualmente cuando la corrección no es
efectuada normalmente por medio de la operación
de corrección automática IP (Ajuste ID: 7842).
H Use este código de ajuste después del trabajo
de corrección IP, si es necesario.
l Funciones de los interruptores de función
[F3]: Incrementa el valor ajustado
[F4]: Disminuye el valor ajustado
[F5]: Retorno a la pantalla de selección al
ajuste del ítem (pantalla de introducción
de identidad (ID))
[F6]: Guardar el valor ajustado
H Si la tecla [F2] es oprimida mientras la tecla
[F1] está oprimida, todos los valores de cor-
rección quedan establecidos en cero "0".
l Funciones de los interruptores de cambio de
velocidad hacia arriba y hacia abajo
Usted puede seleccionar el embrague a ser
corregido manualmente por medio de los
interruptores de cambio de velocidades hacia
arriba, o hacia abajo.
l Condiciones para el trabajo de corrección
Lo mismo que para las condiciones de la
corrección automática IP (Ajuste ID: 7842).
l Método de operación:
1) Arranque el motor y mantenga su
velocidad en el rango especificado por la
condición por medio del dial de control de
combustible.
2) Seleccione el embrague a ser corregido
manua lmen te p or me dio de los
interruptores de cambio de velocidades
hacia arriba, o hacia abajo.
3) Aumentar o disminuir el valor del ajuste
oprimiendo la tecla [F3], o la [F4].
4) Oprima [F6] y revise que suene el
zumbador de alarma.
H La máquina no se mueve durante el tra-
bajo de corrección.
H Aunque se desactive este código de
ajuste, la corrección es efectiva.
30 Pruebas y Ajustes GSN00681-00
D155AX-6 59
Ajuste ID: 7845 (Exhibición de aprendizaje del
embrague de la transmisión IP)
l Este código de ajuste se usa para revisar la
información sobre la corrección hecha por la
operación de la corrección automática del IP
(Ajuste ID: 7842), o corrección manual IP
(Ajuste ID: 7843).
H Use este código de ajuste para pruebas,
ajustes, o localización de fallas cuando sea
necesario.
l Funciones de los interruptores de función
[F3]: Cambio de exposición
[F4]: Cambio de exposición
[F5]: Retorno a la pantalla de selección al
ajuste del ítem (pantalla de introducción
de identidad (ID))
[F6]: Sin uno
l Método de Operación
Cuando este código de ajuste es exhibido, su
función es efectiva y la información de la
corrección es exhibida.
H Después de haber desactivado el código
(OFF), su función no tiene efecto.
Ajuste ID: 8000 (Ajuste de la posición neutral
de la palanca de levantamiento de
la hoja)
l Este código de ajuste es usado para hacer que
el controlador del equipo de trabajo reconozca
la posición neutral del potenciómetro de
levantamiento de la palanca de control de la
hoja.
H Después de haber reemplazado el controlador
del equipo de trabajo, o la palanca de control
de la hoja, asegúrese de efectuar una vez este
ajuste.
l Funciones de los interruptores de función
[F3]: Sin uno
[F4]: Sin uno
[F5]: Retorno a la pantalla de selección al
ajuste del ítem (pantalla de introducción
de identidad (ID))
[F6]: Guardar el valor ajustado
l Método de Operación
1) Revise que la palanca de control de la
hoja esté en posición neutral de la
dirección de levantamiento, y manténgala
en esa posición.
2) Oprima [F6] y revise que suene el
zumbador de alarma.
H Aún cuando el ajuste haya sido hecho, el
valor exhibido en la pantalla no cambia.
H Aunque se desactive este código de
ajuste, el ajuste es efectivo.
H Este código de ajuste es usado para
hacer que el controlador reconozca la
posición neutral del potenciómetro. Esto
no es usado para ajustar la sensibilidad
de la palanca de control de la hoja (Para
los ajustes de sensibilidad de la palanca
de control de la hoja en la dirección de
levantamiento, efectúe los códigos de
ajuste 8020 – 8023).
GSN00681-00 30 Pruebas y Ajustes
60 D155AX-6
Ajuste ID: 8001 (Ajuste de la posición de levan-
tamiento máximo de la palanca de
levantamiento de la hoja)
l Este código de ajuste es usado para hacer que
el controlador del equipo de trabajo reconozca
la posición de levantamiento máximo del
potenciómetro de levantamiento de la palanca
de control de la hoja.
H Después de haber reemplazado el controlador
del equipo de trabajo, o la palanca de control
de la hoja, asegúrese de efectuar una vez este
ajuste.
l Funciones de los interruptores de función
[F3]: Sin uno
[F4]: Sin uno
[F5]: Retorno a la pantalla de selección al
ajuste del ítem (pantalla de introducción
de identidad (ID))
[F6]: Guardar el valor ajustado
l Método de Operación
1) Mueva la palanca de control de la hoja
h asta el extremo de l reco rrido de
levantamiento, y manténgala en esa
posición.
2) Oprima [F6] y revise que suene el
zumbador de alarma.
H Aún cuando el ajuste haya sido hecho, el
valor exhibido en la pantalla no cambia.
H Aunque se desactive este código de
ajuste, el ajuste es efectivo.
H Este código de ajuste es usado para
hacer que el controlador reconozca la
posición de levantamiento máxima del
potenciómetro. Esto no es usado para
ajustar la sensibilidad de la palanca de
control de la hoja (Para los ajustes de sen-
sibilidad de la palanca de control de la
hoja en la dirección de levantamiento,
efectúe los códigos de ajuste 8020 –
8023).
Ajuste ID: 8002 (Ajuste de la posición de
descenso máxima de la palanca de
levantamiento de la hoja)
l Este código de ajuste es usado para hacer que
el controlador del equipo de trabajo reconozca
la po sición d e de scen so máximo de l
potenciómetro de levantamiento de la palanca
de control de la hoja.
H Después de haber reemplazado el controlador
del equipo de trabajo, o la palanca de control
de la hoja, asegúrese de efectuar una vez este
ajuste.
l Funciones de los interruptores de función
[F3]: Sin uno
[F4]: Sin uno
[F5]: Retorno a la pantalla de selección al
ajuste del ítem (pantalla de introducción
de identidad (ID))
[F6]: Guardar el valor ajustado
l Método de Operación
1) Mueva la palanca de control de la hoja
hasta el extre mo del re corr ido d e
desce nso en la d ire cció n d e
levantamiento, y manténgala en esa
posición.
2) Oprima [F6] y revise que suene el
zumbador de alarma.
H Aún cuando el ajuste haya sido hecho, el
valor exhibido en la pantalla no cambia.
H Aunque se desactive este código de
ajuste, el ajuste es efectivo.
H Este código de ajuste es usado para
hacer que el controlador reconozca la
posición de descenso máxima del poten-
ciómetro. Esto no es usado para ajustar
la sensibilidad de la palanca de control de
la hoja (Para los ajustes de sensibilidad
de la palanca de control de la hoja en la
dirección de levantamiento, efectúe los
códigos de ajuste 8020 – 8023).
30 Pruebas y Ajustes GSN00681-00
D155AX-6 61
Ajuste ID: 8000 (Ajuste de la posición neutral
de la palanca de inclinación de la
hoja)
l Este código de ajuste es usado para hacer que
el controlador del equipo de trabajo reconozca
la posición neutral del potenciómetro de
inclinación de la palanca de control de la hoja.
H Después de haber reemplazado el controlador
del equipo de trabajo, o la palanca de control
de la hoja, asegúrese de efectuar una vez este
ajuste.
l Funciones de los interruptores de función
[F3]: Sin uno
[F4]: Sin uno
[F5]: Retorno a la pantalla de selección al
ajuste del ítem (pantalla de introducción
de identidad (ID))
[F6]: Guardar el valor ajustado
l Método de Operación
1) Revise que la palanca de control de la
hoja esté en posición neutral de la
dirección de inclinación, y manténgala en
esa posición.
2) Oprima [F6] y revise que suene el
zumbador de alarma.
H Aún cuando el ajuste haya sido hecho, el
valor exhibido en la pantalla no cambia.
H Aunque se desactive este código de
ajuste, el ajuste es efectivo.
H Este código de ajuste es usado para
hacer que el controlador reconozca la
posición neutral del potenciómetro. Esto
no es usado para ajustar la sensibilidad
de la palanca de control de la hoja (Para
los ajustes de sensibilidad de la palanca
de control de la hoja en la dirección de
inclinación, efectúe los códigos de ajuste
8024 y 8025).
Ajuste ID: 8004 (Ajuste de la posición máxima
hacia la derecha de la palanca de
inclinación de la hoja)
l Este código de ajuste es usado para hacer que
el controlador del equipo de trabajo reconozca
la posición máxima hacia la derecha del
potenciómetro de inclinación de la palanca de
control de la hoja.
H Después de haber reemplazado el controlador
del equipo de trabajo, o la palanca de control
de la hoja, asegúrese de efectuar una vez este
ajuste.
l Funciones de los interruptores de función
[F3]: Sin uno
[F4]: Sin uno
[F5]: Retorno a la pantalla de selección al
ajuste del ítem (pantalla de introducción
de identidad (ID))
[F6]: Guardar el valor ajustado
l Método de Operación
1) Mueva la palanca de control de la hoja
hasta el extremo del recorrido hacia la
derecha en la dirección de inclinación, y
manténgala en esa posición.
2) Oprima [F6] y revise que suene el
zumbador de alarma.
H Aún cuando el ajuste haya sido hecho, el
valor exhibido en la pantalla no cambia.
H Aunque se desactive este código de
ajuste, el ajuste es efectivo.
H Este código de ajuste es usado para
hacer que el controlador reconozca la
posición máxima hacia la derecha del
potenciómetro. Esto no es usado para
ajustar la sensibilidad de la palanca de
control de la hoja (Para los ajustes de sen-
sibilidad de la palanca de control de la
hoja en la dirección de inclinación, efectúe
los códigos de ajuste 8024 y 8025).
GSN00681-00 30 Pruebas y Ajustes
62 D155AX-6
Ajuste ID: 8005 (Ajuste de la posición máxima
hacia la izquierda de la palanca de
inclinación de la hoja)
l Este código de ajuste es usado para hacer que
el controlador del equipo de trabajo reconozca
la posición máxima hacia la izquierda del
potenciómetro de inclinación de la palanca de
control de la hoja.
H Después de haber reemplazado el controlador
del equipo de trabajo, o la palanca de control
de la hoja, asegúrese de efectuar una vez este
ajuste.
l Funciones de los interruptores de función
[F3]: Sin uno
[F4]: Sin uno
[F5]: Retorno a la pantalla de selección al
ajuste del ítem (pantalla de introducción
de identidad (ID))
[F6]: Guardar el valor ajustado
l Método de Operación
1) Mueva la palanca de control de la hoja
hasta el extremo del recorrido hacia la
izquierda en la dirección de inclinación, y
manténgala en esa posición.
2) Oprima [F6] y revise que suene el
zumbador de alarma.
H Aún cuando el ajuste haya sido hecho, el
valor exhibido en la pantalla no cambia.
H Aunque se desactive este código de
ajuste, el ajuste es efectivo.
H Este código de ajuste es usado para
hacer que el controlador reconozca la
posición máxima hacia la izquierda del
potenciómetro. Esto no es usado para
ajustar la sensibilidad de la palanca de
control de la hoja (Para los ajustes de sen-
sibilidad de la palanca de control de la
hoja en la dirección de inclinación, efectúe
los códigos de ajuste 8024 y 8025).
Ajuste ID: 8006 (Ajuste de la posición neutral
de la palanca de levantamiento del
desgarrador)
l Este código de ajuste es usado para hacer que
el controlador del equipo de trabajo reconozca
la posición neutral del potenciómetro de
levantamiento de la palanca de control del
desgarrador.
H Después de haber reemplazado el controlador
del equipo de trabajo, o la palanca de control
del desgarrador, asegúrese de efectuar una
vez este ajuste.
l Funciones de los interruptores de función
[F3]: Sin uno
[F4]: Sin uno
[F5]: Retorno a la pantalla de selección al
ajuste del ítem (pantalla de introducción
de identidad (ID))
[F6]: Guardar el valor ajustado
l Método de Operación
1) Revise que la palanca de control del
desgarrador esté en posición neutral de la
dirección de levantamiento, y manténgala
en esa posición.
2) Oprima [F6] y revise que suene el
zumbador de alarma.
H Aún cuando el ajuste haya sido hecho, el
valor exhibido en la pantalla no cambia.
H Aunque se desactive este código de
ajuste, el ajuste es efectivo.
H Este código de ajuste es usado para
hacer que el controlador reconozca la
posición neutral del potenciómetro. Esto
no se usa para ajustar la sensibilidad de la
palanca de control del desgarrador.
30 Pruebas y Ajustes GSN00681-00
D155AX-6 63
Ajuste ID: 8007 (Ajuste de la posición de
elevación máxima de la palanca de
levantamiento del desgarrador)
l Este código de ajuste es usado para hacer que
el controlador del equipo de trabajo reconozca
la posición de levantamiento máximo del
potenciómetro de levantamiento de la palanca
de control del desgarrador.
H Después de haber reemplazado el controlador
del equipo de trabajo, o la palanca de control
del desgarrador, asegúrese de efectuar una
vez este ajuste.
l Funciones de los interruptores de función
[F3]: Sin uno
[F4]: Sin uno
[F5]: Retorno a la pantalla de selección al
ajuste del ítem (pantalla de introducción
de identidad (ID))
[F6]: Guardar el valor ajustado
l Método de Operación
1) Mueva la palanca de control del
desg arrad or hasta e l extremo de l
recorrido de elevación en la dirección de
levantamiento, y manténgala en esa
posición.
2) Oprima [F6] y revise que suene el
zumbador de alarma.
H Aún cuando el ajuste haya sido hecho, el
valor exhibido en la pantalla no cambia.
H Aunque se desactive este código de
ajuste, el ajuste es efectivo.
H Este código de ajuste es usado para
hacer que el controlador reconozca la
posición de levantamiento máxima del
potenciómetro. Esto no se usa para
ajustar la sensibilidad de la palanca de
control del desgarrador.
Ajuste ID: 8008 (Ajuste de la posición de
descenso máximo de la palanca de
levantamiento del desgarrador)
l Este código de ajuste es usado para hacer que
el controlador del equipo de trabajo reconozca
la posició n de desce nso má ximo d el
potenciómetro de levantamiento de la palanca
de control del desgarrador.
H Después de haber reemplazado el controlador
del equipo de trabajo, o la palanca de control
del desgarrador, asegúrese de efectuar una
vez este ajuste.
l Funciones de los interruptores de función
[F3]: Sin uno
[F4]: Sin uno
[F5]: Retorno a la pantalla de selección al
ajuste del ítem (pantalla de introducción
de identidad (ID))
[F6]: Guardar el valor ajustado
l Método de Operación
1) Mueva la palanca de control del
de sga rra dor ha sta el extremo d el
recorrido de descenso en la dirección de
levantamiento, y manténgala en esa
posición.
2) Oprima [F6] y revise que suene el
zumbador de alarma.
H Aún cuando el ajuste haya sido hecho, el
valor exhibido en la pantalla no cambia.
H Aunque se desactive este código de
ajuste, el ajuste es efectivo.
H Este código de ajuste es usado para
hacer que el controlador reconozca la
posición de descenso máxima del poten-
ciómetro. Esto no se usa para ajustar la
sensibilidad de la palanca de control del
desgarrador.
GSN00681-00 30 Pruebas y Ajustes
64 D155AX-6
Ajuste ID: 8009 (Ajuste de la posición neutral
de la palanca de inclinación del
desgarrador)
l Este código de ajuste es usado para hacer que
el controlador del equipo de trabajo reconozca
la posición neutral del potenciómetro de
inclinación de la palanca de control del
desgarrador.
H Después de haber reemplazado el controlador
del equipo de trabajo, o la palanca de control
del desgarrador, asegúrese de efectuar una
vez este ajuste.
l Funciones de los interruptores de función
[F3]: Sin uno
[F4]: Sin uno
[F5]: Retorno a la pantalla de selección al
ajuste del ítem (pantalla de introducción
de identidad (ID))
[F6]: Guardar el valor ajustado
l Método de Operación
1) Revise que la palanca de control del
desgarrador esté en posición neutral de la
dirección de inclinación, y manténgala en
esa posición.
2) Oprima [F6] y revise que suene el
zumbador de alarma.
H Aún cuando el ajuste haya sido hecho, el
valor exhibido en la pantalla no cambia.
H Aunque se desactive este código de
ajuste, el ajuste es efectivo.
H Este código de ajuste es usado para
hacer que el controlador reconozca la
posición neutral del potenciómetro. Esto
no se usa para ajustar la sensibilidad de la
palanca de control del desgarrador.
Ajuste ID: 8010 (Ajuste de la posición de
recoger (IN) máxima de la palanca
de inclinación del desgarrador)
l Este código de ajuste es usado para hacer que
el controlador del equipo de trabajo reconozca
la posición de recoger (IN) máxima del
potenciómetro de inclinación de la palanca de
control del desgarrador.
H Después de haber reemplazado el controlador
del equipo de trabajo, o la palanca de control
del desgarrador, asegúrese de efectuar una
vez este ajuste.
l Funciones de los interruptores de función
[F3]: Sin uno
[F4]: Sin uno
[F5]: Retorno a la pantalla de selección al
ajuste del ítem (pantalla de introducción
de identidad (ID))
[F6]: Guardar el valor ajustado
l Método de Operación
1) Mueva la palanca de control de la hoja
hasta el extremo del recorrido para
recoger (IN) en la dirección de inclinación,
y manténgala en esa posición.
2) Oprima [F6] y revise que suene el
zumbador de alarma.
H Aún cuando el ajuste haya sido hecho, el
valor exhibido en la pantalla no cambia.
H Aunque se desactive este código de
ajuste, el ajuste es efectivo.
H Este código de ajuste es usado para
hacer que el controlador reconozca la
posición de recoger (IN) máxima del
potenciómetro. Esto no se usa para
ajustar la sensibilidad de la palanca de
control del desgarrador.
30 Pruebas y Ajustes GSN00681-00
D155AX-6 65
Ajuste ID: 8011 (Ajuste de la posición de
retroceso (BACK) máxima de la
p alanca de inclina ció n de l
desgarrador)
l Este código de ajuste es usado para hacer que
el controlador del equipo de trabajo reconozca
la posición de extender (BACK) máxima del
potenciómetro de inclinación de la palanca de
control del desgarrador.
H Después de haber reemplazado el controlador
del equipo de trabajo, o la palanca de control
del desgarrador, asegúrese de efectuar una
vez este ajuste.
l Funciones de los interruptores de función
[F3]: Sin uno
[F4]: Sin uno
[F5]: Retorno a la pantalla de selección al
ajuste del ítem (pantalla de introducción
de identidad (ID))
[F6]: Guardar el valor ajustado
l Método de Operación
1) Mueva la palanca de control de la hoja
hasta el extremo del recorrido para
retroceso (BACK) en la dirección de
inclinación, y manténgala en esa posición.
2) Oprima [F6] y revise que suene el
zumbador de alarma.
H Aún cuando el ajuste haya sido hecho, el
valor exhibido en la pantalla no cambia.
H Aunque se desactive este código de
ajuste, el ajuste es efectivo.
H Este código de ajuste es usado para
hacer que el controlador reconozca la
posición de extender (BACK) máxima del
potenciómetro. Esto no se usa para
ajustar la sensibilidad de la palanca de
control del desgarrador.
Ajuste ID: 8020 (Corrección de la corriente de
levantamiento de la hoja)
l Este código de ajuste se usa para ajustar la
sensibilidad del arranque de la hoja cuando la
palanca de control de la hoja es movida en
posición de subir con el modo de precisión de
la hoja desactivado (OFF).
H Use este código de ajuste para trabajar
cuando sea necesario.
l Funciones de los interruptores de función
[F3]: Incrementa el valor del ajuste
[Desplazamiento de corriente]
[F4]: Disminuye el valor del ajuste
[Desplazamiento de corriente]
[F5]: Retorno a la pantalla de selección al
ajuste del ítem (pantalla de introducción
de identidad (ID))
[F6]: Guardar el valor ajustado
l Método de Operación
1) Aumentar o disminuir el valor del ajuste
oprimiendo la tecla [F3], o la [F4].
2) Oprima [F6] y revise que suene el
zumbador de alarma.
H Si la velocidad del motor es ajustada, ésta
es exhibida. Sin embargo, eso se puede
ajustar repetidamente.
H No es necesario mover la hoja durante el
ajuste. Sin embargo, después de terminar
el ajuste, eleve la hoja y revise que no
haya ningún problema en la sensibilidad
de la operación actual (Revise con el
modo de control preciso de la hoja desac-
tivado (OFF))
H Aunque se desactive este código de
ajuste, el ajuste es efectivo.
GSN00681-00 30 Pruebas y Ajustes
66 D155AX-6
Ajuste ID: 8021 (Corrección de la corriente de
descenso de la hoja)
l Este código de ajuste se usa para ajustar la
sensibilidad del arranque de la hoja cuando la
palanca de control de la hoja es movida en
posición de bajar con el modo de precisión de
la hoja desactivado (OFF).
H Use este código de ajuste para trabajar
cuando sea necesario.
l Funciones de los interruptores de función
[F3]: Incrementa el valor del ajuste
[Desplazamiento de corriente]
[F4]: Disminuye el valor del ajuste
[Desplazamiento de corriente]
[F5]: Retorno a la pantalla de selección al
ajuste del ítem (pantalla de introducción
de identidad (ID))
[F6]: Guardar el valor ajustado
l Método de Operación
1) Aumentar o disminuir el valor del ajuste
oprimiendo la tecla [F3], o la [F4].
2) Oprima [F6] y revise que suene el
zumbador de alarma.
H Si la velocidad del motor es ajustada, ésta
es exhibida. Sin embargo, eso se puede
ajustar repetidamente.
H No es necesario mover la hoja durante el
ajuste. Sin embargo, después de terminar
el ajuste, baje la hoja y revise que no haya
ningún problema en la sensibilidad de la
operación actual (Revise con el modo de
control preciso de la hoja desactivado
(OFF))
H Aunque se desactive este código de
ajuste, el ajuste es efectivo.
Ajuste ID: 8022 (Corrección de la corriente de
levantamiento de la hoja (modo de
control preciso))
l Este código de ajuste se usa para ajustar la
sensibilidad del arranque de la hoja cuando la
palanca de control de la hoja es movida en
posición de subir con el modo de precisión de
la hoja activado (ON).
H Use este código de ajuste para trabajar
cuando sea necesario.
l Funciones de los interruptores de función
[F3]: Incrementa el valor del ajuste
[Desplazamiento de corriente]
[F4]: Disminuye el valor del ajuste
[Desplazamiento de corriente]
[F5]: Retorno a la pantalla de selección al
ajuste del ítem (pantalla de introducción
de identidad (ID))
[F6]: Guardar el valor ajustado
l Método de Operación
1) Aumentar o disminuir el valor del ajuste
oprimiendo la tecla [F3], o la [F4].
2) Oprima [F6] y revise que suene el
zumbador de alarma.
H Si la velocidad del motor es ajustada, ésta
es exhibida. Sin embargo, eso se puede
ajustar repetidamente.
H No es necesario mover la hoja durante el
ajuste. Sin embargo, después de terminar
el ajuste, eleve la hoja y revise que no
haya ningún problema en la sensibilidad
de la operación actual (Revise con el
modo de control preciso de la hoja acti-
vado (ON))
H Aunque se desactive este código de
ajuste, el ajuste es efectivo.
30 Pruebas y Ajustes GSN00681-00
D155AX-6 67
Ajuste ID: 8023 (Corrección de la corriente de
descenso de la hoja (modo de
control preciso))
l Este código de ajuste se usa para ajustar la
sensibilidad del arranque de la hoja cuando la
palanca de control de la hoja es movida en
posición de bajar con el modo de precisión de
la hoja activado (ON).
H Use este código de ajuste para trabajar
cuando sea necesario.
l Funciones de los interruptores de función
[F3]: Incrementa el valor del ajuste
[Desplazamiento de corriente]
[F4]: Disminuye el valor del ajuste
[Desplazamiento de corriente]
[F5]: Retorno a la pantalla de selección al
ajuste del ítem (pantalla de introducción
de identidad (ID))
[F6]: Guardar el valor ajustado
l Método de Operación
1) Aumentar o disminuir el valor del ajuste
oprimiendo la tecla [F3], o la [F4].
2) Oprima [F6] y revise que suene el
zumbador de alarma.
H Si la velocidad del motor es ajustada, ésta
es exhibida. Sin embargo, eso se puede
ajustar repetidamente.
H No es necesario mover la hoja durante el
ajuste. Sin embargo, después de terminar
el ajuste, baje la hoja y revise que no haya
ningún problema en la sensibilidad de la
operación actual (Revise con el modo de
control preciso de la hoja activado (ON))
H Aunque se desactive este código de
ajuste, el ajuste es efectivo.
Ajuste ID: 8024 (Corrección de la corriente de
inclinación izquierda de la hoja)
l Este código de ajuste se usa para ajustar la
sensibilidad del arranque de la hoja cuando la
palanca de control de la hoja es movida en
posición de inclinar hacia la izquierda.
H Use este código de ajuste para trabajar
cuando sea necesario.
l Funciones de los interruptores de función
[F3]: Incrementa el valor del ajuste
[Desplazamiento de corriente]
[F4]: Disminuye el valor del ajuste
[Desplazamiento de corriente]
[F5]: Retorno a la pantalla de selección al
ajuste del ítem (pantalla de introducción
de identidad (ID))
[F6]: Guardar el valor ajustado
l Método de Operación
1) Aumentar o disminuir el valor del ajuste
oprimiendo la tecla [F3], o la [F4].
2) Oprima [F6] y revise que suene el
zumbador de alarma.
H Si la velocidad del motor es ajustada, ésta
es exhibida. Sin embargo, eso se puede
ajustar repetidamente.
H No es necesario mover la hoja durante el
ajuste. Sin embargo, después de terminar
el ajuste, incline la hoja hacia la izquierda
y revise que no haya ningún problema en
la sensibilidad de la operación actual.
H Aunque se desactive este código de
ajuste, el ajuste es efectivo.
GSN00681-00 30 Pruebas y Ajustes
68 D155AX-6
Ajuste ID: 8025 (Corrección de la corriente de
inclinación derecha de la hoja)
l Este código de ajuste se usa para ajustar la
sensibilidad del arranque de la hoja cuando la
palanca de control de la hoja es movida en
posición de inclinar hacia la derecha.
H Use este código de ajuste para trabajar
cuando sea necesario.
l Funciones de los interruptores de función
[F3]: Incrementa el valor del ajuste
[Desplazamiento de corriente]
[F4]: Disminuye el valor del ajuste
[Desplazamiento de corriente]
[F5]: Retorno a la pantalla de selección al
ajuste del ítem (pantalla de introducción
de identidad (ID))
[F6]: Guardar el valor ajustado
l Método de Operación
1) Aumentar o disminuir el valor del ajuste
oprimiendo la tecla [F3], o la [F4].
2) Oprima [F6] y revise que suene el
zumbador de alarma.
H Si la velocidad del motor es ajustada, ésta
es exhibida. Sin embargo, eso se puede
ajustar repetidamente.
H No es necesario mover la hoja durante el
ajuste. Sin embargo, después de terminar
el ajuste, incline la hoja hacia la derecha y
revise que no haya ningún problema en la
sensibilidad de la operación actual.
H Aunque se desactive este código de
ajuste, el ajuste es efectivo.
ID de ajuste: 9995
(Modo de liberación del freno de
control)
l Este código de ajuste se usa para liberar el
freno de control (Válvulas ECMV de freno
derecha a izquierda) para revisar la operación
del freno de refuerzo (válvula solenoide del
pedal de freno)
H Use este código de ajuste para pruebas,
ajustes, o localización de fallas cuando sea
necesario.
l Funciones de los interruptores de función
[F3]: Sin uno
[F4]: Sin uno
[F5]: Retorno a la pantalla de selección al
ajuste del ítem (pantalla de introducción
de identidad (ID))
[F6]: Sin uno
l Método de Operación
Cuando es exhibido este código de ajuste, su
función es efectiva y el freno de control
(válvulas ECMV izquierda y derecha) se
mantiene liberado.
H Después de haber desactivado el código
(OFF), su función no tiene efecto.
30 Pruebas y Ajustes GSN00681-00
D155AX-6 69
Ajuste ID: 9996 (Modo de operación de la
válvula de prevención de parada
súbita)
l Este código de ajuste se usa para parar la
válvula solenoide de prevención contra
paradas súbitas y las válvulas ECMV de freno
derecho e izquierdo para revisar la operación
de la válvula de prevención contra paradas
súbitas.
H Use este código de ajuste para pruebas,
ajustes, o localización de fallas cuando sea
necesario.
l Funciones de los interruptores de función
[F3]: Sin uno
[F4]: Sin uno
[F5]: Retorno a la pantalla de selección al
ajuste del ítem (pantalla de introducción
de identidad (ID))
[F6]: Sin uno
l Método de Operación
Cuando es exhibido este código de ajuste, su
función es efectiva y la válvula solenoide de
prevención contra paradas súbitas y las
válvulas ECMV de freno izquierda y derecha
se mantienen detenidas.
H Después de haber desactivado el código
(OFF), su función no tiene efecto.
ID de ajuste: 9997
(Modo de corte de la alta velocidad
sin carga)
l Este código de ajuste se usa para limitar la
velocidad alta sin carga.
H Use este código de ajuste para trabajar
cuando sea necesario.
l Funciones de los interruptores de función
[F3]: Incrementa el valor del ajuste del modo
establecido de altas revoluciones sin
carga [HIGH IDLE RPM SET MODE]]
[F4]: Disminuye el valor del ajuste del modo
establecido de altas revoluciones sin
carga [HIGH IDLE RPM SET MODE]
[F5]: Retorno a la pantalla de selección al
ajuste del ítem (pantalla de introducción
de identidad (ID))
[F6]: Guardar el valor ajustado
l Método de Operación
1) Aumentar o disminuir el valor del ajuste
oprimiendo la tecla [F3], o la [F4].
2) Oprima [F6] y revise que suene el
zumbador de alarma.
H Cuando se restablece la limitación de la
alta velocidad sin carga, establezca el
valor del ajuste a la alta velocidad sin
carga original (2,050 rpm).
H Aunque se desactive este código de
ajuste, el ajuste es efectivo.
GSN00681-00 30 Pruebas y Ajustes
70 D155AX-6
Ajuste ID: 9998 (Modo para establecer el
cambio de engranaje de velocidad
máximo)
l Este código se usa para limitar el cambio de
engranaje de velocidad máximo.
l El cambio de engranaje de velocidad limitado
se aplica tanto en el modo de cambio de
velocidades automático como en el modo de
cambio de velocidades manual.
H Use este código de ajuste para trabajar
cuando sea necesario.
l Funciones de los interruptores de función
[F3]: Incrementa el valor del ajuste [Cambio de
velocidad máximo [MAX SHIFT]]
[F4]: Disminuye el valor del ajuste [Cambio de
velocidad máximo [MAX SHIFT]]
[F5]: Retorno a la pantalla de selección al
ajuste del ítem (pantalla de introducción
de identidad (ID))
[F6]: Guardar el valor ajustado
l Método de Operación
1) Aumentar o disminuir el valor del ajuste
oprimiendo la tecla [F3], o la [F4].
2) Oprima [F6] y revise que suene el
zumbador de alarma.
H Cuando se restablece la limitación del
cambio de velocidad máximo, establezca
el valor del ajuste al cambio de engranaje
de velocidad máximo (3a. velocidad
(3RD)).
H Aunque se desactive este código de
ajuste, el ajuste es efectivo.
Clínica Pm
El monitor de la máquina puede revisar la
condición de la máquina sin tener que conectarse
con herramientas de pruebas para ayudar a la
Clínica PM y otras inspecciones periódicas.
1. Seleccionando el menú
Seleccione "08 Cínica Pm" en la pantalla del
menú de servicio.
2. Información exhibida en la pantalla de Clínica Pm
La función de la Clínica Pm exhibe la siguiente
información en 2 páginas.
1ra pantalla
2da pantalla
[F1]: Cambiar pantalla
[F2]: Cambiar pantalla
[F3]: Restablezca la retención
[F4]: Sostener (datos mostrados)
[F5]: Regrese a la pantalla del menú de
servicio
30 Pruebas y Ajustes GSN00681-00
D155AX-6 71
3. Retención de información mostrada
La información exhibida puede ser retenida y
liberada por medio de las teclas [F3] y [F4].
Operación del modo de cilindro reducido
El operador puede efectuar la operación de en el
modo de cilindro reducido por medio del monitor de
la máquina.
La operación en el modo de cilindro reducido
significa trabajar el motor con 1 ó más inyectores
de combustible puestos fuera de ser vicio
eléctricamente para reducir el número de cilindros
en marcha. Esta operación se usa para ubicar un
cilindro que no produce una potencia normal
(combustión anormal en el mismo).
1. Seleccionando el menú
Seleccione "09 Operación con modo de
cilindro reducido" en la pantalla del menú de
servicio.
2. Seleccione el cilindro a ser desactivado
Después de que la pantalla de Operación con
modo de cilindro reducido es exhibida,
seleccione el cilindro a ser desactivado
utilizando los interruptores de función.
[F1]: Mueva la marca de selección (R)
hacia la izquierda
[F2]: Mueva la marca de selección (R)
hacia la derecha
[F3]: Restablezca la retención
[F4]: Retención
[F5]: Regrese a la pantalla del menú de
servicio
[F6]: Confirme selección
H Esta operación puede ser ejecutada mien-
tras el motor está en marcha.
H Cuando la [F6] es oprimida, si el fondo (a)
del No. del cilindro seleccionado se vuelve
blanco, el cilindro ha sido desactivado.
H Si el monitor de la máquina desactiva un
cilindro, pero el controlador del motor no
puede desactivar ese cilindro, el fondo del
No. de cilindro se vuelve amarillo.
H Se pueden desactivar uno o más cilindros.
3. Restableciendo el cilindro desactivado
Cuando cambie un cilindro que va a ser
desactivado, o cuando la operación del modo
de cilindro reducido es terminada, seleccione
el cilindro desactivado a ser restablecido
utilizando los interruptores de función.
H Esta operación puede ser ejecutada mien-
tras el motor está en marcha.
H Cuando la (F6) es oprimida, si el fondo (a)
del No. del cilindro seleccionado se vuelve
azul claro, el cilindro ha sido Activado.
H Si el monitor de la máquina desactiva un
cilindro, pero el controlador del motor no
puede desactivar ese cilindro, el fondo del
No. de cilindro se vuelve rojo.
H La operación del modo del cilindro reduc-
ido no es restablecida automáticamente
después de que la pantalla retorna al
modo del operador. De acuerdo a esto,
cuando termine la operación del modo de
cilindro r edu cido, aseg úre se de
restablecer la operación de los cilindros.
4. Función de retención de información expuesta
Si la [F4] es oprimida durante la operación del
modo de cilindro reducido, la información
exhibida es la recientemente retenida (c) (La
información sobre el tiempo real se mantiene
exhibida en el lado izquierdo).
H Mientras la información es retenida, si se
oprime (F3), la función de retención es
restablecida.
H La función de retención es efectiva, sin
tener en cuenta lo establecido por la oper-
ación del modo de cilindro reducido.
GSN00681-00 30 Pruebas y Ajustes
72 D155AX-6
[Referencia]
l Si un cilindro que opera normalmente es
de sactiva do, ocurre n los siguiente s
fenómenos.
1) Reducir la velocidad del motor
2) Se incrementa el comando de la
proporción de inyección final (cantidad)
l Si el motor está funcionando cerca de la alta
velocidad sin carga, la velocidad del motor
puede que no se reduzca en razón al control
del motor.
l En este caso, reduzca la velocidad del motor
con el dial de control de combustible y juzgue
por el incremento del comando de proporción
de inyección.
Girar el motor sin inyección
Si el motor es operado después de un largo
periodo de almacenaje de la máquina, puede llegar
a desgastarse o dañar a causa de insuficiente
lubricación con aceite. Para prevenir esto, la
función para lubricar el motor antes de arrancarlo
haciendo girar el cigüeñal con el motor de arranque
sin instalar la inyección de combustible.
Coloque el giro del cigüeñal del motor sin inyección
mientras el motor está parado.
1. Seleccionando el menú
Seleccione "10 Girar el motor sin inyección" en
la pantalla del menú de servicio.
2. Exhibiendo la pantalla de revisión
Si está exhibida la pantalla de Girar el motor
sin inyección, el monitor de la máquina le
recuerda al operador que el giro del cigüeñal
con el motor de arranque y sin inyección debe
ser ejecutado. Responda con el interruptor de
función.
[F5]: No está ejecutado (Retorno a la
pantalla del menú de servicio)
[F6]: Ejecución
H Mientras la pantalla está cambiando a la
siguiente pantalla, se exhibe la pantalla de
"La comunicación entre controladores
está siendo revisada".
3. Empezando el giro del cigüeñal sin inyección
Si arranque sin inyección (No hay inyección en
los cilindros) se vuelve efectiva, esta es
exhibida en la pantalla. Estando en esta
condición, haga girar el motor por medio del
motor de arranque.
H Mientras la pantalla está cambiando a la
siguiente pantalla, se exhibe la pantalla de
"La configuración está siendo preparada".
H Para proteger el motor de arranque, límite
el giro del cigüeñal a 20 segundos.
4. Terminando el giro del cigüeñal sin inyección
Después de completar la operación de giro del
cigüeñal sin inyección, oprima la [F6], y se
exhibe "Fin del giro del cigüeñal sin inyección"
y la pantalla retorna automáticamente a la
pantalla del Menú de servicio.
30 Pruebas y Ajustes GSN00681-00
D155AX-6 73
5. Prohibición de girar el cigüeñal sin inyección
Si el operador trata de ejecutar el giro del
cigüeñal sin inyección mientras el motor está
funcionando, el mensaje de que el motor está
funcionando es exhibido y el giro del cigüeñal
sin inyección queda sin efecto.
H Esta función puede ser seleccionada aún
cuando el motor esté funcionando. Si se
ejecuta el giro del cigüeñal sin inyección,
como quiera, el mensaje de "El motor está
funcionando" es exhibido en la pantalla.
Exposición del consumo de combustible
Esta función calcula el consumo de combustible
por hora en base al consumo actual de combustible
en un período de medición, y lo indica.
1. Seleccionando el menú
Seleccione "11 Exhibición del consumo de
combustible " en la pantalla del menú de
Servicio.
2. Iniciando la medición
Después de que la pantalla de Consumo de
combustible es exhibida, inicie la medición por
medio de los interruptores de función.
[F1]: Arrancar
[F2]: Borrar
[F5]: Regrese a la pantalla del menú de
servicio
H Cuando se exhibe la pantalla de consumo
de combustible si se indica un dato, éste
es el de la medición previa. Este dato no
es un obstáculo para la nueva medición y
puede ser borrado oprimiendo [F2].
H Si se oprime (F1), el dato es exhibido en
el lado de la fecha de inicio y la hora, y se
inicia la medición.
H La exhibición de la unidad de combustible
cambia de acuerdo a la unidad estable-
cida por la función de inicialización (con-
figuración de unidad).
SI + metric: ¶/h,
Imperial: gal/h
3. Exhibición y función durante la medición
La marca del reloj (a) destella durante la
medición.
H Mientras el consumo de combustible está
siendo medido, el operador puede trabajar
con el modo del operador y otras funciones.
La medición no se da por terminada hasta
que la pantalla sea exhibida nuevamente y
(F1) sea presionada (Aún si el interruptor de
arranque es colocado en OFF, esta función
permanece efectiva, aunque el consumo de
combustible es medido solamente mientras
el motor esté funcionando).
GSN00681-00 30 Pruebas y Ajustes
74 D155AX-6
4. Finalizando la medición
Oprima (F1), y la medición es terminada el
dato es exhibido en el lado de la fecha de
terminación y la hora.
5. Exhibición del consumo de combustible
Si la medición ha sido terminada, el consumo
de combustible por hora es calculado por el
consumo de combustible calculado por el
controlador del motor y el tiempo transcurrido
exhibido.
Exhibición de la configuración KOMTRAX
(Condición de configuración del terminal)
La condición configurada y la condición de
operación de KOMTRAX pueden ser revisadas con
la Exhibición de la configuración de KOMTRAX.
La configuración de la condición del terminal es
usada para revisar la condición de configuración
del terminal KOMTRAX.
1. Seleccionando el menú
Seleccione "12 Exhibición de configuración
KOMTRAX " en la pantalla del menú de Servicio.
2. Selección del sub menú
Después de que se exhiba la pantalla de
configuración KOMTRAX, seleccione "01
Condición de configuración del terminal" por
medio de los interruptores de función o los
interruptores para introducir numerales.
H Seleccione este ítem en forma similar a un
ítem en la pantalla del Menú de servicio.
3. Contenido de la exhibición de la condición de
configuración del terminal
En la pantalla de condición de configuración
del terminal, se exhiben los siguientes ítemes.
Configuración del terminal: Nombre del Mod-
elo del MODEM de comunicación KOMTRAX.
Comunicación: Estabilidad de las comuni-
cación del MODEM de comunicaciones y
condición de conexión del MODEM de co-
municación.
Número de correos electrónicos pendientes
por transmitir: Número de correos que han
sido guardados en el monitor de la máquina
y que todavía no se han transmitido.
[F5]: Retorne a la pantalla de configu-
ración de KOMTRAX.
30 Pruebas y Ajustes GSN00681-00
D155AX-6 75
Exhibición de la configuración KOMTRAX
(Condición de posicionamiento y comuni-
cación)
La condición configurada y la condición de
operación de KOMTRAX pueden ser revisadas con
la Exhibición de la configuración de KOMTRAX.
La condición de posicionamiento y comunicación
es usa da para revisa r la co ndició n d e
posicionamiento y comunicación del terminal
KOMTRAX.
1. Seleccionando el menú
Seleccione "12 Exhibición de configuración
KOMTRAX " en la pantalla del menú de
Servicio.
2. Selección del sub menú
Después de que se exhiba la pantalla de
configuración KOMTRAX, seleccione "02
C ond ición de p osicio namiento y
comunicación" por medio de los interruptores
de función o los interruptores para introducir
numerales.
H Seleccione este ítem en forma similar a un
ítem en la pantalla del Menú de servicio.
3. Contenido de la exhibición de la condición de
posicionamiento y comunicación
En la pa ntalla de la con dición d e
posicionamiento y comunicación, se exhiben
los siguientes ítemes.
Posiciones: Condición de posición del
GPS
Comunicación: Estabilidad de las comuni-
cación del MODEM de comunicaciones y
condición de conexión del MODEM de
comunicación.
[F5]: Retorne a la pantalla de configu-
ración de KOMTRAX.
GSN00681-00 30 Pruebas y Ajustes
76 D155AX-6
Exposición de la activación de KOMTRAX
La condición configurada y la condición de
operación de KOMTRAX pueden ser revisadas con
la Exhibición de la configuración de KOMTRAX.
El número de serie del MODEM se usa para revisar
el No. de serie del MODEM de comunicación
KOMTRAX.
1. Seleccionando el menú
Seleccione "12 Exhibición de configuración
KOMTRAX " en la pantalla del menú de
Servicio.
2. Selección del sub menú
Después de que se exhiba la pantalla de
configuración KOMTRAX, seleccione "03
NÚMERO DE SERIE DEL MODEM" por medio
de lo s inte rru ptore s de fu nción o lo s
interruptores para introducir numerales.
H Seleccione este ítem en forma similar a un
ítem en la pantalla del Menú de servicio.
3. Contenido de la exhibición de NÚMERO DE
SERIE DEL MODEM
El Núme ro de ser ie d el MOD EM de
comunicación KOMTRAX es exhibido.
[F5]: Retorne a la pantalla de
configuración de KOMTRAX.
30 Pruebas y Ajustes GSN00681-00
D155AX-6 77
Exposición de mensaje de KOMTRAX
Los mensajes especiales enviados por el
encargado de servicio de la estación base de
KOMTRAX (un Distribuidor, etc.) se pueden revisar
con esta función.
Si hay alguna configuración en el mensaje, un
correo de retorno se puede enviar mediante el uso
de los interruptores para introducir numerales.
1. Operación para exhibir el menú
Seleccione "13 Mensaje KOMTRAX" en la
pantalla del menú de Servicio.
2. Exhibición del mensaje (Solo para leer)
Si hay mensaje, su contenido es exhibido. Si
no hay mensaje, "No mensaje" es exhibido.
[F5]: Regrese a la pantalla del menú de
servicio
H Este mensaje es diferente del mensaje
transmitido al operador en el modo del
operador.
H Debido a que este mensaje es especial
para el encargado de servicio, el monitor
de mensajes no es exhibido cuando el
mensaje es recibido, como en el modo del
operador.
3. Exhibición del mensaje (con función de correo de
retorno)
Si una ventanita para introducir un valor por
medio de las teclas de numerales es exhibida
d eba jo d el men saje, entre e l núme ro
apropiado por medio de los interruptores para
introducir numerales y los interruptores de
función, y confírmelo, y la información es
retornada a la estación base de KOMTRAX.
[F5]: Regrese a la pantalla del menú de
servicio
[F6]: Confirme y retorne el valor entrado.
H Este mensaje es diferente del mensaje
transmitido al operador en el modo del
operador.
H Debido a que este mensaje es especial
para el encargado de servicio, el monitor
de mensajes no es exhibido cuando el
mensaje es recibido, como en el modo del
operador.
GSN00681-00 30 Pruebas y Ajustes
78 D155AX-6
D155AX-6 Buldózer
No.de Forma GSN00681-00
© 2006 KOMATSU
Todos los Derechos Reservados
Impreso en E.E.U.U. 08-06
D155AX-6 1
GSN00682-00
BULDÓZER 1MANUAL DE TALLER
D155AX-6
Modelo de máquina Número de serie
D155AX-6 80001 y superiores
30 Pruebas y Ajustes 1
Pruebas y ajustes, Parte 4
Pruebas y ajustes, Parte 4............................................................................................................................. 2
Forma de manejar el circuito de fuente de energía del controlador del motor.................................... 2
Trabajos de preparación para la localización de fallas en el sistema eléctrico ................................... 3
Clínica Pm........................................................................................................................................... 5
GSN00682-00 30 Pruebas y Ajustes
2 D155AX-6
Pruebas y ajustes, Parte 4 1
Manipulando el circuito de
suministro de energía del
controlador del motor 1
1. Antes de desconectar o conectar una conexión
entre el controlador del motor y el motor,
asegúrese de que el interruptor de arranque se
encuentre en posición "OFF".
2. Si un adaptador-T se introduce en o se conecta a
un conector entre el motor y el controlador del
motor para la localización de fallas, no arranque
el motor.
H Se podrá mover el interruptor del
arranque hacia las posiciones de OFF y
ON, pero no debe moverlo hacia la
posición de START = ARRANQUE.
30 Pruebas y Ajustes GSN00682-00
D155AX-6 3
Trabajos de preparación para la
localización de fallas en el
sistema eléctrico 1
H Al realizar la localización de fallas para un circuito
eléctrico relacionado con el monitor de la
máquina, controlador del motor, controlador del
tren de potencia, o el controlador del equipo de
trabajo, exponga los conectores relacionados de
acuerdo con el procedimiento que sigue.
1. Monitor de la máquina
1) Remueva los 4 tornillo de montaje de
cada una de las cubiertas (1) y (2) y
remueva esas cubiertas.
2) Remueva los 4 tornillo de montaje de cada
una de las cubiertas (3) y (4) y remueva esas
cubiertas junto con el descanso del pie.
H Los 2 tornillos del descanso del pie del lado
de la ventana delantera se usan también
como tornillo de montaje de la cubierta.
3) Remueva los 4 tornillos de montaje del
monitor de la máquina (5) y hale el monitor
de la máquina (5) junto con la cubierta del
interruptor hacia el asiento del operador.
4) Inserte o conecte el adaptador en T del
lo calización de fallas en, o a los
conectores CM01, CM02, y CM03 del
monitor de la máquina (5).
H AT11 es para la antena GPS.
H Si está instalada la cámara, el CM05
también tiene su arnés de cables.
2. Controlador del motor
1) Abra la cubierta del lado izquierdo del
motor y el protector contra barro izquierdo.
2) Desmonte los pernos de montaje y la
cubierta (6).
3) Introduzca o conecte adaptadores-T para
la localización de fallas en o a los
conectores EGC1, EGC2, y EGC3 del
controlador del motor (7).
H Debido a que los conectores EGC1 y
EGC2 están asegurados por tornillos,
a floje e sos tor nillo s an te s de
desconectar.
H Cuando retorne los conectores EGC1
y EGC2, apriete los tornillos a su par
de apriete especificado.
3 Tornillo: 3 ± 1 Nm {0.3 ± 0.1 kgm}
GSN00682-00 30 Pruebas y Ajustes
4 D155AX-6
3. Controlador del tren de potencia
1) Remueva la cubierta interior inferior de la
consola izquierda.
H Esta cubierta está instalada en el
lado opuesto del controlador del
equipo de trabajo .
2) Introduzca o conecte adaptadores-T para
la localización de fallas en o a los
conectores STC1, STC2, y STC3 del
controlador del tren de potencia (8).
H Como los conectores están sujetos
con tornillos, afloje esos tornillos
antes de hacer la desconexión.
H Cuando devuelva los conectores,
apriete los tornillos a su par de
apriete especificado.
3 Tornillo:2.83 ± 0.28 Nm
{0.288 ± 0.028 kgm}
4. Controlador del equipo de trabajo
1) Remueva la cubierta interior inferior (9) de
la consola izquierda.
H Esta cubierta está instalada en el
lado opuesto del controlador del
equipo de trabajo.
2) Introduzca o conecte adaptadores-T para
la localización de fallas en o a los
conectores WEC1, WEC2, y WEC3 del
controlador del equipo de trabajo (10).
H Como los conectores están sujetos
con tornillos, afloje esos tornillos
antes de hacer la desconexión.
H Cuando devuelva los conectores,
apriete los tornillos a su par de
apriete especificado.
3 Tornillo:2.83 ± 0.28 Nm
{0.288 ± 0.028 kgm}
30 Pruebas y Ajustes GSN00682-00
D155AX-6 5
Clínica Pm 1
Modelo de máquina No. de Serie Horómetro de servicio
D155AX-6 h
Nombre del usuario Fecha de ejecución Inspector
/ /
Especificaciones
Hoja Aditamento trasero Ancho de la zapata
Hoja
Hoja Semi-U
Hoja U
Desgarrador de garras múltiples
Desgarrador gigante variable
Contra peso ( kg)
560 mm
610 mm
660 mm
710 mm
Condición del trabajo
Cantera/Minería
Carbón
Oro
Caliza
Construcción
Construcción/Ingeniería Civil
Camino
Túnel
Tipo de terreno (Gravedad
específica: )
Roca
Gravilla
Arena
Arcilla
Contenidos del trabajo
Empuje %
Cortes laterales %
Desgarrado %
Traslado %
Revisión de niveles de aceite/refrigerante
Nivel de refrigerante del motor
Nivel de aceite de motor
Nivel de aceite hidráulico
Cuando sea necesario
Nivel de aceite de la caja del
amortiguador
Nivel del aceite del tren de potencia
Nivel de aceite del mando final
Temperatura del refrigerante
del motor
Temperatura del aceite del
tren de potencia:
Temperatura ambiente Altitud
Rango Máximo:
Figura siguiente (Izquierda)
Rango Máximo:
Figura siguiente (Derecha)
Máx. °C/Mín. °C m
Opinión del operador Resultado de inspección final
Historia de fallas del sistema mecánico Historia de fallas del sistema eléctrico
AA10NX veces/1ra vez h/última h veces/1ra vez h/última h
AB00MA veces/1ra vez h/última h veces/1ra vez h/última h
B@BAZG veces/1ra vez h/última h veces/1ra vez h/última h
B@BCNS veces/1ra vez h/última h veces/1ra vez h/última h
B@BCZK veces/1ra vez h/última h veces/1ra vez h/última h
B@CENS veces/1ra vez h/última h veces/1ra vez h/última h
B@HANS veces/1ra vez h/última h veces/1ra vez h/última h
CA234 veces/1ra vez h/última h veces/1ra vez h/última h
GSN00682-00 30 Pruebas y Ajustes
6 D155AX-6
Revisar posiciones/1er. Método
MOTOR
Velocidad del motor
Presión de refuerzo
Presión de aceite del motor
Presión de aceite
Aire (Gas)
Electricidad
Temperatura del gas de escapePresión de los gases del cárter
Velocidad del ventilador
Tacómetro
Termómetro
Presión del circuito del ventilador
Motor
Adaptador
portatobera
Indicador
de paso de
gases
Sensor de tem-
peratura de
superficie para
medir la tem-
peratura exterior
VENTILADOR
30 Pruebas y Ajustes GSN00682-00
D155AX-6 7
Revisar posiciones/2do. Método
CONVERTIDOR DE TORSION
TRANSMISION
FRENO
Presión de entrada
Presión de salida
Freno derecho
Freno izquierdo
Presión del embrague de traba (LC)
Presión del embrague del estator (SC)
Zona de detección de presión centralizada
Zona de detección de presión centralizada
Zona de detección de presión centralizada
Presión de alivio principal (TM)
Presión del embrague de avance (F)
Presión embrague de retroceso (R)
Presión del embrague de 1ra (1ST)
Presión del embrague de 2da (2ND)
Presión del embrague de 3ra (3RD)
GSN00682-00 30 Pruebas y Ajustes
8 D155AX-6
Revisar posiciones/3er. Método
EQUIPO DE TRABAJO HSS
Presión de alivio principal
Presión de alivio LS
( Presión de alivio principal )
Presión de origen del circuito de control principal
30 Pruebas y Ajustes GSN00682-00
D155AX-6 9
Hoja de revisión de la Clínica Pm
1. Motor
2. Ventilador de enfriamiento
Modelo de
máquina
No. de Serie
Horómetro de
servicio
Nombre del
usuario
Fecha de
ejecución
Inspector
D155AX-6
Item Condición de medición Unidad
Valor estándar
para máquina
nueva
Valor de
servicio límite
Resultado de
medición
Aceptada
Rechazada
Motor
Velocidad
del motor
Baja velocidad en vacío
rpm
715 – 765 715 – 765
Alta
veloci-
dad sin
carga
Sin desaceleración
(Ajuste: 0007)
2,000 – 2,100 2,000 – 2,100
Normal
(Desaceleración)
1,825 – 1,925 1,825 – 1,925
Pedal desacelerador 825 – 925 825 – 925
F3 calado 1,560 – 1,660 1,450
Calado F3 + Alivio del elevador
del desgarrador
1,500 – 1,600 1,395
Presión de
refuerzo
F3 calado
kPa
{mmHg}
Mín. 117
{Mín. 880}
100
{750}
Temperatura
del escape
Temperatura ambiente
°C
— — — —
F3 calado 660 700
Presión de
los gases
del cárter
F3 calado
kPa
{mmH2O}
Máx. 2.94
{Máx 300}
3.92
{400}
Presión de
aceite del
motor
Alta velocidad sin carga
MPa
{kg/cm²}
Mín. 034
{Mín. 3.5}
0.21
{2.1}
Baja velocidad sin carga
Mín. 010
{Mín. 1.0}
0.08
{0.8}
Item Condición de medición Unidad
Valor estándar
para máquina
nueva
Valor de
servicio límite
Resultado de
medición Aceptada
Rechazada
Ventilador
Velocidad
Ajuste:
1005
Baja velocidad sin
carga
rpm
— — — —
Alta velocidad sin
carga
1,200 – 1,300 1,200 – 1,300
Presión del
circuito
Alta velocidad sin
carga
MPa
{kg/cm²}
GSN00682-00 30 Pruebas y Ajustes
10 D155AX-6
3. Presión de aceite del tren de potencia
¤ Por razones de seguridad, mida la presión de cada embrague de la transmisión solamente
mientras el motor esté funcionando en baja velocidad.
Item Condición de medición Unidad
Valor estándar
para máquina
nueva
Valor de
servicio límite
Resultado de
medición
Aceptada
Rechazada
Convertidordetorsión
Presión de
entrada
Monitoreo:
32601
Baja velocidad
sin carga
MPa
{kg/cm²}
0.05 – 0.49
{0.5 – 5.0}
0.05 – 0.49
{0.5 – 5.0}
Alta velocidad
sin carga
Máx. 1.0
{Máx. 10.0}
Máx. 1.0
{Máx. 10.0}
Presión de
salida
Monitoreo:
32603
Baja velocidad
sin carga
0.05 – 0.29
{0.5 – 3.0}
0.05 – 0.29
{0.5 – 3.0}
Alta velocidad
sin carga
0.29 – 0.69
{3.0 – 7.0}
0.29 – 0.69
{3.0 – 7.0}
Presióndel
embrague
de traba
Modo de cambio
de velocidades
automático
Velocidad de
traslado: F1
Traslado sin
carga
Baja velocidad
sin carga
1.12 – 1.52
{11.5 – 15.5}
1.12 – 1.52
{11.5 – 15.5}
Alta velocidad
sin carga
1.12 – 1.52
{11.5 – 15.5}
1.12 – 1.52
{11.5 – 15.5}
Presióndel
embrague
del estátor
Velocidad de
traslado: N/P
Baja velocidad
sin carga
2.45 – 2.85
{25.0 – 29.0}
2.45 – 2.85
{25.0 – 29.0}
Alta velocidad
sin carga
2.45 – 2.85
{25.0 – 29.0}
2.45 – 2.85
{25.0 – 29.0}
Item Condición de medición Unidad
Valor
estándar para
máquina
nueva
Valor de
servicio
límite
Resultado
de medición
Aceptada
Rechazada
Transmisión
Presión de
alivio
principal
Velocidad de
traslado: N/P
Baja velocidad
sin carga
MPa
{kg/cm²}
2.81 – 3.11
{28.7 – 31.7}
Mín. 2.62
{Mín. 26.7}
Alta velocidad
sin carga
3.04 – 3.33
{31.0 – 34.0}
Mín. 2.84
{Mín. 29.0}
Presión del
embrague F
Velocidad de
traslado: F3
Freno: Aplicado
Baja velocidad
sin carga
2.45 – 2.75
{25.0 – 28.0}
Mín. 2.26
{Mín. 23.0}
Presión del
embrague R
Velocidad de
traslado: R3
Freno: Aplicado
Baja velocidad
sin carga
2.65 – 2.94
{27.0 – 30.0}
Mín. 2.45
{Mín. 25.0}
Presión del
embraguede
1a.
Velocidad de
traslado: F1
Freno: Aplicado
Baja velocidad
sin carga
2.81 – 3.11
{28.7 – 31.7}
Mín. 2.62
{Mín. 26.7}
Presión del
embraguede
2a.
Velocidad de
traslado: F2
Freno: Aplicado
Baja velocidad
sin carga
2.60 – 2.89
{26.5 – 29.5}
Mín. 2.40
{Mín. 24.5}
Presión del
embraguede
3a.
Velocidad de
traslado: F3
Freno: Aplicado
Baja velocidad
sin carga
2.81 – 3.11
{28.7 – 31.7}
Mín. 2.62
{Mín. 26.7}
30 Pruebas y Ajustes GSN00682-00
D155AX-6 11
4. Presión de aceite HSS/Equipo de trabajo
5. Velocidad del equipo de trabajo
Item Condición de medición Unidad
Valor estándar
para máquina
nueva
Valor de
servicio
límite
Resultado
de medición
Aceptada
Rechazada
Freno
Presión del
freno derecho
Velocidad de
traslado: N
Freno: Liberado
Baja velocidad
sin carga
MPa
{kg/cm²}
2.46 – 3.04
{25.0 – 31.0}
2.16
{22.0}
Alta velocidad
sin carga
2.46 – 3.04
{25.0 – 31.0}
2.16
{22.0}
Presión del
freno izquierdo
Velocidad de
traslado: N
Freno: Liberado
Baja velocidad
sin carga
2.46 – 3.04
{25.0 – 31.0}
2.16
{22.0}
Alta velocidad
sin carga
2.46 – 3.04
{25.0 – 31.0}
2.16
{22.0}
Rendimiento del
freno
Calado en F2, alta velocidad sin
carga
La máquina no debe
moverse
Item Condición de medición Unidad
Valor estándar
para máquina
nueva
Valor de
servicio límite
Resultado de
medición
Aceptada
Rechazada
PresióndeaceiteHSS/Equipodetrabajo
Presión de
descarga
Palanca de control
del equipo de
trabajo: Todas las
palancas de
control en neutral
Alta
velocidad
sin carga
MPa
{kg/cm²}
2.45 – 3.82
{25 – 39}
2.45 – 3.82
{25 – 39}
Presión de
alivio del
equipo de
trabajo Alivio al final del
recorrido del
cilindro
Alta
velocidad
sin carga
26.0 – 29.0
{265 – 295}
26.0 – 29.0
{265 – 295}
Presión de
alivio LS del
equipo de
trabajo
Alta
velocidad
sin carga
24.0 – 26.0
{245 – 265}
24.0 – 26.0
{245 – 265}
Presión de
alivio HSS
Freno: Aplicado
Dirección: Aliviado
Alta
velocidad
sin carga
38.2 – 41.5
{390 – 425}
38.2 – 41.5
{390 – 425}
Presión de
alivio LS HSS
Alta
velocidad
sin carga
36.2 – 38.1
{369 – 389}
36.2 – 38.1
{369 – 389}
Presión
básica del
circuito de
control
Palanca de control
del equipo de
trabajo: Todas las
palancas de
control en neutral
Alta
velocidad
sin carga
3.97 – 4.46
{40.5 – 45.5}
3.97 – 4.46
{40.5 – 45.5}
Item Condición de medición Unidad
Valor estándar
para máquina
nueva
Valor de
servicio límite
Resultado de
medición
Aceptada
Rechazada
Velocidaddel
equipodetrabajo
Elevar la hoja Alta velocidad sin carga
seg.
3.0 – 4.0 3.0 – 4.0
Inclinación
izquierda de la
hoja
Alta velocidad sin carga 1.8 – 2.8 3.1
Bajar
desgarrador
Alta velocidad sin carga 1.5 – 2.5 3.5
Ladeamiento
interior del
desgarrador
Alta velocidad sin carga 4.5 – 5.5 6.2
GSN00682-00 30 Pruebas y Ajustes
12 D155AX-6
6. Desplazamiento hidráulico del equipo de trabajo
7. Mando final
8. Registro de reparaciones (Tiene que ser llenado)
Item Condición de medición Unidad
Valor estándar
para máquina
nueva
Valor de
servicio límite
Resultado de
medición
Aceptada
Rechazada
Desplazamiento
hidráulico
Temperatura del
aceite hidráulico
Motor: Detenido
Levantamiento de
hoja: 15 minutos
Elevación del
desgarrador: 5
minutos
°C — — — —
Fuga hidráulica
del levanta-
miento de la hoja
mm Máx. 50 200
Fuga hidráulica
del levanta-
miento del
desgarrador
mm Máx. 50 70
Item Condición de medición Unidad
Valor estándar
para máquina
nueva
Valor de
servicio límite
Resultado de
medición
Aceptada
Rechazada
FD Mando final Motor: Detenido —
No debe haber una cantidad
de polvo metálico
anormalmente alta.
Fecha:
Horómetro de
servicio
Registro de reparación Fecha:
Horómetro de
servicio
Registro de reparación
/ / h / / h
/ / h / / h
/ / h / / h
/ / h / / h
/ / h / / h
30 Pruebas y Ajustes GSN00682-00
D155AX-6 13
Hoja de revisión de la Clínica Pm del tren de rodaje
1. Temperatura del buje
Lado izquierdo de la máquina
H Símbolos para ser introducidos en el diagrama de revisión
H: Caliente (Usted no puede continuar tocando, Muy caliente, Mínimo 50 °C)
W: Tibio (Tibio, más tibio que el eslabón, Aproximadamente 35 °C)
C : Temperatura normal: La misma temperatura del eslabón
Lado derecho de la máquina
H Símbolos para ser introducidos en el diagrama de revisión
H: Caliente (Usted no puede continuar tocando, Muy caliente, Mínimo 50 °C)
W: Tibio (Tibio, más tibio que el eslabón, Aproximadamente 35 °C)
C : Temperatura normal: La misma temperatura del eslabón
Modelo de
máquina
No. de Serie
Horómetro de
servicio
Nombre del
usuario
Fecha de
ejecución
Inspector
D155AX-6
Item Condición de medición Resultado de medición Aceptada Rechazada
Tren de
rodaje
Temperatura
del buje
Haga la
medición
inmediatamente
después del
trabajo
Lado izquierdo de la
máquina
Lado derecho de la
máquina
GSN00682-00 30 Pruebas y Ajustes
14 D155AX-6
Apertura del eslabón de la oruga (a)
Item Condición de medición Unidad
Límite de
holgura
Espiga No.
Resultado de
medición
Aceptada
Rechazada
Trenderodaje
Apertura del
eslabón de la
oruga
Medida de
dimensión (a).
Lado
izquierdo de
la máquina
mm
1.4
(Cada lado)
Lado derecho
de la máquina
1.4
(Cada lado)
30 Pruebas y Ajustes GSN00682-00
D155AX-6 15
GSN00682-00 30 Pruebas y Ajustes
16 D155AX-6
D155AX-6 Buldózer
No.de Forma GSN00682-00
© 2006 KOMATSU
Todos los Derechos Reservados
Impreso en E.E.U.U. 08-06
D155AX-6 1
GSN00851-00
BULDÓZER 1MANUAL DE TALLER
D155AX-6
Modelo de máquina Número de serie
D155AX-6 80001 y superiores
40 Localización de fallas 1
Información general sobre localización de
fallas
Información general y localización de fallas................................................................................................... 2
Aspectos a recordar durante la localización de fallas ......................................................................... 2
Secuencia de eventos en la localización de fallas .............................................................................. 3
Hacer una revisión antes de tratar de localizar fallas o averías.......................................................... 4
Clasificación y procedimientos de localización de fallas..................................................................... 5
Tabla de conexiones y números de las espigas de conectores .......................................................... 8
Tabla de cajas en “T” y adaptadores en “T” ...................................................................................... 31
GSN00851-00 40 Localización de fallas
2 D155AX-6
Información general sobre localización de fallas 1
Aspectos a recordar durante la localización de fallas 1
¤ Pare la máquina en un lugar nivelado y compruebe que el pasador de seguridad, los bloques y el
freno de estacionamiento se encuentren colocados con toda seguridad.
¤ Al realizar cualquier operación con dos o más trabajadores, observen estrictamente las señales
acordadas y no permita intrusos cerca del área de trabajo.
¤ Si se quita la tapa del radiador con el motor caliente, el refrigerante caliente puede salir a
borbotones y provocar quemaduras. Espere a que el motor se enfríe antes de iniciar la
localización de fallas y averías.
¤ Tenga cuidado extraordinario para no tocar cualquier pieza caliente o ser atrapado por cualquier
pieza en movimiento.
¤ Al desconectar cables eléctricos, siempre desconecte primero el terminal negativo (-) de la batería.
¤ Al quitar el tapón o tapa de un lugar que se encuentre sometido a presión de aceite, agua o aire,
primeramente, siempre alivie la presión interna. Al instalar equipos de medición, cerciórese de
conectarlos correctamente.
La finalidad de la localización de fallas y averías es la de puntualizar la causa básica de la falla y poder realizar
rápidamente las reparaciones y evitar la repetición del problema.
Al realizar la localización de fallas y averías, un punto importante es comprender la estructura y su funcionamiento.
Sin embargo, una vía rápida para una localización efectiva del problema es hacer varias preguntas al operador
para formarse alguna idea de las causas posibles del fallo que habrían producido los síntomas que han sido
informados.
1. Al realizar la localización de fallas, no se apresure a
desarmar los componentes.
Si los componentes se desarman inmediatamente
después que ocurre una falla:
Se desarmará sin necesidad partes que no
tienen conexión con la falla.
Será imposible encontrar las causas de la falla.
Se producirá un desperdicio de horas hombre,
piezas, aceite y grasas y al mismo tiempo se
perderá la confianza del usuario u operador.
Por esta razón, al realizar una localización de fallas
o averías, es necesario realizar una investigación
previa completa y realizar la tarea de acuerdo con
un procedimiento establecido.
2. Puntos a indagar con el usuario u operador:
1) ¿Se han producido otros problemas fuera del
problema que ha sido informado?
2) ¿Hubo algo raro en la máquina antes de
producirse la falla?
3) ¿Se produjo súbitamente la falla o hubieron
problemas con el estado de la máquina antes
de esto?
4) ¿Bajo que condiciones se produjo la falla?
5) ¿Se realizaron algunas reparaciones antes de
ocurrir la falla?
¿Cuando se realizaron estas reparaciones?
6) ¿Se produjo algún tipo de falla anterior-
mente?
3. Hacer una revisión antes de tratar de localizar fallas
o averías:
1) Comprobar el nivel del aceite.
2) Comprobar si hay alguna fuga externa de
aceite por tuberías o equipo hidráulico.
3) Comprobar el recorrido de las palancas de
control.
4) Comprobar el recorrido del carrete de la
válvula de control.
5) Otros items de mantenimiento se pueden
revisar exteriormente. Compruebe cualquier
item que se considere necesario.
4. Confirmación de la falla:
Confirme usted mismo la extensión de la falla y
juzgue si hay que manejar la situación como
una falla real o como un problema con el
método de operación, etc.
H Al operar la máquina para volver a pro-
ducir los síntomas para localizar la falla o
avería, no realice ninguna investigación o
medición que pueda agravar el problema.
5. Localización de fallas
Usar los resultados de la investigación e
inspección de los puntos 2 -4 para reducir las
causas de la falla y después hacer uso del
cuadro de flujo de localización de fallas y
averías para situar con exactitud la posición de
la falla.
H El procedimiento básico para la localiza-
ción de fallas, es el siguiente:
1)Comenzar por los puntos sencillos.
2)Comenzar por los puntos con
mayores posibilidades.
3)Investigar otras piezas o informa-
ciones relacionadas.
6. Medidas para eliminar el origen que provocó la falla:
Aún cuando la falla haya sido reparada, si la
causa fundamental de la falla no es reparada,
se volverá a producir la misma falla.
Para evitar esta situación, siempre investigue
porqué se produjo el problema. Después
elimine el origen de la causa.
40 Localización de fallas GSN00851-00
D155AX-6 3
Secuencia de eventos en la localización de fallas 1
Oficina, taller
Paso 1
Examen, confirmación de los síntomas
Al recibir una solicitud para realizar reparaciones,
primero haga las preguntas siguientes:
Nombre del cliente
Tipo y número de serie de la máquina
Detalles del lugar de trabajo, etc.
Haga preguntas para obtener una descripción del
problema
Condiciones de la falla
Trabajo que se realizaba al producirse la falla
Ambiente de operación
Historia anterior, detalles sobre mantenimiento, etc.
Paso 2
Determinar la ubicación probable de la causa
Buscar en la sección de localización de
fallas del manual de taller las posibles
ubicaciones de las causas.
Paso 3
Preparación de las herramientas para
la localización de fallas y averías.
Ver la tabla de herramientas del
manual de taller y prepare las
herramientas necesarias.
Adaptador-T
Conjunto de indicadores de presión
hidráulica, etc.
Ver el libro de piezas de repuesto y preparar
las piezas de repuesto necesarias
Reparación en el
lugar de trabajo
Libros de
la máquina
Manual de taller
Paso 4
Ir al lugar del trabajo
Lugar de trabajo
Rin Rin
¡Hay un
daño!
Reparación en el
lugar de trabajo
Paso 7
¡Que bien,
quedó
reparado!
Puntualizar las ubicaciones de la falla
(realizar la localización de falla y avería)
Decidir la acción que hay que tomar.
Antes de comenzar la localización de falla,
localice y repare los problemas sencillos.
Revise los aspectos pertinentes a antes de
comenzar
Revise otros puntos .
Ver la sección de Localización de fallas y averías
del manual de taller. Seleccione un cuadro de flujo
que iguale los síntomas y realice las labores
necesarias.
Paso 6
Repetición de la falla
Conduzca y opere la máquina para confirmar la
condición y determinar si realmente hay una falla o
avería.
Paso 5
Hacer preguntas al operador para
confirmar los detalles de la falla
¿Había algo de extraño en la máquina
antes de producirse la falla?
¿Se produjo súbitamente la falla?
¿Se hicieron algunas reparaciones antes
de producirse la falla?
GSN00851-00 40 Localización de fallas
4 D155AX-6
Hacer una revisión antes de tratar de localizar fallas o averías 1
Item Criterios Solución
Aceite
lubricante/
Refrigerante
1. Comprobar nivel y tipo de combustible — Añadir combustible
2. Comprobación del combustible en busca de
materias extrañas
— Drene y limpie
3. Comprobar el nivel del aceite hidráulico Entre H – L Añadir aceite
4. Revisar el nivel de aceite en la caja amortiguadora Entre H – L Añadir aceite
5. Comprobar el nivel del aceite del tren de potencia Entre H – L Añadir aceite
6. Comprobar el nivel y tipo del aceite del motor (en el
cárter del aceite)
Entre H – L Añadir aceite
7. Comprobar el nivel del refrigerante (en el sub
tanque)
Entre FULL (LLENO)-
LOW (BAJO)
Añada refrigerante
8. Revise si hay obstrucción en el indicador de polvo Afuera de la zona roja Limpiar o sustituir
9. Revise el recorrido del pedal de freno — Ajustar
Equipos
hidráulicos/
mecánicos
1. Comprobar si hay ruidos u olores anormales — Reparar
2. Revisar si hay escapes de aceite — Reparar
3 Purga del aire — Purgar el aire
Equipo
eléctrico
1. Revisar si hay terminales de batería o alambrado
sueltos o corroídos
—
Reapriete o
reemplace
2. Revisar si hay terminales del alternador o
alambrados sueltos o corroídos
—
Reapriete o
reemplace
3. Revisar si hay terminales del motor de arranque o
alambrado sueltos o corroídos
—
Reapriete o
reemplace
4. Revisión del voltaje de la batería (con el motor
parado)
20 -30 V Cargue ó reemplace
5. Revisar el nivel del electrólito Entre H – L
Añadir electrólito o
sustituir
6. Revise si los cables tienen decoloración, marcas de
quemadura, o la cubierta pelada
— Repare o reemplace
7. Revise si hay abrazaderas de cables sueltos y
cables caidos
— Reparar
8. Revise si los cables están húmedos (Revise
particularmente su los conectores y terminales
están húmedos)
— Seque
9. Revisar si hay desconexión o corrosión en el
disyuntor del circuito para colocar en OFF y el
fusible
— Reemplace
10. Compruebe el voltaje del alternador
(mientras la velocidad del motor es media o alta)
Después de operarlo por
varios minutos: 27.5 -29.5
V
Reemplace
11. Comprobar el sonido de operación del relé de la
batería
(Mientras se pone en ON-OFF el interruptor del
arranque)
— Reemplace
40 Localización de fallas GSN00851-00
D155AX-6 5
Clasificación y procedimientos de localización de fallas 1
Clasificación para la localización de fallas
Procedimientos de localización de fallas
Si ocurre un fenómeno que aparenta ser una falla, seleccione el No. de localización de fallas apropiado de acuerdo
al siguiente procedimiento, y luego vaya a la sección correspondiente de localización de fallas.
1. Procedimiento a seguir para la localización de fallas cuando el código de acción y el código de
fallas aparecen en el monitor de la máquina:
Si el código de acción y el código de fallas aparecen en el monitor de la máquina, realice la localización
de fallas correspondiente "Exposición de los códigos" de acuerdo con el código de falla expuesto.
2. Cuando el código de fallas del sistema eléctrico o o del sistema mecánico se registra en el historial de
falla:
Si el código de acción y el código de fallas no son expuestos en el monitor de la máquina, revise el
código de falla del sistema mecánico o eléctrico con la función de historial de fallas del monitor de la
máquina.
Si el código de falla está registrado, efectue la localización de fallas para el correspondiente
"Exposición de los códigos" de acuerdo con ese código.
a Si está registrado un código de fallas del sistema eléctrico, borre todos los códigos y reproduzcalos,
y luego vea si la falla todavía es detectada.
a Un código de falla del sistema mecánico no puede borrarse.
a Si s expone un problema en el historial de fallas del acondicionador de aire, o el del calentador por
medio de la función de historial de fallas, ejecute la localización de fallas correspondiente en el
Modo-E.
3. Cuando no se despliega el código de acción o el código de fallas no se registra en el historial de fallas:
Si el código de acción o el código de fallas no se despliegan en el monitor de la máquina, y no hay
código de fallas registrado en el historial de fallas, ha ocurrido una falla que la máquina no puede
diagnosticar por si misma, en el sistema eléctrico o en sistema hidráulico y mecánico.
En este caso, compruebe nuevamente un fenómeno que supuestamente es una falla y seleccione de la
tabla de "Fenómenos supuestos a ser Fallas y Localización de Fallas No." el fenómeno pertinente.
Después ejecute la localización de fallas en el "modo-E", "modo H", o "modo S".
Tipo Contenido
Exposición de los
códigos
Localización de fallas por el código de falla
Modo E Localización de fallas del sistema eléctrico
Modo H Localización de fallas en los sistemas hidráulico y mecánico
Modo S Localización de fallas para el motor
GSN00851-00 40 Localización de fallas
6 D155AX-6
Fenómenos supuestos a ser Fallas y Localización de Fallas No.
No. Fenómenos supuestos a ser Fallas
Localización de fallas
Exposi-
ción de
los
códigos
Modo E Modo H Modo S
Fenómenos relacionados con los códigos de acción/código de falla
1
Aparecen expuestos los códigos de acción y de falla en el monitor de la
máquina De
acuerdo
con el
código
expuesto
2
Cuando se comprueba el historial de fallas, el código de fallas aparece
expuesto en el sistema mecánico.
3
Cuando se comprueba el historial de fallas, el código de fallas aparece
expuesto en el sistema eléctrico.
4
Cuando se comprueba el historial de fallas, el código de fallas aparece
expuesto en el historial de falla del acondicionador de aire o el
calentador.
E-20
Fenómenos relacionados con el motor
5 Pobre desempeño de arranque S-1
6 El motor no arranca E-3 S-2
7 El motor no acelera suavemente S-3
8 El motor se para durante las operacion S-4
9 El motor no gira suavemente S-5
10 El motor carece de salida (o falta de fuerza) S-6
11 El humo de escape es negro (combustión incompleta) S-7
12 Excesivo consumo de aceite (o el humo de escape es color azul) S-8
13 El aceite se contamina gravemente S-9
14 El consumo de combustible es excesivo S-10
15
Hay presencia de aceite en el enfriador (o el enfriador se escapa en
borboteos o el nivel del enfriador desciende)
S-11
16 Baja la presión de aceite S-12
17 El nivel de aceite se sube (Entrada de refrigerante/combustible) S-13
18 Aumenta mucho la temperatura del refrigerante (sobrecalentamiento) S-14
19 Se produce ruido anormal S-15
20 La vibración es excesiva S-16
21 El precalentador no opera E-4
Fenómeno relacionado con el tren de potencia
22 La potencia está baja (La tracción a la barra de tiro es baja) H-1
23 La máquina no se traslada (en 2do. ó 3er. cambio de velocidad) H-2
24 La máquina no arranca en ningún cambio de velocidad H-3
25 La máquina solo puede moverse en una dirección, avance o retroceso H-4
26
Cuando se cambia el engranaje o se cambia la dirección de traslado, el
lapso de tiempo es largo
H-5
27
La máquina no se puede conducir (La máquina no vira a la izquierda o
la derecha)
H-6
28 La velocidad de dirección o la fuerza de dirección es lenta H-7
29 El freno no trabaja H-8
30 El aceite del tren de potencia se ha recalentado H-9
31
Ruido anormal procede de los alrededores de la bomba del HSS o del
motor del HSS
H-10
Fenómeno relacionado con el equipo de trabajo
32 La velocidad de todo el equipo de trabajo es lenta H-11
33 No se mueve el equipo de trabajo H-12
34 La velocidad de elevación de la hoja o la potencia es baja H-13
35 La velocidad de inclinación de la hoja o la potencia es baja H-14
36 La velocidad de elevación del desgarrador o la potencia es baja H-15
40 Localización de fallas GSN00851-00
D155AX-6 7
37 La velocidad de inclinación del desgarrador o la potencia es baja H-16
38 El escape hidráulico interno del levantador de la hoja es grande H-17
39 El escape hidráulico interno de la inclinación de la hoja es grande H-18
40 El escape hidráulico interno del levantador del desgarrador es grande H-19
41 El cilindro del extractor del pasador del desgarrador no opera H-20
42 No funciona el paso de la hoja H-21
43 Sonido anormal proviene del rededor de la bomba del equipo de trabajo H-22
Fenómenos relacionados con el monitor de la máquina
44
Cuando el interruptor de arranque es colocado en ON, el monitor de la
máquina no exhibe nada
E-1
45
Cuando el interruptor de arranque es colocado en la posición "ON"
(antes de arrancar el motor), se iluminan los ítemes de revisión básica
(nivel de refrigerante en el radiador)
E-2
46 El ítem de precaución se enciende mientras el motor está funcionando E-5
47
El ítem de paro por emergencia se enciende mientras el motor está
funcionando
E-6
48
El indicador de temperatura del refrigerante del motor no funciona
normalmente.
E-7
49 El medidor de combustible no funciona normalmente E-8
50
El indicador de temperatura del aceite del tren de potencia (indicador
múltiple) puede que no indique normalmente
E-9
51
El indicador de temperatura hidráulica (indicador múltiple) no indica
normalmente
E-10
52
Los contenidos de exhibición por el monitor de la máquina son
diferentes a los de la máquina aplicable
E-11
53 El monitor de la máquina no exhibe algunos ítemes E-12
54 El interruptor de función no trabaja E-13
55 El modo de operacióm no cambia E-14
56 El modo de cambio de marcha no cambia E-15
57 La función de confección al gusto no opera normalmente E-16
58 La función de memoria al gusto no opera normalmente E-17
59 El modo de flotación no cambia E-18
60 La zumbadora de alarma no se puede cancelar E-19
61 Acondicionador de aire no trabaja normalmente E-20
62
Cuando el interruptor de arranque es colocado en posición "OFF", el
horómetro de servicio no es exhibido.
E-21
63 El monitor de la máquina no se puede establecer en el modo de servicio E-22
64 El cilindro del extractor del pasador del desgarrador no opera E-23
65 La alarma de retroceso no suena o no para E-24
66
Luz delantera, luz trasera y la luz de punta del desgarrador no se
encienden
E-25
67 El limpiaparabrisas y el lavador de ventanas no trabajan E-26
Otro fenómeno
68 El sistema KOMTRAX no funciona normalmente E-27
No. Fenómenos supuestos a ser Fallas
Localización de fallas
Exposi-
ción de
los
códigos
Modo E Modo H Modo S
GSN00851-00 40 Localización de fallas
8 D155AX-6
Tabla de conexiones y números de las espigas de conectores 1
H El macho y hembra se refieren al pasador y enchufe respectivamente. El tapón y el receptáculo se refi-
eren a las formas de la caja.
Número
total de
pasa-
dores
Conector tipo X
Macho (Caja: Receptáculo) Hembra (Caja: Tapón)
Pieza No. de
Adaptador-T
1 No. de Parte: 08055-00181 No. de Parte: 08055-00191 799-601-7010
2 799-601-7020
No. de Parte: 08055-00282 No. de Parte: 08055-00292
3 799-601-7030
No. de Parte: 08055-00381 No. de Parte: 08055-00391
4 799-601-7040
No. de Parte: 08055-00481 No. de Parte: 08055-00491
—
No. de pieza de terminal: 79A-222-3370
• Tamaño de alambre: 0.85
• Arandela de caucho: Negro
• Cantidad: 20 piezas
No. de pieza de terminal: 79A-222-3390
• Tamaño de alambre: 0.85
• Arandela de caucho: Negro
• Cantidad: 20 piezas
—
—
No. de pieza de terminal: 79A-222-3380
• Tamaño de alambre: 2.0
• Arandela de caucho: Rojo
• Cantidad: 20 piezas
No. de pieza de terminal: 79A-222-3410
• Tamaño de alambre: 2.0
• Arandela de caucho: Rojo
• Cantidad: 20 piezas
—
40 Localización de fallas GSN00851-00
D155AX-6 9
Número
total de
pasa-
dores
Conector tipo SWP
Macho (Caja: Receptáculo) Hembra (Caja: Tapón)
Pieza No. de
Adaptador-T
6 799-601-7050
No. de Parte: 08055-10681 No. de Parte: 08055-10691
8 799-601-7060
No. de Parte: 08055-10881 No. de Parte: 08055-10891
12 799-601-7310
No. de Parte: 08055-11281 No. de Parte: 08055-11291
14 799-601-7070
No. de Parte: 08055-11481 No. de Parte: 08055-11491
GSN00851-00 40 Localización de fallas
10 D155AX-6
Número
total de
pasa-
dores
Conector tipo SWP
Macho (Caja: Receptáculo) Hembra (Caja: Tapón)
Pieza No. de
Adaptador-T
16 799-601-7320
No. de Parte: 08055-11681 No. de Parte: 08055-11691
—
No. de pieza de terminal:
• Tamaño de alambre: 0.85
• Arandela de caucho: Negro
• Cantidad: 20 piezas
No. de pieza de terminal:
• Tamaño de alambre: 0.85
• Arandela de caucho: Negro
• Cantidad: 20 piezas
—
—
No. de pieza de terminal:
• Tamaño de alambre: 1.25
• Arandela de caucho: Rojo
• Cantidad: 20 piezas
No. de pieza de terminal:
• Tamaño de alambre: 1.25
• Arandela de caucho: Rojo
• Cantidad: 20 piezas
—
40 Localización de fallas GSN00851-00
D155AX-6 11
Número
total de
pasa-
dores
Conector tipo M
Macho (Caja: Receptáculo) Hembra (Caja: Tapón)
Pieza No. de
Adaptador-T
1 No. de Parte: 08056-00171 No. de Parte: 08056-00181 799-601-7080
2 799-601-7090
No. de Parte: 08056-00271 No. de Parte: 08056-00281
3 799-601-7110
No. de Parte: 08056-00371 No. de Parte: 08056-00381
4 799-601-7120
No. de Parte: 08056-00471 No. de Parte: 08056-00481
6 799-601-7130
No. de Parte: 08056-00671 No. de Parte: 08056-00681
8 799-601-7340
No. de Parte: 08056-00871 No. de Parte: 08056-00881
GSN00851-00 40 Localización de fallas
12 D155AX-6
Número
total de
pasa-
dores
Conector tipo S
Macho (Caja: Receptáculo) Hembra (Caja: Tapón)
Pieza No. de
Adaptador-T
8 799-601-7140
No. de Parte: 08056-10871 No. de Parte: 08056-10881
10
(Blanco)
799-601-7150
No. de Parte: 08056-11071 No. de Parte: 08056-11081
12
(Blanco)
799-601-7350
No. de Parte: 08056-11271 No. de Parte: 08056-11281
16
(Blanco)
799-601-7330
No. de Parte: 08056-11671 No. de Parte: 08056-11681
40 Localización de fallas GSN00851-00
D155AX-6 13
Número
total de
pasa-
dores
Conector tipo S
Macho (Caja: Receptáculo) Hembra (Caja: Tapón)
Pieza No. de
Adaptador-T
10
(Azul)
—
— —
12
(Azul)
799-601-7160
No. de Parte: 08056-11272 No. de Parte: 08056-11282
16
(Azul)
799-601-7170
No. de Parte: 08056-11672 No. de Parte: 08056-11682
GSN00851-00 40 Localización de fallas
14 D155AX-6
Número
total de
pasa-
dores
Conector tipo MIC
Macho (Caja: Receptáculo) Hembra (Caja: Tapón)
Pieza No. de
Adaptador-T
7
No. de Pieza de cuerpo: 79A-222-2640
(Cantidad: 5 piezas)
No. de Pieza de cuerpo: 79A-222-2630
(Cantidad: 5 piezas)
—
11
No. de Pieza de cuerpo: 79A-222-2680
(Cantidad: 5 piezas)
No. de Pieza de cuerpo: 79A-222-2670
(Cantidad: 5 piezas)
—
5 799-601-2710
No. de Pieza de cuerpo: 79A-222-2620
(Cantidad: 5 piezas)
No. de Pieza de cuerpo: 79A-222-2610
(Cantidad: 5 piezas)
9 799-601-2950
No. de pieza del cuerpo:79A-222-2660
(Cantidad: 5 piezas)
No. de pieza del cuerpo:79A-222-2650
(Cantidad: 5 piezas)
13 799-601-2720
No. de Pieza de cuerpo: 79A-222-2710
(Cantidad: 2 piezas)
No. de Pieza de cuerpo: 79A-222-2690
(Cantidad: 2 piezas)
40 Localización de fallas GSN00851-00
D155AX-6 15
Número
total de
pasa-
dores
Conector tipo MIC
Macho (Caja: Receptáculo) Hembra (Caja: Tapón)
Pieza No. de
Adaptador-T
17 799-601-2730
No. de Pieza de cuerpo: 79A-222-2730
(Cantidad: 2 piezas)
No. de Pieza de cuerpo: 79A-222-2720
(Cantidad: 2 piezas)
21 799-601-2740
No. de Pieza de cuerpo: 79A-222-2750
(Cantidad: 2 piezas)
No. de Pieza de cuerpo: 79A-222-2740
(Cantidad: 2 piezas)
No. de Pieza de cuerpo: 79A-222-2770
(Cantidad: 50 piezas)
No. de Pieza de cuerpo: 79A-222-2760
(Cantidad: 50 piezas)
—
GSN00851-00 40 Localización de fallas
16 D155AX-6
H No. de pieza de terminal: 79A-222-3470 (No relacionado al número de polos)
Número
total de
pasa-
dores
Conector tipo AMP040
Macho (Caja: Receptáculo) Hembra (Caja: Tapón)
Pieza No. de
Adaptador-T
8 799-601-7180
—
No. de Pieza de caja: 79A-222-3430
(Cantidad: 5 piezas)
12 799-601-7190
—
No. de Pieza de caja: 79A-222-3440
(Cantidad: 5 piezas)
16 799-601-7210
—
No. de Pieza de caja: 79A-222-3450
(Cantidad: 5 piezas)
20 799-601-7220
—
No. de Pieza de caja: 79A-222-3460
(Cantidad: 5 piezas)
40 Localización de fallas GSN00851-00
D155AX-6 17
Número
total de
pasa-
dores
Conector tipo AMP070
Macho (Caja: Receptáculo) Hembra (Caja: Tapón)
Pieza No. de
Adaptador-T
10 799-601-7510
— No. de Parte: 7821-92-7330
12 799-601-7520
— No. de Parte: 7821-92-7340
14 799-601-7530
— No. de Parte: 7821-92-7350
18 799-601-7540
— No. de Parte: 7821-92-7360
20 799-601-7550
— No. de Parte: 7821-92-7370
GSN00851-00 40 Localización de fallas
18 D155AX-6
Número
total de
pasa-
dores
Conector tipo L
Macho (Caja: Receptáculo) Hembra (Caja: Tapón)
Pieza No. de
Adaptador-T
2 —
— —
Número
total de
pasa-
dores
Tipo de conexión PA
Macho (Caja: Receptáculo) Hembra (Caja: Tapón)
Pieza No. de
Adaptador-T
9 —
— —
Número
total de
pasador
es
Tipo de conexión BENDIX (MS)
Macho (Caja: Receptáculo) Hembra (Caja: Tapón)
Pieza No. de
Adaptador-T
10 799-601-3460
— —
40 Localización de fallas GSN00851-00
D155AX-6 19
Número
total de
pasa-
dores
Conector tipo KES 1 (Para automóviles)
Macho (Caja: Receptáculo) Hembra (Caja: Tapón)
Pieza No. de
Adaptador-T.
2 —
No. de Parte:08027-10210 (Color natural)
08027-10220 (Negro)
No. de Parte:08027-10260 (Color natural)
08027-10270 (Negro)
3 —
No. de Parte:08027-10310 No. de Parte:08027-10360
4 —
No. de Parte:08027-10410 (Color natural)
08027-10420 (Negro)
No. de Parte:08027-10460 (Color natural)
08027-10470 (Negro)
6 —
No. de Parte:08027-10610 (Color natural)
08027-10620 (Negro)
No. de Parte:08027-10660 (Color natural)
08027-10670 (Negro)
GSN00851-00 40 Localización de fallas
20 D155AX-6
Número
total de
pasa-
dores
Conector tipo KES 1 (Para automóviles)
Macho (Caja: Receptáculo) Hembra (Caja: Tapón)
Pieza No. de
Adaptador-T
8 —
No. de Parte:08027-10810 (Color natural)
08027-10820 (Negro)
No. de Parte:08027-10860 (Color natural)
08027-10870 (Negro)
Número
total de
pasa-
dores
Conector para relé (Receptáculo)
Macho (Caja: Receptáculo) Hembra (Caja: Tapón)
Pieza No. de
Adaptador-T
5 799-601-7360
— —
6 799-601-7370
— —
40 Localización de fallas GSN00851-00
D155AX-6 21
Número
total de
pasa-
dores
Conector tipo F
Macho (Caja: Receptáculo) Hembra (Caja: Tapón)
Pieza No. de
Adaptador-T
4 —
— —
GSN00851-00 40 Localización de fallas
22 D155AX-6
[El no. del pasador está también impreso en el conector (al extremo de inserción del alambre).]
Tipo
(código
de
tamaño
concha)
Conector serie HD30
Cuerpo (Tapón) Cuerpo (Receptáculo)
Pieza No. de
Adaptador-T
18-8 (1)
Pasador (Terminal macho) Pasador (Terminal hembra)
799-601-9210
No. de Parte:08191-11201, 08191-11202,
08191-11205, 08191-11206
No. de Parte:08191-14101, 08191-14102,
08191-14105, 08191-14106
Pasador (Terminal hembra) Espiga (Terminal macho)
799-601-9210
No. de Parte:08191-12201, 08191-12202,
08191-12205, 08191-12206
No. de Parte:08191-13101, 08191-13102,
08191-13105, 08191-13106
18-14 (2)
Espiga (Terminal macho) Pasador (Terminal hembra)
799-601-9220
No. de Parte:08191-21201, 08191-12202,
08191-21205, 08191-12206
No. de Parte:08191-24101, 08191-24102,
08191-24105, 08191-24106
Pasador (Terminal hembra) Espiga (Terminal macho)
799-601-9220
No. de Parte:08191-22201, 08191-22202,
08191-22205, 08191-22206
No. de Parte:08191-23101, 08191-23102,
08191-23105, 08191-23106
40 Localización de fallas GSN00851-00
D155AX-6 23
[El no. del pasador está también impreso en el conector (al extremo de inserción del alambre).]
Tipo
(código
de
tamaño
concha)
Conector serie HD30
Cuerpo (Tapón) Cuerpo (Receptáculo)
Pieza No. de
Adaptador-T
18-20 (3)
Espiga (Terminal macho) Pasador (Terminal hembra)
799-601-9230
No. de Parte:08191-31201, 08191-31202 No. de Parte:08191-34101, 08191-34102
Pasador (Terminal hembra) Espiga (Terminal macho)
799-601-9230
No. de Parte:08191-32201, 08191-32202 No. de Parte:08191-33101, 08191-33102
18-21 (4)
Espiga (Terminal macho) Pasador (Terminal hembra)
799-601-9240
No. de Parte:08191-41201, 08191-42202 No. de Parte:08191-44101, 08191-44102
Pasador (Terminal hembra) Espiga (Terminal macho)
799-601-9240
No. de Parte:08191-42201, 08191-42202 No. de Parte:08191-43101, 08191-43102
GSN00851-00 40 Localización de fallas
24 D155AX-6
[El no. del pasador está también impreso en el conector (al extremo de inserción del alambre).]
Tipo
(código
de
tamaño
concha)
Conector serie HD30
Cuerpo (Tapón) Cuerpo (Receptáculo)
Pieza No. de
Adaptador-T
24-9 (5)
Espiga (terminal macho) Pasador (Terminal hembra)
799-601-9250
No. de Parte:08191-51201, 08191-51202 No. de Parte:08191-54101, 08191-54102
Pasador (Terminal hembra) Espiga (Terminal macho)
799-601-9250
No. de Parte:08191-52201, 08191-52202 No. de Parte:08191-53101, 08191-53102
24-16
(6)
Espiga (Terminal macho) Pasador (Terminal hembra)
799-601-9260
No. de Parte:08191-61201, 08191-62202,
08191-61205, 08191-62206
No. de Parte:08191-64101, 08191-64102,
08191-64105, 08191-64106
Pasador (Terminal hembra) Espiga (Terminal macho)
799-601-9260
No. de Parte:08191-62201, 08191-62202,
08191-62205, 08191-62206
No. de Parte:08191-63101, 08191-63102,
08191-63105, 08191-63106
40 Localización de fallas GSN00851-00
D155AX-6 25
[El no. del pasador está también impreso en el conector (al extremo de inserción del alambre).]
Tipo
(código
de
tamaño
concha)
Conector serie HD30
Cuerpo (Tapón) Cuerpo (Receptáculo)
Pieza No. de
Adaptador-T
24-21
(7)
Espiga (Terminal macho) Pasador (Terminal hembra)
799-601-9270
No. de Parte:08191-71201, 08191-71202,
08191-71205, 08191-71206
No. de Parte:08191-74101, 08191-74102,
08191-74105, 08191-74106
Pasador (Terminal hembra) Espiga (Terminal macho)
799-601-9270
No. de Parte:08191-72201, 08191-72202,
08191-72205, 08191-72206
No. de Parte:08191-73101, 08191-73102,
08191-73105, 08191-73106
24-23
(8)
Espiga (Terminal macho) Pasador (Terminal hembra)
799-601-9280
No. de Parte:08191-81201, 08191-81202
08191-81203, 08191-81204
08191-81205, 08191-80206
No. de Parte:08191-84101, 08191-84102
08191-84103, 08191-84104
08191-84105, 08191-84106
Pasador (Terminal hembra) Espiga (Terminal macho)
799-601-9280
No. de Parte:08191-82201, 08191-82202
08191-82203, 08191-82204
08191-82205, 08191-82206
No. de Parte:08191-83101, 08191-83102
08191-83103, 08191-83104
08191-83105, 08191-83106
GSN00851-00 40 Localización de fallas
26 D155AX-6
[El no. del pasador está también impreso en el conector (al extremo de inserción del alambre).]
Tipo
(código
de
tamaño
concha)
Conector serie HD30
Cuerpo (Tapón) Cuerpo (Receptáculo)
Pieza No. de
Adaptador-T.
24-31 (9)
Espiga (Terminal macho) Pasador (Terminal hembra)
799-601-9290
No. de Parte:08191-91203, 08191-91204,
08191-91205, 08191-91206
No. de Parte:08191-94103, 08191-94104,
08191-94105, 08191-94106
Pasador (Terminal hembra) Espiga (Terminal macho)
799-601-9290
No. de Parte:08191-92203, 08191-92204,
08191-92205, 08191-92206
No. de Parte:08191-93103, 08191-93104,
08191-93105, 08191-93106
40 Localización de fallas GSN00851-00
D155AX-6 27
[El no. del pasador está también impreso en el conector (al extremo de inserción del alambre).]
Número
total de
pasa-
dores
Conector serie DT
Cuerpo (Tapón) Cuerpo (Receptáculo)
Pieza No. de
Adaptador-T
2 799-601-9020
No. de Parte:08192-12200 (Tipo normal)
08192-22200 (Tipo alambre fino)
No. de Parte:08192-12100 (Tipo normal)
08192-22100 (Tipo alambre fino)
3 799-601-9030
No. de Parte:08192-13200 (Tipo normal)
08192-23200 (Tipo alambre fino)
No. de Parte:08192-13100 (Tipo normal)
08192-23100 (Tipo alambre fino)
4 799-601-9040
No. de Parte:08192-14200 (Tipo normal)
08192-24200 (Tipo alambre fino)
No. de Parte:08192-14100 (Tipo normal)
08192-24100 (Tipo alambre fino)
6 799-601-9050
No. de Parte:08192-16200 (Tipo normal)
08192-26200 (Tipo alambre fino)
No. de Parte:08192-16100 (Tipo normal)
08192-26100 (Tipo alambre fino)
GSN00851-00 40 Localización de fallas
28 D155AX-6
[El no. del pasador está también impreso en el conector (al extremo de inserción del alambre).]
Número
total de
pasa-
dores
Conector serie DT
Cuerpo (Tapón) Cuerpo (Receptáculo)
Pieza No. de
Adaptador-T
8
Color del cuerpo
(Gris):
799-601-9060
Color del cuerpo
(Negro):
799-601-9070
Color del cuerpo
(Verde):
799-601-9080
Color del cuerpo
(Café):
799-601-9090No. de Parte:08192-1820 (Tipo normal)
08192-2820 (Tipo alambre fino)
No. de Parte:08192-1810 (Tipo normal)
08192-2810 (Tipo alambre fino)
12
Color del cuerpo
(Gris):
799-601-9110
Color del cuerpo
(Negro):
799-601-9120
Color del cuerpo
(Verde):
799-601-9130
Color del cuerpo
(Café):
799-601-9140
No. de Parte:08192-1920 (Tipo normal)
08192-2920 (Tipo alambre fino)
No. de Parte:08192-1910 (Tipo normal)
08192-2910 (Tipo alambre fino)
40 Localización de fallas GSN00851-00
D155AX-6 29
[El no. del pasador está también impreso en el conector (al extremo de inserción del alambre).]
[El no. del pasador está también impreso en el conector (al extremo de inserción del alambre).]
Número
total de
pasa-
dores
Conector serie DTM
Cuerpo (Tapón) Cuerpo (Receptáculo)
Pieza No. de
Adaptador-T
2
799-601-9010
No. de Parte: 08192-02200 No. de Parte: 08192-02100
Número
total de
pasa-
dores
Conector serie DTHD
Cuerpo (Tapón) Cuerpo (Receptáculo)
Pieza No. de
Adaptador-T
1 —
No. de Parte:08192-31200 (Contacto
tamaño#12)
08192-41200 (Contacto tamaño #8)
08192-51200 (Contacto tamaño #4)
No. de Parte:08192-31100 (Contacto
tamaño#12)
08192-41100 (Contacto tamaño #8)
08192-51100 (Contacto tamaño #4)
GSN00851-00 40 Localización de fallas
30 D155AX-6
[El no. del pasador está también impreso en el conector (al extremo de inserción del alambre).]
Número
total de
pasadores
Conector de la Serie DRC26
Macho (Caja: Receptáculo) Hembra (Caja: Tapón)
Pieza No. de
Adaptador-T
24 799-601-9360
— Parte No. 7821-93-3110
40
(A):
799-601-9350
— Parte No. 7821-93-3120
40
(B)
799-601-9350
— Parte No. 7821-93-3130
40 Localización de fallas GSN00851-00
D155AX-6 31
Tabla de cajas en “T” y adaptadores en “T” 1
H Los números de parte de las cajas-T, adaptadores-T, y otras partes se muestran en la columna extrema
izquierda y los números de parte de los conjuntos del adaptador T se muestran en la linea superior.
Pieza No. Nombre de la Pieza
Númerodeespigas
Símbolo
de
distinción
Conjunto del adaptador en "T".
Fueradelconjunto
799-601-2500
799-601-2700
799-601-2800
799-601-2900
799-601-3000
799-601-5500
799-601-6000
799-601-6500
799-601-7000
799-601-7100
799-601-7400
799-601-7500
799-601-8000
799-601-9000
799-601-9100
799-601-9200
799-601-9300
799-601-2600 Caja en “T” (para ECONO) 21
799-601-3100 Caja en “T” (para MS) 37
799-601-3200 Caja en “T” (para MS) 37
799-601-3300 Caja en “T” (para ECONO) 24
799-601-3360 • Placa para MS (24 pasadores)
799-601-3370 • Placa para MS (17 pasadores)
799-601-3380 • Placa para MS (14 pasadores)
799-601-3410 Adaptador para BENDIX (MS) 24 MS-24P
799-601-3420 Adaptador para BENDIX (MS) 24 MS-24P
799-601-3430 Adaptador para BENDIX (MS) 17 MS-17P
799-601-3440 Adaptador para BENDIX (MS) 17 MS-17P
799-601-3450 Adaptador para BENDIX (MS) 5 MS-5P
799-601-3460 Adaptador para BENDIX (MS) 10 MS-10P
799-601-3510 Adaptador para BENDIX (MS) 5 MS-5S
799-601-3520 Adaptador para BENDIX (MS) 17 MS-17P
799-601-3530 Adaptador para BENDIX (MS) 19 MS-19P
799-601-2910 Adaptador para BENDIX (MS) 14 MS-14P
799-601-3470 Caja
799-601-2710 Adaptador para MIC 5 MIC-5P
799-601-2720 Adaptador para MIC 13 MIC-13P
799-601-2730 Adaptador para MIC 17 MIC-17P
799-601-2740 Adaptador para MIC 21 MIC-21P
799-601-2950 Adaptador para MIC 9 MIC-9P
799-601-2750 Adaptador para ECONO 2 ECONO2P
799-601-2760 Adaptador para ECONO 3 ECONO3P
799-601-2770 Adaptador para ECONO 4 ECONO4P
799-601-2780 Adaptador para ECONO 8 ECONO8P
799-601-2790 Adaptador para ECONO 12
ECONO12
P
799-601-2810 Adaptador para DLI 8 DLI-8P
799-601-2820 Adaptador para DLI 12 DLI-12P
799-601-2830 Adaptador para DLI 16 DLI-16P
799-601-2840 Cable de extensión (tipo ECONO) 12
ECONO12
P
799-601-2850 Caja
799-601-4210 Adaptador para DRC 50 DRC50
799-601-7010 Adaptador para X (Ramal “T”) 1
799-601-7020 Adaptador para X 2 X2P
799-601-7030 Adaptador para X 3 X3P
799-601-7040 Adaptador para X 4 X4P
799-601-7050 Adaptador para SWP 6 SW6P
799-601-7060 Adaptador para SWP 8 SW8P
799-601-7310 Adaptador para SWP 12 SW12P
799-601-7070 Adaptador para SWP 14 SW14P
799-601-7320 Adaptador para SWP 16 SW16P
799-601-7080 Adaptador para M (Ramal “T”) 1
799-601-7090 Adaptador para M 2 M2P
GSN00851-00 40 Localización de fallas
32 D155AX-6
799-601-7110 Adaptador para M 3 M3P
799-601-7120 Adaptador para M 4 M4P
799-601-7130 Adaptador para M 6 M6P
799-601-7340 Adaptador para M 8 M8P
799-601-7140 Adaptador para S 8 S8P
799-601-7150 Adaptador para S (Blanco) 10 S10P
799-601-7160 Adaptador para S (Azul) 12 S12P
799-601-7170 Adaptador para S (Azul) 16 S16P
799-601-7330 Adaptador para S (Blanco) 16 S16PW
799-601-7350 Adaptador para S (Blanco) 12 S12PW
799-601-7180 Adaptador para AMP040 8 A8P
799-601-7190 Adaptador para AMP040 12 A12P
799-601-7210 Adaptador para AMP040 16 A16P
799-601-7220 Adaptador para AMP040 20 A20P
799-601-7230 Conector corto para X 2
799-601-7240 Caja
799-601-7270 Caja
799-601-7510 Adaptador para 070 10 07-10
799-601-7520 Adaptador para 070 12 07-12
799-601-7530 Adaptador para 070 14 07-14
799-601-7540 Adaptador para 070 18 07-18
799-601-7550 Adaptador para 070 20 07-20
799-601-7360 Adaptador para relé 5 REL-5P
799-601-7370 Adaptador para relé 6 REL-6P
799-601-7380 Adaptador para JFC 2
799-601-9010 Adaptador para DTM 2 DTM2
799-601-9020 Adaptador para DT 2 DT2
799-601-9030 Adaptador para DT 3 DT3
799-601-9040 Adaptador para DT 4 DT4
799-601-9050 Adaptador para DT 6 DT6
799-601-9060 Adaptador para DT (Gris) 8 DT8GR
799-601-9070 Adaptador para DT (Negro) 8 DT8B
799-601-9080 Adaptador para DT (Verde) 8 DT8G
799-601-9090 Adaptador para DT (Café) 8 DT8BR
799-601-9110 Adaptador para DT (Gris) 12 DT12GR
799-601-9120 Adaptador para DT (Negro) 12 DT12B
799-601-9130 Adaptador para DT (Verde) 12 DT12G
799-601-9140 Adaptador para DT 12 DT12BR
799-601-9210 Adaptador para HD30-18 8 D18-8
799-601-9220 Adaptador para HD30-18 14 D18-14
799-601-9230 Adaptador para HD30-18 20 D18-20
799-601-9240 Adaptador para HD30-18 21 D18-21
799-601-9250 Adaptador para HD30-24 9 D24-9
799-601-9260 Adaptador para HD30-24 16 D24-16
799-601-9270 Adaptador para HD30-24 21 D24-21
799-601-9280 Adaptador para HD30-24 23 D24-23
799-601-9290 Adaptador para HD30-24 31 D24-31
799-601-9310 Placa para HD30 (24 pasadores)
799-601-9320 Caja en “T” (para DT y HD) 12
799-601-9330 Caja
799-601-9340 Caja
799-601-9350 Adaptador para DRC 40 DRC-40
Pieza No. Nombre de la Pieza
Númerodeespigas
Símbolo
de
distinción
Conjunto del adaptador en "T".
Fueradelconjunto
799-601-2500
799-601-2700
799-601-2800
799-601-2900
799-601-3000
799-601-5500
799-601-6000
799-601-6500
799-601-7000
799-601-7100
799-601-7400
799-601-7500
799-601-8000
799-601-9000
799-601-9100
799-601-9200
799-601-9300
40 Localización de fallas GSN00851-00
D155AX-6 33
799-601-9360 Adaptador para DRC 24 DRC-24
799-601-9410 Adaptador para el motor (CRI-T2) 2 G
799-601-9420
Adaptador para el motor (CRI-T2)
Adaptador para el motor (CRI-T3)
3 A3
799-601-9430
Adaptador para el motor (CRI-T2)
Adaptador para el motor (CRI-T3)
2 P
799-601-9440 Adaptador para el motor (CRI-T2) 3 1,2,3
795-799-5520 Adaptador para el motor (HPI-T2) 2 S
795-799-5530
Adaptador para el motor (HPI-T2)
Adaptador para el motor (CRI-T3)
2 C
795-799-5540
Adaptador para el motor (HPI-T2)
Adaptador para el motor (CRI-T3)
2 A
795-799-5460 Adaptador para el motor (HPI-T2) 3
795-799-5470 Adaptador para el motor (HPI-T2) 3
795-799-5480 Adaptador para el motor (HPI-T2) 3
799-601-4160 Adaptador para el motor (CRI-T3) 2 ACEITE
799-601-4340 Adaptador para el motor (CRI-T3) 2 1,2,3
799-601-4130 Adaptador para el motor (CRI-T3) 3 FCIN
799-601-4140 Adaptador para el motor (CRI-T3) 3 FCIG
799-601-4150 Adaptador para el motor (CRI-T3) 3 FCIB
799-601-4180 Adaptador para el motor (CRI-T3) 3 FCIP3
799-601-4190 Adaptador para el motor (CRI-T3) 3 1,2,3
799-601-4240 Adaptador para el motor (CRI-T3) 3 1,2,3
799-601-4250 Adaptador para el motor (CRI-T3) 3 1,2,3
799-601-4330 Adaptador para el motor (CRI-T3) 3 1,2,3
799-601-4230 Adaptador para el motor (CRI-T3) 4 1,2,3,4
799-601-4260 Adaptador para controlador (ENG) 4 DTP4
799-601-4210 Adaptador para controlador (ENG) 50 DRC50
799-601-4220 Adaptador para controlador (ENG) 60 DRC60
799-601-4280 Caja para controlador (BOMBA) 121
799-601-9720 Adaptador para controlador (HST) 16 HST16A
799-601-9710 Adaptador para controlador (HST) 16 HST16B
799-601-9370 Adaptador para controlador (HST) 26 HST26A
Pieza No. Nombre de la Pieza
Númerodeespigas
Símbolo
de
distinción
Conjunto del adaptador en "T".
Fueradelconjunto
799-601-2500
799-601-2700
799-601-2800
799-601-2900
799-601-3000
799-601-5500
799-601-6000
799-601-6500
799-601-7000
799-601-7100
799-601-7400
799-601-7500
799-601-8000
799-601-9000
799-601-9100
799-601-9200
799-601-9300
GSN00851-00 40 Localización de fallas
34 D155AX-6
D155AX-6 Buldózer
No.de Forma GSN00851-00
© 2006 KOMATSU
Todos los Derechos Reservados
Impreso en E.E.U.U. 08-06
D155AX-6 1
GSN00716-01
BULDÓZER 1MANUAL DE TALLER
D155AX-6
Modelo de máquina Número de serie
D155AX-6 80001 y superiores
40 Localización de fallas 1
Localización de fallas y códigos de
errores, Parte 1
Localización de fallas y códigos de errores, Parte 1...................................................................................... 3
Tabla de códigos de falla..................................................................................................................... 3
Antes de ejecutar la localización de fallas cuando aparece expuesto el código de fallas................. 10
Información en la tabla de localización de fallas............................................................................... 14
Código de falla [1500L0] Embrague de transmisión: Anormal.......................................................... 16
Código de falla [15SAL1] Embrague de avance: Relleno alto (Interruptor de relleno en ON) .......... 17
Código de falla [15SALH] Embrague de avance: Bajo relleno (Interruptor de relleno en OFF)........ 18
Código de falla [15SBL1] Embrague de retroceso: Relleno alto (Interruptor de relleno en ON)....... 19
Código de falla [15SBLH] Embrague de retroceso: Bajo relleno (Interruptor de relleno en OFF) .... 20
Código de falla [15SEL1] Embrague de 1a. marcha: Relleno alto (Interruptor de relleno en ON).... 21
Código de falla [15SELH] Embrague de 1a. marcha: Bajo relleno (Interruptor de relleno en OFF) . 22
Código de falla [15SFL1] Embrague de 2a. marcha: Relleno alto (Interruptor de relleno en ON).... 23
Código de falla [15SFLH] Embrague de 2a. marcha: Bajo relleno (Interruptor de relleno en OFF).. 24
Código de falla [15SGL1] Embrague de 3a. marcha: Relleno alto (Interruptor de relleno en ON) ... 25
GSN00716-01 40 Localización de fallas
2 D155AX-6
Código de falla [15SGLH] Embrague de 3a. marcha: Bajo relleno (Interruptor de relleno en OFF) . 26
Código de falla [15SJL1] L/U: Relleno alto (Interruptor de relleno en ON) ....................................... 28
Código de falla [15SJLH] L/U: Bajo relleno (Interruptor de relleno en OFF) ..................................... 30
Código de falla [2301L1] Freno derecho: Relleno alto (Interruptor de relleno en ON) ...................... 32
Código de falla [2301LH] Freno derecho:Bajo relleno (Interruptor de relleno en OFF)..................... 33
Código de falla [2302L1] Freno izquierdo: Relleno alto (Interruptor de relleno en ON) .................... 34
Código de falla [2302LH] Freno izquierdo: Bajo relleno (Interruptor de relleno en OFF) .................. 35
Código de falla [7RFRKA] ECM RELÉ DE RETENCIÓN Desconexión ............................................ 36
Código de falla [AA10NX] Obstrucción del filtro de aire.................................................................... 38
Código de falla [AB00MA] Carga Anormal de la Batería................................................................... 40
Código de falla [B@BAZG] Presión del aceite del motor baja .......................................................... 42
Código de fallas [B@BCNS] Agua del motor sobrecalentado........................................................... 42
Código de falla [B@BCZK] Bajo el nivel del agua del motor............................................................. 43
Código de falla [B@CENS] Sobrecalentamiento del convertidor de torsión ..................................... 43
Código de falla [B@HANS] Sobrecalentamiento del Aceite Hidráulico............................................. 44
40 Localización de fallas GSN00716-01
D155AX-6 3
Localización de fallas y códigos de errores, Parte 1 1
Tabla de códigos de falla 1
Código
de acción
Código de
fallas
Problema (Exhibido en la pantalla)
Zumbador
de alarma
Componente
a cargo
Categoría de
historia
E03 1500L0 Transmission clutch: Abnormal P/T Sistema Eléctrico
E03 15SAL1 Forward clutch: Fill high P/T Sistema Eléctrico
E03 15SALH Forward clutch: Fill low P/T Sistema Eléctrico
E03 15SBL1 Reverse clutch: Fill high P/T Sistema Eléctrico
E03 15SBLH Reverse clutch: Fill low P/T Sistema Eléctrico
E03 15SEL1 Speed 1st clutch: Fill high P/T Sistema Eléctrico
E03 15SELH Speed 1st clutch: Fill low P/T Sistema Eléctrico
E03 15SFL1 Speed 2nd clutch: Fill high P/T Sistema Eléctrico
E03 15SFLH Speed 2nd clutch: Fill low P/T Sistema Eléctrico
E03 15SGL1 Speed 3rd clutch: Fill high P/T Sistema Eléctrico
E03 15SGLH Speed 3rd clutch: Fill low P/T Sistema Eléctrico
E02 15SJL1 L/U: Fill high P/T Sistema Eléctrico
E02 15SJLH L/U: Fill low P/T Sistema Eléctrico
E04 2301L1 Right brake: Fill high P/T Sistema Eléctrico
E04 2301LH Right brake: Fill low P/T Sistema Eléctrico
E04 2302L1 Left brake: Fill high P/T Sistema Eléctrico
E04 2302LH Left brake: Fill low P/T Sistema Eléctrico
7RFAKA ECM HOLD RELAY: Disconnection P/T Sistema Eléctrico
AA10NX Air Cleaner Clogging MON Sistema mecánico
AB00MA Battery Charge Abnormal MON Sistema mecánico
B@BAZG Eng Oil Press Low MOTOR Sistema mecánico
B@BCNS Eng Water Overheat MOTOR Sistema mecánico
B@BCZK Eng Water Level Low MON Sistema mecánico
B@CENS T/C Oil Overheat P/T Sistema mecánico
B@HANS Hyd Oil Overheat MON Sistema mecánico
E04 CA111 EMC Critical Internal Failure MOTOR Sistema Eléctrico
E04 CA115 Eng Ne and Bkup Speed Sens Error MOTOR Sistema Eléctrico
E03 CA122 Chg Air Press Sensor High Error MOTOR Sistema Eléctrico
E03 CA123 Chg Air Press Sensor Low Error MOTOR Sistema Eléctrico
E03 CA131 Throttle Sensor High Error MOTOR Sistema Eléctrico
E03 CA132 Throttle Sensor Low Error MOTOR Sistema Eléctrico
E02 CA135 Eng Oil Press Sensor High Error MOTOR Sistema Eléctrico
E02 CA141 Eng Oil Press Sensor Low Error MOTOR Sistema Eléctrico
E02 CA144 Coolant Temp Sens High Error MOTOR Sistema Eléctrico
E02 CA145 Coolant Temp Sens Low Error MOTOR Sistema Eléctrico
E01 CA153 Chg Air Temp Sensor High Error MOTOR Sistema Eléctrico
E01 CA154 Chg Air Temp Sensor Low Error MOTOR Sistema Eléctrico
E03 CA187 Sens Supply 2 Volt Low Error MOTOR Sistema Eléctrico
E03 CA221 Ambient Press Sens High Error MOTOR Sistema Eléctrico
E03 CA222 Ambient Press Sens Low Error MOTOR Sistema Eléctrico
E03 CA227 Sens Supply 2 Volt High Error MOTOR Sistema Eléctrico
GSN00716-01 40 Localización de fallas
4 D155AX-6
E00 CA234 Eng Overspeed MOTOR Sistema mecánico
E03 CA238 Ne Speed Sens Supply Volt Error MOTOR Sistema Eléctrico
E01 CA263 Fuel Temp Sensor High Error MOTOR Sistema Eléctrico
E01 CA265 Fuel Temp Sensor Low Error MOTOR Sistema Eléctrico
E03 CA271 PCV1 Short Error MOTOR Sistema Eléctrico
E03 CA272 PCV1 Open Error MOTOR Sistema Eléctrico
E03 CA273 PCV2 Short Error MOTOR Sistema Eléctrico
E03 CA274 PCV2 Open Error MOTOR Sistema Eléctrico
E03 CA322 Inj #1 (L#1) Open/Short Error MOTOR Sistema Eléctrico
E03 CA323 Inj #5 (L#5) Open/Short Error MOTOR Sistema Eléctrico
E03 CA324 Inj #3 (L#3) Open/Short Error MOTOR Sistema Eléctrico
E03 CA325 Inj #6 (L#6) Open/Short Error MOTOR Sistema Eléctrico
E03 CA331 Inj #2 (L#2) Open/Short Error MOTOR Sistema Eléctrico
E03 CA332 Inj #4 (L#4) Open/Short Error MOTOR Sistema Eléctrico
E04 CA342 Calibration Code Incompatibility MOTOR Sistema Eléctrico
E03 CA351 Injectors Drive Circuit Error MOTOR Sistema Eléctrico
E03 CA352 Sens Supply 1 Volt Low Error MOTOR Sistema Eléctrico
E03 CA386 Sens Supply 1 Volt High Error MOTOR Sistema Eléctrico
E04 CA441 Battery Voltage Low Error MOTOR Sistema Eléctrico
E04 CA442 Battery Voltage High Error MOTOR Sistema Eléctrico
E03 CA449 Rail Press Very High Error MOTOR Sistema Eléctrico
E03 CA451 Rail Press Sensor High Error MOTOR Sistema Eléctrico
E03 CA452 Rail Press Sensor Low Error MOTOR Sistema Eléctrico
E02 CA553 Rail Press High Error MOTOR Sistema Eléctrico
E03 CA554 Rail Press Sensor In Range Error MOTOR Sistema Eléctrico
E02 CA559 Rail Press Low Error MOTOR Sistema Eléctrico
E03 CA689 Eng Ne Speed Sensor Error MOTOR Sistema Eléctrico
E03 CA731 Eng Bkup Speed Sens Phase Error MOTOR Sistema Eléctrico
E04 CA757 All Continuous Data Lost Error MOTOR Sistema Eléctrico
E03 CA778 Eng Bkup Speed Sensor Error MOTOR Sistema Eléctrico
E02 CA1228 EGR Valve Servo Error 1 MOTOR Sistema Eléctrico
E03 CA1625 EGR Valve Servo Error 2 MOTOR Sistema Eléctrico
E03 CA1626 BP Valve Sol Current High Error MOTOR Sistema Eléctrico
E03 CA1627 BP Valve Sol Current Low Error MOTOR Sistema Eléctrico
E02 CA1628 Bypass Valve Servo Error 1 MOTOR Sistema Eléctrico
E03 CA1629 Bypass Valve Servo Error 2 MOTOR Sistema Eléctrico
E03 CA1631 BP Valve Pos Sens High Error MOTOR Sistema Eléctrico
E03 CA1632 BP Valve Pos Sens Low Error MOTOR Sistema Eléctrico
E03 CA1633 KOMNET Datalink Timeout Error MOTOR Sistema Eléctrico
E01 CA1642 EGR Inlet Press Sens Low Error MOTOR Sistema Eléctrico
E01 CA1653 EGR Inlet Press Sens High Error MOTOR Sistema Eléctrico
E03 CA2185 Throt Sens Sup Volt High Error MOTOR Sistema Eléctrico
E03 CA2186 Throt Sens Sup Volt Low Error MOTOR Sistema Eléctrico
E03 CA2249 Rail Press Very Low Error MOTOR Sistema Eléctrico
Código
de acción
Código de
fallas
Problema (Exhibido en la pantalla)
Zumbador
de alarma
Componente
a cargo
Categoría de
historia
40 Localización de fallas GSN00716-01
D155AX-6 5
E03 CA2271 EGR Valve Pos Sens High Error MOTOR Sistema Eléctrico
E03 CA2272 EGR Valve Pos Sens Low Error MOTOR Sistema Eléctrico
E03 CA2351 EGR Valve Sol Current High Error MOTOR Sistema Eléctrico
E03 CA2352 EGR Valve Sol Current Low Error MOTOR Sistema Eléctrico
E01 CA2555 Grid Htr Relay Volt Low Error MOTOR Sistema Eléctrico
E01 CA2556 Grid Htr Relay Volt High Error MOTOR Sistema Eléctrico
D110KA Battery relay: Disconnection P/T Sistema Eléctrico
D110KB Battery Relay: Drive Short Circuit P/T Sistema Eléctrico
E02 D130KA Neutral relay: Disconnection P/T Sistema Eléctrico
E02 D130KB Neutral relay: Short circuit P/T Sistema Eléctrico
E01 D161KA Back-up alarm relay: Disconnection P/T Sistema Eléctrico
E01 D161KB Back-up alarm relay: Short circuit P/T Sistema Eléctrico
D190KA ACC signal relay: Disconnection P/T Sistema Eléctrico
D190KB ACC signal relay: Short circuit P/T Sistema Eléctrico
E03 D5ZKKX Throttle Dial: Out of normal range P/T Sistema Eléctrico
E03 DAFRKR CAN Disconnection MON Sistema Eléctrico
E03 DB2RKR CAN Disconnection MOTOR Sistema Eléctrico
E04 DB90KK WE controller: Source voltage reduction W/E Sistema Eléctrico
E03 DB90KR PT controller: Can communication lost P/T Sistema Eléctrico
E01 DB90KT WE controller: Abnormality in controller W/E Sistema Eléctrico
E03 DB95KK WE controller: Source voltage reduction W/E Sistema Eléctrico
E03 DB97KK WE controller: Source voltage reduction W/E Sistema Eléctrico
E04 DB99KQ WE controller: Type select signal W/E Sistema Eléctrico
E03 DB9RKR WE controller: Can communication lost W/E Sistema Eléctrico
E03 DBE0KK PT controller: Source voltage reduction P/T Sistema Eléctrico
E01 DBE0KT PT controller: Abnormality in controller P/T Sistema Eléctrico
E02 DBE6KK PT controller: Source voltage reduction P/T Sistema Eléctrico
E02 DBE7KK PT controller: Source voltage reduction P/T Sistema Eléctrico
E04 DBE9KQ PT controller: Type select signal P/T Sistema Eléctrico
E02 DD12KA Shift up Sw: Disconnection P/T Sistema Eléctrico
E02 DD12KB Shift up Sw: Short circuit P/T Sistema Eléctrico
E02 DD13KA Shift down Sw: Disconnection P/T Sistema Eléctrico
E02 DD13KB Shift down Sw: Short circuit P/T Sistema Eléctrico
E03 DD14KA Parking lever Sw: Disconnection P/T Sistema Eléctrico
E03 DD14KB Parking lever Sw: Short circuit P/T Sistema Eléctrico
E02 DDDDKA Back up brake Sw: Disconnection P/T Sistema Eléctrico
E02 DDDDKB Back up brake Sw: Short circuit P/T Sistema Eléctrico
E02 DDDDKX Back up brake Sw: Signal mismatch P/T Sistema Eléctrico
E02 DDN7KA WEQ Knob Sw (down): Disconnection W/E Sistema Eléctrico
E02 DDN7KB WEQ Knob Sw (down): Short circuit W/E Sistema Eléctrico
E01 DDN9KA WEQ Knob Sw (up): Disconnection W/E Sistema Eléctrico
E01 DDN9KB WEQ Knob Sw (up): Short circuit W/E Sistema Eléctrico
E03 DDNLKA Weq lock Sw: Disconnection W/E Sistema Eléctrico
E03 DDNLKB Weq lock Sw: Short circuit W/E Sistema Eléctrico
E02 DDTSL1 S/C: Fill high P/T Sistema Eléctrico
Código
de acción
Código de
fallas
Problema (Exhibido en la pantalla)
Zumbador
de alarma
Componente
a cargo
Categoría de
historia
GSN00716-01 40 Localización de fallas
6 D155AX-6
E02 DDTSLH S/C: Fill low P/T Sistema Eléctrico
E03 DFA4KX BL lever 1: Out of normal range W/E Sistema Eléctrico
E03 DFA4KZ BL lever: Disconnection or short circuit W/E Sistema Eléctrico
E03 DFA4L8 BL lever: Signal mismatch W/E Sistema Eléctrico
E03 DFA5KA BL lever 1: Disconnection W/E Sistema Eléctrico
E03 DFA5KB BL lever 1: Short circuit W/E Sistema Eléctrico
E03 DFA6KA BL lever 2: Disconnection W/E Sistema Eléctrico
E03 DFA6KB BL lever 2: Short circuit W/E Sistema Eléctrico
E03 DFA7KX BT lever 1: Out of normal range W/E Sistema Eléctrico
E03 DFA7KZ BT lever: Disconnection or short circuit W/E Sistema Eléctrico
E03 DFA7L8 BT lever: Signal mismatch W/E Sistema Eléctrico
E03 DFA8KA BT lever 1: Disconnection W/E Sistema Eléctrico
E03 DFA8KB BT lever 1: Short circuit W/E Sistema Eléctrico
E03 DFA9KA BT lever 2: Disconnection W/E Sistema Eléctrico
E03 DFA9KB BT lever 2: Short circuit W/E Sistema Eléctrico
E03 DFAAKX RL lever 1: Out of normal range W/E Sistema Eléctrico
E03 DFAAKZ RL lever: Disconnection or short circuit W/E Sistema Eléctrico
E03 DFAAL8 RL lever: Signal mismatch W/E Sistema Eléctrico
E03 DFABKA RL lever 1: Disconnection W/E Sistema Eléctrico
E03 DFABKB RL lever 1: Short circuit W/E Sistema Eléctrico
E03 DFACKA RL lever 2: Disconnection W/E Sistema Eléctrico
E03 DFACKB RL lever 2: Short circuit W/E Sistema Eléctrico
E03 DFADKX RT lever 1: Out of normal range W/E Sistema Eléctrico
E03 DFADKZ RT lever: Disconnection or short circuit W/E Sistema Eléctrico
E03 DFADL8 RT lever: Signal mismatch W/E Sistema Eléctrico
E03 DFAEKA RT lever 1: Disconnection W/E Sistema Eléctrico
E03 DFAEKB RT lever 1: Short circuit W/E Sistema Eléctrico
E03 DFAFKA RT lever 2: Disconnection W/E Sistema Eléctrico
E03 DFAFKB RT lever 2: Short circuit W/E Sistema Eléctrico
E01 DGT1KA T/C oil temp sensor: Abnormal P/T Sistema Eléctrico
E01 DGT1KX T/C oil temp sensor abnormal P/T Sistema Eléctrico
DH21KA WEQ pressure sensor: Disconnection W/E Sistema Eléctrico
DH21KB WEQ pressure sensor: Short circuit W/E Sistema Eléctrico
E02 DHT5KA T/C in-pressure sensor: Disconnection P/T Sistema Eléctrico
E02 DHT5KB T/C in-pressure sensor: Short circuit P/T Sistema Eléctrico
E02 DHT7KA T/C out-pressure sensor: Disconnection P/T Sistema Eléctrico
E02 DHT7KB T/C out-pressure sensor: Short circuit P/T Sistema Eléctrico
E03 DK10KX Fuel control Dial: Out of normal range MOTOR Sistema Eléctrico
E03 DK30KA ST lever 1: Disconnection P/T Sistema Eléctrico
E03 DK30KB ST lever 1: Short circuit P/T Sistema Eléctrico
E04 DK30KX ST lever 1: Out of normal range P/T Sistema Eléctrico
E04 DK30KZ ST lever: Disconnection or short circuit P/T Sistema Eléctrico
E03 DK30L8 ST lever: Signal mismatch P/T Sistema Eléctrico
E03 DK31KA ST lever 2: Disconnection P/T Sistema Eléctrico
Código
de acción
Código de
fallas
Problema (Exhibido en la pantalla)
Zumbador
de alarma
Componente
a cargo
Categoría de
historia
40 Localización de fallas GSN00716-01
D155AX-6 7
E03 DK31KB ST lever 2: Short circuit P/T Sistema Eléctrico
E03 DK40KA Brake potentiometer: Disconnection P/T Sistema Eléctrico
E03 DK40KB Brake potentiometer: Short circuit P/T Sistema Eléctrico
E04 DK55KX FR lever: Out of normal range P/T Sistema Eléctrico
E04 DK55KZ FR lever: Disconnection or short circuit P/T Sistema Eléctrico
E03 DK55L8 FR lever: Signal mismatch P/T Sistema Eléctrico
E03 DK56KA FR lever 1: Disconnection P/T Sistema Eléctrico
E03 DK56KB FR lever 1: Short circuit P/T Sistema Eléctrico
E03 DK57KA FR lever 2: Disconnection P/T Sistema Eléctrico
E03 DK57KB FR lever 2: Short circuit P/T Sistema Eléctrico
E03 DKH1KA Pitch angle sensor: Disconnection P/T Sistema Eléctrico
E03 DKH1KB Pitch angle sensor: Short circuit P/T Sistema Eléctrico
E01 DLT3KA T/M out-speed sensor: Disconnection P/T Sistema Eléctrico
E01 DLT3KB T/M out-speed sensor: Abnormal P/T Sistema Eléctrico
E01 DW7BKA Fan rev EPC: Disconnection P/T Sistema Eléctrico
E01 DW7BKB Fan rev EPC: Short circuit P/T Sistema Eléctrico
E03 DWN1KA Hss EPC1: Disconnection P/T Sistema Eléctrico
E03 DWN1KB Hss EPC1: Short circuit P/T Sistema Eléctrico
E03 DWN1KY Hss EPC1: Short circuit P/T Sistema Eléctrico
E03 DWN2KA Hss EPC2: Disconnection P/T Sistema Eléctrico
E03 DWN2KB Hss EPC2: Short circuit P/T Sistema Eléctrico
E03 DWN2KY Hss EPC2: Short circuit P/T Sistema Eléctrico
E04 DWN3KA Ssp solenoid: Disconnection P/T Sistema Eléctrico
E04 DWN3KB Ssp solenoid: Short circuit P/T Sistema Eléctrico
E04 DWN3KY Ssp solenoid: Short circuit P/T Sistema Eléctrico
E01 DWN5KA Fan pump solenoid: Disconnection P/T Sistema Eléctrico
E01 DWN5KB Fan pump solenoid: Short circuit P/T Sistema Eléctrico
E01 DXAOKA TVC Sol.: Disconnection W/E Sistema Eléctrico
E01 DXA0KB TVC Sol.: Short circuit W/E Sistema Eléctrico
E01 DXA0KY TVC Sol.: Short circuit W/E Sistema Eléctrico
E02 DXH1KA Lock-up ECMV: Disconnection P/T Sistema Eléctrico
E02 DXH1KB Lock-up ECMV: Short circuit P/T Sistema Eléctrico
E03 DXH1KY Lock-up ECMV: Short circuit P/T Sistema Eléctrico
E03 DXH4KA 1st clutch ECMV: Disconnection P/T Sistema Eléctrico
E03 DXH4KB 1st clutch ECMV: Short circuit P/T Sistema Eléctrico
E03 DXH4KY 1st clutch ECMV: Short circuit P/T Sistema Eléctrico
E03 DXH5KA 2nd clutch ECMV: Disconnection P/T Sistema Eléctrico
E03 DXH5KB 2nd clutch ECMV: Short circuit P/T Sistema Eléctrico
E03 DXH5KY 2nd clutch ECMV: Short circuit P/T Sistema Eléctrico
E03 DXH6KA 3rd clutch ECMV: Disconnection P/T Sistema Eléctrico
E03 DXH6KB 3rd clutch ECMV: Short circuit P/T Sistema Eléctrico
E03 DXH6KY 3rd clutch ECMV: Short circuit P/T Sistema Eléctrico
E03 DXH7KA R clutch ECMV: Disconnection P/T Sistema Eléctrico
E03 DXH7KB R clutch ECMV: Short circuit P/T Sistema Eléctrico
E04 DXH7KY R clutch ECMV: Short circuit P/T Sistema Eléctrico
Código
de acción
Código de
fallas
Problema (Exhibido en la pantalla)
Zumbador
de alarma
Componente
a cargo
Categoría de
historia
GSN00716-01 40 Localización de fallas
8 D155AX-6
E03 DXH8KA F clutch ECMV: Disconnection P/T Sistema Eléctrico
E03 DXH8KB F clutch ECMV: Short circuit P/T Sistema Eléctrico
E04 DXH8KY F clutch ECMV: Short circuit P/T Sistema Eléctrico
E04 DXHBKA Right brake ECMV: Disconnection P/T Sistema Eléctrico
E04 DXHBKB Right brake ECMV: Short circuit P/T Sistema Eléctrico
E04 DXHBKY Right brake ECMV: Short circuit P/T Sistema Eléctrico
E04 DXHCKA Left brake ECMV: Disconnection P/T Sistema Eléctrico
E04 DXHCKB Left brake ECMV: Short circuit P/T Sistema Eléctrico
E04 DXHCKY Left brake ECMV: Short circuit P/T Sistema Eléctrico
E03 DXHRKA Blade up EPC: Disconnection W/E Sistema Eléctrico
E03 DXHRKB Blade up EPC: Short circuit W/E Sistema Eléctrico
E03 DXHRKY Blade up EPC: Short circuit W/E Sistema Eléctrico
E03 DXHSKA Blade down EPC: Disconnection W/E Sistema Eléctrico
E03 DXHSKB Blade down EPC: Short circuit W/E Sistema Eléctrico
E03 DXHSKY Blade down EPC: Short circuit W/E Sistema Eléctrico
E03 DXHTKA Blade left 1 EPC: Disconnection W/E Sistema Eléctrico
E03 DXHTKB Blade left 1 EPC: Short circuit W/E Sistema Eléctrico
E03 DXHTKY Blade left 1 EPC: Short circuit W/E Sistema Eléctrico
E03 DXHUKA Blade right 1 EPC: Disconnection W/E Sistema Eléctrico
E03 DXHUKB Blade right 1 EPC: Short circuit W/E Sistema Eléctrico
E03 DXHUKY Blade right 1 EPC: Short circuit W/E Sistema Eléctrico
E03 DXHWKA Ripper up EPC: Disconnection W/E Sistema Eléctrico
E03 DXHWKB Ripper up EPC: Short circuit W/E Sistema Eléctrico
E03 DXHWKY Ripper up EPC: Short circuit W/E Sistema Eléctrico
E03 DXHXKA Ripper down EPC: Disconnection W/E Sistema Eléctrico
E03 DXHXKB Ripper down EPC: Short circuit W/E Sistema Eléctrico
E03 DXHXKY Ripper down EPC: Short circuit W/E Sistema Eléctrico
E03 DXHYKA Ripper Tilt In EPC: Disconnection W/E Sistema Eléctrico
E03 DXHYKB Ripper Tilt In EPC: Short circuit W/E Sistema Eléctrico
E03 DXHYKY Ripper Tilt In EPC: Short circuit W/E Sistema Eléctrico
E03 DXHZKA Ripper Tilt Back EPC: Disconnection W/E Sistema Eléctrico
E03 DXHZKB Ripper Tilt Back EPC: Short circuit W/E Sistema Eléctrico
E03 DXHZKY Ripper Tilt Back EPC: Short circuit W/E Sistema Eléctrico
E03 DXJ4KA WEQ lock Sol.: Disconnection W/E Sistema Eléctrico
E03 DXJ4KB WEQ lock Sol.: Short circuit W/E Sistema Eléctrico
E03 DXJ8KA Blade left 2 EPC: Disconnection W/E Sistema Eléctrico
E03 DXJ8KB Blade left 2 EPC: Short circuit W/E Sistema Eléctrico
E03 DXJ8KY Blade left 2 EPC: Short circuit W/E Sistema Eléctrico
E03 DXJ9KA Blade right 2 EPC: Disconnection W/E Sistema Eléctrico
E03 DXJ9KB Blade right 2 EPC: Short circuit W/E Sistema Eléctrico
E03 DXJ9KY Blade right 2 EPC: Short circuit W/E Sistema Eléctrico
E01 DXJAKA Q-drop EPC: Disconnection W/E Sistema Eléctrico
E01 DXJAKB Q-drop EPC: Short circuit W/E Sistema Eléctrico
E01 DXJAKY Q-drop EPC: Short circuit W/E Sistema Eléctrico
Código
de acción
Código de
fallas
Problema (Exhibido en la pantalla)
Zumbador
de alarma
Componente
a cargo
Categoría de
historia
40 Localización de fallas GSN00716-01
D155AX-6 9
H Orden de entrada de los ítems en la tabla
Los ítemes son introducidos en el orden de sus códigos de falla (orden incremental).
H Código de acción
Adjunto: Si se detecta un código de falla, el código de acción, el código de falla y el número de teléfono
(si está registrado) son exhibidos en la pantalla normal, para notificar al operador sobre la
falla.
No adjunto: Aún si se detecta un código de falla, el monitor de la máquina no notifica al operador sobre
la falla.
H Zumbador de alarma
: Cuando la ocurrencia de un error es notificada al operador, suena el zumbador de alarma (El
operador puede detener al zumbador por medio del interruptor de cancelación del zumbador de
alarma)
: Debido a que el monitor de precaución también está colocado en ON, su función hace sonar el
zumbador de alarma.
H Componente a cargo
MON:El monitor de la máquina está encargado de la detección de la falla.
MOTOR:El controlador del motor está encargado de la detección de la falla.
P/T: El controlador del tren de potencia está encargado de detectar la falla.
W/E: El controlador del equipo de trabajo está encargado de detectar la falla.
H Categoría de historia
Sistema mecánico: La información de fallas queda registrada en el historial de fallas del sistema
mecánico.
Sistema eléctrico: La información de fallas queda registrada en el historial de fallas del sistema
eléctrico.
E02 DXJBKA S/C ECMV: Disconnection P/T Sistema Eléctrico
E02 DXJBKB S/C ECMV: Short circuit P/T Sistema Eléctrico
E02 DXJBKY S/C ECMV: Short circuit P/T Sistema Eléctrico
Código
de acción
Código de
fallas
Problema (Exhibido en la pantalla)
Zumbador
de alarma
Componente
a cargo
Categoría de
historia
GSN00716-01 40 Localización de fallas
10 D155AX-6
Antes de ejecutar la localización de fallas cuando aparece expuesto el
código de fallas. 1
Tabla de conexiones de disyuntores de circuito y cajas de fusibles.
H La tabla de conexiones muestra los dispositivos a los cuales cada suministro energético de la caja de
fusibles suministra energía. (Un suministrador energético es un dispositivo que suministra energía
eléctrica mientras el interruptor de arranque se encuentre en la posición de ON y un suministrador
energético constante es un dispositivo que suministra energía eléctrica mientras el interruptor de
arranque se encuentre en la posición de OFF y ON).
H Al realizar la localización de fallas relacionada con el sistema eléctrico, se deberá comprobar la caja de
fusible y fusibles para ver si la energía eléctrica se suministra normalmente.
Interruptores de circuito CB1 – CB9
Caja de fusibles FS1
Disyuntor del circuito
energético
(Tipo del suministro
energético)
No. del
Disyuntor
de Circuito
Capacidad
del
Disyuntor
de Circuito
Destino de la energía eléctrica
CB105
(Fuente de energía para
accesorios)
CB9 20A Suministro energético opcional
CB1 20A
Controlador del tren de potencia
Suministro energético para emergencias (Para la caja de
interruptores del tren de potencia)
CB2 20A
Controlador del equipo de trabajo
Suministro energético para emergencia (Para caja de
interruptores del equipo de trabajo)
CB3 20A
Unidad acondicionadora de aire, motor del soplador y embrague
electromagnético del compresor
CB4 20A Faro delantero, faro delantero adicional
CB5 20A
Luz trasera, luz trasera adicional, luz para la punta del
desgarrador
CB30
(Fuente de energía sin
interruptor)
CB6 20A
Interruptor de arranque
Relé de retención del motor
CB7 20A
Monitor de la máquina
Controlador del tren de potencia
Controlador del equipo de trabajo
CB8 30A Controlador del motor
CB105H
(Fuente de energía sin
interruptor)
— — Calentador eléctrico del aire de admisión del motor
Disyuntor del circuito
energético (Tipo del
suministro energético)
Fusible No.
Capacidad
de
combustible
Destino de la energía eléctrica
CB30
(Fuente de energía sin
interruptor)
1 20A
Suministro energético de la cabina del operador (Hacia la tabla de
conexiones de la caja de fusibles )
CB105
(Fuente de energía
para accesorios)
2 5A Alarma de retroceso, relé de la alarma de retroceso
3 20A
Suministro energético de la cabina del operador (Hacia la tabla de
conexiones de la caja de fusibles )
4 20A
Suministro energético de la cabina del operador (Hacia la tabla de
conexiones de la caja de fusibles )
Interruptor de arranque
(ACC)
5 5A Controlador del motor (señal del acumulador)
40 Localización de fallas GSN00716-01
D155AX-6 11
Caja de fusibles FS2
Disyuntor del circuito
energético (Tipo del
suministro energético)
Fusible No.
Capacidad
de
combustible
Destino de la energía eléctrica
CB30
(Fuente de energía sin
interruptor)
1 5A Válvula solenoide del pedal de freno
CB105
(Fuente de energía
para accesorios)
2 5A Válvula solenoide del freno de estacionamiento
3 20A
Calentador eléctrico del aire de admisión del motor
Válvula solenoide del extractor del pasador del desgarrador
Asiento de suspensión neumática
4 5A Bocina
Interruptor de arranque
(ACC)
5 20A Suministro energético opcional
GSN00716-01 40 Localización de fallas
12 D155AX-6
Ubicaciones de los disyuntores de circuito CB30, CB105, y CB105H (en recinto de baterías)
Ubicaciones de los disyuntores de circuito CB1 – CB 9 y cajas de fusibles FS1 y FS2 (en recinto de
baterías)
40 Localización de fallas GSN00716-01
D155AX-6 13
Caja de fusibles
Ubicación de la caja de fusibles (en la cabina del operador)
Fusible del circuito
energético (Tipo de
suministro energético)
Fusible No.
Capacidad
de
combustible
Destino de la energía eléctrica
FS1-1
(Fuente de energía sin
interruptor)
1 10A
Radio
Conector para accesorios de 12V (Vía convertidor DC)
Enchufe para accesorios de 12V (Vía del convertidor DC)
FS1-3
(Fuente de energía
para accesorios)
2 20A
Relé adicional para luces, luz adicional
Lámpara giratoria
3 20A
Conector para accesorios de 12V (Vía convertidor DC)
Enchufe para accesorios de 12V (Vía del convertidor DC)
FS1-4
(Fuente de energía
para accesorios)
4 20A
Radio
Luz de la cabina
Encendedor de cigarrillos
Limpiador de parabrisas (Vía relé intermitente)
5 10A Limpiaparabrisas delantero, limpiaparabrisas trasero
6 10A Limpiaparabrisas izquierdo, limpiaparabrisas derecho
GSN00716-01 40 Localización de fallas
14 D155AX-6
Información en la tabla de localización de fallas 1
H La siguiente información está resumida en la tabla de localización de fallas y en el diagrama del circuito
eléctrico relacionado. Antes de efectuar la localización de fallas, entienda la totalidad de la información
Código de
acción
Código de fallas
Pro-
blema
Nombre del problema expuesto en el historial de fallas del monitor
de la máquinaExposición en
el monitor de
la máquina
Exposición en el
monitor de la
máquina
Contenido del
problema
Contenido de los problemas detectados por el monitor de la máquina, o el controlador
Acción del
monitor de la
máquina o del
controlador
Acción tomada por el controlador o el monitor de la máquina para proteger el sistema o los
dispositivos cuando estos detectan un problema
Problemas que
aparecen en la
máquina
Problemas que aparecen en la máquina como resultado de la acción tomada por el monitor de
la máquina o por el controlador (mostrados arriba)
Información
relacionada
Información relacionada con un problema detectado o localización de falla
Causas
posibles y
valores
estándar en
estado normal
Causa
Valor estándar en estado normal/Observaciones sobre
localización de fallas
1
Posibles causas del
problema (Los números
dados son para
referencia, los cuales no
indican prioridad)
<Contenido de la descripción>
• Valores estándar en estado normal para juzgar las causas
posibles
• Comentarios para el juzgamiento
<Problemas en el arnés de cables>
• Desconección
El conector no está perfectamente conectado, o el arnés de
cables está roto.
• Falla de tierra
El arnés de cables que no está conectado con el circuito a tierra
del chasis está en contacto con un circuito a tierra del chasis.
• Corto circuito caliente
El arnés de cables que no está conectado con el suministro d
energía de (24 V) el circuito está en contacto con el circuito de
suministro de energía (24 V).
• Corto circuito
Arneses de cables independientes están en contacto anormal
entre ellos.
<Precauciones para la Localización de fallas>
(1) Método de indicación del No. del conector y manejo del
adaptador-T
Inserte o conecte un adaptador en T, como se explica abajo
para la localización de fallas, a menos que se especifique otra
cosa.
• Si el conector No. no tiene marcas de macho "male" y
hembra "female", desconecte el conector e inserte
adaptadores en T, tanto en el lado macho "male" como en el
lado hembra "female"
• Si el conector No. tiene marcas de macho "male" y hembra
"female", desconecte el conector e inserte un adaptador en
T solamente en el lado macho "male", o en el lado hembra
"female".
(2) Orden de entrada de las espigas Nos. y manipulación de
cables del probador
Para la localización de fallas, conecte el cable positivo (+) y el
negativo (–) del probador como se explica abajo, a menos que
se especifique otra cosa.
• Conecte el positivo (+) a la espiga No. , o en el arnés de
cables entrado en el lado del frente.
• Conecte el cable negativo (–) a la espiga No, o en el arnés
entrado en el lado trasero.
2
3
4
40 Localización de fallas GSN00716-01
D155AX-6 15
Diagrama del circuito relacionado
Este dibujo es una parte del diagrama del circuito eléctrico
relacionado con la localización de fallas.
• Conectores No.: Indicados (Modelo – No. de espigas) y
(Color).
• El "Conector No. y espiga No." de cada puntos de unión y
bifurcación: Muestra los extremos de la división o fuente
de unión dentro de las partes del mismo arnés de cables.
• Flecha (io): Muestra en rasgos generales la localización en la
máquina.
GSN00716-01 40 Localización de fallas
16 D155AX-6
Código de falla [1500L0] Embrague de transmisión: Anormal 1
Código de
acción
Código de fallas
Problema
Embrague de la transmisión: Anormal
(Sistema de control del tren de potencia)
E03 1500L0
Contenido del
problema
• Entre los códigos de fallas relacionados con embrague de la transmisión, 2 ó más de los siguientes
códigos de fallas ocurrieron en forma similar
1) Ya sea [DXH4KA] o [DXH4KB]
2) Ya sea [DXH5KA] o [DXH5KB]
3) Ya sea [DXH6KA] o [DXH6KB]
• Entre los códigos de falla relacionados con embrague de la transmisión, las siguientes combinaciones
de códigos de falla ocurrieron similarmente.
1) [15SAL1] y [15SBL1]
2) [15SALH] y [15SBLH]
3) 2 ó todos los [15SEL1], [15SFL1], y [15SGL1]
4) 2 ó todos los [15SELH], [15SFLH], y [15SGLH]
Acción del
controlador
• Limita la operación del motor y de la transmisión.
Problemas que
aparecen en la
máquina
• No trabaja la función de cambio automático hacia abajo.
• Una vez se haya detenido la máquina, la velocidad del motor queda limitada a la mitad.
• Una vez parada la máquina, el traslado está limitado en velocidades específicas.
Información
relacionada
• Método para reproducir el código de falla: Arranque el motor + Traslado.
Causas
posibles y
valores
estándar en
estado normal
Causa
Valor estándar en estado normal/Observaciones sobre
localización de fallas
Si hay otros códigos de falla expuestos, ejecute la localización de fallas para los mismos.
[15SAL1], [15SALH], [15SBL1], [15SBLH], [15SEL1], [15SELH], [15SFL1], [15SFLH],
[15SGL1], [15SGLH], [DXH4KA], [DXH4KB], [DXH5KA], [DXH5KB], [DXH6KA], [DXH6KB]
40 Localización de fallas GSN00716-01
D155AX-6 17
Código de falla [15SAL1] Embrague de avance: Relleno alto (Interruptor
de relleno en ON) 1
Diagrama del circuito relacionado con el embrague de avance de la transmisión ECMV
Código de
acción
Código de fallas Pro-
blema
Embrague de avance: Relleno alto (Interruptor de relleno en ON)
(Sistema de control del tren de potencia)
E03 15SAL1
Contenido del
problema
• Cuando la salida hacia el embrague F de la transmisión, el solenoide ECMV del circuito se pone en
OFF, la señal del interruptor de llenado se pone en ON.
Acción del
controlador
• Coloca la transmisión en neutral cuando el operador activa la posición de retroceso (Prevención de
doble acoplamiento).
• Limita la operación del motor y de la transmisión.
Problemas que
aparecen en la
máquina
• Una vez se haya detenido la máquina, la velocidad del motor queda limitada a la mitad.
• Cuando la máquina es detenida, el traslado queda limitado a F1.
Información
relacionada
• Estado del embrague F ECMV, la señal del interruptor de llenado se puede comprobar con la función
de observación.
(Código: 40906 Ingreso 2 del interruptor de llenado T/M)
• Método para reproducir el código de falla: Arranque el motor + Coloque la transmisión en posición
neutral.
Causas
posibles y
valores
estándar en
estado normal
Causa
Valor estándar en estado normal/Observaciones sobre localización de
fallas
1
Defectuoso el
embrague F ECMV
interruptor de llenado
(corto circuito interno)
H Prepárese con el interruptor de arranque en posición "OFF", luego
arranque el motor y efectúe la localización de fallas.
FFT (macho)
Palanca PCCS
(Velocidad de traslado)
Resistencia
Entre (1) – tierra
chasis
N Mín. 1 MΩ
F1, F2, F3 Max. 1 Ω
2
Falla de puesta a
tierra en el arnés de
cables
(Contacto con el
circuito de TIERRA)
H Haga los preparativos con el interruptor del arranque en OFF y realice
la localización de fallas sin poner en ON el interruptor del arranque.
Arnés de cables entre STC2 (hembra) (35) –
FFT (hembra) (1)
Resistencia Mín. 1 MΩ
3
Controlador del tren
de potencia
defectuoso
H Prepárese con el interruptor de arranque en posición "OFF", luego
arranque el motor y efectúe la localización de fallas.
STC2
Palanca PCCS
(Velocidad de traslado)
Voltaje
Entre (35) – tierra
chasis
N 5 -11 V
F1, F2, F3 Máx. 1 V
4
Sistema hidráulico
defectuoso
Si las causas 1 – 3 no son detectadas en el sistema eléctrico, el sistema
hidráulico puede estar defectuoso. Realizar la localización de fallas
relacionada (modo H).
Controlador del tren de potencia
ESTRUCTURA DEL PISO TREN DE POTENCIA TRANSMISION
Embrague de
avance ECMV
de transmisión
Interruptor de llenado del
avance de la transmisión
TIERRA (solenoide)
Avance ECMV de la
transmisión
GSN00716-01 40 Localización de fallas
18 D155AX-6
Código de falla [15SALH] Embrague de avance: Bajo relleno (Interruptor
de relleno en OFF) 1
Diagrama del circuito relacionado con el embrague de avance de la transmisión ECMV
Código de
acción
Código de fallas
Problema
Embrague de avance: Bajo relleno (Interruptor de relleno en OFF)
(Sistema de control del tren de potencia)
E03 15SALH
Contenido del
problema
• Cuando la salida al embrague F de la transmisión, el circuito del solenoide ECMV se pone en ON, la señal
del interruptor de llenado se pone en OFF.
Acción del
controlador
• Coloca en neutral la transmisión cuando el operador conecta la posición de avance (Prevención de doble
acoplamiento).
• Limita la operación del motor y de la transmisión.
Problemas
que aparecen
en la máquina
• Una vez se haya detenido la máquina, la velocidad del motor queda limitada a la mitad.
• Cuando la máquina es detenida, el traslado queda limitado a R1.
Información
relacionada
• Estado del embrague F ECMV, la señal del interruptor de llenado se puede comprobar con la función de
observación.
(Código: 40906 Ingreso 2 del interruptor de llenado T/M)
• Método para reproducir el código de falla: Arrancar el motor + colocar la transmisión en la posición de
avance.
Causas
posibles y
valores
estándar en
estado
normal
Causa
Valor estándar en estado normal/Observaciones sobre localización de
fallas
1
Defectuoso el embrague
F ECMV interruptor de
llenado (desconexión
interna)
H Prepárese con el interruptor de arranque en posición "OFF", luego
arranque el motor y efectúe la localización de fallas.
FFT (macho)
Palanca PCCS
(Velocidad de traslado)
Resistencia
Entre (1) – tierra
chasis
N Mín. 1 MΩ
F1, F2, F3 Max. 1 Ω
2
Desconexión en el arnés
de cables (Desconexión
en el arnés, o contacto
defectuoso en el
conector)
H Haga los preparativos con el interruptor del arranque en OFF y realice
la localización de fallas sin poner en ON el interruptor del arranque.
Arnés de cables entre STC2 (hembra) (35) – FFT
(hembra) (1)
Resis-
tencia
Max. 1 Ω
3
Controlador del tren de
potencia defectuoso
H Prepárese con el interruptor de arranque en posición "OFF", luego
arranque el motor y efectúe la localización de fallas.
STC2
Palanca PCCS
(Velocidad de traslado)
Voltaje
Entre (35) – tierra
chasis
N 5 -11 V
F1, F2, F3 Máx. 1 V
4
Sistema hidráulico
defectuoso
Si las causas 1 – 3 no son detectadas en el sistema eléctrico, el sistema
hidráulico puede estar defectuoso. Realizar la localización de fallas
relacionada (modo H).
Controlador del tren de potencia
ESTRUCTURA DEL PISO TREN DE POTENCIA TRANSMISION
Embrague de
avance ECMV
de transmisión
Interruptor de llenado del
avance de la transmisión
TIERRA (solenoide)
Avance ECMV de la
transmisión
40 Localización de fallas GSN00716-01
D155AX-6 19
Código de falla [15SBL1] Embrague de retroceso: Señal de llenado de alta 1
Diagrama del circuito relacionado con el embrague de retroceso de la transmisión ECMV
Código de
acción
Código de fallas
Problema
Embrague de retroceso: Señal de llenado de alta
(Sistema de control del tren de potencia)
E03 15SBL1
Contenido del
problema
• Cuando la salida hacia el embrague R de la transmisión, el circuito del solenoide ECMV se pone en
OFF, la señal del interruptor de llenado se pone en ON.
Acción del
controlador
• Coloca en neutral la transmisión cuando el operador conecta la posición de avance (Prevención de
doble acoplamiento).
• Limita la operación del motor y de la transmisión.
Problemas que
aparecen en la
máquina
• Una vez se haya detenido la máquina, la velocidad del motor queda limitada a la mitad.
• Cuando la máquina es detenida, el traslado queda limitado a R1.
Información
relacionada
• Estado del embrague R ECMV, la señal del interruptor de llenado puede comprobarse con la función
de observación.
(Código: 40906 Ingreso 2 del interruptor de llenado T/M)
• Método para reproducir el código de falla: Arranque el motor + Coloque la transmisión en posición
neutral.
Causas
posibles y
valores
estándar en
estado normal
Causa
Valor estándar en estado normal/Observaciones sobre
localización de fallas
1
Defectuoso el embrague R
ECMV interruptor de llenado
(corto circuito interno)
H Prepárese con el interruptor de arranque en posición "OFF",
luego arranque el motor y efectúe la localización de fallas.
FRT (macho)
Palanca PCCS
(Velocidad de
traslado)
Resistencia
Entre (1) – tierra
chasis
N Mín. 1 MΩ
R1, R2, R3 Max. 1 Ω
2
Falla de puesta a tierra del
arnés de cables (Contacto
con el circuito de puesta a
tierra)
H Haga los preparativos con el interruptor del arranque en OFF y
realice la localización de fallas sin poner en ON el interruptor
del arranque.
Arnés de cables entre STC2 (hembra) (25)
– FRT (hembra) (1)
Resistenc
ia
Mín. 1 MΩ
3
Controlador del tren de
potencia defectuoso
H Prepárese con el interruptor de arranque en posición "OFF",
luego arranque el motor y efectúe la localización de fallas.
STC2
Palanca PCCS
(Velocidad de
traslado)
Voltaje
Entre (25) – tierra
chasis
N 5 -11 V
R1, R2, R3 Máx. 1 V
4
Sistema hidráulico
defectuoso
Si las causas 1 – 3 no son detectadas en el sistema eléctrico, el
sistema hidráulico puede estar defectuoso. Realizar la localización
de fallas relacionada (modo H).
Controlador del tren de potencia
ESTRUCTURA DEL PISO TREN DE POTENCIA TRANSMISION
Embrague de
retroceso ECMV
de transmisión
Interruptor de llenado del
retroceso de la transmisión
TIERRA (solenoide)
Retroceso ECMV de la
transmisión
GSN00716-01 40 Localización de fallas
20 D155AX-6
Código de falla [15SBLH] Embrague de retroceso: Bajo relleno
(Interruptor de relleno en OFF) 1
Diagrama del circuito relacionado con el embrague de retroceso de la transmisión ECMV
Código de
acción
Código de fallas Proble
-ma
Embrague de retroceso: Bajo relleno (Interruptor de relleno en OFF)
(Sistema de control del tren de potencia)
E03 15SBLH
Contenido del
problema
• Cuando la salida hacia el embrague R de la transmisión el circuito del solenoide ECMV se pone en ON, la
señal del interruptor de llenado se pone en OFF.
Acción del
controlador
• Coloca la transmisión en neutral cuando el operador activa la posición de retroceso (Prevención de doble
acoplamiento).
• Limita la operación del motor y de la transmisión.
Problemas
que aparecen
en la máquina
• Una vez se haya detenido la máquina, la velocidad del motor queda limitada a la mitad.
• Cuando la máquina es detenida, el traslado queda limitado a F1.
Información
relacionada
• Estado del embrague R ECMV, la señal del interruptor de llenado puede comprobarse con la función de
observación.
(Código: 40906 Ingreso 2 del interruptor de llenado T/M)
• Método para reproducir el código de falla: Arrancar el motor + colocar la transmisión en la posición de
retroceso.
Causas
posibles y
valores
estándar en
estado normal
Causa
Valor estándar en estado normal/Observaciones sobre localización de
fallas
1
Defectuoso el embrague
R ECMV interruptor de
llenado (desconexión
interna)
H Prepárese con el interruptor de arranque en posición "OFF", luego
arranque el motor y efectúe la localización de fallas.
FRT (macho)
Palanca PCCS
(Velocidad de traslado)
Resistencia
Entre (1) – tierra
chasis
N Mín. 1 MΩ
R1, R2, R3 Max. 1 Ω
2
Desconexión en el arnés
de cables (Desconexión
en el arnés, o contacto
defectuoso en el
conector)
H Haga los preparativos con el interruptor del arranque en OFF y realice
la localización de fallas sin poner en ON el interruptor del arranque.
Arnés de cables entre STC2 (hembra) (25) – FRT
(hembra) (1)
Resis-
tencia
Max. 1 Ω
3
Controlador del tren de
potencia defectuoso
H Prepárese con el interruptor de arranque en posición "OFF", luego
arranque el motor y efectúe la localización de fallas.
STC2
Palanca PCCS
(Velocidad de traslado)
Voltaje
Entre (25) – tierra
chasis
N 5 -11 V
R1, R2, R3 Máx. 1 V
4
Sistema hidráulico
defectuoso
Si las causas 1 – 3 no son detectadas en el sistema eléctrico, el sistema
hidráulico puede estar defectuoso. Realizar la localización de fallas
relacionada (modo H).
Controlador del tren de potencia
ESTRUCTURA DEL PISO TREN DE POTENCIA TRANSMISION
Embrague de
retroceso ECMV
de transmisión
Interruptor de llenado del
retroceso de la transmisión
TIERRA (solenoide)
Retroceso ECMV de la
transmisión
40 Localización de fallas GSN00716-01
D155AX-6 21
Código de falla [15SEL1] Embrague de 1a. marcha: Relleno alto
(Interruptor de relleno en ON) 1
Diagrama del circuito relacionado con el ECMV 1er. embrague ECMV
Código de
acción
Código de fallas Proble
-ma
Embrague de 1ra velocidad: Relleno alto (Interruptor de relleno en ON)
(Sistema de control del tren de potencia)
E03 15SEL1
Contenido del
problema
• Cuando la salida hacia el embrague de 1ª de la transmisión, el circuito del solenoide ECMV se pone en
OFF, la señal del interruptor de llenado se pone en ON.
Acción del
controlador
• Limita la operación del motor y de la transmisión.
Problemas
que aparecen
en la máquina
• Una vez se haya detenido la máquina, la velocidad del motor queda limitada a la mitad.
• Cuando la máquina es detenida, el traslado queda limitado a F1 y R1
Información
relacionada
• Estado del embrague de 1ª ECMV, la señal del interruptor de llenado puede comprobarse con la función
de observación.
• (Código: 40906 Ingreso 2 del interruptor de llenado T/M)
• Método para reproducir el código de falla: Arranque el motor + Coloque la transmisión en posición
neutral.
Causas
posibles y
valores
estándar en
estado normal
Causa
Valor estándar en estado normal/Observaciones sobre localización de
fallas
1
Defectuoso el
embrague de 1ra
ECMV interruptor de
llenado (corto circuito
interno)
H Prepárese con el interruptor de arranque en posición "OFF",
seleccione el modo de cambio de marchas manual y efectúe la
localización de fallas.
F1T (macho)
Palanca PCCS
(Velocidad de traslado)
Resistencia
Entre (1) – tierra
chasis
Otro en vez de F1, N, o
R1
Mín. 1 MΩ
F1, R1 Max. 1 Ω
2
Falla de puesta a tierra
del arnés de cables
(Contacto con el
circuito de puesta a
tierra)
H Haga los preparativos con el interruptor del arranque en OFF y realice
la localización de fallas sin poner en ON el interruptor del arranque.
Arnés de cables entre STC3 (hembra) (19) – F1T
(hembra) (1)
Resistencia Mín. 1 MΩ
3
Controlador del tren de
potencia defectuoso
H Prepárese con el interruptor de arranque en posición "OFF",
seleccione el modo de cambio de marchas manual y efectúe la
localización de fallas.
STC3
Palanca PCCS
(Velocidad de traslado)
Voltaje
Entre (19) – tierra
chasis
Otro en vez de F1, N, o
R1
5 -11 V
F1, R1 Máx. 1 V
4
Sistema hidráulico
defectuoso
Si las causas 1 – 3 no son detectadas en el sistema eléctrico, el sistema
hidráulico puede estar defectuoso. Realizar la localización de fallas
relacionada (modo H).
Controlador del tren de potencia
ESTRUCTURA DEL PISO TREN DE POTENCIA TRANSMISION
Embrague de
1ra ECMV
de transmisión
Interruptor de llenado del
1ra de la transmisión
TIERRA (solenoide)
1er.ECMV de la
transmisión
GSN00716-01 40 Localización de fallas
22 D155AX-6
Código de falla [15SELH] Embrague de 1a. marcha: Bajo relleno
(Interruptor de relleno en OFF) 1
Diagrama del circuito relacionado con el ECMV 1er. embrague ECMV
Código de
acción
Código de fallas Proble-
ma
Embrague de 1ra velocidad: Bajo relleno (Interruptor de relleno en OFF)
(Sistema de control del tren de potencia)
E03 15SELH
Contenido del
problema
• Cuando la salida hacia el embrague de 1ª de la transmisión, el circuito del solenoide ECMV se pone en
ON, la señal del interruptor de llenado se pone en OFF.
Acción del
controlador
• Limita la operación del motor y de la transmisión.
Problemas que
aparecen en la
máquina
• No trabaja la función de cambio automático hacia abajo.
• Una vez se haya detenido la máquina, la velocidad del motor queda limitada a la mitad.
• Cuando la máquina es detenida, el traslado queda limitado a F2 y R2
Información
relacionada
• Estado del embrague de 1ª ECMV, la señal del interruptor de llenado puede comprobarse con la
función de observación.
(Código: 40906 Ingreso 2 del interruptor de llenado T/M)
• Método para reproducir el código de falla: Arrancar el motor + Colocar la transmisión en la posición F1
ó R1 (en el modo de cambio de marchas manual)
Causas
posibles y
valores
estándar en
estado normal
Causa
Valor estándar en estado normal/Observaciones sobre localización de
fallas
1
Defectuoso el
embrague de 1ra
ECMV interruptor de
llenado (desconexión
interna)
H Prepárese con el interruptor de arranque en posición "OFF",
seleccione el modo de cambio de marchas manual y efectúe la
localización de fallas.
F1T (macho)
Palanca PCCS
(Velocidad de traslado)
Resistencia
Entre (1) – tierra chasis
Otro en vez de F1, N, o R1 Mín. 1 MΩ
F1, R1 Max. 1 Ω
2
Desconexión en el
arnés de cables
(Desconexión en el
arnés, o contacto
defectuoso en el
conector)
H Haga los preparativos con el interruptor del arranque en OFF y realice
la localización de fallas sin poner en ON el interruptor del arranque.
Arnés de cables entre STC3 (hembra) (19) – F1T
(hembra) (1)
Resisten
-cia
Max. 1Ω
3
Controlador del tren
de potencia
defectuoso
H Prepárese con el interruptor de arranque en posición "OFF",
seleccione el modo de cambio de marchas manual y efectúe la
localización de fallas.
STC3
Palanca PCCS
(Velocidad de traslado)
Voltaje
Entre (19) – tierra
chasis
Otro en vez de F1, N, o R1 5 -11 V
F1, R1 Máx. 1 V
4
Sistema hidráulico
defectuoso
Si las causas 1 – 3 no son detectadas en el sistema eléctrico, el sistema
hidráulico puede estar defectuoso. Realizar la localización de fallas
relacionada (modo H).
Controlador del tren de potencia
ESTRUCTURA DEL PISO TREN DE POTENCIA TRANSMISION
Embrague de
1ra ECMV
de transmisión
Interruptor de llenado del
1ra de la transmisión
TIERRA (solenoide)
1er.ECMV de la
transmisión
40 Localización de fallas GSN00716-01
D155AX-6 23
Código de falla [15SFL1] Embrague de 2a. marcha: Relleno alto
(Interruptor de relleno en ON) 1
Diagrama del circuito relacionado con el 2o. embrague ECMV
Código de
acción
Código de fallas
Problema
Embrague de 2da velocidad: Relleno alto (Interruptor de relleno en
ON)
(Sistema de control del tren de potencia)E03 15SFL1
Contenido del
problema
• Cuando la salida hacia el embrague de 2ª de la transmisión el circuito del solenoide ECMV se pone en
OFF, la señal del interruptor de llenado se pone en ON.
Acción del
controlador
• Limita la operación del motor y de la transmisión.
Problemas que
aparecen en la
máquina
• No trabaja la función de cambio automático hacia abajo.
• Una vez se haya detenido la máquina, la velocidad del motor queda limitada a la mitad.
• Cuando la máquina es detenida, el traslado queda limitado a F2 y R2
Información
relacionada
• Estado del embrague de 2da. ECMV, la señal del interruptor de llenado puede comprobarse con la
función de observación.
• (Código: 40906 Ingreso 2 del interruptor de llenado T/M)
• Método para reproducir el código de falla: Arranque el motor + Coloque la transmisión en posición
neutral.
Causas
posibles y
valores
estándar en
estado normal
Causa
Valor estándar en estado normal/Observaciones sobre localización
de fallas
1
Defectuoso el embrague de
2da ECMV interruptor de
llenado (Corto circuito interno)
H Prepárese con el interruptor de arranque en posición "OFF",
seleccione el modo de cambio de marchas manual y efectúe la
localización de fallas.
F2T (macho)
Palanca PCCS
(Velocidad de traslado)
Resistencia
Entre (1) – tierra
chasis
Otro en vez de F2, N, o R2 Mín. 1 MΩ
F2, R2 Max. 1 Ω
2
Falla de puesta a tierra del
arnés de cables (Contacto con
el circuito de puesta a tierra)
H Haga los preparativos con el interruptor del arranque en OFF y
realice la localización de fallas sin poner en ON el interruptor
del arranque.
Arnés de cables entre STC3 (hembra) (29) –
F2T (hembra) (1)
Resisten
cia
Mín. 1
MΩ
3
Controlador del tren de
potencia defectuoso
H Prepárese con el interruptor de arranque en posición "OFF",
seleccione el modo de cambio de marchas manual y efectúe la
localización de fallas.
STC3
Palanca PCCS
(Velocidad de traslado)
Voltaje
Entre (29) – tierra
chasis
Otro en vez de F2, N, o R2 5 -11 V
F2, R2 Máx. 1 V
4 Sistema hidráulico defectuoso
Si las causas 1 – 3 no son detectadas en el sistema eléctrico, el
sistema hidráulico puede estar defectuoso. Realizar la localización
de fallas relacionada (modo H).
Controlador del tren de potencia
ESTRUCTURA DEL PISO TREN DE POTENCIA TRANSMISION
Embrague de
2da. ECMV
de transmisión
Interruptor de llenado de
2da de la transmisión
TIERRA (solenoide)
2da.ECMV de la
transmisión
GSN00716-01 40 Localización de fallas
24 D155AX-6
Código de falla [15SFLH] Embrague de 2a. marcha: Bajo relleno
(Interruptor de relleno en OFF) 1
Diagrama del circuito relacionado con el 2o. embrague ECMV
Código de
acción
Código de fallas Proble-
ma
Embrague de 2da velocidad: Bajo relleno (Interruptor de relleno en OFF)
(Sistema de control del tren de potencia)
E03 15SFLH
Contenido del
problema
• Cuando la salida hacia el embrague de 2da de la transmisión el circuito del solenoide ECMV se pone
en ON, la señal del interruptor de llenado se pone en OFF.
Acción del
controlador
• Limita la operación del motor y de la transmisión.
Problemas que
aparecen en la
máquina
• Una vez se haya detenido la máquina, la velocidad del motor queda limitada a la mitad.
• Cuando la máquina es detenida, el traslado queda limitado a F1 y R1
Información
relacionada
• Estado del embrague de 2da ECMV, la señal del interruptor de llenado puede comprobarse con la
función de observación.
(Código: 40906 Ingreso 2 del interruptor de llenado T/M)
• Método para reproducir el código de falla: Arrancar el motor + Colocar la transmisión en la posición F2
ó R2 (en el modo de cambio de marchas manual)
Causas
posibles y
valores
estándar en
estado normal
Causa Valor estándar en estado normal/Observaciones sobre localización de fallas
1
Defectuoso el
embrague de 2da
ECMV interruptor de
llenado (desconexión
interna)
H Prepárese con el interruptor de arranque en posición "OFF", seleccione
el modo de cambio de marchas manual y efectúe la localización de
fallas.
F2T (macho)
Palanca PCCS
(Velocidad de traslado)
Resistencia
Entre (1) – tierra
chasis
Otro en vez de F2, N, o R2 Mín. 1 MΩ
F2, R2 Max. 1 Ω
2
Desconexión en el
arnés de cables
(Desconexión en el
arnés, o contacto
defectuoso en el
conector)
H Haga los preparativos con el interruptor del arranque en OFF y realice la
localización de fallas sin poner en ON el interruptor del arranque.
Arnés de cables entre STC3 (hembra) (29) – F2T
(hembra) (1)
Resistencia Max. 1 Ω
3
Controlador del tren
de potencia
defectuoso
H Prepárese con el interruptor de arranque en posición "OFF", seleccione
el modo de cambio de marchas manual y efectúe la localización de
fallas.
STC3
Palanca PCCS
(Velocidad de traslado)
Voltaje
Entre (29) – tierra
chasis
Otro en vez de F2, N, o R2 5 -11 V
F2, R2 Máx. 1 V
4
Sistema hidráulico
defectuoso
Si las causas 1 – 3 no son detectadas en el sistema eléctrico, el sistema
hidráulico puede estar defectuoso. Realizar la localización de fallas
relacionada (modo H)
Controlador del tren de potencia
ESTRUCTURA DEL PISO TREN DE POTENCIA TRANSMISION
Embrague de
2da. ECMV
de transmisión
Interruptor de llenado de
2da de la transmisión
TIERRA (solenoide)
2da.ECMV de la
transmisión
40 Localización de fallas GSN00716-01
D155AX-6 25
Código de falla [15SGL1] Embrague de 3a. marcha: Relleno alto
(Interruptor de relleno en ON) 1
Diagrama del circuito relacionado con el 3er. embrague ECMV
Código de
acción
Código de fallas Proble-
ma
Embrague de 3ra velocidad: Relleno alto (Interruptor de relleno en ON)
(Sistema de control del tren de potencia)
E03 15SGL1
Contenido del
problema
• Cuando la salida hacia el embrague de 3ª de la transmisión, el circuito del solenoide ECMV se pone
en OFF, la señal del interruptor de llenado se pone en ON.
Acción del
controlador
• Limita la operación del motor y de la transmisión.
Problemas que
aparecen en la
máquina
• No trabaja la función de cambio automático hacia abajo.
• Una vez se haya detenido la máquina, la velocidad del motor queda limitada a la mitad.
• Cuando la máquina es detenida, el traslado queda limitado a F3 y R3
Información
relacionada
• Estado del embrague de 3ª ECMV, la señal del interruptor de llenado se puede comprobar con la
función de observación.
(Código: 40906 Ingreso 2 del interruptor de llenado T/M)
• Método para reproducir el código de falla: Arranque el motor + Coloque la transmisión en posición
neutral.
Causas
posibles y
valores
estándar en
estado normal
Causa
Valor estándar en estado normal/Observaciones sobre localización de
fallas
1
Defectuoso el
embrague de 3ra
ECMV interruptor de
llenado (Corto circuito
interno)
H Prepárese con el interruptor de arranque en posición "OFF",
seleccione el modo de cambio de marchas manual y efectúe la
localización de fallas.
F3T (macho)
Palanca PCCS
(Velocidad de traslado)
Resistencia
Entre (1) – tierra
chasis
Otro en vez de F3, N, o R3 Mín. 1 MΩ
F3, R3 Max. 1 Ω
2
Falla de puesta a tierra
del arnés de cables
(Contacto con el
circuito de puesta a
tierra)
H Haga los preparativos con el interruptor del arranque en OFF y
realice la localización de fallas sin poner en ON el interruptor del
arranque.
Arnés de cables entre STC3 (hembra) (39) – F3T
(hembra) (1)
Resiste
ncia
Mín. 1
MΩ
3
Controlador del tren de
potencia defectuoso
H Prepárese con el interruptor de arranque en posición "OFF",
seleccione el modo de cambio de marchas manual y efectúe la
localización de fallas.
STC3
Palanca PCCS
(Velocidad de traslado)
Voltaje
Entre (39) – tierra
chasis
Otro en vez de F3, N, o R3 5 -11 V
F3, R3 Máx. 1 V
4
Sistema hidráulico
defectuoso
Si las causas 1 – 3 no son detectadas en el sistema eléctrico, el sistema
hidráulico puede estar defectuoso. Realizar la localización de fallas
relacionada (modo H).
Controlador del tren de potencia
ESTRUCTURA DEL PISO TREN DE POTENCIA TRANSMISION
Embrague de
3ra. ECMV
de transmisión
Interruptor de llenado de
3ra de la transmisión
TIERRA (solenoide)
3ra.ECMV de la
transmisión
GSN00716-01 40 Localización de fallas
26 D155AX-6
Código de falla [15SGLH] Embrague de 3a. marcha: Bajo relleno
(Interruptor de relleno en OFF) 1
Diagrama del circuito relacionado con el 3er. embrague ECMV
Código de
acción
Código de fallas Proble
-ma
Embrague de 3ra velocidad: Bajo relleno (Interruptor de relleno en OFF)
(Sistema de control del tren de potencia)
E03 15SGLH
Contenido del
problema
• Cuando la salida hacia el embrague de 3ª de la transmisión, el circuito del solenoide ECMV se pone en
ON, la señal del interruptor de llenado se pone en OFF.
Acción del
controlador
• Limita la operación del motor y de la transmisión.
Problemas que
aparecen en la
máquina
• Una vez se haya detenido la máquina, la velocidad del motor queda limitada a la mitad.
• Cuando la máquina es detenida, el traslado queda limitado a F1 y R1
Información
relacionada
• Estado del embrague de 3ª ECMV, la señal del interruptor de llenado se puede comprobar con la
función de observación.
(Código: 40906 Ingreso 2 del interruptor de llenado T/M)
• Método para reproducir el código de falla: Arrancar el motor + Colocar la transmisión en la posición F3
ó R3 (en el modo de cambio de marchas manual)
Causas
posibles y
valores
estándar en
estado normal
Causa
Valor estándar en estado normal/Observaciones sobre localización de
fallas
1
Defectuoso el
embrague de 3ra
ECMV interruptor de
llenado (desconexión
interna)
H Prepárese con el interruptor de arranque en posición "OFF", seleccione
el modo de cambio de marchas manual y efectúe la localización de
fallas.
F3T (macho)
Palanca PCCS
(Velocidad de traslado)
Resistencia
Entre (1) – tierra
chasis
Otro en vez de F3, N, o R3 Mín. 1 MΩ
F3, R3 Max. 1 Ω
2
Desconexión en el
arnés de cables
(Desconexión en el
arnés, o contacto
defectuoso en el
conector)
H Haga los preparativos con el interruptor del arranque en OFF y realice
la localización de fallas sin poner en ON el interruptor del arranque.
Arnés de cables entre STC3 (hembra) (39) – F3T
(hembra) (1)
Resistencia Max. 1Ω
3
Controlador del tren
de potencia
defectuoso
H Prepárese con el interruptor de arranque en posición "OFF", seleccione
el modo de cambio de marchas manual y efectúe la localización de
fallas.
STC3
Palanca PCCS
(Velocidad de traslado)
Voltaje
Entre (39) – tierra
chasis
Otro en vez de F3, N, o R3 5 -11 V
F3, R3 Máx. 1 V
4
Sistema hidráulico
defectuoso
Si las causas 1 -3 no son detectadas en el sistema eléctrico, el sistema
hidráulico puede estar defectuoso. Realizar la localización de fallas
relacionada (modo H).
Controlador del tren de potencia
ESTRUCTURA DEL PISO TREN DE POTENCIA TRANSMISION
Embrague de
3ra. ECMV
de transmisión
Interruptor de llenado de
3ra de la transmisión
TIERRA (solenoide)
3ra.ECMV de la
transmisión
40 Localización de fallas GSN00716-01
D155AX-6 27
GSN00716-01 40 Localización de fallas
28 D155AX-6
Código de falla [15SJL1] L/U: Relleno alto (Interruptor de relleno en ON) 1
Código de
acción
Código de fallas
Problema
L/U: Relleno alto (Interruptor de relleno en ON)
(Sistema de control del tren de potencia)
E02 15SJL1
Contenido del
problema
• Cuando la salida del embrague de traba del convertidor de torsión el circuito del solenoide ECMV se
pone en OFF, la señal del interruptor de llenado se pone en ON.
Acción del
controlador
• Ninguno en particular.
Problemas que
aparecen en la
máquina
• El motor se puede calar durante el traslado.
Información
relacionada
• Estado del embrague de traba ECMV, la señal del interruptor de llenado puede comprobarse con la
función de observación.
(Código: 31520 Ingreso 2 del interruptor de llenado T/M)
• Método para reproducir el código de falla: Arrancar el motor + Colocar la transmisión en la posición de
avance (en el modo automático de cambio de marchas)
Causas
posibles y
valores
estándar en
estado normal
Causa
Valor estándar en estado normal/Observaciones sobre
localización de fallas
1
Defectuoso el embrague de
traba ECMV interruptor de
llenado (Corto circuito
interno)
H Prepárese con el interruptor de arranque en posición "OFF",
seleccione el modo de cambio de marchas automático y
efectúe la localización de fallas.
FLUC (macho)
Palanca PCCS
(Velocidad de traslado)
Resistencia
Entre (1) – tierra chasis
N Mín. 1 MΩ
Trabado en F1, F2, o F3 Max. 1 Ω
2
Falla de puesta a tierra del
arnés de cables (Contacto
con el circuito de puesta a
tierra)
H Haga los preparativos con el interruptor del arranque en OFF y
realice la localización de fallas sin poner en ON el interruptor
del arranque.
Arnés de cables entre STC2 (hembra) (36) – FLUC
(hembra) (1)
Resist
encia
Mín. 1
MΩ
3
Controlador del tren de
potencia defectuoso
H Prepárese con el interruptor de arranque en posición "OFF",
seleccione el modo de cambio de marchas automático y
efectúe la localización de fallas.
STC2
Palanca PCCS
(Velocidad de traslado)
Voltaje
Entre (36) – tierra
chasis
N 5 -11 V
Trabado en F1, F2, o F3 Máx. 1 V
4
Sistema hidráulico
defectuoso
Si las causas 1 – 3 no son detectadas en el sistema eléctrico, el
sistema hidráulico puede estar defectuoso. Realizar la localización
de fallas relacionada (modo H).
40 Localización de fallas GSN00716-01
D155AX-6 29
Diagrama de circuito relacionado con el embrague de traba ECMV del convertidor de torsión.
Controlador del tren de potencia
ESTRUCTURA DEL PISO TREN DE POTENCIA
Embrague ECMV
de traba del
convertidor de tors
Interruptor de llenado
de traba
TIERRA (solenoide)
ECMV de traba
GSN00716-01 40 Localización de fallas
30 D155AX-6
Código de falla [15SJLH] L/U: Bajo relleno (Interruptor de relleno en OFF)1
Código de
acción
Código de fallas Proble-
ma
L/U: Bajo relleno (Interruptor de relleno en OFF)
(Sistema de control del tren de potencia)
E02 15SJLH
Contenido del
problema
• Cuando la salida hacia el embrague de traba del convertidor de torsión el circuito del solenoide ECMV
se pone en ON, la señal del interruptor de llenado se pone en OFF.
Acción del
controlador
• Ninguno en particular.
Problemas que
aparecen en la
máquina
• El motor se puede calar durante el traslado.
Información
relacionada
• Estado del embrague de traba ECMV, la señal del interruptor de llenado puede comprobarse con la
función de observación.
(Código: 31520 Ingreso 2 del interruptor de llenado T/M)
• Método para reproducir el código de falla: Arrancar el motor + Colocar la transmisión en la posición de
avance (en el modo automático de cambio de marchas)
Causas
posibles y
valores
estándar en
estado normal
Causa
Valor estándar en estado normal/Observaciones sobre localización de
fallas
1
Defectuoso el
embrague de traba;
interruptor de llenado
ECMV (desconexión
interna).
H Prepárese con el interruptor de arranque en posición "OFF",
seleccione el modo de cambio de marchas automático y efectúe la
localización de fallas.
FLUC (macho)
Palanca PCCS
(Velocidad de traslado)
Resistencia
Entre (1) – tierra chasis
N Mín. 1 MΩ
Trabado en F1, F2, o F3 Max. 1 Ω
2
Desconexión en el
arnés de cables
(Desconexión en el
arnés, o contacto
defectuoso en el
conector)
H Haga los preparativos con el interruptor del arranque en OFF y
realice la localización de fallas sin poner en ON el interruptor del
arranque.
Arnés de cables entre STC2 (hembra) (36) – FLUC
(hembra) (1)
Resisten-
cia
Max. 1 Ω
3
Controlador del tren de
potencia defectuoso
H Prepárese con el interruptor de arranque en posición "OFF",
seleccione el modo de cambio de marchas automático y efectúe la
localización de fallas.
STC2
Palanca PCCS
(Velocidad de traslado)
Voltaje
Entre (36) – tierra
chasis
N 5 -11 V
Trabado en F1, F2, o F3 Máx. 1 V
4
Sistema hidráulico
defectuoso
Si las causas 1 – 3 no son detectadas en el sistema eléctrico, el sistema
hidráulico puede estar defectuoso. Realizar la localización de fallas
relacionada (modo H).
40 Localización de fallas GSN00716-01
D155AX-6 31
Diagrama de circuito relacionado con el embrague de traba ECMV del convertidor de torsión.
Controlador del tren de potencia
ESTRUCTURA DEL PISO TREN DE POTENCIA
Embrague ECMV
de traba del
convertidor de torsión
Interruptor de llenado
de traba
TIERRA (solenoide)
ECMV de traba
GSN00716-01 40 Localización de fallas
32 D155AX-6
Código de falla [2301L1] Freno derecho: Relleno alto (Interruptor de
relleno en ON) 1
Diagrama del circuito relacionado con la caja de la dirección del freno derecho ECMV
Código de
acción
Código de fallas Proble
-ma
Freno derecho: Relleno alto (Interruptor de relleno en ON)
(Sistema de control del tren de potencia)
E04 2301L1
Contenido del
problema
• Cuando la salida hacia la caja de dirección del freno derecho, el circuito del solenoide ECMV se pone en
OFF y la señal del interruptor de llenado se pone en ON.
Acción del
controlador
• Limita la operación del motor, la transmisión y el freno.
Problemasque
aparecen en la
máquina
• Aplica ligeramente el freno durante el traslado.
• Una vez se haya detenido la máquina, la velocidad del motor queda limitada a la mitad.
• Una vez detenida la máquina, no puede trasladarse más
Información
relacionada
• Estado del freno derecho; señal ECMV del interruptor de llenado puede comprobarse con la función de
observación.
(Código: 31521 Entrada interruptor de llenado S/T)
• Método para reproducir el código de falla: Arrancar el motor + Operar la palanca del freno de
estacionamiento (Libre) + Operar el pedal del freno (Oprimir).
Causas
posibles y
valores
estándar en
estado normal
Causa Valor estándar en estado normal/Observaciones sobre localización de fallas
1
Defectuoso el freno
derecho, ECMV
interruptor de llenado
(corto circuito interno)
H Preparar con el interruptor del arranque en OFF, después arrancar el
motor, colocar la palanca del freno de estacionamiento en la posición
Libre y ejecutar la localización de falla.
FBRR (macho) Pedal de freno Resistencia
Entre (1) – tierra chasis
Liberado Max. 1 Ω
Presionado Mín. 1 MΩ
2
Falla de puesta a
tierra del arnés de
cables (Contacto con
el circuito de puesta a
tierra)
H Haga los preparativos con el interruptor del arranque en OFF y realice la
localización de fallas sin poner en ON el interruptor del arranque.
Arnés de cables entre STC2 (hembra) (38) –
FBRR (hembra) (1)
Resistencia Mín. 1 MΩ
3
Controlador del tren
de potencia
defectuoso
H Preparar con el interruptor del arranque en OFF, después arrancar el
motor, colocar la palanca del freno de estacionamiento en la posición
Libre y ejecutar la localización de falla.
STC2 Pedal de freno Voltaje
Entre (38) – tierra chasis
Liberado Máx. 1 V
Presionado 5 -11V
4
Sistema hidráulico
defectuoso
Si las causas 1 – 3 no son detectadas en el sistema eléctrico, el sistema
hidráulico puede estar defectuoso. Realizar la localización de fallas
relacionada (modo H).
Controlador del tren de potencia
ESTRUCTURA DEL PISO TREN DE POTENCIA
ECMV del freno
derecho
Interruptor de llenado
del freno derecho
TIERRA (solenoide)
Freno derecho S/T
40 Localización de fallas GSN00716-01
D155AX-6 33
Código de falla [2301LH] Freno derecho: Bajo relleno (Interruptor de
relleno en OFF) 1
Diagrama del circuito relacionado con la caja de la dirección del freno derecho ECMV
Código de
acción
Código de fallas Proble-
ma
Freno derecho: Bajo relleno (Interruptor de relleno en OFF)
(Sistema de control del tren de potencia)
E04 2301LH
Contenido del
problema
• Cuando la salida hacia la caja de dirección del freno derecho, el solenoide ECMV del circuito está puesto
en ON, la señal del interruptor de llenado está en OFF.
Acción del
controlador
• Limita la operación del motor, la transmisión y el freno.
Problemas que
aparecen en la
máquina
• Aplica ligeramente el freno durante el traslado.
• Una vez se haya detenido la máquina, la velocidad del motor queda limitada a la mitad.
• Una vez detenida la máquina, no puede trasladarse más
Información
relacionada
• Estado del freno derecho; señal ECMV del interruptor de llenado puede comprobarse con la función de
observación.
(Código: 31521 Entrada interruptor de llenado S/T)
• Método para reproducir el código de falla: Arrancar el motor + Operar la palanca del freno de
estacionamiento (Libre) + Operar el pedal del freno (Oprimir).
Causas
posibles y
valores
estándar en
estado normal
Causa Valor estándar en estado normal/Observaciones sobre localización de fallas
1
Defectuoso el freno
derecho, ECMV
interruptor de llenado
(corto circuito interno)
H Preparar con el interruptor del arranque en OFF, después arrancar el
motor, colocar la palanca del freno de estacionamiento en la posición
Libre y ejecutar la localización de falla.
FBRR (macho) Pedal de freno Resistencia
Entre (1) – tierra chasis
Liberado Max. 1 Ω
Presionado Mín. 1 MΩ
2
Desconexión en el
arnés de cables
(Desconexión en el
arnés, o contacto
defectuoso en el
conector)
H Haga los preparativos con el interruptor del arranque en OFF y realice la
localización de fallas sin poner en ON el interruptor del arranque.
Arnés de cables entre STC2 (hembra) (38) –
FBRR (hembra) (1)
Resistencia Max. 1 Ω
3
Controlador del tren
de potencia
defectuoso
H Preparar con el interruptor del arranque en OFF, después arrancar el
motor, colocar la palanca del freno de estacionamiento en la posición
Libre y ejecutar la localización de falla.
STC2 Pedal de freno Voltaje
Entre (38) – tierra chasis
Liberado Máx. 1 V
Presionado 5 -11 V
4
Sistema hidráulico
defectuoso
Si las causas 1 – 3 no son detectadas en el sistema eléctrico, el sistema
hidráulico puede estar defectuoso. Realizar la localización de fallas
relacionada (modo H).
Controlador del tren de potencia
ESTRUCTURA DEL PISO TREN DE POTENCIA
ECMV del freno
derecho
Interruptor de llenado
del freno derecho
TIERRA (solenoide)
Freno derecho S/T
GSN00716-01 40 Localización de fallas
34 D155AX-6
Código de falla [2302L1] Freno izquierdo: Relleno alto (Interruptor de
relleno en ON) 1
Diagrama del circuito relacionado con la caja de la dirección del freno izquierdo ECMV
Código de
acción
Código de fallas
Problema
Freno izquierdo: Relleno alto (Interruptor de relleno en ON)
(Sistema de control del tren de potencia)
E04 2302L1
Contenido del
problema
• Cuando la salida hacia la caja de dirección del freno izquierdo, el solenoide ECMV del circuito está puesto
en OFF, la señal del interruptor de llenado está en ON.
Acción del
controlador
• Limita la operación del motor, la transmisión y el freno.
Problemas
que aparecen
en la máquina
• Aplica ligeramente el freno durante el traslado.
• Una vez se haya detenido la máquina, la velocidad del motor queda limitada a la mitad.
• Una vez detenida la máquina, no puede trasladarse más
Información
relacionada
• El estado de la señal del interruptor de llenado del freno izquierdo ECMV se puede comprobar con la
función de observación.
(Código: 31521 Entrada interruptor de llenado S/T)
• Método para reproducir el código de falla: Arrancar el motor + Operar la palanca del freno de
estacionamiento (Libre) + Operar el pedal del freno (Oprimir).
Causas
posibles y
valores
estándar en
estado
normal
Causa
Valor estándar en estado normal/Observaciones sobre localización de
fallas
1
Defectuoso el interruptor
de llenado ECMV del
freno izquierdo (Corto
circuito interno).
H Preparar con el interruptor del arranque en OFF, después arrancar el
motor, colocar la palanca del freno de estacionamiento en la posición
Libre y ejecutar la localización de falla.
FBRL (macho) Pedal de freno Resistencia
Entre (1) – tierra chasis
Liberado Max. 1 Ω
Presionado Mín. 1 MΩ
2
Falla de puesta a tierra
del arnés de cables
(Contacto con el circuito
de puesta a tierra)
H Haga los preparativos con el interruptor del arranque en OFF y realice
la localización de fallas sin poner en ON el interruptor del arranque.
Arnés de cables entre STC2 (hembra) (2) – FBRL
(hembra) (1)
Resis-
tencia
Mín. 1 MΩ
3
Controlador del tren de
potencia defectuoso
H Preparar con el interruptor del arranque en OFF, después arrancar el
motor, colocar la palanca del freno de estacionamiento en la posición
Libre y ejecutar la localización de falla.
STC2 Pedal de freno Voltaje
Entre (2) – tierra chasis
Liberado Máx. 1 V
Presionado 5 -11 V
4
Sistema hidráulico
defectuoso
Si las causas 1 – 3 no son detectadas en el sistema eléctrico, el sistema
hidráulico puede estar defectuoso. Realizar la localización de fallas
relacionada (modo H).
Controlador del tren de potencia
ESTRUCTURA DEL PISO TREN DE POTENCIA
ECMV del freno
izquierdo
Interruptor de llenado
del freno izquierdo
TIERRA (solenoide)
Freno izquierdo S/T
40 Localización de fallas GSN00716-01
D155AX-6 35
Código de falla [2302LH] Freno izquierdo: Bajo relleno (Interruptor de
relleno en OFF) 1
Diagrama del circuito relacionado con la caja de la dirección del freno izquierdo ECMV
Código de
acción
Código de fallas
Problema
Freno izquierdo: Bajo relleno (Interruptor de relleno en OFF)
(Sistema de control del tren de potencia)
E04 2302LH
Contenido del
problema
• Cuando la salida hacia la caja de dirección del freno izquierdo el solenoide ECMV del circuito está
puesto en ON, la señal del interruptor de llenado está puesta en OFF.
Acción del
controlador
• Limita la operación del motor, la transmisión y el freno.
Problemas que
aparecen en la
máquina
• Aplica ligeramente el freno durante el traslado.
• Una vez se haya detenido la máquina, la velocidad del motor queda limitada a la mitad.
• Una vez detenida la máquina, no puede trasladarse más
Información
relacionada
• El estado de la señal del interruptor de llenado del freno izquierdo ECMV se puede comprobar con la
función de observación.
(Código: 31521 Entrada interruptor de llenado S/T)
• Método para reproducir el código de falla: Arrancar el motor + Operar la palanca del freno de
estacionamiento (Libre) + Operar el pedal del freno (Oprimir).
Causas
posibles y
valores
estándar en
estado normal
Causa
Valor estándar en estado normal/Observaciones sobre localización de
fallas
1
Defectuoso el interruptor
de llenado ECMV del
freno izquierdo (Corto
circuito interno).
H Preparar con el interruptor del arranque en OFF, después arrancar
el motor, colocar la palanca del freno de estacionamiento en la
posición Libre y ejecutar la localización de falla.
FBRL (macho) Pedal de freno Resistencia
Entre (1) – tierra chasis
Liberado Max. 1 Ω
Presionado Mín. 1 MΩ
2
Desconexión en el arnés
de cables (Desconexión
en el arnés, o contacto
defectuoso en el
conector)
H Haga los preparativos con el interruptor del arranque en OFF y
realice la localización de fallas sin poner en ON el interruptor del
arranque.
Arnés de cables entre STC2 (hembra) (2) – FBRL
(hembra) (1)
Resis-
tencia
Max. 1 Ω
3
Controlador del tren de
potencia defectuoso
H Preparar con el interruptor del arranque en OFF, después arrancar
el motor, colocar la palanca del freno de estacionamiento en la
posición Libre y ejecutar la localización de falla.
STC2 Pedal de freno Voltaje
Entre (2) – tierra chasis
Liberado Máx. 1 V
Presionado 5 -11 V
4
Sistema hidráulico
defectuoso
Si las causas 1 – 3 no son detectadas en el sistema eléctrico, el
sistema hidráulico puede estar defectuoso. Realizar la localización de
fallas relacionada (modo H).
Controlador del tren de potencia
ESTRUCTURA DEL PISO TREN DE POTENCIA
ECMV del freno
izquierdo
Interruptor de llenado
del freno izquierdo
TIERRA (solenoide)
Freno izquierdo S/T
GSN00716-01 40 Localización de fallas
36 D155AX-6
Código de falla [7RFRKA] RELÉ DE RETENCIÓN ECM: Desconexión 1
Código de
acción
Código de fallas Proble-
ma
ECM RELE DE RETENCIÓN: Desconección
(Sistema de control del tren de potencia)
— 7RFRKA
Contenido del
problema
• Cuando el circuito de tierra del relé de corte del circuito del motor es desconectado para poner la salida
en ON, no hay flujo de corriente.
Acción del
controlador
• Ninguno en particular.
Problemas que
aparecen en la
máquina
• Cuando el mecanismo de corte del motor está instalado, el motor no se puede cortar (detener).
Información
relacionada
• Estado de la señal del circuito del relé de corte del motor se puede comprobar con la función de
observación.
(Código: 40912 Entrada del interruptor P/T)
• Método para reproducir el código de falla: Arranque el motor.
• Este código de falla detecta anormalidad en el lado primario (lado de la bobina) del relé de corte del
motor pero no puede detectar anormalidad en el lado secundario (lado de contacto).
Causas
posibles y
valores
estándar en
estado normal
Causa
Valor estándar en estado normal/Observaciones sobre localización de
fallas
1
Defectuoso el relé de
corte del motor
(desconexión interna)
H Haga los preparativos con el interruptor del arranque en OFF y realice
la localización de fallas sin poner en ON el interruptor del arranque.
ACT (macho) Resistencia
Entre (1) – (2) 200 – 400 Ω
2
Desconexión en el
arnés de cables
(Desconexión en el
arnés, o contacto
defectuoso en el
conector)
H Haga los preparativos con el interruptor del arranque en OFF y realice
la localización de fallas sin poner en ON el interruptor del arranque.
Arnés de cables entre STC2 (hembra) (19) –
ACT (hembra) (2)
Resistencia Max. 1 Ω
Arnés de cables entre ACT (hembra) (1) –
terminal 270.
Resistencia Max. 1 Ω
3
Corto circuito en el
arnés de cables
(Contacto con el
circuito de tierra)
H Haga los preparativos con el interruptor del arranque en OFF y realice
la localización de fallas sin poner en ON el interruptor del arranque.
Arnés de cables entre STC2 (hembra) (19) –
ACT (hembra) (2)
Resistencia Mín. 1 MΩ
Arnés de cables entre ACT (hembra) (1) –
terminal 270, final de ramificación de circuito.
Resistencia Mín. 1 MΩ
4
Controlador del tren de
potencia defectuoso
H Haga los preparativos con el interruptor del arranque en OFF, ponga
en ON el interruptor del arranque y realice la localización de fallas.
STC2 Voltaje
Entre (19) – tierra chasis 20 -30 V
40 Localización de fallas GSN00716-01
D155AX-6 37
Diagrama de circuito relacionado con el relé de corte del motor
MOTOR GUARDAFANGO IZQUIERDO
Controlador del motor
Interruptor arranque
Acumulador
Corte Acumulador
(Motor)
Controlador del tren de potencia
Disyuntor
Caja de fusibles
Corte del acumulador
Interruptor de arranque
TABLERO DE INSTRUMENTOS Y ESTRUCTURA DEL PISO
GSN00716-01 40 Localización de fallas
38 D155AX-6
Código de falla [AA10NX] Obstrucción del filtro de aire 1
*1: Max. -3,430 Pa {-350 mmH2O}
*2: -7,470 ± 490Pa {-762 ± 50 mmH2O}
Código de
acción
Código de fallas
Problema
Obstrucción en el filtro del aire
(Sistema monitor de la máquina)
— AA10NX
Contenido del
problema
• Mientras el motor estaba en marcha, el circuito de señales del interruptor de obstrucción del filtro de
aire detectó la obstrucción del filtro de aire (se abrió el contacto del sensor).
Acción del
monitor de la
máquina
• Ninguno en particular.
Problemas que
aparecen en la
máquina
• Si se opera la máquina tal cual se encuentra, el motor puede dañarse.
Información
relacionada
• Método para reproducir el código de falla: Arranque el motor.
Causas
posibles y
valores
estándar en
estado normal
Causa
Valor estándar en estado normal/Observaciones sobre localización de
fallas
1
Filtro de aire obstruido
(Cuando el sistema es
normal)
H El filtro de aire podría estar obstruido. Compruebe y limpie o
sustituyala.
2
Defectuoso el interruptor
de obstrucción del
purificador de aire
(desconexión interna)
H Prepárese con el interruptor de arranque en posición "OFF", luego
arranque el motor y efectúe la localización de fallas.
AF1 (macho) Filtro de aire Resistencia
Entre (1) – (2)
Normal (Resistencia del
aire de admisión: *1)
Max. 1 Ω
Obstruido (Resistencia
del aire de admisión: *2)
Mín. 1 MΩ
3
Desconexión en el arnés
de cables (Desconexión
en el arnés, o contacto
defectuoso en el
conector)
H Haga los preparativos con el interruptor del arranque en OFF y
realice la localización de fallas sin poner en ON el interruptor del
arranque.
Arnés de cables entre CM02 (hembra) (4) –
AF1 (hembra) (1)
Resistencia Max. 1 Ω
Arnés de cables entre CM01 (hembra) (7),
CM02 (hembra) (7) – AF1 (hembra) (2)
Resistencia Max. 1 Ω
4
Controlador del tren de
potencia defectuoso
H Prepárese con el interruptor de arranque en posición "OFF", luego
arranque el motor y efectúe la localización de fallas.
CM02 Filtro de aire Voltaje
Entre (4) – (7)
Normal (Resistencia del
aire de admisión: *1)
Máx. 1 V
Obstruido (Resistencia
del aire de admisión: *2)
20 -30 V
40 Localización de fallas GSN00716-01
D155AX-6 39
Diagrama del circuito relacionado con el interruptor de obstrucción del filtro de aire
MOTORGUARDAFANGO IZQ.TABLERO DE INSTRUMENTOS Y ESTRUCTURA DEL PISO
Panel Monitor
Señal TIERRA
Señal TIERRA
Obstrucción del
filtro de aire
Sensor de
obstrucción del
filtro de aire
(si está equipado)
GSN00716-01 40 Localización de fallas
40 D155AX-6
Código de falla [AB00MA] Carga Anormal de la Batería 1
Código de
acción
Código de fallas
Problema
Carga de batería anormal
(Sistema monitor de la máquina)
— AB00MA
Contenido del
problema
• Mientras el motor estaba en marcha, el circuito de señales del alternador detectó que el voltaje de
carga de baterías estaba bajo.
Acción del
monitor de la
máquina
• Expone el nivel de carga en el indicador rojo de la máquina.
Problemas que
aparecen en la
máquina
• Si se opera la máquina tal cual está, la batería podrá descargarse.
Información
relacionada
• El voltaje de la batería puede comprobarse con la función de observación.
(Código: 03203 Fuente de energía de batería)
• Método para reproducir el código de falla: Arranque el motor.
Causas
posibles y
valores
estándar en
estado normal
Causa
Valor estándar en estado normal/Observaciones sobre
localización de fallas
1
Defectuosa la carga del
alternador (Cuando el
sistema está normal)
H Prepárese con el interruptor de arranque en posición "OFF",
luego arranque el motor y efectúe la localización de fallas.
CM01 Motor Voltaje
Entre (11) – tierra
chasis
Superior a la
velocidad media
27.5 – 29.5 V
2
Sistema del monitor de nivel
de carga defectuoso
Si no se detecta la causa 1, el sistema monitor del nivel de carga
podría estar defectuoso. Ejecute “E-* Item de precaución (Monitor
de nivel de carga) se enciende mientras el motor está en marcha”
en el modo E.
40 Localización de fallas GSN00716-01
D155AX-6 41
Diagrama de circuito relacionado al precalentamiento/arranque/carga del motor
GUARDAFANGO IZQUIERDOTABLERO DE INSTRUMENTOS Y ESTRUCTURA DEL PISO
Batería
Relé de
batería
Disyuntor
Relé del calentador
eléctrico de la
admisión de aire
Disyuntor Disyuntor
Calentador eléctrico
del aire de admisión
Interruptor de arranque
Panel monitor
Controlador del tren de potencia
Controlador del equipo de trabajo
Caja de fusibles
Seguridad
neutral
Pre-calen-
tamiento
Controlador del motor
Alternador
Motor de arranque
Relé de
seguridad
Corte del
acumulador
Disyuntor
Caja de fusibles
Interruptor de
arranque ACC
Interruptor de
arranque ACC
Interruptor de
arranque C
Señal de
pre-calentamiento
Señal R
Interruptor de
arranque ACC
Interruptor de
arranque ACC
Señal de relé
de la batería
Relé de seguridad
neutral
Señal R del
alternador
Interruptor de
arranque ACC
Interruptor de
arranque ACC
Señal de ralentí
del motor
Corte acumulador
(motor)
Señal de parada
del motor
Retención
del motor
Retención del motor
GSN00716-01 40 Localización de fallas
42 D155AX-6
Código de falla [B@BAZG] Presión del aceite del motor baja 1
Código de fallas [B@BCNS] Agua del motor sobrecalentado 1
Código de
acción
Código de fallas
Problema
Presión Baja de Aceite del Motor
(Sistema controlador del motor)
— B@BAZG
Contenido del
problema
• Mientras el motor estaba en marcha, el circuito de señales del sensor de presión de aceite del motor
detectó que la presión del aceite del motor estaba anormalmente baja.
Acción del
controlador
• Expone monitor de la presión del aceite del motor en el indicador rojo de la máquina.
Problemas que
aparecen en la
máquina
• Si se opera la máquina tal cual se encuentra, el motor puede trancarse.
Información
relacionada
• La señal del sensor de presión del aceite del motor se ingresa al controlador del motor y después se
transmite al monitor de la máquina a través del sistema de comunicación.
• La presión de aceite del motor se puede comprobar con la función de observación
(Código: 37200 Presión de Aceite del Motor)
• Método para reproducir el código de falla: Arranque el motor.
Causas
posibles y
valores
estándar en
estado normal
Causa
Valor estándar en estado normal/Observaciones sobre
localización de fallas
1
Presión baja de aceite del
motor (Cuando el sistema
está normal)
Revise la presión de aceite del motor. Si está bajo, elimine la
causa.
2
Sistema de instrumentos de
presión de aceite del motor
defectuoso
Si no se detecta la causa 1, el sistema del medidor de presión del
aceite tal vez esta defectuoso. Ejecute “E-* Indicador de presión
de aceite del motor no funciona normalmente” en el modo E.
Código de
acción
Código de fallas
Problema
Recalentamiento del Agua del Motor
(Sistema controlador del motor)
— B@BCNS
Contenido del
problema
• Mientras el motor estaba en marcha, el circuito de señales de la temperatura del refrigerante del motor
detectó que el refrigerante del motor estaba sobre calentado.
Acción del
controlador
• Expone en rojo el indicador de temperatura del refrigerante del motor en el monitor de la máquina.
Problemas que
aparecen en la
máquina
• Si se opera la máquina tal cual se encuentra, el motor puede trancarse.
Información
relacionada
• La señal del sensor de temperatura del refrigerante del motor se ingresa al controlador del motor y
después se transmite al monitor de la máquina a través del sistema de comunicación.
• La temperatura del aceite del motor puede ser vigilada con la función de monitoréo.
(Código: 04107 Temperatura del refrigerante)
• Método para reproducir el código de falla: Arranque el motor.
Causas
posibles y
valores
estándar en
estado normal
Causa
Valor estándar en estado normal/Observaciones sobre
localización de fallas
1
Recalentamiento del
refrigerante del motor
(Cuando el sistema está
normal)
Comprobar el refrigerante del motor para sobre calentamiento Si
esta sobre calentado elimine la causa
2
Defectuoso el sistema
indicador de temperatura del
refrigerante del motor
Si no se detecta la causa 1, el sistema indicador de temperatura
del refrigerante del motor podría estar defectuoso. Ejecute “E-* El
indicador de temperatura del refrigerante del motor no funcional
normalmente” en el modo E
40 Localización de fallas GSN00716-01
D155AX-6 43
Código de falla [B@BCZK] Bajo el nivel del agua del motor 1
Código de falla [B@CENS] Sobrecalentamiento del aceite del
convertidor de torsión 1
Código de
acción
Código de fallas
Problema
Bajo Nivel de Agua en el Motor
(Sistema controlador de la máquina)
— B@BCZK
Contenido del
problema
• Mientras el interruptor del arranque estaba en ON (y el motor estaba parado) o el motor estaba en
marcha, el circuito de señales del interruptor del nivel del refrigerante del radiador detectó que estaba
bajo el nivel del refrigerante en el radiador (el contacto del sensor estaba abierto).
Acción del
monitor de la
máquina
• Expone en el monitor de la máquina, el indicador rojo del nivel del refrigerante del radiador.
Problemas que
aparecen en la
máquina
• Si se opera la máquina tal cual se encuentra, el motor puede recalentarse.
Información
relacionada
• Método para reproducir el código de falla: Arranque el motor.
Causas
posibles y
valores
estándar en
estado normal
Causa
Valor estándar en estado normal/Observaciones sobre
localización de fallas
1
Bajo el nivel del enfriador
(Cuando el sistema es
normal)
Comprobar el sub. tanque del radiador para bajar el nivel del
refrigerante. Si el nivel del refrigerante está bajo, añadir
refrigerante.
2
Defectuoso el sistema
monitor del nivel de
refrigerante en el radiador
Si no se detecta la causa 1, podría estar defectuoso el monitor del
nivel de refrigerante en el radiador. Ejecute “E-* Item de
precaución (Monitor del nivel de refrigerante del radiador) se
enciende mientras el interruptor del arranque está en ON (y el
motor está parado)” en el modo E.
Código de
acción
Código de fallas
Problema
Sobrecalentamiento del Aceite del Convertidor de Torsión
(Sistema de control del tren de potencia)
— B@CENS
Contenido del
problema
• Mientras el motor estaba en marcha, el circuito de señales del sensor de temperatura del aceite del
convertidor de torsión detector que estaba sobrecalentado el aceite del tren de potencia.
Acción del
controlador
• Expone en rojo el monitor de la temperatura del aceite del convertidor de torsión en el monitor de la
máquina.
Problemas que
aparecen en la
máquina
• Si se usa la máquina tal como está, se puede dañar algún componente del tren de potencia.
Información
relacionada
• La señal del sensor de temperatura del aceite del convertidor de torsion se ingresa al controlador del
tren de potencia y después es transmitida al monitor de la máquina a través del sistema de
comunicaciones.
• La temperatura del aceite del tren de potencia puede ser vigilada con la función de monitoreo.
(Código: 30100 Temperatura del aceite del convertidor de torsión)
• Método para reproducir el código de falla: Arranque el motor.
Causas
posibles y
valores
estándar en
estado normal
Causa
Valor estándar en estado normal/Observaciones sobre
localización de fallas
1
Sobrecalentado el aceite del
tren de potencia (Cuando el
sistema está normal)
Compruebe si hay sobrecalentamiento en el aceite del tren de
potencia Si esta sobre calentado elimine la causa
2
Sistema sensor de
temperatura del aceite del
convertidor de torsión
Si no se detecta la causa 1, el sistema sensor de temperatura del
aceite del convertidor de torsión podría estar defectuoso. Efectúe
la localización de fallas para el código de falla [DGT1KA] o
[DGT1KX].
GSN00716-01 40 Localización de fallas
44 D155AX-6
Código de falla [B@HANS] sobrecalentamiento del aceite hidráulico 1
Código de
acción
Código de fallas
Problema
Sobrecalentamiento del aceite hidráulico
(Sistema monitor de la máquina)
— B@HANS
Contenido del
problema
• Mientras el motor estaba en marcha, el circuito de señales del sensor de temperatura del aceite
hidráulico detectó que el aceite hidráulico estaba sobrecalentado.
Acción del
controlador
• Expone el monitor de temperatura del aceite hidráulico en color rojo en el monitor de la máquina.
Problemas que
aparecen en la
máquina
• Si se usa la máquina tal cual está, se pueden dañar los componentes de los circuitos HSS y equipos
de trabajo.
Información
relacionada
• La temperatura del aceite hidráulico puede ser vigilada con la función de monitoréo
(Código: 04401 Temperatura del aceite hidráulico)
• Método para reproducir el código de falla: Arranque el motor.
Causas
posibles y
valores
estándar en
estado normal
Causa
Valor estándar en estado normal/Observaciones sobre
localización de fallas
1
Sobre calentado el aceite
hidráulico (Cuando el
sistema está normal)
Revise si se ha sobre calentado el aceite hidráulico. Si esta sobre
calentado elimine la causa
2
Defectuoso el sistema
indicador de temperatura del
aceite hidráulico
Si no se detecta la causa 1, el sistema indicador de temperatura
del aceite hidráulico podría estar defectuoso. Ejecute “E-* El
indicador de temperatura del aceite hidráulico no funciona
normalmente” en el modo E.
40 Localización de fallas GSN00716-01
D155AX-6 45
GSN00716-01 40 Localización de fallas
46 D155AX-6
D155AX-6 Buldózer
Forma No. GSN00716-01
© 2006 KOMATSU
Todos los Derechos
Reservados
Impreso en E.E.U.U. 08-06
D155AX-6 1
GSN00717-01
BULDÓZER 1MANUAL DE TALLER
D155AX-6
Modelo de máquina Número de serie
D155AX-6 80001 y superiores
40 Localización de fallas 1
Localización de fallas y códigos de
errores, Parte 2
Localización de fallas y códigos de errores, Parte 2...................................................................................... 4
Código de falla [CA111] EMC Crítica falla interna .............................................................................. 4
Código de falla [CA115] error en el sensor de velocidad Ne del Motor y en el sensor
de velocidad de retroceso.............................................................................................................. 6
Código de falla [CA122] Error en sensor por alta presión de carga de aire........................................ 8
Código de falla [CA123] Error en sensor por baja presión de aire de carga..................................... 10
Código de falla [CA131] Error en Sensor por alta aceleración.......................................................... 12
Código de falla [CA132] Error en sensor por baja aceleración ......................................................... 14
Código de falla [CA135] Error. En sensor de presión alta de aceite del motor ................................. 16
Código de falla [CA141] Error. En sensor de presión baja de aceite del motor ................................ 18
Código de falla [CA144] Error en sensor por alta temperatura del refrigerante................................ 20
Código de falla [CA145] Error en sensor por baja temperatura del refrigerante ............................... 22
Código de falla [CA153] Error en sensor por alta temperatura del aire de carga ............................. 24
Código de falla [CA154] Error en sensor por baja temperatura de aire de carga ............................. 26
GSN00717-01 40 Localización de fallas
2 D155AX-6
Código de falla [CA187] Error. Bajo suministro al sensor de 2 voltios .............................................. 26
Código de falla [CA221] Error. Sensor de alta presión ambiental ..................................................... 28
Código de falla [CA222] Error. Sensor de baja presión ambiental .................................................... 30
Código de falla [CA227] Error. Sensor del suministro energético Alto 2 Voltios............................... 32
Código de falla [CA234] Exceso de velocidad en el motor................................................................ 34
Código de falla [CA238] Error. Suministro energético al sensor de velocidad Ne............................. 36
Código de falla [CA263] Error en sensor por alta temperatura del combustible................................ 38
Código de falla [CA265] Error en sensor por baja temperatura del combustible............................... 39
Código de falla [CA271] PCV1 Error. Corto circuito .......................................................................... 40
Código de falla [CA272] PCV1 Error ................................................................................................. 41
Código de falla [CA273] PCV2 Error. Corto circuito .......................................................................... 42
Código de falla [CA274] PCV2 Error ................................................................................................. 43
Código de falla [CA322] Inyector No. 1 (L No. 1) Abierto/Corto circuito Error................................... 44
Código de falla [ CA323] Inyector No. 5 (L No. 5) Abierto/Corto circuito Error.................................. 45
Código de falla [CA324] Inyector No. 3 (L No. 3) Abierto/Corto circuito Error................................... 46
Código de falla [CA325] Inyector No. 6 (L No. 6) Abierto/Corto circuito Error................................... 47
Código de falla [ CA331] Inyector No. 2 (L No. 2) Abierto/Corto circuito Error.................................. 48
Código de falla [ CA332] Inyector No. 4 (L No. 4) Abierto/Corto circuito Error.................................. 49
Código de falla [CA342] Incompatibilidad con el Código de Calibración........................................... 50
Código de falla [CA351] Error en el circuito de mando de los inyectores ......................................... 52
Código de falla [CA352] Error. Bajo suministro al sensor de 1 voltios .............................................. 54
Código de falla [CA386] Error. Sensor del suministro energético Alto 1 Voltios................................ 56
Código de falla [CA441] Error. Bajo el voltaje de batería .................................................................. 58
Código de falla [CA442] Error. Alto el voltaje de la batería ............................................................... 58
Código de falla [CA449] Error. Muy alta la presión del múltiple ........................................................ 59
Código de falla [CA451] Error. Alta presión en el sensor del múltiple............................................... 60
Código de falla [CA452] Error. Sensor detecta baja presión en el múltiple....................................... 62
Código de falla [CA553] Error. Alta presión en el múltiple ................................................................ 62
Código de falla [CA554] Error. Sensor de presión del múltiple en área de error .............................. 63
Código de falla [CA559] Error. Baja presión de carrilera................................................................... 64
Código de falla [CA689] Error. Sensor de velocidad Ne del motor.................................................... 68
40 Localización de fallas GSN00717-01
D155AX-6 3
GSN00717-01 40 Localización de fallas
4 D155AX-6
Localización de fallas y códigos de errores, Parte 2 1
Código de falla [CA111] EMC Crítica falla interna 1
Código de
acción
Código de fallas
Problema
EMC Crítica falla interna
(Sistema controlador del motor)
E04 CA111
Contenido del
problema
• El problema ocurrió en el controlador del motor.
Acción del
controlador
• Ninguno en particular.
Problemas que
aparecen en la
máquina
• El motor trabaja normalmente pero se puede parar durante operaciones o puede ser incapaz de
arrancar.
Información
relacionada
• La fuente de voltaje del controlador del motor se puede monitorear con la función de ajuste.
(Código: 03203 Fuente de energía de batería)
Causas
posibles y
valores
estándar en
estado normal
Causa
Valor estándar en estado normal/Observaciones sobre
localización de fallas
1
Defectuoso el disyuntor de
circuito (-cb30 ó CB8)
Si el disyunctor de circuito se pone en OFF, probablemente el
circuito tiene una falla de tierra. (Vea la causa 3.)
2
Desconexión en el arnés de
cables (Desconexión en el
arnés, o contacto defectuoso
en el conector)
H Haga los preparativos con el interruptor del arranque en OFF y
realice la localización de fallas sin poner en ON el interruptor
del arranque.
Arnés de cables entre EGC3 (hembra) (3),
(4) – CB8 (2)
Resistencia Max. 1 Ω
Arnés de cables entre CB8 (1) – CB30
(B30S)
Resistencia Max. 1 Ω
Arnés de cables entre CB30 (B30L) –
terminal BRB
Resistencia Max. 1 Ω
Arnés de cables entre EGC3 (hembra) (1),
(2) – tierra del chasis (GND 20
Resistencia Max. 1 Ω
3
Falla de puesta a tierra del
arnés de cables (Contacto
con el circuito de puesta a
tierra)
H Haga los preparativos con el interruptor del arranque en OFF y
realice la localización de fallas sin poner en ON el interruptor
del arranque.
Arnés de cables entre EGC3 (hembra) (3),
(4) – CB8 (2) y la tierra del chasis
Resistencia Mín. 1 MΩ
Arnés de cables entre CB8 (1) – CB30
(B30S), final de ramificación de circuito y
la tierra del chasis
Resistencia Mín. 1 MΩ
Arnés de cables entre CB30 (B30L) –
terminal BRB y la tierra del chasis
Resistencia Mín. 1 MΩ
Arnés de cables entre EGC3 (hembra) (1),
(2) – tierra del chasis (GND 20 y la tierra
del chasis
Resistencia Mín. 1 MΩ
4
Controlador del motor
defectuoso
H Haga los preparativos con el interruptor del arranque en OFF,
ponga en ON el interruptor del arranque y realice la
localización de fallas.
EGC3
Interruptor de
arranque
Voltaje
Entre (3), (4) – (1),
(2)
ACTIVADO (ON) 20 -30 V
40 Localización de fallas GSN00717-01
D155AX-6 5
Diagrama del circuito relacionado con el suministro energético del controlador del motor
CAJA DE LA BATERIA
Batería
DisyuntorRelé de
batería
MOTOR
Controlador del motor
Disyuntor
TIERRA potencia
TIERRA potencia
Potencia sin
interruptor 24V
Potencia sin
interruptor 24V
GSN00717-01 40 Localización de fallas
6 D155AX-6
Código de falla [CA115] error en el sensor de velocidad Ne del Motor y
en el sensor de velocidad de retroceso. 1
Código de
acción
Código de fallas
Problema
Error en el sensor de velocidad Ne del Motor y en el sensor de
velocidad de retroceso
(Sistema controlador del motor)E04 CA115
Contenido del
problema
• Ocurrió problema en el circuito del sensor de velocidad Ne simultáneamente con el circuito del sensor
de velocidad de marcha atrás
Acción del
controlador
• Ninguno en particular.
Problemas que
aparecen en la
máquina
• El motor no se puede arrancar (si se ha parado el motor)
• El motor se para (si el motor ha estado en marcha)
Información
relacionada
Causas
posibles y
valores
estándar en
estado normal
Causa
Valor estándar en estado normal/Observaciones sobre
localización de fallas
1
Sistema del sensor de
velocidad Ne defectuoso
Puede estar defectuoso el sistema sensor de la velocidad Ne
Efectúe la localización de fallas para el código [CA689].
2
Defectuoso el sensor de
velocidad de retroceso
Puede estar defectuoso el sistema sensor de la velocidad de
marcha atrás. Efectúe la localización de fallas para el código
[CA778].
3
Defectuoso el montaje del
sensor de velocidad Ne
Comprobar directamente si hay defecto en el montaje del sensor
de velocidad Ne (instalación defectuosa del sensor, problema
interno del volante, etc.)
4
Defectuoso el montaje del
sensor de la velocidad de
marcha atrás
Comprobar directamente si hay defecto en el montaje del sensor
de velocidad de marcha atrás (instalación defectuosa del sensor,
problema interno de la bomba de suministro etc.).
5
Conexión defectuosa
(Conexión errónea) del
sensor.
Comprobar directamente si hay conexión defectuosa (conexión
errónea) del sensor de velocidad Ne y del sensor de velocidad de
marcha atrás.
6
Controlador del motor
defectuoso
Si no se detectan las causas 1 a -5, puede que el controlador del
motor esté defectuoso. (Como el problema se encuentra en el
sistema, no se puede realizar la localización de fallas.)
40 Localización de fallas GSN00717-01
D155AX-6 7
GSN00717-01 40 Localización de fallas
8 D155AX-6
Código de falla [CA122] Error en sensor por alta presión de carga de aire 1
Código de
acción
Código de fallas
Problema
Error en sensor por alta presión de carga de aire
(Sistema controlador del motor)
E03 CA122
Contenido del
problema
• El voltaje de la señal en el circuito del sensor de la presión de carga es anormalmente alto.
Acción del
controlador
• Fija la presión de carga (400 kPa {4.08 kg/cm2}) y continua la operación.
Problemas
que aparecen
en la máquina
• Desciende el rendimiento de aceleración del motor o se produce humo negro durante la aceleración.
Información
relacionada
• El estado del sensor de presión de carga puede comprobarse con la función de observación.
(Código: 36500 Presión de carga absoluta)
Causas
posibles y
valores
estándar en
estado
normal
Causa
Valor estándar en estado normal/Observaciones sobre localización de
fallas
1
Defectuoso el sistema
de suministro de energía
al sensor
Si el código [CA187] o [CA227] aparece indicado, ejecute su localización
de falla primero.
2
Defectuoso el sensor de
la presión de carga
(problema interno)
H Haga los preparativos con el interruptor del arranque en OFF, luego
ponga en ON el interruptor del arranque y realice la localización de
fallas.
PIM Voltaje
Entre (1) – (2) Fuente de energía 4.75 -5.25 V
El voltaje del sensor de presión se mide con el arnés de cables conectado.
De tal modo que, si el voltaje es anormal, compruebe el arnés de cables y
el controlador también, para otra causa del problema y después haga su
juicio.
3
Desconexión en el arnés
de cables (Desconexión
en el arnés, o contacto
defectuoso en el
conector)
H Haga los preparativos con el interruptor del arranque en OFF y realice
la localización de fallas sin poner en ON el interruptor del arranque.
Arnés de cables entre EGC1 (hembra) (37) – PIM
(hembra) (1)
Resistencia Max. 1 Ω
Arnés de cables entre EGC1 (hembra) (47) – PIM
(hembra) (2)
Resistencia Max. 1 Ω
Arnés de cables entre EGC1 (hembra) (44) – PIM
(hembra) (3)
Resistencia Max. 1 Ω
4
Falla de puesta a tierra
del arnés de cables
(Contacto con el circuito
de puesta a tierra)
H Haga los preparativos con el interruptor del arranque en OFF y realice
la localización de fallas sin poner en ON el interruptor del arranque.
Arnés de cables entre EGC1 (hembra) (37) – PIM
(hembra) (1) y la tierra del chasis
Resistencia Mín. 1 MΩ
Arnés de cables entre EGC1 (hembra) (47) – PIM
(hembra) (2) y la tierra del chasis
Resistencia Mín. 1 MΩ
Arnés de cables entre EGC1 (hembra) (44) – PIM
(hembra) (3) y la tierra del chasis
Resistencia Mín. 1 MΩ
5
Corto circuito en el
arnés de cables (con
otro arnés de cables)
H Haga los preparativos con el interruptor del arranque en OFF y realice
la localización de fallas sin poner en ON el interruptor del arranque.
Arnés de cables entre EGC1 (hembra) (37) – PIM
(hembra) (1) y entre EGC1 (hembra) (47) – PIM
(hembra) (2)
Resistencia Mín. 1 MΩ
Arnés de cables entre EGC1 (hembra) (37) – PIM
(hembra) (1) y entre EGC1 (hembra) (44) – PIM
(hembra) (3)
Resistencia Mín. 1 MΩ
Tierra del chasis entre EGC1 (hembra) (47) –
PIM (hembra) (2) y entre EGC1 (hembra) (44) –
PIM (hembra) (3)
Resistencia Mín. 1 MΩ
6
Controlador del motor
defectuoso
H Haga los preparativos con el interruptor del arranque en OFF, luego
ponga en ON el interruptor del arranque y realice la localización de
fallas.
EGC1 Voltaje
Entre (37) – (47) Fuente de energía 4.75 -5.25 V
40 Localización de fallas GSN00717-01
D155AX-6 9
Diagrama de circuito relacionado con el sensor de la presión de carga
MOTOR
Controlador del motor
Presión de refuerzo
Sensor energía (5V)
Sensor de
presión de
refuerzo
GSN00717-01 40 Localización de fallas
10 D155AX-6
Código de falla [CA123] Error en sensor por baja presión de aire de
carga 1
Código de
acción
Código de fallas
Problema
Error en sensor por baja presión de carga de aire
(Sistema controlador del motor)
E03 CA123
Contenido del
problema
• El voltaje de la señal en el circuito sensor de la presión de carga es anormalmente bajo.
Acción del
controlador
• Fija la presión de carga (400 kPa {4.08 kg/cm2}) y continua la operación.
Problemas que
aparecen en la
máquina
• Desciende el rendimiento de aceleración del motor o se produce humo negro durante la aceleración.
Información
relacionada
• El estado del sensor de presión de carga puede comprobarse con la función de observación.
(Código: 36500 Presión de carga absoluta)
Causas
posibles y
valores
estándar en
estado normal
Causa
Valor estándar en estado normal/Observaciones sobre
localización de fallas
Efectúe la localización de fallas para el código de falla [CA122].
40 Localización de fallas GSN00717-01
D155AX-6 11
GSN00717-01 40 Localización de fallas
12 D155AX-6
Código de falla [CA131] Error en Sensor por alta aceleración 1
Código de
acción
Código de fallas
Problema
Error en sensor por alta aceleración
(Sistema controlador del motor)
E03 CA131
Contenido del
problema
• Voltaje de la señal en circuito del potenciómetro del pedal desacelerador es anormalmente alto.
Acción del
controlador
• Establece la posición del acelerador con la señal del control de combustible y continua la operación.
Problemas que
aparecen en la
máquina
Información
relacionada
• La señal del régimen de operación óptimo del pedal desacelerador puede comprobarse con la función
de observación.
(Código: 03001 Voltaje del sensor de posición del acelerador)
Causas
posibles y
valores
estándar en
estado normal
Causa
Valor estándar en estado normal/Observaciones sobre localización
de fallas
1
Defectuoso el sistema de
suministro de energía al
sensor
Si el código [CA2185] o [CA2186] aparece indicado, ejecute su
localización de falla primero.
2
Defectuoso el control de
combustible (problema
interno)
H Haga los preparativos con el interruptor del arranque en OFF y
realice la localización de fallas sin poner en ON el interruptor
del arranque.
DCL (macho) Resistencia
Entre (B) – (C) 1.5 -2.5 kΩ
Entre (A) – (B) 0 -3 kΩ
Entre (A) – (C) 0 -3 kΩ
3
Desconexión en el arnés de
cables (Desconexión en el
arnés, o contacto defectuoso
en el conector)
H Haga los preparativos con el interruptor del arranque en OFF y
realice la localización de fallas sin poner en ON el interruptor
del arranque.
Arnés de cables entre EGC2 (hembra) (9)
– DCL (hembra) (A)
Resistencia Max. 1 Ω
Arnés de cables entre EGC2 (hembra)
(22) – DCL (hembra) (B)
Resistencia Max. 1 Ω
Arnés de cables entre EGC2 (hembra)
(23) – DCL (hembra) (C)
Resistencia Max. 1 Ω
4
Falla de puesta a tierra del
arnés de cables (Contacto
con el circuito de puesta a
tierra)
H Haga los preparativos con el interruptor del arranque en OFF y
realice la localización de fallas sin poner en ON el interruptor
del arranque.
Arnés de cables entre EGC2 (hembra) (9)
– DCL (hembra) (A) y la tierra del chasis
Resistencia Mín. 1 MΩ
Arnés de cables entre EGC2 (hembra)
(22) – DCL (hembra) (B) y la tierra del
chasis
Resistencia Mín. 1 MΩ
Arnés de cables entre EGC2 (hembra)
(23) – DCL (hembra) (C) y la tierra del
chasis
Resistencia Mín. 1 MΩ
5
Controlador del motor
defectuoso
H Haga los preparativos con el interruptor del arranque en OFF,
ponga en ON el interruptor del arranque y realice la localización
de fallas.
EGC2 Voltaje
Entre (22) – (23) Fuente de energía 4.75 -5.25 V
Entre (9) – (23) Señal 0.5 – 4.5 V
40 Localización de fallas GSN00717-01
D155AX-6 13
Diagrama de circuito relacionado con el pedal del potenciómetro de desaceleración
MOTOR GUARDAFANGO IZQUIERDO
Controlador del motor
ESTRUCTURA DEL PISO
Pedal
desacelerador
Señal desacelerador
Suministro 2 del
sensor (5V)
TIERRA2
GSN00717-01 40 Localización de fallas
14 D155AX-6
Código de falla [CA132] Error en sensor por baja aceleración 1
Código de
acción
Código de fallas
Problema
Error en sensor por baja aceleración
(Sistema controlador del motor)
E03 CA132
Contenido del
problema
• Voltaje de la señal en circuito del potenciómetro del pedal desacelerador está anormalmente bajo.
Acción del
controlador
• Establece la posición del acelerador con la señal del control de combustible y continua la operación.
Problemas que
aparecen en la
máquina
Información
relacionada
• La señal del régimen de operación óptimo del pedal desacelerador puede comprobarse con la función
de observación.
(Código: 03001 Voltaje del sensor de posición del acelerador)
Causas
posibles y
valores
estándar en
estado normal
Causa
Valor estándar en estado normal/Observaciones sobre
localización de fallas
Efectúe la localización de fallas para el código de falla [CA131].
40 Localización de fallas GSN00717-01
D155AX-6 15
GSN00717-01 40 Localización de fallas
16 D155AX-6
Código de falla [CA135] Error. En sensor de presión alta de aceite del motor1
Código de
acción
Código de
fallas Problema
En sensor de presión alta de aceite del motor
(Sistema controlador del motor)
E02 CA135
Contenido del
problema
• Voltaje de la señal en circuito sensor de presión del aceite del motor está anormalmente alto
Acción del
controlador
• Establece la presión del aceite del motor al valor de norma (250 kPa {2.55 kg/cm2}) y continua la
operación
Problemas que
aparecen en la
máquina
Información
relacionada
• El estado del sensor de presión de aceite del motor puede comprobarse con la función de
observación.
(Código: 37201 Voltaje del Sensor de presión del aceite del motor)
Causas
posibles y
valores
estándar en
estado normal
Causa
Valor estándar en estado normal/Observaciones sobre localización de
fallas
1
Defectuoso el sistema
de suministro de
energía al sensor
Si el código [CA187] o [CA227] aparece indicado, ejecute su localización
de falla primero.
2
Defectuoso el sensor
de la presión de
aceite del motor
(problema interno)
H Haga los preparativos con el interruptor del arranque en OFF, luego
ponga en ON el interruptor del arranque y realice la localización de
fallas.
POIL Voltaje
Entre (1) – (2) Fuente de energía 4.75 -5.25 V
El voltaje del sensor se mide con el arnés de cables conectado. De tal
modo que, si el voltaje es anormal, compruebe el arnés de cables y el
controlador también, para otra causa del problema y después haga su
juicio.
3
Desconexión en el
arnés de cables
(Desconexión en el
arnés, o contacto
defectuoso en el
conector)
H Haga los preparativos con el interruptor del arranque en OFF y realice
la localización de fallas sin poner en ON el interruptor del arranque.
Arnés de cables entre EGC1 (hembra) (37) –
POIL (hembra) (1)
Resistencia Max. 1 Ω
Arnés de cables entre EGC1 (hembra) (47) –
POIL (hembra) (2)
Resistencia Max. 1 Ω
Arnés de cables entre EGC1 (hembra) (13) –
POIL (hembra) (3)
Resistencia Max. 1 Ω
4
Falla de puesta a
tierra del arnés de
cables (Contacto con
el circuito de puesta a
tierra)
H Haga los preparativos con el interruptor del arranque en OFF y realice
la localización de fallas sin poner en ON el interruptor del arranque.
Arnés de cables entre EGC1 (hembra) (37) –
POIL (hembra) (1) y la tierra del chasis
Resistencia Mín. 1 MΩ
Arnés de cables entre EGC1 (hembra) (47) –
POIL (hembra) (2) y la tierra del chasis
Resistencia Mín. 1 MΩ
Arnés de cables entre EGC1 (hembra) (13) –
POIL (hembra) (3) y la tierra del chasis
Resistencia Mín. 1 MΩ
5
Corto circuito en el
arnés de cables (con
otro arnés de cables)
H Haga los preparativos con el interruptor del arranque en OFF y realice
la localización de fallas sin poner en ON el interruptor del arranque.
Arnés de cables entre EGC1 (hembra) (37) –
POIL (hembra) (1) y entre EGC1 (hembra) (47) –
POIL (hembra) (2)
Resistencia Mín. 1 MΩ
Arnés de cables entre EGC1 (hembra) (37) –
POIL (hembra) (1) y entre EGC1 (hembra) (13) –
POIL (hembra) (3)
Resistencia Mín. 1 MΩ
Arnés de cables entre EGC1 (hembra) (47) –
POIL (hembra) (2) y entre EGC1 (hembra) (13) –
POIL (hembra) (3)
Resistencia Mín. 1 MΩ
6
Controlador del motor
defectuoso
H Haga los preparativos con el interruptor del arranque en OFF, luego
ponga en ON el interruptor del arranque y realice la localización de
fallas.
EGC1 Voltaje
Entre (37) – (47) Fuente de energía 4.75 -5.25 V
40 Localización de fallas GSN00717-01
D155AX-6 17
Diagrama del circuito relacionado con el sensor de la presión de aceite del motor
MOTOR
Controlador del motor
Presión del aceite
del motor
Energía sensor (5V)
Sensor de
presión del
aceite del motor
Sensor (-)
GSN00717-01 40 Localización de fallas
18 D155AX-6
Código de falla [CA141] Error. En sensor de presión baja de aceite del
motor 1
Código de
acción
Código de fallas
Problema
En sensor de presión baja de aceite del motor
(Sistema controlador del motor)
E02 CA141
Contenido del
problema
• El voltaje de la señal del circuito sensor de presión de aceite del motor es anormalmente bajo
Acción del
controlador
• Establece la presión del aceite del motor al valor de norma (250 kPa {2.55 kg/cm2}) y continua la
operación.
Problemas que
aparecen en la
máquina
Información
relacionada
• El estado del sensor de presión de aceite del motor puede comprobarse con la función de observación.
(Código: 37201 Voltaje del Sensor de presión del aceite del motor)
Causas
posibles y
valores
estándar en
estado normal
Causa
Valor estándar en estado normal/Observaciones sobre
localización de fallas
Efectúe la localización de fallas para el código de falla [CA135].
40 Localización de fallas GSN00717-01
D155AX-6 19
GSN00717-01 40 Localización de fallas
20 D155AX-6
Código de falla [CA144] Error en sensor por alta temperatura del
refrigerante 1
Código de
acción
Código de fallas
Problema
Error en sensor por alta temperatura del refrigerante
(Sistema controlador del motor)
E02 CA144
Contenido del
problema
• El voltaje de la señal del circuito sensor de temperatura del refrigerante del motor es anormalmente
alto.
Acción del
controlador
• Fija la temperatura del refrigerante del motor (90º C) y continúa la operación
Problemas que
aparecen en la
máquina
• La facilidad de encendido del motor disminiye en temperaturas bajas.
Información
relacionada
• El estado del sensor de temperatura del refrigerante del motor puede comprobarse con la función de
observación.
(Código: 04105 Voltaje del sensor de temperatura del refrigerante)
Causas
posibles y
valores
estándar en
estado normal
Causa
Valor estándar en estado normal/Observaciones sobre localización
de fallas
1
Defectuoso el sensor de
temperatura del refrigerante
del motor (problema interno)
H Haga los preparativos con el interruptor del arranque en OFF y
realice la localización de fallas sin poner en ON el interruptor
del arranque.
TWTR (macho)
Temperatura del
refrigerante
Resistencia
Entre (A) – (B) 10 -100°C 0.6 -20 kΩ
2
Desconexión en el arnés de
cables (Desconexión en el
arnés, o contacto defectuoso
en el conector)
H Haga los preparativos con el interruptor del arranque en OFF y
realice la localización de fallas sin poner en ON el interruptor
del arranque.
Arnés de cables entre EGC1 (hembra)
(15) – TWTR (hembra) (A)
Resistencia Max. 1 Ω
Arnés de cables entre EGC1 (hembra)
(38) – TWTR (hembra) (B)
Resistencia Max. 1 Ω
3
Falla de puesta a tierra del
arnés de cables (Contacto
con el circuito de puesta a
tierra)
H Haga los preparativos con el interruptor del arranque en OFF y
realice la localización de fallas sin poner en ON el interruptor
del arranque.
Arnés de cables entre EGC1 (hembra)
(15) – TWTR (hembra) (A) y la tierra del
chasis
Resistencia Mín. 1 MΩ
4
Controlador del motor
defectuoso
H Haga los preparativos con el interruptor del arranque en OFF y
realice la localización de fallas sin poner en ON el interruptor
del arranque.
EGC1 (hembra)
Temperatura del
refrigerante
Resistencia
Entre (15) – (38) 10 -100°C 0.6 -20 kΩ
40 Localización de fallas GSN00717-01
D155AX-6 21
Diagrama de circuito relacionado con el sensor de temperatura del refrigerante del motor
MOTOR
Controlador del motor
Temperatura del agua
TIERRA1
Sensor de
temperatura
del agua
GSN00717-01 40 Localización de fallas
22 D155AX-6
Código de falla [CA145] Error en sensor por baja temperatura del
refrigerante 1
Código de
acción
Código de fallas
Problema
Error en sensor por baja temperatura del refrigerante
(Sistema controlador del motor)
E02 CA145
Contenido del
problema
• El voltaje de la señal del circuito sensor de la temperatura del refrigerante del motor es anormalmente
bajo
Acción del
controlador
• Fija la temperatura del refrigerante del motor (90° C) y continúa la operación
Problemas que
aparecen en la
máquina
• La facilidad de encendido del motor disminiye en temperaturas bajas.
Información
relacionada
• El estado del sensor de temperatura del refrigerante del motor puede comprobarse con la función de
observación.
(Código: 04105 Voltaje del sensor de temperatura del refrigerante)
Causas
posibles y
valores
estándar en
estado normal
Causa
Valor estándar en estado normal/Observaciones sobre
localización de fallas
Efectúe la localización de fallas para el código de falla [CA144].
40 Localización de fallas GSN00717-01
D155AX-6 23
GSN00717-01 40 Localización de fallas
24 D155AX-6
Código de falla [CA153] Error en sensor por alta temperatura del aire de
carga 1
Código de
acción
Código de fallas
Problema
Error en sensor por alta temperatura de carga de aire
(Sistema controlador del motor)
E01 CA153
Contenido del
problema
• El voltaje de la señal del circuito sensor de la temperatura de carga está anormalmente alto.
Acción del
controlador
• Fija la temperatura de carga (temperatura del aire de admisión) (70° C) y continua la operación
Problemas que
aparecen en la
máquina
• La facilidad de encendido del motor disminiye en temperaturas bajas.
Información
relacionada
• El estado de la señal del sensor de temperatura de carga puede comprobarse con la función de
observación.
(Código: 18501 Voltaje del sensor de temperatura de carga)
Causas
posibles y
valores
estándar en
estado normal
Causa
Valor estándar en estado normal/Observaciones sobre localización
de fallas
1
Defectuoso el sensor de la
temperatura de carga
(problema interno)
H Haga los preparativos con el interruptor del arranque en OFF y
realice la localización de fallas sin poner en ON el interruptor
del arranque.
TIM (macho)
Temperatura del
aire de admisión
Resistencia
Entre (A) – (B) 10 -100°C 0.5 -20 kΩ
Entre (A) – tierra del
chasis
Todo el régimen Mín. 1 MΩ
2
Desconexión en el arnés de
cables (Desconexión en el
arnés, o contacto defectuoso
en el conector)
H Haga los preparativos con el interruptor del arranque en OFF y
realice la localización de fallas sin poner en ON el interruptor
del arranque.
Arnés de cables entre EGC1 (hembra)
(23) – TIM (hembra) (A)
Resistencia Max. 1 Ω
Arnés de cables entre EGC1 (hembra)
(47) – TIM (hembra) (B)
Resistencia Max. 1 Ω
3
Falla de puesta a tierra del
arnés de cables (Contacto
con el circuito de puesta a
tierra)
H Haga los preparativos con el interruptor del arranque en OFF y
realice la localización de fallas sin poner en ON el interruptor
del arranque.
Arnés de cables entre EGC1 (hembra)
(23) – TIM (hembra) (A) y la tierra del
chasis
Resistencia Mín. 1 MΩ
4
Controlador del motor
defectuoso
H Haga los preparativos con el interruptor del arranque en OFF y
realice la localización de fallas sin poner en ON el interruptor
del arranque.
EGC1 (hembra)
Temperatura del
aire de admisión
Resistencia
Entre (23) – (47) 10 -100°C 0.5 -20 kΩ
40 Localización de fallas GSN00717-01
D155AX-6 25
Diagrama de circuito relacionado con el sensor de temperatura de carga
MOTOR
Controlador del motor
Temperatura del
refuerzo
Sensor (-)
Sensor de
temperatura
del refuerzo
GSN00717-01 40 Localización de fallas
26 D155AX-6
Código de falla [CA154] Error en sensor por baja temperatura de aire de
carga 1
Código de falla [CA187] Error. Bajo suministro al sensor de 2 voltios 1
Código de
acción
Código de fallas
Problema
Error en sensor por baja temperatura de carga de aire
(Sistema controlador del motor)
E01 CA154
Contenido del
problema
• El voltaje de la señal del circuito sensor de la temperatura de carga está anormalmente bajo.
Acción del
controlador
• Fija la temperatura de carga (temperatura del aire de admisión) (70º C) y continua la operación
Problemas que
aparecen en la
máquina
• La facilidad de encendido del motor disminiye en temperaturas bajas.
Información
relacionada
• El estado de la señal del sensor de temperatura de carga puede comprobarse con la función de
observación.
(Código: 18501 Voltaje del sensor de temperatura de carga)
Causas
posibles y
valores
estándar en
estado normal
Causa
Valor estándar en estado normal/Observaciones sobre
localización de fallas
Efectúe la localización de fallas para el código de falla [CA153].
Código de
acción
Código de fallas
Problema
Error. Bajo suministro al sensor de 2 voltios
(Sistema controlador del motor)
E03 CA187
Contenido del
problema
• El voltaje de la señal del circuito sensor del suministro energético 2 (5V) está anormalmente bajo.
Acción del
controlador
• Se opera el sensor de la velocidad de marcha atrás con señales del sensor de la velocidad Ne.
• Establece el sensor de presión del aceite al valor de norma (250 kPa {2.55 kg/cm2}) y continua la
operación.
• Establece el sensor de presión ambiental al valor de norma (52.44 kPa {0.53 kg/cm2}) y continua la
operación.
• Fija el valor del sensor de presión de carga en (400 kPa {4.08 kg/cm2}) y continua la operación.
• Coloca el sensor EGR de presión de entrada en el valor de norma de (102 kPa {1.05 kg/cm2}) y la
operación continua.
• Limita la salida del sensor de elevación de la válvula EGR, cierra la válvula EGR y la válvula de desvío.
• Limita la salida del sensor de elevación de la válvula de desvío y cierra la válvula EGR y la válvula de
desvío.
Problemas que
aparecen en la
máquina
• Salida del motor disminuye.
Información
relacionada
Causas
posibles y
valores
estándar en
estado normal
Causa
Valor estándar en estado normal/Observaciones sobre
localización de fallas
Efectúe la localización de fallas para el código de falla [CA227].
40 Localización de fallas GSN00717-01
D155AX-6 27
GSN00717-01 40 Localización de fallas
28 D155AX-6
Código de falla [CA221] Error. Sensor de alta presión ambiental 1
Código de
acción
Código de
fallas Problema
Error. Sensor de alta presión ambiental
(Sistema controlador del motor)
E03 CA221
Contenido del
problema
• El voltaje de la señal en el circuito sensor de presión ambiental está anormalmente alto.
Acción del
controlador
• Establece la presión ambiental al valor de norma (52.44 kPa {0.53 kg/cm2}) y continua la operación.
Problemas
que aparecen
en la máquina
• Salida del motor disminuye.
Información
relacionada
• El estado de la señal del sensor de presión ambiental puede comprobarse con la función de observación.
(Código: 37401 Voltaje del sensor de presión ambiental
Causas
posibles y
valores
estándar en
estado normal
Causa Valor estándar en estado normal/Observaciones sobre localización de fallas
1
Defectuoso el
sistema de
suministro de
energía al sensor
Si el código [CA187] o [CA227] aparece indicado, ejecute su localización de
falla primero.
2
Defectuoso el sensor
de presión ambiental
(problema interno)
H Haga los preparativos con el interruptor del arranque en OFF, ponga en
ON el interruptor del arranque y realice la localización de fallas.
PAMB Voltaje
Entre (1) – (2) Fuente de energía 4.75 -5.25 V
Entre (3) – (2) Señal
El voltaje del sensor se mide con el arnés de cables conectado. De tal modo
que, si el voltaje es anormal, compruebe el arnés de cables y el controlador
también, para otra causa del problema y después haga su juicio.
3
Desconexión en el
arnés de cables
(Desconexión en el
arnés, o contacto
defectuoso en el
conector)
H Haga los preparativos con el interruptor del arranque en OFF y realice la
localización de fallas sin poner en ON el interruptor del arranque.
Arnés de cables entre EGC1 (hembra) (37) – PAMB
(hembra) (1)
Resistencia Máx. 1 Ω
Arnés de cables entre EGC1 (hembra) (38) – PAMB
(hembra) (2)
Resistencia Máx. 1 Ω
Arnés de cables entre EGC1 (hembra) (3) – PAMB
(hembra) (3)
Resistencia Máx. 1 Ω
4
Falla de puesta a
tierra del arnés de
cables (Contacto con
el circuito de puesta
a tierra)
H Haga los preparativos con el interruptor del arranque en OFF y realice la
localización de fallas sin poner en ON el interruptor del arranque.
Arnés de cables entre EGC1 (hembra) (37) – PAMB
(hembra) (1) y la tierra del chasis
Resistencia Mín. 1 MΩ
Arnés de cables entre EGC1 (hembra) (38) – PAMB
(hembra) (2) y la tierra del chasis
Resistencia Mín. 1 MΩ
Arnés de cables entre EGC1 (hembra) (3) – PAMB
(hembra) (3) y la tierra del chasis
Resistencia Mín. 1 MΩ
5
Corto circuito en el
arnés de cables (con
otro arnés de cables)
H Haga los preparativos con el interruptor del arranque en OFF y realice la
localización de fallas sin poner en ON el interruptor del arranque.
Arnés de cables entre EGC1 (hembra) (37) – PAMB
(hembra) (1) y entre EGC1 (hembra) (38) - PAMB
(hembra) (2)
Resistencia Mín. 1 MΩ
Arnés de cables entre EGC1 (hembra) (37) – PAMB
(hembra) (1) y entre EGC1 (hembra) (3) - PAMB
(hembra) (3)
Resistencia Mín. 1 MΩ
Arnés de cables entre EGC1 (hembra) (38) – PAMB
(hembra) (2) y entre EGC1 (hembra) (3) - PAMB
(hembra) (3)
Resistencia Mín. 1 MΩ
6
Controlador del
motor defectuoso
H Haga los preparativos con el interruptor del arranque en OFF, luego ponga
en ON el interruptor del arranque y realice la localización de fallas.
EGC1 Voltaje
Entre (33) – (38) 4.75 -5.25 V
Entre (3) – (38)
40 Localización de fallas GSN00717-01
D155AX-6 29
Diagrama de circuito relacionado con el sensor de la presión ambiental
MOTOR
Controlador del motor
Presión ambiental
Potencia sensor (5V)
TIERRA1
Sensor de
presión
ambiental
GSN00717-01 40 Localización de fallas
30 D155AX-6
Código de falla [CA222] Error. Sensor de baja presión ambiental 1
Código de
acción
Código de fallas
Problema
Error. Sensor de baja presión ambiental
(Sistema controlador del motor)
E03 CA222
Contenido del
problema
• Voltaje de la señal en el circuito sensor de la presión ambiental está anormalmente bajo.
Acción del
controlador
• Establece la presión ambiental al valor de norma (52.44 kPa {0.53 kg/cm2}) y continua la operación.
Problemas que
aparecen en la
máquina
• Salida del motor disminuye.
Información
relacionada
• El estado de la señal del sensor de presión ambiental puede comprobarse con la función de
observación.
(Código: 37401 Voltaje del sensor de presión ambiental
Causas
posibles y
valores
estándar en
estado normal
Causa
Valor estándar en estado normal/Observaciones sobre
localización de fallas
Efectúe la localización de fallas para el código de falla [CA221].
40 Localización de fallas GSN00717-01
D155AX-6 31
GSN00717-01 40 Localización de fallas
32 D155AX-6
Código de falla [CA227] Error. Sensor del suministro energético Alto 2
Voltios 1
Código de
acción
Código de
fallas Problema
Error. Alto suministro al sensor de 2 voltios
(Sistema controlador del motor)
E03 CA227
Contenido del
problema
• Voltaje de la señal en el circuito del sensor del suministro energético 2 (5 V) está anormalmente alto.
Acción del
controlador
• Se opera el sensor de la velocidad de marcha atrás con señales del sensor de la velocidad Ne.
• Establece el sensor de presión del aceite al valor de norma (250 kPa [2.55 kg/cm2}) y continua la
operación.
• Establece la presión ambiental al valor de norma (52.44 kPa {0.53 kg/cm2}) y continua la operación.
• Fija el valor del sensor de presión de carga en (400 kPa [4.08 kg/cm2}) y continua la operación.
• Coloca el sensor EGR de presión de entrada en el valor de norma de (102 kPa {1.05 kg/cm2}) y la
operación continua.
• Limita la salida del sensor de elevación de la válvula EGR, cierra la válvula EGR y la válvula de desvío.
• Limita la salida del sensor de elevación de la válvula de desvío y cierra la válvula EGR y la válvula de
desvío.
Problemas
que aparecen
en la máquina
• Salida del motor disminuye.
Información
relacionada
Causas
posibles y
valores
estándar en
estado normal
Causa Valor estándar en estado normal/Observaciones sobre localización de fallas
1
Defectuoso el
sistema relacionado
Si aparece indicado otro código de falla ejecute la localización de falla para el
mismo.
2
Sensor defectuoso
(Problema interno)
H Haga los preparativos con el interruptor del arranque en OFF, ponga en ON
el interruptor del arranque y realice la localización de fallas.
Desconectar los
dispositivos a la
derecha
siguiendo el
orden Si
desaparece el
código de falla
“E” cuando un
dispositivo se
desconecta, ese
dispositivo tiene
problemas.
Sensor de la velocidad de marcha
atrás
Conector G
Sensor de presión de aceite Conector POIL
Sensor de la presión ambiental Conector PAMB
Sensor de la presión de carga Conector PIM
Sensor de la presión de entrada EGR Conector PEVA
Sensor de válvula de elevación EGR Conector SEGR
Sensor de elevación de la válvula de
desvío
Conector SBP
3
Desconexión en el
arnés de cables
(Desconexión en el
arnés, o contacto
defectuoso en el
conector)
H Haga los preparativos con el interruptor del arranque en OFF y realice la
localización de fallas sin poner en ON el interruptor del arranque.
Arnés de cables entre EGC1 (hembra) (37) – cada
sensor (hembra)
Resistencia Max. 1 Ω
Arnés de cables entre EGC1 (hembra) (47) – cada
sensor (hembra)
Resistencia Max. 1 Ω
4
Falla de puesta a
tierra del arnés de
cables (Contacto
con el circuito de
puesta a tierra)
H Haga los preparativos con el interruptor del arranque en OFF y realice la
localización de fallas sin poner en ON el interruptor del arranque.
Arnés de cables entre EGC1 (hembra) (37) – cada
sensor (hembra) y la tierra del chasis
Resistencia Mín. 1 MΩ
Arnés de cables entre EGC1 (hembra) (47) – cada
sensor (hembra) y la tierra del chasis
Resistencia Mín. 1 MΩ
5
Corto circuito en el
arnés de cables (con
otro arnés de
cables)
H Haga los preparativos con el interruptor del arranque en OFF y realice la
localización de fallas sin poner en ON el interruptor del arranque.
Arnés de cables entre EGC1 (hembra) (37) – cada
sensor (hembra) y entre EGC1 (hembra) (47) – cada
sensor (hembra)
Resistencia Mín. 1 MΩ
6
Controlador del
motor defectuoso
H Haga los preparativos con el interruptor del arranque en OFF, ponga en ON
el interruptor del arranque y realice la localización de fallas.
EGC1 Voltaje
Entre (37) – (47) 4.75 -5.25 V
40 Localización de fallas GSN00717-01
D155AX-6 33
Diagrama de circuito relacionado con el sensor del suministro energético 2 (5V) del controlador del motor
MOTOR
Controlador del motor
Sensor de
presión de
refuerzo
Sensor de
presión del
motor
Sensor de
respaldo
Sensor de
posición de
la válvula
de desvío
Sensor de
posición de
la válvula
EGR
Sensor de
presión de
entrada EGR
Sensor de
presión
ambiental
Presión ambiental
Presión de aceite
del motor
Posición de la
válvula EGR
Posición de entrada
EGR
Sensor G (+)
Posición de la
válvula de desvío
Energía sensor (5V)
TIERRA1
Presión de refuerzo
Sensor (-)
TIERRA
Señal 1
Señal 2
TIERRA
Señal 1
Señal 2
TIERRA
Señal
GSN00717-01 40 Localización de fallas
34 D155AX-6
Código de falla [CA234] Exceso de velocidad en el motor 1
Código de
acción
Código de fallas
Problema
Exceso de velocidad en el motor
(Sistema controlador del motor)
— CA234
Contenido del
problema
• La velocidad del motor es superior al régimen de operación.
Acción del
controlador
• Limita de la rata de inyección de combustible hasta que la velocidad del motor se reduzca al rango de
operación.
Problemas que
aparecen en la
máquina
• La velocidad del motor fluctúa.
Información
relacionada
• La velocidad del motor puede comprobarse con la función de observación.
(Código: 01002 Velocidad del motor)
Causas
posibles y
valores
estándar en
estado normal
Causa
Valor estándar en estado normal/Observaciones sobre
localización de fallas
1
Defectuoso el sistema
relacionado
Si aparece indicado otro código de falla ejecute la localización de
falla para el mismo.
2 Forma incorrecta de uso
Forma de usar la máquina puede ser incorrecta Enseñe al
operador la forma apropiada de usar la máquina
3
Controlador del motor
defectuoso
Si no se detectan las causas 1 a -2, puede que el controlador del
motor esté defectuoso. (Como el problema se encuentra en el
sistema, no se puede realizar la localización de fallas.)
40 Localización de fallas GSN00717-01
D155AX-6 35
GSN00717-01 40 Localización de fallas
36 D155AX-6
Código de falla [CA238] Error. Suministro energético al sensor de
velocidad Ne 1
Código de
acción
Código de fallas
Problema
Error. Suministro energético al sensor de velocidad Ne
(Sistema controlador del motor)
E03 CA238
Contenido del
problema
• El problema ocurrió en el circuito del suministro energético (5V) del sensor de la velocidad Ne
Acción del
controlador
• Controla el sensor de la velocidad Ne con señales del sensor de la velocidad de retroceso.
Problemas que
aparecen en la
máquina
• El motor en marcha se detiene (Cuando el sensor de la velocidad de marcha atrás también está
anormal).
• El motor parado no puede ponerse en marcha (Cuando el sensor de velocidad de marcha atrás
también está anormal).
Información
relacionada
Causas
posibles y
valores
estándar en
estado normal
Causa
Valor estándar en estado normal/Observaciones sobre localización
de fallas
1
Sensor de velocidad Ne
defectuoso (Problema
interno)
H Haga los preparativos con el interruptor del arranque en OFF,
ponga en ON el interruptor del arranque y realice la localización
de fallas.
Desconectar los
dispositivos a la
derecha siguiendo
el orden Si
desaparece el
código de falla “E”
cuando un
dispositivo se
desconecta, ese
dispositivo tiene
problemas.
Sensor de velocidad
del motor Ne
Conector NE
2
Desconexión en el arnés de
cables (Desconexión en el
arnés, o contacto defectuoso
en el conector)
H Haga los preparativos con el interruptor del arranque en OFF y
realice la localización de fallas sin poner en ON el interruptor
del arranque.
Arnés de cables entre EGC1 (hembra)
(16) – NE (hembra) (1)
Resistencia Max. 1Ω
Arnés de cables entre EGC1 (hembra)
(48) – NE (hembra) (2)
Resistencia Max. 1Ω
3
Falla de puesta a tierra del
arnés de cables (Contacto
con el circuito de puesta a
tierra)
H Haga los preparativos con el interruptor del arranque en OFF y
realice la localización de fallas sin poner en ON el interruptor
del arranque.
Arnés de cables entre EGC1 (hembra)
(16) – NE (hembra) (1) y la tierra del
chasis
Resistencia Mín. 1 MΩ
Arnés de cables entre EGC1 (hembra)
(48) – NE (hembra) (2) y la tierra del
chasis
Resistencia Mín. 1 MΩ
4
Corto circuito en el arnés de
cables (con otro arnés de
cables)
H Haga los preparativos con el interruptor del arranque en OFF y
realice la localización de fallas sin poner en ON el interruptor
del arranque.
Arnés de cables entre EGC1 (hembra)
(16) – NE (hembra) (1) y entre EGC1
(hembra) (48) – NE (hembra) (2)
Resistencia Mín. 1 MΩ
5
Controlador del motor
defectuoso
H Haga los preparativos con el interruptor del arranque en OFF,
ponga en ON el interruptor del arranque y realice la localización
de fallas.
EGC1 Voltaje
Entre (16) – (48) 4.75 -5.25 V
40 Localización de fallas GSN00717-01
D155AX-6 37
Diagrama de circuito relacionado con el sensor de la velocidad NE del motor
MOTOR
Controlador del motor
Energía sensor (5V)
TIERRA
Señal
GSN00717-01 40 Localización de fallas
38 D155AX-6
Código de falla [CA263] Error en sensor por alta temperatura del
combustible 1
Diagrama de circuito relacionado con el sensor de temperatura del combustible
Código de
acción
Código de fallas
Problema
Error en sensor por alta temperatura del combustible
(Sistema controlador del motor)
E01 CA263
Contenido del
problema
• El voltaje de la señal en el circuito sensor de la temperatura del combustible está anormalmente elevado.
Acción del
controlador
• Fija la temperatura del combustible en (90º C) y continúa la operación
Problemas
que aparecen
en la máquina
Información
relacionada
• El estado de la señal del sensor de temperatura del combustible puede comprobarse con la función de
observación.
(Código: 14201 Voltaje del sensor de temperatura del combustible)
Causas
posibles y
valores
estándar en
estado normal
Causa
Valor estándar en estado normal/Observaciones sobre localización de
fallas
1
Defectuoso el sensor de
la temperatura de
combustible (problema
interno)
H Haga los preparativos con el interruptor del arranque en OFF y realice
la localización de fallas sin poner en ON el interruptor del arranque.
TFUEL (macho)
Temperatura del
combustible
Resistencia
Entre (A) – (B) 10 -100°C 0.6 -20 kΩ
2
Desconexión en el arnés
de cables (Desconexión
en el arnés, o contacto
defectuoso en el
conector)
H Haga los preparativos con el interruptor del arranque en OFF y realice
la localización de fallas sin poner en ON el interruptor del arranque.
Arnés de cables entre EGC1 (hembra) (30) –
TFUEL (hembra) (A)
Resistencia Max. 1 Ω
Arnés de cables entre EGC1 (hembra) (47) –
TFUEL (hembra) (B)
Resistencia Max. 1 Ω
3
Falla de puesta a tierra
del arnés de cables
(Contacto con el circuito
de puesta a tierra)
H Haga los preparativos con el interruptor del arranque en OFF y realice
la localización de fallas sin poner en ON el interruptor del arranque.
Arnés de cables entre EGC1 (hembra) (30) –
TFUEL (hembra) (A) y la tierra del chasis
Resistencia Mín. 1 MΩ
4
Controlador del motor
defectuoso
H Haga los preparativos con el interruptor del arranque en OFF y realice
la localización de fallas sin poner en ON el interruptor del arranque.
EGC1 (hembra)
Temperatura del
combustible
Resistencia
Entre (30) – (47) 10 -100°C 0.6 -20 kΩ
MOTOR
Controlador del motor
Temperatura del
combustible
Sensor de
temperatura
del combustible
40 Localización de fallas GSN00717-01
D155AX-6 39
Código de falla [CA265] Error en sensor por baja temperatura del
combustible 1
Código de
acción
Código de fallas
Problema
Error en sensor por baja temperatura del combustible
(Sistema controlador del motor)
E01 CA265
Contenido del
problema
• El voltaje de la señal del circuito sensor de temperatura del combustible está anormalmente bajo.
Acción del
controlador
• Fija la temperatura del combustible en (90ºC) y continúa la operación.
Problemas que
aparecen en la
máquina
Información
relacionada
Causas
posibles y
valores
estándar en
estado normal
Causa
Valor estándar en estado normal/Observaciones sobre
localización de fallas
Efectúe la localización de fallas para el código de falla [CA263].
GSN00717-01 40 Localización de fallas
40 D155AX-6
Código de falla [CA271] PCV1 Error. Corto circuito 1
Diagrama de circuito relacionado con la bomba de suministro PCV 1
Código de
acción
Código de fallas
Problema
PCV1 Error. Corto circuito
(Sistema controlador del motor)
E03 CA271
Contenido del
problema
• Hay un corto circuito en el circuito PCV1 de la bomba de suministro
Acción del
controlador
• Ninguno en particular.
Problemas que
aparecen en la
máquina
Información
relacionada
Causas
posibles y
valores
estándar en
estado normal
Causa
Valor estándar en estado normal/Observaciones sobre localización
de fallas
1
Defectuosa la bomba de
suministro PCV1 (Corto
circuito interno)
H Haga los preparativos con el interruptor del arranque en OFF y
realice la localización de fallas sin poner en ON el interruptor del
arranque.
PCV1 (macho) Resistencia
Entre (1) – (2) 2.3 – 5.3 Ω
Entre (1), (2) – tierra del chasis Mín. 1 MΩ
2
Falla de puesta a tierra del
arnés de cables (Contacto
con el circuito de puesta a
tierra)
H Haga los preparativos con el interruptor del arranque en OFF y
realice la localización de fallas sin poner en ON el interruptor del
arranque.
Arnés de cables entre EGC1 (hembra) (4) –
PCV1 (hembra) (1) y la tierra del chasis
Resistencia Mín. 1 MΩ
Arnés de cables entre EGC1 (hembra) (5) –
PCV1 (hembra) (2) y la tierra del chasis
Resistencia Mín. 1 MΩ
3
Corto vivo (Corto circuito
con el circuito de 24V) en
el arnés de cables.
H Haga los preparativos con el interruptor del arranque en OFF,
ponga en ON el interruptor del arranque y realice la localización
de fallas.
Arnés de cables entre EGC1 (hembra) (4) –
PCV1 (hembra) (1) y la tierra del chasis
Voltaje Máx. 1 V
Arnés de cables entre EGC1 (hembra) (5) –
PCV1 (hembra) (2) y la tierra del chasis
Voltaje Máx. 1 V
4
Controlador del motor
defectuoso
H Haga los preparativos con el interruptor del arranque en OFF y
realice la localización de fallas sin poner en ON el interruptor del
arranque.
EGC1 (hembra) Resistencia
Entre (4) – (5) 2.3 – 5.3 Ω
Entre (4), (5) – tierra del chasis Mín. 1 MΩ
MOTOR
Controlador del motor
Bomba de suministro
#1 (+)
Bomba de suministro
#1 (-)
Bomba de
suministro #1
40 Localización de fallas GSN00717-01
D155AX-6 41
Código de falla [CA272] PCV1 Error 1
Diagrama de circuito relacionado con la bomba de suministro PCV 1
Código de
acción
Código de fallas
Problema
PCV1 Open Error
(Sistema controlador del motor)
E03 CA272
Contenido del
problema
• Hay desconexión en el circuito PCV1 de la bomba de suministro
Acción del
controlador
• Ninguno en particular.
Problemas que
aparecen en la
máquina
Información
relacionada
Causas
posibles y
valores
estándar en
estado normal
Causa
Valor estándar en estado normal/Observaciones sobre
localización de fallas
1
Defectuosa la bomba de
suministro PCV1
(Desconexión interna)
H Haga los preparativos con el interruptor del arranque en OFF y
realice la localización de fallas sin poner en ON el interruptor
del arranque.
PCV1 (macho) Resistencia
Entre (1) – (2) 2.3 – 5.3 Ω
Entre (1), (2) – tierra del chasis Mín. 1 MΩ
2
Desconexión en el arnés de
cables (Desconexión en el
arnés, o contacto defectuoso
en el conector)
H Haga los preparativos con el interruptor del arranque en OFF y
realice la localización de fallas sin poner en ON el interruptor
del arranque.
Arnés de cables entre EGC1 (hembra) (4)
– PCV1 (hembra) (1)
Resistencia Max. 1Ω
Arnés de cables entre EGC1 (hembra) (5)
– PCV1 (hembra) (2)
Resistencia Max. 1Ω
3
Falla de puesta a tierra del
arnés de cables (Contacto
con el circuito de puesta a
tierra)
H Haga los preparativos con el interruptor del arranque en OFF y
realice la localización de fallas sin poner en ON el interruptor
del arranque.
Arnés de cables entre EGC1 (hembra) (4)
– PCV1 (hembra) (1) y la tierra del chasis
Resistencia Mín. 1 MΩ
Arnés de cables entre EGC1 (hembra) (5)
– PCV1 (hembra) (2) y la tierra del chasis
Resistencia Mín. 1 MΩ
4
Controlador del motor
defectuoso
H Haga los preparativos con el interruptor del arranque en OFF y
realice la localización de fallas sin poner en ON el interruptor
del arranque.
EGC1 (hembra) Resistencia
Entre (4) – (5) 2.3 – 5.3 Ω
Entre (4), (5) – tierra del chasis Mín. 1 MΩ
MOTOR
Controlador del motor
Bomba de suministro
#1 (+)
Bomba de suministro
#1 (-)
Bomba de
suministro #1
GSN00717-01 40 Localización de fallas
42 D155AX-6
Código de falla [CA273] PCV2 Error. Corto circuito 1
Diagrama de circuito relacionado con la bomba de suministro PCV2
Código de
acción
Código de fallas
Problema
PCV2 Error. Corto circuito
(Sistema controlador del motor)
E03 CA273
Contenido del
problema
• Hay corto circuito en el circuito PCV2 de la bomba de suministro
Acción del
controlador
• Ninguno en particular.
Problemas que
aparecen en la
máquina
Información
relacionada
Causas
posibles y
valores
estándar en
estado normal
Causa
Valor estándar en estado normal/Observaciones sobre localización
de fallas
1
Defectuosa la bomba de
suministro PCV2 (Corto
circuito interno)
H Haga los preparativos con el interruptor del arranque en OFF y
realice la localización de fallas sin poner en ON el interruptor del
arranque.
PCV2 (macho) Resistencia
Entre (1) – (2) 2.3 – 5.3 Ω
Entre (1), (2) – tierra del chasis Mín. 1 MΩ
2
Falla de puesta a tierra del
arnés de cables (Contacto
con el circuito de puesta a
tierra)
H Haga los preparativos con el interruptor del arranque en OFF y
realice la localización de fallas sin poner en ON el interruptor del
arranque.
Arnés de cables entre EGC1 (hembra) (9) –
PCV2 (hembra) (1) y la tierra del chasis
Resistencia Mín. 1 MΩ
Arnés de cables entre EGC1 (hembra) (10)
– PCV2 (hembra) (2) y la tierra del chasis
Resistencia Mín. 1 MΩ
3
Corto vivo (Corto circuito
con el circuito de 24V) en el
arnés de cables.
H Haga los preparativos con el interruptor del arranque en OFF,
ponga en ON el interruptor del arranque y realice la localización
de fallas.
Arnés de cables entre EGC1 (hembra) (9) –
PCV2 (hembra) (1) y la tierra del chasis
Voltaje Máx. 1 V
Arnés de cables entre EGC1 (hembra) (10)
– PCV2 (hembra) (2) y la tierra del chasis
Voltaje Máx. 1 V
4
Controlador del motor
defectuoso
H Haga los preparativos con el interruptor del arranque en OFF y
realice la localización de fallas sin poner en ON el interruptor del
arranque.
EGC1 (hembra) Resistencia
Entre (9) – (10) 2.3 – 5.3 Ω
Entre (9), (10) – tierra del chasis Mín. 1 MΩ
MOTOR
Controlador del motor
Bomba de suministro
#2 (+)
Bomba de suministro
#2 (-)
Bomba de
suministro #2
40 Localización de fallas GSN00717-01
D155AX-6 43
Código de falla [CA274] PCV2 Error 1
Diagrama de circuito relacionado con la bomba de suministro PCV2
Código de
acción
Código de fallas
Problema
PCV2 Open Error
(Sistema controlador del motor)
E03 CA274
Contenido del
problema
• Hay desconexión en el circuito PCV2 de la bomba de suministro
Acción del
controlador
• Ninguno en particular.
Problemas que
aparecen en la
máquina
Información
relacionada
Causas
posibles y
valores
estándar en
estado normal
Causa
Valor estándar en estado normal/Observaciones sobre localización
de fallas
1
Defectuosa la bomba de
suministro PCV2
(Desconexión interna)
H Haga los preparativos con el interruptor del arranque en OFF y
realice la localización de fallas sin poner en ON el interruptor del
arranque.
PCV2 (macho) Resistencia
Entre (1) – (2) 2.3 – 5.3 Ω
Entre (1), (2) – tierra del chasis Mín. 1 MΩ
2
Desconexión en el arnés de
cables (Desconexión en el
arnés, o contacto
defectuoso en el conector)
H Haga los preparativos con el interruptor del arranque en OFF y
realice la localización de fallas sin poner en ON el interruptor del
arranque.
Arnés de cables entre EGC1 (hembra) (9) –
PCV2 (hembra) (1)
Resistencia Max. 1Ω
Arnés de cables entre EGC1 (hembra) (10)
– PCV2 (hembra) (2)
Resistencia Max. 1Ω
3
Falla de puesta a tierra del
arnés de cables (Contacto
con el circuito de puesta a
tierra)
H Haga los preparativos con el interruptor del arranque en OFF y
realice la localización de fallas sin poner en ON el interruptor del
arranque.
Arnés de cables entre EGC1 (hembra) (9) –
PCV2 (hembra) (1) y la tierra del chasis
Resistencia Mín. 1 MΩ
Arnés de cables entre EGC1 (hembra) (10)
– PCV2 (hembra) (2) y la tierra del chasis
Resistencia Mín. 1 MΩ
4
Controlador del motor
defectuoso
H Haga los preparativos con el interruptor del arranque en OFF y
realice la localización de fallas sin poner en ON el interruptor del
arranque.
EGC1 (hembra) Resistencia
Entre (9) – (10) 2.3 – 5.3 Ω
Entre (9), (10) – tierra del chasis Mín. 1 MΩ
MOTOR
Controlador del motor
Bomba de suministro
#2 (+)
Bomba de suministro
#2 (-)
Bomba de
suministro #2
GSN00717-01 40 Localización de fallas
44 D155AX-6
Código de falla [CA322] Inyector No. 1 (L No. 1) Abierto/Corto circuito
Error 1
Diagrama del circuito relacionado con el inyector No. 1
Código de
acción
Código de fallas
Problema
Inyector No. 1 (L No. 1) Abierto/Corto circuito Error
(Sistema controlador del motor)
E03 CA322
Contenido del
problema
• Hay desconexión o corto circuito en el circuito del inyector No. 1.
Acción del
controlador
• Ninguno en particular.
Problemas que
aparecen en la
máquina
• Desminuye la salida
• La rotación es inestable
Información
relacionada
Causas
posibles y
valores
estándar en
estado normal
Causa
Valor estándar en estado normal/Observaciones sobre localización de
fallas
1
Defectuoso el inyector No.
1 (Problema interno)
H Haga los preparativos con el interruptor del arranque en OFF y
realice la localización de fallas sin poner en ON el interruptor del
arranque.
CN1 (macho) Resistencia
Entre (1) – (2) 0.4 – 1.1 Ω
Entre (1), (2) – tierra del chasis Mín. 1 MΩ
2
Desconexión en el arnés
de cables (Desconexión
en el arnés, o contacto
defectuoso en el
conector)
H Haga los preparativos con el interruptor del arranque en OFF y
realice la localización de fallas sin poner en ON el interruptor del
arranque.
Arnés de cables entre EGC1 (hembra) (45) –
CN1 (hembra) (1)
Resistencia Max. 1Ω
Arnés de cables entre EGC1 (hembra) (53) –
CN1 (hembra) (2)
Resistencia Max. 1Ω
3
Falla de puesta a tierra del
arnés de cables (Contacto
con el circuito de puesta a
tierra)
H Haga los preparativos con el interruptor del arranque en OFF y
realice la localización de fallas sin poner en ON el interruptor del
arranque.
Arnés de cables entre EGC1 (hembra) (45) –
CN1 (hembra) (1) y la tierra del chasis
Resistencia Mín. 1 MΩ
Arnés de cables entre EGC1 (hembra) (53) –
CN1 (hembra) (2) y la tierra del chasis
Resistencia Mín. 1 MΩ
4
Controlador del motor
defectuoso
H Haga los preparativos con el interruptor del arranque en OFF y
realice la localización de fallas sin poner en ON el interruptor del
arranque.
EGC1 (hembra) Resistencia
Entre (45) – (53) 0.4 – 1.1 Ω
Entre (45), (53) – tierra del chasis Mín. 1 MΩ
MOTOR
Controlador del motor
Injector #1 (+)
Inyector #1 (-)
Inyector #1
40 Localización de fallas GSN00717-01
D155AX-6 45
Código de falla [ CA323] Inyector No. 5 (L No. 5) Abierto/Corto circuito
Error 1
Diagrama del circuito relacionado con el inyector No. 5
Código de
acción
Código de fallas
Problema
Inyector No. 5 (L No. 5) Abierto/Corto circuito Error
(Sistema controlador del motor)
E03 CA323
Contenido del
problema
• Hay desconexión o corto circuito en el circuito del inyector No. 5.
Acción del
controlador
• Ninguno en particular.
Problemas que
aparecen en la
máquina
• Desminuye la salida
• La rotación es inestable
Información
relacionada
Causas
posibles y
valores
estándar en
estado normal
Causa
Valor estándar en estado normal/Observaciones sobre localización
de fallas
1
Defectuoso el inyector No.
5 (Problema interno)
H Haga los preparativos con el interruptor del arranque en OFF y
realice la localización de fallas sin poner en ON el interruptor del
arranque.
CN5(macho) Resistencia
Entre (1) – (2) 0.4 – 1.1 Ω
Entre (1), (2) – tierra del chasis Mín. 1 MΩ
2
Desconexión en el arnés
de cables (Desconexión en
el arnés, o contacto
defectuoso en el conector)
H Haga los preparativos con el interruptor del arranque en OFF y
realice la localización de fallas sin poner en ON el interruptor del
arranque.
Arnés de cables entre EGC1 (hembra) (46)
– CN5 (hembra) (1)
Resistencia Max. 1Ω
Arnés de cables entre EGC1 (hembra) (60)
– CN5 (hembra) (2)
Resistencia Max. 1Ω
3
Falla de puesta a tierra del
arnés de cables (Contacto
con el circuito de puesta a
tierra)
H Haga los preparativos con el interruptor del arranque en OFF y
realice la localización de fallas sin poner en ON el interruptor del
arranque.
Arnés de cables entre EGC1 (hembra) (46)
– CN5 (hembra) (1) y la tierra del chasis
Resistencia Mín. 1 MΩ
Arnés de cables entre EGC1 (hembra) (60)
– CN5 (hembra) (2) y la tierra del chasis
Resistencia Mín. 1 MΩ
4
Controlador del motor
defectuoso
H Haga los preparativos con el interruptor del arranque en OFF y
realice la localización de fallas sin poner en ON el interruptor del
arranque.
EGC1 (hembra) Resistencia
Entre (46) – (60) 0.4 – 1.1 Ω
Entre (46), (60) – tierra del
chasis
Mín. 1 MΩ
MOTOR
Controlador del motor
Injector #5 (+)
Inyector #5 (-)
Inyector #5
GSN00717-01 40 Localización de fallas
46 D155AX-6
Código de falla [CA324] Inyector No. 3 (L No. 3) Abierto/Corto circuito
Error 1
Diagrama del circuito relacionado con el inyector No. 3
Código de
acción
Código de fallas
Problema
Inyector No. 3 (L No. 3) Abierto/Corto circuito Error
(Sistema controlador del motor)
E03 CA324
Contenido del
problema
• Hay desconexión o corto circuito en el circuito del inyector No. 3.
Acción del
controlador
• Ninguno en particular.
Problemas que
aparecen en la
máquina
• Desminuye la salida
• La rotación es inestable
Información
relacionada
Causas
posibles y
valores
estándar en
estado normal
Causa
Valor estándar en estado normal/Observaciones sobre localización
de fallas
1
Defectuoso el inyector No.
3 (Problema interno)
H Haga los preparativos con el interruptor del arranque en OFF y
realice la localización de fallas sin poner en ON el interruptor del
arranque.
CN3 (macho) Resistencia
Entre (1) – (2) 0.4 – 1.1 Ω
Entre (1), (2) – tierra del chasis Mín. 1 MΩ
2
Desconexión en el arnés
de cables (Desconexión
en el arnés, o contacto
defectuoso en el conector)
H Haga los preparativos con el interruptor del arranque en OFF y
realice la localización de fallas sin poner en ON el interruptor del
arranque.
Arnés de cables entre EGC1 (hembra) (55) –
CN3 (hembra) (1)
Resistencia Max. 1 Ω
Arnés de cables entre EGC1 (hembra) (52) –
CN3 (hembra) (2)
Resistencia Max. 1 Ω
3
Falla de puesta a tierra del
arnés de cables (Contacto
con el circuito de puesta a
tierra)
H Haga los preparativos con el interruptor del arranque en OFF y
realice la localización de fallas sin poner en ON el interruptor del
arranque.
Arnés de cables entre EGC1 (hembra) (55) –
CN3 (hembra) (1) y la tierra del chasis
Resistencia Mín. 1 MΩ
Arnés de cables entre EGC1 (hembra) (52) –
CN3 (hembra) (2) y la tierra del chasis
Resistencia Mín. 1 MΩ
4
Controlador del motor
defectuoso
H Haga los preparativos con el interruptor del arranque en OFF y
realice la localización de fallas sin poner en ON el interruptor del
arranque.
EGC1 (hembra) Resistencia
Entre (55) – (52) 0.4 – 1.1 Ω
Entre (55), (52) – tierra del chasis Mín. 1 MΩ
MOTOR
Controlador del motor
Injector #3 (+)
Inyector #3 (-)
Inyector #3
40 Localización de fallas GSN00717-01
D155AX-6 47
Código de falla [CA325] Inyector No. 6 (L No. 6) Abierto/Corto circuito
Error 1
Diagrama del circuito relacionado con el inyector No. 6
Código de
acción
Código de fallas
Problema
Inyector No. 6 (L No. 6) Abierto/Corto circuito Error
(Sistema controlador del motor)
E03 CA325
Contenido del
problema
• Hay desconexión o corto circuito en el circuito del inyector No. 6.
Acción del
controlador
• Ninguno en particular.
Problemas que
aparecen en la
máquina
• Desminuye la salida
• La rotación es inestable
Información
relacionada
Causas
posibles y
valores
estándar en
estado normal
Causa
Valor estándar en estado normal/Observaciones sobre localización
de fallas
1
Defectuoso el inyector No.
6 (Problema interno)
H Haga los preparativos con el interruptor del arranque en OFF y
realice la localización de fallas sin poner en ON el interruptor del
arranque.
CN6 (macho) Resistencia
Entre (1) – (2) 0.4 – 1.1 Ω
Entre (1), (2) – tierra del chasis Mín. 1 MΩ
2
Desconexión en el arnés
de cables (Desconexión
en el arnés, o contacto
defectuoso en el conector)
H Haga los preparativos con el interruptor del arranque en OFF y
realice la localización de fallas sin poner en ON el interruptor del
arranque.
Arnés de cables entre EGC1 (hembra) (57)
– CN6 (hembra) (1)
Resistencia Max. 1 Ω
Arnés de cables entre EGC1 (hembra) (59)
– CN6 (hembra) (2)
Resistencia Max. 1 Ω
3
Falla de puesta a tierra del
arnés de cables (Contacto
con el circuito de puesta a
tierra)
H Haga los preparativos con el interruptor del arranque en OFF y
realice la localización de fallas sin poner en ON el interruptor del
arranque.
Arnés de cables entre EGC1 (hembra) (57)
– CN6 (hembra) (1) y la tierra del chasis
Resistencia Mín. 1 MΩ
Arnés de cables entre EGC1 (hembra) (59)
– CN6 (hembra) (2) y la tierra del chasis
Resistencia Mín. 1 MΩ
4
Controlador del motor
defectuoso
H Haga los preparativos con el interruptor del arranque en OFF y
realice la localización de fallas sin poner en ON el interruptor del
arranque.
EGC1 (hembra) Resistencia
Entre (57) – (59) 0.4 – 1.1 Ω
Entre (57), (59) – tierra del
chasis
Mín. 1 MΩ
MOTOR
Controlador del motor
Injector #6 (+)
Inyector #6 (-)
Inyector #6
GSN00717-01 40 Localización de fallas
48 D155AX-6
Código de falla [ CA331] Inyector No. 2 (L No. 2) Abierto/Corto circuito
Error 1
Diagrama del circuito relacionado con el inyector No. 2
Código de
acción
Código de fallas
Problema
Inyector No. 2 (L No. 2) Abierto/Corto circuito Error
(Sistema controlador del motor)
E03 CA331
Contenido del
problema
• Hay desconexión o corto circuito en el circuito del inyector No. 2.
Acción del
controlador
• Ninguno en particular.
Problemas que
aparecen en la
máquina
• Desminuye la salida
• La rotación es inestable
Información
relacionada
Causas
posibles y
valores
estándar en
estado normal
Causa
Valor estándar en estado normal/Observaciones sobre localización
de fallas
1
Defectuoso el inyector No.
2 (Problema interno)
H Haga los preparativos con el interruptor del arranque en OFF y
realice la localización de fallas sin poner en ON el interruptor del
arranque.
CN2 (macho) Resistencia
Entre (1) – (2) 0.4 – 1.1 Ω
Entre (1), (2) – tierra del chasis Mín. 1 MΩ
2
Desconexión en el arnés
de cables (Desconexión en
el arnés, o contacto
defectuoso en el conector)
H Haga los preparativos con el interruptor del arranque en OFF y
realice la localización de fallas sin poner en ON el interruptor del
arranque.
Arnés de cables entre EGC1 (hembra) (54) –
CN2 (hembra) (1)
Resistencia Max. 1 Ω
Arnés de cables entre EGC1 (hembra) (51) –
CN2 (hembra) (2)
Resistencia Max. 1 Ω
3
Falla de puesta a tierra del
arnés de cables (Contacto
con el circuito de puesta a
tierra)
H Haga los preparativos con el interruptor del arranque en OFF y
realice la localización de fallas sin poner en ON el interruptor del
arranque.
Arnés de cables entre EGC1 (hembra) (54) –
CN2 (hembra) (1) y la tierra del chasis
Resistencia Mín. 1 MΩ
Arnés de cables entre EGC1 (hembra) (51) –
CN2 (hembra) (2) y la tierra del chasis
Resistencia Mín. 1 MΩ
4
Controlador del motor
defectuoso
H Haga los preparativos con el interruptor del arranque en OFF y
realice la localización de fallas sin poner en ON el interruptor del
arranque.
EGC1 (hembra) Resistencia
Entre (54) – (51) 0.4 – 1.1 Ω
Entre (54), (51) – tierra del chasis Mín. 1 MΩ
MOTOR
Controlador del motor
Injector #2 (+)
Inyector #2 (-)
Inyector #2
40 Localización de fallas GSN00717-01
D155AX-6 49
Código de falla [ CA332] Inyector No. 4 (L No. 4) Abierto/Corto circuito
Error 1
Diagrama del circuito relacionado con el inyector No. 4
Código de
acción
Código de fallas
Problema
Inyector No. 4 (L No. 4) Abierto/Corto circuito Error
(Sistema controlador del motor)
E03 CA332
Contenido del
problema
• Hay desconexión o corto circuito en el circuito del inyector No. 4.
Acción del
controlador
• Ninguno en particular.
Problemas que
aparecen en la
máquina
• Desminuye la salida
• La rotación es inestable
Información
relacionada
Causas
posibles y
valores
estándar en
estado normal
Causa
Valor estándar en estado normal/Observaciones sobre localización
de fallas
1
Defectuoso el inyector No. 4
(Problema interno)
H Haga los preparativos con el interruptor del arranque en OFF y
realice la localización de fallas sin poner en ON el interruptor del
arranque.
CN4 (macho) Resistencia
Entre (1) – (2) 0.4 – 1.1 Ω
Entre (1), (2) – tierra del chasis Mín. 1 MΩ
2
Desconexión en el arnés de
cables (Desconexión en el
arnés, o contacto defectuoso
en el conector)
H Haga los preparativos con el interruptor del arranque en OFF y
realice la localización de fallas sin poner en ON el interruptor del
arranque.
Arnés de cables entre EGC1 (hembra) (56)
– CN4 (hembra) (1)
Resistencia Max. 1 Ω
Arnés de cables entre EGC1 (hembra) (58)
– CN4 (hembra) (2)
Resistencia Max. 1 Ω
3
Falla de puesta a tierra del
arnés de cables (Contacto
con el circuito de puesta a
tierra)
H Haga los preparativos con el interruptor del arranque en OFF y
realice la localización de fallas sin poner en ON el interruptor del
arranque.
Arnés de cables entre EGC1 (hembra) (56)
– CN4 (hembra) (1) y la tierra del chasis
Resistencia Mín. 1 MΩ
Arnés de cables entre EGC1 (hembra) (58)
– CN4 (hembra) (2) y la tierra del chasis
Resistencia Mín. 1 MΩ
4
Controlador del motor
defectuoso
H Haga los preparativos con el interruptor del arranque en OFF y
realice la localización de fallas sin poner en ON el interruptor del
arranque.
EGC1 (hembra) Resistencia
Entre (56) – (58) 0.4 – 1.1 Ω
Entre (56), (58) – tierra del
chasis
Mín. 1 MΩ
MOTOR
Controlador del motor
Injector #4 (+)
Inyector #4 (-)
Inyector #4
GSN00717-01 40 Localización de fallas
50 D155AX-6
Código de falla [CA342] Incompatibilidad con el Código de Calibración1
Código de
acción
Código de fallas
Problema
Incompatibilidad con el Código de Calibración
(Sistema controlador del motor)
E04 CA342
Contenido del
problema
• La incompatibilidad de los datos ocurrió en el controlador del motor
Acción del
controlador
• Ninguno en particular.
Problemas que
aparecen en la
máquina
• El motor continúa normalmente la operación, pero puede detenerse durante la operación o es posible
que no pueda arrancar nuevamente.
Información
relacionada
Causas
posibles y
valores
estándar en
estado normal
Causa
Valor estándar en estado normal/Observaciones sobre
localización de fallas
Efectúe la localización de fallas para el código de falla [CA111].
40 Localización de fallas GSN00717-01
D155AX-6 51
GSN00717-01 40 Localización de fallas
52 D155AX-6
Código de falla [CA351] Error en el circuito de mando de los inyectores1
Código de
acción
Código de fallas
Problema
Error en el circuito de mando de los inyectores
(Sistema controlador del motor)
E03 CA351
Contenido del
problema
• El problema ocurrió en el circuito de mando del inyector
Acción del
controlador
• Limita la salida del motor y continua la operación (Limita la presión del múltiple común)
Problemas que
aparecen en la
máquina
• Salida del motor disminuye.
Información
relacionada
• La fuente de voltaje del controlador del motor se puede monitorear con la función de ajuste.
(Código: 03203 Fuente de energía de batería)
Causas
posibles y
valores
estándar en
estado normal
Causa
Valor estándar en estado normal/Observaciones sobre
localización de fallas
1
Defectuoso el sistema
relacionado
Si se indica otro código de falla (código de falla del problema en el
sistema inyector), ejecute su localización de falla.
2
Defectuoso el disyuntor de
circuito (-cb30 ó CB8)
Si el disyuntor de circuito se vuelve "OFF", probablemente el
circuito tiene una falla en la conexión a tierra (Vea la causa 4).
3
Desconexión en el arnés de
cables (Desconexión en el
arnés, o contacto defectuoso
en el conector)
H Haga los preparativos con el interruptor del arranque en OFF y
realice la localización de fallas sin poner en ON el interruptor
del arranque.
Arnés de cables entre EGC3 (hembra)
(3), (4) – CB8 (2)
Resistencia Max. 1Ω
Arnés de cables entre CB8 (1) – CB30
(B30S)
Resistencia Max. 1Ω
Arnés de cables entre CB30 (B30L) –
terminal BRB
Resistencia Max. 1Ω
Arnés de cables entre EGC3 (hembra)
(1), (2) – tierra del chasis (GND 20
Resistencia Max. 1Ω
4
Falla de puesta a tierra del
arnés de cables (Contacto
con el circuito de puesta a
tierra)
H Haga los preparativos con el interruptor del arranque en OFF y
realice la localización de fallas sin poner en ON el interruptor
del arranque.
Arnés de cables entre EGC3 (hembra)
(3), (4) – CB8 (2) y la tierra del chasis
Resistencia Mín. 1 MΩ
Arnés de cables entre CB8 (1) – CB30
(B30S) o final de ramificación de circuito y
la tierra del chasis
Resistencia Mín. 1 MΩ
Arnés de cables entre CB30 (B30L) –
terminal BRB y la tierra del chasis
Resistencia Mín. 1 MΩ
Arnés de cables entre EGC3 (hembra)
(1), (2) – tierra del chasis (GND 20 y la
tierra del chasis
Resistencia Mín. 1 MΩ
5
Controlador del motor
defectuoso
H Haga los preparativos con el interruptor del arranque en OFF,
ponga en ON el interruptor del arranque y realice la
localización de fallas.
EGC3 Voltaje
Entre (3), (4) – (1), (2) 20 -30 V
40 Localización de fallas GSN00717-01
D155AX-6 53
Diagrama del circuito relacionado con el suministro energético del controlador del motor
CAJA DE LA BATERIA
Batería
DisyuntorRelé de
batería
MOTOR
Controlador del motor
Disyuntor
TIERRA potencia
TIERRA potencia
Potencia sin
interruptor 24V
Potencia sin
interruptor 24V
GSN00717-01 40 Localización de fallas
54 D155AX-6
Código de falla [CA352] Error. Bajo el suministro de voltaje al sensor 11
Código de
acción
Código de fallas
Problema
Error. Bajo suministro al sensor de 1 voltios
(Sistema controlador del motor)
E03 CA352
Contenido del
problema
• Voltaje de la señal en sensor del suministro energético 1 (5 V) el circuito del controlador del motor está
anormalmente bajo.
Acción del
controlador
• Limita la salida del sensor de presión del múltiple común y continua la operación (Limita la presión del
múltiple común).
Problemas que
aparecen en la
máquina
• Salida del motor disminuye.
Información
relacionada
Causas
posibles y
valores
estándar en
estado normal
Causa
Valor estándar en estado normal/Observaciones sobre
localización de fallas
Efectúe la localización de fallas para el código de falla [CA386].
40 Localización de fallas GSN00717-01
D155AX-6 55
GSN00717-01 40 Localización de fallas
56 D155AX-6
Código de falla [CA386] Error. Alto el suministro 1 de voltaje al sensor 1
Código de
acción
Código de fallas
Problema
Error. Alto suministro al sensor de 1 voltios
(Sistema controlador del motor)
E03 CA386
Contenido del
problema
• El voltaje de la señal del circuito del sensor del suministro energético (5V) está anormalmente alto.
Acción del
controlador
• Limita la salida del sensor de presión del múltiple común y continua la operación (Limita la presión del
múltiple común).
Problemas que
aparecen en la
máquina
• Salida del motor disminuye.
Información
relacionada
Causas
posibles y
valores
estándar en
estado normal
Causa
Valor estándar en estado normal/Observaciones sobre localización de
fallas
1
Defectuoso el sistema
relacionado
Si aparece indicado otro código de falla ejecute la localización de falla
para el mismo.
2
Sensor defectuoso
(Problema interno)
H Haga los preparativos con el interruptor del arranque en OFF, ponga
en ON el interruptor del arranque y realice la localización de fallas.
Desconectar los
dispositivos a la
derecha siguiendo el
orden Si desaparece
el código de falla “E”
cuando un dispositivo
se desconecta, ese
dispositivo tiene
problemas.
Sensor de presión del
múltiple común
Conector PFUEL
3
Desconexión en el arnés
de cables (Desconexión
en el arnés, o contacto
defectuoso en el
conector)
H Haga los preparativos con el interruptor del arranque en OFF y
realice la localización de fallas sin poner en ON el interruptor del
arranque.
Arnés de cables entre EGC1 (hembra) (33) –
PFUEL (hembra) (1)
Resistencia Max. 1Ω
Arnés de cables entre EGC1 (hembra) (47) –
PFUEL (hembra) (3)
Resistencia Max. 1Ω
4
Falla de puesta a tierra
del arnés de cables
(Contacto con el circuito
de puesta a tierra)
H Haga los preparativos con el interruptor del arranque en OFF y
realice la localización de fallas sin poner en ON el interruptor del
arranque.
Arnés de cables entre EGC1 (hembra) (33) –
PFUEL (hembra) (1) y la tierra del chasis
Resistencia Mín. 1 MΩ
Arnés de cables entre EGC1 (hembra) (47) –
PFUEL (hembra) (3) y la tierra del chasis
Resistencia Mín. 1 MΩ
5
Corto circuito en el arnés
de cables (con otro arnés
de cables)
H Haga los preparativos con el interruptor del arranque en OFF y
realice la localización de fallas sin poner en ON el interruptor del
arranque.
Arnés de cables entre EGC1 (hembra) (33) –
PFUEL (hembra) y entre EGC1 (hembra) (47)
– PFUEL (hembra)
Resistencia Mín. 1 MΩ
6
Controlador del motor
defectuoso
H Haga los preparativos con el interruptor del arranque en OFF, ponga
en ON el interruptor del arranque y realice la localización de fallas.
EGC1 Voltaje
Entre (33) – (47) 4.75 – 5.25 Ω
40 Localización de fallas GSN00717-01
D155AX-6 57
Diagrama de circuito relacionado con el sensor del suministro energético 1 (5V) del controlador del motor
MOTOR
Controlador del motor
Presión del
múltiple común
Energía sensor (5V)
Sensor de
presión del
múltiple común
GSN00717-01 40 Localización de fallas
58 D155AX-6
Código de falla [CA441] Error. Bajo el voltaje de batería 1
Código de falla [CA442] Error. Alto el voltaje de la batería. 1
Código de
acción
Código de fallas
Problema
Error. Bajo el voltaje de batería
(Sistema controlador del motor)
E04 CA441
Contenido del
problema
• El voltaje del circuito del suministro energético del controlador del motor está anormalmente bajo.
Acción del
controlador
• Ninguno en particular.
Problemas que
aparecen en la
máquina
• El motor continúa normalmente la operación, pero puede detenerse durante la operación o es posible
que no pueda arrancar nuevamente.
Información
relacionada
• La fuente de voltaje del controlador del motor se puede monitorear con la función de ajuste.
(Código: 03203 Fuente de energía de batería)
Causas
posibles y
valores
estándar en
estado normal
Causa
Valor estándar en estado normal/Observaciones sobre
localización de fallas
Efectúe la localización de fallas para el código de falla [CA111].
Código de
acción
Código de fallas
Problema
Error. Alto voltaje de batería
(Sistema controlador del motor)
E04 CA442
Contenido del
problema
• El voltaje del circuito del suministro energético del controlador del motor está anormalmente bajo.
Acción del
controlador
• Ninguno en particular.
Problemas que
aparecen en la
máquina
• El motor continúa normalmente la operación, pero puede detenerse durante la operación o es posible
que no pueda arrancar nuevamente.
Información
relacionada
• La fuente de voltaje del controlador del motor se puede monitorear con la función de ajuste.
(Código: 03203 Fuente de energía de batería)
Causas
posibles y
valores
estándar en
estado normal
Causa
Valor estándar en estado normal/Observaciones sobre
localización de fallas
Efectúe la localización de fallas para el código de falla [CA111].
40 Localización de fallas GSN00717-01
D155AX-6 59
Código de falla [CA449] Error. Muy alta la presión del múltiple 1
Código de
acción
Código de fallas
Problema
Error. Muy alta la presión del múltiple
(Sistema controlador del motor)
E03 CA449
Contenido del
problema
• El circuito sensor de presión del múltiple común detectó presión anormalmente elevada (nivel 2)
Acción del
controlador
• Limita la salida del motor y continua la operación (Limita la presión del múltiple común)
Problemas que
aparecen en la
máquina
• Salida del motor disminuye.
Información
relacionada
• La presión del múltiple común se puede comprobar con la función de observación.
• (Código: 36400 Presión del múltiple)
Causas
posibles y
valores
estándar en
estado normal
Causa
Valor estándar en estado normal/Observaciones sobre
localización de fallas
Efectúe la localización de fallas para el código de falla [CA553].
GSN00717-01 40 Localización de fallas
60 D155AX-6
Código de falla [CA451] Error. Alta presión en el sensor del múltiple 1
Código de
acción
Código de fallas
Problema
Error. Muy alta la presión en el sensor del múltiple
(Sistema controlador del motor)
E03 CA451
Contenido del
problema
• El voltaje de la señal en el circuito del sensor de presión del múltiple común está anormalmente alto.
Acción del
controlador
• Limita la salida del motor y continua la operación (Limita la presión del múltiple común)
Problemas que
aparecen en la
máquina
• Salida del motor disminuye.
Información
relacionada
• El estado de la señal del sensor de presión del múltiple común puede comprobarse con la función de
observación.
(Código: 36401 Voltaje del sensor de presión del múltiple)
Causas
posibles y
valores
estándar en
estado normal
Causa
Valor estándar en estado normal/Observaciones sobre localización
de fallas
1
Defectuoso el sistema de
suministro de energía al
sensor
Si el código [CA352] o [CA386] aparece indicado, ejecute su
localización de falla primero.
2
Defectuoso el sensor del
múltiple común (problema
interno)
H Haga los preparativos con el interruptor del arranque en OFF,
luego ponga en ON el interruptor del arranque y realice la
localización de fallas.
PFUEL Voltaje
Entre (1) – (3) Fuente de energía 4.75 -5.25 V
Entre (2) – (3) Señal 0.26 -4.6 V
El voltaje del sensor se mide con el arnés de cables conectado. De
tal modo que, si el voltaje es anormal, compruebe el arnés de
cables y el controlador también, para otra causa del problema y
después haga su juicio.
3
Desconexión en el arnés de
cables (Desconexión en el
arnés, o contacto defectuoso
en el conector)
H Haga los preparativos con el interruptor del arranque en OFF y
realice la localización de fallas sin poner en ON el interruptor
del arranque.
Arnés de cables entre EGC1 (hembra)
(33) – PFUEL (hembra) (1)
Resistencia Max. 1Ω
Arnés de cables entre EGC1 (hembra)
(25) – PFUEL (hembra) (2)
Resistencia Max. 1Ω
Arnés de cables entre EGC1 (hembra)
(47) – PFUEL (hembra) (3)
Resistencia Max. 1Ω
4
Falla de puesta a tierra del
arnés de cables (Contacto
con el circuito de puesta a
tierra)
H Haga los preparativos con el interruptor del arranque en OFF y
realice la localización de fallas sin poner en ON el interruptor
del arranque.
Arnés de cables entre EGC1 (hembra) (33)
– PFUEL (hembra) (1) y la tierra del chasis
Resistencia Mín. 1 MΩ
Arnés de cables entre EGC1 (hembra) (25)
– PFUEL (hembra) (2) y la tierra del chasis
Resistencia Mín. 1 MΩ
Arnés de cables entre EGC1 (hembra) (47)
– PFUEL (hembra) (3) y la tierra del chasis
Resistencia Mín. 1 MΩ
5
Corto circuito en el arnés de
cables (con otro arnés de
cables)
H Haga los preparativos con el interruptor del arranque en OFF y
realice la localización de fallas sin poner en ON el interruptor
del arranque.
Arnés de cables entre EGC1 (hembra)
(33) – PFUEL (hembra) (1) y entre EGC1
(hembra) (25) – PFUEL (hembra) (2)
Resistencia Mín. 1 MΩ
Arnés de cables entre EGC1 (hembra)
(33) – PFUEL (hembra) y entre EGC1
(hembra) (47) – PFUEL (hembra)
Resistencia Mín. 1 MΩ
Arnés de cables entre EGC1 (hembra)
(25) – PFUEL (hembra) (2) y entre EGC1
(hembra) (47) – PFUEL (hembra) (3)
Resistencia Mín. 1 MΩ
40 Localización de fallas GSN00717-01
D155AX-6 61
Diagrama del circuito relacionado con el sensor de presión del múltiple común
Causas
posibles y
valores
estándar en
estado normal
Causa
Valor estándar en estado normal/Observaciones sobre localización
de fallas
6
Controlador del motor
defectuoso
H Haga los preparativos con el interruptor del arranque en OFF,
luego ponga en ON el interruptor del arranque y realice la
localización de fallas.
EGC1 Voltaje
Entre (33) – (47) 4.75 -5.25 V
Entre (25) – (47) 0.26 -4.6 V
MOTOR
Controlador del motor
Presión del
múltiple común
Energía sensor (5V)
Sensor de
presión del
múltiple común
GSN00717-01 40 Localización de fallas
62 D155AX-6
Código de falla [CA452] Error. Sensor detecta baja presión en múltiple 1
Código de falla [CA553] Error. Alta presión en el múltiple 1
Código de
acción
Código de fallas
Problema
Error. Muy baja la presión en el sensor del múltiple
(Sistema controlador del motor)
E03 CA452
Contenido del
problema
• El voltaje de la señal en el circuito del sensor de presión del múltiple común está anormalmente bajo
Acción del
controlador
• Limita la salida del motor y continua la operación (Limita la presión del múltiple común)
Problemas que
aparecen en la
máquina
• Salida del motor disminuye.
Información
relacionada
• El estado de la señal del sensor de presión del múltiple común puede comprobarse con la función de
observación.
(Código: 36401 Voltaje del sensor de presión del múltiple)
Causas
posibles y
valores
estándar en
estado normal
Causa
Valor estándar en estado normal/Observaciones sobre
localización de fallas
Efectúe la localización de fallas para el código de falla [CA451].
Código de
acción
Código de fallas
Problema
Error. Alta la presión del múltiple
(Sistema controlador del motor)
E02 CA553
Contenido del
problema
• El circuito sensor de presión del múltiple común detectó presión anormalmente elevada (nivel 1)
Acción del
controlador
• Ninguno en particular.
Problemas que
aparecen en la
máquina
• Salida del motor disminuye.
Información
relacionada
• La presión del múltiple común se puede comprobar con la función de observación.
(Código: 36400 Presión del múltiple)
Causas
posibles y
valores
estándar en
estado normal
Causa
Valor estándar en estado normal/Observaciones sobre
localización de fallas
1
Defectuoso el sistema
relacionado
Si aparece indicado otro código de falla ejecute la localización de
falla para el mismo.
2
Utilización de combustible
inadecuado
Comprobar el combustible usado directamente (por alta
viscosidad)
3
Defectuoso el sistema
eléctrico del sensor de
presión del múltiple de
combustible
El sensor de presión del múltiple común puede tener problema
eléctrico. Efectúe la localización de fallas para el código de falla
[CA451].
4
Defectuoso el sistema
mecánico del sensor de
presión del múltiple común.
Revise el sistema mecánico del sensor de presión del múltiple
común.
5
Defectuosa la válvula de
derrame
Comprobar directamente la válvula de derrames en busca de
resorte roto, asiento gastado y bola agarrada.
6
Obstrucción de tubería de
derrame.
Comprobar directamente si hay obstrucción en las tuberías de
derrame
7
Defectuoso el limitador de
presión
Comprobar directamente el limitador de presión en busca de
defecto mecánico.
40 Localización de fallas GSN00717-01
D155AX-6 63
Código de falla [CA554] Error. Sensor de presión del múltiple en área de
error 1
Código de
acción
Código de fallas
Problema
Sensor de presión del múltiple en área de error
(Sistema controlador del motor)
E03 CA554
Contenido del
problema
• Error dentro de régimen se produjo en el circuito sensor de presión del múltiple común.
Acción del
controlador
• Limita la salida del motor y continua la operación (Limita la presión del múltiple común)
Problemas que
aparecen en la
máquina
• Salida del motor disminuye.
Información
relacionada
• El estado de la señal del sensor de presión del múltiple común puede comprobarse con la función de
observación.
(Código: 36401 Voltaje del sensor de presión del múltiple)
Causas
posibles y
valores
estándar en
estado normal
Causa
Valor estándar en estado normal/Observaciones sobre
localización de fallas
Efectúe la localización de fallas para el código de falla [CA451].
GSN00717-01 40 Localización de fallas
64 D155AX-6
Código de falla [CA559] Error. Baja presión de carrilera 1
<Forma de usar la hoja de comprobaciones>
Ejecute la localización de fallas indicada anteriormente y haga un registro del contenido de la adjunta “Hoja de
comprobaciones para error por baja presión del múltiple”.
Código de
acción
Código de fallas
Problema
Error. Baja la presión del múltiple
(Sistema controlador del motor)
E02 CA559
Contenido del
problema
• La bomba de suministro no alimenta combustible (nivel 1).
Acción del
controlador
• Limita la presión del múltiple común.
Problemas que
aparecen en la
máquina
• Salida del motor disminuye.
Información
relacionada
• La presión del múltiple común se puede comprobar con la función de observación.
(Código: 36400 Presión del múltiple)
Causas
posibles y
valores
estándar en
estado normal
Causa
Valor estándar en estado normal/Observaciones sobre
localización de fallas
1
Defectuoso el sistema
relacionado
Si aparece indicado otro código de falla ejecute la localización de
falla para el mismo.
2
Utilización de combustible
inadecuado
Comprobar directamente el combustible usado por calidad
inapropiada
3
Defectuoso el dispositivo del
circuito de baja presión
H Para contenido de localización de falla, ver Nota 1. Para
comprobación de presión en el circuito de baja presión de
combustible, ver Pruebas y Ajustes, Comprobación de la
presión de combustible.
Presión en el circuito de baja
presión de combustible (alta
velocidad)
Min. 0.15 MPa
{Mín. 1.5 kg/cm2}
4 Obstrucción del filtro/colador H Para el contenido de localización de fallas ver Nota 2.
5
Defectuoso el sistema
eléctrico PCV de la bomba
de suministro
Bomba de suministro PCV puede tener problema eléctrico.
Efectúe la localización de fallas para los códigos siguientes;
[CA271], [CA272], [CA273], [CA274].
6
Defectuoso el sensor de
presión del múltiple común
El sensor de presión del múltiple común puede estar defectuoso.
Comprobar si está dañado el arnés de cables
7
Defectuoso el limitador de
presión
H Para comprobar si hay fugas desde el limitador de presión, ver
Pruebas y Ajustes, Medición de la tasa de retorno y fugas de
combustible.
Fugas procedentes del limitador
de presión (Operación
equivalente a operación nominal
(con carga de calado))
Máx. 10 cc/min
8 Inyector defectuoso
H Para medir el límite de retorno (derrame) de combustible
procedente del inyector, ver Pruebas y Ajustes, Medición de la
tasa de retorno de combustible y escape de combustible.
Velocidad en la operación del
caso
(Carga de calado)
Límite de retorno (derrame) del
inyector
1,600 rpm 960 cc/min
1,700 rpm 1,020 cc/min
1,800 rpm 1,080 cc/min
1,900 rpm 1,140 cc/min
2,000 rpm 1,200 cc/min
9
Defectuosa la bomba de
suministro
Si no se detectan las causas 1 -8, puede que la bomba de
suministro esté defectuosa.
40 Localización de fallas GSN00717-01
D155AX-6 65
Nota 1: Revise las partes de los circuitos de baja presión de los siguientes ítemes.
1) Nivel de combustible
2) Obstrucción del respirador del tanque de combustible
3) Arreglo y desgaste de la bomba de alimentación y obstrucción del filtro
4) Escape y obstrucción de la tubería de combustible de baja presión
5) Operación defectuosa de la válvula de desvío e instalación de piezas erróneas (Ver la Figura 1)
6) Obstrucción del filtro de combustible
7) Combustible en cárter de aceite (Escape de combustible en el interior de la tapa de la culata)
Fig. 1: Localización de válvula de desborde (1), válvula de desvío (2), unión de entrada de combustible (3)
Válvula de sobre caudal (1): El tamiz de filtro se puede ver a través de ambos agujeros.
Válvula de desvío (2): El resorte es visto a través del agujero en el lado de la tuerca.
Unión (3) de entrada de combustible: El tamiz de filtro se puede ver a través de ambos agujeros.
Nota 2: Revise, limpie o reemplace los filtros y coladores de acuerdo al siguiente procedimiento.
1) Filtro de gasa: Desarmar y comprobar Si está obstruido, limpiarlo
2) Filtro de gasa del colador flujo arriba: Si el filtro de gasa está obstruido, también limpie el filtro que se
encuentra flujo arriba.
3) Filtro del combustible: Si el problema no se resuelve ejecutando el 1) y 2) de arriba, reemplace el
filtro de combustible.
GSN00717-01 40 Localización de fallas
66 D155AX-6
Hoja de comprobaciones para error por baja presión del múltiple
Modelo D155AX-6 Trabajo No.
No. de serie de la máquina # Fecha de la comprobación / /
Motor SAA6D140E-5 Horómetro de servicio h
No. de serie del motor # Nombre del usuario
A. Revisión visual Bueno NG
1 Fuga de combustible hacia el exterior
2 Obstrucción del respirador del tanque de combustible
B. Comprobar con el monitor de la máquina (Historial de falla 02, observación 01, y 09 reducido Modo de
operación del cilindro)
Bueno NG
3 Revisión del código de falla / / / /
4
Comprobación de la información de monitoreo
Código Item expuesto Condición a revisar
Unidad
ISO
Valor estándar
(Valor de
referencia)
Valor medido Bueno NG
01002 Velocidad del motor
Baja velocidad sin carga r/min 715 – 765
Alta velocidad sin carga r/min 1,825 – 1,925
Calado del convertidor de
torsión
r/min 1,560 – 1,660
31706
Posición final del
acelerador
Baja velocidad sin carga % 0
Alta velocidad sin carga % 100
18600
Mandato para tasa
final de inyección
de combustible
(por peso)
Calado del convertidor de
torsión
mg/st — — —
36200
Mandato de la
presión final del
múltiple común
Calado del convertidor de
torsión
MPa — — —
36400
Presión del múltiple
común
Calado del convertidor de
torsión
MPa — — —
36300
Mandato de la
sincronización final
de inyección
Baja velocidad sin carga CA — — —
Alta velocidad sin carga CA — — —
Calado del convertidor de
torsión
CA — — —
36500 Presión de refuerzo
Calado del convertidor de
torsión
kPa — — —
04107
Temperatura del
refrigerante del
motor
Baja velocidad sin carga °C — — —
14200
Temperatura del
combustible
Baja velocidad sin carga °C — — —
5
Comprobación del modo de operación con cilindros reducidos (velocidad del motor)
Regula
-ción
Cilindro reducido Condición a revisar
Unidad
ISO
Valor estándar
(Valor de
referencia)
Valor medido Bueno NG
Reducir
cada
cilindro
Cilindro No. 1 r/min — — —
Cilindro No. 2 r/min — — —
Cilindro No. 3 r/min — — —
Cilindro No. 4 r/min — — —
Cilindro No. 5 r/min — — —
Cilindro No. 6 r/min — — —
40 Localización de fallas GSN00717-01
D155AX-6 67
C. Comprobar la presión del
circuito del combustible
Condición a revisar Unidad
Valor estándar
(Valor de
referencia)
Valor medido Bueno NG
6
Presión del circuito de baja
presión de combustible
Alta velocidad sin carga
MPa
{kg/cm2}
Mín. 0.15
{Mín. 1.5}
D. Comprobación de coladores y filtros Bueno NG
7 Comprobación visual de coladores
8 Comprobación visual del filtro de gasa
9 Comprobación visual del filtro de combustible
10 Comprobación visual de la válvula de desvío
E. Revise las fugas y la
proporción de retorno
Condición a revisar Unidad
Valor estándar
(Valor de
referencia)
Valor medido Bueno NG
11
Escape a través del limitador
de presión
Calado del convertidor de
torsión
cc/min Máx. 10
12 Tasa de retorno del inyector
Calado del convertidor de
torsión 1,600 rpm
cc/min 960
Velocidad:
Fuga
Calado del convertidor de
torsión 1,700 rpm
cc/min 1,020
Calado del convertidor de
torsión 1,800 rpm
cc/min 1,080
Calado del convertidor de
torsión 1,900 rpm
cc/min 1,140
Calado del convertidor de
torsión 2,000 rpm
cc/min 1,200
GSN00717-01 40 Localización de fallas
68 D155AX-6
Código de falla [CA689] Error. Sensor de velocidad Ne del motor 1
Código de
acción
Código de fallas
Problema
Error del Sensor de Velocidad Ne del Motor
(Sistema controlador del motor)
E03 CA689
Contenido del
problema
• El problema ocurrió en el circuito del sensor de velocidad Ne del motor
Acción del
controlador
• Opera con señales del sensor de velocidad de marcha atrás.
Problemas que
aparecen en la
máquina
• El motor en marcha se detiene (Cuando el sensor de la velocidad de marcha atrás también está
anormal).
• El motor parado no puede ponerse en marcha (Cuando el sensor de velocidad de marcha atrás
también está anormal).
Información
relacionada
Causas
posibles y
valores
estándar en
estado normal
Causa
Valor estándar en estado normal/Observaciones sobre localización
de fallas
1
Defectuoso el sistema de
suministro de energía al
sensor
Si el código [CA238] es indicado, primero ejecute la localización de
fallas para éste.
2
Desconexión en el arnés de
cables (Desconexión en el
arnés, o contacto defectuoso
en el conector)
H Haga los preparativos con el interruptor del arranque en OFF y
realice la localización de fallas sin poner en ON el interruptor
del arranque.
Arnés de cables entre EGC1 (hembra)
(16) – NE (hembra) (1)
Resistencia Max. 1Ω
Arnés de cables entre EGC1 (hembra)
(48) – NE (hembra) (2)
Resistencia Max. 1Ω
Arnés de cables entre EGC1 (hembra)
(27) – NE (hembra) (3)
Resistencia Max. 1Ω
3
Falla de puesta a tierra del
arnés de cables (Contacto
con el circuito de puesta a
tierra)
H Haga los preparativos con el interruptor del arranque en OFF y
realice la localización de fallas sin poner en ON el interruptor
del arranque.
Arnés de cables entre EGC1 (hembra)
(16) – NE (hembra) (1) y la tierra del
chasis
Resistencia Mín. 1 MΩ
Arnés de cables entre EGC1 (hembra)
(48) – NE (hembra) (2) y la tierra del
chasis
Resistencia Mín. 1 MΩ
Arnés de cables entre EGC1 (hembra)
(27) – NE (hembra) (3) y la tierra del
chasis
Resistencia Mín. 1 MΩ
4
Corto circuito en el arnés de
cables (con otro arnés de
cables)
H Haga los preparativos con el interruptor del arranque en OFF y
realice la localización de fallas sin poner en ON el interruptor
del arranque.
Arnés de cables entre EGC1 (hembra)
(16) – NE (hembra) (1) y entre EGC1
(hembra) (48) – NE (hembra) (2)
Resistencia Mín. 1 MΩ
Arnés de cables entre EGC1 (hembra)
(16) – NE (hembra) (1) y entre EGC1
(hembra) (48) – NE (hembra) (3)
Resistencia Mín. 1 MΩ
Tierra del chasis entre EGC1 (hembra)
(48) – NE (hembra) (2) y entre EGC1
(hembra) (27) – NE (hembra) (3)
Resistencia Mín. 1 MΩ
5
Defectuoso el montaje del
sensor o defectuosa la parte
detectora de rotación
Comprobar directamente el sensor de velocidad Ne por montaje
defectuoso (holgura defectuosa) o comprobar directamente si está
defectuosa la parte del sensor de rotación (volante)
6
Defectuoso el sensor de
velocidad del motor Ne
Si las causas 1 – 5 no se detectan, el sensor de velocidad Ne
puede estar defectuoso (Como el problema se encuentra en el
sistema, no se puede realizar la localización de fallas.)
7
Controlador del motor
defectuoso
Si no se detectan las causas 1 a -5, puede que el controlador del
motor esté defectuoso. (Como el problema se encuentra en el
sistema, no se puede realizar la localización de fallas.)
40 Localización de fallas GSN00717-01
D155AX-6 69
Diagrama de circuito relacionado con el sensor de la velocidad Ne del motor
MOTOR
Controlador del motor
Energía sensor (5V)
TIERRA
Señal
70 D155AX-6
GSN00717-01 40 Localización de fallas
D155AX-6 Buldózer
Forma No. GSN00717-01
© 2006 KOMATSU
Todos los Derechos Reservados
Impreso en E.E.U.U. 08-06
D155AX-6 1
GSN00718-01
BULDÓZER 1MANUAL DE TALLER
D155AX-6
Modelo de máquina Número de serie
D155AX-6 80001 y superiores
40 Localización de fallas 1
Localización de fallas y códigos de
errores, Parte 3
Localización de fallas y códigos de errores, Parte 3...................................................................................... 3
Código de falla [CA731] Error. Fase del sensor de velocidad de retroceso del motor........................ 3
Código de fallas [CA757] Error. Perdidos todos los datos de continuidad. ......................................... 3
Código de falla [CA778] Error. Sensor de velocidad de retroceso del motor. ..................................... 4
Código de falla [CA1228] Error 1, Servo válvula EGR........................................................................ 6
Código de falla [CA1625] Error 2, Servo Válvula EGR ....................................................................... 7
Código de falla [CA1626] Error. Corriente alta del solenoide de la válvula BP................................... 8
Código de falla [CA1627] Error. Corriente baja del solenoide de la válvula BP................................ 10
Código de falla [CA1628] Error 1. Servo válvula de desvío .............................................................. 11
Código de falla [CA1619] Error 2. Servo válvula de desvío .............................................................. 12
Código de falla [CA1631] Error. Alta señal de voltaje en el sensor de posición de la válvula BP..... 14
Código de falla [CA1632] Error. Bajo voltaje en sensor de posición de la Válvula BP...................... 16
Código de falla [CA1633] Error. Exceso de tiempo en comunicación con base de datos del KOMNET
18
GSN00718-01 40 Localización de fallas
2 D155AX-6
Código de falla [CA1632] EGR Sensor de presión de ingreso Bajo Error......................................... 20
Código de falla [CA1653] Error. Voltaje alto en sensor de presión de entrada EGR......................... 22
Código de falla [CA2185] Error. Alto voltaje suministrado al sensor del acelerador ......................... 24
Código de falla [CA2186] Error. Bajo voltaje suministrado al sensor del acelerador ........................ 26
Código de falla [CA2249] Error. Muy baja la presión de la carrilera común...................................... 26
Código de falla [CA2271] Error. Alta señal de voltaje del sensor de posición de válvula EGR......... 28
Código de falla [CA2272] Error. Bajo voltaje en el sensor de posición de la válvula EGR................ 30
Código de falla [CA2351] Error. Alta corriente en el solenoide de la válvula EGR ........................... 32
Código de falla [CA2352] Error. Baja corriente en el solenoide de la válvula EGR .......................... 34
Código de falla [CA2555] Error. Bajo voltaje en el relé de la parrilla del calentador ......................... 35
Código de falla [CA2556] Error. Alto voltaje en relé de parrilla del calentador.................................. 36
Código de falla [D110KA] Relé de batería: Desconección................................................................ 38
Código de falla [D110KB] Relé de batería: Corto circuito en el mando ............................................ 40
Código de falla [D130KA] Relé neutral: Desconexión ....................................................................... 42
Código de falla [D130KB] Relé neutral: Corto circuito ...................................................................... 44
Código de falla [D161KA] Relé de alarma de marcha atrás: Desconección ..................................... 46
Código de falla [D161KB] Relé de alarma de marcha atrás: Corto circuito ...................................... 48
Código de falla [D190KA] Relé de la señal ACC: Desconexión ........................................................ 50
Código de falla [D190KB] Relé de la señal ACC: Corto circuito ....................................................... 52
Código de falla [D5ZKKX] Control de acelerador: Fuera del régimen normal................................... 54
Código de falla [DAFRKR] Desconexión CAN (Monitor) ................................................................... 56
Código de falla [DB2RKR] CAN Desconexión (Controlador del motor) ............................................ 58
Código de falla [DB90KK] Controlador del equipo de trabajo: Reducción del voltaje de la fuente ... 60
Código de falla [DB90KR] Controlador PT: Pierde comunicación con CAN ..................................... 62
40 Localización de fallas GSN00718-01
D155AX-6 3
Localización de fallas y códigos de errores, Parte 3 1
Código de falla [CA731] Error. Fase del sensor de velocidad de
retroceso del motor 1
Código de fallas [CA757] Error. Perdidos todos los datos de continuidad.1
Código de
acción
Código de fallas
Problema
Error. Fase del sensor de velocidad de retroceso del motor
(Sistema controlador del motor)
E03 CA731
Contenido del
problema
• El circuito del sensor de marcha atrás del motor detectó un error en la fase.
Acción del
controlador
• Controles con señales del sensor de velocidad Ne del motor.
Problemas que
aparecen en la
máquina
• Motor en marcha se detiene (cuando el sensor de la velocidad Ne también está anormal)
• El motor parado no se puede arrancar (cuando el sensor de la velocidad Ne también está anormal)
Información
relacionada
Causas
posibles y
valores
estándar en
estado normal
Causa
Valor estándar en estado normal/Observaciones sobre
localización de fallas
1
Sistema del sensor de
velocidad Ne del motor
defectuoso
El sensor de la velocidad Ne del motor puede estar defectuoso
Efectúe la localización de fallas para el código de falla [CA689].
2
Defectuoso el sistema
sensor de velocidad de
retroceso del motor
Puede estar defectuoso el sensor de velocidad de retroceso del l
motor. Efectúe la localización de fallas para el código de falla
[CA778].
Código de
acción
Código de fallas
Problema
Error. Pérdida de Todos los Datos de Continuidad
(Sistema controlador del motor)
E04 CA757
Contenido del
problema
• Todos los datos del controlador del motor se han perdido.
Acción del
controlador
• Ninguno en particular.
Problemas que
aparecen en la
máquina
• El motor continúa normalmente la operación, pero puede detenerse durante la operación o es posible
que no pueda arrancar nuevamente.
Información
relacionada
Causas
posibles y
valores
estándar en
estado normal
Causa
Valor estándar en estado normal/Observaciones sobre
localización de fallas
Efectúe la localización de fallas para el código de falla [CA111].
GSN00718-01 40 Localización de fallas
4 D155AX-6
Código de falla [CA778] Error. Sensor de velocidad de retroceso del motor.1
Código de
acción
Código de fallas
Problema
Error. Sensor de velocidad de retroceso del motor
(Sistema controlador del motor)
E03 CA778
Contenido del
problema
• El problema ocurrió en el circuito del sensor de velocidad de retroceso del motor
Acción del
controlador
• Opera con señales del sensor de velocidad Ne.
Problemas que
aparecen en la
máquina
• Motor en marcha se detiene (cuando el sensor de la velocidad Ne también está anormal)
• El motor parado no se puede arrancar (cuando el sensor de la velocidad Ne también está anormal)
Información
relacionada
Causas
posibles y
valores
estándar en
estado normal
Causa
Valor estándar en estado normal/Observaciones sobre localización
de fallas
1
Defectuoso el sistema de
suministro de energía al
sensor
Si el código [CA187] o [CA227] aparece indicado, ejecute su
localización de falla primero.
2
Desconexión en el arnés
de cables (Desconexión en
el arnés, o contacto
defectuoso en el conector)
H Haga los preparativos con el interruptor del arranque en OFF y
realice la localización de fallas sin poner en ON el interruptor del
arranque.
Arnés de cables entre EGC1 (hembra) (37) –
G (hembra) (1)
Resistencia Max. 1 Ω
Arnés de cables entre EGC1 (hembra) (47) –
G (hembra) (2)
Resistencia Max. 1 Ω
Arnés de cables entre EGC1 (hembra) (26) –
G (hembra) (3)
Resistencia Max. 1 Ω
3
Falla de puesta a tierra del
arnés de cables (Contacto
con el circuito de puesta a
tierra)
H Haga los preparativos con el interruptor del arranque en OFF y
realice la localización de fallas sin poner en ON el interruptor del
arranque.
Arnés de cables entre EGC1 (hembra) (37) –
G (hembra) (1) y la tierra del chasis
Resistencia Mín. 1 MΩ
Arnés de cables entre EGC1 (hembra) (47) –
G (hembra) (2) y la tierra del chasis
Resistencia Mín. 1 MΩ
Arnés de cables entre EGC1 (hembra) (26) –
G (hembra) (3) y la tierra del chasis
Resistencia Mín. 1 MΩ
4
Corto circuito en el arnés
de cables (con otro arnés
de cables)
H Haga los preparativos con el interruptor del arranque en OFF y
realice la localización de fallas sin poner en ON el interruptor del
arranque.
Arnés de cables entre EGC1 (hembra) (37) –
G (hembra) (1) y entre EGC1 (hembra) (47)
– G (hembra) (2)
Resistencia Mín. 1 MΩ
Arnés de cables entre EGC1 (hembra) (37) –
G (hembra) (1) y entre EGC1 (hembra) (26)
– G (hembra) (3)
Resistencia Mín. 1 MΩ
Tierra del chasis entre EGC1 (hembra) (47)
– G (hembra) (2) y entre EGC1 (hembra)
(29) – G (hembra) (3)
Resistencia Mín. 1 MΩ
5
Defectuoso el montaje del
sensor o defectuosa la
parte detectora de rotación
Compruebe directamente el sensor de velocidad de marcha atrás por
montaje defectuoso (holgura defectuosa) o compruebe directamente
por defecto la rotación de la parte del sensor (en la bomba de
suministro)
6
Defectuoso el sensor de
velocidad de retroceso del
motor
Si las causas 1 – 5 no son detectadas, el sensor de velocidad de
retroceso del motor puede estar defectuoso. (Como el problema se
encuentra en el sistema, no se puede realizar la localización de
fallas.)
7
Controlador del motor
defectuoso
Si no se detectan las causas 1 a -5, puede que el controlador del
motor esté defectuoso. (Como el problema se encuentra en el
sistema, no se puede realizar la localización de fallas.)
40 Localización de fallas GSN00718-01
D155AX-6 5
Diagrama de circuito relacionado con el sensor de la velocidad de retroceso del motor
Controlador del motor
MOTOR
Sensor de
retroceso
TIERRA
Señal
Sensor de retroceso
(+)
Energía sensor (5V)
GSN00718-01 40 Localización de fallas
6 D155AX-6
Código de falla [CA1228] Error 1, Servo válvula EGR 1
Código de
acción
Código de fallas
Problema
Válvula EGR Servo error 1
(Sistema controlador del motor)
E02 CA1228
Contenido del
problema
• Problema (nivel 1) ocurrido en servo válvula EGR.
Acción del
controlador
• Realiza el control abierto.
Problemas que
aparecen en la
máquina
Información
relacionada
• Las condiciones de operación de la válvula EGR se pueden comprobar con la función de observación.
(Código: 18100 Posición de la válvula EGR
Causas
posibles y
valores
estándar en
estado normal
Causa
Valor estándar en estado normal/Observaciones sobre
localización de fallas
1
Defectuoso el sistema
relacionado
Si aparece indicado otro código de falla ejecute la localización de
falla para el mismo.
2
Defectuoso el sistema de
presión de aceite del motor
(circuito principal)
H Para comprobar la presión de aceite del motor, ver Pruebas y
ajustes, Forma de medir la presión de aceite del motor.
Motor Presión de aceite del motor
Baja velocidad sin carga 0.08 MPa {0.8 kg/cm2 }
Alta velocidad sin carga 0.21 MPa {2.1 kg/cm2 }
Si la presión de aceite es anormal, ejecute la localización de fallas
para “S-12, La presión de aceite baja” en el modo S.
3
Defectuosa la bomba de
aceite para la válvula EGR
Comprobar directamente la bomba de aceite y la válvula de alivio
para el circuito de la válvula EGR
4
Defectuosa la tubería de
alimentación del aceite para
la válvula EGR
Comprobar directamente la tubería de alimentación del aceite para
el circuito de la válvula EGR
5
Defectuosa la tubería de
retorno del aceite para la
válvula EGR
Comprobar directamente la tubería de retorno del aceite para el
circuito de la válvula EGR
6 Defectuosa la válvula EGR Comprobar directamente la sección mecánica de la válvula EGR
7
Controlador del motor
defectuoso
Si no se detectan las causas 1 a -6, puede que el controlador del
motor esté defectuoso. (Como el problema se encuentra en el
sistema, no se puede realizar la localización de fallas.)
40 Localización de fallas GSN00718-01
D155AX-6 7
Código de falla [CA1625] Error 2, Servo Válvula EGR 1
Código de
acción
Código de fallas
Problema
Válvula EGR Servo error 2
(Sistema controlador del motor)
E03 CA1625
Contenido del
problema
• Problema (nivel 2) ocurrido en servo válvula EGR.
Acción del
controlador
• Limita la salida del motor y continúa la operación.
• Cierra la válvula EGR y la válvula de desvío
Problemas que
aparecen en la
máquina
• Salida del motor disminuye.
Información
relacionada
• Las condiciones de operación de la válvula EGR se pueden comprobar con la función de observación.
(Código: 18100 Posición de la válvula EGR
Causas
posibles y
valores
estándar en
estado normal
Causa
Valor estándar en estado normal/Observaciones sobre
localización de fallas
Efectúe la localización de fallas para el código de falla [CA1228].
GSN00718-01 40 Localización de fallas
8 D155AX-6
Código de falla [CA1626] Error. Corriente alta del solenoide de la válvula
BP 1
Código de
acción
Código de fallas
Problema
Error. Alta corriente en el solenoide de la válvula BP
(Sistema controlador del motor)
E03 CA1626
Contenido del
problema
• Hay corto circuito en el circuito de mando del solenoide de la válvula de desvío
Acción del
controlador
• Limita la salida del motor y continúa la operación.
• Cierra la válvula EGR y la válvula de desvío
Problemas que
aparecen en la
máquina
• Salida del motor disminuye.
Información
relacionada
Causas
posibles y
valores
estándar en
estado normal
Causa
Valor estándar en estado normal/Observaciones sobre localización
de fallas
1
Defectuoso el solenoide de
la válvula de desvío
(Problema interno)
H Haga los preparativos con el interruptor del arranque en OFF y
realice la localización de fallas sin poner en ON el interruptor del
arranque.
BP (macho) Resistencia
Entre (1) – (2) 10 – 21 z
2
Desconexión en el arnés de
cables (Desconexión en el
arnés, o contacto
defectuoso en el conector)
H Haga los preparativos con el interruptor del arranque en OFF y
realice la localización de fallas sin poner en ON el interruptor del
arranque.
Arnés de cables entre EGC1 (hembra) (31)
– BP (hembra) (1)
Resistencia Max. 1 Ω
Arnés de cables entre EGC1 (hembra) (11)
– BP (hembra) (2)
Resistencia Max. 1 Ω
3
Falla de puesta a tierra del
arnés de cables (Contacto
con el circuito de puesta a
tierra)
H Haga los preparativos con el interruptor del arranque en OFF y
realice la localización de fallas sin poner en ON el interruptor del
arranque.
Arnés de cables entre EGC1 (hembra) (31)
– BP (hembra) (1) y la tierra del chasis
Resistencia Mín. 1 MΩ
Arnés de cables entre EGC1 (hembra) (11)
– BP (hembra) (2) y la tierra del chasis
Resistencia Mín. 1 MΩ
4
Corto vivo (Corto circuito
con el circuito de 24V) en el
arnés de cables.
H Haga los preparativos con el interruptor del arranque en OFF,
ponga en ON el interruptor del arranque y realice la localización
de fallas.
Arnés de cables entre EGC1 (hembra) (31)
– BP (hembra) (1) y la tierra del chasis
Voltaje Máx. 1 V
Arnés de cables entre EGC1 (hembra) (11)
– BP (hembra) (2) y la tierra del chasis
Voltaje Máx. 1 V
5
Controlador del motor
defectuoso
Haga los preparativos con el interruptor del arranque en OFF y
realice la localización de fallas sin poner en ON el interruptor del
arranque.
EGC1 (hembra) Resistencia
Entre (31) – (11) 10 – 21 Ω
40 Localización de fallas GSN00718-01
D155AX-6 9
Diagrama de circuito relacionado con el solenoide de la válvula de desvío y el sensor de elevación
Controlador del motor
MOTOR
Válvula
de desvío
Sensor de
posición de
la válvula
de desvío
TIERRA
Señal 1
Señal 2
Válvula EGR/BP (-)
Posición de válvula
de desvío
Válvula de desvío (+)
Energía sensor (5V)
TIERRA 1
GSN00718-01 40 Localización de fallas
10 D155AX-6
Código de falla [CA1627] Error. Corriente baja del solenoide de la
válvula BP 1
Código de
acción
Código de fallas
Problema
Error. Baja corriente en el solenoide de la válvula BP
(Sistema controlador del motor)
E03 CA1627
Contenido del
problema
• Hay desconexión en el circuito de mando del solenoide de la válvula de desvío.
Acción del
controlador
• Limita la salida del motor y continúa la operación.
• Cierra la válvula EGR y la válvula de desvío
Problemas que
aparecen en la
máquina
• Salida del motor disminuye.
Información
relacionada
Causas
posibles y
valores
estándar en
estado normal
Causa
Valor estándar en estado normal/Observaciones sobre
localización de fallas
Efectúe la localización de fallas para el código de falla [CA1626].
40 Localización de fallas GSN00718-01
D155AX-6 11
Código de falla [CA1628] Error 1. Servo válvula de desvío 1
Código de
acción
Código de fallas
Problema
Servo Válvula de desvío, Error 1
(Sistema controlador del motor)
E02 CA1628
Contenido del
problema
• Problema (nivel 1) ocurrió en servo válvula de desvío.
Acción del
controlador
• Realiza el control abierto.
Problemas que
aparecen en la
máquina
Información
relacionada
• Las condiciones de operación de la válvula de desvío se pueden comprobar con la función de
observación.
(Código: 18200 Posición de la válvula BPS)
Causas
posibles y
valores
estándar en
estado normal
Causa
Valor estándar en estado normal/Observaciones sobre
localización de fallas
1
Defectuoso el sistema
relacionado
Si aparece indicado otro código de falla ejecute la localización de
falla para el mismo.
2
Defectuoso el sistema de
presión de aceite del motor
(circuito principal)
H Para comprobar la presión de aceite del motor, ver Pruebas y
ajustes, Forma de medir la presión de aceite del motor.
Motor Presión de aceite del motor
Baja velocidad sin carga 0.08 MPa {0.8 kg/cm2 }
Alta velocidad sin carga 0.21 MPa {2.1 kg/cm2 }
Si la presión de aceite es anormal, ejecute la localización de fallas
para “S-12, La presión de aceite baja” en el modo S.
3
Defectuosa bomba de aceite
para válvula de desvío.
Comprobar directamente la bomba del aceite y la válvula de alivio
para el circuito de la válvula de desvío.
4
Defectuosa la tubería de
alimentación para la válvula
de desvío.
Comprobar directamente la tubería de alimentación de aceite para
el circuito de la válvula de desvío.
5
Defectuosa la tubería de
retorno del aceite para la
válvula de desvío
Comprobar directamente la tubería de retorno del aceite para el
circuito de la válvula de desvío.
6
Defectuosa la válvula de
desvío
Comprobar directamente la sección mecánica de la válvula de
desvío.
7
Controlador del motor
defectuoso
Si no se detectan las causas 1 a -6, puede que el controlador del
motor esté defectuoso. (Como el problema se encuentra en el
sistema, no se puede realizar la localización de fallas.)
GSN00718-01 40 Localización de fallas
12 D155AX-6
Código de falla [CA1619] Error 2. Servo válvula de desvío 1
Código de
acción
Código de fallas
Problema
Servo Válvula de desvío, Error 2
(Sistema controlador del motor)
E03 CA1619
Contenido del
problema
• Problema (nivel 2) ocurrió en servo válvula de desvío.
Acción del
controlador
• Limita la salida del motor y continúa la operación.
• Cierra la válvula EGR y la válvula de desvío
Problemas que
aparecen en la
máquina
• Salida del motor disminuye.
Información
relacionada
• Las condiciones de operación de la válvula de desvío se pueden comprobar con la función de
observación.
(Código: 18200 Posición de la válvula BPS)
Causas
posibles y
valores
estándar en
estado normal
Causa
Valor estándar en estado normal/Observaciones sobre
localización de fallas
Efectúe la localización de fallas para el código de falla [CA1628].
40 Localización de fallas GSN00718-01
D155AX-6 13
GSN00718-01 40 Localización de fallas
14 D155AX-6
Código de falla [CA1631] Error. Alta señal de voltaje en el sensor de
posición de la válvula BP 1
Código de
acción
Código de fallas
Problema
Error. Alta señal de voltaje en el sensor de posición de la válvula BP
(Sistema controlador del motor)
E03 CA1631
Contenido del
problema
• El voltaje de la señal en el circuito sensor de elevación de la válvula de desvío está anormalmente
elevado.
Acción del
controlador
• Limita la salida del motor y continúa la operación.
• Cierra la válvula EGR y la válvula de desvío
Problemas que
aparecen en la
máquina
• Salida del motor disminuye.
Información
relacionada
• El estado de la señal del sensor de la válvula de elevación puede comprobarse en la función de
observación.
(Código: 18201 Alta señal de voltaje en el sensor de posición de la válvula BP)
Causas
posibles y
valores
estándar en
estado normal
Causa
Valor estándar en estado normal/Observaciones sobre localización de
fallas
1
Defectuoso el sistema de
suministro de energía al
sensor
Si el código [CA187] o [CA227] aparece indicado, ejecute su
localización de falla primero.
2
Defectuoso el sensor de
elevación de la válvula de
desvío (problema interno)
H Haga los preparativos con el interruptor del arranque en OFF, luego
ponga en ON el interruptor del arranque y realice la localización de
fallas.
SBP Voltaje
Entre (1) – (2) Fuente de energía 4.75 -5.25 V
El voltaje del sensor se mide con el arnés de cables conectado. De tal
modo que, si el voltaje es anormal, compruebe el arnés de cables y el
controlador también, para otra causa del problema y después haga su
juicio.
3
Desconexión en el arnés
de cables (Desconexión
en el arnés, o contacto
defectuoso en el
conector)
H Haga los preparativos con el interruptor del arranque en OFF y
realice la localización de fallas sin poner en ON el interruptor del
arranque.
Arnés de cables entre EGC1 (hembra) (37) –
SBP (hembra) (1)
Resistencia Max. 1 Ω
Arnés de cables entre EGC1 (hembra) (38) –
SBP (hembra) (2)
Resistencia Max. 1 Ω
Arnés de cables entre EGC1 (hembra) (29) –
SBP (hembra) (3), (4)
Resistencia Max. 1 Ω
4
Falla de puesta a tierra
del arnés de cables
(Contacto con el circuito
de puesta a tierra)
H Haga los preparativos con el interruptor del arranque en OFF y
realice la localización de fallas sin poner en ON el interruptor del
arranque.
Arnés de cables entre EGC1 (hembra) (37) –
SBP (hembra) (1) y la tierra del chasis
Resistencia Mín. 1 MΩ
Arnés de cables entre EGC1 (hembra) (38) –
SBP (hembra) (2) y la tierra del chasis
Resistencia Mín. 1 MΩ
Arnés de cables entre EGC1 (hembra) (29) –
SBP (hembra) (3), (4) la tierra del chasis
Resistencia Mín. 1 MΩ
5
Corto circuito en el arnés
de cables (con otro arnés
de cables)
H Haga los preparativos con el interruptor del arranque en OFF y
realice la localización de fallas sin poner en ON el interruptor del
arranque.
Arnés de cables entre EGC1 (hembra) (37) –
SBP (hembra) (1) y entre EGC1 (hembra)
(38) – SBP (hembra) (2)
Resistencia Mín. 1 MΩ
Arnés de cables entre EGC1 (hembra) (37) –
SBP (hembra) (1) y entre EGC1 (hembra)
(29) – SBP (hembra) (3), (4)
Resistencia Mín. 1 MΩ
Arnés de cables entre EGC1 (hembra) (38) –
SBP (hembra) (2) y entre EGC1 (hembra)
(29) – SBP (hembra) (3), (4)
Resistencia Mín. 1 MΩ
40 Localización de fallas GSN00718-01
D155AX-6 15
Diagrama de circuito relacionado con el solenoide de la válvula de desvío y el sensor de elevación.
Causas
posibles y
valores
estándar en
estado normal
Causa
Valor estándar en estado normal/Observaciones sobre localización de
fallas
6
Controlador del motor
defectuoso
Haga los preparativos con el interruptor del arranque en OFF, luego
ponga en ON el interruptor del arranque y realice la localización de
fallas.
EGC1 Voltaje
Entre (37) – (38) 4.75 -5.25 V
Controlador del motor
MOTOR
Válvula
de desvío
Sensor de
posición de
la válvula
de desvío
TIERRA
Señal 1
Señal 2
Válvula EGR/BP (-)
Posición de válvula
de desvío
Válvula de desvío (+)
Energía sensor (5V)
TIERRA 1
GSN00718-01 40 Localización de fallas
16 D155AX-6
Código de falla [CA1632] Error. Bajo voltaje en sensor de posición de la
Válvula BP 1
Código de
acción
Código de fallas
Problema
Error. Bajo voltaje en sensor de posición de la Válvula de desvío
(Sistema controlador del motor)
E03 CA1632
Contenido del
problema
• El voltaje de la señal en el circuito sensor de elevación de la válvula de desvío está anormalmente
bajo.
Acción del
controlador
• Limita la salida del motor y continúa la operación.
• Cierra la válvula EGR y la válvula de desvío
Problemas que
aparecen en la
máquina
• Salida del motor disminuye.
Información
relacionada
• El estado de la señal del sensor de la válvula de elevación puede comprobarse en la función de
observación.
(Código: 18201 Válvula BPS Pos Sens Volt)
Causas
posibles y
valores
estándar en
estado normal
Causa
Valor estándar en estado normal/Observaciones sobre
localización de fallas
Efectúe la localización de fallas para el código de falla [CA1631].
40 Localización de fallas GSN00718-01
D155AX-6 17
GSN00718-01 40 Localización de fallas
18 D155AX-6
Código de falla [CA1633] Error. Exceso de tiempo en comunicación con
base de datos del KOMNET 1
Código de
acción
Código de fallas
Problema
Error. Exceso de tiempo en comunicación de la base de datos del
KOMNET
(Sistema controlador del motor)E03 CA1633
Contenido del
problema
• Problema ocurrido en el circuito de comunicaciones KOMNET (CAN) entre el controlador del motor y el
monitor de la máquina, el controlador del tren de potencia y el controlador del equipo de trabajo.
Acción del
controlador
• Opera en el modo de norma o mantiene la condición cuando ocurre anormalidad.
Problemas que
aparecen en la
máquina
Información
relacionada
Causas
posibles y
valores
estándar en
estado normal
Causa
Valor estándar en estado normal/Observaciones sobre localización de
fallas
1
Desconexión en el arnés
de cables (Desconexión
en el arnés, o contacto
defectuoso en el
conector)
H Haga los preparativos con el interruptor del arranque en OFF y
realice la localización de fallas sin poner en ON el interruptor del
arranque.
Arnés de cables entre CM02 (hembra) (8), (9)
– EGC2 (hembra) (46), STC2 (hembra) (32) o
WEC2 (hembra) (32)
Resistencia Max. 1 Ω
Arnés de cables entre CM02 (hembra) (10) –
EGC2 (hembra) (47), STC2 (hembra) (22) o
WEC2 (hembra) (22)
Resistencia Max. 1 Ω
2
Falla de puesta a tierra
del arnés de cables
(Contacto con el circuito
de puesta a tierra)
H Haga los preparativos con el interruptor del arranque en OFF y
realice la localización de fallas sin poner en ON el interruptor del
arranque.
Arnés de cables entre CM02 (hembra) (8), (9)
– EGC2 (hembra) (46), STC2 (hembra) (32),
WEC2 (hembra) (32), ACCN (hembra) (17),
SRV (macho) (3) o CA1 (hembra) (A) y la
tierra del chasis
Resistencia Mín. 1 MΩ
Arnés de cables entre CM02 (hembra) (10) –
EGC2 (hembra) (47), STC2 (hembra) (22),
WEC2 (hembra) (22), ACCN (hembra) (18),
SRV (macho) (10) ó CA1 (hembra) (B) y la
tierra del chasis
Resistencia Mín. 1 MΩ
3
Corto vivo (Contacto con
el circuito de Tierra) en
arnés de cables.
H Haga los preparativos con el interruptor del arranque en OFF,
ponga en ON el interruptor del arranque y realice la localización de
fallas.
Arnés de cables entre CM02 (hembra) (8), (9)
– EGC2 (hembra) (46), STC2 (hembra) (32),
WEC2 (hembra) (32), ACCN (hembra) (17),
SRV (macho) (3) o CA1 (hembra) (A) y la
tierra del chasis
Voltaje Máx. 1 V
Arnés de cables entre CM02 (hembra) (10) –
EGC2 (hembra) (47), STC2 (hembra) (22),
WEC2 (hembra) (22), ACCN (hembra) (18),
SRV (macho) (10) ó CA1 (hembra) (B) y la
tierra del chasis
Voltaje Máx. 1 V
4
Defectuosa la resistencia
del terminal CAN (corto
circuito interno o
desconexión)
Haga los preparativos con el interruptor del arranque en OFF y realice
la localización de fallas sin poner en ON el interruptor del arranque.
CA1 (macho) Resistencia
Entre (A) – (B) Aprox. 120 Ω
5
Controlador del motor
defectuoso
Si no se detectan las causas 1 a -4, puede que el controlador del
motor esté defectuoso. (Como el problema se encuentra en el
sistema, no se puede realizar la localización de fallas.)
40 Localización de fallas GSN00718-01
D155AX-6 19
Diagrama del circuito relacionado con la comunicación CAN
Panel monitor
Controlador del equipo
de trabajo
Controlador del tren
de potencia
Terminal
CAN
Controlador del motor
MOTOR
Controlador del
acondicionador de aire
TABLERO DE INSTRUMENTOS Y ESTRUCTURA DEL PISO
Terminal CAN
Protector CAN
Protector CAN
Protector CAN
GSN00718-01 40 Localización de fallas
20 D155AX-6
Código de falla [CA1632] EGR Sensor de presión de ingreso Bajo Error1
Código de
acción
Código de fallas
Problema
EGR Sensor de presión de ingreso Bajo Error
(Sistema controlador del motor)
E01 CA1642
Contenido del
problema
• El voltaje de la señal en el circuito sensor de presión de entrada EGR está anormalmente bajo.
Acción del
controlador
• Coloca el EGR de presión de entrada en el valor de norma de (102 kPa {1.04 kg/cm2}) y la operación
continua.
• Limita la salida del motor y continúa la operación.
Problemas que
aparecen en la
máquina
• Salida del motor disminuye.
Información
relacionada
• El estado de la señal del sensor
D155 ax 6-manual-de-taller
D155 ax 6-manual-de-taller
D155 ax 6-manual-de-taller
D155 ax 6-manual-de-taller
D155 ax 6-manual-de-taller
D155 ax 6-manual-de-taller
D155 ax 6-manual-de-taller
D155 ax 6-manual-de-taller
D155 ax 6-manual-de-taller
D155 ax 6-manual-de-taller
D155 ax 6-manual-de-taller
D155 ax 6-manual-de-taller
D155 ax 6-manual-de-taller
D155 ax 6-manual-de-taller
D155 ax 6-manual-de-taller
D155 ax 6-manual-de-taller
D155 ax 6-manual-de-taller
D155 ax 6-manual-de-taller
D155 ax 6-manual-de-taller
D155 ax 6-manual-de-taller
D155 ax 6-manual-de-taller
D155 ax 6-manual-de-taller
D155 ax 6-manual-de-taller
D155 ax 6-manual-de-taller
D155 ax 6-manual-de-taller
D155 ax 6-manual-de-taller
D155 ax 6-manual-de-taller
D155 ax 6-manual-de-taller
D155 ax 6-manual-de-taller
D155 ax 6-manual-de-taller
D155 ax 6-manual-de-taller
D155 ax 6-manual-de-taller
D155 ax 6-manual-de-taller
D155 ax 6-manual-de-taller
D155 ax 6-manual-de-taller
D155 ax 6-manual-de-taller
D155 ax 6-manual-de-taller
D155 ax 6-manual-de-taller
D155 ax 6-manual-de-taller
D155 ax 6-manual-de-taller
D155 ax 6-manual-de-taller
D155 ax 6-manual-de-taller
D155 ax 6-manual-de-taller
D155 ax 6-manual-de-taller
D155 ax 6-manual-de-taller
D155 ax 6-manual-de-taller
D155 ax 6-manual-de-taller
D155 ax 6-manual-de-taller
D155 ax 6-manual-de-taller
D155 ax 6-manual-de-taller
D155 ax 6-manual-de-taller
D155 ax 6-manual-de-taller
D155 ax 6-manual-de-taller
D155 ax 6-manual-de-taller
D155 ax 6-manual-de-taller
D155 ax 6-manual-de-taller
D155 ax 6-manual-de-taller
D155 ax 6-manual-de-taller
D155 ax 6-manual-de-taller
D155 ax 6-manual-de-taller
D155 ax 6-manual-de-taller
D155 ax 6-manual-de-taller
D155 ax 6-manual-de-taller
D155 ax 6-manual-de-taller
D155 ax 6-manual-de-taller
D155 ax 6-manual-de-taller
D155 ax 6-manual-de-taller
D155 ax 6-manual-de-taller
D155 ax 6-manual-de-taller
D155 ax 6-manual-de-taller
D155 ax 6-manual-de-taller
D155 ax 6-manual-de-taller
D155 ax 6-manual-de-taller
D155 ax 6-manual-de-taller
D155 ax 6-manual-de-taller
D155 ax 6-manual-de-taller
D155 ax 6-manual-de-taller
D155 ax 6-manual-de-taller
D155 ax 6-manual-de-taller
D155 ax 6-manual-de-taller
D155 ax 6-manual-de-taller
D155 ax 6-manual-de-taller
D155 ax 6-manual-de-taller
D155 ax 6-manual-de-taller
D155 ax 6-manual-de-taller
D155 ax 6-manual-de-taller
D155 ax 6-manual-de-taller
D155 ax 6-manual-de-taller
D155 ax 6-manual-de-taller
D155 ax 6-manual-de-taller
D155 ax 6-manual-de-taller
D155 ax 6-manual-de-taller
D155 ax 6-manual-de-taller
D155 ax 6-manual-de-taller
D155 ax 6-manual-de-taller
D155 ax 6-manual-de-taller
D155 ax 6-manual-de-taller
D155 ax 6-manual-de-taller
D155 ax 6-manual-de-taller
D155 ax 6-manual-de-taller
D155 ax 6-manual-de-taller
D155 ax 6-manual-de-taller
D155 ax 6-manual-de-taller
D155 ax 6-manual-de-taller
D155 ax 6-manual-de-taller
D155 ax 6-manual-de-taller
D155 ax 6-manual-de-taller
D155 ax 6-manual-de-taller
D155 ax 6-manual-de-taller
D155 ax 6-manual-de-taller
D155 ax 6-manual-de-taller
D155 ax 6-manual-de-taller
D155 ax 6-manual-de-taller
D155 ax 6-manual-de-taller
D155 ax 6-manual-de-taller
D155 ax 6-manual-de-taller
D155 ax 6-manual-de-taller
D155 ax 6-manual-de-taller
D155 ax 6-manual-de-taller
D155 ax 6-manual-de-taller
D155 ax 6-manual-de-taller
D155 ax 6-manual-de-taller
D155 ax 6-manual-de-taller
D155 ax 6-manual-de-taller
D155 ax 6-manual-de-taller
D155 ax 6-manual-de-taller
D155 ax 6-manual-de-taller
D155 ax 6-manual-de-taller
D155 ax 6-manual-de-taller
D155 ax 6-manual-de-taller
D155 ax 6-manual-de-taller
D155 ax 6-manual-de-taller
D155 ax 6-manual-de-taller
D155 ax 6-manual-de-taller
D155 ax 6-manual-de-taller
D155 ax 6-manual-de-taller
D155 ax 6-manual-de-taller
D155 ax 6-manual-de-taller
D155 ax 6-manual-de-taller
D155 ax 6-manual-de-taller
D155 ax 6-manual-de-taller
D155 ax 6-manual-de-taller
D155 ax 6-manual-de-taller
D155 ax 6-manual-de-taller
D155 ax 6-manual-de-taller
D155 ax 6-manual-de-taller
D155 ax 6-manual-de-taller
D155 ax 6-manual-de-taller
D155 ax 6-manual-de-taller
D155 ax 6-manual-de-taller
D155 ax 6-manual-de-taller
D155 ax 6-manual-de-taller
D155 ax 6-manual-de-taller
D155 ax 6-manual-de-taller
D155 ax 6-manual-de-taller
D155 ax 6-manual-de-taller
D155 ax 6-manual-de-taller
D155 ax 6-manual-de-taller
D155 ax 6-manual-de-taller
D155 ax 6-manual-de-taller
D155 ax 6-manual-de-taller
D155 ax 6-manual-de-taller
D155 ax 6-manual-de-taller
D155 ax 6-manual-de-taller
D155 ax 6-manual-de-taller
D155 ax 6-manual-de-taller
D155 ax 6-manual-de-taller
D155 ax 6-manual-de-taller
D155 ax 6-manual-de-taller
D155 ax 6-manual-de-taller
D155 ax 6-manual-de-taller
D155 ax 6-manual-de-taller
D155 ax 6-manual-de-taller
D155 ax 6-manual-de-taller
D155 ax 6-manual-de-taller
D155 ax 6-manual-de-taller
D155 ax 6-manual-de-taller
D155 ax 6-manual-de-taller
D155 ax 6-manual-de-taller
D155 ax 6-manual-de-taller
D155 ax 6-manual-de-taller
D155 ax 6-manual-de-taller
D155 ax 6-manual-de-taller
D155 ax 6-manual-de-taller
D155 ax 6-manual-de-taller
D155 ax 6-manual-de-taller
D155 ax 6-manual-de-taller
D155 ax 6-manual-de-taller
D155 ax 6-manual-de-taller
D155 ax 6-manual-de-taller
D155 ax 6-manual-de-taller
D155 ax 6-manual-de-taller
D155 ax 6-manual-de-taller
D155 ax 6-manual-de-taller
D155 ax 6-manual-de-taller
D155 ax 6-manual-de-taller
D155 ax 6-manual-de-taller
D155 ax 6-manual-de-taller
D155 ax 6-manual-de-taller
D155 ax 6-manual-de-taller
D155 ax 6-manual-de-taller
D155 ax 6-manual-de-taller
D155 ax 6-manual-de-taller
D155 ax 6-manual-de-taller
D155 ax 6-manual-de-taller
D155 ax 6-manual-de-taller
D155 ax 6-manual-de-taller
D155 ax 6-manual-de-taller
D155 ax 6-manual-de-taller
D155 ax 6-manual-de-taller
D155 ax 6-manual-de-taller
D155 ax 6-manual-de-taller
D155 ax 6-manual-de-taller
D155 ax 6-manual-de-taller
D155 ax 6-manual-de-taller
D155 ax 6-manual-de-taller
D155 ax 6-manual-de-taller
D155 ax 6-manual-de-taller
D155 ax 6-manual-de-taller
D155 ax 6-manual-de-taller
D155 ax 6-manual-de-taller
D155 ax 6-manual-de-taller
D155 ax 6-manual-de-taller
D155 ax 6-manual-de-taller
D155 ax 6-manual-de-taller
D155 ax 6-manual-de-taller
D155 ax 6-manual-de-taller
D155 ax 6-manual-de-taller
D155 ax 6-manual-de-taller
D155 ax 6-manual-de-taller
D155 ax 6-manual-de-taller
D155 ax 6-manual-de-taller
D155 ax 6-manual-de-taller
D155 ax 6-manual-de-taller
D155 ax 6-manual-de-taller
D155 ax 6-manual-de-taller
D155 ax 6-manual-de-taller
D155 ax 6-manual-de-taller
D155 ax 6-manual-de-taller
D155 ax 6-manual-de-taller
D155 ax 6-manual-de-taller
D155 ax 6-manual-de-taller
D155 ax 6-manual-de-taller
D155 ax 6-manual-de-taller
D155 ax 6-manual-de-taller
D155 ax 6-manual-de-taller
D155 ax 6-manual-de-taller
D155 ax 6-manual-de-taller
D155 ax 6-manual-de-taller
D155 ax 6-manual-de-taller
D155 ax 6-manual-de-taller
D155 ax 6-manual-de-taller
D155 ax 6-manual-de-taller
D155 ax 6-manual-de-taller
D155 ax 6-manual-de-taller
D155 ax 6-manual-de-taller
D155 ax 6-manual-de-taller
D155 ax 6-manual-de-taller
D155 ax 6-manual-de-taller
D155 ax 6-manual-de-taller
D155 ax 6-manual-de-taller
D155 ax 6-manual-de-taller
D155 ax 6-manual-de-taller
D155 ax 6-manual-de-taller
D155 ax 6-manual-de-taller
D155 ax 6-manual-de-taller
D155 ax 6-manual-de-taller
D155 ax 6-manual-de-taller
D155 ax 6-manual-de-taller
D155 ax 6-manual-de-taller
D155 ax 6-manual-de-taller
D155 ax 6-manual-de-taller
D155 ax 6-manual-de-taller
D155 ax 6-manual-de-taller
D155 ax 6-manual-de-taller
D155 ax 6-manual-de-taller
D155 ax 6-manual-de-taller
D155 ax 6-manual-de-taller
D155 ax 6-manual-de-taller
D155 ax 6-manual-de-taller
D155 ax 6-manual-de-taller
D155 ax 6-manual-de-taller
D155 ax 6-manual-de-taller
D155 ax 6-manual-de-taller
D155 ax 6-manual-de-taller
D155 ax 6-manual-de-taller
D155 ax 6-manual-de-taller
D155 ax 6-manual-de-taller
D155 ax 6-manual-de-taller
D155 ax 6-manual-de-taller
D155 ax 6-manual-de-taller
D155 ax 6-manual-de-taller
D155 ax 6-manual-de-taller
D155 ax 6-manual-de-taller
D155 ax 6-manual-de-taller
D155 ax 6-manual-de-taller
D155 ax 6-manual-de-taller
D155 ax 6-manual-de-taller
D155 ax 6-manual-de-taller
D155 ax 6-manual-de-taller
D155 ax 6-manual-de-taller
D155 ax 6-manual-de-taller
D155 ax 6-manual-de-taller
D155 ax 6-manual-de-taller
D155 ax 6-manual-de-taller
D155 ax 6-manual-de-taller
D155 ax 6-manual-de-taller
D155 ax 6-manual-de-taller
D155 ax 6-manual-de-taller
D155 ax 6-manual-de-taller
D155 ax 6-manual-de-taller
D155 ax 6-manual-de-taller
D155 ax 6-manual-de-taller
D155 ax 6-manual-de-taller
D155 ax 6-manual-de-taller
D155 ax 6-manual-de-taller
D155 ax 6-manual-de-taller
D155 ax 6-manual-de-taller
D155 ax 6-manual-de-taller
D155 ax 6-manual-de-taller
D155 ax 6-manual-de-taller
D155 ax 6-manual-de-taller
D155 ax 6-manual-de-taller
D155 ax 6-manual-de-taller
D155 ax 6-manual-de-taller
D155 ax 6-manual-de-taller
D155 ax 6-manual-de-taller
D155 ax 6-manual-de-taller
D155 ax 6-manual-de-taller
D155 ax 6-manual-de-taller
D155 ax 6-manual-de-taller
D155 ax 6-manual-de-taller
D155 ax 6-manual-de-taller
D155 ax 6-manual-de-taller
D155 ax 6-manual-de-taller
D155 ax 6-manual-de-taller
D155 ax 6-manual-de-taller
D155 ax 6-manual-de-taller
D155 ax 6-manual-de-taller
D155 ax 6-manual-de-taller
D155 ax 6-manual-de-taller
D155 ax 6-manual-de-taller
D155 ax 6-manual-de-taller
D155 ax 6-manual-de-taller
D155 ax 6-manual-de-taller
D155 ax 6-manual-de-taller
D155 ax 6-manual-de-taller
D155 ax 6-manual-de-taller
D155 ax 6-manual-de-taller
D155 ax 6-manual-de-taller
D155 ax 6-manual-de-taller
D155 ax 6-manual-de-taller
D155 ax 6-manual-de-taller
D155 ax 6-manual-de-taller
D155 ax 6-manual-de-taller
D155 ax 6-manual-de-taller
D155 ax 6-manual-de-taller
D155 ax 6-manual-de-taller
D155 ax 6-manual-de-taller
D155 ax 6-manual-de-taller
D155 ax 6-manual-de-taller
D155 ax 6-manual-de-taller
D155 ax 6-manual-de-taller
D155 ax 6-manual-de-taller
D155 ax 6-manual-de-taller
D155 ax 6-manual-de-taller
D155 ax 6-manual-de-taller
D155 ax 6-manual-de-taller
D155 ax 6-manual-de-taller
D155 ax 6-manual-de-taller
D155 ax 6-manual-de-taller
D155 ax 6-manual-de-taller
D155 ax 6-manual-de-taller
D155 ax 6-manual-de-taller
D155 ax 6-manual-de-taller
D155 ax 6-manual-de-taller
D155 ax 6-manual-de-taller
D155 ax 6-manual-de-taller
D155 ax 6-manual-de-taller
D155 ax 6-manual-de-taller
D155 ax 6-manual-de-taller
D155 ax 6-manual-de-taller
D155 ax 6-manual-de-taller
D155 ax 6-manual-de-taller
D155 ax 6-manual-de-taller
D155 ax 6-manual-de-taller
D155 ax 6-manual-de-taller
D155 ax 6-manual-de-taller
D155 ax 6-manual-de-taller
D155 ax 6-manual-de-taller
D155 ax 6-manual-de-taller
D155 ax 6-manual-de-taller
D155 ax 6-manual-de-taller
D155 ax 6-manual-de-taller
D155 ax 6-manual-de-taller
D155 ax 6-manual-de-taller
D155 ax 6-manual-de-taller
D155 ax 6-manual-de-taller
D155 ax 6-manual-de-taller
D155 ax 6-manual-de-taller
D155 ax 6-manual-de-taller
D155 ax 6-manual-de-taller
D155 ax 6-manual-de-taller
D155 ax 6-manual-de-taller
D155 ax 6-manual-de-taller
D155 ax 6-manual-de-taller
D155 ax 6-manual-de-taller
D155 ax 6-manual-de-taller
D155 ax 6-manual-de-taller
D155 ax 6-manual-de-taller
D155 ax 6-manual-de-taller
D155 ax 6-manual-de-taller
D155 ax 6-manual-de-taller
D155 ax 6-manual-de-taller
D155 ax 6-manual-de-taller
D155 ax 6-manual-de-taller
D155 ax 6-manual-de-taller
D155 ax 6-manual-de-taller
D155 ax 6-manual-de-taller
D155 ax 6-manual-de-taller
D155 ax 6-manual-de-taller
D155 ax 6-manual-de-taller
D155 ax 6-manual-de-taller
D155 ax 6-manual-de-taller
D155 ax 6-manual-de-taller
D155 ax 6-manual-de-taller
D155 ax 6-manual-de-taller
D155 ax 6-manual-de-taller
D155 ax 6-manual-de-taller
D155 ax 6-manual-de-taller
D155 ax 6-manual-de-taller
D155 ax 6-manual-de-taller
D155 ax 6-manual-de-taller
D155 ax 6-manual-de-taller
D155 ax 6-manual-de-taller
D155 ax 6-manual-de-taller
D155 ax 6-manual-de-taller
D155 ax 6-manual-de-taller
D155 ax 6-manual-de-taller
D155 ax 6-manual-de-taller
D155 ax 6-manual-de-taller
D155 ax 6-manual-de-taller
D155 ax 6-manual-de-taller
D155 ax 6-manual-de-taller
D155 ax 6-manual-de-taller
D155 ax 6-manual-de-taller
D155 ax 6-manual-de-taller
D155 ax 6-manual-de-taller
D155 ax 6-manual-de-taller
D155 ax 6-manual-de-taller
D155 ax 6-manual-de-taller
D155 ax 6-manual-de-taller
D155 ax 6-manual-de-taller
D155 ax 6-manual-de-taller
D155 ax 6-manual-de-taller
D155 ax 6-manual-de-taller
D155 ax 6-manual-de-taller
D155 ax 6-manual-de-taller
D155 ax 6-manual-de-taller
D155 ax 6-manual-de-taller
D155 ax 6-manual-de-taller
D155 ax 6-manual-de-taller
D155 ax 6-manual-de-taller
D155 ax 6-manual-de-taller
D155 ax 6-manual-de-taller
D155 ax 6-manual-de-taller
D155 ax 6-manual-de-taller
D155 ax 6-manual-de-taller
D155 ax 6-manual-de-taller
D155 ax 6-manual-de-taller
D155 ax 6-manual-de-taller
D155 ax 6-manual-de-taller
D155 ax 6-manual-de-taller
D155 ax 6-manual-de-taller
D155 ax 6-manual-de-taller
D155 ax 6-manual-de-taller
D155 ax 6-manual-de-taller
D155 ax 6-manual-de-taller
D155 ax 6-manual-de-taller
D155 ax 6-manual-de-taller

D155 ax 6-manual-de-taller

  • 1.
    ESPAÑOL ESPAÑOL ESPAÑOL GSN0596-02 INSTRUCCIONESPARA INSERTAR EN LA CARPETA ESTA HOJA CONTIENE ETIQUETAS PARA DOS TIPOS DE CAR- PETAS: ETIQUETA PARA CARPETAS CON BORDE DE VINIL TRANSPARENTE CORTE LA ETIQUETA POR LAS LINEAS INDICADAS E INSERTE EN EL BORDE DE LA CARPETA. ETIQUETA PARA CARPETA CON VENTANA INSERTE EL PROTECTOR TRANSPARENTE EN LA VENTANA CORTE LA ETIQUETA POR LAS LINEAS INDICADAS Y COLOQUE DETRAS DEL PROTECTOR DE LA VENTANA D155AX-6 D155AX-6 D155AX-6
  • 2.
    GSN00596-02 Manual de Taller BULDOZER NUMEROSDE SERIE D155AX-80001 y superiores
  • 3.
  • 5.
    D155AX-6 1 GSN00598-01 BULDÓZER 1MANUALDE TALLER D155AX-6 Modelo de máquina Número de serie D155AX-6 80001 y superiores 00 Índice y Prólogo 1 Índice Lista de organización del manual de taller.......................................................................................... 2 Tabla de contenidos ............................................................................................................................ 3
  • 6.
    GSN00598-01 00 Índicey Prólogo 2 D155AX-6 Lista de organización del manual de taller 1 Los contenidos de este manual de taller se muestran en una lista junto con la Forma No. Nota 1: Mantenga siempre la última versión de este manual de acuerdo a esta lista y en consecuencia, utilícelo de acuerdo a lo planeado. Las marcas mostradas en el lado derecho de la Forma No. denotan lo siguiente: : Asunto nuevo (para ser llenado adicionalmente) : Revisión (a ser reemplazada por cada Forma No.) Nota 2: Este manual de taller se puede suministrar por cada Forma No. Nota 3: Para encuadernar este manual de taller en una carpeta especial para la administración, proceda de la siguiente manera: • Coloque en la carpeta una división al principio de cada sección, después de hacer coincidir el "Tub No." con el No. indicado siguiente a cada Nombre de sección mostrado en la tabla de abajo: • La descripción de la carpeta y otros materiales por secciones se deben colocar en el orden mos- trado abajo, y utilizar de acuerdo a lo planeado. Título de la Sección Número de Forma Manual de Taller, cubierta de contenido, rótulo de cubierta y uñeros GSN00596-01 00 Índice y Prólogo GSN00597-01 Indice GSN00598-01 Prefacio e información general GSN00599-00 01 Especificaciónes GSN00600-00 Especificación y datos técnicos GSN00601-00 10 Estructura, función, y estandar de mantenimiento GSN00602-00 Sistema de enfriamiento y el motor GSN00603-00 Sistema del tren de potencia, Parte 1 GSN00604-00 Sistema del tren de potencia, Parte 2 GSN00605-00 Tren de rodaje y bastidor GSN00606-00 Sistema hidráulico GSN00607-00 Equipo de trabajo GSN00608-00 Cabina y sus aditamentos GSN00609-00 Sistema eléctrico GSN00610-00 20 Tabla de valores estándar GSN00611-00 Tabla de valores estándar de servicio GSN00678-00 30 Pruebas y ajustes GSN00612-00 Pruebas y ajustes, Parte 1 GSN00679-00 Pruebas y ajustes, Parte 2 GSN00680-00 Pruebas y ajustes, Parte 3 GSN00681-00 Pruebas y ajustes, Parte 4 GSN00682-00 40 Localización de fallas GSN00613-00 Información general sobre localización de fallas GSN00851-00 Localización de fallas y códigos de errores, Parte 1 GSN00716-00 Localización de fallas y códigos de errores, Parte 2 GSN00717-00 Localización de fallas y códigos de errores, Parte 3 GSN00718-00
  • 7.
    00 Índice yPrólogo GSN00598-01 D155AX-6 3 Localización de fallas y códigos de errores, Parte 4 GSN00719-00 Localización de fallas y códigos de errores, Parte 5 GSN00720-00 Localización de fallas y códigos de errores, Parte 6 GSN00721-00 Localización de fallas y códigos de errores, Parte 7 GSN00722-00 Localización de fallas y códigos de errores, Parte 8 GSN00723-00 Localización de fallas del sistema eléctrico (Modo E) GSN00807-00 Localización de fallas en el sistema hidráulico y mecánico (modo-H) GSN00808-00 Localización de fallas del motor (Modo S) GSN00852-00 90 Diagramas y dibujos GSN00615-00 Diagrama del circuito hidráulico GSN00616-00 Diagrama del circuito eléctrico GSN00617-01
  • 8.
    GSN00598-01 00 Índicey Prólogo 4 D155AX-6 Tabla de contenido 1 00 Índice y Prólogo Indice GSN00598-01 Lista de organización del manual de taller .............................................................................. 2 Tabla de contenidos................................................................................................................. 3 Prefacio e información general GSN00599-00 Prefacio e información general.................................................................................................... 2 Avisos de seguridad ................................................................................................................ 2 Cómo leer el manual de taller.................................................................................................. 6 Explicación de términos para normas de mantenimiento........................................................ 8 Manipulación de componentes eléctricos e hidráulicos........................................................... 10 Forma de leer el código de alambres eléctricos...................................................................... 18 Método para desarmar y conectar el tipo de acoplador de empuje-tracción........................... 21 Tabla de torsión estándar de apriete ....................................................................................... 24 Tabla de conversión................................................................................................................. 28 01 Especificación Especificación y datos técnicos GSN00601-00 Especificación y datos técnicos................................................................................................... 2 Dibujos de especificaciones de dimensiones .......................................................................... 2 Especificaciones...................................................................................................................... 3 Tabla de pesos......................................................................................................................... 9 Tabla de combustible, líquido refrigerante y lubricantes .......................................................... 12 10 Estructura, función, y estandar de mantenimiento Sistema de enfriamiento y el motor GSN00603-00 Motor y sistema de enfriamiento ................................................................................................. 2 Radiador, enfriador del aceite.................................................................................................. 2 Soporte del motor.................................................................................................................... 5 Bomba del ventilador de enfriamiento ..................................................................................... 6 Motor de ventilador de enfriamiento ........................................................................................ 14 Sistema del tren de potencia, Parte 1 GSN00604-00 Sistema del tren de potencia, Parte 2 ......................................................................................... 2 Esqueleto del tren de potencia ................................................................................................ 2 Dibujo general de la unidad del tren de potencia .................................................................... 4 Dibujo de las tuberías hidráulicas del tren de potencia ........................................................... 6 Amortiguador, unión universal ................................................................................................. 8 Convertidor de torsión, TDF .................................................................................................... 10 Válvula de control del convertidor de torsión........................................................................... 19 Embrague de traba ECMV, embrague del estátor ECMV........................................................ 20 Control de la transmisión......................................................................................................... 26 Transmisión.............................................................................................................................. 28 ECMV de la transmisión .......................................................................................................... 40 Válvula de alivio principal y válvula de alivio del convertidor de torsión.................................. 46 Válvula de alivio de la lubricación............................................................................................ 48 Bomba de barrido .................................................................................................................... 49 Bomba para el tren de potencia y lubricación de la dirección ................................................. 50 Sistema del tren de potencia, Parte 2 GSN00605-00 Sistema del tren de potencia, Parte 2 ......................................................................................... 2 Sistema HSS ........................................................................................................................... 2 Motor HST ............................................................................................................................... 4 Hidráulica, bomba HSS ........................................................................................................... 14 Válvula de desvío del enfriador de aceite hidráulico ............................................................... 37 Control de dirección y de freno................................................................................................ 38
  • 9.
    00 Índice yPrólogo GSN00598-01 D155AX-6 5 Unidad de la dirección............................................................................................................. 40 Válvula de control del freno..................................................................................................... 56 Freno ECMV............................................................................................................................ 58 Válvula solenoide del freno de estacionamiento ..................................................................... 63 Válvula contra parada súbita ................................................................................................... 65 Mando final.............................................................................................................................. 67 Rueda dentada........................................................................................................................ 71 Tren de rodaje y bastidor GSN00606-00 Tren de rodaje y bastidor ............................................................................................................ 2 Bastidor de la oruga ................................................................................................................ 2 Resorte tensor......................................................................................................................... 4 Rueda tensora......................................................................................................................... 6 Rodillo inferior.......................................................................................................................... 8 Rodillo superior........................................................................................................................ 10 Zapata de oruga ...................................................................................................................... 12 Bastidor principal..................................................................................................................... 18 Suspensión.............................................................................................................................. 20 Sistema hidráulico GSN00607-00 Sistema hidráulico....................................................................................................................... 2 Diagrama de la tuberia hidráulica del equipo de trabajo ......................................................... 2 Diagrama de la tubería del control del equipo de trabajo........................................................ 5 Control del equipo de trabajo .................................................................................................. 6 Tanque hidráulico y filtro.......................................................................................................... 8 Acumulador ............................................................................................................................. 10 Palanca PCCS......................................................................................................................... 11 Válvula de traba del equipo de trabajo .................................................................................... 15 Válvula de control.................................................................................................................... 16 Cilindro del equipo de trabajo.................................................................................................. 52 Válvula pistón .......................................................................................................................... 54 Válvula de caida rápida ........................................................................................................... 56 Válvula de auto-reducción de presión ..................................................................................... 61 Equipo de trabajo GSN00608-00 Equipo de trabajo........................................................................................................................ 2 Tirante del cilindro ................................................................................................................... 2 Hoja ......................................................................................................................................... 4 Borde de corte, cantonera....................................................................................................... 6 Desgarrador............................................................................................................................. 8 Cabina y sus aditamentos GSN00609-00 Cabina y sus aditamentos........................................................................................................... 2 Cabina de montaje + pasador ROPS ...................................................................................... 2 Cabina ROPS .......................................................................................................................... 3 Acondicionador de aire............................................................................................................ 4 Sistema eléctrico GSN00610-00 Sistema Eléctrico ........................................................................................................................ 2 Control del motor..................................................................................................................... 2 Sistema de control del motor................................................................................................... 3 Potenciómetro de desaceleración ........................................................................................... 4 Sistema monitor....................................................................................................................... 5 Sensores ................................................................................................................................. 23 Sistema de control comando por la palma de la mano ........................................................... 26 20 Tabla de valores estándar Tabla de valores estándar de servicio GSN00678-00 Tabla de valores estándar para el motor..................................................................................... 2 Tabla de valores estándar para el motor ................................................................................. 2 Tabla de valores estándar para la máquina............................................................................. 3
  • 10.
    GSN00598-01 00 Índicey Prólogo 6 D155AX-6 30 Pruebas y Ajustes Pruebas y ajustes, Parte 1 GSN00679-00 Pruebas y ajustes, Parte 1 .......................................................................................................... 3 Herramientas para comprobaciones, ajustes y localización de fallas...................................... 3 Midiendo la velocidad del motor .............................................................................................. 5 Forma de medir la presión de admisión de aire (presión de refuerzo) .................................... 7 Midiendo la temperatura del escape........................................................................................ 8 Medición del color de los gases del escape ............................................................................ 10 Ajuste de la holgura de válvulas.............................................................................................. 11 Medición de la presión de compresión .................................................................................... 12 Medición de la presión del paso de gases............................................................................... 14 Medición de la presión del aceite del motor ............................................................................ 15 Manipulando partes del sistema de combustible..................................................................... 16 Alivio de la presión residual del sistema de combustible......................................................... 16 Forma de medir la presión del combustible............................................................................. 17 Midiendo la proporción de retorno y escape de combustible .................................................. 18 Forma de purgar el aire del circuito de combustible................................................................ 22 Revisando si hay escapes en el circuito de combustible......................................................... 24 Probando y ajustando la tensión de la correa del alternador .................................................. 25 Prueba y ajuste de la tensión de la correa del compresor del acondicionador de aire ........... 26 Medición de la velocidad del ventilador ................................................................................... 27 Medición de la presión de aceite del circuito del ventilador..................................................... 28 Forma de purgar el aire de la bomba del ventilador ................................................................ 29 Forma de ajustar el dial del control de combustible y el pedal desacelerador ........................ 30 Pruebas y ajustes, Parte 2 GSN00680-00 Pruebas y ajustes, Parte 2 .......................................................................................................... 3 Forma de medir la presión del aceite del tren de potencia...................................................... 3 Ajustando el sensor de velocidad del eje de salida de la transmisión..................................... 11 Método sencillo para comprobar el desempeño del freno....................................................... 12 Ajuste del pedal del freno ........................................................................................................ 13 Ajustando la palanca del freno de estacionamiento ................................................................ 15 Método para una salida de emergencia cuando el tren de potencia tiene problema .............. 17 Forma de ajustar la separación de la rueda delantera ............................................................ 20 Prueba y ajuste de la tensión de la oruga ............................................................................... 21 Midiendo y ajustando la presión del aceite del equipo de trabajo y del HSS .......................... 22 Medida en la presión básica del circuito de control................................................................. 26 Midiendo la presión de salida de la válvula solenoide de traba del equipo de trabajo ............ 27 Método de operación de emergencia cuando el equipo de trabajo tiene problemas .............. 28 Forma de medir la presión de salida de la válvula solenoide de salida de pasador del desgarrador 30 Prueba para medir el deslizamiento hidráulico de la hoja y del desgarrador .......................... 31 Forma de medir el escape interno de aceite en el cilindro del equipo de trabajo.................... 32 Forma de aliviar la presión residual del cilindro del equipo de trabajo .................................... 33 Forma de purgar el aire del cilindro del equipo de trabajo ...................................................... 33 Ajuste la palanca de cierre del equipo de trabajo.................................................................... 34 Forma de ajustar la hoja topadora........................................................................................... 35 Ajustando la cabina del operador ............................................................................................ 37 Pruebas y ajustes, Parte 3 GSN00681 Pruebas y ajustes, Parte 3 .......................................................................................................... 2 Función Especial del Monitor de la Máquina (EMMS)............................................................. 2 Pruebas y ajustes, Parte 4 GSN00682 Pruebas y ajustes, Parte 4 .......................................................................................................... 2 Forma de manejar el circuito de fuente de energía del controlador del motor ........................ 2 Trabajos de preparación para la localización de fallas en el sistema eléctrico........................ 3 Clínica Pm ............................................................................................................................... 5
  • 11.
    00 Índice yPrólogo GSN00598-01 D155AX-6 7 40 Localización de fallas Información general sobre localización de fallas GSN00851-00 Información general y localización de fallas................................................................................ 2 Aspectos a recordar durante la localización de fallas.............................................................. 2 Secuencia de eventos en la localización de fallas................................................................... 3 Hacer una revisión antes de tratar de localizar fallas o averías .............................................. 4 Clasificación y procedimientos de localización de fallas ......................................................... 5 Tabla de conexiones y números de las espigas de conectores............................................... 8 Cajas-T y tabla de adaptadores-T ........................................................................................... 31 Localización de fallas y códigos de errores, Parte 1 GSN00716-00 Localización de fallas y códigos de errores, Parte 1................................................................... 3 Tabla de códigos de falla ......................................................................................................... 3 Antes de ejecutar la localización de fallas cuando aparece expuesto el código de fallas....... 10 Información en la tabla de localización de fallas ..................................................................... 14 Código de falla [1500L0] Embrague de transmisión: Anormal ................................................ 16 Código de falla [15SAL1] Embrague de avance: Señal de llenado de alta ............................. 17 Código de falla [15SALH] Embrague de avance: Señal de llenado de baja............................ 18 Código de falla [15SBL1] Embrague de retroceso: Señal de llenado de alta.......................... 19 Código de falla [15SBLH] Embrague de retroceso: Señal de llenado de baja ........................ 20 Código de falla [15SEL1] Embrague de 1a. marcha: Señal de llenado de alta....................... 21 Código de falla [15SELH] Embrague de 1a. marcha: Señal de llenado de baja ..................... 22 Código de falla [15SFL1] Embrague de 2a. marcha: Señal de llenado de alta....................... 23 Código de falla [15SFLH] Embrague de 2a. marcha: Señal de llenado de baja ..................... 24 Código de falla [15SGL1] Embrague de 3a. marcha: Señal de llenado de alta ...................... 25 Código de falla [15SGLH] Embrague de 3a. marcha: Señal de llenado de baja..................... 26 Código de falla [15SJL1] L/U: Señal de llenado de alta .......................................................... 28 Código de falla [15SJLH] L/U: Señal de llenado de baja......................................................... 30 Código de falla [2301L1] Freno derecho: Señal de llenado de alta......................................... 32 Código de falla [2301LH] Freno derecho: Señal de llenado de baja ....................................... 33 Código de falla [2302L1] Freno izquierdo: Señal de llenado de alta ....................................... 34 Código de falla [2302LH] Freno izquierdo: Señal de llenado de baja...................................... 35 Código de falla [7RFRKA] ECM RELÉ DE RETENCIÓN Desconexión .................................. 36 Código de falla [AA10NX] Obstrucción del filtro de aire .......................................................... 38 Código de falla [AB00MA] Carga Anormal de la Batería......................................................... 40 Código de falla [B@BAZG] Presión del aceite del motor baja ................................................ 42 Código de fallas [B@BCNS] Agua del motor sobrecalentado................................................. 42 Código de falla [B@BCZK] Bajo el nivel del agua del motor................................................... 43 Código de falla [B@CENS] Sobrecalentamiento del convertidor de torsión ........................... 43 Código de falla [B@HANS] Sobrecalentamiento del Aceite Hidráulico................................... 44 Localización de fallas y códigos de errores, Parte 2 GSN00717-00 Localización de fallas y códigos de errores, Parte 2................................................................... 4 Código de falla [CA111] EMC Crítica falla interna................................................................... 4 Código de falla [CA115] error en el sensor de velocidad Ne del Motor y en el sensor de velocidad de retroceso....................................................................................... 6 Código de falla [CA122] Error en sensor por alta presión de carga de aire ............................ 8 Código de falla [CA123] Error en sensor por baja presión de aire de carga ........................... 10 Código de falla [CA131] Error en Sensor por alta aceleración................................................ 12 Código de falla [CA132] Error en sensor por baja aceleración................................................ 14 Código de falla [CA135] Error. En sensor de presión alta de aceite del motor........................ 16 Código de falla [CA141] Error. En sensor de presión baja de aceite del motor....................... 18 Código de falla [CA144] Error en sensor por alta temperatura del refrigerante ...................... 20 Código de falla [CA145] Error en sensor por baja temperatura del refrigerante ..................... 22 Código de falla [CA153] Error en sensor por alta temperatura del aire de carga.................... 24 Código de falla [CA154] Error en sensor por baja temperatura de aire de carga.................... 26 Código de falla [CA187] Error. Bajo suministro al sensor de 2 voltios..................................... 26 Código de falla [CA221] Error. Sensor de alta presión ambiental ........................................... 28 Código de falla [CA222] Error. Sensor de baja presión ambiental .......................................... 30
  • 12.
    GSN00598-01 00 Índicey Prólogo 8 D155AX-6 Código de falla [CA227] Error. Sensor del suministro energético Alto 2 Voltios..................... 32 Código de falla [CA234] Exceso de velocidad en el motor...................................................... 34 Código de falla [CA238] Error. Suministro energético al sensor de velocidad Ne................... 36 Código de falla [CA263] Error en sensor por alta temperatura del combustible...................... 38 Código de falla [CA265] Error en sensor por baja temperatura del combustible..................... 39 Código de falla [CA271] PCV1 Error. Corto circuito ................................................................ 40 Código de falla [CA272] PCV1 Error ....................................................................................... 41 Código de falla [CA273] PCV2 Error. Corto circuito ................................................................ 42 Código de falla [CA274] PCV2 Error ....................................................................................... 43 Código de falla [CA322] Inyector No. 1 (L No. 1) Abierto/Corto circuito Error ......................... 44 Código de falla [ CA323] Inyector No. 5 (L No. 5) Abierto/Corto circuito Error ........................ 45 Código de falla [CA324] Inyector No. 3 (L No. 3) Abierto/Corto circuito Error ......................... 46 Código de falla [CA325] Inyector No. 6 (L No. 6) Abierto/Corto circuito Error ......................... 47 Código de falla [ CA331] Inyector No. 2 (L No. 2) Abierto/Corto circuito Error ........................ 48 Código de falla [ CA332] Inyector No. 4 (L No. 4) Abierto/Corto circuito Error ........................ 49 Código de falla [CA342] Incompatibilidad con el Código de Calibración................................. 50 Código de falla [CA351] Error en el circuito de mando de los inyectores................................ 52 Código de falla [CA352] Error. Bajo suministro al sensor de 1 voltios..................................... 54 Código de falla [CA286] Error. Sensor del suministro energético Alto 1 Voltios...................... 56 Código de falla [CA441] Error. Bajo el voltaje de batería......................................................... 58 Código de falla [CA442] Error. Alto el voltaje de la batería...................................................... 58 Código de falla [CA449] Error. Muy alta la presión de la carrilera ........................................... 59 Código de falla [CA451] Error. Alta presión en el sensor de la carrilera.................................. 60 Código de falla [CA452] Error. Sensor detecta baja presión en la carrilera ............................ 62 Código de falla [CA553] Error. Alta presión en la carrilera ...................................................... 62 Código de falla [CA554] Error. Sensor de presión del múltiple en área de error..................... 63 Código de falla [CA559] Error. Baja presión de carrilera ......................................................... 64 Código de falla [CA689] Error. Sensor de velocidad Ne del motor.......................................... 68 Localización de fallas y códigos de errores, Parte 3 GSN00718-00 Localización de fallas y códigos de errores, Parte 3................................................................... 3 Código de falla [CA731] Error. Fase del sensor de velocidad de retroceso del motor............. 3 Código de fallas [CA757] Error. Perdidos todos los datos de continuidad............................... 3 Código de falla [CA778] Error. Sensor de velocidad de reserva del motor.............................. 4 Código de falla [CA1228] Error 1, Servo válvula EGR ............................................................ 6 Código de falla [CA1625] Error 2, Servo Válvula EGR............................................................ 7 Código de falla [CA 1626] Error. Alta corriente en el solenoide de la válvula BP.................... 8 Código de falla [CA 1627] Error. Corriente baja del solenoide de la válvula BP ..................... 10 Código de falla [CA 1628] Error 1. Servo válvula de desvío.................................................... 11 Código de falla [CA1619] Error 2. Servo válvula de desvío..................................................... 12 Código de falla [CA1631] Error. Alta señal de voltaje en el sensor de posición de la válvula BP14 Código de falla [CA 1632] Válvula BP Pos Sens Bajo Error.................................................... 16 Código de falla [ CA1633] Error. Exceso de tiempo en comunicación con base de datos del KOMNET............................................................................................................. 18 Código de falla [CA1632] EGR Sensor de presión de ingreso Bajo Error............................... 20 Código de falla [CA1653] EGR Sensor de presión de ingreso Alto Error................................ 22 Código de falla [CA2185] Error. Alto voltaje suministrado al sensor del acelerador................ 24 Código de falla [CA2186] Error. Bajo voltaje suministrado al sensor del acelerador............... 26 Código de falla [CA2249] Error. Muy baja la presión de la carrilera común ............................ 26 Código de falla [CA 2271] Error. Alta señal de voltaje del sensor de posición de válvula EGR 28 Código de falla [CA 2272] Error. Bajo voltaje en el sensor de posición de la válvula EGR..... 30 Código de falla [CA2351] Error. Alta corriente en el solenoide de la válvula EGR.................. 32 Código de falla [CA 2352] Error. Baja corriente en el solenoide de la válvula EGR................ 34 Código de falla [CA2555] Error. Bajo voltaje en el relé de la parrilla del calentador................ 35 Código de falla [CA2556] Error. Alto voltaje en relé de parrilla del calentador ........................ 36 Código de falla [D110KA] Relé de batería: Desconexión ........................................................ 38 Código de falla [D110KB] Relé de batería Corto circuito en el mando.................................... 40 Código de falla [D130KA] Relé neutral: Desconexión ............................................................. 42 Código de falla [D130KB] Relé neutral: Corto circuito............................................................. 44
  • 13.
    00 Índice yPrólogo GSN00598-01 D155AX-6 9 Código de falla [D161KA] relé de alarma de marcha atrás Desconexión................................ 46 Código de falla [D161KB] relé de alarma de marcha atrás: Corto circuito.............................. 48 Código de falla [D190KA] Relé de la señal ACC Desconexión ............................................... 50 Código de falla [D190 KB] relé de la señal ACC Corto circuito ............................................... 52 Código de falla [D5ZKKX] Control de acelerador Fuera del régimen normal.......................... 54 Código de falla [DAFRKR] Desconexión CAN (Monitor) ......................................................... 56 Código de falla [DB2RKR] CAN Desconexión (Controlador del motor)................................... 58 Código de falla [DB90KK] Controlador del equipo de trabajo: Reducción del voltaje de la fuente... 60 Código de falla [DB90KR] Controlador PT: Pierde comunicación con CAN............................ 62 Localización de fallas y códigos de errores, Parte 4 GSN00719-00 Localización de fallas y códigos de errores, Parte 4................................................................... 3 Código de falla [DB90KT] Controlador WE: Anormalidad en el controlador ........................... 3 Código de falla [DB95KK] Controlador del equipo de trabajo: Reducción del voltaje de la fuente ............................................................................................................. 4 Código de falla [DB97KK] Controlador del equipo de trabajo Reducción del voltaje de la fuente......................................................................................................................... 6 Código de falla [DB90KQ] Controlador del equipo de trabajo: Tipo selector de señales ........ 8 Código de falla [DB9RKR] Controlador de equipo de trabajo: Pierde comunicación con CAN 10 Código de falla [DBE0KK] Controlador PT: Reducción del voltaje de la fuente ...................... 12 Código de falla [DBE0KT] Controlador PT: Anormalidad en el controlador ............................ 14 Código de falla [DBE6KK] Controlador del tren de potencia: Reducción del voltaje de la fuente......................................................................................................................... 16 Código de falla [DBE7KK] Controlador del tren de potencia Reducción del voltaje de la fuente......................................................................................................................... 18 Código de falla [DBE9KQ] Controlador tren de potencia: Tipo selector de señales................ 20 Código de falla [DD12KA] Interruptor de cambio arriba: Desconexión.................................... 22 Código de falla [DD12KB] Interruptor de cambio arriba: Corto circuito................................... 24 Código de falla [DD13KA] Interruptor de cambio abajo: Desconexión.................................... 26 Código de falla [DD13KB] Interruptor de cambio abajo: Corto circuito ................................... 28 Código de falla [DD14KA] Interruptor de la palanca de estacionamiento: Desconexión......... 30 Código de falla [DD14KB] Interruptor de la palanca de estacionamiento: Corto circuito ........ 32 Código de falla [DDDDKA] Interruptor del freno de marcha atrás: Desconexión .................... 34 Código de falla [DDDDKB] Interruptor del freno de marcha atrás: Corto circuito.................... 36 Código de falla [DDDDKX] Interruptor del freno de marcha atrás: La señal no coincide ........ 38 Código de falla [DDN7KA] Interruptor de perilla WEQ (abajo) Desconexión .......................... 40 Código de falla [DDN7KB] WEQ know sw (down) Corto circuito............................................. 42 Código de falla [DDN9KA] Interruptor de perilla WEQ (arriba): Desconexión......................... 44 Código de falla [DDN9KB] WEQ know Sw (up) Corto circuito ................................................ 46 Código de falla [DDNLKA] Interruptor de cierre del equipo de trabajo: Desconexión ............. 48 Código de falla [DDNLKB] Interruptor de cierre del equipo de trabajo Corto circuito.............. 50 Código de falla [DDTSL1] S/C: Señal de llenado de alta ........................................................ 52 Código de falla [DDTSLH] S/C: Bajo relleno (Interruptor de relleno en OFF) ......................... 54 Localización de fallas y códigos de errores, Parte 5 GSN00720-00 Localización de fallas y códigos de errores, Parte 5................................................................... 3 Código de falla [DFA4KX] palanca BL 1: Fuera del régimen normal....................................... 3 Código de falla [DFA4KZ] palanca BL: Desconexión o corto circuito...................................... 3 Código de falla [DFA4L8] palanca BL: La señal no coincide................................................... 4 Código de falla [DFA5KA] palanca BL 1: Desconexión ........................................................... 6 Código de falla [DFA5KB] palanca BL 1: Corto circuito........................................................... 8 Código de falla [DFA6KA] palanca BL 2: Desconexión ........................................................... 10 Código de falla [DFA6KB] palanca BL 2: Corto circuito........................................................... 12 Código de falla [DFA7KX] palanca BT 1: Fuera del régimen normal....................................... 14 Código de falla [DFA7KZ] palanca BT: Desconexión o corto circuito...................................... 14 Código de falla [DFA7L8] palanca BT: La señal no coincide................................................... 15 Código de falla [DFA8KA] palanca BT 1: Desconexión ........................................................... 16 Código de falla [DFA8KB] BT palanca 1: Corto circuito .......................................................... 18 Código de falla [DFA9KA] palanca BT 2: Desconexión ........................................................... 20
  • 14.
    GSN00598-01 00 Índicey Prólogo 10 D155AX-6 Código de falla [DFA9KB] palanca BT 2: Corto circuito........................................................... 22 Códigos de falla [DFAAKX] RL palanca 1: Fuera del régimen normal..................................... 24 Código de falla [DFAAKZ] palanca RL Desconexión o corto circuito....................................... 24 Código de falla [DFAAL8] palanca RL: La señal no coincide................................................... 25 Códigos de falla [DFABKA] palanca RL 1: Desconexión ......................................................... 26 Códigos de falla [DFABKB] RL palanca 1: Corto circuito ........................................................ 28 Códigos de falla [DFACKA] RL palanca 2: Desconexión......................................................... 30 Códigos de falla [DFACKB] RL palanca 2: Corto circuito ........................................................ 32 Códigos de falla [DFADKX] palanca RL 1: Fuera del régimen normal .................................... 34 Código de falla [DFADKZ] palanca RL: Desconexión o corto circuito ..................................... 34 Código de falla [DFADL8] palanca RL: La señal no coincide .................................................. 35 Códigos de falla [DFAEKA] palanca RL 1: Desconexión ......................................................... 36 Códigos de falla [DFAEKB] RL palanca 1: Corto circuito ........................................................ 38 Códigos de falla [DFAFKA] palanca RL 2: Desconexión ......................................................... 40 Códigos de falla [DFAFKB] palanca RL 2: Corto circuito......................................................... 42 Código de falla [DGT1KA] Sensor de temperatura del aceite del convertidor de torsión: Anormal ..................................................................................................................... 44 Código de falla [DGT1KX] Sensor de temperatura del aceite del convertidor de torsión: Anormal .......................................................................................................................... 46 Código de falla [DH21KA] sensor de presión del equipo de trabajo: Desconexión ................. 48 Código de falla [DH21KB] sensor de presión del equipo de trabajo: Corto circuito ................ 50 Código de falla [DHT5KA] Sensor de presión de ingreso al convertidor de torsión Desconexión .................................................................................................................... 52 Código de falla [DHT5KB] sensor de la presión de ingreso al convertidor de torsión: Corto circuito................................................................................................................... 54 Código de falla [DHT7KA] Sensor de la presión de salida del convertidor de torsión Desconexión .................................................................................................................... 56 Código de falla [DHT7KB] Sensor de la presión de salida del convertidor de torsión Corto circuito.................................................................................................................... 58 Código de falla [DK10KX] Dial de control de combustible: Fuera del régimen normal........... 60 Localización de fallas y códigos de errores, Parte 6 GSN00721-00 Localización de fallas y códigos de errores, Parte 6................................................................... 4 Código de falla [DK30KA] palanca ST 1: Desconexión ........................................................... 4 Código de falla [DK30KB] palanca ST 1: Corto circuito........................................................... 6 Código de falla [DK30KX] palanca ST 1: Fuera del régimen normal....................................... 8 Código de falla [DK30KZ] palanca RL: Desconexión o corto circuito...................................... 8 Código de falla [DK30L8] palanca ST: La señal no coincide................................................... 9 Código de falla [DK31KA] palanca ST 2: Desconexión ........................................................... 10 Código de falla [DK31KB] palanca ST 2: Corto circuito........................................................... 12 Código de error [DB40KA] Potenciómetro del freno: Desconexión ......................................... 14 Código de error [DB40KB] Potenciómetro del freno: Corto circuito......................................... 16 Código de falla [DK55KX] palanca FR 1: Fuera del régimen normal ...................................... 18 Código de falla [DK55KZ] palanca FR: Desconexión o corto circuito...................................... 18 Código de falla [DK55L8] palanca FR: La señal no coincide................................................... 19 Código de falla [DK56KA] palanca FR 1: Desconexión........................................................... 20 Código de falla [DK56KB] palanca FR 1: Corto circuito .......................................................... 22 Código de falla [DK57KA] palanca FR 2: Desconexión........................................................... 24 Código de falla [DK57KB] palanca FR 2: Corto circuito .......................................................... 26 Código de falla [DKH1KA] Sensor del ángulo de paso: Desconexión..................................... 28 Código de falla [DKH1KB] Sensor del ángulo de paso: Corto circuito .................................... 30 Código de falla [DLT3KA] Sensor de velocidad de salida de la transmisión: Desconexión..... 32 Código de falla [DLT3KB] Sensor de velocidad de salida de la transmisión: Anormal ............ 33 Código de falla [DW7BKA] Ventilador rev. EPC: Desconexión ................................................ 34 Código de falla [DW7BKB] Ventilador rev. EPC: Corto circuito................................................ 35 Código de falla [DWN1KA] Hss EPC1: Desconexión .............................................................. 36 Código de falla [DWN1KB] Hss EPC1: Corto circuito.............................................................. 37 Código de falla [DWN1KY] Hss EPC1: Corto circuito.............................................................. 38 Código de falla [DWN2KA] Hss EPC2: Desconexión .............................................................. 39
  • 15.
    00 Índice yPrólogo GSN00598-01 D155AX-6 11 Código de falla [DWN2KB] Hss EPC2: Corto circuito.............................................................. 40 Código de falla [DWN2KY] Hss EPC2: Corto circuito.............................................................. 41 Código de falla [DWN3KA] Solenoide Ssp: Desconexión........................................................ 42 Código de falla [DWN3KB] Solenoide Ssp: Corto circuito....................................................... 44 Código de falla [DWN3KY] Solenoide Ssp: Corto circuito....................................................... 46 Código de falla [DWN5KA] Solenoide de la bomba del ventilador: Desconexión.................... 48 Código de falla [DWN5KB] Solenoide de la bomba del ventilador: Corto circuito................... 49 Código de falla [DXA0KA] Solenoide TVC: Desconexión........................................................ 50 Código de falla [DXA0KB] Solenoide TVC: Corto circuito....................................................... 51 Código de falla [DXA0KY] Solenoide TVC: Corto circuito....................................................... 52 Código de falla [DXH1KA] Traba ECMV: Desconexión ........................................................... 54 Código de falla [DXH1KB] Traba ECMV: Corto circuito........................................................... 56 Código de falla [DXH1KY] Traba ECMV: Corto circuito........................................................... 58 Código de falla [DXH4KA] ECMV 1er. embrague : Desconexión ............................................ 60 Localización de fallas y códigos de errores, Parte 7 GSN00722-00 Localización de fallas y códigos de errores, Parte 7................................................................... 3 Código de falla [DXH4KB] ECMV 1er. embrague : Corto circuito ........................................... 3 Código de falla [DXH4KY] ECMV 1er. embrague : Corto circuito ........................................... 4 Código de falla [DXH5KA] ECMV 2do. embrague : Desconexión ........................................... 5 Código de falla [DXH5KB] ECMV 2do. embrague : Corto circuito........................................... 6 Código de falla [DXH5KY] ECMV 2do. embrague: Corto circuito............................................ 7 Código de falla [DXH6KA] ECMV 3er. embrague: Desconexión ............................................. 8 Código de falla [DXH6KB] ECMV 2do. Embrague: Corto circuito ........................................... 9 Código de falla [DXH6KY] ECMV 3er. embrague: Corto circuito ............................................ 10 Código de falla [DXH7KA] ECMV embrague de retroceso: Desconexión ............................... 11 Código de falla [DXH7KB] ECMV embrague de retroceso: Corto circuito .............................. 12 Código de falla [DXH7KY] ECMV embrague de retroceso: Corto circuito .............................. 13 Código de falla [DXH8KA] ECMV embrague F: Desconexión................................................. 14 Código de falla [DXH8KB] ECMV embrague F: Corto circuito ................................................ 15 Código de falla [DXH8KY] ECMV embrague F: Corto circuito ................................................ 16 Código de falla [DXHBKA] ECMV del freno derecho: Desconexión........................................ 18 Código de falla [DXHBKB] ECMV del freno derecho: Corto circuito ....................................... 20 Código de falla [DXHBKY] ECMV del freno derecho: Corto circuito ....................................... 22 Código de falla [DXHCKA] ECMV del freno izquierdo: Desconexión ...................................... 24 Código de falla [DXHCKB] ECMV del freno izquierdo: Corto circuito ..................................... 26 Código de falla [DXHCKY] ECMV del freno izquierdo: Corto circuito ..................................... 28 Código de falla [DXHRKA] EPC de elevación de la hoja: Desconexión .................................. 30 Código de falla [DXHRKB] EPC de elevación de la hoja: Corto circuito ................................. 31 Código de falla [DXHRKY] EPC de elevación de la hoja: Corto circuito ................................. 32 Código de falla [DXHSKA] EPC de descenso de la hoja: Desconexión.................................. 33 Código de falla [DXHSKB] EPC de descenso de la hoja: Corto circuito ................................. 34 Código de falla [DXHSKY] EPC de descenso de la hoja: Corto circuito ................................. 35 Código de falla [DXHTKA] Hoja a la izquierda 1 EPC: Desconexión ...................................... 36 Código de falla [DXHTKB] Hoja a la izquierda 1 EPC: Corto circuito...................................... 37 Código de falla [DXHTKY] Hoja a la izquierda 1 EPC: Corto circuito...................................... 38 Código de falla [DXHUKA] Hoja a la derecha 1 EPC: Desconexión ....................................... 39 Código de falla [DXHUKB] Hoja a la derecha 1 EPC: Corto circuito....................................... 40 Código de falla [DXHUKY] Hoja a la derecha 1 EPC: Corto circuito....................................... 41 Código de falla [DXHWKA] EPC de elevación del desgarrador: Desconexión........................ 42 Código de falla [DXHWKB] EPC de elevación del desgarrador: Corto circuito....................... 43 Código de falla [DXHWKY] EPC de elevación del desgarrador: Corto circuito....................... 44 Código de falla [DXHXKA] EPC de descenso del desgarrador: Desconexión ........................ 45 Código de falla [DXHXKB] EPC de descenso del desgarrador: Corto circuito........................ 46 Código de falla [DXHXKY] EPC de descenso del desgarrador: Corto circuito........................ 47 Código de falla [DXHYKA] Inclinación hacia adentro del desgarrador EPC: Desconexión..... 48 Código de falla [DXHYKB] Inclinación hacia adentro del desgarrador EPC: Corto circuito .... 49 Código de falla [DXHYKY] Inclinación hacia adentro del desgarrador EPC: Corto circuito .... 50 Código de falla [DXHZKA] Inclinación hacia atrás del desgarrador EPC: Desconexión ......... 51
  • 16.
    GSN00598-01 00 Índicey Prólogo 12 D155AX-6 Código de falla [DXHZKB] Inclinación hacia atrás del desgarrador EPC: Corto circuito......... 52 Código de falla [DXHZKY] Inclinación hacia atrás del desgarrador EPC: Corto circuito......... 53 Código de falla [DXJ4KA] Solenoide de traba del equipo de trabajo: Desconexión................ 54 Código de falla [DXJ4KB] Solenoide de traba del equipo de trabajo: Corto circuito ............... 55 Localización de fallas y códigos de errores, Parte 8 GSN00723-00 Localización de fallas y códigos de errores, Parte 8................................................................ 2 Código de falla [DXJ8KA] Hoja a la izquierda 2 EPC: Desconexión ....................................... 2 Código de falla [DXJ8KB] Hoja a la izquierda 2 EPC: Corto circuito....................................... 3 Código de falla [DXJ8KY] Hoja a la izquierda 2 EPC: Corto circuito....................................... 4 Código de falla [DXJ9KA] Hoja a la derecha 2 EPC: Desconexión......................................... 5 Código de falla [DXJ9KB] Hoja a la derecha 2 EPC: Corto circuito ........................................ 6 Código de falla [DXJ9KY] Hoja a la derecha 2 EPC: Corto circuito ........................................ 7 Código de falla [DXJAKA] Q-drop EPC: Desconexión............................................................. 8 Código de falla [DXJAKB] EPC de descenso rápido: Corto circuito........................................ 10 Código de falla [DXJAKY] EPC de descenso rápido: Corto circuito........................................ 12 Código de falla [DXJBKA] Embrague del estátor ECMV: Desconexión................................... 14 Código de falla [DXJBKB] Embrague del estátor ECMV: Corto circuito.................................. 16 Código de falla [DXJBKY] Embrague del estátor ECMV: Corto circuito.................................. 18 Localización de fallas del sistema eléctrico (Modo E) GSN00807-00 Localización de fallas del sistema eléctrico (Modo E)................................................................. 3 Antes de efectuar localización de fallas para el sistema eléctrico........................................... 3 Información en la tabla de localización de fallas...................................................................... 7 E-1 Cuando el interruptor de arranque es colocado en ON, el monitor de la máquina no exhibe nada ................................................................................................................... 8 E-2 Cuando el interruptor de arranque es colocado en la posición "ON" (antes de arrancar el motor), se iluminan los ítemes de revisión básica....................................... 10 E-3 El motor no arranca (El motor no da vueltas) ................................................................... 12 E-4 El precalentador no trabaja............................................................................................... 14 E-5 La luz del ítem de precaución se enciende mientras el motor está funcionando.............. 18 E-6 El ítem de paro por emergencia se enciende mientras el motor está funcionando .......... 20 E-7 El indicador de temperatura del refrigerante del motor no indica normalmente .............. 22 E-8 El medidor de combustible no funciona normalmente ..................................................... 23 E-9. El indicador de temperatura del aceite del tren de potencia (múltiples indicadores) no indica normalmente................................................................................... 25 E-10 El indicador de temperatura hidráulica (indicadores múltiples) no marcan con normalidad ...................................................................................................... 26 E-11 Los contenidos de exhibición por el monitor de la máquina son diferentes a los de la máquina aplicable ...................................................................................................... 29 E-12 El monitor de la máquina no exhibe algunos ítemes ..................................................... 29 E-13 El interruptor de función no trabaja............................................................................... 29 E-14 El modo de operación no cambia................................................................................... 30 E-15 El modo de cambio de marcha no cambia..................................................................... 30 E-16 La función a la medida no opera normalmente.............................................................. 31 E-17 No está normal la función de memoria a la medida........................................................ 31 E-18 El modo de flotar no cambia .......................................................................................... 32 E-19 No se puede parar la alarma zumbadora....................................................................... 32 E-20 Acondicionador de aire no trabaja normalmente (incluyendo el registro de historia de fallas)................................................................................................................. 33 E-21 Cuando el interruptor de arranque es colocado en posición "OFF", el horómetro de servicio no es exhibido................................................................................. 46 E-22 El monitor de la máquina no se puede establecer en el modo de servicio.................... 46 E-23 El cilindro del extractor del pasador del desgarrador no opera...................................... 48 E-24 La alarma de retroceso no suena o no para .................................................................. 50 E-25 Luz delantera, luz trasera y la luz de punta del desgarrador no se encienden.............. 52 E-26 El limpiaparabrisas y el lavaparabrisas no funcionan ..................................................... 56 E-27 El sistema KOMTRAX no funciona normalmente .......................................................... 72 Localización de fallas en el sistema hidráulico y mecánico (modo-H) GSN00808-00
  • 17.
    00 Índice yPrólogo GSN00598-01 D155AX-6 13 Localización de fallas de los sistemas hidráulico y mecánico (Modo H)..................................... 3 Información en la tabla de localización de fallas ..................................................................... 3 H-1 La potencia está baja (Baja tracción en la barra de tiro) .................................................. 4 H-2 La máquina no se traslada (en 2ª ó 3ª marcha) ............................................................... 5 H-3 La máquina no arranca en ninguna marcha .................................................................... 6 H-4 La máquina solamente puede trasladarse hacia adelante o en retroceso ....................... 7 H-5 Cuando la marcha o el sentido de dirección de traslado se cambian, la demora en tiempo es grande.............................................................................................. 8 H-6 La máquina no se puede gobernar (La máquina no gira hacia la derecha o izquierda)... 9 H-7 Baja la velocidad de gobierno o baja la fuerza de gobierno............................................. 9 H-8 La hoja no trabaja ............................................................................................................ 10 H-9 El aceite del tren de potencia está sobre calentado......................................................... 11 H-10 Ruido anormal procede de los alrededores de la bomba del HSS o del motor del HSS .................................................................................................................... 12 H-11 Baja la velocidad de todo el equipo de trabajo .............................................................. 13 H-12 El equipo de trabajo no se mueve .................................................................................. 14 H-13 Baja la potencia y baja la velocidad de elevación de la hoja .......................................... 15 H-14 Baja la potencia y baja la velocidad de inclinación de la hoja ........................................ 16 H-15 Baja la potencia y baja la velocidad de elevación del desgarrador................................. 17 H-16 Baja la potencia y baja la velocidad de inclinación del desgarrador............................... 18 H-17 El escape hidráulico interno del levantador de la hoja de empuje es grande................. 18 H-18 El escape hidráulico del inclinador de la hoja de empuje es grande .............................. 19 H-19 El escape hidráulico interno del levantador del desgarrador es grande ......................... 19 H-20 El cilindro del extractor del pasador del desgarrador no opera ...................................... 20 H-21 La hoja no se puede inclinar verticalmente .................................................................... 20 H-22 Sonido anormal proviene del rededor de la bomba del equipo de trabajo ..................... 21 Localización de fallas del motor (Modo S) GSN00852-00 Localización de fallas en el motor (Modo-S)............................................................................... 3 Método para el uso de la tabla de localización de fallas ......................................................... 3 S-1 Pobre desempeño de arranque del motor ...................................................................... 6 S-2 El motor no arranca .......................................................................................................... 8 S-3 El motor no acelera suavemente ..................................................................................... 12 S-4 El motor se para durante operaciones............................................................................. 13 S-5 El motor no gira suavemente ........................................................................................... 14 S-6 El motor carece de salida (o falta de fuerza) .................................................................... 15 S-7 El gas de escape es negro (combustión incompleta) ....................................................... 16 S-8 Excesivo consumo de aceite (o el humo de escape es color azul)................................... 18 S-9 El aceite se ensucia rápidamente .................................................................................... 19 S-10 El consumo de combustible es excesivo......................................................................... 20 S-11 Hay presencia de aceite en el enfriador (o el enfriador se escapa en borboteos o el nivel del enfriador desciende)..................................................................... 21 S-12 La presión de aceite baja............................................................................................... 22 S-13 El nivel de aceite se sube (Entrada de refrigerante o combustible)............................... 24 S-14 Aumenta mucho la temperatura del refrigerante (Recalentamiento) .............................. 26 S-15 Un ruido anormal es producido....................................................................................... 27 S-16 La vibración es excesiva ................................................................................................. 28 90 Diagramas y dibujos Diagrama del circuito hidráulico GSN00616-00 Diagrama del circuito hidráulico.................................................................................................. 3 Diagrama del circuito hidráulico del tren de potencia.............................................................. 3 Diagrama del circuito hidráulico (1/2) ...................................................................................... 5 Diagrama del circuito hidráulico (2/2) ...................................................................................... 7 Diagrama del circuito eléctrico GSN00617-01 Diagrama de circuito eléctrico..................................................................................................... 3 Diagrama de circuito eléctrico ................................................................................................. 3 Tabla de conectores y dibujos de ubicación de conectores..................................................... 5
  • 18.
    14 D155AX-6 GSN00598-01 00Índice y Prólogo D155AX-6 Buldózer Forma No. GSN00598-01 © 2006 KOMATSU Todos los Derechos Reservados Impreso en E.E.U.U. 08-06
  • 19.
    D155AX-6 1 GSN00599-00 BULDÓZER 1MANUALDE TALLER D155AX-6 Modelo de máquina Número de serie D155AX-6 80001 y superiores 00 Índice y Prólogo 1 Prefacio e información general Prefacio e información general ....................................................................................................................... 2 Avisos de seguridad............................................................................................................................. 2 Cómo leer el manual de taller .............................................................................................................. 6 Explicación de términos para normas de mantenimiento .................................................................... 8 Manipulación de componentes eléctricos e hidráulicos..................................................................... 10 Forma de leer el código de alambres eléctricos ................................................................................ 18 Método para desarmar y conectar el tipo de acoplador de empuje-tracción ..................................... 21 Tabla de torsión estándar de apriete.................................................................................................. 24 Tabla de conversión ........................................................................................................................... 28
  • 20.
    GSN00599-00 00 Índicey Prólogo 2 D155AX-6 (Rev. 2005/11)Prefacio e información general Avisos de seguridad 1 Avisos importantes de seguridad El servicio y las reparaciones adecuadas tienen importancia extraordinaria en la seguridad de operación de la máquina. Las técnicas de servicio y de reparaciones recomendadas por Komatsu que aparecen descritas en este manual, son tan efectivas como seguras. Algunas de estas técnicas requieren el uso de herramientas especialmente diseñadas por Komatsu para una finalidad específica. Para evitar lesiones a los trabajadores, los símbolo ¤ se usan para marcar las precauciones de seguridad en este manual. Las observaciones de precaución que acompañan a estos símbolos deben realizarse siempre con gran cuidado. Si se presenta cualquier situación peligrosa, o existiera la posibilidad de presentarse, la primera consideración será la seguridad y tomar las medidas necesarias para hacerle frente a la situación. 1. Precauciones generales ¤ Las equivocaciones durante la opera- ción de equipos son extremadamente peligrosas. Antes de trabajar con esta máquina, lea cuidadosamente el Manual de Operación y Mantenimiento. 1) Antes de ejecutar cualquier engrase o reparación, lea todas las placas de seguridad que se encuentran adheridas en la máquina. Para las ubicaciones de las placas de seguridad y explicaciones detalladas acerca de las precauciones a seguir, vea el Manual de Operación y Mantenimiento. 2) Seleccione un lugar en el taller para guardar las herramientas y las piezas extraídas de la má quina. Sie mpre conser ve la s herramientas y las piezas en los lugares correctos. Siempre mantenga limpia el área de trabajo y cerciórese que no haya suciedad, agua o aceite regados por el suelo. Solamente fume en las áreas designadas para hacerlo. Nunca fume mientras trabaja. 3) Al realizar cualquier operación, siempre use zapatos de seguridad y casco. No use ropas de trabajo sueltas, o ropas que le falten botones. l Al golpear piezas con un martillo siempre use gafas de seguridad. l Al hacer uso de una esmeriladora para esmerilar piezas, etc., siempre use gafas de seguridad. 4) Al realizar cualquier operación con dos o más trabajadores, antes de comenzar la operación, pónganse de acuerdo en el procedimiento que se vaya a seguir. Antes de iniciar cualquier paso de la operación, siempre informe a sus compañeros de trabajo. Antes de iniciar el trabajo, coloque los signos de EN REPARACIÓN en el compartimiento del operador. 5) Solamente operarios calificados deben ejecutar trabajos y operaciones que requieran licencias o calificaciones. 6) Mantenga todas las herramientas en buenas condiciones, aprenda la forma correcta de utilizarlas y use las he rramien tas adecuadas. Antes de comenzar a trabajar, comprue be cu idadosam ente las herramientas, la máquina, el montacargas, el carro de servicio, etc. 7) Si se necesitan realizar labores de soldadura, siempre vea que ejecute el trabajo un soldado r a diestrad o y experimentado. Al realizar trabajos de soldadura, siempre use los guantes, el delantal, los espejuelos, protector de manos, gorro y otras ropas adecuadas para las labores de soldadura. 8) Antes de comenzar a trabajar, caliente su cuerpo para comenzar las labores en buenas condiciones. 2. Preparaciones para el trabajo 1) Antes de añadir aceite o realizar cualquier reparación, estacione la máquina sobre un terreno duro y nivelado; aplique el freno de estacionamiento y coloque bloques contra Puntos de seguridad 1 Buena disposición 2 Ropas de trabajo correctas 3 Observar las normas de trabajo 4 Hacer y comprobar señales 5 Prohibición de operación y manipula- ciones por trabajadores no licenciados. 6 Comprobaciones de seguridad antes de comenzar a trabajar 7 Uso de gafas protectoras (Para labores de limpieza y esmerilado) 8 Uso de gafas y protectores (para labores de soldadura) 9 Buenas condiciones físicas y preparación 10 Precauciones contra trabajos con los cuales no se esté familiarizado o demasiado familiarizado
  • 21.
    00 Índice yPrólogo GSN00599-00 D155AX-6 3 las ruedas de la cargadora para evitar el movimiento de la máquina. 2) Antes de comenzar el trabajo, bajar al terreno el eq uipo de tra bajo (h oja, desgarrador, cucharón, etc.) Si esto no es posible, introduzca el pasador de seguridad o utilice bloques para evitar el descenso del equipo de trabajo. Adicionalmente, cerciórese de trancar todas las palancas de control y colgar sobre ellas las señales de aviso correspondientes. 3) Al efectuar desarmes o ensamblajes, antes de comenzar el trabajo, apoye la máquina sobre bloques, gatos o estantes. 4) Retire el lodo y aceite que se encuentre en los peldaños u otros lugares usados para subir a, o bajarse de la máquina. Siempre use los pasamanos, escaleras o peldaños para subir a, o bajarse de la máquina. Nunca salte para subir o bajar. Si resulta imposible usar pasamanos, escaleras o peldaños, use un estante que ofrezca un apoyo seguro. 3. Precauciones durante el trabajo 1) Antes de desconectar o desmontar componentes de los circuitos del aceite, agua o aire, primero alivie totalmente la presión del circuito. Al retirar la tapa del orificio de abastecimiento de aceite, el tapón de drenaje o los tapones para medir la presión, aflójelos lentamente para evitar que el aceite se escape a borbotones. 2) Cuando se para el motor, el refrigerante y aceite de sus respectivos circuitos está caliente. Tenga cuidado para no quemarse. Espere a que el refrigerante o el aceite se enfríen antes de realizar cualquier trabajo en los circuitos del aceite o del agua. 3) Antes de comenzar el trabajo, parar el motor. Al trabajar en o alrededor de una pieza en movimiento, pare el motor. Al comprobar la máquina sin parar el motor (medir la presión del aceite, velocidad de rotación, temperatura, etc.) hay que tener cuidado extremo para no verse enrollado o atrapado en las piezas giratorias o en movimiento. 4) Antes de comenzar labores de reparación, desconecte los cables de las baterías. Como primer paso para empezar, siempre desconecte el terminal negativo (-). 5) Al levantar un componente pesado (con peso superior a los 25 kg) usar un aparejo o una grúa. Antes de comenzar un trabajo, comprobar que todas las lingadas (cables de acero, cadenas ganchos) estén libres de daños. Siempre use eslingas con amplia capacidad e instálelas en los lugares apropiadas. Al usar un cabrestante o grúa, trabájelo lentamente para evitar que el componente golpee cualquier otra pieza. No haga trabajos mientras las piezas estan elevadas por grúa o cabrestante. 6) Al desmontar una cubierta que esté sometida a presión interna, o a presión de un resorte, siempre deje colocados 2 pernos en posiciones diagonales. Aflojar gradual y alternativamente estos pernos para aliviar esta presión y después desmontar la cubierta. 7) Al retirar componentes, tenga cuidado de no romper o dañar el alambrado eléctrico. Un alambrado dañado puede provocar un fuego eléctrico. 8) Al desmontar tuberías, detenga el flujo del aceite o del combustible para evitar derrames. Si el combustible o aceite cae sobre el suelo, límpielo inmediatamente. Combustible o aceite derramados sobre el suelo pueden provocar el resbalamiento y caída de personas y hasta pueden provocar incendios. 9) Por regla general, no emplee gasolina para lavar piezas. En particular, no lo use para limpiar partes eléctricas. 10) Cerciórese de ensamblar nuevamente todas las piezas en sus respectivos lugares originales. Sustituya con piezas nuevas cualquier parte dañada y aquellas partes que no se deben volver a usar. Al instalar man gueras y alam bres elé ctricos, cerciórese que no se dañarán por el contacto con otras piezas al trabajar la máquina. 11) Al instalar mangueras hidráulicas de alta presión cerciórese que no queden torcidas. Los tubos dañados son peligrosos; tenga cuidado extraordinario al instalar los tubos de los circuitos de alta presión. Igualmente, verifique que las piezas conectoras estén instaladas correctamente. 12) Al ensamblar o instalar partes, siempre apriételas al par de apriete especificado. Al instalar piezas de protección tales como protecto res, piezas qu e vibren violentamente o giren a gran velocidad, tenga especial cuidado en verificar que estén instaladas correctamente. 13) Para alinear dos orificios, nunca introduzca sus dedos o la mano. Tenga cuidado que su dedo no quede atrapado en un orificio. 14) Al medir presión hidráulica, verifique que el instru mento esté correcta mente ensamblado. 15) En una máquina dotada de orugas, tenga cuidado al instalar o desmontar las orugas. Al desmontar la oruga, ésta se separa súbitamente; nunca permita que nadie se pare cerca de ninguno de los dos extremos de una oruga. 16) Si el motor se trabaja durante largo tiempo en un lugar que no está bien ventilado, se puede sufrir envenenamiento por gases de escape. En consecuencia, abra las ventanas
  • 22.
    GSN00599-00 00 Índicey Prólogo 4 D155AX-6 y p uer tas para d isp oner de buena ventilación. 4. Precauciones para el trabajo con eslingas y señales 1) Solamente un trabajador designado debe hacer las señales y los compañeros de trabajo deben comunicarse frecuentemente unos con otros. El trabajador designado para hacer las señales deberá hacer claramente las señales especificadas en un lugar donde sea claramente visto desde el asiento del operador y desde donde pueda ver fácilmente las condiciones de trabajo. El encargado de hacer las señales siempre debe estar delante de la carga y guiar con seguridad al operador de la máquina. l No se pare debajo de la carga. l No se pare sobre la carga 2) Antes de comenzar las labores con eslingas compruebe su estado. 3) Continúe el uso de guantes durante labores con eslingas (Use guantes de cuero si están disponibles) 4) Mida a ojo el peso de la carga y compruebe su centro de gravedad. 5) Use la eslinga apropiada de acuerdo con el peso de la carga y el método para colocarla. Si se usan cables de acero muy gruesos para como eslinga de una carga ligera, la carga podrá deslizarse y caer. 6) No amarre una carga solamente con una eslinga de cable. De hacerlo en esa forma, podrá dar vueltas y deslizarse fuera de la eslinga. Instale 2 o más cables de acero en forma simétrica. ¤ Sujetar una carga con un solo cable puede hacer que la carga se voltee durante su elevación, al de senros carse e l c able o al deslizarse fuera de su posición original puede desprenderse la carga, caer y puede provocar un peligroso accidente. 7) Como regla, limite a 60º el ángulo de suspensión. No sujete una carga pesada con cables formando un ancho ángulo de enganche con respecto al gancho. Mientras que se eleva una carga con dos o más cables, la fuerza aplicada a cada cable aumentará con los ángulos de e nga nche. L a tabla qu e sigu e a continuación muestra las variantes de carga kN {kg} permitidas cuando la elevación se hace con dos cables, cada u no de lo s cua le s pu ede levanta r verticalmente hasta 9.8 kN {1,000 kg} a distintos ángulos de enganche. Cuando d os ca bles toma n u na ca rga verticalmente, se pueden elevar hasta 19.6 kN {2,000 kg}. Este peso queda reducido a 9.8 kN [1,000 kg] cuando los dos cables h ace n un án gulo d e suspensión de 120°. Si una eslinga de 2 cables se usa para una carga de 19.6 [2,000 kg] con un ángulo de elevación de 150°, cada eslinga está sometida a fuerza de 39.2 kN [4,000 kg]- 8) Cuando se instalen cables en una carga angular, coloque almohadillas para proteger los cables. Si la carga es resbalosa, aplique el material apropiado para evitar el resbalamiento del cable. 9) Use los pernos de ojal especificados para colocar los cables, cadenas, etc. en la carga con los grilletes, etc. 10) Coloque los cables de acero en la porción central del gancho. l Colocar la eslinga cerca de la punta del gancho puede hacer que el cable se salga del gancho durante la elevación de la carga. Los ganchos tienen su resistencia máxima en la porción central. 11) No use cables que estén retorcidos o doblados 12) Al elevar una carga, observe lo siguiente: l Enrolle lentamente la grúa hasta que los cables queden estirados. Al colocar manualmente los cables, no los agarre; haga presión sobre ellos desde arriba. Si se agarra el cable, sus dedos pueden quedar atrapados. Capacidaddecarga Ángulo de enganche (grados)
  • 23.
    00 Índice yPrólogo GSN00599-00 D155AX-6 5 l Después que se estiren los cables, detenga la grúa y compruebe el estado de la carga amarrada así como los cables y las almohadillas de los cables. l Si la carga se encuentra inestable o los cables y cadenas están torcidos, baje la carga y elévela nuevamente. l No eleve la carga en forma inclinada. 13) Al bajar una carga, observe lo siguiente. l Al bajar una carga, deténgala temporalmente a unos 30 cm sobre el piso y después bájela lentamente. l Compruebe que la carga está estable y después desmonte las eslingas. l Elimine las torceduras y suciedad de los cables y cadenas empleados como eslingas y colóquelas en los lugares especificados. 5. Precauciones para el uso de grúas móviles H Anticipadamente, lea con cuidado el Manual de Operación y Mantenimiento de la grúa y opere la grúa con seguridad. 6. Precauciones para el uso de grúas puente ¤ Al elevar una pieza pesada (superior a 25 kg), use una grúa, etc. En Desarme y Ensamblaje, el peso de una pieza superior a 25 kg está indicado después de la marca de 0. 1) Antes de comenzar un trabajo, inspeccione los cables, freno, embrague, controlador, carriles dispositivos de parada en exceso de enrollado, prevención de sacudidas eléctricas disyuntor por fugas a tierra, dispositivo de prevención contra choques de la grúa y luz de advertencia de aplicación energética y comprobaciones de seguridad. 2) Observe las señales para trabajos con eslingas. 3) Opere el elevador en un lugar seguro. 4) Compruebe las placas indicadoras de dirección (este, oeste, sur y norte) y las direcciones de los botones de control 5) No le ponga eslingas a una carga inclinada No mueva la grúa mientas esté oscilando la carga sujeta con eslingas. 6) No eleve o descienda una carga mientras la grúa se encuentre moviéndose en forma longitudinal o lateral. 7) No arrastre una eslinga 8) Al elevar una carga, deténgase justo al separarse del suelo para comprobar seguridad y después ejecute la elevación de carga. 9) Considere anticipadamente la ruta de traslado y eleve la carga a una altura segura. 10) Coloque el interruptor de control en una posición donde no sea un obstáculo para el trabajo y el tráfico. 11) Después de operar el elevador, no oscile el interruptor de control. 12) Recuerde la posición del interruptor principal para poder desconectar inmediatamente la energía en una emergencia. 13) Si el elevador se detiene debido a una falla energética, ponga en OFF el interruptor energético. Al poner en ON [activar] un interruptor que había sido desactivado OFF por el interruptor de prevención de fugas a tierra, verifique que los dispositivos relacionados con ese interruptor no se encuentran en estado de operación. 14) Si aparece un obstáculo alrededor del elevador, detenga la operación. 15) Después de finalizar el trabajo, detenga el elevador en la posición especificada y eleve el gancho por lo menos a 2 m sobre el suelo. No deje la eslinga instalada en el gancho. 7. Selección de los cables 1) Use los cables de acero adecuados según el peso de las piezas que hay que levantar, re firiéndo se a la tabla qu e sigu e a continuación: H La carga permitida es la sexta parte del esfuerzo de rotura del cable en uso (Coeficiente de seguridad: 6). Cables de Acero (Cables de acero Estandar, torcidos en “Z”, sin galvanizar) (JIS G3525, No. 6, Tipo 6X37-A) Diámetro de cable nominal Carga permitida mm kN ton 10 8.8 0.9 12 12.7 1.3 14 17.3 1.7 16 22.6 2.3 18 28.6 2.9 20 35.3 3.6 25 55.3 5.6 30 79.6 8.1 40 141.6 14.4 50 221.6 22.6 60 318.3 32.4
  • 24.
    GSN00599-00 00 Índicey Prólogo 6 D155AX-6 Cómo leer el manual de taller 1 1. Composición del manual de taller Este manual abarca principalmente la información técnica necesaria para las operaciones que se realizan en un taller de servicio. Para facilitar su comprensión, el manual está dividido en los capítulos siguientes. 00. Índice y Prólogo Esta sección explica la lista de manuales de taller, tabla de contenido, seguridad e información básica. 01. Especificación Esta sección explica las especificaciones de la máquina. 10. Estructura, función, y estandar de mantenimiento Esta sección explica la estructura y el funcionamiento y los valores de mantenimiento estandar de cada componente. La estructura y función de la sub. sección explica la estructura y función de cada componente. No solamente sirve para aportar la comprensión de la estructura, también sirve como material de referencia para la localización y diagnóstico de las averías. La sub. sección de normas de mantenimiento explica el criterio y remedios para el desarme y servicio. 20. Tabla de valores estándar Esta sección explica los valores estándar para máquinas nuevas y el criterio de juicios para pruebas, ajustes y localización de fallas. La tabla de valores estándar se usa para comprobar los valores estándar en pruebas y ajustes y para juzgar partes en la localización de fallas. 30. Pruebas y Ajustes Esta sección explica instrumentos y métodos de medición para pruebas y ajustes y el método para ajustar cada parte. Los valores estándar y criterio de juicio para pruebas y ajustes se explican en Pruebas y Ajustes. 40. Localización de fallas Esta sección explica como encontrar las piezas que han fallado y la forma de repararlas. La localización de fallas está dividida por los modos de falla. El “Modo S” de la localización de fallas relacionado con el motor también puede aparecer explicado en el Volumen del Chasis y en el Volumen del Motor. En este caso, vea el Volumen del Chasis. 50. Desarme y Ensamblaje Esta sección explica los procedimientos y herramientas especiales para remover, instalar, desensamblaje y ensamblaje de cada componente, así como precauciones para estos. Adicionalmente, también se explican el par de apriete y la cantidad y peso de los materiales de recubrimiento, aceite, grasa y refrigerante necesario para el trabajo. 90. Diagramas y dibujos (Volumen del Chasis)/Reparación y sustitución de partes (Volumen del Motor) l Volumen del chasis Esta sección consta principalmente de diagramas de circuitos hidráulicos y diagramas de circuitos eléctricos. l Volumen del motor Esta sección explica el método para reproducir, reparar y reemplazar partes. l Algunos aditamentos y partes opcionales de este manual de taller puede que no estén disponibles en algunas áreas. Si se requiere alguna de ellas, consulte con sus distribuidores KOMATSU. l Materiales y especificaciones estás sujetas a cambio sin previo aviso. l Los manuales de taller están divididos en el “Volumen del Chasis” y el “Volumen del Motor”. Para aspectos relacionados con el motor, vea el volumen del modelo de motor instalado en la máquina.
  • 25.
    00 Índice yPrólogo GSN00599-00 D155AX-6 7 2. Revisión y Distribución Cualquier asunto adicional, revisión, u otros cambios e informaciones serán enviados a los Distribuidores KOMATSU. Antes de comenzar a efectuar cualquier trabajo de reparación, obtenga la última información actualizada. 3. Método de archivar Archive por los folletos en el orden correcto del número del formulario impreso en la tabla de composición del manual de taller. l Marca de edición rectificada Cuando se revisa un manual, los dígitos de las unidades y decenas del número del formulario de cada folleto es aumentado en 1. (Ejemplo: 00, 01, 02 …) l Revisiones Los folletos revisados se muestran en la tabla de composición del manual de taller. 4. Símbolos Importantes porciones acerca de seguridad y calidad están marcadas con los símbolos siguientes de manera que el manual de taller sea usado en forma práctica. 5. Unidad En este manual de taller, las unidades están indicadas en el Sistema Internacional de Unidades (SI). Como referencia, la aplicación convencional del "Gravitational System of Units" (Sistema de Unidades Gravitatorio), se encuentran dentro de paréntesis ( ). Símbolo Item Observaciones ¤ Seguridad Al realizar este trabajo se requieren precauciones de seguridad especiales. H Precaución Al realizar este trabajo y para conservar los standard, se requieren precauciones técnicas especiales o de otro tipo. 4 Peso Peso de las partes de componentes o de partes. Precauciones necesarias para seleccionar el cable de elevación o cuando la postura para realizar el trabajo es importante, etc. 3 Torsión de apriete Lugares que demandan atención especial en torsión durante el ensamblaje. 2 Recubrimiento Lugares que hay que cubrir con adhesivos y lubricantes, etc. durante el ensamblaje. 5 Aceite, refrigerante Lugares donde hay que añadir aceite, etc., y capacidad. 6 Drenaje Lugares en que se debe drenar el aceite, etc. y la cantidad que hay que drenar.
  • 26.
    GSN00599-00 00 Índicey Prólogo 8 D155AX-6 Explicación de términos para normas de mantenimiento 1 Los valores necesarios de las normas de mantenimiento para juzgar productos y partes se describen por medio de los términos siguientes. 1. Tamaño estándar y tolerancia l Para ser preciso, el tamaño acabado de las partes tiene pequeñas diferencias de una a otra. l Para especificar un tamaño de acabado, un tamaño estándar provisional queda establecido y se indica una diferencia permisible en ese tamaño. l El tamaño establecido con carácter provisional, se denomina “tamaño estándar” y el régimen de diferencia con respecto al tamaño estándar se denomina como “tolerancia”. l La tolerancia con los símbolos de + ó – es indicada en el lado derecho del tamaño estándar. H La tolerancia puede aparecer indicada en el texto y en una tabla como [tamaño estándar (límite superior de tolerancia/ límite inferior de tolerancia)] Ejemplo) 120 (–0.022/–0.126) l Generalmente, el tamaño de un agujero y el tamaño del eje que se va a colocar en ese eje aparecen indicados con el mismo tamaño estándar y distintas tolerancias entre el agujero y el eje. El apriete del ajuste está determinado por la tolerancia. l Indicación de tamaño del eje y del agujero y dibujo de la relación entre ellos. Ejemplo: Tamaño estándar Tolerancia 120 –0.022 –0.126 Ejemplo: Tamaño estándar Tolerancia Eje Agujero 60 –0.030 –0.076 +0.046 +0 Tamaño estandar 60 Tolerancia del agujero (Superior) : +0.046 Tolerancia del eje (Superior) : -0.030 Tolerancia del eje (Inferior) : -0.076 Holgura Estandar (Mínimo) : 0.030 Holgura Estandar (Máximo) : 0.122
  • 27.
    00 Índice yPrólogo GSN00599-00 D155AX-6 9 2. Holgura estándar y valor estándar. l La holgura hecha cuando se ensamblan partes nuevas se denomina “holgura estándar” y se indica por el régimen existente entre la holgura mínima y la holgura máxima. l Cuando se reparan algunas partes la holgura generalmente se ajusta a la holgura estándar l Un valor de desempeño y funcionamiento de productos nuevos o equivalentes se denomina “valor estándar” y está indicado por un régimen o un valor de objetivo. l Cuando se reparan algunas partes, el valor del desempeño/funcionamiento se establece al valor estándar. 3. Interferencia estándar l Cuando el tamaño de un agujero es menor que el tamaño de un eje debido al tamaño estándar y tolerancia, la diferencia entre estos tamaños se conoce como “interferencia”. l El régimen de (A – B) de la diferencia (A) entre el tamaño mínimo del eje y el tamaño máximo del agujero a la diferencia (B) entre el tamaño máximo del eje y el ta maño mínimo d el ag uje ro es la “interferencia estándar”. l Después de reparar o reemplazar algunas partes, mida el tamaño de su agujero y del eje y compruebe que la interferencia se encuentre dentro del régimen estándar. 4. Límite de reparación y valor permitido l El tamaño de una parte cambia debido al desgaste y deformación durante el uso. El límite del tamaño cambiado se conoce como “límite de reparación”. l Si una parte se ha desgastado hasta el límite de re pa ra ción , deb erá ser reemplazada o reparada. l El desempeño y funcionamiento de un producto disminuye mientras se usa. Un valor por debajo de cómo se podrá usar el producto sin ocasionar problemas se conoce como “valor permitido”. l Si un producto se ha usado hasta el valor permitido, éste deberá comprobarse o repararse. Como el valor permitido es estimado mediante varias pruebas y experiencias en la mayoría de los casos, no obstante, deberá enjuiciarse después de con sid erar las con dicion es d e operación y los requisitos que impone el cliente. 5. Límite de holgura l Las partes pueden usarse hasta que la holgura entre ellas aumente hasta cierto límite. El límite en el cual esas partes no pueden usarse se conoce como “límite de holgura”. l Si la holgura entre las partes excede el límite de holgura, las partes deben reemplazarse o repararse. 6. Límite de interferencia l La máxima interferencia permitida entre el agujero de una parte y el eje de otra parte a ser colocada en el agujero se conoce como el “límite de interferencia”. l El límite de interferencia indica el límite de rep ara ción de la par te con menor tolerancia. l Si la interferencia entre las partes excede el límite de interferencia, las partes deben ser reemplazadas o reparadas.
  • 28.
    GSN00599-00 00 Índicey Prólogo 10 D155AX-6 Manipulación de componentes eléctricos e hidráulicos 1 Para mantener el rendimiento de la máquina durante un largo período de tiempo y para evitar fallas y otros problemas, antes de que ocurran se deben realizar operaciones correctas, de mantenimiento e inspección, y la localización de fallas y reparaciones. Esta sección trata en particular sobre los procedimientos de reparación correctos para la mecatrónica y se encamina hacia el mejoramiento en la calidad de las reparaciones. Para esta finalidad, ofrece secciones sobre la "Manipulación de equipos eléctricos" y la "Manipulación de equipos hidráulicos" (muy especialmente el aceite para engranajes y el aceite hidráulico). Aspectos a recordar en la manipulación de equipos eléctricos 1. Manipulación de arneses de conductores y conectores Los arneses de conductores están formados por cables que conectan un componente con otro componente; conectores usados para conectar y desconectar un cable con otro cable y protectores o tubos empleados para proteger el alambrado. Comparados a otros equipos eléctricos colocados en cajas o envases, los arneses de conductores tienen mayores probabilidades de verse afectados directamente por la lluvia, el agua, el calor o las vibraciones. Además, durante las operaciones de inspección y reparación ellos son frecuentemente retirados e instalados nuevamente y son susceptibles de sufrir deformación y daños. Por esta razón, es necesario tener cuidados extraordinarios en la ma nip ulació n de los ar n eses de conductores. 2. Principales fallas ocurridas en los arneses de conductores 1) Contacto defectuoso de los conectores (contacto defectuoso entre el macho y la hembra). Es susce ptible q ue se p rod uzcan problemas por contactos defectuosos debido a que el conector macho no está debidamente introducido en el conector h embra, o por que un o o ambo s conectores están deformados, o sus posiciones no están correctamente alineadas, o por existir corrosión u oxidación de las superficies de contacto. 2) Compresión o soldadura defectuosa en los conectores. Las espigas de los conectores macho y hembra hacen contacto en el terminal comprimido o en la porción soldada del mismo, pero existe una fuerza excesiva sobre el alambrado y el recubrimiento se d espre nd e y p rovo ca co nexione s incorrectas o roturas. Inserción incorrecta Porción comprimida
  • 29.
    00 Índice yPrólogo GSN00599-00 D155AX-6 11 3) Desconexiones en el alambrado. Si se sujeta el alambrado y los conectores se tira de ellos para separarlos, o los componentes se levantan con una grúa dejando conectado el alambrado, o si un objeto pesado golpea el alambrado, la compre sió n e n e l cone ctor p ued e perderse, la soldadura puede dañarse o el alambrado puede quedar roto. 4) Agua en alta presión penetra al conector. El conector está diseñado para dificultar la penetración del agua (estructura a prueba de go te os), pero si se pu lve riza directamente agua en alta presión sobre el conector, el agua puede penetrar al conector según la procedencia del chorro. Tenga cuidado para no salpicar agua sobre el conector. El conector está diseñado para evitar la entrada del agua, pero al mismo tiempo, si el agua penetra, resulta difícil drenar el agua. Por lo tanto, si el agua llegara a penetrar en el conector, las espigas quedarán en corto circuito debido al agua; por lo tanto, si el agua penetra al conector, inmediatamente seque el conector o tome las acciones necesarias antes de pasar electricidad a través del mismo 5) Aceite o suciedad agarrado al conector. Si el aceite o grasa están adheridos al conector y se forma una película de aceite en las superficies en contacto entre las espigas macho y hembra, el aceite impedirá el paso de la corriente y habrá un contacto defectuoso. Si hay aceite, grasa o suciedad adheridos al conector, límpielos con una tela seca o sóplelo con aire y pulverice en las espigas un restaurador de contacto. H Al limpiar las superficies de contacto de un conecto r, hay que tener cuidado de no usar fuerza excesiva o deformar las espigas. H Si hay agua o aceite en el aire, se aumentará la contaminación de las espigas. Haga la limpieza con aire del cual se haya removido todo el agua y aceite.
  • 30.
    GSN00599-00 00 Índicey Prólogo 12 D155AX-6 3. Separar, instalar y secar los conectores y arneses de conductores 1) Desconexión de conectores 1] Sujete los conectores al desconectarlos. Al desconectar los conectores, sujete los conectores. Para los conectores sujetos mediante un tornillo, afloje totalmente el tornillo y después sujete el conector macho y hembra, uno en cada mano, y se páre lo s. Pa ra conectores con un cierre, oprima el cierre con el dedo pulgar y separe los conectores. H Nunca los separe con una mano 2] Al desmontar el conector de una presilla: l Los dos conectores y la presilla tienen topes que se acoplan uno con el otro cuando se instala el conector. l Al desmontar un conector de una presilla, tire del conector en dirección paralela a la presilla para remover los retenes. H Si el conector está torcido hacia arriba o abajo, a la izquierda o de recha , la caja p odr ía romperse. 3] Acciones a tomar después de separar los conectores Después de sepa rar cualquie r conector, cúbralo con una bolsa de vinilo para evitar que el polvo, suciedad, aceite o agua penetren a la porción de contacto. H Si la máquina se deja desarmada durante largo tiempo es fácil que se produzcan los contactos incorrectos. Siempre cubra el conector. Presione ligera- mente al remover Retenedor de cierre Ambos retenedores
  • 31.
    00 Índice yPrólogo GSN00599-00 D155AX-6 13 2) Conexión de conectores 1] Revise ocularmente el conector. Verifique que no haya aceite, suciedad o agua adherido a las espigas del conector (porción que hace el contacto) Verifique que no haya deformación, contactos defectuosos, corrosión o daños en las espigas conectoras. Verifique que no haya daños o rotura en el exterior del conector. H Si hay aceite, agua o suciedad adheridos al conector, haga la limpieza usando una tela seca. Si e l agu a ha pe netrado en el conector, caliente el interior del a lambrado con u n secad or teniendo cuidado de no calentarlo demasiado ya que esto producirá corto circuitos. H Si hay algún daño o rotura, sustituya el conector. 2] Sujete firmemente el conector. Ponga en línea correctamente la posición del conector y después coné ctelos fir memen te. Para conectores con retenedor de cierre, empuje el conector hasta que el retenedor haga sonido en su posición. 3] Corrija cualquier punto sobresaliente de la funda y cualquier desalinea- miento del arnés de conductores. Para conectores dotados de funda o bota, corrija cualquier punto sobresa- liente de la funda. Además, si el arnés de conductores está mal alineado, o si las presillas están fuera de posición, haga el ajuste necesario para ponerlo en posición correcta. H Si el conector no se puede corregir fácilmente, d esmonte la abrazadera y ajuste la posición. l Si se ha desmontado la abrazade- ra del conector, esté seguro de volverlo a poner en su posición original. Igualmente compruebe que no haya abrazaderas sueltas. 3) Conexión de conectores DT En vista de que los conectores de los tipos DT-8 pasadores y DT-12 pasadores tienen 2 cierres respectivamente, empújelos hasta que hagan el sonido de clic 2 veces. 1.Conector macho 2. Conector hembra l Estado normal de cierre (Horizontal): a, b, d l Estado de cierre incompleto (Diagonal): c Hace sonido al encajar en su posición
  • 32.
    GSN00599-00 00 Índicey Prólogo 14 D155AX-6 4) Secado de arneses de conductores Si hay algo de aceite o suciedad en el arnés de conductores, límpielo con una tela seca. Evite lavarlos con agua o usar vapor de agua. Si hay que lavar con agua el conector, no use agua con alta presión o vapor directamente sobre el arnés de conductores. Si el agua penetra al conector, haga lo siguiente: 1] Desconecte el conector y limpie el agua con una tela seca. H Si el conector se seca con aire comprimido, existe el riesgo que el aceite en el aire pu eda provocar un contacto defectuoso; está diferente del original. 2] Seque el interior del conector usando un secador. Si el a gua p en etra d en tro d el conector use un secador para secar el conector. H Se puede emplear el aire caliente de un secador pero hay que tener cuidado de no calentar demasiado el conector o sus piezas ya que demasiado calor puede provocar deformación o daños al conector. 3] Realice una prueba de continuidad en el conector. Después de secarlo, deje el arnés de conductores desconectado y realice una prueba de continuidad para verificar si el agua ha provocado corto circuitos entre las espigas. H Después de secar totalmente el conector, sóplelo con restau- rador de contactos y vuelva a ensamblar el conector. Adaptador T
  • 33.
    00 Índice yPrólogo GSN00599-00 D155AX-6 15 4. Manipulando el controlador 1) El controlador contiene una microcom- putadora y circuitos electrónicos de control. Aquí se controlan todos los circuitos electrónicos de la máquina. Tenga un cuidado especial al manipular el controlador. 2) No ponga objetos sobre el controlador. 3) Cubra los conectores de control con cinta adhesiva o una bolsa de vinilo. Nunca toque con sus manos los contactos de los conectores. 4) En la temporada de lluvias, no deje el controlador en un lugar expuesto a las lluvias. 5) No coloque el controlador sobre aceite, agua, o tierra o en cualquier lugar caliente, ni siquiera por un momento. (Colóquela sobre un estante seco y adecuado). 6) Precauciones al realizar soldadura de arco Al realizar soldaduras con arco eléctrico en el cuerpo de la máquina, desconecte todos los arneses de conductores que están conectados al controlador. La conexión a tierra de la soldadura de arco debe estar lo más cerca posible del punto que se esté soldando. 5. Aspectos a recordar en la localización de fallas de los circuitos eléctricos 1) Antes de desconectar o conectar conectores, siempre ponga en OFF [desactivar] el suministro eléctrico. 2) Antes de realizar la localización de fallas, verifique que todos los conectores que estén relacionados se encuentre debidamente acoplados. H Varias veces desconecte y conecte los conectores relacionados para efectuar una comprobación. 3) Siempre conecte cualquier conector desconectado antes de continuar al paso siguiente. H Si la energía eléctrica está en ON [activada] teniendo los conectores tod avía de scon ectado s, se producirán exposiciones innecesarias de anormalidades. 4) Al realizar la localización de fallas en circuitos (medición de voltajes, resistencias, continuidad o corriente), mueva varias veces el alambrado relacionado para comprobar que no hay cambios en la lectura del comprobador. H Si hay algún cambio, hay la pro ba bilid ad de un con tacto defectuoso en el circuito.
  • 34.
    GSN00599-00 00 Índicey Prólogo 16 D155AX-6 Aspectos a recordar en la manipulación de equipos hidráulicos Con el aumento en presión y la precisión de los equipos hidráulicos, la causa más común de las fallas es la suciedad (materias extrañas) en el circuito hidráulico. Al añadir aceite hidráulico, o al desarmar o ensamblar equipos hidráulicos, es necesario tener cuidados especiales. 1. Tenga cuidado del ambiente de operación Evite añadir aceite hidráulico, sustituir filtros, o reparar la máquina bajo la lluvia o con vientos fuertes o en lugares donde haya mucho polvo. 2. Desarme y trabajos de mantenimiento en la obra Si se realizan trabajos de mantenimiento o desarme de equipo hidráulico en la obra, existe el peligro de que el polvo penetre en el equipo hidráulico. Igualmente, será difícil revisar el comportamiento después de las reparaciones, por lo tanto, es aconsejable usar las unidades de intercambio. El desarme y mantenimiento del equipo hidráulico debe rea lizarse e n tallere s e spe cialmen te pre parad os y a pr ue ba d e polvo y el comportamiento de los equipos debe revisarse mediante el uso de equipos especiales para su comprobación. 3. Sellado de las aberturas Después de desmontar cualquier tubería o equipo hidráulico, las aberturas deben quedar cubiertas con tapas, cinta adhesiva o bolsas de vinilo para evitar la entrada de polvo o suciedad. Si se deja abierta una abertura, o se bloquea con un trapo, existe el peligro de que la suciedad penetre o que el área circundante se ensucie por los derrames de aceite. Nunca haga esto. Sencillamente, no drene el aceite sobre el terreno. Recójalo y pida al cliente que se deshaga del mismo, o transpórtelo y deshágase usted mismo de ello. 4. Durante las operaciones de reabastecimiento, no permita la entrada de suciedad o polvo Tenga cuidado de no dejar que la suciedad o el polvo penetre durante el reabastecimiento del aceite hidráulico. Siempre mantenga limpios el orificio para reabastecer el aceite y el área circundante; use bombas y envases para aceite que estén limpios. Si se emplea un dispositivo limpiador de aceite, es posible filtrar la suciedad que se haya acumulado durante el almacenamiento, por lo tanto, este es un método aún más efectivo.
  • 35.
    00 Índice yPrólogo GSN00599-00 D155AX-6 17 5. Cambie el aceite hidráulico cuando la temperatura esté caliente Cuando el aceite hidráulico o cualquier aceite está caliente, fluye fácilmente. Además, el sedimento del circuito también puede drenarse fácilmente junto al aceite. Es mejor cambiar el aceite cuando todavía esté caliente. Al cambiar el aceite hidráulico, la mayor cantidad posible del aceite viejo debe drenarse. (Drene el aceite del tanque hidráulico; también drene el aceite del filtro y el proveniente de los tapones de drenaje del circuito.) Si queda un remanente de aceite viejo, los contaminantes y sedimentos se mezclarán con el aceite nuevo y acortarán la vida útil del aceite hidráulico. 6. Operaciones de lavado Después de desarmar y ensamblar el equipo, o cambiar el aceite, use aceite de lavado para remover los contaminantes, sedimentos y aceite viejo que se encuentre en el circuito hidráulico. Normalmente el lavado se realiza dos veces: el primer lavado se realiza con aceite para lavar y el segundo lavado se hace con el aceite hidráulico especificado. 7. Operaciones de limpieza Después de reparar el equipo hidráulico (bomba, válvula de control, etc.) o al trabajar la máquina, realice la limpieza del aceite para eliminar los sedimentos o contaminantes en el circuito del aceite hidráulico. El equipo limpiador de aceite se emplea para eliminar las partículas ultra finas (cercanas a los 3 ) que el filtro incorporado al equipo hidráulico no puede eliminar. Este dispositivo resulta extremadamente efectivo. Aceite de lavado
  • 36.
    GSN00599-00 00 Índicey Prólogo 18 D155AX-6 Forma de leer el código de alambres eléctricos 1 H La información acerca de los alambres únicos para cada modelo de máquina se describe en la sección de la Localización de Fallas, información relacionada con la localización de fallas. En el diagrama del circuito eléctrico, el material, grueso y color de cada alambre eléctrico está indicado con símbolos. El código de alambres eléctricos es de ayuda para comprender el diagrama del circuito eléctrico. 1. Tipo, símbolo y material AV y AVS son diferentes solamente en grueso y diámetro exterior de la cubierta. AEX es similar al AV en grueso y diámetro exterior al AEX y diferente del AV y AVS en el material de la cubierta. Ejemplo: AEX 0.85 L - - - Indica el color azul. Resistente al calor, alambre para bajo voltaje en automóviles, con el número nominal de 0.85 Indica el color del alambre según el código de colores Los códigos de colores aparecen en la Tabla 3. Indica el tamaño del alambre según el No. nominal Tamaño (No. Nominal) aparece en la Tabla 2. Indica el tipo de alambre por medio de símbolos. El tipo, símbolo y material del alambre aparecen en la Tabla 1. (Como AV y AVS están clasificados por tamaño (No. nominal), no están indicados.) (Tabla 1) Tipo Símbolo Material Usando el rango de temperatura (°C) Ejemplo de uso Alambre de bajo voltaje para automóviles AV Conductor Cobre recocido para utensilios eléctricos -30 a +60 Alambrado en general (Nominal No. 5 y superior) Insulador Suave cloruro de polivinilo Alambre de bajo voltaje con cubierta fina para automóviles AVS Conductor Cobre recocido para utensilios eléctricos Alambrado en general (Nominal No. 3 e inferior) Insulador Suave cloruro de polivinilo Alambre para automóviles, resistente al calor y bajo voltaje AEX Conductor Cobre recocido para utensilios eléctricos -50 a +110 Alambrado general en distritos extremadamente fríos, alambrado en lugares de altas temperaturas Insulador Polietileno cruzado resistente al calor
  • 37.
    00 Índice yPrólogo GSN00599-00 D155AX-6 19 2. Dimensiones “f” en el número nominal indica flexible “ (Tabla 2) No. Nominal 0.5f (0.5) 0.75f (0.85) 1.25f (1.25) 2f 2 3f 3 5 Conductor Número de hebras/ Diámetro de hebras 20/0.18 7/0.32 30/0.18 11/0.32 50/0.18 16/0.32 37/0.26 26/0.32 58/0.26 41/0.32 65/0.32 Area seccional (mm2 ) 0.51 0.56 0.76 0.88 1.27 1.29 1.96 2.09 3.08 3.30 5.23 d (aprox.) 1.0 1.2 1.5 1.9 1.9 2.3 2.4 3.0 Cubi erta D AVS Estándar 2.0 2.2 2.5 2.9 2.9 3.5 3.6 – AV Estándar – – – – – – – 4.6 AEX Estándar 2.0 2.2 2.7 3.0 3.1 – 3.8 4.6 No. Nominal 8 15 20 30 40 50 60 85 100 Conductor Número de hebras/ Diámetro de hebras 50/0.45 84/0.45 41/0.80 70/0.80 85/0.80 108/0.80 127/0.80 169/0.80 217/0.80 Area seccional (mm2 ) 7.95 13.36 20.61 35.19 42.73 54.29 63.84 84.96 109.1 d (aprox.) 3.7 4.8 6.0 8.0 8.6 9.8 10.4 12.0 13.6 Cubi erta D AVS Estándar – – – – – – – – – AV Estándar 5.5 7.0 8.2 10.8 11.4 13.0 13.6 16.0 17.6 AEX Estándar 5.3 7.0 8.2 10.8 11.4 13.0 13.6 16.0 17.6
  • 38.
    GSN00599-00 00 Índicey Prólogo 20 D155AX-6 3. Tabla de códigos de colores Observaciones:En un código de colores formado por 2 colores, el primer color es el color de fondo y el segundo color es el color de marca. Ejemplo: “GW” significa que el fondo es color Verde y la marca es Blanca. 4. Tipos de circuito y códigos de colores (Tabla 3) Código de Color Color del alambre Código de Color Color del alambre B Negro LgW Verde claro y Blanco Br Café LgY Verde claro y Amarillo BrB Café y Negro LR Azul y Rojo BrR Café y Rojo LW Azul y Blanco BrW Café y Blanco LY Azul y Amarillo BrY Café y Amarillo O Anaranjada Ch Gris oscuro P Rosado Dg Verde oscuro R Rojo G Verde RB Rojo y Negro GB Verde y Negro RG Rojo y Verde GL Verde y Azul RL Rojo y Azul Gr Gris claro RW Rojo y Blanco GR Verde y Rojo RY Rojo y Amarillo GW Verde y Blanco Sb Azul cielo GY Verde y Amarillo Y Amarillo L Azul YB Amarillo y Negro LB Azul y Negro YG Amarillo y Verde Lg Verde claro YL Amarillo y Azul LgB Verde claro y Negro YR Amarillo y Rojo LgR Verde claro y Rojo YW Amarillo y Blanco (Tabla 4) Tipo de alambre AVS o AV AEX Tipo de circuito Carga R WG – – – – R – Suelo B – – – – – B – Arrancar R – – – – – R – Luz RW RB RY RG RL – D – Instrumentos Y YR YB YG YL YW Y Gr Señal G GW GR GY GB GL G Br Otros L LW LR LY LB – L – Br BrW BrR BrY BrB – – – Lg LgR LgY LgB LgW – – – O – – – – – – – Gr – – – – – – – P – – – – – – – Sb – – – – – – – Dg – – – – – – – Ch – – – – – – –
  • 39.
    00 Índice yPrólogo GSN00599-00 D155AX-6 21 Método para desarmar y conectar el tipo de acoplador de empuje- tracción 1 ¤ Antes de ejecutar el siguiente trabajo, afloje gradualmente la tapa del agujero de suministro de aceite del tanque hidráulico para aliviar la presión residual que se encuentre dentro del tanque. ¤ Aún cuando se alivie la presión residual del tanque hidráulico, algo del aceite hidráulico fluirá cuando la manguera es desconectada. Por lo tanto, prepare un recipiente para recoger el aceite. Tipo 1 1. Desconección 1) Sujete adaptador (1) e introduzca la unión de la manguera (2) dentro del adaptador de acople (3). (Figura 1) H El adaptador puede ser introducido cerca de 3.5 mm. H No sujete la porción de la cubierta de caucho (4). 2) Después de que la unión de la manguera (2) es introducida dentro del adaptador (3), presione la porción de la cubierta de caucho (4) contra el adaptador (3) hasta que hace “clic”. (Figura 2) 3) Sostenga el adaptador de la manguera (1) ó la manguera (5) y hálela hacia fuera. (Figura 3) H Como algo de aceite hidráulico fluirá hacia afuera, prepare un recipiente para recoger el aceite. 2. Conexión 1) Sostenga el adaptador de la manguera (1) ó la manguera (5) e insértela en el adaptador de acople (3), alineándolas con cada una. (Figura 4) H No sujete la porción de la cubierta de caucho (4). 2) Después de introducir la manguera dentro del adaptador de acople correctamente, hálela hacia atrás para revisar la condición de la conexión. (Figura 5) H Cuando la manguera es hálada hacia atrás, la porción de la cubierta de caucho se mueve hacia la manguera cerca de 3.5 mm. Esto no indica anormalidad, sin embargo.
  • 40.
    GSN00599-00 00 Índicey Prólogo 22 D155AX-6 Tipo 2 1. Desconección 1) Sostenga la porción de apriete y empuje la línea recta el cuerpo de acople (7) hasta que el anillo de prevención de deslizamiento (6) haga contacto contacto con la superficie (a) de la porción hexagonal del terminal macho. (Figura 6) 2) Mientras se mantiene en la condición del Paso 1), gire la palanca (8) hacia la derecha (en el sentido de la agujas del reloj). (Figura 7) 3) Mientras se mantiene en la condición del Paso 1) y 2), extraiga el cuerpo total (7) para desconectarlo. (Figura 8) 2. Conexión l Sostenga la porción de apriete y empuje la línea recta el cuerpo de acople (7) hasta que el anillo de prevención de deslizamiento (6) haga contacto contacto con la superficie (a) de la porción hexagonal del terminal macho. (Figura 9)
  • 41.
    00 Índice yPrólogo GSN00599-00 D155AX-6 23 Tipo 3 1. Desconección 1) Sostenga la porción de tensión y empuje el cuerpo (9) en línea recta hasta que el anillo de prevención de deslizamiento (8) toque la superficie de contacto (b) de la porción hexagonal del extremo macho. (Figura 10) 2) Mientras se retiene la condición del Paso 1), empuje la cubierta (10) hasta que haga contacto con la superficie (b) de la porción hexagonal en el extremo macho. (Figura 11) 3) Mientras se mantiene en la condición del Paso 1) y 2), extraiga el cuerpo total (9) para desconectarlo. (Figura 12) 2. Conexión l Sostenga la porción de apriete y empuje la línea recta el cuerpo de acople (9) hasta que el anillo de prevención de deslizamiento haga contacto contacto con la superficie (b) de la porción hexagonal del terminal macho. (Figura 13)
  • 42.
    GSN00599-00 00 Índicey Prólogo 24 D155AX-6 Tabla de torsión estándar de apriete 1 1. Tabla de torsión para tornillos y tuercas H A menos que hayan instrucciones especiales, apriete las tuercas y pernos métricos al par de apriete indicado a continuación (Cuando se use una llave torsiométrica) H La tabla siguiente corresponde a los pernos de la Figura A. H La tabla siguiente corresponde a los pernos de la Figura B. H Fig. A H Fig. B Diámetro de la rosca del perno Ancho entre caras Torsión de apriete mm mm Nm kgm 6 10 11.8 – 14.7 1.2 – 1.5 8 13 27 – 34 2.8 – 3.5 10 17 59 – 74 6 – 7.5 12 19 98 – 123 10 – 12.5 14 22 153 – 190 15.5 – 19.5 16 24 235 – 285 23.5 – 29.5 18 27 320 – 400 33 – 41 20 30 455 – 565 46.5 – 58 22 32 610 – 765 62.5 – 78 24 36 785 – 980 80 – 100 27 41 1,150 – 1,440 118 – 147 30 46 1,520 – 1,910 155 – 195 33 50 1,960 – 2,450 200 – 250 36 55 2,450 – 3,040 250 – 310 39 60 2,890 – 3,630 295 – 370 Diámetro de la rosca del perno Ancho entre caras Torsión de apriete mm mm Nm kgm 6 10 5.9 – 9.8 0.6 – 1.0 8 13 13.7 – 23.5 1.4 – 2.4 10 14 34.3 – 46.1 3.5 – 4.7 12 27 74.5 – 90.2 7.6 – 9.2
  • 43.
    00 Índice yPrólogo GSN00599-00 D155AX-6 25 2. Tabla de torque para pernos de brida dividida H A menos que hayan instrucciones especiales, apriete los pernos de brida dividida al par de apriete indicado a continuación. 3. Tabla de torque de los tornillos que sostienen la unión de la tubería a la base del anillo-O H A menos que se de una instrucción especial, apriete el torque de los tornillos que sujetan la base del o-ring a las tuberías como se indican abajo. 4. Tabla de torque de los tornillos que sostienen el tapón a la base del anillo-O H A menos que se de una instrucción especial, apriete el torque de los tornillos que sujetan la base del o-ring a las tuberías como se indican abajo. Diámetro de la rosca del perno Ancho entre caras Torsión de apriete mm mm Nm kgm 10 14 59 – 74 6.0 – 7.5 12 17 98 – 123 10.0 – 12.5 16 22 235 – 285 23.5 – 29.5 No. Nominal Diámetro de la rosca Ancho entre caras Torsión de apriete Nm {kgm} mm mm Régimen Objetivo 02 14 Varía dependiendo en el conector tipo. 35 – 63 { 3.5 – 6.5} 44 { 4.5} 03,04 20 84 – 132 { 8.5 – 13.5} 103 {10.5} 05,06 24 128 – 186 {13.0 – 19.0} 157 {16.0} 10,12 33 363 – 480 {37.0 – 49.0} 422 {43.0} 14 42 746 – 1,010 {76.0 – 103} 883 {90.0} No. Nominal Diámetro de la rosca Ancho entre caras Torsión de apriete Nm {kgm} mm mm Régimen Objetivo 08 8 14 5.88 – 8.82 {0.6 – 0.9} 7.35 {0.75} 10 10 17 9.81 – 12.74 {1.0 – 1.3} 11.27 {1.15} 12 12 19 14.7 – 19.6 {1.5 – 2.0} 17.64 {1.8} 14 14 22 19.6 – 24.5 {2.0 – 2.5} 22.54 {2.3} 16 16 24 24.5 – 34.3 {2.5 – 3.5} 29.4 {3.0} 18 18 27 34.3 – 44.1 {3.5 – 4.5} 39.2 {4.0} 20 20 30 44.1 – 53.9 {4.5 – 5.5} 49.0 {5.0} 24 24 32 58.8 – 78.4 {6.0 – 8.0} 68.6 {7.0} 30 30 32 93.1 – 122.5 { 9.5 – 12.5} 107.8 {11.0} 33 33 – 107.8 – 147.0 {11.0 – 15.0} 127.4 {13.0} 36 36 36 127.4 – 176.4 {13.0 – 18.0} 151.9 {15.5} 42 42 – 181.3 – 240.1 {18.5 – 24.5} 210.7 {21.5} 52 52 – 274.4 – 367.5 {28.0 – 37.5} 323.4 {33.0}
  • 44.
    GSN00599-00 00 Índicey Prólogo 26 D155AX-6 5. Tabla de torsión de apriete para mangueras(con sistema de sellado cónico y sistema de sellado plano con anillo-o ) H A menos que se de una instrucción especial, apriete el torque de las mangueras (sistema de sellado cónico y de sellado plano con anillo-o) al torque especificado abajo. H Aplique el siguiente torque cuando las roscas son cubierta (bañado) con aceite del motor. 6. Tabla de par de apriete para los motores de las series 102, 107 y 114 (Pernos y Tuercas) H A menos que hayan instrucciones especiales, apriete los pernos y tuercas métricas de los motores de las series 102, 107 y 114 al par de apriete indicado a continuación. 7. Tabla de par de apriete para los motores de las series 102, 107 y 114 (Uniones de ojal). H A menos que hayan instrucciones especiales, apriete las uniones de ojal métricas de los motores de las series 102, 107 y 114 al par de apriete indicado a continuación. No. de la manguera nominal Ancho entre caras Torsión de apriete Nm {kgm} Sello Cónico Sello de cara Régimen Objetivo Tamaño de rosca (mm) No. nominal. – Número de hilos de rosca, tipo de rosca Diámetro de la rosca (mm) (Referencia) 02 19 34 – 54 { 3.5 – 5.5} 44 { 4.5} – 9/16-18UN 14.3 34 – 63 { 3.5 – 6.5} 14 – – 03 22 54 – 93 { 5.5 – 9.5} 74 { 7.5} – 11/16 - 16UN 17.5 24 59 – 98 { 6.0 – 10.0} 78 { 8.0} 18 – – 04 27 84 – 132 { 8.5 – 13.5} 103 {10.5} 22 13/16 - 16UN 20.6 05 32 128 – 186 {13.0 – 19.0} 157 {16.0} 24 1 - 14UNS 25.4 06 36 177 – 245 {18.0 – 25.0} 216 {22.0} 30 1-3/16-12UN 30.2 (10) 41 177 – 245 {18.0 – 25.0} 216 {22.0} 33 – – (12) 46 197 – 294 {20.0 – 30.0} 245 {25.0} 36 – – (14) 55 246 – 343 {25.0 – 35.0} 294 {30.0} 42 – – Tamaño de rosca Torsión de apriete Perno Perno BANJO mm Nm kgm Nm kgm 6 10 ± 2 1.02 ± 0.20 8 ± 2 0.81 ± 0.20 8 24 ± 4 2.45 ± 0.41 10 ± 2 1.02 ± 0.20 10 43 ± 6 4.38 ± 0.61 12 ± 2 1.22 ± 0.20 12 77 ± 12 7.85 ± 1.22 24 ± 4 2.45 ± 0.41 14 – – 36 ± 5 3.67 ± 0.51 Tamaño de rosca Torsión de apriete mm Nm kgm 6 8 ± 2 0.81 ± 0.20 8 10 ± 2 1.02 ± 0.20 10 12 ± 2 1.22 ± 0.20 12 24 ± 4 2.45 ± 0.41 14 36 ± 5 3.67 ± 0.51
  • 45.
    00 Índice yPrólogo GSN00599-00 D155AX-6 27 8. Tabla de par de apriete para los tornillos cónicos en los motores de las series 102, 107 y 114. H A menos que hayan instrucciones especiales, apriete los tornillos cónicos (unidad pulgada) en los motores de las series 102, 107 y 114 al par de apriete indicado a continuación. Tamaño de rosca Torsión de apriete pulgada Nm kgm 1/16 3 ± 1 0.31 ± 0.10 1/8 8 ± 2 0.81 ± 0.20 1/4 12 ± 2 1.22 ± 0.20 3/8 15 ± 2 1.53 ± 0.20 1/2 24 ± 4 2.45 ± 0.41 3/4 36 ± 5 3.67 ± 0.51 1 60 ± 9 6.12 ± 0.92
  • 46.
    GSN00599-00 00 Índicey Prólogo 28 D155AX-6 Tabla de conversión 1 Método para el uso de la Tabla de Conversiones La Tabla de Conversión de esta sección se suministra para facilitar las conversiones sencillas de cifras. Para detalles en cuanto al método para usar la Tabla de Conversión, vea el ejemplo que se ofrece a continuación. Ejemplo: Método para el uso de la Tabla de Conversiones al convertir milímetros a pulgadas 1. Convierta 55 mm a pulgadas. 1) Localizar el número 50 en la columna vertical del lado izquierdo; tome esto como (A), y después trace una línea horizontal desde (A). 2) Localice el número 5 en la hilera a través de la parte superior y tome esto como (B), y trace una línea perpendicular desde (B). 3) Tome el punto de intersección de ambas líneas como (C). Este punto (C) ofrece el valor de conversión de milímetros a pulgadas. Por lo tanto, 55 mm = 2.165 pulg. 2. Convierta 550 mm a pulgadas. 1) El número 550 no aparece en la tabla, de manera que haga una división por 10 (moviendo el punto decimal un lugar hacia la izquierda) para convertir la cifra en 55 mm. 2) Realice el mismo procedimiento que el anterior para convertir 55 mm en 2.165 pulgadas. 3) El valor original de (550 mm) fue dividido por 10, de manera que multiplique 2.165 pulgadas por 10 (mueva el punto decimal un lugar hacia la derecha) para regresar al valor original. Esto indica que 550 mm son 21.65 pulgadas. Milimetros a pulgadas (B) 1 mm = 0.03937 plg 0 1 2 3 4 5 6 7 8 9 0 0 0.039 0.079 0.118 0.157 0.197 0.236 0.276 0.315 0.354 10 0.394 0.433 0.472 0.512 0.551 0.591 0.630 0.669 0.709 0.748 20 0.787 0.827 0.866 0.906 0.945 0.984 1.024 1.063 1.102 1.142 30 1.181 1.220 1.260 1.299 1.339 1.378 1.417 1.457 1.496 1.536 40 1.575 1.614 1.654 1.693 1.732 1.772 1.811 1.850 1.890 1.929 (C) (A) : 50 1.969 2.008 2.047 2.087 2.126 2.165 2.205 2.244 2.283 2.323 60 2.362 2.402 2.441 2.480 2.520 2.559 2.598 2.638 2.677 2.717 70 2.756 2.795 2.835 2.874 2.913 2.953 2.992 3.032 3.071 3.110 80 3.150 3.189 3.228 3.268 3.307 3.346 3.386 3.425 3.465 3.504 90 3.543 3.583 3.622 3.661 3.701 3.740 3.780 3.819 3.858 3.898
  • 47.
    00 Índice yPrólogo GSN00599-00 D155AX-6 29 Milimetros a pulgadas 1 mm = 0.03937 plg 0 1 2 3 4 5 6 7 8 9 0 0 0.039 0.079 0.118 0.157 0.197 0.236 0.276 0.315 0.354 10 0.394 0.433 0.472 0.512 0.551 0.591 0.630 0.669 0.709 0.748 20 0.787 0.827 0.866 0.906 0.945 0.984 1.024 1.063 1.102 1.142 30 1.181 1.220 1.260 1.299 1.339 1.378 1.417 1.457 1.496 1.536 40 1.575 1.614 1.654 1.693 1.732 1.772 1.811 1.850 1.890 1.929 50 1.969 2.008 2.047 2.087 2.126 2.165 2.205 2.244 2.283 2.323 60 2.362 2.402 2.441 2.480 2.520 2.559 2.598 2.638 2.677 2.717 70 2.756 2.795 2.835 2.874 2.913 2.953 2.992 3.032 3.071 3.110 80 3.150 3.189 3.228 3.268 3.307 3.346 3.386 3.425 3.465 3.504 90 3.543 3.583 3.622 3.661 3.701 3.740 3.780 3.819 3.858 3.898 Kilogramo a Libras 1 kg = 2.2046 lb 0 1 2 3 4 5 6 7 8 9 0 0 2.20 4.41 6.61 8.82 11.02 13.23 15.43 17.64 19.84 10 22.05 24.25 26.46 28.66 30.86 33.07 35.27 37.48 39.68 41.89 20 44.09 46.30 48.50 50.71 51.91 55.12 57.32 59.53 61.73 63.93 30 66.14 68.34 70.55 72.75 74.96 77.16 79.37 81.57 83.78 85.98 40 88.18 90.39 92.59 94.80 97.00 99.21 101.41 103.62 105.82 108.03 50 110.23 112.44 114.64 116.85 119.05 121.25 123.46 125.66 127.87 130.07 60 132.28 134.48 136.69 138.89 141.10 143.30 145.51 147.71 149.91 152.12 70 154.32 156.53 158.73 160.94 163.14 165.35 167.55 169.76 171.96 174.17 80 176.37 178.57 180.78 182.98 185.19 187.39 189.60 191.80 194.01 196.21 90 198.42 200.62 202.83 205.03 207.24 209.44 211.64 213.85 216.05 218.26 Litros a Galón EEUU 1 ¶ = 0.2642 U.S.Gal 0 1 2 3 4 5 6 7 8 9 0 0 0.264 0.528 0.793 1.057 1.321 1.585 1.849 2.113 2.378 10 2.642 2.906 3.170 3.434 3.698 3.963 4.227 4.491 4.755 5.019 20 5.283 5.548 5.812 6.076 6.340 6.604 6.869 7.133 7.397 7.661 30 7.925 8.189 8.454 8.718 8.982 9.246 9.510 9.774 10.039 10.303 40 10.567 10.831 11.095 11.359 11.624 11.888 12.152 12.416 12.680 12.944 50 13.209 13.473 13.737 14.001 14.265 14.529 14.795 15.058 15.322 15.586 60 15.850 16.115 16.379 16.643 16.907 17.171 17.435 17.700 17.964 18.228 70 18.492 18.756 19.020 19.285 19.549 19.813 20.077 20.341 20.605 20.870 80 21.134 21.398 21.662 21.926 22.190 22.455 22.719 22.983 23.247 23.511 90 23.775 24.040 24.304 24.568 24.832 25.096 25.361 25.625 25.889 26.153
  • 48.
    GSN00599-00 00 Índicey Prólogo 30 D155AX-6 Litros a Galón Inglés 1 ¶ = 0.21997 U.K.Gal 0 1 2 3 4 5 6 7 8 9 0 0 0.220 0.440 0.660 0.880 1.100 1.320 1.540 1.760 1.980 10 2.200 2.420 2.640 2.860 3.080 3.300 3.520 3.740 3.950 4.179 20 4.399 4.619 4.839 5.059 5.279 5.499 5.719 5.939 6.159 6.379 30 6.599 6.819 7.039 7.259 7.479 7.699 7.919 8.139 8.359 8.579 40 8.799 9.019 9.239 9.459 9.679 9.899 10.119 10.339 10.559 10.778 50 10.998 11.281 11.438 11.658 11.878 12.098 12.318 12.528 12.758 12.978 60 13.198 13.418 13.638 13.858 14.078 14.298 14.518 14.738 14.958 15.178 70 15.398 15.618 15.838 16.058 16.278 16.498 16.718 16.938 17.158 17.378 80 17.598 17.818 18.037 18.257 18.477 18.697 18.917 19.137 19.357 19.577 90 19.797 20.017 20.237 20.457 20.677 20.897 21.117 21.337 21.557 21.777 kgm a ft.lb 1 kgm = 7.233 ft. lb 0 1 2 3 4 5 6 7 8 9 0 0 7.2 14.5 21.7 28.9 36.2 43.4 50.6 57.9 65.1 10 72.3 79.6 86.8 94.0 101.3 108.5 115.7 123.0 130.2 137.4 20 144.7 151.9 159.1 166.4 173.6 180.8 188.1 195.3 202.5 209.8 30 217.0 224.2 231.5 238.7 245.9 253.2 260.4 267.6 274.9 282.1 40 289.3 296.6 303.8 311.0 318.3 325.5 332.7 340.0 347.2 354.4 50 361.7 368.9 376.1 383.4 390.6 397.8 405.1 412.3 419.5 426.8 60 434.0 441.2 448.5 455.7 462.9 470.2 477.4 484.6 491.8 499.1 70 506.3 513.5 520.8 528.0 535.2 542.5 549.7 556.9 564.2 571.4 80 578.6 585.9 593.1 600.3 607.6 614.8 622.0 629.3 636.5 643.7 90 651.0 658.2 665.4 672.7 679.9 687.1 694.4 701.6 708.8 716.1 100 723.3 730.5 737.8 745.0 752.2 759.5 766.7 773.9 781.2 788.4 110 795.6 802.9 810.1 817.3 824.6 831.8 839.0 846.3 853.5 860.7 120 868.0 875.2 882.4 889.7 896.9 904.1 911.4 918.6 925.8 933.1 130 940.3 947.5 954.8 962.0 969.2 976.5 983.7 990.9 998.2 1005.4 140 1012.6 1019.9 1027.1 1034.3 1041.5 1048.8 1056.0 1063.2 1070.5 1077.7 150 1084.9 1092.2 1099.4 1106.6 1113.9 1121.1 1128.3 1135.6 1142.8 1150.0 160 1157.3 1164.5 1171.7 1179.0 1186.2 1193.4 1200.7 1207.9 1215.1 1222.4 170 1129.6 1236.8 1244.1 1251.3 1258.5 1265.8 1273.0 1280.1 1287.5 1294.7 180 1301.9 1309.2 1316.4 1323.6 1330.9 1338.1 1345.3 1352.6 1359.8 1367.0 190 1374.3 1381.5 1388.7 1396.0 1403.2 1410.4 1417.7 1424.9 1432.1 1439.4
  • 49.
    00 Índice yPrólogo GSN00599-00 D155AX-6 31 kg/cm2 a lb/plg2 1 kg/cm2 = 14.2233 lb/plg2 0 1 2 3 4 5 6 7 8 9 0 0 14.2 28.4 42.7 56.9 71.1 85.3 99.6 113.8 128.0 10 142.2 156.5 170.7 184.9 199.1 213.4 227.6 241.8 256.0 270.2 20 284.5 298.7 312.9 327.1 341.4 355.6 369.8 384.0 398.3 412.5 30 426.7 440.9 455.1 469.4 483.6 497.8 512.0 526.3 540.5 554.7 40 568.9 583.2 597.4 611.6 625.8 640.1 654.3 668.5 682.7 696.9 50 711.2 725.4 739.6 753.8 768.1 782.3 796.5 810.7 825.0 839.2 60 853.4 867.6 881.8 896.1 910.3 924.5 938.7 953.0 967.2 981.4 70 995.6 1,010 1,024 1,038 1,053 1,067 1,081 1,095 1,109 1,124 80 1,138 1,152 1,166 1,181 1,195 1,209 1,223 1,237 1,252 1,266 90 1,280 1,294 1,309 1,323 1,337 1,351 1,365 1,380 1,394 1,408 100 1,422 1,437 1,451 1,465 1,479 1,493 1,508 1,522 1,536 1,550 110 1,565 1,579 1,593 1,607 1,621 1,636 1,650 1,664 1,678 1,693 120 1,707 1,721 1,735 1,749 1,764 1,778 1,792 1,806 1,821 1,835 130 1,849 1,863 1,877 1,892 1,906 1,920 1,934 1,949 1,963 1,977 140 1,991 2,005 2,020 2,034 2,048 2,062 2,077 2,091 2,105 2,119 150 2,134 2,148 2,162 2,176 2,190 2,205 2,219 2,233 2,247 2,262 160 2,276 2,290 2,304 2,318 2,333 2,347 2,361 2,375 2,389 2,404 170 2,418 2,432 2,446 2,460 2,475 2,489 2,503 2,518 2,532 2,546 180 2,560 2,574 2,589 2,603 2,617 2,631 2,646 2,660 2,674 2,688 190 2,702 2,717 2,731 2,745 2,759 2,773 2,788 2,802 2,816 2,830 200 2,845 2,859 2,873 2,887 2,901 2,916 2,930 2,944 2,958 2,973 210 2,987 3,001 3,015 3,030 3,044 3,058 3,072 3,086 3,101 3,115 220 3,129 3,143 3,158 3,172 3,186 3,200 3,214 3,229 3,243 3,257 230 3,271 3,286 3,300 3,314 3,328 3,343 3,357 3,371 3,385 3,399 240 3,414 3,428 3,442 3,456 3,470 3,485 3,499 3,513 3,527 3,542
  • 50.
    GSN00599-00 00 Índicey Prólogo 32 D155AX-6 Temperatura Conversión Fahrenheit-Centigrado: Una forma sencilla de convertir la lectura de temperatura Fahrenheit; a grados Centígrados o viceversa es dar entrada a la tabla en la columna central o columna de cifras en negrita. Estas cifras se refieren a temperaturas en grados Fahrenheit o Centígrados. Si se desea convertir de grados Fahrenheit a grados Centígrados, considere la columna central como tabla de temperaturas Fahrenheit y lea la temperatura correspondiente en grados Centígrados en la columna a la izquierda. Si se desea convertir de grados Centígrados a grados Fahrenheit, considere la columna central como una tabla de valores en grados Centígrados y lea a la derecha la temperatura correspondiente en grados Fahrenheit. 1°C = 33.8 °F °C ° F °C ° F °C ° F °C ° F –40.4 –40 –40.0 –11.7 11 51.8 7.8 46 114.8 27.2 81 177.8 –37.2 –35 –31.0 –11.1 12 53.6 8.3 47 116.6 27.8 82 179.6 –34.4 –30 –22.0 –10.6 13 55.4 8.9 48 118.4 28.3 83 181.4 –31.7 –25 –13.0 –10.0 14 57.2 9.4 49 120.2 28.9 84 183.2 –28.9 –20 –4.0 –9.4 15 59.0 10.0 50 122.0 29.4 85 185.0 –28.3 –19 –2.2 –8.9 16 60.8 10.6 51 123.8 30.0 86 186.8 –27.8 –18 –0.4 –8.3 17 62.6 11.1 52 125.6 30.6 87 188.6 –27.2 –17 1.4 –7.8 18 64.4 11.7 53 127.4 31.1 88 190.4 –26.7 –16 3.2 –7.2 19 66.2 12.2 54 129.2 31.7 89 192.2 –26.1 –15 5.0 –6.7 20 68.0 12.8 55 131.0 32.2 90 194.0 –25.6 –14 6.8 –6.1 21 69.8 13.3 56 132.8 32.8 91 195.8 –25.0 –13 8.6 –5.6 22 71.6 13.9 57 134.6 33.3 92 197.6 –24.4 –12 10.4 –5.0 23 73.4 14.4 58 136.4 33.9 93 199.4 –23.9 –11 12.2 –4.4 24 75.2 15.0 59 138.2 34.4 94 201.2 –23.3 –10 14.0 –3.9 25 77.0 15.6 60 140.0 35.0 95 203.0 –22.8 –9 15.8 –3.3 26 78.8 16.1 61 141.8 35.6 96 204.8 –22.2 –8 17.6 –2.8 27 80.6 16.7 62 143.6 36.1 97 206.6 –21.7 –7 19.4 –2.2 28 82.4 17.2 63 145.4 36.7 98 208.4 –21.1 –6 21.2 –1.7 29 84.2 17.8 64 147.2 37.2 99 210.2 –20.6 –5 23.0 –1.1 30 86.0 18.3 65 149.0 37.8 100 212.0 –20.0 –4 24.8 –0.6 31 87.8 18.9 66 150.8 40.6 105 221.0 –19.4 –3 26.6 0 32 89.6 19.4 67 152.6 43.3 110 230.0 –18.9 –2 28.4 0.6 33 91.4 20.0 68 154.4 46.1 115 239.0 –18.3 –1 30.2 1.1 34 93.2 20.6 69 156.2 48.9 120 248.0 –17.8 0 32.0 1.7 35 95.0 21.1 70 158.0 51.7 125 257.0 –17.2 1 33.8 2.2 36 96.8 21.7 71 159.8 54.4 130 266.0 –16.7 2 35.6 2.8 37 98.6 22.2 72 161.6 57.2 135 275.0 –16.1 3 37.4 3.3 38 100.4 22.8 73 163.4 60.0 140 284.0 –15.6 4 39.2 3.9 39 102.2 23.3 74 165.2 62.7 145 293.0 –15.0 5 41.0 4.4 40 104.0 23.9 75 167.0 65.6 150 302.0 –14.4 6 42.8 5.0 41 105.8 24.4 76 168.8 68.3 155 311.0 –13.9 7 44.6 5.6 42 107.6 25.0 77 170.6 71.1 160 320.0 –13.3 8 46.4 6.1 43 109.4 25.6 78 172.4 73.9 165 329.0 –12.8 9 48.2 6.7 44 111.2 26.1 79 174.2 76.7 170 338.0 –12.2 10 50.0 7.2 45 113.0 26.7 80 176.0 79.4 175 347.0
  • 52.
    34 D155AX-6 GSN00599-00 00Índice y Prólogo D155AX-6 Buldózer Form No. GSN00599-00 © 2006 KOMATSU Todos los Derechos Reservados Impreso en E.E.U.U. 08-06
  • 53.
    D155AX-6 1 GSN00601-00 BULDÓZER 1MANUALDE TALLER D155AX-6 Modelo de máquina Número de serie D155AX-6 80001 y superiores 01 Especificación 1 Especificación y datos técnicos Especificación y datos técnicos ..................................................................................................................... 2 Dibujos de especificaciones de dimensiones...................................................................................... 2 Especificaciones ................................................................................................................................. 3 Tabla de pesos .................................................................................................................................... 9 Tabla de combustible, líquido refrigerante y lubricantes ................................................................... 12
  • 54.
    GSN00601-00 01 Especificación 2D155AX-6 Especificación y datos técnicos 1 Dibujos de especificaciones de dimensiones 1 1 Item Unidad Topadora de hoja angulable Sig- madozer + Desgarrador de gar- ras múltiples variable Topadora semi-U + Desgarrador de garras múltiples variables A Longitud total mm 8,285 8,336 B Altura total (con ROPS) mm 3,390 3,390 C Ancho total mm 4,125 4,125 Item Unidad Topadora de Hoja Sigmadozer + Desgarrador gigante variable Topadora de Hoja semi-U + Desgarrador gigante variable A Longitud total mm 8,285 8,336 B Altura total (con ROPS) mm 3,390 3,390 C Ancho total mm 4,125 4,125
  • 55.
    01 Especificación GSN00601-00 D155AX-63 Especificaciones 1 Modelo de máquina D155AX-6 Número de serie 80001 y superiores Peso •Tractor solamente kg 29,800 •Con topadora de hoja Sigmadozer +desgarrador de garras múltiples variable + cabina ROPS + acondicionador de aire + zapata 560mm HD + cubierta lateral 39,500 •Con topadora semi-U inclinable +desgarrador de garras múltiples variable + cabina ROPS + acondicionador de aire + zapata 560mm HD + cubierta lateral 39,650 Rendimiento Mínimo radio de viraje (F1, centro de la máquina) mm 2.1 Pendiente superable grados 30 Estabilidad (adelante, atrás, izquierda, derecha) grados 35 Rangodevelocidades delatransmisión Avance 1ª km/h 3.8 2ª 5.6 3ra (velocidad baja) 7.5 3ª 11.6 Retroceso 1ª km/h 4.6 2ª 6.8 3ra (velocidad baja) 9.2 3ª 14.0 Dimensiones Presiónsobreelterreno Tractor solamente kPa {kg/cm2} 79.85 {0.81} Con topadora de hoja Sigmadozer +desgar- rador de garras múltiples variable + cabina ROPS + acondicionador de aire + cubierta lateral 105.84 {1.08} Con topadora semi-U + desgarrador de gar- ras múltiples variable + cabina + ROPS + acondicionador de aire + zapata 560mm HD + cubierta lateral 105.84 {1.08} Longitudtotal Tractor solamente mm 4,860 Con topadora semi-U con inclinación + trac- tor 8,316 Con topadora de hoja Sigmadozer + desgar- rador de garras múltiples variable 8,285 Anchototal Tractor solamente mm 2,765 Con hoja topadora semi-U + tractor 4,125 Con topadora de hoja Sigmadozer inclinable + desgarrador de garras múltiples variable 4,125 Alturatotal Al tope del tubo de escape mm 3,306 Sobre la cabina (al tope de la palanca de control) 2,210 Con cabina con barra protectora contra vuel- cos (ROPS) instalada 3,390
  • 56.
    GSN00601-00 01 Especificación 4D155AX-6 Modelo de máquina D155AX-6 Número de serie 80001 y superiores Dimensiones Trocha mm 2,000 Longitud de la oruga sobre el terreno 3,050 Ancho de zapatas (Estándar) 560 Altura libre sobre el suelo (Hasta la superficie del fondo de la cubierta infe- rior) 450 Motor Nombre SAA6D140E-5 Tipo de motor 4-ciclos, enfriador-agua, en-linea tipo vertical, inyección directa con turbocargador, posenfriador y enfriador (EGR). No. de cilindros – Diámetro x Carrera mm 6 -140 x 165 Desplazamiento del pistón l {cc} 15.24 {15,240} Rendimiento Potencia neta kW {HP}/rpm 239 {320}/1,900 Torsión máx. Nm{kgm}/rpm 1,715 {175}/1,300 Velocidad máx. sin carga rpm 2,050 Velocidad mín. sin carga rpm 740 Mín. relación de consumo de combustible g/kWh {g/HPh} 212 {158} Motor de arranque 24V, 11kW Alternador 24V, 75A Batería 12V, 170Ah x 2 Radiador de tipo núcleo Aleta ondulada rectangular Sistemadeltrendepotencia Convertidor de torsión 3-elementos, 1-etapa, 2-fase Transmisión Tipo de engranajes planetarios, tipo de embrague de múltiples discos, actuación hidráulica, lubri- cación forzada con bomba de engranajes (tipo eléctrico), 3 velocidades hacia adelante, 3 velocidades hacia atrás, tipo activación electrica Hidráulica, bomba HSS MPa {kg/cm2 } l/min) Tipo variable con placa oscilante (HPV190) Máxima presión de descarga: 39.6 {404} Descarga teórica: 427/2,249 Motor HSS MPa {kg/cm2 } Tipo fijo con placa oscilante (KMF140) Máxima presión: 41.2 {420} Eje de la corona Engranaje cónico hipoidal, lubricación forzada Bomba de engranajes HSS Sistema de dirección HSS Diferencial tipo engranajes planetarios, motor hidráulico de tipo accionado, motorizado tipo elec- trónico, accionado hidraulicamente Freno maestro Tipo húmedo, embrague de discos múltiples, apli- cado por resorte, accionado hidráulicamente, operado por pedal Mando final 1a. etapa de engranajes rectos, 1a. etapa de engranajes planetarios, lubricación de tipo por sal- picadura
  • 57.
    01 Especificación GSN00601-00 D155AX-65 Modelo de máquina D155AX-6 Número de serie 80001 and up Trenderodaje Suspensión Rígido, tipo brazo en balance Rodillo superior 2 a cada lado Rodillo inferior 7 a cada lado Zapata de la oruga (ancho de zapata: 560 mm) Ensamblaje-tipo garra sencilla, 42 a cada lado, paso: 228.6 mm Bomba de lubricación + conjunto del tren de potencia (tandem) Tipo engranajes (SAR(3)100 + (2)40) Bomba de barrido (tándem) Tipo engranajes (SAR(4)+140) Sistemahidráulicodelequipodetrabajo Válvuladecontrol Desgarrador de garras múltiples variable Tipo de carrete en tándem 1+3+3, tipo asis- tido hidráulicamente, control eléctrico •Para inclinación del desgarrador + Cilindro de inclinación del desgarrador •Para elevar el desgarrador + Levantamiento del desgarrador • Para elevar hoja • Para inclinación de la hoja + (Blade lift + blade tilt + steering) •Para dirección Cilindrohidráulico Tipo Tipo de pistón alternativo Dimensionesde elevacióndelahoja Diámetro del cilindro mm 110 Diámetro exterior del rodillo del pistón mm 75 Recorrido del pistón máximo mm 1,404 Max. distancia entre los pistones mm 2,093 Mín. distancia entre los pasadores mm 687.5 Dimensionesdeinclinaciónde lahoja(Paraempujecon inclinaciónenformadeS) Diámetro del cilindro mm 160 Diámetro exterior del rodillo del pistón mm 90 Recorrido del pistón máximo mm 205 Max. distancia entre los pistones mm 1,395 Mín. distancia entre los pasadores mm 1,190 Dimensionesdeinclinación delahoja (Parahojatopadorasemi-U) Diámetro del cilindro mm 160 Diámetro exterior del rodillo del pistón mm 90 Recorrido del pistón máximo mm 210 Max. distancia entre los pistones mm 1,475 Mín. distancia entre los pasadores mm 1,265
  • 58.
    GSN00601-00 01 Especificación 6D155AX-6 Modelo de máquina D155AX-6 Número de serie 80001 y superiores Sistemahidráulicodelequipodetrabajo Dimensionesdelahoja (Paratopadoradehoja Sigmadozerinclinableypaso) Diámetro del cilindro mm 160 Cilindrohidráulico Diámetro exterior del rodillo del pistón mm 90 Recorrido del pistón máximo mm 165 Max. distancia entre los pistones mm 1,430 Mín. distancia entre los pasadores mm 1,265 Dimensionesdelevante deldesgarrador Diámetro del cilindro mm 180 Diámetro exterior del rodillo del pistón mm 100 Recorrido del pistón máximo mm 565 Max. distancia entre los pistones mm 1,730 Mín. distancia entre los pasadores mm 1,165 Dimensionesde inclinacióndeldesgarrador Diámetro del cilindro mm 200 Diámetro exterior del rodillo del pistón mm 110 Recorrido del pistón máximo mm 605 Max. distancia entre los pistones mm 1,815 Mín. distancia entre los pasadores mm 1,210 Tanque hidráulico Tipo caja (Válvula de control instalado en el exterior) Sistemaimpulsor Bomba del ventilador de enfriamiento MPa {kg/cm2 } l/min) Plato oscilante variable (LPV45) Máxima presión de descarga: 31.9 {325} Presión de descarga teórica: 103/2,296 Motor de ventilador de enfriamiento MPa {kg/cm2 } Fijo con plato oscilante (LMF65) Máxima presión de descarga: 31.9 {325}
  • 59.
    01 Especificación GSN00601-00 D155AX-67 Modelo de máquina D155AX-6 Número de serie 80001 y superiores Equipodetrabajo Tipo Topadora con inclinación hidráulica sigmadozer Topadora semi-U con inclinación hidráulica Topadora U con inclinación hidráulica Método de soporte de la hoja Tipo brazo tensor (Cilindro de inclinación derecha) TopadoradehojaangulableSigmadozer Rendimiento Altura de elevación de la hoja (desde el nivel del terreno) mm 1,311 Altura de descenso de la hoja (desde el nivel del terreno) mm 627 Máx. inclinación de la hoja mm 1,000 Variación del ángulo de corte de la hoja grados ± 5 Capacidad de la hoja (SAE) m3 9.4 Dimensiones Ancho de la hoja mm 4,130 Altura de la hoja mm 1,790 Angulo de corte de la hoja grados 46 Topadorasemi-Uinclinable Rendimiento Altura de elevación de la hoja (desde el nivel del terreno) mm 1,250 Altura de descenso de la hoja (desde el nivel del terreno) mm 590 Máx. inclinación de la hoja mm 1,000 Variación del ángulo de corte de la hoja grados ± 6 Capacidad de la hoja (SAE) m3 9.4 Dimensiones Ancho de la hoja mm 4,130 Altura de la hoja mm 1,790 Angulo de corte de la hoja grados 52 TopadoradehojaU Rendimiento Altura de elevación de la hoja (desde el nivel del terreno) mm 1,250 Altura de descenso de la hoja (desde el nivel del terreno) mm 590 Máx. inclinación de la hoja mm 1,080 Variación del ángulo de corte de la hoja grados ± 6 Capacidad de la hoja (SAE) m3 11.9 Dimensiones Ancho de la hoja mm 4,225 Altura de la hoja mm 1,790 Angulo de corte de la hoja grados 52
  • 60.
    GSN00601-00 01 Especificación 8D155AX-6 Modelo de máquina D155AX-6 Número de serie 80001 y superiores Equipodetrabajo Topadoradehojaangulable Sigmadozer+paso Rendimiento Máx. inclinación mm 1,000 Máx. ángulo de inclinación vertical grados 5 Máx. ángulo atrás de inclinación vertical grados 5 Topadorasemi-Uinclinable+paso Rendimiento Máx. inclinación mm 1.000 Máx. ángulo de inclinación vertical grados 5 Máx. ángulo atrás de inclinación vertical grados 5 EmpujetotalenU+paso Rendimiento Máx. inclinación mm 1,080 Máx. ángulo de inclinación vertical grados 5 Máx. ángulo atrás de inclinación vertical grados 5 Desgarradordegarras múltiplesvariable Rendimiento Máx. profundidad de excavación mm 903 Altura máx. de levantamiento mm 950 Ángulo de desgarre de la punta 30 – 70 Dimensiones Ancho máximo de la viga mm 2,320 Posiciones de la garra 2 Desgarradorgigante variable Rendimiento Máx. profundidad de excavación mm 1,255 Altura máx. de levantamiento mm 950 Ángulo de desgarre de la punta 30 – 70 Dimensiones Ancho máximo de la viga mm 1,401 Posiciones de la garra No. de agujeros 3
  • 61.
    01 Especificación GSN00601-00 D155AX-69 Tabla de pesos 1 ¤ La tabla de pesos es para referencia en el manejo o transporte de componentes. Modelo de máquina D155AX-6 Número de serie 80001 y superiores Conjunto del amortiguador, motor 1,900 • Conjunto del motor 1,759 • Conjunto del amortiguador 120 • Junta universal 18 • Piezas de montaje del motor (alambrado) 3 Conjunto del radiador (incluyendo enfriador de aceite integral enfriador hidráulico y condensador) 333 Conjunto del tanque de combustible (cuando está vacio) 383 Conjunto del tanque de combustible (cuando está lleno) 913 Conjunto de la unidad del tren de fuerza 2,351 • Convertidor de torsión, conjunto de toma de fuerza (PTO) 500 • Conjunto de la transmisión 625 • Conjunto HSS 932 • Conjunto de la válvula del freno (2- Conjunto de la válvula de modulación de control electrónico (ECMV), válvula de freno secundario) 6 • Conjunto del filtro del tren de potencia 16.5 • Bomba de barrido 20 • Tren de potencia, bomba de lubricación 28 • Bomba HSS hidráulica 106 • Motor HSS 67 • Bomba del ventilador de enfriamiento 25 • Motor de ventilador de enfriamiento 25 Conjunto del mando final 1,395 x 2 Dientes de la rueda dentada (12 x 9) x 2 Conjunto de la estructura del casco 4,426 Conjunto del Tren de rodamiento (cada lado) 3,822 • Bastidor de oruga 1,340 • Conjunto de la rueda tensora 326 • Conjunto de resorte tensor 508 • Conjunto de los rodillos de la oruga, bogie 525 x 3 • Conjuntos de rodillos inferiores (Brida sencilla x1) (pestaña doble x1) 93 x 4 105 x 3 • Conjunto del rodillo superior 45 x 2
  • 62.
    GSN00601-00 01 Especificación 10D155AX-6 Modelo de máquina D155AX-6 Número de serie 80001 y superiores Conjunto de la zapata de la oruga (560 mm, tipo húmedo) 2,260 x 2 Conjunto del eje pivote (Izquierda) (Cuando tiene la especificación de inclinación doble, Izquierda y Dere- cha) 119 Conjunto del eje pivote (Derecha) 136 Barra estabilizadora 231 Conjunto del tanque hidráulico (incluyendo el filtro hidráulico) 99 Válvula de control (Levantamiento de la hoja topadora + inclinación de la hoja topadora + levantamiento del desgarrador + inclinación del desgarrador + direc- ción) 123 Protector inferior del motor 220 Protector inferior de la transmisión 280 Asientos del operador 55 Conjunto de topadora de hoja angulable sigmadozer U 5,364 (Estandar 4,937) • Hoja 3,200 (Estandar 2,929) •Bastidor recto 1,687 (Estandar 1,531) •Brazo de inclinación 97 x 1 •Brazo central 250 x 1 •Conjunto del cilindro de inclinación 130 Conjunto de empuje e inclinación doble en forma de S 5,400 (Estandar 4,973) •Hoja 3,200 (Estandar 2,929) •Bastidor recto 1,690 (Estandar 1,534) •Brazo central 250 x 1 •Conjunto del cilindro de inclinación vertical 130 x 2 Conjunto de topadora semi-U 5,623 (Estandar 4,962) •Hoja 3,459 (Estandar 2,954) •Bastidor recto 1,687 (Estandar 1,531) •Brazo de inclinación 97 x 1 • Brazo central 250 x 1 •Conjunto del cilindro de inclinación 130 Conjunto del cilindro de levante de la topadora 165 x 2 Conjunto del desgarrador de garras múltiples 4,330 • Soporte, viga, brazo 2,300 •Garra 266 x 3 • Conjunto del cilindro de levante 184 x 1 •Conjunto del cilindro de inclinación 252 x 1
  • 63.
    01 Especificación GSN00601-00 D155AX-611 Modelo de máquina D155AX-6 Número de serie 80001 y superiores Conjunto del desgarrador gigante 3,090 • Soporte, viga, brazo 1,850 •Garra 333 x 1 • Conjunto del cilindro de levante 184 x 1 •Conjunto del cilindro de inclinación 252 x 1 • Conjunto del cilindro extractor del pasador 7 Conjunto de la cabina 410 Tablero 54 Estructura del piso (incluida la unidad del acondicionador de aire) 611 Cubierta lateral 20 Conjunto de la unidad acondicionadora de aire 10
  • 64.
    GSN00601-00 01 Especificación 12D155AX-6 Tabla de combustible, líquido refrigerante y lubricantes 1 H Para detalles de las notas (Nota 1, Nota 2 …) ver la tabla. Ver el Manual de Operación y Mantenimiento.
  • 65.
    01 Especificación GSN00601-00 D155AX-613 Unidad: ¶ Puntos de relleno D155AX-6 Capacidad especificada: Capacidad de relleno Cárter de Aceite del Motor 45 37 Caja amortiguadora 1.5 1.5 Caja del tren de potencia. 130 90 Caja del mando final (cada una) 31 31 Sistema hidráulico (con hoja, sin desgarrador) 240 85 Sistema de enfriamiento (incluyendo el tanque de reserva) 82 — Tanque de combustible 625 —
  • 66.
    GSN00601-00 01 Especificación 14D155AX-6 D155AX-6 Buldózer No. de Forma GSN00601-00 © 2006 KOMATSU Todos los Derechos Reservados Impreso en E.E.U.U. 08-06
  • 67.
    D155AX-6 1 GSN00603-00 BULDÓZER 1MANUALDE TALLER D155AX-6 Modelo de máquina Número de serie D155AX-6 80001 y superiores 10 Estructura, función, y estandar de mantenimiento1 Motor y sistema de enfriamiento Motor y sistema de enfriamiento.................................................................................................................... 2 Radiador, enfriador del aceite ............................................................................................................. 2 Soporte del motor ............................................................................................................................... 5 Bomba del ventilador de enfriamiento................................................................................................. 6 Motor de ventilador de enfriamiento.................................................................................................. 14
  • 68.
    GSN00603-00 10 Estructura,función, y estandar de mantenimiento 2 D155AX-6 Motor y sistema de enfriamiento 1 Radiador, enfriador del aceite 1 Radiador
  • 69.
    10 Estructura, función,y estandar de mantenimiento GSN00603-00 D155AX-6 3 1. Manguera de desborde 2. Manguera para purga de aire 3. Manguera de entrada 4. Tapa de llenado del enfriador 5. Conjunto del núcleo del radiador 6. Tanque de reserva 7. Manguera de entrada (para circulación de refrigerante a baja temperatura) 8. Manguera de salida 9. Tanque inferior (enfriador de aceite incorpo- rado al tren de potencia) 10. Ventilador 11. Tapón de drenaje 12. Cojinete 13. Tapa del respiradero 14. Válvula de presión a: Postenfriador b: Manguera de salida del postenfriador c: Manguera de entrada al postenfriador Descripción l Se suministra el tanque de reserva para el radiador. l El enfriador de aceite del tren de potencia está incorporado en el tanque inferior del radiador. Especificación Posenfriador: Aleta ondulada rectangular 8.0/2P Radiador Tipo de núcleo Aleta ondulada rectangular Paso de la aleta (mm) 4.0 Area de disipación térmica (m2) 41.99 x 2 Válvula de presión Presiónde alivio (MPa{kg/ cm2}) 0.09 {0.9} Vacío presión (MPa{kg/ cm2}) 0.005 {0.05}
  • 70.
    GSN00603-00 10 Estructura,función, y estandar de mantenimiento 4 D155AX-6 Enfriador del aceite 1. Enfriador hidráulico 2. Enfriador del aceite del tren de potencia A: Salida del enfriador de aceite del tren de potencia B: Entrada al enfriador de aceite del tren de potencia Descripción l El enfriador de aceite del tren de potencia está incorporado en el tanque inferior del radiador. Enfriador del aceite del tren de potencia Enfriador hidráulico Tipo de núcleo PTO-OL Onda rectan- gular (4.0P) Tipo de aletas interiores TF8-C TF6-P Método de enfriamiento Incorporado al tanque inferior Enfriado por aire Area de disipación tér- mica (m2) 2.47 4.51
  • 71.
    10 Estructura, función,y estandar de mantenimiento GSN00603-00 D155AX-6 5 Soporte del motor 1 Unidad: mm No. Itemes a comprobar Criterio Solución 1 Separación entre el marco de soporte y el cojín Tamaño estándar Tolerancia Holgura estándar Límite de holgura Reemplace Eje Agujero 60 –0.1 –0.3 +0.046 +0.046 0.1 – 0.346 — 2 Altura libre hasta el montaje de goma Holgura estándar Límite de holgura 86 84
  • 72.
    GSN00603-00 10 Estructura,función, y estandar de mantenimiento 6 D155AX-6 Bomba del ventilador de enfriamiento 1 Tipo: LPV45 P1: Orificio de descarga de la bomba PAEPC: Tapón de captación de presión de salida EPC PEPC: Orificio de entrada de presión básica de la válvula EPC PS: Orificio de succión de la bomba TO: Orificio de drenaje 1. Servo-válvula 2. Purga del aire
  • 73.
    10 Estructura, función,y estandar de mantenimiento GSN00603-00 D155AX-6 7 1. Eje 2. Sello de aceite 3. Carcasa 4. Leva oscilante 5. Zapata 6. Pistón 7. Bloque de cilindros 8. Placa de válvula 9. Resorte 10. Servo piston
  • 74.
    GSN00603-00 10 Estructura,función, y estandar de mantenimiento 8 D155AX-6 Función l La bomba convierte la rotación del motor transmitida a su eje en presión de aceite y descarga el aceite presurizado de acuerdo con la carga. l Es posible cambiar la descarga cambiando el ángulo del plato oscilante. Estructura l El bloque de cilindros (7) es soportado en el eje por medio de la ranura (11). l El eje (1) está soportado con los cojinetes del frente y traseros (12). l El extremo del pistón (6) tiene un hueco esférico el cual es combinado con la zapata (5). l El pistón (6) y la zapata (5) forman un cojinete de rótula. l La zapata (5) se mantiene presionada contra el plano (A), del balancín de leva (4) y se desliza circularmente. l El balancín de leva (4) desliza alrededor de la bola (13). l Piston (6) realiza un movimiento relativo en la dirección axial adentro de cada cámara del cil- indro del bloque de cilindros (7). l El bloque de cilindro (7) sella la presión del aceite a la placa de la válvula (8) y realiza un movimiento rotativo. l Está superficie está diseñada de forma que el equilibrio de la presión del aceite se mantiene en un nivel apropiado. l El aceite dentro de cada cámara de cilindros del bloque de cilindros (7) es aspirado y des- cargado a través de la placa de válvula (8).
  • 75.
    10 Estructura, función,y estandar de mantenimiento GSN00603-00 D155AX-6 9 Operación de la bomba l El bloque de cilindros (7) gira junto con el eje (1) y la zapata (5) se desliza sobre la superfi- cie lisa (A). l En este momento, el balancín de leva (4) se inclina alrededor de la bola (13). Como resultado, el ángulo (a) entre la línea central (X) del balancín de leva (4) y el eje del bloque se cilindros (7) cambia. l El ángulo (a) se llama el ángulo del plato oscilante. l Con la condición de la línea central (X) de la leva oscilante (4) tiene el ángulo del plato oscilante (a) en dirección axial al bloque de cil- indros (7), y la superficie plana (A) funciona como leva contra la zapata (5). l De esta forma el pistón (6) se desliza por la parte inferior del bloque de cilindros (7), de manera que se crea una diferencia entre el vol- umen (E) y (F) dentro del bloque de cilindros (7). l Un solo pistón (6) aspira y descarga el aceite por el caudal (F) – (E). l A medida que el bloque de cilindros (7) da vueltas y el volumen de la cámara (E) dis- minuye, se descarga el aceite presurizado. l Por otra parte, el volumen de la cámara (F) aumenta y en este proceso, se aspira el aceite.
  • 76.
    GSN00603-00 10 Estructura,función, y estandar de mantenimiento 10 D155AX-6 l A medida que la línea central (X) de la leva (4) coincide con la dirección del bloque de cilin- dros (7) (el ángulo (a) del plato oscilante = 0, la diferencia entre los volúmenes (E) y (F) dentro del bloque de cilindros (7) se vuelve cero 0. l En este estado, no se ejecuta ni la succión ni descarga de aceite presurizado. En otras pala- bras, no se realiza operación de bombeo (Sin embargo, el ángulo del plato de vaivén actual- mente no está colocado en 0.) l El ángulo del plato oscilante (a) está en pro- porción a la entrega de la bomba. Control de descarga l Si aumenta el ángulo (a) del plato oscilante, la diferencia entre los volúmenes (E) y (F) tam- bién aumenta y la bomba aumenta el caudal (Q) de descarga. l El ángulo del plato de vaivén (a) se cambia con el servo-pistón (10). l El servo-pistón (10) es alternado linealmente por la señal de presión de la servo-válvula . l Este movimiento lineal es transmitido al bal- ancín de leva (4). l El balancín de leva (4) está soportado por la bola (13) y se balancea alrededor de ella (13).
  • 77.
    10 Estructura, función,y estandar de mantenimiento GSN00603-00 D155AX-6 11 Servo-válvula P: Presión básica de la válvula EPC PE: Presión de control del pistón PH: Presión de descarga de la bomba T: Orificio de drenaje 1. Tapón 2. Palanca 3. Retenedor 4. Asiento 5. Carrete 6. Pistón 7. Camisa 8. Resorte
  • 78.
    GSN00603-00 10 Estructura,función, y estandar de mantenimiento 12 D155AX-6 Función l La válvula servo controla la entrada de corri- ente a la válvula EPC y descarga de la bomba (Q), por lo tanto, ellos serán relacionados como se muestra en el diagrama. l La presión de salida de la válvula EPC fluye hacia la cámara del pistón para empujar el pistón (6). l El pistón (6) empuja el carrete (5) hasta que es balanceado con el resorte. l Luego, el conducto de presión del pistón servo es conectado con el conducto de descarga de la bomba por medio del corte del carrete (5) y la presión de descarga es dirigida hacia el servo pistón. l Cuando la leva oscilante es empujada hacia arriba por el servopistón, se aplica una posición de retroalimentación y la palanca (2) se mueve para comprimir el resorte (8). l Cuando el carrete (5) es empujado hacia atrás, el circuito de descarga de la bomba y el circuito del servo pistón quedan desconecta- dos. l La presión en la cámara del servopistón dis- minuye y la leva oscilante retorna en la direc- ción del ángulo del plato oscilante máximo. l Este proceso es repetido hasta que el plato de vaivén quede fijo en una posición donde la sal- ida de presión EPC quede balanceada con la fuerza (8) del resorte. l A mayor presión de salida EPC, menor es el ángulo del plato oscilante. A la inversa, a menor presión de salida EPC, mayor es el ángulo del plato oscilante. Corriente i EPC DescargaQdelabomba
  • 79.
    10 Estructura, función,y estandar de mantenimiento GSN00603-00 D155AX-6 13
  • 80.
    GSN00603-00 10 Estructura,función, y estandar de mantenimiento 14 D155AX-6 Motor de ventilador de enfriamiento 1 Tipo: LMF110(65) P: Proveniente de la bomba del ventilador T: Desde el enfriador al tanque TC: Hacia el tanque Especificaciones Tipo: LMF110(65) Capacidad: 65.1 cc/rev. Velocidad nominal: 1,250 rpm Flujo nominal: 81.4 ¶/mm Presión de disparo de la válvula de retención: 78.5 kPa {0.8 kg/cm2}
  • 81.
    10 Estructura, función,y estandar de mantenimiento GSN00603-00 D155AX-6 15 1. Eje de salida 2. Carcasa 3. Placa de empuje 4. Conjunto del Pistón 5. Bloque de cilindros 6. Placa de válvula 7. Cubierta del extremo 8. Resorte central 9. Válvula de retención 10. Válvula piloto 11. Válvula reversible del carrete 12. Válvula de seguridad Unidad: mm No. Itemes a comprobar Criterio Solución 13 Resorte de retorno del carrete Tamaño estándar Límite de reparación Sustituir el resorte si está dañado o defor- mado. Largo libre x Diámetro exterior Largo de instalación Carga de instalación Largo libre Carga de instalación 62.66 x 19.8 53.5 146 N {14.9 kg} — 117 N {11.9 kg} 14 Resorte de la válvula de retención 16.4 x 8.9 11.5 13.7 N {1.4 kg} — 11.0 N {1.12 kg}
  • 82.
    GSN00603-00 10 Estructura,función, y estandar de mantenimiento 16 D155AX-6 1. Motor hidráulico Función l Este motor hidráulico es un motor de pistón axial de tipo plato oscilante. El convierte la energía del aceite hidráulico presurizado envi- ado por la bomba hidráulica en movimiento de rotación. Principios de operación l El aceite enviado desde la bomba hidráulica a través de la placa válvula (7) hacia el bloque de cilindros (5). Este aceite puede fluir en un solo lado de la línea (Y-Y) que conecta el punto muerto superior y el punto muerto del fondo del recorrido del pistón (4). l El aceite enviado a un lado del bloque de cilin- dros (5) presiona el pistón (4) [4 ó 5 piezas] y genera la fuerza (F1)[F1 = P x xD2/4]. l Esta fuerza es aplicada a la placa de empuje (2). A causa de que la placa de empuje (2) está fija a un ángulo de (a°) grados al eje de salida (1), la fuerza es dividida en los compo- nentes (F2) y (F3). l El componente radial (F3) genera torsión con- tra la línea (Y-Y) conectando el punto muerto superior y el punto muerto del (T = F3 x ri). l La resultante de esta torsión [T = (F3 x ri)] rota el bloque de cilindros (5) a través de los pistones. l Debido a que el bloque de cilindros (5) está acoplado con el eje de salida mediante unas ranuras, el eje de salida da vueltas para trans- mitir la torsión.
  • 83.
    10 Estructura, función,y estandar de mantenimiento GSN00603-00 D155AX-6 17 2. Válvula de succión Función l Si la bomba del ventilador se detiene, el aceite presurizado no fluye dentro del motor. Por supuesto, el motor continua dando revolu- ciones a causa de la inercia, por lo tanto, la presión en el lado de salida del motor se incre- menta. l Cuando el aceite no fluye por el orificio de admisión (P), la válvula de succión (1), suc- ciona el aceite en el lado de la salida y los envía hacia el orificio (MA) donde no hay sufi- ciente aceite para prevenir la cavitación. Operación 1) Cuando la bomba es arrancada l Si el aceite presurizado proveniente de la bomba es introducido por el orificio (P) y crece la presión en el lado (MA) y la torsión de arranque es generada en el motor, éste emp- ieza a girar. El aceite presurizado en el lado de la salida del motor (MB) retorna a través del orificio (T) hacia el tanque. 2) Cuando la bomba es detenida l Cuando se detiene el motor, el aceite presur- izado proveniente de la bomba deja de ser suministrado al orificio (P). A medida que se disminuye el suministro de aceite presurizado en el lado (MA) del motor, éste reduce su velocidad gradualmente hasta detenerse. l Si el eje del motor está rotando por causa de la inercia mientras es reducido el flujo de aceite proveniente del orificio (P), el aceite en el orifi- cio (T) del lado de la salida es enviado por la válvula de succión (1) hacia el lado (MA) con el fin de prevenir la cavitación. Bomba del ventilador Bomba del ventilador
  • 84.
    GSN00603-00 10 Estructura,función, y estandar de mantenimiento 18 D155AX-6 3. Operación de la válvula reversible 1) Cuando el solenoide activado/desactivado (ON-OFF) es desenergizado. l Si el solenoide "ON-OFF" (1) es "desenergi- zado", el aceite presurizado proveniente de la bomba es bloqueado por la válvula selectora "ON-OFF" (2), y se abre el orificio (C) para el circuito del tanque. l El carrete (3) es empujado hacia la derecha por el resorte (4). l Se abre el orificio (MA) del motor y entra el aceite presurizado para hacer girar el motor hacia adelante (en el sentido de las agujas del reloj). 2) Cuando el solenoide activado/desactivado (ON-OFF) es energizado. l Si el solenoide "ON-OFF" (1) es "energizado", la válvula selectora "ON-OFF" (2) cambia para permitir que el aceite presurizado proveniente de la bomba fluya a través del orificio (C) den- tro de la cámara del carrete (D). l El aceite presurizado en la cámara (D) empuja el carrete de la válvula (3) hacia la izquierda, contra el resorte (4). l Se abre el orificio (MB) del motor y entra el aceite presurizado para hacer girar el motor hacia atrás (en el sentido contrario al de las agujas del reloj). Bomba del ventilador Bomba del ventilador
  • 85.
    10 Estructura, función,y estandar de mantenimiento GSN00603-00 D155AX-6 19 4. Válvula de seguridad Función l Cuando se arranca el motor, la presión en el orificio (P) del motor del ventilador es elevada en algunos casos. l La válvula de seguridad (1) está instalada para proteger al circuito del sistema del ventilador. Operación l Si la presión en el orificio (P) aumenta sobre la presión de rotura de de la válvula de seguridad (1), la válvula (2) de la válvula de seguridad (1) se abre para liberar el aceite presurizado en el orificio (T). l Por esta operación, es prevenida la generación de una presión anormal en el orificio (P).
  • 86.
    GSN00603-00 10 Estructura,función, y estandar de mantenimiento 20 D155AX-6 D155AX-6 Buldózer Forma No. GSN00603-00 © 2006 KOMATSU Todos los Derechos Reservados Impreso en E.E.U.U. 08-06
  • 87.
    D155AX-6 1 GSN00604-00 BULDÓZER 1MANUALDE TALLER D155AX-6 Modelo de máquina Número de serie D155AX-6 80001 y superiores 10 Estructura, función, y estandar de mantenimiento1 Sistema del tren de potencia, Parte 1 Sistema del tren de potencia, Parte 1............................................................................................................ 2 Esqueleto del tren de potencia............................................................................................................ 2 Dibujo general de la unidad del tren de potencia................................................................................ 4 Dibujo de las tuberías hidráulicas del tren de potencia....................................................................... 6 Amortiguador, unión universal............................................................................................................. 8 Convertidor de torsión, TDF.............................................................................................................. 10 Válvula de control del convertidor de torsión .................................................................................... 19 Embrague de traba ECMV, embrague del estátor ECMV ................................................................. 20 Control de la transmisión .................................................................................................................. 26 Transmisión ....................................................................................................................................... 28 ECMV de la transmisión.................................................................................................................... 40 Válvula de alivio principal y válvula de alivio del convertidor de torsión ........................................... 46 Válvula de alivio de la lubricación ..................................................................................................... 48 Bomba de barrido.............................................................................................................................. 49
  • 88.
    GSN00604-00 10 Estructura,función, y estandar de mantenimiento 2 D155AX-6 Sistema del tren de potencia, Parte 1 1 Esqueleto del tren de potencia 1 Descripción l Las vibraciones torsionales generadas por la potencia del motor (1) son amortiguadas por medio del amortiguador de vibraciones (2), la potencia pasa a través de la unión universal (3) y es transmitida al convertidor de torsión (8). l La potencia del motor es transmitida a través del aceite por el convertidor de torsión (8) hacia el eje de entrada de la transmisión (eje de la turbina) de acuerdo con el cambio de carga. (con L/U) l La transmisión (9) utiliza la combinación de un siste ma de e ngra na jes plane ta rios y embragues hidráulicos para reducir la velocidad y cambiar de marchas (3 engranajes para avanzar y 3 engranajes para retroceder). Se co ne cta n 2 gr upo s de emb ra gue s seleccionados de acuerdo al cambio de carga y se transmite la potencia a la corona (10) desde el piñón ubicado en el extremo trasero de la transmisión. l La potencia transmitida al eje de la corona, a su ves es transmitida al HSS (Sistema hidrostático de dirección) (11). La bomba HSS (5), hidráulica, es impulsada por la TDF (6) y el aceite que sale de la bomba HSS hidráulica, energiza el motor (12) HSS. La rotación de la pareja de engranajes HSS de la derecha e izquierda está controlada por el motor (12) HSS. La dirección se realiza generando una diferencia en la velocidad derecha e izquierda. También es posible emplear el mecanismo HSS para hacer girar los lados derecho e izquierdo, en direcciones opuestas, para hacer giros de contrarotación. l El freno (13) del HSS se usa para frenar la máquina. El freno (13) es un embrague del tipo de discos múltiples en aceite, aplicado por resortes. La potencia enviada desde el freno (13) es transmitida al mando final (14). l El mando final (14) está formado por un engranaje sencillo de dientes rectos y un sistema de engranajes planetarios sencillos. Reduce la velocidad y hace girar la rueda dentada (15) que propulsa la oruga (16) y mueve la máquina. El caudal de aceite generado por la bomba del ventilador de enfriamiento (17) propulsada por la TDF (6), h ace girar el moto r d el ven tilado r d e enfriamiento (18).
  • 89.
    10 Estructura, función,y estandar de mantenimiento GSN00604-00 D155AX-6 3 1. Motor (SAA6D140E-5) 2. Amortiguador 3. Junta universal 4. Bomba de barrido (SAR(4) 140) 5. Hidráulica, bomba HSS (HPV190) 6. TDF [PTO = Toma de fuerza] 7. Bomba de lubricación del tren de potencia (SAR(3)100+40) 8. Convertidor de torsión 9. Transmisión 10. Corona 11. Unidad HSS 12. Motor HSS (KMF140) 13. Freno 14. Mando final 15. Rueda motríz 16. Zapata de la oruga 17. Bomba del ventilador de enfriamiento (LPV45) 18. Motor de ventilador de enfriamiento (LMF65)
  • 90.
    GSN00604-00 10 Estructura,función, y estandar de mantenimiento 4 D155AX-6 Dibujo general de la unidad del tren de potencia 1
  • 91.
    10 Estructura, función,y estandar de mantenimiento GSN00604-00 D155AX-6 5 1. Unidad HSS 2. Transmisión 3. Bomba de lubricación del tren de potencia (SAR(3)100+40) 4. Colador del aceite del tren de potencia 5. Motor HSS (KMF140) 6. Válvula de alivio principal, y de alivio del convertidor de torsión 7. Convertidor de torsión, PTO=TDF 8. Bomba de barrido (SAR(4) 140) 9. Bomba del ventilador de enfriamiento (LPV45) 10. Hidráulica, bomba HSS (HPV190) 11. Válvula de control del freno Descripción l La unidad del tren de potencia puede dividirse ampliamente en el convertidor de torsión, TDF (7), la unidad de la transmisión (2) y la unidad HSS (1). l De tal modo, después que se desmonte el conjunto del tren de potencia, este puede dividirse en el convertidor de torsión, TDF (7), la unidad de transmisión y la unidad HSS (1). l La unidad HSS está formada por la unidad del piñón, el eje de la corona, el motor HSS, el engranaje planetario y freno.
  • 92.
    GSN00604-00 10 Estructura,función, y estandar de mantenimiento 6 D155AX-6 Dibujo de las tuberías hidráulicas del tren de potencia 1
  • 93.
    10 Estructura, función,y estandar de mantenimiento GSN00604-00 D155AX-6 7 1. Hidráulica, bomba HSS (HPV190) 2. Orificio para detectar la presión centralizada 3. Tren de potencia, bomba de lubricación (SAR(3)-100+40) 4. Válvula de control del freno 5. Motor HSS (KMF140) 6. Válvula de alivio principal, y de alivio del convertidor de torsión 7. Filtro del aceite del tren de potencia 8. Bomba de barrido (SAR(4) 140) 9. Enfriador del aceite del tren de potencia (incorporada al tanque inferior del radiador) A: Agujero de toma (LB) de la presión del aceite del freno izquierdo AA: Agujero de toma (RB) de la presión del aceite del freno derecho B: Orificio de detección de presión del aceite del 3er. Embrague (3RD) C: Orificio de captación de la presión de aceite del embrague de 2da de la transmisión (2ND) D: Orificio de captación de la presión de aceite del embrague de 1ra de la transmisión (1ST) E: Orificio de captación de la presión de aceite del embrague de retroceso de la transmisión (R) F: Orificio de captación de la presión de aceite del embrague de avance de la transmisión (F) G: Agujero de captación de la presión de alivio principal de la transmisión (TM) H: Orificio de toma de presión de aceite del embrague de traba (LC) J: Orificio de toma de presión de aceite del embrague del estator (SC)
  • 94.
    GSN00604-00 10 Estructura,función, y estandar de mantenimiento 8 D155AX-6 Amortiguador, unión universal 1
  • 95.
    10 Estructura, función,y estandar de mantenimiento GSN00604-00 D155AX-6 9 1. Respiradero 2. Varilla de medición 3. Tapón de drenaje 4. Eje de salida 5. Volante 6. Cuerpo exterior 7. Acople 8. Junta universal 9. Cubierta 10. Acople de caucho 11. Cuerpo interior Descripción l El amortiguador de vibraciones atenúa las vibraciones ocasionadas por cambios en la torsión del motor y por la torsión de impacto generada por una aceleración súbita o al realizar excavaciones muy duras. De esta manera, el amortiguador de vibraciones actúa para proteger el convertidor de torsión, la transmisión y otras partes del tren de potencia. l El amortiguador consta de pocos componentes: emplea un acople de caucho que absorbe las vibraciones por el efecto amortiguador del material de caucho. Operación l La fuerza motríz del motor pasa a través de la volante (5) y es transmitida al cuerpo exterior (6). La vibración torsional del motor queda absorbida por el acoplamiento de caucho (10) y la potencia es transmitida al cuerpo interior (11). La fuerza pasa a través de la unión universal [cardan] (8) y es transmitida al convertidor de torsión y a la transmisión. Unidad: mm No. Itemes a comprobar Criterio Solución 12 Separación entre la caja del volante y la cubierta Tamaño estándar Tolerancia Holgura estándar Límite de holgura Reemplace Eje Agujero 511.18 –0.022 –0.092 +0.070 +0.070 0.022 – 0.162 0.2 13 Separación entre el volante y el amortiguador 466.72 –0.020 –0.083 +0.063 +0.070 0.020 – 0.146 0.2 14 Diámetro exterior de la super- ficie de contacto del sello de aceite del acople Tamaño estándar Tolerancia Límite de reparación 90 –0.087 –0.087 89.8
  • 96.
    GSN00604-00 10 Estructura,función, y estandar de mantenimiento 10 D155AX-6 Convertidor de torsión, PTO=TDF1 H TDF: Abreviatura de Toma de Fuerza A: Procedente de la bomba del tren de potencia B: Hacia el enfriador del aceite del tren de potencia C: Desde la válvula principal de alivio D: Desde la caja de la transmisión E: Hacia la caja de la transmisión F: Proveniente del enfriador de aceite del tren de fuerza
  • 97.
    10 Estructura, función,y estandar de mantenimiento GSN00604-00 D155AX-6 11
  • 98.
    GSN00604-00 10 Estructura,función, y estandar de mantenimiento 12 D155AX-6 1. Agujero de montaje de la bomba HSS, equipo de trabajo 2. Orificio de montaje de la bomba del ventilador de enfriamiento 3. Agujero de montaje de la bomba de barrido 4. Orificio de Montaje de la bomba para el tren de fuerza y lubricación de la dirección 5. Caja del convertidor de torsión 6. Acople 7. Eje de entrada (número de dientes: 58) 8. Engranaje libre de la TDF (número de dientes: 66) 9. Eje del engranaje loco PTO 10. Bastidor del embrague de traba 11. Turbina 12. Caja de conducción 13. Pista 14. Estator 15. Bomba 16. Retenedor 17. Carcaza delantera del embrague del estator 18. Eje de la bomba 19. Caja trasera del embrague del estator 20. Eje del estator 21. Cubo del embrague del estátor 22. Plato del embrague del estator 23. Disco del embrague del estator 24. Pistón del embrague del estator 25. Eje de entrada a la transmisión 26. Plato del embrague de traba 27. Disco del embrague de traba 28. Pistón del embrague de traba 29. Cubo de la turbina 30. Engranaje A TDF (número de dientes: 49) 31. Engranaje B TDF (número de dientes: 48) 32. Engranaje propulsor del la bomba de barrido (Número de dientes: 56) 33. Válvula de control del convertidor de torsión 34. Colador del aceite del tren de potencia 35. Camisa
  • 99.
    10 Estructura, función,y estandar de mantenimiento GSN00604-00 D155AX-6 13 Descripción l El convertidor de torsión es del tipo de 3 elementos, 1 etapa, 1 fase, que está integrado con la transmisión. l El convertidor de torsión está equipado con un tipo de embrague de disco doble húmedo, dispositivo de traba del convertidor de torsión y embrague del estátor, con el fin de reducir el consumo de combustible e incrementar la capacidad de operación, y para reducir el consumo de caballos de fuerza por parte del motor. l Para mayor eficiencia de empuje ligero continuo y operaciones de nivelado, el convertidor de torsión es trabado y la fuerza del motor es transferida directamente al eje de entrada de la transmisión. l Cuando el convertidor de torsión es trabado (la bomba y la turbina es integrada como una u nidad ), y el aceite con tinú a siend o suministrado al convertidor de torsión. De acuerdo a esto, el aceite que está fluyendo desde la bomba, a través de la turbina hacia el estátor es detenido por las hojas del estátor y no puede fluir en ninguna dirección. Como resultado, este aceite resiste la rotación de la bomba y de la turbina (el solamente es agitado). l Para reducir la resistencia a la rotación de la bomba y de la turbina, el embrague del estátor es desembragado simultáneamente con la traba del convertidor de torsión, de tal manera que el estátor puede girar libremente. Como el estátor es arrastrado y girado por la bomba y la turbina, el aceite retorna desde la turbina hacia la bomba, en forma suave y en contra una resistencia menor. Condición para el rango de traba y el rango del convertidor de torsión Estructura l La potencia del motor hace dar vueltas al conjunto formado por la bomba (15) que está integrada en el acoplamiento (6), el eje de entrada (7), el bastidor del embrague de traba (10) y la caja de mando (12). l La turbina (11) es integrada por el muñón de la turbina (29 ) y el eje de entrada de la transmisión (25), y es girada por el aceite proveniente de la bomba (15) l El estátor (14) está integrado con el eje del estátor (20) el muñón del embrague del estátor (21), y está fijo a la caja del convertidor de torsión (5) por medio de la unidad del embrague del estátor. l El embrague de traba está formado por el plato (26) del embrague engranado a la caja propulsora (12), con el disco del embrague (27) engranado con el cubo de la turbina (29) y el pistón del embrague (28) que se desliza dentro de la caja del embrague (10) integrada con la caja propulsora (12). l La unidad del embrague del estátor consta de: el cubo del embrague (21) adherido al eje del estátor (20) con ranura, disco de embrague (23) engranado con el cubo del embrague (21), plato de embrague (22) soportado por pasadores en el bastidor delantero del embrague (17), bastidor trasero del embrague (19), pistón del embrague (24) el cual se desliza dentro del bastidor delantero del embrague (17). El bastidor delantero del embrague (17) está fijado a la camisa (35) con la caja del convertidor de torsión (5). l La unidad (tomafuerza) PTO consta de: eje de entrada (7), engranaje libre PTO (8), engranaje A del PTO (30), engranaje B del PTO (31) y engranaje de mando de la bomba de barrido (32). Velocidad del eje de salida del convertidor de torsión Rango de traba Régimen del converti- dor de torsión 1a. marcha de avance Mín. 1,313 rpm Máx. 1,262 rpm 2a. marcha de avance Mín. 1,899 rpm Máx. 1,876 rpm 3a. marcha de avance Mín. 1,366 rpm Máx. 1,355rpm 1o. De retro- ceso Mín. 1,244 rpm Máx. 1,216 rpm Retroceso 2da Mín. 1,196 rpm Máx. 1,177 rpm Retroceso 3ra Mín. 1,622 rpm Máx. 1,613 rpm
  • 100.
    GSN00604-00 10 Estructura,función, y estandar de mantenimiento 14 D155AX-6
  • 101.
    10 Estructura, función,y estandar de mantenimiento GSN00604-00 D155AX-6 15 Unidad: mm No. Itemes a comprobar Criterio Solución 1 Diámetro exterior de la superfi- cie de contacto del sello de aceite del acoplamiento Tamaño estándar Tolerancia Límite de reparación Repárese por enchapado en cromo endurecido o sustitúyase. 100 -0.054 -0.054 99.8 2 Diámetro interior de la superfi- cie de contacto del anillo de sello del eje de entrada 35 +0.025 +0.025 35.1 Desgaste del anillo sellador para el eje de entrada de la transmisión Ancho 2.56 -0.01 -0.03 2.3 Reemplace Espesor 1.7 ±0.1 1.55 3 Diámetro interior de la superfi- cie de contacto del anillo de sello del eje del estator 65 +0.030 +0.025 65.1 Repárese por enchapado en cromo endurecido o sustitúyase. Desgaste del anillo sellador para el eje de entrada de la transmisión Ancho 3 -0.01 -0.03 2.7 Reemplace Espesor 2.7 ±0.1 2.55 4 Diámetro interior de la superfi- cie de contacto del anillo de sello de la camisa 90 +0.035 +0.025 90.1 Repárese por enchapado en cromo endurecido o sustitúyase. Desgaste del anillo de sello del eje del estator Ancho 3 -0.01 -0.03 2.7 Reemplace Espesor 3.7 ±0.12 3.55 5 Diámetro interior de la superfi- cie de contacto del retenedor 150 +0.040 +0.025 150.5 Repárese por enchapado en cromo endurecido o sustitúyase. 6 Juego entre dientes entre el eje de entrada y el engranaje libre del PTO 0.198 – 0.484 Reemplace 7 Juego entre dientes entre el engranaje libre del PTO y el engranaje A del PTO 0.198 – 0.484 8 Juego entre dientes entre el engranaje libre del PTO y el engranaje B del PTO 0.198 – 0.484 9 Juego entre dientes entre el eje de entrada y el engranaje pro- pulsor de la bomba de barrido 0.198 – 0.484 10 Grosor del disco del embrague de traba 5.0 ±0.1 4.5 Grosor de la placa del embra- gue de traba 5.0 ±0.1 4.5 Espesor total del conjunto del embrague del traba 15.0 ±0.17 13.9 11 Grosor del disco del embrague del estátor 5.0 ±0.1 4.5 Grosor de la placa del embra- gue del estátor 5.0 ±0.1 4.5 Espesor total del conjunto del embrague del estátor 15.0 ±0.17 13.9
  • 102.
    GSN00604-00 10 Estructura,función, y estandar de mantenimiento 16 D155AX-6 12 Tolerancia de ajuste del engranaje libre del PTO y el cojinete Tamaño estándar Tolerancia Holgura estándar Límite de holgura Reemplace Eje Agujero Diámetro exterior 140 -0.025 -0.018 -0.008 -0.033 -0.033 – 0.010 — Diámetro interior 80 0.025 -0.019 0 -0.015 -0.015 – 0.019 — 13 Tolerancia del ajuste del HSS (sistema de direc- ción hidrostático), equipo de trabajo, tren de potencia, rodamiento del engranaje propul- sor de la bomba de lubricación Diámetro exterior (cubiertas laterales) 180 -0.025 -0.025 +0.026 -0.014 -0.014 – 0.051 — Diámetro exterior (lado de la caja) 120 -0.025 -0.015 +0.022 -0.013 -0.013 – 0.037 — Diámetro interior (cubiertas laterales) 100 +0.035 +0.013 -0.025 -0.020 -0.055 – -0.013 — Interior diámetro (lado de la caja) 65 +0.030 +0.011 -0.025 -0.015 -0.045 – -0.011 — 14 Ajuste de la toler- ancia del rodamiento del engranaje propul- sor de la bomba del ventilador Diámetro exterior (cubiertas laterales) 120 -0.025 -0.015 +0.022 -0.013 -0.013 – 0.037 — Diámetro exterior (lado de la caja) 120 -0.025 -0.015 +0.022 -0.013 -0.013 – 0.037 — Diámetro interior (cubiertas laterales) 55 +0.030 +0.011 -0.025 -0.015 -0.045 – -0.011 — Diámetro interior (lado de la caja) 65 +0.030 +0.011 -0.025 -0.015 -0.045 – -0.011 — 15 Ajuste de la toler- ancia del rodamiento del engranaje propul- sor de la bomba de barrido Diámetro exterior 85 -0.025 -0.015 +0.010 -0.025 -0.025 – 0.025 — Diámetro interior 45 +0.018 +0.002 -0.025 -0.012 -0.030 – -0.002 — 16 Resorte del embrague del estator Tamaño estándar Límite de reparación Largo libre Largo de instalación Carga de instalación Largo libre Carga de insta- lación 35 27 85.3 N {8.7 kg} 32.9 72.6 N {7.4 kg} Unidad: mm No. Itemes a comprobar Criterio Solución
  • 103.
    10 Estructura, función,y estandar de mantenimiento GSN00604-00 D155AX-6 17 Trayectoria de transmisión de potencia Cuando el embrague de traba es "desengra- nado" y el embrague del estátor es "engranado" l Si el embrague de traba (3) es “desembragado“, la caja propulsora (5) y la turbina (7) se desconectan uno del otro. Si el embrague del estátor (9) es "engranado" en este momento, la caja del convertidor de torsión (10) y el eje del estátor (11) quedan conectados entre sí, para fijar el estátor (8). Por lo tanto, el convertidor de torsión trabaja como un convertidor de torsión común. l La fuerza proveniente del motor es transmitida al acople (1) a través del amortiguador y la unión universal. l La fuerza transferida al acople (1) hace girar integralmente al eje de entrada (2), al bastidor del embrague (4), la caja de transmisión (5) y la bomba (6). l La fuerza transferida a la bomba (6) hace girar la turbina (7) por medio de aceite y es transferida al eje de entrada de la transmisión (12) adherido por ranura a la turbina (7). Cuando el embrague de traba es "engranado" y el embrague del estátor es "desengranado" l Si el embrague de traba (3) es “embragado“, la caja propulsora (5) y la turbina (7) se conectan entre si. Si e l emb ra gue del estáto r (9) e s "desengranado" en este momento, la caja del convertidor de torsión (10) y el eje del estátor (11) quedan desconectados entre sí, y el estátor (8) es arrastrado y girado por la bomba (6) y la turbina (7). Por lo tanto, el convertidor de torsión trabaja como un convertidor de torsión con traba. l La fuerza proveniente del motor es transmitida al acople (1) a través del amortiguador y la unión universal. l La fuerza transferida al acople (1) hace girar integralmente al eje de entrada (2), al bastidor del embrague (4), la caja de transmisión (5) y la bomba (6). l La fuerza transferida a la caja de transmisión (5) hace girar directamente la turbina (7), debido a que el embrague de traba (3) está fijo, y la fuerza es transferida al eje de entrada de la transmisión (12) adherido por ranura a la turbina (7).
  • 104.
    GSN00604-00 10 Estructura,función, y estandar de mantenimiento 18 D155AX-6 Flujo de aceite l El aceite pasa a través de la válvula de alivio principal, la válvula de alivio del convertidor de torsión ajusta la presión del aceite a un valor inferior al de la presión regulada. Luego, el fluye en el orificio de entrada (A) a través del pasaje de aceite de la caja del convertidor de torsión (1), del bastidor delantero del embrague del estátor (2), eje de la bomba (3) y retenedor (4) y fluye dentro de la bomba (5). l Al aceite se le ha dado fuerza centrifuga por medio de la bomba (5), y fluye en la turbina (6) transfiriendo su energía a la turbina (6). l El aceite proveniente de la turbina (6) es enviado hacia el estátor (7) y fluye otra ves dentro de la bomba (5). La parte A del aceite, sin embargo, es enviada a través del orificio de salida (B) hacia el enfriador de aceite del tren de fuerza.
  • 105.
    10 Estructura, función,y estandar de mantenimiento GSN00604-00 D155AX-6 19 Válvula de control del convertidor de torsión 1 A: Procedente de la bomba del tren de potencia B: Orificio de toma de presión de aceite del embrague del estator (SC) C: Orificio de toma de presión de aceite del embrague de traba (LC) 1. Filtro de aceite del convertidor de torsión 2. Embrague del estator ECMV 3. Embrague de traba ECMV
  • 106.
    GSN00604-00 10 Estructura,función, y estandar de mantenimiento 20 D155AX-6 Embrague de traba ECMV, embrague del estátor ECMV 1 H ECMV: Abreviación de: Válvula Moduladora de Control Electrónico H No trate de desensamblarlo debido a que se necesitarán ajustes para mantener el rendimiento. A: Al embrague P: Proveniente de la bomba T: Drenaje DR: Drenaje P1: Orificio de captación de presión del aceite del embrague P2: Orificio de captación de presión del aceite piloto 1. Conector del suiche de llenado 2. Conector del solenoide proporcional 3. Válvula de detección de presión 4. Suiche de llenado 5. Solenoide proporcional 6. Válvula de control de presión 7. Placa de identidad (*1) *1: Embragues operados Estampado de la placa de características Traba E * * * * * * * Estator A * * * * * * *
  • 107.
    10 Estructura, función,y estandar de mantenimiento GSN00604-00 D155AX-6 21 Embrague de traba para ECMV Descripción l Esta válvula se usa para cambiar el embrague con el objeto de convertir la presión del aceite del embrague a la presión establecida. Debido a que se usa una forma de onda de modulación para las características de la aplicación de presión al embrague, la ECMV e s ca paz de con ectar suavemen te e l embrague de traba, por lo tanto se reducen los impactos resultantes del cambio de engranaje de velocidad. Además, esto previene la generación de picos de torsión en el tren de potencia. Estos arreglos hacen que la máquina sea confortable para el operador y aumentan la duración del tren de fuerza. Cuando se cambia de traslado por convertidor de torsión a traslado en directa En el cambio de engranaje de velocidad (en traslado directo) Operación Cuando se traslada dentro del régimen del con- vertidor de torsión l Cuando se traslada en el rango del convertidor de torsión, la corriente no es suministrada al solenoide proporcional (1). La válvula de control de presión (3) drena el aceite proveniente del or ificio (A) del embrague, a través del orificio de drenaje (T), y libera el embrague de la traba. También en este momento, el interruptor de llenado (5) es desactivado "OFF" debido a que la presión de aceite no es aplicada a la válvula de detectora de presión (4) Tiempo Presióndeaceitedeltraba (Seg.) Tiempo Presióndeaceitedeltraba (Seg.)
  • 108.
    GSN00604-00 10 Estructura,función, y estandar de mantenimiento 22 D155AX-6 Al trasladarse en transmisión directa (Marcha con convertidor de torsión Ý marcha directa) Durante el llenado l Cuando se traslada en el rango de directa (trabado), la corriente es suministrada al solenoide proporcional (1), la fuerza de la presión del aceite es balanceada con la fuerza del solenoide y aplicada a la cámara (b), y empuja la válvula de control de presión (3) hacia la izquierda. Como resultado, el orificio de la bomba (P) y el orificio del embrague (A) son abiertos y el aceite empieza a llenar el embrague. Una vez lleno de aceite el embrague, el interruptor de llenado (5) se pone en “on”. Ajuste de presión l Si hay un flujo de corriente en el solenoide proporcional (1), el solenoide genera empuje en proporción a la intensidad de la corriente. Este empuje del solenoide es balanceado por la suma del empuje generado por la presión de aceite en el orificio del embrague y la tensión del resorte de la válvula de control de presión (2), entonces la presión queda establecida. l Mientras se hacen los cambios de velocidad, la presión del aceite del embrague de taba es reducida temporalmente para reducir el impacto cuando se hace el cambio. En este momento la presión de aceite es controlada de tal manera que la fuerza de empuje del pistón de traba se balancea con la presión interna del convertidor de torsión.
  • 109.
    10 Estructura, función,y estandar de mantenimiento GSN00604-00 D155AX-6 23 Embrague del estátor ECMV Descripción l Esta válvula actúa para regular la presión del aceite del embrague de traba y también hacer cambio en el embrague de traba. Forma un patrón de onda moduladora, de manera que el embrague del estator se acopla suavemente para reducir el impacto al hacer los cambios de marcha. Además, ella previene la generación de picos de torsión en el tren de potencia. Como resultado, se proporciona al o perad or una travesía cómod a y se incrementa considerablemente la durabilidad del tren de potencia. Traslado directo Ý traslado por convertidor de torsión Operación Al trasladarse en transmisión directa l Cuando se traslada en el rango directo (traba del convertidor de torsión), la corriente no fluye al solenoide proporcional (1). La válvula de control de presión (3) drena el aceite proveniente del or ificio (A) del embrague, a través del orificio de drenaje (T), y libera el embrague del estator. También en este momento, el interruptor de llenado (5) es desactivado "OFF" debido a que la presión de aceite no es aplicada a la válvula de detectora de presión (4) Tiempo Presióndeaceitedel embraguedelestator (Seg.)
  • 110.
    GSN00604-00 10 Estructura,función, y estandar de mantenimiento 24 D155AX-6 Cuando se traslada dentro del régimen del con- vertidor de torsión (Traslado directo Ý traslado por convertidor de torsión) Durante el llenado l Cuando se traslada en el rango de convertidor de torsión, la corriente es suministrada al solenoide proporcional (1), la fuerza de la presión del aceite es balanceada con la fuerza del solenoide y aplicada a la cámara (b), y empuja la válvula de control de presión (3) hacia la izquierda. Como resultado, el orificio de la bomba (P) y el orificio del embrague (A) son abiertos y el aceite empieza a llenar el embrague. Una vez lleno de aceite el embrague, el interruptor de llenado (5) se pone en “on”. Ajuste de presión l Si hay un flujo de corriente en el solenoide proporcional (1), el solenoide genera empuje en proporción a la intensidad de la corriente. Este empuje del solenoide es balanceado por la suma del empuje generado por la presión de aceite en el orificio del embrague y la tensión del resorte de la válvula de control de presión (2), entonces la presión queda establecida.
  • 111.
    10 Estructura, función,y estandar de mantenimiento GSN00604-00 D155AX-6 25
  • 112.
    GSN00604-00 10 Estructura,función, y estandar de mantenimiento 26 D155AX-6 Control de la transmisión 1 H Para operaciones de dirección de la palanca del Palm Command Steering Control (PCCS), vea Direc- ción, Control del Freno. H PCCS: Abreviatura para: Sistema de Control Comandado por la Palma de la Mano 1. Pedal de freno 2. Palanca de bloqueo 3. Palanca PCCS (Cambiando de Avance-Retroceso) 3A. Interruptor UP [Hacia arriba] (Se cambia la marcha hacia arriba cada vez que se oprima el interruptor) 3B. Interruptor DOWN [= Hacia abajo] (Se cambia la marcha hacia abajo cada vez que se oprima el interruptor.) 4. Traba neutral de la transmisión 5. Válvula de control de la transmisión Posición de las palancas A: Neutral B: Avance C: Retroceso D: OFF E: Cambio hacia arriba F: Cambio hacia abajo G: Libre H: Traba
  • 113.
    10 Estructura, función,y estandar de mantenimiento GSN00604-00 D155AX-6 27 Descripción l La transmisión se controla con la palanca (3) PCCS La palanca PCCS se emplea para seleccionar la dirección de traslado y escoger la marcha. l Como se emplea un mecanismo de seguridad, el interruptor por seguridad de neutral de la transmisión (4) no trabaja y el motor no arranca a menos que la palanca de traba (2) esté en la posición LOCK [TRANCADA].
  • 114.
    GSN00604-00 10 Estructura,función, y estandar de mantenimiento 28 D155AX-6 Transmisión 1
  • 115.
    10 Estructura, función,y estandar de mantenimiento GSN00604-00 D155AX-6 29 A: Orificio de captación de la presión del embrague de 1a. (1ST) B. Orificio de captación de presión del Embrague de 3a. (3RD) C: Orificio de captación de la presión del aceite del embrague en retroceso (R) D: Orificio de captación de la presión del embrague de 2a. (2ND). E: Orificio de captación de la presión del aceite del embrague en avance (F) F: Procedente de la bomba del tren de potencia G: Hacia la válvula de control del freno H: Procedente de la caja de dirección J: Proveniente del enfriador de aceite del tren de fuerza K: Hacia el convertidor de torsión L. Hacia la bomba de barrido M: Hacia la caja del convertidor de torsión N: Procede de la caja del convertidor de torsión P: Hacia el embrague de Retroceso R: Al embrague de 3a. S: Al embrague de 1a. T: Al embrague de 2a. U: Hacia el embrague de Avance
  • 116.
    GSN00604-00 10 Estructura,función, y estandar de mantenimiento 30 D155AX-6
  • 117.
    10 Estructura, función,y estandar de mantenimiento GSN00604-00 D155AX-6 31 1. ECMV de la transmisión 2. Válvula de alivio principal y válvula de alivio del convertidor de torsión 3. Caja de la transmisión 4. Camisa 5. Eje de entrada a la transmisión 6. Perno de amarre 7. R aro dentado (cubo) 8. R piñon planetario (número de dientes: 26) 9. Aro dentado R (número de dientes internos: 86) 10. F piñon planetario (número de dientes: 24) 11. Aro dentado F (número de dientes internos: 91) 12. Piñon planetario de 3a. (número de dientes: 35) 13. Aro dentado 3a. (número de dientes internos: 89) 14. Piñón planetario de 2a. (número de dientes: 31) 15. Aro dentado de 2a. (número de dientes internos: 91) 16. Aro dentado de 1a. (número de dientes internos: 91) 17. Piñón planetario de 1a. (número de dientes: 27) 18. Eje de salida de la caja de transmisión (Engranaje central de 3a.) (número de dientes: 19) 19. Caja del embrague de 1a 20. Pistón de 1a. embrague 21. Engranaje central de 1a. (número de dientes: 37) 22. Portadora de la 1a. marcha 23. Caja del embrague de 2a 24. Pistón del embrague de 2a. 25. Engranaje central de 2a. (número de dientes: 29) 26. Portadora de la 2a. marcha 27. Caja de embrague de 3a. 28. Pistón del embrague de 3a. 29. Portadora de 3a. 30. Caja de embrague de F [avance] 31. Pistón del embrague de avance 32. Portadora de F [avance] 33. Caja del embrague de retroceso 34. Engranaje central de avance (número de dientes: 44) 35. Pistón del embrague R 36. Resorte tipo arandela 37. Plato del embrague 38. Disco del embrague 39. Resorte del pistón 40. Portadora R [retroceso] 41. Caja delantera 42. Engranaje central de retroceso (número de dientes: 34) Descripción l La transmisión adoptada es de "Tres velocidades hacia adelante y tres velocidades hacia atrás", la cual consta de un mecanismo de engranajes planetarios y embragues de discos. l Fuera de los 5 juegos de mecanismos de engranajes planetarios y embragues de discos, 2 e mbragu es e stán fija do s hidráulicamente mediante la operación de la ECMV, para seleccionar la dirección de rotación y un engranaje de velocidad. l La transmisión transfiere la fuerza recibida por el eje de entrada a la transmisión hacia el eje de salida, mientras cambia los engranajes de velocidad (avance 1a. a 3a., o reversa 1a. a 3a.) en cualquier combinación de embragues de avance, o retroceso y de los embragues de 3 velocidades. Número de platos y discos usados Combinaciones de embragues del respectivo engranaje de velocidad y su radio de reducción. Embrague No. Número de platos Número de discos Embrague R 6 6 Embrague F 6 7 Embrague de 3ra 3 4 Embrague de 2da 3 4 Embrague de 1ra 2 3 Velocidad Embragues operados Relación de reducción 1a. marcha de avance F x 1ra 1.705 2a. marcha de avance F x 2da 1.151 3a. marcha de avance F x 3ra 0.540 Neutral * — 1o. De retro- ceso R x 1a. 1.406 Retroceso 2da R x 2a. 0.949 Retroceso 3ra R x 3ra 0.445 *: El embrague de la 1a. marcha está lleno con aceite en baja presión.
  • 118.
    GSN00604-00 10 Estructura,función, y estandar de mantenimiento 32 D155AX-6
  • 119.
    10 Estructura, función,y estandar de mantenimiento GSN00604-00 D155AX-6 33 Unidad: mm No. Itemes a comprobar Criterio Solución 1 Resortes del embrague de Ret- roceso (12 piezas) Tamaño estándar Límite de reparación Reemplace Largo libre Largo de instalación Carga de instalación Largo libre Carga de instalación 81.7 72.4 59.8 N {6.1 kg} 76.8 51.0 N {5.2 kg} 2 Resortes del embrague de Avance (12 piezas) 81.7 76.4 34.3 N {3.5 kg} 76.8 29.4 N {3.0 kg} 3 Resortes del embrague de 3ra (12 piezas) 70.0 50.2 97.1 N {9.9 kg} 65.8 82.4 N {8.4 kg} 4 Resortes del embrague de 2a (12 piezas) 70.0 51.6 90.2 N {9.2 kg} 65.8 76.5 N {7.8 kg} 5 Resortes del embrague de 1a (12 piezas) 66.0 51.8 66.7 N {6.8 kg} 62.0 56.9 N {5.8 kg} 6 Grosor total del conjunto del embrague de retroceso (R) que consiste de 6 discos y 6 platos. Tamaño estándar Tolerancia Límite de reparación 51.6 ±0.35 48.4 7 Grosor total del conjunto del embrague de avance F que consiste de 7 discos y 6 platos. 57.0 ±0.36 53.3 8 Grosor total del conjunto del embrague de 3a. que consiste de 4 discos y 3 platos. 31.2 ±0.26 29.1 9 Grosor total del conjunto del embrague de 2a. que consiste de 4 discos y 3 platos. 31.2 ±0.26 29.1 10 Grosor total del conjunto del embrague de 1a. que consiste de 3 discos y 2 platos. 22.6 ±0.22 21.0 11 Espesor del disco del embrague 5.4 ±0.1 4.9 12 Espesor de la placa del embrague 3.2 ±0.1 2.9 13 Desgaste en el anillo sellador del eje de entrada (pequeña) Ancho 2.56 -0.01 -0.03 2.30 Espesor 1.7 ±0.1 1.55 14 Desgaste en el anillo sellador del eje de entrada (grande) Ancho 3.0 -0.01 -0.03 2.70 Espesor 2.7 ±0.1 2.55 15 Desgaste del bastidor delantero, bastidor del embrague de avance (F), y anillo sellador de 3a. Ancho 4.0 -0.01 -0.04 3.60 Espesor 5.0 ±0.15 4.85 16 Desgaste del anillo de sello (grande) del portador de 2a. Ancho 4.0 -0.01 -0.04 3.60 Espesor 4.0 ±0.15 3.85 17 Desgaste del anillo de sello (pequeño) del portador de 2a. Ancho 4.0 -0.01 -0.04 3.60 Espesor 4.0 ±0.15 3.85
  • 120.
    GSN00604-00 10 Estructura,función, y estandar de mantenimiento 34 D155AX-6 Embrague de discos Estructura l El embrague de discos consiste de pistón (2), platos (3), discos (4), pasador (5), resorte de retorno (6), etc., para asegurar el engranaje anular (1). l El diente interior del disco (4) está engranado con el diente exterior de la corona o engranaje anular (1). l El plato (3) está ensamblado a la caja de embrague (7) con el pasador (5). Operación Cuando el embrague es engranado (fijo) l El aceite proveniente de la ECMV es enviado con presión hacia el lado trasero del pistón (2) a través del pasaje de aceite en el bastidor (7) y empuja el pistón (2) hacia el lado izquierdo. l El pistón (2) hace que el plato (3) haga estrecho contacto contra el disco (4) para detener la rotación del disco (4) debido a la fuerza de fricción generada entre ellos. l Como el diente interior del disco (4) está encajado con el diente exterior del aro dentado (1), se detiene el movimiento del aro dentado (1) 18 Desgaste del anillo de sello (grande) del portador de 1a. Tamaño estándar Tolerancia Límite de reparación Reemplace Ancho 4.0 -0.01 -0.04 3.60 Espesor 4.0 ±0.15 3.85 19 Desgaste del anillo de sello (pequeño) del portador de 1a. Ancho 4.0 -0.01 -0.04 3.60 Espesor 5.0 ±0.15 4.85 20 Contragolpe entre el engranaje solar y el planetario R, F, 3a, 1a 0.14 - 0.35 2ª 0.13 - 0.32 21 Contragolpe entre el piñón planetario y engranaje anular R 0.15 - 0.39 F, 2a, 1a 0.15 - 0.38 3ª 0.16 - 0.42 Unidad: mm No. Itemes a comprobar Criterio Solución
  • 121.
    10 Estructura, función,y estandar de mantenimiento GSN00604-00 D155AX-6 35 Cuando el embrague es desengranado (liberado) l Como el aceite proveniente de la ECMV es detenido, el pistón (2) es devuelto hacia el lado derecho por medio del resorte de retorno (6). l La fuerza de fricción de los platos (3) y los discos (4) es liberada y el aro dentado (1) es liberado. Pasadizo de aceite en el embrague de velocidad H La figura muestra el caso en el cual el engranaje de "1a." velocidad es seleccionado. l Cuando se sitúa en la posición “neutral” la palanca de dirección/sentido direccional/ cambio de marchas, la 1a., 2a. ó 3a. marcha queda seleccionada. l La cámara del pistón del embrague correspondiente a la marcha seleccionada se llena de aceite controlando electrónicamente el circuito hidráulico de cada embrague. l Cuando la palanca de dirección/sentido direccional/cambio de marchas se mueve desde la posición “neutral” para la posición de “avance” ó “retroceso”, se requiere que la bomba suministre el caudal de aceite necesario para llenar la cámara del pistón del embrague de Avance o el embrague de Retroceso. l Cuando la marcha se cambia de 1a. de “avance” para 2a. de “avance”, la bomba tiene que suministrar solamente un caudal de aceite para asentar el plato y el disco del embrague de 2a. ya que el embrague de Avance ya se había llenado de aceite. l La demora en la operación de cambio de marchas queda reducida utilizando el aceite como ya se ha explicado anteriormente. Para ECMV de transmisión Pistón de embrague de 1a.
  • 122.
    GSN00604-00 10 Estructura,función, y estandar de mantenimiento 36 D155AX-6 Trayectoria de transmisión de potencia 1a. velocidad de avance l Cuando la transmisión se coloca en 1a. de “avance”, se acoplan el embrague de Avance y el embrague de 1a. La potencia transmitida por el convertidor de torsión al eje de entrada (1) es transmitida al eje de salida (22). l El embrague de Avance es accionado por la presión de aceite aplicada al pistón del embrague de Avance y retiene la corona (4) de Avance. El embrague de 1a. es accionado por la presión de aceite aplicada al pistón del embrague de la 1a. marcha y retiene el tambor interior del embrague de 1a. (19) l La potencia del convertidor de torsión es transmitida hacia el engranaje planetario de Avance (3) a través del eje de entrada (1) y el engranaje solar de Avance (2) . l Como el aro dentado "F" (4) está retenido por el embrague de avance "F", la fuerza transmitida al piñón planetario "F" (3) hace girar al portador de 3a. (11) a través del portador "F" (10) el cual está conectado por medio de la ranura l La rotación del portador de 3a. (11) es transmitida a través del piñón planetario de 3a. (12) hacia el aro dentado de 3a. l La potencia transmitida al piñón planetario de 3a. (12) también es transmitida al eje de salida (22), el cual tiene las funciones de engranaje central de 3a. l El aro dentado de 3a. (13) y el portador de la 2a. (14) están engranados entre sí y giran integralmente. De tal modo que, la rotación de la portador de 2da (14) es transmitida desde el engranaje planetario de la 2a. (15), hacia la corona de la 2a. marcha (16). l La fuerza transmitida al piñón planetario de 2a. (15) también es transmitida desde el engranaje central de 2a. (21) hacia el eje de salida (22). l El aro dentado de 2a. (16) y el portador de la 1a. (17) están engranados entre sí y giran integralmente. De tal modo que, la rotación de la portadora (17) de 1a. es transmitida al engranaje planetario (18) de la 1a. marcha. l Como la corona (19) de la 1a. marcha está retenida por el embrague de la 1a. marcha, la potencia transmitida hacia el engranaje planetario (18) de la 1a. marcha es transmitida a través del engranaje central (20) de la 1a. marcha hacia el eje de salida (22).
  • 123.
    10 Estructura, función,y estandar de mantenimiento GSN00604-00 D155AX-6 37 Avance, 2a. marcha l Cuando la transmisión se coloca en 2a. de “avance”, se acoplan el embrague de Avance y el embrague de 2a. La potencia transmitida por el convertidor de torsión al eje de entrada (1) es transmitida al eje de salida (22). l El embrague de Avance es accionado por la presión de aceite aplicada al pistón del embrague de Avance y retiene la corona (4) de Avance. El embrague de la 2a. marcha es accionado por la presión de aceite aplicada al pistón del embrague de la 2a. y retiene la corona (16) de la 2a. marcha. l La potencia del convertidor de torsión es transmitida hacia el engranaje planetario de Avance (3) a través del eje de entrada (1) y el engranaje solar de Avance (2) . l Como el aro dentado "F" (4) está retenido por el embrag ue de avance "F", la fuerza transmitida al piñón planetario "F" (3) hace girar al portador de 3a. (11) a través del portador "F" (10) el cual está conectado por medio de la ranura l La rotación del portador de 3a. (11) es transmitida a través del piñón planetario de 3a. (12) hacia el aro dentado de 3a. l La potencia transmitida al piñón planetario de 3a. (12) también es transmitida al eje de salida (22), el cual tiene las funciones de engranaje central de 3a. l El aro dentado de 3a. (13) y el portador de la 2a. (14) están engranados entre sí y giran integralmente. De tal modo que, la rotación de la portadora (14) de 2a. es transmitida al engranaje planetario (15) de la 2a. marcha. l En vista de que la corona (16) de la 2a. marcha está retenida por el embrague de la 2a. marcha, la potencia transmitida al piñón planetario (15) de la 2a. es transmitida a través del engranaje solar (21) de la 2a. marcha hacia el eje de salida (21).
  • 124.
    GSN00604-00 10 Estructura,función, y estandar de mantenimiento 38 D155AX-6 3a. velocidad de avance l Cuando la transmisión se coloca en 3a. de “avance”, se acoplan el embrague de Avance y el embrague de 3a. La potencia transmitida por el convertidor de torsión al eje de entrada (1) es transmitida al eje de salida (22). l El embrague de avance "F" asegura al aro dentado de avance "F" (4) que está siendo activado con la presión de aceite aplicada al pistón del embrague de avance "F". El embrague de avance 3a. asegura al aro dentado de 3a. (13) que está siendo activado con la presión de aceite aplicada al pistón del embrague de 3a. l La potencia del convertidor de torsión es transmitida hacia el engranaje planetario de Avance (3) a través del eje de entrada (1) y el engranaje solar de Avance (2) . l Como el aro dentado "F" (4) está retenido por el emb rague de avance "F", la fuerza transmitida al piñón planetario "F" (3) hace girar al portador de 3a. (11) a través del portador "F" (10) el cual está conectado por medio de la ranura l En vista de que la corona (13) de la 3a. marcha está retenida por el embrague de la 3a. marcha (11), la potencia transmitida desde el piñón planetario (12) de la 3a. hacia el eje de salida (22).
  • 125.
    10 Estructura, función,y estandar de mantenimiento GSN00604-00 D155AX-6 39 1a. velocidad de retroceso l Cuando la transmisión se coloca en 1a. de retroceso, se acoplan el embrague de Retroceso y el embrague de 1a. La potencia transmitida por el convertidor de torsión al eje de entrada (1) es transmitida al eje de salida (22). l El embrague de Retroceso es accionado por la presión de aceite aplicada al pistón del embrague de Retroceso y retiene la corona (7) de avance. El embrague de 1a. es accionado por la presión de aceite aplicada al pistón del embrague de la 1a. marcha y retiene el tambor interior del embrague de 1a. (19) l La potencia del convertidor de torsión es transmitida hacia el engranaje planetario de Retroceso (6) a través del eje de entrada (1) y el engranaje solar de Retroceso (5) . l Como el aro dentado de retroceso "R" (7) está engranado con el portador "R" (8) y retenido por el embrague "R", el piñón planetario "R" (6) hace girar el aro dentado "R" (9). La rotación del aro dentado "R" (9), la dirección en la que está opuesto al eje de entrada (1), gira el portador de 3a. (11) a través del portador "F" (10) el cual está conectado por medio de la ranura l La rotación del portador de 3a. (11) es transmitida a través del piñón planetario de 3a. (12) hacia el aro dentado de 3a. l La potencia transmitida al piñón planetario de 3a. (12) también es transmitida al eje de salida (22), el cual tiene las funciones de engranaje central de 3a. l El aro dentado de 3a. (13) y el portador de la 2a. (14) están engranados entre sí y giran integralmente. De tal modo que, la rotación de la portador de 2da (14) es transmitida desde el engranaje planetario de la 2a. (15), hacia la corona de la 2a. marcha (16). l La fuerza transmitida al piñón planetario de 2a. (15) también es transmitida desde el engranaje central de 2a. (21) hacia el eje de salida (22). l El aro dentado de 2a. (16) y el portador de la 1a. (17) están engranados entre sí y giran integralmente. De tal modo que, la rotación de la portadora (17) de 1a. es transmitida al engranaje planetario (18) de la 1a. marcha. l Como la corona (19) de la 1a. marcha está retenida por el embrague de la 1a. marcha, la potencia transmitida hacia el engranaje planetario (18) de la 1a. marcha es transmitida a través del engranaje central (20) de la 1a. marcha hacia el eje de salida (22).
  • 126.
    GSN00604-00 10 Estructura,función, y estandar de mantenimiento 40 D155AX-6 ECMV de la transmisión 1 H ECMV: Abreviación de: Válvula Moduladora de Control Electrónico H No trate de desensamblarlo debido a que se necesitarán ajustes para mantener el rendimiento.
  • 127.
    10 Estructura, función,y estandar de mantenimiento GSN00604-00 D155AX-6 41 AF: Hacia el embrague de Avance AR: Hacia el embrague de Retroceso A1: Al embrague de 1a. A2: Al embrague de 2a. A3: Al embrague de 3a. P. Procedente de la bomba del tren de potencia T: Drenaje Dr: Drenaje PF: Orificio de captación de la presión del aceite del embrague en avance PR: Orificio de captación de la presión del aceite del embrague en retroceso P1: Orificio de captación de la presión del aceite del embrague de 1a. P2: Orificio de captación de la presión del aceite del embrague de 2a. P3. Orificio de detección de presión del aceite del 3er. embrague 1. Solenoide proporcional del embrague de 3a. 2. Solenoide proporcional del embrague de 1a. 3. Solenoide proporcional del embrague de retroceso 4. Solenoide proporcional del embrague de avance 5. Solenoide proporcional del embrague de 2a. 6. Interruptor de llenado del embrague de 3a. 7. Interruptor de llenado del embrague de 2a. 8. Interruptor de llenado del embrague de 1a. 9. Interruptor de llenado del embrague de R 10. Interruptor de llenado del embrague de A 11. Filtro de aceite de la transmisión 12. Conector para el solenoide proporcional del embrague de 1a. 13. Conector para el interruptor de llenado del embrague de 3a. 14. Conector para el solenoide proporcional del embrague de 3a. 15. Conector para el solenoide proporcional del embrague de reversa R. 16. Conexión para el interruptor de llenado del embrague de 2a. 17. Conector para el solenoide proporcional del embrague de 2a. 18. Conector para el solenoide proporcional del embrague de avance. 19. Conexión para el interruptor de llenado del embrague de 1a. 20. Conexión para el interruptor de llenado del embrague de retroceso 21. Conexión para el interruptor de llenado del embrague de avance Operación de la tabla del ECMV H Cuando la palanca direccional está en posición (neutral), se activa el embrague de velocidad de la velocidad seleccionada por la palanca de cambio de velocidades. ECMV Velocidad de traslado F R 1ª 2ª 3ª N F1 F2 F3 R1 R2 R3
  • 128.
    GSN00604-00 10 Estructura,función, y estandar de mantenimiento 42 D155AX-6 1. Interruptor de llenado 2. Válvula de control de presión 3. Cuerpo (superior) 4. Cuerpo (inferior) 5. Solenoide proporcional 6. Filtro 7. Válvula de detección de presión 8. Camisa
  • 129.
    10 Estructura, función,y estandar de mantenimiento GSN00604-00 D155AX-6 43 Descripción del ECMV l El ECMV consta de una válvula de control de presión y un interruptor de llenado. l Válvula de control de presión Un solenoide proporcional en esta válvula re cib e la co rrien te envia da desd e e l controlador y esta válvula la convierte en una presión de aceite. l Interruptor de llenado Este interruptor detecta cuando un embrague está lleno de aceite y tiene las funciones siguientes. 1. Cuando el embrague está lleno de aceite, emite una señal (señal de llenado) hacia el controlador para informarle que está completa- mente lleno con aceite. 2. Mantiene la emisión de señales (señales de llenado) hacia el controlador, para notificar si la presión del aceite está o no aplicada, mientras la presión del aceite es aplicada al embrague. Rango A: Antes de cambiar marchas (Cuando está drenando) Rango B: Durante el llenado Rango C: Ajuste de presión Región D:Durante el llenado (Durante la activación) Punto E: Inicia el llenado Punto F: Final del llenado H La lógica está diseñada de tal forma que el controlador no reconocerá la terminación de llenado del embrague aunque el interruptor de llenado esté en ON durante la activación (región D). ECMV y solenoide proporcional l Por cada ECMV, hay un solenoide proporcional instalado. El solenoide proporcional genera el empuje mostrado abajo de acuerdo a la corriente de comando recibida del controlador. La fuerza de propulsión generada por el solenoide proporcional es aplicada al carrete de la válvula de control de presión para generar la presión de aceite mostrada en la figura de abajo. De acuerdo a esto, la fuerza de propulsión cambia al controlar la corriente de comando que opera la válvula de control de presión y controla el flujo y presión del aceite. Corriente - características de la fuerza de pro- pulsión del solenoide proporcional Fuerza de propulsión - Características de la presión hidráulica del solenoide proporcional ECMV e interruptor de suministro l Por cada ECMV, hay un interruptor de llenado instalado. Si el embrague se llena con aceite, la presión del embrague activa "ON" el interruptor de llenado La presión del aceite es acumulada de acuerdo a la señal Tiempo Presióndeentrada delembrague (Seg.) Tiempo (Seg.) Tiempo (Seg.) Señaldesalidadel interruptordellenado Corrientedecomandodel solenoideproporcional Corriente Fuerzadepropulsión Fuerza propulsora Presiónhidráulica
  • 130.
    GSN00604-00 10 Estructura,función, y estandar de mantenimiento 44 D155AX-6 Operación del ECMV l La ECMV es controlado con la corriente de comando proveniente del controlador hacia el solenoide proporcional y por la señal de salida del interruptor de llenado. La relación entre la corriente de comando del solenoide proporcional de la ECMV, la presión de entrada del embrague, y las señales emitidas por el interruptor de llenado, se muestran abajo. Rango A: Antes de cambiar de engranaje (Cuando está drenando) Rango B: Durante el llenado Rango C: Ajuste de presión Rango D: Durante el llenado (durante el disparo) Punto E: Inicia el llenado Punto F: Final del llenado H La lógica está diseñada de tal forma que el controlador no reconocerá la terminación de llenado del embrague aunque el interruptor de llenado esté en ON durante la activación (región D). l Cuando el cambio de velocidad es cambiado por medio del interruptor de cambio de engranajes, el embrague es comprimido por pistón. Si se aplica súbitamente una presión alta , el p istón en gra na el emb ra gue súbitamente, causando un arranque de la máquina súbito y un impacto excesivo. La ECMV reduce el impacto en el arranque de la máquina incrementando gradualmente la presión de aceite al pistón para alcanzar la presión establecida, y "engranar" suavemente el embrague. Esto está dirigido a incrementar la duración de la ruta de transmisión de fuerza y mejora la comodidad del operador. Antes de hacer el cambio (durante del drenaje) (Rango A de la tabla) l Bajo esta condición donde no se envía n ing un a corr ie nte ha cia e l solen oid e proporcional (1), la válvula de control de presión (3) drena el aceite proveniente del orificio (A) del embrague a través del orificio de drenaje (T). También en este momento, el interruptor de llenado (5) es desactivado "OFF" debido a que la presión de aceite no es aplicada a la válvula de detectora de presión (4) Tiempo Presióndeentrada delembrague (Seg.) Tiempo (Seg.) Tiempo (Seg.) Señaldesalidadel interruptordellenado Corrientedecomandodel solenoideproporcional
  • 131.
    10 Estructura, función,y estandar de mantenimiento GSN00604-00 D155AX-6 45 Durante el llenado (Rango B en la tabla) l Si se suministra corriente al solenoide proporcional (1) con el embrague sin aceite, la fuerza de presión del aceite equilibrada con la fuerza del solenoide es aplicada a la cámara (B) y empuja hacia la derecha la válvula de control de presión (3). Como resultado, el orificio (P) de la bomba y el orificio (A) del embrague se abren, y se inicia el llenado de aceite en el embrague. Una vez lleno de aceite el embrague, el interruptor de llenado (5) se pone en “on”. Ajuste de la presión (Rango C en la tabla) l Si hay un flujo de corriente en el solenoide proporcional (1), el solenoide genera empuje en proporción a la intensidad de la corriente. Este empuje del solenoide es balanceado por la suma del empuje generado por la presión de aceite en el orificio del embrague y la tensión del resorte de la válvula de control de presión (2), entonces la presión queda establecida.
  • 132.
    GSN00604-00 10 Estructura,función, y estandar de mantenimiento 46 D155AX-6 Válvula de alivio principal y válvula de alivio del convertidor de torsión1 6. Cuerpo 7. Pistón 8. Válvula de alivio del convertidor de torsión 9. Pistón 10. Válvula de alivio principal A: Drenaje (Alivio del convertidor de torsión) B: Drenaje C: Proveniente de la bomba D: Drenaje E: Hacia el convertidor de torsión P1: Orificio de captación de la presión de alivio principal P8a:Orificio de captación de presión del aceite de alivio del convertidor de torsión P8b:Orificio de captación de la presión del aceite de ingreso al convertidor de torsión Unidad: mm No. Itemes a comprobar Criterio Solución 1 Holgura entre la válvula de alivio principal y el cuerpo Tamaño estándar Tolerancia Holgura estándar Límite de holgura Reemplace Eje Agujero 28 -0.035 -0.045 +0.013 +0.013 0.035 – 0.058 0.078 2 Espacio libre entre la válvula de alivio del convertidor de torsión y el cuerpo 22 -0.035 -0.045 +0.013 +0.013 0.035 – 0.058 0.078 3 Resorte de la válvula de alivio principal (exterior) Tamaño estándar Límite de reparación Largo libre Largo de instalación Carga de instalación Largo libre Carga de instalación 122 78.0 481 N {49 kg} 118.3 457 N {46.6 kg} 4 Resorte de la válvula de alivio principal (interior) 108 78.0 368 N {37.5 kg} 104.8 349 N {35.6 kg} 5 Resorte de la válvula de alivio del convertidor de torsión 50 40.5 182 N {18.6 kg} 48.5 174 N {17.7 kg}
  • 133.
    10 Estructura, función,y estandar de mantenimiento GSN00604-00 D155AX-6 47 Descripción Válvula de alivio del convertidor de torsión l La válvula de alivio del convertidor de torsión mantiene siempre la presión de aceite en el circuito de entrada del convertidor de torsión por debajo de la presión establecida con el objeto de proteger el convertidor de torsión contra una presión anormalmente alta. Presión establecida : 1.06 ± 0.05 MPa {10.8 ± 0.5 kg/cm2} (Presión de apertura) Válvula de alivio principal l La válvula de alivio principal mantiene a la presión establecida cada circuito hidráulico de la transmisión y del freno de estacionamiento. Presión establecida : 3.18 ± 0.1 MPa {32.4 ± 1.0 kg/cm2} (Motor a la velocidad nominal) Operación Operación de la válvula de alivio del converti- dor l El aceite proveniente de la válvula de alivio es conducido hacia el convertidor de torsión a través del orificio (E) y al mismo tiempo, también es conducido a la cámara (G) a través del orificio (b) de la válvula de alivio (3) del convertidor de torsión. l A medida que la presión de aceite del convertidor de torsión crece más allá de la presión establecida, el aceite conducido a la cámara (G) empuja el pistón (4) y la fuerza de reacción resultante empuja la válvula de alivio del convertidor de torsión (3) hacia el lado derecho, abriendo así los orificios (E) y (A). Como resultado, el aceite en el orificio (E) es drenado a través del orificio (A). Operación de la válvula de alivio principal l El aceite proveniente de la bomba hidráulica fluye a través del filtro hacia la cámara (F), al orificio (C) de la válvula de alivio y el orificio (a) de la válvula de alivio principal (1). l A medida que la presión de aceite en el circu ito cre ce más allá d e la presión establecida, el aceite conducido a la cámara (F) empuja el pistón (2) y la fuerza de reacción resultante empuja el carrete (1) hacia el lado izquierdo abriendo así los orificios (C) y (E). La operación de arriba conduce el aceite desde el orificio (E) hacia el convertidor de torsión.
  • 134.
    GSN00604-00 10 Estructura,función, y estandar de mantenimiento 48 D155AX-6 Válvula de alivio de la lubricación 1 2. Caja de embrague de F [avance] 3. Caja del embrague de retroceso 4. Pistón A: Desde el enfriador del aceite B: Drenaje C: Drenaje Descripción l El aceite que sale del convertidor de torsión pasa a través del enfriador del aceite del tren de potencia incorporado al tanque inferior del radiador. Después pasa a través de la válvula de alivio de lubricación, lubrica la transmisión y la TDF. l La válvula de alivio de la lubricación se encuentra instalada en el lado derecho de la caja del embrague de avance. Esto mantiene la presión del aceite de lubricación por debajo de la presión establecida. Unidad: mm No. Itemes a comprobar Criterio Solución 1 Resorte de la válvula de alivio de lubricación Tamaño estándar Límite de reparación Reemplace Largo libre Largo de instalación Carga de instalación Largo libre Carga de instalación 26 23.6 12.5 N {1.27 kg} 25.2 11.9 N {1.21 kg} Valor especificado Presión normal (MPa {kg/cm2}) 0.14 ± 0.05 {1.4 ± 0.5} Presión inicio de apertura (MPa{kg/cm2}) 0.30 ± 0.03 {3.0 ± 0.3}
  • 135.
    10 Estructura, función,y estandar de mantenimiento GSN00604-00 D155AX-6 49 Bomba de barrido 1 Tipo: SAR(4)140 Descripción l La bomba de barrido está instalada en la caja del convertidor de torsión y es impulsada por la fuerza proveniente del motor. Esto retorna el aceite recolectado en el fondo de la caja de la transmisión hacia la caja de la dirección. Unidad: mm No. Itemes a comprobar Criterio Solución 1 Holgura lateral Holgura estándar Límite de holgura Reemplace 0.11 – 0.16 0.19 2 Holgura entre el diámetro inte- rior del rodamiento plano y el diámetro exterior del eje del engranaje 0.06 – 0.14 0.20 3 Profundidad para empujar el pasador Tamaño estándar Tolerancia Límite de reparación 21 -0.5 -0.5 — 4 Torque giratorio del eje estriado 9.8 -14.7 Nm {1.0 -1.5 kgm} — – Caudal de entrega Aceite: SAE10WCD Temperatura del aceite: 45 -55°C Velocidad de rotación (rpm) Presión de descarga MPa {kg/cm2} Descarga estandar (¶/min) Límite de descarga (¶/min) 2,200 2.94{30} 300 266
  • 136.
    GSN00604-00 10 Estructura,función, y estandar de mantenimiento 50 D155AX-6 Bomba para el tren de potencia y lubricación de la dirección 1 Tipo: SAR(3)100+(3)40 1. Bomba del tren de potencia 2. Bomba de lubricación de la dirección Descripción l La bomba del tren de fuerza y la bomba de lubricación de la dirección están instaladas en la caja del convertidor de torsión. Ellas son impulsadas por la fuerza proveniente del motor para suministrar la presión de aceite al convertidor de torsión, la transmisión y la unidad de dirección.
  • 137.
    10 Estructura, función,y estandar de mantenimiento GSN00604-00 D155AX-6 51 Unidad: mm No. Itemes a comprobar Criterio Solución 3 Holgura lateral Tipo Holgura estándar Límite de holgura Reemplace SAR(3)100 0.10 - 0.15 0.19 SAR(3)40 4 Holgura entre el diámetro interior del rodamiento plano y el diámetro exterior del eje del engranaje SAR(3)100 0.06 - 0.15 0.20 SAR(3)40 5 Profundidad para empujar el pasador Tipo Tamaño estándar Tolerancia Límite de reparación SAR(3)100 14 -0.5 -0.5 — SAR(3)40 6 Valor de torsión del eje estriado 13.7 -23.5 Nm {1.4 -2.4 kgm} — – Caudal de entrega Aceite: SAE10WCD Temperatura del aceite: 45 -55°C Tipo Velocidad de rotación (rpm) Presión de descarga (MPa {kg/cm2}) Descarga estandar (¶/min) Límite de descarga (¶/min) SAR(3)100 2,500 2.94{30} 241 96 SAR(3)40 2,500 2.94{30} 239 85
  • 138.
    GSN00604-00 10 Estructura,función, y estandar de mantenimiento 52 D155AX-6 D155AX-6 Buldózer Forma No. GSN00604-00 © 2006 KOMATSU Todos los Derechos Reservados Impreso en E.E.U.U. 08-06
  • 139.
    D155AX-6 1 GSN00605-00 BULDÓZER 1MANUALDE TALLER D155AX-6 Modelo de máquina Número de serie D155AX-6 80001 y superiores 10 Estructura, función, y estandar de mantenimiento 1 Sistema del tren de potencia, Parte 2 Sistema del tren de potencia, Parte 2............................................................................................................ 2 Sistema HSS....................................................................................................................................... 2 Motor HST........................................................................................................................................... 4 Hidráulica, bomba HSS..................................................................................................................... 14 Válvula de desvío del enfriador de aceite hidráulico......................................................................... 37 Control de dirección y de freno ......................................................................................................... 38 Unidad de la dirección....................................................................................................................... 40 Válvula de control del freno............................................................................................................... 56 Freno ECMV...................................................................................................................................... 58 Válvula solenoide del freno de estacionamiento............................................................................... 63 Válvula contra parada súbita............................................................................................................. 65 Mando final........................................................................................................................................ 67 Rueda dentada.................................................................................................................................. 71
  • 140.
    GSN00605-00 10 Estructura,función, y estandar de mantenimiento 2 D155AX-6 Sistema del tren de potencia, Parte 2 1 Sistema HSS 1
  • 141.
    10 Estructura, función,y estandar de mantenimiento GSN00605-00 D155AX-6 3 1. Palanca PCCS 2. Controlador del tren de potencia 3. Válvula de control 4. Hidráulica, bomba HSS 5. Motor 6. Válvula EPC 7. Tanque hidráulico 8. Rueda motríz 9. Mando final 10. Motor HSS 11. Circuito abierto HSS 12. Servo-válvula 13. Controlador del acelerador del motor A: Señal de AVANCE - RETROCESO B: Señal de DIRECCION C. Información de control del motor D: Señal de presión del equipo de trabajo E: Red de comunicaciones CAN Descripción l Sistema "HSS" quiere decir Sistema de Dirección Hidrostático l El sistema HSS consiste de un conjunto de: válvula de control, hidráulicos, bomba HSS, y motor HSS, como se muestra en al figura. Hace virar la máquina continuamente sin reducir la velocidad de traslado produciendo una diferencia en la velocidad entre las dos orugas. l El controlador del tren de fuerza, regula la válvula EPC de la válvula de control para regular la dirección y la velocidad de giro del motor HSS de acuerdo a la dirección de inclinación y el ángulo de la palanca PCCS El motor HSS actúa sobre el mecanismo de engranajes planetarios del eje de la corona para establecer una diferencia en velocidad entre ambas ruedas dentadas. Como resultado, la máquina produce una virada. l El controlador del tren de fuerza percibe la velocidad del motor y la presión de aceite en cada parte y controla la hidráulica, la bomba HSS y la válvula de control, para manejar la hidráulica, la bomba HSS, para que de esta manera el motor no llegue a calarse. l La señal de velocidad del motor y otros items de información de control del motor se envían y reciben a través de la red de comunicaciones CAN qu e cone cta n el controlado r d el acelerador del motor y el controlador del tren de potencia.
  • 142.
    GSN00605-00 10 Estructura,función, y estandar de mantenimiento 4 D155AX-6 Motor HSS 1 Tipo: HMF140 PA: De la válvula de control PB: De la válvula de control T: Hacia el tanque 1. Motor HSS 2. Válvula de retención 3. Válvula de contrabalance 4. Válvula de alivio Descripción l Este motor está compuesto de un motor de pistón del tipo de eje curvado de capacidad fija, la válvula de compensación, válvula de retención y válvula de alivio. Especificaciones Tipo: KMF140 Descarga teórica: 141.1 cm3/rev Presión nominal de salida: 41.2 MPa {420 kg/cm2} Rpm nominales: 2,205 rpm
  • 143.
    10 Estructura, función,y estandar de mantenimiento GSN00605-00 D155AX-6 5
  • 144.
    GSN00605-00 10 Estructura,función, y estandar de mantenimiento 6 D155AX-6
  • 145.
    10 Estructura, función,y estandar de mantenimiento GSN00605-00 D155AX-6 7 1. Eje propulsor 2. Caja del motor 3. Pistón 4. Bloque de cilindros 5. Placa de válvula 6. Caja 7. Cubierta 8. Carrete de la válvula de contrabalance 9. Válvula de retención 10. Carrete 11. Válvula de seguridad Unidad: mm No. Itemes a comprobar Criterio Solución Tamaño estándar Límite de reparación 12 Resorte de la válvula de retención Largo libre x Diámetro exterior Largo de instalación Carga de instalación Largo libre Carga de instalación Sustituir el resorte si está dañado o deformado. 62.5 x 20 39 3.04 N {0.31 kg} — 1.96 N {0.25 kg} 13 Resorte de retorno del car- rete (grande) 43.4 x 35 41 241 N {24.6 kg} — 155 N {19.7 kg} 14 Resorte de retorno del car- rete (Pequeño) 40.44 x 21.9 38 96.1 N {9.8 kg} — 76.9 N {7.84 kg}
  • 146.
    GSN00605-00 10 Estructura,función, y estandar de mantenimiento 8 D155AX-6 Operación del motor del pistón Principios l Suponga que el eje del disco está soportado y que el disco puede rotar libremente. Si la fuerza (F) es aplicada diagonalmente al disco, la fuerza (F) es dividida en fuerza vertical hacia el disco (F1) y fuerza circunferencial (F2) (F1) empuja el disco en dirección axial, y (F2) rota el disco en la dirección de las agujas del reloj l Por otro lado, si la fuerza (F'), y no la fuerza (F) es aplicada al disco, la fuerza también es dividida entre (F1') y (F2'), entonces el disco rota en contra de las agujas del reloj a causa de la fuerza (F2'). Estructura l Hay 7 pistones (3) adheridos a la parte del disco del eje de impulso (1) en una manera semejante a las uniones esféricas. Los pistones (3) forman un ángulo específico con el eje de mando (1), y son encapsulados dentro del bloque de cilindros (4) Operación l El aceite presurizado enviado por la bomba de pistón principal entra por el orificio de entrada del motor de pistón, y la presión del aceite es aplicada al respaldo del pistón (3), y el eje de mando (1) rota por la inclinación (Q) del pistón (3) y del bloque de cilindros (4).
  • 147.
    10 Estructura, función,y estandar de mantenimiento GSN00605-00 D155AX-6 9 Válvula del freno l La válvula del freno consiste en la válvula de retención (9) y una válvula de compensación (8), y la válvula de seguridad y (11). l Las funciones y operaciones de los respectivos componentes deben estar conforme con lo siguiente. 1) Válvula de compensación y válvula de retención Función l Cuando la dirección es operada al descender una cuesta, la fuerza de gravedad tiende a volver la velocidad de mando corriente más rápida que la velocidad por rotación del motor l Si la dirección es operada mientras el motor está funcionando a baja velocidad, el motor g ira sin ningu na carg a y se acelera rá pidame nte Esto pue de causa r un a condición extremadamente peligrosa. l Estas válvulas controlan la operación de la dirección de acuerdo a la velocidad del motor (entrega de la bomba) con el objeto de prevenir esta peligrosa condición. Operación cuando se suministra aceite presur- izado l Si se opera la palanca de traslado, el aceite presurizado de la válvula de control es suministrado al orificio (PA). l Empuja y abre la válvula de retención (9A) y fluye del orificio de entrada (MA) del motor hacia el orificio de salida del motor (MB). l El orificio de salida del motor está cerrado por la válvula de retención (9B) y el carrete (8), de manera que sube la presión del lado de suministro. Válvula de control Válvula de control
  • 148.
    GSN00605-00 10 Estructura,función, y estandar de mantenimiento 10 D155AX-6 l El aceite presurizado del lado de suministro fluye del orificio (E1) en el carrete (8) hacia la cámara (S1). l Cuando la presión en la cámara (S1) se vuelve mayor que la presión de cambio del carrete, el carrete (8) es empujado hacia la derecha. l El orificio (MB) y el orificio (PB) quedan interconectados, abriendo el orificio de salida del lado izquierdo del motor e iniciando la rotación del motor. Operación de frenado durante el traslado descendiendo una pendiente l Cuando la dirección es operada en una pendiente hacia abajo, si la máquina tiende a desbocarse, el motor rotará sin carga, y la presión del aceite en el orificio de entrada del motor caerá. l Pasando por el orificio (E1), la presión de la cámara (S1) se reduce. l Si baja la presión en la cámara (S1) a valor inferior de la presión selectora del carrete, el carrete (8) devuelve el carrete (13), (14) hacia la izquierda en dirección de la flecha y se acelera el orificio de salida port (MB). l La presión en el lado del orificio de salida crece, generando una resistencia a la rotación en el motor para prevenir que la máquina se desboque sin control. l El carrete (8) se mueve a la posición en que la presión del orificio de salida (MB) equilibra la presión del orificio de entrada y la fuerza generada por el peso de la máquina. l De esta manera, se acelera el circuito del orificio de salida y controla la velocidad de traslado de acuerdo con la cantidad de aceite descargado por la bomba. Válvula de control Válvula de control
  • 149.
    10 Estructura, función,y estandar de mantenimiento GSN00605-00 D155AX-6 11 2) Válvula de seguridad (Ambas válvulas de seguridad operadas.) Función l Cuando la operación de la dirección pare, la válvula de compensación cierra los circuitos de los orificio de entrada y salida del motor. l Debido a que el motor está rotando por inercia, la presión en el orificio de salida lateral del motor es incrementada anormalmente, lo que posiblemente resultará en daños en el motor o en la tubería. l La válvula de seguridad liberará su presión anormal hacia el lado del orificio de entrada del motor con el objeto de prevenir daños en el equipo. Acción bidireccional (1) Cuando la presión en la cámara (MB) se ha elevado (al girar hacia la derecha) l Cuando se termina la operación de la dirección, la válvula de retención de la válvula de compensación cierra el circuito en los orificios de salida (MB) l El motor trata de continuar rotando por inercia recurriendo a la fuerza de inercia, de este modo la presión en el orificio de salida (MB) es incrementada. l A medida que la presión sube por encima del valor de presión regulado, [Diferencia en áreas de los círculos (D1) y (D2) x Presión] comprime el resorte (2). l La válvula cónica (1) se mueve hacia la izquierda y el aceite presurizado fluye a la cámara (MA) del circuito opuesto.
  • 150.
    GSN00605-00 10 Estructura,función, y estandar de mantenimiento 12 D155AX-6 (2) Cuando se ha elevado la presión en la cámara (MA) (al girar hacia la izquierda) l Cuando se termina la operación de la dirección, la válvula de retención de la válvula de compensación cierra el circuito en los orificios de salida (MA) del motor. l El motor trata de continuar rotando por inercia recurriendo a la fuerza de inercia, de este modo la presión en el orificio de salida (MA) es incrementada. l A medida que la presión sube y sobrepasa el valor de la presión regulada, [Diferencia en áreas de círculos (D1) y (D3) x Presión] se comprime el resorte (2). l La válvula cónica (1) se mueve hacia la izquierda y el aceite presurizado fluye a la cámara (MB) del circuito opuesto.
  • 151.
    10 Estructura, función,y estandar de mantenimiento GSN00605-00 D155AX-6 13
  • 152.
    GSN00605-00 10 Estructura,función, y estandar de mantenimiento 14 D155AX-6 Hidráulica, bomba HSS 1 Tipo: HPV160
  • 153.
    10 Estructura, función,y estandar de mantenimiento GSN00605-00 D155AX-6 15 Descripción l Esta bomba consiste de una bomba de pistón de tipo plato oscilante de desplazamiento variable, la válvula PC y la válvula EPC. IM: Selector de corriente del modo PC PA: Orificio de descarga de la bomba PB: Orificio de ingreso de la presión de descarga de la bomba PD1: Orificio de drenaje de la carcasa PD2: Tapón de drenaje PEN: Orificio para toma de la presión de control PEPC: Orificio de la presión básica EPC PEPCC: Orificio para toma de la presión básica EPC PLS: Orificio de ingreso de la presión de carga PLSC: Orificio de captación de presión de carga PM: Orificio de captación de presión de selección del modo PC PS Orificio de succión de la bomba 1. Bomba delantera 2. Válvula LS 3. Válvula PC 4. Válvula PC-EPC
  • 154.
    GSN00605-00 10 Estructura,función, y estandar de mantenimiento 16 D155AX-6 1. Eje 2. Asiento 3. Carcasa 4. Leva oscilante 5. Zapata 6. Pistón 7 Bloque de cilindros 8. Placa de válvula 9. Tapa trasera 10. Servo piston 11. Válvula PC
  • 155.
    10 Estructura, función,y estandar de mantenimiento GSN00605-00 D155AX-6 17 Función l La bomba convierte la rotación del motor transmitida a su eje en presión de aceite y descarga el aceite presurizado de acuerdo con la carga. l Es posible cambiar la descarga cambiando el ángulo del plato oscilante. Estructura l El bloque de cilindros (7) es soportado en el eje (1) por medio de la ranura (12). l El eje (1) es soportado por cada cojinete (13) l El extremo del pistón (6) tiene un hueco esférico el cual es combinado con la zapata (5). l El pistón (6) y la zapata (5) forman un cojinete de rótula. l El balancín de leva (4) tiene una superficie plana (A), y la zapata (5) siempre está comprimida contra esta superficie mientras se desliza en un movimiento circular. l La leva oscilante (4) trae aceite a alta presión a la superficie del cilindro (B) con la cuna (2), que está asegurada a la carcasa, y forma un cojinete de presión estática cuando se desliza. l Piston (6) realiza un movimiento relativo en la dirección axial adentro de cada cámara del cilindro del bloque de cilindros (7). l El bloque de cilindro (7) sella la presión del aceite a la placa de la válvula (8) y realiza un movimiento rotativo. l Está superficie está diseñada de forma que el equilibrio de la presión del aceite se mantiene en un nivel apropiado. l El aceite dentro de cada cámara de cilindros del bloque de cilindros (7) es aspirado y descargado a través de la placa de válvula (8).
  • 156.
    GSN00605-00 10 Estructura,función, y estandar de mantenimiento 18 D155AX-6 Operación de la bomba l El bloque de cilindros (7) gira junto con el eje (1) y la zapata (5) se desliza sobre la superficie lisa (A). l Cuando esto ocurre, el balancín de leva (4) se mueve a lo largo de la superficie cilíndrica (B), de manera que el ángulo a entre la línea central (X) del balancín de leva (4) y la dirección axial del bloque de cilindros (7) se cambia. l El ángulo (a) se llama el ángulo del plato oscilante. l La línea central (X) de la leva oscilante (4) conserva el ángulo (a) del plato oscilante en relación a la dirección axial del bloque de cilindros (7) y la superficie plana (A) se mueve como una excéntrica en relación a la zapata (5). l De esta forma el pistón (6) se desliza por la parte inferior del bloque de cilindros (7), de manera que se crea una diferencia entre el volumen (E) y (F) dentro del bloque de cilindros (7). l Un solo pistón (6) aspira y descarga el aceite por el caudal (F) – (E). l A medida que el bloque de cilindros (7) da vueltas y el volumen de la cámara (E) disminuye, se descarga el aceite presurizado. l Por otra parte, el volumen de la cámara (F) aumenta y en este proceso, se aspira el aceite. l A medida que la línea central (X) de la leva (4) coincide con la dirección del bloque de cilindros (7) (el ángulo (a) del plato oscilante = 0, la diferencia entre los volúmenes (E) y (F) dentro del bloque de cilindros (7) se vuelve cero 0. l En este estado, no se ejecuta ni la succión ni descarga de aceite presurizado. En otras palabras, no se realiza operación de bombeo (Sin embargo, el ángulo del plato de vaivén actualmente no está colocado en 0.)
  • 157.
    10 Estructura, función,y estandar de mantenimiento GSN00605-00 D155AX-6 19 Control de descarga l Si aumenta el ángulo (a) del plato oscilante, la diferencia entre los volúmenes (E) y (F) también aumenta y la bomba aumenta el caudal (Q) de descarga. l El ángulo del plato de vaivén (a) se cambia con el servo-pistón (10). l El servo-pistón (10) es alternado linealmente por la señal de presión de la válvula PC y LS. l El movimiento de línea recta es transmitido al balancín de leva (4) a través del deslizador (14). l Soportada por la cuna (2) en la superficie cilíndrica, la leva (4) se desliza sobre la superficie mientras continúa su movimiento giratorio. l El área que recibe la presión es diferente en los lados izquierdo y derecho del pistón servo (10), y la presión recibida en el extremo del pistón de diámetro pequeño está conectada siempre con la presión de descarga de la bomba principal (auto-presión) (PP). l La presión de salida (PEN) de la válvula LS es llevada a la cámara del lado de mayor diámetro del servo piston. l El movimiento del pistón servo (6) es controlado por la inter-relación de la cantidad de presión de la bomba (PP) y la cantidad de presión en el extremo del pistón de diámetro pequeño y la presión (PEN) al extremo del pistón de diámetro grande,y el tamaño comparativo del radio del área que está recibiendo la presión en el extremo del pistón de diámetro pequeño y en el extremo del pistón de diámetro grande.
  • 158.
    GSN00605-00 10 Estructura,función, y estandar de mantenimiento 20 D155AX-6 1. Válvula LS PA: Orificio de la bomba PDP: Orificio de drenaje PLP: Orificio de de presión de salida del control LS PLS: Orificio de entrada de presión LS PP: Orificio de la bomba PPL: Orificio de ingreso de la presión de control PSIG: Orificio de drenaje 1. Camisa 2. Pistón 3. Carrete 4. Resorte 5. Asiento 6. Camisa 7. Tapón 8. Tuerca de seguridad Función l La válvula "LS" (sensora de carga) detecta la carga y controla la entrega. l Esta válvula controla la entrega de la bomba (Q) de acuerdo a la presión diferencial ( PLS) [ = (PP – PLS)] (llamada presión diferencial LS) entre la presión de descarga de la bomba (PP) y la presión del orificio de salida de la válvula de control (PLS). l La presión de descarga de la bomba (PP), la pre sió n (PLS) (llamad a presión L S) provenientes de la salida válvula de control, entran a esta válvula. l La interrelación entre la presión diferencial ( PLS) [ = (PP) – (PLS)], la diferencia entre la presión de descarga de la bomba (PP) y la presión LS (PLS), y la entrega (Q) están mostradas en el diagrama. DescargadelabombaQ Presión diferencial LS
  • 159.
    10 Estructura, función,y estandar de mantenimiento GSN00605-00 D155AX-6 21 Operación 1) Cuando la válvula de control está situada en neutral l La válvula LS es una válvula selectora de tres vías con la presión (PLS) (presión LS) del orificio de entrada de la válvula de control traída de la camara del resorte (B), y la presión (PP) de descarga de la bomba traída al orificio (H) de la camisa (8). l La magnitud de la fuerza de la presión LS (PLS), la fuerza del resorte (4) y la presión de descarga (autopresión) (PP) determinan la posición del carrete (6). l Antes de arrancar el motor, el servo pistón (10) es empujado hacia la derecha. (Ver dibujo a la derecha) l Si la palanca de control se encuentra en la posición neutral cuando se arranca el motor, la presión LS (PLS) quedará situada en 0 MPa {0 kg/cm2}. (Está interconectada al circuito de drenaje a través del carrete de la válvula de control). l El carrete (6) es empujado hacia la derecha y los orificios (C) y (D) serán conectados. l La presión de descarga de la bomba (PP) proveniente del orificio (K) entra por el extremo de diámetro grande del servopistón. l La presión de descarga de la bomba (PP) proveniente del orificio (K) entra por el extremo de diámetro grande del servopistón. l Debido a la diferencia del área del servopistón (10), el se mueve en la dirección que hace menor el ángulo del plato oscilante. Válvula de control Bomba Válvula PC Dirección mínima Diámetro grande Diámetro pequeño
  • 160.
    GSN00605-00 10 Estructura,función, y estandar de mantenimiento 22 D155AX-6 2) Acción para la dirección de cómo llevar al máximo la descarga de la bomba l Cuando la diferencia entre la presión (PP) de descarga de la bomba y la presión (PLS) de la válvula LS, en otras palabras, el diferencial de presión ( PLS) de LS se hace inferior [por ejemplo, cuando el área de la abertura de la válvula de control aumenta y desciende la presión (PP) de la bomba] el carrete (6) es empujado hacia la izquierda por la fuerza combinada de la presión (PLS) de LS y la fuerza del resorte (4). l Cuando el carrete (6) se mueve, los orificios (D) y (E) se unen y quedan conectados a la válvula PC. l La válvula PC está conectada al orificio de drenaje, de manera que la presión a través de los circuitos (D) y (K) se vuelve la presión de drenaje (PT). (La operación de la válvula PC se explica más adelante). l La presión en el extremo de diámetro grande del servopistón (10) se vuelve la presión de drenaje (PT), y la presión de descarga de la bomba (PP) entra siempre por el orificio (J) del extremo de diámetro pequeño, por lo tanto, el servopistón (10) es empujado hacia la izquierda y mueve el plato oscilante en la dirección que hace que la entrega sea mayor. Válvula de control Bomba Válvula PC Dirección máxima Diámetro grande Diámetro pequeño
  • 161.
    10 Estructura, función,y estandar de mantenimiento GSN00605-00 D155AX-6 23 3) Acción para la dirección de cómo llevar al mínimo la descarga de la bomba l Cuando el servopistón (10) se mueve hacia la derecha (en la dirección que hace que la entrega sea menor), la presión diferencial LS (( PLS) se vuelve mayor [por ejemplo: cuando el área de apertura de la válvula de control se vuelve menor y la presión de descarga de la bomba (PP) crece], la presión de descarga de la bomba (PP) y empuja el carrete (6) hacia la derecha. l Cuando se mueve el carrete (6), la presión (PP) de descarga de la bomba fluye desde el orificio (C) hacia el orificio (D), y desde el orificio (K) penetra al extremo al pistón con diámetro grande. l La presión de descarga de la bomba (PP) también entra por el extremo de diámetro pequeño del servopistón, pero debido a la diferencia en áreas entre los diámetros grande y pequeño de los extremos del servopistón (10), el servopistón (10) es empujado hacia la derecha. Como resultado, el se mueve en la dirección que hacer más pequeño el ángulo del plato oscilante. Válvula de control Bomba Válvula PC Dirección mínima Diámetro grande Diámetro pequeño
  • 162.
    GSN00605-00 10 Estructura,función, y estandar de mantenimiento 24 D155AX-6 4) Cuando está equilibrado el servo pistón l Tomemos como (A1) el área que recibe la presión en el extremo del pistón con diámetro grande y el área que recibe la presión en el extremo del pistón con diámetro chico como (A0), y la presión que fluye hacia el pistón con extremo de diámetro grande como (PEN). l Si la presión (PP) de descarga de la bomba de la válvula LS y la fuerza combinada del resorte (4) y la presión LS (PLS) están equilibradas y la relación se convierte en (A0) x (PP) = (A1) x (PEN), el servo pistón (10) quedará detenido en esa posición. l Y el plato ondulante de la bomba quedará retenido en la posición intermedia. [El carrete (6) quedará detenido en una posición en que la distancia de la abertura desde el orificio (D) hasta el orificio (E) y la distancia desde el orificio (C) hasta el orificio (D) es casi igual.] l La interrelación entre el área que recibe la presión en ambos extremos del servopistón (10) es (A0):(A1) = 3:5, por lo tanto la presión aplicada en ambos extremos del pistón cu and o es tá compe nsad o se v uelve (PP):(PEN) C 5 : 3. l La posición donde el carrete (6) se balancea y detiene es el centro estándar, y de este modo se ajusta la fuerza del resorte (4), lo cual se determina cuando (PP) – (PLS) = 1.96 MPa {20kg/cm2}.
  • 163.
    10 Estructura, función,y estandar de mantenimiento GSN00605-00 D155AX-6 25 2. Válvula PC PA: Orificio de la bomba PA2: Orificio piloto de la presión de la bomba PDP: Orificio de drenaje PM: Orificio de la presión piloto selectora de modo PPL: Orificio de salida del control de presión (hacia la válvula LS) 1. Alambrado 2. Cubierta 3. Asiento 4. Retenedor 5. Carrete 6. Pasador 7. Conjunto del servo-pistón 8. Tapón Función l Cuando son altas las presiones de descarga de la bomba (PP), la válvula PC controla las bombas de tal manera que no fluya más aceite diferente al del flujo constante (de acuerdo con la presión de descarga), aún si se vuelve más largo el recorrido de la válvula de control. El ejecuta un control igual de caballos de fuerza de tal manera que los caballos de fuerza absorbidos por la bomba no excedan los caballos de fuerza del motor. l Si la carga durante la operación se vuelve mas grande y crece la presión de descarga (PP) de la bomba, esto reduce la entrega proveniente de la bomba. l Si cae la presión de descarga de la bomba, esto incrementa la entrega proveniente de la bomba. l En este caso, la interrelación entre la presión de descarga de la bomba (PP) y la entrega de la bomba (Q) con el valor de la corriente eléctrica (X) dado al solenoide de la válvula PC-EPC como parámetro, es mostrada en el diagrama. DescargadelabombaQ Presión PP de descarga de la bomba
  • 164.
    GSN00605-00 10 Estructura,función, y estandar de mantenimiento 26 D155AX-6 Operación 1) Cuando el controlador de la bomba está normal (1) Cuando la carga del actuador es pequeña y la presión de descarga de la bomba (PP) es baja Acción de la válvula solenoide PC-EPC (1) l La orden de corriente (X) se envía a la válvula solenoide (1) PC-EPC desde el controlador de la bomba. l Esta corriente de comando (X) trabaja en la v PC-EPC y envía una presión de señal para cambiar la fuerza del pistón de empuje (2). l El carrete (3) se detiene en una posición donde la fuerza combinada del carrete de empuje (3) por la presión establecida por el resorte (4) y la presión de descarga de la bomba (PP) quedan compensadas. l La presión [presión del orificio (C)] de salida de la válvula PC se cambia según sea la posición anterior. Válvula de control Válvula LS Dirección mínima Diámetro grande Diámetro pequeño Dirección máxima Controlador de la bomba Válvula PC-EPC Válv.autoreduc- tora de presión
  • 165.
    10 Estructura, función,y estandar de mantenimiento GSN00605-00 D155AX-6 27
  • 166.
    GSN00605-00 10 Estructura,función, y estandar de mantenimiento 28 D155AX-6 Acción del resorte l La carga del resorte (4) en la válvula PC es determinada por la posición del plato oscilante. l A medida que el servo pistón (9) se mueve hacia la derecha, el resorte (4) se comprime. l La carga del resorte cambia en la medida que el servopistón (9) cause que el resorte se estire o se contraiga. l Si la orden de corriente (X) enviada a la válvula solenoide (1) PC-EPC cambia, también cambia la fuerza que empuja el pistón (2). l La carga del resorte (4) también cambia de acuerdo a la corriente (X) de comando del solenoide de la válvula PC-EPC. Válvula de control Válvula LS Diámetro grande Diámetro pequeño Dirección máxima Controlador de la bomba Válvula PC-EPC Válv.autoreduc- tora de presión Cuando los orificios D y C están conectados Cuando los orificios B y C están conectados
  • 167.
    10 Estructura, función,y estandar de mantenimiento GSN00605-00 D155AX-6 29 l El orificio (C) de la válvula PC está conectado al orificio (E) de la válvula LS. l La presión de descarga de la bomba (PP) es aplicada al extremo de diámetro pequeño del servopistón (9), y a los orificios (A) y (B). l Cuando la presión de descarga de la bomba (PP) es pequeña, el carrete (3) está en la izquierda. l Los orificios (C) y (D) están conectados y la presión que ingresa a la válvula LS se vuelve la presión de drenaje (PT). l Si los orificios (E) y (G) de la válvula LS están conectados, la presión que ingresa al extremo del diámetro grande del pistón procedente del orificio (J) se vuelve la presión de drenaje (PT) y el servo pistón (9) se mueve hacia el lado izquierdo. l La descarga de la bomba quedará regulada a la tendencia de aumento. l El resorte (4) se extiende a medida que el servopistón (9) se mueve y debilita la fuerza del resorte. l A medida que se debilita la fuerza del resorte, el carrete (3) se mueve hacia la derecha, la conexión entre los orificios (C) y (D) se cierra y los orificios de descarga de presión de la bomba (B) y (C) se conectan. l Aumenta la presión en el orificio (C) y la presión en el extremo del diámetro grande del pistón también aumenta. De tal modo, queda detenido el movimiento hacia la izquierda del servo pistón (9). l La posición de parada del servopistón (9) (= entrega de la bomba) es decidida en un punto donde: la fuerza del resorte (4), la fuerza de empuje causada por el solenoide de la válvula PC-EPC, y la fuerza de empuje creada por la presión (PP) actuando en el carrete (3), se encuentran compensadas.
  • 168.
    GSN00605-00 10 Estructura,función, y estandar de mantenimiento 30 D155AX-6 (2) Cuando la carga del actuador es grande y la presión de descarga de la bomba (PP) es alta Descripción l Cuando la carga es grande y la presión (PP) de descarga es alta, la fuerza que empuja el carrete (3) hacia la derecha se hace mayor y el carrete (3) se mueve a la posición indicada en el diagrama de arriba. l Como se muestra en el diagrama de arriba, parte del aceite presurizado proveniente del orificio (B) fluye hacia el orificio (D) desde el orificio (C) a través de la válvula LS, y la presión de aceite que fluye desde el orificio (C) ha cia la válvula L S se r edu ce a aproximadamente la mitad de la presión de descarga (PP) de la bomba. Operación l Cuando el orificio (E) y el orificio (G) de la válvula LS están conectados, esta presión procedente del orificio (J) ingresa el extremo del diámetro grande del servo pistón (9) deteniendo el servo pistón (9) l Si la presión de descarga la bomba (PP) aumentan más y el carrete (3) se mueve más hacia la derecha, la presión (PP) de descarga de la bomba fluye hacia el orificio (C) y actúa para hacer mínimo el volumen de descarga. l Si el servo pistón (9) se mueve hacia la derecha, el resorte (4) es comprimido y empuja hacia atrás el carrete (3). l Cuando el carrete (3) se mueve hacia la izquierda, se agrandan las apertures de los orificios (C) y (D). l La presión en el orificio (C) ( = J) es disminuida y queda detenido el movimiento hacia la derecha del servo pistón (9). l La posición en la cual el servo pistón (9) se detiene está más a la derecha que la posición cuando la presión de descarga de la bomba (PP) está baja. Válvula de control Válvula LS Dirección mínima Diámetro grande Diámetro pequeño Controlador de la bomba Válvula PC-EPC Válv. autoreduc- tora de presión
  • 169.
    10 Estructura, función,y estandar de mantenimiento GSN00605-00 D155AX-6 31 l La interrelación entre la presión (PP) de descarga de la bomba y la entrega (Q) de la bomba está mostrada en el diagrama. l Si se envía una corriente (X) de comando para incrementar el solenoide de la válvula PC-EPC (1), la interrelación entre la presión de descarga de la bomba (PP) y la entrega (Q) de la bomba se mueven paralelamente en proporción a la fuerza de empuje del solenoide de la válvula PC-EPC. l Debido a que la fuerza de empuje hacia la derecha del solenoide de la válvula PC-EPC (1) es agregado a la fuerza de empuje del carrete (3) causado por la presión de descarga de bomba (PP), la interrelación entre la presión de descarga de la bomba (PP) y la entrega de la bomba (Q) se mueve desde (A) hacia (B) de acuerdo al incremento de la corriente de comando (X). DescargadelabombaQ Presión PP de descarga de la bomba DescargadelabombaQ Presión PP de descarga de la bomba (X: Grande) (X: Pequeño)
  • 170.
    GSN00605-00 10 Estructura,función, y estandar de mantenimiento 32 D155AX-6 2) A medida que se activa en ON el interruptor de mando de la bomba de emergencia debido a una falla en el controlador de la bomba. (1) Cuando la bomba principal se encuentra sometida a una carga ligera l Si hay una falla en el controlador de la bomba, ponga en ON [activado] el interruptor de mando de la bomba de emergencia hacia el lado de la resistencia. l En este caso, la fuente energética se toma directamente de la batería. La corriente, sin embargo, es demasiado grande tal como está, de manera que se coloca la resistencia para controlar el flujo de corriente hacia la válvula solenoide (1) PC-EPC. l La corriente se torna constante de manera que la fuerza que empuja el pistón (2) también es constante. l Cuando la presión de descarga de la bomba (PP) es baja, el carrete (3) es compensado en la posición izquierda, debido a que la fuerza combinada del solenoide de la válvula PC_EPC (1) y la presión (PP) de descarga de la bo mb a so n men ores que la fu erza establecida por el resorte. l En este punto, el orificio (C) está conectado a la presión de drenaje del orificio (D), y el extremo de diámetro grande del servo pistón (9), también se convierte en presión de drenaje (PT) a través de la válvula LS. l Como la presión en el extremo de diámetro pequeño del servopistón (9) éste se mueve en la dirección que hace que la entrega sea más grande. Válvula de control Válvula LS Diámetro grande Diámetro pequeño Dirección máxima Controlador de la bomba Válvula PC-EPC Válv.autoreduc- tora de presión
  • 171.
    10 Estructura, función,y estandar de mantenimiento GSN00605-00 D155AX-6 33 (2) Cuando la bomba principal está sometida a carga pesada l Si el interruptor de mando de la bomba de emergencia se activa en ON de la misma forma que lo anterior, la orden de corriente (X) enviada a la válvula solenoide (1) PC-EPC se vuelve constante. l Por esta razón, es constante la fuerza de la va rilla d e e mpuje ( 11) del solen oid e empujando al pistón (2). l Si se incrementa la presión de descarga de la bomba (PP), el carrete (3) se mueve hacia la derecha, desde la posición donde la carga de la bomba era más pequeña, entonces se compensa en la posición mostrada en el diagrama de arriba. l En este caso, la presión procedente del orificio (B) fluye hacia el orificio (C) y el servo pistón (9) se mueve hacia la derecha (menor descarga de la bomba) y se detiene en una posición más allá de la derecha que cuando la carga sobre la bomba es ligera. l La interrelación entre la presión (PP) de descarga de la bomba y la entrega (Q) de la bomba está mostrada en el diagrama. Esto es determinado en correspondencia al valor de la corriente eléctrica enviada a través de la resistencia desde el solenoide de la válvula PC-EPC aún cuando el interruptor de mando de la bomba de emergencia se active ("ON") l La curva resultante cuando el interruptor de mando de la bomba de emergencia está activada en ON está situada más lejos a la izquierda (B) que cuando el controlador de la bomba está normal (A). Válvula de control Válvula LS Dirección mínima Diámetro grande Diámetro pequeño Controlador de la bomba Válvula PC-EPC Válv.autoreduc- tora de presión DescargadelabombaQ Presión PP de descarga de la bomba
  • 172.
    GSN00605-00 10 Estructura,función, y estandar de mantenimiento 34 D155AX-6 3. Válvula PC-EPC C: A la válvula PC P: Desde la válvula de auto-reducción de presión T: Hacia el tanque 1. Conector 2. Bobina 3. Cuerpo 4. Resorte 5. Carrete 6. Vástago 7. Émbolo
  • 173.
    10 Estructura, función,y estandar de mantenimiento GSN00605-00 D155AX-6 35 Función l La válvula EPC consiste de la parte del solenoide proporcional y la parte de la válvula hidráulica. l Al recibir la corriente de señal (i) procedente del controlador de la bomba, la válvula EPC genera una presión de salida EPC en proporción a la corriente de señal y la aplica a la válvula PC. Operación 1) Cuando la señal de corriente es 0 (bobina desenergizada) l Cuando no hay señal de corriente fluyendo del controlador hacia las bobina (2), bobina (2) es generalizada. l El carrete (5) es empujado hacia la izquierda por el resorte (4). l Debido a que el orificio (P) está cerrado, el aceite presurizado procedente de la válvula reductora de auto presión no fluye hacia la válvula PC. l El aceite proveniente de la válvula PC es drenado hacia el tanque a través de los orificios (C) y (T). PresióndesalidaP Corriente i Válvula PC Válv. autoreduc- tora de presión
  • 174.
    GSN00605-00 10 Estructura,función, y estandar de mantenimiento 36 D155AX-6 2) Cuando la señal de corriente muy pequeña (bobina es energizada) l Cuando una señal de corriente muy pequeña fluye a la bobina (2), b obin a (2) está energizada, y una fuerza de propulsión es generada en la parte derecha del émbolo (7). l El vástago (6) empuja el carrete (5) hacia la derecha y el aceite presurizado fluye desde el orificio (P) hacia el orificio (C). l Las presiones en el orificio (C) aumentan y la fuerza actúa sobre la superficie del carrete (5) y la carga del resorte sobre el resorte (4) se torna mayor que la fuerza propulsora del émbolo (7). l El carrete (5) es empujado hacia la izquierda y el orificio (P) queda cortado del orificio (C). l Los orificios (C) y (T) están conectados. l El carrete (5) se mueve hacia arriba y hacia abajo, por lo tanto la fuerza de propulsión del émbolo (7) puede ser balanceada por la presión del orificio (C) + la carga de resorte del resorte (4). l La presión del circuito entre la válvula EPC y la válvula PC es controlada en relación al tamaño de la señal de corriente. 3) Cuando la señal de corriente es la máxima (bobina energizada) l Como la señal de corriente fluye a la bobina (2), la bobina (2) está energizada. l Cuando esto sucede, la señal de corriente está a su máximo, y la fuerza de propulsión del émbolo (7) está también a su máximo. l El carrete (5) es empujado hacia la derecha por el vástago (6). l El aceite hidráulico proveniente del orificio (P) fluye hacia el orificio (C) al rango de flujo máximo. Como resultado, la presión del circuito entre las válvulas EPC y PC se vuelve la máxima. l En vista de que el orificio (T) está cerrado, el aceite presurizado no fluye al tanque. Válvula PC Válv. autoreduc- tora de presión Válvula PC Válv. autoreduc- tora de presión
  • 175.
    10 Estructura, función,y estandar de mantenimiento GSN00605-00 D155AX-6 37 La válvula de desvío del enfriador de aceite hidráulico 1 1. Cuerpo 2. Válvula 3. Resorte A: Entrada del enfriador del aceite hidráulico B: Hacia el tanque hidráulico Descripción l Esta válvula está instalada en el circuito de entrada al enfriador de aceite. Si se genera alguna presión anormal en el flujo de aceite hacia el enfriador del aceite, esta válvula actúa para devolver el aceite directamente al tanque hidráulico. Presión establecida Presión de disparo (MPa {kg/cm2}) 0.5 {5.1}
  • 176.
    GSN00605-00 10 Estructura,función, y estandar de mantenimiento 38 D155AX-6 Control de dirección y de freno 1 H Con relación a la descripción de la operación de la palanca PCCS relacionada a la transmisión, vea: Control de la transmision. H PCCS: Sistema de Control Comandado por la Palma de la Mano
  • 177.
    10 Estructura, función,y estandar de mantenimiento GSN00605-00 D155AX-6 39 1. Potenciómetro 2. Palanca de bloqueo 3. Palanca PCCS (Dirección) 4. Interruptor limitador 5. Controlador del tren de potencia 6. Varilla (Procedente del pedal del freno) 7. Pedal de freno Posiciones de las palancas y pedales A: Neutral B: Avance en linea recta C: Retroceso en linea recta D: Giro a la izquierda E: Giro a la derecha F: Freno desactivado (OFF) G: Freno en ON H: Libre J: Traba Descripción l La palanca PCCS (3) envía señales eléctricas al controlador del tren de potencia (5). Al recibir esas señales, el controlador del tren de fuerza (5) envía señales a la válvula EPC de la válvula de control, para cambiar la entrega de la bomba y operar el motor de la dirección. l El pedal de freno (7) recibe señales provenientes del potenciómetro (1) a través de la varilla (6). Luego, el controlador del tren de fuerza (5) envía señales a la válvula de freno para accionar el freno. l La palanca de traba (2) está conectada al interruptor limitador (4) y se usa también como palanca del freno de estacionamiento. Cuando el está en posición de traba "J", el controlador del tren de fuerza (5) no envía señales de viraje a la válvula EPC de la válvula de control.
  • 178.
    GSN00605-00 10 Estructura,función, y estandar de mantenimiento 40 D155AX-6 Unidad de la dirección 1 (Eje de la corona, HSS, y freno) H HSS: Abreviación de Sistema Hidrostático de Dirección
  • 179.
    10 Estructura, función,y estandar de mantenimiento GSN00605-00 D155AX-6 41 A: Hacia la caja de la transmisión B: Proviene de la bomba de barrido, bomba de lubricación de la dirección C: Orificio (RB) de toma de presión de aceite del freno derecho D: Agujero de toma (LB) de la presión del aceite del freno izquierdo E: Procedente de la válvula solenoide para sacar espiga (Drenaje)
  • 180.
    GSN00605-00 10 Estructura,función, y estandar de mantenimiento 42 D155AX-6
  • 181.
    10 Estructura, función,y estandar de mantenimiento GSN00605-00 D155AX-6 43
  • 182.
    GSN00605-00 10 Estructura,función, y estandar de mantenimiento 44 D155AX-6 1. Sensor de velocidad del engranaje cónico 2. Tapón de drenaje 3. Válvula de drenaje 4. Orificio de montaje del motor HSS 5. Válvula de control del freno 6. Eje de salida 7. Carcasa 8. Cilindro 9. Resorte de freno 10. Pistón del freno 11. Platos del freno 12. Disco de freno 13. Tambor del freno 14. Núcleo del freno 15. Tubo 16. Eje de la corona 17. Engranaje cónico (número de dientes: 32) 18. Engranaje A (número de dientes: 45) 19. Engranaje solar (número de dientes: 34) 20. Eje piñón 21. Piñón planetario (número de dientes: 35) 22. Aro dentado (número de dientes internos: 104) 23. Cubo 24. Portadora 25. Cojinete B del eje de engranaje cónico 26. Cojinete A del eje de engranaje cónico 27. Lámina A (para ajustar la corona) 28. Retenedor 29. Lámina B (para ajustar la corona) 30. Tuerca (para el eje de engranaje cónico) 31. Espaciador 32. Tuerca (para el piñón cónico) 33. Jaula 34. Lámina C (para ajustar el piñón de la corona) 35. Rodamiento del piñón cónico 36. Piñón cónico (número de dientes: 17) 37. Engranaje B (número de dientes: 16) 38. Eje 39. Motor HSS 40. Engranaje de mando (número de dientes: 19) 41. Engranaje D (número de dientes: 28) 42. Engranaje C (número de dientes: 16)
  • 183.
    10 Estructura, función,y estandar de mantenimiento GSN00605-00 D155AX-6 45 Descripción Eje de la corona l La potencia del motor es transmitida a través del convertidor de torsión a la transmisión. Luego, el sistema del eje del engranaje cónico acopla el piñón cónico (36) con el engranaje cónico (17) para girar la potencia del motor en ángulo recto hacia la dirección lateral y reducir la velocidad de rotación. l El sistema del eje del engranaje cónico adopta el engranaje cónico espiral al piñón cónico (36) y al engranaje cónico (17), y este opta por la lubricación por salpique con el aceite proveniente de la bomba de lubricación de la dirección y de la bomba de barrido para lubricación. l El sistema del eje del engranaje cónico consiste en: piñón cónico (36), cojinete (35) el cual soporta el piñón cónico, la jaula (33), el engranaje cónico (17) el cual engrana con el piñón cónico, el eje de engranaje cónico (16), los cojinetes (25) y (26) los cuales soportan el engranaje del eje cónico, y el retenedor (28). HSS l El sistema de dirección hidrostático HSS está construido en base al área de transferencia, la cual transmite la rotación del motor del HSS (39) al engranaje A (18) haciéndolo girar en dirección de reversa, y del área planetaria, la cual ajusta la entrada proveniente del aro dentado (22) y del engranaje central (19) y luego la transfiere al transportador (24). Esto cambia el viraje de la máquina, desactivando la rotación del motor HSS (39), o haciéndolo que lo mueva en rotación normal o en rotación inversa. l La unidad de transferencia dispone de un mecanismo reductor de velocidad y es lubricado con aceite sarpicado por la bomba de barrido y la bomba de aceite de lubricación. l El área planetaria opta por lubricación forzada con el aceite proveniente de la bomba de lubricación y de la bomba de barrido para lubricación. l La unidad de transferencia consiste del engranaje de propulsión (40) del motor HSS conectado al motor HSS (39) por el estriado, el engranaje D (41) engranado con el engranaje de propulsión del motor HSS, el engranaje C (42) engranado con el engranaje D, el engranaje B (37) conectado al eje (38), el engranaje A (18) apoyado por los rodamientos en el eje del engranaje cónico y la caja de dirección para soportar estas piezas. l El área planetaria consiste en: el engranaje central (19), piñón planetario (21), eje piñón (20), aro dentado (22), núcleo (23) engranado con el eje del engranaje cónico (16) y el aro dentado (22), y el portador (24) adherido al núcleo del freno. Freno l El freno está conectado respectivamente con el lado izquierdo y el derecho. El controla la fuerza transmitida desde el HSS hacia la transmisión final para frenar la máquina. l El freno adoptado es del tipo de embrague con múltiples discos húmedos y del tipo de resorte reforza do, y e s del tip o activa do hidráulicamente, el cual activa la válvula de control de freno (5) mediante la operación del pedal de freno. l El opta por una lubricación forzada, la cual envía aceite proveniente de la bomba de lubricación de la dirección y de la bomba de barrido hacia la caja (7) y la campana de freno (13) a través del pasaje interior en la caja de la dirección, y luego hacia el disco de freno (12) y al plato de freno (11). l Cuando el motor es detenido, desciende la contrapresión del pistón de freno (10), aún, cuando el pedal de freno no haya oprimido, lo cual inicia la "operación" de freno. Sin embargo, la palanca de freno se debe colocar en posición de activado ("Lock"), debido a que el freno es "liberado" a medida que crece la presión de aceite en el circuito cuando se vuelve a arrancar el motor. l El freno consiste de: el núcleo de freno (14) adherido al portador (24), el disco de freno (12) engranado con el núcleo de freno, la campana de freno (13), el plato del freno (11) cuyo perímetro exterior engrana con la campana de freno (13), el pistón de freno (10), el resorte del freno (9), el cual hace juntar el disco de freno y el plato de freno, el cilindro (8) el cual los soporta a todos, la caja (7) y el eje de salida (6). Tambor del freno (13) y caja (7) son fijada en la caja de dirección. También, el eje de salida (6) engrana con el núcleo de freno (14) por medio de ranuras y es sostenido en dirección axial por el espaciador (31).
  • 184.
    GSN00605-00 10 Estructura,función, y estandar de mantenimiento 46 D155AX-6
  • 185.
    10 Estructura, función,y estandar de mantenimiento GSN00605-00 D155AX-6 47 Unidad: mm No. Itemes a comprobar Criterio Solución 1 Disco de freno Tamaño estándar Tolerancia Límite de reparación Reemplace Espesor 4.5 ±0.1 4.0 Colar — 0.05 0.14 Repare o reem- place 2 Platos del freno Espesor 2.9 ±0.1 2.6 Reemplace Colar — 0.05 0.15 Repare o reem- place 3 Espesor total del conjunto de 6 platos y 5 discos 41.5 ±0.33 38.3 Reemplace 4 Diámetro interior de la superfi- cie de contacto del retenedor 100 +0.035 +0.035 100.5 Desgaste del anillo de sello del eje del engranaje cónico Ancho 3 –0.01 –0.03 2.7 Espesor 4 ±0.12 3.85 5 Diámetro interior de la superficie de con- tacto del anillo sella- dor del pistón del freno Partes de diámetro grande 280 +0.081 +0.081 280.1 Partes de diámetro pequeño 220 +0.072 +0.081 220.1 6 Resorte de freno (2 piezas por cada juego) Tamaño estándar Límite de reparación Largo libre Largo de instalación Carga de instalación Largo libre Carga de instalación 33 19.6 35.7 kN {3,640 kg} 32.0 33.9 kN {3,460 kg} 7 Holgura entre la corona y el perno escariador Tamaño estándar Tolerancia Holgura estándar Límite de holguraEje Agujero 16 +0.019 +0.001 +0.027 +0.027 -0.019- 0.026 0.026 8 Contragolpe entre el cubo del freno y el disco 0.23 – 0.42 9 Contragolpe entre el tambor del freno y el plato 0.23 – 0.42 10 Contragolpe entre el engranaje solar y el planetario 0.17 – 0.52 11 Contragolpe entre el piñón planetario y engranaje anular 0.17 – 0.54 12 Grosor de espaciador estándar del retenedor 2.0 Ajuste la lámina 13 Grosor del espaciador están- dar para el plato 0.7 14 Precarga del cojinete A del eje del engranaje cónico Torsión inicial para sin-carga: 2.94 Nm {0.3 kgm} Ajustar
  • 186.
    GSN00605-00 10 Estructura,función, y estandar de mantenimiento 48 D155AX-6
  • 187.
    10 Estructura, función,y estandar de mantenimiento GSN00605-00 D155AX-6 49 Unidad: mm No. Itemes a comprobar Criterio Solución 1 Contragolpe entre el piñón y la corona 0.25 – 0.33 Ajuste o reem- place 2 Juego entre dientes entre el engranaje de impulso y el engranaje D 0.19 – 0.62 Reemplace 3 Contragolpe entre el engranaje D y el engranaje C 0.18 – 0.58 4 Contragolpe entre el engranaje B y el engranaje A 0.19 – 0.61 5 Contragolpe entre el engranaje D y el engranaje A 0.20 – 0.67 6 Espesor estándar de la lámina de ajuste para la jaula 2.0 Ajuste la lámina
  • 188.
    GSN00605-00 10 Estructura,función, y estandar de mantenimiento 50 D155AX-6 Operación de la unidad de dirección Cuando la dirección está en neutral (Traslado recto) l Cuando la operación de dirección de la palanca PCCS está en posición "neutral", los engranajes A izquierdo y derecho (2) y el engranaje central (3) del área de transferencia y del área planetaria no giran porque el motor HSS (1) está detenido. l En esta condición, la fuerza transmitida al eje del engranaje cónico (4) es transmitida a través del núcleo (5) hacia el aro dentado (6). l La fuerza transmitida al aro dentado (6) es transmitida al portador (9) mediante el paso a través del piñón planetario (7) al eje piñón (8). l La fuerza transmitida al portador (9) es transmitida a través del núcleo (10) al eje de salida (11). l En consecuencia, el número de rotación de salida a la izquierda y a la derecha viene a ser el mismo y la máquina se traslada en línea recta. La dirección de rotación del motor HSS Operación de dirección de la palanca PCCS Neutral Giro a la izquierda Giro a la derecha Operaciones de cambio de la palanca PCCS, avance y retro- ceso Libre, no especi- ficado Neu- tral (*) Avan- ce Re- tro- ceso Neu- tral (*) Avan- ce Re- tro- ceso Dirección de rot- ación del motor HSS visto desde el lado izquierdo de la máquina Pare Iz- quier- da Iz- quier- da Dere- cha Dere- cha Dere- cha Iz- quier- da *: Contra-rotación
  • 189.
    10 Estructura, función,y estandar de mantenimiento GSN00605-00 D155AX-6 51 Cuando la operación de dirección es para virar hacia la "Izquierda" (traslado hacia adelante) *A: Salida de la transmisión *B: Salida del motor HSS *C: Salida combinada *1. Velocidad de salida de la transmisión *2. Salida de velocidad del motor HSS *3. Velocidad de salida del eje de la corona izquierda (*1-*2) *4. Velocidad de salida del eje de la corona derecha (*1+*2) l Si la palanca PCCS cambia la operación de dirección hacia "viraje a la izquierda" cuando la máquina se esta trasladando hacia adelante; el motor HSS (1) rota hacia la izquierda, el engranaje A del lado izquierdo (2) rota hacia izquierda, y el engranaje A del lado derecho (2) rota hacia la derecha, visto desde el lado izquierdo del cuerpo de la máquina. l También, el eje del engranaje cónico (4) y el aro dentado (6) enlazados con el eje giran hacia la derecha, visto desde el lado izquierdo del cuerpo de la máquina. l De acuerdo a esto, considerando que el número de rotaciones del área planetaria izquierda y derecha, hace que el portador del lado izquierdo (9) reduzca su velocidad con la salida del motor HSS, y que el portador del lado derecho (9) aumente su velocidad, esto comparando con las velocidades de avance en línea recta. Por lo tanto, la máquina se traslada virando hacia la izquierda donde el número de rotaciones de salida es menor.
  • 190.
    GSN00605-00 10 Estructura,función, y estandar de mantenimiento 52 D155AX-6 Cuando la operación de dirección es para virar hacia la "Izquierda" (trasladándose en reversa) *A: Salida de la transmisión *B: Salida del motor HSS *C: Salida combinada *1. Velocidad de salida de la transmisión *2. Salida de velocidad del motor HSS *3. Velocidad de salida del eje de la corona izquierda (*1-*2) *4. Velocidad de salida del eje de la corona derecha (*1+*2) l Si la palanca PCCS cambia la operación de dirección hacia "viraje a la izquierda" cuando la máquina se esta trasladando en reversa; el motor HSS (1) rota hacia la derecha, el engranaje A del lado izquierdo (2) rota hacia derecha, y el engranaje A del lado derecho (2) rota hacia la izquierda, visto desde el lado izquierdo del cuerpo de la máquina. l También, el eje del engranaje cónico (4) y el aro dentado (6) enlazados con el eje giran hacia la izquierda, visto desde el lado izquierdo del cuerpo de la máquina. l De acuerdo a esto, considerando que el número de rotaciones del área planetaria izquierda y derecha, hace que el portador del lado izquierdo (9) reduzca su velocidad con la salida del motor HSS, y que el portador del lado derecho (9) aumente su velocidad, esto comparando con las velocidades de avance en línea recta. Por lo tanto, la máquina reversa virando hacia la izquierda donde el número de rotaciones de salida es menor.
  • 191.
    10 Estructura, función,y estandar de mantenimiento GSN00605-00 D155AX-6 53 Cuando la operación de dirección es para virar hacia la "derecha" (traslado hacia adelante) *A: Salida de la transmisión *B: Salida del motor HSS *C: Salida combinada *1. Velocidad de salida de la transmisión *2. Salida de velocidad del motor HSS *3. Velocidad de salida del eje de la corona izquierda (*1+*2) *4. Velocidad de salida del eje de la corona derecha (*1-*2) l Si la palanca PCCS cambia la operación de dirección hacia "viraje a la derecha" cuando la máquina se esta trasladando hacia adelante; el motor HSS (1) rota hacia la derecha, el engranaje A del lado izquierdo (2) rota hacia derecha, y el engranaje A del lado derecho (2) rota hacia la izquierda, visto desde el lado izquierdo del cuerpo de la máquina. l También, el eje del engranaje cónico (4) y el aro dentado (6) enlazados con el eje giran hacia la derecha, visto desde el lado izquierdo del cuerpo de la máquina. l De acuerdo a esto, considerando que el número de rotaciones del área planetaria izquierda y derecha, hace que el portador del lado izquierdo (9) aumente su velocidad con la salida del motor HSS, y que el portador del lado derecho (9) reduzca su velocidad, esto comparando con las velocidades de avance en línea recta. Por lo tanto, la máquina se traslada virando hacia la derecha donde el número de rotaciones de salida es menor.
  • 192.
    GSN00605-00 10 Estructura,función, y estandar de mantenimiento 54 D155AX-6 Cuando la operación de dirección es para virar hacia la "derecha" (traslado en reversa) *A: Salida de la transmisión *B: Salida del motor HSS *C: Salida combinada *1. Velocidad de salida de la transmisión *2. Salida de velocidad del motor HSS *3. Velocidad de salida del eje de la corona izquierda (*1+*2) *4. Velocidad de salida del eje de la corona derecha (*1-*2) l Si la palanca PCCS cambia la operación de dirección hacia "viraje a la derecha" cuando la máquina se esta trasladando en reversa; el motor HSS (1) rota hacia la izquierda, el engranaje A del lado izquierdo (2) rota hacia izquierda, y el engranaje A del lado derecho (2) rota hacia la derecha, visto desde el lado izquierdo del cuerpo de la máquina. l También, el eje del engranaje cónico (4) y el aro dentado (6) enlazados con el eje giran hacia la izquierda, visto desde el lado izquierdo del cuerpo de la máquina. l De acuerdo a esto, considerando que el número de rotaciones del área planetaria izquierda y derecha, hace que el portador del lado izquierdo (9) aumente su velocidad con la salida del motor HSS, y que el portador del lado derecho (9) reduzca su velocidad, esto comparando con las velocidades de avance en línea recta. Por lo tanto, la máquina reversa virando hacia la derecha donde el número de rotaciones de salida es menor.
  • 193.
    10 Estructura, función,y estandar de mantenimiento GSN00605-00 D155AX-6 55 Operación del freno Cuando el freno es “liberado” l Cuando la palanca PCCS está en una posición "neutral" y el pedal de freno es liberado, la máxima presión de frenado es aplicada al respaldo del pistón de freno (1) por medio de la válvula de control de freno. l A medida que crece la presión de freno, el pistón de freno (1) comprime el resorte de freno (2) y se mueve hacia la izquierda para eliminar la fuerza de compresión entre los discos (3) y los platos (4). l La potencia transmitida desde el eje del engranaje cónico a través del HSS hacia el núcleo de frenos (6) es transmitida al eje de salida (7), luego al mando final. Cuando el freno es “aplicado” l Si el pedal de freno es oprimido, la presión aplicada al respaldo del pistón de freno (1) se empieza a reducir por medio de la válvula de control de freno. l En este momento, el pistón de freno (1) es empujado nuevamente hacia la derecha por la tensión del resorte de freno (2) para comprimir los discos (3) y los platos (4) contra la campana de freno (5). La campana de freno está fijada a la caja de la dirección. l La fuerza hacia el núcleo de freno (6) o hacia el eje de salida (7) es controlada mediante la compresión del disco (3) y el plato (4). l La fuerza de frenado se puede ajustar mediante el control de la presión de aceite aplicada al lado del respaldo del pistón de freno (1) de acuerdo al recorrido del pedal de freno.
  • 194.
    GSN00605-00 10 Estructura,función, y estandar de mantenimiento 56 D155AX-6 Válvula de control del freno 1
  • 195.
    10 Estructura, función,y estandar de mantenimiento GSN00605-00 D155AX-6 57 P. Procedente de la bomba del tren de potencia L: Proviene de la bomba de barrido, bomba de lubricación de la dirección PS: Hacia la válvula solenoide del pasador de sujeción del riper LB: Hacia el freno izquierdo LL: Hacia el circuito de lubricación del freno izquierdo RB: Hacia el freno derecho RL: Hacia el circuito de lubricación del freno derecho BSL: Hacia el eje del engranaje cónico y hacia el circuito de lubricación del cojinete del área planetaria BPL: Hacia el circuito de lubricación del cojinete del piñón cónico TFL: Hacia el circuito de lubricación del área de transferencia HSS DLB: Drenaje (Freno izquierdo) DRB: Drenaje (Freno derecho) DB: Drenaje (Válvula para prevención de paro súbito) DBP: Drenaje (Piloto de la válvula para prevención de paro súbito) DPB: Drenaje (Freno de estacionamiento) PLB: Orificio de captación de la presión del aceite del freno izquierdo PRB: Orificio de captación de la presión del aceite del freno derecho 1. ECMV del freno izquierdo 2. ECMV del freno derecho 3. Filtro de aceite de dirección 4. Asiento de la válvula 5. Válvula solenoide del freno de estacionamiento 6. Válvula contra parada súbita 7. Válvula de retención Descripción l La válvula de control del freno consiste de 2 ECMVs, la válvula solenoide del freno de estacionamiento y la válvula para prevención de paradas súbitas instalada en el asiento de la válvula, para controlar el freno. l La válvula de control de freno está localizada en el circuito entre la bomba del tren de fuerza y el pistón de freno, y consiste en 2 juegos de Válvulas de Modulación de Control Electrónico (ECMV) de freno (Izquierda y Derecha) l La válvula de control de freno envía el aceite desde la bomba del tren de fuerza hacia el freno para controlar los embragues de disco izquierdo y derecho. l El controlador envía señales a cada ECMV de acuerdo al recorrido hacia la izquierda o derecha de la palanca PCCS y ajusta los virajes graduales o agudos. l Si el pedal de freno es oprimido, el controlador envía comandos a las válvulas ECMV de frenos de acuerdo al recorrido del pedal, para aplicar el freno Izquierdo o derecho, parando de este modo la máquina. l El controlador conecta eléctricamente con la palanca PCCS y el pedal de freno hace funcionar el freno controlando cada válvula ECMV y la válvula solenoide. l La válvula para prevención contra paradas súbitas es instalada con el objeto de prevenir que la máquina pare súbitamente cuando ocurra alguna anormalidad en el sistema eléctrico. l Cuando la palanca del freno de estacionamiento está colocada en la posición de "activado" (Lock), el controlador envía señales a la válvula solenoide del freno de estacionamiento para drenar el aceite entre las válvulas ECMV izquierda y derecha y los pistones de freno para operar el freno. También la válvula solenoide del freno de estacion amie nto está cone cta da eléctricamente con el pedal de freno.
  • 196.
    GSN00605-00 10 Estructura,función, y estandar de mantenimiento 58 D155AX-6 Freno ECMV 1 H ECMV: Abreviación de: Válvula Moduladora de Control Electrónico H No trate de desensamblarlo debido a que se necesitarán ajustes para mantener el rendimiento. A: Hacia el freno P: Proveniente de la bomba S: Hacia al válvula solenoide del freno de estacionamiento T: Drenaje DR: Drenaje P1: Orificio de captación de la presión del aceite del freno 1. Conector del suiche de llenado 2. Conector del solenoide proporcional 3. Válvula de detección de presión 4. Suiche de llenado 5. Solenoide proporcional 6. Válvula de control de presión 7. Placa de identidad (*1) Descripción l La válvula ECMV de freno mantiene la presión del aceite del freno a la presión establecida y aún más, cambia el circuito a la cámara del pistón de freno. *1: Embragues operados Estampado de la placa de características Freno R*******
  • 197.
    10 Estructura, función,y estandar de mantenimiento GSN00605-00 D155AX-6 59 Descripción del ECMV l El ECMV consta de una válvula de control de presión y un interruptor de llenado. l Válvula de control de presión Un solenoide proporcional en esta válvula re cib e la co rrien te envia da desd e e l controlador y esta válvula la convierte en una presión de aceite. l Interruptor de llenado Este es un interruptor que detecta si el embrague o el freno está lleno con aceite y además tiene las siguientes funciones. 1. En el momento en que el embrague o el freno quedan llenos con aceite, el interruptor de llenado envía una señal (señal de llenado) al controlador para notificar que se ha terminado el llenado. 2. Mientras la presión del aceite es aplicada al embrague o al freno, el interruptor de llenado envía una señal (señal de llenado) al controla- dor para notificar la presencia de presión de aceite. ECMV y solenoide proporcional Cada ECMV tiene instalado un solenoide proporcional. La fuerza de propulsión es generada de acuerdo a la corriente de comando proveniente del controlador. La fuerza de propulsión generada por el solenoide proporcional actúa en el carrete de la válvula de control de presión y genera la presión del aceite. Por lo tanto, controlando la cantidad de corriente de comando, la fuerza propulsora cambia y se acciona la válvula de control de presión, luego se controla el flujo y la presión del aceite. ECMV e interruptor de suministro Por cada ECMV, hay un interruptor de llenado instalado. Si el embrague se llena con aceite, la presión del embrague activa "ON" el interruptor de llenado La presión del aceite es acumulada de acuerdo a la señal. Operación del ECMV La ECMV es controlado por la corriente de comando proveniente del controlador hacia el solenoide proporcional y por la señal de salida del interruptor de llenado.
  • 198.
    GSN00605-00 10 Estructura,función, y estandar de mantenimiento 60 D155AX-6 Cuando la palanca PCCS está en posición "neutral", el pedal de freno es "liberado" y la palanca del freno de estacionamiento está en posición "libre" (free): Traslado en línea recta (Los frenos izquierdo y derecho son "liberados", y el freno de estacionamiento es "liberado") l Cuando la palanca PCCS está colocada en la posición de "neutral", el pedal de freno es "liberado", el solenoide proporcional (1) del freno ECMV es energizado y empuja la bola (2) hacia la izquierda y cierra la parte de sello. l El aceite en el orificio (P) de la válvula ECMV de freno fluye en la cámara (B) y empuja hacia la izquierda la válvula (3) para conectar el orificio (P) con el orificio (A) y desconecta la cámara (B) del orificio (DR). En este momento, el aceite fluye en el orificio de contrapresión del pistón de freno. A medida que crece la presión de aceite, el pistón de freno es empujado hacia la izquierda para comprimir el resorte de freno, entonces el freno queda "liberado". l Cuando la palanca del freno de estacionamiento está colocada en la posición "libre", la presión piloto del orificio (S) de la válvula ECMV de freno permanece, debido a qu e la válvula solenoide del freno de estacionamiento está desenergizada. Freno izquierdo ECMV Hacia el orificio P del freno derecho ECMV Hacia la válvula solenoide del extractor del pasador Válvula para prevención de paradas súbitas Desde el orificio DR del freno derecho ECMV Hacia la válvula de alivio principal Hacia el ECMV de transmisión Desde el orificio S del freno derecho ECMV Freno izquierdo “Liberado” Pedal del freno de estacionamiento “Liberado” Palanca del freno de esta- cionamiento “Libre” Válvula solenoide del freno de estacionamiento
  • 199.
    10 Estructura, función,y estandar de mantenimiento GSN00605-00 D155AX-6 61 Cuando la palanca PCCS está accionada "la mitad del recorrido hacia la izquierda", el pedal de freno es "liberado" y la palanca del freno de estacionamiento está en posición "libre" (free): Viraje gradual hacia la izquierda (El freno izquierdo está "medio liberado", y el freno derecho está "liberado", el freno de estacionamiento está "liberado") l Cuando la palanca PCCS está colocada en la posición de "la mitad del recorrido hacia la izquierda", el pedal de freno es "liberado", el solenoide proporcional (1) del freno ECMV es energizado y empuja la bola (2) hacia la izquierda y cierra la parte de sello. l El aceite en el orificio (P) de la válvula ECMV de freno fluye en la cámara (B) y empuja la válvula (3) hacia la izquierda. En cuanto a la presión de aceite después del orificio (A), el controlador envía la corriente de comando al solenoide proporcional (1) de acuerdo al recorrido de la palanca PCCS. l El solenoide proporcional (1) genera la fuerza de propulsión en proporción a la corriente de comando. Esta fuerza de propulsión es balanceada con la suma de la fuerza de propulsión generada por la presión de aceite en el orificio de contrapresión del pistón de freno y la tensión del resorte (4), entonces la presión de freno queda establecida para ajustar la fuerza del freno. l De acuerdo a esto, si el recorrido de la palanca PCCS es corto, la presión de aceite después del orificio (A) queda establecida en alta y el freno es cambiado de "liberado" a "medio liberado". Si el recorrido de la palanca PCCS es largo, la presión de aceite después del orificio (A) queda establecida en baja y el freno es cambiado de "medio liberado" a "aplicado". l Cuando la palanca del freno de estacionamiento está colocada en la posición "libre", la presión piloto del orificio (S) de la válvula ECMV de freno permanece, debido a que la válvula solenoide del freno de estacionamiento está desenergizada. Freno izquierdo ECMV Hacia el orificio P del freno derecho ECMV Hacia la válvula solenoide del extractor del pasador Válvula para prevención de paradas súbitas Desde el orificio DR del freno derecho ECMV Hacia la válvula de alivio principal Hacia el ECMV de transmisión Desde el orificio S del freno derecho ECMV Freno izquierdo Pedal del freno de estacionamiento “Liberado” Palanca del freno de esta- cionamiento “Libre” Válvula solenoide del freno de estacionamiento “Semi liberado”
  • 200.
    GSN00605-00 10 Estructura,función, y estandar de mantenimiento 62 D155AX-6 Cuando la palanca PCCS está en posición "neutral", el pedal de freno es "oprimido" y la palanca del freno de estacionamiento está en posición "libre" (free): Pare (los frenos Izquierdo y Derecho son "activados", el freno de estacionamiento es "liberado") l Cuando el pedal de freno es oprimido, los solenoides proporcionales de freno de las válvulas ECMV Izquierda y Derecha son desenergizados para abrir la parte de sello de la bola (2). l El controlador envía la corriente de comando a los solenoides proporcionales (1) de acuerdo al recorrido del pedal de freno. l El solenoide proporcional (1) genera la fuerza de propulsión en proporción a la corriente de comando. Esta fuerza de propulsión es balanceada con la suma de la fuerza de propulsión generada por la presión de aceite en el orificio de contrapresión del pistón de freno y la tensión del resorte (4), entonces la presión de freno queda establecida para ajustar la fuerza del freno. l Cuando el pedal de freno es oprimido totalmente, el interruptor del pedal de freno es tornado a la posición "ON", y la válvula solenoide del freno de estacionamiento es energizada para drenar la presión piloto del orificio (S) de la válvula ECMV de freno. Esto efectúa la misma función que cuando la palanca del freno de estacionamiento es colocada en la posición "activada" (lock) Freno izquierdo ECMV Hacia el orificio P del freno derecho ECMV Hacia la válvula solenoide del extractor del pasador Válvula para prevención de paradas súbitas Desde el orificio DR del freno derecho ECMV Hacia la válvula de alivio principal Hacia el ECMV de transmisión Desde el orificio S del freno derecho ECMV Freno izquierdo “Aplicado” Pedal del freno de estacionamiento “Recorrido total” Palanca del freno de esta- cionamiento “Libre” Válvula solenoide del freno de estacionamiento
  • 201.
    10 Estructura, función,y estandar de mantenimiento GSN00605-00 D155AX-6 63 Válvula solenoide del freno de estacionamiento 1 P: Proviene de la válvula ECMV de freno T: Drenaje Dr: Drenaje 1. Válvula solenoide de la palanca del freno de estacionamiento 2. Válvula solenoide del pedal de freno 3. Conector para la válvula solenoide de la palanca del freno de estacionamiento 4. Conector para la válvula solenoide del pedal de freno Válvula solenoide 5. Bobina (Tipo activada-desactivada ("ON-OFF")) 6. Pasador de empuje 7. Resorte 8. Carrete 9. Cuerpo
  • 202.
    GSN00605-00 10 Estructura,función, y estandar de mantenimiento 64 D155AX-6 Cuando la palanca PCCS está en posición "neutral", el pedal de freno es "liberado" y la palanca del freno de estacionamiento está en posición "activado" (lock): Estacionamiento (los frenos Izquierdo y Derecho son "activados", el freno de estacionamiento es "activado") l Cuando la palanca del freno de estacionamiento está en la posición de "activado" (lock), el interruptor de la palanca del freno de estacionamiento es tornado a activado (ON) y la bobina (1) de la válvula solenoide del freno de estacionamiento es energizada. l El carrete (3) es empujado hacia la derecha por el pasador de empuje (2), luego, el orificio (P) y el (T) quedan abiertos para drenar la presión piloto de las válvulas ECMV del freno izquierda y derecha. l El aceite que había fluido dentro del orificio de contrapresión del pistón de freno es drenado a través de la válvula ECMV de freno. l La presión de aceite en el orificio de contrapresión del pistón de freno continúa decreciendo, entonces el freno queda "totalmente" aplicado y esta situación es mantenida. l Cuando el motor se arranca nuevamente, como los orificios (P) y (T) continúan abiertos, e l ped al de fren o e stá a plicad o "continuamente". l Cuando la palanca del freno de estacionamiento está en la posición "libre" (free), el interruptor de la palanca del freno de estacionamiento está desactivado (OFF) y la bobina (1) de la válvula solenoide del freno de estacionamiento es desenergizada. l El carrete (3) es retornado hacia la izquierda, y cierra los orificios (P) y (T) para mantener la presión piloto de las válvulas ECMV del freno izquierda y derecha. l La presión de aceite proveniente de la válvula ECMV de freno es aplicada al orificio de contrapresión del pistón de freno, y el freno es "liberado". Hacia la válvula de alivio principal Hacia la válvula de control de transmisión Freno derecho ECMV Hacia la válvula de prevención de paradas súbitas Freno izquierdo ECMV Hacia la válvula de prevención de paradas súbitas Freno derecho “Aplicado” Freno izquierdo “Aplicado” Pedal del freno de estacionamiento “Liberado” Palanca del freno de estacionamiento “Bloqueado”
  • 203.
    10 Estructura, función,y estandar de mantenimiento GSN00605-00 D155AX-6 65 Válvula contra parada súbita 1 A: Procedente de la bomba del tren de potencia B: Proviene de la válvula ECMV de freno dr1: Drenaje dr2: Drenaje 1. Válvula contra parada súbita Válvula EPC 2. Bobina (tipo proporcional) 3. Pasador de empuje 4. Válvula 5. Bola 6. Carrete 7. Cuerpo
  • 204.
    GSN00605-00 10 Estructura,función, y estandar de mantenimiento 66 D155AX-6 Descripción l La válvula para prevención contra paradas súbitas es instalada con el objeto de prevenir que la máquina pare súbitamente cuando ocurra alguna anormalidad en el sistema eléctrico. l La válvula para prevención contra paradas súbitas (1) está instalada en el circuito de drenaje de las válvulas ECMV de freno, por lo tanto, si cae súbitamente la presión de freno del orificio (DR) , como consecuencia, se puede evitar el frenado súbito cuando la bobina (2) de la válvula de freno ECMV es desenergizada. l Si sucede alguna anormalidad en el sistema eléctrico, la bobina (3) de la válvula de prevención contra paradas súbitas (1) también es desenergizada. Entonces, el aceite en el orificio (DR) es drenado a través del orificio (a), de tal manera que el freno es aplicado gradualmente. Freno izquierdo ECMV Freno derecho ECMV Freno “Semi-liberado”
  • 205.
    10 Estructura, función,y estandar de mantenimiento GSN00605-00 D155AX-6 67 Mando final 1 Descripción l El mando final consta de un engranaje de dientes rectos de una etapa y tipo de reducción por engranaje planetario de una etapa. La lubricación es del tipo de salpique usando la rotación de los engranajes. El mando final puede ser removido e instalado como una sola unidad. l El sello flotante (1) está instalado en la porción deslizante rotatoria de la rueda dentada para prevenir la entrada mugre o arena y para prevenir escapes del aceite lubricante.
  • 206.
    GSN00605-00 10 Estructura,función, y estandar de mantenimiento 68 D155AX-6
  • 207.
    10 Estructura, función,y estandar de mantenimiento GSN00605-00 D155AX-6 69 1. Sello flotante 2. Engranaje solar 3. Portadora 4. Núcleo de la rueda dentada 5. Dientes de la rueda dentada 6. Cubierta 7. Engranajes planetarios 8. Engranaje corona 9. Cubierta 10. Piñón No. 1 11. Caja del mando final 12. Jaula del rodamiento 13. Engranaje No.1 14. Cubo del engranaje No.1 15. Eje 16. Guarda contra desgaste 17. Eje pivote Unidad: mm No. Itemes a comprobar Criterio Solución 18 Juego entre el piñón No. 1 y el engranaje No. Holgura estándar Límite de holgura Reemplace 0.25 – 0.77 0.77 19 Contragolpe entre el engranaje solar y el planetario 0.20 – 0.55 0.55 20 Contragolpe entre el engranaje planetario y la corona 0.22 – 0.71 0.71 21 Diámetro exterior de la super- ficie de contacto del sello de aceite del piñón No.1 Tamaño estándar Tolerancia Límite de reparación Repare o reemplace95 –0.087 –0.087 94.913 22 Grosor del collar de empuje del cuerpo interior del cojinete de rodillos 23 22.95 Reemplace 23 Espacio libre entre el diámetro exterior del eje del engranaje planetario y el diámetro inte- rior del agujero portador. (Diámetro pequeño) Tamaño estándar Tolerancia Holgura estándar Límite de holguraEje Agujero 68.262 –0.015 –0.034 –0.009 –0.039 - 0.024 – + 0.025 (Holgura máx.) + 0.025 24 Espacio libre entre el diámetro exterior del eje del engranaje planetario y el diámetro inte- rior del agujero portador (diámetro grande). 90 –0.036 –0.058 –0.066 –0.101 - 0.065 – - 0.008 – 0.008 25 Grosor del espaciador están- dar para la jaula del cojinete del piñón No.1 2 Ajustar 26 Desgaste de la guarda contra desgaste Tamaño estándar Límite de reparación Repare o reemplace67 21
  • 208.
    GSN00605-00 10 Estructura,función, y estandar de mantenimiento 70 D155AX-6 Trayectoria de la transmisión de potencia l La potencia proveniente del eje del engranaje cónico y del embrague de la dirección es transmitida al primer piñón (10) para hacer rotar el primer engranaje (13) acoplado con el primer piñón y el engranaje solar (2) acoplado con el priner engranaje. La rotación del engranaje solar (2) es transmitida al engranaje planetario (7). Debido a que el engranaje anular (8) que se encuentra fijo a la cubierta (6), está acoplado con el engranaje planetario, rota a lo largo del engranaje anular (8) y da vueltas alrededor del engranaje solar (2). Por lo tanto, el engranaje solar (2), traspasa la fuerza rotacional al portador (3), el cual soporta el engranaje planetario (7), por medio del eje (15), y es transmitida al núcleo de la rueda dentada (4). La dirección de rotación del portador (3) es la misma del engranaje central (2). La fuerza de rotación transmitida al núcleo de la rueda dentada (4) es luego transmitida a los dientes de la rueda dentada (5).
  • 209.
    10 Estructura, función,y estandar de mantenimiento GSN00605-00 D155AX-6 71 Rueda motriz 1 Unidad: mm No. Itemes a comprobar Criterio Solución 1 Desgaste del tope de los dientes de la rueda motríz Holgura estándar Límite de reparación Reconstruya o reemplace 351 339 2 Desgaste de la raíz del diente de la rueda motríz 23.7 17.5 3 Desgaste del tope de los dientes del ancho de la rueda motríz 83 75 4 Desgaste de la raíz del diente del ancho de la rueda motríz 103 95
  • 210.
    GSN00605-00 10 Estructura,función, y estandar de mantenimiento 72 D155AX-6 Perfil del diente de la rueda motriz a tamaño real
  • 211.
    10 Estructura, función,y estandar de mantenimiento GSN00605-00 D155AX-6 73
  • 212.
    GSN00605-00 10 Estructura,función, y estandar de mantenimiento 74 D155AX-6 D155AX-6 Buldózer Forma No. GSN00605-00 © 2006 KOMATSU Todos los Derechos Reservados Impreso en E.E.U.U. 08-06
  • 213.
    D155AX-6 1 GSN00606-00 BULDÓZER 1MANUALDE TALLER D155AX-6 Modelo de máquina Número de serie D155AX-6 80001 y superiores 10 Estructura, función, y estandar de mantenimiento 1 Tren de rodaje y bastidor Tren de rodaje y bastidor ............................................................................................................................... 2 Bastidor de la oruga............................................................................................................................ 2 Resorte tensor .................................................................................................................................... 4 Rueda tensora..................................................................................................................................... 6 Rodillo inferior ..................................................................................................................................... 8 Rodillo superior ................................................................................................................................. 10 Zapata de la oruga............................................................................................................................ 12 Bastidor principal............................................................................................................................... 18 Suspensión ....................................................................................................................................... 20
  • 214.
    GSN00606-00 10 Estructura,función, y estandar de mantenimiento 2 D155AX-6 Tren de rodaje y bastidor 1 Bastidor de oruga 1 1. Barra estabilizadora 2. Eje pivote 3. Rueda libre 4. Bastidor de oruga 5. Rodillo superior 6. Rueda motriz 7. Guarda de la cubierta de la rueda dentada 8. Rodillo inferior 9. Guarda del soporte de los rodillos de la oruga 10. Bogie menor 11. Bogie mayor 12. Bogie primario Descripción l Los rodillos de la oruga están montados sobre un bogie en forma de K. Esto aumenta el area de contacto real entre las zapatas de las orugas y el suelo sobre superficies áridas y ayuda a aumentar la tracción en la barra de tiro. l El bogie en forma de K está equipado con almohadillas de caucho para absorber los impactos provenientes de la superficie del terreno. Rodillo de la oruga, bogie D : Doble S : Sencillo Tipo de distribución del bastidor de rodillos de la oruga 1ª 2ª 3ª 4ª 5ª 6ª 7ª S D S D S D S
  • 215.
    10 Estructura, función,y estandar de mantenimiento GSN00606-00 D155AX-6 3 Unidad: mm No. Itemes a comprobar Criterio Solución 4 Deformación del bastidor de la oruga Item Límite de reparación Corrija o reemplace Curvatura 7 (Longitud superior a 3,000) Torcedura 3 (Longitud superior a 300) Abolladuras (porción del tubo) 12
  • 216.
    GSN00606-00 10 Estructura,función, y estandar de mantenimiento 4 D155AX-6 Resorte tensor 1 1. Horquilla 2. Guardapolvos 3. Vástago 4. Resorte tensor 5. Desgaste del anillo 6. Lubricador 7. Tuerca 8. Caja 9. Cilindro 10. Soporte 11. Buje Descripción l El resorte tensor (4) es usado para ajustar la tensión de la oruga mediante la inyección o liberación de grasa proveniente del lubricador (6) para mover el vástago (3) hacia adelante o hacia atrás. El resorte tensor también actúa como amortiguador contra los impactos súbitos que se concentran en la rueda tensora.
  • 217.
    10 Estructura, función,y estandar de mantenimiento GSN00606-00 D155AX-6 5 Unidad: mm No. Itemes a comprobar Criterio Solución 1 Fuerza de la presión de instalación de la horquilla de la rueda tensora 392 Kn {40 toneladas} Ajustar 11 Holgura entre el vástago y el buje Tamaño estándar Tolerancia Holgura estándar Límite de holgura Reemplace Eje Agujero 120 –0.036 –0.090 +0.277 +0.062 0.098 – 0.367 1.0 4 Resorte tensor Tamaño estándar Límite de reparación Largo libre Largo instalado Carga instalada Largo libre Carga instalada 859 656 314 kN {32,000 kg} 804 288 kN {29,400 kg}
  • 218.
    GSN00606-00 10 Estructura,función, y estandar de mantenimiento 6 D155AX-6 Rueda libre 1
  • 219.
    10 Estructura, función,y estandar de mantenimiento GSN00606-00 D155AX-6 7 Unidad: mm No. Itemes a comprobar Criterio Solución 1 Diámetro exterior de la parte sobresaliente Tamaño estándar Límite de reparación Reconstrucción o reemplazo 792 — 2 Diámetro exterior de la superficie de rodamiento 750 725 3 Profundidad de la rodadura 21 33.5 4 Espesor del escalón 24 11.5 5 Ancho del escalón 58.5 — 6 Ancho total 240 — 7 Holgura entre el eje y el buje Tamaño estándar Tolerancia Holgura estándar Límite de holgura Reemplace el buje Eje Agujero 140 –0.350 –0.413 +0.265 +0.003 0.353 – 0.678 — 8 Interferencia entre el eje y el anillo Tamaño estándar Tolerancia Interferen- cia estándar Límite de interferenciaEje Agujero 75 +0.046 +0.046 +0.13 –0.18 0.130 – 0.226 — 9 Juego del eje en dirección axial Tamaño estándar Límite de reparación Reconstrucción o reemplazo0.4 – 0.9
  • 220.
    GSN00606-00 10 Estructura,función, y estandar de mantenimiento 8 D155AX-6 Rodillo inferior 1
  • 221.
    10 Estructura, función,y estandar de mantenimiento GSN00606-00 D155AX-6 9 Unidad: mm No. Itemes a comprobar Criterio Solución 1 Diámetro exterior de la brida (exterior de la brida) Tamaño estándar Límite de reparación Reconstruc- ción o reemplazo 285 — 2 Diámetro exterior de la brida (dentro de la brida) 275 — 3 Diámetro exterior de la superficie de rodamiento 250 210 4 Espesor del escalón 57.5 37.5 5 Ancho total 295 — 6 Ancho del escalón (pestaña sencilla) 61 — 7 Ancho del escalón (pestaña doble) 61 — 8 Ancho de la brida (exterior de la brida doble) 25 — 9 Ancho de la brida (adentro de la pestaña doble) 22 — 10 Ancho de la pestaña del eje 246 — 11 Holgura entre el eje y el buje Tamaño estándar Tolerancia Holgura estándar Reemplace Eje Agujero 125 –0.350 –0.413 +0.260 +0.010 0.360 – 0.673 12 Interferencia entre el eje y el anillo Tamaño estándar Tolerancia Interferencia estándarEje Agujero 65 +0.046 +0.000 –0.15 –0.20 0.150 – 0.246 13 Juego final Tamaño estándar Límite de holgura Ajuste o reemplace0.44 – 0.91 —
  • 222.
    GSN00606-00 10 Estructura,función, y estandar de mantenimiento 10 D155AX-6 Rodillo superior 1
  • 223.
    10 Estructura, función,y estandar de mantenimiento GSN00606-00 D155AX-6 11 Unidad: mm No. Itemes a comprobar Criterio Solución 1 Diámetro exterior de la brida Tamaño estándar Límite de reparación Reconstruir, o Sustituir 220 — 2 Diámetro exterior de la superficie de rodamiento 190 171 3 Ancho del escalón 63 — 4 Espesor del escalón 37.5 28 5 Ancho de la brida 21 — 6 Interferencia entre el eje y el anillo Tamaño estándar Tolerancia Interferencia estándar Reemplace Eje Agujero 70 +0.166 +0.120 +0.030 +0.030 0.090 – 0.166 7 Holgura entre el eje y el soporte Tamaño estándar Tolerancia Holgura estándarEje Agujero 68 –0.2 –0.2 +0.300 +0.030 0 – 0.5 8 Juego del rodillo en dirección axial Holgura estándar 0.010 – 0.230
  • 224.
    GSN00606-00 10 Estructura,función, y estandar de mantenimiento 12 D155AX-6 Zapata de la oruga 1 Tipo seco H Porción P muestra el extremo de montaje a presión del buje en el eslabón.
  • 225.
    10 Estructura, función,y estandar de mantenimiento GSN00606-00 D155AX-6 13 Unidad: mm No. Itemes a comprobar Criterio Solución 1 Paso de los eslabones Tamaño estándar Límite de reparación Invierta la posición o reemplace 228.85 231.85 (Areas de servicio pesado) 233.85 (Areas estándar) 2 Diámetro exterior del buje Tamaño estándar Cuando gira Carga normal Carga de impacto 81 75.0 77.0 3 Espesor de metal en buje 15.8 9.8 11.8 4 Altura del eslabón Tamaño estándar Límite de reparación Repare o reemplace 144 128 5 Espesor de metal en eslabón (porción de instalación en prensa del buje) 45.5 29.5 6 Perno de zapata Torsión de apriete (Nm {kgm}) Ángulo de apriete adicional (grados) Reapretar 588.4 ± 58.8 {60 ± 6} 120 ± 10 7 Interferencia entre el buje y el eslabón Tamaño estándar Tolerancia Interferencia estándar Ajuste o reemplace Eje Agujero 77.0 +0.404 +0.304 +0.074 +0.074 0.230 – 0.404 8a Interferencia entre el pasador regular y el eslabón 48.5 +0.484 +0.334 –0.038 –0.100 0.372 – 0.584 8b Interferencia entre el pasador maestro y el eslabón 48.5 +0.230 +0.200 –0.038 –0.100 0.238 – 0.330 9 Espacio libre entre eslabones Holgura estándar Un lado Ambos lados 1.4 2.8
  • 226.
    GSN00606-00 10 Estructura,función, y estandar de mantenimiento 14 D155AX-6 Oruga sellada y lubricada H Porción P muestra el extremo de montaje a presión del buje en el eslabón.
  • 227.
    10 Estructura, función,y estandar de mantenimiento GSN00606-00 D155AX-6 15 Unidad: mm No. Itemes a comprobar Criterio Solución 1 Paso de los eslabones Tamaño estándar Límite de reparación Invierta la posición o reemplace 228.85 231.85 2 Diámetro exterior del buje Tamaño estándar Cuando gira Carga normal Carga de impacto 81 72.5 75.0 3 Espesor de metal en buje 15.8 7.3 9.8 4 Altura del eslabón Tamaño estándar Límite de reparación Repare o reemplace 144 128 5 Espesor de metal en eslabón (porción de instalación en prensa del buje) 45.5 29.5 6 Perno de zapata a. Eslabón regular Torsión de apriete (Nm {kgm}) Ángulo de apriete adicional (grados) Reapretar 588.4 ± 58.8 {60 ± 6} 120 ± 10 b: Eslabón maestro 588.4 ± 58.8 {60 ± 6} 180 ± 10 7 Interferencia entre el buje y el eslabón Tamaño estándar Tolerancia Interferencia estándar Ajuste o reemplace Eje Agujero 77.0 +0.404 +0.304 +0.074 +0.074 0.230 – 0.404 8 Interferencia entre el pasador regular y el eslabón 48.5 +0.484 +0.334 –0.038 –0.100 0.372 – 0.584 9 Espacio libre entre eslabones Holgura estándar Un lado Ambos lados 1.4 2.8
  • 228.
    GSN00606-00 10 Estructura,función, y estandar de mantenimiento 16 D155AX-6 Zapata sencilla, zapata de servicio pesado Unidad: mm No. Itemes a comprobar Criterio Solución 1 Altura de garra de zapata Tamaño estándar Límite de reparación Repare o reemplace sencillo 80 30 trabajo pesado 80 30 2 Altura total de la zapata sencillo 97 47 trabajo pesado 99 49
  • 229.
    10 Estructura, función,y estandar de mantenimiento GSN00606-00 D155AX-6 17
  • 230.
    GSN00606-00 10 Estructura,función, y estandar de mantenimiento 18 D155AX-6 Bastidor principal 1
  • 231.
    10 Estructura, función,y estandar de mantenimiento GSN00606-00 D155AX-6 19 1. Bastidor principal 2. Jaula 3. Abrazadera 4. Cubierta 5. Sello 6. Acople 7. Tapa 8. Plato Unidad: mm No. Itemes a comprobar Criterio Solución 9 Espacio libre entre el eje de la barra estabilizadora y el buje Tamaño estándar Tolerancia Holgura estándar Límite de holgura Reemplace Eje Agujero 95 –0.036 –0.090 +0.213 +0.129 0.165 – 0.303 1.0 10 Fuerza para el ajuste a presión del buje del eje de la barra estabilizadora 29.42 -68.65 kN {3 -7 ton} Ajustar
  • 232.
    GSN00606-00 10 Estructura,función, y estandar de mantenimiento 20 D155AX-6 Suspensión 1
  • 233.
    10 Estructura, función,y estandar de mantenimiento GSN00606-00 D155AX-6 21 1. Barra estabilizadora 2. Conjunto del eje pivote 3. Cubierta 4. Placa de empuje 5. Placa de empuje 6. Eje pivote 7. Jaula de sello 8. Sello 10. Pasador lateral 11. Pasador central Descripción l El frente de la estructura de las orugas se mueve hacia arriba y hacia abajo usando como fulcro el eje pivote trasero (6). La barra estabilizadora se mueve usando como fulcro el pasador central (11). Las estructuras de las orugas izquierda y derecha están conectadas por el pasador lateral (10). Unidad: mm No. Itemes a comprobar Criterio Solución 9 Fuerza para ajuste a presión del buje del pasador lateral. 27.46 -64.7 kN {2.8 -6.6 ton} — 12 Fuerza para ajuste a presión del buje del pasador central. 47.07 -131.41 kN {4.8 -13.4 ton} 13 Holgura entre el pasador central y el buje Tamaño estándar Tolerancia Holgura estándar Límite de holgura Reemplace el buje Eje Agujero 95 –0.036 –0.090 +0.279 +0.213 0.249 – 0.369 1.0 14 Holgura entre el pasador lateral y el buje 70 –0.030 –0.060 +0.046 +0.046 0.030 – 0.106 1.0 15 Interferencia entre el cubo del pasador lateral y el buje Tamaño estándar Tolerancia Interferenci a estándar Límite de interferenci aEje Agujero 130 +0.033 +0.015 –0.028 –0.068 0.043 – 0.101 — 16 Interferencia entre el eje pivote y el anillo retenedor del sello 179 +0.083 +0.043 –0.053 –0.093 0.096 – 0.176 — 17 Espacio libre entre el eje pivote y el buje (exterior) Tamaño estándar Tolerancia Holgura estándar Límite de holguraEje Agujero 148 –0.145 –0.208 +0.099 +0.035 0.180 – 0.307 1.0 18 Espacio libre entre el eje pivote y el buje (interior) 175 –0.145 –0.208 +0.095 +0.025 0.170 – 0.303 1.0
  • 234.
    GSN00606-00 10 Estructura,función, y estandar de mantenimiento 22 D155AX-6 D155AX-6 Buldózer Forma No. GSN00606-00 © 2006 KOMATSU Todos los Derechos Reservados Impreso en E.E.U.U. 08-06
  • 235.
    D155AX-6 1 GSN00607-00 BULDÓZER 1MANUALDE TALLER D155AX-6 Modelo de máquina Número de serie D155AX-6 80001 y superiores 10 Estructura, función, y estandar de mantenimiento1 Sistema hidráulico Sistema hidráulico.......................................................................................................................................... 2 Diagrama de la tuberia hidráulica del equipo de trabajo..................................................................... 2 Diagrama de la tubería del control del equipo de trabajo.................................................................... 5 Control del equipo de trabajo .............................................................................................................. 6 Tanque hidráulico y filtro ..................................................................................................................... 8 Acumulador ....................................................................................................................................... 10 Palanca PCCS .................................................................................................................................. 11 Válvula de traba del equipo de trabajo.............................................................................................. 15 Válvula de control.............................................................................................................................. 16 Cilindro del equipo de trabajo ........................................................................................................... 52 Válvula pistón.................................................................................................................................... 54 Válvula de caida rápida..................................................................................................................... 56 Válvula de auto-reducción de presión............................................................................................... 61
  • 236.
    GSN00607-00 10 Estructura,función, y estandar de mantenimiento 2 D155AX-6 Sistema hidráulico 1 Diagrama de la Tuberia Hidráulica del Equipo de Trabajo 1 Topadora de hoja semi-U 1. Cilindro de inclinación de la hoja topadora 2. Cilindro de levantamiento derecho de la hoja topadora 3. Acumulador 4. Válvula de control 5. Tanque hidráulico 6. Hidráulica, bomba HSS 7. Cilindro de levantamiento izquierdo de la hoja topadora 8. Enfriador del aceite
  • 237.
    10 Estructura, función,y estandar de mantenimiento GSN00607-00 D155AX-6 3 Desgarrador de garras múltiples 1. Válvula de control 2. Bloque divisor 3. Cilindro de levantamiento del desgarrador 4. Cilindro de inclinación del desgarrador
  • 238.
    GSN00607-00 10 Estructura,función, y estandar de mantenimiento 4 D155AX-6 Desgarrador gigante 1. Válvula de control 2. Bloque divisor 3. Cilindro de levantamiento del desgarrador 4. Cilindro extractor del pasador 5. Cilindro de inclinación del desgarrador 6. Válvula solenoide del extractor del pasador
  • 239.
    10 Estructura, función,y estandar de mantenimiento GSN00607-00 D155AX-6 5 Diagrama de la tubería de control del equipo de trabajo 1 Control de la hoja, desgarrador 1. Acumulador 2. Válvula de control 3. Válvula de traba del equipo de trabajo 4. Válvula de auto-reducción de presión
  • 240.
    GSN00607-00 10 Estructura,función, y estandar de mantenimiento 6 D155AX-6 Control del equipo de trabajo 1
  • 241.
    10 Estructura, función,y estandar de mantenimiento GSN00607-00 D155AX-6 7 1. Palanca del traba del equipo de trabajo 2. Palanca de control de la hoja 3. Palanca de control del desgarrador 4. Interruptor del traba del equipo de trabajo Posición de las palancas A : Hoja topadora, RETENER (HOLD) B.: Hoja topadora, BAJAR (LOWER) B + C :FLOTAR Hoja topadora D : Hoja topadora, ELEVAR (RAISE) E : Hoja topadora, INCLINACIÓN IZQUIERDA F: Hoja topadora, INCLINACIÓN DERECHA G : Desgarrador, RETENER (HOLD) H : Desgarrador, ELEVAR (RAISE) J : Desgarrador, BAJAR (LOWER) K : Desgarrador REDUCIR EL ÁNGULO DE LA PUNTA L : Desgarrador AUMENTAR EL ÁNGULO DE LA PUNTA M : LIBRE N : BLOQUEADO Descripción l El control del equipo de trabajo utiliza el método EPC, el cual, usa una válvula EPC para mover cada carrete de la válvula de control. l La palanca de traba del equipo de trabajo (1) está interconectada con el interruptor de traba del equipo de trabajo (4), y en la posición LIBRE (FREE), el aceite del circuito EPC se abre.
  • 242.
    GSN00607-00 10 Estructura,función, y estandar de mantenimiento 8 D155AX-6 Tanque hidráulico y filtro 1 1. Válvula de presión 2. Válvula de drenaje 3. Tapón de drenaje 4. Cubierta 5. Cubierta 6. Tanque hidráulico 7. Colador 8. Válvula de succión 9. Resorte 10. Elemento del filtro hidráulico 11. Tapa de la boca de llenado 12. Indicador de mirilla
  • 243.
    10 Estructura, función,y estandar de mantenimiento GSN00607-00 D155AX-6 9 Valor especificado Tanque hidráulico Capacidad del tanque(l) 125 Nivel dentro del tanque Alta(l) 95 Centro(l) 85 Bajo(l) 75 Tapa del respiradero Presión inicio de apertura (kPa {kg/cm2}) 16.7±6.9 {0.17±0.07} Presión de actuación de la válvula de vacío (kPa {kg/cm2}) 0 – 0.49 {0 – 0.005} Filtro hidráulico Presión inicio de apertura (kPa {kg/cm2}) 147±29.4 {1.5±0.31} Tamaño de la malla(µ m) 20/10/3 Área de filtración(cm2) 13,600 Flujo de filtración de aceite (¶/min) 550 Colador Tamaño de la malla(µ m) 105 Área de filtración(cm2) 1,850
  • 244.
    GSN00607-00 10 Estructura,función, y estandar de mantenimiento 10 D155AX-6 Acumulador 1 Para válvula EPC 1. Tapón del gas 2. Casco 3. Aguja 4. Soporte 5. Diafragma 6. Orificio del aceite Especificaciones Tipo de gas: Nitrógeno Volumen de gas: 500 cc Máxima presión de actuación:6.86 MPa {70 kg/cm2} Mínima presión de actuación:0.69 MPa {7 kg/cm2} Función l El acumulador está instalado entre la válvula reductora y la válvula EPC. Aún, si el motor es arrancado mientras el equipo de trabajo permanece elevado, la presión del gas nitrógeno comprimida dentro del acumulador envía la presión piloto a la válvula de control para activarla y habilitarla para permitir que el equipo de trabajo descienda bajo su propio peso. Operación l Después de que el motor ha sido detenido, cuando la válvula EPC está en posición neutral, la cámara (A) dentro del diafragma es comprimida por la presión de aceite de la cámara (B). l Cuando se opera la válvula EPC, la presión de aceite en la cámara (B) se reduce por debajo de 2.9 MPa {30 kg/cm2}, y la presión del gas nitrógeno en la cámara (A) expande el diafragma, de tal manera que el aceite en la cámara (B) actúa como la presión piloto y activa la válvula de control principal. Antes de la actuación Después de la actuación
  • 245.
    10 Estructura, función,y estandar de mantenimiento GSN00607-00 D155AX-6 11 Palanca PCCS 1 (Para la hoja, desgarrador) H No desensamble. De lo contrario, se requerirán ajustes por las características de la salida de voltaje y esfuerzos de operación. 1. Bota 2. Tuerca 3. Conector
  • 246.
    GSN00607-00 10 Estructura,función, y estandar de mantenimiento 12 D155AX-6 (Para dirección) H No desensamble. De lo contrario, se requerirán ajustes por las características de la salida de voltaje y esfuerzos de operación.
  • 247.
    10 Estructura, función,y estandar de mantenimiento GSN00607-00 D155AX-6 13 Función 1. Características de esfuerzo de operación (Para la hoja y desgarrador) l Eso tiene las siguientes características para ambas operaciones, la longitudinal y la lateral l Retorno libre (diagrama de las características del esfuerzo de operación) (Para dirección) 1) Operación para el traslado de avance y retroceso. l La palanca de control es sostenida en 3 posiciones: "Avance (forward)", "Neutra (neutral)" y "Reversa (reverse)". 2) Operación para virar a la izquierda y derecha l Retorno libre AVANCE RETROCESO IZQUIERDA DERECHA Esfuerzodeoperación Recorrido de la palanca Avance (Retroceso) Izquierda (Derecha) Recorrido total Inicia movimiento Esfuerzodeoperación Recorrido de la palanca Avance (Retroceso) Avance (Retroceso) Avance (Retroceso) Esfuerzodeoperación Recorrido de la palanca Izquierda (Derecha) Recorrido total Inicia movimiento
  • 248.
    GSN00607-00 10 Estructura,función, y estandar de mantenimiento 14 D155AX-6 2. Características de voltage de salida l La unidad de control se encuentra instalada en el estante de control izquierdo y la palanca de control se está instalada directamente sobre la misma. l El ángulo de operación (recorrido) de la pa lan ca de contro l es d etectad o con potenciómetros y señal de voltaje son salida de la transmisión, controlador de la dirección. l Tiene instalado un potenciómetro en cada dirección longitudinal y la dirección lateral. Cada potenciómetro emite 2 voltajes de señales opuestas una a la otra, tal como se muestra en la figura de la derecha. Recorrido de la palanca Para retroceso Vc Voltaje (V) Para señal Vsig Diagrama de conexión Rojo Verde Negro Blanco Rojo Verde Negro Blanco Color de alambresNo. pasador conectorDirección de operación de la palanca IZQUIERDA DERECHA RETROCESO AVANCE
  • 249.
    10 Estructura, función,y estandar de mantenimiento GSN00607-00 D155AX-6 15 Válvula de traba del equipo de trabajo 1 1. Solenoide 2. Cuerpo 3. Carrete Descripción l La válvula de traba del equipo de trabajo está instalada entre la válvula de presión básica y la válvula de control en el circuito de control del equipo de trabajo. Si la palanca de traba del equipo de trabajo está colocada en la posición "LIBRE (FREE)", el interruptor de traba del equipo de trabajo opera y abre la válvula de traba del equipo de trabajo, la cual a su vez abre el circuito de control del equipo de trabajo, por lo tanto, el operador puede hacer funcionar el respectivo equipo. Operación l El solenoide es operado por medio de una señal eléctrica para mover el carrete. Como resultado, el circuito entre el orificio (A) conectado con la válvula de presión básica y el orificio (B) conectado con la válvula de control, queda abierto.
  • 250.
    GSN00607-00 10 Estructura,función, y estandar de mantenimiento 16 D155AX-6 Válvula de control 1 Descripción l Este manual explica la válvula de 5 carretes (especificación de inclinación sencilla) y la válvula de 6 carretes (especificación de inclinación doble). A1: Hacia el motor HSS A2. Hacia la cabeza del cilindro de inclinación de la hoja topadora A3: Hacia la cabeza del cilindro de levantamiento de la hoja A4: Hacia la cabeza del cilindro del desgarrador A5: Hacia el fondo del cilindro de inclinación del desgarrador B1: Hacia el motor HSS B2. Hacia el fondo del cilindro de inclinación de la hoja B3. Hacia el fondo del cilindro de levantamiento de la hoja topadora B4. Hacia el fondo del cilindro de levantamiento del desgarrador B5. Hacia la cabeza del cilindro de inclinación del desgarrador IA1: Conector (desde el controlador) IA2: Conector (desde el controlador) IA3: Conector (desde el controlador) IA4: Conector (desde el controlador) IA5: Conector (desde el controlador) IB1: Conector (desde el controlador) IB2: Conector (desde el controlador) IB3: Conector (desde el controlador) IB4: Conector (desde el controlador) IB5: Conector (desde el controlador) LS: Hacia la válvula LS de la bomba HSS P: Orificio de la bomba PC: Tapón del orificio de toma de presión de la bomba PEPC1: EPC orificio de entrada de la presión básica (desde la válvula de auto-reducción de presión) PEPC2: EPC orificio de entrada de la presión básica (desde la válvula de auto-reducción de presión) T: Orificio de drenaje TS: Hacia el tanque 1. Válvula EPC
  • 251.
    10 Estructura, función,y estandar de mantenimiento GSN00607-00 D155AX-6 17 Vista exterior Válvula de 5 carretes (especificación de inclinación sencilla)
  • 252.
    GSN00607-00 10 Estructura,función, y estandar de mantenimiento 18 D155AX-6 A1: Hacia el motor HSS A2. Hacia la cabeza del cilindro de inclinación de la hoja topadora A3: Hacia la cabeza del cilindro de levantamiento de la hoja A4. Hacia la cabeza del cilindro de inclinación de la hoja topadora A5: Hacia la cabeza del cilindro del desgarrador A6: Hacia el fondo del cilindro de inclinación del desgarrador B1: Hacia el motor HSS B2. Hacia el fondo del cilindro de inclinación de la hoja B3: Hacia la base del cilindro de levantamiento de la hoja B4. Hacia el fondo del cilindro de la hoja topadora, desgarrador B5. Hacia el fondo del cilindro de levantamiento del desgarrador B6. Hacia la cabeza del cilindro de inclinación del desgarrador IA1: Conector (desde el controlador) IA2: Conector (desde el controlador) IA3: Conector (desde el controlador) IA4: Conector (desde el controlador) IA5: Conector (desde el controlador) IA6: Conector (desde el controlador) IB1: Conector (desde el controlador) IB2: Conector (desde el controlador) IB3: Conector (desde el controlador) IB4: Conector (desde el controlador) IB5: Conector (desde el controlador) IB6: Conector (desde el controlador) LS: Hacia la válvula LS de la bomba HSS P: Orificio de la bomba PC: Tapón del orificio de toma de presión de la bomba PEPC1: EPC orificio de entrada de la presión básica (desde la válvula de auto-reducción de presión) PEPC2:EPC orificio de entrada de la presión básica a la válvula (desde la válvula de auto-reducción de presión) T: Orificio de drenaje TS: Hacia el tanque 1. Válvula EPC
  • 253.
    10 Estructura, función,y estandar de mantenimiento GSN00607-00 D155AX-6 19 Válvula de 6 carretes (especificación de inclinación doble)
  • 254.
    GSN00607-00 10 Estructura,función, y estandar de mantenimiento 20 D155AX-6 Vista seccional (1/8) Válvula de 5 carretes
  • 255.
    10 Estructura, función,y estandar de mantenimiento GSN00607-00 D155AX-6 21 (2/8) Válvula de 6 carretes
  • 256.
    GSN00607-00 10 Estructura,función, y estandar de mantenimiento 22 D155AX-6 1. Carrete de la dirección 2. Carrete de inclinación de la hoja topadora 3. Carrete de levantamiento de la hoja topadora 4. Carrete de inclinación (paso) de la hoja (solamente para la válvula de 6 carretes) 5. Carrete de levantamiento del desgarrador 6. Carrete de inclinación del desgarrador 7. Bloque de la válvula (solamente para la válvula de 6 carretes) 8. Bloque de la válvula 9. Bloque de la válvula 10. Cuerpo de la válvula 11. Válvula de prioridad de la dirección 12. Válvula de retención de carga 13. Válvula compensadora de presión 14. Filtro Unidad: mm No. Itemes a comprobar Criterio Solución Tamaño estándar Límite de reparación 15 Resorte de retorno del carrete Largo libre x Diámetro exterior Largo de instalación Carga de instalación Largo libre Carga de instalación Sustituir el resorte si está dañado o deformado. 51.7 x 31.3 50 140 N {14.3 kg} — 112 N {11.4 kg} 16 Resorte de retorno del carrete 76.3 x 30 68.5 224 N {22.8 kg} — 179 N {18.2 kg} 17 Resorte de retorno del carrete 54.7 x 36.5 33.5 217 N {22.1 kg} — 173 N {17.7 kg} 18 Resorte de la válvula de verificación de carga 20.8 x 12.2 13.5 12.7 N {1.3 kg} — 10.2 N {1.04 kg} 19 Resorte de la válvula compensadora de presión 67.04 x 26.5 62.5 468 N {47.7 kg} — 374 N {38.2 kg} 20 Resorte de la válvula compensadora de presión 108.3 x 29.5 81 562 N {57.3 kg} — 450 N {45.8 kg} 21 Resorte de la válvula compensadora de presión 97.7 x 29.5 81 453 N {46.2 kg} — 362 N {37 kg} 22 Resorte de la válvula compensadora de presión 109.4 x 29.5 81 563 N {57.4 kg} — 450 N {45.9 kg} 23 Resorte de la válvula de descarga 86.7 x 30 66 192 N {19.6 kg} — 154 N {15.7 kg}
  • 257.
    10 Estructura, función,y estandar de mantenimiento GSN00607-00 D155AX-6 23 (3/8) Válvula de 5 carretes 1. Válvula de alivio LS (para la válvula del equipo de trabajo) 2. Válvula de retención LS (para la válvula del equipo de trabajo) 3. Válvula de retención LS (para la válvula de dirección) 4. Válvula de retención pre-establecida
  • 258.
    GSN00607-00 10 Estructura,función, y estandar de mantenimiento 24 D155AX-6 (4/8) Válvula de 6 carretes 1. Válvula de alivio LS (para la válvula del equipo de trabajo) 2. Válvula de retención LS (para la válvula del equipo de trabajo) 3. Válvula de retención LS (para la válvula de dirección) 4. Válvula de retención pre-establecida
  • 259.
    10 Estructura, función,y estandar de mantenimiento GSN00607-00 D155AX-6 25 (5/8) 1. Válvula de alivio principal 2. Válvula de alivio LS (para la válvula de dirección) 3. Válvula de descarga 4. Válvula de succión Unidad: mm No. Itemes a comprobar Criterio Solución Tamaño estándar Límite de reparación 5 Resorte de la válvula de succión Largo libre x Diámetro exterior Largo de instalación Carga de instalación Largo libre Carga de instalación Sustituir el resorte si está dañado o deformado.64.9 x 12.5 56 6.4 N {0.65 kg} — 5.1 N {0.52 kg}
  • 260.
    GSN00607-00 10 Estructura,función, y estandar de mantenimiento 26 D155AX-6 (6/8) H El resorte de la válvula de succión es el mismo que el de la sección E-E. 1. Válvula EPC 2. Válvula de succión
  • 261.
    10 Estructura, función,y estandar de mantenimiento GSN00607-00 D155AX-6 27 (7/8) H La sección H-H es solamente para la válvula de 6 carretes
  • 262.
    GSN00607-00 10 Estructura,función, y estandar de mantenimiento 28 D155AX-6 1. Válvula EPC 2. Válvula de succión 3. Válvula de desvío LS Unidad: mm No. Itemes a comprobar Criterio Solución Tamaño estándar Límite de reparación 4 Resorte de la válvula de succión Largo libre x Diámetro exterior Largo de instalación Carga de instalación Largo libre Carga de instalación Sustituir el resorte si está dañado o deformado.46.8 x 7.5 40.6 5.49 N {0.56 kg} — 4.41 N {0.45 kg}
  • 263.
    10 Estructura, función,y estandar de mantenimiento GSN00607-00 D155AX-6 29 (8/8) H El resorte de la válvula de succión es el mismo que el de la sección H-H 1. Válvula EPC 2. Válvula de succión
  • 264.
    GSN00607-00 10 Estructura,función, y estandar de mantenimiento 30 D155AX-6 Operación de la válvula de control En “retener“ (operación de la válvula de descarga) Función l Cuando el carrete principal (1) está en posición RETENER (HOLD), el drena el exceso de aceite descargado por la bomba, y previene que la presión que se va formando en el circuito incremente. Operación l Cuando el carrete principal (1) está en la posición "retener", la presión de descarga de la bomba proveniente pasa desde la cámara A a través de la estrangulación (4) a la cámara (D). Las cámaras (C') y (c) quedan conectadas con el circuito de drenaje. l Cuando el aceite presurizado es suministrado por la bomba, crece la presión en la cámara (D), y el carrete principal (1) es empujado hacia la derecha por la presión, la cual es determinada por el área del corte seccional del pistón (3), que recibe la presión. l Cuando la presión recibida se vuelve mayor que la carga establecida del resorte FS (2), el carrete principal (1) se mueve hacia la derecha y conecta el pasaje entre la cámara (A) y la cá mara (B), d e este mo do el aceite proveniente de la bomba es drenado. l El carrete principal (1) queda balanceado en una posición que iguala el suministro de aceite proveniente de la bomba. l Actualmente, la cantidad de aceite suministrado por la bomba es pequeña, por lo tanto, la presión en el circuito es casi igual a la carga establecida del resorte (2). Válvula LS VálvulaPC Bomba HSS
  • 265.
    10 Estructura, función,y estandar de mantenimiento GSN00607-00 D155AX-6 31 Control del flujo de aceite 1. Válvula de la dirección 1) En “retener” Función l El uso del circuito CLSS (Sistema sensor de carga de centro cerrado) hace posible el control de flujo del aceite por medio del ajuste del área de apertura del carrete comandado por la válvula PPC, sin tener en cuenta la carga. Operación l Cuando el carrete de dirección (1) se encuentra en posición RETENER (HOLD), la presión de descarga de la bomba es enviada desde la cámara (A) a través de la ranura en el carrete (3) de la válvula de prioridad de la dirección, y pasa a través de la cámara (B) hacia la cámara (C). l La cámara (G) es drenada a través de la cámara (H) hacia la cámara (F). l Debido a que la presión de la bomba está actuando en el extremo izquierdo del carrete (3) de la válvula prioritaria de la dirección, ella comprime el resorte (4) y lo mueve hacia la derecha hasta la posición del recorrido máxima. l En estas condiciones, el área de la abertura del carrete de dirección (1) se encuentra en su punto mínimo. Palanca PCCS (Dirección) Controlador Bomba HSS Válvula LS Válvula PC Válvula auto-re- ductora de presión
  • 266.
    GSN00607-00 10 Estructura,función, y estandar de mantenimiento 32 D155AX-6 2) Cuando desee girar a la izquierda • PLS =Presión diferencial entre los orificios (K) y (J) = 2.0 MPa {20 kg/cm2} • PLS' =Presión diferencial entre los orificios I e D • PLS C PLS' Operación l Cuando la palanca PCCS es operada para girar la máquina hacia la izquierda, la presión piloto (PI) actúa en el extremo derecho del carrete (1) a través de la válvula EPC. l Cuando la presión se vuelve mayor que la carga establecida por el resorte (2), el carrete de la dirección (1) inicia su movimiento hacia la izquierda. El queda balanceado en una posición que iguala la presión piloto (P1). l Las cámaras (C) y (D) están conectadas, y el aceite proveniente de la bomba fluye a través de los orificios (A), (B), (C), y (D) hacia el motor HSS (6). l Al mismo tiempo, la carga de presión en la cámara (D) pasa a través del orificio LS (5) y la cámara (H), y es enviada a la cámara (G). El también es enviado desde el circuito LS, (O) hacia la válvula LS de la bomba. l La condición de presión del carrete (3) de la válvula de compensación de presión es la presión de la cámara (B), la presión C de la cámara (C), la presión C de la cámara (G), la presión C de la cámara (D), por lo tanto el carrete (3) de compensación de presión es controlado por la presión diferencial del carrete de la dirección (1) (presión de la cámara de presión (C) - presión de la cámara (D)), y se balancea con el resorte (4). Bomba HSS Válvula LS Válvula PC Controlador Válvula auto-reductora de presión Palanca PCCS (Dirección) GIRO A LA IZQUIERDA
  • 267.
    10 Estructura, función,y estandar de mantenimiento GSN00607-00 D155AX-6 33 l Si el flujo del aceite es muy grande, la presión diferencial del carrete de dirección (1) se vuelve mayor, entonces, el carrete de la válvula (3) se mueve en dirección hacia el estrangulador del flujo de aceite. l por otro lado, si el flujo de aceite es muy pequeño, el carrete (3) de la válvula de compensación de presión se mueve en la dirección para incrementar el flujo de aceite. l La válvula LS de la bomba es controlada, por lo tanto la presión diferencial entre la presión de descarga de la bomba P y presión LS, (Presión diferencial LS: PLS) permanece constante, por lo tanto, fluye una cantidad adecuada de aceite para asegurar que la perdida de presión en la válvula de control ( PLS') sea igual a PLS. l La perdida de presión en la válvula de control es determinada por el área de apertura del carrete de dirección (1), por lo tanto, el flujo de aceite iguala la apertura del carrete de dirección (1). l El retorno del flujo del aceite proveniente del motor HSS (6), pasa a través de la cámara (E) y la cámara (F), y es drenado. Recorrido del carrete Area de apertura del carrete Presión de salida EPC PI Constante Recorrido del carrete constante Carrete (3) actuado Cantidad de flujo
  • 268.
    GSN00607-00 10 Estructura,función, y estandar de mantenimiento 34 D155AX-6 2. Válvula del equipo de trabajo (Levantamiento de la hoja topadora, inclinación de la hoja topadora, levantamiento del desgarrador, inclinación del desgarrador) H El diagrama muestra la válvula de levantamiento de la hoja y la válvula de la dirección. Hoja Cilindro de levantamiento Controlador Controlador Acumulador Palanca PCCS (Hoja) Palanca PCCS (Dirección) Válvula auto- reductora de presión Bomba HSS Válvula LS Válvula PC
  • 269.
    10 Estructura, función,y estandar de mantenimiento GSN00607-00 D155AX-6 35 Operación l Cuando el carrete de levantamiento de la hoja (1) está en la posición "retener", la presión de descarga de la bomba (presión de descarga) es enviada hacia las cámaras (D) y (D'). l No hay formación de presión en las cámaras (H) y (H'); de manera que, el carrete (3) de la válvula compensadora de presión y el carrete (4) de la válvula prioritaria de la dirección son empujados totalmente hacia la derecha. l La presión de la bomba pasa a través de las cámaras (A) y (B) del carrete de la válvula prioritaria de la dirección (4), y es enviada a la cámara (C) de la válvula de levantamiento de la hoja. Desde allí, ella va a través de la cámara (D) y de la cámara (E) hacia la cámara (F). l De la misma forma como se explica en el tópico “(1) Válvula de dirección”, la posición del carrete (3) de la válvula de compensación de presión es determinada a igualar la apertura del carrete (1) de levantamiento de la hoja, y el flujo de aceite es determinado para que la perdida de presión de la válvula de control sea igual a la presión diferencial ( LS) de la válvula LS de la bomba.
  • 270.
    GSN00607-00 10 Estructura,función, y estandar de mantenimiento 36 D155AX-6 3. Disificando la salida se controla cuando desciende la hoja topadora bajo su propio peso Bomba HSS Válvula LS Válvula PC Hoja Cilindro de levantamiento Controlador Controlador Acumulador Válvula auto- reductora de presión PalancaPCCS (Hoja) Palanca PCCS (Dirección) ELEVAR BAJAR
  • 271.
    10 Estructura, función,y estandar de mantenimiento GSN00607-00 D155AX-6 37 Función l Si desciende la hoja topadora bajo su propio peso, el flujo de aceite de retorno del cilíndro de levantamiento de la hoja es controlado por e l are a d e ape r tu ra d el carre te d e levantamiento de la hoja (1). Operación l Cuando la presión piloto (PI) abre el orificio del carrete de levantamiento de la hoja (1), debido al peso de la hoja, el aceite que se encuentra en la parte superior del cilindro pasa a través de los orificios (A), (B), (C) y (D) y es drenado hacia el tanque. l El flujo del aceite en retorno procedente del cilindro de elevación de la hoja es acelerado por el área de la abertura entre los orificios (A) y (B), por lo que queda controlada la velocidad de descenso. l El aceite presurizado que fluye desde el extremo de la parte superior del cilindro de levantamiento de la hoja pasa desde el circuito de drenaje a través de la válvula de succión (2) y es suministrado al extremo inferior del cilindro de levantamiento de la hoja. l El aceite descargado por la bomba pasa a través de los orificios (A'), (B'), (C'), (D') y (E'), y es conducido al fondo del cilindro de levantamiento.
  • 272.
    GSN00607-00 10 Estructura,función, y estandar de mantenimiento 38 D155AX-6 4. Disificando la salida se controla cuando desciende la hoja topadora bajo su propio peso (Palanca del equipo de trabajo en "flotación (Float)") Bomba HSS Válvula LS Válvula PC Hoja Cilindro de levantamiento Controlador Controlador Acumulador Válvula auto- reductora de presión Palanca PCCS (Hoja) PalancaPCCS (Dirección) ELEVAR FLOTAR
  • 273.
    10 Estructura, función,y estandar de mantenimiento GSN00607-00 D155AX-6 39 Función l Cuando la válvula de levantamiento de la hoja está en posición FLOTAR (FLOAT), el orificio del cilindro y el orificio de drenaje están conectados para poner el circuito en una condición de no-carga. l Cuando la válvula de levantamiento de la hoja está en condición de FLOTAR (FLOAT), el pasaje de la bomba y los orificios del cilindro (A3) y (B3) están separados, por lo tanto, se pueden operar las otras válvulas de control. Operación l Cuando la palanca de control del equipo de trabajo está en posición "bajar" y el botón de "flotar" es oprimido, la presión de la válvula (PA3) de la válvula EPC se vuelve 3.4 MPa {35 kg/cm2 o más, y el carrete de levantamiento (1) es movido a la posición de recorrido máximo. l Los orificios (A3) y (B3) y el pasaje LS (O) quedan todos conectados con el circuito de drenaje, por lo tanto, no hay carga en el cilindro de levantamiento de la hoja. l Si el cilindro es comandado por el peso de la hoja de empuje, el aceite que está entrando proveniente del orificio (A3) fluye hacia los orificios (A), (B), (B') y (A'), mientras le resto del aceite presurizado fluye a través de los orificios (C) y (D), para ser drenado. l El flujo del aceite es estrangulado por el área de apertura entre los orificios (A) y (B) del carrete de levantamiento de la hoja (1), y la velocidad del cilindro es controlada. l La cámara (E) del circuito de la bomba y los orificios (A3) y (B3) están separados, y la presión (P) de descarga de la bomba se forma en la cámara (E), por lo tanto, es posible efectuar operaciones compuestas con otras válvulas de control.
  • 274.
    GSN00607-00 10 Estructura,función, y estandar de mantenimiento 40 D155AX-6 En alivio 1. Válvula de la dirección H El diagrama muestra la condición en alivio para la dirección LS de la válvula de alivio (5) Bomba HSS Válvula LS Válvula PC Hoja Cilindro de levantamiento Controlador Controlador Acumulador Válvula auto- reductora de presión Palanca PCCS (Hoja) Palanca PCCS (Dirección) GIRAR A LA IZQUIERDA
  • 275.
    10 Estructura, función,y estandar de mantenimiento GSN00607-00 D155AX-6 41 • P1 = P3 + P4 = Presión diferencial entre los orificios (M) y (E) • P2 = Presión diferencial entre los orificios (E) y (N) • P3 = Presión diferencial entre los orificios (M) y (B) • P4 = Presión diferencial entre los orificios (B) y (E) • LS = P1 + P2 = Presión diferencial entre los orificios (M) y (N) = 2.0 MPa {20 kg/cm2} Función l Esto establece la presión máxima cuando el motor HSS (7) está funcionando. Operación l Si se mueve el carrete de dirección (1)y se aumenta la presión del motor (7) HSS, la aguja de la válvula de alivio (5) LS de la dirección comenzará a abrirse y el aceite se drenará desde LS hacia el circuito (O). (Orificios (E), (F), (G), (J), (K) y (L)) l Como resultado, habrá una caída de presión en el pasaje LS (O), iniciando desde el agujero sensor LS (F), y P2 se volverá más grande. l Por la misma razón, si la presión en la cámara (I) e (H) cae, el carrete (2) de la válvula prioriratia de dirección empujará contra el resorte (3) y se moverá hacia la derecha, y reducirá las aperturas entre las cámaras (B) y (C), por lo tanto el flujo entre las cámaras (B) y (C) será estrangulado y P4 se volverá más grande. l Debido al control del plato oscilante de la bomba, el circuito del sistema es balanceado a una presión de circuito, la cual hace que la perdida de presión generada por el flujo de la válvula de alivio (5), P1 + P2, iguale la presión diferencial LS ( LS). l Cuando esto sucede, la válvula de la bomba LS detecta la presión diferencial generada por la válvula de alivio LS (5), y mueve el plato de vaivén de la bomba de la posición máxima a la mínima. La bomba del plato ondulante es balanceada a la posición donde la presión diferencial LS es 2.0 MPa {20 kg/cm2 }. l Cuando la bomba está en el ángulo del plato de vaivén mínimo (mínimo flujo de aceite), si el flujo de aceite es mayor que el flujo de aceite de alivio LS + el escape en cualquier parte, la presión es confinada en el circuito de la bomba (entre la bomba y las cámaras (A) y (B), por lo tanto, crece la presión diferencial LS. l Si la presión diferencial sobrepasa la presión establecida para la válvula de descarga (4), la válvula de descarga actúa para aliviar el exceso de flujo de aceite y balancear el circuito.
  • 276.
    GSN00607-00 10 Estructura,función, y estandar de mantenimiento 42 D155AX-6 2. Levantamiento de la hoja topadora, inclinación de la hoja topadora, levantamiento del desgarrador e inclinación del desgarrador H El diagrama muestra la condición en alivio para la válvula de alivio LS del equipo de trabajo (5) con el final del recorrido de inclinación de la hoja topadora. Bomba HSS Válvula LS Válvula PC Hoja Cilindro de inclinación Controlador Controlador Acumulador Válvula auto- reductora de presión Palanca PCCS (Hoja) Palanca PCCS (Dirección) INCLINACION IZQUIERDA
  • 277.
    10 Estructura, función,y estandar de mantenimiento GSN00607-00 D155AX-6 43 • P1 = P3 + P4 = Presión diferencial entre los orificios (M) y (P) • P2 = Presión diferencial entre los orificios (P) y (N) • P3 = Presión diferencial entre los orificios (M) y (B) • P4 = Presión diferencial entre los orificios (B) y (P) • LS = P1 + P2 = Presión diferencial entre los orificios (M) y (N) = 2.0 MPa {20 kg/cm2} Operación l Si el carrete de inclinación de la hoja de empuje (1) es movido, y la presión en el cilindro de inclinación de la hoja se vuelve mayor, el cabezal de la válvula de alivio LS del equipo de trabajo iniciará su apertura y el aceite del circuito LS será drenado (O). (Orificios (E), (F), (G), (J), (K) y (L)) l Como resultado, habrá una caída de presión en el pasaje LS (O), iniciando desde el agujero sensor LS (F), y P2 se volverá más grande. l Por la misma razón, si la presión en la cámara (I) e (H) cae, el carrete (2) de la válvula de compensación de presión empujará contra el resorte (3) y se moverá hacia la derecha, y reducirá las aperturas entre las cámaras (B) y (C), por lo tanto el flujo entre las cámaras (B) y (C) será estrangulado y P4 se volverá más grande. l Debido al control del plato oscilante de la bomba, el circuito del sistema es balanceado a una presión de circuito, la cual hace que la perdida de presión generada por el flujo de la válvula de alivio (5) del equipo de trabajo, P1 + P2, iguale la presión diferencial LS ( LS). l Cuando esto sucede, la válvula de la bomba LS detecta la presión diferencial generada por la válvula de alivio LS (5) del equipo de trabajo, y mueve el plato de vaivén de la bomba de la posición máxima a la mínima. La bomba del plato ondulante es balanceada a la posición donde la presión diferencial LS es 2.0 MPa {20 kg/cm2}. l Cuando la bomba está en el ángulo del plato de vaivén mínimo (mínimo flujo de aceite), si el flujo de aceite es mayor que el flujo de aceite de alivio LS + el escape en cualquier parte, la presión es confinada en el circuito de la bomba (entre la bomba y las cámaras (A) y (B), por lo tanto, crece la presión diferencial LS. l Si la presión diferencial sobrepasa la presión establecida para la válvula de descarga (4), la válvula de descarga actúa para aliviar el exceso de flujo de aceite y balancear el circuito.
  • 278.
    GSN00607-00 10 Estructura,función, y estandar de mantenimiento 44 D155AX-6 3. Operación compuesta de dirección e inclinación de la hoja H El diagrama muestra la condición en alivio para la válvula de alivio LS (4) y (5) en dirección calada con el final del recorrido de inclinación de la hoja topadora. Bomba HSS Válvula LS Válvula PC Hoja Cilindro de inclinación Controlador Controlador Acumulador Válvula auto- reductora de presión Palanca PCCS (Hoja)Palanca PCCS (Dirección) INCLINACION IZQUIERDA
  • 279.
    10 Estructura, función,y estandar de mantenimiento GSN00607-00 D155AX-6 45 • = P - P2 • PO = Presión diferencial entre los orificios (H) y (K) • Presión P2 = LSO + PO Función l Cuando el carrete de la dirección (1) y el carrete de inclinación de la hoja (2) se alivian al mismo tiempo, la presión de la bomba es separada mediante la válvula compensadora de presión (3) que se encuentra en la válvula de inclinación de la hoja y la presión del orificio se mantiene a un valor constante. Operación l Si el motor HSS (6) alcanza la condición de calado, aumenta la presión por carga y se activa la válvula de alivio LS (4) de la válvula de la dirección y se corta el sistema. l (Para detalles, vea " 1. Válvula de la dirección". l Cuando esto sucede, la presión de la bombaes mantenida en 38.2 MPa {390 kg/ cm2}, y esto es emviado a la cámara (G) de la válvula de inclinación de la hoja. l Cuando se opera el carrete de inclinación de la hoja (2) y la carga sobre la válvula de inclinación de la hoja es superior, se activa la válvula de alivio LS (5), y el flujo del aceite drenado (Q1) fluye hacia LS circuito (O). l Como resultado, se genera un diferencial de presión en los costados derecho e izquierdo de la válvula (3) compensadora de presión por LS acelerador (M) del carrete (2) de inclinación de la hoja y lo mueve en todo su recorrido hacia la derecha. l Cuando esto pasa, la apertura entre la cámara (D) y (E) es estrangulado al tamaño mínimo (bomba de presión separada). l El flujo del aceite (Q1) es determinado por la presión de descarga de la bomba (P) y la perdida de presión total (P-LSO) de los orificios (C), (D), (E), (F), (G) (I), (J), y (K). l Adicionalmente, la presión (P2) (la presión en la cámara H) se vuelve el total (LSO + PO) de la pérdida de presión del circuito de los orificios (H), (I), (J) y (K) y la presión regulada del la válvula de alivio LS (5) del equipo de trabajo.
  • 280.
    GSN00607-00 10 Estructura,función, y estandar de mantenimiento 46 D155AX-6 Operaciones combinadas 1. Válvula de la dirección y del equipo de trabajo H El diagrama muestra la condición cuando la dirección y las válvulas de levantamiento de la hoja topa- dora son operadas al mismo tiempo. Bomba HSS Válvula LS Válvula PC Hoja Cilindro de levantamiento Controlador Controlador Acumulador Válvula auto- reductora de presión Palanca PCCS (Hoja)Palanca PCCS (Dirección) LEVANTAR ELEVAR
  • 281.
    10 Estructura, función,y estandar de mantenimiento GSN00607-00 D155AX-6 47 Función l La válvula de la dirección está equipada con un carrete (3) de la válvula de prioridad de dirección; de manera que si se operan al mismo tiempo la válvula de la dirección y la válvula del equipo de trabajo,la válvula de la dirección tiene prioridad en el flujo del aceite y el resto del aceite descargado por la bomba va hacia la válvula del equipo de trabajo. Operación l Cuando el carrete (1) de la dirección es accionado por la presión de salida (P1) y hay un flujo de aceite, se genera un diferencial de presión entre las cámaras (C) y (D). l La válvula (3) de prioridad de la dirección es controlada por este diferencial de presión y al mismo tiempo, el ángulo del plato oscilante de la bomba queda controlado en PLS = 2.0 MPa {20 kg/cm2}, y queda fijado el flujo del aceite hacia la válvula de la dirección . l Para detalles, vea " 1. Válvula de la dirección" del "Control del flujo de aceite". l En esta condición, si se opera el carrete de levantamiento de la hoja topadora del equipo de trabajo (2), la presión de descarga de la bomba desciende momentariamente. l En este punto, el diferencial de presión entre las cámaras (C) y (D) se vuelve pequeño, y válvula de prioridad de la dirección (3) es movida a la izquierda por la presión en la cámara (E) en dirección hacia el estrangulador de la apertura de la válvula del equipo de trabajo. l Al mismo tiempo, PLS se vuelve pequeño, asi que el ángulo del plato de oscilante de la bomba se mueve en dirección hacia el máximo para sumistrar flujo de aceite para reponer la cantidad de presiones caida. Cuando el plato de vaivén de la bomba no alca- nza el ángulo máximo. l Cuando el flujo máximo de aceite proveniente de la bomba es mayor que el total del flujo de aceite demandado por la válvula de dirección y la válvula del equipo de trabajo, un flujo de aceite que iguale la apertura del carrete (1), fluye hacia válvula de dirección. l Un caudal de aceite determinado por la presión de descarga de la bomba, la presión por carga y el área de la abertura del carrete, fluye hacia la válvula del equipo de trabajo. Cuando el plato de vaivén de la bomba está en el ángulo máximo. l Cuando el flujo de aceite máximo proveniente de la bomba es menor que el total de flujo demandado por la válvula de dirección y la válvula del equipo de trabajo. 1) Cuando la carga de la válvula de dirección Z carga de la válvula del equipo de trabajo. l Una cantidad de aceite que iguale la apertura del carrete (1), fluye hacia válvula de dirección, y el aceite remanente fluye hacia la válvula del equipo de trabajo. 2) Cuando la carga de la válvula de dirección >carga de la válvula del equipo de trabajo. l La presión P de la bomba de descarga es determinada por la carga sobre la válvula de la dirección, pero en estas condiciones, si se opera la válvula del equipo de trabajo con una carga inferior, la diferencia de presión hará que el aceite trate de fluir hacia la válvula del equipo de trabajo y hará descender la presión de descarga de la bomba. l La válvula prioritaria de dirección (3) aumenta el tamaño de la apertura del systema de dirección, mientras que al mismo tiempo disminuye el tamaño de la apertura del equipo de trabajo para asegurar el flujo de aceite al sistema de dirección. l Bajo estas condiciones, el flujo del aceite queda dividido en proporción a la diferencia de presiones entre la presión diferencial (P) – (P1) y la presión diferencia (P) – (P2). Cuanto mayor sea (P1) – (P2), menor será el flujo de aceite hacia el sistema de dirección. Areadeapertura Recorrido Apertura hacia la válvula de dirección Apertura hacia la válvula del equipo de trabajo
  • 282.
    GSN00607-00 10 Estructura,función, y estandar de mantenimiento 48 D155AX-6 2. Operación compuesta del levantamiento e inclinación de la hoja de empuje H El diagrama muestra la condición cuando el levantamiento y la inclinación de la hoja topadora son oper- adas al mismo tiempo. Bomba HSS Válvula LS Válvula PC Controlador Controlador Acumulador Válv. auto- reductora de presión Palanca PCCS (Hoja) Palanca PCCS (Dirección) INCLINAC. IZQUIERDA LEVANTAR ELEVAR Controlador
  • 283.
    10 Estructura, función,y estandar de mantenimiento GSN00607-00 D155AX-6 49 Función l El consiste en un circuito paralelo, por lo tanto, cuando se efectúan operaciones compuestas, el flujo del aceite es dividido de acuerdo al tamaño de la apertura de cada carrete. Operación l Cuando el carrete de inclinación de la hoja (1) y el carrete de elevación de la hoja (2) estan en la posición de SOSTEN “HOLD” o son operados, la válvula prioritaria de dirección (3) es empujada completamente hacia la derecha, y el ta maño de la ape r tu ra del are a decreciente está a su máximo. l El carrete de inclinación de la hoja (1) y el carrete de levantamiento de la hoja (2) son actuados por las presiones de salida (PA2) y (PB3) de la válvula PPC, y cada una es balanceada a una posición que iguale su propia presión de salida de la válvula EPC. Cuando la presión (P2) ® (P3) l La presión de carga de la válvula de levantamiento de la hoja (P3) es enviada a la válvula LS de la bomba a través del pasaje LS (O). 1) Cuando el plato de vaivén de la bomba no alcanza el ángulo máximo. l Cuando el flujo máximo de aceite proveniente de la bomba es mayor que el total del flujo de aceite demandado por la válvula de inclinación de la hoja y la válvula de levantamiento de la hoja, un flujo de aceite que iguale las aperturas de los carretes, fluye hacia ambas válvulas, la de inclinación de la hoja y la de levantamiento de la hoja. 2) Cuando el plato de vaivén de la bomba está en el ángulo máximo. l Cuando el flujo de aceite máximo proveniente de la bomba es menor que el total de flujo demandado por la válvula de inclinación y la válvula de levantamiento de la hoja, el flujo de aceite de la válvula de inclinación y la válvula de levantamiento de la hoja es dividido de acuerdo a la presión diferencial (PO) – (P2) y la presión diferencial (PO) – (P3). l En otras palabras, fluye más aceite hacia (P2) cuando la carga es pequeña. H En los casos donde la hoja topadora es ele- vada en el aire y la válvula de inclinación y la válvula de levantamiento de la hoja (para ele- var) son operadas al mismo tiempo, la presión de carga de la válvula de inclinación es menor que la presión de carga de la válvula de levan- tamiento de la hoja, por lo tanto, se le da prior- idad al flujo de aceite para la válvula de inclinación de la hoja. Adicionalmente, el flujo de aceite demandado por la válvula de incli- nación de la hoja es menor, por lo tanto es jus- tamente lo mismo que si se diera la prioridad al flujo de aceite para la válvula de inclinación de la hoja. Cuando la presión (P2) = (P3) (P) – (P2) = (P) – (P3), entonces un caudal de aceite proporcional al tamaño de la apertura del carrete es distribuido a cada carrete. . .
  • 284.
    GSN00607-00 10 Estructura,función, y estandar de mantenimiento 50 D155AX-6 Sistema actual de la válvula de descarga H El diagrama muestra la condición con la válvula de retención (3) pre-establecida abierta, inmediata- mente después de que la válvula de levantamiento de la hoja topadora ha sido operada. Bomba HSS Válvula LS Válvula PC Hoja Cilindro de levantamiento Controlador Controlador Acumulador Válvula auto- reductora de presión Palanca PCCS (Hoja) Palanca PCCS (Dirección) LEVANTAR ELEVAR
  • 285.
    10 Estructura, función,y estandar de mantenimiento GSN00607-00 D155AX-6 51 Función l Esto mejora la respuesta del sistema incluyendo el plato oscilante de la bomba y la válvula de compensación de presión, debido al envío de la presión piloto (presión básica de la vá lvu la EPC) ha cia el circuito L S, y compensando el crecimiento de la presión en el circuito LS. Operación l Cuando el carrete de levantamiento de la hoja (1) está en la posición RETENER (HOLD), la presión piloto P1 (presión básica de la válvula EPC), es enviada a través de la válvula de retención (3) hacia la cámara (F) de la válvula de compensación de presión. Esta presión es llamada presión pre-establecida (P2). l La presión de descarga (P) está siendo enviada a la cámara (B), pero (P1) + (F0) > (P) (F0: carga del resorte (4)), entonces el carrete de compensación de presión (2) se mueve hacia la izquierda y el tamaño de la apertura entre (A) y (B) se vuelve el máximo. l Cuando el carrete de levantamiento de la hoja (1) es conmutado, la presión de descarga (P) fluye inmediatamente a través de las cámaras (A), (B), (C), (D) y (E) hacia el cilindro de levantamiento de la hoja, por lo tanto, la presión en el orificio comienza a subir y el lapso de demora se vuelve menor. l Al mismo tiempo, la presión preestablecida (P2) es suministrada al circuito LS (O), y se aumenta la presión en el circuito LS. l Se cierra la válvula de descarga (7), y el aceite es enviado hacia la válvula LS de la bomba para mejorar la respuesta del ángulo del plato de vaivén de la bomba. Esto hace posible la reducción del tiempo de respuesta para dar el flujo de aceite necesario.
  • 286.
    GSN00607-00 10 Estructura,función, y estandar de mantenimiento 52 D155AX-6 Cilindro del equipo de trabajo 1 Cilindro de levantamiento de la hoja Cilindro de inclinación de la hoja topadora (der.) Cilindro del desgarrador H La tubería del cilindro de levantamiento y del cilindro de inclinación del desgarrador de múltiples garras es diferente a la de arriba.
  • 287.
    10 Estructura, función,y estandar de mantenimiento GSN00607-00 D155AX-6 53 Unidad: mm No. Itemes a comprobar Criterio Solución 1 Holgura entre el vástago del pistón y el buje Tamaño estándar Tolerancia Holgura estándar Límite de holgura Reemplace Eje Agujero ELEVACIÓN de la hoja 75 -0.030 -0.076 +0.279 +0.065 0.095 – 0.355 0.666 INCLINACIÓN de la hoja 90 -0.036 -0.090 +0.270 +0.061 0.097 – 0.330 0.695 ELEVACIÓN del desgarrador 100 -0.036 -0.090 +0.257 +0.047 0.105 – 0.375 0.675 INCLINACIÓN del desgarrador 110 -0.036 -0.090 +0.261 +0.047 0.105 – 0.375 0.675 2 Espacio libre entre el eje de soporte del vástago del pistón y la porción de la bola de la hoja topadora. ELEVACIÓN de la hoja 85 — +0.3 +0.3 — 1.0 3 Espacio libre entre el soporte del eje del cilindro y el buje ELEVACIÓN de la hoja 85 -0.100 -0.174 — 0.100 – 0.228 0.5 4 Espacio libre entre la superficie esférica del rodillo del pistón y la tapa INCLINACIÓN de la hoja 115 -0.200 -0.300 — — — 5 Espacio libre entre el eje de soporte del fondo del cilindro y el buje INCLINACIÓN de la hoja 60 -0.030 -0.050 +0.174 +0.100 0.130 – 0.224 1.0 ELEVACIÓN del desgarrador 90 -0.036 -0.090 +0.207 +0.120 0.156 – 0.297 1.0 INCLINACIÓN del desgarrador 100 -0.036 -0.090 +0.201 +0.119 0.156 – 0.291 1.0 6 Espacio libre entre el eje de soporte del vástago del cilindro y el buje ELEVACIÓN del desgarrador 90 -0.036 -0.090 +0.207 +0.120 0.156 – 0.297 1.0 INCLINACIÓN del desgarrador 100 -0.036 -0.090 +0.201 +0.119 0.156 – 0.291 1.0
  • 288.
    GSN00607-00 10 Estructura,función, y estandar de mantenimiento 54 D155AX-6 Válvula pistón 1 Cilindro para levantamiento de la hoja topadora Descripción l La válvula del pistón está instalada en el pistón del cilindro de levantamiento de la hoja topadora. Cuando el pistón alcanza el final de su recorrido, la válvula libera el aceite proveniente de la bomba hidráulica para reducir la presión de aceite ejercida en el pistón. Cuando la hoja topadora es inclinada, la hoja está sujeta a una fuerza torsional debido a la posición desigual de los pistones en los dos cilindros; por ejemplo, cuando el pistón de un lado continúa moviéndose mientras el pistón del otro lado ha alcanzado el final de su recorrido. Las válvulas del pistón están instaladas para prevenir que ocurra la fuerza torsional. Cuando uno de los pistones alcanza el final de su recorrido, se abren sus válvulas para liberar la presión del aceite. Adicionalmente, las válvulas del pistón alivian el impacto que ocurre cuando el pistón hace contacto con la cabeza o el fondo del cilindro y sirve para reducir la sobrecarga de presión subsiguiente en el cilindro, dejando escapar el aceite del cilindro antes de que el pistón alcance el final de su recorrido. Operación 1. Válvula del pistón CERRADA (CLOSED) El aceite presurizado proveniente de la bomba hidráulica, actúa en el pistón (2) y en la válvula del pistón (3). La válvula del pistón (3) es empujada en la dirección de la flecha hasta que el asiento (4) de la válvula del pistón llegue a tener un contacto cercano con la sección ahusada, esto causa que la presión en el cilindro se eleve y mueva el pistón (2) en la dirección de la flecha. 2. Válvula del pistón ABIERTA (OPEN) Inmediatamente antes de que el vástago del pistón (1) alcance el final de su recorrido, la punta de la válvula (6) hace contacto con el fondo del cilindro, por lo tanto, la válvula (6) y la válvula del pistón (3) se detienen en esa posición y no se mueven más. Solamente el pistón (2) se mueve más allá. Cuando esto pasa, el aceite contenido en la cabeza del cilindro, el cual ha sido sellado por la válvula pistón (3), se escapa por los asientos de la válvula del pistón (4) y (5) y deja de crecer la presión en el interior del cilindro.
  • 289.
    10 Estructura, función,y estandar de mantenimiento GSN00607-00 D155AX-6 55
  • 290.
    GSN00607-00 10 Estructura,función, y estandar de mantenimiento 56 D155AX-6 Válvula de caida rápida 1 (Cilindro para levantamiento de la hoja topadora)
  • 291.
    10 Estructura, función,y estandar de mantenimiento GSN00607-00 D155AX-6 57 IQDV:Corriente eléctrica para el interruptor QDV PB1:Hacia la base del cilindro de levantamiento izquierdo de la hoja PB2: Hacia la base del cilindro de levantamiento derecho de la hoja PH1:Hacia la cabeza del cilindro izquierdo de levantamiento de la hoja PH2:Hacia la cabeza del cilindro derecho de levantamiento de la hoja PP: Orificio de presión básica de la válvula EPC (proveniente de la válvula autoreductora de presión) TS: Sello del orificio de drenaje VB: Desde la válvula de control, hoja topadora, ELEVAR VH: Desde la válvula de control, hoja topadora, “bajar” 1. Cuerpo 2. Carrete principal 3. Plato 4. Cuerpo 5. Carrete de la válvula selectora 6. Válvula EPC Unidad: mm No. Itemes a comprobar Criterio Solución 7 Espacio libre entre el carrete principal y el cuerpo de la válvula Tamaño estándar Tolerancia Holgura estándar Límite de holgura Reemplace Eje Agujero φ36 -0.002 -0.007 +0.010 +0.010 0.008 – 0.010 0.015 8 Holgura entre el carrete de la válvula selectora y el cuerpo de válvula φ6 -0.010 -0.022 +0.018 +0.010 0.010 – 0.015 0.02 Unidad: mm No. Itemes a comprobar Criterio Solución Tamaño estándar Límite de reparación 9 Resorte de retorno del carrete principal Largo libre x Diámetro exterior Largo de instalación Carga de instalación Largo libre Carga de instalación Sustituir el resorte si está dañado o deformado. 76.4 x 27 69.5 449 N {45.8 kg} — 359 N {36.6 kg} 10 Resorte de retorno del carrete de la válvula selectora 20.9 x 13.8 12.5 97 N {9.89 kg} — 77.6 N {7.91 kg}
  • 292.
    GSN00607-00 10 Estructura,función, y estandar de mantenimiento 58 D155AX-6 1. Condición de no circulación l Control preciso de descenso de la hoja (El recorrido de la palanca es menor del 70%.) l Modo QDV: DESACTIVADO (OFF) Descripción l QDV: Abreviación de "Válvula de Reducción Rápida (Quick Drop Valve)" l La válvula de caida rápida está está instalada entre la válvula de control y el cilíndro de levantamiento de la hoja. l Cuando la palanca de control de la hoja está en la posición de LOWER = BAJAR, la válvula de caida rápida impide un vacio en el extremo del fondo del cilindro y acorta el lapso de tiempo de excavación l La velocidad de descenso de la hoja es decidida mayormente por el caudal de la descarga de la bomba. No obstante, puede aumentarse mediante la instalación de la válvula de descenso rápido. l Debido a que la válvula de reducción rápida controla electrónicamente la operación de la palanca PCCS, el controlador y la válvula EPC (con la válvula QDV integral), es posible seleccionar ACTIVAR - DESACTIVAR (ON - OFF) Operación l Debido a que la corriente de comando (X) proveniente del controlador hacia la válvula EPC es de 0A, el carrete principal (2) no cambia. l Los circuitos entre los orificios (VH) y (PH) y los orificios (VP) y (PB), quedan cortados. l La presión del aceite de la cabeza del cilindro de levantamiento fluye desde el orificio (VH) hacia el tanque (T) a través de la válvula de control. Hoja Cilindro de levantamiento de la hoja Bomba HSS Válvula de control Porción del carrete principal Palanca PCCSHacia el motor del ventilador Controlador Válvula EPCVálvula auto- reductora de presión Bomba del ventilador Porción del carrete selector de la válvula
  • 293.
    10 Estructura, función,y estandar de mantenimiento GSN00607-00 D155AX-6 59 2. Condición de circulación l Bajando la hoja de empuje (El recorrido de la palanca es más del 70%.) l Modo QDV: ACTIVADO (ON) Operación l El controlador envía una corriente (X) de comando de 1,000 mA hacia la válvula EPC y la presión piloto proveniente de la válvula EPC es tomada por la cámara (a) del carrete principal. l El carrete principal (1) es movido hacia la derecha y los circuitos entre el orificio (VH) y el orificio (PH), y el orificio (VP) y el (PV), quedan en condición de circulación. l La mayoría del aceite presurizado que ha fluido del orificio (PH) hacia el orificio (VH), circula y fluye hacia el orificio (PB). l El aceite presurizado que ha fluido del orificio (PB) se une con el aceite presurizado proveniente del orificio (VP) y fluye dentro del fondo del cilindro de levantamiento. l La velocidad de bajada de la hoja de empuje se aumenta por la cantidad de aceite que está fluyendo dentro del fondo del cilindro de levantamiento. l Se previene el vacío en el fondo del cilindro de levantamiento. Hoja Cilindro de levantamiento de la hoja Bomba HSS Válvula de control Porción del carrete principal Palanca PCCSHacia el motor del ventilador Controlador Válvula EPCVálvula auto- reductora de presión Bomba del ventilador Porción del carrete selector de la válvula
  • 294.
    GSN00607-00 10 Estructura,función, y estandar de mantenimiento 60 D155AX-6 3. Desde la condición de circulación del descenso de la hoja a la condición de tensión de la hoja. l Bajando la hoja de empuje (El recorrido de la palanca es más del 70%.) l Modo QDV: ACTIVADO (ON) Operación l Bajo la condición de circulación del descenso de la hoja, si la hoja se tensa, crece la presión en el fondo del cilindro de levantamiento. l Si la presión del fondo del cilindro de levantamiento se vuelve de 3.43 MPa {35kg/ cm2} o más, el carrete de la válvula selectora (2) se mueve hacia la izquierda. l La presión piloto proveniente de la válvula EPC es bloqueada y la presión en la cámara (a) del carrete principal (1) es conectada con el circuito de drenaje (TS). l El carrete principal (1) es movido hacia la derecha por la fuerza del resorte (3). l El fondo del cilindro de levantamiento es conectado con el circuito entre el orificio (PB) y el orificio (VB), esto permite que la hoja sea tensada bajo la condición de "no circulación". Hoja Cilindro de levantamiento de la hoja Bomba HSS Válvula de control Porción del carrete principal Palanca PCCSHacia el motor del ventilador Controlador Válvula EPCVálvula auto- reductora de presión Bomba del ventilador Porción del carrete selector de la válvula
  • 295.
    10 Estructura, función,y estandar de mantenimiento GSN00607-00 D155AX-6 61 Válvula de auto-reducción de presión 1 T: Hacia el tanque P1: Proviene de la bomba P2: Hacia el motor del ventilador PR: Suministro para la válvula PPC y la válvula EPC.
  • 296.
    GSN00607-00 10 Estructura,función, y estandar de mantenimiento 62 D155AX-6 1. Válvula (Válvula de secuencia) 2. Resorte 3. Tornillo 4. Aguja 5. Resorte (Piloto de la válvula de reducción de presión) 6. Resorte (Principal de la válvula reductora de presión) 7. Válvula (Válvula de reducción de presión) 8. Resorte (válvula de seguridad) 9. Bola 10. Filtro
  • 297.
    10 Estructura, función,y estandar de mantenimiento GSN00607-00 D155AX-6 63 Función l la válvula reductora de autopresión reduce la la presión de descarga de la bomba del ventilador y suministra a la válvula PPC, la válvula EPC, etc. a medida de la presión del control. Unidad: mm No. Itemes a comprobar Criterio Solución 11 Resorte (Principal de la válvula reductora de presión) Tamaño estándar Límite de reparación Sustituir el resorte si está dañado o deformado. Largo libre x Diámetro exterior Largo de instalación Carga de instalación Largo libre Carga de instalación 19.2 x 7.20 16.1 19.6 N {2.0 kg} — 17.7 N {1.80 kg} 12 Resorte (piloto de la válvula reductora de presión) 17.8 x 7.20 12.7 28 N {2.90 kg} — 25.6 N {2.60 kg} 13 Resorte 71.0 x 18.0 59.0 200 N {20.4 kg} — 186 N {19.0 kg} 14 Resorte (válvula de seguridad) 16.1 x 7.80 13.4 61.7 N {6.30 kg} — 58.8 N {6.0 kg} Circuito hidráulico Orificio T Orificio P1 Orificio P2 Orificio PR
  • 298.
    GSN00607-00 10 Estructura,función, y estandar de mantenimiento 64 D155AX-6 Operación Al parar el motor (baja presión total) l El resorte (6) empuja a su asiento la aguja cónica (5) y cierra el circuito entre los orificios (PR) y (T). l El resorte (7) empuja la válvula (8) hacia el lado izquierdo, y se abre el circuito entre el orificio (P1) y el orificio (P2). l El resorte (3) empuja la válvula (2) hacia el lado superior, y se cierra el circuito entre los orificios (P1) y (P2). Bomba del ventilador Válvula EPC Motor del ventilador Válvula PPC
  • 299.
    10 Estructura, función,y estandar de mantenimiento GSN00607-00 D155AX-6 65 Cuando la presión de carga (P2) es más baja que la presión de salida (PR) de la válvula de auto- reducción de presión. l El resorte (3) y la presión (PR) [0 MPa {0kg/ cm2} en el momento que el motor para] mueve la válvula (2) en dirección para cerrar el circuito entre los orificios (P1) y (P2). Cuando el aceite hidráulico entra por el orificio (P1), se retiene la expresión [presión (P1) C fuerza del resorte (3) + (área d x presión (PR)], y la válvula autoreductora de presión ajustará las aperturas de los orificios (P1) y (P2), por lo tanto, la presión (P1) se puede mantener más alta que la presión (PR). l Si la presión (PR) crece sobre la presión pre- establecida, se abre el cabezal (5) y el aceite hidráulico fluye desde el orificio (PR) a través del agujero en el carrete (8) abriendo el cabezal (5) hacia el orificio (T) del tanque. l Por lo tanto, aparece la presión diferencial alrededor del orificio (a) del carrete (8), y éste carrete (8) se mueve desde del orificio (P1) en la dirección para cerrar la apertura (PR). Entonces, la presión (P1) quedará reducida y ajustada a cierto valor de presión [presión regulada] con la abertura y es suministrada como la presión (PR). Bomba del ventilador Válvula EPC Motor del ventilador Válvula PPC
  • 300.
    GSN00607-00 10 Estructura,función, y estandar de mantenimiento 66 D155AX-6 Al crecimiento de la presión de carga (P2) l Cuando crece la presión de carga (P2) debido a la excavación u otras operaciones, se incrementa la entrega de la bomba y crece la presión (P1). Entonces, la_expresión {(P1 fuerza del > resorte (3) opresor + (d area PR presión)) se mantendrá y la válvula (2) se moverá hacia el lado inferior hasta el final de su recorrido. Como resultado, aumenta la abertura entre los orificios (P1) y (P2) y se reduce la resistencia al paso reduciendo la pérdida de potencia del motor. l Si la presión (PR) crece sobre la presión pre- establecida, se abre el cabezal (5) y el aceite hidráulico fluye desde el orificio (PR) a través del agujero en el carrete (8) abriendo el cabezal (5) hacia el orificio (T) del tanque. l Por lo tanto, aparece la presión diferencial alrededor del orificio (a) del carrete (8), y éste carrete (8) se mueve desde del orificio (P1) en la dirección para cerrar la apertura (PR). Entonces, la presión (P1) quedará reducida y ajustada a cierto valor de presión [presión regulada] con la abertura y es suministrada como la presión (PR). Bomba del ventilador Válvula EPC Motor del ventilador Válvula PPC
  • 301.
    10 Estructura, función,y estandar de mantenimiento GSN00607-00 D155AX-6 67 En el caso de una presión anormalmente alta l Cuando la presión (PR) de la válvula autoreductora de presión crece a una altura anormal, la esfera (10) se separará de su asiento contra la fuerza del resorte (9) para permitir el flujo del aceite hidráulico hacia los orificios de salida (PR), Ý (T) como cuando reduce la presión (PR). Como resultado, el equipo [válvula PPC, válvula EPC, etc.], al cual se suministre la presión de aceite queda protegido contra presiones anormalmente altas. Válvula PPC
  • 302.
    GSN00607-00 10 Estructura,función, y estandar de mantenimiento 68 D155AX-6 D155AX-6 Buldózer Forma No. GSN00607-00 © 2006 KOMATSU Todos los Derechos Reservados Impreso en E.E.U.U. 08-06
  • 303.
    D155AX-6 1 GSN00608-00 BULDÓZER 1MANUALDE TALLER D155AX-6 Modelo de máquina Número de serie D155AX-6 80001 y superiores 10 Estructura, función, y estandar de mantenimiento1 Equipo de trabajo Equipo de trabajo........................................................................................................................................... 2 Tirante del cilindro............................................................................................................................... 2 Hoja..................................................................................................................................................... 4 Borde de corte, cantonera................................................................................................................... 6 Desgarrador ........................................................................................................................................ 8
  • 304.
    GSN00608-00 10 Estructura,función, y estandar de mantenimiento 2 D155AX-6 Equipo de trabajo 1 Tirante del cilindro 1 1. Horquilla 2. Guardapolvos 3. Buje 4. Buje 5. Niple de engrase
  • 305.
    10 Estructura, función,y estandar de mantenimiento GSN00608-00 D155AX-6 3 Unidad: mm No. Itemes a comprobar Criterio Solución 6 Espacio libre entre el yugo del cilindro y el buje Tamaño estándar Tolerancia Holgura estándar Límite de holgura Reemplace Eje Agujero 125 –0.172 –0.235 +0.063 +0.046 0.172 – 0.298 — 7 Espacio libre entre el yugo del cilindro y el buje 100 –0.170 –0.224 +0.054 +0.046 0.170 – 0.278 — 8 Espacio libre entre el buje del eje de soporte del cilindro y el yugo. 110 –0.172 –0.035 +0.054 +0.046 0 – 0.089 0.5
  • 306.
    GSN00608-00 10 Estructura,función, y estandar de mantenimiento 4 D155AX-6 Hoja 1 Topadora de hoja angulable Sigmadozer
  • 307.
    10 Estructura, función,y estandar de mantenimiento GSN00608-00 D155AX-6 5 Unidad: mm No. Itemes a comprobar Criterio Solución 1 Espacio libre entre el brazo tensor y el pasador Tamaño estándar Tolerancia Holgura estándar Límite de holgura Reemplace Eje Agujero 60 –0.3 –0.5 +0.174 +0.100 0.4 – 0.674 2 2 Espacio libre entre el pasador del puntal y el soporte 60 –0.3 –0.5 +0.5 +0.2 0.5 – 1.0 2 Ajuste las lainas o reemplace 3 Espacio libre entre la superficie esférica del puntal y la tapa 115 –0.2 –0.3 +0.3 +0.6 0.2 – 0.6 1 Reemplace 4 Espacio libre entre el pasador del puntal y el soporte 90 –0.3 –0.5 +0.3 +0.1 0.4 – 0.8 2 5 Espacio libre entre el pasador del puntal y el puntal 90 –0.3 –0.5 +0.5 +0.3 0.6 – 1.0 2 6 Espacio libre entre la unión y el soporte de la hoja topadora 140 –0.2 –0.7 +0.5 +0.3 0.5 – 1.2 2 7 Espacio libre entre el pasador de la estructura y la unión 70 –0.5 –0.6 +0.3 +0.6 0.5 – 0.9 3 8 Espacio libre entre el pasador del soporte y el soporte de la hoja topadora 70 –0.5 –0.6 +0.3 +0.6 0.5 – 0.9 3 9 Espacio libre entre el pasador del soporte de la hoja topadora y la unión 70 –0.5 –0.6 +0.3 +0.6 0.5 – 0.9 3 10 Espacio libre entre la superficie esférica del puntal central y la tapa 165 –0.2 –0.3 +0.3 +0.6 0.2 – 0.6 1 Ajuste las lainas o reemplace 11 Espacio libre entre la superficie esférica del muñón y la tapa 195 –0.5 –1.0 +0.5 +0.0 0.5 – 1.5 8 Reemplace
  • 308.
    GSN00608-00 10 Estructura,función, y estandar de mantenimiento 6 D155AX-6 Borde de corte, cantonera 1 Unidad: mm No. Itemes a comprobar Criterio Solución 1 Alto del borde de corte Tamaño estándar Límite de reparación Invierta o reemplace 330 260 (215 para virar) 2 Altura del exterior de la cantonera 300 300 Reemplace 3 Altura interna de la cantonera 330 260 4 Ancho de la cantonera 640 500
  • 309.
    10 Estructura, función,y estandar de mantenimiento GSN00608-00 D155AX-6 7
  • 310.
    GSN00608-00 10 Estructura,función, y estandar de mantenimiento 8 D155AX-6 Desgarrador 1 Desgarrador de garras múltiples variable
  • 311.
    10 Estructura, función,y estandar de mantenimiento GSN00608-00 D155AX-6 9 Unidad: mm No. Itemes a comprobar Criterio Solución 1,7 Espacio libre entre el pasador de montaje del brazo y el soporte de montaje, o el soporte de la viga. Tamaño estándar Tolerancia Holgura estándar Límite de holgura Reemplace Eje Agujero 110 –0.036 –0.090 +0.207 +0.120 0.156 – 0.297 1.5 2,8 Holgura entre el pasador de montaje del brazo y el buje 110 –0.036 –0.090 +0.459 +0.369 0.405 – 0.549 1.5 3,9 Espacio libre entre el pasador de montaje del cilindro y el soporte de montaje, o el soporte de la viga. 100 –0.036 –0.090 +0.207 +0.120 0.156 – 0.297 1.5 4,10 Espacio libre entre el pasador de montaje del cilindro de inclinación y el buje 100 –0.036 –0.090 +0.457 +0.370 0.406 – 0.547 1.5 5,11 Espacio libre entre el pasador de montaje del cilindro de levantamiento y el soporte de montaje, o el soporte de la viga. 90 –0.036 –0.090 +0.207 +0.120 0.156 – 0.297 1.5 6,12 Espacio libre entre el pasador de montaje del cilindro de levantamiento y el buje de garra 90 –0.036 –0.090 +0.207 +0.120 0.156 – 0.297 1.5 13 Holgura entre la garra y el pasador de montaje y el soporte de la garra Eje 75 Orificio 77 +0.300 –0.300 +0.300 –0.300 1.400 – 2.600 10.0 14 Holgura entre la garra y el pasador de montaje y el agujero de la garra Eje 75 Orificio 80 +0.300 –0.300 +1.000 –1.000 3.700 – 6.300 15.0 15 Desgaste de la punta Tamaño estándar Límite de reparación 335 225 16 Desgaste del protector 115 90
  • 312.
    GSN00608-00 10 Estructura,función, y estandar de mantenimiento 10 D155AX-6 Desgarrador gigante variable
  • 313.
    10 Estructura, función,y estandar de mantenimiento GSN00608-00 D155AX-6 11 Unidad: mm No. Itemes a comprobar Criterio Solución 1,7 Espacio libre entre el pasador de montaje del brazo y el soporte de montaje, o el soporte de la viga. Tamaño estándar Tolerancia Holgura estándar Límite de holgura Reemplace Eje Agujero 110 –0.036 –0.090 +0.207 +0.120 0.156 – 0.297 1.5 2,8 Holgura entre el pasador de montaje del brazo y el buje 110 –0.036 –0.090 +0.459 +0.369 0.405 – 0.549 1.5 3,9 Espacio libre entre el pasador de montaje del cilindro y el soporte de montaje, o el soporte de la viga. 100 –0.036 –0.090 +0.207 +0.120 0.156 – 0.297 1.5 4,10 Espacio libre entre el pasador de montaje del cilindro de inclinación y el buje 100 –0.036 –0.090 +0.457 +0.370 0.406 – 0.547 1.5 5,11 Espacio libre entre el pasador de montaje del cilindro de levantamiento y el soporte de montaje, o el soporte de la viga. 90 –0.036 –0.090 +0.207 +0.120 0.156 – 0.297 1.5 6,12 Espacio libre entre el pasador de montaje del cilindro de levantamiento y el buje de garra 90 –0.036 –0.090 +0.207 +0.120 0.156 – 0.297 1.5 13 Holgura entre la garra y el pasador de montaje y el soporte de la garra Eje 75 Orificio 77 +0.300 –0.300 +0.300 –0.300 1.400 – 2.600 10.0 14 Holgura entre la garra y el pasador de montaje y el agujero de la garra Eje 75 Orificio 80 +0.300 –0.300 +1.000 –1.000 3.700 – 6.300 15.0 15 Desgaste de la punta Tamaño estándar Límite de reparación 335 225 16 Desgaste del protector 115 90
  • 314.
    GSN00608-00 10 Estructura,función, y estandar de mantenimiento 12 D155AX-6 D155AX-6 Buldózer Forma No. GSN00608-00 © 2006 KOMATSU Todos los Derechos Reservados Impreso en E.E.U.U. 08-06
  • 315.
    D155AX-6 1 GSN00609-00 BULDÓZER 1MANUALDE TALLER D155AX-6 Modelo de máquina Número de serie D155AX-6 80001 y superiores 10 Estructura, función, y estandar de mantenimiento1 Cabina y sus aditamentos Cabina y sus aditamentos.............................................................................................................................. 2 Cabina de montaje + pasador ROPS.................................................................................................. 2 Cabina ROPS...................................................................................................................................... 3 Acondicionador de aire ....................................................................................................................... 4
  • 316.
    GSN00609-00 10 Estructura,función, y estandar de mantenimiento 2 D155AX-6 Cabina y sus aditamentos 1 Cabina de montaje + pasador ROPS 1 1. Soporte 2. Soporte amortiguador (delantero) 3. Soporte amortiguador (trasero) 4. Pasador ROPS (delantero) 5. Pasador ROPS (trasero) Descripción l Los soportes viscosos están instalados en dos lugares en el frente y dos lugares en la parte trasera para asegurar la estructura del piso y la cabina. l Un soporte de montaje lleno de aceite se usa para absorber la vibración. l Los pasadores de la barra protectora contra vuelcos (ROPS) están instalados cada uno en dos lugares, en las secciones del frente y trasera, con el objeto de fijar la (ROPS) (integrada a la cabina) cuando la máquina se vuelca.
  • 317.
    10 Estructura, función,y estandar de mantenimiento GSN00609-00 D155AX-6 3 Cabina con estructura ROPS 1 Conjunto de la cabina 1. Limpiaparabrisas delantero 2. Vidrio delantero 3. Limpia parabrisas trasero 4. Puerta 5. ROPS interna (integrada a la CABINA)
  • 318.
    GSN00609-00 10 Estructura,función, y estandar de mantenimiento 4 D155AX-6 Acondicionador de aire 1 Tuberías del acondicionador de aire 1. Condensador 2. Tubería de retorno de agua caliente 3. Tubería de admisión de agua caliente 4. Desescarchador de ventana frontal 5. Desescarchador de ventana lateral 6. Salida de aire hacia la cara 7. Salida de aire hacia el centro 8. Salida de aire hacia atrás 9. Unidad acondicionadora de aire 10. Salida de aire hacia los pies 11. Tanque recibidor 12. Tubería de refrigerante 13. Válvula (salida de agua caliente) 14. Compresor del acondicionador de aire 15. Válvula (entrada de agua caliente) A: Aire fresco B: Aire recirculado
  • 319.
    10 Estructura, función,y estandar de mantenimiento GSN00609-00 D155AX-6 5
  • 320.
    GSN00609-00 10 Estructura,función, y estandar de mantenimiento 6 D155AX-6 D155AX-6 Buldózer Forma No. GSN00609-00 © 2006 KOMATSU Todos los Derechos Reservados Impreso en E.E.U.U. 08-06
  • 321.
    D155AX-6 1 GSN00610-00 BULDÓZER 1MANUALDE TALLER D155AX-6 Modelo de máquina Número de serie D155AX-6 80001 y superiores 10 Estructura, función, y estandar de mantenimiento1 Sistema Eléctrico Sistema Eléctrico ........................................................................................................................................... 2 Control del motor................................................................................................................................. 2 Sistema de control del motor .............................................................................................................. 3 Potenciómetro de desaceleración ....................................................................................................... 4 Sistema monitor .................................................................................................................................. 5 Sensores........................................................................................................................................... 23 Sistema de control comando por la palma de la mano ..................................................................... 26
  • 322.
    GSN00610-00 10 Estructura,función, y estandar de mantenimiento 2 D155AX-6 Sistema Eléctrico 1 Control del motor 1 1. Pedal desacelerador 2. Potenciómetro desacelerador 3. Interruptor de arranque 4. Dial de control de combustible 5. Relé de batería 6. Batería 7. Controlador del tren de potencia 8. Arrancador 9. Bomba de suministro de combustible Descripción l Las señales de aceleración del dial de control de combustible son enviadas hacia el controlador del tren de fuerza y procesadas junto con la señal de aceleración de 3a. y son enviadas hacia el controlador de aceleración del motor como comandos de aceleración junto con las señales de aceleración del pedal desacelerador. El controlador del acelerador del motor controla el motor de acuerdo con los mandatos recibidos.
  • 323.
    10 Estructura, función,y estandar de mantenimiento GSN00610-00 D155AX-6 3 Sistema de control del motor 1 Descripción l El controlador del acelerador del motor recibe la señal de control de combustible del 1er. regulador, la señal del pedal desacelerador, del 2do. regulador y la señal del 3er regulador que es la señal de control procedente del controlador del tren de potencia y después co ntrola la b omba de s umin istro d e combustible de acuerdo con la señal de mandato que tenga la menor velocidad de motor. Las señales de control procedentes del 3er. regulador son las siguientes. (1) Auto desaceleración (F3, R3, F2, R2) (2) Desaceleración Neutral l El controlador del tren de potencia calcula una velocidad de motor adecuada basado en la información (1), (2), etc. y la envía como señal de aceleración de 3a. al controlador de aceleración del motor. l La información del controlador del acelerador del motor es normalmente usada por todos los con tro la dore s, a través de la red de comunicación, con el objeto de obtener el control óptimo del motor y del cuerpo de la máquina. l La auto desaceleración es una función de la regular temporalmente la baja velocidad del motor cuando el sentido de dirección de traslado se cambia de F3, R3, F2 y R2 (para proteger el embrague de la transmisión). l La desaceleración neutral es una función limitadora de la velocidad de ralentí alto cuando la transmisión está en posición neutral. Motor Monitor de la máquina Acelerador No. 3 Controlador del tren de potencia Controlador del acelerador del motor Bomba de suministro de combustible Dial control de combustible Acelerador No. 1 Pedal desacelerador Acelerador No. 2 Temperatura del agua del motor Presión de aceite del motor Temperatura del combustible Exposición del motor Exposición de temp. del agua del motor Exposición de presión de aceite del motor
  • 324.
    GSN00610-00 10 Estructura,función, y estandar de mantenimiento 4 D155AX-6 Potenciómetro de desaceleración 1 1. Conector 2. Palanca 3. Cuerpo 4. Potenciómetro 5. Acoplamiento 6. Eje 7. Tope Descripción l El potenciómetro de desaceleración está instalado en el interior del tablero y está conectado por medio de un varillaje con el pedal desacelerador. l Si se oprime el pedal desacelerador, el eje del potenciómetro rota a causa del varillaje y cambia la resistencia del potenciómetro. Un voltaje constante es aplicado entre los pasadores (A) y (C) del potenciómetro y una señal de voltaje es enviada a través del pasador (B) hacia el controlador del motor, de acuerdo a la posición del pedal desacelerador.
  • 325.
    10 Estructura, función,y estandar de mantenimiento GSN00610-00 D155AX-6 5 Sistema monitor 1 l El sistema monitor registra la condición de la máquina por medio de sensores instalados en varias partes de la máquina y procesa y exhibe rápidamente la información obtenida en el tablero de instrumentos para notificar la condición al operador de la máquina Las principales secciones de la exhibición y las funciones del tablero de instrumentos son las siguientes. 1) La unidad monitora activa la alarma cuando la máquina tiene un problema. 2) Opera constantemente la exhibición de los instrumentos indicadores de la condición de la máquina (temperatura del refrigerante, temperatura del aceite del conver tido r d e to rsió n, n ivel d e combustible, etc.). 3) Función de exhibición de códigos de error. 4) Función de monitorear la corriente y el voltaje de los sensores y solenoides. l El CPU (Unidad Central de Procesamiento de Datos) en el panel monitor expone y da salida a distintas informaciones procesadas por el controlador del tren de potencia. La unidad expositora es LCD (Exposición por Cristal Líquido) Batería Sensores Fuente de energía Señal del sensor Señales del sensor Señales del sensor Señales del sensor Red (CAN) Red (CAN) Controlador del motor Controlador del tren de potencia Red (CAN) Controlador del equipo de trabajo
  • 326.
    GSN00610-00 10 Estructura,función, y estandar de mantenimiento 6 D155AX-6 Procesamiento en el monitor de la máquina (común para todas las especificaciones) Exposición en el monitor de la máquina Exhibición de la condición de monitoreo Otros ítemes H Vea probando y ajustando, funciones especiales del monitor de la máquina Contenido y condiciones del procesamiento Método Flujo del señales 1. Exhibición de la dirección del traslado y engranaje de velocidad. • A1, R3, etc. son notificadas por medio del CAN de acuerdo a la información del controlador del tren de potencia. CAN Cada sensor/solenoide- controlador-monitor de la máquina 2. Exhibe los indicadores de nivel de combustible, de temperatura del refrigerante del motor, etc. • El controlador convierte las señales de sensores en números de indicador y los envía al monitor de la máquina por medio de CAN. CAN 3. Exhibición de problemas • Cuando la máquina tiene un problema, el código de la falla correspondiente es notificado al monitor de la máquina por medio del CAN. • Tambien se notifica si se debe activar "ON", la alarma zumbadora o la lámpara de precaución. 1) En estado normal. Código de usuario, código de servicio 2) En el modo de exhibir la historia de problemas El código de servicio (código de 6 dígitos) y los siguientes ítemes son exhibidos. • Tiempo después de la primera ocurrencia • Tiempo después de la ultima ocurrencia • Número de ocurrencias anteriores El monitor de la máquina exhibe algún código. CAN Contenido y condiciones del procesamiento Método Flujo del señales 1. La condición de la comunicación de cada sensor, de cada solenoide, y el CAN son exhibidos. • Los números de los ítemes y condiciones de los dispositivos son notificadas al monitor de la máquina por medio del CAN. • El monitor de la máquina exhibe los ítemes y cada valor. CAN Cada sensor - controlador - monitor de la máquina 2. Cada ítem es seleccionado por medio del uso de los interruptores del cursor y el interruptor de confirmación. CAN Contenido y condiciones del procesamiento Método Flujo del señales 01 Monitorear 02 Historia de problemas 03 Historia de mantenimiento 04 Cambio de modo de mantenimiento 05 Establecer número de teléfono 06 Por defecto 07 Ajuste 08 Clínica PM 09 Operación del modo de cilindro reducido 10 Girar el motor sin inyección 11 Exhibición del consumo de combustible 12 — 13 Exhibición del mensaje de servicio 88 Ajuste H de la pantalla 89 —
  • 327.
    10 Estructura, función,y estandar de mantenimiento GSN00610-00 D155AX-6 7 Monitor de la máquina Descripción l El monitor de la máquina tiene las funciones para exponer distintos items y las funciones para seleccionar modos y partes eléctricas. l El monitor de la máquina tiene incorporado un CPU (Unidad Central de Procesamiento) para p roce sar, expo ner y d ar salid a a la información. l La unidad de exposición del monitor utiliza un LCD (Exposición por cristal líquido). Los interruptores son interruptores de lámina lisa. Precauciones en la exhibición del monitor de la máquina l El tablero de exhibición de cristal líquido puede tene r sitios ne gr os ( los cua les no se encienden) o sitios brillantes (los cuales permanecen encendidos). Los productos que tienen 10 o menos sitios negr os o br illan tes co nfo r man la s especificaciones del producto; como la condición es completamente normal. l El voltaje de la batería puede caer súbitamente en el momento del arranque del motor debido a la temperatura ambiente o a la condición de la batería La exhibición del monitor de la máquina puede desaparecer temporalmente, si esto pasa; es completamente normal. l La operación continua del monitor de la máquina puede mostrar en la pantalla puntos brillantes azulados sobre un fondo negro; esto es completamente normal. La pantalla exhibida normalmente en el monitor tiene un fondo azul o blanco. Por esta razón, los sitios azules no causarán ningún problema (debido a que los puntos del cristal líquido se encienden en rojo, azul y verde cuando el blanco es exhibido). Juntas de antena GPS
  • 328.
    GSN00610-00 10 Estructura,función, y estandar de mantenimiento 8 D155AX-6 Señales de ingreso y salida CN-CM01 Espiga No. Nombre de la señal Entrada/ Salida 1 Energía de la batería (+ 24 V constantes) Entrada 2 Energía de la batería (+ 24 V constantes) Entrada 3 TIERRA de potencia de batería — 4 TIERRA de potencia de batería — 5 Wake-up Entrada/ salida 6 Salida del relé Salida 7 Señal de TIERRA (GND) del chasis — 8 Presión del aceite hidráulico — 9 Nivel de combustible Entrada 10 NC(*) — 11 Cantidad de carga Entrada 12 Señal análoga de TIERRA (GND) del chasis — 13 Interruptor de luces Entrada 14 Interruptor de llave (Acumulador) Entrada 15 Interruptor de llave (C) Entrada 16 Precalentamiento Entrada 17 NC(*) — 18 NC(*) — *: Nunca conecte con NC; ocurrirán fallas o mal funcionamiento. CN-CM02 Espiga No. Nombre de la señal Entrada/ Salida 1 NC(*) — 2 NC(*) — 3 Sensor de nivel de líquido refrigerante Entrada 4 NC(*) — 5 NC(*) — 6 NC(*) — 7 Señal de TIERRA (GND) del chasis — 8 Resistencia de terminal CAN — 9 CAN_H Entrada/ salida 10 CAN_L Entrada/ salida 11 NC(*) — 12 NC(*) — *: Nunca conecte con NC; ocurrirán fallas o mal funcionamiento. CN-CM03 Espig a No. Nombre de la señal Entrada /Salida 1 RS232C CD para terminal de comunicación Entrada 2 RS232C RXD para terminal de comunicación Entrada 3 RS232C SG para terminal de comunicación — 4 Señal de TIERRA (GND) para el control del terminal de comunicaciones — 5 Señal de selección del terminal de comunicaciones Entrada 6 RS232C RTS para terminal de comunicación Salida 7 RS232C TXD para terminal de comunicación Salida 8 RS232C DTR para terminal de comunicación Salida 9 RS232C DTR para terminal de comunicación Entrada 10 RS232C CTS para terminal de comunicación Entrada 11 RS232C RI para terminal de comunicación Entrada 12 TIERRA (GND) para la energía para el terminal de comunicaciones — 13 Entrada CH1 para el estado del terminal de comunicaciones Entrada 14 Salida para control de potencia del terminal de comunicaciones Salida 15 Salida CH1 para control del terminal de comunicaciones Salida 16 Salida CH2 para control del terminal de comunicaciones Salida 17 Entrada CH2 para el estado del terminal de comunicaciones Entrada 18 Suministro de energía eléctrica para el terminal de comunicaciones Salida CN-CM04 Espiga No. Nombre de la señal Entrada/ Salida 1 NC(*) — 2 NC(*) — 3 NC(*) — 4 NC(*) — 5 NC(*) — 6 NC(*) — 7 NC(*) — 8 NC(*) — 9 NC(*) — 10 NC(*) — 11 NC(*) — 12 NC(*) — *: Nunca conecte con NC; ocurrirán fallas o mal funcionamiento. CN-CM05 Espiga No. Nombre de la señal Entrada/ Salida 1 Suministro de energía eléctrica para la cámara Salida 2 Cámara NTSC, entrada de señal 1 Entrada 3 Cámara NTSC, entrada de señal 2 Entrada 4 Cámara NTSC, entrada de señal 3 Entrada 5 Suministro de energía eléctrica TIERRA (GND) para la cámara — 6 Señal de cámara GND1 — 7 Señal de cámara GND2 — 8 Señal de cámara GND3 —
  • 329.
    10 Estructura, función,y estandar de mantenimiento GSN00610-00 D155AX-6 9 Control del monitor, porción de exposición 1. Selector de modo de cambio de velocidades 2. Suiche de cancelación de zumbador 3. Interruptor selector del modo de trabajo 4. Temperatura del refrigerante del motor 5. Indicador múltiple 6. Exhibición de indicadores piloto 7. Horómetro, reloj 8. Exhibición del modo hidráulico 9. Nivel de combustible 10. Preconfiguración del modo de cambio de engranajes de velocidad de traslado 11. Icono de guía 12. Interruptor de función 13. Interruptor de personalización 14. Interruptor de memoria de personalización 15. Interruptor del modo de flotar 16. Interruptor del acondicionador de aire
  • 330.
    GSN00610-00 10 Estructura,función, y estandar de mantenimiento 10 D155AX-6 Exhibición del monitor de la máquina Categoría de la ex- posición Símbolo Item expuesto Régimen de exposición Método de exposición Comprobación Nivel de refrigerante en el radiador Inferior al nivel bajo Hace exposición cuando el motor está parado y el inter. del arranque está en ON Exposición estando normal: OFF Exposición estando anormal: ON Presión de aceite del motor Cuando el sensor está anormal o cuando el arnés de cables es desconectado. Exposición estando normal: OFF Exposición estando anormal: ON Carga de baterías Cuando la carga es anormal Se exhibe cuando el interruptor de arranque está en posición "ON" y el motor está funcionando Exposición estando normal: OFF Exposición estando anormal: ON Destella la luz de PRECAUCIÓN Precaución Presión de aceite del motor Debajo de 49.0 kPa {0.5kg/cm2 } Se exhibe cuando el interruptor de arranque está en posición "ON" y el motor está funcionando Exposición estando normal: DESACTIVADO (OFF) Exposición estando anormal: ACTIVADO (ON) Suena la alarma zumbadora Nivel de refri- gerante en el radiador Inferior al nivel bajo Temperatura del refrigerante del motor Cuando está en el nivel más alto en el indicador de temperatura del enfriador del motor Sobre 102°C: Símbolo “ON” Sobre 105°C: Símbolo "ON" + zumbador Temperatura del aceite del convertidor Cuando está en el nivel más alto en el indicador de temperatura del enfriador del motor Sobre 120°C: Símbolo “ON” Sobre 130°C: Símbolo "ON" + zumbador Temperatura del aceite hidráulico Sobre 100°C: Símbolo “ON” Sobre 110°C: Símbolo "ON" + zumbador Mantenimiento Cuando ha pasado el tiempo de reemplazo del filtro o del aceite Piloto Precalenta- miento Cuando se precalienta Se enciende de acuerdo al tiempo requerido determinado por las bases del controlador del motor. El también se enciende en el momento del precalentamiento manual por medio de la colocación del interruptor de arranque en la posición de precalentamiento (girándolo a la izquierda)
  • 331.
    10 Estructura, función,y estandar de mantenimiento GSN00610-00 D155AX-6 11 Categoría de la ex- posición Símbolo Item expuesto Régimen de exposición Método de exposición Medidores Temperatura del refrigerante del motor Indicativo de la temperatura aplicable Temperatura del aceite del convertidor Temperatura del aceite hidráulico Nivel de combustible Indicativo del nivel aplicable Horómetro de servicio (Horómetro) De 0 a 99999 Actúa cuando el motor está girando
  • 332.
    GSN00610-00 10 Estructura,función, y estandar de mantenimiento 12 D155AX-6 Medidor El puntero del indicador desaparece cuando la información sobre la temperatura del refrigerante o la tem- peratura del aceite hidráulico no se pueden obtener debido a una desconexión del CAN. Medidor Régimen Temperatura o volumen Indicador Sonido de la zumbadora Temperatura del refrigerante del motor (°C) A1 105 Rojo › A2 102 Rojo A3 100 Apagado A4 85 Apagado A5 60 Apagado A6 30 Blanco Temperatura del aceite del tren de potencia (°C) B1 130 Rojo › B2 120 Rojo B3 118 Apagado B4 90 Apagado B5 50 Apagado B6 0 Blanco Temperatura del aceite hidráulico (°C) C1 110 Rojo › C2 100 Rojo C3 98 Apagado C4 70 Apagado C5 20 Apagado C6 0 Blanco Nivel de combustible (¶) D1 565 Apagado D2 425 Apagado D3 310 Apagado D4 220 Apagado D5 150 Apagado D6 75 Rojo
  • 333.
    10 Estructura, función,y estandar de mantenimiento GSN00610-00 D155AX-6 13 Velocidad de la máquina 1. 0 km/h 3. 10 km/h 2. 5 km/h 4. 15 km/h Presión de aceite Hidráulica, y de la bomba HSS 1. 0 MPa 4. 30 MPa 2. 10 MPa 5. 40 MPa 3. 20 MPa 6. 50 MPa Presión de aceite del motor 1. 0.0 MPa 4. 0.4 MPa 2. 0.2 MPa 5. 0.5 MPa 3. 0.3 MPa 6. 0.7 MPa Voltaje de la batería 1. 0 V 4. 25 V 2. 17 V 5. 30 V 3. 20 V 6. 31 V Velocidad del motor 1. 500 rpm 4. 2,000 rpm 2. 1,000 rpm 5. 2,500 rpm 3. 1,500 rpm 6. 3,000 rpm Fuerza de barra de tiro 1. 0 W 4. 0.6 W 2. 0.2 W 5. 0.8 W 3. 0.4 W 6. 1.0 W
  • 334.
    GSN00610-00 10 Estructura,función, y estandar de mantenimiento 14 D155AX-6 Icono de guía e interruptor de función Los interruptores de función difieren dependiendo de la exhibición de la pantalla. Cada icono de guía mues- tra la función del interruptor debajo de el. Los interruptores que no tienen icono de guía están inhabilitados. Las funciones mostradas por los iconos de guía son las mostradas en la tabla de abajo Símbolo Inter- ruptor Item Función F6 Enter Selección de entrada / ítem seleccionado F5 Return Retorne a la pantalla previa. F4 Selección de horómetro de servicio / reloj Seleccione alternadamente horómetro de servicio / reloj F5 Seleccionar la pantalla de mantenimiento. Selecciona la pantalla de mantenimiento. F6 Seleccionar pantalla del modo del usuario Seleccione pantalla del modo del usuario F3 Selección de los items Seleccione los ítemes de la izquierda (Seleccione el ítem del extremo derecho después del ítem del extremo izquierdo) F4 Selección de los items Seleccione los ítemes del lado derecho (Seleccione el ítem del extremo izquierdo después del ítem del extremo derecho) F3 Selección de los items Seleccione el ítem del lado inferior (Seleccione el ítem superior después del ítem del fondo) / restablezca la retención del monitoreo F4 Selección de los items Seleccione el ítem del lado superior (Seleccione el ítem del fondo después del ítem superior) / Retenga el monitoreo F1 Selección de los items Seleccione la página del lado inferior (Seleccione la página superior después de la página del fondo) F2 Selección de los items Seleccione la página del lado inferior (Seleccione la página inferior después de la página superior) F2 Retorno a la preconfiguración Retorna el ítem seleccionado a su preconfiguración (usado para ajuste de la pantalla.) F1 Arrancar Inicia la operación. (Usado para iniciar la medición del consumo dividido de combustible en la pantalla de exhibición de consumo de combustible.) F1 Pare Detiene la operación. (Usado para detener la medición del consumo dividido de combustible en la pantalla de exhibición de consumo de combustible.) F1/F2 Borrar Borrar el ítem seleccionado / exhibido F1 Establecido Ejecutar la configuración F1 Cambio de modo de inclinación Selección del modo sencillo y del modo doble (Especificación de topador de inclinación doble solamente) F2 Indicador de cambio de velocidad múltiple Ítemes del indicador de cambios de velocidad múltiples
  • 335.
    10 Estructura, función,y estandar de mantenimiento GSN00610-00 D155AX-6 15 Interruptor del acondicionador de aire Para operar el acondicionador de aire, use los interruptores de control del acondicionador de aire. 9a : Específica el flujo de aire 9b : Temperatura especificada 9c : AUTO 9d : A/C 9e : Cambia entre los modos del soplador de aire 9f : Cambia entre el aire interno y el aire externo 9g : OFF 9a a 9c : Habilita la información entrada simul- táneamente cambiando a la pantalla de control del acondicionador de aire mos- trada abajo. 9d a 9f : Cambian a la pantalla de control del acondicionador de aire mostrada abajo. Otros interruptores de presión entre modos. 9g : Desactiva (OFF) la función del acondicionador de aire sin cambiar a la pantalla del acondicio- nador de aire. Si usted no hace ninguna operación durante por lo menos 5 seg. con la pantalla de control del acondi- cionador de aire expuesta, la ventana retorna a la ventana normal. H Cuando la comunicación con el acondiciona- dor de aire es desconectada, o hay proble- mas de "Salpicaduras del amortiguador", "Amor tiguador A/M", o "Refrigerante", aparece la siguiente pantalla. Función selectora del horómetro de servicio y de la hora l Oprimiendo F4 en la pantalla normal donde el horómetro de servicio está exhibido en el centro de arriba de la pantalla, cambia para exhibir la hora, y repitiendo lo mismo cuando se muestra la hora, la exhibición retorna al horómetro de servicio.
  • 336.
    GSN00610-00 10 Estructura,función, y estandar de mantenimiento 16 D155AX-6 Función de Mantenimiento l Oprimiendo F5 en la pantalla normal, cambia a la pantalla de mantenimiento. F1 : Exhibe la siguiente página. Exhibe la página superior cuando la última página está exhibida. F2 : Exhibe la siguiente anterior. Exhibe la última página cuando la página superior está exhibida. F3 : Selecciona (resalta) un ítem hacia abajo. F4 : Selecciona (resalta) un ítem hacia arriba. F5 : Retorna a la pantalla normal. F6 : Cambia a la pantalla para restablecer el tiempo del mantenimiento. No hay operación por lo menos durante 30 seg. Retorna a la pantalla normal. l Si el tiempo remanente en la pantalla de la tabla de mantenimiento es menos de 30 horas, los ítemes relacionados son resaltados en amarillo, y si son 0 horas, se resalta en rojo. l En la pantalla para restablecer el tiempo de man tenimiento, restablezca el tiempo remanente para el ítem seleccionado para retornar al tiempo preconfigurado. F5 : Cancela el restablecimiento para retornar a la pantalla de la tabla de mantenimiento. F6 : Restablece el tiempo remanente para retornar a la pantalla normal. No hay operación por lo menos durante 30 seg. Retorna a la pantalla normal. l La tabla de abajo muestra los ítemes de mantenimiento y los intervalos de remplazo El tiempo remanente para mantenimiento se reduce a medida que la máquina se pone a trabajar. l El contenido de la exposición de precaución difiere de acuerdo con el tiempo restante. La relación es tal como se muestra en la tabla que sigue a continuación. No. Item Intervalo de sustitución (Horas) 01 Aceite de motor 500 02 Filtro del aceite del motor 500 03 Filtro principal de combustible 1000 41 Pre-filtro de combustible 500 04 Filtro hidráulico 2000 06 Resistor de corrosión 1000(*) 07 Aceite de la caja del amortiguador 2000 08 Caja del aceite del mando final 1000 10 Aceite hidráulico 2000 19 Aceite P/L 1000 20 Filtro del aceite P/L 500 *: Si está equipado (A ser determinado) P/L: Tren de potencia Exhibición Condición Ninguna El tiempo restante para el mantenimiento en todos los items es más de 30 horas. Exposición de advertencia (símbolo negro sobre contraste amarillo) Hay uno o más items con menos de 30 horas de tiempo remanente para realizar el mantenimiento. Exposición de advertencia (símbolo blanco expuesto sobre fondo rojo) Hay uno o más items con menos de 0 horas de tiempo remanente para realizar el mantenimiento.
  • 337.
    10 Estructura, función,y estandar de mantenimiento GSN00610-00 D155AX-6 17 l Usted puede bloquear con una contraseña el tiempo de mantenimiento para prevenir que sea reconfigurado por error o descuido l La contraseña preconfigurada es "000000" l Habilitando el bloqueo por contraseña en una máquina equipada con aditamento, bloquea al mismo tiempo la pantalla de configuración del aditamento. H Para información sobre el cambio de la con- traseña de mantenimiento, vea "Función de cambio de contraseña de mantenimiento" en la sección de Probando y Ajustando. Modo del usuario 1 l Oprimiendo F6 en la pantalla normal entra al modo del usuario, cambiando a la pantalla del menú del usuario. l En el modo del usuario, usted puede especificar ítemes relacionados con el monitor de la máquina y de la máquina, mostrados abajo. Seleccione la pantalla utilitaria Seleccione el indicador múltiple Ajuste de la pantalla Ajuste del reloj Ajuste del idioma Exposición de mensajes Ventilador de modo de reverso F3 : Selecciona (resalta) un ítem hacia abajo. F4 : Selecciona (resalta) un ítem hacia arriba. F5 : Retorna a la pantalla normal. F6 : Cambia a la pantalla de configuración para el ítem seleccionado. No hay operación por lo menos durante 30 seg. Retorna a la pantalla normal. (En el modo del usuario, el no cambiar de oper- ación por lo menos en 30 seg., se retorna a la pan- talla previa) Seleccione la pantalla utilitaria l Si la selección de la pantalla utilitaria es seleccionada por medio de la tecla F6, y se pueden seleccionar; Exhibición estándar (1), Exhibición de carga (2), y Exhibición del Paso del Cuerpo (3). l Seleccione un ítem con el interruptor (F3), o el (F4) y confírmelo con el interruptor (F6).
  • 338.
    GSN00610-00 10 Estructura,función, y estandar de mantenimiento 18 D155AX-6 Exposición estándar l La pantalla normal es seleccionada Exposición de carga l El eje horizontal indica el tiempo y el eje vertical indica la fuerza de tracción La operación se debería efectuarse en el rango verde. l El gráfico de la pantalla es actualizado y corrido hacia la izquierda a intervalos de algunos segundos. Exhibición del Paso del Cuerpo de la Máquina l El eje horizontal indica el tiempo y el eje vertical indica el ángulo de paso del cuerpo de la máquina. l El gráfico de la pantalla es actualizado y corrido hacia la izquierda a intervalos de algunos segundos. Seleccione el indicador múltiple l En esta pantalla, se pueden seleccionar los indicadores exhibidos en el centro. l Seleccione un ítem con el interruptor (F3), o el (F4) y confírmelo con el interruptor (F6). l Se pueden seleccionar los ítems siguientes. No. Selección del ítem Observaciones 1 Temperatura del aceite del tren de potencia Con precaución 2 Temperatura del aceite hidráulico [HYD] Con precaución 3 Velocidad del Vehículo — 4 Presión hidráulica — 5 Presión de aceite del motor Con precaución 6 Voltaje de baterías — 7 Velocidad del motor — 8 Fuerza de tracción — 9 Reloj — 10 Temperatura del refrigerante del motor Para Seleccionar la Pantalla de Utilidades 11 Combustible Para Seleccionar la Pantalla de Utilidades
  • 339.
    10 Estructura, función,y estandar de mantenimiento GSN00610-00 D155AX-6 19 Ajuste de la pantalla l Seleccionando la Pantalla de ajuste del menú del usuario y oprimiendo F6, se cambia a la pantalla de ajustes de pantalla. l Para este menú, usted puede ajustar el brillo, el contraste y la luminosidad de la pantalla monitora de la máquina. l Cuando el interruptor de luces está colocado en el modo Noche (Night) ON, la pantalla del modo nocturno es ajustable. l Cuando el interruptor de luces está colocado en el modo Diurno (Daytime) ON, u OFF, la pantalla del modo diurno es ajustable. F2 : Retorna todos los valores ajustado a sus pre- configuraciones. F3 : Disminuye el valor indicado por el indicador un paso hacia la izquierda. F4 : Incrementa el valor indicado por el indicador un paso hacia la derecha. F5 : Cancela los cambios que usted hizo antes de confirmarlos por medio de la F6, para retornar a la pantalla del menú. F6 : Confirma los cambios y movimientos hacia el siguiente ítem. l Para las máquinas equipadas con cámara, el brillo, contraste y luminosidad de la pantalla de la cámara también son ajustables l Para las máquinas equipadas con cámara, seleccionando el Ajuste de la pantalla del menú del usuario cambia a la pantalla para seleccionar la pantalla que usted quiere ajustar. F3 : Selecciona (resalta) un ítem hacia abajo. F4 : Selecciona (resalta) un ítem hacia arriba. F5 : Cancela los cambios que usted hizo antes de confirmarlos por medio de la F6, para retornar a la pantalla del menú. F6 : Mueve hacia la configuración de los ítemes, del ítem seleccionado (resaltado). l Los métodos de ajuste para la pantalla de la cámara y los de la pantalla normal son los mismos. l Cuando ajuste la pantalla de la cámara, el fondo es la imagen No. 1 de la cámara. F3 : Selecciona (resalta) un ítem hacia abajo. F4 : Selecciona (resalta) un ítem hacia arriba. F5 : Cancela los cambios que usted hizo antes de confirmarlos por medio de la F6, para retornar a la pantalla del menú. F6 : Mueve hacia la configuración de los ítemes, del ítem seleccionado (resaltado). Ajuste del reloj l Seleccionando Ajuste del reloj del menú del usuario y oprimiendo F6, se cambia a la pantalla de ajustes del reloj. l En esta pantalla, usted puede cambiar la configuración de la hora exhibida en la pantalla normal 1) Establecer la hora Establecer la hora del reloj. Si el ítem de co nfigu ra ció n d el tiemp o no está resaltado, oprima F6 para resaltarlo.
  • 340.
    GSN00610-00 10 Estructura,función, y estandar de mantenimiento 20 D155AX-6 La parte exhibida del tiempo queda resaltada. F3:Avanza el reloj en una hora F4:Retrocede el reloj en una hora. F5:Cancela los cambios que usted hizo antes de confirmarlos por medio de la F6, para retornar a la pantalla del menú del usuario F6:Confirma los cambios y se mueve para establecer los minutos. La parte de exhibición de minutos queda resaltada. F3:Avanza el reloj en un minuto. F4:Retrocede el reloj en un minuto. F5:Cancela los cambios que usted hizo antes de confirmarlos por medio de la F6, para retornar a la pantalla del menú del usuario F6:Confirma los cambios y mueve hacia el modo de exhibición de 12, o 24 horas. 2) Modo de exposición 12/24 Especifique la exhibición del tiempo, en 12 horas con (AM/PM), o en 24 horas. Si el ítem del modo de exhibición del tiempo 12/24 no está resaltado, oprima F6 para resaltarlo. F3:Mueve hacia el ítem de la derecha. F4:Mueve hacia el ítem de la izquierda. F5:Cancela los cambios para retornar al menú del usuario. F6:Confirma los cambios y se mueve para establecer la hora de verano. 3) Horario de verano Se leccion and o ON pa ra es ta configuración avanza el reloj una hora Seleccionando OFF retorna a la hora común F3:Mueve hacia el ítem de la derecha. F4:Mueve hacia el ítem de la izquierda. F5:Cancela los cambios que usted hizo antes de confirmarlos por medio de la F6, para retornar a la pantalla del menú. F6:Confirma los cambios y se mueve hacia la regulación del tiempo. H El tiempo de verano (tiempo de ahorro de luz diurna) es un sistema de vida avanzando el tiempo en una hora con el objeto de hacer más efi- ciente el uso del tiempo diurno. Ajuste del idioma l Seleccionando el Lenguaje de la pantalla del menú del usuario y oprimiendo F6, cambia la configuración de lenguaje de la pantalla. l En este menú, usted puede cambiar el lenguaje empleado en la exhibición del monitor. Los lenguajes disponibles son los siguientes: Japonés, Inglés, Chino, Francés, Español, Portugués, Italiano, Alemán, Ruso y Turco. F3 : Selecciona (resalta) un ítem hacia abajo. F4 : Selecciona (resalta) un ítem hacia arriba. F5 : Cancela los cambios para retornar al menú del usuario. F6 : Cancela los cambios para retornar al menú del usuario. Exposición de mensajes l Para las máquinas equipadas con "KOMTRAX", usted puede ver la notificación proveniente del representante. Cuando hay este mensaje, el monitor de mensajes aparece en la esquina superior izquierda de la pantalla normal. l El monitor iluminado en verde indica que hay un mensaje para ser leído. l El monitor iluminado en azul aparece cuando usted aún no ha enviado respuestas después de abrir los mensajes, los cuales aceptan o requieren respuestas.
  • 341.
    10 Estructura, función,y estandar de mantenimiento GSN00610-00 D155AX-6 21 l Oprima F6 para entrar al modo del usuario y seleccione "Exhibición de mensajes" (Messaje display) y usted puede abrir y leer los mensajes. F6 : Retorna a la pantalla del modo del usuario. l Debajo de los mensajes que aceptan respuesta, "Valor para ser introducido con la tecla 10: Aparece ( )". Si esto aparece, entre e l n úmero de l ítem sele ccio nad o proporcionado en el mensaje, usando los interruptores del monitor de la máquina, y oprima F6: l Aparece debajo del mensaje "¿Usted quiere transmitir el valor entrado?" Oprima F6 y el valor entrado será enviado. l Los mensajes serán borrados cuando expire su validez, o se reciba un mensaje nuevo. l Cuando no se ha recibido ningún mensaje, aparece en la parte azul de la parte superior d e la p anta lla "N o hay men saje " ( No message). l Separadamente de la exhibición de mensajes para el usuario indicada arriba, el menú de servicio se proporciona con exhibición de mensajes para servicio. Ventilador de modo de reverso l En este modo, el ventilador es impulsado en reversa para limpiar el núcleo del radiador. l Mientras el interruptor de arranque se encuentre en posición "OFF", seleccione un ítem usando los interruptores F3, o F4, y confírmelo por medio del interruptor F6. l Mientras está exhibida la pantalla (A), oprima el interruptor F6, y el ventilador queda listo para girar en reversa. l Mientras la pantalla (B) está exhibida, arranque el motor. Precauciones para usar el modo de giro en reversa del ventilador. ¤ En este modo, el ventilador no puede girar en reversa mientras el motor esté funcionando. Cuando haga funcionar el ventilador en reversa, coloque la traba del traslado en posición "TRABADO" (LOCK). Mientras el ventilador este funciona- ndo en reversa, la máquina no se puede trasladar. Cuando restablezca el funcionamiento en reversa, coloque el interruptor de arranque en posición "OFF" para parar el motor. Cuando use este modo, caliente sufi- cientemente el motor. Si el motor no es calentado, el aire no será suministrado en forma suficiente.
  • 342.
    GSN00610-00 10 Estructura,función, y estandar de mantenimiento 22 D155AX-6 Función de comprobación del horómetro l Si usted oprime continuamente y al mismo tiempo el interruptor de autodesaceleración (1) y el interruptor de cancelación del zumbador (2) cuando coloca el interruptor de arranque en la posición OFF, el horómetro de servicio aparecerá en la pantalla entre 3 y 5 segundos. l Cuando se liberan los interruptores, la exposición desaparece. H La operación continua del monitor de la máquina puede mostrar en la pantalla puntos brillantes azulados; esto es completamente normal. Función de revisión de la exhibición LCD (Diodos de cristal líquido) l Oprimiendo continuamente y al mismo tiempo, el interruptor de cancelación del zumbador de alarma (1) y F2 en la pantalla de entrada de la contraseña, o en la pantalla normal, causa que todos los LCD se iluminen en blanco. Libere primero el F2 y después el interruptor de cancelación del zumbador. Si cualquier parte de la exposición está negra, el LCD está dañado. l Oprimiendo cualquier interruptor de función, se retorna a la pantalla previa.
  • 343.
    10 Estructura, función,y estandar de mantenimiento GSN00610-00 D155AX-6 23 Sensores 1 Sensor de presión de aceite del motor 1. Tapón 2. Anillo de contacto 3. Contacto 4. Diafragma 5. Resorte 6. Terminal Sensor de temperatura del refrigerante del motor Sensor de temperatura del aceite del convertidor de torsión Sensor de la temperatura del aceite hidráulico 1. Termistor 2. Cuerpo 3. Tubo 4. Tubo 5. Cable 6. Conector Tipo de sensor Método sensor Cuando es normal Cuando es anormal Presión de aceite del motor Contacto DESACTIVADO (OFF) ACTIVADO (ON) Temperatura del refrigerante del motor Resistencia — — Temperatura del aceite del convertidor Resistencia — — Temperatura del aceite hidráulico Resistencia — — Nivel del refrigerante Contacto ACTIVADO (ON) DESACTIVADO (OFF) Nivel de combustible Resistencia — —
  • 344.
    GSN00610-00 10 Estructura,función, y estandar de mantenimiento 24 D155AX-6 Sensor de nivel de líquido refrigerante 1. Flotar 2. Sensor 3. Tubo 4. Cable 5. Conector Sensor de nivel de combustible 1. Conector 2. Flotar 3. Brazo 4. Cuerpo 5. Resorte 6. Contacto 7. Espaciador Función l El sensor de combustible está instalado en la cara lateral del tanque de combustible. El flotador se mueve hacia arriba o hacia abajo de acuerdo al nivel de combustible. Este movimiento del flotador es transmitido por el brazo y actúa sobre una resistencia variable. Ella envía una señal al tablero monitor para indicar el nivel de combustible restante
  • 345.
    10 Estructura, función,y estandar de mantenimiento GSN00610-00 D155AX-6 25 Sensor de la velocidad del motor Sensor de velocidad del engranaje cónico 1. Imán 2. Terminal 3. Carcasa 4. Botas 5. Conector Sensor del ángulo de paso 1. Cuerpo 2. Tubo 3. Cable 4. Conector
  • 346.
    GSN00610-00 10 Estructura,función, y estandar de mantenimiento 26 D155AX-6 Sistema de control comando por la palma de la mano 1 1. Monitor de la máquina (Información múltiple) 2. Interruptor del modo previamente establecido 3. Controlador del acelerador del motor 4. Controlador del tren de potencia 5. Sensor de la velocidad del motor 6. Válvula de control de la transmisión 7. Válvula de control de la dirección 8. Sensor de velocidad del eje de salida de la transmisión
  • 347.
    10 Estructura, función,y estandar de mantenimiento GSN00610-00 D155AX-6 27 Función del modo de cambio de velocidades Descripción En el modo de cambio de velocidades hay el modo de cambios automáticos y el de cambio manuales. Estos modos se cambian de uno al otro, cada vez que se oprima el interruptor del modo de cambio de velocidades (1). 1. Modo de cambio de velocidades automático (Modo de empuje) l Si se aplica carga, el engranaje de velocidad es cambiado automáticamente hacia abajo. Cuando la carga es removida, el engranaje de velocidad es cambiado automáticamente hacia arriba hasta el cambio de velocidad máximo establecido. l La traba del convertidor de torsión opera de acuerdo a las cargas y el cambio de velocidad máximo es seleccionado automáticamente. En este mo do, se cons ume men os combustible y se obtiene mayor producción. 2. Modo para cambios de velocidad manuales (Modo para el desgarrado) l Si se aplica carga, el engranaje de velocidad es cambiado automáticamente hacia abajo. Cuando la carga es removida, el cambio de velocidad no es cambiado hacia arriba automáticamente. Exhibición de la pantalla El modo de cambio de velocidades es mostrado en la sección de exhibición del modo de cambios de velocidad del tablero monitor, tal como se muestra abajo. A: Modo de cambio de velocidades automático 1. Cambio de velocidad actualmente usado 2. Preestablecer el cambio de velocidad al arran que y el camb io máximo d e velocidad durante el traslado. 3. Marca de "AUTO" (la cual indica el modo de cambio de velocidades automático) 4. Marca de "Empuje (Dozing)" (la cual indica el modo de cambio de velocidades automático) B: Modo de cambio de velocidades manual 5. Cambio de velocidad actualmente usado 6. Preestablecido (cambio de velocidad al arrancar) 7. Marca de "Desgarrado (Ripping)" (la cual indica el modo de cambio de velocidades manual) Operación de cambio de marchas l Seleccione un cambio de velocidad oprimiendo (a), o (b) de la palanca de cambio de velocidades / direccional / dirección. (a) Interruptor de cambio ascendente (b) Interruptor para cambiar de velocidad hacia abajo
  • 348.
    GSN00610-00 10 Estructura,función, y estandar de mantenimiento 28 D155AX-6 Configurando la preselección con los interrup- tores de cambio en posición neutral. l Configure la preselección (cambio de velocidad al arranque) y el cambio máximo de velocidad durante el traslado (solamente para el modo de cambios de velocidad automáticos) con los interruptores de cambios en posición neutral. A: Modo de cambio de velocidades automático 2. Configurando la preselección del cambio de velocidad al arranque y el cambio máximo de velocidad durante el traslado. B: Modo de cambio de velocidades manual 6. Configurando la preselección (cambio de velocidad al arrancar) H Cuando el interruptor de arranque es colocado en posición "ON", es establecido el modo de cambios de velocidad automático (avance, ret- roceso en 1a. [F1 - R1] Cuando se cambia el modo de cambios de velocidad, se selecciona inicialmente Avance, o Retroceso en 1a. [F1 - R1] Cambiando el engranaje de velocidad durante el traslado con los interruptores para cambiar velocidad. l El cambio de velocidad máximo durante el traslado ( en el modo de camb io d e velocidades automático), o el cambio de velocidad usado durante el traslado (en el modo de cambio de velocidades manual) se pueden cambiar por medio de los interruptores para cambio de velocidades mientras la máquina se está trasladando. A: Modo de cambio de velocidades automático 2. Cambiando el engranaje de velocidad máximo durante el traslado Durante el traslado adelante: El engranaje de velocidad máximo se puede establecer entre la 1a. y 3a. de avance [F1 - F3]. Durante el traslado en retroceso: El engranaje de velocidad máximo se puede establecer entre la 1a. y 3a. de avance [R1 - R3]. Interruptor de cambio ascendente: Cada vez que se oprime este interruptor, el cambio de velocidad máximo es subido al rango superior. Interruptor de reducción: Cada vez que se oprime este interruptor, el cambio de velocidad máximo es bajado al rango inferior. B: Modo de cambio de velocidades manual 5. Cambiando el engranaje de velocidad máximo durante el traslado Durante el traslado adelante: El engranaje de ve locid ad máximo se pued e establecer entre la 1a. y 3a. de avance [F1 - F3]. Durante el traslado en retroceso: El engranaje de velocidad máximo se puede establecer entre la 1a. y 3a. de avance [R1 - R3]. Interruptor de cambio ascendente: Cada vez que se oprime este interruptor, el cambio de velocidad máximo es subido al rango superior. Interruptor de reducción: Cada vez que se oprime este interruptor, el cambio de velocidad máximo es bajado al rango inferior.
  • 349.
    10 Estructura, función,y estandar de mantenimiento GSN00610-00 D155AX-6 29
  • 350.
    GSN00610-00 10 Estructura,función, y estandar de mantenimiento 30 D155AX-6 D155AX-6 Buldózer Forma No. GSN00610-00 © 2006 KOMATSU Todos los Derechos Reservados Impreso en E.E.U.U. 08-06
  • 351.
    D155AX-6 1 GSN00678-00 BULDÓZER 1MANUALDE TALLER D155AX-6 Modelo de máquina Número de serie D155AX-6 80001 y superiores 20 Tabla de valores estándar 1 Tabla de valores estándar de servicio Tabla de valores estándar de servicio............................................................................................................ 2 Tabla de valores estándar para el motor ............................................................................................. 2 Tabla de valores estándar para la máquina ........................................................................................ 3
  • 352.
    GSN00678-00 20 Tablade valores estándar 2 D155AX-6 Tabla de valores estándar de servicio 1 Tabla de valores estándar para el motor 1 Modelo de máquina D155AX-6 Motor SAA6D140E-5 Canti dad Item Condición de medición Unidad Valor estándar para máquina nueva Valor de servicio límite Motor Velocidad • Temperatura del refrigerante del motor: Dentro del rango de operación Alta velocidad sin carga rpm 2,050 ± 50 2,050 ± 50 Baja velocidad sin carga rpm 740 ± 25 740 ± 25 Velocidad nominal rpm 1,900 1,900 Presión de admisión de aire(Presión de refuerzo) • Temperatura del refrigerante del motor: Dentro del rango de operación • Temperatura del aceite del tren de potencia: Dentro del rango de operación • Convertidor de torsión: Calado kPa {mmHg} Mín. 117 {Mín. 880} 100 {750} Temperatura del escape • A rango máximo de velocidad • (Temperatura exterior: 20°C) °C 660 700 Color de los gases de escape • Temperatura del refrigerante del motor: Dentro del rango de operación Aceleración brusca % (Indice Bosch) Máx. 25 (Máx. 2.5) 35 {3.5} Máxima RPM (Indice Bosch) Máx. 1.0 2.0 Holgura de las válvulas • Temperatura normal Válvula de admisión mm 0.35 — Válvula de escape mm 0.57 — Presión de compresión • Temperatura del aceite del motor: • 40 -60°C Presión de compresión MPa {kg/cm2} Mín. 4.1 {Mín. 42} 2.8 {29} Velocidad del motor rpm 200 – 250 200 – 250 Presión de los gases del cárter • Temperatura del refrigerante del motor: Dentro del rango de operación • Temperatura del aceite del tren de potencia: Dentro del rango de operación • Convertidor de torsión: Calado kPa {mmH2O} Máx. 2.94 {Máx. 300} 3.92 {400} Presión de aceite del motor • SAE0W30EOS, • SAE5W40EOS, • SAE10W30DH, • SAE15W40DH • SAE30DH Oil • Temperatura del aceite del motor: • Mín. 80 °C Alta velocidad sin carga MPa {kg/cm2} Mín. 0.34 {Mín. 3.5} 0.21 {2.1} Baja velocidad sin carga MPa {kg/cm2} Mín. 0.10 {Mín. 1.0} 0.08 {0.8} Temperatura del aceite • A rango máximo de velocidad (adentro del cárter) °C 90 – 110 120 Tensión de la correa del alternador • Entre la polea de la bomba de agua – polea del alternador • Deflexión bajo presión de dedos de 98 N (10 kg) mm 13 – 16 13 – 16 Tensión de la correa del compresor de aire • Entre la polea del compresor – polea del ventilador • Deflexión bajo presión de dedos de 59 N (6 kg) mm Aprox. 10 Aprox. 10
  • 353.
    20 Tabla devalores estándar GSN00678-00 D155AX-6 3 Tabla de valores estándar para la máquina 1 Modelo de máquina D155AX-6 Can- tidad Item Condición de medición Unidad Valor estándar para máquina nueva Valor de servicio límite Velocidaddelmotor Velocidad del pedal desacelerador • Temperatura del refrigerante del motor: Dentro del rango de operación • Temperatura del aceite del tren de potencia: Dentro del rango de operación • Temperatura del aceite hidráulico: Dentro del rango de operación • Motor: Alta velocidad sin carga • Velocidad del pedal desacelerador: • Oprima el pedal • Velocidad de auto-desaceleración: • Coloque todas las palancas en posición neutral rpm 875 ± 50 875 ± 50 Velocidad de auto- desaceleración rpm 1,875 ± 50 1,875 ± 50 Velocidad de calado del convertidor de torsión • Temperatura del refrigerante del motor: Dentro del rango de operación • Temperatura del aceite del tren de potencia: Dentro del rango de operación • Temperatura del aceite hidráulico: Dentro del rango de operación • Motor: Alta velocidad sin carga • Seleccione el modo P • Velocidad de calado del convertidor de torsión: F3 • Velocidad de calado del convertidor de torsión + Velocidad de alivio del equipo de trabajo: F3+ Elevar desgarrador rpm 1,610 ± 50 1,450 Velocidad de calado del convertidor de torsión + Velocidad de alivio del equipo de trabajo rpm 1,550 ± 50 1,395 Ventiladordeenfriamiento Velocidad del motor del ventilador • Temperatura del aceite hidráulico: Dentro del rango de operación • Ventilador: Colóquelo en el modo del 100% • Motor: Baja velocidad sin carga Velocidad mínima rpm — — • Temperatura del aceite hidráulico: Dentro del rango de operación • Ventilador: Colóquelo en el modo del 100% • Motor: Alta velocidad sin carga Velocidad máxima rpm 1,250 ± 50 1,250 ± 50 Presión del circuito de la bomba del ventilador • Temperatura del aceite hidráulico: Dentro del rango de operación • Ventilador: Colóquelo en el modo del 100% • Motor: Alta velocidad sin carga MPa {kg/cm2} Recorridodelapalanca/pedaldecontrol PalancaPCCS Traslado Avance/ Retroceso • Pare el motor • Centro de la empuñadura de la palanca N Ý Avance mm 30 ± 5 30 ± 5 N Ý Retroceso mm 30 ± 5 30 ± 5 Dirección N Ý Izquierda mm 40 ± 5 40 ± 5 N Ý Derecha mm 40 ± 5 40 ± 5 Pedal desacelerador • Pare el motor • Centro del pedal mm 50 ± 10 50 ± 10 Pedal de freno • Motor: Baja velocidad sin carga • Centro del pedal Total recorrido mm 79 ± 10 79 ± 10 Recorrido hasta que la presión de aceite = 0 mm 54 ± 4 54 ± 4
  • 354.
    GSN00678-00 20 Tablade valores estándar 4 D155AX-6 Modelo de máquina D155AX-6 Can- tidad Item Condición de medición Unidad Valor estándar para máquina nueva Valor de servicio límite Recorridodelapalanca/pedaldecontrol Palanca de control de la hoja • Pare el motor • Centro de la empuñadura de la palanca N Ý Elevar mm 72 ± 10 72 ± 10 N Ý Bajar mm 72 ± 10 72 ± 10 N Ý Inclinación izquierda mm 53 ± 10 53 ± 10 N Ý Inclinación derecha mm 53 ± 10 53 ± 10 Palanca de control del desgarrador • Pare el motor • Centro de la empuñadura de la palanca N Ý Elevar mm 75 ± 10 75 ± 10 N Ý Bajar mm 75 ± 10 75 ± 10 N Ý Adentro mm 80 ± 10 80 ± 10 N Ý Afuera mm 80 ± 10 80 ± 10 Esfuerzodeoperacióndelpedal/palancadecontrol PalancaPCCS Traslado Avance/ Retroceso • Pare el motor • Centro de la empuñadura de la palanca N Ý Avance N {kg} 56.9 ± 6.9 {5.8 ± 0.7} 56.9 ± 6.9 {5.8 ± 0.7} N Ý Retroceso N {kg} 50.1 ± 6.9 {5.2 ± 0.7} 50.1 ± 6.9 {5.2 ± 0.7} Dirección N Ý Izquierda N {kg} 24.5 ± 4.9 {2.5 ± 0.5} 24.5 ± 4.9 {2.5 ± 0.5} N Ý Derecha N {kg} 27.5 ± 4.9 {2.8 ± 0.5} 27.5 ± 4.9 {2.8 ± 0.5} Pedal desacelerador • Pare el motor • Centro del pedal N {kg} 49.0 ± 9.8 {5.0 ± 1.0} 49.0 ± 9.8 {5.0 ± 1.0} Pedal de freno • Motor: Baja velocidad sin carga • Centro del pedal N {kg} 411.6 ± 78.4 {42.0 ± 8.0} 411.6 ± 78.4 {42.0 ± 8.0} Interruptor de la palanca de control de la hoja • Pare el motor • Centro de la empuñadura de la palanca • Bajar o Flotar: Interruptor N Ý Elevar N {kg} 39.2 ± 5.9 {4.0 ± 0.6} 39.2 ± 5.9 {4.0 ± 0.6} N Ý Bajar N {kg} 39.2 ± 9.8 {4.0 ± 1.0} 39.2 ± 9.8 {4.0 ± 1.0} Bajar Ý Flotar N {kg} 9.8 ± 4.9 {1.0 ± 0.5} 9.8 ± 4.9 {1.0 ± 0.5} N Ý Inclinación izquierda N {kg} 29.4 ± 5.9 {3.0 ± 0.6} 29.4 ± 5.9 {3.0 ± 0.6} N Ý Inclinación derecha N {kg} 29.4 ± 5.9 {3.0 ± 0.6} 29.4 ± 5.9 {3.0 ± 0.6} Palanca de control del desgarrador • Pare el motor • Centro de la empuñadura de la palanca N Ý Elevar N {kg} 19.6 ± 4.9 {2.0 ± 0.5} 19.6 ± 4.9 {2.0 ± 0.5} N Ý Bajar N {kg} 19.6 ± 4.9 {2.0 ± 0.5} 19.6 ± 4.9 {2.0 ± 0.5} N Ý Adentro N {kg} 24.5 ± 4.9 {2.5 ± 0.5} 24.5 ± 4.9 {2.5 ± 0.5} N Ý Afuera N {kg} 24.5 ± 4.9 {2.5 ± 0.5} 24.5 ± 4.9 {2.5 ± 0.5}
  • 355.
    20 Tabla devalores estándar GSN00678-00 D155AX-6 5 Modelo de máquina D155AX-6 Canti dad Item Condición de medición Unidad Valor estándar para máquina nueva Valor de servicio límite Presióndeaceitedeltrendepotencia Presión de ingreso al convertidor de torsión • Temperatura del aceite del tren de potencia: Dentro del rango de operación • Palanca PCCS: Neutral • Haga la exposición por medio del monitor Baja velocidad sin carga MPa {kg/cm2} 0.05 – 0.49 {0.5 – 5.0} 0.05 – 0.49 {0.5 – 5.0} Alta velocidad sin carga MPa {kg/cm2} Máx. 1.0 {Máx. 10.0} Máx. 1.0 {Máx. 10.0} Presión de salida del convertidor de torsión Baja velocidad sin carga MPa {kg/cm2} 0.05 – 0.29 {0.5 – 3.0} 0.05 – 0.29 {0.5 – 3.0} Alta velocidad sin carga MPa {kg/cm2} 0.29 – 0.69 {3.0 – 7.0} 0.29 – 0.69 {3.0 – 7.0} Presión de alivio principal de la transmisión • Temperatura del aceite del tren de potencia: Dentro del rango de operación • Palanca PCCS: Neutral • (Presión de alivio principal) • (Presión del embrague del estátor) • Pedal de freno: Presione (Otro distinto al anterior) Baja velocidad sin carga MPa {kg/cm2} 2.81 – 3.11 {28.7 – 31.7} Mín. 2.62 {Mín. 26.7} Alta velocidad sin carga MPa {kg/cm2} 3.04 – 3.33 {31.0 – 34.0} Mín. 2.84 {Mín. 29.0} Embrague de traba del convertidor de torsión Baja velocidad sin carga MPa {kg/cm2} 1.32 ± 0.20 {13.5 ± 2.0} 1.32 ± 0.20 {13.5 ± 2.0} Alta velocidad sin carga MPa {kg/cm2} 1.32 ± 0.20 {13.5 ± 2.0} 1.32 ± 0.20 {13.5 ± 2.0} Presión del embrague del estator del convertidor de torsión • Temperatura del aceite del tren de potencia: Dentro del rango de operación • Palanca PCCS: Neutral • (Presión de alivio principal) • (Presión del embrague del estator) • Pedal de freno: Presione (Otro distinto al anterior) Baja velocidad sin carga MPa {kg/cm2} 2.65 ± 0.20 {27.0 ± 2.0} 2.65 ± 0.20 {27.0 ± 2.0} Alta velocidad sin carga MPa {kg/cm2} 2.65 ± 0.20 {27.0 ± 2.0} 2.65 ± 0.20 {27.0 ± 2.0} Presión del embrague de A (Avance) de la transmisión Baja velocidad sin carga MPa {kg/cm2} 2.45 – 2.75 {25.0 – 28.0} Mín. 2.26 {Mín. 23.0} Alta velocidad sin carga MPa {kg/cm2} 2.60 – 2.89 {26.5 – 29.5} Mín. 2.40 {Mín. 24.5} Presión del embrague de R de la transmisión Baja velocidad sin carga MPa {kg/cm2} 2.65 – 2.94 {27.0 – 30.0} Mín. 2.45 {Mín. 25.0} Alta velocidad sin carga MPa {kg/cm2} 2.79 – 3.09 {28.5 – 31.5} Mín. 2.60 {Mín. 26.5} Presión del embrague de 1a. de la transmisión Baja velocidad sin carga MPa {kg/cm2} 2.81 – 3.11 {28.7 – 31.7} Mín. 2.62 {Mín. 26.7} Alta velocidad sin carga MPa {kg/cm2} 3.04 – 3.33 {31.0 – 34.0} Mín. 2.84 {Mín. 29.0} Presión del embrague de 2a. de la transmisión Baja velocidad sin carga MPa {kg/cm2} 2.60 – 2.89 {26.5 – 29.5} Mín. 2.40 {Mín. 24.5} Alta velocidad sin carga MPa {kg/cm2} 2.75 – 3.04 {28.0 – 31.0} Mín. 2.55 {Mín. 26.0} Presión del embrague de 3a. de la transmisión Baja velocidad sin carga MPa {kg/cm2} 2.81 – 3.11 {28.7 – 31.7} Mín. 2.62 {Mín. 26.7} Alta velocidad sin carga MPa {kg/cm2} 3.04 – 3.33 {31.0 – 34.0} Mín. 2.84 {Mín. 29.0} Presión de aceite de lubricación de la transmisión (Referencia) Alta velocidad sin carga MPa {kg/cm2} 0.05 – 0.29 {0.5 – 3.0} 0.05 – 0.29 {0.5 – 3.0} Presión del freno derecho de la dirección • Temperatura del aceite del tren de potencia: Dentro del rango de operación • Palanca PCCS: Neutral • Pedal de freno: Dejarlo libre Baja velocidad sin carga MPa {kg/cm2} 2.75 ± 0.29 {28.0 ± 3.0} 2.16 {22.0} Alta velocidad sin carga MPa {kg/cm2} 2.75 ± 0.29 {28.0 ± 3.0} 2.16 {22.0} Presión del freno izquierdo de la dirección Baja velocidad sin carga MPa {kg/cm2} 2.75 ± 0.29 {28.0 ± 3.0} 2.16 {22.0} Alta velocidad sin carga MPa {kg/cm2} 2.75 ± 0.29 {28.0 ± 3.0} 2.16 {22.0}
  • 356.
    GSN00678-00 20 Tablade valores estándar 6 D155AX-6 Modelo de máquina D155AX-6 Canti dad Item Condición de medición Unidad Valor estándar para máquina nueva Valor de servicio límite Rendimientodeltrendepotencia Velocidad de traslado • Suelo plano • Temperatura del refrigerante del motor: Dentro del rango de operación • Temperatura del aceite del tren de potencia: Dentro del rango de operación • Seleccione el modo de cambio de marchas manual • Motor: Alta velocidad sin carga • Rodaje de acercamiento: • 10 -30 m • Distancia de medida: 20 m • (Convertido a km/h) F1 km/h 3.8 ± 0.2 3.8 ± 0.2 F2 km/h 7.5 ± 0.4 7.5 ± 0.4 F3L km/h 7.5 ± 0.4 7.5 ± 0.4 F3 km/h 11.6 ± 0.6 11.6 ± 0.6 R1 km/h 4.6 ± 0.2 4.6 ± 0.2 R2 km/h 6.8 ± 0.4 6.8 ± 0.4 R3L km/h 9.2 ± 0.5 9.2 ± 0.5 R3 km/h 14.0 ± 0.7 14.0 ± 0.7 PresióndeaceiteHSS/Equipodetrabajo Presión de descarga • Temperatura del aceite hidráulico: Dentro del rango de operación • Todas las palancas: • Colocadas en neutral Baja velocidad sin carga MPa {kg/cm2} — — Alta velocidad sin carga MPa {kg/cm2} 2.45 (+1.37/0) {25 (+14/0)} 2.45 (+1.37/0) {25 (+14/0)} Presión de alivio del levantamiento de la hoja • Temperatura del aceite hidráulico: Dentro del rango de operación • Motor: Alta velocidad sin carga • Cilindro del circuito medido: • Final del recorrido MPa {kg/cm2} 27.5 ± 1.5 {280 ± 15} 27.5 ± 1.5 {280 ± 15} Presión de alivio de la inclinación de la hoja MPa {kg/cm2} 27.5 ± 1.5 {280 ± 15} 27.5 ± 1.5 {280 ± 15} Presión de alivio del levantamiento del desgarrador MPa {kg/cm2} 27.5 ± 1.5 {280 ± 15} 27.5 ± 1.5 {280 ± 15} Presión de alivio de la inclinación del desgarrador MPa {kg/cm2} 27.5 ± 1.5 {280 ± 15} 27.5 ± 1.5 {280 ± 15} Presión de alivio LS del equipo de trabajo MPa {kg/cm2} 25.0 ± 0.98 {255 ± 10} 25.0 ± 0.98 {255 ± 10} Presión de alivio HSS • Temperatura del aceite hidráulico: Dentro del rango de operación • Motor: Alta velocidad sin carga • Dirección del circuito medido: • Presione el pedal del freno MPa {kg/cm2} 38.2 – 41.7 {390 – 425} 38.2 – 41.7 {390 – 425} Presión de alivio LS HSS MPa {kg/cm2} 36.2 – 38.1 {369 – 389} 36.2 – 38.1 {369 – 389} Presión básica del circuito de control • Temperatura del aceite hidráulico: Dentro del rango de operación • Motor: Alta velocidad sin carga • Todas las palancas: Colocadas en neutral MPa {kg/cm2} 3.97 (+0.49/0) {40.5 (+5/0)} 3.78 – 4.46 {38.5 – 45.5} Válvula de control EPC. Presión de salida de la válvula (Referencia) • Temperatura del aceite hidráulico: Dentro del rango de operación • Motor: Alta velocidad sin carga • Palanca del circuito medido: Final del recorrido MPa {kg/cm2} 3.82 – 4.12 {39 – 42} 3.53 {36} Equipodetrabajo Velocidaddel equipodetrabajo Levantamiento de hoja • Temperatura del aceite hidráulico: Dentro del rango de operación • Motor: Alta velocidad sin carga • Seleccione el modo P • No aplique carga a la hoja. • Medir el tiempo que se requiere para mover la hoja desde el nivel del terreno y elevarla hasta el final de su recorrido. • Para la postura de medición, vea Fig. 1 Elevar seg. 3.0 – 4.0 3.0 – 4.0 Inferior seg. 1.0 – 1.7 1.0 – 1.7
  • 357.
    20 Tabla devalores estándar GSN00678-00 D155AX-6 7 Modelo de máquina D155AX-6 Canti- dad Item Condición de medición Unidad Valor estándar para máquina nueva Valor de servicio límite Equipodetrabajo Velocidaddelequipodetrabajo Inclinación de hoja • Temperatura del aceite hidráulico: Dentro del rango de operación • Motor: Alta velocidad sin carga • Seleccione el modo P • No aplique carga a la hoja • Medir el tiempo que se requiere para mover la hoja desde el extremo de inclinación a la izquierda hasta el final de la inclinación a la derecha. • Para la postura de medición, vea Fig. 2 Inclinación izquierda seg. 1.8 – 2.8 3.1 Inclinación derecha seg. 1.8 – 2.8 3.1 Levantamien to del desgarrador • Temperatura del aceite hidráulico: Dentro del rango de operación • Motor: Alta velocidad sin carga • Seleccione el modo P • No aplicar carga al desgarrador (Agujero del espolón: El más bajo) • Medir el tiempo que se requiere para mover el desgarrador desde el nivel del terreno hasta el fin de su elevación • Para la postura de medición, vea Fig. 3 Elevar seg. 2.0 – 3.0 4.0 Inferior seg. 1.5 – 2.5 3.5 Cilindro de inclinación del desgarrador • Temperatura del aceite hidráulico: Dentro del rango de operación • Motor: Alta velocidad sin carga • Seleccione el modo P • No aplique carga al desgarrador • Medir el tiempo que se requiere para mover el desgarrador desde el extremo de inclinación hacia adentro hasta el extremo de inclinación hacia atrás. • Para la postura de medición, vea Fig. 4 Inclinar hacia adentro seg. 4.5 – 5.5 6.2 Inclinar hacia atrás seg. 3.7 – 4.7 6.1 Tiempoderetardo Hoja • Temperatura del aceite hidráulico: Dentro del rango de operación • Motor: Baja velocidad sin carga • Seleccione el modo P • Palanca de control de la hoja: Coloque hasta el final del recorrido • Baje la hoja desde la posición máxima de elevación y mida el tiempo después de que la hoja hace contacto con la tierra y hasta que la rueda tensora se eleva seg. Máx. 1.7 2.5 Desgarrador • Temperatura del aceite hidráulico: Dentro del rango de operación • Motor: Baja velocidad sin carga • Seleccione el modo P • Palanca de control del desgarrador: Coloque hasta el final del recorrido • Baje el desgarrador desde la posición máxima de elevación y mida el tiempo después de que el desgarrador hace contacto con la tierra y hasta que la rueda motríz se eleva seg. Máx. 1.5 1.5
  • 358.
    GSN00678-00 20 Tablade valores estándar 8 D155AX-6 Modelo de máquina D155AX-6 Canti dad Item Condición de medición Unidad Valor estándar para máquina nueva Valor de servicio límite Equipodetrabajo Desplazamientohidráulicodelequipodetrabajo Desplazamien to hidráulico en el levanta- miento de la hoja • Temperatura del aceite hidráulico: Dentro del rango de operación • Pare el motor • Mida la distancia h del recorrido de la hoja en 15 minutos • Para la postura de medición, vea Fig. 5 mm Máx. 50/15 minutos 200/15 minutos Desplazamien to hidráulico en el levanta- miento de la hoja de la máquina • Temperatura del aceite hidráulico: Dentro del rango de operación • Pare el motor • Mida la distancia h del recorrido de la rueda tensora en 5 minutos • Para la postura de medición, vea Fig. 6 mm Máx. 50/5 minutos 70/5 minutos Desplazamien to hidráulico de la inclinación de la hoja de la máquina • Temperatura del aceite hidráulico: Dentro del rango de operación • Pare el motor • Mida la distancia h del recorrido de la rueda tensora en 5 minutos • Para la postura de medición, vea Fig. 7 mm Máx. 50/5 minutos 70/5 minutos Desplazamien to hidráulico en el levanta- miento del desgarrador de la máquina • Temperatura del aceite hidráulico: Dentro del rango de operación • Pare el motor • Mida la distancia h del recorrido de la rueda motríz en 5 minutos • Para la postura de medición, vea Fig. 8 mm Máx. 50/5 minutos 70/5 minutos Fugadesdeelcilindro Cilindro de levantamiento de la hoja • Temperatura del aceite hidráulico: Dentro del rango de operación • Motor: Alta velocidad sin carga • Mida el escape por el cilindro aliviado durante 1 minuto. cc/min Máx. 3.0 12 Cilindro de levantamiento del desgarrador cc/min Máx. 2.7 11 Cilindro de inclinación del desgarrador cc/min Máx. 2.7 11
  • 359.
    20 Tabla devalores estándar GSN00678-00 D155AX-6 9 Posturas y procedimiento para medir desempeños (rendimientos) Fig. 1: Velocidad de elevación de la hoja Fig. 2: Velocidad de inclinación de la hoja Fig. 3: Velocidad de elevación del desgarrador Fig. 4: Velocidad de inclinación del desgarrador Fig. 5: Desplazamiento hidráulico en el levan- tamiento de la hoja Fig. 6: Desplazamiento hidráulico en el levan- tamiento de la hoja de la máquina
  • 360.
    GSN00678-00 20 Tablade valores estándar 10 D155AX-6 Fig. 7: Desplazamiento hidráulico de la inclinación de la hoja de la máquina Fig. 8: Desplazamiento hidráulico en el levan- tamiento del desgarrador de la máquina
  • 361.
    20 Tabla devalores estándar GSN00678-00 D155AX-6 11
  • 362.
    GSN00678-00 20 Tablade valores estándar 12 D155AX-6 D155AX-6 Buldózer Forma No. GSN00678-00 © 2006 KOMATSU Todos los Derechos Reservados Impreso en E.E.U.U. 08-06
  • 363.
    D155AX-6 1 GSN00679-00 BULDÓZER 1MANUALDE TALLER D155AX-6 Modelo de máquina Número de serie D155AX-6 80001 y superiores 30 Pruebas y Ajustes 1 Pruebas y ajustes, Parte 1 Pruebas y ajustes, Parte 1............................................................................................................................. 3 Herramientas para comprobaciones, ajustes y localización de fallas ................................................. 3 Midiendo la velocidad del motor.......................................................................................................... 5 Forma de medir la presión de admisión de aire (presión de refuerzo)................................................ 7 Midiendo la temperatura del escape ................................................................................................... 8 Medición del color de los gases del escape...................................................................................... 10 Ajuste de la holgura de válvulas ....................................................................................................... 11 Medición de la presión de compresión.............................................................................................. 12 Medición de la presión del paso de gases ........................................................................................ 14 Medición de la presión del aceite del motor...................................................................................... 15 Manipulando partes del sistema de combustible .............................................................................. 16 Alivio de la presión residual del sistema de combustible .................................................................. 16 Forma de medir la presión del combustible ...................................................................................... 17 Midiendo la proporción de retorno y escape de combustible............................................................ 18 Forma de purgar el aire del circuito de combustible ......................................................................... 22 Revisando si hay escapes en el circuito de combustible .................................................................. 24
  • 364.
    GSN00679-00 30 Pruebasy Ajustes 2 D155AX-6 Probando y ajustando la tensión de la correa del alternador............................................................ 25 Prueba y ajuste de la tensión de la correa del compresor del acondicionador de aire ..................... 26 Medición de la velocidad del ventilador............................................................................................. 27 Medición de la presión de aceite del circuito del ventilador .............................................................. 28 Forma de purgar el aire de la bomba del ventilador.......................................................................... 29 Forma de ajustar el dial del control de combustible y el pedal desacelerador .................................. 30
  • 365.
    30 Pruebas yAjustes GSN00679-00 D155AX-6 3 Pruebas y ajustes, Parte 1 1 Herramientas para comprobaciones, ajustes y localización de fallas 1 Pruebas y Ajustes del Item Sím- bo Pieza No. Nombre de la Pieza Ctd Observaciones Forma de medir la presión de admisión de aire (presión de refuerzo) A 799-201-2202 Instrumentos de medición de presión de refuerzo 1 -101 -200 kPa {– 760 – 1,500 mmHg} Midiendo la temperatura del escape B 799-101-1502 Termómetro digital 1 – 99.9 – 1,299°C Medición del color de los gases del escape C 1 799-201-9001 Comprobador manuable de humos 1 Indice Bosch: 0 – 9 2 Disponible en el comercio Medidor de humos 1 Ajuste de la holgura de válvulas D Disponible en el comercio Lámina calibrada (Galga) 1 Ingreso de aire: 0.35 mm, Escape: 0.57 mm Medición de la presión de compresión E 1 795-502-1590 Indicador de compresión [manómetro] 1 0 -6.9 MPa {0 -70 kg/cm2 } 2 795-471-1310 Adaptador 1 Para el motor 140E-3, 5 6261-71-6150 Empaque 1 Medición de la presión del paso de gases F 799-201-1504 Revisador de paso de gases 1 0 -5 kPa {0 – 500 mmH2O} Medición de la presión del aceite del motor G 1 799-101-5002 Comprobador hidráulico 1 Indicador de presión: 2.5, 5.9, 39.2, 58.8 MPa {25, 60, 400, 600 kg/cm2 } 790-261-1204 Probador hidráulico digital 1 Indicador de presión:58.8 MPa {600 kg/cm2 } 2 799-401-2320 Comprobador hidráulico 1 Indicador de presión:0.98 MPa {10 kg/cm2 } Forma de medir la presión del combustible H 1 799-101-5002 Comprobador hidráulico 1 Indicador de presión: 2.5, 5.9, 39.2, 58.8 MPa {25, 60, 400, 600 kg/cm2 } 790-261-1204 Probador hidráulico digital 1 Indicador de presión:58.8 MPa {600 kg/cm2 } 2 799-401-2320 Comprobador hidráulico 1 Indicador de presión:0.98 MPa {10 kg/cm2 } 3 795-471-1450 Adaptador 1 8 × 1.25 mm o R1/8 07005-00812 Empaque 1 Midiendo la proporción de retorno y escape de combustible J 1 6151-51-8490 Espaciador 1 Diámetro interior: 14 mm 2 6206-71-1770 Unión 1 Diámetro interior de la junta: 10 mm 3 Disponible en el comercio Manguera 1 ø5 mm × 2 – 3 m 4 Disponible en el comercio Manguera 1 ø15 mm × 2 – 3 m 5 Disponible en el comercio Cilindro de medición 1 6 Disponible en el comercio Cronómetro 1 Medición de la velocidad del ventilador K 795-205-1100 Juego de tacómetro 1 6.0 -99999.9 rpm Midiendo la presión del circuito del ventilador L 1 799-101-5002 Comprobador hidráulico 1 Indicador de presión: 2.5, 5.9, 39.2, 58.8 MPa {25, 60, 400, 600 kg/cm2 } 790-261-1204 Probador hidráulico digital 1 Indicador de presión:58.8 MPa {600 kg/cm2 } 2 799-401-3400 Adaptador 1 Tamaño: 05 3 799-101-5220 Niple 1 Tamaño: 10 × 1.25 mm 07002-11023 Anillo-0
  • 366.
    GSN00679-00 30 Pruebasy Ajustes 4 D155AX-6 H Para los nombres de los modelos y número de parte de las cajas en "T" y los adaptadores en "T" usa- dos para la localización de fallas del monitor de la máquina, controladores, sensores, accionadores, equipo eléctrico y arnés de cables, vea " Localización de fallas (Información relacionada a la localiza- ción de fallas), la Lista de cajas en "T" y la adaptadores en "T". Forma de medir la presión del aceite del tren de potencia M 799-101-5002 Comprobador hidráulico 1 Indicador de presión: 2.5, 5.9, 39.2, 58.8 MPa {25, 60, 400, 600 kg/cm2 } 790-261-1204 Probador hidráulico digital 1 Indicador de presión:58.8 MPa {600 kg/cm2 } Ajuste del pedal del freno N 79A-264-0021 Herramienta de empuje-hale 1 0 – 490 N {0 – 50 kg} Método para una salida de emergencia cuando el tren de potencia tiene problema P 1 19M-06-32820 Conjunto de interruptor 1 17A-06-41410 Arnés de cables 1 2 790-190-1601 Conjunto de la bomba 1 Forma de medir y ajustar la presión del equipo de trabajo y HSS Q 1 799-101-5002 Comprobador hidráulico 1 Indicador de presión: 2.5, 5.9, 39.2, 58.8 MPa {25, 60, 400, 600 kg/cm2 } 790-261-1204 Probador hidráulico digital 1 Indicador de presión:58.8 MPa {600 kg/cm2 } 2 799-101-5220 Niple 2 Tamaño: 10 × 1.25 mm 07002-11023 Anillo-0 2 Medida en la presión básica del circuito de control R 1 799-101-5002 Comprobador hidráulico 1 Indicador de presión: 2.5, 5.9, 39.2, 58.8 MPa {25, 60, 400, 600 kg/cm2 } 790-261-1204 Probador hidráulico digital 1 Indicador de presión:58.8 MPa {600 kg/cm2 } 2 799-401-3200 Adaptador 1 Tamaño: 03 Comprobación de la presión de salida ve la válvula solenoide de cierre del equipo de trabajo. S 1 799-101-5002 Comprobador hidráulico 1 Indicador de presión: 2.5, 5.9, 39.2, 58.8 MPa {25, 60, 400, 600 kg/cm2 } 790-261-1204 Probador hidráulico digital 1 Indicador de presión:58.8 MPa {600 kg/cm2 } 2 799-401-3200 Adaptador 1 Tamaño: 03 Operación por emergencia cuando el equipo de trabajo tiene problema T 17A-06-41421 Arnés de cables 1 Forma de medir la presión de salida de la válvula solenoide del extractor de pasador del desgarrador U 1 799-101-5002 Comprobador hidráulico 1 Indicador de presión: 2.5, 5.9, 39.2, 58.8 MPa {25, 60, 400, 600 kg/cm2 } 790-261-1204 Probador hidráulico digital 1 Indicador de presión:58.8 MPa {600 kg/cm2 } 2 799-401-3200 Adaptador 1 Tamaño: 03 Forma de medir el escape interno de aceite en el cilindro del equipo de trabajo V Disponible en el comercio Cilindro de medición 1 Midiendo la temperatura del refrigerante y la temperatura del aceite — 799-101-1502 Termómetro digital 1 -99.9 -1,299°C Comprobación de presión/ fuerza del operador sobre los controles — 79A-264-0021 Herramienta de empuje-hale 1 0 -294 N {0 -30 kg} 79A-264-0021 Herramienta de empuje-hale 1 0 – 490 N {0 – 50 kg} Medición del recorrido y del desplazamiento hidráulico — Disponible en el comercio Regla 1 Midiendo la velocidad del equipo de trabajo — Disponible en el comercio Cronómetro 1 Medición de voltaje y resistencia — Disponible en el comercio Comprobador de circuito 1 Pruebas y Ajustes del Item Sím- bo Pieza No. Nombre de la Pieza Ctd Observaciones
  • 367.
    30 Pruebas yAjustes GSN00679-00 D155AX-6 5 Midiendo la velocidad del motor 1 ¤ Pare la máquina sobre un terreno nivelado, baje completamente el equipo de trabajo sobre el terreno, pare el motor, y coloque la palanca del freno de estacionamiento y la palanca de seguridad en la posición de seguro "LOCK". H Mida la velocidad del motor bajo las siguientes condiciones: Temperatura del refrigerante del motor: Den- tro del rango de operación Temperatura del aceite del tren de potencia: Dentro del rango de operación Temperatura del aceite hidráulico: Dentro del rango de operación Modo de Trabajo: Modo P Modo de cambio de marchas: Indistintamente automático o manual 1. Trabajo de preparación Medir la velocidad del motor con la función de ajuste en el modo de servicio del monitor de la máquina. H Para el método de operación del monitor de la máquina, vea Funciones especiales del monitor de la máquina (EMMS). 1) Forma de medir la velocidad en ralentí bajo, la velocidad del pedal desacelerador, la velocidad de auto desaceleración, velocidad de calado del convertidor de torsión y la velocidad de calado del convertidor de torsión + velocidad de alivio del equipo de trabajo (velocidad total de calado). Código de ajuste: 0530 (Modo de calado) H Al calar el convertidor de torsión para alguna otra finalidad distinta a medir la velocidad del motor, esté seguro de usar también este código de ajuste. 2) Medición de la velocidad alta sin carga: Código de ajuste: 0007 (Reactivar la desaceleración del motor) H Solamente cuando se selecciona este código, se puede operar y comprobar el motor reactivando el auto desacelerador. 2. Medición de la velocidad baja sin carga 1) Arranque el motor y ponga el dial de control del combustible en la posición de baja velocidad sin carga (MIN). 2) Coloque en posición neutral la palanca PCCS. La palanca de control de la hoja y la palanca de control del desgarrador y mida la velocidad del motor. H La palanca del freno de estaciona- miento y la palanca de cierre del equipo de trabajo pueden conservarse en la posición de LOCK = CERRADO. 3. Medición de la velocidad alta sin carga 1) Arranque el motor y ponga el dial de control del combustible en la posición de velocidad alta sin carga (MAX). 2) Coloque en posición neutral la palanca PCCS. La palanca de control de la hoja y la palanca de control del desgarrador y mida la velocidad del motor. H La palanca del freno de estaciona- miento y la palanca de cierre del equipo de trabajo pueden conservarse en la posición de LOCK = CERRADO. H Cuando se mide la velocidad del ralenti en alta, esté seguro de seleccionar el código de ajuste [0007] (Si se selecciona el código de ajuste [0530] se mide la velocidad de auto desaceleración). 4. Forma de medir la veloc. del pedal desacelerador 1) Arranque el motor y ponga el dial de control del combustible en la posición de velocidad alta sin carga (MAX). 2) Coloque en posición neutral la palanca PCCS, la palanca de control de la hoja y la palanca de control del desgarrador, oprima el pedal desacelerador hasta el final de su recorrido y mida la velocidad del motor. H La palanca del freno de estaciona- miento y la palanca de cierre del equipo de trabajo pueden conservarse en la posición de LOCK = CERRADO. 5. Forma de medir la veloc. de auto-desaceleración 1) Arranque el motor y ponga el dial de control del combustible en la posición de velocidad alta sin carga (MAX).
  • 368.
    GSN00679-00 30 Pruebasy Ajustes 6 D155AX-6 2) Coloque en posición neutral la palanca PCCS. La palanca de control de la hoja y la palanca de control del desgarrador y mida la velocidad del motor. H La palanca del freno de estaciona-miento y la palanca de cierre del equipo de trabajo pueden conservarse en la posición de LOCK = CERRADO. 6. Midiendo la velocidad de calado del convertidor de torsión 1) Arranque el motor y ponga el dial de control del combustible en la posición de baja velocidad sin carga (MIN). 2) Opere el interruptor de cambio arriba (UP = ARRIBA) de la palanca PCCS y coloque el modo previamente establecido en la sección de exposición para [ F3 – R3 ]. H La selección de exposición del modo previamente establecido (en la derecha inferior de la pantalla) puede estable- cerse a [F3 – R3] solamente mientras está seleccionada la función de Ajuste. 3) Mientras se oprime con seguridad el pedal del freno, coloque la palanca del freno de estacionamiento en la posición libre y coloque la dirección de la palanca PCCS en la posición de avance. H Antes de pasar al próximo paso, verifique que [F3] aparezca expuesto en la sección de exposición de marcha de velocidad (en la parte inferior derecha de la pantalla). H Mantenga en neutral el sistema de dirección. 4) Oprima el pedal desacelerador y coloque el dial de control del combustible en la posición del alta velocidad sin carga (MAX). 5) Regrese lentamente el pedal desacelerador para calar el convertidor de torsión con el motor en alta velocidad sin carga. ¤ Continúe oprimiendo con firmeza el pedal del freno y mantenga su pie derecho en el pedal desacelerador para fines de segu- ridad hasta haber finalizado este trabajo. 6) Justamente después que el indicador de temperatura del aceite del tren de potencia (T/C TEMPERATURA) indica 118 – 120 °C, regrese a neutral la dirección de la palanca PCCS. H La parte superior del área verde del indicador de temper. del aceite del tren de potencia marca entre 118 – 120 °C. 7) Repita 3 veces los pasos 3) y -6). 8) Ejecute nuevamente los pasos 3) – 5) y mida la velocidad del motor unos 5 segundos después que el indicador de la temperatura del aceite del tren de potencia marca los 118 – 120 °C. H Inmediatamente después de finalizar la medición, devuelva la palanca PCCS a la posición neutral y reduzca la tempe- ratura del aceite del tren de potencia poniendo el motor en velocidad alta. 7. Medición de calado del convertidor de torsión + velocidad de alivio del equipo de trabajo (Velocidad de calado total) 1) Arranque el motor y ponga el dial de control del combustible en la posición de baja velocidad sin carga (MIN). 2) Opere el interruptor de cambio arriba (UP = ARRIBA) de la palanca PCCS y coloque el modo previamente establecido en la sección de exposición para [ F3 – R3 ]. H La selección de exposición del modo previamente establecido (en la derecha inferior de la pantalla) puede estable- cerse a [F3 – R3] solamente mientras está seleccionada la función de Ajuste. 3) Coloque la palanca de cierre del equipo de trabajo en la posición libre y opere la palanca de control del desgarrador para colocar el cilindro de elevación del desgarrador en el recorrido final de elevación. 4) Mientras se oprime con seguridad el pedal del freno, coloque la palanca del freno de estacionamiento en la posición libre y coloque la dirección de la palanca PCCS en la posición de avance. H Antes de pasar al próximo paso, verifique que [F3] aparezca expuesto en la sección de exposición de marcha de velocidad (en la parte inferior derecha de la pantalla). H Mantenga en neutral el sistema de dirección. 5) Oprima el pedal desacelerador y coloque el dial de control del combustible en la posición del alta velocidad sin carga (MAX). 6) Regrese lentamente el pedal desacelerador para calar el convertidor de torsión con el motor en alta velocidad sin carga. ¤ Continúe oprimiendo con firmeza el pedal del freno y mantenga su pie derecho en el pedal desacelerador para fines de segu- ridad hasta haber finalizado este trabajo. 7) Justamente después que el indicador de temperatura del aceite del tren de potencia (T/C TEMPERATURA) indica 118 – 120 °C, regrese a neutral la dirección de la palanca PCCS. H La parte superior del área verde del indicador de temper. del aceite del tren de potencia marca entre 118 – 120 °C. 8) Repita 4 veces los pasos 3) y -7). 9) Ejecute los pasos 4) – 6) nuevamente y opere la palanca de control del desgarrador para aliviar el sistema de elevación del desgarrador y mida la velocidad del motor unos 5 segundos después que el indicador de temperatura del aceite del tren de potencia (T/ C TEMPERATURA) marca los 118 – 120 °C. H Inmediatamente después de finalizar la medición, devuelva la palanca PCCS a la posición neutral y reduzca la temperatura del aceite del tren de potencia poniendo el motor en velocidad alta.
  • 369.
    30 Pruebas yAjustes GSN00679-00 D155AX-6 7 Forma de medir la presión de admi- sión de aire (presión de refuerzo) 1 H Instrumentos para la medición de la presión de admisión de aire (presión de refuerzo) ¤ Pare la máquina sobre un terreno nivelado, baje completamente el equipo de trabajo sobre el terreno, pare el motor, y coloque la palanca del freno de estacionamiento y la palanca de seguridad en la posición de seguro "LOCK". ¤ Tenga cuidado para no tocar ninguna pieza caliente del motor al desmontar o instalar las herramientas de medición. H Mida la presión de admisión de aire (presión de refuerzo) bajo las condiciones siguientes. Temperatura del refrigerante del motor: Dentro del rango de operación Temperatura del aceite del tren de poten- cia: Dentro del rango de operación Temperatura del aceite hidráulico: Dentro del rango de operación 1. Abra la cubierta lateral izquierda del motor. 2. Desmonte el tapón (1) de captación de la presión de aire de la parte trasera del conector de admisión de aire. 3. Instale el niple [1] del instrumento de medición de presión de refuerzo A, y conecte el instrumento [2]. 4. Opere el motor a media o alta velocidad (drene el aceite de la manguera de prueba). H Inserte hasta la mitad la parte conectante del medidor y la manguera y abra repeti- damente el auto sellador de la manguera y se drenará el aceite. H Si está disponible el conjunto Pm (A), se podrá usar el acople de purga de aire (790-261-1130) para purgar el aceite. H Si queda algún residuo de aceite en la manguera, el instrumento no trabajará. En consecuencia, cerciórese de drenar todo el aceite. 5. Ponga en ON el interruptor del arranque y coloque el monitor de la máquina en la función de Ajuste en el modo de servicio. Código de ajuste: 0530 (Modo de calado) H Para el método de operación, ver Funci- ones especiales del monitor de la máquina (EMMS). 6. Mientras trabaja el motor en alta velocidad sin carga, cale el convertidor de torsión y en este momento mida la presión del aire de admisión (presión de refuerzo). H Para el procedimiento de calar el converti- dor de torsión, ver Forma de medir la velocidad del motor. H Normalmente, la presión de admisión de aire (presión de refuerzo) debería medirse mientras el motor se trabaja a su salida nominal. Sin embargo, en el campo, calando el convertidor de torsión se puede obtener un valor aproximado. 7. Después de finalizar la medición, retire los instrumentos y vuelva a instalar las piezas desmontadas. Símbolo Pieza No. Nombre de la Pieza A 799-201-2202 Instrumentos de medición de presión de refuerzo
  • 370.
    GSN00679-00 30 Pruebasy Ajustes 8 D155AX-6 Midiendo la temperatura del escape 1 H Instrumentos para la medición de la temper- atura del escape ¤ Pare la máquina sobre un terreno nivelado, baje completamente el equipo de trabajo sobre el terreno, pare el motor, y coloque la palanca del freno de estacionamiento y la palanca de seguridad en la posición de seguro "LOCK". ¤ Instale y retire los instrumentos de med- ición después que el múltiple del escape esté frío. H Mida la temperatura del escape bajo las condi- ciones siguientes. Temperatura del refrigerante del motor: Dentro del rango de operación Temperatura del aceite del tren de poten- cia: Dentro del rango de operación Temperatura del aceite hidráulico: Dentro del rango de operación 1. Abra la cubierta del costado derecho del motor y el guardafango derecho. 2. Retire 1 tapón (1) de captación de temperatura del escape del múltiple de escape. H Usted puede medir la temperatura del escape indistintamente en el tapón delantero o trasero. 3. Instale el sensor [1] del termómetro digital B y conéctelo al instrumento [2]. H Coloque una abrazadera al arnés de cables del termómetro digital de manera que no haga contacto con alguna pieza caliente durante la medición. 4. Cuando mida la temperatura máxima del escape para la localización de fallas Opere la máquina y mida la temperatura máxima del escape. H Use el modo PEAK del termómetro digital. H La temperatura del escape depende en gran parte de la temperatura del aire exte- rior (temperatura del aire de admisión del motor). De tal modo que, si se obtiene algún valor anormal corríjalo mediante los cálculos siguientes: Valor corregido[°C] = Valor medido +2 × (20 - temperatura del aire exterior) 5. Procedimiento para medir periódicamente la temperatura del escape para de mantenimiento preventivo (clínica Pm) H Si el convertidor de torsión se cala, la tem- peratura del aceite del convertidor de tor- sión está recalentada antes de estabilizar la temperatura del escape. De tal modo, haga las mediciones de acuerdo al pro- cedimiento que sigue: 1) Ponga en ON el interruptor del arranque y coloque el monitor de la máquina en la función de Ajuste en el modo de servicio. Código de ajuste: 0530 (Modo de calado) H Para el método de operación, ver Funciones especiales del monitor de la máquina (EMMS). Símbolo Pieza No. Nombre de la Pieza B 799-101-1502 Termómetro digital
  • 371.
    30 Pruebas yAjustes GSN00679-00 D155AX-6 9 2) Arranque el motor y ponga el dial de control del combustible en la posición de baja velocidad sin carga (MIN). 3) Opere el interruptor de cambio arriba (UP = ARRIBA) de la palanca PCCS y coloque el modo previamente establecido en la sección de exposición para [ F3 – R3 ]. H La selección de exposición del modo previamente establecido (en la derecha inferior de la pantalla) puede establecerse a [F3 – R3] solamente mientras está seleccionada la función de Ajuste. 4) Coloque la palanca de cierre del equipo de trabajo en la posición libre y opere la palanca de control del desgarrador para colocar el cilindro de elevación del desgarrador en el recorrido final de elevación. 5) Mientras se oprime con seguridad el pedal del freno, coloque la palanca del freno de estacionamiento en la posición libre y coloque la dirección de la palanca PCCS en la posición de avance. H Antes de pasar al próximo paso, verifique que [F3] aparezca expuesto en la sección de exposición de marcha de velocidad (en la parte inferior derecha de la pantalla). H Mantenga en neutral el sistema de dirección. 6) Oprima el pedal desacelerador y coloque el dial de control del combustible en la posición del alta velocidad sin carga (MAX). 7) Regrese lentamente el pedal desacelerador para calar el convertidor de torsión y aliviar el sistema de elevación del d esga rrado r p ara e leva r la temperatura del escape a unos 650 °C (Condición (a) en la figura) con el motor en ralentí alto. ¤ Continúe oprimiendo con firmeza el pedal del freno y mantenga su pie derecho en el pedal desacel- erador para fines de seguridad hasta haber finalizado este trabajo. 8) Bajo la condición del paso 7), deje de aliviar el sistema de elevación del desgarrador y baje la temperatura del escape solamente calando el convertidor de torsión (Condición (b) en la figura). H Si la temperatura de escape no baja sino qu e su be, coloq ue la temperatura alta en el paso 7). 9) Después que la temperatura del escape ha descendido y se ha estabilizado, mida la temperatura del escape (Condición (c) en la figura). ¤ Justamente después que la tem- peratura del aceite del tren de potencia (T/C TEMPERATURA) alcanza unos 120 °C, regrese la dirección de la palanca PCCS a la posición neutral y baje la temper- atura del aceite del tren de poten- cia con el motor en ralentí alto. H La línea entre el área verde y el área roja del indicador de temperatura del aceite del tren de potencia indica unos 120 °C. 6. Después de finalizar la medición, retire los instrumentos y vuelva a instalar las piezas desmontadas.
  • 372.
    GSN00679-00 30 Pruebasy Ajustes 10 D155AX-6 Medición del color de los gases del escape 1 H Instrumentos para la medición del color de los gases de escape ¤ Pare la máquina sobre un terreno nivelado, baje completamente el equipo de trabajo sobre el terreno, pare el motor, y coloque la palanca del freno de estacionamiento y la palanca de seguridad en la posición de seguro "LOCK". ¤ Tenga cuidado para no tocar ninguna pieza caliente del motor al desmontar o instalar las herramientas de medición. H Si en el campo no hay disponibles un suministro de aire y un suministro de energía eléctrica, use el comprobador de humos tipo manual C1. Para registrar datos oficiales, use el medidor de humos C2. H Mida el color de los gases del escape bajo las condiciones siguientes: Temperatura del refrigerante del motor: Den- tro del rango de operación 1. Medición con el comprobador manual de humos C1 1) Coloque una hoja de papel de filtro en el comprobador de humos C1. 2) Introduzca el tubo de captación de gases de escape dentro del tubo de escape del motor (1). 3) Arranque el motor. 4) Acelere súbitamente el motor y trabájelo en alta velocidad sin carga y opere la manija del comprobador de humos C1 para que el papel de filtro absorba los gases de escape. 5) Retire el papel de filtro y compárelo con la escala que se adjunta. 6) Después de finalizar la medición retire los instrumentos y vuelva a instalar las piezas desmontadas previamente. 2. Medición con el medidor de gases C2 1) Introduzca la sonda [1]del medidor de gases C2 en la salida del tubo del escape (1) y mediante una presilla déjelo sujeto al tubo de escape. 2) Conecte la manguera de la sonda, el receptáculo del interruptor acelerador y la manguera de aire al medidor de gases C2. H Limite la presión de aire suministrada a 1.5 MPa {15 kg/cm²}. 3) Conecte el cable eléctrico a un receptáculo de AC 100 V. H Antes de conectar el cable, verifique que el interruptor eléctrico del medidor de humos está en la posición de OFF. 4) Afloje la tuerca ciega de la bomba de succión y después coloque el papel de filtro. H Coloque el papel de filtro con toda seguridad de manera que no haya fugas en los gases de escape. 5) Ponga en ON el interruptor eléctrico del medidor de humos C2 ON. 6) Arranque el motor. 7) Acelere súbitamente el motor y trabájelo en alta velocidad sin carga y oprima el pedal del acelerador del medidor de humos C2y capte los gases de escape en el papel de filtro. 8) Coloque el papel de filtro contaminado sobre papeles de filtro limpios (por lo menos 10 hojas) y póngalas en el sujetador de papeles de filtro y lea el valor indicado. 9) Después de finalizar la medición retire los instrumentos y vuelva a instalar las piezas desmontadas previamente. Símbolo Pieza No. Nombre de la Pieza C 1 799-201-9001 Comprobador manuable de humos 2 Disponible en el comercio Medidor de humos
  • 373.
    30 Pruebas yAjustes GSN00679-00 D155AX-6 11 Ajuste de la holgura de válvulas 1 H Instrumentos para la medición del espacio libre entre las válvulas ¤ Pare la máquina sobre un terreno nivelado, baje completamente el equipo de trabajo sobre el terreno , pare el motor, y coloque la palanca del freno de estacionamiento y la palanca de seguridad en la posición de seguro "LOCK". H Ajuste la holgura de la válvula bajo la siguiente condición. Temperatura del refrigerante del motor: Temperatura normal 1. Retire unidos el conjunto del capot del motor y el filtro del aire. 4 Conjunto del capót del motor: 170 kg 2. Desmonte todas las tapas de las culatas de cilindros (1). 3. Retire la plancha de inspección que se encuentra a la derecha del protector del radiador. 4. Gire hacia adelante el cigüeñal para hacer coincidir la línea 1.6 "TOP" (a) con el puntero (2) y así colocar el cilindro No. 1 en el punto muerto superior de compresión. H Gire el cigüeñal por la porción hexagonal de la punta del eje de impulso de la bomba de agua. H Cuando el cilindro No. 1 se encuentra en el punto muerto superior de compresión, el balancín del cilindro No. 1 puede mov- erse con la mano debido a la holgura de las válvulas. Si el balancín no se puede mover, el cilindro No. 1 no está en el punto muerto superior de compresión. En este caso, hay que darle una vuelta adicional al cigüeñal. 5. Mientras asegura el tornillo de ajuste (3) y afloje la tuerca de seguridad (4). H Después de colocar el cilindro No. 1 en el punto muerto superior de compresión, ajuste la holgura de la válvula del cilindro No. 1. 6. Inserte una galga de espesores D dentro del espacio libre entre el balancín basculante (5) y la cruceta de cabeza (6), y ajuste el espacio libre de la válvula con el tornillo de ajuste (3). H Con un medidor de espesores introdu- cida, ajuste el tornillo de ajuste al grado que la galga se pueda mover ligeramente. 7. Mientras asegura el tornillo de ajuste (3) y apriete la tuerca de seguridad (4). 3 Tuerca de seguridad: 45.1 -51.0 Nm {4.6 -5.2 kgm} H Después de apretar la tuerca de segu- ridad, compruebe nuevamente la holgura de la válvula. 8. Después de ajustar el cilindro No. 1, darle vuelta al cigüeñal hacia adelante 120 ° para situar la línea troquelada con TOP de cada cilindro con el puntero (2) de acuerdo con el orden de encendido y ajustar la holgura de las válvulas. El orden de encendido: 1–5–3–6–2–4 9. Después de finalizar el ajuste, vuelva a instalar las piezas desmontadas. 3 Perno de montaje de la cubierta de la culata: 29.4 -34.3 Nm {3.0 -3.5 kgm} Símbolo Pieza No. Nombre de la Pieza D Disponible en el comercio Lámina calibrada (Galga)
  • 374.
    GSN00679-00 30 Pruebasy Ajustes 12 D155AX-6 Medición de la presión de compresión 1 H Herramientas de medición para la presión de compresión ¤ Pare la máquina sobre un terreno nivelado, baje completamente el equipo de trabajo sobre el terreno , pare el motor, y coloque la palanca del freno de estacionamiento y la palanca de seguridad en la posición de seguro "LOCK". H Cuando mida la presión de la compresión, tenga cuidado para no quemarse con el múlti- ple de escape, el silenciador, etc., y no dejarse atrapar por las partes rotatorias. H Mida la presión de compresión bajo las sigu- ientes condiciones. Temperatura del aceite del motor: 40 – 60 °C 1. Retire unidos el conjunto del capot del motor y el filtro del aire. 4 Conjunto del capót del motor: 170 kg 2. Remueva la cubierta (1) de la culata de cilindros para medir la presión de compresión. 3. Llevar el cilindro que se vaya a comprobar en el punto muerto superior de compresión y retirar el conjunto (2) del brazo del balancín. H Para el procedimiento de llevar cada cilin- dro en el punto muerto superior de com- presión, ver el Ajuste de la holgura de las válvulas. 4. Desconecte el tubo (3) de alta presión del combustible y el arnés de cables (4) del inyector y desmonte el inyector (5) y el arnés de cables. H Desconecte el terminal del arnés de cables de la tobera del lado de la tobera y el soporte del lado del bastidor de balan- cines y remueva el arnés de cables del inyector (aflojando alternadamente las 2 tuercas del terminal). H Pase el cable, por debajo de la ruta proyectada por el costado y hale hacia arriba la tobera (No haga palanca en el tope superior de la tobera). 5. Instale el adaptador D2 en el agujero de montaje en el inyector y conecte el manómetro de compresión D1. H Esté seguro de adaptar la empaquetadura en el extremo del inyector. H Asegure el adaptador con el retenedor del inyector. 3 Perno de montaje del retenedor: 58.8 -73.5 Nm {6.0 -7.5 kgm} H Aplique una pequeña cantidad de aceite de motor a las partes de la conexión del adaptador y del medidor, de tal manera que el aire no se escape fácilmente. 6. Instale los conjuntos del balancín (2) y ajuste la holgura de la válvula. 3 Perno de montaje del balancín: 93 -103 Nm {9.5 -10.5 kgm} H Vea el Ajuste de la holgura de valvulas. Símbolo Pieza No. Nombre de la Pieza E 1 795-502-1590 Indicador de compresión [manómetro] 2 795-471-1310 Adaptador 6261-71-6150 Empaque
  • 375.
    30 Pruebas yAjustes GSN00679-00 D155AX-6 13 7. Desconecte el conector del suministro energético EGC3 (6) del controlador del motor. ¤ Si este conector no está desconectado, el motor arranca durante la medición, puede ser peligroso. En consecuencia, cerciórese de desconectar este conec- tor. ¤ Cubra con hojas de vinilo etc., el lado del controlador y el arnés de cables para evitar escapes eléctricos y fallas de tierra. 8. Poner en ON el interruptor del arranque y coloque el monitor de la máquina en la función de observación (Monitoring function) del modo de servicio. Código de revisión del monitor: 01002 Velocidad del motor H Para el método de operación, ver Funci- ones especiales del monitor de la máquina (EMMS). 9. Arranque el motor con el motor eléctrico de arranque y mida la presión de compresión. H Leer el medidor cuando el puntero esté estabilizado H Cuando se mide la presión de com- presión, compruebe que la velocidad del motor se encuentre dentro del área de las condiciones de medición. 10. Después de finalizar la medición, retire los instrumentos y vuelva a instalar las piezas desmontadas. H Instale la tobera y los tubos de alta presión de combustible de acuerdo al siguiente procedimiento. 1) Empuje con la mano el inyector (11) para ensamblar provisionalmente el sujetador (12). 2) Apriete provisionalmente el perno (13) y la arandela (14). 2 Parte esférica de la arandela: Aceite de motor 3) Apriete temporalmente la tuerca de acople (15) del tubo de alta presión de combustible. 4) Apriete el perno (13) permanentemente. 3 Perno 58.8 -73.5 Nm {6 -7.5 kgm} 5) Apriete permanentemente la tuerca de manguito (15). 3 Extremo de la tuerca: 39.2 -49.0 Nm {4 -5 kgm} H Instale el arnés de cables del inyector de acuerdo al procedimiento siguiente. 1) Instale el arnés de cables del inyector en la caja del brazo del balancín y sujete el lado del conector con la plancha. 2) Fije con la presilla la abrazadera intermedia. 3) Apriete la tuerca en el costado del inyector. 3 Tuerca: 2 ± 0.2 Nm {0.2 ± 0.02 kgm} 4) Asegure la abrazadera y el espaciador con el perno. 3 Perno de montaje del conjunto de balancines 93 -103 Nm {9.5 -10.5 kgm} H Ajuste de la holgura de las válvulas. Para detalles, vea Ajustando el espacio libre de las válvulas. 3 Perno de montaje de la cubierta de la culata: 29.4 – 34.3 kgm {3.0 – 3.5 kgm}
  • 376.
    GSN00679-00 30 Pruebasy Ajustes 14 D155AX-6 Medición de la presión del paso de gases 1 H Instrumentos para la medición de presión de los gases del cárter ¤ Pare la máquina sobre un terreno nivelado, baje completamente el equipo de trabajo sobre el terreno , pare el motor, y coloque la palanca del freno de estacionamiento y la palanca de seguridad en la posición de seguro "LOCK". H Mida la presión del paso de gases bajo las condiciones siguientes. Temperatura del refrigerante del motor: Dentro del rango de operación Temperatura del aceite del tren de poten- cia: Dentro del rango de operación Temperatura del aceite hidráulico: Dentro del rango de operación 1. Abra la cubierta lateral del lado izquierdo del motor y el guardabarros izquierdo. 2. Instale la tobera [1] y la manguera [2] del comprobador F de paso de gases en el extremo de la manguera de respiración ()1) y conéctelos al instrumento [3]. 3. Mientras Trabaja el motor a velocidad alta sin carga, cale el convertidor de torsión y mida la presión de los gases del cárter. H Para el procedimiento de calar el converti- dor de torsión, ver Forma de medir la velocidad del motor. H Normalmente la presión del paso de gases debe medirse mientras el motor se trabaja a su desempeño nominal. Sin embargo, en el campo, calando el con- vertidor de torsión se puede obtener un valor aproximado. H Si resulta imposible trabajar el motor a su desempeño nominal o calar el convertidor de torsión, tome la medición mientras el motor está trabajando a velocidad alta sin carga. El valor obtenido en este caso es aproximadamente el 80% de la presión del paso de gases en su desempeño nominal. H La presión de los gases del cárter puede tener grandes variaciones de acuerdo con las condiciones en que se encuentre el motor. Si el valor de la medición tomada se considera anormal, verifique si hay un aumento en el consumo de aceite, mal color en los gases de escape, deterioro del aceite, rapidez en el deterioro del aceite, etc. que están relacionadas con la presión anormal de los gases del cárter. 4. Después de finalizar la medición, retire los instrumentos y vuelva a instalar las piezas desmontadas. Símbolo Pieza No. Nombre de la Pieza F 799-201-1504 Revisador de paso de gases
  • 377.
    30 Pruebas yAjustes GSN00679-00 D155AX-6 15 Medición de la presión del aceite del motor 1 H Instrumentos para la medición de la presión del aceite del motor ¤ Pare la máquina sobre un terreno nivelado, baje completamente el equipo de trabajo sobre el terreno, pare el motor, y coloque la palanca del freno de estacionamiento y la palanca de seguridad en la posición de seguro "LOCK". H Mida la presión del aceite del motor bajo las siguientes condición: Temperatura del refrigerante del motor: Dentro del rango de operación 1. Abra la cubierta lateral del lado izquierdo del motor y el guardabarros izquierdo. 2. Retire del bloque de cilindros el tapón (1) de captación de presión de aceite del motor. 3. Instale los niples [1] y [2] del comprobador hidráulico G1 y conéctelos al comprobador hidráulico G2. H En vista de que el tamaño del agujero del tapón es R ¼, se podrán usar los niples rápidos (799 – 101 - 5210) en lugar de los niples [1] y [2] 4. Trabaje el motor en baja velocidad sin carga y en alta velocidad sin carga y mida la presión del aceite del motor. 5. Después de finalizar la medición, retire los instrumentos y vuelva a instalar las piezas desmontadas. Símbolo Pieza No. Nombre de la Pieza G 1 799-101-5002 Comprobador hidráulico 790-261-1204 Probador hidráulico digital 2 799-401-2320 Comprobador hidráulico
  • 378.
    GSN00679-00 30 Pruebasy Ajustes 16 D155AX-6 Manipulando partes del sistema de combustible 1 H Precauciones para las pruebas y manten- imiento del sistema de combustible El sistema de inyección de combustible de carrilera común (CRI) está formado por piezas de mayor precisión que las usadas en el sistema convencional de inyección de combustible que consta de la bomba de inyección y toberas. Si materias extrañas penetran a este sistema pueden ocasionar problemas. Al comprobar y dar mantenimiento al sistema de combustible, tome mayores precauciones de lo que hacía en el pasado. Si el polvo, etc. se adhiere a cualquier pieza, lave la pieza cuidadosamente con combustible limpio. H Precauciones para sustituir el cartucho del fil- tro de combustible. Esté seguro que utiliza el cartucho de filtro de combustible genuino de Komatsu. En vista de que el sistema de inyección de combustible de carrilera común (CRI) está formado por piezas de mayor precisión que las usadas en el sistema convencional de inyección de combustible que consta de la bomba de inyección y toberas, se utiliza un filtro especial de alta eficiencia para evitar el ingreso de materias extrañas al sistema. Si se utiliza otro filtro distinto al genuino, el sistema de combustible puede tener problemas. De tal modo, nunca use otro filtro que el genuino de Komatsu. Alivio de la presión residual del sistema de combustible 1 H Se genera presión en el circuito de baja presión y en el circuito de alta presión del sistema de combustible mientras el motor esté en marcha. Circuito de baja presión: Bomba de suministro – Filtro de combustible – Bomba de abastecimiento Circuito de alta presión: Bomba de abastecimiento – Carrilera común – Inyector H La presión tanto en el circuito de baja presión como en el circuito de alta presión, desciende automáticamente a un nivel de seguridad 30 segundos después de parar el motor. H Antes de probar el circuito de combustible y que se desmonten sus piezas, la presión residual existente en el circuito debe ser total- mente aliviada. De tal modo, observe lo sigu- iente: ¤ Antes de probar el sistema de combustible o desmontar sus piezas, espere por lo menos 30 segundos después de parar el motor y haber aliviado la presión residual del circuito de combustible. (No comience el trabajo justamente después de parar el motor ya que existen presiones residuales.)
  • 379.
    30 Pruebas yAjustes GSN00679-00 D155AX-6 17 Forma de medir la presión del combustible 1 H Instrumentos para medir la presión del com- bustible ¤ Pare la máquina sobre un terreno nivelado, baje completamente el equipo de trabajo sobre el terreno, pare el motor, y coloque la palanca del freno de estacionamiento y la palanca de seguridad en la posición de seguro "LOCK". H Pruebe solamente la presión del combustible en el circuito de baja presión desde la bomba de suministro al filtro de combustible y la bomba de suministro. ¤ Debido a que la presión en el circuito de alta presión, desde la bomba de abastec- imiento de combustible hacia la carrilera común y al inyector de combustible es muy elevada, no se puede medir. 1. Abra la cubierta lateral del lado izquierdo del motor y retire el tapón (1) de captación de presión de combustible de la parte superior del filtro de combustible. 2. Instale el adaptador H3 y el codo [1] y el niple [2] del comprobador hidráulico H1 y conéctelos al comprobador hidráulico H2. 3. Trabaje el motor en velocidad alta sin carga y mida la presión del combustible. H Si la presión de combustible está en el siguiente rango, está normal. 4. Después de finalizar la medición, retire los instrumentos y vuelva a instalar las piezas desmontadas. 3 Tapón: 7.84 -9.8 Nm {0.8 -1.0 kgm} Símbolo Pieza No. Nombre de la Pieza H 1 799-101-5002 Comprobador hidráulico 790-261-1204 Probador hidráulico digital 2 799-401-2320 Comprobador hidráulico 3 795-471-1450 Adaptador 07005-00812 Empaque Velocidad del motor Presión del combustible Alta velocidad sin carga 0.15 – 0.3 MPa {1.5 – 3 kg/cm²}
  • 380.
    GSN00679-00 30 Pruebasy Ajustes 18 D155AX-6 Midiendo la proporción de retorno y escape de combustible 1 H Instrumentos de medición de la proporción de retorno y escape de combustible H Prepare una bandeja para aceite con una capacidad de 20 ¶ para recibir la descarga de combustible que se produce durante la prueba. ¤ Pare la máquina sobre un terreno nivelado, baje completamente el equipo de trabajo sobre el terreno, pare el motor, y coloque la palanca del freno de estacionamiento y la palanca de seguridad en la posición de seguro "LOCK". Símbolo Pieza No. Nombre de la Pieza J 1 6151-51-8490 Espaciador 2 6206-71-1770 Unión 3 Disponible en el comercio Manguera 4 Disponible en el comercio Manguera 5 Disponible en el comercio Cilindro de medición 6 Disponible en el comercio Cronómetro
  • 381.
    30 Pruebas yAjustes GSN00679-00 D155AX-6 19 1. Trabajo de preparación 1) Abra la cubierta lateral del lado izquierdo del motor y el guardabarros izquierdo. 2) Retire el tubo (3) de entre la bomba de suministro (1) y la carrilera común (2). H En la figura, el filtro de aceite 1 se retira provisionalmente del lado de la carrilera común. H Desconecte ambos extremos del tubo, afloje la abrazadera y mueva el tubo hacia el lado opuesto del bloque de cilindros. 2) Inserte un espaciador J1 en el lado de la bomba de suministro (2) y coloque y apriete nuevamente el tornillo de unión removido. H También conecte nuevamente el tubo de retorno al tanque de combustible. H Asegúrese de colocar empaques en ambos extremos del espaciador. 3) Inserte la unión J2 en el lado del múltiple de inyección común (1) y coloque y apriete nuevamente el tornillo de unión removido. H En la figura, el filtro de aceite 1 se retira provisionalmente del lado de la carrilera común. H Asegúrese de colocar empaques en ambos extremos de la junta. 4) Conecte la manguera de pruebas J3 en el extremo de la unión J2. H Sujete la parte conectora de la manguera de prueba con un alambre, etc., para evitar que se desprenda. H Lo de arriba es el trabajo de preparación para medir el escape proveniente del limitador de presión. 2. Comprobación de fugas procedentes del limitador de presión 1) Coloque la manguera de prueba J3 de forma que no se ondee y coloque su extremo en la bandeja para aceite. 2) Poner en ON el interruptor del arranque y coloque el monitor de la máquina en la función de observación (Monitoring function) del modo de servicio. Código de revisión del monitor: 01002 Velocidad del motor H Para el método de operación, ver "Funciones especiales del monitor de la máquina (EMMS)".
  • 382.
    GSN00679-00 30 Pruebasy Ajustes 20 D155AX-6 3) Arranque el motor y conserve su velocidad en 1,600 rpm sin carga. 4) Después que se haya estabilizado la velocidad del motor, emplee el cilindro de medición J5 para comprobar si hay escapes en 1 minuto. H Usted podrá comprobar los escapes durante 20 segundos y formar juicio multiplicando por 3 los resultados H Si la proporción de retorno proveniente de la tobera está en el siguiente rango, está normal. 5) Después de finalizar las mediciones, pare el motor. 3. Forma de comprobar la tasa de retorno del inyector H Mantener la manguera conectada en el costado limitador de presión y conservar su extremo en la bandeja de aceite mien- tras se mide la tasa de retorno procedente del inyector. 1) Desconecte la manguera de retorno (5) del bloque de retorno (4) y conecte la manguera de prueba J4. H Cierre la manguera de retorno con un tapón, etc., y colóquela en el tanque de combustible. Tapón: 07376-70315 H Sujete la parte conectora de la manguera de prueba con un alambre, etc., para evitar que se desprenda. 2) Coloque la manguera de prueba J4 de forma que no se ondee y coloque su extremo en la bandeja para aceite. 3) Ponga en ON el interruptor del arranque y coloque el monitor de la máquina en la función de Ajustes del modo de servicios. Código de ajuste: 0530 (Modo de calado) H Para el método de operación, ver "Funciones especiales del monitor de la máquina (EMMS)". Velocidad del motor (rpm) Fuga (cc/min) 1,600 Máx. 10
  • 383.
    30 Pruebas yAjustes GSN00679-00 D155AX-6 21 4) Trabaje el motor en ralentí alto y cale el convertidor de torsión. Después que la velocidad del motor se haya estabilizado, mida la tasa de retorno en 1 minuto con el cilindro de medición J5. H Para el procedimiento de calar el convertidor de torsión, ver Forma de medir la velocidad del motor. H Se puede medir la tasa de retorno para 20 segundos y hacer juicio multiplicando el resultado por 3. H Si la bomba de suministro no está suministran do combustible, la velocidad del motor puede que no aumente. En este caso, también registre la velocidad del motor durante la medición. H Si la proporción de retorno (rebose) proveniente de la tobera está en el siguiente rango, está normal. 6) Después de finalizar las mediciones, pare el motor. 4. Después de finalizar la medición Después de finalizar todas las mediciones, retire los instrumentos y vuelva a instalar las piezas desmontadas. Velocidad de calado del convertidor de torsión (rpm) Límite de prorrata de retorno (reboce) (cc/min) 1,600 960 1,700 1,020 1,800 1,080 1,900 1,140 2,000 1.200
  • 384.
    GSN00679-00 30 Pruebasy Ajustes 22 D155AX-6 Forma de purgar el aire del circuito de combustible 1 H Si se agota el combustible, o si se desmonta o instala una pieza en el circuito de combustible, hay que purgar el aire del circuito de combusti- ble de acuerdo con el procedimiento que sigue: 1. Abra la cubierta lateral izquierda del motor. 2. Retire el filtro primario (1) de combustible y llénelo de combustible. H Llene el prefiltro de combustible con com- bustible limpio y tenga cuidado para que la suciedad no ingrese en el mismo. H Compruebe que la tapa está asentada a la parte (a) (agujero central) del filtro pri- mario de combustible y después añada combustible a través de la parte (b) agujeros alrededor del agujero central). H Después de llenar con combustible el filtro primario de combustible, retire la tapa de la parte (a). H Si no hay disponible combustible limpio, no desmonte el filtro primario; rellénelo con el combustible obtenido de la oper- ación de la bomba cebadora (4). H No añada combustible para abastecer el filtro principal (2) desde el exterior. 3. Instale el filtro primario (1) de combustible en el cabezal del filtro.
  • 385.
    30 Pruebas yAjustes GSN00679-00 D155AX-6 23 H Aplique una fina capa de aceite para motor sobre la empaquetadura del filtro primario de combustible. H Después que la empaquetadura del filtro primario de combustible hace contacto con la cara selladora del cabezal del filtro, apriete el filtro primario dándole ¾ de vuelta adicionales. 4. Retire el tapón (3) de purgar el aire del filtro de combustible principal (2) y opere la bomba cebadora (4). H Opere la bomba cebadora hasta que el combustible fluya por el agujero del tapón luego, instale el tapón. 3 Tapón para purgar el aire: 7.8 -9.8 Nm {0.8 -1.0 kgm} 5. Desmonte del filtro principal de combustible el tapón (5) para purgar el aire operando la bomba cebadora (4). H Opere la bomba cebadora hasta que el combustible fluya por el agujero del tapón luego, instale el tapón. 3 Tapón para purgar el aire: 7.8 -9.8 Nm {0.8 -1.0 kgm} 6. Afloje la purga del aire (6) de la bomba de abastecimiento y opere 90 -100 veces la bomba cebadora (4). H Opere la bomba cebadora hasta que el combustible salga por el agujero de la purga del aire y luego, apriete la purga del aire. Después opere la bomba cebadora unas cuantas veces más hasta que se sienta pesada al tacto. H Purga del aire: 4.9 – 6.9 kgm {0.5 – 0.7 kgm} 7. Ponga en marcha el motor empleando el motor de arranque. H El aire en el circuito de alta presión se purga automáticamente cuando se le da arranque al motor. H Si el motor no arranca, puede que todavía quede aire en el circuito de baja presión. En ese caso, repita el procedimiento ante- rior desde el paso 4.
  • 386.
    GSN00679-00 30 Pruebasy Ajustes 24 D155AX-6 Midiendo si hay escapes en el circuito de combustible 1 ¤ En el circuito de alta presión del sistema de combustible, se genera una presión muy elevada. Si hay escapes de combustible mientras el motor está en marcha, esto es peligroso ya que puede producirse un incendio. H Después de probar el sistema de combustible o de desmontar o instalar sus piezas, haga una inspección en busca de fugas de combus- tible de acuerdo con el procedimiento que sigue a continuación: H Anticipadamente, limpie y elimine la grasa del motor y de las piezas alrededor del mismo para que pueda fácilmente hacer inspección en busca de escapes de combustible. 1. Pulverice comprobador de color (desarrollador) sobre la bomba de abastecimiento de combustible, sobre la carrilera común, los inyectores de combustible y las tuberías de alta presión. 2. Haga funcionar el motor a una velocidad por debajo de las 1.000 rpm, y párelo después de que la velocidad se haya estabilizado. 3. Compruebe las tuberías de combustible y los dispositivos en busca de fugas de combustible. H Inspeccione principalmente alrededor de las piezas del circuito de alta presión cubi- ertas con el comprobador a color para escape de combustible. H Si se detecta algún escape de combusti- ble, repárelo y haga nueva inspección desde el paso 1. 4. Haga funcionar el motor al ralentí. 5. Compruebe las tuberías de combustible y los dispositivos en busca de fugas de combustible. H Inspeccione principalmente alrededor de las piezas del circuito de alta presión cubi- ertas con el comprobador a color para escape de combustible. H Si se detecta algún escape de combusti- ble, repárelo y haga nueva inspección desde el paso 1. 6. Haga funcionar el motor en alta velocidad sin carga. 7. Compruebe las tuberías de combustible y los dispositivos en busca de fugas de combustible. H Inspeccione principalmente alrededor de las piezas del circuito de alta presión cubi- ertas con el comprobador a color para escape de combustible. H Si se detecta algún escape de combusti- ble, repárelo y haga nueva inspección desde el paso 1. 8. Haga funcionar el motor en alta velocidad y cárguelo. H Alivie el circuito del desgarrador elevando el desgarrador. 9. Compruebe las tuberías de combustible y los dispositivos en busca de fugas de combustible. H Inspeccione principalmente alrededor de las piezas del circuito de alta presión cubi- ertas con el comprobador a color para escape de combustible. H Si se detecta algún escape de combusti- ble, repárelo y haga nueva inspección desde el paso 1. H Si no se detectan escapes de combusti- ble, la revisión se ha completado.
  • 387.
    30 Pruebas yAjustes GSN00679-00 D155AX-6 25 Probando y ajustando la tensión de la correa del alternador 1 ¤ Pare la máquina sobre un terreno nivelado, baje completamente el equipo de trabajo sobre el terreno, pare el motor, y coloque la palanca del freno de estacionamiento y la palanca de seguridad en la posición de seguro "LOCK". Probando 1. Abra la cubierta del lado derecho del motor y retire la plancha de inspección en la derecha del protector del radiador. 2. En el punto intermedio de la correa entre la polea del alternador y la polea de la bomba de agua, oprima con el dedo y mida la flexión (a) de la correa. H Fuerza de compresión: Approx. 98 N {Approx. 10 kg} H Flexión (a): 13 -16 mm Ajuste H Si la flexión está fuera del rango estándar, ajústela de acuerdo al siguiente proced- imiento. 1. Desmonte los 2 pernos de montaje y la cubierta de la correa (1). H Al sustituir la correa solamente retire la cubierta de la correa. 2. Afloje 2 pernos de montaje (3) del alternador (2) y después afloje el perno de seguridad (4) de la barra de ajuste. 3. Afloje la tuerca de seguridad (5) de la barra de ajuste y mueva el alternador (2) con la tuerca de ajuste (6) para ajustar la tensión de la correa. 4. Mientras asegura la tuerca de ajuste (6) y apriete la tuerca de seguridad (5). 5. Apriete la tuerca de seguridad (4) de la barra de ajuste y los 2 pernos de montaje (3) del alternador (2). 6. Instale la cubierta (1) de la correa con los 2 pernos de montaje. H Compruebe si hay roturas en las poleas, desgaste de las ranuras en V, contacto de las correas y ranuras en V y contacto de las cubiertas de las correas y partes gira- torias. H Si la correa se ha prolongado hasta su límite de ajuste, está cortada, o cuar- teada, instale una correa nueva. H Si se sustituye una correa en V, ajuste nuevamente su tensión después de una hora de funcionamiento. H Después de apretar los tornillos, revise que la tensión de la correa es normal de acuerdo al procedimiento de arriba. 7. Después de efectuar la comprobación y ajustes, devuelva las partes desmontadas.
  • 388.
    GSN00679-00 30 Pruebasy Ajustes 26 D155AX-6 Prueba y ajuste de la tensión de la correa del compresor del acondicionador de aire 1 ¤ Pare la máquina sobre un terreno nivelado, baje completamente el equipo de trabajo sobre el terreno, pare el motor, y coloque la palanca del freno de estacionamiento y la palanca de seguridad en la posición de seguro "LOCK". Probando 1. Abra la cubierta lateral del lado izquierdo del motor y el guardabarros izquierdo. 2. En el punto intermedio de la correa entre la polea del ventilador y la polea de la bomba de abastecimiento, oprima con el dedo y mida la flexión (a) de la correa. H Fuerza de compresión: Approx. 59 N {Approx. 6 kg} H Flexión (a): 10 mm Ajuste H Si la flexión está fuera del rango estándar, ajústela de acuerdo al siguiente proced- imiento. 1. Afloje los 4 pernos de montaje (1) del soporte. 2. Afloje la tuerca de seguridad (2) y mueva el compresor (4) y el soporte como una unidad con el perno de ajuste (3) para ajustar la tensión de la correa. 3. Mientras asegura la tuerca de ajuste (3) y apriete la tuerca de seguridad (2). 4. Apriete los 4 pernos de montaje (1) del soporte. H Compruebe si hay roturas en las poleas, desgaste de las ranuras en V, contacto de las correas y ranuras en V y contacto de las cubiertas de las correas y partes gira- torias. H Si la correa se ha prolongado hasta su límite de ajuste, está cortada, o cuar- teada, instale una correa nueva. H Si se sustituye una correa en V, ajuste nuevamente su tensión después de una hora de funcionamiento. H Después de apretar los tornillos, revise que la tensión de la correa es normal de acuerdo al procedimiento de arriba. 5. Después de efectuar la comprobación y ajustes, devuelva las partes desmontadas.
  • 389.
    30 Pruebas yAjustes GSN00679-00 D155AX-6 27 Medición de la velocidad del ventilador 1 H Instrumento para la medición de la velocidad del ventilador ¤ Pare la máquina sobre un terreno nivelado, baje completamente el equipo de trabajo sobre el terreno , pare el motor, y coloque la palanca del freno de estacionamiento y la palanca de seguridad en la posición de seguro "LOCK". H Mida la velocidad del ventilador del motor bajo la siguiente condición. Temperatura del aceite hidráulico: Dentro del rango de operación 1. Abra el mascarón del radiador y remueva la red del ventilador. 2. Coloque en el ventilador (1) una cinta adhesiva de reflexión [1] tomada del conjunto K del tacómetro. 3. Coloque el probador [2] en la cinta adhesiva de reflexión con el estante [3] y conéctelo al tacómetro [4]. ¤ Tenga cuidado que la sonda no interfi- era con el ventilador. H Voltee el ventilador con la mano y com- pruebe que el probador puede detectar la rotación de la cinta adhesiva de reflexión. 4. Cierre la rejilla del radiador. ¤ Antes de arrancar el motor, esté seguro de haber cerrado el protector del radia- dor. No arranque el motor mientras el protector del radiador está abierto. 5. Arranque el motor y coloque el monitor de la máquina en la función de Ajustes del modo de servicios. H Código de ajuste: 1005 (Modo de ventila- dor 100% ) H Para el método de operación, ver "Funci- ones especiales del monitor de la máquina (EMMS)". H Si este código de ajustes aparece expuesto, la velocidad del motor se man- tiene al 100% de acuerdo con la velocidad del motor, independientemente del estado de la máquina. 6. Mientras se trabaja el motor en ralentí bajo y ralentí alto, mida la velocidad del ventilador. 7. Después de finalizar la medición, retire los instrumentos y vuelva a instalar las piezas desmontadas. Símbolo Pieza No. Nombre de la Pieza K 795-205-1100 Juego de tacómetro
  • 390.
    GSN00679-00 30 Pruebasy Ajustes 28 D155AX-6 Medición de la presión de aceite del circuito del ventilador 1 H Instrumentos de medición para la presión de aceite del circuito del ventilador. ¤ Pare la máquina sobre un terreno nivelado, baje completamente el equipo de trabajo sobre el terreno, pare el motor, y coloque la palanca del freno de estacionamiento y la palanca de seguridad en la posición de seguro "LOCK". H Mida la presión de aceite del circuito de control del ventilador bajo las condiciones siguientes: Temperatura del aceite hidráulico: Dentro del rango de operación 1. Abra el mascarón del radiador y remueva la red del ventilador. 2. Desconecte la manguera (1) de suministro del motor del ventilador. 3. Instale un adaptador L2 y conecte nuevamente la manguera desconectada. 4. Instale los adaptadores L3 y conéctelo al medidor de presión de aceite [2]. H Cuando se use un indicador analógico de presión de aceite, use uno con una capacidad de 39.2 MPa [400 kg/cm2]. 5. Cierre la rejilla del radiador. ¤ Antes de arrancar el motor, esté seguro de haber cerrado el protector del radia- dor. No arranque el motor mientras el protector del radiador está abierto. 6. Arranque el motor y coloque el monitor de la máquina en la función de Ajustes del modo de servicios. H Código de ajuste: 1005 (Modo de ventila- dor 100% ) H Para el método de operación, ver "Funci- ones especiales del monitor de la máquina (EMMS)". H Si este código de ajustes aparece expuesto, la velocidad del motor se man- tiene al 100% de acuerdo con la velocidad del motor, independientemente del estado de la máquina. Símbolo Pieza No. Nombre de la Pieza L 1 799-101-5002 Comprobador hidráulico 790-261-1204 Probador hidráulico digital 2 799-401-3400 Adaptador (05) 3 799-101-5220 Niple (10 x 1.25 mm) 07002-11023 Anillo-0
  • 391.
    30 Pruebas yAjustes GSN00679-00 D155AX-6 29 7. Mientras se trabaja el motor en ralentí alto, mida la presión de aceite del circuito del ventilador. 8. Después de finalizar la medición, retire los instrumentos y vuelva a instalar las piezas desmontadas. Forma de purgar el aire de la bomba del ventilador 1 H Si se desmonta e instala la bomba del ventila- dor, o si se desconectan y conectan sus tuberías, purgue el aire de la caja de la bomba del ventilador de acuerdo con el procedimiento que sigue: H Antes de comenzar el siguiente trabajo, com- pruebe que el nivel del aceite hidráulico está normal. 1. Desmontar la cubierta del paso izquierdo. 2. Afloje el dispositivo de purgar el aire (1) y déjelo abierto durante 15 minutos. 3. Después de 15 minutos, arrancar el motor y trabajarlo en ralentí bajo. 4. Después que el aceite salga por el agujero del dispositivo de purgar el aire (1), apriete el dispositivo (1) y pare el motor. 3 Purga del aire: 7.8 -9.8 Nm {0.8 -1.0 kgm}
  • 392.
    GSN00679-00 30 Pruebasy Ajustes 30 D155AX-6 Forma de ajustar el dial del control de combustible y el pedal desacelerador1 ¤ Pare la máquina sobre un terreno nivelado, baje completamente el equipo de trabajo sobre el terreno, pare el motor, y coloque la palanca del freno de estacionamiento y la palanca de seguridad en la posición de seguro "LOCK". 1. Descripción del sistema de control de combustible Las siguientes señales son entradas como señales de comandos de rotación para el controlador del motor. 1) Señal del potenciómetro del dial de control de combustible. 2) Señal del potenciómetro del pedal desacelerador 3) 3ª señal del acelerador (Controlador del tren de potencia) El controlador del motor controla el sistema de control de combustible del motor (Sistema de inyección de combusti- ble por múltiple común "CRI") de acuerdo a una de las señales de entrada de arriba que indica la menor velocidad del motor. Ajustar la velocidad del pedal desacelera- dor y la velocidad alta en ralentí con el varillaje del pedal desacelerador. DIAL: Dial de control de combustible PEDAL: Pedal desacelerador ROD: Vástago del pedal desacelerador POTENSIO: Potenciómetro del pedal desacelerador ENG-ECU: Controlador del motor P/T-ECU: Controlador del tren de potencia ENINE: Unidad del motor (dispositivos CRI) [KOMNET]: Circuito de comunicación KOMNET (3a. señal reguladora)
  • 393.
    30 Pruebas yAjustes GSN00679-00 D155AX-6 31 2. Trabajo de preparación 1) Desmonte la cubierta derecha del tablero de instrumentos y el apoyo para descanso del pie derecho como unidad. 2) Arranque el motor y coloque el monitor de la máquina en la función de Ajustes del modo de servicios. Código de ajuste: 0007 (Corte del desacelerador del motor) H Para el método de operación, ver "Funciones especiales del monitor de la máquina (EMMS)". 3. Ajustando la velocidad del pedal desacelerador Coloque el dial de control del combustible en la posición de alta velocidad sin carga (MAX) y oprima el pedal desacelerador (1) hacia el tornillo retén (2) y verifique que la velocidad del pedal desacelerador sea normal. Velocidad del pedal desacelerador: 875 ± 50 rpm H Si la velocidad con el pedal desacelerador es anormal, ajuste la dimensión instalada (a) en el tornillo retén (2). Dimensión (a) estándar instalada del tor- nillo retén: 35.0 mm 4. Forma de ajustar la velocidad del ralentí alto Con el control de combustible en la posición de ra lentí alto (MAX), suelte el p edal desacelerador (1) y compruebe que esté normal la velocidad del ralentí alto. Velocidad max. en ralentí: 2,050 ± 50 rpm H Si la velocidad alta sin carga es anormal, haga ajuste de acuerdo al procedimiento que sigue: Cuando la velocidad está por encima de 1,950 rpm: Red uzca la ve locida d de l motor, provisionalmente, a menos de 1,900 rpm empleando el perno (3) del tope para eliminar el juego del pedal desacelerador y después aumente la velocidad al valor de la alta velocidad sin carga. Cuando la velocidad está por debajo de 1,950 rpm: Ajuste la velocidad del motor al valor de la alta velocidad sin carga empleando el perno de tope (3). Dimensión (b) estándar instalada del tor- nillo retén: 34.8 mm 5. Trabajo después del ajuste Después de finalizar todos los ajustes, vuelva a instalar las piezas desmontadas.
  • 394.
    GSN00679-00 30 Pruebasy Ajustes 32 D155AX-6 D155AX-6 Buldózer No.de Forma GSN00679-00 © 2006 KOMATSU Todos los Derechos Reservados Impreso en E.E.U.U. 08-06
  • 395.
    D155AX-6 1 GSN00680-00 BULDÓZER 1MANUALDE TALLER D155AX-6 Modelo de máquina Número de serie D155AX-6 80001 y superiores 30 Pruebas y Ajustes 1 Pruebas y ajustes, Parte 2 Pruebas y ajustes, Parte 2............................................................................................................................. 3 Pruebas y ajustes, Parte 2 .................................................................................................................. 3 Forma de medir la presión del aceite del tren de potencia ................................................................. 3 Ajustando el sensor de velocidad del eje de salida de la transmisión .............................................. 11 Método sencillo para comprobar el desempeño del freno ................................................................ 12 Ajuste del pedal del freno.................................................................................................................. 13 Ajustando la palanca del freno de estacionamiento.......................................................................... 15 Método para una salida de emergencia cuando el tren de potencia tiene problema........................ 17 Forma de ajustar la separación de la rueda delantera...................................................................... 20 Prueba y ajuste de la tensión de la oruga......................................................................................... 21 Midiendo y ajustando la presión del aceite del equipo de trabajo y del HSS.................................... 22 Medida en la presión básica del circuito de control .......................................................................... 26 Midiendo la presión de salida de la válvula solenoide de traba del equipo de trabajo...................... 27 Método de operación de emergencia cuando el equipo de trabajo tiene problemas........................ 28 Forma de medir la presión de salida de la válvula solenoide de salida de pasador del desgarrador30 Prueba para medir el deslizamiento hidráulico de la hoja y del desgarrador.................................... 31
  • 396.
    GSN00680-00 30 Pruebasy Ajustes 2 D155AX-6 Forma de medir el escape interno de aceite en el cilindro del equipo de trabajo ............................. 32 Forma de aliviar la presión residual del cilindro del equipo de trabajo.............................................. 33 Forma de purgar el aire del cilindro del equipo de trabajo ................................................................ 33 Ajuste la palanca de cierre del equipo de trabajo ............................................................................. 34 Forma de ajustar la hoja topadora .................................................................................................... 35 Ajustando la cabina del operador...................................................................................................... 37
  • 397.
    30 Pruebas yAjustes GSN00680-00 D155AX-6 3 Pruebas y ajustes, Parte 2 1 Forma de medir la presión del aceite del tren de potencia 1 H Instrumentos para la medición de presión de aceite en el tren de potencia ¤ Pare la máquina sobre un terreno nivelado, baje completamente el equipo de trabajo sobre el terreno, pare el motor, y coloque la palanca del freno de estacionamiento y la palanca de seguridad en la posición de seguro "LOCK". H Mida la presión del aceite del tren de potencia bajo las siguientes condiciones. Temperatura del aceite del tren de potencia: Dentro del rango de operación H En vista de que los tapones captadores de presión de aceite del recorrido de potencia (sección centralizada de captación de presión) se encuentran instalados dentro de la cubierta del peldaño derecho, desmonte esa cubierta cuando se mida la presión de aceite del recor- rido de potencia. H Tapones captadores de presión e instru- mentos que se utilizarán. H En vista de que la presión de entrada y la presión de salida del convertidor de torsión se miden con la función de Observación (Monitor- ing function) del modo de servicio del monitor de la máquina, no hay para ellos tapones captadores de presión de aceite en la sección centralizada para captación de presión, Símbolo Pieza No. Nombre de la Pieza M 799-101-5002 Comprobador hidráulico 790-261-1204 Probador hidráulico digital No. Estam -pa Presión del aceite a medir Indicador de presión de aceite (MPa {kg/cm²}) 1 TM Presión de alivio principal de la transmisión 5.9 {60} 2 LC Presión del embrague de traba del convertidor de torsión 2.5 {25} 3 SC Presión del embrague del estator del convertidor de torsión 5.9 {60} 4 F Presión del embrague de avance de la transmisión 5.9 {60} 5 R Presión del embrague de retroceso de la transmisión 5.9 {60} 6 1ª. Presión del embrague de 1a. de la transmisión 5.9 {60} 7 2ª Presión del embrague de 2a. de la transmisión 5.9 {60} 8 3ª Presión del embrague de 3a. de la transmisión 5.9 {60} 9 RB Presión del freno derecho de la dirección 5.9 {60} 10 LB Presión del freno izquierdo de la dirección 5.9 {60} 11 – Presión de ingreso al convertidor de torsión Monitor de la máquina – Presión de salida del convertidor de torsión Monitor de la máquina
  • 398.
    GSN00680-00 30 Pruebasy Ajustes 4 D155AX-6 1. Forma de medir la presión de alivio principal de la transmisión (TM) 1) Conecte el indicador de presión de aceite [1] del comprobador hidráulico M al tapón [1] captador de presión de aceite. H Cuando se use un indicador analógico de presión de aceite, use uno con una capacidad de 5.9 MPa [60 kg/cm2]. 2) Arranque el motor y coloque la palanca PCCS en la posición neutral. H La palanca del freno de estaciona- mien to p ued e co lo carse en la posición de LOCK = CERRADO. 3) Con el motor trabajando en ralentí bajo y en ralentí alto, mida la presión de alivio principal. 4) Después de finalizar la medición, retire los instrumentos y vuelva a instalar las piezas desmontadas. 2. Forma de medir la presión de traba del embrague del convertidor de torsión (LC) 1) Conecte el indicador de presión de aceite [1] del comprobador hidráulico M al tapón [2] captador de presión de aceite. H Cuando se use un indicador analógico de presión de aceite, use uno con una capacidad de 2.5 MPa [25 kg/cm2]. 2) Arrancar el motor y elevar la máquina con la hoja y con el desgarrador a una altura en que se pueda mover libremente la oruga. ¤ Después de levantar la máquina, coloque la palanca de cierre del equipo de trabajo en la posición de LOCK = CERRADO. 3) Establezca el modo de cambio de marchas y establezca previamente el régimen en la forma siguiente empleando el interruptor selector de modo de cambio de marchas y los interruptores de cambio arriba y cambio abajo. Modo de cambio de marchas: Cambio automático de marchas (Explanación) Régimen previamente establecido: F1-R1 4) Coloque el monitor de la máquina en la función de Observación del modo de servicios. Código de revisión del monitor: 31520 T/M Fill SW Input 2 H Para el método de operación, ver Funciones especiales del monitor de la máquina (EMMS).
  • 399.
    30 Pruebas yAjustes GSN00680-00 D155AX-6 5 5) Coloque la palanca PCCS en la posición de avance para trabajar libremente la oruga. ¤ Tenga cuidado de no verse atrapado por las partes giratorias de las zapatas de la oruga mientras se hacen las mediciones. H Mantenga en neutral el sistema de dirección. 6) Mientras se trabaja el motor en ralentí alto, cuando el L/U Fill Sw en el item de observación se pone en ON, mida la presión del embrague de traba. 7) Después de finalizar la medición, retire los instrumentos y vuelva a instalar las piezas desmontadas. 3. Forma de medir la presión del embrague del estator del convertidor de torsión (SC) 1) Conecte el indicador de presión de aceite [1] del comprobador hidráulico M al tapón [3] captador de presión de aceite. H Cuando se use un indicador analógico de presión de aceite, use uno con una capacidad de 5.9 MPa [60 kg/cm2]. 2) Arranque el motor y coloque la palanca PCCS en la posición neutral. H La palanca del freno de estaciona- mien to pu ede co loca rse en la posición de LOCK = CERRADO. 3) Mientras se trabaja el motor en ralentí bajo y ralentí alto, mida la presión del embrague del estator. 4) Después de finalizar la medición, retire los instrumentos y vuelva a instalar las piezas desmontadas.
  • 400.
    GSN00680-00 30 Pruebasy Ajustes 6 D155AX-6 4. Forma de medir la presión del embrague de avance de la transmisión (F) 1) Conecte el indicador de presión de aceite [1] del comprobador hidráulico M al tapón [4] captador de presión de aceite. H Cuando se use un indicador analógico de presión de aceite, use uno con una capacidad de 5.9 MPa [60 kg/cm2]. 2) Arranque el motor y ponga la palanca del freno de estacionamiento en la posición de LIBRE. 3) Establezca el modo de cambio de marchas y establezca previamente el régimen en la forma siguiente empleando el interruptor selector de modo de cambio de marchas y los interruptores de cambio arriba y cambio abajo. Modo de cambio de marchas: Cambio de marchas manual (Labores de desgarramiento) Régimen previamente establecido: F2-R2 4) Mientras se oprime el pedal del freno, coloque la dirección de la palanca PCCS en la posición de avance y cambie arriba la marcha hacia la 3ª velocidad con el interruptor de cambio arriba. H Mantenga en neutral el sistema de dirección. H Compruebe que [F3] aparece expuesto en la sección expositora de marchas. 5) Mientras se trabaja el motor en ralentí alto, mida la presión del embrague de avance. ¤ Como el convertidor de torsión está calado, mantenga oprimido firmemente el pedal del freno y su pie derecho e n el pe dal desa cele rador para fine s de seguridad hasta finalizar el trabajo. 6) Después de finalizar la medición, retire los instrumentos y vuelva a instalar las piezas desmontadas. 5. Forma de medir la presión del embrague de retroceso de la transmisión (R) 1) Conecte el indicador de presión de aceite [1] del comprobador hidráulico M al tapón [5] captador de presión de aceite. H Cuando se use un indicador analógico de presión de aceite, use uno con una capacidad de 5.9 MPa [60 kg/cm2]. 2) Arranque el motor y ponga la palanca del freno de estacionamiento en la posición de LIBRE. 3) Establezca el modo de cambio de marchas y establezca previamente el régimen en la forma siguiente empleando el interruptor selector de modo de cambio de marchas y los interruptores de cambio arriba y cambio abajo. Modo de cambio de marchas: Cambio de marchas manual (Labores de desgarramiento) Régimen previamente establecido: F2-R2 4) Mientras se oprime el pedal del freno, establezca a la dirección de la palanca
  • 401.
    30 Pruebas yAjustes GSN00680-00 D155AX-6 7 PCCS en la posición de marcha atrás y cambie arriba la marcha hacia la 3ª velocidad con el interruptor de cambio arriba. Mantenga en neutral el sistema de dirección. Compruebe que [R3] aparece expuesto en la sección expositora de marchas. 5) Mientras se trabaja el motor en ralentí alto, mida la presión del embrague de retroceso. ¤ Como el convertidor de torsión está calado, mantenga oprimido firmemente el pedal del freno y su pie de rec ho en e l pedal desa ce le rador para fine s de seguridad hasta finalizar el trabajo. 6) Después de finalizar la medición, retire los instrumentos y vuelva a instalar las piezas desmontadas. 6. Forma de medir la presión del embrague de la 1a. marcha de la transmisión (1ST) 1) Conecte el indicador de presión de aceite [1] del comprobador hidráulico M al tapón [6] captador de presión de aceite. H Cuando se use un indicador analógico de presión de aceite, use uno con una capacidad de 5.9 MPa [60 kg/cm2]. 2) Arranque el motor y ponga la palanca del freno de estacionamiento en la posición de LIBRE. 3) Establezca el modo de cambio de marchas y establezca previamente el régimen en la forma siguiente empleando el interruptor selector de modo de cambio de marchas y los interruptores de cambio arriba y cambio abajo. Modo de cambio de marchas: Cambio de marchas manual (Labores de desgar- ramiento) Régimen previamente establecido: F1- R1 4) Mientras se oprime el pedal del freno, coloque la palanca de dirección PCCS en la posición de avance. H Mantenga en neutral el sistema de dirección. H Compruebe que [F1] aparece expuesto en la sección expositora de marchas. 5) Mientras se trabaja el motor en ralentí bajo, mida la presión del embrague de 1ª. ¤ Como el convertidor de torsión está calado, mantenga oprimido firmemente el pedal del freno y su pie dere cho e n el pe da l desacelera dor para fines de seguridad hasta finalizar el trabajo. ¤ Durante la medición no aumente la velocidad del motor al punto de alta velocidad sin carga. 6) Después de finalizar la medición, retire los instrumentos y vuelva a instalar las piezas desmontadas. 7. Forma de medir la presión del embrague de la 2a. marcha de la transmisión (2ND) 1) Conecte el indicador de presión de aceite [1] del comprobador hidráulico M al tapón [7] captador de presión de aceite.
  • 402.
    GSN00680-00 30 Pruebasy Ajustes 8 D155AX-6 H Cuando se use un indicador analógico de presión de aceite, use uno con una capacidad de 5.9 MPa [60 kg/cm2]. 2) Arranque el motor y ponga la palanca del freno de estacionamiento en la posición de LIBRE. 3) Establezca el modo de cambio de marchas y establezca previamente el régimen en la forma siguiente empleando el interruptor selector de modo de cambio de marchas y los interruptores de cambio arriba y cambio abajo. Modo de cambio de marchas: Cambio de marchas manual (Labores de desgarramiento) Régimen previamente establecido: F2- R2 4) Mientras se oprime el pedal del freno, coloque la palanca de dirección PCCS en la posición de avance. H Mantenga en neutral el sistema de dirección. H Compruebe que [F2] aparece expuesto en la sección expositora de marchas. 5) Mientras se trabaja el motor en ralentí bajo, mida la presión del embrague de 2ª. ¤ Como el convertidor de torsión está calado, mantenga oprimido firmemente el pedal del freno y su pie derecho e n el pe dal de sac elerador pa ra fines de seguridad hasta finalizar el trabajo. ¤ Durante la medición no aumente la velocidad del motor al punto de alta velocidad sin carga. 6) Después de finalizar la medición, retire los instrumentos y vuelva a instalar las piezas desmontadas. 8. Forma de medir la presión del embrague de la 3a. marcha de la transmisión (3RD) 1) Conecte el indicador de presión de aceite [1] del comprobador hidráulico M al tapón [8] captador de presión de aceite. H Cuando se use un indicador analógico de presión de aceite, use uno con una capacidad de 5.9 MPa [60 kg/cm2]. 2) Arranque el motor y ponga la palanca del freno de estacionamiento en la posición de LIBRE. 3) Establezca el modo de cambio de marchas y establezca previamente el régimen en la forma siguiente empleando el interruptor selector de modo de cambio de marchas y los interruptores de cambio arriba y cambio abajo. Modo de cambio de marchas: Cambio de marchas manual (Labores de desgarramiento) Régimen previamente establecido: F2-R2
  • 403.
    30 Pruebas yAjustes GSN00680-00 D155AX-6 9 4) Mientras se oprime el pedal del freno, coloque la dirección de la palanca PCCS en la posición de avance y cambie arriba la marcha hacia la 3ª velocidad con el interruptor de cambio arriba. H Mantenga en neutral el sistema de dirección. H Compruebe que [F3] aparece expuesto en la sección expositora de marchas. 5) Mientras se trabaja el motor en ralentí bajo, mida la presión del embrague de 3ª. ¤ Como el convertidor de torsión está calado, mantenga oprimido firmemente el pedal del freno y su pie de rec ho en e l pedal desa ce le rador para fine s de seguridad hasta finalizar el trabajo. ¤ Durante la medición no aumente la velocidad del motor al punto de alta velocidad sin carga. 6) Después de finalizar la medición, retire los instrumentos y vuelva a instalar las piezas desmontadas. 9. Forma de medir la presión del freno derecho de la dirección (RB) 1) Conecte el indicador de presión de aceite [1] del comprobador hidráulico M al tapón [9] captador de presión de aceite. H Cuando se use un indicador analógico de presión de aceite, use uno con una capacidad de 5.9 MPa [60 kg/cm2]. 2) Arranque el motor y ponga la palanca del freno de estacionamiento en la posición de LIBRE. 3) Mientras se trabaja el motor en ralentí bajo y ralentí alto, mida la presión del freno derecho. H Durante la medición, verifique que la presión del aceite baja a 0 [cero] cuando se oprime el pedal del freno o cuando la palanca del freno de estacionamiento se pone en la posición LOCK = TRANCADO. 4) Después de finalizar la medición, retire los instrumentos y vuelva a instalar las piezas desmontadas.
  • 404.
    GSN00680-00 30 Pruebasy Ajustes 10 D155AX-6 10. Forma de medir la presión del freno izquierdo de la dirección (LB) 1) Conecte el indicador de presión de aceite [1] del comprobador hidráulico M al tapón [10] captador de presión de aceite. H Cuando se use un indicador analógico de presión de aceite, use uno con una capacidad de 5.9 MPa [60 kg/cm2]. 2) Arranque el motor y ponga la palanca del freno de estacionamiento en la posición de LIBRE. 3) Mientras se trabaja el motor en ralentí bajo ralentí alto, mida la presión del freno izquierdo. H Durante la medición, verifique que la presión del aceite baja a 0 [cero] cuando se oprime el pedal del freno o cuando la palanca del freno de estacionamiento se pone en la posición LOCK = TRANCADO. 4) Después de finalizar la medición, retire los instrumentos y vuelva a instalar las piezas desmontadas. 11. Forma de medir la presión de entrada y la presión de salida al convertidor de torsión 1) Poner en ON el interruptor del arranque y coloque el monitor de la máquina en la función de observación (Monitoring function) del modo de servicio. Código de revisión del monitor: 32601 T/C In Pressure, 32603 T/C Out Pressure H Para el método de operación, ver Funciones especiales del monitor de la máquina (EMMS). 2) Arranque el motor y coloque la palanca PCCS en la posición neutral. H La palanca del freno de estacionamiento puede colocarse en la posición de LOCK = CERRADO. 3) Mientras se trabaja el motor en ralentí bajo y ralentí alto, mida la presión de entrada y la presión de salida del convertidor de torsión.
  • 405.
    30 Pruebas yAjustes GSN00680-00 D155AX-6 11 Forma de ajustar el sensor de la velocidad del eje de salida de la transmisión 1 ¤ Pare la máquina sobre un terreno nivelado, baje completamente el equipo de trabajo sobre el terreno, pare el motor, y coloque la palanca del freno de estacionamiento y la palanca de seguridad en la posición de seguro "LOCK". 1. Remueva el tanque de combustible y el sensor de velocidad del eje de salida de la transmisión (1) 4 Tanque de combustible: 950 kg (cuando está lleno) H Antes de ajustar el sensor de velocidad del eje de salida de la transmisión, desmóntelo y compruebe si su punta está libre de limayas de acero y fallas y después reinstálelo. 2.Atornille el sensor (1) hasta que la punta toque la punta del diente de la corona dentada (2). 2 Roscas: Sellador de empaquetadu- ras (LG-5). 3. Desenrosque el sensor (1) por el ángulo especificado. H Ángulo de desenrosque del sensor: 1/2 – 1 vuelta H Ajuste la holgura (a) entre la punta del sensor y la punta del diente del engranaje entre 0.75 y -1.5 mm 4. Mientras asegura el sensor (1)apriete la tuerca (3). 2 Tuerca: 49.0 -68.6 Nm {5 -7 kgm} 5. Después de finalizar el ajuste, vuelva a instalar las piezas desmontadas. 6. Arranque el motor, coloque el monitor de la máquina en la función de Observación del modo de servicios y compruebe que la velocidad de la transmisión aparece indicada normalmente. H Código de revisión del monitor: 31400 T/M Out Speed H Para el método de operación, ver Funci- ones especiales del monitor de la máquina (EMMS). H Para hacer girar el eje de salida de la transmisión, conduzca realmente la máquina y trabaje la oruga libremente.
  • 406.
    GSN00680-00 30 Pruebasy Ajustes 12 D155AX-6 Sencillo procedimiento de prueba para el desempeño del freno 1 ¤ Pare la máquina sobre un terreno nivelado, baje completamente el equipo de trabajo sobre el terreno, pare el motor, y coloque la palanca del freno de estacionamiento y la palanca de seguridad en la posición de seguro "LOCK". H Realice la prueba sencilla del desempeño del freno bajo la siguiente condición. Temperatura del aceite del tren de poten- cia: Dentro del rango de operación 1. Coloque la hoja y el desgarrador en posición de traslado sobre terreno nivelado. 2. Trabaje el motor y coloque la palanca del freno de estacionamiento en la posición de FREE = LIBERADO. 3. Establezca el modo de cambio de marchas y establezca previamente el régimen en la forma siguiente empleando el interruptor selector de modo de cambio de marchas y los interruptores de cambio arriba y cambio abajo. Modo de cambio de marchas: Cambio de marchas manual (Labores de desgarramiento) Régimen previamente establecido: F2-R2 4. Mientras se oprime el pedal del freno, coloque la palanca de dirección PCCS en la posición de avance. ¤ Si esta prueba se realiza en la posición de la 1 a. m archa , el freno s erá sobrecargado. De tal modo que, cerciórese de realizar la prueba en la 2a. marcha. H Compruebe que [F2] aparece expuesto en la sección expositora de marchas. H Mantenga en neutral el sistema de direc- ción. 5. Oprima el pedal desacelerador y coloque el dial de control del combustible en la posición del alta velocidad sin carga (MAX). 6. Regrese lentamente el pedal desacelerador y verifique que la máquina no comienza a moverse cuando la velocidad del motor alcance alta velocidad sin carga. ¤ Como el convertidor de torsión está calado, mantenga oprimido firmemente el pedal del freno y su pie derecho en el pedal desacelerador para fines de seguridad hasta finalizar el trabajo.
  • 407.
    30 Pruebas yAjustes GSN00680-00 D155AX-6 13 Ajuste del pedal del freno 1 H Herramienta para el ajuste del pedal del freno ¤ Pare la máquina sobre un terreno nivelado, baje completamente el equipo de trabajo sobre el terreno, pare el motor, y coloque la palanca del freno de estacionamiento y la palanca de seguridad en la posición de seguro "LOCK". H Apriete firmemente la tuerca de seguridad de las varillas, y doble firmemente el pasa- dor de horquilla. H Al ajustar el pedal del freno, desmontar la cubi- erta izquierda del tablero de instrumentos y el apoyo para descanso del pie izquierdo como una unidad. 1. Ajustando la tubería del pedal de freno 1) Ajuste la altura instalada (b) del perno de tope (2) de manera que el recorrido (a) del ped al del fren o (1) te ng a el valor especificado. Recorrido del pedal (a): 80.3 mm Altura instalada (b) del perno de tope: 35.4 mm 2) Ajuste la dimensión instalada (c) de la barra (3) y conecte la barra en la palanca (4) del potenciómetro del freno. Dimensión instalada de la varilla: 124.9 mm H 3 Unión: 27 -34 Nm {2.8 -3.5 kgm} 2. Ajuste del potenciómetro del freno 1) Ponga en ON el interruptor del arranque y coloque el monitor de la máquina en la función de observación del modo de servicios. H Código de ajuste: 9995 (Modo de liberación del freno control) H Para el método de operación, ver "Funciones especiales del monitor de la máquina (EMMS)". Símbolo Pieza No. Nombre de la Pieza N 79A-264-0021 Herramienta de empuje-hale
  • 408.
    GSN00680-00 30 Pruebasy Ajustes 14 D155AX-6 2) Mientras se oprime el pedal del freno (1) hasta el final de su recorrido, ajuste la dimensión instalada (c) de la palanca (4) d e man era qu e el volta je d el potenciómetro del freno sea del valor especificado. Voltaje del pedal de freno: 4,470 ± 5 mV 3) Con el pedal del freno suelto, ajuste la longitud instalada (d) del resorte de retroceso (5) de manera que el voltaje del potenciómetro del pedal del freno sea del valor especificado. Voltaje del pedal de freno: Aprox. 2,310 mV H El voltaje no necesita ser ajustado con precisión. 4) Con el pedal del freno suelto, ajuste la longitud instalada (b) del tope (2) de manera que el voltaje del potenciómetro d el pe dal d el fren o se a del va lo r especificado. Voltaje del pedal de freno: 2,500 ± 5 mV H Después que el pedal del freno hace contacto con el tope, levante el tope unas 2 vueltas (3 mm). 3. Forma de ajustar el interruptor limitador del freno 1) Presione el pedal del freno (1). Cuando el voltaje del potenciómetro del pedal del freno se encuentra en el área siguiente, arregle el pedal del freno. Voltaje del pedal de freno: 3,880 – 3,990 mV 2) Ajuste la posición instalada del interruptor (6) limitador del freno de manera que sea puesto en ON en esta posición. Respaldo de actividad del interruptor del freno en ON 3) Después de efectuar el ajuste, devuelva lentamente el pedal del freno y verifique que el interruptor limitador (6) del freno está en OFF dentro del área de voltaje indicada en 1). Respaldo de actividad del interruptor del freno en OFF 4. Forma de medir la fuerza opresora del pedal del freno 1) Opere el pedal del freno con el pie y compruebe que se mueve suavemente. 2) Empleando una balanza de tracción/ empuje N, mida la fuerza opresora necesaria para iniciar la operación del freno. Fuerza opresora para iniciar operación: 49 N {5 kg} 3) Empleando una balanza de tracción/ empuje N, mida la fuerza opresora al final del recorrido del pedal del freno. Fuerza opresora al final del recorrido: 461 N {47 kg} 5. Trabajo después de finalizar el ajuste Después de finalizar el ajuste, vuelva a instalar las piezas desmontadas.
  • 409.
    30 Pruebas yAjustes GSN00680-00 D155AX-6 15 Forma de ajustar la palanca del freno de estacionamiento 1 ¤ Pare la máquina sobre un terreno nivelado, baje completamente el equipo de trabajo sobre el terreno , pare el motor, y coloque la palanca del freno de estacionamiento y la palanca de seguridad en la posición de seguro "LOCK". H Apriete firmemente la tuerca de seguridad de las varillas, y doble firmemente el pasa- dor de horquilla. H Al ajustar la palanca del freno de estaciona- miento, desmonte la cubierta de la batería. 4 Cubierta de la batería. 65 kg 1. Ensamble e Instalación del conjunto de la palanca 1) Ensamblaje del conjunto de la palanca (1) y ajuste de la operación del interruptor limitador (2). Posición de levantamiento de la palanca Posición de bajar, OFF (Apagado): ACTIVADO (ON) Recorrido de operación del interruptor limitador: 2.8 mm 2) Instale el conjunto de la palanca (1). 2. Forma de comprobar la presión del aceite de los frenos Encienda el motor y verifique que la presión del aceite de los frenos sea como se indica cu and o la pa la nca d el fre no d e estacio namie nto (1) se co loca e n la s posiciones de LIBRE Y TRANCADO. H Para el método de medir la presión del aceite del freno, ver Forma de medir la presión del aceite del tren de potencia. Presión del aceite de los frenos (en ralentí alto) Palanca del freno de estacionamiento Presión del aceite Posición de LIBRE 2.75 ± 0.29 MPa {28.0 ± 3.0 kg/cm²} Posición de TRANCADO 0 MPa {0 kg/cm²}
  • 410.
    GSN00680-00 30 Pruebasy Ajustes 16 D155AX-6 3. Comprobación del interruptor limitador 1) Poner en ON el interruptor del arranque y coloque el monitor de la máquina en la función de observación (Monitoring function) del modo de servicio. H Código de revisión del monitor: 40905 T/M Sw Input 1 H Para el método de operación, ver "Funciones especiales del monitor de la máquina (EMMS)". 2) Compruebe que la señal del interruptor limitador ingrese normalmente cuando la palanca (3) del freno de estacionamiento está situada en la posición de FREE = LIBRE y en la posición de LOCK = CERRADO. Posición de LIBRE: Cierre de traslado NC (normalmente cerrado) OFF, Cierre de traslado NO (normalmente abierto) ON Posición de TRANCADO: Cierre de traslado NC (normalmente cerrado) ON, Cierre de traslado NO (normalmente abierto) OFF
  • 411.
    30 Pruebas yAjustes GSN00680-00 D155AX-6 17 Método para una salida de emergencia cuando el tren de potencia tiene problema 1 H Herramientas empleados para la salida de emergencia 1. Método de escape por emergencia con caja de interruptores (empleando P1) H Si la máquina no se puede mover debido a un problema en el sistema eléctrico de la unidad de control del tren de potencia (dirección de traslado, marcha, direc- ción), abandone la máquina de acuerdo al procedimiento que sigue: H Para este procedimiento el motor debe poderse arrancar. H Si el motor no se puede arrancar, ver el método de salida por emergencia con el dispositivo liberador del freno (Usando P2). ¤ No ponga en ON el interruptor del arranque ni arranque el motor antes de preparar totalmente el conjunto del interruptor y el arnés de cables P. 1) Conecte el arnés de cables [2] al conjunto del interruptor [1] del dispositivo de escape de emergencia P1. ¤ Coloque todos los interruptores de las marchas del conjunto de interruptores [1] en la posición OFF y el interruptor de dirección en la posición P para evitar que la máq uina arranque súbitamente. 2) Abra la cubierta de inspección del guardabarros izquierdo y conéctelo al arnés de cables [2] y al conector PL1 (1). H La caja macho y la caja hembra del conector PL1 están sujetos con tornillos. H Conecte el arnés de cables tanto al lado macho como al lado hembra del conector PL1. 3) Desconecte el regulador de seguridad por neutral (NSF) (2) en el recinto de fusibles y conecte las espigas No. 3 y 5 del conector por el lado del arnés de cables. H Circuito de acoplamiento directo: NSF (hembra) No. 3 ↔ No. 5 H Si el conector PL1 se desconecta, se hace un modelo de selección de error y el relé de seguridad neutral NSF no es activado. La operación antes mencionada se ejecuta para evitar esto. ¤ Si el motor se arranca por este mét odo, la función de la seguridad por neutral no trabaja. De tal manera que, antes de arrancar el motor, coloque la palanca del freno de estacionamiento en la posición de TRANCADO y coloque la palanca PCCS en la posición neutral. ¤ Solamente en una emergencia arranque la máquina por este mét odo. Si el motor no arranca en otro caso, cerciórese de realizar la localización de fallas y reparación del problema. Símbolo Pieza No. Nombre de la Pieza P 1 19M-06-32820 Conjunto de interruptor 17A-06-41410 Arnés de cables 2 790-190-1601 Conjunto de la bomba
  • 412.
    GSN00680-00 30 Pruebasy Ajustes 18 D155AX-6 4) Arranque el motor y ponga la palanca del freno de estacionamiento en la posición de LIBRE. 5) Opere el conjunto del interruptor [1] y mueva la máquina a un lugar seguro. H El interruptor de las marchas está hecho de tal forma que el interruptor en las marchas bajas se activará primero. 6) Después de mover la máquina, retire los instrumentos empleados y devuelva las piezas desmontadas. H Verifique que el sello en la unión del conector PL1 no está proyectado afuera o desmontado y después apriete los tornillos al valor de torsión especificado. 3 Tornillo del conector PL1: 2.83 ± 0.28 Nm {0.288 ± 0.028 kgm} 2. Método de escape con dispositivo liberador del freno (Empleando P2). H Si el motor no se puede arrancar y el freno de estacionamiento no se puede lib- erar, haga la salida de acuerdo al proced- imiento que sigue. 1) Ensamble el conjunto de la bomba P2. 2) Instale al exterior de la cabina del operador la bomba de volumen [3] del conjunto de bomba P2 . 3) Desmonte la cubierta inferior del tanque de combustible y desconecte la manguera de suministro (3) de la válvula solenoide extractora de pasador. 4) Conecte la manguera terminal [4] del conjunto de la bomba P2 al costado de la manguera. H En vista de que la manguera por el lado de la máquina es del tipo de cara sellada, use un niple del tipo de cara sellada por el lado P2 del conjunto de la bomba. H Detenga el lado de la válvula solenoide con una tuerca ciega, etc.
  • 413.
    30 Pruebas yAjustes GSN00680-00 D155AX-6 19 Tuerca de casquete: 02789-00315 5) Ponga en ON el interruptor del arranque y coloqu e la palan ca d el fren o d e estacionamiento en la posición de LIBRE. 6) Opere la bomba de volumen para elevar la presión del aceite liberador del freno a la presión inicial. Presión inicial: Aprox. 2.74 MPa {Aprox. 28 kg/cm²} H En vista de que hay un acumulador instalado en el circuito, la agarradera debe operarse de 30 – 50 veces para elevar la presión del aceite. H Si la presión del aceite no se eleva sobre cierto nivel, la válvula de alivio puede regularse a una presión inferior. En este caso, ajuste la presión regulada de la válvula de alivio. 7) Remolque la máquina a un lugar seguro. H La presión de aceite liberadora del freno disminuye gradualmente debido a escapes internos y el freno se aplica nuevamente 1 minuto después. De ta l mod o que, tra baje rápidamente. H Si la presión liberadora del freno disminuye a unos 1.57 Mpa {aprox. 16 kg/cm2}, se aplica el freno. En este caso, opere con la bomba de volumen nuevamente para elevar la presión liberadora del freno al valor de la presión inicial.
  • 414.
    GSN00680-00 30 Pruebasy Ajustes 20 D155AX-6 Ajuste de la holgura de la rueda libre 1 H Si la rueda libre agota sus pestañas debido al desgaste de las guías laterales izquierda y derecha, o las guías superior e inferior, y las planchas de guía, haga ajuste de acuerdo al procedimiento que sigue: ¤ Pare la máquina sobre un terreno nivelado, baje completamente el equipo de trabajo sobre el terreno , pare el motor, y coloque la palanca del freno de estacionamiento y la palanca de seguridad en la posición de seguro "LOCK". 1. Ajustando en dirección lateral 1) Conduzca la máquina por 1 ó 2 metros sobre un lugar llano y después retire las 2 cubiertas (1). 2) Mida el espacio libre (a) en dos (2) lugares entre la estructura de la oruga y las placas de guía derecha e izquierda (2). 3) Si la holgura (a) supera los 4 mm, desmonte el perno (3) y reduzca el número de láminas de ajuste (4). Holgura estándar (a) en cada lado. 0.5 - 1.0 mm H No afloje el perno más de 3 vueltas. H Esta parte se puede ajustar en 6 mm en cada lado. 4) Después de finalizar la medición, regrese las piezas desmontadas. 2. Forma de ajustar en dirección vertical 1) Mida el espacio libre (b) en dos lugares entre las placas guía (5) y (6). 2) La rueda delantera libre no se puede ajustar verticalmente. Si el espacio (b) es más ancho de 8 mm, reemplace las placas guía superior e inferior (5), (6), (7) y (8) por unas placas nuevas. H Las placas guía (5), (7), y (8) son soldadas. 3) Después de finalizar la medición, regrese las piezas desmontadas.
  • 415.
    30 Pruebas yAjustes GSN00680-00 D155AX-6 21 Prueba y ajuste de la tensión de la oruga 1 ¤ Pare la máquina sobre un terreno nivelado, baje completamente el equipo de trabajo sobre el terreno, pare el motor, y coloque la palanca del freno de estacionamiento y la palanca de seguridad en la posición de seguro "LOCK". Probando 1. Conduzca la máquina lentamente sobre un terreno nivelado y después deténgala. H No aplique el freno para detenerla. 2. Coloque una barra recta de acero [1] entre la rueda delantera libre y el rodillo superior delantero y mida la holgura máxima (a) entre la parte inferior de la barra de acero y la pestaña de la zapata. H Para la medición de arriba, use un perfil de acero en L que tendrá menos deflex- ión. Holgura máxima estándar (a): 20 -30 mm Ajuste H Si la tensión de la oruga es anormal, ajústela de acuerdo con el procedimiento que sigue: 1. Retire la cubierta (2). 2. Cuando la tensión es muy elevada Afloje el tapón (3) para descargar la grasa. ¤ Como la grasa en alta presión puede salir expulsada, no afloje el tapón mas de 1 vuelta. 3 Tapón: 59 -88 Nm {6 -9 kgm} 3. Cuando la tensión está baja Inyecte grasa a través de la boquilla de engrase (4). H Si la oruga no está bien estirada, con- duzca la máquina lentamente hacia adelante y hacia atrás. 4. Después de finalizar el ajuste, vuelva a instalar las piezas desmontadas.
  • 416.
    GSN00680-00 30 Pruebasy Ajustes 22 D155AX-6 Forma de medir y ajustar la presión del equipo de trabajo y HSS 1 H Instrumentos para medición y ajuste de la presión de aceite HSS del equipo de trabajo ¤ Pare la máquina sobre un terreno nivelado, baje completamente el equipo de trabajo sobre el terreno, pare el motor, y coloque la palanca del freno de estacionamiento y la palanca de seguridad en la posición de seguro "LOCK". H Al medir y ajustar la presión de aceite del equipo de trabajo y HSS, desmonte la cubierta de la válvula de control. 4 Cubierta de la válvula de control: 25 kg Medición H Mida la presión del aceite HSS y el equipo de trabajo bajo las condiciones siguientes. Temperatura del aceite hidráulico: Dentro del rango de operación H Las presiones de descarga, del aceite del equipo de trabajo y del aceite HSS pueden comprobarse con la función de observación del modo de servicios del monitor de la máquina (Ver 4). 1. Forma de medir la presión de descarga 1) Desmonte de la válvula de control el tapón (1) de captación de presión del aceite P. 2) Instale el niple Q2 y conecte el manó- metro [1] del comprobador hidráulico Q1. H Cuando se use un indicador analógico de presión de aceite, use uno con una capacidad de 5.9 MPa [60 kg/cm2]. 3) Trabaje el motor en velocidad alta sin carga y ponga la palanca de control de la hoja y la palanca de control del desgarrador en posición neutral y mida la presión de descarga. H La palanca de cierre del equipo de trabajo se puede situar en la posición de LOCK = CERRADO. ¤ No opere el equipo de trabajo o conduzca la máquina teniendo instalado el indicador de presión de aceite de 5.9 MPa [ 60 kg/cm2]. Si lo hace, el indicador de presión de aceite se romperá. 4) Después de finalizar la medición retire los instrumentos y vuelva a instalar las piezas desmontadas previamente. 2. Forma de medir la presión de aceite del equipo de trabajo 1) Retire de la válvula de control el tapón (1) de captación de presión de aceite P y el tapón (2) de captación de presión de aceite LS. Símbolo Pieza No. Nombre de la Pieza Q 1 799-101-5002 Comprobador hidráulico 790-261-1204 Probador hidráulico digital 2 799-101-5220 Niple (10 x 1.25 mm) 07002-11023 Anillo-0
  • 417.
    30 Pruebas yAjustes GSN00680-00 D155AX-6 23 2) Instale los niples Q2 y conectelos al manómetro [1] del comprobador hidráulico Q1. H Cuando se usen indicadores de presión de aceite del tipo analógicos use los que tienen capacidad para 39.2 MPa [400 kg/cm2]. 3) Arranque el motor y coloque la palanca para inmovilizar el equipo de trabajo en posición LIBRE (FREE). 4) Trabaje el motor en ralentí alto y opere la palanca de control de la hoja y la palanca de control del desgarrador para aliviar cada cilindro hasta final de su recorrido y mida la presión de alivio del equipo de trabajo y la presión de alivio LS del equipo de trabajo. H La presión de alivio del equipo de trabajo se mide por el lado troquelado con la letra P y la presión de alivio LS del equipo de trabajo se mide por el lado troquelado con las letras LS ¤ No gobierne la máquina teniendo instalado el indicador de presión de aceite con una capacidad para 39.2 MPa [400 kg/cm2]. Si lo hace, el indicador de presión de aceite se romperá. 5) Después de finalizar la medición retire los instrumentos y vuelva a instalar las piezas desmontadas previamente. 3. Forma de medir la presión de aceite HSS 1) Instale el instrumento de medición en la válvula de control. H Los puntos de medición de la presión de aceite HSS son los mismos que para la presión de aceite del equipo de trabajo. H Cuando se usen indicadores de presión de aceite del tipo analógicos use los que tienen capacidad para 58.8 MPa [600 kg/cm2]. 2) Arranque el motor y coloque la palanca del freno de estacionamiento en la posición de LIBRE y mantenga oprimido el pedal del freno. 3) Trabaje el motor en ralentí alto y coloque la palanca PCCS en las posiciones de gobierno del lado derecho e izquierdo para aliviar el circuito de la dirección y medir la presión de alivio HSS y la presión de alivio HSS LS. ¤ Como el circuito de dirección está a liviado, mantenga oprimido firmemente el pedal del freno y su pie dere cho e n el pe da l
  • 418.
    GSN00680-00 30 Pruebasy Ajustes 24 D155AX-6 de sac elerador pa ra fines de seguridad hasta finalizar el trabajo. H La presión de alivio HSS se mide en el lado marcado P y la presión de alivio HSS LS se mide en el lado marcado LS. 4) Después de finalizar la medición, retire los instrumentos y vuelva a instalar las piezas desmontadas. 4. Forma de medir con el monitor de la máquina 1) Poner en ON el interruptor del arranque y coloque el monitor de la máquina en la función de observación (Monitoring function) del modo de servicio. Código de revisión del monitor: 70700 Bomba Hidráulica Presión 1 H Para el método de operación, ver Funciones especiales del monitor de la máquina (EMMS). 2) Arranque el motor y mida cada presión de aceite. H La condición de medición de cada presión de aceite es igual con 1 – 3 anterior. H Solamente la presión de aceite en el lad o mar cado P (pre sió n de descarga, presión de alivio del equipo de trabajo y presión de alivio HSS) puede medirse con la función de observación. La presión de aceite en el lado marcado LS (equipo de trabajo, presión de alivio LS y presión de alivio HSS LS) no se pueden medir. Ajuste 1. Forma de ajustar la presión de descarga H La presión de descarga no se puede ajustar. 2. Ajustando la presión de aceite del equipo de trabajo H Si la presión de aceite es anormal, ajústela con la válvula de alivio LS (3) de acuerdo con el procedimiento que sigue. H La válvula de 5 carretes en la especifi- cación de la inclinación única aparece mostrada en la figura (la máquina con doble inclinación tiene la válvula de 6 car- retes). 1) Mientras asegura la tuerca de ajuste (4), afloje la tuerca de seguridad (5). 2) Ajuste la presión dándole vueltas a la tuerca de ajuste (4). H Si la tuerca de ajuste es rotado a la derecha, se aumenta la presión. rotado a la izquierda se reduce la presión. H Cantidad de ajuste por cada vuelta de la tuerca de ajuste:Aprox. 19.6 MPa {Aprox. 200 kg/cm²} 3) Mientras asegura la tuerca de ajuste (4) y apriete la tuerca de seguridad (5).
  • 419.
    30 Pruebas yAjustes GSN00680-00 D155AX-6 25 3 Tuerca de seguridad: 39 -49 Nm {4 -5 kgm} 4) Después de finalizar la medición, la presión de aceite del equipo de trabajo de acuerdo con el método de medición citado anteriormente. 3. Ajustando la presión de aceite HSS H Si la presión HSS es anormal, ajústela con la válvula de alivio LS HSS (6) de acuerdo con el procedimiento que sigue: H La válvula de 5 carretes en la especifi- cación de la inclinación única aparece mostrada en la figura (la máquina con doble inclinación tiene la válvula de 6 car- retes). 1) Mientras asegura el tornillo de ajuste (7) y afloje la tuerca de seguridad (8). 2) Ajuste la presión dándole vueltas al tornillo de ajuste (7). H Si el tornillo de ajuste es rotado a la derecha, se aumenta la presión. rotado a la izquierda se reduce la presión. H Cantidad de ajuste por cada vuelta del tornillo de ajuste : Aprox. 15.1 MPa {Aprox. 154 kg/cm²} 3) Mientras asegura el tornillo de ajuste (7) y apriete la tuerca de seguridad (8). 3 Tuerca de seguridad: 68.6 -78.5 Nm {7 -8 kgm} 4) Después de finalizar la medición, la presión de aceite HSS de acuerdo con el método de medición citado anteriormente.
  • 420.
    GSN00680-00 30 Pruebasy Ajustes 26 D155AX-6 Medida en la presión básica del circuito de control 1 H Instrumentos para la medición de la presión básica del circuito de control H La presión del circuito principal es la presión principal reducida por la válvula autoreductora de presión de la válvula del circuito del ventila- dor. Se usa generalmente para las válvulas EPC de la válvula de control (dirección, hoja y desgarrador), carga del circuito HSS, control de la bomba del ventilador, cilindro de ele- vación de la hoja y válvula de descenso rápido EPC. ¤ Pare la máquina sobre un terreno nivelado, baje completamente el equipo de trabajo sobre el terreno, pare el motor, y coloque la palanca del freno de estacionamiento y la palanca de seguridad en la posición de seguro "LOCK". H Mida la presión básica del circuito de control bajo las condiciones siguientes: Temperatura del aceite hidráulico: Dentro del rango de operación 1. Retire la cubierta de la válvula de control y desconecte la manguera de admisión del acumulador (1). 4 Cubierta de la válvula de control: 25 kg 2. Instale un adaptador R2 y conecte nuevamente la manguera desconectada. 3. Instale el niple [1] del comprobador hidráulico R1 y conecte el indicador de presión de aceite [2]. H Cuando se use un indicador analógico de presión de aceite, use uno con una capacidad de 5.9 MPa [60 kg/cm2]. 4. Trabaje el motor en ralentí alto, coloque la palanca de control de la hoja y la palanca de control del desgarrador en posición neutral y mida la presión básica del circuito de control. H La palanca de cierre del equipo de trabajo se puede situar en la posición de LOCK = CERRADO. 5. Después de finalizar la medición retire los instrumentos y vuelva a instalar las piezas desmontadas previamente. H La presión básica del circuito de control no se puede ajustar. Símbolo Pieza No. Nombre de la Pieza R 1 799-101-5002 Comprobador hidráulico 709-261-1204 Probador hidráulico digital 2 799-401-3200 Adaptador (03)
  • 421.
    30 Pruebas yAjustes GSN00680-00 D155AX-6 27 Forma de medir la presión de salida de la válvula solenoide de cierre del equipo de trabajo 1 H Instrumentos para la medición de la presión de salida de la válvula solenoide de cierre del equipo de trabajo. ¤ Pare la máquina sobre un terreno nivelado, baje completamente el equipo de trabajo sobre el terreno, pare el motor, y coloque la palanca del freno de estacionamiento y la palanca de seguridad en la posición de seguro "LOCK". H Mida la presión de salida de la válvula sole- noide de traba del equipo de trabajo bajo las condiciones siguientes: Temperatura del aceite hidráulico: Dentro del rango de operación 1. Retire la cubierta de la válvula de control y desconecte la manguera de admisión de la válvula de control (1). 4 Cubierta de la válvula de control: 25 kg 2. Instale un adaptador S2 y conecte nuevamente la manguera desconectada. 3. Instale el niple [1] del comprobador hidráulico S1 y conectele el indicador de presión de aceite [2]. H Cuando se use un indicador analógico de presión de aceite, use uno con una capacidad de 5.9 MPa [60 kg/cm2]. 4. Trabaje el motor en ralentí alto y coloque la palanca de cierre del equipo de trabajo en la posición de LOCK = CERRADO y en la posición de FREE = LIBRE y mida la salida de la válvula solenoide. H Si la presión de salida es como sigue, está normal la operación de la válvula solenoide de cierre del equipo de trabajo. 5. Después de finalizar la medición retire los instrumentos y vuelva a instalar las piezas desmontadas previamente. Símbolo Pieza No. Nombre de la Pieza S 1 799-101-5002 Comprobador hidráulico 790-261-1204 Probador hidráulico digital 2 799-401-3200 Adaptador (03) Palanca del traba del equipo de trabajo Presión de salida Posición de TRANCADO 0 MPa {0 kg/cm²} Posición de LIBRE Igual que la presión básica del circuito de control (Ver la tabla de valores estándar)
  • 422.
    GSN00680-00 30 Pruebasy Ajustes 28 D155AX-6 Método de operación por emergencia cuando el equipo de trabajo tiene problemas 1 H Herramientas empleadas para la operación de emergencia H Si la hoja o es desgarrador no se pueden mover debido a un problema en el sistema de control del equipo de trabajo, trabájelo de acu- erdo con el procedimiento que sigue. H Para este procedimiento el motor debe pod- erse arrancar. ¤ No ponga en ON el interruptor del arranque, ni arranque el motor antes de preparar el arnés de cables T completa- mente. 1. Instale el arnés de cables T en la cabina del operador y compruebe donde va a conectar cada conector. WLK: Al solenoide de cierre del equipo de trabajo debajo del piso WEPW: Al conector del suministro energético encima de la válvula de control WEPX: Al solenoide EPC encima de la válvula de control WEPY: Al solenoide EPC encima de la válvula de control 2. Desmonte la cubierta del piso de la parte delantera del asiento del operador. 4 Cubierta del piso: 20 kg 3. Desconecte el conector WLK de la válvula solenoide de cierre del equipo de trabajo y conéctelo al lado macho del arnés de cables T. H Conector en el costado de la máquina que se va a conectar 4. Remueva la cubierta de la válvula de control. 4 Cubierta de la válvula de control: 25 kg 5. Retire el tapón del conector WEPW del suministro energético que se encuentra encima de la válvula de control y conecto el conector WEPW del arnés de cables T al lado hembra. H Conector a ser conectado Símbolo Pieza No. Nombre de la Pieza T 17A-06-41421 Arnés de cables Conector en el lado de la máquina Conector en el lado del arnés de cables T WLK (macho) WLK Conector en el lado de la máquina Conector en el lado del arnés de cables T WEPW (hwmbra) WEPW
  • 423.
    30 Pruebas yAjustes GSN00680-00 D155AX-6 29 6. Desconecte del solenoide EPC los conectores EWP1 – WEPA encima de la válvula de control y conecte los conectores WEPX y WEPY del arnés de cables T en el costado de la máquina. H Desconecte solamente la pareja (2 pie- zas) de los conectores del carrete de la válvula de control (cilindro) que se vaya a mover y conecte los conectores del lado del arnés de cables T respectivamente. H Al conectar los conectores, compruebe nuevamente la dirección de operación del interruptor y el número del conector ¤ No conecte el arnés de cables T a los conectores HSS (HSL y HSR). H Conectores a ser conectados (La tabla siguiente es para la especificación de doble inclinación. WEP5 y WEP6 no se conectan a la especificación de incli- nación sencilla.) 7. Arrancar el motor y operar el interruptor [1] del arnés de cables T para mover el equipo de trabajo. ¤ Antes de arrancar el motor, compruebe que el interruptor se encuentra en neutral. ¤ En vista de que el equipo de trabajo no se puede controlar finamente con el interruptor, mantenga la velocidad del motor lo más bajo posible. 8. Después de finalizar la operación con el equipo de trabajo, desmonte las herramientas empleadas y devuelva las partes desmontadas. Conectores por el costado de la máquina. Dispositivo/dirección de operación No. Color de banda Levantamiento de hoja Elevar WEP1 Verde Inferior WEP2 Verde/Negro Inclinación izquierda de la hoja Retraer WEP3 Café Extender WEP4 Café/Negro Inclinación derecha de la hoja Retraer WEP5 Azul Extender WEP6 Azul/Negro Levantamiento del desgarrador Elevar WEP7 Amarillo Inferior WEP8 Amarillo/Negro Cilindro de inclinación del desgarrador Dentro WEP9 Rojo Trasero WEPA Rojo/Negro Conectores en el lado del arnés de cables T Dispositivo/dirección de operación No. Color de banda ELEVAR ARRIBA WEPX — ABAJO WEPY —
  • 424.
    GSN00680-00 30 Pruebasy Ajustes 30 D155AX-6 Forma de medir la presión de salida de la válvula solenoide del extractor de pasador del desgarrador 1 H Instrumentos de medición para la presión de salida de la válvula solenoide del extractor de pasador del desgarrador ¤ Pare la máquina sobre un terreno nivelado, baje completamente el equipo de trabajo sobre el terreno, pare el motor, y coloque la palanca del freno de estacionamiento y la palanca de seguridad en la posición de seguro "LOCK". H Mida la presión de salida de la válvula sole- noide del extractor del pasador del desgarra- dor bajo las condiciones siguientes: Temperatura del aceite del tren de poten- cia: Dentro del rango de operación 1. Desmonte la cubierta inferior del tanque de combustible y desconecte las mangueras (1) y (2) de la válvula solenoide del extractor de pasador del desgarrador. Manguera (1): Lado del cabezal del cilin- dro del extractor de pasador Manguera (2): Lado inferior del cilindro del extractor de pasador 2. Instale un adaptador U2 y conecte nuevamente la manguera desconectada. 3. Instale el niple [1] del comprobador hidráulico U1 y conecte el indicador de presión de aceite (manómetro) [2]. H Cuando se use un indicador analógico de presión de aceite, use uno con una capacidad de 5.9 MPa [60 kg/cm2]. 4. Trabaje el motor en ralentí alto, coloque el interruptor del extractor de pasador en la posición de extracción y posición de empujar y mida la presión de salida de la válvula solenoide en cada posición. H Si la presión de salida es como sigue, la operación de la válvula solenoide del extractor de pasador del desgarrador está normal 5. Después de finalizar la medición retire los instrumentos y vuelva a instalar las piezas desmontadas previamente. Símbolo Pieza No. Nombre de la Pieza U 1 799-101-5002 Comprobador hidráulico 790-261-1204 Probador hidráulico digital 2 799-401-3200 Adaptador (03) Man- guera probada Interruptor del extrac- tor del pasador Presión de salida (1) Extraer Igual que la presión de alivio principal de transmisión (Ver la tabla de valores estándar) Empujar 0 MPa {0 kg/cm²} (2) Extraer 0 MPa {0 kg/cm²} Empujar Igual que la presión de alivio principal de transmisión (Ver la tabla de valores estándar)
  • 425.
    30 Pruebas yAjustes GSN00680-00 D155AX-6 31 Prueba para medir el deslizamiento hidráulico de la hoja y del desgarrador 1 H Si la hoja o el desgarrador se deslizan hidráuli- camente, verifique si la causa radica por el lado de la empaquetadura del cilindro o por el lado de la válvula de control, de acuerdo con el procedimiento que sigue: 1. Coloque los cilindros que se vaya a probar en la siguiente posición y pare el motor. 1) Cilindro de levantamiento de la hoja Levante la parte delantera del cuerpo de la máquina con la hoja H Como el cilindro de levantamiento de la hoja está equipado con una válvula de paso en el pistón, no lo extienda hasta el final de su recorrido. 2) Cilindro de inclinación de la hoja topadora Extraiga el cilindro para inclinación de la hoja hasta el final de su recorrido y con la hoja empuje hacia arriba el costado izquierdo del cuerpo de la máquina. 3) Cilindro de levantamiento del desgarrador Use el desgarrador para empujar hacia arriba el lado posterior del cuerpo de la máquina 2. Ponga en ON el interruptor del arranque y coloque la palanca de traba del equipo de trabajo en la posición de LIBRE. 3. Prolongue el cilindro que se vaya a comprobar con la palanca correspondiente y compruebe su movimiento. Si aumenta la velocidad de descenso, la empaquetadura del cilindro está defectu- osa. Si la velocidad de descenso no cambia, la válvula de control está defectuosa. H Si se pierde la presión del acumulador, trabaje el motor durante unos 10 segun- dos para elevar la presión en el acumula- dor. [Referencia] Razón por la que la velocidad de descenso aumenta cuando la empaquetadura del cilindro es la causa del deslizamiento hidráulico: 1. Si la máquina se coloca en la posición ya citada (en que la presión de retención está aplicada al lado inferior), el aceite se escape desde el lado inferior hacia el lado del cabezal. Como el volumen en el lado del cabezal es menor que el volumen del lado inferior del cilindro por el espacio ocupado por el vástago, la presión en el lado del cabezal se aumenta debido al aceite que fluye desde el lado inferior. 2. A medida que aumenta la presión en el lado del cabezal, queda equilibrada en cierto nivel (que depende de la fuga de aceite) y la velocidad de descenso disminuye. 3. Si se abre el circuito del cabezal hacia el circuito de drenaje mediante la operación de la palanca ya citada anteriormente, (la válvula de retención cierra el lado inferior en este momento) y el aceite por el lado del cabezal fluye hacia el circuito de drenaje. Como resultado la presión queda desequilibrada y se aumenta la velocidad de descenso.
  • 426.
    GSN00680-00 30 Pruebasy Ajustes 32 D155AX-6 Forma de medir el escape interno de aceite en el cilindro del equipo de trabajo 1 H Instrumentos para la medición del escape interno de aceite en el cilindro del equipo de trabajo ¤ Pare la máquina sobre un terreno nivelado, baje completamente el equipo de trabajo sobre el terreno, pare el motor, y coloque la palanca del freno de estacionamiento y la palanca de seguridad en la posición de seguro "LOCK". H Como el cilindro elevador de la hoja está equi- pado con una válvula de paso en el pistón, su fuga interna no se puede medir. H Mida la fuga interna de aceite del cilindro del equipo de trabajo bajo las condiciones siguientes. Temperatura del aceite hidráulico: Dentro del rango de operación 1. Prolongue hasta el final de su recorrido el cilindro que se vaya a medir y coloque la máquina en la posición de medición. 1) Cilindro de inclinación de la hoja topadora Incline la hoja topadora hacia la izquierda, a todo su recorrido. 2) Cilindro de levantamiento del desgarrador Extraiga el pasador de la garra y baje el desgarrador hasta el extremo. 3) Cilindro de inclinación del desgarrador Incline el desgarrador hacia adelante (adentro), a todo su recorrido. ¤ Alivie la presión residual del circuito del cilindro. Para detalles vea, Forma de aliviar la presión residual del cilindro del equipo de trabajo. 2. Desconecte las mangueras (1), (2) y (3) por el lado del cabezal del cilindro comprobado y detenga el lado de la manguera empleando un tapón o una brida. H Cuando se trabaje en las mangueras del cilin- dro de inclinación de la hoja desmonte la cubi- erta de las mangueras de la estructura. ¤ Tenga cuidado para que no se desco- necte las mangueras del extremo inferior. Manguera (1): Cilindro de inclinación de la hoja topadora (der.) Tapón: 07376-70422 (Tamaño #04) Anillo-0: 02896-11012 (Tamaño #04) Manguera (2): Cilindro de levantamiento del desgarrador Manguera (3): Cilindro de inclinación del desgarrador Cabezal: 07378-11000 (Tamaño #10) Anillo-0: 07000-13032 (Tamaño #10) 3. Trabaje el motor en alta velocidad sin carga y aplique la presión de alivio al extremo inferior del cilindro. Cilindro de inclinación de la hoja Opere para inclinar la hoja hacia la izquierda. Cilindro elevador del desgarrador Opere el cilindro para bajar el desgar- rador. Cilindro para la inclinación del desgarrador. Opere el cilindro para inclinar el des- garrador hacia delante (adentro). 4. Después de 30 segundos, mida las fugas durante 1 minuto con el cilindro de medición V. 5. Después de finalizar la medición, regrese las piezas desmontadas. H Purgar el aire del circuito del cilindro. Para detalles, ver Purga del aire del cilin- dro del equipo de trabajo. Símbolo Pieza No. Nombre de la Pieza V Disponible en el comercio Cilindro de medición Manguera Manguera Final del recorrido
  • 427.
    30 Pruebas yAjustes GSN00680-00 D155AX-6 33 Forma de aliviar la presión residual del cilindro del equipo de trabajo 1 H Al desconectar la tubería entre la válvula de control y el cilindro del equipo de trabajo, alivie la presión residual del circuito de acuerdo con el procedimiento que sigue. ¤ Pare la máquina sobre un terreno nivelado, baje completamente el equipo de trabajo sobre el terreno, pare el motor, y coloque la palanca del freno de estacionamiento y la palanca de seguridad en la posición de seguro "LOCK". 1. Afloje gradualmente la tapa del agujero de suministro de aceite (1) al tanque hidráulico para aliviar la presión residual que se encuentre dentro del tanque. 2. Ponga en ON el interruptor del arranque y coloque la palanca de traba del equipo de trabajo en la posición de LIBRE. 3. Opere la palanca de control de la hoja y la palanca de control del desgarrador en cada dirección. H Si la palanca de control se opera 2 – 3 veces, se alivia la presión residual del acumulador. 4. Trabaje el motor en ralentí bajo durante 10 segundos para aumentar la presión en el acumulador y después pare el motor. 5. Repita 2 – 4 veces los pasos 2 – 3 citados anteriormente. Forma de purgar el aire del cilindro del equipo de trabajo. 1 H Si se desmonta y se instala el cilindro del equipo de trabajo, o se desconectan y conectan sus tuberías, hay que purgar el aire de su circuito de acuerdo con el procedimiento que sigue: H Antes de realizar la operación siguiente, com- pruebe que el nivel del aceite hidráulico está normal. 1. Trabaje el motor en baja velocidad sin carga durante 5 minutos. 2. Mientras se trabaja el motor en ralentí bajo, prolongue y repliegue 4 – 5 veces el cilindro al que se le vaya a purgar el aire. H Mueva el vástago del pistón hasta unos 100 mm antes de alcanzar el final de su recorrido y nunca alivie el aceite. 3. Mientra trabaja el motor en velocidad alta sin carga, realice la operación del paso 2. 4. Mientras trabaja el motor en baja velocidad sin carga, mueva el cilindro hasta el final de su recorrido para aliviar el aceite.
  • 428.
    GSN00680-00 30 Pruebasy Ajustes 34 D155AX-6 Ajuste la palanca de cierre del equipo de trabajo 1 ¤ Pare la máquina sobre un terreno nivelado, baje completamente el equipo de trabajo sobre el terreno, pare el motor, y coloque la palanca del freno de estacionamiento y la palanca de seguridad en la posición de seguro "LOCK". H Apriete firmemente la tuerca de seguridad de las varillas, y doble firmemente el pasador de horquilla. H Al ajustar la palanca de cierre del equipo de tra- bajo desmonte la cubierta de la válvula de control. 4 Cubierta de la válvula de control: 25 kg 1. Coloque la palanca de traba del equipo de trabajo (1) en la posición (LOCK) Bloqueado. 2. Regule e instale el interruptor limitador (2) en la superficie deslizante (a) de la palanca (3). H Sencillamente coloque el rodillo del interrup- tor limitador en la superficie deslizante. No la mueva. 3. Coloque la palanca de cierre (1) del equipo de trabajo en la posición de FREE = LIBRE y compruebe que el interruptor limitador (2) funciona normalmente. Recorrido del interruptor limitador: 2.5 -3 mm 4. Poner en ON el interruptor del arranque y coloque el monitor de la máquina en la función de observación (Monitoring function) del modo de servicio. H Código de revisión del monitor: 70300 Ingreso del interruptor de la hoja H Para el método de operación, ver Funciones especiales del monitor de la máquina (EMMS). 5. Compruebe que la señal del interruptor limitador se ingresa normalmente cuando la palanca (1) de cierre del equipo de trabajo se coloca en las posiciones de FREE = LIBRE y LOCK = CERRADO. Posición de LIBRE: Cierre del equipo de trabajo NORMAL- MENTE CERRADO OFF, cierre del equipo de trabajo NORMALMENTE ABIERTO ON Posición de TRANCADO: Cierre del equipo de trabajo NORMAL- MENTE CERRADO ON, cierre del equipo de trabajo NORMALMENTE ABIERTO OFF Bloqueado Bloqueado Libre Libre
  • 429.
    30 Pruebas yAjustes GSN00680-00 D155AX-6 35 Forma de ajustar la hoja topadora 1 H Si se desmonta e instala la hoja topadora, o si se desarma y se vuelve a ensamblar, haga su ajuste de acuerdo con el procedimiento que sigue: H La figura de arriba muestra la hoja de la espe- cificación de doble inclinación. 1. Láminas de ajuste para ensamblaje 1) Ajuste la lámina de inclinación de la sección (1) en (1 lugar). H Después de reensamblar la sección de inclinación, suminístrele grasa. 2 Sección de inclinación: Grasa (G2- LI) H Ajuste la lámina de manera que el juego de la bola en la dirección axial sea menor de 1 mm y que la bola pueda dar vueltas suavemente. Punta ajustada Holgura ajustada Holgura estándar Grueso estándar de las láminas de ajuste 1 a Ver nota: 4 mm
  • 430.
    GSN00680-00 30 Pruebasy Ajustes 36 D155AX-6 2) Ajuste la lámina de la sección central (2) en (2 lugares). H Después de reensamblar la sección central, suminístrele grasa. 2 Sección central: Grasa (G2-LI) H Ajuste la lámina de manera que el juego de la bola en la dirección axial sea menor de 1 mm y que la bola pueda dar vueltas suavemente. 3) Ajuste la lámina de la sección de elevación (3) en (2 lugares). 2. Forma de ajustar la distancia de inclinación de la hoja (Especificación de inclinación sencilla) 1) Ajuste la dimensión instalada (d) del tirante (4) con la agarradera. 2) Mida las distancias de inclinación hacia la derecha e izquierda (e1) y (e2). 3) Si las dos distancias de inclinación no son iguales, ajuste la dimensión (d) del tirante (4) de acuerdo con el procedimiento que sigue. e1 > e2: Aumente ligeramente la dimensión (d) instalada. e1 < e2: Disminuya ligeramente la dimensión (d) instalada. Punta ajustada Holgura ajustada Holgura estándar Grueso estándar de las láminas de ajuste 2 b Ver nota: 4 mm Punta ajustada Holgura ajustada Holgura estándar Grueso estándar de las láminas de ajuste 3 c Máx. 1 mm 4 mm Dimen- siones hoja Hoja Semi-U Hoja U d 1,292 mm 1,372 mm 1,372 mm Dimen- sion hoja Hoja Semi-U Hoja U e1 565 mm 570 mm 583 mm e2 565 mm 570 mm 583 mm
  • 431.
    30 Pruebas yAjustes GSN00680-00 D155AX-6 37 Ajustando la cabina del operador 1 H Si la cabina del operador ha sido removida e instalada, o ensamblada en el campo, prué- bela y ajústela de acuerdo al siguiente proced- imiento. 1. Midiendo la presión interna de la cabina H Criterios Criterios: Valor medido † 88.2 Pa {9 mmH2O} H Condición de medición Velocidad del motor: Alta velocidad sin carga Velocidad del ventilador: Modo 100% del ventilador Interruptor de cambio de aire EXTERNO/INTERNO: Posición EXTERNA Interruptor del ventilador del acondicio- nador de aire: Alto (TOTAL) 1) Prepare una manguera de vinilo transparente. Diámetro exterior: 6 mm, Longitud: 3,000 mm 2) Asegure el extremo interior de la manguera a la parte superior del respaldo del asiento utilizando cinta adhesiva. 3) Remueva 1 tornillo (1) de debajo de la caja de la consola izquierda. Pase el otro extremo de la manguera a través del agujero del tornillo y sáquelo afuera de la cubier ta de la batería (2) del lado izquierdo de la cabina. 4) Establezca la holgura entre el agujero del perno (1) y la manguera [1] con cinta adhesiva (3). 5) Ponga agua en la manguera llenando aproximadamente hasta la mitad y doble la manguera en forma con perfil en U. 6) Asegure la manguera [1] al exterior de la cabina y coloque el nivel de agua de la manguera de vinilo afuera de la cabina al mismo nivel que está dentro de la cabina. 7) Arranque el motor y coloque el monitor de la máquina en la función de Ajustes del modo de servicios. H Código de ajuste: 1005 (Modo de ventilador 100%) H Para el método de operación, ver Funciones especiales del monitor de la máquina (EMMS). 8) Haga funcionar el motor el alta velocidad sin carga y mida la diferencia de los niveles (c) de agua en la manguera [1]. (a): Adentro de la cabina (Presurizada) (b): Afuera de la cabina (Presión ambiental) (c): Valor medido (Presión interna de la cabina) H Si el valor medido (presión interna de la cabina) es menor que el valor estándar, revise los sellos de los agujeros del arnés de cables y de otras partes opcionales en la cabina. 2. Revise el rendimiento del sellado 1) Cierre todas las aperturas (puertas y ventanas) de la cabina. 2) Salpique agua alrededor de las escotillas de la cabina a razón de 19 l/min durante 10 minutos. H En este momento, no es necesario salpicar agua a presión. 3) Salpique agua horizontalmente desde una manguera sobre la porción de contacto
  • 432.
    GSN00680-00 30 Pruebasy Ajustes 38 D155AX-6 del sello (4) entre la cabina y la estructura del piso. 4) Compruebe cuidadosamente alrededor del tablero de instrumentos en busca de escapes de agua. H Si hay entradas de agua, calafatee la parte con entrada de agua y revise nuevamente. 3. Pruebas y ajustes de la cerradura de la puerta (amortiguador de goma) H Cierre la puerta y revise el ajuste entre la cabina del operador y la puerta (porción de goma del amortiguador). Si hay alguna anormalidad, ajustela. 1) Coloque cinta adhesiva [2] sobre la cara de contacto de la goma amortiguadora (6) de la puerta (5). H Revise ambos lados, 2 lugares en cada lado. 2) Abra y cierre la puerta (5) 2 – 3 veces. 3) Compruebe la poción de contacto de la cinta adhesiva [2] y de la cabina del operador. Normal: Cuando la puerta está cerrada, el caucho amortiguador entra ligera- mente en contacto (No se requiere ningún ajuste). Anormal: Cuando la puerta está cerrada, el caucho amortiguador no entra en contacto, o entra tan fuertemente en contacto que remueve la cinta adhe- siva (Requiere ajuste). 4) Afloje los pernos de montaje del caucho amortiguador (6). H Se puede desmontar e instalar las láminas de ajuste sin retirar los pernos de montaje. 5) Para ajustar en forma apropiada la altura del caucho amortiguador (6), aumente o disminuya los espaciadores (7) localiza- dos debajo del caucho amortiguador (6). 4. Pruebas y ajustes de la cerradura de la puerta (cerrojo y la placa de tope) H Cierre la puerta y revise el ajuste entre la cabina del operador y la puerta (cerrojo y placa de tope). Si hay alguna anormal- idad, ajustela. 1) Mueva la puerta (5) en la dirección de cerrarla y compruebe la condición de cierre del cerrojo (8) y la placa de tope (9) H Compruebe la cantidad de la falta de alineamiento (f) entre el centro del cerrojo (d) y el centro de la placa de tope e desde la dirección A.
  • 433.
    30 Pruebas yAjustes GSN00680-00 D155AX-6 39 Normal: Cantidad de falta de alineamiento (f) es de 0.5 mm o menos. 2) Apriete temporalmente los pernos de montaje de la cantonera (9). Después abra y cierre la puerta (5) 2 ó 3 veces para poner en línea el cerrojo (8) con la placa de tope (9). 3) Revise el encaje del pestillo (8) en la cantonera (9). 4) Apriete firmemente los pernos de montaje de la cantonera (9). 5) Abra y cierre la puerta (5) para revisar que la cerradura cierra y abre suavemente. H Si la puerta no se cierra y abre suavemente (si es grande el esfuerzo de operación de la empuñadura), repita el ajuste desde el principio. H Esfuerzo de operación de la empuña- dura de la puerta: 49 ± 19.6 N {5 ± 2 kg} 6) Aplique grasa al pestillo (8). H Si el cerrojo se seca, se aumenta el esfu erzo d e o pera ción d e la empuñadura. De tal modo, aplique suficiente grasa al cerrojo. 2 Pestillo: Grasa (G2-LI) 5. Pruebas y ajustes de la cerradura de la puerta (cerrojo y la placa de tope) H Compruebe la relación entre la cabina del operador y la puerta (cerrojo y placa de tope) mientras que la cerradura está acti- vada y la puerta abierta. Si hay cualquier falla, ajuste la cerradura abierta 1) Revise la relación entre el pestillo de la cerradura con la puerta abierta y la cantonera, vistas desde la dirección B. H Mueva la puerta en dirección de apertura y revise el encaje del pestillo y la cantonera. 2) Revise que la cantonera (10) no se incline sobre o desde el centro (g) del pestillo (11). 3) Compruebe que la placa de tope (11) está alineada con el centro (h) del cerrojo (12). Normal: Cantidad de falta de alinea- miento es de 0.5 mm o menos 5) Afloje los pernos de montaje de la cantonera (10). 6) Mientras se coloca hacia arriba la placa de tope (10), apriete los pernos de montaje.
  • 434.
    GSN00680-00 30 Pruebasy Ajustes 40 D155AX-6 6. Prueba y ajuste de la cerradura abierta (goma del tope) H Compruebe la relación existente entre la cabina del operador y la puerta (goma del tope=mientras la puerta está cerrada con la cerradura abierta Si hay cualquier falla, ajuste la cerradura abierta 1) Cierre la puerta abierta y mueva hacia adelante o hacia atrás para ver si no tiene algún juego. H Revise ambos lados, 2 lugares en cada lado. 2) Revise que el esfuerzo de la operación de la palanca de la cerradura no sea grande. 3) Afloje la tuerca de seguridad de la goma del tope (12) (superior). 4) Afloje la tuerca de seguridad de la goma del tope (13) (inferior). 5) De acuerdo al problema, ajuste la altura de los reténes de caucho (12) y (13). H Si hay algún juego, eleve el retenedor de caucho hasta que el juego sea eliminado. H Si la puerta no cierra fácilmente, o la palanca de la cerradura está dura, devuelva (baje) el retenedor de caucho a un punto en el cual la puerta no quede dura y no tenga ningún juego. 6) Mientras se aseguran las gomas del tope (12) y (13) ap riete las tuerca s d e seguridad.
  • 435.
    30 Pruebas yAjustes GSN00680-00 D155AX-6 41
  • 436.
    GSN00680-00 30 Pruebasy Ajustes 42 D155AX-6 D155AX-6 Buldózer No.de Forma GSN00680-00 © 2006 KOMATSU Todos los Derechos Reservados Impreso en E.E.U.U. 08-06
  • 437.
    D155AX-6 1 GSN00681-00 BULDÓZER 1MANUALDE TALLER D155AX-6 Modelo de máquina Número de serie D155AX-6 80001 y superiores 30 Pruebas y Ajustes 1 Pruebas y ajustes, Parte 3 Pruebas y ajustes, Parte 3............................................................................................................................. 2 Función Especial del Monitor de la Máquina (EMMS) ........................................................................ 2
  • 438.
    GSN00681-00 30 Pruebasy Ajustes 2 D155AX-6 Pruebas y ajustes, Parte 3 1 Función Especial del Monitor de la Máquina (EMMS) 1 Especificación del acondicionador de aire
  • 439.
    30 Pruebas yAjustes GSN00681-00 D155AX-6 3 Especificación de la calefacción Sección superior del monitor de la máquina (Sección de exhibición) (a): Exposición múltiple H La figura muestra un ejemplo de exposición de los símbolos e instrumentos en el modo de la exposición ordinaria (El contenido de la exposición depende de la condición de la máquina y del método de operación) H Cuando se arranca el motor, el voltaje de bat- ería puede que descienda súbitamente depen- diendo de la temperatura y del estado en que se encuentre la batería. En este caso, el mon- itor de la máquina se apaga por un momento. En consecuencia, este fenómeno no es una falla. Sección superior del monitor de la máquina (Sección de interruptores) [F1]: Interruptor de función F1 [F2]: Interruptor de función F2 [F3]: Interruptor de función F3 [F4]: Interruptor de función F4 [F5]: Interruptor de función F5 [F6]: Interruptor de función F6 H La función de cada uno de los interruptores de función está indicada por una marca gráfica en la exhibición múltiple (a) sobre la función de cada interruptor. H Si la marca de función de un interruptor no está exhibida, la función de ese interruptor no está trabajando. Sección inferior del monitor de la máquina (Sección de interruptores) [1]: Numeral 1 interruptor de entrada y/o interruptor selector de modo de operación [2]: Numeral 2 interruptor de entrada y/o interruptor selector de modo de cambio de marchas [3]: Numeral 3 interruptor de entrada y/o interruptor hecho a la medida [4]: Numeral 4 interruptor de entrada y/o interruptor de cancelación del zumbador [5]: Numeral 5 interruptor de entrada y/o interruptor del modo flotar [6]: Numeral 6 interruptor de entrada y/o interruptor de memoria hecho a la medida [7]: Numeral 7 interruptor de entrada y/o interruptor del acondicionador de aire o de calefacción [8]: Numeral 8 interruptor de entrada y/o interruptor del acondicionador de aire o de calefacción [9]: Numeral 9 interruptor de entrada y/o interruptor del acondicionador de aire o de calefacción [0]: Numeral 0 interruptor de entrada y/o interruptor del acondicionador de aire o de calefacción Interruptores que no tienen numerales: Interruptor del acondicionador de aire o de calefacción H Cada interruptor tiene la función indicada por la marca gráfica y la función de entrar un numeral. H El monitor de la máquina juzga automática- mente cual función de cada interruptor está efectiva actualmente, de acuerdo a la condi- ción exhibida de la exhibición múltiple (a). H La diferencia entre la especificación de acondi- cionador de aire y la especificación de calefac- ción es solamente las funciones de los interruptores de esta sección.
  • 440.
    GSN00681-00 30 Pruebasy Ajustes 4 D155AX-6 Funcion normal y funcion especial del monitor de la máquina El monitor de la máquina tiene las funciones ordinarias y funciones especiales y expone varios aspectos de información en la unidad de múltiples exposiciones. Algunos items los exponen automáticamente de acuerdo con la regulación interna del monitor de la máquina y las otras son expuestas de acuerdo con la operación de los interruptores. 1. Funciones ordinaria: Modo del operador Los ítems en este modo son exhibidas habitualmente. El operador puede exhibirlas y establecerlas mediante la operación de los interruptores (la exhibición y configuración de algunos ítemes necesitan operaciones especiales de los interruptores). 2. Función especial: Modo de servicio Los ítems en este modo no son exhibidas habitualmente. Cada operador de servicio puede exponerlos mediante la operación especial de interruptores. Este modo se usa para configuración especial, pruebas, ajuste, o localización de fallas. H Clasificación del modo del operador A:Exhibición y/o Función desde el momento en el que el interruptor de arranque fue colocado en ON hasta el momento cuando la pantalla cambia a la pantalla normal y exhibe, después de que el interruptor de arranque es colocado en OFF B:Exhibición y/o Función cuando el interruptor del monitor de la máquina es operado C:Exhibición y/o Función cuando se cumplen ciertas condiciones D:Exhibición y/o Función la cual necesita la operación especial de un interruptor Modo del operador (Perfil) Pá- gina Modo de servicio Pá- gina 5 p 17 p A Exposición del logo KOMATSU 5 p 01 Monitoreo 18 p A Exposición de la pantalla para ingresar la palabra clave 6 p 02 Historialde fallas Historial de fallas del sistema mecánico 25 p A Exhibición para revisión antes de arrancar 6 p Historial de fallas del sistema eléctrico 26 p A Exhibición de la advertencia después de revisar antes del arrancar 6 p Historial de fallas del acondicionador de aire/historial de fallas de calentador 36 p A Exhibición del final del intervalo de mantenimiento 6 p 03 Historial de mantenimiento 37 p A Exposición de la comprobación previamente establecida 7 p 04 Cambio en el modo de mantenimiento 38 p A Exhibición de la pantalla normal 7 p 05 Colocación del No. de teléfono 40 p A Exhibición de la pantalla final 7 p 06 Initializa- ción Modo de trabajo con la llave de la ignición en ON 41 p B Selección del modo de operación 8 p Estableciendo la unidad 42 p B Selección del modo de cambio de marchas 8 p → Establecimiento de la palabra clave de mantenimiento 43 p B Forma de acomodar las operaciones 8 p Operacionesespeciales Estableciendo la cámara 44 p B Operación de la memoria hecha a la medida 8 p Estableciendo la exhibición de ECO 45 p B Selección del modo de flotar 9 p 07 Ajuste 46 p B Operación para cancelar el zumbador de alarma 9 p 08 CLÍNICA PM 72 p B Operación del acondicionador de aire y/o calefacción 9 p 09 Operación del modo de cilindro reducido 73 p B Selección de la inclinación doble (Especificación de doble inclinación) 10 p 10 Girar el motor sin inyección 75 p B Operación para exhibir el modo de la cámara (si está instalada la cámara) 10 p 11 Exposición del consumo de combustible 76 p B Operación para exhibir el reloj y el horómetro de servicio 11 p 12 Exposi- ción de la activación de KOMTRAX Exposición de la activación de terminal 77 p B Comprobación de la información de mantenimiento 11 p Condición de posicionamiento y comunicación 78 p B Configuración y exhibición del modo del usuario (Incluyendo los mensajes para el usuario de KOMTRAX) 12 p NÚMERO DE SERIE DEL MODEM 79 p C Exposición de precauciones en el monitor 13 p 13 Exposición del mensaje de servicio 80 p C Exposición del código de acción y del código de falla 13 p ↓ (Operaciones especiales) D Función para comprobar la exposición LCD (Pantalla de Cristal Líquido) 15 p D Función de revisión del indicador de servicio 15 p D Función de cambio de contraseña de mantenimiento 16 p
  • 441.
    30 Pruebas yAjustes GSN00681-00 D155AX-6 5 Modo del operador (Perfil) H En esta sección solamente se ofrece una descripción general del modo del operador. Para detalles sobre el contenido y/o operación de cada función y/o exhibición, vea la Estruc- tura y Operación, mantenimiento estándar, o el Manual de Operación y Mantenimiento. H Lo siguiente es la exhibición o funciones del modo del operador explicadas en esta sección (incluyendo algunos ítemes, los cuales necesi- tan operaciones especiales). H Patrón de exhibición del modo del operador El contenido de la exhibición desde el momento en el cual el interruptor de arranque fue puesto en ON hasta el momento en el que la pantalla cambia a la pantalla normal, depende de la configuración y la condiciones de la máquina a:Cuando la traba para el arranque del motor está regulada en "activada" b:Cuando la traba para el arranque del motor está regulada en "desactivada" c:Cuando hay un ítem anormal en los ítemes de la revisión antes de arrancar d:Cuando hay un ítem de mantenimiento el cual no ha sido atendido después del intervalo especificado Exposición del logo KOMATSU Cuando el interruptor de arranque es colocado en "ON", aparece el logotipo de KOMATSU durante dos segundos. Después que se expone el logo de KOMATSU durante 2 segundos, la pantalla cambia para exponer la pantalla de ingreso de la palabra clave o exponer la comprobación antes de comenzar. H La siguiente pantalla puede llegar a ser exhi- bida en lugar de la pantalla mencionada arriba referente a la introducción de la contraseña. H Si esta pantalla es exhibida, llame a la persona responsable de la operación KOMTRAX de su Distribuidor Komatsu, y pregúntele por el remedio. Patrón de exhibición a b c d Exposición del logo KOMATSU 1 1 1 1 Exposición de la pantalla para ingresar la palabra clave 2 – – – Exhibición para revisión antes de arrancar 3 2 2 2 Exhibición de la advertencia después de revisar antes del arrancar – – 3 – Exhibición del final del intervalo de mantenimiento – – – 3 Exposición de la comprobación previamente establecida 4 4 4 4 Exhibición de la pantalla normal 5 4 5 5 Exhibición de la pantalla final Selección del modo de operación Selección del modo de cambio de marchas Selección del modo de trabajo Forma de acomodar las operaciones Operación de la memoria hecha a la medida Selección del modo de flotar Operación para cancelar el zumbador de alarma Operación del acondicionador de aire y/o calefacción Selección de la inclinación doble (Especificación de doble inclinación) Operación para exhibir el modo de la cámara (si está instalada la cámara) Operación para exhibir el reloj y el horómetro de servicio Comprobación de la información de mantenimiento Configuración y exhibición del modo del usuario (Incluyendo los mensajes para el usuario de KOMTRAX) Exposición de precauciones en el monitor Exposición del código de acción y del código de falla ↓ (Operaciones especiales) Función de revisión de la exhibición del LCD (Exhibición de Cristal Líquido) Función de revisión del indicador de servicio Función de cambio de contraseña de mantenimiento
  • 442.
    GSN00681-00 30 Pruebasy Ajustes 6 D155AX-6 Exposición de la pantalla para ingresar la palabra clave Después de que el logotipo de Komatsu es exhibido, se exhibe la pantalla para introducir la contraseña del seguro de arranque del motor. H La pantalla es exhibida solamente cuando la función de seguro de arranque del motor está en efecto. H Si se ingresa normalmente la palabra clave, la pantalla cambia para exponer la comprobación antes de comenzar. H El monitor de la máquina tiene algunas funci- ones de contraseña diferentes a la del seguro para el arranque del motor. Estas funciones son independientes entre sí. Exhibición para revisión antes de arrancar Cuando la pantalla cambie a la de revisión antes del arranque, la revisión antes de arrancar se exhibe durante 2 segundos H Si la revisión antes de arrancar detecta alguna anormalidad, la pantalla cambia a "Exhibición de advertencias después de la revisión de antes de arrancar", o a "Exhibición de termi- nación del intervalo de mantenimiento" H Si no se detecta ninguna anormalidad durante la revisión de antes de arrancar, la pantalla cambia a "Exposición de la comprobación pre- viamente establecida". H Los monitores (3 unidades) exhibidas en la pantalla son los ítemes sujetos a revisión de antes de arrancar. Exhibición de la advertencia después de revisar antes del arrancar Si se detecta alguna anormalidad durante la revisión de antes de arrancar, el monitor de advertencia es exhibido en la pantalla. H La siguiente figura muestra que el indicador del nivel del refrigerante del radiador (a) está advirtiendo que el nivel del refrigerante del radiador está bajo. Exhibición del final del intervalo de manten- imiento Cuando se termina la revisión de antes de arrancar, si un ítem de mantenimiento está cerca o después del termino del intervalo establecido, el monitor de mantenimiento es exhibido durante 30 segundos para urgir al operador a hacer el mantenimiento indicado. H Esta exposición aparece solamente cuando la función de mantenimiento está efectiva. El color del monitor de mantenimiento (amarillo o rojo) indica el espacio de tiempo transcurrido después del intervalo de mantenimiento. H Establecer o cambiar la función de manten- imiento en el modo de servicio.
  • 443.
    30 Pruebas yAjustes GSN00681-00 D155AX-6 7 Exposición de la comprobación previamente establecida Si la revisión de antes de arrancar ha terminado no r malme nte, la pan ta lla co mp rob ació n previamente establecida (velocidad de traslado en el arranque) es exhibida por 2 segundos. H Después de finalizar la exposición de la com- probación previamente establecida, la panta- lla cambia para exponer la pantalla ordinaria. Exhibición de la pantalla normal Si el monitor de la máquina arranca normalmente, se exhibe la pantalla normal H El horómetro de servicio (a) o el reloj son exhi- bidos en la sección superior central de la pan- talla (El horómetro de servicio o el reloj son seleccionados con el (F4). H El indicador de temperatura (b) del aceite del tren de potencia aparece expuesto en la sec- ción de múltiples instrumentos (se pone en ON (activa) u OFF (desactivada) con la función del modo de usuario). H El indicador ECO (b) es exhibido en el extremo derecho de la pantalla (el es activado ON, o desactivado OFF en el modo de servicio). Exhibición de la pantalla final Cuando el interruptor de arranque es colocado en la posición OFF, la pantalla final es exhibida durante 5 segundos. H Otro mensaje podrá ser exhibido en la pantalla final, dependiendo de la función de exhibición de mensajes de KOMTRAX. Selección del modo de operación Mientras se expone la pantalla ordinaria, oprima el interruptor selector del modo de operación y se cambia el modo de operación del monitor (a). H Cada vez que se oprime el interruptor, el modo de operación cambia entre [P (Potencia) y [E (Economía)].
  • 444.
    GSN00681-00 30 Pruebasy Ajustes 8 D155AX-6 Selección del modo de cambio de marchas Mientras se expone la pantalla ordinaria, oprima el interruptor selector del modo de cambio de marchas y el monitor (a) del modo de cambio de marchas se cambia para la marcha expuesta. H Cada vez que se oprime el interruptor, se cam- bia el modo del cambio de marchas entre [Explanación (Cambio de marchas automático) y Desgarramiento (cambio de marchas Man- ual)]. H Si se selecciona la explanación (cambio automático de marchas), aparecerá expuesto el símbolo (b) de AUTO en la sección de exposición de marcha. Forma de acomodar las operaciones Cuando aparece expuesta la pantalla ordinaria, oprima el interruptor de confección al gusto y se podrá cambiar la regulación de la máquina. H Si se opera el interruptor de confección al gusto mientras se encuentra activa la pantalla anterior, se podrán salvar hasta 5 regula- ciones. Operación de la memoria hecha a la medida Mientras se encuentra expuesta la pantalla ordinaria, oprima el interruptor de confección de memoria al gusto y podrá seleccionar las regulaciones registradas de confecciones al gusto. Selección del modo de flotar Mientras se encuentra expuesta la pantalla ordinaria, oprima el interruptor del modo de flotación y cambiará el modo (a) de flotación. H Cada vez que se oprime el interruptor, se cam- bia el modo de flotación entre [ON (flotación efectiva) y [OFF (flotación sin efecto)]. H Si se pone en ON el modo de flotación, el monitor (a) del modo de flotación aparecerá expuesto. Si el anterior se apaga, el posterior se oculta. H El interruptor del modo de flotación da o quita efectividad. Al botón de la palanca de control de la hoja. No hace flotar la hoja. Operación para cancelar el zumbador de alarma Mientras el zumbador de alarma está sonando, si se oprime el interruptor de cancelación del zumbador de alarma, ésta deja de sonar. H Aunque se oprima el interruptor que cancela la zumbadora, la pantalla no cambia.
  • 445.
    30 Pruebas yAjustes GSN00681-00 D155AX-6 9 Operación del acondicionador de aire y/o cale- facción Mientras la pantalla normal es exhibida, oprima el interruptor del acondicionador de aire o el interruptor de la calefacción, y la pantalla de ajuste del acondicionador de aire o la pantalla de ajuste de la calefacción son exhibidas. H Mientras la pantalla de ajuste del acondiciona- dor de aire, o la pantalla de ajuste de la cale- facción son exhibidas, si durante los siguientes 5 segundos usted no toca ningún interruptor, la pantalla cambia a la pantalla ordinaria. H Especificación del acondicionador de aire H Especificación de la calefacción Selección de la inclinación doble (Especifi- cación de doble inclinación) Mientras se encuentra expuesta la pantalla ordinaria, oprima [F1] y cambia el monitor (a) de doble inclinación. H Cada vez que se oprime [F1, el modo de doble inclinación cambia entre [ON Doble y [OFF] (Sencillo)]. H Si se pone en ON el modo de doble incli- nación, aparece expuesto el monitor (a) del modo de doble inclinación. Si el anterior se apaga, el posterior se oculta. H [F1] establece el modo de inclinación sencillo o doble en la hoja con especificaciones de doble inclinación. No fija la función de inclinación vertical o lateral de la palanca de control de la hoja
  • 446.
    GSN00681-00 30 Pruebasy Ajustes 10 D155AX-6 Operación para exhibir el modo de la cámara (si está instalada la cámara) Cuando la cámara está instalada, si se oprime (F3), la exhibición múltiple cambia a la imagen de la cámara. H Establezca la conexión de la cámara en el modo de servicio. H Se pueden conectar hasta 3 cámaras. Si es seleccionado el modo de la cámara, solamente la imagen de la cámara 1 será exhibida siempre. H Si se genera alguna precaución en el modo de la cámara, ésta será exhibida en la parte supe- rior izquierda de la pantalla del monitor de pre- caución. H Cuando en el modo de la cámara ocurre un error que es un código de acción, si usted no toca ninguna palanca de control durante 10 segundos, la pantalla cambia a la pantalla nor- mal y exhibe la información del error. H Cuando dos o más cámaras están conecta- das, la imagen de una de ellas, o la imagen de las dos pueden ser exhibidas. H Si se selecciona la exhibición (F4) de la cámara 2, la cámara 1 es exhibida en el lado izquierdo de la pantalla, y la imagen de la cámara 2 se exhibe en el lado derecho. La imagen de la cámara 3 es exhibida solo indi- vidualmente. H Si la imagen de las dos cámaras es exhibida simultáneamente, las imágenes son exhibidas por intervalos de 1 segundo en la pantalla derecha, o en la izquierda. Operación para exhibir el reloj y el horómetro de servicio Mientras la pantalla normal es exhibida, oprima (F4), y la sección (a) cambia intermitentemente al horómetro de servicio o al reloj. H Cuando el reloj es seleccionado, ajuste la hora, coloque la exhibición en 12 horas, o en 24 horas, y configure la hora de verano con la función del modo del usuario. H Exposición del horómetro H Exposición del reloj
  • 447.
    30 Pruebas yAjustes GSN00681-00 D155AX-6 11 Comprobación de la información de mante- nimiento Mientras el monitor de mantenimiento o la pantalla normal es exhibida, oprima (F5), y se exhibirá la pantalla con la tabla de mantenimiento. H Para restablecer el tiempo que queda después de terminar el mantenimiento, se necesitan más operaciones. Configuración y exhibición del modo del usuario (Incluyendo los mensajes para el usuario de KOMTRAX) Mientras la pantalla normal está exhibida, oprima (F6), y la pantalla del modo del usuario es exhibida. H Hay los siguiente menús en el modo del usuario. [Mensaje de KOMTRAX] l Hay dos tipos de mensajes KOMTRAX; Uno es para el usuario y el otro es para servicio. l Para usuario: Un mensaje transmitido por la estación base de KOMTRAX para el usuario Si este es recibido, el monitor de mensaje es exhibido en la pantalla normal. Para ver el contenido del mensaje, opere la "Exhibición del mensaje" en el menú del usuario de arriba. Gráfica de condición de trabajo Indicador múltiple Ajuste de la pantalla Ajuste del reloj Ajuste del idioma Exposición de mensajes Inversión del ventilador hidráulico
  • 448.
    GSN00681-00 30 Pruebasy Ajustes 12 D155AX-6 l Para servicio: Un mensaje transmitido por la estación base de KOMTRAX para el servicio. Si este es recibido, no se exhibe nada en la pantalla normal. Para ver el contenido del mensaje, opere exhibición del "Mensaje KOMTRAX" en el menú de servicio. Exposición de precauciones en el monitor Si ocurre alguna anormalidad que exhiba una precaución en el monitor de precaución de la pantalla normal, o en la pantalla del modo de la cámara, el monitor de precaución se exhibe grande por un momento y luego se exhibe en la sección (a) de la pantalla. H En la pantalla del modo de la cámara, cuando se genera alguna precaución, el monitor de precaución destella en la parte superior izquierda de la pantalla. Exposición del código de acción y del código de falla Si ocurre alguna anormalidad que exhiba la cual exhiba un código de acción y un código de falla en la pantalla normal, o en la pantalla de la cámara, toda la información de la anormalidad es exhibida. (a) : Código de acción (3 dígitos) (b) : Código de falla (5 ó 6 dígitos) (c) : Marca de teléfono (d) : Número de teléfono H Esta pantalla es exhibida solamente cuando ocurre una anormalidad (código de falla) por la cual se establece un código de acción. H La marca del teléfono y el número del teléfono solamente se exponen cuando el número telefónico está registrado en el modo de servi- cio. H Si ocurren simultáneamente múltiples anor- malidades, todos los códigos son exhibidos en orden repetidamente. H Debido a que la información del código de falla exhibido es grabada en la historia de fallas en el modo de servicio, revise los detalles en el modo de servicio.
  • 449.
    30 Pruebas yAjustes GSN00681-00 D155AX-6 13 H Remedios dados por medio de la exhibición de código de acción para que el operador tenga en cuenta (La siguiente tabla es un pasaje tomado del Manual de Operación y Mantenimiento) Código de acción Método para la indicación de problema Ejemplos de problemas Remedio dado para que el operador lo ponga en práctica E01 • Aparecen expuestos los códigos de acción y de falla • Aparece expuesto el número telefónico (si lo tiene) • Alarma de traslado no suena • La velocidad del ventilador es mantenida al nivel máximo. • Aunque todo o parte de la función automática se detenga, la máquina puede operarse. • Póngase en contacto con su distribuidor Komatsu para reparación. E02 • Aparecen expuestos los códigos de acción y de falla • Aparece expuesto el número telefónico (si lo tiene) • Suena la alarma zumbadora. • La marcha no se puede cambiar ni hacia arriba ni hacia abajo • La presión de refuerzo del motor es anormal. • El color del gas de escape es malo cuando la temperatura es baja. • Si el operador detiene y vuelve a arrancar el motor, la máquina se puede operar sin limitar ninguna función. No obstante el operador debe tener cuidado. • Póngase en contacto con su distribuidor Komatsu para reparación. E03 • Aparecen expuestos los códigos de acción y de falla • Aparece expuesto el número telefónico (si lo tiene) • Suena la alarma zumbadora. • Está anormal el sensor de la temperatura del refrigerante • Están limitadas las marchas útiles de la máquina. • La velocidad del motor no alcanza su valor máximo. • La sacudida de cambio de marcha se incrementa. • Ha disminuido el desempeño de dirección. • La sacudida de frenado se incrementa. • Mueva la máquina a un lugar seguro • Póngase en contacto con su distribuidor Komatsu para reparación. E04 • Aparecen expuestos los códigos de acción y de falla • Aparece expuesto el número telefónico (si lo tiene) • Suena la alarma zumbadora. • El motor no se puede controlar. • La máquina no puede trasladarse por si misma. • La máquina se para. • Detenga la máquina inmediatamente. • Póngase en contacto con su distribuidor Komatsu para reparación.
  • 450.
    GSN00681-00 30 Pruebasy Ajustes 14 D155AX-6 Función de revisión de la exhibición del LCD (Exhibición de Cristal Líquido) Mientras la pantalla normal es exhibida, si el interruptor de entrada al siguiente numeral y el interruptor de función son operados como sigue, todos los LCD (Exhibición de cristal líquido) se ilumina en blanco. l Operación de interruptores (simultaneos): [4] + [F2] H Cuando termine la operación de los interrup- tores, libere primero la (F2). H Si hay alguna exhibición de error en la LCD, solamente esa parte está indicada en negro. H El tablero LCD algunas veces tiene unos pun- tos negros (puntos que no están encendidos) y puntos brillantes (puntos que no se han apa- gado) por la razón de sus características. Si el número de los puntos brillantes y puntos negros no excede de 10, esos puntos no con- stituyen una falla o un defecto. H Para volver a la pantalla normal, oprima el interruptor de función. Función de revisión del indicador de servicio Para revisar el horómetro mientras el interruptor de arranque se encuentra en posición OFF, opere los interruptores de entrada de numeral de la siguiente manera. En este momento, solamente se exhibe la sección del horómetro de servicio. l Operación de interruptores (simultaneos): [4] + [1] H Debido a que hay alguna demora de tiempo en el arranque de la LCD, mantenga oprimidos los interruptores hasta que la LCD se encienda normalmente. H Después de que el monitor de la máquina ha sido usado continuamente, puede que se vean puntos azules (puntos que no se apagan) en la pantalla. Este fenómeno no indica una falla o un defecto.
  • 451.
    30 Pruebas yAjustes GSN00681-00 D155AX-6 15 Función de cambio de contraseña de manten- imiento Cuando cambie la contraseña usada para la función de mantenimiento, siga los siguientes procedimientos. 1. Mientras la pantalla normal está exhibida, efectúe la siguiente operación usando los interruptores de entrada de numerales. Operación de los interruptores (Mientras se oprime la (F4) efectúe la operación en orden): [4] + [5] → [5] → [5] H Esta operación de los interruptores no es aceptada hasta que transcurran 10 minu- tos después de que el interruptor de ar- ranque haya sido colocado en ON. 2. Después de que se exhiba la pantalla de CONTRASEÑA (PASSWORD) de Mantenimiento, introduzca la contraseña actual por medio de los interruptores para entrar numerales y confírmela con el interruptor de función. [F5]: Borre el numeral de entrada y/o Retorno a la pantalla normal [F6]: Confirma el numeral introducido H Contraseña preconfigurada: [000000] H Si la contraseña introducida está correcta, la pantalla cambia a la siguiente pantalla. H Si la contraseña introducida es incorrecta, se exhibe el mensaje para introducir nue- vamente la contraseña. 3. Después de que se exhiba la nueva pantalla de contraseña, introduzca una nueva contraseña por medio de los interruptores para entrar numerales y confírmela con el interruptor de función. H Establezca una nueva contraseña de 4 a 6 dígitos (Si tiene solo 3 ó menos dígitos, ó 7 ó más dígitos, ella no es aceptada). [F5]: Borre el numeral de entrada y/o Retorno a la pantalla normal [F6]: Confirma el numeral introducido 4. Después de que la pantalla para entrar la contra- seña nueva es exhibida nuevamente, introduzca nuevamente la nueva contraseña por medio de los interruptores para introducir numerales, y confírmela con el interruptor de función. [F5]: Borre el numeral de entrada y/o Retorno a la pantalla normal [F6]: Confirma el numeral introducido H Si se introduce una contraseña diferente a la contraseña introducida antes de su introducción, se exhibe el mensaje de introducirla nuevamente. 5. Si la pantalla que notifica el termino de la configuración es exhibida y luego la pantalla normal es exhibida, la contraseña ha sido cambiada con éxito.
  • 452.
    GSN00681-00 30 Pruebasy Ajustes 16 D155AX-6 Modo de servicio Para cambiar del modo del operador al modo de servicio, efectúe la siguiente operación. Esta operación es requerida siempre cuando usted usa el modo de servicio. 1. Revise la exhibición de la pantalla y los interruptores de operación Mientras la pantalla normal está exhibida, efectúe la siguiente operación usando los interruptores de entrada de numerales. Operación de los interruptores (Mientras se oprime la (F4) efectúe la operación en orden): [4] + [1] → [2] → [3] H Esta operación de los interruptores es aceptada únicamente mientras la pantalla normal es exhibida 2. Selección de menú de servicio Cuando la pantalla del menú de servicio es exhibida, el modo de servicio es seleccionado. Seleccione el menú de servicio que usted usa con los interruptores de función o los interruptores para introducir numerales. [F3]: Mueva al menú inferior [F4]: Mueva al menú superior [F5]: Retorna a la pantalla normal (modo del operador) [F6]: Confirme la selección H Usted puede introducir un código de 2 dígitos usando los interruptores para intro- ducir numerales, para seleccionar el menú de ese código y confirmarlo por medio del (F6). H Los ítems que se pueden seleccionar en el menú de servicios son los siguientes: H Los ítems con códigos de 2 dígitos son los menús expuestos en la pantalla del menú de servicios. Los ítems en su derecha son los menús de la siguiente jerarquía 01 Monitoreo 02 Historial de fallas Historial de fallas del sistema mecánico Historial de fallas del sistema eléctrico Historial de fallas del acondicionador de aire/historial de fallas de calentador 03 Historial de mantenimiento 04 Cambio en el modo de mantenimiento 05 Colocación del No. de teléfono 06 Initialización Modo de trabajo con la llave de la ignición en OFF Selección de la unidad Establecimiento de la palabra clave de mantenimiento Estableciendo la cámara Estableciendo la exhibición de ECO 07 Ajuste 08 CLÍNICA PM 09 Operación del modo de cilindro reducido 10 Girar el motor sin inyección 11 Exposición del consumo de combustible 12 Exposiciónde la activación de KOMTRAX Condición de configuración del terminal Condición de posicionamiento y comunicación NÚMERO DE SERIE DEL MODEM 13 Exposición del mensaje de servicio
  • 453.
    30 Pruebas yAjustes GSN00681-00 D155AX-6 17 Monitorear El monitor de la máquina puede monitorear la condición de la máquina durante el trabajo, recibiendo señales de varios interruptores, sensores y accionadores instalados en muchas partes de la máquina y con la información proveniente de controladores, los cuales son interruptores de control, etc. 1. Seleccionando el menú Seleccione 01 Monitoreo en la pantalla del menú de Servicio. 2. Seleccionando los ítemes de monitoreo Después de que se exhiba La pantalla del menú para selección del monitoreo, seleccione los ítemes a ser monitoreados por medio de los interruptores de función o los interruptores para introducir numerales. [F1]: Mueva a la siguiente página (pantalla) [F2]: Mueva a la página anterior (pantalla) [F3]: Mueva al ítem inferior [F4]: Mueva al ítem superior [F5]: Borrar el numeral introducido/ Retorno a la pantalla del menú de servicio [F6]: Confirme la selección H Selección con los interruptores de fun- ción: Seleccione un ítem con la [F3], o [F4] y confírmelo con [F6]. H Selección con los interruptores para intro- ducir numerales: Entre un código de 5 dígitos, y el ítem de ese código es selec- cionado directamente. Confirme este ítem con [F6]. H Si el color de la caja seleccionada cambia de amarillo a rojo, la selección de el ítem de esa caja es confirmada. H Hasta 6 ítemes de monitoreo se pueden seleccionar al mismo tiempo. Usted puede que no pueda seleccionar hasta 6 ítemes, aunque, depende de la forma de exhibición de esos ítemes. 3. Decidiendo ítemes a monitorear Después de seleccionar los ítemes de monitoreo, efectúe el monitoreo con el interruptor de función o con el interruptor para introducir numerales. H Ejecución con el interruptor de función: Doble-click o mantenga presionado [F6] (por más o menos 2 seg.). H Ejecución con el interruptor para introducir numerales: Entre [99999] y presione [F6]. H Cuando monitoree solo 2 ítemes, por ejemplo, selecciónelos y confírmelos con la (F6). Si (F6) es oprimido en este momento una vez más, el monitoreo es ejecutado. H Si los ítemes de monitoreo están seleccio- nados hasta el número límite, el moni- toreo es ejecutado automáticamente.
  • 454.
    GSN00681-00 30 Pruebasy Ajustes 18 D155AX-6 4. Ejecutando el monitoreo Después de que "Pantalla de ejecución del monitoreo" es exhibida, efectué la operación ne cesar ia de la máq uin a y revise la información del monitoreo. H La información del monitoreo está indicada por un valor, ON y/o OFF, o la exhibición especial. H La unidad de exhibición puede ser establecida en unidades SI, métrica, o unidad en pulgadas, por medio de la fun- ción de inicialización en el modo de servi- cio. 5. Retención de información de observación La información de monitoreo puede ser retenida y restablecida con los interruptores de función. [F3]: Restablecer lo retenido [F4]: Retener información (dato exhibido) [F5]: Retornar a la pantalla del menú de selección de monitoreo 6. Cambiando el modo para configurar la máquina Para cambiar la configuración del modo potencia/economía, modo de giro en reversa del ventilador, velocidad de traslado/trabajo, opere el interruptor correspondiente debajo de la condición actual, y la pantalla para configurar el modo queda exhibida. Mientras esta pantalla es exhibida, si el interruptor correspondiente es operado aún más, el modo correspondiente es cambiado. H Después de terminar de cambiar las con- figuraciones, oprima (F6) para volver a la pantalla de información de monitoreo. H Si la configuración es cambiada durante el monitoreo, la nueva configuración es retenida aún después de que la pantalla retorne a la pantalla normal después de que el monitoreo se haya terminado.
  • 455.
    30 Pruebas yAjustes GSN00681-00 D155AX-6 19 Listado de ítemes a monitorear Códi- go No. Ítem a monitorear (Exposición en pantalla) Unidad (Regulación inicial: ISO) Componen- te a cargo Observaciones ISO metro pulgada 50300 S/T Lever 1 Potentio mV mV mV P/T 50301 S/T Lever 2 Potentio mV mV mV P/T 50400 Brake Pedal Potentio mV mV mV P/T 31619 Brake LH ECMV(F/B) mA mA mA P/T 31618 Brake RH ECMV(F/B) mA mA mA P/T 50600 HSS Solenoid LH(F/B) mA mA mA P/T 50601 HSS Solenoid RH(F/B) mA mA mA P/T 90600 S/T Clutch LH ECMV(F/B) mA mA mA P/T 90601 S/T Clutch RH ECMV(F/B) mA mA mA P/T 31628 S.S.P Solenoid mA mA mA P/T 32900 Pitch Angle ° ° ° P/T 60100 Pitch Angle Sensor mV mV mV P/T 60500 ENG Hold Relay mV mV mV P/T 60600 BR Hold Relay mV mV mV P/T 50000 Fuel Dial Throttle % % % P/T 03000 Fuel Dial Sensor mV mV mV P/T 31521 S/T Fill Sw Input BL (Left brake fill sw) ON • OFF P/T CL (Left clutch fill sw) ON • OFF P/T CR (Right clutch fill sw) ON • OFF P/T BR (Right brake fill sw) ON • OFF P/T 50200 T/M Lever 1 Potentio mV mV mV P/T 50201 T/M Lever 2 Potentio mV mV mV P/T 31622 T/M Clutch F ECMV(F/B) mA mA mA P/T 31616 T/M Clutch R ECMV(F/B) mA mA mA P/T 31602 T/M Clutch 1st ECMV(F/B) mA mA mA P/T 31603 T/M Clutch 2nd ECMV(F/B) mA mA mA P/T 31604 T/M Clutch 3rd ECMV(F/B) mA mA mA P/T 30100 T/C Oil Temperature C C F P/T 31400 T/M Out Speed r/min rpm rpm P/T 32601 T/C In Pressure MPa kg/cm² psi P/T 32602 T/C In Pressure Sensor mV mV mV P/T 32603 T/C Out Pressure MPa kg/cm² psi P/T 32604 T/C Out Pressure Sensor mV mV mV P/T 31642 L/U ECMV(F/B) mA mA mA P/T 90700 S/C ECMV(F/B) mA mA mA P/T 50900 T/M Lock Relay mV mV mV P/T 40001 Vehicle Speed km/h km/h km/h P/T
  • 456.
    GSN00681-00 30 Pruebasy Ajustes 20 D155AX-6 60000 Traction W W W P/T 70200 T/M Out Speed Sensor mV mV mV P/T 70400 Back Alarm Relay mV mV mV P/T 31624 Fan Pump Solenoid(F/B) mA mA mA P/T 10000 Fan Speed r/min rpm rpm P/T 40905 T/M Sw Input 1 SUNC (Gear shift up sw) ON • OFF P/T SUNO (Gear shift up sw) ON • OFF P/T SDNC (Gear shift down sw) ON • OFF P/T SDNO (Gear shift down sw) ON • OFF P/T PNC (Parking brake lever sw) ON • OFF P/T PNO (Parking brake lever sw) ON • OFF P/T 40906 T/M Fill Sw Input 1 F (F clutch fill sw) ON • OFF P/T R (R clutch fill sw) ON • OFF P/T 1st (1st clutch fill sw) ON • OFF P/T 2nd (2nd clutch fill sw) ON • OFF P/T 3rd (3rd clutch fill sw) ON • OFF P/T 31520 T/M Fill Sw Input 2 L/U( Lock-up clutch fill sw) ON • OFF P/T S/C (Stator clutch fill sw) ON • OFF P/T 40909 T/M Output 1 Brly (Back Alarm relay) ON • OFF P/T Prly (Parking lock relay) ON • OFF P/T Fres (Fan reverse solenoid) ON • OFF P/T 70700 Hydraulic Pump Pressure 1 MPa kg/cm² psi W/E 70701 Hydraulic Pressure Sensor 1 mV mV mV W/E 71001 Blade Raise EPC(F/B) mA mA mA W/E 71003 Blade Down EPC(F/B) mA mA mA W/E 71005 Blade Tilt LH-H EPC(F/B) mA mA mA W/E 71007 Blade Tilt LH-B EPC(F/B) mA mA mA W/E 90800 Blade Tilt RH-H EPC(F/B) mA mA mA W/E 90801 Blade Tilt RH-B EPC(F/B) mA mA mA W/E 71101 Ripper Raise EPC(F/B) mA mA mA W/E 71103 Ripper Down EPC(F/B) mA mA mA W/E 71105 Ripper Tilt In EPC(F/B) mA mA mA W/E 71107 Ripper Tilt Back EPC(F/B) mA mA mA W/E 73400 Blade Lift Lever A Potentio mV mV mV W/E 73401 Blade Lift Lever B Potentio mV mV mV W/E Códi- go No. Ítem a monitorear (Exposición en pantalla) Unidad (Regulación inicial: ISO) Componen- te a cargo Observaciones ISO metro pulgada
  • 457.
    30 Pruebas yAjustes GSN00681-00 D155AX-6 21 73500 Blade Tilt Lever A Potentio mV mV mV W/E 73501 Blade Tilt Lever B Potentio mV mV mV W/E 73600 Ripper Tilt Lever A Potentio mV mV mV W/E 73601 Ripper Tilt Lever B Potentio mV mV mV W/E 73700 Ripper Lift Lever A Potentio mV mV mV W/E 73701 Ripper Lift Lever B Potentio mV mV mV W/E 01300 TVC Solenoid(F/B) mA mA mA W/E 90900 Quick Drop Solenoid(F/B) mA mA mA W/E 70300 Blade Sw Input FLNC (Blade float sw) ON • OFF W/E FLNO (Blade float sw) ON • OFF W/E BPNC (Blade pitch sw) ON • OFF W/E BPNO (Blade pitch sw) ON • OFF W/E WLNC (Work equipment lock sw) ON • OFF W/E WLNO (Work equipment lock sw) ON • OFF W/E 20227 Monitor Ass’y P/N — MON 20402 Monitor Serial No — MON 20228 Monitor Prog P/N — MON 20242 P/T Con Ass’y P/N — P/T 20404 P/T Con Serial No — P/T 20243 P/T Con Prog P/N — P/T 20244 W/E Con Ass'y P/N — W/E 20405 W/E Con Serial No — W/E 20245 W/E Con Prog P/N — W/E 04200 Fuel Level Sensor Volt V V V MON 04300 Battery Charge Volt V V V MON 04401 Hyd Oil Temperature C C F MON 04002 Hyd Temp Sens Volt V V V MON 18900 ECM Internal Temp C C F ENG 37200 Presión de Aceite del Motor kPa kg/cm² psi ENG 00201 Máquina ID (Identificación de la máquina) — ENG 20216 ECM Build Version — ENG 20217 ECM Calibration Data Ver — ENG 20400 ECM Serial No — ENG 01002 Engine Speed r/min rpm rpm ENG 36700 Engine Torque Ratio % % % ENG 31701 Throttle Position % % % ENG 03001 Throttle Pos Sens Volt mV mV mV ENG Códi- go No. Ítem a monitorear (Exposición en pantalla) Unidad (Regulación inicial: ISO) Componen- te a cargo Observaciones ISO metro pulgada
  • 458.
    GSN00681-00 30 Pruebasy Ajustes 22 D155AX-6 H Orden de entrada de los ítems en la tabla Los ítemes son introducidos en el orden de exhibición en la pantalla del menú de selección de monitoreo. 17500 Engine Power Mode — ENG 36400 Rail Pressure MPa kg/cm² psi ENG 36401 Rail Pressure Sens Volt V V V ENG 36200 Rail Press Command MPa kg/cm² psi ENG 36300 Injection Timing Command CA CA CA ENG 04107 Coolant Temperature C C F ENG 01405 Coolant Temp Sens Volt V V V ENG 37400 Ambient Pressure kPa kg/cm² psi ENG 37401 Ambient Press Sens Volt V V V ENG 36500 Charge Pressure-Abs kPa kg/cm² psi ENG Indicación por valor absoluto (incluyendo presión ambiental) 36501 Charge Press Sens Volt V V V MOTOR 03203 Battery Power Supply V V V MOTOR 37300 Fuel Rate l/h l/h gal/h MOTOR 31706 Final Throttle Position % % % MOTOR 18500 Charge Temperature C C F MOTOR 18051 Charge Temp Sens Volt V V V MOTOR 18600 Inject Fueling Command mg/st mg/st mg/st MOTOR 17201 PCV Close Timing CA CA CA MOTOR 18700 Torsión de Salida del Motor Nm kgm lhft MOTOR 37201 Eng Oil Press Sens Volt V V V MOTOR 14200 Fuel Temperature C C F MOTOR 14201 Fuel Temp Sens Volt V V V MOTOR 17903 EGR Inlet Pressure-A MPa kg/cm² psi MOTOR 18001 EGR In Press Sens Volt mV mV mV MOTOR 18100 EGR Valve Position mm mm mm MOTOR 18101 EGR Valve Pos Sens Volt mV mV mV ENG 18200 BPS Valve Position mm mm mm MOTOR 18201 BPS Valve Pos Sens Volt mV mV mV MOTOR 40912 P/T Sw Input R-sig ON • OFF P/T Acc ON • OFF P/T Eng S ON • OFF P/T Eng L ON • OFF P/T Eng Sd ON • OFF P/T Códi- go No. Ítem a monitorear (Exposición en pantalla) Unidad (Regulación inicial: ISO) Componen- te a cargo Observaciones ISO metro pulgada
  • 459.
    30 Pruebas yAjustes GSN00681-00 D155AX-6 23 H Unidad La unidad exhibida puede ser configurada libremente en ISO, metro, o pulgadas (Configúrelas con la configuración de unidad en la inicialización del menú de servicio) "CA" en la unidad exhibida es una abreviación para el ángulo del cigüeñal. "mg/st" en la unidad exhibida es una abreviación para miligramos/recorrido. H Componentes a cargo MON: El monitor de la máquina está encargado de la detección de la información de monitoreo. ENG: El controlador del motor está encargado de la detección de la información de monitoreo. PUMP: El controlador de la bomba está encargado de la detección de la información de monitoreo. P/T: El controlador del tren de potencia está encargado de la detección de la información de monitoreo. W/E: El controlador del equipo de trabajo está encargado de la detección de la información de monitoreo.
  • 460.
    GSN00681-00 30 Pruebasy Ajustes 24 D155AX-6 Historial de falla (Historial de falla del sistema del equipo mecánico) El monitor de la máquina clasifica y registra las fallas que ocurrieron en el pasado, o que están ocurriendo en el presente, dentro del sistema mecánico, falla en el sistema eléctrico, y falla en el sistema del acondicionador de aire o sistema de calefacción. Para revisar la historia de fallas del sistema mecánico, efectúe los siguientes procedimientos. 1. Seleccionando el menú Seleccione “Historial de falla 02” en la pantalla de menú de servicios. 2. Selección del sub menú Después que queda expuesta la pantalla del historial de fallas, seleccione ”01 Historial de fallas del sistema de equipo mecánico” con los interruptores de funciones o los interruptores de ingresos numéricos. [F3]: Mueve a la historia inferior [F4]: Mueve a la historia superior [F5]: Regresa a la pantalla del menú de servicio [F6]: Confirme la selección H Usted puede introducir un código de 2 dígi- tos usando los interruptores para introducir numerales, para seleccionar la historia de ese código y confirmarla por medio de [F6]. H La siguiente figura muestra la exhibición de la especificación del acondicionador de aire. Si se selecciona las especifica- ciones del calentador “03 Historial de fal- las del calentador” aparece expuesto. 3. Información expuesta en la pantalla del historial de fallas En la pantalla de la historia de fallas del Sistema mecánico, se exhibe la siguiente información. (a):Orden de ocurrencia de la falla desde la última y/o Número total de registros (b):Código de fallas (c):Contenido del problema (d):Número de veces de ocurrencia de tiempo (e):Lectura del horómetro de servicio en la primer ocurrencia (f):Lectura del horómetro de servicio en la última ocurrencia [F1]: Mueva a la siguiente página (pantalla) (Si se exhibe) [F2]: Mueva a la página anterior (pantalla) (Si se exhibe) [F5]: Regresar a la pantalla del historial de fallas H Si no aparece registrada algún historial de falla, aparecerá expuesto “No hay historial de falla” H Si el número de ocurrencias es 1 (primer ocurrencia), la lectura del horómetro de servicio en la primer ocurrencia y en la última, es el mismo. H Si la [E] es exhibida a la izquierda del código de falla, la falla continúa ocur- riendo, o su restablecimiento no ha sido confirmado. H Para todos los códigos de fallas que el monitor de la máquina puede registrar, vea la tabla de códigos de falla en la histo- ria de falla (Historia de falla del sistema eléctrico). 4. Borrando el historial de las fallas Los contenidos del historial de fallas del sistema de equipos mecánicos no se pueden borrar
  • 461.
    30 Pruebas yAjustes GSN00681-00 D155AX-6 25 Historial de falla (Historial de falla del sistema del equipo eléctrico) El monitor de la máquina clasifica y registra las fallas que ocurrieron en el pasado, o que están ocurriendo en el presente, dentro del sistema mecánico, falla en el sistema eléctrico, y falla en el sistema del acondicionador de aire o sistema de calefacción. Para revisar la historia de fallas del sistema eléctrico, efectúe los siguientes procedimientos. 1. Seleccionando el menú Seleccione “Historial de falla 02” en la pantalla de menú de servicios. 2. Selección del sub menú Después que se expone la pantalla del historial de fallas, seleccione “02 Historial de fallas del sistema de equipos eléctricos “ con los interruptores de funciones o con los interruptores de ingresos numéricos [F3]: Mueve a la historia inferior [F4]: Mueve a la historia superior [F5]: Regresa a la pantalla del menú de servicio [F6]: Confirme la selección H Usted puede introducir un código de 2 dígi- tos usando los interruptores para introducir numerales, para seleccionar la historia de ese código y confirmarla por medio de [F6]. H La siguiente figura muestra la exhibición de la especificación del acondicionador de aire. Si se selecciona las especifica- ciones del calentador “03 Historial de fal- las del calentador” aparece expuesto. 3. Información expuesta en la pantalla del historial de fallas En la pantalla de la historia de fallas del Sistema eléctrico, se exhibe la siguiente información. (a):Orden de ocurrencia de la falla desde la última y/o Número total de registros (b):Código de fallas (c):Contenido del problema (d):Número de veces de ocurrencia de tiempo (e):Lectura del horómetro de servicio en la primer ocurrencia (f):Lectura del horómetro de servicio en la última ocurrencia [F1]: Mueva a la siguiente página (pantalla) (Si se exhibe) [F2]: Mueva a la página anterior (pantalla) (Si se exhibe) [F3]: Mueve a la historia inferior [F4]: Mueve a la historia superior [F5]: Regresar a la pantalla del historial de fallas H Si no aparece registrada algún historial de falla, aparecerá expuesto “No hay historial de falla” H Si el número de ocurrencias es 1 (primer ocurrencia), la lectura del horómetro de servicio en la primer ocurrencia y en la última, es el mismo. H Si la [E] es exhibida a la izquierda del código de falla, la falla continúa ocur- riendo, o su restablecimiento no ha sido confirmado. H Para todos los códigos de fallas que el monitor de la máquina puede registrar, vea la tabla de códigos de falla. 4. Borrando el historial de las fallas 1) Mientras la pantalla de historia de fallas del sistema del equipo eléctrico está exhibida, efectúe la siguiente operación usando los interruptores de entrada de numerales. Operación de los interruptores (Mientras se oprime la (F4) efectúe la operación en orden): [4] + [1] → [2] → [3]
  • 462.
    GSN00681-00 30 Pruebasy Ajustes 26 D155AX-6 H Opere los interruptores de manera similar a los procedimientos para cambiar la exposición ordinaria hacia el modo de servicio 2) Revise que la pantalla esté colocada en el modo para borrar, y luego borre los ítemes uno a uno, o juntos, por medio de los interruptores de función. H Si la pantalla está colocada en el modo de borrar, la marca gráfica de (LIMPIAR (CLEAR)) está indicada como [F2]. [F2]: Borre todos los ítems [F3]: Mueva al ítem inferior [F4]: Mueva al ítem superior [F5]: Regresar a la pantalla del historial de fallas [F6]: Borrar todos ítems seleccionados H Para borrar los ítems uno a uno: Seleccione los ítems a borrar con [F3] o [F4] y presione [F6]. H Para borrar todos los ítems juntos: Oprima la (F2) y todos los ítemes serán borrados, sin tener en cuenta la selección de los ítemes. H Si se exhibe la [E] al lado izquierdo del código de falla, la operación de borrar e s a cepta da, pe ro la información no se borra. 3) Después que se expone la pantalla para borrar el historial de fallas del sistema de equipos eléctricos, opere los interruptores de funciones. [F5]: Regreso a la pantalla del historial de fallas del sistema de equipo eléctrico (modo para borrar) [F6]: Ejecute la eliminación H La siguiente figura muestra la pantalla exhibida cuando el ítem es borrado uno a uno (lo cual es un poco diferente a lo exhibido en la pantalla cua ndo todo s lo s ítemes so n borrados al mismo tiempo) 4) Si la pantalla para notificar la terminación del erradicado aparece expuesta y después aparece expuesta la pantalla (modo de borrar) del historial de fallas del sistema de equipos eléctricos, la erradicación del historial de fallas queda terminada. H Después de un rato, la pantalla regresa al historial de fallas del sistema de equipo eléctrico.
  • 463.
    30 Pruebas yAjustes GSN00681-00 D155AX-6 27 Tabla de códigos de falla Códi- go de acción Falla Código Problema (Exhibido en la pantalla) Zumbador de alarma Componen- te a cargo Categoría de historia E03 1500L0 Embrague de la transmisión: Anormal l P/T Sistema Eléctrico E03 15SAL1 Forward clutch: Fill high l P/T Sistema Eléctrico E03 15SALH Forward clutch: Fill Low l P/T Sistema Eléctrico E03 15SBL1 Reverse clutch: Fill high l P/T Sistema Eléctrico E03 15SBLH Reverse clutch: Fill Low l P/T Sistema Eléctrico E03 15SEL1 Speed 1st clutch: Fill high l P/T Sistema Eléctrico E03 15SELH Speed 1st clutch: Fill Low l P/T Sistema Eléctrico E03 15SFL1 Speed 2nd clutch: Fill high l P/T Sistema Eléctrico E03 15SFLH Speed 2nd clutch: Fill Low l P/T Sistema Eléctrico E03 15SGL1 Speed 3rd clutch: Fill high l P/T Sistema Eléctrico E03 15SGLH Speed 3rd clutch: Fill Low l P/T Sistema Eléctrico E02 15SJL1 L/U : Fill high l P/T Sistema Eléctrico E02 15SJLH L/U : Fill low l P/T Sistema Eléctrico E04 2301L1 Right brake: Fill high l P/T Sistema Eléctrico E04 2301LH Right brake: Fill low l P/T Sistema Eléctrico E04 2302L1 Left brake: Fill high l P/T Sistema Eléctrico E04 2302LH Left brake: Fill low l P/T Sistema Eléctrico 7RFAKA ECM HOLD RELAY: Disconnection P/T Sistema Eléctrico AA10NX Air Cleaner Clogging MON Sistema mecánico AB00MA Battery Charge Abnormal MON Sistema mecánico B@BAZG Eng Oil Press Low s MOTOR Sistema mecánico B@BCNS Eng Water Overheat s MOTOR Sistema mecánico B@BCZK Eng Water Level Low MON Sistema mecánico B@CENS T/C Oil Overheat s P/T Sistema mecánico B@HANS Hyd Oil Overheat s MON Sistema mecánico E04 CA111 EMC Critical Internal Failure l MOTOR Sistema Eléctrico E04 CA115 Eng Ne and Bkup Speed Sens Error l MOTOR Sistema Eléctrico E03 CA122 Chg Air Press Sensor High Error l MOTOR Sistema Eléctrico E03 CA123 Chg Air Press Sensor Low Error l MOTOR Sistema Eléctrico E03 CA131 Throttle Sensor High Error l MOTOR Sistema Eléctrico E03 CA132 Throttle Sensor Low Error l MOTOR Sistema Eléctrico E02 CA135 Eng Oil Press Sensor High Error l MOTOR Sistema Eléctrico E02 CA141 Eng Oil Press Sensor Low Error l MOTOR Sistema Eléctrico E02 CA144 Coolant Temp Sens High Error l MOTOR Sistema Eléctrico E02 CA145 Coolant Temp Sens Low Error l ENG Sistema Eléctrico E01 CA153 Chg Air Temp Sensor High Error MOTOR Sistema Eléctrico
  • 464.
    GSN00681-00 30 Pruebasy Ajustes 28 D155AX-6 E01 CA154 Chg Air Temp Sensor Low Error MOTOR Sistema Eléctrico E03 CA187 Sens Supply 2 Volt Low Error l MOTOR Sistema Eléctrico E03 CA221 Ambient Press Sens High Error l MOTOR Sistema Eléctrico E03 CA222 Ambient Press Sens Low Error l MOTOR Sistema Eléctrico E03 CA227 Sens Supply 2 Volt High Error l MOTOR Sistema Eléctrico E03 CA234 Eng Overspeed MOTOR Sistema Eléctrico E03 CA238 Ne Speed Sens Supply Volt Error l MOTOR Sistema Eléctrico E01 CA263 Fuel Temp Sensor High Error MOTOR Sistema Eléctrico E01 CA265 Fuel Temp Sensor Low Error MOTOR Sistema Eléctrico E03 CA271 PCV1 Short Error l MOTOR Sistema Eléctrico E03 CA272 PCV1 Open Error l MOTOR Sistema Eléctrico E03 CA273 PCV2 Short Error l MOTOR Sistema Eléctrico E03 CA274 PCV2 Open Error l MOTOR Sistema Eléctrico E03 CA322 Inj #1 (L#1) Open/Short Error l MOTOR Sistema Eléctrico E03 CA323 Inj #5 (L#5) Open/Short Error l MOTOR Sistema Eléctrico E03 CA324 Inj #3 (L#3) Open/Short Error l MOTOR Sistema Eléctrico E03 CA325 Inj #6 (L#6) Open/Short Error l MOTOR Sistema Eléctrico E03 CA331 Inj #2 (L#2) Open/Short Error l MOTOR Sistema Eléctrico E03 CA332 Inj #4 (L#4) Open/Short Error l MOTOR Sistema Eléctrico E04 CA342 Calibration Code Incompatibility l MOTOR Sistema Eléctrico E03 CA351 Error en el circuito de mando de los inyectores l MOTOR Sistema Eléctrico E03 CA352 Sens Supply 1 Volt Low Error l MOTOR Sistema Eléctrico E03 CA386 Sens Supply 1 Volt High Error l MOTOR Sistema Eléctrico E04 CA441 Battery Voltage Low Error l MOTOR Sistema Eléctrico E04 CA442 Battery Voltage High Error l MOTOR Sistema Eléctrico E03 CA449 Rail Press Very High Error l MOTOR Sistema Eléctrico E03 CA451 Rail Press Sensor High Error l MOTOR Sistema Eléctrico E03 CA452 Rail Press Sensor Low Error l MOTOR Sistema Eléctrico E02 CA553 Rail Press High Error l MOTOR Sistema Eléctrico E03 CA554 Sensor de presión de la carrilera en área de error l MOTOR Sistema Eléctrico E02 CA559 Rail Press Low Error l MOTOR Sistema Eléctrico E03 CA689 Eng Ne Speed Sensor Error l MOTOR Sistema Eléctrico E03 CA731 Eng Bkup Speed Sens Phase Error l MOTOR Sistema Eléctrico E04 CA757 All Continuous Data Lost Error l MOTOR Sistema Eléctrico E03 CA778 Eng Bkup Speed Sensor Error l MOTOR Sistema Eléctrico E02 CA1228 EGR Valve Servo Error 1 l MOTOR Sistema Eléctrico Códi- go de acción Falla Código Problema (Exhibido en la pantalla) Zumbador de alarma Componen- te a cargo Categoría de historia
  • 465.
    30 Pruebas yAjustes GSN00681-00 D155AX-6 29 E03 CA1625 EGR Valve Servo Error 2 l MOTOR Sistema Eléctrico E03 CA1626 BP Valve Sol Current High Error l MOTOR Sistema Eléctrico E03 CA1627 BP Valve Sol Current Low Error l MOTOR Sistema Eléctrico E02 CA1628 Bypass Valve Servo Error 1 l MOTOR Sistema Eléctrico E03 CA1629 Bypass Valve Servo Error 2 l MOTOR Sistema Eléctrico E03 CA1631 BP Valve Pos Sens High Error l MOTOR Sistema Eléctrico E03 CA1632 BP Valve Pos Sens Low Error l MOTOR Sistema Eléctrico E03 CA1633 KOMNET Datalink Timeout Error l MOTOR Sistema Eléctrico E01 CA1642 EGR Inlet Press Sens Low Error MOTOR Sistema Eléctrico E01 CA1653 EGR Inlet Press Sens High Error MOTOR Sistema Eléctrico E03 CA2185 Throt Sens Sup Volt High Error l MOTOR Sistema Eléctrico E03 CA2186 Throt Sens Sup Volt Low Error l ENG Sistema Eléctrico E03 CA2249 Rail Press Very Low Error l MOTOR Sistema Eléctrico E03 CA2271 EGR Valve Pos Sens High Error l MOTOR Sistema Eléctrico E03 C2272 EGR Valve Pos Sens Low Error l MOTOR Sistema Eléctrico E03 CA2351 EGR Valve Sol Current High Error l MOTOR Sistema Eléctrico E03 CA2352 EGR Valve Sol Current Low Error l MOTOR Sistema Eléctrico E01 CA2555 Grid Htr Relay Volt Low Error MOTOR Sistema Eléctrico E01 CA2256 Grid Htr Relay Volt High Error MOTOR Sistema Eléctrico D110KA Battery relay: Disconnection P/T Sistema Eléctrico D110KB Battery Relay: Drive Short Circuit P/T Sistema Eléctrico E02 D130KA Neutral relay: Disconnection l P/T Sistema Eléctrico E02 D130KB Neutral relay: Short circuit l P/T Sistema Eléctrico E01 D161KA Back-up alarm relay: Disconnection P/T Sistema Eléctrico E01 D161KB Back-up alarm relay: Short circuit P/T Sistema Eléctrico D190KA ACC signal relay: Disconnection P/T Sistema Eléctrico D190KB ACC signal relay: Short circuit P/T Sistema Eléctrico E03 D5ZKKX Throttle Dial: Out of normal range l P/T Sistema Eléctrico E03 DAFRKR CAN Disconnection l MON Sistema Eléctrico E03 DB2RKR CAN Disconnection l MOTOR Sistema Eléctrico E04 DB90KK WE controller: Source voltage reduction l W/E Sistema Eléctrico E03 DB90KR PT controller: Can communication lost l P/T Sistema Eléctrico E01 DB90KT WE controller: Abnormality in controller W/E Sistema Eléctrico E03 DB95KK WE controller: Source voltage reduction l W/E Sistema Eléctrico E03 DB97KK WE controller: Source voltage reduction l W/E Sistema Eléctrico E04 DB99KQ WE controller: Type select signal l W/E Sistema Eléctrico E03 DB9RKR WE controller: Can communication lost l W/E Sistema Eléctrico Códi- go de acción Falla Código Problema (Exhibido en la pantalla) Zumbador de alarma Componen- te a cargo Categoría de historia
  • 466.
    GSN00681-00 30 Pruebasy Ajustes 30 D155AX-6 E03 DBE0KK PT controller: Source voltage reduction l P/T Sistema Eléctrico E01 DBE0KT PT controller: Abnormality in controller P/T Sistema Eléctrico E02 DBE6KK PT controller: Source voltage reduction l P/T Sistema Eléctrico E02 DBE7KK PT controller: Source voltage reduction l P/T Sistema Eléctrico E04 DBE9KQ PT controller: Type select signal l P/T Sistema Eléctrico E02 DD12KA Shift up Sw: Disconnection l P/T Sistema Eléctrico E02 D12KB Shift up Sw: Short circuit l P/T Sistema Eléctrico E02 D13KA Shift down Sw: Disconnection l P/T Sistema Eléctrico E02 DD13KB Shift down Sw: Short circuit l P/T Sistema Eléctrico E03 DD14KA Parking lever Sw: Disconnection l P/T Sistema Eléctrico E03 DD14KB Parking lever Sw: Short circuit l P/T Sistema Eléctrico E02 DDDDKA Back up brake Sw: Disconnection l P/T Sistema Eléctrico E02 DDDDKB Back up brake Sw: Short circuit l P/T Sistema Eléctrico E02 DDDDKX Back up brake Sw: Signal mismatch l P/T Sistema Eléctrico E02 DDN7KA WEQ Knob Sw(down): Disconnection l W/E Sistema Eléctrico E02 DDN7KB WEQ Knob Sw(down): Short circuit l W/E Sistema Eléctrico E01 DDN9KA WEQ Knob Sw(up): Disconnection W/E Sistema Eléctrico E01 DDN9KB WEQ Knob Sw(up): Short circuit W/E Sistema Eléctrico E03 DDNLKA Weq lock Sw: Disconnection l W/E Sistema Eléctrico E03 DDNLKB Weq lock Sw: Short circuit l W/E Sistema Eléctrico E02 DDTSL1 S/C: Fill high l P/T Sistema Eléctrico E02 DDTSLH S/C: Fill low l W/E Sistema Eléctrico E03 DFA4KX BL lever 1: Out of normal range l W/E Sistema Eléctrico E03 DFA4KZ BL lever: Disconnection or short circuit l W/E Sistema Eléctrico E03 DFA4L8 BL lever: Signal mismatch l W/E Sistema Eléctrico E03 DFA5KA BL lever 1: Disconnection l W/E Sistema Eléctrico E03 DFA5KB BL lever 1: Short circuit l W/E Sistema Eléctrico E03 DFA6KA BL lever 2: Disconnection l W/E Sistema Eléctrico E03 DFA6KB BL lever 2: Short circuit l W/E Sistema Eléctrico E03 DFA7KX BT lever 1: Out of normal range l W/E Sistema Eléctrico E03 DFA7KZ BT lever: Disconnection or short circuit l W/E Sistema Eléctrico E03 DFA7L8 BT lever: Signal mismatch l W/E Sistema Eléctrico E03 DFA8KA BT lever 1: Disconnection l W/E Sistema Eléctrico E03 DFA8KB BT lever 1: Short circuit l W/E Sistema Eléctrico E03 DFA9KA BT lever 2: Disconnection l W/E Sistema Eléctrico E03 DFA9KB BT lever 2: Short circuit l W/E Sistema Eléctrico E03 DFAAKX RL lever 1: Out of normal range l W/E Sistema Eléctrico Códi- go de acción Falla Código Problema (Exhibido en la pantalla) Zumbador de alarma Componen- te a cargo Categoría de historia
  • 467.
    30 Pruebas yAjustes GSN00681-00 D155AX-6 31 E03 DFAAKZ RL lever: Desconexión o corto circuito l W/E Sistema Eléctrico E03 DFAAL8 RL lever: Signal mismatch l W/E Sistema Eléctrico E03 DFABKA RL lever 1: Disconnection l W/E Sistema Eléctrico E03 DFABKB RL lever 1: Short circuit l W/E Sistema Eléctrico E03 DFACKA RL lever 2: Disconnection l W/E Sistema Eléctrico E03 DFACKB RL lever 2: Short circuit l W/E Sistema Eléctrico E03 DFADKX RT lever 1: Out of normal range l W/E Sistema Eléctrico E03 DFADKZ RT lever: Disconnection or short circuit l W/E Sistema Eléctrico E03 DFADL8 RT lever: Signal mismatch l W/E Sistema Eléctrico E03 DFAEKA RT lever 1: Disconnection l W/E Sistema Eléctrico E03 DFAEKB RT lever 1: Short circuit l W/E Sistema Eléctrico E03 DFAFKA RT lever 2: Disconnection l W/E Sistema Eléctrico E03 DFAFKB RT lever 2: Short circuit l W/E Sistema Eléctrico E01 DGT1KA T/C oil temp sensor: Abnormal P/T Sistema Eléctrico E01 DGT1KX T/C oil temp sensor abnormal P/T Sistema Eléctrico DH21KA WEQ pressure sensor: Disconnection W/E Sistema Eléctrico DH21KB WEQ pressure sensor: Short circuit W/E Sistema Eléctrico E02 DHT5KA T/C in-pressure sensor: Disconnection l P/T Sistema Eléctrico E02 DHT5KB T/C in-pressure sensor: Short circuit l P/T Sistema Eléctrico E02 DHT7KA T/C out-pressure sensor: Disconnection l P/T Sistema Eléctrico E02 DHT7KB T/C out-pressure sensor: Short circuit l P/T Sistema Eléctrico E03 DK10KX Fuel control Dial: Out of normal range l P/T Sistema Eléctrico E03 DK30KA ST lever 1: Disconnection l P/T Sistema Eléctrico E03 DK30KB ST lever 1: Short circuit l P/T Sistema Eléctrico E04 DK30KX ST lever 1: Out of normal range l P/T Sistema Eléctrico E04 DK30KZ ST lever: Disconnection or short circuit l P/T Sistema Eléctrico E03 DK30L8 ST lever: Signal mismatch l P/T Sistema Eléctrico E03 DK31KA ST lever 2: Disconnection l P/T Sistema Eléctrico E03 DK31KB ST lever 2: Short circuit l P/T Sistema Eléctrico E03 DK40KA Brake potentiometer: Disconnection l P/T Sistema Eléctrico E03 DK40KB Brake potentiometer: Short circuit l P/T Sistema Eléctrico E04 DK55KX FR lever: Out of normal range l P/T Sistema Eléctrico E04 DK55KZ FR lever: Disconnection or short circuit l P/T Sistema Eléctrico E03 DK55L8 FR lever: Signal mismatch l P/T Sistema Eléctrico E03 DK56KA FR lever 1: Disconnection l P/T Sistema Eléctrico E03 DK56KB FR lever 1: Short circuit l P/T Sistema Eléctrico E03 DK57KA FR lever 2: Disconnection l P/T Sistema Eléctrico Códi- go de acción Falla Código Problema (Exhibido en la pantalla) Zumbador de alarma Componen- te a cargo Categoría de historia
  • 468.
    GSN00681-00 30 Pruebasy Ajustes 32 D155AX-6 E03 DK57KB FR lever 2: Short circuit l P/T Sistema Eléctrico E03 DKH1KA Pitch angle sensor: Disconnection l P/T Sistema Eléctrico E03 DKH1KB Pitch angle sensor: Short circuit l P/T Sistema Eléctrico E01 DLT3KA T/M out-speed sensor: Disconnection l P/T Sistema Eléctrico E01 DLT3KB T/M out-speed sensor: Abnormal l P/T Sistema Eléctrico E01 DW7BKA Fan rev EPC: Disconnection l P/T Sistema Eléctrico E01 DW7BKB Fan rev EPC: Short circuit P/T Sistema Eléctrico E03 DWN1KA Hss EPC1: Disconnection l P/T Sistema Eléctrico E03 DWN1KB Hss EPC1: Short circuit l P/T Sistema Eléctrico E03 DWN1KY Hss EPC1: Short circuit l P/T Sistema Eléctrico E03 DWN2KA Hss EPC2: Disconnection l P/T Sistema Eléctrico E03 DWN2KB Hss EPC2: Short circuit l P/T Sistema Eléctrico E03 DWN2KY Hss EPC2: Short circuit l P/T Sistema Eléctrico E04 DWN3KA Ssp solenoid: Disconnection l P/T Sistema Eléctrico E04 DWN3KB Ssp solenoid: Short circuit l P/T Sistema Eléctrico E04 DWN3KY SSP solenoid: Short circuit l P/T Sistema Eléctrico E01 DWN5KA Fan pump solenoid: Disconnection P/T Sistema Eléctrico E01 DWN5KB Fan pump solenoid: Short circuit W/E Sistema Eléctrico E01 DXAOKA TVC Sol.: Disconnection W/E Sistema Eléctrico E01 DXA0KB TVC Sol.: Short circuit W/E Sistema Eléctrico E01 DXA0KY TVC Sol.: Short circuit P/T Sistema Eléctrico E02 DXH1KA Lock-up ECMV: Disconnection l P/T Sistema Eléctrico E02 DXH1KB Lock-up ECMV: Short circuit l P/T Sistema Eléctrico E03 DXH1KY Lock-up ECMV: Short circuit l P/T Sistema Eléctrico E03 DXH4KA 1st clutch ECMV: Disconnection l P/T Sistema Eléctrico E03 DXH4KB 1st clutch ECMV: Short circuit l P/T Sistema Eléctrico E03 DXH4KY 1st clutch ECMV: Short circuit l P/T Sistema Eléctrico E03 DXH5KA 2nd clutch ECMV: Disconnection l P/T Sistema Eléctrico E03 DXH5KB 2nd clutch ECMV: Short circuit l P/T Sistema Eléctrico E03 DXH5KY 2nd clutch ECMV: Short circuit l P/T Sistema Eléctrico E03 DXH6KA 3rd clutch ECMV: Disconnection l P/T Sistema Eléctrico E03 DXH6KB 3rd clutch ECMV: Short circuit l P/T Sistema Eléctrico E03 DXH6KY 3rd clutch ECMV: Short circuit l P/T Sistema Eléctrico E03 DXH7KA R clutch ECMV: Disconnection l P/T Sistema Eléctrico E03 DXH7KB R clutch ECMV: Short circuit l P/T Sistema Eléctrico E04 DXH7KY R clutch ECMV: Short circuit l P/T Sistema Eléctrico E03 DXH8KA F clutch ECMV: Disconnection l P/T Sistema Eléctrico Códi- go de acción Falla Código Problema (Exhibido en la pantalla) Zumbador de alarma Componen- te a cargo Categoría de historia
  • 469.
    30 Pruebas yAjustes GSN00681-00 D155AX-6 33 E03 DXH8KB F clutch ECMV: Short circuit l P/T Sistema Eléctrico E04 DXH8KY F clutch ECMV: Short circuit l P/T Sistema Eléctrico E04 DXHBKA Right brake ECMV: Disconnection l P/T Sistema Eléctrico E04 DXHBKB Right brake ECMV: Short circuit l P/T Sistema Eléctrico E04 DXHBKY Right brake ECMV: Short circuit l P/T Sistema Eléctrico E04 DXHCKA Left brake ECMV: Disconnection l P/T Sistema Eléctrico E04 DXHCKB Left brake ECMV: Short circuit l P/T Sistema Eléctrico E04 DXHCKY Left brake ECMV: Short circuit l P/T Sistema Eléctrico E03 DXHRKA Blade up EPC: Disconnection l W/E Sistema Eléctrico E03 DXHRKB Blade up EPC: Short circuit l W/E Sistema Eléctrico E03 DXHRKY Blade up EPC: Short circuit l W/E Sistema Eléctrico E03 DXHSKA Blade down EPC: Disconnection l W/E Sistema Eléctrico E03 DXHSKB Blade down EPC: Short circuit l W/E Sistema Eléctrico E03 DXHSKY Blade down EPC: Short circuit l W/E Sistema Eléctrico E03 DXHTKA Blade left 1 EPC: Disconnection l W/E Sistema Eléctrico E03 DXHTKB Blade left 1 EPC: Short circuit l W/E Sistema Eléctrico E03 DXHTKY Blade left 1 EPC: Short circuit l W/E Sistema Eléctrico E03 DXHUKA Blade right 1 EPC: Disconnection l W/E Sistema Eléctrico E03 DXHUKB Blade right 1 EPC: Short circuit l W/E Sistema Eléctrico E03 DXHUKY Blade right 1 EPC: Short circuit l W/E Sistema Eléctrico E03 DXHWKA Ripper up EPC: Disconnection l W/E Sistema Eléctrico E03 DXHWKB Ripper up EPC: Short circuit l W/E Sistema Eléctrico E03 DXHWKY Ripper up EPC: Short circuit l W/E Sistema Eléctrico E03 DXHXKA Ripper down EPC: Disconnection l W/E Sistema Eléctrico E03 DXHXKB Ripper down EPC: Short circuit l W/E Sistema Eléctrico E03 DXHXKY Ripper down EPC: Short circuit l W/E Sistema Eléctrico E03 DXHYKA Ripper Tilt In EPC: Disconnection l W/E Sistema Eléctrico E03 DXHYKB Ripper Tilt In EPC: Short circuit l W/E Sistema Eléctrico E03 DXHYKY Ripper Tilt In EPC: Short circuit l W/E Sistema Eléctrico E03 DXHZKA Ripper Tilt Back EPC: Disconnection l W/E Sistema Eléctrico E03 DXHZKB Ripper Tilt Back EPC: Short circuit l W/E Sistema Eléctrico E03 DXHZKY Ripper Tilt Back EPC: Short circuit l W/E Sistema Eléctrico E03 DXJ4KA WEQ lock Sol.: Disconnection l W/E Sistema Eléctrico E03 DXJ4KB WEQ lock Sol.: Short circuit l W/E Sistema Eléctrico E03 DXJ8KA Blade left 2 EPC: Disconnection l W/E Sistema Eléctrico E03 DXJ8KB Blade left 2 EPC: Short circuit l W/E Sistema Eléctrico Códi- go de acción Falla Código Problema (Exhibido en la pantalla) Zumbador de alarma Componen- te a cargo Categoría de historia
  • 470.
    GSN00681-00 30 Pruebasy Ajustes 34 D155AX-6 H Orden de entrada de los ítems en la tabla Los ítemes son introducidos en el orden de sus códigos de falla (orden incremental). H Código de acción Adjunto: Si el código de falla es detectado, el código de acción, el código de falla y el número de teléfono (si está registrado) son exhibidos en la pantalla normal, para notificar al operador sobre la falla. No adjunto: Aún si el código de falla es detectado, el monitor de la máquina no notifica al operador sobre la falla. H Zumbador de alarma l: Cuando la ocurrencia de un error es notificada al operador, suena el zumbador de alarma (El operador puede detener al zumbador por medio del interruptor de cancelación del zumbador de alarma) s: Debido a que el monitor de precaución también está colocado en ON, su función hace sonar el zumbador de alarma. H Componente a cargo MON:El monitor de la máquina está encargado de la detección de la falla. ENG:El controlador del motor está encargado de la detección de la falla. P/T:El controlador del tren de potencia está encargado de detectar la falla. W/E: El controlador del equipo de trabajo está encargado de detectar la falla. H Categoría de historia Sistema de equipo mecánico: La información de falla es registrada en el historial de falla del sistema de equipo mecánico. Sistema de equipo eléctrico: La información de falla está registrada en el historial de fallas del sistema de equipos eléctricos. E03 DXJ8KY Blade left 2 EPC: Short circuit l W/E Sistema Eléctrico E03 DXJ9KA Blade right 2 EPC: Disconnection l W/E Sistema Eléctrico E03 DXJ9KB Blade right 2 EPC: Short circuit l W/E Sistema Eléctrico E03 DXJ9KY Blade right 2 EPC: Short circuit l W/E Sistema Eléctrico E01 DXJAKA Q-drop EPC: Disconnection W/E Sistema Eléctrico E01 DXJAKB Q-drop EPC: Short circuit W/E Sistema Eléctrico E01 DXJAKY Q-drop EPC: Short circuit W/E Sistema Eléctrico E02 DXJBKA S/C ECMV: Disconnection l P/T Sistema Eléctrico E02 DXJBKB S/C ECMV: Short circuit l P/T Sistema Eléctrico E02 DXJBKY S/C ECMV: Short circuit l P/T Sistema Eléctrico Códi- go de acción Falla Código Problema (Exhibido en la pantalla) Zumbador de alarma Componen- te a cargo Categoría de historia
  • 471.
    30 Pruebas yAjustes GSN00681-00 D155AX-6 35 Historial de fallas (Historial de fallas del acondi- cionador de aire/Historial de fallas del calentador El monitor de la máquina clasifica y registra las fallas que ocurrieron en el pasado, o que están ocurriendo en el presente, dentro del sistema mecánico, falla en el sistema eléctrico, y falla en el sistema del acondicionador de aire o sistema de calefacción. Para revisar la historia de falla del sistema del acondicionador de aire, o de calefacción, efectúe los siguientes procedimientos. H Todas las figuras siguientes muestran la espe- cificación con acondicionador de aire. 1. Seleccionando el menú Seleccione “Historial de falla 02” en la pantalla de menú de servicios. 2. Selección del sub menú Después que se expone el historial de fallas, seleccione “03, Historial de fallas del acondicionador de aire” ó “03 Historial de fallas del calentador” con los interruptores de función o interruptores de ingresos numéricos. [F3]: Se mueve a la historia inferior [F4]: Se mueve a la historia superior [F5]: Regresa a la pantalla del menú de servicio [F6]: Confirme selección H Usted puede introducir un código de 2 dígitos usando los interruptores para introducir numerales, para seleccionar la historia de ese código y confirmarla por medio de [F6]. 3. Información expuesta en la pantalla del historial de fallas En la pantalla de histor ia de falla del acondicionador de aire o de calefacción, se exhibe la siguiente información. (a): Nombre del Componente/Sistema (b): Número de veces de ocurrencia de tiempo (c): Condición (Normal o anormal) [F2]: Borrar el historial de fallas [F5]: Regresar a la pantalla del historial de fallas H Si la [E] es exhibida a la izquierda de una condición, la falla continúa ocurriendo, o su restablecimiento no ha sido confir- mado. H Si la desconexión CAN es exhibida en "Condición de la comunicación", la comu- nicación no se puede hacer normalmente. De acuerdo a esto, la condición de otros ítemes es desactivada (OFF). 4. Borrando el historial de las fallas Mientras la pantalla de historia de fallas es exhibida, oprima [F2], y el número de veces de ocurrencia de la fallas son eliminados. Si en este momento es confirmado que la falla ha sido restablecida, la pantalla cambia a la Normal. H Especificación de la calefacción En la especificación con calefacción, la exhibición del acondicionador de aire es reemplazada por la calefacción, y los ítemes que no están relacionados con la calefacción no son exhibidos.
  • 472.
    GSN00681-00 30 Pruebasy Ajustes 36 D155AX-6 Historia de mantenimiento El monitor de la máquina registra la información de mantenimiento de los filtros, aceites, etc., los cuales, el operador puede exhibir y revisar las siguientes operaciones. Cuando se ha efectuado el mantenimiento, si los datos son restablecidos en el modo del operador, el número de veces del mantenimiento es registrado en esta sección. 1. Seleccionando el menú Seleccione “03 Historial de mantenimiento” en la pantalla de menú de servicios 2. Forma de seleccionar un item en el historial de mantenimiento Después de que se exhiba la pantalla de historia de mantenimiento, seleccione un ítem pa ra ser revisad o p or me dio de lo s interruptores de función o de los interruptores para introducir numerales. [F1]: Mueva a la siguiente página (pantalla) [F2]: Mueva a la página anterior (pantalla) [F3]: Moverse al ítem inferior [F4]: Moverse al ítem superior [F5]: Regrese a la pantalla del menú de servicio H Usted puede introducir un código de 2 dígitos usando los interruptores para intro- ducir numerales, para seleccionar el ítem de ese código. H Los siguientes ítemes se pueden selec- cionar en la historia de mantenimiento. 3. Ítemes exhibidos en la pantalla de historia de mantenimiento Aparecen expuestos los items siguientes. (a): Ítemes de mantenimiento (b): Número de veces de reemplazo hasta hoy (c): Lectura del indicador de servicio (SMR) en la sustitución anterior 01 Sustitución del aceite del motor 02 Sustitución del filtro del aceite del motor 03 Sustitución del filtro principal del combustible 41 Sustitución del filtro primario 04 Sustitución del filtro del aceite hidráulico 06 Sustitución del inhibidor de corrosión 07 Comprobación y adición del aceite de la caja del amortiguador 08 Intervalo de sustitución del aceite de la caja de mandos finales 10 Intervalo de sustitución del aceite hidráulico 19 Sustitución del aceite del tren de potencia 20 Sustitución del filtro del tren de potencia
  • 473.
    30 Pruebas yAjustes GSN00681-00 D155AX-6 37 Cambio en el modo de mantenimiento La condición de operación para la función de mantenimiento en el modo de operación, puede ser establecida o cambiada con este menú. l Establezca si la función es efectiva o no es efectiva l Cambiar lo establecido sobre el intervalo de reemplazo (por ítemes) l Inicialize todos los intervalos de reemplazo establecidos. 1. Seleccionando el menú Se le ccion e "0 4 Cambio del mod o d e mantenimiento" en la pantalla del menú de servicio. 2. Selección del sub menú Después de que se exhiba la pantalla del cambio del modo de mantenimiento, seleccione un ítem para ser monitoreado por medio de los interrup- tores de función o de los interruptores para introducir numerales. [F1]: Mueva a la siguiente página (pantalla) [F2]: Mueva a la página anterior (pantalla) [F3]: Moverse al ítem inferior [F4]: Moverse al ítem superior [F5]: Regrese a la pantalla del menú de servicio [F6]: Confirme selección H Usted puede introducir un código de 2 dígi- tos usando los interruptores para introducir numerales, para seleccionar el ítem de ese código y confirmarlo por medio del (F6). H Los siguientes ítemes pueden ser selec- cionados en la pantalla de "Cambio del modo de mantenimiento" 3. Contenido de regulaciones para uso/no uso del modo de mantenimiento Después de seleccionar “00 Uso/No Uso de mantenimiento” si la pantalla aparece expuesta, instale el Uso/No uso con las interruptores de funciones Use: Las funciones de todos los ítemes de mantenimiento se han establecido efecti- vas en el modo del operador. No uso: Las funciones de todos los ítemes de mantenimiento se han establecido ine- fectivas en el modo del operador [F3]: Mueva al ítem inferior [F4]: Mueva al ítem superior [F5]: Cancele la selección y vuelva a la pantalla de Modo de mantenimiento. [F6]: Confirma la selección y vuelva a la pantalla de del modo de mante- nimiento H Aunque se haya establecido el uso/no uso de cada item, si se cambia la regulación anterior, se aplica 4. Contenido de la reposición de cada ítem de mantenimiento 00 Uso/No uso del modo de mantenimiento 01 Intervalo de sustitución del aceite del motor 02 Intervalo de sustitución del filtro de aceite del motor 03 Intervalo de sustitución del filtro principal de combustible 41 Intervalo de sustitución del filtro primario de combustible 04 Intervalo de sustitución del filtro de aceite hidráulico 06 Intervalo de sustitución del resistor de corrosión 07 Comprobación e intervalo de reemplazo del aceite de la caja del amortiguador 08 Intervalo de sustitución del aceite de la caja de mandos finales 10 Intervalo de sustitución del aceite hidráulico 19 Intervalo de sustitución del aceite del tren de potencia 20 Intervalo de sustitución del filtro del aceite del tren de potencia 99 Inicialize todos los ítemes
  • 474.
    GSN00681-00 30 Pruebasy Ajustes 38 D155AX-6 Después de seleccionar cada ítem de mantenimiento, si la pantalla es exhibida, establezca el ítem por medio de los interruptores de función. Valor inicial: Intervalo de mantenimiento preconfigurado en el monitor de la máquina (Recomendado por el fabricante y no modificable). Valor establecido: Intervalo de manten- imiento el cual se puede establecer libre- mente. Las funciones de mantenimiento en el modo del operador operan en base a este tiempo establecido (el cual se puede aumentar, o disminuir en 50 horas). Use: La función de mantenimiento de este ítem se ha establecido efectiva en el modo del operador. No uso: La función de mantenimiento de este ítem se ha establecido inefectiva- mente en el modo del operador. [F3]: Seleccione "Reducir el valor estable- cido" (Superior), o No-uso (Inferior). [F4]: Seleccione "Aumentar el valor estable- cido" (Superior), o Uso (Inferior). [F5]: Cancele lo establecido antes de la confirmación y vuelva a la pantalla de cambio del modo de mantenimiento. [F6]: Confirme lo establecido en la línea superior, o en la inferior. H Después de establecer lo de las líneas superior e inferior, es confirmado con la (F6), y con la (F5) la pantalla cambia a la pantalla de cambio de modo de manten- imiento, y lo establecido queda efectivo. 5. Función de "Inicialización de todos los ítemes" Después de seleccionar "99 Inicialización de todos los ítemes", si la pantalla es exhibida, establezca por medio de los interruptores de función. H Si esta operación es ejecutada, los valores establecidos para todos los ítemes de man- tenimiento quedan inicializados. [F5]: Retorna a la pantalla de "Cambio del modo de mantenimiento" [F6]: Ejecute la inicialización H Un rato después de haber sido oprimido (F6), se exhibe la pantalla de terminación de la inicialización. Luego, si la pantalla de cambio de modo de mantenimiento es exhi- bida, la inicialización se ha completado. H La regulación inicial del inhibidor de cor- rosión es “No usado”
  • 475.
    30 Pruebas yAjustes GSN00681-00 D155AX-6 39 Colocación del No. de teléfono El número de teléfono exhibido cuando el código de acción y/o código de falla es exhibido en el modo del operador puede ser introducido y cambiado de acuerdo al siguiente procedimiento. Si un número de teléfono no es introducido por medio de esta función, el número de teléfono es exhibido en el modo del operador. 1. Seleccionando el menú Se le ccion e “05 Se lección d e núme ro telefónico” en la pantalla del modo de servicio 2. Registrando y cambiando el No. de teléfono Después que la regulación de la pantalla del número telefónico aparece expuesta, registre o cambie el número de teléfono. [F2]: Borra todos los números introducidos. [F3]: Mueve hacia la posición izquierda (si no está en blanco) [F4]: Mueve hacia la posición derecha (si no está en blanco) [F5]: Borra el dígito introducido y/o Retorno al menú de servicio [F6]: Confirma lo introducido H Se pueden introducir hasta 14 números partiendo de la izquierda. No introduzca nada en las posiciones sobrantes H Si alguno de los dígitos está errado, muévase a tal dígito (fondo cambia a anaranjado) y sobrescrita el dígito co- rrecto. H Si el (F6) es oprimido sin introducir un dígito, no queda información sobre el número de teléfono, por lo tanto, el número de teléfono es exhibido en el modo del operador.
  • 476.
    GSN00681-00 30 Pruebasy Ajustes 40 D155AX-6 Inicialización (Modo de trabajo con la llave de la ignición en ON) Revisión o cambio de varias configuraciones relacionadas con el monitor de la máquina y la máquina por "Inicialización" La función del modo de trabajo con la llave de la ignición en ON se usa para establecer el modo inicial exhibido en el monitor de la máquina cuando el interruptor de arranque es colocado en posición ON. 1. Seleccionando el menú Seleccione "06 Inicialización" en la pantalla del menú de servicio. 2. Selección del sub menú Después de que se exhiba la pantalla de "Inicialización", seleccione el "01Modo de trabajo con la llave ON" por medio de los interruptores de función o los interruptores para introducir numerales. H Seleccione este ítem en forma similar a un ítem en la pantalla del Menú de servi- cio. H La función establece los siguientes 4 modos (que son los ítems establecidos con el interruptor hecho a la medida en el modo del operador). Potencia: P/E Modo de retroceso lento: ON/OFF Control fino del equipo de trabajo: ON/ OFF Reducción de velocidad de la hoja ON/ OFF 3. Seleccionando el modo Después de que el "Modo de trabajo con llave en ON (Key-on mode)" es exhibido, seleccione el modo a ser establecido utilizando los interruptores de función. Modo existente en anterior desactivación de la llave: El modo final en la operación previa es exhibido cuando el interruptor de arranque se coloca en posición ON. Regulación inicial (Poner en OFF todos los ítems): Regulación inicial de todos los modos de ítems (Potencia: E, otros 3 ítems: OFF) aparece expuesto cuando el interruptor del arranque se pone en ON [F3]: Mueva al ítem inferior [F4]: Mueva al ítem superior [F5]: Cancele lo seleccionado y vuelva a la pantalla de inicialización [F6]: Confirme lo seleccionado y vuelva a la pantalla inicialización H Cuando se entrega la máquina, el valor inicial (todos OFF)
  • 477.
    30 Pruebas yAjustes GSN00681-00 D155AX-6 41 Inicialización (Estableciendo la unidad) Revisión o cambio de varias configuraciones relacionadas con el monitor de la máquina y la máquina por "Inicialización" La función para seleccionar la unidad es usada para seleccionar la unidad de los datos exhibidos para monitoreo, etc. 1. Seleccionando el menú Seleccione "06 Inicialización" en la pantalla del menú de servicio. 2. Selección del sub menú Después de que se exhiba la pantalla de "Inicialización de la unidad", seleccione "02 Selección de unidad" por medio de los interruptores de función o los interruptores para introducir numerales. H Seleccione este ítem en forma similar a un ítem en la pantalla del Menú de servicio. 3. Selección de unidades Después de que la pantalla de Regulación de la unidad es exhibida, seleccione la unidad a ser establecido utilizando los interruptores de función. [F3]: Mueva a la unidad inferior [F4]: Mueva a la unidad superior [F5]: Cancele lo seleccionado y vuelva a la pantalla de inicialización [F6]: Confirme lo seleccionado y vuelva a la pantalla inicialización H Cuando la máquina es despachada, el Sistema de Unidad SI (Sistema Interna- cional de unidades) es seleccionado.
  • 478.
    GSN00681-00 30 Pruebasy Ajustes 42 D155AX-6 Inicialización (Establecimiento de la palabra clave de mantenimiento) Revisión o cambio de varias configuraciones relacionadas con el monitor de la máquina y la máquina por "Inicialización" La función para establecer contraseña de mantenimiento se usa para establecer la exhibición de la pantalla de la contraseña, cuando las funciones relacionadas con el mantenimiento son usadas en el modo del operador. 1. Seleccionando el menú Seleccione "06 Inicialización" en la pantalla del menú de servicio. 2. Selección del sub menú Después de que se exhiba la pantalla de "Inicialización de la unidad", seleccione "03 Selección de contraseña de mantenimiento" por medio de los interruptores de función o los interruptores para introducir numerales. H Seleccione este ítem en forma similar a un ítem en la pantalla del Menú de servi- cio. 3. Selección del Uso/No uso De spué s de q ue la p anta lla pa ra Establecimiento de la palabra clave de mantenimiento es exhibida, seleccione la configuración por medio de los interruptores de función. No uso: La pantalla de la contraseña no es exhibida Use: La pantalla de la contraseña es exhi- bida [F3]: Mueva al ítem inferior [F4]: Mueva al ítem superior [F5]: Cancele lo seleccionado y vuelva a la pantalla de inicialización [F6]: Confirme lo seleccionado y vuelva a la pantalla inicialización 4. Exposición de la pantalla de la palabra clave de mantenimiento Cuando la siguiente operación es efectuada, la pantalla para la contraseña es exhibida en el modo del operador. La pantalla ordinaria se cambia al modo de mantenimiento (con [F5] y después la pantalla de la tabla de mantenimiento se cambia para la pantalla de reactivación del intervalo de mantenimiento. 5. Forma de cambiar la palabra clave de mantenimiento La contraseña se puede cambiar mediante la operación de interruptores especialmente en el modo del operador. H Vea la función de "Cambio de contraseña del Mantenimiento en el modo del opera- dor. H Contraseña preconfigurada: [000000] H Si la configuración de la contraseña es cambiada desde Utilizar y/o Inutilizar, la contraseña es restablecida como prees- tablecida. H Cuando "Utilizar" sea establecido nueva- mente, asegúrese de establecer una nueva contraseña. H La contraseña del mantenimiento es difer- ente a la contraseña para cerrar el arranque del motor.
  • 479.
    30 Pruebas yAjustes GSN00681-00 D155AX-6 43 Inicialización (Estableciendo la cámara) Revisión o cambio de varias configuraciones relacionadas con el monitor de la máquina y la máquina por "Inicialización" La función para establecer la cámara se usa para la instalación o remoción de la cámara. 1. Seleccionando el menú Seleccione "06 Inicialización" en la pantalla del menú de servicio. 2. Selección del sub menú Después de que se exhiba la pantalla de "Inicialización de la unidad", seleccione "04 Selección de la cámara" por medio de los interruptores de función o los interruptores para introducir numerales. H Seleccione este ítem en forma similar a un ítem en la pantalla del Menú de servi- cio. 3. Seleccionando la configuración de la cámara Después de que la pantalla para establecer la "C ámara" es exhib id a, se leccion e la configuración por medio de los interruptores de función. Sin uso: La cámara no está conectada Imagen normal: La imagen de la cámara conectada es exhibida en la posición nor- mal (como un espejo, usado como moni- tor trasero) Imagen invertida: La imagen de la cámara conectada es exhibida en la posición invertida (como se ve directamente, usada como monitor frontal o lateral). [F3]: Mueva al ítem izquierdo [F4]: Mueva al ítem derecho [F5]: Cancele lo establecido antes de la confirmación y vuelva a la pantalla de Inicialización [F6]: Confirme la seleción en cada linea H Después de que la pantalla de establec- imiento de cámara es exhibida, la cámara 1 siempre se puede establecer. Cuando se conectan 2 ó más cámaras, si la cámara 1 está establecida, la pantalla cambia automáticamente a la configu- ración de la cámara 2. H Después de confirmar la configuración de cada línea con la [F6], retorne a la panta- lla de Inicialización con [F5], y la configu- ración queda efectiva. H Si la cámara es conectada pero no está establecida normalmente con esta fun- ción, la marca gráfica de la cámara no se exhibe en (F3) el modo del operador. En consecuencia, la imagen de la cámara no puede ser usada. H Si son conectadas 2 ó más cámaras, asegúrese de establecer el uso de ellas partiendo en orden de la cámara 1. H La función de exhibir simultáneamente dos imágenes es efectiva cuando se establece el uso de las cámaras 1 y 2. H Cuando la cámara es instalada, revise que la imagen exhibida no esté invertida horizontalmente en el modo del operador.
  • 480.
    GSN00681-00 30 Pruebasy Ajustes 44 D155AX-6 Inicialización (Estableciendo la exhibición de ECO) Revisión o cambio de varias configuraciones relacionadas con el monitor de la máquina y la máquina por "Inicialización" La función para establecer la exhibición de ECO es usada para establecer la exhibición del medidor ECO. 1. Seleccionando el menú Seleccione "06 Inicialización" en la pantalla del menú de servicio. 2. Selección del sub menú Después de que se exhiba la pantalla de "Inicialización de la unidad", seleccione "05 Selección de la exposición ECO" por medio de los interruptores de función o los interruptores para introducir numerales. H Seleccione este ítem en forma similar a un ítem en la pantalla del Menú de servi- cio. 3. Seleccionando la configuración de la exhibición Después de que la pantalla para establecer el ECO es exhibida, seleccione la configuración por medio de los interruptores de función. ON: Exhibición ECO OFF: No exhibe ECO [F3]: Mueva al ítem izquierdo [F4]: Mueva al ítem derecho [F5]: Cancele lo seleccionado y vuelva a la pantalla de inicialización [F6]: Confirme lo seleccionado y vuelva a la pantalla inicialización H Si la exhibición ECO es colocada en ON, ECO es exhibido cuando la pantalla cam- bie a la pantalla normal. H Exhibición del medidor ECO (a)
  • 481.
    30 Pruebas yAjustes GSN00681-00 D155AX-6 45 Ajuste El o perad or pue de a justa r va rios íte mes relacionados con la máquina por medio del monitor de la máquina. Al usar un item de ajuste, selecciónelo de acuerdo con el procedimiento que sigue. 1. Seleccionando el menú Seleccione "07 Ajuste" en la pantalla del menú de Servicio. 2. Selección del ítem de ajuste Después que se expone la pantalla de ajustes, ingrese los 4 dígitos de ID del aju ste correspondiente al item del caso que se va a usar con los interruptores de ingresos numéricos. [F5]: Cancela el ajuste y regresa a la pantalla del menú de servicios [F6]: Confirma el ingreso de la ID del ajuste y pasa a la pantalla de ajuste H Para los IDs de ajuste y sus ítems de ajuste, ver la tabla de ítems de ajuste. H Si el ingreso de la ID del ajuste es incor- recta, aparecerá expuesto el mensaje que dice “Not Adjustable = No ajustable” y la pantalla de ingreso de la ID no cambia (Otro ID puede ingresarse nuevamente con los interruptores numéricos de ingreso mientras esta pantalla se encuen- tre expuesta). 3. Forma de exponer la pantalla de ajustes Después que la pantalla de ajuste para el ID de ajuste aparece expuesta, se puede comenzar el ajuste. H En la figura, la ID del ajuste [0002] es seleccionada y expuesta como ejemplo. H “000”, “00”, y “0” a la izquierda de un ID de ajuste deberá llenarse pero no son expuestos en la pantalla de ajuste. H Las funciones dadas a los interruptores de funciones [F3] – [F6] dependen del item de ajuste. H Para el método de operar cada item de ajuste, ver la explicación de su ID de ajuste.
  • 482.
    GSN00681-00 30 Pruebasy Ajustes 46 D155AX-6 Tabla de items de ajuste ID de ajuste Item de ajuste Observaciones 0002 Inicialización del controlador del tren de potencia 0004 Regulación de las especificaciones del equipo de trabajo 0005 Corrección inicial del potenciómetro del pedal del freno 0007 Corte desacelerador del motor Reactivación de la función de auto desaceleración 0009 Corrección inicial del sensor del ángulo de paso 0010 Modo 70% del ventilador 0031 Inicialización del controlador del equipo de trabajo 0530 Modo de calado Modo recomendado de calado del convertidor de torsión 0910 Modo de comprobación del registro de carga 1005 Modo 100% del ventilador 1012 Ajuste de la posición neutral de la palanca de dirección 1013 Posición de ajuste de la palanca de dirección más a la izquierda 1014 Ajuste de la posición más a la derecha de la palanca de dirección 1015 Variación de la presión de aceite del freno derecho 1016 Variación de la presión de aceite del freno izquierdo 2021 Modo de comprobación de voltaje del controlador del tren de potencia 2022 Modo de comprobación de voltaje del controlador del equipo de trabajo 2222 Modo de regulación de la mínima corriente HSS 6001 Velocidad regulada en retroceso R1 lento Ajuste fino del modo lento de retroceso 6002 Velocidad regulada en retroceso R2 lento Ajuste fino del modo lento de retroceso 6003 Velocidad regulada en retroceso R3 lento Ajuste fino del modo lento de retroceso 7842 Corrección inicial de la IP automática del embrague de la transmisión 7843 Corrección inicial de la IP manual del embrague de la transmisión 7845 Aprendizaje de exposición del IP del embrague de la transmisión 8000 Ajuste de la posición neutral de la palanca de elevación de la hoja 8001 Ajuste de la máxima posición de elevación de la palanca de elevación de la hoja 8002 Ajuste de la máxima posición de descenso de la palanca de elevación de la hoja 8003 Ajuste de la posición neutral de la palanca de inclinación de la hoja 8004 Ajuste de la posición más a la derecha de la palanca de inclinación de la hoja 8005 Ajuste de la posición de la palanca de inclinación de la hoja más a la izq. 8006 Ajuste de la posición neutral de la palanca de elevación del desgarrador 8007 Ajuste de la máx. posición de elevación de la palanca de elevación del desgarrador 8008 Ajuste de la máxima posición de descenso de palanca de elevación del desgarrador 8009 Ajuste de la posición neutral de la palanca de inclinación del desgarrador 8010 Ajuste de la posición IN (HACIA ADENTRO) máximo de la palanca de inclinación del desgarrador. 8011 Ajuste de la posición BACK (HACIA ATRÁS) máximo de la palanca de inclinación del desgarrador. 8020 Corrección de la corriente de elevación de la hoja Ajuste fino con el modo de control fino de la hoja en posición OFF 8021 Corrección de la corriente de descenso de la hoja Ajuste fino con el modo de control fino de la hoja en posición OFF 8022 Corrección de la corriente de elevación de la hoja (modo de control fino) Ajuste fino con el modo de control fino de la hoja en ON 8023 Corrección de corriente de descenso de la hoja (modo de control fino) Ajuste fino con el modo de control fino de la hoja en ON 8024 Corrección de corriente, inclinación de la hoja hacia la izquierda 8025 Corrección de corriente, inclinación de la hoja hacia la derecha 9995 Modo de liberación del freno de control Freno de control: Freno ECMV (derecho e izquierdo) 9996 Modo de operación de la válvula de prevención de paro súbito. 9997 Modo de corte del ralentí alto 9998 Modo para establecer el cambio de engranaje de velocidad máximo
  • 483.
    30 Pruebas yAjustes GSN00681-00 D155AX-6 47 Ajuste ID: 0002 (Inicialización del controlador del tren de fuerza) l Este código de ajuste se usa para inicializar los códigos de especificaciones reconocidos por el controlador del tren de potencia y establecer los valores de memoria en el controlador. H Después de haber reemplazado el controlador del tren de fuerza, asegúrese de efectuar una vez este ajuste. l Funciones de los interruptores de función [F3]: Sin uno [F4]: Sin uno [F5]: Retorno a la pantalla de selección al ajuste del ítem (pantalla de introducción de identidad (ID)) [F6]: Guarde la configuración l Método de operación: 1) Oprima [F6] y revise que suene el zumbador de alarma. 2) Verificar que el código de especificaciones [CÓDIGO] expuesto haya cambiado de [5x5] a [555]. H Si no aparece expuesto el código de especificación [555], el arnés de cables del controlador, o el controlador per se, pueden estar defectuosos. H Aunque se desactive este código de ajuste, la regulación es efectiva. Ajuste ID: 0004 (Configuración de la especifi- cación del equipo de trabajo) l Este código de ajuste es usado para hacer que el controlador del equipo de trabajo reconozca el tipo del equipo de trabajo. H Después de haber reemplazado el controlador del equipo de trabajo, asegúrese de efectuar una vez este ajuste. l Funciones de los interruptores de función [F3]: Incrementa el valor de la especificación [CÓDIGO] [F4]: Disminuye el valor de la especificación [CÓDIGO] [F5]: Retorno a la pantalla de selección al ajuste del ítem (pantalla de introducción de identidad (ID)) [F6]: Guarde la configuración l Método de operación: 1) Oprima [F3] o [F4] para seleccionar el valor de la especificación [CÓDIGO] del equipo de trabajo concerniente. 2) Oprima [F6] y revise que suene el zumbador de alarma. ¤ Si las especificaciones del equipo de trabajo son diferentes a la regulación en el controlador, el equipo de trabajo podría moverse inesperadamente o se podría cometer un error. En consecuencia, haga coincidir el controlador con las especificaciones del equipo de trabajo. H Aunque se desactive este código de ajuste, la regulación es efectiva. CÓDIGO Clase de equipo de trabajo 0 Hoja inclinable doble 1 Hoja de topadora de inclinación sencilla 2 Topdora mecánica
  • 484.
    GSN00681-00 30 Pruebasy Ajustes 48 D155AX-6 Ajuste ID: 0005 (Corrección inicial del poten- ciómetro del pedal del freno) l Este código de ajuste es usado para hacer que el controlador del tren de fuerza reconozca el punto "cero" del potenciómetro del pedal de freno. H Después de haber reemplazado el controlador o el potenciómetro del pedal de freno o que se haya desconectado o conectado el varillaje del pedal de freno, asegúrese de efectuar una vez este ajuste. l Funciones de los interruptores de función [F3]: Sin uno [F4]: Sin uno [F5]: Retorno a la pantalla de selección al ajuste del ítem (pantalla de introducción de identidad (ID)) [F6]: Guardar el val or corregido l Método de operación: 1) Revise que el pedal de freno esté en la posición neutral (que no esté oprimido (totalmente suelto)) y manténgalo en esa posición. 2) Oprima [F6] y revise que suene el zumbador de alarma. H Aún cuando el ajuste haya sido hecho, el valor exhibido en la pantalla no cambia. H Aunque se desactive este código de ajuste, la corrección es efectiva. H Este código de ajuste es usado para hacer que el controlador reconozca el punto "cero" del potenciómetro. El no se usa para ajustar la fuerza del frenado. ID de ajuste: 0007 (Cortando el desacelerador del motor) l Este código de ajuste se usa para detener la función de auto desaceleración del motor y comprobar la alta velocidad sin carga de la unidad del motor. H El motor se puede hacer funcionar y probar con la autodesaceleración restablecida sola- mente mientras se selecciona este código de ajuste. H Use este código de ajuste para pruebas, ajustes, o localización de fallas cuando sea necesario. l Funciones de los interruptores de función [F3]: Sin uno [F4]: Sin uno [F5]: Retorno a la pantalla de selección al ajuste del ítem (pantalla de introducción de identidad (ID)) [F6]: Sin uno l Método de operación: Cuando este código de ajuste es exhibido, su fun ció n es efe ctiva y la fu nción d e autodesaceleración queda detenida. H Después de haber desactivado el código (OFF), su función no tiene efecto.
  • 485.
    30 Pruebas yAjustes GSN00681-00 D155AX-6 49 Ajuste ID: 0009 (Corrección inicial del ángulo de paso) l Este código de ajuste es usado para hacer que el controlador del tren de fuerza reconozca el punto "cero" del sensor del ángulo de paso y para corregir un error de instalación. H Después de reemplazar el controlador del tren de fuerza, o de remover, instalar, o reemplazar el sensor del ángulo de paso, asegúrese de efectuar una vez este ajuste. l Funciones de los interruptores de función [F3]: Sin uno [F4]: Sin uno [F5]: Retorno a la pantalla de selección al ajuste del ítem (pantalla de introducción de identidad (ID)) [F6]: Guardar el valor corregido l Método de operación: 1) Revise que la máquina se encuentre nivelada. 2) Oprima [F6] y revise que suene el zumbador de alarma. H Si se ha efectuado el ajuste, el ítem exhi- bido [ÁNGULO DE PASO DEL CUERPO] cambia a [0.0 °] (los demás ítemes exhibi- dos no cambian) H Aunque se desactive este código de ajuste, la corrección es efectiva. ID de ajuste: 0010 (Modo 70% del ventilador) l Este código de ajuste se usa para establecer la velocidad del ventilador de enfriamiento forzosamente a más o menos un 70%. H Use este código de ajuste para pruebas, ajustes, o localización de fallas cuando sea necesario. l Funciones de los interruptores de función [F3]: Aumenta el valor del ajuste [MODO DE VELOCIDAD DEL VENTILADOR 70%] [F4]: Disminuye el valor del ajuste [MODO DE VELOCIDAD DEL VENTILADOR 70%] [F5]: Retorno a la pantalla de selección al ajuste del ítem (pantalla de introducción de identidad (ID)) [F6]: Sin uno l Método de operación: Cuando este código de ajuste es exhibido, su función es efectiva y la velocidad del ventilador de enfriamiento es controlada más o menos al 70% de la velocidad máxima. H Después de haber desactivado el código (OFF), su función no tiene efecto.
  • 486.
    GSN00681-00 30 Pruebasy Ajustes 50 D155AX-6 Ajuste ID: 0031 (Inicialización del controlador del equipo de trabajo) l Este código de ajuste se usa para inicializar los códigos de especificaciones reconocidos por el controlador del equipo de trabajo y establecer los valores de memoria en el controlador. H Después de haber reemplazado el controlador del equipo de trabajo, asegúrese de efectuar una vez este ajuste. l Funciones de los interruptores de función [F3]: Sin uno [F4]: Sin uno [F5]: Retorno a la pantalla de selección al ajuste del ítem (pantalla de introducción de identidad (ID)) [F6]: Guarde la configuración l Método de operación: 1) Oprima [F6] y revise que suene el zumbador de alarma. 2) Verificar que el código de especifica- cione s [CÓDIGO] expu esto haya cambiado de [6x6] a [666]. H Si no aparece expuesto el código de especificación [666], el arnés de cables del controlador, o el controlador per se, pueden estar defectuosos. H Aunque se desactive este código de ajuste, la regulación es efectiva. ID de ajuste: 0530 (Modo de calado) l Este código de ajuste es usado para establecer la velocidad del ventilador automáticamente en el modo del 100% y posibilita establecer la preconfiguración (cambio de velocidad al arrancar) a [3a. de avance, o retroceso (F3 - R3·)] para calar el convertidor de torsión. H La preconfiguración (cambio de velocidad al arrancar) se puede establecer en [3a. de avance, o de retroceso (F3 - R3)] siem- pre y cuando este código de ajuste sea seleccionado. H Use este código de ajuste para pruebas, ajustes, o localización de fallas cuando sea necesario. l Funciones de los interruptores de función [F3]: Sin uno [F4]: Sin uno [F5]: Retorno a la pantalla de selección al ajuste del ítem (pantalla de introducción de identidad (ID)) [F6]: Sin uno l Información sobre la selección de modo dentro de la pantalla. [MODO DE CAMBIO DE VEL OCIDAD AUTOMÁTICO EN P (P-AUTO SFT MODE)]: Mod o de camb io de ve loc ida d automático en P [MODO DE CAMBIO DE VEL OCIDAD AUTOMÁTICO EN E (E-AUTO SFT MODE)]: Mod o de camb io de ve loc ida d automático en E [MODO DE CAMBIO DE VEL OCIDAD MANUAL EN P (P-MANUAL SFT MODE)]: Modo de cambio de velocidad manual en P [MODO DE CAMBIO DE VEL OCIDAD MANUAL EN E (E-MANUAL SFT MODE)]: Modo de cambio de velocidad manual en E
  • 487.
    30 Pruebas yAjustes GSN00681-00 D155AX-6 51 l Método de operación: Cuando este código de ajuste es exhibido, su función es efectiva y la preconfiguración (cambio de velocidad al arrancar) queda establecida en 3a de avance, o retroceso [F3 - R3]. ¤ Este código de ajuste no cala automáti- camente el convertidor de torsión. De acuerdo a es to, cuando cale el convertidor de torsión, mueva las palancas y pedales en forma precisa (Para los procedimientos para calar el convertidor de torsión, vea "Midiendo la velocidad del motor". H Después de haber desactivado el código (OFF), su función no tiene efecto. ID de ajuste: 0910 (Modo de revisión del registro de carga) l Este código de ajuste se usa para revisar la carga en la máquina, y el odómetro y el odómetro de reversa. H Use este código de ajuste para pruebas, ajustes, o localización de fallas cuando sea necesario. l Funciones de los interruptores de función [F3]: Sin uno [F4]: Sin uno [F5]: Retorno a la pantalla de selección al ajuste del ítem (pantalla de introducción de identidad (ID)) [F6]: Sin uno l Información sobre la selección de modo dentro de la pantalla. [1000 rpm SMR]: Tiempo exhibido por el horómetro en el cual la velocidad del motor fue por encima de 1,000 rpm. [AVANCE DEL ODÓMETRO]: Distancia total de traslado hacia adelante [ODÓMETRO DE REVERSA]: Distancia total de traslado en reversa l Método de operación: Cuando este código de ajuste es exhibido, su función es efectiva y la carga en la máquina, el odómetro, y el odómetro de reversa son exhibidos simultáneamente H Los datos no se pueden reestablecer. H Después de haber desactivado el código (OFF), su función no tiene efecto. ID de ajuste: 0010 (Modo de ventilador 100%) l Este código de ajuste se usa para establecer la velocidad del ventilador de enfriamiento forzosamente a más o menos un 100%. El se usa también para establecer el valor del ajuste de la velocidad máxima. H Use este código de ajuste para pruebas, ajustes, o localización de fallas cuando sea necesario. l Funciones de los interruptores de función [F3]: Aumenta el valor del ajuste [MODO DE VELOCIDAD DEL VENTILADOR 100%] [F4]: Disminuye el valor del ajuste [MODO DE VELOCIDAD DEL VENTILADOR 100%] [F5]: Retorno a la pantalla de selección al ajuste del ítem (pantalla de introducción de identidad (ID)) [F6]: Guardar el valor ajustado l Método de operación: H Cuando este código de ajuste es exhibido, su función es efectiva y la velocidad del ventilador de enfriamiento es controlada más o menos al 100% de la velocidad máxima. 1) Aumentar o disminuir el valor del ajuste oprimiendo la tecla [F3], o la [F4]. 2) Cuando confirme el valor del ajuste, opr ima [F6] y revise que suene el zumbador de alarma. H Después de haber desactivado este código (OFF), su función no tiene efecto pero el valor del ajuste si es efectivo.
  • 488.
    GSN00681-00 30 Pruebasy Ajustes 52 D155AX-6 Ajuste ID: 1012 (Ajuste de la posición neutral de la palanca de dirección) l Este código de ajuste es usado para hacer que el controlador del tren de fuerza reconozca la posición neutral del potenciómetro de la dirección de la palanca del sistema de control comandado por la palma de la mano "PCCS". H Después de haber reemplazado el controlador del tren de fuerza, o la palanca PCCS, aseg- úrese de efectuar una vez este ajuste. l Funciones de los interruptores de función [F3]: Sin uno [F4]: Sin uno [F5]: Retorno a la pantalla de selección al ajuste del ítem (pantalla de introducción de identidad (ID)) [F6]: Guardar el valor ajustado l Método de operación: 1) Revise que la palanca PCCS esté en posición neutral de dirección en línea recta, y manténgala en esa posición. 2) Oprima [F6] y revise que suene el zumbador de alarma. H Aún cuando el ajuste haya sido hecho, el valor exhibido en la pantalla no cambia. H Aunque se desactive este código de ajuste, el ajuste es efectivo. H Este código de ajuste es usado para hacer que el controlador reconozca la posición neutral del potenciómetro. El no se usa para ajustar la fuerza de la direc- ción. Ajuste ID: 1013 (Ajuste de la posición máxima hacia la izquierda de la palanca de dirección) l Este código de ajuste es usado para hacer que el controlador del tren de fuerza reconozca la posición máxima hacia la izquierda del potenciómetro de la dirección de la palanca PCCS. H Después de haber reemplazado el controlador del tren de fuerza, o la palanca PCCS, aseg- úrese de efectuar una vez este ajuste. l Funciones de los interruptores de función [F3]: Sin uno [F4]: Sin uno [F5]: Retorno a la pantalla de selección al ajuste del ítem (pantalla de introducción de identidad (ID)) [F6]: Guardar el valor ajustado l Método de operación: 1) Mueva la palanca PCCS hasta el extremo del recorrido de la dirección hacia la izquierda, y manténgala en esa posición. 2) Oprima [F6] y revise que suene el zumbador de alarma. H Aún cuando el ajuste haya sido hecho, el valor exhibido en la pantalla no cambia. H Aunque se desactive este código de ajuste, el ajuste es efectivo. H Este código de ajuste es usado para hacer que el controlador reconozca la posición máxima hacia la izquierda del potenciómetro. El no se usa para ajustar la fuerza de la dirección.
  • 489.
    30 Pruebas yAjustes GSN00681-00 D155AX-6 53 Ajuste ID: 1014 (Ajuste de la posición de la palanca de dirección más a la derecha) l Este código de ajuste es usado para hacer que el controlador del tren de fuerza reconozca la posición máxima hacia la izquierda del potenciómetro de la dirección de la palanca PCCS. H Después de haber reemplazado el controlador del tren de fuerza, o la palanca PCCS, aseg- úrese de efectuar una vez este ajuste. l Funciones de los interruptores de función [F3]: Sin uno [F4]: Sin uno [F5]: Retorno a la pantalla de selección al ajuste del ítem (pantalla de introducción de identidad (ID)) [F6]: Guardar el valor ajustado l Método de operación: 1) Mueva la palanca PCCS hasta el extremo del recorrido de la dirección hacia la derecha, y manténgala en esa posición. 2) Oprima [F6] y revise que suene el zumbador de alarma. H Aún cuando el ajuste haya sido hecho, el valor exhibido en la pantalla no cambia. H Aunque se desactive este código de ajuste, el ajuste es efectivo. H Este código de ajuste es usado para hacer que el controlador reconozca la posición máxima hacia la derecha del potenciómetro. El no se usa para ajustar la fuerza de la dirección. ID de ajuste: 1015 (Variación de la presión de aceite del freno derecho) l Este código de ajuste es usado para ajustar manualmente la presión del aceite del freno derecho. H Use este código de ajuste para trabajar cuando sea necesario. l Funciones de los interruptores de función [F3]: Incrementa el valor ajustado [F4]: Disminuye el valor ajustado [F5]: Retorno a la pantalla de selección al ajuste del ítem (pantalla de introducción de identidad (ID)) [F6]: Guardar el valor ajustado l Información exhibida en la pantalla La presión de aceite desplazada es exhibida y el valor de ajuste es incrementado o reducido por 0.1 kg/cm² (El valor exhibido en la pantalla es multiplicado por 100) H El valor de ajuste preconfigurado es de 0 kg/cm². H El rango de ajuste es -3 – 3 kg/cm². l Método de operación: 1) Aumentar o disminuir el valor del ajuste oprimiendo la tecla [F3], o la [F4]. 2) Oprima [F6] y revise que suene el zumbador de alarma. H Si la presión de aceite es ajustada, ésta es exhibida. Sin embargo, esto puede ser ajustado nuevamente dentro del rango de ajuste. H No es necesario operar el freno durante el ajuste. Sin embargo, después de terminar el ajuste, opere el freno y revise que no haya ningún problema con el rendimiento actual del freno. H Aunque se desactive este código de ajuste, el ajuste es efectivo.
  • 490.
    GSN00681-00 30 Pruebasy Ajustes 54 D155AX-6 ID de ajuste: 1016 (Variación de la presión de aceite del freno izquierdo) l Este código de ajuste es usado para ajustar manualmente la presión del aceite del freno izquierdo. H Use este código de ajuste para trabajar cuando sea necesario. l Funciones de los interruptores de función [F3]: Incrementa el valor ajustado [F4]: Disminuye el valor ajustado [F5]: Retorno a la pantalla de selección al ajuste del ítem (pantalla de introducción de identidad (ID)) [F6]: Guardar el valor ajustado l Información exhibida en la pantalla La presión de aceite desplazada es exhibida y el valor de ajuste es incrementado o reducido por 0.1 kg/cm² (El valor exhibido en la pantalla es multiplicado por 100) H El valor de ajuste preconfigurado es de 0 kg/cm². H El rango de ajuste es -3 – 3 kg/cm². l Método de Operación 1) Aumentar o disminuir el valor del ajuste oprimiendo la tecla [F3], o la [F4]. 2) Oprima [F6] y revise que suene el zumbador de alarma. H No es necesario operar el freno durante el ajuste. Sin embargo, después de terminar el ajuste, opere el freno y revise que no haya ningún problema con el rendimiento actual del freno. H Si la presión de aceite es ajustada, ésta es exhibida. Sin embargo, esto puede ser ajustado nuevamente dentro del rango de ajuste. H Aunque se desactive este código de ajuste, el ajuste es efectivo. Ajuste ID: 2021 (Modo de revisión del voltaje del controlador del tren de fuerza) l Este código de ajuste es usado para revisar el voltaje del suministro de energía constante y el voltaje del suministro de energía de cambio aplicado al controlador del tren de fuerza. H Use este código de ajuste para pruebas, ajustes, o localización de fallas cuando sea necesario. l Funciones de los interruptores de función [F3]: Sin uno [F4]: Sin uno [F5]: Retorno a la pantalla de selección al ajuste del ítem (pantalla de introducción de identidad (ID)) [F6]: Sin uno l Información exhibida en la pantalla [ENER GÍA SIN C AMBIO PARA EL CONTROLADOR PT] Voltaje de suministro energético con- stante [ENERGÍA ACC PARA EL CONTROLADOR PT]: Voltaje del suministro energético del interruptor l Método de operación: Cuando este código de ajuste es exhibido, su función es efectiva y el voltaje de suministro de energía constante y el voltaje del suministro de e nerg ía de camb io so n exhib id os simultáneamente H Después de haber desactivado el código (OFF), su función no tiene efecto.
  • 491.
    30 Pruebas yAjustes GSN00681-00 D155AX-6 55 Ajuste ID: 2022 (Modo de revisión del voltaje del controlador del equipo de trabajo) l Este código de ajuste es usado para revisar el voltaje del suministro de energía constante y el voltaje del suministro de energía de cambio aplicado al controlador del tren de fuerza. H Use este código de ajuste para pruebas, ajustes, o localización de fallas cuando sea necesario. l Funciones de los interruptores de función [F3]: Sin uno [F4]: Sin uno [F5]: Retorno a la pantalla de selección al ajuste del ítem (pantalla de introducción de identidad (ID)) [F6]: Sin uno l Información exhibida en la pantalla [ENER GÍA SIN CAMBIO PARA EL CONTROLADOR WE] Voltaje de suministro energético constante [ENERGÍA ACC PARA EL CONTROLADOR WE] Voltaje del suministro energético del interruptor l Método de operación: Cuando este código de ajuste es exhibido, su función es efectiva y el voltaje de suministro de energía constante y el voltaje del suministro de e ner gía de camb io so n exhibid os simultáneamente H Después de haber desactivado el código (OFF), su función no tiene efecto. Ajuste ID: 2222 (Modo para establecer la corriente del sistema de dirección hidrostático (HSS min.)) l Este código de ajuste se usa para ajustar el radio de viraje para iniciar el viraje de la máquina cuando la sensación de dirección es diferente a la dirección del viraje. H Use este código de ajuste para trabajar cuando sea necesario. l Funciones de los interruptores de función [F3]: Sin uno [F4]: Sin uno [F5]: Retorno a la pantalla de selección al ajuste del ítem (pantalla de introducción de identidad (ID)) [F6]: Guardar el valor ajustado l Método de Operación 1) Ponga la palanca del freno de estacionamiento en la posición de LIBRE. 2) Incline la palanca PCCS hacia la posición derecha o izquierda en la que se indica la corriente a ser establecida y manténgala en esta posición. Si la palanca se inclina hacia la izquierda, la corriente se vuelve negativa. Si la palanca se inclina hacia la derecha, la corriente se vuelve positiva. 3) Oprima [F6] y revise que suene el zumbador de alarma. H La corriente (mA) varía en un rango desde -350 (extremo izquierdo) hasta 350 (extremo derecho). H A medida que la corriente se incrementa en la dirección positiva, o negativa, el radio del viraje para iniciar el viraje es más reducido (la máquina vira más rápidamente) H No es necesario conducir la máquina durante el ajuste. Sin embargo, después de terminar el ajuste, conduzca la máquina y revise que no haya ningún problema relacionado con la sensación de viraje actual.
  • 492.
    GSN00681-00 30 Pruebasy Ajustes 56 D155AX-6 H La figura siguiente muestra un ejemplo de reducción de la corriente establecida para el viraje hacia la izquierda con el fin de incrementar el radio de viraje. H Aunque se desactive este código de ajuste, el ajuste es efectivo. ID de ajuste: 6001 (Velocidad establecida de retroceso lento R1) l Este código de ajuste se usa para ajustar la velocidad del motor aplicada al traslado en 1a. velocidad de reversa lenta (R1) con el modo de retroceso lento activado "ON". H Use este código de ajuste para trabajar cuando sea necesario. l Funciones de los interruptores de función [F3]: Incrementa el valor ajustado [F4]: Disminuye el valor ajustado [F5]: Retorno a la pantalla de selección al ajuste del ítem (pantalla de introducción de identidad (ID)) [F6]: Guardar el valor ajustado l Información exhibida en la pantalla La velocidad reducida desde la alta velocidad sin carga (2,050 rpm) es exhibida y el valor de ajuste es incrementado o reducido en 50 rpm (El valor exhibido en la pantalla es multiplicado por 1/10). H El valor del ajuste preconfigurado es de 300 rpm (Valor exhibido: 30). (Regulación de norma: 2,050 – 300 = 1,850 rpm) l Método de Operación 1) Aumentar o disminuir el valor del ajuste oprimiendo la tecla [F3], o la [F4]. 2) Oprima [F6] y revise que suene el zumbador de alarma. H Si la velocidad del motor es ajustada, ésta es exhibida. Sin embargo, esto puede ser ajustado nuevamente dentro del rango de ajuste. H No es necesario manejar la máquina durante el ajuste. Sin embargo, después de terminar el ajuste, conduzca la máquina en 1a. de retroceso (R1) con el modo lento activado "ON" y revise que no haya ningún problema con la velocidad de traslado actual. H Aunque se desactive este código de ajuste, el ajuste es efectivo.
  • 493.
    30 Pruebas yAjustes GSN00681-00 D155AX-6 57 ID de ajuste: 6002 (Velocidad establecida de retroceso lento R2) l Este código de ajuste se usa para ajustar la velocidad del motor aplicada al traslado en 1a. velocidad de reversa lenta (R2) con el modo de retroceso lento activado "ON". H Use este código de ajuste para trabajar cuando sea necesario. l Funciones de los interruptores de función [F3]: Incrementa el valor ajustado [F4]: Disminuye el valor ajustado [F5]: Retorno a la pantalla de selección al ajuste del ítem (pantalla de introducción de identidad (ID)) [F6]: Guardar el valor ajustado l Información exhibida en la pantalla La velocidad reducida desde la alta velocidad sin carga (2,050 rpm) es exhibida y el valor de ajuste es incrementado o reducido en 50 rpm (El valor exhibido en la pantalla es multiplicado por 1/10). H El valor del ajuste preconfigurado es de 300 rpm (Valor exhibido: 30). (Regulación de norma: 2,050 – 300 = 1,850 rpm) l Método de Operación 1) Aumentar o disminuir el valor del ajuste oprimiendo la tecla [F3], o la [F4]. 2) Oprima [F6] y revise que suene el zumbador de alarma. H Si la velocidad del motor es ajustada, ésta es exhibida. Sin embargo, esto puede ser ajus- tado nuevamente dentro del rango de ajuste. H No es necesario manejar la máquina durante el ajuste. Sin embargo, después de ter minar el ajuste, conduzca la máquina en 1a. de retroceso (R2) con el modo lento activado "ON" y revise que no haya ningún problema con la velocidad de traslado actual. H Aunque se desactive este código de ajuste, el ajuste es efectivo. ID de ajuste: 6003 (Velocidad establecida de retroceso lento R3) l Este código de ajuste se usa para ajustar la velocidad del motor aplicada al traslado en 1a. velocidad de reversa lenta (R3) con el modo de retroceso lento activado "ON". H Use este código de ajuste para trabajar cuando sea necesario. l Funciones de los interruptores de función [F3]: Incrementa el valor ajustado [F4]: Disminuye el valor ajustado [F5]: Retorno a la pantalla de selección al ajuste del ítem (pantalla de introducción de identidad (ID)) [F6]: Guardar el valor ajustado l Información exhibida en la pantalla La velocidad reducida desde la alta velocidad sin carga (2,050 rpm) es exhibida y el valor de ajuste es incrementado o reducido en 50 rpm (El valor exhibido en la pantalla es multiplicado por 1/10). H El valor del ajuste preconfigurado es de 300 rpm (Valor exhibido: 30). (Regulación de norma: 2,050 – 300 = 1,850 rpm) l Método de Operación 1) Aumentar o disminuir el valor del ajuste oprimiendo la tecla [F3], o la [F4]. 2) Oprima [F6] y revise que suene el zumbador de alarma. H Si la velocidad del motor es ajustada, ésta es exhibida. Sin embargo, esto puede ser ajus- tado nuevamente dentro del rango de ajuste. H No es necesario manejar la máquina durante el ajuste. Sin embargo, después de terminar el ajuste, conduzca la máquina en 1a. de retroceso (R3) con el modo lento activado "ON" y revise que no haya ningún problema con la velocidad de traslado actual. H Aunque se desactive este código de ajuste, el ajuste es efectivo.
  • 494.
    GSN00681-00 30 Pruebasy Ajustes 58 D155AX-6 Ajuste ID: 7842 (Corrección inicial automática del embrague de la transmisión IP) l Este código de ajuste es usado para hacer que el controlador del tren de fuerza reconozca la condición mecánica de la transmisión. H Después de haber reemplazado el controlador del tren de fuerza, o la transmisión, asegúrese de efectuar una vez este ajuste. l Funciones de los interruptores de función [F3]: Sin uno [F4]: Sin uno [F5]: Retorno a la pantalla de selección al ajuste del ítem (pantalla de introducción de identidad (ID)) [F6]: Guardar el valor ajustado l Condiciones para el trabajo de corrección 1) [VELOCIDAD DEL MOTOR]: 1,700 -1,950 rpm 2) [TEMPERATURA DEL CONVERTIDOR DE TORSIÓN]: 65 – 85 °C 3) Palanca del freno de estacionamiento: Posición de TRANCADO H Cuando use este código de ajuste, man- tenga la condición de arriba (En particular, antes de iniciar el ajuste, aumente sufi- cientemente la temperatura del aceite del tren de fuerza) l Método de operación: 1) Arranque el motor y mantenga su velocidad en el rango especificado por la condición por medio del dial de control de combustible. 2) Oprima la tecla [F6] e inicie el trabajo de corrección y revise que esté recién exhibido en la pantalla [EMBRAGUE DE 1A]. 3) Si aparece exhibido en la pantalla de finalización de aprendizaje [END OF TEACHING], oprima la tecla [F6]. Si en ese momento suena el zumbador de la alarma, indica que se ha completado el trabajo de corrección. H La máquina no se mueve durante el tra- bajo de corrección. H Aunque se desactive este código de ajuste, la corrección es efectiva. Ajuste ID: 7843 (Corrección inicial manual del embrague de la transmisión IP) l Este código de ajuste se usa para efectuar la corrección manualmente cuando la corrección no es efectuada normalmente por medio de la operación de corrección automática IP (Ajuste ID: 7842). H Use este código de ajuste después del trabajo de corrección IP, si es necesario. l Funciones de los interruptores de función [F3]: Incrementa el valor ajustado [F4]: Disminuye el valor ajustado [F5]: Retorno a la pantalla de selección al ajuste del ítem (pantalla de introducción de identidad (ID)) [F6]: Guardar el valor ajustado H Si la tecla [F2] es oprimida mientras la tecla [F1] está oprimida, todos los valores de cor- rección quedan establecidos en cero "0". l Funciones de los interruptores de cambio de velocidad hacia arriba y hacia abajo Usted puede seleccionar el embrague a ser corregido manualmente por medio de los interruptores de cambio de velocidades hacia arriba, o hacia abajo. l Condiciones para el trabajo de corrección Lo mismo que para las condiciones de la corrección automática IP (Ajuste ID: 7842). l Método de operación: 1) Arranque el motor y mantenga su velocidad en el rango especificado por la condición por medio del dial de control de combustible. 2) Seleccione el embrague a ser corregido manua lmen te p or me dio de los interruptores de cambio de velocidades hacia arriba, o hacia abajo. 3) Aumentar o disminuir el valor del ajuste oprimiendo la tecla [F3], o la [F4]. 4) Oprima [F6] y revise que suene el zumbador de alarma. H La máquina no se mueve durante el tra- bajo de corrección. H Aunque se desactive este código de ajuste, la corrección es efectiva.
  • 495.
    30 Pruebas yAjustes GSN00681-00 D155AX-6 59 Ajuste ID: 7845 (Exhibición de aprendizaje del embrague de la transmisión IP) l Este código de ajuste se usa para revisar la información sobre la corrección hecha por la operación de la corrección automática del IP (Ajuste ID: 7842), o corrección manual IP (Ajuste ID: 7843). H Use este código de ajuste para pruebas, ajustes, o localización de fallas cuando sea necesario. l Funciones de los interruptores de función [F3]: Cambio de exposición [F4]: Cambio de exposición [F5]: Retorno a la pantalla de selección al ajuste del ítem (pantalla de introducción de identidad (ID)) [F6]: Sin uno l Método de Operación Cuando este código de ajuste es exhibido, su función es efectiva y la información de la corrección es exhibida. H Después de haber desactivado el código (OFF), su función no tiene efecto. Ajuste ID: 8000 (Ajuste de la posición neutral de la palanca de levantamiento de la hoja) l Este código de ajuste es usado para hacer que el controlador del equipo de trabajo reconozca la posición neutral del potenciómetro de levantamiento de la palanca de control de la hoja. H Después de haber reemplazado el controlador del equipo de trabajo, o la palanca de control de la hoja, asegúrese de efectuar una vez este ajuste. l Funciones de los interruptores de función [F3]: Sin uno [F4]: Sin uno [F5]: Retorno a la pantalla de selección al ajuste del ítem (pantalla de introducción de identidad (ID)) [F6]: Guardar el valor ajustado l Método de Operación 1) Revise que la palanca de control de la hoja esté en posición neutral de la dirección de levantamiento, y manténgala en esa posición. 2) Oprima [F6] y revise que suene el zumbador de alarma. H Aún cuando el ajuste haya sido hecho, el valor exhibido en la pantalla no cambia. H Aunque se desactive este código de ajuste, el ajuste es efectivo. H Este código de ajuste es usado para hacer que el controlador reconozca la posición neutral del potenciómetro. Esto no es usado para ajustar la sensibilidad de la palanca de control de la hoja (Para los ajustes de sensibilidad de la palanca de control de la hoja en la dirección de levantamiento, efectúe los códigos de ajuste 8020 – 8023).
  • 496.
    GSN00681-00 30 Pruebasy Ajustes 60 D155AX-6 Ajuste ID: 8001 (Ajuste de la posición de levan- tamiento máximo de la palanca de levantamiento de la hoja) l Este código de ajuste es usado para hacer que el controlador del equipo de trabajo reconozca la posición de levantamiento máximo del potenciómetro de levantamiento de la palanca de control de la hoja. H Después de haber reemplazado el controlador del equipo de trabajo, o la palanca de control de la hoja, asegúrese de efectuar una vez este ajuste. l Funciones de los interruptores de función [F3]: Sin uno [F4]: Sin uno [F5]: Retorno a la pantalla de selección al ajuste del ítem (pantalla de introducción de identidad (ID)) [F6]: Guardar el valor ajustado l Método de Operación 1) Mueva la palanca de control de la hoja h asta el extremo de l reco rrido de levantamiento, y manténgala en esa posición. 2) Oprima [F6] y revise que suene el zumbador de alarma. H Aún cuando el ajuste haya sido hecho, el valor exhibido en la pantalla no cambia. H Aunque se desactive este código de ajuste, el ajuste es efectivo. H Este código de ajuste es usado para hacer que el controlador reconozca la posición de levantamiento máxima del potenciómetro. Esto no es usado para ajustar la sensibilidad de la palanca de control de la hoja (Para los ajustes de sen- sibilidad de la palanca de control de la hoja en la dirección de levantamiento, efectúe los códigos de ajuste 8020 – 8023). Ajuste ID: 8002 (Ajuste de la posición de descenso máxima de la palanca de levantamiento de la hoja) l Este código de ajuste es usado para hacer que el controlador del equipo de trabajo reconozca la po sición d e de scen so máximo de l potenciómetro de levantamiento de la palanca de control de la hoja. H Después de haber reemplazado el controlador del equipo de trabajo, o la palanca de control de la hoja, asegúrese de efectuar una vez este ajuste. l Funciones de los interruptores de función [F3]: Sin uno [F4]: Sin uno [F5]: Retorno a la pantalla de selección al ajuste del ítem (pantalla de introducción de identidad (ID)) [F6]: Guardar el valor ajustado l Método de Operación 1) Mueva la palanca de control de la hoja hasta el extre mo del re corr ido d e desce nso en la d ire cció n d e levantamiento, y manténgala en esa posición. 2) Oprima [F6] y revise que suene el zumbador de alarma. H Aún cuando el ajuste haya sido hecho, el valor exhibido en la pantalla no cambia. H Aunque se desactive este código de ajuste, el ajuste es efectivo. H Este código de ajuste es usado para hacer que el controlador reconozca la posición de descenso máxima del poten- ciómetro. Esto no es usado para ajustar la sensibilidad de la palanca de control de la hoja (Para los ajustes de sensibilidad de la palanca de control de la hoja en la dirección de levantamiento, efectúe los códigos de ajuste 8020 – 8023).
  • 497.
    30 Pruebas yAjustes GSN00681-00 D155AX-6 61 Ajuste ID: 8000 (Ajuste de la posición neutral de la palanca de inclinación de la hoja) l Este código de ajuste es usado para hacer que el controlador del equipo de trabajo reconozca la posición neutral del potenciómetro de inclinación de la palanca de control de la hoja. H Después de haber reemplazado el controlador del equipo de trabajo, o la palanca de control de la hoja, asegúrese de efectuar una vez este ajuste. l Funciones de los interruptores de función [F3]: Sin uno [F4]: Sin uno [F5]: Retorno a la pantalla de selección al ajuste del ítem (pantalla de introducción de identidad (ID)) [F6]: Guardar el valor ajustado l Método de Operación 1) Revise que la palanca de control de la hoja esté en posición neutral de la dirección de inclinación, y manténgala en esa posición. 2) Oprima [F6] y revise que suene el zumbador de alarma. H Aún cuando el ajuste haya sido hecho, el valor exhibido en la pantalla no cambia. H Aunque se desactive este código de ajuste, el ajuste es efectivo. H Este código de ajuste es usado para hacer que el controlador reconozca la posición neutral del potenciómetro. Esto no es usado para ajustar la sensibilidad de la palanca de control de la hoja (Para los ajustes de sensibilidad de la palanca de control de la hoja en la dirección de inclinación, efectúe los códigos de ajuste 8024 y 8025). Ajuste ID: 8004 (Ajuste de la posición máxima hacia la derecha de la palanca de inclinación de la hoja) l Este código de ajuste es usado para hacer que el controlador del equipo de trabajo reconozca la posición máxima hacia la derecha del potenciómetro de inclinación de la palanca de control de la hoja. H Después de haber reemplazado el controlador del equipo de trabajo, o la palanca de control de la hoja, asegúrese de efectuar una vez este ajuste. l Funciones de los interruptores de función [F3]: Sin uno [F4]: Sin uno [F5]: Retorno a la pantalla de selección al ajuste del ítem (pantalla de introducción de identidad (ID)) [F6]: Guardar el valor ajustado l Método de Operación 1) Mueva la palanca de control de la hoja hasta el extremo del recorrido hacia la derecha en la dirección de inclinación, y manténgala en esa posición. 2) Oprima [F6] y revise que suene el zumbador de alarma. H Aún cuando el ajuste haya sido hecho, el valor exhibido en la pantalla no cambia. H Aunque se desactive este código de ajuste, el ajuste es efectivo. H Este código de ajuste es usado para hacer que el controlador reconozca la posición máxima hacia la derecha del potenciómetro. Esto no es usado para ajustar la sensibilidad de la palanca de control de la hoja (Para los ajustes de sen- sibilidad de la palanca de control de la hoja en la dirección de inclinación, efectúe los códigos de ajuste 8024 y 8025).
  • 498.
    GSN00681-00 30 Pruebasy Ajustes 62 D155AX-6 Ajuste ID: 8005 (Ajuste de la posición máxima hacia la izquierda de la palanca de inclinación de la hoja) l Este código de ajuste es usado para hacer que el controlador del equipo de trabajo reconozca la posición máxima hacia la izquierda del potenciómetro de inclinación de la palanca de control de la hoja. H Después de haber reemplazado el controlador del equipo de trabajo, o la palanca de control de la hoja, asegúrese de efectuar una vez este ajuste. l Funciones de los interruptores de función [F3]: Sin uno [F4]: Sin uno [F5]: Retorno a la pantalla de selección al ajuste del ítem (pantalla de introducción de identidad (ID)) [F6]: Guardar el valor ajustado l Método de Operación 1) Mueva la palanca de control de la hoja hasta el extremo del recorrido hacia la izquierda en la dirección de inclinación, y manténgala en esa posición. 2) Oprima [F6] y revise que suene el zumbador de alarma. H Aún cuando el ajuste haya sido hecho, el valor exhibido en la pantalla no cambia. H Aunque se desactive este código de ajuste, el ajuste es efectivo. H Este código de ajuste es usado para hacer que el controlador reconozca la posición máxima hacia la izquierda del potenciómetro. Esto no es usado para ajustar la sensibilidad de la palanca de control de la hoja (Para los ajustes de sen- sibilidad de la palanca de control de la hoja en la dirección de inclinación, efectúe los códigos de ajuste 8024 y 8025). Ajuste ID: 8006 (Ajuste de la posición neutral de la palanca de levantamiento del desgarrador) l Este código de ajuste es usado para hacer que el controlador del equipo de trabajo reconozca la posición neutral del potenciómetro de levantamiento de la palanca de control del desgarrador. H Después de haber reemplazado el controlador del equipo de trabajo, o la palanca de control del desgarrador, asegúrese de efectuar una vez este ajuste. l Funciones de los interruptores de función [F3]: Sin uno [F4]: Sin uno [F5]: Retorno a la pantalla de selección al ajuste del ítem (pantalla de introducción de identidad (ID)) [F6]: Guardar el valor ajustado l Método de Operación 1) Revise que la palanca de control del desgarrador esté en posición neutral de la dirección de levantamiento, y manténgala en esa posición. 2) Oprima [F6] y revise que suene el zumbador de alarma. H Aún cuando el ajuste haya sido hecho, el valor exhibido en la pantalla no cambia. H Aunque se desactive este código de ajuste, el ajuste es efectivo. H Este código de ajuste es usado para hacer que el controlador reconozca la posición neutral del potenciómetro. Esto no se usa para ajustar la sensibilidad de la palanca de control del desgarrador.
  • 499.
    30 Pruebas yAjustes GSN00681-00 D155AX-6 63 Ajuste ID: 8007 (Ajuste de la posición de elevación máxima de la palanca de levantamiento del desgarrador) l Este código de ajuste es usado para hacer que el controlador del equipo de trabajo reconozca la posición de levantamiento máximo del potenciómetro de levantamiento de la palanca de control del desgarrador. H Después de haber reemplazado el controlador del equipo de trabajo, o la palanca de control del desgarrador, asegúrese de efectuar una vez este ajuste. l Funciones de los interruptores de función [F3]: Sin uno [F4]: Sin uno [F5]: Retorno a la pantalla de selección al ajuste del ítem (pantalla de introducción de identidad (ID)) [F6]: Guardar el valor ajustado l Método de Operación 1) Mueva la palanca de control del desg arrad or hasta e l extremo de l recorrido de elevación en la dirección de levantamiento, y manténgala en esa posición. 2) Oprima [F6] y revise que suene el zumbador de alarma. H Aún cuando el ajuste haya sido hecho, el valor exhibido en la pantalla no cambia. H Aunque se desactive este código de ajuste, el ajuste es efectivo. H Este código de ajuste es usado para hacer que el controlador reconozca la posición de levantamiento máxima del potenciómetro. Esto no se usa para ajustar la sensibilidad de la palanca de control del desgarrador. Ajuste ID: 8008 (Ajuste de la posición de descenso máximo de la palanca de levantamiento del desgarrador) l Este código de ajuste es usado para hacer que el controlador del equipo de trabajo reconozca la posició n de desce nso má ximo d el potenciómetro de levantamiento de la palanca de control del desgarrador. H Después de haber reemplazado el controlador del equipo de trabajo, o la palanca de control del desgarrador, asegúrese de efectuar una vez este ajuste. l Funciones de los interruptores de función [F3]: Sin uno [F4]: Sin uno [F5]: Retorno a la pantalla de selección al ajuste del ítem (pantalla de introducción de identidad (ID)) [F6]: Guardar el valor ajustado l Método de Operación 1) Mueva la palanca de control del de sga rra dor ha sta el extremo d el recorrido de descenso en la dirección de levantamiento, y manténgala en esa posición. 2) Oprima [F6] y revise que suene el zumbador de alarma. H Aún cuando el ajuste haya sido hecho, el valor exhibido en la pantalla no cambia. H Aunque se desactive este código de ajuste, el ajuste es efectivo. H Este código de ajuste es usado para hacer que el controlador reconozca la posición de descenso máxima del poten- ciómetro. Esto no se usa para ajustar la sensibilidad de la palanca de control del desgarrador.
  • 500.
    GSN00681-00 30 Pruebasy Ajustes 64 D155AX-6 Ajuste ID: 8009 (Ajuste de la posición neutral de la palanca de inclinación del desgarrador) l Este código de ajuste es usado para hacer que el controlador del equipo de trabajo reconozca la posición neutral del potenciómetro de inclinación de la palanca de control del desgarrador. H Después de haber reemplazado el controlador del equipo de trabajo, o la palanca de control del desgarrador, asegúrese de efectuar una vez este ajuste. l Funciones de los interruptores de función [F3]: Sin uno [F4]: Sin uno [F5]: Retorno a la pantalla de selección al ajuste del ítem (pantalla de introducción de identidad (ID)) [F6]: Guardar el valor ajustado l Método de Operación 1) Revise que la palanca de control del desgarrador esté en posición neutral de la dirección de inclinación, y manténgala en esa posición. 2) Oprima [F6] y revise que suene el zumbador de alarma. H Aún cuando el ajuste haya sido hecho, el valor exhibido en la pantalla no cambia. H Aunque se desactive este código de ajuste, el ajuste es efectivo. H Este código de ajuste es usado para hacer que el controlador reconozca la posición neutral del potenciómetro. Esto no se usa para ajustar la sensibilidad de la palanca de control del desgarrador. Ajuste ID: 8010 (Ajuste de la posición de recoger (IN) máxima de la palanca de inclinación del desgarrador) l Este código de ajuste es usado para hacer que el controlador del equipo de trabajo reconozca la posición de recoger (IN) máxima del potenciómetro de inclinación de la palanca de control del desgarrador. H Después de haber reemplazado el controlador del equipo de trabajo, o la palanca de control del desgarrador, asegúrese de efectuar una vez este ajuste. l Funciones de los interruptores de función [F3]: Sin uno [F4]: Sin uno [F5]: Retorno a la pantalla de selección al ajuste del ítem (pantalla de introducción de identidad (ID)) [F6]: Guardar el valor ajustado l Método de Operación 1) Mueva la palanca de control de la hoja hasta el extremo del recorrido para recoger (IN) en la dirección de inclinación, y manténgala en esa posición. 2) Oprima [F6] y revise que suene el zumbador de alarma. H Aún cuando el ajuste haya sido hecho, el valor exhibido en la pantalla no cambia. H Aunque se desactive este código de ajuste, el ajuste es efectivo. H Este código de ajuste es usado para hacer que el controlador reconozca la posición de recoger (IN) máxima del potenciómetro. Esto no se usa para ajustar la sensibilidad de la palanca de control del desgarrador.
  • 501.
    30 Pruebas yAjustes GSN00681-00 D155AX-6 65 Ajuste ID: 8011 (Ajuste de la posición de retroceso (BACK) máxima de la p alanca de inclina ció n de l desgarrador) l Este código de ajuste es usado para hacer que el controlador del equipo de trabajo reconozca la posición de extender (BACK) máxima del potenciómetro de inclinación de la palanca de control del desgarrador. H Después de haber reemplazado el controlador del equipo de trabajo, o la palanca de control del desgarrador, asegúrese de efectuar una vez este ajuste. l Funciones de los interruptores de función [F3]: Sin uno [F4]: Sin uno [F5]: Retorno a la pantalla de selección al ajuste del ítem (pantalla de introducción de identidad (ID)) [F6]: Guardar el valor ajustado l Método de Operación 1) Mueva la palanca de control de la hoja hasta el extremo del recorrido para retroceso (BACK) en la dirección de inclinación, y manténgala en esa posición. 2) Oprima [F6] y revise que suene el zumbador de alarma. H Aún cuando el ajuste haya sido hecho, el valor exhibido en la pantalla no cambia. H Aunque se desactive este código de ajuste, el ajuste es efectivo. H Este código de ajuste es usado para hacer que el controlador reconozca la posición de extender (BACK) máxima del potenciómetro. Esto no se usa para ajustar la sensibilidad de la palanca de control del desgarrador. Ajuste ID: 8020 (Corrección de la corriente de levantamiento de la hoja) l Este código de ajuste se usa para ajustar la sensibilidad del arranque de la hoja cuando la palanca de control de la hoja es movida en posición de subir con el modo de precisión de la hoja desactivado (OFF). H Use este código de ajuste para trabajar cuando sea necesario. l Funciones de los interruptores de función [F3]: Incrementa el valor del ajuste [Desplazamiento de corriente] [F4]: Disminuye el valor del ajuste [Desplazamiento de corriente] [F5]: Retorno a la pantalla de selección al ajuste del ítem (pantalla de introducción de identidad (ID)) [F6]: Guardar el valor ajustado l Método de Operación 1) Aumentar o disminuir el valor del ajuste oprimiendo la tecla [F3], o la [F4]. 2) Oprima [F6] y revise que suene el zumbador de alarma. H Si la velocidad del motor es ajustada, ésta es exhibida. Sin embargo, eso se puede ajustar repetidamente. H No es necesario mover la hoja durante el ajuste. Sin embargo, después de terminar el ajuste, eleve la hoja y revise que no haya ningún problema en la sensibilidad de la operación actual (Revise con el modo de control preciso de la hoja desac- tivado (OFF)) H Aunque se desactive este código de ajuste, el ajuste es efectivo.
  • 502.
    GSN00681-00 30 Pruebasy Ajustes 66 D155AX-6 Ajuste ID: 8021 (Corrección de la corriente de descenso de la hoja) l Este código de ajuste se usa para ajustar la sensibilidad del arranque de la hoja cuando la palanca de control de la hoja es movida en posición de bajar con el modo de precisión de la hoja desactivado (OFF). H Use este código de ajuste para trabajar cuando sea necesario. l Funciones de los interruptores de función [F3]: Incrementa el valor del ajuste [Desplazamiento de corriente] [F4]: Disminuye el valor del ajuste [Desplazamiento de corriente] [F5]: Retorno a la pantalla de selección al ajuste del ítem (pantalla de introducción de identidad (ID)) [F6]: Guardar el valor ajustado l Método de Operación 1) Aumentar o disminuir el valor del ajuste oprimiendo la tecla [F3], o la [F4]. 2) Oprima [F6] y revise que suene el zumbador de alarma. H Si la velocidad del motor es ajustada, ésta es exhibida. Sin embargo, eso se puede ajustar repetidamente. H No es necesario mover la hoja durante el ajuste. Sin embargo, después de terminar el ajuste, baje la hoja y revise que no haya ningún problema en la sensibilidad de la operación actual (Revise con el modo de control preciso de la hoja desactivado (OFF)) H Aunque se desactive este código de ajuste, el ajuste es efectivo. Ajuste ID: 8022 (Corrección de la corriente de levantamiento de la hoja (modo de control preciso)) l Este código de ajuste se usa para ajustar la sensibilidad del arranque de la hoja cuando la palanca de control de la hoja es movida en posición de subir con el modo de precisión de la hoja activado (ON). H Use este código de ajuste para trabajar cuando sea necesario. l Funciones de los interruptores de función [F3]: Incrementa el valor del ajuste [Desplazamiento de corriente] [F4]: Disminuye el valor del ajuste [Desplazamiento de corriente] [F5]: Retorno a la pantalla de selección al ajuste del ítem (pantalla de introducción de identidad (ID)) [F6]: Guardar el valor ajustado l Método de Operación 1) Aumentar o disminuir el valor del ajuste oprimiendo la tecla [F3], o la [F4]. 2) Oprima [F6] y revise que suene el zumbador de alarma. H Si la velocidad del motor es ajustada, ésta es exhibida. Sin embargo, eso se puede ajustar repetidamente. H No es necesario mover la hoja durante el ajuste. Sin embargo, después de terminar el ajuste, eleve la hoja y revise que no haya ningún problema en la sensibilidad de la operación actual (Revise con el modo de control preciso de la hoja acti- vado (ON)) H Aunque se desactive este código de ajuste, el ajuste es efectivo.
  • 503.
    30 Pruebas yAjustes GSN00681-00 D155AX-6 67 Ajuste ID: 8023 (Corrección de la corriente de descenso de la hoja (modo de control preciso)) l Este código de ajuste se usa para ajustar la sensibilidad del arranque de la hoja cuando la palanca de control de la hoja es movida en posición de bajar con el modo de precisión de la hoja activado (ON). H Use este código de ajuste para trabajar cuando sea necesario. l Funciones de los interruptores de función [F3]: Incrementa el valor del ajuste [Desplazamiento de corriente] [F4]: Disminuye el valor del ajuste [Desplazamiento de corriente] [F5]: Retorno a la pantalla de selección al ajuste del ítem (pantalla de introducción de identidad (ID)) [F6]: Guardar el valor ajustado l Método de Operación 1) Aumentar o disminuir el valor del ajuste oprimiendo la tecla [F3], o la [F4]. 2) Oprima [F6] y revise que suene el zumbador de alarma. H Si la velocidad del motor es ajustada, ésta es exhibida. Sin embargo, eso se puede ajustar repetidamente. H No es necesario mover la hoja durante el ajuste. Sin embargo, después de terminar el ajuste, baje la hoja y revise que no haya ningún problema en la sensibilidad de la operación actual (Revise con el modo de control preciso de la hoja activado (ON)) H Aunque se desactive este código de ajuste, el ajuste es efectivo. Ajuste ID: 8024 (Corrección de la corriente de inclinación izquierda de la hoja) l Este código de ajuste se usa para ajustar la sensibilidad del arranque de la hoja cuando la palanca de control de la hoja es movida en posición de inclinar hacia la izquierda. H Use este código de ajuste para trabajar cuando sea necesario. l Funciones de los interruptores de función [F3]: Incrementa el valor del ajuste [Desplazamiento de corriente] [F4]: Disminuye el valor del ajuste [Desplazamiento de corriente] [F5]: Retorno a la pantalla de selección al ajuste del ítem (pantalla de introducción de identidad (ID)) [F6]: Guardar el valor ajustado l Método de Operación 1) Aumentar o disminuir el valor del ajuste oprimiendo la tecla [F3], o la [F4]. 2) Oprima [F6] y revise que suene el zumbador de alarma. H Si la velocidad del motor es ajustada, ésta es exhibida. Sin embargo, eso se puede ajustar repetidamente. H No es necesario mover la hoja durante el ajuste. Sin embargo, después de terminar el ajuste, incline la hoja hacia la izquierda y revise que no haya ningún problema en la sensibilidad de la operación actual. H Aunque se desactive este código de ajuste, el ajuste es efectivo.
  • 504.
    GSN00681-00 30 Pruebasy Ajustes 68 D155AX-6 Ajuste ID: 8025 (Corrección de la corriente de inclinación derecha de la hoja) l Este código de ajuste se usa para ajustar la sensibilidad del arranque de la hoja cuando la palanca de control de la hoja es movida en posición de inclinar hacia la derecha. H Use este código de ajuste para trabajar cuando sea necesario. l Funciones de los interruptores de función [F3]: Incrementa el valor del ajuste [Desplazamiento de corriente] [F4]: Disminuye el valor del ajuste [Desplazamiento de corriente] [F5]: Retorno a la pantalla de selección al ajuste del ítem (pantalla de introducción de identidad (ID)) [F6]: Guardar el valor ajustado l Método de Operación 1) Aumentar o disminuir el valor del ajuste oprimiendo la tecla [F3], o la [F4]. 2) Oprima [F6] y revise que suene el zumbador de alarma. H Si la velocidad del motor es ajustada, ésta es exhibida. Sin embargo, eso se puede ajustar repetidamente. H No es necesario mover la hoja durante el ajuste. Sin embargo, después de terminar el ajuste, incline la hoja hacia la derecha y revise que no haya ningún problema en la sensibilidad de la operación actual. H Aunque se desactive este código de ajuste, el ajuste es efectivo. ID de ajuste: 9995 (Modo de liberación del freno de control) l Este código de ajuste se usa para liberar el freno de control (Válvulas ECMV de freno derecha a izquierda) para revisar la operación del freno de refuerzo (válvula solenoide del pedal de freno) H Use este código de ajuste para pruebas, ajustes, o localización de fallas cuando sea necesario. l Funciones de los interruptores de función [F3]: Sin uno [F4]: Sin uno [F5]: Retorno a la pantalla de selección al ajuste del ítem (pantalla de introducción de identidad (ID)) [F6]: Sin uno l Método de Operación Cuando es exhibido este código de ajuste, su función es efectiva y el freno de control (válvulas ECMV izquierda y derecha) se mantiene liberado. H Después de haber desactivado el código (OFF), su función no tiene efecto.
  • 505.
    30 Pruebas yAjustes GSN00681-00 D155AX-6 69 Ajuste ID: 9996 (Modo de operación de la válvula de prevención de parada súbita) l Este código de ajuste se usa para parar la válvula solenoide de prevención contra paradas súbitas y las válvulas ECMV de freno derecho e izquierdo para revisar la operación de la válvula de prevención contra paradas súbitas. H Use este código de ajuste para pruebas, ajustes, o localización de fallas cuando sea necesario. l Funciones de los interruptores de función [F3]: Sin uno [F4]: Sin uno [F5]: Retorno a la pantalla de selección al ajuste del ítem (pantalla de introducción de identidad (ID)) [F6]: Sin uno l Método de Operación Cuando es exhibido este código de ajuste, su función es efectiva y la válvula solenoide de prevención contra paradas súbitas y las válvulas ECMV de freno izquierda y derecha se mantienen detenidas. H Después de haber desactivado el código (OFF), su función no tiene efecto. ID de ajuste: 9997 (Modo de corte de la alta velocidad sin carga) l Este código de ajuste se usa para limitar la velocidad alta sin carga. H Use este código de ajuste para trabajar cuando sea necesario. l Funciones de los interruptores de función [F3]: Incrementa el valor del ajuste del modo establecido de altas revoluciones sin carga [HIGH IDLE RPM SET MODE]] [F4]: Disminuye el valor del ajuste del modo establecido de altas revoluciones sin carga [HIGH IDLE RPM SET MODE] [F5]: Retorno a la pantalla de selección al ajuste del ítem (pantalla de introducción de identidad (ID)) [F6]: Guardar el valor ajustado l Método de Operación 1) Aumentar o disminuir el valor del ajuste oprimiendo la tecla [F3], o la [F4]. 2) Oprima [F6] y revise que suene el zumbador de alarma. H Cuando se restablece la limitación de la alta velocidad sin carga, establezca el valor del ajuste a la alta velocidad sin carga original (2,050 rpm). H Aunque se desactive este código de ajuste, el ajuste es efectivo.
  • 506.
    GSN00681-00 30 Pruebasy Ajustes 70 D155AX-6 Ajuste ID: 9998 (Modo para establecer el cambio de engranaje de velocidad máximo) l Este código se usa para limitar el cambio de engranaje de velocidad máximo. l El cambio de engranaje de velocidad limitado se aplica tanto en el modo de cambio de velocidades automático como en el modo de cambio de velocidades manual. H Use este código de ajuste para trabajar cuando sea necesario. l Funciones de los interruptores de función [F3]: Incrementa el valor del ajuste [Cambio de velocidad máximo [MAX SHIFT]] [F4]: Disminuye el valor del ajuste [Cambio de velocidad máximo [MAX SHIFT]] [F5]: Retorno a la pantalla de selección al ajuste del ítem (pantalla de introducción de identidad (ID)) [F6]: Guardar el valor ajustado l Método de Operación 1) Aumentar o disminuir el valor del ajuste oprimiendo la tecla [F3], o la [F4]. 2) Oprima [F6] y revise que suene el zumbador de alarma. H Cuando se restablece la limitación del cambio de velocidad máximo, establezca el valor del ajuste al cambio de engranaje de velocidad máximo (3a. velocidad (3RD)). H Aunque se desactive este código de ajuste, el ajuste es efectivo. Clínica Pm El monitor de la máquina puede revisar la condición de la máquina sin tener que conectarse con herramientas de pruebas para ayudar a la Clínica PM y otras inspecciones periódicas. 1. Seleccionando el menú Seleccione "08 Cínica Pm" en la pantalla del menú de servicio. 2. Información exhibida en la pantalla de Clínica Pm La función de la Clínica Pm exhibe la siguiente información en 2 páginas. 1ra pantalla 2da pantalla [F1]: Cambiar pantalla [F2]: Cambiar pantalla [F3]: Restablezca la retención [F4]: Sostener (datos mostrados) [F5]: Regrese a la pantalla del menú de servicio
  • 507.
    30 Pruebas yAjustes GSN00681-00 D155AX-6 71 3. Retención de información mostrada La información exhibida puede ser retenida y liberada por medio de las teclas [F3] y [F4]. Operación del modo de cilindro reducido El operador puede efectuar la operación de en el modo de cilindro reducido por medio del monitor de la máquina. La operación en el modo de cilindro reducido significa trabajar el motor con 1 ó más inyectores de combustible puestos fuera de ser vicio eléctricamente para reducir el número de cilindros en marcha. Esta operación se usa para ubicar un cilindro que no produce una potencia normal (combustión anormal en el mismo). 1. Seleccionando el menú Seleccione "09 Operación con modo de cilindro reducido" en la pantalla del menú de servicio. 2. Seleccione el cilindro a ser desactivado Después de que la pantalla de Operación con modo de cilindro reducido es exhibida, seleccione el cilindro a ser desactivado utilizando los interruptores de función. [F1]: Mueva la marca de selección (R) hacia la izquierda [F2]: Mueva la marca de selección (R) hacia la derecha [F3]: Restablezca la retención [F4]: Retención [F5]: Regrese a la pantalla del menú de servicio [F6]: Confirme selección H Esta operación puede ser ejecutada mien- tras el motor está en marcha. H Cuando la [F6] es oprimida, si el fondo (a) del No. del cilindro seleccionado se vuelve blanco, el cilindro ha sido desactivado. H Si el monitor de la máquina desactiva un cilindro, pero el controlador del motor no puede desactivar ese cilindro, el fondo del No. de cilindro se vuelve amarillo. H Se pueden desactivar uno o más cilindros. 3. Restableciendo el cilindro desactivado Cuando cambie un cilindro que va a ser desactivado, o cuando la operación del modo de cilindro reducido es terminada, seleccione el cilindro desactivado a ser restablecido utilizando los interruptores de función. H Esta operación puede ser ejecutada mien- tras el motor está en marcha. H Cuando la (F6) es oprimida, si el fondo (a) del No. del cilindro seleccionado se vuelve azul claro, el cilindro ha sido Activado. H Si el monitor de la máquina desactiva un cilindro, pero el controlador del motor no puede desactivar ese cilindro, el fondo del No. de cilindro se vuelve rojo. H La operación del modo del cilindro reduc- ido no es restablecida automáticamente después de que la pantalla retorna al modo del operador. De acuerdo a esto, cuando termine la operación del modo de cilindro r edu cido, aseg úre se de restablecer la operación de los cilindros. 4. Función de retención de información expuesta Si la [F4] es oprimida durante la operación del modo de cilindro reducido, la información exhibida es la recientemente retenida (c) (La información sobre el tiempo real se mantiene exhibida en el lado izquierdo). H Mientras la información es retenida, si se oprime (F3), la función de retención es restablecida. H La función de retención es efectiva, sin tener en cuenta lo establecido por la oper- ación del modo de cilindro reducido.
  • 508.
    GSN00681-00 30 Pruebasy Ajustes 72 D155AX-6 [Referencia] l Si un cilindro que opera normalmente es de sactiva do, ocurre n los siguiente s fenómenos. 1) Reducir la velocidad del motor 2) Se incrementa el comando de la proporción de inyección final (cantidad) l Si el motor está funcionando cerca de la alta velocidad sin carga, la velocidad del motor puede que no se reduzca en razón al control del motor. l En este caso, reduzca la velocidad del motor con el dial de control de combustible y juzgue por el incremento del comando de proporción de inyección. Girar el motor sin inyección Si el motor es operado después de un largo periodo de almacenaje de la máquina, puede llegar a desgastarse o dañar a causa de insuficiente lubricación con aceite. Para prevenir esto, la función para lubricar el motor antes de arrancarlo haciendo girar el cigüeñal con el motor de arranque sin instalar la inyección de combustible. Coloque el giro del cigüeñal del motor sin inyección mientras el motor está parado. 1. Seleccionando el menú Seleccione "10 Girar el motor sin inyección" en la pantalla del menú de servicio. 2. Exhibiendo la pantalla de revisión Si está exhibida la pantalla de Girar el motor sin inyección, el monitor de la máquina le recuerda al operador que el giro del cigüeñal con el motor de arranque y sin inyección debe ser ejecutado. Responda con el interruptor de función. [F5]: No está ejecutado (Retorno a la pantalla del menú de servicio) [F6]: Ejecución H Mientras la pantalla está cambiando a la siguiente pantalla, se exhibe la pantalla de "La comunicación entre controladores está siendo revisada". 3. Empezando el giro del cigüeñal sin inyección Si arranque sin inyección (No hay inyección en los cilindros) se vuelve efectiva, esta es exhibida en la pantalla. Estando en esta condición, haga girar el motor por medio del motor de arranque. H Mientras la pantalla está cambiando a la siguiente pantalla, se exhibe la pantalla de "La configuración está siendo preparada". H Para proteger el motor de arranque, límite el giro del cigüeñal a 20 segundos. 4. Terminando el giro del cigüeñal sin inyección Después de completar la operación de giro del cigüeñal sin inyección, oprima la [F6], y se exhibe "Fin del giro del cigüeñal sin inyección" y la pantalla retorna automáticamente a la pantalla del Menú de servicio.
  • 509.
    30 Pruebas yAjustes GSN00681-00 D155AX-6 73 5. Prohibición de girar el cigüeñal sin inyección Si el operador trata de ejecutar el giro del cigüeñal sin inyección mientras el motor está funcionando, el mensaje de que el motor está funcionando es exhibido y el giro del cigüeñal sin inyección queda sin efecto. H Esta función puede ser seleccionada aún cuando el motor esté funcionando. Si se ejecuta el giro del cigüeñal sin inyección, como quiera, el mensaje de "El motor está funcionando" es exhibido en la pantalla. Exposición del consumo de combustible Esta función calcula el consumo de combustible por hora en base al consumo actual de combustible en un período de medición, y lo indica. 1. Seleccionando el menú Seleccione "11 Exhibición del consumo de combustible " en la pantalla del menú de Servicio. 2. Iniciando la medición Después de que la pantalla de Consumo de combustible es exhibida, inicie la medición por medio de los interruptores de función. [F1]: Arrancar [F2]: Borrar [F5]: Regrese a la pantalla del menú de servicio H Cuando se exhibe la pantalla de consumo de combustible si se indica un dato, éste es el de la medición previa. Este dato no es un obstáculo para la nueva medición y puede ser borrado oprimiendo [F2]. H Si se oprime (F1), el dato es exhibido en el lado de la fecha de inicio y la hora, y se inicia la medición. H La exhibición de la unidad de combustible cambia de acuerdo a la unidad estable- cida por la función de inicialización (con- figuración de unidad). SI + metric: ¶/h, Imperial: gal/h 3. Exhibición y función durante la medición La marca del reloj (a) destella durante la medición. H Mientras el consumo de combustible está siendo medido, el operador puede trabajar con el modo del operador y otras funciones. La medición no se da por terminada hasta que la pantalla sea exhibida nuevamente y (F1) sea presionada (Aún si el interruptor de arranque es colocado en OFF, esta función permanece efectiva, aunque el consumo de combustible es medido solamente mientras el motor esté funcionando).
  • 510.
    GSN00681-00 30 Pruebasy Ajustes 74 D155AX-6 4. Finalizando la medición Oprima (F1), y la medición es terminada el dato es exhibido en el lado de la fecha de terminación y la hora. 5. Exhibición del consumo de combustible Si la medición ha sido terminada, el consumo de combustible por hora es calculado por el consumo de combustible calculado por el controlador del motor y el tiempo transcurrido exhibido. Exhibición de la configuración KOMTRAX (Condición de configuración del terminal) La condición configurada y la condición de operación de KOMTRAX pueden ser revisadas con la Exhibición de la configuración de KOMTRAX. La configuración de la condición del terminal es usada para revisar la condición de configuración del terminal KOMTRAX. 1. Seleccionando el menú Seleccione "12 Exhibición de configuración KOMTRAX " en la pantalla del menú de Servicio. 2. Selección del sub menú Después de que se exhiba la pantalla de configuración KOMTRAX, seleccione "01 Condición de configuración del terminal" por medio de los interruptores de función o los interruptores para introducir numerales. H Seleccione este ítem en forma similar a un ítem en la pantalla del Menú de servicio. 3. Contenido de la exhibición de la condición de configuración del terminal En la pantalla de condición de configuración del terminal, se exhiben los siguientes ítemes. Configuración del terminal: Nombre del Mod- elo del MODEM de comunicación KOMTRAX. Comunicación: Estabilidad de las comuni- cación del MODEM de comunicaciones y condición de conexión del MODEM de co- municación. Número de correos electrónicos pendientes por transmitir: Número de correos que han sido guardados en el monitor de la máquina y que todavía no se han transmitido. [F5]: Retorne a la pantalla de configu- ración de KOMTRAX.
  • 511.
    30 Pruebas yAjustes GSN00681-00 D155AX-6 75 Exhibición de la configuración KOMTRAX (Condición de posicionamiento y comuni- cación) La condición configurada y la condición de operación de KOMTRAX pueden ser revisadas con la Exhibición de la configuración de KOMTRAX. La condición de posicionamiento y comunicación es usa da para revisa r la co ndició n d e posicionamiento y comunicación del terminal KOMTRAX. 1. Seleccionando el menú Seleccione "12 Exhibición de configuración KOMTRAX " en la pantalla del menú de Servicio. 2. Selección del sub menú Después de que se exhiba la pantalla de configuración KOMTRAX, seleccione "02 C ond ición de p osicio namiento y comunicación" por medio de los interruptores de función o los interruptores para introducir numerales. H Seleccione este ítem en forma similar a un ítem en la pantalla del Menú de servicio. 3. Contenido de la exhibición de la condición de posicionamiento y comunicación En la pa ntalla de la con dición d e posicionamiento y comunicación, se exhiben los siguientes ítemes. Posiciones: Condición de posición del GPS Comunicación: Estabilidad de las comuni- cación del MODEM de comunicaciones y condición de conexión del MODEM de comunicación. [F5]: Retorne a la pantalla de configu- ración de KOMTRAX.
  • 512.
    GSN00681-00 30 Pruebasy Ajustes 76 D155AX-6 Exposición de la activación de KOMTRAX La condición configurada y la condición de operación de KOMTRAX pueden ser revisadas con la Exhibición de la configuración de KOMTRAX. El número de serie del MODEM se usa para revisar el No. de serie del MODEM de comunicación KOMTRAX. 1. Seleccionando el menú Seleccione "12 Exhibición de configuración KOMTRAX " en la pantalla del menú de Servicio. 2. Selección del sub menú Después de que se exhiba la pantalla de configuración KOMTRAX, seleccione "03 NÚMERO DE SERIE DEL MODEM" por medio de lo s inte rru ptore s de fu nción o lo s interruptores para introducir numerales. H Seleccione este ítem en forma similar a un ítem en la pantalla del Menú de servicio. 3. Contenido de la exhibición de NÚMERO DE SERIE DEL MODEM El Núme ro de ser ie d el MOD EM de comunicación KOMTRAX es exhibido. [F5]: Retorne a la pantalla de configuración de KOMTRAX.
  • 513.
    30 Pruebas yAjustes GSN00681-00 D155AX-6 77 Exposición de mensaje de KOMTRAX Los mensajes especiales enviados por el encargado de servicio de la estación base de KOMTRAX (un Distribuidor, etc.) se pueden revisar con esta función. Si hay alguna configuración en el mensaje, un correo de retorno se puede enviar mediante el uso de los interruptores para introducir numerales. 1. Operación para exhibir el menú Seleccione "13 Mensaje KOMTRAX" en la pantalla del menú de Servicio. 2. Exhibición del mensaje (Solo para leer) Si hay mensaje, su contenido es exhibido. Si no hay mensaje, "No mensaje" es exhibido. [F5]: Regrese a la pantalla del menú de servicio H Este mensaje es diferente del mensaje transmitido al operador en el modo del operador. H Debido a que este mensaje es especial para el encargado de servicio, el monitor de mensajes no es exhibido cuando el mensaje es recibido, como en el modo del operador. 3. Exhibición del mensaje (con función de correo de retorno) Si una ventanita para introducir un valor por medio de las teclas de numerales es exhibida d eba jo d el men saje, entre e l núme ro apropiado por medio de los interruptores para introducir numerales y los interruptores de función, y confírmelo, y la información es retornada a la estación base de KOMTRAX. [F5]: Regrese a la pantalla del menú de servicio [F6]: Confirme y retorne el valor entrado. H Este mensaje es diferente del mensaje transmitido al operador en el modo del operador. H Debido a que este mensaje es especial para el encargado de servicio, el monitor de mensajes no es exhibido cuando el mensaje es recibido, como en el modo del operador.
  • 514.
    GSN00681-00 30 Pruebasy Ajustes 78 D155AX-6 D155AX-6 Buldózer No.de Forma GSN00681-00 © 2006 KOMATSU Todos los Derechos Reservados Impreso en E.E.U.U. 08-06
  • 515.
    D155AX-6 1 GSN00682-00 BULDÓZER 1MANUALDE TALLER D155AX-6 Modelo de máquina Número de serie D155AX-6 80001 y superiores 30 Pruebas y Ajustes 1 Pruebas y ajustes, Parte 4 Pruebas y ajustes, Parte 4............................................................................................................................. 2 Forma de manejar el circuito de fuente de energía del controlador del motor.................................... 2 Trabajos de preparación para la localización de fallas en el sistema eléctrico ................................... 3 Clínica Pm........................................................................................................................................... 5
  • 516.
    GSN00682-00 30 Pruebasy Ajustes 2 D155AX-6 Pruebas y ajustes, Parte 4 1 Manipulando el circuito de suministro de energía del controlador del motor 1 1. Antes de desconectar o conectar una conexión entre el controlador del motor y el motor, asegúrese de que el interruptor de arranque se encuentre en posición "OFF". 2. Si un adaptador-T se introduce en o se conecta a un conector entre el motor y el controlador del motor para la localización de fallas, no arranque el motor. H Se podrá mover el interruptor del arranque hacia las posiciones de OFF y ON, pero no debe moverlo hacia la posición de START = ARRANQUE.
  • 517.
    30 Pruebas yAjustes GSN00682-00 D155AX-6 3 Trabajos de preparación para la localización de fallas en el sistema eléctrico 1 H Al realizar la localización de fallas para un circuito eléctrico relacionado con el monitor de la máquina, controlador del motor, controlador del tren de potencia, o el controlador del equipo de trabajo, exponga los conectores relacionados de acuerdo con el procedimiento que sigue. 1. Monitor de la máquina 1) Remueva los 4 tornillo de montaje de cada una de las cubiertas (1) y (2) y remueva esas cubiertas. 2) Remueva los 4 tornillo de montaje de cada una de las cubiertas (3) y (4) y remueva esas cubiertas junto con el descanso del pie. H Los 2 tornillos del descanso del pie del lado de la ventana delantera se usan también como tornillo de montaje de la cubierta. 3) Remueva los 4 tornillos de montaje del monitor de la máquina (5) y hale el monitor de la máquina (5) junto con la cubierta del interruptor hacia el asiento del operador. 4) Inserte o conecte el adaptador en T del lo calización de fallas en, o a los conectores CM01, CM02, y CM03 del monitor de la máquina (5). H AT11 es para la antena GPS. H Si está instalada la cámara, el CM05 también tiene su arnés de cables. 2. Controlador del motor 1) Abra la cubierta del lado izquierdo del motor y el protector contra barro izquierdo. 2) Desmonte los pernos de montaje y la cubierta (6). 3) Introduzca o conecte adaptadores-T para la localización de fallas en o a los conectores EGC1, EGC2, y EGC3 del controlador del motor (7). H Debido a que los conectores EGC1 y EGC2 están asegurados por tornillos, a floje e sos tor nillo s an te s de desconectar. H Cuando retorne los conectores EGC1 y EGC2, apriete los tornillos a su par de apriete especificado. 3 Tornillo: 3 ± 1 Nm {0.3 ± 0.1 kgm}
  • 518.
    GSN00682-00 30 Pruebasy Ajustes 4 D155AX-6 3. Controlador del tren de potencia 1) Remueva la cubierta interior inferior de la consola izquierda. H Esta cubierta está instalada en el lado opuesto del controlador del equipo de trabajo . 2) Introduzca o conecte adaptadores-T para la localización de fallas en o a los conectores STC1, STC2, y STC3 del controlador del tren de potencia (8). H Como los conectores están sujetos con tornillos, afloje esos tornillos antes de hacer la desconexión. H Cuando devuelva los conectores, apriete los tornillos a su par de apriete especificado. 3 Tornillo:2.83 ± 0.28 Nm {0.288 ± 0.028 kgm} 4. Controlador del equipo de trabajo 1) Remueva la cubierta interior inferior (9) de la consola izquierda. H Esta cubierta está instalada en el lado opuesto del controlador del equipo de trabajo. 2) Introduzca o conecte adaptadores-T para la localización de fallas en o a los conectores WEC1, WEC2, y WEC3 del controlador del equipo de trabajo (10). H Como los conectores están sujetos con tornillos, afloje esos tornillos antes de hacer la desconexión. H Cuando devuelva los conectores, apriete los tornillos a su par de apriete especificado. 3 Tornillo:2.83 ± 0.28 Nm {0.288 ± 0.028 kgm}
  • 519.
    30 Pruebas yAjustes GSN00682-00 D155AX-6 5 Clínica Pm 1 Modelo de máquina No. de Serie Horómetro de servicio D155AX-6 h Nombre del usuario Fecha de ejecución Inspector / / Especificaciones Hoja Aditamento trasero Ancho de la zapata Hoja Hoja Semi-U Hoja U Desgarrador de garras múltiples Desgarrador gigante variable Contra peso ( kg) 560 mm 610 mm 660 mm 710 mm Condición del trabajo Cantera/Minería Carbón Oro Caliza Construcción Construcción/Ingeniería Civil Camino Túnel Tipo de terreno (Gravedad específica: ) Roca Gravilla Arena Arcilla Contenidos del trabajo Empuje % Cortes laterales % Desgarrado % Traslado % Revisión de niveles de aceite/refrigerante Nivel de refrigerante del motor Nivel de aceite de motor Nivel de aceite hidráulico Cuando sea necesario Nivel de aceite de la caja del amortiguador Nivel del aceite del tren de potencia Nivel de aceite del mando final Temperatura del refrigerante del motor Temperatura del aceite del tren de potencia: Temperatura ambiente Altitud Rango Máximo: Figura siguiente (Izquierda) Rango Máximo: Figura siguiente (Derecha) Máx. °C/Mín. °C m Opinión del operador Resultado de inspección final Historia de fallas del sistema mecánico Historia de fallas del sistema eléctrico AA10NX veces/1ra vez h/última h veces/1ra vez h/última h AB00MA veces/1ra vez h/última h veces/1ra vez h/última h B@BAZG veces/1ra vez h/última h veces/1ra vez h/última h B@BCNS veces/1ra vez h/última h veces/1ra vez h/última h B@BCZK veces/1ra vez h/última h veces/1ra vez h/última h B@CENS veces/1ra vez h/última h veces/1ra vez h/última h B@HANS veces/1ra vez h/última h veces/1ra vez h/última h CA234 veces/1ra vez h/última h veces/1ra vez h/última h
  • 520.
    GSN00682-00 30 Pruebasy Ajustes 6 D155AX-6 Revisar posiciones/1er. Método MOTOR Velocidad del motor Presión de refuerzo Presión de aceite del motor Presión de aceite Aire (Gas) Electricidad Temperatura del gas de escapePresión de los gases del cárter Velocidad del ventilador Tacómetro Termómetro Presión del circuito del ventilador Motor Adaptador portatobera Indicador de paso de gases Sensor de tem- peratura de superficie para medir la tem- peratura exterior VENTILADOR
  • 521.
    30 Pruebas yAjustes GSN00682-00 D155AX-6 7 Revisar posiciones/2do. Método CONVERTIDOR DE TORSION TRANSMISION FRENO Presión de entrada Presión de salida Freno derecho Freno izquierdo Presión del embrague de traba (LC) Presión del embrague del estator (SC) Zona de detección de presión centralizada Zona de detección de presión centralizada Zona de detección de presión centralizada Presión de alivio principal (TM) Presión del embrague de avance (F) Presión embrague de retroceso (R) Presión del embrague de 1ra (1ST) Presión del embrague de 2da (2ND) Presión del embrague de 3ra (3RD)
  • 522.
    GSN00682-00 30 Pruebasy Ajustes 8 D155AX-6 Revisar posiciones/3er. Método EQUIPO DE TRABAJO HSS Presión de alivio principal Presión de alivio LS ( Presión de alivio principal ) Presión de origen del circuito de control principal
  • 523.
    30 Pruebas yAjustes GSN00682-00 D155AX-6 9 Hoja de revisión de la Clínica Pm 1. Motor 2. Ventilador de enfriamiento Modelo de máquina No. de Serie Horómetro de servicio Nombre del usuario Fecha de ejecución Inspector D155AX-6 Item Condición de medición Unidad Valor estándar para máquina nueva Valor de servicio límite Resultado de medición Aceptada Rechazada Motor Velocidad del motor Baja velocidad en vacío rpm 715 – 765 715 – 765 Alta veloci- dad sin carga Sin desaceleración (Ajuste: 0007) 2,000 – 2,100 2,000 – 2,100 Normal (Desaceleración) 1,825 – 1,925 1,825 – 1,925 Pedal desacelerador 825 – 925 825 – 925 F3 calado 1,560 – 1,660 1,450 Calado F3 + Alivio del elevador del desgarrador 1,500 – 1,600 1,395 Presión de refuerzo F3 calado kPa {mmHg} Mín. 117 {Mín. 880} 100 {750} Temperatura del escape Temperatura ambiente °C — — — — F3 calado 660 700 Presión de los gases del cárter F3 calado kPa {mmH2O} Máx. 2.94 {Máx 300} 3.92 {400} Presión de aceite del motor Alta velocidad sin carga MPa {kg/cm²} Mín. 034 {Mín. 3.5} 0.21 {2.1} Baja velocidad sin carga Mín. 010 {Mín. 1.0} 0.08 {0.8} Item Condición de medición Unidad Valor estándar para máquina nueva Valor de servicio límite Resultado de medición Aceptada Rechazada Ventilador Velocidad Ajuste: 1005 Baja velocidad sin carga rpm — — — — Alta velocidad sin carga 1,200 – 1,300 1,200 – 1,300 Presión del circuito Alta velocidad sin carga MPa {kg/cm²}
  • 524.
    GSN00682-00 30 Pruebasy Ajustes 10 D155AX-6 3. Presión de aceite del tren de potencia ¤ Por razones de seguridad, mida la presión de cada embrague de la transmisión solamente mientras el motor esté funcionando en baja velocidad. Item Condición de medición Unidad Valor estándar para máquina nueva Valor de servicio límite Resultado de medición Aceptada Rechazada Convertidordetorsión Presión de entrada Monitoreo: 32601 Baja velocidad sin carga MPa {kg/cm²} 0.05 – 0.49 {0.5 – 5.0} 0.05 – 0.49 {0.5 – 5.0} Alta velocidad sin carga Máx. 1.0 {Máx. 10.0} Máx. 1.0 {Máx. 10.0} Presión de salida Monitoreo: 32603 Baja velocidad sin carga 0.05 – 0.29 {0.5 – 3.0} 0.05 – 0.29 {0.5 – 3.0} Alta velocidad sin carga 0.29 – 0.69 {3.0 – 7.0} 0.29 – 0.69 {3.0 – 7.0} Presióndel embrague de traba Modo de cambio de velocidades automático Velocidad de traslado: F1 Traslado sin carga Baja velocidad sin carga 1.12 – 1.52 {11.5 – 15.5} 1.12 – 1.52 {11.5 – 15.5} Alta velocidad sin carga 1.12 – 1.52 {11.5 – 15.5} 1.12 – 1.52 {11.5 – 15.5} Presióndel embrague del estátor Velocidad de traslado: N/P Baja velocidad sin carga 2.45 – 2.85 {25.0 – 29.0} 2.45 – 2.85 {25.0 – 29.0} Alta velocidad sin carga 2.45 – 2.85 {25.0 – 29.0} 2.45 – 2.85 {25.0 – 29.0} Item Condición de medición Unidad Valor estándar para máquina nueva Valor de servicio límite Resultado de medición Aceptada Rechazada Transmisión Presión de alivio principal Velocidad de traslado: N/P Baja velocidad sin carga MPa {kg/cm²} 2.81 – 3.11 {28.7 – 31.7} Mín. 2.62 {Mín. 26.7} Alta velocidad sin carga 3.04 – 3.33 {31.0 – 34.0} Mín. 2.84 {Mín. 29.0} Presión del embrague F Velocidad de traslado: F3 Freno: Aplicado Baja velocidad sin carga 2.45 – 2.75 {25.0 – 28.0} Mín. 2.26 {Mín. 23.0} Presión del embrague R Velocidad de traslado: R3 Freno: Aplicado Baja velocidad sin carga 2.65 – 2.94 {27.0 – 30.0} Mín. 2.45 {Mín. 25.0} Presión del embraguede 1a. Velocidad de traslado: F1 Freno: Aplicado Baja velocidad sin carga 2.81 – 3.11 {28.7 – 31.7} Mín. 2.62 {Mín. 26.7} Presión del embraguede 2a. Velocidad de traslado: F2 Freno: Aplicado Baja velocidad sin carga 2.60 – 2.89 {26.5 – 29.5} Mín. 2.40 {Mín. 24.5} Presión del embraguede 3a. Velocidad de traslado: F3 Freno: Aplicado Baja velocidad sin carga 2.81 – 3.11 {28.7 – 31.7} Mín. 2.62 {Mín. 26.7}
  • 525.
    30 Pruebas yAjustes GSN00682-00 D155AX-6 11 4. Presión de aceite HSS/Equipo de trabajo 5. Velocidad del equipo de trabajo Item Condición de medición Unidad Valor estándar para máquina nueva Valor de servicio límite Resultado de medición Aceptada Rechazada Freno Presión del freno derecho Velocidad de traslado: N Freno: Liberado Baja velocidad sin carga MPa {kg/cm²} 2.46 – 3.04 {25.0 – 31.0} 2.16 {22.0} Alta velocidad sin carga 2.46 – 3.04 {25.0 – 31.0} 2.16 {22.0} Presión del freno izquierdo Velocidad de traslado: N Freno: Liberado Baja velocidad sin carga 2.46 – 3.04 {25.0 – 31.0} 2.16 {22.0} Alta velocidad sin carga 2.46 – 3.04 {25.0 – 31.0} 2.16 {22.0} Rendimiento del freno Calado en F2, alta velocidad sin carga La máquina no debe moverse Item Condición de medición Unidad Valor estándar para máquina nueva Valor de servicio límite Resultado de medición Aceptada Rechazada PresióndeaceiteHSS/Equipodetrabajo Presión de descarga Palanca de control del equipo de trabajo: Todas las palancas de control en neutral Alta velocidad sin carga MPa {kg/cm²} 2.45 – 3.82 {25 – 39} 2.45 – 3.82 {25 – 39} Presión de alivio del equipo de trabajo Alivio al final del recorrido del cilindro Alta velocidad sin carga 26.0 – 29.0 {265 – 295} 26.0 – 29.0 {265 – 295} Presión de alivio LS del equipo de trabajo Alta velocidad sin carga 24.0 – 26.0 {245 – 265} 24.0 – 26.0 {245 – 265} Presión de alivio HSS Freno: Aplicado Dirección: Aliviado Alta velocidad sin carga 38.2 – 41.5 {390 – 425} 38.2 – 41.5 {390 – 425} Presión de alivio LS HSS Alta velocidad sin carga 36.2 – 38.1 {369 – 389} 36.2 – 38.1 {369 – 389} Presión básica del circuito de control Palanca de control del equipo de trabajo: Todas las palancas de control en neutral Alta velocidad sin carga 3.97 – 4.46 {40.5 – 45.5} 3.97 – 4.46 {40.5 – 45.5} Item Condición de medición Unidad Valor estándar para máquina nueva Valor de servicio límite Resultado de medición Aceptada Rechazada Velocidaddel equipodetrabajo Elevar la hoja Alta velocidad sin carga seg. 3.0 – 4.0 3.0 – 4.0 Inclinación izquierda de la hoja Alta velocidad sin carga 1.8 – 2.8 3.1 Bajar desgarrador Alta velocidad sin carga 1.5 – 2.5 3.5 Ladeamiento interior del desgarrador Alta velocidad sin carga 4.5 – 5.5 6.2
  • 526.
    GSN00682-00 30 Pruebasy Ajustes 12 D155AX-6 6. Desplazamiento hidráulico del equipo de trabajo 7. Mando final 8. Registro de reparaciones (Tiene que ser llenado) Item Condición de medición Unidad Valor estándar para máquina nueva Valor de servicio límite Resultado de medición Aceptada Rechazada Desplazamiento hidráulico Temperatura del aceite hidráulico Motor: Detenido Levantamiento de hoja: 15 minutos Elevación del desgarrador: 5 minutos °C — — — — Fuga hidráulica del levanta- miento de la hoja mm Máx. 50 200 Fuga hidráulica del levanta- miento del desgarrador mm Máx. 50 70 Item Condición de medición Unidad Valor estándar para máquina nueva Valor de servicio límite Resultado de medición Aceptada Rechazada FD Mando final Motor: Detenido — No debe haber una cantidad de polvo metálico anormalmente alta. Fecha: Horómetro de servicio Registro de reparación Fecha: Horómetro de servicio Registro de reparación / / h / / h / / h / / h / / h / / h / / h / / h / / h / / h
  • 527.
    30 Pruebas yAjustes GSN00682-00 D155AX-6 13 Hoja de revisión de la Clínica Pm del tren de rodaje 1. Temperatura del buje Lado izquierdo de la máquina H Símbolos para ser introducidos en el diagrama de revisión H: Caliente (Usted no puede continuar tocando, Muy caliente, Mínimo 50 °C) W: Tibio (Tibio, más tibio que el eslabón, Aproximadamente 35 °C) C : Temperatura normal: La misma temperatura del eslabón Lado derecho de la máquina H Símbolos para ser introducidos en el diagrama de revisión H: Caliente (Usted no puede continuar tocando, Muy caliente, Mínimo 50 °C) W: Tibio (Tibio, más tibio que el eslabón, Aproximadamente 35 °C) C : Temperatura normal: La misma temperatura del eslabón Modelo de máquina No. de Serie Horómetro de servicio Nombre del usuario Fecha de ejecución Inspector D155AX-6 Item Condición de medición Resultado de medición Aceptada Rechazada Tren de rodaje Temperatura del buje Haga la medición inmediatamente después del trabajo Lado izquierdo de la máquina Lado derecho de la máquina
  • 528.
    GSN00682-00 30 Pruebasy Ajustes 14 D155AX-6 Apertura del eslabón de la oruga (a) Item Condición de medición Unidad Límite de holgura Espiga No. Resultado de medición Aceptada Rechazada Trenderodaje Apertura del eslabón de la oruga Medida de dimensión (a). Lado izquierdo de la máquina mm 1.4 (Cada lado) Lado derecho de la máquina 1.4 (Cada lado)
  • 529.
    30 Pruebas yAjustes GSN00682-00 D155AX-6 15
  • 530.
    GSN00682-00 30 Pruebasy Ajustes 16 D155AX-6 D155AX-6 Buldózer No.de Forma GSN00682-00 © 2006 KOMATSU Todos los Derechos Reservados Impreso en E.E.U.U. 08-06
  • 531.
    D155AX-6 1 GSN00851-00 BULDÓZER 1MANUALDE TALLER D155AX-6 Modelo de máquina Número de serie D155AX-6 80001 y superiores 40 Localización de fallas 1 Información general sobre localización de fallas Información general y localización de fallas................................................................................................... 2 Aspectos a recordar durante la localización de fallas ......................................................................... 2 Secuencia de eventos en la localización de fallas .............................................................................. 3 Hacer una revisión antes de tratar de localizar fallas o averías.......................................................... 4 Clasificación y procedimientos de localización de fallas..................................................................... 5 Tabla de conexiones y números de las espigas de conectores .......................................................... 8 Tabla de cajas en “T” y adaptadores en “T” ...................................................................................... 31
  • 532.
    GSN00851-00 40 Localizaciónde fallas 2 D155AX-6 Información general sobre localización de fallas 1 Aspectos a recordar durante la localización de fallas 1 ¤ Pare la máquina en un lugar nivelado y compruebe que el pasador de seguridad, los bloques y el freno de estacionamiento se encuentren colocados con toda seguridad. ¤ Al realizar cualquier operación con dos o más trabajadores, observen estrictamente las señales acordadas y no permita intrusos cerca del área de trabajo. ¤ Si se quita la tapa del radiador con el motor caliente, el refrigerante caliente puede salir a borbotones y provocar quemaduras. Espere a que el motor se enfríe antes de iniciar la localización de fallas y averías. ¤ Tenga cuidado extraordinario para no tocar cualquier pieza caliente o ser atrapado por cualquier pieza en movimiento. ¤ Al desconectar cables eléctricos, siempre desconecte primero el terminal negativo (-) de la batería. ¤ Al quitar el tapón o tapa de un lugar que se encuentre sometido a presión de aceite, agua o aire, primeramente, siempre alivie la presión interna. Al instalar equipos de medición, cerciórese de conectarlos correctamente. La finalidad de la localización de fallas y averías es la de puntualizar la causa básica de la falla y poder realizar rápidamente las reparaciones y evitar la repetición del problema. Al realizar la localización de fallas y averías, un punto importante es comprender la estructura y su funcionamiento. Sin embargo, una vía rápida para una localización efectiva del problema es hacer varias preguntas al operador para formarse alguna idea de las causas posibles del fallo que habrían producido los síntomas que han sido informados. 1. Al realizar la localización de fallas, no se apresure a desarmar los componentes. Si los componentes se desarman inmediatamente después que ocurre una falla: Se desarmará sin necesidad partes que no tienen conexión con la falla. Será imposible encontrar las causas de la falla. Se producirá un desperdicio de horas hombre, piezas, aceite y grasas y al mismo tiempo se perderá la confianza del usuario u operador. Por esta razón, al realizar una localización de fallas o averías, es necesario realizar una investigación previa completa y realizar la tarea de acuerdo con un procedimiento establecido. 2. Puntos a indagar con el usuario u operador: 1) ¿Se han producido otros problemas fuera del problema que ha sido informado? 2) ¿Hubo algo raro en la máquina antes de producirse la falla? 3) ¿Se produjo súbitamente la falla o hubieron problemas con el estado de la máquina antes de esto? 4) ¿Bajo que condiciones se produjo la falla? 5) ¿Se realizaron algunas reparaciones antes de ocurrir la falla? ¿Cuando se realizaron estas reparaciones? 6) ¿Se produjo algún tipo de falla anterior- mente? 3. Hacer una revisión antes de tratar de localizar fallas o averías: 1) Comprobar el nivel del aceite. 2) Comprobar si hay alguna fuga externa de aceite por tuberías o equipo hidráulico. 3) Comprobar el recorrido de las palancas de control. 4) Comprobar el recorrido del carrete de la válvula de control. 5) Otros items de mantenimiento se pueden revisar exteriormente. Compruebe cualquier item que se considere necesario. 4. Confirmación de la falla: Confirme usted mismo la extensión de la falla y juzgue si hay que manejar la situación como una falla real o como un problema con el método de operación, etc. H Al operar la máquina para volver a pro- ducir los síntomas para localizar la falla o avería, no realice ninguna investigación o medición que pueda agravar el problema. 5. Localización de fallas Usar los resultados de la investigación e inspección de los puntos 2 -4 para reducir las causas de la falla y después hacer uso del cuadro de flujo de localización de fallas y averías para situar con exactitud la posición de la falla. H El procedimiento básico para la localiza- ción de fallas, es el siguiente: 1)Comenzar por los puntos sencillos. 2)Comenzar por los puntos con mayores posibilidades. 3)Investigar otras piezas o informa- ciones relacionadas. 6. Medidas para eliminar el origen que provocó la falla: Aún cuando la falla haya sido reparada, si la causa fundamental de la falla no es reparada, se volverá a producir la misma falla. Para evitar esta situación, siempre investigue porqué se produjo el problema. Después elimine el origen de la causa.
  • 533.
    40 Localización defallas GSN00851-00 D155AX-6 3 Secuencia de eventos en la localización de fallas 1 Oficina, taller Paso 1 Examen, confirmación de los síntomas Al recibir una solicitud para realizar reparaciones, primero haga las preguntas siguientes: Nombre del cliente Tipo y número de serie de la máquina Detalles del lugar de trabajo, etc. Haga preguntas para obtener una descripción del problema Condiciones de la falla Trabajo que se realizaba al producirse la falla Ambiente de operación Historia anterior, detalles sobre mantenimiento, etc. Paso 2 Determinar la ubicación probable de la causa Buscar en la sección de localización de fallas del manual de taller las posibles ubicaciones de las causas. Paso 3 Preparación de las herramientas para la localización de fallas y averías. Ver la tabla de herramientas del manual de taller y prepare las herramientas necesarias. Adaptador-T Conjunto de indicadores de presión hidráulica, etc. Ver el libro de piezas de repuesto y preparar las piezas de repuesto necesarias Reparación en el lugar de trabajo Libros de la máquina Manual de taller Paso 4 Ir al lugar del trabajo Lugar de trabajo Rin Rin ¡Hay un daño! Reparación en el lugar de trabajo Paso 7 ¡Que bien, quedó reparado! Puntualizar las ubicaciones de la falla (realizar la localización de falla y avería) Decidir la acción que hay que tomar. Antes de comenzar la localización de falla, localice y repare los problemas sencillos. Revise los aspectos pertinentes a antes de comenzar Revise otros puntos . Ver la sección de Localización de fallas y averías del manual de taller. Seleccione un cuadro de flujo que iguale los síntomas y realice las labores necesarias. Paso 6 Repetición de la falla Conduzca y opere la máquina para confirmar la condición y determinar si realmente hay una falla o avería. Paso 5 Hacer preguntas al operador para confirmar los detalles de la falla ¿Había algo de extraño en la máquina antes de producirse la falla? ¿Se produjo súbitamente la falla? ¿Se hicieron algunas reparaciones antes de producirse la falla?
  • 534.
    GSN00851-00 40 Localizaciónde fallas 4 D155AX-6 Hacer una revisión antes de tratar de localizar fallas o averías 1 Item Criterios Solución Aceite lubricante/ Refrigerante 1. Comprobar nivel y tipo de combustible — Añadir combustible 2. Comprobación del combustible en busca de materias extrañas — Drene y limpie 3. Comprobar el nivel del aceite hidráulico Entre H – L Añadir aceite 4. Revisar el nivel de aceite en la caja amortiguadora Entre H – L Añadir aceite 5. Comprobar el nivel del aceite del tren de potencia Entre H – L Añadir aceite 6. Comprobar el nivel y tipo del aceite del motor (en el cárter del aceite) Entre H – L Añadir aceite 7. Comprobar el nivel del refrigerante (en el sub tanque) Entre FULL (LLENO)- LOW (BAJO) Añada refrigerante 8. Revise si hay obstrucción en el indicador de polvo Afuera de la zona roja Limpiar o sustituir 9. Revise el recorrido del pedal de freno — Ajustar Equipos hidráulicos/ mecánicos 1. Comprobar si hay ruidos u olores anormales — Reparar 2. Revisar si hay escapes de aceite — Reparar 3 Purga del aire — Purgar el aire Equipo eléctrico 1. Revisar si hay terminales de batería o alambrado sueltos o corroídos — Reapriete o reemplace 2. Revisar si hay terminales del alternador o alambrados sueltos o corroídos — Reapriete o reemplace 3. Revisar si hay terminales del motor de arranque o alambrado sueltos o corroídos — Reapriete o reemplace 4. Revisión del voltaje de la batería (con el motor parado) 20 -30 V Cargue ó reemplace 5. Revisar el nivel del electrólito Entre H – L Añadir electrólito o sustituir 6. Revise si los cables tienen decoloración, marcas de quemadura, o la cubierta pelada — Repare o reemplace 7. Revise si hay abrazaderas de cables sueltos y cables caidos — Reparar 8. Revise si los cables están húmedos (Revise particularmente su los conectores y terminales están húmedos) — Seque 9. Revisar si hay desconexión o corrosión en el disyuntor del circuito para colocar en OFF y el fusible — Reemplace 10. Compruebe el voltaje del alternador (mientras la velocidad del motor es media o alta) Después de operarlo por varios minutos: 27.5 -29.5 V Reemplace 11. Comprobar el sonido de operación del relé de la batería (Mientras se pone en ON-OFF el interruptor del arranque) — Reemplace
  • 535.
    40 Localización defallas GSN00851-00 D155AX-6 5 Clasificación y procedimientos de localización de fallas 1 Clasificación para la localización de fallas Procedimientos de localización de fallas Si ocurre un fenómeno que aparenta ser una falla, seleccione el No. de localización de fallas apropiado de acuerdo al siguiente procedimiento, y luego vaya a la sección correspondiente de localización de fallas. 1. Procedimiento a seguir para la localización de fallas cuando el código de acción y el código de fallas aparecen en el monitor de la máquina: Si el código de acción y el código de fallas aparecen en el monitor de la máquina, realice la localización de fallas correspondiente "Exposición de los códigos" de acuerdo con el código de falla expuesto. 2. Cuando el código de fallas del sistema eléctrico o o del sistema mecánico se registra en el historial de falla: Si el código de acción y el código de fallas no son expuestos en el monitor de la máquina, revise el código de falla del sistema mecánico o eléctrico con la función de historial de fallas del monitor de la máquina. Si el código de falla está registrado, efectue la localización de fallas para el correspondiente "Exposición de los códigos" de acuerdo con ese código. a Si está registrado un código de fallas del sistema eléctrico, borre todos los códigos y reproduzcalos, y luego vea si la falla todavía es detectada. a Un código de falla del sistema mecánico no puede borrarse. a Si s expone un problema en el historial de fallas del acondicionador de aire, o el del calentador por medio de la función de historial de fallas, ejecute la localización de fallas correspondiente en el Modo-E. 3. Cuando no se despliega el código de acción o el código de fallas no se registra en el historial de fallas: Si el código de acción o el código de fallas no se despliegan en el monitor de la máquina, y no hay código de fallas registrado en el historial de fallas, ha ocurrido una falla que la máquina no puede diagnosticar por si misma, en el sistema eléctrico o en sistema hidráulico y mecánico. En este caso, compruebe nuevamente un fenómeno que supuestamente es una falla y seleccione de la tabla de "Fenómenos supuestos a ser Fallas y Localización de Fallas No." el fenómeno pertinente. Después ejecute la localización de fallas en el "modo-E", "modo H", o "modo S". Tipo Contenido Exposición de los códigos Localización de fallas por el código de falla Modo E Localización de fallas del sistema eléctrico Modo H Localización de fallas en los sistemas hidráulico y mecánico Modo S Localización de fallas para el motor
  • 536.
    GSN00851-00 40 Localizaciónde fallas 6 D155AX-6 Fenómenos supuestos a ser Fallas y Localización de Fallas No. No. Fenómenos supuestos a ser Fallas Localización de fallas Exposi- ción de los códigos Modo E Modo H Modo S Fenómenos relacionados con los códigos de acción/código de falla 1 Aparecen expuestos los códigos de acción y de falla en el monitor de la máquina De acuerdo con el código expuesto 2 Cuando se comprueba el historial de fallas, el código de fallas aparece expuesto en el sistema mecánico. 3 Cuando se comprueba el historial de fallas, el código de fallas aparece expuesto en el sistema eléctrico. 4 Cuando se comprueba el historial de fallas, el código de fallas aparece expuesto en el historial de falla del acondicionador de aire o el calentador. E-20 Fenómenos relacionados con el motor 5 Pobre desempeño de arranque S-1 6 El motor no arranca E-3 S-2 7 El motor no acelera suavemente S-3 8 El motor se para durante las operacion S-4 9 El motor no gira suavemente S-5 10 El motor carece de salida (o falta de fuerza) S-6 11 El humo de escape es negro (combustión incompleta) S-7 12 Excesivo consumo de aceite (o el humo de escape es color azul) S-8 13 El aceite se contamina gravemente S-9 14 El consumo de combustible es excesivo S-10 15 Hay presencia de aceite en el enfriador (o el enfriador se escapa en borboteos o el nivel del enfriador desciende) S-11 16 Baja la presión de aceite S-12 17 El nivel de aceite se sube (Entrada de refrigerante/combustible) S-13 18 Aumenta mucho la temperatura del refrigerante (sobrecalentamiento) S-14 19 Se produce ruido anormal S-15 20 La vibración es excesiva S-16 21 El precalentador no opera E-4 Fenómeno relacionado con el tren de potencia 22 La potencia está baja (La tracción a la barra de tiro es baja) H-1 23 La máquina no se traslada (en 2do. ó 3er. cambio de velocidad) H-2 24 La máquina no arranca en ningún cambio de velocidad H-3 25 La máquina solo puede moverse en una dirección, avance o retroceso H-4 26 Cuando se cambia el engranaje o se cambia la dirección de traslado, el lapso de tiempo es largo H-5 27 La máquina no se puede conducir (La máquina no vira a la izquierda o la derecha) H-6 28 La velocidad de dirección o la fuerza de dirección es lenta H-7 29 El freno no trabaja H-8 30 El aceite del tren de potencia se ha recalentado H-9 31 Ruido anormal procede de los alrededores de la bomba del HSS o del motor del HSS H-10 Fenómeno relacionado con el equipo de trabajo 32 La velocidad de todo el equipo de trabajo es lenta H-11 33 No se mueve el equipo de trabajo H-12 34 La velocidad de elevación de la hoja o la potencia es baja H-13 35 La velocidad de inclinación de la hoja o la potencia es baja H-14 36 La velocidad de elevación del desgarrador o la potencia es baja H-15
  • 537.
    40 Localización defallas GSN00851-00 D155AX-6 7 37 La velocidad de inclinación del desgarrador o la potencia es baja H-16 38 El escape hidráulico interno del levantador de la hoja es grande H-17 39 El escape hidráulico interno de la inclinación de la hoja es grande H-18 40 El escape hidráulico interno del levantador del desgarrador es grande H-19 41 El cilindro del extractor del pasador del desgarrador no opera H-20 42 No funciona el paso de la hoja H-21 43 Sonido anormal proviene del rededor de la bomba del equipo de trabajo H-22 Fenómenos relacionados con el monitor de la máquina 44 Cuando el interruptor de arranque es colocado en ON, el monitor de la máquina no exhibe nada E-1 45 Cuando el interruptor de arranque es colocado en la posición "ON" (antes de arrancar el motor), se iluminan los ítemes de revisión básica (nivel de refrigerante en el radiador) E-2 46 El ítem de precaución se enciende mientras el motor está funcionando E-5 47 El ítem de paro por emergencia se enciende mientras el motor está funcionando E-6 48 El indicador de temperatura del refrigerante del motor no funciona normalmente. E-7 49 El medidor de combustible no funciona normalmente E-8 50 El indicador de temperatura del aceite del tren de potencia (indicador múltiple) puede que no indique normalmente E-9 51 El indicador de temperatura hidráulica (indicador múltiple) no indica normalmente E-10 52 Los contenidos de exhibición por el monitor de la máquina son diferentes a los de la máquina aplicable E-11 53 El monitor de la máquina no exhibe algunos ítemes E-12 54 El interruptor de función no trabaja E-13 55 El modo de operacióm no cambia E-14 56 El modo de cambio de marcha no cambia E-15 57 La función de confección al gusto no opera normalmente E-16 58 La función de memoria al gusto no opera normalmente E-17 59 El modo de flotación no cambia E-18 60 La zumbadora de alarma no se puede cancelar E-19 61 Acondicionador de aire no trabaja normalmente E-20 62 Cuando el interruptor de arranque es colocado en posición "OFF", el horómetro de servicio no es exhibido. E-21 63 El monitor de la máquina no se puede establecer en el modo de servicio E-22 64 El cilindro del extractor del pasador del desgarrador no opera E-23 65 La alarma de retroceso no suena o no para E-24 66 Luz delantera, luz trasera y la luz de punta del desgarrador no se encienden E-25 67 El limpiaparabrisas y el lavador de ventanas no trabajan E-26 Otro fenómeno 68 El sistema KOMTRAX no funciona normalmente E-27 No. Fenómenos supuestos a ser Fallas Localización de fallas Exposi- ción de los códigos Modo E Modo H Modo S
  • 538.
    GSN00851-00 40 Localizaciónde fallas 8 D155AX-6 Tabla de conexiones y números de las espigas de conectores 1 H El macho y hembra se refieren al pasador y enchufe respectivamente. El tapón y el receptáculo se refi- eren a las formas de la caja. Número total de pasa- dores Conector tipo X Macho (Caja: Receptáculo) Hembra (Caja: Tapón) Pieza No. de Adaptador-T 1 No. de Parte: 08055-00181 No. de Parte: 08055-00191 799-601-7010 2 799-601-7020 No. de Parte: 08055-00282 No. de Parte: 08055-00292 3 799-601-7030 No. de Parte: 08055-00381 No. de Parte: 08055-00391 4 799-601-7040 No. de Parte: 08055-00481 No. de Parte: 08055-00491 — No. de pieza de terminal: 79A-222-3370 • Tamaño de alambre: 0.85 • Arandela de caucho: Negro • Cantidad: 20 piezas No. de pieza de terminal: 79A-222-3390 • Tamaño de alambre: 0.85 • Arandela de caucho: Negro • Cantidad: 20 piezas — — No. de pieza de terminal: 79A-222-3380 • Tamaño de alambre: 2.0 • Arandela de caucho: Rojo • Cantidad: 20 piezas No. de pieza de terminal: 79A-222-3410 • Tamaño de alambre: 2.0 • Arandela de caucho: Rojo • Cantidad: 20 piezas —
  • 539.
    40 Localización defallas GSN00851-00 D155AX-6 9 Número total de pasa- dores Conector tipo SWP Macho (Caja: Receptáculo) Hembra (Caja: Tapón) Pieza No. de Adaptador-T 6 799-601-7050 No. de Parte: 08055-10681 No. de Parte: 08055-10691 8 799-601-7060 No. de Parte: 08055-10881 No. de Parte: 08055-10891 12 799-601-7310 No. de Parte: 08055-11281 No. de Parte: 08055-11291 14 799-601-7070 No. de Parte: 08055-11481 No. de Parte: 08055-11491
  • 540.
    GSN00851-00 40 Localizaciónde fallas 10 D155AX-6 Número total de pasa- dores Conector tipo SWP Macho (Caja: Receptáculo) Hembra (Caja: Tapón) Pieza No. de Adaptador-T 16 799-601-7320 No. de Parte: 08055-11681 No. de Parte: 08055-11691 — No. de pieza de terminal: • Tamaño de alambre: 0.85 • Arandela de caucho: Negro • Cantidad: 20 piezas No. de pieza de terminal: • Tamaño de alambre: 0.85 • Arandela de caucho: Negro • Cantidad: 20 piezas — — No. de pieza de terminal: • Tamaño de alambre: 1.25 • Arandela de caucho: Rojo • Cantidad: 20 piezas No. de pieza de terminal: • Tamaño de alambre: 1.25 • Arandela de caucho: Rojo • Cantidad: 20 piezas —
  • 541.
    40 Localización defallas GSN00851-00 D155AX-6 11 Número total de pasa- dores Conector tipo M Macho (Caja: Receptáculo) Hembra (Caja: Tapón) Pieza No. de Adaptador-T 1 No. de Parte: 08056-00171 No. de Parte: 08056-00181 799-601-7080 2 799-601-7090 No. de Parte: 08056-00271 No. de Parte: 08056-00281 3 799-601-7110 No. de Parte: 08056-00371 No. de Parte: 08056-00381 4 799-601-7120 No. de Parte: 08056-00471 No. de Parte: 08056-00481 6 799-601-7130 No. de Parte: 08056-00671 No. de Parte: 08056-00681 8 799-601-7340 No. de Parte: 08056-00871 No. de Parte: 08056-00881
  • 542.
    GSN00851-00 40 Localizaciónde fallas 12 D155AX-6 Número total de pasa- dores Conector tipo S Macho (Caja: Receptáculo) Hembra (Caja: Tapón) Pieza No. de Adaptador-T 8 799-601-7140 No. de Parte: 08056-10871 No. de Parte: 08056-10881 10 (Blanco) 799-601-7150 No. de Parte: 08056-11071 No. de Parte: 08056-11081 12 (Blanco) 799-601-7350 No. de Parte: 08056-11271 No. de Parte: 08056-11281 16 (Blanco) 799-601-7330 No. de Parte: 08056-11671 No. de Parte: 08056-11681
  • 543.
    40 Localización defallas GSN00851-00 D155AX-6 13 Número total de pasa- dores Conector tipo S Macho (Caja: Receptáculo) Hembra (Caja: Tapón) Pieza No. de Adaptador-T 10 (Azul) — — — 12 (Azul) 799-601-7160 No. de Parte: 08056-11272 No. de Parte: 08056-11282 16 (Azul) 799-601-7170 No. de Parte: 08056-11672 No. de Parte: 08056-11682
  • 544.
    GSN00851-00 40 Localizaciónde fallas 14 D155AX-6 Número total de pasa- dores Conector tipo MIC Macho (Caja: Receptáculo) Hembra (Caja: Tapón) Pieza No. de Adaptador-T 7 No. de Pieza de cuerpo: 79A-222-2640 (Cantidad: 5 piezas) No. de Pieza de cuerpo: 79A-222-2630 (Cantidad: 5 piezas) — 11 No. de Pieza de cuerpo: 79A-222-2680 (Cantidad: 5 piezas) No. de Pieza de cuerpo: 79A-222-2670 (Cantidad: 5 piezas) — 5 799-601-2710 No. de Pieza de cuerpo: 79A-222-2620 (Cantidad: 5 piezas) No. de Pieza de cuerpo: 79A-222-2610 (Cantidad: 5 piezas) 9 799-601-2950 No. de pieza del cuerpo:79A-222-2660 (Cantidad: 5 piezas) No. de pieza del cuerpo:79A-222-2650 (Cantidad: 5 piezas) 13 799-601-2720 No. de Pieza de cuerpo: 79A-222-2710 (Cantidad: 2 piezas) No. de Pieza de cuerpo: 79A-222-2690 (Cantidad: 2 piezas)
  • 545.
    40 Localización defallas GSN00851-00 D155AX-6 15 Número total de pasa- dores Conector tipo MIC Macho (Caja: Receptáculo) Hembra (Caja: Tapón) Pieza No. de Adaptador-T 17 799-601-2730 No. de Pieza de cuerpo: 79A-222-2730 (Cantidad: 2 piezas) No. de Pieza de cuerpo: 79A-222-2720 (Cantidad: 2 piezas) 21 799-601-2740 No. de Pieza de cuerpo: 79A-222-2750 (Cantidad: 2 piezas) No. de Pieza de cuerpo: 79A-222-2740 (Cantidad: 2 piezas) No. de Pieza de cuerpo: 79A-222-2770 (Cantidad: 50 piezas) No. de Pieza de cuerpo: 79A-222-2760 (Cantidad: 50 piezas) —
  • 546.
    GSN00851-00 40 Localizaciónde fallas 16 D155AX-6 H No. de pieza de terminal: 79A-222-3470 (No relacionado al número de polos) Número total de pasa- dores Conector tipo AMP040 Macho (Caja: Receptáculo) Hembra (Caja: Tapón) Pieza No. de Adaptador-T 8 799-601-7180 — No. de Pieza de caja: 79A-222-3430 (Cantidad: 5 piezas) 12 799-601-7190 — No. de Pieza de caja: 79A-222-3440 (Cantidad: 5 piezas) 16 799-601-7210 — No. de Pieza de caja: 79A-222-3450 (Cantidad: 5 piezas) 20 799-601-7220 — No. de Pieza de caja: 79A-222-3460 (Cantidad: 5 piezas)
  • 547.
    40 Localización defallas GSN00851-00 D155AX-6 17 Número total de pasa- dores Conector tipo AMP070 Macho (Caja: Receptáculo) Hembra (Caja: Tapón) Pieza No. de Adaptador-T 10 799-601-7510 — No. de Parte: 7821-92-7330 12 799-601-7520 — No. de Parte: 7821-92-7340 14 799-601-7530 — No. de Parte: 7821-92-7350 18 799-601-7540 — No. de Parte: 7821-92-7360 20 799-601-7550 — No. de Parte: 7821-92-7370
  • 548.
    GSN00851-00 40 Localizaciónde fallas 18 D155AX-6 Número total de pasa- dores Conector tipo L Macho (Caja: Receptáculo) Hembra (Caja: Tapón) Pieza No. de Adaptador-T 2 — — — Número total de pasa- dores Tipo de conexión PA Macho (Caja: Receptáculo) Hembra (Caja: Tapón) Pieza No. de Adaptador-T 9 — — — Número total de pasador es Tipo de conexión BENDIX (MS) Macho (Caja: Receptáculo) Hembra (Caja: Tapón) Pieza No. de Adaptador-T 10 799-601-3460 — —
  • 549.
    40 Localización defallas GSN00851-00 D155AX-6 19 Número total de pasa- dores Conector tipo KES 1 (Para automóviles) Macho (Caja: Receptáculo) Hembra (Caja: Tapón) Pieza No. de Adaptador-T. 2 — No. de Parte:08027-10210 (Color natural) 08027-10220 (Negro) No. de Parte:08027-10260 (Color natural) 08027-10270 (Negro) 3 — No. de Parte:08027-10310 No. de Parte:08027-10360 4 — No. de Parte:08027-10410 (Color natural) 08027-10420 (Negro) No. de Parte:08027-10460 (Color natural) 08027-10470 (Negro) 6 — No. de Parte:08027-10610 (Color natural) 08027-10620 (Negro) No. de Parte:08027-10660 (Color natural) 08027-10670 (Negro)
  • 550.
    GSN00851-00 40 Localizaciónde fallas 20 D155AX-6 Número total de pasa- dores Conector tipo KES 1 (Para automóviles) Macho (Caja: Receptáculo) Hembra (Caja: Tapón) Pieza No. de Adaptador-T 8 — No. de Parte:08027-10810 (Color natural) 08027-10820 (Negro) No. de Parte:08027-10860 (Color natural) 08027-10870 (Negro) Número total de pasa- dores Conector para relé (Receptáculo) Macho (Caja: Receptáculo) Hembra (Caja: Tapón) Pieza No. de Adaptador-T 5 799-601-7360 — — 6 799-601-7370 — —
  • 551.
    40 Localización defallas GSN00851-00 D155AX-6 21 Número total de pasa- dores Conector tipo F Macho (Caja: Receptáculo) Hembra (Caja: Tapón) Pieza No. de Adaptador-T 4 — — —
  • 552.
    GSN00851-00 40 Localizaciónde fallas 22 D155AX-6 [El no. del pasador está también impreso en el conector (al extremo de inserción del alambre).] Tipo (código de tamaño concha) Conector serie HD30 Cuerpo (Tapón) Cuerpo (Receptáculo) Pieza No. de Adaptador-T 18-8 (1) Pasador (Terminal macho) Pasador (Terminal hembra) 799-601-9210 No. de Parte:08191-11201, 08191-11202, 08191-11205, 08191-11206 No. de Parte:08191-14101, 08191-14102, 08191-14105, 08191-14106 Pasador (Terminal hembra) Espiga (Terminal macho) 799-601-9210 No. de Parte:08191-12201, 08191-12202, 08191-12205, 08191-12206 No. de Parte:08191-13101, 08191-13102, 08191-13105, 08191-13106 18-14 (2) Espiga (Terminal macho) Pasador (Terminal hembra) 799-601-9220 No. de Parte:08191-21201, 08191-12202, 08191-21205, 08191-12206 No. de Parte:08191-24101, 08191-24102, 08191-24105, 08191-24106 Pasador (Terminal hembra) Espiga (Terminal macho) 799-601-9220 No. de Parte:08191-22201, 08191-22202, 08191-22205, 08191-22206 No. de Parte:08191-23101, 08191-23102, 08191-23105, 08191-23106
  • 553.
    40 Localización defallas GSN00851-00 D155AX-6 23 [El no. del pasador está también impreso en el conector (al extremo de inserción del alambre).] Tipo (código de tamaño concha) Conector serie HD30 Cuerpo (Tapón) Cuerpo (Receptáculo) Pieza No. de Adaptador-T 18-20 (3) Espiga (Terminal macho) Pasador (Terminal hembra) 799-601-9230 No. de Parte:08191-31201, 08191-31202 No. de Parte:08191-34101, 08191-34102 Pasador (Terminal hembra) Espiga (Terminal macho) 799-601-9230 No. de Parte:08191-32201, 08191-32202 No. de Parte:08191-33101, 08191-33102 18-21 (4) Espiga (Terminal macho) Pasador (Terminal hembra) 799-601-9240 No. de Parte:08191-41201, 08191-42202 No. de Parte:08191-44101, 08191-44102 Pasador (Terminal hembra) Espiga (Terminal macho) 799-601-9240 No. de Parte:08191-42201, 08191-42202 No. de Parte:08191-43101, 08191-43102
  • 554.
    GSN00851-00 40 Localizaciónde fallas 24 D155AX-6 [El no. del pasador está también impreso en el conector (al extremo de inserción del alambre).] Tipo (código de tamaño concha) Conector serie HD30 Cuerpo (Tapón) Cuerpo (Receptáculo) Pieza No. de Adaptador-T 24-9 (5) Espiga (terminal macho) Pasador (Terminal hembra) 799-601-9250 No. de Parte:08191-51201, 08191-51202 No. de Parte:08191-54101, 08191-54102 Pasador (Terminal hembra) Espiga (Terminal macho) 799-601-9250 No. de Parte:08191-52201, 08191-52202 No. de Parte:08191-53101, 08191-53102 24-16 (6) Espiga (Terminal macho) Pasador (Terminal hembra) 799-601-9260 No. de Parte:08191-61201, 08191-62202, 08191-61205, 08191-62206 No. de Parte:08191-64101, 08191-64102, 08191-64105, 08191-64106 Pasador (Terminal hembra) Espiga (Terminal macho) 799-601-9260 No. de Parte:08191-62201, 08191-62202, 08191-62205, 08191-62206 No. de Parte:08191-63101, 08191-63102, 08191-63105, 08191-63106
  • 555.
    40 Localización defallas GSN00851-00 D155AX-6 25 [El no. del pasador está también impreso en el conector (al extremo de inserción del alambre).] Tipo (código de tamaño concha) Conector serie HD30 Cuerpo (Tapón) Cuerpo (Receptáculo) Pieza No. de Adaptador-T 24-21 (7) Espiga (Terminal macho) Pasador (Terminal hembra) 799-601-9270 No. de Parte:08191-71201, 08191-71202, 08191-71205, 08191-71206 No. de Parte:08191-74101, 08191-74102, 08191-74105, 08191-74106 Pasador (Terminal hembra) Espiga (Terminal macho) 799-601-9270 No. de Parte:08191-72201, 08191-72202, 08191-72205, 08191-72206 No. de Parte:08191-73101, 08191-73102, 08191-73105, 08191-73106 24-23 (8) Espiga (Terminal macho) Pasador (Terminal hembra) 799-601-9280 No. de Parte:08191-81201, 08191-81202 08191-81203, 08191-81204 08191-81205, 08191-80206 No. de Parte:08191-84101, 08191-84102 08191-84103, 08191-84104 08191-84105, 08191-84106 Pasador (Terminal hembra) Espiga (Terminal macho) 799-601-9280 No. de Parte:08191-82201, 08191-82202 08191-82203, 08191-82204 08191-82205, 08191-82206 No. de Parte:08191-83101, 08191-83102 08191-83103, 08191-83104 08191-83105, 08191-83106
  • 556.
    GSN00851-00 40 Localizaciónde fallas 26 D155AX-6 [El no. del pasador está también impreso en el conector (al extremo de inserción del alambre).] Tipo (código de tamaño concha) Conector serie HD30 Cuerpo (Tapón) Cuerpo (Receptáculo) Pieza No. de Adaptador-T. 24-31 (9) Espiga (Terminal macho) Pasador (Terminal hembra) 799-601-9290 No. de Parte:08191-91203, 08191-91204, 08191-91205, 08191-91206 No. de Parte:08191-94103, 08191-94104, 08191-94105, 08191-94106 Pasador (Terminal hembra) Espiga (Terminal macho) 799-601-9290 No. de Parte:08191-92203, 08191-92204, 08191-92205, 08191-92206 No. de Parte:08191-93103, 08191-93104, 08191-93105, 08191-93106
  • 557.
    40 Localización defallas GSN00851-00 D155AX-6 27 [El no. del pasador está también impreso en el conector (al extremo de inserción del alambre).] Número total de pasa- dores Conector serie DT Cuerpo (Tapón) Cuerpo (Receptáculo) Pieza No. de Adaptador-T 2 799-601-9020 No. de Parte:08192-12200 (Tipo normal) 08192-22200 (Tipo alambre fino) No. de Parte:08192-12100 (Tipo normal) 08192-22100 (Tipo alambre fino) 3 799-601-9030 No. de Parte:08192-13200 (Tipo normal) 08192-23200 (Tipo alambre fino) No. de Parte:08192-13100 (Tipo normal) 08192-23100 (Tipo alambre fino) 4 799-601-9040 No. de Parte:08192-14200 (Tipo normal) 08192-24200 (Tipo alambre fino) No. de Parte:08192-14100 (Tipo normal) 08192-24100 (Tipo alambre fino) 6 799-601-9050 No. de Parte:08192-16200 (Tipo normal) 08192-26200 (Tipo alambre fino) No. de Parte:08192-16100 (Tipo normal) 08192-26100 (Tipo alambre fino)
  • 558.
    GSN00851-00 40 Localizaciónde fallas 28 D155AX-6 [El no. del pasador está también impreso en el conector (al extremo de inserción del alambre).] Número total de pasa- dores Conector serie DT Cuerpo (Tapón) Cuerpo (Receptáculo) Pieza No. de Adaptador-T 8 Color del cuerpo (Gris): 799-601-9060 Color del cuerpo (Negro): 799-601-9070 Color del cuerpo (Verde): 799-601-9080 Color del cuerpo (Café): 799-601-9090No. de Parte:08192-1820 (Tipo normal) 08192-2820 (Tipo alambre fino) No. de Parte:08192-1810 (Tipo normal) 08192-2810 (Tipo alambre fino) 12 Color del cuerpo (Gris): 799-601-9110 Color del cuerpo (Negro): 799-601-9120 Color del cuerpo (Verde): 799-601-9130 Color del cuerpo (Café): 799-601-9140 No. de Parte:08192-1920 (Tipo normal) 08192-2920 (Tipo alambre fino) No. de Parte:08192-1910 (Tipo normal) 08192-2910 (Tipo alambre fino)
  • 559.
    40 Localización defallas GSN00851-00 D155AX-6 29 [El no. del pasador está también impreso en el conector (al extremo de inserción del alambre).] [El no. del pasador está también impreso en el conector (al extremo de inserción del alambre).] Número total de pasa- dores Conector serie DTM Cuerpo (Tapón) Cuerpo (Receptáculo) Pieza No. de Adaptador-T 2 799-601-9010 No. de Parte: 08192-02200 No. de Parte: 08192-02100 Número total de pasa- dores Conector serie DTHD Cuerpo (Tapón) Cuerpo (Receptáculo) Pieza No. de Adaptador-T 1 — No. de Parte:08192-31200 (Contacto tamaño#12) 08192-41200 (Contacto tamaño #8) 08192-51200 (Contacto tamaño #4) No. de Parte:08192-31100 (Contacto tamaño#12) 08192-41100 (Contacto tamaño #8) 08192-51100 (Contacto tamaño #4)
  • 560.
    GSN00851-00 40 Localizaciónde fallas 30 D155AX-6 [El no. del pasador está también impreso en el conector (al extremo de inserción del alambre).] Número total de pasadores Conector de la Serie DRC26 Macho (Caja: Receptáculo) Hembra (Caja: Tapón) Pieza No. de Adaptador-T 24 799-601-9360 — Parte No. 7821-93-3110 40 (A): 799-601-9350 — Parte No. 7821-93-3120 40 (B) 799-601-9350 — Parte No. 7821-93-3130
  • 561.
    40 Localización defallas GSN00851-00 D155AX-6 31 Tabla de cajas en “T” y adaptadores en “T” 1 H Los números de parte de las cajas-T, adaptadores-T, y otras partes se muestran en la columna extrema izquierda y los números de parte de los conjuntos del adaptador T se muestran en la linea superior. Pieza No. Nombre de la Pieza Númerodeespigas Símbolo de distinción Conjunto del adaptador en "T". Fueradelconjunto 799-601-2500 799-601-2700 799-601-2800 799-601-2900 799-601-3000 799-601-5500 799-601-6000 799-601-6500 799-601-7000 799-601-7100 799-601-7400 799-601-7500 799-601-8000 799-601-9000 799-601-9100 799-601-9200 799-601-9300 799-601-2600 Caja en “T” (para ECONO) 21 799-601-3100 Caja en “T” (para MS) 37 799-601-3200 Caja en “T” (para MS) 37 799-601-3300 Caja en “T” (para ECONO) 24 799-601-3360 • Placa para MS (24 pasadores) 799-601-3370 • Placa para MS (17 pasadores) 799-601-3380 • Placa para MS (14 pasadores) 799-601-3410 Adaptador para BENDIX (MS) 24 MS-24P 799-601-3420 Adaptador para BENDIX (MS) 24 MS-24P 799-601-3430 Adaptador para BENDIX (MS) 17 MS-17P 799-601-3440 Adaptador para BENDIX (MS) 17 MS-17P 799-601-3450 Adaptador para BENDIX (MS) 5 MS-5P 799-601-3460 Adaptador para BENDIX (MS) 10 MS-10P 799-601-3510 Adaptador para BENDIX (MS) 5 MS-5S 799-601-3520 Adaptador para BENDIX (MS) 17 MS-17P 799-601-3530 Adaptador para BENDIX (MS) 19 MS-19P 799-601-2910 Adaptador para BENDIX (MS) 14 MS-14P 799-601-3470 Caja 799-601-2710 Adaptador para MIC 5 MIC-5P 799-601-2720 Adaptador para MIC 13 MIC-13P 799-601-2730 Adaptador para MIC 17 MIC-17P 799-601-2740 Adaptador para MIC 21 MIC-21P 799-601-2950 Adaptador para MIC 9 MIC-9P 799-601-2750 Adaptador para ECONO 2 ECONO2P 799-601-2760 Adaptador para ECONO 3 ECONO3P 799-601-2770 Adaptador para ECONO 4 ECONO4P 799-601-2780 Adaptador para ECONO 8 ECONO8P 799-601-2790 Adaptador para ECONO 12 ECONO12 P 799-601-2810 Adaptador para DLI 8 DLI-8P 799-601-2820 Adaptador para DLI 12 DLI-12P 799-601-2830 Adaptador para DLI 16 DLI-16P 799-601-2840 Cable de extensión (tipo ECONO) 12 ECONO12 P 799-601-2850 Caja 799-601-4210 Adaptador para DRC 50 DRC50 799-601-7010 Adaptador para X (Ramal “T”) 1 799-601-7020 Adaptador para X 2 X2P 799-601-7030 Adaptador para X 3 X3P 799-601-7040 Adaptador para X 4 X4P 799-601-7050 Adaptador para SWP 6 SW6P 799-601-7060 Adaptador para SWP 8 SW8P 799-601-7310 Adaptador para SWP 12 SW12P 799-601-7070 Adaptador para SWP 14 SW14P 799-601-7320 Adaptador para SWP 16 SW16P 799-601-7080 Adaptador para M (Ramal “T”) 1 799-601-7090 Adaptador para M 2 M2P
  • 562.
    GSN00851-00 40 Localizaciónde fallas 32 D155AX-6 799-601-7110 Adaptador para M 3 M3P 799-601-7120 Adaptador para M 4 M4P 799-601-7130 Adaptador para M 6 M6P 799-601-7340 Adaptador para M 8 M8P 799-601-7140 Adaptador para S 8 S8P 799-601-7150 Adaptador para S (Blanco) 10 S10P 799-601-7160 Adaptador para S (Azul) 12 S12P 799-601-7170 Adaptador para S (Azul) 16 S16P 799-601-7330 Adaptador para S (Blanco) 16 S16PW 799-601-7350 Adaptador para S (Blanco) 12 S12PW 799-601-7180 Adaptador para AMP040 8 A8P 799-601-7190 Adaptador para AMP040 12 A12P 799-601-7210 Adaptador para AMP040 16 A16P 799-601-7220 Adaptador para AMP040 20 A20P 799-601-7230 Conector corto para X 2 799-601-7240 Caja 799-601-7270 Caja 799-601-7510 Adaptador para 070 10 07-10 799-601-7520 Adaptador para 070 12 07-12 799-601-7530 Adaptador para 070 14 07-14 799-601-7540 Adaptador para 070 18 07-18 799-601-7550 Adaptador para 070 20 07-20 799-601-7360 Adaptador para relé 5 REL-5P 799-601-7370 Adaptador para relé 6 REL-6P 799-601-7380 Adaptador para JFC 2 799-601-9010 Adaptador para DTM 2 DTM2 799-601-9020 Adaptador para DT 2 DT2 799-601-9030 Adaptador para DT 3 DT3 799-601-9040 Adaptador para DT 4 DT4 799-601-9050 Adaptador para DT 6 DT6 799-601-9060 Adaptador para DT (Gris) 8 DT8GR 799-601-9070 Adaptador para DT (Negro) 8 DT8B 799-601-9080 Adaptador para DT (Verde) 8 DT8G 799-601-9090 Adaptador para DT (Café) 8 DT8BR 799-601-9110 Adaptador para DT (Gris) 12 DT12GR 799-601-9120 Adaptador para DT (Negro) 12 DT12B 799-601-9130 Adaptador para DT (Verde) 12 DT12G 799-601-9140 Adaptador para DT 12 DT12BR 799-601-9210 Adaptador para HD30-18 8 D18-8 799-601-9220 Adaptador para HD30-18 14 D18-14 799-601-9230 Adaptador para HD30-18 20 D18-20 799-601-9240 Adaptador para HD30-18 21 D18-21 799-601-9250 Adaptador para HD30-24 9 D24-9 799-601-9260 Adaptador para HD30-24 16 D24-16 799-601-9270 Adaptador para HD30-24 21 D24-21 799-601-9280 Adaptador para HD30-24 23 D24-23 799-601-9290 Adaptador para HD30-24 31 D24-31 799-601-9310 Placa para HD30 (24 pasadores) 799-601-9320 Caja en “T” (para DT y HD) 12 799-601-9330 Caja 799-601-9340 Caja 799-601-9350 Adaptador para DRC 40 DRC-40 Pieza No. Nombre de la Pieza Númerodeespigas Símbolo de distinción Conjunto del adaptador en "T". Fueradelconjunto 799-601-2500 799-601-2700 799-601-2800 799-601-2900 799-601-3000 799-601-5500 799-601-6000 799-601-6500 799-601-7000 799-601-7100 799-601-7400 799-601-7500 799-601-8000 799-601-9000 799-601-9100 799-601-9200 799-601-9300
  • 563.
    40 Localización defallas GSN00851-00 D155AX-6 33 799-601-9360 Adaptador para DRC 24 DRC-24 799-601-9410 Adaptador para el motor (CRI-T2) 2 G 799-601-9420 Adaptador para el motor (CRI-T2) Adaptador para el motor (CRI-T3) 3 A3 799-601-9430 Adaptador para el motor (CRI-T2) Adaptador para el motor (CRI-T3) 2 P 799-601-9440 Adaptador para el motor (CRI-T2) 3 1,2,3 795-799-5520 Adaptador para el motor (HPI-T2) 2 S 795-799-5530 Adaptador para el motor (HPI-T2) Adaptador para el motor (CRI-T3) 2 C 795-799-5540 Adaptador para el motor (HPI-T2) Adaptador para el motor (CRI-T3) 2 A 795-799-5460 Adaptador para el motor (HPI-T2) 3 795-799-5470 Adaptador para el motor (HPI-T2) 3 795-799-5480 Adaptador para el motor (HPI-T2) 3 799-601-4160 Adaptador para el motor (CRI-T3) 2 ACEITE 799-601-4340 Adaptador para el motor (CRI-T3) 2 1,2,3 799-601-4130 Adaptador para el motor (CRI-T3) 3 FCIN 799-601-4140 Adaptador para el motor (CRI-T3) 3 FCIG 799-601-4150 Adaptador para el motor (CRI-T3) 3 FCIB 799-601-4180 Adaptador para el motor (CRI-T3) 3 FCIP3 799-601-4190 Adaptador para el motor (CRI-T3) 3 1,2,3 799-601-4240 Adaptador para el motor (CRI-T3) 3 1,2,3 799-601-4250 Adaptador para el motor (CRI-T3) 3 1,2,3 799-601-4330 Adaptador para el motor (CRI-T3) 3 1,2,3 799-601-4230 Adaptador para el motor (CRI-T3) 4 1,2,3,4 799-601-4260 Adaptador para controlador (ENG) 4 DTP4 799-601-4210 Adaptador para controlador (ENG) 50 DRC50 799-601-4220 Adaptador para controlador (ENG) 60 DRC60 799-601-4280 Caja para controlador (BOMBA) 121 799-601-9720 Adaptador para controlador (HST) 16 HST16A 799-601-9710 Adaptador para controlador (HST) 16 HST16B 799-601-9370 Adaptador para controlador (HST) 26 HST26A Pieza No. Nombre de la Pieza Númerodeespigas Símbolo de distinción Conjunto del adaptador en "T". Fueradelconjunto 799-601-2500 799-601-2700 799-601-2800 799-601-2900 799-601-3000 799-601-5500 799-601-6000 799-601-6500 799-601-7000 799-601-7100 799-601-7400 799-601-7500 799-601-8000 799-601-9000 799-601-9100 799-601-9200 799-601-9300
  • 564.
    GSN00851-00 40 Localizaciónde fallas 34 D155AX-6 D155AX-6 Buldózer No.de Forma GSN00851-00 © 2006 KOMATSU Todos los Derechos Reservados Impreso en E.E.U.U. 08-06
  • 565.
    D155AX-6 1 GSN00716-01 BULDÓZER 1MANUALDE TALLER D155AX-6 Modelo de máquina Número de serie D155AX-6 80001 y superiores 40 Localización de fallas 1 Localización de fallas y códigos de errores, Parte 1 Localización de fallas y códigos de errores, Parte 1...................................................................................... 3 Tabla de códigos de falla..................................................................................................................... 3 Antes de ejecutar la localización de fallas cuando aparece expuesto el código de fallas................. 10 Información en la tabla de localización de fallas............................................................................... 14 Código de falla [1500L0] Embrague de transmisión: Anormal.......................................................... 16 Código de falla [15SAL1] Embrague de avance: Relleno alto (Interruptor de relleno en ON) .......... 17 Código de falla [15SALH] Embrague de avance: Bajo relleno (Interruptor de relleno en OFF)........ 18 Código de falla [15SBL1] Embrague de retroceso: Relleno alto (Interruptor de relleno en ON)....... 19 Código de falla [15SBLH] Embrague de retroceso: Bajo relleno (Interruptor de relleno en OFF) .... 20 Código de falla [15SEL1] Embrague de 1a. marcha: Relleno alto (Interruptor de relleno en ON).... 21 Código de falla [15SELH] Embrague de 1a. marcha: Bajo relleno (Interruptor de relleno en OFF) . 22 Código de falla [15SFL1] Embrague de 2a. marcha: Relleno alto (Interruptor de relleno en ON).... 23 Código de falla [15SFLH] Embrague de 2a. marcha: Bajo relleno (Interruptor de relleno en OFF).. 24 Código de falla [15SGL1] Embrague de 3a. marcha: Relleno alto (Interruptor de relleno en ON) ... 25
  • 566.
    GSN00716-01 40 Localizaciónde fallas 2 D155AX-6 Código de falla [15SGLH] Embrague de 3a. marcha: Bajo relleno (Interruptor de relleno en OFF) . 26 Código de falla [15SJL1] L/U: Relleno alto (Interruptor de relleno en ON) ....................................... 28 Código de falla [15SJLH] L/U: Bajo relleno (Interruptor de relleno en OFF) ..................................... 30 Código de falla [2301L1] Freno derecho: Relleno alto (Interruptor de relleno en ON) ...................... 32 Código de falla [2301LH] Freno derecho:Bajo relleno (Interruptor de relleno en OFF)..................... 33 Código de falla [2302L1] Freno izquierdo: Relleno alto (Interruptor de relleno en ON) .................... 34 Código de falla [2302LH] Freno izquierdo: Bajo relleno (Interruptor de relleno en OFF) .................. 35 Código de falla [7RFRKA] ECM RELÉ DE RETENCIÓN Desconexión ............................................ 36 Código de falla [AA10NX] Obstrucción del filtro de aire.................................................................... 38 Código de falla [AB00MA] Carga Anormal de la Batería................................................................... 40 Código de falla [B@BAZG] Presión del aceite del motor baja .......................................................... 42 Código de fallas [B@BCNS] Agua del motor sobrecalentado........................................................... 42 Código de falla [B@BCZK] Bajo el nivel del agua del motor............................................................. 43 Código de falla [B@CENS] Sobrecalentamiento del convertidor de torsión ..................................... 43 Código de falla [B@HANS] Sobrecalentamiento del Aceite Hidráulico............................................. 44
  • 567.
    40 Localización defallas GSN00716-01 D155AX-6 3 Localización de fallas y códigos de errores, Parte 1 1 Tabla de códigos de falla 1 Código de acción Código de fallas Problema (Exhibido en la pantalla) Zumbador de alarma Componente a cargo Categoría de historia E03 1500L0 Transmission clutch: Abnormal P/T Sistema Eléctrico E03 15SAL1 Forward clutch: Fill high P/T Sistema Eléctrico E03 15SALH Forward clutch: Fill low P/T Sistema Eléctrico E03 15SBL1 Reverse clutch: Fill high P/T Sistema Eléctrico E03 15SBLH Reverse clutch: Fill low P/T Sistema Eléctrico E03 15SEL1 Speed 1st clutch: Fill high P/T Sistema Eléctrico E03 15SELH Speed 1st clutch: Fill low P/T Sistema Eléctrico E03 15SFL1 Speed 2nd clutch: Fill high P/T Sistema Eléctrico E03 15SFLH Speed 2nd clutch: Fill low P/T Sistema Eléctrico E03 15SGL1 Speed 3rd clutch: Fill high P/T Sistema Eléctrico E03 15SGLH Speed 3rd clutch: Fill low P/T Sistema Eléctrico E02 15SJL1 L/U: Fill high P/T Sistema Eléctrico E02 15SJLH L/U: Fill low P/T Sistema Eléctrico E04 2301L1 Right brake: Fill high P/T Sistema Eléctrico E04 2301LH Right brake: Fill low P/T Sistema Eléctrico E04 2302L1 Left brake: Fill high P/T Sistema Eléctrico E04 2302LH Left brake: Fill low P/T Sistema Eléctrico 7RFAKA ECM HOLD RELAY: Disconnection P/T Sistema Eléctrico AA10NX Air Cleaner Clogging MON Sistema mecánico AB00MA Battery Charge Abnormal MON Sistema mecánico B@BAZG Eng Oil Press Low MOTOR Sistema mecánico B@BCNS Eng Water Overheat MOTOR Sistema mecánico B@BCZK Eng Water Level Low MON Sistema mecánico B@CENS T/C Oil Overheat P/T Sistema mecánico B@HANS Hyd Oil Overheat MON Sistema mecánico E04 CA111 EMC Critical Internal Failure MOTOR Sistema Eléctrico E04 CA115 Eng Ne and Bkup Speed Sens Error MOTOR Sistema Eléctrico E03 CA122 Chg Air Press Sensor High Error MOTOR Sistema Eléctrico E03 CA123 Chg Air Press Sensor Low Error MOTOR Sistema Eléctrico E03 CA131 Throttle Sensor High Error MOTOR Sistema Eléctrico E03 CA132 Throttle Sensor Low Error MOTOR Sistema Eléctrico E02 CA135 Eng Oil Press Sensor High Error MOTOR Sistema Eléctrico E02 CA141 Eng Oil Press Sensor Low Error MOTOR Sistema Eléctrico E02 CA144 Coolant Temp Sens High Error MOTOR Sistema Eléctrico E02 CA145 Coolant Temp Sens Low Error MOTOR Sistema Eléctrico E01 CA153 Chg Air Temp Sensor High Error MOTOR Sistema Eléctrico E01 CA154 Chg Air Temp Sensor Low Error MOTOR Sistema Eléctrico E03 CA187 Sens Supply 2 Volt Low Error MOTOR Sistema Eléctrico E03 CA221 Ambient Press Sens High Error MOTOR Sistema Eléctrico E03 CA222 Ambient Press Sens Low Error MOTOR Sistema Eléctrico E03 CA227 Sens Supply 2 Volt High Error MOTOR Sistema Eléctrico
  • 568.
    GSN00716-01 40 Localizaciónde fallas 4 D155AX-6 E00 CA234 Eng Overspeed MOTOR Sistema mecánico E03 CA238 Ne Speed Sens Supply Volt Error MOTOR Sistema Eléctrico E01 CA263 Fuel Temp Sensor High Error MOTOR Sistema Eléctrico E01 CA265 Fuel Temp Sensor Low Error MOTOR Sistema Eléctrico E03 CA271 PCV1 Short Error MOTOR Sistema Eléctrico E03 CA272 PCV1 Open Error MOTOR Sistema Eléctrico E03 CA273 PCV2 Short Error MOTOR Sistema Eléctrico E03 CA274 PCV2 Open Error MOTOR Sistema Eléctrico E03 CA322 Inj #1 (L#1) Open/Short Error MOTOR Sistema Eléctrico E03 CA323 Inj #5 (L#5) Open/Short Error MOTOR Sistema Eléctrico E03 CA324 Inj #3 (L#3) Open/Short Error MOTOR Sistema Eléctrico E03 CA325 Inj #6 (L#6) Open/Short Error MOTOR Sistema Eléctrico E03 CA331 Inj #2 (L#2) Open/Short Error MOTOR Sistema Eléctrico E03 CA332 Inj #4 (L#4) Open/Short Error MOTOR Sistema Eléctrico E04 CA342 Calibration Code Incompatibility MOTOR Sistema Eléctrico E03 CA351 Injectors Drive Circuit Error MOTOR Sistema Eléctrico E03 CA352 Sens Supply 1 Volt Low Error MOTOR Sistema Eléctrico E03 CA386 Sens Supply 1 Volt High Error MOTOR Sistema Eléctrico E04 CA441 Battery Voltage Low Error MOTOR Sistema Eléctrico E04 CA442 Battery Voltage High Error MOTOR Sistema Eléctrico E03 CA449 Rail Press Very High Error MOTOR Sistema Eléctrico E03 CA451 Rail Press Sensor High Error MOTOR Sistema Eléctrico E03 CA452 Rail Press Sensor Low Error MOTOR Sistema Eléctrico E02 CA553 Rail Press High Error MOTOR Sistema Eléctrico E03 CA554 Rail Press Sensor In Range Error MOTOR Sistema Eléctrico E02 CA559 Rail Press Low Error MOTOR Sistema Eléctrico E03 CA689 Eng Ne Speed Sensor Error MOTOR Sistema Eléctrico E03 CA731 Eng Bkup Speed Sens Phase Error MOTOR Sistema Eléctrico E04 CA757 All Continuous Data Lost Error MOTOR Sistema Eléctrico E03 CA778 Eng Bkup Speed Sensor Error MOTOR Sistema Eléctrico E02 CA1228 EGR Valve Servo Error 1 MOTOR Sistema Eléctrico E03 CA1625 EGR Valve Servo Error 2 MOTOR Sistema Eléctrico E03 CA1626 BP Valve Sol Current High Error MOTOR Sistema Eléctrico E03 CA1627 BP Valve Sol Current Low Error MOTOR Sistema Eléctrico E02 CA1628 Bypass Valve Servo Error 1 MOTOR Sistema Eléctrico E03 CA1629 Bypass Valve Servo Error 2 MOTOR Sistema Eléctrico E03 CA1631 BP Valve Pos Sens High Error MOTOR Sistema Eléctrico E03 CA1632 BP Valve Pos Sens Low Error MOTOR Sistema Eléctrico E03 CA1633 KOMNET Datalink Timeout Error MOTOR Sistema Eléctrico E01 CA1642 EGR Inlet Press Sens Low Error MOTOR Sistema Eléctrico E01 CA1653 EGR Inlet Press Sens High Error MOTOR Sistema Eléctrico E03 CA2185 Throt Sens Sup Volt High Error MOTOR Sistema Eléctrico E03 CA2186 Throt Sens Sup Volt Low Error MOTOR Sistema Eléctrico E03 CA2249 Rail Press Very Low Error MOTOR Sistema Eléctrico Código de acción Código de fallas Problema (Exhibido en la pantalla) Zumbador de alarma Componente a cargo Categoría de historia
  • 569.
    40 Localización defallas GSN00716-01 D155AX-6 5 E03 CA2271 EGR Valve Pos Sens High Error MOTOR Sistema Eléctrico E03 CA2272 EGR Valve Pos Sens Low Error MOTOR Sistema Eléctrico E03 CA2351 EGR Valve Sol Current High Error MOTOR Sistema Eléctrico E03 CA2352 EGR Valve Sol Current Low Error MOTOR Sistema Eléctrico E01 CA2555 Grid Htr Relay Volt Low Error MOTOR Sistema Eléctrico E01 CA2556 Grid Htr Relay Volt High Error MOTOR Sistema Eléctrico D110KA Battery relay: Disconnection P/T Sistema Eléctrico D110KB Battery Relay: Drive Short Circuit P/T Sistema Eléctrico E02 D130KA Neutral relay: Disconnection P/T Sistema Eléctrico E02 D130KB Neutral relay: Short circuit P/T Sistema Eléctrico E01 D161KA Back-up alarm relay: Disconnection P/T Sistema Eléctrico E01 D161KB Back-up alarm relay: Short circuit P/T Sistema Eléctrico D190KA ACC signal relay: Disconnection P/T Sistema Eléctrico D190KB ACC signal relay: Short circuit P/T Sistema Eléctrico E03 D5ZKKX Throttle Dial: Out of normal range P/T Sistema Eléctrico E03 DAFRKR CAN Disconnection MON Sistema Eléctrico E03 DB2RKR CAN Disconnection MOTOR Sistema Eléctrico E04 DB90KK WE controller: Source voltage reduction W/E Sistema Eléctrico E03 DB90KR PT controller: Can communication lost P/T Sistema Eléctrico E01 DB90KT WE controller: Abnormality in controller W/E Sistema Eléctrico E03 DB95KK WE controller: Source voltage reduction W/E Sistema Eléctrico E03 DB97KK WE controller: Source voltage reduction W/E Sistema Eléctrico E04 DB99KQ WE controller: Type select signal W/E Sistema Eléctrico E03 DB9RKR WE controller: Can communication lost W/E Sistema Eléctrico E03 DBE0KK PT controller: Source voltage reduction P/T Sistema Eléctrico E01 DBE0KT PT controller: Abnormality in controller P/T Sistema Eléctrico E02 DBE6KK PT controller: Source voltage reduction P/T Sistema Eléctrico E02 DBE7KK PT controller: Source voltage reduction P/T Sistema Eléctrico E04 DBE9KQ PT controller: Type select signal P/T Sistema Eléctrico E02 DD12KA Shift up Sw: Disconnection P/T Sistema Eléctrico E02 DD12KB Shift up Sw: Short circuit P/T Sistema Eléctrico E02 DD13KA Shift down Sw: Disconnection P/T Sistema Eléctrico E02 DD13KB Shift down Sw: Short circuit P/T Sistema Eléctrico E03 DD14KA Parking lever Sw: Disconnection P/T Sistema Eléctrico E03 DD14KB Parking lever Sw: Short circuit P/T Sistema Eléctrico E02 DDDDKA Back up brake Sw: Disconnection P/T Sistema Eléctrico E02 DDDDKB Back up brake Sw: Short circuit P/T Sistema Eléctrico E02 DDDDKX Back up brake Sw: Signal mismatch P/T Sistema Eléctrico E02 DDN7KA WEQ Knob Sw (down): Disconnection W/E Sistema Eléctrico E02 DDN7KB WEQ Knob Sw (down): Short circuit W/E Sistema Eléctrico E01 DDN9KA WEQ Knob Sw (up): Disconnection W/E Sistema Eléctrico E01 DDN9KB WEQ Knob Sw (up): Short circuit W/E Sistema Eléctrico E03 DDNLKA Weq lock Sw: Disconnection W/E Sistema Eléctrico E03 DDNLKB Weq lock Sw: Short circuit W/E Sistema Eléctrico E02 DDTSL1 S/C: Fill high P/T Sistema Eléctrico Código de acción Código de fallas Problema (Exhibido en la pantalla) Zumbador de alarma Componente a cargo Categoría de historia
  • 570.
    GSN00716-01 40 Localizaciónde fallas 6 D155AX-6 E02 DDTSLH S/C: Fill low P/T Sistema Eléctrico E03 DFA4KX BL lever 1: Out of normal range W/E Sistema Eléctrico E03 DFA4KZ BL lever: Disconnection or short circuit W/E Sistema Eléctrico E03 DFA4L8 BL lever: Signal mismatch W/E Sistema Eléctrico E03 DFA5KA BL lever 1: Disconnection W/E Sistema Eléctrico E03 DFA5KB BL lever 1: Short circuit W/E Sistema Eléctrico E03 DFA6KA BL lever 2: Disconnection W/E Sistema Eléctrico E03 DFA6KB BL lever 2: Short circuit W/E Sistema Eléctrico E03 DFA7KX BT lever 1: Out of normal range W/E Sistema Eléctrico E03 DFA7KZ BT lever: Disconnection or short circuit W/E Sistema Eléctrico E03 DFA7L8 BT lever: Signal mismatch W/E Sistema Eléctrico E03 DFA8KA BT lever 1: Disconnection W/E Sistema Eléctrico E03 DFA8KB BT lever 1: Short circuit W/E Sistema Eléctrico E03 DFA9KA BT lever 2: Disconnection W/E Sistema Eléctrico E03 DFA9KB BT lever 2: Short circuit W/E Sistema Eléctrico E03 DFAAKX RL lever 1: Out of normal range W/E Sistema Eléctrico E03 DFAAKZ RL lever: Disconnection or short circuit W/E Sistema Eléctrico E03 DFAAL8 RL lever: Signal mismatch W/E Sistema Eléctrico E03 DFABKA RL lever 1: Disconnection W/E Sistema Eléctrico E03 DFABKB RL lever 1: Short circuit W/E Sistema Eléctrico E03 DFACKA RL lever 2: Disconnection W/E Sistema Eléctrico E03 DFACKB RL lever 2: Short circuit W/E Sistema Eléctrico E03 DFADKX RT lever 1: Out of normal range W/E Sistema Eléctrico E03 DFADKZ RT lever: Disconnection or short circuit W/E Sistema Eléctrico E03 DFADL8 RT lever: Signal mismatch W/E Sistema Eléctrico E03 DFAEKA RT lever 1: Disconnection W/E Sistema Eléctrico E03 DFAEKB RT lever 1: Short circuit W/E Sistema Eléctrico E03 DFAFKA RT lever 2: Disconnection W/E Sistema Eléctrico E03 DFAFKB RT lever 2: Short circuit W/E Sistema Eléctrico E01 DGT1KA T/C oil temp sensor: Abnormal P/T Sistema Eléctrico E01 DGT1KX T/C oil temp sensor abnormal P/T Sistema Eléctrico DH21KA WEQ pressure sensor: Disconnection W/E Sistema Eléctrico DH21KB WEQ pressure sensor: Short circuit W/E Sistema Eléctrico E02 DHT5KA T/C in-pressure sensor: Disconnection P/T Sistema Eléctrico E02 DHT5KB T/C in-pressure sensor: Short circuit P/T Sistema Eléctrico E02 DHT7KA T/C out-pressure sensor: Disconnection P/T Sistema Eléctrico E02 DHT7KB T/C out-pressure sensor: Short circuit P/T Sistema Eléctrico E03 DK10KX Fuel control Dial: Out of normal range MOTOR Sistema Eléctrico E03 DK30KA ST lever 1: Disconnection P/T Sistema Eléctrico E03 DK30KB ST lever 1: Short circuit P/T Sistema Eléctrico E04 DK30KX ST lever 1: Out of normal range P/T Sistema Eléctrico E04 DK30KZ ST lever: Disconnection or short circuit P/T Sistema Eléctrico E03 DK30L8 ST lever: Signal mismatch P/T Sistema Eléctrico E03 DK31KA ST lever 2: Disconnection P/T Sistema Eléctrico Código de acción Código de fallas Problema (Exhibido en la pantalla) Zumbador de alarma Componente a cargo Categoría de historia
  • 571.
    40 Localización defallas GSN00716-01 D155AX-6 7 E03 DK31KB ST lever 2: Short circuit P/T Sistema Eléctrico E03 DK40KA Brake potentiometer: Disconnection P/T Sistema Eléctrico E03 DK40KB Brake potentiometer: Short circuit P/T Sistema Eléctrico E04 DK55KX FR lever: Out of normal range P/T Sistema Eléctrico E04 DK55KZ FR lever: Disconnection or short circuit P/T Sistema Eléctrico E03 DK55L8 FR lever: Signal mismatch P/T Sistema Eléctrico E03 DK56KA FR lever 1: Disconnection P/T Sistema Eléctrico E03 DK56KB FR lever 1: Short circuit P/T Sistema Eléctrico E03 DK57KA FR lever 2: Disconnection P/T Sistema Eléctrico E03 DK57KB FR lever 2: Short circuit P/T Sistema Eléctrico E03 DKH1KA Pitch angle sensor: Disconnection P/T Sistema Eléctrico E03 DKH1KB Pitch angle sensor: Short circuit P/T Sistema Eléctrico E01 DLT3KA T/M out-speed sensor: Disconnection P/T Sistema Eléctrico E01 DLT3KB T/M out-speed sensor: Abnormal P/T Sistema Eléctrico E01 DW7BKA Fan rev EPC: Disconnection P/T Sistema Eléctrico E01 DW7BKB Fan rev EPC: Short circuit P/T Sistema Eléctrico E03 DWN1KA Hss EPC1: Disconnection P/T Sistema Eléctrico E03 DWN1KB Hss EPC1: Short circuit P/T Sistema Eléctrico E03 DWN1KY Hss EPC1: Short circuit P/T Sistema Eléctrico E03 DWN2KA Hss EPC2: Disconnection P/T Sistema Eléctrico E03 DWN2KB Hss EPC2: Short circuit P/T Sistema Eléctrico E03 DWN2KY Hss EPC2: Short circuit P/T Sistema Eléctrico E04 DWN3KA Ssp solenoid: Disconnection P/T Sistema Eléctrico E04 DWN3KB Ssp solenoid: Short circuit P/T Sistema Eléctrico E04 DWN3KY Ssp solenoid: Short circuit P/T Sistema Eléctrico E01 DWN5KA Fan pump solenoid: Disconnection P/T Sistema Eléctrico E01 DWN5KB Fan pump solenoid: Short circuit P/T Sistema Eléctrico E01 DXAOKA TVC Sol.: Disconnection W/E Sistema Eléctrico E01 DXA0KB TVC Sol.: Short circuit W/E Sistema Eléctrico E01 DXA0KY TVC Sol.: Short circuit W/E Sistema Eléctrico E02 DXH1KA Lock-up ECMV: Disconnection P/T Sistema Eléctrico E02 DXH1KB Lock-up ECMV: Short circuit P/T Sistema Eléctrico E03 DXH1KY Lock-up ECMV: Short circuit P/T Sistema Eléctrico E03 DXH4KA 1st clutch ECMV: Disconnection P/T Sistema Eléctrico E03 DXH4KB 1st clutch ECMV: Short circuit P/T Sistema Eléctrico E03 DXH4KY 1st clutch ECMV: Short circuit P/T Sistema Eléctrico E03 DXH5KA 2nd clutch ECMV: Disconnection P/T Sistema Eléctrico E03 DXH5KB 2nd clutch ECMV: Short circuit P/T Sistema Eléctrico E03 DXH5KY 2nd clutch ECMV: Short circuit P/T Sistema Eléctrico E03 DXH6KA 3rd clutch ECMV: Disconnection P/T Sistema Eléctrico E03 DXH6KB 3rd clutch ECMV: Short circuit P/T Sistema Eléctrico E03 DXH6KY 3rd clutch ECMV: Short circuit P/T Sistema Eléctrico E03 DXH7KA R clutch ECMV: Disconnection P/T Sistema Eléctrico E03 DXH7KB R clutch ECMV: Short circuit P/T Sistema Eléctrico E04 DXH7KY R clutch ECMV: Short circuit P/T Sistema Eléctrico Código de acción Código de fallas Problema (Exhibido en la pantalla) Zumbador de alarma Componente a cargo Categoría de historia
  • 572.
    GSN00716-01 40 Localizaciónde fallas 8 D155AX-6 E03 DXH8KA F clutch ECMV: Disconnection P/T Sistema Eléctrico E03 DXH8KB F clutch ECMV: Short circuit P/T Sistema Eléctrico E04 DXH8KY F clutch ECMV: Short circuit P/T Sistema Eléctrico E04 DXHBKA Right brake ECMV: Disconnection P/T Sistema Eléctrico E04 DXHBKB Right brake ECMV: Short circuit P/T Sistema Eléctrico E04 DXHBKY Right brake ECMV: Short circuit P/T Sistema Eléctrico E04 DXHCKA Left brake ECMV: Disconnection P/T Sistema Eléctrico E04 DXHCKB Left brake ECMV: Short circuit P/T Sistema Eléctrico E04 DXHCKY Left brake ECMV: Short circuit P/T Sistema Eléctrico E03 DXHRKA Blade up EPC: Disconnection W/E Sistema Eléctrico E03 DXHRKB Blade up EPC: Short circuit W/E Sistema Eléctrico E03 DXHRKY Blade up EPC: Short circuit W/E Sistema Eléctrico E03 DXHSKA Blade down EPC: Disconnection W/E Sistema Eléctrico E03 DXHSKB Blade down EPC: Short circuit W/E Sistema Eléctrico E03 DXHSKY Blade down EPC: Short circuit W/E Sistema Eléctrico E03 DXHTKA Blade left 1 EPC: Disconnection W/E Sistema Eléctrico E03 DXHTKB Blade left 1 EPC: Short circuit W/E Sistema Eléctrico E03 DXHTKY Blade left 1 EPC: Short circuit W/E Sistema Eléctrico E03 DXHUKA Blade right 1 EPC: Disconnection W/E Sistema Eléctrico E03 DXHUKB Blade right 1 EPC: Short circuit W/E Sistema Eléctrico E03 DXHUKY Blade right 1 EPC: Short circuit W/E Sistema Eléctrico E03 DXHWKA Ripper up EPC: Disconnection W/E Sistema Eléctrico E03 DXHWKB Ripper up EPC: Short circuit W/E Sistema Eléctrico E03 DXHWKY Ripper up EPC: Short circuit W/E Sistema Eléctrico E03 DXHXKA Ripper down EPC: Disconnection W/E Sistema Eléctrico E03 DXHXKB Ripper down EPC: Short circuit W/E Sistema Eléctrico E03 DXHXKY Ripper down EPC: Short circuit W/E Sistema Eléctrico E03 DXHYKA Ripper Tilt In EPC: Disconnection W/E Sistema Eléctrico E03 DXHYKB Ripper Tilt In EPC: Short circuit W/E Sistema Eléctrico E03 DXHYKY Ripper Tilt In EPC: Short circuit W/E Sistema Eléctrico E03 DXHZKA Ripper Tilt Back EPC: Disconnection W/E Sistema Eléctrico E03 DXHZKB Ripper Tilt Back EPC: Short circuit W/E Sistema Eléctrico E03 DXHZKY Ripper Tilt Back EPC: Short circuit W/E Sistema Eléctrico E03 DXJ4KA WEQ lock Sol.: Disconnection W/E Sistema Eléctrico E03 DXJ4KB WEQ lock Sol.: Short circuit W/E Sistema Eléctrico E03 DXJ8KA Blade left 2 EPC: Disconnection W/E Sistema Eléctrico E03 DXJ8KB Blade left 2 EPC: Short circuit W/E Sistema Eléctrico E03 DXJ8KY Blade left 2 EPC: Short circuit W/E Sistema Eléctrico E03 DXJ9KA Blade right 2 EPC: Disconnection W/E Sistema Eléctrico E03 DXJ9KB Blade right 2 EPC: Short circuit W/E Sistema Eléctrico E03 DXJ9KY Blade right 2 EPC: Short circuit W/E Sistema Eléctrico E01 DXJAKA Q-drop EPC: Disconnection W/E Sistema Eléctrico E01 DXJAKB Q-drop EPC: Short circuit W/E Sistema Eléctrico E01 DXJAKY Q-drop EPC: Short circuit W/E Sistema Eléctrico Código de acción Código de fallas Problema (Exhibido en la pantalla) Zumbador de alarma Componente a cargo Categoría de historia
  • 573.
    40 Localización defallas GSN00716-01 D155AX-6 9 H Orden de entrada de los ítems en la tabla Los ítemes son introducidos en el orden de sus códigos de falla (orden incremental). H Código de acción Adjunto: Si se detecta un código de falla, el código de acción, el código de falla y el número de teléfono (si está registrado) son exhibidos en la pantalla normal, para notificar al operador sobre la falla. No adjunto: Aún si se detecta un código de falla, el monitor de la máquina no notifica al operador sobre la falla. H Zumbador de alarma : Cuando la ocurrencia de un error es notificada al operador, suena el zumbador de alarma (El operador puede detener al zumbador por medio del interruptor de cancelación del zumbador de alarma) : Debido a que el monitor de precaución también está colocado en ON, su función hace sonar el zumbador de alarma. H Componente a cargo MON:El monitor de la máquina está encargado de la detección de la falla. MOTOR:El controlador del motor está encargado de la detección de la falla. P/T: El controlador del tren de potencia está encargado de detectar la falla. W/E: El controlador del equipo de trabajo está encargado de detectar la falla. H Categoría de historia Sistema mecánico: La información de fallas queda registrada en el historial de fallas del sistema mecánico. Sistema eléctrico: La información de fallas queda registrada en el historial de fallas del sistema eléctrico. E02 DXJBKA S/C ECMV: Disconnection P/T Sistema Eléctrico E02 DXJBKB S/C ECMV: Short circuit P/T Sistema Eléctrico E02 DXJBKY S/C ECMV: Short circuit P/T Sistema Eléctrico Código de acción Código de fallas Problema (Exhibido en la pantalla) Zumbador de alarma Componente a cargo Categoría de historia
  • 574.
    GSN00716-01 40 Localizaciónde fallas 10 D155AX-6 Antes de ejecutar la localización de fallas cuando aparece expuesto el código de fallas. 1 Tabla de conexiones de disyuntores de circuito y cajas de fusibles. H La tabla de conexiones muestra los dispositivos a los cuales cada suministro energético de la caja de fusibles suministra energía. (Un suministrador energético es un dispositivo que suministra energía eléctrica mientras el interruptor de arranque se encuentre en la posición de ON y un suministrador energético constante es un dispositivo que suministra energía eléctrica mientras el interruptor de arranque se encuentre en la posición de OFF y ON). H Al realizar la localización de fallas relacionada con el sistema eléctrico, se deberá comprobar la caja de fusible y fusibles para ver si la energía eléctrica se suministra normalmente. Interruptores de circuito CB1 – CB9 Caja de fusibles FS1 Disyuntor del circuito energético (Tipo del suministro energético) No. del Disyuntor de Circuito Capacidad del Disyuntor de Circuito Destino de la energía eléctrica CB105 (Fuente de energía para accesorios) CB9 20A Suministro energético opcional CB1 20A Controlador del tren de potencia Suministro energético para emergencias (Para la caja de interruptores del tren de potencia) CB2 20A Controlador del equipo de trabajo Suministro energético para emergencia (Para caja de interruptores del equipo de trabajo) CB3 20A Unidad acondicionadora de aire, motor del soplador y embrague electromagnético del compresor CB4 20A Faro delantero, faro delantero adicional CB5 20A Luz trasera, luz trasera adicional, luz para la punta del desgarrador CB30 (Fuente de energía sin interruptor) CB6 20A Interruptor de arranque Relé de retención del motor CB7 20A Monitor de la máquina Controlador del tren de potencia Controlador del equipo de trabajo CB8 30A Controlador del motor CB105H (Fuente de energía sin interruptor) — — Calentador eléctrico del aire de admisión del motor Disyuntor del circuito energético (Tipo del suministro energético) Fusible No. Capacidad de combustible Destino de la energía eléctrica CB30 (Fuente de energía sin interruptor) 1 20A Suministro energético de la cabina del operador (Hacia la tabla de conexiones de la caja de fusibles ) CB105 (Fuente de energía para accesorios) 2 5A Alarma de retroceso, relé de la alarma de retroceso 3 20A Suministro energético de la cabina del operador (Hacia la tabla de conexiones de la caja de fusibles ) 4 20A Suministro energético de la cabina del operador (Hacia la tabla de conexiones de la caja de fusibles ) Interruptor de arranque (ACC) 5 5A Controlador del motor (señal del acumulador)
  • 575.
    40 Localización defallas GSN00716-01 D155AX-6 11 Caja de fusibles FS2 Disyuntor del circuito energético (Tipo del suministro energético) Fusible No. Capacidad de combustible Destino de la energía eléctrica CB30 (Fuente de energía sin interruptor) 1 5A Válvula solenoide del pedal de freno CB105 (Fuente de energía para accesorios) 2 5A Válvula solenoide del freno de estacionamiento 3 20A Calentador eléctrico del aire de admisión del motor Válvula solenoide del extractor del pasador del desgarrador Asiento de suspensión neumática 4 5A Bocina Interruptor de arranque (ACC) 5 20A Suministro energético opcional
  • 576.
    GSN00716-01 40 Localizaciónde fallas 12 D155AX-6 Ubicaciones de los disyuntores de circuito CB30, CB105, y CB105H (en recinto de baterías) Ubicaciones de los disyuntores de circuito CB1 – CB 9 y cajas de fusibles FS1 y FS2 (en recinto de baterías)
  • 577.
    40 Localización defallas GSN00716-01 D155AX-6 13 Caja de fusibles Ubicación de la caja de fusibles (en la cabina del operador) Fusible del circuito energético (Tipo de suministro energético) Fusible No. Capacidad de combustible Destino de la energía eléctrica FS1-1 (Fuente de energía sin interruptor) 1 10A Radio Conector para accesorios de 12V (Vía convertidor DC) Enchufe para accesorios de 12V (Vía del convertidor DC) FS1-3 (Fuente de energía para accesorios) 2 20A Relé adicional para luces, luz adicional Lámpara giratoria 3 20A Conector para accesorios de 12V (Vía convertidor DC) Enchufe para accesorios de 12V (Vía del convertidor DC) FS1-4 (Fuente de energía para accesorios) 4 20A Radio Luz de la cabina Encendedor de cigarrillos Limpiador de parabrisas (Vía relé intermitente) 5 10A Limpiaparabrisas delantero, limpiaparabrisas trasero 6 10A Limpiaparabrisas izquierdo, limpiaparabrisas derecho
  • 578.
    GSN00716-01 40 Localizaciónde fallas 14 D155AX-6 Información en la tabla de localización de fallas 1 H La siguiente información está resumida en la tabla de localización de fallas y en el diagrama del circuito eléctrico relacionado. Antes de efectuar la localización de fallas, entienda la totalidad de la información Código de acción Código de fallas Pro- blema Nombre del problema expuesto en el historial de fallas del monitor de la máquinaExposición en el monitor de la máquina Exposición en el monitor de la máquina Contenido del problema Contenido de los problemas detectados por el monitor de la máquina, o el controlador Acción del monitor de la máquina o del controlador Acción tomada por el controlador o el monitor de la máquina para proteger el sistema o los dispositivos cuando estos detectan un problema Problemas que aparecen en la máquina Problemas que aparecen en la máquina como resultado de la acción tomada por el monitor de la máquina o por el controlador (mostrados arriba) Información relacionada Información relacionada con un problema detectado o localización de falla Causas posibles y valores estándar en estado normal Causa Valor estándar en estado normal/Observaciones sobre localización de fallas 1 Posibles causas del problema (Los números dados son para referencia, los cuales no indican prioridad) <Contenido de la descripción> • Valores estándar en estado normal para juzgar las causas posibles • Comentarios para el juzgamiento <Problemas en el arnés de cables> • Desconección El conector no está perfectamente conectado, o el arnés de cables está roto. • Falla de tierra El arnés de cables que no está conectado con el circuito a tierra del chasis está en contacto con un circuito a tierra del chasis. • Corto circuito caliente El arnés de cables que no está conectado con el suministro d energía de (24 V) el circuito está en contacto con el circuito de suministro de energía (24 V). • Corto circuito Arneses de cables independientes están en contacto anormal entre ellos. <Precauciones para la Localización de fallas> (1) Método de indicación del No. del conector y manejo del adaptador-T Inserte o conecte un adaptador en T, como se explica abajo para la localización de fallas, a menos que se especifique otra cosa. • Si el conector No. no tiene marcas de macho "male" y hembra "female", desconecte el conector e inserte adaptadores en T, tanto en el lado macho "male" como en el lado hembra "female" • Si el conector No. tiene marcas de macho "male" y hembra "female", desconecte el conector e inserte un adaptador en T solamente en el lado macho "male", o en el lado hembra "female". (2) Orden de entrada de las espigas Nos. y manipulación de cables del probador Para la localización de fallas, conecte el cable positivo (+) y el negativo (–) del probador como se explica abajo, a menos que se especifique otra cosa. • Conecte el positivo (+) a la espiga No. , o en el arnés de cables entrado en el lado del frente. • Conecte el cable negativo (–) a la espiga No, o en el arnés entrado en el lado trasero. 2 3 4
  • 579.
    40 Localización defallas GSN00716-01 D155AX-6 15 Diagrama del circuito relacionado Este dibujo es una parte del diagrama del circuito eléctrico relacionado con la localización de fallas. • Conectores No.: Indicados (Modelo – No. de espigas) y (Color). • El "Conector No. y espiga No." de cada puntos de unión y bifurcación: Muestra los extremos de la división o fuente de unión dentro de las partes del mismo arnés de cables. • Flecha (io): Muestra en rasgos generales la localización en la máquina.
  • 580.
    GSN00716-01 40 Localizaciónde fallas 16 D155AX-6 Código de falla [1500L0] Embrague de transmisión: Anormal 1 Código de acción Código de fallas Problema Embrague de la transmisión: Anormal (Sistema de control del tren de potencia) E03 1500L0 Contenido del problema • Entre los códigos de fallas relacionados con embrague de la transmisión, 2 ó más de los siguientes códigos de fallas ocurrieron en forma similar 1) Ya sea [DXH4KA] o [DXH4KB] 2) Ya sea [DXH5KA] o [DXH5KB] 3) Ya sea [DXH6KA] o [DXH6KB] • Entre los códigos de falla relacionados con embrague de la transmisión, las siguientes combinaciones de códigos de falla ocurrieron similarmente. 1) [15SAL1] y [15SBL1] 2) [15SALH] y [15SBLH] 3) 2 ó todos los [15SEL1], [15SFL1], y [15SGL1] 4) 2 ó todos los [15SELH], [15SFLH], y [15SGLH] Acción del controlador • Limita la operación del motor y de la transmisión. Problemas que aparecen en la máquina • No trabaja la función de cambio automático hacia abajo. • Una vez se haya detenido la máquina, la velocidad del motor queda limitada a la mitad. • Una vez parada la máquina, el traslado está limitado en velocidades específicas. Información relacionada • Método para reproducir el código de falla: Arranque el motor + Traslado. Causas posibles y valores estándar en estado normal Causa Valor estándar en estado normal/Observaciones sobre localización de fallas Si hay otros códigos de falla expuestos, ejecute la localización de fallas para los mismos. [15SAL1], [15SALH], [15SBL1], [15SBLH], [15SEL1], [15SELH], [15SFL1], [15SFLH], [15SGL1], [15SGLH], [DXH4KA], [DXH4KB], [DXH5KA], [DXH5KB], [DXH6KA], [DXH6KB]
  • 581.
    40 Localización defallas GSN00716-01 D155AX-6 17 Código de falla [15SAL1] Embrague de avance: Relleno alto (Interruptor de relleno en ON) 1 Diagrama del circuito relacionado con el embrague de avance de la transmisión ECMV Código de acción Código de fallas Pro- blema Embrague de avance: Relleno alto (Interruptor de relleno en ON) (Sistema de control del tren de potencia) E03 15SAL1 Contenido del problema • Cuando la salida hacia el embrague F de la transmisión, el solenoide ECMV del circuito se pone en OFF, la señal del interruptor de llenado se pone en ON. Acción del controlador • Coloca la transmisión en neutral cuando el operador activa la posición de retroceso (Prevención de doble acoplamiento). • Limita la operación del motor y de la transmisión. Problemas que aparecen en la máquina • Una vez se haya detenido la máquina, la velocidad del motor queda limitada a la mitad. • Cuando la máquina es detenida, el traslado queda limitado a F1. Información relacionada • Estado del embrague F ECMV, la señal del interruptor de llenado se puede comprobar con la función de observación. (Código: 40906 Ingreso 2 del interruptor de llenado T/M) • Método para reproducir el código de falla: Arranque el motor + Coloque la transmisión en posición neutral. Causas posibles y valores estándar en estado normal Causa Valor estándar en estado normal/Observaciones sobre localización de fallas 1 Defectuoso el embrague F ECMV interruptor de llenado (corto circuito interno) H Prepárese con el interruptor de arranque en posición "OFF", luego arranque el motor y efectúe la localización de fallas. FFT (macho) Palanca PCCS (Velocidad de traslado) Resistencia Entre (1) – tierra chasis N Mín. 1 MΩ F1, F2, F3 Max. 1 Ω 2 Falla de puesta a tierra en el arnés de cables (Contacto con el circuito de TIERRA) H Haga los preparativos con el interruptor del arranque en OFF y realice la localización de fallas sin poner en ON el interruptor del arranque. Arnés de cables entre STC2 (hembra) (35) – FFT (hembra) (1) Resistencia Mín. 1 MΩ 3 Controlador del tren de potencia defectuoso H Prepárese con el interruptor de arranque en posición "OFF", luego arranque el motor y efectúe la localización de fallas. STC2 Palanca PCCS (Velocidad de traslado) Voltaje Entre (35) – tierra chasis N 5 -11 V F1, F2, F3 Máx. 1 V 4 Sistema hidráulico defectuoso Si las causas 1 – 3 no son detectadas en el sistema eléctrico, el sistema hidráulico puede estar defectuoso. Realizar la localización de fallas relacionada (modo H). Controlador del tren de potencia ESTRUCTURA DEL PISO TREN DE POTENCIA TRANSMISION Embrague de avance ECMV de transmisión Interruptor de llenado del avance de la transmisión TIERRA (solenoide) Avance ECMV de la transmisión
  • 582.
    GSN00716-01 40 Localizaciónde fallas 18 D155AX-6 Código de falla [15SALH] Embrague de avance: Bajo relleno (Interruptor de relleno en OFF) 1 Diagrama del circuito relacionado con el embrague de avance de la transmisión ECMV Código de acción Código de fallas Problema Embrague de avance: Bajo relleno (Interruptor de relleno en OFF) (Sistema de control del tren de potencia) E03 15SALH Contenido del problema • Cuando la salida al embrague F de la transmisión, el circuito del solenoide ECMV se pone en ON, la señal del interruptor de llenado se pone en OFF. Acción del controlador • Coloca en neutral la transmisión cuando el operador conecta la posición de avance (Prevención de doble acoplamiento). • Limita la operación del motor y de la transmisión. Problemas que aparecen en la máquina • Una vez se haya detenido la máquina, la velocidad del motor queda limitada a la mitad. • Cuando la máquina es detenida, el traslado queda limitado a R1. Información relacionada • Estado del embrague F ECMV, la señal del interruptor de llenado se puede comprobar con la función de observación. (Código: 40906 Ingreso 2 del interruptor de llenado T/M) • Método para reproducir el código de falla: Arrancar el motor + colocar la transmisión en la posición de avance. Causas posibles y valores estándar en estado normal Causa Valor estándar en estado normal/Observaciones sobre localización de fallas 1 Defectuoso el embrague F ECMV interruptor de llenado (desconexión interna) H Prepárese con el interruptor de arranque en posición "OFF", luego arranque el motor y efectúe la localización de fallas. FFT (macho) Palanca PCCS (Velocidad de traslado) Resistencia Entre (1) – tierra chasis N Mín. 1 MΩ F1, F2, F3 Max. 1 Ω 2 Desconexión en el arnés de cables (Desconexión en el arnés, o contacto defectuoso en el conector) H Haga los preparativos con el interruptor del arranque en OFF y realice la localización de fallas sin poner en ON el interruptor del arranque. Arnés de cables entre STC2 (hembra) (35) – FFT (hembra) (1) Resis- tencia Max. 1 Ω 3 Controlador del tren de potencia defectuoso H Prepárese con el interruptor de arranque en posición "OFF", luego arranque el motor y efectúe la localización de fallas. STC2 Palanca PCCS (Velocidad de traslado) Voltaje Entre (35) – tierra chasis N 5 -11 V F1, F2, F3 Máx. 1 V 4 Sistema hidráulico defectuoso Si las causas 1 – 3 no son detectadas en el sistema eléctrico, el sistema hidráulico puede estar defectuoso. Realizar la localización de fallas relacionada (modo H). Controlador del tren de potencia ESTRUCTURA DEL PISO TREN DE POTENCIA TRANSMISION Embrague de avance ECMV de transmisión Interruptor de llenado del avance de la transmisión TIERRA (solenoide) Avance ECMV de la transmisión
  • 583.
    40 Localización defallas GSN00716-01 D155AX-6 19 Código de falla [15SBL1] Embrague de retroceso: Señal de llenado de alta 1 Diagrama del circuito relacionado con el embrague de retroceso de la transmisión ECMV Código de acción Código de fallas Problema Embrague de retroceso: Señal de llenado de alta (Sistema de control del tren de potencia) E03 15SBL1 Contenido del problema • Cuando la salida hacia el embrague R de la transmisión, el circuito del solenoide ECMV se pone en OFF, la señal del interruptor de llenado se pone en ON. Acción del controlador • Coloca en neutral la transmisión cuando el operador conecta la posición de avance (Prevención de doble acoplamiento). • Limita la operación del motor y de la transmisión. Problemas que aparecen en la máquina • Una vez se haya detenido la máquina, la velocidad del motor queda limitada a la mitad. • Cuando la máquina es detenida, el traslado queda limitado a R1. Información relacionada • Estado del embrague R ECMV, la señal del interruptor de llenado puede comprobarse con la función de observación. (Código: 40906 Ingreso 2 del interruptor de llenado T/M) • Método para reproducir el código de falla: Arranque el motor + Coloque la transmisión en posición neutral. Causas posibles y valores estándar en estado normal Causa Valor estándar en estado normal/Observaciones sobre localización de fallas 1 Defectuoso el embrague R ECMV interruptor de llenado (corto circuito interno) H Prepárese con el interruptor de arranque en posición "OFF", luego arranque el motor y efectúe la localización de fallas. FRT (macho) Palanca PCCS (Velocidad de traslado) Resistencia Entre (1) – tierra chasis N Mín. 1 MΩ R1, R2, R3 Max. 1 Ω 2 Falla de puesta a tierra del arnés de cables (Contacto con el circuito de puesta a tierra) H Haga los preparativos con el interruptor del arranque en OFF y realice la localización de fallas sin poner en ON el interruptor del arranque. Arnés de cables entre STC2 (hembra) (25) – FRT (hembra) (1) Resistenc ia Mín. 1 MΩ 3 Controlador del tren de potencia defectuoso H Prepárese con el interruptor de arranque en posición "OFF", luego arranque el motor y efectúe la localización de fallas. STC2 Palanca PCCS (Velocidad de traslado) Voltaje Entre (25) – tierra chasis N 5 -11 V R1, R2, R3 Máx. 1 V 4 Sistema hidráulico defectuoso Si las causas 1 – 3 no son detectadas en el sistema eléctrico, el sistema hidráulico puede estar defectuoso. Realizar la localización de fallas relacionada (modo H). Controlador del tren de potencia ESTRUCTURA DEL PISO TREN DE POTENCIA TRANSMISION Embrague de retroceso ECMV de transmisión Interruptor de llenado del retroceso de la transmisión TIERRA (solenoide) Retroceso ECMV de la transmisión
  • 584.
    GSN00716-01 40 Localizaciónde fallas 20 D155AX-6 Código de falla [15SBLH] Embrague de retroceso: Bajo relleno (Interruptor de relleno en OFF) 1 Diagrama del circuito relacionado con el embrague de retroceso de la transmisión ECMV Código de acción Código de fallas Proble -ma Embrague de retroceso: Bajo relleno (Interruptor de relleno en OFF) (Sistema de control del tren de potencia) E03 15SBLH Contenido del problema • Cuando la salida hacia el embrague R de la transmisión el circuito del solenoide ECMV se pone en ON, la señal del interruptor de llenado se pone en OFF. Acción del controlador • Coloca la transmisión en neutral cuando el operador activa la posición de retroceso (Prevención de doble acoplamiento). • Limita la operación del motor y de la transmisión. Problemas que aparecen en la máquina • Una vez se haya detenido la máquina, la velocidad del motor queda limitada a la mitad. • Cuando la máquina es detenida, el traslado queda limitado a F1. Información relacionada • Estado del embrague R ECMV, la señal del interruptor de llenado puede comprobarse con la función de observación. (Código: 40906 Ingreso 2 del interruptor de llenado T/M) • Método para reproducir el código de falla: Arrancar el motor + colocar la transmisión en la posición de retroceso. Causas posibles y valores estándar en estado normal Causa Valor estándar en estado normal/Observaciones sobre localización de fallas 1 Defectuoso el embrague R ECMV interruptor de llenado (desconexión interna) H Prepárese con el interruptor de arranque en posición "OFF", luego arranque el motor y efectúe la localización de fallas. FRT (macho) Palanca PCCS (Velocidad de traslado) Resistencia Entre (1) – tierra chasis N Mín. 1 MΩ R1, R2, R3 Max. 1 Ω 2 Desconexión en el arnés de cables (Desconexión en el arnés, o contacto defectuoso en el conector) H Haga los preparativos con el interruptor del arranque en OFF y realice la localización de fallas sin poner en ON el interruptor del arranque. Arnés de cables entre STC2 (hembra) (25) – FRT (hembra) (1) Resis- tencia Max. 1 Ω 3 Controlador del tren de potencia defectuoso H Prepárese con el interruptor de arranque en posición "OFF", luego arranque el motor y efectúe la localización de fallas. STC2 Palanca PCCS (Velocidad de traslado) Voltaje Entre (25) – tierra chasis N 5 -11 V R1, R2, R3 Máx. 1 V 4 Sistema hidráulico defectuoso Si las causas 1 – 3 no son detectadas en el sistema eléctrico, el sistema hidráulico puede estar defectuoso. Realizar la localización de fallas relacionada (modo H). Controlador del tren de potencia ESTRUCTURA DEL PISO TREN DE POTENCIA TRANSMISION Embrague de retroceso ECMV de transmisión Interruptor de llenado del retroceso de la transmisión TIERRA (solenoide) Retroceso ECMV de la transmisión
  • 585.
    40 Localización defallas GSN00716-01 D155AX-6 21 Código de falla [15SEL1] Embrague de 1a. marcha: Relleno alto (Interruptor de relleno en ON) 1 Diagrama del circuito relacionado con el ECMV 1er. embrague ECMV Código de acción Código de fallas Proble -ma Embrague de 1ra velocidad: Relleno alto (Interruptor de relleno en ON) (Sistema de control del tren de potencia) E03 15SEL1 Contenido del problema • Cuando la salida hacia el embrague de 1ª de la transmisión, el circuito del solenoide ECMV se pone en OFF, la señal del interruptor de llenado se pone en ON. Acción del controlador • Limita la operación del motor y de la transmisión. Problemas que aparecen en la máquina • Una vez se haya detenido la máquina, la velocidad del motor queda limitada a la mitad. • Cuando la máquina es detenida, el traslado queda limitado a F1 y R1 Información relacionada • Estado del embrague de 1ª ECMV, la señal del interruptor de llenado puede comprobarse con la función de observación. • (Código: 40906 Ingreso 2 del interruptor de llenado T/M) • Método para reproducir el código de falla: Arranque el motor + Coloque la transmisión en posición neutral. Causas posibles y valores estándar en estado normal Causa Valor estándar en estado normal/Observaciones sobre localización de fallas 1 Defectuoso el embrague de 1ra ECMV interruptor de llenado (corto circuito interno) H Prepárese con el interruptor de arranque en posición "OFF", seleccione el modo de cambio de marchas manual y efectúe la localización de fallas. F1T (macho) Palanca PCCS (Velocidad de traslado) Resistencia Entre (1) – tierra chasis Otro en vez de F1, N, o R1 Mín. 1 MΩ F1, R1 Max. 1 Ω 2 Falla de puesta a tierra del arnés de cables (Contacto con el circuito de puesta a tierra) H Haga los preparativos con el interruptor del arranque en OFF y realice la localización de fallas sin poner en ON el interruptor del arranque. Arnés de cables entre STC3 (hembra) (19) – F1T (hembra) (1) Resistencia Mín. 1 MΩ 3 Controlador del tren de potencia defectuoso H Prepárese con el interruptor de arranque en posición "OFF", seleccione el modo de cambio de marchas manual y efectúe la localización de fallas. STC3 Palanca PCCS (Velocidad de traslado) Voltaje Entre (19) – tierra chasis Otro en vez de F1, N, o R1 5 -11 V F1, R1 Máx. 1 V 4 Sistema hidráulico defectuoso Si las causas 1 – 3 no son detectadas en el sistema eléctrico, el sistema hidráulico puede estar defectuoso. Realizar la localización de fallas relacionada (modo H). Controlador del tren de potencia ESTRUCTURA DEL PISO TREN DE POTENCIA TRANSMISION Embrague de 1ra ECMV de transmisión Interruptor de llenado del 1ra de la transmisión TIERRA (solenoide) 1er.ECMV de la transmisión
  • 586.
    GSN00716-01 40 Localizaciónde fallas 22 D155AX-6 Código de falla [15SELH] Embrague de 1a. marcha: Bajo relleno (Interruptor de relleno en OFF) 1 Diagrama del circuito relacionado con el ECMV 1er. embrague ECMV Código de acción Código de fallas Proble- ma Embrague de 1ra velocidad: Bajo relleno (Interruptor de relleno en OFF) (Sistema de control del tren de potencia) E03 15SELH Contenido del problema • Cuando la salida hacia el embrague de 1ª de la transmisión, el circuito del solenoide ECMV se pone en ON, la señal del interruptor de llenado se pone en OFF. Acción del controlador • Limita la operación del motor y de la transmisión. Problemas que aparecen en la máquina • No trabaja la función de cambio automático hacia abajo. • Una vez se haya detenido la máquina, la velocidad del motor queda limitada a la mitad. • Cuando la máquina es detenida, el traslado queda limitado a F2 y R2 Información relacionada • Estado del embrague de 1ª ECMV, la señal del interruptor de llenado puede comprobarse con la función de observación. (Código: 40906 Ingreso 2 del interruptor de llenado T/M) • Método para reproducir el código de falla: Arrancar el motor + Colocar la transmisión en la posición F1 ó R1 (en el modo de cambio de marchas manual) Causas posibles y valores estándar en estado normal Causa Valor estándar en estado normal/Observaciones sobre localización de fallas 1 Defectuoso el embrague de 1ra ECMV interruptor de llenado (desconexión interna) H Prepárese con el interruptor de arranque en posición "OFF", seleccione el modo de cambio de marchas manual y efectúe la localización de fallas. F1T (macho) Palanca PCCS (Velocidad de traslado) Resistencia Entre (1) – tierra chasis Otro en vez de F1, N, o R1 Mín. 1 MΩ F1, R1 Max. 1 Ω 2 Desconexión en el arnés de cables (Desconexión en el arnés, o contacto defectuoso en el conector) H Haga los preparativos con el interruptor del arranque en OFF y realice la localización de fallas sin poner en ON el interruptor del arranque. Arnés de cables entre STC3 (hembra) (19) – F1T (hembra) (1) Resisten -cia Max. 1Ω 3 Controlador del tren de potencia defectuoso H Prepárese con el interruptor de arranque en posición "OFF", seleccione el modo de cambio de marchas manual y efectúe la localización de fallas. STC3 Palanca PCCS (Velocidad de traslado) Voltaje Entre (19) – tierra chasis Otro en vez de F1, N, o R1 5 -11 V F1, R1 Máx. 1 V 4 Sistema hidráulico defectuoso Si las causas 1 – 3 no son detectadas en el sistema eléctrico, el sistema hidráulico puede estar defectuoso. Realizar la localización de fallas relacionada (modo H). Controlador del tren de potencia ESTRUCTURA DEL PISO TREN DE POTENCIA TRANSMISION Embrague de 1ra ECMV de transmisión Interruptor de llenado del 1ra de la transmisión TIERRA (solenoide) 1er.ECMV de la transmisión
  • 587.
    40 Localización defallas GSN00716-01 D155AX-6 23 Código de falla [15SFL1] Embrague de 2a. marcha: Relleno alto (Interruptor de relleno en ON) 1 Diagrama del circuito relacionado con el 2o. embrague ECMV Código de acción Código de fallas Problema Embrague de 2da velocidad: Relleno alto (Interruptor de relleno en ON) (Sistema de control del tren de potencia)E03 15SFL1 Contenido del problema • Cuando la salida hacia el embrague de 2ª de la transmisión el circuito del solenoide ECMV se pone en OFF, la señal del interruptor de llenado se pone en ON. Acción del controlador • Limita la operación del motor y de la transmisión. Problemas que aparecen en la máquina • No trabaja la función de cambio automático hacia abajo. • Una vez se haya detenido la máquina, la velocidad del motor queda limitada a la mitad. • Cuando la máquina es detenida, el traslado queda limitado a F2 y R2 Información relacionada • Estado del embrague de 2da. ECMV, la señal del interruptor de llenado puede comprobarse con la función de observación. • (Código: 40906 Ingreso 2 del interruptor de llenado T/M) • Método para reproducir el código de falla: Arranque el motor + Coloque la transmisión en posición neutral. Causas posibles y valores estándar en estado normal Causa Valor estándar en estado normal/Observaciones sobre localización de fallas 1 Defectuoso el embrague de 2da ECMV interruptor de llenado (Corto circuito interno) H Prepárese con el interruptor de arranque en posición "OFF", seleccione el modo de cambio de marchas manual y efectúe la localización de fallas. F2T (macho) Palanca PCCS (Velocidad de traslado) Resistencia Entre (1) – tierra chasis Otro en vez de F2, N, o R2 Mín. 1 MΩ F2, R2 Max. 1 Ω 2 Falla de puesta a tierra del arnés de cables (Contacto con el circuito de puesta a tierra) H Haga los preparativos con el interruptor del arranque en OFF y realice la localización de fallas sin poner en ON el interruptor del arranque. Arnés de cables entre STC3 (hembra) (29) – F2T (hembra) (1) Resisten cia Mín. 1 MΩ 3 Controlador del tren de potencia defectuoso H Prepárese con el interruptor de arranque en posición "OFF", seleccione el modo de cambio de marchas manual y efectúe la localización de fallas. STC3 Palanca PCCS (Velocidad de traslado) Voltaje Entre (29) – tierra chasis Otro en vez de F2, N, o R2 5 -11 V F2, R2 Máx. 1 V 4 Sistema hidráulico defectuoso Si las causas 1 – 3 no son detectadas en el sistema eléctrico, el sistema hidráulico puede estar defectuoso. Realizar la localización de fallas relacionada (modo H). Controlador del tren de potencia ESTRUCTURA DEL PISO TREN DE POTENCIA TRANSMISION Embrague de 2da. ECMV de transmisión Interruptor de llenado de 2da de la transmisión TIERRA (solenoide) 2da.ECMV de la transmisión
  • 588.
    GSN00716-01 40 Localizaciónde fallas 24 D155AX-6 Código de falla [15SFLH] Embrague de 2a. marcha: Bajo relleno (Interruptor de relleno en OFF) 1 Diagrama del circuito relacionado con el 2o. embrague ECMV Código de acción Código de fallas Proble- ma Embrague de 2da velocidad: Bajo relleno (Interruptor de relleno en OFF) (Sistema de control del tren de potencia) E03 15SFLH Contenido del problema • Cuando la salida hacia el embrague de 2da de la transmisión el circuito del solenoide ECMV se pone en ON, la señal del interruptor de llenado se pone en OFF. Acción del controlador • Limita la operación del motor y de la transmisión. Problemas que aparecen en la máquina • Una vez se haya detenido la máquina, la velocidad del motor queda limitada a la mitad. • Cuando la máquina es detenida, el traslado queda limitado a F1 y R1 Información relacionada • Estado del embrague de 2da ECMV, la señal del interruptor de llenado puede comprobarse con la función de observación. (Código: 40906 Ingreso 2 del interruptor de llenado T/M) • Método para reproducir el código de falla: Arrancar el motor + Colocar la transmisión en la posición F2 ó R2 (en el modo de cambio de marchas manual) Causas posibles y valores estándar en estado normal Causa Valor estándar en estado normal/Observaciones sobre localización de fallas 1 Defectuoso el embrague de 2da ECMV interruptor de llenado (desconexión interna) H Prepárese con el interruptor de arranque en posición "OFF", seleccione el modo de cambio de marchas manual y efectúe la localización de fallas. F2T (macho) Palanca PCCS (Velocidad de traslado) Resistencia Entre (1) – tierra chasis Otro en vez de F2, N, o R2 Mín. 1 MΩ F2, R2 Max. 1 Ω 2 Desconexión en el arnés de cables (Desconexión en el arnés, o contacto defectuoso en el conector) H Haga los preparativos con el interruptor del arranque en OFF y realice la localización de fallas sin poner en ON el interruptor del arranque. Arnés de cables entre STC3 (hembra) (29) – F2T (hembra) (1) Resistencia Max. 1 Ω 3 Controlador del tren de potencia defectuoso H Prepárese con el interruptor de arranque en posición "OFF", seleccione el modo de cambio de marchas manual y efectúe la localización de fallas. STC3 Palanca PCCS (Velocidad de traslado) Voltaje Entre (29) – tierra chasis Otro en vez de F2, N, o R2 5 -11 V F2, R2 Máx. 1 V 4 Sistema hidráulico defectuoso Si las causas 1 – 3 no son detectadas en el sistema eléctrico, el sistema hidráulico puede estar defectuoso. Realizar la localización de fallas relacionada (modo H) Controlador del tren de potencia ESTRUCTURA DEL PISO TREN DE POTENCIA TRANSMISION Embrague de 2da. ECMV de transmisión Interruptor de llenado de 2da de la transmisión TIERRA (solenoide) 2da.ECMV de la transmisión
  • 589.
    40 Localización defallas GSN00716-01 D155AX-6 25 Código de falla [15SGL1] Embrague de 3a. marcha: Relleno alto (Interruptor de relleno en ON) 1 Diagrama del circuito relacionado con el 3er. embrague ECMV Código de acción Código de fallas Proble- ma Embrague de 3ra velocidad: Relleno alto (Interruptor de relleno en ON) (Sistema de control del tren de potencia) E03 15SGL1 Contenido del problema • Cuando la salida hacia el embrague de 3ª de la transmisión, el circuito del solenoide ECMV se pone en OFF, la señal del interruptor de llenado se pone en ON. Acción del controlador • Limita la operación del motor y de la transmisión. Problemas que aparecen en la máquina • No trabaja la función de cambio automático hacia abajo. • Una vez se haya detenido la máquina, la velocidad del motor queda limitada a la mitad. • Cuando la máquina es detenida, el traslado queda limitado a F3 y R3 Información relacionada • Estado del embrague de 3ª ECMV, la señal del interruptor de llenado se puede comprobar con la función de observación. (Código: 40906 Ingreso 2 del interruptor de llenado T/M) • Método para reproducir el código de falla: Arranque el motor + Coloque la transmisión en posición neutral. Causas posibles y valores estándar en estado normal Causa Valor estándar en estado normal/Observaciones sobre localización de fallas 1 Defectuoso el embrague de 3ra ECMV interruptor de llenado (Corto circuito interno) H Prepárese con el interruptor de arranque en posición "OFF", seleccione el modo de cambio de marchas manual y efectúe la localización de fallas. F3T (macho) Palanca PCCS (Velocidad de traslado) Resistencia Entre (1) – tierra chasis Otro en vez de F3, N, o R3 Mín. 1 MΩ F3, R3 Max. 1 Ω 2 Falla de puesta a tierra del arnés de cables (Contacto con el circuito de puesta a tierra) H Haga los preparativos con el interruptor del arranque en OFF y realice la localización de fallas sin poner en ON el interruptor del arranque. Arnés de cables entre STC3 (hembra) (39) – F3T (hembra) (1) Resiste ncia Mín. 1 MΩ 3 Controlador del tren de potencia defectuoso H Prepárese con el interruptor de arranque en posición "OFF", seleccione el modo de cambio de marchas manual y efectúe la localización de fallas. STC3 Palanca PCCS (Velocidad de traslado) Voltaje Entre (39) – tierra chasis Otro en vez de F3, N, o R3 5 -11 V F3, R3 Máx. 1 V 4 Sistema hidráulico defectuoso Si las causas 1 – 3 no son detectadas en el sistema eléctrico, el sistema hidráulico puede estar defectuoso. Realizar la localización de fallas relacionada (modo H). Controlador del tren de potencia ESTRUCTURA DEL PISO TREN DE POTENCIA TRANSMISION Embrague de 3ra. ECMV de transmisión Interruptor de llenado de 3ra de la transmisión TIERRA (solenoide) 3ra.ECMV de la transmisión
  • 590.
    GSN00716-01 40 Localizaciónde fallas 26 D155AX-6 Código de falla [15SGLH] Embrague de 3a. marcha: Bajo relleno (Interruptor de relleno en OFF) 1 Diagrama del circuito relacionado con el 3er. embrague ECMV Código de acción Código de fallas Proble -ma Embrague de 3ra velocidad: Bajo relleno (Interruptor de relleno en OFF) (Sistema de control del tren de potencia) E03 15SGLH Contenido del problema • Cuando la salida hacia el embrague de 3ª de la transmisión, el circuito del solenoide ECMV se pone en ON, la señal del interruptor de llenado se pone en OFF. Acción del controlador • Limita la operación del motor y de la transmisión. Problemas que aparecen en la máquina • Una vez se haya detenido la máquina, la velocidad del motor queda limitada a la mitad. • Cuando la máquina es detenida, el traslado queda limitado a F1 y R1 Información relacionada • Estado del embrague de 3ª ECMV, la señal del interruptor de llenado se puede comprobar con la función de observación. (Código: 40906 Ingreso 2 del interruptor de llenado T/M) • Método para reproducir el código de falla: Arrancar el motor + Colocar la transmisión en la posición F3 ó R3 (en el modo de cambio de marchas manual) Causas posibles y valores estándar en estado normal Causa Valor estándar en estado normal/Observaciones sobre localización de fallas 1 Defectuoso el embrague de 3ra ECMV interruptor de llenado (desconexión interna) H Prepárese con el interruptor de arranque en posición "OFF", seleccione el modo de cambio de marchas manual y efectúe la localización de fallas. F3T (macho) Palanca PCCS (Velocidad de traslado) Resistencia Entre (1) – tierra chasis Otro en vez de F3, N, o R3 Mín. 1 MΩ F3, R3 Max. 1 Ω 2 Desconexión en el arnés de cables (Desconexión en el arnés, o contacto defectuoso en el conector) H Haga los preparativos con el interruptor del arranque en OFF y realice la localización de fallas sin poner en ON el interruptor del arranque. Arnés de cables entre STC3 (hembra) (39) – F3T (hembra) (1) Resistencia Max. 1Ω 3 Controlador del tren de potencia defectuoso H Prepárese con el interruptor de arranque en posición "OFF", seleccione el modo de cambio de marchas manual y efectúe la localización de fallas. STC3 Palanca PCCS (Velocidad de traslado) Voltaje Entre (39) – tierra chasis Otro en vez de F3, N, o R3 5 -11 V F3, R3 Máx. 1 V 4 Sistema hidráulico defectuoso Si las causas 1 -3 no son detectadas en el sistema eléctrico, el sistema hidráulico puede estar defectuoso. Realizar la localización de fallas relacionada (modo H). Controlador del tren de potencia ESTRUCTURA DEL PISO TREN DE POTENCIA TRANSMISION Embrague de 3ra. ECMV de transmisión Interruptor de llenado de 3ra de la transmisión TIERRA (solenoide) 3ra.ECMV de la transmisión
  • 591.
    40 Localización defallas GSN00716-01 D155AX-6 27
  • 592.
    GSN00716-01 40 Localizaciónde fallas 28 D155AX-6 Código de falla [15SJL1] L/U: Relleno alto (Interruptor de relleno en ON) 1 Código de acción Código de fallas Problema L/U: Relleno alto (Interruptor de relleno en ON) (Sistema de control del tren de potencia) E02 15SJL1 Contenido del problema • Cuando la salida del embrague de traba del convertidor de torsión el circuito del solenoide ECMV se pone en OFF, la señal del interruptor de llenado se pone en ON. Acción del controlador • Ninguno en particular. Problemas que aparecen en la máquina • El motor se puede calar durante el traslado. Información relacionada • Estado del embrague de traba ECMV, la señal del interruptor de llenado puede comprobarse con la función de observación. (Código: 31520 Ingreso 2 del interruptor de llenado T/M) • Método para reproducir el código de falla: Arrancar el motor + Colocar la transmisión en la posición de avance (en el modo automático de cambio de marchas) Causas posibles y valores estándar en estado normal Causa Valor estándar en estado normal/Observaciones sobre localización de fallas 1 Defectuoso el embrague de traba ECMV interruptor de llenado (Corto circuito interno) H Prepárese con el interruptor de arranque en posición "OFF", seleccione el modo de cambio de marchas automático y efectúe la localización de fallas. FLUC (macho) Palanca PCCS (Velocidad de traslado) Resistencia Entre (1) – tierra chasis N Mín. 1 MΩ Trabado en F1, F2, o F3 Max. 1 Ω 2 Falla de puesta a tierra del arnés de cables (Contacto con el circuito de puesta a tierra) H Haga los preparativos con el interruptor del arranque en OFF y realice la localización de fallas sin poner en ON el interruptor del arranque. Arnés de cables entre STC2 (hembra) (36) – FLUC (hembra) (1) Resist encia Mín. 1 MΩ 3 Controlador del tren de potencia defectuoso H Prepárese con el interruptor de arranque en posición "OFF", seleccione el modo de cambio de marchas automático y efectúe la localización de fallas. STC2 Palanca PCCS (Velocidad de traslado) Voltaje Entre (36) – tierra chasis N 5 -11 V Trabado en F1, F2, o F3 Máx. 1 V 4 Sistema hidráulico defectuoso Si las causas 1 – 3 no son detectadas en el sistema eléctrico, el sistema hidráulico puede estar defectuoso. Realizar la localización de fallas relacionada (modo H).
  • 593.
    40 Localización defallas GSN00716-01 D155AX-6 29 Diagrama de circuito relacionado con el embrague de traba ECMV del convertidor de torsión. Controlador del tren de potencia ESTRUCTURA DEL PISO TREN DE POTENCIA Embrague ECMV de traba del convertidor de tors Interruptor de llenado de traba TIERRA (solenoide) ECMV de traba
  • 594.
    GSN00716-01 40 Localizaciónde fallas 30 D155AX-6 Código de falla [15SJLH] L/U: Bajo relleno (Interruptor de relleno en OFF)1 Código de acción Código de fallas Proble- ma L/U: Bajo relleno (Interruptor de relleno en OFF) (Sistema de control del tren de potencia) E02 15SJLH Contenido del problema • Cuando la salida hacia el embrague de traba del convertidor de torsión el circuito del solenoide ECMV se pone en ON, la señal del interruptor de llenado se pone en OFF. Acción del controlador • Ninguno en particular. Problemas que aparecen en la máquina • El motor se puede calar durante el traslado. Información relacionada • Estado del embrague de traba ECMV, la señal del interruptor de llenado puede comprobarse con la función de observación. (Código: 31520 Ingreso 2 del interruptor de llenado T/M) • Método para reproducir el código de falla: Arrancar el motor + Colocar la transmisión en la posición de avance (en el modo automático de cambio de marchas) Causas posibles y valores estándar en estado normal Causa Valor estándar en estado normal/Observaciones sobre localización de fallas 1 Defectuoso el embrague de traba; interruptor de llenado ECMV (desconexión interna). H Prepárese con el interruptor de arranque en posición "OFF", seleccione el modo de cambio de marchas automático y efectúe la localización de fallas. FLUC (macho) Palanca PCCS (Velocidad de traslado) Resistencia Entre (1) – tierra chasis N Mín. 1 MΩ Trabado en F1, F2, o F3 Max. 1 Ω 2 Desconexión en el arnés de cables (Desconexión en el arnés, o contacto defectuoso en el conector) H Haga los preparativos con el interruptor del arranque en OFF y realice la localización de fallas sin poner en ON el interruptor del arranque. Arnés de cables entre STC2 (hembra) (36) – FLUC (hembra) (1) Resisten- cia Max. 1 Ω 3 Controlador del tren de potencia defectuoso H Prepárese con el interruptor de arranque en posición "OFF", seleccione el modo de cambio de marchas automático y efectúe la localización de fallas. STC2 Palanca PCCS (Velocidad de traslado) Voltaje Entre (36) – tierra chasis N 5 -11 V Trabado en F1, F2, o F3 Máx. 1 V 4 Sistema hidráulico defectuoso Si las causas 1 – 3 no son detectadas en el sistema eléctrico, el sistema hidráulico puede estar defectuoso. Realizar la localización de fallas relacionada (modo H).
  • 595.
    40 Localización defallas GSN00716-01 D155AX-6 31 Diagrama de circuito relacionado con el embrague de traba ECMV del convertidor de torsión. Controlador del tren de potencia ESTRUCTURA DEL PISO TREN DE POTENCIA Embrague ECMV de traba del convertidor de torsión Interruptor de llenado de traba TIERRA (solenoide) ECMV de traba
  • 596.
    GSN00716-01 40 Localizaciónde fallas 32 D155AX-6 Código de falla [2301L1] Freno derecho: Relleno alto (Interruptor de relleno en ON) 1 Diagrama del circuito relacionado con la caja de la dirección del freno derecho ECMV Código de acción Código de fallas Proble -ma Freno derecho: Relleno alto (Interruptor de relleno en ON) (Sistema de control del tren de potencia) E04 2301L1 Contenido del problema • Cuando la salida hacia la caja de dirección del freno derecho, el circuito del solenoide ECMV se pone en OFF y la señal del interruptor de llenado se pone en ON. Acción del controlador • Limita la operación del motor, la transmisión y el freno. Problemasque aparecen en la máquina • Aplica ligeramente el freno durante el traslado. • Una vez se haya detenido la máquina, la velocidad del motor queda limitada a la mitad. • Una vez detenida la máquina, no puede trasladarse más Información relacionada • Estado del freno derecho; señal ECMV del interruptor de llenado puede comprobarse con la función de observación. (Código: 31521 Entrada interruptor de llenado S/T) • Método para reproducir el código de falla: Arrancar el motor + Operar la palanca del freno de estacionamiento (Libre) + Operar el pedal del freno (Oprimir). Causas posibles y valores estándar en estado normal Causa Valor estándar en estado normal/Observaciones sobre localización de fallas 1 Defectuoso el freno derecho, ECMV interruptor de llenado (corto circuito interno) H Preparar con el interruptor del arranque en OFF, después arrancar el motor, colocar la palanca del freno de estacionamiento en la posición Libre y ejecutar la localización de falla. FBRR (macho) Pedal de freno Resistencia Entre (1) – tierra chasis Liberado Max. 1 Ω Presionado Mín. 1 MΩ 2 Falla de puesta a tierra del arnés de cables (Contacto con el circuito de puesta a tierra) H Haga los preparativos con el interruptor del arranque en OFF y realice la localización de fallas sin poner en ON el interruptor del arranque. Arnés de cables entre STC2 (hembra) (38) – FBRR (hembra) (1) Resistencia Mín. 1 MΩ 3 Controlador del tren de potencia defectuoso H Preparar con el interruptor del arranque en OFF, después arrancar el motor, colocar la palanca del freno de estacionamiento en la posición Libre y ejecutar la localización de falla. STC2 Pedal de freno Voltaje Entre (38) – tierra chasis Liberado Máx. 1 V Presionado 5 -11V 4 Sistema hidráulico defectuoso Si las causas 1 – 3 no son detectadas en el sistema eléctrico, el sistema hidráulico puede estar defectuoso. Realizar la localización de fallas relacionada (modo H). Controlador del tren de potencia ESTRUCTURA DEL PISO TREN DE POTENCIA ECMV del freno derecho Interruptor de llenado del freno derecho TIERRA (solenoide) Freno derecho S/T
  • 597.
    40 Localización defallas GSN00716-01 D155AX-6 33 Código de falla [2301LH] Freno derecho: Bajo relleno (Interruptor de relleno en OFF) 1 Diagrama del circuito relacionado con la caja de la dirección del freno derecho ECMV Código de acción Código de fallas Proble- ma Freno derecho: Bajo relleno (Interruptor de relleno en OFF) (Sistema de control del tren de potencia) E04 2301LH Contenido del problema • Cuando la salida hacia la caja de dirección del freno derecho, el solenoide ECMV del circuito está puesto en ON, la señal del interruptor de llenado está en OFF. Acción del controlador • Limita la operación del motor, la transmisión y el freno. Problemas que aparecen en la máquina • Aplica ligeramente el freno durante el traslado. • Una vez se haya detenido la máquina, la velocidad del motor queda limitada a la mitad. • Una vez detenida la máquina, no puede trasladarse más Información relacionada • Estado del freno derecho; señal ECMV del interruptor de llenado puede comprobarse con la función de observación. (Código: 31521 Entrada interruptor de llenado S/T) • Método para reproducir el código de falla: Arrancar el motor + Operar la palanca del freno de estacionamiento (Libre) + Operar el pedal del freno (Oprimir). Causas posibles y valores estándar en estado normal Causa Valor estándar en estado normal/Observaciones sobre localización de fallas 1 Defectuoso el freno derecho, ECMV interruptor de llenado (corto circuito interno) H Preparar con el interruptor del arranque en OFF, después arrancar el motor, colocar la palanca del freno de estacionamiento en la posición Libre y ejecutar la localización de falla. FBRR (macho) Pedal de freno Resistencia Entre (1) – tierra chasis Liberado Max. 1 Ω Presionado Mín. 1 MΩ 2 Desconexión en el arnés de cables (Desconexión en el arnés, o contacto defectuoso en el conector) H Haga los preparativos con el interruptor del arranque en OFF y realice la localización de fallas sin poner en ON el interruptor del arranque. Arnés de cables entre STC2 (hembra) (38) – FBRR (hembra) (1) Resistencia Max. 1 Ω 3 Controlador del tren de potencia defectuoso H Preparar con el interruptor del arranque en OFF, después arrancar el motor, colocar la palanca del freno de estacionamiento en la posición Libre y ejecutar la localización de falla. STC2 Pedal de freno Voltaje Entre (38) – tierra chasis Liberado Máx. 1 V Presionado 5 -11 V 4 Sistema hidráulico defectuoso Si las causas 1 – 3 no son detectadas en el sistema eléctrico, el sistema hidráulico puede estar defectuoso. Realizar la localización de fallas relacionada (modo H). Controlador del tren de potencia ESTRUCTURA DEL PISO TREN DE POTENCIA ECMV del freno derecho Interruptor de llenado del freno derecho TIERRA (solenoide) Freno derecho S/T
  • 598.
    GSN00716-01 40 Localizaciónde fallas 34 D155AX-6 Código de falla [2302L1] Freno izquierdo: Relleno alto (Interruptor de relleno en ON) 1 Diagrama del circuito relacionado con la caja de la dirección del freno izquierdo ECMV Código de acción Código de fallas Problema Freno izquierdo: Relleno alto (Interruptor de relleno en ON) (Sistema de control del tren de potencia) E04 2302L1 Contenido del problema • Cuando la salida hacia la caja de dirección del freno izquierdo, el solenoide ECMV del circuito está puesto en OFF, la señal del interruptor de llenado está en ON. Acción del controlador • Limita la operación del motor, la transmisión y el freno. Problemas que aparecen en la máquina • Aplica ligeramente el freno durante el traslado. • Una vez se haya detenido la máquina, la velocidad del motor queda limitada a la mitad. • Una vez detenida la máquina, no puede trasladarse más Información relacionada • El estado de la señal del interruptor de llenado del freno izquierdo ECMV se puede comprobar con la función de observación. (Código: 31521 Entrada interruptor de llenado S/T) • Método para reproducir el código de falla: Arrancar el motor + Operar la palanca del freno de estacionamiento (Libre) + Operar el pedal del freno (Oprimir). Causas posibles y valores estándar en estado normal Causa Valor estándar en estado normal/Observaciones sobre localización de fallas 1 Defectuoso el interruptor de llenado ECMV del freno izquierdo (Corto circuito interno). H Preparar con el interruptor del arranque en OFF, después arrancar el motor, colocar la palanca del freno de estacionamiento en la posición Libre y ejecutar la localización de falla. FBRL (macho) Pedal de freno Resistencia Entre (1) – tierra chasis Liberado Max. 1 Ω Presionado Mín. 1 MΩ 2 Falla de puesta a tierra del arnés de cables (Contacto con el circuito de puesta a tierra) H Haga los preparativos con el interruptor del arranque en OFF y realice la localización de fallas sin poner en ON el interruptor del arranque. Arnés de cables entre STC2 (hembra) (2) – FBRL (hembra) (1) Resis- tencia Mín. 1 MΩ 3 Controlador del tren de potencia defectuoso H Preparar con el interruptor del arranque en OFF, después arrancar el motor, colocar la palanca del freno de estacionamiento en la posición Libre y ejecutar la localización de falla. STC2 Pedal de freno Voltaje Entre (2) – tierra chasis Liberado Máx. 1 V Presionado 5 -11 V 4 Sistema hidráulico defectuoso Si las causas 1 – 3 no son detectadas en el sistema eléctrico, el sistema hidráulico puede estar defectuoso. Realizar la localización de fallas relacionada (modo H). Controlador del tren de potencia ESTRUCTURA DEL PISO TREN DE POTENCIA ECMV del freno izquierdo Interruptor de llenado del freno izquierdo TIERRA (solenoide) Freno izquierdo S/T
  • 599.
    40 Localización defallas GSN00716-01 D155AX-6 35 Código de falla [2302LH] Freno izquierdo: Bajo relleno (Interruptor de relleno en OFF) 1 Diagrama del circuito relacionado con la caja de la dirección del freno izquierdo ECMV Código de acción Código de fallas Problema Freno izquierdo: Bajo relleno (Interruptor de relleno en OFF) (Sistema de control del tren de potencia) E04 2302LH Contenido del problema • Cuando la salida hacia la caja de dirección del freno izquierdo el solenoide ECMV del circuito está puesto en ON, la señal del interruptor de llenado está puesta en OFF. Acción del controlador • Limita la operación del motor, la transmisión y el freno. Problemas que aparecen en la máquina • Aplica ligeramente el freno durante el traslado. • Una vez se haya detenido la máquina, la velocidad del motor queda limitada a la mitad. • Una vez detenida la máquina, no puede trasladarse más Información relacionada • El estado de la señal del interruptor de llenado del freno izquierdo ECMV se puede comprobar con la función de observación. (Código: 31521 Entrada interruptor de llenado S/T) • Método para reproducir el código de falla: Arrancar el motor + Operar la palanca del freno de estacionamiento (Libre) + Operar el pedal del freno (Oprimir). Causas posibles y valores estándar en estado normal Causa Valor estándar en estado normal/Observaciones sobre localización de fallas 1 Defectuoso el interruptor de llenado ECMV del freno izquierdo (Corto circuito interno). H Preparar con el interruptor del arranque en OFF, después arrancar el motor, colocar la palanca del freno de estacionamiento en la posición Libre y ejecutar la localización de falla. FBRL (macho) Pedal de freno Resistencia Entre (1) – tierra chasis Liberado Max. 1 Ω Presionado Mín. 1 MΩ 2 Desconexión en el arnés de cables (Desconexión en el arnés, o contacto defectuoso en el conector) H Haga los preparativos con el interruptor del arranque en OFF y realice la localización de fallas sin poner en ON el interruptor del arranque. Arnés de cables entre STC2 (hembra) (2) – FBRL (hembra) (1) Resis- tencia Max. 1 Ω 3 Controlador del tren de potencia defectuoso H Preparar con el interruptor del arranque en OFF, después arrancar el motor, colocar la palanca del freno de estacionamiento en la posición Libre y ejecutar la localización de falla. STC2 Pedal de freno Voltaje Entre (2) – tierra chasis Liberado Máx. 1 V Presionado 5 -11 V 4 Sistema hidráulico defectuoso Si las causas 1 – 3 no son detectadas en el sistema eléctrico, el sistema hidráulico puede estar defectuoso. Realizar la localización de fallas relacionada (modo H). Controlador del tren de potencia ESTRUCTURA DEL PISO TREN DE POTENCIA ECMV del freno izquierdo Interruptor de llenado del freno izquierdo TIERRA (solenoide) Freno izquierdo S/T
  • 600.
    GSN00716-01 40 Localizaciónde fallas 36 D155AX-6 Código de falla [7RFRKA] RELÉ DE RETENCIÓN ECM: Desconexión 1 Código de acción Código de fallas Proble- ma ECM RELE DE RETENCIÓN: Desconección (Sistema de control del tren de potencia) — 7RFRKA Contenido del problema • Cuando el circuito de tierra del relé de corte del circuito del motor es desconectado para poner la salida en ON, no hay flujo de corriente. Acción del controlador • Ninguno en particular. Problemas que aparecen en la máquina • Cuando el mecanismo de corte del motor está instalado, el motor no se puede cortar (detener). Información relacionada • Estado de la señal del circuito del relé de corte del motor se puede comprobar con la función de observación. (Código: 40912 Entrada del interruptor P/T) • Método para reproducir el código de falla: Arranque el motor. • Este código de falla detecta anormalidad en el lado primario (lado de la bobina) del relé de corte del motor pero no puede detectar anormalidad en el lado secundario (lado de contacto). Causas posibles y valores estándar en estado normal Causa Valor estándar en estado normal/Observaciones sobre localización de fallas 1 Defectuoso el relé de corte del motor (desconexión interna) H Haga los preparativos con el interruptor del arranque en OFF y realice la localización de fallas sin poner en ON el interruptor del arranque. ACT (macho) Resistencia Entre (1) – (2) 200 – 400 Ω 2 Desconexión en el arnés de cables (Desconexión en el arnés, o contacto defectuoso en el conector) H Haga los preparativos con el interruptor del arranque en OFF y realice la localización de fallas sin poner en ON el interruptor del arranque. Arnés de cables entre STC2 (hembra) (19) – ACT (hembra) (2) Resistencia Max. 1 Ω Arnés de cables entre ACT (hembra) (1) – terminal 270. Resistencia Max. 1 Ω 3 Corto circuito en el arnés de cables (Contacto con el circuito de tierra) H Haga los preparativos con el interruptor del arranque en OFF y realice la localización de fallas sin poner en ON el interruptor del arranque. Arnés de cables entre STC2 (hembra) (19) – ACT (hembra) (2) Resistencia Mín. 1 MΩ Arnés de cables entre ACT (hembra) (1) – terminal 270, final de ramificación de circuito. Resistencia Mín. 1 MΩ 4 Controlador del tren de potencia defectuoso H Haga los preparativos con el interruptor del arranque en OFF, ponga en ON el interruptor del arranque y realice la localización de fallas. STC2 Voltaje Entre (19) – tierra chasis 20 -30 V
  • 601.
    40 Localización defallas GSN00716-01 D155AX-6 37 Diagrama de circuito relacionado con el relé de corte del motor MOTOR GUARDAFANGO IZQUIERDO Controlador del motor Interruptor arranque Acumulador Corte Acumulador (Motor) Controlador del tren de potencia Disyuntor Caja de fusibles Corte del acumulador Interruptor de arranque TABLERO DE INSTRUMENTOS Y ESTRUCTURA DEL PISO
  • 602.
    GSN00716-01 40 Localizaciónde fallas 38 D155AX-6 Código de falla [AA10NX] Obstrucción del filtro de aire 1 *1: Max. -3,430 Pa {-350 mmH2O} *2: -7,470 ± 490Pa {-762 ± 50 mmH2O} Código de acción Código de fallas Problema Obstrucción en el filtro del aire (Sistema monitor de la máquina) — AA10NX Contenido del problema • Mientras el motor estaba en marcha, el circuito de señales del interruptor de obstrucción del filtro de aire detectó la obstrucción del filtro de aire (se abrió el contacto del sensor). Acción del monitor de la máquina • Ninguno en particular. Problemas que aparecen en la máquina • Si se opera la máquina tal cual se encuentra, el motor puede dañarse. Información relacionada • Método para reproducir el código de falla: Arranque el motor. Causas posibles y valores estándar en estado normal Causa Valor estándar en estado normal/Observaciones sobre localización de fallas 1 Filtro de aire obstruido (Cuando el sistema es normal) H El filtro de aire podría estar obstruido. Compruebe y limpie o sustituyala. 2 Defectuoso el interruptor de obstrucción del purificador de aire (desconexión interna) H Prepárese con el interruptor de arranque en posición "OFF", luego arranque el motor y efectúe la localización de fallas. AF1 (macho) Filtro de aire Resistencia Entre (1) – (2) Normal (Resistencia del aire de admisión: *1) Max. 1 Ω Obstruido (Resistencia del aire de admisión: *2) Mín. 1 MΩ 3 Desconexión en el arnés de cables (Desconexión en el arnés, o contacto defectuoso en el conector) H Haga los preparativos con el interruptor del arranque en OFF y realice la localización de fallas sin poner en ON el interruptor del arranque. Arnés de cables entre CM02 (hembra) (4) – AF1 (hembra) (1) Resistencia Max. 1 Ω Arnés de cables entre CM01 (hembra) (7), CM02 (hembra) (7) – AF1 (hembra) (2) Resistencia Max. 1 Ω 4 Controlador del tren de potencia defectuoso H Prepárese con el interruptor de arranque en posición "OFF", luego arranque el motor y efectúe la localización de fallas. CM02 Filtro de aire Voltaje Entre (4) – (7) Normal (Resistencia del aire de admisión: *1) Máx. 1 V Obstruido (Resistencia del aire de admisión: *2) 20 -30 V
  • 603.
    40 Localización defallas GSN00716-01 D155AX-6 39 Diagrama del circuito relacionado con el interruptor de obstrucción del filtro de aire MOTORGUARDAFANGO IZQ.TABLERO DE INSTRUMENTOS Y ESTRUCTURA DEL PISO Panel Monitor Señal TIERRA Señal TIERRA Obstrucción del filtro de aire Sensor de obstrucción del filtro de aire (si está equipado)
  • 604.
    GSN00716-01 40 Localizaciónde fallas 40 D155AX-6 Código de falla [AB00MA] Carga Anormal de la Batería 1 Código de acción Código de fallas Problema Carga de batería anormal (Sistema monitor de la máquina) — AB00MA Contenido del problema • Mientras el motor estaba en marcha, el circuito de señales del alternador detectó que el voltaje de carga de baterías estaba bajo. Acción del monitor de la máquina • Expone el nivel de carga en el indicador rojo de la máquina. Problemas que aparecen en la máquina • Si se opera la máquina tal cual está, la batería podrá descargarse. Información relacionada • El voltaje de la batería puede comprobarse con la función de observación. (Código: 03203 Fuente de energía de batería) • Método para reproducir el código de falla: Arranque el motor. Causas posibles y valores estándar en estado normal Causa Valor estándar en estado normal/Observaciones sobre localización de fallas 1 Defectuosa la carga del alternador (Cuando el sistema está normal) H Prepárese con el interruptor de arranque en posición "OFF", luego arranque el motor y efectúe la localización de fallas. CM01 Motor Voltaje Entre (11) – tierra chasis Superior a la velocidad media 27.5 – 29.5 V 2 Sistema del monitor de nivel de carga defectuoso Si no se detecta la causa 1, el sistema monitor del nivel de carga podría estar defectuoso. Ejecute “E-* Item de precaución (Monitor de nivel de carga) se enciende mientras el motor está en marcha” en el modo E.
  • 605.
    40 Localización defallas GSN00716-01 D155AX-6 41 Diagrama de circuito relacionado al precalentamiento/arranque/carga del motor GUARDAFANGO IZQUIERDOTABLERO DE INSTRUMENTOS Y ESTRUCTURA DEL PISO Batería Relé de batería Disyuntor Relé del calentador eléctrico de la admisión de aire Disyuntor Disyuntor Calentador eléctrico del aire de admisión Interruptor de arranque Panel monitor Controlador del tren de potencia Controlador del equipo de trabajo Caja de fusibles Seguridad neutral Pre-calen- tamiento Controlador del motor Alternador Motor de arranque Relé de seguridad Corte del acumulador Disyuntor Caja de fusibles Interruptor de arranque ACC Interruptor de arranque ACC Interruptor de arranque C Señal de pre-calentamiento Señal R Interruptor de arranque ACC Interruptor de arranque ACC Señal de relé de la batería Relé de seguridad neutral Señal R del alternador Interruptor de arranque ACC Interruptor de arranque ACC Señal de ralentí del motor Corte acumulador (motor) Señal de parada del motor Retención del motor Retención del motor
  • 606.
    GSN00716-01 40 Localizaciónde fallas 42 D155AX-6 Código de falla [B@BAZG] Presión del aceite del motor baja 1 Código de fallas [B@BCNS] Agua del motor sobrecalentado 1 Código de acción Código de fallas Problema Presión Baja de Aceite del Motor (Sistema controlador del motor) — B@BAZG Contenido del problema • Mientras el motor estaba en marcha, el circuito de señales del sensor de presión de aceite del motor detectó que la presión del aceite del motor estaba anormalmente baja. Acción del controlador • Expone monitor de la presión del aceite del motor en el indicador rojo de la máquina. Problemas que aparecen en la máquina • Si se opera la máquina tal cual se encuentra, el motor puede trancarse. Información relacionada • La señal del sensor de presión del aceite del motor se ingresa al controlador del motor y después se transmite al monitor de la máquina a través del sistema de comunicación. • La presión de aceite del motor se puede comprobar con la función de observación (Código: 37200 Presión de Aceite del Motor) • Método para reproducir el código de falla: Arranque el motor. Causas posibles y valores estándar en estado normal Causa Valor estándar en estado normal/Observaciones sobre localización de fallas 1 Presión baja de aceite del motor (Cuando el sistema está normal) Revise la presión de aceite del motor. Si está bajo, elimine la causa. 2 Sistema de instrumentos de presión de aceite del motor defectuoso Si no se detecta la causa 1, el sistema del medidor de presión del aceite tal vez esta defectuoso. Ejecute “E-* Indicador de presión de aceite del motor no funciona normalmente” en el modo E. Código de acción Código de fallas Problema Recalentamiento del Agua del Motor (Sistema controlador del motor) — B@BCNS Contenido del problema • Mientras el motor estaba en marcha, el circuito de señales de la temperatura del refrigerante del motor detectó que el refrigerante del motor estaba sobre calentado. Acción del controlador • Expone en rojo el indicador de temperatura del refrigerante del motor en el monitor de la máquina. Problemas que aparecen en la máquina • Si se opera la máquina tal cual se encuentra, el motor puede trancarse. Información relacionada • La señal del sensor de temperatura del refrigerante del motor se ingresa al controlador del motor y después se transmite al monitor de la máquina a través del sistema de comunicación. • La temperatura del aceite del motor puede ser vigilada con la función de monitoréo. (Código: 04107 Temperatura del refrigerante) • Método para reproducir el código de falla: Arranque el motor. Causas posibles y valores estándar en estado normal Causa Valor estándar en estado normal/Observaciones sobre localización de fallas 1 Recalentamiento del refrigerante del motor (Cuando el sistema está normal) Comprobar el refrigerante del motor para sobre calentamiento Si esta sobre calentado elimine la causa 2 Defectuoso el sistema indicador de temperatura del refrigerante del motor Si no se detecta la causa 1, el sistema indicador de temperatura del refrigerante del motor podría estar defectuoso. Ejecute “E-* El indicador de temperatura del refrigerante del motor no funcional normalmente” en el modo E
  • 607.
    40 Localización defallas GSN00716-01 D155AX-6 43 Código de falla [B@BCZK] Bajo el nivel del agua del motor 1 Código de falla [B@CENS] Sobrecalentamiento del aceite del convertidor de torsión 1 Código de acción Código de fallas Problema Bajo Nivel de Agua en el Motor (Sistema controlador de la máquina) — B@BCZK Contenido del problema • Mientras el interruptor del arranque estaba en ON (y el motor estaba parado) o el motor estaba en marcha, el circuito de señales del interruptor del nivel del refrigerante del radiador detectó que estaba bajo el nivel del refrigerante en el radiador (el contacto del sensor estaba abierto). Acción del monitor de la máquina • Expone en el monitor de la máquina, el indicador rojo del nivel del refrigerante del radiador. Problemas que aparecen en la máquina • Si se opera la máquina tal cual se encuentra, el motor puede recalentarse. Información relacionada • Método para reproducir el código de falla: Arranque el motor. Causas posibles y valores estándar en estado normal Causa Valor estándar en estado normal/Observaciones sobre localización de fallas 1 Bajo el nivel del enfriador (Cuando el sistema es normal) Comprobar el sub. tanque del radiador para bajar el nivel del refrigerante. Si el nivel del refrigerante está bajo, añadir refrigerante. 2 Defectuoso el sistema monitor del nivel de refrigerante en el radiador Si no se detecta la causa 1, podría estar defectuoso el monitor del nivel de refrigerante en el radiador. Ejecute “E-* Item de precaución (Monitor del nivel de refrigerante del radiador) se enciende mientras el interruptor del arranque está en ON (y el motor está parado)” en el modo E. Código de acción Código de fallas Problema Sobrecalentamiento del Aceite del Convertidor de Torsión (Sistema de control del tren de potencia) — B@CENS Contenido del problema • Mientras el motor estaba en marcha, el circuito de señales del sensor de temperatura del aceite del convertidor de torsión detector que estaba sobrecalentado el aceite del tren de potencia. Acción del controlador • Expone en rojo el monitor de la temperatura del aceite del convertidor de torsión en el monitor de la máquina. Problemas que aparecen en la máquina • Si se usa la máquina tal como está, se puede dañar algún componente del tren de potencia. Información relacionada • La señal del sensor de temperatura del aceite del convertidor de torsion se ingresa al controlador del tren de potencia y después es transmitida al monitor de la máquina a través del sistema de comunicaciones. • La temperatura del aceite del tren de potencia puede ser vigilada con la función de monitoreo. (Código: 30100 Temperatura del aceite del convertidor de torsión) • Método para reproducir el código de falla: Arranque el motor. Causas posibles y valores estándar en estado normal Causa Valor estándar en estado normal/Observaciones sobre localización de fallas 1 Sobrecalentado el aceite del tren de potencia (Cuando el sistema está normal) Compruebe si hay sobrecalentamiento en el aceite del tren de potencia Si esta sobre calentado elimine la causa 2 Sistema sensor de temperatura del aceite del convertidor de torsión Si no se detecta la causa 1, el sistema sensor de temperatura del aceite del convertidor de torsión podría estar defectuoso. Efectúe la localización de fallas para el código de falla [DGT1KA] o [DGT1KX].
  • 608.
    GSN00716-01 40 Localizaciónde fallas 44 D155AX-6 Código de falla [B@HANS] sobrecalentamiento del aceite hidráulico 1 Código de acción Código de fallas Problema Sobrecalentamiento del aceite hidráulico (Sistema monitor de la máquina) — B@HANS Contenido del problema • Mientras el motor estaba en marcha, el circuito de señales del sensor de temperatura del aceite hidráulico detectó que el aceite hidráulico estaba sobrecalentado. Acción del controlador • Expone el monitor de temperatura del aceite hidráulico en color rojo en el monitor de la máquina. Problemas que aparecen en la máquina • Si se usa la máquina tal cual está, se pueden dañar los componentes de los circuitos HSS y equipos de trabajo. Información relacionada • La temperatura del aceite hidráulico puede ser vigilada con la función de monitoréo (Código: 04401 Temperatura del aceite hidráulico) • Método para reproducir el código de falla: Arranque el motor. Causas posibles y valores estándar en estado normal Causa Valor estándar en estado normal/Observaciones sobre localización de fallas 1 Sobre calentado el aceite hidráulico (Cuando el sistema está normal) Revise si se ha sobre calentado el aceite hidráulico. Si esta sobre calentado elimine la causa 2 Defectuoso el sistema indicador de temperatura del aceite hidráulico Si no se detecta la causa 1, el sistema indicador de temperatura del aceite hidráulico podría estar defectuoso. Ejecute “E-* El indicador de temperatura del aceite hidráulico no funciona normalmente” en el modo E.
  • 609.
    40 Localización defallas GSN00716-01 D155AX-6 45
  • 610.
    GSN00716-01 40 Localizaciónde fallas 46 D155AX-6 D155AX-6 Buldózer Forma No. GSN00716-01 © 2006 KOMATSU Todos los Derechos Reservados Impreso en E.E.U.U. 08-06
  • 611.
    D155AX-6 1 GSN00717-01 BULDÓZER 1MANUALDE TALLER D155AX-6 Modelo de máquina Número de serie D155AX-6 80001 y superiores 40 Localización de fallas 1 Localización de fallas y códigos de errores, Parte 2 Localización de fallas y códigos de errores, Parte 2...................................................................................... 4 Código de falla [CA111] EMC Crítica falla interna .............................................................................. 4 Código de falla [CA115] error en el sensor de velocidad Ne del Motor y en el sensor de velocidad de retroceso.............................................................................................................. 6 Código de falla [CA122] Error en sensor por alta presión de carga de aire........................................ 8 Código de falla [CA123] Error en sensor por baja presión de aire de carga..................................... 10 Código de falla [CA131] Error en Sensor por alta aceleración.......................................................... 12 Código de falla [CA132] Error en sensor por baja aceleración ......................................................... 14 Código de falla [CA135] Error. En sensor de presión alta de aceite del motor ................................. 16 Código de falla [CA141] Error. En sensor de presión baja de aceite del motor ................................ 18 Código de falla [CA144] Error en sensor por alta temperatura del refrigerante................................ 20 Código de falla [CA145] Error en sensor por baja temperatura del refrigerante ............................... 22 Código de falla [CA153] Error en sensor por alta temperatura del aire de carga ............................. 24 Código de falla [CA154] Error en sensor por baja temperatura de aire de carga ............................. 26
  • 612.
    GSN00717-01 40 Localizaciónde fallas 2 D155AX-6 Código de falla [CA187] Error. Bajo suministro al sensor de 2 voltios .............................................. 26 Código de falla [CA221] Error. Sensor de alta presión ambiental ..................................................... 28 Código de falla [CA222] Error. Sensor de baja presión ambiental .................................................... 30 Código de falla [CA227] Error. Sensor del suministro energético Alto 2 Voltios............................... 32 Código de falla [CA234] Exceso de velocidad en el motor................................................................ 34 Código de falla [CA238] Error. Suministro energético al sensor de velocidad Ne............................. 36 Código de falla [CA263] Error en sensor por alta temperatura del combustible................................ 38 Código de falla [CA265] Error en sensor por baja temperatura del combustible............................... 39 Código de falla [CA271] PCV1 Error. Corto circuito .......................................................................... 40 Código de falla [CA272] PCV1 Error ................................................................................................. 41 Código de falla [CA273] PCV2 Error. Corto circuito .......................................................................... 42 Código de falla [CA274] PCV2 Error ................................................................................................. 43 Código de falla [CA322] Inyector No. 1 (L No. 1) Abierto/Corto circuito Error................................... 44 Código de falla [ CA323] Inyector No. 5 (L No. 5) Abierto/Corto circuito Error.................................. 45 Código de falla [CA324] Inyector No. 3 (L No. 3) Abierto/Corto circuito Error................................... 46 Código de falla [CA325] Inyector No. 6 (L No. 6) Abierto/Corto circuito Error................................... 47 Código de falla [ CA331] Inyector No. 2 (L No. 2) Abierto/Corto circuito Error.................................. 48 Código de falla [ CA332] Inyector No. 4 (L No. 4) Abierto/Corto circuito Error.................................. 49 Código de falla [CA342] Incompatibilidad con el Código de Calibración........................................... 50 Código de falla [CA351] Error en el circuito de mando de los inyectores ......................................... 52 Código de falla [CA352] Error. Bajo suministro al sensor de 1 voltios .............................................. 54 Código de falla [CA386] Error. Sensor del suministro energético Alto 1 Voltios................................ 56 Código de falla [CA441] Error. Bajo el voltaje de batería .................................................................. 58 Código de falla [CA442] Error. Alto el voltaje de la batería ............................................................... 58 Código de falla [CA449] Error. Muy alta la presión del múltiple ........................................................ 59 Código de falla [CA451] Error. Alta presión en el sensor del múltiple............................................... 60 Código de falla [CA452] Error. Sensor detecta baja presión en el múltiple....................................... 62 Código de falla [CA553] Error. Alta presión en el múltiple ................................................................ 62 Código de falla [CA554] Error. Sensor de presión del múltiple en área de error .............................. 63 Código de falla [CA559] Error. Baja presión de carrilera................................................................... 64 Código de falla [CA689] Error. Sensor de velocidad Ne del motor.................................................... 68
  • 613.
    40 Localización defallas GSN00717-01 D155AX-6 3
  • 614.
    GSN00717-01 40 Localizaciónde fallas 4 D155AX-6 Localización de fallas y códigos de errores, Parte 2 1 Código de falla [CA111] EMC Crítica falla interna 1 Código de acción Código de fallas Problema EMC Crítica falla interna (Sistema controlador del motor) E04 CA111 Contenido del problema • El problema ocurrió en el controlador del motor. Acción del controlador • Ninguno en particular. Problemas que aparecen en la máquina • El motor trabaja normalmente pero se puede parar durante operaciones o puede ser incapaz de arrancar. Información relacionada • La fuente de voltaje del controlador del motor se puede monitorear con la función de ajuste. (Código: 03203 Fuente de energía de batería) Causas posibles y valores estándar en estado normal Causa Valor estándar en estado normal/Observaciones sobre localización de fallas 1 Defectuoso el disyuntor de circuito (-cb30 ó CB8) Si el disyunctor de circuito se pone en OFF, probablemente el circuito tiene una falla de tierra. (Vea la causa 3.) 2 Desconexión en el arnés de cables (Desconexión en el arnés, o contacto defectuoso en el conector) H Haga los preparativos con el interruptor del arranque en OFF y realice la localización de fallas sin poner en ON el interruptor del arranque. Arnés de cables entre EGC3 (hembra) (3), (4) – CB8 (2) Resistencia Max. 1 Ω Arnés de cables entre CB8 (1) – CB30 (B30S) Resistencia Max. 1 Ω Arnés de cables entre CB30 (B30L) – terminal BRB Resistencia Max. 1 Ω Arnés de cables entre EGC3 (hembra) (1), (2) – tierra del chasis (GND 20 Resistencia Max. 1 Ω 3 Falla de puesta a tierra del arnés de cables (Contacto con el circuito de puesta a tierra) H Haga los preparativos con el interruptor del arranque en OFF y realice la localización de fallas sin poner en ON el interruptor del arranque. Arnés de cables entre EGC3 (hembra) (3), (4) – CB8 (2) y la tierra del chasis Resistencia Mín. 1 MΩ Arnés de cables entre CB8 (1) – CB30 (B30S), final de ramificación de circuito y la tierra del chasis Resistencia Mín. 1 MΩ Arnés de cables entre CB30 (B30L) – terminal BRB y la tierra del chasis Resistencia Mín. 1 MΩ Arnés de cables entre EGC3 (hembra) (1), (2) – tierra del chasis (GND 20 y la tierra del chasis Resistencia Mín. 1 MΩ 4 Controlador del motor defectuoso H Haga los preparativos con el interruptor del arranque en OFF, ponga en ON el interruptor del arranque y realice la localización de fallas. EGC3 Interruptor de arranque Voltaje Entre (3), (4) – (1), (2) ACTIVADO (ON) 20 -30 V
  • 615.
    40 Localización defallas GSN00717-01 D155AX-6 5 Diagrama del circuito relacionado con el suministro energético del controlador del motor CAJA DE LA BATERIA Batería DisyuntorRelé de batería MOTOR Controlador del motor Disyuntor TIERRA potencia TIERRA potencia Potencia sin interruptor 24V Potencia sin interruptor 24V
  • 616.
    GSN00717-01 40 Localizaciónde fallas 6 D155AX-6 Código de falla [CA115] error en el sensor de velocidad Ne del Motor y en el sensor de velocidad de retroceso. 1 Código de acción Código de fallas Problema Error en el sensor de velocidad Ne del Motor y en el sensor de velocidad de retroceso (Sistema controlador del motor)E04 CA115 Contenido del problema • Ocurrió problema en el circuito del sensor de velocidad Ne simultáneamente con el circuito del sensor de velocidad de marcha atrás Acción del controlador • Ninguno en particular. Problemas que aparecen en la máquina • El motor no se puede arrancar (si se ha parado el motor) • El motor se para (si el motor ha estado en marcha) Información relacionada Causas posibles y valores estándar en estado normal Causa Valor estándar en estado normal/Observaciones sobre localización de fallas 1 Sistema del sensor de velocidad Ne defectuoso Puede estar defectuoso el sistema sensor de la velocidad Ne Efectúe la localización de fallas para el código [CA689]. 2 Defectuoso el sensor de velocidad de retroceso Puede estar defectuoso el sistema sensor de la velocidad de marcha atrás. Efectúe la localización de fallas para el código [CA778]. 3 Defectuoso el montaje del sensor de velocidad Ne Comprobar directamente si hay defecto en el montaje del sensor de velocidad Ne (instalación defectuosa del sensor, problema interno del volante, etc.) 4 Defectuoso el montaje del sensor de la velocidad de marcha atrás Comprobar directamente si hay defecto en el montaje del sensor de velocidad de marcha atrás (instalación defectuosa del sensor, problema interno de la bomba de suministro etc.). 5 Conexión defectuosa (Conexión errónea) del sensor. Comprobar directamente si hay conexión defectuosa (conexión errónea) del sensor de velocidad Ne y del sensor de velocidad de marcha atrás. 6 Controlador del motor defectuoso Si no se detectan las causas 1 a -5, puede que el controlador del motor esté defectuoso. (Como el problema se encuentra en el sistema, no se puede realizar la localización de fallas.)
  • 617.
    40 Localización defallas GSN00717-01 D155AX-6 7
  • 618.
    GSN00717-01 40 Localizaciónde fallas 8 D155AX-6 Código de falla [CA122] Error en sensor por alta presión de carga de aire 1 Código de acción Código de fallas Problema Error en sensor por alta presión de carga de aire (Sistema controlador del motor) E03 CA122 Contenido del problema • El voltaje de la señal en el circuito del sensor de la presión de carga es anormalmente alto. Acción del controlador • Fija la presión de carga (400 kPa {4.08 kg/cm2}) y continua la operación. Problemas que aparecen en la máquina • Desciende el rendimiento de aceleración del motor o se produce humo negro durante la aceleración. Información relacionada • El estado del sensor de presión de carga puede comprobarse con la función de observación. (Código: 36500 Presión de carga absoluta) Causas posibles y valores estándar en estado normal Causa Valor estándar en estado normal/Observaciones sobre localización de fallas 1 Defectuoso el sistema de suministro de energía al sensor Si el código [CA187] o [CA227] aparece indicado, ejecute su localización de falla primero. 2 Defectuoso el sensor de la presión de carga (problema interno) H Haga los preparativos con el interruptor del arranque en OFF, luego ponga en ON el interruptor del arranque y realice la localización de fallas. PIM Voltaje Entre (1) – (2) Fuente de energía 4.75 -5.25 V El voltaje del sensor de presión se mide con el arnés de cables conectado. De tal modo que, si el voltaje es anormal, compruebe el arnés de cables y el controlador también, para otra causa del problema y después haga su juicio. 3 Desconexión en el arnés de cables (Desconexión en el arnés, o contacto defectuoso en el conector) H Haga los preparativos con el interruptor del arranque en OFF y realice la localización de fallas sin poner en ON el interruptor del arranque. Arnés de cables entre EGC1 (hembra) (37) – PIM (hembra) (1) Resistencia Max. 1 Ω Arnés de cables entre EGC1 (hembra) (47) – PIM (hembra) (2) Resistencia Max. 1 Ω Arnés de cables entre EGC1 (hembra) (44) – PIM (hembra) (3) Resistencia Max. 1 Ω 4 Falla de puesta a tierra del arnés de cables (Contacto con el circuito de puesta a tierra) H Haga los preparativos con el interruptor del arranque en OFF y realice la localización de fallas sin poner en ON el interruptor del arranque. Arnés de cables entre EGC1 (hembra) (37) – PIM (hembra) (1) y la tierra del chasis Resistencia Mín. 1 MΩ Arnés de cables entre EGC1 (hembra) (47) – PIM (hembra) (2) y la tierra del chasis Resistencia Mín. 1 MΩ Arnés de cables entre EGC1 (hembra) (44) – PIM (hembra) (3) y la tierra del chasis Resistencia Mín. 1 MΩ 5 Corto circuito en el arnés de cables (con otro arnés de cables) H Haga los preparativos con el interruptor del arranque en OFF y realice la localización de fallas sin poner en ON el interruptor del arranque. Arnés de cables entre EGC1 (hembra) (37) – PIM (hembra) (1) y entre EGC1 (hembra) (47) – PIM (hembra) (2) Resistencia Mín. 1 MΩ Arnés de cables entre EGC1 (hembra) (37) – PIM (hembra) (1) y entre EGC1 (hembra) (44) – PIM (hembra) (3) Resistencia Mín. 1 MΩ Tierra del chasis entre EGC1 (hembra) (47) – PIM (hembra) (2) y entre EGC1 (hembra) (44) – PIM (hembra) (3) Resistencia Mín. 1 MΩ 6 Controlador del motor defectuoso H Haga los preparativos con el interruptor del arranque en OFF, luego ponga en ON el interruptor del arranque y realice la localización de fallas. EGC1 Voltaje Entre (37) – (47) Fuente de energía 4.75 -5.25 V
  • 619.
    40 Localización defallas GSN00717-01 D155AX-6 9 Diagrama de circuito relacionado con el sensor de la presión de carga MOTOR Controlador del motor Presión de refuerzo Sensor energía (5V) Sensor de presión de refuerzo
  • 620.
    GSN00717-01 40 Localizaciónde fallas 10 D155AX-6 Código de falla [CA123] Error en sensor por baja presión de aire de carga 1 Código de acción Código de fallas Problema Error en sensor por baja presión de carga de aire (Sistema controlador del motor) E03 CA123 Contenido del problema • El voltaje de la señal en el circuito sensor de la presión de carga es anormalmente bajo. Acción del controlador • Fija la presión de carga (400 kPa {4.08 kg/cm2}) y continua la operación. Problemas que aparecen en la máquina • Desciende el rendimiento de aceleración del motor o se produce humo negro durante la aceleración. Información relacionada • El estado del sensor de presión de carga puede comprobarse con la función de observación. (Código: 36500 Presión de carga absoluta) Causas posibles y valores estándar en estado normal Causa Valor estándar en estado normal/Observaciones sobre localización de fallas Efectúe la localización de fallas para el código de falla [CA122].
  • 621.
    40 Localización defallas GSN00717-01 D155AX-6 11
  • 622.
    GSN00717-01 40 Localizaciónde fallas 12 D155AX-6 Código de falla [CA131] Error en Sensor por alta aceleración 1 Código de acción Código de fallas Problema Error en sensor por alta aceleración (Sistema controlador del motor) E03 CA131 Contenido del problema • Voltaje de la señal en circuito del potenciómetro del pedal desacelerador es anormalmente alto. Acción del controlador • Establece la posición del acelerador con la señal del control de combustible y continua la operación. Problemas que aparecen en la máquina Información relacionada • La señal del régimen de operación óptimo del pedal desacelerador puede comprobarse con la función de observación. (Código: 03001 Voltaje del sensor de posición del acelerador) Causas posibles y valores estándar en estado normal Causa Valor estándar en estado normal/Observaciones sobre localización de fallas 1 Defectuoso el sistema de suministro de energía al sensor Si el código [CA2185] o [CA2186] aparece indicado, ejecute su localización de falla primero. 2 Defectuoso el control de combustible (problema interno) H Haga los preparativos con el interruptor del arranque en OFF y realice la localización de fallas sin poner en ON el interruptor del arranque. DCL (macho) Resistencia Entre (B) – (C) 1.5 -2.5 kΩ Entre (A) – (B) 0 -3 kΩ Entre (A) – (C) 0 -3 kΩ 3 Desconexión en el arnés de cables (Desconexión en el arnés, o contacto defectuoso en el conector) H Haga los preparativos con el interruptor del arranque en OFF y realice la localización de fallas sin poner en ON el interruptor del arranque. Arnés de cables entre EGC2 (hembra) (9) – DCL (hembra) (A) Resistencia Max. 1 Ω Arnés de cables entre EGC2 (hembra) (22) – DCL (hembra) (B) Resistencia Max. 1 Ω Arnés de cables entre EGC2 (hembra) (23) – DCL (hembra) (C) Resistencia Max. 1 Ω 4 Falla de puesta a tierra del arnés de cables (Contacto con el circuito de puesta a tierra) H Haga los preparativos con el interruptor del arranque en OFF y realice la localización de fallas sin poner en ON el interruptor del arranque. Arnés de cables entre EGC2 (hembra) (9) – DCL (hembra) (A) y la tierra del chasis Resistencia Mín. 1 MΩ Arnés de cables entre EGC2 (hembra) (22) – DCL (hembra) (B) y la tierra del chasis Resistencia Mín. 1 MΩ Arnés de cables entre EGC2 (hembra) (23) – DCL (hembra) (C) y la tierra del chasis Resistencia Mín. 1 MΩ 5 Controlador del motor defectuoso H Haga los preparativos con el interruptor del arranque en OFF, ponga en ON el interruptor del arranque y realice la localización de fallas. EGC2 Voltaje Entre (22) – (23) Fuente de energía 4.75 -5.25 V Entre (9) – (23) Señal 0.5 – 4.5 V
  • 623.
    40 Localización defallas GSN00717-01 D155AX-6 13 Diagrama de circuito relacionado con el pedal del potenciómetro de desaceleración MOTOR GUARDAFANGO IZQUIERDO Controlador del motor ESTRUCTURA DEL PISO Pedal desacelerador Señal desacelerador Suministro 2 del sensor (5V) TIERRA2
  • 624.
    GSN00717-01 40 Localizaciónde fallas 14 D155AX-6 Código de falla [CA132] Error en sensor por baja aceleración 1 Código de acción Código de fallas Problema Error en sensor por baja aceleración (Sistema controlador del motor) E03 CA132 Contenido del problema • Voltaje de la señal en circuito del potenciómetro del pedal desacelerador está anormalmente bajo. Acción del controlador • Establece la posición del acelerador con la señal del control de combustible y continua la operación. Problemas que aparecen en la máquina Información relacionada • La señal del régimen de operación óptimo del pedal desacelerador puede comprobarse con la función de observación. (Código: 03001 Voltaje del sensor de posición del acelerador) Causas posibles y valores estándar en estado normal Causa Valor estándar en estado normal/Observaciones sobre localización de fallas Efectúe la localización de fallas para el código de falla [CA131].
  • 625.
    40 Localización defallas GSN00717-01 D155AX-6 15
  • 626.
    GSN00717-01 40 Localizaciónde fallas 16 D155AX-6 Código de falla [CA135] Error. En sensor de presión alta de aceite del motor1 Código de acción Código de fallas Problema En sensor de presión alta de aceite del motor (Sistema controlador del motor) E02 CA135 Contenido del problema • Voltaje de la señal en circuito sensor de presión del aceite del motor está anormalmente alto Acción del controlador • Establece la presión del aceite del motor al valor de norma (250 kPa {2.55 kg/cm2}) y continua la operación Problemas que aparecen en la máquina Información relacionada • El estado del sensor de presión de aceite del motor puede comprobarse con la función de observación. (Código: 37201 Voltaje del Sensor de presión del aceite del motor) Causas posibles y valores estándar en estado normal Causa Valor estándar en estado normal/Observaciones sobre localización de fallas 1 Defectuoso el sistema de suministro de energía al sensor Si el código [CA187] o [CA227] aparece indicado, ejecute su localización de falla primero. 2 Defectuoso el sensor de la presión de aceite del motor (problema interno) H Haga los preparativos con el interruptor del arranque en OFF, luego ponga en ON el interruptor del arranque y realice la localización de fallas. POIL Voltaje Entre (1) – (2) Fuente de energía 4.75 -5.25 V El voltaje del sensor se mide con el arnés de cables conectado. De tal modo que, si el voltaje es anormal, compruebe el arnés de cables y el controlador también, para otra causa del problema y después haga su juicio. 3 Desconexión en el arnés de cables (Desconexión en el arnés, o contacto defectuoso en el conector) H Haga los preparativos con el interruptor del arranque en OFF y realice la localización de fallas sin poner en ON el interruptor del arranque. Arnés de cables entre EGC1 (hembra) (37) – POIL (hembra) (1) Resistencia Max. 1 Ω Arnés de cables entre EGC1 (hembra) (47) – POIL (hembra) (2) Resistencia Max. 1 Ω Arnés de cables entre EGC1 (hembra) (13) – POIL (hembra) (3) Resistencia Max. 1 Ω 4 Falla de puesta a tierra del arnés de cables (Contacto con el circuito de puesta a tierra) H Haga los preparativos con el interruptor del arranque en OFF y realice la localización de fallas sin poner en ON el interruptor del arranque. Arnés de cables entre EGC1 (hembra) (37) – POIL (hembra) (1) y la tierra del chasis Resistencia Mín. 1 MΩ Arnés de cables entre EGC1 (hembra) (47) – POIL (hembra) (2) y la tierra del chasis Resistencia Mín. 1 MΩ Arnés de cables entre EGC1 (hembra) (13) – POIL (hembra) (3) y la tierra del chasis Resistencia Mín. 1 MΩ 5 Corto circuito en el arnés de cables (con otro arnés de cables) H Haga los preparativos con el interruptor del arranque en OFF y realice la localización de fallas sin poner en ON el interruptor del arranque. Arnés de cables entre EGC1 (hembra) (37) – POIL (hembra) (1) y entre EGC1 (hembra) (47) – POIL (hembra) (2) Resistencia Mín. 1 MΩ Arnés de cables entre EGC1 (hembra) (37) – POIL (hembra) (1) y entre EGC1 (hembra) (13) – POIL (hembra) (3) Resistencia Mín. 1 MΩ Arnés de cables entre EGC1 (hembra) (47) – POIL (hembra) (2) y entre EGC1 (hembra) (13) – POIL (hembra) (3) Resistencia Mín. 1 MΩ 6 Controlador del motor defectuoso H Haga los preparativos con el interruptor del arranque en OFF, luego ponga en ON el interruptor del arranque y realice la localización de fallas. EGC1 Voltaje Entre (37) – (47) Fuente de energía 4.75 -5.25 V
  • 627.
    40 Localización defallas GSN00717-01 D155AX-6 17 Diagrama del circuito relacionado con el sensor de la presión de aceite del motor MOTOR Controlador del motor Presión del aceite del motor Energía sensor (5V) Sensor de presión del aceite del motor Sensor (-)
  • 628.
    GSN00717-01 40 Localizaciónde fallas 18 D155AX-6 Código de falla [CA141] Error. En sensor de presión baja de aceite del motor 1 Código de acción Código de fallas Problema En sensor de presión baja de aceite del motor (Sistema controlador del motor) E02 CA141 Contenido del problema • El voltaje de la señal del circuito sensor de presión de aceite del motor es anormalmente bajo Acción del controlador • Establece la presión del aceite del motor al valor de norma (250 kPa {2.55 kg/cm2}) y continua la operación. Problemas que aparecen en la máquina Información relacionada • El estado del sensor de presión de aceite del motor puede comprobarse con la función de observación. (Código: 37201 Voltaje del Sensor de presión del aceite del motor) Causas posibles y valores estándar en estado normal Causa Valor estándar en estado normal/Observaciones sobre localización de fallas Efectúe la localización de fallas para el código de falla [CA135].
  • 629.
    40 Localización defallas GSN00717-01 D155AX-6 19
  • 630.
    GSN00717-01 40 Localizaciónde fallas 20 D155AX-6 Código de falla [CA144] Error en sensor por alta temperatura del refrigerante 1 Código de acción Código de fallas Problema Error en sensor por alta temperatura del refrigerante (Sistema controlador del motor) E02 CA144 Contenido del problema • El voltaje de la señal del circuito sensor de temperatura del refrigerante del motor es anormalmente alto. Acción del controlador • Fija la temperatura del refrigerante del motor (90º C) y continúa la operación Problemas que aparecen en la máquina • La facilidad de encendido del motor disminiye en temperaturas bajas. Información relacionada • El estado del sensor de temperatura del refrigerante del motor puede comprobarse con la función de observación. (Código: 04105 Voltaje del sensor de temperatura del refrigerante) Causas posibles y valores estándar en estado normal Causa Valor estándar en estado normal/Observaciones sobre localización de fallas 1 Defectuoso el sensor de temperatura del refrigerante del motor (problema interno) H Haga los preparativos con el interruptor del arranque en OFF y realice la localización de fallas sin poner en ON el interruptor del arranque. TWTR (macho) Temperatura del refrigerante Resistencia Entre (A) – (B) 10 -100°C 0.6 -20 kΩ 2 Desconexión en el arnés de cables (Desconexión en el arnés, o contacto defectuoso en el conector) H Haga los preparativos con el interruptor del arranque en OFF y realice la localización de fallas sin poner en ON el interruptor del arranque. Arnés de cables entre EGC1 (hembra) (15) – TWTR (hembra) (A) Resistencia Max. 1 Ω Arnés de cables entre EGC1 (hembra) (38) – TWTR (hembra) (B) Resistencia Max. 1 Ω 3 Falla de puesta a tierra del arnés de cables (Contacto con el circuito de puesta a tierra) H Haga los preparativos con el interruptor del arranque en OFF y realice la localización de fallas sin poner en ON el interruptor del arranque. Arnés de cables entre EGC1 (hembra) (15) – TWTR (hembra) (A) y la tierra del chasis Resistencia Mín. 1 MΩ 4 Controlador del motor defectuoso H Haga los preparativos con el interruptor del arranque en OFF y realice la localización de fallas sin poner en ON el interruptor del arranque. EGC1 (hembra) Temperatura del refrigerante Resistencia Entre (15) – (38) 10 -100°C 0.6 -20 kΩ
  • 631.
    40 Localización defallas GSN00717-01 D155AX-6 21 Diagrama de circuito relacionado con el sensor de temperatura del refrigerante del motor MOTOR Controlador del motor Temperatura del agua TIERRA1 Sensor de temperatura del agua
  • 632.
    GSN00717-01 40 Localizaciónde fallas 22 D155AX-6 Código de falla [CA145] Error en sensor por baja temperatura del refrigerante 1 Código de acción Código de fallas Problema Error en sensor por baja temperatura del refrigerante (Sistema controlador del motor) E02 CA145 Contenido del problema • El voltaje de la señal del circuito sensor de la temperatura del refrigerante del motor es anormalmente bajo Acción del controlador • Fija la temperatura del refrigerante del motor (90° C) y continúa la operación Problemas que aparecen en la máquina • La facilidad de encendido del motor disminiye en temperaturas bajas. Información relacionada • El estado del sensor de temperatura del refrigerante del motor puede comprobarse con la función de observación. (Código: 04105 Voltaje del sensor de temperatura del refrigerante) Causas posibles y valores estándar en estado normal Causa Valor estándar en estado normal/Observaciones sobre localización de fallas Efectúe la localización de fallas para el código de falla [CA144].
  • 633.
    40 Localización defallas GSN00717-01 D155AX-6 23
  • 634.
    GSN00717-01 40 Localizaciónde fallas 24 D155AX-6 Código de falla [CA153] Error en sensor por alta temperatura del aire de carga 1 Código de acción Código de fallas Problema Error en sensor por alta temperatura de carga de aire (Sistema controlador del motor) E01 CA153 Contenido del problema • El voltaje de la señal del circuito sensor de la temperatura de carga está anormalmente alto. Acción del controlador • Fija la temperatura de carga (temperatura del aire de admisión) (70° C) y continua la operación Problemas que aparecen en la máquina • La facilidad de encendido del motor disminiye en temperaturas bajas. Información relacionada • El estado de la señal del sensor de temperatura de carga puede comprobarse con la función de observación. (Código: 18501 Voltaje del sensor de temperatura de carga) Causas posibles y valores estándar en estado normal Causa Valor estándar en estado normal/Observaciones sobre localización de fallas 1 Defectuoso el sensor de la temperatura de carga (problema interno) H Haga los preparativos con el interruptor del arranque en OFF y realice la localización de fallas sin poner en ON el interruptor del arranque. TIM (macho) Temperatura del aire de admisión Resistencia Entre (A) – (B) 10 -100°C 0.5 -20 kΩ Entre (A) – tierra del chasis Todo el régimen Mín. 1 MΩ 2 Desconexión en el arnés de cables (Desconexión en el arnés, o contacto defectuoso en el conector) H Haga los preparativos con el interruptor del arranque en OFF y realice la localización de fallas sin poner en ON el interruptor del arranque. Arnés de cables entre EGC1 (hembra) (23) – TIM (hembra) (A) Resistencia Max. 1 Ω Arnés de cables entre EGC1 (hembra) (47) – TIM (hembra) (B) Resistencia Max. 1 Ω 3 Falla de puesta a tierra del arnés de cables (Contacto con el circuito de puesta a tierra) H Haga los preparativos con el interruptor del arranque en OFF y realice la localización de fallas sin poner en ON el interruptor del arranque. Arnés de cables entre EGC1 (hembra) (23) – TIM (hembra) (A) y la tierra del chasis Resistencia Mín. 1 MΩ 4 Controlador del motor defectuoso H Haga los preparativos con el interruptor del arranque en OFF y realice la localización de fallas sin poner en ON el interruptor del arranque. EGC1 (hembra) Temperatura del aire de admisión Resistencia Entre (23) – (47) 10 -100°C 0.5 -20 kΩ
  • 635.
    40 Localización defallas GSN00717-01 D155AX-6 25 Diagrama de circuito relacionado con el sensor de temperatura de carga MOTOR Controlador del motor Temperatura del refuerzo Sensor (-) Sensor de temperatura del refuerzo
  • 636.
    GSN00717-01 40 Localizaciónde fallas 26 D155AX-6 Código de falla [CA154] Error en sensor por baja temperatura de aire de carga 1 Código de falla [CA187] Error. Bajo suministro al sensor de 2 voltios 1 Código de acción Código de fallas Problema Error en sensor por baja temperatura de carga de aire (Sistema controlador del motor) E01 CA154 Contenido del problema • El voltaje de la señal del circuito sensor de la temperatura de carga está anormalmente bajo. Acción del controlador • Fija la temperatura de carga (temperatura del aire de admisión) (70º C) y continua la operación Problemas que aparecen en la máquina • La facilidad de encendido del motor disminiye en temperaturas bajas. Información relacionada • El estado de la señal del sensor de temperatura de carga puede comprobarse con la función de observación. (Código: 18501 Voltaje del sensor de temperatura de carga) Causas posibles y valores estándar en estado normal Causa Valor estándar en estado normal/Observaciones sobre localización de fallas Efectúe la localización de fallas para el código de falla [CA153]. Código de acción Código de fallas Problema Error. Bajo suministro al sensor de 2 voltios (Sistema controlador del motor) E03 CA187 Contenido del problema • El voltaje de la señal del circuito sensor del suministro energético 2 (5V) está anormalmente bajo. Acción del controlador • Se opera el sensor de la velocidad de marcha atrás con señales del sensor de la velocidad Ne. • Establece el sensor de presión del aceite al valor de norma (250 kPa {2.55 kg/cm2}) y continua la operación. • Establece el sensor de presión ambiental al valor de norma (52.44 kPa {0.53 kg/cm2}) y continua la operación. • Fija el valor del sensor de presión de carga en (400 kPa {4.08 kg/cm2}) y continua la operación. • Coloca el sensor EGR de presión de entrada en el valor de norma de (102 kPa {1.05 kg/cm2}) y la operación continua. • Limita la salida del sensor de elevación de la válvula EGR, cierra la válvula EGR y la válvula de desvío. • Limita la salida del sensor de elevación de la válvula de desvío y cierra la válvula EGR y la válvula de desvío. Problemas que aparecen en la máquina • Salida del motor disminuye. Información relacionada Causas posibles y valores estándar en estado normal Causa Valor estándar en estado normal/Observaciones sobre localización de fallas Efectúe la localización de fallas para el código de falla [CA227].
  • 637.
    40 Localización defallas GSN00717-01 D155AX-6 27
  • 638.
    GSN00717-01 40 Localizaciónde fallas 28 D155AX-6 Código de falla [CA221] Error. Sensor de alta presión ambiental 1 Código de acción Código de fallas Problema Error. Sensor de alta presión ambiental (Sistema controlador del motor) E03 CA221 Contenido del problema • El voltaje de la señal en el circuito sensor de presión ambiental está anormalmente alto. Acción del controlador • Establece la presión ambiental al valor de norma (52.44 kPa {0.53 kg/cm2}) y continua la operación. Problemas que aparecen en la máquina • Salida del motor disminuye. Información relacionada • El estado de la señal del sensor de presión ambiental puede comprobarse con la función de observación. (Código: 37401 Voltaje del sensor de presión ambiental Causas posibles y valores estándar en estado normal Causa Valor estándar en estado normal/Observaciones sobre localización de fallas 1 Defectuoso el sistema de suministro de energía al sensor Si el código [CA187] o [CA227] aparece indicado, ejecute su localización de falla primero. 2 Defectuoso el sensor de presión ambiental (problema interno) H Haga los preparativos con el interruptor del arranque en OFF, ponga en ON el interruptor del arranque y realice la localización de fallas. PAMB Voltaje Entre (1) – (2) Fuente de energía 4.75 -5.25 V Entre (3) – (2) Señal El voltaje del sensor se mide con el arnés de cables conectado. De tal modo que, si el voltaje es anormal, compruebe el arnés de cables y el controlador también, para otra causa del problema y después haga su juicio. 3 Desconexión en el arnés de cables (Desconexión en el arnés, o contacto defectuoso en el conector) H Haga los preparativos con el interruptor del arranque en OFF y realice la localización de fallas sin poner en ON el interruptor del arranque. Arnés de cables entre EGC1 (hembra) (37) – PAMB (hembra) (1) Resistencia Máx. 1 Ω Arnés de cables entre EGC1 (hembra) (38) – PAMB (hembra) (2) Resistencia Máx. 1 Ω Arnés de cables entre EGC1 (hembra) (3) – PAMB (hembra) (3) Resistencia Máx. 1 Ω 4 Falla de puesta a tierra del arnés de cables (Contacto con el circuito de puesta a tierra) H Haga los preparativos con el interruptor del arranque en OFF y realice la localización de fallas sin poner en ON el interruptor del arranque. Arnés de cables entre EGC1 (hembra) (37) – PAMB (hembra) (1) y la tierra del chasis Resistencia Mín. 1 MΩ Arnés de cables entre EGC1 (hembra) (38) – PAMB (hembra) (2) y la tierra del chasis Resistencia Mín. 1 MΩ Arnés de cables entre EGC1 (hembra) (3) – PAMB (hembra) (3) y la tierra del chasis Resistencia Mín. 1 MΩ 5 Corto circuito en el arnés de cables (con otro arnés de cables) H Haga los preparativos con el interruptor del arranque en OFF y realice la localización de fallas sin poner en ON el interruptor del arranque. Arnés de cables entre EGC1 (hembra) (37) – PAMB (hembra) (1) y entre EGC1 (hembra) (38) - PAMB (hembra) (2) Resistencia Mín. 1 MΩ Arnés de cables entre EGC1 (hembra) (37) – PAMB (hembra) (1) y entre EGC1 (hembra) (3) - PAMB (hembra) (3) Resistencia Mín. 1 MΩ Arnés de cables entre EGC1 (hembra) (38) – PAMB (hembra) (2) y entre EGC1 (hembra) (3) - PAMB (hembra) (3) Resistencia Mín. 1 MΩ 6 Controlador del motor defectuoso H Haga los preparativos con el interruptor del arranque en OFF, luego ponga en ON el interruptor del arranque y realice la localización de fallas. EGC1 Voltaje Entre (33) – (38) 4.75 -5.25 V Entre (3) – (38)
  • 639.
    40 Localización defallas GSN00717-01 D155AX-6 29 Diagrama de circuito relacionado con el sensor de la presión ambiental MOTOR Controlador del motor Presión ambiental Potencia sensor (5V) TIERRA1 Sensor de presión ambiental
  • 640.
    GSN00717-01 40 Localizaciónde fallas 30 D155AX-6 Código de falla [CA222] Error. Sensor de baja presión ambiental 1 Código de acción Código de fallas Problema Error. Sensor de baja presión ambiental (Sistema controlador del motor) E03 CA222 Contenido del problema • Voltaje de la señal en el circuito sensor de la presión ambiental está anormalmente bajo. Acción del controlador • Establece la presión ambiental al valor de norma (52.44 kPa {0.53 kg/cm2}) y continua la operación. Problemas que aparecen en la máquina • Salida del motor disminuye. Información relacionada • El estado de la señal del sensor de presión ambiental puede comprobarse con la función de observación. (Código: 37401 Voltaje del sensor de presión ambiental Causas posibles y valores estándar en estado normal Causa Valor estándar en estado normal/Observaciones sobre localización de fallas Efectúe la localización de fallas para el código de falla [CA221].
  • 641.
    40 Localización defallas GSN00717-01 D155AX-6 31
  • 642.
    GSN00717-01 40 Localizaciónde fallas 32 D155AX-6 Código de falla [CA227] Error. Sensor del suministro energético Alto 2 Voltios 1 Código de acción Código de fallas Problema Error. Alto suministro al sensor de 2 voltios (Sistema controlador del motor) E03 CA227 Contenido del problema • Voltaje de la señal en el circuito del sensor del suministro energético 2 (5 V) está anormalmente alto. Acción del controlador • Se opera el sensor de la velocidad de marcha atrás con señales del sensor de la velocidad Ne. • Establece el sensor de presión del aceite al valor de norma (250 kPa [2.55 kg/cm2}) y continua la operación. • Establece la presión ambiental al valor de norma (52.44 kPa {0.53 kg/cm2}) y continua la operación. • Fija el valor del sensor de presión de carga en (400 kPa [4.08 kg/cm2}) y continua la operación. • Coloca el sensor EGR de presión de entrada en el valor de norma de (102 kPa {1.05 kg/cm2}) y la operación continua. • Limita la salida del sensor de elevación de la válvula EGR, cierra la válvula EGR y la válvula de desvío. • Limita la salida del sensor de elevación de la válvula de desvío y cierra la válvula EGR y la válvula de desvío. Problemas que aparecen en la máquina • Salida del motor disminuye. Información relacionada Causas posibles y valores estándar en estado normal Causa Valor estándar en estado normal/Observaciones sobre localización de fallas 1 Defectuoso el sistema relacionado Si aparece indicado otro código de falla ejecute la localización de falla para el mismo. 2 Sensor defectuoso (Problema interno) H Haga los preparativos con el interruptor del arranque en OFF, ponga en ON el interruptor del arranque y realice la localización de fallas. Desconectar los dispositivos a la derecha siguiendo el orden Si desaparece el código de falla “E” cuando un dispositivo se desconecta, ese dispositivo tiene problemas. Sensor de la velocidad de marcha atrás Conector G Sensor de presión de aceite Conector POIL Sensor de la presión ambiental Conector PAMB Sensor de la presión de carga Conector PIM Sensor de la presión de entrada EGR Conector PEVA Sensor de válvula de elevación EGR Conector SEGR Sensor de elevación de la válvula de desvío Conector SBP 3 Desconexión en el arnés de cables (Desconexión en el arnés, o contacto defectuoso en el conector) H Haga los preparativos con el interruptor del arranque en OFF y realice la localización de fallas sin poner en ON el interruptor del arranque. Arnés de cables entre EGC1 (hembra) (37) – cada sensor (hembra) Resistencia Max. 1 Ω Arnés de cables entre EGC1 (hembra) (47) – cada sensor (hembra) Resistencia Max. 1 Ω 4 Falla de puesta a tierra del arnés de cables (Contacto con el circuito de puesta a tierra) H Haga los preparativos con el interruptor del arranque en OFF y realice la localización de fallas sin poner en ON el interruptor del arranque. Arnés de cables entre EGC1 (hembra) (37) – cada sensor (hembra) y la tierra del chasis Resistencia Mín. 1 MΩ Arnés de cables entre EGC1 (hembra) (47) – cada sensor (hembra) y la tierra del chasis Resistencia Mín. 1 MΩ 5 Corto circuito en el arnés de cables (con otro arnés de cables) H Haga los preparativos con el interruptor del arranque en OFF y realice la localización de fallas sin poner en ON el interruptor del arranque. Arnés de cables entre EGC1 (hembra) (37) – cada sensor (hembra) y entre EGC1 (hembra) (47) – cada sensor (hembra) Resistencia Mín. 1 MΩ 6 Controlador del motor defectuoso H Haga los preparativos con el interruptor del arranque en OFF, ponga en ON el interruptor del arranque y realice la localización de fallas. EGC1 Voltaje Entre (37) – (47) 4.75 -5.25 V
  • 643.
    40 Localización defallas GSN00717-01 D155AX-6 33 Diagrama de circuito relacionado con el sensor del suministro energético 2 (5V) del controlador del motor MOTOR Controlador del motor Sensor de presión de refuerzo Sensor de presión del motor Sensor de respaldo Sensor de posición de la válvula de desvío Sensor de posición de la válvula EGR Sensor de presión de entrada EGR Sensor de presión ambiental Presión ambiental Presión de aceite del motor Posición de la válvula EGR Posición de entrada EGR Sensor G (+) Posición de la válvula de desvío Energía sensor (5V) TIERRA1 Presión de refuerzo Sensor (-) TIERRA Señal 1 Señal 2 TIERRA Señal 1 Señal 2 TIERRA Señal
  • 644.
    GSN00717-01 40 Localizaciónde fallas 34 D155AX-6 Código de falla [CA234] Exceso de velocidad en el motor 1 Código de acción Código de fallas Problema Exceso de velocidad en el motor (Sistema controlador del motor) — CA234 Contenido del problema • La velocidad del motor es superior al régimen de operación. Acción del controlador • Limita de la rata de inyección de combustible hasta que la velocidad del motor se reduzca al rango de operación. Problemas que aparecen en la máquina • La velocidad del motor fluctúa. Información relacionada • La velocidad del motor puede comprobarse con la función de observación. (Código: 01002 Velocidad del motor) Causas posibles y valores estándar en estado normal Causa Valor estándar en estado normal/Observaciones sobre localización de fallas 1 Defectuoso el sistema relacionado Si aparece indicado otro código de falla ejecute la localización de falla para el mismo. 2 Forma incorrecta de uso Forma de usar la máquina puede ser incorrecta Enseñe al operador la forma apropiada de usar la máquina 3 Controlador del motor defectuoso Si no se detectan las causas 1 a -2, puede que el controlador del motor esté defectuoso. (Como el problema se encuentra en el sistema, no se puede realizar la localización de fallas.)
  • 645.
    40 Localización defallas GSN00717-01 D155AX-6 35
  • 646.
    GSN00717-01 40 Localizaciónde fallas 36 D155AX-6 Código de falla [CA238] Error. Suministro energético al sensor de velocidad Ne 1 Código de acción Código de fallas Problema Error. Suministro energético al sensor de velocidad Ne (Sistema controlador del motor) E03 CA238 Contenido del problema • El problema ocurrió en el circuito del suministro energético (5V) del sensor de la velocidad Ne Acción del controlador • Controla el sensor de la velocidad Ne con señales del sensor de la velocidad de retroceso. Problemas que aparecen en la máquina • El motor en marcha se detiene (Cuando el sensor de la velocidad de marcha atrás también está anormal). • El motor parado no puede ponerse en marcha (Cuando el sensor de velocidad de marcha atrás también está anormal). Información relacionada Causas posibles y valores estándar en estado normal Causa Valor estándar en estado normal/Observaciones sobre localización de fallas 1 Sensor de velocidad Ne defectuoso (Problema interno) H Haga los preparativos con el interruptor del arranque en OFF, ponga en ON el interruptor del arranque y realice la localización de fallas. Desconectar los dispositivos a la derecha siguiendo el orden Si desaparece el código de falla “E” cuando un dispositivo se desconecta, ese dispositivo tiene problemas. Sensor de velocidad del motor Ne Conector NE 2 Desconexión en el arnés de cables (Desconexión en el arnés, o contacto defectuoso en el conector) H Haga los preparativos con el interruptor del arranque en OFF y realice la localización de fallas sin poner en ON el interruptor del arranque. Arnés de cables entre EGC1 (hembra) (16) – NE (hembra) (1) Resistencia Max. 1Ω Arnés de cables entre EGC1 (hembra) (48) – NE (hembra) (2) Resistencia Max. 1Ω 3 Falla de puesta a tierra del arnés de cables (Contacto con el circuito de puesta a tierra) H Haga los preparativos con el interruptor del arranque en OFF y realice la localización de fallas sin poner en ON el interruptor del arranque. Arnés de cables entre EGC1 (hembra) (16) – NE (hembra) (1) y la tierra del chasis Resistencia Mín. 1 MΩ Arnés de cables entre EGC1 (hembra) (48) – NE (hembra) (2) y la tierra del chasis Resistencia Mín. 1 MΩ 4 Corto circuito en el arnés de cables (con otro arnés de cables) H Haga los preparativos con el interruptor del arranque en OFF y realice la localización de fallas sin poner en ON el interruptor del arranque. Arnés de cables entre EGC1 (hembra) (16) – NE (hembra) (1) y entre EGC1 (hembra) (48) – NE (hembra) (2) Resistencia Mín. 1 MΩ 5 Controlador del motor defectuoso H Haga los preparativos con el interruptor del arranque en OFF, ponga en ON el interruptor del arranque y realice la localización de fallas. EGC1 Voltaje Entre (16) – (48) 4.75 -5.25 V
  • 647.
    40 Localización defallas GSN00717-01 D155AX-6 37 Diagrama de circuito relacionado con el sensor de la velocidad NE del motor MOTOR Controlador del motor Energía sensor (5V) TIERRA Señal
  • 648.
    GSN00717-01 40 Localizaciónde fallas 38 D155AX-6 Código de falla [CA263] Error en sensor por alta temperatura del combustible 1 Diagrama de circuito relacionado con el sensor de temperatura del combustible Código de acción Código de fallas Problema Error en sensor por alta temperatura del combustible (Sistema controlador del motor) E01 CA263 Contenido del problema • El voltaje de la señal en el circuito sensor de la temperatura del combustible está anormalmente elevado. Acción del controlador • Fija la temperatura del combustible en (90º C) y continúa la operación Problemas que aparecen en la máquina Información relacionada • El estado de la señal del sensor de temperatura del combustible puede comprobarse con la función de observación. (Código: 14201 Voltaje del sensor de temperatura del combustible) Causas posibles y valores estándar en estado normal Causa Valor estándar en estado normal/Observaciones sobre localización de fallas 1 Defectuoso el sensor de la temperatura de combustible (problema interno) H Haga los preparativos con el interruptor del arranque en OFF y realice la localización de fallas sin poner en ON el interruptor del arranque. TFUEL (macho) Temperatura del combustible Resistencia Entre (A) – (B) 10 -100°C 0.6 -20 kΩ 2 Desconexión en el arnés de cables (Desconexión en el arnés, o contacto defectuoso en el conector) H Haga los preparativos con el interruptor del arranque en OFF y realice la localización de fallas sin poner en ON el interruptor del arranque. Arnés de cables entre EGC1 (hembra) (30) – TFUEL (hembra) (A) Resistencia Max. 1 Ω Arnés de cables entre EGC1 (hembra) (47) – TFUEL (hembra) (B) Resistencia Max. 1 Ω 3 Falla de puesta a tierra del arnés de cables (Contacto con el circuito de puesta a tierra) H Haga los preparativos con el interruptor del arranque en OFF y realice la localización de fallas sin poner en ON el interruptor del arranque. Arnés de cables entre EGC1 (hembra) (30) – TFUEL (hembra) (A) y la tierra del chasis Resistencia Mín. 1 MΩ 4 Controlador del motor defectuoso H Haga los preparativos con el interruptor del arranque en OFF y realice la localización de fallas sin poner en ON el interruptor del arranque. EGC1 (hembra) Temperatura del combustible Resistencia Entre (30) – (47) 10 -100°C 0.6 -20 kΩ MOTOR Controlador del motor Temperatura del combustible Sensor de temperatura del combustible
  • 649.
    40 Localización defallas GSN00717-01 D155AX-6 39 Código de falla [CA265] Error en sensor por baja temperatura del combustible 1 Código de acción Código de fallas Problema Error en sensor por baja temperatura del combustible (Sistema controlador del motor) E01 CA265 Contenido del problema • El voltaje de la señal del circuito sensor de temperatura del combustible está anormalmente bajo. Acción del controlador • Fija la temperatura del combustible en (90ºC) y continúa la operación. Problemas que aparecen en la máquina Información relacionada Causas posibles y valores estándar en estado normal Causa Valor estándar en estado normal/Observaciones sobre localización de fallas Efectúe la localización de fallas para el código de falla [CA263].
  • 650.
    GSN00717-01 40 Localizaciónde fallas 40 D155AX-6 Código de falla [CA271] PCV1 Error. Corto circuito 1 Diagrama de circuito relacionado con la bomba de suministro PCV 1 Código de acción Código de fallas Problema PCV1 Error. Corto circuito (Sistema controlador del motor) E03 CA271 Contenido del problema • Hay un corto circuito en el circuito PCV1 de la bomba de suministro Acción del controlador • Ninguno en particular. Problemas que aparecen en la máquina Información relacionada Causas posibles y valores estándar en estado normal Causa Valor estándar en estado normal/Observaciones sobre localización de fallas 1 Defectuosa la bomba de suministro PCV1 (Corto circuito interno) H Haga los preparativos con el interruptor del arranque en OFF y realice la localización de fallas sin poner en ON el interruptor del arranque. PCV1 (macho) Resistencia Entre (1) – (2) 2.3 – 5.3 Ω Entre (1), (2) – tierra del chasis Mín. 1 MΩ 2 Falla de puesta a tierra del arnés de cables (Contacto con el circuito de puesta a tierra) H Haga los preparativos con el interruptor del arranque en OFF y realice la localización de fallas sin poner en ON el interruptor del arranque. Arnés de cables entre EGC1 (hembra) (4) – PCV1 (hembra) (1) y la tierra del chasis Resistencia Mín. 1 MΩ Arnés de cables entre EGC1 (hembra) (5) – PCV1 (hembra) (2) y la tierra del chasis Resistencia Mín. 1 MΩ 3 Corto vivo (Corto circuito con el circuito de 24V) en el arnés de cables. H Haga los preparativos con el interruptor del arranque en OFF, ponga en ON el interruptor del arranque y realice la localización de fallas. Arnés de cables entre EGC1 (hembra) (4) – PCV1 (hembra) (1) y la tierra del chasis Voltaje Máx. 1 V Arnés de cables entre EGC1 (hembra) (5) – PCV1 (hembra) (2) y la tierra del chasis Voltaje Máx. 1 V 4 Controlador del motor defectuoso H Haga los preparativos con el interruptor del arranque en OFF y realice la localización de fallas sin poner en ON el interruptor del arranque. EGC1 (hembra) Resistencia Entre (4) – (5) 2.3 – 5.3 Ω Entre (4), (5) – tierra del chasis Mín. 1 MΩ MOTOR Controlador del motor Bomba de suministro #1 (+) Bomba de suministro #1 (-) Bomba de suministro #1
  • 651.
    40 Localización defallas GSN00717-01 D155AX-6 41 Código de falla [CA272] PCV1 Error 1 Diagrama de circuito relacionado con la bomba de suministro PCV 1 Código de acción Código de fallas Problema PCV1 Open Error (Sistema controlador del motor) E03 CA272 Contenido del problema • Hay desconexión en el circuito PCV1 de la bomba de suministro Acción del controlador • Ninguno en particular. Problemas que aparecen en la máquina Información relacionada Causas posibles y valores estándar en estado normal Causa Valor estándar en estado normal/Observaciones sobre localización de fallas 1 Defectuosa la bomba de suministro PCV1 (Desconexión interna) H Haga los preparativos con el interruptor del arranque en OFF y realice la localización de fallas sin poner en ON el interruptor del arranque. PCV1 (macho) Resistencia Entre (1) – (2) 2.3 – 5.3 Ω Entre (1), (2) – tierra del chasis Mín. 1 MΩ 2 Desconexión en el arnés de cables (Desconexión en el arnés, o contacto defectuoso en el conector) H Haga los preparativos con el interruptor del arranque en OFF y realice la localización de fallas sin poner en ON el interruptor del arranque. Arnés de cables entre EGC1 (hembra) (4) – PCV1 (hembra) (1) Resistencia Max. 1Ω Arnés de cables entre EGC1 (hembra) (5) – PCV1 (hembra) (2) Resistencia Max. 1Ω 3 Falla de puesta a tierra del arnés de cables (Contacto con el circuito de puesta a tierra) H Haga los preparativos con el interruptor del arranque en OFF y realice la localización de fallas sin poner en ON el interruptor del arranque. Arnés de cables entre EGC1 (hembra) (4) – PCV1 (hembra) (1) y la tierra del chasis Resistencia Mín. 1 MΩ Arnés de cables entre EGC1 (hembra) (5) – PCV1 (hembra) (2) y la tierra del chasis Resistencia Mín. 1 MΩ 4 Controlador del motor defectuoso H Haga los preparativos con el interruptor del arranque en OFF y realice la localización de fallas sin poner en ON el interruptor del arranque. EGC1 (hembra) Resistencia Entre (4) – (5) 2.3 – 5.3 Ω Entre (4), (5) – tierra del chasis Mín. 1 MΩ MOTOR Controlador del motor Bomba de suministro #1 (+) Bomba de suministro #1 (-) Bomba de suministro #1
  • 652.
    GSN00717-01 40 Localizaciónde fallas 42 D155AX-6 Código de falla [CA273] PCV2 Error. Corto circuito 1 Diagrama de circuito relacionado con la bomba de suministro PCV2 Código de acción Código de fallas Problema PCV2 Error. Corto circuito (Sistema controlador del motor) E03 CA273 Contenido del problema • Hay corto circuito en el circuito PCV2 de la bomba de suministro Acción del controlador • Ninguno en particular. Problemas que aparecen en la máquina Información relacionada Causas posibles y valores estándar en estado normal Causa Valor estándar en estado normal/Observaciones sobre localización de fallas 1 Defectuosa la bomba de suministro PCV2 (Corto circuito interno) H Haga los preparativos con el interruptor del arranque en OFF y realice la localización de fallas sin poner en ON el interruptor del arranque. PCV2 (macho) Resistencia Entre (1) – (2) 2.3 – 5.3 Ω Entre (1), (2) – tierra del chasis Mín. 1 MΩ 2 Falla de puesta a tierra del arnés de cables (Contacto con el circuito de puesta a tierra) H Haga los preparativos con el interruptor del arranque en OFF y realice la localización de fallas sin poner en ON el interruptor del arranque. Arnés de cables entre EGC1 (hembra) (9) – PCV2 (hembra) (1) y la tierra del chasis Resistencia Mín. 1 MΩ Arnés de cables entre EGC1 (hembra) (10) – PCV2 (hembra) (2) y la tierra del chasis Resistencia Mín. 1 MΩ 3 Corto vivo (Corto circuito con el circuito de 24V) en el arnés de cables. H Haga los preparativos con el interruptor del arranque en OFF, ponga en ON el interruptor del arranque y realice la localización de fallas. Arnés de cables entre EGC1 (hembra) (9) – PCV2 (hembra) (1) y la tierra del chasis Voltaje Máx. 1 V Arnés de cables entre EGC1 (hembra) (10) – PCV2 (hembra) (2) y la tierra del chasis Voltaje Máx. 1 V 4 Controlador del motor defectuoso H Haga los preparativos con el interruptor del arranque en OFF y realice la localización de fallas sin poner en ON el interruptor del arranque. EGC1 (hembra) Resistencia Entre (9) – (10) 2.3 – 5.3 Ω Entre (9), (10) – tierra del chasis Mín. 1 MΩ MOTOR Controlador del motor Bomba de suministro #2 (+) Bomba de suministro #2 (-) Bomba de suministro #2
  • 653.
    40 Localización defallas GSN00717-01 D155AX-6 43 Código de falla [CA274] PCV2 Error 1 Diagrama de circuito relacionado con la bomba de suministro PCV2 Código de acción Código de fallas Problema PCV2 Open Error (Sistema controlador del motor) E03 CA274 Contenido del problema • Hay desconexión en el circuito PCV2 de la bomba de suministro Acción del controlador • Ninguno en particular. Problemas que aparecen en la máquina Información relacionada Causas posibles y valores estándar en estado normal Causa Valor estándar en estado normal/Observaciones sobre localización de fallas 1 Defectuosa la bomba de suministro PCV2 (Desconexión interna) H Haga los preparativos con el interruptor del arranque en OFF y realice la localización de fallas sin poner en ON el interruptor del arranque. PCV2 (macho) Resistencia Entre (1) – (2) 2.3 – 5.3 Ω Entre (1), (2) – tierra del chasis Mín. 1 MΩ 2 Desconexión en el arnés de cables (Desconexión en el arnés, o contacto defectuoso en el conector) H Haga los preparativos con el interruptor del arranque en OFF y realice la localización de fallas sin poner en ON el interruptor del arranque. Arnés de cables entre EGC1 (hembra) (9) – PCV2 (hembra) (1) Resistencia Max. 1Ω Arnés de cables entre EGC1 (hembra) (10) – PCV2 (hembra) (2) Resistencia Max. 1Ω 3 Falla de puesta a tierra del arnés de cables (Contacto con el circuito de puesta a tierra) H Haga los preparativos con el interruptor del arranque en OFF y realice la localización de fallas sin poner en ON el interruptor del arranque. Arnés de cables entre EGC1 (hembra) (9) – PCV2 (hembra) (1) y la tierra del chasis Resistencia Mín. 1 MΩ Arnés de cables entre EGC1 (hembra) (10) – PCV2 (hembra) (2) y la tierra del chasis Resistencia Mín. 1 MΩ 4 Controlador del motor defectuoso H Haga los preparativos con el interruptor del arranque en OFF y realice la localización de fallas sin poner en ON el interruptor del arranque. EGC1 (hembra) Resistencia Entre (9) – (10) 2.3 – 5.3 Ω Entre (9), (10) – tierra del chasis Mín. 1 MΩ MOTOR Controlador del motor Bomba de suministro #2 (+) Bomba de suministro #2 (-) Bomba de suministro #2
  • 654.
    GSN00717-01 40 Localizaciónde fallas 44 D155AX-6 Código de falla [CA322] Inyector No. 1 (L No. 1) Abierto/Corto circuito Error 1 Diagrama del circuito relacionado con el inyector No. 1 Código de acción Código de fallas Problema Inyector No. 1 (L No. 1) Abierto/Corto circuito Error (Sistema controlador del motor) E03 CA322 Contenido del problema • Hay desconexión o corto circuito en el circuito del inyector No. 1. Acción del controlador • Ninguno en particular. Problemas que aparecen en la máquina • Desminuye la salida • La rotación es inestable Información relacionada Causas posibles y valores estándar en estado normal Causa Valor estándar en estado normal/Observaciones sobre localización de fallas 1 Defectuoso el inyector No. 1 (Problema interno) H Haga los preparativos con el interruptor del arranque en OFF y realice la localización de fallas sin poner en ON el interruptor del arranque. CN1 (macho) Resistencia Entre (1) – (2) 0.4 – 1.1 Ω Entre (1), (2) – tierra del chasis Mín. 1 MΩ 2 Desconexión en el arnés de cables (Desconexión en el arnés, o contacto defectuoso en el conector) H Haga los preparativos con el interruptor del arranque en OFF y realice la localización de fallas sin poner en ON el interruptor del arranque. Arnés de cables entre EGC1 (hembra) (45) – CN1 (hembra) (1) Resistencia Max. 1Ω Arnés de cables entre EGC1 (hembra) (53) – CN1 (hembra) (2) Resistencia Max. 1Ω 3 Falla de puesta a tierra del arnés de cables (Contacto con el circuito de puesta a tierra) H Haga los preparativos con el interruptor del arranque en OFF y realice la localización de fallas sin poner en ON el interruptor del arranque. Arnés de cables entre EGC1 (hembra) (45) – CN1 (hembra) (1) y la tierra del chasis Resistencia Mín. 1 MΩ Arnés de cables entre EGC1 (hembra) (53) – CN1 (hembra) (2) y la tierra del chasis Resistencia Mín. 1 MΩ 4 Controlador del motor defectuoso H Haga los preparativos con el interruptor del arranque en OFF y realice la localización de fallas sin poner en ON el interruptor del arranque. EGC1 (hembra) Resistencia Entre (45) – (53) 0.4 – 1.1 Ω Entre (45), (53) – tierra del chasis Mín. 1 MΩ MOTOR Controlador del motor Injector #1 (+) Inyector #1 (-) Inyector #1
  • 655.
    40 Localización defallas GSN00717-01 D155AX-6 45 Código de falla [ CA323] Inyector No. 5 (L No. 5) Abierto/Corto circuito Error 1 Diagrama del circuito relacionado con el inyector No. 5 Código de acción Código de fallas Problema Inyector No. 5 (L No. 5) Abierto/Corto circuito Error (Sistema controlador del motor) E03 CA323 Contenido del problema • Hay desconexión o corto circuito en el circuito del inyector No. 5. Acción del controlador • Ninguno en particular. Problemas que aparecen en la máquina • Desminuye la salida • La rotación es inestable Información relacionada Causas posibles y valores estándar en estado normal Causa Valor estándar en estado normal/Observaciones sobre localización de fallas 1 Defectuoso el inyector No. 5 (Problema interno) H Haga los preparativos con el interruptor del arranque en OFF y realice la localización de fallas sin poner en ON el interruptor del arranque. CN5(macho) Resistencia Entre (1) – (2) 0.4 – 1.1 Ω Entre (1), (2) – tierra del chasis Mín. 1 MΩ 2 Desconexión en el arnés de cables (Desconexión en el arnés, o contacto defectuoso en el conector) H Haga los preparativos con el interruptor del arranque en OFF y realice la localización de fallas sin poner en ON el interruptor del arranque. Arnés de cables entre EGC1 (hembra) (46) – CN5 (hembra) (1) Resistencia Max. 1Ω Arnés de cables entre EGC1 (hembra) (60) – CN5 (hembra) (2) Resistencia Max. 1Ω 3 Falla de puesta a tierra del arnés de cables (Contacto con el circuito de puesta a tierra) H Haga los preparativos con el interruptor del arranque en OFF y realice la localización de fallas sin poner en ON el interruptor del arranque. Arnés de cables entre EGC1 (hembra) (46) – CN5 (hembra) (1) y la tierra del chasis Resistencia Mín. 1 MΩ Arnés de cables entre EGC1 (hembra) (60) – CN5 (hembra) (2) y la tierra del chasis Resistencia Mín. 1 MΩ 4 Controlador del motor defectuoso H Haga los preparativos con el interruptor del arranque en OFF y realice la localización de fallas sin poner en ON el interruptor del arranque. EGC1 (hembra) Resistencia Entre (46) – (60) 0.4 – 1.1 Ω Entre (46), (60) – tierra del chasis Mín. 1 MΩ MOTOR Controlador del motor Injector #5 (+) Inyector #5 (-) Inyector #5
  • 656.
    GSN00717-01 40 Localizaciónde fallas 46 D155AX-6 Código de falla [CA324] Inyector No. 3 (L No. 3) Abierto/Corto circuito Error 1 Diagrama del circuito relacionado con el inyector No. 3 Código de acción Código de fallas Problema Inyector No. 3 (L No. 3) Abierto/Corto circuito Error (Sistema controlador del motor) E03 CA324 Contenido del problema • Hay desconexión o corto circuito en el circuito del inyector No. 3. Acción del controlador • Ninguno en particular. Problemas que aparecen en la máquina • Desminuye la salida • La rotación es inestable Información relacionada Causas posibles y valores estándar en estado normal Causa Valor estándar en estado normal/Observaciones sobre localización de fallas 1 Defectuoso el inyector No. 3 (Problema interno) H Haga los preparativos con el interruptor del arranque en OFF y realice la localización de fallas sin poner en ON el interruptor del arranque. CN3 (macho) Resistencia Entre (1) – (2) 0.4 – 1.1 Ω Entre (1), (2) – tierra del chasis Mín. 1 MΩ 2 Desconexión en el arnés de cables (Desconexión en el arnés, o contacto defectuoso en el conector) H Haga los preparativos con el interruptor del arranque en OFF y realice la localización de fallas sin poner en ON el interruptor del arranque. Arnés de cables entre EGC1 (hembra) (55) – CN3 (hembra) (1) Resistencia Max. 1 Ω Arnés de cables entre EGC1 (hembra) (52) – CN3 (hembra) (2) Resistencia Max. 1 Ω 3 Falla de puesta a tierra del arnés de cables (Contacto con el circuito de puesta a tierra) H Haga los preparativos con el interruptor del arranque en OFF y realice la localización de fallas sin poner en ON el interruptor del arranque. Arnés de cables entre EGC1 (hembra) (55) – CN3 (hembra) (1) y la tierra del chasis Resistencia Mín. 1 MΩ Arnés de cables entre EGC1 (hembra) (52) – CN3 (hembra) (2) y la tierra del chasis Resistencia Mín. 1 MΩ 4 Controlador del motor defectuoso H Haga los preparativos con el interruptor del arranque en OFF y realice la localización de fallas sin poner en ON el interruptor del arranque. EGC1 (hembra) Resistencia Entre (55) – (52) 0.4 – 1.1 Ω Entre (55), (52) – tierra del chasis Mín. 1 MΩ MOTOR Controlador del motor Injector #3 (+) Inyector #3 (-) Inyector #3
  • 657.
    40 Localización defallas GSN00717-01 D155AX-6 47 Código de falla [CA325] Inyector No. 6 (L No. 6) Abierto/Corto circuito Error 1 Diagrama del circuito relacionado con el inyector No. 6 Código de acción Código de fallas Problema Inyector No. 6 (L No. 6) Abierto/Corto circuito Error (Sistema controlador del motor) E03 CA325 Contenido del problema • Hay desconexión o corto circuito en el circuito del inyector No. 6. Acción del controlador • Ninguno en particular. Problemas que aparecen en la máquina • Desminuye la salida • La rotación es inestable Información relacionada Causas posibles y valores estándar en estado normal Causa Valor estándar en estado normal/Observaciones sobre localización de fallas 1 Defectuoso el inyector No. 6 (Problema interno) H Haga los preparativos con el interruptor del arranque en OFF y realice la localización de fallas sin poner en ON el interruptor del arranque. CN6 (macho) Resistencia Entre (1) – (2) 0.4 – 1.1 Ω Entre (1), (2) – tierra del chasis Mín. 1 MΩ 2 Desconexión en el arnés de cables (Desconexión en el arnés, o contacto defectuoso en el conector) H Haga los preparativos con el interruptor del arranque en OFF y realice la localización de fallas sin poner en ON el interruptor del arranque. Arnés de cables entre EGC1 (hembra) (57) – CN6 (hembra) (1) Resistencia Max. 1 Ω Arnés de cables entre EGC1 (hembra) (59) – CN6 (hembra) (2) Resistencia Max. 1 Ω 3 Falla de puesta a tierra del arnés de cables (Contacto con el circuito de puesta a tierra) H Haga los preparativos con el interruptor del arranque en OFF y realice la localización de fallas sin poner en ON el interruptor del arranque. Arnés de cables entre EGC1 (hembra) (57) – CN6 (hembra) (1) y la tierra del chasis Resistencia Mín. 1 MΩ Arnés de cables entre EGC1 (hembra) (59) – CN6 (hembra) (2) y la tierra del chasis Resistencia Mín. 1 MΩ 4 Controlador del motor defectuoso H Haga los preparativos con el interruptor del arranque en OFF y realice la localización de fallas sin poner en ON el interruptor del arranque. EGC1 (hembra) Resistencia Entre (57) – (59) 0.4 – 1.1 Ω Entre (57), (59) – tierra del chasis Mín. 1 MΩ MOTOR Controlador del motor Injector #6 (+) Inyector #6 (-) Inyector #6
  • 658.
    GSN00717-01 40 Localizaciónde fallas 48 D155AX-6 Código de falla [ CA331] Inyector No. 2 (L No. 2) Abierto/Corto circuito Error 1 Diagrama del circuito relacionado con el inyector No. 2 Código de acción Código de fallas Problema Inyector No. 2 (L No. 2) Abierto/Corto circuito Error (Sistema controlador del motor) E03 CA331 Contenido del problema • Hay desconexión o corto circuito en el circuito del inyector No. 2. Acción del controlador • Ninguno en particular. Problemas que aparecen en la máquina • Desminuye la salida • La rotación es inestable Información relacionada Causas posibles y valores estándar en estado normal Causa Valor estándar en estado normal/Observaciones sobre localización de fallas 1 Defectuoso el inyector No. 2 (Problema interno) H Haga los preparativos con el interruptor del arranque en OFF y realice la localización de fallas sin poner en ON el interruptor del arranque. CN2 (macho) Resistencia Entre (1) – (2) 0.4 – 1.1 Ω Entre (1), (2) – tierra del chasis Mín. 1 MΩ 2 Desconexión en el arnés de cables (Desconexión en el arnés, o contacto defectuoso en el conector) H Haga los preparativos con el interruptor del arranque en OFF y realice la localización de fallas sin poner en ON el interruptor del arranque. Arnés de cables entre EGC1 (hembra) (54) – CN2 (hembra) (1) Resistencia Max. 1 Ω Arnés de cables entre EGC1 (hembra) (51) – CN2 (hembra) (2) Resistencia Max. 1 Ω 3 Falla de puesta a tierra del arnés de cables (Contacto con el circuito de puesta a tierra) H Haga los preparativos con el interruptor del arranque en OFF y realice la localización de fallas sin poner en ON el interruptor del arranque. Arnés de cables entre EGC1 (hembra) (54) – CN2 (hembra) (1) y la tierra del chasis Resistencia Mín. 1 MΩ Arnés de cables entre EGC1 (hembra) (51) – CN2 (hembra) (2) y la tierra del chasis Resistencia Mín. 1 MΩ 4 Controlador del motor defectuoso H Haga los preparativos con el interruptor del arranque en OFF y realice la localización de fallas sin poner en ON el interruptor del arranque. EGC1 (hembra) Resistencia Entre (54) – (51) 0.4 – 1.1 Ω Entre (54), (51) – tierra del chasis Mín. 1 MΩ MOTOR Controlador del motor Injector #2 (+) Inyector #2 (-) Inyector #2
  • 659.
    40 Localización defallas GSN00717-01 D155AX-6 49 Código de falla [ CA332] Inyector No. 4 (L No. 4) Abierto/Corto circuito Error 1 Diagrama del circuito relacionado con el inyector No. 4 Código de acción Código de fallas Problema Inyector No. 4 (L No. 4) Abierto/Corto circuito Error (Sistema controlador del motor) E03 CA332 Contenido del problema • Hay desconexión o corto circuito en el circuito del inyector No. 4. Acción del controlador • Ninguno en particular. Problemas que aparecen en la máquina • Desminuye la salida • La rotación es inestable Información relacionada Causas posibles y valores estándar en estado normal Causa Valor estándar en estado normal/Observaciones sobre localización de fallas 1 Defectuoso el inyector No. 4 (Problema interno) H Haga los preparativos con el interruptor del arranque en OFF y realice la localización de fallas sin poner en ON el interruptor del arranque. CN4 (macho) Resistencia Entre (1) – (2) 0.4 – 1.1 Ω Entre (1), (2) – tierra del chasis Mín. 1 MΩ 2 Desconexión en el arnés de cables (Desconexión en el arnés, o contacto defectuoso en el conector) H Haga los preparativos con el interruptor del arranque en OFF y realice la localización de fallas sin poner en ON el interruptor del arranque. Arnés de cables entre EGC1 (hembra) (56) – CN4 (hembra) (1) Resistencia Max. 1 Ω Arnés de cables entre EGC1 (hembra) (58) – CN4 (hembra) (2) Resistencia Max. 1 Ω 3 Falla de puesta a tierra del arnés de cables (Contacto con el circuito de puesta a tierra) H Haga los preparativos con el interruptor del arranque en OFF y realice la localización de fallas sin poner en ON el interruptor del arranque. Arnés de cables entre EGC1 (hembra) (56) – CN4 (hembra) (1) y la tierra del chasis Resistencia Mín. 1 MΩ Arnés de cables entre EGC1 (hembra) (58) – CN4 (hembra) (2) y la tierra del chasis Resistencia Mín. 1 MΩ 4 Controlador del motor defectuoso H Haga los preparativos con el interruptor del arranque en OFF y realice la localización de fallas sin poner en ON el interruptor del arranque. EGC1 (hembra) Resistencia Entre (56) – (58) 0.4 – 1.1 Ω Entre (56), (58) – tierra del chasis Mín. 1 MΩ MOTOR Controlador del motor Injector #4 (+) Inyector #4 (-) Inyector #4
  • 660.
    GSN00717-01 40 Localizaciónde fallas 50 D155AX-6 Código de falla [CA342] Incompatibilidad con el Código de Calibración1 Código de acción Código de fallas Problema Incompatibilidad con el Código de Calibración (Sistema controlador del motor) E04 CA342 Contenido del problema • La incompatibilidad de los datos ocurrió en el controlador del motor Acción del controlador • Ninguno en particular. Problemas que aparecen en la máquina • El motor continúa normalmente la operación, pero puede detenerse durante la operación o es posible que no pueda arrancar nuevamente. Información relacionada Causas posibles y valores estándar en estado normal Causa Valor estándar en estado normal/Observaciones sobre localización de fallas Efectúe la localización de fallas para el código de falla [CA111].
  • 661.
    40 Localización defallas GSN00717-01 D155AX-6 51
  • 662.
    GSN00717-01 40 Localizaciónde fallas 52 D155AX-6 Código de falla [CA351] Error en el circuito de mando de los inyectores1 Código de acción Código de fallas Problema Error en el circuito de mando de los inyectores (Sistema controlador del motor) E03 CA351 Contenido del problema • El problema ocurrió en el circuito de mando del inyector Acción del controlador • Limita la salida del motor y continua la operación (Limita la presión del múltiple común) Problemas que aparecen en la máquina • Salida del motor disminuye. Información relacionada • La fuente de voltaje del controlador del motor se puede monitorear con la función de ajuste. (Código: 03203 Fuente de energía de batería) Causas posibles y valores estándar en estado normal Causa Valor estándar en estado normal/Observaciones sobre localización de fallas 1 Defectuoso el sistema relacionado Si se indica otro código de falla (código de falla del problema en el sistema inyector), ejecute su localización de falla. 2 Defectuoso el disyuntor de circuito (-cb30 ó CB8) Si el disyuntor de circuito se vuelve "OFF", probablemente el circuito tiene una falla en la conexión a tierra (Vea la causa 4). 3 Desconexión en el arnés de cables (Desconexión en el arnés, o contacto defectuoso en el conector) H Haga los preparativos con el interruptor del arranque en OFF y realice la localización de fallas sin poner en ON el interruptor del arranque. Arnés de cables entre EGC3 (hembra) (3), (4) – CB8 (2) Resistencia Max. 1Ω Arnés de cables entre CB8 (1) – CB30 (B30S) Resistencia Max. 1Ω Arnés de cables entre CB30 (B30L) – terminal BRB Resistencia Max. 1Ω Arnés de cables entre EGC3 (hembra) (1), (2) – tierra del chasis (GND 20 Resistencia Max. 1Ω 4 Falla de puesta a tierra del arnés de cables (Contacto con el circuito de puesta a tierra) H Haga los preparativos con el interruptor del arranque en OFF y realice la localización de fallas sin poner en ON el interruptor del arranque. Arnés de cables entre EGC3 (hembra) (3), (4) – CB8 (2) y la tierra del chasis Resistencia Mín. 1 MΩ Arnés de cables entre CB8 (1) – CB30 (B30S) o final de ramificación de circuito y la tierra del chasis Resistencia Mín. 1 MΩ Arnés de cables entre CB30 (B30L) – terminal BRB y la tierra del chasis Resistencia Mín. 1 MΩ Arnés de cables entre EGC3 (hembra) (1), (2) – tierra del chasis (GND 20 y la tierra del chasis Resistencia Mín. 1 MΩ 5 Controlador del motor defectuoso H Haga los preparativos con el interruptor del arranque en OFF, ponga en ON el interruptor del arranque y realice la localización de fallas. EGC3 Voltaje Entre (3), (4) – (1), (2) 20 -30 V
  • 663.
    40 Localización defallas GSN00717-01 D155AX-6 53 Diagrama del circuito relacionado con el suministro energético del controlador del motor CAJA DE LA BATERIA Batería DisyuntorRelé de batería MOTOR Controlador del motor Disyuntor TIERRA potencia TIERRA potencia Potencia sin interruptor 24V Potencia sin interruptor 24V
  • 664.
    GSN00717-01 40 Localizaciónde fallas 54 D155AX-6 Código de falla [CA352] Error. Bajo el suministro de voltaje al sensor 11 Código de acción Código de fallas Problema Error. Bajo suministro al sensor de 1 voltios (Sistema controlador del motor) E03 CA352 Contenido del problema • Voltaje de la señal en sensor del suministro energético 1 (5 V) el circuito del controlador del motor está anormalmente bajo. Acción del controlador • Limita la salida del sensor de presión del múltiple común y continua la operación (Limita la presión del múltiple común). Problemas que aparecen en la máquina • Salida del motor disminuye. Información relacionada Causas posibles y valores estándar en estado normal Causa Valor estándar en estado normal/Observaciones sobre localización de fallas Efectúe la localización de fallas para el código de falla [CA386].
  • 665.
    40 Localización defallas GSN00717-01 D155AX-6 55
  • 666.
    GSN00717-01 40 Localizaciónde fallas 56 D155AX-6 Código de falla [CA386] Error. Alto el suministro 1 de voltaje al sensor 1 Código de acción Código de fallas Problema Error. Alto suministro al sensor de 1 voltios (Sistema controlador del motor) E03 CA386 Contenido del problema • El voltaje de la señal del circuito del sensor del suministro energético (5V) está anormalmente alto. Acción del controlador • Limita la salida del sensor de presión del múltiple común y continua la operación (Limita la presión del múltiple común). Problemas que aparecen en la máquina • Salida del motor disminuye. Información relacionada Causas posibles y valores estándar en estado normal Causa Valor estándar en estado normal/Observaciones sobre localización de fallas 1 Defectuoso el sistema relacionado Si aparece indicado otro código de falla ejecute la localización de falla para el mismo. 2 Sensor defectuoso (Problema interno) H Haga los preparativos con el interruptor del arranque en OFF, ponga en ON el interruptor del arranque y realice la localización de fallas. Desconectar los dispositivos a la derecha siguiendo el orden Si desaparece el código de falla “E” cuando un dispositivo se desconecta, ese dispositivo tiene problemas. Sensor de presión del múltiple común Conector PFUEL 3 Desconexión en el arnés de cables (Desconexión en el arnés, o contacto defectuoso en el conector) H Haga los preparativos con el interruptor del arranque en OFF y realice la localización de fallas sin poner en ON el interruptor del arranque. Arnés de cables entre EGC1 (hembra) (33) – PFUEL (hembra) (1) Resistencia Max. 1Ω Arnés de cables entre EGC1 (hembra) (47) – PFUEL (hembra) (3) Resistencia Max. 1Ω 4 Falla de puesta a tierra del arnés de cables (Contacto con el circuito de puesta a tierra) H Haga los preparativos con el interruptor del arranque en OFF y realice la localización de fallas sin poner en ON el interruptor del arranque. Arnés de cables entre EGC1 (hembra) (33) – PFUEL (hembra) (1) y la tierra del chasis Resistencia Mín. 1 MΩ Arnés de cables entre EGC1 (hembra) (47) – PFUEL (hembra) (3) y la tierra del chasis Resistencia Mín. 1 MΩ 5 Corto circuito en el arnés de cables (con otro arnés de cables) H Haga los preparativos con el interruptor del arranque en OFF y realice la localización de fallas sin poner en ON el interruptor del arranque. Arnés de cables entre EGC1 (hembra) (33) – PFUEL (hembra) y entre EGC1 (hembra) (47) – PFUEL (hembra) Resistencia Mín. 1 MΩ 6 Controlador del motor defectuoso H Haga los preparativos con el interruptor del arranque en OFF, ponga en ON el interruptor del arranque y realice la localización de fallas. EGC1 Voltaje Entre (33) – (47) 4.75 – 5.25 Ω
  • 667.
    40 Localización defallas GSN00717-01 D155AX-6 57 Diagrama de circuito relacionado con el sensor del suministro energético 1 (5V) del controlador del motor MOTOR Controlador del motor Presión del múltiple común Energía sensor (5V) Sensor de presión del múltiple común
  • 668.
    GSN00717-01 40 Localizaciónde fallas 58 D155AX-6 Código de falla [CA441] Error. Bajo el voltaje de batería 1 Código de falla [CA442] Error. Alto el voltaje de la batería. 1 Código de acción Código de fallas Problema Error. Bajo el voltaje de batería (Sistema controlador del motor) E04 CA441 Contenido del problema • El voltaje del circuito del suministro energético del controlador del motor está anormalmente bajo. Acción del controlador • Ninguno en particular. Problemas que aparecen en la máquina • El motor continúa normalmente la operación, pero puede detenerse durante la operación o es posible que no pueda arrancar nuevamente. Información relacionada • La fuente de voltaje del controlador del motor se puede monitorear con la función de ajuste. (Código: 03203 Fuente de energía de batería) Causas posibles y valores estándar en estado normal Causa Valor estándar en estado normal/Observaciones sobre localización de fallas Efectúe la localización de fallas para el código de falla [CA111]. Código de acción Código de fallas Problema Error. Alto voltaje de batería (Sistema controlador del motor) E04 CA442 Contenido del problema • El voltaje del circuito del suministro energético del controlador del motor está anormalmente bajo. Acción del controlador • Ninguno en particular. Problemas que aparecen en la máquina • El motor continúa normalmente la operación, pero puede detenerse durante la operación o es posible que no pueda arrancar nuevamente. Información relacionada • La fuente de voltaje del controlador del motor se puede monitorear con la función de ajuste. (Código: 03203 Fuente de energía de batería) Causas posibles y valores estándar en estado normal Causa Valor estándar en estado normal/Observaciones sobre localización de fallas Efectúe la localización de fallas para el código de falla [CA111].
  • 669.
    40 Localización defallas GSN00717-01 D155AX-6 59 Código de falla [CA449] Error. Muy alta la presión del múltiple 1 Código de acción Código de fallas Problema Error. Muy alta la presión del múltiple (Sistema controlador del motor) E03 CA449 Contenido del problema • El circuito sensor de presión del múltiple común detectó presión anormalmente elevada (nivel 2) Acción del controlador • Limita la salida del motor y continua la operación (Limita la presión del múltiple común) Problemas que aparecen en la máquina • Salida del motor disminuye. Información relacionada • La presión del múltiple común se puede comprobar con la función de observación. • (Código: 36400 Presión del múltiple) Causas posibles y valores estándar en estado normal Causa Valor estándar en estado normal/Observaciones sobre localización de fallas Efectúe la localización de fallas para el código de falla [CA553].
  • 670.
    GSN00717-01 40 Localizaciónde fallas 60 D155AX-6 Código de falla [CA451] Error. Alta presión en el sensor del múltiple 1 Código de acción Código de fallas Problema Error. Muy alta la presión en el sensor del múltiple (Sistema controlador del motor) E03 CA451 Contenido del problema • El voltaje de la señal en el circuito del sensor de presión del múltiple común está anormalmente alto. Acción del controlador • Limita la salida del motor y continua la operación (Limita la presión del múltiple común) Problemas que aparecen en la máquina • Salida del motor disminuye. Información relacionada • El estado de la señal del sensor de presión del múltiple común puede comprobarse con la función de observación. (Código: 36401 Voltaje del sensor de presión del múltiple) Causas posibles y valores estándar en estado normal Causa Valor estándar en estado normal/Observaciones sobre localización de fallas 1 Defectuoso el sistema de suministro de energía al sensor Si el código [CA352] o [CA386] aparece indicado, ejecute su localización de falla primero. 2 Defectuoso el sensor del múltiple común (problema interno) H Haga los preparativos con el interruptor del arranque en OFF, luego ponga en ON el interruptor del arranque y realice la localización de fallas. PFUEL Voltaje Entre (1) – (3) Fuente de energía 4.75 -5.25 V Entre (2) – (3) Señal 0.26 -4.6 V El voltaje del sensor se mide con el arnés de cables conectado. De tal modo que, si el voltaje es anormal, compruebe el arnés de cables y el controlador también, para otra causa del problema y después haga su juicio. 3 Desconexión en el arnés de cables (Desconexión en el arnés, o contacto defectuoso en el conector) H Haga los preparativos con el interruptor del arranque en OFF y realice la localización de fallas sin poner en ON el interruptor del arranque. Arnés de cables entre EGC1 (hembra) (33) – PFUEL (hembra) (1) Resistencia Max. 1Ω Arnés de cables entre EGC1 (hembra) (25) – PFUEL (hembra) (2) Resistencia Max. 1Ω Arnés de cables entre EGC1 (hembra) (47) – PFUEL (hembra) (3) Resistencia Max. 1Ω 4 Falla de puesta a tierra del arnés de cables (Contacto con el circuito de puesta a tierra) H Haga los preparativos con el interruptor del arranque en OFF y realice la localización de fallas sin poner en ON el interruptor del arranque. Arnés de cables entre EGC1 (hembra) (33) – PFUEL (hembra) (1) y la tierra del chasis Resistencia Mín. 1 MΩ Arnés de cables entre EGC1 (hembra) (25) – PFUEL (hembra) (2) y la tierra del chasis Resistencia Mín. 1 MΩ Arnés de cables entre EGC1 (hembra) (47) – PFUEL (hembra) (3) y la tierra del chasis Resistencia Mín. 1 MΩ 5 Corto circuito en el arnés de cables (con otro arnés de cables) H Haga los preparativos con el interruptor del arranque en OFF y realice la localización de fallas sin poner en ON el interruptor del arranque. Arnés de cables entre EGC1 (hembra) (33) – PFUEL (hembra) (1) y entre EGC1 (hembra) (25) – PFUEL (hembra) (2) Resistencia Mín. 1 MΩ Arnés de cables entre EGC1 (hembra) (33) – PFUEL (hembra) y entre EGC1 (hembra) (47) – PFUEL (hembra) Resistencia Mín. 1 MΩ Arnés de cables entre EGC1 (hembra) (25) – PFUEL (hembra) (2) y entre EGC1 (hembra) (47) – PFUEL (hembra) (3) Resistencia Mín. 1 MΩ
  • 671.
    40 Localización defallas GSN00717-01 D155AX-6 61 Diagrama del circuito relacionado con el sensor de presión del múltiple común Causas posibles y valores estándar en estado normal Causa Valor estándar en estado normal/Observaciones sobre localización de fallas 6 Controlador del motor defectuoso H Haga los preparativos con el interruptor del arranque en OFF, luego ponga en ON el interruptor del arranque y realice la localización de fallas. EGC1 Voltaje Entre (33) – (47) 4.75 -5.25 V Entre (25) – (47) 0.26 -4.6 V MOTOR Controlador del motor Presión del múltiple común Energía sensor (5V) Sensor de presión del múltiple común
  • 672.
    GSN00717-01 40 Localizaciónde fallas 62 D155AX-6 Código de falla [CA452] Error. Sensor detecta baja presión en múltiple 1 Código de falla [CA553] Error. Alta presión en el múltiple 1 Código de acción Código de fallas Problema Error. Muy baja la presión en el sensor del múltiple (Sistema controlador del motor) E03 CA452 Contenido del problema • El voltaje de la señal en el circuito del sensor de presión del múltiple común está anormalmente bajo Acción del controlador • Limita la salida del motor y continua la operación (Limita la presión del múltiple común) Problemas que aparecen en la máquina • Salida del motor disminuye. Información relacionada • El estado de la señal del sensor de presión del múltiple común puede comprobarse con la función de observación. (Código: 36401 Voltaje del sensor de presión del múltiple) Causas posibles y valores estándar en estado normal Causa Valor estándar en estado normal/Observaciones sobre localización de fallas Efectúe la localización de fallas para el código de falla [CA451]. Código de acción Código de fallas Problema Error. Alta la presión del múltiple (Sistema controlador del motor) E02 CA553 Contenido del problema • El circuito sensor de presión del múltiple común detectó presión anormalmente elevada (nivel 1) Acción del controlador • Ninguno en particular. Problemas que aparecen en la máquina • Salida del motor disminuye. Información relacionada • La presión del múltiple común se puede comprobar con la función de observación. (Código: 36400 Presión del múltiple) Causas posibles y valores estándar en estado normal Causa Valor estándar en estado normal/Observaciones sobre localización de fallas 1 Defectuoso el sistema relacionado Si aparece indicado otro código de falla ejecute la localización de falla para el mismo. 2 Utilización de combustible inadecuado Comprobar el combustible usado directamente (por alta viscosidad) 3 Defectuoso el sistema eléctrico del sensor de presión del múltiple de combustible El sensor de presión del múltiple común puede tener problema eléctrico. Efectúe la localización de fallas para el código de falla [CA451]. 4 Defectuoso el sistema mecánico del sensor de presión del múltiple común. Revise el sistema mecánico del sensor de presión del múltiple común. 5 Defectuosa la válvula de derrame Comprobar directamente la válvula de derrames en busca de resorte roto, asiento gastado y bola agarrada. 6 Obstrucción de tubería de derrame. Comprobar directamente si hay obstrucción en las tuberías de derrame 7 Defectuoso el limitador de presión Comprobar directamente el limitador de presión en busca de defecto mecánico.
  • 673.
    40 Localización defallas GSN00717-01 D155AX-6 63 Código de falla [CA554] Error. Sensor de presión del múltiple en área de error 1 Código de acción Código de fallas Problema Sensor de presión del múltiple en área de error (Sistema controlador del motor) E03 CA554 Contenido del problema • Error dentro de régimen se produjo en el circuito sensor de presión del múltiple común. Acción del controlador • Limita la salida del motor y continua la operación (Limita la presión del múltiple común) Problemas que aparecen en la máquina • Salida del motor disminuye. Información relacionada • El estado de la señal del sensor de presión del múltiple común puede comprobarse con la función de observación. (Código: 36401 Voltaje del sensor de presión del múltiple) Causas posibles y valores estándar en estado normal Causa Valor estándar en estado normal/Observaciones sobre localización de fallas Efectúe la localización de fallas para el código de falla [CA451].
  • 674.
    GSN00717-01 40 Localizaciónde fallas 64 D155AX-6 Código de falla [CA559] Error. Baja presión de carrilera 1 <Forma de usar la hoja de comprobaciones> Ejecute la localización de fallas indicada anteriormente y haga un registro del contenido de la adjunta “Hoja de comprobaciones para error por baja presión del múltiple”. Código de acción Código de fallas Problema Error. Baja la presión del múltiple (Sistema controlador del motor) E02 CA559 Contenido del problema • La bomba de suministro no alimenta combustible (nivel 1). Acción del controlador • Limita la presión del múltiple común. Problemas que aparecen en la máquina • Salida del motor disminuye. Información relacionada • La presión del múltiple común se puede comprobar con la función de observación. (Código: 36400 Presión del múltiple) Causas posibles y valores estándar en estado normal Causa Valor estándar en estado normal/Observaciones sobre localización de fallas 1 Defectuoso el sistema relacionado Si aparece indicado otro código de falla ejecute la localización de falla para el mismo. 2 Utilización de combustible inadecuado Comprobar directamente el combustible usado por calidad inapropiada 3 Defectuoso el dispositivo del circuito de baja presión H Para contenido de localización de falla, ver Nota 1. Para comprobación de presión en el circuito de baja presión de combustible, ver Pruebas y Ajustes, Comprobación de la presión de combustible. Presión en el circuito de baja presión de combustible (alta velocidad) Min. 0.15 MPa {Mín. 1.5 kg/cm2} 4 Obstrucción del filtro/colador H Para el contenido de localización de fallas ver Nota 2. 5 Defectuoso el sistema eléctrico PCV de la bomba de suministro Bomba de suministro PCV puede tener problema eléctrico. Efectúe la localización de fallas para los códigos siguientes; [CA271], [CA272], [CA273], [CA274]. 6 Defectuoso el sensor de presión del múltiple común El sensor de presión del múltiple común puede estar defectuoso. Comprobar si está dañado el arnés de cables 7 Defectuoso el limitador de presión H Para comprobar si hay fugas desde el limitador de presión, ver Pruebas y Ajustes, Medición de la tasa de retorno y fugas de combustible. Fugas procedentes del limitador de presión (Operación equivalente a operación nominal (con carga de calado)) Máx. 10 cc/min 8 Inyector defectuoso H Para medir el límite de retorno (derrame) de combustible procedente del inyector, ver Pruebas y Ajustes, Medición de la tasa de retorno de combustible y escape de combustible. Velocidad en la operación del caso (Carga de calado) Límite de retorno (derrame) del inyector 1,600 rpm 960 cc/min 1,700 rpm 1,020 cc/min 1,800 rpm 1,080 cc/min 1,900 rpm 1,140 cc/min 2,000 rpm 1,200 cc/min 9 Defectuosa la bomba de suministro Si no se detectan las causas 1 -8, puede que la bomba de suministro esté defectuosa.
  • 675.
    40 Localización defallas GSN00717-01 D155AX-6 65 Nota 1: Revise las partes de los circuitos de baja presión de los siguientes ítemes. 1) Nivel de combustible 2) Obstrucción del respirador del tanque de combustible 3) Arreglo y desgaste de la bomba de alimentación y obstrucción del filtro 4) Escape y obstrucción de la tubería de combustible de baja presión 5) Operación defectuosa de la válvula de desvío e instalación de piezas erróneas (Ver la Figura 1) 6) Obstrucción del filtro de combustible 7) Combustible en cárter de aceite (Escape de combustible en el interior de la tapa de la culata) Fig. 1: Localización de válvula de desborde (1), válvula de desvío (2), unión de entrada de combustible (3) Válvula de sobre caudal (1): El tamiz de filtro se puede ver a través de ambos agujeros. Válvula de desvío (2): El resorte es visto a través del agujero en el lado de la tuerca. Unión (3) de entrada de combustible: El tamiz de filtro se puede ver a través de ambos agujeros. Nota 2: Revise, limpie o reemplace los filtros y coladores de acuerdo al siguiente procedimiento. 1) Filtro de gasa: Desarmar y comprobar Si está obstruido, limpiarlo 2) Filtro de gasa del colador flujo arriba: Si el filtro de gasa está obstruido, también limpie el filtro que se encuentra flujo arriba. 3) Filtro del combustible: Si el problema no se resuelve ejecutando el 1) y 2) de arriba, reemplace el filtro de combustible.
  • 676.
    GSN00717-01 40 Localizaciónde fallas 66 D155AX-6 Hoja de comprobaciones para error por baja presión del múltiple Modelo D155AX-6 Trabajo No. No. de serie de la máquina # Fecha de la comprobación / / Motor SAA6D140E-5 Horómetro de servicio h No. de serie del motor # Nombre del usuario A. Revisión visual Bueno NG 1 Fuga de combustible hacia el exterior 2 Obstrucción del respirador del tanque de combustible B. Comprobar con el monitor de la máquina (Historial de falla 02, observación 01, y 09 reducido Modo de operación del cilindro) Bueno NG 3 Revisión del código de falla / / / / 4 Comprobación de la información de monitoreo Código Item expuesto Condición a revisar Unidad ISO Valor estándar (Valor de referencia) Valor medido Bueno NG 01002 Velocidad del motor Baja velocidad sin carga r/min 715 – 765 Alta velocidad sin carga r/min 1,825 – 1,925 Calado del convertidor de torsión r/min 1,560 – 1,660 31706 Posición final del acelerador Baja velocidad sin carga % 0 Alta velocidad sin carga % 100 18600 Mandato para tasa final de inyección de combustible (por peso) Calado del convertidor de torsión mg/st — — — 36200 Mandato de la presión final del múltiple común Calado del convertidor de torsión MPa — — — 36400 Presión del múltiple común Calado del convertidor de torsión MPa — — — 36300 Mandato de la sincronización final de inyección Baja velocidad sin carga CA — — — Alta velocidad sin carga CA — — — Calado del convertidor de torsión CA — — — 36500 Presión de refuerzo Calado del convertidor de torsión kPa — — — 04107 Temperatura del refrigerante del motor Baja velocidad sin carga °C — — — 14200 Temperatura del combustible Baja velocidad sin carga °C — — — 5 Comprobación del modo de operación con cilindros reducidos (velocidad del motor) Regula -ción Cilindro reducido Condición a revisar Unidad ISO Valor estándar (Valor de referencia) Valor medido Bueno NG Reducir cada cilindro Cilindro No. 1 r/min — — — Cilindro No. 2 r/min — — — Cilindro No. 3 r/min — — — Cilindro No. 4 r/min — — — Cilindro No. 5 r/min — — — Cilindro No. 6 r/min — — —
  • 677.
    40 Localización defallas GSN00717-01 D155AX-6 67 C. Comprobar la presión del circuito del combustible Condición a revisar Unidad Valor estándar (Valor de referencia) Valor medido Bueno NG 6 Presión del circuito de baja presión de combustible Alta velocidad sin carga MPa {kg/cm2} Mín. 0.15 {Mín. 1.5} D. Comprobación de coladores y filtros Bueno NG 7 Comprobación visual de coladores 8 Comprobación visual del filtro de gasa 9 Comprobación visual del filtro de combustible 10 Comprobación visual de la válvula de desvío E. Revise las fugas y la proporción de retorno Condición a revisar Unidad Valor estándar (Valor de referencia) Valor medido Bueno NG 11 Escape a través del limitador de presión Calado del convertidor de torsión cc/min Máx. 10 12 Tasa de retorno del inyector Calado del convertidor de torsión 1,600 rpm cc/min 960 Velocidad: Fuga Calado del convertidor de torsión 1,700 rpm cc/min 1,020 Calado del convertidor de torsión 1,800 rpm cc/min 1,080 Calado del convertidor de torsión 1,900 rpm cc/min 1,140 Calado del convertidor de torsión 2,000 rpm cc/min 1,200
  • 678.
    GSN00717-01 40 Localizaciónde fallas 68 D155AX-6 Código de falla [CA689] Error. Sensor de velocidad Ne del motor 1 Código de acción Código de fallas Problema Error del Sensor de Velocidad Ne del Motor (Sistema controlador del motor) E03 CA689 Contenido del problema • El problema ocurrió en el circuito del sensor de velocidad Ne del motor Acción del controlador • Opera con señales del sensor de velocidad de marcha atrás. Problemas que aparecen en la máquina • El motor en marcha se detiene (Cuando el sensor de la velocidad de marcha atrás también está anormal). • El motor parado no puede ponerse en marcha (Cuando el sensor de velocidad de marcha atrás también está anormal). Información relacionada Causas posibles y valores estándar en estado normal Causa Valor estándar en estado normal/Observaciones sobre localización de fallas 1 Defectuoso el sistema de suministro de energía al sensor Si el código [CA238] es indicado, primero ejecute la localización de fallas para éste. 2 Desconexión en el arnés de cables (Desconexión en el arnés, o contacto defectuoso en el conector) H Haga los preparativos con el interruptor del arranque en OFF y realice la localización de fallas sin poner en ON el interruptor del arranque. Arnés de cables entre EGC1 (hembra) (16) – NE (hembra) (1) Resistencia Max. 1Ω Arnés de cables entre EGC1 (hembra) (48) – NE (hembra) (2) Resistencia Max. 1Ω Arnés de cables entre EGC1 (hembra) (27) – NE (hembra) (3) Resistencia Max. 1Ω 3 Falla de puesta a tierra del arnés de cables (Contacto con el circuito de puesta a tierra) H Haga los preparativos con el interruptor del arranque en OFF y realice la localización de fallas sin poner en ON el interruptor del arranque. Arnés de cables entre EGC1 (hembra) (16) – NE (hembra) (1) y la tierra del chasis Resistencia Mín. 1 MΩ Arnés de cables entre EGC1 (hembra) (48) – NE (hembra) (2) y la tierra del chasis Resistencia Mín. 1 MΩ Arnés de cables entre EGC1 (hembra) (27) – NE (hembra) (3) y la tierra del chasis Resistencia Mín. 1 MΩ 4 Corto circuito en el arnés de cables (con otro arnés de cables) H Haga los preparativos con el interruptor del arranque en OFF y realice la localización de fallas sin poner en ON el interruptor del arranque. Arnés de cables entre EGC1 (hembra) (16) – NE (hembra) (1) y entre EGC1 (hembra) (48) – NE (hembra) (2) Resistencia Mín. 1 MΩ Arnés de cables entre EGC1 (hembra) (16) – NE (hembra) (1) y entre EGC1 (hembra) (48) – NE (hembra) (3) Resistencia Mín. 1 MΩ Tierra del chasis entre EGC1 (hembra) (48) – NE (hembra) (2) y entre EGC1 (hembra) (27) – NE (hembra) (3) Resistencia Mín. 1 MΩ 5 Defectuoso el montaje del sensor o defectuosa la parte detectora de rotación Comprobar directamente el sensor de velocidad Ne por montaje defectuoso (holgura defectuosa) o comprobar directamente si está defectuosa la parte del sensor de rotación (volante) 6 Defectuoso el sensor de velocidad del motor Ne Si las causas 1 – 5 no se detectan, el sensor de velocidad Ne puede estar defectuoso (Como el problema se encuentra en el sistema, no se puede realizar la localización de fallas.) 7 Controlador del motor defectuoso Si no se detectan las causas 1 a -5, puede que el controlador del motor esté defectuoso. (Como el problema se encuentra en el sistema, no se puede realizar la localización de fallas.)
  • 679.
    40 Localización defallas GSN00717-01 D155AX-6 69 Diagrama de circuito relacionado con el sensor de la velocidad Ne del motor MOTOR Controlador del motor Energía sensor (5V) TIERRA Señal
  • 680.
    70 D155AX-6 GSN00717-01 40Localización de fallas D155AX-6 Buldózer Forma No. GSN00717-01 © 2006 KOMATSU Todos los Derechos Reservados Impreso en E.E.U.U. 08-06
  • 681.
    D155AX-6 1 GSN00718-01 BULDÓZER 1MANUALDE TALLER D155AX-6 Modelo de máquina Número de serie D155AX-6 80001 y superiores 40 Localización de fallas 1 Localización de fallas y códigos de errores, Parte 3 Localización de fallas y códigos de errores, Parte 3...................................................................................... 3 Código de falla [CA731] Error. Fase del sensor de velocidad de retroceso del motor........................ 3 Código de fallas [CA757] Error. Perdidos todos los datos de continuidad. ......................................... 3 Código de falla [CA778] Error. Sensor de velocidad de retroceso del motor. ..................................... 4 Código de falla [CA1228] Error 1, Servo válvula EGR........................................................................ 6 Código de falla [CA1625] Error 2, Servo Válvula EGR ....................................................................... 7 Código de falla [CA1626] Error. Corriente alta del solenoide de la válvula BP................................... 8 Código de falla [CA1627] Error. Corriente baja del solenoide de la válvula BP................................ 10 Código de falla [CA1628] Error 1. Servo válvula de desvío .............................................................. 11 Código de falla [CA1619] Error 2. Servo válvula de desvío .............................................................. 12 Código de falla [CA1631] Error. Alta señal de voltaje en el sensor de posición de la válvula BP..... 14 Código de falla [CA1632] Error. Bajo voltaje en sensor de posición de la Válvula BP...................... 16 Código de falla [CA1633] Error. Exceso de tiempo en comunicación con base de datos del KOMNET 18
  • 682.
    GSN00718-01 40 Localizaciónde fallas 2 D155AX-6 Código de falla [CA1632] EGR Sensor de presión de ingreso Bajo Error......................................... 20 Código de falla [CA1653] Error. Voltaje alto en sensor de presión de entrada EGR......................... 22 Código de falla [CA2185] Error. Alto voltaje suministrado al sensor del acelerador ......................... 24 Código de falla [CA2186] Error. Bajo voltaje suministrado al sensor del acelerador ........................ 26 Código de falla [CA2249] Error. Muy baja la presión de la carrilera común...................................... 26 Código de falla [CA2271] Error. Alta señal de voltaje del sensor de posición de válvula EGR......... 28 Código de falla [CA2272] Error. Bajo voltaje en el sensor de posición de la válvula EGR................ 30 Código de falla [CA2351] Error. Alta corriente en el solenoide de la válvula EGR ........................... 32 Código de falla [CA2352] Error. Baja corriente en el solenoide de la válvula EGR .......................... 34 Código de falla [CA2555] Error. Bajo voltaje en el relé de la parrilla del calentador ......................... 35 Código de falla [CA2556] Error. Alto voltaje en relé de parrilla del calentador.................................. 36 Código de falla [D110KA] Relé de batería: Desconección................................................................ 38 Código de falla [D110KB] Relé de batería: Corto circuito en el mando ............................................ 40 Código de falla [D130KA] Relé neutral: Desconexión ....................................................................... 42 Código de falla [D130KB] Relé neutral: Corto circuito ...................................................................... 44 Código de falla [D161KA] Relé de alarma de marcha atrás: Desconección ..................................... 46 Código de falla [D161KB] Relé de alarma de marcha atrás: Corto circuito ...................................... 48 Código de falla [D190KA] Relé de la señal ACC: Desconexión ........................................................ 50 Código de falla [D190KB] Relé de la señal ACC: Corto circuito ....................................................... 52 Código de falla [D5ZKKX] Control de acelerador: Fuera del régimen normal................................... 54 Código de falla [DAFRKR] Desconexión CAN (Monitor) ................................................................... 56 Código de falla [DB2RKR] CAN Desconexión (Controlador del motor) ............................................ 58 Código de falla [DB90KK] Controlador del equipo de trabajo: Reducción del voltaje de la fuente ... 60 Código de falla [DB90KR] Controlador PT: Pierde comunicación con CAN ..................................... 62
  • 683.
    40 Localización defallas GSN00718-01 D155AX-6 3 Localización de fallas y códigos de errores, Parte 3 1 Código de falla [CA731] Error. Fase del sensor de velocidad de retroceso del motor 1 Código de fallas [CA757] Error. Perdidos todos los datos de continuidad.1 Código de acción Código de fallas Problema Error. Fase del sensor de velocidad de retroceso del motor (Sistema controlador del motor) E03 CA731 Contenido del problema • El circuito del sensor de marcha atrás del motor detectó un error en la fase. Acción del controlador • Controles con señales del sensor de velocidad Ne del motor. Problemas que aparecen en la máquina • Motor en marcha se detiene (cuando el sensor de la velocidad Ne también está anormal) • El motor parado no se puede arrancar (cuando el sensor de la velocidad Ne también está anormal) Información relacionada Causas posibles y valores estándar en estado normal Causa Valor estándar en estado normal/Observaciones sobre localización de fallas 1 Sistema del sensor de velocidad Ne del motor defectuoso El sensor de la velocidad Ne del motor puede estar defectuoso Efectúe la localización de fallas para el código de falla [CA689]. 2 Defectuoso el sistema sensor de velocidad de retroceso del motor Puede estar defectuoso el sensor de velocidad de retroceso del l motor. Efectúe la localización de fallas para el código de falla [CA778]. Código de acción Código de fallas Problema Error. Pérdida de Todos los Datos de Continuidad (Sistema controlador del motor) E04 CA757 Contenido del problema • Todos los datos del controlador del motor se han perdido. Acción del controlador • Ninguno en particular. Problemas que aparecen en la máquina • El motor continúa normalmente la operación, pero puede detenerse durante la operación o es posible que no pueda arrancar nuevamente. Información relacionada Causas posibles y valores estándar en estado normal Causa Valor estándar en estado normal/Observaciones sobre localización de fallas Efectúe la localización de fallas para el código de falla [CA111].
  • 684.
    GSN00718-01 40 Localizaciónde fallas 4 D155AX-6 Código de falla [CA778] Error. Sensor de velocidad de retroceso del motor.1 Código de acción Código de fallas Problema Error. Sensor de velocidad de retroceso del motor (Sistema controlador del motor) E03 CA778 Contenido del problema • El problema ocurrió en el circuito del sensor de velocidad de retroceso del motor Acción del controlador • Opera con señales del sensor de velocidad Ne. Problemas que aparecen en la máquina • Motor en marcha se detiene (cuando el sensor de la velocidad Ne también está anormal) • El motor parado no se puede arrancar (cuando el sensor de la velocidad Ne también está anormal) Información relacionada Causas posibles y valores estándar en estado normal Causa Valor estándar en estado normal/Observaciones sobre localización de fallas 1 Defectuoso el sistema de suministro de energía al sensor Si el código [CA187] o [CA227] aparece indicado, ejecute su localización de falla primero. 2 Desconexión en el arnés de cables (Desconexión en el arnés, o contacto defectuoso en el conector) H Haga los preparativos con el interruptor del arranque en OFF y realice la localización de fallas sin poner en ON el interruptor del arranque. Arnés de cables entre EGC1 (hembra) (37) – G (hembra) (1) Resistencia Max. 1 Ω Arnés de cables entre EGC1 (hembra) (47) – G (hembra) (2) Resistencia Max. 1 Ω Arnés de cables entre EGC1 (hembra) (26) – G (hembra) (3) Resistencia Max. 1 Ω 3 Falla de puesta a tierra del arnés de cables (Contacto con el circuito de puesta a tierra) H Haga los preparativos con el interruptor del arranque en OFF y realice la localización de fallas sin poner en ON el interruptor del arranque. Arnés de cables entre EGC1 (hembra) (37) – G (hembra) (1) y la tierra del chasis Resistencia Mín. 1 MΩ Arnés de cables entre EGC1 (hembra) (47) – G (hembra) (2) y la tierra del chasis Resistencia Mín. 1 MΩ Arnés de cables entre EGC1 (hembra) (26) – G (hembra) (3) y la tierra del chasis Resistencia Mín. 1 MΩ 4 Corto circuito en el arnés de cables (con otro arnés de cables) H Haga los preparativos con el interruptor del arranque en OFF y realice la localización de fallas sin poner en ON el interruptor del arranque. Arnés de cables entre EGC1 (hembra) (37) – G (hembra) (1) y entre EGC1 (hembra) (47) – G (hembra) (2) Resistencia Mín. 1 MΩ Arnés de cables entre EGC1 (hembra) (37) – G (hembra) (1) y entre EGC1 (hembra) (26) – G (hembra) (3) Resistencia Mín. 1 MΩ Tierra del chasis entre EGC1 (hembra) (47) – G (hembra) (2) y entre EGC1 (hembra) (29) – G (hembra) (3) Resistencia Mín. 1 MΩ 5 Defectuoso el montaje del sensor o defectuosa la parte detectora de rotación Compruebe directamente el sensor de velocidad de marcha atrás por montaje defectuoso (holgura defectuosa) o compruebe directamente por defecto la rotación de la parte del sensor (en la bomba de suministro) 6 Defectuoso el sensor de velocidad de retroceso del motor Si las causas 1 – 5 no son detectadas, el sensor de velocidad de retroceso del motor puede estar defectuoso. (Como el problema se encuentra en el sistema, no se puede realizar la localización de fallas.) 7 Controlador del motor defectuoso Si no se detectan las causas 1 a -5, puede que el controlador del motor esté defectuoso. (Como el problema se encuentra en el sistema, no se puede realizar la localización de fallas.)
  • 685.
    40 Localización defallas GSN00718-01 D155AX-6 5 Diagrama de circuito relacionado con el sensor de la velocidad de retroceso del motor Controlador del motor MOTOR Sensor de retroceso TIERRA Señal Sensor de retroceso (+) Energía sensor (5V)
  • 686.
    GSN00718-01 40 Localizaciónde fallas 6 D155AX-6 Código de falla [CA1228] Error 1, Servo válvula EGR 1 Código de acción Código de fallas Problema Válvula EGR Servo error 1 (Sistema controlador del motor) E02 CA1228 Contenido del problema • Problema (nivel 1) ocurrido en servo válvula EGR. Acción del controlador • Realiza el control abierto. Problemas que aparecen en la máquina Información relacionada • Las condiciones de operación de la válvula EGR se pueden comprobar con la función de observación. (Código: 18100 Posición de la válvula EGR Causas posibles y valores estándar en estado normal Causa Valor estándar en estado normal/Observaciones sobre localización de fallas 1 Defectuoso el sistema relacionado Si aparece indicado otro código de falla ejecute la localización de falla para el mismo. 2 Defectuoso el sistema de presión de aceite del motor (circuito principal) H Para comprobar la presión de aceite del motor, ver Pruebas y ajustes, Forma de medir la presión de aceite del motor. Motor Presión de aceite del motor Baja velocidad sin carga 0.08 MPa {0.8 kg/cm2 } Alta velocidad sin carga 0.21 MPa {2.1 kg/cm2 } Si la presión de aceite es anormal, ejecute la localización de fallas para “S-12, La presión de aceite baja” en el modo S. 3 Defectuosa la bomba de aceite para la válvula EGR Comprobar directamente la bomba de aceite y la válvula de alivio para el circuito de la válvula EGR 4 Defectuosa la tubería de alimentación del aceite para la válvula EGR Comprobar directamente la tubería de alimentación del aceite para el circuito de la válvula EGR 5 Defectuosa la tubería de retorno del aceite para la válvula EGR Comprobar directamente la tubería de retorno del aceite para el circuito de la válvula EGR 6 Defectuosa la válvula EGR Comprobar directamente la sección mecánica de la válvula EGR 7 Controlador del motor defectuoso Si no se detectan las causas 1 a -6, puede que el controlador del motor esté defectuoso. (Como el problema se encuentra en el sistema, no se puede realizar la localización de fallas.)
  • 687.
    40 Localización defallas GSN00718-01 D155AX-6 7 Código de falla [CA1625] Error 2, Servo Válvula EGR 1 Código de acción Código de fallas Problema Válvula EGR Servo error 2 (Sistema controlador del motor) E03 CA1625 Contenido del problema • Problema (nivel 2) ocurrido en servo válvula EGR. Acción del controlador • Limita la salida del motor y continúa la operación. • Cierra la válvula EGR y la válvula de desvío Problemas que aparecen en la máquina • Salida del motor disminuye. Información relacionada • Las condiciones de operación de la válvula EGR se pueden comprobar con la función de observación. (Código: 18100 Posición de la válvula EGR Causas posibles y valores estándar en estado normal Causa Valor estándar en estado normal/Observaciones sobre localización de fallas Efectúe la localización de fallas para el código de falla [CA1228].
  • 688.
    GSN00718-01 40 Localizaciónde fallas 8 D155AX-6 Código de falla [CA1626] Error. Corriente alta del solenoide de la válvula BP 1 Código de acción Código de fallas Problema Error. Alta corriente en el solenoide de la válvula BP (Sistema controlador del motor) E03 CA1626 Contenido del problema • Hay corto circuito en el circuito de mando del solenoide de la válvula de desvío Acción del controlador • Limita la salida del motor y continúa la operación. • Cierra la válvula EGR y la válvula de desvío Problemas que aparecen en la máquina • Salida del motor disminuye. Información relacionada Causas posibles y valores estándar en estado normal Causa Valor estándar en estado normal/Observaciones sobre localización de fallas 1 Defectuoso el solenoide de la válvula de desvío (Problema interno) H Haga los preparativos con el interruptor del arranque en OFF y realice la localización de fallas sin poner en ON el interruptor del arranque. BP (macho) Resistencia Entre (1) – (2) 10 – 21 z 2 Desconexión en el arnés de cables (Desconexión en el arnés, o contacto defectuoso en el conector) H Haga los preparativos con el interruptor del arranque en OFF y realice la localización de fallas sin poner en ON el interruptor del arranque. Arnés de cables entre EGC1 (hembra) (31) – BP (hembra) (1) Resistencia Max. 1 Ω Arnés de cables entre EGC1 (hembra) (11) – BP (hembra) (2) Resistencia Max. 1 Ω 3 Falla de puesta a tierra del arnés de cables (Contacto con el circuito de puesta a tierra) H Haga los preparativos con el interruptor del arranque en OFF y realice la localización de fallas sin poner en ON el interruptor del arranque. Arnés de cables entre EGC1 (hembra) (31) – BP (hembra) (1) y la tierra del chasis Resistencia Mín. 1 MΩ Arnés de cables entre EGC1 (hembra) (11) – BP (hembra) (2) y la tierra del chasis Resistencia Mín. 1 MΩ 4 Corto vivo (Corto circuito con el circuito de 24V) en el arnés de cables. H Haga los preparativos con el interruptor del arranque en OFF, ponga en ON el interruptor del arranque y realice la localización de fallas. Arnés de cables entre EGC1 (hembra) (31) – BP (hembra) (1) y la tierra del chasis Voltaje Máx. 1 V Arnés de cables entre EGC1 (hembra) (11) – BP (hembra) (2) y la tierra del chasis Voltaje Máx. 1 V 5 Controlador del motor defectuoso Haga los preparativos con el interruptor del arranque en OFF y realice la localización de fallas sin poner en ON el interruptor del arranque. EGC1 (hembra) Resistencia Entre (31) – (11) 10 – 21 Ω
  • 689.
    40 Localización defallas GSN00718-01 D155AX-6 9 Diagrama de circuito relacionado con el solenoide de la válvula de desvío y el sensor de elevación Controlador del motor MOTOR Válvula de desvío Sensor de posición de la válvula de desvío TIERRA Señal 1 Señal 2 Válvula EGR/BP (-) Posición de válvula de desvío Válvula de desvío (+) Energía sensor (5V) TIERRA 1
  • 690.
    GSN00718-01 40 Localizaciónde fallas 10 D155AX-6 Código de falla [CA1627] Error. Corriente baja del solenoide de la válvula BP 1 Código de acción Código de fallas Problema Error. Baja corriente en el solenoide de la válvula BP (Sistema controlador del motor) E03 CA1627 Contenido del problema • Hay desconexión en el circuito de mando del solenoide de la válvula de desvío. Acción del controlador • Limita la salida del motor y continúa la operación. • Cierra la válvula EGR y la válvula de desvío Problemas que aparecen en la máquina • Salida del motor disminuye. Información relacionada Causas posibles y valores estándar en estado normal Causa Valor estándar en estado normal/Observaciones sobre localización de fallas Efectúe la localización de fallas para el código de falla [CA1626].
  • 691.
    40 Localización defallas GSN00718-01 D155AX-6 11 Código de falla [CA1628] Error 1. Servo válvula de desvío 1 Código de acción Código de fallas Problema Servo Válvula de desvío, Error 1 (Sistema controlador del motor) E02 CA1628 Contenido del problema • Problema (nivel 1) ocurrió en servo válvula de desvío. Acción del controlador • Realiza el control abierto. Problemas que aparecen en la máquina Información relacionada • Las condiciones de operación de la válvula de desvío se pueden comprobar con la función de observación. (Código: 18200 Posición de la válvula BPS) Causas posibles y valores estándar en estado normal Causa Valor estándar en estado normal/Observaciones sobre localización de fallas 1 Defectuoso el sistema relacionado Si aparece indicado otro código de falla ejecute la localización de falla para el mismo. 2 Defectuoso el sistema de presión de aceite del motor (circuito principal) H Para comprobar la presión de aceite del motor, ver Pruebas y ajustes, Forma de medir la presión de aceite del motor. Motor Presión de aceite del motor Baja velocidad sin carga 0.08 MPa {0.8 kg/cm2 } Alta velocidad sin carga 0.21 MPa {2.1 kg/cm2 } Si la presión de aceite es anormal, ejecute la localización de fallas para “S-12, La presión de aceite baja” en el modo S. 3 Defectuosa bomba de aceite para válvula de desvío. Comprobar directamente la bomba del aceite y la válvula de alivio para el circuito de la válvula de desvío. 4 Defectuosa la tubería de alimentación para la válvula de desvío. Comprobar directamente la tubería de alimentación de aceite para el circuito de la válvula de desvío. 5 Defectuosa la tubería de retorno del aceite para la válvula de desvío Comprobar directamente la tubería de retorno del aceite para el circuito de la válvula de desvío. 6 Defectuosa la válvula de desvío Comprobar directamente la sección mecánica de la válvula de desvío. 7 Controlador del motor defectuoso Si no se detectan las causas 1 a -6, puede que el controlador del motor esté defectuoso. (Como el problema se encuentra en el sistema, no se puede realizar la localización de fallas.)
  • 692.
    GSN00718-01 40 Localizaciónde fallas 12 D155AX-6 Código de falla [CA1619] Error 2. Servo válvula de desvío 1 Código de acción Código de fallas Problema Servo Válvula de desvío, Error 2 (Sistema controlador del motor) E03 CA1619 Contenido del problema • Problema (nivel 2) ocurrió en servo válvula de desvío. Acción del controlador • Limita la salida del motor y continúa la operación. • Cierra la válvula EGR y la válvula de desvío Problemas que aparecen en la máquina • Salida del motor disminuye. Información relacionada • Las condiciones de operación de la válvula de desvío se pueden comprobar con la función de observación. (Código: 18200 Posición de la válvula BPS) Causas posibles y valores estándar en estado normal Causa Valor estándar en estado normal/Observaciones sobre localización de fallas Efectúe la localización de fallas para el código de falla [CA1628].
  • 693.
    40 Localización defallas GSN00718-01 D155AX-6 13
  • 694.
    GSN00718-01 40 Localizaciónde fallas 14 D155AX-6 Código de falla [CA1631] Error. Alta señal de voltaje en el sensor de posición de la válvula BP 1 Código de acción Código de fallas Problema Error. Alta señal de voltaje en el sensor de posición de la válvula BP (Sistema controlador del motor) E03 CA1631 Contenido del problema • El voltaje de la señal en el circuito sensor de elevación de la válvula de desvío está anormalmente elevado. Acción del controlador • Limita la salida del motor y continúa la operación. • Cierra la válvula EGR y la válvula de desvío Problemas que aparecen en la máquina • Salida del motor disminuye. Información relacionada • El estado de la señal del sensor de la válvula de elevación puede comprobarse en la función de observación. (Código: 18201 Alta señal de voltaje en el sensor de posición de la válvula BP) Causas posibles y valores estándar en estado normal Causa Valor estándar en estado normal/Observaciones sobre localización de fallas 1 Defectuoso el sistema de suministro de energía al sensor Si el código [CA187] o [CA227] aparece indicado, ejecute su localización de falla primero. 2 Defectuoso el sensor de elevación de la válvula de desvío (problema interno) H Haga los preparativos con el interruptor del arranque en OFF, luego ponga en ON el interruptor del arranque y realice la localización de fallas. SBP Voltaje Entre (1) – (2) Fuente de energía 4.75 -5.25 V El voltaje del sensor se mide con el arnés de cables conectado. De tal modo que, si el voltaje es anormal, compruebe el arnés de cables y el controlador también, para otra causa del problema y después haga su juicio. 3 Desconexión en el arnés de cables (Desconexión en el arnés, o contacto defectuoso en el conector) H Haga los preparativos con el interruptor del arranque en OFF y realice la localización de fallas sin poner en ON el interruptor del arranque. Arnés de cables entre EGC1 (hembra) (37) – SBP (hembra) (1) Resistencia Max. 1 Ω Arnés de cables entre EGC1 (hembra) (38) – SBP (hembra) (2) Resistencia Max. 1 Ω Arnés de cables entre EGC1 (hembra) (29) – SBP (hembra) (3), (4) Resistencia Max. 1 Ω 4 Falla de puesta a tierra del arnés de cables (Contacto con el circuito de puesta a tierra) H Haga los preparativos con el interruptor del arranque en OFF y realice la localización de fallas sin poner en ON el interruptor del arranque. Arnés de cables entre EGC1 (hembra) (37) – SBP (hembra) (1) y la tierra del chasis Resistencia Mín. 1 MΩ Arnés de cables entre EGC1 (hembra) (38) – SBP (hembra) (2) y la tierra del chasis Resistencia Mín. 1 MΩ Arnés de cables entre EGC1 (hembra) (29) – SBP (hembra) (3), (4) la tierra del chasis Resistencia Mín. 1 MΩ 5 Corto circuito en el arnés de cables (con otro arnés de cables) H Haga los preparativos con el interruptor del arranque en OFF y realice la localización de fallas sin poner en ON el interruptor del arranque. Arnés de cables entre EGC1 (hembra) (37) – SBP (hembra) (1) y entre EGC1 (hembra) (38) – SBP (hembra) (2) Resistencia Mín. 1 MΩ Arnés de cables entre EGC1 (hembra) (37) – SBP (hembra) (1) y entre EGC1 (hembra) (29) – SBP (hembra) (3), (4) Resistencia Mín. 1 MΩ Arnés de cables entre EGC1 (hembra) (38) – SBP (hembra) (2) y entre EGC1 (hembra) (29) – SBP (hembra) (3), (4) Resistencia Mín. 1 MΩ
  • 695.
    40 Localización defallas GSN00718-01 D155AX-6 15 Diagrama de circuito relacionado con el solenoide de la válvula de desvío y el sensor de elevación. Causas posibles y valores estándar en estado normal Causa Valor estándar en estado normal/Observaciones sobre localización de fallas 6 Controlador del motor defectuoso Haga los preparativos con el interruptor del arranque en OFF, luego ponga en ON el interruptor del arranque y realice la localización de fallas. EGC1 Voltaje Entre (37) – (38) 4.75 -5.25 V Controlador del motor MOTOR Válvula de desvío Sensor de posición de la válvula de desvío TIERRA Señal 1 Señal 2 Válvula EGR/BP (-) Posición de válvula de desvío Válvula de desvío (+) Energía sensor (5V) TIERRA 1
  • 696.
    GSN00718-01 40 Localizaciónde fallas 16 D155AX-6 Código de falla [CA1632] Error. Bajo voltaje en sensor de posición de la Válvula BP 1 Código de acción Código de fallas Problema Error. Bajo voltaje en sensor de posición de la Válvula de desvío (Sistema controlador del motor) E03 CA1632 Contenido del problema • El voltaje de la señal en el circuito sensor de elevación de la válvula de desvío está anormalmente bajo. Acción del controlador • Limita la salida del motor y continúa la operación. • Cierra la válvula EGR y la válvula de desvío Problemas que aparecen en la máquina • Salida del motor disminuye. Información relacionada • El estado de la señal del sensor de la válvula de elevación puede comprobarse en la función de observación. (Código: 18201 Válvula BPS Pos Sens Volt) Causas posibles y valores estándar en estado normal Causa Valor estándar en estado normal/Observaciones sobre localización de fallas Efectúe la localización de fallas para el código de falla [CA1631].
  • 697.
    40 Localización defallas GSN00718-01 D155AX-6 17
  • 698.
    GSN00718-01 40 Localizaciónde fallas 18 D155AX-6 Código de falla [CA1633] Error. Exceso de tiempo en comunicación con base de datos del KOMNET 1 Código de acción Código de fallas Problema Error. Exceso de tiempo en comunicación de la base de datos del KOMNET (Sistema controlador del motor)E03 CA1633 Contenido del problema • Problema ocurrido en el circuito de comunicaciones KOMNET (CAN) entre el controlador del motor y el monitor de la máquina, el controlador del tren de potencia y el controlador del equipo de trabajo. Acción del controlador • Opera en el modo de norma o mantiene la condición cuando ocurre anormalidad. Problemas que aparecen en la máquina Información relacionada Causas posibles y valores estándar en estado normal Causa Valor estándar en estado normal/Observaciones sobre localización de fallas 1 Desconexión en el arnés de cables (Desconexión en el arnés, o contacto defectuoso en el conector) H Haga los preparativos con el interruptor del arranque en OFF y realice la localización de fallas sin poner en ON el interruptor del arranque. Arnés de cables entre CM02 (hembra) (8), (9) – EGC2 (hembra) (46), STC2 (hembra) (32) o WEC2 (hembra) (32) Resistencia Max. 1 Ω Arnés de cables entre CM02 (hembra) (10) – EGC2 (hembra) (47), STC2 (hembra) (22) o WEC2 (hembra) (22) Resistencia Max. 1 Ω 2 Falla de puesta a tierra del arnés de cables (Contacto con el circuito de puesta a tierra) H Haga los preparativos con el interruptor del arranque en OFF y realice la localización de fallas sin poner en ON el interruptor del arranque. Arnés de cables entre CM02 (hembra) (8), (9) – EGC2 (hembra) (46), STC2 (hembra) (32), WEC2 (hembra) (32), ACCN (hembra) (17), SRV (macho) (3) o CA1 (hembra) (A) y la tierra del chasis Resistencia Mín. 1 MΩ Arnés de cables entre CM02 (hembra) (10) – EGC2 (hembra) (47), STC2 (hembra) (22), WEC2 (hembra) (22), ACCN (hembra) (18), SRV (macho) (10) ó CA1 (hembra) (B) y la tierra del chasis Resistencia Mín. 1 MΩ 3 Corto vivo (Contacto con el circuito de Tierra) en arnés de cables. H Haga los preparativos con el interruptor del arranque en OFF, ponga en ON el interruptor del arranque y realice la localización de fallas. Arnés de cables entre CM02 (hembra) (8), (9) – EGC2 (hembra) (46), STC2 (hembra) (32), WEC2 (hembra) (32), ACCN (hembra) (17), SRV (macho) (3) o CA1 (hembra) (A) y la tierra del chasis Voltaje Máx. 1 V Arnés de cables entre CM02 (hembra) (10) – EGC2 (hembra) (47), STC2 (hembra) (22), WEC2 (hembra) (22), ACCN (hembra) (18), SRV (macho) (10) ó CA1 (hembra) (B) y la tierra del chasis Voltaje Máx. 1 V 4 Defectuosa la resistencia del terminal CAN (corto circuito interno o desconexión) Haga los preparativos con el interruptor del arranque en OFF y realice la localización de fallas sin poner en ON el interruptor del arranque. CA1 (macho) Resistencia Entre (A) – (B) Aprox. 120 Ω 5 Controlador del motor defectuoso Si no se detectan las causas 1 a -4, puede que el controlador del motor esté defectuoso. (Como el problema se encuentra en el sistema, no se puede realizar la localización de fallas.)
  • 699.
    40 Localización defallas GSN00718-01 D155AX-6 19 Diagrama del circuito relacionado con la comunicación CAN Panel monitor Controlador del equipo de trabajo Controlador del tren de potencia Terminal CAN Controlador del motor MOTOR Controlador del acondicionador de aire TABLERO DE INSTRUMENTOS Y ESTRUCTURA DEL PISO Terminal CAN Protector CAN Protector CAN Protector CAN
  • 700.
    GSN00718-01 40 Localizaciónde fallas 20 D155AX-6 Código de falla [CA1632] EGR Sensor de presión de ingreso Bajo Error1 Código de acción Código de fallas Problema EGR Sensor de presión de ingreso Bajo Error (Sistema controlador del motor) E01 CA1642 Contenido del problema • El voltaje de la señal en el circuito sensor de presión de entrada EGR está anormalmente bajo. Acción del controlador • Coloca el EGR de presión de entrada en el valor de norma de (102 kPa {1.04 kg/cm2}) y la operación continua. • Limita la salida del motor y continúa la operación. Problemas que aparecen en la máquina • Salida del motor disminuye. Información relacionada • El estado de la señal del sensor