Servicio de asesoría y resolución de ejercicios ciencias_help@hotmail.com
www.maestronline.com
Solicita una cotización a través de nuestros
correos.
Maestros Online
Dibujo
computarizado
Apoyo en
ejercicios
Servicio de asesorías y solución de ejercicios
Ciencias_help@hotmail.com
Servicio de asesoría y resolución de ejercicios ciencias_help@hotmail.com
www.maestronline.com
Realiza la siguiente actividad y elabora un reporte de la misma.
1. Completa la tabla con el dibujo correspondiente de cada recta y arco. Consulta en dos
fuentes bibliográficas confiables cómo obtener los dibujos.
Rectas y arcos Trazos (Figuras)
1. El trazo de la mediatriz de una recta 1.
1. La división de una línea recta en tres partes iguales 2.
1. El trazo de la bisectriz en un ángulo 3.
1. El trazo de la bisectriz en un arco 4.
2. Para el trazo de la figura 1. ¿En qué ángulo se cruzan las líneas para formar la
intersección?
3. Para el trazo de la figura 2. Menciona los ángulos que se forman al trazar las líneas de
intersección.
4. Para el trazo de la figura 3. ¿Cuántos arcos se trazan para obtener la bisectriz del
ángulo?
5. Para el trazo de la figura 4. ¿Cuáles son los puntos para formar la bisectriz?
6. ¿Cuál es la diferencia entre una línea curva y una recta?
7. Consulta en 2 fuentes bibliográficas confiables acerca de los polígonos y da 3
ejemplos de los usos, clasificación y tipos de polígonos que se encuentren en tu casa.
8. Para la actividad colaborativa de la siguiente sesión, lleva imágenes de ángulos
utilizados en piezas de la industria automotriz.
Realiza la siguiente actividad y elabora un reporte de la misma.
1. Busca información sobre las fortalezas que presenta AutoCAD en el mercado actual.
2. Investiga sobre al menos 5 artículos que se produzcan en serie y que sean diseñados
por medio de AutoCAD.
3. Con base en tu búsqueda de información, realiza en AutoCAD un diseño de alguno de
los 5 artículos que mencionaste.
4. Explica detalladamente todo el proceso que realizaste para el diseño de tu artículo.
¿Qué herramientas utilizaste? ¿Qué proceso te resultó más complicado? ¿Qué
ventajas y desventajas encontraste en AutoCAD?
1. Dibuja en el programa de AutoCAD la vista superior, frontal y lateral derecha de la
siguiente pieza mecánica:
Servicio de asesoría y resolución de ejercicios ciencias_help@hotmail.com
www.maestronline.com
Imagen obtenida de: http://dibujo.ramondelaguila.com/?page_id=926
Solo para fines educativos.
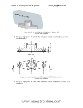
2. Dibuja en el programa de AutoCAD el corte de la sección completa de la siguiente
pieza mecánica:
Imagen obtenida de: http://dibujotecnico09.blogspot.mx/2012_10_01_archive.html
Solo para fines educativos.
3. Dibuja en el programa de AutoCAD el corte de la sección media de la siguiente pieza
mecánica:
Servicio de asesoría y resolución de ejercicios ciencias_help@hotmail.com
www.maestronline.com
4. Elabora una lista con 10 comandos utilizados en el procedimiento de las vistas y define
cada uno de ellos.
5. Busca información sobre las ventajas y desventajas que presenta AutoCAD en el
mercado actual.
6. Indaga sobre 3 productos o piezas que se produzcan en serie y que sean diseñadas
en AutoCAD.
7. Con base en tu información, realiza en AutoCAD las vistas principales de una pieza.
Servicio de asesoría y resolución de ejercicios ciencias_help@hotmail.com
www.maestronline.com
1. En forma individual, realiza la siguiente pieza en AutoCAD.
2. Realiza la vista de la figura con las siguientes dimensiones en el
programa AutoCAD como se muestra en la figura 2.
3. En la ficha View del grupo Visual Styles selecciona 2D Wireframe la
opción Shaded para convertir a sólido la pieza.
4. Cambia a la opción 3D Basics en AutoCAD para seguir trazando la pieza en forma
isométrica.
5. Recuerda trabajar con el UCS para indicar las coordenadas X, Y y Z; con el
comando Extrude o Presspull selecciona la vista para agregar un grosor de 20mm.
6. Dibuja la siguiente vista para integrarla a la pieza. Ver figura 3.
7. Con el comando Presspull selecciona la pieza y agrega un grosor de 20mm; cópiala y
con el comando Move mueve las piezas como se muestra en la figura 1.
8. Con el comando Union selecciona las tres piezas para unirlas a una sola.
9. Guarda el archivo con el nombre de ejercicio2.dwg.
10. Realiza un reporte sobre la actividad que realizaste e incluye tu trabajo.
1. En forma individual, realiza el siguiente ensamble mecánico.
2. Realiza el boceto de la chapa mecánica que sostiene la rueda. Utiliza la opción Sheet
metal (mm).ipt. Ver figura 2.
3. Termina la pieza como se muestra en la figura 3 y finaliza el boceto.
4. Utiliza el comando Sheet metal default para especificar el grosor de 8mm.
5. Utiliza el comando Flange para realizar la pestaña de 100mm (ver la figura 4).
6. Después selecciona el comando Mirror para realizar la otra mitad de la pieza (cara
simétrica) (ver la figura 5).
7. Realiza el boceto de la rueda con las siguientes especificaciones (ver la figura 6).
8. Utiliza el comando Mirror para obtener la forma completa (ver figura 7).
Servicio de asesoría y resolución de ejercicios ciencias_help@hotmail.com
www.maestronline.com
9. Utiliza el comando Revolve a un ángulo de 360° para terminar la rueda.
10. Selecciona el tipo de material (plástico ABC) y el color (plástico negro).
11. Ensambla la chapa mecánica y la rueda con la opción Standard (mm).iam.
12. Elabora un reporte sobre la realización de las actividades.
Dibujo de piezas mecánicas en 3D utilizando un programa computacional.
Instrucciones para realizar evidencia:
1. Tomando como base la imagen, realiza el modelado de las tres piezas en el
programa Autodesk Inventor.
2. Realiza el ensamble de las tres piezas en el programa Autodesk Inventor.
3. Elabora los dibujos de cada una de las piezas con las acotaciones.
Figura obtenida de Spencer, H. y Dygdon, J. y Novak, J. (2005). Dibujo Técnico (7ª ed.).México: Alfaomega.
Solo para fines educativos.

Dibujo computarizado s14

  • 1.
    Servicio de asesoríay resolución de ejercicios ciencias_help@hotmail.com www.maestronline.com Solicita una cotización a través de nuestros correos. Maestros Online Dibujo computarizado Apoyo en ejercicios Servicio de asesorías y solución de ejercicios Ciencias_help@hotmail.com
  • 2.
    Servicio de asesoríay resolución de ejercicios ciencias_help@hotmail.com www.maestronline.com Realiza la siguiente actividad y elabora un reporte de la misma. 1. Completa la tabla con el dibujo correspondiente de cada recta y arco. Consulta en dos fuentes bibliográficas confiables cómo obtener los dibujos. Rectas y arcos Trazos (Figuras) 1. El trazo de la mediatriz de una recta 1. 1. La división de una línea recta en tres partes iguales 2. 1. El trazo de la bisectriz en un ángulo 3. 1. El trazo de la bisectriz en un arco 4. 2. Para el trazo de la figura 1. ¿En qué ángulo se cruzan las líneas para formar la intersección? 3. Para el trazo de la figura 2. Menciona los ángulos que se forman al trazar las líneas de intersección. 4. Para el trazo de la figura 3. ¿Cuántos arcos se trazan para obtener la bisectriz del ángulo? 5. Para el trazo de la figura 4. ¿Cuáles son los puntos para formar la bisectriz? 6. ¿Cuál es la diferencia entre una línea curva y una recta? 7. Consulta en 2 fuentes bibliográficas confiables acerca de los polígonos y da 3 ejemplos de los usos, clasificación y tipos de polígonos que se encuentren en tu casa. 8. Para la actividad colaborativa de la siguiente sesión, lleva imágenes de ángulos utilizados en piezas de la industria automotriz. Realiza la siguiente actividad y elabora un reporte de la misma. 1. Busca información sobre las fortalezas que presenta AutoCAD en el mercado actual. 2. Investiga sobre al menos 5 artículos que se produzcan en serie y que sean diseñados por medio de AutoCAD. 3. Con base en tu búsqueda de información, realiza en AutoCAD un diseño de alguno de los 5 artículos que mencionaste. 4. Explica detalladamente todo el proceso que realizaste para el diseño de tu artículo. ¿Qué herramientas utilizaste? ¿Qué proceso te resultó más complicado? ¿Qué ventajas y desventajas encontraste en AutoCAD? 1. Dibuja en el programa de AutoCAD la vista superior, frontal y lateral derecha de la siguiente pieza mecánica:
  • 3.
    Servicio de asesoríay resolución de ejercicios ciencias_help@hotmail.com www.maestronline.com Imagen obtenida de: http://dibujo.ramondelaguila.com/?page_id=926 Solo para fines educativos. 2. Dibuja en el programa de AutoCAD el corte de la sección completa de la siguiente pieza mecánica: Imagen obtenida de: http://dibujotecnico09.blogspot.mx/2012_10_01_archive.html Solo para fines educativos. 3. Dibuja en el programa de AutoCAD el corte de la sección media de la siguiente pieza mecánica:
  • 4.
    Servicio de asesoríay resolución de ejercicios ciencias_help@hotmail.com www.maestronline.com 4. Elabora una lista con 10 comandos utilizados en el procedimiento de las vistas y define cada uno de ellos. 5. Busca información sobre las ventajas y desventajas que presenta AutoCAD en el mercado actual. 6. Indaga sobre 3 productos o piezas que se produzcan en serie y que sean diseñadas en AutoCAD. 7. Con base en tu información, realiza en AutoCAD las vistas principales de una pieza.
  • 5.
    Servicio de asesoríay resolución de ejercicios ciencias_help@hotmail.com www.maestronline.com 1. En forma individual, realiza la siguiente pieza en AutoCAD. 2. Realiza la vista de la figura con las siguientes dimensiones en el programa AutoCAD como se muestra en la figura 2. 3. En la ficha View del grupo Visual Styles selecciona 2D Wireframe la opción Shaded para convertir a sólido la pieza. 4. Cambia a la opción 3D Basics en AutoCAD para seguir trazando la pieza en forma isométrica. 5. Recuerda trabajar con el UCS para indicar las coordenadas X, Y y Z; con el comando Extrude o Presspull selecciona la vista para agregar un grosor de 20mm. 6. Dibuja la siguiente vista para integrarla a la pieza. Ver figura 3. 7. Con el comando Presspull selecciona la pieza y agrega un grosor de 20mm; cópiala y con el comando Move mueve las piezas como se muestra en la figura 1. 8. Con el comando Union selecciona las tres piezas para unirlas a una sola. 9. Guarda el archivo con el nombre de ejercicio2.dwg. 10. Realiza un reporte sobre la actividad que realizaste e incluye tu trabajo. 1. En forma individual, realiza el siguiente ensamble mecánico. 2. Realiza el boceto de la chapa mecánica que sostiene la rueda. Utiliza la opción Sheet metal (mm).ipt. Ver figura 2. 3. Termina la pieza como se muestra en la figura 3 y finaliza el boceto. 4. Utiliza el comando Sheet metal default para especificar el grosor de 8mm. 5. Utiliza el comando Flange para realizar la pestaña de 100mm (ver la figura 4). 6. Después selecciona el comando Mirror para realizar la otra mitad de la pieza (cara simétrica) (ver la figura 5). 7. Realiza el boceto de la rueda con las siguientes especificaciones (ver la figura 6). 8. Utiliza el comando Mirror para obtener la forma completa (ver figura 7).
  • 6.
    Servicio de asesoríay resolución de ejercicios ciencias_help@hotmail.com www.maestronline.com 9. Utiliza el comando Revolve a un ángulo de 360° para terminar la rueda. 10. Selecciona el tipo de material (plástico ABC) y el color (plástico negro). 11. Ensambla la chapa mecánica y la rueda con la opción Standard (mm).iam. 12. Elabora un reporte sobre la realización de las actividades. Dibujo de piezas mecánicas en 3D utilizando un programa computacional. Instrucciones para realizar evidencia: 1. Tomando como base la imagen, realiza el modelado de las tres piezas en el programa Autodesk Inventor. 2. Realiza el ensamble de las tres piezas en el programa Autodesk Inventor. 3. Elabora los dibujos de cada una de las piezas con las acotaciones. Figura obtenida de Spencer, H. y Dygdon, J. y Novak, J. (2005). Dibujo Técnico (7ª ed.).México: Alfaomega. Solo para fines educativos.