Interpretación
de planos
EL DIBUJO TÉCNICO

Es el instrumento más eficaz que tienen
los ingenieros, arquitectos y diseñadores
para la comunicación de ideas.
Video del FIGURA
GEOMETRÍA, INSTRUMENTOS Y
NORMALIZACIÓN

El dibujo técnico recurre a la GEOMETRÍA para una
representación objetiva de los objetos (los que ya
existen o los que estamos diseñando para que puedan
ser realizados).

El dibujo técnico necesita ser trazado por medio de
INSTRUMENTOS ESPECÍFICOS apropiados para el
dibujo geométrico: papel, lápices, rotuladores,
compás, juego de escuadras,etc. Habría que hablar
aquí de la importancia cada vez mayor de los
programas de CAD como instrumentos de dibujo.

Al final, de la habilidad en el uso del instrumental
técnico y de la experiencia que aporta el
conocimiento de los diferentes trazados
geométricos dependerá la calidad del dibujo
definitivo, sea éste un producto de ingeniería,
arquitectura o diseño, y que debe cumplir siempre
con los fines de exactitud, rigor y comprensibilidad
de aquello que es representado.

Pero ésto no es suficiente. Al uso del instrumental y
a los conocimientos de Geometría se suman unas
pautas o códigos de ejecución que reciben el
nombre de NORMALIZACIÓN.
NORMALIZACIÓN

¿QUÉ ES LA NORMALIZACIÓN?

Podemos definirla como el conjunto de reglas
y preceptos aplicables al diseño y a la
fabricación.

NORMALIZAR es establecer unas pautas que
regulen las condiciones de representación de
un objeto en un proyecto técnico y su
posterior fabricación, con los siguientes
objetivos:
CLASES DE NORMAS
Las normas pueden ser nacionales e internacionales.

Entre la INTERNACIONALES están las dictadas por: ISO
(Organización Internacional de Normalización),UNESCO
(Organización cultural, Científica y Educativa), FAO
(Organización Mundial para la Alimentación y la
Agricultura),OMS (Organización Mundial de la Salud), etc.
Simbología usada para
planos certificados por la
norma ISO
Simbología usada para
planos certificados por la
norma UNE
NORMAS EN DIBUJO TÉCNICO

1.Formatos de papel normalizado.

2.Rotulación normalizada.

3.Líneas normalizadas.

4.Escalas normalizadas.

5.Representación normalizada de
objetos.

6.Acotación.

7.Cortes y secciones.

8.Posibilidades de la informática al
dibujo técnico.
FORMATOS NORMALIZADOS PARA
EL USO DEL PAPEL
10 mm
10 mm
10 mm
20 mm
CURSO:
NOTA:T ìTULO├
NOMBRE:
N CLASE:┬║
FECHA:
ESCALA:
NOMBRE:
FECHA:
ESCALA
ACOTACION
NOMBREDEL
DIBUJO
80 mm
35 mm
35 mm
LÍNEAS NORMALIZADAS
LÍNEAS NORMALIZADAS
Las clases de líneas que se emplean en dibujo técnico están
definidas en la norma UNE 1-032-82 y en la ISO 128-82.
ESCALAS NORMALIZADAS
 La escala es la relación que
existe entre las dimensiones de
un dibujo y sus
correspondientes dimensiones
en la realidad. El manejo de las
escalas gráficas posibilita
tomar cualquier medida sin que
sea necesario hacer una
reducción o ampliación del
dibujo.
 Las escalas normalizadas están
definidas en la norma ISO
5455.
REPRESENTACIÓN NORMALIZADA
Tipos de
planos
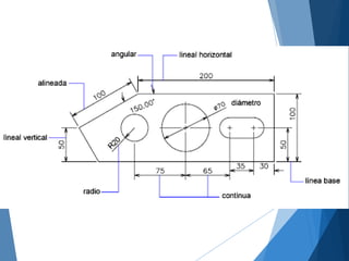
Acotación
ACOTACIÓN NORMALIZADA
Formas correctas
de Acotar
un plano.
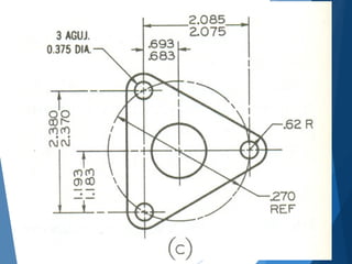
Ejemplos de
formas correctas
para acotar
1.11 Acotación Productiva
1.11 Acotación Productiva
1.11 Acotación Productiva
1.11 Acotación Productiva
g
Interpretacion de planos
Interpretacion de planos
Interpretacion de planos
Interpretacion de planos
Interpretacion de planos

Interpretacion de planos